10.3.020_1620_Crititcal_Path_Schedule_Bar_Graph_Generator_Program 10.3.020 1620 Crititcal Path Schedule Bar Graph Generator Program
10.3.020_1620_Crititcal_Path_Schedule_Bar_Graph_Generator_Program 10.3.020_1620_Crititcal_Path_Schedule_Bar_Graph_Generator_Program
User Manual: 10.3.020_1620_Crititcal_Path_Schedule_Bar_Graph_Generator_Program
Open the PDF directly: View PDF
.
Page Count: 23

, (- b [
ii/I'
"
i
..
. 1620 "CRITICAL PATH SCHEDULE
It
Bar
Graph
Generator
Program.
I S
-7.~
'.
:
1620-10.
3.
020
_,a
Lhm."t
I,:
i.
;.;t#.t!!$.,$;',(W"
2
'"
.oaMAt_
,-

" .
nISCLAI1vtER
Although "each
program
has been
tested
by
its
contributor,
no
\varranty,
express
or
implied,
is
made
by
the .contributor
·or
any
User's
Group,
as
to the
accuracy
and functioning of
the
program
and
related
program
material,
nor
shall
the
fact
of
distribution
constitute
any
such
warranty,
and no
responsibility
is
assumed
by the
contributor
or
any Us"er's Group, in connection
therewith.
o

(
'~.~
"
C'
o
COMMON USERS
GROUP
PROGRAM
REVIEW
AND EVALUATION
(fill out
in
typewriter,
ink
or
pencil)
Progranl
No.
Date
_______
_
Program
Name:
______________________________
~
__________________________
_
1. Does the
abstract
adequately
describe
what
the
program
is
and
what
it
does?
Comment.
________________________________________________
_
2. Does the
program
do what the
abstract
says?
Comment
3.
Is
the
description
clear,
understandable,
and
adequate?
Comment
4.
Are
the
Operating
Instructions
understandable
and
in
sufficient
detail?
Comment
Are
the
Sense
Switch options adequately
described
(if
applicable)?
Are
the
mnemonic
labels
identified
or
sufficiently
understandable?
Comment
5.
Does the
source
program
compile
satisfactorily
(if
applicable)?
Comment
6.
Does the
object
program
run
E;atisfactorily?
Comment
7. Number of
test
cases
run
• Are any
restrictions
as
to
data,
size,
range,
etc.
covered
adequately
in
description?
Comment
8.
Does the
Program
meet
the
minimal
standards
of COMMON?
Comment
9.
Were
all
necessary
parts
of the
program
received?
Comment
Yes
__
No
Yes
__
No
Yes
__
No
Yes
No
Yes
No
Yes
No
-
Yes
No
Yes
No
Yes
No
--
Yes
__
No
Yes
No·
10.
Please
list
on the
back
any
suggestions
to
improve
the
usefulness
of
the
program.
These
will
be
passed
onto the
author
for
his
consideration.
Please
return
to:
IBM
Corporation
Program
Information
Department
40 Saw Mill
River
Road
Haw
tho'rne ,
New
York 10532
Attn:
PREP
FORM COORDINATOR
Your
Name
Company
Address
Users
Group Code
________
_
THIS
REVIEW
FORM
IS
PART
OF
THE
COMMON ORGANIZATION'S
PROGRAM
REVIEW
At.ll
EVALUATION
PROCEDURE.
NONMEIv1BERS
ARE
CORDIALLY
INVITED
TO
PARTICIPATE
IN
THLS
EVALUATION.
2/2/67
z-=
CS2Jiitl.a::s"
i.
_MM.:&.
#
#m·,a;.ii¥¢4m:
.:
tkiiilM
.;;.i"if

o
{
1620
"Critical
Path
Schedule"
Bar
Graph
Generator
Prosna
Author:
Donald
C.
Walker
Dravo
Corporation
Engineering
Works
Division
Compu~~r
Services
Department
Pittsburgh
25,
Pennsylvania
~
"-
;7
Modifications
or
revisions
to
this
program,
as
they
occur,
will
be
armounced
in
the
appropriate
Catalog of
Programs
for
IBM
Data
Processing
Systems.
When
such
an
announce-
ment
occurs,
users
should
order
a
complete
new
program
from
the
Program
Information
Department.
~
-
.•
/
DECK KEY
l.
Filling
Station Sampte
Probtem
-Output
cards
from
"LESS,
II
fi te
number
to. 3. 003,
to
be
used
as
input for
this
program
-46
cards
2.
Object Deck -84
cards
the numbering
is
in cotumns
77
through 80
3. Source Deck
.~

16Z0
USERS
Group
Library
Progr",m
Abstract
Title
(If
subroutine
state
in
Title)
l.62O
"Cr1tical
Path"
Sclac4u1e
Bar
Gra1j!h
____
_
OeDerator p
..
~,
."
~
Subject
Classification
10.3
Author;
Organization:
Dcmal4
C. Va1.kar.
Dra!o
Cqrparatf.gD,
Ji!pg1..nDl
~
__
.
__
Dirtsloo.
Pitts1Nrsb
25.
Pe!m!rl~
_ . _
Oirac:t
Inquires
to:
f
N",me
Don.ld
C. Va.lJgtr
Address.
Pit'Ubursh
~
Ileana.
:
DravoerF-¥tlca.
Ccapater
Serr1ces
Dept.
Phone
TTl-l2OO,
Ext.
592
---J
BidJ41Dg - .
Purp()!;e/Oescription:
To
represent
a
lars!
W,.
of
IlUMrical.
output
data
tn:p
----1
the
''LBSS''
erit1cal
path
JJrORl'U
1D
bar
D'allb
t'ona.
-
--"-1
--~-'
----4
-~-
Mathematical
Mf!~hod:
-------------------------------------------------------------·t
Restrictions.
Range:
lA1;cst
Nmah
MY
pot
be
£Tft.t.e
r
1;ban
dq
JiJl,
....
remarks
I
I
'--1
1
Storage
Requirements:
39#~
4iI1ts
01'
-Il0l'7.
Equipment
Specifications:
Memory
ZOK
40K
X
60K
K
Automatic
Divide:
Yes
No
X
Indirect
Addrrning:
Y;;
No
X
Other
Special
Features
Required
Transt'er
ftUIIIerical
strip
(:1ftS-l2I
iDatruction.
A<lcliti.mal
Remarks
(Include
at
author's
dlscretion:
Language;
Fixed/Float.
Rt>locat·
ability)
(Optional:
Running
time;
Approximate
number
of
times
run
successfully;
Pro-
p,ramming
Hours)
This
Pl'OI1'!II
.,
easill
be
e4apted
aDd
recOlDPlled
for
graphl.
actiVities
With
a
latest
t'1a18h
beJOIII'l
dq
430. '!be
procedure
18
described
1D
de~i1
Y1thlll
the
contents
of'
the
FOIl'!IIl
write-up.
-
------------.---------
o h
~
Table
01'
Contents
Description
Abstraet
Or
PrC81"8IIl
Construction
of
Graphs
Equipment Recessar,y
Operating
Procedure
Operating
T1JIe
Adapti0D6
Permissible
t'ar
FleXibility
Program
Listing
Block
Diasram
of
Program Loc1c
Arrow
Diagram
of
Sample
Probl.ela
Listing
of
Inpu.t
tor
Sample
Prob1_
Sample Problem
"LESS"
Outpu.t LiatiJJC
Bar
Graph
of
Sample
Problem
!Ie
1
2
~
~
5
5
6
1-,\
1-8
1-5
2-5
3-8
~-s
./
,~

o
P8se
1
"Critical
Path
ScheduJ.e"
Bar
Orali!
Generator
Prosram
D~C:U:PI'ION
The
purpose
of
this
program
is
to
represent
a
large
yolUllle
of
T.umerical
output
data
fran
the
"LmS"
(pragraa
10.3.(03)
critical
pa.th
program
in
a form
which
is
readily
UDderstaDdable
to
thoee
people
who must
use
the
results.
It
is
a
prob1ea
to
utilize
otticient17
a
numerical
listing
of
several
hUDdred
actiYities
al~
with
their
respective
start
da:tea,
tiD1sh
dates,
aDIl
float
t1als.
This
program
will
generate
a
series
of
bar
Sl'&Pls Wlillg
the
"LESS"
output
cards
as one
pass
input.
There
is
no
l1mitatiaD
as
to
the
DUIIlber
of'
bars
to
be
graphed.
All
"dlllllq"
carda
are
19norecl.
BOIfeYer a
bar
cannot
be
graphed
beyond
a
latest
fiD1sh
of
"30
clap
abcmt
the
lCNeBt
index
day
used.
'!'bis
is
because
of
JIII!III017
l1a1tationa
ot
the
prosraa.
If
an
activity
baa
a
latest
tin1ah
bqcDl
"30
clqa,
110
ls
'¥'err
easy
to
recanpile
the
program
by
adding
0Dly
three
source
deck
carda
and
adjusting
the
ten
"'rI'l'LE"
declarative
source
carda.
'!'bis
pro-
cedu.. ....
is
outliDed
in
a
later
parasr8Iil.
- 1 -
~
'<
!
~
'i\
/~
Page
2
"Cri
tical
Path
Schedule"
Bar
Graph
GeDerator
Prc:wrp -
contlnued
PROGRAM
ABSTRACT
The
program
vas
written
in
SPS (1620 -
SP-020
qetea).
A
subroutlDe
deck
is
not
necessa-q
for
operatiaD.
A
total
of
39~
locatiou
ot
JIIeIIIOrY
is
required
for
the
program
as
written.
Fixed
point
arltm.tlc
ls
used
throughout.
.
One
full
page
of
activities
(31)
1&
read
into
the
c<apJter
for
each
series
of
computat1ons.
Success1ve
pages
are
used
lf
neec1ecl
1;0
CODt1lNe
the
graph
out
in
a
horlzaDtal
directico.
'lbe
h1&best
value
of
the
latest
finish
figures
for
each
pase
of
actiYities
18
used
to
cJete1'tliDe
0Dly
the
number
of
pages
necessar,y
to
tu1l7
express
each
set
of
actlY1ties.
A
title
description
card
is
punched
startiDg
the
first
pese
ot
each
set
of
activities
to
be
illustrated.
The
last
group
read
in
~
be
less
than
3l
in
DWllber.
In
this
case
the
pz'OInII
allows
for
enoup
blaDk cards
and
vert1.cal
index
cds
to
ccmpletely
till
out
the
last
sheets.
All
numeric
and
descriptive
information
contaiDed
aD
the
"LESS"
output
cards
in
columns 1
through
50
is
transferred
into
a
work
area
of
storage
la.beled
"STORE".
In
this
area
of
memory
beyond
the
job
description
three
symbols
are
placed
at
the
proper
addresses
to
represent
the
earliest
start,
duration,
free
float,
and
remaining
total
float.
Address
modification
is
used
throughout
to
do
this
aDIl
to
punch them
out
CIIl
cards
sheet
by
sheet
for
listing.
The symbol (X)
represents
a da.y
duration
of
a
job,
the
symbol
(*)
represents
a
day
of
free
float,
and
f1Dal.ly
the
symbol
(0)
represents
the
total
float
minus
the
free
fioat.
The
following
illustrations
are
given
to
sholl'
hov
these
spibols
are
used
in-the
bar
graphs.
I
XXXXX****oooo
This
bar
represents
a
Job
of
tlve
dqa,
tour
dqs
of
free
float,
and
eight
dqs
of
total
float.
II
XXXXXX
ill
This
bar
represents
a
~
job
of
six
cUqs.
XXoooo
This
bar
represents
a two
day
job
nth
tour
~
of
total
float.
(No
free
float)
- 2 -
~
~
~-
i
~
r
t
I
I
i
I
;

Page 3
"Critical
Path
Schedule"
Bar
Graph
Generator
Pr08r!! -
continued
PROGRAM
ABSTRACT
-
continued
Total
float
time
is
the
time
an
actlVit7
..,.
be
~
without
changing
the
m1n1mulll
project
coatpletlCD
time.
Free
noat
tt.e
is
the
length
ot
time
the
start
of
an
actlVitJ'''''
be
delaled
without
~
the
earliest
start
for
another
actlVit;y.
It
should
be
noted
that
each
act1Vit7
in
Ftgure
4
of
the
s8llPle
problem
1s
shown
on
the
sraPh as
atartinS
ClDe
dq
later
tbaD
the
earliest
start
time
as
listed
in
tiguft
3.
Act~
the
l1ated
tt.
represents
the
number
of
clap
whlch
_t
have
paaeecl
berore
a
Job
cu
begin,
so
the
grapll
shova
each
Job
..
startiD8
CD
1;be
MZt
dq.
'!be
last
da;y
ot
total
float
on
the
£l"aPl
correQClllla
uanq
with
the
latest
fln1sh
dq
as
It
appears
an
the
l1st1alia
I'1pre
3.
- 3 -
F-,
',--j
.....
"Crt
tical
Path
Schedule"
!ar
Graph
Generator
Prc!Ir!!
-coat1Dued
CONSTROC'l'ION
OF
GRAHl'S
Constructing
the
ccaplete
sraPl
trca
the
sheets
as
tbe7
cc:.e t"l'ca
the
printer
is
ve%7'
simple.
The
Ill(
ltoT
printer
is
rec~
WIlDS
11
inch
page
depth
paptr
tor
whlch
the
prcgru
1IU
writteD.
'1'bII
pr1Jlter
should
be
set
to
begin
pr1nt1D&
at
:tbe
"%7'
top
of
the
flrst
.....
t.
Then
all
subsequeDt
printlas
will
be
ia
the
proper
locatlO1l.
After
priJltinS
all
sheets
perta1JWl8
to
a
8e\
of
acttYit1a
(PIP)
are
tom
apart.
r.ch
alleet
soat
be
trt.e4
c.a
tile
riPt
heal
aide
,1Ut
be)'ODd
the
last
vertlcal.
ID:lex
character
(I).
!beD
_iDS
scotcla
tape
or
a
glue
appllcatlO1l
tbe
sraph
1&
exteDae4
hortaClDtalq
b7
pzttiDS
each
sheet
to
be
added
UDder
the
preVious
&beet
at
the
left,
an4
attach_.
This
procedure
18
repeated
for
each
Nt
of
actiVities.
'!be
IIIIXt
..
t 1&
easily
ldeDt1t'led
b7
the
Job
deBcriptlCD
pr1ata4
~
CD
the
tlnt
sbeet
alcag
with
each
&CtlYit7 4e.or1ptlO1l
...
the
NiDIIuiDI
of
..,..
~tJIPME2IT
~
40,000
cUc1t
ID8IIIOl"7
capaclt7
Transter
JNIIIerlcal.
8trip
(TlfS-72)
iUtnactiCD
feature.
1622
carel rea4-puDCh UD1t.
- 4 -

o
Pase
5
"Critical
Path
Scbedule"
liar
GraJil
Geaerator
Program -
cClltlnued
OPERATING
mOCEWRE
1.
Punch 1
beed1ng
card
with
tull.
proJect
t1tle
deac:r1ptiCD
All
80 col\Dllll8
ot
this
card
~
be
used:
Place
this
card
111
treat
or
1Dput
deck
after
n.oriDg
all
other
beali1Dl
cards.
2.
Remove
last
card
ot
''LBSS''
output
deck
vbicb
cc:mt.a1D_
"project
cOlllpletlO1l
tua".
Replace
thi.
card
vUiIl • bl8Dk
card.
laput
deck
is
DOW
1"8
••
3.
All
program.
sv1
tchea
off.
4.
:sutIn
SWITCH,
I/O
SWITCH,
aDil
0
nDrl
SWI'J'ICB
-
all
Nt
on
PROGRAM.
5· Load
punch
hopper
OIl
l.622
un1
t
vi
tb
blaDk
carda.
6.
Place
objeet
deck
tor
progru
111
read
hopper
tollCMld
by
ll1put
deck
al"l"8IJI8d
..
describecl
abaft.
7.
Clear
IlleBlO17.
8.
Press
RESft.
9~
Press
000\D.
10.
Press
POICH
S!AR'f.
11.
When
progna
baa
read
all
carda
IIlIIIl
peeIIe4
aatopzt,
it
will
stop
with
&
loS
111
tile
operat1CD
repater.
12.
All
punched
OIltput
carda
are
tIleD
liated
CD
..
11M
a.ar
pr1.Dter.
OPERATING
TIME
':'0
give
the
reader
an
idea
of
CQllPlt1llS aDd
priatq
tie
involved,
a
"critical
path"
schedule
CD
which
this
Prove-
vas
tested
is
cited.
'l'hiB
SChedule
involved
approximately
700
cards
(dw.1es
inclu2ed)
UpOD
which
the
computer
a.cted and punched
out
near17
3000
bar
grapb
carela
111
30
II1DUtea.
About
20
Irdnutes
of
pr1ntiDg
tUM!
OIl
the
Ill(
40T
priater
yu
required
for
a
f'ull
listing.
- 5 -
c o
Page
6
"Crit.ical
Path
Schedule"
Bar
Graph
Generator
Procr!a
-
cant10ued
Adapt.ing
Program
For
Grapb1llS
Activities
With
&
Latest
ftD1ah
Date
Be7'CDl
~30.
Sort
"LESS"
output
deck
by
latest
finish
date.
in
c~
68,
69,
and
10.
Determine
highest
va1lMt.
Sort
the
...
deck
b;r
earlieat
start
date.
in
co11mlDS
53, 54,
aDd
55.
Detel'll1ne
tbe
lClllflHt
earll.st
IRu"t
..-.1,..
It
the
d1tterence
between
the
loweat
earllen
stan
eD4
tbe
~t
laten
finish
1& 430
or
less
thea.
activities
~
be
gra}lbe4
with
~
cae
alter-
ation
to
the
SPS
source
prcgraII
aD4
reca.p1latiCD.
It
tM
41tteNDCe
18
greater
than
430
mare
thaD
CtD8
alteratiCD
is
aecea&al7
8DIl
t.be
proJeet
me.y
be
gra]lbed
1J1
.tepa.
Insert
a
declarative
st.at.ement
card
(lIS
DC
3,
XXI;
lDto
the
aource
deck
tollow1ng
the
"DORG"
card
where
XXI
1s
the
lowest
earlleat
start
value
or
preferably
the
next
lower
nuaber
cUT1sable
by
10.
(If
this
Yalue
is
430
less
than
the
hiPest
latest
t1.D1sh).
ReiJldex
10
d.eclarathe
state-
ment
C&rdl
beg1Jm111g
with
'~
..
cd
1181111
XU
..
the
tint
IUlileI'
attar
IYI.Y
.....
Shirt
the
(DI\~
~k
2 ColU111D8
if
XXX
is
3
digits.
Prepe.re
a new
source
card
(S
LF,
a:s)
aDd
place
as
the
second
card
after
the
card
labeled
~"
in
tbe
source
deck.
Prepare
lIDother
source
card
(S
ES,
EES) aDd
place
1D
tbe
aoarce
CU'd
u.i41atel7
111
t'rcIlt
o~
card
labeled
"DICK".
Recompile
this
8CN1'Ce
deck
ud
11M
with
apec1&l
1Dput
CU'U.
- 6 -

LeON
CP
P/L Q
PC
LN
LABEL
MNE~
OPERANDS
AND
RE~ARKS
PACE
•
CRITltAL
PATH
BAR
GRAPH
GENERATOR
PROGRAM
OC~C2
DORC
402
OC4C
3
80
HOR
DAS
80
C0563
2 .
COUNT
OS
2
OC1565
2
FINISH
OS
2
___
.CC510
._._,
_____
..
__
•.
CHECK
OS
'5
OC57]
2480
INPUT
OAS
2480
___
.05533
2
..
PACE
DC
2.0
05515
Z
PAGfA
Dt
2,0
____
0.5.540
__
~
_____
.
LF
OS,
0554'
3'
OTl
OAC
]5.0URATION
EXCEEDS
LIMITS
OF
PROGRA"i"
05'"
141.80
_.STORE
OAS
1~880
35313
1
BLANK
OAC
1"
t
:tun
Z
CTA
DC
2.0
'5380
5
CTR2
DC
5.0
__
-iil.
3
1§.Lil38,
, .
....Es..
OS
5
35389
~
OUR
OS
,.
__
-iiI1tz5.191
1
.-JDX
_
...
OAe
•
.'
1.
X..
. ... _
..
____
..
_
3~393
1
ASTK
OAC
1,
...
___
l~'uU'
-'-
LTR
OAC
1.0
..
J54CO 5
CTR3
DC
5.0
:t,4C,
,
tF
OS
5
35410'
FF
OS,
__
--A.";&:4Z..11
....
2 • .
___
-L
._
..
C.TAL-Dt.._ . ...L.O
35414
2
CARD
DC
2.0
"417
tJo
TULE
...
00Ae
50,
I.
_J
OUR._COST
QD
..
_JtUtiUPTlON.
'''11
10'
-
OAC
10.12345
10
20
30
..
3'Ht
'0
OAC
-10.,- .
__
~Jl-.._._.-'Cl..-._._
....
6Cl_._._.
10
"611
50
OAe
50.
90
100
110
120
"Itt
'0
.
OAC
'o.
140 110
1 •
.l.-..
____
..
110.
35111
50
OAC
50.
190
200
210
220
12911
50
OAC
,,,.
.
_z~o
l'~
__
.
2t~
_.
_
210
36071
'0
OAC
'0.
290
JOO
JI0
320
__
-.:oI!l:x6.L111_.
.~Q
___
.
____
.
___
.
__
.
____
OAC.
'~L__
~40
.
__
HL--_
J60
..
_
..
__
310.
36217
'0
OAe
50.
390
400
"10
420
__
--1I..
3
Ji!.lUILJ7
u7 .
__
~
__
IU_"t!~LJ>-AL...!O.t._
_
____
..
_II
36457
40
OAt
40,
.,
__
---t!.3~'Jl
___
..
50
INOEX!
OAC
50.
366)1
30
DAe
30.1
I
3~69.7
_____
'CL_
_tNOEl2
OAe
,0,
_______
L
36lq7
30
OAe
30.
I
.. ..
lU.5L.3.1
__
.P.0401_00.'-OO
..
___
....
START
RACO
HeR
_______
.
36868
32
00562 00000
SF
COUNT-1
368ao
32
00564
COOQO
Sf
FINISH-1
36892
32
35406
OOOCO
SF
FF-4
\fo
'''Q04
"11S401
nnOllO
Sf
TF-4
(l
IF)l"T.e.
,'"
LCCTN·
CP
Q
PC
LN
LABEL
M~EM
OPERANDS
AND
REMARKS
37192
6 I
066
-0591
TFM
READ£54,JNPUT£11
__
~J7~0~
4'
__
U.2.~-1JOJ~QO
____
..
_
..
__
_..,
eEJt..
_.
____
.
__
37216
1~
00563
-0000
OUT
CM
COUNT,O
__
~:n~2~2'
46
"H.Z_J!illL
.
__
-=-=-~
___
-'-l.._J!!'I.1_.
____
-:--
___
_
31240
16
0'533
000-0
BEN
TFM
PAGE,O.10
I
..
_L_
...
_
I
..
PACE
I-A
OAY-
I.
10
..
no
..
lBO"
230,
,
210,
,
))0"
380.
,
"4\)0,
,
• •
I
••
____
~3~la2~'2~~1~6~3£'3L7~'~O~0~0-~QL-
__________
~~~T~F~M~~CT~R~.0.10
• EXAMINES
AU
i-uisr
FINISH
DATES
TOoiie'tM-IN-{
NO':"'"·OF
__
~J,;.J2~6;.:4!..-..;.1~2.....:Q~Q~1~1.!!.1.....:0~5~5~4\~0
____
...!T.!:!R~AN~S~~T~NPJ,IH_lntJ.!
___
. _______ ... _
...
__
.
_____
-,-.
PAGES·
REQUIRED
J1216
11
11210
-0160
AM
--6,160
__
---!J~1~2_!_.!-.---!1!-!1~J~'~Jl~5~0~0~0_;:_-~I-------AM~~~
... LJQ_ ..
______
_
11100
24
1"15
00563
C
CTR,COUNT
__
~3~111
~._'!6._.H'~'_~Jl~~O;-.__
_____
BH
NE::X:-:T:-:--=--=~
__
_
J1J24
16
05535
000-0
TFM
PAGEA,O.lO
11316
14
05540
-0031
JOE
CM
LF,31
--~]j34a·
··41-]1396
01300--
BL
j:
INAL
31J60
11
05535
000-1
AM
PAGEA,l,10
---"J"-"lJl2-U
31141
-0080-
AM
.-25,80
__
--'!J~1~314
4'_3733~_qJH)QL
____
..... _. . B
JOE
31196
11
05535
000-1
FINAL
AM
PAGEA.l,IO
31~08
24
05533
05535
e PACE,PACEA
]7420·-
46
31444--oTioo--
8H
RENEW
11432
26
05533
C5535
TF
PACE,PAGEA
'-
31444
16
Ill47
-003f·-
RENEW
TFM
JOHll.31
~
11456
49
31264
00000
8
TRANS
o

C'i
o
lceT,..
CP
PIL
PG
lN
LABfL
~"'lM
OPERA~OS
AND
REMARKS
PAGE
3-/.,
37468
16
31270
-0711
NEXT
TFM
TRANS&6,INPUTL138
37480
If,
31347
-0031
TFM
JCI
LII,31
374~2
16
35375
000-0
TF~
C~R,O,10
375(4
14
05533
-C007
CM
PAGE,7
3151t
47
31540
C1300
BL
FLAG
37~2e
39
05543
00100
WATY
DTL
37~4C
32
00~72
00000
FLAG
SF
INPUT-l
37~52
11
3~375
000-1
AM
CTR,I,10
375i4
24
35375
C0563
C CTR,COUNT
37516
46
385CO 011CO
8H
PUNCH
37~e8
11
37546
-0160
AM
*-42,160
37600
26
0r,171
00131
ABLE
TF
STORE&158,INPUT&158
31f12
33
00572
CCOOO
BAKER
CF
INPUT-I
37624
II
37618
-OltO
AM
*-6,160
31636
II
31606
-0960
A~
*-30,960
31648
11
31611
-0160
AM
*-37,160
-----31660--f6--0S1l3
3531f------
-
CLEAR'
TF
STORE&
100,
BLANK
31672
33
05112
COOOO
ODD
Cf~_'_ORE_&_~_~_.
---...:3~i684flj766-6-.:·coc2
---
.---.
AM
*-18,2
----
316~6
11
37678
-C002
AM
*-18,2
·---371C8--14-)76-6-6··..:61;73
JACK
CM
*-42,STORE&960
3112C
41
31660
01300
Bl
CLEAR
___
...
3,-,,1-1.1~32--1l
..
_31666_
~0100
...
__________
AM_.
___
ClEARr.6,
100-
.
___
.
_______________________
. -.
31144
11
37678
-0100
AM
000&6,100
___
..J3U.56
...
11
31719
..
_~C960
AM
JACKr.l1,960
311~8
72
00681
35385
Bill
TNS
INPUT&108,ES
37180
11
31..U-L=.O.l.6.0
_____
AM
__
.e-6,160
------_._---
--_._---
311~2
72
00591
35389
DICK
TNS
INPUT&18,DUR
378C4
11
31ll.8-=..016L______
. AM
*~6.160
31816
16
35380
-0000
TFM
CTR2,O
___
... 3uc
1-AS""-2,1LJ...'L3.5.3_15....=Jl001.._________
_.CfL
.CYR,l
31840
46
37888
01200
BE
FIRST
37852
21
31930
.3'.38.5
A--_PlOT&6,ES
.-
-.-----
------
37864
21
37930 35385
A PLOT&6,ES
___
....,n.81.~_
49
31924
00000
8
PLOT
31828
16
37930
-5113
FI~ST
TFM
PLOT&6,STORE&100
___
...J3J.9CO_21
3193035385
A
e&30,ES
37912
21
31930 35385
A
e&18,ES
______________
..
_-
.
.P.LOTS
JOB
DURATION
_.
31n4
21,
___
37936
12
)7q48
26
319~0
33
37972
11
00000
37930
37966
00000
37930
35391
-0001_
31930
00000
-C003
37ge4
11
35380
-0001
____
_
3H9f-
24
3eOC8
47
ucn
CP
3eC2C
72
3eC32
11
38044
12
3EC56 11
3ECt8
16
3eC80
14
3eOn
46
35380
37924
P/L
C0721
38026
C0131
38050
35400
35410
38272
35389
013CO
o
35405
-0160
35410
-CltO
-COCO
-COCO
01200
3elC4
26
38122
31930
_____
38116
26
COOOO
353q3
3e128
12
38122
-0001
3S140
26
38158 38122
38152
33
00000
00000
38164
11
38122
-0003
---3-S-176
11
35400
-0001
___
3_8.188
__
2_L~5.40.0_3~4:.10
3e2eO
47
38116
01300
38212
16
3S400
-0000
---38224-
22--35405-35410
________
32236
14
35405
-COCO
38248
46
38428
01200
PG
LN
PLOT
TF
,XOX
Sf'l
*-6,1
TF
*&lB,PLOT&6
CF
AI'!
AP-I
C
BL
--42,3
C
TR2,l
CTR2,DUR
PLOT
LABEL
MN(~
OPERANDS
AND
RE~ARKS
TOTAL
TNS
I~PUTL148,TF
AM
--6,160
FREE
TNS
INPUT&158,FF
A,.
.-6,160
TFM
CTR3,0
C~
H,O
BE
f-LOAT
-
PLOTS
FREE
FLOAT
IF
ANY
IS
FOUND
TF
.&18,PLOT&6
PLCTA
TF
,ASTK
S,",
*-6,1
TF
-&18.PLCTA&6
Cf
AM
*-42,3
AM
CTR3,l
C
CTR3,Ff
Bl
PLOT
A
TFM
CTR3,O
S
TF.
fF
CM
TftO
BE
ADJUST
___
3.826C.
4.9
..
3832
O._C
00
00
_____
.__
__
_ B
GUS
_________
.
_______
"_
,,_
" _
38212
14
35405
-0000
fLOAT
___
._38284
...
46_.
3B428
_01200
3e296
26
38338 37930
CM
Tf,O
BE
ADJUST
TF
*&42,PLOT&6
B PlOTB _
PAGE
___
3_8 30B
__
4:938332
_OCOOO
__
._
* PLOTS
ALL
FLOAT
OR
REMAINING fLOAT
AFTER
FREE
FLOAT
IS
SUBTRACTED
___
""3U2..<L-~6-3_6.3.38.3.8_l2
... 2
____
GUS" TF.
__
.*&l8.PlOTA&6
...
_____
.
____
.
__
'-'-'
..
--.----.-
.....
- .
38332
26
00000
35395
PlOTB
Tf
,lTR
__
~3"e~3~lL.38338-=_OOOl
___
h___
_
SM
e-6.
1_
.
________
._.
38356
26
38314
38338
TJ
___
~H!.~.f.~Ql~
______
-
__
.-
___
.
_______
...
_
..
__
.. __ ._
32'368
33
00000 00000
CF
3838C
11
38338
-0003
AM
e-42
, 3
383Q-2--1-135400--0001
-----~----
AM
CTR3,l
38404
24.35400
3540')_
C
CTR3.
TF
3841"6---'.-i
38332
01300-
.
BL
PLOTS
____
3_e.!!~L1L3_I9.1L:t5_~85.
____
._.
ADJUST.5
PLOH,6,ES
___
.
__
3844C
22
31930
35385
S PLOT&6,ES
3E452
22
31930
35389
S
PLOT&6
9
DUR
3e4l:4---2Z--31930-35389
S PLOT&f"DUR
38476
It.
31.930-.09.60_
AM
PLOT&6,960
- P
ADDRESS
OF
~PlOTc
NOW
SET
TO
GRAPH
NEXT
JOB
39
36377
00400
B
FLAG
PUNCH
TfM
fLAG&f"lNPUT-l
TFM
CTR4,OI,l0
-BEGIN
PUNCHING
CARDS
NEW
WACO
BLANKS
aaaua:aii4i£UC
hUh
,L
..
,';'
1";1
!J.t..,
*44,ij
;;
M
.,.;;,
; »
""lA.'

-
.-.
LCCTN
CP
P/l
Q
PG
LN
LABEL
MNEM
OPERANDS
ANO
REMARKS
38536
14
35412
-cOCI
CM
eTR4,1
38548
46
38584
01200
BE.
*t36
3e560
39
36377
00400
WACO
BLANKS
38512
49
38~96
coooo
B
*t24
38584
39
C0403
e0400
W~CD
HeR
3e59~
39
36377
CC400
WACO
BLANKS
3e6C8
14
35412
-0001
OAVCO
CM
C1R4.1
38620
47
38680
01200
BNE
CP.ANGE
-----38/.32
39
35417
00400
WACO
T I
HE
38644
16
38638
L5417
TFM
*-6,TITLE
38656
16
38619
-0001
TFM
OAYCDtll,l
38668
49
38716
00000
B
GO
----38680
11
38619
-0001
CHANGE
AM
e-61,l
__
--'3~8692
1~638
-01.~6~0_____
AM
--54,
1~0
38704
49
38608
00000
B
DAYCO
38716
16
35414
000-0
GO
TFM
CARD,OO,IO
---38128
--39
-05613
-C0400-
------JOB
WACO
STORE
___
~38740
11
38134
-0960
AM
e-6,96.O
38752
11
35414
000-1
AM
CARD,I,IO
____
3o!.!e7f1~_
14
35412
-0001
CM
..
_CTR4
t
1__
_
______
_
38776
47
38812
01200--------
BNE
TeM
___
~3~8788
39
36531
00400
WACO
INDEXI
38800
49
38824
00000
B
JOHN
____
3~8812
39
3669J
_0<1400_______
TO"'_
WACO
INOEX2
38824
24
35414
00563
JOHN
C
CARD~COUN,._--
-------
-------.-
--.
-.- .--
___
..o=;3l836
..
47
_3In2_~
___
OJ)_OJL___
___ _
Bl
__
~_Oa
____ _
38848
14
00563
-0031
CM
CGUNT,]1
388_60
~_fJ_
38992
01200__
BE
FIN
------~
•
FilLS
OUT
SHEET
WITH
BLA~KS
IF
SET
IS
lESS
THAN
31
CARDS
_____
~1~88!!..1_2_~_0..9~.1»_~
__
Q_0_~6_3____________
TF
F
INI
SH,COUNT
38884
39
36311
e0400
.
~IT
WACO
BLANKS
38896
11
00565
000-1
AM
FINISH,l,10
------~3u8~9wO~8~~1~4~3~54~12~-~0~0~0~1~--------------~C~M~CTR4;i
--
38920
4_~
38956_9_110.0__________
BH
DCN
38932
39
36531
C0400
WACO
INDEXl
___
3o!.!81L!944
49
38~l!JLQQQ.O_0_______
__
B
ROB
3eq~6
3q
36691
00400
DON
~~CO
INO~X2
___
.:!.3~e96e
14 0056",)
-0031
RQ~
C-"L
._f
tNI
~'::tt}J
____________
_
38980
41
38884
01300
BL
HIT
38q92
24
35412
C5533
FIN
C CTR4,PAGE
---)C;OC4
-
~-7
39196
0-1200---
---
BNE
INCR
3Q016
14
00563
-0031
39028
41
39292
01300
3C;04C 16
37666
-5713
3C;052 16
37678
-5712
)S064
16
37606
-5771
COUNT,31
_ .
.39076
16
3761L~.D.1
.
.li
__________
_
CIII
BL
TFM
TFI'!
TF~
TFM
HALT
ClEARt6,STOREtlOO
OOD&6.STOREt.99
ABLEt~.STOR~&1~S
ABlE&11.1NPUT&15S·
teCH,
CP
Pll
o
39cee
16
38734
-5613
3SlCC
16
37774
-C681
39112
16
31798
-0591
3S124
16
37719
-6573
3913~
16
38026
-0721
lS14€
16
38050
-0731
3S16C
16
31618
-C572
39112
16
00563
COO-O
39184
49
31012
OOOCO
__________
39196
11
35412
000-1
3S2CB
16
38734
-5613
__
~3oLS..2Z
CJ
!l
__
.J_92't3
___
-=
0 00.1 _
PG
lN
lABEL
MNE~
OPERANDS
AND
REMARKS
TF~
JCBt6,STORE
TF~
BllLt6,INPUTtl0B
TFM
DICKt6,INPUT&IB
TFM
JACKtll.STOREt960
TFM
TOTALt6,INPUT&148
TF~
FREEt6.INPUTt158
TFM
BAKERt6.INPUT-l
TFM COUNT,
0,10
BREAD
INCR
AM
CTR4.1,10
TFM
JOBt6.STORE
TFH
-t23.1
PAGE
5-/
..
I)-A
-BEGIN PROC£EDURE
FOR
GETTING
tJOBo
INSTRUCTION
CORRECT
FOR
NEXT
39232
14
35412
-OOCO
39244
46
38524
01200
______
3_92C;~_1l_
38734
-0160
3C'j268 11
39243
-0001
__
---"')~2_8_C
___
49_39232_
00000.
3C;292
48
00000 00000
____
3~856
-----
-
------
----------
CGMPR
CM
CTR4 t
BE
NEW
AM
JOB&6,160
AM
--25,1
____________
B
_COMPR
_______
.
_____________
.
____________
.
____
_
HALT
H
DEND
START
PAGE.
!
I
I
-I
o

o
3LQCK
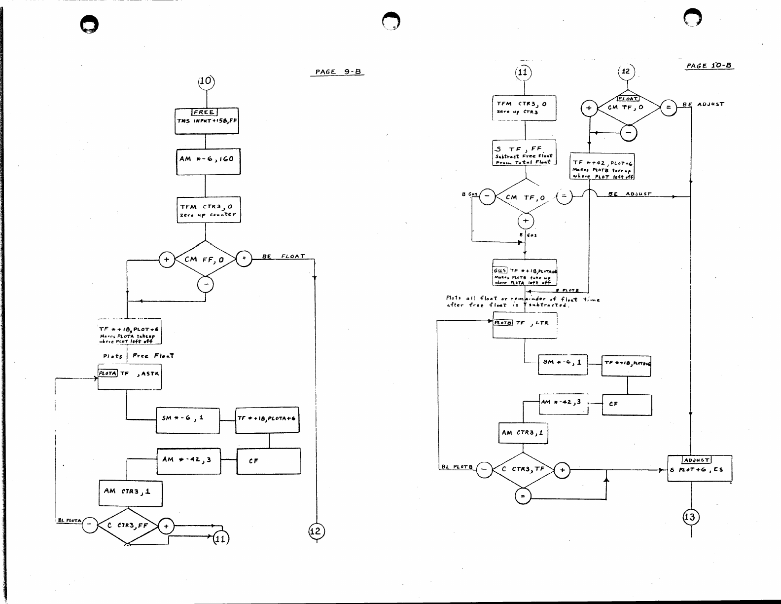
DIAGRAM
FOR
BAR
GRAPH
GENERATOR
PROG.
li-~
,
__
==r
DECLARATIVE
STATE.MENTS
HDR
I
CO""T
F"J"IJSH
DAS
80
os
2.
CHECK
INPuT
PACE
PACEA
LF"
DS
OS
OAS
oe
DC
o~
2.
5
2480
2,0
2,0
5
PAGE
1-8
OT!..
STORE
8L"N
J(
eTR
CTR2.
f:S
OUR
)(~X
ASTK
LTR
CTR3
TF
FF
crR4
D
...
C
3S
J
DURATION
~)lcr£o~
LlMJT]
(#
P"t)dIlAM~,
'''RO
TJTLE
8L.
...
HKS
INDEX!
r~D£x2
CAS
J4880
O"C
iJ "
::Ie
2..,0
oC.
~,
0
OS
05
...
OAe
J,X,
,
OAe
1,
•
.1
,
OAC
1,
fI, ,
OC
5,0
OS
5,
OS
'i,
DC
2.,0
DC
2.,0
OAC
so, I J
0""
COST
00
OESCRJPTJON
DAY-
, ,
OAe
30,12)tS"
J
(I
10
3D,
,
70
80,
,
o
...
c
50,
"0
so
'0
OAC
50,
90
100
JJO
120
130,
,
OAt.
sO,
1"11
150
liD
170
180"
OAe
so,
190 200
210
2.20
:uo
..
DAe
so,
240
£So
2'0
2.7D
26C"
oAe
!l0,
290
300
310
320
330"
DAC
50,
340
1St)
3io
370
J8
0"
OAC
so,
3'0
400
4JO
"20
430,>
OAe
40,
.I'
OAC
40,
J'
OAe.
50.
J'
OAe.
.30,1
I I
:I"
PAC
50,
%
:l
~
1-
1:"
DAt:.
30,
:l
I :r, •
~
COMPUTER
TECHNOLOGY
~
\"
."'
SF
Sf!"
SF'
sf!"
Sf:
SF'"
SF
$~
SF
SF
SF'
CD
,
\
SET
FLAGS
COUNT
-
1.
':1"11$'"
-1
FF
-4
TF
-4
~H£CIl-4
P~OT
~
~
PL.DTA
-t
~
LF
-4
£s-4
DU"
-3
CLEAR
... L
-!
-------".,~~
RACO
'~Fc(T!
I
I
Pro,
"A~
I
r,,",ores
I·
s.e
I
....
'.
3-8
';~"lS-8
0",
__
>,
(":)
BE.
ouT
81
....
K.
c.rj
deeM.
{o~
III
II
:.
8
3
~
\<
-f
PAGE
Z.-B
...
t
~
...
J
.f
I~,.
..
t
.f~
,
.
HAr
6

3
se&
I"
..
,e
z-
IS
8L
REA
RUdS
11'1.
31
C..,J
s At A
4
(j
PAGE.
3-6
DetL'r"",
;.,e.
/-
~"
r ,
\:
)
PAGE.
4-8
By
£
..
&",,;",'''1
AI/ L-.tes't
Fi~;.l.
D.'tes

o
®
8H
PUNett
+
~
4
~
..
Gp"'''1L_8
s ....
.....
~
10-8
PAGE.
5-8
dt'!.t'r;'t
..... s
wo"k
At'~a...
~
"'_ff c
(7)
PAGE.
G-B_
J
f(!,~
...
s .,.:t
e\/e
..
7~"'·
..
'
,'
..
"'0"1<.
~TF
"'ra"EHOO
...
BLAN"
"'L
...
re-.
..
~T
• .,.J
ta
.. J
e.'
...... '"
So

PASt:.
7-8
PAGE
8-'8
CJ
f\,
~
)
'I.L
/

o
;------
I
I
10
SM
it
-"
) i
c
PAGE..
9-8
BE
FLOAT
12
~~
81,
..
,
BL
PLOT8
~
F
"'1"42.,PLoT+"
"""'K
••
Plllr8
t." ••
,.
...
~
.';'
PLOT
I~~t
.1~
AO')u
sr
"LOT
T;
......
e.
c
PAS
E.
1"-8

®
!>ee
II·.,L
5*~
20
(j
1
dt
~I;
I
I
!
~
1-:
I
"p"
""J~ess
of
PLO;
I'IOMJ
se't
'to
,r-
1""-
to
e x r j ..
".
PAt:£
.11-8
(j"
PAGE
J2'
e:
CHAI'f~1:
- ,
E:ACO
·ro
..
r
--.--
J
17
()

o
H ..
~
P ..
"~"'~
~.;~.
N
•.•
f
P"'Jes
®
see-Ir
• .,,,
11-8
Rut.re
AJJ'E'S}S
;...,
.seve",
.. 1
j"sfr.ut;OM.s
k;et.
......
re.
,,"od,'f,
...
J
..
r~.
p/~tf.'·
..
!
......
t,·
..
e..
04,t:
K.
1.
tj,elr
,'\""
:
....
, v
..
I
...
s
,.r
"r
to
....
.1
.. ,
''''
..
...""
set
.f
cards
~
....
pl.tt;"3'
TFIIo
JOh6)$T~R~l
L
[~
EM&'L~~~
8&.
HALT
-I
HALT
Pne.
...
d ..... e
"'r
,
..
1i,:'~
tl.]f
C!u
..
ut
"pn
..
JJ
...
u ;"to
JO!l
,:".tr
..
tt,.",
(,..,~
II)"""
,. .....
1.
: .. , .... 1 ......
~
,
..
, e
f.
r
t"~$
set
,of
ear'" .......
".~
I
...
STolt!:
are.A
.f
........
1")'
'AM
It
-Z.5~
1
i
l'"~rc
......
~
Q·""~.e.s
-t:."
",.t
fl
.....
,..
...
, s.e h
~
\,~
14-6
c
PAGE.
15-6
READ
(~uJ
;""
..
eltt'
seT
of
4!
..
",ds)

o

o
O~Dl:!a
d
oe~~vc~
l.Ie-;,r
S'r.lt.uOA~OS
ANO
..$/t';-AJ$
.X
rAl.#nUL
c-"r.C~.lVov'r
#'
P/~"N~
~
~tfI~_4'er
,Tt9
~4-'':::''
S
i_
..
l
()Cll~~
I
D4~
~tnrlt
~"~L
,to\,"""'.t
Z~
/)1't4:J41e ,
Q4~"".fEJIt
~,~
eo,...,,,,;r4UOIIt..
10
o c
C~_c~___
_ _ _
__
_
__
_ _
_ J
_____
.t.A"O~$
/ e
~
..
~fc,yr
F'IIVI$H~~~
__
Z-
___
CARPl;-AJT£~.s
/
81.~1C.
LA
YI'i,c..$
_
...
"1
_____
E
I..
E
~
r,l.l
~~
1AA'
_4
____
/)02£~
_$
___
PIPe
F~rrEJt.s
.-------~----
'-
-------------
--------------
--
--'--
...
r~.s.,-A
,Co
L
II-
AI"-
sr~
I'I1J,A1l 0
tI.f
I~N.s
CONoU£cr
~,~~
r3
~rll.'
T
'I'
~~.
/-1t:r.JJl
(lo~
I
{J-II
~}~~----~---~--------------
) _
_I
~f
,/
-
I1A~FII(
1
./
,;,~~".~
Co~s"AU~
r
./
61A~
~'r4'@Pv"'.p
r.s~AIAIAl~
I",
ltil ,,:It> c
If!]
;>
J -
"
"
O~4>eJlt
4
/)1!'~,~GIIt
"~eA$~""~
~~tl/'''''~N
r 0312
-!YO
20
o-ASOI.IA/tr'
~-~vleE
N~.
I
~r4r~OA.l
D,,4A
7W"'.5
; L
c~£~
7
rl£~
~
G)
r"
......
"
-I'"

FIGURE
2
PAGE
2-5
INPUT
~OR
CR!TICAL
PAtH
PROGRAM
J
OUR
COST
DQ
DESCRIPTION
CREW
1 2 2
lAY
GUT
AND
EXCAVATE
4
1
.3
IS
ORDER
*
DEL
lT
STDS
*
SIGNS
112
30
ORDER
*
DEL
HYDRAULIC
LIFT
I }
It
3
ERECT
FENCE
12
1
22
20
ORDER
*
DEL
FUEL
TANKS
1
25
10
ORDER
*
DEL
AIR
COMPRESSOR
I
26
20
ORDER
*
DEL
GREASING
EQUIP
1
32
25
ORDER
*
DEL
FUEL
PUMPS
2 3 1
CONST
LIGHT
SIGN
FOUNDATIONS12
2
JO
3
CONST
BLDG
FOUNDATIONS
12
2 12 1
CONST
HYD
LIFT
FOUNDATIONS
12
2
20
5
!NSTL
EXT
CONDT+PIPG
*
CNECT
3 5
2
22
0
DUMMY
J 28 ?
INSTL
liGHT
STANDARD*
SIGNS
2
42.3 1
GLAZE
WINDOWS
2
4
24
2
INSTALL
DOORS
2
6
20
4
INSTALL
TANK
PIPING
1 5
8 4
10
ERECT
BUILDING
ROOF
2
10
L:-3
3
INSTL
INT
PIPING
+
CONDUIT
3 5
12
43
3
INSTALL
HYDRAULIC
LIFT
S
14
44
1
FINAL
INSPECTION
16
18
2
FORM
*
POUR
CONCRETE
FleOR
12
18
8 3
ERECT
BUilDING
WAllS
12
20
30
2
BACKFILL
FUEL
TANKS
*
GRADE
1 4
22
5 2
INSTALL
FUEL
TANKS
1
45
23
24 0
DUMMY
24
25
0
DUMMY
24
26
0
DUMMY
24
L~O
2
INSTALL
INT
FIXTURES
3
25
27
4
INSTALL
AIR
COMPRESSOR
5
26
14
4
INSTALL
GREASING
EQUIPMENT
5
27
14
0
DUMMY
28
14
1
CCNNECT
LIGHTS
*
METER
BOX
3
30
34 1
FCRM
SIDEWALKS
i2
30 38
2
CC~STRUCT
PUMP
ISLANDS
12
32
ll~
2
INSTALL
FUEL
PUMPS
5
34 36 6
POUR
AND
STRIP
SIDEWALKS
36
14
5
PAVE
SERVICE
*
PARKING
AREA
38
32
0
DUMMY
38
36
0
DUMMY
40
14
0
DUMMY
43
16
1
BACKFILL
BLDG
INT
AND
FDNS
1 4
()
FIGURE
3
ANSWERS
FROM
CRITICAL
PATH
PROGRAM
J.
OUR
COST
DQ
1 2
1 3
1
12
1
14
1
22
1
2S
1
26
1
32
2 3
2
10
2
12
2
20
2
22
3
28
4
23
4
24
6
20
8 4
10
43
12
43
14
44
16 18
18
(3
20
30
.22
6
'-3
24
24
25
24
2~
24
40
25 27
2;)
14
27
14
28
1
I:.
30
34
30 38
32
14
34
36
36
14
38
32
38 36
40
14
43
16
tr-\
,,)
2
15
30
3
20
10
20
25
1
3
t
5
0
2
1
2
4
10
3
j
1
2
3
2
2
0
0
0
2
If
4
0
j
2
2
6
5
0
a
0
1
DESCRIPTION
CREW
ES
EF
lAYOUT
ANO
EXCAVATE
4 2
ORDER
*
DEL
IT
STOS
~
SIGNS
15
ORDER
*
DEL
HYDRAULIC
liFT
30
ERECT
FENCE
12 3
ORDER
*
DEL
FUEL
TANKS
20
~ROER
*
DEL
AIR
COMPRESSOR
10
ORDER
*
DEL
GREASING
EQUIP
20
ORDER
*
DEL
FUEL
PUMPS
25
CONST
liGHT
SIGN
FOUNDATIONS12
2 3
CONST
BLDG
FOUNDATIONS
12
2 5
CONST
HYD
liFT
FOUNDATIONS
12
2 3
INSTL
EXT
CONOT+PIPG
*
CNEeT
3 5 2 7
DUMMY
2 2
INSTl
LIGHT
STANDARD*
SIGNS
2
15
17
GLAZE
WINDOWS
2
49
50
INSTALL
DOORS
2
49
51
INSTALL
TANK
PIPING
1 5
22
26
ERECT
BUILDING
RoeF
2
39
49
iNSTl
INT
PIPING
+
C3NDUIT
3 5 5 8
iNSTALL
HYDRAULIC
liFT
5
30
33
FINAL
INSPECTION
55
56
FGRM
*
POUR
CONCRETE
FLOOR
12 34
36
ERECT
BUILDING
WAllS
12
36
39
BACKFilL
FUEL
TANKS
*
GRADE
1 4
26
.28
INSTALL
FUEL
TANKS
1
45
20 22
DUMMY
50
50
DUMMY
51 51
DUMMY
51
5i
iNSTALL
INT
FIXTURES
3
51
53
iNSTAll
AIR
COMPRESSOR
5
51
55
iNSTAll
GREASING
EQUIPMENT
S
51
55
DUMMY
55
55
C~NNECT
liGHTS
*
METER
BOX
3
17 18
FCRM
SIDEWALKS
12
28
29
CCNSTRUCT
PUMP
ISLANDS
12
28
30
INSTALL
FUEL
PUMPS
5 30
32
POUR
AND
STRIP
SIDEWALKS
29
35
PAVE
SERVICE
*
FARKING
AREA
35
40
DUMMY
30 30
DUMMY
30
30
DUMMY
53
53
BACKFill
BLDG
INT
AND
FDNS
1 4
33
34
PROJECT
COMPLETION
PAGE
3-S
LS
lF
TF
FF
25
27 25
37
52
37
30
52
55 52
52
15
35
15
41.
51
41
41
31
51
31
31
28
53
28
5
51
52
49
12
27
30
25
29
30
27
27
36
41
34
19
35
35
33
18
52
54
37
50
51
1
49
51
37
41
15
39
L~9
30
33
25 25
30
H
55
5')
34
36
36
.~9
41
43
15
35
37
15
51
51
1
51
51
51
51
53
55
2
51
55
51
55
55
55
54
55
37
37
43
44
15
48
50
20
53
55
23 23
44
50
15
50 55
15 15
53
53
23
50
50
20
5
55
55
2 2
33
34
56
,
..
(
.
-~
.j

1..
o o
FIGURE
4--"
C:RNER
FILLING
STATION
EXAMPLE
PRCBLEM
PAGE
4-S----·
I
JOUR
CCST
QD
DESCRIPTION
DAY-
12345
10
20
30
4
xxcc:coccc::cccc~ccc:ccccco
1 2 2
LAYCUT
AND
EXCAVATE
3
15
12
30
14 3
22 20
25 10
26
20
32
25
2 3
2 10
2
12
2 20
3
28
4
23
4 24
6 20
8 4
10
43
12 43
14 44
16 18
18
8
20
3C
22
6
24
40
25
27
26
14
28 14
30 34
30 38
32
14
3
5
2
2
4
10
3
3
2
3
2
2
2
4
4
2
CRDER
*
DEL
LT
STDS
*
SIGNS
CRDER.*
DEL
HYDRAULIC
LIFT
ERECT
FENCE
ORDER
*
DEL
FUEL
TANKS
CRDER
*
DEL
AIR
CCMPRESSOR
ORDER
*
OEL
GREASING
EQUIP
CRDER
*
OEL
FUEL
PUMPS
12
CCNST
LIGHT
SIGN
FOUNDATICNSI2-
CONST
BLDG
FOUNDATIONS
12
CCNST
HYD
LIFT
FOUNDATIONS
12
f
XXXXXXXXXXXXXXXOCCCCCOCCCOCCCC
I I I I
xxxxxxxxxxxxxxxxxxxxxxxxxxxxxx
I I I ,
xxx***************************
f I I I
XXXXXXXXXXXXXXXXXXXXCCCCOOCOOO
f I I I
xxxxxxxxxx********************
1 1 1 I
XXXXXXXXXXXXXXXXXXXx**********
I I
II
XXXXXXXXXXXXXXXXXXXXXXXXx*****
I , I I
X************C:CCC~CCCCCCCOO
,
XXXCCQCCCCCCCCCQCCC~CCCCCCvC
I I I
X***************************
1
INSTL
EXT
CCNDT+PIPG
*
CNECT
35
I I I
XXXXX*******************OOOC
1
INSTL
LIGHT
STANDARD*-SIGNS
2 I I I
XXCCCCCCCCCCCCC
GLAZE
WINDCWS
INSTALL
DOCRS
INSTALL
TANK
PIPING
ERECT
BUILDING
RCCF
INSTL
'NT
PIPING
+
CCNDUIT
INSTALL
HYDRAUl
I C
LIFT
FINAL
INSPECTION
2
2
2
I . I
5
XXXXCOCC
I I
I I I I
3 5
XXx**********************
1 1 1 I
5
1
FORM
*
PCUR
CONCRETE
FLCCR
12
ERECT
BUILDING
WALLS
BACKFilL
FUEL
TANKS
"--GRADE
INSTALL
FUEL
TANKS
INSTAll
I.NT
FIXTURES
I
NSTALI..
AIR
COMPRESSCR
INSTALL
GREASING
EQUIPMENT
CONNECT
liGHTS
*
METER
BOX
FORM
SIDEWALKS
CONSTRUCT
PUMP
ISLANDS
INSTAll
FUEL
PUMPS
12
3
3
I
4'
I
45
1
I
5 I
5 I
12
12-
.
I.
1-
__
I
5
----.--
-
.-
-L
I
XXOC
I
xxcccccccc
I I
x************
I I
XO
I·
XX
I
40
50
ft~~~n~~~Aftftnftnftft~ft~ftft
VVVUVVVVWUVVVVvvvVvvvv
I I
I I
*************************
"""",..'"
"'''''"'vu
I I
I I
*********************
I I
*********************
L I
"n~""'''''"",~",''",,,,,'''n'''''''''''''ft'''
vvv,",v,",vuvuvvvvvvuuvuuuv
",,,,~~nn"'n~~"'''''''ft'''~'''''''''''''''''
vvvuvuvu"'uuvvu~vuvvvvv
""'""',.."'"",,,,"
,","'\,IVV,",,,,,",,,,,V...,
"""~""'''''''~''''''~'''''''''''''''''''~~
vvvU,",,",Vuuuuuv,",,",u,",V,",V,",,",uv
",..""",...""",..,...
",,",,,,,,,,,,,,,,,",,",\.1 V
XO
I
XX
I
I I
***
XXX
XX
XXXXXXXXXX
I I
I
XXX
I
""'''''''''''''''
",..."'''''''
\,Iv,",,",,",v,,",,",vu,,,,,",
"''''''''''''''''
vvvvvvV
I I
XXCC
XXXX
XXXX
X
-1:************************
I I
,..."''''""""",,''''
""""
uvvvvuuvVV\J'..,vv
. ! .
""""""""""""""~"",...,,~
UVU\,lvvvvvvvvu""v"vvv
60
. l
I
..
_I
_L
.1.
_L
__
_
70
_I
__
I
_1-
-'
._1
_I
_I
.-I
_I
_I
_I
_I
__
I
80
____
- 1
____
.
__
- -
1-
____
f..
'-
I
__
J
____
_
1:
__
. _
- I
_I.
1
__
-
_
..
_1.
_________
I.
..:..'-
____
._1
____
_
_
___
L_
.
---1.---
__
..
_I . ______
L_
.
--
---
--
---'--
_._-_1._._-
_____
1
_I
___
I
I.
gO
I.
I.
'-
I.
- I
-I.
'-
i I .
____
f ____
:.
_____
I.
1--.-'--_
..
XX***********************
I !
c
PAGE
5-5
tOO
t"
I'
t -
..
110
I.
l-
I.
I
I.
-I.
I.
1-
·1-
L
I
I.
I.
I.
I.
I
1

/--
.C~RNER
FILLING
STATION
EXAMPLE
PROBLEM
I J
OUR
COST
QO
DESCRIPTION·
OAY-1234S
10
34
36·
6
POUR
AND
STRIP
SIDEWALKS
1
36
14
5
PAVE
SERVICE
*
PARKING
AREA
1
43
J6
~ACKFILL
BLDG
INT
ANQ
FDNS.1 4
I.
..
______
t_
...•...
_--'-
--'--
--'-_._-
..
__
1
__
_
..
__
, __ .
_
....
_
....
_1
____
.
..1._
.
...
___
L._
..
_ .•
____
l~_.
.
___
1
__
..
.
__
,
__
..
.
__
1_-
.
____
I
___
I _
.
__
.
__
._.
__
L
___
.1.
PAGE
6-S
20
·1
30
X
I
r!
I.
I.
I.
I.
I '
t
I.
I
I.
I.
.
,l
J.
...
-_.
__
--.1_._-_1.-
____
._
.. I
_.-.
__
..
___
._1.
()
._-----------
.•.
-------
...
--
.....
--_._-
._----
PAGE
7-5
"}
40 50 60
xxxxxccocccccccccccc
70
80
90
tOO
110
X
()
I I
XXXXX*********~
I I
. I
I.
. . 1
I.
---,_._
...
___
L
-
__
._
1-
.--1.
..
_.
___
~I
J
_J
..
1..
_L
1_..
I .
.
...J
_.'.
____
._
..
1..
__
._
J _._. _ I.
_.
_.
_
1_
_I
...
__
._.
___
L-_
..
_.
.
J.
__
.
___
1.
__
..
_.
__
.
__
1_
J _1._- .
I.
_I. .
..
__
._J._
.
J
_I...
___
1
__
.
I.
__
L 1.----- _
_l_·
___
J
____
._.I_
.....
-1. ..
___~_--'
____
.
____
_
1_
..--'_
..:
..
-.--
_L__._
1 _
_'--
...
___
....
_.1
___
.
,_
.
___
.L._.
___
.
__
L_
_I
...
. ..
__
1. __
._
..
__
-L_
..
___
..
1·
..
.
__
1-_
.....
_ ....
__
..
J_
.....
___
1
...
1..
--'---
__
.
___
L
-.....
__
....
_.
._.
____
1.
_._.1
..
_-.t...
_I
J
.I
_I
J
___
I
....
_...
.1.
____
.L--_
I.
-_1;
__
-
.
__
1
__
-
.-1
__
-
...
___
0
__
.1
L
___
.
__
1._
. ___ L
___
..I._._
..
__
1 .
I .
.1-
f.
l.
.
..
1 .
._L
.1-
.1-
I-
I-
1-.
.-1.. .
.-
'.
J
.-
.
____
.
__
1
_______
.1
.-"---.
1
-~-.--
,-
.7
e • .,
()