NEC Accu Sync LCD51VM 1277924975 Servicemanual English
User Manual: NEC AccuSync LCD51VM
Open the PDF directly: View PDF
.
Page Count: 128 [warning: Documents this large are best viewed by clicking the View PDF Link!]
- AccuSync LCD51VM
- 01_MANUAL.pdf
- 02_Serial_Number_Information.pdf
- 03_DISASSEMBLY.pdf
- 04_Adjustment.pdf
- 05_Inspection.pdf
- 06_Troubleshooting.pdf
- TROUBLE SHOOTING
- TABLE OF CONTENTS
- 1. No Display on Screen (Screen is Black, LED is Amber)
- 2. No Display on Screen (Screen is Black, LED is Green)
- 3. Checking the Back Light Unit
- 4. Abnormal Screen
- 5. Abnormal Plug and Play Operation
- 6. Checking the Sync Signal Interface Circuit
- 7. Checking the Scaling IC Operation
- 8. No Power On
- 9. Checking the Audio Operation
- TROUBLE SHOOTING
- 07_Circuit Discription.pdf
- 08_Part List LCD51VM.pdf
- 09_Block.pdf
- 10_Schematic.pdf
- 11_Packing specification.pdf

COLOR MONITOR
AccuSyncTM LCD51VM
MODEL ID LCD51VM(A)/-BK(A)/-BK(B)
200309
08R510AY
08R520AY
08R520BY
SERVICE MANUAL
PART NO. 599910663
1st Edition
NEC-MITSUBISHI ELECTRIC VISUAL SYSTEMS CORPORATION
JULY 2003

WARNING
The SERVICE PERSONNEL should have the appropriate technical training, knowledge and experience
necessary to:
• Be familiar with specialized test equipment, and
• Be careful to follow all safety procedures to minimize danger to themselves and their coworkers.
To avoid electrical shocks, this equipment should be used with an appropriate power cord.
This equipment utilized a micro-gap power switch. Turn off the set by first pushing power switch. Next,
remove the power cord from the AC outlet.
To prevent fire or shock hazards, do not expose this unit to rain or moisture.
This symbol warns the personnel that un-insulated voltage within the unit may have sufficient
magnitude to cause electric shock.
This symbol alerts the personnel that important literature concerning the operation and
maintenance of this unit has been included.
Therefore, it should be read carefully in order to avoid any problems.
PRODUCT SAFETY CAUTION
1. When parts replacement is required for servicing, always use the manufacturer's specified replacement.
2. When replacing the component, always be certain that all the components are put back in the place.
3. As for a connector, pick and extract housing with fingers properly since a disconnection and improper
contacts may occur, when wires of the connector are led.
4. Use a proper screwdriver. If you use screwdriver that does not fit, you may damage the screws.
CONTENTS
Page No.
USER'S MANUAL -------------------------------------------------------------------- 1-1
SERIAL NUMBER INFORMATION ---------------------------------------------- 2-1
DISASSEMBLY ----------------------------------------------------------------------- 3-1
ADJUSTMENT PROCEDURES --------------------------------------------------- 4-1
INSPECTION ---------------------------------------------------------------------------- 5-1
TROUBLE SHOOTING -------------------------------------------------------------- 6-1
CIRCUIT DESCRIPTION ------------------------------------------------------------ 7-1
REPLACEMENT PARTS LIST ---------------------------------------------------- 8-1
BLOCK DIAGRAM ------------------------------------------------------------------- 9-1
SCHEMATIC DIAGRAMS ---------------------------------------------------------- 10-1
PACKING SPECIFICATION -------------------------------------------------------- 11-1

1-1
User's Manual
1. A Version
AccuSync
TM
LCD51VM/LCD71VM

1-2
W
arn
i
ng .................................................................................................................... 1
C
on
t
en
t
s ................................................................................................................. 2
Quic
k
Start .............................................................................................................
3
C
ontro
l
s ...................................................................................................................7
Recommen
d
e
d
Use.............................................................................................. 10
Sp
ec
i
f
ications .......................................................................................................12
F
eatures ............................................................................................................... 14
Tr
ou
bl
es
h
ooting ................................................................................................... 15
R
efe
r
e
n
ces .............................................................................................................
1
6
Limite
d
Warranty................................................................................................. 17
T
C
O
‘
99 .................................................................................................................. 18
Av
ert
i
ssement ......................................................................................................21
C
on
t
enu................................................................................................................. 22
Mise en marc
h
e rapi
d
e ...................................................................................... 23
Co
mman
d
es .......................................................................................................... 27
Usage recommand
é
............................................................................................ 3
0
Sp
é
cifica
t
i
on
s
......................................................................................................
32
Fonct
i
ons ............................................................................................................. 34
D
é
pannage ............................................................................................................ 35
R
é
f
é
rences ........................................................................................................... 36
Ga
r
antie limit
é
e .................................................................................................. 3
7
T
C
O
‘
99 .................................................................................................................. 38
Index

1-3
1
CAUTIO
N
: TO REDUCE THE RISK OF ELECTRIC SHOCK, MAKE SURE POWER CORD IS U
N
PLUGGED FROM
WALL SOCKET. TO FULLY DISE
N
GAGE THE POWER TO THE U
N
IT, PLEASE DISCO
NN
ECT THE POWER
CORD FROM THE AC OUTLET. DO NOT REMOVE COVER
(
OR BACK
)
. NO USER SERVICEABLE PARTS
I
N
SIDE. REFER SERVICI
N
G TO QUALIFIED SERVICE PERSO
NN
EL.
T
h
i
s
symbol warns user that uninsulated voltage within the unit may have sufficient magnitude to cause
electric shock. Therefore, it is dangerous to make any kind of contact with any part inside this unit.
This symbol alerts the user that important literature concerning the operation and maintenance o
f
thi
s
unit has been included. There
f
ore, it should be read care
f
ully in order to avoid any problems
.
W
ARNIN
G
CAUTI
ON
C
a
n
a
d
i
a
n
D
e
p
a
r
t
m
e
n
t
o
f
C
o
m
m
u
n
i
c
a
t
i
o
n
s
C
o
m
p
l
i
a
n
c
e
S
t
a
t
e
m
e
n
t
D
O
C
:
T
h
i
s
C
l
a
s
s
B
d
i
g
i
t
a
l
a
p
p
a
r
a
t
u
s
m
e
e
t
s
a
l
l
r
e
q
u
i
r
e
m
e
n
t
s
o
f
t
h
e
C
a
n
a
d
i
a
n
I
n
t
e
r
f
e
r
e
n
c
e
-
C
a
u
s
i
n
g
E
q
u
i
p
m
e
n
t
R
e
g
u
l
a
t
i
o
n
s
.
C
-
U
L
:
B
e
a
r
s
t
h
e
C
-
U
L
M
a
r
k
a
n
d
i
s
i
n
c
o
m
p
l
i
a
n
c
e
w
i
t
h
C
a
n
a
d
i
a
n
S
a
f
e
t
y
R
e
g
u
l
a
t
i
o
n
s
a
c
c
o
r
d
i
n
g
t
o
C
A
N
/
C
S
A
C
2
2
.
2
N
o
.
6
0
9
5
0
.
F
C
C
I
n
f
o
r
m
a
t
i
o
n
1
.
U
s
e
t
h
e
a
t
t
a
c
h
e
d
s
p
e
c
i
f
i
e
d
c
a
b
l
e
s
w
i
t
h
t
h
e
A
c
c
u
S
y
n
c
L
C
D
5
1
V
M
(
L
1
5
2
R
5
)
o
r
A
c
c
u
S
y
n
c
L
C
D
7
1
V
M
(
L
1
7
2
R
6
)
c
o
l
o
r
m
o
n
i
t
o
r
s
o
a
s
n
o
t
t
o
i
n
t
e
r
f
e
r
e
w
i
t
h
r
a
d
i
o
a
n
d
t
e
l
e
v
i
s
i
o
n
r
e
c
e
p
t
i
o
n
.
(
1
)
P
l
e
a
s
e
u
s
e
t
h
e
s
u
p
p
l
i
e
d
p
o
w
e
r
c
o
r
d
o
r
e
q
u
i
v
a
l
e
n
t
t
o
e
n
s
u
r
e
F
C
C
c
o
m
p
l
i
a
n
c
e
.
(
2
)
P
l
e
a
s
e
u
s
e
t
h
e
s
u
p
p
l
i
e
d
s
h
i
e
l
d
e
d
v
i
d
e
o
s
i
g
n
a
l
c
a
b
l
e
.
U
s
e
o
f
o
t
h
e
r
c
a
b
l
e
s
a
n
d
a
d
a
p
t
e
r
s
m
a
y
c
a
u
s
e
i
n
t
e
r
f
e
r
e
n
c
e
w
i
t
h
r
a
d
i
o
a
n
d
t
e
l
e
v
i
s
i
o
n
r
e
c
e
p
t
i
o
n
.
2
.
T
h
i
s
e
q
u
i
p
m
e
n
t
h
a
s
b
e
e
n
t
e
s
t
e
d
a
n
d
f
o
u
n
d
t
o
c
o
m
p
l
y
w
i
t
h
t
h
e
l
i
m
i
t
s
f
o
r
a
C
l
a
s
s
B
d
i
g
i
t
a
l
d
e
v
i
c
e
,
p
u
r
s
u
a
n
t
t
o
p
a
r
t
1
5
o
f
t
h
e
F
C
C
R
u
l
e
s
.
T
h
e
s
e
l
i
m
i
t
s
a
r
e
d
e
s
i
g
n
e
d
t
o
p
r
o
v
i
d
e
r
e
a
s
o
n
a
b
l
e
p
r
o
t
e
c
t
i
o
n
a
g
a
i
n
s
t
h
a
r
m
f
u
l
i
n
t
e
r
f
e
r
e
n
c
e
i
n
a
r
e
s
i
d
e
n
t
i
a
l
i
n
s
t
a
l
l
a
t
i
o
n
.
T
h
i
s
e
q
u
i
p
m
e
n
t
g
e
n
e
r
a
t
e
s
,
u
s
e
s
,
a
n
d
c
a
n
r
a
d
i
a
t
e
r
a
d
i
o
f
r
e
q
u
e
n
c
y
e
n
e
r
g
y
,
a
n
d
,
i
f
n
o
t
i
n
s
t
a
l
l
e
d
a
n
d
u
s
e
d
i
n
a
c
c
o
r
d
a
n
c
e
w
i
t
h
t
h
e
i
n
s
t
r
u
c
t
i
o
n
s
,
m
a
y
c
a
u
s
e
h
a
r
m
f
u
l
i
n
t
e
r
f
e
r
e
n
c
e
t
o
r
a
d
i
o
c
o
m
m
u
n
i
c
a
t
i
o
n
s
.
H
o
w
e
v
e
r
,
t
h
e
r
e
i
s
n
o
g
u
a
r
a
n
t
e
e
t
h
a
t
i
n
t
e
r
f
e
r
e
n
c
e
w
i
l
l
n
o
t
o
c
c
u
r
i
n
a
p
a
r
t
i
c
u
l
a
r
i
n
s
t
a
l
l
a
t
i
o
n
.
I
f
t
h
i
s
e
q
u
i
p
m
e
n
t
d
o
e
s
c
a
u
s
e
h
a
r
m
f
u
l
i
n
t
e
r
f
e
r
e
n
c
e
t
o
r
a
d
i
o
o
r
t
e
l
e
v
i
s
i
o
n
r
e
c
e
p
t
i
o
n
,
w
h
i
c
h
c
a
n
b
e
d
e
t
e
r
m
i
n
e
d
b
y
t
u
r
n
i
n
g
t
h
e
e
q
u
i
p
m
e
n
t
o
f
f
f
f
f
a
n
d
o
n
,
t
h
e
u
s
e
r
i
s
e
n
c
o
u
r
a
g
e
d
t
o
t
r
y
t
o
c
o
r
r
e
c
t
t
h
e
i
n
t
e
r
f
e
r
e
n
c
e
b
y
o
n
e
o
r
m
o
r
e
o
f
t
h
e
f
o
l
l
o
w
i
n
g
m
e
a
s
u
r
e
s
:
•
R
e
o
r
i
e
n
t
o
r
r
e
l
o
c
a
t
e
t
h
e
r
e
c
e
i
v
i
n
g
a
n
t
e
n
n
a
.
•
I
n
c
r
e
a
s
e
t
h
e
s
e
p
a
r
a
t
i
o
n
b
e
t
w
e
e
n
t
h
e
e
q
u
i
p
m
e
n
t
a
n
d
r
e
c
e
i
v
e
r
.
•
C
o
n
n
e
c
t
t
h
e
e
q
u
i
p
m
e
n
t
i
n
t
o
a
n
o
u
t
l
e
t
o
n
a
c
i
r
c
u
i
t
d
i
f
f
f
f
f
e
r
e
n
t
f
r
o
m
t
h
a
t
t
o
w
h
i
c
h
t
h
e
r
e
c
e
i
v
e
r
i
s
c
o
n
n
e
c
t
e
d
.
•
C
o
n
s
u
l
t
y
o
u
r
d
e
a
l
e
r
o
r
a
n
e
x
p
e
r
i
e
n
c
e
d
r
a
d
i
o
/
T
V
t
e
c
h
n
i
c
i
a
n
f
o
r
h
e
l
p
.
I
f
n
e
c
e
s
s
a
r
y
,
t
h
e
u
s
e
r
s
h
o
u
l
d
c
o
n
t
a
c
t
t
h
e
d
e
a
l
e
r
o
r
a
n
e
x
p
e
r
i
e
n
c
e
d
r
a
d
i
o
/
t
e
l
e
v
i
s
i
o
n
t
e
c
h
n
i
c
i
a
n
f
o
r
a
d
d
i
t
i
o
n
a
l
s
u
g
g
e
s
t
i
o
n
s
.
T
h
e
u
s
e
r
m
a
y
f
i
n
d
t
h
e
f
o
l
l
o
w
i
n
g
b
o
o
k
l
e
t
,
p
r
e
p
a
r
e
d
b
y
t
h
e
F
e
d
e
r
a
l
C
o
m
m
u
n
i
c
a
t
i
o
n
s
C
o
m
m
i
s
s
i
o
n
,
h
e
l
p
f
u
l
:
”
H
o
w
t
o
I
d
e
n
t
i
f
y
f
y
f
a
n
d
R
e
s
o
l
v
e
R
a
d
i
o
-
T
V
I
n
t
e
r
f
e
r
e
n
c
e
P
r
o
b
l
e
m
s
.
“
T
h
i
s
b
o
o
k
l
e
t
i
s
a
v
a
i
l
a
b
l
e
f
r
o
m
t
h
e
U
.
S
.
G
o
v
e
r
n
m
e
n
t
P
r
i
n
t
i
n
g
O
f
f
f
f
f
i
c
e
,
W
a
s
h
i
n
g
t
o
n
,
D
.
C
.
,
2
0
4
0
2
,
S
t
o
c
k
N
o
.
0
0
4
-
0
0
0
-
0
0
3
4
5
-
4
.
T
O
P
R
E
V
E
N
T
F
I
R
E
O
R
S
H
O
C
K
H
A
Z
A
R
D
S
,
D
O
N
O
T
E
X
P
O
S
E
T
H
I
S
U
N
I
T
T
O
R
A
I
N
O
R
M
O
I
S
T
U
R
E
.
A
L
S
O
,
D
O
N
O
T
U
S
E
T
H
I
S
U
N
I
T
'
S
P
O
L
A
R
I
Z
E
D
P
L
U
G
W
I
T
H
A
N
E
X
T
E
N
S
I
O
N
C
O
R
D
R
E
C
E
P
T
A
C
L
E
O
R
O
T
H
E
R
O
U
T
L
E
T
S
U
N
L
E
S
S
T
H
E
P
R
O
N
G
S
C
A
N
B
E
F
U
L
L
Y
I
N
S
E
R
T
E
D
.
R
E
F
R
A
I
N
F
R
O
M
O
P
E
N
I
N
G
T
H
E
C
A
B
I
N
E
T
A
S
T
H
E
R
E
A
R
E
H
I
G
H
V
O
L
T
A
G
E
C
O
M
P
O
N
E
N
T
S
I
N
S
I
D
E
.
R
E
F
E
R
S
E
R
V
I
C
I
N
G
T
O
Q
U
A
L
I
F
I
E
D
S
E
R
V
I
C
E
P
E
R
S
O
N
N
E
L
.
C
h
a
n
g
e
s
o
r
m
o
d
i
f
i
c
a
t
i
o
n
s
n
o
t
e
x
p
r
e
s
s
l
y
a
p
p
r
o
v
e
d
b
y
t
h
e
p
a
r
t
y
r
e
s
p
o
n
s
i
b
l
e
f
o
r
c
o
m
p
l
i
c
a
n
c
e
c
o
u
l
d
v
o
i
d
t
h
e
u
s
e
r
'
s
a
u
t
h
o
r
i
t
y
t
o
o
p
e
r
a
t
e
t
h
e
e
q
u
i
p
m
e
n
t
.

1-4
2
C
on
t
en
ts
*R
emem
b
er to save your origina
l
b
ox an
d
pac
k
ing materia
l
to transport or s
h
ip t
h
e monitor.
Your new NEC AccuSync LCD monitor
b
ox* s
h
ou
ld
contain t
he
f
ollowing:
•
AccuSync LCD monitor wit
h
ti
l
t
b
ase • Au
d
io Ca
ble
•
Po
w
er Cor
d
• Vi
d
eo Signa
l
Ca
ble
•
User
’
s Manu
a
l
•
B
as
e
stan
d
A
A
ccuSync LCD monitor
(
base stand not connected
)
B
ase
St
an
d

1-5
3
Qu
i
ck Star
t
To
attac
h
t
h
e Base to t
h
e LCD Stan
d:
1. Insert the
f
ront o
f
the LCD Stand into the holes in the
f
ront o
f
the Base
.
2. Next, position the locking tabs on the back side o
f
the LCD Stand with the holes on the
Base. Lower t
h
e Stan
d
unti
l
l
oc
k
ing ta
b
s are secure
.
To
attach the AccuSync LCD monitor to your system,
f
ollow these instructions
:
1. Turn o
ff
the power to your computer
.
2. For the PC with Analog output: Connect the 15-pin mini D-SUB signal cable to the
connector o
f
the display card in your system
gp
(
Figure A.1
)
. Tig
h
ten a
ll
screws
.
For t
h
e MAC: Connect t
h
e AccuSync Macintos
h
ca
bl
e a
d
apter to t
h
e computer, t
h
e
n
attac
h
t
h
e 15-pin mini D-SUB signa
l
ca
bl
e to t
h
e AccuSync Macintos
h
ca
bl
e a
d
apte
r
(
Figure A.2
)
. Tig
h
ten a
ll
screws
.
NOTE: To o
b
tain t
h
e AccuSync Macintos
h
ca
bl
e a
d
apter, ca
ll
NEC-Mitsu
b
is
h
i E
l
ectronic
s
Display o
f
America, Inc. at (800) 632-4662
.
3. Connect the 15-pin mini D-SUB o
f
the video signal cable to the appropriate connecto
r
on the back o
f
the monito
r
(
Figure B.1
)
. Connect t
h
e au
d
io ca
bl
e to AUDIO-INPUT o
n
the back o
f
the monitor and the other end to the “Audio out” terminal o
f
the computer
.
Headphones may be connected to the “Headphones” output on the back of the
monitor
“
”. While the headphones are connected, the sound from the speakers will
ypp
be disabled. Headphones can be purchased
f
rom your local electronics store
.
4. Connect one end o
f
the power cord to the LCD and the other end to the power outlet
.
P
l
ace t
h
e vi
d
eo signa
l
ca
bl
e an
d
power cor
d
b
etween t
h
e ca
bl
e
h
o
ld
e
r
(
Figure B.1
)
.
NOTE: Adjust the position o
f
cables between the holder to avoid damage
.
NOTE: I
f
you use this monitor at AC125-240V, please re
f
er to Recommended Us
e
section o
f
this manual
f
or proper selection o
f
power cord
.
5. Turn on the monitor with the
f
ront power button and the computer.
(
Figure C.1
)
6. No-touc
h
Auto A
d
just automatica
ll
y a
d
justs t
h
e monitor to optima
l
settings upon initia
l
setup
f
or most timings. For
f
urther adjustments, use the
f
ollowing OS
M
®
controls:
®
• Auto A
d
just Contras
t
• Auto A
d
jus
t
Re
f
er to the Controls section o
f
this User’s Manual
f
or a
f
ull description o
f
thes
e
OSM contro
l
s
.
NO
TE
:
For download in
f
ormation on the Windows
®
95/98/Me/2000/XP INF file for your AccuSync
®
monitor, re
f
er to the Re
f
erence
s
section o
f
this User’s Manual
.
NO
TE
:
I
f
you have any problems, please re
f
er to the
Tr
ou
bl
es
h
ootin
g
section o
f
this User’s Manual
.
1
Loc
k
ing Ta
bs
o
nt
B
as
e
Stan
d
B
as
e

1-6
4
Qu
i
ck Star
t
–cont
i
nue
d
Note: Some Macintosh
s
y
stems
d
o not re
q
uire
a
MacintoshCable Adapter
yqq
Figure
A
.
1
Figure
C
.
1
Figure
A
.
2
Macintos
h
Ca
ble
A
d
a
p
te
r
(not include)
pp
F
igure
B
.
1
S
u
b)
h
o
ld
e
r
H
e
a
d
p
h
o
n
e
A
u
d
i
o
i
n
p
u
t
Power
b
utto
n

1-7
5
Ti
lt
Grasp both sides o
f
the monitor screen with your hand
s
an
d
a
d
just t
h
e ti
l
t as
d
esire
d
(
F
i
gure TS.
1
)
.
Remove Monitor Stand
f
or Mountin
g
To prepare the monitor
f
or alternate mounting purposes
:
1.Disconnect a
ll
ca
bl
es
.
2.Place monitor
f
ace down on a nonabrasive sur
f
ac
e
(
Figure R.1
)
.
3.Remove the 2 screws on the stand and li
f
t o
ff
the stand
(
Figure R.1
)
.
4.Remove t
h
e 4 screws connecting t
h
e monitor to t
h
e stan
d
an
d
remove t
he
meta
l
p
l
ate
(
Figure R.2
)
.
The monitor is now ready
f
or mounting in an alternate manner
.
5.
Connect the AC cord and signal cable to the back o
f
the monito
r
(
Figure R.3
)
.
6. Reverse t
h
is process to reattac
h
stan
d.
NOTE: Use on
l
y VESA-compati
bl
e a
l
ternative mounting met
h
o
d.
NO
TE
:
Han
dl
e wit
h
care w
h
en removing monitor stan
d.
Qu
i
ck Star
t
–cont
i
nue
d
Figure T
S
.
1
Figure R.
2
F
igure
R
.
1
non-a
b
rasiv
e
sur
f
ac
e
Figure R.
3

1-8
6
Qu
i
ck Star
t
–cont
i
nue
d
Removing t
h
e Bas
e
Note: A
l
wa
y
s remove t
h
e Base w
h
en s
h
i
pp
in
g
t
h
e LCD
.
1.
Place monitor
f
ace down on a non-abrasiv
e
sur
f
ac
e
(
Figure R.1
)
.
2. W
h
i
l
e using your t
h
um
b
s, press t
h
e
b
ottom ta
bs
upwar
d
to un
l
oc
k.
3. Press the top tabs down to unlock and pull o
ff
the stand
.
Connecting a F
l
exi
bl
e Ar
m
This LCD monitor is designed
f
or use with a
f
lexible arm. Please use the attache
d
screws (4pcs) as s
h
own in t
h
e picture w
h
en insta
ll
ing
.
To meet the sa
f
ety requirements, the monitor must be mounted to an arm whic
h
guaranties the necessary stability under consideration o
f
the weight o
f
the monitor
.
T
h
e LCD monitor s
h
ou
ld
on
l
y
b
e use
d
wit
h
an approve
d
arm (e.g. GS mar
k
)
.
Rep
l
ace screw
s
Speci
f
ication
s
I
f
using other screws, check depth o
f
holes
.
4-SCREWS
(
M4
)
T
ig
h
ten a
ll
screws
.
Thickness o
f
Bracket (Arm
)
2
.
0
~
3
.
2
m
m
(MAX
d
ept
h
: 8.5 mm
)
75 mm
(
LCD51VM
)
100 mm
(
LCD71VM
)
7
5 mm
(
LCD51VM
)
100 mm
(
LCD71VM
)
W
eight of LCD assembly:
W
W
2.6
k
g - LCD51VM (MAX
)
4.0
k
g -LCD71VM (MAX
)

1-9
7
C
ontro
ls
O
S
M
®
(On-Screen Manager) control buttons on the front of the
®
monitor
f
unction as
f
ollows
:
V
O
LUM
E
M
UT
E
%
OSM
d
isp
l
aye
d
Shortcut to bright
adjust window
g
B
utton
OSM Of
f
S
h
ortcut to vo
l
um
e
a
d
just win
d
o
w
“Auto adjust“
function
OSM
On
(Icon se
l
ectio
n
stage
)
M
oves t
o
A
d
justment stag
e
Cursor moves le
ft
C
ursor moves
right
OSM
On
(A
d
justmen
t
stage
)
M
oves to Ico
n
se
l
ection stag
e
Adjust value
d
ecrease o
r
j
Cursor for adjust
moves
l
e
ft
Adjust value
i
ncrease o
r
j
Cursor for adjust
moves r
i
g
ht
Reset operatio
n
Mute o
ff/
on Volum
e
a
d
justment win
d
o
w
SELE
CT
–
+
AU
TO
/
RE
S
ET
1. Basic key functio
n
2
.
OSM
S
tructur
e
Main Menu (Icon Se
l
ect
)
Su
b
Menu (Icon Se
l
ect
)
P
res
s
“S
ELE
C
T
”
k
e
y
P
res
s
“S
ELE
C
T
”
k
e
y
P
ress
“–“ or “ +”
–
“
”
A
d
just
b
y usin
g
“
–
“
or
“
+
”.
Main Menu
(
A
dj
ust
)
(j)
Su
b
Menu (A
d
just
)
Press “SELECT” key
y
Press
“S
ELE
C
T
”
k
e
y
P
res
s
“
–
“
or
“
+
”
“
”
A
d
just
b
y usin
g
“
–
“
or
“
+
”.
Press “SELECT”
k
e
y
P
ress “SELECT”
k
e
y

1-10
8
C
ontro
l
s
–cont
i
nue
d
A
UDI
O
Control the sound volume o
f
s
p
eakers and head
p
hone.
To mute the speaker sound, press the AUTO/RESET key.
pppp
BRI
G
HT
N
E
SS
A
d
justs t
h
e overa
ll
image an
d
b
ac
k
groun
d
screen
b
rig
h
tness
.
CON
TR
AST
A
d
justs t
h
e image
b
rig
h
tness in re
l
ation to t
h
e
b
ac
k
groun
d.
A
UT
O
CON
TR
AST
Adjusts the image displayed
f
or non-standard video inputs
.
A
UT
O
A
DJU
ST
Automatica
ll
y a
d
justs t
h
e Image Position, t
h
e H. Size an
d
Fine setting
.
LEFT
/
RIGH
T
Controls Horizontal Image Position within the display area o
f
the LCD
.
DOWN
/
U
P
Controls Vertical Image Position within the display area o
f
the LCD
.
H.
S
IZ
E
A
d
justs t
h
e
h
orizonta
l
size
b
y increasing or
d
ecreasing t
h
is setting
.
FI
NE
Improves focus, clarity and image stability by increasing or decreasing
this setting.
p
CO
L
O
R
CON
TR
O
L
S
Y
S
TE
MS
Four co
l
or presets (9300
/
7500
/
6500
/
USER) se
l
ect t
h
e
d
esire
d
co
l
o
r
sett
i
ng
.
CO
L
O
R RE
D
Increase or
d
ecreases Re
d
. T
h
e c
h
ange wi
ll
appear on screen
.
CO
L
O
R
G
REE
N
Increase or
d
ecreases Green. T
h
e c
h
ange wi
ll
appear on screen
.
CO
L
O
R BLU
E
Increase or
d
ecreases B
l
ue. T
h
e c
h
ange wi
ll
appear on screen
.
T
OOL
Selecting TOOL allows you to get into the sub menu
.
F
ACTORY PRESET
F
F
Selecting Factory Preset allows you to reset all OSM control settings back
to the factory settings. The RESET button will need to be held down for
gy y g
gy y g
several seconds to tage effect. Individual settings can be reset by
yg
yg
h
ig
hl
ig
h
ting t
h
e contro
l
to
b
e reset an
d
pressing t
h
e RESET
b
utton
.
gg
gg

1-11
9
C
ontro
l
s
–cont
i
nue
d
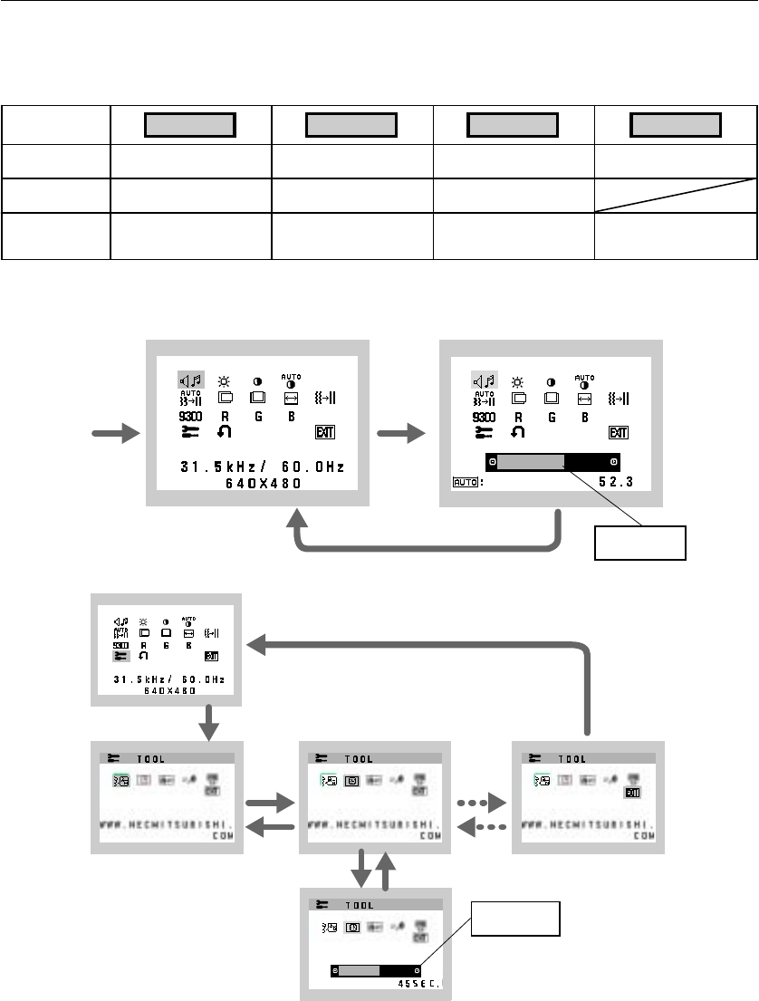
OSM
®
Warning:
OSM Warnin
g
menus
d
isa
pp
ear wit
h
SELECT
b
utton
.
NO
S
I
GNA
L
:
This function gives a warning when there is no signal present.
gg
gppgpp
After power is turned on or when there is a change of input signal or video
gg gpgg gp
is inactive, t
he
p
No Signa
l
window will appear.
RE
SO
LUTI
ON
NO
TIFIER
:
This function gives a warning of use with
pp
optimized resolution. After power is turned on or when there is a change
gg
gg
of input signal or the video signal doesn’t have proper resolution, the
pp g
pp g
Reso
l
ution Noti
f
ie
r
pg
pg
win
d
ow wi
ll
open. T
h
is
f
unction can
b
e
d
isa
bl
e
d
i
n
gpp
gpp
t
h
e TOOL menu
.
O
UT
O
F R
ANG
E
:
This
f
unction
g
ives a recommendation o
f
the o
p
timize
d
resolution and refresh rate. After the power is turned on or there is a change
gpgp
of input signal or the video signal doesn’t have proper timing, the
pp
Out Of
g
R
ang
e
menu wi
ll
appear
.
g
EXIT
Se
l
ecting EXIT a
ll
ows you exit OSM menu
/
su
b
menu
.
L
ANG
U
AGE
OSM contro
l
menus are avai
l
a
bl
e in seven
l
anguages
.
OSM
TUR
N
O
F
F
The OSM control menu will stay on as long as it is in use. In the OSM
Tu
rn
OFF submenu, you can select how long the monitor waits after
yg
yg
the last touch of a button to shut off the OSM control menu. The preset
yg
yg
c
h
oices are 10 - 120 secon
d
s in 5 secon
d
interva
l
s
.
OSM
L
OC
K
O
U
T
This control com
p
letel
y
locks out access to all OSM control
f
unction
s
without Brightness and Contrast. When attempting to activate OSM
pypy
controls while in the Lock Out mode, a screen will appear indicating
gpg
gpg
the OSM are locked out. To activate the OSM Lock Out function, press
pp g
pp
“AUTO
/
RESET“, t
h
en “+“
k
e
y
an
d
h
o
ld
d
own simu
l
taneous
ly
. To
d
e
-
p
p
activate the OSM Lock Out, press “AUTO/ RESET“, then “+“ key and
yy
yy
h
o
ld
d
own simu
l
taneous
l
y
.
RE
SO
LUTI
ON
NO
TIFIE
R
I
f
ON is selected, a messa
g
e will a
pp
ear on the screen a
f
ter 3
0
seconds, notifying you that the resolution is not at optimal resolution.
gpp
gpp
MON
IT
O
R I
N
F
O
Indicates the model and serial numbers o
f
your monitor.

1-12
1
0
Re
commen
d
e
d
Us
e
Sa
f
ety Precautions and Maintenanc
e
FOR OPTIMUM PERFORMA
N
CE, PLEASE
N
OTE TH
E
FOLLOWI
N
G WHE
N
SETTI
N
G UP A
N
D USI
N
G
THE ACCUSY
N
C LCD COLOR MO
N
ITOR
:
•
D
O
NO
T
O
PE
N
THE
MON
IT
O
R. T
h
ere are no user servicea
bl
e parts insi
d
e an
d
opening o
r
removing covers may expose you to dangerous shock hazards or other risks. Re
f
er all servicing t
o
quali
f
ied service personnel
.
•
Do not spi
ll
any
l
iqui
d
s into t
h
e ca
b
inet or use your monitor near water
.
•
Do not insert objects o
f
any kind into the cabinet slots, as they may touch dangerous voltag
e
points, which can be harm
f
ul or
f
atal or may cause electric shock,
f
ire or equipment
f
ailure
.
•
Do not place any heavy objects on the power cord. Damage to the cord may cause shock or
f
ire
.
•
Do not place this product on a sloping or unstable cart, stand or table, as the monitor may
f
all
,
causing serious
d
amage to t
h
e monitor
.
•
W
h
en operating t
h
e AccuSync LCD monitor wit
h
its AC 125-240V power supp
l
y, use a powe
r
supply cord that matches the power supply voltage o
f
the AC power outlet being used. The powe
r
supply cord you use must have been approved by and comply with the sa
f
ety standards o
f
you
r
country. (Type H05VV-F s
h
ou
ld
b
e use
d
in Europe
)
•
In UK, use a BS-approved power cord with molded plug having a black (5A)
f
use installed
f
or us
e
with this monitor. I
f
a power cord is not supplied with this monitor, please contact your supplier
.
•
Do not p
l
ace any o
b
jects onto t
h
e monitor an
d
d
o not use t
h
e monitor out
d
oors
.
•
The inside o
f
the
f
luorescent tube located within the LCD monitor contains mercury
.
Please
f
ollow the bylaws or rules o
f
your municipality to dispose o
f
the tube properly
.
Immediately unplug your monitor
f
rom the wall outlet and re
f
er servicing to quali
f
ied servic
e
personnel under the
f
ollowing conditions
:
•
W
h
en t
h
e power supp
l
y cor
d
or p
l
ug is
d
amage
d.
•
I
f
liquid has been spilled, or objects have
f
allen into the monitor
.
•
I
f
the monitor has been exposed to rain or water
.
•
I
f
the monitor has been dropped or the cabinet damaged
.
•
I
f
the monitor does not operate normally by
f
ollowing operating instructions
.
•
Do not
b
en
d
power cor
d.
•
Do not use monitor in
h
ig
h
temperature,
h
umi
d
,
d
usty, or oi
l
y areas
.
•
I
f
glass is broken, handle with care
.
•
D
o not cover vent on monitor
.
•
I
f
monitor or glass is broken, do not come in contact with the liquid crystal and handle with care
.
•
A
ll
ow a
d
equate venti
l
ation aroun
d
t
h
e monitor so t
h
at
h
eat can proper
l
y
d
issipate. D
o
not
bl
oc
k
venti
l
ate
d
openings or p
l
ace t
h
e monitor near a ra
d
iator or ot
h
er
h
ea
t
sources. Do not put anything on top o
f
monitor
.
•
The power cable connector is the primary means o
f
detaching the system
f
rom th
e
power supp
l
y. T
h
e monitor s
h
ou
ld
b
e insta
ll
e
d
c
l
ose to a power out
l
et w
h
ic
h
is easi
l
y accessi
bl
e
.
•
Handle with care when transporting. Save packaging
f
or transporting
.
Image Pers
i
stenc
e
Image persistence is when a residual or “ghost” image o
f
a previous image remains visible on th
e
screen. Un
l
i
k
e CRT monitors, LCD monitors’ image persistence is not permanent,
b
ut constant image
s
being displayed
f
or a long period o
f
time should be avoided
.
To
alleviate image persistence, turn o
ff
the monitor
f
or as long as the previous image was displayed
.
For example, i
f
an image was on the monitor
f
or one hour and a residual image remains, the monito
r
should be turned o
ff
f
or one hour to erase the image
.
NO
TE
:
As wit
h
a
ll
persona
l
d
isp
l
ay
d
evices, NEC-Mitsu
b
is
h
i E
l
ectronics Disp
l
ay recommen
d
s using
a
moving screen saver at regular intervals whenever the screen is idle or turning o
ff
the monitor whe
n
not
i
n use
.
C
AUTI
ON

1-13
11
Re
commen
d
e
d
Use
–cont
i
nue
d
CORRECT PLACEME
N
T A
N
D ADJUSTME
N
T OF THE MO
N
ITOR
CA
N
REDUCE EYE, SHOULDER A
N
D
N
ECK FATIGUE. CHECK THE
FOLLOWI
N
G WHE
N
YOU POSITIO
N
THE MO
N
ITOR
:
•
For optimum per
f
ormance, allow 20 minutes
f
o
r
w
arm-up
.
•
Adjust the monitor height so that the top o
f
the
screen is at or s
l
ig
h
t
l
y
b
e
l
ow eye
l
eve
l
. Your eye
s
s
h
ou
ld
l
oo
k
s
l
ig
h
t
l
y
d
ownwar
d
w
h
en viewing t
he
middle o
f
the screen
.
•
Position your monitor no c
l
oser t
h
an 16 inc
h
es
and no
f
urther away than 28 inches
f
rom your
eyes. T
h
e optima
l
d
istance is 20 inc
h
es
.
•
Rest your eyes periodically by
f
ocusing on a
n
object at least 20
f
eet away. Blink o
f
ten.
•
Position t
h
e monitor at a 90
°
ang
l
e to win
d
ows an
d
ot
h
er
l
ig
h
t sources t
o
minimize glare and re
f
lections. Adjust the monitor tilt so that ceiling lights d
o
not re
f
lect on your screen.
•
I
f
re
f
lected light makes it hard
f
or you to see your screen, use an antiglare
f
ilter.
•
Clean the LCD monitor sur
f
ace with a lint-
f
ree, nonabrasive cloth. Avoid using
any c
l
eaning so
l
ution or g
l
ass c
l
eaner
!
•
A
d
just t
h
e monitor’s
b
rig
h
tness an
d
contrast contro
l
s to en
h
ance rea
d
a
b
i
l
ity
.
•
Use a
d
ocument
h
o
ld
er p
l
ace
d
c
l
ose to t
h
e screen.
•
Position whatever you are looking at most o
f
the time (the screen o
r
re
f
erence material) directly in
f
ront o
f
you to minimize turning your hea
d
w
h
i
l
e you are typing
.
•
Avoid displaying
f
ixed patterns on the monitor
f
or long periods o
f
time to avoid
image persistence (a
f
terimage e
ff
ects).
•
Get regu
l
ar eye c
h
ec
k
ups
.
Er
g
onom
i
c
s
To realize the maximum ergonomics bene
f
its, we recommend the
f
ollowing
:
•
Use t
h
e
p
reset Size an
d
Position contro
l
s wit
h
stan
d
ar
d
si
g
na
ls
•
Use t
h
e preset Co
l
or Settin
g
•
Use non-interlaced signals with a vertical re
f
resh rate between 60-75H
z
•
Do not use primary color blue on a dark background, as it is di
ff
icult to see an
d
may produce eye
f
atigue to insu
ff
icient contras
t
For more detailed in
f
ormation on setting up a healthy work environment, write th
e
American National Standard
f
or Human Factors Engineering o
f
Visual Display Termina
l
Wor
k
stations – ANSI-HFS Stan
d
ar
d
No. 100-1988 – T
h
e Human Factors Society, Inc
.
P.O. Box 1369, Santa Monica, Cali
f
ornia 90406
.

1-14
1
2
Sp
ec
ifi
cat
i
on
s
Monitor AccuSync LCD51VM Notes
S
pec
ifi
ca
ti
ons
M
on
it
o
r
Monitor AccuSyn
Monitor AccuS
LCD Modu
le
15.0 inch Active matrix; thin
f
ilm transistor (TFT
)
Diagonal:
15.0 inc
hl
iqui
d
crysta
l
d
isp
l
ay (LCD); 0.297 mm
d
o
t
Viewa
bl
e Image Size:
1024 x 768 pitc
h
; 250c
d/m
Native Reso
l
ution (Pixe
l
Count):
2
w
h
ite
l
uminence
;
450:1 contrast ratio, typica
l
Input Signa
l
ANALOG 0.7 Vp-p
/
75 O
h
m
s
Vi
d
eo:
Separate sync TTL Leve
l
(Positive
/
Negative
)
Sync:
Horizonta
l
sync Positive
/
Negativ
e
Vertica
l
sync Positive
/
Negativ
e
Disp
l
ay Co
l
or
s
16,777,216 Depen
d
ing on
d
isp
l
ay car
d
use
d.
Ana
l
og input:
Max
i
mu
m
6
0
Le
f
t/right:
°
/
6
0
°
(
CR>10
)
Viewing Ang
l
e
s
4
0
Up
/
Down:
°
/
6
0
°
(
CR>10
)
Sy
nchronizatio
n
31.5
k
Hz to 60
k
Hz Automatica
lly
Horizonta
l
:
R
ang
e
56 Hz to 75 Hz Automatica
lly
Vertica
l
:
Resolutions Supported 720 x
4
00
*
1
:VG
A
tex
t
S
ome systems may not suppor
t
6
4
0 x
4
80
*
1
at
60
Hz to 75 H
z
a
ll
mo
d
es
l
iste
d.
800
x
600*
1
at 5
6
Hz to 75 H
z
832 x 62
4*
1
at
75
Hz
1024 x 768 at 60 Hz to 75 H
z
..................
NEC-Mitsu
b
is
h
i E
l
ectronics Disp
l
ay cite
s
recommended resolution at 75 Hz
f
o
r
optimal display per
f
ormance
.
A
ctive Disp
l
ay Are
a
Horizontal
:
304.1 mm/12.0 inche
s
Vertica
l
:
228.1 mm
/
9.0 inc
h
e
s
Power Supp
ly
1
0
0
-2
4
0
V
~
,
50
/
60 H
z
Speaker Practical Audio Outpu
t
1 + 1
W
att
s
Current Rat
i
n
g
0.
4
5 - 0.25
A
D
i
mens
i
on
s
347.4 mm
(
W
)
x 341.9 mm
(
H
)
x 183.5 mm
(
D
)
13.7 inc
h
es (W) x 13.5 inc
h
es (H) x 7.2 inc
h
es (D
)
We
i
g
ht
3.0
kg
6.6
lbs
Environmenta
l
Consideration
s
5
O
perating Temperature:
°
C
to
35
°
C
/
4
1
°
F to
95
°
F
30% to 80
%
Humi
d
ity:
0
to 1
2
,
000
Fee
t
Feet:
-1
0
S
torage Temperature:
°
C
to
60
°
C
/
1
4
°
F to 1
40
°
F
10% to 85
%
Humi
d
ity:
0 to
4
0,000 Fee
t
Feet:
*
1
Inter
p
olated Resolutions: When resolutions are shown that are lower than the
p
ixel count o
f
the LCD module, text ma
y
a
pp
ear d
i
ff
erent. This i
s
normal and necessary
f
or all current
f
lat panel technologies when displaying nonnative resolutions
f
ull screen. In
f
lat panel
t
echnologies, eac
h
dot on the screen is actually one pixel, so to expand resolutions to
f
ull screen, an interpolation o
f
the resolution must be d
o
ne.
NOTE: Technical speci
f
ications are subject to change without notice
.

1-15
1
3
Sp
ec
ifi
cat
i
ons
–cont
i
nue
d
Monitor AccuSync LCD71VM Notes
S
pec
ifi
ca
ti
ons
M
on
it
o
r
Monitor AccuSyn
Monitor AccuS
LCD Modu
le
17.0 inch Active matrix; thin
f
ilm transistor (TFT
)
Diagonal:
17.0 inc
hl
iqui
d
crysta
l
d
isp
l
ay (LCD); 0.264 mm
d
o
t
Viewa
bl
e Image Size:
1280 x 1024 pitc
h
; 250c
d/m
Native Reso
l
ution (Pixe
l
Count):
2
w
h
ite
l
uminence
;
450:1 contrast ratio, typica
l
Input Signa
l
ANALOG 0.7 Vp-p
/
75 O
h
m
s
Vi
d
eo:
Separate sync TTL Leve
l
(Positive
/
Negative
)
Sync:
Horizonta
l
sync Positive
/
Negativ
e
Vertica
l
sync Positive
/
Negativ
e
Disp
l
ay Co
l
or
s
16,194,277 Depen
d
ing on
d
isp
l
ay car
d
use
d.
Ana
l
og input:
Max
i
mu
m
7
0
Le
f
t/right:
°
/
7
0
°
(
CR>10
)
Viewing Ang
l
e
s
6
0
Up
/
Down:
°
/
6
0
°
(
CR>10
)
Sy
nchronizatio
n
31.5
k
Hz to 81.1
k
Hz Automatica
lly
Horizonta
l
:
R
ang
e
56 Hz to 75 Hz Automatica
lly
Vertica
l
:
Resolutions Supported 720 x
4
00
*
1
: VG
A
tex
t
S
ome systems may not suppor
t
6
4
0 x
4
80
*
1
at
60
Hz to 75 H
z
a
ll
mo
d
es
l
iste
d.
800
x
600*
1
at 5
6
Hz to 75 H
z
832 x 62
4*
1
at
75
Hz
1024 x 768
*
1
at
60
Hz to 75 H
z
1152 x 86
4*
1
at 7
0
Hz to 75 H
z
115
2
x
8
7
0*
1
at
75
Hz
NEC-Mitsu
b
is
h
i E
l
ectronics Disp
l
ay cite
s
1
280
x
960
*
1
at
60
Hz to 75 H
z
recommended resolution at 60 Hz
f
o
r
1280 x 102
4
at 60 Hz to 75 Hz...............
.
optimal display per
f
ormance
.
A
ctive Displa
y
Are
a
Horizonta
l
:
338 mm
/
13.3 inc
h
e
s
Vertica
l
:
270.3 mm
/
10.6 inc
h
e
s
Power Suppl
y
1
0
0
-2
4
0
V
~
,
50
/
60 H
z
Speaker Practica
l
Audio Outpu
t
1 + 1
W
att
s
Current Rat
i
n
g
0.75 - 0.
4
A
Dimension
s
379 mm
(
W
)
x 383 mm
(
H
)
x 193 mm
(
D
)
14.9 inc
h
es (W) x 15.1 inc
h
es (H) x 7.6 inc
h
es (D
)
Weigh
t
4.
6
kg
1
0
.
2
lbs
Environmental Consideration
s
5
O
perating Temperature:
°
C
to
35
°
C
/
4
1
°
F to
95
°
F
30% to 80
%
Humi
d
ity:
0
to 1
2
,
000
Fee
t
Feet:
-1
0
S
torage Temperature:
°
C
to +
60
°
C
/
1
4
°
F to 1
40
°
F
10% to 85
%
Humi
d
ity:
0 to
4
0,000 Fee
t
Feet:
*
1
Interpolated Resolutions: When resolutions are shown that are lower than the pixel count o
f
the LCD module, text may appear d
i
ff
erent. This i
s
normal and necessary
f
or all current
f
lat panel technologies when displaying non-native resolutions
f
ull screen. In
f
lat panel tec
h
no
l
ogies, eac
h
dot on the screen is actually one pixel, so to expand resolutions to full screen, an interpolation of the resolution must be d
o
ne.
NOTE: Technical speci
f
ications are subject to change without notice
.

1-16
1
4
F
eature
s
Reduced Foot
p
rint
:
Provides the ideal solution
f
or environments re
q
uirin
g
su
p
erior ima
g
e
quality but with size and weight limitations. The monitor’s small
f
ootprint and low weigh
t
allow it to be moved or transported easily from one location to another
.
AccuCo
l
o
r
®
Control Systems
®
: A
ll
ows you to a
d
just t
h
e co
l
ors on your screen an
d
customiz
e
the color accuracy o
f
your monitor to a variety o
f
standards
.
OSM
®
(On-Screen Manager) Contro
l
s
:
A
ll
ow you to quic
kl
y an
d
easi
l
y a
d
just a
ll
e
l
ement
s
o
f
your screen image via simple to use on-screen menus
.
No-touc
h
Auto A
d
just
:
No-touc
h
Auto A
d
just automatica
ll
y a
d
justs t
h
e monitor to optima
l
settings upon initia
l
setup
.
ErgoDes
i
g
n
®
F
eatures
:
En
h
ance
h
uman ergonomics to improve t
h
e wor
k
ing environment
,
protect the health o
f
the user and save money. Examples include
OSM controls
f
or quic
k
and easy image adjustments, tilt base
f
or pre
f
erred angle o
f
vision, small
f
ootprint an
d
compliance with MPRII and TCO guidelines
f
or lower emission
s
.
P
l
ug an
d
P
l
ay
:
The Microsoft
®
t
t
so
l
ution wit
h
t
h
e Win
d
ow
s
®
95
/
98
/
Me
/
2000
/
XP operat
-
i
ng system
f
acilitates setup and installation by allowing
t
h
e monitor to sen
d
its ca
p
a
b
i
l
itie
s
(suc
h
as screen size an
d
reso
l
utions supporte
d)
d
irect
l
y to your computer, automatica
lly
optimizing display per
f
ormance
.
IP
M
®
(Intelligent Power Manager) System:
®
Provi
d
es innovative power-saving met
h
o
d
s t
h
a
t
allow the monitor to shi
f
t to a lower power consumption level when on but not in use
,
saving two-thirds o
f
your monitor energy costs, reducing emissions and lowering the ai
r
conditioning costs o
f
the workplace
.
Mu
l
tip
l
e Frequency Tec
h
no
l
ogy
:
Automatica
ll
y a
d
justs monitor to t
h
e
d
isp
l
ay car
d
’
s
scanning
f
requency, thus displaying the resolution required
.
Fu
ll
Sca
n
®
Capa
b
i
l
ity
:
A
ll
ows you to use t
h
e entire screen area in most reso
l
utions,
signi
f
icantly expanding image size
.
VESA Standard Mounting Inter
f
ace
:
A
ll
ows users to connect t
h
eir AccuS
y
nc monitor t
o
any VESA standard third party mounting arm or bracket. Allows
f
or the monitor to b
e
mounte
d
on a wa
ll
or an arm using any t
h
ir
d
party comp
l
iant
d
evice
.
OSM Disp
l
ay Screen Copyrig
h
t 2003
by
NEC-Mitsubishi Electronics Display o
f
America, Inc
.

1-17
15
Tr
oubleshooting
rr
No p
i
ctur
e
•
T
h
e signa
l
ca
bl
e s
h
ou
ld
b
e comp
l
ete
l
y connecte
d
to t
h
e
d
isp
l
ay car
d/
computer
.
•
T
h
e
d
isp
l
ay car
d
s
h
ou
ld
b
e comp
l
ete
l
y seate
d
in its s
l
ot
.
•
Front Power Switc
h
an
d
computer power switc
h
s
h
ou
ld
b
e in t
h
e ON position.
•
C
h
ec
k
to ma
k
e sure t
h
at a supporte
d
mo
d
e
h
as
b
een se
l
ecte
d
on t
h
e
d
isp
l
ay car
d
or syste
m
b
eing use
d
. (P
l
ease consu
l
t
d
isp
l
ay car
d
or system manua
l
to c
h
ange grap
h
ics mo
d
e.
)
•
C
h
ec
k
t
h
e monitor an
d
your
d
isp
l
ay car
d
wit
h
respect to compati
b
i
l
ity an
d
recom
-
men
d
e
d
settings
.
•
Check the signal cable connector
f
or bent or pushed-in pins
.
Power Button
d
oes not respon
d
• Unplug the power cord o
f
the monitor
f
rom the AC outlet to turn o
ff
and reset the monitor
.
Image Pers
i
stenc
e
•
Ima
g
e
p
ersistence is when a residual or “
g
host” ima
g
e o
f
a
p
revious ima
g
e remains visibl
e
on t
h
e screen. Un
l
i
k
e CRT monitors, LCD monitors’ image persistence is not permanent,
b
u
t
constant ima
g
es bein
g
dis
p
la
y
ed
f
or a lon
g
p
eriod o
f
time should be avoided
.
To
alleviate image persistence, turn o
ff
the monitor
f
or as long as the previous image wa
s
dis
p
la
y
ed. For exam
p
le, if an ima
g
e was on the monitor for one hour and a residua
l
image remains, the monitor should be turned o
ff
f
or one hour to erase the image
.
NO
TE
:
As wit
h
a
ll
persona
l
d
isp
l
ay
d
evices, NEC-Mitsu
b
is
h
i E
l
ectronics Disp
l
a
y
recommen
d
s using a moving screen saver at regu
l
ar interva
l
s w
h
enever t
h
e screen i
s
idle or turning o
ff
the monitor when not in use
.
Image is unstable, un
f
ocused or swimming is apparen
t
•
Signa
l
ca
bl
e s
h
ou
ld
b
e comp
l
ete
l
y attac
h
e
d
to t
h
e computer
.
•
Use the OSM Image Adjust controls to
f
ocus and adjust display by increasing o
r
d
ecreasing t
h
e FINE contro
l
. W
h
en t
h
e
d
isp
l
ay mo
d
e is c
h
ange
d
, t
h
e OSM Imag
e
A
d
just settings may nee
d
to
b
e rea
d
juste
d.
•
C
h
ec
k
t
h
e monitor an
d
your
d
isp
l
ay car
d
wit
h
respect to compati
b
i
l
it
y
an
d
recommen
d
e
d
signa
l
timings
.
•
I
f
your text is garbled, change the video mode to non-interlace and use 60Hz re
f
resh rate
.
LED on monitor is not
l
i
t
(no green or am
b
er co
l
or can
b
e seen
)
•
Power Switc
h
s
h
ou
ld
b
e in t
h
e ON position an
d
power cor
d
s
h
ou
ld
b
e connecte
d.
Disp
l
ay image is not size
d
proper
ly
•
Use t
h
e OSM Image A
d
just contro
l
s to increase or
d
ecrease t
h
e H.SIZE
.
•
C
h
ec
k
to ma
k
e sure t
h
at a supporte
d
mo
d
e
h
as
b
een se
l
ecte
d
on t
h
e
d
isp
l
ay car
d
or syste
m
b
eing use
d
. (P
l
ease consu
l
t
d
isp
l
ay car
d
or system manua
l
to c
h
ange grap
h
ics mo
d
e.
)
No Vi
d
e
o
•
I
f
no video is present on the screen, turn the Power button o
ff
and on again
.
•
Ma
k
e certain t
h
e computer is not in a power-saving mo
d
e (touc
h
t
h
e
k
ey
b
oar
d
or mouse)
.
No Soun
d
•
Check to see i
f
speaker cable is properly connected
.
•
Check to see i
f
mute is activated
.
•
Check to see i
f
volume in OSM is set at minimum
.

1-18
1
6
Re
f
er
e
nces
NEC-Mitsu
b
is
h
i Monitor Customer Service & Support
Customer Service an
d
Tec
h
nica
l
Support
:
(
800
)
632-466
2
Fax:
(
800
)
695-304
4
Parts an
d
Accessories
/
Macintos
h
Ca
bl
e A
d
apter: (888) NEC-MITS [888-632-6487]
Customer Service Po
l
icies & Processes:
h
ttp:
//
www.necmitsu
b
is
h
i.com
/
css
/
ServicePo
l
icies
/
ServicePo
l
icies.
h
t
m
On
l
ine Tec
h
nica
l
Suppor
t
Know
l
e
d
ge Base:
h
ttp:
//
www.necmitsu
b
is
h
i.com
/
css/knowledgebase.c
fm
Customer Service & Tec
h
nica
l
Support Emai
l
:
h
ttp:
//
www.necmitsu
b
is
h
i.com
/
css/tech
f
orm.ht
m
Sales and Product In
f
ormatio
n
Sales In
f
ormation Line: (888) NEC-MITS [888-632-6487
]
Cana
d
ian Customers: (866) 771-0266, Ext#: 403
7
Government Sa
l
es: (800) 284-632
0
Government Sa
l
es emai
l
: gov@necmitsu
b
is
h
i.co
m
Rebate Status In
f
ormatio
n
NEC Re
b
ate Status: www.re
b
atesHQ.com or 866-765-569
6
Mitsu
b
is
h
i Re
b
ate Status: www.re
b
atesHQ.com or 877-405-469
2
E
l
ectronic C
h
anne
ls
Wor
ld
Wi
d
e We
b
:
h
ttp:
//
www.necmitsu
b
is
h
i.co
m
Pro
d
uct Registration:
h
ttp:
//
www.necmitsu
b
is
h
i.com
/
pro
d
uctregistratio
n
European Operations: http://www.nec-mitsubishi.com
Win
d
ow
s
®
95
/
98
/
Me
/
2000
/
XP INF Fi
l
e
:
h
ttp:
//
www.necmitsu
b
is
h
i.com an
d
se
l
ec
t
“Drivers an
d
Down
l
oa
d
s”

1-19
17
L
i
m
i
ted Warrant
y
NEC-Mitsubishi Electronics Dis
p
la
y
o
f
America, Inc. (hereina
f
ter “NMD-A”) warrants thi
s
Product to be
f
ree
f
rom de
f
ects in material and workmanshi
p
and, sub
j
ect to the conditions se
t
f
orth below, agrees to repair or replace (at NMD-A’s sole option) any part o
f
the enclosed uni
t
w
hich proves de
f
ective
f
or a period o
f
three (3) years
f
rom the date o
f
f
irst consumer purchase
.
Spare parts are warranted
f
or ninety (90) days. Replacement parts or unit may be new o
r
re
f
urbished and will meet speci
f
ications o
f
the original parts or unit
.
This warranty gives you speci
f
ic legal rights and you may also have other rights, which var
y
f
rom state to state. This warranty is limited to the original purchaser o
f
the Product and is no
t
trans
f
erable. This warranty covers only NMD-A-supplied components. Service required as
a
result o
f
third party components is not covered under this warranty. In order to be covere
d
un
d
er t
h
is warranty, t
h
e Pro
d
uct must
h
ave
b
een purc
h
ase
d
in t
h
e U.S.A. or Cana
d
a
b
y t
he
origina
l
purc
h
aser. T
h
is warranty on
l
y covers Pro
d
uct
d
istri
b
ution in t
h
e U.S.A. or Cana
d
a
by
NMD-A No warranty service is provided outside o
f
the U.S.A. or Canada. Proo
f
o
f
Purchas
e
w
ill be required by NMD-A to substantiate date o
f
purchase. Such proo
f
o
f
purchase must b
e
an original bill o
f
sale or receipt containing name and address o
f
seller, purchaser, and th
e
serial number o
f
the product
.
It shall be your obligation and expense to have the Product shipped,
f
reight prepaid, o
r
delivered to the authorized reseller
f
rom whom it was purchased or other
f
acility authorize
d
b
y NMD-A to ren
d
er t
h
e services provi
d
e
d
h
ereun
d
er in eit
h
er t
h
e origina
l
pac
k
age or
a
similar package a
ff
ording an equal degree o
f
protection. All Products returned to NMD-A
f
o
r
service MUST have prior approval, which may be obtained by calling 1-800-632-4662. Th
e
Pro
d
uct s
h
a
ll
not
h
ave
b
een previous
l
y a
l
tere
d
, repaire
d
, or service
d
b
y anyone ot
h
er t
h
an
a
service
f
acility authorized by NMD-A to render such service, the serial number o
f
the produc
t
s
h
a
ll
not
h
ave
b
een a
l
tere
d
or remove
d
. In or
d
er to
b
e covere
d
b
y t
h
is warranty t
h
e Pro
d
uc
t
shall not have been subjected to displaying o
f
f
ixed images
f
or long periods o
f
time resultin
g
in image persistence (a
f
terimage e
ff
ects), accident, misuse or abuse or operated contrary t
o
t
h
e instructions containe
d
in t
h
e User’s Manua
l
. Any suc
h
con
d
itions wi
ll
voi
d
t
h
is warranty
.
N
MD-A SHALL
N
OT BE LIABLE FOR DIRECT, I
N
DIRECT, I
N
CIDE
N
TAL, CO
N
SEQUE
N
TIAL
,
OR OTHER TYPES OF DAMAGES RESULTI
N
G FROM THE USE OF A
N
Y
N
MD-A PRODUC
T
OTHER THA
N
THE LIABILITY STATED ABOVE. THESE WARRA
N
TIES ARE I
N
LIEU OF AL
L
OTHER WARRA
N
TIES EXPRESS OR IMPLIED, I
N
CLUDI
N
G, BUT
N
OT LIMITED TO, TH
E
IMPLIED WARRA
N
TIES OF MERCHA
N
TABILITY OR FIT
N
ESS FOR A PARTICULAR PURPOSE
.
SOME STATES DO
N
OT ALLOW THE EXCLUSIO
N
OF IMPLIED WARRA
N
TIES OR TH
E
LIMITATIO
N
OR EXCLUSIO
N
OF LIABILITY FOR I
N
CIDE
N
TAL OR CO
N
SEQUE
N
TIAL DAM
-
AGES SO THE ABOVE EXCLUSIO
N
S OR LIMITATIO
N
S MAY
N
OT APPLY TO YOU
.
This Product is warranted in accordance with the terms o
f
this limited warranty. Consumer
s
are cautioned that Product per
f
ormance is a
ff
ected by system con
f
iguration, so
f
tware, th
e
application, customer data, and operator control o
f
the system, among other
f
actors. Whil
e
NMD-A Products are considered to be compatible with many systems, speci
f
ic
f
unctiona
l
implementation by the customers o
f
the Product may vary. There
f
ore, suitability o
f
a Produc
t
f
or a speci
f
ic purpose or application must be determined by consumer and is not warrante
d
b
y
NMD-A
.
For the name o
f
your nearest authorized NEC-Mitsubishi Electronics Display service
f
acility
,
contact NEC-Mitsubishi Electronics Display o
f
America at 1-800-632-4662
.

1-20
1
8
T
C
O
’
9
9
Congratu
l
ations! You
h
ave just purc
h
ase
d
a TCO’99 approve
d
an
d
l
a
b
e
ll
e
d
pro
d
uct! Your c
h
oice
h
as provi
d
e
d
you wit
h
a pro
d
uct
d
eve
l
ope
d
f
or pro
f
essional use. Your purchase has also contributed to reducing th
e
burden on the environment and also to the
f
urther development o
f
environmenta
ll
y a
d
apte
d
e
l
ectronics pro
d
ucts
.
W
h
y
d
o we
h
ave environmenta
ll
y
l
a
b
e
ll
e
d
computers
?
In many countries, environmental labelling has become an established method
f
or encourag
-
ing the adaptation o
f
goods and services to the environment. The main problem, as
f
ar a
s
computers and other electronics equipment are concerned, is that environmentally harm
f
u
l
substances are used both in the products and during the manu
f
acturing. Since it has not bee
n
possible
f
or the majority o
f
electronics equipment to be recycled in a satis
f
actory way, mos
t
o
f
these potentially damaging substances sooner or later enter Nature
.
There are also other characteristics o
f
a computer, such as energy consumption levels, that ar
e
important
f
rom the viewpoints o
f
both the work (Internal) and natural (external) environments
.
Since all methods o
f
conventional electricity generation have a negative e
ff
ect on th
e
environment (acidic and climate-in
f
luencing emissions, radioactive waste, etc.), it is vital t
o
conserve energy. Electronics equipment in o
ff
ices consume an enormous amount o
f
energ
y
since they are o
f
ten le
f
t running continuously
.
W
h
at
d
oes
l
a
b
e
ll
in
g
invo
l
ve
?
This product meets the requirements
f
or the TCO’99 scheme which provides
f
or international an
d
environmental labelling o
f
personal computers. The labelling scheme was developed as a join
t
e
ff
ort b
y
the TCO (The Swedish Con
f
ederation o
f
Pro
f
essional Em
p
lo
y
ees), Svensk
a
Naturskydds
f
oreningen (The Swedish Society
f
or Nature Conservation) and Statens Energimyndighe
t
(T
h
e Swe
d
is
h
Nationa
l
Energy A
d
ministration)
.
The requirements cover a wide range o
f
issues: environment, ergonomics, usability, emission o
f
electrical and magnetic
f
ields, energy consumption and electrical and
f
ire sa
f
ety
.
The environmental demands concern restrictions on the presence and use o
f
heavy metals
,
brominated and chlorinated
f
lame retardants, CFCs (
f
reons) and chlorinated solvents, among othe
r
things. The product must be prepared
f
or recycling and the manu
f
acturer is obliged to have a
n
environmenta
l
p
l
an w
h
ic
h
must
b
e a
dh
ere
d
to in eac
h
country w
h
ere t
h
e company imp
l
ements it
s
operationa
l
po
l
icy. T
h
e energy requirements inc
l
u
d
e a
d
eman
d
t
h
at t
h
e computer an
d/
or
d
isp
l
ay
,
a
f
ter a certain period o
f
inactivity, shall reduce its power consumption to a lower level in one o
r
more stages. The length o
f
time to reactivate the computer shall be reasonable
f
or the user
.
Labelled products must meet strict environmental demands,
f
or example, in respect o
f
the reductio
n
o
f
electric and magnetic
f
ields, physical and visual ergonomics and good usability
.
Environmenta
l
Requirement
s
F
l
ame retar
d
ant
s
F
l
ame retar
d
ants are present in printe
d
circuit
b
oar
d
s, ca
bl
es, wires, casings an
d
h
ousings. In turn
,
they delay the spread o
f
f
ire. Up to thirty percent o
f
the plastic in a computer casing can consist o
f
f
lame retardant substances. Most
f
lame retardants contain bromine or chloride and these ar
e
related to another group o
f
environmental toxins, PCBs, which are suspected to give rise to sever
e
health e
ff
ects, including reproductive damage in
f
isheating birds and mammals, due to the bio
-

1-21
1
9
T
C
O
’
99
–cont
i
nue
d
accumulative*
p
rocesses. Flame retardants have been
f
ound in human blood and researchers
f
ea
r
that disturbances in
f
oetus development may occur
.
TCO’99 demand requires that plastic components weighing more than 25 grams must not contai
n
f
lame retardants with organically bound chlorine and bromine. Flame retardants are allowed i
n
t
h
e printe
d
circuit
b
oar
d
s since no su
b
stitutes are avai
l
a
bl
e
.
Lea
d
*
*
Lead can be
f
ound in picture tubes, display screens, solders and capacitors. Lead damages th
e
nervous system an
d
in
h
ig
h
er
d
oses, causes
l
ea
d
poisoning
.
TCO’99 requirement permits the inclusion o
f
lead since no replacement has yet been developed
.
Ca
d
mium*
*
Cadmium is present in rechargeable batteries and in the color generating layers o
f
certain compute
r
d
isp
l
ays. Ca
d
mium
d
amages t
h
e nervous system an
d
is toxic in
h
ig
h
d
oses
.
TCO’99 requirement states that batteries, the color generating layers o
f
display screens and th
e
e
l
ectrica
l
or e
l
ectronics components must not contain any ca
d
mium
.
M
ercury**
Mercury is sometimes
f
ound in batteries, relays and switches, Mercury damages the nervous syste
m
an
d
is toxic in
h
ig
h
d
oses
.
TCO’99 requirement states t
h
at
b
atteries may not contain any Mercury. It a
l
so
d
eman
d
s t
h
at n
o
mercury is present in any o
f
the electrical or electronics components associated with the display unit
.
C
F
Cs
(
f
reons)
CFCs (
f
reons) are sometimes used
f
or washing printed circuit boards. CFCs break down ozone an
d
thereby damage the ozone layer in the stratosphere, causing increased reception on Earth o
f
ultraviolet light with consequent increased risks o
f
skin cancer (malignant melanoma)
.
The relevant TCO’99 requirement; Neither CFCs nor HCFCs may be used during the manu
f
acturin
g
and assembly o
f
the product or its packaging
.
*Bio-accumulative is de
f
ined as substances which accumulate within living organisms
.
**Lea
d
, Ca
d
mium an
d
Mercury are
h
eavy meta
l
s w
h
ic
h
are Bio-accumu
l
ative
.
To obtain complete in
f
ormation on the environmental criteria document, order
f
rom:
TCO Deve
l
opment Unit
SE-114 94 Stoc
kh
o
l
m
SWEDE
N
FAX Num
b
er: +46 8 782 92 07
E
-mai
l
(Internet):
d
eve
l
opment@tco.se
You may also obtain current in
f
ormation on TCO’99 approved and labelled products by
visiting t
h
eir we
b
site at:
h
ttp:
//
www.tco
d
eve
l
opment.com
/

1-22
20
Declaration o
f
the Manu
f
acture
r
We
hereby certi
f
y that the color monito
r
AccuSync™ LCD51VM (L152R5) an
d
AccuSync LCD71VM
(
L172R6
)
are
in comp
l
iance wit
h
Counci
l
Directive 73
/
23
/
EEC
:
–
E
N
6095
0
Counci
l
Directive 89
/
336
/
EEC
:
–
E
N
5502
2
–
E
N
61000-3-
2
–
E
N
61000-3-
3
–
E
N
5502
4
an
d
mar
k
e
d
wit
h
NEC-Mitsu
b
is
h
i E
l
ectric Visua
l
S
ystems
C
orporatio
n
4-13-23, S
h
i
b
aura
,
Minato-K
u
T
okyo 108-0023, Japan
T
T

1-23
Part
N
o. 1550168
1
Printe
d
in C
h
in
a
PR
O
PRIETARY N
O
TI
C
E AND LIABILITY DI
SC
LAIME
R
The in
f
ormation disclosed in this document, including all designs and related materials, is the valuable property o
f
NEC-
Mitsubishi Electronics Display o
f
America and/or its licensors, as appropriate, reserve all patent, copyright and other
proprietary rights to this document, including all design, manu
f
acturing, reproduction, use and sales rights thereto, except
to t
h
e extent sai
d
rig
h
ts are express
l
y grante
d
to ot
h
ers.
The NEC-Mitsubishi Electronics Display o
f
America product(s) discussed in this document are warranted in accordance
with the terms o
f
the Limited Warranty Statement accompanying each product. However, actual per
f
ormance o
f
each
such product is dependent upon
f
actors such as system con
f
iguration, customer data and operator control. Since
implementation by customers o
f
each product may vary, the suitability o
f
speci
f
ic product con
f
igurations and applications
must be determined by the customer and is not warranted by NEC-Mitsubishi Electronics Display o
f
America
.
To allow
f
or design and speci
f
ication improvements, the in
f
ormation in this document is subject to change at any tim
e
without notice. Reproduction of this document or portions thereof without prior approval of NEC-Mitsubishi Electronics
Display o
f
America is prohibited.
DE
C
LARATI
O
N
O
F
CO
NF
O
RMIT
Y
This device complies with Part 15 o
f
FCC Rules. Operation is subject to the
f
ollowing two conditions. (1) This device may
not cause harm
f
ul inter
f
erence, and (2) this device must accept any inter
f
erence received, including inter
f
erence that ma
y
cause un
d
esire
d
operation.
U.S. Responsible Party: NEC-Mitsubishi Electronics Display o
f
America, Inc.
A
dd
ress: 1250 Nort
h
Ar
l
ington Heig
h
ts Roa
d
, Suite 500
Itasca, I
ll
inois 60143-124
8
Te
l
. No.: (630) 467-300
0
T
yp
e o
f
Product: Dis
p
la
y
Monito
r
Equipment Classi
f
ication: Class B Peripheral
Mo
d
e
l:
AccuSync LCD51VM (L152R5)
/
LCD71VM (L172R6
)
We here
b
y declare that the equipment specified a
b
ove
conforms to the technical stan
d
ar
d
s as specifie
d
in the FCC Rules
.
Windows is a registered trademark o
f
Microso
f
t Corporation. NEC is a registered trademark o
f
NEC Corporation
.
E
NERGY
S
Y
T
AR
i
s
a
U.S. registered trademark. All other brands and product names are trademarks or registered trademarks o
f
their respective owner
s
.
A
s an
E
N
ERG
Y
S
T
AR
®
Partner, NEC-Mitsubishi Electronics Dis
p
la
y
o
f
America has determined that this
p
roduct meets the
E
N
ERG
Y
S
T
AR
guidelines
f
or energy e
ff
iciency. The
E
N
ERG
Y
S
T
AR
emblem does not represent EPA endorsement of any product or service.
R
NEC LCD Series

1-24
2. B Version
AccuSync LCD51VM
AccuSync LCD71VM
User’s Manual

1-25
English
English-1
Declaration
Declaration of the Manufacturer
TO PREVENT FIRE OR SHOCK HAZARDS, DO NOT EXPOSE THIS UNIT TO RAIN OR MOISTURE. ALSO, DO NOT
USE THIS UNIT’S POLARIZED PLUG WITH AN EXTENSION CORD RECEPTACLE OR OTHER OUTLETS UNLESS
THE PRONGS CAN BE FULLY INSERTED.
REFRAIN FROM OPENING THE CABINET AS THERE ARE HIGH VOLTAGE COMPONENTS INSIDE. REFER
SERVICING TO QUALIFIED SERVICE PERSONNEL.
WARNING
CAUTION
CAUTION: TO REDUCE THE RISK OF ELECTRIC SHOCK, DO NOT REMOVE COVER (OR BACK). NO USER
SERVICEABLE PARTS INSIDE. REFER SERVICING TO QUALIFIED SERVICE PERSONNEL.
This symbol warns user that uninsulated voltage within the unit may have sufficient magnitude to cause
electric shock. Therefore, it is dangerous to make any kind of contact with any part inside this unit.
This symbol alerts the user that important literature concerning the operation and maintenance of this unit
has been included. Therefore, it should be read carefully in order to avoid any problems.
RISK OF ELECTRIC SHOCK • DO NOT OPEN
As an E
NERGY
S
TAR
Partner, NEC-Mitsubishi Electric Visual Systems Corp. has determined that this product meets the E
NERGY
S
TAR
guidelines for energy efficiency. E
NERGY
S
TAR
is a U.S. registered mark.
ErgoDesign is a registred trademark of NEC-Mitsubishi Electric Visual Systems Corporation in Austria, Benelux, Denmark,
France, Germany, Italy, Norway, Spain, Sweden, U.K..
IBM PC/XT/AT, PS/2, MCGA, VGA, 8514/A and XGA are registered trademarks of International Business Machines
Corporation.
Apple and Macintosh are registered trademarks of Apple Computer Inc.
Microsoft and Windows are registered trademarks of the Microsoft Corporation.
NEC is a registered trademark of NEC Corporation.
All other trademarks or registered trademarks are property of their respective owners.
We hereby certify that the colour monitor
AccuSync LCD51VM/AccuSync LCD71VM
are in compliance with
Council Directive 73/23/EEC:
– EN 60950
Council Directive 89/336/EEC:
– EN 55022
– EN 61000-3-2
– EN 61000-3-3
– EN 55024
and marked with
NEC-Mitsubishi Electric Visual
Systems, Corp.
MS Shibaura Bldg., 13-23,
Shibaura 4-chome,
Minato-Ku, Tokyo 108-0023, Japan
Caution:
When operating the AccuSync LCD51VM/AccuSync LCD71VM with a 220-240V AC power source in Europe, use the power
cord provided with the monitor.
In the UK, a BS approved power cord with a moulded plug has a Black (five Amps) fuse installed for use with this equipment.
If a power cord is not supplied with this equipment please contact your supplier.
For all other cases, use a power cord that matches the AC voltage of the power outlet and has been approved by and
complies with the safety standard of your particular country.

1-26
English-2
For the Customer to use in U.S.A. or Canada
Canadian Department of Communications Compliance Statement
DOC: This Class B digital apparatus meets all requirements of the Canadian Interference-Causing Equipment Regulations.
Cet appareil numérique de la classe B respecte toutes les exigences du Règlement sur le matériel brouiller du Canada.
C-UL: Bears the C-UL Mark and is in compliance with Canadian Safety Regulations according to CSA C22.2 No. 60950.
Ce produit porte la marque ‘C-UL’ et se conforme aux règlements de sûrele Canadiens selon CAN/CSA C22.2 No. 60950.
FCC Information
1. Use the attached specified cables with the AccuSync LCD51VM/AccuSync LCD71VM colour monitor so as not to
interfere with radio and television reception.
(1) The power supply cord you use must have been approved by and comply with the safety standards of U.S.A.,
and meet the following condition.
Power supply cord Non shield type, 3-conductor
Length 2.0 m
Plug shape
U.S.A
(2) Shielded video signal cable. Use of other cables and adapters may cause interference with radio and television
reception.
2. This equipment has been tested and found to comply with the limits for a Class B digital device, pursuant to part 15 of
the FCC Rules. These limits are designed to provide reasonable protection against harmful interference in a residential
installation. This equipment generates, uses, and can radiate radio frequency energy, and, if not installed and used in
accordance with the instructions, may cause harmful interference to radio communications. However, there is no
guarantee that interference will not occur in a particular installation. If this equipment does cause harmful interference
to radio or television reception, which can be determined by turning the equipment off and on, the user is encouraged
to try to correct the interference by one or more of the following measures:
• Reorient or relocate the receiving antenna.
• Increase the separation between the equipment and receiver.
• Connect the equipment into an outlet on a circuit different from that to which the receiver is connected.
• Consult your dealer or an experienced radio/TV technician for help.
If necessary, the user should contact the dealer or an experienced radio/television technician for additional
suggestions. The user may find the following booklet, prepared by the Federal Communications Commission, helpful:
“How to Identify and Resolve Radio-TV Interference Problems.” This booklet is available from the U.S. Government
Printing Office, Washington, D.C., 20402, Stock No. 004-000-00345-4.
Declaration of Conformity
This device complies with Part 15 of FCC Rules. Operation is subject to the following two conditions. (1) This device may not
cause harmful interference, and (2) this device must accept any interference received, including interference that may cause
undesired operation.
U.S. Responsible Party: NEC-Mitsubishi Electronics Display of America, Inc.
Address: 1250 N. Arlington Heights Road
Itasca, Illinois 60143-1248
Tel. No.: (630) 467-3000
Type of Product: Display Monitor
Equipment Classification: Class B Peripheral
Model: AccuSync LCD51VM/AccuSync LCD71VM
We hereby declare that the equipment specified above conforms
to the technical standards as specified in the FCC Rules.

1-27
English
English-3
Contents
Your new NEC AccuSync LCD monitor box* should contain the following:
• AccuSync LCD monitor with tilt base
• Audio Cable
• Power Cord
• Video Signal Cable
• User’s Manual
• CD-ROM
*
Remember to save your original box and packing material to transport or ship the monitor.
Quick Start
To attach the Base to the LCD Stand:
1. Insert the front of the LCD stand into the holes in the front of the Base (Figure S.1).
2. Next, position the locking tabs on the back side of the LCD stand with the holes on the Base. Lower the Stand in place until
locking tabs are secure (Figure S.1).
Figure A.1
To attach the AccuSync LCD monitor to your system, follow these instructions:
1. Turn off the power to your computer.
2. For the PC with Analog output: Connect the 15-pin mini D-SUB signal cable to the connector of the display card in your
system (Figure A.1). Tighten all screws.
For the Mac: Connect the MultiSync Macintosh cable adapter (not included) to the computer. Attach the 15-pin
mini D-SUB signal cable to the MultiSync Macintosh cable adapter (Figure A.2). Tighten all screws.
NOTE: Some Macintosh systems do not require a Macintosh cable adapter.
User’s Manual Audio Cable Power Cord
Video Signal Cable
Base Stand AccuSync LCD monitor
(base stand not connected)
Figure S.1
1
2
Front Base
Holes
Base
Locking Tabs
Stand
Figure A.2
Macintosh Cable
Adapter (not included)
CD-ROM

1-28
English-4
6. No-touch Auto Adjust automatically adjusts the monitor to optimal settings upon initial setup for most timings.
For further adjustments, use the following OSM controls:
• Auto Adjust Contrast
• Auto Adjust
Refer to the Controls section of this User’s Manual for a full description of these OSM controls.
NOTE: If you have any problem, please refer to the Troubleshooting section of this
User’s Manual.
Tilt
Grasp both sides of the monitor screen with your hands and adjust the tilt as desired
(Figure TS.1).
Remove Monitor Stand for Mounting
To prepare the monitor for alternate mounting purposes:
1. Disconnect all cables.
2. Place monitor face down on a non-abrasive surface (Figure R.1).
3. Remove the 2 screws connecting the monitor to the stand and lift off the stand (Figure R.1)
4. Remove the 4 screws connecting the monitor to the stand and lift off the stand, assembly (Figure R.2).
The monitor is now ready for mounting in an alternate manner.
5. Connect the AC cord and signal cable to the back of the monitor (Figure R.3).
6. Reverse this process to reattach stand.
NOTE: Use only VESA-compatible alternative mounting method.
NOTE: Handle with care when removing monitor stand.
3. Connect the 15-pin mini D-SUB of the video signal cable, Audio Cable and Headphone (not included) to the appropriate
connector on the back of the monitor (Figure B.1).
4. Connect one end of the power cord to the monitor and the other end to the power outlet. Place the Video Signal Cable,
Headphone (not included) and power cord to the Cable holder (Figure B.1).
NOTE: Adjust position of cable that place under the Cable holder to avoid damage for cable or monitor.
NOTE: If you use this monitor at AC125-240V, please refer to Recommended Use section of this manual for proper
selection of power cord.
5. Turn on the monitor with the front power button and the computer (Figure C.1).
Figure TS.1
Figure B.1
HEAD PHONE
Cable holder
AUDIO INPUT
Input (D-Sub)
Connect to
Computer audio output
Figure C.1
Power Button

1-29
English
English-5
Figure R.1
Non-abrasive surface
Figure R.2 Figure R.3
Removing the Base
NOTE: Always remove the Base when shipping the LCD.
1. Place monitor face down on a non-abrasive surface (Figure R.1).
2. While using your thumbs, press the bottom tabs upward to unlock.
3. Press the top tabs down to unlock and pull off the stand.
Connecting a Flexible Arm
This LCD monitor is designed for use with a flexible arm.
Please use the attached screws (4pcs) as show in the picture when installing. To meet the safety requirements, the monitor
must be mounted to an arm which guaranties the necessary stability under consideration of the weight of the monitor.
The LCD monitor shall only be used with an approved arm (e.g. GS mark).
Replace screws
Tighten all screws
75 mm (LCD51VM)
100 mm (LCD71VM)
75 mm (LCD51VM)
100 mm (LCD71VM)
Thickness of Bracket
(Arm) 2.0 ~ 3.2 mm
4-SCREWS (M4)
(MAX depth: 8.5 mm)
If use other
screw, check
depth of hole.
Weight of LCD assembly: 2.6 kg - LCD51VM (MAX)
4.0 kg - LCD71VM (MAX)
Specifications

1-30
English-6
VOLUME
MUTE %
OSM TURN OFF
Controls
OSM (On-Screen Manager) control buttons on the front of the monitor
function as follows:
1. Basic function at pressing each key
NOTE: To quit the OSM screen at any time during the operation, press SELECT key for longer than 3 seconds.
2. OSM structure
Showing OSM. Shortcut to Bright adjust
window.
Button
At No OSD
showing
Shortcut to Volume adjust
window.
“Auto adjust” operate.
At OSD showing
(Icon selection stage)
Go to Adjustment stage. Cursor goes to left. Cursor goes to right.
At OSD showing
(Adjustment stage)
Go to Icon selection stage. Adjust value decrease or
Cursor for adjust goes to left.
Adjust value increase or
Cursor for adjust goes to
right.
Reset operation.
Mute off/on switch on Volume
adjustment window.
SELECT
– + AUTO / RESET
Main Menu (Icon Select)
Sub Menu (Icon Select)
Press
“SELECT”
key
Press
“SELECT”
key
Press
“–” or “+”
Main Menu (Adjust)
Sub Menu (Adjust)
Press “SELECT” key
Press
“SELECT” key
Adjust by using
“–” or “+”
Adjust by using
“–” or “+”
Press
“–” or “+”
Example Tool:
Press “SELECT” key
Press
“SELECT” key

1-31
English
English-7
AUDIO
Audio volume icon is chosen, depending on the volume condition (AUTO/RESET).
BRIGHTNESS
Adjusts the overall image and background screen brightness.
CONTRAST
Adjusts the image brightness in relation to the background.
AUTO CONTRAST
Adjusts the image displayed for non-standard video inputs.
AUTO ADJUST
Automatically adjusts the Image Position, the H. Size and Fine setting.
LEFT/RIGHT
Controls Horizontal Image Position within the display area of the LCD.
DOWN/UP
Controls Vertical Image Position within the display area of the LCD.
H. SIZE
Adjusts the horizontal size by increasing or decreasing this setting.
FINE
Improves focus, clarity and image stability by increasing or decreasing this setting.
COLOUR CONTROL SYSTEMS
Four colour presets (9300/7500/6500/USER) select the desired color setting.
COLOUR RED
Increase or decreases Red. The change will appear on screen.
COLOUR GREEN
Increase or decreases Green. The change will appear on screen.
COLOUR BLUE
Increase or decreases Blue. The change will appear on screen.
TOOL
Selecting TOOL allows you to get into the sub menu.
FACTORY PRESET
Selecting Factory Preset allows you to reset all OSM control settings back to the factory settings. The RESET button
will need to be held down for several seconds to tage effect. Individual settings can be reset by highlighting the
control to be reset and pressing the RESET button.
EXIT
Selecting EXIT allows you exit OSM menu/ sub menu.
LANGUAGE
OSM control menus are available in seven languages.
OSM TURN OFF
The OSM control menu will stay on as long as it is in use. In the OSM Turn OFF submenu, you can select how
long the monitor waits after the last touch of a button to shut off the OSM control menu. The preset choices are
10 - 120 seconds by 5 seconds step.

1-32
English-8
OSM LOCK OUT
This control completely locks out access to all OSM control functions without Brightness and Contrast. When
attempting to activate OSM controls while in the Lock Out mode, a screen will appear indicating the OSM are
locked out. To activate the OSM Lock Out function, press “AUTO/ RESET”, then “+” key and hold down
simultaneously. To de-activate the OSM Lock Out, press “AUTO/ RESET”, then “+” key and hold down simultaneously.
RESOLUTION NOTIFIER
If ON is selected, a message will appear on the screen after 30 seconds, notifying you that the resolution is not at
optimal resolution.
MONITOR INFO
Indicates the model and serial numbers of your monitor.
OSM Warning
OSM Warning menus disappear with Exit button.
NO SIGNAL: This function gives a warning when there is no signal present. After power is turned on or
when there is a change of input signal or video is inactive, the No Signal window will appear.
RESOLUTION NOTIFIER: This function gives a warning of use with optimized resolution. After power is
turned on or when there is a change of input signal or the video signal doesn’t have proper resolution, the
Resolution Notifier window will open. This function can be disabled in the TOOL menu.
OUT OF RANGE: This function gives a recommendation of the optimized resolution and refresh rate. After
the power is turned on or there is a change of input signal or the video signal doesn’t have proper timing,
the Out Of Range menu will appear.

1-33
English
English-9
Recommended use
Safety Precautions and Maintenance
FOR OPTIMUM PERFORMANCE, PLEASE NOTE
THE FOLLOWING WHEN SETTING UP AND
USING THE ACCUSYNC LCD COLOUR MONITOR:
• DO NOT OPEN THE MONITOR. There are no user serviceable parts inside and opening or removing covers may expose
you to dangerous shock hazards or other risks. Refer all servicing to qualified service personnel.
• Do not spill any liquids into the cabinet or use your monitor near water.
• Do not insert objects of any kind into the cabinet slots, as they may touch dangerous voltage points, which can be harmful
or fatal or may cause electric shock, fire or equipment failure.
• Do not place any heavy objects on the power cord. Damage to the cord may cause shock or fire.
• Do not place this product on a sloping or unstable cart, stand or table, as the monitor may fall, causing serious damage to
the monitor.
• When operating the LCD monitor with its AC 125-240V power supply, use a power supply aord that matches the power
supply voltage of the AC power outlet being used. The power supply cord you use must have been approved by and
comply with the safety standards of your country. (Type H05VV-F should be used in Europe).
• In U.K, use a BS-approved power cord with molded plug having a black (5A) fuse installed for use with this monitor.
If a power cord is not supplied with this monitor, please contact your supplier.
• Do not place any objects onto the monitor and do not use the monitor outdoors.
• The inside of the fluorescent tube located within the LCD monitor contains mercury. Please follow the bylaws or rules of
your municipality to dispose of the tube properly.
Immediately unplug your monitor from the wall outlet and refer servicing to qualified service personnel under the following
conditions:
•When the power supply cord or plug is damaged.
• If liquid has been spilled, or objects have fallen into the monitor.
• If the monitor has been exposed to rain or water.
• If the monitor has been dropped or the cabinet damaged.
• If the monitor does not operate normally by following operating instructions.
• Do not bend power cord.
• Do not use monitor in high temperature, humid, dusty, or oily areas.
• Do not cover vent on monitor.
• If monitor is broken, do not come in contact with the liquid crystal and handle with care.
•Allow adequate ventilation around the monitor so that heat can properly dissipate. Do not block
ventilated openings or place the monitor near a radiator or other heat sources. Do not put anything on
top of monitor.
• The power cable connector is the primary means of detaching the system from the power supply. The
monitor should be installed close to a power outlet, which is easily accessible.
• Handle with care when transporting. Save packaging for transporting.
•Image Persistence: Image persistence is when a residual or “ghost” image of a previous image remains visible on the
screen. Unlike CRT monitors, LCD monitors’ image persistence is not permanent, but constant images being displayed for
a long period of time should be avoided.
To alleviate image persistence, turn off the monitor for as long as the previous image was displayed. For example, if an
image was on the monitor for one hour and a residual image remains, the monitor should be turned off for one hour to
erase the image.
NOTE: As with all personal display devices, NEC-Mitsubishi Electronics Display-Europe recommends using a moving
screen saver at regular intervals whenever the screen is idle or turning off the monitor when not in use.
CAUTION

1-34
English-10
CORRECT PLACEMENT AND ADJUSTMENT OF THE MONITOR CAN
REDUCE EYE, SHOULDER AND NECK FATIGUE. CHECK THE
FOLLOWING WHEN YOU POSITION THE MONITOR:
• For optimum performance, allow 20 minutes for warm-up.
• Adjust the monitor height so that the top of the screen is at or slightly below eye level.
Your eyes should look slightly downward when viewing the middle of the screen.
• Position your monitor no closer than 40 cm and no further away than 70 cm from your
eyes. The optimal distance is 58 cm.
• Rest your eyes periodically by focusing on an object at least 6 m away. Blink often.
• Position the monitor at a 90° angle to windows and other light sources to minimize glare
and reflections. Adjust the monitor tilt so that ceiling lights do not reflect on your screen.
• If reflected light makes it hard for you to see your screen, use an antiglare filter.
• Clean the LCD monitor surface with a lint-free, non-abrasive cloth. Avoid using any
cleaning solution or glass cleaner!
• Adjust the monitor’s brightness and contrast controls to enhance readability.
• Use a document holder placed close to the screen.
• Position whatever you are looking at most of the time (the screen or reference material) directly in front of you to minimize
turning your head while you are typing.
• Avoid displaying fixed patterns on the monitor for long periods of time to avoid image persistence (after-image effects).
• Get regular eye checkups.
Ergonomics
To realize the maximum ergonomics benefits, we recommend the following:
• Use the preset Size and Position controls with standard signals.
• Use the preset Colour Setting.
• Use non-interlaced signals with a vertical refresh rate between 60-75 Hz.
• Do not use primary colour blue on a dark background, as it is difficult to see and may produce eye fatigue to insufficient
contrast.

1-35
English
English-11
Specifications LCD51VM Monitor
Monitor Specifications AccuSync LCD51VM Monitor Notes
LCD Module Diagonal: 38.1 cm/15 inches Active matrix; thin film transistor (TFT)
Viewable Image Size: 38.1 cm/15 inches liquid crystal display (LCD); 0.297 mm dot
Native Resolution (Pixel Count): 1024 x 768 pitch; 250 cd/m
2
white luminance, 400/
450:1 contrast ratio, typical.
Input Signal Video: ANALOG 0.7 Vp-p/75 Ohms
Sync: Separate sync.TTL Level (Positive/Negative)
Horizontal sync. Positive/Negative
Vertical sync. Positive/Negative
Display Colours Analog input: 16,777,216 Depends on display card used.
Synchronization Range Horizontal: 31.5 kHz to 60 kHz Automatically
Vertical: 56 Hz to 75 Hz Automatically
Viewing Angle Left/Right: -60°/+60°(CR>10)
Up/Down: -40°/+60°(CR>10)
Resolutions Supported Landscape: 720 x 400*
1
: VGA Some systems may not support all
640 x 480*
1
@ 60 Hz to 75 Hz modes listed.
800 x 600*
1
@ 56 Hz to 75 Hz NEC-Mitsubishi Electronics Display cites
832 x 624*
1
@ 75 Hz recommended resolution at 75 Hz for
1024 x 768 @ 60 Hz to 75 Hz..................... optimal display performance.
Active Display Area Horizontal: 304.1 mm
Vertical: 228.1 mm
Speakers Practical Audio Output: 1.0 W + 1.0 W
Power Supply 100 - 240 V ~ 50/60 Hz
Current Rating 0.45 - 0.25 A
Dimensions Landscape: 347.4 mm (W) x 341.9 mm (H) x 168.5 mm (D) (with stand)
347.4 mm (W) x 296.2 mm (H) x 53.9 mm (D) (without stand)
Weight 3.0 kg
Environmental Considerations
Operating Temperature: 5 °C to 35 °C
Humidity: 30% to 80%
Altitude: 0 to 3,658 m
Storage Temperature: -10 °C to +60 °C
Humidity: 10% to 85%
Altitude: 0 to 12,192 m
*1 Interpolated Resolutions: When resolutions are shown that are lower than the pixel count of the LCD module, text may appear different. This is
normal and necessary for all current flat panel technologies when displaying non-native resolutions full screen. In flat panel technologies, each dot on
the screen is actually one pixel, so to expand resolutions to full screen, an interpolation of the resolution must be done.
NOTE: Technical specifications are subject to change without notice.

1-36
English-12
Specifications LCD71VM Monitor
Monitor Specifications AccuSync LCD71VM Monitor Notes
LCD Module Diagonal: 43.2 cm/17 inches Active matrix; thin film transistor (TFT)
Viewable Image Size: 43.2 cm/17 inches liquid crystal display (LCD); 0.264 mm dot
Native Resolution (Pixel Count): 1280 x 1024 pitch; 250 cd/m
2
white luminance, 450:1
contrast ratio, typical.
Input Signal Video: ANALOG 0.7 Vp-p/75 Ohms
Sync: Separate sync.TTL Level (Positive/Negative)
Horizontal sync. Positive/Negative
Vertical sync. Positive/Negative
Display Colours Analog input: 16,194,277 Depends on display card used.
Synchronization Range Horizontal: 31.5 kHz to 81.1 kHz Automatically
Vertical: 56 Hz to 75 Hz Automatically
Viewing Angle Left/Right: -70°/+70°(CR>10)
Up/Down: -60°/+60°(CR>10)
Resolutions Supported Landscape: 720 x 400*
1
: VGA Some systems may not
640 x 480*
1
@ 60 Hz to 75 Hz support all modes listed.
800 x 600*
1
@ 56 Hz to 75 Hz
832 x 624*
1
@ 75 Hz
1024 x 768*
1
@ 60 Hz to 75 Hz
1152 x 864*
1
@ 70 Hz to 75 Hz
1152 x 870*
1
@ 75 Hz NEC-Mitsubishi Electronics Display cites
1280 x 960*
1
@ 60 Hz to 75 Hz recommended resolution at 75 Hz for
1280 x 1024 @ 60 Hz to 75 Hz................... optimal display performance.
Active Display Area Horizontal: 338 mm
Vertical: 270.3 mm
Speakers Practical Audio Output: 1.0 W + 1.0 W
Power Supply 100 - 240 V ~ 50/60 Hz
Current Rating 0.75 - 0.4 A
Dimensions Landscape: 379 mm (W) x 383 mm (H) x 193 mm (D) (with stand)
347.4 mm (W) x 296.2 mm (H) x 53.9 mm (D) (without stand)
Weight 4.6 kg
Environmental Considerations
Operating Temperature: 5 °C to 35 °C
Humidity: 30% to 80%
Altitude: 0 to 3,658 m
Storage Temperature: -10 °C to +60 °C
Humidity: 10% to 85%
Altitude: 0 to 12,192 m
*1 Interpolated Resolutions: When resolutions are shown that are lower than the pixel count of the LCD module, text may appear different. This is
normal and necessary for all current flat panel technologies when displaying non-native resolutions full screen. In flat panel technologies, each dot on
the screen is actually one pixel, so to expand resolutions to full screen, an interpolation of the resolution must be done.
NOTE: Technical specifications are subject to change without notice.

1-37
English
English-13
Features
Reduced Footprint: Provides the ideal solution for environments requiring superior image quality but with size and weight
limitations. The small footprint and low weight allow it to be moved or transported easily from one location to another.
AccuColor Control Systems: Allows you to adjust the colours on your screen and customize the colour accuracy of your
monitor to a variety of standards.
OSM (On-Screen Manager) Controls: Allow you to quickly and easily adjust all elements of your screen image via simple to
use on-screen menus.
No-touch Auto Adjust: No-touch Auto Adjust automatically adjusts the monitor to optimal settings upon initial setup.
ErgoDesign Features: Enhance human ergonomics to improve the working environment, protect the health of the user and
save money. Examples include OSM controls for quick and easy image adjustments, tilt base for preferred angle of vision,
small footprint and compliance with MPRII and TCO guidelines for lower emissions.
Plug and Play: The Microsoft solution with the Windows 95/98/Me/2000/XP operating system facilitates setup and installation
by allowing the monitor to send its capabilities (such as screen size and resolutions supported) directly to your computer,
automatically optimizing display performance.
IPM (Intelligent Power Manager) System: Provides innovative power-saving methods that allow the monitor to shift to a
lower power consumption level when on but not in use, saving two-thirds of your monitor energy costs, reducing emissions
and lowering the air conditioning costs of the workplace.
Multiple Frequency Technology: Automatically adjusts monitor to the display card’s scanning frequency, thus displaying the
resolution required.
FullScan Capability: Allows you to use the entire screen area in most resolutions, significantly expanding image size.
VESA Standard Mounting Interface: Allows users to connect their AccuSync monitor to any VESA standard third party
mounting arm or bracket. Allows for the monitor to be mounted on a wall or an arm using any third party compliant device.

1-38
English-14
Troubleshooting
No picture
• The signal cable should be completely connected to the display card/computer.
• The display card should be completely seated in its slot.
• Check front power Switch and computer power switch should be in the ON position.
• Check to make sure that a supported mode has been selected on the display card or system being used. (Please
consult display card or system manual to change graphics mode.)
• Check the monitor and your display card with respect to compatibility and recommended settings.
• Check the signal cable connector for bent or pushed-in pins.
• Check the signal input.
Power Button does not respond
• Unplug the power cord of the monitor from the AC outlet to turn off and reset the monitor.
Image persistence
• Image persistence is when a “ghost” of an image remains on the screen even after the monitor has been turned off.
Unlike CRT monitors, LCD monitors’ image persistence is not permanent, but constant images being displayed for a
long period of time should be avoided.
To alleviate image persistence, turn the monitor off for as long as an image was displayed. For example, if an image
was on the monitor for one hour and a residual image remains, the monitor should be turned off for one hour to erase
the image.
NOTE: As with all personal display devices, NEC-Mitsubishi Electronics Displays recommends using a screen saver at
regular intervals whenever the screen is idle or turning off the monitor when not in use.
Image is unstable, unfocused or swimming is apparent
• Signal cable should be completely attached to the computer.
• Use the OSM Image Adjust controls to focus and adjust display by increasing or decreasing the fine total. When the
display mode is changed, the OSM Image Adjust settings may need to be re-adjusted.
• Check the monitor and your display card with respect to compatibility and recommended signal timings.
• If your text is garbled, change the video mode to non-interlace and use 60 Hz refresh rate.
LED on monitor is not lit (no green or amber colour can be seen)
• Power Switch should be in the ON position and power cord should be connected.
Display image is not sized properly
• Use the OSM Image Adjust controls to increase or decrease the H.SIZE.
• Check to make sure that a supported mode has been selected on the display card or system being used.
(Please consult display card or system manual to change graphics mode.)
No Video
• If no video is present on the screen, turn the Power button off and on again.
• Make certain the computer is not in a power-saving mode (touch the keyboard or mouse).
No Sound
• Check to see if speaker cable is properly connected.
• Check to see if mute is activated.
• Check to see if volume in OSM is set at minimum.

1-39
English
English-15
Congratulations! You have just purchased a
TCO’99 approved and labelled product! Your
choice has provided you with a product developed
for professional use. Your purchase has also
contributed to reducing the burden on the
environment and also to the further development
of environmentally adapted electronics products.
Why do we have environmentally labelled computers?
In many countries, environmental labelling has become an
established method for encouraging the adaptation of goods and
services to the environment. The main problem, as far as
computers and other electronics equipment are concerned, is that
environmentally harmful substances are used both in the products
and during the manufacturing. Since it has not been possible for
the majority of electronics equipment to be recycled in a
satisfactory way, most of these potentially damaging substances
sooner or later enter Nature.
There are also other characteristics of a computer, such as energy
consumption levels, that are important from the viewpoints of both
the work (Internal) and natural (external) environments. Since all
methods of conventional electricity generation have a negative
effect on the environment (acidic and climate-influencing
emissions, radioactive waste, etc.), it is vital to conserve energy.
Electronics equipment in offices consume an enormous amount of
energy since they are often left running continuously.
What does labelling involve?
This product meets the requirements for the TCO’99 scheme
which provides for international and environmental labelling of
personal computers. The labelling scheme was developed as a
joint effort by the TCO (The Swedish Confederation of Professional
Employees), Svenska Naturskyddsforeningen (The Swedish
Society for Nature Conservation) and Statens Energimyndighet
(The Swedish National Energy Administration).
The requirements cover a wide range of issues: environment,
ergonomics, usability, emission of electrical and magnetic fields,
energy consumption and electrical and fire safety.
The environmental demands concern restrictions on the presence
and use of heavy metals, brominated and chlorinated flame
retardants, CFCs (freons) and chlorinated solvents, among other
things. The product must be prepared for recycling and the
manufacturer is obliged to have an environmental plan which must
be adhered to in each country where the company implements its
operational policy. The energy requirements include a demand that
the computer and/or display, after a certain period of inactivity,
shall reduce its power consumption to a lower level in one or more
stages. The length of time to reactivate the computer shall be
reasonable for the user.
Labelled products must meet strict environmental demands, for
example, in respect of the reduction of electric and magnetic fields,
physical and visual ergonomics and good usability.
Environmental Requirements
Flame retardants
Flame retardants are present in printed circuit boards, cables,
wires, casings and housings. In turn, they delay the spread of fire.
Up to thirty percent of the plastic in a computer casing can consist
of flame retardant substances. Most flame retardants contain
bromine or chloride and these are related to another group of
environmental toxins, PCBs, which are suspected to give rise to
severe health effects, including reproductive damage in fisheating
birds and mammals, due to the bioaccumulative* processes.
Flame retardants have been found in human blood and
researchers fear that disturbances in foetus development may
occur.
TCO’99 demand requires that plastic components weighing more
than 25 grams must not contain flame retardants with organically
bound chlorine and bromine. Flame retardants are allowed in the
printed circuit boards since no substitutes are available.
Lead**
Lead can be found in picture tubes, display screens, solders and
capacitors. Lead damages the nervous system and in higher
doses, causes lead poisoning.
TCO’99 requirement permits the inclusion of lead since no
replacement has yet been developed.
Cadmium**
Cadmium is present in rechargeable batteries and in the
colourgenerating layers of certain computer displays. Cadmium
damages the nervous system and is toxic in high doses.
TCO’99 requirement states that batteries, the colourgenerating
layers of display screens and the electrical or electronics
components must not contain any cadmium.
Mercury**
Mercury is sometimes found in batteries, relays and switches,
Mercury damages the nervous system and is toxic in high doses.
TCO’99 requirement states that batteries may not contain any
Mercury. It also demands that no mercury is present in any of
the electrical or electronics components associated with the
display unit.
CFCs (freons)
CFCs (freons) are sometimes used for washing printed circuit
boards. CFCs break down ozone and thereby damage the ozone
layer in the stratosphere, causing increased reception on Earth
of ultraviolet light with consequent increased risks of skin cancer
(malignant melanoma).
The relevant TCO’99 requirement; Neither CFCs nor HCFCs
may be used during the manufacturing and assembly of the
product or its packaging.
*Bio-accumulative is defined as substances which accumulate
within living organisms.
**Lead, Cadmium and Mercury are heavy metals which are
Bio-accumulative.
To obtain complete information on the environmental criteria
document, order from:
TCO Development Unit
SE-114 94 Stockholm
SWEDEN
FAX Number: +46 8 782 92 07
E-mail (Internet): development@tco.se
You may also obtain current information on TCO’99 approved
and labelled products by visiting their website at:
http://www.tcodevelopment.com
TCO’99

2-1
Serial Number Information
Refer to the serial number information shown below.
g g g g g g g g g g
Manufactured Year :
( Last digit )
Manufactured Month :
January to September 1 to 9
October X
November Y
December Z
Classification code :
Discriminate by cabinet color
White : 0
Black : 1
Running number :
Note : This running number doesn’t reset at each month.
(Example)
Jan.: 00001, 00002, 00003, ….., 01234,
Feb.: 01235, 01236, 01237, ….., 99999, 00001,
Mar.: 00002, 00003, 00004, …..
Factory Code:
NPG China factory: Y
Control Code:
For A ver. (U.S.A.): A
For B ver. (Europe): B
EX.) SERIAL NUMBER LABEL
Model Name : LCD51VM
LCD51VM-BK
SERIAL NO. :

3-1
DISASSEMBLY
g Before you disassemble the set, turn off power and pull out the power plug.
g Use the proper screwdriver. If oversize or undersize screwdriver is used, screws may be damaged.
g Assembly is the opposite process of disassembly.
SYMBOL Part No for NPG DESCRIPTION CABINET COLOR
1 14300511 SC,PL-CPIMS*4*10*3G White
1 14300501 SC,PL-CPIMSx4x10x3K Black
2 14900151 HINGE UNIT,L152R5 ---
1
1
2

3-2
SYMBOL Part No for NPG DESCRIPTION CABINET COLOR
3 14000411 SC,CBISSx3x8x3G White
3 14000401 SC,CBISSx3x8x3K Black
4 14000381 SC,CBISSx3x14x3G White
4 14000431 SC,CBISSx3x14x3K Black
5 10103781 BACK,L152R5-WH-NSP White
5 10104211 BACK,L152R5-BK-NSP Black
5
4
3

3-3
SYMBOL Part No for NPG DESCRIPTION
6 14000391 SC,CBIPS*3*10*15B
7 AS0R51ML SW INSERT ASSY
8 JN100021 SPEAKER ASSY
9 14300201 4#-40TX4.8HLX4X5-NI/W
SYMBOL Part No for NPG DESCRIPTION CABINET COLOR Ver
10 10104131 BEZEL,L152R5-WH-NSP-ASSY White A ver
10 10104221 BEZEL,L152R5-BK-NSP-ASSY Black A ver
10 10104231 BEZEL,L152R5-BK(B)-NSP-ASSY Silver/Black B ver
11 11301671 KNOB CONTROL,L152R5-WH White A ver
11 11301681 KNOB CONTROL,L152R5-BK Black Silver/Black A/B ver
10
11
6
7
8
S801
9

3-4
SYMBOL Part No for NPG DESCRIPTION
12 14300211 P2.5*4 MC (NI)
SYMBOL Part No for NPG DESCRIPTION
13 14000121 SCREW CUP(3*8*15BF)
14 12301171 SHIELDING COVER
15 12000881 CHASSIS BASE,L152R5-NSP-LG
16 14300211 P2.5*4 MC (NI)
CN53
CN52
12
13
1415
16
S404

3-5
SYMBOL Part No for NPG DESCRIPTION
17 RC200291 WIRE 20P-20P L90 LVDS
18 JG555011 LCD NL10276BC30-10 NEC
SYMBOL Part No for NPG DESCRIPTION
19 14000121 SCREW CUP(3*8*15BF)
20 14300031 SCREW(PL-CPIMS*4*10*15BF)
21 RC200272 WIRE 9P-9P P=2.0 L260
18
17
20
21
19
19
S403
S405
S502

3-6
SYMBOL Part No for NPG DESCRIPTION
22 AM0R51MN MAIN INSERT ASSY
23 JM100061 POWER B/D (15"NEC)
SYMBOL Part No for NPG DESCRIPTION CABINET COLOR
24 11002101 STAND COVER T,L152R5-WH White
24 11002141 STAND COVER T,L152R5-BK Black
25 12301351 SHIELD TCO(T), L152R5 ---
26 14000251 SCREW(3*8 TRUSS HEAD/EP-Fe/Zn5/CM1) White
26 14000271 SCREW(BTT 3*8 AB) Black
27 12301361 SHIELD TCO(B), L152R5 ---
28 14000251 SCREW(3*8 TRUSS HEAD/EP-Fe/Zn5/CM1) White
28 14000271 SCREW(BTT 3*8 AB) Black
29 17001441 FOOT RUBBER ---
30 11002111 STAND COVER B,L152R5-WH White
30 11002151 STAND COVER B,L152R5-BK Black
22
23
24
25 27
26 28
29
29
29 29
30
4-1
ADJUSTMENT PROCEDURES
TABLE OF CONTENTS
Page
1. Application ............................................................................................................................. 4-2
2. Default Setting ...................................................................................................................... 4-2
3. Basic Operation .................................................................................................................... 4-2
3.1 Basic Key Function ............................................................................................................. 4-2
3.2 Hot Key for Factory Adjust .................................................................................................. 4-3
3.3 Hot Key for Burn-in Mode ................................................................................................... 4-4
4. Adjustment ............................................................................................................................ 4-5
4.1 Measuring Instruments, Jigs and Tools ............................................................................... 4-5
4.2 Power-supply Voltage ......................................................................................................... 4-5
4.3 Power Circuit Closure ......................................................................................................... 4-5
4.4 ADC Bias and Gain Adjust .................................................................................................. 4-5
4.5 Panel Brightness Check ...................................................................................................... 4-6
4.6 Panel Color Check .............................................................................................................. 4-6
4.7 Color Temperature Check ................................................................................................... 4-6
5. Reference Signal Timing ....................................................................................................... 4-7
6. Factory Mode Explanations .................................................................................................. 4-8
7. Preset Timing Sheet .............................................................................................................. 4-11

4-2
1. Application
This adjustment specification should be applied to the LCD51VM (L152R5) adjustment.
2. Default Setting
Item Condition
Power Supply AC100V~240Vac
Input Freq. 1024×768@75Hz
Volume 50%
Mute OFF
Brightness 100%
Contrast 50%
Color Temp. USER (R: 100%, G: 100%, B: 100%)
OSM Time Off 45 sec.
OSM Lock Out NO
Resolution notifier ON
OSD/OSM SETTING OSM
URL SETTING WWW.NECMITSUBISHI.COM
OSM
SETTING
LANGUAGE ENGLISH
3. Basic Operation
3.1 Basic Key Function
Button
OSM Off OSM displayed Shortcut to bright
adjust window Shortcut to Volume t
adjust window “Auto adjust“ function
OSM On
(Icon selection
stage)
Moves to Adjustment
stage Cursor moves left Cursor moves right
OSM On
(Adjustment
stage)
Moves to Icon
selection stage
Adjust value
decrease or
Cursor for adjust
moves left
Adjust value
increase or
Cursor for adjust
moves right
Reset operation
Mute off/on Volume
adjustment window
SELECT − + AUTO/RESET

4-3
3.2 Hot Key for Factory Adjust
a) Press “Select” button then open OSM menu.
b) OSM select to “TOOL” menu by “Plus” or “Minus” button.
c) Press “Select button” into “TOOL” menu.
d) OSM select to “MODE” item and Press “Select button” into “MODE” menu.
e) Press “Plus “ + ”Minus” and “Auto/Reset” button then into Factory mode.
Select
+ or -
Select
+ or - Select
+,- and Auto/Reset

4-4
3.3 Hot Key for Burn-in Mode
a) No signal input.
b) Press “Plus” + “Minus” and “Auto/Reset” button then into Burn-in mode.
+,- and Auto/Reset

4-5
4. Adjustment
4.1 Measuring Instruments, Jigs and Tools
The measuring instruments, jigs, and tools required at the time of the adjustment of the unit to be adjusted
are as specified below.
a. A signal generator that can generate an output of signal timing produced by the adjusted (*) VG-819 or
specified in [4. Setting method for the VG-819.] In this case, however, this signal generator should be
capable of displaying all white and all black as a screen display pattern.
* The word “adjusted” means that the amplitude of each signal R, G, B, which is output from the signal
generator, is maintained at 0.7Vp-p ± 0.05V when a load of 75Ω is connected.
4.2 Power-supply Voltage
INPUT: 100Vac ~ 240Vac
4.3 Power Circuit Closure
1) Connect the suitable cable of the VG-819 according to the setting mode.
2) Turn on the Power switch of the VG-819.
3) Connect the AC power cable to the unit being adjusted.
4) Turn on the Power switch of the unit being adjusted.
5) After the completion of signal discrimination, the LED is turned green.
4.4 ADC Bias and Gain Adjust
1) Enter an input signal of 1024×768 (75Hz), in 32-gray gradation.
2) Enter the factory mode according to “3.2 Hot key for Factory Adjust”
3) Press the (+) or (−) buttons several times to display the [AUTO CONTRAST] adjust menu.
4) Pressing the SELECT button, adjust the cursor to [AUTO]. When the AUTO/RESET button is pressed,
adjustment of the bias and the gain is carried out.
5) When adjustments have been finished, press the power switch OFF → ON to close the factory mode.
1 2 3 4 5 6 7
AUTO
GAIN RED 244
GAIN GREEN 250
GAIN BLUE 220
OFFSET RED 90
OFFSET GREEN 85
OFFSET BLUE 82
4-6
4.5 Panel Brightness Check
1) Enter an input signal of 1024×768 (75Hz), in Full white pattern.
2) OSM setting “BRIGHTNESS” to Max. (100%) and “CONTRAST” to 100%.
3) Color temperature setting to “USER” (R: 100%, G: 100%, B: 100%).
4) Check the center luminance should ≥ 200cd/m2.
4.6 Panel Color Check
1) Enter an input signal of 1024×768 (75Hz), in Full white pattern.
2) Proceed “Factory Preset” function.
Brightness: 100%
Contrast: 100%
3) Color temperature setting to “USER” (R: 100%, G: 100%, B: 100%).
4) Check the center color coordination.
x = 313 ±0.03 y = 329 ±0.03
4.7 Color Temperature Check
1) Enter an input signal of 1024×768 (75Hz), in Full white pattern.
2) OSM “BRIGHTNESS” setting to Max. (100%) and “CONTRAST” setting to 100%.
3) OSM into factory mode and adjust R/G/B gain to meeting below color coordination.
4) Each color temperature setting as below:
9300K: x = 0.283 ±0.03 y = 0.297 ±0.03
7500K: x = 0.299 ±0.03 y = 0.315 ±0.03
6500K: x = 0.313 ±0.03 y = 0.329 ±0.03

4-7
5. Reference Signal Timing
Item Abbreviation VESA 1024x768 75Hz
Pixel frequency fc 78.75MHz
Horizontal frequency fh 60.02kHz
Line Time total Th 16.66us 1312CLK
Horizontal active display Thd 13.00us 1024CLK
Horizontal sync pulse Thp 1.22us 96CLK
Horizontal back porch Thb 2.24us 176CLK
Horizontal front porch Thf 0.20us 16CLK
Horizontal sync polarity POS
Vertical Frequency fv 75.03Hz
Frame time total Tv 13.33ms 800H
Vertical active display Tvd 12.80ms 768H
Vertical sync pulse Tvp 0.05ms 3H
Vertical back porch Tvb 0.47us 28H
Vertical front porch Tvf 0.02ms 1H
Vertical sync polarity POS

4-8
1 2 3 4 5 6 7
AUTO
GAIN RED 244
GAIN GREEN 250
GAIN BLUE 220
OFFSET RED 90
OFFSET GREEN 85
OFFSET BLUE 82
1 2 3 4 5 6 7
OSD DESIGN 0
OSD SELECT OSM
URL 1
FIRST AUTO ON
THRESHOLD 4
6. Factory Mode Explanations
ON: Accumulated time during the reception of input signals
(LED: green)
OFF: Accumulated time in the power-saving mode and soft
power off mode (Only AC power input).
(LED: amber or off)
* The accumulated time (hours running) is reset when
FACTORY RESET is executed.
FACTORY PRESET: All data are reset to the initial values.
AUTO: Auto-adjustments for the gain and the offset.
GAIN R/G/B: It is possible to adjust the gain values of
R, G, B, respectively.
* This value use Auto contrast of user menu.
OFFSET R/G/B: It is possible to adjust the offset values of
R, G, B, respectively.
OSD DESIGN: No Used.
OSD SELECT: The OSD/OSM display is changed over for
the OSM menu.
OSM (Setting for shipment)
OSD
URL: Display or no display of URL (Internet address)
0: Not displayed
1: Displayed (WWW.NECMITSUBISHI.COM): Setting for
shipment (for North America and Europe version)
2: Displayed (WWW.NMV.CO.JP): (for Japan)
FIRST AUTO: Non touch auto adjust function switch.
ON: NTAA function enable. (Setting for shipment)
OFF: NTAA function disable.
THRESHOLD: Image detect level of auto adjust.
0: Min
16: Max
4: Initial
1 2 3 4 5 6 7
HOURS RUNNING
ON 104H 38M
OFF 224H 40M
FACTORY RESET

4-9
AUTO COUNT: No. of auto-adjustment trials conducted by
the user.
* This value can reset by factory reset of service menu.
AUTO CONT COUNT: No. of auto-contrast control trials
conducted by the user
* This value can reset by factory reset of service menu.
PWMO PREIOD: Backlight brightness control frequency.
Initial: 73
PWMO MAX: Brightness control Max. Initial: 73
PWMO MIN: Brightness control Min. Initial: 39
* Don’t set PWMO MAX > PWMO PERIOD
F-GAIN R/G/B: It is factory auto gain result value. If proceed
factory preset of user menu then overwrite
gain seconds menu in this value.
OFFSET1 R/G/B: It is first stage offset control. Initial: 32
* Don’t change this value.
H FREQ STABLE: Input signal stable condition from unstable.
Initial: 2
V FREQ STABLE: Input signal stable condition from unstable.
Initial: 1
STABLE COUNT: Input signal stable condition from unstable.
Initial: 4
H FREQ UNSTABLE: Input signal unstable condition from
stable. Initial: 2
V FREQ UNSTABLE: Input signal unstable condition from
stable. Initial: 1
UNSTABLE COUNT: Input signal unstable condition from
stable. Initial: 1
1 2 3 4 5 6 7
AUTO COUNT 38
AUTO CONT COUNT 35
PWMO PERIOD 73
PWMO MAX 73
PWMO MIN 39
1 2 3 4 5 6 7
F-GAIN RED 244
F-GAIN GREEN 227
F-GAIN BLUE 230
OFFSET1 RED 32
OFFSET1 GREEN 32
OFFSET1 BLUE 32
1 2 3 4 5 6 7
H FREQ STABLE 2
V FREQ STABLE 1
STABLE COUNT 4
H FREQ UNSTABLE 2
V FREQ UNSTABLE 1
UNSTABLE COUNT 1

4-10
ON: Total accumulated time during the reception of input
signals (LED: green)
OFF: Total accumulated time in the power-saving mode
(LED: amber)
* The accumulated time (hours running) is not reset even
when FACTORY RESET is executed.
F/W VERSION: Firmware version
1 2 3 4 5 6 7
HOURS RUNNING(FACT)
ON 105H 45M
OFF 224H 40M
F/W
V
ERSION:V0.28

4-11
7. Preset Timing Sheet
No. 1 2
Item Abbreviation VGA 640x480 60Hz MAC 640x480
Pixel frequency fc 25.175MHz 30.24MHz
Horizontal frequency fh 31.47kHz 35.00kHz
Line Time total Th 31.78us 800CLK 28.57us 864CLK
Horizontal active display Thd 25.42us 640CLK 21.16us 640CLK
Horizontal sync pulse Thp 3.81us 96CLK 2.12us 64CLK
Horizontal back porch Thb 1.91us 48CLK 3.17us 96CLK
Horizontal front porch Thf 0.64us 16CLK 2.12us 64CLK
Horizontal sync polarity NEG NEG
Vertical Frequency fv 59.992Hz 66.66Hz
Frame time total Tv 16.68ms 525H 15.00ms 525H
Vertical active display Tvd 15.25ms 480H 13.71ms 480H
Vertical sync pulse Tvp 0.06ms 2H 0.09ms 3H
Vertical back porch Tvb 1.02ms 33H 1.11ms 39H
Vertical front porch Tvf 0.35ms 10H 0.09ms 3H
Vertical sync polarity NEG NEG
No. 3 4
Item Abbreviation VGA 640x480 72Hz VESA 640x480 75Hz
Pixel frequency fc 31.500MHz 31.500MHz
Horizontal frequency fh 37.86kHz 37.50kHz
Line Time total Th 26.41us 832CLK 26.67us 840CLK
Horizontal active display Thd 20.32us 640CLK 20.32us 640CLK
Horizontal sync pulse Thp 1.27us 40CLK 2.03us 64CLK
Horizontal back porch Thb 4.06us 128CLK 3.81us 120CLK
Horizontal front porch Thf 0.76us 24CLK 0.51us 16CLK
Horizontal sync polarity NEG NEG
Vertical Frequency fv 72.81Hz 75.00Hz
Frame time total Tv 13.73ms 520H 13.33ms 500H
Vertical active display Tvd 12.68ms 480H 12.80ms 480H
Vertical sync pulse Tvp 0.08ms 3H 0.08ms 3H
Vertical back porch Tvb 0.74ms 28H 0.43ms 16H
Vertical front porch Tvf 0.24ms 9H 0.03ms 1H
Vertical sync polarity NEG NEG
No. 5 6
Item Abbreviation VGA 720x350 70Hz VGA 720x400 70Hz
Pixel frequency fc 28.322MHz 28.322MHz
Horizontal frequency fh 31.47kHz 31.47kHz
Line Time total Th 31.78us 900CLK 31.78us 900CLK
Horizontal active display Thd 25.42us 720CLK 25.42us 720CLK
Horizontal sync pulse Thp 3.81us 108CLK 3.81us 108CLK
Horizontal back porch Thb 1.91us 54CLK 1.91us 54CLK
Horizontal front porch Thf 0.64us 18CLK 0.63us 18CLK
Horizontal sync polarity POS NEG
Vertical Frequency fv 70.087Hz 70.087Hz
Frame time total Tv 14.27ms 449H 14.27ms 449H
Vertical active display Tvd 11.12ms 350H 12.71ms 400H
Vertical sync pulse Tvp 0.06ms 2H 0.06ms 2H
Vertical back porch Tvb 1.91ms 60H 1.11ms 35H
Vertical front porch Tvf 1.18ms 37H 0.38ms 12H
Vertical sync polarity NEG POS

4-12
No. 7 8
Item Abbreviation VESA 800x600 56Hz VESA 800x600 60Hz
Pixel frequency fc 36.00MHz 40.00MHz
Horizontal frequency fh 35.16kHz 37.88kHz
Line Time total Th 28.44us 1024CLK 26.40us 1065CLK
Horizontal active display Thd 22.22us 800CLK 20.00us 800CLK
Horizontal sync pulse Thp 2.00us 72CLK 3.20us 128CLK
Horizontal back porch Thb 3.56us 128CLK 2.20us 88CLK
Horizontal front porch Thf 0.67us 24CLK 1.00us 40CLK
Horizontal sync polarity POS POS
Vertical Frequency fv 56.25Hz 60.32Hz
Frame time total Tv 17.78ms 625H 16.58ms 628H
Vertical active display Tvd 17.07ms 600H 15.84ms 600H
Vertical sync pulse Tvp 0.06ms 2H 0.11ms 4H
Vertical back porch Tvb 0.63ms 22H 0.61ms 23H
Vertical front porch Tvf 0.03ms 1H 0.03ms 1H
Vertical sync polarity POS POS
No. 9 10
Item Abbreviation VESA 800x600 72Hz VESA 800x600 75Hz
Pixel frequency fc 50.000MHz 49.500MHz
Horizontal frequency fh 48.08kHz 46.88kHz
Line Time total Th 20.80us 1040CLK 21.33us 1056CLK
Horizontal active display Thd 16.00us 800CLK 16.16us 800CLK
Horizontal sync pulse Thp 2.40us 120CLK 1.62us 80CLK
Horizontal back porch Thb 1.28us 64CLK 3.23us 160CLK
Horizontal front porch Thf 1.12us 56CLK 0.32us 16CLK
Horizontal sync polarity POS(/NEG) POS
Vertical Frequency fv 72.19Hz 75.00Hz
Frame time total Tv 13.85ms 666H 13.33ms 625H
Vertical active display Tvd 12.48ms 600H 12.80ms 600H
Vertical sync pulse Tvp 0.13ms 6H 0.06ms 3H
Vertical back porch Tvb 0.48ms 23H 0.45ms 21H
Vertical front porch Tvf 0.77ms 37H 0.02ms 1H
Vertical sync polarity POS(/NEG) POS
No. 11 12
Item Abbreviation MAC 832x624 VESA 1024x768 60Hz
Pixel frequency fc 57.28MHz 65.000MHz
Horizontal frequency fh 49.73kHz 48.35kHz
Line Time total Th 20.11us 1152CLK 20.68us 1344CLK
Horizontal active display Thd 14.52us 832CLK 15.75us 1024CLK
Horizontal sync pulse Thp 1.12us 64CLK 2.09us 136CLK
Horizontal back porch Thb 3.91us 224CLK 2.46us 160CLK
Horizontal front porch Thf 0.56us 32CLK 0.37us 24CLK
Horizontal sync polarity NEG NEG
Vertical Frequency fv 74.55Hz 60.00Hz
Frame time total Tv 13.41ms 667H 16.67ms 806H
Vertical active display Tvd 12.55ms 624H 15.88ms 768H
Vertical sync pulse Tvp 0.06ms 3H 0.12ms 6H
Vertical back porch Tvb 0.78ms 39H 0.60ms 29H
Vertical front porch Tvf 0.02ms 1H 0.06ms 3H
Vertical sync polarity NEG NEG

4-13
No. 13 14
Item Abbreviation VESA 1024x768 70Hz VESA 1024x768 75Hz
Pixel frequency fc 75.000MHz 78.75MHz
Horizontal frequency fh 56.48kHz 60.02kHz
Line Time total Th 17.71us 1328CLK 16.66us 1312CLK
Horizontal active display Thd 13.65us 1024CLK 13.00us 1024CLK
Horizontal sync pulse Thp 1.81us 136CLK 1.22us 96CLK
Horizontal back porch Thb 1.92us 144CLK 2.24us 176CLK
Horizontal front porch Thf 0.32us 24CLK 0.20us 16CLK
Horizontal sync polarity NEG POS
Vertical Frequency fv 70.07Hz 75.03Hz
Frame time total Tv 14.27ms 806H 13.33ms 800H
Vertical active display Tvd 13.60ms 768H 12.80ms 768H
Vertical sync pulse Tvp 0.11ms 6H 0.05ms 3H
Vertical back porch Tvb 0.51ms 29H 0.47ms 28H
Vertical front porch Tvf 0.05ms 3H 0.02ms 1H
Vertical sync polarity NEG POS
5-1
INSPECTION
TABLE OF CONTENTS
Page
1. General Description ------------------------------------------------------------------------------------------ 5-2
2. Electrical Characteristics ------------------------------------------------------------------------------------ 5-3
2.1 Power Supply --------------------------------------------------------------------------------------------- 5-3
2.2 LCD without Acrylic Panel ----------------------------------------------------------------------------- 5-4
2.3 Video Interface -------------------------------------------------------------------------------------------- 5-4
2.4 Audio System --------------------------------------------------------------------------------------------- 5-5
2.5 External Inspection on the LCD Module ------------------------------------------------------------ 5-7
3. Electrical Inspection ------------------------------------------------------------------------------------------ 5-11
3.1 Function switch check ---------------------------------------------------------------------------------- 5-11
3.2 Frequency change --------------------------------------------------------------------------------------- 5-11
3.3 Performance Check ------------------------------------------------------------------------------------- 5-11
3.4 Check Power Manage Function ---------------------------------------------------------------------- 5-11
3.5 Inspection on Audio function -------------------------------------------------------------------------- 5-12
4. Safety Test ------------------------------------------------------------------------------------------------------ 5-13
4.1 Input Current Measurements -------------------------------------------------------------------------- 5-13
4.2 Power Source/Earth Connections -------------------------------------------------------------------- 5-13
4.3 Dielectric Strength Test --------------------------------------------------------------------------------- 5-14
4.4 Leakage Current Test ----------------------------------------------------------------------------------- 5-14
4.5 Insulation Resistance Test ----------------------------------------------------------------------------- 5-15
5. Inspection of PLUG & PLAY Communication and OSM "MONITOR INFORMATION"
for Model Name/ Serial Number --------------------------------------------------------------------------- 5-16
5.1 System Connection -------------------------------------------------------------------------------------- 5-16
5.2 Input Signal ------------------------------------------------------------------------------------------------ 5-16
5.3 Program ---------------------------------------------------------------------------------------------------- 5-16
5.4 Operation --------------------------------------------------------------------------------------------------- 5-17
5.5 EDID Data File -------------------------------------------------------------------------------------------- 5-20
5.6 EDID Write Protect Cancel Signal Timing ---------------------------------------------------------- 5-20
Appendix Reference Signal Timings ---------------------------------------------------------------------- 5-21

5-2
1. General Description
Product Specifications
NEC NL10276BC30-10
Pixel Pitch 0.297mm
Resolution 1024x768 pixels (XGA)
Color 16.77 million colors (R,G, B: 6bit + FRC)
Brightness 250cd/m2 (Typical)
Contrast Ratio 450:1 (Typical)
LCD Module
Viewing Angle
60/60(L/R), 40/60(U/D) (CR>=10: Typical)
50/50(L/R), 30/35(U/D) (CR>=10: Minimum)
75/75(L/R), 55/75(U/D) (CR>=5: Typical)
Horizontal 31.5 – 60.0kHz
Frequency Vertical 56.2 – 75.1Hz
Pixel Clock 25.1 – 78.8MHz
Viewable Size 304.1 x 228.1mm
Multi Pixel Yes (with smoothing)
Digital Control Yes
Color Control Yes (3 preset memory + 1 user color)
On Screen Display Yes
Power Management Yes (VESA DPMS)
Plug and Play Yes (VESA DDC2B/2Bi)
USB Hub No
Speaker Yes
Headphone Jack Yes
Microphone Jack No
Auto Adjustment Yes (Position / Size / Phase)
Brightness control range 30% - 100% *
Controllable Function Analog
Volume, Mute, Brightness, Contrast, Auto-Contrast,
Auto-Adjust, H. Posi, V. posi, H. Size, Fine, Color
Control, Language, OSM Turn Off, OSM Lock Out,
Resolution Nortifier, Monitor Info., Factory Reset
Signal Drive Separated Direct Drive
Video RGB 0.7Vp-p
Input Impedance 75 ohm
Sync Separate sync: TTL Level (Positive / Negative)
Input Mini D-sub 15pin
DDC DDC2B
Input Signal (analog)
Signal Cable Mini D-sub 15pin Signal Cable (L=1.8m)
*: When user setting is minimum,
30% = (Brightness value [cd/m2] when user controls Brightness Max) x 0.3

5-3
Power Supply Universal AC100-240V
Current Rating 0.45A @ 100 – 120V, 0.25A @ 220 – 240V
Temp. 5 - 35degC
Operational Environment Humid. 30 - 80%
Temp. -10 - 60degC
Storage Environment Humid. 10 - 85%
Net 347.4(W) x 341.9(H) x 183.5(D) mm
Dimension Gross 391(W) x 395(H) x 122(D) mm
Net 3.0kg
Weight Gross 4.5kg
Kensington compatible Security Lock Yes
VESA compatible arm mounting interface Yes, 75mm x 75mm
Tilt / Swivel / Rotation Up 30deg / Down 5deg, No swivel, No rotation
Complied Regulatory and Guidelines
Safety: UL / C-UL, TUV-GS
EMI: FCC Class B, C-tick, PCBC
Ergonomics: Energy Star, TCO99
Others: Windows XP Logo, DDC/CI
Accessories
User’s manual, D-SUB to D-SUB signal cable x
1(1.8m), Power cord x 1(1.8m), Audio cable x
1(1.8m), Set up Sheet, NaviSet flyer.
2. Electrical Characteristics
2.1 Power Supply
Input Voltage (Rating) AC100 - 240V
Input Voltage Range AC90-264V
Frequency (Rating) 50 / 60Hz
Frequency Range 47 - 63Hz
Power Consumption
24W +20%
Under 3W at Stand-by and Suspend mode.
Under 3W at Complete Off mode
Current 0.45A @ AC100-120V, 0.25A @ AC 220-240V
AC Input
Inlet connector type
3 polarity, 10A 250V 65degC
VDE, UL CSA approved CEE input connector.
EN60320 Class I standard compliant
Pin Name I/O Definition
1 L I Live
2 N I Neutral
3 FG I Frame GND

5-4
2.2 LCD without Acrylic Panel
LCD Active matrix thin-film-transistor (TFT)
Effective display size 304.1(H) x 228.1(V) mm
Pixel number 1024 x 768 pixels
Color filter arrangement R.G.B. vertical stripe
Display method TN with WV film, Normally white
Drive method Active matrix (Amorphous Si TFT)
Pixel pitch 0.297(H) x 0.297(V) mm
Dot number 1024 x 768 dots
Back-light 2 CCFLs (one lamps at one side)
Luminance 250 cd/m2 (typical: center / all white)
Contrast ratio 450:1 (typical)
Display color 16.77 million colors (R, G, B 6bit + FRC)
Viewing angle
60/60(L/R), 40/60(U/D) (CR>=10: Typical)
50/50(L/R), 30/35(U/D) (CR>=10: Minimum)
75/75(L/R), 55/75(U/D) (CR>=5: Typical)
Response time (on + off) Rising: 8msec
Falling: 17msec
Back-light Life Term 40,000 hours (Min)(Continuous operation at 25degC &
7.5mArms/ piece lamp current condition)
Brightness adjustment range 30% to 100%
2.3 Video Interface
2.3.1 Support Video Modes
Monitor shall support all signal timings shown in “Appendix”.
Monitor shall display other VIDEO MODE with down scaling if possible.

5-5
2.3.2 Full Scan Capacity
In case the input video mode is not 1024x768, the image area should be expanded to 1024x768 smoothly
with the function of scaling engine.
Standard resolution: 1024x768
Expand method: Full expand mode with smoothing as follows
Down scaling: Down scaling at over 1024x768 mode
Table 2.3.2 Picture Size (In Full-Screen mode)
Input display Expanded Rate
Multi-pixel mode Resolution Horizontal Vertical
Expanded
Resolution
Expansion 720x350 1.42 1.92 1024x672
Expansion 720x400 1.42 1.92 1024x768
Expansion 640x480 1.6 1.6 1024x768
Expansion 800x600 1.28 1.28 1024x768
Expansion 832x624 1.23 1.23 1024x768
Standard 1024x768 1 1 1024x768
Down Scale 1152x864 0.88 0.88 1024x768
Down Scale 1152x870 0.88 0.88 1024x768
Down Scale 1152×900 0.88 0.85 1024x768
Down Scale 1280×960 0.8 0.8 1024x768
Down Scale 1280×1024 0.8 0.75 1024x768
2.4 Audio System
2.4.1 Audio Input
Connector type: Φ3.5 stereo mini jack@ back side of monitor
Color of Connector: Pantone284C (Light Blue)
Input level: 500mVrms
Input impedance: 47kΩ
2.4.2 Headphone Output
Output power: 1.0 W rms/CH @ 1KHz
Total harmonic distortion(@ 1W): <1%
S/N ratio: 50db
Connector type: Φ3.5 stereo mini jack@ front side of monitor
Output power: 1W + 1W
Output level: Same loudness level of sound as build-in speaker. (headphone
impedance: 32Ω)
Color: Gray (For white model)
Black (For black model)
5-6
2.4.3 Built-in speakers
Type: Micro Speaker (8Ω, 1W + 1W) without box
Nominal Impedance: 8 Ohm
Maximum Input Power: 1 W/CH
Resonance Frequency: less than 450Hz
Speaker Size: 40 x 20 mm
When headphone connected to headphone jack, speaker outputs should be disabled.
2.4.4 Characteristic
Frequency band: 250Hz to 20kHz
Total harmonic distortion: 3% (condition: 1W, all black)
2% (condition: 50mW,all black)
Remaining behind hum: 5mVp-p(max)
(Any noise shall not be heard from the point of 30cm distance from the
monitor.)
Remaining behind buzz: 5mVp-p(max)
(Any noise shall not be heard from the point of 30cm distance from the
monitor.)
S/N ratio: 40dB(condition: all black)
S/buzz ratio: 40dB(condition: all white, contrast max)
Channel separation: 30dB
Right/left output deviation: ±1%
Sound noise by vibration of cabinet should not be heard at condition of 70% volume, 1kHz 500 mVrms input,
250Hz to 20kHz range.
2.4.5 Audio Control
Following functions must be controlled by OSM.
Volume Control
Mute function
Speaker Output Power at 1kHz, 500mVrms, volume max 1 + 0.05W.
Volume control characteristic is similar as gamma 2.2 curve.

5-7
2.5 External Inspection on the LCD Module
2.5.1 Inspection Conditions
Temperature: 25 ±5°C
Viewing distance: 20cm (The distance between the inspector’s eye and screen.)
Direction and illumination:
Inspection for display specification: 0° ≤ θR ≤ 30°, 0° ≤ θL ≤ 30°
0° ≤ θU ≤ 20°
50 to 75 lx at a display surface
Inspection for appearance specification: 0° ≤ θR ≤ 45°, 0° ≤ θL ≤ 45°
0° ≤ θU ≤ 45°, 0° ≤ θD ≤ 45°
700 lx at an inspection desk surface
2.5.2 Display specification (Compliant with ISO 13406-2 Pixel faults class II)
Item S
p
ecification Remarks
(1) Adjacent 2 bright dots ≤ 2 sets
(2) Adjacent 2 dark dots
R+G horizontal adjacent
G+B horizontal adjacent ≤ 2 sets
Note 1
Note 2
(3) Adjacent 3 or more bright dots ≤ 0 set
Adjacent
defects
dots
(4) Adjacent 3 or more dark dots
Same color and different
color ≤ 0 set
Note 3
Dot defect (5) Defect dot other than (1) and
(2)
R.G.B (Bright dot + Dark
dot) ≤ 4 dots Note 4
(6) Close 2 same color bright
dots
Distance between 2
same color bright dots
≤ 6.5mm
R,G,B ≤ 2
sets each Note 5
(7) Close each set of (6) Distance between each
set of (6) ≤ 10mm ≤ 0 set Note 6
2 or more defect dots (5)
in 5×5 pixels
≤ 2
clusters Note 7
2 or more sets of (1) in
5×5 pixels
Close
defect
dots
(8) Cluster
2 or more sets of (2) in
5×5 pixels
≤ 0 set Note 8
Bright dots (R.G.B) + Dark dots (R.G.B) ≤ 4 dots -
Total G (bright dots) ≤ 4 dots -
Definition of defect dot: Defect area is out of 1/3 dot size. Defect size is confirmed by using 10 times of
loupe. Also dot defects include intermittent bright and dark dots which can be
recognized with the naked eye.

5-8
Note 1: R + G, 2 dots continued horizontally
Counted as NG Not counted
Combinations of bright and dark dots
Combinations other than horizontal
adjacent
Note 2: (1) + (2) ≤ 2 sets
Note 3: Adjacent 3 dots
Counted as NG Not counted
All of dots are bright dots and dark dots
Combinations of bright and dark dots
Note 4: Defect dots which make up (1) and (2) (R + G horizontal adjacent and G + B horizontal adjacent)
are not counted.
Note 5: Close 2 same color bright dots
Counted as NG Not counted
Combinations of bright and dark dots Combinations of different color dots
:Bright dot :Black dot
≤ 6.5mm
R R
≤
6.5mm
R R
≤ 6.5mm
R G
R G R G R G R G
R
G R
G
G B G B G B G B etc.
etc. etc. etc.

5-9
Note 6: Close each set of (6)
Distance between each set of (6) must be more than 10mm.
Note 7: 2 or more defect dots (5) in 5×5 pixels.
When 2 or more defect dots (5) in 5×5 pixels, the set of the dot defects is counted as 1 cluster.
Note 8: 2 or more sets of (1) and (2) in 5×5 pixels.
Allowed
Not allowed
≤ 6.5mm
R R
≤
6.5mm
R R
>10mm
It must be 2 or less than clusters in the whole screen.
5×5 pixels
Defect dots (5)
1 cluster
5×5 pixels
R G
Adjacent 2 bright dots (1) ≤ 1 set
5
×
5 pixels
R G
Adjacent 2 dark dots (2) ≤ 1 set
5×5 pixels
R G
R G
Adjacent 2 bright dots (1) ≥ 2 sets
5
×
5 pixels
R G
R G
Adjacent 2 dark dots (2) ≥ 2 sets

5-10
2.5.3 Appearance specifications
Defect pattern Condition (Note 1) Criteria
d ≤ 0.2mm Allowed
0.2mm < d < 0.3mm ≤ 10 points
0.3mm ≤ d ≤ 0.5mm ≤ 3 points
d > 0.5mm
Dot shape
Adjacent other objects 0 point
W < 0.05mm
L < 0.7mm Allowed
0.7mm ≤ L ≤ 1.0mm ≤ 4 points
0.05mm ≤ W ≤ 0.1mm
L > 1.0mm
Impure
ingredient
stains dust
Line shape
W > 0.1mm 0 point
d ≤ 0.2mm Allowed
0.2mm < d ≤ 0.5mm ≤ 2 points
Polarizer Bubbles, Wrinkles, dent
d > 0.5mm 0 point
d ≤ 0.2mm Allowed
0.2mm < d ≤ 0.5mm ≤ 2 points
Panel dent
d > 0.5mm 0 point
S ≤ 0.2mm2 Allowed
Polarizer scratch S > 0.2mm2 0 point
Form Specified labels and parts are put.
Note 1: Definition of symbols is as follows.
d: Average diameter
(This diameter is the average length of a long axis and a short axis in each defect pattern.)
W: Width L: Length S: Area

5-11
3. Electrical Inspection
3.1 Function switch check
1. Input VESA 1024X768 (75Hz) pattern “Crosshatch”.
2. Image should appear within 4 seconds after Switch ON.
3. LED is green.
4. On-screen noise should not appear while the Switch is turned ON or OFF.
5. OSM should be displayes by pushing the “Select” button.
6. Brightness short cut OSM should be indicated by push “-” button.
7. Contrast short cut OSM should be indicated by push “+” button.
8. Audio Volume short cut OSM should be indicated by push “+” button.
9. Auto Adjust short cut should be indicated by push “Auto/Reset” button.
10. While “-“ or “+” button is pushed, the value should change smoothly and on-screen should not appear.
11. Check the OSM off when push the “Select” switch with “EXIT” icon highlighted.
3.2 Frequency change
1. Change the preset timing.
2. Check the picture and the time when freq. change (less 5 sec)
3.3 Performance Check
1. Input VESA 1024X768 (75Hz) pattern “RGB 256 GRAY SCALE” PATTERN.
2. Press “Select” button.
3. Press “-“ or “+” and select AUTO CONTRAST menu.
4. Press “Select” button, and proceed Auto contrast function.
5. Check the color gray scale smooth and that data is not lost.
3.4 Check Power Manage Function
Monitor should enter to power saving mode if the following condition occurs.
Mode Horizontal Vertical Power Supply Input Timing Power Consumption
On ON ON 240Vac VESA 1024X768 (75Hz) 30W
Stand-by OFF ON 240Vac VESA 1024X768 (75Hz) 3W
Suspend ON OFF 240Vac VESA 1024X768 (75Hz) 3W
Off OFF OFF 240Vac VESA 1024X768 (75Hz) 3W

5-12
3.5 Inspection on Audio function
Purpose of inspection: Confirming that the audio function works normally.
1. Connect audio-in from a PC or an audio player and verify proper connection.
2. Input VESA 1024X768 (75Hz).
3. Display the OSM menu. Use the SELECT key to move as far as to the Volume tag.
4. Confirm that the yellow bar changes and the audio volume also changes when the (-) and (+) keys are
operated.
5. Confirm that sound is output from the left-right speakers and headphones.
A
udio input
Audio cable
Headphone
5-13
4. Safety Test
• Destination : All over the world
• Applicable standards : UL60950/C-UL/EN60950
• Unit class : Class I units (the units protected against electric shocks by protective
earthing, or those equipped with 3-core power cords)
• Ratings : AC100 - 240V 50/60Hz 0.7A/0.4A
4.1 Input Current Measurements
Under the measuring conditions specified below, an input current should be measured while the 50Hz input
voltage is maintained at 220V AC (+0 to -5V). The input currents measured should all confirm so they satisfy
the judgment standard. (The rear rating plates are the same as those for North America and Europe.
Therefore, measurements should also be based on this setting.)
(1) Measuring conditions
• Condition of the set : ON mode
• Measuring conditions : The inspection signal is set at “17” and “white” is displayed throughout
the screen.
At that time, the brightness and contrast should be kept under the
brightest condition.
(2) Judgment standard
• The input current should be kept below 0.35A +10%.
4.2 Power Source/Earth Connections
a. Checks on the power source/earth connections
The earth side of the cord or the earth wire of the inlet filter for the cord set should be visually checked to
see that it is connected to the chassis block of the unit as specified below.
1) The earth wire color should be spiral of green and yellow.
[Units applicable to UL60950 or IEC60950 (EN60950)]
2) The earth wire should be firmly connected to the chassis block by the use of a screw (See Note) of
3.5mm∅ in diameter.
Note: Spring washers or star washers should be used, without fail.
b. Earth resistance testing
This testing should be carried out prior to the dielectric strength test.
The earth resistance should be 0.1Ω or less when a current of 25A AC is carried between the earth side
of the cord (the plug block or the section closest to the plug where no plug is provided) and the metallic
block (the D-SUB connector) that is used as a safety earth for the unit.
Where the earth resistance exceeds 0.1Ω, the condition should be still acceptable if the earth resistance
is 0.1Ω or less when the resistance of the power cord is excepted.
5-14
4.3 Dielectric Strength Test
To confirm the freedom from insulation breakdown, testing should be carried out under the conditions
specified below.
1) Measuring conditions
• Measuring instrument: Dielectric strength tester (The specified voltage should be maintained in the
state that a current of 10mA is carried.)
• Testing point: Between the electrical circuit block and the exposed metallic block (D-SUB
connector)
Note: The electrical circuit block should mean the power input block (primary side). Testing should be
carried out under the condition that both poles of the power plug are short-circuited. (Where a
3-core cord is used, the two poles other than the earth terminal should be short-circuited.)
2) Judgment standard
The freedom from insulation breakdown should be confirmed under the condition that the applied
voltage is maintained at 1500V AC (+0 to 50V) for one minute.
Even though the result of this testing is OK, such a condition should be regarded as unacceptable if
there is a leakage (flashing) around the section where the test voltage has been applied.
If the result of insulation resistance test is found unacceptable, to be carried out after this testing, such
a condition should be regarded as that an insulation breakdown has occurred.
4.4 Leakage Current Test
A leakage current should be measured under the conditions specified below, in order to confirm that the
requirements of the judgment standard are met.
1) Measuring conditions
• Measuring instrument: Leakage current meter (A 1500Ω resistor should be incorporated,
together with a bypass capacitor of 0.15µF.)
• Testing point: Between the exposed metallic block (D-SUB connector) and Phases
A and B of the power source.
• Condition of the set: A power cable should be connected. The see-saw switch on the set side
should be turned ON and OFF.
2) Judgment standard
The leakage current measured should be 1.5mA or less with an input of 240V AC × 1.06 +5/-0V (60Hz).
5-15
4.5 Insulation Resistance Test
An insulation resistance should be measured under the conditions specified below, in order to confirm that
the requirements of the judgment standard are met.
1) Measuring conditions
• Measuring instrument: 500V DC MEGOHM Meter
• Testing point: Between the power circuit block and the exposed metallic block
(D-SUB connector)
• Measured value readout: A test voltage should be applied for one minute and the resistance
value should be read out thereafter.
2) Judgment standard: 10MΩ or more

5-16
5. Inspection of PLUG & PLAY Communication and OSM "MONITOR INFORMATION"
for Model Name/ Serial Number
5.1 System Connection
This system should be connected as shown below.
DDC Communication I/F BOARD
(Part No.: 599910541)
5.2 Input Signal
Horizontal synchronization frequency: 31kHz(Negative)
Vertical synchronization frequency: 42Hz(Negative)
5.3 Program
Service tool Ver. 3.14 (Parameter ver. 2.0-S14) (Part No. 599910612)

5-17
5.4 Operation
1) Connect the EDID data writing unit with jigs, etc.
2) Copy all the files of the service tool Ver. 3.14 (Parameter ver. 2.0-S14) in a proper directory.
3) Start [Service2.EXE] of the service tool Ver. 3.14.
4) When the screen as shown below appears, check to [LCD] of [Monitor Type] and press the [START]
button.
5) When the screen as shown below appears, adjust the cursor to [LCD51VM] and make a double click.

5-18
6) When the screen as shown below appears, check to [EDID_READ] and press the [OK] button.
7) When the screen as shown below appears, confirm that the correct data are displayed in the columns of
EDID DATA CONTENTS and Serial information.
If all the displayed data are [FF] or the like, or if the serial number is different from that of the
corresponding unit, then EDID data writing should be carried out.
8) When a screen of Item 6 is displayed by pressing the [BACK] button, give a check to [EDID_WRITE] and
press the [OK] button.

5-19
9) When the screen as shown below appears, examine the serial number of the unit, enter an input in the
column of [Input Serial No.] through the keyboard, and press the [Input OK] button.
Enter an input in the column of [.Year=> ] in manufactured year(A.D. four digits) and [Month=>] in
manufactured month through the keyboard, and press the [Input OK] button.
10) When the [WRITE EDID] button is pressed, writing of the EDID data only is carried out. Upon the
completion of correct writing, a display of [EDID Monitor Write OK] is presented in the column of
[STATUS].

5-20
11) A Display “MONITOR INFORMATION.” of the OSM, and confirm that the model name (LCD51VM) and
serial number have been correctly written.
12) Upon the normal completion of EDID data writing, press the [Exit] button to close the program.
5.5 EDID Data File
EDID date: LCD51VM.edi
0 1 2 3 4 5 6 7 8 9 A B C D E F
00 00 FF FF FF FF FF FF 00 38 A3 1A 66 01 01 01 01
10 Note1 Note2 01 03 08 1E 17 78 EA F5 E5 9F 59 53 92 24
20 19 50 54 BF EE 00 01 01 01 01 01 01 01 01 01 01
30 01 01 01 01 01 01 C3 1E 00 20 41 00 20 30 10 60
40 13 00 30 E4 10 00 00 1E 00 00 00 FD 00 38 4B 1F
50 3C 08 00 0A 20 20 20 20 20 20 00 00 00 FC 00 4E
60 45 43 20 4C 43 44 35 31 56 4D 0A 20 00 00 00 FF
70 00 Note3 Note3 Note3 Note3 Note3 Note3 Note3 Note3 Note3 Note3 Note3 Note3 Note3 00 Note4
Note 1: address 10h Week of manufacture = Month of manufacture × 4
Note 2: address 11h Year of manufacture - 1990
Note 3: address 71h ~ 7Dh Serial Number (ASCII coded)
If less than 13 char, terminate with 0Ah and fill the rests with 20h.
Note 4: address 7Fh Checksum
The sum of entire 128 byte shall be equal to 00h.
5.6 EDID Write Protect Cancel Signal Timing
EDID write protect cancel
No. 0
Item Abbreviation EDID
Pixel frequency fc 28.32MHz
Horizontal frequency fh 31.469kHz
Line Time total Th 31.777us 900CLK
Horizontal active display Thd 25.422us 720CLK
Horizontal sync pulse Thp 3.813us 108CLK
Horizontal back porch Thb 1.907us 54CLK
Horizontal front porch Thf 0.636us 18CLK
Horizontal sync polarity NEG
Vertical Frequency fv 42.015Hz
Frame time total Tv 23.801ms 749H
Vertical active display Tvd 21.768ms 685H
Vertical sync pulse Tvp 0.095ms 3H
Vertical back porch Tvb 1.494ms 47H
Vertical front porch Tvf 0.445ms 14H
Vertical sync polarity NEG

5-21
Appendix Reference Signal Timings

5-22
No. 1 2
Item Abbreviation VGA 640x480 60Hz MAC 640x480
Pixel frequency fc 25.175MHz 30.24MHz
Horizontal frequency fh 31.47kHz 35.00kHz
Line Time total Th 31.78us 800CLK 28.57us 864CLK
Horizontal active display Thd 25.42us 640CLK 21.16us 640CLK
Horizontal sync pulse Thp 3.81us 96CLK 2.12us 64CLK
Horizontal back porch Thb 1.91us 48CLK 3.17us 96CLK
Horizontal front porch Thf 0.64us 16CLK 2.12us 64CLK
Horizontal sync polarity NEG NEG
Vertical Frequency fv 59.992Hz 66.66Hz
Frame time total Tv 16.68ms 525H 15.00ms 525H
Vertical active display Tvd 15.25ms 480H 13.71ms 480H
Vertical sync pulse Tvp 0.06ms 2H 0.09ms 3H
Vertical back porch Tvb 1.02ms 33H 1.11ms 39H
Vertical front porch Tvf 0.35ms 10H 0.09ms 3H
Vertical sync polarity NEG NEG
No. 3 4
Item Abbreviation VGA 640x480 72Hz VESA 640x480 75Hz
Pixel frequency fc 31.500MHz 31.500MHz
Horizontal frequency fh 37.86kHz 37.50kHz
Line Time total Th 26.41us 832CLK 26.67us 840CLK
Horizontal active display Thd 20.32us 640CLK 20.32us 640CLK
Horizontal sync pulse Thp 1.27us 40CLK 2.03us 64CLK
Horizontal back porch Thb 4.06us 128CLK 3.81us 120CLK
Horizontal front porch Thf 0.76us 24CLK 0.51us 16CLK
Horizontal sync polarity NEG NEG
Vertical Frequency fv 72.81Hz 75.00Hz
Frame time total Tv 13.73ms 520H 13.33ms 500H
Vertical active display Tvd 12.68ms 480H 12.80ms 480H
Vertical sync pulse Tvp 0.08ms 3H 0.08ms 3H
Vertical back porch Tvb 0.74ms 28H 0.43ms 16H
Vertical front porch Tvf 0.24ms 9H 0.03ms 1H
Vertical sync polarity NEG NEG
No. 5 6
Item Abbreviation VGA 720x350 70Hz VGA 720x400 70Hz
Pixel frequency fc 28.322MHz 28.322MHz
Horizontal frequency fh 31.47kHz 31.47kHz
Line Time total Th 31.78us 900CLK 31.78us 900CLK
Horizontal active display Thd 25.42us 720CLK 25.42us 720CLK
Horizontal sync pulse Thp 3.81us 108CLK 3.81us 108CLK
Horizontal back porch Thb 1.91us 54CLK 1.91us 54CLK
Horizontal front porch Thf 0.64us 18CLK 0.63us 18CLK
Horizontal sync polarity POS NEG
Vertical Frequency fv 70.087Hz 70.087Hz
Frame time total Tv 14.27ms 449H 14.27ms 449H
Vertical active display Tvd 11.12ms 350H 12.71ms 400H
Vertical sync pulse Tvp 0.06ms 2H 0.06ms 2H
Vertical back porch Tvb 1.91ms 60H 1.11ms 35H
Vertical front porch Tvf 1.18ms 37H 0.38ms 12H
Vertical sync polarity NEG POS

5-23
No. 7 8
Item Abbreviation VESA 800x600 56Hz VESA 800x600 60Hz
Pixel frequency fc 36.00MHz 40.00MHz
Horizontal frequency fh 35.16kHz 37.88kHz
Line Time total Th 28.44us 1024CLK 26.40us 1065CLK
Horizontal active display Thd 22.22us 800CLK 20.00us 800CLK
Horizontal sync pulse Thp 2.00us 72CLK 3.20us 128CLK
Horizontal back porch Thb 3.56us 128CLK 2.20us 88CLK
Horizontal front porch Thf 0.67us 24CLK 1.00us 40CLK
Horizontal sync polarity POS POS
Vertical Frequency fv 56.25Hz 60.32Hz
Frame time total Tv 17.78ms 625H 16.58ms 628H
Vertical active display Tvd 17.07ms 600H 15.84ms 600H
Vertical sync pulse Tvp 0.06ms 2H 0.11ms 4H
Vertical back porch Tvb 0.63ms 22H 0.61ms 23H
Vertical front porch Tvf 0.03ms 1H 0.03ms 1H
Vertical sync polarity POS POS
No. 9 10
Item Abbreviation VESA 800x600 72Hz VESA 800x600 75Hz
Pixel frequency fc 50.000MHz 49.500MHz
Horizontal frequency fh 48.08kHz 46.88kHz
Line Time total Th 20.80us 1040CLK 21.33us 1056CLK
Horizontal active display Thd 16.00us 800CLK 16.16us 800CLK
Horizontal sync pulse Thp 2.40us 120CLK 1.62us 80CLK
Horizontal back porch Thb 1.28us 64CLK 3.23us 160CLK
Horizontal front porch Thf 1.12us 56CLK 0.32us 16CLK
Horizontal sync polarity POS(/NEG) POS
Vertical Frequency fv 72.19Hz 75.00Hz
Frame time total Tv 13.85ms 666H 13.33ms 625H
Vertical active display Tvd 12.48ms 600H 12.80ms 600H
Vertical sync pulse Tvp 0.13ms 6H 0.06ms 3H
Vertical back porch Tvb 0.48ms 23H 0.45ms 21H
Vertical front porch Tvf 0.77ms 37H 0.02ms 1H
Vertical sync polarity POS(/NEG) POS
No. 11 12
Item Abbreviation MAC 832x624 VESA 1024x768 60Hz
Pixel frequency fc 57.28MHz 65.000MHz
Horizontal frequency fh 49.73kHz 48.35kHz
Line Time total Th 20.11us 1152CLK 20.68us 1344CLK
Horizontal active display Thd 14.52us 832CLK 15.75us 1024CLK
Horizontal sync pulse Thp 1.12us 64CLK 2.09us 136CLK
Horizontal back porch Thb 3.91us 224CLK 2.46us 160CLK
Horizontal front porch Thf 0.56us 32CLK 0.37us 24CLK
Horizontal sync polarity NEG NEG
Vertical Frequency fv 74.55Hz 60.00Hz
Frame time total Tv 13.41ms 667H 16.67ms 806H
Vertical active display Tvd 12.55ms 624H 15.88ms 768H
Vertical sync pulse Tvp 0.06ms 3H 0.12ms 6H
Vertical back porch Tvb 0.78ms 39H 0.60ms 29H
Vertical front porch Tvf 0.02ms 1H 0.06ms 3H
Vertical sync polarity NEG NEG

5-24
No. 13 14
Item Abbreviation VESA 1024x768 70Hz VESA 1024x768 75Hz
Pixel frequency fc 75.000MHz 78.75MHz
Horizontal frequency fh 56.48kHz 60.02kHz
Line Time total Th 17.71us 1328CLK 16.66us 1312CLK
Horizontal active display Thd 13.65us 1024CLK 13.00us 1024CLK
Horizontal sync pulse Thp 1.81us 136CLK 1.22us 96CLK
Horizontal back porch Thb 1.92us 144CLK 2.24us 176CLK
Horizontal front porch Thf 0.32us 24CLK 0.20us 16CLK
Horizontal sync polarity NEG POS
Vertical Frequency fv 70.07Hz 75.03Hz
Frame time total Tv 14.27ms 806H 13.33ms 800H
Vertical active display Tvd 13.60ms 768H 12.80ms 768H
Vertical sync pulse Tvp 0.11ms 6H 0.05ms 3H
Vertical back porch Tvb 0.51ms 29H 0.47ms 28H
Vertical front porch Tvf 0.05ms 3H 0.02ms 1H
Vertical sync polarity NEG POS
6-1
TROUBLE SHOOTING
TABLE OF CONTENTS
Page
1. No Display on Screen (Screen is Black, LED is Amber) -------------------------------------------- 6-2
2. No Display on Screen (Screen is Black, LED is Green) -------------------------------------------- 6-3
3. Checking the Back Light Unit ------------------------------------------------------------------------------ 6-5
4. Abnormal Screen --------------------------------------------------------------------------------------------- 6-6
5. Abnormal Plug and Play Operation ---------------------------------------------------------------------- 6-7
6. Checking the Sync Signal Interface Circuit ------------------------------------------------------------ 6-8
6.1 Checking the Horizontal Sync Pulse Control Circuit ----------------------------------------------- 6-8
6.2 Checking the Vertical Sync Pulse Control Circuit --------------------------------------------------- 6-9
7. Checking the Scaling IC Operation ---------------------------------------------------------------------- 6-10
8. No Power On -------------------------------------------------------------------------------------------------- 6-11
9. Checking the Audio Operation ---------------------------------------------------------------------------- 6-12

6-2
1. No Display on Screen (Screen is Black, LED is Amber)
When a signal isn't input, it is indicated with "NO SIGNAL".
It is indicated with "OUT OF RANGE" at the time of the frequency that it
over spec.timing.
NO
Y
ES
NG
OK
Proceed Section 2 “No Display
On Screen”.
Check if the sync signal from Computer is output
and if the video cable is connected normally.
Input the sync signal of computer,
or change the cable.
Proceed Section 7 “Checking the Scaling IC
Operation”.
Does OSM display when you
push “AUTO/RESET”, “+”, ”-”,
“SELECT” button?

6-3
2. No Display on Screen (Screen is Black, LED is Green)
NG
OK
NG
OK
OK
NG
NG
OK
Is backlight lit?
Refer to section 3
“Checking the BackLight Unit.
Does computer output RGB
video signals?
1) Change pattern of video signal output on the host.
2) Reconnect the video cable.
3) Change the video cable.
Check OSM menu is displayed on screen
when you push the” AUTO/RESET”,
“+”, ”-”, ”SELECT” Key.
Failure point
The LVDS cable is disconnected.
Next page
Proceed section 4
“Abnormal Screen “.
Check the video cable for failure.
Check the host for output signal with all black only.
Check if the LCD video signal cable is connected
between the MAIN board and LCD module.
Proceed Factory Preset Brightness Setting.
Contrast Setting.
Color Setting.
Failure point
Setting mistake.
NG
OK

6-4
NG
Continue
Is 3.3V voltage provided to S404 pins 19, 20 on MAIN
board?
OK
Check the data signal output on U405
LVDS-O, LVDS-E pin.
Failure point
Printed wire broke
between U405, S404 line.
Failure point
U405 failure.
Failure point
Check Q405and U409.
NG
OK

6-5
3. Checking the Back Light Unit
NG
OK
Check 5V voltage provided on
Smart Power BD CN21 pin 2
and pin 3.
Failure point
Failure point
Inverter Area of Smart
Power BD failure.
Failure point
F101 failure.
Check the ON/OFF signal of
equal “H” at CN51 pin 6 on
Smart Power BD?
OK
NG
Failure point
Power Area of Smart
Power Board failure.
Is 12V voltage provided from
Smart Power BD ?
Check F101 open.
OK
NG
Smart power BD: Combined board of power and inverter circuits.
1. U405 failure (Main BD)
2. Printed wire or parts broke between U405 pin 41 to CN51 pin 6.

6-6
4. Abnormal Screen
NG
NG
OK
OK
Check the R, G, B video signal from compute
r
input on D-Sub R,G,B connector.
Failure point
1) No R, G and B video signal output from hos
t
computer. Check computer.
2) Video signal cable disconnection.
Check the R,B,G input signals on U405 pins
135, 131, 127, respectively that their level is
0.7Vp-p typical.
Failure point
Printed wire broke between D-Sub (R,G,B)
and U405 pins 135, 131, 127.
Proceed section 7 “Checking the Scaling IC Operation”.
Proceed Auto Contrast of User menu.
OK Failure point
Setting Mistake.
NG

6-7
5. Abnormal Plug and Play Operation
Abnormal DDC2B
Confirm clock and serial data on U401 pins 5, 6.
NG Failure point
U401 failure.
Failure point
1) The host machine isn't communicating in DDC2B mode.
2) The video cable may have failed or may not to have
connections for DDC.
3) Between U401 pins 5,6 and P401 pins 12,15 may have
failed.
4) Cable failure.
OK

6-8
6. Checking the Sync Signal Interface Circuit
6.1 Checking the Horizontal Sync Pulse Control Circuit
Check the horizontal sync signal on U402 pin 1 a
t
TTL level.
NG
OK
Failure point
1) No separate sync or sync output by Sync on
Green. (Confirm the host, output the sync
signal.)
2) Video cable may have failed.
3) Printed wire broke between P401 pin 13 and
U402 pin 1.
4) B401 or R415. open.
5)
U40
2
failure.
Check the horizontal sync signal on U405 pin 101 is
at TTL level.
Procees Section 7 “Checking the Scaling IC
Operation”.
NG
OK
Failure point
1) U402 failure.
2) R479 open.

6-9
6.2 Checking the Vertical Sync Pulse Control Circuit
Check the vertical sync signal on U402 pin 5
at TTL level.
NG Failure point
1) No separate sync output signal from the host.
(Check the host.)
2) Video cable may have failed.
3) Printed wire broke between P401 pin 14 and
U402 pin 5.
4) B402 or R16 open.
5) U402 failure
OK
Proceed section 7 “Checking the Scaling IC
Operation”.
Check U405 100 pin is TTL
Failure point
1) U402 failure.
2) R480 open.
NG
OK

6-10
7. Checking the Scaling IC Operation
Is there +3.3V supplied on U405 pins 14, 30, 90, 104, 106, 108, 110, 113,115, 124, 128, 132,
136, 143, 157? Is there +2.5V supplied on U405 pins 20, 43, 46, 59, 61, 63, 74, 77, 79, 98,
117, 119, 138?
NG
OK
Is 14.318M Hz clock input to U405 pins 102,
103 at TTL level?
NG
OK OK
Proceed section 8 "No Power On".
Is 14.318M Hz clock output from X401 at TTL level?
Failure point
X401 failure
U405 failure.

6-11
8. No Power On
Check the +5V power provided from Power Board.
NG
OK
Failure point
Power Board failure.
Check 3.3V power from U403, and 2.5V powe
r
from U404.
NG
OK
Failure point
Check U403 and U404.
U405 failure.

6-12
9. Checking the Audio Operation
Is there Audio ON, Volume is tuned to Max when entering OSM function, and Audio input signal?
Check the U501 pins 10, 12.
NG Failure point
Printed wire broke between J501 and U501.
OK
Check the U501 pins 17, 26.
NG
OK
Next page
Check the J502 pins 2, 3.
NG
OK
Failure point
Printed wire broke between U501 and J502.
Check the S502 pins 1., 2, 3, 4.
NG
OK
Failure point
Printed wire broke between U501 and S502.
1) Speaker wire broken.
2) Speaker broken.

6-13
Is there +5V supplied on U501 pins 6, 16, 27.
NG
OK
Failure point
L501 open.
Check Audio_Volume signal of equal” H ” at U501 pin 7.
NG
OK
Failure point
Check the trace from U501 pin 7 to U405 pin 24.
Failure point
U501 failure.
Check STBY. Is there +5V supplied on U501 pin 2?
Failure point
1. Check software.
2. U405 failure.
Check MUTE. Is there 0V on U501 pin 5?
NG
OK
Failure point
1. Check software.
2. U405 failure.
NG
OK
Continue
7-1
CIRCUIT DESCRIPTION
TABLE OF CONTENTS
Page
1. Power Circuit ------------------------------------------------------------------------------------------------------ 7-2
1.1 Power Input ------------------------------------------------------------------------------------------------------ 7-2
1.2 DC to DC Circuit ------------------------------------------------------------------------------------------------ 7-2
1.3 Panel Vcc Control ---------------------------------------------------------------------------------------------- 7-2
2. Scaling IC ---------------------------------------------------------------------------------------------------------- 7-2
2.1 Clock Circuit ----------------------------------------------------------------------------------------------------- 7-2
2.2 I2C Buses -------------------------------------------------------------------------------------------------------- 7-2
2.3 Key Scanning --------------------------------------------------------------------------------------------------- 7-2
2.4 Reset -------------------------------------------------------------------------------------------------------------- 7-3
2.5 LED Control ------------------------------------------------------------------------------------------------------ 7-3
2.6 AUDIO Control -------------------------------------------------------------------------------------------------- 7-3
3. Memory ------------------------------------------------------------------------------------------------------------- 7-3
4. Sync Interface ---------------------------------------------------------------------------------------------------- 7-3
5. INTERFACE BOARD BLOCK DIAGRAM ------------------------------------------------------------------ 7-4
7-2
1. Power Circuit
1.1 Power Input
5V DC is input (S403) from power Board to interface Board.
1.2 DC to DC Circuit
U403 generates 3.3V for scaling IC, panel and other ICs. U404 generates 2.5V for scaling IC.
Audio IC, Flash Memory use 5V directly.
1.3 Panel Vcc Control
Q405 and U409 are used for panel power control. The control signal is from scaling IC U405 (pin 40:
PPWR).
While the PPWR stay at High level; the panel voltage is 5.0V.
While the PPWR stay at Low level: the panel voltage is 0V.
2. Scaling IC
Scaling IC U405 has micro controller, ADC, scaling, color control and LVDS transmit functions.
2.1 Clock Circuit
Crystal X401 generates 14.318MHz clock signal for Scaling IC.
2.2 I2C Buses
There are 2 sets of I2C bus in the circuit:
One I2C is used for DDC. EDID data is stored in U401, and this I2C bus is connected to U405 (pin 8:
SDA, pin 9: SCA) for DDC/CI.
The other I2C is used for OSD parameter storing. It connects U405 (pin 36: SDA, pin 37: SCA) and U408.
2.3 Key Scanning
Following ports are used fro key scanning.
U405 pin13: “POWER” key
U405 pin34: “Auto/Reset” key
U405 pin29: “SELECT” key
U405 pin33: “+” key
U405 pin32: “-” key
7-3
2.4 Reset
U405 pin 17: reset signal for scaling IC. U406 provides reset signal.
2.5 LED Control
U405 pin 41: control Q404 for LED (GREEN)
U405 pin 25: control Q406 for LED (ORANGE)
LED (GREEN) is synchronized with the back light control, PBIAS.
2.6 AUDIO Control
U405 pin 24: control U501 for Audio Volume.
U405 pin 18: control U501 for STBY.
U405 pin 19: control U501 for MUTE.
3. Memory
Flash Memory IC (U407) is used to store F/W parameters.
4. Sync Interface
U402 is schmitt trigger input IC, and it provides H and V sync to U405.

7-4
5. INTERFACE BOARD BLOCK DIAGRAM
U405
Scaler
Gm21121
U403, U404
5V-3.3V
5V-2.5V
U401 I2C
24LC02B
X401
14.318M Hz
U409
Switch IC
U402
74LVC14
U501
Audio IC
P401 D-sub Connector
U407
1M Memory
S404 To Panel
S405 To
Key BD
S402
Serial Port
J502 To
Headphone
S502 To
Speaker
J501
Audio IN
S403 To
Power BD
U408 I2C
24LC16B
H,V
R,G,B
+5V
Panel VCC
On/Off
Backlight On/Off,
PWM
Panel
Power
Volume,
STBY,
MUTE
NVRAM Clock
NVRAM Data
DDC Clock
DDC Data
U408 I2C
24LC16B
LVDS
+3.3V

REPLACEMENT PARTS LIST
(
For U.S.
)
The com
p
onents s
p
ecified for Model LCD51VM
(
A
)
SYMBOL Part No for NPG DESCRIPTION
*** ICS ***
U401 EHA50051 IC SMD 24LC02B
U402 EHA50011 IC MOS 74LVC14
U403 EHA10561 IC SMD PJ1084CM-3.3 REGUL
U404 EH110301 IC PJ1117CZ-2.5V TO-220
U405 EHA10592 IC SMD GM2111 AD SCALER
U406 EHA10471 IC SMD MIC1815 RESET
U407 EHA11001 IC PLCC32 A290011TL-70 ME
U408 EHA10081 IC SMD 24LC16B SO8
U409 EQ500117 CHIP FET P HAT1053M
U501 EHA11061 IC SMD APA4838 AUDIO AMPL
*** TRANSISTORS ***
D402 EX500216 CHIP DIODE DAN217 T146
D403 EX500216 CHIP DIODE DAN217 T146
D404 EX500216 CHIP DIODE DAN217 T146
Q401 EN000413 CHIP TR NPN 2SC2412K-T146
Q404 EN000413 CHIP TR NPN 2SC2412K-T146
Q405 EN000413 CHIP TR NPN 2SC2412K-T146
Q406 EN000413 CHIP TR NPN 2SC2412K-T146
Q407 EN000413 CHIP TR NPN 2SC2412K-T146
*** DIODES ***
D401 EX700216 DIODE RB495D
D405 EJ100231 DIODE 1N4001
D801 EL200110 DIODE LED SML19460C
ZD401 EYD40562 CHIP DIODE ZENER UDZS5.6B
ZD402 EYD40562 CHIP DIODE ZENER UDZS5.6B
ZD405 EYD40562 CHIP DIODE ZENER UDZS5.6B
ZD406 EYD40562 CHIP DIODE ZENER UDZS5.6B
*** RELAYS & SWITCHES ***
SW801 JC300111 SW-TACT SKQNAED010
SW802 JC300111 SW-TACT SKQNAED010
SW803 JC300111 SW-TACT SKQNAED010
SW804 JC300111 SW-TACT SKQNAED010
SW805 JC300111 SW-TACT SKQNAED010
*** PWB ASSYS ***
MAININ
A
M0R51MN MAIN INSERT ASSY
POWERB JM100061 POWER B/D (15NEC)"
SWASSY
A
S0R51ML SW INSERT ASSY
8-1

SYMBOL Part No for NPG DESCRIPTION
*** COILS & FILTERS ***
B401 HM011532 CHIP FERRITE BK2125HS431
B402 HM011532 CHIP FERRITE BK2125HS431
B403 HM017021 L BEAD SMD MCB1608S121G
B405 HM017031 L BEAD SMD MHC1608S121P
B406 HM017011 L BEAD SMD MCB2012S121H
B407 HM017021 L BEAD SMD MCB1608S121G
B408 HM017021 L BEAD SMD MCB1608S121G
B409 HM017021 L BEAD SMD MCB1608S121G
B410 HM017021 L BEAD SMD MCB1608S121G
B411 HM017021 L BEAD SMD MCB1608S121G
B412 HM017021 L BEAD SMD MCB1608S121G
B413 HM017021 L BEAD SMD MCB1608S121G
B414 HM017021 L BEAD SMD MCB1608S121G
B415 HM017021 L BEAD SMD MCB1608S121G
B416 HM017021 L BEAD SMD MCB1608S121G
B417 HM017021 L BEAD SMD MCB1608S121G
B418 HM017021 L BEAD SMD MCB1608S121G
B419 HM017031 L BEAD SMD MHC1608S121P
B420 HM017031 L BEAD SMD MHC1608S121P
B422 HM017021 L BEAD SMD MCB1608S121G
B423 HM017061 L BEAD SMD MCB1608H750G
B424 HM017061 L BEAD SMD MCB1608H750G
B425 HM017061 L BEAD SMD MCB1608H750G
L501 HA200271 L CHOKE 10UH 8/10
*** ELECTRICAL PARTS & MISCELLANEOUS PARTS ***
CABLAU RE090011 CABLE AUDIO GRY 1.8M
CABLVI RE010161 CABLE VIDEO DSUB-DSUB 1.8
J501 JD050041 SOCKET PHONE 2SJ-0513-A10
J502 JD050051 SOCKET PHONE 2SJ-0511-A13
LCD JG555011 LCD NL10276BC30-10 NEC
POCORD RG020061 PW CORD NA 1.8M GRAY WANS
SPEASY JN100021 SPEAKER ASSY
WIRE20 RC200291 WIRE 20P-20P L90 LVDS
WIRE9 RC200272 WIRE 9P-9P P=2.0 L260
X401 EM100081 OSC X'TAL 14.318MHZ 49/U-
*** APPEARANCE PARTS ***
BACK 10103781 BACK,L152R5-WH-NSP
BEZEL 10104131 BEZEL,L152R5-WH-NSP-ASSY
CHASSI 12000881 CHASSIS BASE,L152R5-NSP-L
FOOT 17001441 FOOT RUBBER
KNOB 11301671 KNOB CONTROL,L152R5-WH
PADSPE 17001471 PAD,SPEAKER
STCOB 11002111 STAND COVER B,L152R5-WH
STCOT 11002101 STAND COVER T,L152R5-WH
8-2

SYMBOL Part No for NPG DESCRIPTION
*** PRINTED & PACKING MATERIALS ***
CARTON 13202691 CARTON,AS51VM WH(A)-NSP
CARBO 13203381 CARTON BOARD L152R5(378X112)
FILLEB 13401221 FILLER B,L152R5(A)
FILLET 13401211 FILLER T,L152R5(A)
LABEL 15202191 LABEL SERIAL BARCODE(A,B,
MANUAL 15501681 MANUAL,L152R5 L172R6(A)-N
NAVISE 15900251 NAVI SET SHEET
PACING 13700321 PE BAG (750*450MM)
PS 13700461 PE BAG (370*270MM)
RATING 15002341 RATING LABEL,AS51VM WH(A)
SETUP 15800401 SHEET,SETUP AS51VM WH(A)-
*** RESISTORS ***
R402 FM010101 CHIP RES 1/10W(T) 5% 100O
R403 FN012009 R SMD 1/10W 20H F 0603
R404 FM010473 CHIP 1/10W(T) 5% 47K
R405 FM010272 R SMD METAL 1/10W 2.7K J
R406 FN012009 R SMD 1/10W 20H F 0603
R407 FM010101 CHIP RES 1/10W(T) 5% 100O
R408 FN012009 R SMD 1/10W 20H F 0603
R412 FN015769 R SMD 1/10W 57.6H F 0603
R413 FN015769 R SMD 1/10W 57.6H F 0603
R414 FN015769 R SMD 1/10W 57.6H F 0603
R415 FN012009 R SMD 1/10W 20H F 0603
R416 FN012009 R SMD 1/10W 20H F 0603
R417 FM010222 CHIP RES 1/10W(T) 5% 2.2K
R418 FM010222 CHIP RES 1/10W(T) 5% 2.2K
R419 FM010104 CHIP RES 1/10W(T) 5% 100K
R420 FM010103 CHIP RES 1/10W(T) 5% 10KO
R421 FM010103 CHIP RES 1/10W(T) 5% 10KO
R423 FM010000 CHIP RES 1/10W(T) 5% 0OHM
R425 FM010000 CHIP RES 1/10W(T) 5% 0OHM
R426 FM010103 CHIP RES 1/10W(T) 5% 10KO
R427 FM010103 CHIP RES 1/10W(T) 5% 10KO
R428 FM010103 CHIP RES 1/10W(T) 5% 10KO
R429 FM010103 CHIP RES 1/10W(T) 5% 10KO
R430 FM010101 CHIP RES 1/10W(T) 5% 100O
R433 FM010101 CHIP RES 1/10W(T) 5% 100O
R436 FM010103 CHIP RES 1/10W(T) 5% 10KO
R438 FM010000 CHIP RES 1/10W(T) 5% 0OHM
R439 FM010000 CHIP RES 1/10W(T) 5% 0OHM
R440 FM010103 CHIP RES 1/10W(T) 5% 10KO
R441 FM010000 CHIP RES 1/10W(T) 5% 0OHM
R442 FM010000 CHIP RES 1/10W(T) 5% 0OHM
R443 FM010103 CHIP RES 1/10W(T) 5% 10KO
R444 FM010103 CHIP RES 1/10W(T) 5% 10KO
R446 FM010103 CHIP RES 1/10W(T) 5% 10KO
8-3

SYMBOL Part No for NPG DESCRIPTION
R448 FM010103 CHIP RES 1/10W(T) 5% 10KO
R449 FM010000 CHIP RES 1/10W(T) 5% 0OHM
R450 FM010101 CHIP RES 1/10W(T) 5% 100O
R451 FM010101 CHIP RES 1/10W(T) 5% 100O
R453 FM010473 CHIP 1/10W(T) 5% 47K
R454 FM010472 CHIP RES 1/10W(T) 5% 4.7K
R455 FM010103 CHIP RES 1/10W(T) 5% 10KO
R456 FM010103 CHIP RES 1/10W(T) 5% 10KO
R457 FM010103 CHIP RES 1/10W(T) 5% 10KO
R459 FM010103 CHIP RES 1/10W(T) 5% 10KO
R460 FM010102 CHIP RES 1/10W (T) 5% 1KO
R461 FM010472 CHIP RES 1/10W(T) 5% 4.7K
R462 FM010103 CHIP RES 1/10W(T) 5% 10KO
R464 FM010103 CHIP RES 1/10W(T) 5% 10KO
R465 FM010103 CHIP RES 1/10W(T) 5% 10KO
R466 FM010103 CHIP RES 1/10W(T) 5% 10KO
R467 FM010103 CHIP RES 1/10W(T) 5% 10KO
R468 FM010103 CHIP RES 1/10W(T) 5% 10KO
R469 FM010103 CHIP RES 1/10W(T) 5% 10KO
R470 FM010103 CHIP RES 1/10W(T) 5% 10KO
R473 FM010103 CHIP RES 1/10W(T) 5% 10KO
R474 FM010103 CHIP RES 1/10W(T) 5% 10KO
R479 FM010101 CHIP RES 1/10W(T) 5% 100O
R480 FM010101 CHIP RES 1/10W(T) 5% 100O
R501 FN015102 R SMD METAL 1/10W 51K H F
R502 FN012002 R SMD 1/10W 20K H F 0603
R503 FM010560 CHIP RES 1/10W(T) 5% 56OH
R504 FN015102 R SMD METAL 1/10W 51K H F
R505 FN012002 R SMD 1/10W 20K H F 0603
R508 FM010560 CHIP RES 1/10W(T) 5% 56OH
R509 FM010102 CHIP RES 1/10W (T) 5% 1KO
R510 FM010102 CHIP RES 1/10W (T) 5% 1KO
R511 FM010102 CHIP RES 1/10W (T) 5% 1KO
R512 FM010104 CHIP RES 1/10W(T) 5% 100K
R513 FM010104 CHIP RES 1/10W(T) 5% 100K
R514 FM010104 CHIP RES 1/10W(T) 5% 100K
R515 FM010473 CHIP 1/10W(T) 5% 47K
R516 FM010104 CHIP RES 1/10W(T) 5% 100K
R518 FM010103 CHIP RES 1/10W(T) 5% 10KO
R519 FM010123 R SMD METAL 1/10W 12K J T
R520 FM010103 CHIP RES 1/10W(T) 5% 10KO
R521 FM010123 R SMD METAL 1/10W 12K J T
*** CAPACITORS ***
C401 GX410423 C SMD X7R 0.1U 16V K 0603
C402 GX410353 C SMD X7R 0.01U 50V K 060
C403 GX410353 C SMD X7R 0.01U 50V K 060
C404 GX410353 C SMD X7R 0.01U 50V K 060
8-4

SYMBOL Part No for NPG DESCRIPTION
C405 GX410353 C SMD X7R 0.01U 50V K 060
C406 GX410353 C SMD X7R 0.01U 50V K 060
C407 GX410353 C SMD X7R 0.01U 50V K 060
C408 GX447052 C SMD C0G 47P 50V J 0603
C409 GX447052 C SMD C0G 47P 50V J 0603
C410 GX410423 C SMD X7R 0.1U 16V K 0603
C411 GX410423 C SMD X7R 0.1U 16V K 0603
C412 GGM22615 C ELE105 22U 10V M(T) LOW
C413 GX410423 C SMD X7R 0.1U 16V K 0603
C414 GX410423 C SMD X7R 0.1U 16V K 0603
C415 GX410423 C SMD X7R 0.1U 16V K 0603
C416 GX410423 C SMD X7R 0.1U 16V K 0603
C417 GX410423 C SMD X7R 0.1U 16V K 0603
C418 GX410423 C SMD X7R 0.1U 16V K 0603
C419 GX410423 C SMD X7R 0.1U 16V K 0603
C420 GX410423 C SMD X7R 0.1U 16V K 0603
C421 GX410423 C SMD X7R 0.1U 16V K 0603
C422 GGR22714 VC ELE105 220U 10V M (T)L
C423 GX410423 C SMD X7R 0.1U 16V K 0603
C424 GX410423 C SMD X7R 0.1U 16V K 0603
C425 GX410423 C SMD X7R 0.1U 16V K 0603
C426 GGR68714 C ELE105 680U 10V M(T) LO
C427 GX410423 C SMD X7R 0.1U 16V K 0603
C428 GGM22615 C ELE105 22U 10V M(T) LOW
C429 GX410423 C SMD X7R 0.1U 16V K 0603
C430 GX410423 C SMD X7R 0.1U 16V K 0603
C431 GX410423 C SMD X7R 0.1U 16V K 0603
C432 GX410423 C SMD X7R 0.1U 16V K 0603
C433 GX410423 C SMD X7R 0.1U 16V K 0603
C434 GX410423 C SMD X7R 0.1U 16V K 0603
C435 GX410423 C SMD X7R 0.1U 16V K 0603
C436 GGM22615 C ELE105 22U 10V M(T) LOW
C437 GX410423 C SMD X7R 0.1U 16V K 0603
C438 GX410423 C SMD X7R 0.1U 16V K 0603
C439 GX410423 C SMD X7R 0.1U 16V K 0603
C440 GX410423 C SMD X7R 0.1U 16V K 0603
C441 GX410423 C SMD X7R 0.1U 16V K 0603
C442 GX410423 C SMD X7R 0.1U 16V K 0603
C443 GGM22615 C ELE105 22U 10V M(T) LOW
C444 GX410423 C SMD X7R 0.1U 16V K 0603
C445 GX410423 C SMD X7R 0.1U 16V K 0603
C446 GX410423 C SMD X7R 0.1U 16V K 0603
C447 GX410423 C SMD X7R 0.1U 16V K 0603
C448 GX410423 C SMD X7R 0.1U 16V K 0603
C449 GGM22615 C ELE105 22U 10V M(T) LOW
C450 GX410423 C SMD X7R 0.1U 16V K 0603
C451 GX410423 C SMD X7R 0.1U 16V K 0603
C452 GX410423 C SMD X7R 0.1U 16V K 0603
8-5

SYMBOL Part No for NPG DESCRIPTION
C453 GX405052 C SMD C0G 5P 50V J 0603
C454 GX405052 C SMD C0G 5P 50V J 0603
C455 GX410423 C SMD X7R 0.1U 16V K 0603
C457 GX410423 C SMD X7R 0.1U 16V K 0603
C458 GX410423 C SMD X7R 0.1U 16V K 0603
C459 GX410423 C SMD X7R 0.1U 16V K 0603
C460 GX410423 C SMD X7R 0.1U 16V K 0603
C461 GX410423 C SMD X7R 0.1U 16V K 0603
C462 GX410423 C SMD X7R 0.1U 16V K 0603
C463 GX410423 C SMD X7R 0.1U 16V K 0603
C469 GGR68714 C ELE105 680U 10V M(T) LO
C470 GX410353 C SMD X7R 0.01U 50V K 060
C471 GGR68714 C ELE105 680U 10V M(T) LO
C472 GX410353 C SMD X7R 0.01U 50V K 060
C473 GX433052 C SMD C0G 33P 50V J 0603
C474 GX433052 C SMD C0G 33P 50V J 0603
C475 GGR68714 C ELE105 680U 10V M(T) LO
C476 GGM47535 C ELE105 4.7U 25V M(T) LO
C501 GX410423 C SMD X7R 0.1U 16V K 0603
C502 GX410423 C SMD X7R 0.1U 16V K 0603
C503 GGR10714 C ELE105 100U 10V M (T) L
C504 GX410423 C SMD X7R 0.1U 16V K 0603
C505 GX410423 C SMD X7R 0.1U 16V K 0603
C506 GGR10714 C ELE105 100U 10V M (T) L
C507 GX410423 C SMD X7R 0.1U 16V K 0603
C508 GX410423 C SMD X7R 0.1U 16V K 0603
C510 GX427152 C SMD NPO 270P 50V 0603
C512 GX010558 C SMD Y5V 1U 50V Z 0805
C513 GX427152 C SMD NPO 270P 50V 0603
C514 GX410423 C SMD X7R 0.1U 16V K 0603
C515 GGR10714 C ELE105 100U 10V M (T) L
C516 GGR47724 C ELE105 470U 16V M(T) LO
C517 GGR47724 C ELE105 470U 16V M(T) LO
C518 GGM47535 C ELE105 4.7U 25V M(T) LO
C519 GGM47530 C ELE105 4.7U 25V M(T) LO
8-6

REPLACEMENT PARTS LIST
(
For U.S.
)
The com
p
onents s
p
ecified for Model LCD51VM
(
A
)
-BK
SYMBOL Part No for NPG DESCRIPTION
*** ICS ***
U401 EHA50051 IC SMD 24LC02B
U402 EHA50011 IC MOS 74LVC14
U403 EHA10561 IC SMD PJ1084CM-3.3 REGUL
U404 EH110301 IC PJ1117CZ-2.5V TO-220
U405 EHA10592 IC SMD GM2111 AD SCALER
U406 EHA10471 IC SMD MIC1815 RESET
U407 EHA11001 IC PLCC32 A290011TL-70 ME
U408 EHA10081 IC SMD 24LC16B SO8
U409 EQ500117 CHIP FET P HAT1053M
U501 EHA11061 IC SMD APA4838 AUDIO AMPL
*** TRANSISTORS ***
D402 EX500216 CHIP DIODE DAN217 T146
D403 EX500216 CHIP DIODE DAN217 T146
D404 EX500216 CHIP DIODE DAN217 T146
Q401 EN000413 CHIP TR NPN 2SC2412K-T146
Q404 EN000413 CHIP TR NPN 2SC2412K-T146
Q405 EN000413 CHIP TR NPN 2SC2412K-T146
Q406 EN000413 CHIP TR NPN 2SC2412K-T146
Q407 EN000413 CHIP TR NPN 2SC2412K-T146
*** DIODES ***
D401 EX700216 DIODE RB495D
D405 EJ100231 DIODE 1N4001
D801 EL200110 DIODE LED SML19460C
ZD401 EYD40562 CHIP DIODE ZENER UDZS5.6B
ZD402 EYD40562 CHIP DIODE ZENER UDZS5.6B
ZD405 EYD40562 CHIP DIODE ZENER UDZS5.6B
ZD406 EYD40562 CHIP DIODE ZENER UDZS5.6B
*** PWB ASSYS ***
MAININ
A
M0R51MN MAIN INSERT ASSY
POWERB JM100061 POWER B/D (15NEC)"
SWASSY
A
S0R51ML SW INSERT ASSY
*** COILS & FILTERS ***
B401 HM011532 CHIP FERRITE BK2125HS431
B402 HM011532 CHIP FERRITE BK2125HS431
B403 HM017021 L BEAD SMD MCB1608S121G
B405 HM017031 L BEAD SMD MHC1608S121P
B406 HM017011 L BEAD SMD MCB2012S121H
8-7

SYMBOL Part No for NPG DESCRIPTION
B407 HM017021 L BEAD SMD MCB1608S121G
B408 HM017021 L BEAD SMD MCB1608S121G
B409 HM017021 L BEAD SMD MCB1608S121G
B410 HM017021 L BEAD SMD MCB1608S121G
B411 HM017021 L BEAD SMD MCB1608S121G
B412 HM017021 L BEAD SMD MCB1608S121G
B413 HM017021 L BEAD SMD MCB1608S121G
B414 HM017021 L BEAD SMD MCB1608S121G
B415 HM017021 L BEAD SMD MCB1608S121G
B416 HM017021 L BEAD SMD MCB1608S121G
B417 HM017021 L BEAD SMD MCB1608S121G
B418 HM017021 L BEAD SMD MCB1608S121G
B419 HM017031 L BEAD SMD MHC1608S121P
B420 HM017031 L BEAD SMD MHC1608S121P
B422 HM017021 L BEAD SMD MCB1608S121G
B423 HM017061 L BEAD SMD MCB1608H750G
B424 HM017061 L BEAD SMD MCB1608H750G
B425 HM017061 L BEAD SMD MCB1608H750G
B501 HC006002 BEAD 3.5X4.7/T
L501 HA200271 L CHOKE 10UH 8/10
*** ELECTRICAL PARTS & MISCELLANEOUS PARTS ***
CABLE
A
RE090021 CABLE AUDIO BLK 1.8M
CABLEV RE010171 CABLE VIDEO DSUB-DSUB 1.8
J501 JD050041 SOCKET PHONE 2SJ-0513-A10
J502 JD050051 SOCKET PHONE 2SJ-0511-A13
LCD JG555011 LCD NL10276BC30-10 NEC
PWCORD RG020021 PW CORD NA 1.8M BLK WANSH
SPEASS JN100021 SPEAKER ASSY
WIRE20 RC200291 WIRE 20P-20P L90 LVDS
WIRE9 RC200272 WIRE 9P-9P P=2.0 L260
X401 EM100081 OSC X'TAL 14.318MHZ 49/U-
*** APPEARANCE PARTS ***
BACK 10104211 BACK,L152R5-BK-NSP
BEZEL 10104221 BEZEL,L152R5-BK-NSP-ASSY
CHASSI 12000881 CHASSIS BASE,L152R5-NSP-L
FOOT 17001441 FOOT RUBBER
KNOB 11301681 KNOB CONTROL,L152R5-BK
PADSPE 17001471 PAD,SPEAKER
STCOL 11002151 STAND COVER B,L152R5-BK
STCOT 11002141 STAND COVER T,L152R5-BK
*** PRINTED & PACKING MATERIALS ***
CARTON 13202931 CARTON,AS51VM BK(A)-NSP
CARBO 13203381 CARTON BOARD L152R5(378X112)
FILLB 13401221 FILLER B,L152R5(A)
FILLT 13401211 FILLER T,L152R5(A)
MANUAL 15501681 MANUAL,L152R5 L172R6(A)-N
8-8

SYMBOL Part No for NPG DESCRIPTION
NAVISE 15900251 NAVI SET SHEET
PACKIN 13700321 PE BAG (750*450MM)
PEBAG 13700461 PE BAG (370*270MM)
RATING 15002581 RATING LABEL,AS51VM BK(A)
SETUP 15800401 SHEET,SETUP AS51VM WH(A)-
*** RESISTORS ***
R402 FM010101 CHIP RES 1/10W(T) 5% 100O
R403 FN012009 R SMD 1/10W 20H F 0603
R404 FM010473 CHIP 1/10W(T) 5% 47K
R405 FM010272 R SMD METAL 1/10W 2.7K J
R406 FN012009 R SMD 1/10W 20H F 0603
R407 FM010101 CHIP RES 1/10W(T) 5% 100O
R408 FN012009 R SMD 1/10W 20H F 0603
R409 FN517509 R CHIP 1/3W(T) 1% 75
R410 FN517509 R CHIP 1/3W(T) 1% 75
R411 FN517509 R CHIP 1/3W(T) 1% 75
R412 FN015769 R SMD 1/10W 57.6H F 0603
R413 FN015769 R SMD 1/10W 57.6H F 0603
R414 FN015769 R SMD 1/10W 57.6H F 0603
R415 FN012009 R SMD 1/10W 20H F 0603
R416 FN012009 R SMD 1/10W 20H F 0603
R417 FM010222 CHIP RES 1/10W(T) 5% 2.2K
R418 FM010222 CHIP RES 1/10W(T) 5% 2.2K
R419 FM010104 CHIP RES 1/10W(T) 5% 100K
R420 FM010103 CHIP RES 1/10W(T) 5% 10KO
R421 FM010103 CHIP RES 1/10W(T) 5% 10KO
R423 FM010000 CHIP RES 1/10W(T) 5% 0OHM
R425 FM010000 CHIP RES 1/10W(T) 5% 0OHM
R426 FM010103 CHIP RES 1/10W(T) 5% 10KO
R427 FM010103 CHIP RES 1/10W(T) 5% 10KO
R428 FM010103 CHIP RES 1/10W(T) 5% 10KO
R429 FM010103 CHIP RES 1/10W(T) 5% 10KO
R430 FM010101 CHIP RES 1/10W(T) 5% 100O
R433 FM010101 CHIP RES 1/10W(T) 5% 100O
R436 FM010103 CHIP RES 1/10W(T) 5% 10KO
R438 FM010000 CHIP RES 1/10W(T) 5% 0OHM
R439 FM010000 CHIP RES 1/10W(T) 5% 0OHM
R440 FM010103 CHIP RES 1/10W(T) 5% 10KO
R441 FM010000 CHIP RES 1/10W(T) 5% 0OHM
R442 FM010000 CHIP RES 1/10W(T) 5% 0OHM
R443 FM010103 CHIP RES 1/10W(T) 5% 10KO
R444 FM010103 CHIP RES 1/10W(T) 5% 10KO
R446 FM010103 CHIP RES 1/10W(T) 5% 10KO
R448 FM010103 CHIP RES 1/10W(T) 5% 10KO
R449 FM010000 CHIP RES 1/10W(T) 5% 0OHM
R450 FM010101 CHIP RES 1/10W(T) 5% 100O
R451 FM010101 CHIP RES 1/10W(T) 5% 100O
8-9

SYMBOL Part No for NPG DESCRIPTION
R453 FM010473 CHIP 1/10W(T) 5% 47K
R454 FM010472 CHIP RES 1/10W(T) 5% 4.7K
R455 FM010103 CHIP RES 1/10W(T) 5% 10KO
R456 FM010103 CHIP RES 1/10W(T) 5% 10KO
R457 FM010103 CHIP RES 1/10W(T) 5% 10KO
R459 FM010103 CHIP RES 1/10W(T) 5% 10KO
R460 FM010102 CHIP RES 1/10W (T) 5% 1KO
R461 FM010472 CHIP RES 1/10W(T) 5% 4.7K
R462 FM010103 CHIP RES 1/10W(T) 5% 10KO
R464 FM010103 CHIP RES 1/10W(T) 5% 10KO
R465 FM010103 CHIP RES 1/10W(T) 5% 10KO
R466 FM010103 CHIP RES 1/10W(T) 5% 10KO
R467 FM010103 CHIP RES 1/10W(T) 5% 10KO
R468 FM010103 CHIP RES 1/10W(T) 5% 10KO
R469 FM010103 CHIP RES 1/10W(T) 5% 10KO
R470 FM010103 CHIP RES 1/10W(T) 5% 10KO
R473 FM010103 CHIP RES 1/10W(T) 5% 10KO
R474 FM010103 CHIP RES 1/10W(T) 5% 10KO
R479 FM010101 CHIP RES 1/10W(T) 5% 100O
R480 FM010101 CHIP RES 1/10W(T) 5% 100O
R501 FN015102 R SMD METAL 1/10W 51K H F
R502 FN012002 R SMD 1/10W 20K H F 0603
R503 FM010560 CHIP RES 1/10W(T) 5% 56OH
R504 FN015102 R SMD METAL 1/10W 51K H F
R505 FN012002 R SMD 1/10W 20K H F 0603
R508 FM010560 CHIP RES 1/10W(T) 5% 56OH
R509 FM010102 CHIP RES 1/10W (T) 5% 1KO
R510 FM010102 CHIP RES 1/10W (T) 5% 1KO
R511 FM010102 CHIP RES 1/10W (T) 5% 1KO
R512 FM010104 CHIP RES 1/10W(T) 5% 100K
R513 FM010104 CHIP RES 1/10W(T) 5% 100K
R514 FM010104 CHIP RES 1/10W(T) 5% 100K
R515 FM010473 CHIP 1/10W(T) 5% 47K
R516 FM010104 CHIP RES 1/10W(T) 5% 100K
R518 FM010103 CHIP RES 1/10W(T) 5% 10KO
R519 FM010123 R SMD METAL 1/10W 12K J T
R520 FM010103 CHIP RES 1/10W(T) 5% 10KO
R521 FM010123 R SMD METAL 1/10W 12K J T
*** CAPACITORS ***
C401 GX410423 C SMD X7R 0.1U 16V K 0603
C402 GX410353 C SMD X7R 0.01U 50V K 060
C403 GX410353 C SMD X7R 0.01U 50V K 060
C404 GX410353 C SMD X7R 0.01U 50V K 060
C405 GX410353 C SMD X7R 0.01U 50V K 060
C406 GX410353 C SMD X7R 0.01U 50V K 060
C407 GX410353 C SMD X7R 0.01U 50V K 060
C408 GX447052 C SMD C0G 47P 50V J 0603
8-10

SYMBOL Part No for NPG DESCRIPTION
C409 GX447052 C SMD C0G 47P 50V J 0603
C410 GX410423 C SMD X7R 0.1U 16V K 0603
C411 GX410423 C SMD X7R 0.1U 16V K 0603
C412 GGM22615 C ELE105 22U 10V M(T) LOW
C413 GX410423 C SMD X7R 0.1U 16V K 0603
C414 GX410423 C SMD X7R 0.1U 16V K 0603
C415 GX410423 C SMD X7R 0.1U 16V K 0603
C416 GX410423 C SMD X7R 0.1U 16V K 0603
C417 GX410423 C SMD X7R 0.1U 16V K 0603
C418 GX410423 C SMD X7R 0.1U 16V K 0603
C419 GX410423 C SMD X7R 0.1U 16V K 0603
C420 GX410423 C SMD X7R 0.1U 16V K 0603
C421 GX410423 C SMD X7R 0.1U 16V K 0603
C422 GGR22714 VC ELE105 220U 10V M (T)L
C423 GX410423 C SMD X7R 0.1U 16V K 0603
C424 GX410423 C SMD X7R 0.1U 16V K 0603
C425 GX410423 C SMD X7R 0.1U 16V K 0603
C426 GGR68714 C ELE105 680U 10V M(T) LO
C427 GX410423 C SMD X7R 0.1U 16V K 0603
C428 GGM22615 C ELE105 22U 10V M(T) LOW
C429 GX410423 C SMD X7R 0.1U 16V K 0603
C430 GX410423 C SMD X7R 0.1U 16V K 0603
C431 GX410423 C SMD X7R 0.1U 16V K 0603
C432 GX410423 C SMD X7R 0.1U 16V K 0603
C433 GX410423 C SMD X7R 0.1U 16V K 0603
C434 GX410423 C SMD X7R 0.1U 16V K 0603
C435 GX410423 C SMD X7R 0.1U 16V K 0603
C436 GGM22615 C ELE105 22U 10V M(T) LOW
C437 GX410423 C SMD X7R 0.1U 16V K 0603
C438 GX410423 C SMD X7R 0.1U 16V K 0603
C439 GX410423 C SMD X7R 0.1U 16V K 0603
C440 GX410423 C SMD X7R 0.1U 16V K 0603
C441 GX410423 C SMD X7R 0.1U 16V K 0603
C442 GX410423 C SMD X7R 0.1U 16V K 0603
C443 GGM22615 C ELE105 22U 10V M(T) LOW
C444 GX410423 C SMD X7R 0.1U 16V K 0603
C445 GX410423 C SMD X7R 0.1U 16V K 0603
C446 GX410423 C SMD X7R 0.1U 16V K 0603
C447 GX410423 C SMD X7R 0.1U 16V K 0603
C448 GX410423 C SMD X7R 0.1U 16V K 0603
C449 GGM22615 C ELE105 22U 10V M(T) LOW
C450 GX410423 C SMD X7R 0.1U 16V K 0603
C451 GX410423 C SMD X7R 0.1U 16V K 0603
C452 GX410423 C SMD X7R 0.1U 16V K 0603
C453 GX405052 C SMD C0G 5P 50V J 0603
C454 GX405052 C SMD C0G 5P 50V J 0603
C455 GX410423 C SMD X7R 0.1U 16V K 0603
C457 GX410423 C SMD X7R 0.1U 16V K 0603
8-11

SYMBOL Part No for NPG DESCRIPTION
C458 GX410423 C SMD X7R 0.1U 16V K 0603
C459 GX410423 C SMD X7R 0.1U 16V K 0603
C460 GX410423 C SMD X7R 0.1U 16V K 0603
C461 GX410423 C SMD X7R 0.1U 16V K 0603
C462 GX410423 C SMD X7R 0.1U 16V K 0603
C463 GX410423 C SMD X7R 0.1U 16V K 0603
C469 GGR68714 C ELE105 680U 10V M(T) LO
C470 GX410353 C SMD X7R 0.01U 50V K 060
C471 GGR68714 C ELE105 680U 10V M(T) LO
C472 GX410353 C SMD X7R 0.01U 50V K 060
C473 GX433052 C SMD C0G 33P 50V J 0603
C474 GX433052 C SMD C0G 33P 50V J 0603
C475 GGR68714 C ELE105 680U 10V M(T) LO
C476 GGM47535 C ELE105 4.7U 25V M(T) LO
C478 GX410253 C SMD X7R 1000P 50V K 060
C501 GX410423 C SMD X7R 0.1U 16V K 0603
C502 GX410423 C SMD X7R 0.1U 16V K 0603
C503 GGR10714 C ELE105 100U 10V M (T) L
C504 GX410423 C SMD X7R 0.1U 16V K 0603
C505 GX410423 C SMD X7R 0.1U 16V K 0603
C506 GGR10714 C ELE105 100U 10V M (T) L
C507 GX410423 C SMD X7R 0.1U 16V K 0603
C508 GX410423 C SMD X7R 0.1U 16V K 0603
C510 GX427152 C SMD NPO 270P 50V 0603
C512 GX010558 C SMD Y5V 1U 50V Z 0805
C513 GX427152 C SMD NPO 270P 50V 0603
C514 GX410423 C SMD X7R 0.1U 16V K 0603
C515 GGR10714 C ELE105 100U 10V M (T) L
C516 GGR47724 C ELE105 470U 16V M(T) LO
C517 GGR47724 C ELE105 470U 16V M(T) LO
C518 GGM47535 C ELE105 4.7U 25V M(T) LO
C519 GGM47530 C ELE105 4.7U 25V M(T) LO
8-12

REPLACEMENT PARTS LIST
(
For Euro
p
e
)
The com
p
onents s
p
ecified for Model LCD51VM
(
B
)
-BK
SYMBOL Part No for NPG DESCRIPTION
*** ICS ***
U401 EHA50051 IC SMD 24LC02B
U402 EHA50011 IC MOS 74LVC14
U403 EHA10561 IC SMD PJ1084CM-3.3 REGUL
U404 EH110301 IC PJ1117CZ-2.5V TO-220
U405 EHA10592 IC SMD GM2111 AD SCALER
U406 EHA10471 IC SMD MIC1815 RESET
U407 EHA11001 IC PLCC32 A290011TL-70 ME
U408 EHA10081 IC SMD 24LC16B SO8
U409 EQ500117 CHIP FET P HAT1053M
U501 EHA11061 IC SMD APA4838 AUDIO AMPL
*** TRANSISTORS ***
D402 EX500216 CHIP DIODE DAN217 T146
D403 EX500216 CHIP DIODE DAN217 T146
D404 EX500216 CHIP DIODE DAN217 T146
Q401 EN000413 CHIP TR NPN 2SC2412K-T146
Q404 EN000413 CHIP TR NPN 2SC2412K-T146
Q405 EN000413 CHIP TR NPN 2SC2412K-T146
Q406 EN000413 CHIP TR NPN 2SC2412K-T146
Q407 EN000413 CHIP TR NPN 2SC2412K-T146
*** DIODES ***
D401 EX700216 DIODE RB495D
D405 EJ100231 DIODE 1N4001
D801 EL200110 DIODE LED SML19460C
ZD401 EYD40562 CHIP DIODE ZENER UDZS5.6B
ZD402 EYD40562 CHIP DIODE ZENER UDZS5.6B
ZD405 EYD40562 CHIP DIODE ZENER UDZS5.6B
ZD406 EYD40562 CHIP DIODE ZENER UDZS5.6B
*** RELAYS & SWITCHES ***
SW801 JC300111 SW-TACT SKQNAED010
SW802 JC300111 SW-TACT SKQNAED010
SW803 JC300111 SW-TACT SKQNAED010
SW804 JC300111 SW-TACT SKQNAED010
SW805 JC300111 SW-TACT SKQNAED010
*** PWB ASSYS ***
MAINAS
A
M0R51MN MAIN INSERT ASSY
POWEBD JM100061 POWER B/D (15NEC)"
SWASSY
A
S0R51ML SW INSERT ASSY
8-13

SYMBOL Part No for NPG DESCRIPTION
*** COILS & FILTERS ***
B401 HM011532 CHIP FERRITE BK2125HS431
B402 HM011532 CHIP FERRITE BK2125HS431
B403 HM017021 L BEAD SMD MCB1608S121G
B405 HM017031 L BEAD SMD MHC1608S121P
B406 HM017011 L BEAD SMD MCB2012S121H
B407 HM017021 L BEAD SMD MCB1608S121G
B408 HM017021 L BEAD SMD MCB1608S121G
B409 HM017021 L BEAD SMD MCB1608S121G
B410 HM017021 L BEAD SMD MCB1608S121G
B411 HM017021 L BEAD SMD MCB1608S121G
B412 HM017021 L BEAD SMD MCB1608S121G
B413 HM017021 L BEAD SMD MCB1608S121G
B414 HM017021 L BEAD SMD MCB1608S121G
B415 HM017021 L BEAD SMD MCB1608S121G
B416 HM017021 L BEAD SMD MCB1608S121G
B417 HM017021 L BEAD SMD MCB1608S121G
B418 HM017021 L BEAD SMD MCB1608S121G
B419 HM017031 L BEAD SMD MHC1608S121P
B420 HM017031 L BEAD SMD MHC1608S121P
B422 HM017021 L BEAD SMD MCB1608S121G
B423 HM017061 L BEAD SMD MCB1608H750G
B424 HM017061 L BEAD SMD MCB1608H750G
B425 HM017061 L BEAD SMD MCB1608H750G
B501 HC006002 BEAD 3.5X4.7/T
L501 HA200271 L CHOKE 10UH 8/10
*** ELECTRICAL PARTS & MISCELLANEOUS PARTS ***
CABLE
A
RE090021 CABLE AUDIO BLK 1.8M
CABLEV RE010171 CABLE VIDEO DSUB-DSUB 1.8
J501 JD050041 SOCKET PHONE 2SJ-0513-A10
J502 JD050051 SOCKET PHONE 2SJ-0511-A13
LCD JG555011 LCD NL10276BC30-10 NEC
PWCORD RG030041 PW CORD EU 1.8M BLK WANSH
SPEAK
A
JN100021 SPEAKER ASSY
WIRE20 RC200291 WIRE 20P-20P L90 LVDS
WIRE9P RC200272 WIRE 9P-9P P=2.0 L260
X401 EM100081 OSC X'TAL 14.318MHZ 49/U-
*** APPEARANCE PARTS ***
BACK 10104211 BACK,L152R5-BK-NSP
BEZEL
A
10104231 BEZEL,L152R5-BK(B)-NSP-AS
CHASSI 12000881 CHASSIS BASE,L152R5-NSP-L
FOOT 17001441 FOOT RUBBER
KNOB 11301681 KNOB CONTROL,L152R5-BK
STCOVB 11002151 STAND COVER B,L152R5-BK
STCOVT 11002141 STAND COVER T,L152R5-BK
8-14

SYMBOL Part No for NPG DESCRIPTION
*** PRINTED & PACKING MATERIALS ***
CARTON 13202941 CARTON,AS51VM BK(B)-NSP
CARTSH 13202401 CARTON SHEET FOR 15 IN LC
CAUTSH 15800231 CAUTION SHEET
CARBO 13203381 CARTON BOARD L152R5(378X112)
CDASSY 19700381 CD,AS51VM(B)-NSP
CDROM 19700371 CD-ROM, LCD71VM(B)
EPEBAG 13700621 EPE BAG (390*440)
FILLB 13401221 FILLER B,L152R5(A)
FILLT 13401211 FILLER T,L152R5(A)
MANUAL 15501701 MANUAL,L152R5 L172R6(B)
MONITO 13700321 PE BAG (750*450MM)
NAVISE 15900251 NAVI SET SHEET
NMCLUB 15800171 NM CLUB SHEET
PADSPE 17001471 PAD,SPEAKER
PEBAG 13700461 PE BAG (370*270MM)
RATING 15002591 RATING LABEL,AS51VM BK(B)
SALES 15900055 SALES OFFICE LIST
SALESL 15900056 SALES OFFICE LIST
SETUP 15800411 SHEET,SETUP AS51VM(B)-NSP
*** RESISTORS ***
R402 FM010101 CHIP RES 1/10W(T) 5% 100O
R403 FN012009 R SMD 1/10W 20H F 0603
R404 FM010473 CHIP 1/10W(T) 5% 47K
R405 FM010272 R SMD METAL 1/10W 2.7K J
R406 FN012009 R SMD 1/10W 20H F 0603
R407 FM010101 CHIP RES 1/10W(T) 5% 100O
R408 FN012009 R SMD 1/10W 20H F 0603
R409 FN517509 R SMD METAL 1/3W 75 F T 1
R410 FN517509 R SMD METAL 1/3W 75 F T 1
R411 FN517509 R SMD METAL 1/3W 75 F T 1
R412 FN015769 R SMD 1/10W 57.6H F 0603
R413 FN015769 R SMD 1/10W 57.6H F 0603
R414 FN015769 R SMD 1/10W 57.6H F 0603
R415 FN012009 R SMD 1/10W 20H F 0603
R416 FN012009 R SMD 1/10W 20H F 0603
R417 FM010222 CHIP RES 1/10W(T) 5% 2.2K
R418 FM010222 CHIP RES 1/10W(T) 5% 2.2K
R419 FM010104 CHIP RES 1/10W(T) 5% 100K
R420 FM010103 CHIP RES 1/10W(T) 5% 10KO
R421 FM010103 CHIP RES 1/10W(T) 5% 10KO
R423 FM010000 CHIP RES 1/10W(T) 5% 0OHM
R425 FM010000 CHIP RES 1/10W(T) 5% 0OHM
R426 FM010103 CHIP RES 1/10W(T) 5% 10KO
R427 FM010103 CHIP RES 1/10W(T) 5% 10KO
R428 FM010103 CHIP RES 1/10W(T) 5% 10KO
R429 FM010103 CHIP RES 1/10W(T) 5% 10KO
8-15

SYMBOL Part No for NPG DESCRIPTION
R430 FM010101 CHIP RES 1/10W(T) 5% 100O
R433 FM010101 CHIP RES 1/10W(T) 5% 100O
R436 FM010103 CHIP RES 1/10W(T) 5% 10KO
R438 FM010000 CHIP RES 1/10W(T) 5% 0OHM
R439 FM010000 CHIP RES 1/10W(T) 5% 0OHM
R440 FM010103 CHIP RES 1/10W(T) 5% 10KO
R441 FM010000 CHIP RES 1/10W(T) 5% 0OHM
R442 FM010000 CHIP RES 1/10W(T) 5% 0OHM
R443 FM010103 CHIP RES 1/10W(T) 5% 10KO
R444 FM010103 CHIP RES 1/10W(T) 5% 10KO
R446 FM010103 CHIP RES 1/10W(T) 5% 10KO
R448 FM010103 CHIP RES 1/10W(T) 5% 10KO
R449 FM010000 CHIP RES 1/10W(T) 5% 0OHM
R450 FM010101 CHIP RES 1/10W(T) 5% 100O
R451 FM010101 CHIP RES 1/10W(T) 5% 100O
R453 FM010473 CHIP 1/10W(T) 5% 47K
R454 FM010472 CHIP RES 1/10W(T) 5% 4.7K
R455 FM010103 CHIP RES 1/10W(T) 5% 10KO
R456 FM010103 CHIP RES 1/10W(T) 5% 10KO
R457 FM010103 CHIP RES 1/10W(T) 5% 10KO
R459 FM010103 CHIP RES 1/10W(T) 5% 10KO
R460 FM010102 CHIP RES 1/10W (T) 5% 1KO
R461 FM010472 CHIP RES 1/10W(T) 5% 4.7K
R462 FM010103 CHIP RES 1/10W(T) 5% 10KO
R464 FM010103 CHIP RES 1/10W(T) 5% 10KO
R465 FM010103 CHIP RES 1/10W(T) 5% 10KO
R466 FM010103 CHIP RES 1/10W(T) 5% 10KO
R467 FM010103 CHIP RES 1/10W(T) 5% 10KO
R468 FM010103 CHIP RES 1/10W(T) 5% 10KO
R469 FM010103 CHIP RES 1/10W(T) 5% 10KO
R470 FM010103 CHIP RES 1/10W(T) 5% 10KO
R473 FM010103 CHIP RES 1/10W(T) 5% 10KO
R474 FM010103 CHIP RES 1/10W(T) 5% 10KO
R479 FM010101 CHIP RES 1/10W(T) 5% 100O
R480 FM010101 CHIP RES 1/10W(T) 5% 100O
R501 FN015102 R SMD METAL 1/10W 51K H F
R502 FN012002 R SMD 1/10W 20K H F 0603
R503 FM010560 CHIP RES 1/10W(T) 5% 56OH
R504 FN015102 R SMD METAL 1/10W 51K H F
R505 FN012002 R SMD 1/10W 20K H F 0603
R508 FM010560 CHIP RES 1/10W(T) 5% 56OH
R509 FM010102 CHIP RES 1/10W (T) 5% 1KO
R510 FM010102 CHIP RES 1/10W (T) 5% 1KO
R511 FM010102 CHIP RES 1/10W (T) 5% 1KO
R512 FM010104 CHIP RES 1/10W(T) 5% 100K
R513 FM010104 CHIP RES 1/10W(T) 5% 100K
R514 FM010104 CHIP RES 1/10W(T) 5% 100K
R515 FM010473 CHIP 1/10W(T) 5% 47K
8-16

SYMBOL Part No for NPG DESCRIPTION
R516 FM010104 CHIP RES 1/10W(T) 5% 100K
R518 FM010103 CHIP RES 1/10W(T) 5% 10KO
R519 FM010123 R SMD METAL 1/10W 12K J T
R520 FM010103 CHIP RES 1/10W(T) 5% 10KO
R521 FM010123 R SMD METAL 1/10W 12K J T
*** CAPACITORS ***
C401 GX410423 C SMD X7R 0.1U 16V K 0603
C402 GX410353 C SMD X7R 0.01U 50V K 060
C403 GX410353 C SMD X7R 0.01U 50V K 060
C404 GX410353 C SMD X7R 0.01U 50V K 060
C405 GX410353 C SMD X7R 0.01U 50V K 060
C406 GX410353 C SMD X7R 0.01U 50V K 060
C407 GX410353 C SMD X7R 0.01U 50V K 060
C408 GX447052 C SMD C0G 47P 50V J 0603
C409 GX447052 C SMD C0G 47P 50V J 0603
C410 GX410423 C SMD X7R 0.1U 16V K 0603
C411 GX410423 C SMD X7R 0.1U 16V K 0603
C412 GGM22615 C ELE105 22U 10V M(T) LOW
C413 GX410423 C SMD X7R 0.1U 16V K 0603
C414 GX410423 C SMD X7R 0.1U 16V K 0603
C415 GX410423 C SMD X7R 0.1U 16V K 0603
C416 GX410423 C SMD X7R 0.1U 16V K 0603
C417 GX410423 C SMD X7R 0.1U 16V K 0603
C418 GX410423 C SMD X7R 0.1U 16V K 0603
C419 GX410423 C SMD X7R 0.1U 16V K 0603
C420 GX410423 C SMD X7R 0.1U 16V K 0603
C421 GX410423 C SMD X7R 0.1U 16V K 0603
C422 GGR22714 VC ELE105 220U 10V M (T)L
C423 GX410423 C SMD X7R 0.1U 16V K 0603
C424 GX410423 C SMD X7R 0.1U 16V K 0603
C425 GX410423 C SMD X7R 0.1U 16V K 0603
C426 GGR68714 C ELE105 680U 10V M(T) LO
C427 GX410423 C SMD X7R 0.1U 16V K 0603
C428 GGM22615 C ELE105 22U 10V M(T) LOW
C429 GX410423 C SMD X7R 0.1U 16V K 0603
C430 GX410423 C SMD X7R 0.1U 16V K 0603
C431 GX410423 C SMD X7R 0.1U 16V K 0603
C432 GX410423 C SMD X7R 0.1U 16V K 0603
C433 GX410423 C SMD X7R 0.1U 16V K 0603
C434 GX410423 C SMD X7R 0.1U 16V K 0603
C435 GX410423 C SMD X7R 0.1U 16V K 0603
C436 GGM22615 C ELE105 22U 10V M(T) LOW
C437 GX410423 C SMD X7R 0.1U 16V K 0603
C438 GX410423 C SMD X7R 0.1U 16V K 0603
C439 GX410423 C SMD X7R 0.1U 16V K 0603
C440 GX410423 C SMD X7R 0.1U 16V K 0603
C441 GX410423 C SMD X7R 0.1U 16V K 0603
8-17

SYMBOL Part No for NPG DESCRIPTION
C442 GX410423 C SMD X7R 0.1U 16V K 0603
C443 GGM22615 C ELE105 22U 10V M(T) LOW
C444 GX410423 C SMD X7R 0.1U 16V K 0603
C445 GX410423 C SMD X7R 0.1U 16V K 0603
C446 GX410423 C SMD X7R 0.1U 16V K 0603
C447 GX410423 C SMD X7R 0.1U 16V K 0603
C448 GX410423 C SMD X7R 0.1U 16V K 0603
C449 GGM22615 C ELE105 22U 10V M(T) LOW
C450 GX410423 C SMD X7R 0.1U 16V K 0603
C451 GX410423 C SMD X7R 0.1U 16V K 0603
C452 GX410423 C SMD X7R 0.1U 16V K 0603
C453 GX405052 C SMD C0G 5P 50V J 0603
C454 GX405052 C SMD C0G 5P 50V J 0603
C455 GX410423 C SMD X7R 0.1U 16V K 0603
C457 GX410423 C SMD X7R 0.1U 16V K 0603
C458 GX410423 C SMD X7R 0.1U 16V K 0603
C459 GX410423 C SMD X7R 0.1U 16V K 0603
C460 GX410423 C SMD X7R 0.1U 16V K 0603
C461 GX410423 C SMD X7R 0.1U 16V K 0603
C462 GX410423 C SMD X7R 0.1U 16V K 0603
C463 GX410423 C SMD X7R 0.1U 16V K 0603
C469 GGR68714 C ELE105 680U 10V M(T) LO
C470 GX410353 C SMD X7R 0.01U 50V K 060
C471 GGR68714 C ELE105 680U 10V M(T) LO
C472 GX410353 C SMD X7R 0.01U 50V K 060
C473 GX433052 C SMD C0G 33P 50V J 0603
C474 GX433052 C SMD C0G 33P 50V J 0603
C475 GGR68714 C ELE105 680U 10V M(T) LO
C476 GGM47535 C ELE105 4.7U 25V M(T) LO
C478 GX410253 C SMD X7R 1000P 50V K 060
C501 GX410423 C SMD X7R 0.1U 16V K 0603
C502 GX410423 C SMD X7R 0.1U 16V K 0603
C503 GGR10714 C ELE105 100U 10V M (T) L
C504 GX410423 C SMD X7R 0.1U 16V K 0603
C505 GX410423 C SMD X7R 0.1U 16V K 0603
C506 GGR10714 C ELE105 100U 10V M (T) L
C507 GX410423 C SMD X7R 0.1U 16V K 0603
C508 GX410423 C SMD X7R 0.1U 16V K 0603
C510 GX427152 C SMD NPO 270P 50V 0603
C512 GX010558 C SMD Y5V 1U 50V Z 0805
C513 GX427152 C SMD NPO 270P 50V 0603
C514 GX410423 C SMD X7R 0.1U 16V K 0603
C515 GGR10714 C ELE105 100U 10V M (T) L
C516 GGR47724 C ELE105 470U 16V M(T) LO
C517 GGR47724 C ELE105 470U 16V M(T) LO
C518 GGM47535 C ELE105 4.7U 25V M(T) LO
C519 GGM47530 C ELE105 4.7U 25V M(T) LO
8-18

9-1
BLOCK DIAGRAM Internal Power type ( L152R5-15VM-NEC)
LCD Panel
NEC 15” NL10276BC30-10
Analog
Video Input
AC
110/220V
Input
D-SUB
X’TAL
14.3MHz
Scalar
Gm2111
DC-DC
5V-3.3V
5V-2.5V
EEPROM
24LC16B
DDC
24LC02B
Function
Key Board
Brightness
Inverter ON/OFF
+5V
DDC Clock
DDC Data
R, G, B, Hs, Vs
NVRAM Clock
NVRAM Data
LVDS
SW
Panel
ON/OFF
Serial Port
+1200V
Audio Volume Speaker &
Head
p
hone
1M Memory
Smart-Power
(Power B/D &
Inverter B/D )
Brightness
Inverter
ON/OFF
+5V
+3.3V

BACK-LIGHT
PWM0
CLOSE TO PWM
TO PANEL
POWER
LED_A
RXE1+
RXE1-
RXEC+
RXE2+
RXE3+
RXEC-
LVDS_E9
RXE2-
RXE3-
LED_A
LED_Green
MENU
POWER
LED_Green
LEFT
RIGHT
PVCC
LED_Amber
RIGHT
LEFT
AUTO
AUTO
LED_Amber
MENU
PVCC
PWM0
AUDIO_VOLUME
PWM0
AUDIO_VOLUME
BKLT_ADJ
BKLT_EN
LVDS_E8
LVDS_E7
LVDS_E6
LVDS_E5
LVDS_E4
LVDS_E1 RXE0-
RXE0-
LVDS_E0
LVDS_E2
LVDS_E3
+5V
5VDD
+5V
5VDD
+5V
+3V3
+5V
+3V3
+3V3
+3V3
GND GND
GND
GND
GND
GND
GND GND
GND
GND GND GNDGND
GND
GND
GND
GND
C463
0.1uF
12
R471 N.C
B414 120R
+
C476
4.7uF/25V
12
R434
10K(N.C)
R461
4K7
R445
N.C
C462
0.1uF
12
C456
0.1uF(NC)
R447 N.C
Q404
2SC2412
3
2
1
C470
0.01uF
12
R454 4K7
B415 120R
S405
HEADER_9
1
2
3
4
5
6
7
8
9
R449 0R
S403
HEADER_6
GND
+5V
+5V
GND
PWM
ON/OFF
6
5
4
4
2
1
+
C469
680uF/10V
12
C457
0.1uF
12
B412 120R
R462 10K
+
C484
N.C
12
C472
0.01uF
12
R446
10K
Q405
2SC2412
3
2
1
B411 120R
+
C471
680uF/10V
12
B416 120R
Q406
2SC2412
3
2
1
B417 120R
R464 10K
R466 10K
C460
0.1uF
12
C459
0.1uF
12
B419
120R
1 2
R450
100R
R467 10K
Q401
2SC2412
3
2
1
C475
680uF/10V
G
D
S
U409 HAT1053
5
2
1
4
6
3
R451
100R
C458
0.1uF
12
R468 10K
R448
10K
Q402
2SC2412(N.C)
3
2
1
C478 1nF
C461
0.1uF
12
R457
10K
B413 120R
R469 10K
R465 10K
R453
47K
R460
1K
R459 10K
C473
33pF
C477
0.1uF(N.C)
C474
33pF
B420
120R
S404
DF14A-20P-1.25H_21
1
2
3
4
5
6
7
8
9
10
11
12
13
14
15
16
17
18
19
20
1
2
3
4
5
6
7
8
9
10
11
12
13
14
15
16
17
18
19
20
R463
0R(N.C)
C484
N.C
R470 10K
Q407
2SC2412
3
2
1
MENUSH-2
LEFTSH-2
POWERSH-2
LVDS_E[0..9]SH-2
PWM0SH-2
AUTOSH-2
RIGHTSH-2
PBIASSH-2
LED_ASH-2
AUDIO_VOLUMESH-2
PBIAS SH-2
PPWRSH-2
Volume SH-4
MODEL LCD51VM / LCD51V SCHEMATIC DIAGRAM MAIN BOARD (Display) (1/4)
10-1

Close to respective power Pins
32-Pin PLCC Socket
OCM-START
A16
A17
FULL CUST
PBIAS_POL
Reset
Circuit
All unused GPIO's can be
connected to GND.
For flexibility reasons they
are left unconnected.
Close to respective power Pins
Close to respective power Pins
Close to respective power Pins
Close to respective power Pins
H-PORT-EN
TCLK_SEL0
TCLK_SEL1
DDC_PORT_SEL
TCLK_SEL1 TCLK_SEL0
OUT OUT
OUT
OUTIN
IN IN
TCLK = 14.3 MHz, 115.2 Kbaud
TCLK = 20 MHz, 57.6 Kbaud
TCLK = 24 MHz, 57.6 Kbaud
TCLK = 14.3 MHz, 57.6 Kbaud
IN
PBIAS ACTIVE LOWOUT
IN PBIAS ACTIVE HIGH
PBIAS_POL
STANDALONE OPERATION
OUT
IN
FULL CUST
FULL CUSTOM
HFS/HCLK
DDC_SDA/DDC_SCL
Port used for DDC2Bi communication
OUT
IN
DDC_PORT_SEL
IIC
GPROBE
GM2121
SDA
SCL
RMADDR12
RIGHT
AUDIO_VOLUME
XTAL
LVDS_E3RXE1+
RMADDR14
PWM0
LVDS_E2RXE1-
RMADDR8
RMADDR10
RMADDR9
LVDS_E5RXE2+
RMADDR5
RMADDR4
RMADDR15
LVDS_E4RXE2-
LVDS_E0RXE0-
LVDS_E6RXEC-
RMADDR13
LVDS_E8RXE3-
MENU
LVDS_E7RXEC+
RMADDR1
RMADDR11
LEFT
ROM_WEn
RMADDR7
LVDS_E9RXE3+
LVDS_E1RXE0+
RMADDR6
AUTO
UART_DO
UART_DI
TCLK
HDATA1
RMADDR2
RMADDR3
RMADDR0
SDA
SCL
RMADDR[0..15]
POWER
RMDATA5
RMDATA7
RMADDR8
RMADDR11
RMDATA1
RMADDR0
RMADDR4
RMADDR13
RMADDR15
RMADDR1
RMDATA3
RMADDR3
RMADDR6
RMADDR15
RMADDR7
RMADDR10
RMDATA6
RMDATA2
RMADDR12
RMDATA4
RMADDR5
RMADDR9
RMADDR14
ROM_OEn
HDATA2
RMDATA0
RMADDR14
RMADDR2
RMADDR8
RMADDR9
RMADDR12
RMADDR11
RMADDR10
RMADDR0
WP
VROM
VROM
VROM
VROM
LED_A
/RESET
+3V3+5V
+5V
+3V3 3V3_DVDD
3V3_AVDD
2V5_AVDD_LV
2V5_VDD
+2V5
2V5_AVDD
+2V5
3V3_AVDD 3V3_AVDD
3V3_DVDD
3V3_DVDD
+3V3
2V5_AVDD_LV
2V5_VDD3V3_DVDD
3V3_AVDD
2V5_AVDD
GND
GND
GND
GND
GND
GND GND
GND GND
GND
GND
GND
GND GND
GND
GND
GND
+3V3
+5V
GND
+5V
GND
+5V
GND
AGND
+5V+5V
GND
AGND
C451
0.1uF
R432 NC
C420
0.1uF
C417
0.1uF
C439
0.1uF
R426 10K
U407
A2900AATL-70
3
29
28
4
25
23
26
27
5
6
7
8
9
10
11
12
21
20
19
18
17
15
14
13
24
31
32
1
16
2
30
22
A15
A14
A13
A12
A11
A10
A9
A8
A7
A6
A5
A4
A3
A2
A1
A0
DQ7
DQ6
DQ5
DQ4
DQ3
DQ2
DQ1
DQ0
OE
WE
VCC
NC
GND
A16
NC/A17
CE
U403PJ1084-3.3
3
1
2
VIN
GND
VOUT
U404PJ1117-2.5
3
1
2
VIN
GND
VOUT
C442
0.1uF
C436
22uF/10V
C424
0.1uF
C425
0.1uF
B406 120R
C427
0.1uF
R429 10K
C423
0.1uF
+
C426
680uF/10V
12
B422
120R
D405
1N4001
C443
22uF/10V
R439 0R
C455 0.1uF
R425
0R
R444
10K
C428
22uF/10V
C421
0.1uF
R433 100R
B418
120R
B407
120R
R428 10K
R419
100K
C431
0.1uF
C437
0.1uF
C447
0.1uF
C418
0.1uF
R474
10K
C449
22uF/10V
C440
0.1uF
C445
0.1uF
R473
10K
B410
120R
R427 10K
+
C422
220uF/10V
12
C430
0.1uF
R424 NC
R435 NC
C452
0.1uF
C450
0.1uF
U408
24LC16B
1
2
3
4 5
6
7
8
A0
A1
A2
VSS SI
SCK
WP
VCC
C444
0.1uF
R430 100R
R436 10K
C414
0.1uF
C435
0.1uF
C415
0.1uF
B403
120R
X401
14.318MHz
C412
22uF/10V
C438
0.1uF
R422 NC
C432
0.1uF
C413
0.1uF
B409
120R
R440 10K
C416
0.1uF
C453
5pF
R472 N.C
C411
0.1uF
R438 0R
C446
0.1uF
C433
0.1uF
B405 120R
C448
0.1uF
C454
5pF
R437 N.C
C419
0.1uF
R456
10K
3.3V_A
AGND
U405
gm2111 AD
PQFP160
135
134
131
130
127
126
103
102
23
24
25
26
27
28
29
32
34
62
36
37
61
10
11
12
13
9
8
17
16
18
19
33
22
38
156
155
154
153
152
151
150
149
148
139
6
5
4
3
2
1
160
159
140
141
147
145
146
142
7
119
117
129
133
125
122
121
14
30
143
113
20
43
79
98
40
41
106
104
105
115
110
101
100
15
21
31
44
107
91
99
137
120
118
114
116
111
35
123
59
60
63
58
57
56
55
54
53
50
49
48
47
46
45
51
52
78
39
112
128
132
136
124
90
157
158 138
64
65
66
67
68
69
70
71
72
73
74
75
76
77
108
109
80
81
82
83
84
85
86
87
88
89
92
93
94
95
96
97
144
42
RED+
RED-
GREEN+
GREEN-
BLUE+
BLUE-
XTAL
TCLK
GPIO0/PWM0
GPIO1/PWM1
GPIO2/PWM2
GPIO3/TIMER1
GPIO4/UART_DI
GPIO5/UART_DO
GPIO6
GPIO7
GPIO10
AVSS_OUT_LV_O
GPIO12/NVRAM_SDA
GPIO13/NVRAM_SCL
AVDD_LV_E_2.5
GPIO20/HDATA3
GPIO19/HDATA2
GPIO18/HDATA1
GPIO17/HDATA0
GPIO16/HFS
GPIO22/HCLK
RESETn
GPIO21/IRQn
GPIO15/DDC_SCL
GPIO14/DDC_SDA
GPIO9
GPIO8/IRQINn
STI_TM1
ROM_ADDR0
ROM_ADDR1
ROM_ADDR2
ROM_ADDR3
ROM_ADDR4
ROM_ADDR5
ROM_ADDR6
ROM_ADDR7
ROM_ADDR8
ROM_ADDR15
ROM_DATA0
ROM_DATA1
ROM_DATA2
ROM_DATA3
ROM_DATA4
ROM_DATA5
ROM_DATA6
ROM_DATA7
ROM_ADDR14
ROM_ADDR13
ROM_ADDR9
ROM_ADDR11
ROM_ADDR10
ROM_ADDR12
ROM_OEn
VDD1_ADC_2.5
VDD2_ADC_2.5
AGND_GREEN
AGND_RED
AGND_BLUE
AGND_ADC
SGND_ADC
RVDD_3.3
RVDD_3.3
RVDD_3.3
AVDD_SDDS_3.3
CVDD_2.5
CVDD_2.5
CVDD_2.5
CVDD_2.5
PPWR
PBIAS
VDD_DPLL_3.3
AVDD_RPLL_3.3
AVSS_RPLL
VDD_SDDS_3.3
VDD_DDDS_3.3
HSYNC
VSYNC
CRVSS
CRVSS
CRVSS
CRVSS
VSS_DPLL
CRVSS
CRVSS
CRVSS
GND1_ADC
GND2_ADC
AVSS_SDDS
VSS_SDDS
VSS_DDDS
GPIO11/ROM_WEn
ADC_TEST
AVDD_OUT_LV_E_2.5
AVSS_LV_E
AVDD_OUT_LV_O_2.5
AVSS_OUT_LV_E
CH0N_LV_E
CH0P_LV_E
CH1N_LV_E
CH1P_LV_E
CH2N_LV_E
CLKP_LV_E
CH3N_LV_E
CH3P_LV_E
AVSS_OUT_LV_E
AVDD_OUT_LV_E_2.5
VCO_LV
CLKN_LV_E
CH2P_LV_E
CRVSS
STI_TM2
VBUFC
AVDD_BLUE_3.3
AVDD_GREEN_3.3
AVDD_RED_3.3
AVDD_ADC_3.3
RVDD_3.3
RVDD_3.3
CRVSS CVDD_2.5
CH3P_LV_O
CH3N_LV_O
CLKP_LV_O
CLKN_LV_O
CH2P_LV_O
CH2N_LV_O
CH1P_LV_O
CH1N_LV_O
CH0P_LV_O
CH0N_LV_O
AVDD_OUT_LV_O_2.5
AVSS_OUT_LV_O
AVSS_LV_O
AVDD_LV_O_2.5
AVDD_DDDS_3.3
AVSS_DDDS
RESERVED
RESERVED
RESERVED
RESERVED
RESERVED
RESERVED
RESERVED
RESERVED
GPO 0
GPO 1
GPO 2
GPO 3
GPO 4
GPO 5
GPO 6
GPO 7
CRVSS
CRVSS
R455
10K
C429
0.1uF
B421
NC
R420 10K
B408
120R
S402
1
2
3
4
C441
0.1uF
C434
0.1uF
U406
DS1818-10
SOT23
2
1
3
VCC
RSTN
GND
R443
10K
HFSSH-3
GREEN-SH-3
HSSH-3
HCLKSH-3
VSSH-3
BLUE+SH-3
GREEN+SH-3
BLUE-SH-3
RED+SH-3
LVDS_E[0..9] SH-1
RED-SH-3
LEFT SH-1
MENU SH-1
PWM0 SH-1
PBIASSH-1
AUDIO_VOLUME SH-1
RIGHT SH-1
AUTO SH-1
POWERSH-1
PPWRSH-1
WP SH-3
STBYSH-4
MUTESH-4
LED_A SH-1
MODEL LCD51VM / LCD51V SCHEMATIC DIAGRAM MAIN BOARD (Scaler) (2/4)
10-2

Near VGA pins
VS
ANALOG DDC
5V_VGA
VGASDA
VGASCL
A-HS
A-VS
A-BLUE
A-RED
VGA_SCL
VGA_SDA A-GREEN
+3V3+3V3+3V3
GND_AUDIO
GND
VGA_5V
VGA_5V +5V
GND
GND
GND
GND
GND
GND
GND
GNDGND
+3V3
+3V3
AGND
AGND
AGNDAGND
AGNDAGNDAGND
AGND GND
GND GND
AGNDAGND AGND
AGND AGND AGND
R405
2K7
B424 75R
R406 20R
R41457R6
R408 20R
C409
47pF
C406 0.01uF
B425 75R
B401
BK2125HS431
C404 0.01uF
C481 N.C
P401
DB15 HD
1
6
2
7
3
8
4
9
5
11
12
13
14
15
10
C408
47pF
R479 100R
R480 100R
FD2
FIDUCIAL-MARK
1
MTG2
MTG/ID1.2/OD2
1
MTG3
MTG/ID1.2/OD2
1
ZD402
UDZS5.6B
1 2
MTG4
MTG/ID1.2/OD2
1
FD1
FIDUCIAL-MARK
1
ZD405
UDZS5.6B
1 2
ZD406
UDZS5.6B
1 2
C482
N.C
C483
N.C
B402
BK2125HS431
MTG1
MTG/ID1.2/OD2
1
C401
0.1uF
R441 0R
R442 0R
R407 100R
U402A
74LVC14
1 2
147
R404
47K
U402B
74LVC14
3 4
147
R416 20R
1%
U402C
74LVC14
5 6
147
U402D
74LVC14
9 8
147
C480 N.C
D403
DAN217/T146
1
3
2
C402 0.01uF
C479 N.C
R402 100R
C407 0.01uF
C403 0.01uF
C410
0.1uF
R421
10K
R41257R6
R431
N.C
ZD401
UDZS5.6B
1 2
R41175R
D402
DAN217/T146
1
3
2
R423
0R
D404
DAN217/T146
1
3
2
R415 20R
1%
R4172.2K
R40975R
R4182.2K
R41357R6
B423 75R
U401
24AA02
4
81
2
3
7
6
5
GND
VCCA0
A1
A2
WP
SCL
SDA
R41075R
D401
RB495D
3
1
2
C405 0.01uF
R403 20R
HS SH-2
RED- SH-2
RED+ SH-2
BLUE+ SH-2
WP SH-2
BLUE- SH-2
GREEN- SH-2
HFS SH-2
VS SH-2
GREEN+ SH-2
HCLK SH-2
MODEL LCD51VM / LCD51V SCHEMATIC DIAGRAM MAIN BOARD (Input) (3/4)
10-3

TO SPEAKER
+5V
GND_Audio
V+
GND_Audio
GND_Audio
GND_Audio
GND_Audio
V+
V+
GND_Audio
GND
GND_Audio
V+
GND_Audio
GND_Audio
GND_Audio
GND_Audio
GND_Audio
GND_Audio
GND_Audio
GND_Audio
R511
1K
C504
0.1u
+
C519
4.7u/25V
12
R518
10K
+
C516
470U/10V
12
C505
0.1u
+
C515
100U/10V
12
R512
100K
B501
BEAD3.5x4.7/T
R520
10K
+
C518
4.7u/25V
1 2
C513
270pF
R521
12K
R501 51K 1%
U501
APA4838
10
21
3
11
22
6
26
2
28
15
24
17
5
4
13
12
9
16
27
1
8
14
20
23
25
7
19
18
Right in
HP sense
Gain Sel
Beep
Bypass
Vdd
-Right Out
ShutDown
+Right Out
+Left Out
R2in
-Left Out
Mute
Mode
Left Dock
Lift in
RightDock
Vdd
Vdd
GND
GND
GND
GND
GND
R2fin
DC Vol Control
L2in
L2fin
R502
20K 1%
R505
20K 1%
C514
0.1u
C507
0.1u
+
C503
100U
16V
1 2
C508
0.1u
R510
1K
+
C517
470U
12
R516
100K
J501
PHOJACK_3P
2
3
1
R508
56
R503
56
R519
12K
J502
PHOJACK_4P
3
11
2
1
+
C511
N.C
12
L501
10uH
+
C506
100U
1 2
S502
HEADER 4
1
2
3
4
C501
0.1u
C510
270pF
C502
0.1u
C512
1u
R504 51K 1%
R515
47K
R513
100K
R509
1K
R514
100K
HP_sense
HP_sense
STBY SH-2
MUTESH-2
VOLUME
SH-3
MODEL LCD51VM SCHEMATIC DIAGRAM MAIN BOARD (Audio) (4/4)
10-4

11-1
Packing specification
(1)
(2)
(3) (4)
(5)
(6)
(7)
(8) (9)
(10)
(11)
(12)
(13)
(14)
POWER CORD

11-2
ITEM DESCRIPTION Part No for NPG Ver. Cabinet color
(1) CARTON BOARD L152R5(378X112) 13203381 A/B White/Black
(2) CAUTION SHEET 15800231 B Black
(3) CABLE VIDEO DSUB-DSUB 1.8 RE010161 A White
(3) CABLE VIDEO DSUB-DSUB 1.8 RE010171 A/B Black
(4) PW CORD NA 1.8M GRAY WANS RG020061 A White
(4) PW CORD NA 1.8M BLK WANSH RG020021 A Black
(4) PW CORD EU 1.8M BLK WANSH RG030041 B Black
(5) CABLE AUDIO GRY 1.8M RE090011 A White
(5) CABLE AUDIO BLK 1.8M RE090021 A/B Black
(6) FILLER T,L152R5(A) 13401211 A/B White/Black
(7) EPE BAG(390*440) 13700621 B Black
(8) PE BAG (750*450MM) 13700321 A/B White/Black
(9) PE BAG (370*270MM) 13700461 A/B White/Black
(10) SHEET,SETUP AS51VM WH(A)- 15800401 A White/Black
(10) SHEET,SETUP AS51VM(B)-NSP 15800411 B Black
(11) PE BAG (370*270MM) 13700461 A/B White/Black
(12) MANUAL,L152R5 L172R6(A)-N 15501681 A White/Black
(12) MANUAL,L152R5 L172R6(B) 15501701 B Black
(12) NAVI SET SHEET 15900251 A/B White/Black
(12) CARTON SHEET FOR 15 IN LC 13202401 A/B White/Black
(12) CD-ROM, LCD71VM(B) 19700371 B Black
(12) SALES OFFICE LIST 15900056 B Black
(13) FILLER B,L152R5(A) 13401221 A/B White/Black
(14) CARTON,AS51VM WH(A)-NSP 13202691 A White
(14) CARTON,AS51VM BK(A)-NSP 13202931 A Black
(14) CARTON,AS51VM BK(B)-NSP 13202941 B Black