805_102_CSV410_BA_DE_01_03_2012 13Schaudt 410 Manual 905.102 2012_03_01 CSV BA_DE 2012 03 01 BA DE
User Manual: 13Schaudt-410-manual-905.102-2012_03_01-CSV-410-BA_DE
Open the PDF directly: View PDF
.
Page Count: 16

Stand: 1.3.2012
ESchaudt GmbH, Elektrotechnik und Apparatebau, Planckstraße 8, 88677 Markdorf, Germany, Tel. +49 7544 9577-0, Fax +49 7544 9577-29, www.schaudt--gmbh.de
805.102 BA / DE
Bedienungsanleitung
Caravan-Ladesystem CSV 410
Inhaltsverzeichnis
1 Einleitung 2..............................................
2 Sicherheitshinweise 2.....................................
2.1 Bedeutung der Sicherheitshinweise 2.......................
2.2 Allgemeine Sicherheitshinweise 2...........................
3 Verwendungszweck und Funktion 3.........................
3.1 Batteriefunktionen 5......................................
3.2 Zusatzfunktionen 5.......................................
4 Aufbau 6................................................
5 Bedienung 7.............................................
5.1 Ein- und Ausschalten 7....................................
5.2 System in Betrieb nehmen 8...............................
5.3 Batteriewechsel 9........................................
5.4 Betriebsstörungen 10......................................
5.5 System außer Betrieb nehmen 11...........................
5.6 System stilllegen 11........................................
6 Wartung 11...............................................
Anhang 12................................................

Bedienungsanleitung Caravan-Ladesystem CSV 410
2
Stand: 1.3.2012 805.102 BA / DE
1 Einleitung
Diese Bedienungsanleitung enthält wichtige Hinweise zum sicheren Betrieb
von Geräten der Firma Schaudt. Lesen und befolgen Sie unbedingt die an-
gegebenen Sicherheitshinweise.
Die Bedienungsanleitung im Fahrzeug immer mitführen. Alle Sicherheitsbe-
stimmungen auch an andere Benutzer weitergeben.
2 Sicherheitshinweise
2.1 Bedeutung der Sicherheitshinweise
Y
GEFAHR!
Die Nichtbeachtung dieses Zeichens kann zur Gefährdung von Leib und
Leben führen.
Y
WARNUNG!
Die Nichtbeachtung dieses Zeichens kann zu Verletzungen von Personen
führen.
Y
ACHTUNG!
Die Nichtbeachtung dieses Zeichens kann zu Schäden am Gerät oder an
angeschlossenen Verbrauchern führen.
Y
Dieses Zeichen weist auf Empfehlungen oder Besonderheiten hin.
2.2 Allgemeine Sicherheitshinweise
Das Gerät ist nach dem Stand der Technik und den anerkannten sicherheits-
technischen Regeln gebaut. Dennoch können Personen verletzt werden
oder kann das Gerät beschädigt werden, wenn die Sicherheitshinweise in
dieser Bedienungsanleitung nicht beachtet werden.
Das Gerät nur in technisch einwandfreiem Zustand benutzen.
Störungen, die die Sicherheit von Personen oder des Geräts beeinträchti-
gen, sofort von Fachpersonal beheben lassen.
Y
GEFAHR!
230-V-Netzspannung führende Teile.
Lebensgefahr durch elektrischen Schlag oder Brand:
F
Elektrische Anlage des Reisemobils oder Caravans muss geltenden
DIN-, VDE- und ISO-Richtlinien entsprechen.
F
Keine Manipulationen an elektrischer Anlage vornehmen.
F
Keine Veränderungen am Gerät vornehmen.
F
Elektrischen Anschluss nur von dafür ausgebildetem Fachpersonal
gemäß Montageanleitung der Firma Schaudt durchführen lassen.
F
Anschlussarbeiten nur im spannungsfreien Zustand ausführen.
F
Gerät nicht mit defektem Netzkabel oder fehlerhaftem Anschluss in
Betrieb nehmen.
F
Keine Wartungsarbeiten am Gerät durchführen, wenn Spannung an-
liegt.

Bedienungsanleitung Caravan-Ladesystem CSV 410
3
Stand: 1.3.2012
805.102 BA / DE
Y
GEFAHR!
Falsche Montage!
Elektrischer Schlag oder Beschädigung angeschlossener Geräte:
F
Einbau gemäß Montageanleitung des Gerätes ausführen.
F
Die Netzanschlussleitung darf nur von einem zugelassenen Kunden-
dienst oder qualifizierten Personen ersetzt werden.
Y
WARNUNG!
Heiße Bauteile!
Verbrennungen:
F
Defekte Sicherungen nur auswechseln, wenn das System stromlos
ist.
F
Defekte Sicherungen nur auswechseln, wenn die Fehlerursache be-
kannt und beseitigt ist.
F
Sicherungen nicht überbrücken oder reparieren.
F
Rückseite von Geräten kann im Betrieb heiß werden. Nicht berühren.
F
Nur Originalsicherungen mit den Werten verwenden, die auf dem Ge-
rät angegeben sind.
F
Keine wärmeempfindlichen Gegenstände in der Nähe des Geräts la-
gern (z. B. temperaturempfindliche Kleidungsstücke, wenn das Gerät
im Kleiderschrank eingebaut ist).
3 Verwendungszweck und Funktion
Y
Dieses Gerät ist nicht dafür bestimmt, durch Personen (einschließlich
Kinder) mit eingeschränkten physischen, sensorischen oder geistigen
Fähigkeiten oder mangels Erfahrung und/oder mangels Wissen benutzt
zu werden, es sei denn, sie werden durch eine für Ihre Sicherheit zustän-
dige Person beaufsichtigt oder erhielten von ihr Anweisungen, wie das
Gerät zu benutzen ist.
Kinder sollten beaufsichtigt werden, um sicherzustellen, dass sie nicht
mit dem Gerät spielen.
Dieses Gerät ist zum Einbau in ein Fahrzeug bestimmt.
CSV 410
+--
+--
Caravan-Ladesystem
230 V AC
12-V-Verbraucher Caravanbatterie
Starterbatterie
Beleuchtung
Pumpe
Heizung
etc.
LR ...
Solarregler
(Zubehör)
Zugfahrzeug
Kontroll- und
Schalttafel vom Typ
ST oder LT
Bild 1 Energieversorgungssystem an Bord

Bedienungsanleitung Caravan-Ladesystem CSV 410
4
Stand: 1.3.2012 805.102 BA / DE
Das Caravan-Ladesystem CSV 410 ist das zentrale Energieversorgungsge-
rät für alle 12-V-Verbraucher in der elektrischen Anlage an Bord des Cara-
vans. Er befindet sich normalerweise innerhalb eines Schranks oder Stau-
raums und ist für einen Sicherungswechsel an der Frontseite zugänglich.
Das Caravan-Ladesystem ist ausschließlich zum Anschluss an 12-V-Bord-
netze vorgesehen.
Steht kein Netzanschluss zur Verfügung, können angeschlossene Geräte
durch die Caravanbatterie oder durch die Zugfahrzeug-Batterie versorgt wer-
den.
Da das Gerät eine brummfreie, stabilisierte Ausgangsspannung zur Verfü-
gung stellt, können auch empfindliche Verbraucher (wie z. B. Transistor-
leuchten oder Radios) angeschlossen und versorgt werden.
Das Caravan-Ladesystem CSV 410 enthält:
F
ein Lademodul zur Ladung aller angeschlossenen Batterien
F
die komplette 12-V-Verteilung
F
die Absicherung der 12-V-Stromkreise
F
einen Batteriebooster
Für den Betrieb muss mindestens eine Schalttafel ST ... angeschlossen
sein.
Anschlussmöglichkeiten sind vorhanden für:
F
Solar-Laderegler
F
Kontroll- und Anzeigetafel
Kfz-Flachstecksicherungen sichern die verschiedenen Stromkreise ab.
F
Übertemperatur
F
Überlast
F
Kurzschluss
230-V-Wechselspannung ±10 %, 47 bis 63 Hz sinusförmig, Schutzklasse I
12-V-Ausgänge dürfen maximal mit 90% des Nennstroms der zugehörigen
Sicherung belastet werden (siehe auch Blockschaltbild oder Schild).
Baugruppen
Erforderliche
Ansteuerung
Schutzschaltungen
Netzanschluss
Strombelastbarkeit

Bedienungsanleitung Caravan-Ladesystem CSV 410
5
Stand: 1.3.2012
805.102 BA / DE
3.1 Batteriefunktionen
6-zellige Blei-Säure- oder Blei-Gel-Batterien ab 80 Ah
Ladung der Caravanbatterie während der Fahrt, Anhebung der Versorgungs-
spannung aus dem Zugfahrzeug über den Batteriebooster
Der 12-V-Hauptschalter (Wipptaster mit Mittelstellung auf der Kontroll und
Schalttafel) trennt alle 12-V-Verbraucher von der Caravanbatterie (ausge-
nommen: Steuer-Elektronik eines Kühlschranks).
Dadurch wird eine langsame Entladung der Caravanbatterie durch Ruhes-
tröme vermieden.
Die Batterien können weiterhin vom Caravan-Ladesystem, vom Zugfahrzeug
oder vom Solar-Laderegler geladen werden, auch wenn der Batterie-Haupt-
schalter ausgeschaltet ist.
Durch die Umschaltmöglichkeit mit dem Batterie-Wahlschalter wird die opti-
male Ladung der beiden Batterietypen Blei-Gel oder Blei-Säure sicherge-
stellt.
Wenn der Caravan mit dem Zugfahrzeug verbunden ist und sobald die Zün-
dung eingeschaltet wird (Spannung an Klemme 10 und Anhängerkupplung
AHK), werden die Verbraucher abgeschaltet (mit Ausnahme des Kühl-
schranks). Eine Wiedereinschaltung der Verbraucher ist jederzeit möglich.
(Die Abschaltautomatik verhindert nicht die Wiedereinschaltung).
kein Ruhestrom bei ausgeschalteter Zündung des Zugfahrzeugs, zuzüglich
Stromverbrauch der Steuer-Elektronik des Kühlschranks (siehe Dokumenta-
tion des Kühlschrankherstellers);
Messung, wenn alle Verbraucher im Caravan ausgeschaltet sind
Caravanbatterie
Ladekennlinie IUoU
Ladeschluss-Spannung 14,3 V
Ladestrom 28 A
Spannung für Erhaltungsladung 13,8 V mit automatischer Umschaltung
Ladestrom typ. 8 A
3.2 Zusatzfunktionen
Dieser Ausgang versorgt die Steuer-Elektronik eines Kühlschranks:
F
Von der Caravanbatterie
F
Von der Zugfahrzeugbatterie, wenn die Zündung ein ist
F
Von der Netzversorgung, wenn diese angeschlossen wird.
Y
Der 12-V-Betrieb des Kühlschranks funktioniert nur, wenn der Caravan
mit dem Zugfahrzeug verbunden ist und dessen Zündung eingeschaltet
ist.
Geeignete Batterien
Batterie-Ladung
während der Fahrt
12-V-Hauptschalter
Batterie-Wahlschalter
Abschaltautomatik
Ruhestrom aus
Zugfahrzeug-Batterie
Batterie-Ladung bei
Netzanschluss
Batterie-Ladung bei
Betrieb mit Zugfahrzeug
Kühlschrank-Steuerung

Bedienungsanleitung Caravan-Ladesystem CSV 410
6
Stand: 1.3.2012 805.102 BA / DE
Y
ACHTUNG!
Tiefentladung!
Beschädigung der Caravanbatterie/Zugfahrzeugbatterie:
F
Dauerbetrieb auf 12 V vermeiden. Der 12-V-Betrieb des Kühlschranks
funktioniert nur, wenn der Caravan mit dem Zugfahrzeug verbunden
und dessen Zündung eingeschaltet ist.
Maximal zulässiger Ladestrom 14 A, abgesichert mit 15 A
4 Aufbau
1
1312
1110
2
3
4
5 6 8 9 14 15 16 17 18 19 20 21 22
24
25
26
237
Bild 2 Caravan-Ladesystem CSV 410 Frontansicht
1 Anschlüsse Kreis 5 14 Kfz-Flachstecksicherung Kühlschranksteuerung
2 Anschlüsse Kreis 3 15 Anschlüsse Kreis 2
3 Anschlüsse Pumpe 16 Anschlüsse Kreis 1
4 Klebeschild 17 Anschluss Kühlschranksteuerung
5 Befestigungslasche mit Bohrung 18 Anschluss Solar-Laderegler LR ...
6 Anschlüsse Schalter 1 und 2 Pumpe 19 Anschlüsse für Kontroll- und Bedienelemente
7 Klebeschild 20 Flachstecksicherung Solar
8 Kfz-Flachstecksicherung Kreis 5 21 Batterie-Wahlschalter Blei-Gel/Blei-Säure
9 Kfz-Flachstecksicherung Kreis 3 22 Anschluss Caravanbatterie
10 Kfz-Flachstecksicherung Pumpe 23 Netzkabel
11 Kfz-Flachstecksicherung Lademodul 24 Anschluss Stecker Anhängekupplung
12 Kfz-Flachstecksicherung Kreis 1 25 Anschluss Kühlschrank-Versorgung
13 Kfz-Flachstecksicherung Kreis 2 26 Gehäuse
Batterie-Ladung durch
Solar-Laderegler

Bedienungsanleitung Caravan-Ladesystem CSV 410
7
Stand: 1.3.2012
805.102 BA / DE
5 Bedienung
Die Bedienung des Caravan-Ladesystems erfolgt ausschließlich über die
angeschlossene Kontroll- und Schalttafel.
Für den täglichen Betrieb ist am Caravan-Ladesystem CSV 410 keine Be-
dienung erforderlich.
Nur bei einem Wechsel des Batterietyps (Blei-Säure bzw. Blei-Gel) bzw. im
Rahmen der Erstinbetriebnahme oder bei Nachrüstungen mit Zubehör müs-
sen einmalig Einstellungen vorgenommen werden (siehe hierzu Kap. 5.3
und Montageanleitung CSV 410).
5.1 Ein- und Ausschalten
5.1.1 Kontroll- und Schalttafeln des Typs LT ...
Kontroll- und Schalttafeln des Typs LT ... werden mit einer eigenen Bedie-
nungsanleitung ausgeliefert, die dem Fahrzeug beiliegt. Hinweise zur Bedie-
nung sind dieser Bedienungsanleitung zu entnehmen.
5.1.2 Schalttafel ST02 oder ST05HS+PU
ST05 ST02HS+PU (Option)
Bild 3 Schalttafel ST05 und ST02HS+PU
Im einfachsten Fall ist am Caravan-Ladesystem eine Schalttafel ST05 ange-
schlossen. Sie beinhaltet lediglich einen Wipptaster mit Mittelstellung. Die
optional erhältliche Schalttafel ST02HS+PU enthält zusätzlich noch einen
Pumpenschalter.
Die 12-V-Versorgung des Wohnraums wird über den Taster eingeschaltet.
Ausgenommen sind:
F
Kompressor/AES-Kühlschrank-Steuerung
Dieser Verbraucher ist auch bei ausgeschalteter 12-V-Stromversorgung be-
triebsbereit.
³Wipptaster (12-V-Hauptschalter) kurz in Stellung “I” bzw. “Ein” drük-
ken.
F
Die 12-V-Versorgung des Wohnraums wird eingeschaltet.
³12-V-Hauptschalter kurz in Stellung “O” bzw. “Aus” drücken.
Die 12-V-Versorgung des Wohnraums wird ausgeschaltet.
Einschalten
Ausschalten

Bedienungsanleitung Caravan-Ladesystem CSV 410
8
Stand: 1.3.2012 805.102 BA / DE
5.1.3 Pumpe schalten (Option)
Damit die Pumpe eingeschaltet werden kann, muss zuerst die Versorgungs-
spannung 12 V (Hauptversorgung, s. Kap. 5.1.2) eingeschaltet werden.
³Schalter mit dem Symbol für die Pumpe nach oben drücken.
Die Versorgungsspannung für die Wasserpumpe ist eingeschaltet:
F
Ggf. wird die Pumpe kurz eingeschaltet (in einem Drucksystem).
F
Bei anderen Systemen wird die Pumpe durch die Kontakte der Was-
serhähne eingeschaltet.
³Schalter mit dem Symbol für die Pumpe nach unten drücken.
5.2 System in Betrieb nehmen
Y
ACHTUNG!
Falsche Einstellungen am Caravan-Ladesystem!
Beschädigung von angeschlossenen Geräten. Deshalb vor einer Inbetrieb-
nahme:
F
Sicherstellen, dass der Batterie-Wahlschalter (Abb. 2, Pos. 21) je
nach eingesetzter Batterie in der richtigen Stellung steht.
³Wipptaster (12-V-Hauptschalter) bzw. “Ein” kurz in Stellung “I” drük-
ken.
Mit dem 12-V-Hauptschalter werden alle Verbraucher eingeschaltet und aus-
geschaltet (ausgenommen: Steuer-Elektronik eines Kühlschranks).
Y
ACHTUNG!
Überschreitung der Grenzwerte der 230-V-Netzspannung!
Beschädigung des Caravan-Ladesystems, von 12-V-Verbrauchern oder
angeschlossenen Geräten:
F
Einen Generator erst zuschalten, wenn er stabil läuft.
F
Ein Generator muss unbedingt die Netzanschlusswerte einhalten.
F
Caravan-Ladesystem an Bord von Kfz-Fähren nicht mit der Netzspan-
nung verbinden (bei Netzversorgung auf Kfz-Fähren ist nicht immer
eine einwandfreie Netzspannung gewährleistet).
Die Verwendung eines vorgeschalteten Überspannungsschutzgeräts
OVP wird empfohlen.
Y
ACHTUNG!
Fehlende Pufferfunktion der Batterie!
Beschädigung von angeschlossenen Geräten:
F
Solarregler nicht ohne angeschlossene Batterie in Betrieb nehmen.
Einschalten
Ausschalten
12-V-Hauptschalter
Generatorbetrieb und
Kfz-Fähren
Betrieb mit Solarregler

Bedienungsanleitung Caravan-Ladesystem CSV 410
9
Stand: 1.3.2012
805.102 BA / DE
Y
ACHTUNG!
Batterieentladung!
Zugfahrzeug kann nicht mehr starten:
F
Zündung bei abgestelltem Zugfahrzeug ausschalten.
5.3 Batteriewechsel
Y
ACHTUNG!
Einsatz falscher Batterietypen oder falsch ausgelegter Batterien!
Beschädigung der Batterie oder am Caravan-Ladesystem angeschlossener
Geräte:
F
Batterien nur von dafür ausgebildetem Fachpersonal wechseln las-
sen.
F
Hinweise des Batterieherstellers beachten.
F
Das Caravan-Ladesystem ausschließlich zum Anschluss an
12-V-Bordnetze mit aufladbaren 6-zelligen Blei-Gel- oder Blei-Säure-
Batterien verwenden. Keine nicht vorgesehenen Batterietypen einset-
zen (z.B. NiMH-Akkus).
Y
Es sollten normalerweise nur Batterien desselben Typs und von gleicher
Kapazität verwendet werden, wie die vom Hersteller eingebaute Batterie.
Y
Ein Wechsel von Blei-Säure-Batterien auf Blei-Gel-Batterien ist möglich.
Ein Wechsel von Blei-Gel-Batterien auf Blei-Säure-Batterien ist nicht
möglich. Der Fahrzeughersteller gibt hierzu Auskunft.
³Batterie vom Caravan-Ladesystem elektrisch trennen, dazu den 12-V--
Hauptschalter ausschalten.
³Caravan vom Zugfahrzeug trennen.
³Batterie ersetzen.
³Nach Batteriewechsel nochmals sicherstellen, welcher Batterietyp einge-
setzt wurde.
Y
GEFAHR!
Falsche Einstellung des Batterie-Wahlschalters!
Explosionsgefahr durch Knallgasentwicklung:
F
Batteriewahlschalter in die richtige Position stellen.
Y
ACHTUNG!
Falsche Einstellung des Batterie-Wahlschalters!
Batteriebeschädigung.
F
Batteriewahlschalter in die richtige Position stellen.
³Das Caravan-Ladesystem vom Netz trennen, bevor der Batterie-Wahl-
schalter umgeschaltet wird.
³Den Batterie-Wahlschalter (Abb. 2, Pos. 21) mit einem dünnen Gegen-
stand (z. B. Kugelschreibermine) in die entsprechende Position bringen:
F
Blei-Gel-Batterie: Batterie-Wahlschalter auf ”Blei-Gel” stellen.
F
Blei-Säure-Batterie: Batterie-Wahlschalter auf ”Blei-Säure” stellen.
³System gemäß Kap. 5.2 in Betrieb nehmen.
Betrieb am Zugfahrzeug
Batteriewechsel
Inbetriebnahme
des Systems

Bedienungsanleitung Caravan-Ladesystem CSV 410
10
Stand: 1.3.2012 805.102 BA / DE
5.4 Betriebsstörungen
In den meisten Fällen einer Störung im Energieversorgungssystem ist eine
defekte Sicherung die Ursache.
Wenn Sie eine Störung nicht selbst anhand der nachfolgenden Tabelle behe-
ben können, wenden Sie sich an unsere Kundendienstadresse.
Wenn das nicht möglich ist, z. B. bei einem Auslandsaufenthalt, kann auch
eine Fachwerkstatt das Caravan-Ladesystem reparieren. In diesem Fall ist
zu beachten, dass die Gewährleistung bei unsachgemäß ausgeführten Re-
paraturen erlischt und Firma Schaudt GmbH nicht für die dadurch entstan-
denen Folgeschäden haftet.
Störung Mögliche Ursache Abhilfe
Caravanbatterie wird bei
2
3
0
V
B
t
i
b
i
h
t
l
keine Netzspannung Sicherungsautomat im
F
h
i
h
l
t
230-V-Betrieb nicht gela-
d
e
n
p
g
g
Fahrzeug einschalten;
N
e
t
z
s
p
a
n
n
u
n
g
p
r
ü
f
e
n
l
a
s
-
d
e
n
N
e
t
z
s
p
a
n
n
u
n
g
p
r
ü
f
e
n
l
a
s
-
sen
Caravan-Ladesystem de-
fekt
Kundendienst aufsuchen
Caravanbatterie wird im
Fahrbetrieb nicht geladen
Lichtmaschine defekt Lichtmaschine prüfen las-
sen
g
keine Spannung an “Zün-
dung EIN” Eingang oder
D
l
Sicherung und Verkabe-
lung prüfen lassen
g
g
g
Dauerplus Stecker zum Zugfahrzeug
prüfen
Caravan-Ladesystem de-
fekt
Kundendienst aufsuchen
Solarladung funktioniert Solar-Laderegler nicht ein- Solar-Laderegler einstek-
S
o
l
a
r
l
a
d
u
n
g
f
u
n
k
t
i
o
n
i
e
r
t
nicht (Netzversorgung
a
u
s
)
S
o
l
a
r
L
a
d
e
r
e
g
l
e
r
n
i
c
h
t
e
i
n
gesteckt
S
o
l
a
r
L
a
d
e
r
e
g
l
e
r
e
i
n
s
t
e
k
ken
aus) Sicherung oder Verkabe- Sicherung und Verkabe-
S
i
c
h
e
r
u
n
g
o
d
e
r
V
e
r
k
a
b
e
lung defekt
S
i
c
h
e
r
u
n
g
u
n
d
V
e
r
k
a
b
e
lung prüfen lassen
Solar-Laderegler defekt Solar-Laderegler prüfen
lassen
1
2
-
V
-
V
e
r
s
o
r
g
u
n
g
i
m
1
2
-
V
-
H
a
u
p
t
s
c
h
a
l
t
e
r
a
u
s
-
1
2
-
V
-
H
a
u
p
t
s
c
h
a
l
t
e
r
e
i
n
-
1
2
-
V
-
V
ersorgung
i
m
W
o
h
n
r
a
u
m
f
u
n
k
t
i
o
n
i
e
r
t
1
2
-
V
-
H
aup
t
sc
h
a
l
t
er aus-
g
e
s
c
h
a
l
t
e
t
1
2
-
V
-
H
aup
t
sc
h
a
l
t
er e
i
n-
s
c
h
a
l
t
e
n
Wohnraum funktioniert
i
h
t
geschaltet schalten
nicht Sicherung oder Verkabe- Sicherung und Verkabe-
S
i
c
h
e
r
u
n
g
o
d
e
r
V
e
r
k
a
b
e
lung defekt
S
i
c
h
e
r
u
n
g
u
n
d
V
e
r
k
a
b
e
lung prüfen lassen
Caravan-Ladesystem de-
fekt
Kundendienst aufsuchen
Kein Einschalten des Ca- Caravan-Ladesystem de- Kundendienst aufsuchen
K
e
i
n
E
i
n
s
c
h
a
l
t
e
n
d
e
s
C
a
ravan-Ladesystems über
d
e
n
W
i
p
p
t
a
s
t
e
r
m
ö
g
l
i
c
h
C
a
r
a
v
a
n
L
a
d
e
s
y
s
t
e
m
d
e
fekt
K
u
n
d
e
n
d
i
e
n
s
t
a
u
f
s
u
c
h
e
n
den Wipptaster möglich. Keine Versorgungsspan- Batterie bzw. Netzan-
K
e
i
n
e
V
e
r
s
o
r
g
u
n
g
s
s
p
a
n
nung
B
a
t
t
e
r
i
e
b
z
w
.
N
e
t
z
a
n
schluss prüfen
Wipptaster defekt Kundendienst aufsuchen
Pumpe lässt sich nicht
einschalten
12-V-Hauptschalter aus-
geschaltet
12-V-Hauptschalter ein-
schalten
Pumpenschalter ausge-
schaltet
Pumpenschalter einschal-
ten
Bei Tauchpumpen: Kon-
takt im Wasserhahn oder
Pumpe defekt
Händler aufsuchen
Bei Druckpumpen: Druck-
schalter oder Pumpe de-
fekt
Händler aufsuchen
Kfz-Flachstecksicherun-
gen

Bedienungsanleitung Caravan-Ladesystem CSV 410
11
Stand: 1.3.2012
805.102 BA / DE
AbhilfeMögliche UrsacheStörung
Pumpe lässt sich nicht
einschalten
Wenn nur eine Schalttafel
ST02 angeschlossen ist,
muss am CSV 410 am
Stecker zum Panel
(Abb. 2, Pos 19) eine
Drahtbrücke zwischen Pin
8 und Pin 6 liegen; diese
fehlt möglicherweise
Händler aufsuchen
Caravan-Ladesystem de-
fekt
Kundendienst aufsuchen
Y
Wenn durch zu hohe Umgebungstemperatur oder mangelnde Belüftung
das Gerät zu heiß wird, wird der Ladestrom automatisch reduziert. Eine
Überhitzung des Geräts dennoch unbedingt vermeiden.
5.5 System außer Betrieb nehmen
³Wipptaster (12-V-Hauptschalter) kurz in Stellung “AUS” drücken.
5.6 System stilllegen
Y
ACHTUNG!
Tiefentladung!
Beschädigung der Caravanbatterie:
F
Caravanbatterie vor und nach Stilllegung voll laden. (Fahrzeug bei
einer 80-Ah-Batterie mindestens 24 Stunden und bei einer 160-Ah-
Batterie bis zu 36 Stunden an das Netz anschließen.
Y
ACHTUNG!
Überschreitung zulässiger Eingangsspannungen!
Beschädigung angeschlossener Verbraucher:
F
Einen ggf. angeschlossenen Solar-Laderegler der Firma Schaudt
nicht ohne Batterie betreiben.
F
Wenn die Batterie gewechselt oder ausgebaut wird, vorher den Stek-
ker ”+ Solarzelle” am Solar-Laderegler abziehen.
³Die Caravanbatterie vor der Stilllegung vollständig laden.
Die Caravanbatterie ist dann vor einer Tiefentladung geschützt. Dies gilt nur,
wenn die Batterie intakt ist. Hinweise des Batterieherstellers beachten.
³Die Caravanbatterie vor der Stilllegung vollständig laden.
³Die Anschlussklemmen von den Batteriepolen abnehmen.
³Am Solar-Laderegler den Stecker ”+ Solarzelle” abziehen.
6Wartung
Das Caravan-Ladesystem CSV 410 ist wartungsfrei.
Caravan-Ladesystem mit einem weichen, leicht angefeuchteten Tuch und
mit einem milden Reinigungsmittel reinigen. Auf keinen Fall Spiritus, Verdün-
ner oder Ähnliches benutzen. Es dürfen keine Flüssigkeiten in das Innere
des Caravan-Ladesystems dringen.
Nachdruck, Übersetzung und Vervielfältigung dieser Dokumentation, auch
auszugsweise, ist ohne schriftliche Genehmigung nicht gestattet.
Stilllegung bis zu
6 Monaten
Stilllegung von mehr als
6 Monaten
Reinigung
E

Bedienungsanleitung Caravan-Ladesystem CSV 410
12
Stand: 1.3.2012 805.102 BA / DE
Anhang
A EG-Konformitätserklärung
Hiermit bestätigt die Firma Schaudt GmbH, dass die Bauart des Caravan-
Ladesystems CSV 410 den folgenden einschlägigen Bestimmungen ent-
spricht:
F
RICHTLINIE 2006/95/EG DES EUROPÄISCHEN PARLAMENTS
UND DES RATES vom 12.12.2006 zur Angleichung der Rechtsvor-
schriften der Mitgliedstaaten betreffend elektrische Betriebsmittel zur
Verwendung innerhalb bestimmter Spannungsgrenzen
F
RICHTLINIE DER KOMMISSION 2004/104/EG vom 14. Oktober
2004 zur Anpassung der Richtlinie 72/245/EWG des Rates über die
Funkentstörung (elektromagnetische Verträglichkeit) von Kraftfahr-
zeu--gen an den technischen Fortschritt
F
RICHTLINIE 2005/49/EG DER KOMMISSION vom 25. Juli 2005 zur
Änderung der Richtlinie 72/245/EWG des Rates über die Funkentstö-
rung (elektromagnetische Verträglichkeit) von Kraftfahrzeugen und der
Richtlinie 70/156/EWG des Rates zur Angleichung der Rechtsvor-
schriften der Mitgliedstaaten über die Betriebserlaubnis für Kraftfahr-
zeuge und Kraftfahrzeuganhänger zwecks Anpassung an den techni-
schen Fortschritt
F
RICHTLINIE 2005/83/EG DER KOMMISSION vom 23. November
2005 zur Änderung der Anhänge I, VI, VII, VIII, IX und X der Richtlinie
72/245/EWG des Rates über die Funkentstörung (elektromagnetische
Verträglichkeit) von Kraftfahrzeugen zwecks ihrer Anpassung an den
technischen Fortschritt
F
RICHTLINIE 2004/108/EG DES EUROPÄISCHEN PARLAMENTS
UND DES RATES vom 15.12.2004 zur Angleichung der Rechtsvor-
schriften der Mitgliedstaaten über die elektromagnetische Verträglich-
keit und zur Aufhebung der Richtlinie 89/336/EWG
Dieser Erklärung liegt zugrunde:
Typgenehmigung des Kraftfahrt-Bundesamtes
Typgenehmigungs-Nr.: e1*72/245*2006/28*4965*__
EG-Genehmigungszeichen: e1 03 4965
Das Original der EG-Konformitätserklärung liegt vor und kann jederzeit ein-
gesehen werden.
Schaudt GmbH, Elektrotechnik & Apparatebau
Planckstraße 8
88677 Markdorf
Germany
Hersteller
Anschrift

Bedienungsanleitung Caravan-Ladesystem CSV 410
13
Stand: 1.3.2012
805.102 BA / DE
B Sonderausstattung/Zubehör
Schaudt Solar-Laderegler Typ LR ... für Solarmodule mit einem Gesamt-
strom von 14 A mit Anschluss-Stecker inkl. Anschlusskabel 0,5 m
C Kundendienst
Schaudt GmbH, Elektrotechnik & Apparatebau
Planckstraße 8
D-88677 Markdorf
Tel.: +49 7544 9577-16 e-mail: kundendienst@schaudt-gmbh.de
Öffnungszeiten Mo bis Do 8 bis 12, 13 bis 16 Uhr
Fr 8 bis 12 Uhr
Rückversand eines defekten Geräts:
³Gut gepolsterte Verpackung verwenden.
³Ausgefülltes Fehlerprotokoll beilegen, siehe Anhang D
³Frei an Empfänger senden.
Solar-Laderegler
Kundendienst-Adresse
Gerät einsenden

Bedienungsanleitung Caravan-Ladesystem CSV 410
14
Stand: 1.3.2012 805.102 BA / DE
D Fehlerprotokoll
Im Schadensfall bitte defektes Gerät zusammen mit dem ausgefüllten Feh-
lerprotokoll zum Hersteller schicken.
Gerätetyp: _______________________
Artikel-Nr.: _______________________
Fahrzeug: Hersteller: _______________________
Typ: _______________________
Eigenbau? Ja -Nein -
Nachrüstung? Ja -Nein -
Überspannungsschutz OVP vorgeschaltet? Ja -Nein -
Folgender Defekt liegt vor:
(bitte markieren)
Sonstige Bemerkungen:
keine
Batterie-
ladung bei
Fahrbetrieb
keine
Batterie-
ladung bei
Netzbetrieb
Spannung Strom
Dauerfehler
Fehler nur
zeitweise/
Wackel-
kontakt
elektrische
Verbrau-
cher ohne
Funktion --
welche?
Ein- bzw.
Ausschalten
nicht
möglich

Bedienungsanleitung Caravan-Ladesystem CSV 410
15
Stand: 1.3.2012
805.102 BA / DE
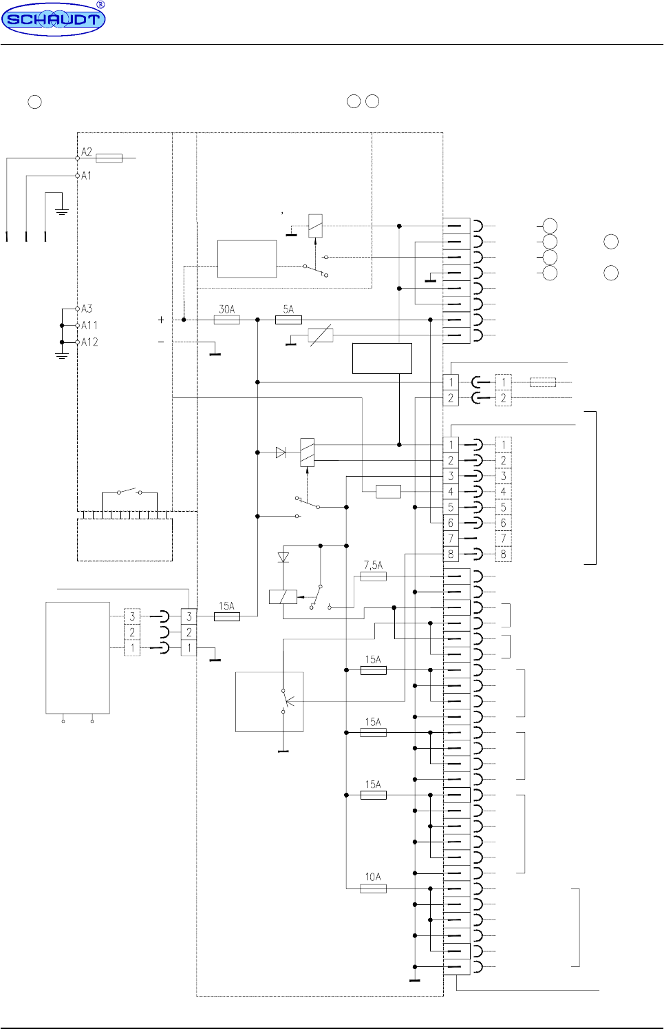
E Blockschaltbild/Anschlussplan
230V~50Hz
Steckerkabel
L=1,2m
3G1,5
6,3x0,8 Switch Mode
CSV 409
14,3V/28A
Blei--Säure
Blei--Gel/
Umschalter
S 1218
Minus
+
Solarmodul
Laderegler
Solar--
LRS 1214
Schalt-
stufe
Abschalt--
automatik
PTC
max. 0,4A
+Ua Booster
14,25V
MNL--Buchsensockel--3F
* Die Anschlüsse 9 und 10 müssen extern im
Kfz mit max. 15 A abgesichert sein.
910
...
* AHK-Belegung des Verbindungssteckers Zug-
fahrzeug/Caravan nach EN 1648-1
+
-- KS--Patrone, Sicherung im KFZ
-- AHK
+ AHK AHK +12V Dauerplu
s
9
13 Minus zu 9
11
10
-- AHK
+AHK
KS--Steuerung
+
--
Minus zu
AHK +12V geschalte
t
10
Caravanbatteri
e
+
Molex Minifit SR--2F
--
max. 40 A
12V Aus
12V Ein
12V Kontrolle
Netzkontrolle
+
-- 12V
nc
Pumpe
Zum Panel
--
+Pumpe
Wasserhahn 1
Wasserhahn 2
Kreis 3
Kreis 2
Kreis 1
+
--
--
+
--
+
+
--
--
+
--
+
+
--
TV
+
--
--
+Vorzeltleuchte
--
+Reserve
Steckverbinder LF--PA 401
6
,
3
x
0
,
8--32--
f
ach
Stiftleiste MSFQ/0 8F
Kreis 5
Booster

Bedienungsanleitung Caravan-Ladesystem CSV 410
16
Stand: 1.3.2012 805.102 BA / DE
(Leerseite)