21M16 19791491 Samsung Service Manual TV Cl21m16mn Chassis Ks9a
User Manual: 21M16
Open the PDF directly: View PDF
.
Page Count: 22

Specifications
Alignment and Adjustments
Exploded View & Part List
Electrical Part List
PCB Diagram
Schematic Diagrams
1.
2.
3.
4.
5.
6.
COLOR TELEVISION RECEIVER
Chassis : KS9A(N)
Model : CL21M16MNZXBDB
SERVICE Manual
COLOR TELEVISION RECEIVER CONTENTS

This Service Manual is a property of Samsung Electronics Co.,Ltd.
Any unauthorized use of Manual can be punished under applicable
International and/or domestic law.
©Samsung Electronics Co., Ltd. Nov. 2005
Printed in Korea
AA82-03146A
ELECTRONICS

Specifications
Samsung Electronics 1-1
1. Specifications
Broadcasting System
Regions
Tuning System
Intermediate Frequency
Power Supply
NTSC
North America
Electronic Remote Control System
VHF (CH 2 ~ 13)
UHF (CH 14 ~ 69)
CATV (CH 1, 14 ~ 125)
VHF, UHF 75 unbalanced
Video : 45.75 MHz
Sound : 41.25 MHz
Chrominance Subcarrier: 42.17 MHz
ANTENNA INPUT RESISTANCE
Receiving Channels
South Central America MEXICO
AC 120V, 60Hz AC 100~240V, 60Hz AC 120V, 60Hz

MEMO
1-2 Samsung Electronics

Alignment and Adjustments
Samsung Electronics 2-1
2. Alignment and Adjustments
2-1 General Alignment Instructions
1. Usually, a color TV-VCR needs only slight
touch-up adjustment upon installation. Check
the basic characteristics such as height,
horizontal and vertical sync and focus.
2. Observe the picture for good black and white
details. There should be objectionable color
shading; if color shading is present,
demagnetize, perform purity and convergence
adjustments described below.
3. Use the specified test equipment or its
equivalent.
4. Correct impedance matching is essential.
5. Avoid overload. Excessive signal from a
sweep generator might overload the front-end
of the TV. When inserting signal markers, do
not allow the marker generator to distort test
results.
6. Connect the TV only to an AC power source
with voltage and frequency as specified on the
backcover nameplate.
7. Do not attempt to connect or disconnect any
wires while the TV is turned on. Make sure
that the power cord is disconnected before
replacing any parts.
8. To protect against shock hazard, use an
isolation transformer.
2-2 Automatic Degaussing
A degaussing coil is mounted around the
picture tube, so that external degaussing after
moving the TV should be unnecessary. But
the receiver must be properly degaussed upon
installation.
The degaussing coil operates for about 1
second after the power is switched ON. If the
set is moved or turned in a different direction,
the power should be OFF for at least 10
minutes.
If the chassis or parts of the cabinet become
magnetized, poor color purity will result. If
this happens, use an external degaussing coil.
Slowly move the degaussing coil around the
faceplate of the picture tube and the sides and
front of the receiver. Slowly withdraw the coil
to a distance of about 6 feet before turning
power OFF.
If color shading persists, perform the
following Color purity and Convergence
adjustments.
2-3 High Voltage Check
CAUTION : There is no high voltage adjustment
on this chassis. The B+ power supply should be
+135 volts (with full color- bar input and normal
picture level).
1. Connect a digital voltmeter to the second
anode of the picture tube.
2. Turn on the TV. Set the Brightness and
Contrast controls to minimum (zero beam
current).
3. Adjust the Brightness and contrast controls to
both extremes. Ensure that the high voltage
does not exceed 30 KV under any conditions.

Alignment and Adjustments
2-2 Samsung Electronics
2-4 FOCUS Adjustment
1. Iput a black and white signal.
2. Adjust the tuning control for the clearest picture.
3. Adjust the FOCUS control for well defined scanning lines in the center area of the screen.
2-5 Factory Adjustment
1. To enter the “Service Mode”, Press the remote-control keys in this sequence :
- If you do not have Factory remote-control
- If you have Factory remote-control
PICTURE OFF PICTURE ON
MUTE 1 8 2
PICTURE ON DISPLAY()FACTORY
2-5-1 Service Mode
2-5-2 Factoy Mode OSD
ADJUST
OPTION
CHCKSUM
RESET
T-FMTNUS-0000
2-5-2 ADJUST

Alignment and Adjustments
Samsung Electronics 2-3
No Deflection Remark
1
2
3
4
5
6
7
8
9
10
11
12
13
14
15
16
17
18
19
20
21
22
23
24
25
26
27
28
29
30
31
32
33
34
35
36
37
Adjust
Adjust
Adjust
FIX
Adjust
FIX
Adjust
Adjust
Adjust
Adjust
Adjust
FIX
Adjust
FIX
FIX
FIX
FIX
FIX
FIX
FIX
FIX
FIX
FIX
FIX
FIX
FIX
FIX
FIX
FIX
FIX
FIX
FIX
FIX
FIX
FIX
FIX
FIX
INITIAL
37
34
30
31
33
9
10
7
28
43
30
32
46
29
5
0
1
5
10
7
1
1
12
0
1
15
3
13
1
40
5
17
0
6
32
32
0
MIN
0
0
0
0
0
0
0
0
0
0
0
0
0
0
0
0
0
0
0
0
0
0
0
0
0
0
0
0
0
0
0
0
0
0
0
0
0
MAX
63
63
63
63
63
15
23
23
63
63
63
63
63
63
7
1
15
23
63
50
1
1
15
1
3
63
3
15
1
63
20
23
23
16
63
63
1
ADJUST
30
22
23
25
33
9
10
7
28
43
30
32
46
33
5
0
1
10
10
7
1
1
12
0
1
15
3
15
1
40
5
10
0
9
32
32
0
HS
VA
VSL
VS
AGC
CDL
SCT
SBT
BLR
BLB
RG
GG
BG
SC
STT
AKB
NDL
NSR
VOL
MVOL
RPO0
RPO1
CAP
FMWS
AGCS
OMD
SCL
PWL
MUS
SCBT
SSP
DNSR
DSBT
DCDL
DBLR
DBLB
DSK
T-FMTNUS FACTORY

Alignment and Adjustments
2-4 Samsung Electronics
YC DELAY
Off
STEREO
EXTERNAL
Off
On
English
Off
On
Off
AV1/2/DVD
Off
No Item Remark
Video Mute time between the Channel changes
Audio MONO/STEREO Option
SIF Option
Turns on automatically when the Master Power is turned ON
Mutes the Audio when there is no source signal
Preset OSD (On-Screen Display) language at time of purchase
Blue Screen when there is no source signal
Back Jack Option
1
2
3
4
5
6
7
8
9
10
11
Video Mute
Audio
2ND SIF
Auto Power
Audio Mute
Start Language
Hotel Mode
Blue Screen
V-Chip
AV Option
AFN
Option
Initial
Off
STEREO
EXTERNAL
Off
On
English
Off
On
Off
AV1/2
Off
21” FLAT
275/265/45FL
275/265/1.5FL
Item Remark
Hight Light
Low Light
White Balance
21” FLAT

Alignment and Adjustments
Samsung Electronics 2-5
2-6 Screen Change (I2C Bus Geometric Adjustment)
1 V SHIFT (VS)
2 V AMP (VA)
3 V SLOPE (VSL)
4 V SC (SC)
5 H SHIFT (HS)

2-6 Samsung Electronics
MEMO

3. Exploded View & Part List
Exploded View & Part List
Samsung Electronics 3-1
T0074
T0527
T0063
T0015
T0082
T0082
CIS7
T0022
T0610
M0112
T0607
T0023
M0014
T0066
T0057
You can search for the updated part code through ITSELF web site.
URL:http://itself.sec.samsung.co.kr
3-1 CL21M16MNZXBDB
Loc.No. Code No. Description;Specification Q'ty S.N.A
CIS7 AA61-60003J SPRING ETC-CS;-,SUS304,-,-,OD6,N7,OD6,-, 1 S.N.A
M0014 AA94-15366A ASSY PCB MAIN;KS9A;F/V,CL21M16MNZXBDB 1
M0112 AA63-01011A COVER-FRONT;21M16,HIPS,T2.5,HB,G4309,SV0 1 S.N.A
T0015 AA64-03842A CABINET BACK;21M16,SAMEX,HIPS,HB,G4309 1
T0022 AA64-03957A KNOB CONTROL;21M16,SAMEX,ABS,HB,G3676,SV 1 S.N.A
T0023 AA64-03823A KNOB-POWER;29M16,ABS,HB,G3676,SVM3012 1
T0057 AA64-70123A BADGE-BRAND;NEW,AL,L50,FLAT,SILVER,SAMSU 1
T0063 AA03-00439A CRT COLOR;A51QDK690X(K),+380,1.75,18.2,2 1
T0066 AA96-20109C ASSY POWER CORD;-,CP2/NO(4.0),H/C300,KKP 1
T0074 AA59-00316B REMOCON;TM75,ET,32,G6148A,NT,EX 1
T0082 3001-001190 SPEAKER;7W,8OHM,87DB,150HZ 2
T0082 AA64-03838A WINDOW LED;15,17M16,PC,CLR 1 S.N.A
T0527 AA65-00009B CLAMPER CORE-D,COIL;21A8,NYLON 66,V0,-,- 4
T0607 AA61-40113A STOPPER-PCB;501H,HIPS,-,-,HB,NTR,- 1
T0610 AA96-01546A ASSY PCB P-A/V SIDE;TXN1634FX,K15D 1

ASSY CHASSIS
0.1 M0017 AA91-09297A ASSY CHASSIS;KS9A;F/V,BDB,STEREO S.N.A
..2 M0014 AA94-15366A ASSY PCB MAIN;KS9A;F/V,CL21M16MNZXBDB
...3 T0245 0202-001366 SOLDER-WIRE FLUX;-,RS60S,D1.2,63Sn/37Pb, S.N.A
...3 D402 0402-001599 DIODE-RECTIFIER;DGP30L,1500,3A,DO-201AD(
...3 D805 0402-001603 DIODE-RECTIFIER;MUR480E,800V,4A,DO-201AD
...3 D807 0402-001604 DIODE-RECTIFIER;MUR420,200V,4A,DO-201AD,
...3 Q804 0502-001007 TR-POWER;KSC2073-H2,NPN,25W,TO-220,ST,6
...3 PC801S 0604-001032 PHOTO-COUPLER;TR,170-260%,300mW,DIP-4,ST
...3 IC106 1001-001279 IC-VIDEO SWITCH;NJM2533,BIPOLAR,DIP,8P,3
...3 IC112 1103-001209 IC-EEPROM;24C04,512x8,DIP,8P,10.16x7.11m
...3 IC101 1204-000506 IC-IF DETECTOR;LA7510,SIP,9P,-,PLASTIC,1
...3 ICS601 1204-001662 IC-AUDIO PROCESSOR;MSP3425G-B8,DIP,52P,5
...3 T0900 1404-001045 THERMISTOR-NTC;4.7ohm,15%,2900K,35.0mW,T
...3 P803T 1404-001264 THERMISTOR-PTC;4.5OHM,+30/-20%,220V,290V
...3 CY801S 2201-000446 C-CERAMIC,DISC;3.3NF,20%,400V,Y5U,BK,15X
...3 CR403S 2301-001401 C-FILM,LEAD-PPF;27nF,5%,630V,TP,19x11x17
...3 CR401S 2303-000282 C-FILM,LEAD-PPF;6nF,5%,1.6KV,TP,29*23*8.
...3 CR406S 2306-000179 C-FILM,LEAD-PPF;300nF,5%,250V,TP,20x18.5
...3 C801 2401-000534 C-AL;150uF,20%,400V,GP,BK,25x30,10
...3 X201 2801-004033 CRYSTAL-UNIT;12MHZ,30PPM,28-AAM,30PF,30O
...3 X601 2801-004379 CRYSTAL-UNIT;18.432MHz,30ppm,28-AAM,8pF,
...3 SF101S 2904-001107 FILTER-SAW AV;45.75MHz,SIP5K,TP,12.6dB,N
...3 SF102S 2904-001255 FILTER-SAW AV;45.75MHz,SIP5K,ST,12.2dB,M
...3 SWN01 3404-000295 SWITCH-TACT;12VDC,50mA,160gf,8.4X22.7,SP
...3 RL801S 3501-001053 RELAY-POWER;5VDC,530MW,10000MA,1FORMA,15
...3 FD802 3601-000281 FUSE-CARTRIDGE;250V,4A,TIME-LAG,GLASS,5.
...3 V999S 3704-001105 SOCKET-CRT;11P,20PI,26.5PI,NI,-
...3 CN604 3711-002643 HEADER-BOARD TO CABLE;BOX,4P,1R,2.5mm,ST
...3 CN701 3711-003641 HEADER-BOARD TO CABLE;BOX,12P,1R,2.5mm,S
...3 JA701 3722-001895 JACK-PIN;6P(9P),8.3MM,NI,YEL/WHT/REDX2,-
...3 T0119 AA09-00485A IC MICOM;TDA9381PS/N3/3-OTP,CS21M16,64,3 S.N.A
...3 T801S AA26-00043B TRANS SWITCHING;,CS21S5T,80~280V,PM2,PL3
...3 T401 AA26-50001B TRANS-HORIZ.DRIVE;-,-,-,7.1mH,-,-,102uH,
...3 T0010 AA27-00296A COIL CHOKE;220UH,CPTTV,220UH,10%,3A,DR14
...3 T0296 AA27-30003L COIL LINEARITY;-,73uH,DR12x15,0.55mm,-,B
...3 LX801S AA29-00015A FILTER LINE NOISE;WS32W8,28-20MH 1.5A,+-
...3 D0254 AA32-00014A MODULE REMOCON;346VF2,38KHZ,940MM,MESH,V
...3 T0245 AA39-20620C LEAD CONNECTOR-ASSY;,9P,500MM,YBNH250-09
...3 CIS3 AA40-00016A TUNER-F/S;TDQ-6F/13F2S,NTSC,181CH,45.75M
...3 CN401 AA60-40012F PIN-GT;4P,2.36PI,6/12/14mm,NYLON66,LOCKI S.N.A
...3 PD801S AA60-40012G PIN-GT;3P,2.36PI,10/5mm,NYLON66,LOCKING S.N.A
...3 CIS1 AA65-30018A CLAMPER CORE-WIRE;DONG-A,NYLON-66,-,-,-, S.N.A
...3 CIS1 AA65-30111A CLAMPER CORE-WIRE;ALL MODEL,NYLON,V0,WHT S.N.A
...3 IC301 AA96-00244MASSY HEAT SINK P;LA78040N,S,AA64-00046 S.N.A
....4 CIS1 0205-001154 OIL-SILICON;G746,-,- S.N.A
....4 T0088 1204-002121 IC-VERTICAL DEF.;LA78040N,TO220,7P,-,PLA
....4 M0081 6003-000335 SCREW-TAPTITE;RH,+,2S,M3,L8,ZPC(YEL),SWR S.N.A
....4 T0175 AA62-00046A HEAT SINK-PS;-,-,T1.0,-,D1(DREAM) 60X25X S.N.A
...3 IC603 AA96-00244N ASSY HEAT SINK P;SCREW,AA62-00046A,AN752 S.N.A
....4 CIS1 0205-001154 OIL-SILICON;G746,-,- S.N.A
....4 T0124 1201-002050 IC-POWER AMP;AN7522N,SIP,12P,29.6x7.7mm,
....4 M0081 6003-000335 SCREW-TAPTITE;RH,+,2S,M3,L8,ZPC(YEL),SWR S.N.A
....4 T0175 AA62-00046A HEAT SINK-PS;-,-,T1.0,-,D1(DREAM) 60X25X S.N.A
...3 IC802 AA96-00245A ASSY HEAT SINK P;,AA62-00055A,KA7632 S.N.A
....4 IC062 1203-001939 IC-MULTI REG.;7632,SIP,10P,-,PLASTIC,3.3
....4 M0081 6003-000334 SCREW-TAPTITE;RH,+,2S,M3,L6,ZPC(YEL),SWR S.N.A
....4 T0175 AA62-00055A HEAT SINK-PS;-,-,T1.0,-,35*15*25,D1,-,-, S.N.A
...3 Q401 AA96-02906A ASSY HEAT SINK P;AA62-00145A,SCREW,ST200 S.N.A
....4 CIS1 0205-001154 OIL-SILICON;G746,-,- S.N.A
....4 M0081 6003-000333 SCREW-TAPTITE;RH,+,2S,M3,L10,ZPC(YEL),SW S.N.A
....4 T0105 AA60-30001A WASHER-PLATE;M3,ID3.5,15X8.5,T1.0,SBHG S.N.A
....4 T0098 AA62-00145A HEAT SINK;KS9A,A1050,T1.0,23,50,WHITE,PS S.N.A
....4 0502-001255 TR-POWER;ST2001HI(028Y),NPN,55000mW,-,ST
...3 T0066 AA96-20109C ASSY POWER CORD;-,CP2/NO(4.0),H/C300,KKP
....4 T0268 AA39-10006X CBF-POWER CORD;-,KKP419C,KLCE-2F,2.286MT
....4 T0010 AA61-20284A HOLDER;P-CORD,PP,-,-,-,BLK,VO,KE-002 S.N.A
...3 IC501 AA96-50311A ASSY HEAT SINK P;-,VIDEO,AA62-30175D,TDA S.N.A
....4 T0074 1201-001159 IC-VIDEO AMP;6107,ZSIP,9P,-,SINGLE,-,PLA
....4 M0081 6003-000334 SCREW-TAPTITE;RH,+,2S,M3,L6,ZPC(YEL),SWR S.N.A
....4 T0175 AA62-30175D HEAT SINK-PS;-,SECC,T1.0,-,33X15X30 FT-2 S.N.A
...3 M0014 AA97-15319A ASSY AUTO-MAIN;KS9A,F/V,21M16,LATIN,STER S.N.A
....4 D201 0401-000005 DIODE-SWITCHING;1N4148,75V,150mA,DO-35,T
....4 D808 0401-000005 DIODE-SWITCHING;1N4148,75V,150mA,DO-35,T
....4 D810 0401-000005 DIODE-SWITCHING;1N4148,75V,150mA,DO-35,T
....4 D811 0401-000005 DIODE-SWITCHING;1N4148,75V,150mA,DO-35,T
....4 D803 0401-000006 DIODE-SWITCHING;BAV21,250V,200MA,DO-35,T
....4 D804 0401-000006 DIODE-SWITCHING;BAV21,250V,200MA,DO-35,T
....4 D303 0402-000132 DIODE-RECTIFIER;1N4004,400V,1A,DO-41,TP
....4 D809 0402-000132 DIODE-RECTIFIER;1N4004,400V,1A,DO-41,TP
....4 D814 0402-000132 DIODE-RECTIFIER;1N4004,400V,1A,DO-41,TP
....4 D501 0402-000254 DIODE-RECTIFIER;RGP10J,600V,1A,DO-41,TP
....4 D813 0402-000493 DIODE-RECTIFIER;1R5GU41,400V,1.5A,DO-15L
....4 D302 0402-000534 DIODE-RECTIFIER;RG10V,400V,1.2A,DO-201,T
....4 D403 0402-000540 DIODE-RECTIFIER;RU20A,600V,1.5A,-,TP
....4 D301 0402-001105 DIODE-RECTIFIER;ERB43-04SV1,400V,1A,TS-1
....4 D304 0402-001105 DIODE-RECTIFIER;ERB43-04SV1,400V,1A,TS-1
....4 D401 0402-001105 DIODE-RECTIFIER;ERB43-04SV1,400V,1A,TS-1
....4 D502 0402-001105 DIODE-RECTIFIER;ERB43-04SV1,400V,1A,TS-1
....4 D503 0402-001105 DIODE-RECTIFIER;ERB43-04SV1,400V,1A,TS-1
....4 D504 0402-001105 DIODE-RECTIFIER;ERB43-04SV1,400V,1A,TS-1
....4 D812 0402-001105 DIODE-RECTIFIER;ERB43-04SV1,400V,1A,TS-1
....4 D801S 0402-001111 DIODE-RECTIFIER;1N5397GP,600V,1.5A,-,TP
....4 D802S 0402-001111 DIODE-RECTIFIER;1N5397GP,600V,1.5A,-,TP
....4 D803S 0402-001111 DIODE-RECTIFIER;1N5397GP,600V,1.5A,-,TP
....4 D804S 0402-001111 DIODE-RECTIFIER;1N5397GP,600V,1.5A,-,TP
....4 DZ211 0403-000508 DIODE-ZENER;MTZJ5.6B,5.45-5.73V,500MW,DO
....4 DZ213 0403-000508 DIODE-ZENER;MTZJ5.6B,5.45-5.73V,500MW,DO
....4 DZ215 0403-000508 DIODE-ZENER;MTZJ5.6B,5.45-5.73V,500MW,DO
....4 DZ216 0403-000508 DIODE-ZENER;MTZJ5.6B,5.45-5.73V,500MW,DO
....4 DZ401 0403-000508 DIODE-ZENER;MTZJ5.6B,5.45-5.73V,500MW,DO
....4 DZ402 0403-000508 DIODE-ZENER;MTZJ5.6B,5.45-5.73V,500MW,DO
....4 DZ601 0403-000508 DIODE-ZENER;MTZJ5.6B,5.45-5.73V,500MW,DO
....4 DZ602 0403-000508 DIODE-ZENER;MTZJ5.6B,5.45-5.73V,500MW,DO
....4 DZ807 0403-000508 DIODE-ZENER;MTZJ5.6B,5.45-5.73V,500MW,DO
....4 DZ810 0403-000508 DIODE-ZENER;MTZJ5.6B,5.45-5.73V,500MW,DO
....4 DZ803 0403-000699 DIODE-ZENER;TZP27B,27-30.8V,1000MW,DO-41
....4 DZ101 0403-000700 DIODE-ZENER;TZP33A,5%,1000MW,DO-41,TP
....4 DZ303 0403-000700 DIODE-ZENER;TZP33A,5%,1000MW,DO-41,TP
....4 DZ201 0403-000720 DIODE-ZENER;MTZJ9.1B,8.57-9.01V,500MW,DO
....4 DZ202 0403-000720 DIODE-ZENER;MTZJ9.1B,8.57-9.01V,500MW,DO
....4 DZ203 0403-000720 DIODE-ZENER;MTZJ9.1B,8.57-9.01V,500MW,DO
....4 DZ204 0403-000720 DIODE-ZENER;MTZJ9.1B,8.57-9.01V,500MW,DO
....4 DZ205 0403-000720 DIODE-ZENER;MTZJ9.1B,8.57-9.01V,500MW,DO
....4 DZ206 0403-000720 DIODE-ZENER;MTZJ9.1B,8.57-9.01V,500MW,DO
....4 DZ306 0403-000720 DIODE-ZENER;MTZJ9.1B,8.57-9.01V,500MW,DO
....4 DZ307 0403-000720 DIODE-ZENER;MTZJ9.1B,8.57-9.01V,500MW,DO
....4 DZ501 0403-000720 DIODE-ZENER;MTZJ9.1B,8.57-9.01V,500MW,DO
....4 DZ502 0403-000720 DIODE-ZENER;MTZJ9.1B,8.57-9.01V,500MW,DO
....4 DZ503 0403-000720 DIODE-ZENER;MTZJ9.1B,8.57-9.01V,500MW,DO
....4 DZ504 0403-000720 DIODE-ZENER;MTZJ9.1B,8.57-9.01V,500MW,DO
....4 DZ806 0403-000720 DIODE-ZENER;MTZJ9.1B,8.57-9.01V,500MW,DO
....4 DZ808 0403-000720 DIODE-ZENER;MTZJ9.1B,8.57-9.01V,500MW,DO
....4 DZ801 0403-001140 DIODE-ZENER;RD10ESAB-T4,9.7-10.2V,400MW,
....4 DZ305 0403-001221 DIODE-ZENER;UZ39BSB,35.36-37.19V,500MW,D
....4 DZ804 0403-001316 DIODE-ZENER;MTZJ3.0A,2.85-3.07V,500MW,DO
....4 DZ802 0403-001318 DIODE-ZENER;MTZJ4.3B,4.17-4.43V,500MW,DO
....4 DZ805 0403-001327 DIODE-ZENER;MTZJ18A,16.22-17.06V,500MW,D
....4 DZ301 0403-001328 DIODE-ZENER;MTZJ22A,20.15-21.2V,500MW,DO
....4 DZ302 0403-001328 DIODE-ZENER;MTZJ22A,20.15-21.2V,500MW,DO
4-1Samsung Electronics
Electrical Part List
Level Loc.No. Code No. Description;Specification Remark Level Loc.No. Code No. Description;Specification Remark
You can search for the updated part code through ITSELF web site.
URL:http://itself.sec.samsung.co.kr
4. Electrical Part List
4-1 CL21M16MNZXBDB

....4 DZ304 0403-001328 DIODE-ZENER;MTZJ22A,20.15-21.2V,500MW,DO
....4 DZ212 0403-001373 DIODE-ZENER;MTZJ5.1A,4.85-5.03V,500MW,D0
....4 DZ214 0403-001373 DIODE-ZENER;MTZJ5.1A,4.85-5.03V,500MW,D0
....4 Q201 0501-000283 TR-SMALL SIGNAL;KSA539,PNP,400mW,TO-92,T
....4 Q203 0501-000283 TR-SMALL SIGNAL;KSA539,PNP,400mW,TO-92,T
....4 Q402 0501-000369 TR-SMALL SIGNAL;KSC2331-Y,NPN,1000mW,TO-
....4 Q803 0501-000369 TR-SMALL SIGNAL;KSC2331-Y,NPN,1000mW,TO-
....4 Q202 0501-000389 TR-SMALL SIGNAL;KSC815,NPN,400mW,TO-92,T
....4 Q601 0501-000389 TR-SMALL SIGNAL;KSC815,NPN,400mW,TO-92,T
....4 Q802 0501-000389 TR-SMALL SIGNAL;KSC815,NPN,400mW,TO-92,T
....4 IC602 1203-000515 IC-VOL. DETECTOR;7042,TO-92,3P,177MIL,PL
....4 IC012 1203-001217 IC-POSI.ADJUST REG.;431,TO-92,3P,4.58MIL
....4 VX802S 1405-000152 VARISTOR;560V,2500A,14x8.5mm,TP
....4 R207 2001-000005 R-CARBON;390ohm,5%,1/8W,AA,TP,1.8x3.2mm
....4 R254 2001-000005 R-CARBON;390ohm,5%,1/8W,AA,TP,1.8x3.2mm
....4 R255 2001-000005 R-CARBON;390ohm,5%,1/8W,AA,TP,1.8x3.2mm
....4 R218 2001-000008 R-CARBON;15KOHM,5%,1/8W,AA,TP,1.8X3.2MM
....4 R206 2001-000010 R-CARBON;68KOHM,5%,1/8W,AA,TP,1.8X3.2MM
....4 R301 2001-000016 R-CARBON(S);1OHM,5%,1/2W,AA,TP,2.4X6.4MM
....4 R843 2001-000019 R-CARBON(S);10OHM,5%,1/2W,AA,TP,2.4X6.4M
....4 R409 2001-000022 R-CARBON(S);33OHM,5%,1/2W,AA,TP,2.4X6.4M
....4 R823 2001-000037 R-CARBON(S);330OHM,5%,1/2W,AA,TP,2.4X6.4
....4 R808 2001-000109 R-CARBON(S);470OHM,5%,1/2W,AA,TP,2.4X6.4
....4 R252 2001-000241 R-CARBON;1.5KOHM,5%,1/8W,AA,TP,1.8X3.2MM
....4 R258 2001-000241 R-CARBON;1.5KOHM,5%,1/8W,AA,TP,1.8X3.2MM
....4 R615 2001-000273 R-CARBON;100KOHM,5%,1/8W,AA,TP,1.8X3.2MM
....4 R107 2001-000281 R-CARBON;100OHM,5%,1/8W,AA,TP,1.8X3.2MM
....4 R211 2001-000281 R-CARBON;100OHM,5%,1/8W,AA,TP,1.8X3.2MM
....4 R233 2001-000281 R-CARBON;100OHM,5%,1/8W,AA,TP,1.8X3.2MM
....4 R235 2001-000281 R-CARBON;100OHM,5%,1/8W,AA,TP,1.8X3.2MM
....4 R237 2001-000281 R-CARBON;100OHM,5%,1/8W,AA,TP,1.8X3.2MM
....4 R240 2001-000281 R-CARBON;100OHM,5%,1/8W,AA,TP,1.8X3.2MM
....4 R241 2001-000281 R-CARBON;100OHM,5%,1/8W,AA,TP,1.8X3.2MM
....4 R242 2001-000281 R-CARBON;100OHM,5%,1/8W,AA,TP,1.8X3.2MM
....4 R243 2001-000281 R-CARBON;100OHM,5%,1/8W,AA,TP,1.8X3.2MM
....4 R244 2001-000281 R-CARBON;100OHM,5%,1/8W,AA,TP,1.8X3.2MM
....4 R245 2001-000281 R-CARBON;100OHM,5%,1/8W,AA,TP,1.8X3.2MM
....4 R246 2001-000281 R-CARBON;100OHM,5%,1/8W,AA,TP,1.8X3.2MM
....4 R262 2001-000281 R-CARBON;100OHM,5%,1/8W,AA,TP,1.8X3.2MM
....4 R263 2001-000281 R-CARBON;100OHM,5%,1/8W,AA,TP,1.8X3.2MM
....4 R264 2001-000281 R-CARBON;100OHM,5%,1/8W,AA,TP,1.8X3.2MM
....4 R510 2001-000281 R-CARBON;100OHM,5%,1/8W,AA,TP,1.8X3.2MM
....4 R511 2001-000281 R-CARBON;100OHM,5%,1/8W,AA,TP,1.8X3.2MM
....4 R512 2001-000281 R-CARBON;100OHM,5%,1/8W,AA,TP,1.8X3.2MM
....4 R607 2001-000281 R-CARBON;100OHM,5%,1/8W,AA,TP,1.8X3.2MM
....4 R608 2001-000281 R-CARBON;100OHM,5%,1/8W,AA,TP,1.8X3.2MM
....4 R614 2001-000281 R-CARBON;100OHM,5%,1/8W,AA,TP,1.8X3.2MM
....4 R703 2001-000281 R-CARBON;100OHM,5%,1/8W,AA,TP,1.8X3.2MM
....4 R713 2001-000281 R-CARBON;100OHM,5%,1/8W,AA,TP,1.8X3.2MM
....4 R224 2001-000290 R-CARBON;10KOHM,5%,1/8W,AA,TP,1.8X3.2MM
....4 R249 2001-000290 R-CARBON;10KOHM,5%,1/8W,AA,TP,1.8X3.2MM
....4 R291 2001-000290 R-CARBON;10KOHM,5%,1/8W,AA,TP,1.8X3.2MM
....4 R618 2001-000290 R-CARBON;10KOHM,5%,1/8W,AA,TP,1.8X3.2MM
....4 R807 2001-000290 R-CARBON;10KOHM,5%,1/8W,AA,TP,1.8X3.2MM
....4 R828 2001-000290 R-CARBON;10KOHM,5%,1/8W,AA,TP,1.8X3.2MM
....4 R842 2001-000290 R-CARBON;10KOHM,5%,1/8W,AA,TP,1.8X3.2MM
....4 R225 2001-000325 R-CARBON;120OHM,5%,1/8W,AA,TP,1.8X3.2MM
....4 R205 2001-000397 R-CARBON;180KOHM,5%,1/8W,AA,TP,1.8X3.2MM
....4 R239 2001-000429 R-CARBON;1KOHM,5%,1/8W,AA,TP,1.8X3.2MM
....4 R247 2001-000429 R-CARBON;1KOHM,5%,1/8W,AA,TP,1.8X3.2MM
....4 R617 2001-000429 R-CARBON;1KOHM,5%,1/8W,AA,TP,1.8X3.2MM
....4 R833 2001-000429 R-CARBON;1KOHM,5%,1/8W,AA,TP,1.8X3.2MM
....4 R234 2001-000449 R-CARBON;2.2KOHM,5%,1/8W,AA,TP,1.8X3.2MM
....4 R236 2001-000449 R-CARBON;2.2KOHM,5%,1/8W,AA,TP,1.8X3.2MM
....4 R238 2001-000449 R-CARBON;2.2KOHM,5%,1/8W,AA,TP,1.8X3.2MM
....4 R253 2001-000472 R-CARBON;2.7KOHM,5%,1/8W,AA,TP,1.8X3.2MM
....4 R256 2001-000472 R-CARBON;2.7KOHM,5%,1/8W,AA,TP,1.8X3.2MM
....4 R257 2001-000472 R-CARBON;2.7KOHM,5%,1/8W,AA,TP,1.8X3.2MM
....4 R259 2001-000472 R-CARBON;2.7KOHM,5%,1/8W,AA,TP,1.8X3.2MM
....4 R214 2001-000490 R-CARBON;200OHM,5%,1/8W,AA,TP,1.8X3.2MM
....4 R829 2001-000563 R-CARBON;27KOHM,5%,1/8W,AA,TP,1.8X3.2MM
....4 R208 2001-000591 R-CARBON;3.3KOHM,5%,1/8W,AA,TP,1.8X3.2MM
....4 R609 2001-000613 R-CARBON;3.9KOHM,5%,1/8W,AA,TP,1.8X3.2MM
....4 R611 2001-000613 R-CARBON;3.9KOHM,5%,1/8W,AA,TP,1.8X3.2MM
....4 R202 2001-000689 R-CARBON;390KOHM,5%,1/8W,AA,TP,1.8X3.2MM
....4 R248 2001-000734 R-CARBON;4.7KOHM,5%,1/8W,AA,TP,1.8X3.2MM
....4 R261 2001-000734 R-CARBON;4.7KOHM,5%,1/8W,AA,TP,1.8X3.2MM
....4 R830 2001-000734 R-CARBON;4.7KOHM,5%,1/8W,AA,TP,1.8X3.2MM
....4 R227 2001-000739 R-CARBON;4.7MOHM,5%,1/8W,AA,TP,1.8X3.2MM
....4 R228 2001-000739 R-CARBON;4.7MOHM,5%,1/8W,AA,TP,1.8X3.2MM
....4 R601 2001-000780 R-CARBON;470OHM,5%,1/8W,AA,TP,1.8X3.2MM
....4 R602 2001-000780 R-CARBON;470OHM,5%,1/8W,AA,TP,1.8X3.2MM
....4 R603 2001-000780 R-CARBON;470OHM,5%,1/8W,AA,TP,1.8X3.2MM
....4 R604 2001-000780 R-CARBON;470OHM,5%,1/8W,AA,TP,1.8X3.2MM
....4 R109 2001-000786 R-CARBON;47KOHM,5%,1/8W,AA,TP,1.8X3.2MM
....4 R251 2001-000793 R-CARBON;47OHM,5%,1/8W,AA,TP,1.8X3.2MM
....4 R203 2001-000857 R-CARBON;560OHM,5%,1/8W,AA,TP,1.8X3.2MM
....4 R610 2001-000890 R-CARBON;6.8KOHM,5%,1/8W,AA,TP,1.8X3.2MM
....4 R613 2001-000890 R-CARBON;6.8KOHM,5%,1/8W,AA,TP,1.8X3.2MM
....4 R110 2001-000924 R-CARBON;680OHM,5%,1/8W,AA,TP,1.8X3.2MM
....4 R250 2001-000924 R-CARBON;680OHM,5%,1/8W,AA,TP,1.8X3.2MM
....4 R108 2001-000947 R-CARBON;7.5KOHM,5%,1/8W,AA,TP,1.8X3.2MM
....4 R222 2001-000947 R-CARBON;7.5KOHM,5%,1/8W,AA,TP,1.8X3.2MM
....4 R212 2001-000969 R-CARBON;75OHM,5%,1/8W,AA,TP,1.8X3.2MM
....4 R215 2001-000969 R-CARBON;75OHM,5%,1/8W,AA,TP,1.8X3.2MM
....4 R704 2001-000969 R-CARBON;75OHM,5%,1/8W,AA,TP,1.8X3.2MM
....4 R707 2001-000969 R-CARBON;75OHM,5%,1/8W,AA,TP,1.8X3.2MM
....4 R306 2001-001050 R-CARBON(S);1.5KOHM,5%,1/2W,AA,TP,2.4X6.
....4 R504 2001-001062 R-CARBON(S);10MOHM,5%,1/2W,AA,TP,2.4X6.4
....4 R414 2001-001078 R-CARBON(S);15KOHM,5%,1/2W,AA,TP,2.4X6.4
....4 R819 2001-001088 R-CARBON(S);1KOHM,5%,1/2W,AA,TP,2.4X6.4M
....4 R820 2001-001088 R-CARBON(S);1KOHM,5%,1/2W,AA,TP,2.4X6.4M
....4 R832 2001-001088 R-CARBON(S);1KOHM,5%,1/2W,AA,TP,2.4X6.4M
....4 RR401S 2001-001088 R-CARBON(S);1KOHM,5%,1/2W,AA,TP,2.4X6.4M
....4 R836 2001-001093 R-CARBON(S);2.2KOHM,5%,1/2W,AA,TP,2.4X6.
....4 R814 2001-001105 R-CARBON(S);20OHM,5%,1/2W,AA,TP,2.4X6.4M
....4 R816 2001-001105 R-CARBON(S);20OHM,5%,1/2W,AA,TP,2.4X6.4M
....4 R840 2001-001108 R-CARBON(S);22KOHM,5%,1/2W,AA,TP,2.4X6.4
....4 R411 2001-001114 R-CARBON(S);270OHM,5%,1/2W,AA,TP,2.4X6.4
....4 R405 2001-001116 R-CARBON(S);27OHM,5%,1/2W,AA,TP,2.4X6.4M
....4 R821 2001-001131 R-CARBON(S);33KOHM,5%,1/2W,AA,TP,2.4X6.4
....4 R809 2001-001150 R-CARBON(S);470KOHM,5%,1/2W,AA,TP,2.4X6.
....4 R810 2001-001150 R-CARBON(S);470KOHM,5%,1/2W,AA,TP,2.4X6.
....4 R818 2001-001154 R-CARBON(S);5.1KOHM,5%,1/2W,AA,TP,2.4X6.
....4 R815 2001-001163 R-CARBON(S);560OHM,5%,1/2W,AA,TP,2.4X6.4
....4 R805 2001-001170 R-CARBON(S);6.8OHM,5%,1/2W,AA,TP,2.4X6.4
....4 R850 2001-001170 R-CARBON(S);6.8OHM,5%,1/2W,AA,TP,2.4X6.4
....4 R831 2001-001197 R-CARBON(S);910OHM,5%,1/2W,AA,TP,2.4X6.4
....4 R501H 2002-001008 R-COMPOSITION;1.8Kohm,10%,1/2W,AA,TP,3.7
....4 R502H 2002-001008 R-COMPOSITION;1.8Kohm,10%,1/2W,AA,TP,3.7
....4 R503 2002-001008 R-COMPOSITION;1.8Kohm,10%,1/2W,AA,TP,3.7
....4 RY801S 2002-001012 R-COMPOSITION;8.2Mohm,5%,1/2W,AA,TP,3.7x
....4 R801 2003-000994 R-METAL OXIDE(S);33Kohm,5%,2W,AF,TP,3.9x
....4 R804 2003-000994 R-METAL OXIDE(S);33Kohm,5%,2W,AF,TP,3.9x
....4 R407 2003-001040 R-METAL OXIDE(S);47Kohm,5%,2W,AF,TP,3.9x
....4 R834 2003-001040 R-METAL OXIDE(S);47Kohm,5%,2W,AF,TP,3.9x
....4 R835 2003-001040 R-METAL OXIDE(S);47Kohm,5%,2W,AF,TP,3.9x
....4 R315 2003-002009 R-METAL OXIDE(S);390ohm,5%,2W,AF,TP,3.9x
....4 R316 2003-002009 R-METAL OXIDE(S);390ohm,5%,2W,AF,TP,3.9x
....4 R827 2003-002009 R-METAL OXIDE(S);390ohm,5%,2W,AF,TP,3.9x
....4 R403 2003-002151 R-METAL OXIDE;18KOHM,5%,2W,AG,TP,6X16MM
....4 R402 2003-002178 R-METAL OXIDE(S);1Kohm,5%,2W,AG,TP,3.9x1
....4 R307 2004-001371 R-METAL(S);1.5Kohm,1%,1/2W,AA,TP,2.4x6.4
....4 R817 2004-001377 R-METAL(S);120Kohm,1%,1/2W,AA,TP,2.4x6.4
....4 R424 2004-001402 R-METAL(S);6.8Kohm,1%,1/2W,AA,TP,2.4x6.4
....4 R423 2004-001407 R-METAL(S);82.5Kohm,1%,1/2W,AA,TP,2.4x6.
....4 R219 2004-001914 R-METAL;39Kohm,2%,1/8W,AA,TP,1.8x3.5mm
....4 R822 2004-001983 R-METAL(S);2.49Kohm,1%,1/2W,AA,TP,2.4x6.
....4 R304 2008-000252 R-FUSIBLE(S);0.47ohm,10%,1/2W,AF,TP,2.5x
....4 R305 2008-000252 R-FUSIBLE(S);0.47ohm,10%,1/2W,AF,TP,2.5x
....4 R420 2008-000264 R-FUSIBLE(S);1ohm,5%,1W,AF,TP,3.9x10mm
....4 R825 2008-000264 R-FUSIBLE(S);1ohm,5%,1W,AF,TP,3.9x10mm
....4 R421 2008-000266 R-FUSIBLE(S);1ohm,5%,2W,AF,TP,3.9x10mm
....4 R303 2008-000290 R-FUSIBLE(S);2.4ohm,5%,2W,AF,TP,3.9x10mm
....4 R824 2008-001033 R-FUSIBLE(S);10ohm,5%,2W,AF,TP,3.9x10mm
....4 R302 2008-001076 R-FUSIBLE(S);1.8ohm,5%,2W,AF,TP,3.9x10mm
....4 R505 2008-001138 R-FUSIBLE;2.4OHM,5%,1W,AF,TP,3.9X10MM
....4 FD801S 2008-001163 R-PICO FUSIBLE;10mohm,20%,1W,AA,TP,2.3x6
....4 C605 2201-000017 C-CERAMIC,DISC;1nF,10%,50V,Y5P,-,5x3.5mm
....4 C302 2201-000259 C-CERAMIC,DISC;0.18NF,10%,500V,Y5P,TP,5.
....4 C601 2201-000304 C-CERAMIC,DISC;0.001NF,0.25PF,50V,C0G,TP
....4 C602 2201-000304 C-CERAMIC,DISC;0.001NF,0.25PF,50V,C0G,TP
....4 C816 2201-000375 C-CERAMIC,DISC;0.22NF,5%,50V,RH,TP,12.5X
....4 CR409S 2201-000406 C-CERAMIC,DISC;0.27NF,10%,2KV,Y5P,TP,6.3
Samsung Electronics4-2
Electrical Part List
Level Loc.No. Code No. Description;Specification Remark Level Loc.No. Code No. Description;Specification Remark

....4 C244 2201-000573 C-CERAMIC,DISC;0.047NF,5%,50V,C0G,TP,5X3
....4 C245 2201-000573 C-CERAMIC,DISC;0.047NF,5%,50V,C0G,TP,5X3
....4 C408 2201-000599 C-CERAMIC,DISC;0.56NF,10%,500V,Y5P,TP,5.
....4 CR404S 2201-000639 C-CERAMIC,DISC;0.68NF,10%,2KV,Y5P,TP,9X5
....4 C503 2201-000723 C-CERAMIC,DISC;4.7NF,20%,3KV,Y5U,TP,16X5
....4 C811 2201-000991 C-CERAMIC,DISC;0.56NF,10%,2KV,Y5P,TP,7.5
....4 C814 2201-002028 C-CERAMIC,DISC;0.47NF,10%,2KV,Y5P,TP,7.5
....4 C105 2202-000127 C-CERAMIC,MLC-AXIAL;10nF,+80-20%,25V,Y5V
....4 C111 2202-000127 C-CERAMIC,MLC-AXIAL;10nF,+80-20%,25V,Y5V
....4 C120 2202-000127 C-CERAMIC,MLC-AXIAL;10nF,+80-20%,25V,Y5V
....4 C243 2202-000127 C-CERAMIC,MLC-AXIAL;10nF,+80-20%,25V,Y5V
....4 C114 2202-000286 C-CERAMIC,MLC-AXIAL;56pF,5%,50V,SL,TP,1.
....4 C603 2202-000286 C-CERAMIC,MLC-AXIAL;56pF,5%,50V,SL,TP,1.
....4 C629 2202-000286 C-CERAMIC,MLC-AXIAL;56pF,5%,50V,SL,TP,1.
....4 C223 2202-000796 C-CERAMIC,MLC-AXIAL;1NF,10%,50V,Y5P,TP,3
....4 C224 2202-000796 C-CERAMIC,MLC-AXIAL;1NF,10%,50V,Y5P,TP,3
....4 C239 2202-000796 C-CERAMIC,MLC-AXIAL;1NF,10%,50V,Y5P,TP,3
....4 C505 2202-000825 C-CERAMIC,MLC-AXIAL;680pF,10%,50V,Y5P,TP
....4 C211 2202-002037 C-CERAMIC,MLC-AXIAL;100nF,80-20%,50V,Y5V
....4 C217 2301-000004 C-FILM,LEAD-PEF;2.2nF,5%,100V,TP,5.5X10X
....4 C234 2301-000004 C-FILM,LEAD-PEF;2.2nF,5%,100V,TP,5.5X10X
....4 C638 2301-000004 C-FILM,LEAD-PEF;2.2nF,5%,100V,TP,5.5X10X
....4 C639 2301-000004 C-FILM,LEAD-PEF;2.2nF,5%,100V,TP,5.5X10X
....4 C248 2301-000013 C-FILM,LEAD-PEF;4.7nF,5%,100V,TP,10.5x12
....4 C109 2301-000016 C-FILM,LEAD-PEF;22nF,5%,100V,TP,7.2x4.5x
....4 C804 2301-000016 C-FILM,LEAD-PEF;22nF,5%,100V,TP,7.2x4.5x
....4 C810 2301-000016 C-FILM,LEAD-PEF;22nF,5%,100V,TP,7.2x4.5x
....4 C613 2301-000108 C-FILM,LEAD-PEF;1.5nF,5%,50V,TP,6.5x3.0x
....4 C622 2301-000108 C-FILM,LEAD-PEF;1.5nF,5%,50V,TP,6.5x3.0x
....4 C630 2301-000110 C-FILM,LEAD-PEF;1.8nF,5%,100V,TP,7x3.0x6
....4 C634 2301-000110 C-FILM,LEAD-PEF;1.8nF,5%,100V,TP,7x3.0x6
....4 C407 2301-000148 C-FILM,LEAD-PEF;10nF,5%,100V,TP,7x3.2x7m
....4 C621 2301-000148 C-FILM,LEAD-PEF;10nF,5%,100V,TP,7x3.2x7m
....4 C705 2301-000148 C-FILM,LEAD-PEF;10nF,5%,100V,TP,7x3.2x7m
....4 C805 2301-000204 C-FILM,LEAD-PEF;2.7nF,5%,50V,TP,7.4x3.9x
....4 C502 2301-000213 C-FILM,LEAD-PEF;220nF,5%,250V,TP,21.5x11
....4 C309 2301-000253 C-FILM,LEAD-PEF;39NF,5%,100V,TP,7.5X4.5X
....4 C420 2301-001065 C-FILM,LEAD-PPF;47nF,5%,630V,TP,19x15.5x
....4 C806 2301-001435 C-FILM,LEAD-PPF;1.5nF,5%,1.2kV,TP,15x8x1
....4 C225 2301-001664 C-FILM,LEAD-OTHER;100nF,3%,50V,TP,20x16x
....4 C312 2305-000149 C-FILM,LEAD-PEF;100nF,5%,100V,TP,12x12.5
....4 C301 2305-000285 C-FILM,LEAD-PEF;220NF,5%,100V,TP,10.5X5.
....4 C207 2305-000289 C-FILM,LEAD-PEF;220nF,5%,63V,TP,-,5mm
....4 C215 2305-000289 C-FILM,LEAD-PEF;220nF,5%,63V,TP,-,5mm
....4 C216 2305-000289 C-FILM,LEAD-PEF;220nF,5%,63V,TP,-,5mm
....4 C233 2305-000289 C-FILM,LEAD-PEF;220nF,5%,63V,TP,-,5mm
....4 CR405S 2305-000382 C-FILM,LEAD-PEF;4.7nF,5%,400V,TP,-,5mm
....4 C238 2305-000412 C-FILM,LEAD-PEF;470nF,5%,63V,TP,-,5mm
....4 C240 2305-000412 C-FILM,LEAD-PEF;470nF,5%,63V,TP,-,5mm
....4 C103 2305-000665 C-FILM,LEAD-PEF;100nF,5%,63V,TP,7.5x4.0x
....4 C208 2305-000665 C-FILM,LEAD-PEF;100nF,5%,63V,TP,7.5x4.0x
....4 C210 2305-000665 C-FILM,LEAD-PEF;100nF,5%,63V,TP,7.5x4.0x
....4 C218 2305-000665 C-FILM,LEAD-PEF;100nF,5%,63V,TP,7.5x4.0x
....4 C222 2305-000665 C-FILM,LEAD-PEF;100nF,5%,63V,TP,7.5x4.0x
....4 C230 2305-000665 C-FILM,LEAD-PEF;100nF,5%,63V,TP,7.5x4.0x
....4 C242 2305-000665 C-FILM,LEAD-PEF;100nF,5%,63V,TP,7.5x4.0x
....4 C247 2305-000665 C-FILM,LEAD-PEF;100nF,5%,63V,TP,7.5x4.0x
....4 C606 2305-000665 C-FILM,LEAD-PEF;100nF,5%,63V,TP,7.5x4.0x
....4 C618 2305-000665 C-FILM,LEAD-PEF;100nF,5%,63V,TP,7.5x4.0x
....4 C632 2305-000665 C-FILM,LEAD-PEF;100nF,5%,63V,TP,7.5x4.0x
....4 C635 2305-000665 C-FILM,LEAD-PEF;100nF,5%,63V,TP,7.5x4.0x
....4 C803 2305-000665 C-FILM,LEAD-PEF;100nF,5%,63V,TP,7.5x4.0x
....4 C819 2305-000665 C-FILM,LEAD-PEF;100nF,5%,63V,TP,7.5x4.0x
....4 C802 2401-000015 C-AL;33uF,20%,50V,WT,-,6.3x11mm,2.5
....4 C812 2401-000262 C-AL;100uF,20%,160V,HR,TP,16x25,7.5
....4 C209 2401-000302 C-AL;100uF,20%,25V,GP,TP,6.3x11,5
....4 C213 2401-000302 C-AL;100uF,20%,25V,GP,TP,6.3x11,5
....4 C229 2401-000302 C-AL;100uF,20%,25V,GP,TP,6.3x11,5
....4 C241 2401-000302 C-AL;100uF,20%,25V,GP,TP,6.3x11,5
....4 C246 2401-000302 C-AL;100uF,20%,25V,GP,TP,6.3x11,5
....4 C249 2401-000302 C-AL;100uF,20%,25V,GP,TP,6.3x11,5
....4 C604 2401-000302 C-AL;100uF,20%,25V,GP,TP,6.3x11,5
....4 C612 2401-000302 C-AL;100uF,20%,25V,GP,TP,6.3x11,5
....4 C619 2401-000302 C-AL;100uF,20%,25V,GP,TP,6.3x11,5
....4 C821 2401-000302 C-AL;100uF,20%,25V,GP,TP,6.3x11,5
....4 C823 2401-000302 C-AL;100uF,20%,25V,GP,TP,6.3x11,5
....4 C307 2401-000365 C-AL;100uF,20%,50V,WT,TP,10x12.5mm,
....4 C308 2401-000365 C-AL;100uF,20%,50V,WT,TP,10x12.5mm,
....4 C506 2401-000430 C-AL;10uF,20%,250V,GP,TP,10x16mm,5m
....4 C203 2401-000480 C-AL;10uF,20%,50V,GP,TP,5x11,5
....4 C220 2401-000480 C-AL;10uF,20%,50V,GP,TP,5x11,5
....4 C820 2401-000480 C-AL;10uF,20%,50V,GP,TP,5x11,5
....4 C607 2401-000493 C-AL;10uF,20%,50V,LZ,TP,5x11mm,5mm
....4 C627 2401-000493 C-AL;10uF,20%,50V,LZ,TP,5x11mm,5mm
....4 C219 2401-000603 C-AL;1UF,20%,50V,GP,TP,5X11,2
....4 C614 2401-000620 C-AL;2.2uF,10%,50V,GP,TP,5x11,5
....4 C403 2401-000625 C-AL;2.2uF,20%,160V,GP,TP,6.3x11,5
....4 C704 2401-000758 C-AL;0.22UF,20%,50V,GP,TP,5X11,5
....4 C707 2401-000758 C-AL;0.22UF,20%,50V,GP,TP,5X11,5
....4 C827 2401-000927 C-AL;22uF,20%,250V,GP,TP,13x20,5
....4 C110 2401-000962 C-AL;22uF,20%,50V,GP,TP,5x11,5
....4 C615 2401-001026 C-AL;3.3UF,20%,50V,GP,TP,5X11,5
....4 C620 2401-001026 C-AL;3.3UF,20%,50V,GP,TP,5X11,5
....4 C504 2401-001232 C-AL;4.7uF,20%,250V,GP,TP,10x12.5,5
....4 C304 2401-001838 C-AL;470uF,20%,25V,WT,TP,10x16,5
....4 C636 2401-001914 C-AL;1uF,20%,50V,BP,TP,5x11,5
....4 C637 2401-001914 C-AL;1uF,20%,50V,BP,TP,5x11,5
....4 C815 2401-001998 C-AL;1000uF,20%,25V,GP,TP,10x20,5mm
....4 C824 2401-001998 C-AL;1000uF,20%,25V,GP,TP,10x20,5mm
....4 C608 2401-002075 C-AL;4.7uF,20%,50V,GP,TP,5x11,5
....4 C609 2401-002075 C-AL;4.7uF,20%,50V,GP,TP,5x11,5
....4 C610 2401-002075 C-AL;4.7uF,20%,50V,GP,TP,5x11,5
....4 C611 2401-002075 C-AL;4.7uF,20%,50V,GP,TP,5x11,5
....4 C306 2401-002288 C-AL;470uF,20%,25V,WT,TP,10x20,5
....4 C813 2401-002290 C-AL;47uF,20%,160V,GP,TP,13x20,5
....4 C101 2401-002594 C-AL;220uF,20%,16V,GP,TP,8x11.5,5
....4 C237 2401-002619 C-AL;47uF,20%,25V,GP,TP,5x11,5
....4 C406 2401-002619 C-AL;47uF,20%,25V,GP,TP,5x11,5
....4 C706 2401-002619 C-AL;47uF,20%,25V,GP,TP,5x11,5
....4 C817 2401-003028 C-AL;100uF,20%,25V,WT,TP,6.3x11,5
....4 C818 2401-003028 C-AL;100uF,20%,25V,WT,TP,6.3x11,5
....4 C102 2401-003036 C-AL;100uF,20%,16V,GP,TP,5X11mm,5mm
....4 C631 2401-003139 C-AL;1000uF,20%,25V,WT,TP,10*20,5mm
....4 C112 2401-003900 C-AL;0.47UF,20%,50V,HR,TP,5*11,5
....4 C113 2401-003900 C-AL;0.47UF,20%,50V,HR,TP,5*11,5
....4 L810 2701-000002 INDUCTOR-AXIAL;100UH,10%,4298
....4 L102 2701-000114 INDUCTOR-AXIAL;10UH,10%,2534
....4 L103 2701-000114 INDUCTOR-AXIAL;10UH,10%,2534
....4 L202 2701-000114 INDUCTOR-AXIAL;10UH,10%,2534
....4 L204 2701-000114 INDUCTOR-AXIAL;10UH,10%,2534
....4 L603 2701-000114 INDUCTOR-AXIAL;10UH,10%,2534
....4 L801 2701-000114 INDUCTOR-AXIAL;10UH,10%,2534
....4 R101 2701-000114 INDUCTOR-AXIAL;10UH,10%,2534
....4 R102 2701-000114 INDUCTOR-AXIAL;10UH,10%,2534
....4 L203 2701-000127 INDUCTOR-AXIAL;15UH,10%,2534
....4 L301 2701-000142 INDUCTOR-AXIAL;1UH,10%,2534
....4 L302 2701-000142 INDUCTOR-AXIAL;1UH,10%,2534
....4 L404 2701-000142 INDUCTOR-AXIAL;1UH,10%,2534
....4 L701 2701-000158 INDUCTOR-AXIAL;22UH,10%,2534
....4 L230 2701-000159 INDUCTOR-AXIAL;22UH,10%,4298
....4 L201 2701-000163 INDUCTOR-AXIAL;27UH,10%,3070
....4 L601 2701-000169 INDUCTOR-AXIAL;3.9UH,10%,2534
....4 L602 2701-000169 INDUCTOR-AXIAL;3.9UH,10%,2534
....4 L205 2701-000177 INDUCTOR-AXIAL;33UH,10%,2534
....4 L206 2701-000177 INDUCTOR-AXIAL;33UH,10%,2534
....4 L307 2701-000178 INDUCTOR-AXIAL;33UH,10%,3070
....4 L804 2701-001030 INDUCTOR-AXIAL;43UH,10%,4514
....4 L303 2701-001034 INDUCTOR-AXIAL;22UH,10%,4514
....4 L304 2701-001034 INDUCTOR-AXIAL;22UH,10%,4514
....4 F101 2901-000297 FILTER-EMI ON BOARD;-,3A,-,-,3.5x5,TP,-
....4 F101 2901-000297 FILTER-EMI ON BOARD;-,3A,-,-,3.5x5,TP,-
....4 F101 2901-000299 FILTER-EMI ON BOARD;-,6A,UL/CSA,-,9x7.5,
....4 Z201 2903-000129 FILTER-CERAMIC;BR,4.5MHz,-,-,-,TP,-
....4 L2514 3301-000287 BEAD-AXIAL;,3.5x1.0x6.0mm,3000mA,TP,,,50 S.N.A
....4 L2514 3301-001223 BEAD-AXIAL;62ohm,3.5x0.8x5mm,,TP,,, S.N.A
....4 L2514 3301-001223 BEAD-AXIAL;62ohm,3.5x0.8x5mm,,TP,,, S.N.A
....4 L2514 3301-001223 BEAD-AXIAL;62ohm,3.5x0.8x5mm,,TP,,, S.N.A
....4 L2514 3301-001223 BEAD-AXIAL;62ohm,3.5x0.8x5mm,,TP,,, S.N.A
....4 L2514 3301-001223 BEAD-AXIAL;62ohm,3.5x0.8x5mm,,TP,,, S.N.A
....4 SW201 3404-001252 SWITCH-TACT;12VDC,50MA,130GF,7.5X7.1,1
....4 SW202 3404-001252 SWITCH-TACT;12VDC,50MA,130GF,7.5X7.1,1
....4 SW203 3404-001252 SWITCH-TACT;12VDC,50MA,130GF,7.5X7.1,1
....4 SW204 3404-001252 SWITCH-TACT;12VDC,50MA,130GF,7.5X7.1,1
....4 SW205 3404-001252 SWITCH-TACT;12VDC,50MA,130GF,7.5X7.1,1
4-3Samsung Electronics
Electrical Part List
Level Loc.No. Code No. Description;Specification Remark Level Loc.No. Code No. Description;Specification Remark

....4 F801A 3602-000114 FUSE-HOLDER;-,-,30mohm
....4 F801B 3602-000114 FUSE-HOLDER;-,-,30mohm
....4 CN909 AA37-00001A CONNECTOR-FBT FIX PIN;JM-3500,CPTTV,0.36
....4 CN909 AA37-00001A CONNECTOR-FBT FIX PIN;JM-3500,CPTTV,0.36
....4 T0077 AA41-01026C PCB MAIN;CT-21M16,FR-1,C,245X245,KS9A,1A S.N.A
....4 R621 2001-000773 R-CARBON;470KOHM,5%,1/8W,AA,TP,1.8X3.2MM
....4 EL301 6042-000001 EYELET;ID2.2,OD2.7,L3.1,NI+SN,BSP3-1/2H S.N.A
....4 EL302 6042-000001 EYELET;ID2.2,OD2.7,L3.1,NI+SN,BSP3-1/2H S.N.A
....4 EL402 6042-000001 EYELET;ID2.2,OD2.7,L3.1,NI+SN,BSP3-1/2H S.N.A
....4 EL601 6042-000001 EYELET;ID2.2,OD2.7,L3.1,NI+SN,BSP3-1/2H S.N.A
....4 EL602 6042-000001 EYELET;ID2.2,OD2.7,L3.1,NI+SN,BSP3-1/2H S.N.A
....4 EL801 6042-000001 EYELET;ID2.2,OD2.7,L3.1,NI+SN,BSP3-1/2H S.N.A
....4 EL802 6042-000001 EYELET;ID2.2,OD2.7,L3.1,NI+SN,BSP3-1/2H S.N.A
....4 EY401 6042-000002 EYELET;ID1.5,OD2,L2.8,NI+SN,BSP3-1/2H S.N.A
....4 EY402 6042-000002 EYELET;ID1.5,OD2,L2.8,NI+SN,BSP3-1/2H S.N.A
....4 EY403 6042-000002 EYELET;ID1.5,OD2,L2.8,NI+SN,BSP3-1/2H S.N.A
....4 EY404 6042-000002 EYELET;ID1.5,OD2,L2.8,NI+SN,BSP3-1/2H S.N.A
....4 EY405 6042-000002 EYELET;ID1.5,OD2,L2.8,NI+SN,BSP3-1/2H S.N.A
....4 EY406 6042-000002 EYELET;ID1.5,OD2,L2.8,NI+SN,BSP3-1/2H S.N.A
....4 EY407 6042-000002 EYELET;ID1.5,OD2,L2.8,NI+SN,BSP3-1/2H S.N.A
....4 EY408 6042-000002 EYELET;ID1.5,OD2,L2.8,NI+SN,BSP3-1/2H S.N.A
....4 EY409 6042-000002 EYELET;ID1.5,OD2,L2.8,NI+SN,BSP3-1/2H S.N.A
....4 EY410 6042-000002 EYELET;ID1.5,OD2,L2.8,NI+SN,BSP3-1/2H S.N.A
....4 EY411 6042-000002 EYELET;ID1.5,OD2,L2.8,NI+SN,BSP3-1/2H S.N.A
....4 EY412 6042-000002 EYELET;ID1.5,OD2,L2.8,NI+SN,BSP3-1/2H S.N.A
....4 EY413 6042-000002 EYELET;ID1.5,OD2,L2.8,NI+SN,BSP3-1/2H S.N.A
....4 EY414 6042-000002 EYELET;ID1.5,OD2,L2.8,NI+SN,BSP3-1/2H S.N.A
....4 EY416 6042-000002 EYELET;ID1.5,OD2,L2.8,NI+SN,BSP3-1/2H S.N.A
....4 EY417 6042-000002 EYELET;ID1.5,OD2,L2.8,NI+SN,BSP3-1/2H S.N.A
....4 EY419 6042-000002 EYELET;ID1.5,OD2,L2.8,NI+SN,BSP3-1/2H S.N.A
....4 EY420 6042-000002 EYELET;ID1.5,OD2,L2.8,NI+SN,BSP3-1/2H S.N.A
....4 EY422 6042-000002 EYELET;ID1.5,OD2,L2.8,NI+SN,BSP3-1/2H S.N.A
....4 EY423 6042-000002 EYELET;ID1.5,OD2,L2.8,NI+SN,BSP3-1/2H S.N.A
....4 EY424 6042-000002 EYELET;ID1.5,OD2,L2.8,NI+SN,BSP3-1/2H S.N.A
....4 EY425 6042-000002 EYELET;ID1.5,OD2,L2.8,NI+SN,BSP3-1/2H S.N.A
....4 EY501 6042-000002 EYELET;ID1.5,OD2,L2.8,NI+SN,BSP3-1/2H S.N.A
....4 EY701 6042-000002 EYELET;ID1.5,OD2,L2.8,NI+SN,BSP3-1/2H S.N.A
....4 EY702 6042-000002 EYELET;ID1.5,OD2,L2.8,NI+SN,BSP3-1/2H S.N.A
....4 EY803 6042-000002 EYELET;ID1.5,OD2,L2.8,NI+SN,BSP3-1/2H S.N.A
....4 EY804 6042-000002 EYELET;ID1.5,OD2,L2.8,NI+SN,BSP3-1/2H S.N.A
....4 EY805 6042-000002 EYELET;ID1.5,OD2,L2.8,NI+SN,BSP3-1/2H S.N.A
....4 EY806 6042-000002 EYELET;ID1.5,OD2,L2.8,NI+SN,BSP3-1/2H S.N.A
....4 EY809 6042-000002 EYELET;ID1.5,OD2,L2.8,NI+SN,BSP3-1/2H S.N.A
....4 EY810 6042-000002 EYELET;ID1.5,OD2,L2.8,NI+SN,BSP3-1/2H S.N.A
....4 EY811 6042-000002 EYELET;ID1.5,OD2,L2.8,NI+SN,BSP3-1/2H S.N.A
....4 EY812 6042-000002 EYELET;ID1.5,OD2,L2.8,NI+SN,BSP3-1/2H S.N.A
....4 EY813 6042-000002 EYELET;ID1.5,OD2,L2.8,NI+SN,BSP3-1/2H S.N.A
....4 EY814 6042-000002 EYELET;ID1.5,OD2,L2.8,NI+SN,BSP3-1/2H S.N.A
....4 EY815 6042-000002 EYELET;ID1.5,OD2,L2.8,NI+SN,BSP3-1/2H S.N.A
....4 EY817 6042-000002 EYELET;ID1.5,OD2,L2.8,NI+SN,BSP3-1/2H S.N.A
....4 EY818 6042-000002 EYELET;ID1.5,OD2,L2.8,NI+SN,BSP3-1/2H S.N.A
....4 EY819 6042-000002 EYELET;ID1.5,OD2,L2.8,NI+SN,BSP3-1/2H S.N.A
....4 EY820 6042-000002 EYELET;ID1.5,OD2,L2.8,NI+SN,BSP3-1/2H S.N.A
....4 EY821 6042-000002 EYELET;ID1.5,OD2,L2.8,NI+SN,BSP3-1/2H S.N.A
....4 EY822 6042-000002 EYELET;ID1.5,OD2,L2.8,NI+SN,BSP3-1/2H S.N.A
....4 EY827 6042-000002 EYELET;ID1.5,OD2,L2.8,NI+SN,BSP3-1/2H S.N.A
....4 EY830 6042-000002 EYELET;ID1.5,OD2,L2.8,NI+SN,BSP3-1/2H S.N.A
....4 EY833 6042-000002 EYELET;ID1.5,OD2,L2.8,NI+SN,BSP3-1/2H S.N.A
....4 GT501 BH71-40300A PIN-HINGE;BRASS,D2.36!,HEAT/SINK,SN S.N.A
....4 GT804 BH71-40300A PIN-HINGE;BRASS,D2.36!,HEAT/SINK,SN S.N.A
....4 GT805 BH71-40300A PIN-HINGE;BRASS,D2.36!,HEAT/SINK,SN S.N.A
...3 IC801S AA96-00242F ASSY HEAT SINK P;AA62-30186J,1203-002916 S.N.A
....4 CIS1 0205-001154 OIL-SILICON;G746,-,- S.N.A
....4 T0086 1203-002916 IC-PWM CONTROLLER;KA5Q0765RTH-YDTU,TO-22
....4 M0081 6003-000333 SCREW-TAPTITE;RH,+,2S,M3,L10,ZPC(YEL),SW S.N.A
....4 T0066 AA62-30171J HEAT SINK-ES;-,-,-,SILVER,-,DREAM1,-,-,- S.N.A
...3 T0245 0202-001373 SOLDER-WIRE FLUX;CF-110VH-2A,-,-,-,- S.N.A
...3 T444S AA26-00231A TRANS FBT;FOK14A001,CPTTV,3.65mH,3166,FE
...3 LD201 AA96-00555A ASSY LED GUIDE;-,-,UEX-LD-030,GREEN S.N.A
ASSY P/MATERIAL
0.1 M0113 AA92-08851A ASSY P/MATERIAL;21M16 S.N.A
..2 T0214 AA60-40006A PIN-STAPLE;AUTO,33X17.8X2.4,H18,33X17.8X S.N.A
..2 T0524 AA69-01209A BAG PE;SHEET,25-27,W54,L60,FOAM,OEM. S.N.A
ASSY ACCESSORY
0.1 M0045 AA92-10405A ASSY ACCESSORY;CL21M16MNZXXAO,KS9A S.N.A
..2 M0045 AA96-02609A ASSY ACCESSORY;CL21M16MNZXXAO,KS9A S.N.A
...3 T0075 AA42-00004A ANT ROD;CXD1334,VHF,4SDODIPOLE850MMBRN
...3 T0524 AA69-01195A BAG PE;CL29A6W8X,HDPET0.012,93/4X151/2 S.N.A
...3 T0903 AA26-90001F TRANS MATCHING;-,300ohm/75ohm,NTSC,40-89
...3 T0074 AA59-00316B REMOCON;TM75,ET,32,G6148A,NT,EX
...3 T0610 AA68-03242B MANUAL-SAFETY GUIDE;TH-ENG,SAFETY GUIDE, S.N.A
...3 T0511 AA68-03484A MANUAL USERS;COMM,SPA,W/P100(G),B5,GR,KS S.N.A
...3 T0511 AA68-03485A MANUAL USERS;COMM,ENG,W/P100(G),B5,GR,KS S.N.A
..2 T0251 3721-000136 PLUG-CONVERSION;2P,4.0mm,N,NI
ASSY COVER FRONT
0.1 M0001 AA90-04956D ASSY COVER FRONT;CL21M16MNZXXAX S.N.A
..2 M0081 6003-001019 SCREW-TAPTITE;RH,+,B,M4,L12,ZPC(BLK),SWR
..2 M0081 6003-001019 SCREW-TAPTITE;RH,+,B,M4,L12,ZPC(BLK),SWR
..2 CCM1 AA60-10050R SCREW-MACHINE;-,SWRCH18A,M5,L31.5,HH,+,W
..2 T0607 AA61-40113A STOPPER-PCB;501H,HIPS,-,-,HB,NTR,-
..2 T0057 AA64-70123A BADGE-BRAND;NEW,AL,L50,FLAT,SILVER,SAMSU
..2 CIS1 AA65-00011C CLAMPER CORE-WIRE;ALL MODEL,NYLON 66,V2, S.N.A
..2 CIS1 AA65-30018A CLAMPER CORE-WIRE;DONG-A,NYLON-66,-,-,-, S.N.A
..2 CIS1 AA65-30018A CLAMPER CORE-WIRE;DONG-A,NYLON-66,-,-,-, S.N.A
..2 CIS1 AA65-30105A CLAMPER CORE-WIRE;ALL MODEL,NYLON 66,V2, S.N.A
..2 T0610 AA96-01546A ASSY PCB P-A/V SIDE;TXN1634FX,K15D
...3 RE01 2001-001077 R-CARBON(S);150OHM,5%,1/2W,AA,TP,2.4X6.4
...3 RE02 2001-001077 R-CARBON(S);150OHM,5%,1/2W,AA,TP,2.4X6.4
...3 CE01 2401-000480 C-AL;10uF,20%,50V,GP,TP,5x11,5
...3 CE02 2401-000480 C-AL;10uF,20%,50V,GP,TP,5x11,5
...3 JE601 3722-000143 JACK-PHONE;1P(VER),3.4PI,AG,BLK,NO
...3 JR01 3722-001031 JACK-PIN;3P,3.6mm,#18,AU
...3 T0245 AA39-20071D LEAD CONNECTOR-ASSY;,12P,300,YBNH025-12,
...3 T0091 AA41-00414A PCB-SIDE A/V;CT21D8,FR-1,1L,A,1.6T,245x2 S.N.A
...3 T0245 0202-001373 SOLDER-WIRE FLUX;CF-110VH-2A,-,-,-,- S.N.A
..2 T0382 BP61-00495C HOLDER-CARE;PJT,ACRYL-FOAM,T0.25,W30.0mm S.N.A
..2 T0082 3001-001190 SPEAKER;7W,8OHM,87DB,150HZ
..2 T0245 AA39-20505MLEAD CONNECTOR-ASSY;,4P,350,700MM,YSH025
..2 T0003 AA96-02875A ASSY COVER P-FRONT;21M16,HIPS,HB,G4309,S
...3 M0081 6003-001019 SCREW-TAPTITE;RH,+,B,M4,L12,ZPC(BLK),SWR
...3 M0081 6003-001019 SCREW-TAPTITE;RH,+,B,M4,L12,ZPC(BLK),SWR
...3 T0069 AA60-00091G SPACER-FELT;-,FELT,200X10,-,-,BLK,T0.5,- S.N.A
...3 CIS7 AA61-60003J SPRING ETC-CS;-,SUS304,-,-,OD6,N7,OD6,-, S.N.A
...3 M0112 AA63-01011A COVER-FRONT;21M16,HIPS,T2.5,HB,G4309,SV0 S.N.A
...3 T0023 AA64-03823A KNOB-POWER;29M16,ABS,HB,G3676,SVM3012
...3 T0082 AA64-03838A WINDOW LED;15,17M16,PC,CLR S.N.A
...3 T0022 AA64-03957A KNOB CONTROL;21M16,SAMEX,ABS,HB,G3676,SV S.N.A
...3 T0382 BP61-00509C HOLDER-CARE;PJT,ACRYL-FOAM,T0.25,W20.0mm S.N.A
ASSY COVER REAR
0.1 M0002 AA90-04957D ASSY COVER REAR;21M16,SAMEX,HIPS,HB,G430 S.N.A
..2 M0081 6003-001026 SCREW-TAPTITE;RH,+,B,M4,L15,ZPC(BLK),SWR S.N.A
..2 M0081 6003-001026 SCREW-TAPTITE;RH,+,B,M4,L15,ZPC(BLK),SWR S.N.A
..2 T0069 AA60-00091J SPACER-FELT;-,FELT,330X10,-,-,BLK,T0.5,- S.N.A
..2 T0569 AA61-00356B HOLDER-TUNER,F/JACK;501F,ABS,-,-,-,BLK,H S.N.A
..2 INL/CAUT AA64-02052A INLAY;CAUTION,73X93.W/O-FCC,LGRY-TXT,BLK S.N.A
..2 T0015 AA64-03842A CABINET BACK;21M16,SAMEX,HIPS,HB,G4309
..2 T0066 AA64-03873B INLAY-BACK;21M16,20,PS,SHEET,T0.3,BLK,KS S.N.A
..2 T0522 AA65-30008A CLAMPER CORE-CORD;-,PE,HB,-,BLK,- S.N.A
ASSY CPT
0.1 T0521 AA91-08875A ASSY CPT;ORION;A51QDK190X,380MG,1.85MH,1 S.N.A
..2 T0079 AA27-00002A MAGNET CONVERGENCE;JH291-11D,29.1MM
..2 T0089 AA27-00256A COIL DEGAUSSING;,21IHCH,10%,35TS,4.5OHM,
..2 T0299 AA63-60028A SPACER-DY;-,NEOPRENE,-,-,-,BLK,-,-,V0 W1 S.N.A
..2 T0527 AA65-00009B CLAMPER CORE-D,COIL;21A8,NYLON 66,V0,-,-
..2 T0603 AA98-70014D ASSY TBC WIRE P;TVI,22,NTSC,PAL,1P,UL101 S.N.A
Samsung Electronics4-4
Electrical Part List
Level Loc.No. Code No. Description;Specification Remark Level Loc.No. Code No. Description;Specification Remark

..2 T0063 AA03-00439A CRT COLOR;A51QDK690X(K),+380,1.75,18.2,2
..2 T0078 AA27-50005D DEFLECTION YOKE;,CDY-MT2137A1,S/T,A51QDK
4-5Samsung Electronics
Electrical Part List
Level Loc.No. Code No. Description;Specification Remark Level Loc.No. Code No. Description;Specification Remark

Samsung Electronics4-6
MEMO

5. PCB Diagram
Samsung Electronics
PCB Diagram
5-1
5-1 MAIN PCB

TP01 TP02
TP03
TP04 TP05 TP06 TP07
TP08
TP09
TP10
TP11
6. Schematic Diagrams
Samsung Electronics
Schematic Diagrams
6-1
6-1 MICOM
This Document can not be used without Samsung’s authorization. TP01
TP02
TP03
TP04
TP05
TP06
TP07
TP08
TP09
TP10
TP11

Schematic Diagrams
6-2 Samsung Electronics
TP12
TP13 TP14
TP16
TP15
TP17
6-2 POWER
This Document can not be used without Samsung’s authorization.
TP12
TP13
TP14
TP15
TP16
TP17

Samsung Electronics
Schematic Diagrams
6-3
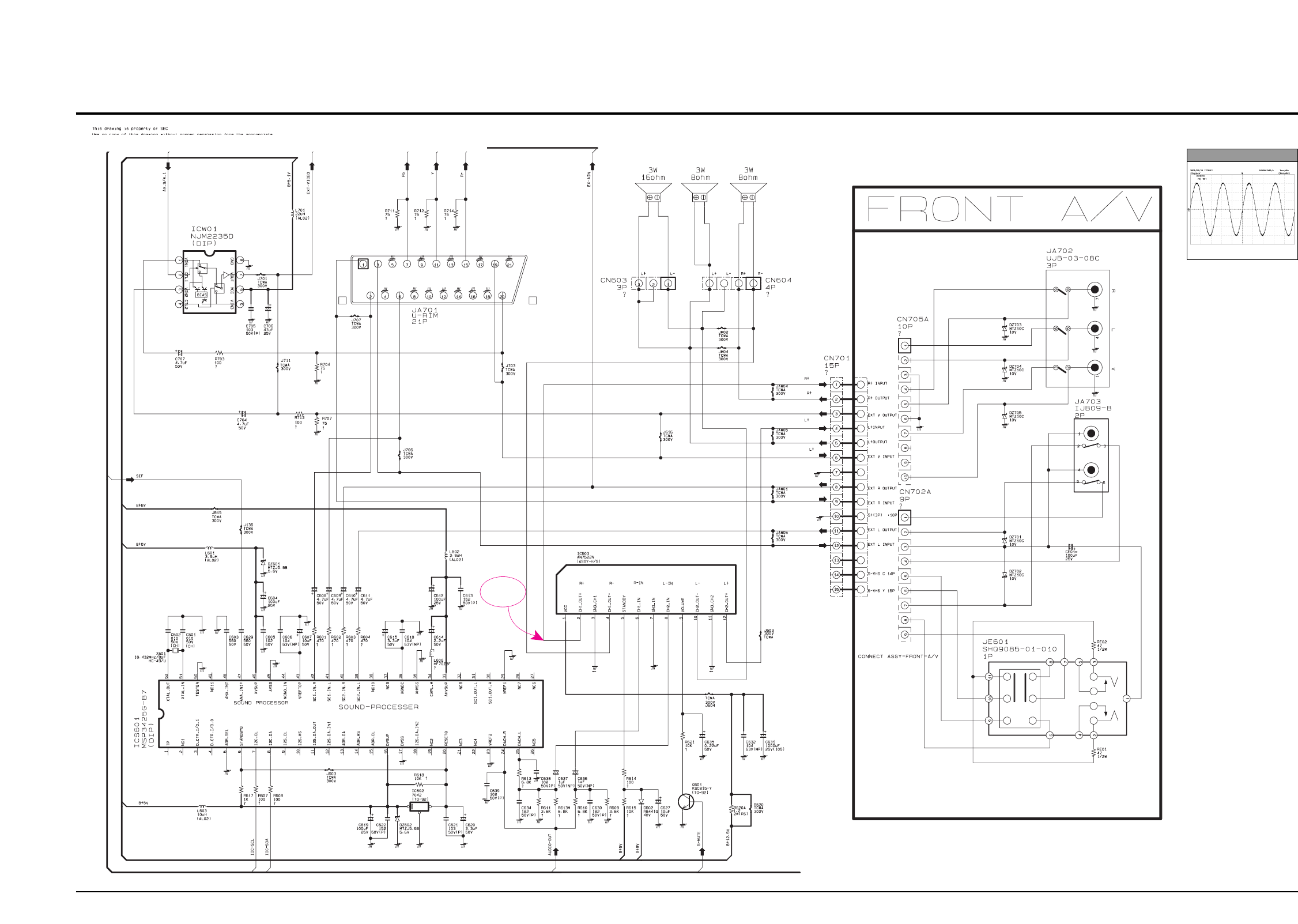
6-3 AUDIO / SIDE AV
TP18
This Document can not be used without Samsung’s authorization.
TP18

Schematic Diagrams
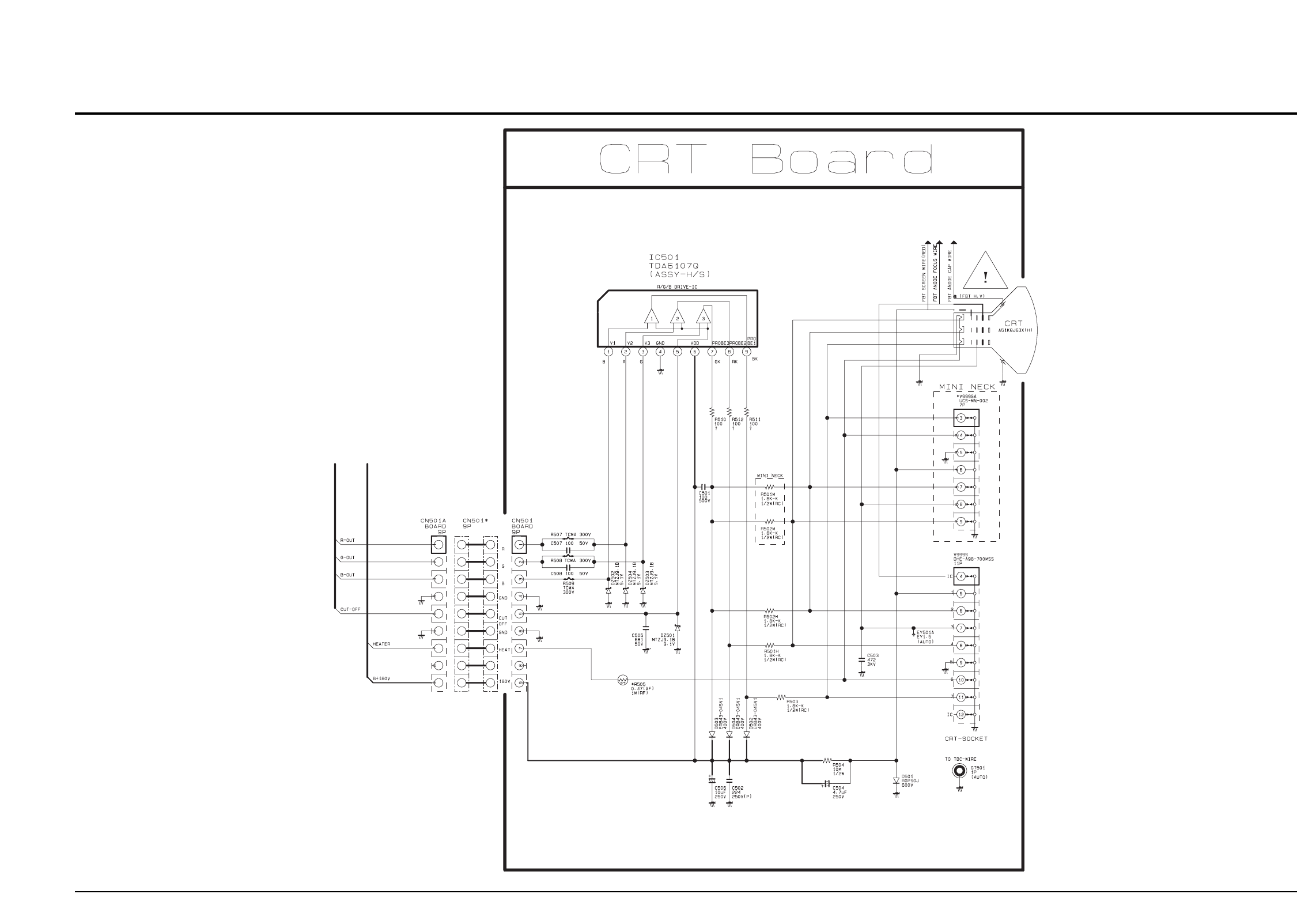
6-4 Samsung Electronics
6-3 CRT
This Document can not be used without Samsung’s authorization.