Visual FoxPro KH 280 1C1 24 74DEIPR99KH
User Manual: KH 280
Open the PDF directly: View PDF
.
Page Count: 77

PARTS MANUAL
2006 280DA
SUNDANCER
Sea Ray® Parts Manual, 2006 280 SUNDANCER MRP # 1807847
Sea Ray Boats, 2600 Sea Ray Blvd., Knoxville, TN 37914. For information call 1-800-SRBOATS or fax 1-314-213-7878 (USA and International).
Internet address: http://www.searay.com
Note: Not all accessories shown in pictures or described herein are standard equipment or even available as options.
Options and features are subject to change without notice.
280
Confirm the availability of all accessories and equipment with an authorized Sea Ray® dealer.
®
International - 315 SUNDANCER

280 SUNDANCER 2006
READ BEFORE ORDERING PARTS
REFERENCE 2005 280DA PARTS MANUAL WHEN ORDERING PARTS
FOR PARTS WITH HULL#'S LISTED USE LAST HULL#'S
REFERENCE 2006 280DA PARTS MANUAL WHEN ORDERING PARTS
HULL# 1202 THRU 1207
HULL# 1201 AND HULL# 1208 -> UP
READ BEFORE ORDERING PARTS
1810634 READ NOTES ABOVE BEFORE ORDERING PARTS
01/02/2008 1

280 SUNDANCER 2006
12
2
6
6
8
3
7
3
4
15
44
10 11
PORT SIDE
STARBOARD SIDE
HULL
DRAIN PLUG
9
7
ROPE LOCKER VENT
6HULL
01/02/2008 2
EXTERIOR (HULL)

280 SUNDANCER 2006
EXTERIOR (HULL)
1778926 1 THRU-HULL, SS 1"BARB SHORT
1433176 2 VENT, FUEL/WATER SS 5/8" 90DEG FLSH MNT
126599 3 EYE, STERN 1/2"X 3 7/16" W/BACKING PLATE
1473040 PLATE, BACKING UNIVERSAL 3/16"
1778933 4 THRU-HULL, SS 5/8"BARB SHORT
1778929 5 THRU-HULL, SS 3/4"BARB SHORT
126870 6 VENT, CLAMSHELL ROPE LCKR 1 5/8"X 1.5"
697508 7 EYE, BOW 3/8"X 2.75"
1473040 PLATE, BACKING UNIVERSAL 3/16"
325191 8 PLUG, RED BRASS DRAIN 1/2"MPT W/FLANGE
162263 9 PLUG, BRASS 1/2" MPT DRAIN SPARE
640300 10 THRU-HULL, BRZ 3/4" W/O NUT
(GENERATOR)
1778928 11 THRU-HULL, SS 1.5"BARB SHORT
(CE OPTION GROUP)
1778931 12 THRU-HULL, SS 1 1/8"BARB SHORT
01/02/2008 3

280 SUNDANCER 2006
RUBRAIL
1
2
3
20
21
22
29
30
28
31
32
1
30
27
26
23
24
25
HATCH ASSEMBLY
18
19
11
12
13
14 17
6
8
9
5
15
BOW AREA
16
7
10
4
PORTLIGHT ASSEMBLY
33
01/02/2008 4
EXTERIOR (DECK)

280 SUNDANCER 2006
EXTERIOR (DECK)
1777988 1 CLEAT, 10" SEA RAY SS 2-BOLT
1473057 PLATE, BACKING CLEAT 1/4"X 2.5"X 5"
1466770 2 RAIL, BOW 280DA-01 CMPLT WELDED
1210038 PLATE, BACKING BOW RAIL ALUM 2" ROUND
985754 3 HATCH, DECK 20X20 ULTRA II NO CLIPS
1690196 SCREEN, DECK SKYSCREEN 20"X 20" BEIGE MARK IV
1174614 GASKET, DECK HATCH 20X20
686360 4 HATCH, SCREW 1/4" GLASS OR PLEX 89-93
802827 5 HATCH, HATCH HANDLE
632794 6 HATCH, ALL HATCH SIZES MUSHROOM OR POST
632778 7 HATCH, O-RING
701466 8 HATCH, ARM UNIV PIVOT ALL SIZES
800870 ARM, DECK HATCH TELESCOPE ULTRA BDY BLK PLAS
802819 9 HATCH, ALL HATCH SIZES PIVOT LATCH ADAPTER
802801 10 HANDLE, DECK HATCH LATCHING
1777987 11 CLEAT, 8" SEA RAY SS 2-BOLT
793471 PLATE, BACKING UNIVERSAL 3/16"
168468 12 DECK PIPE, ROPE/DECK PIPE SS
1727010 WINDLASS, RP/CHN MARLINI LO-PRO W/LONGSTUD
(WINDLASS - LOFRANS MARLIN - ROPE/CHAIN)
(WINDLASS - LOFRANS MARLIN - CHAIN)
1762713 WINDLASS, CRANK HANDLE MARLIN LO-PRO
(WINDLASS - LOFRANS MARLIN - ROPE/CHAIN)
(WINDLASS - LOFRANS MARLIN - CHAIN)
1745518 LABEL, WINDLASS BRKR
(WINDLASS - LOFRANS MARLIN - ROPE/CHAIN)
(WINDLASS - LOFRANS MARLIN - CHAIN)
1148121 BRKR, SURF MNT THERMAL 60AMP MANUAL RESET
(WINDLASS - LOFRANS MARLIN - ROPE/CHAIN)
(WINDLASS - LOFRANS MARLIN - CHAIN)
1759250 CABLE, BATT SET 280DA-04 WNDLS KIT
(WINDLASS - LOFRANS MARLIN - ROPE/CHAIN)
(WINDLASS - LOFRANS MARLIN - CHAIN)
1788185 WINDLASS SOLENOID, LOFRANS CONTROL BOX 05
(WINDLASS - LOFRANS MARLIN - ROPE/CHAIN)
(WINDLASS - LOFRANS MARLIN - CHAIN)
697508 13 EYE, BOW 3/8"X 2.75"
1473040 PLATE, BACKING UNIVERSAL 3/16"
805499 LANYARD, CABLE ANCHOR 1/8"X 16"SS
819334 HOOK, SNAP 5/16"X 3 1/8" SS
757765 14 WINDLASS FOOTSWITCH, HVY DUTY W/SAFTY CVR WHT
(WINDLASS - LOFRANS MARLIN - ROPE/CHAIN)
(WINDLASS - LOFRANS MARLIN - CHAIN)
1687161 COVER, PLAS SAFETY WINDLASS FOOTSWITCH
(WINDLASS - LOFRANS MARLIN - ROPE/CHAIN)
(WINDLASS - LOFRANS MARLIN - CHAIN)
1031715 15 GUARD, HDPE 1/2"X 5.25"X 6" WINDLASS CHAIN
(WINDLASS - LOFRANS MARLIN - CHAIN)
1196641 PAD, HDPE 340DA-99 CHAIN GUARD ARW
(WINDLASS - LOFRANS MARLIN - ROPE/CHAIN)
1754590 16 SPOTLIGHT, 5" SS GUEST
(SPOTLIGHT, 5" REMOTE CONTROLLED)
1759435 BULB, REPL FOR #1754590 SPOTLIGHT
(SPOTLIGHT, 5" REMOTE CONTROLLED)
1756641 HARNESS, SPOTLIGHT ASSY 25' W/MALE CONN
(SPOTLIGHT, 5" REMOTE CONTROLLED)
1755306 CONTROL, SEARCH LIGHT N/HARNESS
(SPOTLIGHT, 5" REMOTE CONTROLLED)
1501857 HOSE, CONDUIT/SPLIT 1.5" FLAME RETARDANT
(SPOTLIGHT, 5" REMOTE CONTROLLED)
1073097 17 DAVIT, ANCHOR W/4"ROLLER 3/8"BAIL
1727453 ROLLER, ANCHOR DAVIT F/1073097/1784251
1850682 ROLLER, ANCHOR DAVIT SML F/1073097
144956 ROPE, NYLON ANCHOR LINE W/THIMBLE 1/2"X 150'
1145275 ANCHOR SHACKLE, JAW/JAW SWIVEL HVY DTY 3/8"
1733352 ANCHOR, 25LB PLOW
1801007 CHAIN, HIGH TEST 1/4"X 100'GALV
(WINDLASS - LOFRANS MARLIN - CHAIN)
1048743 CHAIN STOP, SS W/LANYARD (WINDLINE)
(WINDLASS - LOFRANS MARLIN - CHAIN)
1745351 ROPE/CHN KT, LOFRANS 1/2"X 100'/1/4"X 20'REV1
(WINDLASS - LOFRANS MARLIN - ROPE/CHAIN)
1775447 18 HATCH, MARS 260/280DA-04 ANCHOR STRG ARW
1480813 LATCH, FLUSH MOUNT ROUND T-HNDL SS W/PAWL
997239 HINGE, SS CONT 1.75"X 14.5" POLISHED
816322 TRIM-SEAL, 3/8" W/5/8"BULB LOC-A
156893 WEBBING, POLYPROPYLENE 1" BLACK
1837053 19 HORN, SGL CONCEALED W/SS GRILL/BLADE TERM
(HULL#1505->UP)
1883588 HORN, SS GRILL ONLY
1413475 HORN, DUAL BLK W/SPADE CONNECTORS SERIES 84
(HULL#1201->1504)
1401736 HORN, GRILL DUAL SS OVERLAY SERIES 84
(HULL#1201->1504)
1770647 20 LIGHT, NAV SIDE SS HORZ 12V W/IMPRVD GASKET
1798179 LIGHT, NAV SIDE SS LENS CVR ONLY(RED/PRT)
1798182 LIGHT, NAV SIDE SS LENS CVR ONLY(GRN/STB)
1423946 BULB, REPL FOR #1414895 12V
1453992 21 PORTLIGHT, OPENING ALL SS 3/8"-7/8" MOD REV1
1454008 22 PORTLIGHT, OPENING ALL SS 3/8"-7/8" FROS REV1
(HEAD ONLY)
834317 23 PORTLIGHT, DEAD LIGHT ONLY
1331727 PORTLIGHT, LENS ONLY FROSTED (BOMAR)
(HEAD ONLY)
1331313 24 PORTLIGHT, SCREEN 3/8"X 7/8"
1513183 25 TRIM RING, PORTLIGHT 3/8" SS
1331735 PORTLIGHT, GASKET ONLY (BOMAR)
1314459 PORTLIGHT, GASKET SATURATED FOAM
1107044 26 PORTLIGHT, HANDLES QUICKDOGS (BOMAR)
866434 27 KNOB, PORTLIGHT KNOB ONLY (BOMAR)
1355585 28 DECK PLATE, WASTE CHR STRAIGHT NCK BLK CODE
1474790 DECK PLATE, CAP W/GASKET
1068592 KEY, DECK PLATE CAP
1109362 29 DECK PLATE, WATER CHR W/VNT 45DG NCK BLUE
1405844 DECK PLATE, CAP W/CHAIN WATER
1068592 KEY, DECK PLATE CAP
897363 30 RUBRAIL, PVC ARCWHT 18' (SS INSERT)
1080100 31 INSERT, RUB RAIL SS 3/4"X 12' (.062/304SS)
1473743 32 COVER, T/F 280DA-01 DECK VENT STBD ARW
1473735 COVER, T/F 280DA-01 DECK VENT PORT ARW
799601 VENT, ABS/DR 300DA BILGE CVR PORT 95
(D6-310DPH (298 PHP) VOLVO DIESEL STERN DR.)
799619 VENT, ABS/DR 300DA BILGE CVR STBD 95
(D6-310DPH (298 PHP) VOLVO DIESEL STERN DR.)
800649 COLLECTOR BOX, DECK VENT ABS PORT 300DA 95
(D6-310DPH (298 PHP) VOLVO DIESEL STERN DR.)
800656 COLLECTOR BOX, DECK VENT ABS STBD 300DA 95
(D6-310DPH (298 PHP) VOLVO DIESEL STERN DR.)
1425354 33 CYLINDER, GAS SS 25PSI 12"EXT X 8"COMP
634592 BRACKET, SS GAS CYL FLAT W/BALL STUD
LABELS
1743532 LABEL, SLING (LEXAN)
1745515 LABEL, WARNING DO NOT STAND/WALK THIS AREA
1746896 LABEL, DANGER STAY CLEAR OF MOVING PARTS
(WINDLASS - LOFRANS MARLIN - ROPE/CHAIN)
(WINDLASS - LOFRANS MARLIN - CHAIN)
1750454 DECAL, SEA RAY OWNERS CLUB (NBOA) RV
1757259 LABEL, GALVANIC ISOLATOR INSTALLED REVERSE...
1791388 DECAL, MERCURY CERTIFIED INSTALLER
1811367 LABEL, DANGER CO TRANSOM 06
1811367 LABEL, DANGER CO TRANSOM 06
NOT SHOWN
1220441 TAPE, FOAM SGL FACE WHT VINYL 3/8"X 72YD
1780392 RAIL, GRAB 7.5" 316L SS W/GASKET
(HULL#1220->UP)
VAC PACK
1727511 EMBLEM, VACPAC SR LOGO W/ISO/CE SML
468934 TAPE, VAC PAK WHT (4"X 36YDS) PRESERVATION
413070 TAPE, VAC PAK WHT (2"X 36YDS) PRESERVATION
1444611 VINYL FILM, VAC PACK SHRINK 7MM X 20'X 298'
524868 VINYL FILM, VAC PACK ZIPPER DOOR 30"X 48"WHT
642504 BUBBLE PACK, ADH 6"X 300'
1793817 VINYL FILM, 280DA-05 PLAS CVR NO ARCH
(TRANS-SHIELD COVER/EXPORT PACKING - INTERNATI)
( COLORED HULL/EXPORT PACKING - INTERNATIONAL)
NOT SHOWN
137349 ACCESS PLATE, PLAS CVR 5" WHT
1441070 PLATE, ALUM 3/16"X 1.5"X 4" BACKING
334672 BUMPER, RECESSED WHT ROUND
836122 BRACKET, PVC 1.5"X 1.5"X 3" 3/16"HOLES
01/02/2008 5

280 SUNDANCER 2006
26
27
1
2
3
22
23
24
67
8
4
5
13 10
11
12
14 9
16
17
18
19 20
15
21
15
28
29
30
28
31
31
33
34
35
36
37
38 34
32
25
39
01/02/2008 6
EXTERIOR (TRANSOM STORAGE AND SWIM PLATFORM)

280 SUNDANCER 2006
EXTERIOR (TRANSOM STORAGE AND SWIM
PLATFORM)
1747836 1 RAIL, GRAB 12" STREAMLINE W/FLANGES (316L)
1811280 2 280DA 06,RTM,LID TRNSM WALL ARCW
1581099 FIRE EXT, DRY CHEM HAND-HELD 1A 10BC 2.5OLB
(SHIP WATER READY)
159244 HOOK, ALUM BOAT HOOK
(SHIP WATER READY)
184341 KIT, FIRST AID
(SHIP WATER READY)
184358 KIT, SIGNAL GUN KIT
(SHIP WATER READY)
184366 RING BUOY, RESCUE RING BUOY 20"
(SHIP WATER READY)
187351 ROPE, NYLON DOCKLINE 1/2"X 30'
(SHIP WATER READY)
579573 CLIP, RETAINER BOAT HOOK 5/8"TO 1 1/4"
(SHIP WATER READY)
773481 TUBE, SIGNAL KIT 12" "UTILITUBE" W/ORANGE LID
(SHIP WATER READY)
796912 FENDER, 8"X 20" WHT #1026
(SHIP WATER READY)
1747838 3 RAIL, GRAB 24" STRMLN W/STUD FLANGES 316L
1338821 4 HINGE, SS STRAP 2.56" X 2.56" X 1/4"
1781434 5 LATCH, FLUSH MNT N/LOCKING SLAM SS
1781435 PLATE, CUP BRKT 2"LONG SCREW W/HDWR PKG
634550 6 BRACKET, SS GAS CYL 90DEG L-BRKT W/BALL LONG
634592 BRACKET, SS GAS CYL FLAT W/BALL STUD
1425362 7 CYLINDER, GAS SS 40PSI 12"EXT X 8"COMP
855809 8 ROPE, DOCKLINE STRAP WHT W/HDWR (SHORT STYLE)
829416 9 INLET, "MAIN BRKR" HOUSING WHT
582445 BRKR/TOGGLE, 2-POLE AC MED DELAY 35A
133678 10 INLET, SHORE POWER WHT 125V 30A
133652 ADAPTER, SHORE CORD 125V/30A(F)-125V/15A(M)
1244367 CORD SET, 120V/30A 50FT POWERCORD PLUS
206268 CORD SET, 220V/50H 16A 50FT
(220 VOLT / 50 CYCLE ELECTRICAL SYSTEM)
206276 INLET, SHORE POWER WHT 220V/50H 16A
(220 VOLT / 50 CYCLE ELECTRICAL SYSTEM)
133694 11 INLET, PHONE/TV CABLE COMBO WHT
(TV 13" FLAT SCREEN W/ DVD - 12 VOLT)
141168 12 INLET, WATER W/PRESS REGULATOR WHT
1096262 13 FAUCET, SILLCOCK WASHDOWN (WHITECAP)
137380 14 LIGHT, NAV STERN FLUSH MT CKPT (COURTESY)
1200369 BULB, REPL FOR #0137380/#0783670
736702 15 FAUCET, WASHDOWN BOX W/MIXER (AQUATIK) VERT
1298710 FAUCET, CARTRIDGE CERAMIC 90DEG LH
1302504 FAUCET, CARTRIDGE CERAMIC 90DEG RH
1302587 16 FAUCET, WASHDOWN DOOR ONLY (AQUATIK)
1742646 LATCH, WASHDOWN DOOR (AQUATIK)
1302603 17 FAUCET, WASHDOWN SPRAYER HEAD ONLY(AQUATIK)
1848792 FAUCET, WASHDOWN RUBBER SHOWERHEAD HLDR
1302595 18 FAUCET, WASHDOWN HOSE W/FPT ONLY(AQUATIK)
1302579 19 FAUCET, WASHDOWN SHOWER UNIT ONLY (AQUATIK)
1742646 20 LATCH, WASHDOWN DOOR (AQUATIK)
1749388 21 GALVANIC ISOLATOR, PROSAFE 30AMP (ISOL ONLY)
1811281 22 280DA 06,SWMPLTFM,FBRGLS
981092 23 INSERT, HDPE OVAL HAWSE HOLE ARW
202481 24 SKI EYE, TRANSOM MT 3/8"X 2.5"DIA X 2.5"LEG
1227412 25 LIGHT, NAV STERN FLUSH MT RND CHR/BRS N/STUDS
901199 BULB, STERN NAV LIGHT REPL #137406-1227412
973842 26 INSERT, HDPE SWMPLTFM W/SR LOGO ARW
743625 27 TRIM, EDGE WHT MOTOR BOX LARGE
1811279 28 280DA 06,HATCH,SWIM LADDER
844753 HINGE, SS CONT 2"X 15" W/1/8" PIN
156893 29 WEBBING, POLYPROPYLENE 1" BLACK
1573112 30 LABEL, LADDER MAINTENANCE
(HULL#1201->1499)
1118314 31 CATCH, RBR SUNPAD HOLD-DOWN
1544121 32 CLEAT, LDPVC 1" X 3" RND SWMPLTFM LID
334672 33 BUMPER, RECESSED WHT ROUND
1473750 34 LADDER, SWIM 3-STEP SS CONCEALED REV2 GUDGNS
1682293 LADDER, SWIM HDWR KIT FOR MRP #1473750
1685191 35 LADDER, SWIM SLIDING GUDGEON ASSY
973446 36 LADDER, TREAD 10 3/8"
909317 37 LADDER, TREAD 11.75"
909325 38 LADDER, TREAD 12 7/8"
1803477
39 STEREO, REMOTE CNTRL N/DSPL BLK FACE/SS BZL
(2ND STEREO REMOTE CONTROL -TRANSOM)
LABELS
1743571 LABEL, DANGER TRANSOM DOOR (LEXAN)
1743616 LABEL, UNPLUG SHORE POWER WARNING
1745125 LABEL, SKI TOW ROPE BACKLASH
1745162 LABEL, LEAVING DOCKSIDE WTR CONNECTED WARNING
1757259 LABEL, GALVANIC ISOLATOR INSTALLED REVERSE...
01/02/2008 7

280 SUNDANCER 2006
EXTERIOR (WINDSHIELD)
1
34
2
6
5
9
8
7
WINDSHIELD COMPLETE
EXTERIOR (WINDSHIELD)
1733414 1 W/S, 280DA-03 CMPLT PAINTED W/SNAP TRACK
1739076 2 W/S, 280DA-03 STB FRNT WING
1478940 3 SUPPORT, W/S 280DA-01 STBD
1739077 4 W/S, 280DA-03 CTR
1319854 5 SUPPORT, W/S 270SDA-00 PORT
1739075 6 W/S, 280DA-03 PRT FRNT WING
1748550 7 WIPER BLADE, 18" FLEX BLACK (AM)
1748549 8 WIPER ARM, 15"-19" BLACK (AM)
1748551 9 WIPER MOTOR, 100 DEG (AM)
1753304 HARNESS, MOTOR AM WIPER 6" PIGTAIL
NOT SHOWN
156893 WEBBING, POLYPROPYLENE 1" BLACK
1739078 W/S, 280DA-03 SCREW CVR
1739079 W/S, 280DA-03 HDWR KIT
1785544 VINYL, W/S GASKET 2005
01/02/2008 8

280 SUNDANCER 2006
EXTERIOR (SPOILER)
8
10
1
11
9
7
2
3
7
5
4
6
12 SIRIUS SATELLITE
EXTERIOR (SPOILER)
1491810 1 FBRGLS PART, 280DA-01 SPORT SPOILER
728014 2 TRACK, VINYL AWNING WHITE "FLEX-A-RAIL" 7.5'
792325 3 ANTENNA, TV GLOMAX ASSY W/CONN
(TV 13" FLAT SCREEN W/ DVD - 12 VOLT)
1803748 MOUNT, ANTENNA TV GLOMAX ASSY W/CONN
(TV 13" FLAT SCREEN W/ DVD - 12 VOLT)
1754418 4 LIGHT, NAV MASTHEAD COMBO #1181 W/18" WIRE
291203 BULB, MASTHEAD NAV LIGHT 24V/10W
646356 BULB, DBL END 12V FOR #0256313/794826
1286913 5 ANTENNA, 8' VALOR 4000 W/O MNT W/O CONN
1481258 MOUNT, RATCHET VHF SS W/GROMET & GASKET
1274588 CONN, SOLDERLESS W/CTR PIN
184648 CONN, COUPLER TYPE PL-258
1443225 6 EMBLEM, S/R WAVE 8" OVAL CHR TRNSM
1227412 7 LIGHT, NAV STERN FLUSH MT RND CHR/BRS N/STUDS
901199 BULB, STERN NAV LIGHT REPL #137406-1227412
137349 8 ACCESS PLATE, PLAS CVR 5" WHT
1558402 9 PLATE, HDPE 280DA-01 SPOILER ACCESS CVR
1576107 10 PLATE, ALUM 1/4"X 2"X 5.5" W/BOLTS ARCH MNT
152967 11 WASHER, FLAT #1/2" SS
152785 NUT, HEX NYLON LOCK #1/2-13 SS
1757933 12 ANTENNA, SHAKESPEARE SATELLITE RADIO ANTENNA
1806416 DECAL, SIRIUS "NOW PLAYING INSIDE"
1808431 DECAL, SIRIUS ACTIVATION ORNG/BLUE 6 MONTH
(HULL#1218->UP)
1773328 DECAL, SIRIUS ACTIVATION ORNG/BLUE
(HULL#1201->1217) (SIRIUS SATELLITE RADIO)
1772076 12 EXTENSION, CABLE 20'/15' FM RECEIVER W/CONN
NOT SHOWN
1589217 HARNESS, 280DA-01 SPOILER OPT REV1
01/02/2008 9

280 SUNDANCER 2006
1
234
5
1
4
6
6
280
280
280
1
23
01/02/2008 10
EXTERIOR (GRAPHICS) BLUE

280 SUNDANCER 2006
EXTERIOR (GRAPHICS) BLUE
1512896 1 EMBLEM, MODEL DESG 280 URETHANE CHR W/BLK
1734158 EMBLEM, MODEL DESG 315 URETHANE BLK
("315DA" MODEL DESIGNATORS)
1443225 2 EMBLEM, S/R WAVE 8" OVAL CHR TRNSM
1756555 3 DECAL, "SUNDANCER" DKBL/SLVR MET
1753016 4 TAPE, M/S 1"W/1/4"VOID SLVR MET/DK BLUE
1756549 5 TAPE, M/S 4"W/1"VOID DKBL/SLVR MET
1443183 6 EMBLEM, "SEA RAY" SCRIPT HULL LOGO CHR 13"
GELCOATS
1452861 GEL COAT, PEARL AIR-DRY (BILGE)
(BILGE)
1558469 GEL COAT, MAXGUARD LE PEARL
(SMALL PARTS)
1317858 GEL COAT, ARCTIC WHT
(HULL/DECK/SMALL PARTS)
1799861 GEL COAT, NICKLE MMHP
(GEL-COATED DASH - NICKEL)
NOT SHOWN
1355338 PAINT, BOTTOM BLACK HYDROCOAT
(BOTTOM PAINT)
01/02/2008 11

280 SUNDANCER 2006
1
234
5
1
4
6
6
280
280
280
1
23
01/02/2008 12
EXTERIOR (GRAPHICS) BLACK

280 SUNDANCER 2006
EXTERIOR (GRAPHICS) BLACK
1512896 1 EMBLEM, MODEL DESG 280 URETHANE CHR W/BLK
1734158 EMBLEM, MODEL DESG 315 URETHANE BLK
("315DA" MODEL DESIGNATORS)
1443225 2 EMBLEM, S/R WAVE 8" OVAL CHR TRNSM
1756554 3 DECAL, "SUNDANCER" BLK/SLVR MET
1753919 4 TAPE, M/S 1"W/1/4"VOID BLK/SLVR MET
1756548 5 TAPE, M/S 4"W/1"VOID BLK/SLVR MET
(NOTE: 150 FOOT ROLL OF TAPE)
1847819 TAPE, M/S 4"W/1"VOID BLK/SLVR MET
(NOTE: 75 FOOT ROLL OF TAPE)
1443183 6 EMBLEM, "SEA RAY" SCRIPT HULL LOGO CHR 13"
GELCOATS
1452861 GEL COAT, PEARL AIR-DRY (BILGE)
(BILGE)
1558469 GEL COAT, MAXGUARD LE PEARL
(SMALL PARTS)
1317858 GEL COAT, ARCTIC WHT
(HULL/DECK/SMALL PARTS)
1799861 GEL COAT, NICKLE MMHP
(GEL-COATED DASH - NICKEL)
NOT SHOWN
1355338 PAINT, BOTTOM BLACK HYDROCOAT
(BOTTOM PAINT)
01/02/2008 13

280 SUNDANCER 2006
EXTERIOR (GRAPHICS) COLORED HULL
1
234
5
1
4
6
6
280
280
280
1
23
7
EXTERIOR (GRAPHICS) COLORED HULL
1512896 1 EMBLEM, MODEL DESG 280 URETHANE CHR W/BLK
1734158 EMBLEM, MODEL DESG 315 URETHANE BLK
("315DA" MODEL DESIGNATORS)
1443225 2 EMBLEM, S/R WAVE 8" OVAL CHR TRNSM
1756555 3 DECAL, "SUNDANCER" DKBL/SLVR MET
(BLUE COLORED HULL)
1756554 DECAL, "SUNDANCER" BLK/SLVR MET
(BLACK & PEWTER COLORED HULL)
1753016 4 TAPE, M/S 1"W/1/4"VOID SLVR MET/DK BLUE
(BLUE COLORED HULL)
1753919 TAPE, M/S 1"W/1/4"VOID BLK/SLVR MET
(BLACK & PEWTER COLORED HULL)
1753015 5 TAPE, SOLID 3" WHT/WELL AMETHYST N/VOID
(BLUE COLORED HULL)
1804765 TAPE, SOLID 3" PRL WHT/BLKMET N/VOID
(BLACK & PEWTER COLORED HULL)
1818018 TAPE, SOLID 3" METSLVR/BLK N/VOID
(CINNABAR COLORED HULL)
1443183 6 EMBLEM, "SEA RAY" SCRIPT HULL LOGO CHR 13"
1799711 7 GEL COAT, MMHP MIDNIGHT BLUE
(BLUE COLORED HULL)
1690845 GEL COAT, JET BLK
(BLACK COLORED HULL)
1799781 GEL COAT, NEW PEWTER VALSPAR
(PEWTER COLORED HULL)
1801663 GEL COAT, CINNABAR PEARL
(CINNABAR COLORED HULL)
GELCOATS
1452861 GEL COAT, PEARL AIR-DRY (BILGE)
(BILGE)
1558469 GEL COAT, MAXGUARD LE PEARL
(SMALL PARTS)
1317858 GEL COAT, ARCTIC WHT
(HULL/DECK/SMALL PARTS)
1799861 GEL COAT, NICKLE MMHP
(GEL-COATED DASH - NICKEL)
NOT SHOWN
1355338 PAINT, BOTTOM BLACK HYDROCOAT
(BOTTOM PAINT/COLORED HULL)
01/02/2008 14

280 SUNDANCER 2006
1
4
72
3
5
6
BIMINI/SUNSHADE/SPOILER
18
15
16
17
CAMPER
END CAP
STRAIGHT
HINGE
JAW SLIDE
36
PULL PIN
28
STRAP EYE
RADIUS
HINGE
32 38
25
31 35
SIDE
SPACER
CANVAS HARDWARE
END CAP JAW SLIDE
26 27 29 30
373433
INSERT PULL PIN
RADIUS
HINGE STRAIGHT
HINGE
SLIDE
19
CAMPER
SIDE CURTAINS
12 PORT
STBD
BIMINI
SIDE CURTAINS
8PORT CTR STBD
VISOR CURTAINS
PORT STBD
22
SHOCK
CORD CLIP
24
23
LACING
KNOB PLASTIC
PULL TAB
910 11
13
14
20
21
NLA
NEW
01/02/2008 15
CANVAS (BLUE)

280 SUNDANCER 2006
CANVAS (BLUE)
1754178 1 CANVAS, 280DA-04 BIM TOP W/ARCH CAP NAVY
1770814 CANVAS, 280DA-04 BIM TOP FAB W/ARCH CAPT NVY
1792225 CANVAS, 280DA-04 BIM TOP W/ARCH VAL CAP NAVY
1754180 CANVAS, 280DA-04 BIM TOP BOOT W/ARCH CAP NAVY
1777144 2 CANVAS, 280DA-04 BIM TOP REAR STANCH/STP
1777141 3 CANVAS, 280DA-04 BIM TOP MAIN BOW W/HDWR
1754182 4 CANVAS, 280DA-04 SNSHD TOP W/ARCH CAP NAVY
1770786 CANVAS, 280DA-04 SNSHD TOP FAB W/ARCH MEDB
1770787 CANVAS, 280DA-04 SNSHD VALANCE MEDB
1777146 5 CANVAS, 280DA-05 SNSHD MAIN BOW W/HDWR
1777145 CANVAS, 280DA-04 SNSHD TOP BOWS W/HDWR
1777147 CANVAS, 280DA-05 SNSHD TOP MNTG PKG
1777148 6 CANVAS, 280DA-04 SNSHD REAR STANCH/STP
1754187 7 CANVAS, 280DA-04 SNSHD AFT CURT CAP NAVY
1754188 8 CANVAS, 280DA-04 VSR CURT W/ARCH 3PC CLR/CPNV
1771389 9 CANVAS, 280DA-04 VSR CURT W/ARCH PRT CLR/CPNV
1771391 10 CANVAS, 280DA-04 VSR CURT W/ARCH CTR CLR/CPNV
1771395 11 CANVAS, 280DA-04 VSR CURT W/ARCH STB CLR/CPNV
1754184 12 CANVAS, 280DA-04 SIDE CURT SET W/ARCH CAP NAV
1771399 13 CANVAS, 280DA-04 SIDE CURT PRT W/ARCH CPT NVY
1771403 14 CANVAS, 280DA-04 SIDE CURT STB W/ARCH CPT NVY
1754192 15 CANVAS, 280DA-04 CAMP CMPLT W/ARC N/BOOT CPNV
1754191 CANVAS, 280DA-04 CAMP TOP BOOT W/ARCH CAP NAV
1770846 CANVAS, 280DA-04 CAMP TOP FAB W/ARC CAPTNVY
1777150 16 CANVAS, 280DA-04 CAMP TOP MAIN BOW W/HDWR
1777153 CANVAS, 280DA-05 CAMP TOP MNTG PKG
1777151 17 CANVAS, 280DA-04 CAMP TOP 2ND BOW W/HDWR
1771407 18 CANVAS, 280DA-04 CAMP AFT CURT W/ARCH CPT NVY
1771411 19 CANVAS, 280DA-04 CAMP SIDE CURT SET/ARCH CPNV
1771415 20 CANVAS, 280DA-04 CAMP SIDE CURT PRT/ARCH CPNV
1771446 21 CANVAS, 280DA-04 CAMP SIDE CURT STB/ARCH CPNV
1778676 22 CLIP, SHOCKCORD/CVR WHT W/ELAS 04
1761645 23 KNOB, SHOCKCORD LACING
1898301 24 CLIP, WHT TAB ZIP PULL W/1/8"X5" CORD
(REPLACED 1778677)
1778677 CLIP, WHT PLAS TAB W/CORD
(NO LONGER AVAILABLE, REPLACED BY 1898301)
221085 25 CAP, SS EYE END 7/8"
1760354 26 CAP, SS EYE END BALL/SOCKET TYPE
1760358 27 INSERT, DECK HINGE BALL/SOCKET BLK
439307 28 SLIDE, JAW SLIDE 7/8"
1760355 29 SLIDE, JAW SLIDE BALL/SOCKET TYPE SS
1760595 30 PIN, PULL BALL/SOCKET TYPE W/RING LNYRD BLK
1357854 31 PIN, PULL 1.25" TOGGLE W/RING LNYRD SPRING SS
174953 32 HINGE, DECK CONCAVE 1" SS CONV TOP
1760357 33 HINGE, DECK RADIUS BALL/SOCKET TYPE SS
1536051 34 SLIDE, W/S CANVAS TRACK PORT
1536069 SLIDE, W/S CANVAS TRACK STBD
1738744 KNOB, W/S CANVAS TRACK PRT & STB
580688 35 SPACER, SIDE CURTAIN 7/8"
174995 36 HINGE, DECK FLAT 1" CONV TOP SS
1760356 37 HINGE, DECK FLAT BALL/SOCKET TYPE SS
195412 38 EYE, STRAP EYE (SNAP EYE) CHROME (CONV TOP)
COCKPIT COVER
1754193 CANVAS, 280DA-04 BIM CPC W/ARCH CAP NAVY
1754222 CANVAS, 280DA-04 CPC W/CAMP W/ARCH CAP NAVY
1811351 POLE, TONNEAU/CKPT CVR SUPPORT ADJ
INTERIOR CARPET RUNNER
1811327 280DA 06,CANVAS,CARPET RNR SET TST
1180025 CANVAS, SUNBRELLA TOAST TWEED 60"
1218205 BINDING, CANVAS 1" TOAST TWEED SNBRLA
NOT SHOWN
963876 CANVAS, SPBOAT STRG BAG 10X80 XLRG GREY 97
01/02/2008 16

280 SUNDANCER 2006
1
4
72
3
5
6
BIMINI/SUNSHADE/SPOILER
18
15
16
17
CAMPER
END CAP
STRAIGHT
HINGE
JAW SLIDE
36
PULL PIN
28
STRAP EYE
RADIUS
HINGE
32 38
25
31 35
SIDE
SPACER
CANVAS HARDWARE
END CAP JAW SLIDE
26 27 29 30
373433
INSERT PULL PIN
RADIUS
HINGE STRAIGHT
HINGE
SLIDE
19
CAMPER
SIDE CURTAINS
12 PORT
STBD
BIMINI
SIDE CURTAINS
8PORT CTR STBD
VISOR CURTAINS
PORT STBD
22
SHOCK
CORD CLIP
24
23
LACING
KNOB PLASTIC
PULL TAB
910 11
13
14
20
21
NLA
NEW
01/02/2008 17
CANVAS (BLACK)

280 SUNDANCER 2006
CANVAS (BLACK)
1653088 1 CANVAS, 280DA-02 BIM TOP W/ARCH BLK
1770816 CANVAS, 280DA-04 BIM TOP FAB W/ARCH BLK
1792240 CANVAS, 280DA-02 BIM TOP W/ARCH VAL BLK
1653104 CANVAS, 280DA-02 BIM TOP BOOT W/ARCH BLK
1777144 2 CANVAS, 280DA-04 BIM TOP REAR STANCH/STP
1777141 3 CANVAS, 280DA-04 BIM TOP MAIN BOW W/HDWR
1653195 4 CANVAS, 280DA-02 SNSHD TOP W/ARCH BLK
1653252 CANVAS, 280DA-02 SNSHD VALANCE BLK
1777146 5 CANVAS, 280DA-05 SNSHD MAIN BOW W/HDWR
1777145 CANVAS, 280DA-04 SNSHD TOP BOWS W/HDWR
1777147 CANVAS, 280DA-05 SNSHD TOP MNTG PKG
1777148 6 CANVAS, 280DA-04 SNSHD REAR STANCH/STP
1756866 7 CANVAS, 280DA-04 SNSHD AFT CURT BLK
1653153 8 CANVAS, 280DA-02 VSR CURT W/ARCH 3PC CLR/BLK
1784427 9 CANVAS, 280DA-04 VSR CURT W/ARCH PRT CLR/BLK
1771393 10 CANVAS, 280DA-04 VSR CURT W/ARCH CTR CLR/BLK
1771397 11 CANVAS, 280DA-04 VSR CURT W/ARCH STB CLR/BLK
1653112 12 CANVAS, 280DA-02 SIDE CURT SET W/ARCH BLK
1771401 13 CANVAS, 280DA-04 SIDE CURT PRT W/ARCH BLK
1771405 14 CANVAS, 280DA-04 SIDE CURT STB W/ARCH BLK
1756867 15 CANVAS, 280DA-04 CAMP CMPLT W/ARC N/BOOT BLK
1653310 CANVAS, 280DA-02 CAMP TOP BOOT W/ARCH BLK
1770851 CANVAS, 280DA-04 CAMP CMPLT FAB W/ARC BLK
1777150 16 CANVAS, 280DA-04 CAMP TOP MAIN BOW W/HDWR
1777153 CANVAS, 280DA-05 CAMP TOP MNTG PKG
1777151 17 CANVAS, 280DA-04 CAMP TOP 2ND BOW W/HDWR
1771409 18 CANVAS, 280DA-04 CAMP AFT CURT W/ARCH BLK
1771413 19 CANVAS, 280DA-04 CAMP SIDE CURT SET/ARCH BLK
1771417 20 CANVAS, 280DA-04 CAMP SIDE CURT PRT/ARCH BLK
1771448 21 CANVAS, 280DA-04 CAMP SIDE CURT STB/ARCH BLK
1778676 22 CLIP, SHOCKCORD/CVR WHT W/ELAS 04
1761645 23 KNOB, SHOCKCORD LACING
1898301 24 CLIP, WHT TAB ZIP PULL W/1/8"X5" CORD
(REPLACED 1778677)
1778677 CLIP, WHT PLAS TAB W/CORD
(NO LONGER AVAILABLE, REPLACED BY 1898301)
221085 25 CAP, SS EYE END 7/8"
1760354 26 CAP, SS EYE END BALL/SOCKET TYPE
1760358 27 INSERT, DECK HINGE BALL/SOCKET BLK
439307 28 SLIDE, JAW SLIDE 7/8"
1760355 29 SLIDE, JAW SLIDE BALL/SOCKET TYPE SS
1760595 30 PIN, PULL BALL/SOCKET TYPE W/RING LNYRD BLK
1357854 31 PIN, PULL 1.25" TOGGLE W/RING LNYRD SPRING SS
174953 32 HINGE, DECK CONCAVE 1" SS CONV TOP
1760357 33 HINGE, DECK RADIUS BALL/SOCKET TYPE SS
1536051 34 SLIDE, W/S CANVAS TRACK PORT
1536069 SLIDE, W/S CANVAS TRACK STBD
1738744 KNOB, W/S CANVAS TRACK PRT & STB
580688 35 SPACER, SIDE CURTAIN 7/8"
174995 36 HINGE, DECK FLAT 1" CONV TOP SS
1760356 37 HINGE, DECK FLAT BALL/SOCKET TYPE SS
195412 38 EYE, STRAP EYE (SNAP EYE) CHROME (CONV TOP)
COCKPIT COVER
1756868 CANVAS, 280DA-04 BIM CPC W/ARCH BLK
1756869 CANVAS, 280DA-04 CPC W/CAMP W/ARCH BLK
1811351 POLE, TONNEAU/CKPT CVR SUPPORT ADJ
INTERIOR CARPET RUNNER
1811327 280DA 06,CANVAS,CARPET RNR SET TST
1180025 CANVAS, SUNBRELLA TOAST TWEED 60"
1218205 BINDING, CANVAS 1" TOAST TWEED SNBRLA
NOT SHOWN
963876 CANVAS, SPBOAT STRG BAG 10X80 XLRG GREY 97
01/02/2008 18

280 SUNDANCER 2006
1
4
72
3
5
6
BIMINI/SUNSHADE/SPOILER
18
15
16
17
CAMPER
END CAP
STRAIGHT
HINGE
JAW SLIDE
36
PULL PIN
28
STRAP EYE
RADIUS
HINGE
32 38
25
31 35
SIDE
SPACER
CANVAS HARDWARE
END CAP JAW SLIDE
26 27 29 30
373433
INSERT PULL PIN
RADIUS
HINGE STRAIGHT
HINGE
SLIDE
19
CAMPER
SIDE CURTAINS
12 PORT
STBD
BIMINI
SIDE CURTAINS
8PORT CTR STBD
VISOR CURTAINS
PORT STBD
22
SHOCK
CORD CLIP
24
23
LACING
KNOB PLASTIC
PULL TAB
910 11
13
14
20
21
NLA
NEW
01/02/2008 19
CANVAS (WHITE)

280 SUNDANCER 2006
CANVAS (WHITE)
1819688 1 CANVAS, 280DA-06 BIM TOP W/ARCH WHT
1820354 CANVAS, 280DA-06 BIM TOP FAB W/ARCH STAMOID
1819690 CANVAS, 280DA-06 BIM TOP BOOT W/ARCH WHT
1820355 CANVAS, 280DA-06 BIM TOP W/ARCH VAL STAMOID
1777144 2 CANVAS, 280DA-04 BIM TOP REAR STANCH/STP
1777141 3 CANVAS, 280DA-04 BIM TOP MAIN BOW W/HDWR
1819691 4 CANVAS, 280DA-06 SNSHD TOP W/ARCH WHT
1820356 CANVAS, 280DA-06 SNSHD TOP FAB W/ARCH STAMOID
1820357 CANVAS, 280DA-06 SNSHD VAL STAMOID
1777146 5 CANVAS, 280DA-05 SNSHD MAIN BOW W/HDWR
1777145 CANVAS, 280DA-04 SNSHD TOP BOWS W/HDWR
1777147 CANVAS, 280DA-05 SNSHD TOP MNTG PKG
1777148 6 CANVAS, 280DA-04 SNSHD REAR STANCH/STP
1819694 7 CANVAS, 280DA-06 SNSHD AFT CURT WHT
1819696 8 CANVAS, 280DA-06 VSR CURT W/ARCH 3PC CLR/WHT
1820358 9 CANVAS, 280DA-06 VSR CURT W/ARCH PRT CLR/STAM
1820359 10 CANVAS, 280DA-06 VSR CURT W/ARCH CTR CLR/STAM
1820360 11 CANVAS, 280DA-06 VSR CURT W/ARCH STB CLR/STAM
1819693 12 CANVAS, 280DA-06 SIDE CURT SET W/ARCH WHT
1820361 13 CANVAS, 280DA-06 SIDE CURT PRT W/ARCH STAMOID
1820362 14 CANVAS, 280DA-06 SIDE CURT STB W/ARCH STAMOID
1819698 15 CANVAS, 280DA-06 CAMP CMPLT W/ARC N/BOOT WHT
1819697 CANVAS, 280DA-06 CAMP TOP BOOT W/ARCH WHT
1820363 CANVAS, 280DA-06 CAMP TOP FAB W/ARC STAMOID
1777150 16 CANVAS, 280DA-04 CAMP TOP MAIN BOW W/HDWR
1777153 CANVAS, 280DA-05 CAMP TOP MNTG PKG
1777151 17 CANVAS, 280DA-04 CAMP TOP 2ND BOW W/HDWR
1820364 18 CANVAS, 280DA-06 CAMP AFT CURT W/ARCH STAMOID
1820365 19 CANVAS, 280DA-06 CAMP SIDE CURT SET/ARCH STAM
1820366 20 CANVAS, 280DA-06 CAMP SIDE CURT PRT/ARCH STAM
1820367 21 CANVAS, 280DA-06 CAMP SIDE CURT STB/ARCH STAM
1778676 22 CLIP, SHOCKCORD/CVR WHT W/ELAS 04
1761645 23 KNOB, SHOCKCORD LACING
1898301 24 CLIP, WHT TAB ZIP PULL W/1/8"X5" CORD
(REPLACED 1778677)
1778677 CLIP, WHT PLAS TAB W/CORD
(NO LONGER AVAILABLE, REPLACED BY 1898301)
221085 25 CAP, SS EYE END 7/8"
1760354 26 CAP, SS EYE END BALL/SOCKET TYPE
1760358 27 INSERT, DECK HINGE BALL/SOCKET BLK
439307 28 SLIDE, JAW SLIDE 7/8"
1760355 29 SLIDE, JAW SLIDE BALL/SOCKET TYPE SS
1760595 30 PIN, PULL BALL/SOCKET TYPE W/RING LNYRD BLK
1357854 31 PIN, PULL 1.25" TOGGLE W/RING LNYRD SPRING SS
174953 32 HINGE, DECK CONCAVE 1" SS CONV TOP
1760357 33 HINGE, DECK RADIUS BALL/SOCKET TYPE SS
1536051 34 SLIDE, W/S CANVAS TRACK PORT
1536069 SLIDE, W/S CANVAS TRACK STBD
1738744 KNOB, W/S CANVAS TRACK PRT & STB
580688 35 SPACER, SIDE CURTAIN 7/8"
174995 36 HINGE, DECK FLAT 1" CONV TOP SS
1760356 37 HINGE, DECK FLAT BALL/SOCKET TYPE SS
195412 38 EYE, STRAP EYE (SNAP EYE) CHROME (CONV TOP)
COCKPIT COVER
1819700 CANVAS, 280DA-06 BIM CPC W/ARCH WHT
1819701 CANVAS, 280DA-06 CPC W/CAMP W/ARCH WHT
1811351 POLE, TONNEAU/CKPT CVR SUPPORT ADJ
INTERIOR CARPET RUNNER
1811327 280DA 06,CANVAS,CARPET RNR SET TST
1180025 CANVAS, SUNBRELLA TOAST TWEED 60"
1218205 BINDING, CANVAS 1" TOAST TWEED SNBRLA
NOT SHOWN
963876 CANVAS, SPBOAT STRG BAG 10X80 XLRG GREY 97
01/02/2008 20

280 SUNDANCER 2006
1
23
6
8
7
4
5
24
28
630
833
24
37
6
23
22 34
31
25
29
31
26 27
36
35
17
20
19
18
21
TRANSOM DOOR
PORT SIDE
STARBOARD SIDE
9
11
12
13
14
15
16
10
CABIN ENTRY
44
38 46
39
47
45 49
48
43
40 41
42
AFT
32
50
01/02/2008 21
COCKPIT

280 SUNDANCER 2006
COCKPIT
1783214 1 DOOR, STRG W/20"X 11" ARW FRAME W/SS STHCO
1685901 2 PANEL, 280DA/290BR/SS-02 MDC BRKR SE GAS/DSL
1479310 PANEL, BLANK:280DA/290BR/SS-01 MDC BRKR
1746901 3 LABEL, CAUTION BATTERY SWITCH OFF/ALT DAMAGED
1726840 4 SWITCH, BATTERY SEL W/O LOCK W/O DISC REV 1
1726841 5 SWITCH, BATTERY ON/OFF N/LCK N/DISC RV1
(T-4.3L MPI ALPHA ( T-220 PHP ) MCM STERN DR)
(T-5.0L MPI BR 3 ( T-260 PHP ) MCM STERN DR)
(T-4.3L MPI BR 3 ( T-220 PHP ) MCM STERN DR)
136150 SWITCH, BATTERY ON/OFF DSL W/DISC
(D6-310DPH (298 PHP) VOLVO DIESEL STERN DR.)
1690557 6 SPEAKER, COAXIAL 6.5" N/CVR
1690558 GRILL, SPEAKER 6.5" ACOM WHT
701904 WIRE, 16/2 RED/CLR SPKR OXYGEN-FREE CPR
1784476 SPEAKER, POLK/MOMO 6.5"MD-RNG/TWTR/CRSOVR WHT
(GRILL NOT SOLD SEPARATELY AT THIS TIME)
(PREMIUM COCKPIT SOUND SYSTEM - 12 VOLT)
1764471 SPEAKER, POLK/MOMO 10" SUBWOOFER RV1
(PREMIUM COCKPIT SOUND SYSTEM - 12 VOLT)
1774181 GRILL, 10" SUBWOOFER POLK/MOMO G10 WHT
(PREMIUM COCKPIT SOUND SYSTEM - 12 VOLT)
1185081 BRKR, SURF MNT THERMAL 50AMP MANUAL RESET
(PREMIUM COCKPIT SOUND SYSTEM - 12 VOLT)
1758576 CABLE, RCA AUDIO EFX-2 "Y" ADAPTER
(PREMIUM COCKPIT SOUND SYSTEM - 12 VOLT)
1760136 HARNESS, 280DA-04 CKPT SYS
(PREMIUM COCKPIT SOUND SYSTEM - 12 VOLT)
1764470 PLUG, HOLE M BRKR
(PREMIUM COCKPIT SOUND SYSTEM - 12 VOLT)
1783978 BRKR, SURF MNT THERMAL 30AMP MANUAL RESET CB
(PREMIUM COCKPIT SOUND SYSTEM - 12 VOLT)
960666 7 WINDOW, CKPT SEAT 9"X 30"W/34"RAD 290SDA 97
968164 SCREEN, CKPT SEAT 9"X 30" 290SDA 97
1750874 8 HOLDER, DRINK SS 3-RING 3" (KING)
1811255 9 280DA 06,DOOR,CABIN ENTR
(SPECIFY WHITE OR NICKEL)
1780215 10 NOSING, ALUM 5/8"X 12' T-1 ROUNDED BRUSHED
1479906 11 LOCK, CABIN DOOR OVAL SS FLUSH #7482
1286947 12 STOP, HDPE 3/4"X 2"X 4" ENTRYWAY DOOR ARW
1491737 13 RAIL, GRAB SS CABIN ENTRYWAY
1340959 14 STOP, SLIDING DOOR/WINDOW CHR HVY DTY
1762782 15 TRACK, ALUM ANOD SLIDE ASSY 43"UPR/50"LWR RV2
1508498 16 THRESHOLD, SS 280DA-01 ENTRYWAY
1649318 17 DOOR, HDPE 280DA-02 TRNSM
156893 18 WEBBING, POLYPROPYLENE 1" BLACK
1518752 19 BOLT, BARREL TRANS DOOR FOR# 1196658
190579 BUSHING, NYLON 0.76"OD X 3/8"SHAFT
1743571 20 LABEL, DANGER TRANSOM DOOR (LEXAN)
844753 21 HINGE, SS CONT 2"X 15" W/1/8" PIN
1154095 22 PEDESTAL, ALUM ADJ 11.25"-14.25" RIBBED/DELCP
1754578 23 SLIDE ASSY, SEAT MILLENIUM 10.5" M/H LONG HDL
1762918 HANDLE, MILLENNIUM SEAT SLIDE LONG W/O GRIP
1762920 CAP, RUBBER MILLENIUM SLIDE HANDLE GRIP
1762921 HANDLE, MILLENNIUM SLIDE C-T ADJUSTER
1762922 PIN, ROLL MILLENNIUM SLIDE CAM LEVER
1762923 SCREW, MILLENNIUM SLIDE SMALL CAM LEVER
1762924 LEVER, MILLENNIUM SLIDE SMALL CAM
137380 24 LIGHT, NAV STERN FLUSH MT CKPT (COURTESY)
1200369 BULB, REPL FOR #0137380/#0783670
1783292 25 DOOR, STRG 9"X 17"WHT FRAME RH EXT W/SS STHCO
1765726 HINGE, SS 1 1/16"X 17" PIANO
1781434 LATCH, FLUSH MNT N/LOCKING SLAM SS
1781436 PLATE, FLAT BRKT 2"SHORT SCREW W/HDWR PKG
1752709 26 PLATE, NMMA YACHT CERT GAS
1142520 PLATE, CE OPT B:10PERSON/1180KG
(CE OPTION GROUP)
1741221 LABEL, STICKER 280DA CANADIAN CONFORMITY
(CANADIAN CONFORMITY STICKER)
598169 27 HALON CABLE, MANUAL PULL CABLE 18'
609081 HALON SYS, MANUAL/AUTO 150CF
1642263 FIRE EXT SYS, FM200 150CF GAS/DSL-MAN/AUTO
(CE OPTION GROUP)
(FIRE SUPPRESSION FM 200-CANADA & AUSTRALIA)
1799844 HALON SYS, INDICATOR LIGHT 12V GRN
(CE OPTION GROUP)
(FIRE SUPPRESSION FM 200-CANADA & AUSTRALIA)
1148857 HALON SYS, ENG INTRUPT/RESTRT 12V 5-CKT
(D6-310DPH (298 PHP) VOLVO DIESEL STERN DR.)
1512953 28 INSERT, HDPE 280DA-01 THRTL BOX/DRNKHLDR WHT
1799559 INSERT, HDPE 280DA-05 THRTL BOX/DRNKHLDR NCKL
(GEL-COATED DASH - NICKEL)
145136 29 RECEPTACLE, CORR RESISTANT GREY
180067 COVER PLATE, WATERPROOF RECEPT W/2 DOORS
1787565 29 RECEPTACLE, LEVITON EXT W/CVR 220/50 GERMAN
(220 VOLT / 50 CYCLE ELECTRICAL SYSTEM)
627737 BOX, RECEPTACLE/SWITCH PVC 1-GANG DEEP
1775010 30 FAUCET, FOLD DOWN SGL TAP CHR
1476522 31 LID, HDPE 280DA-01 COOLER WET BAR ARW
1476514 SINK, V/F WET BAR ARW 280DA-01
583427 DRAIN, W/PLUG 100DEG 3/4"BARB CHR
1734472 DRAIN ASSY, STOPPER #4202 MED BLK
1476324 COOLER, 280DA-01 WET BAR ARW
814012 32 COOLER, 36QT
819656 COOLER, TIE DOWN IGLOO
1753794 33 RAIL, GRAB 280DA-04 WETBAR FWD 316L SS
1783218 34 DOOR, STRG 17 X 20 280DA-05 ARWFRM W/SS STHCO
154369 35 SNAP STUD, W/#8 X 3/8" PH SS
334672 36 BUMPER, RECESSED WHT ROUND
1783294 37 DOOR, STRG N/NTCH W/17X17 WHT FRM L/R W/STHCO
1197912 38 INSERT, LEG SOCKET WHT PLAS (CUSTOM)
1199249 39 SHIM, HDPE 260DA-99 CKPT AFT FOLDAWAY SEAT
1118314 40 CATCH, RBR SUNPAD HOLD-DOWN
1048099 41 SUPPORT, SWING LEG W/HINGED BASE 1"X 11.25"
590646 42 CLIP, POLE STRG BLK - MAST LIGHT
1683350 43 PULL, FLUSH HATCH SS T-HNDL
876961 44 BASE, LEG/POST FLUSH MT ALUM
1496868 45 POST, TABLE COLUMN "L" SHAPED 2.25" X 37"
864157 46 TABLE, T/F CKPT ROUND ARW 96
1496223 47 SUPPORT, TABLE SIDE MNT 2.25 ANOD
1811323 48 280DA 06,HATCH,ENG
804740 49 INSERT, LEG SOCKET BLACK 1" (CUSTOM)
1838562 50 280DA 06,BOX,SHIFTER FBRGLS
LABELS
1743534 LABEL, FRESH WATER (LEXAN)
1745162 LABEL, LEAVING DOCKSIDE WTR CONNECTED WARNING
1745512 LABEL, STAY CLEAR OF MOVING PARTS ON ENGINE
1746901 LABEL, CAUTION BATTERY SWITCH OFF/ALT DAMAGED
1752709 PLATE, NMMA YACHT CERT GAS
1764402 LABEL, 7/16"X 7/8" CKPT STEREO CHG ADH/SUBSTR
(PREMIUM COCKPIT SOUND SYSTEM - 12 VOLT)
NOT SHOWN
1546274 SHELF, LDPVC 290BR-01 REFRIGERATOR
1551605 HOLDER, PVC 280DA-01 CKPT TABLE FACE GRY
1676816 T-MOLD, VINYL INSERT 5/8" POL CHR (FLEX)
178517 VELCRO, LOOP WHT 2"
826453 SHIM, DOOR STRIKER
836122 BRACKET, PVC 1.5"X 1.5"X 3" 3/16"HOLES
995647 BUMPER, BLACK .77W"X .38H" SCR DN PLAS ROUND
835819 BRACKET, ALUM 1"X 1"X 6" 3/16"HOLES
01/02/2008 22

280 SUNDANCER 2006
123
4
5
7
8
9
13
12
14
18
10
11
STBD FWD
23
22
21
20
19
15
16
17
TRAILER SWITCH
SUPPLIED BY MERCURY
6
01/02/2008 23
COCKPIT (HELM)

280 SUNDANCER 2006
COCKPIT (HELM)
1472042 1 COMPASS, FLUSH MT 4 3/16" WHT
1472802 COMPASS, FLUSH MT 4 3/16" BLK
(GEL-COATED DASH - NICKEL)
1657816 BULB, COMPASS REPL (141788/156026/783761)
1804847 2 VISOR, DASH 280DA-06 NCKL
1718679 3 PANEL, 280DA-03 INST GAS UPR S/S-CRFT
1754748 4 PANEL, 280DA-04 INST GAS LWR N/CUTOUTS
1689853 5 GAUGE, FUEL LEVEL S-CRFT 2"
1836828 6 DEPTH FINDER, TECHSONIC GRN LIGHT REV 1
(HULL#1512->UP) (KAD 300 EDC/DP (268 PHP) VOLVO STERN
DR DSL)
1760288 DEPTH FINDER, TECHSONIC GRN LIGHT
(HULL#1201->1511) (KAD 300 EDC/DP (268 PHP) VOLVO STERN
DR DSL)
1689909 7 RADIO, VHF RAYTHEON RAY 215
1749619 RADIO, FIST MICROPHONE W/CRADLE & HDWR
1789109 RADIO, VHF CRADLE ONLY RAYTHEON RAY 215
1784032 RADIO, VHF RAYTHEON RAY 215 SUN CVR
1749620 SPEAKER, POWER/OPT SPEAKER/NMEA CABLE
1689914 FLUSH MOUNT KIT, RAY-215 VHF RADIO MNT
1810626 8 MODULE, ELEC SWPAD S-CRUISER STBD CNVX RV3
(HULL#1439->UP)
1718618 MODULE, ELEC SWPAD S-CRUISER STBD CNVX RV2
(HULL#1201->1438)
1755306 9 CONTROL, SEARCH LIGHT N/HARNESS
(SPOTLIGHT, 5" REMOTE CONTROLLED)
1287283 10 RECEPTACLE, FEMALE 12V LONG THRD BLK
1259977 PLATE, FEMALE 12V RECEPTACLE MNT
1744738 11 LABEL, RECEPTACLE 12V-15A MAX (LEXAN)
1483361 12 PANEL, 280DA-01 EXTNGSHR INDCTR
137786 PLUG, HOLE 5/16" BLK
(DELETE HALON, PLUG HOLES IN DASH, NO CREDIT)
1783219 13 DOOR, STRG W/13"X 25" ARW FRAME W/SS STHCO
1799558 DOOR, STRG W/13"X 25" NCKL FRAME W/SS STHCO
(GEL-COATED DASH - NICKEL)
1810625 14 MODULE, ELEC SWPAD S-CRUISER PRT CNVX 06
(HULL#1412->UP)
1606581 MODULE, ELEC SWPAD SPORT CRUISER PRT CNVX
(HULL#1201->1411)
1505965 15 PLUG, ROCKER SWITCH BLK CONTURA-4
1457167 16 ACTUATOR, ROCK BLK W/O LENS ENG STRT CNTRL4
1526698 BODY, ROCK SW DPST MOM W/O BARRIER
1457159 17 ACTUATOR, ROCK BLK W/O LENS ENG STRT/STP CNT4
670521 BODY, ROCK SW 2 CKT PROG
1799348 18 STEREO, REMOTE CNTRL W/DSPL BLK FACE/SS BZL
1312750 CABLE, CLARION REMOTE EXTENSION CABLE 24'
935080 CABLE, CLARION DUAL REMOTE "Y"
(2ND STEREO REMOTE CONTROL -TRANSOM)
( PREMIUM COCKPIT SOUND SYSTEM - 12 VOLT)
1227412 19 LIGHT, NAV STERN FLUSH MT RND CHR/BRS N/STUDS
901199 BULB, STERN NAV LIGHT REPL #137406-1227412
1810624 20 MODULE, ELEC INTERFACE FWD S-CRUISER RV4
(HULL#1420->UP)
1718630 MODULE, ELEC INTERFACE FWD S-CRUISER RV3
(HULL#1201->1419)
1810623 MODULE, ELEC INTERFACE AFT S-CRUISER RV4
(HULL#1420->UP)
1759175 MODULE, ELEC INTERFACE AFT S-CRUISER RV3
(HULL#1201->1419)
1783292 21 DOOR, STRG 9"X 17"WHT FRAME RH EXT W/SS STHCO
1765726 HINGE, SS 1 1/16"X 17" PIANO
1781434 LATCH, FLUSH MNT N/LOCKING SLAM SS
1781436 PLATE, FLAT BRKT 2"SHORT SCREW W/HDWR PKG
180067 22 COVER PLATE, WATERPROOF RECEPT W/2 DOORS
627737 BOX, RECEPTACLE/SWITCH PVC 1-GANG DEEP
145136 RECEPTACLE, CORR RESISTANT GREY
1787565 RECEPTACLE, LEVITON EXT W/CVR 220/50 GERMAN
(220 VOLT / 50 CYCLE ELECTRICAL SYSTEM)
140327 23 ALARM, BUZZER HIGH WATER
LABELS
1743548 LABEL, WARNING RUNNING BOAT W/DOOR OPEN
1745513 LABEL, WARNING LEAKING FUEL
1745519 LABEL, DANGER SHUT OFF ENG WHEN NEAR SWIMMERS
1746899 LABEL, DANGER CARBON MONOXIDE (LEXAN)
1749696 LABEL, DANGER COMBO-GAS POWERED BOAT RV1
1752709 PLATE, NMMA YACHT CERT GAS
1811368 LABEL, DANGER CO HELM 06
1811368 LABEL, DANGER CO HELM 06
NOT SHOWN
1726995 ACC PART, MERC ALARM BUZZER W/HARNESS
621508 TRIM, PLAS ANGLE 15/16"X 15/16" TAPERED WHT
1802211 TRIM, PLAS ANGL 15/16"X15/16"TAPRD WRMGRY/NKL
(GEL-COATED DASH - NICKEL)
912774 NOSING, VINYL 1"X 1/4"X 12' RIGID SR WHT
1802210 NOSING, VINYL 1"X 1/4"X 10' WARM GRY/NCKL
(GEL-COATED DASH - NICKEL)
634998 BOX, V/F 7.75"X 5"X 3" BLANK
01/02/2008 24

280 SUNDANCER 2006
FE
1/2
PSI
050 100
100
130
220
170
F'
1
2
34
5
6
7
8
25
40
30
50
MPH
10
20
35
45
4
5
6
0000
RPM
2
00
0
1
3
x1000
SINGLE ENGINE
SECONDARY
DN UP
01/02/2008 25
INSTRUMENT PANELS

280 SUNDANCER 2006
INSTRUMENT PANELS
1718679 1 PANEL, 280DA-03 INST GAS UPR S/S-CRFT
1765964 PANEL, BLANK:280DA-04 INST UPR MLL
(D6-310DPH (298 PHP) VOLVO DIESEL STERN DR.)
1690031 2 GAUGE, ENG TRIM S-CRFT 2"
1769498 GAUGE, TRIM TELE (MERC) MLSS A/F W/PIGTAIL
(D6-310DPH (298 PHP) VOLVO DIESEL STERN DR.)
1690380 NUT, LOCK 52MM SPIN LOCK VDO
1689917 3 GAUGE, LINK SPEED 3" S-CRFT 0-70MPH
1767745 GAUGE, SPEEDO 65 MPH 3" W/PIGTL
(D6-310DPH (298 PHP) VOLVO DIESEL STERN DR.)
1690381 NUT, LOCK 85MM SPIN LOCK VDO
631754 PICK-UP, SPEEDOMETER
(D6-310DPH (298 PHP) VOLVO DIESEL STERN DR.)
(KAD 300 EDC/DP (268 PHP) VOLVO STERN DR DSL)
800896 PICK-UP, SPEEDOMETER KIT W/O HOSE 130SR
(D6-310DPH (298 PHP) VOLVO DIESEL STERN DR.)
(KAD 300 EDC/DP (268 PHP) VOLVO STERN DR DSL)
1777617 4 GAUGE, SYS TACH 3" S-CRFT 0-7000RPM RV2
1767743 GAUGE, TACH/HOUR 3"4K MAG P/U 30T VOL W/PIGTL
(D6-310DPH (298 PHP) VOLVO DIESEL STERN DR.)
1690381 NUT, LOCK 85MM SPIN LOCK VDO
1689852 5 GAUGE, OIL PRESS 100 PSI S-CRFT 2"
1767748 GAUGE, OIL PRESS 0-100 2" 12V W/PIGTL
(D6-310DPH (298 PHP) VOLVO DIESEL STERN DR.)
1690380 NUT, LOCK 52MM SPIN LOCK VDO
1689851 6 GAUGE, TEMP 250F S-CRFT 2"
1767749 GAUGE, WATER TEMP 240 DEG 12V MLSS W/PIGTL
(D6-310DPH (298 PHP) VOLVO DIESEL STERN DR.)
1690380 NUT, LOCK 52MM SPIN LOCK VDO
1689853 7 GAUGE, FUEL LEVEL S-CRFT 2"
1767746 GAUGE, FUEL 2" SGL STA 12V W/PIGTL
(D6-310DPH (298 PHP) VOLVO DIESEL STERN DR.)
1690380 NUT, LOCK 52MM SPIN LOCK VDO
1754748 8 PANEL, 280DA-04 INST GAS LWR N/CUTOUTS
1753240 PANEL, 280DA-03 INST VOLVO LWR A/F
(D6-310DPH (298 PHP) VOLVO DIESEL STERN DR.)
NOT SHOWN
123661 CLAMP, LOOM VINYL DIP 1"
1324334 BUSS BAR, MINIBUS BAR DC
1754589 TRANSDUCER, TECHSONIC
(D6-310DPH (298 PHP) VOLVO DIESEL STERN DR.)
1767747 GAUGE, VOLTMETER 10-16V SR 2" W/PIGTL
(KAD 300 EDC/DP (268 PHP) VOLVO STERN DR DSL)
1836830 ADAPTER, HMNGBRD DEPTH/TRNSDCR
(KAD 300 EDC/DP (268 PHP) VOLVO STERN DR DSL)
01/02/2008 26

280 SUNDANCER 2006
INSTRUMENT PANEL (TWIN GAS)
25
40
30
50
MPH
10
20
35
45 4
5
6
0000
RPM
2
00
0
1
3
x1000
4
5
6
00
00
RPM
2
00
0
1
3
x1000
1
23
4
4
2
TWIN ENGINE
PROG
DISC
BAND
MUTE
FUNC
PWR
SEARCH
VOLUME
5
8
6
SECONDARY WITH TWIN ENGINE
F
E
1/2
7
100
130
170
+
_
220
80
55
16
14
12
10
F/ C PSI/KPa
80
40
0
420
280
140
UP
DN
100
130
170
+_
220
80
55
16
14
12
10
F/ C
PSI/KPa
80
40
0
420
280
140
UP
DN
INSTRUMENT PANEL (TWIN GAS)
1719229 1 PANEL, 280DA-03 INST T/E S/S-CRFT
1777617 2 GAUGE, SYS TACH 3" S-CRFT 0-7000RPM RV2
1690381 NUT, LOCK 85MM SPIN LOCK VDO
1777616 3 GAUGE, SYS SPEED 3"SC 0-70MPH/RV2 POST 2602
1690381 NUT, LOCK 85MM SPIN LOCK VDO
1690511 4 GAUGE, 5" 4-IN-1 VOLT/OIL/TMP/TRIM S-CRFT
1690382 NUT, LOCK 110MM SPIN LOCK VDO
1753254 5 PANEL, 280DA-03 LWR W/FUEL S-CRFT REV1
1799348 6 STEREO, REMOTE CNTRL W/DSPL BLK FACE/SS BZL
1689853 7 GAUGE, FUEL LEVEL S-CRFT 2"
1690380 NUT, LOCK 52MM SPIN LOCK VDO
1754589 8 TRANSDUCER, TECHSONIC
01/02/2008 27

280 SUNDANCER 2006
COCKPIT (SNAP-IN CARPET LINER)
23
1COCKPIT CARPET COMPLETE
4
5
6
7
8
SNAP-IN CARPET DETAILS
COCKPIT (SNAP-IN CARPET LINER)
1811260 1 280DA 06,CARPET,SNPN LINER CMPLT
1811258 2 280DA 06,CARPET,AFT SNPN
1811259 3 280DA 06,CARPET,FWD SNPN
1790664 4 SNAP REINFORCEMENT, PLAS BACKER 500 PC/ROLL
800326 5 BINDING, CANVAS 1" LINEN STRAIGHT SUNBRELLA
1163864 6 SNAP SOCKET, W/ 1/8" HOLE
154369 7 SNAP STUD, W/#8 X 3/8" PH SS
1609916 8 CARPET, EXT 28 OZ DUNE PEBBLE #902 RL 7'W
01/02/2008 28

280 SUNDANCER 2006
FWD FWD
53
2
6
BUCKET SEAT
8
9
10
12345
7
11
01/02/2008 29
COCKPIT (UPHOLSTERY)

280 SUNDANCER 2006
COCKPIT (UPHOLSTERY)
1788354 1 BLSTR, 280DA AFT FOLDAWAY OMNOVA
(HULL#1507->UP)
1849910 BLSTR SKN, 280DA AFT FOLDAWAY OMNOVA
(HULL#1507->UP)
1755119 BLSTR, 280DA-04 AFT FOLDAWAY
(HULL#1201->1506)
1771379 BLSTR SKN, 280DA-04 AFT FOLDAWAY
(HULL#1201->1506)
1788357 2 SEAT, 280DA AFT FCNG ASSY 3PC OMNOVA
(HULL#1507->UP)
1849911 SEAT SKN, 280DA AFT FCNG ASSY 3PC OMNOVA
(HULL#1507->UP)
1850498 B/R SKN, AFT FCNG OMNOVA
(HULL#1507->UP)
1850499 B/R CUSH SKN, AFT FCNG OMNOVA
(HULL#1507->UP)
1850500 B/R CUSH, FWD FCNG OMNOVA
(HULL#1507->UP)
1850501 B/R CUSH SKN, FWD FCNG OMNOVA
(HULL#1507->UP)
1850502 CUSH, BTM AFT OMNOVA
(HULL#1507->UP)
1850503 CUSH SKN, BTM AFT OMNOVA
(HULL#1507->UP)
1755122 SEAT, 280DA-04 AFT FCNG ASSY 3PC
(HULL#1201->1506)
1771376 SEAT SKN, 280DA-04 AFT FCNG ASSY 3PC
(HULL#1201->1506)
1850490 B/R CUSH, AFT FCNG
(HULL#1201->1506)
1850491 B/R CUSH SKN, AFT FCNG
(HULL#1201->1506)
1850494 B/R CUSH, FWD FCNG
(HULL#1201->1506)
1850495 B/R CUSH SKN, FWD FCNG
(HULL#1201->1506)
1850496 CUSH, BTM AFT
(HULL#1201->1506)
1850497 CUSH SKN, BTM AFT
(HULL#1201->1506)
1792604 TRACK ASSY, 280DA-04 AFT FCNG
(HULL#1201->1506)
1788355 3 B/R, 280DA PRT LNG OMNOVA
(HULL#1507->UP)
1849912 B/R SKN, 280DA PRT LNG OMNOVA
(HULL#1507->UP)
1755120 B/R, 280DA-04 PRT LNG
(HULL#1201->1506)
1771377 B/R SKIN, 280DA-04 PRT LNG
(HULL#1201->1506)
1788353 4 CUSH, 280DA PRT LNG OMNOVA
(HULL#1507->UP)
1849913 CUSH SKN, 280DA PRT LNG OMNOVA
(HULL#1507->UP)
1755117 CUSH, 280DA-04 PRT LNG
(HULL#1201->1506)
1777139 CUSH SKIN, 280DA-04 PRT LNG
(HULL#1201->1506)
1788356 5 CUSH, 280DA PRT FWD LNG B/R OMNOVA
(HULL#1507->UP)
1849914 CUSH SKN, 280DA PRT FWD LNG B/R OMNOVA
(HULL#1507->UP)
1755121 CUSH, 280DA-04 PRT FWD LNG B/R
(HULL#1201->1506)
1771378 CUSH SKIN, 280DA-04 PRT FWD LNG B/R
(HULL#1201->1506)
1838165 6 PANEL, 280DA-06 PRT LNG FILR OMNOVA
(HULL#1507->UP)
1849915 PANEL SKN, 280DA-06 PRT LNG FILR OMNOVA
(HULL#1507->UP)
1689921 PANEL, 280DA-02 PRT LNG FILR
(HULL#1201->1506)
1690166 PANEL SKIN, 280DA-02 PRT LNG FILR
(HULL#1201->1506)
1788373 7 BKT SEAT, SPBT/SPCR W/THRS OMNOVA
(HULL#1507->UP)
1849916 BKT SEAT, SPBT/SPCR W/THRS CMPLT SKN OMNOVA
(HULL#1507->UP)
1849917 BKT SEAT, SPBT/SPCR W/THRS BK CUSH OMNOVA
(HULL#1507->UP)
1849918 BKT SEAT, SPBT/SPCR W/THRS BK CUSH SKN OMNOVA
(HULL#1507->UP)
1849919 BKT SEAT, SPBT/SPCR W/THRS BTM OMNOVA
(HULL#1507->UP)
1849920 BKT SEAT, SPBT/SPCR W/THRS BTM SKN OMNOVA
(HULL#1507->UP)
1849921 BKT SEAT, SPBT/SPCR W/THRS LGRL SKN OMNOVA
(HULL#1507->UP)
1849916 7 BKT SEAT, SPBT/SPCR W/THRS CMPLT SKN OMNOVA
(HULL#1507->UP)
1755171 BKT SEAT, SPBT/SPCR-04 W/THRS SEAWHT/GLDRSH
(HULL#1201->1506)
1762045 BKT SEAT, SPBT/SPCR-04 W/TR CMPLT SKN SW/GLD
(HULL#1201->1506)
1849917 8 BKT SEAT, SPBT/SPCR W/THRS BK CUSH OMNOVA
(HULL#1507->UP)
1849918 BKT SEAT, SPBT/SPCR W/THRS BK CUSH SKN OMNOVA
(HULL#1507->UP)
1762048 BKT SEAT, SPBT/SPCR-04 W/TR BACK CUSH SW/GLD
(HULL#1201->1506)
1762049 BKT SEAT, SPBT/SPCR-04 W/TR BACK SKN SW/GLD
(HULL#1201->1506)
1849919 9 BKT SEAT, SPBT/SPCR W/THRS BTM OMNOVA
(HULL#1507->UP)
1849920 BKT SEAT, SPBT/SPCR W/THRS BTM SKN OMNOVA
(HULL#1507->UP)
1762046 BKT SEAT, SPBT/SPCR-04 W/TR BTM CUSH SW/GLD
(HULL#1201->1506)
1762047 BKT SEAT, SPBT/SPCR-04 W/TR BTM SKN SW/GLD
(HULL#1201->1506)
1849921 10 BKT SEAT, SPBT/SPCR W/THRS LGRL SKN OMNOVA
(HULL#1507->UP)
1762050 BKT SEAT, SPBT/SPCR-04 THRS LGRL SW/GLD
(HULL#1201->1506)
1762051 BKT SEAT, SPBT/SPCR-04 THRS SKN SW/GLD
(HULL#1201->1506)
1788352 11 CUSH, 280DA AFT FOLDAWAY BNCHST OMNOVA
(HULL#1507->UP)
1849922 CUSH SKN, 280DA AFT FOLDAWAY BNCHST OMNOVA
(HULL#1507->UP)
1755115 CUSH, 280DA-04 AFT FOLDAWAY BNCHST
(HULL#1201->1506)
1777140 CUSH SKIN, 280DA-04 AFT FOLDAWAY BNCHST
(HULL#1201->1506)
ACCENT VINYL
1778341 VINYL, NICKEL SR-4983A EXP 1/4" FB
CARPET
1752085 CARPET, EXT 24 OZ NICKEL BT
(STORAGE AREAS)
NOT SHOWN
177659 THREAD, NYLON WHT 16OZ
VINYL - BASE 1
1788397 VINYL, SOFTDURA MYSTIC WHT 1/4" F/B OMNOVA
1797138 VINYL, SOFTDURA MYSTIC WHT 1/2" F/B OMNOVA
WELT
1619212 WELT, DADE PEWTER MIST 5/32"
01/02/2008 30

280 SUNDANCER 2006
2
1
1
5
8
7
4
3
9
6
5
5
6
10
11
23
21
20
13
15
DRAWER/HARDWARE
25 26
27
DOOR/HARDWARE
24
25
26
27
28
29
PORT SIDE
STARBOARD SIDE
HANGLOCKER W/TV
14
12
22
16
17
18
19
19
15
01/02/2008 31
FORWARD STATEROOM

280 SUNDANCER 2006
FORWARD STATEROOM
1811282 1 280DA 06,DOOR,H/L FWD PRT FWDSTRM
1781228 2 MONITOR, CO DETECTOR WHT CMD-4
(HULL#1201->1444 & 1488->UP)
1782156 PLATE, CO MONITOR BCKNG WHT CMD-4
(HULL#1201->1444 & 1488->UP)
1816919 MONITOR, CO DETECTOR WHT CMD-4-RLY
(HULL#1445->1487)
1816920 PLATE, CO MONITOR BCKNG WHT CMD-4M-RLY-FCB
(HULL#1445->1487)
148015 3 HOOK, CLOTHES HOOK SURFACE MT 5"
1818811 4 TABLE, WOOD 280DA-06 FWDSTRM BLSM CHERY
(HULL#1208->UP)
1804897 TABLE, NEVAMAR 280DA-06 FWD STRM MAPLE
(HULL#1201-<1207)
1818810 TABLE, WOOD 280DA-06 FWDSTRM PLUM
(HULL#1208->UP) (SANTA ROSA PLUM INTERIOR)
1804896 TABLE, NEVAMAR 280DA-06 FWD STRM PLUM
(HULL#1201->1207) (SANTA ROSA PLUM INTERIOR)
876979 BASE, LEG/POST SURF MT ALUM
1831205 5 SPOTLIGHT, SWVL TASK BRSHD SS W/SW N/CONN
(HULL#1514->UP)
1820310 BULB, REPL FOR #1803184/1831205
(HULL#1514->UP)
830307 SPOTLIGHT, SWVL TASK BEIGE W/CHR ACCNT HLGN
(HULL#1201->1513)
858886 BULB, REPL FOR #0830307
(HULL#1201->1513)
1811287 6 280DA 06,MIR ASSY,R/L
1473594 MIRROR, 1/8"X 16.5"X 42" W/1.5"RAD CLR
929851 7 POST, TABLE LEG 28.875" ANOD FLUTED
1811283 8 280DA 06,DOOR,STRG LWR PRT FWDSTRM
1676816 9 T-MOLD, VINYL INSERT 5/8" POL CHR (FLEX)
1690557 10 SPEAKER, COAXIAL 6.5" N/CVR
1717332 GRILL, SPEAKER 6.5" ACOM BLK
701904 WIRE, 16/2 RED/CLR SPKR OXYGEN-FREE CPR
132183 11 TRACK, ALUM CURT TRK 0.275"X 0.688" TAB TYPE
1780215 12 NOSING, ALUM 5/8"X 12' T-1 ROUNDED BRUSHED
1787521 13 COVER PLATE, SGL DUPLEX RECEPT BLK LVT
1787506 RECEPTACLE, DUPLEX BLACK 15A
1787551 RECEPTACLE, GERMAN STD MOS WHT(SNAP CVR) LVT
(220 VOLT / 50 CYCLE ELECTRICAL SYSTEM)
627737 BOX, RECEPTACLE/SWITCH PVC 1-GANG DEEP
1811285 14 280DA 06,DOOR,H/L FWD STB FWDSTRM
(NOTE: NO DOOR WITH TV)
1846719 15 TELEVISION, 13" SHARP LCD NTSC LC13SH3U 110V
(HULL#1572->UP)(TV - FLAT SCREEN W/ DVD)
1839145 TELEVISION, 13" SHARP LCD NTSC TUNER 110V
(HULL#1514->1571) (TV 13" FLAT SCREEN W/ DVD - 12 VOLT)
1785017 TELEVISION, 13" SHARP LCD NTSC TUNER
(HULL#1201->1513) (TV 13" FLAT SCREEN W/ DVD - 12 VOLT)
1807536 REMOTE, TV 13" SHARP LCD NTSC TUNER
(HULL#1201->1513) (TV 13" FLAT SCREEN W/ DVD - 12 VOLT)
294926 BASE, TV PULL-OUT SWIVEL ONLY
(TV 13" FLAT SCREEN W/ DVD - 12 VOLT)
1817493 DVD, KEC 12V DVD3 DIN
(HULL#1443->UP) (TV 13" FLAT SCREEN W/ DVD - 12 VOLT)
1848849 REMOTE, DVD KEC 12V DVD2M/3M ZONEFREE
1697628 DVD, KEC 12V DVD2 DIN MOUNT
(HULL#1201-1442) (TV 13" FLAT SCREEN W/ DVD - 12 VOLT)
1789986 REMOTE, DVD KEC 12V DVD2
(TV 13" FLAT SCREEN W/ DVD - 12 VOLT)
1819303 DVD, KEC 12V DVD3 ZONEFREE
(ZONE FREE OWNER'S VIDEO/TV 13" FLAT SCREEN)
1848849 REMOTE, DVD KEC 12V DVD2M/3M ZONEFREE
(ZONE FREE OWNER'S VIDEO/TV 13" FLAT SCREEN)
1813842 MOUNTING KIT, SLEEVE FOR DVD2/3
(TV 13" FLAT SCREEN W/ DVD - 12 VOLT)
1785019 CORD, SHARP LCD 12V PLUG ADAPTER
(TV 13" FLAT SCREEN W/ DVD - 12 VOLT)
1757869 NLA, TV SHARP BTM SPKR REPLACED W/1837315
(REMOTE NOT AVAILABLE AT THIS TIME)
(PAL OWNER'S VIDEO / TV 13" FLAT SCREEN)
1755388 BRACKET, TV (LCD) WALL MOUNT OMNI
(TV 13" FLAT SCREEN W/ DVD - 12 VOLT)
136085 CORD SET, TV CABLE 50FT
(TV 13" FLAT SCREEN W/ DVD - 12 VOLT)
1744739 LABEL, SECURE TELEVISION (LEXAN)
(TV 13" FLAT SCREEN W/ DVD - 12 VOLT)
1759176 EXTENSION, CABLE A/V 6' RCA W/MALE CONN
(TV 13" FLAT SCREEN W/ DVD - 12 VOLT)
1779735 CABLE, COAXIAL RG6 1000' WHT
(TV 13" FLAT SCREEN W/ DVD - 12 VOLT)
1556935 CORD SET, TV CABLE 14FT F/F 280DA-01 SPOILER
(TV 13" FLAT SCREEN W/ DVD - 12 VOLT)
1657691 CORD SET, TV CABLE 3PC 280DA-02 HULL
(TV 13" FLAT SCREEN W/ DVD - 12 VOLT)
1787551 15 RECEPTACLE, GERMAN STD MOS WHT(SNAP CVR) LVT
(220 VOLT / 50 CYCLE ELECTRICAL SYSTEM)
1768472 PLUG, 220V BLK RECEPTACLE
(220 VOLT / 50 CYCLE ELEC/TV 13" FLAT SCREEN)
1789966 ADAPTER, 220V TV PLUG RIGHT ANGLE
(220 VOLT / 50 CYCLE ELEC/TV 13" FLAT SCREEN)
637058 CONN, COAX EURO TV ADAPTER "F" TYPE
(220 VOLT / 50 CYCLE ELEC/TV 13" FLAT SCREEN)
1811326 16 280DA 06,MNT BOX,TV PULL-OUT (BIRDHOUSE)
1811325 17 280DA 06,BASE,TV PULL-OUT/SWVL SHELF
1811324 18 280DA 06,FACEPLATE,TV CAB SHELF
1811284 19 280DA 06,DOOR,H/L FWD STB FWDSTRM TV CAB
1811286 20 280DA 06,DOOR,STRG LWR STB FWDSTRM
1500552 CLIP, TABLE LEG 60MM TUBE BLK
876961 21 BASE, LEG/POST FLUSH MT ALUM
1811304 22 280DA 06,SUPPORT,FWDSTRM TBL RAIL
835843 23 BRACKET, ALUM 1"X 1/2"X 3" 3/16"HOLES 2SIDES
761445 24 CATCH, RIM-LOCK STRIKE PLATE
772418 25 CATCH, RIM-LOCK WHT
1776837 26 PULL, ROSETTE SAT/NCKL RND 16MM (5/8")
1742136 27 PULL, PUSH-BUTTON KNOB SAT/NCKL
839399 28 HINGE, SELF CLOSING BLUM SCREW-ON
525667 29 HINGE, CONCEALED FULL OVERLAY MT PLATE ONLY
NOT SHOWN
835710 BRACKET, ALUM 1"X 1"X 20" 3/16"HOLES 2SIDES
01/02/2008 32

280 SUNDANCER 2006
1
2
3
5
6
7
PRIVACY CURTAIN
4
8
10
9
FILLER CUSHION
11
01/02/2008 33
FORWARD STATEROOM (UPHOLSTERY)

280 SUNDANCER 2006
FORWARD STATEROOM (UPHOLSTERY)
1811294 1 280DA 06,BLSTR,CTR FWDSTRM
1811290 280DA 06,BLSTR SKN,CTR FWDSTRM
1798129 2 CURTAIN, 280DA-06 VERONA GLOW UPR CAB
1811293 3 280DA 06,BLSTR,AFT STB FWDSTRM
1811289 280DA 06,BLSTR SKN,AFT STB FWDSTRM
1811303 4 280DA 06,CUSH,STB FWDSTRM
1811299 280DA 06,CUSH SKN,STB FWDSTRM
1798130 5 CURTAIN, 280DA-06 VERONA GLOW FWD PRIV
1811302 6 280DA 06,CUSH,PRT FWDSTRM
1811298 280DA 06,CUSH SKN,PRT FWDSTRM
1811292 7 280DA 06,BLSTR,AFT PRT FWDSTRM
1811288 280DA 06,BLSTR SKN,AFT PRT FWDSTRM
1811295 8 280DA 06,BLSTR,FWD PRT FWDSTRM
1811291 280DA 06,BLSTR SKN,FWD PRT FWDSTRM
1794279 9 PILLOW PKG, 2006/07 SPCR VBRTH/MIDCAB PKGA(2)
1794282 PILLOW PKG, 2006 SPCR VBRTH PKGB (2)
1794296 PILLOW PKG, 2006 SPCR VBRTH PKGC (2)
1794299 PILLOW PKG, 2006/07 SPCR VBRTH PKGD (2)
1811300 10 280DA 06,CUSH,CTR FWDSTRM
1811296 280DA 06,CUSH SKN,CTR FWDSTRM
1811301 11 280DA 06,CUSH,FWDSTRM FILR
1811297 280DA 06,CUSH SKN,FWDSTRM FILR
FABRICS
1816599 FABRIC, GLAMOUR TUSK-6"DIA QLT 10OZ/AC/B
(INTERIOR PACKAGE A)
1798080 FABRIC, GLAMOUR OATML-6"DIA QLT 10OZ/AC/B
(INTERIOR PACKAGE A)
1803705 FABRIC, VERONA/ALFALFA-6"DIA QLT 10OZ/AC/B
(INTERIOR PACKAGE A)
1797638 FABRIC, MONDAVI BK STRAW-6"DIA QLT 10OZ/AC/B
(INTERIOR PACKAGE B)
1800800 FABRIC, SEQUENCE BK/SLATE-6"DIA QLT 10OZ/AC/B
(INTERIOR PACKAGE B)
1798081 FABRIC, METROLINER CAT-6"DIA QLT 10OZ/AC/B
(INTERIOR PACKAGE C)
1798082 FABRIC, MAGNETIC HEMP-6"DIA QLT 10OZ/AC/B
(INTERIOR PACKAGE C)
1797639 FABRIC, SLEEK WHEAT-6"DIA QLT 10OZ/AC/B
(INTERIOR PACKAGE D)
HEADLINER/HULL LINER/WASHABLE SURFACE
1140367 VINYL, RVIEW LT CAMEO N/W FLAT
1736787 VINYL, RVIEW LT CAMEO N/W 1/2"FB
1747515 VINYL, RVIEW LT CAMEO N/W 1/4"FB
INTERIOR CARPET
1467182 CARPET, INT 44 OZ WHEATON 6'W 100% BCF NYLON
UPHOLSTERY
874610 THREAD, POLYESTER FGREY 16OZ
178517 VELCRO, LOOP WHT 2"
178756 TACK STRIP, CARDBOARD 1/2"X 71YDS
180182 ZIPPER, #5 DELRIN CONTINUOUS WHT
180406 SLIDE, DELRIN #5 WHT 1-S LOCK
634931 FABRIC, PULL STRIP 6"X 250YD
103309 MESH, WHITE 60"
1475029 FOAM, P/C 280DA-01 FWD STRM CUSH SET
WELT
1212117 WELT, RVIEW LT CAMEO 8/32" GLUED
01/02/2008 34

280 SUNDANCER 2006
FWD
1
9
2
3
4
5
8
10
11
12
6
7
7
DOOR/HARDWARE
13
14
15
16
17
18
01/02/2008 35
DINETTE

280 SUNDANCER 2006
DINETTE
1831205 1 SPOTLIGHT, SWVL TASK BRSHD SS W/SW N/CONN
(HULL#1514->UP)
1820310 BULB, REPL FOR #1803184/1831205
(HULL#1514->UP)
830307 SPOTLIGHT, SWVL TASK BEIGE W/CHR ACCNT HLGN
(HULL#1201->1513)
858886 BULB, REPL FOR #0830307
(HULL#1201->1513)
1811276 2 280DA 06,DOOR,STRG AFT DIN
1811273 3 280DA 06,DOOR,DIN TMBR LH
1811274 280DA 06,DOOR,DIN TMBR RH
1735673 TAMBOUR, 1/8" 4 X 8 BLOSSOM CHERRY
(HULL#1447->UP)
1804842 TAMBOUR, 1/8" 4 X 8 GRAND ISLE MAPLE
(HULL#1201->1446)
1804935 TAMBOUR, 1/8" 4 X 8 SANTA ROSA PLUM
(SANTA ROSA PLUM INTERIOR - OPTIONAL)
601419 CHANNEL, VINYL-U ROUNDED 1/8" POL CHROME RIG
1780215 4 NOSING, ALUM 5/8"X 12' T-1 ROUNDED BRUSHED
122929 5 TRACK, TAMBOUR SLIDE LEFT SPIRAL
122937 TRACK, TAMBOUR SLIDE RIGHT SPIRAL
1811277 6 280DA 06,DOOR,STRG FWD DIN
1676816 7 T-MOLD, VINYL INSERT 5/8" POL CHR (FLEX)
1811275 8 280DA 06,DOOR,LWR DIN
1125285 9 BASE, TABLE FLUSH MNT ALUM TPR CASTING
1657659 10 POST, TABLE LEG 2 7/8"X 30" ANOD FLUTED
1165091 11 A/C COMP, DEFUSER 14X7 CLW W/FILTER
(AIR CONDITIONING / HEATING-3/4 TON-120V/60)
(AIR CONDITIONING / HEATING-3/4 TON- 220V/50)
1604263 A/C COMP, CABLE INTERCONNECT 15'
(AIR CONDITIONING / HEATING-3/4 TON-120V/60)
(AIR CONDITIONING / HEATING-3/4 TON- 220V/50)
1604271 A/C COMP, DISPLAY ECU BLK W/3/4" DOOR
(AIR CONDITIONING / HEATING-3/4 TON-120V/60)
(AIR CONDITIONING / HEATING-3/4 TON- 220V/50)
1055821 A/C COMP, FACE PLATE FOR CONTROL BLK
(AIR CONDITIONING / HEATING-3/4 TON-120V/60)
(AIR CONDITIONING / HEATING-3/4 TON- 220V/50)
1818807 12 TABLE, WOOD 280DA-06 DIN BLSM CHERRY
(HULL#1208->UP)
1804869 TABLE, NEVAMAR 280DA-06 DIN MAPLE
(HULL#1201->1207)
1818809 TABLE, WOOD 280DA-06 DIN PLUM
(HULL#1208->UP)
1804867 TABLE, NEVAMAR 280DA-06 DIN PLUM
(HULL#1201->1207) (SANTA ROSA PLUM INTERIOR -
OPTIONAL)
1125293 BASE, TABLE SURF MNT ALUM TAPERED CASTING
761445 13 CATCH, RIM-LOCK STRIKE PLATE
772418 14 CATCH, RIM-LOCK WHT
1742136 15 PULL, PUSH-BUTTON KNOB SAT/NCKL
1776837 16 PULL, ROSETTE SAT/NCKL RND 16MM (5/8")
839399 17 HINGE, SELF CLOSING BLUM SCREW-ON
525667 18 HINGE, CONCEALED FULL OVERLAY MT PLATE ONLY
NOT SHOWN
198663 HINGE, AL CONT FORM/SGL 1.25"X 72" BLK
390849 CATCH, GRABBER LATCH W/10LB HOLD BLK PLAS
835710 BRACKET, ALUM 1"X 1"X 20" 3/16"HOLES 2SIDES
01/02/2008 36

280 SUNDANCER 2006
FWD
1
23
4
6
1
FWD
5
FILLER CUSHION
7
PORTLIGHT CURTAIN
8
01/02/2008 37
DINETTE (UPHOLSTERY)

280 SUNDANCER 2006
DINETTE (UPHOLSTERY)
1811271 1 280DA 06,CUSH,AFT DIN
1811269 280DA 06,CUSH SKN,AFT DIN
1811265 2 280DA 06,BLSTR,AFT DIN
1811261 280DA 06,BLSTR SKN,AFT DIN
1811266 3 280DA 06,BLSTR,CTR DIN
1811262 280DA 06,BLSTR SKN,CTR DIN
1811268 4 280DA 06,BLSTR,FWD DIN FILR
1811264 280DA 06,BLSTR SKN,FWD DIN FILR
1811267 5 280DA 06,BLSTR,FWD DIN
1811263 280DA 06,BLSTR SKN,FWD DIN
1811272 6 280DA 06,CUSH,FWD DIN
1811270 280DA 06,CUSH SKN,FWD DIN
1811278 7 280DA 06,CUSH,DIN FILR
1811322 280DA 06,CUSH SKN,DIN FILR
1798120 8 CURTAIN, 280DA-06 VERONA GLOW PRTLGHT
1338599 SNAP STUD, 5/8"FLANGED SLVR
HEADLINER/HULL LINER/WASHABLE SURFACE
1140367 VINYL, RVIEW LT CAMEO N/W FLAT
1736787 VINYL, RVIEW LT CAMEO N/W 1/2"FB
1747515 VINYL, RVIEW LT CAMEO N/W 1/4"FB
INTERIOR CARPET
1467182 CARPET, INT 44 OZ WHEATON 6'W 100% BCF NYLON
UPHOLSTERY
1475037 FOAM, P/C 280DA-01 DINETTE CUSH SET
180182 ZIPPER, #5 DELRIN CONTINUOUS WHT
180406 SLIDE, DELRIN #5 WHT 1-S LOCK
283069 VINYL FILM, PLAS 1MM X 5'X 830YD
634931 FABRIC, PULL STRIP 6"X 250YD
103309 MESH, WHITE 60"
828434 VELCRO, HOOK WHT 2" (SEW ON)
VINYLS
1003474 VINYL, ALLANTE II CREAM EXP FLAT
(INTERIOR PACKAGE A, D)
1781416 VINYL, ALLANTE II FAWN EXP FLAT
(INTERIOR PACKAGE B)
1079797 VINYL, ALLANTE II CHAMPAGNE EXP FLAT
(INTERIOR PACKAGE C)
989426 VINYL, ALLANTE II BLK EXP FLAT
(INTERIOR PACKAGE C, D)
WELT
1005719 WELT, ALLANTE II CREAM 5/32"
(INTERIOR PACKAGE A, D)
1805073 WELT, ALLANTE II FAWN 5/32"
(INTERIOR PACKAGE B)
1091750 WELT, ALLANTE II CHAMPAGNE 5/32"
(INTERIOR PACKAGE C)
1142199 WELT, RVIEW LT CAMEO 8/32"
01/02/2008 38

280 SUNDANCER 2006
SHOWER CURTAIN
AND TRACK
1
2
3
4
5
67
89
10
11
12
13
14
15
16
17
18
19
20
21
10
22
24
26
25
6
23
27
TRIM RING
01/02/2008 39
STARBOARD HEAD

280 SUNDANCER 2006
STARBOARD HEAD
1811321 1 280DA 06,DOOR,HEAD
1513928 MIRROR, PLEX 280DA-01 HEAD DOOR MRINE GRD CLR
1776179 2 LATCH, OFFSHR FLSH RH-OUT PRVKNB SAT/NCK 5/8"
1163393 3 FRAME, ALUM 17 15/16"X 64" ANW L-OUT
132324 4 HINGE, BUTT CHROME/ZINC 2"
1772520 5 FAUCET/SHOWER, BRUSHED NCKL/CHR PULLOUT
(HULL#1499->UP)
1853913 FAUCET/SHOWER, SPRAYER ONLY BRSHD NCKL/CHR
1853914 FAUCET/SHOWER, HOSE WASHER ONLY
1853915 FAUCET/SHOWER, HANGER ONLY
1853916 FAUCET/SHOWER, BRASS HOT/COLD VALVE ONLY
1853917 FAUCET/SHOWER, HDWR KIT W/WTS
1253095 FAUCET/SHOWER, WHT/MIX W/ON/OFF FLX TAIL
(HULL#1201->1498)
942466 COMPRESSION FITTING, BRASS 10MM 1/2"MPT
1307818 FAUCET/SHOWER, CARTRIDGE ONLY
1307842 FAUCET/SHOWER, HANDSPRAY ONLY
1307859 FAUCET/SHOWER, HANDLE ONLY (EA)
1452812 HOSE, WATER 3/8" BRAIDED METAL 14" W/ADAPTER
140244 6 CATCH, SGL ROLLER WHT NYLON W/STRIKE LRG
1740886 7 MOUNT, HDPE SHOWER WALL (MNT ONLY)
(HULL#1201->1580)
1474725 8 RAIL, GRAB 280DA-01 HEAD SHELF
312983 9 LIGHT, DBL DOME FLUSH MT W/SWITCH WHT
1199090 BULB, REPL FOR LIGHT #0312983
195032 10 HINGE, AL CONT 1.25" X 72" BRITE
1787502 11 RECEPTACLE, GFCI DPLX WHT W/IND LIGHT 15A LVT
1326149 12 BOX, V/F 410DA STRG FWD HEAD SHWR CAB LNR ANW
627737 13 BOX, RECEPTACLE/SWITCH PVC 1-GANG DEEP
1517887 14 DOOR, HDPE 280DA-01 HEAD MED CAB ANW 2PC
622050 BUMPER, CLEAR THIN 3/8"
1188945 15 PANEL, 260DA-99 WASTE SYS CNTRL
893800 PANEL, WASTE LEVEL INDICATOR 12V
533109 BRKR, P/BTN-MANUAL RESET 10A
557785 SWITCH, IGN STARTER
1729450 KEY, SIERRA PK501A
1778652 KEY, SIERRA PK521J
1778656 KEY, SIERRA PK576K
1778657 KEY, SIERRA PK611M
1778658 KEY, SIERRA PK628H
1778659 KEY, SIERRA PK631N
1778660 KEY, SIERRA PK665P
1778661 KEY, SIERRA PK673F
1745156 16 LABEL, NOTICE OVERBOARD DISCHARGE (LEXAN)
(MACERATOR W/ SEACOCK INTERLOCK SYSTEM)
(VACUUM FLUSH HEAD W/ DIRECT OVER BOARD INTL)
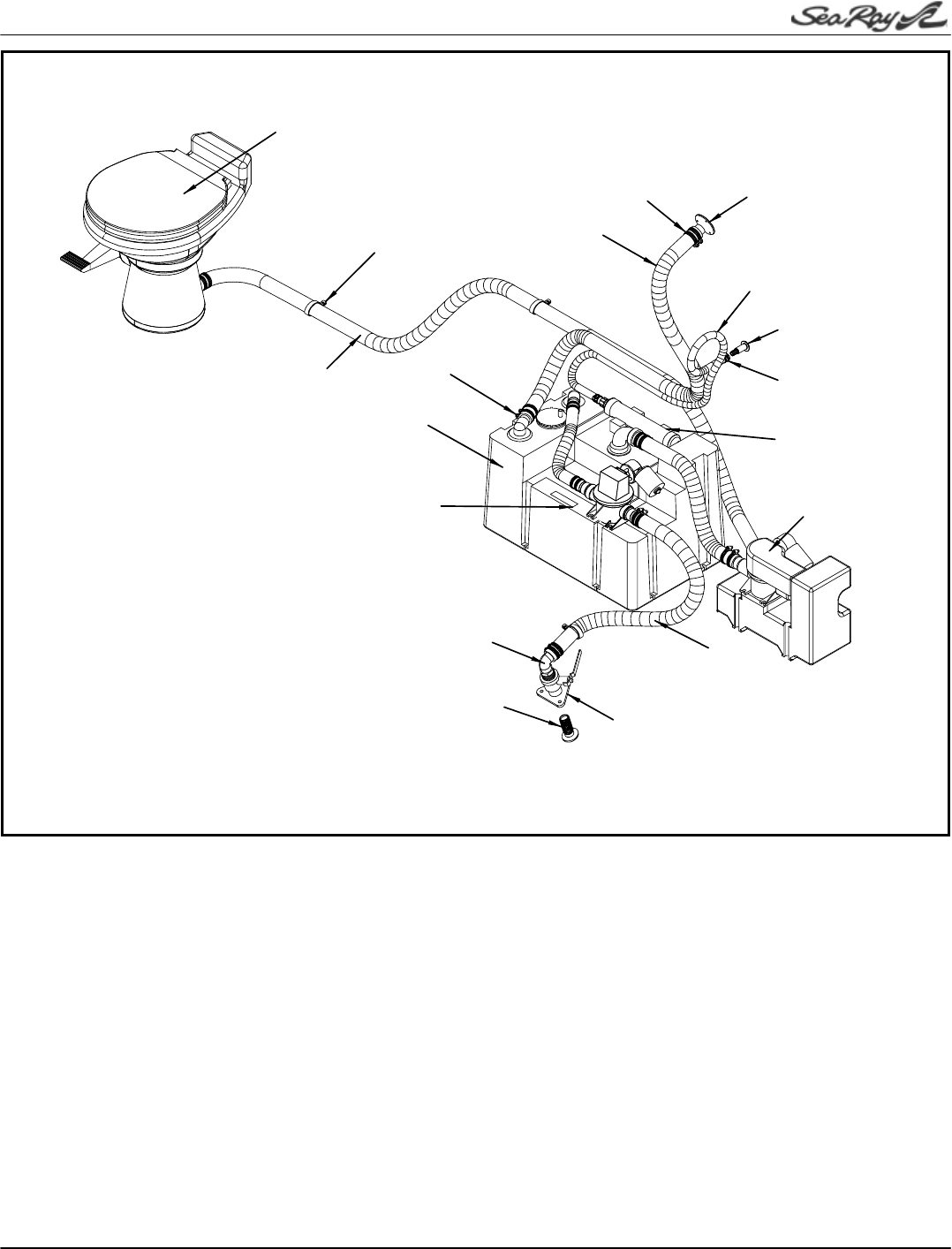
1744871 17 HEAD, VACU-FLUSH BONE 1048 BACK DIS
1784547 SEAT ASSY, CVR/SEAT/HNG PIN BONE
1811320 18 280DA 06,CVR,HOSE HEAD
196782 19 DRAIN ASSY, SHOWER 1.5"
344721 DRAIN ASSY, GASKET SHOWER SLIP NUT 1.5"
344762 DRAIN ASSY, SHOWER SLIP NUT 1.5"
1683218 SHOWER, SUMP ASSY 12V W/800 PUMP/CHCK VLV MOD
1479484 20 DOOR, HDPE 15 X10 13/16 280DA-01 HEAD LWR ANW
1155241 21 HOLDER, TOILET PAPER WALL MNT WHT ROLLER
1761038 22 RAIL, GRAB 10" ELIPTICAL W/STUDS 316L
850784 23 SINK, V/F OVAL ANW
583427 24 DRAIN, W/PLUG 100DEG 3/4"BARB CHR
1734472 DRAIN ASSY, STOPPER #4202 MED BLK
132183 25 TRACK, ALUM CURT TRK 0.275"X 0.688" TAB TYPE
1075415 26 CURTAIN, SHOWER ECRU 66.5"X 24"
1057991 27 TRIM RING, V/F PORTLIGHT INNER CUSTOM 98
LABELS
1747493 LABEL, LEAVING WINDOW OPEN EXHAUST FUMES
NOT SHOWN
1376920 MOLDING, FOAM RBR "D-SHAPE" .216"X.354" W/ADH
1501824 HOSE, CONDUIT/SPLIT 3/4" FLAME RETARDANT
956797 CATCH, Y-TYPE WHT PLAS (ROTARY)
1302116 SWITCH, SEACOCK INTERLOCK W/60" LEADS/CONN
(MACERATOR W/ SEACOCK INTERLOCK SYSTEM)
01/02/2008 40

280 SUNDANCER 2006
21
2
3
11
12
13
17
24
25
6
23
22
27
28
10
18
20
26
ENTRY STEP
14
15
16
CEILING LIGHT
1
19
DOOR/HARDWARE
9
8
7
6
5
4
A
C
L
I
G
H
T
S
D
C
L
I
G
H
T
S
GALLEY LIGHT SWITCH
PORTLIGHT CURTAINS
29
01/02/2008 41
GALLEY

280 SUNDANCER 2006
GALLEY
1805075 1 LIGHT, RIGG 6.25"RECESSED 12V/20W SAT NCKL
1425024 BULB, REPL FOR #1197466 12V/20W HALOGEN
1780215 2 NOSING, ALUM 5/8"X 12' T-1 ROUNDED BRUSHED
1811307 3 280DA 06,DOOR,STRG UPR GLY
525667 4 HINGE, CONCEALED FULL OVERLAY MT PLATE ONLY
839399 5 HINGE, SELF CLOSING BLUM SCREW-ON
1776837 6 PULL, ROSETTE SAT/NCKL RND 16MM (5/8")
1742136 7 PULL, PUSH-BUTTON KNOB SAT/NCKL
772418 8 CATCH, RIM-LOCK WHT
761445 9 CATCH, RIM-LOCK STRIKE PLATE
1802787 10 FBRGLS PART, 280DA-05 GLY TOP BRNT AMBR
1690097 FBRGLS PART, 280DA-02 GLY TOP SANDSTONE
1494418 11 STOVE, ELEC 1-BURNER CARIBBEAN COOKTOP 110
1494459 STOVE, ELEC 1-BURNER CARIBBEAN COOKTOP 240
(220 VOLT / 50 CYCLE ELECTRICAL SYSTEM)
1479146 COVER, CORIAN 280DA-01 STOVE SNDSTN POLISHED
1802468 COVER, CORIAN 290DA-06 STOVE BRNT AMBR PLSHD
1560812 SWITCH, PUSH-BTN STV W/48"20GA/1.7LB W/RSDBTN
1144088 RELAY, 120VAC 20 AMP SPDT
583906 RELAY, 240VAC 50/60 HZ 20 AMP DPDT
(220 VOLT / 50 CYCLE ELECTRICAL SYSTEM)
1763796 RAIL, STOVE 1-BURNER ALCOHOL
(ALCOHOL / ELEC. STOVE - SINGLE BURNER 120V)
( ALCOHOL / ELEC. STOVE - SINGLE BURNER 220V)
729954 STOVE, ALC/ELEC 1-BURNER W/BLK GLASS LID 110V
(ALCOHOL / ELEC. STOVE - SINGLE BURNER 120V)
729962 STOVE, ALC/ELEC 1-BURNER W/BLK GLASS LID 220V
(ALCOHOL / ELEC. STOVE - SINGLE BURNER 220V)
1510650 INSERT, CORIAN 280DA-01 STOVE SNDSTN ALC/ELEC
(ALCOHOL / ELEC. STOVE - SINGLE BURNER 120V)
(ALCOHOL / ELEC. STOVE - SINGLE BURNER 220V)
1802472 INSERT, CORIAN 280DA-06 STV BRNTAMBR ALC/ELEC
(ALCOHOL / ELEC. STOVE - SINGLE BURNER 120V)
(ALCOHOL / ELEC. STOVE - SINGLE BURNER 220V)
1060060 STOVE, BUTANE SGL BURNER W/GLASS LID/POT HOLD
(BUTANE STOVE)
1389402 STOVE, BUTANE SGL BURNER W/GLS LID/POT HLD CE
(BUTANE STOVE - CE APPROVED)
1511070 INSERT, CORIAN 280DA-01 STOVE SNDSTN BUTANE
(BUTANE STOVE)
(BUTANE STOVE - CE APPROVED)
1802471 INSERT, CORIAN 280DA-06 STOVE BRNT AMBR BUTNE
(BUTANE STOVE)
(BUTANE STOVE - CE APPROVED)
1745158 LABEL, FUEL RECOMMENDATION/LP GAS WARNING
(ALCOHOL / ELEC. STOVE - SINGLE BURNER 120V)
(ALCOHOL / ELEC. STOVE - SINGLE BURNER 220V)
(BUTANE STOVE)
(BUTANE STOVE - CE APPROVED)
1787507 RECEPTACLE, DUPLEX BRN 15A LVT
1787551 RECEPTACLE, GERMAN STD MOS WHT(SNAP CVR) LVT
(220 VOLT / 50 CYCLE ELECTRICAL SYSTEM)
1787508 COVER PLATE, SGL DUPLEX RECEPT BRN LVT
627737 BOX, RECEPTACLE/SWITCH PVC 1-GANG DEEP
1747819 12 RAIL, GRAB 18" OVAL W/STUD 316L
1658368 13 REFRIGERATOR, 2.7 CF
1671064 REFRIGERATOR, 2.7 CF AC/DC 220/50
(220 VOLT / 50 CYCLE ELECTRICAL SYSTEM)
1806041 REFRIGERATOR, 2.7 CF DOOR ASSY 220/50
(220 VOLT / 50 CYCLE ELECTRICAL SYSTEM)
1738813 LATCH, COVER PLATE FOR TRAVEL LATCH
1738814 LATCH, TRAVEL LATCH SPRING
1738816 LATCH, TRAVEL PLATE
1546274 SHELF, LDPVC 290BR-01 REFRIGERATOR
1811308 280DA 06,INSERT,FRDG
1787507 RECEPTACLE, DUPLEX BRN 15A LVT
1787551 RECEPTACLE, GERMAN STD MOS WHT(SNAP CVR) LVT
(220 VOLT / 50 CYCLE ELECTRICAL SYSTEM)
1787508 COVER PLATE, SGL DUPLEX RECEPT BRN LVT
627737 BOX, RECEPTACLE/SWITCH PVC 1-GANG DEEP
431098 14 BASKET, TRASH 11 3/8"X 8.25"X 12 1/8" BEIGE
1811309 15 280DA 06,STEP,ENTR
1316983 FLOORING, VINYL LONCOIN II FLECKS SANDSTONE
198663 16 HINGE, AL CONT FORM/SGL 1.25"X 72" BLK
1811306 17 280DA 06,DOOR,STRG LWR GLY
1479351 18 COVER, CORIAN 280DA-01 GLY SINK SNDSTN
1802476 COVER, CORIAN 280DA-05 GLY SINK BRNT AMBR
1676816 19 T-MOLD, VINYL INSERT 5/8" POL CHR (FLEX)
1772522 20 FAUCET, GLY 7"RISE BRUSHED NCKL/CHR
1807537 FAUCET, GLY 7"RISE HANDLE CAP BRSHD NCKL/CHR
1807538 FAUCET, GLY 7"RISE HNDL SCREW BRSHD NCKL/CHR
1807539 FAUCET, GLY 7"RISE HNDL WASHER BRSHD NCKL/CHR
1807540 FAUCET, GLY 7"RISE HNDL RING BRSHD NCKL/CHR
1807541 20 FAUCET, GLY 7"RISE HANDLE BRSHD NCKL/CHR
1807542 VALVE, FAUCET GLY 7"RISE CLD SIDE
1807543 FAUCET, GLY 7"RISE SPOUT BRSHD NCKL/CHR
1807544 FAUCET, GLY 7"RISE AERATOR BRSHD NCKL/CHR
1807545 FAUCET, GLY 7"RISE MOUNTING BRSHD NCKL/CHR
1687637 21 MICROWAVE, SYLVANIA 0.5CF BLK 110V
1793050 MICROWAVE, SYLVANIA 0.5CF BLK 220V
(220 VOLT / 50 CYCLE ELECTRICAL SYSTEM)
1787507 RECEPTACLE, DUPLEX BRN 15A LVT
1787551 RECEPTACLE, GERMAN STD MOS WHT(SNAP CVR) LVT
(220 VOLT / 50 CYCLE ELECTRICAL SYSTEM)
1787508 COVER PLATE, SGL DUPLEX RECEPT BRN LVT
627737 BOX, RECEPTACLE/SWITCH PVC 1-GANG DEEP
122929 22 TRACK, TAMBOUR SLIDE LEFT SPIRAL
122937 TRACK, TAMBOUR SLIDE RIGHT SPIRAL
1811305 23 280DA 06,DOOR,GLY TMBR
1735673 TAMBOUR, 1/8" 4 X 8 BLOSSOM CHERRY
(HULL#1447->UP)
1804842 TAMBOUR, 1/8" 4 X 8 GRAND ISLE MAPLE
(HULL#1201->1446)
1804935 TAMBOUR, 1/8" 4 X 8 SANTA ROSA PLUM
(SANTA ROSA PLUM INTERIOR - OPTIONAL)
601419 CHANNEL, VINYL-U ROUNDED 1/8" POL CHROME RIG
1787506 24 RECEPTACLE, DUPLEX BLACK 15A
1787551 RECEPTACLE, GERMAN STD MOS WHT(SNAP CVR) LVT
(220 VOLT / 50 CYCLE ELECTRICAL SYSTEM)
1787521 COVER PLATE, SGL DUPLEX RECEPT BLK LVT
627737 BOX, RECEPTACLE/SWITCH PVC 1-GANG DEEP
1287283 25 RECEPTACLE, FEMALE 12V LONG THRD BLK
1259977 PLATE, FEMALE 12V RECEPTACLE MNT
1180041 26 ANTENNA, TV AMP W/SHIP/SHORE A/B SW 12/24VDC
(TV 13" FLAT SCREEN W/ DVD - 12 VOLT)
1688434 27 PANEL, 340DA-03 SLN/FWD STRM LIGHT SW BLK
(HULL#1202->UP)
1525989 PANEL, 280DA-01 LIGHTS 2-SWITCH CEY BLK
(HULL#1201)
1541655 28 ACTUATOR, ROCK SWITCH-LIGHTS BLK
797761 BODY, ROCK SW SPST BLK 12V INCAND NON-LIT
1798120 29 CURTAIN, 280DA-06 VERONA GLOW PRTLGHT
1338599 SNAP STUD, 5/8"FLANGED SLVR
BRACKETS
835710 BRACKET, ALUM 1"X 1"X 20" 3/16"HOLES 2SIDES
835835 BRACKET, ALUM 1"X 1"X 3" 3/16"HOLES 2SIDES
835850 BRACKET, ALUM 1"X 1"X 1" 3/16"HOLES
836122 BRACKET, PVC 1.5"X 1.5"X 3" 3/16"HOLES
EDGE BAND
898882 MICA, PVC EDGE BAND 7/8"X .017 BLK MATTE
LABELS
129122 LABEL, NMMA CERTIFIED
1741221 LABEL, STICKER 280DA CANADIAN CONFORMITY
(CANADIAN CONFORMITY STICKER)
1744738 LABEL, RECEPTACLE 12V-15A MAX (LEXAN)
1744745 LABEL, DISPOSAL OF GARBAGE
1747505 LABEL, INFO REPL PROD/BROCH/DLRLOC/ETC
1812911 LABEL, DANGER CO CABIN 06
MICA
1733074 MICA, 4'X 8'X.030"BLOSSOM CHERRY GLOSS GR20
(HULL#1447->UP)
1805078 MICA, 4'X 8'X.030"MAPLE MATTE VERT GRD W/PC
(HULL#1201->1446)
586230 MICA, 4'X 8'X.042"BLK MATTE GR12
1805077 MICA, 4'X 8'X.030"PLUM MATTE VERT GRD W/PC
(SANTA ROSA PLUM INTERIOR - OPTIONAL)
NOT SHOWN
797761 BODY, ROCK SW SPST BLK 12V INCAND NON-LIT
1541655 ACTUATOR, ROCK SWITCH-LIGHTS BLK
1806130 HARNESS, 280DA-06 CABIN 120V
1806131 HARNESS, 280DA-06 CABIN 220V
(220 VOLT / 50 CYCLE ELECTRICAL SYSTEM)
VINYLS
1003474 VINYL, ALLANTE II CREAM EXP FLAT
(INTERIOR PACKAGE A)
1781416 VINYL, ALLANTE II FAWN EXP FLAT
(INTERIOR PACKAGE B)
989426 VINYL, ALLANTE II BLK EXP FLAT
(INTERIOR PACKAGE C, D)
01/02/2008 42

280 SUNDANCER 2006
WELT
1212117 WELT, RVIEW LT CAMEO 8/32" GLUED
NOT SHOWN
144899 BOX, PVC SWITCH BOX
975037 BRKR, IDEA 230V 2P EURO GFCI 16A 10MA WHT
(220 VOLT / 50 CYCLE ELECTRICAL SYSTEM)
144907 COVER PLATE, SWITCH BOX BLUE PVC
1787503 RECEPTACLE, GFCI DPLX BLK W/IND LIGHT 15A LVT
1525997 PANEL, 280DA-01 SGL LIGHT BEIGE W/BLK ROCKERS
609883 CLEAT, PLAS 3/4"X 1"X 4" GREY
840850 LIGHT, COURTESY OVAL STEP ANTIQUE WHT (INT)
1184639 BULB, REPL FOR MRP #0840850 (STEP LT)
01/02/2008 43

280 SUNDANCER 2006
2
3
4
5
6
7
89
10 11
12
13
14
15
16
17
18
19
20
21
22
23
24
25
24
6
826
1
01/02/2008 44
GALLEY (REFRIGERATOR)

280 SUNDANCER 2006
GALLEY (REFRIGERATOR)
1658368 1 REFRIGERATOR, 2.7 CF
1738813 2 LATCH, COVER PLATE FOR TRAVEL LATCH
1738814 3 LATCH, TRAVEL LATCH SPRING
1738816 4 LATCH, TRAVEL PLATE
1804906 5 REFRIGERATOR, 2.7 CF CVR-CNTRL
1804907 6 REFRIGERATOR, 2.7 CF HINGE ASSY
1804908 7 REFRIGERATOR, 2.7 CF PARTITION DOOR POCKET
1804994 8 REFRIGERATOR, 2.7 CF DOOR SHELF BIN
1804995 9 REFRIGERATOR, 2.7 CF DOOR FRAME BTM
1805268 10 REFRIGERATOR, 2.7 CF CVR HINGE LH
1805269 11 REFRIGERATOR, 2.7 CF CVR HINGE RH
1805270 12 REFRIGERATOR, 2.7 CF DOOR PNL BLK
1805271 13 REFRIGERATOR, 2.7 CF DOOR FRAME ASSY
1805284 14 REFRIGERATOR, 2.7 CF DOOR ASSY
1805285 15 REFRIGERATOR, 2.7 CF SHELF LWR
1805286 16 REFRIGERATOR, 2.7 CF SHELF UPR
1805287 17 REFRIGERATOR, 2.7 CF DRAINAGE PAN
1805288 18 REFRIGERATOR, 2.7 CF HOLDER SHELF REAR
1805289 19 REFRIGERATOR, 2.7 CF ICE CUBE TRAY
1805290 20 REFRIGERATOR, 2.7 CF FRAME CVR/4 SIDES BLK
1805291 21 REFRIGERATOR, 2.7 CF FRAME CAB LH
1805292 22 REFRIGERATOR, 2.7 CF FRAME CAB BTM
1805293 23 REFRIGERATOR, 2.7 CF FRAME CAB RH
1805294 24 REFRIGERATOR, 2.7 CF BUSHING
1805295 25 REFRIGERATOR, 2.7 CF BUSHNG "I"
1805570 26 REFRIGERATOR, 2.7 CF DOOR HANDLE ASSY
01/02/2008 45

280 SUNDANCER 2006
10
11 12 13
15
16
17
19
20
18
5
1
2
14
DOOR/HARDWARE
9
8
7
6
4
3
01/02/2008 46
MID STATEROOM

280 SUNDANCER 2006
MID STATEROOM
1831205 1 SPOTLIGHT, SWVL TASK BRSHD SS W/SW N/CONN
(HULL#1514->UP)
1820310 BULB, REPL FOR #1803184/1831205
(HULL#1514->UP)
830307 SPOTLIGHT, SWVL TASK BEIGE W/CHR ACCNT HLGN
(HULL#1201->1513)
858886 BULB, REPL FOR #0830307
(HULL#1201->1513)
1514009 2 MIRROR, PLEX 280DA-01 MID STRM CAB
525667 3 HINGE, CONCEALED FULL OVERLAY MT PLATE ONLY
839399 4 HINGE, SELF CLOSING BLUM SCREW-ON
956797 5 CATCH, Y-TYPE WHT PLAS (ROTARY)
1776837 6 PULL, ROSETTE SAT/NCKL RND 16MM (5/8")
1742136 7 PULL, PUSH-BUTTON KNOB SAT/NCKL
772418 8 CATCH, RIM-LOCK WHT
761445 9 CATCH, RIM-LOCK STRIKE PLATE
1804089 10 STEREO, AMP MARINE AUDIO 80WX2CHNL 12V
(HULL#1202->UP)
1767698 STEREO, AMP MARINE AUDIO MAA402 12V
(HULL#1201)
1807866 STEREO, AMP PANASONIC 400W 4CHNL
(PREMIUM COCKPIT SOUND SYSTEM - 12 VOLT)
1782018 STEREO, AMP CLARION APX280M
(PREMIUM COCKPIT SOUND SYSTEM - 12 VOLT)
1750879 CABLE, RCA AUDIO "Y" (1-FM/ 2-M) W/NOISE SUPP
(PREMIUM COCKPIT SOUND SYSTEM - 12 VOLT)
312975 11 LIGHT, SGL DOME FLUSH MT WHT W/SWITCH
604801 BULB, DOME LIGHT 12V
1780215 12 NOSING, ALUM 5/8"X 12' T-1 ROUNDED BRUSHED
132183 13 TRACK, ALUM CURT TRK 0.275"X 0.688" TAB TYPE
1604271 14 A/C COMP, DISPLAY ECU BLK W/3/4" DOOR
(AIR CONDITIONING / HEATING-3/4 TON-120V/60)
(AIR CONDITIONING / HEATING-3/4 TON- 220V/50)
1055821 A/C COMP, FACE PLATE FOR CONTROL BLK
(AIR CONDITIONING / HEATING-3/4 TON-120V/60)
(AIR CONDITIONING / HEATING-3/4 TON- 220V/50)
1811276 15 280DA 06,DOOR,STRG AFT DIN
1746899 LABEL, DANGER CARBON MONOXIDE (LEXAN)
622050 BUMPER, CLEAR THIN 3/8"
948968 16 A/C COMP, HOSE RING 3" PLAS ROUND
(AIR CONDITIONING / HEATING-3/4 TON-120V/60)
(AIR CONDITIONING / HEATING-3/4 TON- 220V/50)
1787506 17 RECEPTACLE, DUPLEX BLACK 15A
1787551 RECEPTACLE, GERMAN STD MOS WHT(SNAP CVR) LVT
(220 VOLT / 50 CYCLE ELECTRICAL SYSTEM)
1787521 COVER PLATE, SGL DUPLEX RECEPT BLK LVT
627737 BOX, RECEPTACLE/SWITCH PVC 1-GANG DEEP
1733835 18 STEREO, CD CHANGER 6-DISC DCZ625 C-NET
1848731 STEREO, CD 6-DISC CARTRIDGE CLARION F/DCZ625
1750893 CABLE, RCA AUDIO 14' W/EFX-2 CONN N/SUP
1803464 19 STEREO, AM/FM CD W/CHNGR/SIR SAT PLAYER CMD4
875484 ANTENNA LEAD, STEREO SOFT WIRE 30"
1850253 VIDEO EQUIPMENT, AUXILIARY INPUT MP3 MA-AUX2
1803674 VIDEO EQUIPMENT, AUXILIARY INPUT MP3
(NO LONGER AVAILABLE-ORDER 1850253)
1750880 CABLE, RCA AUDIO 6' W/EFX-2 CONN W/NOISE SUPP
956078 ADAPTER, STEREO FEMALE/FEMALE
1847461 STEREO, SIRIUS SATELLITE RCVR SIRCL3M-6MO
(HULL#1581->UP)
1806758 STEREO, SIRIUS SATELLITE RCVR SIRCL-6MO
(HULL#1201->1580)
1887355 CABLE, SIRIUS SATELLITE RCVR CENET SIRCLM3
(HULL#1581->UP)
1269026 20 HOLDER, COMPACT DISC 13CD HOLD BLK
LABELS
1743616 LABEL, UNPLUG SHORE POWER WARNING
1751884 LABEL, 1/2"X 1.5" A/C CONDENSATE
(AIR CONDITIONING / HEATING-3/4 TON-120V/60)
(AIR CONDITIONING / HEATING-3/4 TON- 220V/50)
NOT SHOWN
1596923 FUSE HOLDER, BLADE TYPE ACCY 10A
795583 BUSS BAR, SGL POST 5/16"
835710 BRACKET, ALUM 1"X 1"X 20" 3/16"HOLES 2SIDES
836007 BRACKET, ALUM 1.5"X 1.5"X 3" 3/16"HOLES
01/02/2008 47

280 SUNDANCER 2006
1
2
4
6
5
7
8
3
01/02/2008 48
MID STATEROOM (UPHOLSTERY)

280 SUNDANCER 2006
MID STATEROOM (UPHOLSTERY)
1811313 1 280DA 06,BLSTR,MIDSTRM FLDWN
1811312 280DA 06,BLSTR SKN,MIDSTRM FLDWN
1811318 2 280DA 06,CUSH,PRT MIDSTRM
1811315 280DA 06,CUSH SKN,PRT MIDSTRM
132183 3 TRACK, ALUM CURT TRK 0.275"X 0.688" TAB TYPE
1798131 4 CURTAIN, 280DA-06 VERONA GLOW AFT PRIV
1794281 5 PILLOW PKG, 2006 SPCR MIDCAB PKGA (2)
1794284 PILLOW PKG, 2006 SPCR MIDCAB PKGB (2)
1794298 PILLOW PKG, 2006 SPCR MIDCAB PKGC (2)
1794301 PILLOW PKG, 2006/07 SPCR MIDCAB PKGD (2)
1811319 6 280DA 06,CUSH,STB MIDSTRM
1811316 280DA 06,CUSH SKN,STB MIDSTRM
1811317 7 280DA 06,CUSH,CTR MIDSTRM
1811314 280DA 06,CUSH SKN,CTR MIDSTRM
1811311 8 280DA 06,BLSTR INSERT,MIDSTRM FLDWN
1811310 280DA 06,BLSTR INSERT SKN,MIDSTRM FLDWN
FABRICS
1798080 FABRIC, GLAMOUR OATML-6"DIA QLT 10OZ/AC/B
(INTERIOR PACKAGE A)
1803705 FABRIC, VERONA/ALFALFA-6"DIA QLT 10OZ/AC/B
(INTERIOR PACKAGE A)
1800800 FABRIC, SEQUENCE BK/SLATE-6"DIA QLT 10OZ/AC/B
(INTERIOR PACKAGE B)
1798081 FABRIC, METROLINER CAT-6"DIA QLT 10OZ/AC/B
(INTERIOR PACKAGE C)
1798082 FABRIC, MAGNETIC HEMP-6"DIA QLT 10OZ/AC/B
(INTERIOR PACKAGE C)
1797639 FABRIC, SLEEK WHEAT-6"DIA QLT 10OZ/AC/B
(INTERIOR PACKAGE D)
HEADLINER/HULL LINER/WASHABLE SURFACE
1736787 VINYL, RVIEW LT CAMEO N/W 1/2"FB
UPHOLSTERY
1142181 WELT, RVIEW LT CAMEO 5/32"
1475045 FOAM, P/C 280DA-01 MID STRM CUSH SET
178517 VELCRO, LOOP WHT 2"
178756 TACK STRIP, CARDBOARD 1/2"X 71YDS
180182 ZIPPER, #5 DELRIN CONTINUOUS WHT
180406 SLIDE, DELRIN #5 WHT 1-S LOCK
103309 MESH, WHITE 60"
01/02/2008 49

280 SUNDANCER 2006
MULTI-INFO PACKET
MULTI-INFO PACKET
MULTI-INFO PACKET
1774202 PACKET, MULTI-INFO 280DA-05
OWNERS PACKET CONTENTS
1756390 MANUAL, OWNERS W/SUPPLMNT 280DA-04 3-PRT SPRL
1774201 CARD, WARRANTY - SPRT CRSR/SPRT YCHT/YCHT 05
1751564 CARD, CANVAS CARE & CLEANING SEA RAY
1774949 CHECK LIST, IN SERVICE - SP CRUISERS 05
1507912 CARD, PASSPORT TO SAVINGS
1764423 BROCHURE, CARBON MONOXIDE AWARENESS
1766184 BROCHURE, WATERSKI SAFETY GUIDELINES
1507938 CARD, TALOR WINDSHIELD/GLASS CARE
1411404 ENVELOPE, DEALER INFORMATION
137711 CARD, NAVIGATION INFORMATION
137729 CARD, COAST PILOTING INFORMATION
750075 CARD, MARINE ELECTRONICS
902726 PACKET, OWNERS BRIEFCASE CANVAS BLK (TYPHOON)
833749 FUSE BOX, SPARE W/6 ATC BLADE STYLE
140061 PLUG, DRAIN PLUG SNAPTITE 1/2"
764316 DOCUMENT, CANVAS LTD WARRANTY
1789922 VIDEO, 05 OWNER ORIENTATION SPCRUISER DVD
1751553 BOOKLET, COAST GUARD FEDERAL REQUIREMENT
1751550 CARD, CANVAS CARE & CLEANING MORBERN
1751623 CARD, MORBERN MELLOTECH MR/FR
OWNERS PACKET CONTENTS (continued)
1751555 BOOKLET, 3M MAINTENANCE INSTRUCTION
1751557 PACKET, 3M KIT
1510528 VIDEO, 01 CANVAS INSTALLATION SPCRUISERS
1751559 CARD, CANVAS CARE & CLEANING SUNBRELLA
1751562 CARD, WARRANTY SUNBRELLA LIMITED
1751563 BOOKLET, STA-BIL FUEL STABILIZER
1798084 LABEL, CHEMICAL WARNINGS
1805468 CARD, LADDER MAINTENANCE
OWNERS PACKET SUPPLIED BY PLANT
1683713 CARD, QUICK REFRENCE SHRPWR SPCRUIS/02
1691479 MANUAL, OWNERS - SEA RAY INT'L 12-LANGUAGE
(C E OPTION GROUP)
1750454 DECAL, SEA RAY OWNERS CLUB (NBOA) RV
1766115 PACKET, SIRIUS WELCOME KIT
187245 LABEL, BOATMAN'S CHECK LIST
434191 CARD, NAVIGATIONAL INTERNATIONAL
(EXPORT PACKING - INTERNATIONAL)
800565 BOOKLET, BOATER'S GUIDE TO AC ELECTRICAL SYST
01/02/2008 50

280 SUNDANCER 2006
KNOXVILLE PLANT HARDWARE
BLACK 10LB
WHITE LARGE
WHITE
525667
1776179
1480813
772418
132324
1118314 761445
1132380 140244 956797
34
5678
910
14 15
390849
2
1591817
1
839399
11 1338821
12
STAINLESS STEEL SAT/NCK-RH OUT
1781434
13
STAINLESS STEEL
16 1411453
STAINLESS STEEL
01/02/2008 51
KNOXVILLE HARDWARE

280 SUNDANCER 2006
KNOXVILLE HARDWARE
1591817 1 CATCH, ELBOW CHR 1 1/8"
( TV 13" FLAT SCREEN W/ DVD - 12 VOLT)
390849 2 CATCH, GRABBER LATCH W/10LB HOLD BLK PLAS
1118314 3 CATCH, RBR SUNPAD HOLD-DOWN
761445 4 CATCH, RIM-LOCK STRIKE PLATE
772418 5 CATCH, RIM-LOCK WHT
1132380 6 CATCH, RIM-LOCK WHT (SHIM ONLY)
140244 7 CATCH, SGL ROLLER WHT NYLON W/STRIKE LRG
956797 8 CATCH, Y-TYPE WHT PLAS (ROTARY)
132324 9 HINGE, BUTT CHROME/ZINC 2"
525667 10 HINGE, CONCEALED FULL OVERLAY MT PLATE ONLY
839399 11 HINGE, SELF CLOSING BLUM SCREW-ON
1338821 12 HINGE, SS STRAP 2.56" X 2.56" X 1/4"
1781434 13 LATCH, FLUSH MNT N/LOCKING SLAM SS
1480813 14 LATCH, FLUSH MOUNT ROUND T-HNDL SS W/PAWL
1776179 15 LATCH, OFFSHR FLSH RH-OUT PRVKNB SAT/NCK 5/8"
1411453 16 LATCH, FLUSH MOUNT PULL SS (SLAM)
01/02/2008 52

280 SUNDANCER 2006
KNOXVILLE HARDWARE (CONTINUED 1)
KNOXVILLE PLANT HARDWARE
1340959
8
1286947
7
41776837
826453
5
1742136
3
SATIN/NICKEL
3/4" X 2" X 4"
ARTIC WHITE
SATIN/NICKEL
11781435
1199249
6
21683350
STAINLESS STEEL
KNOXVILLE HARDWARE (CONTINUED 1)
1781435 1 PLATE, CUP BRKT 2"LONG SCREW W/HDWR PKG
1683350 2 PULL, FLUSH HATCH SS T-HNDL
1742136 3 PULL, PUSH-BUTTON KNOB SAT/NCKL
1776837 4 PULL, ROSETTE SAT/NCKL RND 16MM (5/8")
826453 5 SHIM, DOOR STRIKER
1199249 6 SHIM, HDPE 260DA-99 CKPT AFT FOLDAWAY SEAT
1286947 7 STOP, HDPE 3/4"X 2"X 4" ENTRYWAY DOOR ARW
1340959 8 STOP, SLIDING DOOR/WINDOW CHR HVY DTY
01/02/2008 53

280 SUNDANCER 2006
AC MAIN DISTRIBUTION PANEL 60HZ CYCLE
50
010 40
30
20
REVERSED
POLARITY
POWER
AC
CONVERTER
STOVE
AIR
CONDITIONER
STEREO
AMPLIFIER
HEAD
SYSTEM
ACCESSORY
CO MONITOR
REFRIGERATOR
CABIN LIGHTS
12 VOLTS DC
120 VOLTS AC
WATER HEATER
MICROWAVE
OUTLETS/
REFRIGERATOR
MAIN
1
2
4
3
5
6
8
9
10
11
12
7
13
77
6
12
AC MAIN DISTRIBUTION PANEL 60HZ CYCLE
1508969 1 PANEL, 280DA-01 AC MDP 120/60
1524263 PANEL, BLANK:280DA-01 MDP AC
648873 2 BRKR/ROCK, 2-POLE AC/DC VERT 30A WHT
572529 3 LIGHT, POLARITY GRN 125V
557611 4 LIGHT, POLARITY RED 125V
767608 5 GAUGE, VOLTMETER AC 0-150 ANALOG WINDOW MT SM
332593 6 BRKR/ROCK, SGL-POLE AC/DC HORZ 10A WHT
331991 7 BRKR/ROCK, SGL-POLE AC/DC HORZ 20A WHT
1479922 8 BRKR/ROCK, SGL-POLE M-SERIES HORZ 25A RED
1506690 9 BRKR/ROCK, SGL-POLE M-SERIES HORZ 20A RED
1490200 10 PLUG, BRKR/ROCK M SERIES
1181700 11 BRKR, P/BTN-MANUAL RESET M-SERIES 1A W/SCREW
1181684 12 BRKR/ROCK, SGL-POLE M-SERIES HORZ 15A RED
331991 13 BRKR/ROCK, SGL-POLE AC/DC HORZ 20A WHT
NOT SHOWN
432872 PLUG, BRKR/ROCK
01/02/2008 54

280 SUNDANCER 2006
AC MAIN DISTRIBUTION PANEL 50HZ CYCLE
220 VOLTS AC/50 HZ
50
010 40
30
20
REVERSED
POLARITY
POWER
STOVE
STEREO
AMPLIFIER
ACCESSORYCO MONITOR
REFRIGERATOR
CABIN LIGHTS
12 VOLTS DC
WATER HEATER
MICROWAVE
OUTLETS/
REFRIGERATOR
1
2
4
3
5
8
9
10
11
HEAD
SYSTEM
AIR
CONDITIONER
AC
CONVERTER
MAIN
7
7
77
12
12
6
6
AC MAIN DISTRIBUTION PANEL 50HZ CYCLE
1508977 1 PANEL, 280DA-01 AC MDP 220/50
1524271 PANEL, BLANK:280DA-01 MDP AC 220/50
440354 2 BRKR/ROCK, 2-POLE AC/DC VERT 20A WHT
557603 3 LIGHT, POLARITY GRN 220V
557629 4 LIGHT, POLARITY RED 220V
796334 5 GAUGE, VOLTMETER AC 0-300 ANALOG WINDOW MOUNT
353326 6 BRKR/ROCK, SGL-POLE AC/DC HORZ 5A WHT
332593 7 BRKR/ROCK, SGL-POLE AC/DC HORZ 10A WHT
1479922 8 BRKR/ROCK, SGL-POLE M-SERIES HORZ 25A RED
1506690 9 BRKR/ROCK, SGL-POLE M-SERIES HORZ 20A RED
1490200 10 PLUG, BRKR/ROCK M SERIES
1181700 11 BRKR, P/BTN-MANUAL RESET M-SERIES 1A W/SCREW
1181684 12 BRKR/ROCK, SGL-POLE M-SERIES HORZ 15A RED
01/02/2008 55

280 SUNDANCER 2006
AC MAIN DISTRIBUTION PANEL 60HZ WITH GENERATOR
CO MONITOR
REFRIGERATOR
REVERSED
POLARITY
CABIN LIGHTS
SHORE
POWER
OUTLETS/
REFRIGERATOR
MICROWAVE
AIR
CONDITIONER
12 VOLTS DC
STOVE
GENERATOR
STEREO
AMPLIFIER
ACCESSORY
WATER HEATER
120 VOLTS AC
AC
CONVERTER
50
010 40
30
20
1
2
345
67
8
9
10
11
12
13
15
HEAD
SYSTEM
9
9
14
14
8
AC MAIN DISTRIBUTION PANEL 60HZ WITH
GENERATOR
1508993 1 PANEL, 280DA-01 AC MDP 120/60 W/GEN
1524289 PANEL, BLANK:280DA-01 MDP AC W/GEN
340679 2 SLIDE ASSY, SLIDE BAR MDP PANEL
629337 3 BRKR/ROCK, 2-POLE AC/DC VERT 35A WHT
648873 4 BRKR/ROCK, 2-POLE AC/DC VERT 30A WHT
572529 5 LIGHT, POLARITY GRN 125V
557611 6 LIGHT, POLARITY RED 125V
767608 7 GAUGE, VOLTMETER AC 0-150 ANALOG WINDOW MT SM
332593 8 BRKR/ROCK, SGL-POLE AC/DC HORZ 10A WHT
331991 9 BRKR/ROCK, SGL-POLE AC/DC HORZ 20A WHT
1479922 10 BRKR/ROCK, SGL-POLE M-SERIES HORZ 25A RED
1506690 11 BRKR/ROCK, SGL-POLE M-SERIES HORZ 20A RED
1490200 12 PLUG, BRKR/ROCK M SERIES
1181700 13 BRKR, P/BTN-MANUAL RESET M-SERIES 1A W/SCREW
1181684 14 BRKR/ROCK, SGL-POLE M-SERIES HORZ 15A RED
331991 15 BRKR/ROCK, SGL-POLE AC/DC HORZ 20A WHT
01/02/2008 56

280 SUNDANCER 2006
AC MAIN DISTRIBUTION PANEL 50HZ WITH GENERATOR
220 VOLTS AC/50HZ
CO MONITOR
REFRIGERATOR
REVERSED
POLARITY
CABIN LIGHTS
SHORE
POWER
OUTLETS/
REFRIGERATOR
MICROWAVE
AIR
CONDITIONER
12 VOLTS DC
STOVE
GENERATOR
STEREO
AMPLIFIER
ACCESSORY
WATER HEATER
AC
CONVERTER
50
010 40
30
20
1
2
34
56
7
9
10
11
12
13
HEAD
SYSTEM
8
8
88
13
7
AC MAIN DISTRIBUTION PANEL 50HZ WITH
GENERATOR
1508985 1 PANEL, 280DA-01 AC MDP 220/50 W/GEN
1524297 PANEL, BLANK:280DA-01 MDP AC 220/50 W/GEN
340679 2 SLIDE ASSY, SLIDE BAR MDP PANEL
440354 3 BRKR/ROCK, 2-POLE AC/DC VERT 20A WHT
557603 4 LIGHT, POLARITY GRN 220V
557629 5 LIGHT, POLARITY RED 220V
796334 6 GAUGE, VOLTMETER AC 0-300 ANALOG WINDOW MOUNT
353326 7 BRKR/ROCK, SGL-POLE AC/DC HORZ 5A WHT
332593 8 BRKR/ROCK, SGL-POLE AC/DC HORZ 10A WHT
1479922 9 BRKR/ROCK, SGL-POLE M-SERIES HORZ 25A RED
1506690 10 BRKR/ROCK, SGL-POLE M-SERIES HORZ 20A RED
1490200 11 PLUG, BRKR/ROCK M SERIES
1181700 12 BRKR, P/BTN-MANUAL RESET M-SERIES 1A W/SCREW
1181684 13 BRKR/ROCK, SGL-POLE M-SERIES HORZ 15A RED
01/02/2008 57

280 SUNDANCER 2006
MAIN DC BREAKER PANEL
MASTER
BILGE PUMP
BATT CHARGER
OUTPUT #1
BATT CHARGER
OUTPUT #2
PORT/SINGLE
IGNITION
STBD
IGNITION
AFT EIM
UNSWITCHED
AFT EIM
SWITCHED
PORT/SINGLE
EMERGENCY
BILGE PUMP
FWD EIM
STBD IGNITION
SUMP PUMP
BATT CHARGER
OUTPUT #3
CABIN/ACCY
1
23
3
4
5
6
7
8
MAIN DC BREAKER PANEL
8
55
4
3
MAIN DC BREAKER PANEL
1685901 1 PANEL, 280DA/290BR/SS-02 MDC BRKR SE GAS/DSL
1685902 PANEL, 280DA/290BR/SS-02 MDC BRKR TWN ENG
(T-4.3L MPI ALPHA ( T-220 PHP ) MCM STERN DR)
(T-5.0L MPI BR 3 ( T-260 PHP ) MCM STERN DR)
(T-4.3L MPI BR 3 ( T-220 PHP ) MCM STERN DR)
1685903 PANEL, 280DA/290BR/SS-02 MDC BRKR VOLVO
(D6-310DPH (298 PHP) VOLVO DIESEL STERN DR.)
1479310 PANEL, BLANK:280DA/290BR/SS-01 MDC BRKR
1412006 2 BRKR/ROCK, SGL-POLE MNL RSET DC IGNPRT 30A YL
1181775 3 BRKR/ROCK, SGL-POLE MNL RSET DC IGNPRT 50A YL
1181742 4 BRKR/ROCK, SGL-POLE MNL RSET DC IGNPRT 10A YL
1181767 5 BRKR/ROCK, SGL-POLE MNL RSET DC IGNPRT 20A YL
1544188 6 SWITCH, KEY ASHI DENSO
1666171 KEY, MSTR IGN MDB PNL "3103"
1666197 KEY, MSTR IGN MDB PNL "3110"
1666205 KEY, MSTR IGN MDB PNL "3112"
1666213 KEY, MSTR IGN MDB PNL "3113"
1666239 KEY, MSTR IGN MDB PNL "3135"
1666254 KEY, MSTR IGN MDB PNL "3203"
1666262 KEY, MSTR IGN MDB PNL "3210"
1666270 KEY, MSTR IGN MDB PNL "3212"
1666288 KEY, MSTR IGN MDB PNL "3213"
1666296 KEY, MSTR IGN MDB PNL "3235"
1181726 7 BRKR/ROCK, SGL-POLE MNL RSET DC IGNPRT 5A YLW
1181734 8 BRKR/ROCK, SGL-POLE MNL RSET DC IGNPRT 6A YEL
NOT SHOWN
432872 PLUG, BRKR/ROCK
01/02/2008 58

280 SUNDANCER 2006
GENERATOR PANEL
1
3
! WARNING
GASOLINE VAPORS CAN EXPLODE
RESULTING IN INJURY OR DEATH
BEFORE STARTING ENGINE
-CHECK ENGINE COMPARTMENT BILGE
FOR GASOLINE OR VAPORS, AND
-VERIFY BLOWER OPERATION
RUN BLOWER WHEN VELLEL IS OPERATING
BELOW CRUISING SPEED
START/RUN
BILGE
BLOWERS
# 2
BLOWERS
PREHEAT/ON
# 1
BILGE
GENERATOR
START/RUN
BILGE
BLOWER
BREAKERS
6
4
5
74
2
GAS GENERATOR PANEL DIESEL GENERATOR PANEL
STOP/PREHEAT
GENERATOR
ON
2
GENERATOR PANEL
1735872 1 PANEL, 280DA-03 GEN REMOTE GAS KOHLER
(GENERATOR 5.0 E KOHLER 120V/60HZ - GAS)
(GENERATOR 4.0 EF KOHLER 220V/50HZ - GAS)
1850676 PANEL, BLANK:280DA-03 GEN REMOTE GAS KOHLER
(GENERATOR 5.0 E KOHLER 120V/60HZ - GAS)
(GENERATOR 4.0 EF KOHLER 220V/50HZ - GAS)
1833278 PANEL, 280DA-06 GEN REMOTE GAS KOHLER ECD
(GEN. 5.0 ECD KOHLER - GAS - 120V/60HZ)
(GEN. 4.0 EFCD KOHLER - GAS - 220V/50HZ)
1850675 PANEL, BLANK 280DA-06 GEN REMOTE GAS KOHLER
(GEN. 5.0 ECD KOHLER - GAS - 120V/60HZ)
(GEN. 4.0 EFCD KOHLER - GAS - 220V/50HZ)
679324 2 ACTUATOR, ROCK BLK W/BLUE LENS ACCY
799304 BODY, ROCK SW SPST (MOM) BLK W/IND INC LAMP
679324 3 ACTUATOR, ROCK BLK W/BLUE LENS ACCY
681494 BODY, ROCK SW DPDT MOM 12V W/INDEP INC LAMP
679324 4 ACTUATOR, ROCK BLK W/BLUE LENS ACCY
758045 BODY, ROCK SW 2 CKT PROG W/IND LMP
1719445 5 PANEL, 280DA-03 GEN REMOTE DSL KOHLER
(GENERATOR 4.0 EOZ KOHLER - DIESEL - 120V/60)
(GENERATOR 3.5 EFOZ KOHLER -DIESEL - 220V/50)
1850674 PANEL, BLANK:280DA-03 GEN REMOTE DSL KOHLER
(GENERATOR 4.0 EOZ KOHLER - DIESEL - 120V/60)
(GENERATOR 3.5 EFOZ KOHLER -DIESEL - 220V/50)
809806 6 BRKR, P/BTN-MANUAL RESET 6A
681486 7 ACTUATOR, ROCK BLK W/O LENS ACCY
1544204 SWITCH, DPST (MOM) EMER START
01/02/2008 59

280 SUNDANCER 2006
FWD
ENGINE HATCH
EXTINGUISHER
2
1
4
67
89
11
13
14
15
18
16
17
28
19
27
26
25
24
23
22
21
20
5
3
10
12
29 30 31 32 33 34
ELECTRICAL BOARD
12
01/02/2008 60
BILGE

280 SUNDANCER 2006
BILGE
1587104 1 BLOWER, BILGE 4" #240M W/O CONN
791749 2 VENT, PLAS GRILL 4" WHT
1480433 3 PUMP, FRESH WATER SHURFLO 2.8GPM IMP SOFT MNT
1142496 4 HEATER, WATER 6 GAL 110/60 W/75-210T&P
1146877 VALVE, TEMPERING 75PSI/210DEG
1790450 ELEMENT, HEATER WTR 110/60 W/75-210
1054766 VALVE, BRASS WATER HEATER TEMPERING 120-160DG
1239458 5 HOLDER, BATTERY GR27/31 BLK NYLON W/SS
1258979 BOOT, BATTERY CABLE 105C "T" BLK 4/0
650499 BOOT, BATTERY CABLE 4/0 RED 11/16"
140509 BOOT, ENG STARTER RED
650507 BOOT, BATTERY CABLE 4/0 BLK 11/16"
135798 WIRE, 14GA AWG BLK
135814 WIRE, 14GA AWG RED
130807 CABLE, BATT BLK #2/0AWG
184051 CABLE, BATT RED #2/0AWG
360495 CONN, BATT LUG 2/0 POS W/NUT/BOLT
518738 CONN, BATT LUG 2/0GA NEG T-TYPE
136044 CABLE, BATT BLK #4/0AWG
(D6-310DPH (298 PHP) VOLVO DIESEL STERN DR.)
136051 CABLE, BATT RED #4/0AWG
(D6-310DPH (298 PHP) VOLVO DIESEL STERN DR.)
192385 CONN, BATT LUG 4/0GA NEG W/NUT/BOLT
(D6-310DPH (298 PHP) VOLVO DIESEL STERN DR.)
518720 CONN, BATT LUG 4/0GA NEG T-TYPE
(D6-310DPH (298 PHP) VOLVO DIESEL STERN DR.)
1258987 BOOT, BATTERY CABLE 105C "T" RED 4/0
(D6-310DPH (298 PHP) VOLVO DIESEL STERN DR.)
130781 CABLE, BATT RED #2AWG
(GENERATOR)
130799 CABLE, BATT BLK #2AWG
(GENERATOR)
1791584 6 STRAINER, BRZ WATER INTAKE 3/4" W/NYLON STRAP
(USED FOR A/C AND GENERATOR)
1851357 BRACKET, STRAINER MNT UPR
(USED FOR A/C AND GENERATOR)
1851358 BRACKET, STRAINER MNT LWR
(USED FOR A/C AND GENERATOR)
1404854 PLUG, PLASTIC STRAINER DRAIN
(USED FOR A/C AND GENERATOR)
959809 7 TANK, WATER - 28GAL W/PICKUP TUBE
964387 TUBE, PICK-UP WATER 17" 1/2"DIA SCH 40 WHT
1690502 STRAP, WATER TANK 280DA-02
315507 8 INSULATION, VIBRACON 1"
948265 9 A/C COMP, PUMP 500GPH 115V 50/60HZ WTR COOL
(AIR CONDITIONING / HEATING-3/4 TON-120V/60)
948349 A/C COMP, PUMP 500GPH 240V 50HZ WTR COOL
(AIR CONDITIONING / HEATING-3/4 TON- 220V/50)
1690247 10 PUMP, BILGE 1100GPH W/IMPELLOR HOUSING VANES
1441831 BRACKET, BILGE PUMP HI-WTR REV1
1304856 11 TANK, HOLDING 28 GAL HTS W/FIL/SEND W/CONN
1738926 SENDING UNIT, HOLD TANK CAP FOR MRRP 1304856
1684143 TANK, HOLDING 28 GAL W/T12PUMP/RELAY/90DEGELL
(MACERATOR W/ SEACOCK INTERLOCK SYSTEM)
1789111 PUMP, HOLDING TANK REPLACEMENT
(MACERATOR W/ SEACOCK INTERLOCK SYSTEM)
1798723 VACUUM GEN, HEAD SYS PMP/ACUM LOPRO 12V W/CON
(HULL#1219->UP)
1302090 VACUUM GEN, HEAD SYS PUMP/ACCUM 12V W/CONN
(HULL#1201->1218)
1285600 ELBOW KIT, 1.5" HOLDING TANK INLET KIT
(HULL#1201->1218)
1745156 LABEL, NOTICE OVERBOARD DISCHARGE (LEXAN)
1193671 12 SWITCH, FLOAT RULE W/CVR
1744946 13 TANK, FUEL 280DA-03 100GAL PLAS W/SS SENDER
1549682 TUBE, PICK-UP ASSY W/1/2"BARB 280DA-01
1745012 SENDING UNIT, WEMA 13.5" SS W/SCRW & GASKET
1323690 STRAP, FUEL 270SDA-00 30.75"
124016 14 HOSE, VENT/BLOWER 4" EX HVY DTY
124024 HOSE, VENT/BLOWER 3" EX HVY DTY
(D6-310DPH (298 PHP) VOLVO DIESEL STERN DR.)
(KAD 300 EDC/DP (268 PHP) VOLVO STERN DR DSL)
609081 15 HALON SYS, MANUAL/AUTO 150CF
598169 HALON CABLE, MANUAL PULL CABLE 18'
1148857 HALON SYS, ENG INTRUPT/RESTRT 12V 5-CKT
(D6-310DPH (298 PHP) VOLVO DIESEL STERN DR.)
1642263 FIRE EXT SYS, FM200 150CF GAS/DSL-MAN/AUTO
(CE OPTION GROUP)
(FIRE SUPPRESSION FM 200-CANADA & AUSTRALIA)
634592 16 BRACKET, SS GAS CYL FLAT W/BALL STUD
1425370 17 CYLINDER, GAS SS 120PSI 20"EXT X 12"COMP
1811323 18 280DA 06,HATCH,ENG
1745513 19 LABEL, WARNING LEAKING FUEL
1746895 20 LABEL, CHECK BATTERY CELL FLUID LEVEL
1745512 21 LABEL, STAY CLEAR OF MOVING PARTS ON ENGINE
1584739 22 HINGE, SS CONT 2.5"X 35" W/1/4"PIN SLOTTED
770404 23 INSULATION, 2" ACOUSTICAL 4.5'X 6' ALUM
634550 24 BRACKET, SS GAS CYL 90DEG L-BRKT W/BALL LONG
876961 25 BASE, LEG/POST FLUSH MT ALUM
1744737 26 LABEL, DISCHARGE OF OIL (LEXAN)
1745514 LABEL, PREVENT DISCHARGE OF POLLUTANTS
(CE OPTION GROUP)
1683350 27 PULL, FLUSH HATCH SS T-HNDL
1396142 28 MOLDING, FOAM RBR "D-SHAPE" 1.75" W/HAT ADH
1684144 29 CONVERTER, 30AMP 120VAC/12VDC
1745132 CONVERTER, 20AMP 120/220 50/60HZ 12VDC REV 1
(220 VOLT / 50 CYCLE ELECTRICAL SYSTEM)
795583 30 BUSS BAR, SGL POST 5/16"
822668 31 LIGHT, SGL DOME FLUSH MT PLAS WHT W/O SWITCH
604801 BULB, DOME LIGHT 12V
1810623 32 MODULE, ELEC INTERFACE AFT S-CRUISER RV4
(HULL#1420->UP)
1759175 MODULE, ELEC INTERFACE AFT S-CRUISER RV3
(HULL#1201->1419)
1148121 33 BRKR, SURF MNT THERMAL 60AMP MANUAL RESET
(WINDLASS - LOFRANS MARLIN - ROPE/CHAIN)
(WINDLASS - LOFRANS MARLIN - CHAIN)
644609 34 SOLENOID, MAGNET LATCHING 12V 100A/500A W/HDW
(WINDLASS - LOFRANS MARLIN - ROPE/CHAIN)
(WINDLASS - LOFRANS MARLIN - CHAIN)
651869 SOLENOID, MAGNET LATCHING LEAD ONLY
(WINDLASS - LOFRANS MARLIN - ROPE/CHAIN)
(WINDLASS - LOFRANS MARLIN - CHAIN)
BRACKETS
836023 BRACKET, ALUM 1.5"X 1.5"X 1.5" 3/16"HOLES
952804 BRACKET, ALUM 2"X 1/8"X 5" 8@3/16"HOLES
HARNESSES
1486620 HARNESS, 280DA-01 GROUNDING
1505916 HARNESS, 280DA/290BR/SS-01 SNGL ENG IGN ESS
1507250 HARNESS, ENG MERC S-CRFT 1000-2RSL-30'
1798143 HARNESS, ENG MERC S-CRFT SC100 LINK EXT 6"
1792019 HARNESS, 280DA-05 BILGE W/S-CRFT RV1
1589209 HARNESS, 280DA-01 BILGE VOLVO DSL REV1
(D6-310DPH (298 PHP) VOLVO DIESEL STERN DR.)
1789965 HARNESS, MERCURY FUEL ADAPTER 6 PIN TO 3
(496 MAG BR 3 ( 375 PHP ) MCM STERN DRIVE)
1505908 HARNESS, 280DA/290BR/SS-01 TWIN ENG IGN ESS
(T-4.3L MPI ALPHA ( T-220 PHP ) MCM STERN DR)
(T-5.0L MPI BR 3 ( T-260 PHP ) MCM STERN DR)
(T-4.3L MPI BR 3 ( T-220 PHP ) MCM STERN DR)
1507276 HARNESS, MERC DATA S-CRFT W/TERM 1000-1RSL-30
(T-4.3L MPI ALPHA ( T-220 PHP ) MCM STERN DR)
(T-5.0L MPI BR 3 ( T-260 PHP ) MCM STERN DR)
(T-4.3L MPI BR 3 ( T-220 PHP ) MCM STERN DR)
1507292 HARNESS, ENG SYSTEMS TACH/MONITOR
(T-4.3L MPI ALPHA ( T-220 PHP ) MCM STERN DR)
(T-5.0L MPI BR 3 ( T-260 PHP ) MCM STERN DR)
(T-4.3L MPI BR 3 ( T-220 PHP ) MCM STERN DR)
1507300 HARNESS, SYSTEM SPEED
(T-4.3L MPI ALPHA ( T-220 PHP ) MCM STERN DR)
(T-5.0L MPI BR 3 ( T-260 PHP ) MCM STERN DR)
(T-4.3L MPI BR 3 ( T-220 PHP ) MCM STERN DR)
1727448 HARNESS, MERC DATA S-CRFT W/TERM 1000-1RSL-25
(T-4.3L MPI ALPHA ( T-220 PHP ) MCM STERN DR)
(T-5.0L MPI BR 3 ( T-260 PHP ) MCM STERN DR)
(T-4.3L MPI BR 3 ( T-220 PHP ) MCM STERN DR)
1792020 HARNESS, 280DA-05 BILGE T/E W/S-CRFT RV1
(T-4.3L MPI ALPHA ( T-220 PHP ) MCM STERN DR)
(T-5.0L MPI BR 3 ( T-260 PHP ) MCM STERN DR)
(T-4.3L MPI BR 3 ( T-220 PHP ) MCM STERN DR)
1753564 HARNESS, MERC CAN LINK
(T-4.3L MPI ALPHA ( T-220 PHP ) MCM STERN DR)
(T-5.0L MPI BR 3 ( T-260 PHP ) MCM STERN DR)
(T-4.3L MPI BR 3 ( T-220 PHP ) MCM STERN DR)
1793838 HARNESS, MERC DUAL ENGINE INST ADP
(T-4.3L MPI ALPHA ( T-220 PHP ) MCM STERN DR)
(T-5.0L MPI BR 3 ( T-260 PHP ) MCM STERN DR)
(T-4.3L MPI BR 3 ( T-220 PHP ) MCM STERN DR)
HEAT SHRINK
1429174 HEAT SHRINK, TUBING BLK 3/4"X 4'
1429182 HEAT SHRINK, TUBING RED 3/4"X 4'
1429265 HEAT SHRINK, TUBING BLK 1/4"X 4'
01/02/2008 61

280 SUNDANCER 2006
HOSES
1501782 HOSE, CONDUIT/SPLIT 1/2" FLAME RETARDANT
1501824 HOSE, CONDUIT/SPLIT 3/4" FLAME RETARDANT
1501832 HOSE, CONDUIT/SPLIT 3/8" FLAME RETARDANT
1501840 HOSE, CONDUIT/SPLIT 1" FLAME RETARDANT
1501865 HOSE, CONDUIT/SPLIT 1.25" FLAME RETARDANT
NOT SHOWN
123612 CLAMP, LOOM VINYL DIP 11/16"
144899 BOX, PVC SWITCH BOX
1690371 ACC PART, MERC S-CRFT TRNS W/19' NYL DEP/TEMP
1736148 PITOT, S-CRFT SPEEDO KIT BIG BLOCK
173617 TAPE, DUCT MYLAR 2"
726273 HOOK, RINGHLDR W/SNAP STRAP WHT
(CE OPTION GROUP)
604959 PUMP, BILGE 16GPM MANUAL THRU DECK MNT
(CE OPTION GROUP)
801563 PUMP, BILGE MANUAL PICKUP/STRAINER
(CE OPTION GROUP)
1690833 SOLENOID, EMERG START 12V 100AMP
(T-4.3L MPI ALPHA ( T-220 PHP ) MCM STERN DR)
(T-5.0L MPI BR 3 ( T-260 PHP ) MCM STERN DR)
(T-4.3L MPI BR 3 ( T-220 PHP ) MCM STERN DR)
1727800 PITOT, S/CRFT SPEEDO KIT SML BLOCK
(T-4.3L MPI ALPHA ( T-220 PHP ) MCM STERN DR)
(T-5.0L MPI BR 3 ( T-260 PHP ) MCM STERN DR)
(T-4.3L MPI BR 3 ( T-220 PHP ) MCM STERN DR)
1583046 ACC PART, MERC EXHAUST INT ELBOW KIT
(496 MAG BR 3 ( 375 PHP ) MCM STERN DRIVE)
1583384 ACC PART, MERC EXHAUST PIPE (Y PIPE)
(496 MAG BR 3 ( 375 PHP ) MCM STERN DRIVE)
01/02/2008 62

280 SUNDANCER 2006
BILGE (ENGINE SET-UP/WATER INTAKE)
34
1
5
4
3
6
4
1
4
6
1
1
5
2
2
BILGE (ENGINE SET-UP/WATER INTAKE)
124206 1 HOSE, WATER INTAKE 1.25" HW
256693 CLAMP, HOSE #24 1"-2" SS .505
586917 2 ELBOW, BRZ 45DEG 1.25"MPT X 1.25"BARB
158063 3 STRAINER, BRZ WATER INTAKE 1.25"
144691 4 ELBOW, BRZ 90DEG 1.25"MPT X 1.25"BARB (PERKO)
518449 5 SEACOCK, BRZ 1.25" W/O TAILPIECE
531590 6 PICK-UP, BRZ WATER INTAKE 1.25"
NOT SHOWN
141713 ADAPTER, BRASS 3/8"MPT X 5/8"BARB
01/02/2008 63

280 SUNDANCER 2006
12 12 14
12
15
16
11
14
13
TO STBD FUEL TANK
SEE DETAIL"A"
DETAIL "A"
3
9
10
1
2
3
17
5
4
8
7
6
6
13
01/02/2008 64
BILGE (GENERATOR SET-UP)

280 SUNDANCER 2006
BILGE (GENERATOR SET-UP)
1727343 1 GENERATOR, 5.0 KW GAS KOHLER 120V/60
(GENERATOR 5.0 E KOHLER 120V/60HZ - GAS)
(GENERATOR 4.0 EF KOHLER 220V/50HZ - GAS)
1727348 GENERATOR, 5.0 KW DSL KOHLER 120V/60
(GENERATOR 4.0 EOZ KOHLER - DIESEL - 120V/60)
(GENERATOR 3.5 EFOZ KOHLER-DIESEL-220V/50)
1803671 GENERATOR, 5ECD GAS KOHLER 120V/60 SCRFT
(GEN. 5.0 ECD KOHLER - GAS - 120V/60HZ)
1833211 GENERATOR, 4EFCD GAS KOHLER 220V/50 SCRFT
(GEN. 4.0 EFCD KOHLER - GAS - 220V/50HZ)
1784602 2 MUFFLER, 2"IN X 2"OUT 9"X 9" BASE
160374 MUFFLER, DRAIN PLUG
417717 3 CLAMP, HOSE #36 7/8"-2.75" SS .505
1684388 CAP, PROTECT CLAMP RBR .045"X.465-1/2"BLK
526087 4 SYPHON BREAK KIT, GEN EXH KOHLER
1769255 5 THRU-HULL, SS EXHAUST 2" W/SS LIP
1835350 THRU-HULL, FLAP ONLY SS EXH 2" X-LONG
913053 6 HOSE, EXHAUST 2" CORR HW
791392 7 BUSHING, SS THD 1/4"FPT X 3/8"MPT
(GENERATOR 4.0 EOZ KOHLER - DIESEL - 120V/60)
(GENERATOR 3.5 EFOZ KOHLER-DIESEL-220V/50)
629253 ELBOW, BRASS 90DEG 1/4"SAE X 1/4"MPT
965954 FERRULE, FUEL LINE 1/4"ISO/CE .650"ID
(HULL#1481->UP)
1477314 FERRULE, FUEL LINE 1/4"ISO/CE
(HULL#1201->1480)
629279 FITTING, BRASS 1/4"BARB/NUT
340901 8 HOSE, FUEL 1/4" TYPE A CLASS 1 ISO/CE
(HULL#1481->UP)
1485481 HOSE, FUEL 1/4" ISO/CE W/PLAS LINER
(HULL#1201->1480)
1791155 9 VALVE, BRASS FUEL SHUT-OFF 12V SER7000 10W
140046 VALVE, FUEL SHUT OFF DSL 1/4"
(GENERATOR 4.0 EOZ KOHLER - DIESEL - 120V/60)
(GENERATOR 3.5 EFOZ KOHLER-DIESEL-220V/50)
148171 10 FILTER, FUEL/WATER SEPARATOR KIT
(GENERATOR 5.0 E KOHLER 120V/60HZ - GAS)
(GENERATOR 4.0 EF KOHLER 220V/50HZ - GAS)
1524065 FILTER, REMOTE FUEL DSL (500MASR)
(GENERATOR 4.0 EOZ KOHLER - DIESEL - 120V/60)
(GENERATOR 3.5 EFOZ KOHLER-DIESEL-220V/50)
1791584 11 STRAINER, BRZ WATER INTAKE 3/4" W/NYLON STRAP
(USED FOR A/C AND GENERATOR)
1851357 BRACKET, STRAINER MNT UPR
(USED FOR A/C AND GENERATOR)
1851358 BRACKET, STRAINER MNT LWR
(USED FOR A/C AND GENERATOR)
1404854 PLUG, PLASTIC STRAINER DRAIN
(USED FOR A/C AND GENERATOR)
256677 12 CLAMP, HOSE #12 1/2"-1.25" SS .505
1684388 CAP, PROTECT CLAMP RBR .045"X.465-1/2"BLK
531426 13 ADAPTER, BRZ 3/4"MPT X 3/4"BARB
123810 14 HOSE, GEN PURPOSE 3/4"
518431 15 SEACOCK, BRZ 3/4" W/O TAILPIECE
640300 16 THRU-HULL, BRZ 3/4" W/O NUT
124594 17 HOSE, WATER 5/8" HVY DTY (HEATER)
HARNESSES
1736002 HARNESS, 280DA-03 KOHLER GEN GAS & DSL
1833276 HARNESS, 280DA-06 KOHLER GEN GAS ECD
(GEN. 5.0 ECD KOHLER - GAS - 120V/60HZ)
(GEN. 4.0 EFCD KOHLER - GAS - 220V/50HZ)
1833277 HARNESS, 280DA-06 KOHLER GEN DSL
(GENERATOR 4.0 EOZ KOHLER - DIESEL - 120V/60)
(GENERATOR 3.5 EFOZ KOHLER -DIESEL - 220V/50)
LABELS
1743616 LABEL, UNPLUG SHORE POWER WARNING
(GENERATOR 4.0 EOZ KOHLER - DIESEL - 120V/60)
(GENERATOR 3.5 EFOZ KOHLER-DIESEL-220V/50)
NOT SHOWN
123398 CLAMP, HOSE #06M 5/16"-7/8"SS MINI
162750 ADAPTER, BRASS 1/4"MPT X 1/4"SAE
315507 INSULATION, VIBRACON 1"
169193 ELBOW, BRZ 90DEG 3/4"MPT X 3/4"BARB
123604 CLAMP, LOOM VINYL DIP 2.5"
(GENERATOR 4.0 EOZ KOHLER - DIESEL - 120V/60)
(GENERATOR 3.5 EFOZ KOHLER-DIESEL-220V/50)
123612 CLAMP, LOOM VINYL DIP 11/16"
(GENERATOR 4.0 EOZ KOHLER - DIESEL - 120V/60)
(GENERATOR 3.5 EFOZ KOHLER-DIESEL-220V/50)
1497452 TAPE, FOAM NEOPRENE W/3M 9828 3/8"TH X 2"W
(GENERATOR 4.0 EOZ KOHLER - DIESEL - 120V/60)
(GENERATOR 3.5 EFOZ KOHLER-DIESEL-220V/50)
NOT SHOWN (continued)
570135 NIPPLE, BRASS 1/4"MPT X 1/4"MPT
(GENERATOR 4.0 EOZ KOHLER - DIESEL - 120V/60)
(GENERATOR 3.5 EFOZ KOHLER-DIESEL-220V/50)
1734756 BRKR, CIRC KOHLER GAS GEN 18A/50HZ KIT
(GENERATOR 4.0 EF KOHLER 220V/50HZ - GAS)
(GENERATOR 3.5 EFOZ KOHLER-DIESEL-220V/50)
1810627 MODULE, ELEC INTERFACE SWITCHING SYS 06
(HULL#1442->UP) (GENERATOR 5.0 E KOHLER 120V/60HZ -
GAS)
(GENERATOR 4.0 EF KOHLER 220V/50HZ - GAS)
1646157 MODULE, ELEC INTERFACE SWITCHING SYS
(HULL#1208->1437) (GENERATOR 5.0 E KOHLER 120V/60HZ -
GAS)
(GENERATOR 4.0 EF KOHLER 220V/50HZ - GAS)
321158 EXHAUST, EL 2"X 90DEG W/2-4"& 1-2.5" LEGS
913053 HOSE, EXHAUST 2" CORR HW
140467 ELBOW, BRASS 90DEG 3/8"SAE X 1/4"MPT
(GENERATOR 4.0 EOZ KOHLER - DIESEL - 120V/60)
(GENERATOR 3.5 EFOZ KOHLER -DIESEL - 220V/50)
140475 ELBOW, BRASS 90DEG 3/8"SAE X 1/8"MPT
(GENERATOR 4.0 EOZ KOHLER - DIESEL - 120V/60)
(GENERATOR 3.5 EFOZ KOHLER -DIESEL - 220V/50)
140483 ADAPTER, BRASS 1/4"MPT X 3/8"SAE
(GENERATOR 4.0 EOZ KOHLER - DIESEL - 120V/60)
(GENERATOR 3.5 EFOZ KOHLER -DIESEL - 220V/50)
1718687 EXHAUST, EL 2"X 90DEG RBR W/T-BOLT CLAMPS
(GEN. 4.0 EFCD KOHLER - GAS - 220V/50HZ)
(GEN. 5.0 ECD KOHLER - GAS - 120V/60HZ)
01/02/2008 65

280 SUNDANCER 2006
1
2
3
4
5
67
8
9
10 11
12
14
15
16
17
18
19
20
21
22
24
13
DETAIL
2
3
4
5
6
7
9
3
3
5
5
13
23 25 26
4
4
01/02/2008 66
AIR CONDITIONING SYSTEM

280 SUNDANCER 2006
AIR CONDITIONING SYSTEM
531574 1 PICK-UP, BRZ WATER INTAKE 3/4"
518431 2 SEACOCK, BRZ 3/4" W/O TAILPIECE
169193 3 ELBOW, BRZ 90DEG 3/4"MPT X 3/4"BARB
256677 4 CLAMP, HOSE #12 1/2"-1.25" SS .505
123810 5 HOSE, GEN PURPOSE 3/4"
1791584 6 STRAINER, BRZ WATER INTAKE 3/4" W/NYLON STRAP
(USED FOR A/C AND GENERATOR)
1851357 BRACKET, STRAINER MNT UPR
(USED FOR A/C AND GENERATOR)
1851358 BRACKET, STRAINER MNT LWR
(USED FOR A/C AND GENERATOR)
1404854 PLUG, PLASTIC STRAINER DRAIN
(USED FOR A/C AND GENERATOR)
531426 7 ADAPTER, BRZ 3/4"MPT X 3/4"BARB
948265 8 A/C COMP, PUMP 500GPH 115V 50/60HZ WTR COOL
948273 9 A/C COMP, HOSE FITTINGS FOR PMP500
1058957 10 HOSE, WATER A/C WHT 5/8"
720177 11 HOSE, AC/DUCT 4"
1581966 12 A/C COMP, GRILL 4" RND W/O DA BLK
263954 13 CLAMP, HOSE #10 1/2"-1 1/8" SS .505
957092 14 A/C COMP, HOSE RING 5" OBLONG
720185 15 HOSE, AC/DUCT 5"
1517903 16 A/C COMP, PLENUM 4X5X3"W/4.5"X 5.5"X 5.5"SIDS
1778933 17 THRU-HULL, SS 5/8"BARB SHORT
948968 18 A/C COMP, HOSE RING 3" PLAS ROUND
720169 19 HOSE, AC/DUCT 3"
1759845 20 A/C COMP, COMPACT 10K SXF10-1 115V 50/60HZ
(AIR CONDITIONING / HEATING-3/4 TON-120V/60)
1769422 A/C COMP, COMPACT 10K SMXII 220V 50HZ GG
(AIR CONDITIONING / HEATING-3/4 TON- 220V/50)
1165091 A/C COMP, DEFUSER 14X7 CLW W/FILTER
(AIR CONDITIONING / HEATING-3/4 TON-120V/60)
(AIR CONDITIONING / HEATING-3/4 TON- 220V/50)
1604263 A/C COMP, CABLE INTERCONNECT 15'
(AIR CONDITIONING / HEATING-3/4 TON-120V/60)
(AIR CONDITIONING / HEATING-3/4 TON- 220V/50)
1604271 A/C COMP, DISPLAY ECU BLK W/3/4" DOOR
(AIR CONDITIONING / HEATING-3/4 TON-120V/60)
(AIR CONDITIONING / HEATING-3/4 TON- 220V/50)
1055821 A/C COMP, FACE PLATE FOR CONTROL BLK
(AIR CONDITIONING / HEATING-3/4 TON-120V/60)
(AIR CONDITIONING / HEATING-3/4 TON- 220V/50)
1762241 A/C COMP, ELL PLAS 1/2"MPT X 5/8" HOSE
(HULL#1208->1214)(AIR CONDITIONING / HEATING-3/4
TON-120V/60)
(AIR CONDITIONING / HEATING-3/4 TON- 220V/50)
1683218 21 SHOWER, SUMP ASSY 12V W/800 PUMP/CHCK VLV MOD
123877 22 HOSE, CORR SAN/WATER-FILL 3/4"
1778929 23 THRU-HULL, SS 3/4"BARB SHORT
263954 24 CLAMP, HOSE #10 1/2"-1 1/8" SS .505
1745160 25 LABEL, 1/2"X 1.5" SHWR DRAIN
1745517 26 LABEL, 1/2"X 1.5" DISCHARGE
LABELS
1751884 LABEL, 1/2"X 1.5" A/C CONDENSATE
NOT SHOWN
147397 COVER PLATE, CARLON BOX SGL
(AIR CONDITIONING / HEATING-3/4 TON-120V/60)
(AIR CONDITIONING / HEATING-3/4 TON- 220V/50)
522813 BOX, RECEPTACLE PVC SURFACE MOUNT CARLON
(AIR CONDITIONING / HEATING-3/4 TON-120V/60)
(AIR CONDITIONING / HEATING-3/4 TON- 220V/50)
01/02/2008 67

280 SUNDANCER 2006
5
6
7
1
2
3
4
8
9
10
11 12 13 14
BRAVO
TRAILER SWITCH
SUPPLIED BY
MERCURY
01/02/2008 68
STEERING SYSTEM

280 SUNDANCER 2006
STEERING SYSTEM
1526292 1 STEERING WHEEL, 14.25" SPCRUIS MAHOG W/BLK
1792417 PAD, STEER WHL CTR FOR #1526292
1683795 STEERING WHEEL, RING FOR 1526292/1738115
1747682 EMBLEM, S/R EMB SCRIPT WHEEL CHR-BEZEL 1.75"
662510 2 STEERING, PERFORMANCE TILT MECHANISM
958439 STEERING, BELLOWS TILT STEERING BLK
126987 STEERING, MOUNT 90 DEG BEZEL ONLY
1092246 3 STEERING, TILT HELM BACK-MNT
1091867 4 STEERING, BACK MNT RACK/CABLE 17.0' ASSY
1091941 STEERING, BACK MNT RACK/CABLE 16.5' ASSY
(T-4.3L MPI ALPHA ( T-220 PHP ) MCM STERN DR)
(T-5.0L MPI BR 3 ( T-260 PHP ) MCM STERN DR)
(T-4.3L MPI BR 3 ( T-220 PHP ) MCM STERN DR)
1757821 5 CONTROL, CNSL MNT SGL 4000 GEN II
1757753 6 CABLE, CONTROL MERC GEN II STD 16 LAY 18'BULK
1335900 CABLE, CONTROL TELEFLEX TFXTREME 10'
(D6-310DPH (298 PHP) VOLVO DIESEL STERN DR.)
(KAD 300 EDC/DP (268 PHP) VOLVO STERN DR DSL)
1757754 7 CABLE, CONTROL MERC GEN II STD 16 LAY 19'
278184 8 CONTROL, THRTL/SHFT DUAL I/O
(T-4.3L MPI ALPHA ( T-220 PHP ) MCM STERN DR)
(T-5.0L MPI BR 3 ( T-260 PHP ) MCM STERN DR)
(T-4.3L MPI BR 3 ( T-220 PHP ) MCM STERN DR)
1028059 9 CABLE, CONTROL TELEFLEX 19' 600A/MERC SERIES
(T-4.3L MPI ALPHA ( T-220 PHP ) MCM STERN DR)
(T-5.0L MPI BR 3 ( T-260 PHP ) MCM STERN DR)
(T-4.3L MPI BR 3 ( T-220 PHP ) MCM STERN DR)
974089 CABLE, CONTROL TELEFLEX 16' 600A/MERC SERIES
(T-4.3L MPI ALPHA ( T-220 PHP ) MCM STERN DR)
(T-5.0L MPI BR 3 ( T-260 PHP ) MCM STERN DR)
(T-4.3L MPI BR 3 ( T-220 PHP ) MCM STERN DR)
1028042 10 CABLE, CONTROL TELEFLEX 18' 600A/MERC SERIES
(T-4.3L MPI ALPHA ( T-220 PHP ) MCM STERN DR)
(T-5.0L MPI BR 3 ( T-260 PHP ) MCM STERN DR)
(T-4.3L MPI BR 3 ( T-220 PHP ) MCM STERN DR)
974071 CABLE, CONTROL TELEFLEX 15' 600A/MERC SERIES
(T-4.3L MPI ALPHA ( T-220 PHP ) MCM STERN DR)
(T-5.0L MPI BR 3 ( T-260 PHP ) MCM STERN DR)
(T-4.3L MPI BR 3 ( T-220 PHP ) MCM STERN DR)
1096833 11 PROP, 14.5"X 17" VENGEANCE LH
(T-4.3L MPI ALPHA T-220 PHP)
654319 PROP, 14.5"X 17" VENGEANCE RH
(T-4.3L MPI ALPHA T-220 PHP)
1804370 PROP, DUAL VOLVO BRZ (G-5)
(D6-310DPH (298 PHP) VOLVO DIESEL STERN DR.)
1360239 12 PROP, 15.75"X 22" CUP BR3 LH
(STANDARD)(496 MAG BR3 375 PHP)
1360247 PROP, 14.25"X 22" CUP BR3 RH
(STANDARD)(496 MAG BR3 375 PHP)
708198 PROP, 15.5"X 24" SS BR3 LH
(T-5.0L MPI BR 3 ( T-260 PHP ) MCM STERN DR)
(T-4.3L MPI BR 3 ( T-220 PHP ) MCM STERN DR)
708206 PROP, 14.25"X 24" SS BR3 RH
(T-5.0L MPI BR 3 ( T-260 PHP ) MCM STERN DR)
(T-4.3L MPI BR 3 ( T-220 PHP ) MCM STERN DR)
1726783 PROP, C-4 DUAL PROP SET
(KAD 300 EDC/DP (268 PHP) VOLVO STERN DR DSL)
1574342 13 TRIM TAB, ASSY 14X14 SPECIAL W/O PUMP
1110071 14 TRIM TAB, HYD PUMP KIT W/10'HOSE/3"NIPPLE
841825 SHIM, PVC TRIM TAB PUMP BLK
NOT SHOWN
142083 TIE BAR, MERC V-8 TYPE 30"-46"
(T-4.3L MPI ALPHA ( T-220 PHP ) MCM STERN DR)
(T-5.0L MPI BR 3 ( T-260 PHP ) MCM STERN DR)
(T-4.3L MPI BR 3 ( T-220 PHP ) MCM STERN DR)
01/02/2008 69

280 SUNDANCER 2006
1
2
3
4
5
6
7
8
910 11
12
13
14
15 16
17
19
4
7
18
9
01/02/2008 70
FUEL SYSTEM

280 SUNDANCER 2006
FUEL SYSTEM
1744946 1 TANK, FUEL 280DA-03 100GAL PLAS W/SS SENDER
1745012 SENDING UNIT, WEMA 13.5" SS W/SCRW & GASKET
1549682 TUBE, PICK-UP ASSY W/1/2"BARB 280DA-01
1323690 2 STRAP, FUEL 270SDA-00 30.75"
1433895 3 TANK, FUEL HDWR 1/2" SS SCREEN
1098250 TUBE, P/U FUEL-SPECIFY TANK (FOR#1076223)
168898 NIPPLE, BRASS 1/2"MPT X 3.5"
170621 4 FERRULE, FUEL LINE 1/2"ISO/CE .925"ID
(HULL#1453->UP)
1479294 FERRULE, FUEL LINE 1/2"ISO/CE
(HULL#1201->1452)
1791155 5 VALVE, BRASS FUEL SHUT-OFF 12V SER7000 10W
123661 6 CLAMP, LOOM VINYL DIP 1"
170621 7 FERRULE, FUEL LINE 1/2"ISO/CE .925"ID
(HULL#1453->UP)
1479294 FERRULE, FUEL LINE 1/2"ISO/CE
(HULL#1201->1452)
123786 HOSE, FUEL 1/2" TYPE A CLASS 1 ISO/CE
(HULL#1453->UP)
1497494 HOSE, FUEL 1/2" ISO/CE W/PLAS LINER
(HULL#1201->1452)
168955 8 ELBOW, BRASS 90DEG 1/4"MPT X 1/2"SAE
170605 9 FITTING, BRASS 1/2"BARB/NUT
306936 10 BRACKET, FUEL SHUT-OFF VALVE (SKINNER-ELEC)
(HULL#1205->1256)
169920 11 ADAPTER, BRASS 1/4"MPT X 1/2"SAE
263954 12 CLAMP, HOSE #10 1/2"-1 1/8" SS .505
256693 13 CLAMP, HOSE #24 1"-2" SS .505
123778 14 HOSE, FUEL 5/8" TYPE A CLASS 1 ISO/CE
(HULL#1453->UP)
947499 HOSE, FUEL 5/8" ISO/CE
(HULL#1201->1452)
123448 15 CLAMP, HOSE #08M 1/2"-1"SS MINI
1109354 16 DECK PLATE, GAS CHR W/VENT 45DG NCK RED CODE
1194505 DECK PLATE, DSL CHR W/VENT 45DG NCK GRN CODE
(D6-310DPH (298 PHP) VOLVO DIESEL STERN DR.)
1098615 DECK PLATE, GAS CHR W/VENT (SHIM ONLY)
522599 KEY, DECK PLATE CAP
123745 17 HOSE, FUEL 1.5" TYPE A CLASS 2
123604 18 CLAMP, LOOM VINYL DIP 2.5"
1745012 19 SENDING UNIT, WEMA 13.5" SS W/SCRW & GASKET
1846975 SENDING UNIT, FUEL SENDER ULTSONC GAS 14.5"
(SERVICE REPLACEMENT ONLY)
1846977 SENDING UNIT, FUEL SENDER ULTSONC DSL 14.5"
(SERVICE REPLACEMENT ONLY)
1849589 HARNESS, FUEL SNDNG UNIT ULTSONC 15'
(GAS AND DIESEL) T ONLY)
LABELS
1745157 LABEL, FUEL RECOMMENDATION
NOT SHOWN
123695 CLAMP, LOOM VINYL DIP #12 3/4"
1497452 TAPE, FOAM NEOPRENE W/3M 9828 3/8"TH X 2"W
256701 CLAMP, HOSE #28 1 5/16"-2.25"SS .505
169748 ELBOW, BRASS 90DEG 1/2"SAE X 3/8"MPT
1214188 ADAPTER, BRASS 3/8"MPT X 1/2"BARB
(D6-310DPH (298 PHP) VOLVO DIESEL STERN DR.)
(KAD 300 EDC/DP (268 PHP) VOLVO STERN DR DSL)
01/02/2008 71

280 SUNDANCER 2006
1
2
3
4
5
6
7810
27
13
11
12
13
15
16
18
5
19
21
22
23
24
25
5
26
35
28
29
3
30
31
33
34
35
17 35
29
30
13
21
35 29
COLLET CLIP
9
GALLEY
HEAD
WETBAR
TRANSOM
15
WATER HEATER
DETAIL
29
14
20
32
314
21
21
21
21
29
01/02/2008 72
WATER SYSTEM

280 SUNDANCER 2006
WATER SYSTEM
959809 1 TANK, WATER - 28GAL W/PICKUP TUBE
964387 TUBE, PICK-UP WATER 17" 1/2"DIA SCH 40 WHT
1690502 2 STRAP, WATER TANK 280DA-02
1497460 TAPE, FOAM NEOPRENE W/3M 9828 1/4"TH X 2"W
168898 3 NIPPLE, BRASS 1/2"MPT X 3.5"
167874 4 ELBOW, GENOVA 1/2"MPT X 1/2"BARB X 90DEG
123448 5 CLAMP, HOSE #08M 1/2"-1"SS MINI
124719 6 HOSE, SANI/CHEMICAL TDX 5/8"
814830 7 ELBOW, PVC 1.5"MPT X 1.5"BARB X 90DEG MACHINE
256693 8 CLAMP, HOSE #24 1"-2" SS .505
1215235 9 CLIP, SEATECH COLLET 15MM
490219 10 HOSE, CORR SAN/WATER-FILL 1.5" RH
1109362 11 DECK PLATE, WATER CHR W/VNT 45DG NCK BLUE
1405844 DECK PLATE, CAP W/CHAIN WATER
1068592 KEY, DECK PLATE CAP
1214832 12 ELBOW, SEATECH 90DEG EQUAL 15MM
(VACUUM FLUSH HEAD W/ DIRECT OVER BOARD INTL)
1789735 13 TUBING, ZURN 1/2"X 1000' BLUE
1210160 TUBING, SEATECH 15MM X 11MM X 250' BLUE
(VACUUM FLUSH HEAD W/ DIRECT OVER BOARD INTL)
1791673 14 VALVE, ZURN 1/2" MPT X 1/2" MPT CHECKVALVE
1142496 15 HEATER, WATER 6 GAL 110/60 W/75-210T&P
1790450 ELEMENT, HEATER WTR 110/60 W/75-210
1156728 HEATER, WATER 6 GAL 220/50 W/75-210T&P
(220 VOLT / 50 CYCLE ELECTRICAL SYSTEM )
1754598 HEATER, WATER ELEMENT FOR 6 GAL 220V
(220 VOLT / 50 CYCLE ELECTRICAL SYSTEM )
124594 16 HOSE, WATER 5/8" HVY DTY (HEATER)
1772522 17 FAUCET, GLY 7"RISE BRUSHED NCKL/CHR
1807537 FAUCET, GLY 7"RISE HANDLE CAP BRSHD NCKL/CHR
1807538 FAUCET, GLY 7"RISE HNDL SCREW BRSHD NCKL/CHR
1807539 FAUCET, GLY 7"RISE HNDL WASHER BRSHD NCKL/CHR
1807540 FAUCET, GLY 7"RISE HNDL RING BRSHD NCKL/CHR
1807541 FAUCET, GLY 7"RISE HANDLE BRSHD NCKL/CHR
1807542 VALVE, FAUCET GLY 7"RISE CLD SIDE
1807543 FAUCET, GLY 7"RISE SPOUT BRSHD NCKL/CHR
1807544 FAUCET, GLY 7"RISE AERATOR BRSHD NCKL/CHR
1807545 FAUCET, GLY 7"RISE MOUNTING BRSHD NCKL/CHR
144675 18 ADAPTER, BRASS 1/2"MPT X 5/8"BARB
123604 19 CLAMP, LOOM VINYL DIP 2.5"
1789754 20 ADAPTER, ZURN 1/2" MALE
1789708 21 ELBOW, ZURN 1/2" SWIVEL
1797944 22 FILTER, IN-LINE WATER 1/2"MPSM X 1/2"NPSF
1480433 23 PUMP, FRESH WATER SHURFLO 2.8GPM IMP SOFT MNT
123661 24 CLAMP, LOOM VINYL DIP 1"
1778933 25 THRU-HULL, SS 5/8"BARB SHORT
1096262 26 FAUCET, SILLCOCK WASHDOWN (WHITECAP)
1210178 27 ADAPTER, SEATECH 1/2"F-15MM BRASS
141168 28 INLET, WATER W/PRESS REGULATOR WHT
1789706 29 TEE, ZURN 1/2" BARB
1789751 30 TUBING, ZURN 1/2"X 1000' RED
736702 31 FAUCET, WASHDOWN BOX W/MIXER (AQUATIK) VERT
1298710 FAUCET, CARTRIDGE CERAMIC 90DEG LH
1302504 FAUCET, CARTRIDGE CERAMIC 90DEG RH
1302579 FAUCET, WASHDOWN SHOWER UNIT ONLY (AQUATIK)
1302587 FAUCET, WASHDOWN DOOR ONLY (AQUATIK)
1302595 FAUCET, WASHDOWN HOSE W/FPT ONLY(AQUATIK)
1302603 FAUCET, WASHDOWN SPRAYER HEAD ONLY(AQUATIK)
1742646 LATCH, WASHDOWN DOOR (AQUATIK)
1848792 FAUCET, WASHDOWN RUBBER SHOWERHEAD HLDR
1054766 32 VALVE, BRASS WATER HEATER TEMPERING 120-160DG
1146877 VALVE, TEMPERING 75PSI/210DEG
(220 VOLT / 50 CYCLE ELECTRICAL SYSTEM )
1775010 33 FAUCET, FOLD DOWN SGL TAP CHR
1772520 34 FAUCET/SHOWER, BRUSHED NCKL/CHR PULLOUT
(HULL#1499->UP)
1853913 FAUCET/SHOWER, SPRAYER ONLY BRSHD NCKL/CHR
1853914 FAUCET/SHOWER, HOSE WASHER ONLY
1853915 FAUCET/SHOWER, HANGER ONLY
1853916 FAUCET/SHOWER, BRASS HOT/COLD VALVE ONLY
1853917 FAUCET/SHOWER, HDWR KIT W/WTS
1253095 FAUCET/SHOWER, WHT/MIX W/ON/OFF FLX TAIL
(HULL#1201->1498)
942466 COMPRESSION FITTING, BRASS 10MM 1/2"MPT
(HULL#1201->1498)
1307818 FAUCET/SHOWER, CARTRIDGE ONLY
(HULL#1201->1498)
1307842 FAUCET/SHOWER, HANDSPRAY ONLY
(HULL#1201->1498)
1307859 FAUCET/SHOWER, HANDLE ONLY (EA)
(HULL#1201->1498)
1452812 HOSE, WATER 3/8" BRAIDED METAL 14" W/ADAPTER
(HULL#1201->1498)
1789686 35 ADAPTER, ZURN STRAIGHT 1/2" SWIVEL
LABELS
1743534 LABEL, FRESH WATER (LEXAN)
1809840 LABEL, MANIFOLD HOT/COLD ZURN 64QKIPSP
NOT SHOWN
1789703 ELBOW, ZURN 1/2" BARB
(COCKPIT)
1789718 CLAMP, CRIMP RING ZURN 1/2"
(COCKPIT)
1789710 ADAPTER, ZURN STRAIGHT 1/2" SWIVEL BRASS
(STARBOARD HEAD)
1791378 NIPPLE, ZURN 1/2" BRASS HEX
(BILGE)
1792249 TUBING, PEX 3/8"OD W/ 1/2" NUTS 24"LONG
(BILGE)
1425297 CLIP, SEATECH FLOW BEND 15MM X 90 DEG
1543883 TEE, PVC 3/4"BARB X 3/4"BARB X 1/2"FPT
184317 NIPPLE, PVC 1/2" X CLOSE
836106 BRACKET, PVC 1.5"X 1.5"X 8" 1/4"HOLES
1792250 NIPPLE, BRASS 1/2"BARB X 1/2"BARB ZURN
1214840 ELBOW, SEATECH 90DEG STEM 15MM
(D6-310DPH (298 PHP) VOLVO DIESEL STERN DR.)
(KAD 300 EDC/DP (268 PHP) VOLVO STERN DR DSL)
141523 TEE, PVC 3/4"BARB X 3/4"BARB X 3/4"BARB
(GRAY WATER SYSTEM)
1745161 LABEL, 1/2"X 1.5" VANITY SINK
(GRAY WATER SYSTEM)
1751566 LABEL, 1/2"X 1.5" GALLEY SINK
(GRAY WATER SYSTEM)
1768876 LABEL, 1/2"X 1.5" DRAIN
(GRAY WATER SYSTEM)
01/02/2008 73

280 SUNDANCER 2006
SEWAGE SYSTEM
1
2
3
4
5
6
11
3
2
7
8
10
9
3
12
13
14
15
SEWAGE SYSTEM
1304856 1 TANK, HOLDING 28 GAL HTS W/FIL/SEND W/CONN
1738926 SENDING UNIT, HOLD TANK CAP FOR MRRP 1304856
1413616 TANK, HOLDING NEW OWNERS GIFT PACK
1684143 TANK, HOLDING 28 GAL W/T12PUMP/RELAY/90DEGELL
(MACERATOR W/ SEACOCK INTERLOCK SYSTEM)
1789111 PUMP, HOLDING TANK REPLACEMENT
(MACERATOR W/ SEACOCK INTERLOCK SYSTEM)
256701 2 CLAMP, HOSE #28 1 5/16"-2.25"SS .505
846899 3 HOSE, SANI 1.5" PREMIUM RBR BLK
123604 4 CLAMP, LOOM VINYL DIP 2.5"
1744871 5 HEAD, VACU-FLUSH BONE 1048 BACK DIS
1784547 SEAT ASSY, CVR/SEAT/HNG PIN BONE
1355585 6 DECK PLATE, WASTE CHR STRAIGHT NCK BLK CODE
1068592 KEY, DECK PLATE CAP
1474790 DECK PLATE, CAP W/GASKET
124719 7 HOSE, SANI/CHEMICAL TDX 5/8"
1433176 8 VENT, FUEL/WATER SS 5/8" 90DEG FLSH MNT
123448 9 CLAMP, HOSE #08M 1/2"-1"SS MINI
1798723 10 VACUUM GEN, HEAD SYS PMP/ACUM LOPRO 12V W/CON
(HULL#1219->UP)
1302090 VACUUM GEN, HEAD SYS PUMP/ACCUM 12V W/CONN
(HULL#1201->1218)
1285600 ELBOW KIT, 1.5" HOLDING TANK INLET KIT
(HULL#1201->1218)
518456 11 SEACOCK, BRZ 1.5" W/O TAILPIECE
(MACERATOR W/ SEACOCK INTERLOCK SYSTEM)
(VACUUM FLUSH HEAD W/ DIRECT OVER BOARD INTL)
579870 12 THRU-HULL, BRZ 1.5" W/O NUT
(MACERATOR W/ SEACOCK INTERLOCK SYSTEM)
531566 13 ELBOW, BRZ 90DEG 1.5"MPT X 1.5"BARB
(MACERATOR W/ SEACOCK INTERLOCK SYSTEM)
(VACUUM FLUSH HEAD W/ DIRECT OVER BOARD INTL)
1745156 14 LABEL, NOTICE OVERBOARD DISCHARGE (LEXAN)
(MACERATOR W/ SEACOCK INTERLOCK SYSTEM)
(VACUUM FLUSH HEAD W/ DIRECT OVER BOARD INTL)
134759 15 FILTER, HEAD TREATMENT SYSTEM
01/02/2008 74

280 SUNDANCER 2006
1
1
8
3
8
4
5
6
7
2
22
39
2
5
2
6
2
7
9
8
11
8
10
1
8
10
2
12
10
17
8
2
20
2
13
2
14
15
16
22
GALLEY SINK ROPE LOCKER
HEAD SINK DRAIN
COCKPIT STEP DRAIN
COCKPIT WET BAR
SHOWER SUMP
SHOWER DRAIN
BILGE PUMP
19
18
01/02/2008 75
DRAINAGE SYSTEM

280 SUNDANCER 2006
DRAINAGE SYSTEM
1778929 1 THRU-HULL, SS 3/4"BARB SHORT
256685 2 CLAMP, HOSE #16 3/4"-1.5" SS .505
123885 3 HOSE, CORR BILGE 3/4" BLK
175687 4 DRAIN, SINK STRAINER 2.5" SS W/5/8"BARB
1839033 DRAIN, SINK STRAINER BASKET ONLY
408724 ELBOW, PVC 1.5"FLANGE X 3/4"BARB X 90DEG
1778926 5 THRU-HULL, SS 1"BARB SHORT
1042076 6 HOSE, WATER 1 1/8" BLK
266130 7 DRAIN, LINER W/90 DEG ELBOW 1" PLASTIC
263954 8 CLAMP, HOSE #10 1/2"-1 1/8" SS .505
583427 9 DRAIN, W/PLUG 100DEG 3/4"BARB CHR
1734472 DRAIN ASSY, STOPPER #4202 MED BLK
123877 10 HOSE, CORR SAN/WATER-FILL 3/4"
1778933 11 THRU-HULL, SS 5/8"BARB SHORT
196782 12 DRAIN ASSY, SHOWER 1.5"
344762 DRAIN ASSY, SHOWER SLIP NUT 1.5"
344721 DRAIN ASSY, GASKET SHOWER SLIP NUT 1.5"
123901 13 HOSE, CORR BILGE 1 1/8" BLK
1690247 14 PUMP, BILGE 1100GPH W/IMPELLOR HOUSING VANES
1193671 15 SWITCH, FLOAT RULE W/CVR
1441831 16 BRACKET, BILGE PUMP HI-WTR REV1
1683218 17 SHOWER, SUMP ASSY 12V W/800 PUMP/CHCK VLV MOD
1745160 18 LABEL, 1/2"X 1.5" SHWR DRAIN
1745517 19 LABEL, 1/2"X 1.5" DISCHARGE
1778931 20 THRU-HULL, SS 1 1/8"BARB SHORT
NOT SHOWN
123927 HOSE, CORR BILGE 1.25" BLK
1033745 HOSE, WATER 1"ID X 1 3/8"OD
01/02/2008 76