E36/7 US 2001 BMW Z3 M Roadster Coupe Electrical Troubleshooting Manual
User Manual: 2001 BMW Z3 - M Roadster - Z3 - M Coupe Electrical Troubleshooting Manual
Open the PDF directly: View PDF
.
Page Count: 367 [warning: Documents this large are best viewed by clicking the View PDF Link!]
- BACK TO START PAGE
- CONTENT PAGE
- 0100.0 INDEX
- 0110.0 INTRODUCTION
- 0140.0 SYMBOLS
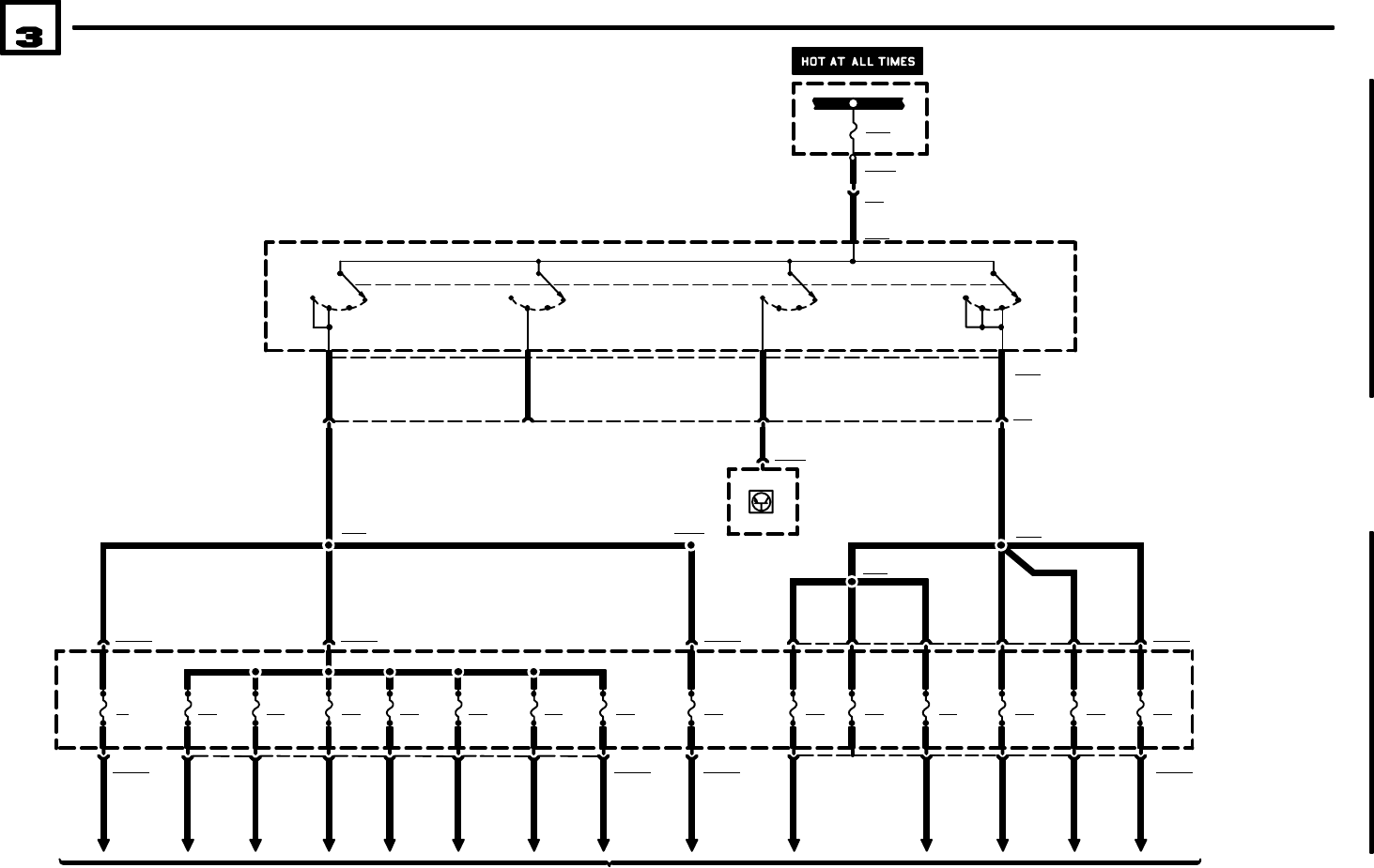
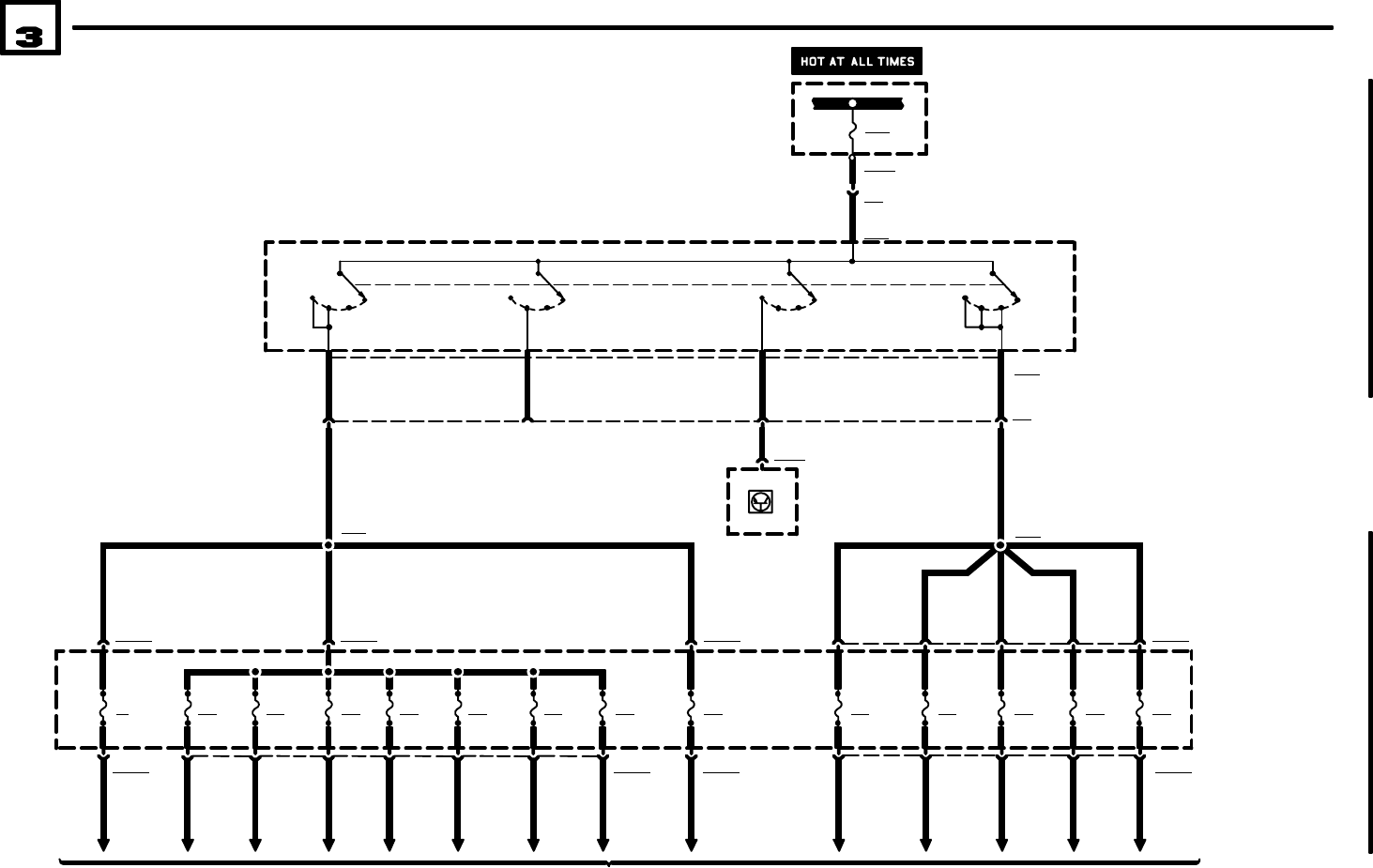
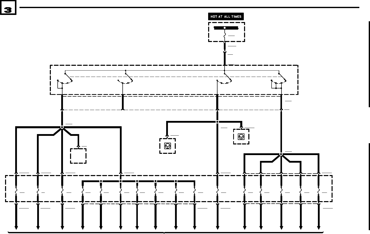
- 0670.0 POWER DISTRIBUTION CHART
- 0670.1 FUSE CHART
- 0670.2 POWER DISTRIBUTION
- 0670.3 FUSE DETAILS
- 0670.4 GROUND DISTRIBUTION
- 0670.5 DATA LINK
- 1210.26 ENGINE CONTROL SYSTEM MS43 (6— CYLINDER M54)
- 1210.27 ENGINE CONTROL SYSTEM MSS54 (6— CYLINDER S54 B32)
- 1230.0 CHARGING SYSTEM
- 1240.0 START
- 1290.0 E— BOX FAN
- 2460.14 ELECTRONIC TRANSMISSION CONTROL (EGS: A5S 360R)
- 3234.0 SUPPLEMENTAL RESTRAINT SYSTEM (AIR BAG)
- 3450.1 SLIP CONTROL (ABS/ ASC)
- 3452.1 DYNAMIC STABILITY CONTROL (DSC III)
- 3452.2 DYNAMIC STABILITY CONTROL (DSC MK 60)
- 3614.0 TIRE INFLATION SYSTEM
- 3623.1 TIRE PRESSURE WARNING SYSTEM (RDW)
- 5116.0 POWER MIRRORS
- 5126.0 ZKE CENTRAL LOCKING (ZV)
- 5133.0 ZKE POWER WINDOWS (FH)
- 5200.0 POWER SEATS
- 5203.0 HEATED SEATS
- 5410.5 POWER TILT SUNROOF
- 5430.2 ELECTRO— HYDRAULIC CONVERTIBLE TOP
- 6100.0 CENTRAL BODY ELECTRONICS (ZKE IV)
- 6133.0 HORN
- 6135.1 DRIVE— AWAY PROTECTION (EWS III)
- 6160.1 WIPER/ WASHER MODULE (WWM)
- 6167.1 HEADLIGHT WASHER (SRA)
- 6169.0 WINDSHIELD WASHER JET HEATERS
- 6211.0 INSTRUMENT CLUSTER
- 6213.1 ANALOG CLOCK
- 6300.0 LIGHT SWITCH DETAILS
- 6312.0 HEADLIGHTS/ FOG LIGHTS
- 6313.0 TURN/ HAZARD LIGHTS
- 6314.0 PARK/ TAIL/ UNDERHOOD LIGHTS
- 6320.0 LICENSE PLATE/ LUGGAGE COMPARTMENT LIGHTS
- 6322.0 BACK UP LIGHTS
- 6325.0 BRAKE LIGHTS
- 6330.3 INTERIOR LIGHTS
- 6332.0 INTERIOR ACCESSORIES
- 6350.0 CRASH CONTROL MODULE
- 6424.0 REAR WINDOW DEFOGGER
- 6450.6 INTEGRATED HEATING— AND CLIMATE CONTROL
- 6510.1 RADIO/ HIFI
- 6561.0 CELLULAR TELEPHONE (PROVISIONS)
- 6571.0 CRUISE CONTROL (TEMPOMAT)
- 6575.0 ANTI— THEFT SYSTEM (DWA)
- 6575.2 ANTI— THEFT SYSTEM (ALPINE)
- 6581.3 BOARD COMPUTER (BC — LOW)
- 6610.2 REMOTE CONTROL ZV/ DWA
- 7000.0 COMPONENT LOCATION CHART
- 7100.0 COMPONENT LOCATION VIEWS
- 8000.0 SPLICE LOCATION VIEWS
- 8500.0 CONNECTOR VIEWS

l l l l l l l l l l l l l l l l l l l l
l l l l l l l l l l l l l l l l l l l l
l l l l l l l l l l l l l l l l l l l l
0007_frontpage
PN 01 00 0 136 299
2001 2nd Edition
BMW Z3 (E36/7)
Z3 Roadster, Z3 Coupe,
M Roadster, M Coupe
Electrical
Troubleshooting
Manual
Vehicles produced 6/00 thru Present
F
R9 D3
R12 T3
R14
R8
C2
R11
Rz
T2
T1

BMW NA
ELECTRICAL TROUBLESHOOTING
MANUAL
SERIES 3 – E36/7 (Z3 Roadster, Z3 Coupe,
M Roadster, M Coupe)
SCHEMATICS MODEL YEAR 2001 2ND EDITION
0100.0 INDEX
0110.0 INTRODUCTION
0140.0 SYMBOLS
0670.0 POWER DISTRIBUTION CHART
0670.1 FUSE CHART
0670.2 POWER DISTRIBUTION
0670.3 FUSE DETAILS
0670.4 GROUND DISTRIBUTION
0670.5 DATA LINK
1210.26 ENGINE CONTROL SYSTEM MS43
(6–CYLINDER M54)
1210.27 ENGINE CONTROL SYSTEM
MSS54 (6–CYLINDER S54 B32)
1230.0 CHARGING SYSTEM
1240.0 START
1290.0 E–BOX FAN
2460.14 ELECTRONIC TRANSMISSION
CONTROL (EGS: A5S 360R)
3234.0 SUPPLEMENTAL RESTRAINT
SYSTEM (AIR BAG)
3450.1 SLIP CONTROL (ABS/ASC)
3452.1 DYNAMIC STABILITY CONTROL
(DSC III)
3452.2 DYNAMIC STABILITY CONTROL
(DSC MK 60)
3614.0 TIRE INFLATION SYSTEM
3623.1 TIRE PRESSURE WARNING
SYSTEM (RDW)
5116.0 POWER MIRRORS
5126.0 ZKE CENTRAL LOCKING (ZV)
5133.0 ZKE POWER WINDOWS (FH)
5200.0 POWER SEATS
5203.0 HEATED SEATS
5410.5 POWER TILT SUNROOF
5430.2 ELECTRO–HYDRAULIC
CONVERTIBLE TOP
6100.0 CENTRAL BODY ELECTRONICS
(ZKE IV)
6133.0 HORN
6135.1 DRIVE–AWAY PROTECTION
(EWS III)
6160.1 WIPER/WASHER MODULE (WWM)
6167.1 HEADLIGHT WASHER (SRA)
6169.0 WINDSHIELD WASHER JET
HEATERS
6211.0 INSTRUMENT CLUSTER
6213.1 ANALOG CLOCK
6300.0 LIGHT SWITCH DETAILS
PART NUMBER 01 00 0 136 299

6312.0 HEADLIGHTS/FOG LIGHTS
6313.0 TURN/HAZARD LIGHTS
6314.0 PARK/TAIL/UNDERHOOD LIGHTS
6320.0 LICENSE PLATE/LUGGAGE
COMPARTMENT LIGHTS
6322.0 BACK UP LIGHTS
6325.0 BRAKE LIGHTS
6330.3 INTERIOR LIGHTS
6332.0 INTERIOR ACCESSORIES
6350.0 CRASH CONTROL MODULE
6424.0 REAR WINDOW DEFOGGER
6450.6 INTEGRATED HEATING– AND
CLIMATE CONTROL
6510.1 RADIO/HIFI
6561.0 CELLULAR TELEPHONE
(PROVISIONS)
6571.0 CRUISE CONTROL (TEMPOMAT)
6575.0 ANTI–THEFT SYSTEM (DWA)
6575.2 ANTI–THEFT SYSTEM (ALPINE)
6581.3 BOARD COMPUTER (BC – LOW)
6610.2 REMOTE CONTROL ZV/DWA
7000.0 COMPONENT LOCATION CHART
7100.0 COMPONENT LOCATION VIEWS
8000.0 SPLICE LOCATION VIEWS
8500.0 CONNECTOR VIEWS

0100.0 INDEX
0100.0Ć00
01/01 2001
BM
BMW
BMWBMW
Z3
AIR BAG GAS GENERATOR, DRIVER’S, G5 3234.0-00. . . . . . . . . . . . . . . . . .
AIR BAG GAS GENERATOR, LEFT SIDE, G14 3234.0-01. . . . . . . . . . . . . . . .
AIR BAG GAS GENERATOR, PASSENGER’S, G6 3234.0-00. . . . . . . . . . . . .
AIR BAG GAS GENERATOR, RIGHT SIDE, G15 3234.0-01. . . . . . . . . . . . . .
AIR CONDITIONING COMPRESSOR, Y2 6450.6-02. . . . . . . . . . . . . . . . . . . . .
AIR CONDITIONING COMPRESSOR, Y2 6450.6-06. . . . . . . . . . . . . . . . . . . . .
AIR CONDITIONING RELAY, MOTRONIC, K33a 6450.6-04. . . . . . . . . . . . . . .
AIR CONDITIONING RELAY/AUXILIARY WATER PUMP, K104 6450.6-06. .
AIR CONDITIONING/RECIRCULATING SWITCH ASSEMBLY,
S220 6450.6-01. . . . . . . . . . . . . . . . . . . . . . . . . . . . . . . . . . . . . . . . . . . . . . . . . . . .
AIR CONDITIONING/RECIRCULATING SWITCH ASSEMBLY,
S220 6450.6-05. . . . . . . . . . . . . . . . . . . . . . . . . . . . . . . . . . . . . . . . . . . . . . . . . . . .
AIR PUMP, Y6133 1210.26-04. . . . . . . . . . . . . . . . . . . . . . . . . . . . . . . . . . . . . . . .
AIR PUMP, Y6133 1210.27-09. . . . . . . . . . . . . . . . . . . . . . . . . . . . . . . . . . . . . . . .
ANALOG CLOCK 6213.1-00. . . . . . . . . . . . . . . . . . . . . . . . . . . . . . . . . . . . . . . . . .
ANALOG CLOCK, N5 6213.1-00. . . . . . . . . . . . . . . . . . . . . . . . . . . . . . . . . . . . . . .
ANTENNA AMPLIFIER AM/FM, N8 6510.1. . . . . . . . . . . . . . . . . . . . . . . . . . . . .
ANTI–THEFT CONTROL MODULE (ALPINE), N12w 6575.2. . . . . . . . . . . . .
ANTI–THEFT HORN (ALPINE), H1w 6575.2-01. . . . . . . . . . . . . . . . . . . . . . . . .
ANTI–THEFT SYSTEM (ALPINE) 6575.2. . . . . . . . . . . . . . . . . . . . . . . . . . . . . .
ANTI–THEFT SYSTEM (DWA) 6575.0. . . . . . . . . . . . . . . . . . . . . . . . . . . . . . . . .
ASC SWITCH, S6 3450.1-01. . . . . . . . . . . . . . . . . . . . . . . . . . . . . . . . . . . . . . . . . .
ASHTRAY LIGHT, FRONT, E25 6300.0-01. . . . . . . . . . . . . . . . . . . . . . . . . . . . . .
ASHTRAY LIGHT, FRONT, E25 6332.0-00. . . . . . . . . . . . . . . . . . . . . . . . . . . . . .
AUXILIARY FAN MOTOR, M9 6450.6-03. . . . . . . . . . . . . . . . . . . . . . . . . . . . . . .
AUXILIARY FAN MOTOR, M9 6450.6-07. . . . . . . . . . . . . . . . . . . . . . . . . . . . . . .
AUXILIARY FUSE BOX, P900 0670.2-03. . . . . . . . . . . . . . . . . . . . . . . . . . . . . . .
AUXILIARY FUSE BOX, P97 0670.2-02. . . . . . . . . . . . . . . . . . . . . . . . . . . . . . . .
AUXILIARY TURN LIGHT, LEFT FRONT, H9 6313.0-02. . . . . . . . . . . . . . . . . .
AUXILIARY TURN LIGHT, RIGHT FRONT, H8 6313.0-02. . . . . . . . . . . . . . . . .
AUXILIARY WATER PUMP, M37a 6450.6-06. . . . . . . . . . . . . . . . . . . . . . . . . . . .
B+ JUMP START JUNCTION POINT, G6430 0670.2-00. . . . . . . . . . . . . . . . . .
B+ JUNCTION POINT E–BOX, G6400 0670.2-01. . . . . . . . . . . . . . . . . . . . . . . .
B+ JUNCTION POINT, G7512 0670.2-00. . . . . . . . . . . . . . . . . . . . . . . . . . . . . . .
BACK UP LIGHT, LEFT, H27 6322.0-00. . . . . . . . . . . . . . . . . . . . . . . . . . . . . . . .
BACK UP LIGHT, RIGHT, H28 6322.0-00. . . . . . . . . . . . . . . . . . . . . . . . . . . . . . .
BACK UP LIGHTS 6322.0-00. . . . . . . . . . . . . . . . . . . . . . . . . . . . . . . . . . . . . . . . .
BATTERY SAFETY TERMINAL, G19 0670.2-00. . . . . . . . . . . . . . . . . . . . . . . . .
BATTERY SAFETY TERMINAL, G19 3234.0-00. . . . . . . . . . . . . . . . . . . . . . . . .
BATTERY, G1 0670.2-00. . . . . . . . . . . . . . . . . . . . . . . . . . . . . . . . . . . . . . . . . . . . .
BLOWER MOTOR, M30 6450.6-00. . . . . . . . . . . . . . . . . . . . . . . . . . . . . . . . . . . .
BLOWER MOTOR, M30 6450.6-04. . . . . . . . . . . . . . . . . . . . . . . . . . . . . . . . . . . .
BLOWER RELAY, K4 6450.6-00. . . . . . . . . . . . . . . . . . . . . . . . . . . . . . . . . . . . . . .
BLOWER RELAY, K4 6450.6-04. . . . . . . . . . . . . . . . . . . . . . . . . . . . . . . . . . . . . . .
BLOWER RESISTORS, R11 6450.6-00. . . . . . . . . . . . . . . . . . . . . . . . . . . . . . . . .
BLOWER RESISTORS, R11 6450.6-04. . . . . . . . . . . . . . . . . . . . . . . . . . . . . . . . .
BLOWER SWITCH, S75 6450.6-00. . . . . . . . . . . . . . . . . . . . . . . . . . . . . . . . . . . .
BLOWER SWITCH, S75 6450.6-04. . . . . . . . . . . . . . . . . . . . . . . . . . . . . . . . . . . .
BOARD COMPUTER (BC – LOW) 6581.3-00. . . . . . . . . . . . . . . . . . . . . . . . . . .
BOARD COMPUTER (BC – LOW), A35y 6581.3-00. . . . . . . . . . . . . . . . . . . . . .
BODY ELECTRONICS CONTROL MODULE (ZKE IV), A104 6100.0. . . . . .
BRAKE FLUID LEVEL SWITCH, B18 6211.0-03. . . . . . . . . . . . . . . . . . . . . . . . .
BRAKE LIGHT SWITCH, S30 6325.0-00. . . . . . . . . . . . . . . . . . . . . . . . . . . . . . . .
BRAKE LIGHT, LEFT, H24 6325.0-00. . . . . . . . . . . . . . . . . . . . . . . . . . . . . . . . . .
BRAKE LIGHT, RIGHT, H31 6325.0-00. . . . . . . . . . . . . . . . . . . . . . . . . . . . . . . . .
BRAKE LIGHTS 6325.0. . . . . . . . . . . . . . . . . . . . . . . . . . . . . . . . . . . . . . . . . . . . .
BRAKE PAD SENSOR, LEFT FRONT, B16 6211.0-01. . . . . . . . . . . . . . . . . . . .
BRAKE PAD SENSOR, RIGHT REAR, B17 6211.0-01. . . . . . . . . . . . . . . . . . . .
CAMSHAFT POSITION SENSOR 1 (INLET), B6214 1210.26-05. . . . . . . . . .
CAMSHAFT POSITION SENSOR 1 (INLET), B6214 1210.27-07. . . . . . . . . .
CAMSHAFT POSITION SENSOR 2 (OUTLET), B6224 1210.26-05. . . . . . .
CAMSHAFT POSITION SENSOR 2 (OUTLET), B6224 1210.27-07. . . . . . .
CD CHANGER, N22 6510.1. . . . . . . . . . . . . . . . . . . . . . . . . . . . . . . . . . . . . . . . . .
CELLULAR TELEPHONE (PROVISIONS) 6561.0-00. . . . . . . . . . . . . . . . . . . . .
CENTRAL BODY ELECTRONICS (ZKE IV) 6100.0. . . . . . . . . . . . . . . . . . . . .
CENTRAL LOCKING LUGGAGE COMPARTMENT
LID MOTOR RELAY (ZV), K70 5126.0-05. . . . . . . . . . . . . . . . . . . . . . . . . . . . .
CHARGING SYSTEM 1230.0. . . . . . . . . . . . . . . . . . . . . . . . . . . . . . . . . . . . . . . .
CHIME MODULE, H10 6211.0-00. . . . . . . . . . . . . . . . . . . . . . . . . . . . . . . . . . . . . .
CIGAR LIGHTER CONNECTION, E28a 3614.0-00. . . . . . . . . . . . . . . . . . . . . . .

INDEX
0100.0Ć01
01/01 2001
BM
BMW
BMWBMW
Z3
CIGAR LIGHTER LIGHT, FRONT, E29 6300.0-01. . . . . . . . . . . . . . . . . . . . . . . .
CIGAR LIGHTER LIGHT, FRONT, E29 6332.0-00. . . . . . . . . . . . . . . . . . . . . . . .
CIGAR LIGHTER, FRONT, E28 6332.0-00. . . . . . . . . . . . . . . . . . . . . . . . . . . . . .
CLUTCH SWITCH, S32 1210.26-08. . . . . . . . . . . . . . . . . . . . . . . . . . . . . . . . . . .
CLUTCH SWITCH, S32 1210.27-10. . . . . . . . . . . . . . . . . . . . . . . . . . . . . . . . . . .
CLUTCH SWITCH, S32 6571.0-01. . . . . . . . . . . . . . . . . . . . . . . . . . . . . . . . . . . . .
COMBINATION SWITCH, S7 6313.0-00. . . . . . . . . . . . . . . . . . . . . . . . . . . . . . . .
COMPONENT LOCATION CHART 7000.0. . . . . . . . . . . . . . . . . . . . . . . . . . . . .
COMPONENT LOCATION VIEWS 7100.0. . . . . . . . . . . . . . . . . . . . . . . . . . . . .
COMPRESSOR CONTROL RELAY, K19 6450.6-02. . . . . . . . . . . . . . . . . . . . . .
COMPRESSOR CONTROL RELAY, K19 6450.6-06. . . . . . . . . . . . . . . . . . . . . .
COMPRESSOR MAIN SWITCH, S232 3614.0-00. . . . . . . . . . . . . . . . . . . . . . . .
COMPRESSOR RELAY, K6394 3614.0-00. . . . . . . . . . . . . . . . . . . . . . . . . . . . . .
CONNECTOR VIEWS 8500.0. . . . . . . . . . . . . . . . . . . . . . . . . . . . . . . . . . . . . . . .
CONTACT RING, C100 6133.0-00. . . . . . . . . . . . . . . . . . . . . . . . . . . . . . . . . . . . .
CONTACT RING, C101 3234.0-00. . . . . . . . . . . . . . . . . . . . . . . . . . . . . . . . . . . . .
CONVERTIBLE TOP ACTUATING SWITCH, S143 5430.2-01. . . . . . . . . . . . .
CONVERTIBLE TOP END–POSITION MICRO SWITCH, S164 5430.2-01. .
CONVERTIBLE TOP MOTOR, M101 5430.2-00. . . . . . . . . . . . . . . . . . . . . . . . .
CONVERTIBLE TOP RELAY I (CLOSE), K18363 5430.2-00. . . . . . . . . . . . . . .
CONVERTIBLE TOP RELAY II (OPEN), K18364 5430.2-00. . . . . . . . . . . . . . .
CRANKSHAFT POSITION/RPM SENSOR, B6203 1210.26-05. . . . . . . . . . .
CRANKSHAFT POSITION/RPM SENSOR, B6203 1210.27-06. . . . . . . . . . .
CRASH CONTROL MODULE 6350.0. . . . . . . . . . . . . . . . . . . . . . . . . . . . . . . . . .
CRASH CONTROL MODULE, N17 6350.0-01. . . . . . . . . . . . . . . . . . . . . . . . . . .
CRUISE CONTROL (TEMPOMAT) 6571.0. . . . . . . . . . . . . . . . . . . . . . . . . . . . .
CRUISE CONTROL INTERFACE, A9008 6571.0-00. . . . . . . . . . . . . . . . . . . . .
CRUISE CONTROL SWITCH, S28 6571.0-00. . . . . . . . . . . . . . . . . . . . . . . . . . .
DATA LINK 0670.5. . . . . . . . . . . . . . . . . . . . . . . . . . . . . . . . . . . . . . . . . . . . . . . . . .
DATA LINK CONNECTOR, D100 0670.5. . . . . . . . . . . . . . . . . . . . . . . . . . . . . . .
DEFOGGER I, REAR, E9 6424.0-00. . . . . . . . . . . . . . . . . . . . . . . . . . . . . . . . . . .
DOME LIGHT/MAP READING ASSEMBLY, FRONT, E34 6330.3-00. . . . . . . .
DOOR JAMB SWITCH, DRIVER’S, S14 5126.0-01. . . . . . . . . . . . . . . . . . . . . . .
DOOR JAMB SWITCH, PASSENGER’S, S13 5126.0-01. . . . . . . . . . . . . . . . . .
DOOR LOCK MOTOR, DRIVER’S, M12 5126.0-02. . . . . . . . . . . . . . . . . . . . . . .
DOOR LOCK MOTOR, DRIVER’S, M12 5126.0-04. . . . . . . . . . . . . . . . . . . . . . .
DOOR LOCK MOTOR, PASSENGER’S, M13 5126.0-02. . . . . . . . . . . . . . . . . .
DOOR LOCK MOTOR, PASSENGER’S, M13 5126.0-04. . . . . . . . . . . . . . . . . .
DOOR LOCK SWITCH, DRIVER’S, S47 5126.0-00. . . . . . . . . . . . . . . . . . . . . .
DOOR LOCK SWITCH, PASSENGER’S, S49 5126.0-00. . . . . . . . . . . . . . . . . .
DOUBLE KNOCK SENSOR, B62400 1210.26-08. . . . . . . . . . . . . . . . . . . . . . .
DRIVE–AWAY PROTECTION (EWS III) 6135.1. . . . . . . . . . . . . . . . . . . . . . . . .
DSC SWITCH, S6y 3452.1-02. . . . . . . . . . . . . . . . . . . . . . . . . . . . . . . . . . . . . . . . .
DSC SWITCH, S6y 3452.2-02. . . . . . . . . . . . . . . . . . . . . . . . . . . . . . . . . . . . . . . . .
DWA LED, V5 6575.0-00. . . . . . . . . . . . . . . . . . . . . . . . . . . . . . . . . . . . . . . . . . . . .
DWA SIREN, H67 6575.0-00. . . . . . . . . . . . . . . . . . . . . . . . . . . . . . . . . . . . . . . . . .
DYNAMIC STABILITY CONTROL (DSC III) 3452.1. . . . . . . . . . . . . . . . . . . . . .
DYNAMIC STABILITY CONTROL (DSC MK 60) 3452.2. . . . . . . . . . . . . . . . . .
DYNAMIC STABILITY CONTROL UNIT (DSC), A65 3452.1. . . . . . . . . . . . . .
DYNAMIC STABILITY CONTROL UNIT (DSC), A65 3452.2. . . . . . . . . . . . . .
E–BOX FAN 1290.0-00. . . . . . . . . . . . . . . . . . . . . . . . . . . . . . . . . . . . . . . . . . . . . . .
E–BOX FAN, M6506 1290.0-00. . . . . . . . . . . . . . . . . . . . . . . . . . . . . . . . . . . . . . . .
ELECTRIC COMPRESSOR, M805 3614.0-00. . . . . . . . . . . . . . . . . . . . . . . . . . .
ELECTRIC FUEL PUMP RELAY, TIMED, K6301z 1210.27-09. . . . . . . . . . . .
ELECTRIC THROTTLE ACTUATOR, Y6390 1210.26-07. . . . . . . . . . . . . . . . .
ELECTRIC THROTTLE ACTUATOR, Y6390 6571.0-01. . . . . . . . . . . . . . . . . . .
ELECTRIC THROTTLE MOTOR, Y5392 1210.27-04. . . . . . . . . . . . . . . . . . . .
ELECTRO–HYDRAULIC CONVERTIBLE TOP 5430.2. . . . . . . . . . . . . . . . . . .
ELECTROCHROMIC REAR VIEW MIRROR, A22z 5116.0-02. . . . . . . . . . . . .
ELECTRONIC IMMOBILIZER CONTROL MODULE (EWS III),
A837 6135.1. . . . . . . . . . . . . . . . . . . . . . . . . . . . . . . . . . . . . . . . . . . . . . . . . . . . . .
ELECTRONIC TRANSMISSION CONTROL (EGS: A5S 360R) 2460.14. . .
ENGINE CONTROL MODULE (DME), A6000 1210.26. . . . . . . . . . . . . . . . . . .
ENGINE CONTROL MODULE (DME), A6000 1210.27. . . . . . . . . . . . . . . . . . .
ENGINE CONTROL MODULE RELAY, K6300 1210.26-00. . . . . . . . . . . . . . .
ENGINE CONTROL MODULE RELAY, K6300 1210.27-00. . . . . . . . . . . . . . .
ENGINE CONTROL SYSTEM MS43 (6–CYLINDER M54) 1210.26. . . . . . . .
ENGINE CONTROL SYSTEM MSS54 (6–CYLINDER S54 B32) 1210.27. . .
ENGINE COOLANT TEMPERATURE SENSOR, B6236 1210.26-07. . . . . . .
ENGINE COOLANT TEMPERATURE SENSOR, B6236 1210.27-07. . . . . . .

INDEX
0100.0Ć02
01/01 2001
BM
BMW
BMWBMW
Z3
ENGINE COOLANT TEMPERATURE SENSOR, B6236 6211.0-04. . . . . . . . .
ENGINE COOLANT TEMPERATURE SENSOR, B6236 6211.0-05. . . . . . . . .
ENGINE HOOD SWITCH, S21w 6575.2-00. . . . . . . . . . . . . . . . . . . . . . . . . . . . .
EVAPORATIVE EMISSION VALVE, Y6120 1210.26-03. . . . . . . . . . . . . . . . . .
EVAPORATIVE EMISSION VALVE, Y6120 1210.27-05. . . . . . . . . . . . . . . . . .
EVAPORATOR CONTROLLER, S221 6450.6-01. . . . . . . . . . . . . . . . . . . . . . . .
EVAPORATOR CONTROLLER, S221 6450.6-05. . . . . . . . . . . . . . . . . . . . . . . .
EVAPORATOR TEMPERATURE SENSOR, B14 6450.6-01. . . . . . . . . . . . . . .
EVAPORATOR TEMPERATURE SENSOR, B14 6450.6-05. . . . . . . . . . . . . . .
EWS TOROIDAL COIL, L1 6135.1-00. . . . . . . . . . . . . . . . . . . . . . . . . . . . . . . . . .
EWS TOROIDAL COIL, L1 6135.1-02. . . . . . . . . . . . . . . . . . . . . . . . . . . . . . . . . .
EXHAUST TEMPERATURE SENSOR, B5351 1210.27-08. . . . . . . . . . . . . . .
FOG LIGHT RELAY, FRONT, K47 6312.0-00. . . . . . . . . . . . . . . . . . . . . . . . . . . .
FOG LIGHT RELAY, FRONT, K47 6312.0-02. . . . . . . . . . . . . . . . . . . . . . . . . . . .
FOG LIGHT SWITCH, S10 6312.0-00. . . . . . . . . . . . . . . . . . . . . . . . . . . . . . . . . .
FOG LIGHT SWITCH, S10 6312.0-02. . . . . . . . . . . . . . . . . . . . . . . . . . . . . . . . . .
FOG LIGHT, LEFT, E26 6312.0-00. . . . . . . . . . . . . . . . . . . . . . . . . . . . . . . . . . . . .
FOG LIGHT, LEFT, E26 6312.0-02. . . . . . . . . . . . . . . . . . . . . . . . . . . . . . . . . . . . .
FOG LIGHT, RIGHT, E27 6312.0-00. . . . . . . . . . . . . . . . . . . . . . . . . . . . . . . . . . . .
FOG LIGHT, RIGHT, E27 6312.0-02. . . . . . . . . . . . . . . . . . . . . . . . . . . . . . . . . . . .
FRESH AIR RECIRCULATION MOTOR, M111 6450.6-01. . . . . . . . . . . . . . . . .
FRESH AIR RECIRCULATION MOTOR, M111 6450.6-05. . . . . . . . . . . . . . . . .
FUEL INJECTION VALVE, CYL. 1, Y6101 1210.26-02. . . . . . . . . . . . . . . . . . .
FUEL INJECTION VALVE, CYL. 1, Y6101 1210.27-02. . . . . . . . . . . . . . . . . . .
FUEL INJECTION VALVE, CYL. 2, Y6102 1210.26-02. . . . . . . . . . . . . . . . . . .
FUEL INJECTION VALVE, CYL. 2, Y6102 1210.27-02. . . . . . . . . . . . . . . . . . .
FUEL INJECTION VALVE, CYL. 3, Y6103 1210.26-02. . . . . . . . . . . . . . . . . . .
FUEL INJECTION VALVE, CYL. 3, Y6103 1210.27-02. . . . . . . . . . . . . . . . . . .
FUEL INJECTION VALVE, CYL. 4, Y6104 1210.26-02. . . . . . . . . . . . . . . . . . .
FUEL INJECTION VALVE, CYL. 4, Y6104 1210.27-02. . . . . . . . . . . . . . . . . . .
FUEL INJECTION VALVE, CYL. 5, Y6105 1210.26-02. . . . . . . . . . . . . . . . . . .
FUEL INJECTION VALVE, CYL. 5, Y6105 1210.27-02. . . . . . . . . . . . . . . . . . .
FUEL INJECTION VALVE, CYL. 6, Y6106 1210.26-02. . . . . . . . . . . . . . . . . . .
FUEL INJECTION VALVE, CYL. 6, Y6106 1210.27-02. . . . . . . . . . . . . . . . . . .
FUEL PUMP RELAY, K6301w 1210.26-06. . . . . . . . . . . . . . . . . . . . . . . . . . . . . .
FUEL PUMP, M2 1210.26-06. . . . . . . . . . . . . . . . . . . . . . . . . . . . . . . . . . . . . . . . .
FUEL PUMP, M2 1210.27-09. . . . . . . . . . . . . . . . . . . . . . . . . . . . . . . . . . . . . . . . .
FUEL SENSOR, B6y 6211.0-02. . . . . . . . . . . . . . . . . . . . . . . . . . . . . . . . . . . . . . .
FUSE CHART 0670.1. . . . . . . . . . . . . . . . . . . . . . . . . . . . . . . . . . . . . . . . . . . . . . .
FUSE DETAILS 0670.3. . . . . . . . . . . . . . . . . . . . . . . . . . . . . . . . . . . . . . . . . . . . . .
FUSE HOLDER IN E–BOX, P98 0670.2-01. . . . . . . . . . . . . . . . . . . . . . . . . . . . .
FUSE HOLDER, P99 0670.2-00. . . . . . . . . . . . . . . . . . . . . . . . . . . . . . . . . . . . . . .
GAS FILLER LOCK MOTOR, M16 5126.0-02. . . . . . . . . . . . . . . . . . . . . . . . . . .
GAS FILLER LOCK MOTOR, M16 5126.0-04. . . . . . . . . . . . . . . . . . . . . . . . . . .
GEAR STEP TRANSMISSION SWITCH, S224 2460.14-03. . . . . . . . . . . . . .
GENERATOR, G6509 1230.0. . . . . . . . . . . . . . . . . . . . . . . . . . . . . . . . . . . . . . . .
GROUND DISTRIBUTION 0670.4. . . . . . . . . . . . . . . . . . . . . . . . . . . . . . . . . . . .
HARD TOP CONNECTOR 1, E99 6424.0-00. . . . . . . . . . . . . . . . . . . . . . . . . . . .
HAZARD FLASHER RELAY, K16 6313.0-00. . . . . . . . . . . . . . . . . . . . . . . . . . . . .
HAZARD SWITCH, S18 6313.0-01. . . . . . . . . . . . . . . . . . . . . . . . . . . . . . . . . . . . .
HEADLIGHT WASHER (SRA) 6167.1-00. . . . . . . . . . . . . . . . . . . . . . . . . . . . . . .
HEADLIGHT, LEFT, E7 6312.0-01. . . . . . . . . . . . . . . . . . . . . . . . . . . . . . . . . . . . .
HEADLIGHT, LEFT, E7 6312.0-03. . . . . . . . . . . . . . . . . . . . . . . . . . . . . . . . . . . . .
HEADLIGHT, RIGHT, E8 6312.0-01. . . . . . . . . . . . . . . . . . . . . . . . . . . . . . . . . . . .
HEADLIGHT, RIGHT, E8 6312.0-03. . . . . . . . . . . . . . . . . . . . . . . . . . . . . . . . . . . .
HEADLIGHT/FOG LIGHT WASHER PUMP, M7 6160.1-00. . . . . . . . . . . . . . . .
HEADLIGHT/FOG LIGHT WASHER PUMP, M7 6167.1-00. . . . . . . . . . . . . . . .
HEADLIGHTS/FOG LIGHTS 6312.0. . . . . . . . . . . . . . . . . . . . . . . . . . . . . . . . . .
HEAT/A/C CONTROL PANEL ILLUMINATION, E105 6300.0-02. . . . . . . . . . .
HEAT/A/C CONTROL PANEL ILLUMINATION, E105 6300.0-03. . . . . . . . . . .
HEAT/A/C CONTROL PANEL ILLUMINATION, E106 6300.0-02. . . . . . . . . . .
HEAT/A/C CONTROL PANEL ILLUMINATION, E106 6300.0-03. . . . . . . . . . .
HEATED SEATS 5203.0-00. . . . . . . . . . . . . . . . . . . . . . . . . . . . . . . . . . . . . . . . . . .
HIFI AMPLIFIER, A18 6510.1. . . . . . . . . . . . . . . . . . . . . . . . . . . . . . . . . . . . . . . .
HIGH BEAM LIGHT RELAY, K46 6312.0-01. . . . . . . . . . . . . . . . . . . . . . . . . . . . .
HIGH BEAM LIGHT RELAY, K46 6312.0-03. . . . . . . . . . . . . . . . . . . . . . . . . . . . .
HIGH BEAM LIGHT, LEFT, E11 6312.0-01. . . . . . . . . . . . . . . . . . . . . . . . . . . . . .
HIGH BEAM LIGHT, LEFT, E11 6312.0-03. . . . . . . . . . . . . . . . . . . . . . . . . . . . . .
HIGH BEAM LIGHT, RIGHT, E12 6312.0-01. . . . . . . . . . . . . . . . . . . . . . . . . . . . .
HIGH BEAM LIGHT, RIGHT, E12 6312.0-03. . . . . . . . . . . . . . . . . . . . . . . . . . . . .

INDEX
0100.0Ć03
01/01 2001
BM
BMW
BMWBMW
Z3
HIGH LEVEL STOP LIGHT, H34 6325.0-00. . . . . . . . . . . . . . . . . . . . . . . . . . . . .
HIGH RANGE SPEAKER, LEFT FRONT, H59 6510.1. . . . . . . . . . . . . . . . . . .
HIGH RANGE SPEAKER, LEFT REAR, H56 6510.1-03. . . . . . . . . . . . . . . . . .
HIGH RANGE SPEAKER, RIGHT FRONT, H50 6510.1. . . . . . . . . . . . . . . . . .
HIGH RANGE SPEAKER, RIGHT REAR, H53 6510.1-03. . . . . . . . . . . . . . . . .
HIGH SPEED RELAY, K22 6450.6-03. . . . . . . . . . . . . . . . . . . . . . . . . . . . . . . . . .
HIGH SPEED RELAY, K22 6450.6-07. . . . . . . . . . . . . . . . . . . . . . . . . . . . . . . . . .
HORN 6133.0-00. . . . . . . . . . . . . . . . . . . . . . . . . . . . . . . . . . . . . . . . . . . . . . . . . . . .
HORN RELAY, K2 6133.0-00. . . . . . . . . . . . . . . . . . . . . . . . . . . . . . . . . . . . . . . . . .
HORN SWITCH, S4 6133.0-00. . . . . . . . . . . . . . . . . . . . . . . . . . . . . . . . . . . . . . . .
HORN, LEFT, H2 6133.0-00. . . . . . . . . . . . . . . . . . . . . . . . . . . . . . . . . . . . . . . . . . .
HORN, RIGHT, H3 6133.0-00. . . . . . . . . . . . . . . . . . . . . . . . . . . . . . . . . . . . . . . . .
HOT FILM AIR MASS METER, B6207 1210.26-05. . . . . . . . . . . . . . . . . . . . . .
HOT FILM AIR MASS METER, B6207 1210.27-04. . . . . . . . . . . . . . . . . . . . . .
IDLE SPEED CONTROL VALVE, Y6130 1210.26-03. . . . . . . . . . . . . . . . . . . .
IDLE SPEED CONTROL VALVE, Y6130 1210.27-05. . . . . . . . . . . . . . . . . . . .
IGNITION COIL, CYL. 1, T6151 1210.26-01. . . . . . . . . . . . . . . . . . . . . . . . . . . .
IGNITION COIL, CYL. 1, T6151 1210.27-01. . . . . . . . . . . . . . . . . . . . . . . . . . . .
IGNITION COIL, CYL. 2, T6152 1210.26-01. . . . . . . . . . . . . . . . . . . . . . . . . . . .
IGNITION COIL, CYL. 2, T6152 1210.27-01. . . . . . . . . . . . . . . . . . . . . . . . . . . .
IGNITION COIL, CYL. 3, T6153 1210.26-01. . . . . . . . . . . . . . . . . . . . . . . . . . . .
IGNITION COIL, CYL. 3, T6153 1210.27-01. . . . . . . . . . . . . . . . . . . . . . . . . . . .
IGNITION COIL, CYL. 4, T6154 1210.26-01. . . . . . . . . . . . . . . . . . . . . . . . . . . .
IGNITION COIL, CYL. 4, T6154 1210.27-01. . . . . . . . . . . . . . . . . . . . . . . . . . . .
IGNITION COIL, CYL. 5, T6155 1210.26-01. . . . . . . . . . . . . . . . . . . . . . . . . . . .
IGNITION COIL, CYL. 5, T6155 1210.27-01. . . . . . . . . . . . . . . . . . . . . . . . . . . .
IGNITION COIL, CYL. 6, T6156 1210.26-01. . . . . . . . . . . . . . . . . . . . . . . . . . . .
IGNITION COIL, CYL. 6, T6156 1210.27-01. . . . . . . . . . . . . . . . . . . . . . . . . . . .
IGNITION SWITCH, S2 0670.2-06. . . . . . . . . . . . . . . . . . . . . . . . . . . . . . . . . . . . .
IGNITION SWITCH, S2 0670.2-07. . . . . . . . . . . . . . . . . . . . . . . . . . . . . . . . . . . . .
IGNITION SWITCH, S2 0670.2-08. . . . . . . . . . . . . . . . . . . . . . . . . . . . . . . . . . . . .
INDEX 0100.0. . . . . . . . . . . . . . . . . . . . . . . . . . . . . . . . . . . . . . . . . . . . . . . . . . . . . .
INJECTION VALVES RELAY, K6327 1210.26-02. . . . . . . . . . . . . . . . . . . . . . . .
INJECTION VALVES RELAY, K6327 1210.27-02. . . . . . . . . . . . . . . . . . . . . . . .
INSTRUMENT CLUSTER 6211.0. . . . . . . . . . . . . . . . . . . . . . . . . . . . . . . . . . . . . .
INSTRUMENT CLUSTER, A2w 6211.0. . . . . . . . . . . . . . . . . . . . . . . . . . . . . . . . .
INTAKE AIR TEMPERATURE SENSOR, B6205 1210.26-07. . . . . . . . . . . . . .
INTEGRATED HEATING– AND CLIMATE CONTROL 6450.6. . . . . . . . . . . . .
INTERIOR ACCESSORIES 6332.0-00. . . . . . . . . . . . . . . . . . . . . . . . . . . . . . . . .
INTERIOR LIGHT SWITCH, S408 6330.3-00. . . . . . . . . . . . . . . . . . . . . . . . . . . .
INTERIOR LIGHTS 6330.3-00. . . . . . . . . . . . . . . . . . . . . . . . . . . . . . . . . . . . . . . . .
INTERIOR LIGHT, LEFT FRONT, E800 6330.3-00. . . . . . . . . . . . . . . . . . . . . . .
INTERMEDIATE PRESSURE SWITCH, B9 6450.6-03. . . . . . . . . . . . . . . . . . . .
INTERMEDIATE PRESSURE SWITCH, B9 6450.6-07. . . . . . . . . . . . . . . . . . . .
INTRODUCTION 0110.0. . . . . . . . . . . . . . . . . . . . . . . . . . . . . . . . . . . . . . . . . . . . . .
JET HEATER THERMOSWITCH, S198 6169.0-00. . . . . . . . . . . . . . . . . . . . . . .
KNOCK SENSOR, CYL. 1–2, B6241 1210.27-06. . . . . . . . . . . . . . . . . . . . . . . .
KNOCK SENSOR, CYL. 3–4, B6242 1210.27-06. . . . . . . . . . . . . . . . . . . . . . . .
KNOCK SENSOR, CYL. 5–6, B6243 1210.27-06. . . . . . . . . . . . . . . . . . . . . . . .
LEAKAGE DIAGNOSIS PUMP, M119 1210.26-04. . . . . . . . . . . . . . . . . . . . . . .
LEAKAGE DIAGNOSIS PUMP, M119 1210.27-09. . . . . . . . . . . . . . . . . . . . . . .
LICENSE PLATE LIGHT, LEFT, E43 6320.0-01. . . . . . . . . . . . . . . . . . . . . . . . . .
LICENSE PLATE LIGHT, LEFT, E43 6320.0-02. . . . . . . . . . . . . . . . . . . . . . . . . .
LICENSE PLATE LIGHT, RIGHT, E44 6320.0-01. . . . . . . . . . . . . . . . . . . . . . . . .
LICENSE PLATE LIGHT, RIGHT, E44 6320.0-02. . . . . . . . . . . . . . . . . . . . . . . . .
LICENSE PLATE/LUGGAGE COMPARTMENT LIGHTS 6320.0-00. . . . . . . .
LID MICRO SWITCH, FRONT, S825 6575.0-01. . . . . . . . . . . . . . . . . . . . . . . . . .
LIGHT ASSEMBLY, LEFT REAR, E16 0670.4-13. . . . . . . . . . . . . . . . . . . . . . . .
LIGHT ASSEMBLY, RIGHT REAR, E17 0670.4-13. . . . . . . . . . . . . . . . . . . . . . .
LIGHT SWITCH DETAILS 6300.0. . . . . . . . . . . . . . . . . . . . . . . . . . . . . . . . . . . . .
LIGHT SWITCH, S8 6300.0-00. . . . . . . . . . . . . . . . . . . . . . . . . . . . . . . . . . . . . . . .
LOW BEAM LIGHT RELAY, K48 6312.0-01. . . . . . . . . . . . . . . . . . . . . . . . . . . . .
LOW BEAM LIGHT RELAY, K48 6312.0-03. . . . . . . . . . . . . . . . . . . . . . . . . . . . .
LOW BEAM LIGHT, LEFT, E13 6312.0-01. . . . . . . . . . . . . . . . . . . . . . . . . . . . . .
LOW BEAM LIGHT, LEFT, E13 6312.0-03. . . . . . . . . . . . . . . . . . . . . . . . . . . . . .
LOW BEAM LIGHT, RIGHT, E14 6312.0-01. . . . . . . . . . . . . . . . . . . . . . . . . . . . .
LOW BEAM LIGHT, RIGHT, E14 6312.0-03. . . . . . . . . . . . . . . . . . . . . . . . . . . . .
LOW RANGE SPEAKER, LEFT FRONT, H58 6510.1. . . . . . . . . . . . . . . . . . . .
LOW RANGE SPEAKER, RIGHT FRONT, H51 6510.1. . . . . . . . . . . . . . . . . .
LUGGAGE COMPARTMENT LID LOCKING SWITCH, S117 5126.0-05. . . . .

INDEX
0100.0Ć04
01/01 2001
BM
BMW
BMWBMW
Z3
LUGGAGE COMPARTMENT LIGHT SWITCH, S826 6320.0-03. . . . . . . . . . .
LUGGAGE COMPARTMENT LIGHT, E32 6320.0-03. . . . . . . . . . . . . . . . . . . . .
LUGGAGE COMPARTMENT LOCK MOTOR, M17 5126.0-03. . . . . . . . . . . . .
LUGGAGE COMPARTMENT LOCK MOTOR, M17 5126.0-05. . . . . . . . . . . . .
MARKER LIGHT, LEFT FRONT, E21 6314.0-01. . . . . . . . . . . . . . . . . . . . . . . . .
MARKER LIGHT, LEFT FRONT, E21 6314.0-03. . . . . . . . . . . . . . . . . . . . . . . . .
MARKER LIGHT, RIGHT FRONT, E22 6314.0-01. . . . . . . . . . . . . . . . . . . . . . . .
MARKER LIGHT, RIGHT FRONT, E22 6314.0-03. . . . . . . . . . . . . . . . . . . . . . . .
MID–HIGH RANGE SPEAKER, LEFT REAR, H55z 6510.1. . . . . . . . . . . . . . .
MID–HIGH RANGE SPEAKER, LEFT REAR, H70 6510.1-08. . . . . . . . . . . . . .
MID–HIGH RANGE SPEAKER, RIGHT REAR, H54z 6510.1. . . . . . . . . . . . .
MID–HIGH RANGE SPEAKER, RIGHT REAR, H71 6510.1-08. . . . . . . . . . . .
MIDRANGE SPEAKER, LEFT FRONT, H55 6510.1. . . . . . . . . . . . . . . . . . . . .
MIDRANGE SPEAKER, RIGHT FRONT, H54 6510.1. . . . . . . . . . . . . . . . . . . .
MIRROR CONTROL SWITCH, S17 5116.0-00. . . . . . . . . . . . . . . . . . . . . . . . . .
MIRROR, DRIVER’S SIDE, Y5 5116.0-01. . . . . . . . . . . . . . . . . . . . . . . . . . . . . . .
MIRROR, PASSENGER’S SIDE, Y6 5116.0-01. . . . . . . . . . . . . . . . . . . . . . . . . .
NORMAL SPEED RELAY, K21 6450.6-03. . . . . . . . . . . . . . . . . . . . . . . . . . . . . . .
NORMAL SPEED RELAY, K21 6450.6-07. . . . . . . . . . . . . . . . . . . . . . . . . . . . . . .
OBD II CONNECTOR, D110 0670.5-03. . . . . . . . . . . . . . . . . . . . . . . . . . . . . . . . .
OIL PRESSURE SWITCH, B6231 1210.27-11. . . . . . . . . . . . . . . . . . . . . . . . . . .
OIL PRESSURE SWITCH, B6231 6211.0-04. . . . . . . . . . . . . . . . . . . . . . . . . . . .
OIL PRESSURE SWITCH, B6231 6211.0-05. . . . . . . . . . . . . . . . . . . . . . . . . . . .
OIL TEMPERATURE GAUGE, B59 6211.0-06. . . . . . . . . . . . . . . . . . . . . . . . . . .
OIL TEMPERATURE SENSOR, B6238 1210.26-07. . . . . . . . . . . . . . . . . . . . .
OIL–/OUTSIDE TEMPERATURE GAUGE CONTROL MODULE,
A3984 6211.0-06. . . . . . . . . . . . . . . . . . . . . . . . . . . . . . . . . . . . . . . . . . . . . . . . . . .
ON–BOARD COMPUTER TEMPERATURE SENSOR, B21 6581.3-00. . . . . .
OUTSIDE TEMPERATURE GAUGE, B921 6211.0-06. . . . . . . . . . . . . . . . . . . .
OXYGEN SENSOR I (BEHIND CATALYTIC CONVERTER),
B62102 1210.26-06. . . . . . . . . . . . . . . . . . . . . . . . . . . . . . . . . . . . . . . . . . . . . . . .
OXYGEN SENSOR I (BEHIND CATALYTIC CONVERTER),
B62102 1210.27-08. . . . . . . . . . . . . . . . . . . . . . . . . . . . . . . . . . . . . . . . . . . . . . . .
OXYGEN SENSOR I (IN FRONT OF CATALYTIC CONVERTER),
B62101 1210.26-06. . . . . . . . . . . . . . . . . . . . . . . . . . . . . . . . . . . . . . . . . . . . . . . .
OXYGEN SENSOR I (IN FRONT OF CATALYTIC CONVERTER),
B62101 1210.27-08. . . . . . . . . . . . . . . . . . . . . . . . . . . . . . . . . . . . . . . . . . . . . . . .
OXYGEN SENSOR II (BEHIND CATALYTIC CONVERTER),
B62202 1210.26-06. . . . . . . . . . . . . . . . . . . . . . . . . . . . . . . . . . . . . . . . . . . . . . . .
OXYGEN SENSOR II (BEHIND CATALYTIC CONVERTER),
B62202 1210.27-08. . . . . . . . . . . . . . . . . . . . . . . . . . . . . . . . . . . . . . . . . . . . . . . .
OXYGEN SENSOR II (IN FRONT OF CATALYTIC CONVERTER),
B62201 1210.26-06. . . . . . . . . . . . . . . . . . . . . . . . . . . . . . . . . . . . . . . . . . . . . . . .
OXYGEN SENSOR II (IN FRONT OF CATALYTIC CONVERTER),
B62201 1210.27-08. . . . . . . . . . . . . . . . . . . . . . . . . . . . . . . . . . . . . . . . . . . . . . . .
PARK BRAKE SWITCH, S31 6211.0-03. . . . . . . . . . . . . . . . . . . . . . . . . . . . . . . .
PARK LIGHT RELAY, LEFT, K26 6314.0-02. . . . . . . . . . . . . . . . . . . . . . . . . . . . .
PARK LIGHT, LEFT, E15 6314.0-01. . . . . . . . . . . . . . . . . . . . . . . . . . . . . . . . . . . .
PARK LIGHT, LEFT, E15 6314.0-03. . . . . . . . . . . . . . . . . . . . . . . . . . . . . . . . . . . .
PARK LIGHT, RIGHT, E19 6314.0-01. . . . . . . . . . . . . . . . . . . . . . . . . . . . . . . . . . .
PARK LIGHT, RIGHT, E19 6314.0-03. . . . . . . . . . . . . . . . . . . . . . . . . . . . . . . . . . .
PARK LIGHT/LICENSE PLATE LIGHT RELAY, RIGHT, K25 6314.0-02. . . . .
PARK/TAIL/UNDERHOOD LIGHTS 6314.0. . . . . . . . . . . . . . . . . . . . . . . . . . . . .
PEDAL POSITION SENSOR, R10 1210.26-09. . . . . . . . . . . . . . . . . . . . . . . . . .
PEDAL POSITION SENSOR, R10 1210.27-13. . . . . . . . . . . . . . . . . . . . . . . . . .
PEDAL POSITION SENSOR, R10 6571.0-00. . . . . . . . . . . . . . . . . . . . . . . . . . . .
PITCH SENSOR (DWA), B28 6575.0-00. . . . . . . . . . . . . . . . . . . . . . . . . . . . . . . .
POWER DISTRIBUTION 0670.2. . . . . . . . . . . . . . . . . . . . . . . . . . . . . . . . . . . . . .
POWER DISTRIBUTION BOX, FRONT, P90 0670.2. . . . . . . . . . . . . . . . . . . .
POWER DISTRIBUTION CHART 0670.0. . . . . . . . . . . . . . . . . . . . . . . . . . . . . .
POWER MIRRORS 5116.0. . . . . . . . . . . . . . . . . . . . . . . . . . . . . . . . . . . . . . . . . . .
POWER SEATS 5200.0. . . . . . . . . . . . . . . . . . . . . . . . . . . . . . . . . . . . . . . . . . . . .
POWER TILT SUNROOF 5410.5-00. . . . . . . . . . . . . . . . . . . . . . . . . . . . . . . . . . .
POWER WINDOW SWITCH, DRIVER’S, S126y 5133.0-01. . . . . . . . . . . . . . .
POWER WINDOW SWITCH, PASSENGER’S, S127y 5133.0-01. . . . . . . . . . .
PRECHARGE PUMP, M118 3452.1-01. . . . . . . . . . . . . . . . . . . . . . . . . . . . . . . . .
PRESSURE SENSOR, B76 3452.1-04. . . . . . . . . . . . . . . . . . . . . . . . . . . . . . . . .
PRESSURE SENSOR, B76 3452.2-04. . . . . . . . . . . . . . . . . . . . . . . . . . . . . . . . .
PRESSURE SWITCH, B8y 6450.6-03. . . . . . . . . . . . . . . . . . . . . . . . . . . . . . . . . .
PRESSURE SWITCH, B8y 6450.6-07. . . . . . . . . . . . . . . . . . . . . . . . . . . . . . . . . .

INDEX
0100.0Ć05
01/01 2001
BM
BMW
BMWBMW
Z3
PRESSURE SWITCH, B9508 6450.6-03. . . . . . . . . . . . . . . . . . . . . . . . . . . . . . . .
PRESSURE SWITCH, B9508 6450.6-07. . . . . . . . . . . . . . . . . . . . . . . . . . . . . . . .
PRESSURE TRANSMITTER, Y16z 3452.1-01. . . . . . . . . . . . . . . . . . . . . . . . . . .
PRESSURE TRANSMITTER, Y16z 3452.2-01. . . . . . . . . . . . . . . . . . . . . . . . . . .
PYROTECHNICAL BELT TENSIONER, DRIVER’S SIDE, G12 3234.0-01. . .
PYROTECHNICAL BELT TENSIONER, PASSENGER’S SIDE,
G13 3234.0-01. . . . . . . . . . . . . . . . . . . . . . . . . . . . . . . . . . . . . . . . . . . . . . . . . . . . .
RADIO ANTI–THEFT SWITCH (DWA), S20 6575.0-01. . . . . . . . . . . . . . . . . . .
RADIO ANTI–THEFT SWITCH, S20w 6575.2-00. . . . . . . . . . . . . . . . . . . . . . . .
RADIO, N9 6510.1. . . . . . . . . . . . . . . . . . . . . . . . . . . . . . . . . . . . . . . . . . . . . . . . . .
RADIO/HIFI 6510.1. . . . . . . . . . . . . . . . . . . . . . . . . . . . . . . . . . . . . . . . . . . . . . . . .
REMOTE CONTROL MODULE, A194y 6610.2-00. . . . . . . . . . . . . . . . . . . . . . .
REMOTE CONTROL ZV/DWA 6610.2. . . . . . . . . . . . . . . . . . . . . . . . . . . . . . . . .
RESISTOR, R8554 1210.26-01. . . . . . . . . . . . . . . . . . . . . . . . . . . . . . . . . . . . . . .
REVERSING LIGHT RELAY, K6325 2460.14-04. . . . . . . . . . . . . . . . . . . . . . . .
REVERSING LIGHT RELAY, K6325 6322.0-00. . . . . . . . . . . . . . . . . . . . . . . . . .
REVERSING LIGHT SWITCH, S8511 6322.0-00. . . . . . . . . . . . . . . . . . . . . . . . .
RPM RATE SENSOR, B75 3452.1-04. . . . . . . . . . . . . . . . . . . . . . . . . . . . . . . . . .
RPM RATE SENSOR, B75 3452.2-04. . . . . . . . . . . . . . . . . . . . . . . . . . . . . . . . . .
SEATBACK HEATER, DRIVER’S, E56 5203.0-00. . . . . . . . . . . . . . . . . . . . . . . .
SEATBACK HEATER, PASSENGER’S, E59 5203.0-00. . . . . . . . . . . . . . . . . . .
SEAT BELT SWITCH, DRIVER’S, S58 3234.0-02. . . . . . . . . . . . . . . . . . . . . . . .
SEAT BELT SWITCH, PASSENGER’S, S59 3234.0-02. . . . . . . . . . . . . . . . . . .
SEAT CONTROL SWITCH, DRIVER’S SEAT, S51 5200.0-00. . . . . . . . . . . . . .
SEAT CONTROL SWITCH, DRIVER’S SEAT, S51 5200.0-02. . . . . . . . . . . . . .
SEAT CONTROL SWITCH, PASSENGER’S SEAT, S56 5200.0-01. . . . . . . . .
SEAT CONTROL SWITCH, PASSENGER’S SEAT, S56 5200.0-03. . . . . . . . .
SEAT HEATER SWITCH, DRIVER’S SEAT, S53 5203.0-00. . . . . . . . . . . . . . .
SEAT HEATER SWITCH, PASSENGER’S SEAT, S54 5203.0-00. . . . . . . . . . .
SEAT HEATER, DRIVER’S, E57 5203.0-00. . . . . . . . . . . . . . . . . . . . . . . . . . . . .
SEAT HEATER, PASSENGER’S, E58 5203.0-00. . . . . . . . . . . . . . . . . . . . . . . . .
SEAT HEIGHT MOTOR, DRIVER’S, M52 5200.0-00. . . . . . . . . . . . . . . . . . . . .
SEAT HEIGHT MOTOR, DRIVER’S, M52 5200.0-02. . . . . . . . . . . . . . . . . . . . .
SEAT HEIGHT MOTOR, PASSENGER’S, M59 5200.0-01. . . . . . . . . . . . . . . . .
SEAT HEIGHT MOTOR, PASSENGER’S, M59 5200.0-03. . . . . . . . . . . . . . . . .
SEAT LENGTH ADJUST CUT–OFF RELAY, DRIVER’S, K921 5200.0-02. . .
SEAT LENGTH ADJUST CUT–OFF RELAY, PASSENGER’S,
K911 5200.0-03. . . . . . . . . . . . . . . . . . . . . . . . . . . . . . . . . . . . . . . . . . . . . . . . . . . .
SEAT LIMIT SWITCH, DRIVER’S, S910 5200.0-02. . . . . . . . . . . . . . . . . . . . . . .
SEAT LIMIT SWITCH, PASSENGER’S, S911 5200.0-03. . . . . . . . . . . . . . . . . .
SEAT MAT, I1008 3234.0-03. . . . . . . . . . . . . . . . . . . . . . . . . . . . . . . . . . . . . . . . . .
SEAT MOVEMENT MOTOR, DRIVER’S, M51 5200.0-00. . . . . . . . . . . . . . . . .
SEAT MOVEMENT MOTOR, DRIVER’S, M51 5200.0-02. . . . . . . . . . . . . . . . .
SEAT MOVEMENT MOTOR, PASSENGER’S, M60 5200.0-01. . . . . . . . . . . . .
SEAT MOVEMENT MOTOR, PASSENGER’S, M60 5200.0-03. . . . . . . . . . . . .
SEAT OCCUPANCY DETECTOR, A113 3234.0-03. . . . . . . . . . . . . . . . . . . . . . .
SEAT TILT ADJUST CUT–OFF RELAY, DRIVER’S, K920 5200.0-02. . . . . . .
SEAT TILT ADJUST CUT–OFF RELAY, PASSENGER’S, K910 5200.0-03. . .
SECONDARY AIR PUMP RELAY, K6304 1210.26-04. . . . . . . . . . . . . . . . . . . .
SECONDARY AIR PUMP RELAY, K6304 1210.27-09. . . . . . . . . . . . . . . . . . . .
SECONDARY AIR PUMP VALVE, Y6163 1210.26-03. . . . . . . . . . . . . . . . . . . .
SHIFT–LOCK, Y19 2460.14-02. . . . . . . . . . . . . . . . . . . . . . . . . . . . . . . . . . . . . . .
SIDE IMPACT SENSOR, DRIVER’S, B78 3234.0-01. . . . . . . . . . . . . . . . . . . . .
SIDE IMPACT SENSOR, PASSENGER’S, B79 3234.0-01. . . . . . . . . . . . . . . .
SLIP CONTROL (ABS/ASC) 3450.1. . . . . . . . . . . . . . . . . . . . . . . . . . . . . . . . . . .
SLIP CONTROL MODULE (ABS/ASC), A52 3450.1. . . . . . . . . . . . . . . . . . . . .
SOLENOID VALVE, SUCKING JET PUMP, Y6165 1210.27-05. . . . . . . . . . . .
SPEAKER, LEFT REAR, H46 6510.1-03. . . . . . . . . . . . . . . . . . . . . . . . . . . . . . . .
SPEAKER, RIGHT REAR, H45 6510.1-03. . . . . . . . . . . . . . . . . . . . . . . . . . . . . .
SPEED SENSOR – ABS, LEFT FRONT, B2 3450.1-02. . . . . . . . . . . . . . . . . . .
SPEED SENSOR – ABS, LEFT FRONT, B2 3452.1-05. . . . . . . . . . . . . . . . . . .
SPEED SENSOR – ABS, LEFT FRONT, B2 3452.2-05. . . . . . . . . . . . . . . . . . .
SPEED SENSOR – ABS, LEFT REAR, B4 3450.1-02. . . . . . . . . . . . . . . . . . . .
SPEED SENSOR – ABS, LEFT REAR, B4 3452.1-05. . . . . . . . . . . . . . . . . . . .
SPEED SENSOR – ABS, LEFT REAR, B4 3452.2-05. . . . . . . . . . . . . . . . . . . .
SPEED SENSOR – ABS, RIGHT FRONT, B1 3450.1-02. . . . . . . . . . . . . . . . . .
SPEED SENSOR – ABS, RIGHT FRONT, B1 3452.1-05. . . . . . . . . . . . . . . . . .
SPEED SENSOR – ABS, RIGHT FRONT, B1 3452.2-05. . . . . . . . . . . . . . . . . .
SPEED SENSOR – ABS, RIGHT REAR, B3 3450.1-02. . . . . . . . . . . . . . . . . . .
SPEED SENSOR – ABS, RIGHT REAR, B3 3452.1-05. . . . . . . . . . . . . . . . . . .

INDEX
0100.0Ć06
01/01 2001
BM
BMW
BMWBMW
Z3
SPEED SENSOR – ABS, RIGHT REAR, B3 3452.2-05. . . . . . . . . . . . . . . . . . .
SPLICE LOCATION VIEWS 8000.0. . . . . . . . . . . . . . . . . . . . . . . . . . . . . . . . . . .
START 1240.0. . . . . . . . . . . . . . . . . . . . . . . . . . . . . . . . . . . . . . . . . . . . . . . . . . . . . .
STARTER IMMOBILIZATION SWITCH, S235 1240.0-00. . . . . . . . . . . . . . . . . .
STARTER IMMOBILIZATION SWITCH, S235 1240.0-02. . . . . . . . . . . . . . . . . .
STARTER, M6510 1240.0-01. . . . . . . . . . . . . . . . . . . . . . . . . . . . . . . . . . . . . . . . . .
STARTER, M6510 1240.0-03. . . . . . . . . . . . . . . . . . . . . . . . . . . . . . . . . . . . . . . . . .
STEERING ANGLE SENSOR, R33 3452.1-02. . . . . . . . . . . . . . . . . . . . . . . . . . .
STEERING ANGLE SENSOR, R33 3452.2-02. . . . . . . . . . . . . . . . . . . . . . . . . . .
SUBWOOFER AMPLIFIER MODULE, N44 6510.1-09. . . . . . . . . . . . . . . . . . . .
SUBWOOFER, H66 6510.1. . . . . . . . . . . . . . . . . . . . . . . . . . . . . . . . . . . . . . . . . .
SUPPLEMENTAL RESTRAINT SYSTEM (AIR BAG) 3234.0. . . . . . . . . . . . .
SUPPLEMENTAL RESTRAINT SYSTEM CONTROL MODULE,
A12 3234.0. . . . . . . . . . . . . . . . . . . . . . . . . . . . . . . . . . . . . . . . . . . . . . . . . . . . . . .
SUPPRESSION CAPACITOR, C6000 1210.27-01. . . . . . . . . . . . . . . . . . . . . . .
SYMBOLS 0140.0. . . . . . . . . . . . . . . . . . . . . . . . . . . . . . . . . . . . . . . . . . . . . . . . . .
TAIL LIGHT, LEFT, H25 6314.0-01. . . . . . . . . . . . . . . . . . . . . . . . . . . . . . . . . . . . .
TAIL LIGHT, LEFT, H25 6314.0-03. . . . . . . . . . . . . . . . . . . . . . . . . . . . . . . . . . . . .
TAIL LIGHT, LEFT, H37 6314.0-01. . . . . . . . . . . . . . . . . . . . . . . . . . . . . . . . . . . . .
TAIL LIGHT, LEFT, H37 6314.0-03. . . . . . . . . . . . . . . . . . . . . . . . . . . . . . . . . . . . .
TAIL LIGHT, RIGHT, H30 6314.0-01. . . . . . . . . . . . . . . . . . . . . . . . . . . . . . . . . . . .
TAIL LIGHT, RIGHT, H30 6314.0-03. . . . . . . . . . . . . . . . . . . . . . . . . . . . . . . . . . . .
TAIL LIGHT, RIGHT, H39 6314.0-01. . . . . . . . . . . . . . . . . . . . . . . . . . . . . . . . . . . .
TAIL LIGHT, RIGHT, H39 6314.0-03. . . . . . . . . . . . . . . . . . . . . . . . . . . . . . . . . . . .
TEMPERATURE SENSOR, B21z 6211.0-06. . . . . . . . . . . . . . . . . . . . . . . . . . . .
TEMPERATURE SWITCH, S36 6450.6-03. . . . . . . . . . . . . . . . . . . . . . . . . . . . . .
TEMPERATURE SWITCH, S36 6450.6-07. . . . . . . . . . . . . . . . . . . . . . . . . . . . . .
TEMPERATURE WHEEL SWITCH, S531 6450.6-01. . . . . . . . . . . . . . . . . . . . .
TEMPERATURE WHEEL SWITCH, S531 6450.6-06. . . . . . . . . . . . . . . . . . . . .
THERMAL OIL LEVEL SENSOR (TOENS) CONTROL MODULE,
A19007 6211.0-04. . . . . . . . . . . . . . . . . . . . . . . . . . . . . . . . . . . . . . . . . . . . . . . . . .
THERMAL OIL LEVEL SWITCH, B6254 1210.27-12. . . . . . . . . . . . . . . . . . . . .
THERMAL OIL LEVEL SWITCH, B6254 6211.0-04. . . . . . . . . . . . . . . . . . . . . . .
THERMAL OIL LEVEL SWITCH, B6254 6211.0-05. . . . . . . . . . . . . . . . . . . . . . .
THERMOSTAT, CHARACTERISTIC MAP COOLING, B6279 1210.26-05. .
THROTTLE POSITION SENSOR, R6252 1210.27-04. . . . . . . . . . . . . . . . . . .
TILT SUNROOF MOTOR, M24y 5410.5-00. . . . . . . . . . . . . . . . . . . . . . . . . . . . .
TILT SUNROOF SWITCH, S38y 5410.5-00. . . . . . . . . . . . . . . . . . . . . . . . . . . . .
TIRE INFLATION SYSTEM 3614.0. . . . . . . . . . . . . . . . . . . . . . . . . . . . . . . . . . . .
TIRE PRESSURE WARNING SYSTEM (RDW) 3623.1. . . . . . . . . . . . . . . . . .
TIRE PRESSURE WARNING SYSTEM (RDW) PUSHBUTTON,
S555 3623.1-00. . . . . . . . . . . . . . . . . . . . . . . . . . . . . . . . . . . . . . . . . . . . . . . . . . . .
TRANSMISSION CONTROL MODULE (EGS), A7000 2460.14. . . . . . . . . . .
TRANSMISSION POSITION INDICATOR LIGHT, E82 2460.14-03. . . . . . . .
TRANSMISSION POSITION INDICATOR LIGHT, E82 6300.0-02. . . . . . . . . .
TRANSMISSION VALVE UNIT, Y8505y 2460.14-01. . . . . . . . . . . . . . . . . . . . .
TRANSMISSION VALVE UNIT, Y8505y 2460.14-04. . . . . . . . . . . . . . . . . . . . .
TRANSVERSE ACCELERATION SENSOR, B74 3452.1-04. . . . . . . . . . . . . . .
TRANSVERSE ACCELERATION SENSOR, B74 3452.2-04. . . . . . . . . . . . . . .
TURN LIGHT, LEFT FRONT, H7 6313.0-02. . . . . . . . . . . . . . . . . . . . . . . . . . . . .
TURN LIGHT, LEFT REAR, H6 6313.0-03. . . . . . . . . . . . . . . . . . . . . . . . . . . . . .
TURN LIGHT, RIGHT FRONT, H4 6313.0-02. . . . . . . . . . . . . . . . . . . . . . . . . . . .
TURN LIGHT, RIGHT REAR, H5 6313.0-03. . . . . . . . . . . . . . . . . . . . . . . . . . . . .
TURN/HAZARD LIGHTS 6313.0. . . . . . . . . . . . . . . . . . . . . . . . . . . . . . . . . . . . . .
UNCOUPLING DIODE (LIGHTS), V10 6314.0-02. . . . . . . . . . . . . . . . . . . . . . . .
UNCOUPLING DIODE (LIGHTS), V9 6314.0-02. . . . . . . . . . . . . . . . . . . . . . . . .
UNLOADER RELAY, TERMINAL 15, K9 6424.0-00. . . . . . . . . . . . . . . . . . . . . . .
VALVE, INDIVIDUAL CONTROL INTAKE SYSTEM, Y6167 1210.26-03. . . .
VARIABLE CAMSHAFT CONTROL VALVE 1 (INLET), Y6275z 1210.26-03.
VARIABLE CAMSHAFT CONTROL VALVE 2 (OUTLET), Y6276 1210.26-03
VARIABLE CAMSHAFT CONTROL VALVES, Y5255 1210.27-03. . . . . . . . . .
VEHICLE SPEED SENSOR, B10 6211.0-02. . . . . . . . . . . . . . . . . . . . . . . . . . . .
WASHER JET HEATER, LEFT, E51 6169.0-00. . . . . . . . . . . . . . . . . . . . . . . . . .
WASHER JET HEATER, RIGHT, E52 6169.0-00. . . . . . . . . . . . . . . . . . . . . . . . .
WASHER PUMP, M4 6160.1-01. . . . . . . . . . . . . . . . . . . . . . . . . . . . . . . . . . . . . . .
WASHER PUMP, M4 6160.1-02. . . . . . . . . . . . . . . . . . . . . . . . . . . . . . . . . . . . . . .
WATER VALVE, Y4z 6450.6-01. . . . . . . . . . . . . . . . . . . . . . . . . . . . . . . . . . . . . . . .
WATER VALVE, Y4z 6450.6-06. . . . . . . . . . . . . . . . . . . . . . . . . . . . . . . . . . . . . . . .
WINDOW DEFOGGER SWITCH, REAR, S76 6424.0-00. . . . . . . . . . . . . . . . .
WINDOW DEFOGGER, REAR, 6424.0. . . . . . . . . . . . . . . . . . . . . . . . . . . . . . . .

INDEX
0100.0Ć07
01/01 2001
BM
BMW
BMWBMW
Z3
WINDOW MOTOR, DRIVER’S, M21 5133.0-02. . . . . . . . . . . . . . . . . . . . . . . . . .
WINDOW MOTOR, PASSENGER’S, M23 5133.0-02. . . . . . . . . . . . . . . . . . . . .
WINDSHIELD WASHER JET HEATERS 6169.0-00. . . . . . . . . . . . . . . . . . . . . .
WIPER MOTOR, M3 6160.1-00. . . . . . . . . . . . . . . . . . . . . . . . . . . . . . . . . . . . . . . .
WIPER/WASHER INTERVAL CONTROL MODULE, REAR, A36 6160.1-02.
WIPER/WASHER MODULE (WWM) 6160.1. . . . . . . . . . . . . . . . . . . . . . . . . . . .
WIPER/WASHER MODULE, A51 6160.1. . . . . . . . . . . . . . . . . . . . . . . . . . . . . .
WIPER/WASHER MODULE, A51 6167.1-00. . . . . . . . . . . . . . . . . . . . . . . . . . . .
WIPER/WASHER SWITCH, S5 6160.1-01. . . . . . . . . . . . . . . . . . . . . . . . . . . . . .
WIPER/WASHER SWITCH, S5 6160.1-02. . . . . . . . . . . . . . . . . . . . . . . . . . . . . .
ZKE CENTRAL LOCKING (ZV) 5126.0. . . . . . . . . . . . . . . . . . . . . . . . . . . . . . . .
ZKE POWER WINDOWS (FH) 5133.0. . . . . . . . . . . . . . . . . . . . . . . . . . . . . . . . .

BMBMWBMWBMW
Z3
2.5 VI/SW
0110.0 INTRODUCTION
06/00 0110.0Ć 2001
00
P90
FRONT POWER
DISTRIBUTION
BOX
F1
15A
GROUND
DISTRIBUTION
0670.4
6160.0-02
2.5 VI/SW
4
8
P91
REAR POWER
DISTRIBUTION
BOX
F44
30A
X293
2
6X293
FUSE DETAILS
0670.3
4 VI/SW
86
85
30
87
X452
CENTRAL
BODY
ELECTRONICS
(ZKE)
6100.0
K11
WIPER RELAY
FUSE DETAILS
0670.3
X493
Schematics
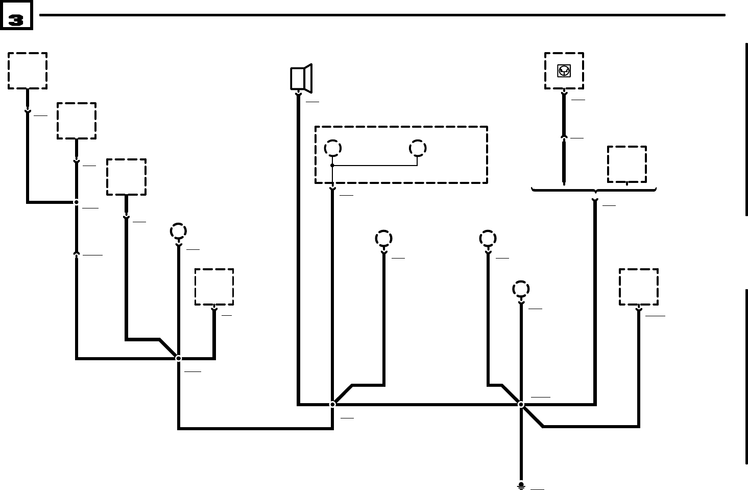
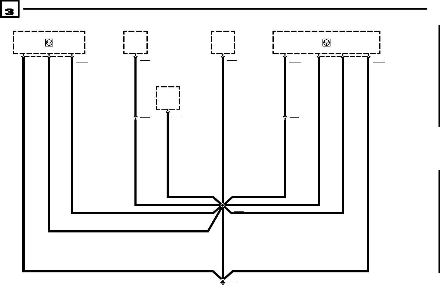
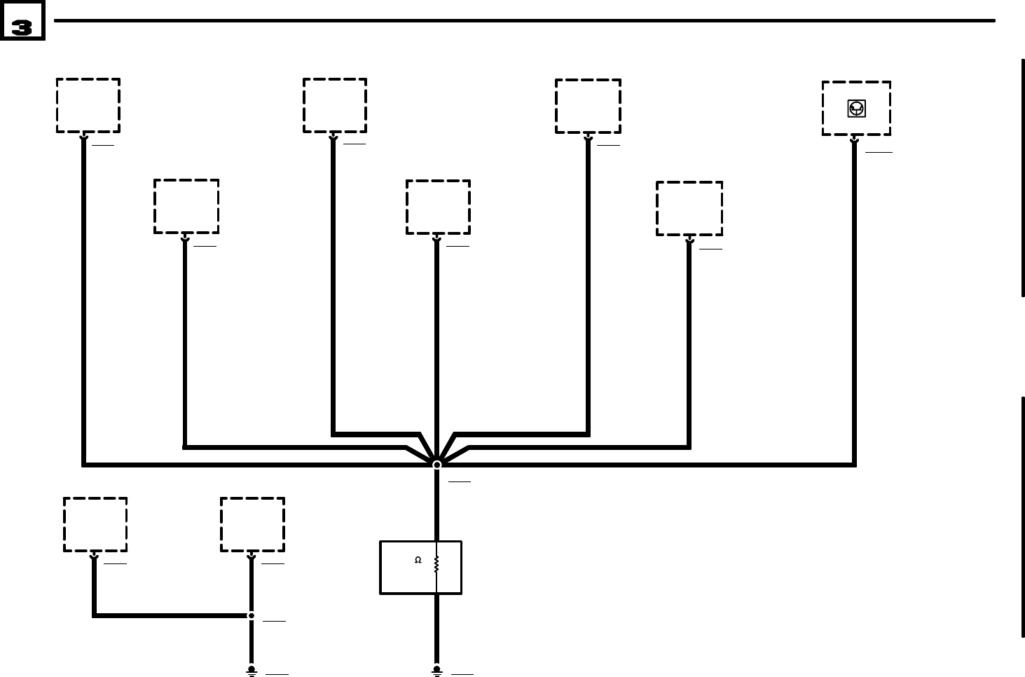
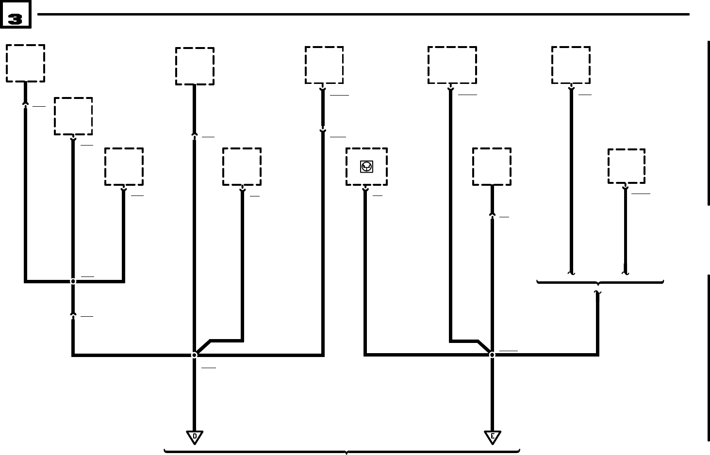
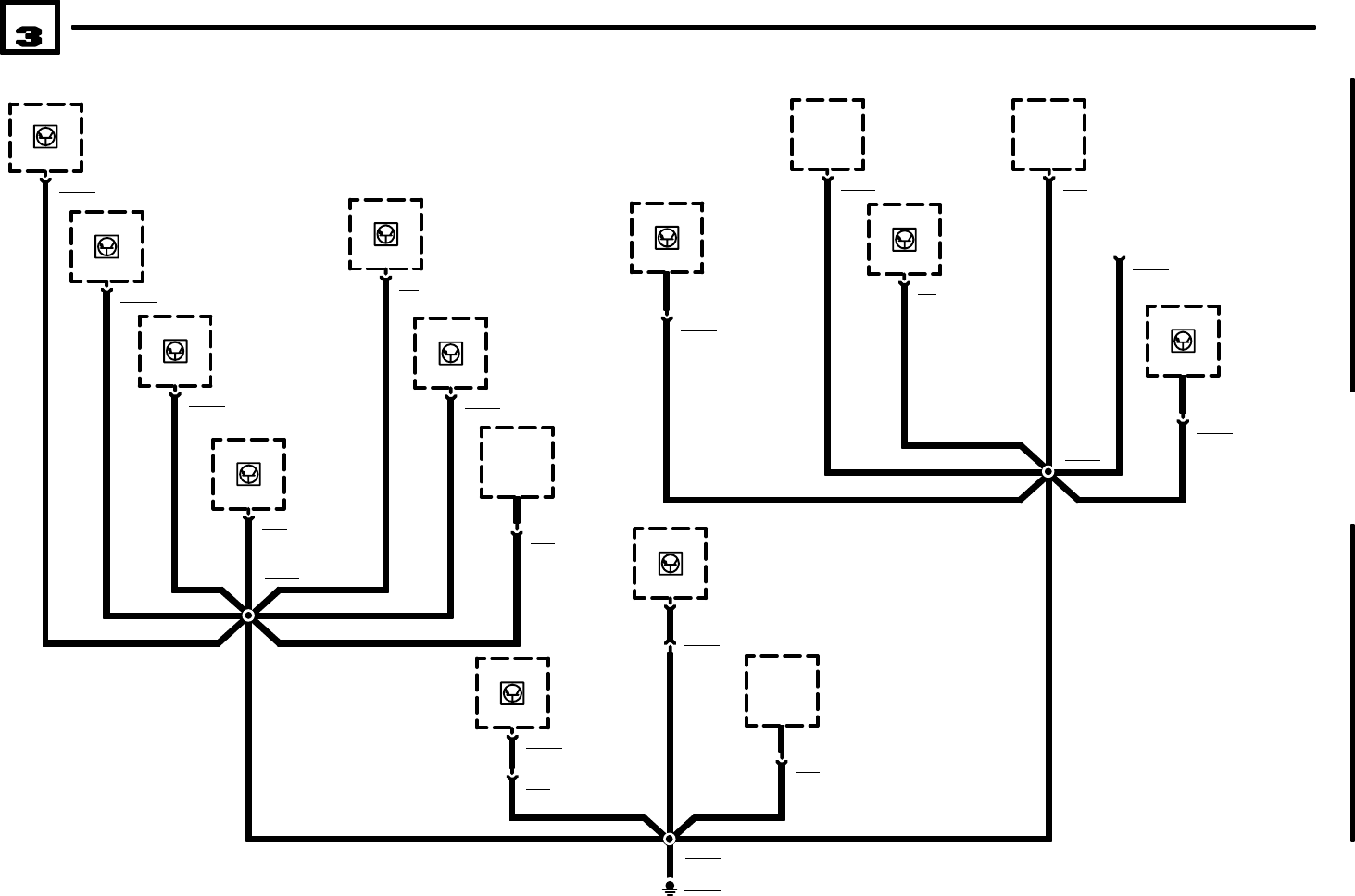
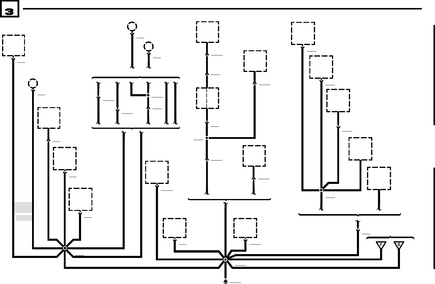
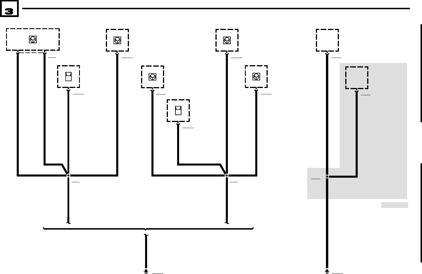
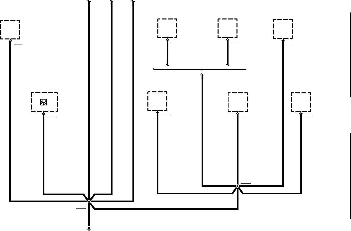
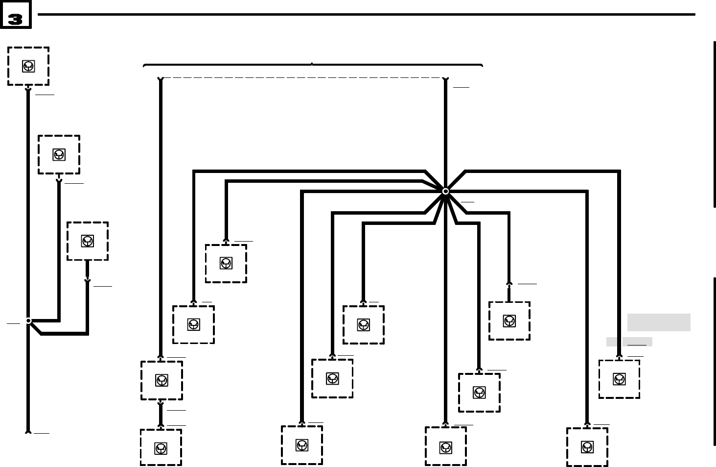
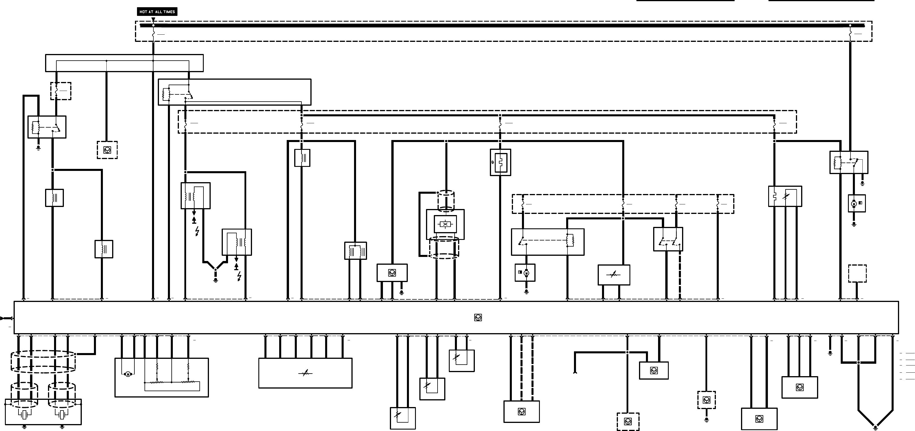
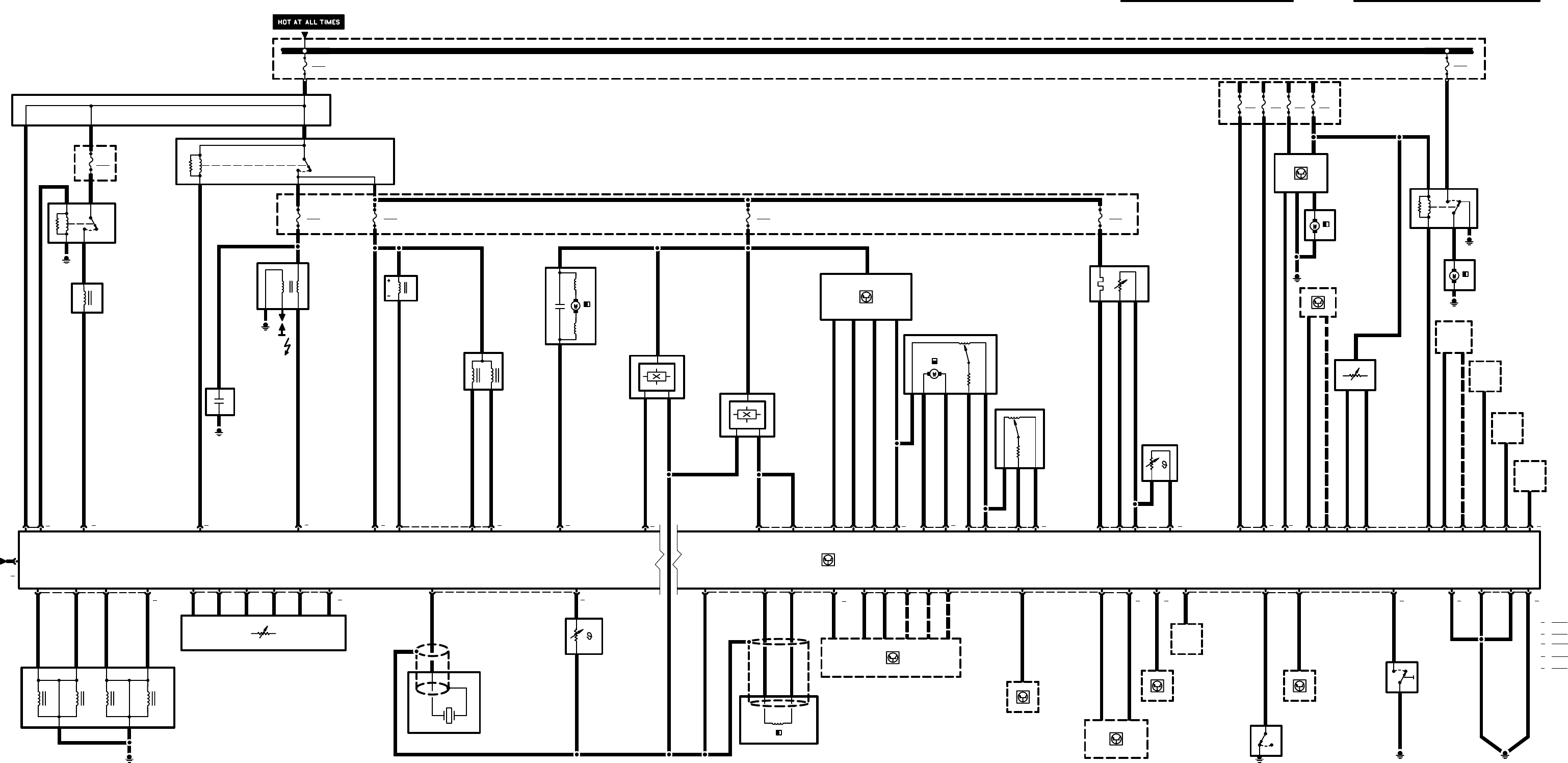
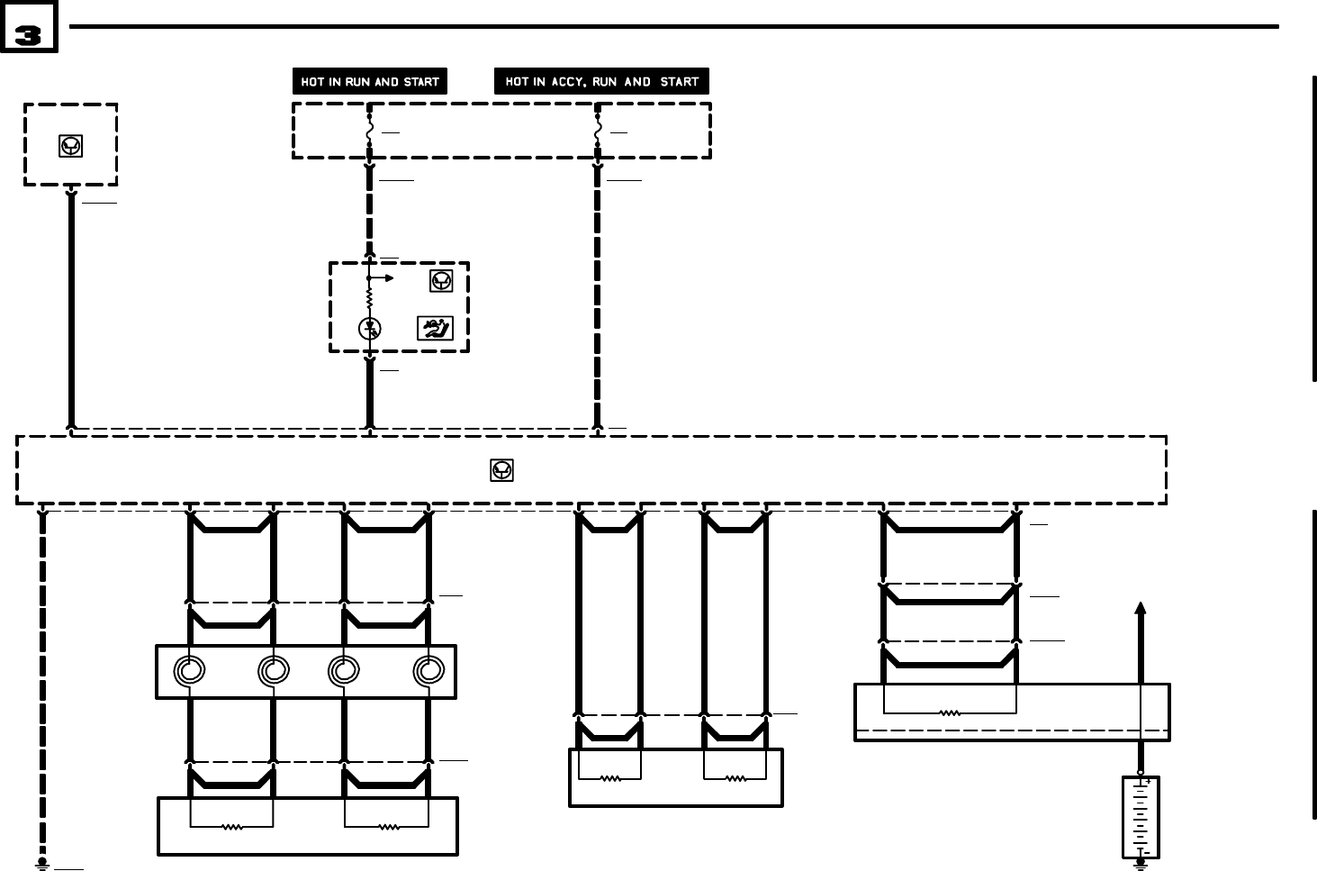
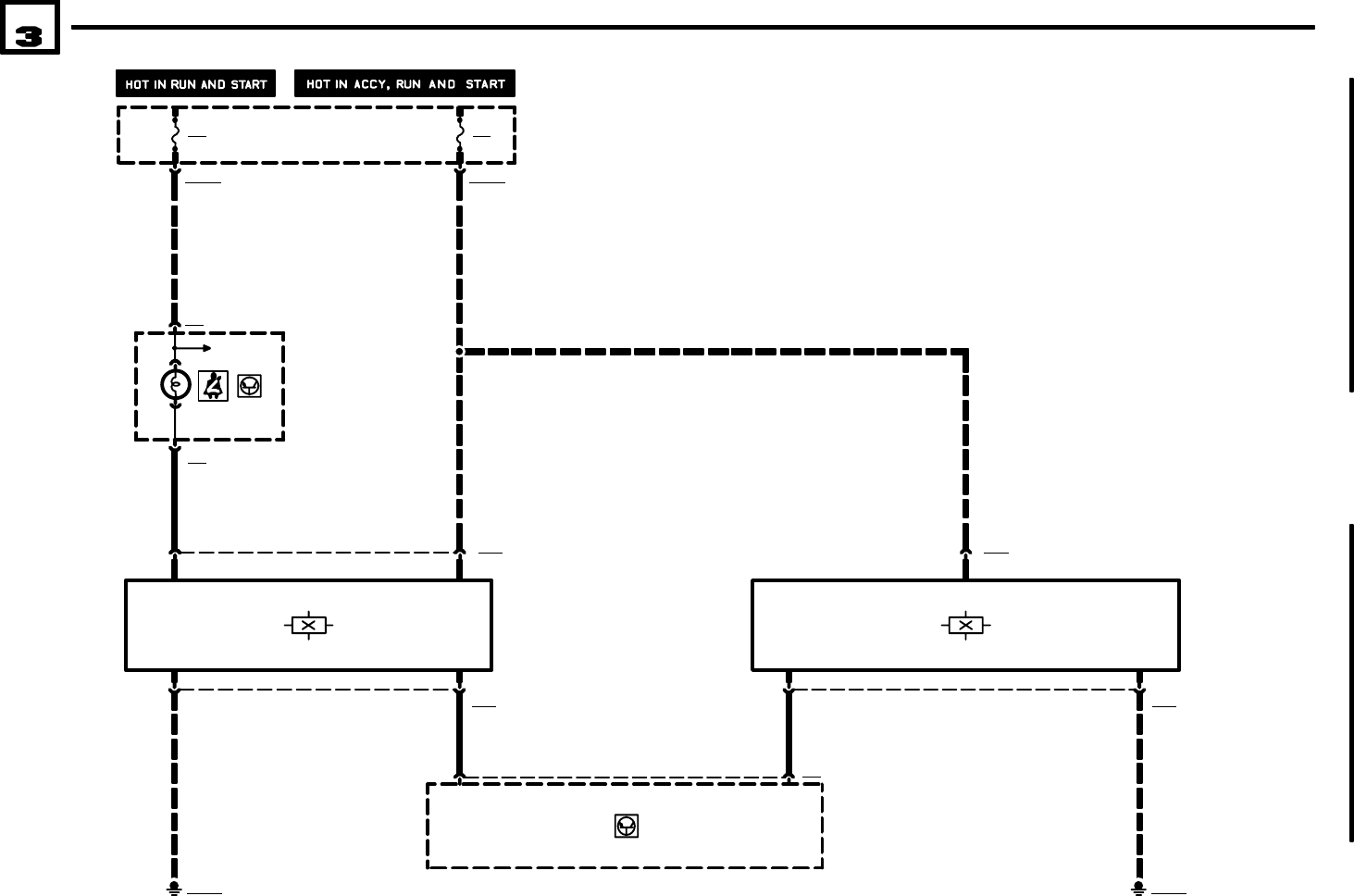
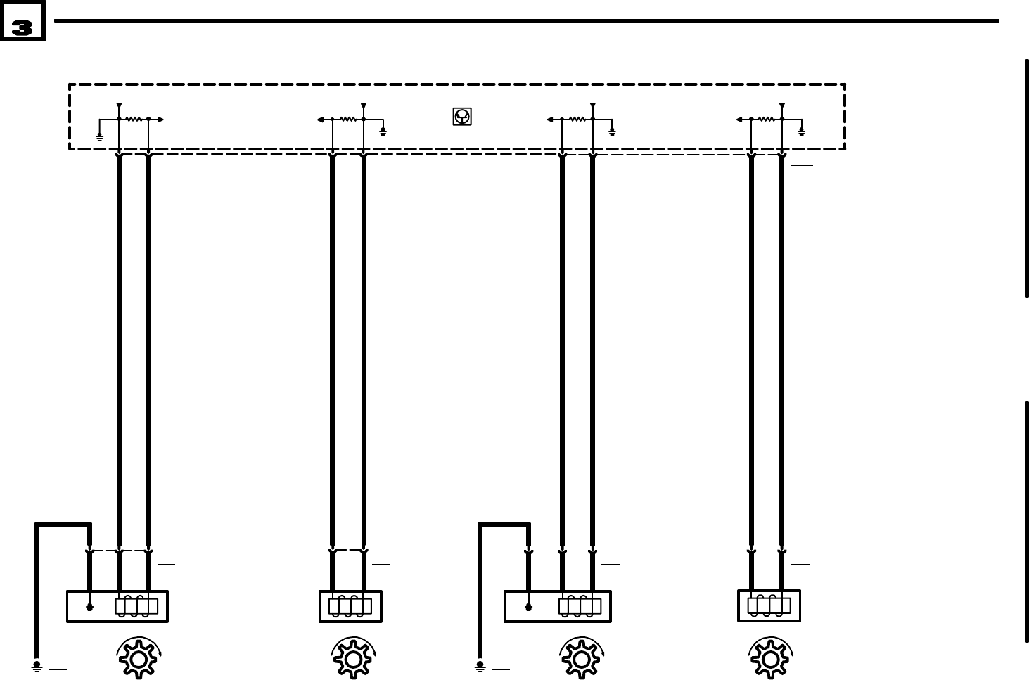
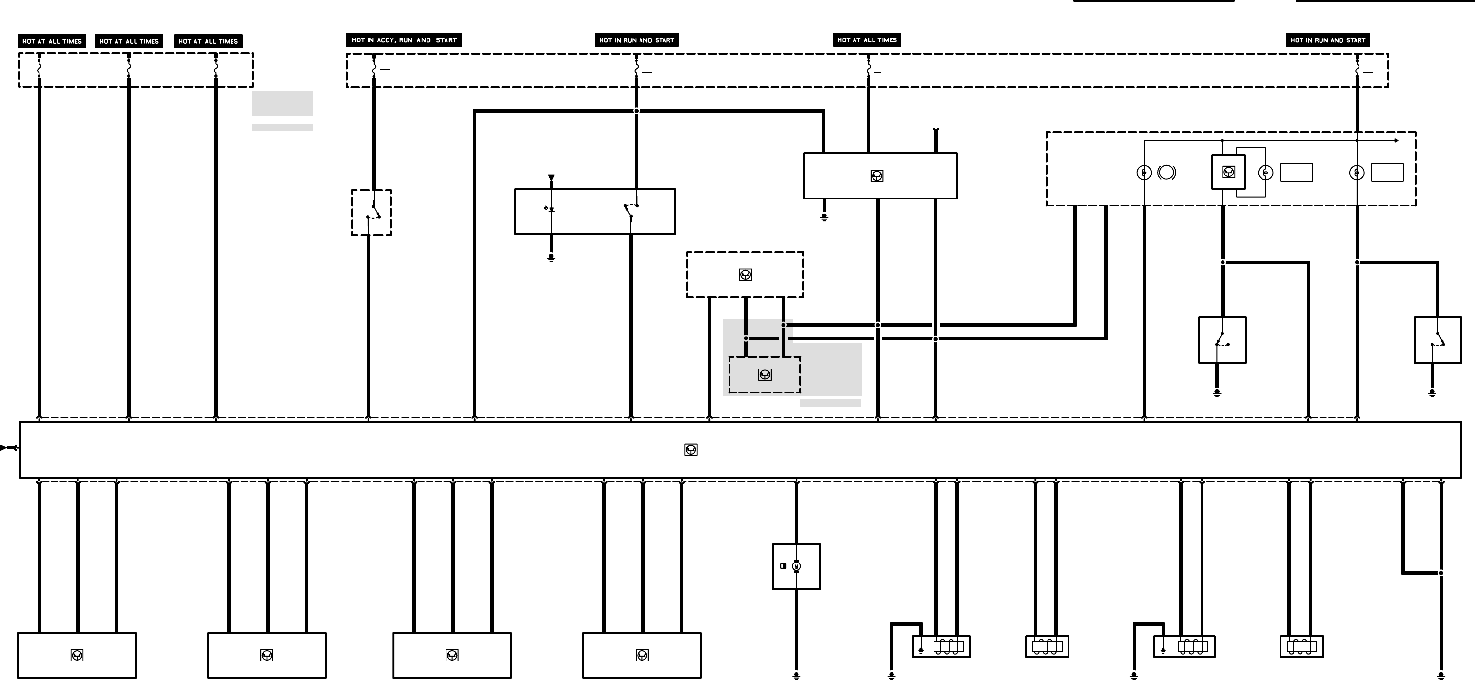
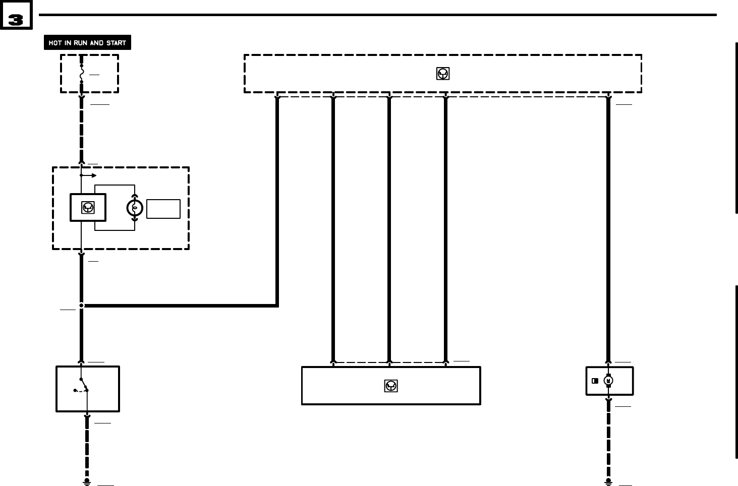
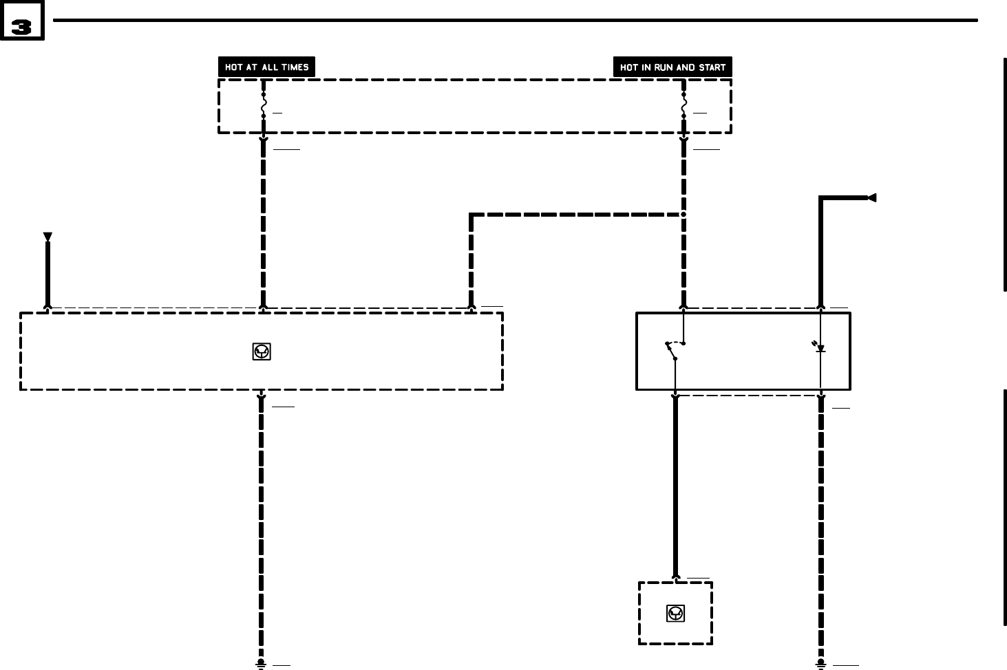
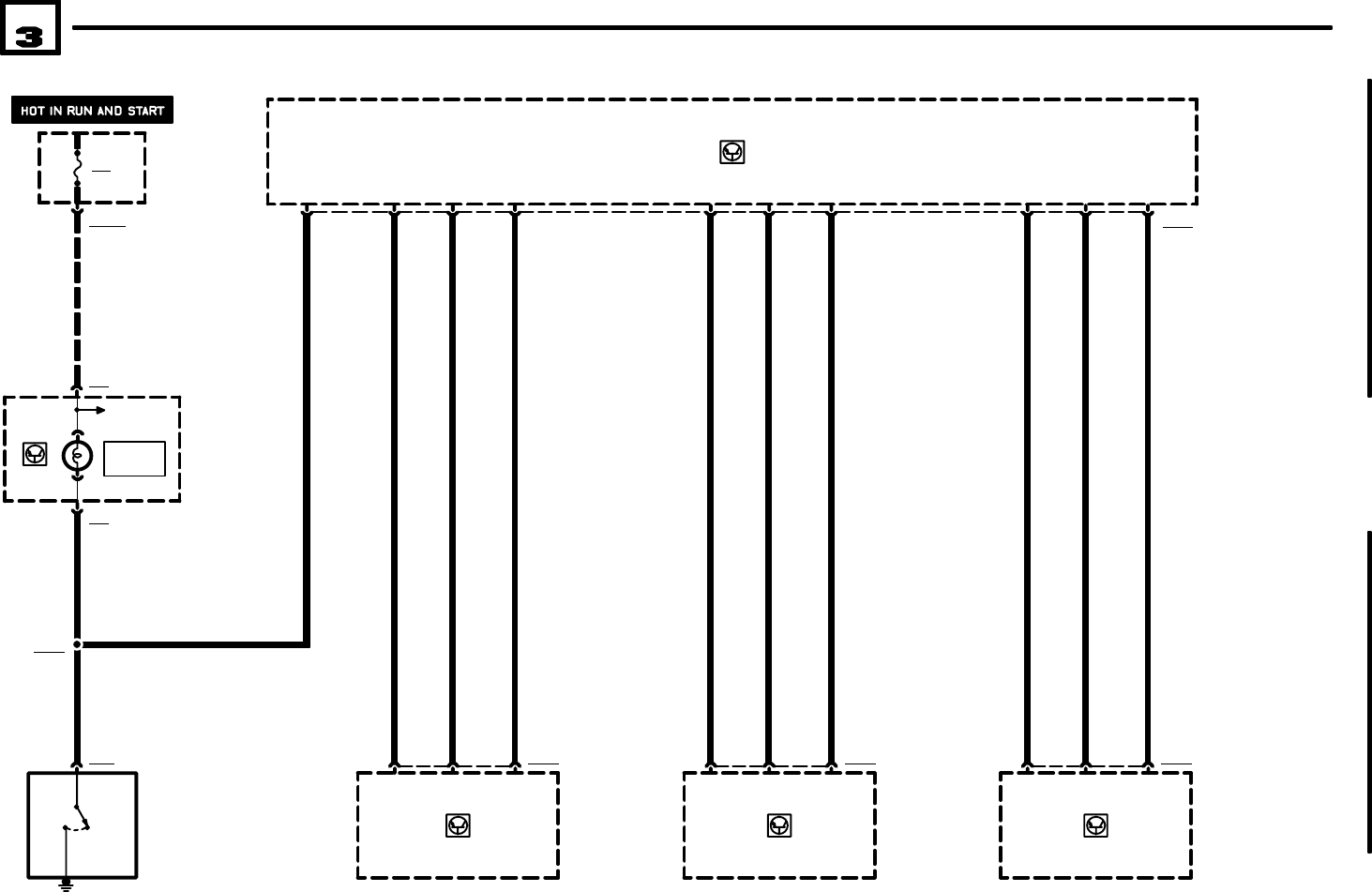
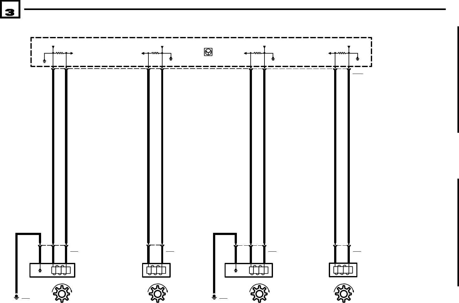
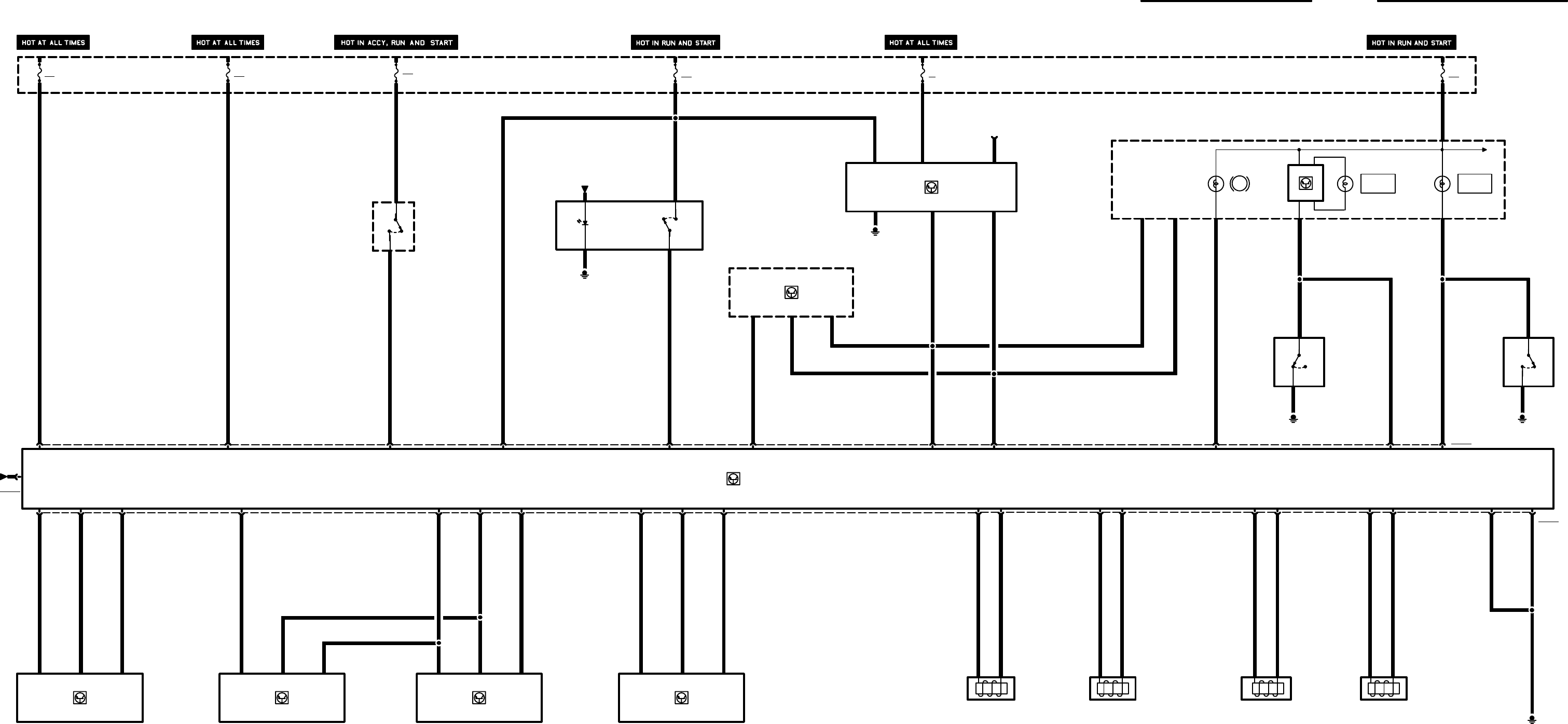
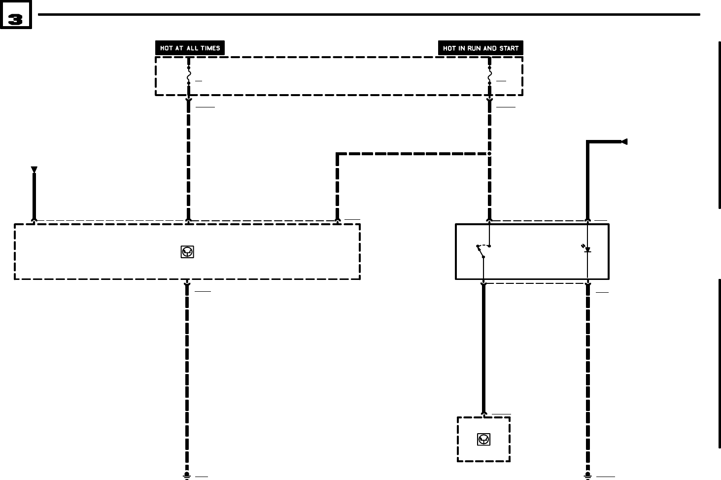
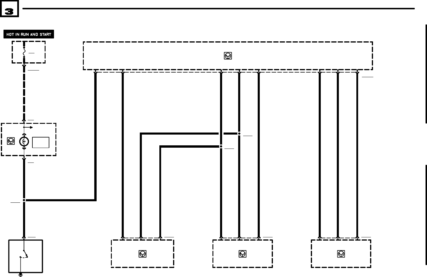
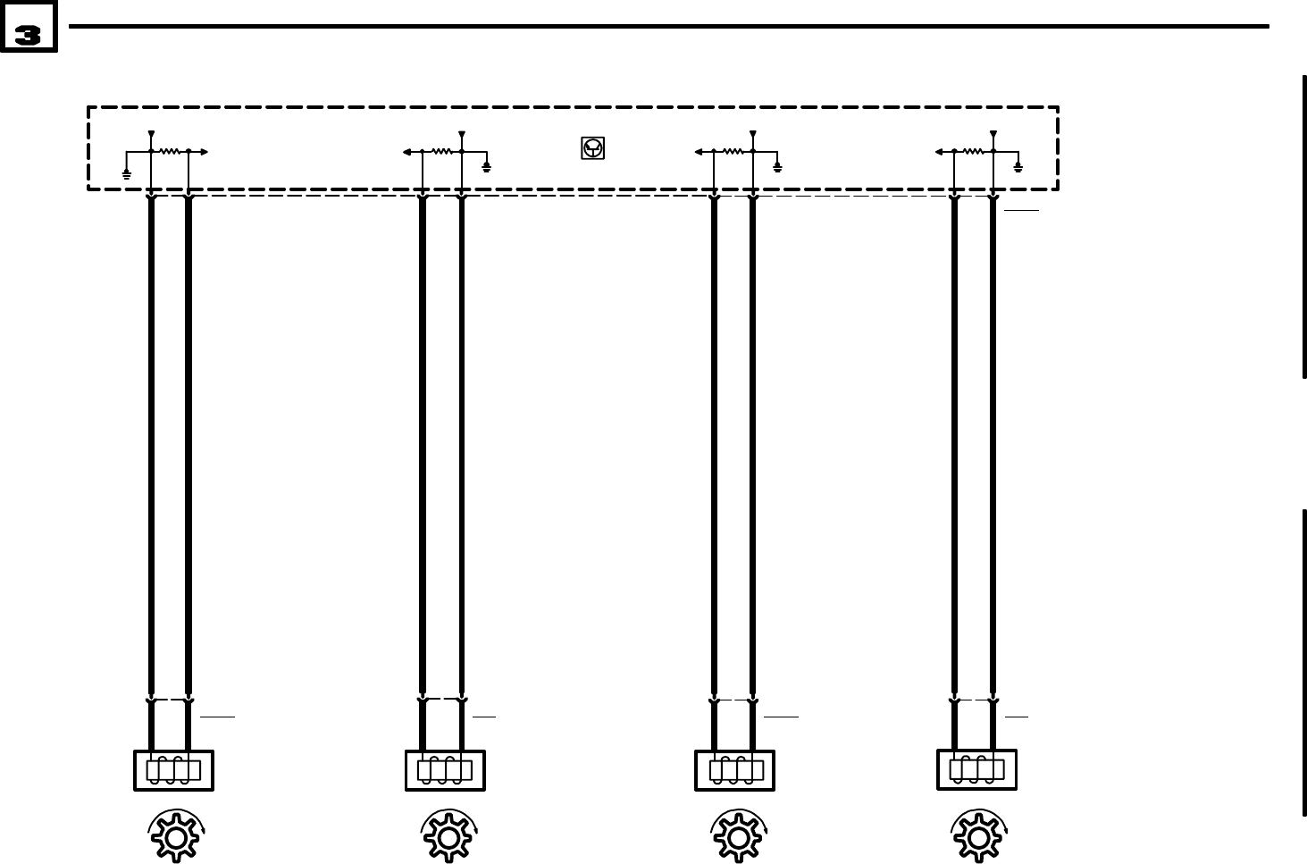
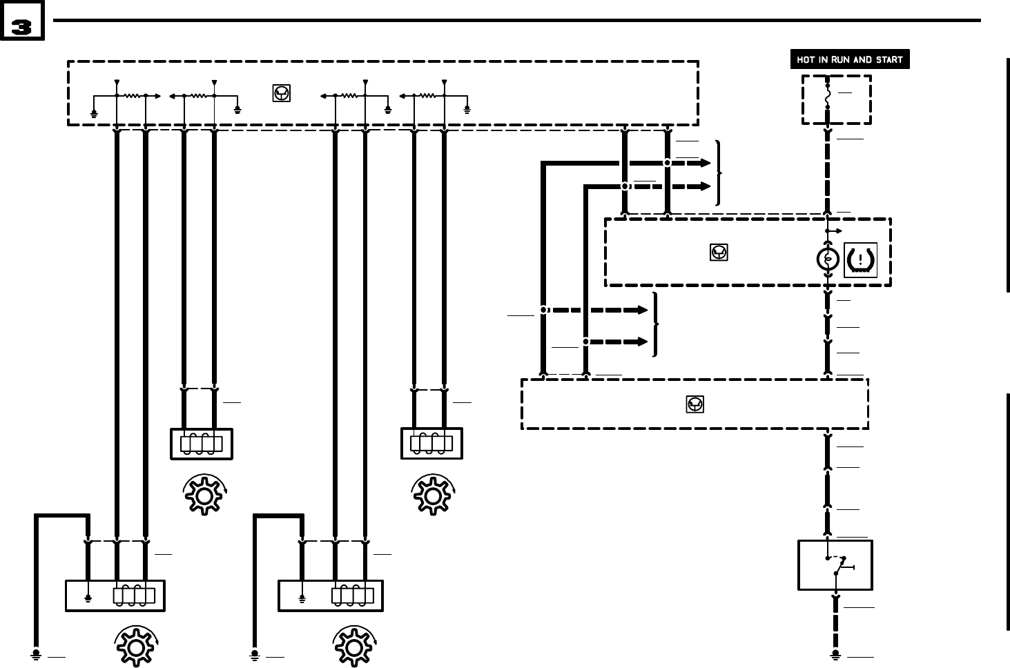
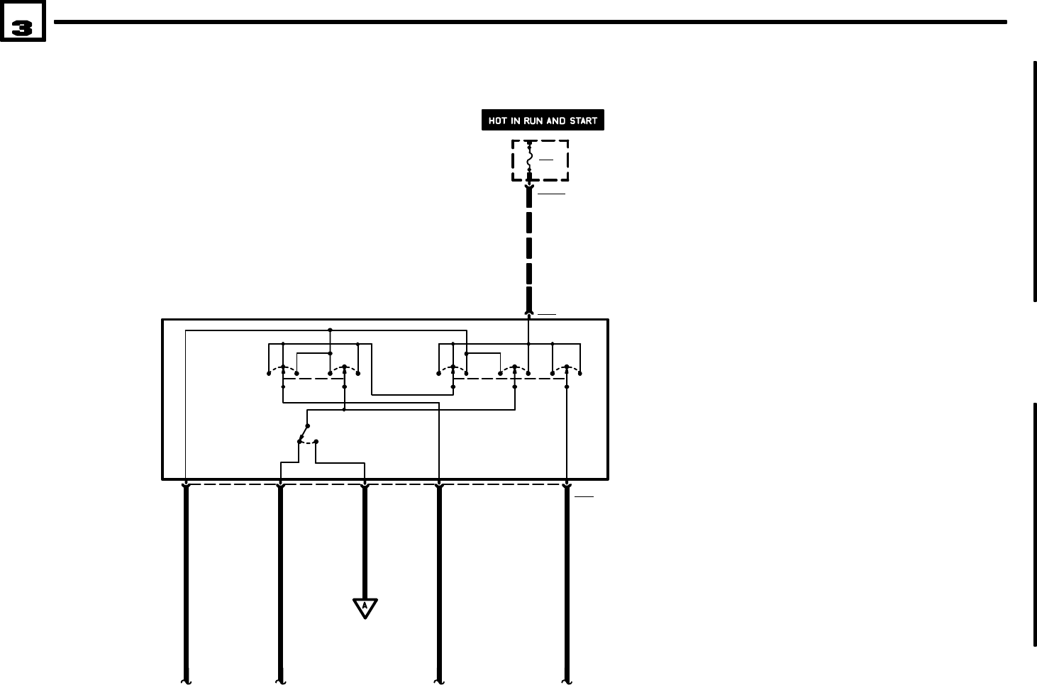
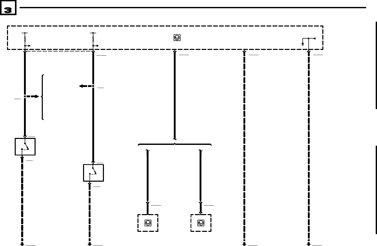
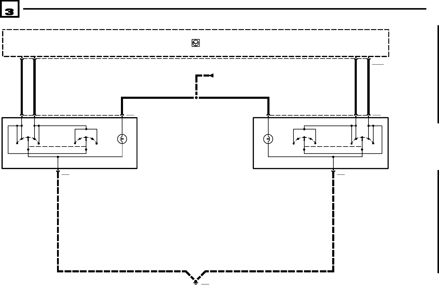
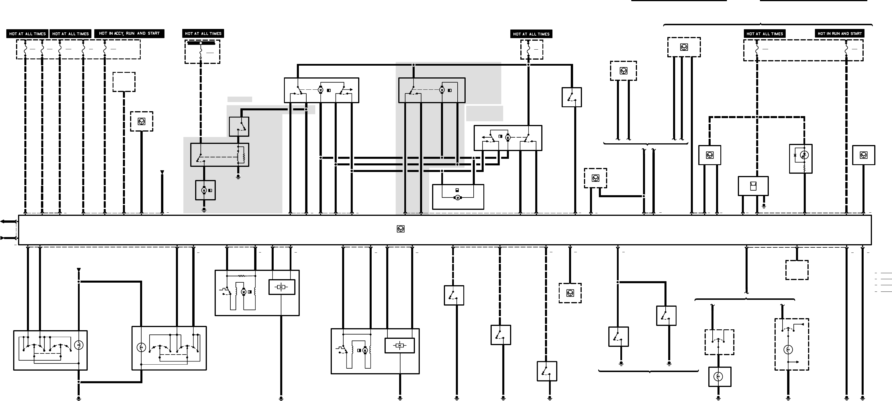
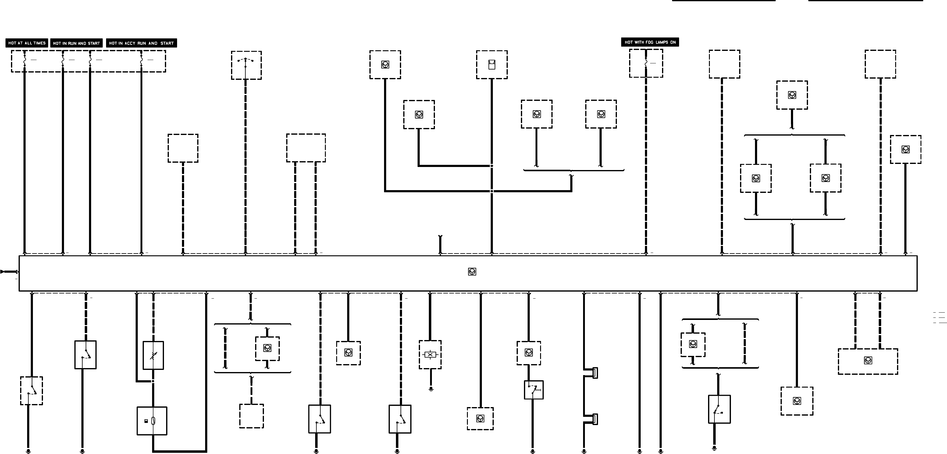
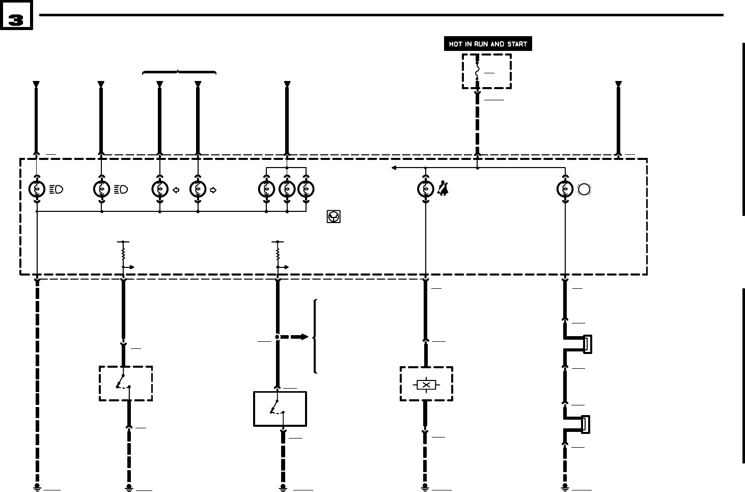
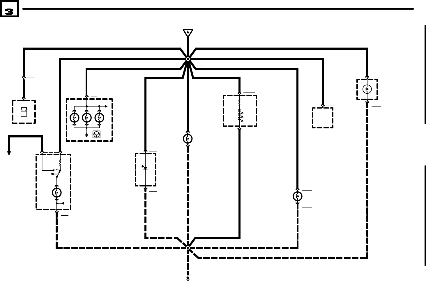
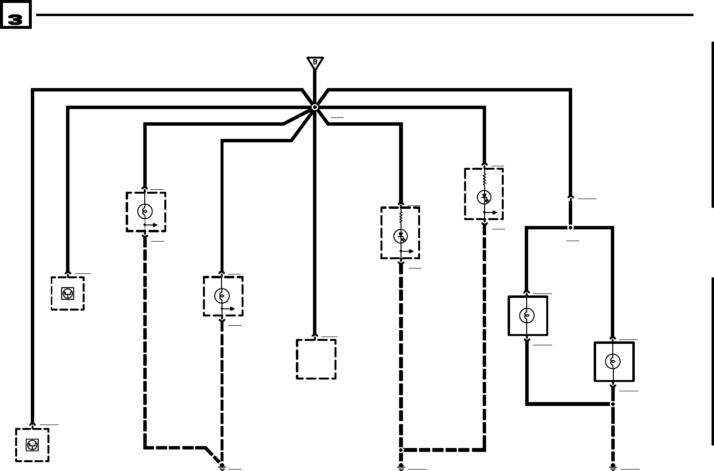
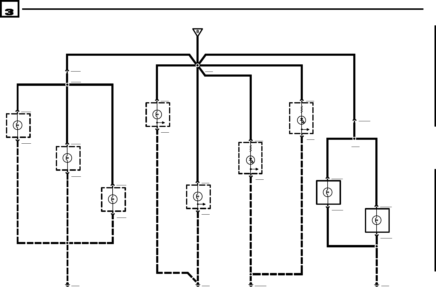
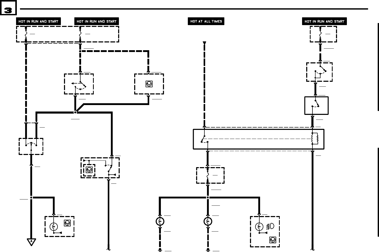
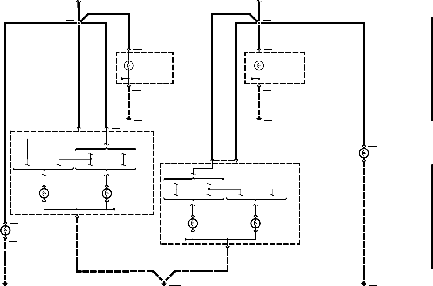
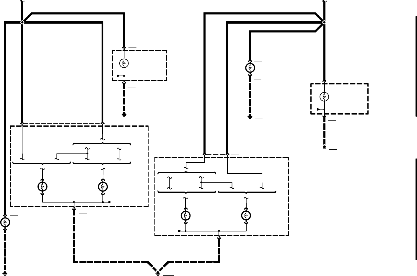
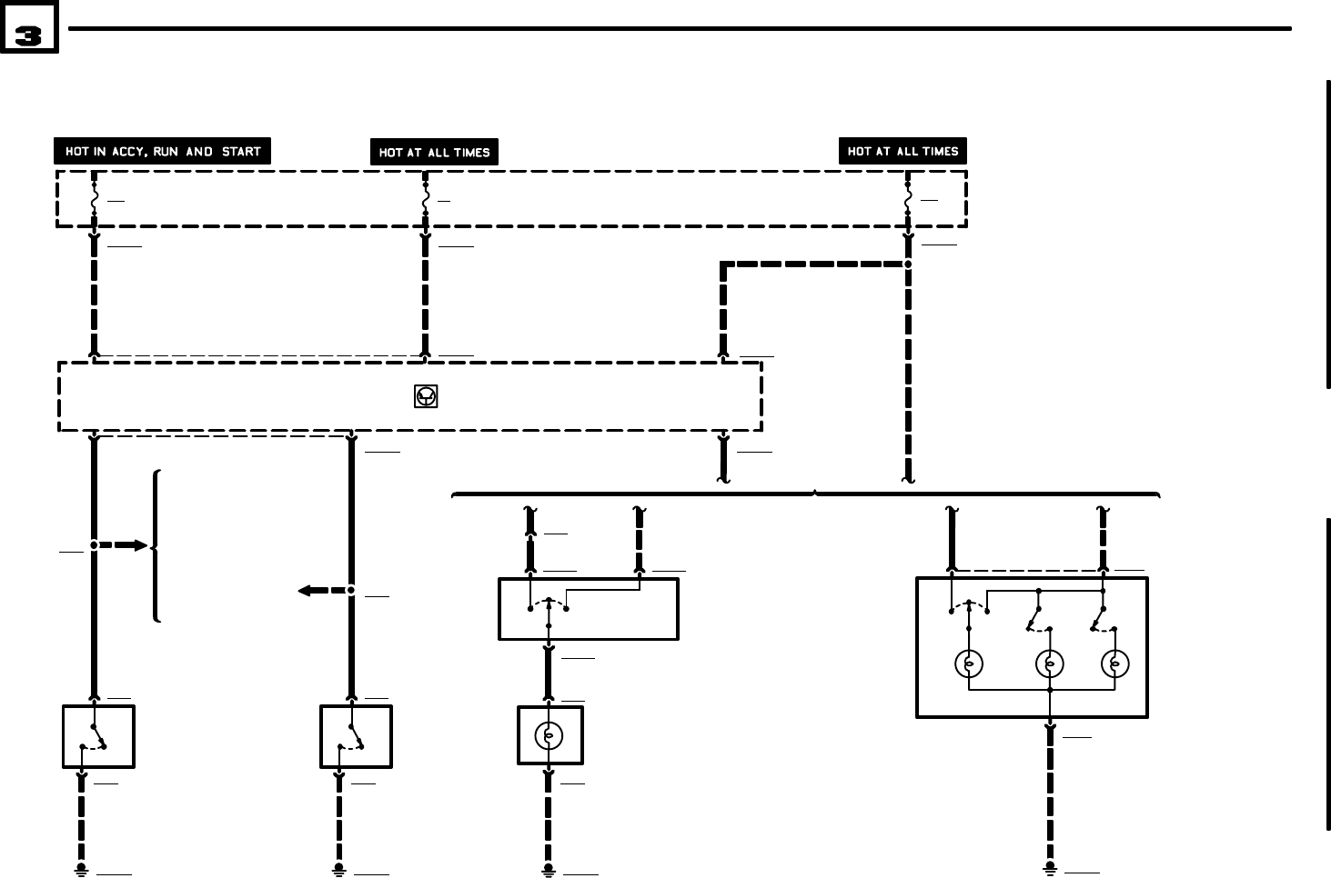
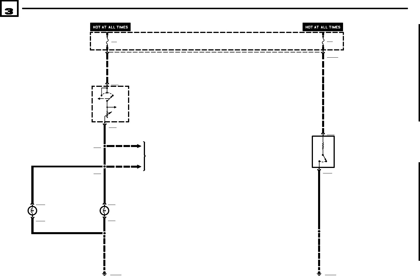
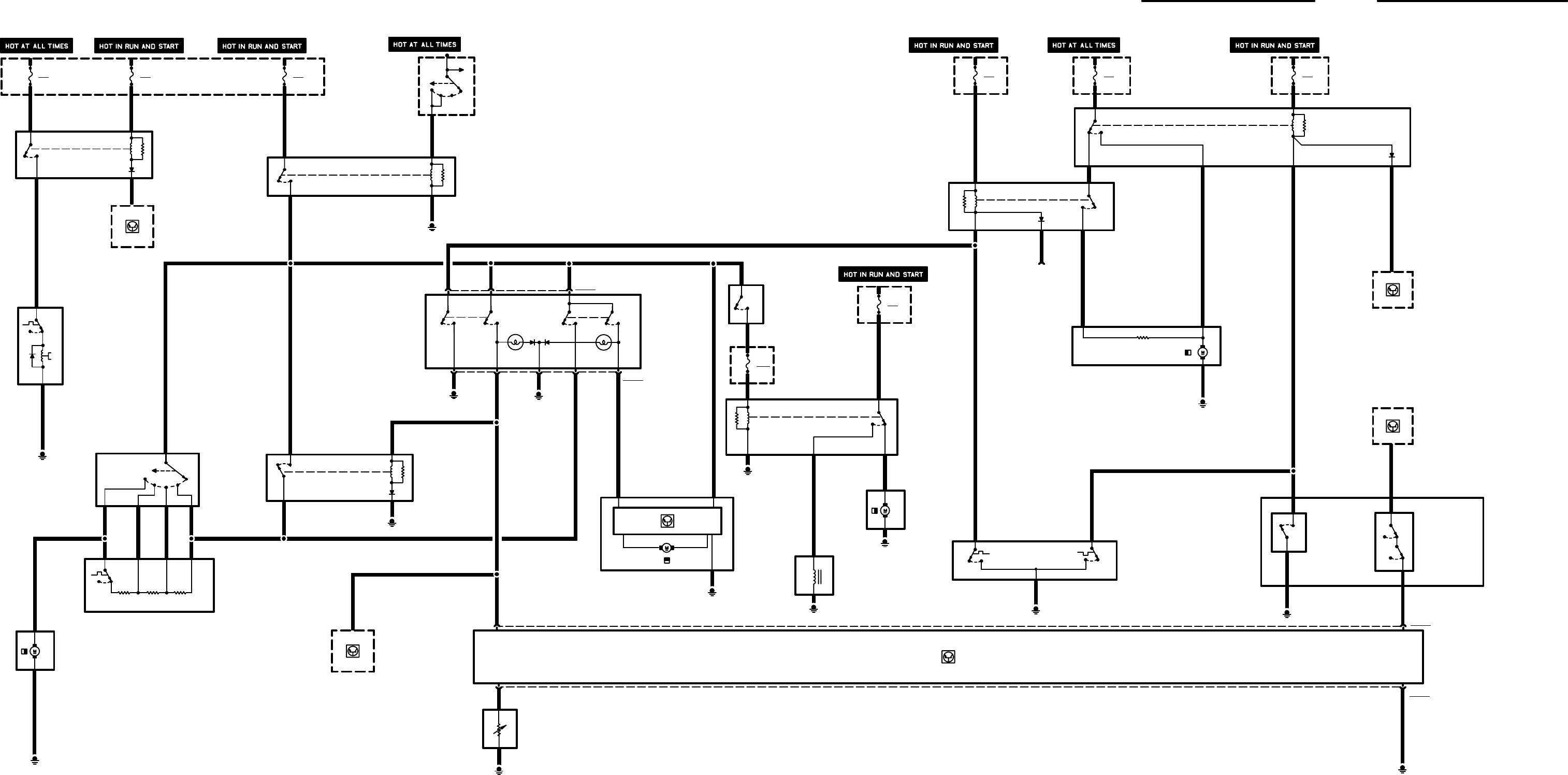
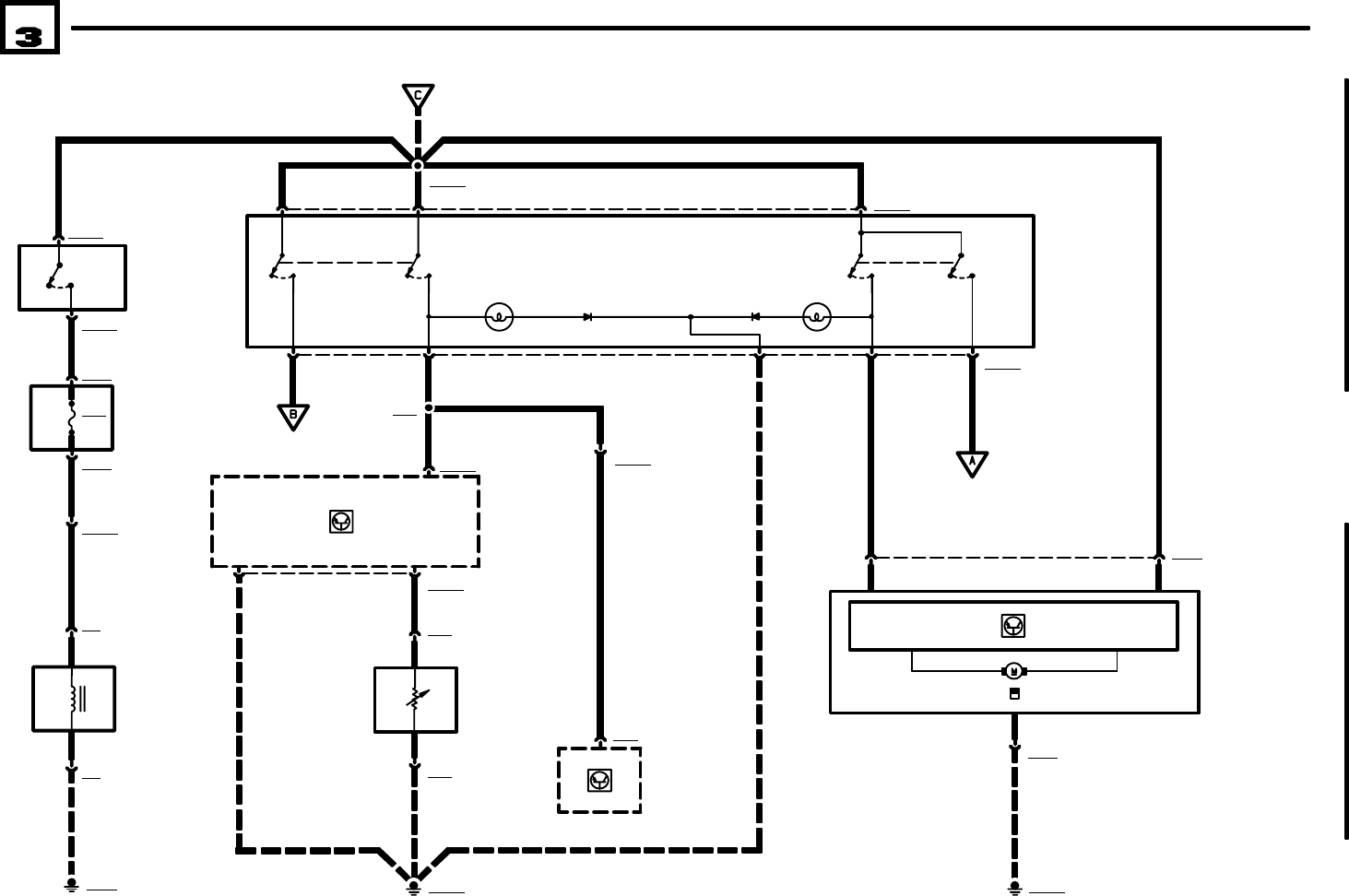
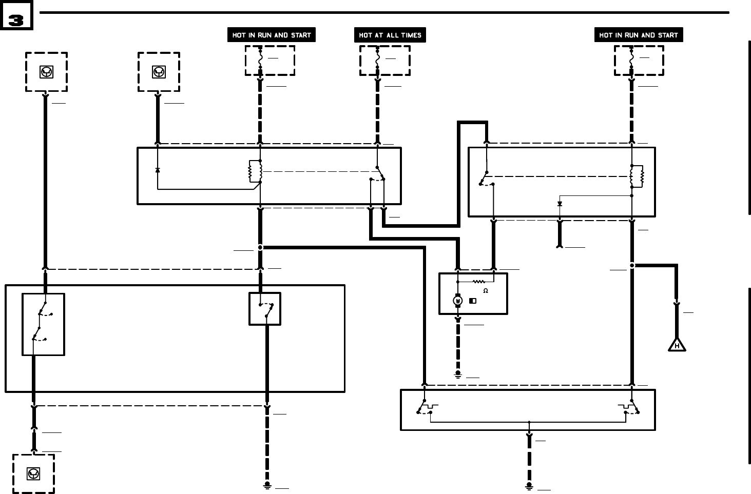
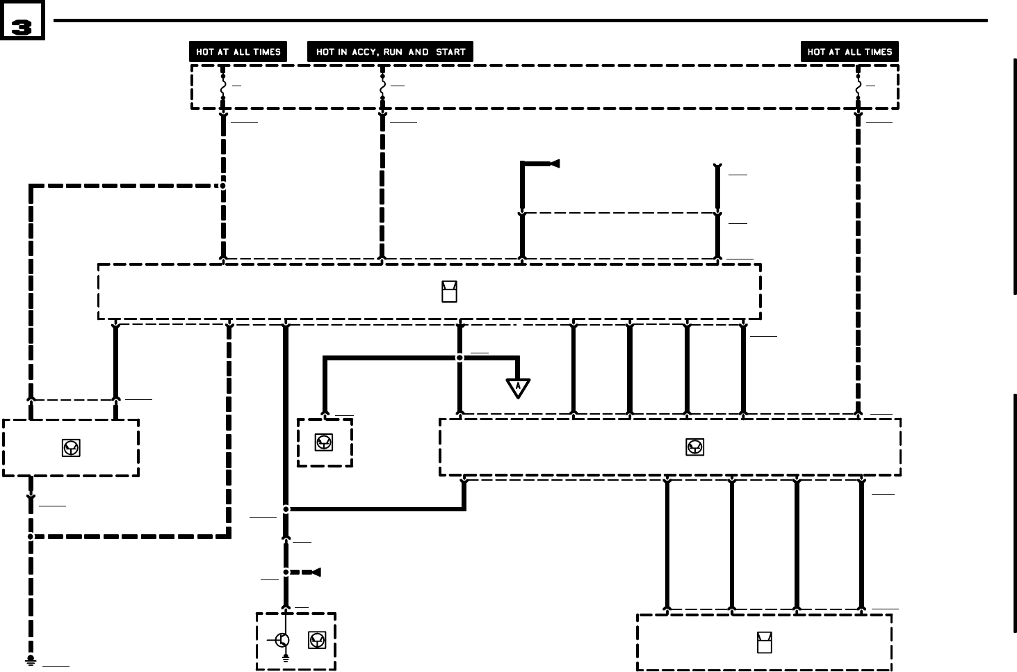
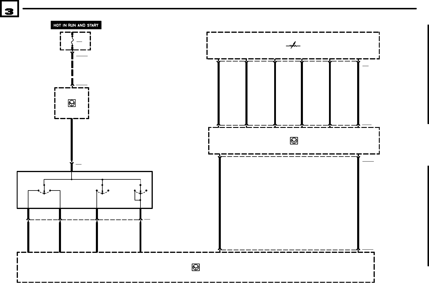
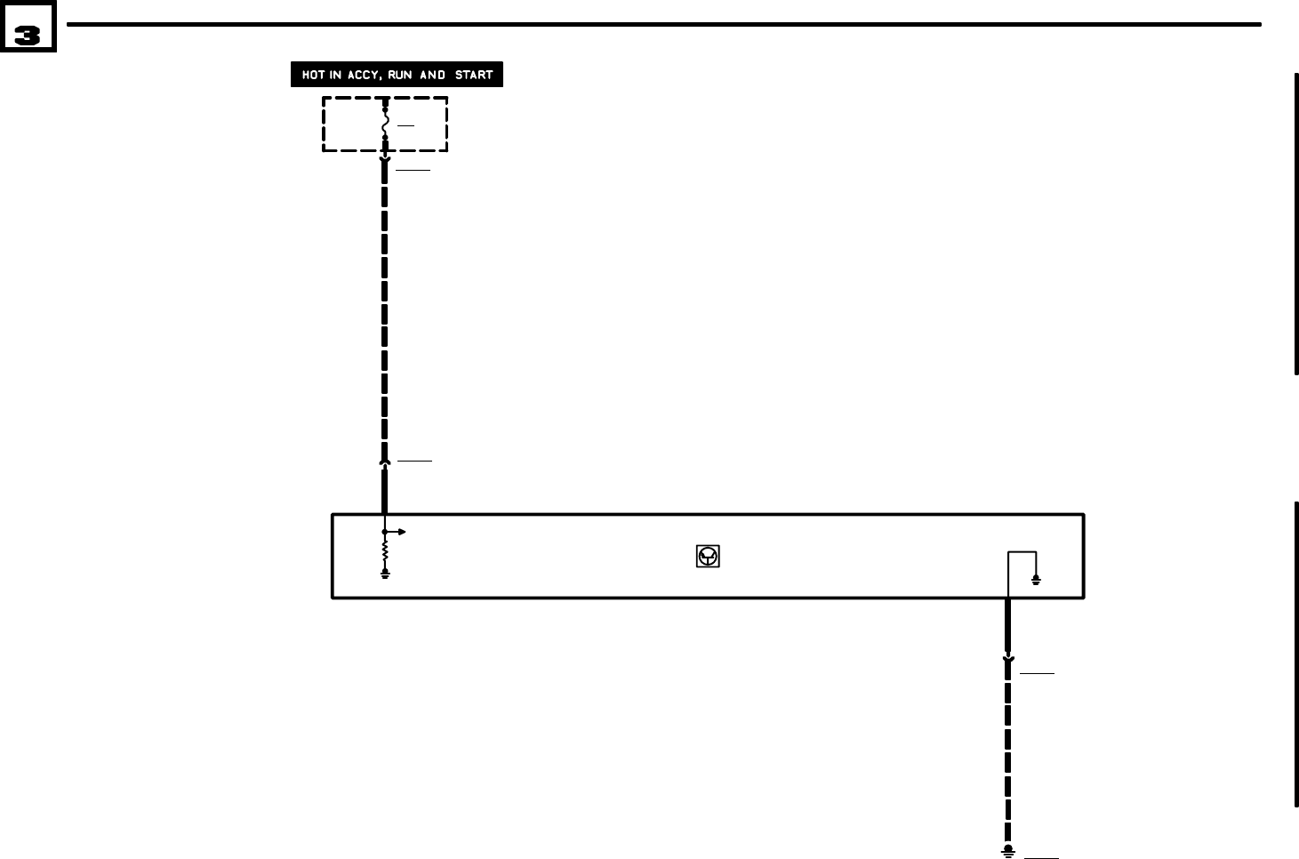
The schematics divide the entire vehicle electrical system into individual circuits. Interacting
electrical components are shown on one common schematic.
Switches and other components are represented in such a way that their general layout and
function are self–explicit. They are arranged on the sheet such that the current path can be
followed from positive (top) to negative (bottom).
Important: The components and wires are not drawn to scale. For instance, a lead with a length
of over 1m can be shown as a lead that is only a few cm long. To ensure clear arrangement , all
connectors, lines branches and connected components from the fuses to the component and
from the component to ground connection are not shown within the individual cells. If required,
reference can be made to cells 0670.3 Fuse Details and 0670.4 Ground Distribution where all
lines are illustrated with all plug connections, line branches and connected components.
All circuit symbols used are listed and explained in cell 0140.0 Symbols.
In cell 7000.0 Component Location Chart all important connectors, ground points and
components are listed in tabular form. It provides a precise description of the component
locations in the vehicle.
In cell 7100.0 Component Location Views the location of connectors and components which
are difficult to locate are shown in line arts or illustrations. In cell 8000.0 Splice Location Views
all splices are listed in numerical order and illustrations are provided to assist in locating splices
on larger harnesses. In cell 8500.0 Connector Views diagrams of connectors with more than 2
pins are illustrated.
Example
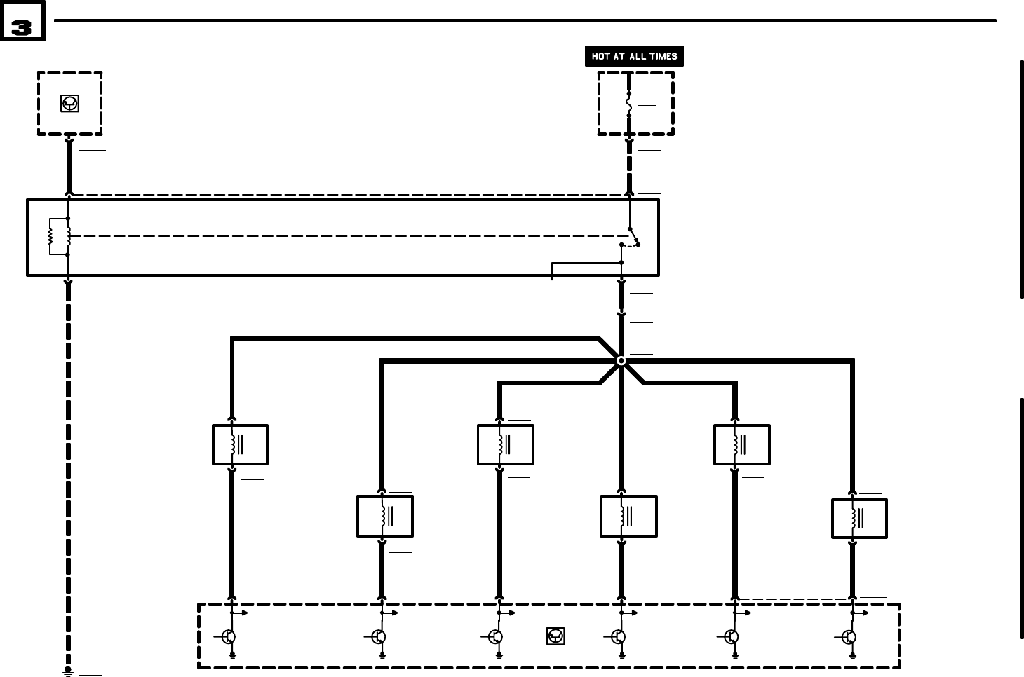
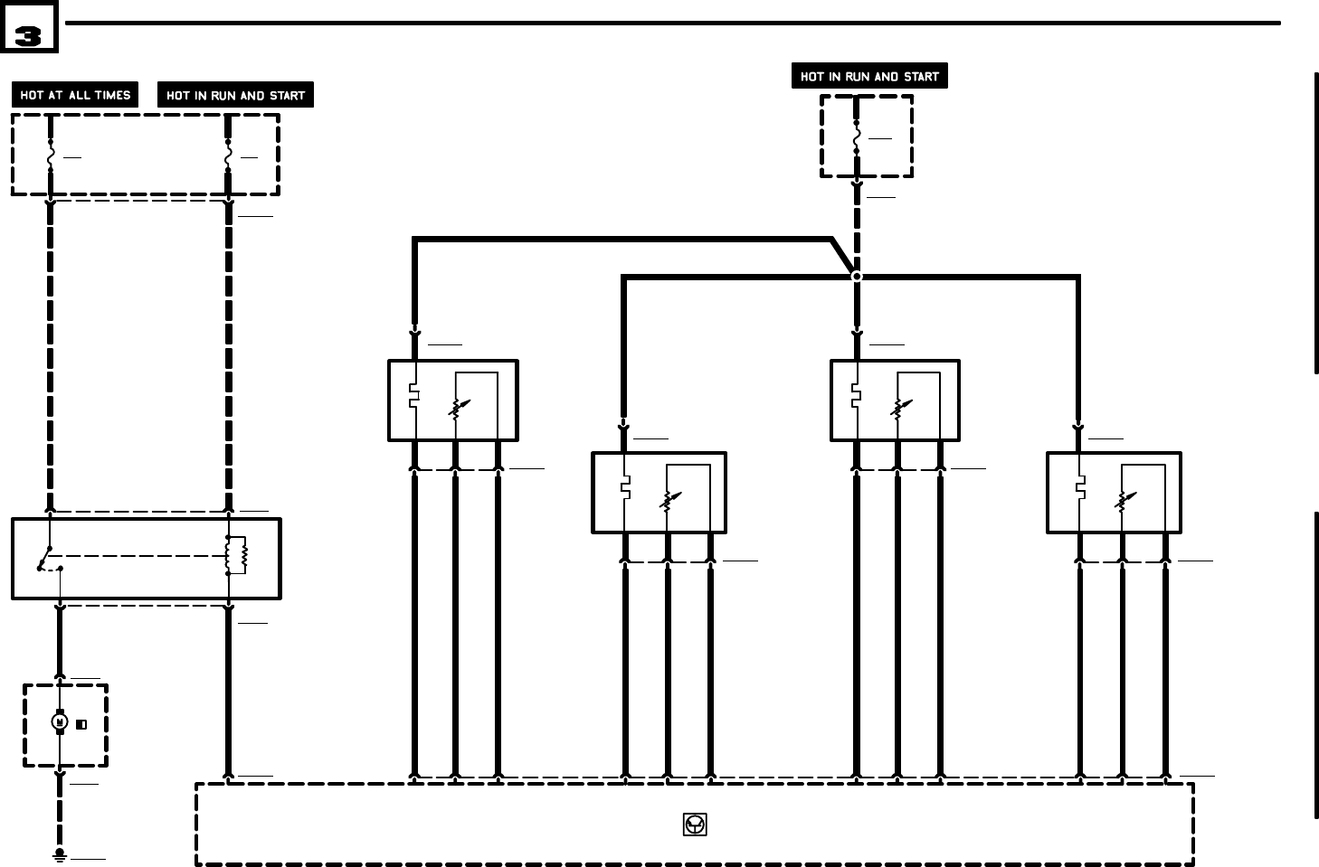
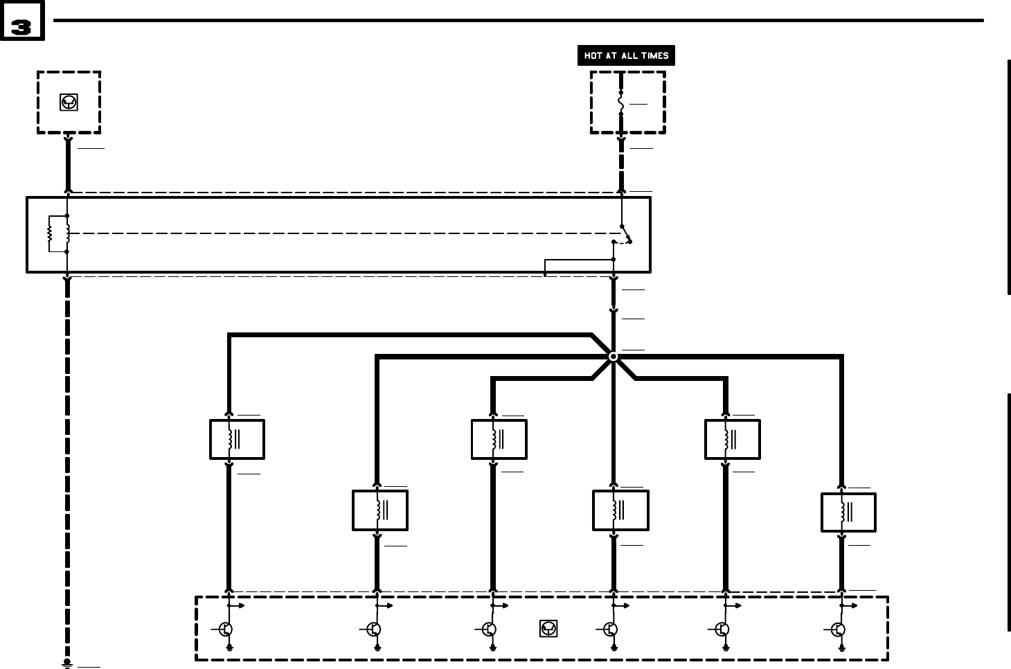
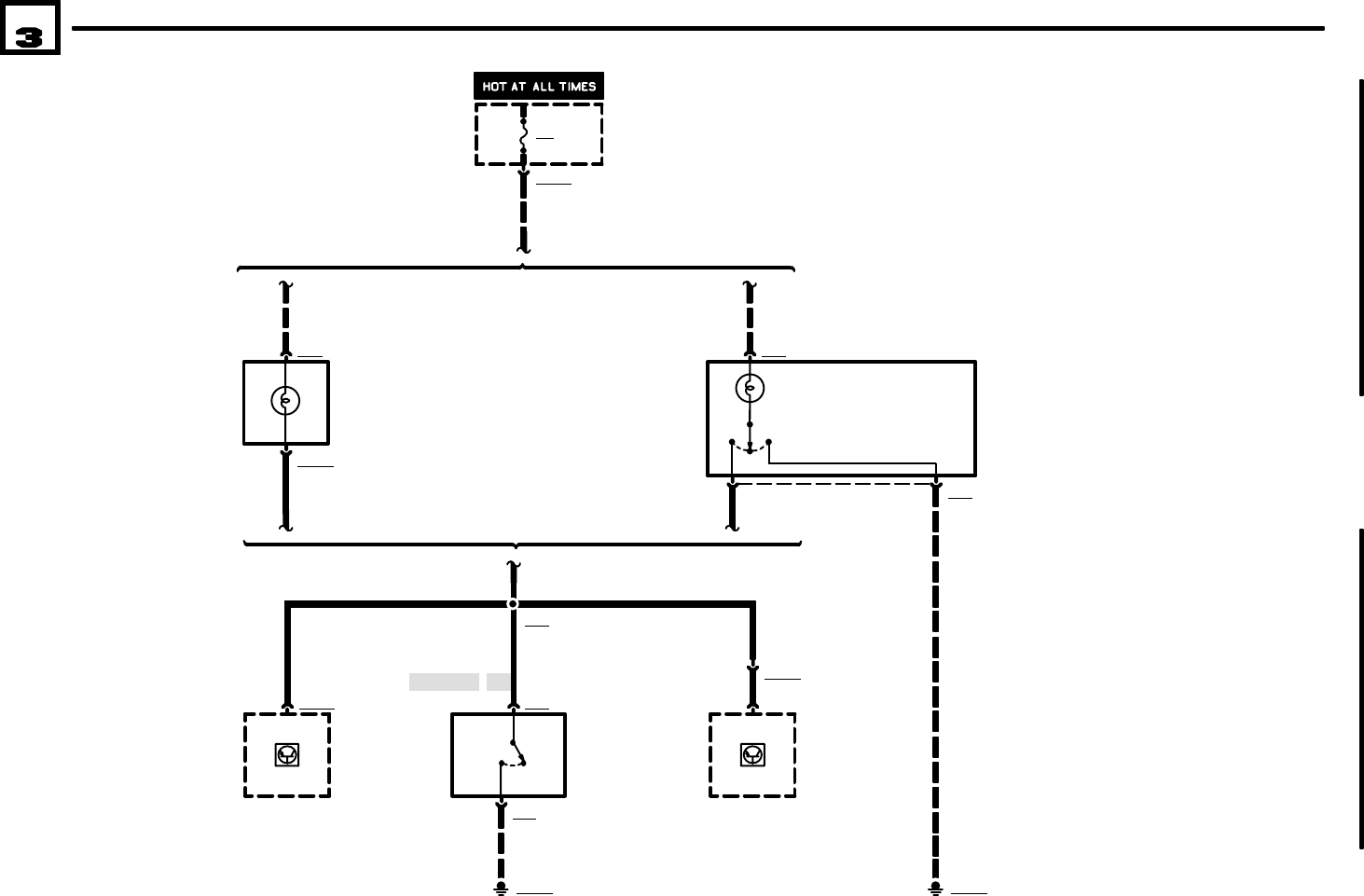
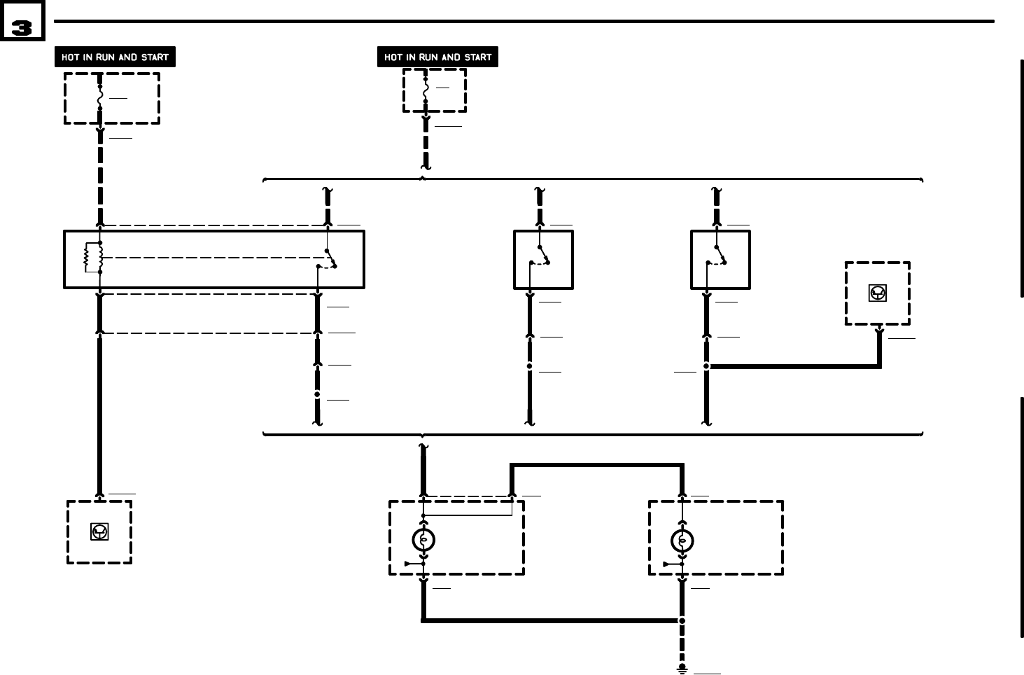
General conventions can be explained based on the following schematic example.

BMBMWBMWBMW
Z3
06/00
INTRODUCTION
0110.0Ć 2001
01
General Conventions
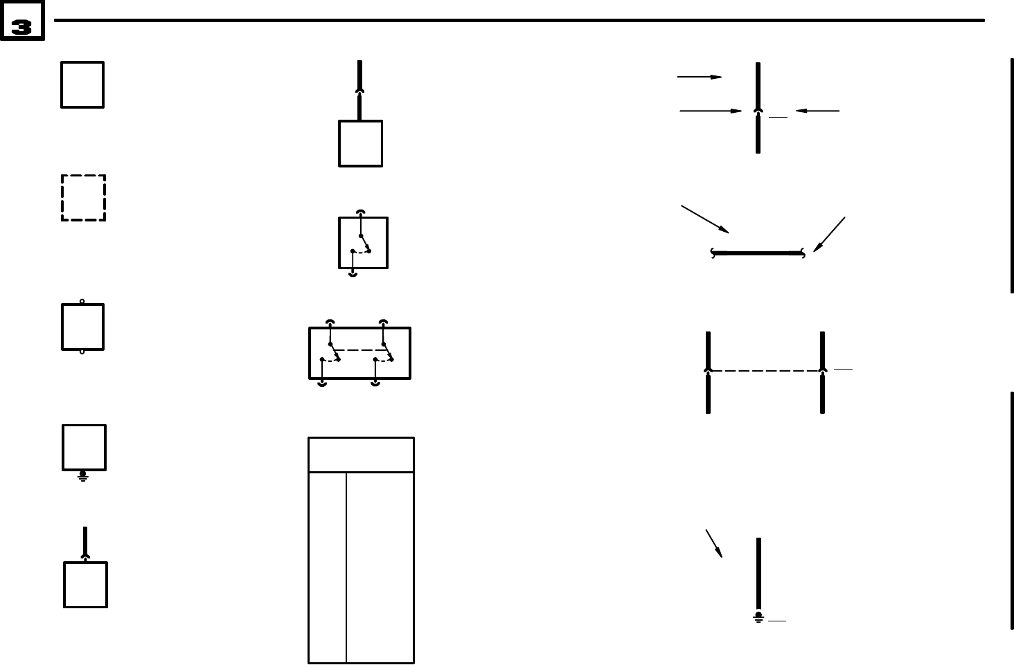
1. Switches and relays are always shown in rest position (e.g. K11).
2. A component shown in a dashed frame signifies that the component is
illustrated only in part (e.g. P90 and P91).
3. A component shown in a completely drawn frame signifies that the
component is illustrated in full (e.g. K11).
4. The dashed line between pin 8 and pin 6 of connector X293 indicates
that both pins belong to connector X293.
5. The dashed line from fuse F1 to pin 8 of connector X293 shows the
positive supply of relay K11. If required, refer to cell 0670.3 Fuse Details at
fuse F1 for the complete line progressing with plug connections, line
branches, wire colors and cross sections.
6. The dashed line with an arrow at splice X452 indicates that several wires
lead to splice X452. All lines leading to the connection are illustrated in
cell 6100.0 Central Body Electronics (ZKE). An interrupted line with an
arrow indicates that only this one wire leads to another circuit.
7. The dashed line from pin 4 of connector X293 to ground X493 shows the
ground supply for relay K11. If required, refer to cell 0670.4 Ground
Distribution at ground X493 for the complete line progression with all plug
connections, line branches, wire colors, and cross sections.
8. The interrupted line from splice X452 with an A in the open arrow is
continued on page 6160.0–02.
Termination of wire 4 VI/SW from splice X452 with a wavy line indicates that
the wire is continued on the opposite page.

BMBMWBMWBMW
Z3
06/00 0140.0Ć 2001
00
CIRCUIT BREAKER
VARIABLE RESISTANCE
SENSOR VARIABLE CONTACT
IS MOVED BY AN EXTERNAL
FORCE
VARIABLE RESISTOR RESIS-
TANCE IS CHANGED BY
TEMPERATURE OR PRESSURE
DIODE CURRENT CAN
FLOW ONLY IN DIREC-
TION OF ARROW
ZENER DIODE TO
REGULATE VOLTAGE
LIGHT EMITTING
DIODE (LED)
PERMANENT MAGNET
MOTOR ONE SPEED
PERMANENT MAGNET
MOTOR TWO SPEEDS
SOLENOID
SOLENOID CONTROLLED
VALVE OR CLUTCH SOLENOID
TRANSISTORIZED
SWITCH
HEATING ELEMENT
OXYGEN SENSOR
CONTROL/POWER
ELECTRONICS
RADIO
LOUDSPEAKER OR
HORN
LIGHT
BATTERY
FUSIBLE LINK
FUSE DETAILS
INDUCTIVE
SENSOR
KNOCK SENSOR
31
N
S
VEHICLE SPEED
SENSOR
N
S
THERMO SWITCH
HALL EFFECT
SENSOR
ANTENNA
0140.0 SYMBOLS

BMBMWBMWBMW
Z3
06/00 0140.0Ć 2001
01
A WAVY LINE
MEANS WIRE IS
CONTINUED
ENTIRE COM-
PONENT SHOWN
COMPONENT WITH
SCREW TERMINALS
CONNECTOR ATTACHED
TO COMPONENT
PART OF COM-
PONENT SHOWN
.75 BR
.5 BR
X270
4
.5 BR
.5 BR
3
.5 BR
.5 BR
X270
4
.5 BR
.75 GN/WS
CONNECTOR ATTACHED
TO COMPONENT LEAD
(PIGTAIL)
COMPONENT CASE AT-
TACHED DIRECTLY TO
METAL PART OF CAR
(GROUNDED)
WIRE INSULATION
IS ONE COLOR
PIN NUMBER
WIRE INSULATION
IS ONE COLOR
WITH ANOTHER
COLOR STRIPE
(GREEN WITH
WHITE)
WIRE ATTACHED
TO METAL PART
OF CAR
(GROUNDED)
GROUND NUMBERED
FOR REFERENCE ON
COMPONENT LOCATION
CHART
WIRE SIZE IN MM
SQUARED
BL BLUE
WIRE COLOR
BR BROWN
GE YELLOW
GN GREEN
GR GRAY
OR ORANGE
RS PINK
RT RED
SW BLACK
VI VIOLET
WS WHITE
ONE POLE, TWO
POSITION SWITCH
SWITCHES THAT
MOVE TOGETHER
DASHED LINE SHOWS A ME-
CHANICAL CONNECTION
BETWEEN SWITCHES
TR TRANSPARENT
CONNECTOR REFERENCE
NUMBER FOR COMPONENT
LOCATION CHART
TWO CONNECTIONS
(PINS) IN THE SAME
CONNECTOR
DASHED LINE INDICATES
TERMINALS OF THE
SAME CONNECTOR
12
X165
12 12
SYMBOLS

BM
BMW
BMWBMW
Z3
06/00 0140.0Ć 2001
02
4 RT
15
4 GN
13
.5 GN/WS
5
2.5 SW/GE 2.5 VI
42
DETAILS ABOUT
COMPONENT OR
OPERATION
”R” IS ENERGIZED IN
ACCY, RUN, OR START
76 8 2 X33
CONTACT RELAY RELAY WITH RE-
SISTOR ACROSS
WINDING
TERMINAL NUMBER THREE POLE,
FOUR POSITION
SWITCH
COMPONENT NUMBER
S2
IGNITION SWITCH
0) OFF
1) ACCESSORY
2) RUN
3) START
TERMINAL NUMBER DESCRIPTION
50 VOLTAGE: IGNI-
TION SWITCH IN
START
VOLTAGE: SUPPLIED
AT ALL TIMES
VOLTAGE: IGNITION
SWITCH IN RUN OR
START
30
15
15I 50 R
30
INDICATES THAT
FUSE 9 IS SUPPLIED
WITH POWER AT ALL
TIMES
CONTACT RELAY
WITH TWO OUT-
PUTS
CHANGEOVER
RELAY WITH TWO
OUTPUTS
TERMINAL NUMBER DESCRIPTION
30 RELAY INPUT
RELAY OUTPUT
(WINDING)
RELAY INPUT
(WINDING)
RELAY OUTPUT
(ENERGIZED)
RELAY OUTPUT
(AT REST)
85
86
87
87a
30 86
87 87 85
30 86
87 8587a
TERMINAL NUMBER DESCRIPTION
VOLTAGE: IGNI-
TION SWITCH IN
RUN
VOLTAGE: IGNITION
SWITCH IN ACCESSORY,
RUN OR START
15I
R
GROUND31
POWER STATUS DESCRIPTION
VOLTAGE: SUPPLIED
AT ALL TIMES
VOLTAGE: IGNITION
SWITCH IN RUN OR
START
VOLTAGE: IGNITION
SWITCH IN ACCESSORY,
RUN OR START
30 86
87 85
30 86
87 85
NAME OF COMPONENT
F9
15A
21
0
321
0
321
0
3
SYMBOLS

BM
BMW
BMWBMW
Z3
SYMBOLS
06/00 0140.0Ć 2001
03
1.5 BR
DATA LINK
0670.5
.5 WS/GE
0670.0-03
0670.0-02
1.5 BR
N9
RADIO
THE COMPLETE WIRE
PROGRESSION AND
FURTHER CIRCUITS
CONNECTED TO
GROUND X497 ARE
SHOWN IN CELL
”0670.4 GROUND
DISTRIBUTION” AT
GROUND X497
THE COMPLETE WIRE
PROGRESSION AND
FURTHER CIRCUITS
CONNECTED TO FUSE
18 ARE SHOWN IN CELL
”0670.3 FUSE DETAILS”
AT FUSE 18
CURRENT PATH IS CON-
TINUED AS LABELED
P90
FRONT POWER
DISTRIBUTION BOX
F18
15A
GROUND
DISTRIBUTION
0670.4
N1
ANTI–THEFT
CONTROL MODULE
(DWA)
FUSE DETAILS
0670.3
A1
GENERAL MODULE
X252
17
X332
2
CIRCUIT REFERENCE–A
WIRE WHICH CON-
NECTS TO ANOTHER
CIRCUIT
A2
INSTRUMENT
CLUSTER
X16
11
RXD
ARROW SHOWS DIRECTION
OF CURRENT FLOW AND IS
REPEATED WHERE CURRENT
PATH CONTINUES
X497
X1812615
X491

BM
BMW
BMWBMW
Z3
K48
LOW BEAM LIGHT
RELAY
X45
11 12 13
456 78 9
38
37
35
34
33
32
31
42
41
40
39
43
44
FRONT POWER DISTRIBUTION BOX
0670.0 POWER DISTRIBUTION CHART
01/01 0670.0Ć 2001
00
K2
HORN RELAY
K47
FRONT FOG LIGHT
RELAY
K16
HAZARD FLASHER
RELAY
K4
BLOWER RELAY
K22
HIGH SPEED
RELAY
K19
COMPRESSOR
CONTROL RELAY
K21
NORMAL SPEED
RELAY
X56 X44 X64 X58
X63
X53 X51 X52
46
45
36
12 3 10
14 15 16 17 18 19 20
21 22 23 24 25 26 27 28 29 30
FUSES
FUSES
K9
UNLOADER RELAY,
TERMINAL 15
K70
CENTRAL LOCKING
LUGGAGE
COMPARTMENT LID
MOTOR RELAY (ZV)
X1376
53
52
51
K26
LEFT PARK LIGHT
RELAY
X510
K25
RIGHT PARK LIGHT/
LICENSE PLATE
LIGHT RELAY
X509
WITH EGS
K6325
REVERSING LIGHT
RELAY
X6325
** *
**
**
K33a
AIR CONDITIONING
RELAY, MOTRONIC
*
K104
AIR CONDITIONING
RELAY/AUXILIARY
WATER PUMP
X1602
*
X50
54
53
52
51
LATE PRODUCTION
M VERSIONS
Z3 VERSIONS
EARLY
PRODUCTION
M COUPE

BM
BMW
BMWBMW
Z3 IN E–BOX
POWER DISTRIBUTION CHART
06/00 0670.0Ć 2001
01
K6300
ENGINE CONTROL
MODULE RELAY
X6300 K6327
INJECTION VALVES
RELAY
X6327 K6304
SECONDARY AIR
PUMP RELAY
X6304

K6301w
FUEL PUMP RELAY
K46
HIGH BEAM LIGHT
RELAY
BM
BMW
BMWBMW
Z3
POWER DISTRIBUTION CHART
RELAY PANEL UNDER LH SIDE OF DASHBOARD
01/01 0670.0Ć 2001
02
N17
CRASH CONTROL
MODULE
X65
X6301
X10262
*Z3 VERSIONS
*

BM
BMW
BMWBMW
Z3
POWER DISTRIBUTION CHART
B+ JUNCTION POINT UNDER LH SIDE OF DASHBOARD
06/00 0670.0Ć 2001
03
X10422 X1982 X1981 X1980 X1979 X1978 X1977 X1976 X9
NOT USED NOT USED
F110 F109 F108 F107 F106 F105 F104 F103 F102 F101
80A 50A 50A 80A 80A 80A 80A 80A

5A15A
BM
BMW
BMWBMW
Z3
0670.1 FUSE CHART
0670.1Ć
FUSES 1 TO 29
01/01 2001
00
FUSE NUMBER
12345 10 206 7 8 9 11 12 13 14 15 16 17 18 19 21 22 23 24 25 26 27 28 29
1210.26
1290.0
2460.14
3234.0
30A 30A 15A 30A 20A 5A 30A 7.5A 5A 20A*
15A 5A 5A 5A 10A 7.5A20A15A 30A 5A
ENGINE CONTROL SYSTEM MS43 (6–CYLINDER M54)
E–BOX FAN
SUPPLEMENTAL RESTRAINT SYSTEM (AIR BAG)
ELECTRONIC TRANSMISSION CONTROL (EGS: A5S 360R)
30A 5A*
15A 10A30A
5116.0 POWER MIRRORS
5133.0
5200.0
ZKE POWER WINDOWS (FH)
POWER SEATS
5203.0
6133.0
HEATED SEATS
HORN
5126.0 ZKE CENTRAL LOCKING (ZV)
3452.1 DYNAMIC STABILITY CONTROL (DSC III)
1230.0 CHARGING SYSTEM
DD
D
D
DD
D
D
DD
D
D
D
D
D
D
6100.0 CENTRAL BODY ELECTRONICS (ZKE IV) D
5430.2 ELECTRO–HYDRAULIC CONVERTIBLE TOP D
1240.0 START
5410.5 POWER TILT SUNROOF
7.5A
D
D
D
5A
3452.2 DYNAMIC STABILITY CONTROL (DSC MK 60) DDD
D
* M VERSIONS
1210.27 ENGINE CONTROL SYSTEM MSS54 (6–CYLINDER S54 B32) DDDDDD
D
3450.1 SLIP CONTROL (ABS/ASC) DDD
3623.1 TIRE PRESSURE WARNING SYSTEM (RDW)
3614.0 TIRE INFLATION SYSTEM
D

15A
6312.0
BM
BMW
BMWBMW
Z3
FUSE CHART
0670.1Ć
FUSES 1 TO 29
01/01 2001
01
FUSE NUMBER
6313.0
6314.0
6320.0
6322.0
TURN/HAZARD LIGHTS
BACK UP LIGHTS
LICENSE PLATE/LUGGAGE COMPARTMENT LIGHTS
PARK/TAIL/UNDERHOOD LIGHTS
6332.0 INTERIOR ACCESSORIES
6424.0 REAR WINDOW DEFOGGER
6450.6
6561.0
INTEGRATED HEATING– AND CLIMATE CONTROL
CELLULAR TELEPHONE (PROVISIONS)
6350.0 CRASH CONTROL MODULE
6330.3 INTERIOR LIGHTS
6325.0 BRAKE LIGHTS
HEADLIGHTS/FOG LIGHTS
6510.1 RADIO/HIFI
DD D DD D D
D
D
DD D
D
DD
D
6300.0 LIGHT SWITCH DETAILS DDD
6211.0 INSTRUMENT CLUSTER DD
12345 10 206 7 8 9 11 12 13 14 15 16 17 18 19 21 22 23 24 25 26 27 28 29
30A 30A 15A 30A 20A 5A 30A 7.5A 5A 20A*
15A 5A 5A 5A 10A 7.5A20A15A 30A 5A 5A5A 30A 5a*
15A 10A30A7.5A
D
D
D
D
D
D
6213.1 ANALOG CLOCK
D
* M VERSIONS
6160.1 WIPER/WASHER MODULE (WWM) DD
6169.0 WINDSHIELD WASHER JET HEATERS D
6167.1 HEADLIGHT WASHER (SRA) D
6135.1 DRIVE–AWAY PROTECTION (EWS III)

6575.0 ANTI–THEFT SYSTEM (DWA) DD D
15A
BM
BMW
BMWBMW
Z3
FUSE CHART
0670.1Ć
FUSES 1 TO 29
01/01 2001
02
FUSE NUMBER
12345 10 206 7 8 9 11 12 13 14 15 16 17 18 19 21 22 23 24 25 26 27 28 29
30A 30A 15A 30A 20A 5A 30A 7.5A 5A 20A*
15A 5A 5A 5A 10A 7.5A20A15A 30A 5A 5A5A 30A 5a*
15A 10A30A7.5A
* M VERSIONS
6575.2 ANTI–THEFT SYSTEM (ALPINE)
6581.3 BOARD COMPUTER (BC – LOW)
6610.2 REMOTE CONTROL ZV/DWA D
6571.0 CRUISE CONTROL (TEMPOMAT) D
D

BM
BMW
BMWBMW
Z3
FUSE CHART
0670.1Ć
FUSES 30 TO 205
01/01 2001
03
FUSE NUMBER
DD
39
7.5A 5A 30A 10A 15A 25A 30A 7.5A 30A 7.5A 15A 7.5A 15A30A10A
30 32 40 41 42 43 44 45 4631 33 34 38373635
5A
1210.26
1290.0
3234.0
ENGINE CONTROL SYSTEM MS43 (6–CYLINDER M54)
E–BOX FAN
SUPPLEMENTAL RESTRAINT SYSTEM (AIR BAG)
5116.0 POWER MIRRORS
5133.0
5200.0
ZKE POWER WINDOWS (FH)
POWER SEATS
5203.0
6133.0
HEATED SEATS
HORN
5126.0 ZKE CENTRAL LOCKING (ZV)
3450.1 SLIP CONTROL (ABS/ASC)
1230.0 CHARGING SYSTEM
6100.0 CENTRAL BODY ELECTRONICS (ZKE IV)
5430.2 ELECTRO–HYDRAULIC CONVERTIBLE TOP
1240.0 START
5410.5 POWER TILT SUNROOF
30A
202
20A
203
30A
204
30A
205
D D DDD D
DD
D
D
D
DD
D
D
D
D
30A 30A 30A
D
3452.1 DYNAMIC STABILITY CONTROL (DSC III) D DDD
51 52 53
DD
D
2460.14 ELECTRONIC TRANSMISSION CONTROL (EGS: A5S 360R)
D
30A
201
40A
48
30A
54
3452.2 DYNAMIC STABILITY CONTROL (DSC MK 60) D
3614.0 TIRE INFLATION SYSTEM
DD
3623.1 TIRE PRESSURE WARNING SYSTEM (RDW)
D
1210.27 ENGINE CONTROL SYSTEM MSS54 (6–CYLINDER S54 B32) D D DDD DDD
D
D

BM
BMW
BMWBMW
Z3
FUSE CHART
0670.1Ć
FUSES 30 TO 205
01/01 2001
04
FUSE NUMBER
39
7.5A 5A 30A 10A 15A 25A 30A 7.5A 30A 7.5A 15A 7.5A 15A30A10A
30 32 40 41 42 43 44 45 4631 33 34 38373635
5A 30A
202
20A
203
30A
204
30A
205
30A 30A 30A
51 52 53
30A
201
6313.0
6314.0
6320.0
6322.0
TURN/HAZARD LIGHTS
BACK UP LIGHTS
LICENSE PLATE/LUGGAGE COMPARTMENT LIGHTS
PARK/TAIL/UNDERHOOD LIGHTS
6332.0 INTERIOR ACCESSORIES
6424.0 REAR WINDOW DEFOGGER
6450.6
6561.0
6571.0 CRUISE CONTROL (TEMPOMAT)
INTEGRATED HEATING– AND CLIMATE CONTROL
CELLULAR TELEPHONE (PROVISIONS)
6350.0 CRASH CONTROL MODULE
6330.3 INTERIOR LIGHTS
6325.0 BRAKE LIGHTS
6312.0 HEADLIGHTS/FOG LIGHTS
6510.1 RADIO/HIFI
D
D
D
D
D
D
DD
D
DD
D
DD
D
6300.0 LIGHT SWITCH DETAILS DD
D
D
D
6211.0 INSTRUMENT CLUSTER DD
D
6213.1 ANALOG CLOCK
D
6135.1 DRIVE–AWAY PROTECTION (EWS III) DD
6160.1 WIPER/WASHER MODULE (WWM) DDD
6169.0 WINDSHIELD WASHER JET HEATERS
6167.1 HEADLIGHT WASHER (SRA) DD
40A
48
30A
54
D
DD
D

D
6575.0 ANTI–THEFT SYSTEM (DWA)
BM
BMW
BMWBMW
Z3
FUSE CHART
0670.1Ć
FUSES 30 TO 205
01/01 2001
05
FUSE NUMBER
39
7.5A 5A 30A 10A 15A 25A 30A 7.5A 30A 7.5A 15A 7.5A 15A30A10A
30 32 40 41 42 43 44 45 4631 33 34 38373635
5A 30A
202
20A
203
30A
204
30A
205
30A 30A 30A
51 52 53
30A
201
6575.2 ANTI–THEFT SYSTEM (ALPINE)
6581.3 BOARD COMPUTER (BC – LOW)
D
DD
D
6610.2 REMOTE CONTROL ZV/DWA D
40A
48
30A
54

25 RT
25 RT
BM
BMW
BMWBMW
Z3
0670.2Ć 2001
00
0670.2 POWER DISTRIBUTION
01/01
P99
FUSE HOLDER
X2
X8
F100
200A
30
G1
BATTERY
50 RT
G6430
B+ JUMP START
JUNCTION POINT
X6430
X6431
25 RT
G7512
B+ JUNCTION
POINT
X9
F101
80A
X1976
30
6 RT
F102
80A
X1977
30
6 RT
F103
80A
X1978
30
6 RT
F104
80A
X1979
30
6 RT
F105
80A
X1980
30
6 RT
F106
50A
X1981
30
4 RT
F107
50A
X1982
30
4 RT
F108
80A
X10422
30
6 RT
M6510
STARTER
X6512 16 RT
G6509
GENERATOR
X6509
30 B+
1240.0 1230.0
K6304
SECONDARY AIR
PUMP RELAY
2X6304
0670.2-03
1X89977
4 RT
0670.2-060670.2-02 0670.2-01
1210.26
1210.27
X17701
X7449
A12
SUPPLEMENTAL
RESTRAINT
SYSTEM CONTROL
MODULE
X104671
2
50
2
G19
BATTERY SAFETY
TERMINAL
BPT+ BPT–
.5 BR.5 BL
.5 BR.5 BL
50 RT
0670.2-04
0670.2-05
0670.2-07
0670.2-08
Z3 VERSIONS

2.5 RT/GE
2.5 RT/WS
2.5 RT/WS
BM
BMW
BMWBMW
Z3
0670.2Ć 2001
01
POWER DISTRIBUTION
01/01
G7512
B+ JUNCTION
POINT
F108
80A
X10422
6 RT
K6300
ENGINE CONTROL
MODULE RELAY
G6400
B+ JUNCTION
POINT E–BOX
1X64192
4 RT
6X6300
2
A7000
TRANSMISSION
CONTROL MODULE
(EGS)
1 RT
7X70001
2X64101
A6000
ENGINE CONTROL
MODULE (DME)
1.5 RT
7X60001
1
P98
FUSE HOLDER IN
E–BOX
2.5 RT
9X8680
1X64102
4 RT/WS
5
2 X6300
87
30
4
F202
30A
6
F203
20A
4 RT/WS/GE
4 RT/WS
8
1.5 RT/WS
F204
30A
151515
X868010
2.5 RT
F205
30A
30
2X6021
P90
FRONT POWER
DISTRIBUTION BOX
X10016
6
F13
5A
15
5 X10016
1.5 RT/WS
1.5 RT/WS
.75 RT/WS
2.5 RT/WS
FUSE DETAILS
0670.3
X6961
1210.26 2460.14
2
2.5 RT/WS/GE
15
F201
30A
1
4 RT/WS
5
K6327
INJECTION VALVES
RELAY
6X6327
1210.26
S54
X6962 S54
S54
1210.27
Z3 VERSIONS

X10015
BM
BMW
BMWBMW
Z3
X10015
1 RT/WS/GE
0670.2Ć 2001
02
POWER DISTRIBUTION
16
1 X10030
P90
FRONT POWER
DISTRIBUTION BOX
F8
15A
FUSE DETAILS
0670.3
4 RT
18
F9
20A
2
1 X10035
F11
7.5A
X45
6 X45
K48
LOW BEAM LIGHT
RELAY
2
4
F12
7.5A
2.5 RT/
WS
1 GE/GN 1 GE/BL
2.5 GE
2.5 RT
6
5
F3
30A
2.5 RT/
BR/GE
2.5 RT
30
30 30 56b 56b
87
X1015
6 RT
18
17
F39
7.5A
30
.75 RT/GR
2.5 RT
01/01
X10015
G7512
B+ JUNCTION
POINT
F104
80A
X1979
6 RT
F105
80A
X1980
10
9 X10016
F15
15A
X44
6 X44
K47
FRONT FOG LIGHT
RELAY
2
1 GE/BR
1 RT/GE
2.5 RT
NSW
87
X64119
10
9 X10015
F5
30A
30
2.5 RT/
SW
14
F7
5A
.75 RT/GN
30
20
F10
30A
2.5 RT/BL
30
X1001820
19 X10018
F40
30A
30
4 RT/GN
4 RT
14
1 X10038
F37
10A
16
F38
30A
1.5 RT/BL 2.5 RT/GN
2.5 RT 2.5 RT
3030
X10016
Z3 VERSIONS
P97
AUXILIARY
FUSE BOX
X1588
2
F48
40A
30
1 X1588
4 RT/GN
Z3 VERSIONS M VERSIONS
4 RT

2.5 RT/
BR/GE
COUPE
BM
BMW
BMWBMW
Z3
X10015
0670.2Ć 2001
03
POWER DISTRIBUTION
P90
FRONT POWER
DISTRIBUTION BOX
FUSE DETAILS
0670.3
18
1 X10036
F29
7.5A
X10262
6 X10262
K46
HIGH BEAM LIGHT
RELAY
2
20
F30
7.5A
1 WS/GN 1 WS/
BL
2.5 RT/WS
2.5 RT
12
11
F6
20A
2.5 RT/
BR
2.5 RT
30 56a 56a
87
X64109
6 RT
01/01
X10015
G7512
B+ JUNCTION
POINT
Z3 VERSIONS EARLY PRODUCTION
F103
80A
X1978
20
19 X10016
F20
30A
2.5 RT/
GN
4 RT
18
17 X10016
F19
30A
30
4
3
F2
15A
.75 RT/WS
2.5 RT
30
2
1
F1
30A
4 RT/GE
30
16
15
F18
15A
2.5 RT
8
7
F14
30A
2.5 RT/BL
2.5 RT
F101
80A
X1976
2.5 RT
4 RT 2.5 RT
30 30 30
X10016 X10016 X10017
2.5 RT/GE
X64129
X10018
1 RT/
WS
6
1 X10034
F33
10A
6 RT
8
F34
15A
1.5 RT/
WS/GE
4
F32
30A
2.5 RT/
SW/WS
10
F35
25A
2.5 RT/
GN/GE
2
F31
5A
.5 RT/GE
12
F36
30A
2.5 RT/
BL/GE
30 30 30 30 30 30
6
5 X19017
F53
30A
2.5 RT/
GN
4 RT
4
3
F52
30A
2.5 RT/
GE
2
1
F51
30A
2.5 RT/
BL
30 30 30
X19017
P900
AUXILIARY FUSE
BOX
F102
80A
X1977
6 RT
WITH DSC
X19010
6 RT
4 RT4 RT 14 X6002
2.5 RT
D100
DATA LINK
CONNECTOR

2.5 RT/
BR/GE
COUPE
BM
BMW
BMWBMW
Z3
X10015
0670.2Ć 2001
04
POWER DISTRIBUTION
P90
FRONT POWER
DISTRIBUTION BOX
FUSE DETAILS
0670.3
18
1 X10036
F29
7.5A
X10262
6 X10262
K46
HIGH BEAM LIGHT
RELAY
2
20
F30
7.5A
1 WS/GN 1 WS/
BL
2.5 RT/WS
2.5 RT
12
11
F6
20A
2.5 RT/
BR
2.5 RT
30 56a 56a
87
X64109
6 RT
01/01
X10015
G7512
B+ JUNCTION
POINT
Z3 VERSIONS LATE PRODUCTION
F103
80A
X1978
20
19 X10016
F20
30A
2.5 RT/
GN
4 RT
18
17 X10016
F19
30A
30
4
3
F2
15A
.75 RT/WS
2.5 RT
30
2
1
F1
30A
4 RT/GE
30
16
15
F18
15A
2.5 RT
8
7
F14
30A
2.5 RT/BL
2.5 RT
F101
80A
X1976
2.5 RT
4 RT 2.5 RT
30 30 30
X10016 X10016 X10017
2.5 RT/GE
X64129
X10018
1 RT/
WS
6
1 X10034
F33
10A
6 RT
8
F34
15A
1.5 RT/
WS/GE
4
F32
30A
2.5 RT/
SW/WS
10
F35
25A
2.5 RT/
GN/GE
2
F31
5A
.5 RT/GE
12
F36
30A
2.5 RT/
BL/GE
30 30 30 30 30 30
X19017
2.5 RT/GN
4
3
F52
30A
2
1
F51
30A
2.5 RT/BL
30 30
X19017
F102
80A
X1977
6 RT
4 RT4 RT 14 X6002
2.5 RT
D100
DATA LINK
CONNECTOR
WITH DSC
WITH DSC

2.5 RT/
BR/GE
COUPE
BM
BMW
BMWBMW
Z3
X10015
0670.2Ć 2001
05
POWER DISTRIBUTION
P90
FRONT POWER
DISTRIBUTION BOX
FUSE DETAILS
0670.3
18
1 X10036
F29
7.5A
X10262
6 X10262
K46
HIGH BEAM LIGHT
RELAY
2
20
F30
7.5A
1 WS/GN 1 WS/
BL
2.5 RT/WS
2.5 RT
12
11
F6
20A
2.5 RT/
BR
2.5 RT
30 56a 56a
87
X64109
6 RT
01/01
X10015
G7512
B+ JUNCTION
POINT
M VERSIONS
F103
80A
X1978
20
19 X10016
F20
30A
2.5 RT/
GN
4 RT
18
17 X10016
F19
30A
30
4
3
F2
15A
.75 RT/WS
2.5 RT
30
2
1
F1
30A
4 RT/GE
30
16
15
F18
20A
2.5 RT
8
7
F14
30A
2.5 RT/BL
2.5 RT
F101
80A
X1976
2.5 RT 4 RT 2.5 RT
30 30 30
X10016 X10016 X10017
2.5 RT/GE
X64129
X10018
1 RT/
WS
6
1 X10034
F33
10A
6 RT
8
F34
15A
1.5 RT/
WS/GE
4
F32
30A
2.5 RT/
SW/WS
10
F35
25A
2.5 RT/
GN/GE
2
F31
5A
.5 RT/GE
12
F36
30A
2.5 RT/
BL/GE
30 30 30 30 30 30
6
5
F53
30A
2.5 RT/
GN
4 RT
4
3
F52
30A
2.5 RT/
GE
2
1
F51
30A
2.5 RT/
BL
30 30 30
F102
80A
X1977
6 RT COUPE
X19010
6 RT
4 RT4 RT
14 X6002
2.5 RT
D100
DATA LINK
CONNECTOR
X19017
X19017
K70
CENTRAL LOCKING
LUGGAGE
COMPARTMENT
LID MOTOR RELAY
(ZV)
6X1376
5126.0
1.5 RT

X10015 X10016X10017
BM
BMW
BMWBMW
Z3
X10018
.5 GN/BL
0670.2Ć 2001
06
POWER DISTRIBUTION
6
1 X10026
P90
FRONT POWER
DISTRIBUTION BOX
F23
5A
FUSE DETAILS
0670.3
2.5 GN
8
F24
10A
30
29
F45
7.5A
.75 GN/
SW
1.5 VI/WS
26
25
F43
5A
.75 VI/WS
X223
01/01
Z3 VERSIONS EARLY PRODUCTION
12
11 X10016
F16
5A
.5 GN/BL
4
F22
5A
.5 GN/GE
10
F25
5A
.5 GN/RT
28
27
F44
15A
1.5 VI/SW
24
23
F42
5A
22
21
F41
7.5A
.5 VI
R
.5 GN/VI
14
F27
5A
2
F21
5A
12
F26
10A
1.5 GN/WS
32
31 X10018
F46
15A
1.5 VI/GE
X888
8
7 X10015
F4
15A
1.5 GN/GE
2.5 GN
15
X203
8
2.5 SW/GE
7
30
R
2 X33
50
6
.5 GN/WS
15I
2.5 GN
15
NOT USED
5 X209
4 RT
2.5 GN/SW
S2
IGNITION SWITCH
0) OFF
1) ACCESSORY
2) RUN
3) START
X209
2431
2.5 GN
2.5 VI
2.5 VI
8X1805
A837
ELECTRONIC
IMMOBILIZER CONTROL
MODULE (EWS III)
1240.0
21
0
3
21
0
3
21
0
3
21
0
3
6135.1
G7512
B+ JUNCTION
POINT
F106
50A
X1981
4 RT
X33
1
.5 GN .5 VI .75 VI 1.5 VI 1.5 VI 1.5 VI
R R RRR
15 15 15 15 15 15 15 15
.5 GN/BL/GE .75 VI/BL
1.5 VI
X1100
NOT USED
1.5 GN

X10015 X10016X10017
BM
BMW
BMWBMW
Z3
X10018
.5 GN/BL
0670.2Ć 2001
07
POWER DISTRIBUTION
6
1 X10026
P90
FRONT POWER
DISTRIBUTION BOX
F23
5A
FUSE DETAILS
0670.3
2.5 GN
8
F24
10A
30
29
F45
7.5A
.75 GN/
SW
1.5 VI/WS
26
25
F43
5A
.75 VI/WS
X223
01/01
Z3 VERSIONS LATE PRODUCTION
12
11 X10016
F16
5A
.5 GN/BL
4
F22
5A
.5 GN/GE
10
F25
5A
.5 GN/RT
28
27
F44
15A
1.5 VI/SW
22
21
F41
7.5A
1 VI
R
.5 GN/VI
14
F27
5A
2
F21
5A
12
F26
10A
1.5 GN/WS
32
31 X10018
F46
15A
1.5 VI/GE
8
7 X10015
F4
15A
1.5 GN/GE
2.5 GN
15
X203
8
2.5 SW/GE
7
30
R
2 X33
50
6
.5 GN/WS
15I
2.5 GN
15
NOT USED
5 X209
4 RT
2.5 GN/SW
S2
IGNITION SWITCH
0) OFF
1) ACCESSORY
2) RUN
3) START
X209
2431
2.5 GN
2.5 VI
2.5 VI
8X1805
A837
ELECTRONIC
IMMOBILIZER CONTROL
MODULE (EWS III)
1240.0
21
0
3
21
0
3
21
0
3
21
0
3
6135.1
G7512
B+ JUNCTION
POINT
F106
50A
X1981
4 RT
X33
1
1 GN 1 VI 1.5 VI 1.5 VI 1.5 VI
R RRR
15 15 15 15 15 15 15 15
.5 GN/BL/GE .75 VI/BL

X10015 X10016X10017
BM
BMW
BMWBMW
Z3
X10018
.5 GN/BL
0670.2Ć 2001
08
POWER DISTRIBUTION
6
11 X10016
P90
FRONT POWER
DISTRIBUTION
BOX
F23
5A
FUSE DETAILS
0670.3
.5 GN
8
F24
10A
30
29
F45
7.5A
.75 GN/
SW
1.5 VI/WS
26
25
F43
5A
.75 VI/
WS
X223
01/01
M VERSIONS
10
9 X10016
F15
5A
.5 GN/SW
4
F22
5A
.5 GN/GE
10
F25
5A
.5 GN/RT
28
27
F44
15A
1.5 VI/SW
22
21
F15
5A
1 VI
R
.5 GN/VI
14
F27
5A
2
F21
5A
12
F26
10A
1.5 GN/WS
32
31 X10018
F46
15A
1.5 VI/GE
8
7 X10015
F4
15A
1.5 GN/
GE
2.5 GN
15
X203
8
2.5 SW/GE
7
30
R
2 X33
50
6
.5 GN/WS
15I
2.5 GN
15
NOT USED
5 X209
4 RT
2.5 GN/SW
S2
IGNITION SWITCH
0) OFF
1) ACCESSORY
2) RUN
3) START
X209
2431
2.5 GN
2.5 VI
2.5 VI
8 X1805
A837
ELECTRONIC
IMMOBILIZER
CONTROL MODULE
(EWS III)
1240.0
21
0
3
21
0
3
21
0
3
21
0
3
6135.1
G7512
B+ JUNCTION
POINT
F106
50A
X1981
4 RT
X33
1
1 VI 1.5 VI 1.5 VI 1.5 VI
R RRR
15 15 15 15 15 15 15 50
.5 GN/
BL/GE
.75 VI/BL
X1001612
F16
5A
.5 GN/BL
15
1 X10026
2.5 GN
8
7
F54
30A
2.5 RT/
GN
2.5 GN
15
1 GN
8X58
K4
BLOWER
RELAY
6450.6
.75 GN/SW
12 X10182
A104
BODY
ELECTRONICS
CONTROL
MODULE (ZKE IV)
1240.0
X19017
X19017
2.5 GN/SW 2.5 GN/SW X239
6100.0

BM
BMW
BMWBMW
Z3 FUSES 1, 2, 3, AND 4
0670.3Ć 2001
00
0670.3 FUSE DETAILS
S54
PASSENGER’S
SEAT, SEAT
HEATER SWITCH
2
8
1.5 GN/GE
5203.0
01/01
F4
15A
P90
FRONT POWER
DISTRIBUTION
BOX
A51
WIPER/WASHER
MODULE
14 X285
6
2.5 RT/BR/GE
6160.1
F3
30A
6167.1
2
K18363
CONVERTIBLE TOP
RELAY I (CLOSE)
2.5 RT/GE
5430.2
1
F1
30A
2 X18363
K18364
CONVERTIBLE TOP
RELAY II (OPEN)
5430.2
2 X18364
6 X13146
X10014
2.5 RT/GE
2.5 RT/GE 2.5 RT/GE
18 X10182
A104
BODY
ELECTRONICS
CONTROL MODULE
(ZKE IV)
.75 RT/WS
6100.0
6330.3
6575.0
X10015
3 X658
2
5203.0
3 X651
X9454
S53
DRIVER’S SEAT,
SEAT HEATER
SWITCH
4
F2
15A
2 X13057
A36
REAR WIPER/
WASHER INTERVAL
CONTROL MODULE
2.5 RT/BR/GE
6160.1
.5 GN/GE
ROADSTER COUPE
4 RT/GE
.5 GN/GE .5 GN/GE .5 GN/GE

.35 RT/GN
.5 RT/GN
Z3 COUPE
BM
BMW
BMWBMW
Z3 FUSES 5, 6, 7, AND 8
0670.3Ć 2001
01
FUSE DETAILS
P90
FRONT POWER
DISTRIBUTION BOX
K2
HORN RELAY
6 X56
16
1 RT/WS/GE
6133.0
30
X10015
01/01
14
X1234
S47
DRIVER’S DOOR
LOCK SWITCH
.5 RT/GN
M12
DRIVER’S DOOR
LOCK MOTOR
6 X660
.5 RT/GN
M13
PASSENGER’S
DOOR LOCK
MOTOR
6 X641
.5 RT/GN
S49
PASSENGER’S
DOOR LOCK
SWITCH
2 X742
.35 RT/GN
M17
LUGGAGE
COMPARTMENT
LOCK MOTOR
X311
2 X747
11 12 X257 12
.35 RT/GN .35 RT/GN .35 RT/GN
.75 RT/GN
5126.0
11 X256
.5 RT/GN
5126.0
5126.0
3
5126.0
5126.0
F7
5A
13 X279
10
S56
PASSENGER’S
SEAT, SEAT
CONTROL SWITCH
2.5 RT/SW
5200.0
F5
30A
6 X63
12
K9
UNLOADER RELAY,
TERMINAL 15
2.5 RT/BR
6424.0
F6
20A
F8
15A
2 RT/SW
R33
STEERING ANGLE
SENSOR
X1658
3452.1
1
.5 RT/GN
WITH DSC
3452.2
6575.0 6575.0 6575.0
6575.06575.0
2 X13139
A194y
REMOTE CONTROL
MODULE
6610.2
WITH DWA
.5 RT/GN

1.5 RT/WS
2.5 RT/WS
BM
BMW
BMWBMW
Z3 FUSES 9 AND 10
0670.3Ć 2001
02
FUSE DETAILS
P90
FRONT POWER
DISTRIBUTION BOX
20 X10015
06/00
18
F9
20A
F10
30A
N9
RADIO
9 X18126
2.5 RT/WS
6510.1
A18
HIFI AMPLIFIER
5 X1717
6510.1
X19513
2.5 RT/WS
N22
CD CHANGER
2 X18180
.5 RT/WS
4 X322
2.5 RT/WS
6510.1
9 X1170
A52
SLIP CONTROL
MODULE
(ABS/ASC)
3450.1
2.5 RT/BL
COUPE1 X605
8 X18744
N44
SUBWOOFER
AMPLIFIER
MODULE
6510.1
2.5 RT/WS
ROADSTER WITH
HARMAN KARDON
SOUND SYSTEM

.75 RT/WS
BM
BMW
BMWBMW
Z3 FUSES 11, 12, AND 13
0670.3Ć 2001
03
FUSE DETAILS
P90
FRONT POWER
DISTRIBUTION BOX
6 X10016
2
E14
RIGHT LOW BEAM
LIGHT
4
E13
LEFT LOW BEAM
LIGHT
2 X135
2 X130
6312.0
6350.0
6312.0
6350.0
E8
RIGHT HEADLIGHT
E7
LEFT HEADLIGHT
1 GE/GN 1 GE/BL
01/01
F13
5A
F11
7.5A
F12
7.5A
56b 56b
K6301w
FUEL PUMP RELAY
.35 RT/WS
1210.26
8 X6301
S30
BRAKE LIGHT
SWITCH
1210.26
1210.27
6325.0
6571.0
4 X78
X11212
.5 RT/WS
.75 RT/WS
M119
LEAKAGE DIAGNO-
SIS PUMP
3 X1714
.5 RT/WS
1210.26
K6301z
ELECTRIC FUEL
PUMP RELAY,
TIMED
1210.27
8 X6301
K6304
SECONDARY AIR
PUMP RELAY
1210.27
8 X6304
Z3 VERSIONS M VERSIONS
M VERSIONS
M VERSIONS
.5 RT/WS
1210.27

BM
BMW
BMWBMW
Z3 FUSES 14, 15, 16, AND 18
0670.3Ć 2001
04
FUSE DETAILS
P90
FRONT POWER
DISTRIBUTION BOX
01/01
8
A104
BODY
ELECTRONICS
CONTROL MODULE
(ZKE IV)
1 GE/BR
E26
LEFT FOG LIGHT
A2w
INSTRUMENT
CLUSTER
8 X17
.75 GE/BR
6312.0
1 GE/BR
E27
RIGHT FOG
LIGHT
NSW
10 X10016
1 GE/BR
X1152
2 X768
2 X769
6312.0
6312.0
8 X13252
2.5 RT/BL
5133.0
F14
30A
F15
15A
6100.0
K6301w
FUEL PUMP RELAY
16
K21
NORMAL SPEED
RELAY
4 X52
12
.5 GN/BL
6450.6
K22
HIGH SPEED
RELAY
X53
.5 GN/BL
6450.6
K19
COMPRESSOR
CONTROL RELAY
4 X51
X470
6 X6301
2.5 RT.5 GN/BL
1210.26 1210.26
F16
5A
F18
15A
6450.6
.5 GN/BL
8
5A
50
M VERSIONS
A6000
ENGINE CONTROL
MODULE (DME)
6 X60004
1240.0
1210.27
.5 GN/SW
X63016
M VERSIONSZ3 VERSIONS
K6301z
ELECTRIC FUEL
PUMP RELAY,
TIMED
1210.27
M VERSIONS 20A
1210.27
M VERSIONSZ3 VERSIONS
A104
BODY
ELECTRONICS
CONTROL MODULE
(ZKE IV)
3 X10182
6575.0
.5 GN/BL
WITH DWA

BM
BMW
BMWBMW
Z3 FUSES 19, 20, 21, AND 22
0670.3Ć 2001
05
FUSE DETAILS
P90
FRONT POWER
DISTRIBUTION BOX
01/01
18 20 X10017
F19
30A
F20
30A
42
F21
5A
F22
5A
13 X275
2.5 RT/GE
S51
DRIVER’S SEAT,
SEAT CONTROL
SWITCH
5200.0
2 RT/GE
6 X58
K4
BLOWER RELAY
2.5 RT/GN
6450.6
30 S8
LIGHT SWITCH
2 X503
.5 GN/GE
6300.0
6312.0
S6
ASC SWITCH
3450.1
.5 GN/BL/GE
.5 GN/BL/GE
X1163
1 X521
WITH ASC
A65
DYNAMIC STABILITY
CONTROL UNIT
(DSC)
3452.1
12 X1746
S6y
DSC SWITCH
3452.1
1 X521
R33
STEERING ANGLE
SENSOR
3452.1
2 X1658
X1163
A52
SLIP CONTROL
MODULE
(ABS/ASC)
3450.1
4 X1170
WITH DSC
.5 GN/BL/GE .5 GN/BL/GE .5 GN/BL/GE .5 GN/BL/GE
X10016
3452.2
3452.2
3452.2
4 X18303
Z3 VERSIONS
LATE PRODUCTION

BM
BMW
BMWBMW
Z3 FUSE 23
0670.3Ć 2001
06
FUSE DETAILS
P90
FRONT POWER
DISTRIBUTION BOX
01/01
F23
5A
X1076
S7
COMBINATION
SWITCH
X174
A2w
INSTRUMENT
CLUSTER
X183331
S8
LIGHT SWITCH
6300.06312.0
6313.0
.5 GN/GE
.5 GN/BL
6211.0
.5 GN/BL
X32
9
X638
K9
UNLOADER RELAY,
TERMINAL 15
6424.0
6 X10017
X10981
.5 GN/BL
X190072
A19007
THERMAL OIL
LEVEL SENSOR
(TOENS) CONTROL
MODULE
6211.0
X8983
S76
REAR WINDOW DE-
FOGGER SWITCH
6424.0
X100651
ACCESSORY
CONNECTOR
.5 GN/BL .5 GN/BL .5 GN/BL .5 GN/BL .5 GN/BL .5 GN/BL
A3984
OIL–/OUTSIDE
TEMPERATURE
GAUGE CONTROL
MODULE
8 X13578
Z3 VERSIONS M VERSIONS
6211.0

BM
BMW
BMWBMW
Z3 FUSES 24 AND 25
0670.3Ć 2001
07
FUSE DETAILS
01/01
P90
FRONT POWER
DISTRIBUTION BOX
F24
10A
X11481
X11264
S198
JET HEATER
THERMOSWITCH
X100178
X588
K4
BLOWER RELAY
.5 GN/RT
.5 GN/RT
6169.0
6450.6
X5034
S8
LIGHT SWITCH
6300.0
6312.0
6350.0
X10020
.75 GN/SW
.75 GN/SW
10
X653
N17
CRASH CONTROL
MODULE
6350.0
.75 GN/SW
F25
5A
X15301
V10
UNCOUPLING
DIODE (LIGHTS)
6314.0
6320.0
X5104
K26
LEFT PARK LIGHT
RELAY
.5 GN/SW
6314.0
X102625
K46
HIGH BEAM LIGHT
RELAY
6312.0
Z3 VERSIONS
X25718
X6254
S17
MIRROR CONTROL
SWITCH
5116.0
.75 GN/SW
.5 GN/RT .5 GN/RT .5 GN/RT .5 GN/RT
CANADA
USA
6312.0

BM
BMW
BMWBMW
Z3 FUSE 26
0670.3Ć 2001
08
FUSE DETAILS
01/01
P90
FRONT POWER
DISTRIBUTION BOX
X85112
S8511
REVERSING LIGHT
SWITCH
X60214
X1168
12 X10017
F26
10A
.75 GN/WS
X101703
A9008
CRUISE CONTROL
INTERFACE
6571.0
X600216
1.5 GN/WS
X6000426
A6000
ENGINE CONTROL
MODULE (DME)
1210.26
.75 GN/WS .75 GN/WS
X63256
K6325
REVERSING LIGHT
RELAY
2460.14
D100
DATA LINK
CONNECTOR
1 GN/WS
X65241
G6509
GENERATOR
1230.0
X62541
B6254
THERMAL OIL
LEVEL SWITCH
.5 GN/BR
X65061
M6506
E–BOX FAN
1290.0
X6831
X24996
1 GN/WS
.75 GN/BR
1 GN/WS
.75 GN/BR .75 GN/BR
6211.06322.0
X60531
.5 GN/BR
X605311
.75 GN/BR
X6830
X700011
A7000
TRANSMISSION
CONTROL MODULE
(EGS)
2460.14
.5 GN/BR
1 GN/WS
6322.0
AUTOMATIC MANUAL
WITH EGS
Z3 VERSIONS

BM
BMW
BMWBMW
Z3 FUSE 26
0670.3Ć 2001
09
FUSE DETAILS
01/01
P90
FRONT POWER
DISTRIBUTION BOX
X85112
S8511
REVERSING LIGHT
SWITCH
X60214
X1168
12 X10017
F26
10A
.75 GN/WS
X101703
A9008
CRUISE CONTROL
INTERFACE
6571.0
X600216
1.5 GN/WS
X6000426
A6000
ENGINE CONTROL
MODULE (DME)
1210.27
.75 GN/WS .5 GN/WS
D100
DATA LINK
CONNECTOR
1 GN/WS
X65241
G6509
GENERATOR
1230.0
X62541
B6254
THERMAL OIL
LEVEL SWITCH
.5 GN/BR
X6831
X60111
1 GN/WS
.75 GN/WS
1 GN/WS .75 GN/BR
6322.0
M VERSIONS
1210.27
6211.0
1210.27

BMBMWBMWBMW
Z3
6312.0
FUSES 27, 29, AND 30
01/01 0670.3Ć 2001
10
FUSE DETAILS
P90
FRONT POWER
DISTRIBUTION BOX
X10017
X16
A2w
INSTRUMENT
CLUSTER
23
E11
LEFT HIGH BEAM
LIGHT
E12
RIGHT HIGH BEAM
LIGHT
X1312 X1342
201814
.5 GN/VI 1 WS/GN 1 WS/BL
6312.0
E7
LEFT HEADLIGHT
E8
RIGHT HEADLIGHT
3450.1
6211.0
F27
5A
F29
7.5A
F30
7.5A
56a 56a
3234.0
1230.0
3452.1
3452.2
3623.1
1210.27

Z3 VERSIONS.5 RT/GE
BMBMWBMWBMW
Z3 FUSE 31
0670.3Ć 2001
11
FUSE DETAILS
P90
FRONT POWER
DISTRIBUTION BOX
X1067
.5 RT/GE
X1622
A2w
INSTRUMENT
CLUSTER
6211.0
X5223
H10
CHIME MODULE
6211.0
N12w
ANTI–THEFT
CONTROL MODULE
(ALPINE)
6575.2
.5 RT/GE .5 RT/GE 1 RT/GE .5 RT/GE
X100182
X12223
B28
PITCH SENSOR
(DWA)
.5 RT/GE
X102455
A35y
BOARD
COMPUTER
(BC – LOW)
6581.3
.5 RT/GE
X1952716
.5 RT/GE
01/01
D110
OBD II
CONNECTOR
F31
5A
1 X13025
X11551
N5
ANALOG CLOCK
6213.1
.5 RT/GE
X5141
V5
DWA LED
6575.0
X350510
M VERSIONS
.5 RT/GE
X195623
H67
DWA SIREN
6575.0
X18052
A837
ELECTRONIC
IMMOBILIZER
CONTROL MODULE
(EWS III)
1240.0
.5 RT/GE
A19007
THERMAL OIL
LEVEL SENSOR
(TOENS) CONTROL
MODULE
6211.0
6 X19007
A3984
OIL–/OUTSIDE
TEMPERATURE
GAUGE CONTROL
MODULE
6211.0
18 X13578
Z3 VERSIONS M VERSIONS
.5 RT/GE
6135.1
WITHOUT DWA WITH DWA
6575.0

2
BMBMWBMWBMW
Z3
1.5 RT/WS/GE
FUSES 32, 33, 34, AND 35
0670.3Ć 2001
12
FUSE DETAILS
X64
6
K16
HAZARD FLASHER
RELAY
6313.0
8
X656
N17
CRASH
CONTROL
MODULE
6313.0
10
6350.0
6350.0
P90
FRONT POWER
DISTRIBUTION BOX
1.5 RT/WS/GE
1.5 RT/WS/GE
X1069
X10018
X1325210
A104
BODY
ELECTRONICS
CONTROL MODULE
(ZKE IV)
X1079
X531
E28
FRONT CIGAR
LIGHTER
6332.0
2.5 RT/SW/WS
X5037
S8
LIGHT SWITCH
6300.0
64
1 RT/WS
1 RT/WS
X4001
X7121
.75 RT/WS
X11105
S408
INTERIOR LIGHT
SWITCH
1 RT/WS
E32
LUGGAGE
COMPARTMENT
LIGHT
X3361
.5 BR
1
01/01
TELEPHONE
CONNECTOR
6561.0
6320.0 5126.0
1
F32
30A
F33
10A
F34
15A
F35
25A
6330.3
X1325212
A104
BODY
ELECTRONICS
CONTROL MODULE
(ZKE IV)
6100.0
.75 RT/WS
6330.3
6100.0
6314.0
1.5 RT/WS/GE
X100652
ACCESSORY
CONNECTOR
X9336
E34
FRONT DOME
LIGHT/MAP
READING
ASSEMBLY
1
6330.3
.75 RT/WS
COUPE
COUPE
2.5 RT/GN/GE
ROADSTER
X5108
.75 RT/WS
K26
LEFT PARK LIGHT
RELAY
6314.0
CANADA

1210.26
1210.27
6450.6
BMBMWBMWBMW
Z3
6332.0
FUSES 36, 37, 38, AND 39
01/01 0670.3Ć 2001
13
FUSE DETAILS
12
X5035
S8
LIGHT SWITCH
X51
K19
COMPRESSOR
CONTROL RELAY
14 16 18 X10018
6300.0
6314.0
P90
FRONT POWER
DISTRIBUTION BOX
2.5 RT/GN .75 RT/GR
X2856
A51
WIPER/WASHER
MODULE
6160.1
2.5 RT/BL/GE 1.5 RT/BL
F36
30A
F37
10A
F38
30A
F39
7.5A
6167.1
6160.1 6320.0
X117025
A52
SLIP CONTROL
MODULE
(ABS/ASC)
3450.1
6X5096
K25
RIGHT PARK
LIGHT/LICENSE
PLATE LIGHT
RELAY
6314.0
6320.0
1.5 RT/BL
1.5 RT/BL
X1258
CANADA

BMBMWBMWBMW
Z3
X745
A12
SUPPLEMENTAL
RESTRAINT
SYSTEM CONTROL
MODULE
FUSES 40 AND 41
FUSE DETAILS
P90
FRONT POWER
DISTRIBUTION BOX
X536
K22
HIGH SPEED
RELAY
4 RT/GN
20 22
X102181
A113
SEAT OCCUPANCY
DETECTOR
X10018
.75 VI/BL
0670.3Ć 2001
14
.5 VI/BL
01/01
6450.6 3234.0 3234.0
F40
30A
F41
7.5A
X2755
S58
DRIVER’S SEAT
BELT SWITCH
X1264
.5 VI/BL
3234.0
.5 VI/BL
5
S59
PASSENGER’S
SEAT BELT SWITCH
3234.0
.5 VI/BL
X27917
.5 VI/BL
Z3 VERSIONS

BM
BMW
BMWBMW
Z3 FUSES 43, 44, AND 45
01/01 0670.3Ć 2001
15
FUSE DETAILS
P90
FRONT POWER
DISTRIBUTION BOX
26
N12w
ANTI–THEFT
CONTROL MODULE
(ALPINE)
.75 VI/WS
X1235
A104
BODY
ELECTRONICS
CONTROL MODULE
(ZKE IV)
4 X10182
.75 VI/WS
30 X10018
9 X1805
A837
ELECTRONIC
IMMOBILIZER
CONTROL MODULE
(EWS III)
1.5 VI/WS
N9
RADIO
5 X18126
6510.1
.75 VI/WS
28
A51
WIPER/WASHER
MODULE
8 X285
1.5 VI/SW
X10022
M4
WASHER PUMP
1 X107
.75 VI/SW
5 X400
2 X322
1.5 VI/SW
1.5 VI/WS
X1066
S235
STARTER
IMMOBILIZATION
SWITCH
3 X18994
.5 VI/WS .35 VI/WS
5126.0
6575.2
6561.0
TELEPHONE
CONNECTOR
6160.1
6160.1 6135.1
1240.0
.5 VI/SW
F43
5A
F44
15A
F45
7.5A
2 X13025
3 X121
S32
CLUTCH
SWITCH
.5 VI/WS
1210.27
6100.0
6330.3
6167.1
6135.1
NOT USED
WITH EGS
K2
HORN RELAY
8 X56
6133.0
S5
WIPER/WASHER
SWITCH
6160.1
8 X295
A36
REAR WIPER/
WASHER INTERVAL
CONTROL MODULE
2 X13268
6160.1
.5 VI/WS .5 VI/SW .5 VI/SW .5 VI/SW
COUPE
COUPE
S32
CLUTCH
SWITCH
3 X11143
1210.26
6571.0
Z3 VERSIONS
Z3 VERSIONS
A22z
ELECTROCHROMIC
REAR VIEW MIRROR
5116.0
3 X13139
.5 VI/
WS
M VERSIONS
A194y
REMOTE
CONTROL
MODULE
6610.2
3 X13139
WITH DWA
.5 VI/WS
.5 VI/WS
.5 VI/WS M VERSIONS
6571.0
M VERSIONS

X1182
BMBMWBMWBMW
Z3
A2w
INSTRUMENT
CLUSTER
6211.0
.5 VI/GE
X85182
E82
TRANSMISSION
POSITION INDICA-
TOR LIGHT
2460.14
.5 VI/GE
FUSES 46 AND 48
01/01 0670.3Ć 2001
16
FUSE DETAILS
P90
FRONT POWER
DISTRIBUTION BOX
1.5 VI/GE
S30
BRAKE LIGHT
SWITCH
6325.0
1.5 VI/GE
X781
X1001832
6571.0
.5 VI/GE
3450.1
F46
15A
2460.14
X1024510
A35y
BOARD
COMPUTER
(BC – LOW)
6581.3
1210.26 5430.2
X6431
S38y
TILT SUNROOF
SWITCH
5410.5
1 VI/GE
X190182
1.5 BR
COUPE
3452.1
X16003
.5 VI/GE
X1716
X15882
4 RT/GN
F48
40A
X536
K22
HIGH SPEED
RELAY
6450.6
.75 VI/GE M VERSIONS
EARLY PRODUCTION
1210.27
3452.2
P97
AUXILIARY FUSE
BOX
M VERSIONS

BM
BMW
BMWBMW
Z3 FUSES 51, 52, AND 53
0670.3Ć 2001
18
FUSE DETAILS
01/01
Z3 VERSIONS
2
A65
DYNAMIC STABIL-
ITY CONTROL UNIT
(DSC)
43 X1746
2.5 RT/GN
3452.1
F51
30A
P900
AUXILIARY FUSE
BOX
4
15
F52
30A
6 X19017
42
F53
30A
2.5 RT/BL 2.5 RT/GE
EARLY PRODUCTION
2
A65
DYNAMIC STABIL-
ITY CONTROL UNIT
(DSC)
32
F51
30A
P90
FRONT POWER
DISTRIBUTION BOX
2.5 RT/GN
4 X19017
1 X18303
F52
30A
2.5 RT/BL
LATE PRODUCTION
3452.2

BM
BMW
BMWBMW
Z3 FUSES 201 AND 202
0670.3Ć 2001
19
FUSE DETAILS
01/01
X6969
2
F201
30A
X61513
T6151
CYL. 1 IGNITION
COIL
X61523
T6152
CYL. 2 IGNITION
COIL
X61543
T6154
CYL. 4 IGNITION
COIL
1 RT/WS
1210.26
1210.26
X61533
T6153
CYL. 3 IGNITION
COIL
1210.26
1 X6054
2.5 RT/WS/GE
2.5 RT/WS
1210.26
X61553
T6155
CYL. 5 IGNITION
COIL
X61563
T6156
CYL. 6 IGNITION
COIL
1210.26
1210.26
1 RT/
WS/GE
.5 RT/WS/
GE
.5 RT/WS/
GE
.5 RT/
WS/GE
X61672
Y6167
VALVE, INDIVIDUAL
CONTROL INTAKE
SYSTEM
1210.26
X62751
Y6275z
VARIABLE CAM-
SHAFT CONTROL
VALVE 1 (INLET)
X62761
Y6276
VARIABLE CAM-
SHAFT CONTROL
VALVE 2 (OUTLET)
1210.26
.5 RT/
WS
1210.26
.5 RT/WS/GE
X6964
P98
FUSE HOLDER IN
E–BOX
4 X8680
F202
30A
2 X6053
2.5 RT/WS/GE
X6960
1 RT/WS/GE
X6120
1
Y6120
EVAPORATIVE
EMISSION VALVE
X6130
2
Y6130
IDLE SPEED
CONTROL VALVE
1210.26
1210.26
X6163
2
Y6163
SECONDARY AIR
PUMP VALVE
1210.26
X60001
8
A6000
ENGINE CONTROL
MODULE (DME)
1210.26
4 RT/WS/GE
1 RT/WS 1 RT/WS 1 RT/WS 1 RT/WS 1 RT/WS
2.5 RT/WS/GE
Z3 VERSIONS
1

.5 RT/WS
B6279
THERMOSTAT,
CHARACTERISTIC
MAP COOLING
BMBMWBMWBMW
Z3 FUSES 203, 204, AND 205
0670.3Ć 2001
20
FUSE DETAILS
01/01
P98
FUSE HOLDER
IN E–BOX
6
F203
20A
4 RT/WS
.5 RT/WS
X6961
.5 RT/WS .5 RT/WS
X62033
B6203
CRANKSHAFT
POSITION/RPM
SENSOR
1210.26
.5 RT/WS
3 X6053
2.5 RT/WS
2.5 RT/WS
X62073
B6207
HOT FILM AIR
MASS METER
1210.26
X62141
B6214
CAMSHAFT
POSITION SENSOR
1 (INLET)
1210.26
X62241
B6224
CAMSHAFT
POSITION SENSOR
2 (OUTLET)
1210.26
X62791
1210.26
X6963
8
F204
30A
10 X8680
F205
30A
.5 RT/WS .5 RT/WS.5 RT/WS
X621011
B62101
OXYGEN SENSOR I
(IN FRONT OF
CATALYTIC
CONVERTER)
1210.26
X621021
B62102
OXYGEN SENSOR I
(BEHIND
CATALYTIC
CONVERTER)
1210.26
X622011
B62201
OXYGEN SENSOR
II (IN FRONT OF
CATALYTIC
CONVERTER)
1210.26
X6962
X100165
P90
FRONT POWER
DISTRIBUTION BOX
1.5 RT/WS
F13
5A
6 X10016
1.5 RT/WS
X60212
FUSE DETAILS
0670.3
1.5 RT/WS
.75 RT/WS
2.5 RT
.5 RT/WS
X622021
B62202
OXYGEN SENSOR
II (BEHIND
CATALYTIC
CONVERTER)
1210.26
.5 RT/WS
X63048
K6304
SECONDARY AIR
PUMP RELAY
1210.26
1.5 RT/
WS
8
X63276
K6327
INJECTION
VALVES
RELAY
1210.26
1.5 RT/WS
X700019
A7000
TRANSMISSION
CONTROL MODULE
(EGS)
2460.14
15
.5 RT/WS
X63258
K6325
REVERSING LIGHT
RELAY
2460.14
6322.0
Z3 VERSIONS
WITH EGS

.5 RT/WS/GE
BM
BMW
BMWBMW
Z3 FUSES 201 AND 202
0670.3Ć 2001
21
FUSE DETAILS
01/01
P98
FUSE HOLDER IN
E–BOX
X6965
A6000
ENGINE CONTROL
MODULE (DME)
1210.27
X61201
Y6120
EVAPORATIVE
EMISSION VALVE
X61302
Y6130
IDLE SPEED
CONTROL VALVE
X600018
X6960
.5 RT/WS/GE
1210.27
2 X6053
2.5 RT/WS/GE
2.5 RT/WS/GE
1210.27
X61652
Y6165
SOLENOID VALVE,
SUCKING JET
PUMP
1210.27
1 RT/WS/GE
1 GN
X61513
T6151
CYL. 1 IGNITION
COIL
1210.27
X61523
T6152
CYL. 2 IGNITION
COIL
X61533
T6153
CYL. 3 IGNITION
COIL
1210.27
1 GN
1210.27
1 GN 1 GN
X6156
3
T6156
CYL. 6 IGNITION
COIL
X61553
T6155
CYL. 5 IGNITION
COIL
1210.27
1 GN
1210.27
X6832
2.5 GN
M VERSIONS
2.5 RT/WS
X6154
3
T6154
CYL. 4 IGNITION
COIL
1210.27
C6000
SUPPRESSION CA-
PACITOR
1 GN
1210.27
X6833
.5 GN
1 GN
4 X8680
F202
30A
4 RT/WS/GE
2.5 RT/WS/GE
2
1 X6054
F201
30A

BM
BMW
BMWBMW
Z3 FUSES 203, 204 AND 205
0670.3Ć 2001
22
FUSE DETAILS
01/01
P98
FUSE HOLDER IN
E–BOX
6
F203
20A
4 RT/WS X6962
.5 RT/WS .5 RT/WS.5 RT/WS
3 X6053
2.5 RT/WS
2.5 RT/WS
X62072
B6207
HOT FILM AIR
MASS METER
1210.27
X62141
B6214
CAMSHAFT
POSITION SENSOR
1 (INLET)
1210.27
X62241
B6224
CAMSHAFT
POSITION SENSOR
2 (OUTLET)
1210.27
X6966
8
F204
30A
10 X8680
F205
30A
.5 RT/WS .5 RT/WS.5 RT/WS
X621011
B62101
OXYGEN SENSOR I
(IN FRONT OF
CATALYTIC
CONVERTER)
1210.27
X621021
B62102
OXYGEN SENSOR I
(BEHIND
CATALYTIC
CONVERTER)
1210.27
X622011
B62201
OXYGEN SENSOR
II (IN FRONT OF
CATALYTIC
CONVERTER)
1210.27
X6963
X100165
P90
FRONT POWER
DISTRIBUTION BOX
1.5 RT/WS
F13
5A
6 X10016
1.5 RT/WS
X60212
FUSE DETAILS
0670.3
1.5 RT/WS
.75 RT/WS
2.5 RT/GE
.5 RT/WS
X622021
B62202
OXYGEN SENSOR
II (BEHIND
CATALYTIC
CONVERTER)
1210.27
X63276
K6327
INJECTION VALVES
RELAY
1210.27
15
M VERSIONS
.5 RT/WS
X65061
M6506
E–BOX FAN
1210.27
1290.0

BM
BMW
BMWBMW
Z3
2001
0670.4 GROUND DISTRIBUTION
GROUND X165
00
X7672
E51
LEFT WASHER JET
HEATER
.75 BR
.5 BR
01/01 0670.4Ć
X1051
E22
RIGHT FRONT
MARKER LIGHT
X133
1
H3
RIGHT HORN
X1610
1 BR
X137
1
.75 BR
H4
RIGHT FRONT
TURN LIGHT
E19
RIGHT PARK LIGHT
H4
RIGHT FRONT
TURN LIGHT
E8
RIGHT HEADLIGHT
X1091
E52
RIGHT WASHER
JET HEATER
.75 BR
X1061
X100882
X872
S36
TEMPERATURE
SWITCH
.5 BR
B9508
PRESSURE
SWITCH
.5 BR
X1272
.75 BR
.75 BR
1 BR
X7691
E27
RIGHT FOG LIGHT
.75 BR
X216
X1341
E12
RIGHT HIGH BEAM
LIGHT
1.5 BR
X1351
E14
RIGHT LOW BEAM
LIGHT
1.5 BR
X11337
X1231
2.5 BR
X28515
A51
WIPER/WASHER
MODULE
2.5 SW/BR
X1232
2.5 SW
WITHOUT HEAD-
LIGHT WASHER
M7
HEADLIGHT/FOG
LIGHT WASHER
PUMP
WITH HEADLIGHT
WASHER
4 BR
2.5 BR
X165
X190221
M9
AUXILIARY FAN
MOTOR
4 BR
M VERSIONS

1.5 BR
X7681
E26
LEFT FOG LIGHT
BM
BMW
BMWBMW
Z3
2001
GROUND DISTRIBUTION
GROUND X166
01
X7662
S21w
ENGINE HOOD
SWITCH
.75 BR .75 BR
01/01 0670.4Ć
X3711
X190221
4 BR
M9
AUXILIARY FAN
MOTOR
E21
LEFT FRONT MARKER
LIGHT
1 BR
X1321
H2
LEFT HORN
.75 BR
X1311
E11
LEFT HIGH BEAM
LIGHT
X1301
E13
LEFT LOW BEAM
LIGHT
X697
X11339
1.5 BR
4 BR
X166
X1281
.75 BR
X3891
H9
LEFT FRONT AUXILIARY
TURN LIGHT
.75 BR
H4
RIGHT FRONT
TURN LIGHT
E15
LEFT PARK LIGHT
H7
LEFT FRONT TURN
LIGHT
E7
LEFT HEADLIGHT
X600219
2.5 BR
D100
DATA LINK
CONNECTOR
1.5 BR
K70
CENTRAL LOCKING LUGGAGE
COMPARTMENT LID MOTOR
RELAY (ZV)
.75 BR
X13764
.75 BR
X1221
M37a
AUXILIARY WATER
PUMP
M COUPE
Z3 VERSIONS
M VERSIONS
S825
FRONT LID MICRO
SWITCH
X3711
WITH DWAWITH ALPINE
2.5 BR 2.5 BR .75 BR
0670.4-02

BM
BMW
BMWBMW
Z3
2001
GROUND DISTRIBUTION
GROUND X166
02
01/01 0670.4Ć
S221
EVAPORATOR
CONTROLLER
X1005431
2.5 BR
2.5 BR
.5 BR/WS
2.5 BR
.5 BR
X1517
2
M111
FRESH AIR
RECIRCULATION
MOTOR
B14
EVAPORATOR
TEMPERATURE
SENSOR
X7711
X132871
M30
BLOWER MOTOR
X183502
X818
1 BR
X189842
E106
HEAT/A/C CONTROL
PANEL ILLUMINATION
S220
AIR CONDITIONING/
RECIRCULATING
SWITCH ASSEMBLY
X18349
6
X189832
E105
HEAT/A/C CONTROL
PANEL ILLUMINATION
X814
2.5 BR
.5 BR/WS
.5 BR/WS .5 BR/WS
S220
AIR CONDITIONING/RE-
CIRCULATING SWITCH
ASSEMBLY
X183491
1.5 BR .5 BR
M VERSIONS
N5
ANALOG CLOCK
.5 BR .5 BR
2
.5 BR.5 BR
.75 BR
B59
OIL TEMPERATURE
GAUGE
X96516
X11554
B921
OUTSIDE TEMPERATURE
GAUGE
X22396
X91091
.75 BR
X35057
0670.4-01

BM
BMW
BMWBMW
Z3
GROUND DISTRIBUTION
GROUNDS X170 AND X492
01/01 0670.4Ć 2001
03
.5 BR
X113
3
B1
RIGHT FRONT
SPEED SENSOR –
ABS
X170
2.5 BR
X18510
X117024
A52
SLIP CONTROL
MODULE
(ABS/ASC)
2.5 BR
8
4 BR .5 BR
X114
3
B2
LEFT FRONT
SPEED SENSOR –
ABS
A65
DYNAMIC STABILITY
CONTROL UNIT (DSC)
X18510
X174629
2.5 BR
1
2.5 BR
2.5 BR
X1656
1
M118
PRECHARGE PUMP
X16585
R33
STEERING ANGLE
SENSOR
.5 BR
X492
WITH ASC
Z3 VERSIONS EARLY PRODUCTION
AND M VERSIONS WITH DSC
.5 BR
X113
3
B1
RIGHT FRONT
SPEED SENSOR –
ABS
X170
.5 BR
X114
3
B2
LEFT FRONT
SPEED SENSOR –
ABS
4 BR
Z3 VERSIONS EARLY PRODUCTION
AND M VERSIONS WITH DSC
A65
DYNAMIC STABILITY
CONTROL UNIT (DSC)
X18510
X1830347
2.5 BR
16
2.5 BR
Z3 VERSIONS LATE PRODUCTION
WITH DSC
4 BR
X170
WITH DSC

BM
BMW
BMWBMW
Z3
GROUND DISTRIBUTION
GROUNDS X494, X861, X1116, AND X1441
01/01 0670.4Ć 2001
04
X3244
S127y
PASSENGER’S
POWER WINDOW
SWITCH
X316
4
S16y
DRIVER’S POWER
WINDOW SWITCH
.5 BR
X494
.5 BR
X746
A12
SUPPLEMENTAL RESTRAINT
SYSTEM CONTROL MODULE
X1441
.5 BR/SW
X10237
X18851
B78
DRIVER’S SIDE
IMPACT SENSOR
.5 BR/SW
X18861
B79
PASSENGER’S
SIDE IMPACT
SENSOR
.5 BR/SW
1 BR/SW
X183635
K18363
CONVERTIBLE TOP
RELAY I (CLOSE)
X18364
5
K18364
CONVERTIBLE
TOP RELAY II
(OPEN)
2.5 BR
X1116
2.5 BR
X61331
Y6133
AIR PUMP
4 BR
X861
M VERSIONS

BM
BMW
BMWBMW
Z3
GROUND DISTRIBUTION
GROUND X6454
01/01 0670.4Ć 2001
05
4 BR
X6454
1.5 BR/OR
X6458
X700016
A7000
TRANSMISSION
CONTROL MODULE
(EGS)
1.5 BR
4
Z3 VERSIONS
X62542
B6254
THERMAL OIL
LEVEL SWITCH
.5 BR
X60534
.5 BR
X65062
M6506
E–BOX FAN
.5 BR
X63274
K6327
INJECTION VALVES
RELAY
.5 BR 1.5 BR
X600014
A6000
ENGINE CONTROL
MODULE (DME)
1.5 BR/OR
6
1.5 BR
5X600055
2.5 BR
X60542
2.5 BR1.5 BR
5

GROUND DISTRIBUTION M VERSIONS
BMBMWBMWBMW
Z3
X63274
GROUND X6454
01/01 0670.4Ć 2001
06
X62542
K6327
INJECTION VALVES
RELAY
Y5255
VARIABLE CAM-
SHAFT CONTROL
VALVES
B6254
THERMAL OIL
LEVEL SWITCH
X6454
X6458
2.5 BR
.5 BR
X60001
A6000
ENGINE CONTROL
MODULE (DME)
4
4 BR 1.5 BR/OR
.5 BR
X5255
5 6
1.5 BR
5
1.5 BR
5
2 X6054
X60005
2.5 BR.5 BR
2
.5 BR
4 X6053
1.5 BR
1.5 BR
X6461

BMBMWBMWBMW
Z3
T6154
CYL. 4 IGNITION
COIL
X61522
GROUND DISTRIBUTION
GROUNDS X6455 AND X6456
01/01 0670.4Ć 2001
07
X61532
1 BR
T6152
CYL. 2 IGNITION
COIL
T6151
CYL. 1 IGNITION
COIL
X61562
T6156
CYL. 6 IGNITION
COIL
T6153
CYL. 3 IGNITION
COIL
2
T6155
CYL. 5 IGNITION
COIL
X6155
X6456
X61542
X6900
1 BR
1.5 BR
X6151
2
1 BR 1 BR 1 BR1 BR
240
R8554
RESISTOR
1.5 BR
2W
Y6133
AIR PUMP
X61331
4 BR
X6455
K6304
SECONDARY AIR
PUMP RELAY
X63045
4 BR.35 BR
X6460
Z3 VERSIONS
X60005
A6000
ENGINE CONTROL
MODULE (DME)
6
.5 BR

M VERSIONS
BMBMWBMWBMW
Z3
T6154
CYL. 4 IGNITION
COIL
X61522
GROUND DISTRIBUTION
GROUND X6456
01/01 0670.4Ć 2001
08
X61532
1 BR
T6152
CYL. 2 IGNITION
COIL
T6151
CYL. 1 IGNITION
COIL
X61562
T6156
CYL. 6 IGNITION
COIL
T6153
CYL. 3 IGNITION
COIL
2
T6155
CYL. 5 IGNITION
COIL
X6155
X6456
X61542
X6900
1 BR
X6151
2
1 BR 1 BR 1 BR1 BR
C6000
SUPPRESSION
CAPACITOR
1 BR
1.5 BR

BM
BMW
BMWBMW
Z3
GROUND DISTRIBUTION
GROUND X9633
01/01 0670.4Ć 2001
09
X6234
Y5
DRIVER’S SIDE
MIRROR
.5 BR
X6252
S17
MIRROR CONTROL
SWITCH
.75 BR
X7493
M21
DRIVER’S
WINDOW
MOTOR
.5 BR
X849
X2571
.75 BR
1 BR
X2951
S5
WIPER/WASHER
SWITCH
.75 BR
X648
K16
HAZARD
FLASHER
RELAY
.75 BR
X183332
S8
LIGHT SWITCH
.5 BR
.75 BR
X10982
.75 BR
X1115
1.5 BR
X173
A2w
INSTRUMENT
CLUSTER
.5 BR
X189941
S235
STARTER
IMMOBILIZATION
SWITCH
X3312
S2
IGNITION
SWITCH
.5 BR
X3721
H1w
ANTI–THEFT HORN
(ALPINE)
1 BR
X10008
1.5 BR
.75 BR
NOT USED
WITH EGS
.5 BR
0670.4-10
H67
DWA SIREN
X195621
WITH DWAWITH ALPINE
.5 BR

X90631
2
2.5 BR
BM
BMW
BMWBMW
Z3
GROUND DISTRIBUTION
GROUND X9633
01/01 0670.4Ć 2001
10
X9633
X102624
K46
HIGH BEAM LIGHT
RELAY
.5 BR
X1112
B18
BRAKE FLUID
LEVEL SWITCH
.5 BR
X454
K48
LOW BEAM LIGHT
RELAY
X584
K4
BLOWER RELAY
.5 BR
X853
Y4z
WATER VALVE
X10024
4 BR
X11353
X3331
X2857
A51
WIPER/WASHER
MODULE
M3
WIPER MOTOR
2.5 BR1.5 BR
X504
K33a
AIR CONDITIONING
RELAY, MOTRONIC
.5 BR .5 BR
1.5 BR
X5098
K25
RIGHT PARK LIGHT/LICENSE
PLATE LIGHT RELAY
.5 BR
X5106
K26
LEFT PARK LIGHT
RELAY
0670.4-09
1.5 BR
X1107
.5 BR
1 BR
CANADA
M VERSIONS
X16024
K104
AIR CONDITIONING
RELAY/AUXILIARY
WATER PUMP
.5 BR.5 BR
M VERSIONS
M VERSIONS
WITH DSC

N12w
ANTI–THEFT
CONTROL MODULE
(ALPINE)
BM
BMW
BMWBMW
Z3
GROUND DISTRIBUTION
GROUND X10010
01/01 0670.4Ć 2001
11
X10010
X102456
A35y
BOARD
COMPUTER
(BC – LOW)
.5 BR/OR
X1624
A2w
INSTRUMENT
CLUSTER
X13011
X10009
X2798
X102182
A113
SEAT OCCUPANCY
DETECTOR
S59
PASSENGER’S
SEAT BELT
SWITCH
X101825
A104
BODY ELECTRONICS
CONTROL MODULE
(ZKE IV)
.75 BR/
OR
.5 BR/OR
X190071
A19007
THERMAL OIL LEVEL
SENSOR (TOENS)
CONTROL MODULE
.5 BR/OR
1 BR/OR .5 BR/OR
X111431
S32
CLUTCH
SWITCH
.5 BR/OR
X658
N17
CRASH
CONTROL
MODULE
X64591
X7702
B21
ON–BOARD
COMPUTER
TEMPERATURE
SENSOR
.5 BR/OR
X195275
D110
OBD II
CONNECTOR
.5 BR/OR .5 BR/OR
1 BR/OR.75 BR/OR .5 BR/OR
1.5 BR/OR
X130253
X27919
.5 BR/SW
X2758
S58
DRIVER’S SEAT
BELT SWITCH
.5 BR/OR
X1211
S32
CLUTCH
SWITCH
M VERSIONS
.35 BR/OR
Z3 VERSIONS
X135789
A3984
OIL–/OUTSIDE
TEMPERATURE GAUGE
CONTROL MODULE
.5 BR/
OR
M VERSIONS
X1313910
A194y
REMOTE
CONTROL
MODULE
Z3 VERSIONS
LATE PRODUCTION
.5 BR/OR
Z3 VERSIONS Z3 VERSIONS
X1313910
A22z
ELECTRO-
CHROMIC REAR
VIEW MIRROR
.5 BR/OR
M VERSIONS

.75 RT/
WS
BM
BMW
BMWBMW
Z3
GROUND DISTRIBUTION
GROUND X13004
01/01 0670.4Ć 2001
12
1.5 BR
S56
PASSENGER’S
SEAT, SEAT
CONTROL
SWITCH
2 BR
X13004
4 BR
X27914
2 BR
X99952
K911
PASSENGER’S SEAT
LENGTH ADJUST
CUT–OFF RELAY
X9997
K910
PASSENGER’S
SEAT TILT ADJUST
CUT–OFF RELAY
7X9995
1.5 BR
S911
PASSENGER’S
SEAT LIMIT
SWITCH
.5 BR
S56
PASSENGER’S
SEAT, SEAT
CONTROL SWITCH
2 BR
X11357
1.5 BR
WITH SPORT SEAT WITHOUT SPORT SEAT
2.5 BR
S221
EVAPORATOR
CONTROLLER
X1005431
2.5 BR .5 BR/WS
.5 BR
X1517
2
M111
FRESH AIR
RECIRCULATION
MOTOR
B14
EVAPORATOR
TEMPERATURE
SENSOR
X7711
X132871
M30
BLOWER MOTOR
X183502
X818
1 BR
X189842
E106
HEAT/A/C
CONTROL PANEL
ILLUMINATION
S220
AIR CONDITIONING/
RECIRCULATING
SWITCH ASSEMBLY
X183496
X189832
E105
HEAT/A/C
CONTROL PANEL
ILLUMINATION
X814
2.5 BR
.5 BR/WS
.5 BR/
WS
.5 BR/
WS
.5 BR
Y6
PASSENGER’S
SIDE MIRROR
.5 BR
X6244
X942
M23
PASSENGER’S
WINDOW MOTOR
X7443
.5 BR
.5 BR
X2561
X3901
H8
RIGHT FRONT
AUXILIARY TURN
LIGHT
.5 BR
E800
FRONT LEFT
INTERIOR
LIGHT
X3362
.5 BR
X3571
X190181
1.5 BR
X1620
S13
PASSENGER’S
DOOR JAMB
SWITCH
X3511
.5 BR.5 BR
2.5 BR 2.5 BR
S38y
TILT SUNROOF
SWITCH
X6435
1.5 RT
COUPE
X99942
E34
FRONT DOME
LIGHT/MAP
READING
ASSEMBLY
X93362
ROADSTER COUPE
Z3 VERSIONS
Z3 VERSIONS

BM
BMW
BMWBMW
Z3
GROUND DISTRIBUTION
GROUND X13006
01/01 0670.4Ć 2001
13
1.5 BR
H5
RIGHT REAR TURN
LIGHT
H28
RIGHT BACK UP
LIGHT
H30
RIGHT TAIL LIGHT
H31
RIGHT BRAKE
LIGHT
H39
RIGHT TAIL LIGHT
5 X318
E17
RIGHT REAR LIGHT
ASSEMBLY
1.5 BR
0670.4-14
H6
LEFT REAR TURN
LIGHT
H24
LEFT BRAKE LIGHT
H25
LEFT TAIL LIGHT
H27
LEFT BACK UP
LIGHT
H37
LEFT TAIL LIGHT
1 X319
E16
LEFT REAR LIGHT
ASSEMBLY
0670.4-14

M
COUPE
.75 BR
BM
BMW
BMWBMW
Z3
2001
GROUND DISTRIBUTION
GROUND X13006
14
01/01 0670.4Ć
E99
HARD TOP
CONNECTOR 1
X3801
X1102
X13007
.5 BR
2.5 BR
4 BR
X13006
.5 BR
X4131
H34
HIGH LEVEL STOP
LIGHT
.5 BR
E9
REAR DEFOGGER I
X13017
2
X12661
S164
CONVERTIBLE TOP
END–POSITION MI-
CRO SWITCH
X11209
2
2.5 SW
X9824
2.5 BR
2.5 BR
X11209
2
WITHOUT HARD
TOP PROVISIONS
WITH HARD TOP
PROVISIONS
S164
CONVERTIBLE TOP
END–POSITION MI-
CRO SWITCH
X10299
2
.75 BR
2.5 BR
.5 BR
X352
1
S14
DRIVER’S DOOR
JAMB SWITCH
S51
DRIVER’S SEAT,
SEAT CONTROL
SWITCH
X27514
2 BR
X99917
K920
DRIVER’S SEAT TILT
ADJUST CUT–OFF
RELAY
X9993
K921
DRIVER’S SEAT
LENGTH ADJUST
CUT–OFF RELAY
2X9991
1.5 BR
X99902
S910
DRIVER’S SEAT
LIMIT SWITCH
.5 BR
S51
DRIVER’S SEAT,
SEAT CONTROL
SWITCH
2 BR
WITH SPORT SEAT WITHOUT SPORT SEAT
2.5 BR
1.5 BR
2 BR
1.5 BR
2.5 BR
0670.4-13
.5 BR .75 BR
X130571
A36
REAR WIPER/
WASHER INTERVAL
CONTROL MODULE
2.5 BR
COUPE
X3801
E9
REAR DEFOGGER I
2.5 BR
COUPE
1.5 BR
1.5 BR
X102851
M17
LUGGAGE
COMPARTMENT
LOCK MOTOR
1.5 BR
M COUPE
X7131
B17
RIGHT REAR
BRAKE PAD
SENSOR
X7112
S826
LUGGAGE
COMPARTMENT
LIGHT SWITCH
E32
LUGGAGE
COMPARTMENT
LIGHT
3 X712
COUPE
.75 BR
X90232
X114022
X114032 X91625
X7101
E44
RIGHT LICENSE
PLATE LIGHT
.75 BR
X7091
E43
LEFT LICENSE
PLATE LIGHT
.75 BR
M ROADSTER M COUPE Z3 VERSIONS
NOT
M COUPE
.75 BR

BM
BMW
BMWBMW
Z3
GROUND DISTRIBUTION
GROUNDS X13016 AND X13032
01/01 0670.4Ć 2001
15
2.5 BR
X605
4
X824
3
A18
HIFI AMPLIFIER
X65001
M2
FUEL PUMP
2.5 BR2.5 BR
X1812615
N9
RADIO
1.5 BR
2.5 BR
X181801
N22
CD CHANGER
.5 BR
X13032
X171726
A18
HIFI AMPLIFIER
2.5 BR
X824
X1812615
N9
RADIO
1.5 BR
X181801
N22
CD CHANGER
.5 BR
2.5 BR
X1877426
N44
SUBWOOFER
AMPLIFIER
MODULE
2.5 BR
X13016
2.5 BR
COUPE ROADSTER
WITH HARMAN KARDON
SOUND SYSTEM
X1091
X63017
K6301z
ELECTRIC FUEL
PUMP RELAY,
TIMED
2.5 BR
2.5 BR
M VERSIONS

.75 BR
.5 BR .5 BR
2 X1155
.5 BR
1 BR
BM
BMW
BMWBMW
Z3
GROUND DISTRIBUTION
GROUND X18170
01/01 0670.4Ć 2001
16
X400
E58
PASSENGER’S
SEAT HEATER
S6
ASC SWITCH
S7
COMBINATION
SWITCH
X321
X521
2
.75 BR
S76
REAR WINDOW DE-
FOGGER SWITCH
E59
PASSENGER’S
SEATBACK HEATER
.5 BR
X898
A837
ELECTRONIC
IMMOBILIZER CONTROL
MODULE (EWS III)
X18051
.5 BR
.5 BR
2
TELEPHONE
CONNECTOR
X7333
E56
DRIVER’S
SEATBACK
HEATER
E57
DRIVER’S SEAT
HEATER
.5 BR
.5 BR
1.5 BR
X5322
H10
CHIME MODULE
X5221
X1213
1
X13047
.5 BR
X5163
S18
HAZARD SWITCH
E29
FRONT CIGAR
LIGHTER LIGHT
E25
FRONT ASHTRAY
LIGHT
1 BR
.5 BR
X130451
S143
CONVERTIBLE
TOP ACTUATING
SWITCH
.5 BR
X195274
D110
OBD II CONNECTOR
1.5 BR
X1617
1.5 BR
X1618
.5 BR
1
.5 BR
X7836
C100
CONTACT RING
.5 BR
N5
ANALOG CLOCK
S6y
DSC SWITCH
.75 BR
1 BR
X18178
X27524
.75 BR
.75 BR
X15611
S224
GEAR STEP TRANSMISSION
SWITCH
.75 BR
X27924
X7403
.75 BR
.75 BR
.75 BR
X18179
Z3 VERSIONS
Z3 VERSIONS
K6304
SECONDARY AIR
PUMP RELAY
X63045
M VERSIONS
.5 BR
.5 BR
S555
TIRE PRESSURE WARNING
SYSTEM (RDW) PUSHBUTTON
X1000001
M VERSIONS
Z3 VERSIONS

01/01 0670.4Ć 2001
17
.5 BR
4 BR
X11355
1.5 BR .5 BR
S53
DRIVER’S SEAT,
SEAT HEATER
SWITCH
2X6514
X10064
.5 BR
X6584
S54
PASSENGER’S
SEAT, SEAT
HEATER SWITCH
E82
TRANSMISSION
POSITION
INDICATOR LIGHT
X1600
.5 BR
S20w
RADIO ANTI–
THEFT SWITCH
X5391
4 BR
X1325215
A104
BODY
ELECTRONICS
CONTROL MODULE
(ZKE IV)
X18170
1.5 BR
1.5 BR 1.5 BR
1
E28
FRONT CIGAR
LIGHTER
X1014
2.5 BR
Z3 VERSIONS
S20
RADIO ANTI–
THEFT SWITCH
(DWA)
X5391
WITH ALPINE ROADSTER
WITH DWA
.5 BR
E96
GEAR SHIFT LE-
VER INDICATOR
X14391

CENTRAL BODY
ELECTRONICS
(ZKE IV)
6100.0
BM
BMW
BMWBMW
Z3 BLOCK DIAGRAM
0670.5 DATA LINK
01/01 0670.5Ć 00
TXD RXD
D100
DATA LINK
CONNECTOR
2001
BOARD
COMPUTER
(BC – LOW)
6581.3
INSTRUMENT
CLUSTER
6211.0
ELECTRONIC
TRANSMISSION
CONTROL
(EGS: A5S 360R)
2460.14
ENGINE CONTROL
SYSTEM MS43
(6–CYLINDER M54)
1210.26
SLIP CONTROL
(ABS/ASC)
3450.1
DRIVE–AWAY PROTEC-
TION (EWS III)
6135.1
SUPPLEMENTAL
RESTRAINT
SYSTEM (AIR BAG)
3234.0
DYNAMIC STABILITY
CONTROL (DSC III)
3452.1
ENGINE CONTROL
SYSTEM MSS54
(6–CYLINDER S54 B32)
1210.27
DYNAMIC STABILITY
CONTROL (DSC MK 60)
3452.2
STEERING ANGLE
SENSOR
3452.1
STEERING ANGLE
SENSOR
3452.2
THERMAL OIL LEVEL
SENSOR (TOENS)
CONTROL MODULE
6211.0
REMOTE CONTROL
ZV/DWA
6610.2

X183032
BM
BMW
BMWBMW
Z3
DATA LINK
RXD AND TXD
01/01 0670.5Ć 2001
01
A837
ELECTRONIC
IMMOBILIZER
CONTROL MODULE
(EWS III)
X183
.5 WS/VI
A2w
INSTRUMENT
CLUSTER
X16
A104
BODY
ELECTRONICS
CONTROL MODULE
(ZKE IV)
X10182
X1805
TXD
TXD
.5 WS/
VI
.5 WS/VI
12
4
11
TXD
R33
STEERING ANGLE
SENSOR
X1658
TXD
.35 WS/VI
6
A35y
BOARD COMPUTER
(BC – LOW)
X10245
2
TXD
X6002
20
.35 GE
15 X6002
.35 WS/
GE
D100
DATA LINK
CONNECTOR
17
D100
DATA LINK
CONNECTOR
.5 WS/VI .35 WS/VI
A52
SLIP CONTROL
MODULE
(ABS/ASC)
X1170
TXD
7
.35 WS/
VI
.5 WS/VI
A6000
ENGINE CONTROL
MODULE (DME)
X60004
TXD2
32
X600026
TXD2
A65
DYNAMIC
STABILITY
CONTROL UNIT
(DSC)
X1746
TXD
.35 WS/
VI
8
A104
BODY ELECTRONICS
CONTROL MODULE
(ZKE IV)
X101829
RXD
A35y
BOARD COMPUTER
(BC – LOW)
X102453
RXD
.35 WS/
GE
X182
.5 WS/
GE
A7000
TRANSMISSION
CONTROL MODULE
(EGS)
X70004
TXD2
32
A19007
THERMAL OIL
LEVEL SENSOR
(TOENS)
CONTROL
MODULE
X19007
TXD
10
.35 WS/
VI
A12
SUPPLEMENTAL
RESTRAINT
SYSTEM CONTROL
MODULE
.5 WS/VI
X74
9
TXD
WITH DSC
WITH DSC
Z3 VERSIONS
Z3 VERSIONS
Z3 VERSIONS
LATE PRODUCTION
A194y
REMOTE
CONTROL
MODULE
X131398
RXD
.5 WS/
GE
.5 WS/
VI
X131394
TXD A194y
REMOTE
CONTROL
MODULE
Z3 VERSIONS
LATE PRODUCTION
Z3 VERSIONS
LATE PRODUCTION

BM
BMW
BMWBMW
Z3
DATA LINK
DATA LINK CONNECTOR, PINS 1, 7, 14, AND 16
01/01 0670.5Ć 2001
02
X1047
A6000
ENGINE CONTROL
MODULE (DME)
X60004
.5 SW
.5 SW .35 SW
TD
17
5 X1805
.35 SW
A837
ELECTRONIC
IMMOBILIZER
CONTROL MODULE
(EWS III)
12 X10017
716 X6002
D100
DATA LINK
CONNECTOR
FUSE DETAILS
0670.3
A2w
INSTRUMENT
CLUSTER
3) ENGINE SPEED
INPUT
15 X17
.35 WS/GN
14
2.5 RT
G1
BATTERY
POWER
DISTRIBUTION
0670.2
X64109
P90
FRONT POWER
DISTRIBUTION BOX
F26
10A
POWER
DISTRIBUTION
0670.2
1
12 X19007
A19007
THERMAL OIL
LEVEL SENSOR
(TOENS) CONTROL
MODULE
Z3 VERSIONS

BM
BMW
BMWBMW
Z3
DATA LINK
DATA LINK CONNECTOR, PINS 2 AND 19, AND OBD II CONNECTOR
06/00 0670.5Ć 2001
03
7 X19527
D110
OBD II
CONNECTOR
2
X18170
GROUND
DISTRIBUTION
0670.4
X13047
.5 BR
X6002
.5 WS/VI/GE
FUSE DETAILS
0670.3
16
2 X10018
P90
FRONT POWER
DISTRIBUTION BOX
F31
5A
D100
DATA LINK
CONNECTOR
4 5
.5 BR/OR
X1067
.5 RT/GE
X10010
GROUND
DISTRIBUTION
0670.4
X64591
19
2.5 BR
X11339
X166
GROUND
DISTRIBUTION
0670.4

BR
WS/VI
DATA LINK CONNECTOR (X6002)
01/01 0670.5Ć 2001
04
DATA LINK
20
12
3
4
5
6
7
8
9
10
11
12
13 14
15
16
17
18
19
1
2
3
4
5
6
7
8
9
10
11
12
13
14
15
16
17
18
19
20
TD
TXD2
-
-
-
-
RESET
-
-
-
-
-
-
30
RXD
15S
TXD2
-
31
TXD
NOT OCCUPIED
PIN
NUMBER
WIRE COLORTERMINAL
NUMBER
TERMINAL DESCRIPTION
NOT OCCUPIED
NOT OCCUPIED
NOT OCCUPIED
NOT OCCUPIED
SERVICE INTERVAL RESET
NOT OCCUPIED
NOT OCCUPIED
NOT OCCUPIED
NOT OCCUPIED
DIAGNOSTIC DATA LINK
ENGINE
DIAGNOSTIC DATA LINK
VOLTAGE: HOT AT ALL TIMES
NOT OCCUPIED
NOT OCCUPIED
DIAGNOSTIC DATA LINK
VOLTAGE: IGNITION SWITCH IN RUN AND START
DIAGNOSTIC DATA LINK
GROUND
SW
WS/VI/GE
WS/GN
RT
WS/GE
GN/WS
WS/VI
BM
BMW
BMWBMW
Z3
20 X60021514
17 X60022
820 Ω
BRIDGES IN CAP OF D100
DATA LINK CONNECTOR
16 X19527157
BRIDGE IN CAP OF D110
OBD II CONNECTOR
16 15 14 13 12 11 10 9
8 76 54 321

23
33
01/01 1210.26 2001
B62400
DOUBLE KNOCK
SENSOR
1210.26-08
31 3229 30 48
Y6101
CYL. 1 FUEL
INJECTION
VALVE
Y6102
CYL. 2 FUEL
INJECTION
VALVE
Y6103
CYL. 3 FUEL
INJECTION
VALVE
1210.26-02
35
+
–
Y6104
CYL. 4 FUEL
INJECTION VALVE
Y6105
CYL. 5 FUEL
INJECTION VALVE
Y6106
CYL. 6 FUEL
INJECTION VALVE
1210.26-02
36
1210.26-03
41
38 40
37
42
+
–
46 47
Y6130
IDLE SPEED
CONTROL
VALVE
1210.26-03
34
33
52
1210.26-02
32
D
+
–
F205
30A
1723
AB
F18
15A
M2
FUEL PUMP
K6301w
FUEL PUMP RELAY
1210.26-06
1210.26-06
1210.26-04
F13
5A
M119
LEAKAGE
DIAGNOSIS
PUMP
30
1210.26-04
310
17 45 20
S30
BRAKE LIGHT
SWITCH
1210.26-04
28 24 19 181 29
43 44 1910
Y6390
ELECTRIC
THROTTLE
ACTUATOR
22 23
1210.26-07
24 25
1210.26-07
27 28
1210.26-07
22 36
1210.26-09
37
1210.26-08
1210.26-09
17 27 35 6
1210.26-08
45 6
5
A6000
ENGINE CONTRO
MODULE (DME)
1210.26-09
4 3 6
P98
FUSE HOLDER IN
E–BOX
1210.26-00
K6327
INJECTION VALVES
RELAY
A7000
TRANSMISSION
CONTROL MODULE
(EGS)
G6400
B+ JUNCTION
POINT E–BOX
K6300
ENGINE CONTROL
MODULE RELAY
1210.26-05
B6207
HOT FILM AIR
MASS METER
B6203
CRANKSHAFT
POSITION/RPM
SENSOR
B6214
CAMSHAFT
POSITION SENSOR
1 (INLET)
B6224
CAMSHAFT
POSITION SENSOR
2 (OUTLET)
B6279
THERMOSTAT,
CHARACTERISTIC
MAP COOLING
1210.26-05
1210.26-05
P98
FUSE HOLDER IN
E–BOX
G7512
B+ JUNCTION
POINT
K19
COMPRESSOR
CONTROL
RELAY
1210.26-08
K6304
SECONDARY AIR
PUMP RELAY
Y6133
AIR PUMP
1210.26-07
B6205
INTAKE AIR
TEMPERATURE
SENSOR
B6236
ENGINE COOLANT
TEMPERATURE
SENSOR
B6238
OIL TEMPERATURE
SENSOR
A52
SLIP CONTROL MODULE
(ABS/ASC)
A65
DYNAMIC STABILITY
CONTROL UNIT (DSC)
S32
CLUTCH SWITCH
A19007
THERMAL OIL
LEVEL SENSOR
(TOENS) CONTROL
MODULE
A837
ELECTRONIC
IMMOBILIZER
CONTROL MODULE
(EWS III)
A7000
TRANSMISSION
CONTROL MODULE
(EGS)
A9008
CRUISE CONTROL
INTERFACE
A
49
5
2
8
18
15
21
C
7
13
1
16
15
14
24
22
21
20
TXD
7
20 CD B E A
A = 60001
B = 60002
C = 60003
D = 60004
E = 60005
B62101
OXYGEN SENSOR I
(IN FRONT OF
CATALYTIC
CONVERTER)
B62201
OXYGEN SENSOR
II (IN FRONT OF
CATALYTIC
CONVERTER)
B62102
OXYGEN SENSOR I
(BEHIND
CATALYTIC
CONVERTER)
B62202
OXYGEN SENSOR
II (BEHIND
CATALYTIC
CONVERTER)
F108
80A
F107
50A
F201
30A
F203
20A
F204
30A
P90
FRONT POWER
DISTRIBUTION
BOX
1210.26-04
Y6167
VALVE, INDIVIDUAL
CONTROL INTAKE
SYSTEM
Y6163
SECONDARY AIR
PUMP VALVE
Y6120
EVAPORATIVE
EMISSION VALVE
Y6276
VARIABLE CAMSHAFT
CONTROL VALVE 2
(OUTLET)
Y6275z
VARIABLE CAMSHAFT
CONTROL VALVE 1
(INLET)
1210.26-09
1210.26-02
1210.26-00
1210.26-00
D100
DATA LINK
CONNECTOR
T6151
CYL. 1 IGNITION
COIL
T6154
CYL. 4 IGNITION
COIL
T6152
CYL. 2 IGNITION
COIL
T6153
CYL. 3 IGNITION
COIL
T6155
CYL. 5 IGNITION
COIL
T6156
CYL. 6 IGNITION
COIL
1210.26-01
1210.26-01
71
8
9
E
2
3
C8A
F202
30A
D
F26
10A
26 D
F46
15A
C7 8 1412
R10
PEDAL POSITION
SENSOR
1210.26-09
13
9D
1210.26-06
B
30 15 R 15
Z3 VERSIONS
1210.26 ENGINE CONTROL SYSTEM MS43 (6–CYLINDER M54)

BMW
BMW
BMWBMW 1210.26Ća 2001
Pin Assignments (Z3 Versions)
01/01
Z3
E = Input, A = Output, M = Ground
A = X60001 9 Pins, black
B = X60002 24 Pins, black
C = X60003 52 Pins, black
D = X60004 40 Pins, black
E = X60005 9 Pins, black
X60001
Pin Type Signal Description/Function Connection
1 A 15 Activate relay Relay, injection valves
2Not used
3Not used
4 M 31E Ground Ground point
5 M 31L Ground Ground point
6 M 31L Ground Ground point
7 E 30 Voltage supply B+ junction point E-box
8 E U_HR<2 Voltage supply Fuse holder in E-box, fuse F202
9Not used
X60002
Pin Type Signal Description/Function Connection
1 M T_LHV1 Oxygen sensor heating ground Oxygen sensor 1 (in front of
catalytic converter)
2Not used
3 E/A D_CAN-L CAN bus low Transmission control module (EGS)
4 E/A D_CAN-H CAN bus high Transmission control module (EGS)
5Not used
6 E/A D_TXD2 Diagnosis Transmission control module (EGS)
7 M T_LHH1 Oxygen sensor heating ground Oxygen sensor 1 (behind catalytic
converter)
8Not used

BMW
BMW
BMWBMW 1210.26Ćb 2001
Pin Assignments (Z3 Versions)
01/01
Z3
E = Input, A = Output, M = Ground
Pin ConnectionDescription/FunctionSignalType
9Not used
10 Not used
11 Not used
12 Not used
13 M T_LHV2 Oxygen sensor heating ground Oxygen sensor 2 (in front of
catalytic converter)
14 E A_LSV1 Sensor signal Oxygen sensor 1 (in front of
catalytic converter)
15 E A_LSV2 Sensor signal Oxygen sensor 2 (in front of
catalytic converter)
16 E A_LSH1 Sensor signal Oxygen sensor 1 (behind catalytic
converter)
17 Not used
18 E A_LSH2 Sensor signal Oxygen sensor 2 (behind catalytic
converter)
19 M T_LHH2 Oxygen sensor heating ground Oxygen sensor 2 (behind catalytic
converter)
20 M M_LSV1 Signal ground Oxygen sensor 1 (in front of
catalytic converter)
21 M M_LSV2 Signal ground Oxygen sensor 2 (in front of
catalytic converter)
22 M M_LSH1 Signal ground Oxygen sensor 1 (behind catalytic
converter)
23 A S_HR Activate relay Engine control module relay
24 M M_LSH2 Signal ground Oxygen sensor 2 (behind catalytic
converter)
X60003
Pin Type Signal Description/Function Connection
1 E A_HFM Signal air mass meter Hot film air mass meter
2 E P_NWGA1 Signal camshaft position Camshaft position sensor 2 (outlet)
3Not used
4Not used

BMW
BMW
BMWBMW 1210.26Ćc 2001
Pin Assignments (Z3 Versions)
01/01
Z3
E = Input, A = Output, M = Ground
Pin ConnectionDescription/FunctionSignalType
5 E P_NWGE1 Signal camshaft position Camshaft position sensor 1 (inlet)
6Not used
7 A U_DKG Voltage supply Electrical gas actuator
8 E P_KWG Signal crankshaft position Crankshaft position sensor
9Not used
10 E A_DKG2 Throttle position signal 2 Electrical gas actuator
11 Not used
12 Not used
13 Not used
14 Not used
15 M M_NWGA1 Ground Camshaft position sensor 2 (outlet)
16 Not used
17 M M_HFM Ground Hot film air massmeter
18 M M_NWGE1 Ground Crankshaft position sensor 1 (inlet)
19 E A_DKG1 Throttle position signal 1 Electrical gas actuator
20 M M_DKG Ground Electrical gas actuator
21 M M_KWG Ground Crankshaft position sensor
22 E A_TANS Temperature signal Intake air temperature sensor
23 M M_TANS Ground Intake air temperature sensor
24 E A_TMOT Temperature signal Engine coolant temperature sensor
25 M M_TMOT Ground Engine coolant temperature sensor
26 Not used
27 E A_TOEL Temperature signal Oil temperature sensor
28 M M_TOEL Ground Oil temperature sensor
29 E A_KS1A Cyl. 1-3 knock sensor Double knock sensor
30 E A_KS1B Cyl. 1-3 knock sensor Double knock sensor
31 E A_KS2A Cyl. 4-6 knock sensor Double knock sensor
32 E A_KS2B Cyl. 4-6 knock sensor Double knock sensor
33 A P_EVZ1 Activate valve Cyl. 1 fuel injection valve
34 A P_EVZ2 Activate valve Cyl. 2 fuel injection valve
35 A P_EVZ3 Activate valve Cyl. 3 fuel injection valve
36 A P_EVZ4 Activate valve Cyl. 4 fuel injection valve

BMW
BMW
BMWBMW 1210.26Ćd 2001
Pin Assignments (Z3 Versions)
01/01
Z3
E = Input, A = Output, M = Ground
Pin ConnectionDescription/FunctionSignalType
37 A P_EVZ5 Activate valve Cyl. 5 fuel injection valve
38 A P_EVZ6 Activate valve Cyl. 6 fuel injection valve
39 Not used
40 A T_NWE1 Activate valve Variable camshaft control valve 1
(inlet)
41 A T_NWA1 Activate valve Variable camshaft control valve 2
(outlet)
42 A T_TEV Activate valve Evaporative emission valve
43 A T_MDK1 Activate motor Throttle position actuator
44 A T_MDK2 Activate motor Throttle position actuator
45 A S_KFK Cooling signal Thermostat, characteristic map
cooling
46 A T_LLFSS CLOSE signal Idle speed control valve
47 A T_LLFSO OPEN signal Idle speed control valve
48 M W_KS Ground Shield knock sensor
49 A S_DISA Activate valve Valve, individual control intake
system
50 Not used
51 Not used
52 A S_SLPV Activate valve Secondary air pump valve
X60004
Pin Type Signal Description/Function Connection
1Not used
2Not used
3 A S_SLP Activate relay Secondary air pump relay
4Not used
5Not used
6Not used
7 M M_FWG1 Ground Pedal position sensor
8 E A_FWG1 Signal, pedal position 1 Pedal position sensor
9 A U_FWG1 Voltage supply Pedal position sensor

BMW
BMW
BMWBMW 1210.26Će 2001
Pin Assignments (Z3 Versions)
01/01
Z3
E = Input, A = Output, M = Ground
Pin ConnectionDescription/FunctionSignalType
10 A EKP Activate relay Fuel pump relay
11 Not used
12 M M_FWG2 Ground Pedal position sensor
13 E A_FWG2 Signal, pedal position 2 Pedal position sensor
14 A U_FWG2 Voltage supply Pedal position sensor
15 Not used
16 Not used
17 A TD Crankshaft RPM speed signal (TD) Electronic immobilizer control
module (EWS III)/Thermal oil level
sensor (TOENS) control module
18 Not used
19 Not used
20 A S_DMTL Voltage supply Leakage diagnosis pump
21 Not used
22 E DFAHR Speed signal right rear ABS/ASC/DSC control module
23 E KUPP Clutch signal Clutch switch
24 E KL 54 ON Brake signal Brake light switch
25 Not used
26 E 15A26 Terminal 15 Fuse 26
27 E MFL Cruise control signal Cruise control interface
28 E S_BLTS Brake signal Brake light switch
29 A S_KOREL Activate relay Compressor control relay
30 A S_UVTL Activate changeover valve Leakage diagnosis pump
31 Not used
32 E/A TXDII TXD diagnosis data link Data link connector
33 E S_DWA Drive-away protection signal (code) Electronic immobilizer control
module (EWS III)
34 Not used
35 M 31 Ground Cruise control interface
36 E/A CAN+ CAN bus high Instrument cluster, ABS/ASC/DSC
control module, steering angle
sensor

BMW
BMW
BMWBMW 1210.26Ćf 2001
Pin Assignments (Z3 Versions)
01/01
Z3
E = Input, A = Output, M = Ground
Pin ConnectionDescription/FunctionSignalType
37 E/A CAN–CAN bus low Instrument cluster, ABS/ASC/DSC
control module, steering angle
sensor
38 Not used
39 Not used
40 Not used
X60005
Pin Type Signal Description/Function Connection
1 A P_ZSZ3 Ignition coil signal Cyl. 3 ignition coil
2 A P_ZSZ2 Ignition coil signal Cyl. 2 ignition coil
3 A P_ZSZ1 Ignition coil signal Cyl. 1 ignition coil
4Not used
5 M 31L Ground Ground point
6 M A_ZSR Ground Ground point
7 A P_ZSZ6 Ignition coil signal Cyl. 6 ignition coil
8 A P_ZSZ5 Ignition coil signal Cyl. 5 ignition coil
9 A P_ZSZ4 Ignition coil signal Cyl. 4 ignition coil

BM
BMW
BMWBMW
Z3
ENGINE CONTROL SYSTEM MS43 (6–CYLINDER M54)
01/01 1210.26Ć 2001
00
2
1.5 RT
2.5 RT/WS/GE
4 RT/WS
23
7 X60001 7 X70001
4
G6400
B+ JUNCTION
POINT E–BOX
A6000
ENGINE CONTROL
MODULE (DME)
85
30
87
A7000
TRANSMISSION
CONTROL MODULE
(EGS)
1 RT
X64101
21
POWER
DISTRIBUTION
0670.2
F201
30A
F202
30A
5
F203
20A
P98
FUSE HOLDER IN
E–BOX
15
4
4 RT/WS
6 X86802
8 X60001
15 15
2.5 RT/WS/GE1.5 RT/WS
FUSE DETAILS
0670.3
X60002
.5 BR/WS
X6300
6
4 RT
X6300
5
K6300
ENGINE CONTROL
MODULE RELAY
X641022
1X8680
4 RT/WS
F204
30A
15
8
1 RT/WS/GE
4 RT/WS/GE
X64101
87
X6960
Z3 VERSIONS

1 RT/WS
1.5 SW/RT1.5 SW/WS 1.5 SW/GE 1.5 SW/BL 1.5 SW/GN 1.5 SW/VI
X6456
3
2
01/01 1210.26Ć 2001
01
1
3 X6151
X6152
1
1 RT/WS 1 RT/WS
3
3 X6152
2 1 9 8 7 X60005
T6151
CYL. 1 IGNITION
COIL T6152
CYL. 2 IGNITION
COIL
A6000
ENGINE CONTROL
MODULE (DME)
1 RT/WS1 RT/WS
X6151
2
2
X6153
X615321 X6154
1
3 X6154
2
T6154
CYL. 4 IGNITION
COIL
3 X6155
X615521
X61561
3 X6156
T6156
CYL. 6 IGNITION
COIL
T6153
CYL. 3 IGNITION
COIL
T6155
CYL. 5 IGNITION
COIL
1 BR 1 BR
1 BR
1 BR 1 BR 1 BR
GROUND
DISTRIBUTION
0670.4
GROUND
DISTRIBUTION
0670.4
GROUND
DISTRIBUTION
0670.4
31 31 31 31 31 31
1 X6054
2.5 RT/WS
2.5 RT/WS/GE
240
2W
X6456 X6456
R8554
RESISTOR 240
2W
240
2W
R8554
RESISTOR
R8554
RESISTOR
X6969
1 RT/WS

BM
BMW
BMWBMW
Z3
ENGINE CONTROL SYSTEM MS43 (6–CYLINDER M54)
2
01/01 1210.26Ć 2001
02
A6000
ENGINE CONTROL
MODULE (DME)
Y6106
CYL. 6 FUEL
INJECTION VALVE
–
+
Y6101
CYL. 1 FUEL
INJECTION VALVE
–
+
Y6102
CYL. 2 FUEL
INJECTION VALVE
–
+
Y6103
CYL. 3 FUEL
INJECTION VALVE
–
+
Y6104
CYL. 4 FUEL
INJECTION
VALVE
–
+
Y6105
CYL. 5 FUEL
INJECTION VALVE
–
+
33 34 35 36 38 X60003
1 X6101 1 X6103 1X6105
1 X6106
1 X6104
1 X6102
2 X6102 2 X6104 2 X6106
2X6105
2 X6103
X6101
.75 BR/WS .75 BR/RT .75 BR/GE .75 BR/BL .75 BR/GN .75 BR/VI
37
31 31 31 31 31 31
10
FUSE DETAILS
0670.3
F205
30A
X8680
P98
FUSE HOLDER IN
E–BOX
.5 RT/GE .5 RT/GE .5 RT/GE .5 RT/GE .5 RT/GE .5 RT/GE
4
85
30
87
X6327
6X6327
2
K6327
INJECTION VALVES
RELAY
X6454
GROUND
DISTRIBUTION
0670.4
1 X60001
A6000
ENGINE CONTROL
MODULE (DME)
86
8
5 GN
X60537
2.5 RT/GE
2.5 RT/GE
X6970
Z3 VERSIONS

46
4
FUSE DETAILS
0670.3
F202
30A
X8680
P98
FUSE HOLDER IN
E–BOX
47
01/01 1210.26Ć 2001
03
3
2 X6130
X62752
1 RT/WS/GE
1
40 41 42 52 49 X60003
Y6130
IDLE SPEED
CONTROL VALVE
Y6275z
VARIABLE CAM-
SHAFT CONTROL
VALVE 1 (INLET)
A6000
ENGINE CONTROL
MODULE (DME)
X6130
X6276
2
X6120
2
1 X6120
Y6120
EVAPORATIVE
EMISSION VALVE
2 X6163
1
X6167
1
2 X6167
Y6167
VALVE, INDIVIDUAL
CONTROL INTAKE
SYSTEM
Y6276
VARIABLE CAM-
SHAFT CONTROL
VALVE 2 (OUTLET)
.5 WS/GN
31 31 31 31 31 31
BMBMWBMWBMW
Z3
ENGINE CONTROL SYSTEM MS43 (6–CYLINDER M54)
1
.5 WS/GE .5 GN/BL
X6275
1
.5 RT/WS/GE
.5 GN/VI
X6276
.5 RT/WS
.5 BR
.5 RT/WS/GE .5 RT/WS/GE .5 RT/WS/GE
X6163
.5 BR/WS .5 BR/BL
Y6163
SECONDARY AIR
PUMP VALVE
Z3 VERSIONS

POWER
DISTRIBUTION
0670.2
G7512
B+ JUNCTION
POINT
BM
BMW
BMWBMW
Z3
ENGINE CONTROL SYSTEM MS43 (6–CYLINDER M54)
01/01 1210.26Ć 2001
04
3
2 X6304
K6304
SECONDARY AIR
PUMP RELAY
X61331
X6133
2
Y6133
AIR PUMP
X6455
GROUND
DISTRIBUTION
0670.4
X63045
GROUND
DISTRIBUTION
0670.4
2
6
4 RT/GE
30
A6000
ENGINE CONTROL
MODULE (DME)
4
3 X60004
X24998
M119
LEAKAGE DIAGNO-
SIS PUMP
.75 BR/BL
1
20
.5 SW/GN
8
8
FUSE DETAILS
0670.3
F204
30A
X8680
P98
FUSE HOLDER IN
E–BOX
.5 BR/WS
28
X783
24
2
.35 RT/GE
1 4 X78
FUSE DETAILS
0670.3
F13
5A
P90
FRONT POWER
DISTRIBUTION BOX
FUSE DETAILS
0670.3
F46
15A
1.5 BL/RT
X1714
X1714
X181 BRAKE LIGHTS
6325.0
6X1001632 X10018
S30
BRAKE LIGHT
SWITCH
1) BRAKE PEDAL
RELEASED
2) BRAKE PEDAL
DEPRESSED
3) BRAKE PEDAL
DEPRESSED
(TEST)
4) BRAKE PEDAL
RELEASED
(NORMAL)
21 34
.5 BL/RT
.35 BR/BL/GE
31
F107
50A
X1982
X60538
.5 BR/WS
Z3 VERSIONS

BM
BMW
BMWBMW
Z3
ENGINE CONTROL SYSTEM MS43 (6–CYLINDER M54)
01/01 1210.26Ć 2001
05
1 X62072
117
.5 SW
.5 GE
B6207
HOT FILM AIR
MASS METER
A6000
ENGINE CONTROL
MODULE (DME)
.5 GE
+–
3X6207
.5 RT/WS
45 X60003
.5 GR/BR
6
FUSE DETAILS
0670.3
F203
20A
X8680
P98
FUSE HOLDER IN
E–BOX
21
.5 BR
8
12 X6203
.5 RT/WS .5 RT/WS .5 RT/WS .5 RT/WS
3X6203
B6203
CRANKSHAFT
POSITION/RPM
SENSOR
.5 GE
18
.5 BR
5
32 X6214
1X6214
B6214
CAMSHAFT
POSITION SENSOR
1 (INLET)
.5 GE
15
.5 BR
2
32 X6224
1X6224
B6224
CAMSHAFT
POSITION SENSOR
2 (OUTLET)
1X6279
2 X6279
B6279
THERMOSTAT,
CHARACTERISTIC
MAP COOLING
Z3 VERSIONS

BMBMWBMWBMW
Z3
ENGINE CONTROL SYSTEM MS43 (6–CYLINDER M54)
01/01 1210.26Ć 2001
06
X65001
GROUND
DISTRIBUTION
0670.4
4 X6500
2
6 8 X6301
10
X6301
4
2.5 GN/VI .35 SW/VI
M2
FUEL PUMP
A6000
ENGINE CONTROL
MODULE (DME)
K6301w
FUEL PUMP RELAY
30
87 85
86
X60002
X13032
7 2216 2419 18
234
1
X62102
X62102
B62102
OXYGEN SENSOR
I (BEHIND
CATALYTIC
CONVERTER)
324
1
X62202
X62202
B62202
OXYGEN SENSOR
II (BEHIND
CATALYTIC
CONVERTER)
.5 RT/WS
.5 SW.5 GE .5 SW.5 GE.5 BR
16 X10016
6
P90
FRONT POWER
DISTRIBUTION BOX
FUSE DETAILS
0670.3
FUSE DETAILS
0670.3
F13
5A
F18
15A
.5 RT/WS
.5 BR
1 2014 2113 15
234
1
X62101
X62101
B62101
OXYGEN SENSOR
I (IN FRONT OF
CATALYTIC
CONVERTER)
324
1
X62201
X62201
B62201
OXYGEN SENSOR
II (IN FRONT OF
CATALYTIC
CONVERTER)
.5 RT/WS
.5 SW.5 GE .5 SW.5 GE.5 BR
.5 BR
.5 RT/WS
X60004
X86808
P98
FUSE HOLDER IN
E–BOX
FUSE DETAILS
0670.3
F204
30A
Z3 VERSIONS

20
01/01 1210.26Ć 2001
07
10 23 25 28 X60003
A6000
ENGINE CONTROL
MODULE (DME)
X6205
2
1 X6205
B6205
INTAKE AIR
TEMPERATURE
SENSOR
1 X6236
2 X62382
1 X6238
B6238
OIL TEMPERATURE
SENSOR
.5 BR/GR
BMBMWBMWBMW
Z3
ENGINE CONTROL SYSTEM MS43 (6–CYLINDER M54)
.5 BR/BL .5 GR/BR
.5 GR .5 BR/RT .5 RT/BL
X6236
B6236
ENGINE COOLANT
TEMPERATURE
SENSOR
A6000
ENGINE CONTROL
MODULE (DME)
7
.5 BR/WS
19
.5 BR/VI
X63901246
53
.75 BR/SW.75 GR/WS
274443 22 24
Y6390
ELECTRIC
THROTTLE
ACTUATOR
X60003
.5 GR/BR .5 GR/BR
X6390
Z3 VERSIONS

BM
BMW
BMWBMW
Z3
ENGINE CONTROL SYSTEM MS43 (6–CYLINDER M54)
01/01 1210.26Ć 2001
08
A6000
ENGINE CONTROL
MODULE (DME)
29 30
.5 GE .5 SW
21
4831 32
.5 GN .5 BR
43
W9110
SHIELD
X62400
CYL. 4–6CYL. 1–3
B62400
DOUBLE KNOCK
SENSOR
X60003
26
FUSE DETAILS
0670.3
F43
5A
X10018
P90
FRONT POWER
DISTRIBUTION BOX
X111431
GROUND
DISTRIBUTION
0670.4
X10010
S32
CLUTCH SWITCH
27
2
.35 BL/SW
A9008
CRUISE CONTROL
INTERFACE
26 X60004
23 X60004
2 3 X11143
.5 BL/BR
1 X10170
.5 BR/OR
35 X60004
1
6
FUSE DETAILS
0670.3
4 X51
FUSE DETAILS
0670.3
2 X515
.75 SW
.5 SW/BL
K19
COMPRESSOR
CONTROL RELAY
1
Y2
AIR CONDITIONING
COMPRESSOR
1) NORMAL
TEMPERATURE
2) HIGH
TEMPERATURE
30 86
87 85
X10241
X1001818 X1001612
F39
7.5A
F16
5A
2
29
12
F26
10A
FUSE DETAILS
0670.3
X10017
Z3 VERSIONS

X1830381511 LATE PRODUCTION
A65
DYNAMIC STABILITY
CONTROL UNIT (DSC)
X1746321617
A19007
THERMAL OIL
LEVEL SENSOR
(TOENS) CONTROL
MODULE
D100
DATA LINK
CONNECTOR
BM
BMW
BMWBMW
Z3
ENGINE CONTROL SYSTEM MS43 (6–CYLINDER M54)
01/01 1210.26Ć 2001
09
A6000
ENGINE CONTROL
MODULE (DME)
3 X600024 65 5
GROUND
DISTRIBUTION
0670.4
4 X60001
X6454
GROUND
DISTRIBUTION
0670.4
.35 SW
6 X60005
GROUND
DISTRIBUTION
0670.4
X6456
.35 GE
31 31 31 31 31
X700043736
A7000
TRANSMISSION
CONTROL MODULE
(EGS)
6
.5 WS/VI
32
TXD2 CAN+ CAN–
14 X6000412
.35 GE/GN.35 BR
X7368
R10
PEDAL POSITION
SENSOR
9
2
8
.35 WS
5
7
4
.35 GE.35 BR/GN
22 X60004
.35 WS/GN
.5 BR
X11702110
A52
SLIP CONTROL
MODULE (ABS/ASC)
CAN+ CAN–
.5 GE
11
3736
.5 BR.5 GE
X165843
R33
STEERING ANGLE
SENSOR
CAN–
32
CAN+
.5 GE.5 BR
X1667
A2w
INSTRUMENT
CLUSTER
CAN–CAN+
33
.5 SW/VI
X1805145
A837
ELECTRONIC
IMMOBILIZER
CONTROL MODULE
(EWS III)
17
.5 SW
X1900712
1
D100
DATA LINK
CONNECTOR X6002
.35 SW
X600217
.5 WS/VI
TXD2 CAN+ CAN–
TXD2 CAN+ CAN–
X1047
.35 SW
.5 SW
X1893
.5 BR.5 GE
EARLY PRODUCTION
13
.35 WS/GN
1
WITH DSC
X1894
TD
Z3 VERSIONS

01/01 1210.27 2001
Y6120
EVAPORATIVE
EMISSION VALVE
Y6165
SOLENOID
VALVE, SUCKING
JET PUMP
M6506
E–BOX FAN
20
20C
11
10A
A 34D B 33
C4
22
B6241
CYL. 1–2 KNOCK SENSOR
B6242
CYL. 3–4 KNOCK SENSOR
B6243
CYL. 5–6 KNOCK SENSOR
1210.27-06
29
31
30
Y6101
CYL. 1 FUEL
INJECTION VALVE
Y6102
CYL. 2 FUEL
INJECTION VALVE
Y6103
CYL. 3 FUEL
INJECTION VALVE
Y6104
CYL. 4 FUEL
INJECTION VALVE
Y6105
CYL. 5 FUEL
INJECTION VALVE
Y6106
CYL. 6 FUEL
INJECTION VALVE
1210.27-02
37
+
–
1210.27-05
42
51 4647
Y6130
IDLE SPEED
CONTROL VALVE
1210.27-05
36
1210.27-02
32
D
F205
30A
1 23 B
1210.27-09
1
2
A837
ELECTRONIC
IMMOBILIZER
CONTROL MODULE
(EWS III)
1210.27-03
17 19
24
1210.27-07
11 36
1210.27-11
1210.27-12
37
1210.27-11
27 35
1210.27-10
456
5
P98
FUSE HOLDER IN
E–BOX
1210.27-00
K6327
INJECTION VALVES
RELAY
G6400
B+ JUNCTION
POINT E–BOX
K6300
ENGINE CONTROL
MODULE RELAY
B6214
CAMSHAFT
POSITION SENSOR
1 (INLET)
1210.27-07
P98
FUSE HOLDER IN
E–BOX
G7512
B+ JUNCTION
POINT
1210.27-12
K6304
SECONDARY AIR
PUMP RELAY
Y6133
AIR PUMP
A2w
INSTRUMENT
CLUSTER
A65
DYNAMIC STABIL-
ITY CONTROL UNIT
(DSC)
A9008
CRUISE CONTROL
INTERFACE
A5 C
TXD
CD E A
A = 60001
B = 60002
C = 60003
D = 60004
E = 60005
B62101
OXYGEN SENSOR I
(IN FRONT OF CATALYTIC
CONVERTER)
B62201
OXYGEN SENSOR II
(IN FRONT OF CATALYTIC
CONVERTER)
B62102
OXYGEN SENSOR I
(BEHIND CATALYTIC
CONVERTER)
B62202
OXYGEN SENSOR II
(BEHIND CATALYTIC
CONVERTER)
F108
80A
F107
50A
F201
30A
F203
20A
F204
30A
1210.27-09
1210.27-02
1210.27-00
T6151
CYL. 1 IGNITION
COIL
T6152
CYL. 2 IGNITION
COIL
T6153
CYL. 3 IGNITION
COIL
T6154
CYL. 4 IGNITION
COIL
T6155
CYL. 5 IGNITION
COIL
T6156
CYL. 6 IGNITION
COIL
1210.27-01
7
6
9
E8
F202
30A
D
7 8 1412
R10
PEDAL POSITION
SENSOR
1210.27-13
13
9D
1210.27-08
C6000
SUPPRESSION CA-
PACITOR
1210.27-01
7 C
1210.27-05
12 B
B6224
CAMSHAFT
POSITION
SENSOR 2
(OUTLET)
1210.27-07
F15
5A
F26
10A
P90
FRONT POWER
DISTRIBUTION
BOX
F13
5A
F18
20A
50 15 30 15
6
1210.27-04
B6207
HOT FILM AIR
MASS METER
622 17 7
1210.27-08
B5351
EXHAUST
TEMPERATURE
SENSOR
10
19 18
7
13
1
16
15
14
5
1210.27-04
Y5392
ELECTRIC
THROTTLE
MOTOR
9 2 20
1210.27-04
R6252
THROTTLE
POSITION
SENSOR
23 14 26
1210.27-09
K6301z
ELECTRIC FUEL
PUMP RELAY,
TIMED
M2
FUEL PUMP
1210.27-09
S30
BRAKE LIGHT
SWITCH
1210.27-10
24 29
K19
COMPRESSOR
CONTROL
RELAY
1210.27-10
K22
HIGH SPEED
RELAY
1210.27-12
3C C B
35
34
33
3
2
1
4443
Y5255
VARIABLE CAM-
SHAFT CONTROL
VALVES
450
1210.27-03
B6236
ENGINE COOLANT
TEMPERATURE
SENSOR
25 45 1
B6203
CRANKSHAFT
POSITION/RPM
SENSOR
NS
21 8
1210.27-06
1210.27-10
S32
CLUTCH SWITCH
B13
1210.27-11
G6509
GENERATOR
26
1210.27-11
B6231
OIL PRESSURE
SWITCH
19
1210.27-12
S555
TIRE PRESSURE
WARNING SYSTEM
(RDW) PUSH-
BUTTON
C39
1210.27-12
B6254
THERMAL OIL
LEVEL SWITCH
C
38
S8511
REVERSING
LIGHT SWITCH
2830
M119
LEAKAGE DIAG-
NOSIS PUMP
1210.27-09
A6000
ENGINE CONTROL
MODULE (DME)
M VERSIONS
1210.27 ENGINE CONTROL SYSTEM MSS54 (6–CYLINDER S54 B32)

BMW
BMW
BMWBMW 1210.27Ća 2001
Pin Assignments (M Versions)
01/01
Z3
E = Input, A = Output, M = Ground
F = X60001 9 Pins, black
G = X60002 24 Pins, black
H = X60003 52 Pins, black
I = X60004 40 Pins, black
J = X60005 9 Pins, black
X60001
Pin Type Signal Description/Function Connection
1 A 15 Activate relay Relay, injection valves
2 A P_DKSM+ Voltage supply Electric throttle motor
3Not used
4 M 31E Ground Ground point
5 M 31L Ground Ground point
6 M 31L Ground Ground point
7 E 30 Voltage supply B+ junction point E-box
8 E U_HR<2 Voltage supply Fuse holder in E-box, fuse F202
9 M P_DKSM–Ground Electric throttle motor
X60002
Pin Type Signal Description/Function Connection
1 M T_LHV1 Oxygen sensor heating ground Oxygen sensor 1 (in front of
catalytic converter)
2Not used
3Not used
4Not used
5 M M_CAN Ground Oxygen sensors, exhaust
temperature sensor
6Not used
7 M T_LHH1 Oxygen sensor heating ground Oxygen sensor 1 (behind catalytic
converter)
8Not used

BMW
BMW
BMWBMW 1210.27Ćb 2001
Pin Assignments (M Versions)
01/01
Z3
E = Input, A = Output, M = Ground
Pin ConnectionDescription/FunctionSignalType
9Not used
10 E A_TABGAS Temperature signal Exhaust temperature sensor
11 A A_PEKP Activate relay Electrical fuel pump relay, timed
12 A S_EBOX Signal E-box fan E-box fan
13 M T_LHV2 Oxygen sensor heating ground Oxygen sensor 2 (in front of
catalytic converter)
14 E A_LSV1 Sensor signal Oxygen sensor 1 (in front of
catalytic converter)
15 E A_LSV2 Sensor signal Oxygen sensor 2 (in front of
catalytic converter)
16 E A_LSH1 Sensor signal Oxygen sensor 1 (behind catalytic
converter)
17 Not used
18 E A_LSH2 Sensor signal Oxygen sensor 2 (behind catalytic
converter)
19 M T_LHH2 Oxygen sensor heating ground Oxygen sensor 2 (behind catalytic
converter)
20 E S_KUPPLU Clutch pedal depressed Clutch switch
21 Not used
22 Not used
23 A S_HR Activate relay Engine control module relay
24 Not used
X60003
Pin Type Signal Description/Function Connection
1 E A_HFM Signal air mass meter Hot film air mass meter
2 E P_NWGA1 Signal camshaft position Camshaft position sensor 2 (outlet)
3Not used
4 A TNWE_F1 Activate valve Variable camshaft control valve
(inlet) – advance
5 E P_NWGE1 Signal camshaft position Camshaft position sensor 1 (inlet)
6 E P_NWGA1 Signal camshaft position Camshaft position sensor 2 (outlet)

BMW
BMW
BMWBMW 1210.27Ćc 2001
Pin Assignments (M Versions)
01/01
Z3
E = Input, A = Output, M = Ground
Pin ConnectionDescription/FunctionSignalType
7 A U_DKG1 Voltage supply Electric throttle motor, hot film air
mass meter
8 E P_KWG Signal crankshaft position Crankshaft position sensor
9Not used
10 E A_EDRP Throttle position signal Electric thottle motor
11 Not used
12 Not used
13 E S_61–1Charge signal Generator
14 A U_DKG2 Voltage supply Throttle position sensor
15 Not used
16 Not used
17 M M_HFM Ground Hot film air massmeter
18 Not used
19 E S_RDKS Teach-in process Pushbutton, tire pressure warning
system
20 M M_DKG1/2 Ground Throttle position sensor, electric
throttle motor
21 M M_KWG Ground Crankshaft position sensor
22 E A_TANS Temperature signal intake air Hotfilm air mass meter
23 E A_DKG1 Throttle position signal Throttle position sensor
24 E A_TMOT Temperature signal Engine coolant temperature sensor
25 M 31_ANA Ground Various sensors
26 E A_OLD Oil pressure signal Oil pressure switch
27 Not used
28 Not used
29 E A_KS1 Knock sensor signal Cyl. 1–2 knock sensor
30 E A_KS3 Knock sensor signal Cyl. 3–4 knock sensor
31 E A_KS2 Knock sensor signal Cyl. 5–6 knock sensor
32 Not used
33 A P_EVZ1 Activate valve Cyl. 1 fuel injection valve
34 A P_EVZ2 Activate valve Cyl. 2 fuel injection valve
35 A P_EVZ3 Activate valve Cyl. 3 fuel injection valve
36 A P_EVZ4 Activate valve Cyl. 4 fuel injection valve

BMW
BMW
BMWBMW 1210.27Ćd 2001
Pin Assignments (M Versions)
01/01
Z3
E = Input, A = Output, M = Ground
Pin ConnectionDescription/FunctionSignalType
37 A P_EVZ5 Activate valve Cyl. 5 fuel injection valve
38 A P_EVZ6 Activate valve Cyl. 6 fuel injection valve
39 E F_OLN Oil level/temperature signal Thermal oil level switch
40 Not used
41 Not used
42 A T_TEV Activate valve Evaporative emission valve
43 A T_NWA_S1 Activate valve Variable camshaft control valve
(outlet) – retard
44 A T_NWA_F1 Activate valve Variable camshaft control valve
(outlet) – advance
45 A S_DMTL–LED Tire pressure warning lamp control Instrument cluster
46 A T_LLFSS CLOSE signal Idle speed control valve
47 A T_LLFSO OPEN signal Idle speed control valve
48 Not used
49 Not used
50 A T_NWE_S1 Activate valve Variable camshaft control valve
(inlet) – retard
51 A S_SSP Activate valve Solenoid valve, sucking jet pump
52 Not used
X60004
Pin Type Signal Description/Function Connection
1 A 61 Battery charge indicator Instrument cluster
2Not used
3 A S_SLP Activate relay Secondary air pump relay
4 E ELUE Signal, auxiliary fan ON High speed relay
5Not used
6 E S_50 Signal start Fuse 15
7 M M_FW1 Ground Pedal position sensor
8 E A_FW1 Signal, pedal position 1 Pedal position sensor
9 A U_FW1 Voltage supply Pedal position sensor
10 Not used

BMW
BMW
BMWBMW 1210.27Će 2001
Pin Assignments (M Versions)
01/01
Z3
E = Input, A = Output, M = Ground
Pin ConnectionDescription/FunctionSignalType
11 A OELD Signal, oil pressure Instrument cluster
12 M M_FW2 Ground Pedal position sensor
13 E A_FW2 Signal, pedal position 2 Pedal position sensor
14 A U_FW2 Voltage supply Pedal position sensor
15 Not used
16 Not used
17 A TD Crankshaft RPM speed signal (TD) Electronic immobilizer control
module (EWS III)
18 Not used
19 E RFL Reversing light signal Reversing light switch
20 A TOG Signal oil level Thermal oil level switch
21 Not used
22 E DFAHR Speed signal right rear Dynamic stability control unit
23 Not used
24 E KL 54 ON Brake signal Brake light switch
25 Not used
26 E 15A26 Terminal 15 Fuse 26
27 E MFL Cruise control signal Cruise control interface
28 E A_S_LDPV Leakage diagnosis Leakage diagnosis pump
29 A KOREL Activate relay Compressor control relay
30 E A_T_LDP Leakage diagnosis Leakage diagnosis pump
31 Not used
32 E/A TXDII TXD diagnosis data link Data link connector
33 E S_DWA Drive-away protection signal (code) Electronic immobilizer control
module (EWS III)
34 E S_BLTS Signal test Brake light switch
35 M 31 Ground Cruise control interface
36 E/A CAN+ CAN-bus High Splice, CAN-bus High
37 E/A CAN–CAN-bus Low Splice, CAN-bus Low
38 Not used
39 Not used
40 Not used

BMW
BMW
BMWBMW 1210.27Ćf 2001
Pin Assignments (M Versions)
01/01
Z3
E = Input, A = Output, M = Ground
X60005
Pin Type Signal Description/Function Connection
1 A P_ZSZ1 Ignition coil signal Cyl. 1 ignition coil
2 A P_ZSZ2 Ignition coil signal Cyl. 2 ignition coil
3 A P_ZSZ3 Ignition coil signal Cyl. 3 ignition coil
4Not used
5 M 31L Ground Ground point
6 A P_ZSZ5 Ignition coil signal Cyl. 5 ignition coil
7 A P_ZSZ6 Ignition coil signal Cyl. 6 ignition coil
8Not used
9 A P_ZSZ4 Ignition coil signal Cyl. 4 ignition coil

BM
BMW
BMWBMW
Z3
ENGINE CONTROL SYSTEM MSS54 (6–CYLINDER S54 B32)
01/01 1210.27Ć 2001
00
2
1.5 RT
2.5 RT/WS/GE
4 RT/WS
23
7 X60001
4
G6400
B+ JUNCTION
POINT E–BOX
A6000
ENGINE CONTROL
MODULE (DME)
85
30
87
1
POWER
DISTRIBUTION
0670.2
F201
30A
F202
30A
5
F203
20A
P98
FUSE HOLDER IN
E–BOX
15
4
4 RT/WS
6 X86802
8 X60001
15 15
2.5 RT/WS1.5 RT/WS
FUSE DETAILS
0670.3
X60002
.5 BR/WS
X6300
6
4 RT
X6300
5
K6300
ENGINE CONTROL
MODULE RELAY
X641022
1X8680
2.5 RT/WS
F204
30A
15
8
2.5 RT/WS/GE
4 RT/WS/GE
X64101
87
X6960
M VERSIONS

1 GN
1.5 SW/RT1.5 SW/WS 1.5 SW/GE 1.5 SW/BL 1.5 SW/GN 1.5 SW/VI
!
2
01/01 1210.27Ć 2001
01
1
3 X6151
X6152
1
1 GN 1 GN
3
3 X6152
2 3 9 6 7 X60005
T6151
CYL. 1 IGNITION
COIL T6152
CYL. 2 IGNITION
COIL
A6000
ENGINE CONTROL
MODULE (DME)
1 GN1 GN
X6151
2
2
X6153
X615321 X6154
1
3 X6154
2
T6154
CYL. 4 IGNITION
COIL
3 X6155
X615521
X61561
3 X6156
T6156
CYL. 6 IGNITION
COIL
T6153
CYL. 3 IGNITION
COIL
T6155
CYL. 5 IGNITION
COIL
1 BR 1 BR
1 BR
1 BR
1 BR 1 BR
GROUND
DISTRIBUTION
0670.4
GROUND
DISTRIBUTION
0670.4
GROUND
DISTRIBUTION
0670.4
31 31 31 31 31 31
1 X6054
2.5 GN
2.5 RT/WS/GE
X6832
1 GN
X6456
X6456
X6456
.5 GN
C6000
SUPPRESSION CA-
PACITOR
GROUND
DISTRIBUTION
0670.4
X6456
1 BR
1 GN
X6833

BM
BMW
BMWBMW
Z3
ENGINE CONTROL SYSTEM MSS54 (6–CYLINDER S54 B32)
2
01/01 1210.27Ć 2001
02
A6000
ENGINE CONTROL
MODULE (DME)
Y6106
CYL. 6 FUEL
INJECTION VALVE
–
+
Y6101
CYL. 1 FUEL
INJECTION VALVE
–
+
Y6102
CYL. 2 FUEL
INJECTION VALVE
–
+
Y6103
CYL. 3 FUEL
INJECTION VALVE
–
+
Y6104
CYL. 4 FUEL
INJECTION
VALVE
–
+
Y6105
CYL. 5 FUEL
INJECTION VALVE
–
+
33 34 35 36 38 X60003
1 X6101 1 X6103 1X6105
1 X6106
1 X6104
1 X6102
2 X6102 2 X6104 2 X6106
2X6105
2 X6103
X6101
.75 BR/WS .75 BR/RT .75 BR/GE .75 BR/BL .75 BR/GN .75 BR/VI
37
31 31 31 31 31 31
10
FUSE DETAILS
0670.3
F205
30A
X8680
P98
FUSE HOLDER IN
E–BOX
.5 RT/GE .5 RT/GE .5 RT/GE .5 RT/GE .5 RT/GE .5 RT/GE
4
85
30
87
X6327
6X6327
2
K6327
INJECTION VALVES
RELAY
X6454
GROUND
DISTRIBUTION
0670.4
1 X60001
A6000
ENGINE CONTROL
MODULE (DME)
86
8
5 GN
X60531
2.5 RT/GE
2.5 RT/GE
X6970
M VERSIONS

BM
BMW
BMWBMW
Z3
ENGINE CONTROL SYSTEM MSS54 (6–CYLINDER S54 B32)
01/01 1210.27Ć 2001
03
A6000
ENGINE CONTROL
MODULE (DME)
55 6
GROUND
DISTRIBUTION
0670.4
4 X60001
X6454
GROUND
DISTRIBUTION
0670.4
X60005
44 X6000343
.5 SW
X525564
Y5255
VARIABLE CAM-
SHAFT CONTROL
VALVES
1) INLET VALVE –
RETARD
2) INLET VALVE –
ADVANCE
3) OUTLET VALVE
– RETARD
4) OUTLET VALVE
– ADVANCE
4
3
50
1
.5 BR
X52555
.5 BR
2
GROUND
DISTRIBUTION
0670.4
X6454
12 3 4
.5 SW .5 GN.5 GN
31 31 31 31
10
FUSE DETAILS
0670.3
X10016
P90
FRONT POWER
DISTRIBUTION BOX
6
12
FUSE DETAILS
0670.3
X10017
26
.35 SW
17
.5 SW
X1047
X18055
A837
ELECTRONIC
IMMOBILIZER
CONTROL MODULE
(EWS III)
1
.35 SW
.5 SW/VI
33
14
17 X6002
32
.5 WS/VI
X60004
D100
DATA LINK
CONNECTOR
F15
5A
F26
10A
M VERSIONS

P98
FUSE HOLDER IN
E–BOX
BM
BMW
BMWBMW
Z3
ENGINE CONTROL SYSTEM MSS54 (6–CYLINDER S54 B32)
01/01 1210.27Ć 2001
04
A6000
ENGINE CONTROL
MODULE (DME)
7 10 X60001
221
B6207
HOT FILM AIR MASS
METER
1) INTAKE AIR
TEMPERATURE
SENSOR
2
X86806
X62073
5 4 1
17 20
Y5392
ELECTRIC
THROTTLE MOTOR
X53933
1 2
.5 BR
.5 BR/OR
X6475
X5393
9 2
1 2
X5285
X5392
X60003
X5284
7 6
14 23
X62523
1 2
R6252
THROTTLE
POSITION SENSOR
X5286
A6000
ENGINE CONTROL
MODULE (DME)
.5 GE .5 GE/BL .5 RT/GN .5 VI
2.5 WS 2.5 RT
.5 RT/GE .5 WS
.5 BR
.5 BR
X6053
2.5 WS 2.5 RT
2.5 WS 2.5 RT
X60003 X60003
X6252
.5 RT/GN
X6207
.5 RT/GN
1
FUSE DETAILS
0670.3
F203
20A
M VERSIONS

46
4
FUSE DETAILS
0670.3
X8680
P98
FUSE HOLDER IN
E–BOX
47
01/01 1210.27Ć 2001
05
3
2 X6130
X61651
1 RT/WS/GE
51 42 X60003
Y6130
IDLE SPEED
CONTROL VALVE
Y6165
SOLENOID VALVE,
SUCKING JET
PUMP
A6000
ENGINE CONTROL
MODULE (DME)
X6130
X61202
1 X6120
Y6120
EVAPORATIVE
EMISSION VALVE
.5 WS/GN
31 31 31
BMBMWBMWBMW
Z3
ENGINE CONTROL SYSTEM MSS54 (6–CYLINDER S54 B32)
1
.5 WS/GE .5 GE/BR
X6165
2
.5 RT/WS/GE
.5 BR/SW
.5 RT/WS/GE
6
FUSE DETAILS
0670.3
12 X60002
X65062
31
.5 BR/GE
M6506
E–BOX FAN
1 X6506
F202
30A
F202
30A
M VERSIONS

B6203
CRANKSHAFT
POSITION/RPM
SENSOR
ENGINE CONTROL SYSTEM MSS54 (6–CYLINDER S54 B32)
01/01 1210.27Ć 2001
06
A6000
ENGINE CONTROL
MODULE (DME)
21
.35 SW
8
.35 GE
25 30 X60003
B6243
CYL. 5–6
KNOCK
SENSOR
1 2 X6243
W6243
CYL. 5–6 KNOCK
SENSOR SHIELD
BM
BMW
BMWBMW
Z3
X6491
B6242
CYL. 3–4 KNOCK
SENSOR
1 2 X6242
W6242
CYL. 3–4 KNOCK
SENSOR SHIELD
31
B6241
CYL. 1–2 KNOCK
SENSOR
1 2 X6241
W6241
CYL. 1–2 KNOCK
SENSOR SHIELD
29
W6203
CRANKSHAFT
POSITION/RPM
SENSOR SHIELD
3 X620312
W6203
CRANKSHAFT
POSITION/RPM
SENSOR SHIELD
NS
.35 SW .75 BR .35 SW .35 SW
.75 BR
1210.27-07
M VERSIONS

P98
FUSE HOLDER IN
E–BOX
BM
BMW
BMWBMW
Z3
ENGINE CONTROL SYSTEM MSS54 (6–CYLINDER S54 B32)
01/01 1210.27Ć 2001
07
A6000
ENGINE CONTROL
MODULE (DME)
25
B6214
CAMSHAFT
POSITION SENSOR
1 (INLET)
1
X86806
X62143
2
.5 BR
24
X62362
1
.5 WS .5 GE .5 BR/RT
X60003
X6236
X6214
FUSE DETAILS
0670.3
1 2 X6224
.5 GE
6
.5 GE
X62243
.5 BR
B6224
CAMSHAFT
POSITION SENSOR
2 (OUTLET)
1210.27-06
X6495
.75 BR .5 BR
B6236
ENGINE COOLANT
TEMPERATURE
SENSOR
X6462
M VERSIONS
F203
20A

BMBMWBMWBMW
Z3
ENGINE CONTROL SYSTEM MSS54 (6–CYLINDER S54 B32)
01/01 1210.27Ć 2001
08
A6000
ENGINE CONTROL
MODULE (DME)
X60002
7 16 19 18
234
1
X62102
X62102
B62102
OXYGEN SENSOR
I (BEHIND
CATALYTIC
CONVERTER)
324
1
X62202
X62202
B62202
OXYGEN SENSOR
II (BEHIND
CATALYTIC
CONVERTER)
.5 RT/WS
.5 SW.5 GE .5 SW.5 GE.5 BR
.5 RT/WS
.5 BR
1 14 513 15
234
1
X62101
X62101
B62101
OXYGEN SENSOR
I (IN FRONT OF
CATALYTIC
CONVERTER)
324
1
X62201
X62201
B62201
OXYGEN SENSOR
II (IN FRONT OF
CATALYTIC
CONVERTER)
.5 RT/WS
.5 SW.5 GE .5 SW.5 GE.5 BR
.5 BR
.5 RT/WS
X8680
8
P98
FUSE HOLDER IN
E–BOX
FUSE DETAILS
0670.3
F204
30A
10
12 X5351
.5 BL/SW
B5351
EXHAUST
TEMPERATURE
SENSOR
.5 BR
X64619
.5 BR
M VERSIONS

3 X60004
POWER
DISTRIBUTION
0670.2
BM
BMW
BMWBMW
Z3
ENGINE CONTROL SYSTEM MSS54 (6–CYLINDER S54 B32)
01/01 1210.27Ć 2001
09
2 X6304
X61331
X6133
2
Y6133
AIR PUMP
X861
GROUND
DISTRIBUTION
0670.4
X6304
5
GROUND
DISTRIBUTION
0670.4
6
4 RT/GE
11
A6000
ENGINE CONTROL
MODULE (DME)
4
X60002
8
K6304
SECONDARY AIR
PUMP RELAY
G7512
B+ JUNCTION
POINT
F107
50A
X1982
1 X6301
.35 SW/VI .5 BR/GN
31
X18170
K6301z
ELECTRIC FUEL
PUMP RELAY,
TIMED
7
GROUND
DISTRIBUTION
0670.4
X13032
X65001
X6500
4
M2
FUEL PUMP
2
2.5 RT/WS
3
FUSE DETAILS
0670.3
P90
FRONT POWER
DISTRIBUTION BOX
X10016
F13
5A
6
6
FUSE DETAILS
0670.3
F18
20A
16
X1714
6 X6021
.5 SW/VI
M VERSIONS
M119
LEAKAGE DIAGNO-
SIS PUMP
28
2
.5 SW/GN
X1714
30
1
.75 BR/BL
8 X6301

BM
BMW
BMWBMW
Z3
ENGINE CONTROL SYSTEM MSS54 (6–CYLINDER S54 B32)
1
01/01 1210.27Ć 2001
10
6
FUSE DETAILS
0670.3
P90
FRONT POWER
DISTRIBUTION
BOX
4 X51
FUSE DETAILS
0670.3
2 X515
.75 SW .5 SW/BL
K19
COMPRESSOR
CONTROL RELAY
1
Y2
AIR CONDITIONING
COMPRESSOR
1) NORMAL
TEMPERATURE
2) HIGH
TEMPERATURE
30 86
87 85
X10241
X1001818 12
F39
7.5A
F16
5A
2
A6000
ENGINE CONTROL
MODULE (DME)
35 X60004
29
27
.5 BR/OR.35 BL/SW
X1017012
A9008
CRUISE CONTROL
INTERFACE
4
FUSE DETAILS
0670.3
1 X78
FUSE DETAILS
0670.3
3 X782
.75 RT/GE
.5 BL/RT
43
X100166 32
F13
5A
F46
15A
2434
.75 BL/RT
BRAKE
LIGHTS
6325.0
X181
12
S30
BRAKE LIGHT SWITCH
1) BRAKE PEDAL RELEASED
2) BRAKE PEDAL DEPRESSED
3) BRAKE PEDAL DEPRESSED
(TEST)
4) BRAKE PEDAL RELEASED
(NORMAL)
1
20
.5 SW/BL
3 X121
FUSE DETAILS
0670.3
S32
CLUTCH SWITCH
28
F44
15A
X60002
2
GROUND
DISTRIBUTION
0670.4
X1211
X10010
X10018
X60004
8 X6021
.35 GR
M VERSIONS

32 X17461716
BM
BMW
BMWBMW
Z3
ENGINE CONTROL SYSTEM MSS54 (6–CYLINDER S54 B32)
01/01 1210.27Ć11
6
11
19
1
.5 BL
A6000
ENGINE CONTROL
MODULE (DME)
X60004
22
.5 BR/GN
X1894 .35 WS/GN
G6509
GENERATOR
13
X6524
2
.75 BL
26
X6231
1
X60003
.5 BR/GN
B6231
OIL PRESSURE SWITCH
1) PRESSURE BETWEEN 0.2–0.5 BAR
2) NORMAL PRESSURE
.5 GE.5 BR
36
3
.5 GE
37
4
A2w
INSTRUMENT
CLUSTER
14
FUSE DETAILS
0670.3
F27
5A
X10017
P90
FRONT POWER
DISTRIBUTION BOX
23
X1893
X17
X1658
.5 BR
.5 GE
X213
.5 BL
CAN + CAN –
D+
CHARGING
SYSTEM
1230.0
.5 BR
-+
12
CAN + CAN –CAN –CAN +
R33
STEERING ANGLE
SENSOR
A65
DYNAMIC STABIL-
ITY CONTROL UNIT
(DSC)
67
.5 GE
CAN +CAN –
.5 BR
X16
.5 GE
X18836
X18835
A3984
OIL–/OUTSIDE
TEMPERATURE
GAUGE CONTROL
MODULE
7 6
CAN –
.5 GE .5 BR
X13578
CAN +
M VERSIONS
.5 BR
2001

2
BM
BMW
BMWBMW
Z3
ENGINE CONTROL SYSTEM MSS54 (6–CYLINDER S54 B32)
01/01 1210.27Ć 2001
12
A6000
ENGINE CONTROL
MODULE (DME)
19
GROUND DISTRIBUTION
0670.4
X60003
X18170
39
.5 GR/BR
X625431
X62542
GROUND DISTRIBUTION
0670.4
X6454
12
FUSE DETAILS
0670.3
2
F26
10A
P90
FRONT POWER
DISTRIBUTION BOX
X1000001
2 X100000
.5 GE/SW
7X6021
5X6053
.5 GE/SW
.5 GE/SW
S555
TYRE PRESSURE WARNING SYSTEM (RDW)
PUSHBUTTON
1) OFF
2) TEACH–IN PROCESS
19
X1169
X85111 1 X17
45 X60003
.5 SW/GN/GE
8X6053
5X6021
.5 SW/GN
.5 SW/RT/GE
3X6021
1 BL/GE
X8511
20 X60004
.5 GN/GE
X271
9
23 X16
14
FUSE DETAILS
0670.3
X10017
F27
5A
9
8
A2w
INSTRUMENT
CLUSTER
K22
HIGH SPEED
RELAY
12
FUSE DETAILS
0670.3
X10016
F16
5A
4X60004
.5 SW/RT
X53
X53
BACK UP LIGHTS
6322.0
B6254
THERMAL OIL
LEVEL SWITCH
1 BL/GE
.5 BL/GE
1
S8511
REVERSING LIGHT
SWITCH
1) OPEN
2) CLOSED IN R
1 BL/GE
21
M VERSIONS

BM
BMW
BMWBMW
Z3
ENGINE CONTROL SYSTEM MSS54 (6–CYLINDER S54 B32)
01/01 1210.27Ć 2001
13
A6000
ENGINE CONTROL
MODULE (DME)
14 13
7
R10
PEDAL POSITION
SENSOR
X734
6 1
.35 BR/GN
X60004
A6000
ENGINE CONTROL
MODULE (DME)
.35 GE/GN .35 WS/GN
8 9
5 2 X73
.35 WS .35 GE
X60004
12
8
.35 BR
M VERSIONS

1230.0 CHARGING SYSTEM
01/01 1230.0Ć 2001
00
A2w
INSTRUMENT
CLUSTER
X176
.5 BL
.5 BL
X400
3
X213
BM
BMW
BMWBMW
Z3
TELEPHONE
CONNECTOR
G6509
GENERATOR
B+
D+
POWER
DISTRIBUTION
0670.2
X6509
16 RT
31
31 31
F26
10A
12
FUSE DETAILS
0670.3
X65242
X65241
-+
F27
5A
X1001714
FUSE DETAILS
0670.3
P90
FRONT POWER
DISTRIBUTION BOX
X16
23
.75 BL
Z3 VERSIONS M VERSIONS
.5 BL
X24992
A6000
ENGINE CONTROL
MODULE (DME)
X600041
X6000313
Z3 VERSIONS M VERSIONS

BM
BMW
BMWBMW
Z3
5 X209
S2
IGNITION SWITCH
0) OFF
1) ACCESSORY
2) RUN
3) START
X209
4
01/01 1240.0Ć 2001
00
1240.0 START
.5 BR/SW
P90
FRONT POWER
DISTRIBUTION BOX
4 RT
A7000
TRANSMISSION
CONTROL MODULE
(EGS)
X70003
3
2.5 SW/GE
8 X33
71
GROUND
DISTRIBUTION
0670.4
2.5 GN/SW
FUSE DETAILS
0670.3
2
82
A837
ELECTRONIC
IMMOBILIZER
CONTROL MODULE
(EWS III)
X1805
X10018
2.5 SW/GE
F31
5A
X18170
21
0
3
X1001830
3 X18994
S235
STARTER
IMMOBILIZATION
SWITCH
1) NORMAL
2) CLUTCH PEDAL
FULLY
DEPRESSED
2
FUSE DETAILS
0670.3
12
F45
7.5A
1 X18994
X9633
GROUND
DISTRIBUTION
0670.4
X1805
.35 BR/SW
3
X191
WITH EGS WITHOUT EGS
.5 BR/SW
F106
50A
G7512
B+ JUNCTION
POINT
X1981
X191
1 X33
.5 BR/SW
Z3 VERSIONS
3 X700032 X18994
.35 BR/SW .5 BR/SW
NOT USED
4 RT

BM
BMW
BMWBMW
Z3
5 X209
S2
IGNITION SWITCH
0) OFF
1) ACCESSORY
2) RUN
3) START
X209
4
01/01 1240.0Ć 2001
02
START
P90
FRONT POWER
DISTRIBUTION BOX
4 RT
A6000
ENGINE CONTROL
MODULE (DME)
2.5 SW/GE
8 X33
71
GROUND
DISTRIBUTION
0670.4
2.5 GN/SW
FUSE DETAILS
0670.3
2
82
A837
ELECTRONIC
IMMOBILIZER
CONTROL MODULE
(EWS III)
X1805
X10018
2.5 SW/GE
F31
5A
X18170
21
0
3
X1001830
3 X18994
S235
STARTER
IMMOBILIZATION
SWITCH
1) NORMAL
2) CLUTCH PEDAL
FULLY
DEPRESSED
2
FUSE DETAILS
0670.3
12
F45
7.5A
1 X18994
X9633
GROUND
DISTRIBUTION
0670.4
X1805
.35 BL/SW
3
F106
50A
G7512
B+ JUNCTION
POINT
X1981
1 X33
M VERSIONS
A104
BODY
ELECTRONICS
CONTROL MODULE
(ZKE IV)
4 RT
2.5 GN/SW
P90
FRONT POWER
DISTRIBUTION BOX
F15
5A
50
X60004
.5 GN/SW
6
X1001610
X10016
2.5 GN/SW
9
X10182
.75 GN/SW
12
X239

1290.0 E–BOX FAN
01/01 1290.0 2001
00
BM
BMW
BMWBMW
Z3
M6506
E–BOX FAN
X6506
1
X6506
2
M VERSIONS
X10017
12
GROUND
DISTRIBUTION
0670.4
X6454
M6506
E–BOX FAN
X6506
1
X6506
2
Z3 VERSIONS
FUSE DETAILS
0670.3
F26
10A
P90
FRONT POWER
DISTRIBUTION BOX
X86806
FUSE DETAILS
0670.3
F203
20A
P98
FUSE HOLDER
IN E–BOX
A6000
ENGINE CONTROL
MODULE (DME)
X6000212
.5 BR/GE

01/01 2460.14 2001
S30
BRAKE LIGHT
SWITCH
E82
TRANSMISSION
POSITION
INDICATOR LIGHT
A7000
TRANSMISSION
CONTROL MODULE
(EGS)
L1 L2 L3 L4
8
F203
20A
7
2460.14-03
161 14
F46
15A
P90
FRONT POWER
DISTRIBUTION BOX
18 4 5
L1 L2L3L4
1P110
0R101
1N011
0D001
14101
03100
12000
F46
15A
P90
FRONT POWER
DISTRIBUTION BOX
16
Y8505y
TRANSMISSION
VALVE UNIT
8
2460.14-04
C
A
EGS:
Y19
SHIFT–LOCK
2460.14-02
1 2
A4S 360R
G6400
B+ JUNCTION
POINT E–BOX
2460.14-00
2460.14-02
691019 2023 25
A6000
ENGINE CONTROL
MODULE (DME)
2460.14-02
32 37
F204
30A
POWER
DISTRIBUTION
0670.2
E16
LEFT REAR LIGHT
ASSEMBLY
H27
LEFT BACK UP
LIGHT
9
K6325
REVERSING LIGHT
RELAY
2460.14-04
2460.14-04
4 1
F26
10A
A
P98
FUSE HOLDER IN
E–BOX
CBA
C = X70004
B = X70003
A = X70001
L5
0
0
0
1
1
1
1
SN
340 38
SN
18 11 17
L5
15
6
19 20
58g
S224
GEAR STEP
TRANSMISSION
SWITCH
2460.14-03
A837
ELECTRONIC
IMMOBILIZER
CONTROL MODULE
(EWS III)
2460.14-03
3 CB 36
24 39 2
2460.14-01
EARLY PRODUCTION
A104
BODY
ELECTRONICS
CONTROL MODULE
(ZKE IV)
LATE PRODUCTION
2460.14 ELECTRONIC TRANSMISSION CONTROL (EGS: A5S 360R)

BMW
BMW
BMWBMW 2460.14Ća 2001
Pin Assignments
01/01
Z3
E = Input, A = Output, M = Ground
K = X70001 9 Pins, blue
L = X70003 52 Pins, blue
M = X70004 40 Pins, blue
X70001
Pin Type Signal Description/Function Connection
1 E 15<30 Voltage supply Fuse 26
2Not used
3Not used
4 M 31E Ground Ground point
5 M 31L Ground Ground point
6 M 31L Ground Ground point
7 E 30 Voltage supply B+ junction point E-box
8 E U_HR<4 Voltage supply Fuse holder in E-box, fuse F204
9 E U_HR<4 Voltage supply Fuse holder in E-box, fuse F204
X70003
Pin Type Signal Description/Function Connection
1 M SLM–Ground Shift-lock
2 A SLM+ Shift-lock solenoid control Shift-lock
3 A L2 Gear range signal L2 Electronic immobilizer control
module (EWS III)
4Not used
5Not used
6Not used
7Not used
8Not used
9Not used
10 Not used
11 Not used

BMW
BMW
BMWBMW 2460.14Ćb 2001
Pin Assignments
01/01
Z3
E = Input, A = Output, M = Ground
Pin ConnectionDescription/FunctionSignalType
12 Not used
13 Not used
14 Not used
15 Not used
16 E KL 54ON Brake pedal position Brake light switch
17 Not used
18 E S_TIPMAN Signal, manual transmission Transmission position indicator light
19 E S_TIPUP Signal, tip up Gear step transmission switch
20 E S_TIPDO Signal, tip down Gear step transmission switch
21 Not used
22 Not used
23 Not used
24 Not used
25 Not used
26 Not used
27 Not used
28 Not used
29 Not used
30 Not used
31 Not used
32 Not used
33 Not used
34 Not used
35 Not used
36 Not used
37 Not used
38 Not used
39 Not used
40 Not used
41 Not used
42 Not used
43 Not used

BMW
BMW
BMWBMW 2460.14Ćc 2001
Pin Assignments
01/01
Z3
E = Input, A = Output, M = Ground
Pin ConnectionDescription/FunctionSignalType
44 Not used
45 Not used
46 Not used
47 Not used
48 Not used
49 Not used
50 Not used
51 Not used
52 Not used
X70004
Pin Type Signal Description/Function Connection
1 E S_GL2 Gear range signal L2 Transmission valve unit
2 A U_GETRPO Voltage supply, gear range switch Transmission valve unit
3 A U_EDSMV2 Voltage supply, solenoid valves Transmission valve unit
4 A S_RFLREL Activate relais Relais, back up lights
5Not used
6 A T_EDSWK Torque converter clutch solenoid
valve control
Transmission valve unit
7Not used
8 A T_EDS1 Hydraulic pressure regulator control Transmission valve unit
9 A S_MV3 Solenoid valve 3 control Transmission valve unit
10 A S_MV2 Solenoid valve 2 control Transmission valve unit
11 A V_EDSMV1 Voltage solenoid valves Transmission valve unit
12 Not used
13 Not used
14 E S_GL3 Gear range signal L3 Transmission valve unit
15 E S_GL4 Gear range signal L4 Transmission valve unit
16 E S_GL5 Gear range signal L5 Transmission valve unit
17 E S_GL1 Gear range signal L1 Transmission valve unit
18 A A_TOELG Oil temperature signal + Transmission valve unit

BMW
BMW
BMWBMW 2460.14Ćd 2001
Pin Assignments
01/01
Z3
E = Input, A = Output, M = Ground
Pin ConnectionDescription/FunctionSignalType
19 M M_TOELG Oil temperature signal –Transmission valve unit
20 A S_MV1 Solenoid valve 1 control Transmission valve unit
21 Not used
22 Not used
23 A F_NTU+ Speed sensor turbine + Transmission valve unit
24 M F_NTU–Speed sensor turbine –Transmission valve unit
25 M W_NTU Ground for shield Shield for speed sensor turbine
26 Not used
27 Not used
28 Not used
29 Not used
30 Not used
31 Not used
32 E/A D_TXD2 TXD diagnostic data link Engine control module
33 Not used
34 Not used
35 Not used
36 E/A D_CAN-H CAN-bus High Engine control module
37 E/A D_CAN-L CAN-bus Low Engine control module
38 M W_NAB Ground for shield Shield for speed sensor
39 M F_NAB–Speed sensor shaft –Transmission valve unit
40 A F_NAB+ Speed sensor shaft + Transmission valve unit

BM
BMW
BMWBMW
Z3
01/01 2460.14Ć 2001
00
ELECTRONIC TRANSMISSION CONTROL (EGS: A5S 360R)
40
.35 WS
18
.5 SW/RT
3
A7000
TRANSMISSION
CONTROL MODULE
(EGS)
1.5 RT/WS
9
W9047
SHIELD
.75 GN
X641012
7
1 RT
G6400
B+ JUNCTION
POINT E–BOX
X70001
X86808
FUSE DETAILS
0670.3
F204
30A
P98
FUSE HOLDER IN
E–BOX
23
.35 BL
W9047
SHIELD
11 X70004
.75 VI
1
X10017
12
FUSE DETAILS
0670.3
F26
10A
P90
FRONT POWER
DISTRIBUTION BOX
1.5 RT/WS
8
POWER
DISTRIBUTION
0670.2

01/01 2460.14Ć 2001
01
A7000
TRANSMISSION
CONTROL MODULE
(EGS)
9
20
7
.5 OR/SW
10
3
.5 GN/RT
9
2
.5 GE
6
1
.5 SW/GE
8
6
.5 RT
19
.5 WS/RT
3
39
.35 BR
X70004
8
10
1
.35 WS .75 GN
NS
31 31 31 31 31 31 3131
38
Y8505y
TRANSMISSION
VALVE UNIT
1) SOLENOID VALVE 1
2) SOLENOID VALVE 2
3) SOLENOID VALVE 3
6) HYDRAULIC
PRESSURE
REGULATOR
7) TORQUE
CONVERTER
CLUTCH SOLENOID
VALVE
8) OIL TEMPERATURE
SENSOR
9) SPEED SENSOR
10) SPEED SENSOR
TURBINE
.5 SW/RT
17
14 9 5 20 X8505
136
24
.35 GR
31 31
25
15
18
.35 BL
10
NS
X85058
.75 VI
W9047
SHIELD
W9047
SHIELD

BMBMWBMWBMW
Z3 SHIFT LOCK, DATA LINK, KICK–DOWN SWITCH
01/01 2460.14Ć 2001
02
ELECTRONIC TRANSMISSION CONTROL (EGS: A5S 360R)
1 4 6 X70001
A7000
TRANSMISSION
CONTROL MODULE
(EGS)
GROUND
DISTRIBUTION
0670.4
X10018
32
F46
15A
P90
FRONT POWER
DISTRIBUTION BOX
X7000316
.5 BL/RT
BRAKE LIGHTS
6325.0
X181
1.5 BL/RT
31 X13396
Y19
SHIFT–LOCK
FUSE DETAILS
0670.3
X781
S30
BRAKE LIGHT
SWITCH
1) BRAKE PEDAL
RELEASED
2) BRAKE PEDAL
DEPRESSED
X782
12
32
.5 WS/VI
TXD2
GROUND
DISTRIBUTION
0670.4
X6454
2
6
A6000
ENGINE CONTROL
MODULE (DME)
32
TXD2
TXD2
X600217
D100
DATA LINK
CONNECTOR
.5 SW/VI .5 BR/VI
.5 WS/VI
3736
.5 BR
X1676
CAN–CAN+
CAN+ CAN–
X1893
.5 BR
.5 GE
.5 GE
X60004
3736
.35 SW
X600024 3
CAN–CAN+
CAN+ CAN–
.35 GE
X70004
5
GROUND
DISTRIBUTION
0670.4
ENGINE CONTROL
SYSTEM MS43
(6–CYLINDER M54)
1210.26
X70003
A2w
INSTRUMENT
CLUSTER
X1894

ELECTRONIC TRANSMISSION CONTROL (EGS: A5S 360R)
BMWBMW
01/01 2460.14Ć 2001
03
P90
FRONT POWER
DISTRIBUTION
BOX
X70003
3
3 X1600
3 X1805
2 X18994
A837
ELECTRONIC
IMMOBILIZER
CONTROL MODULE
(EWS III)
FUSE DETAILS
0670.3
32
X191
.5 BR/SW
.5 BR/SW
BM
BMW
BMWBMW
Z3
F46
15A
.35 BR/SW
NOT USED
2001 03
X10018
A7000
TRANSMISSION
CONTROL MODULE
(EGS)
S224
GEAR STEP
TRANSMISSION
SWITCH
0) OFF
1) MANUAL
TRANSMISSION
2) TIP UP
3) TIP DOWN
.5 GR/BL
E82
TRANSMISSION
POSITION
INDICATOR LIGHT
2 X1600
2 X156134
1 X1561
3
1 X8518
.5 GR/GN .5 GR/RT.5 GR/ BL
1
.5 GR/RT
58g
LIGHT SWITCH
DETAILS
6300.0
201918
2 X8518
X18170X18170
GROUND
DISTRIBUTION
0670.4
GROUND
DISTRIBUTION
0670.4
LATE PRODUCTION EARLY PRODUCTION
A104
BODY
ELECTRONICS
CONTROL MODULE
(ZKE IV)
11 X13252
.5 VI/SW

87
ELECTRONIC TRANSMISSION CONTROL (EGS: A5S 360R)
BMWBMW
06/00 2460.14Ć 2001
04
P90
FRONT POWER
DISTRIBUTION BOX
L4L3L2L1 A7000
TRANSMISSION
CONTROL MODULE
(EGS)
17 1 14 15
.5 SW .5 OR .5 VI/SW .5 GE/SW
X63252
K6325
REVERSING LIGHT
RELAY
6 X6325
E16
LEFT REAR LIGHT
ASSEMBLY
5 X319
11 2167
2 X70004
A7000
TRANSMISSION
CONTROL MODULE
(EGS)
L1 L2 L3 L4
P
R
N
D
4
3
2
1110
0011
1101
0001
1011
0010
1000
H27
LEFT BACK UP
LIGHT
X1001712
X1169
1 BL/GE
FUSE DETAILS
0670.3
1 BL/GE
.5 GE/BL
BM
BMW
BMWBMW
Z3
F26
10A
10 01 0110
31 31 31 31
4 X8505
8
FUSE DETAILS
0670.3
6
F203
20A
P98
FUSE HOLDER IN
E–BOX
L5
16
X850519
01
31
.5 TR/SW 3 X6021
2 X60531
1 BL/GE
4
4 X70004
.5 BR/SW
3
Y8505y
TRANSMISSION
VALVE UNIT
13) 0: OFF (LOW)
14) 1: ON (HIGH)
1 BL/GE
L4L3L2L1 L5
.5 BR/SW
85
86 30
X8680
L5
0
0
0
1
1
1
1

06/00 3234.0 2001
A2w
INSTRUMENT
CLUSTER
A12
SUPPLEMENTAL
RESTRAINT
SYSTEM CONTROL
MODULE
20
A113
SEAT OCCUPANCY
DETECTOR
3234.0-03
F41
7.5A
21 12
F27
5A
P90
FRONT POWER
DISTRIBUTION BOX
34 X74
X74
15 9
A104
BODY
ELECTRONICS
CONTROL MODULE
(ZKE IV)
8
G6
PASSENGER’S AIR
BAG GAS
GENERATOR
13 14
3234.0-00
G5
DRIVER’S AIR BAG
GAS GENERATOR
C101
CONTACT RING
10 11
G14
LEFT SIDE AIR BAG
GAS GENERATOR
16 17
3234.0-01
G15
RIGHT SIDE AIR
BAG GAS
GENERATOR
18 19
3234.0-01
G12
DRIVER’S SIDE
PYROTECHNICAL
BELT TENSIONER
12
3234.0-01
G13
PASSENGER’S
SIDE
PYROTECHNICAL
BELT TENSIONER
34
3234.0-01
B78
DRIVER’S SIDE IM-
PACT SENSOR
B79
PASSENGER’S
SIDE IMPACT
SENSOR
S59
PASSENGER’S
SEAT BELT SWITCH
S58
DRIVER’S SEAT
BELT SWITCH
5 7
3234.0-01 3234.0-01 3234.0-02 3234.0-02
3234.0-03
3234.0-00
D100
DATA LINK
CONNECTOR
3234.0-00
3234.0-00
6
3234.0-00
0670.5
TXD
I1008
SEAT MAT
3234.0-03
33 40 26 27
G19
BATTERY SAFETY
TERMINAL
49 50
3234.0-00
POWER
DISTRIBUTION
0670.2
G1
BATTERY
3234.0 SUPPLEMENTAL RESTRAINT SYSTEM (AIR BAG)

BM
BMW
BMWBMW
Z3
3234.0Ća 2001
Pin Assignments
01/01
E = Input, A = Output, M = Ground
X74
Pin Type Description/Function Connection
1 A Pyrotechnical belt tensioner (+) Driver’s side pyrotechnical belt tensioner
2 A Pyrotechnical belt tensioner (–) Driver’s side pyrotechnical belt tensioner
3 A Pyrotechnical belt tensioner (+) Passenger’s side pyrotechnical belt
tensioner
4 A Pyrotechnical belt tensioner (–) Passenger’s side pyrotechnical belt
tensioner
5 E Power supply Front power distribution box, fuse 41
6 M Ground Ground point
7 A Air bag warning indicator Instrument cluster
8 E Belt switch Passenger’s seat belt switch
9 E/A TxD diagnostic data line Data link connector
10 A Air bag (+) Driver’s air bag gas generator
11 AAir bag (–) Driver’s air bag gas generator
12 E Belt switch Driver’s seat belt switch
13 A Air bag (+) Passenger’s air bag gas generator
14 A Air bag (–) Passenger’s air bag gas generator
15 E Seat occupancy detector Seat occupancy detector
16 A Gas generator Gas generator, left side air bag
17 A Gas generator Gas generator, left side air bag
18 A Gas generator Gas generator, right side air bag
19 A Gas generator Gas generator, right side air bag
20 E Impact sensor Driver’s side impact sensor
21 E Impact sensor Passenger’s side impact sensor
22 Not used
23 Not used
24 Not used
25 Not used
26 A Air bag II (+) Driver’s air bag gas generator
27 A Air bag II (–) Driver’s air bag gas generator
28 Not used
29 Not used

BM
BMW
BMWBMW
Z3
3234.0Ćb 2001
Pin Assignments
01/01
E = Input, A = Output, M = Ground
Pin ConnectionDescription/FunctionType
30 Not used
31 Not used
32 Not used
33 A Air bag II (+) Passenger’s air bag gas generator
34 A Crash signal Body electronics control module (ZKE IV)
35 Not used
36 Not used
37 Not used
38 Not used
39 Not used
40 A Air bag II (–) Passenger’s air bag gas generator
41 Not used
42 Not used
43 Not used
44 Not used
45 Not used
46 Not used
47 Not used
48 Not used
49 A Battery safety terminal (+) Battery safety terminal
50 A Battery safety terminal (–)Battery safety terminal

BM
BMW
BMWBMW
Z3
SUPPLEMENTAL RESTRAINT SYSTEM (AIR BAG)
06/00 3234.0Ć 2001
00
X1614
FUSE DETAILS
0670.3
A2w
INSTRUMENT
CLUSTER
10) AIR BAG
X16
23
.5 GE/SW .5 GE/BR
1 X7832
G5
DRIVER’S AIR BAG
GAS GENERATOR
C101
CONTACT RING
14
34
.35 BR/SW
6
GROUND
DISTRIBUTION
0670.4
5
FUSE DETAILS
0670.3
22
P90
FRONT POWER
DISTRIBUTION BOX
10 11
F27
5A
X1441
7
.5 BR/VI
CA
X10018
F41
7.5A
10
1 X9997
2
R
ABF+ ABF–31
THE DRIVER’S AND
PASSENGER’S AND
THE SIDE AIR BAG
GENERATORS AND
THE PYROTECHNICAL
BELT TENSIONERS
AND THE BATTERY
SAFETY TERMINAL
ARE FITTED WITH
SHORTING BRIDGES.
THE BRIDGES SHORT
THE GENERATOR
LEADS TOGETHER TO
PREVENT UNINTEN-
TIONAL TRIGGERING
OF THE IGNITER
WHEN WORKING ON
THE AIR BAG SYSTEM.
X10017
X132537
A104
BODY
ELECTRONICS
CONTROL MODULE
(ZKE IV)
X74
AWL
G6
PASSENGER’S AIR
BAG GAS
GENERATOR
33 40
3 X7824
.5 WS/SW .5 WS/BR .5 BL .5 BR
1 X17702
G19
BATTERY SAFETY
TERMINAL
49 50
1 X104672
.5 BL .5 BR
A12
SUPPLEMENTAL
RESTRAINT
SYSTEM CONTROL
MODULE
X74
.5 GR/SW .5 GR/BR
34
26 27
34
ABF2+ ABF2–
13 14
12
.5 BL/SW .5 BL/BR
G1
BATTERY
ABBF2+ ABBF2–ABBF+ ABBF–BPT+ BPT–
POWER
DISTRIBUTION
0670.2
50 RT
50 RT

.5 BL .5 GE
BM
BMW
BMWBMW
Z3
SUPPLEMENTAL RESTRAINT SYSTEM (AIR BAG)
SIDE AIR BAG
01/01 3234.0Ć 2001
01
A12
SUPPLEMENTAL
RESTRAINT
SYSTEM CONTROL
MODULE
.35 WS/BL
20
G14
LEFT SIDE AIR BAG
GAS GENERATOR
16 17
.5 BL .5 BR
1
B78
DRIVER’S SIDE IM-
PACT SENSOR
.5 GE
33
B79
PASSENGER’S
SIDE IMPACT
SENSOR
1
X1885
GROUND
DISTRIBUTION
0670.4
25 26
.5 BR
12
G15
RIGHT SIDE AIR
BAG GAS
GENERATOR
18 19
.5 GE .5 BR
25 26
.5 BR
12
.5 BL
X257
X1883
X256
X1884
X1886
GROUND
DISTRIBUTION
0670.4
21
.35 WS/GE
X1441
THE DRIVER’S AND
PASSENGER’S AND
THE SIDE AIR BAG
GENERATORS AND
THE PYROTECHNICAL
BELT TENSIONERS
AND THE BATTERY
SAFETY TERMINAL
ARE FITTED WITH
SHORTING BRIDGES.
.5 RT
G12
DRIVER’S SIDE
PYROTECHNICAL
BELT TENSIONER
12
.5 GE/RT .5 GE/BR
910
.5 SW
12
X275
X10216
THE BRIDGES SHORT
THE GENERATOR
LEADS TOGETHER TO
PREVENT UNINTEN-
TIONAL TRIGGERING
OF THE IGNITER
WHEN WORKING ON
THE AIR BAG SYSTEM.
X1441
.5 RT
G13
PASSENGER’S
SIDE
PYROTECHNICAL
BELT TENSIONER
34
.5 BL/RT .5 BL/BR
910
.5 SW
21
X279
X10217
X74
DATA LINK
0670.5
X749
.5 WS/VI
LATE PRODUCTION

5
12
BM
BMW
BMWBMW
Z3
SUPPLEMENTAL RESTRAINT SYSTEM (AIR BAG)
06/00 3234.0Ć 2001
02
6
FUSE DETAILS
0670.3
14
X10010
X10017
F27
5A
X1714
.5 BL/VI/GE
8
GROUND
DISTRIBUTION
0670.4
X275
A12
SUPPLEMENTAL
RESTRAINT
SYSTEM CONTROL
MODULE
A2w
INSTRUMENT
CLUSTER
5
FUSE DETAILS
0670.3
22
P90
FRONT POWER
DISTRIBUTION BOX
X10018
F41
7.5A
X2757
S58
DRIVER’S SEAT
BELT SWITCH
X10010
7
GROUND
DISTRIBUTION
0670.4
X279
X2798
S59
PASSENGER’S
SEAT BELT SWITCH
X74
8
.5 BR/GN/WS .5 BL/WS/GE
23 X16

BM
BMW
BMWBMW
Z3
SUPPLEMENTAL RESTRAINT SYSTEM (AIR BAG)
06/00 3234.0Ć 2001
03
FUSE DETAILS
0670.3
22
P90
FRONT POWER
DISTRIBUTION BOX
F41
7.5A
15
.5 WS/RT
3
A113
SEAT OCCUPANCY
DETECTOR
SBE
X10218
2
1 X10218
A12
SUPPLEMENTAL
RESTRAINT
SYSTEM CONTROL
MODULE
GROUND
DISTRIBUTION
0670.4
X10018
X74
X10010
1 2 X91009
I1008
SEAT MAT
18 X279
.5 WS/RT

06/00 3450.1 2001
F21
5A
3450.1-01
P90
FRONT POWER
DISTRIBUTION BOX
A52
SLIP CONTROL
MODULE
(ABS/ASC)
13 X1170
8 X1170
TXD
7
ABS
F27
5A
A2w
INSTRUMENT
CLUSTER
S30
BRAKE LIGHT
SWITCH
F10
30A
F46
15A
3450.1-00
3450.1-00
12
B2
LEFT FRONT SPEED
SENSOR – ABS
3450.1-02
56
B4
LEFT REAR SPEED
SENSOR – ABS
3450.1-02
1920
B1
RIGHT FRONT SPEED
SENSOR – ABS
3450.1-02
2322
B3
RIGHT REAR SPEED
SENSOR – ABS
3450.1-02
21 11 10
A6000
ENGINE CONTROL
MODULE (DME)
3450.1-01
A2w
INSTRUMENT
CLUSTER
3450.1-01
9
F21
5A
S6
ASC SWITCH
3450.1-01
14
LIGHT SWITCH
DETAILS
6300.0
164
3450.1-00
58g
X1170
24
F38
30A
25
3450.1 SLIP CONTROL (ABS/ASC)

Pin Assignments
BMW
BMW
BMWBMW 3450.1Ća 200101/01
Z3
E = Input, A = Output, M = Ground
X1170
Pin Type Signal Description/Function Connection
1 M VL–Sensor ground ABS speed sensor, left front
2 E VL+ Speed signal ABS speed sensor, left front
3Not used
4 E 15A21 Voltage supply Fuse 21
5 M HL–Sensor ground ABS speed sensor, left rear
6 E HL+ Speed signal ABS speed sensor, left rear
7 E/A TXD Diagnosis TXD signal Data link connector
8 M 31L Ground Ground point
9 E 30<10 Voltage supply Fuse 10
10 E/A CAN–CAN-bus Low Service, CAN-bus Low
11 E/A CAN+ CAN-bus High Service, CAN-bus High
12 Not used
13 E 54 Brake signal Brake light switch
14 E ASCS ASC-ON-signal ASC switch
15 Not used
16 A WLAS Warning lamp Instrument cluster
17 Not used
18 Not used
19 M VR–Sensor ground ABS speed sensor, right front
20 E VR+ Speed signal ABS speed sensor, right front
21 A DFAHR Right rear speed signal Engine control module (DME)
22 E HR+ Speed signal ABS speed sensor, right rear
23 M HR–Sensor ground ABS speed sensor, right rear
24 M 31L Ground Ground point
25 E 30<38 Voltage supply Fuse 38

BM
BMW
BMWBMW
Z3
SLIP CONTROL (ABS/ASC)
06/00 3450.1Ć 2001
00
ABS
32 X10018
1 X78
.35 GR/SW/GE
X181
1.5 BL/RT
216 X10018
14 X10017 20 X10015
21
2 X78
9 X1170
23 X16
13
BRAKE LIGHTS
6325.0
416 25
.75 BL/RT
A52
SLIP CONTROL
MODULE
(ABS/ASC)
S30
BRAKE LIGHT
SWITCH
1) BRAKE PEDAL
RELEASED
2) BRAKE PEDAL
DEPRESSED
A2w
INSTRUMENT
CLUSTER
P90
FRONT POWER
DISTRIBUTION BOX
FUSE DETAILS
0670.3
FUSE DETAILS
0670.3
F46
15A
F21
5A
F38
30A
F27
5A
F10
30A
X17
FUSE DETAILS
0670.3
FUSE DETAILS
0670.3
FUSE DETAILS
0670.3
X170
GROUND
DISTRIBUTION
0670.4
24 8 X1170
7
DATA LINK
0670.5
.5 WS/VI
TXD
12

2
4
13
BM
BMW
BMWBMW
Z3
01/01 3450.1Ć 2001
01
SLIP CONTROL (ABS/ASC)
P90
FRONT POWER
DISTRIBUTION BOX
.5 GR/RT
S6
ASC SWITCH
1) OPEN
2) MOMENTARILY
CLOSED
10
A52
SLIP CONTROL
MODULE
(ABS/ASC)
X521
X18170
14 X1170
FUSE DETAILS
0670.3
X521
LIGHT SWITCH
DETAILS
6300.0
58g
GROUND
DISTRIBUTION
0670.4
.5 BL/VI
F21
5A
11
.5 GE
A2w
INSTRUMENT
CLUSTER
67 X16
A6000
ENGINE CONTROL
MODULE (DME)
3736
.5 BR .5 GE .5 GE .5 BR
22 X60004
X1893
X1894
21
2 X10017
CAN –CAN +
.35 WS/GN
CAN –CAN +CAN +CAN –
.5 BR
12

BM
BMW
BMWBMW
Z3
SLIP CONTROL (ABS/ASC)
06/00 3450.1 2001
Ć02
12 6 5 20 19 22 23 X1170
12X114 2 1 X142 2 1X113 2 1 X143
B2
LEFT FRONT SPEED
SENSOR – ABS
B4
LEFT REAR SPEED
SENSOR – ABS
B1
RIGHT FRONT SPEED
SENSOR – ABS
B3
RIGHT REAR SPEED
SENSOR – ABS
LEFT FRONT
PULSE WHEEL
A52
SLIP CONTROL
MODULE
(ABS/ASC)
LEFT REAR
PULSE WHEEL
RIGHT FRONT
PULSE WHEEL
RIGHT REAR
PULSE WHEEL
.5 BR .5
BR/
RT
.5 BL .5
BR
.5 GE .5
BR
.5 GE/SW .5
GE/
BR
3 3
X170 X170
31 313131
31 31

01/01 3452.1 2001
F51
30A
3452.1-00
P900
AUXILIARY FUSE
BOX
A65
DYNAMIC STABIL-
ITY CONTROL UNIT
(DSC)
40 X1746
X1746
TXD
8
F52
30A
F53
30A
S30
BRAKE LIGHT
SWITCH
F46
15A
1
3452.1-00
29
24 36 20
Y16z
PRESSURE
TRANSMITTER
3452.1-01
1543
X1746
F21
5A
P90
FRONT POWER
DISTRIBUTION BOX
ABS
F7
5A
A2w
INSTRUMENT
CLUSTER
3452.1-00
3452.1-01
3452.1-03
3450.2-04
3452.1-00
3452.1-02
3452.1-04
42
F27
5A
2819
3452.1-04
S31
PARK BRAKE
SWITCH
3452.1-02
3452.1-03
R33
STEERING ANGLE
SENSOR
D100
DATA LINK
CONNECTOR
3452.1-02
S6y
DSC SWITCH
LIGHT SWITCH
DETAILS
6300.0
58g
2712 1716
3452.1-03
A6000
ENGINE CONTROL
MODULE (DME)
32
21 9 10
B74
TRANSVERSE
ACCELERATION
SENSOR
3452.1-04
25 22 38
B75
RPM RATE
SENSOR
3452.1-04
26 11 23
B76
PRESSURE
SENSOR
3452.1-04
23
B2
LEFT FRONT
SPEED SENSOR –
ABS
3452.1-05
3334
B4
LEFT REAR SPEED
SENSOR – ABS
3452.1-05
31 6
B1
RIGHT FRONT
SPEED SENSOR –
ABS
3452.1-05
5
B3
RIGHT REAR
SPEED SENSOR –
ABS
3452.1-05
30
14
M118
PRECHARGE PUMP
3452.1-01
41
3452.1-01
B18
BRAKE FLUID
LEVEL SWITCH
BRAKE
FLUID
Z3 VERSIONS EARLY PRODUCTION AND M VERSIONS
PARK
BRAKE
P90
FRONT POWER
DISTRIBUTION BOX
M VERSIONS
M VERSIONS
3452.1-03
A3984
OIL–/OUTSIDE
TEMPERATURE
GAUGE CONTROL
MODULE
3452.1 DYNAMIC STABILITY CONTROL (DSC III)

BMW
BMW
BMWBMW 3452.1Ća 2001
Pin Assignments (Z3 Versions Early Prod. and M Versions)
01/01
Z3
E = Input, A = Output, M = Ground
X1746
Pin Type Signal Description/Function Connection
1 M GND Ground Ground point
2 M FL0 Sensor ground Left front speed sensor (ABS)
3 E FL1 Speed signal Left front speed sensor (ABS)
4Not used
5 M RR0 Sensor ground Right rear speed sensor (ABS)
6 E RR1 Speed signal Right rear speed sensor (ABS)
7Not used
8 E/A DIAG_K Diagnosis TXD signal Data link connector
9 E A_LAT Transverse acceleration sensor
signal
Transverse acceleration sensor
10 M GND_LAT Ground Transverse acceleration sensor
11 A P_DRIV1 Voltage supply Pressure sensor
12 E 15A21 Terminal 15 Fuse 21
13 Not used
14 A VLP+ Activate precharge pump Precharge pump
15 E 30A52 Terminal 30 Fuse 52
16 E/A CAN_L CAN-bus Low Splice, CAN-bus Low
17 E/A CAN_H CAN-bus High Splice, CAN-bus High
18 Not used
19 A WLAS Warning lamp Instrument cluster
20 A SENS_DRI Pressure transmitter signal Pressure transmitter
21 A SENSP_LA Voltage supply Transverse acceleration sensor
22 A SENSP_YA Voltage supply RPM rate sensor
23 E SENS_DRI Pressure sensor signal Pressure sensor
24 M GND_DRIV Ground Pressure transmitter
25 M GND_YAW Ground RPM rate sensor
26 M GND_DRIV Ground Pressure sensor
27 E TCS DSC-ON-signal DSC switch
28 E PBRS Handbrake signal Handbrake switch
29 M GND Ground Ground point

BMW
BMW
BMWBMW 3452.1Ćb 2001
Pin Assignments (Z3 Versions Early Prod. and M Versions)
01/01
Z3
E = Input, A = Output, M = Ground
Pin ConnectionDescription/FunctionSignalType
30 E FR1 Speed signal Right front speed sensor (ABS)
31 M FR0 Ground Right front speed sensor (ABS)
32 A DFAHR Wheel speed signal, right rear Engine control module (DME)
33 E RL1 Speed signal Left rear speed sensor (ABS)
34 M RL0 Ground Left rear speed sensor (ABS)
35 Not used
36 A P_DRIV2 Voltage supply Pressure transmitter
37 Not used
38 E YAW_SIG RPM rate signal RPM rate sensor
39 Not used
40 E BLS Brake signal Brake light switch
41 E BRFN Brake fluid level signal Brake fluid level switch
42 E 30A53 Terminal 30 Fuse 53
43 E 30A51 Terminal 30 Fuse 51

M VERSIONS.75 BL/RT
BM
BMW
BMWBMW
Z3
DYNAMIC STABILITY CONTROL (DSC III)
01/01 3452.1Ć 2001
00
ABS
32 X10018
1 X78
.5 GR/SW/GE
X181
1.5 BL/RT
2 214 X10017 6 X19017
21
2 X78
42 X1746
23 X16
12
BRAKE LIGHTS
6325.0
40 19 43
.75 BL/RT
A65
DYNAMIC STABILITY
CONTROL UNIT
(DSC)
S30
BRAKE LIGHT
SWITCH
1) BRAKE PEDAL
RELEASED
2) BRAKE PEDAL
DEPRESSED
A2w
INSTRUMENT
CLUSTER
P900
AUXILIARY FUSE
BOX
FUSE DETAILS
0670.3
FUSE
DETAILS
0670.3
F46
15A
F21
5A
F51
30A
F27
5A
F53
30A
X17
FUSE DETAILS
0670.3
FUSE DETAILS
0670.3
FUSE DETAILS
0670.3
GROUND
DISTRIBUTION
0670.4
129 X1746
8
DATA LINK
0670.5
.35 WS/VI
TXD
Z3 VERSIONS EARLY PRODUCTION AND M VERSIONS
12
P90
FRONT POWER
DISTRIBUTION
BOX
4
15
F52
30A
FUSE DETAILS
0670.3
X170
M VERSIONS
P90
FRONT POWER
DISTRIBUTION
BOX

X492
GROUND
DISTRIBUTION
0670.4
BM
BMW
BMWBMW
Z3
DYNAMIC STABILITY CONTROL (DSC III)
01/01 3452.1Ć 2001
01
.5 BR/VI
18
23 X16
A2w
INSTRUMENT
CLUSTER
X16
BRAKE
FLUID
14 X10017
F27
5A
FUSE DETAILS
0670.3
P90
FRONT POWER
DISTRIBUTION BOX
X9633
GROUND
DISTRIBUTION
0670.4
2 X9063
1 X9063
B18
BRAKE FLUID
LEVEL SWITCH
1) LOW LEVEL
2) NORMAL
LEVEL
12
X1123
.5 BR/VI
A65
DYNAMIC STABILITY
CONTROL UNIT
(DSC)
41
X1748
20
.5 BR/VI .5 BL/SW
24
.5 WS/BL .5 SW/VI
36 14
M118
PRECHARGE PUMP
3 1 2
Y16z
PRESSURE
TRANSMITTER
2
1 X1656
2.5 SW/GN
X1746
X1656
Z3 VERSIONS EARLY PRODUCTION AND M VERSIONS

24
13
BM
BMW
BMWBMW
Z3
01/01 3452.1Ć 2001
02
DYNAMIC STABILITY CONTROL (DSC III)
P90
FRONT POWER
DISTRIBUTION BOX
.5 GR/RT
S6y
DSC SWITCH
1) OPEN
2) MOMENTARILY
CLOSED
A65
DYNAMIC STABILITY
CONTROL UNIT
(DSC)
X521
X18170
27 X1746
FUSE DETAILS
0670.3
X521
LIGHT SWITCH
DETAILS
6300.0
58g
GROUND
DISTRIBUTION
0670.4
.5 BL/VI
F21
5A
.35 WS/VI
6 2 X1658
2 X10017
12
1
FUSE DETAILS
0670.3
F7
5A
14 X10015
R33
STEERING ANGLE
SENSOR
X1658
5
X492
GROUND
DISTRIBUTION
0670.4
DATA LINK
0670.5
TXD
Z3 VERSIONS EARLY PRODUCTION AND M VERSIONS

BM
BMW
BMWBMW
Z3
01/01 3452.1Ć 2001
03
DYNAMIC STABILITY CONTROL (DSC III)
.35 WS/GN
32 17 X1746
.5 GE
A65
DYNAMIC STABILITY
CONTROL UNIT (DSC)
A6000
ENGINE CONTROL
MODULE (DME)
X60004
363722
R33
STEERING ANGLE
SENSOR
X1658
34
CAN–CAN+ CAN–CAN+
A2w
INSTRUMENT
CLUSTER
X16
67
CAN–CAN+
16
.5 BR
CAN–CAN+
X1893
X1894
.5 GE.5 BR.5 GE.5 BR
.5 GE.5 BR
Z3 VERSIONS EARLY PRODUCTION AND M VERSIONS
A3984
OIL–/OUTSIDE
TEMPERATURE
GAUGE CONTROL
MODULE
X13578
76
CAN–CAN+
.5 GE.5 BR
X18836
X18835
M VERSIONS

BM
BMW
BMWBMW
Z3
01/01 3452.1Ć 2001
04
DYNAMIC STABILITY CONTROL (DSC III)
.5 BL/BR/GE
1 3 X1747
S31
PARK BRAKE
SWITCH
1) BRAKE SET
2) BRAKE NOT SET
28
A65
DYNAMIC STABILITY
CONTROL UNIT
(DSC)
X1746
2311
B76
PRESSURE
SENSOR
2
X1682
.5 BL/SW.5 SW/VI.5 BL/BR/GE
26
1
.5 WS/BL
1 X1653
3822
B75
RPM RATE
SENSOR
3
.5 SW/
RT/GE
.5 GR/
SW/GE
25
2
.5 BR/SW/GE
2 X1655
109
B74
TRANSVERSE
ACCELERATION
SENSOR
1
.5 BR/
SW/WS
.5 BL/
WS/GE
21
3
.5 SW/RT/WS
12
X423
.5 BL/BR/GE
17 X16
23 X16
14 X10017
F27
5A
FUSE DETAILS
0670.3
P90
FRONT POWER
DISTRIBUTION
BOX
A2w
INSTRUMENT
CLUSTER
PARK
BRAKE
Z3 VERSIONS EARLY PRODUCTION AND M VERSIONS

BM
BMW
BMWBMW
Z3
DYNAMIC STABILITY CONTROL (DSC III)
01/01 3452.1Ć 2001
05
23 34 33 30 31 5 6 X1746
12X114 2 1 X142 21X113 2 1 X143
B2
LEFT FRONT SPEED
SENSOR – ABS
B4
LEFT REAR SPEED
SENSOR – ABS
B1
RIGHT FRONT SPEED
SENSOR – ABS
B3
RIGHT REAR SPEED
SENSOR – ABS
LEFT FRONT
PULSE WHEEL
A65
DYNAMIC STABILITY
CONTROL UNIT
(DSC)
LEFT REAR
PULSE WHEEL
RIGHT FRONT
PULSE WHEEL
RIGHT REAR
PULSE WHEEL
.5 BR .5
BR/
RT
.5 BL .5
BR
.5 GE .5
BR
.5 GE/SW .5
GE/
BR
3 3
X170 X170
31 313131
31 31
.5 BR .5 BR
Z3 VERSIONS EARLY PRODUCTION AND M VERSIONS

01/01 3452.2 2001
F51
30A
A65
DYNAMIC STABIL-
ITY CONTROL UNIT
(DSC)
38 X18303
X18303
TXD
2
F52
30A
S30
BRAKE LIGHT
SWITCH
F46
15A
47
3452.2-00
16
21 22 23
Y16z
PRESSURE
TRANSMITTER
3452.2-01
32
X18308
F21
5A
P90
FRONT POWER
DISTRIBUTION BOX
ABS
F7
5A
A2w
INSTRUMENT
CLUSTER
3452.2-00
3452.2-01
3452.2-03
3450.2-04
3452.2-00
3452.2-02
1
F27
5A
2744
3452.2-04
S31
PARK BRAKE
SWITCH
3452.2-02
3452.2-03
R33
STEERING ANGLE
SENSOR
D100
DATA LINK
CONNECTOR
3452.2-02
S6y
DSC SWITCH
LIGHT SWITCH
DETAILS
6300.0
58g
394 1511
3452.2-03
A6000
ENGINE CONTROL
MODULE (DME)
8
6
B74
TRANSVERSE
ACCELERA-
TION SENSOR
3452.2-04
24 26 40
B75
RPM RATE
SENSOR
3452.2-04
19 20 18
B76
PRESSURE
SENSOR
3452.2-04
45 46
B2
LEFT FRONT
SPEED SENSOR
– ABS
3452.2-05
3736
B4
LEFT REAR SPEED
SENSOR – ABS
3452.2-05
34 42
B1
RIGHT FRONT
SPEED SENSOR –
ABS
3452.2-05
43
B3
RIGHT REAR
SPEED SENSOR –
ABS
3452.2-05
33
9
3452.2-01
B18
BRAKE FLUID
LEVEL SWITCH
BRAKE
FLUID
Z3 VERSIONS LATE PRODUCTION
PARK
BRAKE
3452.2 DYNAMIC STABILITY CONTROL (DSC MK 60)

BMW
BMW
BMWBMW 3452.2Ća 2001
Pin Assignments (Z3 Versions Late Production)
01/01
Z3
E = Input, A = Output, M = Ground
X18303
Pin Type Signal Description/Function Connection
1 E 30A52 Terminal 30 Fuse 52
2 E/A DIAG_K Diagnosis TXD signal Data link connector
3Not used
4 E 15A21 Terminal 15 Fuse 21
5Not used
6 E A_LAT Transverse acceleration sensor
signal
Transverse acceleration sensor
7Not used
8 A DFAHR Wheel speed signal, right rear Engine control module (DME)
9 E BRFN Brake fluid level signal Brake fluid level switch
10 Not used
11 E/A CAN_H CAN-bus High Splice, CAN-bus High
12 Not used
13 Not used
14 Not used
15 E/A CAN_L CAN-bus Low Splice, CAN-bus Low
16 M GND Ground Ground point
17 Not used
18 E SENS_DRIV1 Pressure sensor signal Pressure sensor
19 M GND_DRIV1 Ground Pressure sensor
20 A P_DRIV1 Voltage supply Pressure sensor
21 M GND_DRIV2 Ground Pressure transmitter
22 E SENS_DRIV2 Pressure transmitter signal Pressure transmitter
23 A P_DRIV2 Voltage supply Pressure transmitter
24 M GND_YAW Ground Transverse acceleration sensor,
RPM rate sensor
25 Not used
26 A SENSP_YAW Voltage supply Transverse acceleration sensor,
RPM rate sensor
27 E HANDB Handbrake signal Handbrake switch
28 Not used

BMW
BMW
BMWBMW 3452.2Ćb 2001
Pin Assignments (Z3 Versions Late Production)
01/01
Z3
E = Input, A = Output, M = Ground
Pin ConnectionDescription/FunctionSignalType
29 Not used
30 Not used
31 Not used
32 E 30A51 Terminal 30 Fuse 51
33 E FR1 Speed signal Right front speed sensor (ABS)
34 M FR0 Sensor ground Right front speed sensor (ABS)
35 Not used
36 M RL0 Sensor ground Left rear speed sensor (ABS)
37 E RL1 Speed signal Left rear speed sensor (ABS)
38 E BLS Brake signal Brake light switch
39 E TCS DSC-ON-signal DSC switch
40 E YAW_SIG RPM rate signal RPM rate sensor
41 Not used
42 E RR1 Speed signal Right rear speed sensor (ABS)
43 M RR0 Sensor ground Right rear speed sensor (ABS)
44 A WLAS Warning lamp Instrument cluster
45 M FL0 Sensor ground Front left speed sensor (ABS)
46 E FL1 Speed signal Front left speed sensor (ABS)
47 M GND Ground Ground point

BM
BMW
BMWBMW
Z3
DYNAMIC STABILITY CONTROL (DSC MK 60)
01/01 3452.2Ć 2001
00
ABS
32 X10018
1 X78
.5 GR/SW/GE
X181
1.5 BL/RT
2 214 X10017
21
2 X78
X18303
23 X16
4
BRAKE LIGHTS
6325.0
38 44 32
.75 BL/RT
A65
DYNAMIC STABILITY
CONTROL UNIT (DSC)
S30
BRAKE LIGHT
SWITCH
1) BRAKE PEDAL
RELEASED
2) BRAKE PEDAL
DEPRESSED
A2w
INSTRUMENT
CLUSTER
P90
FRONT POWER
DISTRIBUTION BOX
FUSE DETAILS
0670.3
F46
15A
F21
5A
F51
30A
F27
5A
X17
FUSE DETAILS
0670.3
FUSE DETAILS
0670.3
FUSE DETAILS
0670.3
GROUND
DISTRIBUTION
0670.4
47 16 X18303
2
DATA LINK
0670.5
.35 WS/VI
TXD
12
4
1
F52
30A
FUSE DETAILS
0670.3
X170
X19017
Z3 VERSIONS LATE PRODUCTION

BM
BMW
BMWBMW
Z3
DYNAMIC STABILITY CONTROL (DSC MK 60)
01/01 3452.2Ć 2001
01
.5 BR/VI
18
23 X16
A2w
INSTRUMENT
CLUSTER
X16
BRAKE
FLUID
14 X10017
F27
5A
FUSE DETAILS
0670.3
P90
FRONT POWER
DISTRIBUTION BOX
X9633
GROUND
DISTRIBUTION
0670.4
2 X9063
1 X9063
B18
BRAKE FLUID
LEVEL SWITCH
1) LOW LEVEL
2) NORMAL
LEVEL
12
X1123
.5 BR/VI
A65
DYNAMIC STABILITY
CONTROL UNIT (DSC)
9
X1748
22
.5 BR/VI .5 BL/SW
21
.5 WS/BL .5 SW/VI
23
3 1 2
Y16z
PRESSURE
TRANSMITTER
X18303
Z3 VERSIONS LATE PRODUCTION

24
13
BM
BMW
BMWBMW
Z3
01/01 3452.2Ć 2001
02
DYNAMIC STABILITY CONTROL (DSC MK 60)
P90
FRONT POWER
DISTRIBUTION BOX
.5 GR/RT
S6y
DSC SWITCH
1) OPEN
2) MOMENTARILY
CLOSED
A65
DYNAMIC STABILITY
CONTROL UNIT
(DSC)
X521
X18170
39 X18303
FUSE DETAILS
0670.3
X521
LIGHT SWITCH
DETAILS
6300.0
58g
GROUND
DISTRIBUTION
0670.4
.5 BL/VI
F21
5A
.35 WS/VI
6 2 X1658
2 X10017
12
1
FUSE DETAILS
0670.3
F7
5A
14 X10015
R33
STEERING ANGLE
SENSOR
X1658
5
X492
GROUND
DISTRIBUTION
0670.4
DATA LINK
0670.5
TXD
Z3 VERSIONS LATE PRODUCTION

BM
BMW
BMWBMW
Z3
01/01 3452.2Ć 2001
03
DYNAMIC STABILITY CONTROL (DSC MK 60)
.35 WS/GN
32 11 X18303
.5 GE
A65
DYNAMIC STABILITY
CONTROL UNIT
(DSC)
A6000
ENGINE CONTROL
MODULE (DME)
X60004
363722
R33
STEERING ANGLE
SENSOR
X1658
34
CAN–CAN+ CAN–CAN+
A2w
INSTRUMENT
CLUSTER
X16
67
CAN–CAN+
15
.5 BR
CAN–CAN+
X1893
X1894
.5 GE.5 BR.5 GE.5 BR
.5 GE.5 BR
Z3 VERSIONS LATE PRODUCTION

BM
BMW
BMWBMW
Z3
01/01 3452.2Ć 2001
04
DYNAMIC STABILITY CONTROL (DSC MK 60)
.5 BL/BR/GE
1 3 X1747
S31
PARK BRAKE
SWITCH
1) BRAKE SET
2) BRAKE NOT SET
27
A65
DYNAMIC STABILITY
CONTROL UNIT
(DSC)
X18303
1820
B76
PRESSURE
SENSOR
2
X1628
.5 BL/SW.5 SW/VI.5 BL/BR/GE
19
1
.5 WS/BL
1 X1653
4026
B75
RPM RATE
SENSOR
3
.5 SW/
RT/GE
.5 GR/
SW/GE
24
2
.5 BR/SW/GE
2 X1655
B74
TRANSVERSE
ACCELERATION
SENSOR
1
.5 BR/
SW/WS
.5 GR/
SW/GE
6
3
.5 BR/SW/WS
12
X423
.5 BL/BR/GE
17 X16
23 X16
14 X10017
F27
5A
FUSE DETAILS
0670.3
P90
FRONT POWER
DISTRIBUTION
BOX
A2w
INSTRUMENT
CLUSTER
PARK
BRAKE X3770
X1483
.5 GR/
SW/GE
.5 BR/SW/GE
Z3 VERSIONS LATE PRODUCTION

BM
BMW
BMWBMW
Z3
DYNAMIC STABILITY CONTROL (DSC MK 60)
01/01 3452.2Ć 2001
05
45 46 36 37 33 34 43 42 X18303
12 X13395 2 1 X376 21 X13394 2 1 X377
B2
LEFT FRONT SPEED
SENSOR – ABS
B4
LEFT REAR SPEED
SENSOR – ABS
B1
RIGHT FRONT SPEED
SENSOR – ABS
B3
RIGHT REAR SPEED
SENSOR – ABS
LEFT FRONT
PULSE WHEEL
A65
DYNAMIC STABILITY
CONTROL UNIT (DSC)
LEFT REAR
PULSE WHEEL
RIGHT FRONT
PULSE WHEEL
RIGHT REAR
PULSE WHEEL
.5 BR .5
BR/
RT
.5 BL .5
BR
.5 GE .5
BR
.5 GE/SW .5
GE/
BR
31 313131
Z3 VERSIONS LATE PRODUCTION

01/01 3614.0Ć 2001
00
3614.0 TIRE INFLATION SYSTEM
BM
BMW
BMWBMW
Z3 E28a
CIGAR LIGHTER
CONNECTION
8 6 X6394
X63942
K6394
COMPRESSOR
RELAY
2.5 SW
X12552
M805
ELECTRIC
COMPRESSOR
2.5 SW
4
1 RT/WS
4
.5 WS
X12551
2.5 BL
1
1 BR/RT
3
.5 WS
X3206
10
1
X3940
E28a
CIGAR LIGHTER
CONNECTION
–
+
1 X3040
2.5 RT1 RT
2.5 RT
X693
S232
COMPRESSOR
MAIN SWITCH
0) OFF
1) ON
X3158
1 BR
2.5 BR
2.5 BR
X3040
2

.5 GE
.5 BR
X6021
S555
TIRE PRESSURE WARNING
SYSTEM (RDW) PUSHBUTTON
1) OFF
2) TEACH–IN PROCESS
BM
BMW
BMWBMW
Z3
3623.1 TIRE PRESSURE WARNING SYSTEM (RDW)
01/01 3623.1Ć 2001
00
23 34 33 30 31 5 6
12X114
2 1 X142
21X113
2 1 X143
B2
LEFT FRONT
SPEED SENSOR –
ABS
B4
LEFT REAR SPEED
SENSOR – ABS
B1
RIGHT FRONT
SPEED SENSOR –
ABS
B3
RIGHT REAR SPEED
SENSOR – ABS
LEFT FRONT
PULSE WHEEL
A65
DYNAMIC STABIL-
ITY CONTROL UNIT
(DSC)
LEFT REAR PULSE
WHEEL
RIGHT FRONT
PULSE WHEEL
RIGHT REAR
PULSE WHEEL
.5 BR .5
BR/
RT
.5 BL .5
BR
.5 GE .5
BR
.5 GE/SW .5
GE/
BR
3 3
X170 X170
31
31 31 31 31
31
P90
FRONT POWER
DISTRIBUTION BOX
23
X17
A2w
INSTRUMENT
CLUSTER
X6021
A6000
ENGINE CONTROL
MODULE (DME)
1
.5 SW/ RT/GE
5
X60535
21
1X100000
X6000345
.5 SW/GN/GE
F27
5A
X16
X1001714
FUSE DETAILS
0670.3
X6053
.5 SW/GN
8
.5 GE/SW
X60003
19
7
X100000
2
X18170
GROUND DISTRIBUTION
0670.4
17 X1746
.5 BR
16
6
7
.5 GE X1893
X1894
.5 BR
ENGINE CONTROL
SYSTEM MSS54
(6–CYLINDER S54 B32)
1210.27
.5 BR
37
36
.5 GE
X18835
X18836 ENGINE CONTROL
SYSTEM MSS54 (6–CYL-
INDER S54 B32)
1210.27
.5 GE
CAN+ CAN–
CAN+CAN–
X60004
CAN+CAN–
.5 GE/SW
.5 GE/SW

BM
BMW
BMWBMW
Z3 OUTSIDE MIRROR
06/00 5116.0Ć 2001
00
FUSE DETAILS
0670.3
P90
FRONT POWER
DISTRIBUTION BOX
S17
MIRROR CONTROL
SWITCH
0) OFF
1) UP
2) LEFT
3) RIGHT
4) DOWN
5) DRIVER’S SIDE
6) PASSENGER’S SIDE
X6254
.5 BL/GN
5116.0-01
.5 SW/WS .75 BL/WS .5 BL/SW
21 X62556 3
X10017
5116.0 POWER MIRRORS
8
.75 BR
230
F24
10A
56
230140140140

.5 BL/GN
06/00 2001
X6244
.5 BL/SW
.5 SW/WS
.75 BL/WS .5 BL/SW
Y5
DRIVER’S SIDE
MIRROR
1
.75 BL/WS
.5 BL/SW
X851
2 X6233
Y6
PASSENGER’S
SIDE MIRROR
X624132
.75 BL/WS
X850
.5 BL/WS .5 BL/GN
.5 BL/GN
X25621
X257
21
X6234
.5 BL/SW
5116.0-00
22 20
.75 BL/WS
2022
.5 BL/SW
GROUND
DISTRIBUTION
0670.4
.75 BR
.5 BR
5116.0Ć 01
GROUND
DISTRIBUTION
0670.4
X9633 X13004

N12w
ANTI–THEFT
CONTROL MODULE
(ALPINE)
BM
BMW
BMWBMW
Z3
INPUTS, DRIVE–AWAY PROTECTION
01/01 5126.0Ć 2001
00
5126.0 ZKE CENTRAL LOCKING (ZV)
P90
FRONT POWER
DISTRIBUTION BOX
A12
SUPPLEMENTAL
RESTRAINT
SYSTEM CONTROL
MODULE
34 X74
.35 BR/SW
14 X10015
S47
DRIVER’S DOOR
LOCK SWITCH
0) OFF
3) CENTRAL
ARREST
2 X747
X7471
.5 WS/RT
X257
10
.35 WS/RT
31
26 X10018
LIGHT SWITCH
DETAILS
6300.0
.5 GR/SW
A104
BODY
ELECTRONICS
CONTROL MODULE
(ZKE IV)
S49
PASSENGER’S
DOOR LOCK
SWITCH
0) OFF
3) CENTRAL
ARREST
2 X742
X7421
.5 WS/RT
X256
10
.35 WS/RT
.5 WS/GE
DATA LINK
0670.5
.5 WS/VI
7 X13253
RXD TXD
911
1342 X10182
FUSE DETAILS
0670.3
FUSE DETAILS
0670.3
.35 WS/RT
INTERIOR LIGHTS
6330.3
.75 BR/SW
415
.5 SW/GN
4 X13253
.5 BL/RT/GE
A837
ELECTRONIC
IMMOBILIZER
CONTROL MODULE
(EWS III)
31
X449 X450
13 15 X1805
.5 BL/RT/GE
31
F43
5A
F7
5A
03 03
10 X13025
X13252
X10182
X13253 X10182
CA
.5 BL/RT/GE
A194y
REMOTE CONTROL
MODULE
6 X13139
WITH ALPINE WITH DWA

X13006
BMBMWBMWBMW
Z3
ANTI–THEFT
SYSTEM (ALPINE)
6575.2
INPUT DETAILS
01/01 5126.0Ć 2001
01
ZKE CENTRAL LOCKING (ZV)
A104
BODY
ELECTRONICS
CONTROL MODULE
(ZKE IV)
S14
DRIVER’S DOOR
JAMB SWITCH
1) DOOR OPEN
2) DOOR CLOSED
2
.75 BR/GR/GE
2 X352
X3521
GROUND
DISTRIBUTION
0670.4
S13
PASSENGER’S
DOOR JAMB
SWITCH
1) DOOR OPEN
2) DOOR CLOSED
3
.75 BR/BL/GE
2 X351
X3511
GROUND
DISTRIBUTION
0670.4
5X10182
GROUND
DISTRIBUTION
0670.4
15 X13252
GROUND
DISTRIBUTION
0670.4
17 X13253
.75 BR/GR/GE
X443
X445
.75 BR/BL/GE
30 30
31
21
21
X13004
X13254
X18170 X10010
9 X13025
N12w
ANTI–THEFT
CONTROL MODULE
(ALPINE)
5 X13139
A194y
REMOTE CONTROL
MODULE
WITH ALPINEWITH DWA
ANTI–THEFT
SYSTEM (DWA)
6575.0
.5 WS/RT/GE .5 GN/WS

BM
BMW
BMWBMW
Z3
OUTPUT DETAILS
01/01 5126.0Ć 2001
02
ZKE CENTRAL LOCKING (ZV)
X1001514
M12
DRIVER’S DOOR
LOCK MOTOR
1) LOCK
2) UNLOCK
1 2 3 X660
FUSE DETAILS
0670.3
X1001810
FUSE DETAILS
0670.3
A104
BODY
ELECTRONICS
CONTROL MODULE
(ZKE IV)
.5 WS/SW
6
1
5X6604
.5 WS/GN
P90
FRONT POWER
DISTRIBUTION BOX
X10015
14
FUSE DETAILS
0670.3
10 X13252
1
M13
PASSENGER’S DOOR
LOCK MOTOR
1) LOCK
2) UNLOCK
1
23 X641
6
5 X6414
29
.5 WS/GN .5 WS/SW
15
1.5 BL/GR
17 X257
16
1.5 SW 1.5 WS
1.5 BL/GR
1.5 SW
1.5 WS
X462
2.5 SW
X453
X455
16 17 X25615
1.5 SW 1.5 BL/
GR
1.5 WS
2.5 BL/GR 2.5 WS
2
12
.5 RT/GN
12
.5 RT/
GN
1.5 BL/GR 1.5 WS
F7
5A
F35
25A
F7
5A
12 12
12
X13252
1.5 WS
1.5 SW
1.5 BL/GR
Z3 VERSIONS AND M ROADSTER
2 X3121
M16
GAS FILLER LOCK
MOTOR
.75 BL/GR
3 X104702
.75 SW
.75 BL/GR.75 SW

1 2 Z3 ROADSTER
12 Z3 ROADSTER
114 15 X132532
316
01/01 5126.0Ć 2001
03
P90
FRONT POWER
DISTRIBUTION
BOX
A104
BODY
ELECTRONICS
CONTROL MODULE
(ZKE IV)
.5 WS/SW .5 WS/GN
13 X25714
.5 WS/SW
14 X256
.5 WS/GN
13
1 X3112
3 X311
14 X10015
1.5 BL/GR 1.5 WS
M17
LUGGAGE
COMPARTMENT
LOCK MOTOR
1) LOCK
2) UNLOCK
1 X315
2
FUSE DETAILS
0670.3
.5 WS/BL.5 WS/GN/GE .35 WS/BR .35 WS/GR.35 WS/SW .35 WS/GN
31 31 31 31 31 31
12
F7
5A

BM
BMW
BMWBMW
Z3
OUTPUT DETAILS
01/01 5126.0Ć 2001
04
ZKE CENTRAL LOCKING (ZV)
X1001514
M12
DRIVER’S DOOR
LOCK MOTOR
1) LOCK
2) UNLOCK
1 2 3 X660
FUSE DETAILS
0670.3
X1001810
FUSE DETAILS
0670.3
A104
BODY
ELECTRONICS
CONTROL MODULE
(ZKE IV)
.5 WS/SW
6
1
5X6604
.5 WS/GN
P90
FRONT POWER
DISTRIBUTION BOX
X10015
14
FUSE DETAILS
0670.3
10 X13252
1
M13
PASSENGER’S
DOOR LOCK
MOTOR
1) LOCK
2) UNLOCK
1
23 X641
6
5 X6414
29
.5 WS/GN .5 WS/SW
15
1.5 BL/GR
17 X257
16
1.5 SW 1.5 WS
1.5 BL/GR
1.5 SW
1.5 WS
X462
2.5 SW
X453
X455
16 17 X25615
1.5 SW 1.5 BL/
GR
1.5 WS
2.5 BL/GR 2.5 WS
2
12
.5 RT/GN
12
.5 RT/
GN
F7
5A
F35
25A
F7
5A
12 12
12
X13252
1.5 WS
1.5 SW
1.5 BL/GR
M COUPE
.35 WS/SW .35 WS/GN
14 X25713
2 X3121
.75 BL/GR
3 X104702
.75 SW
.75 BL/GR.75 SW
M16
GAS FILLER LOCK
MOTOR

114 15 X132532
01/01 5126.0Ć 2001
05
A104
BODY
ELECTRONICS
CONTROL MODULE
(ZKE IV)
.35 WS/GN
.5 WS/SW
14 X256
.5 WS/GN
13
.35 WS/BR .35 WS/GR.35 WS/SW .35 WS/GN
31 31 31 31
4 2 X1376
X13766
K70
CENTRAL LOCKING
LUGGAGE
COMPARTMENT
LID MOTOR RELAY
(ZV)
8
2
12
1
X1236
1.5 RT/WS
S117
LUGGAGE COMPARTMENT
LID LOCKING SWITCH
1) UNLOCK
2) LOCK
X1775
.35 WS/GN
GROUND DISTRIBUTION
0670.4
X166
GROUND DISTRIBUTION
0670.4
X13006
2
1
X1775
.35 WS/GN/GE
86 30
8785
POWER
DISTRIBUTION
0670.2
X10285
M17
LUGGAGE
COMPARTMENT
LOCK MOTOR
X10285
G7512
B+ JUNCTION
POINT
30
X1978
F103
80A

.75 GN/SW
INPUT DETAILS
4
01/01 5133.0Ć 2001
00
A104
BODY
ELECTRONICS
CONTROL MODULE
(ZKE IV)
S14
DRIVER’S DOOR
JAMB SWITCH
1) DOOR OPEN
2) DOOR CLOSED
2
.75 BR/GR/GE
12
S13
PASSENGER’S DOOR
JAMB SWITCH
1) DOOR OPEN
2) DOOR CLOSED
12
X443
GROUND
DISTRIBUTION
0670.4
.75 BR/GR/GE.5 BR/GR/GE
3
.75 BR/BL/GE
X13254
N12w
ANTI–THEFT
CONTROL MODULE
(ALPINE)
.5 BR/GR/GE
.75 BR/BL/GE
30 30
P90
FRONT POWER
DISTRIBUTION BOX
F14
30A
5133.0 ZKE POWER WINDOWS (FH)
8X10016
X132528
FUSE DETAILS
0670.3
X1018212
5 X13025
X445
.5 SW/GE
X13004
.5 BR/BL/GE
GROUND
DISTRIBUTION
0670.4
X352
1
X352
2
X351
1
X351
2
A2w
INSTRUMENT
CLUSTER
23 X17
BM
BMW
BMWBMW
Z3
X13006
M VERSIONS
START
1240.0

1
7 6
2
.35
VI/
WS
BMW ZKE POWER WINDOWS (FH)
INPUT DETAILS
06/00 5133.0Ć 2001
01
4
4 X316
0
3
21
LIGHT SWITCH
DETAILS
6300.0
S126y
DRIVER’S POWER
WINDOW SWITCH
0) OFF
1) OPEN WINDOW
2) CLOSE
WINDOW
3) OPEN AUTO.
4) CLOSE AUTO.
A104
BODY
ELECTRONICS
CONTROL MODULE
(ZKE IV)
.35 SW/WS
1
4
0
3
21
.5 GR/RT
3 X316
8 9 X13254
.35
BL/
GN
X324
4
4 X324
0
3
21
S127y
PASSENGER’S
POWER WINDOW
SWITCH
0) OFF
1) OPEN WINDOW
2) CLOSE
WINDOW
3) OPEN AUTO.
4) CLOSE AUTO.
.35 WS/GN
2
4
0
3
21
.5 GR/RT
3
X494
GROUND
DISTRIBUTION
0670.4
GROUND
DISTRIBUTION
0670.4
BM
BMW
BMWBMW
Z3

BMW ZKE POWER WINDOWS (FH)
OUTPUT DETAILS
06/00 5133.0Ć 2001
02
2.5 VI/WS
6
1
A104
BODY
ELECTRONICS
CONTROL MODULE
(ZKE IV)
M21
DRIVER’S WINDOW
MOTOR
2.5 VI/WS
6
2.5 SW/WS
7
2
2.5 SW/WS
X13252
13
.5 SW/WS
4
1
.35 SW
23
X7493
X9633
1.5 BL/GN
6
1
M23
PASSENGER’S
WINDOW MOTOR
1.5 GE/GN
14
1.5 GE/GN
7
2
1.5 BL/GN
X13252
7
.5 GE/WS
4
1
.35 GE/SW
24
X18280
X7443
GROUND
DISTRIBUTION
0670.4
GROUND
DISTRIBUTION
0670.4
.5 SW/GR
X257
5
4 X749
.35 SW/GR
X13253
8
.5 GE/GR
X256
5
4 X744
.35 GE/GR
X13253
9
X18279
X13004
BM
BMW
BMWBMW
Z3

BM
BMW
BMWBMW
Z3 DRIVER’S SEAT
06/00 5200.0Ć 2001
00
5200.0 POWER SEATS
P90
FRONT POWER
DISTRIBUTION BOX
X10016
18
FUSE DETAILS
0670.3
S51
DRIVER’S SEAT,
SEAT CONTROL
SWITCH
3) SEAT HEIGHT
SWITCH
0) OFF
1) UP
2) DOWN
7) SEAT
POSITION
SWITCH
0) OFF
1) FRONT
2) BACK
7 3
M51
DRIVER’S SEAT
MOVEMENT
MOTOR
1
1 BL
2 X726
1 GN
M52
DRIVER’S SEAT
HEIGHT MOTOR
2
1.VI
1 X728
1 SW
GROUND
DISTRIBUTION
0670.4
13 X275
2 RT/GE
14 X275
2 BR
X13006
F19
30A
02 01 02 01

BM
BMW
BMWBMW
Z3 PASSENGER’S SEAT
06/00 5200.0Ć 2001
01
POWER SEATS
P90
FRONT POWER
DISTRIBUTION BOX
X10015
10
FUSE DETAILS
0670.3
S56
PASSENGER’S
SEAT, SEAT
CONTROL SWITCH
3) SEAT HEIGHT
SWITCH
0) OFF
1) UP
2) DOWN
7) SEAT
POSITION
SWITCH
0) OFF
1) FRONT
2) BACK
7 3
M60
PASSENGER’S
SEAT MOVEMENT
MOTOR
1
1 BL
2 X734
1 GN
M59
PASSENGER’S
SEAT HEIGHT
MOTOR
2
1 VI/WS
1 X737
1 VI/WS
GROUND
DISTRIBUTION
0670.4
13 X279
2 RT/SW
14 X279
2 BR
X13004
F5
30A
02 01 02 01

BM
BMW
BMWBMW
Z3 DRIVER’S SEAT
06/00 5200.0Ć 2001
02
POWER SEATS
P90
FRONT POWER
DISTRIBUTION BOX
X10016
18
FUSE DETAILS
0670.3
S51
DRIVER’S SEAT,
SEAT CONTROL
SWITCH
3) SEAT HEIGHT
SWITCH
0) OFF
1) UP
2) DOWN
7) SEAT
POSITION
SWITCH
0) OFF
1) FRONT
2) BACK
7 3
M51
DRIVER’S SEAT
MOVEMENT
MOTOR
1
1 GN
2 X726
1 BL/WS
M52
DRIVER’S SEAT
HEIGHT MOTOR
2
.5 OR
1 X728
1 SW
GROUND
DISTRIBUTION
0670.4
13 X275
2 RT/GE
X9993
2 BR
X13006
F19
30A
12
S910
DRIVER’S SEAT
LIMIT SWITCH
1) OFF
2) LIMIT
1 X9990
X99902
X13006
GROUND
DISTRIBUTION
0670.4
9 X9991
K920
DRIVER’S SEAT
TILT ADJUST CUT–
OFF RELAY
X999168 7
X13006
GROUND
DISTRIBUTION
0670.4
5
.5 VI/SW
K921
DRIVER’S SEAT
LENGTH ADJUST
CUT–OFF RELAY
4
31 2
X13006
GROUND
DISTRIBUTION
0670.4
1 GN 1 BL
10
.5 OR
1 VI/WS
1 VI
1 VI 1 SW
1 BL .5 OR
X9991
X9991
01 02 02 01
SPORT SEATS

BM
BMW
BMWBMW
Z3 PASSENGER’S SEAT
06/00 5200.0Ć 2001
03
POWER SEATS
P90
FRONT POWER
DISTRIBUTION BOX
X10015
10
FUSE DETAILS
0670.3
S56
PASSENGER’S
SEAT, SEAT
CONTROL SWITCH
3) SEAT HEIGHT
SWITCH
0) OFF
1) UP
2) DOWN
7) SEAT
POSITION
SWITCH
0) OFF
1) FRONT
2) BACK
7 3
M60
PASSENGER’S
SEAT MOVEMENT
MOTOR
1
1 GN
2 X734
1 BL/WS
M59
PASSENGER’S
SEAT HEIGHT
MOTOR
2
.5 OR
1 X737
1 SW
GROUND
DISTRIBUTION
0670.4
13 X279
2 RT/SW
X9997
2 BR
X13004
F5
30A
12
S911
PASSENGER’S
SEAT LIMIT
SWITCH
1) OFF
2) LIMIT
1 X9994
X99942
X13004
GROUND
DISTRIBUTION
0670.4
9 X9995
K910
PASSENGER’S
SEAT TILT ADJUST
CUT–OFF RELAY
X999568 7
X13004
GROUND
DISTRIBUTION
0670.4
5
.5 VI/SW
K911
PASSENGER’S
SEAT LENGTH AD-
JUST CUT–OFF
RELAY
4
31 2
X13004
GROUND
DISTRIBUTION
0670.4
1 GN 1 BL
10
.5 OR
1 BR/WS
1 BR/SW
1 BR/SW 1 SW
1 BL .5 OR
X9995
X9995
SPORT SEATS
01 02 2 100

5203.0 HEATED SEATS
BMBMWBMWBMW
Z3
X9454
GROUND
DISTRIBUTION
0670.4
4
06/00 5203.0Ć 2001
00
P90
FRONT POWER
DISTRIBUTION BOX
LIGHT SWITCH
DETAILS
6300.0
X100158
FUSE DETAILS
0670.3
6X651
10
TEST
9
8
7
6
154
14
13
12
11
3
2
2 3 1 X651
S53
DRIVER’S SEAT,
SEAT HEATER
SWITCH
0) OFF
1) MINIMUM
2) MAXIMUM
.75 GN/VI
.5 GN/GE
X806
2 X733
3 X733
E56
DRIVER’S SEAT-
BACK HEATER
E57
DRIVER’S SEAT
HEATER
.75 BR
4
6X658
2 3 1 X658
S54
PASSENGER’S
SEAT, SEAT
HEATER SWITCH
0) OFF
1) MINIMUM
2) MAXIMUM
.5 GR/RT.5 GR/RT
1.5 GR/RT
58g
GROUND
DISTRIBUTION
0670.4
F4
15A
01
02
10
TEST
9
8
7
6
154
14
13
12
11
3
2
01
02
X18170
.5 GN/GE .5 GN/GE .5 GN/GE
25 X275
.75 WS/RT
24 X275
X9367
.75 GN/VI .75 GN/VI
.75 GN/VI
.75 BR
X18178
.75 BR
.75 BR
GROUND
DISTRIBUTION
0670.4
.75 GN/VI
2 X740
3 X740
E59
PASSENGER’S
SEATBACK HEATER
E58
PASSENGER’S
SEAT HEATER
.75 BR
GROUND
DISTRIBUTION
0670.4
X18170
25 X279
.75 WS/GE
24 X279
X9368
.75 GN/VI .75 GN/VI
.75 GN/VI
.75 BR
X18179
.75 BR
.75 BR

.75 BL/RT
BM
BMW
BMWBMW
Z3
01/01 5430.2Ć 2001
00
5430.2 ELECTRO–HYDRAULIC CONVERTIBLE TOP
X100152
FUSE DETAILS
0670.3
X1001832
FUSE DETAILS
0670.3
S30
BRAKE LIGHT
SWITCH
1) BRAKE PEDAL
RELEASED
2) BRAKE PEDAL
DEPRESSED
1 X78
2.5 RT/GE
F1
30A
F46
15A
1.5 BL/RT
12
X78
2
X181
4 X13146
4 X1836365
2 X18363
8
.5 BL/RT
X1215
8 X18364
P90
FRONT POWER
DISTRIBUTION BOX
BRAKE LIGHTS
6325.0
.5 BL/RT
.5 BL/RT
K18364
CONVERTIBLE TOP
RELAY II (OPEN)
2
M101
CONVERTIBLE TOP
MOTOR
X18364
46
K18363
CONVERTIBLE TOP
RELAY I (CLOSE)
5
X1116 X1116
GROUND
DISTRIBUTION
0670.4
GROUND
DISTRIBUTION
0670.4
.5 BR/GE
2 X231461
2.5 RT/GE
2.5 SW/GE
.5 BL/RT
2.5 SW/BL .5 BR/RT
M VERSIONS

06/00 5430.2Ć 2001
01
21
S164
CONVERTIBLE TOP
END–POSITION MI-
CRO SWITCH
1) TOP TENSION
RELIEVED
2) TOP FULLY
EXTENDED
3 X10299
X10299
2
120
1 X130452
3 X130454
X13006
GROUND
DISTRIBUTION
0670.4
.5 BR/RT
5
.5 BR/GE
X18170
.5 BR/OR
GROUND
DISTRIBUTION
0670.4
3 X11209
.5 BR/OR
S143
CONVERTIBLE TOP
ACTUATING
SWITCH
0) OFF
1) CLOSE
2) OPEN
WITH HARD TOP
PROVISIONS
X11209
LIGHT SWITCH
DETAILS
6300.0
58g
.5 GR/RT
3 X13146
2
.5 BR/GE .5 BR/RT

15
CD5D
D 7
B
6B
C
01/01 6100.0 2001
C 26
F35
25A
A104
BODY
ELECTRONICS
CONTROL MODULE
(ZKE IV)
7
M23
PASSENGER’S
WINDOW MOTOR
15 B
S13
PASSENGER’S
DOOR JAMB
SWITCH
M21
DRIVER’S WINDOW
MOTOR
S14
DRIVER’S DOOR
JAMB SWITCH
924714 82313
S127y
PASSENGER’S
POWER WINDOW
SWITCH
S126y
DRIVER’S POWER
WINDOW SWITCH
LIGHT SWITCH
DETAILS
6300.0
B
F33
10A
10 12
5133.1-01
5133.1-01
F2
15A
18
5133.1-02 5133.1-00
5133.1-02
5133.1-00
A
9
11
RXD
TXD
F14
30A
8
9 D
A174
13
A5
5126.0-00
C
S826
LUGGAGE
COMPARTMENT
LIGHT SWITCH
6320.0-03
14
A12
SUPPLEMENTAL
RESTRAINT
SYSTEM CONTROL
MODULE
S47
DRIVER’S DOOR
LOCK SWITCH
S49
PASSENGER’S
DOOR LOCK
SWITCH
5126.0-00
83
6320.0
F103
80A
A = X10182
B = X13252
C = X13252
D = X13254
A837
ELECTRONIC
IMMOBILIZER
CONTROL MODULE
(EWS III)
6135.1-03
F43
5A
4C
P90
FRONT POWER
DISTRIBUTION BOX
F7
5A
B192114 163
M12
DRIVER’S DOOR
LOCK MOTOR
5126.0-02
M17
LUGGAGE
COMPARTMENT
LOCK MOTOR
5126.0-03
152
M13
PASSENGER’S
DOOR LOCK
MOTOR
5126.0-02
5126.0-05
5126.0-05
5126.0-05
M COUPE
M17
LUGGAGE
COMPARTMENT
LOCK MOTOR
K70
CENTRAL LOCKING
LUGGAGE
COMPARTMENT LID
MOTOR RELAY (ZV)
S117
LUGGAGE
COMPARTMENT LID
LOCKING SWITCH
5126.0-04
Z3 VERSIONS
AND
M ROADSTER 5126.0-04
M16
GAS FILLER LOCK
MOTOR
5126.0-02
5126.0-04
A12
6350.0-01
1
S8
LIGHT SWITCH
2
6300.0
N17
CRASH
CONTROL
MODULE
START
1240.0
P90
FRONT POWER
DISTRIBUTION
BOX
G7512
B+ JUNCTION
POINT
4
ROADSTER
6330.3-00
S408
INTERIOR LIGHT
SWITCH
E800
FRONT LEFT
INTERIOR LIGHT
E34
FRONT DOME
LIGHT/MAP READ-
ING ASSEMBLY
COUPE
6330.3-00
6330.3-00
S825
FRONT LID MICRO
SWITCH
6575.0-01
S20
RADIO ANTI–
THEFT SWITCH
(DWA)
17 A
ROADSTER
6575.0-01
WITH DWA
11
2460.14-03
E82
TRANSMISSION
POSITION
INDICATOR LIGHT
LATE PRODUCTION
6135.1-01
N12w
ANTI–THEFT
CONTROL MODULE
(ALPINE)
6575.2-00
A194y
REMOTE CONTROL
MODULE
6610.2-00
WITH ALPINE WITH DWA
C1 25 C
B28
PITCH SENSOR
(DWA)
6575.0-00
7
H67
DWA SIREN
6575.0-00
P90
FRONT POWER
DISTRIBUTION BOX
F31
5A
14
V5
DWA LED
26
N17
CRASH
CONTROL
MODULE
10 A3
6575.0-00 6575.0-02
F16
5A
WITH DWA
6100.0 CENTRAL BODY ELECTRONICS (ZKE IV)

6100.0Ća
BMW
BMW
BMW 2001
Pin Assignments
01/01
BM
BMW
BMWBMW
Z3
E = Input, A = Output, M = Ground
N = X10182 18 Pins, black
O = X13252 15 Pins, black
P = X13253 26 Pins, yellow
Q = X13254 26 Pins, green
X10182
Pin Type Description/Function Connection
1 E Crash signal Crash control module
2 E Light signal Light switch
3 E Power supply Front power distribution box, fuse 16
(with DWA)
4 E Power supply Front power distribution box, fuse 43
5 M Ground Ground point
6Not used
7 A Activate siren DWA siren (with DWA)
8Not used
9 A Diagnosis RxD signal Data link connector
10 A Optical alarm Crash control module (with DWA)
11 E/A Diagnosis TxD signal Data link connector
12 E Start signal Starter (Z3 Versions)
Ignition switch (M Versions)
13 Not used
14 A Activate LED LED DWA (with DWA)
15 A Drive-away protection Electronic immobilizer control module
(EWS III)
16 Not used
17 E DWA signal Front lid micro/radio anti-theft switch
(with DWA)
18 E Power supply Front power distribution box, fuse 2

6100.0Ćb
BMW
BMW
BMW 2001
Pin Assignments
01/01
BM
BMW
BMWBMW
Z3
E = Input, A = Output, M = Ground
X13252
Pin Type Description/Function Connection
1 A Central arrest signal Lock motors
2 A Unlock signal Lock motors
3Not used
4 A Automatic interior light signal Interior light
5Not used
6 A Voltage supply Power window motor, driver’s door
7 A Voltage supply Power window motor, passenger’s door
8 E Power supply Front power distribution box, fuse 14
9 A Lock signal Lock motors
10 E Power supply Front power distribution box, fuse 35
11 Not used
12 E Power supply Front power distribution box, fuse 33
13 E Motor signal Power window motor, driver’s door
14 E Motor signal Power window motor, passenger’s door
15 M Ground Ground point
X13253
Pin Type Description/Function Connection
1 E Unlock signal Door lock motor, driver’s door
2 E Unlock signal Door lock motor, passenger’s door
3 E Unlock signal Luggage compartment lock motor
(not M Coupe)
4 E Data signal Anti-theft system control module (Alpine)
Central locking remote control (with DWA)
5 E Inclination signal Pitch sensor (with DWA)
6Not used
7 E Crash signal Supplemental restraint system control
module
8 E Revolution signal Power window motor, driver’s door
9 E Revolution signal Power window motor, passenger’s door

6100.0Ćc
BMW
BMW
BMW 2001
Pin Assignments
01/01
BM
BMW
BMWBMW
Z3
E = Input, A = Output, M = Ground
Pin ConnectionDescription/FunctionType
10 Not used
11 AConsumer cut-off signal Transmission position indicator light
(Late Production)
12 Not used
13 E Central arrest signal Door lock switches
14 E Lock signal, driver’s door Door lock motor, driver’s door
15 E Lock signal, passenger’s door Door lock motor, passenger’s door
16 E Lock signal, luggage compartment lid Luggage compartment lock motor
17 E Data signal Anti-theft system control module (Alpine)
Central locking remote control (with DWA)
18 Not used
19 Not used
20 Not used
21 Not used
22 Not used
23 A Plus supply (revolution) Power window’s motor, driver’s side
24 A Voltage supply (revolution) Power window’s motor, passenger’s side
25 Not used
26 Not used
X13254
Pin Type Description/Function Connection
1 E Remote control signal Central locking remote control (with DWA)
2 E Door signal Door jamb switch, driver’s door
3 E Door signal Door jamb switch, passenger’s door
4Not used
5Not used
6 E OPEN signal Power window switch, driver’s door
7 E CLOSE signal Power window switch, driver’s door
8 E OPEN signal Power window switch, passenger’s door
9 E CLOSE signal Power window switch, passenger’s door
10 Not used

6100.0Ćd
BMW
BMW
BMW 2001
Pin Assignments
01/01
BM
BMW
BMWBMW
Z3
E = Input, A = Output, M = Ground
Pin ConnectionDescription/FunctionType
11 Not used
12 Not used
13 Not used
14 E Luggage compartment signal Luggage compartment light switch
15 Not used
16 Not used
17 Not used
18 Not used
19 Not used
20 Not used
21 Not used
22 Not used
23 Not used
24 Not used
25 A DWA signal Pitch sensor (with DWA)
26 A Alarm signal DWA siren (with DWA)

X13253
.75 GN/SW
WITH
ALPINE
.5 WS/RT/
GE
BMBMWBMWBMW
Z3
01/01 6100.0Ć 00
CENTRAL BODY ELECTRONICS (ZKE IV)
P90
FRONT POWER
DISTRIBUTION BOX
6
POWER
DISTRIBUTION
0670.2
12
2001
A104
BODY
ELECTRONICS
CONTROL MODULE
(ZKE IV)
GROUND
DISTRIBUTION
0670.4
X18170
F33
10A
10
POWER
DISTRIBUTION
0670.2
10
F35
25A
X10018
X13252
215 1 9 X13252
2.5
BL/
GR
2.5
SW
2.5
WS
1 2 3
.35
WS/
BR
.5
WS/
GN/
GE
13 14 15
.35
WS/
SW
.35
WS/
GR
16 17 4
.5 GN/WS .5 BL/
RT/
GE
3 2 1
.75 BR/
GR/GE
.5 BR/
RT/GE
X13253
12
.5 SW/GE
2
.5 GR/SW
1
.5 BR/SW/GE
15 X10182
.5 SW/GN
9
.5 WS/GE
11
.5 WS/VI
RXD TXD
DRIVE–AWAY
PROTECTION (EWS III)
6135.1
CRASH CONTROL
MODULE
6350.0
LIGHT SWITCH
DETAILS
6300.0
START
1240.0
ZKE CENTRAL
LOCKING (ZV)
5126.0 ANTI–THEFT
SYSTEM (ALPINE)
6575.2
.35
WS/
RT
.5
WS/
BL
.75 BR/BL/
GE
.35 WS/GN
DATA LINK
0670.5
M VERSIONS
25 26
.35 SW/
GN
.5 SW/
RT/
GE
X13254
.5
VI/
GN/
GE
714
.5
GR/
SW/
GE
X1018217
.35 WS/GN
ANTI–THEFT
SYSTEM (DWA)
6575.0
.5 SW/WS/
GE
5
10
.5 BL/GN/GE

X13253
WITH DWA
BMBMWBMWBMW
Z3
01/01 6100.0Ć 01
CENTRAL BODY ELECTRONICS (ZKE IV)
P90
FRONT POWER
DISTRIBUTION BOX
18
2001
A104
BODY
ELECTRONICS
CONTROL MODULE
(ZKE IV)
GROUND
DISTRIBUTION
0670.4
X10010
26
FUSE DETAILS
0670.3
4
F43
5A
X10018
X10182
56 7 13 14 7 8 9 9 23 24
X13254
ZKE POWER
WINDOWS (FH)
5133.0
8
FUSE DETAILS
0670.3
8
F14
30A
X10016
X13252 6 8 X101824
INTERIOR LIGHTS
6330.3
.75 BR/SW 2.5 VI/WS 1.5 BL/
GN
2.5 SW/
WS
1.5 GE/
GN
.35 VI/WS .35 SW/
WS
.35 WS/
GN
.35 BL/GN .35 SW/GR .35 GE/
GR
.35 SW .35 GE/
SW
X13252
4
FUSE DETAILS
0670.3
X10015
F2
15A
3
12
FUSE DETAILS
0670.3
X10016
F16
5A
14
LICENSE PLATE/
LUGGAGE
COMPARTMENT
LIGHTS
6320.0
.75 BR/
WS
X13254
E82
TRANSMISSION
POSITION INDICA-
TOR LIGHT
3
11
X1600
X13252
.5 VI/SW
LATE PRODUCTION
7
SUPPLEMENTAL
RESTRAINT
SYSTEM (AIR BAG)
3234.0
.35 BR/
SW

BMBMWBMWBMW
Z3
06/00 6133.0Ć 00
6133.0 HORN
P90
FRONT POWER
DISTRIBUTION BOX
X10015
16
FUSE DETAILS
0670.3
68 X56
30
2
1 VI/BL
1 VI/BL
2H2
LEFT HORN
1
1 VI/BL
2
1
X10021
H3
RIGHT HORN
86
85
.5 BR/RT
4 X56
2001
K2
HORN RELAY
X132
X132
X133
X133
87
GROUND
DISTRIBUTION
0670.4
GROUND
DISTRIBUTION
0670.4
X166 X165
F8
15A
P90
FRONT POWER
DISTRIBUTION BOX
X18018
26
FUSE DETAILS
0670.3
F43
5A
1 X168
S4
HORN SWITCH
.5 BR/RT
C100
CONTACT RING
5 X783
.5 BR/RT
C100
CONTACT RING
6 X783
GROUND
DISTRIBUTION
0670.4
X18170

X70003
X191
BM
BMW
BMWBMW
Z3
01/01 6135.1Ć 2001
00
2
X700033
.5 BR/SW
3
P90
FRONT POWER
DISTRIBUTION BOX
2
S2
IGNITION SWITCH
0) OFF
1) ACCESSORY
2) RUN
3) START
8
A837
ELECTRONIC
IMMOBILIZER
CONTROL MODULE
(EWS III)
X1805
X2094
8 X33
2.5 SW/GE
X18057
2.5 SW/GE
X331
4 RT
50
2.5 GN/SW
6135.1 DRIVE–AWAY PROTECTION (EWS III)
X2095
FUSE DETAILS
0670.3
F31
5A
21
0
3
X10018
X189943
30
X18994
2
S235
STARTER
IMMOBILIZATION
SWITCH
1) NORMAL
2) CLUTCH PEDAL
FULLY DEPRESSED
F45
7.5A
21
1
.35 BR/SW
X9633
GROUND
DISTRIBUTION
0670.4
POWER
DISTRIBUTION
0670.2
WITHOUT EGS WITH EGS
X191
G7512
B+ JUNCTION
POINT
11 10
.5 WS .5 BL
3 1
L1
EWS TOROIDAL
COIL
X1764
9
F106
50A
X1981
4 RT
A7000
TRANSMISSION
CONTROL MODULE
(EGS)
3 2 X18994
NOT USED
.5 BR/SW
.5 BR/SW .35 BR/SW
Z3 VERSIONS

33
01/01 6135.1Ć 2001
01
15
A837
ELECTRONIC
IMMOBILIZER
CONTROL MODULE
(EWS III)
513
15
.5 SW/GN
X180514
A6000
ENGINE CONTROL
MODULE (DME)
1) DRIVE–AWAY
PROTECTION
X6000417
.5 SW
X1805
6
X10182
N12w
ANTI–THEFT
CONTROL MODULE
(ALPINE)
A104
BODY
ELECTRONICS
CONTROL MODULE
(ZKE IV)
X13025
10
5 X2499
M6510
STARTER
X6510
1
1
.35 SW
.5 BL/RT/GE
2.5 SW/GE
X1047
INSTRUMENT
CLUSTER
6211.0
GROUND
DISTRIBUTION
0670.4
X60004
X450
X18170
X13139
2.5 SW
50
4
.5 WS/VI
DATA LINK
0670.5
.5 SW/VI
A6000
ENGINE CONTROL
MODULE (DME)
4
.5 Bl/RT/GE
X13253
.5 BL/RT/GE
WITH ALPINE WITH DWA
A194y
REMOTE CONTROL
MODULE

BM
BMW
BMWBMW
Z3
01/01 6135.1Ć 2001
02
2
3
P90
FRONT POWER
DISTRIBUTION BOX
2
S2
IGNITION SWITCH
0) OFF
1) ACCESSORY
2) RUN
3) START
8
A837
ELECTRONIC
IMMOBILIZER
CONTROL MODULE
(EWS III)
X1805
X2094
8 X33
2.5 SW/GE
X18057
2.5 SW/GE
X331
4 RT
50
2.5 GN/SW
DRIVE–AWAY PROTECTION (EWS III)
X2095
FUSE DETAILS
0670.3
F31
5A
21
0
3
X10018
X189943
30
X18994
2
S235
STARTER IMMOBILIZATION
SWITCH
1) NORMAL
2) CLUTCH PEDAL FULLY
DEPRESSED
F45
7.5A
21
1
.35 BL/SW
X9633
GROUND
DISTRIBUTION
0670.4
POWER
DISTRIBUTION
0670.2
G7512
B+ JUNCTION
POINT
11 10
.5 WS .5 BL
3 1
L1
EWS TOROIDAL
COIL
X1764
9
F106
50A
X1981
4 RT
START
1240.0
X239
2.5 GN/SW
M VERSIONS

33
01/01 6135.1Ć 2001
03
15
A837
ELECTRONIC
IMMOBILIZER
CONTROL MODULE
(EWS III)
513
15
.5 SW/GN
X180514
A6000
ENGINE CONTROL
MODULE (DME)
1) DRIVE–AWAY
PROTECTION
X6000417
.5 SW
X1805
4 X10182
N12w
ANTI–THEFT
CONTROL MODULE
(ALPINE)
A104
BODY
ELECTRONICS
CONTROL MODULE
(ZKE IV)
X13025
10
1 X6011
M6510
STARTER
X6510
.5 BL/RT/GE
1
1
.35 SW.5 BL/RT/GE
.5 BL/RT/GE 2.5 SW/GE
X1047
GROUND
DISTRIBUTION
0670.4
X60004
X450
X18170
X13253
2.5 SW/GE
50
4
.5 WS/VI
DATA LINK
0670.5
.5 SW/VI
A6000
ENGINE CONTROL
MODULE (DME)
D100
DATA LINK
CONNECTOR
1X6002
.35 SW
X6810
2.5 SW

BM
BMW
BMWBMW
Z3
.5 GR/SW
HIGH
6160.1 WIPER/WASHER MODULE (WWM)
06/00 6160.1Ć 2001
00
A51
WIPER/WASHER
MODULE
P90
FRONT POWER
DISTRIBUTION BOX
5
31
2
X188
INSTRUMENT
CLUSTER
6211.0
A2w
INSTRUMENT
CLUSTER
2) VEHICLE
SPEED
OUTPUT
.5 SW/WS
.5 SW/WS
2 X17
5 X503
FUSE DETAILS
0670.3
4
LIGHT SWITCH
DETAILS
6300.0
X196
X5038
X285
S8
LIGHT SWITCH
0) OFF
1) PARK LIGHTS ON
2) HEADLIGHTS ON
1 GR/SW
X10018
14
14
FUSE DETAILS
0670.3
X10015
6
6
FUSE DETAILS
0670.3
12
M3
WIPER MOTOR
1) WIPER IN PARK
2) WIPER NOT IN
PARK
2 X333
21
34
1 X333
3 2
.5 BR/GN/GE 2.5 SW/RT/GE 2.5 SW/WS/GE
GROUND
DISTRIBUTION
0670.4
X9633
1
M7
HEADLIGHT/FOG
LIGHT WASHER
PUMP
X1232
15
2.5 SW/BR
1 X123
GROUND
DISTRIBUTION
0670.4
X165
7X285
GROUND
DISTRIBUTION
0670.4
F3
30A
F36
30A
F37
10A
2.5 SW
WITH HEADLIGHT
WASHER
WITHOUT HEAD-
LIGHT WASHER
0
2
1
X9633

BM
BMW
BMWBMW
Z3
.5 BR/VI
5
.75 BR/VI
X107
X107
HIGH
WIPER/WASHER MODULE (WWM)
06/00 6160.1Ć 2001
01
A51
WIPER/WASHER
MODULE
FUSE DETAILS
0670.3
S5
WIPER/WASHER
SWITCH
0) OFF
1) SINGLE WIPE
2) INTERMITTENT
3) NORMAL
4) FAST
5) WASH
6) INTENSIVE
WASH
11
1X295
10
7 X295
1
2
M4
WASHER PUMP
.75 SW/GN
P90
FRONT POWER
DISTRIBUTION BOX
.75 BR/VI
X285
.75 BR
X9633
GROUND
DISTRIBUTION
0670.4
F44
15A
9
2
.5 SW/BR
.75 SW/BL
13
4
.5 SW/BL
.75 SW/BR
3
.75 SW/GR
28 X10018
.5 SW/GR
8 X285
12
NOT USED
.75 VI/SW .5 VI/SW
06
201
3
4
201
3
4
05
ROADSTER

.5 BR/VI.5 SW/BR.5 SW/BL.5 SW/GR
BMW
WIPER/WASHER (HIGH)
WIPER/WASHER MODULE (WWM)
06/00 6160.1Ć 2001
02
A51
WIPER/WASHER
MODULE
P90
FRONT POWER
DISTRIBUTION BOX
X285
FUSE DETAILS
0670.3
GROUND
DISTRIBUTION
0670.4
.5 VI/SW
F44
15A
5
S5
WIPER/WASHER
SWITCH
0) OFF
1) SINGLE WIPE
2) INTERMITTENT
3) NORMAL
4) FAST
5) WASH
10) REAR WASH
X295
1243
X1001828
FUSE DETAILS
0670.3
F1
30A
2
8 13 9 10
2
.75 SW/GN
.5 VI/SW
X9633
X2958
7
X1072
X1071
2
X13006
6
1
.5 BL/GN .5 VI/SW
GROUND
DISTRIBUTION
0670.4
1
X13268 X13057
X13057
A36
REAR WIPER/
WASHER INTERVAL
CONTROL MODULE
X10015
M4
WASHER PUMP
.75 BR/VI
12 11
201
3
410
5
0
10
5
0
201
3
4
COUPE
Z3

BM
BMW
BMWBMW
Z3
6167.1 HEADLIGHT WASHER (SRA)
06/00 6167.1Ć 2001
00
P90
FRONT POWER
DISTRIBUTION BOX
7 X28515
A51
WIPER/WASHER
MODULE
X1232
X123
1
M7
HEADLIGHT/FOG
LIGHT WASHER
PUMP
X165
14
2.5 SW/BR
GROUND
DISTRIBUTION
0670.4
FUSE DETAILS
0670.3
GROUND
DISTRIBUTION
0670.4
X100156
F3
30A
6
FUSE DETAILS
0670.3
12
F36
30A
X2858
FUSE DETAILS
0670.3
X1001828
F44
15A
X9633

BM
BMW
BMWBMW
Z3
06/00 6169.0Ć 2001
00
6169.0 WINDSHIELD WASHER JET HEATERS
P90
FRONT POWER
DISTRIBUTION BOX
X100178
X1149
X1052 X1062
X1051 X1061
FUSE DETAILS
0670.3
GROUND
DISTRIBUTION
0670.4
.75 GN/GE
.75 BR .75 BR
.75 GN/GE
X11481
X11482
S198
JET HEATER
THERMOSWITCH
.75 GN/GE
E51
LEFT WASHER JET
HEATER
E52
RIGHT WASHER
JET HEATER
X10088
1
.75 GN/GE
X165
F24
10A

C A6 14
01/01 6211.0 2001
A 4
F23
5A
K16
HAZARD FLASHER
RELAY
S7
COMBINATION
SWITCH
F31
5A
P90
FRONT POWER
DISTRIBUTION BOX
A2w
INSTRUMENT
CLUSTER
F27
5A
1
B10
VEHICLE SPEED
SENSOR
6211.0-02 G6509
GENERATOR
D+
F46
15A
22 23 16 1
6312.0
3 4
A51
WIPER/WASHER
MODULE
6211.0-00
A18
HIFI AMPLIFIER
6211.0-00
6211.0-00
A35y
BOARD
COMPUTER
(BC – LOW)
6211.0-00
2
B6y
FUEL SENSOR
6211.0-02
3 4 17
S31
PARK BRAKE
SWITCH
6211.0-03
18
B18
BRAKE FLUID
LEVEL SWITCH
6211.0-03
9 19
B17
RIGHT REAR
BRAKE PAD
SENSOR
B16
LEFT FRONT
BRAKE PAD
SENSOR
24 3
6211.0-01
6211.0-01
A
A= X16
B= X17
C= X271
S14
DRIVER’S DOOR
JAMB SWITCH
23
6211.0-01
S2
IGNITION SWITCH
6211.0-01
22 B
S58
DRIVER’S SEAT
BELT SWITCH
6211.0-01
A
14
A12
SUPPLEMENTAL
RESTRAINT
SYSTEM CONTROL
MODULE
6211.0-00
6313.0-03
S8
LIGHT SWITCH
6300.0
A
12 TXD
2 15
F15
15A
8
S220
AIR CONDITIONING/
RECIRCULATING
SWITCH ASSEMBLY
6211.0-03
6
A6000
ENGINE CONTROL
MODULE (DME)
A19007
THERMAL OIL
LEVEL SENSOR
(TOENS) CONTROL
MODULE
6211.0-04
9 7
B9508
PRESSURE
SWITCH
6450.6-03
A35y
BOARD
COMPUTER
(BC – LOW)
6211.0-04
25
B6231
OIL PRESSURE
SWITCH
6211.0-05
19
A52
SLIP CONTROL
MODULE (ABS/ASC)
A65
DYNAMIC STABILITY
CONTROL UNIT
(DSC)
21 76
A6000
ENGINE CONTROL
MODULE (DME)
N9
RADIO
D100
DATA LINK
CONNECTOR
NSW P90
FRONT POWER
DISTRIBUTION BOX
B B C B
B B A
HARMAN KARDON
SOUND SYSTEM
6312.0
6211.0-05
6211.0-03
A6000
ENGINE CONTROL
MODULE (DME)
1230.0
M VERSIONSZ3 VERSIONS
M VERSIONSZ3 VERSIONS
1
A6000
ENGINE CONTROL
MODULE (DME)
6211.0-05
S555
TYRE PRESSURE
WARNING SYSTEM
(RDW) PUSH-
BUTTON
H10
CHIME MODULE
6211.0-00
6211.0-05
B
1230.0
M VERSIONS
A6000
ENGINE CONTROL
MODULE (DME)
M VERSIONS Z3 VERSIONS
M VERSIONS Z3 VERSIONS
6211.0-05
6211.0-04
6211.0-05
B6254
THERMAL OIL
LEVEL SWITCH
6211.0-05
M VERSIONS Z3 VERSIONS
M VERSIONS Z3 VERSIONS
6211.0-04
6211.0-04
A3984
OIL–/OUTSIDE
TEMPERATURE
GAUGE
CONTROL
MODULE
6211.0-00
M VERSIONS Z3 VERSIONS
6211.0 INSTRUMENT CLUSTER

BMW
BMW
BMW 6211.0Ća 2001
Pin Assignments
01/01
BM
BMW
BMWBMW
Z3
E = Input, A = Output, M = Ground
X16
Pin Type Description/Function Connection
1 E High beam indicator control Combination switch
2 E Terminal 58g, instrument illumination power Light switch (dimmer)
3 E Right turn signal indicator control Hazard flasher relay
4 E Left turn signal indicator control Hazard flasher relay
5Not used
6 E/A CAN-bus High Splice, CAN-bus High
7 E/A CAN-bus Low Splice, CAN-bus Low
8Not used
9Not used
10 Not used
11 Not used
12 E/A Diagnosis TXD signal Data link connector
13 Not used
14 E Air bag warning lamp (SRS) control Supplemental restraint system control
module
15 Not used
16 Not used
17 E Park brake warning lamp control Park brake switch
18 E Brake fluid warning lamp control Brake fluid level switch
19 E Brake pad wear warning lamp control Brake pad sensors
20 Not used
21 Not used
22 E Voltage supply, terminal 30 Front power distribution box, fuse 31
23 E Voltage supply, terminal 15 for indicator and
warning lamps
Front power distribution box, fuse 27
24 M Ground supply, terminal 31 for instrument
cluster electronics
Ground point
25 Not used
26 Not used

BMW
BMW
BMW 6211.0Ćb 2001
Pin Assignments
01/01
BM
BMW
BMWBMW
Z3
E = Input, A = Output, M = Ground
X17
Pin Type Description/Function Connection
1 E Tire pressure warning lamp control Engine control module (DME) (M Versions)
2 A Vehicle speed signal Various control modules
3 M Ground supply, terminal 31 for indicator and
warning lamps
Ground point
4 E Voltage supply, terminal 15 for instrument
cluster electronics
Front power distribution box, fuse 23
5Not used
6 E Ground supply, terminal 61 for battery
charge indicator
Generator (Z3 Versions)
Engine control module (DME) (M Versions)
7Not used
8 E Fog light indicator control Front power distribution box, fuse 15
9 A Sound tone signal Chime module
10 Not used
11 Not used
12 Not used
13 Not used
14 E Seat belt warning lamp control Driver’s seat belt switch
15 E SIA reset/service interval indicator reset Data link connector
16 E Voltage supply, terminal R Front power distribution box, fuse 46
17 Not used
18 Not used
19 E Oil pressure warning lamp control Oil pressure switch (Z3 Versions)
Engine control module (DME) (M Versions)
20 Not used
21 E ABS warning lamp (ABS) ABS/ASC/DSC control module
22 E Ignition key warning/audible ignition key
warning
Ignition switch
23 E Driver’s door open Driver’s door jamb switch
24 Not used
25 E Fuel consumption signal Board computer (Z3 Versions)
26 Not used

BMW
BMW
BMW 6211.0Ćc 2001
Pin Assignments
01/01
BM
BMW
BMWBMW
Z3
E = Input, A = Output, M = Ground
X271
Pin Type Description/Function Connection
1 A Fuel level sensor Fuel tank sensors
2Not used
3 A Ground supply for fuel tank sensor and
vehicle speed sensor
Fuel tank sensor and vehicle speed
sensor
4 E Position signal (TW) Vehicle speed sensor
5Not used
6 E A/C-ON-signal Air condition switch
7 E Activate A/C Pressure switch
8Not used
9 E Oil level signal Thermal oil level sensor (TOENS) control
module (Z3 Versions)
Engine control module (DME) (M Versions)
10 Not used
11 Not used
12 Not used

9
.5 SW/RT
BM
BMW
BMWBMW
Z3
00
01/01 6211.0Ć 2001
INSTRUMENT CLUSTER
INDICATORS
P90
FRONT POWER
DISTRIBUTION BOX
A2w
INSTRUMENT
CLUSTER
2) VEHICLE
SPEED
OUTPUT
10) AIR BAG
23X17
2
X1614
.5 BR/VI
A12
SUPPLEMENTAL
RESTRAINT
SYSTEM CONTROL
MODULE
7
14 X10017
X16
X74
FUSE DETAILS
0670.3
F27
5A
N9
RADIO
10 X18126
A35y
BOARD
COMPUTER
(BC – LOW)
9 X10245
A51
WIPER/WASHER
MODULE
5 X285
TACH
.5 SW/WS
.35 SW/WS
.5 SW/WS
.5 SW/WS
.5 SW/WS
31
TACH
10
2
X10464
OUTPUT–SIGNAL
SPEEDOMETER
P90
FRONT POWER
DISTRIBUTION BOX
3
2X10018
X522
FUSE DETAILS
0670.3
F31
5A
X5221
GROUND
DISTRIBUTION
0670.4
X18170
GROUND
DISTRIBUTION
0670.4
24
X10010
2
15
X17
A18
HIFI AMPLIFIER
1 X10266
.5 SW/WS
X3223
HARMAN KARDON
SOUND SYSTEM
.5 SW/WS
31
31
H10
CHIME MODULE
X188
20 X1717
COUPE
ROADSTER
A3984
OIL–/OUTSIDE
TEMPERATURE
GAUGE CONTROL
MODULE
15 X13578
.5 SW/WS
TACH
Z3 VERSIONS M VERSIONS
31

BM
BMW
BMWBMW
Z3 INDICATORS
01/01 6211.0Ć 2001
01
INSTRUMENT CLUSTER
3
GROUND
DISTRIBUTION
0670.4
A2w
INSTRUMENT
CLUSTER
HEADLIGHTS/FOG
LIGHTS
6312.0
TURN/HAZARD
LIGHTS
6313.0 LIGHT SWITCH
DETAILS
6300.0
.75 GE/BR .5 BL/GN
4
.5 BL/BR
3
.5 GR/RT
X17 2
19 X16
2 X713
2X118
1X118
1 X713
.5 GE
B16
LEFT FRONT BRAKE
PAD SENSOR
.5 GE
B17
RIGHT REAR BRAKE
PAD SENSOR
S58
DRIVER’S SEAT
BELT SWITCH
6 X275
14
8 X275
14 X10017
23
P90
FRONT POWER
DISTRIBUTION BOX
FUSE DETAILS
0670.3
GROUND
DISTRIBUTION
0670.4
GROUND
DISTRIBUTION
0670.4
.5 BL/VI/GE
F27
5A
X9633 X10010 X13006
9
15 15
45
21
12 X33
X9633
22
.5 BL/SW
11 X33
.75 BL/SW
.75 BR
GROUND
DISTRIBUTION
0670.4
GROUND
DISTRIBUTION
0670.4
ANTI–THEFT
SYSTEM (ALPINE)
6575.2
S2
IGNITION SWITCH
4) OPEN MOMENTARILY
IN START AND OFF,
OPEN WITH KEY
REMOVED
5) CLOSED IN OFF,
START, RUN AND AC-
CESSORY
S14
DRIVER’S DOOR
JAMB SWITCH
1) DOOR OPEN
2) DOOR CLOSED
.5 BR/GR/GE
X443
.75 BR/GR/GE
2 X352
1X352
23 X17
X13006
HEADLIGHTS/FOG
LIGHTS
6312.0
.35 WS
1
DATA LINK
0670.5
.35 WS/VI
X1612
ANTI–THEFT
SYSTEM (DWA)
6575.0
Z3 VERSIONS

A35y
BOARD COMPUTER
(BC – LOW)
BM
BMW
BMWBMW
Z3
01/01 6211.0Ć 2001
02
INDICATORS
INSTRUMENT CLUSTER
P90
FRONT POWER
DISTRIBUTION BOX
A2w
INSTRUMENT
CLUSTER
11) FUEL GAUGE
14) SPEEDOMETER
31
4 16 X1622
3X2714
B10
VEHICLE SPEED
SENSOR
X3832
X3831
14
FUSE DETAILS
0670.3
FUSE DETAILS
0670.3
GROUND
DISTRIBUTION
0670.4
X65003
13
B6y
FUEL SENSOR
X10018232
X100176
X17
.5 BR/GE
.5 BR/SW
X6500
6
.5 BR/SW .5 BR/RT
.5 BR/SW
X805
11
R
1/2
F
FUSE DETAILS
0670.3
X11291
.5 BR/GE
X9633
F23
5A
F46
15A
F31
5A
31 31 31
30
7 X10245
.5 BR/GE
X1715
X60027
D100
DATA LINK
CONNECTOR
.35 WS/GN
15
X17
25
.35 WS/SW
X10245
4
Z3 VERSIONS

X90632
X90631 44 X18303
.5 SW/VI
BM
BMW
BMWBMW
Z3
FUSE DETAILS
0670.3
P90
FRONT POWER
DISTRIBUTION BOX
X16
23
X1001714
01/01 6211.0Ć 2001
03
INDICATORS
INSTRUMENT CLUSTER
A2w
INSTRUMENT
CLUSTER
X423
1
F27
5A
21
B18
BRAKE FLUID
LEVEL SWITCH
1) LOW LEVEL
2) NORMAL LEVEL
X111
1
.5 BR/VI
21
X9633
GROUND
DISTRIBUTION
0670.4
18
BRAKE
FLUID
X90631
X1112
S31
PARK BRAKE
SWITCH
1) BRAKE SET
2) BRAKE NOT
SET
17 X16
16 X1170
A52
SLIP CONTROL
MODULE
(ABS/ASC)
19 X1746
A65
DYNAMIC STABIL-
ITY CONTROL UNIT
(DSC)
X2717
.5 SW/GE
B9508
PRESSURE
SWITCH
X127
4
S220
AIR CONDITIONING/
RECIRCULATING
SWITCH ASSEMBLY
X18349
2
.5 SW/GR
1 SW/VI
X1022
.5 GR/SW/GE
6
X100545
X189
.5 SW/GR
1 SW/VI
INTEGRATED
HEATING– AND
CLIMATE CONTROL
6450.6
Z3 VERSIONS
M VERSIONS
.5 VI/GR
.35 GR/SW/GE
21 X17
WITH DSCWITH ASC
Z3 VERSIONS
LATE PRODUCTION
6 X17
CHARGING
SYSTEM
1230.0
.5 BL
-+
ABS
PARK
FLUID
X1628
X1123
DYNAMIC STABILITY
CONTROL (DSC III)
3452.1
DYNAMIC STABILITY CONTROL
(DSC MK 60)
3452.2
.35 BR/VI
.5 BR/VI .5 BL/BR/GE
.5 BL/BR/GE
WITH DSC
WITH DSC

X1894
.5 GE
BM
BMW
BMWBMW
Z3
04
01/01 6211.0Ć 2001
INSTRUMENT CLUSTER
INDICATORS
X18055
.5 SW
P90
FRONT POWER
DISTRIBUTION BOX
11 1
ENGINE CONTROL
SYSTEM MS43
(6–CYLINDER M54)
1210.26
GROUND
DISTRIBUTION
0670.4
14 X10017
FUSE DETAILS
0670.3
F27
5A
X10010
.5 GR/BL
X1047
A6000
ENGINE CONTROL
MODULE (DME)
X60004
36 37
GROUND
DISTRIBUTION
0670.4
X6454
X62542
3 X2499
.5 GN/GE
X625431
2 X10018
FUSE DETAILS
0670.3
F31
5A
26
.35 WS/VI
10
TXD
DATA LINK
0670.5
6 X10017
FUSE DETAILS
0670.3
F23
5A
12
FUSE DETAILS
0670.3
F26
10A
9
X16
23
CAN+
9 X271
X1893
7 X166
A837
ELECTRONIC
IMMOBILIZER CONTROL
MODULE (EWS III)
A19007
THERMAL OIL
LEVEL SENSOR
(TOENS) CONTROL
MODULE
X6002
1
D100
DATA LINK
CONNECTOR
B6254
THERMAL OIL
LEVEL SWITCH
12
X19007
A2w
INSTRUMENT
CLUSTER
X19007
.5 SW
.35 SW .5 SW
.5 BR
.5 BR.5 GE
B6236
ENGINE COOLANT
TEMPERATURE
SENSOR
CAN–
.5 GN/BL/GE
TACHOMETER
TEMPERATURE
GAUGE
CAN+ CAN–
Z3 VERSIONS
19 X17
.5 BR/GN
2524
.5 GR/BR.5 BR/RT
X1612
B6231
OIL PRESSURE
SWITCH
1) PRESSURE
BETWEEN
0.2–0.5 BAR
2) NORMAL
PRESSURE
12
17 X60004
X62361 2
X60003
1 X2499
.5 BR/GN

B6236
ENGINE COOLANT
TEMPERATURE SENSOR
BM
BMW
BMWBMW
Z3
FUSE DETAILS
0670.3
P90
FRONT POWER
DISTRIBUTION BOX
23
X1001714
01/01 6211.0Ć 2001
05
INDICATORS
INSTRUMENT CLUSTER
A2w
INSTRUMENT
CLUSTER
TACHOMETER
TEMPERATURE
GAUGE
X16
F27
5A
19
37
7
F27
5A
M VERSIONS
11 X60004
3926
.5 GR/BR.5 BR/GN
3 X6254
B6254
THERMAL OIL
LEVEL SWITCH
1 X6231
B6231
OIL PRESSURE SWITCH
1) PRESSURE BETWEEN
0.2–0.5 BAR
2) NORMAL PRESSURE
X6021
S555
TIRE PRESSURE WARNING
SYSTEM (RDW) PUSHBUTTON
1) OFF
2) TEACH–IN PROCESS
X17
X6021
A6000
ENGINE CONTROL
MODULE (DME)
1
.5 SW/ RT/GE
5
X60535
21
1X100000
X6000345
.5 SW/GN/GE
X6053
.5 SW/GN
8
.5 GE/SW
X60003
19
7
X100000
2
X18170
GROUND DISTRIBUTION
0670.4
.5 GE/SW
.5 GE/SW
.5 BR/GN
20
X271
9
.5 GN/GE
.5 BR X1894
24
.5 BR/RT
1 X6236
36
X16
6
.5 GE
X1893
2
.5 BR
25
.75 BR
X17
ENGINE CONTROL
SYSTEM MSS54 (6–CYL-
INDER S54 B32)
1210.27
X6491
ENGINE CONTROL
SYSTEM MSS54 (6–CYL-
INDER S54 B32)
1210.27 X6462
CAN+CAN–
CAN+CAN–
.75 BR
X6236
21

BM
BMW
BMWBMW
Z3
06
01/01 6211.0Ć 2001
CONSOLE INSTRUMENTS
INSTRUMENT CLUSTER
P90
FRONT POWER
DISTRIBUTION BOX
F31
5A
A3984
OIL–/OUTSIDE
TEMPERATURE
GAUGE CONTROL
MODULE
18
2 X10018
FUSE DETAILS
0670.3
6 X9561
GROUND
DISTRIBUTION
0670.4
X166
A2w
INSTRUMENT
CLUSTER
2) VEHICLE
SPEED
OUTPUT
15
2 X17
X13578
M VERSIONS
F23
5A
8
6 X10017
.5 GR/BR
3 X6254
B6254
THERMAL OIL
LEVEL SWITCH
A6000
ENGINE CONTROL
MODULE (DME)
34 X60003 X60004
36 37
CAN–CAN+
.5 GE .5 BR
X18835
X18836
67
CAN–CAN+
.35 GE .5 BR
.5 GR/RT
5 X9561
B59
OIL TEMPERATURE
GAUGE
.5 BR/GN
4
11
8
.5 BR/GN
.5 WS/RT
2
1
6
.5 WS/RT
.5 WS/VI
1
10
5
.5 WS/VI
LIGHT SWITCH DETAILS
6300.0
6 X2239
GROUND
DISTRIBUTION
0670.4
X166
.5 GR/RT
5 X2239
B921
OUTSIDE
TEMPERATURE
GAUGE
.5 BR/BL
3
5
4
.5 BR/BL
.5 WS/GE
2
2
1
.5 WS/GE
.5 WS/BL
1
4
3
.5 WS/BL
.5 BR/GE
4
3
2
.5 BR/GE
X3505
GROUND
DISTRIBUTION
0670.4
X10010
X770
B21z
TEMPERATURE
SENSOR
.5 BR
2
17
.5 GN/GE
1
16 9 X13578
ENGINE CONTROL
SYSTEM MSS54 (6–CYL-
INDER S54 B32)
1210.27
FUSE DETAILS
0670.3
58g
2
.5 SW/WS
X188 6211.0-00
.5 SW/WS

BM
BMW
BMWBMW
Z3
6213.1 ANALOG CLOCK
01/01 6213.1Ć 2001
00
X11552
P90
FRONT POWER
DISTRIBUTION BOX
N5
ANALOG CLOCK
X1155
3
GROUND
DISTRIBUTION
0670.4
.5 GR/RT
LIGHT SWITCH
DETAILS
6300.0
1
FUSE DETAILS
0670.3
2
F31
5A
X18170
X10018
Z3 VERSIONS
X11552
P90
FRONT POWER
DISTRIBUTION BOX
N5
ANALOG CLOCK
X1155
3
GROUND
DISTRIBUTION
0670.4
.5 GR/RT
LIGHT SWITCH
DETAILS
6300.0
1
FUSE DETAILS
0670.3
2
F31
5A
X166
X10018
M VERSIONS
4
.5 BR .5 BR

.5 GR/GE .5 GR/VI
BM
BMW
BMWBMW
Z3
A104
BODY
ELECTRONICS
CONTROL MODULE
(ZKE IV)
X5037
PARK/TAIL/UNDER-
HOOD LIGHTS
6314.0
F33
10A
6
12 1
FUSE DETAILS
0670.3
X10018
6300.0Ć 2001
00
F22
5A
P90
FRONT POWER
DISTRIBUTION BOX
45
HEADLIGHTS/FOG
LIGHTS
6312.0
FUSE DETAILS
0670.3
X196
4
2
F25
5A
F37
10A
10 14
11 10 82
.5 GE/VI .5 GE 1 GR/SW
6300.0 LIGHT SWITCH DETAILS
FUSE DETAILS
0670.3
FUSE DETAILS
0670.3
X10017
1 GR/GE 1 GR/VI
GROUND
DISTRIBUTION
0670.4
S8
LIGHT SWITCH
0) OFF
1) PARK LIGHTS ON
2) HEADLIGHTS ON
3) DIMMER
6 X503
2.5 GR/RT
F23
5A
6
1
FUSE DETAILS
0670.3
X18333
X18333
6300.0-01 6300.0-02
2 X10182
.5 GR/SW
X595
1.5 GR/RT 1.5 GR/RT
0
210
210
210
21
0
21
A51
WIPER/WASHER
MODULE
4 X285
.5 GR/SW
3
X9633
LICENSE PLATE/
LUGGAGE
COMPARTMENT
LIGHTS
6320.0
CANADA
01/01
6300.0-03
Z3 VERSIONS
M VERSIONS

31
BM
BMW
BMWBMW
Z3
01/01 6300.0Ć 2001
01
4 X516
2 X16
A2w
INSTRUMENT
CLUSTER
S18
HAZARD SWITCH
1) OFF
2) ON
.5 GR/RT.5 GR/RT
13 X18126
N9
RADIO
.5 GR/RT
X5163
GROUND
DISTRIBUTION
0670.4
X1439
E96
GEAR SHIFT LE-
VER INDICATOR
.5 GR/RT
2
LIGHT SWITCH DETAILS
X898
S76
REAR WINDOW
DEFOGGER
SWITCH
.5 GR/RT
7
E25
FRONT ASHTRAY
LIGHT
2 X1213
1 X1213
GROUND
DISTRIBUTION
0670.4
5 X322
.5 GR/RT
5
TURN/HAZARD
LIGHTS
6313.0
.5 BL/GN
.5 GR/RT
21
E29
FRONT CIGAR
LIGHTER LIGHT
1 X532
2 X532
6300.0-00
X878
.5 GR/RT
1.5 GR/RT
X18170
GROUND
DISTRIBUTION
0670.4
1 X13045
X130454
S143
CONVERTIBLE TOP
ACTUATING
SWITCH
.5 GR/RT
.5 BR
1 X1439
GROUND
DISTRIBUTION
0670.4
X521
S6
ASC SWITCH
S6y
DSC SWITCH
3
2 X521
.5 GR/RT
GROUND
DISTRIBUTION
0670.4

BM
BMW
BMWBMW
Z3
LIGHT SWITCH DETAILS
01/01 6300.0Ć 2001
E82
TRANSMISSION
POSITION INDI-
CATOR LIGHT
.5 GR/RT
1 X1600
02
4 X651
1 X651
S53
DRIVER’S
SEAT, SEAT
HEATER
SWITCH
.5 GR/RT
6300.0-00
X806
1.5 GR/RT
A35y
BOARD
COMPUTER
(BC – LOW)
11 X10245
.5 GR/RT .5 GR/RT
X18170
4 X658
1X658
S54
PASSENGER’S
SEAT, SEAT
HEATER
SWITCH
.5 GR/RT
E105
HEAT/A/C
CONTROL PANEL
ILLUMINATION
.35 GR/RT
2 X18983
1 X18983
E106
HEAT/A/C
CONTROL PANEL
ILLUMINATION
.35 GR/RT
2
1
X13004
GROUND
DISTRIBUTION
0670.4
GROUND
DISTRIBUTION
0670.4
GROUND
DISTRIBUTION
0670.4
X985
.5 GR/RT
.5 BR/WS
.5 BR/WS
X18984
X18984
8 X10054
.5 GR/RT
S126y
DRIVER’S
POWER
WINDOW
SWITCH
.5 GR/RT
4 X316
3 X316
GROUND
DISTRIBUTION
0670.4
S127y
PASSENGER’S
POWER WINDOW
SWITCH
X324
X324
X494
GROUND
DISTRIBUTION
0670.4
.5 GR/RT
3
4
3 X1155
N5
ANALOG
CLOCK
Z3 VERSIONS

BM
BMW
BMWBMW
Z3
LIGHT SWITCH DETAILS
01/01 6300.0Ć 2001
03
4 X651
1 X651
S53
DRIVER’S SEAT,
SEAT HEATER
SWITCH
.5 GR/RT
6300.0-00
X806
1.5 GR/RT
.75 GR/RT
.5 GR/RT
X18170
4 X658
1X658
S54
PASSENGER’S
SEAT, SEAT
HEATER SWITCH
.5 GR/RT
E105
HEAT/A/C
CONTROL PANEL
ILLUMINATION
.35 GR/RT
2 X18983
1 X18983
E106
HEAT/A/C
CONTROL PANEL
ILLUMINATION
.35 GR/RT
2
1
X166
GROUND
DISTRIBUTION
0670.4
GROUND
DISTRIBUTION
0670.4
GROUND
DISTRIBUTION
0670.4
X985
.5 GR/RT
.5 BR/WS
.5 BR/WS
X18984
X18984
8 X10054
.5 GR/RT
S126y
DRIVER’S
POWER
WINDOW
SWITCH
.5 GR/RT
4 X316
3 X316
GROUND
DISTRIBUTION
0670.4
S127y
PASSENGER’S
POWER WINDOW
SWITCH
X324
X324
X494
GROUND
DISTRIBUTION
0670.4
.5 GR/RT
3
4
9 X3505
.75 GR/RT
B59
OIL TEMPERATURE
GAUGE
X9561
X9561
N5
ANALOG CLOCK
X1155
X1155
X166
GROUND
DISTRIBUTION
0670.4
.5 GR/RT
3
4
.5 GR/RT
X9806
6
5
M VERSIONS
B921
OUTSIDE
TEMPERATURE
GAUGE
X2239
X2239
5
6

6312.0 HEADLIGHTS/FOG LIGHTS
BM
BMW
BMWBMW
Z3
1 GE/BR
9
06/00 6312.0Ć 2001
00
F25
5A
6312.0-01
X329
X32
5
FUSE DETAILS
0670.3
X65
F23
5A
610
4
10
.5 GE
.5 GE
X1029
FUSE DETAILS
0670.3
N17
CRASH CONTROL
MODULE
.5 GE/BL
S7
COMBINATION
SWITCH
7) NORMAL
8) FLASH
9) HIGH BEAM
.35 WS
.5 WS
3
X503
X503
8
2
4 X44
E26
LEFT FOG LIGHT
6X44
8
.5 GE/GR
30 86
E27
RIGHT FOG LIGHT
GROUND DISTRIBUTION
0670.4
POWER
DISTRIBUTION
0670.2
X768
1
X7682
X769
1
X769
GROUND DISTRIBUTION
0670.4
1 GE/BR .75 GE/BR
X1152
1 GE/BR
85
P90
FRONT POWER
DISTRIBUTION BOX
K47
FRONT FOG LIGHT
RELAY
X10017
S8
LIGHT SWITCH
0) OFF
1) PARK LIGHTS ON
2) HEADLIGHTS ON
X17
.5 GE
X65
X165X166
4
.5 GN/GE .5
GE
2
0
21
89
7
X1028
1 X16
A2w
INSTRUMENT
CLUSTER
.35 WS .35 WS
F15
15A
10 X10016
NSW
X10016
9
P90
FRONT POWER
DISTRIBUTION BOX
.5 RT/WS
5
1 X10262
X10262
15
56
K46
HIGH BEAM LIGHT
RELAY
1 RT/GE
87
01
2
1 X504
X504
S10
FOG LIGHT SWITCH
0) OFF
1) FRONT FOG
LIGHTS ON
0
21
2
11 X503
X503
.5 GE/VI
S8
LIGHT SWITCH
0) OFF
1) PARK LIGHTS ON
2) HEADLIGHTS ON
P90
FRONT POWER
DISTRIBUTION BOX
F22
5A
4 X10017
FUSE DETAILS
0670.3
.5 GE
POWER
DISTRIBUTION
0670.2
USA
A2w
INSTRUMENT
CLUSTER

E13
LEFT LOW BEAM
LIGHT
X10262
06/00 6312.0Ć 2001
01
18
1 X10036
P90
FRONT POWER
DISTRIBUTION BOX
56a
6
POWER
DISTRIBUTION
0670.2
8 X45
87
2 X454
2.5 GE
6
85
4X10262
2
.35 WS POWER
DISTRIBUTION
0670.2
8
K48
LOW BEAM LIGHT
RELAY
85
30 86
87
3086
1 X10035
56a
X10017
20
2.5 RT/WS
2
P90
FRONT POWER
DISTRIBUTION BOX
56b 56b
X10016
4
2 X130
1 X130
X9633
GROUND
DISTRIBUTION
0670.4
.5 BR
1 GE/BL
F11
7.5A
F12
7.5A F29
7.5A
F30
7.5A
E14
RIGHT LOW BEAM
LIGHT
2 X135
1 X135
GROUND
DISTRIBUTION
0670.4
E7
LEFT HEADLIGHT
E8
RIGHT HEADLIGHT
E11
LEFT HIGH BEAM
LIGHT
2 X131
1 X131
E12
RIGHT HIGH BEAM
LIGHT
2 X134
1 X134
GROUND
DISTRIBUTION
0670.4
E7
LEFT HEADLIGHT
E8
RIGHT HEADLIGHT
POWER
DISTRIBUTION
0670.2
6312.0-00
.5 BR
1 WS/GN 1 WS/BL
GROUND
DISTRIBUTION
0670.4
GROUND
DISTRIBUTION
0670.4
1 GE/GN
X166 X165 X166 X165
7
.5 GE/BL
POWER
DISTRIBUTION
0670.2
.5 RT/WS
K46
HIGH BEAM LIGHT
RELAY

HEADLIGHTS/FOG LIGHTS
BM
BMW
BMWBMW
Z3
1 GE/BR
9
06/00 6312.0Ć 2001
02
F25
5A
6312.0-03
X329
X32
5
FUSE DETAILS
0670.3
X65
F23
5A
610
4
10
.5 GE
FUSE DETAILS
0670.3
N17
CRASH CONTROL
MODULE
.5 GE/BL
S7
COMBINATION
SWITCH
7) NORMAL
8) FLASH
9) HIGH BEAM
.35 WS
.5 WS
3
X503
X503
8
2
4 X44
E26
LEFT FOG LIGHT
6X44
8
.5 GE/GR
30 86
E27
RIGHT FOG LIGHT
GROUND DISTRIBUTION
0670.4
POWER
DISTRIBUTION
0670.2
X768
1
X7682
X769
1
X769
GROUND DISTRIBUTION
0670.4
1 GE/BR .75 GE/BR
X1152
1 GE/BR
85
P90
FRONT POWER
DISTRIBUTION BOX
K47
FRONT FOG LIGHT
RELAY
X10017
S8
LIGHT SWITCH
0) OFF
1) PARK LIGHTS
ON
2) HEADLIGHTS
ON
X17
X65
X165X166
4
.5 GN/GE .5 GE
2
0
21
89
7
X1028
1 X16
A2w
INSTRUMENT
CLUSTER
.35 WS .35 WS
F15
15A
10 X10016
NSW
X10016
9
P90
FRONT POWER
DISTRIBUTION BOX
.5 RT/WS
1 RT/GE
87
01
2
1 X504
X504
S10
FOG LIGHT
SWITCH
0) OFF
1) FRONT FOG
LIGHTS ON
0
21
2
11 X503
X503
.5 GE/VI
S8
LIGHT SWITCH
0) OFF
1) PARK LIGHTS ON
2) HEADLIGHTS ON
P90
FRONT POWER
DISTRIBUTION BOX
F22
5A
4 X10017
FUSE DETAILS
0670.3
POWER
DISTRIBUTION
0670.2
CANADA
A2w
INSTRUMENT
CLUSTER
FUSE DETAILS
0670.3

E13
LEFT LOW BEAM
LIGHT
X10262
06/00 6312.0Ć 2001
03
18
1 X10036
P90
FRONT POWER
DISTRIBUTION BOX
56a
6
POWER
DISTRIBUTION
0670.2
8 X45
87
2 X454
2.5 GE
6
85
4X10262
2
.35 WS
POWER
DISTRIBUTION
0670.2
8
K48
LOW BEAM LIGHT
RELAY
K46
HIGH BEAM LIGHT
RELAY
85
30 86
87
3086
1 X10035
56a
X10017
20
2.5 RT/WS
2
P90
FRONT POWER
DISTRIBUTION BOX
56b 56b
X10016
4
2 X130
1 X130
X9633
GROUND
DISTRIBUTION
0670.4
.5 BR
1 GE/BL
F11
7.5A
F12
7.5A
F29
7.5A
F30
7.5A
E14
RIGHT LOW BEAM
LIGHT
2 X135
1 X135
GROUND
DISTRIBUTION
0670.4
E7
LEFT HEADLIGHT
E8
RIGHT HEADLIGHT E11
LEFT HIGH BEAM
LIGHT
2 X131
1 X131
E12
RIGHT HIGH BEAM
LIGHT
2 X134
1 X134
GROUND
DISTRIBUTION
0670.4
E7
LEFT HEADLIGHT
E8
RIGHT HEADLIGHT
POWER
DISTRIBUTION
0670.2
6312.0-02
.5 BR
1 WS/GN 1 WS/BL
GROUND
DISTRIBUTION
0670.4
GROUND
DISTRIBUTION
0670.4
1 GE/GN
X166 X165 X166 X165
7
.5 GE/BL
POWER
DISTRIBUTION
0670.2
.5 RT/WS

.5 WS/BL/GE
BM
BMW
BMWBMW
Z3
5
6313.0 TURN/HAZARD LIGHTS
06/00 6313.0Ć 2001
00
S7
COMBINATION
SWITCH
0) OFF
1) FLASH LEFT
(NO DETENT)
2) FLASH LEFT
4) FLASH RIGHT
(NO DETENT)
5) FLASH RIGHT
K16
HAZARD FLASHER
RELAY
GROUND
DISTRIBUTION
0670.4
98
7
62
6
.5 BL
3
.5 GR
1 BL/BR
1 BL/GN
P90
FRONT POWER
DISTRIBUTION BOX
X64
X32
X64
X9633
X184
.5 BL/GN .5 BL/GN
FUSE DETAILS
0670.3
9
FUSE DETAILS
0670.3
8 X10018 6
6313.0-02
4
6313.0-03
6313.0-02
X32
X10017
30 LE RE
LA 31 RA WB
(PARTIAL)
F34
15A
F23
5A
.75 GN/GE
HEADLIGHTS/FOG
LIGHTS
6312.0
.5 GN/GE
.75 BL.75 GR
045
1
2

8
2 X516
01/01 6313.0Ć 2001
01
9
3
GROUND
DISTRIBUTION
0670.4
12
N17
CRASH CONTROL
MODULE
.5 BL/GN .5 WS/BL/GE
4 5 X65
7 X65
.5 GE/BL .5 BR/BL
S18
HAZARD SWITCH
1) OFF
2) ON
X516
3
5 4
.5 BL/GN
.5 GR/RT
LIGHT SWITCH
DETAILS
6300.0
2
CRASH CONTROL
MODULE
6350.0
.5 BL/GN/GE
F34
15A
FUSE DETAILS
0670.3
8 X10018
P90
FRONT POWER
DISTRIBUTION BOX
6
X18170
30
GROUND
DISTRIBUTION
0670.4
31
X10010
8 X13025
N12w
ANTI–THEFT
CONTROL MODULE
(ALPINE)
8 X45
K48
LOW BEAM LIGHT
RELAY
12
1
A104
BODY ELECTRONICS
CONTROL MODULE
(ZKE IV)
10 X101821
.5 BR/SW/GE
WITH ALPINE WITH DWA

BM
BMW
BMWBMW
Z3
200106/00 6313.0Ć 02
TURN/HAZARD LIGHTS
H8
RIGHT FRONT
AUXILIARY TURN
LIGHT
GROUND
DISTRIBUTION
0670.4
H9
LEFT FRONT
AUXILIARY TURN
LIGHT
.75 BL/GN.5 BL/GN
2
1
2
1
2
1
2
1
X128
X128
X389
X389
X390
X390
X137
X137
.75 BL/BR .5 BL/BR
X184
6313.0-00
X185
GROUND
DISTRIBUTION
0670.4
1 BL/BR
6313.0-00
(PARTIAL) (PARTIAL)
X166 X166
GROUND
DISTRIBUTION
0670.4
X165
GROUND
DISTRIBUTION
0670.4
6313.0-03
6313.0-03
E7
LEFT HEADLIGHT
E8
RIGHT HEADLIGHT
H7
LEFT FRONT TURN
LIGHT
H4
RIGHT FRONT
TURN LIGHT
X13004

BM
BMW
BMWBMW
Z3
1
26
5
TURN/HAZARD LIGHTS
06/00 6313.0Ć 2001
03
H6
LEFT REAR TURN
LIGHT
GROUND
DISTRIBUTION
0670.4
E16
LEFT REAR LIGHT
ASSEMBLY H5
RIGHT REAR TURN
LIGHT
E17
RIGHT REAR LIGHT
ASSEMBLY
X319 X318
X13006
X16
A2w
INSTRUMENT
CLUSTER
.5 BL/GN
3
34 X16
X17
X185
.5 BL/BR
.75 BL/BR
X318
X184
.75 BL/GN
X319
(PARTIAL)
6313.0-02 6313.0-02
1.5 BR
GROUND
DISTRIBUTION
0670.4
(PARTIAL)
1.5 BR
X9633
6313.0-00

H25
LEFT TAIL LIGHT
COUPE
01/01 6314.0Ć 2001
01
8 X319
1 X319
1 X766 E21
LEFT FRONT
MARKER LIGHT
E16
LEFT REAR LIGHT
ASSEMBLY
2 X766
1 GR/VI 1 GR/GE .75 GR/GE.75 GR/VI
X166
7 X318
5 X318
E17
RIGHT REAR LIGHT
ASSEMBLY
GROUND
DISTRIBUTION
0670.4
X165
1 X767 E22
RIGHT FRONT
MARKER LIGHT
2 X767
GROUND
DISTRIBUTION
0670.4
GROUND
DISTRIBUTION
0670.4
GROUND
DISTRIBUTION
0670.4
H39
RIGHT TAIL LIGHT
H30
RIGHT TAIL LIGHT
X13006
.5 GR/VI
X166
3 X128
E15
LEFT PARK LIGHT
1 X128
GROUND
DISTRIBUTION
0670.4
.5 GR/GE
X165
3 X137
E19
RIGHT PARK LIGHT
1 X137
GROUND
DISTRIBUTION
0670.4
E7
LEFT HEADLIGHT
E8
RIGHT HEADLIGHT
COUPE ROADSTERROADSTER
1 GR/GE
1 GR/GE
X245
COUPE
3
H37
LEFT TAIL LIGHT
COUPE ROADSTERROADSTER
4
1 GR/VI
X246
ROADSTER
1 GR/VI
ROADSTER

BM
BMW
BMWBMW
Z3
PARK/TAIL/UNDERHOOD LIGHTS
06/00 6314.0Ć 2001
02
S8
LIGHT SWITCH
0) OFF
1) PARK LIGHTS
ON
2) HEADLIGHTS
ON
P90
FRONT POWER
DISTRIBUTION BOX
FUSE DETAILS
0670.3
614
X10018
F33
10A
F37
10A
1
5 X503
7
FUSE DETAILS
0670.3
.5 GR/VI
12
8 X503
.5 GR/GE1 GR/SW
0
210
21
0
21
6
F33
10A
8
FUSE DETAILS
0670.3
X1232
87
2
10
F25
5A
4
FUSE DETAILS
0670.3
9
6
X9633
GROUND
DISTRIBUTION
0670.4
K26
LEFT PARK LIGHT
RELAY
14
F37
10A
6
FUSE DETAILS
0670.3
10
F25
5A
FUSE DETAILS
0670.3
1 X9410
1 X9411
.5 GR/WS
4
87
28
87b
5
.5 GR/WS
X9633
GROUND
DISTRIBUTION
0670.4
V9
UNCOUPLING
DIODE (LIGHTS)
1 X1530
1 X1529
.5 GR/WS
V10
UNCOUPLING
DIODE (LIGHTS)
X509
X196
X509
K25
RIGHT PARK
LIGHT/LICENSE
PLATE LIGHT
RELAY
LICENSE PLATE/
LUGGAGE
COMPARTMENT
LIGHTS
6320.0
CANADA
X10018 X10017
30 86b 86
85
.75 GR/VI
X510
X510 86 30
85
.75 GR/SW .75 GR/GE
X10017 X10018

H25
LEFT TAIL LIGHT
M VERSIONS
Z3 COUPE
01/01 6314.0Ć 2001
03
8 X319
1 X319
1 X766 E21
LEFT FRONT
MARKER LIGHT
E16
LEFT REAR LIGHT
ASSEMBLY
2 X766
1 GR/VI
.75 GR/GE
.75 GR/VI
X166
7 X318
5 X318
E17
RIGHT REAR LIGHT
ASSEMBLY
GROUND
DISTRIBUTION
0670.4
X165
1 X767 E22
RIGHT FRONT
MARKER LIGHT
2 X767
GROUND
DISTRIBUTION
0670.4
GROUND
DISTRIBUTION
0670.4
GROUND
DISTRIBUTION
0670.4
H39
RIGHT TAIL LIGHT
H30
RIGHT TAIL LIGHT
X13006
.5 GR/VI
X166
3 X128
E15
LEFT PARK LIGHT
1 X128
GROUND
DISTRIBUTION
0670.4
.5 GR/GE
X165
3 X137
E19
RIGHT PARK LIGHT
1 X137
GROUND
DISTRIBUTION
0670.4
E7
LEFT HEADLIGHT
E8
RIGHT HEADLIGHT
M VERSIONS
Z3 COUPE
Z3 ROADSTERZ3 ROADSTER
1 GR/GE
.75 GR/GE
X245
M VERSIONS
Z3 COUPE
3
H37
LEFT TAIL LIGHT
M VERSIONS
Z3 COUPE
Z3 ROADSTERZ3 ROADSTER
4
.75 GR/VI
X246
Z3 ROADSTER
1 GR/VI
Z3 ROADSTER
1 GR/GE

BM
BMW
BMWBMW
Z3
6320.0 LICENSE PLATE/LUGGAGE COMPARTMENT LIGHTS
06/00
FUSE DETAILS
0670.3
8
S8
LIGHT SWITCH
0) OFF
1) PARK LIGHTS ON
2) HEADLIGHTS ON
P90
FRONT POWER
DISTRIBUTION BOX
5 X503
14
F37
10A
X10018
6320.0Ć 2001
00
02 1
1 GR/SW
58
4
86
85 87b
GROUND
DISTRIBUTION
0670.4
X9633
X5092
6 X509
V9
UNCOUPLING
DIODE (LIGHTS)
30
87
.75 GR/SW
FUSE DETAILS
0670.3
10
F25
5A
X10017
FUSE DETAILS
0670.3
14
F37
10A
X10018
.75 GR/GE
X50312
PARK/TAIL/UNDER-
HOOD LIGHTS
6314.0
0
21
X94111
X94101
.5 GR/GE
X1232
.5 GR/WS
V10
UNCOUPLING
DIODE (LIGHTS)
X15291
X15301
.5 GR/WS
.5 GR/WS
K25
RIGHT PARK
LIGHT/LICENSE
PLATE LIGHT
RELAY
CANADA

01/01
X196
2E43
LEFT LICENSE
PLATE LIGHT
1
X709
X709
2E44
RIGHT LICENSE
PLATE LIGHT
1
X710
X710
GROUND
DISTRIBUTION
0670.4
.75 GR/SW .75 GR/SW
X13006
A51
WIPER/WASHER
MODULE
4 X285
6320.0Ć 2001
01
A104
BODY
ELECTRONICS
CONTROL MODULE
(ZKE IV)
2 X10182
.5 GR/SW
1 GR/SW
3 X9023
.75 GR/SW
X9461
X196X196 X196
.75 GR/WS .75 GR/WS
3 X11402 3 X11403
Z3 VERSIONS M COUPE M ROADSTER
.5 GR/SW .75 GR/SW
.75 GR/SW

BM
BMW
BMWBMW
Z3
LICENSE PLATE/LUGGAGE COMPARTMENT LIGHTS
01/01
FUSE DETAILS
0670.3
X5038
S8
LIGHT SWITCH
0) OFF
1) PARK LIGHTS ON
2) HEADLIGHTS ON
X196
2E43
LEFT LICENSE
PLATE LIGHT
1
X709
X709
2E44
RIGHT LICENSE
PLATE LIGHT
1
X710
X710
GROUND
DISTRIBUTION
0670.4
P90
FRONT POWER
DISTRIBUTION BOX
5 X503
.75 GR/SW .75 GR/SW
14
F37
10A
X13006
X10018
A51
WIPER/WASHER
MODULE
4 X285
6320.0Ć 2001
02
02 1
A104
BODY
ELECTRONICS
CONTROL MODULE
(ZKE IV)
2 X10182
.5 GR/SW
1 GR/SW
3 X9023
.75 GR/SW
X9461
X196X196 X196
.75 GR/WS .75 GR/WS
3 X11402 3 X11403
Z3 VERSIONS M COUPE M ROADSTER
.5 GR/SW .75 GR/SW
USA

3COUPE
BM
BMW
BMWBMW
Z3
LICENSE PLATE/LUGGAGE COMPARTMENT LIGHTS
06/00
FUSE DETAILS
0670.3
E32
LUGGAGE
COMPARTMENT
LIGHT
0) OFF
1) MANUAL
2) AUTOMATIC
GROUND
DISTRIBUTION
0670.4
P90
FRONT POWER
DISTRIBUTION BOX
6
F33
10A
X13006
X10018
6320.0Ć 2001
03
E32
LUGGAGE
COMPARTMENT
LIGHT
1 X712
1 X18080
.75 BR/WS
2 X712
1
.5 BR/WS
ROADSTER COUPE
3 X712
ROADSTER COUPE
12 0
S826
LUGGAGE COMPART-
MENT LIGHT SWITCH
1) REAR LID CLOSED
2) REAR LID OPEN
21
1 X711
2 X711
X465
GROUND
DISTRIBUTION
0670.4
X13006
.5 BR/WS .5 BR/WS
N12w
ANTI–THEFT
CONTROL MODULE
(ALPINE)
14 X13254
.75 BR/WS
A104
BODY
ELECTRONICS
CONTROL MODULE
(ZKE IV)
11 X13025

Z3 VERSIONS
WITHOUT EGS
BMBMWBMWBMW
Z3
6
6322.0 BACK UP LIGHTS
01/01 6322.0Ć 2001
00
P90
FRONT POWER
DISTRIBUTION BOX
12 X10017
F26
10A
X319
FUSE DETAILS
0670.3
H27
LEFT BACK UP
LIGHT
5 X319
X318
H28
RIGHT BACK UP
LIGHT
X318
1 BL/GE .75 BL/GE
E16
LEFT REAR LIGHT
ASSEMBLY
E17
RIGHT REAR LIGHT
ASSEMBLY
1.5 BR 1.5 BR
X13006
1
15
GROUND
DISTRIBUTION
0670.4
1 X8511
2 X8511
21
S8511
REVERSING LIGHT
SWITCH
1) OPEN
2) CLOSED IN R
1 BL/GE
1 BL/GE
X1169
3 X6021
1 BL/GE
FUSE DETAILS
0670.3
P98
FUSE HOLDER IN
E–BOX
8X6325
6
F203
20A
X8680
A7000
TRANSMISSION
CONTROL MODULE
(EGS)
4 X70004
.5 BR/SW
K6325
REVERSING LIGHT
RELAY
2 X6325
6
87
30
1 BL/GE
1 BL/GE
X1169
3 X6021
X60531
2
3
4
1 BL/GE
1 BL/GE
.5 BR/SW
Z3 VERSIONS
WITH EGS
85
86
1 X8511
2 X8511
21
S8511
REVERSING LIGHT
SWITCH
1) OPEN
2) CLOSED IN R
1 BL/GE
1 BL/GE
X1169
3 X6021
1 BL/GE
A6000
ENGINE CONTROL
MODULE (DME)
19 X60004
.5 BL/GE
M VERSIONS

M VERSIONS
.75 RT/GE
34
38 X18303
13 X1170
4 X13146
.5 BL/RT
BM
BMW
BMWBMW
Z3
01/01 6325.0Ć 2001
00
6325.0 BRAKE LIGHTS
.5 BL/RT
16 X70003
A7000
TRANSMISSION
CONTROL MODULE
(EGS)
21
X181
X10018
F46
15A
FUSE DETAILS
0670.3
2
P90
FRONT POWER
DISTRIBUTION BOX
32
1
.75 BL/RT
1.5 BL/RT
S30
BRAKE LIGHT SWITCH
1) BRAKE PEDAL RELEASED
2) BRAKE PEDAL DEPRESSED
3) BRAKE PEDAL DEPRESSED
(TEST)
4) BRAKE PEDAL RELEASED
(NORMAL)
X13006
GROUND
DISTRIBUTION
0670.4
X318
X318
E17
RIGHT REAR LIGHT
ASSEMBLY
X319
X319
E16
LEFT REAR LIGHT
ASSEMBLY
H24
LEFT BRAKE LIGHT
H31
RIGHT BRAKE
LIGHT
5
1
7
H34
HIGH LEVEL STOP
LIGHT
X413
2
X4131
.75 BL/RT
23
.75 BL/RT
34
3
4 X78
X78
A52
SLIP CONTROL
MODULE
(ABS/ASC)
.75 BL/RT
K18363
CONVERTIBLE TOP
RELAY I (CLOSE)
.5 BL/RT
K18364
CONVERTIBLE TOP
RELAY II (OPEN)
X1215
.5 BL/RT .5 BL/RT
8 X18363 8 X18364
X10016
F13
5A
FUSE DETAILS
0670.3
6
28 X60004
A6000
ENGINE CONTROL
MODULE (DME)
.35 RT/GE
40 X1746
A65
DYNAMIC STABIL-
ITY CONTROL UNIT
(DSC)
.75 BL/RT
.75 BL/RT
WITH DSC WITH ASC
24
.5 BL/RT
1.5 BL/RT
M VERSIONS
Z3 VERSIONS
LATE PRODUCTION
3M ROADSTER

1
BM
BMW
BMWBMW
Z3
6330.3 INTERIOR LIGHTS
01/01 6330.3Ć 2001
00
A104
BODY ELECTRONICS
CONTROL MODULE
(ZKE IV)
2
X13006
S14
DRIVER’S DOOR
JAMB SWITCH
1) DOOR OPEN
2) DOOR CLOSED
X352
X352
2
1
GROUND
DISTRIBUTION
0670.4
.75 BR/GR/GE
S13
PASSENGER’S DOOR
JAMB SWITCH
1) DOOR OPEN
2) DOOR CLOSED
X351
X351
2
1
GROUND
DISTRIBUTION
0670.4
.75 BR/BL/GE
X13254
3
X13004 X13004
X111061
GROUND
DISTRIBUTION
0670.4
P90
FRONT POWER
DISTRIBUTION BOX
F33
10A
X100186
FUSE DETAILS
0670.3
X3572
X357
X111041
X3363
.75 BR/SW
X13252
4
.75 SW
X111051
ANTI–THEFT
SYSTEM (DWA)
6575.0
S408
INTERIOR LIGHT
SWITCH
0) OFF
1) AUTOMATIC
2) MANUAL
E800
FRONT LEFT
INTERIOR LIGHT
X443
X445
.75 BR/GR/GE .75 BR/BL/GE
.75 BR/SW
21 21
4
FUSE DETAILS
0670.3
26 X10018
F43
5A
18 X10182 12 X13252
12
0E34
FRONT DOME LIGHT/
MAP READING
ASSEMBLY
0) OFF
1) MANUAL
2) AUTOMATIC
3) INTERIOR LIGHT
4) READING LIGHT
5) ON
3 1 X9336
12 0
2
X13004
GROUND
DISTRIBUTION
0670.4
X9336
FUSE DETAILS
0670.3
4 X10015
F2
15A
ROADSTER COUPE
05 05
43
0
ANTI–THEFT
SYSTEM (ALPINE)
6575.2

BM
BMW
BMWBMW
Z3
06/00 6332.0Ć 2001
00
6332.0 INTERIOR ACCESSORIES
P90
FRONT POWER
DISTRIBUTION BOX
F32
30A
LIGHT SWITCH
DETAILS
6300.0
X10018
4
14
F37
10A
5
6
S8
LIGHT SWITCH
0) OFF
1) PARK LIGHTS ON
2) HEADLIGHTS ON
3) DIMMER
FUSE DETAILS
0670.3
2.5 GR/RT
X503
FUSE DETAILS
0670.3
X503
X595
X10141
1 X531
GROUND
DISTRIBUTION
0670.4
2.5 BR
1.5 GR/RT
E25
FRONT ASHTRAY
LIGHT
X1213
X1213
2
1
.5 GR/RT
X532
X532
1
2
.5 GR/RT
.5 BR .5 BR
GROUND
DISTRIBUTION
0670.4
X18170
X878
E29
FRONT CIGAR
LIGHTER LIGHT
E28
FRONT CIGAR
LIGHTER
0
21
3
X18170

X10017
BM
BMW
BMWBMW
Z3
HEADLIGHTS/FOG
LIGHTS
6312.0
06/00 6350.0Ć 2001
00
X503
4
P90
FRONT POWER
DISTRIBUTION BOX
F25
5A
K16
HAZARD FLASHER
RELAY
X503
10
.5 GE
FUSE DETAILS
0670.3
X9633
GROUND
DISTRIBUTION
0670.4
6350.0-01 TURN/HAZARD
LIGHTS
6313.0
FUSE DETAILS
0670.3
F34
15A
.5 WS/BL/GE
6 X64
4 8 9 X64
S8
LIGHT SWITCH
0) OFF
1) PARK LIGHTS ON
2) HEADLIGHTS ON
1 BL/GN
.5 BL/GN
X184
.5 GE
8 X1001810
X1029
6350.0 CRASH CONTROL MODULE
1.5 RT/WS/GE1.5 RT/WS/GE
0
21
CANADA USA
FUSE DETAILS
0670.3

.5 GN/RT
01/01 6350.0Ć 2001
01
.5 WS/BL/GE
N17
CRASH CONTROL
MODULE
30
6 X65
X65
9
31
87
3
.5 BL/GN
6350.0-00
6350.0-02
.5 GE/BL
GROUND
DISTRIBUTION
0670.4
6350.0-02
54
.5 GE
.5 BR/BL
2
10
.5 BL/GN/GE
X10010
1.5 RT/WS/GE
A104
BODY
ELECTRONICS
CONTROL MODULE
(ZKE IV)
CANADA
8 X13025
N12w
ANTI–THEFT
CONTROL
MODULE
(ALPINE)
WITH ALPINE WITH DWA
1 X10182
1
.5 BR/SW/GE

BM
BMW
BMWBMW
Z3
CRASH CONTROL MODULE
06/00 6350.0Ć 2001
02
6350.0-01
K48
LOW BEAM LIGHT
RELAY
.5 GE/BL
8 X45
6
X454
GROUND
DISTRIBUTION
0670.4
56b
F12
7.5A
F11
7.5A
E13
LEFT LOW BEAM
LIGHT
X165
30 86
85
.5 BR/BL
LIGHT SWITCH
DETAILS
6300.0
S18
HAZARD SWITCH
1) OFF
2) ON
X516
2
X5163
X18170
.5 GR/RT
GROUND
DISTRIBUTION
0670.4
45
6350.0-01
TURN/HAZARD
LIGHTS
6313.0
.5 BL/GN
2.5 GE
56b
2
1 X10035
2
1X130
X130
87
POWER
DISTRIBUTION
0670.2
P90
FRONT POWER
DISTRIBUTION BOX
2
1 X135
X135
E14
RIGHT LOW BEAM
LIGHT
E7
LEFT HEADLIGHT
E8
RIGHT HEADLIGHT
4 X100162
1 GE/BL1 GE/GN
GROUND
DISTRIBUTION
0670.4
GROUND
DISTRIBUTION
0670.4
X9633X166
12 12
POWER
DISTRIBUTION
0670.2

BM
BMW
BMWBMW
Z3
01/01 6424.0Ć 2001
00
6424.0 REAR WINDOW DEFOGGER
.5 GR/RT
23
X8981
X898
S76
REAR WINDOW DE-
FOGGER SWITCH
1) OFF
2) ON
F23
5A
X10017
6
FUSE DETAILS
0670.3
LIGHT SWITCH
DETAILS
6300.0
GROUND
DISTRIBUTION
0670.4
X18170
12
4
P90
FRONT POWER
DISTRIBUTION BOX
F6
20A
X10015
12
FUSE DETAILS
0670.3
X6324
86X63
K9
UNLOADER RELAY,
TERMINAL 15
86
85
30
87
.5 BR/WS 2.5 SW
X3801
E99
HARD TOP
CONNECTOR 1
1
2.5 SW
GROUND
DISTRIBUTION
0670.4
X13006
1 X12661 X1265
2 X130171
E9
REAR DEFOGGER I
2.5 SW 2.5 SW
X379
1 X11209
2.5 SW
GROUND
DISTRIBUTION
0670.4
X13006
1 X379
E9
REAR DEFOGGER I
1 X380
ROADSTERCOUPE
2.5 SW

01/01 6450.6a 2001
P90
FRONT POWER
DISTRIBUTION BOX
K19
COMPRESSOR
CONTROL RELAY
6450.6-02
F39
7.5A
F16
5A
Y2
AIR CONDITIONING
COMPRESSOR
6450.6-02
A6000
ENGINE CONTROL
MODULE (DME)
6450.6-02
K4
BLOWER RELAY
6450.6-00
F20
30A
S220
AIR CONDITIONING/
RECIRCULATING
SWITCH ASSEMBLY
41
R11
BLOWER
RESISTORS
6450.6-00
S75
BLOWER SWITCH
6450.6-00
M30
BLOWER MOTOR
6450.6-00
32
58
3
A2w
INSTRUMENT
CLUSTER
6450.6-01
B14
EVAPORATOR
TEMPERATURE
SENSOR
6450.6-01
6
X18349
7 X18349
M111
FRESH AIR
RECIRCULATION
MOTOR
6450.6-01
S531
TEMPERATURE
WHEEL SWITCH
6450.6-01
A605
FUSE HOLDER
F953
2A
6450.6-02
6450.6-00
6450.6-01
6
Y4z
WATER VALVE
6450.6-01
P90
FRONT POWER
DISTRIBUTION BOX
K22
HIGH SPEED
RELAY
B9
INTERMEDIATE
PRESSURE
SWITCH
S36
TEMPERATURE
SWITCH
M9
AUXILIARY FAN
MOTOR
K21
NORMAL SPEED
RELAY
6450.6-03
6450.6-03
6450.6-03
6450.6-03
6450.6-03
6450.6-03
B8y
PRESSURE
SWITCH
A2w
INSTRUMENT
CLUSTER
6450.6-03
B9508
PRESSURE
SWITCH
F16
5A
F40
30A
S221
EVAPORATOR
CONTROLLER
5 X18350
F24
10A
AUXILIARY FAN
2X18350
Z3 VERSIONS
6450.6 INTEGRATED HEATING– AND CLIMATE CONTROL

01/01 6450.6b 2001
M VERSIONS
P97
AUXILIARY FUSE
BOX
K21
NORMAL SPEED
RELAY
S36
TEMPERATURE
SWITCH
K22
HIGH SPEED
RELAY
6450.6-07
6450.6-07
6450.6-07
F16
5A
F48
40A
A6000
ENGINE
CONTROL
MODULE (DME)
6450.6-07
P90
FRONT POWER
DISTRIBUTION
BOX
P90
FRONT POWER
DISTRIBUTION BOX
F16
5A
M9
AUXILIARY FAN
MOTOR
6450.6-07
P90
FRONT POWER
DISTRIBUTION BOX
K19
COMPRESSOR
CONTROL RELAY
6450.6-06
F39
7.5A
F16
5A
Y2
AIR CONDITIONING
COMPRESSOR
6450.6-06
A6000
ENGINE CONTROL
MODULE (DME)
6450.6-06
K4
BLOWER RELAY
6450.6-04
F20
30A
S220
AIR CONDITIONING/
RECIRCULATING
SWITCH ASSEMBLY
43
R11
BLOWER
RESISTORS
6450.6-04
S75
BLOWER
SWITCH
6450.6-04
M30
BLOWER MOTOR
6450.6-04
1258
S221
EVAPORATOR
CONTROLLER
3
A2w
INSTRUMENT
CLUSTER
6450.6-04
B14
EVAPORATOR
TEMPERATURE
SENSOR
6450.6-05
26
X18349
X18350
7 X18349
M111
FRESH AIR
RECIRCULATION
MOTOR
6450.6-05
S531
TEMPERATURE
WHEEL SWITCH
6450.6-06
A605
FUSE HOLDER
F953
2A
S2
IGNITION SWITCH
6450.6-04
6450.6-06
6450.6-04
6450.6-06
K33a
AIR CONDITIONING
RELAY, MOTRONIC
6450.6-04
6
Y4z
WATER VALVE
6450.6-05
B9
INTERMEDIATE
PRESSURE
SWITCH
B8y
PRESSURE
SWITCH
5 X18350
B9508
PRESSURE
SWITCH
6450.6-07 6450.6-07
NOT USED
6450.6-07
6450.6-07
AUXILIARY FAN
K104
AIR CONDITIONING
RELAY/AUXILIARY
WATER PUMP
6450.6-06
F54
30A
P90
FRONT POWER
DISTRIBUTION
BOX
M37a
AUXILIARY WATER
PUMP
6450.6-06
A2w
INSTRUMENT
CLUSTER
6450.6-07
INTEGRATED HEATING– AND CLIMATE CONTROL

6450.6aĆa 2001
Pin Assignments (Z3 Versions)
01/01
BM
BMW
BMWBMW
Z3
E = Input, A = Output, M = Ground
X18349 8 Pins, black
X18350 6 Pins, black
X18349
Pin Type Description/Function Connection
1 E Terminal 15 Heating blower relay
2 A A/C-ON-signal Evaporator controller
3 A Blower level 1 (air conditioning) Blower resistor
4 E Terminal 15 Heating blower relay
5 A Blower level 1 (air-recirculation) Blower resistor
6 M Ground for function lights Ground point
7 E Terminal 15 Heating blower relay
8 A Activate fresh air-recirculation Fresh air-recirculation motor
X18350
Pin Type Description/Function Connection
1Not used
2 M Ground Ground point
3 E A/C-ON-signal Air conditioning/recirculated air operating
unit
4Not used
5 A Activate A/C compressor Pressure switch
6 E Evaporator temperature Evaporator temperature sensor

6450.6bĆa 2001
Pin Assignments (M Versions)
01/01
BM
BMW
BMWBMW
Z3
E = Input, A = Output, M = Ground
X18349 8 Pins, black
X18350 6 Pins, black
X18349
Pin Type Description/Function Connection
1 M Ground Ground point
2 A A/C-ON-signal Evaporator controller
3 A A/C-ON-signal Normal speed relay
4 E Terminal 15 Heating blower relay
5 A Blower level 1 (air-recirculation) Blower resistor
6 M Ground for function lights Ground point
7 E Terminal 15 Heating blower relay
8 A Activate fresh air-recirculation Fresh air-recirculation motor
X18350
Pin Type Description/Function Connection
1Not used
2 M Ground Ground point
3 E A/C-ON-signal Air conditioning/recirculating switch
assembly
4Not used
5 A Activate A/C compressor Pressure switch
6 E Evaporator temperature Evaporator temperature sensor

BM
BMW
BMWBMW
Z3 POWER, AIR FLOW CONTROL
01/01 6450.6Ć 2001
INTEGRATED HEATING– AND CLIMATE CONTROL
X1001620
8
P90
FRONT POWER
DISTRIBUTION BOX
F20
30A
X1429
X5824
3 2 1 7 X905
X132871
6 X58
2 X13233
3 2 1 4 X904
X100547
4 X905
86
85
30
87
FUSE DETAILS
0670.3
K4
BLOWER RELAY
2.5 GN/BR
2.5 GN/BR
2.5 BL
2.5 BL
2.5 BL 2.5 GN 1.5 SW
1.5 GE
M30
BLOWER MOTOR
GROUND
DISTRIBUTION
0670.4
GROUND
DISTRIBUTION
0670.4
R11
BLOWER
RESISTORS
1) OPENS IF
RESISTORS
OVERHEAT
1
00
S75
BLOWER SWITCH
0) OFF
1) SLOW
2) MEDIUM
3) FAST
4) MAXIMUM
X1435
1.5 GE
6450.6-01
X68309
2.5 GN/BR
6450.6-01
(PARTIAL)
X13004
1.5 GE 1.5 GE
210
3
4
X9633
X100178
F24
10A
FUSE DETAILS
0670.3
Z3 VERSIONS

BM
BMW
BMWBMW
Z3
01/01 6450.6Ć 2001
INTEGRATED HEATING– AND CLIMATE CONTROL
01
X11287
X11287
F953
2A
6450.6-00
X7711
GROUND
DISTRIBUTION
0670.4
6450.6-00
.5 GN/BR 1.5 GN/BR1.5 GN/BR
1.5 GE 1 SW/VI
X18350
X68309 1 GN/BR
S531
TEMPERATURE
WHEEL SWITCH
0) NORMAL
TEMPERATURE
1) MAXIMUM
TEMPERATURE
A605
FUSE HOLDER
Y4z
WATER VALVE
S221
EVAPORATOR
CONTROLLER
B14
EVAPORATOR
TEMPERATURE
SENSOR
M111
FRESH AIR
RECIRCULATION
MOTOR
S220
AIR CONDITION-
ING/RECIRCULAT-
ING SWITCH
ASSEMBLY
0) OFF
1) AIR CONDI-
TIONING
2) AIR RECIRCU-
LATING
.5 BL
4
X5115
2
1
X851
X853
.5 BL
X10054
2
.5 BL
X13004
X7712
X183506
.75 SW/WS
14 7 X18349
X18349
1.5 GE.5 GN
.5 GN/BR
X151713
32 85
3
2
GROUND
DISTRIBUTION
0670.4
GROUND
DISTRIBUTION
0670.4
6
GROUND
DISTRIBUTION
0670.4
X15172
X13004
GROUND
DISTRIBUTION
0670.4
6450.6-00
X5115
1
(PARTIAL)
1 SW/VI
X189
1 SW/VI
0101 02 02
01
X9633
X10054
A2w
INSTRUMENT
CLUSTER
5
X271
6
.5 VI/GR
Z3 VERSIONS

31
BM
BMW
BMWBMW
Z3
COMPRESSOR CONTROLS
INTEGRATED HEATING– AND CLIMATE CONTROL
01/01 6450.6Ć 2001
02
15
F16
5A
30
87
P90
FRONT POWER
DISTRIBUTION BOX
F39
7.5A
18 X10018
FUSE DETAILS
0670.3
.75 SW
2
1
21
.5 SW/BL
5 X51
Y2
AIR CONDITIONING
COMPRESSOR
1) NORMAL
TEMPERATURE
2) HIGH
TEMPERATURE
K19
COMPRESSOR
CONTROL RELAY
A6000
ENGINE CONTROL
MODULE (DME)
FUSE DETAILS
0670.3
64 X51
12 X10016
X10241
X6000429
86
85
Z3 VERSIONS

INTEGRATED HEATING– AND CLIMATE CONTROL
BM
BMW
BMWBMW
Z3
AUXILIARY FAN
01/01 6450.6Ć 2001
03
.5 SW/GN
X190221
B9
INTERMEDIATE
PRESSURE
SWITCH
1) ABOVE 18 BAR
PRESSURE
2) 15 BAR
PRESSURE
30
30 K22
HIGH SPEED
RELAY
K21
NORMAL SPEED
RELAY
X872
.5 SW/GR 2.5 SW/BL
X1902224
1
S36
TEMPERATURE
SWITCH
1) OPEN
2) ABOVE 99
DEGREES C
3) ABOVE 91
DEGREES C
4) OPEN
M9
AUXILIARY FAN
MOTOR
8 X536 6 X52
4
X1272
86
87a
85 87
86
85
X127
3
X165
X1001612
4
2 X528
X1001820
FUSE DETAILS
0670.3
2.5 GN/RT
X10027
GROUND
DISTRIBUTION
0670.4
X53
.5 SW/GR
7 X271
A2w
INSTRUMENT
CLUSTER
.5 SW/GR
B8y
PRESSURE SWITCH
1) PRESSURE
BELOW 21 BAR
2) PRESSURE
ABOVE 30 BAR
3) PRESSURE
ABOVE 2.6 BAR
4) PRESSURE
BELOW 1.5 BAR
S221
EVAPORATOR
CONTROLLER
.5 VI
.5 SW/GE
1
4 X10054
X183505
GROUND
DISTRIBUTION
0670.4
B9508
PRESSURE
SWITCH
87
.5 SW/GR
4 BL
4
X1022
.5 SW/GR
25
X165
GROUND
DISTRIBUTION
0670.4
P90
FRONT POWER
DISTRIBUTION BOX
X1001612
FUSE DETAILS
0670.3
X166
15
X873
F16
5A
34
12
F40
30A
F16
5A
.5 SW/GR 6450.6-03
.5 SW/GR
5
6450.6-03
12
34
21
FUSE DETAILS
0670.3
Z3 VERSIONS

X166
M30
BLOWER
MOTOR
1.5 GE
BM
BMW
BMWBMW
Z3 POWER, AIR FLOW CONTROL
01/01 6450.6Ć 2001
INTEGRATED HEATING– AND CLIMATE CONTROL
X1001620
8
2.5 GN
P90
FRONT POWER
DISTRIBUTION BOX
F20
30A
X1429
X582
4
3 2 1 7 X905
X132871
6 X58
2 X13233
3 2 1 4 X904
X100547
7 X33
4 X905
S2
IGNITION SWITCH
0) OFF
1) ACCESSORY
2) RUN
3) START
1 X209
86
85
30
87
FUSE DETAILS
0670.3
K4
BLOWER RELAY
2.5 GN/BR
2.5 GN/BR
2.5 BL
2.5 BL
2.5 BL 2.5 GN 1.5 SW
1.5 GE
GROUND
DISTRIBUTION
0670.4
GROUND
DISTRIBUTION
0670.4
R11
BLOWER
RESISTORS
1) OPENS IF
RESISTORS
OVERHEAT
04
S75
BLOWER SWITCH
0) OFF
1) SLOW
2) MEDIUM
3) FAST
4) MAXIMUM
POWER DISTRIBUTION
0670.2
X1435
1.5 GE
6450.6-05
X68309
2.5 GN/BR
6450.6-05
(PARTIAL)
1.5 GE
2.5 GN/BR
X1280
2 8 X50
6X50
4
K33a
AIR CONDITIONING
RELAY, MOTRONIC
30 86
87 85
GROUND
DISTRIBUTION
0670.4
6 X271
5
A2w
INSTRUMENT
CLUSTER
.5 SW/VI
X10054
2 X35
X353
X189
6450.6-05
X9633
1.5 GE
2.5 GN/BR .5 SW/VI
1.5 SW/VI
(PARTIAL)
1 SW/VI
1
21
0
3
210
3
4
M VERSIONS
X9633

X166
BM
BMW
BMWBMW
Z3
01/01 6450.6Ć 2001
INTEGRATED HEATING– AND CLIMATE CONTROL
05
01
6450.6-04
X7711
1 GN/BR
1 SW/VI
X18350
1.5 GN/BR
S221
EVAPORATOR
CONTROLLER
B14
EVAPORATOR
TEMPERATURE
SENSOR
M111
FRESH AIR
RECIRCULATION
MOTOR
S220
AIR CONDITIONING/
RECIRCULATING
SWITCH ASSEMBLY
0) OFF
1) AIR
CONDITIONING
2) AIR
RECIRCULATING
X7712
X183506
1 SW/WS
4 7 X18349
X18349
1.5 GE.5 GN
.5 GN/BR
X151713
285
3
2
GROUND
DISTRIBUTION
0670.4
GROUND
DISTRIBUTION
0670.4
6
GROUND
DISTRIBUTION
0670.4
X15172
GROUND
DISTRIBUTION
0670.4
6450.6-04
(PARTIAL)
6450.6-07
1 SW/VI
X189
2
01
1.5 GE
3
1
GROUND
DISTRIBUTION
0670.4
6450.6-04
X68309 (PARTIAL)
.5 GN/BR
0
2
0
M VERSIONS
6450.6-06

BM
BMW
BMWBMW
Z3
COMPRESSOR CONTROL AND WATER SUPPLY
INTEGRATED HEATING– AND CLIMATE CONTROL
01/01 6450.6Ć 2001
06
F16
5A
30
87
F39
7.5A
18 X10018
FUSE DETAILS
0670.3
.75 SW
2
1
2
.5 SW/BL
5 X51
Y2
AIR CONDITIONING
COMPRESSOR
1) NORMAL
TEMPERATURE
2) HIGH
TEMPERATURE
K19
COMPRESSOR
CONTROL RELAY
FUSE DETAILS
0670.3
64 X51
12 X10016
X10241
86
85
15
29 X60004
A6000
ENGINE CONTROL
MODULE (DME)
1
P90
FRONT POWER
DISTRIBUTION BOX
31
M VERSIONS
.5 GN/BR
1 X11287
X112874
A605
FUSE HOLDER
2 X5115
X5115
.5 BL
1
01
X85
GROUND DISTRIBUTION
0670.4
X10054
2
8 X1602
Y4z
WATER VALVE
2
.5 BL
F953
2A
S531
TEMPERATURE
WHEEL SWITCH
0) NORMAL
TEMPERATURE
1) MAXIMUM
TEMPERATURE
.5 BL
X9633
6450.6-06
2
1 X85
30
87
F54
30A
8 X19017
54 X1602
K104
AIR CONDITIONING
RELAY/AUXILIARY
WATER PUMP
FUSE DETAILS
0670.3
6
86
85
87a
.75 BL
X122
GROUND
DISTRIBUTION
0670.4
M37a
AUXILIARY WATER
PUMP
1
X166
2 X122
.75 GN/WS
GROUND
DISTRIBUTION
0670.4

5 X53
X165
BM
BMW
BMWBMW
Z3
AUXILIARY FAN
01/01 6450.6Ć 2001
07
INTEGRATED HEATING– AND CLIMATE CONTROL
.5 SW/GN
X19022
1
B9
INTERMEDIATE
PRESSURE
SWITCH
1) ABOVE 18 BAR
PRESSURE
2) 15 BAR
PRESSURE
30
30 K22
HIGH SPEED
RELAY
K21
NORMAL SPEED
RELAY
X872
.5 SW/GR 2.5 SW/
BL
X1902224
1
M9
AUXILIARY FAN
MOTOR
8 X536 6 X52
4
X1272
86
8785
87
86
85
X127
3
X165
X1001612
4
2 X528
X15882
FUSE DETAILS
0670.3
X10027
GROUND
DISTRIBUTION
0670.4
.5 SW/GR
7
B8y
PRESSURE SWITCH
1) PRESSURE BELOW
21 BAR
2) PRESSURE ABOVE
30 BAR
3) PRESSURE ABOVE
2.6 BAR
4) PRESSURE BELOW
1.5 BAR
S221
EVAPORATOR
CONTROLLER
.5 VI
1 VI
1
4 X10054
X183505
.5 SW/GE
GROUND
DISTRIBUTION
0670.4
B9508
PRESSURE
SWITCH
.5 SW/GR
4 BL
4
2
X165
GROUND
DISTRIBUTION
0670.4
P90
FRONT POWER
DISTRIBUTION BOX
X1001612
FUSE DETAILS
0670.3
21
X873
F16
5A
12
F48
40A
F16
5A
P97
AUXILIARY FUSE
BOX
FUSE DETAILS
0670.3
0.5
P90
FRONT POWER
DISTRIBUTION BOX
X271
5
X100546
X354
85b
2.5 RT/GN
.5 SW/GE
NOT USED
X6949
.5 SW/GN.5 SW/GN
6450.6-05
1.5 GE
S36
TEMPERATURE
SWITCH
1) OPEN
2) ABOVE 99
DEGREES C
3) ABOVE 91
DEGREES C
4) OPEN
85b
12
34
43
M VERSIONS
A2w
INSTRUMENT
CLUSTER
4
.5 SW/RT
X60004
A6000
ENGINE CONTROL
MODULE (DME)
9
87a

1
31
BMBMWBMWBMW
Z3
6510.1 RADIO/HIFI
06/00 6510.1Ć 2001
00
P90
FRONT POWER
DISTRIBUTION BOX
F44
15A
A2w
INSTRUMENT
CLUSTER
2) VEHICLE SPEED
OUTPUT
2 X17
X188
3
5
LIGHT SWITCH
DETAILS
6300.0
INSTRUMENT
CLUSTER
6211.0
28 X10018
.5 GR/RT
58g
.5 SW/WS
X322
.5 SW/WS
.5 SW/WS
N9
RADIO
9 13
.5 GR/RT
1615
X13016
2
16
1
.75 GE/RT
15
2
3
3
2
6 X18126
X606
FUSE DETAILS
0670.3
N9
RADIO
A18
HIFI AMPLIFIER
.75 BR/SW .75 BL/SW .75 BL/VI
VL+ VR+ HL+ HR+
.5 WS
ANT
F9
20A
18 X10015
1 X605
8
17
.75 GE/BR
VL–
12
4
.75 GE/BR
HL–
11
14
.75 BL/BR
VR –
14
1
.75 BL/GR
HR–
X606
X18126
FUSE DETAILS
0670.3
1X322
.5 WS/BR
4
.5 WS/BR
X181265
GAL31
30 R 58g MUTE
VL+ VR+ HL+ HR+
VL–VR–HL–HR–
F9
20A
18 X10015
FUSE DETAILS
0670.3
GROUND
DISTRIBUTION
0670.4
FUSE DETAILS
0670.3
6 X400
TELEPHONE
CONNECTOR
7
3 X181802
1 X18180
N22
CD CHANGER
2
GAL
1 X424
N8
ANTENNA
AMPLIFIER AM/FM
.5 WS
I–BUS
I–BUS
.35 WS/GR/GE
10
X830
X605
.5 WS
HARMAN KARDON
SOUND SYSTEM
X10266
X10464
.5 SW/WS
.5 SW/WS
COUPE

X701X700
BM
BMW
BMWBMW
Z3
.5 BL/BR
RADIO/HIFI
06/00 6510.1Ć 2001
01
.75 GE/RT
8
1
.75 BL/BR
10
.75 BR/OR
23
X18198
24
5
A18
HIFI AMPLIFIER
.75 BL/GN
6
2
X18516
1X746
21
10 7
.75 BL/BR .75 GE/RT
X1381
11
X6053
GROUND
DISTRIBUTION
0670.4
X13016
TRV–TLV+HRV–HRV+MRV+ 31
9
.75 BL/RT
1
TRV+
8
.75 GE/BR
1
TLV–
9X606
MRV–
.5 BL/BR.5 BL/RT .5 BL/SW
4
H54
RIGHT FRONT MID-
RANGE SPEAKER
H50
RIGHT FRONT
HIGH RANGE
SPEAKER
H51
RIGHT FRONT LOW
RANGE SPEAKER
H58
LEFT FRONT LOW
RANGE SPEAKER
GROUND
DISTRIBUTION
0670.4
X1380
31
COUPE

BMBMWBMWBMW
Z3
RADIO/HIFI
01/01 6510.1Ć 2001
02
.75 GE/GR
25
1
.75 GE/GN
10
.75 GE/BL
X60621
X18196
22
5
A18
HIFI AMPLIFIER
.75 GE/BR
6
2X181901 X75321
11 6
X1715
32
H66
SUBWOOFER
X605
TTH+2 TTH–1HLV–HLV+MLV+
26
MLV–
12
4
TTH–2
5
1
TTH+1
1.5 GE 1.5 BR1.5 BR 1.5 BL
.5 GE/BR.5 GE/RT .5 GE/SW .5 GE/BR
H55
LEFT FRONT MID-
RANGE SPEAKER
H59
LEFT FRONT HIGH
RANGE SPEAKER
.5 BL
12
.5 GE.5 BR
10 11
.5 BR
2X5381 X53721
MLH–MLH+MRH+
13
MRH–
H54z
REAR RIGHT MID–
HIGH RANGE
SPEAKER
H55z
REAR LEFT MID–
HIGH RANGE
SPEAKER
COUPE WITH HARMAN KARDON SOUND SYSTEM

BMBMWBMWBMW
Z3
RADIO/HIFI
06/00 6510.1Ć 2001
03
.75 GE/GR
25
1
.75 GE/GN
10
.75 GE/BL
X60621
X18196
22
5
A18
HIFI AMPLIFIER
.75 GE/BR
6
2X181901 X753
21
11 6 X605
TLH+ TRH–HLV–HLV+MLV+
26
MLV–
12
TLH–
5
TRH+
.75 GE/GR .75 BL/GR.75 GE/BL .75 BL/VI
.5 GE/BR.5 GE/RT .5 GE/SW .5 GE/BR
H55
LEFT FRONT MID-
RANGE SPEAKER
H59
LEFT FRONT HIGH
RANGE SPEAKER
.75 BL
12
.75 GE.75 BR
10 11
.75 BR
2X7603 X76223
HHL–HHL+HHR+
13
H53
RIGHT REAR HIGH
RANGE SPEAKER
H56
LEFT REAR HIGH
RANGE SPEAKER
COUPE WITH HIFI
HHR–
1X18189 1X761
11
H46
LEFT REAR
SPEAKER
H45
RIGHT REAR
SPEAKER
X763 X18184

31
BMBMWBMWBMW
Z3
RADIO/HIFI
06/00 6510.1Ć 2001
04
P90
FRONT POWER
DISTRIBUTION BOX
F44
15A
A2w
INSTRUMENT
CLUSTER
2) VEHICLE
SPEED
OUTPUT
2 X17
X188
3
5
LIGHT SWITCH
DETAILS
6300.0
INSTRUMENT
CLUSTER
6211.0
28 X10018
.5 GR/RT
58g
.5 SW/WS
X322
.5 SW/WS
.5 SW/WS
N9
RADIO
9 13
.5 GR/RT
1615
X13016
2
38
1
.75 GE/RT
9
2
37
3
8
6 X18126
FUSE DETAILS
0670.3
N9
RADIO
A18
HIFI AMPLIFIER
.75 BR/SW .75 BL/SW .75 BL/VI
VL+ VR+ HL+ HR+
.5 WS
ANT
F9
20A
18 X10015
5 X1717
8
30
.75 GE/BR
VL–
12
29
.75 GE/BR
HL–
11
17
.75 BL/BR
VR –
14
16
.75 BL/GR
HR–
X1717
X18126
FUSE DETAILS
0670.3
1X322
.5 WS/BR
4
.5 WS/BR
X181265
GAL31
30 R 58g MUTE
VL+ VR+ HL+ HR+
VL–VR–HL–HR–
F9
20A
18 X10015
FUSE DETAILS
0670.3
GROUND
DISTRIBUTION
0670.4
FUSE DETAILS
0670.3
6 X400
TELEPHONE
CONNECTOR
7
3 X181802
1 X18180
N22
CD CHANGER
10
1 X424
N8
ANTENNA
AMPLIFIER AM/FM
.5 WS
I–BUS
I–BUS
.35 WS/GR/GE
10
X830
.5 WS
ROADSTER WITH HIFI

X701X700
BM
BMW
BMWBMW
Z3
.5 BL/BR
RADIO/HIFI
06/00 6510.1Ć 2001
05
.75 GE/RT
41
1
.75 BL/BR
10
.75 BR/OR
11
X18198
12
5
A18
HIFI AMPLIFIER
.75 BL/GN
6
2
X18516
1X746
21
23 3
1.5 BL/BR 1.5 BL/WS
X1381
11
X171726
GROUND
DISTRIBUTION
0670.4
X13016
TRV–TLV+HRV–HRV+MRV+ 31
22
1.5 BL/RT
1
TRV+
4
1.5 BL/BR
1
TLV–
42
MRV–
.5 BL/BR.5 BL/RT .5 BL/SW
H54
RIGHT FRONT MID-
RANGE SPEAKER
H50
RIGHT FRONT
HIGH RANGE
SPEAKER
H51
RIGHT FRONT LOW
RANGE SPEAKER
H58
LEFT FRONT LOW
RANGE SPEAKER
X1380
ROADSTER WITH HIFI

BMBMWBMWBMW
Z3
RADIO/HIFI
01/01 6510.1Ć 2001
06
.75 GE/GR
39
1
.75 GE/GN
10
.75 GE/BL
21
X18196
34
5
A18
HIFI AMPLIFIER
.75 GE/BR
6
2X181901 X75321
224
X1715
32
H66
SUBWOOFER
X1717
TLH+ TRH–HLV–HLV+MLV+
40
MLV–
1
4
TLH–
25
1
TRH+
1.5 GE 1.5 BR1.5 BR 1.5 BL
.5 GE/BR.5 GE/RT .5 GE/SW .5 GE/BR
H55
LEFT FRONT MID-
RANGE SPEAKER
H59
LEFT FRONT HIGH
RANGE SPEAKER
.5 BL
33
.5 GE.5 BR
31 32
.5 BR
2X5381 X53721
MLH–MLH+MRH+
13
MRH–
H54z
REAR RIGHT MID–
HIGH RANGE
SPEAKER
H55z
REAR LEFT MID–
HIGH RANGE
SPEAKER
ROADSTER WITH HIFI

31
BMBMWBMWBMW
Z3
RADIO/HIFI
01/01 6510.1Ć 2001
07
P90
FRONT POWER
DISTRIBUTION BOX
F44
15A
A2w
INSTRUMENT
CLUSTER
2) VEHICLE
SPEED
OUTPUT
2 X17
X188
3
5
LIGHT SWITCH
DETAILS
6300.0
INSTRUMENT
CLUSTER
6211.0
28 X10018
.5 GR/RT
58g
.5 SW/WS
X322
.5 SW/WS
.5 SW/WS
N9
RADIO
9 13
.5 GR/RT
1615
X13016
2
38
1
.75 GE/RT
9
2
37
3
8
6 X18126
FUSE DETAILS
0670.3
N9
RADIO
A18
HIFI AMPLIFIER
.75 BR/SW .75 BL/SW .75 BL/VI
VL+ VR+ HL+ HR+
.5 WS
ANT
F9
20A
18 X10015
5 X1717
8
30
.75 GE/BR
VL–
12
29
.75 GE/BR
HL–
11
17
.75 BL/BR
VR –
14
16
.75 BL/GR
HR–
X1717
X18126
FUSE DETAILS
0670.3
1X322
.5 WS/BR
4
.5 WS/BR
X181265
GAL31
30 R 58g MUTE
VL+ VR+ HL+ HR+
VL–VR–HL–HR–
F9
20A
18 X10015
FUSE DETAILS
0670.3
GROUND
DISTRIBUTION
0670.4
FUSE DETAILS
0670.3
6 X400
TELEPHONE
CONNECTOR
7
3 X181802
1 X18180
N22
CD CHANGER
10
1 X424
N8
ANTENNA
AMPLIFIER AM/FM
.5 WS
I–BUS
I–BUS
.35 WS/GR/GE
10
X830
.5 WS
ROADSTER WITH HARMAN KARDON SOUND SYSTEM
X10464
.5 SW/WS
.35 WS
6510.1-09
20
.35 SW/WS

1.5 BL/BR
BMBMWBMWBMW
Z3
RADIO/HIFI
06/00 6510.1Ć 2001
08
.75 GE/GR
39
1
.75 GE/GN
10
.75 GE/BL
21
X18196
34
5
A18
HIFI AMPLIFIER
.75 GE/BR
6
2X181901 X75321
HLV–HLV+MLV+
40
MLV–
.5 GE/BR.5 GE/RT .5 GE/SW .5 GE/BR
H55
LEFT FRONT MID-
RANGE SPEAKER
H59
LEFT FRONT HIGH
RANGE SPEAKER
.5 BL
33
.5 GE.5 BR
31 32
.5 BR
2X103691 X1036721
MLH–MLH+MRH+
13
MRH–
H71
RIGHT REAR MID–
HIGH RANGE
SPEAKER
H70
LEFT REAR MID–
HIGH RANGE
SPEAKER
ROADSTER WITH HARMAN KARDON SOUND SYSTEM
X701X700
23 3
1.5 BL/WS
X1381
11
TRV–TLV+
22
1.5 BL/RT
1
TRV+
4
1.5 BL/BR
1
TLV–
H51
RIGHT FRONT LOW
RANGE SPEAKER
H58
LEFT FRONT LOW
RANGE SPEAKER
X1380
X1717

BM
BMW
BMWBMW
Z3
.5 BL/BR
RADIO/HIFI
01/01 6510.1Ć 2001
09
.75 GE/RT
41
1
.75 BL/BR
10
.75 BR/OR
11
X18198
12
5
A18
HIFI AMPLIFIER
.75 BL/GN
6
2
X18516
1X746
21
19
.35 SW/GN
16
26
GROUND
DISTRIBUTION
0670.4
X13016
HRV–HRV+MRV+ 31
6
.5 GN
20
14
.5 BL/GN
7
42
MRV–
.5 BL/BR.5 BL/RT .5 BL/SW
H54
RIGHT FRONT MID-
RANGE SPEAKER
H50
RIGHT FRONT
HIGH RANGE
SPEAKER
ROADSTER WITH HARMAN KARDON SOUND SYSTEM
.35 WS
8
X1717
P90
FRONT POWER
DISTRIBUTION BOX
18
5
X10015
N44
SUBWOOFER
AMPLIFIER
MODULE
F9
20A
26 223
X1715
3
2
H66
SUBWOOFER
X18774
SUB1–SUB2+
1
1
SUB1+
22
4
SUB2–
1.5 BL/BR 1.5 GE1.5 BL/RT 1.5 BR
6510.1-07
FUSE DETAILS
0670.3
X18774
GROUND
DISTRIBUTION
0670.4

BM
BMW
BMWBMW
Z3
RADIO/HIFI
06/00 6510.1Ć 2001
10
.23 VI
7
N9
RADIO
X18521
8
+–
N22
CD CHANGER
.23 GN
6
1
.23 GE
1
9
.5 BR
3
2
.23 BL
2
10
.23 WS
10
4
.23 SW
5
3
.23 RT
9
6
.23 GR
4
7
TR
8
5
TR
+–
LEFT RIGHT
X18520
LEFT RIGHT

6561.0 CELLULAR TELEPHONE (PROVISIONS)
BM
BMW
BMWBMW
Z3
PROVISIONS
06/00 6561.0Ć 2001
00
1 BR
13 X4005
6
2
FUSE DETAILS
0670.3
X400
.5 WS/BR
6
X18170
GROUND
DISTRIBUTION
0670.4
P90
FRONT POWER
DISTRIBUTION BOX
X1001828
FUSE DETAILS
0670.3
F33
10A
F44
15A
X213
.5 BL
X322
1
.5 WS/BR
X181264
N9
RADIO
TELEPHONE
CONNECTOR
MUTE
.5 BL
CHARGING
SYSTEM
1230.0
CHARGING
SYSTEM
1230.0

BM
BMW
BMWBMW
Z3
01/01 6571.0Ć 2001
00
6571.0 CRUISE CONTROL (TEMPOMAT)
P90
FRONT POWER
DISTRIBUTION BOX
F26
10A
X10017
12
1 X72
S28
CRUISE CONTROL
SWITCH
0) NORMAL
1) OFF
2) RESUME
3) DECELERATE/
SET
4) ACCELERATE/
SET
3 2 4 X72
A9008
CRUISE CONTROL
INTERFACE
.35 BL/GE .35 BL .35 BL/GR
.35 VI/WS
.35 BL/SW
FUSE DETAILS
0670.3
5
4
301
20
3 X10170
2 1 X10170
.35 BR .35 GE/GN
6 X738
A9008
CRUISE CONTROL
INTERFACE
R10
PEDAL POSITION
SENSOR
13
.35 WS/GN
1
8
.35 WS
5
9
.35 GE
2
7
.35 BR/GN
4
.35 BL/SW .5 BR/OR
35 X6000427
A6000
ENGINE CONTROL
MODULE (DME)
12 14 X6004
1
20

X60003
20
01/01 6571.0Ć 2001
01
19
A6000
ENGINE CONTROL
MODULE (DME)
BMBMWBMWBMW
Z3
CRUISE CONTROL (TEMPOMAT)
.5 BR/GR .5 BR/VI
A6000
ENGINE CONTROL
MODULE (DME)
10
.5 BR/WS
7
.5 BR/BL
X639014 26
53
.75 BR/SW.75 GR/WS
4443
Y6390
ELECTRIC
THROTTLE
ACTUATOR
X60003
23
28 X60004
X783
24
2
.35 RT/GE
1 4 X78
FUSE DETAILS
0670.3
F13
5A
P90
FRONT POWER
DISTRIBUTION BOX
FUSE DETAILS
0670.3
F46
15A
1.5 BL/RT
X181 BRAKE LIGHTS
6325.0
6X1001632 X10018
S30
BRAKE LIGHT
SWITCH
1) BRAKE PEDAL
RELEASED
2) BRAKE PEDAL
DEPRESSED
3) BRAKE PEDAL
DEPRESSED
(TEST)
4) BRAKE PEDAL
RELEASED
(NORMAL)
21 34
.5 BL/RT
X60004
FUSE DETAILS
0670.3
F43
5A
26
1
S32
CLUTCH SWITCH
GROUND
DISTRIBUTION
0670.4
X10010
X11143
3
.35 BL/BR
2 X11143
X6390
Z3 VERSIONS

M VERSIONS
X5393
X60003
01/01 6571.0Ć 2001
02
2
A6000
ENGINE CONTROL
MODULE (DME)
BMBMWBMWBMW
Z3
CRUISE CONTROL (TEMPOMAT)
.5 WS
20
.5 BR
X6000323
3
1
21
2.5 RT
.5 RT/GE
2.5 WS
2914
R6252
THROTTLE
POSITION SENSOR
X6252
34 X60004
X783
24
2
.75 RT/GE
1 4 X78
FUSE DETAILS
0670.3
P90
FRONT POWER
DISTRIBUTION BOX
FUSE DETAILS
0670.3
.75 BL/RT
X181
BRAKE LIGHTS
6325.0
6X1001632 X10018
S30
BRAKE LIGHT
SWITCH
1) BRAKE PEDAL
RELEASED
2) BRAKE PEDAL
DEPRESSED
3) BRAKE PEDAL
DEPRESSED
(TEST)
4) BRAKE PEDAL
RELEASED
(NORMAL)
.5 BL/RT
F46
15A
F13
5A
12 43
A6000
ENGINE CONTROL
MODULE (DME)
FUSE DETAILS
0670.3
28
F44
15A
1
S32
CLUTCH SWITCH
GROUND
DISTRIBUTION
0670.4
X10010
X121
3
X60001
X5392
X60003
X6475
.5 BR
1
.5 VI
10
3
2
7
.5 BR
Y5392
ELECTRIC
THROTTLE MOTOR
X5286
ENGINE CONTROL
SYSTEM MSS54
(6–CYLINDER S54
B32)
1210.27
.5 RT/GN 67 X6053
X5393
2.5 RT2.5 WS.5 RT/GN
20 X60002
2
X5285 X5284
2.5 RT2.5 WS
X6252
X10018
8 X6021
.5 SW/BL
.35 GR
.5 RT/GN
X121

X10182X13253
X1222
5
01/01 6575.0Ć 2001
00
A104
BODY
ELECTRONICS
CONTROL MODULE
(ZKE IV)
BMBMWBMWBMW
Z3
6575.0 ANTI–THEFT SYSTEM (DWA)
.5 SW/WS/GE
B28
PITCH SENSOR
(DWA)
25
.5 SW/RT/GE
51
14
P90
FRONT POWER
DISTRIBUTION BOX
FUSE DETAILS
0670.3
F31
5A
2X10016
.5 GR/SW/GE
FUSE DETAILS
0670.3
F2
15A
4
1
GROUND
DISTRIBUTION
0670.4
X9633
X19562
18
FUSE DETAILS
0670.3
F16
5A
12
3
X10015
X10182
3 X1222
V5
DWA LED
1X514
X10018
X514
4
7
.35 WS/GN
H67
DWA SIREN
26
.35 SW/GN
24
3X19562
X13254X13254

X3712
01/01 6575.0Ć 2001
01
BMBMWBMWBMW
Z3
ANTI–THEFT SYSTEM (DWA)
.5 VI/GN/GE
A104
BODY
ELECTRONICS
CONTROL MODULE
(ZKE IV)
17
A194y
REMOTE CONTROL
MODULE
67
1
GROUND
DISTRIBUTION
0670.4
X166
X371
1
5
17X13254 4 X13253
X13139
15 X10182
.5 BR/RT/GE
X1805
A837
ELECTRONIC
IMMOBILIZER
CONTROL MODULE
(EWS III)
.5 SW/GN
1315
S825
FRONT LID MICRO
SWITCH
1) FRONT LID
OPEN
2) FRONT LID
CLOSED
.5 BL/RT/GE
.5 WS/RT/GE
12
X10182
X3522
2
1
GROUND
DISTRIBUTION
0670.4
X13006
X352
S14
DRIVER’S DOOR
JAMB SWITCH
1) DOOR OPEN
2) DOOR
CLOSED
12
X13254
X3512
.75 BR/BL/GE
3
1
GROUND
DISTRIBUTION
0670.4
X13004
X351
S13
PASSENGER’S
DOOR JAMB
SWITCH
12
X539
2
1
GROUND
DISTRIBUTION
0670.4
X18170
X539
S20
RADIO ANTI–
THEFT SWITCH
(DWA)
1) RADIO
REMOVED
2) RADIO
INSTALLED
12
X443
23 X17
A2w
INSTRUMENT
CLUSTER
.5 BL/RT/GE
X450
.5BL/RT/GE
X1225
.5 VI/GN/GE .5 VI/GN/GE
ROADSTER
X445
.75 BR/BL/GE
.75 BR/GR/GE
.75 BR/GR/GE
.5 BR/GR/GE

3
X747
2
01/01 6575.0Ć 2001
02
BMBMWBMWBMW
Z3
ANTI–THEFT SYSTEM (DWA)
A104
BODY
ELECTRONICS
CONTROL MODULE
(ZKE IV)
1 X747
7 X13253
X74
A12
SUPPLEMENTAL
RESTRAINT
SYSTEM CONTROL
MODULE
.35 BR/SW
34
S47
DRIVER’S DOOR
LOCK SWITCH
0) OFF
3) CENTRAL
ARREST
.35 WS/RT
03
X711
1
14
2
GROUND
DISTRIBUTION
0670.4
X13006
X711
S826
LUGGAGE COMPARTMENT
LIGHT SWITCH
1) REAR LID CLOSED
2) REAR LID OPEN
12
X13254
X651
.5 BR/SW/GE
1
N17
CRASH CONTROL
MODULE
X465
.5 WS/RT
.75 BR/WS
.5 BR/WS
10 X257
2
.5 BL/GN/GE
10
P90
FRONT POWER
DISTRIBUTION BOX
FUSE DETAILS
0670.3
F7
5A
14 X10015
X7422
1 X742
13
S49
PASSENGER’S
DOOR LOCK
SWITCH
0) OFF
3) CENTRAL
ARREST
.35 WS/RT
03
.5 WS/RT
10 X256
X449
.35 WS/RT
LICENSE PLATE/
LUGGAGE
COMPARTMENT
LIGHTS
6320.0
COUPE
X10182

12
X660
14
01/01 6575.0Ć 2001
03
A104
BODY
ELECTRONICS
CONTROL MODULE
(ZKE IV)
BMBMWBMWBMW
Z3
ANTI–THEFT SYSTEM (DWA)
.35 WS/SW
M12
DRIVER’S DOOR
LOCK MOTOR
1) LOCK
2) UNLOCK
1
.35 WS/GN
45
15
P90
FRONT POWER
DISTRIBUTION BOX
FUSE DETAILS
0670.3
F7
5A
14
.35 WS/BL
12 X257
M13
PASSENGER’S
DOOR LOCK
MOTOR
1) LOCK
2) UNLOCK
12 X256
X10015
X6415
3
.5 WS/GN/GE
M17
LUGGAGE
COMPARTMENT
LOCK MOTOR
1) LOCK
2) UNLOCK
16
.5 WS/BL
21
3X311
X13253
12 12
2
.35 WS/BR
4
12
3131 31 31 31 31
X257
1314 X256
1413
.5 WS/SW .5 WS/GN .5 WS/SW.5 WS/GN
X311
ROADSTER
6 X660 6 X641
FUSE DETAILS
0670.3
FUSE DETAILS
0670.3
.5 RT/GN .5 RT/GN

BMBMWBMWBMW
Z3
6575.2 ANTI–THEFT SYSTEM (ALPINE)
06/00 6575.2Ć 2001
00
P90
FRONT POWER
DISTRIBUTION BOX
N12w
ANTI–THEFT
CONTROL MODULE
(ALPINE)
FUSE DETAILS
0670.3
F43
5A
2
3 9
X450
X13025
X10010
GROUND
DISTRIBUTION
0670.4
.5 GN/WS
8
2 X65
.5 BL/GN/GE
N17
CRASH CONTROL
MODULE
1 X10244
.5 VI/GN/GE
A104
BODY
ELECTRONICS
CONTROL MODULE
(ZKE IV)
X1225
26
FUSE DETAILS
0670.3
F31
5A
1 X13025
2 X10018
17 X132534
10
15 X1805
A837
ELECTRONIC
IMMOBILIZER
CONTROL MODULE
(EWS III)
21
S20w
RADIO ANTI–
THEFT SWITCH
1) RADIO
REMOVED
2) RADIO
INSTALLED
2 X539
1 X539
X18170
GROUND
DISTRIBUTION
0670.4
21
S21w
ENGINE HOOD
SWITCH
1) HOOD OPEN
2) HOOD CLOSED
2 X371
1 X371
X166
GROUND
DISTRIBUTION
0670.4
.5 VI/GN/GE
.5 VI/GN/GE
.5 BL/RT/GE.5 BL/RT/GE
.5 BL/RT/GE

3
BMBMWBMWBMW
Z3
ANTI–THEFT SYSTEM (ALPINE)
06/00 6575.2Ć 2001
01
P90
FRONT POWER
DISTRIBUTION BOX
N12w
ANTI–THEFT
CONTROL MODULE
(ALPINE)
FUSE DETAILS
0670.3
F43
5A
2
311
1 X711
X465
.5 BR/WS
X10010
GROUND
DISTRIBUTION
0670.4
.5 BR/WS
.75 BR/WS
12
LICENSE PLATE/
LUGGAGE
COMPARTMENT
LIGHTS
6320.0
26
H1w
ANTI–THEFT HORN
(ALPINE)
2 X372
1 X372
X9633
GROUND
DISTRIBUTION
0670.4
1 SW/BL
12
X443
S14
DRIVER’S DOOR
JAMB SWITCH
1) DOOR OPEN
2) DOOR CLOSED
2 X352
.75 BR/GR/GE
GROUND
DISTRIBUTION
0670.4
1 X352
12
S13
PASSENGER’S
DOOR JAMB
SWITCH
1) DOOR OPEN
2) DOOR CLOSED
2 X351
.75 BR/BL/GE
1 X351
X13004
X445
GROUND
DISTRIBUTION
0670.4
7 X13025
A2w
INSTRUMENT
CLUSTER
23 X17
.5 BR/GR/GE
A104
BODY
ELECTRONICS
CONTROL MODULE
(ZKE IV)
2 X132543
4 5
.75 BR/GR/GE .75 BR/BL/GE.5 BR/GR/GE
FUSE DETAILS
0670.3
F31
5A
1 X13025
2 X10018
.5 BR/BL/GE
S826
LUGGAGE
COMPARTMENT
LIGHT SWITCH
1) REAR LID
CLOSED
2) REAR LID
OPEN
2 X711
X13006
GROUND
DISTRIBUTION
0670.4
COUPE
X13006

BM
BMW
BMWBMW
Z3
6581.3 BOARD COMPUTER (BC – LOW)
06/00 6581.3Ć 2001
00
B21
ON–BOARD
COMPUTER
TEMPERATURE
SENSOR
31
30
31
31
31
.35 BR/GR
P90
FRONT POWER
DISTRIBUTION BOX
232 X10018
FUSE DETAILS
0670.3
510
911
LIGHT SWITCH
DETAILS
6300.0
X10245
8 6 X10245
X10010
1 X770
2 X770
GROUND
DISTRIBUTION
0670.4
X10010
GROUND
DISTRIBUTION
0670.4
F31
5A
F46
15A
58g
FUSE DETAILS
0670.3
.5 WS/VI
2
.35 WS/GE
3
.5 BR/GE
7
15
.5 SW/WS
2
X188
INSTRUMENT
CLUSTER
6211.0
X11291
B6y
FUEL SENSOR
3 X6500
6 X6500
15
31
3 X271
.5 BR/SW
.5 BR/GE
1 X271
15
.35 BR/RT
1
10 X32
1 X32
X18170
GROUND
DISTRIBUTION
0670.4
A2w
INSTRUMENT
CLUSTER
2) VEHICLE
SPEED
OUTPUT
2
X17
.35 SW/WS
.5 GR/RT
A35y
BOARD
COMPUTER
(BC – LOW)
S7
COMBINATION
SWITCH
10) PROGRAM
MODUS
10
TXD RXD
DATA LINK
0670.5
.5 BR/GE
A2w
INSTRUMENT
CLUSTER
.5 BR/SW
.5 BR/SW
X805
INSTRUMENT
CLUSTER
6211.0
31
4
.35 WS/SW
25
15
.35 BR/RT
.5 BR

BM
BMW
BMWBMW
Z3
6610.2 REMOTE CONTROL ZV/DWA
01/01 6610.2 2001
00
31
F43
5A
P90
FRONT POWER
DISTRIBUTION BOX
X1001514 X1001826 DATA LINK
0670.5
TXD
GROUND
DISTRIBUTION
0670.4
FUSE DETAILS
0670.3
FUSE DETAILS
0670.3
3
2 4 8 X13139
RXD A194y
REMOTE CONTROL
MODULE
10 X13139
.5 WS/GE
X10010
5
17
.5 WS/RT/GE
31
A104
BODY
ELECTRONICS
CONTROL MODULE
(ZKE IV)
15 X1805
.5 BL/RT/GE
A837
ELECTRONIC
IMMOBILIZER
CONTROL MODULE
(EWS III)
.5 BL/RT/GE
VR
.5 WS/VI
6
X13253
4
.5 BL/RT/GE
X450
1 X13254
7
.5 BR/RT/GE
F7
5A

BM
BMW
BMWBMW
Z3
7000.0 COMPONENT LOCATION CHART
7000.0Ć0
01/01 2001
COMP. DESCRIPTION LOCATION 7100.0 8500.0
A2w . . . INSTRUMENT CLUSTER . . . . . . . . . . . . . . . LH side of dash . . . . . . . . . . . . . . . . . . . . . . . . . . . . . . . . . . . . . . . . . . . . . . . . . . . . . . . . 20-2
A12 . . . SUPPLEMENTAL RESTRAINT SYSTEM
CONTROL MODULE . . . . . . . . . . . . . . . . . below center console . . . . . . . . . . . . . . . . . . . . . . . . . . . . . . . . . . . . . . . . . . . . . . . . . . . 22-2
A18 . . . HIFI AMPLIFIER . . . . . . . . . . . . . . . . . . . . . . . in RH side of luggage compartment (ROADSTER) . . . . . . . . . . . . . . . . . . . . . . . . . . 25-1
A18 . . . HIFI AMPLIFIER . . . . . . . . . . . . . . . . . . . . . . . in RH side of luggage compartment (COUPE) . . . . . . . . . . . . . . . . . . . . . . . . . . . . . . 19-3
A22z . . ELECTROCHROMIC REAR VIEW
MIRROR . . . . . . . . . . . . . . . . . . . . . . . . . . . . in interior rear view mirror
A35y . . BOARD COMPUTER (BC – LOW) . . . . . . . center console . . . . . . . . . . . . . . . . . . . . . . . . . . . . . . . . . . . . . . . . . . . . . . . . . . . . . . . . . 00-1
A36 . . . REAR WIPER/WASHER INTERVAL
CONTROL MODULE . . . . . . . . . . . . . . . . . in lift gate . . . . . . . . . . . . . . . . . . . . . . . . . . . . . . . . . . . . . . . . . . . . . . . . . . . . . . . . . . . . . 24-2
A51 . . . WIPER/WASHER MODULE . . . . . . . . . . . . . behind glove box . . . . . . . . . . . . . . . . . . . . . . . . . . . . . . . . . . . . . . . . . . . . . . . . . . . . . . . 12-3
A52 . . . SLIP CONTROL MODULE (ABS/ASC) . . . . front LH side of engine compartment . . . . . . . . . . . . . . . . . . . . . . . . . . . . . . . . . . . . . . 11-2
A65 . . . DYNAMIC STABILITY CONTROL UNIT
(DSC) . . . . . . . . . . . . . . . . . . . . . . . . . . . . . . LH side of engine compartment . . . . . . . . . . . . . . . . . . . . . . . . . . . . . . . . . . . . . . . . . . 11-2
A104 . . BODY ELECTRONICS CONTROL
MODULE (ZKE IV) . . . . . . . . . . . . . . . . . . . behind glove box . . . . . . . . . . . . . . . . . . . . . . . . . . . . . . . . . . . . . . . . . . . . . . . . . . . . . . . 12-3
A113 . . . SEAT OCCUPANCY DETECTOR . . . . . . . . under RH front seat
A194y . REMOTE CONTROL MODULE . . . . . . . . . . in interior rear view mirror
A605 . . FUSE HOLDER . . . . . . . . . . . . . . . . . . . . . . . . center console (radio and console removed) . . . . . . . . . . . . . . . . . . . . . . . . . . . . . . . 27-1
A837 . . ELECTRONIC IMMOBILIZER CONTROL
MODULE (EWS III) . . . . . . . . . . . . . . . . . . . LH side of steering column . . . . . . . . . . . . . . . . . . . . . . . . . . . . . . . . . . . . . . . . . . . . . . 15-1
A3984 . OIL–/OUTSIDE TEMPERATURE GAUGE
CONTROL MODULE . . . . . . . . . . . . . . . . . under glove box
A6000 . ENGINE CONTROL MODULE (DME) . . . . . rear RH side of engine compartment in E–Box . . . . . . . . . . . . . . . . . . . . . . . . . . . . . 31-1

BM
BMW
BMWBMW
Z3
COMPONENT LOCATION CHART
7000.0Ć1
01/01 2001
COMP. 8500.07100.0
LOCATIONDESCRIPTION
A7000 . TRANSMISSION CONTROL MODULE
(EGS) . . . . . . . . . . . . . . . . . . . . . . . . . . . . . . rear RH side of engine compartment in E–Box
A9008 . CRUISE CONTROL INTERFACE . . . . . . . . near steering column . . . . . . . . . . . . . . . . . . . . . . . . . . . . . . . . . . . . . . . . . . . . . . . . . . . 15-1
A19007 THERMAL OIL LEVEL SENSOR (TOENS)
CONTROL MODULE . . . . . . . . . . . . . . . . . behind glove box . . . . . . . . . . . . . . . . . . . . . . . . . . . . . . . . . . . . . . . . . . . . . . . . . . . . . . . 12-2
B1 . . . . . RIGHT FRONT SPEED SENSOR – ABS . . on RH front wheel, above brake caliper
B2 . . . . . LEFT FRONT SPEED SENSOR – ABS . . . on LH front wheel, above brake caliper . . . . . . . . . . . . . . . . . . . . . . . . . . . . . . . . . . . . 04-2
B3 . . . . . RIGHT REAR SPEED SENSOR – ABS . . . on RH rear wheel, above brake caliper
B4 . . . . . LEFT REAR SPEED SENSOR – ABS . . . . on LH rear wheel, above brake caliper
B6y . . . . FUEL SENSOR . . . . . . . . . . . . . . . . . . . . . . . . in fuel tank
B8y . . . . PRESSURE SWITCH . . . . . . . . . . . . . . . . . . . front RH side of engine compartment
B9 . . . . . INTERMEDIATE PRESSURE SWITCH . . . front RH side of engine compartment
B10 . . . VEHICLE SPEED SENSOR . . . . . . . . . . . . . on differential . . . . . . . . . . . . . . . . . . . . . . . . . . . . . . . . . . . . . . . . . . . . . . . . . . . . . . . . . . 08-1
B14 . . . EVAPORATOR TEMPERATURE SENSOR RH side of LH footwell . . . . . . . . . . . . . . . . . . . . . . . . . . . . . . . . . . . . . . . . . . . . . . . . . . 21-2
B16 . . . LEFT FRONT BRAKE PAD SENSOR . . . . . on LH front wheel, above brake caliper . . . . . . . . . . . . . . . . . . . . . . . . . . . . . . . . . . . . 04-2
B17 . . . RIGHT REAR BRAKE PAD SENSOR . . . . . behind RH rear wheel
B18 . . . BRAKE FLUID LEVEL SWITCH . . . . . . . . . . rear LH side of engine compartment . . . . . . . . . . . . . . . . . . . . . . . . . . . . . . . . . . . . . . 09-1
B21 . . . ON–BOARD COMPUTER TEMPERATURE
SENSOR . . . . . . . . . . . . . . . . . . . . . . . . . . . in RH front bumper . . . . . . . . . . . . . . . . . . . . . . . . . . . . . . . . . . . . . . . . . . . . . . . . . . . . . 04-1
B21z . . TEMPERATURE SENSOR . . . . . . . . . . . . . . on front LH wheel well . . . . . . . . . . . . . . . . . . . . . . . . . . . . . . . . . . . . . . . . . . . . . . . . . . 32-1
B28 . . . PITCH SENSOR (DWA) . . . . . . . . . . . . . . . . . in LH side of luggage compartment behind trim panel . . . . . . . . . . . . . . . . . . . . . . . 32-2
B59 . . . OIL TEMPERATURE GAUGE . . . . . . . . . . . center console
B74 . . . TRANSVERSE ACCELERATION SENSOR under driver’s seat . . . . . . . . . . . . . . . . . . . . . . . . . . . . . . . . . . . . . . . . . . . . . . . . . . . . . . 15-2

BM
BMW
BMWBMW
Z3
COMPONENT LOCATION CHART
7000.0Ć2
01/01 2001
COMP. 8500.07100.0
LOCATIONDESCRIPTION
B75 . . . RPM RATE SENSOR . . . . . . . . . . . . . . . . . . . under driver’s seat . . . . . . . . . . . . . . . . . . . . . . . . . . . . . . . . . . . . . . . . . . . . . . . . . . . . . . 15-2
B76 . . . PRESSURE SENSOR . . . . . . . . . . . . . . . . . . rear LH side of engine compartment . . . . . . . . . . . . . . . . . . . . . . . . . . . . . . . . . . . . . . 11-3
B78 . . . DRIVER’S SIDE IMPACT SENSOR . . . . . . under LH front seat . . . . . . . . . . . . . . . . . . . . . . . . . . . . . . . . . . . . . . . . . . . . . . . . . . . . . 07-3
B79 . . . PASSENGER’S SIDE IMPACT SENSOR . . under RH front seat . . . . . . . . . . . . . . . . . . . . . . . . . . . . . . . . . . . . . . . . . . . . . . . . . . . . . 07-1
B921 . . OUTSIDE TEMPERATURE GAUGE . . . . . . center console
B5351 . EXHAUST TEMPERATURE SENSOR . . . . RH side of engine compartment
B6203 . CRANKSHAFT POSITION/RPM SENSOR rear LH side of engine compartment
B6204 . CAMSHAFT POSITION SENSOR
(CYLINDER IDENTIFICATION) . . . . . . . . front of engine
B6205 . INTAKE AIR TEMPERATURE SENSOR . . top center of engine
B6207 . HOT FILM AIR MASS METER . . . . . . . . . . . LH side of engine compartment
B6214 . CAMSHAFT POSITION SENSOR 1
(INLET) . . . . . . . . . . . . . . . . . . . . . . . . . . . . . front of engine
B6224 . CAMSHAFT POSITION SENSOR 2
(OUTLET) . . . . . . . . . . . . . . . . . . . . . . . . . . . front of engine
B6231 . OIL PRESSURE SWITCH . . . . . . . . . . . . . . . LH side of engine compartment
B6232 . ENGINE COOLANT TEMPERATURE
SENSOR . . . . . . . . . . . . . . . . . . . . . . . . . . . front of engine
B6236 . ENGINE COOLANT TEMPERATURE
SENSOR . . . . . . . . . . . . . . . . . . . . . . . . . . . front of engine
B6238 . OIL TEMPERATURE SENSOR . . . . . . . . . . RH side of oil filter
B6241 . CYL. 1–2 KNOCK SENSOR . . . . . . . . . . . . . top LH side of engine
B6242 . CYL. 3–4 KNOCK SENSOR . . . . . . . . . . . . . top LH side of engine
B6243 . CYL. 5–6 KNOCK SENSOR . . . . . . . . . . . . . top LH side of engine

BM
BMW
BMWBMW
Z3
COMPONENT LOCATION CHART
7000.0Ć3
01/01 2001
COMP. 8500.07100.0
LOCATIONDESCRIPTION
B6254 THERMAL OIL LEVEL SWITCH . . . . . . . . . lower LH side of engine compartment
B6279 THERMOSTAT, CHARACTERISTIC MAP
COOLING . . . . . . . . . . . . . . . . . . . . . . . . . . . front of engine
B9508 . PRESSURE SWITCH . . . . . . . . . . . . . . . . . . . front RH side of engine compartment . . . . . . . . . . . . . . . . . . . . . . . . . . . . . . . . . . . . . 30-2
B62101 OXYGEN SENSOR I (IN FRONT OF
CATALYTIC CONVERTER) . . . . . . . . . . . . on catalytic converter
B62102 OXYGEN SENSOR I (BEHIND CATALYTIC
CONVERTER) . . . . . . . . . . . . . . . . . . . . . . . on catalytic converter
B62201 OXYGEN SENSOR II (IN FRONT OF
CATALYTIC CONVERTER) . . . . . . . . . . . . on catalytic converter
B62202 OXYGEN SENSOR II (BEHIND
CATALYTIC CONVERTER) . . . . . . . . . . . . on catalytic converter
B62400 DOUBLE KNOCK SENSOR . . . . . . . . . . . . . LH side of engine
C100 . . CONTACT RING . . . . . . . . . . . . . . . . . . . . . . . top of steering column
C101 . . CONTACT RING . . . . . . . . . . . . . . . . . . . . . . . top of steering column . . . . . . . . . . . . . . . . . . . . . . . . . . . . . . . . . . . . . . . . . . . . . . . . . . 27-3
C6000 . SUPPRESSION CAPACITOR . . . . . . . . . . . . top center of engine
D100 . . DATA LINK CONNECTOR . . . . . . . . . . . . . . . rear LH side of engine compartment . . . . . . . . . . . . . . . . . . . . . . . . . . . . . . . . . . . . . . 11-2
D110 . . OBD II CONNECTOR . . . . . . . . . . . . . . . . . . . center console right . . . . . . . . . . . . . . . . . . . . . . . . . . . . . . . . . . . . . . . . . . . . . . . . . . . . . 03-3
E7 . . . . . LEFT HEADLIGHT . . . . . . . . . . . . . . . . . . . . . front LH side of engine compartment
E8 . . . . . RIGHT HEADLIGHT . . . . . . . . . . . . . . . . . . . . front RH side of engine compartment
E9 . . . . . REAR DEFOGGER I . . . . . . . . . . . . . . . . . . . hard top
E11 . . . . LEFT HIGH BEAM LIGHT . . . . . . . . . . . . . . . near front LH headlight . . . . . . . . . . . . . . . . . . . . . . . . . . . . . . . . . . . . . . . . . . . . . . . . . . 29-1
E12 . . . RIGHT HIGH BEAM LIGHT . . . . . . . . . . . . . near front RH headlight
E13 . . . LEFT LOW BEAM LIGHT . . . . . . . . . . . . . . . near front LH headlight . . . . . . . . . . . . . . . . . . . . . . . . . . . . . . . . . . . . . . . . . . . . . . . . . . 29-1

BM
BMW
BMWBMW
Z3
COMPONENT LOCATION CHART
7000.0Ć4
01/01 2001
COMP. 8500.07100.0
LOCATIONDESCRIPTION
E14 . . . RIGHT LOW BEAM LIGHT . . . . . . . . . . . . . . near front RH headlight . . . . . . . . . . . . . . . . . . . . . . . . . . . . . . . . . . . . . . . . . . . . . . . . . 29-3
E15 . . . LEFT PARK LIGHT . . . . . . . . . . . . . . . . . . . . . near front LH headlight
E16 . . . LEFT REAR LIGHT ASSEMBLY . . . . . . . . . LH side of body rear end
E17 . . . RIGHT REAR LIGHT ASSEMBLY . . . . . . . . RH side of body rear end . . . . . . . . . . . . . . . . . . . . . . . . . . . . . . . . . . . . . . . . . . . . . . . . 02-2
E19 . . . RIGHT PARK LIGHT . . . . . . . . . . . . . . . . . . . near front RH headlight
E21 . . . LEFT FRONT MARKER LIGHT . . . . . . . . . . front of vehicle
E22 . . . RIGHT FRONT MARKER LIGHT . . . . . . . . . front of vehicle
E25 . . . FRONT ASHTRAY LIGHT . . . . . . . . . . . . . . . center console
E26 . . . LEFT FOG LIGHT . . . . . . . . . . . . . . . . . . . . . . under LH front bumper
E27 . . . RIGHT FOG LIGHT . . . . . . . . . . . . . . . . . . . . under RH front bumper . . . . . . . . . . . . . . . . . . . . . . . . . . . . . . . . . . . . . . . . . . . . . . . . . . 13-2
E28 . . . FRONT CIGAR LIGHTER . . . . . . . . . . . . . . . center console
E28a . . CIGAR LIGHTER CONNECTION . . . . . . . . TIRE INFLATION SYSTEM
E29 . . . FRONT CIGAR LIGHTER LIGHT . . . . . . . . center console . . . . . . . . . . . . . . . . . . . . . . . . . . . . . . . . . . . . . . . . . . . . . . . . . . . . . . . . . 22-3
E32 . . . LUGGAGE COMPARTMENT LIGHT . . . . . . in luggage compartment (ROADSTER)
E32 . . . LUGGAGE COMPARTMENT LIGHT . . . . . . in roof panel (COUPE)
E34 . . . FRONT DOME LIGHT/MAP READING
ASSEMBLY . . . . . . . . . . . . . . . . . . . . . . . . . in roof panel
E43 . . . LEFT LICENSE PLATE LIGHT . . . . . . . . . . . underside of luggage compartment lid, near license plate
E44 . . . RIGHT LICENSE PLATE LIGHT . . . . . . . . . underside of luggage compartment lid, near license plate
E51 . . . LEFT WASHER JET HEATER . . . . . . . . . . . on underside of engine hood . . . . . . . . . . . . . . . . . . . . . . . . . . . . . . . . . . . . . . . . . . . . . 32-3
E52 . . . RIGHT WASHER JET HEATER . . . . . . . . . . on underside of engine hood . . . . . . . . . . . . . . . . . . . . . . . . . . . . . . . . . . . . . . . . . . . . . 32-3
E56 . . . DRIVER’S SEATBACK HEATER . . . . . . . . . in top of LH backrest

BM
BMW
BMWBMW
Z3
COMPONENT LOCATION CHART
7000.0Ć5
01/01 2001
COMP. 8500.07100.0
LOCATIONDESCRIPTION
E57 . . . DRIVER’S SEAT HEATER . . . . . . . . . . . . . . . under LH front seat
E58 . . . PASSENGER’S SEAT HEATER . . . . . . . . . . underside of RH front seat
E59 . . . PASSENGER’S SEATBACK HEATER . . . . in top of RH backrest
E82 . . . TRANSMISSION POSITION INDICATOR
LIGHT . . . . . . . . . . . . . . . . . . . . . . . . . . . . . . center console
E96 . . . GEAR SHIFT LEVER INDICATOR . . . . . . . center console
E99 . . . HARD TOP CONNECTOR 1 . . . . . . . . . . . . . near LH rear wheel well
E105 . . HEAT/A/C CONTROL PANEL
ILLUMINATION . . . . . . . . . . . . . . . . . . . . . . center of dash . . . . . . . . . . . . . . . . . . . . . . . . . . . . . . . . . . . . . . . . . . . . . . . . . . . . . . . . . 21-3
E106 . . HEAT/A/C CONTROL PANEL
ILLUMINATION . . . . . . . . . . . . . . . . . . . . . . center of dash . . . . . . . . . . . . . . . . . . . . . . . . . . . . . . . . . . . . . . . . . . . . . . . . . . . . . . . . . 21-3
E800 . . FRONT LEFT INTERIOR LIGHT . . . . . . . . . near interior rear view mirror
G1 . . . . BATTERY . . . . . . . . . . . . . . . . . . . . . . . . . . . . . in RH side of luggage compartment . . . . . . . . . . . . . . . . . . . . . . . . . . . . . . . . . . . . . . . 02-2
G5 . . . . DRIVER’S AIR BAG GAS GENERATOR . . behind steering wheel
G6 . . . . PASSENGER’S AIR BAG GAS
GENERATOR . . . . . . . . . . . . . . . . . . . . . . . behind glove box above
G12 . . . DRIVER’S SIDE PYROTECHNICAL BELT
TENSIONER . . . . . . . . . . . . . . . . . . . . . . . . in LH front seat belt buckle . . . . . . . . . . . . . . . . . . . . . . . . . . . . . . . . . . . . . . . . . . . . . . 27-2
G13 . . . PASSENGER’S SIDE PYROTECHNICAL
BELT TENSIONER . . . . . . . . . . . . . . . . . . . in RH front seat belt buckle . . . . . . . . . . . . . . . . . . . . . . . . . . . . . . . . . . . . . . . . . . . . . . 27-2
G14 . . . LEFT SIDE AIR BAG GAS GENERATOR . LH front door . . . . . . . . . . . . . . . . . . . . . . . . . . . . . . . . . . . . . . . . . . . . . . . . . . . . . . . . . . 16-2
G15 . . . RIGHT SIDE AIR BAG GAS GENERATOR RH front door . . . . . . . . . . . . . . . . . . . . . . . . . . . . . . . . . . . . . . . . . . . . . . . . . . . . . . . . . . 07-2
G19 . . . BATTERY SAFETY TERMINAL . . . . . . . . . . RH side of luggage compartment . . . . . . . . . . . . . . . . . . . . . . . . . . . . . . . . . . . . . . . . . 02-1
G6400 . B+ JUNCTION POINT E–BOX . . . . . . . . . . . rear RH side of engine compartment in E–Box

BM
BMW
BMWBMW
Z3
COMPONENT LOCATION CHART
7000.0Ć6
01/01 2001
COMP. 8500.07100.0
LOCATIONDESCRIPTION
G6430 . B+ JUMP START JUNCTION POINT . . . . . rear RH side of engine compartment
G6509 . GENERATOR . . . . . . . . . . . . . . . . . . . . . . . . . . front LH side of engine compartment
G7512 . B+ JUNCTION POINT . . . . . . . . . . . . . . . . . . below LH side of dash
H1w . . . ANTI–THEFT HORN (ALPINE) . . . . . . . . . . rear LH side of engine compartment . . . . . . . . . . . . . . . . . . . . . . . . . . . . . . . . . . . . . . 09-1
H2 . . . . LEFT HORN . . . . . . . . . . . . . . . . . . . . . . . . . . . under LH front bumper
H3 . . . . RIGHT HORN . . . . . . . . . . . . . . . . . . . . . . . . . RH front of wheel well . . . . . . . . . . . . . . . . . . . . . . . . . . . . . . . . . . . . . . . . . . . . . . . . . . . 13-2
H4 . . . . RIGHT FRONT TURN LIGHT . . . . . . . . . . . . front of vehicle
H7 . . . . LEFT FRONT TURN LIGHT . . . . . . . . . . . . . front of vehicle
H8 . . . . RIGHT FRONT AUXILIARY TURN LIGHT . front of vehicle
H9 . . . . LEFT FRONT AUXILIARY TURN LIGHT . . front of vehicle
H10 . . . CHIME MODULE . . . . . . . . . . . . . . . . . . . . . . below LH side of dash
H34 . . . HIGH LEVEL STOP LIGHT . . . . . . . . . . . . . . on lift gate (ROADSTER) . . . . . . . . . . . . . . . . . . . . . . . . . . . . . . . . . . . . . . . . . . . . . . . . 25-2
H34 . . . HIGH LEVEL STOP LIGHT . . . . . . . . . . . . . . on lift gate (COUPE)
H45 . . . RIGHT REAR SPEAKER . . . . . . . . . . . . . . . . in roof panel
H46 . . . LEFT REAR SPEAKER . . . . . . . . . . . . . . . . . in roof panel
H50 . . . RIGHT FRONT HIGH RANGE SPEAKER . in upper RH front door
H51 . . . RIGHT FRONT LOW RANGE SPEAKER . in lower RH A–pillar
H52 . . . RIGHT REAR LOW RANGE SPEAKER . . . in rear speaker box
H53 . . . RIGHT REAR HIGH RANGE SPEAKER . . in roof panel
H54 . . . RIGHT FRONT MIDRANGE SPEAKER . . . in upper RH front door
H54z . . REAR RIGHT MID–HIGH RANGE
SPEAKER . . . . . . . . . . . . . . . . . . . . . . . . . . in rear speaker box (ROADSTER) . . . . . . . . . . . . . . . . . . . . . . . . . . . . . . . . . . . . . . . . 26-2

BM
BMW
BMWBMW
Z3
COMPONENT LOCATION CHART
7000.0Ć7
01/01 2001
COMP. 8500.07100.0
LOCATIONDESCRIPTION
H54z . . REAR RIGHT MID–HIGH RANGE
SPEAKER . . . . . . . . . . . . . . . . . . . . . . . . . . in roof panel (COUPE)
H55 . . . LEFT FRONT MIDRANGE SPEAKER . . . . in upper LH front door
H55z . . REAR LEFT MID–HIGH RANGE SPEAKER in rear speaker box (ROADSTER) . . . . . . . . . . . . . . . . . . . . . . . . . . . . . . . . . . . . . . . . 02-3
H55z . . REAR LEFT MID–HIGH RANGE SPEAKER in roof panel (COUPE)
H56 . . . LEFT REAR HIGH RANGE SPEAKER . . . . in roof panel
H57 . . . LEFT REAR LOW RANGE SPEAKER . . . . in rear speaker box
H58 . . . LEFT FRONT LOW RANGE SPEAKER . . . in lower LH A–pillar
H59 . . . LEFT FRONT HIGH RANGE SPEAKER . . in upper LH front door
H66 . . . SUBWOOFER . . . . . . . . . . . . . . . . . . . . . . . . . in rear speaker box (ROADSTER)
H66 . . . SUBWOOFER . . . . . . . . . . . . . . . . . . . . . . . . . in rear speaker box (COUPE) . . . . . . . . . . . . . . . . . . . . . . . . . . . . . . . . . . . . . . . . . . . . 19-3
H67 . . . DWA SIREN . . . . . . . . . . . . . . . . . . . . . . . . . . . rear LH side of engine compartment . . . . . . . . . . . . . . . . . . . . . . . . . . . . . . . . . . . . . . 31-2
H70 . . . LEFT REAR MID–HIGH RANGE SPEAKER in rear speaker box
H71 . . . RIGHT REAR MID–HIGH RANGE
SPEAKER . . . . . . . . . . . . . . . . . . . . . . . . . . in rear speaker box
I1008 . . SEAT MAT . . . . . . . . . . . . . . . . . . . . . . . . . . . . in passenger’s seat area
K2 . . . . . HORN RELAY . . . . . . . . . . . . . . . . . . . . . . . . . rear LH side of engine compartment in Power Distribution Box . . . . . . . . . . . . . . . . 09-2
K4 . . . . . BLOWER RELAY . . . . . . . . . . . . . . . . . . . . . . rear LH side of engine compartment in Power Distribution Box . . . . . . . . . . . . . . . . 09-2
K9 . . . . . UNLOADER RELAY, TERMINAL 15 . . . . . . rear LH side of engine compartment in Power Distribution Box . . . . . . . . . . . . . . . . 09-3
K16 . . . HAZARD FLASHER RELAY . . . . . . . . . . . . . rear LH side of engine compartment in Power Distribution Box . . . . . . . . . . . . . . . . 09-2
K19 . . . COMPRESSOR CONTROL RELAY . . . . . . rear LH side of engine compartment in Power Distribution Box . . . . . . . . . . . . . . . . 09-3
K21 . . . NORMAL SPEED RELAY . . . . . . . . . . . . . . . rear LH side of engine compartment in Power Distribution Box . . . . . . . . . . . . . . . . 09-3

BM
BMW
BMWBMW
Z3
COMPONENT LOCATION CHART
7000.0Ć8
01/01 2001
COMP. 8500.07100.0
LOCATIONDESCRIPTION
K22 . . . HIGH SPEED RELAY . . . . . . . . . . . . . . . . . . . rear LH side of engine compartment in Power Distribution Box . . . . . . . . . . . . . . . . 09-3
K25 . . . RIGHT PARK LIGHT/LICENSE PLATE
LIGHT RELAY . . . . . . . . . . . . . . . . . . . . . . . rear LH side of engine compartment in Power Distribution Box . . . . . . . . . . . . . . . . 01-3
K26 . . . LEFT PARK LIGHT RELAY . . . . . . . . . . . . . . rear LH side of engine compartment in Power Distribution Box . . . . . . . . . . . . . . . . 01-3
K33a . . AIR CONDITIONING RELAY, MOTRONIC . rear LH side of engine compartment in Power Distribution Box . . . . . . . . . . . . . . . . 09-3
K46 . . . HIGH BEAM LIGHT RELAY . . . . . . . . . . . . . footwell, driver’s side . . . . . . . . . . . . . . . . . . . . . . . . . . . . . . . . . . . . . . . . . . . . . . . . . . . . 00-3
K47 . . . FRONT FOG LIGHT RELAY . . . . . . . . . . . . . rear LH side of engine compartment in Power Distribution Box . . . . . . . . . . . . . . . . 09-2
K48 . . . LOW BEAM LIGHT RELAY . . . . . . . . . . . . . . rear LH side of engine compartment in Power Distribution Box . . . . . . . . . . . . . . . . 09-2
K70 . . . CENTRAL LOCKING LUGGAGE
COMPARTMENT LID MOTOR RELAY
(ZV) . . . . . . . . . . . . . . . . . . . . . . . . . . . . . . . . rear LH side of engine compartment in Power Distribution Box . . . . . . . . . . . . . . . .
01-3
K104 . . AIR CONDITIONING RELAY/AUXILIARY
WATER PUMP . . . . . . . . . . . . . . . . . . . . . . . rear LH side of engine compartment in Power Distribution Box . . . . . . . . . . . . . . . . 09-3
K910 . . PASSENGER’S SEAT TILT ADJUST CUT–
OFF RELAY . . . . . . . . . . . . . . . . . . . . . . . . . underside of RH front seat
K911 . . . PASSENGER’S SEAT LENGTH ADJUST
CUT–OFF RELAY . . . . . . . . . . . . . . . . . . . . underside of RH front seat
K920 . . DRIVER’S SEAT TILT ADJUST CUT–OFF
RELAY . . . . . . . . . . . . . . . . . . . . . . . . . . . . . underside of LH front seat
K921 . . DRIVER’S SEAT LENGTH ADJUST CUT–
OFF RELAY . . . . . . . . . . . . . . . . . . . . . . . . . underside of LH front seat
K6300 . ENGINE CONTROL MODULE RELAY . . . . rear RH side of engine compartment in E–Box
K6301w FUEL PUMP RELAY . . . . . . . . . . . . . . . . . . . . below LH side of dash (Z3 VERSIONS) . . . . . . . . . . . . . . . . . . . . . . . . . . . . . . . . . . . 00-3
K6301z ELECTRIC FUEL PUMP RELAY, TIMED . . under rear storage compartment (M VERSIONS)
K6304 . SECONDARY AIR PUMP RELAY . . . . . . . . rear RH side of engine compartment in E–Box

BM
BMW
BMWBMW
Z3
COMPONENT LOCATION CHART
7000.0Ć9
01/01 2001
COMP. 8500.07100.0
LOCATIONDESCRIPTION
K6325 . REVERSING LIGHT RELAY . . . . . . . . . . . . . rear LH side of engine compartment
K6327 . INJECTION VALVES RELAY . . . . . . . . . . . . rear RH side of engine compartment in E–Box
K6394 . COMPRESSOR RELAY . . . . . . . . . . . . . . . . . TIRE INFLATION SYSTEM
K18363 CONVERTIBLE TOP RELAY I (CLOSE) . . . in LH side of luggage compartment . . . . . . . . . . . . . . . . . . . . . . . . . . . . . . . . . . . . . . . 08-3
K18364 CONVERTIBLE TOP RELAY II (OPEN) . . . in LH side of luggage compartment . . . . . . . . . . . . . . . . . . . . . . . . . . . . . . . . . . . . . . . 08-3
L1 . . . . . EWS TOROIDAL COIL . . . . . . . . . . . . . . . . . at ignition switch . . . . . . . . . . . . . . . . . . . . . . . . . . . . . . . . . . . . . . . . . . . . . . . . . . . . . . . 27-3
M2 . . . . FUEL PUMP . . . . . . . . . . . . . . . . . . . . . . . . . . . in fuel tank
M3 . . . . WIPER MOTOR . . . . . . . . . . . . . . . . . . . . . . . rear of engine compartment . . . . . . . . . . . . . . . . . . . . . . . . . . . . . . . . . . . . . . . . . . . . . . 19-2
M4 . . . . WASHER PUMP . . . . . . . . . . . . . . . . . . . . . . . front RH side of engine compartment on washer fluid reservoir
M7 . . . . HEADLIGHT/FOG LIGHT WASHER PUMP front RH side of engine compartment on washer fluid reservoir
M9 . . . . AUXILIARY FAN MOTOR . . . . . . . . . . . . . . . behind front grille
M12 . . . DRIVER’S DOOR LOCK MOTOR . . . . . . . . driver’s door
M13 . . . PASSENGER’S DOOR LOCK MOTOR . . . passenger’s door
M16 . . . GAS FILLER LOCK MOTOR . . . . . . . . . . . . RH rear wheel well . . . . . . . . . . . . . . . . . . . . . . . . . . . . . . . . . . . . . . . . . . . . . . . . . . . . . 19-1
M17 . . . LUGGAGE COMPARTMENT LOCK
MOTOR . . . . . . . . . . . . . . . . . . . . . . . . . . . . rear side of luggage compartment behind trim panel (ROADSTER)
M17 . . . LUGGAGE COMPARTMENT LOCK
MOTOR . . . . . . . . . . . . . . . . . . . . . . . . . . . . in lift gate (Z3 COUPE) . . . . . . . . . . . . . . . . . . . . . . . . . . . . . . . . . . . . . . . . . . . . . . . . . . 24-2
M17 . . . LUGGAGE COMPARTMENT LOCK
MOTOR . . . . . . . . . . . . . . . . . . . . . . . . . . . . in lift gate (M COUPE) . . . . . . . . . . . . . . . . . . . . . . . . . . . . . . . . . . . . . . . . . . . . . . . . . . 24-1
M21 . . . DRIVER’S WINDOW MOTOR . . . . . . . . . . . in driver’s door . . . . . . . . . . . . . . . . . . . . . . . . . . . . . . . . . . . . . . . . . . . . . . . . . . . . . . . . . 17-2
M23 . . . PASSENGER’S WINDOW MOTOR . . . . . . . in passenger’s door . . . . . . . . . . . . . . . . . . . . . . . . . . . . . . . . . . . . . . . . . . . . . . . . . . . . . 18-3
M24y . . TILT SUNROOF MOTOR . . . . . . . . . . . . . . . in roof panel

BM
BMW
BMWBMW
Z3
COMPONENT LOCATION CHART
7000.0Ć10
01/01 2001
COMP. 8500.07100.0
LOCATIONDESCRIPTION
M30 . . . BLOWER MOTOR . . . . . . . . . . . . . . . . . . . . . rear of engine compartment
M37a . . AUXILIARY WATER PUMP . . . . . . . . . . . . . . rear LH side of engine compartment . . . . . . . . . . . . . . . . . . . . . . . . . . . . . . . . . . . . . . 31-3
M51 . . . DRIVER’S SEAT MOVEMENT MOTOR . . . under LH front seat
M52 . . . DRIVER’S SEAT HEIGHT MOTOR . . . . . . . under LH front seat
M59 . . . PASSENGER’S SEAT HEIGHT MOTOR . . under RH front seat
M60 . . . PASSENGER’S SEAT MOVEMENT
MOTOR . . . . . . . . . . . . . . . . . . . . . . . . . . . . under RH front seat
M101 . . CONVERTIBLE TOP MOTOR . . . . . . . . . . . in LH side of luggage compartment . . . . . . . . . . . . . . . . . . . . . . . . . . . . . . . . . . . . . . . 08-3
M111 . . FRESH AIR RECIRCULATION MOTOR . . . RH side of LH footwell . . . . . . . . . . . . . . . . . . . . . . . . . . . . . . . . . . . . . . . . . . . . . . . . . . 21-2
M118 . . PRECHARGE PUMP . . . . . . . . . . . . . . . . . . . rear LH side of engine compartment . . . . . . . . . . . . . . . . . . . . . . . . . . . . . . . . . . . . . . 11-3
M119 . . LEAKAGE DIAGNOSIS PUMP . . . . . . . . . . . rear LH side of engine compartment
M805 . . ELECTRIC COMPRESSOR . . . . . . . . . . . . . TIRE INFLATION SYSTEM
M6506 . E–BOX FAN . . . . . . . . . . . . . . . . . . . . . . . . . . . in E–Box
M6510 . STARTER . . . . . . . . . . . . . . . . . . . . . . . . . . . . . rear LH side of engine compartment . . . . . . . . . . . . . . . . . . . . . . . . . . . . . . . . . . . . . . 01-1
N5 . . . . ANALOG CLOCK . . . . . . . . . . . . . . . . . . . . . . center console
N8 . . . . ANTENNA AMPLIFIER AM/FM . . . . . . . . . . in LH side of luggage compartment behind trim panel (ROADSTER)
N8 . . . . ANTENNA AMPLIFIER AM/FM . . . . . . . . . . in roof panel (COUPE) . . . . . . . . . . . . . . . . . . . . . . . . . . . . . . . . . . . . . . . . . . . . . . . . . . 24-3
N9 . . . . RADIO . . . . . . . . . . . . . . . . . . . . . . . . . . . . . . . . center console
N12w . . ANTI–THEFT CONTROL MODULE
(ALPINE) . . . . . . . . . . . . . . . . . . . . . . . . . . . behind glove box
N17 . . . CRASH CONTROL MODULE . . . . . . . . . . . . footwell, driver’s side . . . . . . . . . . . . . . . . . . . . . . . . . . . . . . . . . . . . . . . . . . . . . . . . . . . . 00-3
N22 . . . CD CHANGER . . . . . . . . . . . . . . . . . . . . . . . . . in RH side of luggage compartment

BM
BMW
BMWBMW
Z3
COMPONENT LOCATION CHART
7000.0Ć11
01/01 2001
COMP. 8500.07100.0
LOCATIONDESCRIPTION
N44 . . . SUBWOOFER AMPLIFIER MODULE . . . . . in LH forward side of luggage compartment . . . . . . . . . . . . . . . . . . . . . . . . . . . . . . . . 10-3
P90 . . . FRONT POWER DISTRIBUTION BOX . . . rear LH side of engine compartment
P97 . . . AUXILIARY FUSE BOX . . . . . . . . . . . . . . . . . below LH side of dash . . . . . . . . . . . . . . . . . . . . . . . . . . . . . . . . . . . . . . . . . . . . . . . . . . 00-3
P98 . . . FUSE HOLDER IN E–BOX . . . . . . . . . . . . . . rear RH side of engine compartment in E–Box
P99 . . . FUSE HOLDER . . . . . . . . . . . . . . . . . . . . . . . . in RH side of luggage compartment . . . . . . . . . . . . . . . . . . . . . . . . . . . . . . . . . . . . . . . 02-1
P900 . . AUXILIARY FUSE BOX . . . . . . . . . . . . . . . . . rear LH side of engine compartment . . . . . . . . . . . . . . . . . . . . . . . . . . . . . . . . . . . . . . 11-1
R10 . . . PEDAL POSITION SENSOR . . . . . . . . . . . . behind gas pedal
R11 . . . . BLOWER RESISTORS . . . . . . . . . . . . . . . . . rear of engine compartment behind firewall
R33 . . . STEERING ANGLE SENSOR . . . . . . . . . . . on steering column . . . . . . . . . . . . . . . . . . . . . . . . . . . . . . . . . . . . . . . . . . . . . . . . . . . . . 15-3
R6252 . THROTTLE POSITION SENSOR . . . . . . . . LH side of engine compartment
R8554 . RESISTOR . . . . . . . . . . . . . . . . . . . . . . . . . . . . on cylinder head
S2 . . . . . IGNITION SWITCH . . . . . . . . . . . . . . . . . . . . . LH side of dash . . . . . . . . . . . . . . . . . . . . . . . . . . . . . . . . . . . . . . . . . . . . . . . . . . . . . . . . 27-3
S4 . . . . . HORN SWITCH . . . . . . . . . . . . . . . . . . . . . . . . on steering wheel
S5 . . . . . WIPER/WASHER SWITCH . . . . . . . . . . . . . . LH side of dash RH side of steering column above
S6 . . . . . ASC SWITCH . . . . . . . . . . . . . . . . . . . . . . . . . center console
S6y . . . . DSC SWITCH . . . . . . . . . . . . . . . . . . . . . . . . . center console
S7 . . . . . COMBINATION SWITCH . . . . . . . . . . . . . . . . LH side of dash LH side of steering column above
S8 . . . . . LIGHT SWITCH . . . . . . . . . . . . . . . . . . . . . . . . LH side of dash
S10 . . . FOG LIGHT SWITCH . . . . . . . . . . . . . . . . . . . LH side of dash
S13 . . . PASSENGER’S DOOR JAMB SWITCH . . . RH B–pillar . . . . . . . . . . . . . . . . . . . . . . . . . . . . . . . . . . . . . . . . . . . . . . . . . . . . . . . . . . . . 26-1
S14 . . . DRIVER’S DOOR JAMB SWITCH . . . . . . . . LH B–pillar . . . . . . . . . . . . . . . . . . . . . . . . . . . . . . . . . . . . . . . . . . . . . . . . . . . . . . . . . . . . 10-1
S17 . . . MIRROR CONTROL SWITCH . . . . . . . . . . . in upper LH front door

BM
BMW
BMWBMW
Z3
COMPONENT LOCATION CHART
7000.0Ć12
01/01 2001
COMP. 8500.07100.0
LOCATIONDESCRIPTION
S18 . . . HAZARD SWITCH . . . . . . . . . . . . . . . . . . . . . center console bottom
S20 . . . RADIO ANTI–THEFT SWITCH (DWA) . . . . center console . . . . . . . . . . . . . . . . . . . . . . . . . . . . . . . . . . . . . . . . . . . . . . . . . . . . . . . . . 27-1
S20w . . RADIO ANTI–THEFT SWITCH . . . . . . . . . . center console (radio and console removed) . . . . . . . . . . . . . . . . . . . . . . . . . . . . . . . 27-1
S21w . . ENGINE HOOD SWITCH . . . . . . . . . . . . . . . near LH headlight assembly . . . . . . . . . . . . . . . . . . . . . . . . . . . . . . . . . . . . . . . . . . . . . 29-1
S28 . . . CRUISE CONTROL SWITCH . . . . . . . . . . . . LH side of dash RH side of steering column above
S30 . . . BRAKE LIGHT SWITCH . . . . . . . . . . . . . . . . LH footwell . . . . . . . . . . . . . . . . . . . . . . . . . . . . . . . . . . . . . . . . . . . . . . . . . . . . . . . . . . . . 20-1
S31 . . . PARK BRAKE SWITCH . . . . . . . . . . . . . . . . . center console on rear of park brake lever
S32 . . . CLUTCH SWITCH . . . . . . . . . . . . . . . . . . . . . LH footwell . . . . . . . . . . . . . . . . . . . . . . . . . . . . . . . . . . . . . . . . . . . . . . . . . . . . . . . . . . . . 20-1
S36 . . . TEMPERATURE SWITCH . . . . . . . . . . . . . . . front RH side of engine compartment . . . . . . . . . . . . . . . . . . . . . . . . . . . . . . . . . . . . . 30-1
S38y . . TILT SUNROOF SWITCH . . . . . . . . . . . . . . . in roof panel
S47 . . . DRIVER’S DOOR LOCK SWITCH . . . . . . . . in driver’s door . . . . . . . . . . . . . . . . . . . . . . . . . . . . . . . . . . . . . . . . . . . . . . . . . . . . . . . . . 17-1
S49 . . . PASSENGER’S DOOR LOCK SWITCH . . . in passenger’s door
S51 . . . DRIVER’S SEAT, SEAT CONTROL
SWITCH . . . . . . . . . . . . . . . . . . . . . . . . . . . . LH front seat
S53 . . . DRIVER’S SEAT, SEAT HEATER SWITCH center console . . . . . . . . . . . . . . . . . . . . . . . . . . . . . . . . . . . . . . . . . . . . . . . . . . . . . . . . . 23-1
S54 . . . PASSENGER’S SEAT, SEAT HEATER
SWITCH . . . . . . . . . . . . . . . . . . . . . . . . . . . . center console . . . . . . . . . . . . . . . . . . . . . . . . . . . . . . . . . . . . . . . . . . . . . . . . . . . . . . . . . 23-1
S56 . . . PASSENGER’S SEAT, SEAT CONTROL
SWITCH . . . . . . . . . . . . . . . . . . . . . . . . . . . . RH front seat
S58 . . . DRIVER’S SEAT BELT SWITCH . . . . . . . . . in LH front seat belt buckle
S59 . . . PASSENGER’S SEAT BELT SWITCH . . . . in RH front seat belt buckle
S75 . . . BLOWER SWITCH . . . . . . . . . . . . . . . . . . . . . center of dash . . . . . . . . . . . . . . . . . . . . . . . . . . . . . . . . . . . . . . . . . . . . . . . . . . . . . . . . . 21-3
S76 . . . REAR WINDOW DEFOGGER SWITCH . . . center console

BM
BMW
BMWBMW
Z3
COMPONENT LOCATION CHART
7000.0Ć13
01/01 2001
COMP. 8500.07100.0
LOCATIONDESCRIPTION
S117 . . . LUGGAGE COMPARTMENT LID LOCK-
ING SWITCH . . . . . . . . . . . . . . . . . . . . . . . . in lift gate
S126y . DRIVER’S POWER WINDOW SWITCH . . . center console near gearshift lever
S127y . PASSENGER’S POWER WINDOW
SWITCH . . . . . . . . . . . . . . . . . . . . . . . . . . . . center console near gearshift lever
S143 . . CONVERTIBLE TOP ACTUATING
SWITCH . . . . . . . . . . . . . . . . . . . . . . . . . . . . center console
S164 . . CONVERTIBLE TOP END–POSITION
MICRO SWITCH . . . . . . . . . . . . . . . . . . . . . at convertible top linkage . . . . . . . . . . . . . . . . . . . . . . . . . . . . . . . . . . . . . . . . . . . . . . . . 17-3
S198 . . JET HEATER THERMOSWITCH . . . . . . . . . on front RH wheel well
S220 . . AIR CONDITIONING/RECIRCULATING
SWITCH ASSEMBLY . . . . . . . . . . . . . . . . . center console . . . . . . . . . . . . . . . . . . . . . . . . . . . . . . . . . . . . . . . . . . . . . . . . . . . . . . . . . 00-1
S221 . . EVAPORATOR CONTROLLER . . . . . . . . . . RH side of LH footwell . . . . . . . . . . . . . . . . . . . . . . . . . . . . . . . . . . . . . . . . . . . . . . . . . . 21-2
S224 . . GEAR STEP TRANSMISSION SWITCH . . center console
S232 . . COMPRESSOR MAIN SWITCH . . . . . . . . . . TIRE INFLATION SYSTEM
S235 . . STARTER IMMOBILIZATION SWITCH . . . . LH footwell . . . . . . . . . . . . . . . . . . . . . . . . . . . . . . . . . . . . . . . . . . . . . . . . . . . . . . . . . . . . 20-1
S408 . . INTERIOR LIGHT SWITCH . . . . . . . . . . . . . near interior rear view mirror . . . . . . . . . . . . . . . . . . . . . . . . . . . . . . . . . . . . . . . . . . . . . 28-2
S531 . . TEMPERATURE WHEEL SWITCH . . . . . . . center of dash . . . . . . . . . . . . . . . . . . . . . . . . . . . . . . . . . . . . . . . . . . . . . . . . . . . . . . . . . 21-3
S555 . . TYRE PRESSURE WARNING SYSTEM
(RDW) PUSHBUTTON . . . . . . . . . . . . . . . LH side of dash
S825 . . FRONT LID MICRO SWITCH . . . . . . . . . . . . near LH headlight assembly . . . . . . . . . . . . . . . . . . . . . . . . . . . . . . . . . . . . . . . . . . . . . 29-1
S826 . . LUGGAGE COMPARTMENT LIGHT
SWITCH . . . . . . . . . . . . . . . . . . . . . . . . . . . . underside of luggage compartment lid
S910 . . DRIVER’S SEAT LIMIT SWITCH . . . . . . . . . in driver’s seatback . . . . . . . . . . . . . . . . . . . . . . . . . . . . . . . . . . . . . . . . . . . . . . . . . . . . . 25-3

BM
BMW
BMWBMW
Z3
COMPONENT LOCATION CHART
7000.0Ć14
01/01 2001
COMP. 8500.07100.0
LOCATIONDESCRIPTION
S911 . . . PASSENGER’S SEAT LIMIT SWITCH . . . . in passenger’s seatback . . . . . . . . . . . . . . . . . . . . . . . . . . . . . . . . . . . . . . . . . . . . . . . . . 25-3
S8511 . REVERSING LIGHT SWITCH . . . . . . . . . . . LH side of transmission . . . . . . . . . . . . . . . . . . . . . . . . . . . . . . . . . . . . . . . . . . . . . . . . . 14-2
T6151 . CYL. 1 IGNITION COIL . . . . . . . . . . . . . . . . . RH side of engine compartment
T6152 . CYL. 2 IGNITION COIL . . . . . . . . . . . . . . . . . RH side of engine compartment
T6153 . CYL. 3 IGNITION COIL . . . . . . . . . . . . . . . . . RH side of engine compartment
T6154 . CYL. 4 IGNITION COIL . . . . . . . . . . . . . . . . . RH side of engine compartment
T6155 . CYL. 5 IGNITION COIL . . . . . . . . . . . . . . . . . RH side of engine compartment
T6156 . CYL. 6 IGNITION COIL . . . . . . . . . . . . . . . . . RH side of engine compartment
V5 . . . . . DWA LED . . . . . . . . . . . . . . . . . . . . . . . . . . . . . center console . . . . . . . . . . . . . . . . . . . . . . . . . . . . . . . . . . . . . . . . . . . . . . . . . . . . . . . . . 23-1
V9 . . . . . UNCOUPLING DIODE (LIGHTS) . . . . . . . . . rear LH side of engine compartment in Power Distribution Box
V10 . . . UNCOUPLING DIODE (LIGHTS) . . . . . . . . . rear LH side of engine compartment in Power Distribution Box
X2 . . . . . BATTERY B+ START POINT . . . . . . . . . . . . in RH side of luggage compartment
X8 . . . . . CABLE SOCKET B+ . . . . . . . . . . . . . . . . . . . . in RH side of luggage compartment
X9 . . . . . CABLE SOCKET B+ . . . . . . . . . . . . . . . . . . . . below LH side of dash
X16 . . . (26 PINS, NATURAL) . . . . . . . . . . . . . . . . . . . LH side of dash rear side of instrument cluster, A2w . . . . . . . . . . . . . . . . . . . . . . . . 20-2 00-2
X17 . . . (26 PINS, BLUE) . . . . . . . . . . . . . . . . . . . . . . . LH side of dash rear side of instrument cluster, A2w . . . . . . . . . . . . . . . . . . . . . . . . 20-2 00-2
X32 . . . (12 PINS, NATURAL) . . . . . . . . . . . . . . . . . . . on steering column . . . . . . . . . . . . . . . . . . . . . . . . . . . . . . . . . . . . . . . . . . . . . . . . . . . . . 22-1 02-1
X33 . . . (12 PINS, BLACK) . . . . . . . . . . . . . . . . . . . . . . on steering column . . . . . . . . . . . . . . . . . . . . . . . . . . . . . . . . . . . . . . . . . . . . . . . . . . . . . 22-1 02-1
X35 . . . (4 PINS, BLACK) . . . . . . . . . . . . . . . . . . . . . . . RH side of LH footwell . . . . . . . . . . . . . . . . . . . . . . . . . . . . . . . . . . . . . . . . . . . . . . . . . . 21-1 02-4
X44 . . . (9 PINS, BLACK) . . . . . . . . . . . . . . . . . . . . . . . Power Distribution Box rear LH side of engine compartment . . . . . . . . . . . . . . . . . . 03-1
X45 . . . (9 PINS, BLACK) . . . . . . . . . . . . . . . . . . . . . . . Power Distribution Box rear LH side of engine compartment . . . . . . . . . . . . . . . . . . 03-1
X50 . . . (9 PINS, BLACK) . . . . . . . . . . . . . . . . . . . . . . . Power Distribution Box rear LH side of engine compartment . . . . . . . . . . . . . . . . . . 03-1

BM
BMW
BMWBMW
Z3
COMPONENT LOCATION CHART
7000.0Ć15
01/01 2001
COMP. 8500.07100.0
LOCATIONDESCRIPTION
X51 . . . (9 PINS, BLACK) . . . . . . . . . . . . . . . . . . . . . . . Power Distribution Box rear LH side of engine compartment . . . . . . . . . . . . . . . . . . 03-1
X52 . . . (9 PINS, BLACK) . . . . . . . . . . . . . . . . . . . . . . . Power Distribution Box rear LH side of engine compartment . . . . . . . . . . . . . . . . . . 03-1
X53 . . . (9 PINS, BLACK) . . . . . . . . . . . . . . . . . . . . . . . Power Distribution Box rear LH side of engine compartment . . . . . . . . . . . . . . . . . . 03-1
X56 . . . (9 PINS, BLACK) . . . . . . . . . . . . . . . . . . . . . . . Power Distribution Box rear LH side of engine compartment . . . . . . . . . . . . . . . . . . 03-1
X58 . . . (9 PINS, BLACK) . . . . . . . . . . . . . . . . . . . . . . . Power Distribution Box rear LH side of engine compartment . . . . . . . . . . . . . . . . . . 03-1
X63 . . . (9 PINS, BLACK) . . . . . . . . . . . . . . . . . . . . . . . Power Distribution Box rear LH side of engine compartment . . . . . . . . . . . . . . . . . . 03-1
X64 . . . (9 PINS, BLACK) . . . . . . . . . . . . . . . . . . . . . . . Power Distribution Box rear LH side of engine compartment . . . . . . . . . . . . . . . . . . 03-1
X65 . . . (9 PINS, BLACK) . . . . . . . . . . . . . . . . . . . . . . . below LH side of dash . . . . . . . . . . . . . . . . . . . . . . . . . . . . . . . . . . . . . . . . . . . . . . . . . . 03-1
X72 . . . (6 PINS, NATURAL) . . . . . . . . . . . . . . . . . . . . on steering column . . . . . . . . . . . . . . . . . . . . . . . . . . . . . . . . . . . . . . . . . . . . . . . . . . . . . 22-1 04-4
X73 . . . (8 PINS, NATURAL) . . . . . . . . . . . . . . . . . . . . behind gas pedal . . . . . . . . . . . . . . . . . . . . . . . . . . . . . . . . . . . . . . . . . . . . . . . . . . . . . . . 02-6
X74 . . . (50 PINS, NATURAL) . . . . . . . . . . . . . . . . . . . below center console . . . . . . . . . . . . . . . . . . . . . . . . . . . . . . . . . . . . . . . . . . . . . . . . . . . 22-2 08-5
X78 . . . (4 PINS, BLACK) . . . . . . . . . . . . . . . . . . . . . . . on steering column . . . . . . . . . . . . . . . . . . . . . . . . . . . . . . . . . . . . . . . . . . . . . . . . . . . . . 20-1 02-4
X85 . . . (3 PINS, BLACK) . . . . . . . . . . . . . . . . . . . . . . . rear LH side of engine compartment . . . . . . . . . . . . . . . . . . . . . . . . . . . . . . . . . . . . . . 14-3 05-2
X87 . . . (3 PINS, BLACK) . . . . . . . . . . . . . . . . . . . . . . . RH top of radiator . . . . . . . . . . . . . . . . . . . . . . . . . . . . . . . . . . . . . . . . . . . . . . . . . . . . . . 30-1 02-2
X105 . . (2 PINS, GRAY) . . . . . . . . . . . . . . . . . . . . . . . . on underside of engine hood . . . . . . . . . . . . . . . . . . . . . . . . . . . . . . . . . . . . . . . . . . . . . 32-3
X106 . . (2 PINS, GRAY) . . . . . . . . . . . . . . . . . . . . . . . . on underside of engine hood . . . . . . . . . . . . . . . . . . . . . . . . . . . . . . . . . . . . . . . . . . . . . 32-3
X107 . . (2 PINS, BLACK) . . . . . . . . . . . . . . . . . . . . . . . front RH side of engine compartment on washer fluid reservoir
X111 . . . (2 PINS, BLACK) . . . . . . . . . . . . . . . . . . . . . . . rear LH side of engine compartment . . . . . . . . . . . . . . . . . . . . . . . . . . . . . . . . . . . . . . 09-1
X113 . . . (3 PINS, GRAY) . . . . . . . . . . . . . . . . . . . . . . . . behind RH front wheel . . . . . . . . . . . . . . . . . . . . . . . . . . . . . . . . . . . . . . . . . . . . . . . . . . 13-3 05-4
X114 . . . (3 PINS, GRAY) . . . . . . . . . . . . . . . . . . . . . . . . behind LH front wheel . . . . . . . . . . . . . . . . . . . . . . . . . . . . . . . . . . . . . . . . . . . . . . . . . . . 04-3 05-4
X118 . . . (2 PINS, BLACK) . . . . . . . . . . . . . . . . . . . . . . . behind LH front wheel . . . . . . . . . . . . . . . . . . . . . . . . . . . . . . . . . . . . . . . . . . . . . . . . . . . 04-3
X121 . . (3 PINS, VIOLET) . . . . . . . . . . . . . . . . . . . . . . LH footwell . . . . . . . . . . . . . . . . . . . . . . . . . . . . . . . . . . . . . . . . . . . . . . . . . . . . . . . . . . . . 00-4

BM
BMW
BMWBMW
Z3
COMPONENT LOCATION CHART
7000.0Ć16
01/01 2001
COMP. 8500.07100.0
LOCATIONDESCRIPTION
X122 . . (2 PINS, BLACK) . . . . . . . . . . . . . . . . . . . . . . . rear LH side of engine compartment . . . . . . . . . . . . . . . . . . . . . . . . . . . . . . . . . . . . . . 31-3
X123 . . (2 PINS, GRAY) . . . . . . . . . . . . . . . . . . . . . . . . front RH side of engine compartment on washer fluid reservoir
X127 . . (4 PINS, BLACK) . . . . . . . . . . . . . . . . . . . . . . . front RH side of engine compartment . . . . . . . . . . . . . . . . . . . . . . . . . . . . . . . . . . . . . 30-2 05-1
X128 . . (3 PINS, BLACK) . . . . . . . . . . . . . . . . . . . . . . . front LH side of engine compartment . . . . . . . . . . . . . . . . . . . . . . . . . . . . . . . . . . . . . . 02-2
X130 . . (2 PINS, GRAY) . . . . . . . . . . . . . . . . . . . . . . . . near front LH headlight . . . . . . . . . . . . . . . . . . . . . . . . . . . . . . . . . . . . . . . . . . . . . . . . . . 29-2
X131 . . (2 PINS, BLACK) . . . . . . . . . . . . . . . . . . . . . . . near front LH headlight . . . . . . . . . . . . . . . . . . . . . . . . . . . . . . . . . . . . . . . . . . . . . . . . . . 29-2
X132 . . (2 PINS, BLACK) . . . . . . . . . . . . . . . . . . . . . . . on front LH wheel well . . . . . . . . . . . . . . . . . . . . . . . . . . . . . . . . . . . . . . . . . . . . . . . . . . 32-1
X133 . . (2 PINS, BLACK) . . . . . . . . . . . . . . . . . . . . . . . on front RH wheel well . . . . . . . . . . . . . . . . . . . . . . . . . . . . . . . . . . . . . . . . . . . . . . . . . . 13-2
X134 . . (2 PINS, BLACK) . . . . . . . . . . . . . . . . . . . . . . . near front RH headlight . . . . . . . . . . . . . . . . . . . . . . . . . . . . . . . . . . . . . . . . . . . . . . . . . 29-3
X135 . . (2 PINS, GRAY) . . . . . . . . . . . . . . . . . . . . . . . . near front RH headlight . . . . . . . . . . . . . . . . . . . . . . . . . . . . . . . . . . . . . . . . . . . . . . . . . 29-3
X137 . . (3 PINS, BLACK) . . . . . . . . . . . . . . . . . . . . . . . front RH side of engine compartment . . . . . . . . . . . . . . . . . . . . . . . . . . . . . . . . . . . . . 30-3 02-2
X142 . . (2 PINS, GRAY) . . . . . . . . . . . . . . . . . . . . . . . . under LH rear of car . . . . . . . . . . . . . . . . . . . . . . . . . . . . . . . . . . . . . . . . . . . . . . . . . . . . 16-1
X143 . . (2 PINS, GRAY) . . . . . . . . . . . . . . . . . . . . . . . . under RH rear of car . . . . . . . . . . . . . . . . . . . . . . . . . . . . . . . . . . . . . . . . . . . . . . . . . . . . 08-2
X165 . . GROUND . . . . . . . . . . . . . . . . . . . . . . . . . . . . . front RH side of engine compartment . . . . . . . . . . . . . . . . . . . . . . . . . . . . . . . . . . . . . 01-2
X166 . . GROUND . . . . . . . . . . . . . . . . . . . . . . . . . . . . . front LH side of engine compartment . . . . . . . . . . . . . . . . . . . . . . . . . . . . . . . . . . . . . . 05-1
X168 . . (1 PIN, BLACK) . . . . . . . . . . . . . . . . . . . . . . . . on steering wheel
X170 . . GROUND . . . . . . . . . . . . . . . . . . . . . . . . . . . . . behind LH footwell speaker grille . . . . . . . . . . . . . . . . . . . . . . . . . . . . . . . . . . . . . . . . . 03-2
X256 . . (26 PINS, BLACK) . . . . . . . . . . . . . . . . . . . . . . RH A–pillar . . . . . . . . . . . . . . . . . . . . . . . . . . . . . . . . . . . . . . . . . . . . . . . . . . . . . . . . . . . . 18-1 03-2
X257 . . (26 PINS, BLACK) . . . . . . . . . . . . . . . . . . . . . . LH A–pillar . . . . . . . . . . . . . . . . . . . . . . . . . . . . . . . . . . . . . . . . . . . . . . . . . . . . . . . . . . . . 16-3 03-2
X271 . . (12 PINS, BLACK) . . . . . . . . . . . . . . . . . . . . . . LH side of dash rear side of instrument cluster, A2w . . . . . . . . . . . . . . . . . . . . . . . . 20-2 01-1
X275 . . (24 PINS, YELLOW) . . . . . . . . . . . . . . . . . . . . under LH front seat . . . . . . . . . . . . . . . . . . . . . . . . . . . . . . . . . . . . . . . . . . . . . . . . . . . . . 07-2
X279 . . (24 PINS, YELLOW) . . . . . . . . . . . . . . . . . . . . under RH front seat . . . . . . . . . . . . . . . . . . . . . . . . . . . . . . . . . . . . . . . . . . . . . . . . . . . . . 07-2

BM
BMW
BMWBMW
Z3
COMPONENT LOCATION CHART
7000.0Ć17
01/01 2001
COMP. 8500.07100.0
LOCATIONDESCRIPTION
X285 . . (15 PINS, BLUE) . . . . . . . . . . . . . . . . . . . . . . . behind glove box . . . . . . . . . . . . . . . . . . . . . . . . . . . . . . . . . . . . . . . . . . . . . . . . . . . . . . . 12-3 04-3
X295 . . (8 PINS, BLACK) . . . . . . . . . . . . . . . . . . . . . . . on steering column . . . . . . . . . . . . . . . . . . . . . . . . . . . . . . . . . . . . . . . . . . . . . . . . . . . . . 22-1 02-6
X311 . . . (3 PINS, BLACK) . . . . . . . . . . . . . . . . . . . . . . . in luggage compartment lid (ROADSTER) . . . . . . . . . . . . . . . . . . . . . . . . . . . . . . . . . 28-3 00-4
X311 . . . (3 PINS, BLACK) . . . . . . . . . . . . . . . . . . . . . . . in lift gate (COUPE) . . . . . . . . . . . . . . . . . . . . . . . . . . . . . . . . . . . . . . . . . . . . . . . . . . . . 24-2 00-4
X312 . . (2 PINS, BLACK) . . . . . . . . . . . . . . . . . . . . . . . RH rear wheel well . . . . . . . . . . . . . . . . . . . . . . . . . . . . . . . . . . . . . . . . . . . . . . . . . . . . . 19-1
X315 . . (2 PINS, BLACK) . . . . . . . . . . . . . . . . . . . . . . . in luggage compartment lid (ROADSTER) . . . . . . . . . . . . . . . . . . . . . . . . . . . . . . . . . 28-3
X315 . . (2 PINS, BLACK) . . . . . . . . . . . . . . . . . . . . . . . in lift gate (COUPE) . . . . . . . . . . . . . . . . . . . . . . . . . . . . . . . . . . . . . . . . . . . . . . . . . . . . 24-2
X316 . . (4 PINS, VIOLET) . . . . . . . . . . . . . . . . . . . . . . center console near gearshift lever . . . . . . . . . . . . . . . . . . . . . . . . . . . . . . . . . . . . . . . . 06-1
X318 . . (8 PINS, BLACK) . . . . . . . . . . . . . . . . . . . . . . . in RH rear side of luggage compartment behind RH rear light assembly . . . . . . . . 02-2 01-4
X319 . . (8 PINS, BLACK) . . . . . . . . . . . . . . . . . . . . . . . in LH side of luggage compartment behind trim panel . . . . . . . . . . . . . . . . . . . . . . . 32-2 01-4
X322 . . (6 PINS, BLACK) . . . . . . . . . . . . . . . . . . . . . . . footwell, driver’s side . . . . . . . . . . . . . . . . . . . . . . . . . . . . . . . . . . . . . . . . . . . . . . . . . . . . 00-3 03-3
X324 . . (4 PINS, VIOLET) . . . . . . . . . . . . . . . . . . . . . . center console near gearshift lever . . . . . . . . . . . . . . . . . . . . . . . . . . . . . . . . . . . . . . . . 06-1
X333 . . (4 PINS, NATURAL) . . . . . . . . . . . . . . . . . . . . rear of engine compartment below center of cowl . . . . . . . . . . . . . . . . . . . . . . . . . . . 19-2 02-4
X336 . . (3 PINS, BLACK) . . . . . . . . . . . . . . . . . . . . . . . in upper RH A–pillar . . . . . . . . . . . . . . . . . . . . . . . . . . . . . . . . . . . . . . . . . . . . . . . . . . . . 00-4
X351 . . (3 PINS, BLACK) . . . . . . . . . . . . . . . . . . . . . . . RH B–pillar . . . . . . . . . . . . . . . . . . . . . . . . . . . . . . . . . . . . . . . . . . . . . . . . . . . . . . . . . . . . 26-1 00-4
X352 . . (3 PINS, BLACK) . . . . . . . . . . . . . . . . . . . . . . . LH B–pillar . . . . . . . . . . . . . . . . . . . . . . . . . . . . . . . . . . . . . . . . . . . . . . . . . . . . . . . . . . . . 10-1 00-4
X357 . . (2 PINS, WHITE) . . . . . . . . . . . . . . . . . . . . . . . near interior rear view mirror . . . . . . . . . . . . . . . . . . . . . . . . . . . . . . . . . . . . . . . . . . . . . 28-2
X371 . . (3 PINS, BLACK) . . . . . . . . . . . . . . . . . . . . . . . near front LH headlight . . . . . . . . . . . . . . . . . . . . . . . . . . . . . . . . . . . . . . . . . . . . . . . . . . 29-1 02-2
X372 . . (2 PINS, GRAY) . . . . . . . . . . . . . . . . . . . . . . . . rear LH side of engine compartment . . . . . . . . . . . . . . . . . . . . . . . . . . . . . . . . . . . . . . 09-1
X376 . . (2 PINS, BLUE) . . . . . . . . . . . . . . . . . . . . . . . . under LH rear of car
X377 . . (2 PINS, BLUE) . . . . . . . . . . . . . . . . . . . . . . . . under RH rear of car
X379 . . (1 PIN, NATURAL) . . . . . . . . . . . . . . . . . . . . . HARD TOP CONNECTOR 1

BM
BMW
BMWBMW
Z3
COMPONENT LOCATION CHART
7000.0Ć18
01/01 2001
COMP. 8500.07100.0
LOCATIONDESCRIPTION
X380 . . (1 PIN, NATURAL) . . . . . . . . . . . . . . . . . . . . . HARD TOP CONNECTOR 1
X383 . . (2 PINS, BLACK) . . . . . . . . . . . . . . . . . . . . . . . on differential . . . . . . . . . . . . . . . . . . . . . . . . . . . . . . . . . . . . . . . . . . . . . . . . . . . . . . . . . . 08-1
X389 . . (2 PINS, BLACK) . . . . . . . . . . . . . . . . . . . . . . . LEFT FRONT AUXILIARY TURN LIGHT
X390 . . (2 PINS, BLACK) . . . . . . . . . . . . . . . . . . . . . . . RIGHT FRONT AUXILIARY TURN LIGHT
X400 . . (8 PINS, BLACK) . . . . . . . . . . . . . . . . . . . . . . . center console . . . . . . . . . . . . . . . . . . . . . . . . . . . . . . . . . . . . . . . . . . . . . . . . . . . . . . . . . 01-4
X413 . . (3 PINS, BLACK) . . . . . . . . . . . . . . . . . . . . . . . HIGH LEVEL STOP LIGHT (ROADSTER) . . . . . . . . . . . . . . . . . . . . . . . . . . . . . . . . . 25-2 00-4
X413 . . (3 PINS, BLACK) . . . . . . . . . . . . . . . . . . . . . . . HIGH LEVEL STOP LIGHT (COUPE) . . . . . . . . . . . . . . . . . . . . . . . . . . . . . . . . . . . . . 00-4
X423 . . (1 PIN, –––) . . . . . . . . . . . . . . . . . . . . . . . . . . . below center console on rear of park brake lever
X424 . . (1 PIN, –––) . . . . . . . . . . . . . . . . . . . . . . . . . . . in LH side of luggage compartment behind trim panel (ROADSTER)
X424 . . (1 PIN, –––) . . . . . . . . . . . . . . . . . . . . . . . . . . . in roof panel (COUPE) . . . . . . . . . . . . . . . . . . . . . . . . . . . . . . . . . . . . . . . . . . . . . . . . . . 24-3
X492 . . GROUND . . . . . . . . . . . . . . . . . . . . . . . . . . . . . front LH side of engine compartment . . . . . . . . . . . . . . . . . . . . . . . . . . . . . . . . . . . . . . 05-1
X494 . . GROUND . . . . . . . . . . . . . . . . . . . . . . . . . . . . . below center console . . . . . . . . . . . . . . . . . . . . . . . . . . . . . . . . . . . . . . . . . . . . . . . . . . . 03-1
X503 . . (12 PINS, BLACK) . . . . . . . . . . . . . . . . . . . . . . LH side of dash . . . . . . . . . . . . . . . . . . . . . . . . . . . . . . . . . . . . . . . . . . . . . . . . . . . . . . . . 20-3 06-2
X504 . . (4 PINS, NATURAL) . . . . . . . . . . . . . . . . . . . . LH side of dash . . . . . . . . . . . . . . . . . . . . . . . . . . . . . . . . . . . . . . . . . . . . . . . . . . . . . . . . 20-3 02-4
X509 . . (9 PINS, BLACK) . . . . . . . . . . . . . . . . . . . . . . . rear LH side of engine compartment in Power Distribution Box . . . . . . . . . . . . . . . . 03-1
X510 . . (9 PINS, BLACK) . . . . . . . . . . . . . . . . . . . . . . . rear LH side of engine compartment in Power Distribution Box . . . . . . . . . . . . . . . . 03-1
X514 . . (4 PINS, BLACK) . . . . . . . . . . . . . . . . . . . . . . . center console . . . . . . . . . . . . . . . . . . . . . . . . . . . . . . . . . . . . . . . . . . . . . . . . . . . . . . . . . 23-1 06-1
X516 . . (5 PINS, BLACK) . . . . . . . . . . . . . . . . . . . . . . . center console . . . . . . . . . . . . . . . . . . . . . . . . . . . . . . . . . . . . . . . . . . . . . . . . . . . . . . . . . 02-3
X521 . . (4 PINS, BLUE) . . . . . . . . . . . . . . . . . . . . . . . . center console . . . . . . . . . . . . . . . . . . . . . . . . . . . . . . . . . . . . . . . . . . . . . . . . . . . . . . . . . 06-1
X522 . . (3 PINS, NATURAL) . . . . . . . . . . . . . . . . . . . . RH side of LH footwell . . . . . . . . . . . . . . . . . . . . . . . . . . . . . . . . . . . . . . . . . . . . . . . . . . 03-6
X531 . . (1 PIN, NATURAL) . . . . . . . . . . . . . . . . . . . . . center console . . . . . . . . . . . . . . . . . . . . . . . . . . . . . . . . . . . . . . . . . . . . . . . . . . . . . . . . . 22-3
X532 . . (2 PINS, BLACK) . . . . . . . . . . . . . . . . . . . . . . . center console . . . . . . . . . . . . . . . . . . . . . . . . . . . . . . . . . . . . . . . . . . . . . . . . . . . . . . . . . 22-3

BM
BMW
BMWBMW
Z3
COMPONENT LOCATION CHART
7000.0Ć19
01/01 2001
COMP. 8500.07100.0
LOCATIONDESCRIPTION
X537 . . (3 PINS, BLACK) . . . . . . . . . . . . . . . . . . . . . . . REAR LEFT MID–HIGH RANGE SPEAKER (ROADSTER) . . . . . . . . . . . . . . . . . . 02-3 00-4
X537 . . (3 PINS, BLACK) . . . . . . . . . . . . . . . . . . . . . . . in roof panel, REAR LEFT MID–HIGH RANGE SPEAKER (COUPE) . . . . . . . . . . 00-4
X538 . . (3 PINS, BLACK) . . . . . . . . . . . . . . . . . . . . . . . REAR RIGHT MID–HIGH RANGE SPEAKER (ROADSTER) . . . . . . . . . . . . . . . . . 26-2 00-4
X538 . . (3 PINS, BLACK) . . . . . . . . . . . . . . . . . . . . . . . in roof panel, REAR RIGHT MID–HIGH RANGE SPEAKER (COUPE) . . . . . . . . . 00-4
X539 . . (2 PINS, BLACK) . . . . . . . . . . . . . . . . . . . . . . . center console (radio and console removed) . . . . . . . . . . . . . . . . . . . . . . . . . . . . . . . 27-1
X605 . . (12 PINS, BLACK) . . . . . . . . . . . . . . . . . . . . . . in RH forward side of luggage compartment . . . . . . . . . . . . . . . . . . . . . . . . . . . . . . . . 19-3 01-3
X606 . . (26 PINS, BLACK) . . . . . . . . . . . . . . . . . . . . . . in RH forward side of luggage compartment behind trim panel . . . . . . . . . . . . . . . . 19-3 00-2
X623 . . (4 PINS, BLACK) . . . . . . . . . . . . . . . . . . . . . . . in driver’s door . . . . . . . . . . . . . . . . . . . . . . . . . . . . . . . . . . . . . . . . . . . . . . . . . . . . . . . . . 17-2 06-1
X624 . . (4 PINS, BLACK) . . . . . . . . . . . . . . . . . . . . . . . in passenger’s door . . . . . . . . . . . . . . . . . . . . . . . . . . . . . . . . . . . . . . . . . . . . . . . . . . . . . 18-3 06-1
X625 . . (6 PINS, BLACK) . . . . . . . . . . . . . . . . . . . . . . . in driver’s door . . . . . . . . . . . . . . . . . . . . . . . . . . . . . . . . . . . . . . . . . . . . . . . . . . . . . . . . . 17-2 06-6
X641 . . (6 PINS, BLACK) . . . . . . . . . . . . . . . . . . . . . . . in passenger’s door . . . . . . . . . . . . . . . . . . . . . . . . . . . . . . . . . . . . . . . . . . . . . . . . . . . . . 18-2 06-4
X643 . . (6 PINS, WHITE) . . . . . . . . . . . . . . . . . . . . . . . in roof panel . . . . . . . . . . . . . . . . . . . . . . . . . . . . . . . . . . . . . . . . . . . . . . . . . . . . . . . . . . . 04-2
X651 . . (6 PINS, VIOLET) . . . . . . . . . . . . . . . . . . . . . . center console . . . . . . . . . . . . . . . . . . . . . . . . . . . . . . . . . . . . . . . . . . . . . . . . . . . . . . . . . 23-1 04-1
X658 . . (6 PINS, VIOLET) . . . . . . . . . . . . . . . . . . . . . . center console . . . . . . . . . . . . . . . . . . . . . . . . . . . . . . . . . . . . . . . . . . . . . . . . . . . . . . . . . 23-1 04-1
X660 . . (6 PINS, BLACK) . . . . . . . . . . . . . . . . . . . . . . . LH front door behind door panel . . . . . . . . . . . . . . . . . . . . . . . . . . . . . . . . . . . . . . . . . . 06-4
X693 . . (1 PIN, NATURAL) . . . . . . . . . . . . . . . . . . . . . TIRE INFLATION SYSTEM
X700 . . (1 PIN, –––) . . . . . . . . . . . . . . . . . . . . . . . . . . . behind RH footwell speaker grille . . . . . . . . . . . . . . . . . . . . . . . . . . . . . . . . . . . . . . . . . 23-3
X701 . . (1 PIN, –––) . . . . . . . . . . . . . . . . . . . . . . . . . . . behind LH footwell speaker grille
X709 . . (2 PINS, BLACK) . . . . . . . . . . . . . . . . . . . . . . . underside of luggage compartment lid, near license plate
X710 . . (2 PINS, BLACK) . . . . . . . . . . . . . . . . . . . . . . . underside of luggage compartment lid, near license plate
X711 . . . (2 PINS, BLACK) . . . . . . . . . . . . . . . . . . . . . . . in luggage compartment lid (ROADSTER) . . . . . . . . . . . . . . . . . . . . . . . . . . . . . . . . . 28-3
X711 . . . (3 PINS, BLACK) . . . . . . . . . . . . . . . . . . . . . . . in luggage compartment lid (COUPE) . . . . . . . . . . . . . . . . . . . . . . . . . . . . . . . . . . . . . 00-4

BM
BMW
BMWBMW
Z3
COMPONENT LOCATION CHART
7000.0Ć20
01/01 2001
COMP. 8500.07100.0
LOCATIONDESCRIPTION
X712 . . (1 PIN, BLACK) . . . . . . . . . . . . . . . . . . . . . . . . in luggage compartment (ROADSTER)
X712 . . (4 PINS, NATURAL) . . . . . . . . . . . . . . . . . . . . in roof panel (COUPE) . . . . . . . . . . . . . . . . . . . . . . . . . . . . . . . . . . . . . . . . . . . . . . . . . . 24-3
X713 . . (2 PINS, BLACK) . . . . . . . . . . . . . . . . . . . . . . . under RH rear of car . . . . . . . . . . . . . . . . . . . . . . . . . . . . . . . . . . . . . . . . . . . . . . . . . . . . 08-2
X726 . . (2 PINS, NATURAL) . . . . . . . . . . . . . . . . . . . . under LH front seat
X728 . . (2 PINS, BLACK) . . . . . . . . . . . . . . . . . . . . . . . under LH front seat
X733 . . (3 PINS, BLACK) . . . . . . . . . . . . . . . . . . . . . . . under LH front seat . . . . . . . . . . . . . . . . . . . . . . . . . . . . . . . . . . . . . . . . . . . . . . . . . . . . . 00-4
X734 . . (2 PINS, NATURAL) . . . . . . . . . . . . . . . . . . . . under RH front seat
X737 . . (2 PINS, BLACK) . . . . . . . . . . . . . . . . . . . . . . . under RH front seat
X740 . . (3 PINS, BLACK) . . . . . . . . . . . . . . . . . . . . . . . under RH front seat . . . . . . . . . . . . . . . . . . . . . . . . . . . . . . . . . . . . . . . . . . . . . . . . . . . . . 00-4
X742 . . (2 PINS, YELLOW) . . . . . . . . . . . . . . . . . . . . . in passenger’s door
X744 . . (4 PINS, GRAY) . . . . . . . . . . . . . . . . . . . . . . . . in passenger’s door . . . . . . . . . . . . . . . . . . . . . . . . . . . . . . . . . . . . . . . . . . . . . . . . . . . . . 18-3 05-1
X746 . . (3 PINS, YELLOW) . . . . . . . . . . . . . . . . . . . . . in passenger’s door . . . . . . . . . . . . . . . . . . . . . . . . . . . . . . . . . . . . . . . . . . . . . . . . . . . . . 18-3 09-3
X747 . . (2 PINS, YELLOW) . . . . . . . . . . . . . . . . . . . . . in driver’s door . . . . . . . . . . . . . . . . . . . . . . . . . . . . . . . . . . . . . . . . . . . . . . . . . . . . . . . . . 17-1
X749 . . (2 PINS, GRAY) . . . . . . . . . . . . . . . . . . . . . . . . in driver’s door . . . . . . . . . . . . . . . . . . . . . . . . . . . . . . . . . . . . . . . . . . . . . . . . . . . . . . . . . 17-2
X753 . . (3 PINS, YELLOW) . . . . . . . . . . . . . . . . . . . . . in driver’s door . . . . . . . . . . . . . . . . . . . . . . . . . . . . . . . . . . . . . . . . . . . . . . . . . . . . . . . . . 17-2 09-3
X760 . . (3 PINS, BLACK) . . . . . . . . . . . . . . . . . . . . . . . RIGHT REAR HIGH RANGE SPEAKER . . . . . . . . . . . . . . . . . . . . . . . . . . . . . . . . . . 00-4
X761 . . (1 PIN, BLACK) . . . . . . . . . . . . . . . . . . . . . . . . RIGHT REAR SPEAKER
X762 . . (3 PINS, BLACK) . . . . . . . . . . . . . . . . . . . . . . . LEFT REAR HIGH RANGE SPEAKER . . . . . . . . . . . . . . . . . . . . . . . . . . . . . . . . . . . . 00-4
X763 . . (1 PIN, BLACK) . . . . . . . . . . . . . . . . . . . . . . . . LEFT REAR SPEAKER
X766 . . (2 PINS, BLACK) . . . . . . . . . . . . . . . . . . . . . . . LH front of vehicle
X767 . . (2 PINS, BLACK) . . . . . . . . . . . . . . . . . . . . . . . RH front of vehicle
X768 . . (2 PINS, BLACK) . . . . . . . . . . . . . . . . . . . . . . . on front LH wheel well . . . . . . . . . . . . . . . . . . . . . . . . . . . . . . . . . . . . . . . . . . . . . . . . . . 32-1

BM
BMW
BMWBMW
Z3
COMPONENT LOCATION CHART
7000.0Ć21
01/01 2001
COMP. 8500.07100.0
LOCATIONDESCRIPTION
X769 . . (2 PINS, BLACK) . . . . . . . . . . . . . . . . . . . . . . . RH front of wheel well . . . . . . . . . . . . . . . . . . . . . . . . . . . . . . . . . . . . . . . . . . . . . . . . . . . 13-2
X770 . . (2 PINS, BLACK) . . . . . . . . . . . . . . . . . . . . . . . on front LH wheel well (M VERSIONS) . . . . . . . . . . . . . . . . . . . . . . . . . . . . . . . . . . . . 32-1
X770 . . (2 PINS, BLACK) . . . . . . . . . . . . . . . . . . . . . . . in RH front bumper (Z3 VERSIONS) . . . . . . . . . . . . . . . . . . . . . . . . . . . . . . . . . . . . . . 04-1
X771 . . (2 PINS, NATURAL) . . . . . . . . . . . . . . . . . . . . RH side of LH footwell . . . . . . . . . . . . . . . . . . . . . . . . . . . . . . . . . . . . . . . . . . . . . . . . . . 21-2
X778 . . (4 PINS, BLACK) . . . . . . . . . . . . . . . . . . . . . . . under LH front seat . . . . . . . . . . . . . . . . . . . . . . . . . . . . . . . . . . . . . . . . . . . . . . . . . . . . . 06-1
X782 . . (6 PINS, BLACK) . . . . . . . . . . . . . . . . . . . . . . . behind glove box above . . . . . . . . . . . . . . . . . . . . . . . . . . . . . . . . . . . . . . . . . . . . . . . . . 12-1 09-5
X783 . . (6 PINS, BLACK) . . . . . . . . . . . . . . . . . . . . . . . underside of steering column . . . . . . . . . . . . . . . . . . . . . . . . . . . . . . . . . . . . . . . . . . . . . 27-3 09-5
X861 . . GROUND . . . . . . . . . . . . . . . . . . . . . . . . . . . . . front RH side of engine compartment
X898 . . (4 PINS, BLACK) . . . . . . . . . . . . . . . . . . . . . . . center console . . . . . . . . . . . . . . . . . . . . . . . . . . . . . . . . . . . . . . . . . . . . . . . . . . . . . . . . . 06-1
X904 . . (4 PINS, BLACK) . . . . . . . . . . . . . . . . . . . . . . . RH side of LH footwell . . . . . . . . . . . . . . . . . . . . . . . . . . . . . . . . . . . . . . . . . . . . . . . . . . 02-4
X905 . . (7 PINS, BLACK) . . . . . . . . . . . . . . . . . . . . . . . center of dash . . . . . . . . . . . . . . . . . . . . . . . . . . . . . . . . . . . . . . . . . . . . . . . . . . . . . . . . . 21-3 08-2
X1014 . (1 PIN, BLACK) . . . . . . . . . . . . . . . . . . . . . . . . center console . . . . . . . . . . . . . . . . . . . . . . . . . . . . . . . . . . . . . . . . . . . . . . . . . . . . . . . . . 22-3
X1098 . (3 PINS, BLACK) . . . . . . . . . . . . . . . . . . . . . . . LH side of dash . . . . . . . . . . . . . . . . . . . . . . . . . . . . . . . . . . . . . . . . . . . . . . . . . . . . . . . . 20-3 00-4
X1116 . . GROUND . . . . . . . . . . . . . . . . . . . . . . . . . . . . . in LH side of luggage compartment . . . . . . . . . . . . . . . . . . . . . . . . . . . . . . . . . . . . . . . 06-3
X1148 . (2 PINS, BLACK) . . . . . . . . . . . . . . . . . . . . . . . on front RH wheel well
X1155 . (3 PINS, BLACK) . . . . . . . . . . . . . . . . . . . . . . . center console (Z3 VERSIONS) . . . . . . . . . . . . . . . . . . . . . . . . . . . . . . . . . . . . . . . . . . 00-4
X1155 . (4 PINS, BLACK) . . . . . . . . . . . . . . . . . . . . . . . center console (M VERSIONS) . . . . . . . . . . . . . . . . . . . . . . . . . . . . . . . . . . . . . . . . . . . 06-1
X1170 . (25 PINS, GRAY) . . . . . . . . . . . . . . . . . . . . . . . front LH side of engine compartment . . . . . . . . . . . . . . . . . . . . . . . . . . . . . . . . . . . . . . 11-2 08-3
X1213 . (2 PINS, BLACK) . . . . . . . . . . . . . . . . . . . . . . . center console
X1222 . (6 PINS, BLACK) . . . . . . . . . . . . . . . . . . . . . . . in LH side of luggage compartment behind trim panel . . . . . . . . . . . . . . . . . . . . . . . 32-2 09-5
X1255 . (4 PINS, BLACK) . . . . . . . . . . . . . . . . . . . . . . . TIRE INFLATION SYSTEM . . . . . . . . . . . . . . . . . . . . . . . . . . . . . . . . . . . . . . . . . . . . . . 10-1
X1265 . (1 PIN, NATURAL) . . . . . . . . . . . . . . . . . . . . . HARD TOP CONNECTOR 1

BM
BMW
BMWBMW
Z3
COMPONENT LOCATION CHART
7000.0Ć22
01/01 2001
COMP. 8500.07100.0
LOCATIONDESCRIPTION
X1266 . (1 PIN, NATURAL) . . . . . . . . . . . . . . . . . . . . . HARD TOP CONNECTOR 1
X1376 . (9 PINS, BLACK) . . . . . . . . . . . . . . . . . . . . . . . rear LH side of engine compartment in Power Distribution Box . . . . . . . . . . . . . . . . 03-1
X1380 . (1 PIN, –––) . . . . . . . . . . . . . . . . . . . . . . . . . . . behind RH footwell speaker grille . . . . . . . . . . . . . . . . . . . . . . . . . . . . . . . . . . . . . . . . . 23-3
X1381 . (1 PIN, –––) . . . . . . . . . . . . . . . . . . . . . . . . . . . behind LH footwell speaker grille
X1439 . (2 PINS, BLACK) . . . . . . . . . . . . . . . . . . . . . . . center console
X1441 . GROUND . . . . . . . . . . . . . . . . . . . . . . . . . . . . . below center console . . . . . . . . . . . . . . . . . . . . . . . . . . . . . . . . . . . . . . . . . . . . . . . . . . . 22-2
X1517 . (6 PINS, BLACK) . . . . . . . . . . . . . . . . . . . . . . . RH side of LH footwell . . . . . . . . . . . . . . . . . . . . . . . . . . . . . . . . . . . . . . . . . . . . . . . . . . 21-2 08-1
X1529 . (1 PIN, ––– ) . . . . . . . . . . . . . . . . . . . . . . . . . . rear LH side of engine compartment in Power Distribution Box
X1530 . (1 PIN, NATURAL ) . . . . . . . . . . . . . . . . . . . . rear LH side of engine compartment in Power Distribution Box
X1561 . (4 PINS, VIOLET) . . . . . . . . . . . . . . . . . . . . . . center console . . . . . . . . . . . . . . . . . . . . . . . . . . . . . . . . . . . . . . . . . . . . . . . . . . . . . . . . . 06-1
X1588 . (2 PINS, BLACK) . . . . . . . . . . . . . . . . . . . . . . . below LH side of dash . . . . . . . . . . . . . . . . . . . . . . . . . . . . . . . . . . . . . . . . . . . . . . . . . . 00-3
X1600 . (3 PINS, NATURAL) . . . . . . . . . . . . . . . . . . . . center console . . . . . . . . . . . . . . . . . . . . . . . . . . . . . . . . . . . . . . . . . . . . . . . . . . . . . . . . . 00-4
X1602 . (9 PINS, BLACK) . . . . . . . . . . . . . . . . . . . . . . . rear LH side of engine compartment in Power Distribution Box . . . . . . . . . . . . . . . . 03-1
X1653 . (3 PINS, BLACK) . . . . . . . . . . . . . . . . . . . . . . . under driver’s seat . . . . . . . . . . . . . . . . . . . . . . . . . . . . . . . . . . . . . . . . . . . . . . . . . . . . . . 15-2 02-2
X1655 . (3 PINS, NATURAL) . . . . . . . . . . . . . . . . . . . . under driver’s seat . . . . . . . . . . . . . . . . . . . . . . . . . . . . . . . . . . . . . . . . . . . . . . . . . . . . . . 15-2 02-2
X1656 . (2 PINS, BLACK) . . . . . . . . . . . . . . . . . . . . . . . rear LH side of engine compartment . . . . . . . . . . . . . . . . . . . . . . . . . . . . . . . . . . . . . . 11-3
X1658 . (6 PINS, BLACK) . . . . . . . . . . . . . . . . . . . . . . . on steering column . . . . . . . . . . . . . . . . . . . . . . . . . . . . . . . . . . . . . . . . . . . . . . . . . . . . . 15-3 09-5
X1714 . (3 PINS, BLACK) . . . . . . . . . . . . . . . . . . . . . . . rear LH side of engine compartment . . . . . . . . . . . . . . . . . . . . . . . . . . . . . . . . . . . . . . 02-2
X1715 . (4 PINS, NATURAL) . . . . . . . . . . . . . . . . . . . . in rear left speaker box (ROADSTER) . . . . . . . . . . . . . . . . . . . . . . . . . . . . . . . . . . . . . 26-3 02-4
X1715 . (4 PINS, NATURAL) . . . . . . . . . . . . . . . . . . . . in RH forward side of luggage compartment (COUPE) . . . . . . . . . . . . . . . . . . . . . . . 19-3 02-4
X1717 . (42 PINS, BLACK) . . . . . . . . . . . . . . . . . . . . . . in RH forward side of luggage compartment . . . . . . . . . . . . . . . . . . . . . . . . . . . . . . . . 25-1 10-2
X1746 . (43 PINS, BLACK) . . . . . . . . . . . . . . . . . . . . . . LH side of engine compartment . . . . . . . . . . . . . . . . . . . . . . . . . . . . . . . . . . . . . . . . . . 11-2 10-1

BM
BMW
BMWBMW
Z3
COMPONENT LOCATION CHART
7000.0Ć23
01/01 2001
COMP. 8500.07100.0
LOCATIONDESCRIPTION
X1747 . (3 PINS, NATURAL) . . . . . . . . . . . . . . . . . . . . rear LH side of engine compartment . . . . . . . . . . . . . . . . . . . . . . . . . . . . . . . . . . . . . . 11-3 02-2
X1748 . (3 PINS, NATURAL) . . . . . . . . . . . . . . . . . . . . rear LH side of engine compartment . . . . . . . . . . . . . . . . . . . . . . . . . . . . . . . . . . . . . . 11-3 02-2
X1764 . (3 PINS, BLACK) . . . . . . . . . . . . . . . . . . . . . . . RH side of steering column . . . . . . . . . . . . . . . . . . . . . . . . . . . . . . . . . . . . . . . . . . . . . . 15-1 00-4
X1770 . (3 PINS, ORANGE) . . . . . . . . . . . . . . . . . . . . . in RH forward side of luggage compartment (ROADSTER) . . . . . . . . . . . . . . . . . . . 25-1 06-5
X1770 . (3 PINS, ORANGE) . . . . . . . . . . . . . . . . . . . . . in RH forward side of luggage compartment (COUPE) . . . . . . . . . . . . . . . . . . . . . . . 06-5
X1775 . (3 PINS, NATURAL) . . . . . . . . . . . . . . . . . . . . in lift gate . . . . . . . . . . . . . . . . . . . . . . . . . . . . . . . . . . . . . . . . . . . . . . . . . . . . . . . . . . . . . 09-4
X1805 . (15 PINS, NATURAL) . . . . . . . . . . . . . . . . . . . LH side of steering column . . . . . . . . . . . . . . . . . . . . . . . . . . . . . . . . . . . . . . . . . . . . . . 15-1 04-3
X1883 . (2 PINS, YELLOW) . . . . . . . . . . . . . . . . . . . . . LH front door . . . . . . . . . . . . . . . . . . . . . . . . . . . . . . . . . . . . . . . . . . . . . . . . . . . . . . . . . . 16-2
X1884 . (2 PINS, YELLOW) . . . . . . . . . . . . . . . . . . . . . RH front door . . . . . . . . . . . . . . . . . . . . . . . . . . . . . . . . . . . . . . . . . . . . . . . . . . . . . . . . . . 07-2
X1885 . (3 PINS, BLACK) . . . . . . . . . . . . . . . . . . . . . . . under LH front seat . . . . . . . . . . . . . . . . . . . . . . . . . . . . . . . . . . . . . . . . . . . . . . . . . . . . . 07-3 09-1
X1886 . (3 PINS, BLACK) . . . . . . . . . . . . . . . . . . . . . . . under RH front seat . . . . . . . . . . . . . . . . . . . . . . . . . . . . . . . . . . . . . . . . . . . . . . . . . . . . . 07-1 09-1
X1976 . CABLE SOCKET B+ . . . . . . . . . . . . . . . . . . . . below LH side of dash
X1977 . CABLE SOCKET B+ . . . . . . . . . . . . . . . . . . . . below LH side of dash
X1978 . CABLE SOCKET B+ . . . . . . . . . . . . . . . . . . . . below LH side of dash
X1979 . CABLE SOCKET B+ . . . . . . . . . . . . . . . . . . . . below LH side of dash
X1980 . CABLE SOCKET B+ . . . . . . . . . . . . . . . . . . . . below LH side of dash
X1981 . CABLE SOCKET B+ . . . . . . . . . . . . . . . . . . . . below LH side of dash
X1982 . CABLE SOCKET B+ . . . . . . . . . . . . . . . . . . . . below LH side of dash
X2239 . (6 PINS, BLACK) . . . . . . . . . . . . . . . . . . . . . . . center console . . . . . . . . . . . . . . . . . . . . . . . . . . . . . . . . . . . . . . . . . . . . . . . . . . . . . . . . . 09-5
X2499 . (8 PINS, BLACK) . . . . . . . . . . . . . . . . . . . . . . . rear RH side of engine compartment in E–Box . . . . . . . . . . . . . . . . . . . . . . . . . . . . . 02-6
X3158 . (1 PIN, NATURAL) . . . . . . . . . . . . . . . . . . . . . TIRE INFLATION SYSTEM
X3505 . (10 PINS, BLACK) . . . . . . . . . . . . . . . . . . . . . . center console . . . . . . . . . . . . . . . . . . . . . . . . . . . . . . . . . . . . . . . . . . . . . . . . . . . . . . . . . 01-6

BM
BMW
BMWBMW
Z3
COMPONENT LOCATION CHART
7000.0Ć24
01/01 2001
COMP. 8500.07100.0
LOCATIONDESCRIPTION
X5115 . (2 PINS, BLACK) . . . . . . . . . . . . . . . . . . . . . . . center console (radio and console removed) . . . . . . . . . . . . . . . . . . . . . . . . . . . . . . . 27-1
X5255 . (6 PINS, BLACK) . . . . . . . . . . . . . . . . . . . . . . . front of engine . . . . . . . . . . . . . . . . . . . . . . . . . . . . . . . . . . . . . . . . . . . . . . . . . . . . . . . . . 10-2
X5351 . (2 PINS, BLACK) . . . . . . . . . . . . . . . . . . . . . . . RH side of engine compartment
X5392 . (2 PINS, BLACK) . . . . . . . . . . . . . . . . . . . . . . . LH side of engine
X5393 . (3 PINS, BLACK) . . . . . . . . . . . . . . . . . . . . . . . LH side of engine . . . . . . . . . . . . . . . . . . . . . . . . . . . . . . . . . . . . . . . . . . . . . . . . . . . . . . . 09-2
X6002 . (20 PINS, BLACK) . . . . . . . . . . . . . . . . . . . . . . rear LH side of engine compartment . . . . . . . . . . . . . . . . . . . . . . . . . . . . . . . . . . . . . . 03-4
X6011 . (2 PINS, BLUE) . . . . . . . . . . . . . . . . . . . . . . . . rear RH side of engine compartment in E–Box
X6021 . (4 PINS, BLACK) . . . . . . . . . . . . . . . . . . . . . . . rear RH side of engine compartment in E–Box (Z3 VERSIONS) . . . . . . . . . . . . . . 02-4
X6021 . (8 PINS, BLACK) . . . . . . . . . . . . . . . . . . . . . . . rear RH side of engine compartment in E–Box (M VERSIONS) . . . . . . . . . . . . . . . 02-6
X6053 . (8 PINS, NATURAL) . . . . . . . . . . . . . . . . . . . . rear RH side of engine compartment in E–Box . . . . . . . . . . . . . . . . . . . . . . . . . . . . . 02-6
X6054 . (2 PINS, NATURAL) . . . . . . . . . . . . . . . . . . . . rear RH side of engine compartment in E–Box
X6101 . (2 PINS, BLACK) . . . . . . . . . . . . . . . . . . . . . . . top center of engine
X6102 . (2 PINS, BLACK) . . . . . . . . . . . . . . . . . . . . . . . top center of engine
X6103 . (2 PINS, BLACK) . . . . . . . . . . . . . . . . . . . . . . . top center of engine
X6104 . (2 PINS, BLACK) . . . . . . . . . . . . . . . . . . . . . . . top center of engine
X6105 . (2 PINS, BLACK) . . . . . . . . . . . . . . . . . . . . . . . top center of engine
X6106 . (2 PINS, BLACK) . . . . . . . . . . . . . . . . . . . . . . . top center of engine
X6120 . (2 PINS, BLACK) . . . . . . . . . . . . . . . . . . . . . . . LH side of engine compartment
X6130 . (3 PINS, BLACK) . . . . . . . . . . . . . . . . . . . . . . . front of engine . . . . . . . . . . . . . . . . . . . . . . . . . . . . . . . . . . . . . . . . . . . . . . . . . . . . . . . . . 09-2
X6133 . (2 PINS, BLACK) . . . . . . . . . . . . . . . . . . . . . . . rear RH side of engine compartment (Z3 VERSIONS)
X6133 . (2 PINS, VIOLET) . . . . . . . . . . . . . . . . . . . . . . RH side of engine compartment (M VERSIONS)
X6151 . (3 PINS, BLACK) . . . . . . . . . . . . . . . . . . . . . . . top RH side of engine (Z3 VERSIONS) . . . . . . . . . . . . . . . . . . . . . . . . . . . . . . . . . . . . 08-4

BM
BMW
BMWBMW
Z3
COMPONENT LOCATION CHART
7000.0Ć25
01/01 2001
COMP. 8500.07100.0
LOCATIONDESCRIPTION
X6151 . (3 PINS, BLACK) . . . . . . . . . . . . . . . . . . . . . . . top RH side of engine (M VERSIONS) . . . . . . . . . . . . . . . . . . . . . . . . . . . . . . . . . . . . 10-3
X6152 . (3 PINS, BLACK) . . . . . . . . . . . . . . . . . . . . . . . top RH side of engine (Z3 VERSIONS) . . . . . . . . . . . . . . . . . . . . . . . . . . . . . . . . . . . . 08-4
X6152 . (3 PINS, BLACK) . . . . . . . . . . . . . . . . . . . . . . . top RH side of engine (M VERSIONS) . . . . . . . . . . . . . . . . . . . . . . . . . . . . . . . . . . . . 10-3
X6153 . (3 PINS, BLACK) . . . . . . . . . . . . . . . . . . . . . . . top RH side of engine (Z3 VERSIONS) . . . . . . . . . . . . . . . . . . . . . . . . . . . . . . . . . . . . 08-4
X6153 . (3 PINS, BLACK) . . . . . . . . . . . . . . . . . . . . . . . top RH side of engine (M VERSIONS) . . . . . . . . . . . . . . . . . . . . . . . . . . . . . . . . . . . . 10-3
X6154 . (3 PINS, BLACK) . . . . . . . . . . . . . . . . . . . . . . . top RH side of engine (Z3 VERSIONS) . . . . . . . . . . . . . . . . . . . . . . . . . . . . . . . . . . . . 08-4
X6154 . (3 PINS, BLACK) . . . . . . . . . . . . . . . . . . . . . . . top RH side of engine (M VERSIONS) . . . . . . . . . . . . . . . . . . . . . . . . . . . . . . . . . . . . 10-3
X6155 . (3 PINS, BLACK) . . . . . . . . . . . . . . . . . . . . . . . top RH side of engine (Z3 VERSIONS) . . . . . . . . . . . . . . . . . . . . . . . . . . . . . . . . . . . . 08-4
X6155 . (3 PINS, BLACK) . . . . . . . . . . . . . . . . . . . . . . . top RH side of engine (M VERSIONS) . . . . . . . . . . . . . . . . . . . . . . . . . . . . . . . . . . . . 10-3
X6156 . (3 PINS, BLACK) . . . . . . . . . . . . . . . . . . . . . . . top RH side of engine (Z3 VERSIONS) . . . . . . . . . . . . . . . . . . . . . . . . . . . . . . . . . . . . 08-4
X6156 . (3 PINS, BLACK) . . . . . . . . . . . . . . . . . . . . . . . top RH side of engine (M VERSIONS) . . . . . . . . . . . . . . . . . . . . . . . . . . . . . . . . . . . . 10-3
X6163 . (2 PINS, BLACK) . . . . . . . . . . . . . . . . . . . . . . . LH side of engine compartment
X6165 . (2 PINS, BLACK) . . . . . . . . . . . . . . . . . . . . . . . rear LH side of engine compartment
X6167 . (2 PINS, BLACK) . . . . . . . . . . . . . . . . . . . . . . . LH side of engine compartment
X6203 . (3 PINS, BLACK) . . . . . . . . . . . . . . . . . . . . . . . rear LH side of engine compartment (Z3 VERSIONS) . . . . . . . . . . . . . . . . . . . . . . . 05-5
X6203 . (3 PINS, BLACK) . . . . . . . . . . . . . . . . . . . . . . . LH side of engine (M VERSIONS) . . . . . . . . . . . . . . . . . . . . . . . . . . . . . . . . . . . . . . . . 09-2
X6205 . (2 PINS, BLACK) . . . . . . . . . . . . . . . . . . . . . . . top center of engine
X6207 . (3 PINS, BLACK) . . . . . . . . . . . . . . . . . . . . . . . LH side of engine compartment (Z3 VERSIONS) . . . . . . . . . . . . . . . . . . . . . . . . . . . 09-2
X6207 . (5 PINS, BLACK) . . . . . . . . . . . . . . . . . . . . . . . LH side of engine compartment (M VERSIONS) . . . . . . . . . . . . . . . . . . . . . . . . . . . . 10-4
X6214 . (3 PINS, BLACK) . . . . . . . . . . . . . . . . . . . . . . . front of engine (Z3 VERSIONS) . . . . . . . . . . . . . . . . . . . . . . . . . . . . . . . . . . . . . . . . . . 09-2
X6214 . (3 PINS, BLACK) . . . . . . . . . . . . . . . . . . . . . . . top front of engine (M VERSIONS) . . . . . . . . . . . . . . . . . . . . . . . . . . . . . . . . . . . . . . . 10-5
X6224 . (3 PINS, BLACK) . . . . . . . . . . . . . . . . . . . . . . . front of engine (Z3 VERSIONS) . . . . . . . . . . . . . . . . . . . . . . . . . . . . . . . . . . . . . . . . . . 00-1

BM
BMW
BMWBMW
Z3
COMPONENT LOCATION CHART
7000.0Ć26
01/01 2001
COMP. 8500.07100.0
LOCATIONDESCRIPTION
X6224 . (3 PINS, BLACK) . . . . . . . . . . . . . . . . . . . . . . . top front of engine (M VERSIONS) . . . . . . . . . . . . . . . . . . . . . . . . . . . . . . . . . . . . . . . 05-5
X6231 . (2 PINS, BLACK) . . . . . . . . . . . . . . . . . . . . . . . LH side of engine compartment
X6236 . (2 PINS, BLACK) . . . . . . . . . . . . . . . . . . . . . . . LH side of engine
X6238 . (2 PINS, BLACK) . . . . . . . . . . . . . . . . . . . . . . . RH side of oil filter
X6241 . (2 PINS, BLACK) . . . . . . . . . . . . . . . . . . . . . . . top LH side of engine
X6242 . (2 PINS, BLACK) . . . . . . . . . . . . . . . . . . . . . . . top LH side of engine
X6243 . (2 PINS, BLACK) . . . . . . . . . . . . . . . . . . . . . . . top LH side of engine
X6252 . (3 PINS, BLACK) . . . . . . . . . . . . . . . . . . . . . . . LH side of engine compartment . . . . . . . . . . . . . . . . . . . . . . . . . . . . . . . . . . . . . . . . . . 09-2
X6254 . (3 PINS, BLACK) . . . . . . . . . . . . . . . . . . . . . . . LH side of engine (Z3 VERSIONS) . . . . . . . . . . . . . . . . . . . . . . . . . . . . . . . . . . . . . . . 00-1
X6254 . (3 PINS, BLACK) . . . . . . . . . . . . . . . . . . . . . . . lower LH side of engine compartment (M VERSIONS) . . . . . . . . . . . . . . . . . . . . . . . 10-6
X6275 . (2 PINS, BLACK) . . . . . . . . . . . . . . . . . . . . . . . top center of engine
X6276 . (2 PINS, BLACK) . . . . . . . . . . . . . . . . . . . . . . . front of engine
X6279 . (2 PINS, BLACK) . . . . . . . . . . . . . . . . . . . . . . . front of engine
X6300 . (9 PINS, BLACK) . . . . . . . . . . . . . . . . . . . . . . . rear RH side of engine compartment in E–Box . . . . . . . . . . . . . . . . . . . . . . . . . . . . . 03-1
X6301 . (9 PINS, BLACK) . . . . . . . . . . . . . . . . . . . . . . . below LH side of dash (Z3 VERSIONS) . . . . . . . . . . . . . . . . . . . . . . . . . . . . . . . . . . . 03-1
X6301 . (9 PINS, BLACK) . . . . . . . . . . . . . . . . . . . . . . . under rear storage compartment (M VERSIONS) . . . . . . . . . . . . . . . . . . . . . . . . . . . 03-1
X6304 . (9 PINS, BLACK) . . . . . . . . . . . . . . . . . . . . . . . rear RH side of engine compartment in E–Box . . . . . . . . . . . . . . . . . . . . . . . . . . . . . 03-1
X6325 . (9 PINS, BLACK) . . . . . . . . . . . . . . . . . . . . . . . rear LH side of engine compartment . . . . . . . . . . . . . . . . . . . . . . . . . . . . . . . . . . . . . . 03-1
X6327 . (9 PINS, BLACK) . . . . . . . . . . . . . . . . . . . . . . . rear RH side of engine compartment in E–Box . . . . . . . . . . . . . . . . . . . . . . . . . . . . . 03-1
X6390 . (6 PINS, BLACK) . . . . . . . . . . . . . . . . . . . . . . . top LH side of engine . . . . . . . . . . . . . . . . . . . . . . . . . . . . . . . . . . . . . . . . . . . . . . . . . . . 00-3
X6394 . (9 PINS, BLACK) . . . . . . . . . . . . . . . . . . . . . . . TIRE INFLATION SYSTEM . . . . . . . . . . . . . . . . . . . . . . . . . . . . . . . . . . . . . . . . . . . . . . 03-1

BM
BMW
BMWBMW
Z3
COMPONENT LOCATION CHART
7000.0Ć27
01/01 2001
COMP. 8500.07100.0
LOCATIONDESCRIPTION
X6430 . CABLE SOCKET B+ JUMP START
JUNCTION POINT . . . . . . . . . . . . . . . . . . . rear RH side of engine compartment
X6431 . CABLE SOCKET B+ JUMP START
JUNCTION POINT . . . . . . . . . . . . . . . . . . . rear RH side of engine compartment
X6454 . GROUND . . . . . . . . . . . . . . . . . . . . . . . . . . . . . rear RH side of engine compartment . . . . . . . . . . . . . . . . . . . . . . . . . . . . . . . . . . . . . . 01-2
X6455 . GROUND . . . . . . . . . . . . . . . . . . . . . . . . . . . . . rear RH side of engine compartment . . . . . . . . . . . . . . . . . . . . . . . . . . . . . . . . . . . . . . 01-2
X6456 . GROUND . . . . . . . . . . . . . . . . . . . . . . . . . . . . . on cylinder head (Z3 VERSIONS) . . . . . . . . . . . . . . . . . . . . . . . . . . . . . . . . . . . . . . . . 06-1
X6456 . GROUND . . . . . . . . . . . . . . . . . . . . . . . . . . . . . rear RH side of engine compartment (M VERSIONS)
X6500 . (6 PINS, BLACK) . . . . . . . . . . . . . . . . . . . . . . . under rear storage compartment . . . . . . . . . . . . . . . . . . . . . . . . . . . . . . . . . . . . . . . . . 28-1 05-6
X6506 . (2 PINS, BLACK) . . . . . . . . . . . . . . . . . . . . . . . rear RH side of engine compartment in E–Box
X6509 . CABLE SOCKET ALTERNATOR B+ . . . . . . front LH side of engine compartment
X6510 . CABLE SOCKET STARTER, TERMINAL 50 rear LH side of engine compartment at starter . . . . . . . . . . . . . . . . . . . . . . . . . . . . . . 01-1
X6511 . CABLE SOCKET STARTER, TERMINAL
30h . . . . . . . . . . . . . . . . . . . . . . . . . . . . . . . . . rear LH side of engine compartment at starter
X6512 . CABLE SOCKET STARTER, TERMINAL 30 rear LH side of engine compartment at starter . . . . . . . . . . . . . . . . . . . . . . . . . . . . . . 01-1
X6524 . (3 PINS, BLACK) . . . . . . . . . . . . . . . . . . . . . . . front LH side of engine compartment . . . . . . . . . . . . . . . . . . . . . . . . . . . . . . . . . . . . . . 09-2
X8505 . (20 PINS, BLACK) . . . . . . . . . . . . . . . . . . . . . . on RH side of transmission . . . . . . . . . . . . . . . . . . . . . . . . . . . . . . . . . . . . . . . . . . . . . . 07-4
X8511 . (2 PINS, BLACK) . . . . . . . . . . . . . . . . . . . . . . . LH side of transmission . . . . . . . . . . . . . . . . . . . . . . . . . . . . . . . . . . . . . . . . . . . . . . . . . 14-2
X8518 . (3 PINS, VIOLET) . . . . . . . . . . . . . . . . . . . . . . center console . . . . . . . . . . . . . . . . . . . . . . . . . . . . . . . . . . . . . . . . . . . . . . . . . . . . . . . . . 00-4
X9063 . (2 PINS, BLACK) . . . . . . . . . . . . . . . . . . . . . . . rear LH side of engine compartment
X9336 . (4 PINS, NATURAL) . . . . . . . . . . . . . . . . . . . . in upper RH A–pillar . . . . . . . . . . . . . . . . . . . . . . . . . . . . . . . . . . . . . . . . . . . . . . . . . . . . 02-4
X9410 . (1 PIN, NATURAL) . . . . . . . . . . . . . . . . . . . . . rear LH side of engine compartment in Power Distribution Box

BM
BMW
BMWBMW
Z3
COMPONENT LOCATION CHART
7000.0Ć28
01/01 2001
COMP. 8500.07100.0
LOCATIONDESCRIPTION
X9411 . (1 PIN, –––) . . . . . . . . . . . . . . . . . . . . . . . . . . . rear LH side of engine compartment in Power Distribution Box
X9561 . (5 PINS, NATURAL) . . . . . . . . . . . . . . . . . . . . center console . . . . . . . . . . . . . . . . . . . . . . . . . . . . . . . . . . . . . . . . . . . . . . . . . . . . . . . . . 11-1
X9633 . GROUND . . . . . . . . . . . . . . . . . . . . . . . . . . . . . behind LH footwell speaker grille . . . . . . . . . . . . . . . . . . . . . . . . . . . . . . . . . . . . . . . . . 03-2
X9990 . (3 PINS, BLACK) . . . . . . . . . . . . . . . . . . . . . . . underside of LH front seat . . . . . . . . . . . . . . . . . . . . . . . . . . . . . . . . . . . . . . . . . . . . . . . 09-4
X9991 . (10 PINS, BLACK) . . . . . . . . . . . . . . . . . . . . . . underside of LH front seat . . . . . . . . . . . . . . . . . . . . . . . . . . . . . . . . . . . . . . . . . . . . . . . 10-3
X9994 . (3 PINS, BLACK) . . . . . . . . . . . . . . . . . . . . . . . underside of RH front seat . . . . . . . . . . . . . . . . . . . . . . . . . . . . . . . . . . . . . . . . . . . . . . . 09-4
X9995 . (10 PINS, BLACK) . . . . . . . . . . . . . . . . . . . . . . underside of RH front seat . . . . . . . . . . . . . . . . . . . . . . . . . . . . . . . . . . . . . . . . . . . . . . . 10-3
X9997 . (6 PINS, BLACK) . . . . . . . . . . . . . . . . . . . . . . . behind steering wheel . . . . . . . . . . . . . . . . . . . . . . . . . . . . . . . . . . . . . . . . . . . . . . . . . . . 09-5
X10010 GROUND . . . . . . . . . . . . . . . . . . . . . . . . . . . . . behind glove box . . . . . . . . . . . . . . . . . . . . . . . . . . . . . . . . . . . . . . . . . . . . . . . . . . . . . . . 00-2
X10013 (2 PINS, NATURAL) . . . . . . . . . . . . . . . . . . . . behind steering wheel
X10054 (8 PINS, BLACK) . . . . . . . . . . . . . . . . . . . . . . . RH side of LH footwell . . . . . . . . . . . . . . . . . . . . . . . . . . . . . . . . . . . . . . . . . . . . . . . . . . 21-1 01-4
X10065 (2 PINS, WHITE) . . . . . . . . . . . . . . . . . . . . . . . LH footwell . . . . . . . . . . . . . . . . . . . . . . . . . . . . . . . . . . . . . . . . . . . . . . . . . . . . . . . . . . . . 14-1
X10088 (2 PINS, BLACK) . . . . . . . . . . . . . . . . . . . . . . . front RH side of engine compartment . . . . . . . . . . . . . . . . . . . . . . . . . . . . . . . . . . . . . 30-3
X10170 (3 PINS, NATURAL) . . . . . . . . . . . . . . . . . . . . near steering column . . . . . . . . . . . . . . . . . . . . . . . . . . . . . . . . . . . . . . . . . . . . . . . . . . . 15-1 00-4
X10182 (18 PINS, BLACK) . . . . . . . . . . . . . . . . . . . . . . behind glove box . . . . . . . . . . . . . . . . . . . . . . . . . . . . . . . . . . . . . . . . . . . . . . . . . . . . . . . 06-3
X10216 (3 PINS, YELLOW) . . . . . . . . . . . . . . . . . . . . . in LH front seat belt buckle . . . . . . . . . . . . . . . . . . . . . . . . . . . . . . . . . . . . . . . . . . . . . . 27-2 06-5
X10217 (3 PINS, YELLOW) . . . . . . . . . . . . . . . . . . . . . in RH front seat belt buckle . . . . . . . . . . . . . . . . . . . . . . . . . . . . . . . . . . . . . . . . . . . . . . 27-2 06-5
X10218 (3 PINS, NATURAL) . . . . . . . . . . . . . . . . . . . . under RH front seat . . . . . . . . . . . . . . . . . . . . . . . . . . . . . . . . . . . . . . . . . . . . . . . . . . . . . 00-4
X10241 (1 PIN, BLACK) . . . . . . . . . . . . . . . . . . . . . . . . front RH side of engine compartment . . . . . . . . . . . . . . . . . . . . . . . . . . . . . . . . . . . . . 30-2
X10244 (1 PIN, BLACK) . . . . . . . . . . . . . . . . . . . . . . . . behind glove box . . . . . . . . . . . . . . . . . . . . . . . . . . . . . . . . . . . . . . . . . . . . . . . . . . . . . . . 12-1
X10245 (12 PINS, BLACK) . . . . . . . . . . . . . . . . . . . . . . center console . . . . . . . . . . . . . . . . . . . . . . . . . . . . . . . . . . . . . . . . . . . . . . . . . . . . . . . . . 00-1 01-1
X10262 (9 PINS, BLACK) . . . . . . . . . . . . . . . . . . . . . . . below LH side of dash . . . . . . . . . . . . . . . . . . . . . . . . . . . . . . . . . . . . . . . . . . . . . . . . . . 03-1

BM
BMW
BMWBMW
Z3
COMPONENT LOCATION CHART
7000.0Ć29
01/01 2001
COMP. 8500.07100.0
LOCATIONDESCRIPTION
X10266 (6 PINS, BLACK) . . . . . . . . . . . . . . . . . . . . . . . in RH forward side of luggage compartment (COUPE) . . . . . . . . . . . . . . . . . . . . . . . 19-3 04-1
X10285 (2 PINS, BLACK) . . . . . . . . . . . . . . . . . . . . . . . in lift gate . . . . . . . . . . . . . . . . . . . . . . . . . . . . . . . . . . . . . . . . . . . . . . . . . . . . . . . . . . . . . 24-1
X10299 (4 PINS, BLACK) . . . . . . . . . . . . . . . . . . . . . . . RH rear wheel well . . . . . . . . . . . . . . . . . . . . . . . . . . . . . . . . . . . . . . . . . . . . . . . . . . . . . 17-3 02-4
X10367 (3 PINS, BLUE) . . . . . . . . . . . . . . . . . . . . . . . . in rear speaker box . . . . . . . . . . . . . . . . . . . . . . . . . . . . . . . . . . . . . . . . . . . . . . . . . . . . . 00-4
X10369 (3 PINS, BLUE) . . . . . . . . . . . . . . . . . . . . . . . . in rear speaker box . . . . . . . . . . . . . . . . . . . . . . . . . . . . . . . . . . . . . . . . . . . . . . . . . . . . . 00-4
X10422 CABLE SOCKET B+ . . . . . . . . . . . . . . . . . . . . below LH side of dash
X10467 (2 PINS, YELLOW) . . . . . . . . . . . . . . . . . . . . . RH side of luggage compartment . . . . . . . . . . . . . . . . . . . . . . . . . . . . . . . . . . . . . . . . . 02-1
X10470 (3 PINS, BLACK) . . . . . . . . . . . . . . . . . . . . . . . in RH rear side of luggage compartment . . . . . . . . . . . . . . . . . . . . . . . . . . . . . . . . . . . 10-2 00-4
X11104 (1 PIN, –––) . . . . . . . . . . . . . . . . . . . . . . . . . . . near interior rear view mirror . . . . . . . . . . . . . . . . . . . . . . . . . . . . . . . . . . . . . . . . . . . . . 28-2
X11105 (1 PIN, –––) . . . . . . . . . . . . . . . . . . . . . . . . . . . near interior rear view mirror . . . . . . . . . . . . . . . . . . . . . . . . . . . . . . . . . . . . . . . . . . . . . 28-2
X11106 (1 PIN, –––) . . . . . . . . . . . . . . . . . . . . . . . . . . . near interior rear view mirror . . . . . . . . . . . . . . . . . . . . . . . . . . . . . . . . . . . . . . . . . . . . . 28-2
X11143 (3 PINS, BLUE) . . . . . . . . . . . . . . . . . . . . . . . . footwell, driver’s side . . . . . . . . . . . . . . . . . . . . . . . . . . . . . . . . . . . . . . . . . . . . . . . . . . . . 20-1 00-4
X11209 (4 PINS, BLACK) . . . . . . . . . . . . . . . . . . . . . . . near RH rear wheel well . . . . . . . . . . . . . . . . . . . . . . . . . . . . . . . . . . . . . . . . . . . . . . . . . 17-3 02-4
X11287 CONNECTORS SOLDERED UP . . . . . . . . . center of dash
X11402 (3 PINS, VIOLET) . . . . . . . . . . . . . . . . . . . . . . in lift gate . . . . . . . . . . . . . . . . . . . . . . . . . . . . . . . . . . . . . . . . . . . . . . . . . . . . . . . . . . . . . 00-4
X11403 (3 PINS, VIOLET) . . . . . . . . . . . . . . . . . . . . . . in lift gate . . . . . . . . . . . . . . . . . . . . . . . . . . . . . . . . . . . . . . . . . . . . . . . . . . . . . . . . . . . . . 00-4
X13004 GROUND . . . . . . . . . . . . . . . . . . . . . . . . . . . . . behind glove box . . . . . . . . . . . . . . . . . . . . . . . . . . . . . . . . . . . . . . . . . . . . . . . . . . . . . . . 00-2
X13006 GROUND . . . . . . . . . . . . . . . . . . . . . . . . . . . . . in LH side of luggage compartment . . . . . . . . . . . . . . . . . . . . . . . . . . . . . . . . . . . . . . . 05-3
X13016 GROUND . . . . . . . . . . . . . . . . . . . . . . . . . . . . . in LH side of luggage compartment . . . . . . . . . . . . . . . . . . . . . . . . . . . . . . . . . . . . . . . 05-2
X13017 (2 PINS, BLUE) . . . . . . . . . . . . . . . . . . . . . . . . hard top
X13025 (12 PINS, BLACK) . . . . . . . . . . . . . . . . . . . . . . behind glove box . . . . . . . . . . . . . . . . . . . . . . . . . . . . . . . . . . . . . . . . . . . . . . . . . . . . . . . 12-1 02-1
X13032 GROUND . . . . . . . . . . . . . . . . . . . . . . . . . . . . . under rear storage compartment . . . . . . . . . . . . . . . . . . . . . . . . . . . . . . . . . . . . . . . . . 06-2

BM
BMW
BMWBMW
Z3
COMPONENT LOCATION CHART
7000.0Ć30
01/01 2001
COMP. 8500.07100.0
LOCATIONDESCRIPTION
X13045 (6 PINS, NATURAL) . . . . . . . . . . . . . . . . . . . . center console . . . . . . . . . . . . . . . . . . . . . . . . . . . . . . . . . . . . . . . . . . . . . . . . . . . . . . . . . 04-1
X13057 (2 PINS, BLACK) . . . . . . . . . . . . . . . . . . . . . . . in lift gate . . . . . . . . . . . . . . . . . . . . . . . . . . . . . . . . . . . . . . . . . . . . . . . . . . . . . . . . . . . . . 24-2
X13139 (10 PINS, BLACK) . . . . . . . . . . . . . . . . . . . . . . near interior rear view mirror . . . . . . . . . . . . . . . . . . . . . . . . . . . . . . . . . . . . . . . . . . . . . 01-6
X13146 (8 PINS, BLACK) . . . . . . . . . . . . . . . . . . . . . . . in LH side of luggage compartment . . . . . . . . . . . . . . . . . . . . . . . . . . . . . . . . . . . . . . . 08-3 01-4
X13233 (2 PINS, BLACK) . . . . . . . . . . . . . . . . . . . . . . . center of dash behind center console
X13252 (15 PINS, BLACK) . . . . . . . . . . . . . . . . . . . . . . behind glove box . . . . . . . . . . . . . . . . . . . . . . . . . . . . . . . . . . . . . . . . . . . . . . . . . . . . . . . 12-3 04-3
X13253 (26 PINS, VIOLET) . . . . . . . . . . . . . . . . . . . . . behind glove box . . . . . . . . . . . . . . . . . . . . . . . . . . . . . . . . . . . . . . . . . . . . . . . . . . . . . . . 12-3 00-2
X13254 (26 PINS, GREEN) . . . . . . . . . . . . . . . . . . . . . behind glove box . . . . . . . . . . . . . . . . . . . . . . . . . . . . . . . . . . . . . . . . . . . . . . . . . . . . . . . 12-3 00-2
X13268 (3 PINS, BLACK) . . . . . . . . . . . . . . . . . . . . . . . in lift gate . . . . . . . . . . . . . . . . . . . . . . . . . . . . . . . . . . . . . . . . . . . . . . . . . . . . . . . . . . . . . 24-2 00-4
X13287 (1 PIN, WHITE) . . . . . . . . . . . . . . . . . . . . . . . . center of dash behind center console
X13394 (3 PINS, BLUE) . . . . . . . . . . . . . . . . . . . . . . . . behind RH front wheel . . . . . . . . . . . . . . . . . . . . . . . . . . . . . . . . . . . . . . . . . . . . . . . . . . 05-4
X13395 (3 PINS, BLUE) . . . . . . . . . . . . . . . . . . . . . . . . behind LH front wheel . . . . . . . . . . . . . . . . . . . . . . . . . . . . . . . . . . . . . . . . . . . . . . . . . . . 05-4
X13396 (3 PINS, BLACK) . . . . . . . . . . . . . . . . . . . . . . . center console . . . . . . . . . . . . . . . . . . . . . . . . . . . . . . . . . . . . . . . . . . . . . . . . . . . . . . . . . 00-4
X13578 (18 PINS, BLUE) . . . . . . . . . . . . . . . . . . . . . . . under glove box . . . . . . . . . . . . . . . . . . . . . . . . . . . . . . . . . . . . . . . . . . . . . . . . . . . . . . . . 06-3
X18080 (1 PIN, BLACK) . . . . . . . . . . . . . . . . . . . . . . . . in LH side of luggage compartment
X18126 (17 PINS, BLACK) . . . . . . . . . . . . . . . . . . . . . . center console behind radio . . . . . . . . . . . . . . . . . . . . . . . . . . . . . . . . . . . . . . . . . . . . . . 01-5
X18170 GROUND . . . . . . . . . . . . . . . . . . . . . . . . . . . . . below center console . . . . . . . . . . . . . . . . . . . . . . . . . . . . . . . . . . . . . . . . . . . . . . . . . . . 03-1
X18180 (3 PINS, BLACK) . . . . . . . . . . . . . . . . . . . . . . . in RH rear side of luggage compartment . . . . . . . . . . . . . . . . . . . . . . . . . . . . . . . . . . . 00-4
X18184 (1 PIN, BLACK) . . . . . . . . . . . . . . . . . . . . . . . . RIGHT REAR SPEAKER
X18189 (1 PIN, BLACK) . . . . . . . . . . . . . . . . . . . . . . . . LEFT REAR SPEAKER
X18190 (3 PINS, BLACK) . . . . . . . . . . . . . . . . . . . . . . . in driver’s door . . . . . . . . . . . . . . . . . . . . . . . . . . . . . . . . . . . . . . . . . . . . . . . . . . . . . . . . . 17-2 09-3
X18196 (10 PINS, BLACK) . . . . . . . . . . . . . . . . . . . . . . LH A–pillar . . . . . . . . . . . . . . . . . . . . . . . . . . . . . . . . . . . . . . . . . . . . . . . . . . . . . . . . . . . . 16-3 01-6

BM
BMW
BMWBMW
Z3
COMPONENT LOCATION CHART
7000.0Ć31
01/01 2001
COMP. 8500.07100.0
LOCATIONDESCRIPTION
X18198 (10 PINS, BLACK) . . . . . . . . . . . . . . . . . . . . . . RH A–pillar . . . . . . . . . . . . . . . . . . . . . . . . . . . . . . . . . . . . . . . . . . . . . . . . . . . . . . . . . . . . 18-1 01-6
X18279 (2 PINS, GRAY) . . . . . . . . . . . . . . . . . . . . . . . . in driver’s door
X18280 (2 PINS, GRAY) . . . . . . . . . . . . . . . . . . . . . . . . in passenger’s door
X18303 (47 PINS, BLACK) . . . . . . . . . . . . . . . . . . . . . . LH side of engine compartment . . . . . . . . . . . . . . . . . . . . . . . . . . . . . . . . . . . . . . . . . . 11-2
X18333 (2 PINS, BLACK) . . . . . . . . . . . . . . . . . . . . . . . on instrument cluster
X18349 (8 PINS, BLACK) . . . . . . . . . . . . . . . . . . . . . . . center console . . . . . . . . . . . . . . . . . . . . . . . . . . . . . . . . . . . . . . . . . . . . . . . . . . . . . . . . . 00-1 07-3
X18350 (6 PINS, BLACK) . . . . . . . . . . . . . . . . . . . . . . . RH side of LH footwell . . . . . . . . . . . . . . . . . . . . . . . . . . . . . . . . . . . . . . . . . . . . . . . . . . 21-2 03-3
X18363 (9 PINS, BLACK) . . . . . . . . . . . . . . . . . . . . . . . in LH side of luggage compartment . . . . . . . . . . . . . . . . . . . . . . . . . . . . . . . . . . . . . . . 03-1
X18364 (9 PINS, BLACK) . . . . . . . . . . . . . . . . . . . . . . . in LH side of luggage compartment . . . . . . . . . . . . . . . . . . . . . . . . . . . . . . . . . . . . . . . 03-1
X18516 (3 PINS, BLACK) . . . . . . . . . . . . . . . . . . . . . . . in passenger’s door . . . . . . . . . . . . . . . . . . . . . . . . . . . . . . . . . . . . . . . . . . . . . . . . . . . . . 18-3 09-3
X18518 (4 PINS, BLACK) . . . . . . . . . . . . . . . . . . . . . . . under RH front seat . . . . . . . . . . . . . . . . . . . . . . . . . . . . . . . . . . . . . . . . . . . . . . . . . . . . . 06-1
X18520 (10 PINS, BLACK) . . . . . . . . . . . . . . . . . . . . . . center console RADIO
X18521 (10 PINS, BLACK) . . . . . . . . . . . . . . . . . . . . . . RH side of luggage compartment CD CHANGER
X18774 (42 PINS, BLACK) . . . . . . . . . . . . . . . . . . . . . . in LH forward side of luggage compartment . . . . . . . . . . . . . . . . . . . . . . . . . . . . . . . . 10-3 10-2
X18983 (2 PINS, BLACK) . . . . . . . . . . . . . . . . . . . . . . . center of dash
X18984 (2 PINS, BLACK) . . . . . . . . . . . . . . . . . . . . . . . center of dash . . . . . . . . . . . . . . . . . . . . . . . . . . . . . . . . . . . . . . . . . . . . . . . . . . . . . . . . . 21-3
X18994 (3 PINS, VIOLET) . . . . . . . . . . . . . . . . . . . . . . LH footwell . . . . . . . . . . . . . . . . . . . . . . . . . . . . . . . . . . . . . . . . . . . . . . . . . . . . . . . . . . . . 20-1 00-4
X19007 (12 PINS, BLACK) . . . . . . . . . . . . . . . . . . . . . . behind glove box . . . . . . . . . . . . . . . . . . . . . . . . . . . . . . . . . . . . . . . . . . . . . . . . . . . . . . . 12-2 01-1
X19018 (2 PINS, BLACK) . . . . . . . . . . . . . . . . . . . . . . . behind glove box . . . . . . . . . . . . . . . . . . . . . . . . . . . . . . . . . . . . . . . . . . . . . . . . . . . . . . . 23-2
X19022 (3 PINS, BLACK) . . . . . . . . . . . . . . . . . . . . . . . under radiator . . . . . . . . . . . . . . . . . . . . . . . . . . . . . . . . . . . . . . . . . . . . . . . . . . . . . . . . . . 13-1 11-3
X19527 (16 PINS, BLACK) . . . . . . . . . . . . . . . . . . . . . . center console right . . . . . . . . . . . . . . . . . . . . . . . . . . . . . . . . . . . . . . . . . . . . . . . . . . . . . 03-3 07-1
X19562 (4 PINS, NATURAL) . . . . . . . . . . . . . . . . . . . . rear LH side of engine compartment . . . . . . . . . . . . . . . . . . . . . . . . . . . . . . . . . . . . . . 31-2 05-1

BM
BMW
BMWBMW
Z3
COMPONENT LOCATION CHART
7000.0Ć32
01/01 2001
COMP. 8500.07100.0
LOCATIONDESCRIPTION
X23146 (2 PINS, BLACK) . . . . . . . . . . . . . . . . . . . . . . . in LH side of luggage compartment . . . . . . . . . . . . . . . . . . . . . . . . . . . . . . . . . . . . . . . 08-3
X60001 (9 PINS, BLACK) . . . . . . . . . . . . . . . . . . . . . . . rear RH side of engine compartment in E–Box . . . . . . . . . . . . . . . . . . . . . . . . . . . . . 31-1 01-2
X60002 (24 PINS, BLACK) . . . . . . . . . . . . . . . . . . . . . . rear RH side of engine compartment in E–Box . . . . . . . . . . . . . . . . . . . . . . . . . . . . . 31-1 03-5
X60003 (52 PINS, BLACK) . . . . . . . . . . . . . . . . . . . . . . rear RH side of engine compartment in E–Box . . . . . . . . . . . . . . . . . . . . . . . . . . . . . 31-1 02-5
X60004 (40 PINS, BLACK) . . . . . . . . . . . . . . . . . . . . . . rear RH side of engine compartment in E–Box . . . . . . . . . . . . . . . . . . . . . . . . . . . . . 31-1 07-5
X60005 (9 PINS, BLACK) . . . . . . . . . . . . . . . . . . . . . . . rear RH side of engine compartment in E–Box . . . . . . . . . . . . . . . . . . . . . . . . . . . . . 31-1 01-2
X60531 (3 PINS, WHITE) . . . . . . . . . . . . . . . . . . . . . . . rear RH side of engine compartment in E–Box . . . . . . . . . . . . . . . . . . . . . . . . . . . . . 03-6
X62101 (4 PINS, BLACK) . . . . . . . . . . . . . . . . . . . . . . . on catalytic converter . . . . . . . . . . . . . . . . . . . . . . . . . . . . . . . . . . . . . . . . . . . . . . . . . . . 05-3
X62102 (4 PINS, BLACK) . . . . . . . . . . . . . . . . . . . . . . . on catalytic converter . . . . . . . . . . . . . . . . . . . . . . . . . . . . . . . . . . . . . . . . . . . . . . . . . . . 05-3
X62201 (4 PINS, BLACK) . . . . . . . . . . . . . . . . . . . . . . . on catalytic converter . . . . . . . . . . . . . . . . . . . . . . . . . . . . . . . . . . . . . . . . . . . . . . . . . . . 05-3
X62202 (4 PINS, BLACK) . . . . . . . . . . . . . . . . . . . . . . . on catalytic converter . . . . . . . . . . . . . . . . . . . . . . . . . . . . . . . . . . . . . . . . . . . . . . . . . . . 05-3
X62400 (4 PINS, BLACK) . . . . . . . . . . . . . . . . . . . . . . . LH side of engine . . . . . . . . . . . . . . . . . . . . . . . . . . . . . . . . . . . . . . . . . . . . . . . . . . . . . . . 05-3
X64101 (2 PINS, BLACK) . . . . . . . . . . . . . . . . . . . . . . . rear RH side of engine compartment in E–Box
X64102 (2 PINS, BLACK) . . . . . . . . . . . . . . . . . . . . . . . rear RH side of engine compartment in E–Box
X64192 (2 PINS, BLACK) . . . . . . . . . . . . . . . . . . . . . . . rear RH side of engine compartment in E–Box
X70001 (9 PINS, BLUE) . . . . . . . . . . . . . . . . . . . . . . . . rear RH side of engine compartment in E–Box . . . . . . . . . . . . . . . . . . . . . . . . . . . . . 01-2
X70003 (52 PINS, BLUE) . . . . . . . . . . . . . . . . . . . . . . . rear RH side of engine compartment in E–Box . . . . . . . . . . . . . . . . . . . . . . . . . . . . . 02-5
X70004 (40 PINS, BLUE) . . . . . . . . . . . . . . . . . . . . . . . rear RH side of engine compartment in E–Box . . . . . . . . . . . . . . . . . . . . . . . . . . . . . 07-5
X89977 (2 PINS, BLACK) . . . . . . . . . . . . . . . . . . . . . . . rear RH side of engine compartment in E–Box
X91009 (2 PINS, BLACK) . . . . . . . . . . . . . . . . . . . . . . . under RH front seat
X100000 (4 PINS, NATURAL) . . . . . . . . . . . . . . . . . . . . LH side of dash . . . . . . . . . . . . . . . . . . . . . . . . . . . . . . . . . . . . . . . . . . . . . . . . . . . . . . . . 02-4
Y2 . . . . . AIR CONDITIONING COMPRESSOR . . . . front RH side of engine compartment

BM
BMW
BMWBMW
Z3
COMPONENT LOCATION CHART
7000.0Ć33
01/01 2001
COMP. 8500.07100.0
LOCATIONDESCRIPTION
Y4z . . . . WATER VALVE . . . . . . . . . . . . . . . . . . . . . . . . rear LH side of engine compartment . . . . . . . . . . . . . . . . . . . . . . . . . . . . . . . . . . . . . . 14-3
Y5 . . . . . DRIVER’S SIDE MIRROR . . . . . . . . . . . . . . . in upper LH front door
Y6 . . . . . PASSENGER’S SIDE MIRROR . . . . . . . . . . in upper RH front door
Y16z . . PRESSURE TRANSMITTER . . . . . . . . . . . . rear LH side of engine compartment . . . . . . . . . . . . . . . . . . . . . . . . . . . . . . . . . . . . . . 11-3
Y19 . . . SHIFT–LOCK . . . . . . . . . . . . . . . . . . . . . . . . . . center console
Y5255 . VARIABLE CAMSHAFT CONTROL
VALVES . . . . . . . . . . . . . . . . . . . . . . . . . . . . front of engine
Y5392 . ELECTRIC THROTTLE MOTOR . . . . . . . . . LH side of engine
Y6101 . CYL. 1 FUEL INJECTION VALVE . . . . . . . . on cylinder head
Y6102 . CYL. 2 FUEL INJECTION VALVE . . . . . . . . on cylinder head
Y6103 . CYL. 3 FUEL INJECTION VALVE . . . . . . . . on cylinder head
Y6104 . CYL. 4 FUEL INJECTION VALVE . . . . . . . . on cylinder head
Y6105 . CYL. 5 FUEL INJECTION VALVE . . . . . . . . on cylinder head
Y6106 . CYL. 6 FUEL INJECTION VALVE . . . . . . . . on cylinder head
Y6120 . EVAPORATIVE EMISSION VALVE . . . . . . . LH side of engine compartment
Y6130 . IDLE SPEED CONTROL VALVE . . . . . . . . . front of engine
Y6133 . AIR PUMP . . . . . . . . . . . . . . . . . . . . . . . . . . . . rear RH side of engine compartment
Y6163 . SECONDARY AIR PUMP VALVE . . . . . . . . LH side of engine compartment
Y6165 . SOLENOID VALVE, SUCKING JET PUMP rear LH side of engine compartment
Y6167 . VALVE, INDIVIDUAL CONTROL INTAKE
SYSTEM . . . . . . . . . . . . . . . . . . . . . . . . . . . . LH side of engine compartment
Y6275z VARIABLE CAMSHAFT CONTROL VALVE
1 (INLET) . . . . . . . . . . . . . . . . . . . . . . . . . . . on cylinder head

BM
BMW
BMWBMW
Z3
COMPONENT LOCATION CHART
7000.0Ć34
01/01 2001
COMP. 8500.07100.0
LOCATIONDESCRIPTION
Y6276 . VARIABLE CAMSHAFT CONTROL VALVE
2 (OUTLET) . . . . . . . . . . . . . . . . . . . . . . . . . on cylinder head
Y6390 . ELECTRIC THROTTLE ACTUATOR . . . . . . top LH side of engine
Y8505y TRANSMISSION VALVE UNIT . . . . . . . . . . . on RH side of transmission

A35y
BOARD COMPUTER
(BC – LOW)
X10010
GROUND
BMBMWBMWBMW
Z3
7100.0 COMPONENT LOCATION VIEWS
01/01 7100.0Ć 2001
00
X13004
GROUND
S220
AIR CONDITIONING/
RECIRCULATING
SWITCH ASSEMBLY
K46
HIGH BEAM LIGHT
RELAY
2
31
X10245
X18349
K6301w
FUEL PUMP RELAY
N17
CRASH CONTROL
MODULE
X322
X1588
2
1
P97
AUXILIARY FUSE
BOX
3

BMBMWBMWBMW
Z3
M6510
STARTER
COMPONENT LOCATION VIEWS
01/01 7100.0Ć 2001
01
X165
GROUND
X6510
CABLE SOCKET
STARTER, TERMI-
NAL 50
X6454
GROUND
X6455
GROUND
K25
RIGHT PARK
LIGHT/LICENSE
PLATE LIGHT
RELAY
K26
LEFT PARK LIGHT
RELAY
3
2
1
X6512
CABLE SOCKET
STARTER, TERMI-
NAL 30
2
1
K70
CENTRAL LOCKING
LUGGAGE
COMPARTMENT
LID MOTOR RELAY
(ZV)
3

BMBMWBMWBMW
Z3
H55z
REAR LEFT MID–
HIGH RANGE
SPEAKER
X537
COMPONENT LOCATION VIEWS
06/00 7100.0Ć 2001
02
G19
BATTERY SAFETY
TERMINAL
E17
RIGHT REAR LIGHT
ASSEMBLY
P99
FUSE HOLDER
32
X10467
G1
BATTERY
X318
1
2
1
3

X494
GROUND
X170
GROUND
BMBMWBMWBMW
Z3
COMPONENT LOCATION VIEWS
06/00 7100.0Ć 2001
03
X9633
GROUND
X18170
GROUND
D110
OBD II
CONNECTOR
2
1
1
2
X19527
3
3

BMBMWBMWBMW
Z3
X114
X118
COMPONENT LOCATION VIEWS
06/00 7100.0Ć 2001
04
B21
ON–BOARD
COMPUTER
TEMPERATURE
SENSOR
B2
LEFT FRONT
SPEED SENSOR –
ABS
2
X770
B16
LEFT FRONT
BRAKE PAD
SENSOR
1
3
1
23

X13006
GROUND
BMBMWBMWBMW
Z3
COMPONENT LOCATION VIEWS
06/00 7100.0Ć 2001
05
X166
GROUND
X13016
GROUND
3
1
2
23
X492
GROUND
1

X1116
GROUND
BMBMWBMWBMW
Z3
COMPONENT LOCATION VIEWS
06/00 7100.0Ć 2001
06
X6456
GROUND
X13032
GROUND
12
3
1
23

BMBMWBMWBMW
Z3
X1885
X1884
COMPONENT LOCATION VIEWS
06/00 7100.0Ć 2001
07
B79
PASSENGER’S
SIDE IMPACT
SENSOR
G15
RIGHT SIDE AIR
BAG GAS
GENERATOR
2
3
X1886
B78
DRIVER’S SIDE IM-
PACT SENSOR
1
1
3
2

K18363
CONVERTIBLE TOP
RELAY I (CLOSE)
BMBMWBMWBMW
Z3
X13146
X23146
COMPONENT LOCATION VIEWS
06/00 7100.0Ć 2001
08
B10
VEHICLE SPEED
SENSOR
2
X383
2
3
1
K18364
CONVERTIBLE TOP
RELAY II (OPEN)
M101
CONVERTIBLE TOP
MOTOR
X143
X713
3
1

BMBMWBMWBMW
Z3
B18
BRAKE FLUID
LEVEL SWITCH
COMPONENT LOCATION VIEWS
01/01 7100.0Ć 2001
09
K2
HORN RELAY
X111
X372
H1w
ANTI–THEFT HORN
(ALPINE)
K4
BLOWER RELAY
K16
HAZARD FLASHER
RELAY
K47
FRONT FOG LIGHT
RELAY
K48
LOW BEAM LIGHT
RELAY
K9
UNLOADER RELAY,
TERMINAL 15
K19
COMPRESSOR
CONTROL RELAY
K21
NORMAL SPEED
RELAY
K22
HIGH SPEED
RELAY
3
2
11
2
K33a
AIR CONDITIONING
RELAY, MOTRONIC
K104
AIR CONDITIONING
RELAY/AUXILIARY
WATER PUMP
3

BMBMWBMWBMW
Z3
N44
SUBWOOFER
AMPLIFIER
MODULE
X18774
COMPONENT LOCATION VIEWS
06/00 7100.0Ć 2001
10
S14
DRIVER’S DOOR
JAMB SWITCH
2
X352
X10470
1
3
23
1

BMBMWBMWBMW
Z3
P900
AUXILIARY FUSE
BOX
COMPONENT LOCATION VIEWS
06/00 7100.0Ć 2001
11
A52
SLIP CONTROL
MODULE
(ABS/ASC)
A65
DYNAMIC STABIL-
ITY CONTROL UNIT
(DSC)
D100
DATA LINK
CONNECTOR
B76
PRESSURE
SENSOR
M118
PRECHARGE PUMP
3
21
X1170
X1746
X1656
X1747
X1748
Y16z
PRESSURE TRANS-
MITTER
1
3
2

A19007
THERMAL OIL
LEVEL SENSOR
(TOENS) CONTROL
MODULE
BMBMWBMWBMW
Z3
COMPONENT LOCATION VIEWS
06/00 7100.0Ć 2001
12
A51
WIPER/WASHER
MODULE
3
X782
X10244
X13025
A104
BODY
ELECTRONICS
CONTROL MODULE
(ZKE IV)
X285
X13252
X13253
X13254
21
X19007
1
3
2

X19022
E27
RIGHT FOG LIGHT
X133
X113
COMPONENT LOCATION VIEWS
06/00 7100.0Ć 2001
13
BMBMWBMWBMW
Z3
X769
H3
RIGHT HORN
3
1
2
23
1

S8511
REVERSING LIGHT
SWITCH
X8511
COMPONENT LOCATION VIEWS
06/00 7100.0Ć 2001
14
X10065
BMBMWBMWBMW
Z3
3
2
1
2
1
Y4z
WATER VALVE
X85
3

BMBMWBMWBMW
Z3
X1658
X1653
X1655
COMPONENT LOCATION VIEWS
06/00 7100.0Ć 2001
15
A837
ELECTRONIC
IMMOBILIZER
CONTROL MODULE
(EWS III)
B74
TRANSVERSE AC-
CELERATION
SENSOR
3
X1764
X1805
X10170
R33
STEERING ANGLE
SENSOR
1
2
A9008
CRUISE CONTROL
INTERFACE
B75
RPM RATE
SENSOR
1
23

X1883
X142
COMPONENT LOCATION VIEWS
06/00 7100.0Ć 2001
16
G14
LEFT SIDE AIR BAG
GAS GENERATOR
X257
X18196
BMBMWBMWBMW
Z3
3 1
2
3
1
2

COMPONENT LOCATION VIEWS
06/00 7100.0Ć 2001
17
S47
DRIVER’S DOOR
LOCK SWITCH
M21
DRIVER’S WINDOW
MOTOR
X623
X625
X749
X747
X753
X18190
BMBMWBMWBMW
Z3
2
1
2
1
S164
CONVERTIBLE TOP
END–POSITION MI-
CRO SWITCH
X10299
X11209
3
3

X641 M23
PASSENGER’S
WINDOW MOTOR
X624
X744
COMPONENT LOCATION VIEWS
06/00 7100.0Ć 2001
18
X746
X18516
BMBMWBMWBMW
Z3
X256
X18198
2
13
3
2
1

BMBMWBMWBMW
Z3
X605
X606
X1715
X10266
X333
COMPONENT LOCATION VIEWS
01/01 7100.0Ć 2001
19
M16
GAS FILLER LOCK
MOTOR
M3
WIPER MOTOR
X312
A18
HIFI AMPLIFIER
1
3
H66
SUBWOOFER
1
2
2
3

X78
X11143
X18994
BMBMWBMWBMW
Z3
X16
COMPONENT LOCATION VIEWS
06/00 7100.0Ć 2001
20
X17
X271
X503
X504
X1098
A2w
INSTRUMENT
CLUSTER
S30
BRAKE LIGHT
SWITCH
1
3 2
S32
CLUTCH SWITCH
3
2
S235
STARTER
IMMOBILIZATION
SWITCH
1

E105
HEAT/A/C
CONTROL PANEL
ILLUMINATION
COMPONENT LOCATION VIEWS
06/00 7100.0Ć 2001
21
X35
X10054
X771
X1517
X18350
X905
X18984
BMBMWBMWBMW
Z3
B14
EVAPORATOR
TEMPERATURE
SENSOR
M111
FRESH AIR
RECIRCULATION
MOTOR
S221
EVAPORATOR
CONTROLLER
S531
TEMPERATURE
WHEEL SWITCH
E106
HEAT/A/C
CONTROL PANEL
ILLUMINATION
3
12
S75
BLOWER SWITCH
23
1

X32
X33
X72
X295
E29
FRONT CIGAR
LIGHTER LIGHT
X532
X1014
COMPONENT LOCATION VIEWS
06/00 7100.0Ć 2001
22
A12
SUPPLEMENTAL
RESTRAINT
SYSTEM CONTROL
MODULE
X74
X1441
BMBMWBMWBMW
Z3
X531
2
1
3
3
2
1

S53
DRIVER’S SEAT,
SEAT HEATER
SWITCH
X700
X1380
COMPONENT LOCATION VIEWS
01/01 7100.0Ć 2001
23
X19018
BMBMWBMWBMW
Z3
S54
PASSENGER’S
SEAT, SEAT
HEATER SWITCH
X514
X651
X658
1
3
3
2
2
V5
DWA LED
1

BMBMWBMWBMW
Z3
X424
X712
X311
X315
COMPONENT LOCATION VIEWS
01/01 7100.0Ć 2001
24
M17
LUGGAGE
COMPARTMENT
LOCK MOTOR
A36
REAR WIPER/
WASHER INTERVAL
CONTROL MODULE
X10285
N8
ANTENNA
AMPLIFIER AM/FM
M17
LUGGAGE
COMPARTMENT
LOCK MOTOR
3
2
23
X13057
X13268
11

A18
HIFI AMPLIFIER
COMPONENT LOCATION VIEWS
06/00 7100.0Ć 2001
25
H34
HIGH LEVEL STOP
LIGHT
X413
X1717
X1770
BMBMWBMWBMW
Z3
1
3
2
S910
DRIVER’S SEAT
LIMIT SWITCH
S911
PASSENGER’S
SEAT LIMIT
SWITCH
23
1

H54z
REAR RIGHT MID–
HIGH RANGE
SPEAKER
COMPONENT LOCATION VIEWS
06/00 7100.0Ć 2001
26
S13
PASSENGER’S
DOOR JAMB
SWITCH
X351
X538
X1715
BMBMWBMWBMW
Z3
21
3
1
3
2

BMBMWBMWBMW
Z3
X783
X10216
X10217
COMPONENT LOCATION VIEWS
01/01 7100.0Ć 2001
27
A605
FUSE HOLDER
G12
DRIVER’S SIDE
PYROTECHNICAL
BELT TENSIONER
2
3X539
X5115
C101
CONTACT RING
S20
RADIO ANTI–
THEFT SWITCH
(DWA)
G13
PASSENGER’S
SIDE
PYROTECHNICAL
BELT TENSIONER
2
1
L1
EWS TOROIDAL
COIL
S2
IGNITION SWITCH
3
S20w
RADIO ANTI–
THEFT SWITCH
1

X6500
COMPONENT LOCATION VIEWS
06/00 7100.0Ć 2001
28
S408
INTERIOR LIGHT
SWITCH
X357
X11104
BMBMWBMWBMW
Z3
X11105
X11106
2
3
2
1
X311
X315
X711
3
1

S825
FRONT LID MICRO
SWITCH
BMBMWBMWBMW
Z3
BMWBMWBMW
E14
RIGHT LOW BEAM
LIGHT
X130
BMW COMPONENT LOCATION VIEWS
01/01 7100.0Ć 2001
29
E11
LEFT HIGH BEAM
LIGHT
X371
X131
E13
LEFT LOW BEAM
LIGHT
S21w
ENGINE HOOD
SWITCH
X134
X135
32
1
23
1

BMBMWBMWBMW
Z3
X137
X10088
X127
X10241
COMPONENT LOCATION VIEWS
06/00 7100.0Ć 2001
30
S36
TEMPERATURE
SWITCH
X87
B9508
PRESSURE
SWITCH
1
3
3
2
1
2

BMBMWBMWBMW
Z3
X122X19562
COMPONENT LOCATION VIEWS
01/01 7100.0Ć 2001
31
A6000
ENGINE CONTROL
MODULE (DME)
X6001
X6002
X6003
X6004
X6005
H67
DWA SIREN
2
M37a
AUXILIARY WATER
PUMP
1
3
1
23

B21z
TEMPERATURE
SENSOR
X132
X768
X770
COMPONENT LOCATION VIEWS
01/01 7100.0Ć 2001
32
B28
PITCH SENSOR
(DWA)
X319
X1222
BMBMWBMWBMW
Z3
3
X105
X106
1
2
E51
LEFT WASHER JET
HEATER
E52
RIGHT WASHER
JET HEATER
1
23

BM
BMW
BMWBMW
Z3
8000.0 SPLICE LOCATION VIEWS
8000.0Ć00
01/01 2001
SPLICE HARNESS PAGE NUMBER SPLICE HARNESS PAGE NUMBER
X181–X185 BODY 8000.0-03. . . . . . . . . . . . . . . . . . . . . . . . . . . . .
X188 BODY 8000.0-04. . . . . . . . . . . . . . . . . . . . . . . . . . . . . . . . . . .
X189 IHKS NOT SHOWN. . . . . . . . . . . . . . . . . . . . . . . . . . . . . . . . . . . .
X191–X197 BODY 8000.0-04. . . . . . . . . . . . . . . . . . . . . . . . . . . . .
X203 BODY 8000.0-03. . . . . . . . . . . . . . . . . . . . . . . . . . . . . . . . . . .
X213 BODY 8000.0-04. . . . . . . . . . . . . . . . . . . . . . . . . . . . . . . . . . .
X216–X223 BODY 8000.0-03. . . . . . . . . . . . . . . . . . . . . . . . . . . . .
X239 BODY 8000.0-03. . . . . . . . . . . . . . . . . . . . . . . . . . . . . . . . . . .
X245–X246 BODY 8000.0-03. . . . . . . . . . . . . . . . . . . . . . . . . . . . .
X276 BODY 8000.0-03. . . . . . . . . . . . . . . . . . . . . . . . . . . . . . . . . . .
X443 BODY 8000.0-04. . . . . . . . . . . . . . . . . . . . . . . . . . . . . . . . . . .
X445 BODY 8000.0-03. . . . . . . . . . . . . . . . . . . . . . . . . . . . . . . . . . .
X449 BODY 8000.0-04. . . . . . . . . . . . . . . . . . . . . . . . . . . . . . . . . . .
X450 BODY 8000.0-03. . . . . . . . . . . . . . . . . . . . . . . . . . . . . . . . . . .
X453–X465 BODY 8000.0-04. . . . . . . . . . . . . . . . . . . . . . . . . . . . .
X470 BODY 8000.0-03. . . . . . . . . . . . . . . . . . . . . . . . . . . . . . . . . . .
X530 BODY 8000.0-03. . . . . . . . . . . . . . . . . . . . . . . . . . . . . . . . . . .
X595 BODY 8000.0-03. . . . . . . . . . . . . . . . . . . . . . . . . . . . . . . . . . .
X697 BODY 8000.0-03. . . . . . . . . . . . . . . . . . . . . . . . . . . . . . . . . . .
X805 BODY 8000.0-04. . . . . . . . . . . . . . . . . . . . . . . . . . . . . . . . . . .
X806 BODY 8000.0-03. . . . . . . . . . . . . . . . . . . . . . . . . . . . . . . . . . .
X814–X818 IHKS NOT SHOWN. . . . . . . . . . . . . . . . . . . . . . . . . . . . . .
X824–X830 RADIO/HIFI/CD NOT SHOWN. . . . . . . . . . . . . . . . . . . .
X849–X851 DRIVER’S DOOR 8000.0-04. . . . . . . . . . . . . . . . . . .
X876–X877 RADIO/HIFI/CD NOT SHOWN. . . . . . . . . . . . . . . . . . . .
X878–X888 BODY 8000.0-03. . . . . . . . . . . . . . . . . . . . . . . . . . . . .
X942 PASSENGER’S DOOR 8000.0-04. . . . . . . . . . . . . . . . . . . .
X985 IHKS NOT SHOWN. . . . . . . . . . . . . . . . . . . . . . . . . . . . . . . . . . . .
X1015–X1019 BODY 8000.0-03. . . . . . . . . . . . . . . . . . . . . . . . . . .
X1022–X1027 BODY 8000.0-03. . . . . . . . . . . . . . . . . . . . . . . . . . .
X1028–X1029 BODY 8000.0-04. . . . . . . . . . . . . . . . . . . . . . . . . . .
X1036–X1047 BODY 8000.0-03. . . . . . . . . . . . . . . . . . . . . . . . . . .
X1066–X1076 BODY 8000.0-03. . . . . . . . . . . . . . . . . . . . . . . . . . .
X1079 BODY 8000.0-04. . . . . . . . . . . . . . . . . . . . . . . . . . . . . . . . . .
X1100–X1123 BODY 8000.0-03. . . . . . . . . . . . . . . . . . . . . . . . . . .
X1152–X1163 BODY 8000.0-03. . . . . . . . . . . . . . . . . . . . . . . . . . .
X1168–X1169 BODY 8000.0-03. . . . . . . . . . . . . . . . . . . . . . . . . . .
X1182 BODY 8000.0-04. . . . . . . . . . . . . . . . . . . . . . . . . . . . . . . . . .
X1214–X1215 BODY 8000.0-03. . . . . . . . . . . . . . . . . . . . . . . . . . .
X1225 BODY 8000.0-04. . . . . . . . . . . . . . . . . . . . . . . . . . . . . . . . . .
X1232 BODY 8000.0-03. . . . . . . . . . . . . . . . . . . . . . . . . . . . . . . . . .
X1234–X1235 BODY 8000.0-04. . . . . . . . . . . . . . . . . . . . . . . . . . .
X1236 BODY 8000.0-03. . . . . . . . . . . . . . . . . . . . . . . . . . . . . . . . . .
X1258 BODY 8000.0-03. . . . . . . . . . . . . . . . . . . . . . . . . . . . . . . . . .
X1264 BODY 8000.0-03. . . . . . . . . . . . . . . . . . . . . . . . . . . . . . . . . .
X1280 BODY 8000.0-03. . . . . . . . . . . . . . . . . . . . . . . . . . . . . . . . . .

BM
BMW
BMWBMW
Z3
SPLICE LOCATION VIEWS
8000.0Ć01
01/01 2001
SPLICE HARNESS PAGE NUMBER SPLICE HARNESS PAGE NUMBER
X1429–X1435 IHKS NOT SHOWN. . . . . . . . . . . . . . . . . . . . . . . . . . . .
X1483 BODY 8000.0-03. . . . . . . . . . . . . . . . . . . . . . . . . . . . . . . . . .
X1610 BODY 8000.0-03. . . . . . . . . . . . . . . . . . . . . . . . . . . . . . . . . .
X1617–X1618 BODY 8000.0-04. . . . . . . . . . . . . . . . . . . . . . . . . . .
X1620 BODY 8000.0-03. . . . . . . . . . . . . . . . . . . . . . . . . . . . . . . . . .
X1682 BODY 8000.0-03. . . . . . . . . . . . . . . . . . . . . . . . . . . . . . . . . .
X1893–X1894 BODY 8000.0-03. . . . . . . . . . . . . . . . . . . . . . . . . . .
X3770 BODY 8000.0-03. . . . . . . . . . . . . . . . . . . . . . . . . . . . . . . . . .
X5284–X5286 S54 ENGINE 8000.0-06. . . . . . . . . . . . . . . . . . . . .
X6458–X6460 M54 ENGINE 8000.0-05. . . . . . . . . . . . . . . . . . . .
X6458–X6495 S54 ENGINE 8000.0-06. . . . . . . . . . . . . . . . . . . . .
X6830–X6831 M54 ENGINE 8000.0-05. . . . . . . . . . . . . . . . . . . .
X6810–X6833 S54 ENGINE 8000.0-06. . . . . . . . . . . . . . . . . . . . .
X6900 M54 ENGINE 8000.0-05. . . . . . . . . . . . . . . . . . . . . . . . . . .
X6900–X6970 S54 ENGINE 8000.0-06. . . . . . . . . . . . . . . . . . . . .
X6949 BODY 8000.0-03. . . . . . . . . . . . . . . . . . . . . . . . . . . . . . . . . .
X6960–X6970 M54 ENGINE 8000.0-05. . . . . . . . . . . . . . . . . . . .
X9367 DRIVER’S SEAT NOT SHOWN. . . . . . . . . . . . . . . . . . . . . . . .
X9368 PASSENGER’S SEAT NOT SHOWN. . . . . . . . . . . . . . . . . . . .
X9454 BODY 8000.0-03. . . . . . . . . . . . . . . . . . . . . . . . . . . . . . . . . .
X9806 AUXILIARY INSTRUMENTS NOT SHOWN. . . . . . . . . . . . . .
X9992–X9993 DRIVER’S SEAT NOT SHOWN. . . . . . . . . . . . . . . . .
X9996–X9997 PASSENGER’S SEAT NOT SHOWN. . . . . . . . . . . . .
X10008–X10009 BODY 8000.0-03. . . . . . . . . . . . . . . . . . . . . . . . .
X10014–X10027 BODY 8000.0-03. . . . . . . . . . . . . . . . . . . . . . . . .
X10064 BODY 8000.0-04. . . . . . . . . . . . . . . . . . . . . . . . . . . . . . . . .
X10237 BODY 8000.0-04. . . . . . . . . . . . . . . . . . . . . . . . . . . . . . . . .
X10464 RADIO/HIFI NOT SHOWN. . . . . . . . . . . . . . . . . . . . . . . . . . . .
X10468–X10469 BODY 8000.0-03. . . . . . . . . . . . . . . . . . . . . . . . .
X11212 BODY 8000.0-03. . . . . . . . . . . . . . . . . . . . . . . . . . . . . . . . .
X11264 BODY 8000.0-03. . . . . . . . . . . . . . . . . . . . . . . . . . . . . . . . .
X11291 BODY 8000.0-04. . . . . . . . . . . . . . . . . . . . . . . . . . . . . . . . .
X11337–X11353 BODY 8000.0-03. . . . . . . . . . . . . . . . . . . . . . . . .
X11355 BODY 8000.0-04. . . . . . . . . . . . . . . . . . . . . . . . . . . . . . . . .
X11357 BODY 8000.0-03. . . . . . . . . . . . . . . . . . . . . . . . . . . . . . . . .
X13007 BODY 8000.0-03. . . . . . . . . . . . . . . . . . . . . . . . . . . . . . . . .
X13011–X13047 BODY 8000.0-04. . . . . . . . . . . . . . . . . . . . . . . . .
X13281 BODY 8000.0-03. . . . . . . . . . . . . . . . . . . . . . . . . . . . . . . . .
X18178 DRIVER’S SEAT NOT SHOWN. . . . . . . . . . . . . . . . . . . . . . .
X18179 PASSENGER’S SEAT NOT SHOWN. . . . . . . . . . . . . . . . . . .
X18510 BODY 8000.0-03. . . . . . . . . . . . . . . . . . . . . . . . . . . . . . . . .
X18835–X18836 BODY 8000.0-03. . . . . . . . . . . . . . . . . . . . . . . . .
X19010–X19027 BODY 8000.0-03. . . . . . . . . . . . . . . . . . . . . . . . .
X19513 RADIO/HIFI/CD NOT SHOWN. . . . . . . . . . . . . . . . . . . . . . . .
X64109 BODY 8000.0-03. . . . . . . . . . . . . . . . . . . . . . . . . . . . . . . . .
X64119 BODY 8000.0-03. . . . . . . . . . . . . . . . . . . . . . . . . . . . . . . . .

BM
BMW
BMWBMW
Z3
SPLICE LOCATION VIEWS
8000.0Ć02
01/01 2001
SPLICE HARNESS PAGE NUMBER
X64129 BODY 8000.0-03. . . . . . . . . . . . . . . . . . . . . . . . . . . . . . . . .
X64591 BODY 8000.0-03. . . . . . . . . . . . . . . . . . . . . . . . . . . . . . . . .
X64619 S54 ENGINE 8000.0-06. . . . . . . . . . . . . . . . . . . . . . . . . . .
X68309 IHKS NOT SHOWN. . . . . . . . . . . . . . . . . . . . . . . . . . . . . . . . . .
X91091 AUXILIARY INSTRUMENTS NOT SHOWN. . . . . . . . . . . . .

X184 D
X185 D
X203 D
X223 D
X239 D
X245 D
X246 D
X470 D
X530 D
X697 D
X888 D
X1015 D
X1019 D
X1022 D
X1027 D
X1036 D
X1047 D
X1066 D
X1067 D
X1069 D
X1076 D
X1100 D
X1107 D
X1123 D
X1152 D
*X1163 D
X1168 D
**X1169 D
X1232 D
X1236 D
X1258 D
X1264 D
X1280 D
X1483 D
X1893 D
X1894 D
X3770 D
*X6949 D
X10008 D
X10020 D
X10021 D
X10022 D
X10024 D
X10468 D
X10469 D
X11212 D
X11264 D
X11339 D
X11353 D
X13281 D
X18510 D
X19010 D
X19026 D
X19027 D
X64109 D
X64119 D
X64129 D
X64591 D
X10027
BMBMWBMWBMW
Z3
SPLICE LOCATION VIEWS
BODY HARNESS
01/01 8000.0Ć 2001
03
D
X216
D
X1610
D
X11337
SPLICE PANEL D
D
X181
X1115
X9454 D
X182 D
X183 D
X276 D
X445 D
**X1163 D
*X1169 D
X1620 D
X10009 D
X11357 D
X18835 D
X18836 D
X595 D
X806 D
X878 D
X1102 D
X1214 D
X10014 D
X13007 D
D
D
X1682
X450 D
D
X1215
D
X11212
* Z3 VERSIONS
** M VERSIONS

BMBMWBMWBMW
Z3
SPLICE LOCATION VIEWS
BODY HARNESS
01/01 8000.0Ć 2001
04
X188 D
X191 D
X196 D
X197 D
X213 D
X443 D
X449 D
X453 D
X455 D
X462 D
X465 D
X805 D
X1028 D
X1029 D
X1079 D
X1182 D
X1225 D
X1234 D
X1235 D
X11291 D
X13011 D
D
D
X849
X850
D
X851
X942 D
X1617 D
X1618 D
X10064 D
X10237 D
X11355 D
X13047 D

X6969
BMBMWBMWBMW
Z3
SPLICE LOCATION VIEWS
ENGINE HARNESS M54
01/01 8000.0Ć 2001
05
D
X6970 SPLICE PANEL
X6458 D
X6460 D
X6830 D
X6960 D
X6961 D
X6962 D
X6831 D
X6963 D
X6964 D
D
X6900 D

X6832
BMBMWBMWBMW
Z3
SPLICE LOCATION VIEWS
ENGINE HARNESS S54
01/01 8000.0Ć 2001
06
D
X6970 SPLICE PANEL
X6458 D
X6960 D
X6962 D
X6963 D
X64619 D
X5284 D
X5285 D
X5286 D
X6461 D
X6462 D
X6475 D
X6810 D
X6831 D
X6965 D
X6966 D
D
X6833 DX6900 D
X6491 D
X6495 D

B060048.00
BM
BMW
BMWBMW
Z3
8500.0 CONNECTOR VIEWS
8500.0Ć 2001
00
FIG. 4FIG. 3
B260005.00
13
26
12
25
11
24
10
23
9
22
8
21
7
20
6
19
5
18
4
17
3
16
2
15
1
14
FIG. 1 FIG. 2
B030050.00
123
06/00
456
123
123
B030024

123456
12 11 10 9 8 7
B120001.01
BM
BMW
BMWBMW
Z3
CONNECTOR VIEWS
06/00 8500.0Ć 2001
01
FIG. 1 FIG. 2 FIG. 3
FIG. 6FIG. 5
FIG. 4
B120002.02
1 23456
7 8 9 101112
B090008.00
98 7
65 4
32 1
1234
5678
B080002.00
2611
13814
17 12
713
4915
510 16
B170001.00 B100008.00
67 8
123
910
45

BM
BMW
BMWBMW
Z3
CONNECTOR VIEWS
06/00 8500.0Ć 2001
02
FIG. 1 FIG. 2 FIG. 3
FIG. 6FIG. 5FIG. 4
B120004.01
23 4 5 6
789101112
1
B050003.00
5
43
2
1
B030004.01
1
2
3
1234
B040004.00
1
4
5
8
23
67
B080001.00
12345678910111213
14151617181920212223242526
27282930313233343536373839
40414243444546474849505152
B520001.00

BMBMWBMWBMW
Z3
CONNECTOR VIEWS
06/00 8500.0Ć 2001
03
FIG. 1 FIG. 2 FIG. 3
FIG. 6FIG. 5FIG. 4
B090002.00
3
2
1
65
4
9
8
7
14151617181920
89
10111213
1234567
2122
23242526
B060001.02
123456
B260002.01
B200003.00
20
12
3
4
5
6
7
8
9
10
11
12
13 14
15
16
17
18
19
B240002.00
123
B030003.00
123456
789101112
131415161718
192021222324

BMWBMBMWBMWBMW
Z3
CONNECTOR VIEWS
06/00 8500.0Ć 2001
04
FIG. 1 FIG. 2
FIG. 3
321
654
B060019.03
FIG. 4
1
2
3
4
5
6
B060036.00
B150002.00
9 10 11 12 13 14 15
1 2 3 4 5 6 7 8
123456
B060038.00

BMBMWBMWBMW
Z3
CONNECTOR VIEWS
06/00 8500.0Ć 2001
05
FIG. 1
FIG. 4 FIG. 6
B030006.00
1
2
3
FIG. 3
FIG. 5
B040027.00
1
2
3
4
FIG. 2
21
43
B0400028.00
B060041.00
1
2
3
6
5
4
B0300044.00
12
3
B030049.00
123

8500.0Ć 06
BM
BMW
BMWBMW
Z3
CONNECTOR VIEWS
06/00 2001
FIG. 1 FIG. 3
FIG. 4 FIG. 6FIG. 5
321
B040026
4
1211109876
54321
B120006.00 B180000.00
1
2
3
B030042.00
1 3
4
5
26
B060037.00
123456789
10 11 12 13 14 15 17 18
16
FIG. 2
6
543
2
1
B060013.00

BMBMWBMWBMW
Z3
CONNECTOR VIEWS
06/00 8500.0Ć 2001
07
FIG. 1 FIG. 2
FIG. 3 FIG. 5
FIG. 4
B160002.00
1 234 5 6 78
9 10111213141516
B250005.00
25 24 14
23 22 16 1521 20 19 18 17
2
1
3 5 6 7 8 9 10 11 12
13
B080013.00
1
2
3
4
5
6
7
8
8
1
3
610 15
18
19
20
17
9
5
2
4
711
16
13
14
B200008.00
12
10123456789
2011 12 13 14 15 16 17 18 19
3021 22 23 24 25 26 27 28 29
4031 32 33 34 35 36 37 38 39
B400000.00

BM
BMW
BMWBMW
Z3
CONNECTOR VIEWS
06/00 8500.0Ć 2001
08
FIG. 1 FIG. 2 FIG. 3
FIG. 5
FIG. 4
B060043.00
654
321
B070012.00
7
6
5
4
3
2
1
B250004.00
98
2425
10
1
17
7
23
16
14a15
B030015.08 B500000.00
39 40 41 42 43 44 45 46 47 48 49 50
13
38
12
37
11
36
10
35
9
34
8
33
7
32
6
31
5
30
4
29
3
28
2
27
1
26
252423222120191817161514

BMBMWBMWBMW
Z3
CONNECTOR VIEWS
06/00 8500.0Ć 2001
09
FIG. 1 FIG. 2
FIG. 4
FIG. 3
FIG. 5
B030018.02
213 3
B030036.01
21
B030048a
123
B030022.00
123 321
B060042
456

B030023.00
B030052.00
B060049.00
B040023.01
BMBMWBMWBMW
Z3
CONNECTOR VIEWS
01/01 8500.0Ć 2001
10
FIG. 1
FIG. 4 FIG. 6
FIG. 3
FIG. 5
FIG. 2
1
2
3
4456
123 1 3
2
231
B030051.00
123
B050015.00
12345

B040032.00
B470000.00
BM
BMW
BMWBMW
Z3
CONNECTOR VIEWS
01/01 8500.0Ć 2001
11
FIG. 1 FIG. 2
FIG. 3
B050016.00
32145
16 15 21
47 46 33 32
31 17
12
4





