2007 Polaris Sportsman 700 800 EFI Service Manual
User Manual: 2007 Polaris Sportsman 700 800 800 EFI Service Manual
Open the PDF directly: View PDF
.
Page Count: 393 [warning: Documents this large are best viewed by clicking the View PDF Link!]
- FOREWORD
- CHAPTER INDEX
- CH 1 - GENERAL INFORMATION
- MODEL INFORMATION
- Model Number/VIN Identification
- Model Number
- Engine Designation Numbers
- VIN Identification
- TRANSMISSION I.D. LOCATION
- Engine and Machine Serial Numbers
- PUBLICATIONS
- Publication Numbers
- PAINT CODES
- Paint Codes
- REPLACEMENT KEYS
- Keys, Replacement
- Sportsman ‘Deluxe’ and ‘Standard’ Model Component Comparison
- Sportsman X2 ‘Deluxe’ and ‘Standard’ Model Component Comparison
- 2007 SPORTSMAN 700 EFI
- Specifications, Sportsman 700 EFI
- 2007 SPORTSMAN 800 EFI
- Specifications, Sportsman 800 EFI
- 2007 SPORTSMAN X2 800 EFI
- Specifications, Sportsman 800 X2 EFI
- Misc. Tables
- MISC. NUMBERS/CHARTS
- CH 2 - MAINTENANCE
- MAINTENANCE
- Maintenance Chart, Periodic
- LUBRICATION / FLUIDS
- SPORTSMAN Component Locations
- Component Locations, Sportsman
- SPORTSMAN X2 Component Locations
- Component Locations
- Polaris Lubricants, Maintenance and Service Products
- Lubricants/Fluids, Polaris Brand Part Numbers
- Polaris Lubricant Symbol Identification
- Lubricants/Fluids, Polaris Brand Symbol Identification Chart
- Pre-Ride / Daily Inspection
- Pre-ride Checklist
- Lubrication / Grease Points
- Lubrication / Grease Points
- Front Gearcase Lubrication
- Front Gearcase Lubrication
- Transmission Lubrication
- ADC Differential Hydraulic Circuit Fluid Change
- Gearcase, ADC Hydraulic Fluid Change
- VEHICLE INSPECTION
- Shift Link Rod Inspection
- Shift Linkage Inspection
- Throttle Inspection
- Throttle Inspection
- Throttle Cable / Electronic Throttle Control (ETC Switch) Adjustment
- Throttle Cable
- Fuel System
- Fuel Filter
- Vent Lines
- Vent Lines
- Compression Test
- Compression Test
- Engine Mounts
- Engine Mount
- Spark Plug
- Spark Plug
- Active Descent Control (ADC) Reservoir Level
- ADC reservoir level inspection
- Battery Maintenance
- Battery Maintenance
- Cooling System
- Cooling System
- Coolant Strength / Type
- Cooling Hoses
- Cooling System Hoses
- Radiator
- Radiator
- Cooling System Pressure Test
- Cooling System - Pressure Test
- Reservoir Level Inspection
- Cooling System - Coolant Level
- Radiator Coolant Level
- Cooling System - Radiator Level
- Air Filter Service
- Air Filter Service
- Air Box Sediment Tube
- Air Box Sediment Tube
- Engine Breather
- Engine Breather Hoses
- PVT Inspection / Drying Procedure
- PVT Drying
- Engine Ground
- Engine Ground
- Engine Oil Level
- Engine Oil Level
- Oil/filter Change
- Engine Oil and Filter Change
- Steering Inspection
- Steering
- Tie Rod / Steering
- Tie Rod / Steering Inspection
- Camber/Caster
- Camber / Caster
- Wheel Alignment
- Wheel Alignment
- Toe Alignment
- Exhaust Pipe
- Exhaust Pipe
- Brake System Inspection
- Brake System Inspection
- Brake Pads
- Brake Pad Inspection
- Brake Hose Inspection
- Brake Hose Fitting Inspection
- Auxiliary (Rear) Brake Test
- Auxiliary (Rear) Brake Test
- Auxiliary Brake Adjustment
- Auxiliary Brake Adjustment
- Suspension: Spring Preload Adjustment
- Suspension Adjustment
- Front Suspension
- Suspension, Front
- Rear Suspension
- Suspension, Rear
- CV Shaft Boot Inspection
- CV Shaft Boot Inspection
- ATV Controls
- Wheel Inspection
- Wheel Removal: Front Or Rear
- Wheel Removal
- Wheel Installation
- Wheel Installation
- Tire Pressure
- Tire Inspection
- Tire Inspection
- Frame, Nuts, Bolts, Fasteners
- Frame, Nuts, Bolts Fastener Inspection
- Front / Rear Storage Compartments
- Storage Compartments, Front & Rear
- Winch Operation (If Equipped)
- Warn Winch Operation
- Cleaning And Storage Of ATV
- Cleaning and Storage of ATV
- Exhaust, 800 EFI
- Maintenance Schedule
- Maintenance Schedule
- CH 3 - ENGINE
- SPECIFICATIONS
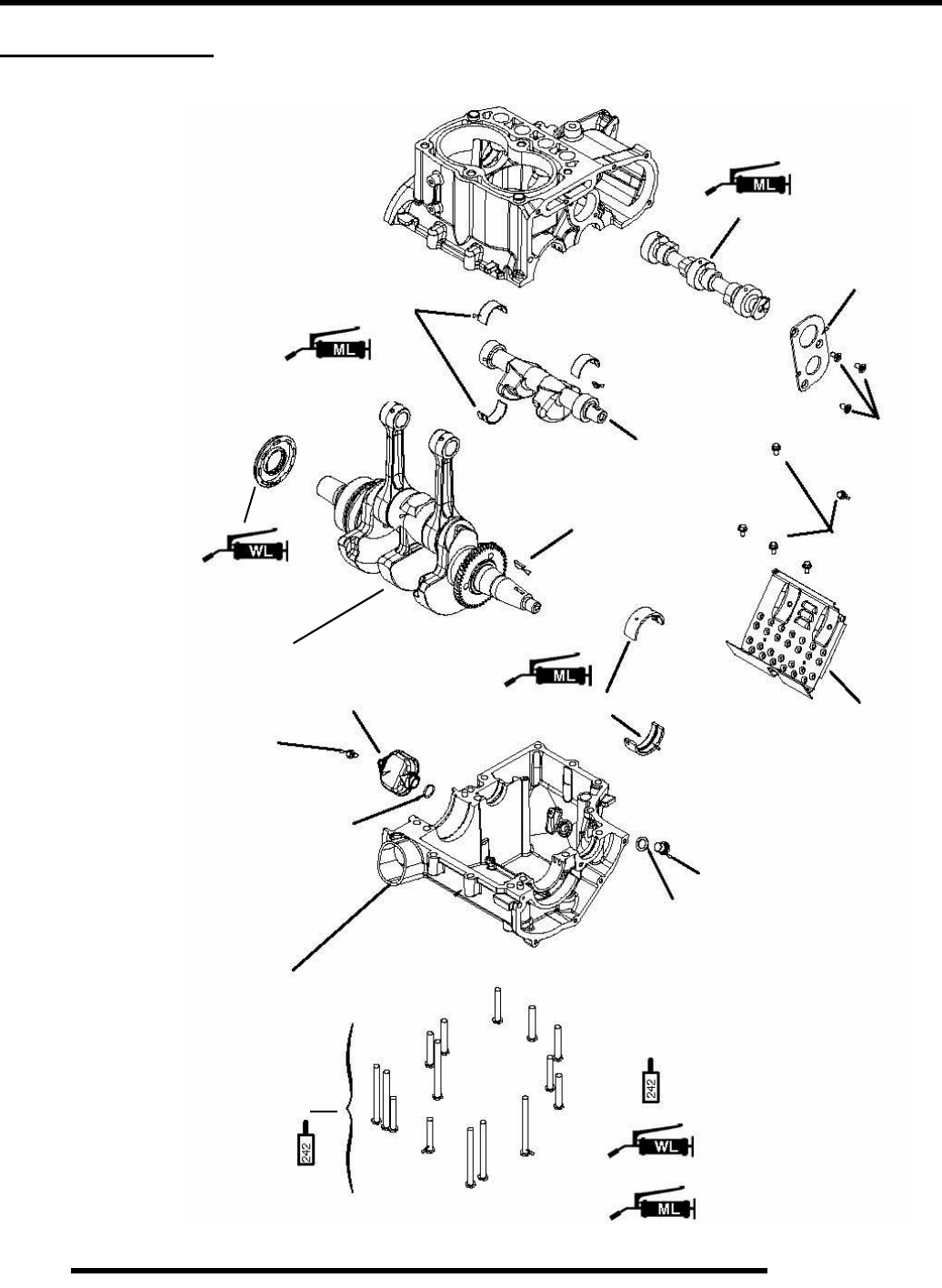
- Crankcase Exploded Views
- Engine Exploded Views
- Engine Exploded Views
- Engine Exploded Views
- Engine Exploded Views
- Engine Exploded Views
- Engine Exploded Views
- Engine Exploded Views
- Engine Fastener Torque Patterns
- Engine Fastener Torques
- Torque Specifications
- Engine Torque Table
- Torque Specs - Engine
- 700/800 EFI Engine Service Specifications
- Engine Service Specifications
- Special Tools
- Special Tools, Engine
- GENERAL ENGINE SERVICE
- Accessible Components
- Engine, Accessible Components
- Piston Identification
- Engine Piston Identification
- Cooling System Specifications
- Cooling System Specifications
- Specifications, Cooling System
- Engine Cooling System
- Cooling System Pressure Test
- Cooling System, Pressure Test
- Engine Cooling System
- Four Stroke - Coolant Air Bleeding Procedure
- Cooling System Bleeding Procedure
- Engine Removal (Typical)
- Engine Removal / Install Procedure
- Engine Installation Notes
- Engine Installation Notes
- Cylinder Hone Selection And Honing Procedure
- Engine Cylinder Honing
- Honing To Deglaze
- Cylinder Honing To De-glaze
- Cleaning the Cylinder After Honing
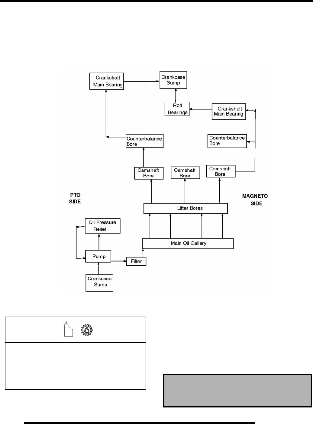
- Oil Flow Chart
- Engine Oil Flow Chart
- Engine Lubrication Specifications
- Specifications, Engine Lubrication
- Engine Lubrication
- OIL PRESSURE TEST
- Engine Oil Pressure Test
- ENGINE DISASSEMBLY AND INSPECTION
- Cylinder Head Assembly Exploded View
- Cylinder Head Assembly Exploded View
- Rocker Arms
- Engine Rocker Arm Inspection
- Push Rods
- Engine Pushrod Inspection
- Cylinder Head Removal
- Engine Cylinder Head Removal
- Cylinder Head Inspection
- Engine Cylinder Head Inspection
- Cylinder Head Warp
- Engine Cylinder Head Warp
- Valve Seal/Spring Service (On Engine)
- Valve Seal/Spring Service
- Engine Valve Seal/Spring Service
- Cylinder Head Disassembly
- Cylinder Head Disassembly
- Valve Inspection
- Engine Valve Inspection
- Combustion Chamber
- Combustion Chamber
- Valve Seat Reconditioning
- Valve Seat Reconditioning
- Engine Valve Seat Reconditioning
- Cylinder Head Reassembly
- Engine Cylinder Head Assembly
- Cylinder Head Assembly
- Valve Sealing Test
- Engine Valve Sealing Test
- Valve Sealing Test
- Cylinder Removal
- Engine Cylinder Removal
- Valve Lifter Removal/Inspection
- Engine Valve Lifter Removal, Inspection
- Piston Removal
- Engine Piston Removal, Inspection
- Cylinder Inspection
- Engine Cylinder Inspection
- Cylinder Inspection
- Piston-To-Cylinder Clearance
- Piston to Cylinder Clearance
- Engine Piston to Cylinder Clearance
- Piston/rod Inspection
- Engine Piston to Rod Clearance
- Piston to Rod Inspection
- Piston Ring Installed Gap
- Piston Ring Installed Gap
- Engine Piston Ring Installed Gap
- Starter Drive/Bendix Removal Inspection
- Starter Drive Removal
- Engine Starter Drive Removal
- Flywheel / Stator Removal / Inspection
- Stator, Removal
- Flywheel, Removal
- Flywheel / Stator Removal
- Engine Flywheel / Stator Removal
- Engine Crankcase Disassembly / Inspection
- Engine Flywheel Removal
- Engine Starter Removal
- Engine Gear(s) Removal
- Specification, Timing Gear Alignment
- Timing Gear Mark Alignment
- Cam Gear, Removal
- Cam Gear, Reassembly
- Special Tool, Cam Gear Installation Kit
- Balance Shaft Gear, Removal
- Crankshaft Gear, Removal
- Engine Crankshaft Gear Removal
- Oil Pump, Removal
- Engine Oil Pump Removal
- Oil Pump, Disassembly
- Specification, Oil Pump Rotor Clearance
- Oil Pump, Reassembly
- Engine Balance Shaft Removal
- Camshaft Inspection
- Engine Camshaft Inspection
- ENGINE REASSEMBLY
- CRANKCASE REASSEMBLY
- Engine Crankcase Assembly
- Specifications, Oil Baffle Bolt Torque
- Specifications, Oil Pick-up Bolt Torque
- Engine Camshaft Installation
- Engine Crankshaft Installation
- Specifications, Crankcase Fastener Torque
- Engine Cylinder Installation
- Engine Piston Installation
- Specification, Cam Thrust Plate Fastener Torque
- Engine Oil Pump Installation
- Specification, Oil Pump Bolt Torque
- Engine Gears, Installation
- Specification, Balance Shaft Gear Bolt Torque
- Specification, Camshaft Gear Bolt Torque
- Gear / Stator Housing Seal Replacement
- Engine Stator Gear Cover Seal(s) Installation
- Engine Stator Installation
- Engine Oil Priming
- Flywheel / Stator Installation
- Engine Flywheel / Stator Installation
- Cylinder Head Reassembly
- Engine Head Assembly
- TROUBLESHOOTING
- 800 EFI Exhaust System (DELUXE)
- SPECIFICATIONS
- CH 4 - FUEL INJECTION
- GENERAL INFORMATION
- ELECTRONIC FUEL INJECTION
- ELECTRONIC CONTROL UNIT (ECU)
- FUEL PUMP
- FUEL PRESSURE REGULATOR
- FUEL FILTERS
- FUEL INJECTORS
- CRANKSHAFT POSITION SENSOR (CPS)
- TEMPERATURE / BAROMETRIC AIR PRESSURE SENSOR (T-BAP)
- THROTTLE POSITION SENSOR (TPS)
- ENGINE TEMPERATURE SENSOR
- TROUBLESHOOTING
- Diagnostics Using “Blink Codes”
- Engine Diagnostic Codes
- EFI Troubleshooting
- EFI Troubleshooting
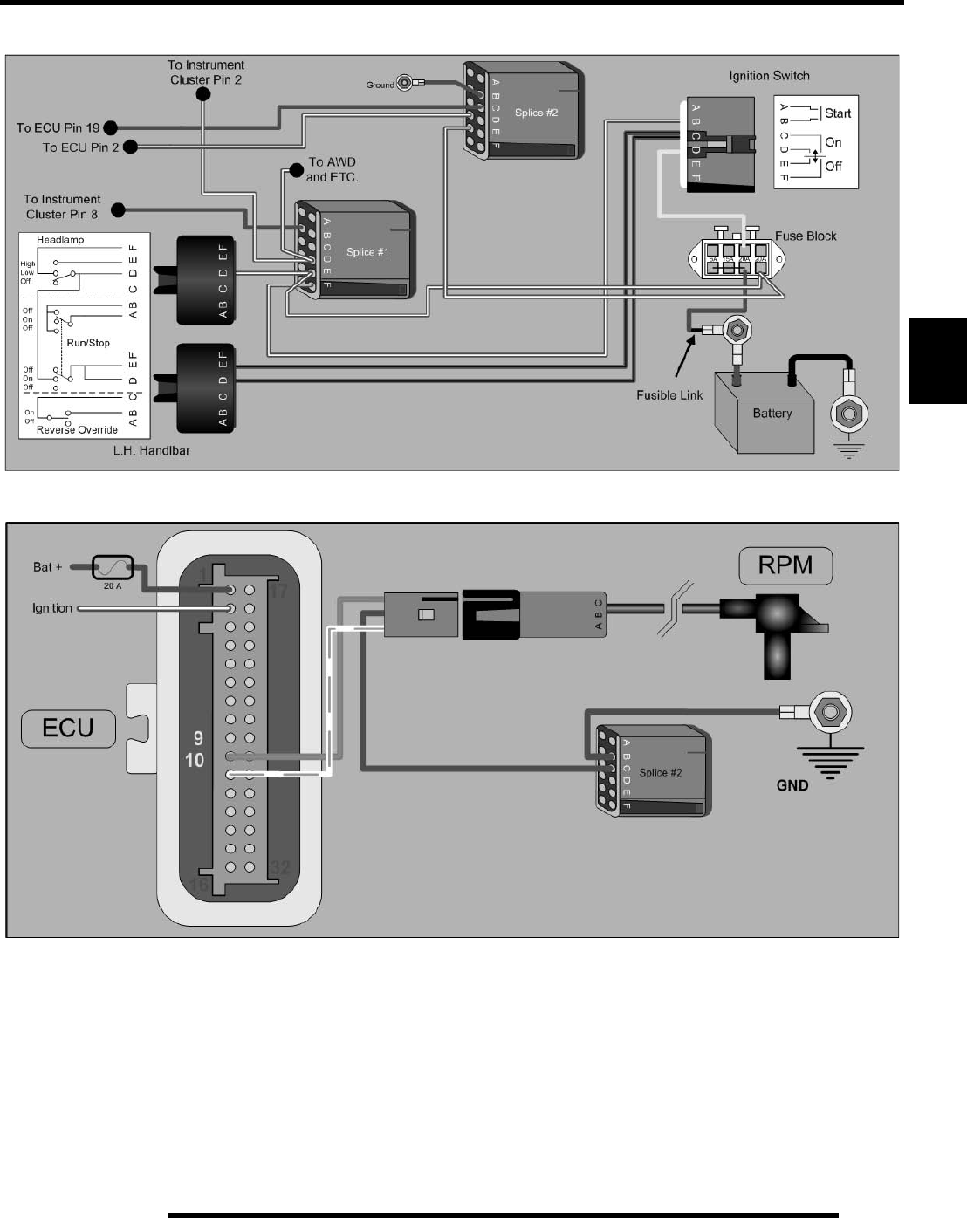
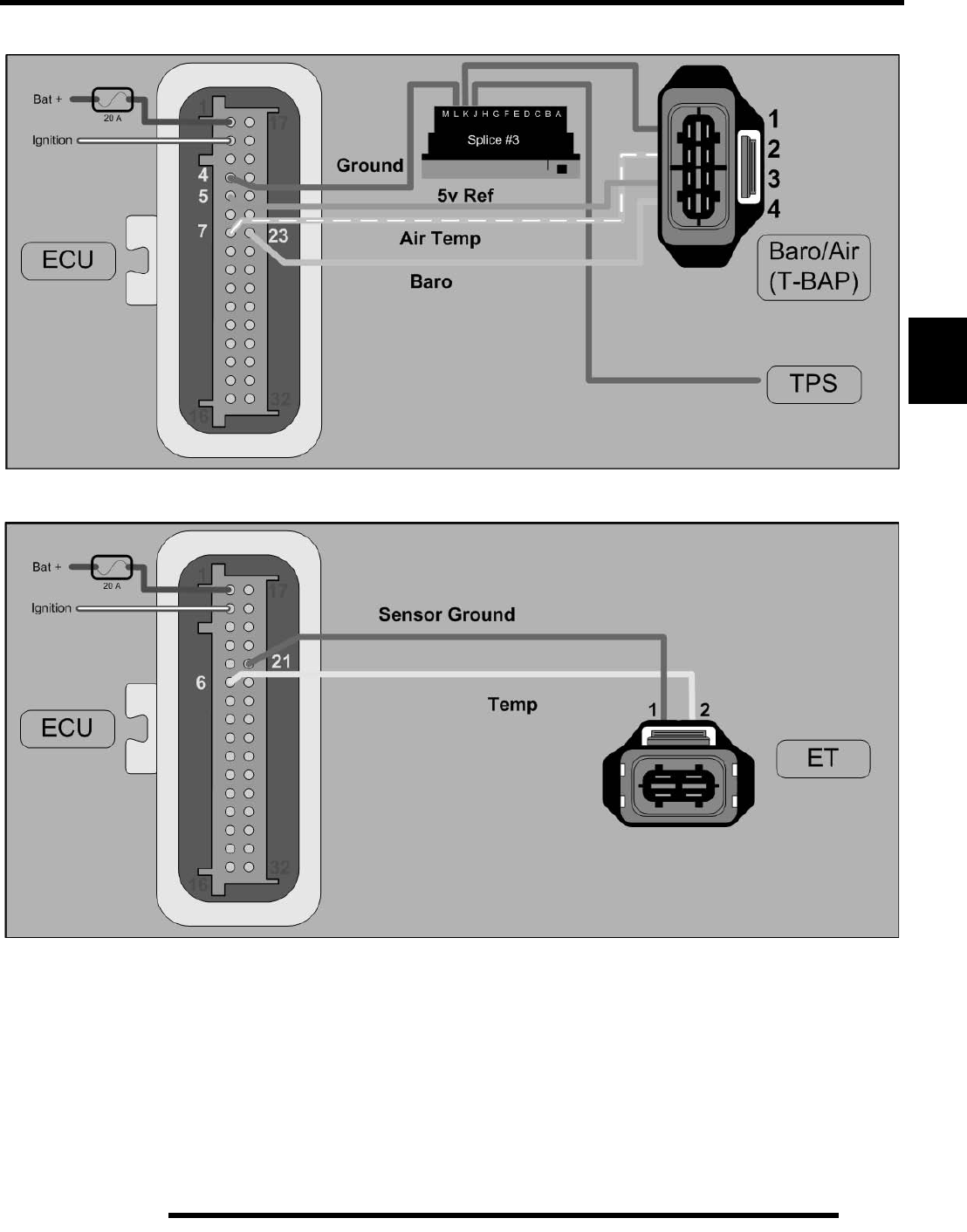
- EFI CIRCUIT - Power On
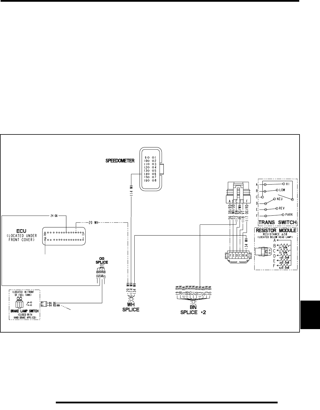
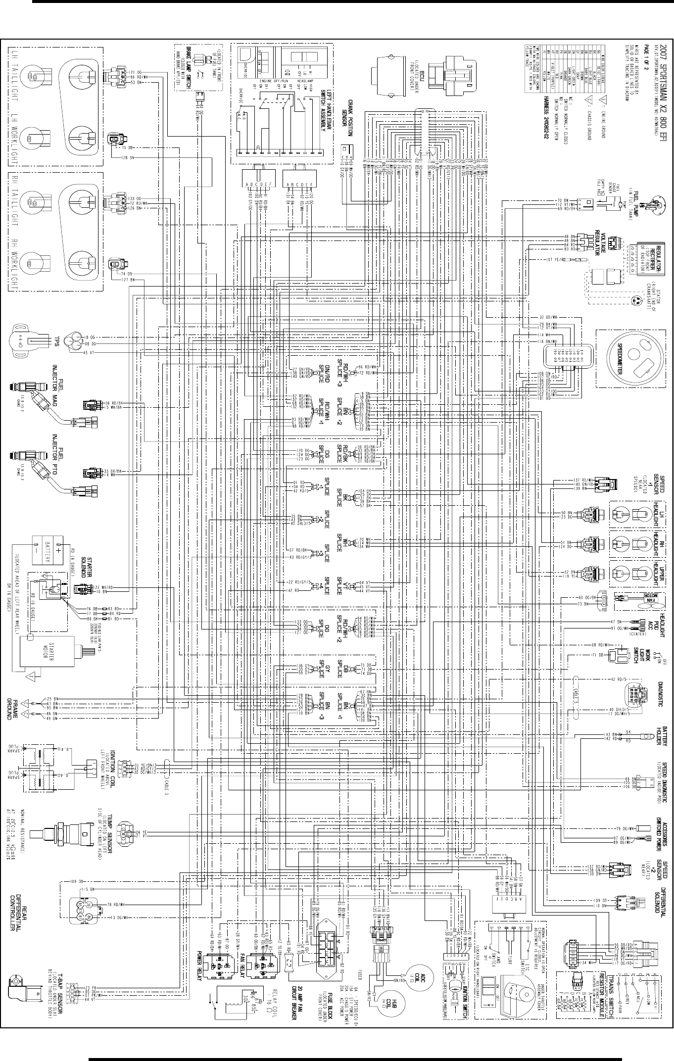
- Fuel System, EFI Circuit Diagrams
- Troubleshooting, EFI Circuit Diagrams
- EFI CIRCUIT - Crank Position Sensor
- EFI CIRCUIT - Fuel Pump
- EFI CIRCUIT - Throttle Position Sensor
- EFI CIRCUIT - Temperature - Barometric Air Pressure Sensor
- EFI CIRCUIT - Engine Temperature
- EFI CIRCUIT - Malfunction Indicator Light
- CH 5 - BODY/STEERING/SUSPENSION
- GENERAL INFORMATION
- BODY
- Side Panel Removal
- Side Panel Removal
- Front Cover Removal / Installation
- Front Cover Removal / Installation
- Foot Well Removal / Installation
- Foot Well Removal / Installation
- X2 Foot Well Removal / Installation
- Foot Well Removal / Installation
- Front Storage Removal
- Front Storage Removal
- Front Storage Installation
- Front Storage Installation
- Sportsman Rear Rack Removal / Installation
- Rear Rack Removal / Installation
- Front Cab/Fender Removal/Installation
- Front Cab Removal / Installation
- Sportsman Rear Cab / Fender Removal / Installation
- Rear Cab Removal / Installation
- X2 Rear Quarter Panel Removal / Installation
- Sportsman Rear Storage Removal / Installation
- Rear Storage Removal / Installation
- Radiator Screen Removal
- Radiator Screen Removal
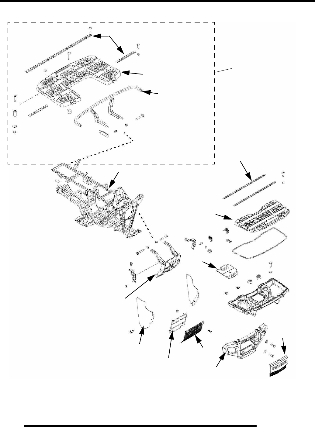
- Sportsman Body Assembly Exploded View
- Body Assembly Exploded View
- X2 Body Assembly Exploded View
- Body Assembly Exploded View
- Body / Rack Exploded Views
- Body Rack Exploded View
- Headlight Pod Exploded View
- Headlight Pod Exploded View
- STEERING
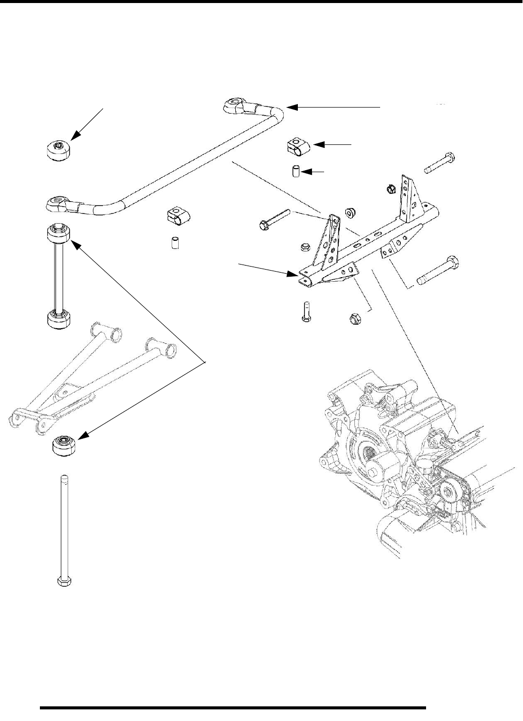
- SUSPENSION
- X2 CARGO BOX
- X2 SEAT assembly
- CH 6 - CLUTCH SYSTEM
- SPECIAL TOOLS AND SPECIFICATIONS
- PVT EXPLODED VIEWS
- PVT SYSTEM
- PVT Operation Overview
- PVT Operation
- Drive Clutch Operation
- PVT Drive Clutch Operation
- Drive Clutch, Operation
- Driven Clutch Operation
- PVT Driven Clutch Operation
- Driven Clutch, Operation
- EBS Clutch Operation
- PVT, EBS Clutch Operation
- EBS, Driven Clutch Operation
- PVT Maintenance / Inspection
- PVT Maintenance / Inspection
- Drive Clutch Spring
- PVT Drive Clutch Specifications
- Drive Clutch Springs
- Optional Shift Weights
- PVT Drive Clutch Shift Weights
- Drive Clutch Weights
- PVT Drying
- PVT Drying
- PVT Disassembly
- PVT Disassembly
- PVT Installation
- PVT Assembly
- Drive Belt Removal / Inspection
- PVT, Drive Belt Removal/Inspection
- Drive Belt, Removal/Inspection
- DRIVE BELT INSTALLATION
- PVT, Drive Belt Installation
- Drive Belt, Installation
- Clutch Alignment
- PVT, Clutch Alignment
- Clutch Alignment
- Clutch Offset
- PVT, Clutch Offset
- Clutch Offset
- EBS DRIVE CLUTCH SERVICE
- EBS Drive Clutch Service
- Drive Clutch Disassembly
- PVT, Drive Clutch Disassembly
- Spider Removal
- PVT, Drive Clutch Spider Removal
- Button To Tower Clearance Inspection
- Shift Weight Inspection
- PVT, Button to Tower Clearance
- Drive Clutch Inspection
- Moveable Sheave Bushing Inspection
- PVT, Moveable Sheave Inspection
- Drive Clutch Bushing Service
- PVT, EBS Drive Clutch Bushing Service
- PVT, EBS Drive Clutch Cover Bushing Remove/Install
- One-Way Clutch Inspection (Drive Clutch)
- Drive Clutch Reassembly
- PVT, Drive Clutch Reassembly
- EBS DRIVEN CLUTCH SERVICE
- EBS Driven Clutch Service
- standard drive clutch
- Drive Clutch, Standard Service
- Drive Clutch Disassembly
- PVT, Drive Clutch Disassembly
- Spider Removal
- PVT, Drive Clutch Spider Removal
- Button To Tower Clearance Inspection
- Shift Weight Inspection
- PVT, Button to Tower Clearance
- Sheave / Bushing Inspection
- PVT, Moveable Sheave Inspection
- Drive Clutch Bushing Service
- PVT, EBS Drive Clutch Bushing Service
- PVT, EBS Drive Clutch Cover Bushing Remove/Install
- Drive Clutch Reassembly
- PVT, Drive Clutch Reassembly
- standard driven clutch
- Driven Clutch, Standard Service
- PVT TROUBLESHOOTING
- Clutch, Troubleshooting
- CH 7 - FINAL DRIVE
- SPECIFICATIONS
- FRONT DRIVE AXLE
- FRONT DRIVE SHAFT (CV) BOOT
- FRONT HUB
- PROP SHAFT - FRONT OR REAR
- U-JOINT
- U-joint, Disassembly and Assembly
- DRIVE AXLE EXPLODED VIEWS
- FRONT GEARCASE - CENTRALIZED HILLIARD (STANDARD MoDELS)
- Front Gearcase, Operation
- Exploded View (Standard Models)
- Front Gearcase, Exploded View
- Operation
- Gearcase Removal
- Front Gearcase, Removal
- Disassembly / Inspection
- Front Gearcase, Disassembly / Inspection
- Reassembly / Inspection
- Front Gearcase, Reassembly / Inspection
- Setting Ring Gear Backlash
- Front Gearcase Diagnosis
- Front Gearcase, Diagnoses
- Gearcase Installation
- Front Gearcase, Installation
- FRONT GEARCASE - Active descent control (deluxe models)
- ADC Gearcase Exploded View (Deluxe Models)
- Front Gearcase, Active Descent Control Exploded View
- Operation
- Active Descent Control Gearcase
- ADC Coil Testing
- ADC Differential Hydraulic Circuit Bleeding
- Disassembly / Inspection
- ADC Gearcase, Disassembly / Inspection
- ADC Gearcase Piston Replacement Procedure
- ADC Gearcase Piston Service
- Assembly
- Front Gearcase, Reassembly
- REAR HUB
- REAR DRIVE (CV) SHAFT
- REAR GEARCASE
- sPORTSMAN 8.3-8.18
- sPORTSMAN X2 8.19-8.38
- CH 8 - TRANSMISSION / SPORTSMAN
- CH 8 - TRANSMISSION / X2
- Transmission
- TRANSMISSION EXPLODED VIEWS
- sPECIFICATIONS
- TRANSMISSION SERVICE
- Gear Selector Removal
- Transmission Removal
- Transmission, Removal
- Transmission Installation
- Transmission, Install
- Troubleshooting Checklist
- Transmission Disassembly
- Transmission, Disassembly
- Transmission assembly
- Transmission, Reassembly
- Transmission front output shaft backlash procedure
- Transmission, Output Shaft Backlash Procedure
- Transmission
- CH 9 - BRAKES
- SPECIFICATIONS
- BRAKE SYSTEM Exploded Views
- Brake System Exploded Views
- BRAKE CALIPER EXPLODED VIEWS
- Brake Caliper Exploded View
- HYDRAULIC BRAKE SYSTEM
- Hydraulic Brake System Operation Overview
- FRONT MASTER CYLINDER
- Brake, Master Cylinder Removal
- FRONT BRAKES
- Brake Pad, Removal and Installation
- FRONT BRAKE DISC
- Brake Disc, Front
- FRONT CALIPER
- Brake Caliper, Front
- REAR BRAKE PAD
- Brake Pad, Rear
- X2 REAR CALIPER
- Brake Caliper Removal, Rear
- Sportsman REAR CALIPER
- REAR BRAKE DISC
- Brake Disc, Inspection
- REAR MASTER CYLINDER
- Brake, Rear Auxiliary Master Cylinder
- TROUBLESHOOTING
- Brakes, Troubleshooting
- CH 10 - ELECTRICAL
- INSTRUMENT CLUSTER
- Instrument Cluster (Speedometer) Overview
- Overview
- Speedometer, Funtions Overview
- Instrument Cluster Diagnostic Mode
- Diagnostic Mode, Instrument Cluster
- Clock, Setting Time of Day
- Setting A New Service Interval
- Instrument Cluster, Setting New Service Interval
- Service Intervals, Speedometer
- EFI Diagnostic Mode
- EFI Diagnostic Mode Using Instrument Cluster
- Diagnostic Mode, EFI System
- Diagnostic Codes
- Speedometer Removal
- Speedometer Removal
- Speedometer Installation
- Speedometer Installation
- SPEEDOMETER TROUBLESHOOTING
- ACTIVE DESCENT CONTROL (ADC) COIL
- Active Descent Control (ADC) Coil
- ALL WHEEL DRIVE (AWD) COIL
- All Wheel Drive (AWD) Coil
- COOLING SYSTEM COMPONENTS
- GEAR POSITION INDICATOR SWITCH
- ELECTRONIC THROTTLE CONTROL (ETC) SWITCH
- IGNITION SYSTEM
- CHARGING SYSTEM
- RELAYS
- FUSES/Circuit Breaker
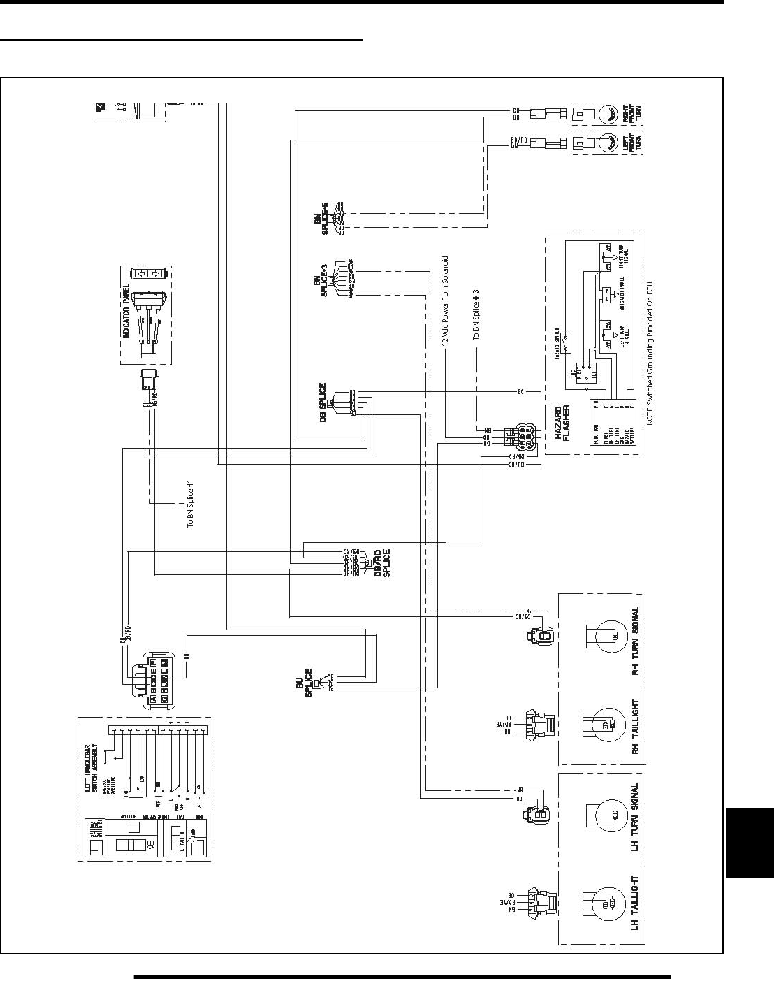
- LIGHTING
- High Beam Headlight Bulb Replacement
- High Beam Bulb Replacement
- Headlight Housing Replacement
- Headlight Housing Replacement
- High Beam Headlight Adjustment
- High Beam Headlight Adjustment
- Lower Headlamp Removal / Installation
- Lower Headlamp Removal
- Low Beam Headlight Adjustment
- Low Beam Headlight Adjustment
- Headlamp Switch Test
- Headlamp Switch Test
- Sportsman Work Light Switch (Deluxe)
- Work Light Switch
- Sportsman Brake Light / Work Light (Deluxe) Replacement
- Brake Light / Work Light Switch Replacement
- X2 BRAKE LIGHT / WORK LIGHT (Deluxe) REPLACEMENT
- Brake Light / Work Light Switch Replacement
- Brake Light Switch
- Brake Light Switch
- FUEL SENDER
- X2 DIFFERENTIAL System
- X2 SPEED SENSOR
- ACCESSORY POWER
- STARTER SYSTEM
- 700/800 Starter Lockout Overview and Diagnostic
- Starter Interlock
- Interlock, Starter, 700/800 EFI
- 800 X2 Starter Lockout Overview and Diagnostic
- Starter Interlock
- Interlock, Starter, 800 X2 EFI
- Troubleshooting
- Starter System, Troubleshooting
- Voltage Drop Test
- Voltage Drop Test
- Starter Motor Removal / Disassembly
- Starter Motor, Removal
- BRUSH INSPECTION / REPLACEMENT
- Starter Brush Inspection / Replacement
- Armature Testing
- Starter Armature Testing
- Starter Reassembly / Installation
- Starter Reassembly / Installation
- Starter Solenoid Bench Test
- Starter Drive
- Starter Drive
- Starter Exploded View
- Starter Assembly Exploded View
- STARTER SYSTEM TESTING FLOW CHART
- BASIC WINCH WIRING- PRE-WIRED MODELS
- BATTERY
- Battery Identification
- Battery Activation (Conventional)
- Battery Activation, Conventional
- Battery Terminals/Bolts
- Battery Terminals/Bolts
- Conventional Battery Inspection / Removal
- Battery Removal / Inspection, Conventional
- Conventional Battery Installation
- Conventional Battery Testing
- Conventional Battery OCV - Open Circuit Voltage Test
- Conventional Battery Specific Gravity Test
- Specific Gravity Test, Conventional Battery
- Battery Load Test
- Battery Load Test
- Off Season Storage
- Battery Off Season Storage
- Charging Procedure
- Charging Procedure
- Low Maintenance Battery
- Low Maintenance Battery Info
- Low Maintenance Battery Charging
- Low Maintenance Battery Charging
- Low Maintenance Battery Inspection / Removal
- Battery Inspection / Removal, Low Maintenance
- Low Maintenance Battery Installation
- Battery Installation, Low Maintenance
- Low Maintenance Battery - OCV- Open Circuit Voltage Test
- Battery Open Circuit Voltage (OCV), Low Maintenance
- Low Maintenance Battery Load Test
- Battery Load Test, Low Maintenance
- Low Maintenance Battery Off-season Storage
- Battery Off Season Storage, Low Maintenance
- Low Maintenance Battery Charging Procedure
- Battery Charging Procedure, Low Maintenance
- CH 11 - INTERNATIONAL
- INDEX
- WIRE DIAGRAMS

2007 SPORTSMAN 700/800/800 X2 EFI
SERVICE MANUAL
FOREWORD
This service manual is designed primarily for use by certified Polaris Master Service Dealer technicians in a properly
equipped shop and should be kept available for reference. All references to left and right side of the vehicle are from
the operator's perspective when seated in a normal riding position.
Some procedures outlined in this manual require a sound knowledge of mechanical theory, tool use, and shop
procedures in order to perform the work safely and correctly. Technicians should read the text and be familiar with service
procedures before starting the work. Certain procedures require the use of special tools. Use only the proper tools as
specified.
Comments or suggestions about this manual may be directed to: Service Publications Dept. @ Polaris Sales Inc. 2100
Hwy 55 Medina Minnesota 55340.
2007 Sportsman 700/800/ 800 X2 EFI Service Manual PN 9920378
© Copyright 2006 Polaris Sales Inc. All information contained within this publication is based on the latest product information at the time of publication. Due to constant
improvements in the design and quality of production components, some minor discrepancies may result between the actual vehicle and the information presented in this
publication. Depictions and/or procedures in this publication are intended for reference use only. No liability can be accepted for omissions or inaccuracies. Any reprinting
or reuse of the depictions and/or procedures contained within, whether whole or in part, is expressly prohibited. Printed in U.S.A.

UNDERSTANDING MANUAL SAFETY LABELS AND DIRECTIONS
Throughout this manual, important information is brought to your attention by the following symbols:
SAFETY ALERT WARNING indicates a potential hazard that may result in severe injury or death to the operator, bystander or
person(s) inspecting or servicing the vehicle.
SAFETY ALERT CAUTION indicates a potential hazard that may result in minor personal injury or damage to the vehicle.
CAUTION indicates special precautions that must be taken to avoid vehicle damage or property damage.
NOTE:
NOTE provides key information by clarifying instructions.
IMPORTANT:
IMPORTANT provides key reminders during disassembly, assembly and inspection of components.
TRADEMARKS
POLARIS ACKNOWLEDGES THE FOLLOWING PRODUCTS MENTIONED IN THIS MANUAL:
Loctite, Registered Trademark of the Loctite Corporation
Nyogel, Trademark of Wm. F. Nye Co.
Fluke, Registered Trademark of John Fluke Mfg. Co.
Mity-Vac, Registered Trademark of Neward Enterprises, Inc.
Torx, Registered Trademark of Textron
Hilliard, Trademark of the Hilliard Corporation
Warn, Trademark of Warn Industries
Some Polaris factory publications can be downloaded from www.polarisindustires.com, purchased from www.purepolaris.com or
by contacting the nearest Polaris dealer.
WARNING
CAUTION
CAUTION

1
GENERAL
2
MAINTENENCE
3
ENGINE
4
FUEL SYSTEM
5
BODY / SUSPENSION
6
CLUTCH
7
TRANSMISSION
8
FINAL DRIVE
9
BRAKES
10
ELECTRICAL
11
INTERNATIONAL

NOTES

GENERAL INFORMATION
1.1
CHAPTER 1
GENERAL INFORMATION 1
MODEL INFORMATION . . . . . . . . . . . . . . . . . . . . . . . . . . . . . . . . . . . . . . . . . . . . . . . . . . 1.2
MODEL NUMBER. . . . . . . . . . . . . . . . . . . . . . . . . . . . . . . . . . . . . . . . . . . . . . . . . . . . . . . 1.2
ENGINE DESIGNATION NUMBERS . . . . . . . . . . . . . . . . . . . . . . . . . . . . . . . . . . . . . . . . 1.2
VIN IDENTIFICATION . . . . . . . . . . . . . . . . . . . . . . . . . . . . . . . . . . . . . . . . . . . . . . . . . . . 1.2
TRANSMISSION I.D. LOCATION. . . . . . . . . . . . . . . . . . . . . . . . . . . . . . . . . . . . . . . . . . . 1.2
ENGINE AND MACHINE SERIAL NUMBERS . . . . . . . . . . . . . . . . . . . . . . . . . . . . . . . . . 1.2
SPORTSMAN ‘DELUXE’ AND ‘STANDARD’ MODEL COMPONENT COMPARISON . . 1.3
2007 SPORTSMAN 700 EFI . . . . . . . . . . . . . . . . . . . . . . . . . . . . . . . . . . . . . . . . . . . . . . . 1.4
MODEL NUMBER: A07MH68AX, A07MH68AY, A07MH68AZ, . . . . . . . . . . . . . . . . . . . 1.4
2007 SPORTSMAN 800 EFI . . . . . . . . . . . . . . . . . . . . . . . . . . . . . . . . . . . . . . . . . . . . . . . 1.6
MODEL NUMBER: A07MH76A, A07MN76A, A07MH76F. . . . . . . . . . . . . . . . . . . . . . . . 1.6
2007 SPORTSMAN X2 800 EFI . . . . . . . . . . . . . . . . . . . . . . . . . . . . . . . . . . . . . . . . . . . . 1.8
MODEL NUMBER: A07TH76A, A07TN76A . . . . . . . . . . . . . . . . . . . . . . . . . . . . . . . . . . 1.8
MISC. NUMBERS/CHARTS . . . . . . . . . . . . . . . . . . . . . . . . . . . . . . . . . . . . . . . . . . . . . . 1.10
PUBLICATIONS . . . . . . . . . . . . . . . . . . . . . . . . . . . . . . . . . . . . . . . . . . . . . . . . . . . . . . . 1.10
PAINT CODES . . . . . . . . . . . . . . . . . . . . . . . . . . . . . . . . . . . . . . . . . . . . . . . . . . . . . . . . 1.10
REPLACEMENT KEYS . . . . . . . . . . . . . . . . . . . . . . . . . . . . . . . . . . . . . . . . . . . . . . . . . 1.10
STANDARD TORQUE SPECIFICATIONS. . . . . . . . . . . . . . . . . . . . . . . . . . . . . . . . . . . 1.11
SPECIAL TOOLS . . . . . . . . . . . . . . . . . . . . . . . . . . . . . . . . . . . . . . . . . . . . . . . . . . . . . . 1.11
SAE TAP DRILL SIZES . . . . . . . . . . . . . . . . . . . . . . . . . . . . . . . . . . . . . . . . . . . . . . . . . 1.12
METRIC TAP DRILL SIZES . . . . . . . . . . . . . . . . . . . . . . . . . . . . . . . . . . . . . . . . . . . . . . 1.12
DECIMAL EQUIVALENTS . . . . . . . . . . . . . . . . . . . . . . . . . . . . . . . . . . . . . . . . . . . . . . . 1.12
CONVERSION TABLE . . . . . . . . . . . . . . . . . . . . . . . . . . . . . . . . . . . . . . . . . . . . . . . . . . 1.13
GLOSSARY OF TERMS. . . . . . . . . . . . . . . . . . . . . . . . . . . . . . . . . . . . . . . . . . . . . . . . . 1.14

1.2
GENERAL INFORMATION
MODEL INFORMATION
Model Number
The machine model number must be used with any
correspondence regarding warranty or service.
Engine Designation Numbers
EH068OLE - Twin Cylinder, Liquid Cooled,4 Stroke, Electric
Start
EH076OLE - Twin Cylinder, Liquid Cooled,4 Stroke, Electric
Start
VIN Identification
TRANSMISSION I.D. LOCATION
Engine and Machine Serial Numbers
Be sure to refer to the engine model number and serial number
whenever corresponding about an engine.
This information can be found on the sticker applied to the top
side of the crankcase (A). An additional number is stamped on
the side of the crankcase beneath the cylinder coolant elbow.
The machine model number and serial number are important for
vehicle identification. The machine serial number is stamped on
the lower left side of the frame tube (B).
A07 MH 76 AU
7
Sportsman X2
Sportsman
xxxxxxxx

1.3
GENERAL INFORMATION
1
PUBLICATIONS
PAINT CODES
REPLACEMENT KEYS
Replacement keys can be made from the original key. To identify which series the key is, take the first two digits on the original
key and refer to the chart to the right for the proper part number. Should both keys become lost, ignition switch replacement is
required.
Table 1-1: Publications
Year Model Model No. Owner's
Manual PN Parts
Manual PN
2007 Sportsman 700 EFI A07MH68A
A07MN68A 9920374 9920375
2007 Sportsman 800 EFI A07MH76A
A07MN76A 9920374 9920379
2007 Sportsman X2 800 EFI A07TH76A
A07TN76A 9920632 9920903
2007 Sportsman 800 EFI
International A07MH76F 9920374 9920379
Table 1-2: Paint Codes
PAINTED PART COLOR
DESCRIPTION DITZLER
NUMBER POLARIS
NUMBER
Sportsman 700/800 EFI Frame Black 9440 P-067
Table 1-3: Key Numbers
Series # Part Number
20 4010278
21 4010278
22 4010321
23 4010321
27 4010321
28 4010321
31 4110141
32 4110148
67 4010278
68 4010278
Key Boot
PN 5433534

1.4
GENERAL INFORMATION
Sportsman ‘Deluxe’ and ‘Standard’ Model Component Comparison
For Model Year 2007, a Sportsman ‘Deluxe’ and ‘Standard’ model were offered. Use the following table as a guide:
SPORTSMAN ‘DELUXE’ MODEL Item Location SPORTSMAN ‘STANDARD’ MODEL
Winch 1No Winch
PXT Tires 2Titan Tires
PVT w/EBS 3Non-EBS (800 X2 excluded)
Rear Work Lights 4No Work Lights
Front Drive w/ Active Descent Control (ADC) 5No Active Descent Control (ADC)
Speed Sensor Wiring for ADC 6No Sensor Wiring Change
Rear Rack Extension 7No Rack Extension
Cast Aluminum Wheels 8Steel Wheels
Dual Exhaust (800 EFI only) 9Single Exhaust (800 EFI and X2)
Wire Harness w/ Active Descent Control (ADC) 10 Standard Wire Harness
ECU w/ Active Descent Control (ADC) 10 Standard ECU
1
2
3
4
5
6
7
8
9
10
Deluxe Model Pictured

1.5
GENERAL INFORMATION
1
Sportsman X2 ‘Deluxe’ and ‘Standard’ Model Component Comparison
For Model Year 2007, an X2 ‘Deluxe’ and ‘Standard’ model were offered. Use the following table as a guide:
X2 ‘DELUXE’ MODEL Item Location X2 ‘STANDARD’ MODEL
Winch 1No Winch
Rear Work Lights 2No Work Lights
Front Drive w/ Active Descent Control (ADC) 3No Active Descent Control (ADC)
Cast Aluminum Wheels 4Steel Wheels
1
2
3
4
Standard Model Pictured

1.6
GENERAL INFORMATION
2007 SPORTSMAN 700 EFI
MODEL NUMBER: A07MH68AX, AY, AZ
(Standard Model Only)
ENGINE MODEL: EH068OLE
Table 1-4: Sportsman 700 EFI
General Specifications
Category Dimension / Capacity
Length 83 in./205.74 cm
Width 48 in./116.8 cm
Height 48 in./119.4 cm
Seat Height 34 in./86.4 cm
Wheel Base 50.75 in./128.9 cm
Dry Weight 770 lbs./326.6 kg
Gross Vehicle Weight 1220 lbs. / 553 kg
Front Rack Capacity 100 lbs./45.4 kg
Rear Rack Capacity 200 lbs./90.7 kg
Towing Capacity 1500 lbs./680 kg
Body Style Spirit
Hitch Tongue Capacity 150 lbs./68 kg

1.7
GENERAL INFORMATION
1
Table 1-5: 2007 700 EFI Specifications
ENGINE
Platform Polaris Twin Cylinder
Engine Model Number EH068OLE025
Engine Displacement 683cc
Number of Cylinders 2
Bore & Stroke (mm) 80 x 68 mm
Compression Ratio 9.78:1
Compression Pressure 150-170 psi
Engine Idle Speed 1150 100 RPM
Engine Max Operating Rpm 6500 Rpm 200 Rpm
Cooling System / Capacity Liquid - 3.2 qt / 3 ltr
Overheat Warning HOT on Instrument Cluster
Lubrication Pressurized Wet Sump
Oil Requirements / Capacity Polaris 0W-40 2 qt. / 1.9 ltr
Exhaust System Single Pipe USFS Approved
Fuel System
Fuel System Electronic Fuel Injection (EFI)
Fuel Pump (in tank assembly) 25L per hr. at 39 psi
Fuel Filter(s) 30 micron in Tank - (unserviceable)
10 micron in-line (replaceable)
Fuel Injector(s) Bosch
EFI Controller Bosch MSE 1.1B
Fuel Capacity / Requirement 4.13 gal US / 15.6 liters
87 Octane (minimum) or 89 Oxygenated
Electrical
Alternator Output 500 w @ 6000 RPM
Lights : Pod 50 watts
Grill Two x 27 watts
Brake 8.26 watts
Tail 26.9 watts
Ignition System DC/CDI Ignition
Ignition Timing 13° BTDC @ 1200 RPM
Spark plug / Gap RC7YC / .035 in. / 0.9 mm
Battery / Amp Hr Lead Acid / 30 Amp Hr.
Circuit Breakers Fan 20 amp / Harness 20 amp /
ECU 15 amp / Inst. Cluster /
Voltage Regulator 6 amp
Starting Electric
Instrument Cluster Analog Speedo w/ LCD
Table 1-6: 2007 700 EFI Specifications
Drivetrain
Transmission Type Drumshift - H/L/N/Rev/Park
Transmission Capacity 15 oz. / 445 ml
Front Gearcase Capacity- CH 8.97 / 265 ml
Rear Gearcase Capacity 5 oz. / 150 ml
Gear Ratio : Low
Rev
High
Front Drive
Rear Drive
7.49:1
5.11:1
2.70:1
3.82:1
3.10:1
Clutch Type PVT Non-EBS
Belt 3211113
Steering / Suspension
Front Suspension / Shock A-arm / MacPherson Strut
Front Travel 8.2 in. / 21 cm
Rear Suspension / Shock Progressive Rate Independent -
Coil - over shock
Rear Travel 9.5 in. / 24.13 cm
Ground Clearance 11.25 in. / 28.6 cm
Shock Preload Adjustment
Front / Rear Front -Non Adjustable.
Rear - Ratchet Style- Std.
Turning Radius 76 in. / 193 cm unlocked
Toe Out 0-1/16 in / .0 - .159 mm
Wheels / Brakes
Wheel Size / Pattern - Front Steel 24 x 8-12 / 4-156
Wheel Size / Pattern - Rear Steel 24 x 11-12 / 4-156
Front Tire Size 24 x 8-12
Rear Tire Size 24 x 11-12
Recommended Air Pressure Front & Rear - 5 psi
Brake - Front Dual Hydraulic Disc
Brake - Rear Dual Hydraulic Disc
Table 1-7: 2007 700 EFI Clutching
Altitude Shift
Weight Drive Clutch
Spring Driven Clutch Type
(Non-Adjustable)
Meters
(Feet)
0-1800
(0-6000) A07MH68
(STANDARD)
20-58
5631216 Grn/Blu
7041157 STD - 1322514
1800-3700
(6000-12000) A07MH68
(STANDARD)
20-56
5631215 Grn/Blu
7041157 STD - 1322514

1.8
GENERAL INFORMATION
2007 SPORTSMAN 800 EFI
MODEL NUMBER: A07MH76AX, AY, AZ / A07MN76AQ, AF / A07MH76FA
(Standard) (Deluxe) (International)
ENGINE MODEL: EH076OLE
Table 1-8: Sportsman 800 EFI
General Specifications
Category Dimension / Capacity
Length 83 in./205.74 cm
Width 48 in./116.8 cm
Height 48 in./119.4 cm
Seat Height 34 in./86.4 cm
Wheel Base 50.75 in./128.9 cm
Dry Weight 770 lbs./326.6 kg
Gross Vehicle Weight 1220 lbs. / 553 kg
Front Rack Capacity 100 lbs./45.4 kg
Rear Rack Capacity 200 lbs./90.7 kg
Towing Capacity 1500 lbs./680 kg
Body Style Spirit
Hitch Tongue Capacity 150 lbs./68 kg
Deluxe Model Shown

1.9
GENERAL INFORMATION
1
Table 1-9: 2007 800 EFI Specifications
ENGINE
Platform Polaris Twin Cylinder
Engine Model Number EH076OLE013
Engine Displacement 760cc
Number of Cylinders 2
Bore & Stroke (mm) 80 x 76.5 mm
Compression Ratio 10:1
Compression Pressure 150-200 psi
Engine Idle Speed 1150 100 RPM
Engine Max Operating Rpm 6500 Rpm 200 Rpm
Cooling System / Capacity Liquid - 3.2 qt/ 3 ltr.
Overheat Warning HOT on Instrument Cluster
Lubrication Pressurized Wet Sump
Oil Requirements / Capacity Polaris 0W-40 2 qt. / 1.9 liters
Exhaust System Dual Pipe / Silencer (Deluxe)
Single Pipe / Silencer (Standard)
Fuel System
Fuel System Electronic Fuel Injection
Fuel Pump 25L per hour at 39 PSI
Fuel Filter(s) 30 micron in Tank - (unserviceable)
10 micron in Line (replaceable)
Fuel Injector(s) Bosch
EFI Controller Bosch MSE 1.1B
Fuel Capacity / Requirement 4.13 gal US / 15.6 liters
87 Octane (minimum) or 89 Oxygenated
Electrical
Alternator Output 500 w @ 6000 RPM
Lights : Pod 30 watts
Grill Two x 27 watts
Brake 8.26 watts
Tail 26.9 watts
Worklights
(Deluxe Only) 2 x 13 watts
Ignition System DC/CDI Ignition
Ignition Timing 13°BTDC @ 1200 RPM
Spark plug / Gap RC7YC/ .035 in. / 0.9 mm
Battery / Amp Hr Lead Acid / 30 Amp Hr
Circuit Breakers Fan 20 amp / Harness 20 amp /
ECU 15 amp / Inst. Cluster /
Voltage Regulator 6 amp
Starting Electric
Instrument Cluster Analog Speedo w/ LCD
Table 1-10: 2007 800 EFI Specifications
Drivetrain
Transmission Type Drumshift - H/L/N/Rev/Park
Transmission Capacity 15 oz. / 450ml
Front Gearcase Capacity- CH 8.97 / 265 ml
Front Gearcase Capacity- ADC 9.3 / 275 ml
Rear Gearcase Capacity 5 oz. / 150ml
Gear Ratio : Low
Rev
High
Front Drive
Rear Drive
7.49:1
5.11:1
2.70:1
3.82:1
3.10:1
Clutch Type PVT (Std) EBS (Deluxe)
Belt 3211113
Steering / Suspension
Front Suspension / Shock A-arm / MacPherson Strut
Front Travel 8.2 in. / 21 cm
Rear Suspension / Shock Progressive Rate Independent -
Coil - over shock
Rear Travel 9.5 in. / 24.13 cm
Ground Clearance 11.25 in. / 28.6 cm
Shock Preload Adjustment
Front / Rear Front -Non Adjustable.
Rear - Ratchet Style- Std.
Turning Radius 76 in. / 193 cm
Toe Out 0 - 1/16 in / .0 - .159 mm
Wheels / Brakes
Wheel Size / Pattern - Front 26 x 8 - 12 / 4-156
Wheel Size / Pattern - Rear 26 x 11 - 12 / 4-156
Front Tire Size 26 x 8 - 12
Rear Tire Size 26 x 11 - 12
Recommended Air Pressure Front - 5 psi & Rear - 5 psi
Brake - Front Dual Hydraulic Disc
Brake - Rear Dual Hydraulic Disc
Table 1-11: A07MH76A/A07MN76A Clutching
Altitude Shift
Weight Drive Clutch
Spring Driven Clutch Type
(Non-Adjustable)
Meters
(Feet)
0-1800
(0-6000)
A07MH76
(STANDARD)
20-62
5631700 Blu/Red
7043199 STD - 1322514
A07MN76
(DELUXE)
(INTERNATIONAL)
20-62
w/EBS
Grn/Blu
7041157
w/EBS
EBS - 1322550
1800-3700
(6000-12000)
A07MH76
(STANDARD)
20-60
5631698 Blu/Red
7043199 STD - 1322514
A07MN76
(DELUXE)
(INTERNATIONAL)
20-60
w/EBS
Grn/Blu
7041157
w/EBS
EBS - 1322550

1.10
GENERAL INFORMATION
2007 SPORTSMAN X2 800 EFI
MODEL NUMBER: A07TH76AU, A07TN76AF
(Standard) (Deluxe)
ENGINE MODEL: EH076OLE
Table 1-12: Sportsman X2 800 EFI
General Specifications
Category Dimension / Capacity
Length 93 in./236.22 cm
Width 48 in./116.8 cm
Height 48 in./119.4 cm
Seat Height 34 in./86.4 cm
Wheel Base 57 in./128.9 cm
Dry Weight Standard 839 lbs./380.5 kg
Deluxe 874 lbs./396 kg
Gross Vehicle Weight 1500 lbs./680.3 kg
Front Rack/ Box Capacity 90 lbs./40.8 kg
Rear Box Capacity 400 lbs./181.4 kg
Towing Capacity 1500 lbs./680 kg
Body Style Spirit
Hitch Tongue Capacity 150 lbs./68 kg
Standard Model Shown

1.11
GENERAL INFORMATION
1
Table 1-13: 2007 800 X2 EFI Specifications
ENGINE
Platform Polaris Twin Cylinder
Engine Model Number EH076OLE013
Engine Displacement 760cc
Number of Cylinders 2
Bore & Stroke (mm) 80 x 76.5 mm
Compression Ratio 10:1
Compression Pressure 150-200 psi
Engine Idle Speed 1150 100 RPM
Engine Max Operating Rpm 6500 Rpm 200 Rpm
Cooling System / Capacity Liquid - 3.4 qt/ 3.2 ltr.
Overheat Warning HOT on Instrument Cluster
Lubrication Pressurized Wet Sump
Oil Requirements / Capacity Polaris 0W-40 2 qt. / 1.9 liters
Exhaust System Single Pipe / Silencer
Fuel System
Fuel System Electronic Fuel Injection
Fuel Pump 25L per hour at 39 PSI
Fuel Filter(s) 30 micron in Tank - (unserviceable)
10 micron in Tank - (unserviceable)
10 micron in Line (replaceable)
Fuel Injector(s) Bosch
EFI Controller Bosch MSE 1.1B
Fuel Capacity / Requirement 6.0 gal US / 22.7 liters
87 Octane (minimum) or 89 Oxygenated
Electrical
Alternator Output 500 w @ 6000 RPM
Lights : Pod 50 watts
Grill Two x 37 watts
Tail 2 x 26.9 watts
Brake 2 x 8.26 watts
Worklights
(Deluxe Only) 2 x 13 watts
Indicator Panel 1 watt
Ignition System DC/CDI Ignition
Ignition Timing Variable - ECU controlled
Spark plug / Gap RC7YC/ .035 in. / 0.9 mm
Battery / Amp Hr Lead Acid / 30 Amp Hr
Fuses Fan 20 amp / Harness 20 amp /
ECU 15 amp / Inst. Cluster /
Voltage Regulator 6 amp
Starting Electric
Instrument Cluster Analog Speedo w/ LCD
Table 1-14: 2007 800 X2 EFI Specifications
Drivetrain
Transmission Type Drumshift - H/L/N/Rev/Park
Transmission Capacity 32 oz. / 946.3ml
Front Gearcase Capacity- CH 8.97 / 265 ml
Front Gearcase Capacity- ADC 9.3 / 275 ml
Gear Ratio : Low
Rev
High
Front Drive
23.91:1
21.74:1
8.28:1
3.82:1
Clutch Type PVT w/ EBS (Standard and Deluxe)
Belt 3211113
Steering / Suspension
Front Suspension / Shock A-arm / MacPherson Strut
Front Travel 8.2 in. / 21 cm
Rear Suspension / Shock Progressive Rate Independent -
Coil - over shock
Rear Travel 8.75 in. / 22.22 cm
Ground Clearance 11.25 in. / 28.6 cm
Shock Preload Adjustment
Front / Rear Front -Non Adjustable.
Rear - Ratchet Style- Std.
Turning Radius 82 in. / 208.2 cm
Toe Out 0 - 1/16 in / .0 - .159 mm
Wheels / Brakes
Wheel Size / Pattern - Front 25 x 8 - 12 / 4-156
Wheel Size / Pattern - Rear 25 x 11 - 12 / 4-156
Front Tire Size 25 x 8 - 12
Rear Tire Size 25 x 11 - 12
Recommended Air Pressure Front - 5 psi & Rear - 5 psi
Brake - Front Dual Hydraulic Disc
Brake - Rear Dual Hydraulic Disc
Table 1-15: 2007 800 X2 EFI Clutching
Altitude Shift
Weight Drive Clutch
Spring Driven Clutch Type
(Non-Adjustable)
Meters
(Feet)
0-1800
(0-6000)
A07TH76A
(STANDARD)
A07TN76A
(DELUXE)
20-62
w/EBS
Grn/Blu
7041157
w/EBS
EBS - 1322550
1800-3700
(6000-12000)
A07TH76A
(STANDARD)
A07TN76A
(DELUXE)
20-58
w/EBS
Grn/Blu
7041157
w/EBS
EBS - 1322550

1.12
GENERAL INFORMATION
MISC. NUMBERS/CHARTS
Standard Torque Specifications
The following torque specifications are to be used as a general guideline. FOR SPECIFIC TORQUE VALUES OF FASTENERS Refer to exploded
views in the appropriate section. There are exceptions in the steering, suspension, and engine sections.
Bolt Size Threads/In Grade 2 Grade 5 Grade 8
Torque in. lbs. (Nm)
#10 - 24 . . . . . . . . . . . . . . . . . 27 (3.1) . . . . . . . . . 43 (5.0) . . . . . . . . 60 (6.9)
#10 - 32 . . . . . . . . . . . . . . . . . 31 (3.6) . . . . . . . . . 49 (5.6) . . . . . . . . 68 (7.8)
Torque ft. lbs. (Nm)*
1/4 - 20 . . . . . . . . . . . . . . . . . 5 (7) . . . . . . . . . . . . 8 (11) . . . . . . . . . . 12 (16)
1/4 - 28 . . . . . . . . . . . . . . . . . 6 (8) . . . . . . . . . . . . 10 (14). . . . . . . . . 14 (19)
5/16 - 18 . . . . . . . . . . . . . . . . . 11(15). . . . . . . . . . . 17 (23). . . . . . . . . 25 (35)
5/16 - 24 . . . . . . . . . . . . . . . . . 12(16) . . . . . . . . . . 19 (26). . . . . . . . . 29 (40)
3/8 - 16 . . . . . . . . . . . . . . . . . 20(27) . . . . . . . . . . 30 (40). . . . . . . . . 45 (62)
3/8 - 24 . . . . . . . . . . . . . . . . . 23(32) . . . . . . . . . . 35 (48). . . . . . . . . 50 (69)
7/16 - 14 . . . . . . . . . . . . . . . . . 30(40) . . . . . . . . . . 50 (69). . . . . . . . . 70 (97)
7/16 - 20 . . . . . . . . . . . . . . . . . 35(48) . . . . . . . . . . 55 (76). . . . . . . . . 80 (110)
1/2 - 13 . . . . . . . . . . . . . . . . . 50(69) . . . . . . . . . . 75 (104). . . . . . . . 110 (152)
1/2 - 20 . . . . . . . . . . . . . . . . . 55(76) . . . . . . . . . . 90 (124). . . . . . . . 120 (166)
Metric / Torque
6 x 1.0. . . . . . . . . . 72-78 In.lbs.. . . . . . . . .8 x 1.25 14-18 ft.lbs . . . .10 x 1.25 26-30 ft.lbs.
SPECIAL TOOLS
Special tools may be required while servicing this vehicle. Some of the tools listed or depicted are mandatory, while other tools maybe
substituted with a similar tool, if available. Polaris recommends the use of Polaris Special Tools when servicing any Polaris product.
Dealers may order special tools through Polaris’ official tool supplier, SPX Corporation, 1-800-328-6657.

1.13
GENERAL INFORMATION
1
SAE Tap Drill Sizes
Metric Tap Drill Sizes
Decimal Equivalents
1/64 . . . . . . . . . . .. . . . . . . .0156
1/32 . . . . . . .. . . . . . . .0312 . . 1 mm= .0394"
3/64 . . . . . . . . . . .. . . . . . . .0469
1/16 . . . . . . .. . . . . . . .0625
5/64 . . . . . . . . . . .. . . . . . . .0781 . . 2 mm = .0787"
3/32 . . . . . . .. . . . . . . .0938
7/64 . . . . . . . . . . .. . . . . . . .1094 . . 3 mm =.1181"
1/8 . . . . . . . . .1250
9/64 . . . . . . . . . . .. . . . . . . .1406
5/32 . . . . . . .. . . . . . . .1563 . . 4 mm = .1575"
11/64 . . . . . . . . . . .. . . . . . . .1719
3/16 . . . . . . .. . . . . . . .1875 . . 5mm= .1969"
13/64 . . . . . . . . . . .. . . . . . . .2031
7/32 . . . . . . .. . . . . . . .2188
15/64 . . . . . . . . . . .. . . . . . . .2344 . . 6 mm = .2362"
1/4 . . . . . . . . .25
17/64 . . . . . . . . . . .. . . . . . . .2656 . . 7 mm = .2756"
9/32 . . . . . . .. . . . . . . .2813
19/64 . . . . . . . . . . .. . . . . . . .2969
5/16 . . . . . . .. . . . . . . .3125 . . 8mm= .3150"
21/64 . . . . . . . . . . .. . . . . . . .3281
11/32 . . . . . .. . . . . . . .3438 . . 9 mm = .3543"
23/64 . . . . . . . . . . .. . . . . . . .3594
3/8 . . . . . . . . .375
25/64 . . . . . . . . . . .. . . . . . . .3906 . . 10 mm = .3937"
13/32 . . . . . .. . . . . . . .4063
27/64 . . . . . . . . . . .. . . . . . . .4219 . . 11 mm =.4331"
7/16 . . . . . . .. . . . . . . .4375
29/64 . . . . . . . . . . .. . . . . . . .4531
15/32 . . . . . .. . . . . . . .4688 . . 12 mm = .4724"
31/64 . . . . . . . . . . .. . . . . . . .4844
1/2 . . . . . . . . .5 . . . . . . . . . . . 13mm = .5118"
33/64 . . . . . . . . . . .. . . . . . . .5156
17/32 . . . . . .. . . . . . . .5313
35/64 . . . . . . . . . . .. . . . . . . .5469 . . 14 mm = .5512"
9/16 . . . . . . .. . . . . . . .5625
37/64 . . . . . . . . . . .. . . . . . . .5781 . . 15 mm = .5906"
19/32 . . . . . .. . . . . . . .5938
39/64 . . . . . . . . . . .. . . . . . . .6094
5/8 . . . . . . . . .625 . . . . . . . . . 16mm=. 6299"
41/64 . . . . . . . . . . .. . . . . . . .6406
21/32 . . . . . .. . . . . . . .6563 . . 17 mm =.6693"
43/64 . . . . . . . . . . .. . . . . . . .6719
11/16 . . . . . .. . . . . . . .6875
45/64 . . . . . . . . . . .. . . . . . . .7031 . . 18 mm = .7087"
23/32 . . . . . .. . . . . . . .7188
47/64 . . . . . . . . . . .. . . . . . . .7344 . . 19 mm = .7480"
3/4 . . . . . . . . .75
49/64 . . . . . . . . . . .. . . . . . . .7656
25/32 . . . . . .. . . . . . . .7813 . . 20 mm = .7874"
51/64 . . . . . . . . . . .. . . . . . . .7969
13/16 . . . . . .. . . . . . . .8125 . . 21 mm =.8268"
53/64 . . . . . . . . . . .
. . . . . . . .8281
27/32 . . . . . .. . . . . . . .8438
55/64 . . . . . . . . . . .. . . . . . . .8594 . . 22 mm = .8661"
7/8 . . . . . . . . .875
57/64 . . . . . . . . . . .. . . . . . . .8906 . . 23 mm = .9055"
29/32 . . . . . .. . . . . . . .9063
59/64 . . . . . . . . . . .. . . . . . . .9219
15/16 . . . . . .. . . . . . . .9375 . . 24 mm = .9449"
61/64 . . . . . . . . . . .. . . . . . . .9531
31/32 . . . . . .. . . . . . . .9688 . . 25 mm = .9843"
63/64 . . . . . . . . . . .. . . . . . . .9844
1. . . . . . . . . . 1.0
Thread Size/ Drill Size Thread Size / Drill Size
#0-80 3/64 1/2-13 27/64
#1-64 53 1/2-20 29/64
#1-72 53 9/16-12 31/64
#2-56 51 9/16-18 33/64
#2-64 50 5/8-11 17/32
#3-48 5/64 5/8-18 37/64
#3-56 45 3/4-10 21/32
#4-40 43 3/4-16 11/16
#4-48 42 7/8-9 49/64
#5-40 38 7/8-14 13/16
#5-44 37 1-8 7/8
#6-32 36 1-12 59/64
#6-40 33 1 1/8-7 63/64
#8-32 29 1 1/8-12 1 3/64
#8-36 29 1 1/4-7 1 7/64
#10-24 24 1 1/4-12 1 11/64
#10-32 21 1 1/2-6 1 11/32
#12-24 17 1 1/2-12 1 27/64
#12-28 4.6mm 1 3/4-5 1 9/16
1/4-20 71 3/4-12 1 43/64
1/4-28 32-4 1/2 1 25/32
5/16-18 F2-12 1 59/64
5/16-24 I2 1/4-4 1/2 2 1/32
3/8-16 O2 1/2-4 2 1/4
3/8-24 Q2 3/4-4 2 1/2
7/16-14 U3-4 2 3/4
7/16-20 25/64
Tap Size Drill Size Decimal
Equivalent Nearest
Fraction
3x.50 #39 0.0995 3/32
3x.60 3/32 0.0937 3/32
4x.70 #30 0.1285 1/8
4x.75 1/8 0.125 1/8
5x.80 #19 0.166 11/64
5x.90 #20 0.161 5/32
6x1.00 #9 0.196 13/64
7x1.00 16/64 0.234 15/64
8x1.00 J0.277 9/32
8x1.25 17/64 0.265 17/64
9x1.00 5/16 0.3125 5/16
9x1.25 5/16 0.3125 5/16
10x1.25 11/32 0.3437 11/32
10x1.50 R0.339 11/32
11x1.50 3/8 0.375 3/8
12x1.50 13/32 0.406 13/32
12x1.75 13/32 0.406 13/32

1.14
GENERAL INFORMATION
Conversion Table
°C to °F: 9 (°C + 40) 5 - 40 = °F
°F to °C: 5 (°F + 40) 9 - 40 = °C
Unit of Measure Multiplied by Converts to
ft. lbs. x 12 = in. lbs.
in. lbs. x .0833 = ft. lbs.
ft. lbs. x 1.356 = Nm
in. lbs. x .0115 = kg-m
Nm x .7376 = ft. lbs.
kg-m x 7.233 = ft. lbs.
kg-m x 86.796 = in. lbs.
kg-m x 10 = Nm
in. x 25.4 =mm
mm x .03937 = in.
in. x 2.54 = cm
mile (mi.) x 1.6 = km
km x .6214 = mile (mi.)
Ounces (oz.) x 28.35 = Grams (g)
Fluid Ounces (fl. oz.) x 29.57 = Cubic Centimeters (cc)
Cubic Centimeters (cc) x .03381 = Fluid Ounces (fl. oz.)
Grams (g) x 0.035 = Ounces (oz.)
lb. x .454 = kg
kg x 2.2046 = lb.
Cubic inches (cu. in) x 16.387 = Cubic centimeters (cc)
Cubic centimeters (cc) x 0.061 = Cubic inches (cu. in)
Imperial pints (Imp pt.) x 0.568 = Liters (l)
Liters (l) x 1.76 = Imperial pints (Imp pt.)
Imperial quarts (Imp qt.) x 1.137 = Liters (l)
Liters (l) x 0.88 = Imperial quarts (Imp qt.)
Imperial quarts (Imp qt.) x 1.201 = US quarts (US qt.)
US quarts (US qt.) x 0.833 = Imperial quarts (Imp qt.)
US quarts (US qt.) x 0.946 = Liters (l)
Liters (l) x 1.057 = US quarts (US qt.)
US gallons (US gal) x 3.785 =Liters (l)
Liters (l) x 0.264 = US gallons (US gal)
Pounds - force per square inch (psi) x 6.895 = Kilopascals (kPa)
Kilopascals (kPa) x 0.145 = Pounds - force per square inch (psi)
Kilopascals (kPa) x 0.01 = Kilograms - force per square cm
Kilograms - force per square cm x 98.1 = Kilopascals (kPa)
(3.14)xR2x H (height) = Cylinder Volume

1.15
GENERAL INFORMATION
1
Glossary Of Terms
ABDC: After bottom dead center.
ACV: Alternating current voltage.
ADC: Active Descent Control. Engages front wheels for 4-wheel EBS.
Alternator: Electrical generator producing voltage alternating current.
ATDC: After top dead center.
BBDC: Before bottom dead center.
BDC: Bottom dead center.
BTDC: Before top dead center.
CC: Cubic centimeters.
Center Distance: Distance between center of crankshaft and center of driven clutch shaft.
Chain Pitch: Distance between chain link pins (No. 35 = 3/8" or 1 cm). Polaris measures chain length in number of pitches.
CI: Cubic inches.
Clutch Buttons: Plastic bushings which aid rotation of the movable sheave in the drive and driven clutch.
Clutch Offset: Drive and driven clutches are offset so that drive belt will stay nearly straight as it moves along the clutch face.
Clutch Weights: Three levers in the drive clutch which relative to their weight, profile and engine RPM cause the drive clutch to close and
grip the drive belt.
Crankshaft Run-Out: Run-out or "bend" of crankshaft measured with a dial indicator while crankshaft is supported between centers on V
blocks or resting in crankcase. Measure at various points especially at PTO.
CVT: Centrifugal Variable Transmission (Drive Clutch System)
DCV: Direct current voltage.
Dial Bore Gauge: A cylinder measuring instrument which uses a dial indicator. Good for showing taper and out-of-round in the cylinder bore.
EBS: Engine Braking System. Uses engine compression to slow the ATV without the use of hydraulic brakes.
Electrical Open: Open circuit. An electrical circuit which isn't complete.
Electrical Short: Short circuit. An electrical circuit which is completed before the current reaches the intended load. (i.e. a bare wire touching
the chassis).
End Seals: Rubber seals at each end of the crankshaft.
Engagement RPM: Engine RPM at which the drive clutch engages to make contact with the drive belt.
ft.: Foot/feet.
Foot Pound: Ft. lb. A force of one pound at the end of a lever one foot in length, applied in a rotational direction.
g: Gram. Unit of weight in the metric system.
gal.: Gallon.
ID: Inside diameter.
in.: Inch/inches.
Inch Pound: In. lb. 12 in. lbs. = 1 ft. lb.
kg/cm2: Kilograms per square centimeter.
kg-m: Kilogram meters.
Kilogram/meter: A force of one kilogram at the end of a lever one meter in length, applied in a rotational direction.
l or ltr: Liter.
lbs/in2: Pounds per square inch.
Left or Right Side: Always referred to based on normal operating position of the driver.
m: Meter/meters.
Mag: Magneto.
Magnetic Induction: As a conductor (coil) is moved through a magnetic field, a voltage will be generated in the windings. Mechanical energy
is converted to electrical energy in the stator.
mi.: Mile/miles.
mm: Millimeter. Unit of length in the metric system. 1 mm = approximately .040".
Nm: Newton meters.
OD: Outside diameter.
Ohm: The unit of electrical resistance opposing current flow.
oz.: Ounce/ounces.
Piston Clearance: Total distance between piston and cylinder wall.
psi.: Pounds per square inch.
PTO: Power take off.
qt.: Quart/quarts.
Regulator: Voltage regulator. Regulates battery charging system output at approximately 14.5 DCV as engine RPM increases.
Reservoir Tank: The fill tank in the liquid cooling system.
Resistance: In the mechanical sense, friction or load. In the electrical sense, ohms, resulting in energy conversion to heat.
RPM: Revolutions per minute.
Seized Piston: Galling of the sides of a piston. Usually there is a transfer of aluminum from the piston onto the cylinder wall.
Possible causes: 1) improper lubrication; 2) excessive temperatures; 3) insufficient piston clearance; 4) stuck piston rings.
Stator Plate: The plate mounted under the flywheel supporting the battery charging coils.
TDC: Top dead center. Piston's most outward travel from crankshaft.
Volt: The unit of measure for electrical pressure of electromotive force. Measured by a voltmeter in parallel with the circuit.
Watt: Unit of electrical power. Watts = amperes x volts.
WOT: Wide open throttle.

NOTES
GENERAL INFORMATION
1.16

MAINTENANCE
2.1
CHAPTER 2
MAINTENANCE 2
MAINTENANCE. . . . . . . . . . . . . . . . . . . . . . . . . . . . . . . . . . . . . . . . . . . . . . . . . . . . . . . . . 2.3
OVERVIEW. . . . . . . . . . . . . . . . . . . . . . . . . . . . . . . . . . . . . . . . . . . . . . . . . . . . . . . . . . . . 2.3
PERIODIC MAINTENANCE CHART . . . . . . . . . . . . . . . . . . . . . . . . . . . . . . . . . . . . . . . . 2.4
LUBRICATION / FLUIDS. . . . . . . . . . . . . . . . . . . . . . . . . . . . . . . . . . . . . . . . . . . . . . . . . . 2.7
GENERAL COMPONENT LOCATIONS. . . . . . . . . . . . . . . . . . . . . . . . . . . . . . . . . . . . . . 2.7
POLARIS LUBRICANTS, MAINTENANCE AND SERVICE PRODUCTS . . . . . . . . . . . . 2.8
POLARIS LUBRICANT SYMBOL IDENTIFICATION . . . . . . . . . . . . . . . . . . . . . . . . . . . . 2.9
PRE-RIDE / DAILY INSPECTION . . . . . . . . . . . . . . . . . . . . . . . . . . . . . . . . . . . . . . . . . . 2.9
LUBRICATION / GREASE POINTS . . . . . . . . . . . . . . . . . . . . . . . . . . . . . . . . . . . . . . . . 2.10
FRONT GEARCASE LUBRICATION . . . . . . . . . . . . . . . . . . . . . . . . . . . . . . . . . . . . . . . 2.11
TRANSMISSION LUBRICATION . . . . . . . . . . . . . . . . . . . . . . . . . . . . . . . . . . . . . . . . . . 2.12
ADC DIFFERENTIAL HYDRAULIC CIRCUIT FLUID CHANGE. . . . . . . . . . . . . . . . . . . 2.13
VEHICLE INSPECTION. . . . . . . . . . . . . . . . . . . . . . . . . . . . . . . . . . . . . . . . . . . . . . . . . . 2.13
SHIFT LINK ROD AND THROTTLE INSPECTION . . . . . . . . . . . . . . . . . . . . . . . . . . . . 2.13
THROTTLE INSPECTION . . . . . . . . . . . . . . . . . . . . . . . . . . . . . . . . . . . . . . . . . . . . . . . 2.14
THROTTLE CABLE / ELECTRONIC THROTTLE CONTROL ADJUSTMENT . . . . . . . 2.14
FUEL SYSTEM. . . . . . . . . . . . . . . . . . . . . . . . . . . . . . . . . . . . . . . . . . . . . . . . . . . . . . . . 2.15
VENT LINES. . . . . . . . . . . . . . . . . . . . . . . . . . . . . . . . . . . . . . . . . . . . . . . . . . . . . . . . . . 2.15
COMPRESSION TEST. . . . . . . . . . . . . . . . . . . . . . . . . . . . . . . . . . . . . . . . . . . . . . . . . . 2.15
ENGINE MOUNTS . . . . . . . . . . . . . . . . . . . . . . . . . . . . . . . . . . . . . . . . . . . . . . . . . . . . . 2.16
SPARK PLUG. . . . . . . . . . . . . . . . . . . . . . . . . . . . . . . . . . . . . . . . . . . . . . . . . . . . . . . . . 2.16
ACTIVE DESCENT CONTROL (ADC) RESERVIOR LEVEL. . . . . . . . . . . . . . . . . . . . . 2.16
BATTERY MAINTENANCE . . . . . . . . . . . . . . . . . . . . . . . . . . . . . . . . . . . . . . . . . . . . . . 2.17
COOLING SYSTEM. . . . . . . . . . . . . . . . . . . . . . . . . . . . . . . . . . . . . . . . . . . . . . . . . . . . 2.17
COOLANT STRENGTH / TYPE . . . . . . . . . . . . . . . . . . . . . . . . . . . . . . . . . . . . . . . . . . . 2.18
COOLING HOSES . . . . . . . . . . . . . . . . . . . . . . . . . . . . . . . . . . . . . . . . . . . . . . . . . . . . . 2.18
RADIATOR . . . . . . . . . . . . . . . . . . . . . . . . . . . . . . . . . . . . . . . . . . . . . . . . . . . . . . . . . . . 2.18
COOLING SYSTEM PRESSURE TEST. . . . . . . . . . . . . . . . . . . . . . . . . . . . . . . . . . . . . 2.18
RESERVOIR LEVEL INSPECTION . . . . . . . . . . . . . . . . . . . . . . . . . . . . . . . . . . . . . . . . 2.18
RADIATOR COOLANT LEVEL. . . . . . . . . . . . . . . . . . . . . . . . . . . . . . . . . . . . . . . . . . . . 2.19
AIR FILTER SERVICE . . . . . . . . . . . . . . . . . . . . . . . . . . . . . . . . . . . . . . . . . . . . . . . . . . 2.19
AIR BOX SEDIMENT TUBE. . . . . . . . . . . . . . . . . . . . . . . . . . . . . . . . . . . . . . . . . . . . . . 2.20
ENGINE BREATHER . . . . . . . . . . . . . . . . . . . . . . . . . . . . . . . . . . . . . . . . . . . . . . . . . . . 2.20
PVT INSPECTION / DRYING PROCEDURE. . . . . . . . . . . . . . . . . . . . . . . . . . . . . . . . . 2.21
ENGINE GROUND . . . . . . . . . . . . . . . . . . . . . . . . . . . . . . . . . . . . . . . . . . . . . . . . . . . . . 2.21
ENGINE OIL LEVEL . . . . . . . . . . . . . . . . . . . . . . . . . . . . . . . . . . . . . . . . . . . . . . . . . . . . 2.21
OIL/FILTER CHANGE . . . . . . . . . . . . . . . . . . . . . . . . . . . . . . . . . . . . . . . . . . . . . . . . . . 2.22
STEERING INSPECTION. . . . . . . . . . . . . . . . . . . . . . . . . . . . . . . . . . . . . . . . . . . . . . . . 2.23
TIE ROD / STEERING . . . . . . . . . . . . . . . . . . . . . . . . . . . . . . . . . . . . . . . . . . . . . . . . . . 2.23
CAMBER/CASTER. . . . . . . . . . . . . . . . . . . . . . . . . . . . . . . . . . . . . . . . . . . . . . . . . . . . . 2.23
WHEEL ALIGNMENT . . . . . . . . . . . . . . . . . . . . . . . . . . . . . . . . . . . . . . . . . . . . . . . . . . . 2.24
TOE ALIGNMENT. . . . . . . . . . . . . . . . . . . . . . . . . . . . . . . . . . . . . . . . . . . . . . . . . . . . . . 2.24
EXHAUST PIPE . . . . . . . . . . . . . . . . . . . . . . . . . . . . . . . . . . . . . . . . . . . . . . . . . . . . . . . 2.25
BRAKE SYSTEM INSPECTION. . . . . . . . . . . . . . . . . . . . . . . . . . . . . . . . . . . . . . . . . . . 2.25
BRAKE PADS. . . . . . . . . . . . . . . . . . . . . . . . . . . . . . . . . . . . . . . . . . . . . . . . . . . . . . . . . 2.26
BRAKE HOSE INSPECTION . . . . . . . . . . . . . . . . . . . . . . . . . . . . . . . . . . . . . . . . . . . . . 2.26
AUXILIARY (REAR) BRAKE TEST . . . . . . . . . . . . . . . . . . . . . . . . . . . . . . . . . . . . . . . . 2.26
AUXILIARY BRAKE ADJUSTMENT. . . . . . . . . . . . . . . . . . . . . . . . . . . . . . . . . . . . . . . . 2.27
SUSPENSION: SPRING PRELOAD ADJUSTMENT . . . . . . . . . . . . . . . . . . . . . . . . . . . 2.27
FRONT SUSPENSION. . . . . . . . . . . . . . . . . . . . . . . . . . . . . . . . . . . . . . . . . . . . . . . . . . 2.27
REAR SUSPENSION . . . . . . . . . . . . . . . . . . . . . . . . . . . . . . . . . . . . . . . . . . . . . . . . . . . 2.27
CV SHAFT BOOT INSPECTION . . . . . . . . . . . . . . . . . . . . . . . . . . . . . . . . . . . . . . . . . . 2.27
ATV CONTROLS . . . . . . . . . . . . . . . . . . . . . . . . . . . . . . . . . . . . . . . . . . . . . . . . . . . . . . 2.27
WHEEL INSPECTION . . . . . . . . . . . . . . . . . . . . . . . . . . . . . . . . . . . . . . . . . . . . . . . . . . 2.28

2.2
MAINTENANCE
WHEEL REMOVAL: FRONT OR REAR . . . . . . . . . . . . . . . . . . . . . . . . . . . . . . . . . . . . 2.28
WHEEL INSTALLATION . . . . . . . . . . . . . . . . . . . . . . . . . . . . . . . . . . . . . . . . . . . . . . . . 2.28
TIRE PRESSURE. . . . . . . . . . . . . . . . . . . . . . . . . . . . . . . . . . . . . . . . . . . . . . . . . . . . . . 2.29
TIRE INSPECTION. . . . . . . . . . . . . . . . . . . . . . . . . . . . . . . . . . . . . . . . . . . . . . . . . . . . . 2.29
FRAME, NUTS, BOLTS, FASTENERS . . . . . . . . . . . . . . . . . . . . . . . . . . . . . . . . . . . . . 2.29
FRONT / REAR STORAGE COMPARTMENTS . . . . . . . . . . . . . . . . . . . . . . . . . . . . . . 2.29
WARN“WINCH OPERATION (IF EQUIPPED). . . . . . . . . . . . . . . . . . . . . . . . . . . . . . . . 2.30
CLEANING AND STORAGE OF ATV . . . . . . . . . . . . . . . . . . . . . . . . . . . . . . . . . . . . . . 2.32

2.3
MAINTENANCE
2
MAINTENANCE
Overview
Careful periodic maintenance will help keep your vehicle in the safest, most reliable condition. Inspection, adjustment and
lubrication of important components are explained in the periodic maintenance chart.
Inspect, clean, lubricate, adjust and replace parts as necessary. When inspection reveals the need for replacement parts, use genuine
Polaris parts available from your Polaris dealer.
NOTE: Service and adjustments are critical. If you're not familiar with safe service and adjustment procedures, have a qualified
dealer perform these operations.
Maintenance intervals in the following chart are based upon average riding conditions and an average vehicle speed of approximately
10 miles per hour. Vehicles subjected to severe use must be inspected and serviced more frequently.
• Frequent immersion in mud, water or sand
• Racing or race-style high RPM use
• Prolonged low speed, heavy load operation
• Extended idle
• Short trip cold weather operation
Pay special attention to the oil level. A rise in oil level during cold weather can indicate contaminants collecting in the oil sump or
crankcase. Change oil immediately if the oil level begins to rise. Monitor the oil level, and if it continues to rise, discontinue use
and determine the cause.
Maintenance Chart Key
The following symbols denote potential items to be aware of during maintenance:
= CAUTION: Due to the nature of these adjustments, it is recommended this service be performed by an authorized
Polaris dealer.
= SEVERE USE ITEM --If vehicle is subjected to severe use, decrease interval by 50% (Severe Use is defined as frequent
vehicle immersion in mud, water or sand, racing or race-style high rpm use, prolonged low speed - heavy load operation or
extended idle. More preventative maintenance is required under these conditions. Fluid changes, cable, chain and chassis
lubrication are required more frequently. For engine oil, short trip cold weather riding also constitutes severe use. Pay
special attention to oil level. A rising oil level in cold weather can indicate contaminants collecting in the oil sump or
crankcase. Change oil immediately and monitor level. If oil level begins to rise, discontinue use and determine cause.)
E = Emission Control System Service (California).
NOTE: Inspection may reveal the need for replacement parts. Always use genuine Polaris parts.
WARNING: Improperly performing the procedures marked with a could result in component failure and lead to serious injury
or death. Have an authorized Polaris dealer perform these services.

2.4
MAINTENANCE
Periodic Maintenance Chart
Table 2-1: REQUIRED MAINTENANCE INTERVALS
ITEM MAINTENANCE INTERVAL REMARKS
Hours Calendar Miles (KM)
Steering -- Pre-Ride --
Make adjustments as needed.
Front Suspension -- Pre-Ride --
Rear Suspension -- Pre-Ride --
Tires -- Pre-Ride --
ADC Fluid Level -- Pre-Ride --
Brake Fluid Level -- Pre-Ride --
Brake Lever
Travel -- Pre-Ride --
Brake Systems -- Pre-Ride --
Wheels/Fasteners -- Pre-Ride --
Frame Fasteners -- Pre-Ride --
, EEngine Oil Level -- Pre-Ride --
, EAir filter,
pre-filter -- Daily -- Inspect; clean often
, EAir Box Sediment
Tube -- Daily -- Drain deposits when visible
Coolant
(if applicable) -- Daily -- Check level daily, change coolant every 2 years
Head lamp/tail
lamp -- Daily -- Check operation; apply dielectric grease if replacing
, EAir filter, main
element -- Weekly -- Inspect; replace as needed
Recoil housing
(if applicable) -- Weekly -- Drain water as needed, check often if operating in
wet conditions
, EBrake Pad Wear 10 H Monthly 60 (100) Inspect periodically
Battery 20 H Monthly 125 (200) Check terminals; clean; test
= Perform these procedures more often for vehicles subjected to severe use.
E = Emission Control System Service (California)
= Have an authorized Polaris Dealer perform these services.

2.5
MAINTENANCE
2
Hours Calendar Miles (KM)
Front gearcase oil
(if equipped) 25 H Monthly 155 (250) Inspect level; change yearly
Middle gearcase
oil (if equipped) 25 H Monthly 155 (250) Inspect level; change yearly
Rear gearcase oil
(if equipped) 25 H Monthly 155 (250) Inspect level; change yearly
Transmission Oil 25 H Monthly 155 (250) Inspect level; change yearly
, EEngine breather
filter (if
equipped) 25 H Monthly 155 (250) Inspect; replace if necessary
, EEngine oil change
(break-in) 25 H 1 M 155 (250) Perform a break-in oil change at one month
General
lubrication 50 H 3 M 310 (500) Lubricate all fittings, pivots, cables, etc.
Shift Linkage 50 H 6 M 310 (500) Inspect, lubricate, adjust
Steering 50 H 6 M 310 (500) Lubricate
Front Suspension 50 H 6 M 310 (500) Lubricate
Rear Suspension 50 H 6 M 310 (500) Lubricate
, E Throttle Cable/
ETC Switch 50 H 6 M 310 (500) Inspect; adjust; lubricate; replace if necessary
EAir intake ducts 50 H 6 M 310 (500) Inspect ducts for proper sealing/air leaks
Drive belt 50 H 6 M 310 (500) Inspect; adjust; replace as needed
Cooling system
(if applicable) 50 H 6 M 310 (500) Inspect coolant strength seasonally; pressure test
system yearly
, EEngine Oil
Change 100 H 6 M 620 (1000) Perform a break-in oil change at 25 hours/one month
, EOil filter change 100 H 6 M 620 (1000) Replace with oil change
, EOil tank vent hose
(iff applicable) 100 H 12 M 620 (1000) Inspect routing, condition
, EValve Clearance 100 H 12 M 620 (1000) Inspect;
= Perform these procedures more often for vehicles subjected to severe use.
E = Emission Control System Service (California)
= Have an authorized Polaris Dealer perform these services.
Table 2-1: REQUIRED MAINTENANCE INTERVALS
ITEM MAINTENANCE INTERVAL REMARKS

2.6
MAINTENANCE
Hours Calendar Miles (KM)
, EFuel system 100 H 12 M 620 (1000) Check for leaks at tank cap, lines, fuel pump, filter,
pump, injectors; replace lines every two years
, EFuel filter 100 H 12 M 620 (1000) Replace yearly
Radiator
(if applicable) 100 H 12 M 620 (1000) Inspect; clean external surfaces
Cooling hoses
(if applicable) 100 H 12 M 620 (1000) Inspect for leaks
Engine mounts 100 H 12 M 620 (1000) Inspect
Exhaust
muffler/pipe 100 H 12 M 620 (1000) Inspect
, ESpark Plug 100 H 12 M 620 (1000) Inspect; replace as needed
, EIgnition Timing 100 H 12 M 620 (1000) Inspect
Wiring 100 H 12 M 620 (1000) Inspect for wear, routing, security; apply dielectric
grease to connectors subjected to water, mud, etc.
Clutches
(drive & driven) 100 H 12 M 620 (1000) Inspect; clean; replace worn parts
Front wheel
bearings 100 H 12 M 1000
(1600) Inspect; replace as needed
Brake fluid 200 H 24 M 1240
(1000) Change every two years
ADC fluid 200 H 24 M 1240
(1000) Change every two years
Spark arrestor 300 H 36 M 1860
(3000) Clean out
EIdle Speed ---- Adjust as needed
Toe Adjustment ---- Inspect periodically; adjust when parts are replaced
,
Auxiliary brake ---- Inspect daily, adjust as needed
Headlight aim ---- Adjust as needed
= Perform these procedures more often for vehicles subjected to severe use.
E = Emission Control System Service (California)
= Have an authorized Polaris Dealer perform these services.
Table 2-1: REQUIRED MAINTENANCE INTERVALS
ITEM MAINTENANCE INTERVAL REMARKS

2.7
MAINTENANCE
2
LUBRICATION / FLUIDS
SPORTSMAN Component Locations
(Sportsman Only)
(Deluxe)

2.8
MAINTENANCE
SPORTSMAN X2 Component Locations
AWD/Turf Switch
Throttle
Ignition/Key
Instrument Cluster
Worklight
Diagnostic
Reverse
Brake Fluid Reservoir
Brake Lever
Light Control
& Run Switch
(Speedometer)
Override
Rear Dump Box / Passenger Area
PVT Cover
Oil Dipstick
Front Demand
(Behind Radiator)
Front Storage
Compartment
& Rack
Gas Cap
Gear Shifter
Front Drive CV Shafts
Front Prop Shaft
(Between Transmission
and Front Gearcase)
Transmission
Muffler
Right Side View
Auxiliary Brake
Port (under access panel)
Drive Unit
Battery (Under Tank)
Rear Drive CV Shafts

2.9
MAINTENANCE
2
Polaris Lubricants, Maintenance and Service
Products
Table 2-2:
PART
NUMBER DESCRIPTION
Engine Lubricant
2870791 Fogging Oil (12 oz. Aerosol)
2871281 Engine Oil (Quart) Premium Synthetic
0W-40 (4-cycle) (12 count)
2871844 Engine Oil (Gallon) Premium Synthetic
0W-40 (4-cycle) (4 count)
2871567 Engine Oil (16 Gallon) Premium 4
Synthetic 0W-40 (4-cycle)
Gearcase / Transmission Lubricants
2876251 Demand Drive LT Premium Hub Fluid
3234438 Polaris ADC Hydraulic Fluid
2873602 Premium Synthetic AGL Gearcase Lube
(12 oz. bottle) (12 count)
2873603 Premium Synthetic AGL Gearcase Lube
(1 Gal. bottle) (4 count)
2876160 Premium ATV Angle Drive Fluid
(32 oz.) (12 count)
2872276 Premium ATV Angle Drive Fluid
(2.5 Gal.) (2 count)
2870465 Oil Pump for 1 Gallon Jug
Grease / Specialized Lubricants
2871322 Premium All Season Grease
(3 oz. cartridge) (24 count)
2871423 Premium All Season Grease
(14 oz. cartridge) (10 count)
2871460 Starter Drive Grease (12 count)
2871515 Pr emium U-Joint Lube
(3 oz.) (24 Count)
2871551 Premium U-Joint Lube
(14 oz.) (10 count)
2871312 Grease Gun Kit
2871329 Dielectric Grease (Nyogel
Coolant
2871323 60/40 Coolant (Gallon) (6 count)
2871534 60/40 Coolant (Quart) (12 count)
Additives / Sealants / Thread Locking Agents / Misc.
2874275 LoctitePrimer N, Aerosol
2871956 LoctiteThread Sealant 565
(50 ml.) (6 count)
2871950 Loctite T hre adlo ck 2 42
(6 ml.) (12 count)
2871951 Loctite Threadlock 262
(50 ml.) (10 count)
2871953 Loctite Threadlock 271
(6 ml.) (12 count)
2871557 3-Bond 1215Sealant
(5 oz.)
2871326 Premium Carbon Clean
(12 oz.) (12 count)
2870652 Fuel Stabilizer (16 oz.) (12 count)
2871957 Black RTV Silicone Sealer
(3 oz. tube ) (12 count)
2871958 Black RTV Silicone Sealer
(11 oz. cartridge) (12 count)
2870990 DOT 3 Brake Fluid (12 count)
2871557 Crankcase Sealant, 3 Bond 1215 (5 oz.)
Table 2-2:
PART
NUMBER DESCRIPTION

2.10
MAINTENANCE
Polaris Lubricant Symbol Identification
NOTE: The symbols used are for quick reference in identifying
which lubricant/grease to use on each component.
Pre-Ride / Daily Inspection
Perform the following pre-ride inspection daily, and when
servicing the vehicle at each scheduled maintenance.
• Tires - check tire condition and air pressures
• Fuel and oil - fill both to their proper level; Do not
overfill
• All brakes - check operation and adjustment (includes
auxiliary brake)
• Throttle -check for free operation
• Headlight/Taillight/Brakelight - check operation of all
indicator lights and switches
• Engine stop switch - check for proper function
• Wheels - check for loose wheel nuts and axle nuts;
check to be sure axle nuts are secured by cotter pins
• Air cleaner element - check for dirt or water; clean or
replace
• Steering - check for free operation, noting any unusual
looseness in any area
• Loose parts - visually inspect vehicle for any damaged
or loose nuts, bolts or fasteners
•Engine coolant - check for proper level at the recovery
bottle
• ADC Fluid Level - check for proper level
Polaris DOT
Brake Fluid Polaris Synthetic AGL
Gearcase Lube
Polaris Synthetic Polaris 60/40
Demand Drive LT
Premium Hub Fluid
Polaris U-Joint Lube Polaris All
Season Grease
Polaris ATV Angle
Drive Fluid
0W/40 Coolant
Polaris ADC
Hydraulic Fluid

2.11
MAINTENANCE
2
Lubrication / Grease Points
* Perform more often under severe use, such as operation in water and under severe loads.
Semi-annually or 50 hours of operation 9refer to Maintenance Schedule for additional information). More often under severe
conditions (operating in water or hauling heavy loads.
Annually or 100 hours of operation (refer to Maintenance Schedule for additional information). More often under severe
conditions (operating in water or hauling heavy loads.
Grease conforming to NLGI No. 2, such as Polaris Premium All Season Grease, Conoco Superlube M, or Mobilgrease Special
#I
TEM LUBE METHOD FREQUENCY*
1. Engine Oil Polaris 0W/40 Check dipstick and add to
proper level.
Change after 1st month, 6 months, or 100
hours thereafter; Change more often (25-50
hours) in extremely dirty conditions, or short
trip cold weather operation.
2. Transmission Polaris AGL Synthetic
Gearcase Lube Add lube to bottom fill hole. Change annually
3A.
3B. Front Gearcase
ADC Fluid
Demand Drive LT
Premium Hub Fluid
Polaris ADC Hydraulic
Drain as directed.
Add specified quantity.
Gearcase - Change annually
ADC - Change fluid every 2 years
4. Rear Gearcase ATV Angle Drive Fluid Drain completely. Add lube to
specified quantity. Change annually
5. Brake Fluid Polaris Dot 3 Brake Fluid Fill master cylinder reservoir
to indicated level As required, change fluid every 2 years
6. Front A-Arm Polaris All Season Grease Locate fitting and grease. Semi-annually
7. Rear A-Arm Polaris All Season Grease Locate fitting and grease Semi-annually
5. Front Propshaft Polaris U-Joint GreaseLocate fitting and grease. Semi-annually
1. Engine Oil 2. Transmission Fluid 4. Rear Gearcase
3. Front Gearcase
5. Brake Fluid
6. Front A-Arm
7. Rear A-Arm
8. Front Propshaft

2.12
MAINTENANCE
Front Gearcase Lubrication
The front gearcase lubricant level should be checked and
changed in accordance with the maintenance schedule.
• Be sure vehicle is level before proceeding and in PARK
• Check vent hose to be sure it is routed properly and
unobstructed
• The correct front gearcase lubricant to use is Polaris
Premium Demand Hub Fluid.
To Check the Lubricant Level:
The front and rear gearcase lubricant level cannot be checked
with a dipstick. The gearcase must be drained and re-filled with
the proper amount of lubricant or be filled to the bottom of the
fill plug hole threads. Refer to procedures.
To Change Gearcase Lubricant:
1. Remove gearcase drain plug (A) located on the bottom of
the gearcase and drain oil. (The drain plug is accessible
through the skid plate.) Catch and discard used oil
properly.
2. Clean and reinstall drain plug (A) using a new sealing
washer (B). Torque to specification.
3. Remove fill plug. Inspect the O-ring.
4. Fill with the recommended fluid amount or to the bottom
of the fill plug hole threads. (See Illustration below).
5. Install / torque fill plug and check for leaks.
=
Specified Lubricant:
Demand Drive LT Premium Hub Fluid
CH Gearcase Capacity: 8.97 oz. (265 ml.)
ADC Gearcase Capacity: 9.3 oz. (275 ml.)
= T
Fill Plug Torque: 8-10 ft.lbs. (11-14 Nm)
Drain Plug Torque: 11 ft.lbs. (15 Nm)
FRONT GEARCASE
Fill Plug
8-10 ft.lbs.
(11-14 Nm)
Drain Plug
11 ft.lbs. (15 Nm)
Drain Plug
Left Side View
Fill Plug
Front Gearcase
Fill - Premium
Hub Fluid
Demand Drive

2.13
MAINTENANCE
2
Transmission Lubrication
The (transmission) lubricant level should be checked and
changed in accordance with the maintenance schedule.
• Be sure vehicle is level and in Park before proceeding.
• Check vent hose to be sure it is routed properly and
unobstructed.
• Follow instructions to check / change transmission
lubricant.
To Check the Fluid Level:
1. Remove fill plug from the back of the transmission and
visually inspect the oil level. Level is correct when it
reaches the bottom of the fill hole as shown at below.
NOTE: The drain and fill plug use a 5/16” hex for
removal and installation.
To Change Lubricant:
1. Remove transmission drain plug to drain the oil. Discard
used oil properly.
2. Clean and reinstall the drain plug. Torque to specification.
3. Remove fill plug.
4. Add the correct amount of Polaris AGL Gearcase
Lubricant.
5. Check for leaks.
6. Install fill plug. Torque to specification.
SPORTSMAN
Oil Fill Plug
Oil Fill Level-
Bottom Fill Plug
Hole Threads
SPORTSMAN X2
=
Transmission - Specified Lubricant:
Polaris AGL Gearcase Lubricant
(Gallon - PN 2873603) (12 oz. - PN 2873602)
Sportsman - Capacity: 15 oz. (450 ml)
Sportsman X2 - Capacity: 32 oz. (948 ml)
= T
Transmission
Sportsman - Drain / Fill Plug Torque:
14 ft.lbs. (19 Nm)
Sportsman X2 - Drain / Fill Plug Torque:
20-25 ft.lbs. (27-34 Nm)

2.14
MAINTENANCE
ADC Differential Hydraulic Circuit Fluid
Change
1. Make sure vehicle is parked on flat ground and allowed to
sit at least 30 minutes prior to bleeding hydraulic circuit.
2. Thoroughly clean area around and on remote reservoir and
bleeder valves.
3. Remove reservoir cap and diaphragm assembly.
4. Make sure hydraulic oil inside reservoir is free of debris.
If any debris is found, use clean rag or suction device to
remove from the reservoir.
NOTE: Debris in reservoir may block porting and
produce inadequate bleeding of the system.
Decreased performance may be encountered with
inadequate bleed of the hydraulic circuit.
5. Begin the bleeding process by filling reservoir to ‘MAX’
line with clean Polaris ADC hydraulic fluid. (AW ISO 10
hydraulic fluid equivalent).
6. Locate bleeder valves found on either side of differential
and remove the protective caps.
7. Turn bleeder valves counter-clockwise to loosen. Loosen
bleeder screw slowly, allowing oil and any trapped air to
flow out of fitting.
IMPORTANT: Do not allow hydraulic fluid in reservoir
to drain below minimum fill line. Close bleeder valve
before oil level falls below minimum fill line. Refilling
empty reservoir will result in air pockets becoming
trapped.
NOTE: If empty reservoir is encountered, filling of
fluid is still possible. Verify air is not trapped before
proceeding with step 7.
8. Continue steps 6-8 on both sides in sequence until clean
fluid is seen when bleeding occurs.
9. Re-torque both bleeder valves to specification and reinstall
cover caps.
10. Fill reservoir with to a level midway between ‘MAX’ and
‘MIN’ fill lines. Verify no debris is found in reservoir oil.
11. Replace reservoir cap securely and wipe clean any residue.
VEHICLE INSPECTION
Shift Link Rod Inspection
NOTE: Shift rod is preset at time of manufacturer.
1. Inspect shift link tie rod ends and replace if worn or
damaged. Lubricate pivot points with a light aerosol
lubricant or grease if desired.
= T
Bleeder Valve Torque:
80 in. lbs. (9 Nm)
Shift Mount
Shifter
Shift Link Rod

2.15
MAINTENANCE
2
Throttle Inspection
Check for smooth throttle opening and closing in all handlebar
positions. Throttle lever operation should be smooth and lever
must return freely without binding.
1. Place the gear selector in neutral.
2. Place shift selector in neutral and set parking brake.
3. Loosen lock nut on in-line cable adjuster (Ill. 1).
4. Turn handlebars from full right to full left. If idle speed
increases at any point in the turning range, inspect throttle
cable routing and condition. Adjust cable tension as needed
until lock-to-lock turning can be accomplished with no rise
in engine rpm.
5. Replace the throttle cable if worn, kinked, or damaged.
To Remove ETC Cover:
1. Use a medium flat blade screwdriver and insert blade into
the pocket of the cover starting on the #1 position.
2. Twist screwdriver slightly while lifting on the cover to
release snap.
3. Repeat procedure at the other five locations as shown.
NOTE: Do not attempt to remove cover until all latch
points are released.
Throttle Cable / Electronic Throttle Control
(ETC Switch) Adjustment
1. Slide boot off throttle cable adjuster and jam nut.
2. Place shift selector in neutral and set parking brake.
3. Loosen lock nut on in-line cable adjuster (Ill. 1).
4. Turn adjuster until specified freeplay is achieved at thumb
lever. (see illustration). After making adjustments, quickly
actuate the thumb lever several times and reverify freeplay.
5. Tighten lock nut securely and slide boot completely in
place to ensure a water-resistant seal.
6. Turn handlebars from left to right through the entire turning
range. If idle speed increases, check for proper cable
routing. If cable is routed properly and in good condition,
repeat adjustment procedure
ETC Cover
Removal Sequence
= In. / mm.
Throttle Freeplay:
.0625 - .1250" (1.58 - 3.17mm)
Boot
Adjuster Sleeve Lock Nut Boot
Direction of Travel
1/16-1/8” Freeplay

2.16
MAINTENANCE
Fuel System
The fuel filter (1) should be replaced in accordance with the
Periodic Maintenance Chart. To replace the filter:
1. Disconnect negative battery cable.
2. Relieve the pressure on the fuel rail. (See Ch. 4)
3. Remove line locks at both ends of the filter.
4. Remove fuel lines from filter, use shop towels to catch any
leaking fuel.
5. Install new filter in line with arrow pointed in direction of
fuel flow.
6. Install line locks on fuel lines and verify locks are seated.
7. Start engine and inspect for leaks.
Vent Lines
Check fuel tank, oil tank, battery and transmission vent lines for
signs of wear, deterioration, damage or leakage. Replace Be
sure vent lines are routed properly and secured with cable ties.
Compression Test
NOTE: This engine does NOT have decompression
components. Compression readings will vary in
proportion to cranking speed during the test.
Average compression (measured) is about 150-200
psi during a compression test.
A smooth idle generally indicates good compression. Low
engine compression is rarely a factor in running condition
problems above idle speed. Abnormally high compression can
be caused by carbon deposits in the combustion chamber or
worn, damaged exhaust cam lobes. Inspect camshaft and
combustion chamber if compression is abnormally high.
A cylinder leakdown test is the best indication of engine
condition. Follow manufacturer's instructions to perform a
cylinder leakage test. (Never use high pressure leakage testers,
as crankshaft seals may dislodge and leak).
WARNING
* Gasoline is extremely flammable and explosive
under certain conditions.
* EFI components are under high pressure. Verify
system pressure has been relieved before
disassembly.
* Never drain the fuel system when the engine is
h o t . S e v e r e b u r n s m a y r e s u l t
* Do not overfill the tank. The tank is at full capacity
when the fuel reaches the bottom of the filler neck.
Leave room for expansion of fuel.
* Never start the engine or let it run in an enclosed
area. Gasoline powered engine exhaust fumes are
poisonous and can cause loss of consciousness
and death in a short time.
* Do not smoke or allow open flames or sparks in
or near the area where refueling is performed or
where gasoline is stored.
* If you get gasoline in your eyes or if you should
swallow gasoline, seek medical attention
immediately.
* If you spill gasoline on your skin or clothing,
immediately wash with soap and water and change
clothing.
* Always stop the engine and refuel outdoors or in
a well ventilated area.Keep away from open flames
and electrical components when removing fuel
filter.
(1)
EFI Example
CAUTION
Verify vent lines are not kinked or damaged
Cylinder Compression
Standard: 150-200 PSI
Cylinder Leakdown
Service Limit 15%
(Inspect for cause if test exceeds 15%)

2.17
MAINTENANCE
2
Engine Mounts
Inspect rubber engine mounts (A) for cracks or damage.
Check engine fasteners and mounts, ensure they are tight.
Spark Plug
1. Clean plug area so no dirt and debris can fall into engine
when plug is removed. Remove spark plug high tension
lead.
2. Remove spark plug.
3. Inspect electrodes for wear and carbon buildup. Look for
a sharp outer edge with no rounding or erosion of the
electrodes.
4. Clean with electrical contact cleaner or a glass bead spark
plug cleaner only.
5. Measure gap with a wire gauge. Refer to specifications for
proper spark plug type and gap. Adjust gap if necessary by
bending the side electrode carefully.
6. If necessary, replace spark plug with proper type.
7. Apply a small amount of anti-seize compound to the spark
plug threads.
8. Install spark plug and torque to specification.
Active Descent Control (ADC) Reservoir
Level
The Active Descent Control reservoir (DELUXE Models Only)
is located by the radiator fill cap. Check the level and verify it
is between the ‘MAX’ and ‘MIN’ lines. Add only Polaris ADC
fluid when required.
CAUTION
A wire brush or coated abrasive should not
be used for cleaning sparkplugs.
CAUTION
Severe engine damage may occur if the incorrect
spark plug is used.
= T
Recommended Spark Plug
Refer to the Specifications page in
Chapter 1 for spark plug type.
Spark Plug Torque: 18 ft.lbs. (24 Nm)
Spark Plug Gap
.036 (0.9 mm)

2.18
MAINTENANCE
Battery Maintenance
Complete battery servicing information for both conventional
and sealed batteries can be found in Chapter 10 of this
manual.
NOTE: Expected battery shelf life is 6-8 months
depending on storage conditions. As a general rule
before placing the battery into service, check the
battery condition and charge accordingly.
NOTE: New Batteries: Batteries must be fully
charged before use or battery life will be reduced by
10-30% of full potential. Charge battery for 3-5 hours
at a current equivalent of 1/10 of the battery's rated
amp/hour capacity. Do not use the alternator to
charge a new battery. (Refer to battery video PN
9917987).
(Conventional Battery Only) Inspect the battery fluid level.
When the electrolyte nears the lower level, remove the battery
and add distilled water only to the upper level line .
To Remove the Battery:
1. Disconnect holder strap and remove cover.
2. Disconnect battery negative (-) (black) cable first, followed
by the positive (+) (red) cable.
3. Disconnect the vent hose.
4. Remove the battery.
5. (Conventional Battery Only) Remove the filler caps and
add distilled water only as needed to bring each cell to the
proper level. Do not overfill the battery.
IMPORTANT: Use only distilled water. Tap water
contains minerals which are harmful to a battery.
IMPORTANT: Do not allow cleaning solution or tap
water to enter a battery, as it will shorten the life of the
battery.
6. Fully recharge the battery.
7. Reinstall battery caps (Conventional Battery Only).
8. Clean battery cables and terminals with a stiff wire brush.
Corrosion can be removed using a solution of one cup water
and one tablespoon baking soda. Rinse well with clean
water and dry thoroughly.
9. Reinstall battery, attaching positive (+) (red) cable first and
then the negative (-) (black) cable.
10. Reattach vent hose making sure it is properly routed and not
kinked or pinched.
11. Coat terminals and bolt threads with Dielectric Grease (PN
2871329).
12. Reinstall battery cover and holder strap.
Cooling System
The engine coolant level is controlled or maintained by the
recovery system. The recovery system components are the
recovery bottle, radiator filler neck, radiator pressure cap and
connecting hose.
As coolant operating temperature increases, the expanding
(heated) excess coolant is forced out of the radiator past the
pressure cap and into the recovery bottle. As engine coolant
temperature decreases the contracting (cooled) coolant is drawn
back up from the tank past the pressure cap and into the radiator.
• Some coolant level drop on new machines is normal as
the system is purging itself of trapped air. Observe
coolant levels often during the break-in period.
• Overheating of engine could occur if air is not fully
purged from system.
• Polaris Premium 60/40 anti-freeze is premixed and
ready to use. Do not dilute with water.
WARNING
Battery electrolyte is poisonous. It contains sulfuric
acid. Serious burns can result from contact with
skin, eyes or clothing. Antidote:
External: Flush with water.
Internal: Drink large quantities of water or milk.
Follow with milk of magnesia, beaten egg, or
vegetable oil. Call physician immediately.
Eyes: Flush with water for 15 minutes and get
prompt medical attention.
Batteries produce explosive gases. Keep sparks,
flame, cigarettes, etc. away. Ventilate when
charging or using in an enclosed space. Always
shield eyes when working near batteries.
KEEP OUT OF REACH OF CHILDREN.
Maintain between
level marks
upper and lower
CAUTION
To reduce the chance of sparks: Whenever
removing the battery, disconnect the negative
(black) cable first. When reinstalling the battery,
install the negative cable last.

2.19
MAINTENANCE
2
Coolant Strength / Type
Test the strength of the coolant using an antifreeze
hydrometer.
• A 50/50 or 60/40 mixture of antifreeze and distilled
water will provide the optimum cooling, corrosion
protection, and antifreeze protection.
• Do not use tap water, straight antifreeze, or
straight water in the system. Tap water contains
minerals and impurities which build up in the
system.
• Straight water or antifreeze may cause the system
to freeze, corrode, or overheat.
Cooling Hoses
Inspect all hoses for cracks, deterioration, abrasion or leaks.
Replace if necessary.
1. Check tightness of all hose clamps.
2. Do not over-tighten hose clamps at radiator or radiator
fitting may distort, causing a restriction or leak.
Radiator
1. Check radiator external air flow passages for restrictions or
damage.
2. Carefully straighten any bent radiator fins.
3. Remove any obstructions with compressed air or low
pressure water.
Cooling System Pressure Test
See Chapter 3 for pressure test procedures.
Reservoir Level Inspection
Remove any obstructions with compressed air or low pressure
water.
With the engine at operating temperature, the coolant level
should be between the upper and lower marks on the coolant
reservoir. If it is not:
1. Remove reservoir cap. Verify the inner splash cap vent
hole is clear and open.
2. Fill reservoir to upper mark with Polaris Premium 60/40
Anti Freeze / Coolant (PN 2871323) or a mixture of
antifreeze and distilled water as required for freeze
protection in your area.
3. Reinstall cap.
NOTE: If overheating is evident, allow system to
cool completely and check coolant level in the
radiator. Inspect for signs of trapped air in system.
Polaris 60/40 Anti-Freeze/ Coolant
(PN 2871323)
Antifreeze Hydrometer
Fan
Lower Radiator Hose
Upper Radiator Hose Coolant Bottle
WARNING
Never remove the radiator pressure cap when the
engine is warm or hot. Escaping steam and fluid
can cause severe burns. The engine must be
allowed to cool before removing the pressure cap.
Recover Bottley

2.20
MAINTENANCE
Radiator Coolant Level
NOTE: This procedure is only required if the cooling
system has been drained for maintenance and/or
repair. However, if the recovery bottle has run dry,
or if overheating is evident, the level in the radiator
should be inspected via the radiator cap first and
coolant added if necessary.
NOTE: Use of a non-standard pressure cap will not
allow the recovery system to function properly.
To Access the Radiator Pressure Cap:
Lift the front cargo cover. Remove access cover (A) by placing
your fingers under the front of the cover and pulling upward.
The radiator cap (B) is now accessible.
Air Filter Service
It is recommended that the air filter and pre filter be replaced
annually. When riding in extremely dusty conditions,
replacement is required more often.
The pre filter should be cleaned before each ride using the
following procedure:
1. Lift up on the rear of the seat.
2. Pull the seat back and free of the tabs.
NOTE: When reinstalling seat, make sure the slots
in the seat engage the tabs in the fuel tank.
3. Remove clips (A) from air box cover and remove cover.
Inspect the gasket. It should adhere tightly to the cover and
seal all the way around.
4. Loosen clamp and remove air filter assembly.
Cleaning:
5. Slip the pre-filter element off of main element. Clean the
pre filter with hot soapy water.
6. Rinse and dry thoroughly.
7. Inspect element for tears or damage.
8. Inspect main filter and replace if necessary. If the filter has
been soaked with fuel or oil it must be replaced.
Installation:
9. Reinstall pre-filter element over main filter. Be sure the
element covers entire surface of main filter without folds,
creases, or gaps.
10. Reinstall filter on main filter mount. Place filter clamp over
the assembly and tighten.
WARNING
Never remove the radiator pressure cap when the
engine is warm or hot. Escaping steam and fluid
can cause severe burns. The engine must be
allowed to cool before removing the pressure cap.
A
B
Cover
Seal
Main Element
Pre-filter

2.21
MAINTENANCE
2
NOTE: Apply a small amount of general purpose
grease to the sealing edges of the filter before
reinstalling.
NOTE: The air filter should rest on the filter support.
Proper placement of the air filter is important to
prevent rattles and air leaks.
11. Install air box cover and secure with clips.
Air Box Sediment Tube
Periodically check the air box drain tube located toward the rear
of the machine. Drain whenever deposits are visible in the clear
tube.
1. Remove drain plug (A) from end of sediment tube (B).
2. Drain tube.
3. Reinstall drain plug.
NOTE: The sediment tube will require more frequent
service if the vehicle is operated in wet conditions or
at high throttle openings for extended periods.
Engine Breather
Four-cycle ATV engines are equipped with a engine breather
filter. The in-line filter is similar in appearance to a fuel filter.
The breather lines are located on top of the cylinder head cover,
below the gas tank. Be sure breather line is routed properly and
secured in place. Make sure the lines are not kinked or pinched.
In-line breather filters can be installed with the arrow pointing
in either direction.
A
Main Filter
Filter Support
Air Box
Front of ATV
Proper Filter
Placement
A
B
Breather
Hose
To Cylinder
Head Cover

2.22
MAINTENANCE
PVT Inspection / Drying Procedure
NOTE: If operating the ATV in or through water, be
sure to check the PVT cover and other components
for water ingestion. The ATV should be checked
immediately.
1. To release any water that maybe trapped in the PVT cover,
simply remove the PVT drain plug and O-ring (A) located
on the bottom of the PVT cover and let the water drain out.
The PVT drain plug is shown below.
2. To further expel water from the cover and to dry out the
PVT system, shift the transmission to neutral and rev
engine slightly to expel the moisture and air-dry the belt and
clutches. Allow engine RPM to settle to idle speed, shift
transmission to lowest available range and test for belt
slippage. Operate ATV in lowest available range for a short
period of time until PVT system is dry.
Engine Ground
Inspect engine-to-frame ground cable connection. Be sure the
connection clean and tight.
Engine Oil Level
The twin engine is a wet-sump engine, meaning the oil is
contained in the bottom of the crankcase. To check the oil level:
1. Set machine on a level surface.
2. Be sure the machine has sat for awhile before removing the
dipstick. Do not run the engine and then check the oil level,
as this will result in an incorrect reading.
3. Unlock the lever lock (A). Remove dipstick (B) and wipe
dry with a clean cloth.
A
Typical Ground Cable
Dipstick
A
A
B

2.23
MAINTENANCE
2
4. Reinstall dipstick and push it into place. Do not lock the
dipstick.
NOTE: Make certain the dipstick is inserted all the
way into the filler tube to keep the angle and depth of
stick consistent. When reinstalling the dipstick,
make certain to seat the lever lock.
5. Remove dipstick and check to see that the oil level is in the
normal range. Add oil as indicated by the level on the
dipstick. Do not overfill. (See NOTE below!)
NOTE: Due to the dipstick entry angle into the
crankcase, the oil level will read higher on the
bottom side of the dipstick. Proper level indication
is determined on the upper side of the dipstick as it
is being removed, regardless of the level marks
being on top or on bottom. (See illustration)
NOTE: A rising oil level between checks in cool
weather driving can indicate contaminants such as
gas or moisture collecting in the crankcase. If the oil
level is over the full mark, change the oil
immediately.
Oil/filter Change
1. Place vehicle on a level surface.
2. Run engine two to three minutes until warm. Stop engine.
3. Clean area around drain plug at bottom of engine.
4. Place a drain pan beneath crankcase and remove drain plug.
5. Allow oil to drain completely.
6. Replace the sealing washer on drain plug.
NOTE: The sealing surfaces on drain plug and oil
tank should be clean and free of burrs, nicks or
scratches.
7. Reinstall drain plug and torque to specification.
8. Place shop towels beneath oil filter. Using Oil Filter
Wrench PV-43527, turn filter counterclockwise to remove.
9. Using a clean dry cloth, clean filter sealing surface on
crankcase.
10. Lubricate O-ring on new filter with a film of fresh engine
oil. Check to make sure the O-ring is in good condition.
11. Install new filter and turn by hand until filter gasket contacts
the sealing surface, then turn an additional 1/2 turn.
12. Remove dipstick and fill sump with 2 quarts (1.9 l) of
Polaris Premium 4 Synthetic Oil.
13. Place gear selector in park and set the parking brake.
Dipstick
Always read top side of dipstick to
properly check oil level in crankcase.
CAUTION
Do not allow hot oil to come into contact
with your skin, as serious burns may result.
= T
Drain Plug Torque:
15 ± 2 ft.lbs. (21.7 ± 2.7 Nm)
Oil Filter

2.24
MAINTENANCE
14. Start the engine and let it idle for one to two minutes. Stop
the engine and inspect for leaks.
15. Re-check the oil level on the dipstick and add oil as
necessary to bring the level to the upper mark on the
dipstick.
16. Dispose of used filter and oil properly.
Steering Inspection
The steering components should be checked periodically for
loose fasteners, worn tie rod ends, and damage. Also check to
make sure all cotter pins are in place. If cotter pins are removed,
they must not be re-used. Always use new cotter pins.
Replace any worn or damaged steering components. Steering
should move freely through entire range of travel without
binding. Check routing of all cables, hoses, and wiring to be
sure the steering mechanism is not restricted or limited.
NOTE: Whenever steering components are
replaced, check front end alignment. Use only
genuine Polaris parts.
One of two methods can be used to measure toe alignment. The
string method and the chalk method. If adjustment is required,
refer to following pages for procedure.
Tie Rod / Steering
• To check for play in the tie rod end, grasp the steering
tie rod, pull in all directions feeling for movement.
• Repeat inspection for inner tie rod end on steering post.
• Replace any worn steering components. Steering
should move freely through entire range of travel
without binding.
• Elevate front end of machine so front wheels are off the
ground. Check for any looseness in front hub / wheel
assembly by grasping the tire firmly at top and bottom
first, and then at front and rear. Try to move the wheel
and hub by pushing inward and pulling outward.
• If abnormal movement is detected, inspect the hub and
wheel assembly to determine the cause ( possible loose
wheel nuts or loose front hub components).
• Refer to the Body/Steering Chapter 5 or Final Drive
Chapter 7 for service procedures.
Camber/Caster
Camber and caster are non-adjustable.
Recommended Engine Oil:
Polaris Premium 0W/40 Synthetic
(PN 2871281)
Oil Filter Wrench: (PV-43527)
Oil Filter Torque: Turn by hand until filter
gasket contacts sealing surface, then turn an
additional 1/2 turn
WARNING
Due to the critical nature of the procedures outlined
in this chapter, Polaris recommends steering
component repair and adjustment be performed by
an authorized Polaris MSD-certified technician
when replacing worn or damaged steering parts.
Use only genuine Polaris replacement parts.
Check for loose wheel or hub.

2.25
MAINTENANCE
2
Wheel Alignment
1. Place machine on a smooth level surface.
2. Set handlebars in a straight ahead position and secure
handlebars in this position.
3. Place a chalk mark on the center line of the front tires
approximately 10, (25.4 cm) from the floor or as close to
the hub/axle center line as possible.
NOTE: It is important that the height of both marks
be equally positioned in order to get an accurate
measurement.
4. Measure the distance between the marks and record the
measurement. Call this measurement “A”.
5. Rotate the tires 180 by moving vehicle forward or
backward. Position chalk marks facing rearward, even with
the hub/axle centerline.
6. Again measure the distance between the marks and record.
Call this measurement “B”. Subtract measurement “B”
from measurement “A”. The difference between
measurements “A” and “B” is the vehicle toe alignment.
The recommended vehicle toe tolerance is 1/8, to 1/4, (.3
to .6 cm) toe out. This means the measurement at the front
of the tire (A) is 1/8, to 1/4, (.3 to .6 cm) wider than the
measurement at the rear (B).
Toe Alignment
If toe alignment is incorrect, measure the distance between
vehicle center and each wheel. This will tell you which tie rod
needs adjusting.
NOTE: Be sure handlebars are straight ahead before
determining which tie rod(s) need adjustment.
To Adjust Toe Alignment:
• Hold tie rod end to keep it from rotating.
• Loosen jam nuts at both end of the tie rod.
• Shorten or lengthen the tie rod until alignment is as
required to achieve the proper toe setting as specified
•IMPORTANT: When tightening the tie rod end jam
nuts, the rod ends must be held parallel to prevent rod
end damage and premature wear. Damage may not be
immediately apparent if done incorrectly. See
illustration above.
• After alignment is complete, torque jam nuts to
specification.
= In. / mm.
Wheel Toe-Out:
(A) - (B) = 1/8 - 1/4" (.3 to .6 cm)
Measurement “B”
Chalk Line
Measurement “A”
CAUTION
During tie rod adjustment, it is very important that
the following precautions be taken when tightening
tie rod end jam nuts. If the rod end is positioned
incorrectly it will not pivot, and may break.
= T
Tie Rod Jam Nut Torque:
12-14 ft. lbs. (16-19 Nm)
Hold Rod
End
Correctly
Tightened
Jam Nut
Incorrectly
Tightened Jam
Nut

2.26
MAINTENANCE
Exhaust Pipe
The exhaust pipe must be periodically purged of accumulated
carbon as follows:
1. Remove the clean out plugs located on the bottom of the
muffler as shown
2. Place the transmission in neutral and start the engine. Purge
accumulated carbon from the system by momentarily
revving the engine several times.
3. If some carbon is expelled, cover the exhaust outlet and rap
on the pipe around the clean out plugs while revving the
engine several more times.
4. If particles are still suspected to be in the muffler, back the
machine onto an incline so the rear of the machine is one
foot higher than the front. Set the hand brake and block the
wheels. Make sure the machine is in neutral and repeat
Steps 2 and 3. See WARNING in this section.
5. If particles are still suspected to be in the muffler, drive the
machine onto the incline so the front of the machine is one
foot higher than the rear. Set the hand brake and block the
wheels. Make sure the machine is in neutral and repeat
Steps 2 and 3. SEE WARNING in this section.
6. Repeat Steps 2 through 5 until no more particles are
expelled when the engine is revved.
7. Stop the engine and allow the arrestor to cool.
8. Reinstall the clean out plugs.
Brake System Inspection
The following checks are recommended to keep the brake
system in good operating condition. Service life of brake system
components depends on operating conditions. Inspect brakes in
accordance with the maintenance schedule and before each ride.
• Keep fluid level in the master cylinder reservoir to the
indicated level inside reservoir (See Chapter 9)
• Use Polaris DOT-approved Brake Fluid.
• Check brake system for fluid leaks, look for dust build
up on lines and connections that may indicate a fluid
leak
• Check brake for excessive travel or spongy feel
• Check friction pads for wear, damage or looseness (see
Chapter 9)
• Check surface condition of the disc (see Chapter 9)
Clean Out Plug
1 ft. (30.5 cm)
WARNING
* Do not perform clean-out immediately after the
engine has been run, as the exhaust system
becomes very hot. Serious burns could result from
contact with hot exhaust components.
* To reduce fire hazard, make sure that there are no
combustible materials in the area when purging the
spark arrestor.
* Wear eye protection.
* Do not stand behind or in front of the vehicle while
purging the carbon from the spark arrestor.Never
run the engine in an enclosed area.
* Exhaust contains poisonous carbon monoxide
gas.
* Do not go under the machine while it is inclined.
Set the hand brake and block the wheels to prevent
roll back.
Failure to heed these warnings could result in
serious personal injury or death.

2.27
MAINTENANCE
2
• Inspect thickness of brake pad friction material (see
Chapter 9)
Brake Pads
Pads should be changed when the friction material is worn
beyond the service limit.
Brake Hose Inspection
Check brake system hoses and fittings for cracks, deterioration,
abrasion, and leaks. Tighten any loose fittings and replace any
worn or damaged parts.
Auxiliary (Rear) Brake Test
The auxiliary brake (A) should be checked for proper function.
1. Support the rear wheels off the ground.
= In. / mm.
Brake Pad Service Limit:
.180" (4.6 mm)
Sight Glass
Parking Lock Brake
Measure Thickness
Brake Pad
A

2.28
MAINTENANCE
2. While turning the rear wheels by hand, apply the auxiliary
foot brake. This brake should not stop the wheels from
turning until the lever is half way between its rest position
and bottoming on the footrest.
Auxiliary Brake Adjustment
Use the following procedure to inspect the hydraulic auxiliary
(foot) brake system and adjust or bleed if necessary:
First, check foot brake effectiveness by applying 50 lb.
(approx.) downward force on the pedal. The top of the pedal
should be at least 1 inch, (25.4mm) above the surface of the
footrest.
If less than one inch, two things must be examined:
Free Play:
If free play is excessive, inspect pedal, linkage, and master
cylinder for wear or damage and replace any parts as needed.
Bleeding:
If free play is correct and brake pedal travel is still excessive, air
may be trapped somewhere in the system. Bleed the hydraulic
auxiliary brake system in a conventional manner, following the
procedure outlined in Brake Chapter 9.
Suspension: Spring Preload Adjustment
Operator weight and vehicle loading affect suspension spring
preload requirements. Adjust as necessary. Use Shock Spanner
Wrench (PN 2870872) to adjust the rear springs.
Front Suspension
• Compress and release front suspension. Dampening
should be smooth throughout the range of travel.
• Check all front suspension components for wear or
damage.
• Inspect front strut cartridges for leakage.
Rear Suspension
• Compress and release rear suspension. Dampening
should be smooth throughout the range of travel.
• Check all rear suspension components for wear or
damage.
• Inspect shock for leakage.
CV Shaft Boot Inspection
Inspect the CV shaft boots in the front and rear of the ATV for
damage, tears, wear, or leaking grease. If the rubber boot
exhibits any of these symptoms, replace the boot. Refer to
Chapter 7 for CV boot replacement, or have your Polaris dealer
replace the boot.
= In. / mm.
Foot Brake Freeplay:
1/8 - 1/4 inch (3.2 - 6.35 mm)
Auxiliary Foot Brake
Pedal - Full Height Full Engagement
Floor Board Surface
1/8 to 1/4 inch
Free Play
1 inch or greater
Floorboard
INSPECT BOOTS

2.29
MAINTENANCE
2
ATV Controls
Check controls for proper operation, positioning and
adjustment.
Brake control and switch must be positioned to allow brake
lever to travel throughout entire range without contacting switch
body.
Wheel Inspection
Inspect all wheels for runout or damage. Check wheel nuts and
ensure they are tight. Do not over tighten the wheel nuts.
Wheel Removal: Front Or Rear
1. Stop the engine, place the transmission in gear and lock the
parking brake.
2. Loosen the wheel nuts slightly.
3. Elevate the side of the vehicle by placing a suitable stand
under the footrest frame.
4. Remove the wheel nuts and remove the wheel.
Wheel Installation
1. With the transmission in park and the parking brake
locked, place the wheel in the correct position on the wheel
hub. Be sure the valve stem is toward the outside and
rotation arrows on the tire point toward forward rotation.
2. Attach the wheel nuts and finger tighten them.
3. Lower the vehicle to the ground.
4. Securely tighten the wheel nuts to the proper torque listed
in the table .
Item Specification
Steel - Front and Rear
Wheel Nuts 27 ft.lbs. (37 Nm)
Aluminum - Front and Rear
Wheel Nuts 90 ft.lbs. (122 Nm)
Front Hub Retaining Nut 70 ft.lbs. (90 Nm)
Rear Hub Retaining Nut 80 ft.lbs. (108 Nm)
4Wheel Nuts
Retaining Nut
CAUTION
Improperly installed wheels could affect vehicle
handling and tire wear. On vehicles with tapered
rear wheel nuts, make sure tapered end of nut goes
into taper on wheel. Torque to proper specification.
Steel Wheel Aluminum Wheel

2.30
MAINTENANCE
Tire Pressure
Tire Inspection
• Improper tire inflation may affect ATV
maneuverability.
• When replacing a tire always use original equipment
size and type.
• The use of non-standard size or type tires may affect
ATV handling.
Tire Tread Depth
Always replace tires when tread depth is worn to 1/8, (3 mm) or
less.
Frame, Nuts, Bolts, Fasteners
Periodically inspect the torque of all fasteners in accordance
with the maintenance schedule. Check that all cotter pins are in
place. Refer to specific fastener torques listed in each chapter.
Front / Rear Storage Compartments
The front and rear storage (Sportsman Only) compartments are
easily accessible. To open the front compartment turn the latch
handle to the horizontal position on both sides. To close the
storage compartment turn the latch handles to the vertical
position.
CAUTION
Maintain proper tire pressure. Refer to the warning
tire pressure decal applied to the vehicle.
Table 2-1:
TIRE PRESSURE INSPECTION (PSI - COLD)
Front Rear
55
WARNING
Operating an ATV with worn tires will increase the
possibility of the vehicle skidding and possible loss
of control.
Worn tires can cause an accident.
Always replace tires when the tread depth
measures 1/8inch (.3 cm) or less.
Tread Depth - 1/8” (3 mm)
Front Storage - Unlatched
Front Storage - Latched
Sportsman Rear Storage -

2.31
MAINTENANCE
2
Winch Operation (If Equipped)
This information is for Sportsman models equipped with a
winch in the front.
Winch Handlebar Controls
The winch is located in the front bumper area.
The mini-rocker (IN/OUT) control controls the direction of the
cable for the winch. IN pulls the cable into the winch and OUT
feeds the cable out of the winch.
Winch Control
The winch control located on the side of the winch gives the
operator easy access to switch between ENGAGED and
FREESPOOL.
When the winch is ENGAGED, the winch only allows the cable
to be pulled IN or released OUT via the mini-rocker switch on
the handlebar.
When the winch is FREESPOOL, the winch allows the cable to
be pulled out freely.
NOTE: The switch on the handlebar does not have to be in
the OUT position.
FREESPOOL
L
ENGAGE

2.32
MAINTENANCE
Winch Wire Locations
The winch wires can be located under the front cab area. Locate
the wires, remove the cap and hook up to winch the Blue and
Yellow (6 Ga.) wires to the winch. Refer to the installation
instructions for more details.
Locate the Red wire (6 Ga.) with the yellow crimp cover is
located in the rear fender area. The red wire connects to the
battery.
The Orange/White wires are located under the front cover
(under headlight pod). The Orange/White wires supply the
control power to the winch.
Winch Connector
Splash Guard for
Contactor mount Winch Connecting
Harness
Right Side Front Fender
Winch Connecting Wire

2.33
MAINTENANCE
2
Cleaning And Storage Of ATV
Cleaning the ATV
Keeping your ATV clean will not only improve its appearance
but it can also extend the life of various components. With a few
precautions, your ATV can be cleaned much like an automobile.
Washing the ATV
The best and safest way to clean your ATV is with a garden hose
and a pail of mild soap and water. Use a professional type
washing mitten, cleaning the upper body first and the lower parts
last. Rinse with water frequently and dry with a chamois to
prevent water spots.
NOTE: If warning and safety labels are damaged, contact
your a Polaris dealer for free replacement.
Polaris does not recommend the use of a high pressure type car
wash system for washing the ATV. If a high pressure system is
used, exercise extreme care to avoid water damage to the wheel
bearings, transmission seals, body panels, brakes and warning
labels.
NOTE: Grease all zerk fittings immediately after
washing, and allow the vehicle to run for a while to
evaporate any water that may have entered the
engine or exhaust system.
Waxing the ATV
ATVs can be waxed with any non-abrasive automotive paste
wax. Avoid the use of harsh cleaners since they can scratch the
body finish. Spray-on furniture polish is an acceptable
alternative. Do not use old cloths or pads which may contain dirt
particles that can scratch the finish. Polaris offers a detailing kit
for ATVs.
Storage Tips
See the beginning of the chapter for Pure Polaris storage
products.
Clean the Exterior
Make necessary repairs and then clean the ATV thoroughly with
mild soap and warm water to remove all dirt and grime. Don't
use harsh detergents or high pressure washers. Some detergents
deteriorate rubber parts. Use dish soap type cleaners only. High
pressure washers may force water past seals.
Stabilize the Fuel
Fill the fuel tank. Add Polaris Carbon Clean Fuel Treatment or
Polaris Fuel Stabilizer. Follow the instructions on the container
for the recommended amount. (Carbon clean will also reduce
the possibility of bacterial growth in the fuel system.) Allow 15-
20 minutes of operation for the stabilizer to disperse through the
fuel in the tank and the fuel system.
Oil and Filter
Warm the engine and change the oil and filter. Follow the
procedure in this chapter for proper oil change.
Air Filter / Air Box
Inspect and clean or replace the pre-cleaner and air filter. Clean
the air box and drain the sediment tube.
Breather Filter
Inspect and clean or replace the breather filter.
Fluid Levels
Inspect the following fluid levels and change if necessary: front
gearcase; transmission; brake fluid (change every two years or
as required if fluid looks dark or contaminated).
Drain and Recoil Housing (If Applicable)
Remove the recoil housing drain plug and drain any moisture.
Fog the Engine
Use Polaris Fogging Oil, following the instructions as directed.
If you choose not to use Polaris Fogging Oil, perform the
following procedure.
1. Treat the fuel system with Polaris Carbon Clean. If Polaris
fuel system additive is not used, the fuel tank and fuel lines
should be completely drained of gasoline.
2. To access the plug hole, use a section of clear 1/4" hose and
a small plastic squeeze bottle filled with the pre-measured
amount of oil.
3. Remove the spark plug(s). Rotate the piston to BDC and
pour approximately two ounces of Polaris oil into the
cylinder.
NOTE: Do this carefully! If you miss the plug hole,
oil will drain from the spark plug cavity into the hole
at the front of the cylinder head and appear to be an
oil leak.
4. Apply dielectric grease to the inside of the spark plug cap
and install the cap onto the plug.
5. Turn the engine over several times to ensure coverage of
piston rings, cylinder walls and crankshaft bearings.
CAUTION
Certain products, including insect repellents and
chemicals, will damage plastic surfaces.
Use caution when using these
products near plastic surfaces.
CAUTION
Starting the engine during the storage period
will disturb the protective film created
by fogging. Damage could occur.
Never start the engine during the storage period

2.34
MAINTENANCE
6. After storage procedures are complete, do not start the
engine until unit is ready to be removed from storage.
Starting the engine will remove the protective coating from
the engine components.
Lubrication
Inspect all cables and lubricate with Polaris Cable Lubricant.
Follow lubrication guidelines in the maintenance section of the
service or owner's manual to completely grease and lubricate the
entire vehicle with Polaris Premium All Season Grease.
Battery Storage
Remove the battery from the vehicle and ensure that it's fully
charged before placing it in storage. See Chapter 10 for
instructions.
Engine Anti-Freeze
Test engine coolant strength and change if necessary. Coolant
should be replaced every two years.
Storage Area / Covers
Set the tire pressure and safely support the ATV with the tires 1-
2" off the ground. Be sure the storage area is well ventilated, and
cover the machine with a genuine Polaris ATV cover.
NOTE: Do not use plastic or coated materials. They
do not allow enough ventilation to prevent
condensation, and may promote corrosion and
oxidation.
Transporting the ATV
Follow these procedures when transporting the vehicle:
1. Turn off the engine and remove the key to prevent loss
during transporting.
2. Always place the transmission in park and lock the parking
brake.
3. Be sure the fuel cap, oil cap and seat are installed correctly.
4. Always tie the frame of the ATV to the transporting unit
securely using suitable straps or rope.

2.35
MAINTENANCE
2
800 EFI Dual Exhaust Canister Maintenance
(Sportsman Only)
The canisters on select dual exhaust Polaris Sportsman 800 EFIs
(X2 not applicable) are silver ceramic coated. To maintain a
beautiful finish and prevent corrosion, periodic maintenance is
required.
1. Wash any accumulated mud or debris from the canisters
with a soft brush and soapy water.
2. Use a cleaner, such as HPC HiPerWash to clean away any
remaining grime, salts or oils.
3. If the canisters are stained from oils or other fluids, use fine
steel wool with HPC Liquid Buff Cleaner and Polish to
remove the stain.
4. After removing the stains, polish using Liquid Buff and
a soft cloth.
Repeat this procedure as often as desired to maintain the finish.
CAUTION
DO NOT use caustic chemicals to clean, as they
may damage the finish.
800 EFI Dual Exhaust System
(X2 not applicable)

2.36
MAINTENANCE
Maintenance Schedule
Service Date Hours / Miles Service Performed Serviced By:

3.1
CHAPTER 3
ENGINE
3
ENGINE
SPECIFICATIONS. . . . . . . . . . . . . . . . . . . . . . . . . . . . . . . . . . . . . . . . . . . . . . . . . . . . . . . 3.2
CRANKCASE EXPLODED VIEWS . . . . . . . . . . . . . . . . . . . . . . . . . . . . . . . . . . . . . . . . . 3.2
ENGINE FASTENER TORQUE PATTERNS . . . . . . . . . . . . . . . . . . . . . . . . . . . . . . . . . . 3.9
TORQUE SPECIFICATIONS . . . . . . . . . . . . . . . . . . . . . . . . . . . . . . . . . . . . . . . . . . . . . 3.10
700/800 EFI ENGINE SERVICE SPECIFICATIONS . . . . . . . . . . . . . . . . . . . . . . . . . . . 3.11
SPECIAL TOOLS . . . . . . . . . . . . . . . . . . . . . . . . . . . . . . . . . . . . . . . . . . . . . . . . . . . . . . 3.13
GENERAL ENGINE SERVICE . . . . . . . . . . . . . . . . . . . . . . . . . . . . . . . . . . . . . . . . . . . . 3.14
ACCESSIBLE COMPONENTS. . . . . . . . . . . . . . . . . . . . . . . . . . . . . . . . . . . . . . . . . . . . 3.14
PISTON IDENTIFICATION. . . . . . . . . . . . . . . . . . . . . . . . . . . . . . . . . . . . . . . . . . . . . . . 3.14
COOLING SYSTEM SPECIFICATIONS. . . . . . . . . . . . . . . . . . . . . . . . . . . . . . . . . . . . . 3.14
COOLING SYSTEM PRESSURE TEST. . . . . . . . . . . . . . . . . . . . . . . . . . . . . . . . . . . . . 3.15
FOUR STROKE - COOLANT AIR BLEEDING PROCEDURE . . . . . . . . . . . . . . . . . . . . 3.15
ENGINE REMOVAL (TYPICAL) . . . . . . . . . . . . . . . . . . . . . . . . . . . . . . . . . . . . . . . . . . . 3.16
ENGINE INSTALLATION NOTES . . . . . . . . . . . . . . . . . . . . . . . . . . . . . . . . . . . . . . . . . 3.17
CYLINDER HONE SELECTION AND HONING PROCEDURE. . . . . . . . . . . . . . . . . . . 3.18
HONING TO DEGLAZE . . . . . . . . . . . . . . . . . . . . . . . . . . . . . . . . . . . . . . . . . . . . . . . . . 3.18
CLEANING THE CYLINDER AFTER HONING . . . . . . . . . . . . . . . . . . . . . . . . . . . . . . . 3.18
OIL FLOW CHART . . . . . . . . . . . . . . . . . . . . . . . . . . . . . . . . . . . . . . . . . . . . . . . . . . . . . 3.19
ENGINE LUBRICATION SPECIFICATIONS . . . . . . . . . . . . . . . . . . . . . . . . . . . . . . . . . 3.19
OIL PRESSURE TEST. . . . . . . . . . . . . . . . . . . . . . . . . . . . . . . . . . . . . . . . . . . . . . . . . . 3.19
ENGINE DISASSEMBLY AND INSPECTION . . . . . . . . . . . . . . . . . . . . . . . . . . . . . . . . . 3.20
CYLINDER HEAD ASSEMBLY EXPLODED VIEW . . . . . . . . . . . . . . . . . . . . . . . . . . . . 3.20
ROCKER ARMS . . . . . . . . . . . . . . . . . . . . . . . . . . . . . . . . . . . . . . . . . . . . . . . . . . . . . . . 3.21
PUSH RODS. . . . . . . . . . . . . . . . . . . . . . . . . . . . . . . . . . . . . . . . . . . . . . . . . . . . . . . . . . 3.21
CYLINDER HEAD REMOVAL . . . . . . . . . . . . . . . . . . . . . . . . . . . . . . . . . . . . . . . . . . . . 3.21
CYLINDER HEAD INSPECTION . . . . . . . . . . . . . . . . . . . . . . . . . . . . . . . . . . . . . . . . . . 3.22
CYLINDER HEAD WARP. . . . . . . . . . . . . . . . . . . . . . . . . . . . . . . . . . . . . . . . . . . . . . . . 3.22
VALVE SEAL/SPRING SERVICE
(ON ENGINE)3.22
CYLINDER HEAD DISASSEMBLY . . . . . . . . . . . . . . . . . . . . . . . . . . . . . . . . . . . . . . . . 3.23
VALVE INSPECTION . . . . . . . . . . . . . . . . . . . . . . . . . . . . . . . . . . . . . . . . . . . . . . . . . . . 3.24
COMBUSTION CHAMBER. . . . . . . . . . . . . . . . . . . . . . . . . . . . . . . . . . . . . . . . . . . . . . . 3.25
VALVE SEAT RECONDITIONING . . . . . . . . . . . . . . . . . . . . . . . . . . . . . . . . . . . . . . . . . 3.25
CYLINDER HEAD REASSEMBLY . . . . . . . . . . . . . . . . . . . . . . . . . . . . . . . . . . . . . . . . . 3.27
VALVE SEALING TEST . . . . . . . . . . . . . . . . . . . . . . . . . . . . . . . . . . . . . . . . . . . . . . . . . 3.28
CYLINDER REMOVAL. . . . . . . . . . . . . . . . . . . . . . . . . . . . . . . . . . . . . . . . . . . . . . . . . . 3.28
VALVE LIFTER REMOVAL/INSPECTION . . . . . . . . . . . . . . . . . . . . . . . . . . . . . . . . . . . 3.28
PISTON REMOVAL . . . . . . . . . . . . . . . . . . . . . . . . . . . . . . . . . . . . . . . . . . . . . . . . . . . . 3.29
CYLINDER INSPECTION. . . . . . . . . . . . . . . . . . . . . . . . . . . . . . . . . . . . . . . . . . . . . . . . 3.30
PISTON-TO-CYLINDER CLEARANCE . . . . . . . . . . . . . . . . . . . . . . . . . . . . . . . . . . . . . 3.31
PISTON/ROD INSPECTION. . . . . . . . . . . . . . . . . . . . . . . . . . . . . . . . . . . . . . . . . . . . . . 3.31
PISTON RING INSTALLED GAP . . . . . . . . . . . . . . . . . . . . . . . . . . . . . . . . . . . . . . . . . . 3.32
STARTER DRIVE/BENDIX REMOVAL INSPECTION . . . . . . . . . . . . . . . . . . . . . . . . . . 3.32
FLYWHEEL / STATOR REMOVAL / INSPECTION . . . . . . . . . . . . . . . . . . . . . . . . . . . . 3.33
ENGINE CRANKCASE DISASSEMBLY / INSPECTION . . . . . . . . . . . . . . . . . . . . . . . . 3.34
CAMSHAFT INSPECTION . . . . . . . . . . . . . . . . . . . . . . . . . . . . . . . . . . . . . . . . . . . . . . . 3.41
ENGINE REASSEMBLY . . . . . . . . . . . . . . . . . . . . . . . . . . . . . . . . . . . . . . . . . . . . . . . . . 3.42
CRANKCASE REASSEMBLY . . . . . . . . . . . . . . . . . . . . . . . . . . . . . . . . . . . . . . . . . . . . 3.42
FLYWHEEL / STATOR INSTALLATION . . . . . . . . . . . . . . . . . . . . . . . . . . . . . . . . . . . . 3.53
CYLINDER HEAD REASSEMBLY . . . . . . . . . . . . . . . . . . . . . . . . . . . . . . . . . . . . . . . . . 3.54
TROUBLESHOOTING. . . . . . . . . . . . . . . . . . . . . . . . . . . . . . . . . . . . . . . . . . . . . . . . . . . 3.56
ENGINE . . . . . . . . . . . . . . . . . . . . . . . . . . . . . . . . . . . . . . . . . . . . . . . . . . . . . . . . . . . . .3.56
COOLING SYSTEM . . . . . . . . . . . . . . . . . . . . . . . . . . . . . . . . . . . . . . . . . . . . . . . . . . . . 3.57
800 EFI EXHAUST SYSTEM (DELUXE). . . . . . . . . . . . . . . . . . . . . . . . . . . . . . . . . . . . . 3.58
DUAL EXHAUST LAYOUT. . . . . . . . . . . . . . . . . . . . . . . . . . . . . . . . . . . . . . . . . . . . . . . 3.58

3.2
ENGINE
SPECIFICATIONS
Crankcase Exploded Views
A
B
C
D
E
F
G
H
I
J
K
L
I
M
N
O
Apply Loctite242 to
bolt threads.
Apply White Lithium
Grease
Apply Moly
Lube Grease.
60 6 in.lbs.
(6.8 .68 Nm)
192 24 in.lbs
(21.7 2.7 Nm
115 12 in.l
(13 1.35 Nm
)
60 6 in.l
(6.8 .68 Nm
)
NOTE: If needed, heat
the oil baffle bolts with a
heat gun to remove.
22 2 ft.lbs. (30 3 Nm)
A. Jo urnal Bear i ngs
B. Camshaft
C . T h r u s t P l a t e
D. Balance Shaft
E. Woodruff Key
F. Flange Seal
G. Crankshaft
H. Oil Pickup
I. Journal Bearings
J. Baffle
K. Oil Plug
L. Washer
M. O-ring
N. Crankcase
O. Crankcase Bolts

3.3
ENGINE
3
Oil / Water Pump and Timing Cover Exploded View
A. Split Gear
B. Washer
C. Bolt
D. Oil Rotor
E. Oil Pump
F. Mag Gasket Cover
G. Impeller
H. Washer
I. Nut
J. Counterbalance Gear
K. Washer
L. Bolt
M. Oil Pump Bolts
N. Gear/Stator cover
O. Wire Hold down
P. Stator Housing Bolts
ABC
DE
F
G
H
I
J
K
L
M
N
O
P
22 2 ft.lbs. (30 3 Nm)
84 8 in.lbs. (9.5 .90 Nm)
Apply corrosion resistant
grease to stator grommet area. 96 3 in.lbs.
(10.85 0.35 Nm)
108 12 in.lbs.
(6.8 .68 Nm)
Oil Pump Bolt Tighten Sequence
Apply White Lithium
Grease
Apply Polaris OW-40
oil to component
Mag Cover Bolt Tighten Sequence
No Grease on this
Portion of the Gasket!

3.4
ENGINE
Starter / Flywheel / Water Pump Exploded View
A. Bolts
B. Starter
C. Washer
D. Nut
E. Positive Cable
F. Negative Cable
G. Gasket
H. Clamp
I. Bolts
J. Gasket
K. W a t e r P u mp C o ve r
L. Bolts
M. Crank Nut/Wa sher
N. Flywheel
O. Bendix
Apply Polaris
Starter Grease
Apply Polaris 0W-40
oil to seal
Loctite Pipe Sealant
(PN 2871956)
A
1
2
Tighten Top Bolt First
84 8 ft.lbs. (9.5 0.9 Nm)
No Grease or Oil
B
C
D
E
F
G
H
I
J
KL
M
N
O
108 12 ft.lbs.
(12 1.35 Nm)
96 12 in.lbs.
(10.85 1.35 Nm)
65 7 ft.lbs.
(88 9.5 Nm)
96 12 in.lbs.
(10.85 1.35 Nm)
Water Pump Cover
Bolt Tighten Sequence
Stator Cover Bolt
Tighten Sequence

3.5
ENGINE
3
Oil System / Level Assembly Exploded View
A. Clamp
B. Oil Fill Tube
C. Dipstick
D. O-ring
E. Hex Plug
F. Oil Filter Nipple
G. Oil Filter
H. Dowel
I . G a l le y Pl u g
J. Nut/washer
K. Spring
AB
C
D
E
F
G
H
I
J
50 5 in. lbs.
(5.65 0.56 Nm)
35 4 ft.lbs.
(47.5 5.4 Nm)
18 2 ft.lbs.
(24.4 2.71 Nm)
22 2 ft.lbs.
(30 3 Nm)
50 5 in.lbs. (5.64
0.56 Nm)
K

3.6
ENGINE
Cylinder / Cylinder Head Exploded View
Lubricate threads & between
washers and underside of bolt
heads with engine oil. Torque in
sequence provided.
Apply Moly Lube grease to valve
tips.
Gasket free of oil. Verify tabs
are visible.
Apply thin film of 0W-40
to 25-55 mm of cylinder bore.
Apply 0W-40 to piston pin or
pin bore.
Apply 0W-40 to lifters.
A. Head Bolts
B. Rocker Arms
C. H e a d A ssembly
D. Gasket
E. Pushrods
F. Bushing
G. Expansion Plug
H. Cylinder
I. Piston Assembly
J. Circlip
K. Gasket
L. Hydraulic Lifter
A
B
C
D
E
F
G
H
IJ
K
L
(Apply each
Bolt Threads)
1
2
3
4
4
5
6
3
Circlip UP
for Install
Do Not install expansion plug
more than 1.5 mm inward.
Apply Polaris 0W--40 Oil
Apply Moly Lube Grease
Side View
Initial: 35 4 ft. lbs (47.5 5.5
Nm) in sequence. Finalize
sequence by tightening an
additional 90 (1/4 turn)
Head Bolt Tighten
Sequence
22 ± 2 ft.lbs.
(30 ± 3 Nm)
1.5 mm

3.7
ENGINE
3
Engine Sensors & Misc. Exploded View
84 4 in.lbs.
(9.5 0.9 Nm)
20 5 in.lbs.
(2.5 0.55 Nm)
18 2 ft.lbs.
(24.5 2.7 Nm)
20 5 in.lbs.
(2.5 0.55 Nm)
84 4 in.lbs.
(9.5 0.9 Nm)
25 3 ft.lbs.
(34 0.14 Nm)
84 4 in.lbs.
(9.5 0.9 Nm)
18 2 ft.lbs.
(24.5 2.7 Nm)
A. Screws
B. Rocker Cover
C. Breather
D. O-ring Seal
E. Breather Bolts
F. Spark Plugs
G. Carburetor Boot
H. Bolts
I. Boot Clamp
J. Throttle Body
K. Crank Position Sensor
L. Thermistor
M. O-ring
N. Thermostat Housing
O. Bolts
P. Gasket
Q. Exhaust Manifold
R. Bolts
S. Thermostat
AB
E
C
D
F
(Apply Dielectric Grease
to threads of Spark Plug)
G
H
I
J
Apply Corrosion
Resistant Grease
K
L
MNO
P
Q
18 2 ft.lbs.
(24.5 2.7 Nm)
R

3.8
ENGINE
EFI Harness Exploded View
A. Fuel Injector
B. Fuel Rail
C. EFI Harness
A
B
C
18 2 ft.lbs.
(24.5 2.7 Nm)
NOTE: See Chapter 4 for more information on the EFI system.

3.9
ENGINE
3
Engine Fastener Torque Patterns
22 2 ft.lbs. (30 3 Nm)
Crankcase Bolt Tighten Sequence
Lubricate threads and between washer and underside of bolt with engine oil.
Torque in sequence to spec provided, allow the gasket to set for 1 minute, then
tighten in sequence 90 (1/4 turn).
35 4 ft.lbs.
(47.5 5.5 Nm) + 90 (1/4 turn)

3.10
ENGINE
Torque Specifications
NOTE: * See exploded views for notes or torque sequences.
Table 3-1: Engine Torque Specifications
FASTENER SIZE IN.LBS. (NM)FT.LBS. (NM)
Camshaft Gear 8 mm 22 ± 2 (30 ± 3)
Camshaft Thrust Plate 6 mm 115 ± 12 (13 ± 1.35) 9.5 ± 1 (13 ± 1.35)
Carburetor Adaptor Bolts 8 mm 216 ± 24 (24.5-± 2.7) 18 ± 2 (24.5 ± 2.7)
Counterbalance Gear 8 mm 22 ± 2 (30 ± 3)
Crankcase Bolts 8 mm * 22 ± 2 (30 ± 3)
Crankcase Breather 5 mm 20 ± 5 (2.5 ± 0.55) -
Cylinder Head Bolts 11 mm * 35 ± 4 (47.5 ± 5.5)
Exhaust Manifold 8 mm 216 ± 24 (24.5 ± 2.70) 18 ± 2 (24.5 ± 2.7)
Flywheel 14 mm 65 ± 7 (88 ± 9.50)
Injector Rail 8 mm 216 ± 24 (24.5 ± 2.70) 18 ± 2 (24.5 ± 2.7)
Magneto Cover 6 mm * 96 ± 3 (10.85 ± 0.35) -
Oil Baffle Weldment 5 mm 60 ± 6 (6.8 ± 0.68) -
Oil Drain Bolt (Crankcase) 12 mm 192 ± 24 (21.7 ± 2.7) 16 ± (21.7)
Oil Fill Tube Bolt 5 mm 50 ± 5 (5.64 ± 0.56) -
Oil Filter Pipe Fitting 20 mm 35 ± 4 (47.5 ± 5.4)
Oil Pick Up 5 mm 60 ± 6 (6.8 ± 0.68) -
Oil Pressure Relief Plug 10 mm 22 ± 2 (30 ± 3) -
Oil Pump Housing Screw 6 mm * 84 ± 8 (9.50 ± 0.90) -
Rocker Arm 8 mm * 22 ± 2 (30 ± 3)
Rocker Cover 6 mm * 84 ± 8 (9.5 ± 0.9) -
Spark Plug 14 mm 216 ± 24 (24.5 ± 2.7) 18 ± 2 (24.5 ± 2.7)
Starter Motor 6 mm * 84 ± 8 (9.5 ± 0.9) -
Stator Assembly 6 mm 96 ± 3 (10.85 ± 0.35) -
Stator Housing 6 mm * 96 ± 3 (10.85 ± 0.35) -
Temperature Switch 3/8 NPT 25 ± 3 (34 ± 4)
Thermostat Housing 6 mm 84 ± 8 (9.5 ± 0.9) -
Timing Plug 3/4-16 7-9 (10-12 Nm)
Trigger Coil/Stator Wire Holddown 5 mm * 96 ± 3 (10.85 ± 0.35) -
Water Pump Housing Cover 6 mm * 96 ± 3 (10.85 ± 0.35) -
Water Pump Impeller Nut 8 mm 108 ± 3 (12 ± 0.35) -

3.11
ENGINE
3
700/800 EFI Engine Service Specifications
Table 3-1: Engine Specifications
MAIN COMPONENT: CYLINDER HEAD EH068OLE / EH076OLE
Camshaft
Cam Lobe Height - Intake / Exhaust 1.3334" (33.8674 mm)
Camshaft Journal Outer Diameter - Mag 1.654" 0.00039" (42 0.010 mm)
Camshaft Journal Outer Diameter - Center 1.634" 0.00039" (41.50 0.010 mm)
Camshaft Journal Outer Diameter - PTO 1.614" 0.00039" (41 0.010 mm)
Camshaft Journal Bore Inner Diameter - Mag 1.656" 0.00039" (42.07 0.010 mm)
Camshaft Journal Bore Inner Diameter - Center 1.637" 0.00039" (41.58 0.010 mm)
Camshaft Journal Bore Inner Diameter - PTO 1.617" 0.00039" (41.07 0.010 mm)
Camshaft Oil Clearance 0.00276" 0.00079" (0.07 0.02 mm)
Camshaft End Play 0.0167" 0.0098" (0.425 0.25 mm)
Counter Balance Counter Balance End Play 0.005" (0.127 mm)
Cylinder Head Cylinder Head - Surface warp limit 0.00394" (0.1 mm)
Cylinder Head - Standard height 3.478" (88.35 mm)
Valve Seat
Valve Seat - Contacting Width - Intake 0.0472" 0.00787" - 0.0039"
(1.20 0.20 - 0.10mm)
Valve Seat - Contacting Width - Exhaust 0.0591" 0.00787" - 0.0039"
(1.50 0.20 - 0.10 mm)
Valve Seat Angle 45.5 0.255
Valve Guide Valve Guide Inner diameter 0.2367" 0.00029" (6.012 0.007 mm)
Valve Guide Protrusion Above Head 0.807" 0.0039" (20.50 0.01 mm)
Valve
Valve Margin Thickness - Intake Standard: 0.79" (20.06 mm)
Max- 0.98" (24.89 mm) Min- 0.59" (14.98 mm)
Valve Margin Thickness - Exhaust Standard: 0.80" (20.32 mm)
Max- 1.0" (25.4 mm) Min- 0.60" (15.24 mm)
Valve Stem Diameter - Intake 0.2356" 0.00039" (5.985 0.01 mm)
Valve Stem Diameter - Exhaust 0.2351" 0.00039" (5.972 0.01 mm)
Valve Stem Oil Clearance - Intake 0.00228" 0.00098" (0.058 0.025 mm)
Valve Stem Oil Clearance - Exhaust 0.00275" 0.00098" (0.0870 0.025mm)
Valve Stem Overall Length - Intake 4.51" 0.01476" (114.5550 0.375 mm)
Valve Stem Overall Length - Exhaust 4.5453" .01496" (115.45 0.38 mm)
Valve Spring
Valve Spring Overall Length - Free Length 1.735" (46.069 mm)
Valve Spring Overall Length - Installed Height Intake - 1.4638" (37.18 mm)
Exhaust - 1.4736" (37.43 mm)

3.12
ENGINE
Table 3-2: Engine Specifications
MAIN COMPONENTS: CYLINDER/PISTON/
CONNECTING ROD EH068OLE EH076OLE
Cylinder
Cylinder - Surface warp limit
(mating with cylinder head) 0.004" (0.10 mm) 0.004" (0.10 mm)
Cylinder Bore - Standard 3.1495" (80 mm) 3.1495" (80 mm)
Cylinder Taper Limit 0.00031" (0.008 mm) 0.00031" (0.008 mm)
Cylinder Out of Round Limit 0.00030" (0.0075 mm) 0.00030" (0.0075 mm)
Cylinder to Piston Clearance .0015" .00059"
(.040 .015mm) .0015" .00059"
(.040 .015mm)
Lifter
Lifter Outer Diameter
Standard 0.84245" 0.00025"
(21.39 8 0.00635 mm) 0.84245" 0.00025"
(21.39 8 0.00635 mm)
Lifter Block Bore 0.8438" 0.00062"
(21.4322 0.0157 mm) 0.8438" 0.00062"
(21.4322 0.0157 mm)
Piston
Piston - Standard 3.1477" .000121"
(79.954 .003mm) 3.14803" + .00028"
(79.960 + .007 mm)
Piston Standard Inner
Diameter of Piston Pin Bore 0.78789" .00009"
(20.0125 0.003 mm) 0.70902" .00012"
(18.009 0.003 mm)
Piston Pin
Piston Pin Outer Diameter 0.7874" - 0.7872"
(20 - 19.995 mm) 0.70866" - 0.70846"
(18 - 17.995 mm)
Piston Pin - Standard
Clearance - Piston Pin to Pin 0.00059" 0.0002"
(0.015 0.005 mm) 0.00047" 0.00024"
(0.012 0.006 mm)
Piston Pin - Degree of Fit Piston pin must be a push fit
(by hand) at 68 F (20 C) Piston pin must be a push fit
(by hand) at 68 F (20 C)

3.13
ENGINE
3
Special Tools
Table 3-3: Engine Specifications
MAIN COMPONENTS: PISTON/ CONNECTING ROD EH068OLE EH076OLE
Piston Ring
Installed
Gap
Top Ring - Standard 0.0059 0.138"
(0.15 0.35mm) 0.0059 0.138"
(0.15 0.35mm)
Top Ring - Limit > 15% Leakdown > 15% Leakdown
Second Ring - Standard 0.0098 0.197"
(0.25 0.50mm) 0.0098 0.197"
(0.25 0.50mm)
Second Ring - Limit > 15% Leakdown > 15% Leakdown
Oil Ring - Standard 0.0196 0.00984"
(0.50 0.25mm) 0.0196 0.00984"
(0.50 0.25mm)
Oil Ring - Limit > 15% Leakdown > 15% Leakdown
Ring to
Groove
Clearance
Top Ring - Standard 0.0024" 0.0008"
(0.060 0.020 mm) 0.0024" 0.0008"
(0.060 0.020 mm)
Top Ring - Limit > 15% Leakdown > 15% Leakdown
Second Ring - Standard 0.0028" 0.0008"
(0.070 0.020 mm) 0.0028" 0.0008"
(0.070 0.020 mm)
Second Ring - Limit > 15% Leakdown > 15% Leakdown
Connecting
Rod
Connecting Rod Small End I.D. 0.789" 0.78841"
(20.030 20.015 mm) 0.7096" 0.70846"
(18 17.995 mm)
Connecting Rod Small End
Radial Clearance 0.0098" 0.00039"
(0.025 0.010mm) Same
Connecting Rod Big End
Side Clearance 0.01181" 0.00591"
(0.030 0.015mm) Same
Connecting Rod Big End
Radial Clearance 0.0015" 0.00006"
(0.0038 0.0015mm) Same
Crankshaft Crankshaft Runout Limit 0.00236" (0.060mm) Same
PART NUMBER TOOL DESCRIPTION
PV-43527 OIL FILTER WRENCH
2200634 VALVE SEAT RECONDITIONING KIT
PU-45257 VALVE SPRING COMPRESSOR
PU-45652 VALVE PRESSURE HOSE
2871043 FLYWHEEL PULLER
2870390 PISTON SUPPORT BLOCK
PU-45497-1 CAM GEAR SPRING INSTALLATION KIT
PU-45497-2 CAM GEAR TOOTH ALIGNMENT TOOL
PU-45498 CAM SPANNER WRENCH
PU-45838 GEAR HOLDER
PA-44995 WATER PUMP MECHANICAL SEAL INSTALLER
PU-45543 UNIVERSAL DRIVER HANDLE
PA-45483 MAIN SEAL INSTALLER
PU-45658 CRANKSHAFT MAIN SEAL SAVER
PA-45401 WATER PUMP SEAL SAVER
2870975 MITY VAC PRESSURE TEST TOOL
PU-45778 OIL SYSTEM PRIMING TOOL

3.14
ENGINE
GENERAL ENGINE SERVICE
Accessible Components
Following Components can be serviced or removed with the
engine installed:
• Flywheel
• Alternator (Stator)
• Starter Motor/Drive
• Cylinder Head
• Cylinder
• Piston/Rings
• Camshaft
• Rocker Arms
• Oil pump/Water Pump/Oil Pump Drive Gear
• Gear Train Components
Following Components Require Engine Removal for service:
• Counterbalance Shaft or Bearings
• Connecting Rod
•Crankshaft
• Crankshaft Main Bearings
• Crankcase
Piston Identification
Four stroke engine rings have a rectangular profile. See
“PISTON RING INSTALLED GAP” for ring installation. Use
the information below to identify pistons and rings.
Cooling System Specifications
Recommended Coolant
Use only high quality antifreeze/coolant mixed with distilled
water in a 50/50 or 60/40 ratio, depending on freeze protection
required in your area. CAUTION: Using tap water in the
cooling system will lead to a buildup of deposits which may
restrict coolant flow and reduce heat dissipation, resulting in
possible engine damage. Polaris Premium 60/40 Antifreeze/
Coolant is recommended for use in all cooling systems and
comes pre-mixed, ready to use.
Table 3-1:
ENGINE MODEL PISTON DIAMETER
EH068OLE
EH076OLE 80 mm
Table 3-2:
CONDITION
APPROX.
READING (MIN.-
MAX)TEMPERATURE
Hot light ON 178 - 190215F (108 C)
Fan Off 296 - 316180F (82 C)
Fan On 236 - 251195F (91 C)
System
Capacity Refer To Chapter 1 Specifications
Radiator Cap
Pressure Relief 13 PSI
Radiator
Thermostat
Cylinder Head
Water Pump
Cylinder

3.15
ENGINE
3
Cooling System Pressure Test
1. Remove front cover.
2. Remove recovery bottle hose from coolant filler neck.
3. Connect a Mity Vac (PN 2870975) to the filler neck
nipple and pressurize system to 10 psi. The system must
retain 10 psi for five minutes or longer. If pressure loss is
evident within five minutes, check the radiator, hoses,
clamps and water pump seals for leakage.
Radiator Cap Pressure Test
1. Remove radiator cap and test cap using a commercially
available cap tester.
2. The radiator cap relief pressure is 13 psi. Replace cap if it
does not meet this specification.
Four Stroke - Coolant Air Bleeding
Procedure
Use this procedure when a unit overheats and no apparent leaks
in the cooling system are found.
NOTE: If the coolant level is LOW in the radiator, or if there
are leaks in the system, the coolant system will not draw
coolant from the reservoir tank.
1. Park machine on a flat surface. Remove radiator cap and
top off coolant. Leave the cap off of the radiator. Start and
idle machine for 5-10 minutes until steam is visible in the
radiator cap area.
2. Stop the engine and let cool for a few minutes or until an
air bubble is seen at the filler neck, or there is a dropping
of the coolant level indicating that coolant has been pulled
into the system.
NOTE: Slowly squeezing the hose after the bend
below the filler neck will aid in purging the system of
air. Pump the hose using your hand several times as
shown in the diagram. Elevating the rear of the ATV
with a floor jack (rear tires 4-6, off the ground) also
aids the purging of air from the system.
3. Always add coolant to the radiator first, filling to the top of
the neck to replace air that has been purged from the system.
Fill the reservoir only after you have completely filled the
cooling system at the radiator filler neck.
4. Repeat Steps 1 and 2 four or five times or until no more
coolant is pulled into the system.
5. In some instances, Steps 1 and 2 may have to be performed
with the radiator cap on to prevent coolant loss.
6. To test, install the radiator cap and idle machine until fan
comes on. Make sure the fan comes on before the hot light.
WARNING
Never remove radiator cap when engine is warm or
hot. The cooling system is under pressure and
serious burns may result. Allow the engine and
cooling system to cool before servicing.
Upper Engine Hose
Surge Tank
Fan Assembly
Lower Engine Hose Radiator
Hose
Pump Hose By
Hand to Help
Purge System
Squeeze Hose
Here to Help
Purge Air From
System
Polaris Premium
Antifreeze
2871534 - Quart
2871323 - Gallon

3.16
ENGINE
Engine Removal (Typical)
1. Clean work area.
2. Thoroughly clean ATV engine and chassis.
3. Disconnect battery (-) negative cable.
4. Remove the following parts as required:
• Seat
• Left and right side covers (refer to Chapter 5)
• Fuel tank covers
• Fuel tank (refer to Chapter 4)
• Springs from exhaust pipe and remove pipe.
5. Drain coolant and engine oil.
6. Remove air pre-cleaner and duct.
7. Remove airbox.
8. Disconnect the throttle body sensor (C) and T-BAP sensor
(D). Remove throttle body (A). Insert a shop towel into
the engine intake to prevent dirt from entering the ports.
9. Relieve the fuel pressure in the fuel rail (refer to Chapter 4,
FUEL INJECTION") for proper procedure. Carefully
remove the fuel rail (B) and injectors.
10. Disconnect spark plug high tension leads.
11. Remove the crank position sensor (E) located on the mag
cover.
12. Remove the air breather line .
13. Disconnect the coolant hoses. Properly dispose of any
antifreeze from the engine or hoses.
WARNING
Always wear safety glasses and proper shop
clothing when performing the procedures in this
manual. Failing to do so may lead to possible injury
or death.
B
A
C
D
E

3.17
ENGINE
3
14. Refer to PVT System Chapter 6 to remove outer clutch
cover, drive belt, drive clutch, driven clutch, and inner
cover (F).
15. When removing starter cables, note and mark ground cable
and positive (+) cable mounting angle and locations.
Remove cables.
16. Remove transmission linkage rod from gear selector and
secure out of the way.
17. Disconnect coolant temperature sensor wire located on the
cylinder.
18. Remove engine to chassis ground cable.
19. Remove all engine mount nuts and / or engine mount plates.
Remove the frame brace (G) from the front left side of the
frame.
20. Remove the engine from the left side of the frame.
NOTE: Use caution when lifting the engine out of
frame. Use an engine lift or other means if the
engine is too heavy to be lifted manually.
21. For engine installation, reverse procedures.
FG

3.18
ENGINE
Engine Installation Notes
After the engine is installed in the frame, review this checklist
and perform all steps that apply:
General Items
1. Install previously removed components using new gaskets,
seals, and fasteners where applicable.
2. Perform regular checks on fluid levels, controls, and all
important areas on the vehicle as outlined in the daily pre-
ride inspection checklist (refer to Chapter 2 or the Owner's
Manual).
PVT System
1. Adjust center distance of drive and driven clutch. (Chapter
6)
2. Adjust clutch offset, alignment, and belt deflection.
(Chapter 6)
3. Clean clutch sheaves thoroughly and inspect inlet and
outlet ducts for proper routing and sealing. (Chapter 6)
Transmission
1. Inspect transmission operation and adjust linkage if
necessary. Refer to Chapter 2 and Chapter 8.
Exhaust
1. Replace exhaust gaskets. Seal connections with high temp
silicone sealant.
2. Check to be sure all springs are in good condition.
Bleed Cooling System
NOTE: This cooling system contains vent lines to
help purge trapped air during filling. Bleeding
generally should not be necessary.
1. Remove radiator cap and slowly add coolant to the bottom
of filler neck.
2. Fill coolant reservoir tank to full mark.
3. Install radiator cap and gently squeeze coolant hoses to
force any trapped air out of system.
4. Again, remove radiator cap and slowly add coolant to the
bottom of fill neck if needed.
5. Start engine and observe coolant level in the radiator.
Allow air to purge and top off as necessary. Reinstall
radiator cap and bring engine to operating temperature.
After engine is cool, check level in reservoir tank and add
coolant if necessary.
NOTE: Should the reservoir tank become empty, it
will be necessary to refill at the radiator and repeat
the bleeding procedure.
Engine Break-In Period
The break-in period for a Polaris ATV engine is defined as the
first ten hours of operation, or the time it takes to use two full
tanks of gasoline. No single action on your part is as important
as a proper break-in period. Careful treatment of a new engine
will result in more efficient performance and longer life for the
engine. Perform the following procedures carefully.
1. Fill fuel tank with unleaded or leaded fuel which has a
minimum pump octane number of 87= (R+ M)/2.
2. Check oil reservoir level indicated on dipstick. Add oil if
necessary (Refer to Chapter 2, “Engine Oil Level” ).
3. Drive slowly at first to gradually bring engine up to
operating temperature.
4. Vary throttle positions. Do not operate at sustained idle or
sustained high speed.
5. Perform regular checks on fluid levels, controls and all
important bolt torques. Pull only light loads during initial
break in.
6. Pull only light loads during initial break-in.
7. Change break in oil and filter at 20 hours or 200 miles.
Cylinder Hone Selection And Honing
Procedure
Cylinders may be wet or dry honed depending upon the hone
manufacturer’s recommendations. Wet honing removes more
material faster and leaves a more distinct pattern in the bore.
CAUTION
Use only Polaris Premium 0-40W All Season
synthetic oil or equivalent.
Never substitute or mix oil brands. Serious engine
d a m a g e a n d v o i d i n g o f w a r r a n t y c a n r e s u l t .
Do not operate at full throttle or high speeds for
extended periods during the first three hours of use.
Excessive heat can build up and cause damage to
close fitted engine parts.
CAUTION
A hone which will straighten as well as remove
material from the cylinder is very important. Using a
common spring loaded glaze breaker for honing is
not advised for nicasil cylinders.
Polaris recommends using a rigid hone or arbor
honing machine. Cylinders may be wet or dry
honed depending upon the hone manufacturer's
recommendations.
Wet honing removes more material faster and
leaves a more distinct pattern in the bore.

3.19
ENGINE
3
Honing To Deglaze
A finished cylinder should have a cross-hatch pattern to ensure
piston ring seating and to aid in the retention of the fuel/oil
mixture during initial break in. Hone cylinder according to hone
manufacturer's instructions, or these guidelines:
• Honing should be done with a diamond hone. Cylinder
could be damaged if the hone is not hard enough to
scratch the nicasil lining.
• Use a motor speed of approximately 300-500 RPM, run
the hone in and out of the cylinder rapidly until cutting
tension decreases. Remember to keep the hone drive
shaft centered (or cylinder centered on arbor) and to
bring the stones approximately 1/2, (1.3 cm) above and
below the bore at the end of each stroke.
• Release the hone at regular intervals and inspect the
bore to determine if it has been sufficiently de-glazed,
and to check for correct cross-hatch. NOTE: Do not
allow cylinder to heat up during honing.
• After honing has been completed, inspect cylinder for
thinning or peeling.
If cylinder wear or damage is excessive, it will be necessary to
replace the cylinder. The cylinders are lined with a nicasil
coating and are not repairable. Hone only enough to de-glaze
the outer layer of the cylinder bore.
IMPORTANT: Clean the cylinder after honing
If cylinder wear or damage is excessive, it will be necessary to
replace the cylinder. The cylinders are lined with a nicasil
coating and are not repairable. Hone only enough to de-glaze
the outer layer of the cylinder bore.
Cleaning the Cylinder After Honing
It is very important that the cylinder be thoroughly cleaned after
honing to remove all grit material. Wash the cylinder in a
solvent, then in hot, soapy water. Pay close attention to areas
where the cylinder sleeve meets the aluminum casting (transfer
port area). Use electrical contact cleaner if necessary to clean
these areas. Rinse thoroughly, dry with compressed air, and oil
the bore immediately with Polaris Lubricant.
Example of Cross Hatch Pattern

3.20
ENGINE
Oil Flow Chart
This chart describes the flow of oil through the 700/800 engine. Beginning in the crankcase sump, the oil is drawn through an oil
galley to the feed side of the oil pump. The oil is then pumped through the oil filter. If the oil filter is obstructed, a bypass valve
contained in the filter allows oil to bypass the filter element. At this point, the oil is supplied to the main oil galley through a crankcase
passage. Oil is then diverted three ways from the main oil galley, with the first path entering the camshaft bores, onto the rear balance
shaft journal and then draining back into the crankcase sump. The second oil path from the main oil galley feeds the lifter bores and
then drains back to the crankcase sump. The third oil path flows through a crankcase galley to the MAG side crankshaft journal and
also to the front balance shaft journal and onto the crankcase sump. The oil pressure switch is fed off the main oil galley.
Engine Lubrication Specifications OIL PRESSURE TEST
1. Remove blind plug/sender from left side of crankcase.
2. Insert a 1/8 NPT oil pressure gauge adaptor into the
crankcase and attach the gauge.
3. Start engine and allow it to reach operating temperature,
monitoring gauge indicator.
NOTE: Use only Polaris Premium 0W-40 Synthetic
Engine Lubricant.
=
Capacity - Approximately 2 U.S. Quarts (1.9 l)
Oil Type - Polaris Premium 0W-40 Synthetic
Filter Wrench - PV-43527 or equivalent
- Oil Pressure Specification -
35-39 PSI @ 5500 RPM, Polaris 0W-40 Synthetic ,
Engine at operating temperature. Oil Pressure at 5500 RPM (Engine Hot):
Standard: 39 PSI
Minimum: 35 PSI

3.21
ENGINE
3
ENGINE DISASSEMBLY AND INSPECTION
Cylinder Head Assembly Exploded View
Rocker Arms
Spring Retainers
Retainer Locks (keepers)
Springs
Valve Seals
Cylinder Head
Valves
Hydraulic Lifters
:Push Rods

3.22
ENGINE
Rocker Arms
1. Mark or tag rocker arms in order of disassembly to keep
them in order for reassembly.
2. Inspect the wear pad at the valve end of the rocker arm for
indications of scuffing or abnormal wear. If the pad is
grooved, replace the rocker arm.
NOTE: Do not attempt to true this surface by
grinding.
3. Check the rocker arm pad and fulcrum seat for excessive
wear, cracks, nicks or burrs.
Push Rods
1. Clean push rods (A) in a suitable solvent. Blow dry push
rods with compressed air.
2. Use compressed air to confirm the oil passage is clear in the
center of the push rod.
3. Check the ends of the push rods (A) for nicks, grooves,
roughness or excessive wear.
4. The push rods (A) can be visually checked for straightness
while they are installed in the engine by rotating them with
the valve closed. Push rods can also be checked with a dial
indicator or rolled across a flat surface to check for
straightness.
5. If the push rod (A) is visibly bent, it should be replaced.
Cylinder Head Removal
1. Loosen the six cylinder head bolts evenly 1/8 turn each in
a criss-cross pattern until loose.
2. Remove bolts (A) and tap cylinder head (B) lightly with a
soft face hammer until loose. CAUTION: Tap only in
reinforced areas or on thick parts of cylinder head casting
to avoid damaging the head or cylinder.
3. Remove cylinder head (B) and head gasket (C) from the
cylinder (D).
WARNING
Always wear safety glasses when working with
compressed air to prevent personal injury.
A
A
B
C
D

3.23
ENGINE
3
Cylinder Head Inspection
Thoroughly clean cylinder head surface to remove all traces of
gasket material and carbon.
Cylinder Head Warp
1. Lay a straight edge (A) across the surface of the cylinder
head (B) at several different points and measure warp by
inserting a feeler gauge between the straight edge and the
cylinder head surface. If warp exceeds the service limit,
replace the cylinder head.
Valve Seal/Spring Service
(On Engine)
NOTE: The following procedure is only for servicing
the top end of the valve train when replacing valve
springs or replacing valve seals.
In some cases the valve train can be serviced while the cylinder
head is still on the engine. Keep all parts in order with respect
to their location in the cylinder head.
1. Having already removed the valve cover, rocker arms and
pushrods, align the cylinder to be worked on at top dead
center (TDC). Install the Valve Pressure Hose (PU-
45652) into the spark plug hole. Hook the hose to an air
compressor and supply 50 to 100 psi to the hose. This will
seat the valves during valve spring removal. Do not
remove air from the hose at anytime until reassembly is
completed.
2. Using the Valve Spring Compressor (PU-45257),
compress the valve spring and remove the valve keepers.
NOTE: A small parts magnet (A) can aid in the removal
of the retainers (B).
NOTE: To prevent damage to the valve seals, do not
compress the valve spring more than is needed to
remove the valve keepers.
3. Remove spring retainer and spring.
4. The valve seals are now serviceable.
CAUTION
Use care not to damage sealing surface.
= In. / mm.
Cylinder Head Warp Limit:
.004" (.1016 mm) max
A
B
Measure at different
points on the surface.
WARNING
Wear eye protection or a face shield during cylinder
head disassembly and reassembly.
A
B
PU-45257

3.24
ENGINE
Cylinder Head Disassembly
1. Carefully remove the cylinder components. Place the
hydraulic lifters (C), pushrods (D), and rocker arms (E) in
a safe, clean area.
2. Measure free length of spring with a Vernier caliper.
Compare to specifications. Replace spring if measurement
is out of specification.
3. Remove valve guide seals.
IMPORTANT: It is recommended to replace seals
whenever the cylinder head is disassembled.
Hardened, cracked or worn valve seals will cause
excessive oil consumption and carbon buildup.
4. Mark the valves with a white pen. Remove the valves from
the cylinder head. This will ensure that the valves are
properly placed during engine reassembly.
= In. / mm.
Valve Spring Free Length:
Std: 1.735" (44.069 mm)
DC
E
Valve Spring
Free Length
Mark the Valves

3.25
ENGINE
3
Valve Inspection
1. Remove all carbon from valves with a soft wire wheel or
brush.
2. Check valve face for runout, pitting, and burnt spots. To
check for bent valve stems, mount valve in a drill or use “V”
blocks and a dial indicator.
3. Check end of valve stem for flaring, pitting, wear or damage
(A).
4. Inspect split keeper groove for wear or flaring of the keeper
seat area (B). NOTE: The valves can be re-faced or end
ground, if necessary. They must be replaced if extensively
worn, burnt, bent, or damaged.
5. Measure diameter of valve stem with a micrometer in three
places, then rotate 90 degrees and measure again (six
measurements total). Compare to specifications.
6. Measure valve guide (C) inside diameter at the top middle
and end of the guide using a small hole gauge and a
micrometer. Measure in two directions.
7. Subtract valve stem measurement from the valve guide
measurement to obtain stem to guide clearance. NOTE:
The valve guides cannot be replaced. Be sure to measure
each guide and valve combination individually.
A
B
= In. / mm.
Valve Stem Diameter:
Intake: 0.2356" + 0.00039"
(5.985 + 0.01 mm)
Exhaust: 0.2351" + 0.00039"
(5.972 + 0.01 mm)
= In. / mm.
Valve Guide I.D.:
0.23672" + 0.000295"
(6.0617 + 0.0075 mm)
Measure valve stem in several places.
Rotate the valve 90 degrees and measure
for wear.
C

3.26
ENGINE
Combustion Chamber
1. Clean all accumulated carbon deposits from combustion
chamber and valve seat area with carbon cleaner and a soft
plastic scraper.
IMPORTANT: Do not use a wire brush, metal scraper,
or abrasive cleaners to clean the bottom of the
cylinder head. Extensive damage to the cylinder head
may result. Wear safety glasses during cleaning.
Valve Seat Reconditioning
NOTE: Polaris recommends that the work be done
by a local machine shop that specializes in this area.
NOTE: The cylinder head valve guides cannot be
replaced.
Valve Seat Inspection
Inspect valve seat in cylinder head for pitting, burnt spots,
roughness, and uneven surface. If any of the above conditions
exist, the valve seat must be reconditioned. If the valve seat is
cracked the cylinder head must be replaced.
Follow the manufacturers instructions provided with the valve
seat cutters in the Cylinder Head Reconditioning Kit (PN
2200634). Abrasive stone seat reconditioning equipment can
also be used. Keep all valves in order with their respective seat.
NOTE: Valve seat width and point of contact on the
valve face is very important for proper sealing. The
valve must contact the valve seat over the entire
circumference of the seat, and the seat must be the
proper width all the way around. If the seat is
uneven, compression leakage will result. If the seat
is too wide, seat pressure is reduced, causing
carbon accumulation and possible compression
loss. If the seat is too narrow, heat transfer from
valve to seat is reduced. The valve may overheat
and warp, resulting in burnt valves.
1. Install pilot into valve guide.
2. Apply cutting oil to valve seat and cutter.
3. Place 46 cutter on the pilot and make a light cut.
WARNING
Wear eye protection or a face shield during cylinder
head disassembly and reassembly.
Combustion Area

3.27
ENGINE
3
4. Inspect the cut area of the seat:
* If the contact area is less than 75% of the circumference of the
seat, rotate the pilot 180 and make another light cut.
* If the cutter now contacts the uncut portion of the seat, check
the pilot. Look for burrs, nicks, or runout. If the pilot is bent it
must be replaced.
* If the contact area of the cutter is in the same place, the valve
guide is distorted from improper installation
* If the contact area of the initial cut is greater than 75%,
continue to cut the seat until all pits are removed and a new seat
surface is evident. NOTE: Remove only the amount of material
necessary to repair the seat surface.
5. To check the contact area of the seat on the valve face, apply
a thin coating of Prussian Blue paste to the valve seat. If
using an interference angle (46) apply black permanent
marker to the entire valve face (A).
6. Insert valve into guide and tap valve lightly into place a few
times.
7. Remove valve and check where the Prussian Blue
indicates seat contact on the valve face. The valve seat
should contact the middle of the valve face or slightly
above, and must be the proper width.
* If the indicated seat contact is at the top edge of the valve face
and contacts the margin area (B) it is too high on the valve face.
Use the 30 cutter to lower the valve seat.
* If too low, use the 60 cutter to raise the seat. When contact
area is centered on the valve face, measure seat width.
* If the seat is too wide or uneven, use both top and bottom
cutters to narrow the seat.
* If the seat is too narrow, widen using the 45 cutter and re-
check contact point on the valve face and seat width after each
cut.
NOTE: When using an interference angle, the seat
contact point on the valve will be very narrow, and is
a normal condition. Look for an even and
continuous contact point all the way around the
valve face. (B)
8. Clean all filings from the area with hot soapy water, rinse,
and dry with compressed air.
A
= In. / mm.
Valve Seat Width:
Intake Std: .028" (.7 mm)
Limit: .055" (1.4 mm)
Exhaust Std: .039I (1.0 mm)
Limit: .071" (1.8 mm)
B
A
Proper Seat Contact
On Valve Face
Bottom 60Seat 45Top 30
Seat Width

3.28
ENGINE
9. Lubricate the valve guides with clean engine oil, and apply
oil or water based lapping compound to the face of the
valve.
NOTE: Lapping is not required with an interference
angle valve job.
10. Insert the valve into its respective guide and lap using a
lapping tool or a section of fuel line connected to the valve
stem.
11. Rotate the valve rapidly back and forth until the cut sounds
smooth. Lift the valve slightly off of the seat, rotate 1/4
turn, and repeat the lapping process. Do this four to five
times until the valve is fully seated, and repeat process for
the other valve(s).
12. Thoroughly clean cylinder head and valves.
Cylinder Head Reassembly
NOTE: Assemble the valves one at a time to
maintain proper order.
1. Apply engine oil to valve guides and seats.
2. Coat valve stem with molybdenum disulfide grease or 0W-
40 Synthetic oil.
3. Install valve carefully with a rotating motion to avoid
damaging valve seal.
4. Valve seals should be installed after the valves are in the
head to avoid valve seal damage. Install new valve seals
on valve guides.
5. Dip valve spring and retainer in clean engine oil and install.
6. Place retainer on spring and install Valve Spring
Compressor (PU-45257). Install split keepers with the gap
even on both sides.
NOTE: A small magnet can aid in installation of the keepers.
PU-45257

3.29
ENGINE
3
7. Repeat procedure for remaining valves. When all valves
are installed, tap lightly with soft faced hammer on the end
of the valves to seat the split keepers.
NOTE: To prevent damage to the valve seals, do not
compress the valve spring more than necessary to
install the keepers.
Valve Sealing Test
1. Clean and dry the combustion chamber area (A).
2. Pour a small amount of clean solvent onto the intake port
and check for leakage around each intake valve. The valve
seats should hold fluid with no seepage.
3. Repeat for exhaust valves by pouring fluid into exhaust
port.
Cylinder Removal
1. Follow engine disassembly procedures to remove rocker
cover and cylinder head.
2. Tap cylinder (A) lightly with a rubber mallet in the
reinforced areas only until loose.
3. Rock cylinder forward and backward while lifting it from
the crankcase, supporting pistons and connecting rods.
Support pistons with Piston Support Block (PN 2870390).
Valve Lifter Removal/Inspection
1. Remove the valve lifter's by reaching into the crankcase
and pushing the lifter up through the lifter bore by hand.
2. Thoroughly clean the lifters in cleaning solvent and wipe
them with a clean lint-free cloth.
3. Mark the lifters with a white pen if using the lifters for
reassembly. This will ensure that the lifters are properly
placed during engine reassembly.
4. Check the lifters for wear or scores.
5. Check the bottom end of lifter to make sure that it has a
slight convex.
6. If the bottom surface has worn flat, it may be used with the
original camshaft only.
NOTE: Lifters that are scored, worn, or if the bottom
is not smooth should be replaced with new lifters
and cam as an assembly. If replacing the lifters, the
camshaft should also be replaced.
A
A
Mark Hydraulic Lifter
Inspect Hydraulic Lifter

3.30
ENGINE
Piston Removal
1. Remove circlip (A). Mark the piston with a white pen to
ensure proper orientation (if reused) during assembly.
NOTE: If the pistons are to be reused, reassemble
the pistons in the same cylinder and direction from
which they were removed.
NOTE: New pistons are non-directional and can be
placed in either cylinder.
2. Remove piston circlip and push piston pin out of piston. If
necessary, heat the crown of the piston slightly with a
propane torch. CAUTION: Do not apply heat to the piston
rings. The ring may lose radial tension.
3. Remove top compression ring:
*Using a piston ring pliers: Carefully expand ring and lift it off
the piston. CAUTION: Do not expand the ring more than the
amount necessary to remove it from the piston, or the ring may
break.
*By hand: Placing both thumbs as shown, spread the ring open
and push up on the opposite side. Do not scratch the ring lands.
4. Repeat procedure for second ring.
5. Remove the oil control ring.
The oil control ring is a three piece design consisting of a top and
bottom steel rail and a center expander section. The top rail has
a locating tab on the end which fits into a notch (B) in the upper
oil ring land of the piston.
To Remove:
A) Remove the top rail first followed by the bottom rail.
B) Remove the expander.
Compression
Rings
Oil Ring
B

3.31
ENGINE
3
Cylinder Inspection
1. Remove all gasket material from the cylinder sealing
surfaces.
2. Inspect the top of the cylinder (B) for warp using a straight
edge (A) and feeler gauge (C). Refer to Ill. 1 and Ill. 2.
3. Inspect cylinder for wear, scratches, or damage.
4. Inspect cylinder for taper and out of round with a
telescoping gauge or a dial bore gauge. Measure in two
different directions, front to back and side to side, on three
different levels (1/2, down from top, in the middle, and 1/
2, up from bottom). Record measurements. If cylinder is
tapered or out of round beyond .002", the cylinder must be
replaced.
= In. / mm.
Cylinder Warp: .004" (0.1 mm) Max.
Measure at different
points on surface.
A
B
A
B
C
= In. / mm.
Cylinder Taper Limit:
.002" (9.05mm) Max.
Cylinder Out of Round:
Limit: .002" (.0 mm) Max.
700/800 Standard Bore Size
(Both Cylinders): 3.1496" (80 mm)
1/2” Down From Top of Cylinder
1/2” Up From Bottom

3.32
ENGINE
Piston-To-Cylinder Clearance
Measure piston outside diameter at a point 5 mm up from the
bottom of the piston at a right angle to the direction of the piston
pin.
Subtract this measurement from the maximum cylinder
measurement obtained in Step 5.
Piston/rod Inspection
1. Measure piston pin bore.
2. Measure piston pin O.D. Replace piston and/or piston pin
if out of tolerance.
3. Measure connecting rod small end ID.
Piston to Cylinder Clearance:
See “700/800 EFI Engine Service
Specifications” on page 3.11
Piston O.D.:
See “700/800 EFI Engine Service
Specifications” on page 3.11
Piston Pin Bore:
See “700/800 EFI Engine Service
Specifications” on page 3.11
5 mm
Piston
Piston Pin
Piston Pin O.D.:
See “700/800 EFI Engine Service
Specifications” on page 3.11
Connecting Rod Small End I.D.:
See “700/800 EFI Engine Service
Specifications” on page 3.11
Piston Pin Measurement Locations

3.33
ENGINE
3
4. Measure piston ring to groove clearance by placing the ring
in the ring land and measuring with a thickness gauge.
Replace piston and rings if ring-to-groove clearance
exceeds service limits.
See “700/800 EFI Engine Service Specifications” on page 3.11
Piston Ring Installed Gap
1. Place each piston ring (A) inside cylinder (B) using piston
to push ring squarely into place as shown. (See next page)
NOTE: Ring should be installed with the mark facing
upward.
2. Measure installed gap with a feeler gauge (C) at both the
top and bottom of the cylinder. REMINDER: A difference
in end gap indicates cylinder taper. The cylinder should be
measured for excessive taper and out of round.
3. If the bottom installed gap measurement exceeds the
service limit, replace the rings. If ring gap is smaller than
the specified limit, file ring ends until gap is within
specified range.
NOTE: Always check piston ring installed gap after
re-boring a cylinder or when installing new rings. A
re-bored cylinder should always be scrubbed
thoroughly with hot soapy water, rinsed, and dried
completely. Wipe cylinder bore with oil immediately
to remove residue and prevent rust.
Starter Drive/Bendix Removal Inspection
1. Remove stator housing bolts and remove housing.
2. Remove the flywheel nut and washer. Install Flywheel
Puller (PN 2871043) and remove flywheel.
NOTE: Do not thread the puller bolts into the
flywheel more than 1/4, or stator coils may be
damaged.
3. Remove starter bendix assembly (A). Note the thrust
washers located on both sides of the bendix.
4. Inspect the thrust washer for wear or damage and replace
if necessary.
5. After the bendix is removed, tap on the starter assembly
with a soft faced mallet to loosen the starter from the
crankcase.
Piston Ring Installed Gap
See “700/800 EFI Engine Service
Specifications” on page 3.11
Piston
Ring
Feeler Gauge
A
B
C
25-50 mm
B
B
B

3.34
ENGINE
6. Inspect gear teeth on starter drive (B). Replace starter drive
if gear teeth are cracked, worn, or broken.
7. Inspect the bendix bushing (C) in the mag cover for wear.
Replace as needed.
Flywheel / Stator Removal / Inspection
1. Remove stator housing bolts and remove housing.
2. Remove flywheel nut and washer.
3. Install Flywheel Puller (PN 2871043) and remove
flywheel (A). CAUTION: Do not thread the puller bolts
into the flywheel more than 1/4, or stator coils may be
damaged.
4. Use caution when removing the wire holddown (B), trigger
coil (C), and the stator assembly (D). Do not tap or bump
the gear /stator housing cover or the stator. This could
cause the seal around the gear/stator housing cover and the
crankcase to break, causing a leak.
5. Remove the bendix (E) if necessary.
C
Remove Stator
Cover
A
2871043
E
CB
D

3.35
ENGINE
3
Engine Crankcase Disassembly / Inspection
1. Remove the stator cover (A) and water pump cover (B).
2. Remove the nylok nut (C), washer (D), and water pump
impeller (E). Remove part of the water pump seal behind
the impeller.
3. Remove flywheel nut and washer.
4. Install Flywheel Puller (PN 2871043) and remove flywheel
(F). CAUTION: Do not thread the puller bolts into the
flywheel more than 1/4, or stator coils may be damaged.
5. Remove the starter bendix (G), wire holddown plate (H),
and the woodruff key (I) from the crankshaft. The stator
does not have to be removed at this point.
6. Remove the gear/stator housing bolts and remove the gear/
stator housing cover (J) and gasket from the crankcase. Be
sure to catch the excess oil from the crankcase.
A
B
E
CD
F
G
H
I
J

3.36
ENGINE
7. Note the positions of the gears in the photo.
8. Use a white pen to accent the timing marks on the following
gears: camshaft gear (K), crankshaft gear (M), or
counterbalance gear (N) This will ensure proper gear
alignment and timing during reassembly of the gears.
NOTE: If replacing one of the gears, it is
recommended that all of the gears be replaced. A
gear kit is available in the parts book.
9. Use the Cam Gear Tooth Alignment Tool (PU-45497-2)
(O) to align the cam split gear assembly. With the split gear
aligned, remove the bolt and cam gear assembly.
NOTE: Install the Cam Gear Tooth Alignment Tool
(PU-45497-2) into the assembly hole counter
clockwise from the timing mark as shown.
10. Inspect the cam gear teeth and check to make sure there is
spring tension offsetting the teeth between the two gears.
If there is no tension, check the springs inside of the cam
gear assembly.
11. The cam gear assembly contains three loaded springs. To
open the cam gear assembly:
* Place the cam gear on a flat surface with the timing mark side
facing up.
* While holding both gears together, lightly work a small
flathead screwdriver between the two gears.
* Remove the top gear. The springs should stay in place.
12. Remove all three springs using one of the tapered pins from
the Tapered Pins (PU-45497-1).
Camshaft Gear
Counterbalance Gear
Crank Gear
MN
K
Timing Marks
Water Pump Gear
CAUTION
Wear safety glasses at all times. Use caution when
working with the top gear. The springs could cause
injury or become lost should they pop out.
3 Loaded Springs

3.37
ENGINE
3
13. With a white marking pen, accent the timing mark on the
gear that contains the springs.
14. Inspect the gear teeth and the three tabs on the gears for
wear.
15. Install the new springs into the grooves of the cam gear.
16. Insert the pointed dowels from the Tapered Pins (PU-
45497-1) into the cam gear.
To Assemble:
* Hold the spring with one finger.
* Start the pointed end of the tapered pin into the cam gear hole
and slowly push the dowel through the hole until the end of the
dowel is almost flush with the spring.
* Perform this procedure with all three tapered pins.
* Do not push the pins too far through or the springs will pop
out.
NOTE: Do not remove the tapered pins at this time.
17. Note in the photograph that the Tapered Pins (PU-45497-
1) are below flush with end of the springs. This helps to
align the three gear tabs during the next step.
Accent Timing Marks
Inspect Teeth & Tabs
Replace 3 Springs
Install Springs
Cam Gear Spring Installation Tool Kit:
(PU-45497)
Tapered Pins: (PU-45497-1)
Cam Gear Tooth Align Tool: (PU-45497-2)
PU-45497-1
PU-45497-1

3.38
ENGINE
18. Line up the two gears using the timing marks and the three
gear tabs that were referenced earlier. Push the gears back
together, using both hands and hold securely.
19. Once the gears are pressed together, firmly hold the gears
together with one hand. Carefully remove the Tapered Pins
(PU-45497-1) by pulling them out one at a time with the
other hand.
20. After the tapered pins are removed, be sure the cam gear
assembly is held together tightly. Place the cam gear
assembly on a flat surface. Use the Cam Gear Tooth
Alignment Tool (PU-45497-2) to align the teeth of the cam
gears, as shown in the picture.
NOTE: Install the Cam Gear Alignment Tool (PU-
45497-2) into one assembly hole counter clockwise
from the timing mark.
NOTE: For ease of installing the Cam Gear
Alignment Tool (PU-45497-2) (R), use a twisting
motion when pushing down on the tool.
21. To remove the balance shaft gear, the flat side of the
camshaft (P) must face the balance shaft gear. To rotate the
camshaft, use the Cam Spanner Wrench (PU-45498) to
rotate the camshaft so the flat side of the camshaft faces the
balance shaft gear.
NOTE: This Cam Spanner Wrench (PU-45498) is
only needed to rotate the camshaft when the entire
valve train is assembled. If the rocker arms are
removed, the cam-shaft can be turned by hand.
Align Timing Marks
PU--45497-2
PU-45498
P

3.39
ENGINE
3
22. Remove the bolt and nut from the balance shaft gear. Try
to remove the balance shaft gear. If the gear does not come
off manually, use the Flywheel Puller (PN 2871043) to
remove the balance shaft gear.
23. Inspect the crankshaft gear (Q) for broken or worn teeth. If
the crankshaft gear does not need to be replaced, it does not
need to be removed. If the crankshaft gear is damaged,
remove the crankshaft gear with the Flywheel Puller (PN
2871043).
24. Install the two puller bolts (R). Tighten the puller bolts up
so that the bolts are at equal length.
25. Install the Flywheel Puller (PN 2871043) and remove the
crankshaft gear, if needed.
26. Rotate the water/oil pump gear (S), so that all four bolts are
visible though the gear. Remove the four bolts with a hex
wrench. Pull out the pump.
27. Inspect the oil pump rotors for wear. Mark the rotors with
a white pen to ensure upon reassembly that the correct sides
of the rotors are installed and mesh with the same edges as
previously installed.
NOTE: If replacing the old rotors, new replacement
rotors will fit into the old oil/water pump housing.
2871043
Q
R
2871043
S

3.40
ENGINE
28. Use a feeler gauge to measure the clearance between the
two rotors. Measure the gap between the two rotor tips as
shown below. The clearance should not exceed 0.006"
(0.15 mm).
29. Remove the oil pressure relief. The oil pressure relief
consists of a bolt, washer, spring, and valve (dowel).
Inspect the valve (dowel) for signs of possible obstructions.
Use compressed air to blow out any debris.
30. Reinstall the valve (dowel chamfered end first). Install the
spring, washer, and bolt. Torque to specification .
NOTE: Be sure to place the tapered end of the valve
(dowel) in first. If the valve is installed incorrectly,
oil pressure and oil priming problems will occur.
31. Carefully press the gear off the assembly while supporting
the housing assembly.
32. Remove the snap ring from the assembly. Place the housing
in a support and press out the bearing/shaft assembly.
= T
22 2 ft. lbs. (30 3 Nm)
0.006” (0.15 mm)
Max Tip Clearance
22 22 2 ft. lbs.
(30 3 Nm).
Chamfer
End First
CAUTION
Wear appropriate safety gear during this procedure.
Protective gloves, clothing and eyewear are
required.
Press Off Gear
Press Out shaft
and bearing
assembly.
Bearing
Retaining Ring

3.41
ENGINE
3
33. Place the shaft in a press to remove the bearing.
34. Press shaft into the new bearing..
35. Press the bearing/shaft assembly using the bearing's outer
race. Do not use the shaft to press the assembly into the
housing, as bearing damage may result. Install retaining
ring.
36. Press gear onto shaft while supporting the housing.
37. Remove thrust plate (U).
38. Remove PTO end engine mount Remove crankcase bolts.
Tap on the reinforced areas on the cases using soft hammer.
Carefully separate the two crankcase halves.
Bearing
New Bearing
Press Bearing/Shaft
Assembly using
outer race only
U
Separate
Crankcase Halves

3.42
ENGINE
NOTE: Only remove the oil baffle if the baffle is
damaged. When removing the oil baffle bolts, use a
heat gun to heat the bolts and loosen the Loctite.
This will prevent any possible damage to the bolts or
to the crankcase casting.
39. Remove and clean oil pick up (V) and oil baffle weldment
(W).
40. Remove balance shaft and crankshaft.
41. Remove and inspect crankshaft main journal bearings for
abnormal wear. It is recommended to replace the
bearings anytime the engine is disassembled.
NOTE: Plain bearing clearances may be checked
using a commercially available plasti-gauge
material.
Camshaft Inspection
1. Thoroughly clean the cam shaft.
2. Visually inspect each cam lobe for wear, chafing or
damage.
3. Measure height of each cam lobe using a micrometer.
Compare to specification.
W
V
= In. / mm.
Cam Lobe Height
(Intake & Exhaust):
Std: 1.3334" (33.8674 mm)
Cam Lobe Height

3.43
ENGINE
3
4. Measure camshaft journal outside diameters (O.D.).
5. Measure ID of camshaft journal bores.
6. Calculate oil clearance by subtracting journal O.D.'s from
journal bore I.D.'s. Compare to specification.
NOTE: Replace camshaft if damaged or if any part is
worn past the service limit.
NOTE: Replace engine block if camshaft journal
bores are damaged or worn excessively.
ENGINE REASSEMBLY
CRANKCASE REASSEMBLY
NOTE: Before assembly, clean the bolts and bolt
holes with Primer N (PN 2870585) to remove any
debris. This will ensure proper sealing when
installing bolts.
1. Install oil pick up (A), if removed. Torque to specification.
2. Install oil baffle weldment (B). Torque bolts to
specification.
3. Install the balance shaft. Inspect balance shaft clearance
(C) in both gearcase halves. Rotate balance shaft to ensure
that there is clearance between it and oil baffle weldment.
= In. / mm.
Camshaft Journal O.D. :
A. (Mag): 1.654" ± .00039" (42 ± .010 mm)
B. (Ctr.): 1.634" ± .00039" (41.50 ± .010 mm)
C. (PTO): 1.614" ± .00039" (41 ± .010 mm)
= In. / mm.
Camshaft Journal Bore I.D.:
(Mag): 1.656" ± 0.00039" (42.07± 0.010 mm)
(Ctr.) 1.637" ± 0.00039" (41.58 ± 0.010 mm)
(PTO) 1.617" ± 0.00039" (41.07 ± 0.010 mm)
= In. / mm.
Calculated Camshaft Oil Clearance:
Std: 0.0027" (.070mm)
Limit: .0039" (.10 mm)
A
B
C
CAUTION
After any reassembly or rebuild, the engine must be
primed using the Oil Priming Adapter (PU-45778)
and a 3/4-full oil filter before initial start-up. Follow
Steps 45-46 of this section to prime the engine and
to help aid proper break-in.
= T
Oil Baffle Weldment &
Oil Pick Up Bolt Torque:
60 ± 6 in. lbs. (6.8 ± 0.68 Nm)
A
B

3.44
ENGINE
NOTE: Always install new balance shaft bearings.
4. Apply assembly lube to cam journals and balance shaft
bearing surfaces of the MAG case halve. Install cam and
balance shafts.
5. Install crankshaft assembly and apply engine oil to crank
pins and rods (D). Apply assembly lube to the main
journals and bearings.
6. Apply Crankcase Sealant (PN 2871557) to the top gearcase
halve.
NOTE: Do not apply sealant to cam relief hole (E).
7. Assemble the crankcase halves. Apply LocTite™ 242 (PN
2871949) to the threads and pipe sealant to the bolt flanges.
Torque bolts to specification following torque pattern at
beginning of this chapter.
8. Lubricate cam lobes and valve lifters with Moly Lube
Grease.
C
D
= T
Crankcase Bolt Torque:
22 + 2 ft. lbs. (30 + 3 Nm)
Torque in sequence
E
Apply Moly Lube Cam Lobes
Lifters

3.45
ENGINE
3
9. Lubricate lifters with engine oil and install in the original
order as removed in disassembly. Apply Lubriplate or
Moly Lube to the ends of the lifters.
NOTE: Always replace the camshaft and lifters as a
set.
10. Lubricate connecting rods with 0W-40 engine oil.
11. Install new cylinder gasket on crankcase. Align gasket on
the dowel pins for proper gasket alignment.
12. Orientate the piston rings on the piston before installation
into the cylinders. Set the gaps of the rings evenly 120°
apart. (see illustration)
13. Install piston assemblies into cylinder aligning the piston
pin holes, to ensure proper alignment of the pistons to the
connecting rods upon assembly. Partially install the piston
pins into the pistons.
NOTE: To help align the pistons, slide a rod that is
close to the same diameter as the wrist pin holes to
properly align them in the cylinder.
Piston Ring
Orientation
1. Top Ring 2. Second Ring
3. Oil Ring
1
2
3

3.46
ENGINE
14. Position cylinder and piston assemblies onto the connecting
rods and push the piston pins through the piston and
connecting rods.
15. Install the piston pin circlips (F). The circlip ends should
be installed at the 12 O'clock position.
NOTE: While installing in piston pins, cover all
engine passages. The clip could fall into the engine
during installation.
16. Install camshaft thrust plate (G) with new bolts. Torque
bolts to specification.
NOTE: New bolts have patch lock on the threads
and do not require Loctite™.
17. Assemble rotors as marked when disassembled. Use a
cleaner to remove the marks previously made on the rotors.
18. Apply assembly lube or oil to the rotors on the oil pump
shaft.
Push In Piston Pins
Piston Pin Cirlcip (F) in
12 O’clock position
= T
Thrust Plate Screw Torque:
115 ± 12 in.lbs. (13 ± 1.35 Nm)
G
Line Up Marks

3.47
ENGINE
3
NOTE: The application of lubrication aids in priming
the oil pump during initial engine start up.
19. Align the bolt holes and install oil pump assembly into
crankcase. Rotate the rotors in the housing during
installation, as this checks for binding if new rotors are
used.
NOTE: For assembly of the gears, the cam gear and
the crankshaft gear are stamped with “This Side
Out." This indicates the side of the gear that faces
outward or away from the case.
NOTE: Before assembly, clean the bolts and bolt
holes with Primer N (PN 2870585) to remove any
debris. This will ensure proper sealing when
installing bolts and new Loctite™.
20. Install oil pump housing bolts (H). The new bolts contain
patch lock, so Loctite is not needed on the new bolts.
Torque bolts to specification and follow the torque
sequence at beginning of the chapter.
NOTE: Occasionally spin the oil pump when
installing bolts to check for binding of the rotors.
21. Apply Loctite 242 (PN 2871949) to the crankshaft.
Lubricate Rotors
= T
Oil Pump Bolt Torque:
84 8 in.lbs. (9.50 0.90 Nm)
* Torque in Sequence
H

3.48
ENGINE
22. Before installing the crankshaft gear (I), heat the crankshaft
gear to 250 F (121C) on a hot plate (J).
23. Use extreme caution when removing the crankshaft gear
from the hot plate. Use a pair of pliers and leather gloves
when handling the crankshaft gear.
24. Install the crankshaft gear (I) onto the crankshaft.
NOTE: For assembly of the gears, the cam gear and
the crankshaft gear are stamped with This Side Out."
This indicates the side of the gear that faces outward
or away from the case.
25. Install counter balance shaft gear (J) with new key, aligning
timing marks with crankshaft gear (I). Install washer and
bolt. Use the Gear Holder (PU-45838). Torque to
specification.
26. Use the Cam Gear Alignment Tool (PU-45497-2) to align
the teeth of the cam gear (M). Install the cam gear (M) (with
the Cam Gear Alignment Tool still in place) onto the
camshaft. The timing marks on the camshaft gear should
align with the keyway on the balance shaft gear.
NOTE: If the timing mark on the camshaft gear does
not align properly, remove the camshaft gear and
tool. Use the Cam Spanner Wrench (PU-45498) to
rotate the cam to the proper position.
CAUTION
The crankshaft gear is extremely hot! Severe burns
or injury can occur if the gear is not handled with
extreme care and caution. Follow the procedure
below to help ensure safety.
IJ
I
= T
Balance Shaft Gear Bolt Torque:
22 2 ft. lbs. (30 3 Nm)
PU-45497-2
M

3.49
ENGINE
3
NOTE: Cam Spanner Wrench (PU-45498) is only
needed to rotate the camshaft when the entire valve
train is assembled.
27. Reinstall the camshaft gear; so the timing marks are
properly aligned. Install the washer and bolt. Torque to
specification.
NOTE: Be sure all of the timing marks are properly
aligned.
Before installing the gear/stator housing, replace the seals in the
cover. Install a new water pump seal (N) into the gear/stator
housing (O). Use the Water Pump Mechanical Seal Installer
(PA-44995) to properly install the seal to the correct depth in the
cover.
Due to seal design and construction, seals MUST be
installed DRY (no lubricant) during assembly. Use of
lubricants (oil, soapy water, etc.) will not allow the seal
to wear-in and seal properly. Do not touch seal
surface or allow seal surface to come in contact with
contaminates during installation. Thoroughly clean
parts, tools and hands before installation.
NOTE: To remove the water pump seal, the gear/
stator housing must be removed. The water pump
seal cannot be removed or installed with the gear/
stator housing attached to the engine. Shaft damage
will occur.
NOTE: Install the water pump seal (N) with the seal
lip facing out (towards the crankcase). Use of a
hydraulic press is recommended for this procedure.
PU-45498
Timing Marks
M
N
KWater Pump Gear
= T
Counterbalance Gear and Camshaft
Gear Bolt Torque:
22 2 ft. lbs. (30 3 Nm)
Timing Marks
PA-44995
O
N
PA-44995

3.50
ENGINE
28. Install a new crankshaft seal (P) into the gear/stator housing
cover (O). Use the Universal Driver Handle (PU-45543)
and the Main Seal Installer (PA-45483) to seat the
crankshaft seal into place.
NOTE: Install the crankshaft seal (P) with the seal lip
facing out (towards the crankcase).
29. Once the crankshaft seal is installed into the gear/stator
housing cover, set the direction of the paper lip by sliding
the Main Crankshaft Seal Saver (PA-45658) into the
crankshaft seal from the rubber lipped side to the paper lip
side.(Back to Front) Remove the tool.
30. Carefully install the tapered end of the Crankshaft Seal
Protection Tool (PA-45658) through the paper side of the
crankshaft seal. (Back to Front) Leave the seal protector
installed in the crankshaft seal. Check the crankshaft seal
lips to verify they have not been rolled or damaged.
31. Before installing the gear/stator housing cover, install the
Water Pump Seal Saver (PA-45401) onto the water pump
shaft.
32. Install a NEW gasket to the gear/stator housing cover and
crankcase. With the tools installed, carefully place the
gear/stator housing cover over the protection tools.
PU-45543
PA-45483
P
Seal lip goes towards the crankcase.
IMPORTANT: Set the direction
of the paper lip seal.
PA-54658
PA-45401

3.51
ENGINE
3
33. Apply Crankcase Sealant (PN 2871557) to the outside
edges of the crankcase halves (See arrows), where the
crankcases mate. (See photos below.) This helps to prevent
coolant leakage.
34. Install the gear/stator housing gasket onto he crankcase.
35. Secure the gear/stator housing cover (O) to the crankcase
with the cover bolts. Torque bolts in proper sequence to
specification. Remove seal protectors from the shaft ends
once secure.
NOTE: Before assembly, clean the bolts and bolt
holes with Primer N (PN 2870585) to remove any
debris. This will ensure proper sealing when
installing bolts.
36. Install shaft seal with ceramic surface facing inward.
Gear/Stator Housing Gasket
= T
Gear/Stator Housing Bolt Torque:
96 3 in. lbs. (10.85 0.35 Nm)
*Torque in proper sequence
O
PA-45658
PA-45401

3.52
ENGINE
37. Install water pump impeller (P). Secure the impeller with
the washer and a new nylok nut (Q). Torque the nut to
specification.
38. Install water pump cover (R) with new O-ring seal. Torque
bolts to specification in proper sequence (See front of this
chapter).
39. Sparingly apply Starter Drive Grease (PN 2871423) to the
starter drive. Install the starter bendix.
NOTE: There are thrust washers on both sides of
starter drive.
40. Install stator assembly (S) and bolts. Torque bolts to
specification.
41. Install the wire hold down bracket (T). Install two new wire
hold down bolts. New bolts contain patch-lock. Torque
bolts to specification, following the proper bolt torque
sequence. Coat the stator wire grommet (U) with Nyogel
Grease (PN 2871329).
NOTE: Verify stator wires are routed properly under
the wire hold down bracket.
= T
Water Pump Impeller Nut Torque:
108 6 in. lbs. (6.8 0.68 Nm)
= T
Water Pump Housing Bolt Torque:
96 3 in. lbs. (10.85 0.35 Nm)
*Torque in proper sequence
Q
P
Install the O-ring dry, no lubricants
R
96 in. lbs.
(10.85 1.35 Nm)
= T
Stator Assembly Bolt Torque:
96 3 in.lbs. (10.85 0.35 Nm)
Replace 2 bolts with new bolts.
T
U
S

3.53
ENGINE
3
42. Install the flywheel, washer, nut, and key. Torque flywheel
nut to specification.
43. Install stator housing with new o-rings. Torque the bolts to
specification and follow proper bolt torque sequence at the
beginning of this chapter.
44. After the engine is completely assembled and ready for
installation, the engine must be properly primed with
Polaris 0W-40 Synthetic Oil (PN 2871281). Fill the oil
filter three-quarters full with Polaris 0W-40 Synthetic Oil
(PN 2871281). Let the oil soak into the filter for 8-10
minutes. Install the filter onto the engine.
45. Remove primer plug from the engine. Install Oil System
Priming Adapter (PU-45778) into the oil plug hole. Push
3-5 oz. (approx.) of Polaris 0W-40 into the adapter or until
resistance is felt. Remove the adapter. Apply sealant to the
plug threads. Install the plug and torque to specification.
= T
Flywheel Nut Torque
65 ± 7 ft.lbs. (88 ± 9.50 Nm)
= T
Stator Housing Bolt Torque:
96 3 in. lbs. (10.85 0.35 Nm)
65 7 ft.lbs. (88 9.50 Nm)
96 3 in.lbs.
(10.85 0.35 Nm)
= T
Primer Plug Torque
18 ± 2 ft.lbs. (24.4 ± 2.71 Nm)
CAUTION
After any reassembly or rebuild, the engine must be
primed using the Oil Priming Adapter (PU-45778)
and a 3/4-full oil filter before initial start-up. Follow
the steps in this section to properly prime the engine
and aid proper engine break in. Failure to perform
this procedure may cause internal engine damage
on initial start-up.
PU-45778

3.54
ENGINE
Flywheel / Stator Installation
NOTE: Before assembly, clean the bolts and bolt
holes with Primer N (PN 2870585) to remove any
debris. This will ensure proper sealing when
installing bolts.
1. Carefully install the stator and trigger coil to the gear/stator
housing cover. Do not tap on the stator or the gear
stator housing cover. This may cause a leak in between
the gear/stator housing cover and the crankcase.
2. Properly place the stator wires under the wire holddown
and install the bolts. Inspect the bolts, if new bolts are
needed, replace them with new bolts. New bolts contain
patch lock, so Loctite™ is not needed. Torque bolts to
specification.
3. Install the starter bendix if removed.
4. Install woodruff key. Install the flywheel. Install the
flywheel washer and nut. Torque the flywheel nut to
specification.
5. Inspect the mating surface around the gear/stator housing
cover and the crankcase for oil seepage. If there is seepage
between the mating surfaces, then the gear/stator housing
cover must be resealed. Clean the gearcase surfaces and
reseal with a new gasket. Refer to the Lower Engine
Disassembly section and the Lower Engine Assembly
section for details. lnspect the areas pointed out in the
illustration for possible oil seepage.
6. Install stator housing with new O-rings. Torque the bolts
to specification. Follow bolt torque sequence on found at
the beginning of this chapter.
= T
Flywheel Nut Torque:
65 7 ft.lbs. (88 9.5 Nm)
= T
Stator Housing Bolt Torque:
96 3 in.lbs. (1.85 0.35 Nm)
*Torque in Sequence
96 3 in.lbs.
(1.85 0.35 Nm)

3.55
ENGINE
3
Cylinder Head Reassembly
NOTE: Before reassembly, clean the bolts and bolt
holes with Primer N (PN 2870585) to remove any
debris. This will ensure proper sealing when
installing bolts.
1. Install the head gasket (A) on the cylinder (B).
2. Install cylinder head on cylinder.
3. Lubricate threads and top of washers underside of bolt head
with engine oil. Install head bolts (C) and torque to
specification.
4. Lubricate push rods (D) and install into lifters.
5. Lubricate rockers (E) with engine oil.
6. Verify pushrods are engaged in lifters.
7. Install rockers. Be sure that tab of fulcrum (F) is seated in
head stand-off. Torque bolts to specification.
= T
Cylinder Head Bolt Torque:
Initial setting: 35 4 ft. lbs. (47.5 5.5 Nm)
Allow to set for 1 minute, then turn
additional 90 (1/4 turn)
*Torque Bolts In Sequence
A
B
C
= T
Rocker Arm Bolt Torque
22 + 2 ft. lbs. (30 3 Nm)
D
E
E

3.56
ENGINE
8. Install breather reed (G) into rocker cover (H). Lightly
apply black RTV sealant to the outer edges of the breather
reed. The reed has a tab and will assemble one-way only.
Torque the breather bolts to specification.
NOTE: When applying RTV, do not get any RTV
inside the reed assembly.
9. Place a new seal (I) into the bottom of the cover. Be sure
the seal is seated into the cover properly.
IMPORTANT: Before assembly, clean the bolts and
bolt holes with Primer N (PN 2870585) to remove any
debris. This will ensure proper sealing when
installing bolts.
10. Install rocker cover. Torque bolts to specification.
11. Install thermostat (J), new O-ring, and thermostat housing.
Torque to specification.
12. Install temperature sender (K) and torque to specification.
= T
Breather Bolt Toque:
20 ± 5 in. lbs. (2.5± 0.55 Nm)
= T
Rocker Cover Bolt Torque:
84 8 in.lbs. (9.5 0.9 Nm)
Torque in Sequence
20 5 in.lbs.
(2.5 .55 Nm)
G
H
I
= T
Thermostat Housing Bolt Torque:
84 8 in. lbs. (9.5 0.9 Nm)
= T
Temperature Sender Torque:
25 ± 3 ft.lbs. (34 ± 4 Nm)
84 8 in.lbs.
(9.5 0.9 Nm)
25 3 ft.lbs. (34 4 Nm)
K
K

3.57
ENGINE
3
TROUBLESHOOTING
Engine
Spark Plug Fouling
• Spark plug cap loose or faulty
• Incorrect spark plug heat range or gap
• PVT system calibrated incorrectly/ components worn or
mis-adjusted
• Fuel quality poor (old) or octane too high
• Low compression
• Restricted exhaust
• Weak ignition (loose coil ground, faulty coil, stator, or
ETC switch)
• ETC switch mis-adjusted
• Restricted air filter (main or pre-cleaner) or breather
system
• Improperly assembled air intake system
• Restricted engine breather system
• Oil contaminated with fuel
Engine Turns Over But Fails To Start
•No fuel
• Dirt in fuel line or filter
• Fuel will not pass through fuel valve
• Fuel pump inoperative/restricted
• Tank vent plugged or pinched
• Engine flooded
• Low compression (high cylinder leakage)
• No spark (Spark plug fouled) ignition component
failure
Engine Does Not Turn Over
• Dead battery
• Starter motor does not turn
• Engine seized, rusted, or mechanical failure
Engine Runs But Will Not Idle
• Restricted carburetor pilot system
• Low compression
• Crankcase breather restricted
Engine Idles But Will Not Accelerate
• Spark plug fouled/weak spark
• Broken throttle cable
• Obstruction in air intake
• Air box removed (reinstall all intake components)
• Incorrect or restricted carburetor jetting
• ETC switch limiting speed
• Reverse speed limiter limiting speed
• Incorrect ignition timing
• Restricted exhaust system
• Cam worn excessively
Engine Has Low Power
• Spark plug fouled
• Cylinder, piston, ring, or valve wear or damage (check
compression)
• PVT not operating properly
• Restricted exhaust muffler
• Cam worn excessively
Piston Failure - Scoring
• Lack of lubrication
• Dirt entering engine through cracks in air filter or ducts
• Engine oil dirty or contaminated
Excessive Smoke and Carbon Buildup
• Excessive piston-to-cylinder clearance
• Wet sumping (Oil Level Too Full)
• Worn rings, piston, or cylinder
• Worn valve guides or seals
• Restricted breather
• Air filter dirty or contaminated
Piston Failure - Scoring
• Lack of lubrication
• Dirt entering engine through cracks in air filter or ducts
• Engine oil dirty or contaminated

3.58
ENGINE
Excessive Smoke and Carbon Buildup
• Excessive piston-to-cylinder clearance
• Wet sumping due to over-full crankcase
• Worn rings, piston, or cylinder
• Worn valve guides or seals
• Restricted breather
• Air filter dirty or contaminated
Low Compression
• Cylinder head gasket leak
• No valve clearance ( cam wear )
• Cylinder or piston worn
• Piston rings worn, leaking, broken, or sticking
• Bent valve or stuck valve
• Valve spring broken or weak
• Valve not seating properly (bent or carbon accumulated
on sealing surface)
• Rocker arm sticking
Backfiring
• ETC or speed limiter system malfunction
• Fouled spark plug or incorrect plug or plug gap
• Exhaust system air leaks
• Exhaust system air leaks
• Ignition system faulty: Spark plug cap cracked/broken,
Ignition coil faulty, Ignition or kill switch circuit faulty,
Ignition poor connections in ignition system
• n timing incorrect, Sheared flywheel key
• Valve sticking
Cooling System
Overheating
• Low coolant level
• Air in cooling system
• Wrong type/mix of coolant
• Faulty pressure cap or system leaks
• Restricted system (mud or debris in radiator fins
causing restriction to air flow, passages blocked in
radiator, lines, pump, or water jacket, accident damage)
• Lean mixture (restricted jets, vents, fuel pump or fuel
valve)
• Fuel pump output weak
• Electrical malfunction
• Water pump failure/ Loose impeller
• Thermistor failure
• Cooling fan inoperative or turning too slowly (perform
current draw test)
• Ignition timing mis-adjusted
• Low oil level
• Spark plug incorrect heat range
• Faulty hot light circuit
• Thermostat stuck closed or not opening completely
Temperature Too Low
• Thermostat stuck open
Leak at Water Pump Weep Hole
• Faulty water pump mechanical seal (coolant leak)
• Faulty pump shaft oil seal (oil leak)

3.59
ENGINE
3
800 EFI EXHAUST SYSTEM (DELUXE)
Dual Exhaust Layout
The dual exhaust canisters on select Polaris 800 EFIs are silver
ceramic coated. To maintain a beautiful finish and prevent
corrosion, periodic maintenance is required. DO NOT use
caustic chemicals to clean, as they may damage the finish.
1. Wash any accumulated mud or debris from the canisters
with a soft brush and soapy water.
2. Use a cleaner, such as HPC HiPerWash to clean away any
remaining grime, salts or oils.
3. If the canisters are stained from oils or other fluids, use fine
steel wool with HPC Liquid Buff Cleaner and Polish to
remove the stain.
4. After removing the stains, polish using Liquid Buff and
a soft cloth.
5. Repeat this procedure as often as desired to maintain the
canister's finish.
NOTE: Silencer removal requires replacement of the
silencer grommets, item H, as they become
damaged during removal.
A. Mounting Hardware
B. Clean Out Plug
C. Exhaust Seal/Clamp
D. Dual Exhaust Pipe
E. Exhaust Shields
F. Gasket
G. Exhaust Silencers
H. Silencer Grommets A.
B
C
E
F
GE
D
G
H

NOTES
ENGINE
3.60

FUEL INJECTION
4.1
CHAPTER 4
FUEL INJECTION
4
GENERAL INFORMATION . . . . . . . . . . . . . . . . . . . . . . . . . . . . . . . . . . . . . . . . . . . . . . . . 4.2
SPECIAL TOOLS . . . . . . . . . . . . . . . . . . . . . . . . . . . . . . . . . . . . . . . . . . . . . . . . . . . . . . . 4.2
SERVICE NOTES. . . . . . . . . . . . . . . . . . . . . . . . . . . . . . . . . . . . . . . . . . . . . . . . . . . . . . . 4.3
EFI SYSTEM EXPLODED VIEW . . . . . . . . . . . . . . . . . . . . . . . . . . . . . . . . . . . . . . . . . . . 4.4
EFI SYSTEM COMPONENT LOCATIONS . . . . . . . . . . . . . . . . . . . . . . . . . . . . . . . . . . . 4.5
FUEL TANK ASSEMBLY . . . . . . . . . . . . . . . . . . . . . . . . . . . . . . . . . . . . . . . . . . . . . . . . . 4.6
FUEL LINES - QUICK CONNECT . . . . . . . . . . . . . . . . . . . . . . . . . . . . . . . . . . . . . . . . . . 4.6
ELECTRONIC FUEL INJECTION . . . . . . . . . . . . . . . . . . . . . . . . . . . . . . . . . . . . . . . . . . . 4.7
PRINCIPAL COMPONENTS . . . . . . . . . . . . . . . . . . . . . . . . . . . . . . . . . . . . . . . . . . . . . . 4.7
EFI OPERATION OVERVIEW . . . . . . . . . . . . . . . . . . . . . . . . . . . . . . . . . . . . . . . . . . . . . 4.7
INITIAL PRIMING / STARTING PROCEDURE . . . . . . . . . . . . . . . . . . . . . . . . . . . . . . . . 4.7
ELECTRONIC CONTROL UNIT (ECU). . . . . . . . . . . . . . . . . . . . . . . . . . . . . . . . . . . . . . . 4.8
OPERATION OVERVIEW . . . . . . . . . . . . . . . . . . . . . . . . . . . . . . . . . . . . . . . . . . . . . . . . 4.8
ECU SERVICE . . . . . . . . . . . . . . . . . . . . . . . . . . . . . . . . . . . . . . . . . . . . . . . . . . . . . . . . . 4.8
ECU REPLACEMENT . . . . . . . . . . . . . . . . . . . . . . . . . . . . . . . . . . . . . . . . . . . . . . . . . . . 4.8
FUEL PUMP . . . . . . . . . . . . . . . . . . . . . . . . . . . . . . . . . . . . . . . . . . . . . . . . . . . . . . . . . . . 4.9
OPERATION OVERVIEW . . . . . . . . . . . . . . . . . . . . . . . . . . . . . . . . . . . . . . . . . . . . . . . . 4.9
FUEL PUMP TEST . . . . . . . . . . . . . . . . . . . . . . . . . . . . . . . . . . . . . . . . . . . . . . . . . . . . . . 4.9
FUEL PUMP / TANK ASSEMBLY REPLACEMENT . . . . . . . . . . . . . . . . . . . . . . . . . . . 4.10
FUEL PRESSURE REGULATOR . . . . . . . . . . . . . . . . . . . . . . . . . . . . . . . . . . . . . . . . . . 4.12
OPERATION OVERVIEW . . . . . . . . . . . . . . . . . . . . . . . . . . . . . . . . . . . . . . . . . . . . . . . 4.12
FUEL PRESSURE REGULATOR TEST . . . . . . . . . . . . . . . . . . . . . . . . . . . . . . . . . . . . 4.12
FUEL PRESSURE REGULATOR REPLACEMENT. . . . . . . . . . . . . . . . . . . . . . . . . . . . 4.12
FUEL FILTERS . . . . . . . . . . . . . . . . . . . . . . . . . . . . . . . . . . . . . . . . . . . . . . . . . . . . . . . . 4.12
GENERAL INFORMATION. . . . . . . . . . . . . . . . . . . . . . . . . . . . . . . . . . . . . . . . . . . . . . . 4.12
FUEL FILTER SERVICE. . . . . . . . . . . . . . . . . . . . . . . . . . . . . . . . . . . . . . . . . . . . . . . . . 4.12
FUEL FILTER REPLACEMENT . . . . . . . . . . . . . . . . . . . . . . . . . . . . . . . . . . . . . . . . . . . 4.12
FUEL INJECTORS . . . . . . . . . . . . . . . . . . . . . . . . . . . . . . . . . . . . . . . . . . . . . . . . . . . . . 4.13
OPERATION OVERVIEW . . . . . . . . . . . . . . . . . . . . . . . . . . . . . . . . . . . . . . . . . . . . . . . 4.13
FUEL INJECTOR SERVICE. . . . . . . . . . . . . . . . . . . . . . . . . . . . . . . . . . . . . . . . . . . . . . 4.13
FUEL INJECTOR REPLACEMENT . . . . . . . . . . . . . . . . . . . . . . . . . . . . . . . . . . . . . . . . 4.13
CRANKSHAFT POSITION SENSOR (CPS) . . . . . . . . . . . . . . . . . . . . . . . . . . . . . . . . . . 4.14
OPERATION OVERVIEW . . . . . . . . . . . . . . . . . . . . . . . . . . . . . . . . . . . . . . . . . . . . . . . 4.14
CRANKSHAFT POSITION SENSOR TEST. . . . . . . . . . . . . . . . . . . . . . . . . . . . . . . . . . 4.14
CRANKSHAFT POSITION SENSOR (CPS) REPLACEMENT . . . . . . . . . . . . . . . . . . . 4.14
TEMPERATURE / BAROMETRIC AIR PRESSURE SENSOR (T-BAP). . . . . . . . . . . . . 4.15
OPERATION OVERVIEW . . . . . . . . . . . . . . . . . . . . . . . . . . . . . . . . . . . . . . . . . . . . . . . 4.15
TEMPERATURE AND BAROMETRIC AIR PRESSURE SENSOR TEST. . . . . . . . . . . 4.15
TEMPERATURE AND BAROMETRIC AIR PRESSURE SENSOR REPLACEMENT . . 4.15
THROTTLE POSITION SENSOR (TPS) . . . . . . . . . . . . . . . . . . . . . . . . . . . . . . . . . . . . . 4.15
OPERATION OVERVIEW . . . . . . . . . . . . . . . . . . . . . . . . . . . . . . . . . . . . . . . . . . . . . . . 4.15
THROTTLE POSITION SENSOR REPLACEMENT. . . . . . . . . . . . . . . . . . . . . . . . . . . . 4.15
THROTTLE POSITION SENSOR TEST . . . . . . . . . . . . . . . . . . . . . . . . . . . . . . . . . . . . 4.16
THROTTLE POSITION SENSOR INITIALIZATION . . . . . . . . . . . . . . . . . . . . . . . . . . . . 4.16
ENGINE TEMPERATURE SENSOR. . . . . . . . . . . . . . . . . . . . . . . . . . . . . . . . . . . . . . . . 4.18
OPERATION OVERVIEW . . . . . . . . . . . . . . . . . . . . . . . . . . . . . . . . . . . . . . . . . . . . . . . 4.18
ENGINE TEMPERATURE SENSOR TEST . . . . . . . . . . . . . . . . . . . . . . . . . . . . . . . . . . 4.18
ENGINE TEMPERATURE SENSOR REPLACEMENT . . . . . . . . . . . . . . . . . . . . . . . . . 4.18
TROUBLESHOOTING. . . . . . . . . . . . . . . . . . . . . . . . . . . . . . . . . . . . . . . . . . . . . . . . . . . 4.19
DIAGNOSTICS USING “BLINK CODES”. . . . . . . . . . . . . . . . . . . . . . . . . . . . . . . . . . . . 4.19
EFI TROUBLESHOOTING . . . . . . . . . . . . . . . . . . . . . . . . . . . . . . . . . . . . . . . . . . . . . . . 4.20

4.2
FUEL INJECTION
GENERAL INFORMATION
Special Tools
IMPORTANT: The EFI fuel system remains under high
pressure, even when the engine is not running.
Before attempting to service any part of the fuel
system, the pressure must be relieved. The pressure
adapter has an integrated relief valve. Connect to the
test valve and release the pressure.
Polaris EFI Diagnostic Software (Digital Wrench) - PU-
47063
This dealer-only software installs on laptop computers equipped
with a CD drive and serial port connection, and is designed to
replace multiple shop tools often used to test EFI components.
It also includes step-by-step diagnostic procedures to aid
technician repair and troubleshooting.
Throttle Position Sensor Tester - PU-47082
This tester allows the use of a digital multi-meter to test TPS
function as well perform initialization procedures.
Throttle Body Adjustment Screwdriver - PU-47315
This tool has a special ‘D’ shaped end for adjusting the throttle
stop screw during a TPS initialization procedure.
WARNING
* Gasoline is extremely flammable and explosive
under certain conditions.
* EFI components are under high pressure. Verify
system pressure has been relieved before
disassembly.
* Never drain the fuel system when the engine is hot.
Severe burns may result .
* Do not overfill the tank. The tank is at full capacity
when the fuel reaches the bottom of the filler neck.
Leave room for expansion of fuel.
* Never start the engine or let it run in an enclosed
area. Gasoline powered engine exhaust fumes are
poisonous and can cause loss of consciousness and
death in a short time.
* Do not smoke or allow open flames or sparks in or
near the area where refueling is performed or where
gasoline is stored.
* If you get gasoline in your eyes or if you should
swallow gasoline, seek medical attention immediately.
* If you spill gasoline on your skin or clothing,
immediately wash with soap and water and change
clothing.
* Always stop the engine and refuel outdoors or in a
well ventilated area.
Table 4-1:
PART NUMBER TOOL DESCRIPTION
PU-47063
Polaris EFI Diagnostic
Software (Digital
Wrench)
PU-43506 Fuel Pressure
Test Kit
2201519 Throttle Position Sensor
Tester
PU-47315 Throttle Body
Adjustment Screwdriver
(small “D” shape)
Fuel Pressure Tester -
PU-43506
Test Valve

4.3
FUEL INJECTION
4
Service Notes
• For more convenient and accurate testing of EFI components, it is recommended dealers utilize the Polaris Diagnostic
Software (dealer only), or testing may be done manually using the procedures provided.
•80% of all EFI problems are caused by wiring harness connections.
• For the purpose of troubleshooting difficult running issues, a known-good ECU from another Polaris ATV EFI of the same
model may be used without damaging system or engine components.
• Never attempt to service any fuel system component while engine is running or ignition switch is "on."
• Cleanliness is essential and must be maintained at all times when servicing or working on the EFI system. Dirt, even in
small quantities, can cause significant problems.
• Do not use compressed air if the system is open. Cover any parts removed and wrap any open joints with plastic if they will
remain open for any length of time. New parts should be removed from their protective packaging just prior to installation.
• Clean any connector before opening to prevent dirt from entering the system.
• Although every precaution has been taken to prevent water intrusion failure, avoid direct water or spray contact with
system components.
• Do not disconnect or reconnect the wiring harness connector to the control unit or any individual components with the
ignition "on." This can send a damaging voltage spike through the ECU.
• Do not allow the battery cables to touch opposing terminals. When connecting battery cables attach the positive (+) cable to
positive (+) battery terminal first, followed by negative (-) cable to negative (-) battery terminal.
• Never start the engine when the cables are loose or poorly connected to the battery terminals.
• Never disconnect battery while engine is running.
• Never use a battery boost-pack to start the engine.
• Do not charge battery with key switch "on."
• Always disconnect negative (-) battery cable lead before charging battery.
• Always unplug ECU from the wire harness before performing any welding on the ATV.

4.4
FUEL INJECTION
EFI System Exploded View
1. Electronic Control Unit (ECU)
2. Intake Air Temperature/Barometric
Air Pressure Sensor (T-BAP)
3. Crankshaft Position Sensor (CPS)
4. Fuel Injectors
5. Fuel Filter
6. Fuel Pump/Tank Assy.
7 Fuel Rail
8. Engine Coolant Sensor (ECT)
9 . T h r ot t l e P o si t i o n S e n s or ( T P S)
10. Throttle Body
1
2
3
4
5
6
7
8
9
10
4

4.5
FUEL INJECTION
4
EFI System Component Locations
1. Electronic Control Unit (ECU)
2. Intake Air Temperature and Barometric Air Pressure
Sensor (T-BAP)
3. Crankshaft Position Sensor (CPS)
4. Fuel Injectors
5. 2 Fuel Filters (1 located in tank, 1 under front cab cover not
pictured)
6. Fuel Pump / Regulator / Gauge Sender Assembly (located
In tank as an assembly
7. Fuel Rail
8. Throttle Position Sensor (TPS)
9. Throttle Body
10. Wire Harness Assembly
11. Engine Coolant Temperature Sensor (ECT)
1
10
4 & 7
2
8 & 9
3
11

4.6
FUEL INJECTION
Fuel Tank Assembly Fuel Lines - Quick Connect
Sportsman 700/800 EFI models use quick connect fuel lines.
Refer to the steps below for fuel line removal.
1. Place a shop towel around the fuel line to catch any
dripping fuel. Squeeze the connector tabs together and
push the locking slide back.
2. Pull on the fuel line for removal.
3. To install the line, verify the connector and fuel tank nipple
are clean and free of debris.
4. Snap the fuel line back over the nipple and slide the locking
mechanism back into place. Verify the connector tabs snap
back into place.
1. Cap 2. Tank Vent 3. Tank Mount 4. Fuel Pump/
Tank Assembly 5. Frame 6. Protective Foil
12
3
4
5
6
Fuel Tank
* Fuel Filters
(30 micron)
(10 micron)
* Fuel Pump /
Pressure Regulator
Unit
External Fuel
Filter - 10 micron
Fuel Supply Rail Injectors
Fuel Flow
* component
located in fuel tank
Squeeze Connector Tabs

4.7
FUEL INJECTION
4
ELECTRONIC FUEL INJECTION
Principal Components
The Electronic Fuel Injection (EFI) system is a complete engine
fuel and ignition management design. This system includes the
following principal components:
•Fuel Pump
• Fuel Rail
• Fuel Line(s)
• Fuel Filter(s)
• Fuel Injectors
• Pressure Regulator
• Throttle Body / lntake Manifold
• Engine Control Unit (ECU)
• Ignition Coils
• Coolant Temperature Sensor
• Throttle Position Sensor (TPS)
• Crankshaft Position Sensor (CPS)
• Intake Air Temperature and Barometric Air
Pressure Sensor (T-BAP)
• Wire Harness Assembly
• Check Engine Light (MIL)
EFI Operation Overview
The EFI system is designed to provide peak engine performance
with optimum fuel efficiency and lowest possible emissions.
The ignition and injection functions are electronically
controlled, monitored and continually corrected during
operation to maintain peak performance.
The central component of the system is the Bosch Engine
Control Unit (ECU) which manages system operation,
determining the best combination of fuel mixture and ignition
timing for the current operating conditions.
An in-tank electric fuel pump is used to move fuel from the tank
through the fuel line and in-line fuel filter. The in-tank fuel
pressure regulator maintains a system operating pressure of 39
psi and returns any excess fuel to the tank. At the engine, fuel is
fed through the fuel rail and into the injectors, which inject into
the intake ports. The ECU controls the amount of fuel by varying
the length of time that the injectors are "on." This can range from
1.5-8.0 milliseconds depending on fuel requirements. The
controlled injection of the fuel occurs each crankshaft
revolution, or twice for each 4-stroke cycle. One-half the total
amount of fuel needed for one firing of a cylinder is injected
during each injection. When the intake valve opens, the fuel/air
mixture is drawn into the combustion chamber, ignited. and
burned.
The ECU controls the amount of fuel being injected and the
ignition timing by monitoring the primary sensor signals for air
temperature, barometric air pressure, engine temperature, speed
(RPM), and throttle position (load). These primary signals are
compared to the programming in the ECU computer chip, and
the ECU adjusts the fuel delivery and ignition timing to match
the values.
During operation the ECU has the ability to re-adjust
temporarily, providing compensation for changes in overall
engine condition and operating environment, so it will be able
to maintain the ideal air/fuel ratio.
During certain operating periods such as cold starts, warm up,
acceleration, etc., a richer air/fuel ratio is automatically
calculated by the ECU.
Initial Priming / Starting Procedure
NOTE: The Injection system must be purged of all
air prior to the initial start up, and/or any time the
system has been disassembled.
If the EFI system is completely empty of fuel or has been
disassembled and repaired:
1. Cycle the key switch from “OFF” to “ON” 6 times,
waiting for approximately 3 seconds at each “ON” cycle to
allow the fuel pump to cycle and shut down.
2. Once step 1 is completed, turn the key switch to “START”
until the engine starts or 5 seconds has passed.
3. If the engine failed to start, repeat step 1 for 2 more cycles
and attempt to start the engine.
If the engine fails to start, a problem may still exist, and should
be diagnosed.
NOTE: Accurate testing of EFI components is
recommended utilizing the Polaris Diagnostic
Software (dealer only).

4.8
FUEL INJECTION
ELECTRONIC CONTROL UNIT (ECU)
Operation Overview
The ECU is the brain or central processing computer of the
entire EFI fuel/ignition management system. During operation,
sensors continuously gather data which is relayed through the
wiring harness to input circuits within the ECU. Signals to the
ECU include: ignition (on/off), crankshaft position and speed
(RPM), throttle position, engine coolant temperature, air
temperature, intake manifold air pressure and battery voltage.
The ECU compares the input signals to the programmed maps
in its memory and determines the appropriate fuel and spark
requirements for the immediate operating conditions. The ECU
then sends output signals to set the injector duration and ignition
timing.
During operation, the ECU continually performs a diagnostic
check of itself, each of the sensors, and system performance. If
a fault is detected, the ECU turns on the Malfunction Indicator
Light (MIL) (Check Engine Light) on the speedometer and
stores the fault code in its fault memory. Depending on the
significance or severity of the fault, normal operation may
continue, or "Fail-Safe" operation (slowed speed, richer
running) may be initiated. A technician can access the stored
fault code using a “blink code” diagnosis flashed out through the
Instrument cluster. The ECU requires a minimum of 7.0 volts to
operate. The memory in the ECU is operational the moment the
battery cables are connected.
To prevent engine over-speed and possible failure, a rev-
limiting feature is programmed into the ECU. If the maximum
RPM limit (6500) is exceeded, the ECU suppresses the injection
signals, cutting off the fuel flow. This process repeats it self in
rapid succession, limiting operation to the preset maximum.
Sportsman 700 / 800 EFI RPM Limit:
Hard Limit - Injector suppression occurs
• High: 6500
• Low: 6500
• Neutral: 6500
• Reverse: 6500
• Park: 6500
Soft Limit - Timing suppression occurs
• High: None
• Low: 6300
• Neutral: 6300
• Reverse: 6300
• Park: 6300
ECU Service
Never attempt to disassemble the ECU. It is sealed to prevent
damage to internal components. Warranty is void if the case is
opened or tampered with in any way.
All operating and control functions within the ECU are pre-set.
No internal servicing or readjustment may be performed. If a
problem is encountered, and you determine the ECU to be
faulty, contact the Polaris Service Department for specific
handling instructions. Do not replace the ECU without factory
authorization.
The relationship between the ECU and the throttle position
sensor (TPS) is very critical to proper system operation. If the
TPS is faulty, or the mounting position of the TPS to the throttle
body is altered, the TPS must be re-initialized.
For the purpose of troubleshooting, a known-good ECU from
another Polaris ATV EFI of the same model may be used
without system or engine component damage.
ECU Replacement
1. Remove the retaining screws (2) holding the ECU.
2. With the Ignition turned off, disconnect the wire harness
from the ECU.
3. To install, reverse the procedures, reapply a small amount
of dielectric grease to the connector if desired. Tighten
screws to specification.
= T
ECU Retaining Screws
10 in. lbs. (1.1 Nm)

4.9
FUEL INJECTION
4
FUEL PUMP
Operation Overview
NOTE: All EFI units utilize quick connect lines.
An electric fuel pump assembly is used to transfer fuel to the EFI
system from inside the fuel tank. This assembly includes the fuel
pump, regulator and fuel gauge sender. The pump is rated for a
minimum output of 25 liters per hour at 39 psi and has a non-
serviceable internal 30-micron filter. In addition, the pump has
a replaceable 10-micron filter attached to the pump outlet,
which is located under the strut mount.
When the key switch is turned to "ON", the ECU activates the
fuel pump, which pressurizes the system for start-up.
The ECU switches off the pump preventing the continued
delivery of fuel in these instances:
• If the key switch is not promptly turned to the "start"
position.
• If the engine fails to start, or
• If the engine is stopped with the key switch "on" (as in
the case of an accident)
In these situations, the “check engine” light will go on, but will
turn off after 4 cranking revolutions if system function is OK.
Once the engine is running, the fuel pump remains on.
Fuel Pump Test
NOTE: FUEL GAUGE SENDER TEST - To test fuel
gauge sender function, refer to Chapter 10.
The fuel pump/tank assembly is non-serviceable and must be
replaced if determined to be faulty. If a fuel delivery problem is
suspected, make certain the filters are not plugged, that the
pump is being activated through the ECU, all electrical
connections are properly secured, the fuses are good, and a
minimum of 7.0 volts is being supplied. If during starting the
battery voltage drops below 7.0 volts, the ECU will fail to
operate the system.
1. Remove the fuel test valve cap. Connect the pressure hose
of the Polaris pressure tester (PN PU-43506) to the test
valve on the fuel rail. Route the clear hose into a portable
gasoline container or the equipment fuel tank.
2. Turn on the key switch to activate the pump and check the
system pressure on the gauge. If system pressure of 39 psi
3 is observed, the ignition switch, ECU, fuel pump, and
pressure regulator are working properly. Turn the key
switch off and depress the valve button on the tester to
relieve the system pressure.
NOTE: If the pressure is too high or too low, replace
the fuel tank assembly.
Fuel pump not
replaceable, picture
for reference only.
Regulator
Fuel Pump
Internal 30 Micron
Strainer (Bottom)
Fuel Gauge Sender
WARNING
Check the fuel test valve for any possible fuel
seepage after performing any tests or procedures.
Fuel is extremely flammable and may cause severe
burns, injury, or death. Do not use any device that
produces a flame or electrical devices that may
spark around fuel or fuel vapors.
Normal Fuel Pressure: 39 psi. ± 3

4.10
FUEL INJECTION
3. If the pump did not activate (Step 2), disconnect the plug
from the fuel pump. Connect a DC voltmeter across
terminals “A” and “C” in the plug, turn on the key switch
and observe if a minimum of 7 volts is present. If voltage
is between 7 and 14, turn key switch off and connect an
ohmmeter between the terminals “A” and “C”' on the pump
to check for continuity.
NOTE: If there was no continuity between the pump
terminals, replace the fuel tank assembly.
NOTE: If the voltage was below 7Vdc, test the
battery, ignition switch, wiring harness and ECU.
4. If voltage at the plug was good, and there was continuity
across the pump terminals, reconnect the plug to the pump,
making sure you have good, clean connections. Turn on the
key switch and listen for the pump to activate.
NOTE: If the pump starts, repeat steps 1 and 2 to
verify correct pressure.
NOTE: If the pump still does not operate, check for
correct ECU operation by plugging in a known-good
ECU of the same model.
NOTE: If the pump still does not operate, replace the
pump/tank assembly.
Fuel Pump / Tank Assembly Replacement
NOTE: All EFI unit utilize quick connect fuel lines.
NOTE: The fuel pump cannot be replaced as an
individual part, the entire fuel pump and fuel tank is
replaced as an assembly. Refer to your parts book
for the proper part number.
1. Disconnect the negative battery cable.
2. Remove the side panels and front cab assembly. Refer to
“COVER PANEL REMOVAL" in Chapter 5 for details.
3. Remove the clamps on the PVT intake duct and remove the
PVT duct.
4. Remove the gas tank cover vent hose. Be sure to properly
route the vent hose upon reassembly.
5. With all the body panels removed from the front of the ATV
and the gas tank exposed, disconnect the pump wiring
harness.
WARNING
Always wear safety equipment when working with
high pressure or flammable fluids. Failure to do so
could result in serious injury or complications. WARNING
Wear safety equipment while performing this
procedure, failure to do so could result in serious
injuries.

4.11
FUEL INJECTION
4
6. Relieve the fuel pressure at the fuel test valve (arrow).
7. Loosen the fuel tank hose and pull the fuel line from
the tank. NOTE: A small amount of fuel may come
out of the fuel line or tank. Plug the fuel line and tank
inlet or use a shop towel during removal.
NOTE: A small amount of fuel may come out of the
fuel line or tank. Plug the fuel line and tank inlet or
use a shop towel during removal.
8. Remove the air box cover and remove the two gas tank
mounting bolts at the rear of the gas tank.
9. Carefully pull the fuel tank out of the frame. Keep the fuel
tank horizontal during removal, this will keep the fuel in the
tank from spilling out the top inlet.
FUEL PUMP TANK INSTALLATION
1. Reinstall the pump/tank assembly.
2. Reconnect the sender wiring harness and route the harness
properly. Install the fuel line and tighten the fuel line
clamp.
3. Reinstall the two fuel tank mounting bolts at back of tank.
4. Reinstall the PVT intake duct, gas tank vent line, front cab
assembly, and side panels.
NOTE: Properly route the gas tank vent line, use
tape to secure the vent line in place. (See Pg. 4.10).
5. Reconnect the negative battery cable. Test the sender for
proper operation.
WARNING
Check the fuel test valve for any possible fuel
seepage after performing any tests or procedures.
Fuel is extremely flammable and may cause severe
burns, injury, or death. Do not use any device that
produces a flame or electrical devices that may
spark around fuel or fuel vapors.
Fuel Line
Fuel Pump

4.12
FUEL INJECTION
FUEL PRESSURE REGULATOR
Operation Overview
The fuel pressure regulator maintains the required operating
system pressure of 39 psi + 3psi. A rubber-fiber diaphragm
divides the regulator into two separate sections-, the fuel
chamber and the pressure regulating chamber. The pressure
regulating spring presses against the valve holder (part of the
diaphragm), pressing the valve against the valve seat. The
combination of atmospheric pressure and regulating spring
tension equals the desired operating pressure. Any time the fuel
pressure against the bottom of the diaphragm exceeds the
desired (top) pressure, the valve opens, relieving the excess
pressure, returning the excess fuel back to the tank.
Fuel Pressure Regulator Test
Refer to the “FUEL PUMP TEST” procedure.
See “Fuel Pump Test” on page 4.9.
Fuel Pressure Regulator Replacement
The regulator is a sealed, non-serviceable assembly. If it is
faulty, the pump assembly must be replaced. Refer to the Fuel
Pump/Tank Assembly Replacement procedure.
FUEL FILTERS
General Information
NOTE: All EFI units utilize quick connect fuel lines.
EFI Engines use a non-serviceable, high-volume, high-
pressure, 30-micron internal fuel pump filter and a replaceable
10-micron, in-line fuel filter.
Fuel Filter Service
In line filter replacement is recommended every 2 years of
operation or more frequently under extremely dusty, dirty
conditions. Use only the specified filter, and install according to
the directional arrows. DO NOT use an aftermarket filter, as
operating performance and safety can be affected.
Fuel Filter Replacement
NOTE: When replacing the fuel filter, wet the interior
of the new filter with gasoline before installation to
ensure high pump pressure doesn't tear the filtering
material.
1. Relieve system pressure through the test valve in the fuel
rail before servicing.
2. Loosen clamps and slide hose off the filter ends.
3. Install new filter with arrow pointing to the fuel line
connected to the injector rail.
10 Micron Filter

4.13
FUEL INJECTION
4
FUEL INJECTORS
Operation Overview
NOTE: All EFI units utilize quick connect fuel lines.
The fuel injectors mount into the intake manifold, and the fuel
rail attaches to them at the top end. Replaceable O-Rings on both
ends of the injector prevent external fuel leaks and also insulate
it from heat and vibration.
When the key switch is on, the fuel rail is pressurized, and
voltage is present at the injector. At the proper instant, the ECU
completes the ground circuit, energizing the injector. The valve
needle in the injector is opened electromagnetically, and the
pressure in the fuel rail forces fuel down through the inside. The
“director plate” at the tip of the injector (see inset) contains a
series of calibrated openings which directs the fuel into the
intake port in a cone-shaped spray pattern.
The injector is opened and closed once for each crankshaft
revolution, however only one-half the total amount of fuel
needed for one firing is injected during each opening. The
amount of fuel injected is controlled by the ECU and determined
by the length of time the valve needle is held open, also referred
to as the “injection duration” or “pulse width”. It may vary in
length from 1.5-8 milliseconds depending on the speed and load
requirements of the engine.
Fuel Injector Service
Injector problems typically fall into three general categories-
electrical, dirty/clogged, or leakage. An electrical problem
usually causes one or both of the injectors to stop functioning.
Several methods may be used to check if the injectors are
operating.
• With the engine running at idle, feel for operational
vibration, indicating that they are opening and closing.
• When temperatures prohibit touching, listen for a
buzzing or clicking sound with a screwdriver or
mechanic's stethoscope.
• Disconnect the electrical connector from an injector and
listen for a change in idle performance (only running on
one cylinder) or a change in injector noise or vibration.
NOTE: Do not apply voltage directly to the fuel
injector(s). Excessive voltage will burn out the
injector(s). Do not ground the injector(s) with the
ignition on." lnjector(s) will open/turn on if relay is
energized.
If an injector is not operating, it can indicate either a bad injector,
or a wiring/electrical connection problem. Check as follows:
Injector leakage is very unlikely, but in rare instances it can be
internal (past the tip of the valve needle), or external (weeping
around the injector body). The loss of system pressure from the
leakage can cause hot restart problems and longer cranking
times.
Injector problems due to dirt or clogging are unlikely due to the
design of the injectors, the high fuel pressure, the use of filters
and the detergent additives in the gasoline. Symptoms that could
be caused by dirty/clogged injectors include rough idle,
hesitation/stumble during acceleration, or triggering of fault
codes related to fuel delivery. Injector clogging is usually caused
by a buildup of deposits on the director plate, restricting the flow
of fuel, resulting in a poor spray pattern. Some contributing
factors to injector clogging include; dirty air filters, higher than
normal operating temperatures, short operating intervals and
dirty, incorrect, or poor quality fuel. Cleaning of clogged
injectors is not recommended; they should be replaced.
Additives and higher grades of fuel can be used as a preventative
measure if clogging has been a problem.
Fuel Injector Replacement
1. Engine must be cool. Depressurize fuel system through
test valve in fuel rail.
2. Remove the front fender assembly and fuel tank.
3. Thoroughly clean the area around and including the throttle
body/manifold and the injectors.
4. Disconnect the fuel injector harness(s) at the ECU.
5. Remove the fuel rail mounting screw and carefully loosen
/ pull the rail away from the injectors.
6. Reverse the procedures to install the new injector(s) and
reassemble. Use new O-rings any time an injector is
removed (new replacement injectors include new O-rings).
Lubricate O-rings lightly with oil to aid installation. Torque
the fuel rail mounting screw to specification.
Injector
= T
Fuel Rail Mount Screws
16-20 ft. lbs. (22.6-27 Nm)

4.14
FUEL INJECTION
CRANKSHAFT POSITION SENSOR
(CPS)
Operation Overview
The engine speed sensor is essential to engine operation,
constantly monitoring the rotational speed (RPM) and position
of the crankshaft.
A ferromagnetic 60-tooth ring gear with two consecutive teeth
missing is mounted on the flywheel. The inductive speed sensor
is mounted 1.0 0.26 mm (0.059 0.010 in.) away from the
ring gear. During rotation, an AC pulse is created within the
sensor for each passing tooth. The ECU calculates engine speed
from the time interval between the consecutive pulses. The two-
tooth gap creates an “interrupt” input signal, corresponding to
specific crankshaft position for PTO cylinder. This signal serves
as a reference for the control of ignition timing by the ECU.
Synchronization of the CPS and crankshaft position takes place
during the first two revolutions each time the engine is started.
This sensor must be properly connected at all times. If the sensor
fails or becomes disconnected for any reason, the engine will
quit running.
Crankshaft Position Sensor Test
The crankshaft position sensor is a sealed, non-serviceable
assembly. If fault code diagnosis indicates a problem within this
area, test and correct as follows:
1. Disconnect main harness connector from ECU.
2. Connect an ohmmeter between the pin terminals. A
resistance value of 560 10% at room temperature (20
C, 68 F) should be obtained. If resistance is correct, check
the mounting, air gap, toothed ring gear (damage, runout,
etc.), and flywheel key.
3. Disconnect speed sensor connector from wiring harness.
(the connector with one heavy black lead) Viewing the
connector with dual aligning rails on top, test resistance
between the terminals. A reading of 560 10% should
again be obtained.
NOTE: If the resistance is incorrect, remove the
screw securing the sensor to the mounting bracket
and replace the sensor. If the resistance in step 2
was incorrect, but the resistance of the sensor alone
was correct, test the main harness circuit between
the sensor connector terminals and the
corresponding pin terminals in the main connector.
Correct any observed problem, reconnect the
sensor, and perform step 2 again.
Crankshaft Position Sensor (CPS)
Replacement
1. Disconnect sensor harness connector.
2. Using a 6 mm hex wrench, remove the retaining bolt and
replace the sensor, using a light coating of oil on the o-ring
to aid installation.
3. Torque the retaining bolt to specification.
Crankshaft Position Sensor:
560 10% (20 C, 68 F)
Crank Sensor
= T
CPS Retaining Bolt Torque:
25 in. lbs. (2.8 Nm)

4.15
FUEL INJECTION
4
TEMPERATURE / BAROMETRIC AIR
PRESSURE SENSOR (T-BAP)
Operation Overview
Mounted on the throttle body intake, the temperature and
barometric air pressure sensor (T-BAP) performs two functions
in one unit.
Air passing through the intake is measured by the T-BAP and
relayed to the ECU. These signals, comprised of separate air
temperature and barometric air pressure readings, are processed
by the ECU and compared to it's programming for determining
the fuel and ignition requirements during operation.
Temperature and Barometric Air Pressure
Sensor Test
The temperature and barometric air pressure sensor (T-BAP) is
a non-serviceable item. If it is faulty, it must be replaced. This
sensor requires a 5 Vdc input to operate, therefore the T-BAP
sensor should only be tested using the Polaris Diagnostic
Software (dealer only). Refer to the EFI Diagnostic Software
Manual for more information.
Temperature and Barometric Air Pressure
Sensor Replacement
1. Disconnect sensor from engine harness.
2. Using a 10mm wrench, remove the retaining bolt and
replace the sensor, using a light coating of oil on the o-ring
to aid installation.
3. Torque the retaining bolt to specification.
THROTTLE POSITION SENSOR (TPS)
Operation Overview
The throttle position sensor (TPS) is used to indicate throttle
plate angle to the ECU.
Mounted on the throttle body and operated directly off the end
of the throttle shaft, the TPS works like a rheostat, varying the
voltage signal to the ECU in direct correlation to the angle of the
throttle plate. This signal is processed by the ECU and compared
to the internal pre-programmed maps to determine the required
fuel and ignition settings for the amount of engine load.
NOTE: The correct position of the TPS is
established and set at the factory. Do not loosen the
TPS or alter the mounting position. If the TPS is
repositioned, replaced or loosened it must be re-
calibrated.
Throttle Position Sensor Replacement
The correct position of the TPS is established and set at the
factory. If the TPS is repositioned, replaced or loosened it must
be re-calibrated.
1. Remove the side panel assembly and air box.
2. Disconnect sensor (A) from the harness.
3. Loosen and rotate the throttle body (B) to gain access to the
retaining screw.
4. Remove the retaining screw and replace the sensor.
5. Refer to “TPS Initialization” for setting the TPS voltage.
= T
T-BAP Retaining Bolt Torque:
29 in. lbs. (3.3 Nm)
A
B

4.16
FUEL INJECTION
Throttle Position Sensor Test
The throttle position sensor (TPS) is a non-serviceable item. If
it is faulty, it must be replaced. It can be tested using the
following method:
• Set up the TPS Test Adapter Harness (PU-47082),
according to the instructions. Make sure that the 9 volt
battery is new. Figure 2.
• With the test leads connected and the meter set, move
the throttle open and closed slowly while reading the
display. The voltage should increase smoothly with no
“jumps” or decreases when the throttle is applied.
• If the sensor does not function correctly, replace it.
CORRECT REFERENCE VOLTAGE
A 5 volt reference voltage from the harness is required for the
TPS test to be accurate. Refer to the instructions provided with
the TPS Test Adapter Harness (PU-47082) or follow the steps
below to check reference voltage.
• Harness Test: Insert black voltmeter probe into the
“Bk” test port.
• Connect the red meter probe into the “R” port and
verify the voltage is 4.99-5.01 Vdc. If this reading is
low, verify the 9 volt battery is good or try a new 9 volt
battery.
Throttle Position Sensor Initialization
NOTE: The correct position of the TPS is
established and set at the factory. Use this
procedure only if the TPS was repositioned,
replaced or loosened.
STEP 1
Establishing zero offset voltage: This step is crucial as it sets
the TPS position using a fixed physical stop. This will insure
that the correct offset voltage is reached once the correct throttle
body flow is set.
• Remove cover and disconnect throttle cable from
throttle cam.
PU-47082 TPS Test
Adapter Harness Use NEW
9V battery
PU-47082 Harness No “Jumps” in read out
Throttle Plate
Must Be Closed

4.17
FUEL INJECTION
4
• With engine off, back out air flow screw until it no
longer is in contact with throttle plate cam. The throttle
plate should seal off throttle bore completely.
• Open and close throttle plate a couple of times to ensure
full throttle closing. Do not snap closed, as this could
cause unnecessary throttle plate to throttle body
interference and/or damage.
• Set up the TPS Test Adapter Harness (PU-47082)
according to the instructions. Verify that the 9 volt
battery is new. Figure 2.
• Using a voltmeter attached to the TPS Tester Harness
(PU-47082), check the voltage output of the TPS. It
should read .528 .01 volts.
• If it does not read .528 .01 volts, loosen the screw
holding the TPS to the throttle body. Rotate TPS until
voltmeter reads .528 .01 volts.
• Retighten TPS mounting screw, and verify the voltage
did not change. If changed, repeat the previous steps.
STEP 2
Establishing correct flow: Now that the zero offset voltage has
been set, you can now set the throttle body to the correct air flow
value.
• With voltmeter still attached to the TPS Test Adapter
Harness (PU-47082), turn the air flow adjustment
screw until the voltmeter reads .710 .01 volts. The
throttle body is now adjusted to the correct flow value
Figure 3.
• Reconnect the TPS harness lead
• Reinstall throttle cable on throttle cam and install cover.
Adjust cable freeplay.
Back Air Flow Screw Out Until No
Contact is Made
TPS Tester Adapter
Harness- PU-47082
Fig. 2
.528
Should Read: .528 V
Turn Air Flow Screw In
TPS Tester Adapter
Harness- PU-47082 Should Read: .710 V
.710

4.18
FUEL INJECTION
ENGINE TEMPERATURE SENSOR
Operation Overview
Mounted on the cylinder, the engine temperature sensor
measures coolant temperature. The engine temperature sensor
is a Negative Temperature Coefficient (NTC) type sensor, as the
temperature increases the resistance decreases.
Refer to Chapter 10 for testing. Standard resistance readings
according to temperature:
Coolant passes through the cylinder and by the sensor probe,
varying a resistance reading which is relayed to the ECU. This
signal is processed by the ECU and compared to it's
programming for determining the fuel and ignition
requirements during operation. The ECU also uses this signal to
determine when to activate the fan during operation. If for any
reason the engine temperature sensor circuit is interrupted, the
fan will default to “ON”.
Engine Temperature Sensor Test
To quickly rule out other components and wiring related to the
ETS, disconnect the harness from the ETS. The fan should turn
on and ‘HOT’ should indicate on the instrument cluster. This
indicates all other components are working properly.
Refer to Chapter 10 for ETS testing. Polaris dealers can also test
the sensor by using the Polaris Digital Wrench‘ Software (dealer
only). Refer to the Digital Wrench‘ Software Manual for more
information.
Engine Temperature Sensor Replacement
1. Drain coolant to level below sensor
2. Disconnect sensor from engine harness.
3. Using a wrench, remove and replace the sensor, applying
a light coating of thread sealant to aid installation.
4. Torque the sensor to specification.
Table 4-1: ETS Resistance Readings
TEMPERATURE F
(C) RESISTANCE
68 F (20 C) 2.5 k 6%
212 F (100 C) 0.186 k 2%
= T
Engine Temperature Sensor Torque:
18 ft. lbs. (25 Nm)
Engine Temperature Sensor

4.19
FUEL INJECTION
4
TROUBLESHOOTING
Diagnostics Using “Blink Codes”
To enable the blink codes, turn the ignition from “OFF” to “ON”
3 times, leaving it 'on' the 3rd time, within 5 seconds.
Any “blink codes” stored in the ECU will display a numerical
“blink code”, one at a time, in numerical order, on the instrument
cluster LCD. The word ‘END’ will display after all codes have
been transmitted.
NOTE: To clear codes manually, disconnect the
positive battery lead for 20 seconds.
ON
Table 4-1: DIAGNOSTIC “BLINK CODES” CHART
SAE
CODE BLINK
CODE NAME MIL
LIGHT
P0335 21 Loss of Synchronization Yes
P0122 22 TPS Circuit: Open and Short To Ground Yes
P0123 22 TPS Circuit: Short To Battery Yes
P0601 23 RAM Error: Defective ECU Yes
P0914 25 Transmission Input - Invalid Gear Yes
P0500 26 Vehicle Speed Sensor - Implausible Yes
P0113 41 Air Temp Sensor: Open or Short Circuit to Sensor Voltage (ECU) Yes
P0112 41 Air Temp Sensor: Short Circuit to Ground Yes
P0117 42 Engine Temperature Sensor Circuit: Short To Ground Yes
P0118 42 Engine Temperature Sensor Circuit: Open or Short to Battery Yes
P0107 45 Barometric Pressure Sensor: Circuit Low Input Yes
P0108 46 Barometric Pressure Sensor: Circuit High Input Yes
P1260 51 Injector 1: Open Load Yes
P0261 51 Injector 1: Short Circuit to Ground Yes
P0262 51 Injector 1: Short Circuit to Battery Yes
P1263 52 Injector 2: Open Load Yes
P0264 52 Injector 2: Short Circuit to Ground Yes
P0265 52 Injector 2: Short Circuit to Battery Yes
P0655 54 Engine Temperature Lamp: Open Load Yes
P1657 54 Engine Temperature Lamp: Short Circuit to Ground Yes
P1658 54 Engine Temperature Lamp: Short Circuit to Battery Yes
P1651 55 Diagnostic Lamp: Open Load Yes
P1652 55 Diagnostic Lamp: Short Circuit to Ground Yes
P1653 55 Diagnostic Lamp: Short Circuit To Battery Yes
P1231 56 Pump Relay Open Load Yes
P1232 56 Pump Relay Short Circuit to Ground Yes
P1233 56 Pump Relay Short Circuit to Battery Yes
P1480 58 Cooling Fan: Open Load Yes
P1481 58 Cooling Fan: Short Circuit to Ground Yes
P1482 58 Cooling Fan: Short Circuit to Battery Yes
-- 61 End of Diagnostic Check --

4.20
FUEL INJECTION
EFI Troubleshooting
Fuel Starvation / Lean Mixture
Symptoms: Hard start or no start, bog, backfire, popping
through intake / exhaust, hesitation, detonation, low power,
spark plug erosion, engine runs hot, surging, high idle, idle
speed erratic.
• No fuel in tank
• Restricted tank vent, or routed improperly
• Fuel lines or fuel injectors restricted
• Fuel filter plugged
• Fuel pump inoperative
• Air leak in system
• Intake air leak (throttle shaft, intake ducts, airbox or air
cleaner cover)
• Incorrect throttle stop screw adjustment
Rich Mixture
Symptoms: Fouls spark plugs, black, sooty exhaust smoke,
rough idle, poor fuel economy, engine runs rough/ misses, poor
performance, bog, engine loads up, backfire.
• Air intake restricted (inspect intake duct)
• Air filter dirty/plugged
• Poor fuel quality (old fuel)
• Fouled spark plug
• TPS setting incorrect
• Injector failure
Poor Idle
Symptom: Idle Too High (If greater than 1300 RPM when
engine is warm)
• Throttle stop screw set incorrect
• Throttle cable sticking, improperly adjusted, routed
incorrectly
Symptom: Idle Too Low (if less than 900 RPM when engine is
warm)
• Plugged air filter
• Leaking injector (rich condition)
• Belt dragging
• Throttle stop screw tampering
Symptom: Erratic Idle
• Throttle cable incorrectly adjusted
• Air Leaks, dirty injector
• TPS damaged or adjusted
• Tight valves
• Ignition timing incorrect
• Belt dragging
• Dirty air cleaner
•Engine worn
• Spark Plug fouled
• Throttle stop screw set incorrectly (out of sync with
ECU)

4.21
FUEL INJECTION
4
EFI CIRCUIT - Power On
EFI CIRCUIT - Crank Position Sensor

4.22
FUEL INJECTION
EFI CIRCUIT - Fuel Pump
EFI CIRCUIT - Throttle Position Sensor

4.23
FUEL INJECTION
4
EFI CIRCUIT - Temperature - Barometric Air Pressure Sensor
EFI CIRCUIT - Engine Temperature

4.24
FUEL INJECTION
EFI CIRCUIT - Malfunction Indicator Light

BODY / STEERING / SUSPENSION
5.1
CHAPTER 5
BODY / STEERING / SUSPENSION
5
GENERAL INFORMATION . . . . . . . . . . . . . . . . . . . . . . . . . . . . . . . . . . . . . . . . . . . . . . . . 5.2
TORQUE SPECIFICATIONS . . . . . . . . . . . . . . . . . . . . . . . . . . . . . . . . . . . . . . . . . . . . . . 5.2
SPECIAL TOOLS . . . . . . . . . . . . . . . . . . . . . . . . . . . . . . . . . . . . . . . . . . . . . . . . . . . . . . . 5.2
DECAL REPLACEMENT . . . . . . . . . . . . . . . . . . . . . . . . . . . . . . . . . . . . . . . . . . . . . . . . . 5.2
PLASTIC INSERT REMOVAL / INSTALLATION . . . . . . . . . . . . . . . . . . . . . . . . . . . . . . . 5.3
BODY. . . . . . . . . . . . . . . . . . . . . . . . . . . . . . . . . . . . . . . . . . . . . . . . . . . . . . . . . . . . . . . . . 5.4
SIDE PANEL REMOVAL . . . . . . . . . . . . . . . . . . . . . . . . . . . . . . . . . . . . . . . . . . . . . . . . . 5.4
FRONT COVER REMOVAL / INSTALLATION. . . . . . . . . . . . . . . . . . . . . . . . . . . . . . . . . 5.4
FOOT WELL REMOVAL / INSTALLATION . . . . . . . . . . . . . . . . . . . . . . . . . . . . . . . . . . . 5.5
X2 FOOT WELL REMOVAL / INSTALLATION. . . . . . . . . . . . . . . . . . . . . . . . . . . . . . . . . 5.5
FRONT STORAGE REMOVAL . . . . . . . . . . . . . . . . . . . . . . . . . . . . . . . . . . . . . . . . . . . . 5.6
FRONT STORAGE INSTALLATION . . . . . . . . . . . . . . . . . . . . . . . . . . . . . . . . . . . . . . . . 5.8
SPORTSMAN REAR RACK REMOVAL / INSTALLATION . . . . . . . . . . . . . . . . . . . . . . . 5.8
FRONT CAB/FENDER REMOVAL/INSTALLATION . . . . . . . . . . . . . . . . . . . . . . . . . . . . 5.9
SPORTSMAN REAR CAB / FENDER REMOVAL / INSTALLATION. . . . . . . . . . . . . . . 5.10
X2 REAR QUARTER PANEL REMOVAL / INSTALLATION . . . . . . . . . . . . . . . . . . . . . 5.10
SPORTSMAN REAR STORAGE REMOVAL / INSTALLATION . . . . . . . . . . . . . . . . . . 5.11
RADIATOR SCREEN REMOVAL. . . . . . . . . . . . . . . . . . . . . . . . . . . . . . . . . . . . . . . . . . 5.11
SPORTSMAN BODY ASSEMBLY EXPLODED VIEW. . . . . . . . . . . . . . . . . . . . . . . . . . 5.12
X2 BODY ASSEMBLY EXPLODED VIEW. . . . . . . . . . . . . . . . . . . . . . . . . . . . . . . . . . . 5.13
BODY RACK EXPLODED VIEWS . . . . . . . . . . . . . . . . . . . . . . . . . . . . . . . . . . . . . . . . . 5.14
HEADLIGHT POD EXPLODED VIEW . . . . . . . . . . . . . . . . . . . . . . . . . . . . . . . . . . . . . . 5.15
STEERING . . . . . . . . . . . . . . . . . . . . . . . . . . . . . . . . . . . . . . . . . . . . . . . . . . . . . . . . . . . 5.16
HANDLEBAR BLOCK INSTALLATION PROCEDURE . . . . . . . . . . . . . . . . . . . . . . . . . 5.16
STEERING / A-ARM EXPLODED VIEW . . . . . . . . . . . . . . . . . . . . . . . . . . . . . . . . . . . . 5.17
A-ARM REPLACEMENT . . . . . . . . . . . . . . . . . . . . . . . . . . . . . . . . . . . . . . . . . . . . . . . . 5.18
BALL JOINT REPLACEMENT . . . . . . . . . . . . . . . . . . . . . . . . . . . . . . . . . . . . . . . . . . . . 5.19
STEERING POST REMOVAL . . . . . . . . . . . . . . . . . . . . . . . . . . . . . . . . . . . . . . . . . . . . 5.20
STEERING POST ASSEMBLY . . . . . . . . . . . . . . . . . . . . . . . . . . . . . . . . . . . . . . . . . . . 5.20
SUSPENSION . . . . . . . . . . . . . . . . . . . . . . . . . . . . . . . . . . . . . . . . . . . . . . . . . . . . . . . . . 5.20
FRONT STRUT CARTRIDGE REPLACEMENT . . . . . . . . . . . . . . . . . . . . . . . . . . . . . . 5.20
STRUT ASSEMBLY . . . . . . . . . . . . . . . . . . . . . . . . . . . . . . . . . . . . . . . . . . . . . . . . . . . . 5.21
SPORTSMAN REAR SUSPENSION ASSEMBLY . . . . . . . . . . . . . . . . . . . . . . . . . . . . . 5.22
X2 REAR SUSPENSION EXPLODED VIEW . . . . . . . . . . . . . . . . . . . . . . . . . . . . . . . . . 5.23
X2 TORSION BAR EXPLODED VIEW. . . . . . . . . . . . . . . . . . . . . . . . . . . . . . . . . . . . . . 5.24
X2 CARGO BOX . . . . . . . . . . . . . . . . . . . . . . . . . . . . . . . . . . . . . . . . . . . . . . . . . . . . . . . 5.25
EXPLODED VIEW . . . . . . . . . . . . . . . . . . . . . . . . . . . . . . . . . . . . . . . . . . . . . . . . . . . . . 5.25
REMOVAL / INSTALLATION . . . . . . . . . . . . . . . . . . . . . . . . . . . . . . . . . . . . . . . . . . . . . 5.26
X2 SEAT ASSEMBLY . . . . . . . . . . . . . . . . . . . . . . . . . . . . . . . . . . . . . . . . . . . . . . . . . . . 5.28
EXPLODED VIEWS . . . . . . . . . . . . . . . . . . . . . . . . . . . . . . . . . . . . . . . . . . . . . . . . . . . . 5.28
X2 SEAT OPERATION - CONFIGURING CARGO BOX FOR PASSENGER RIDING . 5.29
DRIVER SEAT BACKREST REMOVAL / INSTALLATION . . . . . . . . . . . . . . . . . . . . . . 5.30
PASSENGER SEAT BACKREST REMOVAL / INSTALLATION . . . . . . . . . . . . . . . . . . 5.30

5.2
BODY / STEERING / SUSPENSION
GENERAL INFORMATION
Torque Specifications
NOTE: Refer to exploded views throughout this
chapter for identification and location of
components.
Special Tools
Decal Replacement
Flame Treating Decal Area
Plastic polyethylene material must be “flame treated" prior to
installing a decal to ensure good adhesion. The flame treating
procedure can often be used to reduce or eliminate the whitish
stress marks that are sometimes left after a fender or cab is bent,
flexed, or damaged.
1. Pass the flame of a propane torch back and forth quickly
over the area where the decal is to be applied until the
surface appears slightly glossy. This should occur after
just a few seconds of flame treating. Do not hold the torch
too close to the surface. Keep the torch moving to prevent
damage.
2. Apply the decal.
Table 5-1:
COMPONENT FT.LBS.
(IN.LBS.) NM
Front Hug Nut 70 95
Front A-Arm Attaching Bolt 30 41
Front A-Arm Ball Joint Stud Nut 25 35
Handlebar Adjuster Block 11-13 15-18
Master Cylinder Clamp Bolt (45-55) 5.2-6.3
Rear Shock Bolt (Upper) 30 41
Rear Shock Bolt (Lower) 30 41
Rear Wheel Hub Nut 80 108
Upper Stabilizer Support Nuts 17 27
Upper Control Arm Mounting Bolt 35 48
Lower Wheel Bearing Carrier Bolt 50 68
Strut Rod Retaining Nut (Top) 15 21
Strut Casting Pinch Bolt 15 21
Tie Rod End Jam Nut 12-14 17-19
Tie Rod End Castle Nut 40-45 54-61
Tie Rod End Attaching Bolt 25-30 35-41
Table 5-2:
PART NUMBER DESCRIPTION
2870871 Ball Joint Replacement Tool
2870872 Shock Spanner Wrench
2870623 Shock Absorber Spring Compression
Tool
2871572 Strut Rod Wrench
2871573 LH Strut Spring Compressor
2871574 RH Strut Spring Compressor
7052069 Charging Needle
2200421 Gas Shock Recharging Kit
2871352 Shock Rod Holding Tool
2871199 Seal Sleeve Installation Tool Kit
2870872 Shock Spanner Wrench
2871351 Fox Shock IFP Depth Tool
WARNING
The following procedure involves the use of an
open flame. Wear the appropriate safety equipment
at all times. Perform this procedure in a well
ventilated area, away from gasoline or other
flammable materials. Verify the area to be flame
treated is clean and free of gasoline or flammable
residue.

5.3
BODY / STEERING / SUSPENSION
5
Plastic Insert Removal / Installation
Some Polaris ATVs use a two piece plastic insert in place of a
metal screw. The plastic inserts are simple to remove and install.
1. Use a a pair of diagonal side cutters to lift the plastic insert
(A) until you feel some slight pressure or lift the insert
approximately 1/4" (6.35 mm). Apply just enough
pressure on the side cutters to lift up on the insert. DO
NOT apply too much pressure on the side cutters, or
damage to the insert will occur.
2. Next, use the diagonal side cutters under outside insert (B)
to completely remove the assembly. NOTE: The inside
insert (A) will still be installed in the outside insert (B).
NOTE: The inside insert (A) will still be installed in
the outside insert (B).
3. To install the inserts, press outside insert (B) into the hole.
Press inside insert (A) until it snaps into place.
NOTE: The outside insert (B) should be flush
surface after installation.
The inside insert (A) should be flush with the top of the outside
insert (B).
A
B
A
B

5.4
BODY / STEERING / SUSPENSION
BODY
Side Panel Removal
Side panel removal is quick and easy, use the following
instructions for removal and installation.
1. Remove seat by releasing the latch and lifting up on the
seat.
2. Grasp the rear of the side panel near the rear cab. With a
firm motion, pull the panel outward to disengage the side
panel from the grommet. Pull the panel downward and
rearward to remove it from the ATV.
3. Reinstall the side panel by reversing the removal procedure.
Front Cover Removal / Installation
1. Open the front storage compartment
2. Pull up and outward on the front cover to remove the cover.
3. To install the front cover, insert the tabs of the front cover
into the inserts of the cab. Make sure the tabs are aligned
with the slots. Then press the rear tabs into the slots.
Step 1
Step 2
Step 3

5.5
BODY / STEERING / SUSPENSION
5
Foot Well Removal / Installation
1. Remove the four plastic inserts (A) that secure the wheel
well to the front and rear cabs. (See “PLASTIC INSERT
REMOVAL / INSTALLATION” for help).
2. Remove the four screws (B) from the bottom of the foot
well. Remove the footwell.
3. Reverse the removal procedures to install the foot well. Be
sure to properly align the cab ends into the foot wells upon
reassembly.
X2 Foot Well Removal / Installation
1. Remove the four plastic inserts (A) that secure the wheel
well to the front and rear cabs. (See “PLASTIC INSERT
REMOVAL / INSTALLATION” for help).
2. Remove the six screws (B) from the bottom of the foot well.
Remove the footwell.
3. Reverse the removal procedures to install the foot well. Be
sure to properly align the cab ends into the foot wells upon
reassembly.
A
B
A
18 in.lbs. (
A
B
A

5.6
BODY / STEERING / SUSPENSION
Front Storage Removal
1. Remove the front radiator cap cover (A) by lifting upward
on the cover.
2. Remove the four bolts that secure the storage rack to the
frame.
3. Remove the two (T25) screws that secure the storage box
to the front fender well areas (each side).
4. Remove the two (T25) screws that secure the outside of the
storage box to the front fenders (each side).
Front Storage
T-25 Screws
A
Remove Bolts
Remove Bolts
T-25 Screws

5.7
BODY / STEERING / SUSPENSION
5
Winch Installation Area
5. Remove the front cover piece by lifting up on sides of the
two locking tabs as shown. Pull the tabs out of the notches
and lift up on the cover piece.
To install the front cover place top lip of the cover into and lift
up to remove.
6. Remove the front headlights (C) or simply disconnect the
electric connector (D) before removing the front plastic
bumper.
7. Remove the remaining bolts and screws that secure the
front bumper section to the frame.
Pull Out to Remove
1. Place Lip In Groove Groove Lip
2. Press in Tabs
CD

5.8
BODY / STEERING / SUSPENSION
Front Storage Installation
1. Place the front storage rack onto the frame.
2. Install the four bolts (A) into the inside of the compartment
hand tight.
3. Install the four screws and washers (B) (T-25) under the
fender area (2 each side).
4. Install the four screws (C) (T-25) into the front fender area
of the storage box (2 each side).
5. Install the two screws (D) into the rear area of the cab (if
removed).
6. Install the two plastic inserts (E) into the front cab (if
removed).
7. Torque all bolts and screws according to the illustration.
8. Install the front radiator cap cover (E) .
Sportsman Rear Rack Removal / Installation
1. Remove the six (A) T27 screws and two bolts (B) that
secure the rear rack to the rear cab and frame.
2. Lift the rear rack from the ATV. Remove the two rack
spacers (C).
Front Storage
A
BCCB
D
E
inserts
T-25 Screw
A. 14 ft.lbs. (19 Nm)
B. 10 in.lbs. (1.13 Nm)
C. 10 in.lbs. (1.13 Nm)
D. 24 in.lbs (2.7 Nm)
E
F
T-27 Screw
A. 36 in.lbs. (4 Nm) B. 18 in.lbs. ( 2 Nm)
A
A
A
AB
B
C
C

5.9
BODY / STEERING / SUSPENSION
5
3. Place spacers on frame.
4. Install rear rack onto rear frame and cab.
5. Install the two bolts (B) and six (A) T-27 screws. Torque
the bolts (A) to 18 in.lbs. (2 Nm) and six T-27 screws to 36
in.lbs. (4 Nm). Refer to the illustration for torque values.
Front Cab/Fender Removal/Installation
1. Follow the “FRONT RACK / BUMPER REMOVAL”
section to begin removal of the front cab, rack, and
bumper.
2. Remove the plastic inserts (A) that secure the front cab to
the upper strut support.
3. Remove the two screws (B) that secure the front cab to the
frame in the fuel tank mount area.
4. Remove the side panels (D), refer to the “SIDE PANEL
REMOVAL” section.
5. Remove the plastic inserts (E) that secure the front of the
foot wells to the front cab.
6. Remove the fuel cap and place a clean lint free shop towel
into the tank neck to keep any debris from falling into the
tank.
7. The front cab should now slide back over the fuel tank and
fuel tank neck.
NOTE: When removing the front cab use caution so
the plastic cab does not scratch or get caught on
other components.
8. Reverse the removal steps for installation. Torque two
front cab to frame screws to specification.
A
= T
Cab to Frame Screws
24 in.lbs. (2.7 Nm)
B
B
A
D
E

5.10
BODY / STEERING / SUSPENSION
Sportsman Rear Cab / Fender Removal /
Installation
1. Follow the “REAR RACK REMOVAL” procedure to
remove the rear rack.
2. Remove the three screws (A) (T-25) that secure the rear cab
to the storage container.
3. Remove the ten plastic inserts that secure the rear cab to the
frame and plastic.
4. Disconnect the rear lights by pulling the locks on each side
and removing the connectors. Lift the rear cab from the
frame.
5. Reverse the removal steps for installation.
X2 Rear Quarter Panel Removal / Installation
1. Remove the seat.
2. Remove the plastic inserts (circled) that secure the quarter
panel to the rear footwell. (See “PLASTIC INSERT
REMOVAL / INSTALLATION” for information).
3. Reverse the removal procedures to install the quarter
panels. Verify panels are properly aligned to the footwell
end upon reassembly.
A
T-25 - 6 in.lbs.
Remove plastic dart inserts.
Remove Connectors
Lock

5.11
BODY / STEERING / SUSPENSION
5
Sportsman Rear Storage Removal /
Installation
1. Follow the “REAR RACK REMOVAL” and “REAR
CAB REMOVAL” procedure to remove the rear storage
compartment. After the rear cab is removed the storage
compartment comes out.
2. Remove the two plastic inserts that hold the rear storage
compartment in place.
3. For installation, reverse the removal steps.
4. Torque the three T-25 screws that hold the rear storage to
the rear cab to specification.
Radiator Screen Removal
1. Pull out slightly on the top of the radiator screen.
2. With the top free, pull out on the bottom of the screen to
remove the screen.
3. To install the screen, simply press the tabs on the screen
back into the mounting grommets. Be sure the screen is
securely in place.
= T
T-25 Screw Torque
6 in. lbs. (0.70 Nm)

5.12
BODY / STEERING / SUSPENSION
Sportsman Body Assembly Exploded View
Rear Cab Assembly Pull UP on rear of seat and
back to disengage tabs at front
of seat.
Seat Latch
Rear Cab
Storage
Frame
Wheelwell
Frame
Front Brush Guard
Support
Side Cover
Splash Shields
Front Cab
Front Cover
Front Cab Assembly

5.13
BODY / STEERING / SUSPENSION
5
X2 Body Assembly Exploded View
Rear Cab Assembly
Frame
Front Brush Guard
Support
Side Cover
Splash Shields
Front Cab
Front Cover
Front Cab Assembly
Footwell
Frame
RH Rear Cab
Footwell Support

5.14
BODY / STEERING / SUSPENSION
Body / Rack Exploded Views
Rack Rails
Rear Rack
Rear Rack Support
Frame
Front Brush Guard
Radiator Shield
Radiator Screen
Grill
Front Bumper
Panel
Rack Rails
Box Assembly
Cover
Sportsman Only

5.15
BODY / STEERING / SUSPENSION
5
Headlight Pod Exploded View
Disassembly
• Remove two side Phillips screws (A)
• Remove one rear Phillips screw (B)
• Lift top half of pod
• Disconnect instrument cluster wire connectors
• Disconnect work light switch connector
• Disconnect 12Vdc power plug (G)
• Disconnect headlight harness
• Remove ignition switch (C) and choke cable (D)
• Remove headlight (F) with adjuster
• Remove two screws securing bottom half of pod (E)
Assembly
• Install bottom of pod onto handlebar and secure to
brackets
• Install key switch, choke cable, and headlight
• Connect 12Vdc power outlet (where applicable)
• Connect headlight
• Connect instrument cluster connectors to instrument
cluster
• Install top of pod onto bottom half, making sure
interlocking tabs mate properly
• Install two side Phillips screws
• Install one rear Phillips screw
• To adjust headlight, refer to procedure outlined in
Chapter 2
Worklight Switch
Instrument
Cluster A
A
F
B
C
C
E
D
Brake
Clean knurling when
repositioning handlebars
Wheel Speed Sensor - Sportsman
G
ETC
(X2 Speed Sensor Located on Transmission)

5.16
BODY / STEERING / SUSPENSION
STEERING
Handlebar Block Installation Procedure
1. The pin (A) on the bottom side of the top handlebar block faces down and to the front of the ATV.
2. The bottom handle bar block has a side with 3 holes, the side with 3 holes faces up and to the front of the ATV.
3. Align the pin (A) in the top block with the middle hole (B) in the bottom block for proper installation. The pin (A) and middle
hole (B) should face the front of the ATV.
4. Install the pin side bolts first and evenly tighten the bolts down. Evenly torque the 2 front bolts to specification.
5. Install the rear bolts and tighten evenly. Evenly torque the 2 rear bolts to specification.
NOTE: There will be a slight gap on the backside of the blocks after the procedure is performed.
= T
Handle Bar Bolt Torque
11-13 ft.lbs.(15-18 Nm)
A
Clean knurling when
repositioning handlebars
B

5.17
BODY / STEERING / SUSPENSION
5
Steering / A-arm Exploded View
NOTE: To avoid damage to tie rods and other steering components, be sure to install tie rod end bolts in the
proper direction. The steering post arm bolt (B) points up; the rod end bolts (A) point down. Verify inner rod
ends are placed between the steering post arms.
Apply Loctite 242 to bolt threads.
8 ft.lbs. (11 Nm)
25 ft.lbs. (35 Nm)
2
2
2
Always use new cotter pins upon
reassembly. Install with open end
toward rear of machine.
1Always use new bolts
upon reassembly.
1
1
25-30 ft.lbs.
(35-41 Nm)
Steering Post
Steering Post Arm
12-14 ft.lbs. (17-19 Nm)
A
30 ft.lbs. (41 Nm)
40-45 ft.lbs. (54-61 Nm)
30 ft.lbs. (41 Nm)
3
3
B

5.18
BODY / STEERING / SUSPENSION
A-Arm Replacement
1. Elevate and safely support vehicle with weight removed from front wheel(s).
2. Remove cotter pin from ball joint stud at wheel end of A-arm and loosen nut until it is flush with end of stud.
3. Using a soft face hammer, tap nut to loosen A-arm from bolt. Remove nut and A-arm from hub strut assembly.
4. Loosen two bolts on A-arm tube by alternating each about 1/3 of the way until A-arm can be removed.
5. Examine A-arm shaft. Replace if worn. Discard hardware.
6. Insert A-arm shaft into new A-arm.
7. Install CV joint shields.
8. Install new A-arm assembly onto vehicle frame. Torque new bolts to specification.
9. Attach A-arm to hub strut assembly. Tighten ball joint nut to specification. If cotter pin holes are not aligned, tighten nut
slightly to align. Install a new cotter pin with open ends toward rear of machine. Bend both ends in opposite directions around nut
= T
A-Arm Bolt Torque: 30 ft. lbs. (41.4 Nm)
WARNING
The locking features on the existing bolts were
destroyed during removal. DO NOT reuse old
bolts. Serious injury or death could result if
fasteners come loose during operation.
= T
Ball Joint Nut Torque: 25 ft. lbs. (35 Nm)
WARNING
Upon A-arm installation completion, test vehicle at
low speeds before putting into regular service.
30 ft.lbs. (41 Nm) A-arm Shaft
Apply Loctite 242
to the bolt threads.
Vehicle Frame Bolt - 30 ft.lbs. (41 Nm)
Bushing Ball Joint Stud
8 ft.lbs. (11 Nm)
Cotter Pin - (Install New)
25 ft.lbs. (35 Nm)
A-Arm Tube

5.19
BODY / STEERING / SUSPENSION
5
Ball Joint Replacement
NOTE: Refer to the illustration on the previous page
for this procedure.
1. Loosen front wheel nuts slightly.
2. Elevate and safely support machine under footrest/frame
area.
3. Remove wheel nuts and wheels.
4. Remove cotter pin (A) from ball joint castle nut (B).
5. Remove castle nut (B) and separate A-arm (C) from ball
joint stud.
6. Remove screws (D) and ball joint retaining plate (E).
7. Use the Ball Joint Replacement Tool (PN 2870871),
remove ball joint (F) from strut housing. Refer to photos.
8. Install puller guide (G) with extension cap (H).
9. Apply grease to extension cap and threads of puller bolt to
ease removal.
10. Thread bolt (J) with nut (I) onto ball joint stud as shown.
11. Apply heat to ease removal.
12. Hold bolt (J) and turn nut (I) clockwise until ball joint is
removed from strut housing.
13. To install a new ball joint, Remove extension cap and
attach puller guide using short bolts provided in the kit.
14. Remove extension cap and attach puller guide using short
bolts provided in the kit.
15. Insert new ball joint (K) into driver (L).
16. Slide ball joint/driver assembly into guide.
17. Apply heat to ease installation.
18. Drive new joint into strut housing until fully seated.
19. Apply Loctite 242 (PN 2871949) to threads of retaining
plate screws or install new screws with pre-applied locking
agent. Torque screws to specification.
20. Install A-arm on ball joint and torque castle nut to
specification.
21. Reinstall cotter pin with open ends toward rear of machine.
CAUTION
Serious injury may result if machine tips or falls. Be
sure machine is secure before beginning this
service procedure.
F
E
DA
B
G
H
I
J
= T
Retaining Screw Torque: 8 ft. lbs. (11 Nm)
= T
Castle Nut Torque: 25 ft. lbs. (35 Nm)
K
L

5.20
BODY / STEERING / SUSPENSION
Steering Post Removal
1. Remove the front cab.
2. Remove the handle bar pod.
3. Remove the handle bar.
4. Remove the fuel tank bracket assembly.
5. Remove the steering tie rod ends from the steering bracket.
Note the orientation of the fasteners and bracket on the
steering assembly.
6. Remove the steering post nut (A) at the mount plate.
7. Remove the top steering bracket .
8. Remove the steering post.
Steering Post Assembly
1. Hand tighten steering post slotted nut (A).
2. Align the cotter pin hole on the steering post slotted nut (A).
3. Install the cotter pin (B). Bend both ends of the cotter pin
around the slotted nut (A) in opposite directions.
4. Check the steering, the handle bars must move freely and
easily from full left to full right without binding.
SUSPENSION
Front Strut Cartridge Replacement
NOTE: Refer to illustration on following page.
1. Hold strut rod and remove top nut.
2. Remove upper strut pivot assembly.
3. Compress spring using any commercially available spring
compressor tool and remove the spacer nut.
4. Remove coil spring and collapse strut cartridge.
5. Remove two pinch bolts from strut casting.
6. Remove strut cartridge.
7. Install cartridge until bottomed in strut casting.
8. Install pinch bolts with wire clamp(s). Torque pinch bolts
to specification.
9. Reassemble spring and top pivot assembly. Be sure all
parts are installed properly and seated fully.
10. Torque strut rod nut to specification. Do not over torque
the nut.
12 ft.lbs. (16 Nm)
Strut Rod Wrench:
(PN 2871572)
Strut Spring Compressor Tools:
(PN 2871573) and (PN 2871574)
= T
Pinch Bolt Torque:
15 ft. lbs. (21 Nm)
= T
Strut Rod Nut Torque:
15 ft. lbs. (21 Nm)

5.21
BODY / STEERING / SUSPENSION
5
Strut Assembly
Nut - 15 ft.lbs.
(21 Nm)
Washer
Spacer Rubber
Upper Pivot Ball
Spacer Nut
Lower Pivot Ball
Spring Retainer
Spring
Strut Bumper
Strut
Washer
Bolts
Hubstrut Bearing
Retaining Ring
Brake Caliper
18 ft.lbs. (25 Nm)
Clamp
15 ft.lbs. (21
Nm)

5.22
BODY / STEERING / SUSPENSION
Sportsman Rear Suspension Assembly
17 ft.lbs. (24 Nm)
Stabilizer Bar
35 ft.lbs. (48 Nm)
30 ft.lbs.
(41 Nm)
Rear Shock
Lower Control Arm
Bushings
35 ft.lbs. (48 Nm)
Upper Control Arm
30 ft.lbs.
(41 Nm)
Rear Front
1
Orientate Bushings
Correctly
1
1
35 ft.lbs.
(48 Nm)
Bushing Orientation
50 ft.lbs.
(68 Nm)

5.23
BODY / STEERING / SUSPENSION
5
X2 Rear Suspension Exploded View
Upper Control Arm
Lower Control Arm
Rear Shock Bushings
Rear Compression Spring
Preload Adjustment Cam
A-Arm Shaft
Wheel Bearing Carrier
Grease Zerk
Boot Shield
Control Arm Pivot Bracket

5.24
BODY / STEERING / SUSPENSION
X2 Torsion Bar Exploded View
Linkage Bushing Stabilizer Bar
Torsion Mount
Linkage Asm.
Bushing
Stabilizer Bushing

5.25
BODY / STEERING / SUSPENSION
5
X2 CARGO BOX
Exploded View

5.26
BODY / STEERING / SUSPENSION
Removal / Installation
IMPORTANT: Before attempting to remove the cargo
box, be sure that the cargo box is not set up for 2-UP
riding. The passenger backrest should be face down
in the cargo box and the driver seat backrest should
be locked into position.
1. Open the tailgate and remove the 2 torx head screws (A)
securing the rear taillights on each side of the cargo box as
illustrated below.
2. Remove the taillight assembly from the cargo box.
3. Disconnect the two wire harnesses connected to each of
the taillights.
4. Carefully pull out the red locking tab on the connector.
5. Once the red tab is pulled out, press in on the black tab and
pull out to disconnect harness.
A
CAUTION
Use caution when disconnecting the smaller light
bulb. Follow the procedure below to keep from
damaging the connector. Damaging a connector
may require wire harness replacement.
Black Tab
Red Tab

5.27
BODY / STEERING / SUSPENSION
5
6. Lift up firmly in the cargo box release lever on either side
of the ATV.
7. Remove the four bolts attaching the rear of the cargo box
to the frame. There are two on each side.
8. Support the cargo box and remove the clip and pin holding
the gas shock to the cargo box.
9. Carefully remove the cargo box from the ATV.
10. Reverse the removal steps to reinstall the cargo box. Refer
to the standard fastener torque values in Chapter 1 during
assembly.
See “Standard Torque Specifications” on page 1.12.
Clip Pin

5.28
BODY / STEERING / SUSPENSION
X2 SEAT ASSEMBLY
Exploded Views

5.29
BODY / STEERING / SUSPENSION
5
X2 Seat Operation - Configuring Cargo Box
For Passenger Riding
1. Unlatch the driver seat backrest by turning the engagement
knobs on each side in the directions shown below.
2. While pulling the backrest towards the front of the ATV,
lift up on the passenger backrest loop that is face down in
the cargo box.
3. Lift the passenger backrest up and into place, then lay the
driver seat backrest down into place
4. Fold the driver seat backrest down into place to serve as the
passenger seat bottom.
5. Lift the latch on the passenger backrest to set the proper
backrest height desired by the passenger.
A
B
Passenger Backrest
Driver Seat Backrest
A
B
Passenger Backrest
Driver Seat Backrest / Passenger Seat Bottom

5.30
BODY / STEERING / SUSPENSION
Driver Seat Backrest Removal / Installation
1. Configure the seating for 2-UP riding. With the passenger
seat bottom in place, remove the two screws retaining the
seat bottom.
2. Remove the two pivot pins holding the seat bottom to the
frame and then lift up on the seat bottom to remove.
3. For installation, reverse the removal steps.
Passenger Seat Backrest Removal /
Installation
1. Configure the seating for 2-UP riding. Lift up on the latch
for the passenger backrest and lift the backrest to the full
up position.
2. Lift up on the latch for the passenger seat bottom and lock
it in the upright position as shown below.
3. Remove the two screws retaining the passenger backrest.
4. Remove the two pivot pins holding the backrest to the
frame.
5. Lift up on the backrest latch and tilt the backrest in towards
the cargo box and lift up to remove it.
6. For installation, reverse the removal steps.

CLUTCH SYSTEM
6.1
CHAPTER 6
CLUTCH SYSTEM
6
SPECIAL TOOLS AND SPECIFICATIONS. . . . . . . . . . . . . . . . . . . . . . . . . . . . . . . . . . . . 6.2
SPECIAL TOOLS . . . . . . . . . . . . . . . . . . . . . . . . . . . . . . . . . . . . . . . . . . . . . . . . . . . . . . . 6.2
COMPONENT FASTENER TORQUES . . . . . . . . . . . . . . . . . . . . . . . . . . . . . . . . . . . . . . 6.2
PVT EXPLODED VIEWS. . . . . . . . . . . . . . . . . . . . . . . . . . . . . . . . . . . . . . . . . . . . . . . . . . 6.3
PVT SEALING AND DUCTING COMPONENTS . . . . . . . . . . . . . . . . . . . . . . . . . . . . . . . 6.3
DRIVE CLUTCH EXPLODED VIEW. . . . . . . . . . . . . . . . . . . . . . . . . . . . . . . . . . . . . . . . . 6.3
ENGINE BRAKING SYSTEM (EBS) EXPLODED VIEW . . . . . . . . . . . . . . . . . . . . . . . . . 6.4
EBS DRIVEN CLUTCH EXPLODED VIEW . . . . . . . . . . . . . . . . . . . . . . . . . . . . . . . . . . . 6.5
PVT SYSTEM . . . . . . . . . . . . . . . . . . . . . . . . . . . . . . . . . . . . . . . . . . . . . . . . . . . . . . . . . . 6.6
PVT OPERATION OVERVIEW . . . . . . . . . . . . . . . . . . . . . . . . . . . . . . . . . . . . . . . . . . . . 6.6
DRIVE CLUTCH OPERATION . . . . . . . . . . . . . . . . . . . . . . . . . . . . . . . . . . . . . . . . . . . . . 6.6
DRIVEN CLUTCH OPERATION. . . . . . . . . . . . . . . . . . . . . . . . . . . . . . . . . . . . . . . . . . . . 6.6
EBS CLUTCH OPERATION. . . . . . . . . . . . . . . . . . . . . . . . . . . . . . . . . . . . . . . . . . . . . . . 6.7
PVT MAINTENANCE / INSPECTION. . . . . . . . . . . . . . . . . . . . . . . . . . . . . . . . . . . . . . . . 6.7
DRIVE CLUTCH SPRING. . . . . . . . . . . . . . . . . . . . . . . . . . . . . . . . . . . . . . . . . . . . . . . . . 6.8
OPTIONAL SHIFT WEIGHTS. . . . . . . . . . . . . . . . . . . . . . . . . . . . . . . . . . . . . . . . . . . . . . 6.9
PVT DRYING . . . . . . . . . . . . . . . . . . . . . . . . . . . . . . . . . . . . . . . . . . . . . . . . . . . . . . . . . 6.10
PVT DISASSEMBLY. . . . . . . . . . . . . . . . . . . . . . . . . . . . . . . . . . . . . . . . . . . . . . . . . . . . 6.10
PVT INSTALLATION . . . . . . . . . . . . . . . . . . . . . . . . . . . . . . . . . . . . . . . . . . . . . . . . . . . 6.11
DRIVE BELT REMOVAL / INSPECTION . . . . . . . . . . . . . . . . . . . . . . . . . . . . . . . . . . . . 6.12
DRIVE BELT INSTALLATION . . . . . . . . . . . . . . . . . . . . . . . . . . . . . . . . . . . . . . . . . . . . 6.13
CLUTCH ALIGNMENT . . . . . . . . . . . . . . . . . . . . . . . . . . . . . . . . . . . . . . . . . . . . . . . . . . 6.14
CLUTCH OFFSET . . . . . . . . . . . . . . . . . . . . . . . . . . . . . . . . . . . . . . . . . . . . . . . . . . . . . 6.14
EBS DRIVE CLUTCH SERVICE . . . . . . . . . . . . . . . . . . . . . . . . . . . . . . . . . . . . . . . . . . . 6.15
DRIVE CLUTCH DISASSEMBLY. . . . . . . . . . . . . . . . . . . . . . . . . . . . . . . . . . . . . . . . . . 6.15
SPIDER REMOVAL . . . . . . . . . . . . . . . . . . . . . . . . . . . . . . . . . . . . . . . . . . . . . . . . . . . . 6.15
BUTTON TO TOWER CLEARANCE INSPECTION. . . . . . . . . . . . . . . . . . . . . . . . . . . . 6.17
SHIFT WEIGHT INSPECTION . . . . . . . . . . . . . . . . . . . . . . . . . . . . . . . . . . . . . . . . . . . . 6.17
DRIVE CLUTCH INSPECTION . . . . . . . . . . . . . . . . . . . . . . . . . . . . . . . . . . . . . . . . . . . 6.17
MOVEABLE SHEAVE BUSHING INSPECTION . . . . . . . . . . . . . . . . . . . . . . . . . . . . . . 6.18
DRIVE CLUTCH BUSHING SERVICE . . . . . . . . . . . . . . . . . . . . . . . . . . . . . . . . . . . . . . 6.18
ONE-WAY CLUTCH INSPECTION (DRIVE CLUTCH) . . . . . . . . . . . . . . . . . . . . . . . . . 6.20
DRIVE CLUTCH REASSEMBLY . . . . . . . . . . . . . . . . . . . . . . . . . . . . . . . . . . . . . . . . . . 6.20
EBS DRIVEN CLUTCH SERVICE. . . . . . . . . . . . . . . . . . . . . . . . . . . . . . . . . . . . . . . . . . 6.22
DRIVEN CLUTCH DISASSEMBLY . . . . . . . . . . . . . . . . . . . . . . . . . . . . . . . . . . . . . . . . 6.22
DRIVEN CLUTCH BUSHING REMOVAL/INSTALLATION . . . . . . . . . . . . . . . . . . . . . . 6.24
EBS DRIVEN CLUTCH REASSEMBLY . . . . . . . . . . . . . . . . . . . . . . . . . . . . . . . . . . . . . 6.25
STANDARD DRIVE CLUTCH . . . . . . . . . . . . . . . . . . . . . . . . . . . . . . . . . . . . . . . . . . . . . 6.28
DRIVE CLUTCH DISASSEMBLY. . . . . . . . . . . . . . . . . . . . . . . . . . . . . . . . . . . . . . . . . . 6.28
SPIDER REMOVAL . . . . . . . . . . . . . . . . . . . . . . . . . . . . . . . . . . . . . . . . . . . . . . . . . . . . 6.29
BUTTON TO TOWER CLEARANCE INSPECTION. . . . . . . . . . . . . . . . . . . . . . . . . . . . 6.30
SHIFT WEIGHT INSPECTION . . . . . . . . . . . . . . . . . . . . . . . . . . . . . . . . . . . . . . . . . . . . 6.30
DRIVE CLUTCH REASSEMBLY . . . . . . . . . . . . . . . . . . . . . . . . . . . . . . . . . . . . . . . . . . 6.31
SHEAVE / BUSHING INSPECTION. . . . . . . . . . . . . . . . . . . . . . . . . . . . . . . . . . . . . . . . 6.32
STANDARD DRIVEN CLUTCH. . . . . . . . . . . . . . . . . . . . . . . . . . . . . . . . . . . . . . . . . . . . 6.33
DISASSEMBLY. . . . . . . . . . . . . . . . . . . . . . . . . . . . . . . . . . . . . . . . . . . . . . . . . . . . . . . . 6.33
INSPECTION . . . . . . . . . . . . . . . . . . . . . . . . . . . . . . . . . . . . . . . . . . . . . . . . . . . . . . . . . 6.33
ASSEMBLY . . . . . . . . . . . . . . . . . . . . . . . . . . . . . . . . . . . . . . . . . . . . . . . . . . . . . . . . . . 6.34
PVT TROUBLESHOOTING. . . . . . . . . . . . . . . . . . . . . . . . . . . . . . . . . . . . . . . . . . . . . . . 6.35
OVERHEATING . . . . . . . . . . . . . . . . . . . . . . . . . . . . . . . . . . . . . . . . . . . . . . . . . . . . . . . 6.35
PROBLEM, CAUSE AND REMEDY CHART . . . . . . . . . . . . . . . . . . . . . . . . . . . . . . . . . 6.36

6.2
CLUTCH SYSTEM
SPECIAL TOOLS AND
SPECIFICATIONS
Special Tools
Component Fastener Torques
TOOL DESCRIPTION PART NUMBER
Clutch Puller 2870506
Clutch Holding Wrench 9314177
Clutch Holding Fixture 2871358
Spider Nut Socket 2870338
Drive Clutch Spider Removal
& Install Tool 2870341
Driven Clutch Puller 2870913
Roller Pin Tool 2870910
Clutch Bushing Replacement
Tool Kit 2871226
Piston Pin Puller 2870386
EBS Clutch Alignment Tool 2872292
EBS Bushing Replacement Kit 2201379
Clutch Compression Tool 8700220
Clutch Bushing Replacement
Tool Kit 2871025
Clutch Compression Tool
Extensions PS-45909
COMPONENT FT.LBS.
(IN.LBS.) NM
Drive Clutch Retaining Bolt 40 54
Driven Clutch Retaining
Bolt 17 23
PVT Inner Cover Bolts 12 16
Drive Clutch Spider EBS
Clutch 200 271
Drive Clutch Spider Lock
Nut 15 20.3
Drive Clutch Cover Plate (90) 10

6.3
CLUTCH SYSTEM
6
PVT EXPLODED VIEWS
PVT Sealing And Ducting Components
Drive Clutch Exploded Views (Standard and Deluxe)
Clutch Inlet Duct
Clamps
Boot Duct
Clutch Cover
Clutch Cover Seal
Seal Retainer Bracket
Inner Seal Cover
Inner Clutch Cover
Transmission Cover Seal
NON-EBS
One Way Clutch
“Standard” Models
“Deluxe” Models
EBS

6.4
CLUTCH SYSTEM
Driven Clutch Exploded Views (Standard and Deluxe)
STANDARD - NON EBS
1. Torx Screw
2. Cam Assembly
3. Retaining Ring
4. E-clip
5. Washer
6. Roller
7. Outer Spider
8. Spring
9. Shaft
10. Thrust Washer
11. Moveable Sheave
12. Roller Pin
13. Spring Pin
14. Stationary Sheave
15. Bearing
16. Retaining Ring
17. Retaining Ring
18. Inner Spider Plate
19. Spider Dampener
20. Clutch Roller
DELUXE - EBS

6.5
CLUTCH SYSTEM
6
Engine Braking System (EBS) Exploded View
Washer
One Way Clutch Drive
Washer
Spacer
Shift Weights
Roller/Bushing
Assembly - Torque
200 ft.lbs.
Spider Lock Nut
Coil Spring
Bushing Cover
Drive Belt
Cam Assembly
Retaining Ring
Spider Assembly
Compression Spring
Clutch Shaft
Spacer Washer
Sheaves
Clutch Rollers
Bearing
Retaining Rings

6.6
CLUTCH SYSTEM
PVT SYSTEM
PVT Operation Overview
The Polaris Variable Transmission (PVT) consists of three
major assemblies: 1) The Drive Clutch; 2) The Driven Clutch;
and 3) The Drive Belt. The internal components of the drive
clutch and driven clutch control engagement (initial vehicle
movement), clutch upshift and backshift. During the
development of a Polaris ATV, the PVT system is matched first
to the engine power curve; then to average riding conditions and
the vehicle's intended usage. Therefore, modifications or
variations of components at random are never recommended.
Proper clutch setup and careful inspection of existing
components must be the primary objective when
troubleshooting and tuning.
Drive Clutch Operation
Drive clutches primarily sense engine RPM. The two major
components which control its shifting function are the shift
weights and the coil spring. Whenever engine RPM is
increased, centrifugal force is created, causing the shift weights
to push against rollers on the moveable sheave, which is held
open by coil spring preload. When this force becomes higher
than the preload in the spring, the outer sheave moves inward
and contacts the drive belt. This motion pinches the drive belt
between the spinning sheaves and causes it to rotate, which in
turn rotates the driven clutch.
At lower RPM, the drive belt rotates low in the drive clutch
sheaves. As engine RPM increases, centrifugal force causes the
drive belt to be forced upward on drive clutch sheaves.
Driven Clutch Operation
Driven clutches primarily sense torque, opening and closing
according to the forces applied to it from the drive belt and the
transmission input shaft. If the torque resistance at the
transmission input shaft is greater than the load from the drive
belt, the drive belt is kept at the outer diameter of the driven
clutch sheaves.
As engine RPM and horsepower increase, the load from the
drive belt increases, resulting in the belt rotating up toward the
outer diameter of the drive clutch sheaves and downward into
the sheaves of the driven clutch. This action, which increases
the driven clutch speed, is called upshifting.
Should the throttle setting remain the same and the vehicle is
subjected to a heavier load, the drive belt rotates back up toward
the outer diameter of the driven clutch and downward into the
sheaves of the drive clutch. This action, which decreases the
driven clutch speed, is called backshifting.
In situations where loads vary (such as uphill and downhill) and
throttle settings are constant, the drive and driven clutches are
continually shifting to maintain optimum engine RPM. At full
throttle a perfectly matched PVT system should hold engine
RPM at the peak of the power curve. This RPM should be
maintained during clutch upshift and backshift. In this respect,
the PVT system is similar to a power governor. Rather than vary
throttle position, as a conventional governor does, the PVT
system changes engine load requirements by either upshifting or
backshifting.
WARNING
All PVT maintenance or repairs should be
performed only by a certified Polaris Master Service
Dealer (MSD) technician who has received the
proper training and understands the procedures
outlined in this manual. Because of the critical
nature and precision balance incorporated into the
PVT components, it is absolutely essential that no
disassembly or repair be made without factory
authorized special tools and service procedures.

6.7
CLUTCH SYSTEM
6
EBS Clutch Operation
This EBS driven clutch provides the same engine braking
abilities as the EBS drive clutch.
When the ATV is moving the drivetrain turns in the direction of
engine rotation as the clutches, belt, and one-way clutches at the
same speed. When the drivetrain rotational speed exceeds the
one-way clutch rotation (see exploded view of drive clutch) , the
one-way clutch locks to the clutch shaft and engine braking
occurs. Essentially, the driven clutch has become the driving
clutch. The spider assembly with the two rollers, fixed to the
transmission shaft, rotates in the pockets of the sheave, allowing
the stationary sheave to rotate with the moveable sheave as the
rollers move to the other side of the ramp, providing instant
EBS. Engine braking (EBS) continues until the drive clutch
speed exceeds the one-way clutch speed, or until the throttle is
applied and the engine reaches clutch engagement speed.
PVT Maintenance / Inspection
Under normal operation the PVT system will provide years of
trouble free operation. Periodic inspection and maintenance is
required to keep the system operating at peak performance. The
following list of items should be inspected and maintained to
ensure maximum performance and service life of PVT
components. Refer to the troubleshooting checklist at the end of
this chapter for more information.
1. Drive to Driven Clutch Offset, Belt Width.
See “Clutch Alignment” on page 6.14.
2. Drive and Driven Clutch Rollers and Bushings, Drive
Clutch Shift Weights and Pins, Drive Clutch Spider Rollers
and Roller Pins, Drive and Driven Clutch Springs.
See “Drive Clutch Inspection” on page 6.17.
3. Sheave Faces. Clean and inspect for wear.
4. PVT System Sealing. Refer to appropriate illustrations and
photos. The PVT system is air cooled by fins on the drive
clutch stationary sheave. The fins create a low pressure
area in the crankcase casting, drawing air into the system
through an intake duct. The opening for this intake duct is
located at a high point on the vehicle (location varies by
model). The intake duct draws fresh air through a vented
cover. All connecting air ducts, as well as the inner and
outer covers, must be properly sealed to ensure clean air is
being used for cooling the PVT system. This also will
prevent water and other contaminants from entering the
PVT area. A sealed PVT is especially critical on units
subjected to frequent water forging.
CAUTION
Driven clutches must be disassembled from the
helix end to reduce spring pressure. Review all
information below before proceeding.
One-Way Clutch
Drive Clutch
Assembly
Downhill Belt
Rotation
Driven
Drive

6.8
CLUTCH SYSTEM
Drive Clutch Spring
The drive clutch spring has two primary functions:
1. Controls clutch engagement RPM. The springs which
have a higher rate when the clutch is in neutral will
increase clutch engagement RPM.
2. Controls the rate at which the drive belt moves upward
in the drive clutch sheaves. This is referred to as drive
clutch upshift.
The drive clutch spring is one of the most critical components
of the PVT system. It is also one of the easiest to service. Due
to the severe stress the coil spring is subject to during operation,
it should always be inspected for tolerance limits during any
clutch diagnosis or repair.
There are other components which control upshift, but the
spring is one of the primary components in insuring optimum
performance. It is very important that the spring is of correct
design and is in good condition.
Measuring Spring Length: With the spring resting on a flat
surface, measure its free length from the outer coil surfaces as
shown. Refer to the spring specification chart for specific free
length measurements and tolerances. Also check to see that
spring coils are parallel to one another. Distortion of the spring
indicates stress fatigue, requiring replacement.
CAUTION
Never shim a drive clutch spring to increase its
compression rate. This may result in complete stacking
of the coils and subsequent clutch component failure.
Table 6-1: Primary Clutch Springs
PART # COLOR
CODE WIRE DIA.FREE L ENGTH
”
7041021 Plain .157” 4.38”
7041022 Black .140” 4.25”
7041063 Purple .168” 4.37”
7041132 White .177” 2.92”
7041168 Green .177” 3.05”
7041157 Blue/Green .177” 2.53”
Table 6-2: Secondary Clutch Springs
PART #DESCRIPTION
3234199 White

6.9
CLUTCH SYSTEM
6
Optional Shift Weights
Shown below are optional shift weights which may be used in the PVT system. These shift weights have many different factors
designed into them for controlling engagement RPM and shifting patterns. Shift weights should not be changed or altered without
first having a thorough understanding the effects they have on belt to sheave clearance, clutch balance, engagement and shifting
characteristics.
- NLA -
- NLA -
698

6.10
CLUTCH SYSTEM
PVT Drying
IMPORTANT: If operating the ATV through water, be
sure to check the PVT cover and other ATV
components for water ingestion. The ATV should be
checked immediately. Refer to Owner's Manual for
Safe Riding Tips.
To drain any water that may be trapped inside the PVT cover,
simply remove the PVT drain plug and O-ring located on the
bottom of the PVT cover and let the water drain out. The PVT
drain plug is shown below.
To further expel water in the PVT cover and to dry out the PVT
system, shift the transmission to neutral and rev engine slightly
to expel the moisture. This will also air-dry the belt and clutches.
Allow engine RPM to settle to idle speed, shift transmission to
lowest available range and test for belt slippage. Repeat as
needed. Operate ATV in lowest available range for a short
period of time until PVT system is dry.
PVT Disassembly
NOTE: Some fasteners and procedures will vary.
Refer to the appropriate parts manual for proper
fasteners and fastener placement.
1. Remove seat.
2. Remove or loosen cab and footwell fasteners as necessary
to gain access to PVT outer cover.
3. Remove PVT air outlet duct hose.
4. Remove outer PVT cover screws.
5. Mark the drive belt direction of rotation and remove drive
belt. See the “DRIVE BELT REMOVAL” procedure later
in this chapter.
6. Remove drive clutch retaining bolt and remove drive clutch
using puller.
7. Remove driven clutch retaining bolt and driven clutch. Use
puller if necessary.
PVT Drain Plug
PVT Drain Plug & O-Ring
Drive Clutch Puller: (PN 2870506)
Clutch Holding Wrench: (PN 9314177)
Driven Clutch Puller: (PN 2870913)

6.11
CLUTCH SYSTEM
6
8. Remove driven clutch offset spacers from the transmission
input shaft. NOTE: Remember to keep spacers in order for
proper clutch offset on reassembly.
9. Remove cover screws and retainer plate.
10. Remove inner cover retaining bolts at rear of cover.
11. Remove cover along with foam seal on back of cover or
shaft.
PVT Installation
1. Inspect PVT inner cover-to-engine seal. Replace if
cracked or damaged. Align the alignment mark on the
cover with the mark on the engine seal.
2. Place a new seal on transmission input shaft.
3. Apply RTV silicone sealant to outside edge of inner cover-
to-engine seal, to ensure a water tight fit between the seal
and the cover on engine side. Surfaces must be clean to
ensure adhesion of silicone sealant.
4. Reinstall cover and tighten rear cover bolts just enough to
hold it in place.
5. Fit lip of inner cover seal (A) to engine. Install seal retainer
plate and tighten screws securely.
6. Torque rear inner cover bolts (B) to specification.
Offset Spacer
Inner Cover
Retainer Seal
Foam Seal
= T
Inner Cover Bolt Torque (B):
12 ft. lbs. (16.6 Nm)
Seal This Edge To Cover On Engine
B
C
Seal Outer Edge To Cover
w/ RTV silicone sealant
A

6.12
CLUTCH SYSTEM
7. Install clutch offset spacer(s) on transmission input shaft.
8. Clean splines inside driven clutch and on the transmission
input shaft.
9. Apply a light film of grease to the splines on the shaft.
10. Install the driven clutch, washer, lock washer, and retaining
bolt. Torque to specification.
11. Clean end of taper on crankshaft and the taper bore inside
drive clutch.
12. Install drive clutch and torque retaining bolt to
specification.
13. Reinstall drive belt noting direction of rotation. If a new
belt is installed, install so numbers can be easily read.
14. Only replace PVT outer cover rubber gasket if it is
damaged. Place the gasket with the narrow side out (C).
15. Reinstall PVT outer cover and secure with screws. Torque
to specification.
16. Reinstall cab/footwell assembly, panel and seat.
Drive Belt Removal / Inspection
1. Remove outer PVT cover as described in PVT
Disassembly.
2. Mark drive belt direction of rotation so that it can be
installed in the same direction. The belt is normally
positioned so part numbers are easily read.
3. To remove drive belt, apply brake, pull upward and
rearward on belt while turning the back (moveable) driven
sheave clockwise to open driven clutch sheaves. Pull out
and down on belt to slip over the driven clutch outer sheave.
4. Measure belt width and replace if worn. Generally, belts
should be replaced if clutches can no longer be adjusted to
provide proper belt deflection.
NOTE: If the top edges are trimmed on some drive
belts, it will be necessary to project the side profiles
in order to measure from corner-to-corner.
5. Place a straight edge on each side of the drive belt. Place
another straight edge on top of belt.
= T
Driven Clutch Retaining Bolt Torque:
17 ft. lbs. (23.5 Nm)
= T
Drive Clutch Retaining Bolt Torque:
40 ft. lbs. (55 Nm)
Offset Spacer
PVT Cover Gasket
Towards Outside Cover

6.13
CLUTCH SYSTEM
6
6. Measure the distance where the side straight edges intersect
the top, as shown in the illustration.
7. Inspect belt for loose cords, missing cogs, cracks,
abrasions, thin spots, or excessive wear. Replace if
necessary.
8. Inspect belt for hour glassing (extreme circular wear in at
least one spot and on both sides of the belt). Hour glassing
occurs when the drive train does not move and the drive
clutch engages the belt continuously in one spot.
9. Measure belt length with a tape measure around the outer
circumference of the belt. Belts which measure longer than
nominal length may require driven shimming or engine
adjustment for a longer center distance to obtain proper belt
deflection. Belts which measure shorter than nominal
length may require driven shimming or a shorter center
distance. Remember, proper belt deflection is the desired
goal - not a specific center distance.
10. Replace belt if worn past the service limit. Belts with thin
spots, burn marks, etc., should be replaced to eliminate
noise, vibration, or erratic PVT operation. See
Troubleshooting Chart at the end of this chapter for
possible causes.
DRIVE BELT INSTALLATION
NOTE: Be sure to position belt so part number is easily
read. Verify new belt is seated properly in the clutches
before operating the ATV.
1. Loop belt over drive and over top of driven sheave.
2. While pushing down on top of belt, turn the back or
moveable driven sheave clockwise.
3. The belt then should be able to be pushed down into and
between the sheaves.
4. Install clutch cover temporarily. Verify engine is in PARK.
Start engine and raise engine RPM enough to engage the
clutch, rotating the belt and seating it in the clutches.
Remove clutch cover and verify belt is seated properly
before final cover installation.
Belt Width:
Wear Limit 1.125" (2.86 cm)
Clutch Center Distance:
10” .1 -.05 (254 2.51-.3mm)
Belt Nominal Length:
40.875” cm
Projected Belt Width
Center
Distance

6.14
CLUTCH SYSTEM
Clutch Alignment
1. Remove belt and install the Clutch Offset Alignment Tool
(PN 2872292) as shown.
2. With tool touching rear of driven clutch inner sheave, the
distance at point “A” should be 1/8”.
NOTE: If the distance is greater than 1/8, or less
than 1/16,, clutch alignment must be adjusted as
follows:
3. Remove drive and driven clutch. See “PVT
DIASSEMBLY” at the beginning of the chapter.
4. Remove PVT inner cover.
5. Loosen all engine mounts. Move front of engine to the right
or left slightly until alignment is correct.
6. Tighten engine mounts and verify alignment is correct.
7. Measure belt deflection and measure offset both above and
below shaft centerlines. Adjust if necessary.
NOTE: On some models, minor adjustments can be
made by adding shims between the frame and front
lower left engine mount to increase the distance at
point “A”. If a shim is present, it can be removed to
decrease the distance at point “A”.
Clutch Offset
IMPORTANT: Inspect clutch alignment and center
distance before adjusting offset.
Offset is correct when rear of tool contacts rear of inner sheave
with driven clutch pushed completely inward, spacers installed
(if required) on shaft and bolt torqued to specification.
1. Install alignment tool as shown. Remember to measure
above and below the shaft centerlines.
2. Adjust offset by adding or removing spacer washers
between back of driven clutch and spacer.
B
A1/8” + 0 / -1/16
(3.2mm + 0 / - 1.6)
Offset Alignment
Tool (PN 2872292)
Shim Kit (PN 2200126)
Spacer Washer (PN 7556401)
Center Line
Measure Above and Below Centerline

6.15
CLUTCH SYSTEM
6
EBS DRIVE CLUTCH SERVICE
Drive Clutch Disassembly
1. Using a permanent marker, mark the cover, spider, and
moveable and stationary sheaves for reference, as the cast-
in X's may not have been in alignment before disassembly.
2. Remove cover bolts evenly in a cross pattern and remove
cover plate.
3. Inspect cover bushing (A). The outer cover bushing is
manufactured with a Teflon coating. Wear is determined
by the amount of Teflon remaining on the bushing.
4. Inspect area on shaft where bushing rides for wear, galling,
nicks, or scratches. Replace clutch assembly if worn or
damaged.
5. Remove and inspect spring. See “Drive Clutch Spring
Specifications” for spring inspection.
Spider Removal
1. Remove the limiter nut using the Clutch Spider Nut Socket
(PN 2870338). Install clutch in holding fixture and loosen
the spider (counterclockwise) using Clutch Spider Install
Tool (PN 2870341).
Cover Bushing Inspection:
Replace the cover bushing if more
brass than Teflon is visible on
the bushing. Refer to bushing
replacement in this chapter.
A
Clutch Holding Fixture: (PN 2871358)
Spider Removal Tool: (PN 2870341)
Inspect Shaft

6.16
CLUTCH SYSTEM
NOTE: It is important that the same number and
thickness of washers are reinstalled beneath the
spider during assembly. Be sure to note the number
and thickness of these washers.
2. Inspect the Teflon coating on the moveable sheave
bushing.
3. Inspect all rollers, bushings and roller pins by pulling a flat
metal rod across the roller. Turn roller with your finger. If
you notice resistance, galling, or flat spots, replace rollers,
pins and thrust washers in sets of three. Also inspect to see
if roller and bushing are separating. Bushing must fit
tightly in roller. Use the Roller Pin Tool (PN 2870910) to
replace rollers and pins. Take care not to damage roller
bushing or bearing surface of the new pin during
installation.
4. Rubber-backed buttons can and should be used in all ATV
clutches if the hollow roller pin is changed to a solid roller
pin.
NOTE: Rubber side of the button is positioned
toward the solid roller pin. It is recommended to
switch all buttons to the rubber version during
service (if needed).
Moveable Sheave Bushing Inspection:
Replace the cover bushing if more
brass than Teflon is visible
on the bushing. Refer to bushing
replacement in this chapter.
To maintain proper clutch balance and belt-to-sheave
clearance, be sure to reinstall original quantity and
thickness washers

6.17
CLUTCH SYSTEM
6
Button To Tower Clearance Inspection
1. Inspect for any clearance between spider button to tower.
If clearance exists, replace all buttons and inspect surface
of towers. See “Spider Removal” procedure.
2. Inspect sheave surfaces. Replace the entire clutch as an
assembly if worn, damaged or cracked.
Shift Weight Inspection
1. If clutch is not disassembled, inspect as shown, using a
clutch holding tool to compress the moveable sheave. The
contact surface of the weight should be smooth and free of
dents or gall marks. Remove shift weight bolts and
weights.
2. Inspect the weight pivot bore and pivot bolts for wear or
galling. If weights or bolts are worn or broken, replace in
sets of three with new bolts.
NOTE: A damaged shift weight is usually caused by
a damaged or stuck roller in the spider assembly.
See roller inspection, see “Roller, Pin, and Thrust
Washer Inspection”.
Drive Clutch Inspection
NOTE: Remove cover, spring, and spider following
instructions for drive clutch removal, then proceed
as follows:
1. Remove moveable sheave spacer sleeve (1) and the thrust
washer (2). Visually inspect the washer for damage.
Measure the thickness and compare to specification.
Replace if worn or damaged.
Button to Tower Clearance: .000-.001
WARNING
The clutch assembly is a precisely balanced unit.
Never replace parts with used parts from another
clutch assembly!
All PVT maintenance or repairs should be
performed only by a certified Polaris Master Service
Dealer (MSD) technician who has received the
proper training and understands the procedures
outlined in this manual.
Because of the critical nature and precision
balance incorporated into the PVT system, it is
absolutely essential that no attempt at
disassembly or repair be made without factory
authorized special tools and service
procedures.
Thrust Washer Thickness
Standard: .030, (.76mm)
Service Limit: .025, (.64mm)
1
2

6.18
CLUTCH SYSTEM
2. Lift one-way clutch (3) and thrustwasher (4) off shaft.
Replace as an assembly if worn, damaged, or if problems
were noted.
3. Inspect surface of shaft for pitting, grooves, or damage.
Measure the outside diameter and compare to
specifications. Replace the drive clutch assembly if shaft
is worn or damaged.
4. Visually inspect PTFE thrustwasher for damage. Measure
the thickness and compare to specification. Replace if
worn or damaged
Moveable Sheave Bushing Inspection
Inspect the Teflon coating (arrow) on the moveable sheave
bushing. Inspect BOTH sheaves for signs of wear, grooving or
cracking. De-glaze surfaces with a 3M pad if needed.
Drive Clutch Bushing Service
NOTE: Special Tool Required: EBS CLUTCH
BUSHING REMOVAL AND INSTALLATION
= In. / mm.
Shaft Diameter:
Standard: 1.3745 - 1.375 (
Service Limit: 1.3730”
= In. / mm.
PTFE Washer Thickness
Standard: .030” (.76mm)
Service Limit: .025” (.64mm)
Moveable Sheave Bushing Inspection:
Replace the cover bushing if more brass than
Teflon is visible on the bushing. Refer to
bushing replacement in this chapter.
Table 6-1: Special Tools
ITEM QTY PART DESCRIPTION PART #
A, B 1 EBS Puller Tool 5132027
C 1 EBS Puller Nut 5132501
D 1 EBS Main Adapter 5132029
E 1 EBS Bushing Removal 5132028
-- 1 Bushing Replacement Kit 2871226
-- 1 Piston Pin Puller 2870386
-- 1 Instructions 9915111

6.19
CLUTCH SYSTEM
6
NOTE: Bushings are installed at the factory using
Loctite 609. In order to remove bushings it will be
necessary to apply heat evenly to the area around
each bushing. Clean all residual Loctite from
bushing bore prior to installing new bushing.
Drive Clutch Bushing Removal
1. Remove clutch as outlined previously in this chapter.
2. Install handle end of Piston Pin Puller (PN 2870386)
securely into bench vise and lightly grease puller threads.
3. Remove nut from puller rod and set aside.
4. Install puller adapter (Item 10 from kit PN 2871226).
5. Install main adapter (Item D) onto puller.
6. With towers pointing toward the vise, slide sheave onto
puller rod.
7. Install removal tool (Item A/B) into center of sheave with
A side" toward sheave. NOTE: Smooth One-way Clutch
- Use Bushing Tool PA-47336.
8. Install nut (C) onto end of puller rod and hand tighten. Turn
puller barrel to increase tension on sheave if needed. Using
a hand held propane torch, apply heat around outside of
bushing until tiny smoke tailings appear.
9. Turn sheave counterclockwise on puller rod until it comes
free. Lift sheave off puller.
10. Remove nut from puller rod and set aside.
11. Pull bushing removal tool and adapter from puller rod.
Remove bushing from tool and discard.
Drive Clutch Bushing Installation
1. Place main adapter (Item 8) on puller.
2. Apply Loctite 609 evenly to bushing bore inside
moveable sheave.
3. Set bushing in place on sheave.
4. Insert installation puller tool (Item A/B) with “A” side
down, into center of bushing. NOTE: 800 EFI Clutch -
Use Bushing Tool PA-47336.
5. With towers pointing upward, slide sheave, bushing and
tool onto puller rod.
6. Install nut on puller rod and hand tighten. Turn barrel to
apply additional tension if needed.
7. Turn sheave counterclockwise, making sure bushing is
drawn straight into bore. Continue until bushing is seated.
8. Remove nut from puller rod and set aside.
9. Remove sheave from puller.
10. Remove installation tool.
CAUTION
Clutch components will be hot! In order to avoid
serious burns, wear insulated gloves during the
removal process.
Puller Tool (A,B)
Side “A” toward
sheave
Nut (C)
Main
Adapter (D)
Puller
Adapter (10)
Piston Pin
Puller
Puller Tool (A,B) Side
“A” toward sheave Nut (C)
Bushing
Main Adapter (8)
Piston Pin Puller

6.20
CLUTCH SYSTEM
Cover Bushing Removal
1. Install main adapter (Item 8) on puller.
2. Install adapter reducer (Item 9).
3. From outside of clutch cover, insert removal tool (Item 3)
into cover bushing.
4. With inside of cover toward vise, slide cover onto puller.
5. Install nut onto puller rod and hand tighten. Turn puller
barrel to increase tension as needed.
6. Turn clutch cover counterclockwise on puller rod until
bushing is removed and cover comes free.
7. Remove nut from puller rod and set aside.
8. Remove bushing and bushing removal tool from puller.
Discard bushing.
Cover Bushing Installation
1. Apply Loctite 609 evenly to bushing bore in cover.
2. Working from inside of cover, insert new bushing and
bushing installation tool into center of clutch cover.
3. With main adapter on puller, insert cover onto puller rod,
placing outside of cover toward vise.
4. Install nut on rod and hand tighten. Turn puller barrel to
apply more tension if needed.
5. Turn clutch cover counterclockwise on puller rod until
bushing is seated.
6. Remove nut from puller rod. Take installation tool and
clutch cover off rod.
One-Way Clutch Inspection (Drive Clutch)
1. Rotate one-way clutch clockwise (as viewed from the
cover plate side). The clutch should rotate on the shaft
with only slight amount of drag. Verify there is no binding
or rough spots. When rotated counterclockwise, the clutch
should lock to the shaft without slipping. If problems are
noted in either direction, continue with disassembly.
Drive Clutch Reassembly
NOTE: It is important that the same number and
thickness of washers are reinstalled beneath the
spider during assembly. The Teflon bushings are
self-lubricating.
1. Reassemble drive clutch in the following sequence. Be
sure the “X”, or the marks that were made earlier, are
aligned during each phase of assembly.
A) “X”, or the marks that were made earlier on cover
B) “X” on spider, making sure spacer washers are installed
underneath spider and positioned properly in recess
Removal Tool (3) Nut (C)
Adapter Reducer (9)
Piston Pin Pulle
Main Adapter (8)
CAUTION
Do not apply oil or grease to the bushings.

6.21
CLUTCH SYSTEM
6
C) “X”, or the marks that were made earlier under weight
2. Install moveable sheave onto fixed sheave.
3. Install spider spacers. Use same quantity and thickness as
were removed.
4. Compress spider buttons for each tower and install spider,
making sure that “X”, or the marks that were made earlier,
on spider aligns with “X”, or the marks that were made
earlier on the moveable sheave.
5. Torque spider to specification using the holding fixture and
spider tool. Torque with smooth motion to avoid damage
to the stationary sheave.
6. Install limiter nut on top of spider using the Clutch Spider
Nut Socket (PN 2870338). Torque to specification.
Reinstall shift weights using new lock nuts on the bolts.
7. Reinstall clutch spring.
8. Reinstall cover, aligning bosses on the tower and cover.
Torque cover bolts evenly to specification.
CAUTION
Verify spider spacer washers are fully
seated in the recessed area of the spider.
Any misalignment will alter clutch balance.
Inverting the clutch while initially tightening the
spider will help position the washers.
= T
Spider Torque:
200 ft. lbs. (271 Nm)
Spacer Washers
= T
Spider Nut Torque:
15 ft. lbs. (20 Nm)
= T
Cover Screw Torque:
90 in. lbs. (10.4 Nm)
Engine
Rotation
Nut on trailing side

6.22
CLUTCH SYSTEM
EBS DRIVEN CLUTCH SERVICE
Driven Clutch Disassembly
1. Remove driven clutch from the transmission input shaft.
Do not attempt disassembly of the driven clutch from the
outside snap ring. The driven clutch must be disassembled
from the helix side.
2. It is important to mark the position of the shaft, cam cover,
and sheave before disassembly or use the X"s on the
components for reference. This will aid in reassembly and
helps to maintain clutch balance after reassembly.
3. Remove the four torx screws that secure the cam assembly
(helix) using a T25 torx.
4. Place the clutch into Clutch Compression Tool PN
8700220. Using Compression Extensions PN PS-45909,
Press down on top of the spider assembly, compressing the
spider onto the shaft. Remove snap ring (A) and slowly
release the assembly.
5. Remove the spider assembly, spring (B), and spacer washer
(C). NOTE: Spring is compression only and has no
torsional wind
Do not disassemble from this side
Press down on spider
B
C

6.23
CLUTCH SYSTEM
6
6. Remove the inside spider plate (D) and spider dampener
(E). Inspect the spider dampener (E) for wear and replaced
if needed.
7. Remove the E-clip (F), washer (G), and the clutch rollers
(H). Inspect the rollers for wear replace if worn.
8. Remove the clutch assembly from the holding tool.
Remove the large outer retaining ring (I) and the inner
retaining ring (J).
9. Press out the spring pins (K) in the inner sheave.
10. Pull out the clutch roller pins (L) and rollers (M).
11. Press the shaft and bearing out of the outer sheave using a
press.
ED
HGF
I
J
K
K
ML
Press Shaft & Bearing Out
Inspect Bearing

6.24
CLUTCH SYSTEM
12. Inspect the bearing for wear. Spin the bearing, if the
bearing does not spin smoothly replace as needed. To
remove the bearing, simply press the bearing from the shaft.
13. Inspect the bearing for wear. Spin the bearing, if the
bearing does not spin smoothly replace as needed. To
remove the bearing, simply press the bearing from the shaft.
14. Inspect the cam assembly (helix) bushing for wear. If the
bushing is worn or the shaft does not fit snug into the
bushing, replace the cam assembly (cover).
DRIVEN CLUTCH BUSHING REMOVAL/
INSTALLATION
NOTE: Special Tool Required: EBS CLUTCH
BUSHING REMOVAL AND INSTALLATION
NOTE: Bushings are installed at the factory using
Loctite 609. In order to remove bushings it will be
necessary to apply heat evenly to the area around
each bushing. Clean all residual Loctite from
bushing bore prior to installing new bushing.
Driven Clutch Bushing Removal
1. Install main puller adapter (Item 8) onto puller.
2. Install adapter reducer (Item 9).
3. Using a hand held propane torch, apply heat around outside
of bushing until tiny smoke tailings appear.
4. Flip sheave over so bushing faces downward and install
onto puller.
5. Install bushing tool (Item 2).
6. Install left hand nut (C) and spacer onto puller rod and
tighten by hand. Turn puller barrel for further tension if
needed.
7. Turn clutch sheave counterclockwise until bushing is
removed and sheave comes free.
8. Remove nut (C) (left hand thread) from puller rod and set
aside.
9. Remove adapters from puller.
10. Remove bushing and removal tool from adapters. Discard
bushing.
Table 6-1:
ITEM QTY PART DESCRIPTION PART #
A, B 1 EBS Puller Tool 5132027
C 1 EBS Puller Nut 5132501
D 1 EBS Main Adapter 5132029
E1
EBS Bushing Removal
Tool Instructions 5132028
Inspect Sheave Surface
Inspect Bushing
-- 1 Bushing Replacement Kit 2871226
-- 1 Piston Pin Puller 2870386
-- 1 Instructions 9915111
Table 6-1:
ITEM QTY PART DESCRIPTION PART #

6.25
CLUTCH SYSTEM
6
Driven Clutch Bushing Installation
1. Install puller adapter (Item 10) onto puller.
2. Install adapter (Item 9) onto puller.
3. Apply Loctite 609 evenly to bushing bore inside
moveable sheave.
4. Install sheave face down on puller.
5. Install new bushing on installation tool (Item 2) and install
assembly into sheave.
6. Install left hand thread nut (C) onto puller rod and hand
tighten against installation tool.
7. Turn clutch sheave counterclockwise, making sure bushing
is drawn straight into bore. Continue until bushing is
seated.
8. Remove nut (C) from puller rod and set aside.
9. Remove installation tool and clutch sheave from puller.
EBS DRIVEN CLUTCH REASSEMBLY
1. Press a new bearing onto the output shaft using a press.
2. Install the shaft/bearing into the outer sheave.

6.26
CLUTCH SYSTEM
3. Install the small and large retaining rings into the outer
sheave above the bearing.
4. Line up the “X” on the moveable sheave with the “X” on
the stationary sheave or use the marks previously used. Put
the sheaves together.
5. Install the roller (A) onto the roller pin (B). (Both Sides).
6. Install the roller pin into the sheave assembly. (Both sides).
The flat side of the roller pin faces downward when the
shaft side is laying flat on the bench.
7. Install the spring pins (C) to secure the roller pins. Install
until flush with sheave surface.
Align X’s
A
B
Flat Side Down
C

6.27
CLUTCH SYSTEM
6
8. Install the spacer washer.
9. Install the spring over the shaft (arrow).
10. Install the clutch rollers (D) onto each side of the outside
spider. Install the washers (E) and E-clips (F) to secure the
rollers. Spin the roller, the rollers should spin freely.
11. Install the spider dampener (G) inside the outer spider and
install the inside spider plate (H).
12. Install the spider assembly onto the shaft with the retaining
ring on top of the spider. NOTE: Use the marks previously
made to align the skip tooth spider, or use the “X” on top
of the spider and align it with the skip tooth on the shaft.
13. Place the clutch into Clutch Compression Tool PN
8700220. Using Compression Extensions PN PS-45909,
Press down on the top of the spider assembly, pushing the
spider onto the shaft.
14. Slowly compress the spider into place. If the spider appears
to bind while compressing, stop and make sure the skip
tooth on the shaft and the spider are aligned. Once the
spider passes the retaining ring notch on the shaft, install
the retaining ring (A).
Install Spacer Washer
Outer Spider
H
G
DEF
Align Marks
Press Down on Spider
A

6.28
CLUTCH SYSTEM
15. Install the cam assembly (helix) over the shaft. Line up the
“X” on the cam, “X” on spider, and “X” on the stationary
sheave or use the marks previously made before
disassembly. NOTE: If the cam assembly (helix) is
difficult to install, be sure the sheaves are aligned. To align
the sheaves place the clutch assembly on a flat surface with
the cam assembly (helix) side down. Press down on the
moveable sheave belt face with both hands and the helix
will release.
16. Use a T25 torx to install the four torx screws and torque to
specification.
STANDARD DRIVE CLUTCH
Drive Clutch Disassembly
1. Using a permanent marker, mark the cover, spider, and
moveable and stationary sheaves for reference, as the
previous X's may not have been in alignment before
disassembly.
2. Remove cover bolts evenly in a cross pattern and remove
cover plate.
3. Inspect cover bushing (A). The outer cover bushing is
manufactured with a Teflon coating. Wear is determined
by the amount of Teflon remaining on the bushing.
4. Inspect area on shaft where bushing rides for wear, galling,
nicks, or scratches. Replace clutch assembly if worn or
damaged.
5. Remove and inspect spring. See “Drive Clutch Spring
Specifications” for spring inspection.
= T
T25 Torx:
42-52 in. lbs. (4.75 - 5.88 Nm)
Press Down to Loosen Helix
Cover Bushing Inspection:
Replace the cover bushing if more
brass than Teflon is visible on
the bushing. Refer to bushing
replacement in this chapter.
A
Inspect Shaft

6.29
CLUTCH SYSTEM
6
Spider Removal
1. Remove the limiter nut using the Clutch Spider Nut Socket
PN 2870338. Install clutch in holding fixture and loosen
the spider (counterclockwise) using Clutch Spider Install
Tool PN 2870341.
NOTE: It is important that the same number and
thickness of washers are reinstalled beneath the
spider during assembly. Be sure to note the number
and thickness of these washers.
2. Inspect the Teflon coating on the moveable sheave
bushing.
3. Inspect all rollers, bushings and roller pins by pulling a flat
metal rod across the roller. Turn roller with your finger. If
you notice resistance, galling, or flat spots, replace rollers,
pins and thrust washers in sets of three. Also inspect to see
if roller and bushing are separating. Bushing must fit
tightly in roller. Use the Roller Pin Tool (PN 2870910) to
replace rollers and pins. Take care not to damage roller
bushing or bearing surface of the new pin during
installation.
Clutch Holding Fixture: PN 2871358
Spider Removal Tool: PN 2870341
To maintain proper clutch balance and belt-to-sheave
clearance, be sure to reinstall original quantity and
thickness washers under the spider assembly.
Moveable Sheave Bushing Inspection:
Replace the cover bushing if more
brass than Teflon is visible
on the bushing. Refer to bushing
replacement in this chapter.

6.30
CLUTCH SYSTEM
4. Rubber backed buttons can and should be used in all ATV
clutches if the hollow roller pin is changed to a solid roller
pin.
NOTE: The rubber side of the button is positioned
toward the solid roller pin. It is recommended to
switch all buttons to the rubber version during
service (if needed).
Button To Tower Clearance Inspection
1. Inspect for any clearance between spider button to tower.
If clearance exists, replace all buttons and inspect surface
of towers. See “Spider Removal” procedure.
2. Inspect sheave surfaces. Replace the entire clutch as an
assembly if worn, damaged or cracked.
Shift Weight Inspection
1. If clutch is not disassembled, inspect as shown, using a
clutch holding tool to compress the moveable sheave. The
contact surface of the weight should be smooth and free of
dents or gall marks. Remove shift weight bolts and
weights.
2. Inspect the weight pivot bore and pivot bolts for wear or
galling. If weights or bolts are worn or broken, replace in
sets of three with new bolts.
NOTE: A damaged shift weight is usually caused by
a damaged or stuck roller in the spider assembly.
See roller inspection, see “Roller, Pin, and Thrust
Washer Inspection”.
Button to Tower Clearance: .000-.001
WARNING
The clutch assembly is a precisely balanced unit.
Never replace parts with used parts from another
clutch assembly!
All PVT maintenance or repairs should be
performed only by a certified Polaris Master Service
Dealer (MSD) technician who has received the
proper training and understands the procedures
outlined in this manual.
Because of the critical nature and precision
balance incorporated into the PVT system, it is
absolutely essential that no attempt at
disassembly or repair be made without factory
authorized special tools and service
procedures.

6.31
CLUTCH SYSTEM
6
Sheave / Bushing Inspection
Inspect the Teflon coating on the sheave bushings and cover
bushing. Inspect BOTH sheaves for signs of wear, grooving or
cracking. Clean sheave surfaces with a 3M pad if needed.
Drive Clutch Bushing Service
NOTE: Special Tool Required: CLUTCH BUSHING
REMOVAL AND INSTALLATION KIT
NOTE: Bushings are installed at the factory using
Loctite 609. In order to remove bushings it will be
necessary to apply heat evenly to the area around
each bushing. Clean all residual Loctite from
bushing bore prior to installing new bushing.
Drive Clutch Bushing Removal
1. Remove clutch as outlined previously in this chapter.
2. Install handle end of Piston Pin Puller (PN 2870386)
securely into bench vise and lightly grease puller threads.
3. Remove nut from puller rod and set aside.
4. Install puller adapter (Item 10 from kit PN 2871226).
5. Install main adapter onto puller.
6. With towers pointing toward the vise, slide sheave onto
puller rod.
7. Install removal tool into center of sheave.
8. Install nut onto end of puller rod and hand tighten. Turn
puller barrel to increase tension on sheave if needed. Using
a hand held propane torch, apply heat around outside of
bushing until tiny smoke tailings appear.
9. Turn sheave counterclockwise on puller rod until it comes
free. Lift sheave off puller.
10. Remove nut from puller rod and set aside.
11. Pull bushing removal tool and adapter from puller rod.
Remove bushing from tool and discard.
Cover / Sheave Bushing Inspection:
Replace bushing if more brass than Teflon is
visible on the bushing. Do not clean bushings.
ITEM QTY PART DESCRIPTION PART #
-- 1 Bushing Replacement Kit 2871025
-- 1 Piston Pin Puller 2870386
CAUTION
Clutch components will be hot!
In order to avoid serious burns, wear
insulated gloves during the removal process.

6.32
CLUTCH SYSTEM
Drive Clutch Bushing Installation
1. Place main adapter on puller.
2. Apply Loctite 609 evenly to bushing bore inside
moveable sheave.
3. Set bushing in place on sheave.
4. Insert installation puller tool into center of bushing.
5. With towers pointing upward, slide sheave, bushing and
tool onto puller rod.
6. Install nut on puller rod and hand tighten. Turn barrel to
apply additional tension if needed.
7. Turn sheave counterclockwise, making sure bushing is
drawn straight into bore. Continue until bushing is seated.
8. Remove nut from puller rod and set aside.
9. Remove sheave from puller.
10. Remove installation tool.
Cover Bushing Removal
1. Install main adapter on puller.
2. Install adapter reducer.
3. From outside of clutch cover, insert removal tool into cover
bushing.
4. With inside of cover toward vise, slide cover onto puller.
5. Install nut onto puller rod and hand tighten. Turn puller
barrel to increase tension as needed.
6. Turn clutch cover counterclockwise on puller rod until
bushing is removed and cover comes free.
7. Remove nut from puller rod and set aside.
8. Remove bushing and bushing removal tool from puller.
Discard bushing.
Cover Bushing Installation
1. Apply Loctite 609 evenly to bushing bore in cover.
2. Working from inside of cover, insert new bushing and
bushing installation tool into center of clutch cover.
3. With main adapter on puller, insert cover onto puller rod,
placing outside of cover toward vise.
4. Install nut on rod and hand tighten. Turn puller barrel to
apply more tension if needed.
5. Turn clutch cover counterclockwise on puller rod until
bushing is seated.
6. Remove nut from puller rod. Take installation tool and
clutch cover off rod.
Drive Clutch Reassembly
NOTE: It is important that the same number and
thickness of washers are reinstalled beneath the
spider during assembly. The Teflon bushings are
self-lubricating. Do not apply oil or grease to the
bushings.
Reassemble drive clutch in the following sequence. Be sure the
“X”, or the marks that were made earlier, are aligned during
each phase of assembly.
A) “X”, or the marks that were made earlier on cover
B) “X” on spider, making sure spacer washers are installed
underneath spider and positioned properly in recess
C) “X”, or the marks that were made earlier under weight
1. Install moveable sheave onto fixed sheave.
2. Install spider spacers. Use same quantity and thickness as
were removed.
3. Compress spider buttons for each tower and install spider
towers on the moveable sheave. Verify that the alignment
marks on spider align with the marks that were made on the
moveable sheave.
4. Torque spider to specification using the holding fixture and
spider tool. Torque with smooth motion to avoid damage
to the stationary sheave.

6.33
CLUTCH SYSTEM
6
5. Install limiter nut on top of spider using the Clutch Spider
Nut Socket (PN 2870338). Torque to specification.
6. Reinstall shift weights using new lock nuts on the bolts.
7. Reinstall clutch spring.
8. Reinstall cover, aligning bosses on the tower and cover.
Torque cover bolts evenly to specification.
= T
Spider Torque:
200 ft. lbs. (271 Nm)
CAUTION
Verify spider spacer washers are
fully seated in the recessed area of the spider.
Any misalignment will alter clutch balance.
Inverting the clutch while initially tightening the
spider will help position the washers.
= T
Spider Limiter Nut Torque:
15 ft. lbs. (20 Nm)
Spacer Washers
Engine
Rotation
Nut on trailing side
= T
Cover Screw Torque:
90 in. lbs. (10.4 Nm)

6.34
CLUTCH SYSTEM
STANDARD DRIVEN CLUTCH
Disassembly
1. Using special tool PN 8700220, apply and hold downward
pressure on the outer spring retainer and remove the snap
ring (A).
2. With snap ring (A) removed and spring pressure relieved,
remove the outer retainer (B) and spring (C).
3. Separate the clutch sheaves by pulling upward while
rotating the inner sheave.
Inspection
1. Inspect both the inner and outer sheave surfaces. Replace
the entire clutch assembly if worn, damaged or cracked.
2. Inspect the inner sheave helix (E) and spring retainer (F)
for signs of wear.
3. Remove the inner spring retainer (F) from the inner sheave
and inspect for signs of wear.
CAUTION
Wear eye protection when working with spring
tensioned components to avoid serious injury.
A
C
B
E
F

6.35
CLUTCH SYSTEM
6
4. Inspect the rollers in the stationary sheave for signs of wear.
NOTE: Rollers and helix are non-serviceable items.
Replacement of clutch assembly is required if
damaged beyond usable condition.
5. Inspect the bushings inside the moveable sheave. If
replacement is required, use Bushing Removal Kit PN
2871226, following the instructions.
Assembly
1. Install inner spring retainer (if removed).
2. Install the inner sheave onto the outer sheave.
NOTE: Verify ‘X’ marks on each side of the sheaves
are aligned upon reassembly of sheaves.
3. Install the compression spring.
4. Install the outer retainer on top of spring.
5. Using special tool PN 8700220, compress the outer retainer
onto the shaft and install the snap ring.
Sheave Bushing Inspection:
Replace bushing if more brass than Teflon is
visible on the bushing. Do not clean bushings.
CAUTION
Wear eye protection when working with spring
tensioned components to avoid serious injury.

6.36
CLUTCH SYSTEM
PVT TROUBLESHOOTING
Overheating
IMPORTANT: During routine maintenance or
whenever PVT system overheating is evident, it's
important to check the inlet and outlet ducting for
obstructions. Obstructions to air flow through the
ducts will significantly increase PVT system
operating temperatures. The ATV should be operated
in low range when pulling or plowing heavy loads, or
if extended low speed operation is anticipated.
General Range Operation Guidelines
LOW RANGE: Heavy pulling, basic operational speeds less
than 7 MPH, riding through rough terrain (swamps, mountains,
etc..), low ground speeds.
HIGH RANGE: High ground speeds, speeds above 7 MPH.
Table 6-1: Cause and Remedy
DIAGNOSIS OF CLUTCH DRIVE BELT & COVER RELATED ISSUES:
POSSIBLE CAUSES SOLUTIONS/WHAT TO DO
Loading the ATV into a pickup or
tall trailer when in high range. Shift transmission to low range during loading of the ATV to prevent belt burning.
Starting out going up a steep
incline. When starting out on an incline, use low range, or dismount the ATV after first applying the park
brake and perform the “K” turn.
Driving at low RPM or low
ground speed (at approximately
3-7 MPH).
Drive at higher speed or use Low Range. The use of Low Range is highly recommended for
cooler PVT operating temperatures and longer component life.
Insufficient warm-up of ATVs
exposed to low ambient
temperatures.
Warm engine at least 5 min., then with transmission in neutral, advance throttle to approx. 1/8
throttle in short bursts, 5 to 7 times. The belt will become more flexible and prevent belt burning.
Slow and easy clutch
engagement. Fast, effective use of the throttle for efficient engagement. Continuous operation at the point of
engagement (initial vehicle movement) increases PVT temperatures and component wear.
Towing/Pushing at low RPM/low
ground speed. Use Low Range only.
Plowing snow, dirt, etc./utility
use. Use Low Range only.
Stuck in mud or snow. Shift the transmission to Low Range, carefully use fast, aggressive throttle application to engage
clutch. Warning: Excessive throttle may cause loss of control and vehicle overturn.
Climbing over large objects from
a stopped position. Shift the transmission to Low Range, carefully use fast, aggressive, throttle application to
engage clutch. Warning: Excessive throttle may cause loss of control and vehicle overturn.
Belt slippage from water or snow
ingestion into the PVT system.
Shift the transmission to neutral. Using the throttle, vary the engine rpm from idle to 3/4 throttle.
Engage transmission in the lowest possible range and test for belt slippage Repeat several times
as required. During this procedure, the throttle should not be held at the full position for more
than 10 seconds. PVT seals should be inspected for damage if repeated leaking occurs.
Clutch malfunction. Inspection/repair of clutch components should be performed by a certified Polaris MSD
technician.

6.37
CLUTCH SYSTEM
6
Problem, Cause and Remedy Chart
Table 6-2: Problem, Cause and Remedy
SITUATION POSSIBLE CAUSE REMEDY
Engine RPM below
specified operating range
although engine is
properly tuned.
-Wrong or broken drive clutch spring. -Replace with recommended spring.
-Drive clutch shift weight too heavy. -Install correct shift weight kit to match engine
application.
-Driven clutch spring broken or installed wrong . -Replace spring; refer to proper installation location
Erratic engine operating
RPM during acceleration
or load variations.
-Drive clutch binding. a. Disassemble drive clutch; inspect shift weights for
wear and free operation.
-Belt worn unevenly - thin/burnt spots Replace belt
-Driven clutch malfunction. a. Replace ramp buttons.
b. Inspect movable sheave for excessive bushing
-Sheave face grooved. -Replace the clutch.
Engine RPM above
specified operating range.
-Incorrect drive clutch spring (too high spring
rate). -Install correct recommended spring.
-Drive clutch shift weights incorrect for
application (too light) -Install correct recommended shift weights.
-Drive clutch binding. -Disassemble and clean clutch, inspecting shift
weights and rollers. Reassemble without the spring
-Driven clutch binding. -Disassemble, clean, and inspect driven clutch, noting
worn sheave bushing and ramp buttons and helix
-Converter sheaves greasy; belt slippage. -Clean sheaves with denatured alcohol or brake
cleaner, install new belt.
Harsh drive clutch
engagement.
-Drive belt worn too narrow. -Replace belt.
-Excessive belt/sheave clearance with new belt. -Perform belt/sheave clearance adjustment with shim
washers beneath spider.
Drive belt turns over
-Wrong belt for application. -Replace with correct belt.
-Clutch alignment out of spec. -Adjust alignment offset.
-Engine mount broken or loose -Inspect/adjust or replace.
PVT cover overheating
(melting)
-Plugged air intake or outlet -Clear obstruction.
-Belt slippage due to water, oil, grease, etc.,
rubbing on cover -Inspect system. Clean , repair or replace as necessary.
Seal PVT system ducts.
-Clutches or weight being applied to cover while
in operation Remove weight. Inform operator.
-Use of High vs. low range -Instruct operator on guidelines for operation in wet
terrain as outlined in Owner's Safety and Maintenance
Water Ingestion
-Cover seals or ducts leaking -Find leak and repair as necessary.
-Operator error -Instruct operator on guidelines for operation in wet
terrain as outlined in Owner's Safety and Maintenance
Belt Slipping
-Belt worn out -Replace belt.
-Water ingestion -Inspect and seal PVT system.
-Belt contaminated with oil or grease -Inspect and clean.

6.38
CLUTCH SYSTEM
Belt burnt, thin spots
-Abuse (continued throttle application when
vehicle is stationary, excess load) -Caution operator to operate machine within
guidelines.
-Dragging brake -Vehicle operated with park brake on. Inspect brake
system.
-Slow, easy clutch engagement -Instruct firm, effective use of throttle for efficient
engagement.
PVT noise
-Belt worn or separated, thin spots, loose
belt -Replace belt.
-Broken or worn clutch components, cover
hitting clutches -Inspect and repair as necessary.
Engagement
erratic or “jerks”
-Thin spots on belt, worn belt -Replace belt. Refer to belt burnt troubleshooting and
instruct operator.
-Drive clutch bushings stick -Inspect and repair clutches.
Table 6-2: Problem, Cause and Remedy
SITUATION POSSIBLE CAUSE REMEDY

FINAL DRIVE
7.1
CHAPTER 7
FINAL DRIVE
7
SPECIFICATIONS. . . . . . . . . . . . . . . . . . . . . . . . . . . . . . . . . . . . . . . . . . . . . . . . . . . . . . . 7.2
TORQUE TABLE . . . . . . . . . . . . . . . . . . . . . . . . . . . . . . . . . . . . . . . . . . . . . . . . . . . . . . . 7.2
SPECIAL TOOLS . . . . . . . . . . . . . . . . . . . . . . . . . . . . . . . . . . . . . . . . . . . . . . . . . . . . . . . 7.2
GEARCASE FLUID / CAPACITY . . . . . . . . . . . . . . . . . . . . . . . . . . . . . . . . . . . . . . . . . . . 7.2
FRONT DRIVE AXLE . . . . . . . . . . . . . . . . . . . . . . . . . . . . . . . . . . . . . . . . . . . . . . . . . . . . 7.2
REMOVAL . . . . . . . . . . . . . . . . . . . . . . . . . . . . . . . . . . . . . . . . . . . . . . . . . . . . . . . . . . . .7.2
INSTALLATION . . . . . . . . . . . . . . . . . . . . . . . . . . . . . . . . . . . . . . . . . . . . . . . . . . . . . . . . 7.4
FRONT DRIVE SHAFT (CV) BOOT . . . . . . . . . . . . . . . . . . . . . . . . . . . . . . . . . . . . . . . . . 7.4
INSPECTION . . . . . . . . . . . . . . . . . . . . . . . . . . . . . . . . . . . . . . . . . . . . . . . . . . . . . . . . . . 7.4
REPLACEMENT. . . . . . . . . . . . . . . . . . . . . . . . . . . . . . . . . . . . . . . . . . . . . . . . . . . . . . . . 7.4
FRONT HUB . . . . . . . . . . . . . . . . . . . . . . . . . . . . . . . . . . . . . . . . . . . . . . . . . . . . . . . . . . . 7.6
DISASSEMBLY. . . . . . . . . . . . . . . . . . . . . . . . . . . . . . . . . . . . . . . . . . . . . . . . . . . . . . . . . 7.6
ASSEMBLY . . . . . . . . . . . . . . . . . . . . . . . . . . . . . . . . . . . . . . . . . . . . . . . . . . . . . . . . . . . 7.6
PROP SHAFT - FRONT OR REAR. . . . . . . . . . . . . . . . . . . . . . . . . . . . . . . . . . . . . . . . . . 7.7
REMOVAL AND INSTALLATION. . . . . . . . . . . . . . . . . . . . . . . . . . . . . . . . . . . . . . . . . . . 7.7
U-JOINT. . . . . . . . . . . . . . . . . . . . . . . . . . . . . . . . . . . . . . . . . . . . . . . . . . . . . . . . . . . . . . . 7.7
DISASSEMBLY. . . . . . . . . . . . . . . . . . . . . . . . . . . . . . . . . . . . . . . . . . . . . . . . . . . . . . . . . 7.7
ASSEMBLY . . . . . . . . . . . . . . . . . . . . . . . . . . . . . . . . . . . . . . . . . . . . . . . . . . . . . . . . . . . 7.8
DRIVE AXLE EXPLODED VIEWS. . . . . . . . . . . . . . . . . . . . . . . . . . . . . . . . . . . . . . . . . . 7.10
DRIVE SHAFTS AND PROPSHAFTS . . . . . . . . . . . . . . . . . . . . . . . . . . . . . . . . . . . . . . 7.10
FRONT GEARCASE - CENTRALIZED HILLIARD (STANDARD MODELS). . . . . . . . . . 7.11
EXPLODED VIEW (STANDARD MODELS). . . . . . . . . . . . . . . . . . . . . . . . . . . . . . . . . . 7.11
OPERATION. . . . . . . . . . . . . . . . . . . . . . . . . . . . . . . . . . . . . . . . . . . . . . . . . . . . . . . . . . 7.12
GEARCASE REMOVAL . . . . . . . . . . . . . . . . . . . . . . . . . . . . . . . . . . . . . . . . . . . . . . . . . 7.12
DISASSEMBLY / INSPECTION . . . . . . . . . . . . . . . . . . . . . . . . . . . . . . . . . . . . . . . . . . . 7.13
REASSEMBLY / INSPECTION. . . . . . . . . . . . . . . . . . . . . . . . . . . . . . . . . . . . . . . . . . . . 7.17
SETTING RING GEAR BACKLASH. . . . . . . . . . . . . . . . . . . . . . . . . . . . . . . . . . . . . . . . 7.18
FRONT GEARCASE DIAGNOSIS . . . . . . . . . . . . . . . . . . . . . . . . . . . . . . . . . . . . . . . . . 7.19
GEARCASE INSTALLATION . . . . . . . . . . . . . . . . . . . . . . . . . . . . . . . . . . . . . . . . . . . . . 7.20
FRONT GEARCASE - ACTIVE DESCENT CONTROL (DELUXE MODELS). . . . . . . . . 7.21
ADC GEARCASE EXPLODED VIEW (DELUXE MODELS). . . . . . . . . . . . . . . . . . . . . . 7.21
OPERATION. . . . . . . . . . . . . . . . . . . . . . . . . . . . . . . . . . . . . . . . . . . . . . . . . . . . . . . . . . 7.22
ADC COIL TESTING . . . . . . . . . . . . . . . . . . . . . . . . . . . . . . . . . . . . . . . . . . . . . . . . . . . 7.23
ADC DIFFERENTIAL HYDRAULIC CIRCUIT BLEEDING . . . . . . . . . . . . . . . . . . . . . . . 7.23
DISASSEMBLY / INSPECTION . . . . . . . . . . . . . . . . . . . . . . . . . . . . . . . . . . . . . . . . . . . 7.23
ADC GEARCASE PISTON REPLACEMENT PROCEDURE. . . . . . . . . . . . . . . . . . . . . 7.27
ASSEMBLY . . . . . . . . . . . . . . . . . . . . . . . . . . . . . . . . . . . . . . . . . . . . . . . . . . . . . . . . . . 7.29
REAR HUB . . . . . . . . . . . . . . . . . . . . . . . . . . . . . . . . . . . . . . . . . . . . . . . . . . . . . . . . . . . 7.32
REMOVAL . . . . . . . . . . . . . . . . . . . . . . . . . . . . . . . . . . . . . . . . . . . . . . . . . . . . . . . . . . . 7.32
DISASSEMBLY. . . . . . . . . . . . . . . . . . . . . . . . . . . . . . . . . . . . . . . . . . . . . . . . . . . . . . . . 7.33
ASSEMBLY . . . . . . . . . . . . . . . . . . . . . . . . . . . . . . . . . . . . . . . . . . . . . . . . . . . . . . . . . . 7.34
INSTALLATION . . . . . . . . . . . . . . . . . . . . . . . . . . . . . . . . . . . . . . . . . . . . . . . . . . . . . . . 7.34
REAR DRIVE (CV) SHAFT . . . . . . . . . . . . . . . . . . . . . . . . . . . . . . . . . . . . . . . . . . . . . . . 7.35
REMOVAL . . . . . . . . . . . . . . . . . . . . . . . . . . . . . . . . . . . . . . . . . . . . . . . . . . . . . . . . . . . 7.35
SERVICE . . . . . . . . . . . . . . . . . . . . . . . . . . . . . . . . . . . . . . . . . . . . . . . . . . . . . . . . . . . . 7.36
CV BOOT REPLACEMENT . . . . . . . . . . . . . . . . . . . . . . . . . . . . . . . . . . . . . . . . . . . . . . 7.37
INSTALLATION . . . . . . . . . . . . . . . . . . . . . . . . . . . . . . . . . . . . . . . . . . . . . . . . . . . . . . . 7.38
DRIVE SHAFT AND CV JOINT HANDLING TIPS . . . . . . . . . . . . . . . . . . . . . . . . . . . . . 7.39
REAR GEARCASE . . . . . . . . . . . . . . . . . . . . . . . . . . . . . . . . . . . . . . . . . . . . . . . . . . . . . 7.39
REMOVAL . . . . . . . . . . . . . . . . . . . . . . . . . . . . . . . . . . . . . . . . . . . . . . . . . . . . . . . . . . . 7.39
DISASSEMBLY AND INSPECTION. . . . . . . . . . . . . . . . . . . . . . . . . . . . . . . . . . . . . . . . 7.39
REASSEMBLY . . . . . . . . . . . . . . . . . . . . . . . . . . . . . . . . . . . . . . . . . . . . . . . . . . . . . . . . 7.41
INSTALLATION . . . . . . . . . . . . . . . . . . . . . . . . . . . . . . . . . . . . . . . . . . . . . . . . . . . . . . . 7.42
REAR GEARCASE EXPLODED VIEW . . . . . . . . . . . . . . . . . . . . . . . . . . . . . . . . . . . . . 7.43

7.2
FINAL DRIVE
SPECIFICATIONS
Torque Table
IMPORTANT: Verify which type of wheel ATV is
equipped with (aluminum or steel) when torquing
wheel nuts.
Special Tools
Gearcase Fluid / Capacity
FRONT DRIVE AXLE
Removal
1. Set the ATV in park. Remove hub dust cap.
2. Remove cotter pin.
3. Loosen the hub retaining nut.
4. Loosen - but do not remove - the wheel nuts.
5. Safely lift and support the front of the ATV.
6. Remove wheel.
7. Remove the two brake caliper attaching bolts.
COMPONENT FT.LBS.
(IN.LBS.) NM
F/R Steel Wheel Nuts 30 41
F/R Aluminum Wheel Nuts 90 122
Front Hub Nut 70 95
Rear Hub Nut 80 109
Front Gearcase Mount Bolts 30 41
Standard Gearcase Screws 14 19
Rear Gearcase Mount Bolts 30 41
Rear Gearcase Bolts 25 34
Lower Hub Carrier Bolts 50 68
Upper Hub Carrier Bolts 35 48
ADC Pump Screws (17-23) 1.9 - 2.5
ADC Cover Screws 7 - 11 9.4 - 14.9
ADC Bleed Valves (80) 9
PART NUMBER TOOL DESCRIPTION
2872608 Roller Pin Removal Tool
8700226 CV Boot Clamp Pliers
2870772 1 3/4” Straight Wrench
PA-48542 ADC Gearcase Piston
Installation Tool
GEARCASE DESCRIPTION
Centralized Hilliard
(Standard Models)
Demand Drive LT
Premium Hub Fluid
8.97 oz. (265 ml)
Centralized Hilliard
w/ ADC
(Deluxe Models)
Demand Drive LT
Premium Hub Fluid
9.3 oz. (275 ml)
ADC Gearcase
Pump Reservoir Polaris ADC or AW ISO 10
Hydraulic Fluid
Rear Gearcase AGL Synthetic or ADF
5.0 oz. (150 ml)
CAUTION
Serious injury could occur if machine tips or falls.
CAUTION
Do not hang the caliper by the brake line. Use wire
to hang the caliper to prevent possible damage to
the brake line.

7.3
FINAL DRIVE
7
8. Remove hub.
9. Remove cotter pin and nut from lower A-arm ball joint.
Remove lower A-arm from ball joint.
10. Pull strut assembly out while pivoting front drive shaft
downward until it clears strut assembly.
11. Pull strut assembly out while pivoting front drive shaft
downward until it clears strut assembly.

7.4
FINAL DRIVE
Installation
1. Install new spring ring on drive shaft. Apply an anti-seize
compound to splines. Align splines of drive shaft with
front gearcase and install by lightly tapping on drive shaft
with rubber faced hammer.
2. Install drive shaft in strut.
3. Install lower ball joint, torque nut to specification and
install new cotter pin.
4. Install hub and tighten hub nut to specification.
FRONT DRIVE SHAFT (CV) BOOT
Inspection
Check the front and rear driveshaft CV boots for any tears or
leaking grease. If the driveshaft boot loses all of the grease CV
joint failure will occur.
Replacement
1. Remove wheel, brake caliper, and wheel hub. Refer to
“FRONT DRIVE AXLE REMOVAL” earlier in this
chapter for procedure.
2. Remove cotter pin and castle nut from A-arm ball joint.
= T
Ball Joint Retaining Nut Torque:
25 ft. lbs. (34.5 Nm)
= T
Front Hub Retaining Nut Torque:
70 ft. lbs. (95 Nm)

7.5
FINAL DRIVE
7
3. Disconnect A-arm from ball joint using a tie rod fork.
4. Slide strut off end of drive shaft and tie it up out of the way
of the shaft.
5. Remove clamps from rubber boot using the proper boot
clamp pliers.
6. Remove the large end of the boot from the CV joint, slide
the boot back and separate the wheel spindle and CV joint
assembly from the axle shaft by pulling the shaft sharply
outward, away from the CV joint. It may be necessary to
tap the CV joint assembly outward with a soft faced
hammer.
7. Remove small clamp and boot from driveshaft.
NOTE: If the ATV has been operated with a damaged
boot, the CV joint grease may be contaminated.
Inspect the grease carefully for contamination, and
clean the joint thoroughly if necessary. Front drive
axle CV boot replacement requires 3.5 oz. of grease.
8. Before installing the new boot, remove all grease from the
boot area and shaft.
NOTE: It is very important to use the correct type
and quantity of grease. Use only the grease
contained in the boot kit. DO NOT use a substitute
grease and DO NOT overfill or under fill the CV joint.
9. Slide the new clamp and boot (small end first) over the
splined shaft, then slide (tap) the CV joint into the splines
of the axle.
10. Add grease through large end of boot.
11. Install a new boot onto the axle shaft and fill the CV joint
and boot with the correct type and amount of grease.
12. While pulling out on the CV shaft, fully extend the CV joint
and slide a straight O-ring pick or a small slotted screw
driver between the small end of the boot and the shaft. This
will allow the air pressure to equalize in the CV boot in the
position that the joint will spend most of its life. Before you
remove your instrument, be sure the small end of the boot
is in its correct location on the axle. CARE MUST BE
TAKEN TO AVOID DAMAGE TO THE NEWLY
INSTALLED BOOT.
Retaining Ring
Pull Shaft to Remove from
CV Joint
CV Joint Grease -3.5 oz.
( R e f e r t o p a r t s m a n u a l f o r b o o t k i t )
CV Boot Clamp Pliers:
Earless Type: (PN 8700226)
Boot replacement with complete CV joint
cleaning requires the entire 3.5 oz. of grease.

7.6
FINAL DRIVE
13. Install the small clamp on the boot.
FRONT HUB
Disassembly
1. Remove outer snap ring.
2. From the back side, tap on the outer bearing race with a drift
punch in the reliefs as shown.
NOTE: Drive bearing out evenly by tapping on outer
race only. Once bearing is at bottom of casting,
support casting on outer edges so bearing can be
removed.
3. Inspect the bearing.
NOTE: Due to extremely close tolerances and
minimal wear, the bearings must be inspected
visually, and by feel. While rotating bearings by
hand, inspect for rough spots, discoloration, or
corrosion. The bearings should turn smoothly and
quietly, with no detectable up and down movement
and minimal movement sideways between inner and
outer race.
4. Inspect bearing housing for scratches, wear or damage.
Replace housing if damaged.
Assembly
1. Support bottom of hubstrut housing.
2. Start bearing in housing.
3. Press bearing into place until outer race bottoms on
housing.
4. Install snap ring into groove.
Front Shaft
CAUTION
When using an arbor press be sure to press only on
the outer race to avoid bearing damage.

7.7
FINAL DRIVE
7
PROP SHAFT - FRONT OR REAR
Removal and Installation
1. Using Roll Pin Removal Tool (PN 2872608), remove the
roll pin from prop shaft at rear of housing (front only) or
transmission output shaft (rear only). Slide prop shaft back
and away from housing, then pull sharply forward to
remove from transmission shaft.
2. For installation, reverse the removal procedure.
NOTE: If removing rear propshaft, loosening and/or
removal of rear gearcase mounting bolts may be
required to gain necessary clearance for propshaft
removal.
See “REAR GEARCASE” on page 7.39.
U-JOINT
Disassembly
1. Remove internal or external snap ring from all bearing
caps.
NOTE: If yoke or bearing is removed, cross bearing
must be replaced. Note orientation of grease fitting
(if equipped) and mark inner and outer yoke for
correct re-positioning during installation.
2. Support inner yoke as shown and drive outer yoke down
(bearing cap out) with a soft face hammer.
CAUTION
Always wear eye protection when working with
spring-tensioned components

7.8
FINAL DRIVE
3. Support U-joint in vise as shown and drive inner yoke down
to remove remaining bearing ca
4. Force U-joint cross to one side and lift out of inner yoke.
Assembly
1. Install new bearing caps in yoke by hand. Carefully install
U-joint cross with grease fitting properly positioned
inward toward center of shaft. Take care not to dislodge
needle bearings upon installation of cross joint. Tighten
vise to force bearing caps in.
2. Using a suitable arbor, fully seat bearing cap in one side.
Continually check for free movement of bearing cross as
bearing caps using a suitable arbor, fully seat bearing cap
in one side. Continually check for free movement of
bearing cross as bearing caps are assembled. are assembled.
3. Install snap ring to contain bearing cap just installed.
Repeat procedure for other side.

7.9
FINAL DRIVE
7
4. Install snap ring to contain bearing cap just installed.
Repeat procedure for other side.
5. Install snap ring to contain bearing cap just installed.
Repeat procedure for other side.
6. Seat all bearing caps against snap rings by supporting cross
shaft and tapping on each corner as shown.
7. When installation is complete, yokes must pivot freely in
all directions without binding. If the joint is stiff or binding,
tap the yoke lightly to center the joint until it pivots freely
in all directions.

7.10
FINAL DRIVE
DRIVE AXLE EXPLODED VIEWS
Drive Shafts and Propshafts
NOTE: Refer to your parts manual for the proper replacement parts.
Circlip
Inner CV Joint Circlip Inner Boot Outer Boot Circlip Outer CV Joint
Drive Axle Components
Drive Boot Replacement Kits
Prop Shaft Components
Clamps
Outer Clamp
Boot
Clamp 3.5 oz. grease
Propshaft Assy.
Cross & Bearing Kit Prop Shaft O-Ring
Yoke, Prop to Transmission
Yoke, Front Gearcase
Yoke, Rear Gearcase Prop Shaft Yoke, Prop to Transmission

7.11
FINAL DRIVE
7
FRONT GEARCASE - CENTRALIZED HILLIARD (STANDARD MODELS)
Exploded View (Standard Models)
Ref. # Description Qty Ref. # Description Qty
1 Bolt 8 12 Vent Tube 1
2 Oil Seal 1 13 Plug 1
3 Input Cover Plate Asm. 1 14 Gearcase Sub Asm. 1
4 O-Ring 1 15 Ring Gear / Clutch Housing 1
5 Retaining Ring 1 16 Output Hub Asm. 2
6 Bearing 3 17 Roll Cage Asm 1
7 Pinion Gear Asm. 1 18 Armature Plate 1
8 Pinion Bushing 1 19 Output Cover Asm 1
9 Magnetic Drain Plug 1 20 Connector Asm. 1
10 Oil Seal 2 21 Thrust Button Asm. 1
11 Plug Cap 1 22 Set Screw 1
1
2
3
4
5
6
7
8
9
10 11 12 13
14
15
16 17 18
16 6
1
10 20
21 22
19

7.12
FINAL DRIVE
Operation
Engaging front gearcase: The AWD switch may be turned on
or off while the vehicle is moving. AWD will not enable until
the engine rpm is below 3100 RPM. Once enabled, the AWD
remains engaged while the front gearcase is moving and will not
disengage until the rear wheels regain traction.
Engage the AWD switch before getting into conditions where
the front wheel drive may be needed. If the rear wheels are
spinning , release the throttle before switching to AWD.
With the AWD switch off the vehicle drives only the rear wheels
(2 wheel drive). When the AWD switch is activated it engages
the hilliard, locking both front axles into all wheel drive when
there is a loss of rear wheel traction.
4x4 Engagement: When the AWD switch is activated, a 12 Vdc
current charges the central coil, creating a magnetic field. This
magnetic field attracts an armature plate keyed to a roller cage
that contains 14 rollers and roller cam. The difference in rpm
between the input shaft and front axles forces the rollers up the
external cam. The rollers engage, or “wedge” themselves
between the pinion gear and output hubs that link both front
axles, resulting in true all wheel drive.
Disengagement: As the front and rear wheels gain equal
traction, rotating very close to the same speed, the transmission
shaft “overdrives" the front gearcase input. The rollers are
forced outward, disengaging the AWD. The vehicle is now back
to rear wheel drive until the next loss of rear wheel traction.
Gearcase Removal
1. Stop engine, place machine in Park and set parking brake.
2. Loosen left front wheel nuts slightly.
3. Elevate the machine until the front wheels are off the
ground and support machine under footrest/frame area.
4. Remove left wheel nuts and wheel.
CAUTION
Switching to AWD while the rear wheels are
spinning may cause severe drive shaft and
gearcase damage. Always switch to AWD while the
rear wheels have traction or are at rest.
Armature Plate
Roll Cage Output Hubs
Ring Gear Magnetic Coil
CAUTION
If the rear wheels are spinning, release the throttle
before turning the AWD switch on. If AWD is
engaged while the wheels are spinning, severe
drive shaft and clutch damage could result.
CAUTION
Serious injury may result if machine tips or falls. Be
sure machine is secure before beginning this
service procedure. Wear eye protection when
removing and installing bearings and seals.
Ring Gear
Rollers
Roll Cage

7.13
FINAL DRIVE
7
5. Remove cotter pin, lower ball joint nut and A-arm from
ball joint.
6. Pull the hub and strut assembly out and pull the drive-shaft
out of the hub.
7. Remove the roller pin from the front prop shaft. Use the
Roller Pin Removal Tool (PN 2872608).
8. Remove bolts securing the bottom of housing to the skid
plate frame. Bolts and fluid drain plug are accessible
through the skid plate.
9. Remove vent line.
10. Remove the front gearcase from left side of frame, pulling
both the remaining CV shaft and propshaft from the
gearcase. Replace the circlips on the CV shaft ends prior
to reassembly.
Disassembly / Inspection
1. Drain and properly dispose of used oil. Remove any metal
particles from the drain plug magnet.
Front Gearcase Removal
Remove 4 Bolts

7.14
FINAL DRIVE
2. Remove bolts retaining the outer cover plate assembly.
3. Remove the outer cover plate assembly.
NOTE: Thrust bearing located between the two
output hubs is pressed into assembly.
4. Remove the armature plate and RH output hub assembly
from the outer cover plate. Inspect the bearing and contact
surfaces of the output hub for signs of wear or damage.
Replace component if found to be worn or damaged
5. Remove the roll cage assembly, rollers, and ring gear.
Thrust Bearing
Armature Plate
Output Hub Assembly

7.15
FINAL DRIVE
7
6. Remove the LH output hub. Inspect the bearing and
contact surfaces of the output hub for signs of wear or
damage. Replace component if found to be worn or
damaged.
7. Thoroughly clean all parts. Inspect the bearing surfaces of
the output hub. Inspect the rollers (A) for nicks, scratches
and flat spots. Inspect the roll cage (B) for damage or
cracks. The rollers must slide up and down freely within
the roller cage surfaces.
8. Inspect the ring gear (C) for consistent wear patterns. The
surfaces should be free of nicks or burrs.
9. Inspect roll cage (B) sliding surface. This surface must be
clean and free of nicks, burrs or scratches. Inspect the H-
springs but do not remove them from the roll cage.
10. Inspect the armature plate for a consistent wear pattern.
Uneven wear of the armature plate indicates a warped
plate, which may cause intermittent operation.
NOTE: See “FRONT GEARCASE DIAGNOSIS” later
in this chapter for more details.
CB
A
BH-Spring

7.16
FINAL DRIVE
11. Inspect the magnetic coil (A) in the outer cover plate
assembly. Inspect the backlash pad (B) for excessive wear.
NOTE: See “FRONT GEARCASE DIAGNOSIS” later
in this chapter for more details on the coil.
NOTE: The backlash for the centralized hilliard is set
at the factory. No adjustment is required, unless the
front cover needs to be replaced, or the back lash
pad screw is removed. See the “FRONT GEARCASE
ASSEMBLY” procedure later in this chapter for
details on backlash setting.
12. Remove the bolts retaining the input shaft cover and pinion
gear assembly.
13. Remove the snap ring retaining the input shaft assembly.
14. Remove the input shaft assembly. Inspect the pinion gear
(C) for chipped, broken, or missing teeth. Inspect the input
shaft bearing (D) for signs of wear. Replace the input shaft
cover O-ring prior to reassembly.
15. Inspect the input shaft bushing.
16. Thoroughly clean the gearcase components before
beginning reassembly.
A
B
CD

7.17
FINAL DRIVE
7
Reassembly / Inspection
1. Replace all O-rings, seals, and worn components.
2. Press the pinion shaft seal into the pinion cover, until the
seal is flush with the sealing surface.
3. Inspect bearings on output and pinion shafts. To replace,
press new bearing on to shaft.
NOTE: Due to extremely close tolerances and
minimal wear, the bearings must be inspected
visually, and by feel. While rotating bearings by
hand, inspect for rough spots, discoloration, or
corrosion. The bearings should turn smoothly and
quietly, with no detectable up and down movement
and minimal movement side to side.
4. Install input shaft, bearing, snap ring, and input cover with
new o-ring. Torque bolts to specification.
5. Install the LH output hub (A) into the gearcase housing.
The output hub should spin freely.
6. Install the RH output hub (B) into the output cover. The
output hub should spin freely.
7. Install the rollers and roll cage into the ring gear. Insert the
rollers as the roll cage is installed.
= T
Input Cover Bolt Torque
14 ft. lbs. (19 Nm)
A
A
B
CB

7.18
FINAL DRIVE
8. Install the ring gear and roll cage assembly into the
gearcase housing.
9. Install the armature plate on top of the roll cage / ring gear
assembly. Be sure that the armature plate tabs are fully
engaged into the roll cage assembly.
NOTE: Verify armature plate tabs are placed into the
slots on roll cage. (See Photo Below)
10. Install the cover plate assembly with new o-ring onto the
main gearcase.
NOTE: Verify the square O-ring is placed flat on the
cover surface. If the O-ring is twisted fluid leakage
may occur.
11. Torque the cover plate bolts to specification.
12. Lay the gearcase on the side with the output cover facing up.
Setting Ring Gear Backlash
NOTE: Ring gear backlash is set at the factory. No
adjustment is required, unless the front cover is
replaced or the back lash pad screw is removed.
1. The backlash screw has locking agent that holds it into
place. Use a heat gun to lightly heat up the locking agent
on the screw.
= T
Output Cover Bolt Torque
14 ft. lbs. (19 Nm)
14 ft.lbs. (19 Nm)

7.19
FINAL DRIVE
7
2. Using a 3/32 hex wrench, turn the back-lash screw out 3-4
turns. Re-apply Loctite 262 onto the bottom screw
threads.
3. Turn the screw in until it is lightly seated, then turn the
screw out 1/4 turn.
4. Set the gearcase upright. Rotate the input shaft at least 4
times. This ensures the ring gear completes one full
rotation.
5. If a tight spot is felt during rotation, loosen the backlash
screw another 1/8 turn. Perform the step 16 again. Repeat
this procedure until the pinion shaft rotates smoothly 4
times (1 revolution of ring gear).
Front Gearcase Diagnosis
•Symptom: AWD Will Not Engage
1. Check the gearcase coil resistance. To test the gearcase
coil resistance, use the coil harness (Grey & Brown/
White).
NOTE: To test the gearcase coil resistance, use the
coil harness. The gearcase coil should measure
between 22.8 ohms and 25.2 ohms.
2. Check the minimum battery voltage at the Grey & Brown/
White wires that feed the hub coil wires. There should be
a minimum of 11.80-12.0 Volts present for proper
operation.
3. Inspect the armature plate for a consistent wear pattern.
There should be two distinct wear bands (one band inside
the other). If only one band of wear is present (or if there
is wear between the two bands, inspect the coil area as
indicated in Step 4. A band with an interrupted wear mark
may indicate a warped plate, which may cause intermittent
operation.
Front Gearcase Coil Resistance:
24 ±10%
AWD Coil Applied Battery Voltage:
11.80-12.0 Vdc
Armature Plate
Check for Wear Bands

7.20
FINAL DRIVE
4. Check to make sure the coil is seated in the U-shaped insert
that is pressed into the gearcase cover. The top of the coil
should be seated below the U-shaped insert. The U-shaped
insert controls the pole gap. If the top of the coil is above
the surface of the U-shaped insert it raises the armature
plate, thereby increasing pole gap. If the pole gap
increases the coil will not be strong enough to engage the
AWD system. If this is the cause order a new Cover Plate
Assembly.
5. Inspect the rollers for nicks, scratches, and flat spots. Also
inspect the roll cage for cracks and ensure the rollers are
able to slide up and down and in and out freely within the
roll cage sliding surfaces.
Gearcase Installation
1. To install gearcase, reverse removal procedures. Use new
roll pin in front prop shaft.
2. Torque mounting bolts in skid plate to 30 ft.lbs. (41 Nm).
3. Add the proper lubricant to the front gearcase. Check drain
plug for proper torque. Refer to Chapter 2 for fluid fill and
change information.
U-Shaped Insert
Coil
Cutaway View of Gearcase Cover
Rollers
= T
Gearcase Mounting Bolt Torque:
30ft.lbs. (41 Nm)
30ft.lbs. (41 Nm)
New Roll Pin

7.21
FINAL DRIVE
7
FRONT GEARCASE - ACTIVE DESCENT CONTROL (DELUXE MODELS)
ADC Gearcase Exploded View (Deluxe Models)
Ref. # Description Qty Ref. # Description Qty
1 O-ring 2 17 Roll Cage Assembly 1
21/4" Tubing 118
8-32 x 3/8" Screws 4
3 1/4-20 Screws 5 19 Spacer, Gear 1
4 Armature Plate 1 20 Pump Assembly 1
5 Bushing 1 21 Wire Connector 1
6 Vent 1 22 O-ring, Outer 2
7 Cap, Bleed Screw 2 23 O-ring, Inner 2
8 Spacer, Clutch Basket 1 24 Bleeder Valve 2
9 Cover Assembly 1 25 Cam Assembly 1
10 Cover Bracket 1 26 Armature Plate 1
11 Gear Case Sub-Assembly 1 27 Pinion Cover Assembly 1
12 Hose Clamp 2 28 Retaining Ring 1
13 Hub Sub-Assembly 2 29 Pinion Gear Assembly 1
14 Plastic Clip 2 30 Fill Plug 1
15 Reservoir 1 31 Drain Plug 1
16 Ring Gear 1 32 Piston Assembly 2
33 1/4-20 Screws 3

7.22
FINAL DRIVE
Operation
Engaging Front Gearcase: Active Descent Control (ADC) is
controlled by the ECU and will not enable until the following
conditions are met:
• Vehicle speed is below 15 Mph (24Kph)
• Throttle Position Sensor (TPS) is at idle position
• The AWD switch is switched to ‘AWD’
Once the conditions are met for engagement, ADC remains
engaged as long as the conditions are met.
With the AWD switch off, the vehicle drives only the rear
wheels (2 wheel drive). When the AWD switch is ‘ON’ the
magnetic coils are active, the AWD coil indexes the clutch
mechanism so that both front axles will engage when there is a
loss of rear wheel traction. In addition to the rear wheel engine
braking, the ADC coil provides front wheel engine braking at
speeds less than 15 Mph (24Kph) with the TPS at idle position.
ADC Engagement: When the AWD switch is activated, a 12
Vdc current is present at the input shaft coil (1). Operation is
controlled by the ECU grounding and ungrounding the coil. The
coil’s magnetic field attracts a splined armature plate (2) on the
pinion (input) shaft (4). The energized splined armature plate
attracts the unsplined eccentric cam (3), which begins to turn
with the input shaft. The eccentric cam drives a hydraulic
piston/pump assembly (5). The pressure created by the pump
assembly forces hydraulic fluid through passages to the piston
assemblies (6) located in each case half. Hydraulic pressure
forces the piston assemblies inward to compress the splined
clutch packs (7) forming a dynamic coupling to each front drive
axle, resulting in true all-wheel EBS operation upon
deceleration.
Disengagement: Current to the ADC coil is turned off by the
ECU anytime the following conditions are met:
• Throttle Position Sensor (TPS) moves off idle position
• The AWD switch is switched to ‘OFF’
• Vehicle speed is above 15 Mph (24Kph)
Hydraulic pressure stops and the pistons release, disengaging
the ADC function. The vehicle returns to rear wheel drive until
the next deceleration.
1
23
4
5
6
7
7

7.23
FINAL DRIVE
7
ADC Coil Testing
Refer to the following tests in Chapter 10:
See “ACTIVE DESCENT CONTROL (ADC) COIL” on
page 10.15.
See “ALL WHEEL DRIVE (AWD) COIL” on page 10.15.
ADC Differential Hydraulic Circuit Bleeding
1. Make sure vehicle is parked on flat ground and allowed to
sit at least 30 minutes prior to bleeding hydraulic circuit.
2. Thoroughly clean area around and on remote reservoir and
hydraulic bleeders.
3. Remove reservoir cap and diaphragm assembly.
4. Make sure hydraulic oil inside reservoir is free of debris.
If any debris is found, use clean rag or suction device to
remove from the reservoir.
NOTE: Debris in reservoir may block porting and
produce inadequate bleeding of the system.
Decreased performance may be encountered with
inadequate bleed of the hydraulic circuit.
5. Begin the bleeding process by filling reservoir to ‘MAX’
line with clean Polaris ADC oil . (AW ISO 10 hydraulic
fluid equivalent).
6. Locate bleeder valves found on either side of differential
and remove the protective caps.
7. Turn bleeder valves counter-clockwise to loosen. Loosen
bleeder screw slowly, allowing oil and any trapped air to
flow out of fitting.
IMPORTANT: Do not allow hydraulic fluid in reservoir
to drain below minimum fill line. Close bleeder valve
before oil level falls below minimum fill line. Refilling
empty reservoir will result in air pockets becoming
trapped.
NOTE: If empty reservoir is encountered, filling of
fluid is still possible. Verify air is not trapped before
proceeding with step 7.
8. Continue steps 6-8 on both sides in sequence until no air
bubbles are seen when bleeding occurs.
9. Re-torque both bleeder valves to specification and reinstall
cover caps.
10. Fill reservoir with to a level midway between ‘MAX’ and
‘MIN’ fill lines. Verify no debris is found in reservoir oil.
11. Replace reservoir cap securely and wipe clean any residue.
Disassembly / Inspection
NOTE: See “Gearcase Removal” on page 7.12.
1. Drain and properly dispose of used oil. Remove any metal
particles from the drain plug magnet.
2. Remove the piston pump assembly from the gearcase.
NOTE: Piston pump assembly is a non-serviceable
item and should not be diassembled. Replace as an
assembly if found to be damaged or non-working.
3. Remove bolts (arrows) retaining the outer cover plate
assembly.
= T
Bleeder Valve Torque:
80 in. lbs. (9 Nm)

7.24
FINAL DRIVE
4. Remove the outer cover plate assembly. Remove and
inspect the cover o-ring (1). Inspect thrust bearing (2) for
wear. Replace items as required.
NOTE: Thrust bearing (2) located between the two
output assemblies is pressed into the clutch pack
and is not removable.
5. Remove the output clutch assemblies. Inspect the bearings,
contact surfaces and splines of the output clutch for signs
of wear or damage. Visually inspect the clutch plate area.
If plates are steel-on-steel, or if the friction material is worn,
the assembly should be replaced.
NOTE: Excessive debris in the oil and/or noise
coming from the front drive on deceleration are key
indicators of clutch pack failure. Replace clutch as
an assembly if found to be worn or damaged.
NOTE: Locating pins / holes (circle) aid installation.
Note for reassembly.
6. Remove the armature plate. Inspect the armature plate for
wear, distortion or other damage. Replace component as
required.
7. Remove the spacer. Inspect for signs of wear or damage.
Replace component as required.
NOTE: locating pins (arrow) are for spacer
installation. Note for reassembly.
2
1

7.25
FINAL DRIVE
7
8. Remove the ring gear (1) and spacer (2).
9. Remove and inspect the bearing surfaces of the output hub.
10. Thoroughly clean all parts.
11. Inspect the rollers (1) for nicks, scratches and flat spots.
Inspect the roll cage (2) for damage or cracks. The rollers
must slide up and down freely within the roller cage
surfaces. Inspect the ring gear (3) for consistent wear
patterns. Surfaces should be free of nicks or burrs.
12. Inspect roll cage sliding surface (2). This surface must be
clean and free of nicks, burrs or scratches. Remove and
inspect the H-springs (4). Replace any components as
required.
13. Inspect the armature plate for a consistent wear pattern.
Uneven wear of the armature plate indicates a warped
plate, which may cause intermittent operation.
NOTE: See “Front Gearcase Diagnosis” on
page 7.19.
1
2
32
1
24

7.26
FINAL DRIVE
14. Inspect the magnetic coil (1) in the outer cover plate
assembly. Inspect the backlash pad (2) for excessive wear.
NOTE: See “FRONT GEARCASE DIAGNOSIS” in this
chapter.
NOTE: Ring gear backlash (2) is set at the factory.
No adjustment is required, unless the front cover is
replaced or the back lash pad screw is removed.
See the “FRONT GEARCASE ASSEMBLY” in this
chapter for details on backlash setting.
15. Remove the bolts retaining the input shaft cover and pinion
gear assembly.
16. Inspect the magnetic coil (1) and bushing in the input cover
plate assembly. Replace the input cover seal.
17. Remove the splined armature plate (1).
18. Remove the eccentric cam assembly. Inspect the cam (1)
and bushing (2) for wear or damage. Replace component
as required.
12
1
1
1
2

7.27
FINAL DRIVE
7
19. Remove the snap ring retaining the input shaft assembly.
20. Remove the input shaft assembly. Inspect the pinion gear
(1) for chipped, broken, or missing teeth. Inspect the input
shaft bearing (2) for signs of wear. Replace the input shaft
cover O-ring (3) prior to reassembly.
21. Inspect the input shaft bushing. Replace case if worn.
ADC Gearcase Piston Replacement
Procedure
1. Place ADC Piston Tool PA-48542 on top of the piston.
Using moderate hand pressure, hold the tool on top of the
piston while using compressed air at the gearcase passage
(circled) to force piston up and out of the case. (See photo)
2. Repeat procedure for the other piston. (See photo)
3. Remove and discard the inner and outer o-rings from the
piston assembly.
NOTE: Never re-use o-rings. Always replace with
new.
1
23
CAUTION
This repair procedure involves the
use of compressed air. Safety glasses
or a face shield are required.
AIR
ADC Piston Tool
PA-48542
PA-48542
AIR

7.28
FINAL DRIVE
4. Coat new piston and o-rings with a moderate amount of
white lithium grease or assembly lube. Coat the edges of the
piston cavities. Install the inner and outer piston o-rings.
5. Place the piston in the piston cavity, aligning the pins with
the pin bosses. Using the casting and piston marks as a
guide as shown will aid pin alignment.
6. Place ADC Piston Tool PA-48542 on top of the piston and
verify alignment of the sight hole (circled) and piston mark
with the casting marks. Support the case and press the
piston down evenly. The piston is fully seated and located
in the pin bosses when the piston surface is just below the
cavity edge.
7. Repeat procedure for the other gearcase half.
NOTE: Verify that the o-rings are seated properly
and that no o-ring shavings exist outside of the
piston area, which is an indication of damage during
installation.
Inner
Outer
Tool PA-48542

7.29
FINAL DRIVE
7
Assembly
1. Thoroughly clean the gearcase components before
beginning reassembly.
2. Install a new seal in the main gearcase halve.
3. Install the input shaft assembly. Install the pinion gear/
bearing assembly (1). Install a new seal and o-ring the
input shaft cover (2) prior to reassembly.
4. Install the snap ring retaining the input shaft assembly.
5. Install the eccentric cam assembly (1).
6. Install the splined armature plate (1).
7. Install the input shaft cover assembly, bolts and bracket.
Torque to specification.
12
= T
Input Cover Bolt Torque:
7-11 ft. lbs. (9.4-14.9 Nm)
1
1

7.30
FINAL DRIVE
8. Install a new seal (1) in the outer cover plate assembly.
Install a new o-ring on the backlash pad (2) stem .
NOTE: Ring gear backlash (2) is set at the factory.
No adjustment is required, unless the front cover is
replaced or the back lash pad screw is removed.
9. Install the roll cage and rollers into the ring gear. Insert the
rollers as the roll cage is installed.
10. Install the clutch pack (1), spacer (2) and ring gear (3).
NOTE: Align locating pins / holes for installation.
11. Install the spacer.
NOTE: Align locating pins / holes for installation
(arrow).
12. Install the armature plate. Verify the armature plate tabs
align with tab recesses in the roll cage.
12
3
2
1

7.31
FINAL DRIVE
7
13. Install new cover o-ring (1) on the cover plate assembly
and a new passage o-ring (2) on the gear case.
14. Install the remaining output clutch assembly.
NOTE: Align locating pins / holes for installation.
15. Place cover assembly on Install bolts (arrows) retaining the
outer cover plate assembly and torque to specification.
16. Install a new passage o-ring (dotted circle) on the gearcase
and install the piston pump assembly. Torque the screws to
specification.
NOTE: See “Gearcase Installation” on page 7.20.
1
2
= T
Input Cover Bolt Torque:
7-11 ft. lbs. (9.4-14.9 Nm)
= T
Pump Assembly Screw Torque:
17-23 in. lbs. (1.9-2.5 Nm)

7.32
FINAL DRIVE
REAR HUB
Removal
1. Place the ATV in Park and lock the parking brake.
Remove rear hub cap.
2. Remove cotter pin (A).
3. Loosen the hub retaining nut (B).
4. Loosen the wheel nuts (C).
5. Safely support the rear of the ATV.
6. Remove wheel nuts and wheel.
7. Remove the rear brake caliper and safely suspend the
caliper from the frame with a piece of wire.
8. Remove hub nut, domed washer and flat washer.
9. Remove hub.
10. Remove upper control arm bolt as shown.
A
BC

7.33
FINAL DRIVE
7
11. Remove both lower control arm bolts.
12. Remove bearing carrier.
Disassembly
1. Remove outer snap ring.
2. From the back side, tap on the outer bearing race with a drift
punch in the reliefs as shown or press out using a hydraulic
press.
NOTE: Drive bearing out evenly by tapping on outer
race only. Once bearing is at bottom of casting,
support casting on outer edges so bearing can be
removed.
3. Inspect bearing.
NOTE: Due to extremely close tolerances and
minimal wear, the bearings must be inspected
visually, and by feel. While rotating bearings by
hand, inspect for rough spots, discoloration, or
corrosion. The bearings should turn smoothly and
quietly, with no detectable up and down movement
and minimal movement sideways between inner and
outer race.
4. Inspect bearing housing for wear or damage. Replace
housing if damaged.

7.34
FINAL DRIVE
Assembly
1. Support bottom of bearing carrier housing.
2. Start bearing in housing.
3. Press bearing into place until outer race bottoms on
housing.
4. Install snap ring into groove.
Installation
1. Insert bearing carrier on drive shaft.
2. Align bottom of carrier housing and lower control arm.
Grease and slide lower control arm bushings into place,
securing corner housing.
3. Install and torque both lower control arm bolts.
CAUTION
Use an arbor press only on the outer race
to avoid bearing damage.
= T
Upper Control Arm Bolt Torque:
35 ft. lbs. (48 Nm)

7.35
FINAL DRIVE
7
4. Lift bearing carrier until top aligns with upper control arm.
Install and torque upper control arm bolt and torque to
specification.
5. Pull drive shaft outward and install hub onto driveshaft
splines.
6. Install cone washers with domed side facing outward.
7. Install retainer nut, wheel and wheel nuts.
8. Remove jackstand and torque axle nut and wheel nuts to
specification.
9. Install a new cotter pin. Tighten nut slightly to align holes
if required.
REAR DRIVE (CV) SHAFT
Removal
1. Remove rear hub, see “REAR HUB REMOVAL”.
2. Remove upper carrier bolt. Tip hub outward and remove
shaft from carrier.
3. Pull sharply outward to remove shaft from transmission.
Install a new lock ring upon assembly.
= T
Lower Control Arm Bolt Torque:
50 ft. lbs. (68 Nm)
= T
Wheel Nut Torque:
See “Torque Table” on page 7.2.
= T
Hub Nut Torque:
80 ft. lbs. (109 Nm)
Pull outward sharply to remove
from transmission
Lock Ring

7.36
FINAL DRIVE
Service
1. Remove clamps from rubber boot(s) using the CV Boot
Clamp Pliers (PN 8700226) (A).
2. Photo below is shown without shaft for clarity.
Wipe grease away from recess in CV joint inner
hub to locate snap ring
3. Open the snap ring using a snap ring pliers or small needle
nose pliers. Tap CV housing off shaft with a soft faced
hammer while holding snap ring open.
4. Place a new snap ring in the groove of the CV joint inner
hub, with tabs facing the shaft as shown.
A
Snap Ring
Snap Ring Located in recessed area
Tap CV housing off
shaft
Spread ends of snap ring to
remove joint from shaft
Tabs face shaft

7.37
FINAL DRIVE
7
5. Refit CV joint on interconnecting shaft by tapping with a
plastic hammer on the joint housing. Take care not to
damage threads on the outboard CV joint. The joint is fully
assembled when the snap ring is located in the groove on
the interconnecting shaft.
6. Install and tighten large boot clamp with boot clamp pliers.
7. Remove excess grease from the CV joint's external surfaces
and position joint boot over housing, making sure boot is
seated in groove. Position clamp over boot end and make
sure clamp tabs are located in slots. NOTE: Before
tightening boot clamp on inboard joint, make sure any air
pressure which may have built up in joint boot has been
released. The air should be released after the plunging joint
has been centered properly. Tighten boot clamp using boot
clamp pliers.
CV Boot Replacement
1. Remove CV joint from end of shaft.
2. Remove boot from shaft.
NOTE: When replacing a damaged boot, check the
grease for contamination by rubbing it between two
fingers. A gritty feeling indicates contamination. If
the grease is not contaminated, the boot can be
replaced without cleaning the CV joint. Use the
recommended amount of grease for boot
replacement only (see below). Proceed to Boot
Installation.
3. Thoroughly clean and dry the CV joint and inspect ball
tracks and cages for wear, cracks or other damage.
NOTE: Shiny areas in ball tracks and on the cage
spheres are normal. Do not replace CV joints
because parts have polished surfaces. Replace CV
joint only if components are cracked, broken, worn
or otherwise unserviceable.
4. Add the recommended amount of grease for CV joint
cleaning to the joint as shown below. Be sure grease
penetrates all parts of the joint.
5. Refit CV joint on interconnecting shaft by tapping with a
plastic hammer on the joint housing. Take care not to
damage threads on the outboard CV joint. The joint is fully
assembled when the snap ring is located in the groove on
the interconnecting shaft.
6. Add grease through large end of boot.
7. Install a new boot onto the axle shaft and fill the CV joint
and boot with the correct type and amount of grease.
Tap joint onto shaft
Open snap ring and pull CV
joint away from shaft

7.38
FINAL DRIVE
8. While pulling out on the CV shaft, fully extend the CV joint
and slide a straight O-ring pick or a small slotted screw
driver between the small end of the boot and the shaft. This
will allow the air pressure to equalize in the CV boot in the
position that the joint will spend most of its life. Before you
remove your instrument, be sure the small end of the boot
is in its correct location on the axle.
9. Install the small clamp on the boot.
10. Be sure to use only the Constant Velocity Joint grease
supplied with boot service kit. IF CV JOINT WAS
CLEANED, add the recommended amount of grease to the
joint in addition to the grease pack supplied with boot kit.
NOTE: CV Joint Grease Capacity:
Outboard Joint - 30g if boot is replaced only. Another 50g (80
total) if joint is cleaned.
Inboard Joint - 50g if boot is replaced only. Another 50g (100
total) if joint is cleaned.
INSTALLATION
1. Slide shaft assembly into bearing carrier hub.
2. Apply anti-seize compound to splines of shaft.
3. Install a new lock ring and install the shaft.
4. Lift bearing carrier into place and install bolt to upper
control arm. Torque bolt to specification.
5. Install hub, flat washer, domed washer (domed side out)
and nut. Torque center hub nut to specification. Install new
cotter pin and hub cap.
CV Joint Grease:
30g PN 1350046 50g PN 1350047
Joint Capacity -
50 grams
Boot Capacity -
30 Grams
Outboard - 80g Total
Joint Capacity - 50
grams
Boot Capacity - 50
grams
Inboard - 100g Total
= T
Upper Hub Carrier Bolt Torque:
35 ft. lbs. (48 Nm)
= T
Hub Nut Torque:
80 ft. lbs. (109 Nm)

7.39
FINAL DRIVE
7
6. Install rear wheel and torque wheel nuts to specification.
7. Grease all fittings thoroughly with Premium U-Joint
Lubricant (PN 2871551).
Drive Shaft and CV Joint Handling Tips
Care should be exercised during driveshaft removal or when
servicing CV joints. Driveshaft components are precision parts.
Cleanliness and following these instructions is very important to
ensure proper shaft function and a normal service life.
• The complete driveshaft and joint should be handled by
getting hold of the interconnecting shaft to avoid
disassembly or potential damage to the driveshaft
joints.
• Over-angling of joints beyond their capacity could
result in boot or joint damage.
• Make sure surface-ground areas and splines of shaft are
protected during handling to avoid damage.
• Do not allow boots to come into contact with sharp
edges or hot engine and exhaust components.
• The driveshaft is not to be used as a lever arm to
position other suspension components.
• Never use a hammer or sharp tools to remove or to
install boot clamps.
• Be sure joints are thoroughly clean and that the proper
amount and type of grease is used to refill when joint
boots are replaced and when joints are cleaned. Refer
to text for grease capacity of CV joints and CV joint
boots.
REAR GEARCASE
Removal
1. Place ATV on a level surface and place transmission in
‘PARK’.
2. Loosen both rear wheel nuts.
3. Loosen both rear center hub nuts.
4. Lift and safely support rear of ATV so that the rear wheels
are off the ground.
5. Remove the roll pin from the rear transmission yoke and
pull vent line off the gearcase.
6. Remove both rear wheels and center hub nuts.
NOTE: Hub removal is not required to remove CV
shafts.
7. Remove both upper hub carrier bolts. Tilt hubs outward and
remove both CV shafts.
8. Remove the upper and lower bolts from the gearcase
mounts.
9. Pull gearcase out the rear of the vehicle. Some prying and
tapping with a soft-face hammer may be required. Use care
not to damage other components.
Disassembly and Inspection
1. Drain and properly dispose of used oil.
2. Remove the gearcase housing cover bolts and the gearcase
housing cover.
Refer to Page 7.2 for Wheel Nut Torque.
80 ft.lbs. (109 Nm)

7.40
FINAL DRIVE
3. Remove the shim, thrust button, and thrust button shim
from the gearcase.
4. Remove rear bevel gear from the gearcase housing. cover.
5. Inspect the ring gear for abnormal wear, broken, or chipped
teeth. Spin the bearing to check the ball bearings for
smoothness. Replace the bearing if needed.
6. Remove the input shaft cover and the pinion shaft from the
gearcase housing. See next page.
7. Inspect the ring gear for abnormal wear, broken, or chipped
teeth. Spin the bearing to check the ball bearings for
smoothness. Replace the bearing if needed.
Thrust Button
Shims

7.41
FINAL DRIVE
7
Reassembly
1. Inspect the pinion shaft bushing for wear.
2. Replace all O-rings, seals, and worn components.
3. Install the pinion shaft into the gearcase housing. Install the
pinion shaft cover and torque the cover bolts to
specification.
4. Install the original shim(s), thrust button, and thrust button
shims into the gearcase cover.
5. Apply Crankcase Sealant (PN 2871557) to surface of case
and install cover bolts. Install the gearcase cover onto the
gearcase housing. Torque the cover bolts in a criss-cross
pattern to specification.
= T
Input Cover Bolt Torque:
25 ft.lbs. (34 Nm)
= T
Cover Bolt Torque:
25 ft.lbs. (34 Nm)

7.42
FINAL DRIVE
6. Install the drain plug and fill plug. Replace the drain plug
washers to ensure proper sealing after filling.
Installation
1. To install the rear gearcase, reverse the removal
procedures.
2. Pre-install the propshaft onto the transmission and insert
the roll pin. While installing the gearcase, align the
propshaft and gearcase input shaft for easier propshaft
installation. Use of anti-seize compound on the shaft
splines is recommended.
3. Torque the gearcase mounting bolts to specification.
4. Re-install CV shafts, hubs, carrier bolts, etc. and torque to
specifications.
5. Re-install gearcase vent line.
6. Refill the rear gearcase with Polaris Premium Gearcase
Lubricant (PN 2871653). Refer to the “REAR
GEARCASE LUBRICATION” procedure in Chapter 2.
= T
Drain / Fill Plug Torque:
14-18 ft.lbs. (19-24 Nm)
= T
Gearcase Mounting Bolts
30 ft.lbs. (41 Nm)
Fill Plug
Drain Plug
= T
Lower Control Arm Bolt Torque:
50 ft. lbs. (68 Nm)
= T
Upper Control Arm Bolt Torque:
35 ft. lbs. (48 Nm)
= T
Hub Nut Torque:
80 ft. lbs. (109 Nm)
= T
Wheel Nut Torque:
See “Torque Table” on page 7.2.

7.43
FINAL DRIVE
7
Rear Gearcase Exploded View

NOTES
FINAL DRIVE
7.44

TRANSMISSION
8.1
CHAPTER 8
TRANSMISSION
8
SPORTSMAN. . . . . . . . . . . . . . . . . . . . . . . . . . . . . . . . . . . . . . . . . . . . . . . . 8.3-8.18
SPORTSMAN X2 . . . . . . . . . . . . . . . . . . . . . . . . . . . . . . . . . . . . . . . . . . . . 8.19-8.38

NOTES
TRANSMISSION
8.2

SPORTSMAN TRANSMISSION
8.3
CHAPTER 8
SPORTSMAN TRANSMISSION
8
TRANSMISSION EXPLODED VIEW. . . . . . . . . . . . . . . . . . . . . . . . . . . . . . . . . . . . . . . . . 8.4
SPORTSMAN 700/800 EFI TRANSMISSION . . . . . . . . . . . . . . . . . . . . . . . . . . . . . . . . . 8.4
SPECIFICIATONS. . . . . . . . . . . . . . . . . . . . . . . . . . . . . . . . . . . . . . . . . . . . . . . . . . . . . . . 8.6
TORQUE SPECIFICATIONS . . . . . . . . . . . . . . . . . . . . . . . . . . . . . . . . . . . . . . . . . . . . . . 8.6
LUBRICANT / CAPACITY. . . . . . . . . . . . . . . . . . . . . . . . . . . . . . . . . . . . . . . . . . . . . . . . . 8.6
TRANSMISSION SERVICE. . . . . . . . . . . . . . . . . . . . . . . . . . . . . . . . . . . . . . . . . . . . . . . . 8.6
TRANSMISSION REMOVAL . . . . . . . . . . . . . . . . . . . . . . . . . . . . . . . . . . . . . . . . . . . . . . 8.6
DISASSEMBLY. . . . . . . . . . . . . . . . . . . . . . . . . . . . . . . . . . . . . . . . . . . . . . . . . . . . . . . . . 8.7
ASSEMBLY . . . . . . . . . . . . . . . . . . . . . . . . . . . . . . . . . . . . . . . . . . . . . . . . . . . . . . . . . . 8.12
TRANSMISSION INSTALLATION . . . . . . . . . . . . . . . . . . . . . . . . . . . . . . . . . . . . . . . . . 8.18
TROUBLESHOOTING . . . . . . . . . . . . . . . . . . . . . . . . . . . . . . . . . . . . . . . . . . . . . . . . . . 8.18

8.4
SPORTSMAN TRANSMISSION
TRANSMISSION EXPLODED VIEW
Sportsman Transmission

8.5
SPORTSMAN TRANSMISSION
8
Transmission Exploded View Table
REF.QTY DESCRIPTION REF.QTY.DESCRIPTION
1 1 Nylon Lock Nut 35 1 Output Front Cover
2 1 Shift Drum Bell Crank 36 15 Hex Screw
3 8 Hex Screw 37 1 Gear Set, Lapped Bevel, 10T/31T
4 1 Sector Cover 38 1 Ball Bearing, includes 56, 61, 67
5 1 O-ring 39 1 Spacer
6 1 Detent Pawl 40 1 Retaining Ring
7 1 Compression Spring 41 1 Center Drive Bearing Cover
8 1 Shift Shaft 42 4 Torx Screws
9 1 31T Sector Gear 43 1 56T Helical Gear
10 2 Hollow Hex Plug 44 4 Ball Bearing
11 2 Triple Lip Seal 45 1 12 Face Park Plate
12 1 Main Gearcase 46 1 6 Face Park Engagement Dog
13 1 Vent Tube 47 2 Wave Spring
14 1 O-ring 48 3 6 Face Engagement Dog
15 1 Shift Drum 49 2 Retaining Ring
16 1 Retaining Ring 50 2 Washer
17 1 6 Pin Rotary Switch 51 1 33T- 6 Face Gear
18 1 O-ring 52 3 Needle Split Cage Bearing
19 1 Detent Star 53 1 Reverse Shaft
20 1 Lockout Disc 54 1 24T, 6 Face
21 1 16T Sector Gear 55 1 Washer
22 2 Hex Nut 56 1 28T, 6 Face Gear, Includes 38, 61, 67
23 4 Dowel Pin 57 1 51T Mid Output Helical Gear
24 1 Plain Bearing 58 2 Shift Fork
25 4 Ball Bearings 59 1 Shift Shaft Rail
26 1 22T/18T Sprocket 60 1 Silent Chain
27 1 22T/22T Spline Sprocket 61 1 Input Shaft Sub- Assy, Includes 38, 56, 67
28 1 Silent Chain 62 1 LH Main Cover
29 1 Thrust Washer 63 1 Dual Lip Seal
30 1 Vent Plug 64 1 Transmission Mount Bracket
31 1 Front Main Output Shaft 65 2 Hex Screw
32 1 Shim, 2.0 x 1.5 66 1 Oil Fill Check Label
33 1 Thrust Button 67 1 Transmission Label
34 1 Shim, .450 x .265

8.6
SPORTSMAN TRANSMISSION
SPECIFICIATONS
Torque Specifications
NOTE: TRANSMISSION ILLUSTRATIONS DEPICTED
WITH PARK LOCK. PARK LOCK IS REMOVED FOR
2007.
Lubricant / Capacity
Use only Polaris recommended products if possible.
TRANSMISSION SERVICE
Transmission Removal
1. Disconnect linkage rod from gear selector handle.
2. Remove two bolts attaching gear selector mount to machine
frame.
3. Lift gear selector out of mounting bracket and away from
frame.
NOTE: TRANSMISSION ILLUSTRATIONS DEPICTED
WITH PARK LOCK. PARK LOCK IS REMOVED FOR
2007.
4. Remove seat, rear rack, rear cab, air box, exhaust system,
and right footwell (as required for access).
5. Disconnect transmission vent line.
6. Drain transmission lubricant.
7. Disconnect shift linkage rod end from transmission
bellcrank.
8. Disconnect gear position switch harness.
9. Remove auxiliary brake mounting bracket from frame and
secure out of way for transmission removal.
10. Remove PVT outer cover, both drive and driven clutch, and
inner PVT cover (refer to Clutch Chapter 6).
Table 8-1: Torque Specifications
COMPONENT FT.LBS.
(IN.LBS.) NM
Transmission Case Bolts 27-34 37-46
Oil Deflector Screws (16-30) 2-3.3
Shift Cover Bolt 6-12 8-16
Bell Crank Nut 12-18 16-24
Trans. Drain/Fill Plug 14 19
Trans. Mounting Bolts 25 34.5
Snorkel Lock Screw 8-12 11-16
=
Specified Lubricant:
Polaris AGL Gearcase Lubricant
(Gallon - PN 2873603) (12 oz. - PN 2873602)
Capacity: 15 oz. (450 ml)
= T
Fill Plug Torque: 14 ft.lbs. (19 Nm)
Drain Plug Torque: 14 ft.lbs. (19 Nm)
Transmission
Switch
Linkage Rod

8.7
SPORTSMAN TRANSMISSION
8
11. Use the Roll Pin Removal Tool (PN 2872608) to remove
the roll pins from the front prop shaft and the rear prop shaft.
Remove the front propshaft.
12. To remove the rear propshaft, loosen or remove the bolts
that secure the rear gearcase. Move the rear gearcase back
just enough to slide the rear propshaft from the transmission
shaft.
13. Remove left side transmission bracket, rear bracket, and
lower right bracket bolt.
14. Remove front transmission-to-engine mount bolts. See
illustration.
15. Remove transmission from right side of frame.
Disassembly
1. Place the bellcrank in neutral position.
2. Remove the nut, and washer that secure the bell crank.
Remove the bellcrank.
3. Remove the e-clip and then remove the transmission switch
(A).
Remove Roll Pin
Remove or loosen Rear
Gearcase Bolts
Shift Shaft
Cover
Bellcrank Detent Pawl Case
A

8.8
SPORTSMAN TRANSMISSION
4. Remove the five bolts that secure the cover. Remove the
detent spring (B).
5. Mark the detent gear (C) with a white pen. Remove the
detent gear from the case.
NOTE: It may be helpful to place a mark just above
the keyed spline. Note the raised edge on the detent
gear for reassembly.
6. Mark the shift lockout disc, this will indicate which side of
the disc faces outward during assembly. Remove the shift
lockout disc.
NOTE: It may be helpful to place a mark just above
the keyed spline. Note the raised edge on the detent
gear for reassembly.
7. Remove the shift shaft and detent lever.
8. Note the timing marks on the shift gears. Remove the shift
gears from the case.
NOTE: You may have to tap the shift drum from the
backside of the case to aid in removal.
B
C

8.9
SPORTSMAN TRANSMISSION
8
9. Remove the upper gear cluster and shift forks. You may
need to move the assembly back and forth to aid in removal.
10. Set the upper gear cluster on a flat surface and inspect the
components.
11. Remove the shift forks from the assembly. Note the correct
position of each fork.
12. Remove the bearing from the reverse shaft using a puller.
13. Remove the park lock engagement dog. Remove the wave
spring and reverse engagement dog.
14. Remove the bearing from the input shaft with a puller.
Engagement Dogs

8.10
SPORTSMAN TRANSMISSION
15. Remove the snap ring and washer from the reverse shaft.
16. Remove low gear (33T) and the needle bearing.
17. Remove the reverse gear shaft.
18. Remove the rest of the bearings from the shafts.
19. Use a press to remove the gear from the shaft.
20. Make note of the direction of the gear and hub location.
21. Remove the gear, split bearing, and washer from the reverse
shaft.

8.11
SPORTSMAN TRANSMISSION
8
22. Slide off the shift dogs and wave springs.
23. Remove the snap ring, washer, gear, and split bearing.
24. Remove bearing and the helical gear.
25. Remove the pinion shaft retainer plate and the pinion shaft.
26. Remove the front housing cover screws.
27. Remove the front housing cover, shim, thrust button, and
thrust button shim.

8.12
SPORTSMAN TRANSMISSION
28. Remove the shafts as an assembly.
29. Remove the silent chain from the assembly for shaft
inspection.
30. Clean all components in a parts washer and inspect for
wear.
31. Inspect engagement dogs of gears and replace if edges are
rounded.
32. Inspect gear teeth for wear, cracks, chips or broken teeth.
Note the location of the hubs on the gear.
33. Remove seals from transmission case.
IMPORTANT: New seals should be installed after the
transmission is completely assembled.
34. Inspect bearings for smooth operation. Check for excessive
play between inner and outer race.
Assembly
1. Reinstall the chain onto the front output shaft and rear
output shaft.
2. Install front and rear output shafts into the case.
3. Before installing the cover make sure the sealing surfaces
are clean and dry, and shafts are fully seated in the
transmission case. Apply Crankcase Sealant (PN 2871557)
to the mating surfaces.
Note location of hubs
Apply Crankcase Sealant to mating surfaces.

8.13
SPORTSMAN TRANSMISSION
8
4. Reinstall the thrust button shim, thrust button, and other
shims into the cover. Reinstall cover and torque bolts in a
criss-cross pattern in 3 steps to specification.
NOTE: Verify case locating pins (knock pipes) are in
place.
5. Install new front and rear output shaft seals. Apply grease
to the seal lips. Cover the splines of the shaft to protect the
seal lips during installation.
6. Install pinion shaft with bearing.
7. Install retainer plate with flat side toward bearing.
8. Apply Loctite 262 (Red) (PN 2871951) to screw threads
and torque screws to specification.
9. Install the a new needle bearing, the 24T reverse sprocket,
washer, and a new snap ring. Install the shift dogs and wave
spring. Install the washer, a new needle bearing and the
high gear. Install the press fit gear and ball bearing.
NOTE: Install a new snap ring at this time. When
installing the new snap ring, open the the snap ring
just far enough to go over the shaft, to avoid
stressing the snap ring. If the snap ring is over-
stressed, it could come off the shaft and cause
internal damage to the transmission.
= T
Cover Bolt Torque:
27-34 ft.lbs. (36.5-46 Nm)
Torque in Sequence
= T
Pinion Retainer Plate Bolt Torque:
6-12 ft.lbs. (8-16 Nm)

8.14
SPORTSMAN TRANSMISSION
10. Slide the reverse shaft assembly through the silent chain.
11. Install a new needle bearing, the low gear, the thrustwasher
and the snap ring. A new snap ring is recommended.
12. Install the engagement dogs, wave springs, and bearing.
13. Install the ball bearing onto the end of the input shaft.
14. As the engagement dogs are installed onto the shaft, place
the wave springs into the spring groove. Keep the spring
in place while the fork is being installed on the shaft and
while placing the shafts into the case.
NOTE: Use caution when installing the fork, as the
spring can easily fall out.
NOTE: Installing the shift rail will aid in keeping the
shift forks, shift dogs, and the springs in place.
15. Carefully install the shaft assembly and gear cluster as a
unit into their respective bearing case recesses. Tap with a
soft face hammer to seat shaft assemblies.

8.15
SPORTSMAN TRANSMISSION
8
16. Position the shift forks up and so the the pins point toward
the 9 o'clock position, before installing the shift drum
assembly.
17. Replace and grease the O-rings on the shift drum before
installation.
18. Install the shift drum into the case.
NOTE: Make sure shift shaft pins are properly
positioned in the slot on selector arms.
19. Lift the shift rail slightly and rotate the rail/fork assembly
so it meshes with the tracks on the shiftdrum. Be sure the
wave springs are properly in place and that the shift rail is
seated into the pocket on the backside of the case.
20. Install the helical gear and bearing onto the pinion shaft.
21. Clean the mating surfaces of the case and cover. Apply
Crankcase Sealant (PN 2871557) to the mating surfaces.
Be sure the locating pins (knock pipes) are in place.
Reinstall cover, LH mounting bracket and torque bolts in a
criss-cross pattern in 3 steps to specification.
22. Grease the seal lips of the input shaft seal. Apply
electricians tape or somehow cover the splines of the shaft
to protect the seal lips during installation. Install new input
shaft seal.
23. Install drain plug with a new sealing washer. Torque drain
plug to specification.
= T
Cover Bolt Torque:
27-34 ft.lbs. (36.5-46 Nm)

8.16
SPORTSMAN TRANSMISSION
24. Place a small amount of grease (PN 2871551) into the
pocket before installing the sector gear. Install the shift gear
(16T) on the shift drum shaft. Install the sector gear in the
bushing pocket on the left side. Aligning the timing marks
on the gears.
NOTE: Note the location of the skip tooth on the
splines. Apply a light coating of grease on the gear
teeth.
25. Install the shift shaft and the detent star. Note the keyed
spline on the end of the shaft.
26. Install the detent pawl and spring. Install a new o-ring onto
the shift shaft after the detent pawl is assembled to the shaft.
Place a small amount of grease on the small o-ring on the
shift shaft and on the detent star. Grease the o-ring on the
end of the shift drum.
27. Apply Crankcase Sealant (PN 2871557) onto the cover and
case mating surfaces. Install the cover and hand tighten all
of the bolts.
28. Tighten bottom left corner bolt first. This helps to align the
cover and shafts to ensure smoother and precise shifting.
Torque the bolt to specification.
29. Torque the remaining bolts to specification.
= T
Cover Bolt Torque:
6-12 ft.lbs. (12-16 Nm)
Install Cover Bolts
Tighten First

8.17
SPORTSMAN TRANSMISSION
8
30. Install a new bellcrank onto the shift shaft. Note the keyed
spline on the bellcrank and shaft. Install the washer and nut.
Torque the bellcrank nut to specification.
31. Install the shift switch. Install the retaining clip. Hook up
the switch harness and reconnect the lockout plunger
spring.
NOTE: Rotate the bellcrank to line the flat side of the
switch up to the flat side of the shaft.
32. Install transmission and add Polaris AGL Gearcase
Lubricant (PN 2873602) in the recommended amount.
Refer to Maintenance Chapter 2 for more information.
Transmission Installation
1. Install transmission from right side of vehicle.
2. Align output shafts to propshaft yokes and roll pin holes.
3. Slide output shafts into propshaft yokes and insert roll pins.
4. Position transmission in frame.
5. Loosely install left side and rear mounting brackets.
6. Loosely install lower right bracket bolt.
7. Loosely install front mounting bolts.
8. Install PVT back cover, bolts and driven clutch and torque
to specfication.
IMPORTANT: Align clutches as outlined in Chapter 6
9. Tighten mounting fasteners in order A-F as shown.
10. Tighten rear gearcase fasteners to specification.
11. Install shift switch and shift rod.
12. Install remaining body panels and fasteners as required.
= T
Torque Bellcrank Nut:
12-18 ft.lbs. (16-24 Nm)
= T
Transmission Mounting Bolt Torque:
25 ft.lbs. (34.5 Nm)
A
B
CD
E
Tighten Bolts in Sequence

8.18
SPORTSMAN TRANSMISSION
Troubleshooting
Check the following items when shifting difficulty is
encountered.
• Idle speed adjustment
• PVT alignment
• Transmission oil type/quality
• Transmission torque stop adjustment (where applicable)
• Engine torque stop adjustment (where applicable)
• Drive belt deflection
• Loose fasteners on rod ends
• Loose fasteners on selector box
• Worn rod ends, clevis pins, or pivot arm bushings
• Linkage rod adjustment and rod end positioning
• Shift selector rail travel
• *Worn, broken or damaged internal transmission
components
NOTE: To determine if shifting difficulty or problem
is caused by an internal transmission problem,
isolate the transmission by disconnecting linkage
rod from transmission bellcrank. Manually select
each gear range at the transmission bellcrank, and
test ride vehicle. If it functions properly, the problem
is outside the transmission. If transmission problem
remains, disassemble transmission and inspect all
gear dogs for wear (rounding), damage. Inspect all
bearings, circlips, thrust washers and shafts for
wear.

Sportsman X2 Transmission
8.19
CHAPTER 8
Sportsman X2 Transmission
8
TRANSMISSION EXPLODED VIEWS . . . . . . . . . . . . . . . . . . . . . . . . . . . . . . . . . . . . . . 8.20
MOUNTING EXPLODED VIEW . . . . . . . . . . . . . . . . . . . . . . . . . . . . . . . . . . . . . . . . . . . 8.20
EXPLODED VIEW . . . . . . . . . . . . . . . . . . . . . . . . . . . . . . . . . . . . . . . . . . . . . . . . . . . . . 8.21
SPECIFICATIONS. . . . . . . . . . . . . . . . . . . . . . . . . . . . . . . . . . . . . . . . . . . . . . . . . . . . . . 8.22
TORQUE SPECIFICATIONS . . . . . . . . . . . . . . . . . . . . . . . . . . . . . . . . . . . . . . . . . . . . . 8.22
SPECIAL TOOLS . . . . . . . . . . . . . . . . . . . . . . . . . . . . . . . . . . . . . . . . . . . . . . . . . . . . . . 8.22
LUBRICATION . . . . . . . . . . . . . . . . . . . . . . . . . . . . . . . . . . . . . . . . . . . . . . . . . . . . . . . . 8.22
TRANSMISSION SERVICE. . . . . . . . . . . . . . . . . . . . . . . . . . . . . . . . . . . . . . . . . . . . . . . 8.22
GEAR SELECTOR REMOVAL. . . . . . . . . . . . . . . . . . . . . . . . . . . . . . . . . . . . . . . . . . . . 8.22
TRANSMISSION REMOVAL . . . . . . . . . . . . . . . . . . . . . . . . . . . . . . . . . . . . . . . . . . . . . 8.22
TRANSMISSION INSTALLATION . . . . . . . . . . . . . . . . . . . . . . . . . . . . . . . . . . . . . . . . . 8.24
TROUBLESHOOTING CHECKLIST. . . . . . . . . . . . . . . . . . . . . . . . . . . . . . . . . . . . . . . . 8.26
TRANSMISSION DISASSEMBLY . . . . . . . . . . . . . . . . . . . . . . . . . . . . . . . . . . . . . . . . . 8.26
TRANSMISSION ASSEMBLY . . . . . . . . . . . . . . . . . . . . . . . . . . . . . . . . . . . . . . . . . . . . 8.31
TRANSMISSION FRONT OUTPUT SHAFT BACKLASH PROCEDURE . . . . . . . . . . . 8.32

8.20
Sportsman X2 Transmission
TRANSMISSION EXPLODED VIEWS
X2 Transmission Exploded View
262
242
= THREAD LOCKING AGENT FOR ALL ‘FT. LBS.’ FASTENERS
= THREAD LOCKING AGENT FOR ‘INCH LBS. ‘ FASTENERS

8.21
Sportsman X2 Transmission
8
242
262
262
262
262
262

8.22
Sportsman X2 Transmission
X2 Mounting Exploded View
x2
x3
x4
x4
x2
x1
x1
x1

8.23
Sportsman X2 Transmission
8
SPECIFICATIONS
Torque Specifications
Special Tools
Lubrication
Refer to Chapter 2 for transmission lubricant service.
TRANSMISSION SERVICE
Gear Selector Removal
1. Disconnect linkage rod from gear selector handle.
2. Remove two bolts attaching gear selector mount to machine
frame.
3. Lift gear selector out of mounting bracket and away from
frame.
Transmission Removal
1. Place vehicle in “park”. Raise and securely support rear of
ATV at the frame. Remove both rear wheels.
2. Drain transmission lubricant (if required).
3. Remove seat, both side panels, both rear cab quarter panels
and both footwells. See Chapter 5.
4. Disconnect the differential, speed sensor and gear selection
switch connectors from the transmission.
5. Disconnect transmission vent line (A).
6. Disconnect shift linkage rod end (B) from transmission
bellcrank (C).
7. Remove PVT outer cover, drive and driven clutches, and
the inner PVT cover. (refer to Chapter 6).
COMPONENT FT. LBS.
(IN.LBS.) NM
Transmission Case Bolts 25-30 36-43
Bell Crank Nut 12-18 17-26
Transmission Fill/Drain Plug 20-25 29-36
Trans. Mounting Bolts 40 57
Gear Sector Cover 8-12 11-17
Oil Deflector Screws (20-30) 2-3.6
Snorkel Torx Screw 8-12 11-17
Bearing Cover 8-12 11-17
Carrier Cover 23-27 33-39
Shift Fort Retainer Screws 8-12 11-17
Park Plate 8-12 11-17
Differential Solenoid 23-27 33-39
Speed Sensor 8-12 11-17
PART NUMBER TOOL
DESCRIPTION
2871695 (Part of 2871702 Kit) Backlash Setting Tool
2871698 (Part of 2871702 Kit) Rear Output Seal
Driver
2871699 (Part of 2871702 Kit) Rear Driveshaft Seal
Guide
2871282 Bearing Seal Driver
(50 mm)
=
Specified Lubricant
Polaris AGL Fluid
Gearcase Capacity
Approx. 32 oz. (948ml)
A
C
B

8.24
Sportsman X2 Transmission
8. Remove both rear drive shafts. Brake caliper removal is
required. Do not let calipers hang by the brake line. (See
Chapters 7 and 9)
9. Remove both upper shock absorber mounting bolts and
swing shocks away from the transmission.
10. Remove the torsion bar mountings from the control arms.
11. Remove all fasteners (X) attaching the torsion mount, and
completely remove the mount (Z) from the ATV.
12. Remove both upper control arms (I). Refer to Chapter 7 for
more details.
13. Remove all lower transmission mounting fasteners (J) from
each side.
14. Remove the middle transmission support bracket (K)
completely from the ATV.
15. Remove the rear transmission support brackets (L)
completely from the ATV.
16. Lift and remove transmission out right side of frame while
pulling the output shaft from the propshaft yoke.
X
X
X
X
Z
H
I
J
J
J
K
L

8.25
Sportsman X2 Transmission
8
Transmission Installation
1. Apply Polaris Premium All Season Grease (PN 2871423)
to splines of front output shaft ,install new O–ring in prop
shaft.
2. With the help of an assistant, rotate transmission into place
from the right side of the frame, aligning the forward
transmission bracket into the rear engine mounting holes
while ensuring that the output shaft and propshaft align and
slide together.
3. Loosely install lower transmission mounting fasteners and
forward engine mounting nuts.
4. Install the rear support bracket, middle support bracket and
torsion bar support bracket. Torque all lower bracket bolts
to specification. Torque all upper rear and middle support
bracket bolts (circled) to specification.
5. Install the upper control arms. Refer to Chapter 5 for
procedures and torque specifications.
6. Reconnect the torsion bar to both lower control arms.
Torque to specification.
7. Install both upper shock absorber mounts and torque to
specification.
8. Apply anti-seize to splines of rear drive shafts and insert
drive shafts into carriers and transmission. Install rear
carriers and hubs.
Torque lower carrier bolts to specification. Torque all other
control arm bolts and remaining carrier bolts to
specification.
= T
Transmission Bracket Bolt Torque:
Lower - 40 ft.lbs. (57Nm)
Upper Rear / Middle Bolts - 17 ft.lbs. (24 Nm)
= T
Lower Torsion Bar Bolt Torque: 17 ft.lbs. (24 Nm)
= T
Shock Bolt Torque: 30 ft.lbs. (43 Nm)
= T
Upper Carrier Bolt Torque: 50 ft.lbs. (71 Nm)
All Other Carrier Bolts: 35 ft.lbs. (50 Nm)
Apply anti-seize to splines

8.26
Sportsman X2 Transmission
9. Install the rear hubs, rear brake disc and brake caliper. Refer
to Chapters 5 and 9 for procedures and torque
specifications.
10. Install PVT system. Refer to Chapter 6 PVT section for
procedures and torque specifications.
11. Once the PVT system is installed. Tighten all remaining
transmission mounting bolts to specification. See page 8.2
for transmission bolt placement.
12. Install transmission vent line. Be sure vent line is not kinked
or pinched.
13. Install seat, both side panels, both rear cab quarter panels
and both footwells. See Chapter 5.
14. Reconnect the differential, speed sensor and gear selection
switch connectors to the transmission.
15. Reconnect the shift rod. Torque to standard specification.
16. Install the rear wheel nuts and torque to specification.
17. With the ATV on level ground, add Polaris AGL Gearcase
Lubricant to the proper level. See Chapter 2 for proper fill
procedures and Torque Specifications.
Troubleshooting Checklist
Check the following items when shifting difficulty is
encountered.
• Idle speed adjustment
• Transmission oil type/quality
• Drive belt deflection
• *Worn, broken or damaged internal transmission
components
= T
Transmission Mount Bolt Torque:
40 ft.lbs. (57Nm)
Rear Wheel Nut Torque
Refer to Chapter 2
Polaris AGL Gearcase Lubricant
(PN 2873602) (12 oz.)
(PN 2873603) (Gallon)

8.27
Sportsman X2 Transmission
8
Transmission Disassembly
1. Place the transmission in the Neutral gear before
disassembly.
2. Drain and properly dispose of transmission oil. See Chapter
2.
3. Remove the bellcrank nut (1) and remove the bellcrank (2).
4. Remove the c-clip (3) that holds the gear selector switch (4)
onto the shaft and remove the selector switch.
5. Remove the sector cover bolts (5) and remove the sector
cover (6). Removal can be aided by using your thumbs to
press down on the shafts and pulling up the cover with your
fingers.
6. Remove the compression spring (7).
7. Remove the detent star (8). Note how the detent star fits
onto the splined shaft and the raised edge facing outward
for reassembly.
8. Remove the lockout disc (9). Note the raised edge facing
outward for reassembly.
9. Remove the shift shaft (10) and the shift gears (11,12).
NOTE: Note the timing marks on the shift gears (12,13)
for reassembly.
1
234
6
5
7
8
9
10
11
12
713

8.28
Sportsman X2 Transmission
10. Remove all cover bolts. Using suitable pry tools, remove
the cover using the designated pry points. Tap cover with
soft face hammer to remove. The pry points are indicated
by the white arrows in the photo below.
11. Note location of chain tensioner cam (17). If fully extended,
chain is worn beyond service limit. Replace chain and chain
tensioner shoe.
12. Remove the cam chain tensioner spring (14). Slide the cam
chain tensioner shoe (15), pins (16), and cam chain
tensioner cam (17) from the assembly.
13. Remove the differential gear (18) and chain by gently
prying underneath or tapping the differential gear from the
opposite side until it tips toward the output gear (19). The
differential gear is connected to the shift fork and must slide
backwards to clear the fork arms once the chain is removed.
14. Remove the T20 screws that secure the oil deflector (20)
with a T20 hex socket or driver.
CAUTION
Do not pry on case-halve sealing surfaces. Use
only the designated pry points on the
transmission.
Pry points
17
16
15
14
16
17
18
19
20

8.29
Sportsman X2 Transmission
8
15. Remove the T27 screws that secure the output gear (21)
with a T27 hex socket or driver.
16. Remove the shift drum (22) from the gearcase by moving
the drum up and to the right to clear the shift shaft.
17. Remove the output gear (21) and gear cluster assembly
from the gearcase by pulling both assemblies straight up.
Place the gear cluster assembly on a clean surface for
inspection.
Gear Cluster Disassembly
18. Remove the bearing from the reverse shaft using a bearing
puller. Slide the engagement dog (1) off of the reverse shaft.
19. Remove the retaining ring and washer from the reverse
shaft.
20. Remove the bearing from the input shaft using a bearing
puller.
21. Remove the 33T gear (3) and needle bearing (2) from the
reverse shaft.
21
22
21
Bearing
Input Shaft
Bearing
Reverse
Needle
33T Gear (3)
Washer
Retaining Ring
Bearing (2)
Engagement
Dog (1)
Bearing
Shaft

8.30
Sportsman X2 Transmission
22. The reverse shaft should slide out of the silent chain (4) to
separate the assembly.
23. Remove the rest of the bearings from the shafts.
24. Remove the engagement dog (5) from the reverse shaft.
25. Remove the retaining ring (6) and then washer (7), gear (8),
and split bearing (9) from the reverse shaft.
26. To disassemble the shift fork rail remove the snap ring (10)
from the end of the shift rail on either side.
Transmission Snorkel Shaft Removal
27. Remove the snorkel lock screw located inside the gearcase.
Use a T27 hex socket or driver.
28. Mark the snorkel tube and case with a white pen or marker.
This is used to ease reassembly of the gearcase.
4
REVERSE SHAFT
Towards Inside
of Case
5
678
9
CAUTION
Use caution when disassembling the shift rail. The
compressed springs on the shift rail may pop off causing
eye or face injury.
10
10

8.31
Sportsman X2 Transmission
8
29. Use a 2 3/8” wrench to loosen and remove the front drive
shaft snorkel tube (11). 30. If needed, remove the seal from the front of the snorkel
tube. Remove the snap ring (12).
31. Remove the second snap ring (13) and spacer (14) from the
snorkel shaft.
NOTE: Shim may or may not be present. Depending on
input shaft tolerance.
32. To remove the snorkel shaft from the snorkel tube, use a
press to press the snorkel shaft out.
11
Front Drive Snorkel Assembly
A. O-ring
B. Seal
C. Retaining Ring
D. Retaining Ring
E. Spacer
F. Ball Bearing
G. Snorkel tube
H. Retaining Ring
I. Ball Bearing
J. Snorkel Shaft
A
A
BE
D
C
I
H
G
F
J
12
13
14

8.32
Sportsman X2 Transmission
33. To remove the remaining bearing on the snorkel shaft (15),
remove the retaining ring and press the bearing off.
Transmission assembly
1. Install all new seals in the gearcases. Use the Rear Output
Seal Driver (PN 2871698) and Rear Driveshaft Seal Guide
(PN 2871699) to install the seals into the gearcases. See
illustration 1 to identify seals for replacement.
2. Reverse the disassembly procedure for the assembly of the
snorkel shaft assembly.
3. Inspect the output gear assembly (1), replace bearings if
needed. Inspect the 91T gear for damage, chips, or
abnormal worn teeth.
4. Install 2 new O-rings onto the snorkel tube. Apply a white
lithium grease onto the O-rings and threads of the snorkel
tube.
5. Install the snorkel shaft assembly into the gearcase. Install
the snorkel shaft assembly in until the second O-ring is
contacting the gearcase, but is still visible.
15
2871698
2871699
LH Gearcase
Cover Seals
Gearcase Seal
1

8.33
Sportsman X2 Transmission
8
6. Install the output gear assembly. Be sure to properly mesh
the snorkel shaft bevel gear with the output bevel gear.
Install the 4 torx screws (2) to secure the output gear
assembly into place. Torque screws to .
NOTICE! : It is important to set zero lash between the
output gear and the snorkel shaft gear. If there is binding or
excess lash, tighten or loosen the snorkel shaft until there
is zero lash.
Transmission front output shaft backlash
procedure
1. The following steps must be performed to obtain proper
front output gear backlash adjustment:
• Upon completion of Step 6, make sure the snorkel gear
and output bevel gear are lightly seated or meshing so
there is ‘zero’ lash. Do not overtighten. Gears should
rotate freely without binding.
• Before turning the snorkel tube, look down into the
gearcase at the snorkel lock screw hole opening (Photo
2) to reference your starting point. Next, slowly rotate
the snorkel tube counterclockwise (Photo 3), counting
the number of notches passing through the thread hole
as you rotate the tube. Rotate the snorkel tube to the
7th notch from ‘seated’ position (Photo 1 & 2) using
a 2 3/8” wrench.
• Check the output shaft gear backlash again by feel. If
the output shaft lash appears to be too tight, rotate the
snorkel shaft counterclockwise to the next notch or 8th
notch.
= T
Output Gear Retaining Screw Torque:
8-12 ft.lbs. (11-17 Nm)
2
Notches
1
Count 7 notches of snorkel tube through
lock screw hole.
2
Rotate snorkel counterclockwise 7 notches
3

8.34
Sportsman X2 Transmission
2. Once the gear backlash is found, to install the snorkel lock
screw, you may have to rotate the snorkel tube clockwise
or counterclockwise slightly. This will allow the lock screw
to thread itself into one of the slots of the snorkel tube (See
illustration below) to secure the snorkel tube.
3. With the snorkel shaft assembly in place, remove the 4 Torx
screws from the output shaft assembly. Remove the output
shaft assembly.
4. Assemble the input shaft assembly if previously
disassembled.
5. Assemble the reverse shaft assembly if previously
disassembled.
Screw Fits in Slots of Snorkel Tube
8-12 ft.-lbs. (11-17) Nm
Input Shaft Assembly
A. Ball Bearing
B. Input Shaft
C. Silent Chain
A
A
B
C
REVERSE SHAFT
Towards Inside
of Case
A. Ball Bearing
B. Engagement Dog
C. Retaining Ring
D. Washer
E. Gear
F. Needle Bearing
G. Reverse Shaft
H. Needle Bearing
I. Sprocket
J. Washer
K. retaining Ring
L. Engagement Dog
M. Washer
N. Needle Bearing
O. Gear
P. Washer
Q. Retaining Ring
R. Ball bearing
A
B
CD
EF
G
H
IJK
L
R
Q
P
O
N
M

8.35
Sportsman X2 Transmission
8
6. Inspect the shift drum for any damage or wear. Inspect the
splines of the shift drum. Replace the O-rings on the end of
the shift drum and lubricate them before assembly.
7. Stretch the silent chain on a flat surface and measure the
length of 8 pitches in a minimum of three places on the
chain. Replace the chain if the measurement is longer than
the service limit.
8. The shift drum (C), reverse shaft (D), input shaft (E), and
output gear assembly must be installed at the same time to
properly align all components.
NOTE: To ease assembly use a plastic tie strap to hold
the shift forks (D) and the shift drum (C) together during
assembly.
9. With the gearcase on it’s side, hold the gear cluster
assembly and output assembly together. Carefully install
each shaft into their respective recess in the gearcase.
= In. / mm.
Silent Chain Service Limit (8 pitch):
3.0904” (7.8496 cm)
D
E
C

8.36
Sportsman X2 Transmission
10. With all of the components in the correct positions install
the 4 output gear assembly screws. Apply Loctite™ 262
(PN 2871952) to the threads of the screws. Torque the
screws to specification. NOTE: If the transmission is in
locked in Park, place the transmission in Neutral.
11. Install the oil deflector shield into the gearcase. Apply
Loctite™ 242 to the threads of the screws. Torque the
screws to specification.
12. Install the rear drive differential and drive chain, following
these precautions:
• The case half rear output seal should be removed prior
to installation of the differential, as seal damage can
occur with seal installed due to the angle of entry.
• Install the differential sliding geardog onto the shift
fork arms at the same time the silent chain is installed.
• The differential gear bearing may be lightly tapped into
place. The output seal can be installed once the
assembly is in place.
13. Tensioner Installation:
NOTE: Case-halve mating may be difficult due to tensioner
pressure on the drive chain during installation. Release tension at
the ratcheting cam to aid case half installation. Release the
tensioner spring after the case halves are mated but not yet
touching.
• Place the tensioner cam on the front spacer and
tensioner shoe on the rear spacer.
• Insert the pins through the cam and through the shoe.
• Place the spring over the front pin and hook the spring
leg under the cam.
= T
Output Gear Retaining Screws:
8-12 ft.lbs. (11-17 Nm)
= T
Oil Deflector Retaining Screws:
16-30 in.lbs. (2-3.6 Nm)

8.37
Sportsman X2 Transmission
8
14. Lift the leg of the spring up and over the rear pin. The
tensioner cam will lift the shoe and tension chain. 15. Apply a continuous bead of Crankcase Sealant (3-Bond)
(PN 2871557) to the LH gearcase mating surface and install
the cover. Install and tighten the 22 screws in a criss cross
pattern to evenly secure the cover. Torque the screws to
specification.
NOTE: Case-halve mating may be difficult due to tensioner
pressure on the drive chain during installation. Release tension at
the ratcheting cam to aid case half installation. Release the
tensioner spring after the case halves are mated but not yet
touching.
16. Place a small amount of grease (PN 2871551) into the
pocket before installing the sector gear.
Tensioner Assembly - Top View
Forward
Spring Leg Tensioner
Lock Cam
View From Left Side of Transmission
Forward
Hook Spring Leg Under Cam
Lift Spring Over Rear
Mounting Pin
= T
Gearcase Bolt Torque:
25-30 ft.lbs. (36-43 Nm)
25-30 ft.-lbs. (36-43 Nm)

8.38
Sportsman X2 Transmission
17. Install the shift gear (16T) (G) on the shift drum shaft.
Install the sector gear (F) in the bushing pocket on the left
side. Aligning the timing marks on the gears.
18. Install the O-ring (if not yet done) and lockout disc (H) onto
the shift drum shaft. Be sure to install the lockout disc (H)
and detent star (J) with the raised edge facing outward.
19. Install the detent pawl (I) onto the shift shaft. Install the
detent star (J). Install a new O-ring onto the shift shaft.
Apply a small amount of grease onto the O-rings and end
of the shift drum.
20. Install the compression spring (K).
21. Apply Crankcase Sealant (3-Bond) (PN 2871557) onto the
cover and case mating surfaces. Install the cover and torque
the bolts to specification
22. Install the bellcrank onto the shift shaft. Note the key
splined on the bellcrank and shaft. Install the nut. Torque
the nut to specification.
23. Install the transmission switch and secure the switch with
the retaining ring.
G
H
Timing marks
H
= T
Shift Shaft Cover Bolt Torque:
12-18 ft.lbs. (16-26 Nm)
= T
Bellcrank Nut Torque:
12-18 ft.lbs. (16-26 Nm)

BRAKES
9.1
CHAPTER 9
BRAKES
9
SPECIFICATIONS. . . . . . . . . . . . . . . . . . . . . . . . . . . . . . . . . . . . . . . . . . . . . . . . . . . . . . . 9.2
TORQUE TABLE . . . . . . . . . . . . . . . . . . . . . . . . . . . . . . . . . . . . . . . . . . . . . . . . . . . . . . . 9.2
COMPONENT SERVICE LIMITS . . . . . . . . . . . . . . . . . . . . . . . . . . . . . . . . . . . . . . . . . . . 9.2
BRAKE SYSTEM EXPLODED VIEWS . . . . . . . . . . . . . . . . . . . . . . . . . . . . . . . . . . . . . . . 9.3
X2 SYSTEM COMPONENT EXPLODED VIEW. . . . . . . . . . . . . . . . . . . . . . . . . . . . . . . . 9.3
SPORTSMAN SYSTEM COMPONENT EXPLODED VIEW . . . . . . . . . . . . . . . . . . . . . . 9.4
BRAKE CALIPER EXPLODED VIEWS . . . . . . . . . . . . . . . . . . . . . . . . . . . . . . . . . . . . . . . 9.5
SPORTSMAN AND X2 FRONT CALIPER ASSEMBLY. . . . . . . . . . . . . . . . . . . . . . . . . . 9.5
X2 REAR CALIPER ASSEMBLY . . . . . . . . . . . . . . . . . . . . . . . . . . . . . . . . . . . . . . . . . . . 9.5
SPORTSMAN REAR CALIPER ASSEMBLY . . . . . . . . . . . . . . . . . . . . . . . . . . . . . . . . . . 9.6
HYDRAULIC BRAKE SYSTEM . . . . . . . . . . . . . . . . . . . . . . . . . . . . . . . . . . . . . . . . . . . . . 9.6
OPERATION OVERVIEW . . . . . . . . . . . . . . . . . . . . . . . . . . . . . . . . . . . . . . . . . . . . . . . . 9.6
BRAKE NOISE TROUBLESHOOTING . . . . . . . . . . . . . . . . . . . . . . . . . . . . . . . . . . . . . . 9.7
BRAKE BLEEDING / FLUID CHANGE. . . . . . . . . . . . . . . . . . . . . . . . . . . . . . . . . . . . . . . 9.7
FRONT MASTER CYLINDER . . . . . . . . . . . . . . . . . . . . . . . . . . . . . . . . . . . . . . . . . . . . . . 9.9
REMOVAL . . . . . . . . . . . . . . . . . . . . . . . . . . . . . . . . . . . . . . . . . . . . . . . . . . . . . . . . . . . .9.9
INSTALLATION . . . . . . . . . . . . . . . . . . . . . . . . . . . . . . . . . . . . . . . . . . . . . . . . . . . . . . . . 9.9
FRONT BRAKES. . . . . . . . . . . . . . . . . . . . . . . . . . . . . . . . . . . . . . . . . . . . . . . . . . . . . . . 9.10
PAD REMOVAL . . . . . . . . . . . . . . . . . . . . . . . . . . . . . . . . . . . . . . . . . . . . . . . . . . . . . . . 9.10
ASSEMBLY . . . . . . . . . . . . . . . . . . . . . . . . . . . . . . . . . . . . . . . . . . . . . . . . . . . . . . . . . . 9.11
BRAKE BURNISHING PROCEDURE . . . . . . . . . . . . . . . . . . . . . . . . . . . . . . . . . . . . . . 9.12
FRONT BRAKE DISC . . . . . . . . . . . . . . . . . . . . . . . . . . . . . . . . . . . . . . . . . . . . . . . . . . . 9.12
INSPECTION . . . . . . . . . . . . . . . . . . . . . . . . . . . . . . . . . . . . . . . . . . . . . . . . . . . . . . . . . 9.12
REMOVAL / REPLACEMENT . . . . . . . . . . . . . . . . . . . . . . . . . . . . . . . . . . . . . . . . . . . . 9.13
FRONT CALIPER . . . . . . . . . . . . . . . . . . . . . . . . . . . . . . . . . . . . . . . . . . . . . . . . . . . . . . 9.14
REMOVAL . . . . . . . . . . . . . . . . . . . . . . . . . . . . . . . . . . . . . . . . . . . . . . . . . . . . . . . . . . . 9.14
INSPECTION . . . . . . . . . . . . . . . . . . . . . . . . . . . . . . . . . . . . . . . . . . . . . . . . . . . . . . . . . 9.15
REASSEMBLY . . . . . . . . . . . . . . . . . . . . . . . . . . . . . . . . . . . . . . . . . . . . . . . . . . . . . . . . 9.15
INSTALLATION . . . . . . . . . . . . . . . . . . . . . . . . . . . . . . . . . . . . . . . . . . . . . . . . . . . . . . . 9.16
REAR BRAKE PAD . . . . . . . . . . . . . . . . . . . . . . . . . . . . . . . . . . . . . . . . . . . . . . . . . . . . . 9.17
X2 PAD REMOVAL. . . . . . . . . . . . . . . . . . . . . . . . . . . . . . . . . . . . . . . . . . . . . . . . . . . . . 9.17
X2 PAD INSTALLATION. . . . . . . . . . . . . . . . . . . . . . . . . . . . . . . . . . . . . . . . . . . . . . . . . 9.18
SPORTSMAN REAR PAD REMOVAL . . . . . . . . . . . . . . . . . . . . . . . . . . . . . . . . . . . . . . 9.19
SPORTSMAN REAR PAD INSTALLATION . . . . . . . . . . . . . . . . . . . . . . . . . . . . . . . . . . 9.20
BRAKE BURNISHING PROCEDURE . . . . . . . . . . . . . . . . . . . . . . . . . . . . . . . . . . . . . . 9.20
X2 REAR CALIPER . . . . . . . . . . . . . . . . . . . . . . . . . . . . . . . . . . . . . . . . . . . . . . . . . . . . . 9.21
REMOVAL . . . . . . . . . . . . . . . . . . . . . . . . . . . . . . . . . . . . . . . . . . . . . . . . . . . . . . . . . . . 9.21
INSPECTION . . . . . . . . . . . . . . . . . . . . . . . . . . . . . . . . . . . . . . . . . . . . . . . . . . . . . . . . . 9.22
REASSEMBLY . . . . . . . . . . . . . . . . . . . . . . . . . . . . . . . . . . . . . . . . . . . . . . . . . . . . . . . . 9.22
SPORTSMAN REAR CALIPER. . . . . . . . . . . . . . . . . . . . . . . . . . . . . . . . . . . . . . . . . . . . 9.23
REMOVAL AND INSPECTION. . . . . . . . . . . . . . . . . . . . . . . . . . . . . . . . . . . . . . . . . . . . 9.23
ASSEMBLY . . . . . . . . . . . . . . . . . . . . . . . . . . . . . . . . . . . . . . . . . . . . . . . . . . . . . . . . . . 9.24
REAR BRAKE DISC . . . . . . . . . . . . . . . . . . . . . . . . . . . . . . . . . . . . . . . . . . . . . . . . . . . . 9.25
INSPECTION . . . . . . . . . . . . . . . . . . . . . . . . . . . . . . . . . . . . . . . . . . . . . . . . . . . . . . . . . 9.25
REAR MASTER CYLINDER . . . . . . . . . . . . . . . . . . . . . . . . . . . . . . . . . . . . . . . . . . . . . . 9.26
X2 EXPLODED VIEW. . . . . . . . . . . . . . . . . . . . . . . . . . . . . . . . . . . . . . . . . . . . . . . . . . . 9.26
OVERVIEW. . . . . . . . . . . . . . . . . . . . . . . . . . . . . . . . . . . . . . . . . . . . . . . . . . . . . . . . . . . 9.27
X2 REAR MASTER CYLINDER REMOVAL AND INSTALLATION . . . . . . . . . . . . . . . . 9.27
SPORTSMAN REAR MASTER CYLINDER REMOVAL / INSTALLATION . . . . . . . . . . 9.28
PEDAL REMOVAL AND INSTALLATION . . . . . . . . . . . . . . . . . . . . . . . . . . . . . . . . . . . 9.29
TROUBLESHOOTING. . . . . . . . . . . . . . . . . . . . . . . . . . . . . . . . . . . . . . . . . . . . . . . . . . . 9.29
BRAKES SQUEAL . . . . . . . . . . . . . . . . . . . . . . . . . . . . . . . . . . . . . . . . . . . . . . . . . . . . . 9.29
POOR BRAKE PERFORMANCE . . . . . . . . . . . . . . . . . . . . . . . . . . . . . . . . . . . . . . . . . . 9.29
LEVER VIBRATION . . . . . . . . . . . . . . . . . . . . . . . . . . . . . . . . . . . . . . . . . . . . . . . . . . . . 9.29
CALIPER OVERHEATS (BRAKES DRAG) . . . . . . . . . . . . . . . . . . . . . . . . . . . . . . . . . . 9.29
BRAKES LOCK. . . . . . . . . . . . . . . . . . . . . . . . . . . . . . . . . . . . . . . . . . . . . . . . . . . . . . . . 9.29

9.2
BRAKES
SPECIFICATIONS
Torque Table
NOTE: Refer to tightening procedures in this chapter. Some special procedures are used when torquing
certain bolts and fasteners.
Component Service Limits
TORQUE SPECIFICATIONS (Sportsman and X2)
ITEM TORQUE FT.LBS. (IN.LBS.) TORQUE NM
Front / Rear Caliper Mounting Bolts 18 24
Handlebar Master Cylinder Clamp Bolts (25 in.lbs.) 3.0
Hand Master Cylinder Reservoir Cover Screws (7 in.lbs.) 0.79
Brake Line Banjo Bolt 15.0 21
Brake Line Flared Fittings 12-15 16-21
Brake Disc Bolts 18.0 24
Brake Switch 12-15 16-21
Caliper Mounting Bolts 18.0 24
Sportsman Caliper Slide Pins 30-35 41-48
Rear Master Cylinder-to-Frame Bolts 8 11
FRONT BRAKE CALIPER (Sportsman and X2)
ITEM STANDARD SERVICE LIMIT
Brake Pad Thickness .298” / 7.6 mm .180” / 4.6 mm
Brake Disc Thickness .150-.165” / 3.81-4.19 mm .140” / 3.556 mm
Brake Disc Thickness Variance -- .002” / .051 mm
Brake Disc Runout -- .010 / .254 mm
REAR BRAKE CALIPER (X2 ONLY)
ITEM STANDARD SERVICE LIMIT
Brake Pad Thickness .298” / 7.6 mm .180” / 4.6 mm
Brake Disc Thickness .180-.195” / 4.57-4.95 mm .170” / 4.318 mm
Brake Disc Thickness Variance -- .002” / .051 mm
Brake Disc Runout -- .010” / .254 mm
REAR BRAKE CALIPER (Sportsman ONLY)
ITEM STANDARD SERVICE LIMIT
Brake Pad Thickness .318” / 7.6 mm .180” / 4.6 mm
Brake Disc Thickness .150-.165” / 3.81-4.19 mm .140” / 3.56 mm
Brake Disc Thickness Variance -- .002” / .051 mm
Brake Disc Runout -- .010” / .254 mm

9.3
BRAKES
9
BRAKE SYSTEM EXPLODED VIEWS
X2 System Component Exploded View
1) Master Cylinder Cover Screws: 7 in.lbs. (0.79 Nm)
2) Banjo Style Fitting: 15 ft.lbs. (21 Nm)
3) Flare Style Fittings: 12-15 ft.lbs. (16-21 Nm)
4) Brake Switch: 12-15 ft.lbs. (16-21 Nm) *Apply Pipe Sealant to Threads
2
2
1
2
2
3
3
2
2
3
4
*All Bleed Screws: 25-30 in.lbs. (2.80-3.40 Nm)
5) Dual Input Master Cylinder and Bleed Screw: 25-30 in. lbs. (2.8-3.4 Nm)
6) Front and Rear Caliper Bleed Screws: 36-60 in. lbs. (4.07-6.78 Nm)
6
5

9.4
BRAKES
Sportsman System Component Exploded View
All Banjo Style
Fittings: 15 ft.lbs.
(21 Nm)
All Flare Style
Fittings: 12-15 ft.lbs.
(16-21 Nm)
All Bleed Screws: 25-30
in.lbs. (2.80-3.40 Nm)
Apply Pipe Sealant
To Threads
2 Screws - 7 in.lbs. (0.79 m)

9.5
BRAKES
9
BRAKE CALIPER EXPLODED VIEWS
Sportsman and X2 Front Caliper Assembly
X2 Rear Caliper Assembly
A. Socket Set Screw
B. Bleeder Screw
C. Caliper Asm.
D. Boot
E. Square O-rings
F. Piston
G. Caliper Mount
H. Brake PAds
A
B
C
D
E
F
GH
Apply Polaris All
Purpose Grease
3
3Apply Polaris DOT approved
Brake Fluid to Component
A. Socket Set Screw
B. Bleeder Screw
C.Caliper Asm
D. Boot
E. Caliper Seals
F. Piston
G. Caliper Mount
H. Brake Pads
A
B
C
D
E
F
G
H
Apply Polaris DOT-approved
Brake Fluid to Component
3
3

9.6
BRAKES
Sportsman Rear Caliper Assembly
HYDRAULIC BRAKE SYSTEM
Operation Overview
The Polaris disc brake system consists of the following
components or assemblies: brake lever; master cylinder;
hydraulic hose; brake calipers (slave cylinder); brake pads; and
brake discs, which are secured to the drive line.
When the hand activated brake lever (A) is applied it contacts
piston (B) within the master cylinder. As the master cylinder
piston moves inward it closes a small opening (compensating
port C) within the cylinder and starts to build pressure within the
brake system. As the pressure within the system is increased,
the piston (D) located in the brake caliper moves outward and
applies pressure to the brake pad. This pad contacts the brake
disc and moves the caliper in its floating bracket, pulling the
stationary side pad into the brake disc. The resulting friction
reduces brake disc and vehicle speed. As the lever pressure is
increased, the braking affect is also increased.
The friction applied to the brake pads will cause the pads to
wear. As these pads wear, the piston within the caliper moves
further outward and becomes self adjusting. Fluid from the
reservoir fills the additional area created when the caliper piston
moves outward.
Brake fluid level is critical to proper system operation. Too little
fluid will allow air to enter the system and cause the brakes to
feel spongy. Too much fluid could cause brakes to drag due to
fluid expansion.
Located within the master cylinder is the compensating port (C)
which is opened and closed by the master cylinder piston
assembly. The port is open when the lever is released and the
master cylinder piston is outward. As the temperature within the
hydraulic system changes, this port compensates for fluid
expansion (heated fluid) or contraction (cooled fluid). During
system service, be sure this port is open. Due to the high
temperatures created within the system during heavy braking, it
is very important that the master cylinder reservoir has adequate
space to allow for fluid expansion. Never overfill the
reservoir! Fill to 1/4, - 5/16, (.64 - .80 cm) from top of the
cylinder.
A. Anvil Bolts
B. Bleed Screws
C. Washers
D. O-rings
E. Rear Housing
F. Seals
G. Piston
H. Slide Pins
I. Bushings
J. Seal
K. Bracket
L. Pad
M.Front Housing
N. Retaining Clips
3Apply Polaris DOT approved Brake fluid
to component.
A
B
C
D
E
F
G
H
I
J
K
L
M
N
3
3
30-35 ft.lbs.
(41-48 Nm) 25-30 in lbs.
(2.80-3.40 Nm)
16-18 ft.lbs.
(22-24 Nm)
AB
C
D
E
F
Must be clear to
allow proper
diaphragm
movement
Compensating port
compensates for
temperature changes by
allowing fluid back to
master cylinder
Move Brake Pad

9.7
BRAKES
9
This system also incorporates a diaphragm (E) as part of the
cover gasket; and a vent port (F) located between the gasket and
the cover. The combination diaphragm and vent allow for the air
above the fluid to equalize pressure as the fluid expands or
contracts. Make sure the vent is open and allowed to function.
If the reservoir is over filled or the diaphragm vent is plugged the
expanding fluid may build pressure in the brake system leading
to brake fail
When servicing Polaris ATV brake systems, use only Polaris
DOT-approved brake fluid.
Brake Noise Troubleshooting
Dirt or dust buildup on the brake pads and disc is the most
common cause of brake noise (squeal caused by vibration). If
cleaning does not reduce the occurrence of brake noise, a
product such as Permatex Disc Brake Quiet can be applied to
the back of the pads. Follow directions on the package. This will
keep pads in contact with caliper piston(s) to reduce the chance
of squeaks caused by dirt or dust.
Brake Bleeding / Fluid Change
NOTE: When bleeding the brakes or replacing the
fluid, always start with the caliper farthest from the
master cylinder.
NOTE: Do not remove brake lever when reservoir
fluid level is low.
This procedure should be used to change fluid or bleed brakes
during regular maintenance.
1. Clean reservoir cover thoroughly.
2. Remove screws, cover and diaphragm (C) from reservoir.
WARNING
Once a bottle is opened, use what is necessary and
discard the rest in accordance with local laws. Do
not store or use a partial bottle of brake fluid. Brake
fluid is hygroscopic, meaning it rapidly absorbs
moisture. This causes the boiling temperature of
the brake fluid to drop, which can lead to brake fade
and the possible loss of control.
BRAKE NOISE TROUBLESHOOTING
POSSIBLE CAUSE REMEDY
Dirt, dust, or imbedded
material on pads or disc
Spray disc and pads with CRC
Brake Kleen or equivalent
non-flammable aerosol brake
cleaner. Remove pads and/or
disc hub to clean imbedded
material from disc or pads.
Pad(s) dragging on disc (noise
or premature pad wear) Adjust pad stop
Insufficient lever or pedal
clearance Set to proper level
Master cylinder reservoir
overfilled Check brake fluid level,
adjust as needed
Master cylinder
compensating port
restricted, Master cylinder
piston not returning
completely, Caliper piston(s)
not returning
Clean piston(s) seal
Operator error (riding the
brake / park brake
applied) Educate operator
Loose wheel hub or bearings Tighten wheel, hub nuts or
replace bearings if worn
Brake disc warped or
excessively worn Replace disc
Brake disc misaligned or
loose Inspect and repair as
necessary
Noise is from other source
(chain, axle, hub, disc or
wheel)
If noise does not change when
brake is applied check other
sources. Inspect and repair as
necessary
Wrong pad for
conditions Change to a softer or harder
pad (if available)
CAUTION
Always wear safety glasses during these
procedures. Brake fluid will damage finished
surfaces. Do not allow brake fluid to come in contact
with finished surfaces.
BRAKE NOISE TROUBLESHOOTING
POSSIBLE CAUSE REMEDY

9.8
BRAKES
3. Inspect vent slots (A) in cover and remove any debris or
blockage.
4. If changing fluid, remove old fluid from reservoir with a
Mity Vac pump (PN 2870975) or similar tool.
5. Begin bleeding procedure with the caliper that is farthest
from the master cylinder. Install a box end wrench on
caliper bleeder screw. Attach a clean, clear hose to fitting
and place the other end in a clean container. Be sure the
hose fits tightly on fitting.
NOTE: Fluid may be forced from supply port (B)
when brake lever is pumped. Place diaphragm (C) in
reservoir to prevent spills. Do not install cover. See
Illustration above.
6. Slowly pump the brake lever until pressure builds and
holds.
7. While maintaining lever pressure, open bleeder screw.
Close bleeder screw and release brake lever.
NOTE: Do not release lever before bleeder screw is
tight or air may be drawn into caliper.
8. Repeat procedure until clean fluid appears in bleeder hose
and all air has been purged. Add fluid as necessary to
maintain level in reservoir.
9. Tighten bleeder screw securely and remove bleeder hose.
Torque the bleeder screw to specification.
10. Repeat procedure Steps 5-9 for the remaining caliper(s).
11. Add Polaris DOT-approved Brake Fluid to MAX level
inside reservoir.
A
D
C
B
Sight Glass
Fill Line
Bleeder Screw
CAUTION
Maintain at least 1/2", (1.27 cm) of brake fluid
in the reservoir to prevent air from
entering the master cylinder.
= T
Bleeder Screw Torque:
25-30 in.lbs. (2.80-3.40 Nm)

9.9
BRAKES
9
12. Install diaphragm, sight glass, cap and screws.
13. Wiggle and press down on the cap to be sure it fits evenly
and snug.
14. Torque the screw to specification .
15. Field test machine at low speed before putting into service.
Check for proper braking action and lever reserve. With
lever firmly applied, lever reserve should be no less than 1/
2”, (1.3 cm) from handlebar.
16. Check brake system for fluid leaks and inspect all hoses and
lines for wear or abrasion. Replace hose if wear or abrasion
is found.
FRONT MASTER CYLINDER
Removal
1. Clean master cylinder and reservoir assembly. Make sure
you have a clean work area to disassemble brake
components.
2. Remove master cylinder from handlebars.
3. While holding upright, continue to remove master cylinder.
Cover the brake line to avoid spillage when removing the
brake line banjo bolt.
Installation
1. Install master cylinder on handlebars. Torque mounting
bolts to specification. Torque the inner bolt first as
indicated in the illustration below.
= T
Master Cylinder Cover Screw Torque:
7 in.lbs. (0.79 Nm)
Sight Glass
Master Cylinder Cap
Diaphragm
Cap Screws
Cap Must be Even
Torque Inner
Bolt First
7 in.lbs. (0.79 Nm)
CAUTION
Brake fluid will damage finished surfaces.
Do not allow brake fluid to come in
contact with finished surfaces.
= T
Master Cylinder Mount Bolt Torque:
25 in. lbs. (3 Nm)
Torque Inner Bolt First
7 in.lbs. (.79 Nm)
Torque inner Bolt First
25 in.lbs. (3 Nm)

9.10
BRAKES
2. Place new sealing washers on each side of banjo fitting on
the brake line and torque banjo bolt to specification.
3. Fill reservoir with DOT-approved brake fluid.
NOTE: To speed up the brake bleeding procedure,
the master cylinder can be purged of air before
brake line is attached. Fill with DOT-approved brake
fluid and pump lever slowly two to three times with
finger over the outlet end to purge master cylinder of
air.
4. Follow proper bleeding procedures. Check all connections
for leaks and repair if necessary.
FRONT BRAKES
Pad Removal
1. Elevate and support the of the ATV.
2. Remove the wheel.
3. Loosen pad adjuster screw 2-3 turns.
4. Remove caliper from mounting bracket.
= T
Banjo Bolt Torque:
15 ft.lbs. (21 Nm)
Torque to 15 ft.lbs. (21 Nm)
Banjo Bolt
Sealing Washer
Brake Line
CAUTION
Use care when supporting vehicle so that it does not
tip or fall. Severe injury may occur.

9.11
BRAKES
9
5. Push caliper piston into caliper bore slowly using a C-
clamp or locking pliers with pads installed.
NOTE: Brake fluid will be forced through
compensating port into master cylinder fluid
reservoir when piston is pushed back into caliper.
Remove excess fluid from reservoir as required.
6. Push mounting bracket inward and slip outer brake pad past
edge. Remove inner pad.
7. Measure the thickness of the pad material. Replace pads if
worn beyond the service limit.
Assembly
1. Lubricate mounting bracket pins with a light film of
Polaris Premium All Season Grease (PN 2871423), and
install rubber dust boots.
= In. / mm.
Front Brake Pad Thickness Service Limit:
.180” / 4.6 mm
Measure Pad

9.12
BRAKES
2. Compress mounting bracket and make sure dust boots are
fully seated. Install pads with friction material facing each
other.
3. Install caliper on hub strut, and torque mounting bolts.
4. Slowly pump the brake lever until pressure has been built
up. Maintain at least 1/2, (12.7 mm) of brake fluid in the
reservoir to prevent air from entering the brake system.
5. Install the adjuster screw and turn clockwise until
stationary pad contacts disc, then back off 1/2 turn
(counterclockwise).
6. Verify fluid level in reservoir is up to MAX line inside
reservoir and install reservoir cap.
7. Install wheels and torque wheel nuts. It is required that a
burnishing procedure be performed after installation of new
brake pads to extend service life and reduce noise.
NOTE: Front Wheel Nut Torque: Refer to Chapter 2.
Brake Burnishing Procedure
Start machine and slowly increase speed to 30 mph. Gradually
apply brakes to stop machine. Allow pads and disc to cool
sufficiently during the procedure. Do not allow pads or disc to
become hot or warping may result. Repeat this procedure 10
times.
FRONT BRAKE DISC
Inspection
1. Visually inspect the brake disc for nicks, scratches, or
damage.
WARNING
If pads are contaminated with grease, oil, or liquid
soaked do not use the pads. Use only new clean pads.
18 ft.lbs.
(25 Nm)

9.13
BRAKES
9
2. Measure the disc thickness at eight different points around
the pad contact surface. Replace disc if worn beyond
service limit.
3. Mount dial indicator as shown to measure disc runout.
Slowly rotate the disc and read total runout on the dial
indicator. Replace the disc if runout exceeds specifications.
Removal / Replacement
NOTE: To reduce the possibility of warping, try
removing the brake disc mounting bolts before
applying heat to the bolts.
1. Apply heat to the hub in the area of the brake disc
mounting bolts to soften the bolt locking agent.
2. Remove bolts and disc.
3. Clean mating surface of disc and hub.
4. Install disc on hub.
5. Install new bolts and tighten to specification.
= In. / mm.
Brake Disc Thickness:
Service Limit: .140” / 3.556 mm
= In. / mm.
Brake Disc Thickness Variance Service Limit:
.002” (.051 mm) between measurements.
= In. / mm.
Brake Disc Runout Service Limit:
.010” / .254 mm
= T
Brake Disc Bolt Torque:
18 ft.lbs. (24 Nm)
CAUTION
Always use new brake disc mounting bolts. The
bolts have a pre-applied locking agent which is
destroyed upon removal.

9.14
BRAKES
FRONT CALIPER
Removal
1. Loosen and remove brake line to caliper. Place a container
under caliper to catch fluid draining from brake line.
2. Push upper pad retainer pin inward and slip brake pads past
edge. Loosen pad adjuster.
3. Remove mounting bracket, pin assembly and dust boot.
4. Remove piston, dust seals and piston seals.
5. Clean the caliper body, piston, and retaining bracket with
brake cleaner or alcohol.
NOTE: Be sure to clean seal grooves in caliper
body.
CAUTION
Use care when supporting vehicle so that it does not
tip or fall. Severe injury may occur.
Clean Components

9.15
BRAKES
9
Inspection
1. Inspect caliper body for nicks, scratches or wear. Measure
bore size and compare to specifications. Replace if damage
is evident or if worn beyond service limit.
2. Inspect piston for nicks, scratches, wear or damage.
Measure diameter and replace if damaged or worn beyond
service limit.
3. Inspect the brake disc and pads as outlined for brake pad
replacement in this section. See “BRAKE PAD
INSPECTION” earlier in this chapter.
Reassembly
1. Install new caliper seals (A) in the caliper body (B). Be
sure groove is clean and free of residue or brakes may drag
upon assembly.
2. Coat piston with clean Polaris DOT-approved Brake Fluid
(C). Install piston (D) with a twisting motion while pushing
inward. Piston should slide in and out of bore smoothly,
with light resistance.
3. Lubricate the mounting bracket pins with Polaris Premium
All Season Grease (PN 2871423), and install the rubber
dust seal boots.
= In. / mm.
Front Caliper Piston Bore I.D.:
Service Limit: 1.193” (30.30 mm)
A
B
C
D

9.16
BRAKES
4. Compress the mounting bracket and make sure the dust
seals are fully seated. Install the brake pads. Clean the disc
and pads with brake parts cleaner or denatured alcohol to
remove any dirt, oil or grease.
Installation
5. Install caliper on hub strut, and torque mounting bolts to
specification.
6. Install brake line and torque the banjo bolt to specification.
7. Install the adjuster screw and turn until stationary pad
contacts disc, then back off 1/2 turn.
8. Perform brake bleeding procedure as outlined earlier in this
chapter.
9. Install wheels and torque wheel nuts to specification. Refer
to Chapter 2.
= T
Brake Caliper Mounting Bolt Torque:
18 ft.lbs. (24 Nm)
15 ft.lbs. (21 Nm)
18 ft.lbs.
(24 Nm)
= T
Brake Line Banjo Bolt Torque:
15 ft.lbs. (21 Nm)

9.17
BRAKES
9
REAR BRAKE PAD
X2 Pad Removal
1. Elevate and support the rear of the ATV.
2. Remove the rear wheel
3. Loosen pad adjuster screw 2-3 turns.
4. Remove the two caliper mounting bolts and lift caliper off
the brake disc.
NOTE: When removing caliper, be careful not to
damage brake line. Support caliper so as not to kink
or bend brake line.
5. Push caliper piston into the caliper bore slowly using a C-
clamp or locking pliers with pads installed.
NOTE: Brake fluid will be forced through
compensating port into master cylinder fluid
reservoir when piston is pushed back into caliper.
Remove excess fluid from reservoir as required.
6. Push caliper mounting bracket inward and slip outer brake
pad past the edge to remove.
7. Remove the inner brake pad.
8. Clean the caliper with brake cleaner or alcohol.

9.18
BRAKES
9. Measure the thickness of the pad material. Replace pads if
worn beyond the service limit.
X2 Pad Installation
1. Lubricate mounting bracket pins with a light film of
Polaris Premium All Season Grease (PN 2871423), and
install rubber dust boots.
2. Compress mounting bracket and make sure dust boots are
fully seated. Install pads with friction material facing each
other.
3. Install caliper and torque the mounting bolts to
specification.
4. Slowly pump the brake lever until pressure has been built
up. Maintain at least 1/2, (12.7 mm) of brake fluid in the
reservoir to prevent air from entering the brake system.
5. Install the adjuster screw and turn clockwise until the
stationary pad contacts the disc, then back off 1/2 turn
(counterclockwise).
6. Verify fluid level in reservoir is up to the MAX line inside
reservoir and install reservoir cap.
7. Install wheel(s) and torque wheel nut(s).
8. It is recommended that a burnishing procedure be
performed after installation of new brake pads to extend
service life and reduce noise.
= In. / mm.
Rear Brake Pad Thickness
Service Limit: .180” (4.6 mm)
WARNING
If brake pads are contaminated with grease,
oil, or liquid soaked do not use the pads.
Use only new clean pads.
Measure
Thickness
= T
Caliper Mount Bolt Torque:
18 ft.lbs. (24 Nm)

9.19
BRAKES
9
Sportsman Rear Pad Removal
1. Support the machine. Remove the rear tire.
2. Remove the slide pin clips from the slide bolt.
3. Loosen the slide pins with a hex wrench.
4. Remove caliper mounting bolts and lift caliper off of disc.
NOTE: When removing caliper, be careful not to
damage brake line. Support caliper so as not to kink
or bend brake line.
5. Push caliper pistons into caliper bore slowly with pads
installed.
6. Remove the caliper slide pins and remove the brake pads
from the caliper.
7. Clean the caliper with brake cleaner or alcohol.
8. Measure the thickness of the pad material. Replace pads if
worn beyond the service limit.
= In. / mm.
Rear Brake Pad Thickness
Service Limit: .180” (4.6 mm)
Remove Rear Pads
Measure
Thickness

9.20
BRAKES
Sportsman Rear Pad Installation
1. Install new brake pads in caliper body.
2. Install and tighten the slide pin with a hex wrench.
3. Install caliper and torque the mounting bolts to
specification.
4. Install the slide bolt snap ring. Torque the slide pin to
specification.
5. Slowly pump the brake lever until pressure has been built
up. Maintain at least 1/2, (12.7 mm) of brake fluid in the
reservoir to prevent air from entering the master cylinder.
6. It is recommended that a burnishing procedure be
performed after installation of new brake pads to extend
service life and reduce noise.
Brake Burnishing Procedure
Start machine and slowly increase speed to 30 mph. Gradually
apply brakes to stop machine. Allow pads and disc to cool
sufficiently during the procedure. Do not allow pads or disc to
become hot or warping may result. Repeat this procedure 10
times.
WARNING
If the brake pads are contaminated with grease,
oil, or liquid soaked do not use the pads,
use only new clean pads.
= T
Caliper Mount Bolt Torque:
18 ft.lbs. (24 Nm)
Install Pads
18 ft.lbs. (24 Nm)
= T
Caliper Slide Bolt Torque:
30-35 ft.lbs. (41-48Nm)
30-35 ft.lbs.
(41-48 Nm)

9.21
BRAKES
9
X2 REAR CALIPER
Removal
1. Clean caliper area before removal.
2. Place a container below the caliper to catch brake fluid that
will drain from the brake line. Remove brake line from
caliper
3. Remove the two caliper mounting bolts and the caliper.
4. Loosen the adjuster screw and remove the brake pads.
5. Remove mounting bracket, pin assembly and dust boot.
6. Remove piston, dust seals and piston seals.
7. Clean the caliper body, piston, and retaining bracket with
brake cleaner or alcohol.
NOTE: Be sure to clean seal grooves in caliper
body.
CAUTION
Use care when supporting vehicle so that it does not
tip or fall. Severe injury may occur.
Clean Components

9.22
BRAKES
Inspection
1. Inspect caliper body for nicks, scratches or wear. Measure
bore size and compare to specifications. Replace if damage
is evident or if worn beyond service limit.
2. Inspect piston for nicks, scratches, wear or damage.
Measure diameter and replace if damaged or worn beyond
service limit.
3. Inspect the brake disc and pads as outlined for brake pad
replacement in this section. See “BRAKE PAD
INSPECTION” earlier in this chapter.
Reassembly
1. Install new caliper seals (A) in the caliper body (B). Be
sure groove is clean and free of residue or brakes may drag
upon assembly.
2. Coat piston with clean Polaris DOT-approved Brake
Fluid (C). Install piston (D) with a twisting motion while
pushing inward. Piston should slide in and out of bore
smoothly, with light resistance.
3. Lubricate the mounting bracket pins with Polaris Premium
All Season Grease (PN 2871423), and install the rubber
dust seal boots.
= In. / mm.
Rear Caliper Piston Bore I.D.
Service Limit: 1.193” (30.30 mm)
A
B
C
D

9.23
BRAKES
9
4. Compress the mounting bracket and make sure the dust
seals are fully seated. Install the brake pads. Clean the disc
and pads with brake parts cleaner or denatured alcohol to
remove any dirt, oil or grease.
SPORTSMAN REAR CALIPER
Removal and Inspection
1. Clean caliper area before removal.
2. Using a flare nut wrench, remove hand brake (inner) and
auxiliary brake (outer) lines (arrows). Place a container to
catch brake fluid draining from brake lines.
3. Remove the two caliper mounting bolts and the caliper.
4. Remove the slide bolt snap rings (A), the slide pins (B), the
bracket pad (C), and the brake pads (D).
5. Remove the anvil bolts and separate caliper halves and
remove pistons with piston pliers.
6. Remove seals and O-rings. Clean the O-ring grooves.
7. Clean disc, caliper body, and pistons with brake cleaner or
alcohol.
8. Remove the slide bolt bushings. Inspect the bushings and
O-rings and replace if necessary.
Caliper C
B
D
A
Caliper
Seal
Pistons & O-ring
Anvil Bolts
O-ring
Bushing

9.24
BRAKES
9. Measure the inside diameter of the rear caliper. The caliper
body is a 2-step piston. The rear step is measured as well
as the outside step.
10. Inspect caliper piston bore for scratches, severe corrosion,
or galling and replace if necessary.
11. Inspect surface of caliper piston for nicks, scratches, or
damage and replace if necessary.
Assembly
1. Install new O-rings in the slide bolt bushing holes. Be sure
O-ring and seal grooves are thoroughly cleaned of all
residue, or piston may bind in bore. Apply brake fluid to
piston seals and install carefully with a twisting motion to
ease assembly until fully seated.
2. Carefully assemble caliper body, making sure O-rings are
properly positioned in groove. Tighten the caliper anvil
bolts and then torque the anvil bolts evenly to specification.
3. Install brake pads in caliper body with friction material
facing each other. Install the slide pins and the slide pin
retaining rings. Torque the slide pins to specification.
= In. / mm.
Rear Caliper Piston Bore I.D.
Inner Bore Service Limit: .94” (23.88 mm)
Outer Bore Service Limit: 1.5” (38.1 mm)
.94in. (23.88) mm)
1.5 in. (38.1 mm)
Inspect
= T
Caliper Anvil Bolt Torque:
16-18 ft.lbs. (22-24 Nm)
Seals
16-18 ft.lbs. (22-24

9.25
BRAKES
9
NOTE: The slide pins should be torqued when
installed on caliper mount.
4. Install caliper and torque mounting bolts to specification.
5. Install brake line and tighten securely with a line wrench.
Torque the brake lines to the proper torque specification.
6. Follow bleeding procedure outlined in the “BLEEDING
PROCEDURE” in this chapter.
7. Field test unit for proper braking action before putting into
service. Inspect for fluid leaks and firm brakes. Make sure
the brake is not dragging when lever is released. If the brake
drags, re-check assembly and installation.
REAR BRAKE DISC
Inspection
1. Visually inspect disc for scoring, scratches, or gouges.
Replace the disc if any deep scratches are evident.
2. Use a micrometer and measure disc thickness at 8 different
points around perimeter of disc. Replace disc if worn
beyond service limit.
3. Mount dial indicator and measure disc runout. Replace the
disc if runout exceeds specifications.
= T
Slide Pin Torque:
30-35 ft.lbs. (41-48 Nm)
= T
Caliper Mounting Bolt Torque:
16-18 ft.lbs. (22-24 Nm)
18 ft.lbs.
(24 Nm)
30-35 ft.lbs.
(41-48 Nm)
= In. / mm.
Brake Disc Thickness:
Service Limit: .170” (4.318 mm)
= In. / mm.
Brake Disc Thickness Variance:
Service Limit: .002” (.051 mm)
Between Measurements
= In. / mm.
Brake Disc Runout
Service Limit: .010” / .254 mm
Disc Thickness

9.26
BRAKES
REAR MASTER CYLINDER
X2 Exploded View
A
B
D
E
F
G
I
H
C
D
E
J
A. Master Cylinder Bolts
B. Rear Brake Line
C. Rear Master Cylinder
D. Bushing(s)
E. Washer(s)
F. Cotter Pin
G. Foo t Pedal
H. Spring
I. Front Brake Line
J. Banjo Fitting

9.27
BRAKES
9
Overview
Polaris disc brake systems are light weight, low maintenance
and perform well in the conditions ATV’s routinely encounter.
However, there are a few things to remember when replacing
disc brake pads or performing brake system service to ensure
proper system function and maximum pad service life.
• Perform a brake burnishing procedure after installing
new pads to maximize service life.
• Optional pads are available to suit conditions in your
area. Select a pad to fit riding style and environment.
• Do not over-fill the master cylinder fluid reservoir.
• Make sure the brake lever and pedal returns freely and
completely.
• Adjust stop pin on caliper (if applicable) after pad
service.
• Check and adjust master cylinder reservoir fluid level
after pad service.
• Make sure atmospheric vent on reservoir is
unobstructed.
• Test for brake drag after any brake system service and
investigate cause if brake drag is evident.
• Make sure caliper moves freely on guide pins (where
applicable).
• Inspect caliper piston seals for foreign material that
could prevent caliper pistons from returning freely.
X2 Rear Master Cylinder Removal and
Installation
1. Remove the RH footwell to gain access to the rear master
cylinder.
2. If required, remove the rear brake line from the master
cylinder. Use a suitable container to catch the brake fluid.
Dispose of brake fluid properly.
3. Remove the two bolts that secure the rear master cylinder
to the frame. Replace parts as needed.
4. To install the rear master cylinder, mount the master
cylinder to the frame and torque bolts to specification.
5. Reinstall the brake line and torque the banjo bolt to
specification.
6. Perform brake bleeding procedures as outlined in this
chapter.
CAUTION
Use only DOT-approved brake fluid as an assembly
aid for all procedures described in this chapter to
prevent brake system contamination.
DO NOT USE LUBRICANTS OF ANY KIND FOR
ASSEMBLY, AS THEIR USE CAN CAUSE
RUBBER COMPONENTS TO SWELL.
= T
Master Cylinder to Frame Bolt Torque:
8 ft.lbs. (11 Nm)
= T
Banjo Bolt Torque:
15 ft.lbs. (21 Nm)
Frame
Brake Fluid Reservoir
Brake Lever
Front Brake Line
Brake Mount
Rear Brake Line
Spring
Rear Brake MC

9.28
BRAKES
Sportsman Rear Master Cylinder Removal /
Installation
1. Remove the RH footwell to gain access to the rear master
cylinder.
2. Remove the rear brake lines from the master cylinder. Use
a suitable container to catch the brake fluid. Dispose of
brake fluid properly.
3. Remove the two bolts that secure the rear master cylinder
to the brake mount plate. Replace parts as needed.
4. To install the rear brake master cylinder, mount the master
cylinder to the mount plate and torque bolts to specification.
5. Reinstall the brake line and torque the banjo bolt to
specification depending on the style of fitting.
6. Perform brake bleeding procedures as outlined in this
chapter.
= T
Master Cylinder to Frame Bolt Torque:
8 ft.lbs. (11 Nm)
= T
Banjo Bolt Torque:
15 ft.lbs. (21 Nm)
= T
Flare Stye Brake Line Torque:
12-15 ft.lbs. (16-20 Nm)
15 ft.lbs.
(21 Nm)
A. Brake Reservoir
B. Rear Foot Brake Line
C. Rear Master Cylinder
D. Master Cylinder Bolts
E. Bushing
F. Washer
G. Cotter Pin
H. Foot Pedal
I. Mount Plate Bolts
J. Mount Plate
K. Spring
A
B
C
D
E
F
GH
I
J
K
SPORTSMAN

9.29
BRAKES
9
Pedal Removal and Installation
1. Remove the RH footwell to gain access to the rear master
cylinder.
2. Remove the cotter key.
3. Remove the washers, bushings, and tension spring.
4. Reverse the steps for installation, use a new cotter key
during installation.
TROUBLESHOOTING
Brakes Squeal
• Dirty/contaminated friction pads
• Improper alignment
• Worn disc
• Worn disc splines
Poor Brake Performance
•Air in system
• Water in system (brake fluid contaminated)
• Caliper/disc misaligned
• Caliper dirty or damaged
• Brake line damaged or lining ruptured
• Worn disc and/or friction pads
• Incorrectly adjusted lever
• Incorrectly adjusted stationary pad
• Worn or damaged master cylinder or components
• Improper clearance between lever and switch
Lever Vibration
• Disc damaged
• Disc worn (runout or thickness variance exceeds
service limit)
Caliper Overheats (Brakes Drag)
• Compensating port plugged
• Pad clearance set incorrectly
• Auxiliary brake pedal incorrectly adjusted
• Brake lever or pedal binding or unable to return fully
• Parking brake left on
• Residue build up under caliper seals
• Operator riding brakes
Brakes Lock
• Alignment of caliper to disc
X2 Shown

NOTES
BRAKES
9.30

ELECTRICAL
10.1
CHAPTER 10
ELECTRICAL
10
INSTRUMENT CLUSTER . . . . . . . . . . . . . . . . . . . . . . . . . . . . . . . . . . . . . . . . . . . . . . . . 10.3
OVERVIEW. . . . . . . . . . . . . . . . . . . . . . . . . . . . . . . . . . . . . . . . . . . . . . . . . . . . . . . . . . . 10.3
INSTRUMENT CLUSTER DIAGNOSTIC MODE . . . . . . . . . . . . . . . . . . . . . . . . . . . . . . 10.4
SETTING A NEW SERVICE INTERVAL . . . . . . . . . . . . . . . . . . . . . . . . . . . . . . . . . . . . 10.6
EFI DIAGNOSTIC MODE. . . . . . . . . . . . . . . . . . . . . . . . . . . . . . . . . . . . . . . . . . . . . . . . 10.7
SPEEDOMETER REMOVAL . . . . . . . . . . . . . . . . . . . . . . . . . . . . . . . . . . . . . . . . . . . . . 10.8
SPEEDOMETER INSTALLATION . . . . . . . . . . . . . . . . . . . . . . . . . . . . . . . . . . . . . . . . . 10.9
SPEEDOMETER TROUBLESHOOTING . . . . . . . . . . . . . . . . . . . . . . . . . . . . . . . . . . . 10.10
TEST 1 - NO ALL WHEEL DRIVE . . . . . . . . . . . . . . . . . . . . . . . . . . . . . . . . . . . . . . . . 10.10
TEST 2 - NO DISPLAY / TEST 3 - NO REVERSE SPEED LIMIT. . . . . . . . . . . . . . . . 10.11
TEST 4 - NO AWD HUB SAFETY LIMITER. . . . . . . . . . . . . . . . . . . . . . . . . . . . . . . . . 10.12
TEST 5 - REVERSE SPEED LIMITER / TEST 6 - SPEED SENSOR . . . . . . . . . . . . . 10.13
TEST 7 - NO FUEL GAUGE / TEST 8 - TRANSMISSION SWITCH . . . . . . . . . . . . . . 10.14
ACTIVE DESCENT CONTROL (ADC) COIL. . . . . . . . . . . . . . . . . . . . . . . . . . . . . . . . . 10.15
OPERATION OVERVIEW . . . . . . . . . . . . . . . . . . . . . . . . . . . . . . . . . . . . . . . . . . . . . . 10.15
DIAGNOSING SYSTEM FAILURES. . . . . . . . . . . . . . . . . . . . . . . . . . . . . . . . . . . . . . . 10.15
ALL WHEEL DRIVE (AWD) COIL . . . . . . . . . . . . . . . . . . . . . . . . . . . . . . . . . . . . . . . . . 10.15
OPERATION OVERVIEW . . . . . . . . . . . . . . . . . . . . . . . . . . . . . . . . . . . . . . . . . . . . . . 10.15
DIAGNOSING SYSTEM FAILURES. . . . . . . . . . . . . . . . . . . . . . . . . . . . . . . . . . . . . . . 10.15
COOLING SYSTEM COMPONENTS . . . . . . . . . . . . . . . . . . . . . . . . . . . . . . . . . . . . . . 10.16
FAN CONTROL CIRCUIT OPERATION / TESTING . . . . . . . . . . . . . . . . . . . . . . . . . . 10.16
FAN CONTROL CIRCUIT BYPASS TEST. . . . . . . . . . . . . . . . . . . . . . . . . . . . . . . . . . 10.16
COOLANT TEMPERATURE SENSOR . . . . . . . . . . . . . . . . . . . . . . . . . . . . . . . . . . . . 10.16
FAN MOTOR CURRENT DRAW . . . . . . . . . . . . . . . . . . . . . . . . . . . . . . . . . . . . . . . . . 10.17
GEAR POSITION INDICATOR SWITCH. . . . . . . . . . . . . . . . . . . . . . . . . . . . . . . . . . . . 10.17
TEST DIAGRAM. . . . . . . . . . . . . . . . . . . . . . . . . . . . . . . . . . . . . . . . . . . . . . . . . . . . . . 10.17
ELECTRONIC THROTTLE CONTROL (ETC) SWITCH . . . . . . . . . . . . . . . . . . . . . . . . 10.18
ETC SWITCH OPERATION . . . . . . . . . . . . . . . . . . . . . . . . . . . . . . . . . . . . . . . . . . . . . 10.18
ETC OPERATION TEST . . . . . . . . . . . . . . . . . . . . . . . . . . . . . . . . . . . . . . . . . . . . . . . 10.18
IGNITION SYSTEM . . . . . . . . . . . . . . . . . . . . . . . . . . . . . . . . . . . . . . . . . . . . . . . . . . . . 10.19
FLYWHEEL IDENTIFICATION. . . . . . . . . . . . . . . . . . . . . . . . . . . . . . . . . . . . . . . . . . . 10.19
EFI - DC/CDI IGNITION OVERVIEW . . . . . . . . . . . . . . . . . . . . . . . . . . . . . . . . . . . . . . 10.19
ALTERNATOR/IGNITION COMPONENTS - 700/800 EFI . . . . . . . . . . . . . . . . . . . . . . 10.20
CRANKSHAFT POSITION SENSOR GAP. . . . . . . . . . . . . . . . . . . . . . . . . . . . . . . . . . 10.21
IGNITION SYSTEM TROUBLESHOOTING. . . . . . . . . . . . . . . . . . . . . . . . . . . . . . . . . 10.21
CHARGING SYSTEM . . . . . . . . . . . . . . . . . . . . . . . . . . . . . . . . . . . . . . . . . . . . . . . . . . 10.21
CURRENT DRAW - KEY OFF . . . . . . . . . . . . . . . . . . . . . . . . . . . . . . . . . . . . . . . . . . . 10.21
CHARGING SYSTEM “BREAK EVEN” TEST . . . . . . . . . . . . . . . . . . . . . . . . . . . . . . . 10.22
ALTERNATOR OUTPUT TEST . . . . . . . . . . . . . . . . . . . . . . . . . . . . . . . . . . . . . . . . . . 10.22
CHARGING SYSTEM TESTING FLOW CHART . . . . . . . . . . . . . . . . . . . . . . . . . . . . . 10.24
RELAYS. . . . . . . . . . . . . . . . . . . . . . . . . . . . . . . . . . . . . . . . . . . . . . . . . . . . . . . . . . . . . 10.25
OPERATION. . . . . . . . . . . . . . . . . . . . . . . . . . . . . . . . . . . . . . . . . . . . . . . . . . . . . . . . . 10.25
FUSES/CIRCUIT BREAKER . . . . . . . . . . . . . . . . . . . . . . . . . . . . . . . . . . . . . . . . . . . . . 10.26
OPERATION. . . . . . . . . . . . . . . . . . . . . . . . . . . . . . . . . . . . . . . . . . . . . . . . . . . . . . . . . 10.26

10.2
ELECTRICAL
LIGHTING . . . . . . . . . . . . . . . . . . . . . . . . . . . . . . . . . . . . . . . . . . . . . . . . . . . . . . . . . . . 10.26
HIGH BEAM HEADLIGHT BULB REPLACEMENT . . . . . . . . . . . . . . . . . . . . . . . . . . . 10.26
HEADLIGHT HOUSING REPLACEMENT . . . . . . . . . . . . . . . . . . . . . . . . . . . . . . . . . . 10.27
HIGH BEAM HEADLIGHT ADJUSTMENT. . . . . . . . . . . . . . . . . . . . . . . . . . . . . . . . . . 10.28
LOWER HEADLAMP REMOVAL / INSTALLATION. . . . . . . . . . . . . . . . . . . . . . . . . . . 10.28
LOW BEAM HEADLIGHT ADJUSTMENT . . . . . . . . . . . . . . . . . . . . . . . . . . . . . . . . . . 10.29
HEADLAMP SWITCH TEST. . . . . . . . . . . . . . . . . . . . . . . . . . . . . . . . . . . . . . . . . . . . . 10.29
SPORTSMAN WORK LIGHT SWITCH (DELUXE) . . . . . . . . . . . . . . . . . . . . . . . . . . . 10.30
SPORTSMAN BRAKE LIGHT / WORK LIGHT (DELUXE) REPLACEMENT. . . . . . . . 10.30
X2 BRAKE LIGHT / WORK LIGHT (DELUXE) REPLACEMENT. . . . . . . . . . . . . . . . . 10.31
BRAKE LIGHT SWITCH. . . . . . . . . . . . . . . . . . . . . . . . . . . . . . . . . . . . . . . . . . . . . . . . 10.32
FUEL SENDER . . . . . . . . . . . . . . . . . . . . . . . . . . . . . . . . . . . . . . . . . . . . . . . . . . . . . . . 10.33
TESTING . . . . . . . . . . . . . . . . . . . . . . . . . . . . . . . . . . . . . . . . . . . . . . . . . . . . . . . . . . . 10.33
X2 DIFFERENTIAL SYSTEM . . . . . . . . . . . . . . . . . . . . . . . . . . . . . . . . . . . . . . . . . . . . 10.33
SOLENOID TESTING. . . . . . . . . . . . . . . . . . . . . . . . . . . . . . . . . . . . . . . . . . . . . . . . . . 10.33
SOLENOID REPLACEMENT . . . . . . . . . . . . . . . . . . . . . . . . . . . . . . . . . . . . . . . . . . . . 10.33
DIFFERENTIAL RELAY OPERATION . . . . . . . . . . . . . . . . . . . . . . . . . . . . . . . . . . . . . 10.34
DIFFERENTIAL RELAY TESTING. . . . . . . . . . . . . . . . . . . . . . . . . . . . . . . . . . . . . . . . 10.34
X2 SPEED SENSOR. . . . . . . . . . . . . . . . . . . . . . . . . . . . . . . . . . . . . . . . . . . . . . . . . . . 10.34
TESTING . . . . . . . . . . . . . . . . . . . . . . . . . . . . . . . . . . . . . . . . . . . . . . . . . . . . . . . . . . . 10.34
REPLACEMENT. . . . . . . . . . . . . . . . . . . . . . . . . . . . . . . . . . . . . . . . . . . . . . . . . . . . . . 10.34
ACCESSORY POWER . . . . . . . . . . . . . . . . . . . . . . . . . . . . . . . . . . . . . . . . . . . . . . . . . 10.35
WIRE CONNECTIONS. . . . . . . . . . . . . . . . . . . . . . . . . . . . . . . . . . . . . . . . . . . . . . . . . 10.35
STARTER SYSTEM . . . . . . . . . . . . . . . . . . . . . . . . . . . . . . . . . . . . . . . . . . . . . . . . . . . 10.36
700/800 STARTER LOCKOUT OVERVIEW AND DIAGNOSTIC . . . . . . . . . . . . . . . . 10.36
800 X2 STARTER LOCKOUT OVERVIEW AND DIAGNOSTIC . . . . . . . . . . . . . . . . . 10.37
TROUBLESHOOTING . . . . . . . . . . . . . . . . . . . . . . . . . . . . . . . . . . . . . . . . . . . . . . . . . 10.38
VOLTAGE DROP TEST . . . . . . . . . . . . . . . . . . . . . . . . . . . . . . . . . . . . . . . . . . . . . . . . 10.38
STARTER MOTOR REMOVAL / DISASSEMBLY . . . . . . . . . . . . . . . . . . . . . . . . . . . . 10.38
BRUSH INSPECTION / REPLACEMENT . . . . . . . . . . . . . . . . . . . . . . . . . . . . . . . . . . 10.39
ARMATURE TESTING. . . . . . . . . . . . . . . . . . . . . . . . . . . . . . . . . . . . . . . . . . . . . . . . . 10.40
STARTER REASSEMBLY / INSTALLATION. . . . . . . . . . . . . . . . . . . . . . . . . . . . . . . . 10.41
STARTER SOLENOID BENCH TEST . . . . . . . . . . . . . . . . . . . . . . . . . . . . . . . . . . . . . 10.41
STARTER DRIVE. . . . . . . . . . . . . . . . . . . . . . . . . . . . . . . . . . . . . . . . . . . . . . . . . . . . . 10.42
STARTER EXPLODED VIEW . . . . . . . . . . . . . . . . . . . . . . . . . . . . . . . . . . . . . . . . . . . 10.43
STARTER SYSTEM TESTING FLOW CHART. . . . . . . . . . . . . . . . . . . . . . . . . . . . . . . 10.44
BASIC WINCH WIRING- PRE-WIRED MODELS . . . . . . . . . . . . . . . . . . . . . . . . . . . . . 10.45
BATTERY . . . . . . . . . . . . . . . . . . . . . . . . . . . . . . . . . . . . . . . . . . . . . . . . . . . . . . . . . . . 10.46
BATTERY IDENTIFICATION . . . . . . . . . . . . . . . . . . . . . . . . . . . . . . . . . . . . . . . . . . . . 10.46
BATTERY ACTIVATION (CONVENTIONAL). . . . . . . . . . . . . . . . . . . . . . . . . . . . . . . . 10.46
BATTERY TERMINALS/BOLTS. . . . . . . . . . . . . . . . . . . . . . . . . . . . . . . . . . . . . . . . . . 10.47
CONVENTIONAL BATTERY INSPECTION / REMOVAL . . . . . . . . . . . . . . . . . . . . . . 10.47
CONVENTIONAL BATTERY INSTALLATION . . . . . . . . . . . . . . . . . . . . . . . . . . . . . . . 10.47
CONVENTIONAL BATTERY TESTING . . . . . . . . . . . . . . . . . . . . . . . . . . . . . . . . . . . . 10.48
CONVENTIONAL BATTERY OCV - OPEN CIRCUIT VOLTAGE TEST . . . . . . . . . . . 10.48
CONVENTIONAL BATTERY SPECIFIC GRAVITY TEST . . . . . . . . . . . . . . . . . . . . . . 10.48
BATTERY LOAD TEST . . . . . . . . . . . . . . . . . . . . . . . . . . . . . . . . . . . . . . . . . . . . . . . . 10.49
OFF SEASON STORAGE . . . . . . . . . . . . . . . . . . . . . . . . . . . . . . . . . . . . . . . . . . . . . . 10.49
CHARGING PROCEDURE . . . . . . . . . . . . . . . . . . . . . . . . . . . . . . . . . . . . . . . . . . . . . 10.49
LOW MAINTENANCE BATTERY. . . . . . . . . . . . . . . . . . . . . . . . . . . . . . . . . . . . . . . . . 10.50
LOW MAINTENANCE BATTERY CHARGING . . . . . . . . . . . . . . . . . . . . . . . . . . . . . . 10.50
LOW MAINTENANCE BATTERY INSPECTION / REMOVAL . . . . . . . . . . . . . . . . . . . 10.51
LOW MAINTENANCE BATTERY INSTALLATION . . . . . . . . . . . . . . . . . . . . . . . . . . . 10.51
LOW MAINTENANCE BATTERY - OCV- OPEN CIRCUIT VOLTAGE TEST . . . . . . . 10.52
LOW MAINTENANCE BATTERY LOAD TEST . . . . . . . . . . . . . . . . . . . . . . . . . . . . . . 10.52
LOW MAINTENANCE BATTERY OFF-SEASON STORAGE . . . . . . . . . . . . . . . . . . . 10.53
LOW MAINTENANCE BATTERY CHARGING PROCEDURE . . . . . . . . . . . . . . . . . . 10.53

10.3
ELECTRICAL
10
INSTRUMENT CLUSTER
Overview
Introduction
Refer To Illustration 1:
The Polaris ATV Instrument Cluster is powered by battery
voltage (12 VDC) and requires inputs from the engine RPM,
transmission gear, and speed sensor for proper operation. Two
harnesses plug into the cluster head; one from the speed sensor,
and one from the vehicle main harness. A non-serviceable
internal memory battery maintains odometer and hour meter
data when the machine is not running. The illumination lamp
inside the gauge is non-serviceable and is designed to last for the
life of the unit. (A) The speedometer needle indicates speed
from an electronic speed sensor. The needle also flashes during
a warning condition. The speedometer needle indicates speed in
MPH and KPH. NOTE: A flashing needle could indicate a hot
engine, low battery warning, or the No. 10 Pin could be
grounded. (B) The speedometer face features numbers in Mile
Per Hour (MPH) and Kilometers Per Hour (KPH). (C) The
Rider Information Center performs a number of functions (See
Illustration 2):
1. Odometer / Tachometer / Trip meter / Hour Meter / Clock
•Odometer records the miles traveled by the ATV.
•Tachometer displays engine RPM. This feature will
also display with the vehicle in motion NOTE: Small
RPM fluctuations from day to day are normal because
of changes in humidity, temperature, and elevation
•Trip meter records the miles traveled by the ATV if
reset before each trip or total miles to 999. To reset the
trip meter, select the trip meter mode. Press and hold
the mode button (override button) until the total
changes to 0. NOTE: In the Rider Information Center,
the trip meter display contains a decimal point, but the
odometer displays without a decimal point.
•Hour meter logs the total hours the engine has been in
operation.
•Clock - displays hours and minutes.
2. Programmable Service Interval / Diagnostic Mode
•Service Interval - The purpose of the programmable
service interval is to provide the consumer and the
dealer with a convenient way to schedule routine
maintenance. When the ATV leaves the factory, this
feature is set at “50 hours". When the first 50 hours of
engine operation are finished the wrench icon will flash
for 10 seconds each time the ATV is started as a
reminder that ATV maintenance is due. NOTE: To reset
the Service Interval, follow the directions for
“SETTING NEW SERVICE INTERVAL” later in this
chapter.
3. Check Engine Warning Indicator
• The word HOT will display alpha numerically when the
engine is overheating. Do not continue to operate the
ATV if this warning appears. Refer to Chapter 3
“COOLING SYSTEM TROUBLESHOOTING” for
help with diagnosis of overheating.
(A) Speedometer Needle (flashes during warning condition)
(B) Speedometer
in MPH/KPH
(C) Rider Information Center ILL. 1
1
4
2
5
6
78
3
9
9
ILL. 2

10.4
ELECTRICAL
4. High/Low Battery Voltage
• This warning usually indicates that the ATV is being
operated at an RPM too low to keep the battery
charged. A low battery warning may also occur under
normal operation if the machine is at idle and high
electrical load (lights, cooling fan, accessories) is
applied. Driving at a higher RPM or connecting a
battery charger will usually clear the warning. This
indicator may also turn in the event of an overcharging
situation, such as a faulty voltage regulator.
5. Engine Hour Display Indicator
• Displays number of hours of engine operation.
6. AWD Indicator
• Illuminates when the electrical portion of the AWD
system is enabled.
7. Gear Indicator
• Specifies what position the shift lever and transmission
are in. This area is blank if a fault occurs.
8. Mode Indicator
• Indicates which modes are being utilized.
9. Fuel Gauge
• The segments of the fuel gauge indicate the level of fuel
in the fuel tank. When the last segment clears, a low
fuel warning is activated. All related icons will flash,
“FUEL” will display in the LCD, and the speedometer
needle will blink. If riding, be sure to refuel
immediately.
Instrument Cluster Diagnostic Mode
NOTE: This gauge features auto shut-off protection
if the voltage on the DC bus is excessive. This is
usually the result of an open battery condition, and
the gauge is designed to survive such an event.
NOTE: If the gauge will not indicate what gear it is in
and will not allow AWD operation, AWD can still be
enabled by holding in the mode/override button.
1. Turn the key switch off and wait 10 seconds.
2. Set the park brake and shift the transmission to neutral.
3. Hold the mode/reverse override button as you turn the key
switch on.
4. Release the switch as soon as the display is activated.
Use the mode/reverse override button to toggle through the
diagnostic screens.
NOTE: The initial screen display refers to the
software version installed on your ATV. This
information is only displayed briefly.
Screen 1 - Clock: This screen allows for setting the time of day.
To reset the clock:
1. Enter the diagnostic mode.
2. Toggle to the clock screen.
3. Press and hold the mode button until the hour display
flashes. Release the button.
4. Press and release the mode button once to advance the
setting by one hour. Press and hold the mode button to
advance the hours quickly.
5. When the desired hour is displayed, wait approximately
four seconds, until the minute display flashes.
6. When the display stops flashing, the mode has been set.
7. Use the same procedure to reset the minutes.
Screen 2 - Battery: This screen indicates battery voltage. Refer
to Ill. 2.
Blink When Low On Fuel
Ill. 2

10.5
ELECTRICAL
10
Screen 2 - Tachometer: (Ill. 3) indicates engine rpm.
Screen 3 - AWD Diagnostic Screen: This screen indicates
whether or not current is flowing through the AWD coil on
models with AWD.
Screen 4 - Gear Circuit Diagnostic:
This screen displays the resistance value (in ohms) being read at
the gear switch input of the gauge.
NOTE: 10--20% Variance from these reading is within
normal parameters.
Ill.3
AWD Off
AWD On
23 Ohms in Park
158 Ohms in Neutral
75 Ohms in Reverse

10.6
ELECTRICAL
Screen 5 - Programmable Service Interval:
The purpose of the programmable service interval is to provide
the consumer and dealer with a convenient reminder for routine
maintenance. When the ATV leaves the factory, this feature is
set at 50 hours.
Once the service interval mode is set with the hours when
service is due, the hours of actual engine operation are
subtracted from the set hours until 0 is reached. When the
counter reaches 0, the wrench icon will flash quickly for 10
seconds each time the vehicle is started as a reminder that the
periodic maintenance is due.
Setting A New Service Interval
1. While in the service interval mode, press and hold the
mode/override button until the wrench icon flashes. When
it begins to flash, release the button.
2. The setting will increase by one hour each time the button
is pressed. Pressing and holding the button will allow the
numbers to escalate much faster.
3. When the desired time increment is displayed, release the
button and wait for the wrench to stop flashing. When the
wrench stops blinking, your service hours are set.
NOTE: If you scroll past the intended number, hold
the button down until the count turns over to 0. You
can then reset the number.
Turn Service Interval OFF:
1. If the service interval is enabled (functioning) on your
ATV and you wish to turn it off, toggle to the service
interval mode.
2. Press and hold the mode button for approximately 7
seconds until the word OFF appears in the Rider
Information Center. The service interval is now OFF. To
enable (turn on) the service interval mode, repeat the steps
above in “Setting Service Interval After Countdown”.
Change Service Interval Time
If you would like to change the service interval time, (example:
change the interval from 50 hrs. to 55 hrs.). Follow the steps
below:
1. While in the service interval mode, press and hold the
mode button for approximately 7 seconds until the word
OFF appears in the Rider Information Center.
2. Wait 5 seconds and then press the mode button in until the
wrench icon flashes. Press the mode button again to set the
desired service increment. Release the button and wait for
the wrench icon to stop flashing. The new service interval
is now set.
297 Ohms in Low
628 Ohms in High
Set at 50 hours from factory.

10.7
ELECTRICAL
10
Screen 6 - Miles/Kilometers: toggle, The display in the trip
meter and odometer can be changed to display either kilometers
or miles. The current display mode will be shown as “KM” or
“MP”. To change, hold in the mode button until the letters flash,
then press and release the button once. When the display stops
flashing, the mode has been set.
NOTE: As long as you are in the diagnostic mode,
the wrench icon will remain lit.
NOTE: To leave the diagnostic mode, turn the key
switch off and on.
NOTE: Any movement of the tires will trigger the
speedometer out of the diagnostic mode and into
standard display mode.
EFI Diagnostic Mode
NOTE: The EFI diagnostic mode is intended to
quickly view fault codes stored in the EFI module.
Polaris dealers are equipped with the proper
diagnostic tools to further diagnose the blink code.
To download blink codes (failure codes) from you EFI module:
1. Be sure the ATV key switch is off and with the shifter is in
Park.
2. Turn the key switch ON and OFF 3 times within 5 seconds,
leaving the key switch in the ‘ON’ position on the third turn.
3. The word “Wait” will appear, the EFI module is now
searching for blink codes. If any blink codes are stored they
will display in numerical order on the instrument cluster.
NOTE: The check engine icon will flash during this
mode.
4. The word “End” will display after all of the codes have been
displayed.
MP = Miles
KM = Kilometers
ON
Example of how a failure code will appear.

10.8
ELECTRICAL
Speedometer Removal
1. Remove the three screws that secure the headlight pod
cover and disconnect the wire connectors from the
instrument cluster.
2. Push the instrument cluster out from the backside of the
pod, while securely holding the pod.
NOTE: Do not remove the rubber grommet in the
pod. Only remove the rubber grommet if necessary.
The bezel is a snap-on assembly and is a serviceable
part.
BLINK
CODE FAILURE DESCRIPTION
No RPM Signal
21 Loss of Synchronization
45 Barometric Pressure Sensor: Circuit Low
Input
46 Barometric Pressure Sensor: Circuit High
Input
22 TPS: Open or Short Circuit to Ground
22 TPS: Short Circuit to Battery
23 RAM Error: Defective ECU
42 Engine Temp Sensor Circuit:
Short to Ground
42 Engine Temp Sensor Circuit: Open or Short
to Battery
51 Injector 1: Open Load
51 Injector 1: Short Circuit to Ground
51 Injector 1: Short Circuit to Battery
52 Injector 2: Open Load
52 Injector 2: Short Circuit to Ground
52 Injector 2: Short Circuit to Battery
54 Engine Temp Lamp: Open Load
54 Engine Temp Lamp: Short Circuit to Ground
54 Engine Temp Lamp: Short Circuit to Battery
55 Diag Lamp: Open Load
55 Diag Lamp: Short Circuit to Ground
55 Diag Lamp: Short Circuit to Battery
56 Pump Relay: Open Load
56 Pump Relay: Short Circuit to Ground
56 Pump Relay: Short Circuit to Battery
58 Cooling Fan: Open Load
58 Cooling Fan: Short Circuit to Ground
58 Cooling Fan: Short Circuit to Battery
41 Intake Air Temp Sensor: Open or Short
Circuit to +Sensor Voltage
41 Intake Air Temp Sensor: Short Circuit to
Ground
61 END of Check
Pod
Rubber Mount
Instrument Bezel
Bezel
Push Instrument
Cluster Outward

10.9
ELECTRICAL
10
Speedometer Installation
1. Spray a soap and water mixture onto the outer surface area
of the instrument cluster. This will help the instrument
cluster slide into the pod assembly more easily.
2. Be sure the rubber grommet inside the pod is fully installed
and that the indexing key is in the headlight pod keyway.
3. Hold the pod assembly securely and insert the instrument
cluster into the pod assembly. Twist the instrument cluster
gently in a clockwise motion to properly seat the instrument
cluster into the pod assembly. Apply pressure on the bezel
while pressing down on the instrument cluster.
NOTE: Do not allow alcohol or petroleum products
to come in contact with the instrument cluster lens.
Align Index Pts.

10.10
ELECTRICAL
SPEEDOMETER TROUBLESHOOTING
Test 1 - No All Wheel Drive

10.11
ELECTRICAL
10
TEST 2 - No Display / TEST 3 - No Reverse Speed Limit

10.12
ELECTRICAL
TEST 4 - No AWD Hub Safety Limiter

10.13
ELECTRICAL
10
TEST 5 - Reverse Speed Limiter / TEST 6 - Speed Sensor

10.14
ELECTRICAL
TEST 7 - No Fuel Gauge / TEST 8 - Transmission Switch

10.15
ELECTRICAL
10
ACTIVE DESCENT CONTROL (ADC)
COIL
Operation Overview
• AWD switch must be ‘ON’. 12Vdc power is present at
the ADC hub coil.
• ECU pin #11 controls the grounding of the ADC hub
coil for operation.
• ECU Pin #20 senses the gear signal indicating the
transmission is engaged and is not in Park or Neutral.
• ECU pin #27 senses the speed sensor signal for
determining if vehicle speed is below 15 Mph.
• ECU senses the TPS position and will cancel ADC
operation if TPS moves off ‘idle’ position.
• System must be grounded to operate.
Diagnosing System Failures
• Verify the AWD switch is functional.
• Verify the ADC hub coil is functional. Test the ADC
hub coil using an ohm meter.
• Verify the TPS is functioning correctly. Test using
Digital Wrench Diagnostic Software. (Dealer Only)
• Verify the wiring harness, wiring, connectors,
connector pins, grounds and ECU pin locations are
undamaged, clean and connect properly.
• Verify continuity of wire connections with a known
good volt/ohm meter.
IMPORTANT: Verify all wires and wiring connections
have been tested properly with a known good volt/
ohm meter before suspecting a component failure.
80% of all electrical issues are caused by bad/failed
connections and grounds.
NOTE: Refer to the ADC subsystem diagram located
in ‘Wire Diagrams’ at the end of this chapter.
ALL WHEEL DRIVE (AWD) COIL
Operation Overview
• AWD switch must be ‘ON’. 12Vdc power is present at
the ADC hub coil.
• The instrument cluster senses grounding at pin #16.
AWD icon should turn on at the instrument cluster.
• System must be grounded to operate.
Diagnosing System Failures
• Verify the AWD switch is functional.
• Verify the AWD hub coil is functional. Test the AWD
hub coil using an ohm meter.
• Verify the wiring harness, wiring, connectors,
connector pins and grounds are undamaged, clean and
connect properly.
• Verify continuity of wire connections with a known
good volt/ohm meter.
IMPORTANT: Verify all wires and wiring connections
have been tested properly with a known good volt/
ohm meter before suspecting a component failure.
80% of all electrical issues are caused by bad/failed
connections and grounds.
ADC Hub Coil Resistance:
12 ± 5%
AWD Hub Coil Resistance:
24 ± 5%

10.16
ELECTRICAL
COOLING SYSTEM COMPONENTS
Fan Control Circuit Operation / Testing
Power is supplied to the fan via the Orange/Black wire when the
relay is ON. The ground path for the fan motor is through the
Brown harness wire. Refer to “RELAYS” later in this chapter
for more information on fan functions.
NOTE: The fan may not function or operation may
be delayed if coolant level is low or if air is trapped in
the cooling system. Be sure cooling system is full
and purged of air. Refer to Maintenance Chapter 2
for cooling system information.
Fan Control Circuit Bypass Test
1. Disconnect harness from coolant temperature sensor on
engine.
2. With the ATV in “Park” and with the parking brake on, turn
the ignition key (and engine stop switch) “ON”. The fan
should start running.
3. If the fan does not run or runs slowly, check the fan motor
wiring, ground, motor condition and mechanical relay for
proper operation (refer to “FAN MOTOR CURRENT
DRAW” in this section). Repair or replace as necessary.
If the fan runs with the sensor harness disconnected, but
will not turn on when the engine is hot, check the coolant
temperature sensor and connector terminals.
Coolant Temperature Sensor
The coolant temperature sensor can be tested using an ohmmeter
or voltmeter.
1. With the engine and temperature sensor at room
temperature (68F = 20C), disconnect the harness
connector.
2. With the meter in the ohms mode, place the meter leads
onto the sensor contacts.
3. Use the table Temperature / Resistance table to determine
if the sensor needs to be replaced.
NOTE: If the coolant temperature sensor or circuit
malfunctions the radiator fan will default to 'ON'.
NOTE: The fan may not function or operation may
be delayed if coolant level is low or if air is trapped in
the cooling system. Be sure cooling system is full
and purged of air. Refer to Maintenance Chapter 2
for cooling system information.
CAUTION
Keep hands away from fan blades during operation.
Serious personal injury could result. TEMPERATURE F (C) RESISTANCE
68F (20 C) 2.5 k
212F (100 C) 0.186

10.17
ELECTRICAL
10
Fan Motor Current Draw
A current draw test will provide a good indication of fan motor
condition. A worn or damaged fan motor will draw more
current, which causes a reduction in blade speed and reduced
cooling.
1. Disconnect the harness from the coolant sensor.
2. Connect a DC ammeter in between the fan switch harness
wires as shown.
3. Be sure fan blade is free to rotate.
4. Turn ignition key and engine stop switch to ON" position.
Read the current draw on ammeter with fan running.
5. If the fan motor draws more than 15 Amps, replace the
motor.
NOTE: This fan motor current draw specification
only applies to Sportsman EFI models.
GEAR POSITION INDICATOR SWITCH
Test Diagram
Fan Motor Current Draw:
Should Be Less Than 15 Amps
Connect Ammeter Between
Org/Black Pins
Org/Blk
Fan Motor
Brn
Org/Blk
Fan Harness
NOTE: Also see “INSTRUMENT CLUSTER
TROUBLESHOOTING” for gear switch resistance.
TRANSMISSION SWITCH
High/Low/Neutral/Reverse/Park Switch
High Range
Low Range
Neutral
Reverse
Park
Orange/Red
Violet (purple)
Green/White Brown/Red
White/Blue
Blue/Red

10.18
ELECTRICAL
ELECTRONIC THROTTLE CONTROL
(ETC) SWITCH
ETC Switch Operation
The Electronic Throttle Control (ETC) system is designed to
stop the engine of an ATV in the event of a mechanical problem
with the throttle mechanism. The ETC switch is mounted
independently of the throttle actuator lever inside the throttle
block assembly. This is a normally closed switch, and is held in
the open position (contacts are separated (as shown below) by
throttle cable tension. The contacts are open" during normal
operation regardless of throttle lever position. In the event of a
mechanical problem in the throttle mechanism (cable tension is
lost), the switch contacts close, connecting the black wire to
ground, which prevents ignition spark. This is the same as
turning the key or engine stop switch “OFF”.
NOTE: Test the ETC switch at the harness
connector. ETC will not activate unless there is
throttle plate movement off of “zero” detected by the
ECU. Adjust throttle cable freeplay (ETC switch) and
make sure throttle mechanism is functioning
properly before testing the switch. Refer to
Maintenance Chapter 2 for cable adjustment
procedure.
ETC Operation Test
1. Remove throttle block cover by carefully releasing all tabs
around edge of cover.
2. Place transmission in neutral and apply parking brake.
3. Start engine and open throttle lever slightly until engine
RPM is just above idle speed.
4. Hold throttle cable with fingers at point “A” as shown
below and release throttle lever. If the ETC system is
functioning properly, the engine will lose spark and stop.
Electronic Throttle Control (ETC)
Switch (Composite Throttle Housing)
ETC Switch contacts are
closed in a fault condition
(throttle cable slack) Switch contacts are
open during normal
operations
A

10.19
ELECTRICAL
10
IGNITION SYSTEM
Flywheel Identification
The flywheel can be identified by the stamp mark in location A. Refer to I.D." location in chart below. Do not use the cast mark
to determine flywheel application.
EFI - DC/CDI Ignition Overview
The Sportsman EFI system has incorporated into it's design a DC/ CDI ignition system.
The DC/CDI system relies on battery power for ignition. Instead of generating DC voltage via magnetic induction, a 12 Vdc current
is supplied directly to the ECU from the battery. 12 volt DC current charges an internal capacitor to build up the initial ignition charge.
An A/C signal from the Crank Shaft Position Sensor is processed by the ECU, which determines ignition timing by calculating from
a point pre-determined in the crankshaft rotation. This signal releases the electrical charge which saturates the coil for ignition. DC/
CDI systems have the ability to ignite with as little as 6 volts of power.
Some of the advantages of DC ignition are:
• Stronger, more consistent spark at low rpm for better performance
• Easier starts
• Simpler component design for ease trouble shooting and maintenance
NOTE: DC/CDI systems and components are not interchangeable with any other system.
Engine Application Cast Comment
Kokusan Flywheel 4010912 500 W
Kokusan Flywheel
Timing
Marks
Part Number
Production Date
A
Typical Timing Curve Display

10.20
ELECTRICAL
Alternator/Ignition Components - 700/800 EFI
Battery to Solenoid Cable
Ignition Coils
Solenoid Switch (starter)
Coil Wires
Control Module
Fuses
Spark Plugs
Voltage Regulator
Crank Position Sensor
Flywheel
Stator Assembly
Pre-Wire Winch Cables
Negative Battery Cable
Relays
Starter Solenoid
Cable
30 Amp/hr. Battery

10.21
ELECTRICAL
10
Crankshaft Position Sensor Gap
Measure trigger coil gap with a feeler gauge. The gap should be
.059 inch (1.0 mm).
Ignition System Troubleshooting
No Spark, Weak, or Intermittent Spark
• Spark plug gap incorrect
• Fouled spark plug
• Faulty spark plug cap or poor connection to high
tension lead
• Related wiring loose, disconnected, shorted, or
corroded
• Engine Stop switch or ignition switch faulty
• ETC switch mis-adjusted or faulty
• Wire harness or connections wet, corroded
• Poor ignition coil ground (e.g. coil mount loose or
corroded)
• Incorrect wiring (inspect color coding in connectors
etc.)
• Faulty ignition coil winding (measure resistance of
primary and secondary)
• Sheared flywheel key
• Flywheel loose or damaged
• Faulty ECU
CHARGING SYSTEM
Current Draw - Key Off
Connect an ammeter in series with the negative battery cable.
Check for current draw with the key off. If the draw is excessive,
loads should be disconnected from the system one by one until
the draw is eliminated. Check component wiring as well as the
component for partial shorts to ground to eliminate the draw.
Crankshaft Position Sensor Gap:
.059" .010 inch
(1.0 .26 mm)
CAUTION
Do not connect or disconnect the battery cable or
ammeter with the engine running. Damage will
occur to electrical components.
YB30L-B
Current Draw Inspection (key off)
Current Draw - Key Off:
Maximum of .01 DCA (10 mA)

10.22
ELECTRICAL
Charging System “Break Even” Test
The “break even” point of the charging system is the point at
which the alternator overcomes all system loads (lights, etc.)
and begins to charge the battery. Depending on battery
condition and system load, the break even point may vary
slightly. The battery should be fully charged before performing
this test.
1. Connect a tachometer to the engine.
2. Using an inductive amperage metering device, (set to DC
amps) connect to the negative battery cable.
3. With engine off and the key, kill switch, and lights in the
ON position, the ammeter should read negative amps
(battery discharge). Reverse meter lead if a positive
reading is indicated.
4. Shift transmission into Park and start the engine. With the
engine running at idle, observe meter readings.
5. Increase engine RPM while observing ammeter and
tachometer.
6. Note RPM at which the battery starts to charge (ammeter
indication is positive).
7. With lights and other electrical loads off, the “break even”
point should occur at approximately 1500 RPM or lower.
8. With the engine running, turn the lights on and engage
parking brake lock to keep brake light on.
9. Repeat test, observing ammeter and tachometer. With
lights on, charging should occur at or below 2000 RPM.
Alternator Output Test
Three tests can be performed using a multimeter to determine
the condition of the stator (alternator).
TEST 1: Resistance Value of Each Stator Leg
1. Measure the resistance value of each of the three stator
legs: Y1 to Y2, Y1 to Y3, and Y2 to Y3. Each should
measure 0.19 15 %.
NOTE: If there are any significant variations in
ohm's readings between the three legs; it is an
indication that one of the three stator legs maybe
weak or failed.
CAUTION
Do not connect or disconnect the battery cable or
ammeter with the engine running. Damage will
occur to electrical components.
WARNING
Never start the engine with an ammeter connected
in series. Damage to the meter or meter fuse will
result. Do not run test for extended period of time.
Do not run test with high amperage accessories.
TEST CONNECT METER
WIRES TO:READING IN OHMS
Charge Coil Y1 to Y2 0.19 15%
Charge Coil Y1 to Y3 0.19 15%
Charge Coil Y2 to Y3 0.19 15%
Charge Coil Y1, Y2, or Y3 to
Ground Open (Infinity)

10.23
ELECTRICAL
10
TEST 2: Resistance Value of Stator Leg to Ground
1. Measure the resistance value of each of the stator legs to
ground: Y1 to Ground, Y2 to Ground, Y3 to Ground.
NOTE: Any measurement other than Infinity (open)
will indicate a failed or shorted stator leg.
TEST 3: Measure AC Voltage Output of Each Stator Leg at
Charging RPM
1. Set the selector dial to measure AC Voltage.
2. Start the engine and let it idle.
3. While holding the ATV at a specified RPM, separately
measure the voltage across each “leg” of the stator by
connecting the meter leads to the wires leading from the
alternator (Y1 to Y2, Y1 to Y3, Y2 to Y3).
4. Refer to the table below for approximate Voltage AC
readings according to RPM. Test each leg at the specified
RPM in the table. Example: The alternator voltage output
reading should be approximately 18 Vac at 1300 RPM
between each 'leg'.
NOTE: If one or more of the stator leg output AC
voltage varies significantly from the specified value,
the stator may need to be replaced.
ATV RPM READING AC VOLTAGE (VAC )
READING
1300 18 Vac
3000 42 Vac
5000 64 Vac

10.24
ELECTRICAL
Charging System Testing Flow Chart
Whenever charging system problems are suspected, proceed with the following system check after verifying that all wires are in good
condition, connected and not kinked or pinched.
Using a multitester set on D.C. volts, measure the
battery open circuit voltage (See earlier test). It
should be 12.4 volts or more. Is it?
With the transmission in Park, start the engine and
increase RPM to between 3000 and 4000. Read
battery voltage with the multitester. Readings
should increase to between 13 and 14.6 VDC.
Are they?
Perform system Break Even Amperage Test"
Does charging occur as specified?
Meter Setting DC Amps
Meter Setting DC Volts
Ohm stator wires If bad, replace stator. If good,
continue with alternator output test.
Disconnect the wires from the regulator/rectifier.
Using a multitester, perform an Alternator Output
(AC amp) test. See test procedure on Page 10.20
for procedure. Is output above 7 amps?
Meter Setting AC Amps
Reconnect the alternator wires. Note: Red wire
must be connected to harness. Battery voltage must
be present on red wire terminal on harness side of
voltage regulator connector. Is it?
Meter Setting: DC Volts
If all of the previous tests indicate a good
condition, but the charging voltage does not rise
above battery voltage at the connector or wire
harness, replace the voltage regulator.
Yes
Yes
Yes
No
No
Remove the battery and properly service.
Reinstall the fully charged battery or a fully
charged shop battery.
No
Yes
Yes
No
No
Check Key Off Current Draw
Check for owner modification, and
discuss operating habits. The battery
will continually discharge if operated
below the “Break Even” RPM.
Continued problems would call for
battery inspection.
Inspect the wiring harness between the
panel and the stator for damage. If no
damage is found, remove the recoil and
flywheel. Inspect the flywheel magnets,
stator coils and stator wire harness for
damage. Repair or replace any damaged
components.
Check regulator/rectifier connections and
ground, battery connections, circuit
breaker and connecting wires. Repair or
replace faulty wiring or components.

10.25
ELECTRICAL
10
RELAYS
Operation
The relays, located next to the ECU, assist with component
operation such as the fan, fuel pump, etc.
The fan relay, controlled by the ECU, operates the fan.
The power relay, controlled by the ECU, turns on power for
components such as the fuel pump, injectors, etc.
The differential relay, controlled by the AWD switch and ECU,
operates the differential solenoid.
NOTE: See “Differential Relay Testing” on
page 10.34.
FAN RELAY
COLOR FUNCTION
Red Fused 20-amp, unswitched FAN power
supply.
Yellow /Black Fan 'ON' Command. Ground is supplied by
the ECU, closing the relay to turn on the fan.
Red / White KEY-ON Battery power supply, switched
on by the key and LH control switches,
enables power to relay.
Orange / Black KEY-ON Battery power supply, switched
on by the key and LH control switches,
enables power to relay.
POWER RELAY
COLOR FUNCTION
Red/White
KEY-ON Battery power supply, switched
on by the key and LH control switches,
enables power to relay. Tied to Fan Relay
terminal.
Gray/White Relay “ON” command. The ECU supplies a
ground which closes the relay, supplying
power to run the fuel pump, injectors, etc.
Orange Fused 15-amp, unswitched battery power
IN supply for EFI component operation.
Red/Black
EFI power output. 'ON' when ECU sends a
signal on the GRY/W wire, closing the
relay. Supplies 15-amp power for ECU-
controlled operation of EFI components.

10.26
ELECTRICAL
FUSES/CIRCUIT BREAKER
Operation
The fuse panel, located next to the ECU, assist with component
protection such as the Instrument Cluster/ECU, EFI system,
Chassis Power and Accessories.
A 20-amp circuit breaker protects the fan circuit.
LIGHTING
High Beam Headlight Bulb Replacement
1. Remove three Phillips screws on the headlight pod.
2. Lift pod cover up.
3. Disconnect instrument cluster harness (A) and work light
switch (B).
CAUTION
Do not service while headlight is hot. Serious burns
may result. Protect lamp during install.
Remove 3 Screws
A B

10.27
ELECTRICAL
10
4. Turn the headlight lamp socket counter-clockwise and
remove.
5. Carefully remove headlamp bulb from housing.
6. Remove the headlamp and replace with a new headlamp.
NOTE: Do not touch the lamp with bare fingers.
Hold the plastic part (1) of the lamp. Oil from your
skin leaves a residue, causing a hot spot that will
shorten the life of the lamp.
7. Install the new headlamp and harness assembly into the
headlight assembly. Turn the headlight harness clockwise
to secure the headlamp into place.
Headlight Housing Replacement
1. Remove three Phillips screws on the headlight pod.
2. Disconnect instrument cluster harness (A) and work light
switch (B).
3. Unplug headlamp harness (C).
4. Remove O-Ring (D) from headlight pivot pins. (Both
Sides)
5. Pull the headlight housing up to release from the locking
tabs.
6. Lift the adjusting knob up to remove from the locking tabs.
7. Carefully pull the assembly up and out of pod.
Turn Harness Assembly
Tighten
Loosen
AB
C
D
l
Pull Upward

10.28
ELECTRICAL
8. Reverse the steps to install the new housing and reassemble
the pod.
NOTE: The distance from the headlamp parting line
to the end of the adjustment knob stop is 5 1/8”, (13
cm). See illustration.
9. Adjust the headlight aim by turning the adjusting knob.
High Beam Headlight Adjustment
The headlight beam can be adjusted to any position desired by
turning the adjusting knob located on the bottom right side of the
headlight pod.
Raise Headlight - Turn knob counter- counterclockwise
Lower Headlight - Turn knob clockwise
1. Place the vehicle on a level surface with the headlight
approximately 25' (7.6 m) from a wall.
2. Measure the distance from the floor to the center of the
headlight and make a mark on the wall at the same height.
3. Start the engine and turn the headlight switch to high beam.
4. Observe headlight aim. The most intense part of the
headlight beam should be aimed 2” (5.1 cm) below the
mark placed on the wall in Step 2.
NOTE: Rider weight must be included on the seat.
On machines with separate low beam lights, the
drop should be 8, (20.3 cm) in 25' from the center of
the low beam lamp.
5. Adjust beam to desired position.
Lower Headlamp Removal / Installation
1. Turn the back of the headllamp harness in a counter-
clockwise direction to loosen.
5 1/8” (13 cm)
25’ (7.6 m)
2” (5.1 cm)
Lamp Center Height
Loosen Tighten
Turn Harness Assembly

10.29
ELECTRICAL
10
2. Pull the harness assembly out from the headlight assembly.
3. Remove the lamp and replace with a new headlamp.
NOTE: Do not touch the new lamp with bare fingers.
Hold the plastic part (1) of the lamp. Oil from your
skin leaves a residue, causing a hot spot that will
shorten the life of the lamp.
4. Install the harness assembly into the headlight assembly.
Turn the headlight harness clockwise to secure the
headlamp into place.
Lower Headlamp Housing Removal (if required)
5. Remove the screw that secures the lower headlamp.
6. Pull the headlamp out of the locking tab.
Low Beam Headlight Adjustment
1. The low beam can be adjusted slightly upward or
downward.
2. Loosen the phillips screw located at the rear of the
headlamp.
3. Tilt the headlamp upward or downward.
4. Tighten the screw.
Headlamp Switch Test
1. Remove the headlight pod cover.
2. Set meter to DC Volts and probe the headlamp plug wires
(Brown and Yellow) at back of connector for 12 Volts.
3. Turn ignition and headlight on. If there is no power,
continue with checks to the harness and fuses.
Remove Screw
Loosen Screw
Brown
Yellow
Upper Headlamp Plug Wires
Brown
Green

10.30
ELECTRICAL
Sportsman Work Light Switch (Deluxe)
Remove the headlight pod cover to locate the switch wires. The
switch snaps out by pushing in on the tabs on both sides of the
switch.
• Check for continuity between the switch contacts -
Place meter leads between two contacts with switch in
‘ON’ position.
• Probe the worklight plug wires at back of vehicle, there
should be at least 12Vdc at the plug.
• Check for 12 Vdc at the blue wire.
Sportsman Brake Light / Work Light (Deluxe)
Replacement
The brake light (A) and the work light (B) are both located in the
rear tail lamp housing.
1. To remove the worklight electrical connector (B), pull
down on the connector lock and pull the connector from
the bulb assembly.
A
Squeeze Tabs - Push To
Remove
Brown
Blue
Worklight Connector Wires
BA
B

10.31
ELECTRICAL
10
2. To remove the brake light electrical connector (B), press in
on the tab on the connector to unlock the connector and pull
the connector from the bulb assembly.
3. To remove either of the bulbs, turn the holder assembly
counter-clockwise to remove and pull out. Turn the holder
assembly clockwise to install. Refer to the parts manual for
the correct bulb part number.
X2 BRAKE LIGHT / WORK LIGHT (Deluxe)
REPLACEMENT
The brake light (A) and the work light (B) are both located in the
rear tail lamp housing.
1. Open the tailgate and remove the 2 torx head screws (A)
securing the rear taillights on each side of the cargo box as
illustrated below.
2. Remove the taillight assembly from the cargo box.
A
CAUTION
Use caution when disconnecting smaller light bulbs.
Follow the procedures to avoid damaging the
connector. Damaging connectors may require wire
harness replacement.
A

10.32
ELECTRICAL
3. Carefully pull out the red locking tab on the connector.
4. Once the red tab is pulled out, press in on the black tab and
pull out to disconnect harness.
5. Disconnect the two wire harnesses connected to each of the
taillights. Twist bulb housing to remove from lamp
assembly.
Brake Light Switch
1. Remove the front cover.
2. Disconnect wire harness from switch.
3. Connect an ohmmeter across switch contacts. Reading
should be infinite (.
4. Apply brake at handlebar lever and check for continuity
between switch contacts. Replace switch if there is no
continuity or greater than .5 ohms resistance when the brake
is applied with slight pressure.
Black Tab
Red Tab
Remove
Install
Brake Lamp Switch
Brake Switch
Location

10.33
ELECTRICAL
10
FUEL SENDER
Testing
1. Drain the fuel tank and remove it from the atv.
2. Set the fuel tank on a flat surface.
3. Hook up an ohm meter to the fuel sender harness Violet/
White wire (B) and Brown wire (C).
4. With the sender float in the empty position and compare
to specification.
5. Slowly tilt invert the tank so that gravity moves the sender
float to the full position and compare to specification.
6. If the readings are not to specification, or if the reading is
erratic or LCD display “sticks”, check the following before
replacing the fuel pump assembly.
• Loose float
• Float contact with tank
• Bent Float Rod
If none of the conditions exists, the sender assembly is faulty.
Fuel pump assembly replacement is required.
X2 DIFFERENTIAL SYSTEM
Solenoid Testing
Disconnect from the wire harness. Using a digital ohmmeter,
test the solenoid at the connector leads and compare to the
specification. Replacement of solenoid is required as it is not
serviceable.
Solenoid Replacement
1. Remove the solenoid using a suitable tool.
2. Coat threads of new solenoid with anti-seize compound or
sealant.
3. Thread new solenoid into gearcase housing. Tighten to
specification.
Fuel Sender - Empty: 5
Fuel Sender - Full:
Fuel Sender
Empty: 5
Half
Full Differential Solenoid Resistance:
1.45 5 %
= T
Differential Solenoid Torque
23-27 ft. lbs. (31-37 Nm)

10.34
ELECTRICAL
Differential Relay Operation
• The AWD switch must be turned to ‘TURF’ mode.
• Speed must be below 15mph and transmission must not
be in ‘Park’.
• 12Vdc is constant at the differential relay.
• ECU senses grounding on pin #26 from the AWD
switch.
• ECU grounds pin #13, activating the relay.
• Relay powers the differential solenoid.
• System must be grounded to operate.
Differential Relay Testing
• Test for 12Vdc constant at the relay with the AWD
switch turned to ‘TURF’ mode.
• Test for continuity to ground at pin #26 of the ECU
connector from the AWD switch.
• Test for continuity to ground at ECU pin #13.
• Test for continuity at ECU connector pin #13 to the
solenoid.
• Test the AWD/TURF switch for proper function.
IMPORTANT: Verify all wires and wiring connections
have been tested properly with a known good volt/
ohm meter before suspecting an ECU failure. 80% of
all electrical issues are caused by bad/failed
connections and grounds.
X2 SPEED SENSOR
Testing
Using the special tools listed, test the speed sensor according to
the tester instructions. Remove sensor and inspect the o-ring
seal for damage or wear and replace as required. Replacement
of sensor is required as it is not serviceable.
Replacement
1. Remove the sensor retaining using a suitable tool.
2. Coat o-ring of new sensor with anti-seize compound or
sealant.
3. Push new sensor into gearcase housing. Install bolt and
tighten to specification.
Speed Sensor Special Tools:
Static Timing Light Harness
PN 2871745
Hall Sensor Probe Harness
PN 2460761
= T
Speed Sensor Bolt Torque
8-12 ft. lbs. (11-17 Nm)

10.35
ELECTRICAL
10
ACCESSORY POWER
Wire Connections
Winch Installation
The Sportsman models have the main winch cables routed and
installed from the factory. This enables quick installation.
Refer to Chapter 2 for more information on winch installation
and operation.
Accessory Power Wires
The accessory power leads for all accessories are located under
the front cover. The wires are 12 Volt wires and are Orange /
White in color. To locate the wires, remove the front cover. The
wires will be located in the main wire loom on the right side.
If you have trouble locating the Orange / White wires remove
the left side panel and search under the front fender area.
NOTE: Refer to the accessory instructions for
accessory hook-up and installation.
Orange/White Wires Located In This Area
Orange/White Wires
Accessory Wires
Power Point
Acc #1
(Located
Below Head
Lamps)
Acc. 2

10.36
ELECTRICAL
STARTER SYSTEM
700/800 Starter Lockout Overview and Diagnostic
The Sportsman 700/800 and International EFI starter lockout is controlled by the ECU. Pin #20 senses the transmission signal and
determines if the switch is in Neutral or Park. Pin #24 senses when the brake is applied. When the conditions are met, the ECU will
activate Pin #16 to ground the starter solenoid. Note the ground for the transmission switch runs to the wire harness splice. The ECU
will allow starting in Neutral or Park without the brake applied. Applying the brake overrides this system and allows starting
regardless of transmission shift position.
Items to check when diagnosing a no-start condition are:
• Transmission switch for proper function
• Starter solenoid for proper function
• Brake switch for proper function
• Wire harness, loose connections/pins (including the ECU) leading to and from these components
• Proper ground to frame
Should all these items be found in working order, the ECU may be at fault.
5P4UBSUFS4PMFOPJE
5P3%8)4QMJDF
5P'SBNF(SPVOE

10.37
ELECTRICAL
10
800 X2 Starter Lockout Overview and Diagnostic
The Sportsman 800 X2 EFI starter lockout is controlled by the ECU. Pin #20 senses the transmission signal and determines if the
switch is in Neutral or Park. Pin #24 senses when the brake is applied. When the conditions are met, the ECU will activate Pin #16
to ground the starter solenoid. Note the ground for the transmission switch runs to the wire harness splice. The ECU will allow starting
in Neutral or Park without the brake applied. Applying the brake overrides this system and allows starting regardless of transmission
shift position.
Items to check when diagnosing a no-start condition are:
• Transmission switch for proper function
• Starter solenoid for proper function
• Brake switch for proper function
• Wire harness, loose connections/pins (including the ECU) leading to and from these components
• Proper ground to frame
Should all these items be found in working order, the ECU may be at fault.
5P4UBSUFS4PMFOPJE
5P3%8)4QMJDF

10.38
ELECTRICAL
Troubleshooting
Starter Motor Does Not Run
• Battery discharged - Low specific gravity
• Loose or faulty battery cables or corroded connections
(see Voltage Drop Tests)
• Related wiring loose, disconnected, or corroded
• Poor ground connections at battery cable, starter motor
or starter solenoid (see Voltage Drop Tests)
• Faulty key switch
• Faulty kill switch
• Faulty starter lockout function
• Faulty starter solenoid or starter motor
• Engine problem - seized or binding (Can engine be
rotated easily?)
Starter Motor Turns Over Slowly
• Battery discharged - low specific gravity
• Excessive circuit resistance - poor connections (see
Voltage Drop Test)
• Engine problem - seized or binding (Can engine be
rotated easily?)
• Faulty or worn brushes in starter motor
Starter Motor Turns - Engine Does Not Rotate
• Faulty starter drive
• Faulty starter drive gears or starter motor gear
• Faulty flywheel gear or loose flywheel
Voltage Drop Test
The Voltage Drop Test is used to test for bad connections. When
performing the test, you are testing the amount of voltage drop
through the connection. A poor or corroded connection will
appear as a high voltage reading. Voltage shown on the meter
when testing connections should not exceed .1 VDC per
connection or component.
To perform the test, place the meter on DC volts and place the
meter leads across the connection to be tested. Refer to the
voltage drop tests on the starter system in this chapter.
Starter Motor Removal / Disassembly
NOTE: Use electrical contact cleaner to clean starter
motor parts. Some solvents may leave a residue or
damage internal parts and insulation.
1. Remove the starter from the engine.
2. Remove the two bolts, washers, and sealing O-Rings.
Inspect O-Rings and replace if damaged.
NOTE: Note the alignment marks on both ends of
the starter motor casing. These marks must align
during reassembly.
Voltage should not exceed
.1 DC volts per connection

10.39
ELECTRICAL
10
3. Remove the front bracket assembly and the rear bracket
assembly. Remove the shims from the armature shaft and
inspect the O-rings located on the armature housing.
NOTE: The shims will be replaced during
reassembly.
BRUSH INSPECTION / REPLACEMENT
1. Measure resistance between starter input terminal and
insulated brushes. The reading should be .3 ohms or less.
Remember to subtract meter lead resistance.
2. Measure resistance between insulated brush and starter
housing. Reading should be infinite. (OL). Inspect
insulation on brush wires for damage and repair or replace
as necessary.
3. Slide positive brush springs to the side, pull brushes out of
their guides and remove brush plate. Slide brush end frame
off end of starter.
NOTE: The electrical input post must stay with the
field coil housing.
4. Measure resistance between ground brush and brush plate.
Resistance should be .3 ohms or less.
Brush Inspection
1. Measure length of each carbon brush. Replace brush
assembly when worn to 5/16” (8 mm) or less. The brushes
must slide freely in their holders.
O-Rings
Shims
Limit 5/16” (8 mm)
Brush Length

10.40
ELECTRICAL
Brush Replacement
1. Remove terminal nut with lock washer, flat washer, large
phenolic washer, the small phenolic spacers, and sealing
O-ring. Inspect O-ring and replace if damaged.
2. Slide positive brush springs to the side, pull brushes out of
their guides and remove brush plate.
Armature Testing
1. Remove armature from starter casing. Note order of shims
on drive end for reassembly.
2. Inspect surface of commutator. Replace if excessively
worn or damaged.
3. Using a digital multitester, measure the resistance between
each of the commutator segments. The reading should be
.3 ohms or less.
4. Measure the resistance between each commutator segment
and the armature shaft. The reading should be infinite (no
continuity).
5. Check commutator bars for discoloration. Bars discolored
in pairs indicate shorted coils, requiring replacement of the
starter motor.
6. Place armature in a growler. Turn growler on and position
a hacksaw blade or feeler gauge lengthwise 1/8” (.3 cm)
above armature coil laminates. Rotate armature 360. If
hacksaw blade is drawn to armature on any pole, the
armature is shorted and must be replaced.
CAUTION
Some cleaning solvents may damage the insulation
in the starter. Care should be exercised when
selecting an appropriate solvent. If the commutator
needs cleaning use only electrical contact cleaner.
CAUTION
Use care when handling starter housing. Do not
drop or strike the housing as magnet damage is
possible. If magnets are damaged, starter must be
replaced.

10.41
ELECTRICAL
10
Starter Reassembly / Installation
1. Install brush plate to field magnet housing aligning index
tab.
2. Install O-ring, two small phenolic spacers, large phenolic
washer, flat washer, lock washer, and terminal nut.
3. While holding brush springs away from brushes, push
brushes back and hold in place.
4. Slide armature into field magnet housing. Release brushes.
5. Lightly grease the drive roller bearing and reinstall drive
end frame on armature. Inspect seal for wear or damage.
Replace drive end cap if necessary.
6. Be sure wire insulation is in place around positive brush
wire and pushed completely into slot on phenolic plate.
7. Using Dielectric Grease (PN 2871329), lubricate brush end
bushing and install shims.
8. Align brush plate and install cover and screws.
9. Lightly grease pinion shaft and install pinion, spring
stopper, and snap ring.
10. Install the starter onto the engine case. Hand tighten each
of the starter bolts. Torque the bottom bolt first to 9
ft.lbs. (12 Nm). Then torque the top bolt to the same
specification.
NOTE: It is important to tighten the bottom starter
bolt first (circle), as the bottom hole acts as a pilot
hole to properly align the starter drive (bendix) with
the flywheel. This helps to prevent binding and
starter damage.
Starter Solenoid Bench Test
To measure the resistance of the pull-in coil, connect one meter
lead to the solenoid lead wire and the other to ground. The
resistance should be 2.8-3.6 ohms. Refer to “Electric Starter
System Testing” in this section to further test the solenoid.
Roller Bearing
Seal

10.42
ELECTRICAL
Starter Drive
Pinion Gear - Anti-kick Out Shoe, Garter Spring Replacement
If the garter spring is damaged, the overrun clutch may fail to return properly. Use either of the following methods to remove and
install a new garter spring:
1. Screw the overrun clutch out to the engaged position on the pinion shaft assembly. Use a small piece of wire with the end bent
in a hook and pick the old spring out of its channel. Slide it off the end of the shaft. Slide the new spring over the overrun
clutch and into the spring groove. Make sure that the spring is positioned between the shoe alignment pins and the back flange
of the anti kick-out shoes.
2. Remove the retaining ring, thrust washer, spring retainers and clutch return spring. Screw the overrun clutch off the end of the
pinion shaft. Remove the old spring and install a new one. Lightly grease the pinion shaft and reinstall the clutch, spring,
retainers, end washer and lock ring in the reverse order. Make sure the end washer is positioned properly so that it will hold
the lock ring in its groove.
A. Gear Assembly
B. Thrust Washer
C. Busing
D. Retaining Ring
E. Thrust Washer
F. Stopper
G. Cover
H. Spring
A
B
C
D
E
F
G
H

10.43
ELECTRICAL
10
Starter Exploded View
1. Rubber Ring*
2. Brush Spring
3. Thrust Washer
4. Gear Assembly
5. O-Ring*
6. Brush Complete
7. O-Ring*
8. Thrust Washer
9. Shaft Complete
10. Gear Assembly
11. Through Bolt
12. Cover
13. Stopper
14. Snap Ring
15. Washer
16. Flange Bolt
17. Thrust Washer
18. Flange Bushing
* Indicates - Do not reuse.
Replace with new parts.

10.44
ELECTRICAL
STARTER SYSTEM TESTING FLOW CHART
Condition: Starter fails to turn motor. NOTE: Make sure engine crankshaft is free to turn
before proceeding with dynamic testing of starter system. A digital multitester must be used
for this test
With the tester on the VDC position, place the
tester's black lead on the battery negative and the
red lead on the battery positive. Reading should
be 12.4 V D. C. or greater.
Remove battery and properly service. Install
fully charged shop battery to continue test.
Disconnect coil engagement wire from the starter
solenoid. Connect tester black wire to battery
ground. Connect red tester lead to harness wire at
solenoid. Turn on ignition switch and depress the
starter button. Tester should read battery voltage.
Check voltage on both sides of circuit
breaker, ignition switch/engine stop switch
and starter button. The voltage on both sides
should be the same. NOTE: The ignition
switch and engine stop switch must be on and
the starter button depressed. Replace
component if failed .
Test starter solenoid coil by connecting an ohmmeter between the solenoid
wire and the solenoid mounting plate. Resistance should be 3.4°Ω. Check
solenoid ground path by measuring resistance between mounting plate and
battery negative terminal (-).
Reconnect the solenoid. Connect the tester black
lead to the battery positive and the red lead to the
solenoid end of the battery-to-solenoid wire.
Depress starter button. Reading should be less
than .1 V D.C.
Clean the battery-to-solenoid cable ends
or replace the cable.
Connect the black tester lead to solenoid end of
battery-to-solenoid cable. Connect red tester lead
to solenoid end of solenoid-to-starter cable.
Depress starter button. Reading should be less than
.1 V D.C.
Replace the starter solenoid.
Connect the black tester lead to the solenoid end of
the solenoid-to-starter cable. Connect the red
tester lead to the starter end of the same cable.
Depress the starter button. The reading should be
less than .1 V D.C.
Clean the solenoid-to-starter cable ends or
replace the cable.
If all of these indicate a good condition, yet the starter still fails to
turn, the starter must be removed for static testing and inspection.
Yes
Yes
Yes
Yes
No
No
No
Yes
No
No
Voltag e Dro p
Testing

10.45
ELECTRICAL
10
BASIC WINCH WIRING- PRE-WIRED MODELS

10.46
ELECTRICAL
BATTERY
Battery Identification
NOTE: It is important to identify what type of battery
you have installed in your ATV. Different types of
batteries require different service procedures.
Proper servicing and upkeep of your battery is very
important for maintaining long battery life.
Your ATV may have a Conventional Battery or a Sealed Low
Maintenance Battery. To identify which type of battery your
ATV has, refer to the illustration below and follow the correct
service and charging procedures that follow in the manual.
Battery Activation (Conventional)
To ensure maximum service life and performance from a new
battery, perform the following steps.
NOTE: Do not service the battery unless it will be
put into regular service within 30 days. After initial
service, add only distilled water to the battery.
Never add electrolyte after a battery has been in
service.
NOTE: New Battery: Battery must be fully charged
before use or battery life will be significantly
reduced 10-30% of the battery's full potential.
To activate a new battery:
1. Remove vent plug from vent fitting. Remove cell caps.
2. Fill battery with electrolyte to upper level marks on case.
3. Set battery aside to allow for acid absorption and
stabilization for 30 minutes.
Removable
Caps
Top View
Electrolyte Level
Indicator
No Caps (Non-
Removable)
Top View
No Electrolyte
Level Indicator
Sealed Low
Maintenance Battery
Conventional Battery
WARNING
Battery electrolyte is poisonous. It contains sulfuric
acid. Serious burns can result from contact with
skin, eyes or clothing. Antidote:
External: Flush with water.
Internal: Drink large quantities of water or milk.
Follow with milk of magnesia, beaten egg, or
vegetable oil. Call physician immediately.
Eyes: Flush with water for 15 minutes and get
prompt medical attention.
Batteries produce explosive gases. Keep sparks,
flame, cigarettes, etc. away. Ventilate when
charging or using in an enclosed space. Always
shield eyes when working near batteries. KEEP
OUT OF REACH OF CHILDREN.
WARNING
The gases given off by a battery are explosive. Any
spark or open flame near a battery can cause an
explosion which will spray battery acid on anyone
close to it. Should there be contact with battery
acid, wash the affected area with large quantities of
cool water and seek immediate medical attention.

10.47
ELECTRICAL
10
4. Add electrolyte to bring level back to upper level mark on
case.
NOTE: This is the last time that electrolyte should
be added. If the level becomes low after this point,
add only distilled water.
5. Charge battery at 1/10 of its amp/hour rating. Examples:
1/10 of 9 amp battery = .9 amp; 1/10 of 14 amp battery =
1.4 amp; 1/10 of 18 amp battery = 1.8 amp (recommended
charging rates).
6. Check specific gravity of each cell with a hydrometer to
assure each has a reading of 1.270 or higher.
Battery Terminals/Bolts
Terminal Preparation
Use Polaris corrosion resistant Nyogel grease (PN 2871329)
on battery bolts and terminals when installing a battery. This
will help to prevent corrosion and maintain good electrical
connection. See “BATTERY INSTALLATION”.
Conventional Battery Inspection / Removal
The battery is located under the seat on Sportsman models.
The X2 battery is located under fuel tank and can be accessed by
removing the right hand side panel.
Inspect the battery fluid level. When the battery fluid nears the
lower level, remove the battery and fill with distilled water only
to the upper level line. To remove the battery:
1. Disconnect holder strap and remove covers.
2. Disconnect battery negative (-) (black) cable first, followed
by the positive (+) (red) cable.
3. Remove the battery.
4. Remove the filler caps and add distilled water only as
needed to bring each cell to the proper level. Do not overfill
the battery.
NOTE: Refill using only distilled water. Tap water
contains minerals which are harmful to a battery.
NOTE: Do not allow cleaning solution or tap water
inside the battery. Battery life may be reduced.
5. Reinstall the battery caps.
Conventional Battery Installation
1. lean battery cables and terminals with a stiff wire brush.
Corrosion can be removed using a solution of one cup
water and one tablespoon baking soda. Rinse well with
clean water and dry thoroughly.
2. Route the cables correctly.
3. Reinstall battery, attaching positive (+) (red) cable first and
then the negative (-) (black) cable. Coat terminals and bolt
threads with Nyogel™ Grease (PN 2871329).
BATTERY
CAUTION
Whenever removing or reinstalling the battery,
disconnect the negative (black) cable first and
reinstall the negative cable last!
Maintain
between
upper and
lower level
marks

10.48
ELECTRICAL
4. Install clear battery vent tube from vehicle to battery vent.
5. Reinstall the holder strap.
Conventional Battery Testing
Whenever a service complaint is related to either the starting or
charging systems, the battery should be checked first.
Following are three tests which can easily be made on a battery
to determine its condition: OCV Test, Specific Gravity Test and
Load Test.
Conventional Battery OCV - Open Circuit
Voltage Test
Battery voltage should be checked with a digital multitester.
Readings of 12.6 volts or less require further battery testing and
charging. See charts and Load Test below.
NOTE: Lead-acid batteries should be kept at or near
a full charge as possible. Electrolyte level should be
kept between the low and full marks. If the battery is
stored or used in a partially charged condition, or
with low electrolyte levels, hard crystal sulfation will
form on the plates, reducing the efficiency and
service life of the battery.
Conventional Battery Specific Gravity Test
A tool such as a Battery Hydrometer (PN 2870836) can be used
to measure electrolyte strength or specific gravity. As the
battery goes through the charge/discharge cycle, the electrolyte
goes from a heavy (more acidic) state at full charge to a light
(more water) state when discharged. The hydrometer can
measure state of charge and differences between cells in a multi-
cell battery. Readings of 1.270 or greater should be observed in
a fully charged battery. Differences of more than .025 between
the lowest and highest cell readings indicate a need to replace
the battery.
* Measurement at 80 F
NOTE: Subtract .01 from the specific gravity reading
at 40 F
WARNING
Vent tube must be free from obstructions and kinks and
securely installed. If not, battery gases could accumulate
and cause an explosion. The vent tube should be routed
away from frame and body to prevent contact with Route
the cables correctly.
OPEN CIRCUIT VOLTAGE
STATE OF
CHARGE
CONVENTIONAL
LEAD - ACID LOW MAINTENANCE
100% 12.60V 12.70V
Charged 12.40V 12.50V
75% Charged 12.10V 12.20V
50% Charged 11.90V 12.0V
25% Charged less than 11.80V Less than 11.90V
0% Charged -- --
SPECIFIC GRAVITY
STATE OF
CHARGE* CONVENTIONAL
LEAD - ACID LOW MAINTENANCE
100% 1.265 1.275
Charged 1.210 1.225
75% Charged 1.160 1.175
50% Charged 1.120 1.135
25% Charged less than 1.100 Less than 1.115
0% Charged -- --
Battery Hydrometer (PN 2870836)

10.49
ELECTRICAL
10
Battery Load Test
NOTE: This test can only be performed on machines
with electric starters. This test cannot be performed
with an engine or starting system that is not working
properly.
A battery may indicate a full charge condition in the OCV test
and the specific gravity test, but still may not have the storage
capacity necessary to properly function in the electrical system.
For this reason, a battery capacity or load test should be
conducted whenever poor battery performance is encountered.
To perform this test, hook a multitester to the battery in the same
manner as was done in the OCV test. The reading should be 12.6
volts or greater. Engage the starter and observe the battery
voltage while cranking the engine. Continue the test for 15
seconds. During cranking the observed voltage should not drop
below 9.5 volts. If the beginning voltage is 12.6 volts or higher
and the cranking voltage drops below 9.5 volts during the test,
replace the battery.
Off Season Storage
To prevent battery damage during extended periods of non-use,
the following basic battery maintenance items must be
performed:
• Remove the battery from the machine and wash the
case and battery tray with a mild solution of baking
soda and water. Rinse with lots of fresh water after
cleaning. NOTE: Do not get any of the baking soda
into the battery or the acid will be neutralized.
• Using a wire brush or knife, remove any corrosion from
the cables and terminals.
• Make sure that the electrolyte is at the proper level.
Add distilled water if necessary.
• Charge at a rate no greater than 1/10 of the battery's
amp/hr capacity until the electrolyte's specific gravity
reaches 1.270 or greater.
• Store the battery either in the machine with the cables
disconnected, or store in a cool place.
NOTE: Recharge to full capacity every 30 to 60 days
during a non-use period. If the battery is stored
during the winter months, electrolyte will freeze at
higher temperatures as the battery discharges. The
chart below indicates freezing points by specific
gravity.
Charging Procedure
1. Remove the battery from the ATV to prevent damage from
leaking or spilled acid during charging.
2. Charge the battery with a charging output no larger than 1/
10 of the battery's amp/hr rating. Charge as needed to raise
the specific gravity to 1.270 or greater.
3. Install battery in vehicle with positive terminal toward the
front. Coat threads of battery bolt with a corrosion resistant
dielectric grease (PN 2871329).
4. Connect battery cables.
5. After connecting the battery cables, install the cover on the
battery and attach the hold down strap.
CAUTION
To prevent shock or component damage, remove
spark plug high tension leads and connect securely
to engine ground before proceeding. ELECTROLYTE FREEZING POINTS
SPECIFIC GRAVITY OF
ELECTROLYTE FREEZING POINT
1.265 -75F
1.225 -35F
1.200 -17F
1.150 +5F
1.100 +18F
1.050 +27F
WARNING
To avoid the possibility of explosion, connect
positive (red) cable first and negative (black) cable
last.

10.50
ELECTRICAL
6. Install clear battery vent tube from vehicle to battery vent.
7. Route cables so they are tucked away in front and behind
battery.
Low Maintenance Battery
Battery Check:
NOTE: All Low Maintenance batteries are fully
charged and tested at the factory before installation.
Expected shelf life varies on storage conditions. As
a general rule before placing the battery into service,
check the battery condition and charge accordingly.
1. Check the date label on the side of the battery to calculate
when to check voltage. The battery should be checked
every 3 months.
2. Check the voltage with a voltmeter or multimeter. A fully
charged battery should be 12.8 V or higher.
3. If the voltage is below 12.8 V, the battery will need to be
recharged.
NEW BATTERIES: Batteries must be fully charged before
use or battery life can be reduced by 10-30% of full potential.
Charge battery for 3-5 hours using a variable rate charger. Do
not use the alternator to charge a new battery. A high rate battery
charger can cause battery damage.
Low Maintenance batteries are permanently sealed at the time of
manufacture. The use of lead-calcium and AGM technology
instead of lead-antimony allows the battery acid to be fully
absorbed. For this reason, a Low Maintenance battery case is
dark and the cell caps are not removable, since there is no need
to check electrolyte level.
NEVER attempt to add electrolyte or water to a Low
Maintenance battery. Doing so will damage the case and shorten
the life of the battery. Refer to the Battery Activation and
Maintenance Video (PN 9917987) for proper instruction on
servicing Low Maintenance batteries.
NOTE: New Batteries: Batteries must be fully
charged before use or battery life will be reduced by
10-30% of full potential. Charge battery for 3-5 hours
at a current equivalent of 1/10 of the battery's rated
amp/hour capacity. Do not use the alternator to
charge a new battery. (Refer to Battery Activation
and Maintenance video PN 9917987)
NEVER attempt to add electrolyte or water to a Low
Maintenance battery. Doing so will damage the case and shorten
the life of the battery. Refer to the Battery Maintenance Video
(PN 9917987) for proper instruction on servicing Low
Maintenance batteries.
TO SERVICE A LOW MAINTENANCE BATTERY:
1. Remove battery from the vehicle.
2. Test battery with a voltage meter or load tester to determine
battery condition. This will determine the length of time
required to charge the battery to full capacity. Refer to
capacity table.
3. Charge battery using a variable rate charger.
Low Maintenance Battery Charging
If battery voltage is 12.8 V or less, the battery may need
recharging. When using an automatic charger, refer to the
charger manufacturer's instructions for recharging. When using
a constant current charger, use the following guidelines for
recharging.
NOTE: Always verify battery condition before and 1-
2 hours after the end of charging.
WARNING
Vent tube must be free from obstructions and kinks
and securely installed. If not, battery gases could
accumulate and cause an explosion. Vent should
be routed away from frame and body to prevent
contact with electrolyte. Avoid skin contact with
electrolyte, as severe burns could result.
If electrolyte contacts the vehicle frame,
corrosion will occur.
WARNING
An overheated battery could explode, causing
severe injury or death. Always watch charging
times carefully. Stop charging if the battery
becomes very warm to the touch. Allow it to cool
before resuming charging.

10.51
ELECTRICAL
10
Low Maintenance Battery Inspection /
Removal
The battery is located under the seat on Sportsman models.
The X2 battery is located under fuel tank and can be accessed by
removing the right hand side panel.
1. Remove the seat and Disconnect holder strap.
2. Disconnect battery negative (-) (black) cable first, followed
by the positive (+) (red) cable.
3. Remove the battery.
Low Maintenance Battery Installation
1. Clean battery cables and terminals with a stiff wire brush.
Corrosion can be removed using a solution of one cup
water and one tablespoon baking soda. Rinse well with
clean water and dry thoroughly.
2. Route the cables correctly.
3. Reinstall battery, attaching positive (+) (red) cable first and
then the negative (-) (black) cable. Coat terminals and bolt
threads with Nyogel™ Grease (PN 2871329).
4. Reinstall the holder strap.
BATTERY CHARGING REFERENCE TABLE
STATE OF
CHARGE VOLTAGE ACTION CHARGE
TIME
100% 12.8-13 V
None, check
voltage at 3 mos.
after manufacture
date
None
Required
75-100% 12.5-12.8 V May need slight
charge 3-6 Hours
50-75% 12.0-12.5 V Needs Charge 5-11 Hours
25-50% 11.5-12.0 V Needs Charge
At least 13
hours, verify
state of
charge
0-25% 11.5 V
or less Needs Charge At least 20
hours
CAUTION
Whenever removing or reinstalling the battery,
disconnect the negative (black) cable first and
reinstall the negative cable last!
BATTERY

10.52
ELECTRICAL
Low Maintenance Battery - OCV- Open
Circuit Voltage Test
Battery voltage should be checked with a digital multitester.
Readings of 12.8 volts or less require further battery testing and
charging. See charts and Load Test.
NOTE: Lead-acid batteries should be kept at or near
a full charge as possible. If the battery is stored or
used in a partially charged condition, or with low
electrolyte levels, hard crystal sulfation will form on
the plates, reducing the efficiency and service life of
the battery.
NOTE: Use a voltmeter or multimeter to test battery
voltage.
* Measurement at 80 F
NOTE: Subtract .01 from the specific gravity reading
at 40 F.
Low Maintenance Battery Load Test
NOTE: This test can only be performed on machines
with electric starters. This test cannot be performed
with an engine or starting system that is not working
properly.
A battery may indicate a full charge condition in the OCV test
and the specific gravity test, but still may not have the storage
capacity necessary to properly function in the electrical system.
For this reason, a battery capacity or load test should be
conducted whenever poor battery performance is encountered.
To perform this test:
1. Hook a multitester to the battery in the same manner as was
done in the OCV test. The reading should be 12.8 volts or
greater.
2. Engage the starter and observe the battery voltage while
cranking the engine. Continue the test for 15 seconds.
3. During cranking the observed voltage should not drop
below 9.5 volts.
4. If the beginning voltage is 12.8 volts or higher and the
cranking voltage drops below 9.5 volts during the test,
replace the battery.
OPEN CIRCUIT VOLTAGE
STATE OF
CHARGE
LOW M AINTENANCE
BATTERY
CONVENTIONAL
BATTERY
100 % 13.0V 12.70V
75% Charged 12.80V 12.50V
50% 12.50V 12.20V
25% 12.20V 12.0V
0% Charged less than 12.0V less than 11.9V
CAUTION
To prevent shock or component damage, remove
spark plug high tension leads and connect securely
to engine ground before proceeding.

10.53
ELECTRICAL
10
Low Maintenance Battery Off-season
Storage
Battery voltage should be checked with a digital multitester.
Readings of 12.8 volts or less require further battery testing and
charging. See charts and Load Test.
• Remove the battery from the machine and wash the
case and battery tray with a mild solution of baking
soda and water. Rinse with lots of fresh water after
cleaning.
• Using a wire brush or knife, remove any corrosion from
the cables and terminals.
• Make sure that the electrolyte is at the proper level.
• Charge at a rate no greater than 1/10 of the battery's
amp/hr capacity until the electrolyte's specific gravity
reaches 1.270 or greater.
• Store the battery either in the machine with the cables
disconnected, or store in a cool place.
NOTE: Stored batteries lose their charge at the rate
of 1% per day. Recharge to full capacity every 30 to
60 days during a non-use period. If the battery is
stored during the winter months, electrolyte will
freeze at higher temperatures as the battery
discharges. The chart below indicates freezing
points by specific gravity.
Low Maintenance Battery Charging
Procedure
1. Remove the battery from the ATV to prevent damage from
leaking or spilled acid during charging.
2. Charge the battery with a variable rate charging output.
Charge as needed to raise the specific gravity to 1.270 or
greater.
3. Install battery in vehicle with positive terminal toward the
front. Coat threads of battery bolt with a corrosion resistant
Nyogel™ Grease (PN 2871329).
4. Route cables so they are tucked away in front and behind
battery.
5. Connect battery cables.
6. After connecting the battery cables, install the cover on the
battery and attach the hold down strap.
ELECTROLYTE FREEZING POINTS
SPECIFIC GRAVITY OF
ELECTROLYTE FREEZING POINT
1.265 -75F
1.225 -35F
1.200 -17F
1.150 +5F
1.100 +18F
1.050 +27F
WARNING
To avoid the possibility of sparks and explosion,
connect positive (red) cable first and negative
(black) cable last.

NOTES
ELECTRICAL
10.54

800 EFI INTERNATIONAL
11.1
CHAPTER 11
800 EFI INTERNATIONAL
11
800 EFI INTERNATIONAL BRAKE SYSTEM . . . . . . . . . . . . . . . . . . . . . . . . . . . . . . . . . 11.2
OVERVIEW. . . . . . . . . . . . . . . . . . . . . . . . . . . . . . . . . . . . . . . . . . . . . . . . . . . . . . . . . . . 11.2
EXPLODED VIEW . . . . . . . . . . . . . . . . . . . . . . . . . . . . . . . . . . . . . . . . . . . . . . . . . . . . . 11.3
800 EFI INTERNATIONAL STEERING POST AND LOCK ASSEMBLY. . . . . . . . . . . . . 11.4
STEERING ASSEMBLY EXPLODED VIEW . . . . . . . . . . . . . . . . . . . . . . . . . . . . . . . . . 11.4
800 EFI INTERNATIONAL ELECTRICAL . . . . . . . . . . . . . . . . . . . . . . . . . . . . . . . . . . . . 11.5
TURN / HAZARD SIGNAL DIAGRAM . . . . . . . . . . . . . . . . . . . . . . . . . . . . . . . . . . . . . . 11.5
NOTE: This chapter illustrates components that are unique to the Sportsman 800 EFI International.
Except where noted, any servicing of these components or other components
on the ATV can be done using this service manual’s procedures and illustrations.

11.2
800 EFI INTERNATIONAL
800 EFI INTERNATIONAL BRAKE SYSTEM
Overview
The Sportsman International brake system consists of a complete hydraulic brake system. All-wheel braking is integrated into the
foot brake and hand brake systems and allows 4 wheel braking from either control separately, or at the same time.
When the foot brake is applied, all brake calipers are active, as braking pressure is routed from the foot brake master cylinder through
the proportioning valve and distribution block, exiting one line to the front calipers, while the other line exits the proportioning valve
and feeds the outer line to the rear calipers.
When the hand brake is applied, all brake calipers are active, as braking pressure is routed from the hand brake master cylinder
through the distribution block, exiting one line to the front calipers, while the other line feeds the inner line to the rear calipers.

11.3
800 EFI INTERNATIONAL
11
Exploded View
Foot Brake Supply
Hand Brake Supply

11.4
800 EFI INTERNATIONAL
800 EFI INTERNATIONAL STEERING POST AND LOCK ASSEMBLY
Steering Assembly Exploded View
The 800 EFI International Sportsman is equipped with a locking mechanism to prevent theft or unauthorized use. Steering post
removal may be required for lock service or repair.
Lock System Item Number / Description:
11. Lock Collar
12. Lock Set
13. Bolt, Lock Set
14. Bolt(s), Lock Collar
15. Nut(s), Lock Collar

11.5
800 EFI INTERNATIONAL
11
800 EFI INTERNATIONAL ELECTRICAL
Turn / Hazard Signal Diagram

NOTES
800 EFI INTERNATIONAL
11.6

IX.1
IX
A
A-Arm Replacement . . . . . . . . . . . . . . . . . . . . . . . . . . . . 5.18
Accessory Power Wiring . . . . . . . . . . . . . . . . . . . . . . . 10.35
Active Descent Control (ADC) Coil . . . . . . . . . . . . . . 10.15
Active Descent Control Gearcase . . . . . . . . . . . . . . . . . . 7.22
ADC Gearcase Piston Service . . . . . . . . . . . . . . . . . . . . 7.27
ADC Gearcase, Disassembly / Inspection . . . . . . . . . . . 7.23
ADC reservoir level inspection . . . . . . . . . . . . . . . . . . . 2.17
Air Box Sediment Tube . . . . . . . . . . . . . . . . . . . . . . . . . 2.21
Air Filter Service . . . . . . . . . . . . . . . . . . . . . . . . . . . . . . 2.20
All Wheel Drive (AWD) Coil . . . . . . . . . . . . . . . . . . . 10.15
Alternator / Ignition Components . . . . . . . . . . . . . . . . . 10.20
Alternator Output Test . . . . . . . . . . . . . . . . . . . . . . . . . 10.22
Auxiliary (Rear) Brake Test . . . . . . . . . . . . . . . . . . . . . . 2.27
Auxiliary Brake Adjustment . . . . . . . . . . . . . . . . . . . . . . 2.28
B
Balance Shaft Gear, Removal . . . . . . . . . . . . . . . . . . . . . 3.38
Ball Joint Replacement, Front . . . . . . . . . . . . . . . . . . . . 5.19
Battery Activation, Conventional . . . . . . . . . . . . . . . . . 10.46
Battery Charging Procedure, Low Maintenance . . . . . 10.53
Battery Inspection / Removal, Low Maintenance . . . . 10.51
Battery Installation, Low Maintenance . . . . . . . . . . . . 10.51
Battery Load Test . . . . . . . . . . . . . . . . . . . . . . . . . . . . . 10.49
Battery Load Test, Low Maintenance . . . . . . . . . . . . . 10.52
Battery Maintenance . . . . . . . . . . . . . . . . . . . . . . . . . . . . 2.18
Battery Off Season Storage . . . . . . . . . . . . . . . . . . . . . 10.49
Battery Off Season Storage, Low Maintenance . . . . . . 10.53
Battery Open Circuit Voltage (OCV), Low Maintenance . . .
10.52
Battery Removal / Inspection, Conventional . . . . . . . . 10.47
Battery Terminals/Bolts . . . . . . . . . . . . . . . . . . . . . . . . 10.47
Body and Steering Torque Values . . . . . . . . . . . . . . . . . . 5.2
Body Assembly Exploded View . . . . . . . . . . . . . . 5.12, 5.13
Body Rack Exploded View . . . . . . . . . . . . . . . . . . . . . . 5.14
Brake Bleeding . . . . . . . . . . . . . . . . . . . . . . . . . . . . . . . . . 9.7
Brake Burnishing Procedure . . . . . . . . . . . . . . . . . . . . . . 9.12
Brake Caliper Exploded View . . . . . . . . . . . . . . . . . . . . . 9.5
Brake Caliper Removal, Rear . . . . . . . . . . . . . . . . 9.21, 9.23
Brake Caliper, Assembly . . . . . . . . . . . . . . . . . . . . . . . . 9.24
Brake Caliper, Front . . . . . . . . . . . . . . . . . . . . . . . . . . . . 9.14
Brake Disc, Front . . . . . . . . . . . . . . . . . . . . . . . . . . . . . . 9.12
Brake Disc, Inspection . . . . . . . . . . . . . . . . . . . . . . . . . . 9.25
Brake Hose Fitting Inspection . . . . . . . . . . . . . . . . . . . . 2.27
Brake Light / Work Light Switch Replacement 10.30, 10.31
Brake Light Switch . . . . . . . . . . . . . . . . . . . . . . . . . . . . 10.32
Brake Noise Troubleshooting . . . . . . . . . . . . . . . . . . . . . . 9.7
Brake Pad Inspection . . . . . . . . . . . . . . . . . . . . . . . . . . . 2.27
Brake Pad Install, Rear . . . . . . . . . . . . . . . . . . . . . . . . . . 9.20
Brake Pad Removal, Rear . . . . . . . . . . . . . . . . . . . . . . . . 9.19
Brake Pad, Rear . . . . . . . . . . . . . . . . . . . . . . . . . . . . . . . 9.17
Brake Pad, Removal and Installation . . . . . . . . . . . . . . . 9.10
Brake System Components, Std, Sportsman . . . . . . . . . . 9.4
Brake System Components, X2 . . . . . . . . . . . . . . . . . . . . 9.3
Brake System Exploded View, International . . . . . . . . . 11.3
Brake System Exploded Views . . . . . . . . . . . . . . . . . . . . 9.3
Brake System Inspection . . . . . . . . . . . . . . . . . . . . . . . . .2.26
Brake System Overview, International . . . . . . . . . . . . . .11.2
Brake, Master Cylinder Removal . . . . . . . . . . . . . . . . . . .9.9
Brake, Rear Auxiliary Brake . . . . . . . . . . . . . . . . . . . . . .9.28
Brake, Rear Auxiliary Master Cylinder . . . . . . . . . . . . .9.26
Brake, Torque Specifications . . . . . . . . . . . . . . . . . . . . . .9.2
Brakes, Operation Overview . . . . . . . . . . . . . . . . . . . . . . .9.6
Brakes, Troubleshooting . . . . . . . . . . . . . . . . . . . . . . . . .9.29
C
Cam Gear, Reassembly . . . . . . . . . . . . . . . . . . . . . . . . . .3.37
Cam Gear, Removal . . . . . . . . . . . . . . . . . . . . . . . . . . . .3.36
Camber / Caster . . . . . . . . . . . . . . . . . . . . . . . . . . . . . . . .2.24
Cargo Box, Removal and Installation . . . . . . . . . . . . . . .5.26
Charging Procedure . . . . . . . . . . . . . . . . . . . . . . . . . . . .10.49
Charging System - Break Even Test . . . . . . . . . . . . . . .10.22
Charging System Flow Chart . . . . . . . . . . . . . . . . . . . .10.24
Circuit Breaker . . . . . . . . . . . . . . . . . . . . . . . . . . . . . . .10.26
Cleaning and Storage of ATV . . . . . . . . . . . . . . . . . . . . .2.33
Clock, Setting Time of Day . . . . . . . . . . . . . . . . . . . . . . .10.4
Clutch Alignment . . . . . . . . . . . . . . . . . . . . . . . . . . . . . .6.14
Clutch Offset . . . . . . . . . . . . . . . . . . . . . . . . . . . . . . . . . .6.14
Clutch, Troubleshooting . . . . . . . . . . . . . . . . . . . . . . . . .6.36
Combustion Chamber . . . . . . . . . . . . . . . . . . . . . . . . . . .3.26
Component Locations . . . . . . . . . . . . . . . . . . . . . . . . . . . .2.8
Component Locations, Sportsman . . . . . . . . . . . . . . . . . .2.7
Compression Test . . . . . . . . . . . . . . . . . . . . . . . . . . . . . .2.16
Conversion Table . . . . . . . . . . . . . . . . . . . . . . . . . . . . . .1.14
Cooling System . . . . . . . . . . . . . . . . . . . . . . . . . . . . . . . .2.18
Cooling System - Coolant Level . . . . . . . . . . . . . . . . . . .2.19
Cooling System - Pressure Test . . . . . . . . . . . . . . . . . . .2.19
Cooling System - Radiator Level . . . . . . . . . . . . . . . . . .2.20
Cooling System Bleeding Procedure . . . . . . . . . . . . . . . .3.15
Cooling System Hoses . . . . . . . . . . . . . . . . . . . . . . . . . .2.19
Cooling System Specifications . . . . . . . . . . . . . . . . . . . .3.14
Cooling System, Pressure Test . . . . . . . . . . . . . . . . . . . .3.15
Crank Position Sensor Gap . . . . . . . . . . . . . . . . . . . . . .10.21
Crankshaft Gear, Removal . . . . . . . . . . . . . . . . . . . . . . .3.38
Crankshaft Position Sensor (CPS) . . . . . . . . . . . . . . . . . .4.14
Current Draw - Key Off Test . . . . . . . . . . . . . . . . . . . .10.21
CV Boot, Replacement . . . . . . . . . . . . . . . . . . . . . . . . . . .7.4
CV Shaft Boot Inspection . . . . . . . . . . . . . . . . . . . . . . . .2.28
Cylinder Head Assembly . . . . . . . . . . . . . . . . . . . . . . . .3.28
Cylinder Head Assembly Exploded View . . . . . . . . . . .3.21
Cylinder Head Disassembly . . . . . . . . . . . . . . . . . . . . . .3.24
Cylinder Honing To De-glaze . . . . . . . . . . . . . . . . . . . . .3.19
Cylinder Inspection . . . . . . . . . . . . . . . . . . . . . . . . . . . . .3.31
D
Decal Replacement . . . . . . . . . . . . . . . . . . . . . . . . . . . . . .5.2
Diagnostic Codes . . . . . . . . . . . . . . . . . . . . . . . . . . . . . . .10.7
Diagnostic Mode, EFI System . . . . . . . . . . . . . . . . . . . .10.7
Diagnostic Mode, Instrument Cluster . . . . . . . . . . . . . . .10.4
Differential Solenoid . . . . . . . . . . . . . . . . . . . . . . . . . . .10.33
Drive Belt, Installation . . . . . . . . . . . . . . . . . . . . . . . . . .6.13
Drive Belt, Removal/Inspection . . . . . . . . . . . . . . . . . . .6.12
Drive Clutch Springs . . . . . . . . . . . . . . . . . . . . . . . . . . . . .6.8

IX.2
Drive Clutch Weights . . . . . . . . . . . . . . . . . . . . . . . . . . . .6.9
Drive Clutch, Operation . . . . . . . . . . . . . . . . . . . . . . . . . .6.6
Drive Clutch, Standard Service . . . . . . . . . . . . . . . . . . . .6.28
Drive Shaft Boot Inspection . . . . . . . . . . . . . . . . . . . . . . .7.4
Driven Clutch, Operation . . . . . . . . . . . . . . . . . . . . . . . . .6.6
Driven Clutch, Standard Service . . . . . . . . . . . . . . . . . . .6.34
E
EBS Drive Clutch Service . . . . . . . . . . . . . . . . . . . . . . . .6.15
EBS Driven Clutch Service . . . . . . . . . . . . . . . . . . . . . . .6.22
EBS Exploded View . . . . . . . . . . . . . . . . . . . . . . . . . 6.4, 6.5
EBS, Driven Clutch Operation . . . . . . . . . . . . . . . . . . . . .6.7
EFI Diagnostic Mode Using Instrument Cluster . . . . . . .10.7
EFI Operation Overview . . . . . . . . . . . . . . . . . . . . . . . . . .4.7
EFI Priming / Starting Procedure . . . . . . . . . . . . . . . . . . .4.7
EFI Troubleshooting . . . . . . . . . . . . . . . . . . . . . . . . . . . .4.20
Electronic Control Unit (ECU) . . . . . . . . . . . . . . . . . . . . .4.8
Engine Balance Shaft Removal . . . . . . . . . . . . . . . . . . . .3.42
Engine Breather Hoses . . . . . . . . . . . . . . . . . . . . . . . . . .2.21
Engine Camshaft Inspection . . . . . . . . . . . . . . . . . . . . . .3.42
Engine Camshaft Installation . . . . . . . . . . . . . . . . . . . . .3.44
Engine Cooling System . . . . . . . . . . . . . . . . . . . . . 3.14, 3.15
Engine Cooling System Troubleshooting . . . . . . . . . . . .3.58
Engine Crankcase Assembly . . . . . . . . . . . . . . . . . . . . . .3.43
Engine Crankshaft Gear Removal . . . . . . . . . . . . . . . . . .3.39
Engine Crankshaft Installation . . . . . . . . . . . . . . . . . . . .3.44
Engine Cylinder Head Assembly . . . . . . . . . . . . . . . . . .3.28
Engine Cylinder Head Inspection . . . . . . . . . . . . . . . . . .3.23
Engine Cylinder Head Removal . . . . . . . . . . . . . . . . . . .3.22
Engine Cylinder Head Warp . . . . . . . . . . . . . . . . . . . . . .3.23
Engine Cylinder Honing . . . . . . . . . . . . . . . . . . . . . . . . .3.18
Engine Cylinder Inspection . . . . . . . . . . . . . . . . . . . . . . .3.31
Engine Cylinder Installation . . . . . . . . . . . . . . . . . . . . . .3.45
Engine Cylinder Removal . . . . . . . . . . . . . . . . . . . . . . . .3.29
Engine Diagnostic Codes . . . . . . . . . . . . . . . . . . . . . . . .4.19
Engine Exploded Views . . . . . . . 3.2, 3.3, 3.4, 3.5, 3.7, 3.8
Engine Fastener Torques . . . . . . . . . . . . . . . . . . . . . . . . . .3.9
Engine Flywheel / Stator Installation . . . . . . . . . . . . . . .3.54
Engine Flywheel / Stator Removal . . . . . . . . . . . . . . . . .3.34
Engine Flywheel Removal . . . . . . . . . . . . . . . . . . . . . . .3.35
Engine Gear(s) Removal . . . . . . . . . . . . . . . . . . . . . . . . .3.36
Engine Gears, Installation . . . . . . . . . . . . . . . . . . . . . . . .3.48
Engine Ground . . . . . . . . . . . . . . . . . . . . . . . . . . . . . . . .2.22
Engine Head Assembly . . . . . . . . . . . . . . . . . . . . . . . . . .3.55
Engine Installation Notes . . . . . . . . . . . . . . . . . . . . . . . .3.18
Engine Lubrication . . . . . . . . . . . . . . . . . . . . . . . . . . . . .3.20
Engine Mount . . . . . . . . . . . . . . . . . . . . . . . . . . . . . . . . .2.17
Engine Oil and Filter Change . . . . . . . . . . . . . . . . . . . . .2.23
Engine Oil Flow Chart . . . . . . . . . . . . . . . . . . . . . . . . . .3.20
Engine Oil Level . . . . . . . . . . . . . . . . . . . . . . . . . . . . . . .2.22
Engine Oil Pressure Test . . . . . . . . . . . . . . . . . . . . . . . . .3.20
Engine Oil Priming . . . . . . . . . . . . . . . . . . . . . . . . . . . . .3.53
Engine Oil Pump Installation . . . . . . . . . . . . . . . . . . . . .3.46
Engine Oil Pump Removal . . . . . . . . . . . . . . . . . . . . . . .3.39
Engine Piston Identification . . . . . . . . . . . . . . . . . . . . . .3.14
Engine Piston Installation . . . . . . . . . . . . . . . . . . . . . . . .3.45
Engine Piston Removal, Inspection . . . . . . . . . . . . . . . . 3.30
Engine Piston Ring Installed Gap . . . . . . . . . . . . . . . . . 3.33
Engine Piston to Cylinder Clearance . . . . . . . . . . . . . . . 3.32
Engine Piston to Rod Clearance . . . . . . . . . . . . . . . . . . . 3.32
Engine Pushrod Inspection . . . . . . . . . . . . . . . . . . . . . . . 3.22
Engine Removal / Install Procedure . . . . . . . . . . . . . . . . 3.16
Engine Rocker Arm Inspection . . . . . . . . . . . . . . . . . . . 3.22
Engine Service Specifications . . . . . . . . . . . . . . . . . . . . 3.11
Engine Starter Drive Removal . . . . . . . . . . . . . . . . . . . . 3.33
Engine Starter Removal . . . . . . . . . . . . . . . . . . . . . . . . . 3.35
Engine Stator Gear Cover Seal(s) Installation . . . . . . . . 3.50
Engine Stator Installation . . . . . . . . . . . . . . . . . . . . . . . . 3.52
Engine Temperature Sensor . . . . . . . . . . . . . . . . . . . . . . 4.18
Engine Temperature Sensor Replacement . . . . . . . . . . . 4.18
Engine Temperature Sensor Test . . . . . . . . . . . . . . . . . . 4.18
Engine Torque Table . . . . . . . . . . . . . . . . . . . . . . . . . . . 3.10
Engine Troubleshooting . . . . . . . . . . . . . . . . . . . . . . . . . 3.57
Engine Valve Inspection . . . . . . . . . . . . . . . . . . . . . . . . 3.25
Engine Valve Lifter Removal, Inspection . . . . . . . . . . . 3.29
Engine Valve Seal/Spring Service . . . . . . . . . . . . . . . . . 3.23
Engine Valve Sealing Test . . . . . . . . . . . . . . . . . . . . . . . 3.29
Engine Valve Seat Reconditioning . . . . . . . . . . . . . . . . 3.26
Engine, Accessible Components . . . . . . . . . . . . . . . . . . 3.14
ETC Operation Test . . . . . . . . . . . . . . . . . . . . . . . . . . . 10.18
ETC Switch Operation . . . . . . . . . . . . . . . . . . . . . . . . . 10.18
Exhaust Breakdown, Sportsman 800 EFI . . . . . . . . . . . 3.59
Exhaust Pipe . . . . . . . . . . . . . . . . . . . . . . . . . . . . . . . . . . 2.26
Exhaust, 800 EFI . . . . . . . . . . . . . . . . . . . . . . . . . . . . . . 2.35
Exhaust, Dual 800 EFI . . . . . . . . . . . . . . . . . . . . . . . . . . 3.59
F
Fan Control Circuit Operation . . . . . . . . . . . . . . . . . . . 10.16
Fan Control Circuit Operation / Testing . . . . . . . . . . . 10.16
Fan Motor Current Draw . . . . . . . . . . . . . . . . . . . . . . . 10.17
Final Drive Torque Specifications . . . . . . . . . . . . . . . . . . 7.2
Flywheel / Stator Removal . . . . . . . . . . . . . . . . . . . . . . . 3.34
Flywheel ID . . . . . . . . . . . . . . . . . . . . . . . . . . . . . . . . . 10.19
Flywheel, Removal . . . . . . . . . . . . . . . . . . . . . . . . . . . . 3.34
Foot Well Removal / Installation . . . . . . . . . . . . . . . . . . . 5.5
Frame, Nuts, Bolts Fastener Inspection . . . . . . . . . . . . . 2.30
Front Cab Removal / Installation . . . . . . . . . . . . . . . . . . . 5.9
Front Cover Removal / Installation . . . . . . . . . . . . . . . . . 5.4
Front Drive Axle Installation . . . . . . . . . . . . . . . . . . . . . . 7.4
Front Drive Axle Removal . . . . . . . . . . . . . . . . . . . . . . . . 7.2
Front Gearcase - Back Lash Pad Adjustment . . . . . . . . 7.18
Front Gearcase Coil Resistance . . . . . . . . . . . . . . .7.14, 7.23
Front Gearcase Lubrication . . . . . . . . . . . . . . . . . . . . . . 2.12
Front Gearcase, Active Descent Control Exploded View 7.21
Front Gearcase, Diagnoses . . . . . . . . . . . . . . . . . . . . . . . 7.19
Front Gearcase, Disassembly / Inspection . . . . . . . . . . . 7.13
Front Gearcase, Exploded View . . . . . . . . . . . . . . . . . . 7.11
Front Gearcase, Installation . . . . . . . . . . . . . . . . . . . . . . 7.20
Front Gearcase, Operation . . . . . . . . . . . . . . . . . . . . . . . 7.11
Front Gearcase, Reassembly . . . . . . . . . . . . . . . . . . . . . 7.29
Front Gearcase, Reassembly / Inspection . . . . . . . . . . . 7.17
Front Gearcase, Removal . . . . . . . . . . . . . . . . . . . . . . . . 7.12

IX.3
IX
Front Hub, Assembly . . . . . . . . . . . . . . . . . . . . . . . . . . . . 7.6
Front Hub, Disassembly . . . . . . . . . . . . . . . . . . . . . . . . . . 7.6
Front Storage Installation . . . . . . . . . . . . . . . . . . . . . . . . . 5.8
Front Storage Removal . . . . . . . . . . . . . . . . . . . . . . . . . . . 5.6
Fuel Filter . . . . . . . . . . . . . . . . . . . . . . . . . . . . . . . 2.16, 4.12
Fuel Injection, Component Locations . . . . . . . . . . . . . . . 4.5
Fuel Injection, Exploded View . . . . . . . . . . . . . . . . . . . . . 4.4
Fuel Injection, Service Notes . . . . . . . . . . . . . . . . . . . . . . 4.3
Fuel Injection, Special Tools . . . . . . . . . . . . . . . . . . . . . . 4.2
Fuel Injector . . . . . . . . . . . . . . . . . . . . . . . . . . . . . . . . . . 4.13
Fuel Pressure Regulator . . . . . . . . . . . . . . . . . . . . . . . . . 4.12
Fuel Pump / Tank Assembly . . . . . . . . . . . . . . . . . . . . . . 4.9
Fuel Sender Test . . . . . . . . . . . . . . . . . . . . . . . . . . . . . . 10.33
Fuel System, EFI Circuit Diagrams . . . . . . . . . . . . . . . . 4.21
Fuel Tank Location . . . . . . . . . . . . . . . . . . . . . . . . . . . . . . 4.6
Fuses . . . . . . . . . . . . . . . . . . . . . . . . . . . . . . . . . . . . . . . 10.26
G
Gear / Stator Housing Seal Replacement . . . . . . . . . . . . 3.49
Gear Position Indicator Switch Test . . . . . . . . . . . . . . . 10.17
Gearcase, ADC Hydraulic Fluid Change . . . . . . . . . . . . 2.14
Gearcase, Front Capacity and Fluid Type . . . . . . . . . . . . 7.2
Glossary of Terms . . . . . . . . . . . . . . . . . . . . . . . . . . . . . 1.15
H
Handlebar Block Installation Procedure . . . . . . . . . . . . . 5.16
Headlamp Switch Test . . . . . . . . . . . . . . . . . . . . . . . . . 10.29
Headlight Housing Replacement . . . . . . . . . . . . . . . . . 10.27
Headlight Pod Exploded View . . . . . . . . . . . . . . . . . . . . 5.15
High Beam Bulb Replacement . . . . . . . . . . . . . . . . . . . 10.26
High Beam Headlight Adjustment . . . . . . . . . . . . . . . . 10.28
Hydraulic Brake System Operation Overview . . . . . . . . . 9.6
I
Ignition Curve . . . . . . . . . . . . . . . . . . . . . . . . . . . . . . . . 10.19
Ignition System Troubleshooting . . . . . . . . . . . . . . . . . 10.21
Instrument Cluster (Speedometer) Overview . . . . . . . . . 10.3
Instrument Cluster, Setting New Service Interval . . . . . 10.6
Interlock, Starter, 700/800 EFI . . . . . . . . . . . . . . . . . . . 10.36
Interlock, Starter, 800 X2 EFI . . . . . . . . . . . . . . . . . . . 10.37
K
Keys, Replacement . . . . . . . . . . . . . . . . . . . . . . . . . . . . . . 1.3
L
Low Beam Headlight Adjustment . . . . . . . . . . . . . . . . 10.29
Low Maintenance Battery Charging . . . . . . . . . . . . . . . 10.50
Low Maintenance Battery Info . . . . . . . . . . . . . . . . . . . 10.50
Lower Headlamp Housing Removal . . . . . . . . . . . . . . 10.29
Lower Headlamp Removal . . . . . . . . . . . . . . . . . . . . . . 10.28
Lubricants/Fluids, Polaris Brand Part Numbers . . . . . . . . 2.9
Lubricants/Fluids, Polaris Brand Symbol Identification Chart
2.10
Lubrication / Grease Points . . . . . . . . . . . . . . . . . . . . . . 2.11
M
Maintenance Chart, Periodic . . . . . . . . . . . . . . . . . . . . . . 2.3
Maintenance Schedule . . . . . . . . . . . . . . . . . . . . . . . . . . 2.36
Misc. Tables . . . . . . . . . . . . . . . . . . . . . . . . . . . . . . . . . . 1.12
Model . . . . . . . . . . . . . . . . . . . . . . . . . . . . . . . . . . . . . . . .1.2
Model Number/VIN Identification . . . . . . . . . . . . . . . . . .1.2
O
Oil Pump, Disassembly . . . . . . . . . . . . . . . . . . . . . . . . . .3.39
Oil Pump, Reassembly . . . . . . . . . . . . . . . . . . . . . . . . . .3.40
Oil Pump, Removal . . . . . . . . . . . . . . . . . . . . . . . . . . . . .3.39
P
Paint Codes . . . . . . . . . . . . . . . . . . . . . . . . . . . . . . . . . . . .1.3
Passenger Seat, Operation . . . . . . . . . . . . . . . . . . . . . . . .5.29
Piston Ring Installed Gap . . . . . . . . . . . . . . . . . . . . . . . .3.33
Piston to Cylinder Clearance . . . . . . . . . . . . . . . . . . . . . .3.32
Piston to Rod Inspection . . . . . . . . . . . . . . . . . . . . . . . . .3.32
Plastic Inserts . . . . . . . . . . . . . . . . . . . . . . . . . . . . . . . . . . .5.3
Pre-ride Checklist . . . . . . . . . . . . . . . . . . . . . . . . . . . . . .2.10
Propshaft, Removal . . . . . . . . . . . . . . . . . . . . . . . . . . . . . .7.7
Publication Numbers . . . . . . . . . . . . . . . . . . . . . . . . . . . . .1.3
PVT Assembly . . . . . . . . . . . . . . . . . . . . . . . . . . . . . . . .6.11
PVT Disassembly . . . . . . . . . . . . . . . . . . . . . . . . . . . . . .6.10
PVT Drive Clutch Operation . . . . . . . . . . . . . . . . . . . . . . .6.6
PVT Drive Clutch Shift Weights . . . . . . . . . . . . . . . . . . .6.9
PVT Drive Clutch Specifications . . . . . . . . . . . . . . . . . . .6.8
PVT Driven Clutch Operation . . . . . . . . . . . . . . . . . . . . . .6.6
PVT Drying . . . . . . . . . . . . . . . . . . . . . . . . . . . . . . 2.22, 6.10
PVT Ducting . . . . . . . . . . . . . . . . . . . . . . . . . . . . . . . . . . .6.3
PVT Maintenance / Inspection . . . . . . . . . . . . . . . . . . . . .6.7
PVT Operation . . . . . . . . . . . . . . . . . . . . . . . . . . . . . . . . .6.6
PVT Overheating Chart . . . . . . . . . . . . . . . . . . . . . . . . . .6.36
PVT Special Tools . . . . . . . . . . . . . . . . . . . . . . . . . . . . . .6.2
PVT Torque Specs . . . . . . . . . . . . . . . . . . . . . . . . . . . . . .6.2
PVT Troubleshooting Chart . . . . . . . . . . . . . . . . . . . . . .6.37
PVT, Button to Tower Clearance . . . . . . . . . . . . . 6.17, 6.30
PVT, Clutch Alignment . . . . . . . . . . . . . . . . . . . . . . . . . .6.14
PVT, Clutch Offset . . . . . . . . . . . . . . . . . . . . . . . . . . . . .6.14
PVT, Drive Belt Installation . . . . . . . . . . . . . . . . . . . . . .6.13
PVT, Drive Belt Removal/Inspection . . . . . . . . . . . . . . .6.12
PVT, Drive Clutch Disassembly . . . . . . . . . . . . . . 6.15, 6.28
PVT, Drive Clutch Exploded View . . . . . . . . . . . . . . . . . .6.3
PVT, Drive Clutch Reassembly . . . . . . . . . . . . . . 6.20, 6.32
PVT, Drive Clutch Spider Removal . . . . . . . . . . . 6.15, 6.29
PVT, Driven Clutch Bushing Service . . . . . . . . . . . . . . .6.24
PVT, Driven Clutch Disassembly . . . . . . . . . . . . . . . . . .6.22
PVT, Driven Clutch Reassembly . . . . . . . . . . . . . . . . . .6.25
PVT, EBS Clutch Operation . . . . . . . . . . . . . . . . . . . . . . .6.7
PVT, EBS Drive Clutch Bushing Service . . . . . . . 6.18, 6.31
PVT, EBS Drive Clutch Cover Bushing Remove/Install 6.19,
6.32
PVT, Moveable Sheave Inspection . . . . . . . . . . . . 6.18, 6.31
R
Radiator . . . . . . . . . . . . . . . . . . . . . . . . . . . . . . . . . . . . . .2.19
Radiator Screen Removal . . . . . . . . . . . . . . . . . . . . . . . .5.11
Rear Cab Removal / Installation . . . . . . . . . . . . . . . . . . .5.10
Rear Gearcase, Assembly . . . . . . . . . . . . . . . . . . . . . . . .7.41
Rear Gearcase, Disassembly . . . . . . . . . . . . . . . . . . . . . .7.39
Rear Gearcase, Exploded View . . . . . . . . . . . . . . . . . . . .7.43

IX.4
Rear Gearcase, Installation . . . . . . . . . . . . . . . . . . . . . . .7.42
Rear Gearcase, Removal . . . . . . . . . . . . . . . . . . . . . . . . .7.39
Rear Master Cylinder, Exploded View . . . . . . . . . . . . . .9.26
Rear Rack Removal / Installation . . . . . . . . . . . . . . . . . . .5.8
Rear Storage Removal / Installation . . . . . . . . . . . . . . . .5.11
Rear Suspension Assembly . . . . . . . . . . . . . . . . . . 5.22, 5.23
Relays . . . . . . . . . . . . . . . . . . . . . . . . . . . . . . . . . . . . . .10.25
S
See “FRONT GEARCASE - CENTRALIZED HILLIARD
(STANDARD on page 7.10. . . . . . . . . . . . . . . . . . . . . . .7.23
Service Intervals, Speedometer . . . . . . . . . . . . . . . . . . . .10.6
Shift Linkage Inspection . . . . . . . . . . . . . . . . . . . . . . . . .2.14
Side Panel Removal . . . . . . . . . . . . . . . . . . . . . . . . . . . . .5.4
Solenoid, Differential . . . . . . . . . . . . . . . . . . . . . . . . . .10.33
Spark Plug . . . . . . . . . . . . . . . . . . . . . . . . . . . . . . . . . . . .2.17
Special Tool, Cam Gear Installation Kit . . . . . . . . . . . . .3.37
Special Tools, Body & Steering . . . . . . . . . . . . . . . . . . . .5.2
Special Tools, Engine . . . . . . . . . . . . . . . . . . . . . . . . . . .3.13
Special Tools, Final Drive . . . . . . . . . . . . . . . . . . . . . . . . .7.2
Special Tools, Speed Sensor . . . . . . . . . . . . . . . . . . . . .10.34
Specific Gravity Test, Conventional Battery . . . . . . . .10.48
Specification, Balance Shaft Gear Bolt Torque . . . . . . .3.48
Specification, Brake Disc Service Limit . . . . . . . . . . . . .9.25
Specification, Brake Disc Thickness . . . . . . . . . . . . . . . .9.25
Specification, Brake Pad Thickness . . . . . . . . . . . . . . . .9.19
Specification, Cam Lobe Height . . . . . . . . . . . . . . . . . . .3.42
Specification, Cam Thrust Plate Fastener Torque . . . . . .3.46
Specification, Camshaft Gear Bolt Torque . . . . . . . . . . .3.49
Specification, Coolant Sensor Resistance . . . . . . . . . . .10.16
Specification, Cylinder Head Warp . . . . . . . . . . . . . . . . .3.23
Specification, Cylinder Taper Limit . . . . . . . . . . . . . . . .3.31
Specification, Cylinder Warp Limit . . . . . . . . . . . . . . . .3.31
Specification, Differential Solenoid Resistance 10.33, 10.34
Specification, Differential Solenoid Torque . . . 10.33, 10.34
Specification, Drill and Tap Sizes . . . . . . . . . . . . . . . . . .1.13
Specification, Oil Pump Bolt Torque . . . . . . . . . . . . . . .3.47
Specification, Oil Pump Rotor Clearance . . . . . . . . . . . .3.40
Specification, PVT Center-to-Center Distance . . . . . . . .6.13
Specification, PVT Component Torque Table . . . . . . . . .6.2
Specification, PVT Drive Belt Width . . . . . . . . . . . . . . .6.13
Specification, Speed Sensor Bolt Torque . . . . . . . . . . .10.34
Specification, Standard Fastener Torques . . . . . . . . . . . .1.12
Specification, Timing Gear Alignment . . . . . . . . . . . . . .3.36
Specification, Transmission Silent Chain Length . . . . . .8.35
Specification, Valve Seat Contact Width . . . . . . . . . . . .3.27
Specification, Valve Spring Free Length . . . . . . . . . . . .3.24
Specification, Valve Stem Diameter . . . . . . . . . . . . . . . .3.25
Specification, Valve Stem Guide I.D. . . . . . . . . . . . . . . .3.25
Specification, Wheel Toe-Out . . . . . . . . . . . . . . . . . . . . .2.25
Specifications, Body and Steering Torque Values . . . . . .5.2
Specifications, Brake Component Service Limits . . . . . . .9.2
Specifications, Brake Component Torque Values . . . . . .9.2
Specifications, Cam Shaft . . . . . . . . . . . . . . . . . . . . . . . .3.43
Specifications, Cooling System . . . . . . . . . . . . . . . . . . . .3.14
Specifications, Crankcase Fastener Torque . . . . . . . . . . .3.44
Specifications, Engine Lubrication . . . . . . . . . . . . . . . . 3.20
Specifications, Engine Oil Pressure . . . . . . . . . . . . . . . . 3.20
Specifications, Final Drive Torque Values . . . . . . . . . . . 7.2
Specifications, Front Gearcase Lubrication Type/Capacity 7.2
Specifications, Oil Baffle Bolt Torque . . . . . . . . . . . . . 3.43
Specifications, Oil Pick-up Bolt Torque . . . . . . . . . . . . 3.43
Specifications, Sportsman 700 EFI . . . . . . . . . . . . . . . . . 1.6
Specifications, Sportsman 800 EFI . . . . . . . . . . . . . . . . . 1.8
Specifications, Sportsman 800 X2 EFI . . . . . . . . . . . . . 1.10
Speed Sensor . . . . . . . . . . . . . . . . . . . . . . . . . . . . . . . . 10.34
Speedometer Installation . . . . . . . . . . . . . . . . . . . . . . . . 10.9
Speedometer Removal . . . . . . . . . . . . . . . . . . . . . . . . . . 10.8
Speedometer Sensor, Replacement . . . . . . . . . . . . . . . 10.34
Speedometer Troubleshooting Tests . . . . . . . . . . . . . . 10.10
Speedometer, Funtions Overview . . . . . . . . . . . . . . . . . 10.3
Starter Armature Testing . . . . . . . . . . . . . . . . . . . . . . . 10.40
Starter Assembly Exploded View . . . . . . . . . . . . . . . . 10.43
Starter Brush Inspection / Replacement . . . . . . . . . . . . 10.39
Starter Drive . . . . . . . . . . . . . . . . . . . . . . . . . . . . . . . . . 10.42
Starter Drive Removal . . . . . . . . . . . . . . . . . . . . . . . . . . 3.33
Starter Interlock . . . . . . . . . . . . . . . . . . . . . . . . .10.36, 10.37
Starter Motor, Removal . . . . . . . . . . . . . . . . . . . . . . . . 10.38
Starter Reassembly / Installation . . . . . . . . . . . . . . . . . 10.41
Starter System Flow Chart . . . . . . . . . . . . . . . . . . . . . . 10.44
Starter System, Troubleshooting . . . . . . . . . . . . . . . . . 10.38
Stator, Removal . . . . . . . . . . . . . . . . . . . . . . . . . . . . . . . 3.34
Steering . . . . . . . . . . . . . . . . . . . . . . . . . . . . . . . . . . . . . 2.24
Steering A-Arm Exploded View . . . . . . . . . . . . . . . . . . 5.17
Steering Lock, Exploded View . . . . . . . . . . . . . . . . . . . 11.4
Steering Post Assembly . . . . . . . . . . . . . . . . . . . . . . . . . 5.20
Steering Post Removal . . . . . . . . . . . . . . . . . . . . . . . . . . 5.20
Steering Torque Values . . . . . . . . . . . . . . . . . . . . . . . . . . 5.2
Storage Compartments, Front & Rear . . . . . . . . . . . . . . 2.30
Strut Assembly . . . . . . . . . . . . . . . . . . . . . . . . . . . . . . . . 5.21
Strut Cartridge Replacement, Front . . . . . . . . . . . . . . . . 5.20
Suspension Adjustment . . . . . . . . . . . . . . . . . . . . . . . . . 2.28
Suspension, Front . . . . . . . . . . . . . . . . . . . . . . . . . . . . . . 2.28
Suspension, Rear . . . . . . . . . . . . . . . . . . . . . . . . . . . . . . 2.28
T
Temperature / Barometric Air Pressure Sensor (T-Bap) 4.15
Throttle Cable . . . . . . . . . . . . . . . . . . . . . . . . . . . . . . . . 2.15
Throttle Inspection . . . . . . . . . . . . . . . . . . . . . . . . . . . . . 2.15
Throttle Position Sensor . . . . . . . . . . . . . . . . . . . . . . . . . 4.15
Throttle Position Sensor Initialization . . . . . . . . . . . . . . 4.16
Throttle Position Sensor Replacement . . . . . . . . . . . . . . 4.15
Tie Rod / Steering Inspection . . . . . . . . . . . . . . . . . . . . . 2.24
Timing Gear Mark Alignment . . . . . . . . . . . . . . . . . . . . 3.36
Tire Inspection . . . . . . . . . . . . . . . . . . . . . . . . . . . . . . . . 2.30
Torque Specs - Engine . . . . . . . . . . . . . . . . . . . . . . . . . . 3.10
Transmission . . . . . . . . . . . . . . . . . . . . . . . . . . . . . . . . . 8.19
Transmission Assembly . . . . . . . . . . . . . . . . . . . . . . . . . 8.12
Transmission Disassembly . . . . . . . . . . . . . . . . . . . . . . . . 8.7
Transmission Exploded View . . . . . . . . . . . . . . . . . . . . . 8.4
Transmission Gear Selector Removal . . . . . . . . . . . . . . . 8.6
Transmission Installation . . . . . . . . . . . . . . . . . . . . . . . . 8.17

IX.5
IX
Transmission Mounts, Exploded View . . . . . . . . . . . . . 8.22
Transmission Removal . . . . . . . . . . . . . . . . . . . . . . . . . . . 8.6
Transmission Troubleshooting . . . . . . . . . . . . . . . . . . . . 8.18
Transmission, Disassembly . . . . . . . . . . . . . . . . . . . . . . 8.27
Transmission, Exploded View . . . . . . . . . . . . . . . . . . . . 8.20
Transmission, Install . . . . . . . . . . . . . . . . . . . . . . . . . . . . 8.25
Transmission, Output Shaft Backlash Procedure . . . . . . 8.33
Transmission, Reassembly . . . . . . . . . . . . . . . . . . . . . . . 8.32
Transmission, Removal . . . . . . . . . . . . . . . . . . . . . . . . . 8.23
Transmission, Special Tools . . . . . . . . . . . . . . . . . . . . . . 8.23
Troubleshooting, EFI Circuit Diagrams . . . . . . . . . . . . . 4.21
U
U-joint, Disassembly and Assembly . . . . . . . . . . . . . . . . 7.7
V
Valve Seal/Spring Service . . . . . . . . . . . . . . . . . . . . . . . 3.23
Valve Sealing Test . . . . . . . . . . . . . . . . . . . . . . . . . . . . . 3.29
Valve Seat Reconditioning . . . . . . . . . . . . . . . . . . . . . . . 3.26
Vent Lines . . . . . . . . . . . . . . . . . . . . . . . . . . . . . . . . . . . . 2.16
Voltage Drop Test . . . . . . . . . . . . . . . . . . . . . . . . . . . . 10.38
W
Warn Winch Operation . . . . . . . . . . . . . . . . . . . . . . . . . . 2.31
Wheel Alignment . . . . . . . . . . . . . . . . . . . . . . . . . . . . . . 2.25
Wheel Installation . . . . . . . . . . . . . . . . . . . . . . . . . . . . . . 2.29
Wheel Removal . . . . . . . . . . . . . . . . . . . . . . . . . . . . . . . 2.29
Winch, Basic Wiring Diagram . . . . . . . . . . . . . . . . . . . 10.45
Work Light Switch . . . . . . . . . . . . . . . . . . . . . . . . . . . . 10.30
X
X2, Seat Disassembly . . . . . . . . . . . . . . . . . . . . . . . . . . . 5.30

IX.6

WD-1
WIRE DIAGRAM
2007 SPORTSMAN ACTIVE DESCENT CONTROL (ADC) WIRE DIAGRAM

WD-3
WIRE DIAGRAM
2007 SPORTSMAN 700/800 EFI WIRE DIAGRAM

WD-4
WIRE DIAGRAM

WD-5
WIRE DIAGRAM
2007 SPORTSMAN 800 X2 EFI WIRE DIAGRAM

WD-6
WIRE DIAGRAM

WD-7
WIRE DIAGRAM
2007 SPORTSMAN 800 EFI INTERNATIONAL WIRE DIAGRAM

WD-8
WIRE DIAGRAM