Ł\”ƒ4050.pm6 SD4050 2013011649
User Manual: SD4050
Open the PDF directly: View PDF
.
Page Count: 20

Service
Manual
Please use this service manual with referring to the user guide (D.F.U) without fail.
286W855010 AO
3120 785 22012
First Issue:1999.08
SD4050 /N1B, /U1B, /F1B
Cassette Deck
- SD4050 -
TABLE OF CONTENTS
1. TECHNICAL SPECIFICATION ...............................................................................1
2. BLOCK DIAGRAM ..................................................................................................2
3. WIRING DIAGRAM .................................................................................................3
4. ADJUSTMENT PROCEDURE ................................................................................ 5
5. SCHEMATIC DIAGRAM AND PARTS LOCATION ...............................................10
6. MICROPROCESSOR AND IC DATA ....................................................................17
7. EXPLODED VIEW AND PARTS LIST...................................................................19
8. ELECTRICAL PARTS LIST...................................................................................22
Printed in Japan
SD4050

MARANTZ DESIGN AND SERVICE
Using superior design and selected high grade components, MARANTZ company has created the ultimate in stereo sound.
Only original MARANTZ parts can insure that your MARANTZ product will continue to perform to the specifications for which
it is famous.
Parts for your MARANTZ equipment are generally available to our National Marantz Subsidiary or Agent.
ORDERING PARTS :
Parts can be ordered either by mail or by Fax.. In both cases, the correct part number has to be specified.
The following information must be supplied to eliminate delays in processing your order :
1. Complete address
2. Complete part numbers and quantities required
3. Description of parts
4. Model number for which part is required
5. Way of shipment
6. Signature : any order form or Fax. must be signed, otherwise such part order will be considered as null and void.
SHOCK, FIRE HAZARD SERVICE TEST :
CAUTION : After servicing this appliance and prior to returning to customer, measure the resistance between either primary AC
cord connector pins ( with unit NOT connected to AC mains and its Power switch ON ), and the face or Front Panel of product and
controls and chassis bottom.
Any resistance measurement less than 1 Megohms should cause unit to be repaired or corrected before AC power is applied, and
verified before it is return to the user/customer.
Ref. UL Standard No. 1492.
In case of difficulties, do not hesitate to contact the Technical
Department at above mentioned address.
990729A.O
USA
MARANTZ AMERICA, INCMARANTZ AMERICA, INC.
440 MEDINAH ROAD
ROSELLE, ILLINOIS 60172
USA
PHONE : 630 - 307 - 3100
FAX : 630 - 307 - 2687
BRAZIL
MARANTZ BRAZIL
CAIXA POSTAL 21462
CEP 04698-970
SAO PAULO, SP, BRAZIL
PHONE : 0800 - 123123
(Discagem Direta Gratuita)
FAX : +55 11 534. 8988
JAPAN
Technical
MARANTZ JAPAN, INC.
35- 1, 7- CHOME, SAGAMIONO
SAGAMIHARA - SHI, KANAGAWA
JAPAN 228-8505
PHONE : +81 42 748 1013
FAX : +81 42 748 9190
EUROPE / TRADING
MARANTZ EUROPE B.V.
P.O.BOX 80002, BUILDING SFF2
5600 JB EINDHOVEN
THE NETHERLANDS
PHONE : +31 - 40 - 2732241
FAX : +31 - 40 - 2735578
CANADA
LENBROOK INDUSTRIES LIMITED
633 GRANITE COURT,
PICKERING, ONTARIO L1W 3K1
CANADA
PHONE : 905 - 831 - 6333
FAX : 905 - 831 - 6936
AUSTRALIA
JAMO AUSTRALIA PTY LTD
1 EXPO COURT, P.O. BOX 350
MT. WAVERLEY VIC 3149
AUSTRALIA
PHONE : +61 - 3 - 9543 - 1522
FAX : +61 - 3 - 9543 - 3677
THAILAND
MRZ STANDARD CO.,LTD
746 - 754 MAHACHAI ROAD.,
WANGBURAPAPIROM, PHRANAKORN,
BANGKOK, 10200 THAILAND
PHONE : +66 - 2 - 222 9181
FAX : +66 - 2 - 224 6795
TAIWAN
PAI- YUING CO., LTD.
6 TH FL NO, 148 SUNG KIANG ROAD,
TAIPEI, 10429, TAIWAN R.O.C.
PHONE : +886 - 2 - 25221304
FAX : +886 - 2 - 25630415
MALAYSIA
WO KEE HONG ELECTRONICS SDN. BHD.
NO. 102 JALAN SS 21/35, DAMANSARA
UTAMA, 47400 PETALING JAYA
SELANGOR DARUL EHSAN, MALAYSIA
PHONE : +60 3 - 7184666
FAX : +60 3 - 7173828
AMERICAS
SUPERSCOPE TECHNOLOGIES, INC.
MARANTZ PROFESSIONAL PRODUCTS
2640 WHITE OAK CIRCLE, SUITE A
AURORA, ILLINOIS 60504 USA
PHONE : 630 - 820 - 4800
FAX : 630 - 820 - 8103
KOREA
MK ENTERPRISES LTD.
ROOM 604/605, ELECTRO-OFFICETEL, 16-58,
3GA, HANGANG-RO, YONGSAN-KU, SEOUL
KOREA
PHONE : +822 - 3232 - 155
FAX : +822 - 3232 - 154
SINGAPORE
WO KEE HONG (S) PTE LTD
WO KEE HONG CENTRE
NO.23, LORONG 8, TOA PAYOH
SINGAPORE 319257
PHONE : +65 2544555
FAX : +65 2502213

1. TECHNICAL SPECIFICATION
1
Track System : 4-track, 2-channel stereo
Heads : Deck I ; 1 Playback (Rotating)
Deck II ; 1 Erase and 1 Record/
Playback (Rotating)
Type of Tape : Cassette tape C-60 and C-90 (Philips
type)
Tape Speeds : 4.8 cm/sec, 4.9 cm/sec (When high
speed dubbing)
Motors : DC servo motor x 2
Wow and Flutter : 0.09 % RMS, +/- 0.1 %w. peak
Frequency response (Overall, -20 dB) :
25-18,000Hz +/- 3 dB (at -20 dB, metal
tape)
Signal-to-Noise Ratio (Overall) :
More than 74 dB (CCIR/ARM); Dolby
C NR on
Fast Winding Time : Appopox. 110sec with a C60 cassette
Inputs : 100 mV/50k ohm input level at
maximum
Outputs : 460 mV/47k ohm maximum
(0 dB : 200 nWb/mm)
Power Requirements :
120 V AC, 60 Hz
(U.S.A./Canada model)
230 V AC, 50 Hz (Europe model)
Power Consumption :
0.16 A
Dimensions (W x H x D) :
440 x 124 x 286 m/m (W x H x D)
Weight : 4.0 kg
Standard Accessories :
Remote control unit (RC455SD) x 1
(U.S.A. /Canada model only), Battery
(SUM-3, “AA”, “R6” type) x 2 (U.S.A. /
Canada model only),
Input-output connection cord x 1
Remote control cable x 1
Recording Bias : Apporox. 100 kHz
Channel Separation :More than 40 dB (at 1 kHz)
Phones : 0.95 mW (load impedance 8 ohm to
1.2k ohm)
Improvements may result in specification or feature chang-
ing without notice.
Dolby noise reduction and HX Pro headroom extension
manufactured under license from Dolby Laboratories
Licensing Corporation. HX Pro originated by Bang &
Olufsen.
“DOLBY”, the double-D symbol and “HX PRO” are
trademarks of Dolby Laboratories Licensing
Corporation.

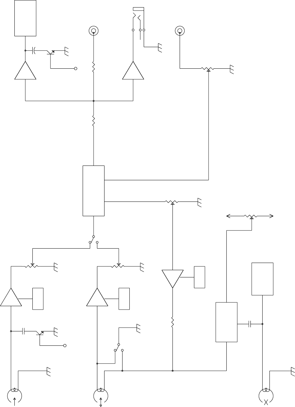
PB AMP
DECK A
PLAY HEAD
PB EQ
METER AMP
FL DISPLAY
OUTPUT
CPSPB AMP
HI SPEED
DECK B
R/P HEAD REC
PLAY PB EQ
DOLBY NR B,C
PHONES AMP
PHONES
INPUT
REC AMP
REC EQ
+V
BIAS ADJ.
HX PRO
E HEAD
BIAS
OSC
-V
2
2. BLOCK DIAGRAM

3. WIRING DIAGRAM
+-AB
MECH I
1
2
3
4
5
6
7
8
9
10
1
2
3
4
5
6
7
8
9
10
J319
PCB CONTROL
1
2
3
4
5
6
7
8
9
10
11
12
1
2
3
4
5
6
7
8
9
10
11
12
J307
1
2
3
4
5
6
7
8
9
10
11
12
P307
PCB MAIN
DECK I
R
PLAY HEAD
1
2
3
1
2
3
L
PLAY HEAD
1
2
3
P301 470 PLAY
SOL
+-AB
CrO2
TAPE
MECH II
1
2
3
4
5
6
7
8
9
1
2
3
4
5
6
7
8
9
J308
1
2
3
4
5
6
7
8
9
P308
1
2
3
4
5
P302
1
2
3
4
5
6
1
2
3
4
5
6
L
R/P HEAD
DECK II
E HEAD
R
R/P HEAD
1
2
P303
1
2
3
4
5
6
1
2
3
4
5
6
J311
1
2
3
4
5
6
P309
1
2
3
J503
1
2
3
1
2
3
P503
470
1
2
3
4
5
6
7
8
9
10
11
12
13
1
2
3
4
5
6
7
8
9
10
11
12
13
J320
PLAY
SOL
TAPE
METAL
CrO2
F.REC
R.REC
1
2
1
2
P318
PCB VR
1
2
3
1
2
3
P306
1
2
3
J306
PCB PHONE
12345
P304
1
2
3
1
2
3
P305
1
2
3
4
5
J401
PCB TRANS B PCB REMOTE
1
2
1
2
P504 1
2
J504
1
2
3
4
5
6
P501
1
2
3
4
5
6
J501
12345
12345
J304
PCB SLIDE PCB KEY
3 4

6
5
4-1 MECHANICAL ADJUSTMENT
4-1-1 Wow and flutter (playback method)
In both FWD and REV play modes, these measurements
should be made at the beginning, middle, and the end of the
tape.
1. Connect a wow-and-flutter meter to the LINE OUT.
2. Load and play a TEAC MTT-111N test tape.
3. Check that readings on the wow-and-flutter meter is within
0.19% (JIS WTD).
4-1-2 Tape speed
1. Connect a frequency counter to the LINE OUT.
2. Load a TEAC MTT-111N test tape and play in FWD
direction the beginning of the test tape.
3. Adjust each variable resistor to get the following values.
4. In play mode, check that the following values are obtained
at the beginning and end of the tape.
Speed drifting : Within 120 Hz (HIGH speed)
Within 60 Hz (LOW speed)
4-1-3 Reel torque
1. Load the cassette torque meter on the deck and read the
pointer indication on the dial scale for each tape transport
operation. The measured torque should be within the
following specified values.
Take-up : 30 to 70g-cm
Supply : 1.5 to 6g-cm
FF/REV : 70 to 150g-cm
Torque metter
MTT-8111W : Forward torque & back tension
MTT-8121W : Reverse torque & back tension
MTT-8242 : Fast forward & rewind static torque
Fig. 2-1
Fig. 2-2
Adjustment point Adjustment value
PLAYBACK
REC/PLAY
HIGH speed VR2 6,000 30Hz
LOW speed VR1 3,000 20Hz
HIGH speed VR4 6,000 30Hz
LOW speed VR3 3,000 20Hz
4-2-2 Adjustment locations
4-2 ELECTRICAL ADJUSTMENT
4-2-1 Precautions
Before performing adjustments and checks clean and
demagnetize the entire tape parh.
In general, adjustments and checks are made in the order
of Lch then Rch. Double REF. Nos. indicate Lch/Rch.
(Example ; R11/R21)
0dB is referenced to 0.775V.
The AC voltmeter used in the procedures must have an
input impedance of 1M or more.
Unless specified otherwise, adjustments and checks are
made in FWD direction.
4. ADJUSTMENT PROCEDURE

7
4-2-3 Playback performance
Deck settings :
Mode : PLAY
DOLBY NR Switch : OFF
TEAC test tapes :
MTT-150C : For Dolby lavel calibration
MTT-25702 : For playback frequency response check NORMAL tape
MTT-5513 : For S/N check NORMAL tape
1. Head
azimuth
adjustment
2. DOLBY level
4. Meter level
3. Playback
output level
7. Playback
S/N ratio
6. Playback
frequency
response
5.PHONES
output level
PHONES
PLAYBACK
REC/PLAY
Connection:Fig. 2-4
Check and adjust in
FWD, REV
respectively
Connection:Fig. 2-2
FWD, PLAY
MTT-150C Check
REV azimuth
FWD azimuth
(Fig. 2-5)
R11/R21
R12/R22
Check
Check
46dB min.
250 1k
+4dB
-4dB
12.5k (Hz)
Check
Check
Check
Azimuth screws
MTT-150C
MTT-150C
MTT-150C
MTT-150C
MTT-25702
(12.5kHz)
Connection:Fig. 2-3
FWD/REV PLAY
Connection:Fig. 2-3
Connection:Fig. 2-3
MTT-25702
MTT-5513
Playback the
leader tape portion
ITEM REMARKSSETTING INPUT SIGNAL ADJUSTMENTS MEASURING
POINTS, RESULT
LINE OUT:
Phase: within 45
LINE OUT:
Maximum output
level at L & R -ch
TP1/TP2:
-6dB
Ratio of ref.
level to noise
Ref. output level
LINE OUT:
-4.5 1dB
LEVEL METER:
mark 1dot
PHONES:
-19 3dB
8 load

8
4-2-4 Recording performance
Deck settings :
Mode : REC/PLAY
DOLBY NR Switch : OFF
REC LEVEL Control : Specified position (Item 8)
TEAC recording test tapes :
MTT-5513 : For NORMAL
MTT-5563 : For CrO2
MTT-5572 : For METAL
8. Specified
LINE input
level Connection:Fig. 2-3
Mode: REC LINE IN:
400Hz/-9dB REC LEVEL LINE OUT:
-4.5dB
LINE OUT:
-7.5dB
NORMAL
:2.0% or less
C
r
O
2
:2.5% or less
METAL :3.0% or less
NORMAL
:45dB min.
C
r
O
2
:46dB min.
METAL :46dB min.
P303 Pin 2:
100kHz
TP3/TP4:
Min. DC voltage
LINE OUT:
Nearly equal level
at both frequencies
30dB min.
L301
L103/L203
R14/R24
L101/L201
R13/R23
Check
Check
Check
Check
LINE IN:
19kHz/-12dB
LINE IN:
400Hz/-12dB
LINE IN:
400Hz/-12dB
LINE IN:
250Hz/10kHz
-42dB
LINE IN:
40Hz -12.5kHz
-42dB
LINE IN:
No signal
LINE IN:
No signal
LINE IN:
No signal
Connection:Fig. 2-3
Mode: REC
Connection:Fig. 2-2
TAPE: MTT-5513
Mode: REC
Connection:Fig. 2-2
TAPE: MTT-5572
Mode: REC
Connection:Fig. 2-3
TAPE: MTT-5513
Connection:Fig. 2-3
TAPE: MTT-5513
MTT-5563
MTT-5572
Connection:Fig. 2-3
TAPE: MTT-5513
MTT-5563
MTT-5572
Connection:Fig. 2-3
TAPE: MTT-5513
MTT-5563
MTT-5572
Connection:Fig. 2-3
TAPE: MTT-5513
TAPE: MTT-5563
MTT-5572
ITEM REMARKSSETTING INPUT SIGNAL ADJUSTMENTS MEASURING
POINTS, RESULT
9. Bias osc
frequency
13. Record
level
12. MPX filter
MPX
10. Step up coil
11. Record bias
16. Overall S/N
ratio
14. Total
harmonic
distortion
15. Overall
frequency
response
LINE OUT:
-7.5 1dB
Ratio of ref.
level to noise
Ratio of ref.
level to signal
After adjusting,
do not move
(Specific position)
40 250
+6dB
-6dB
12.5k (Hz)

9
LINE IN:
1kHz/+1dB
Ratio of the 1kHz
recorded portion to the
erased portion.
Ratio of Lch (1kHz) to
Rch (no signal).
Invert tape and play Rch
track. Check leakage
level against the output
reference of previously
recorded portion.
Ratio of the 1kHz
recorded portion to the
"REC MUTE" portion.
LINE IN:
1kHz/+1dB
Check 65dB min.
55dB min.
35dB min.
40dB min.
Check
Check
Check
LINE IN:
Lch 1kHz/
-9dB
Rch No signal
Rch 125Hz/
-9dB
LINE IN:
Lch No signal
Connection:Fig. 2-3
TAPE: MTT-5572
1kHz B.P.F in
Connection:Fig. 2-3
TAPE: MTT-5572
1kHz B.P.F in
Connection:Fig. 2-3
TAPE: MTT-5563
1kHz B.P.F in
Connection:Fig. 2-3
TAPE: MTT-5572
ITEM REMARKSSETTING INPUT SIGNAL ADJUSTMENTS MEASURING
RESULT
17. Erase
efficiency
18. REC MUTE
function
REC MUTE
19. Channel
separation
20. Adjacent
track
crosstalk
Fig. 2-3
Fig. 2-4 Fig. 2-5

10
U47
Q3
U44
U55 U45 U42 U52
Q53 U50 Q6
Q1
U51
U41 Q2
Q7 U49
Q5
U48 U54
Q4
U43
CONTROL PCB/KEY PCB
PHONE PCB
VR PCB
SLIDE PCB
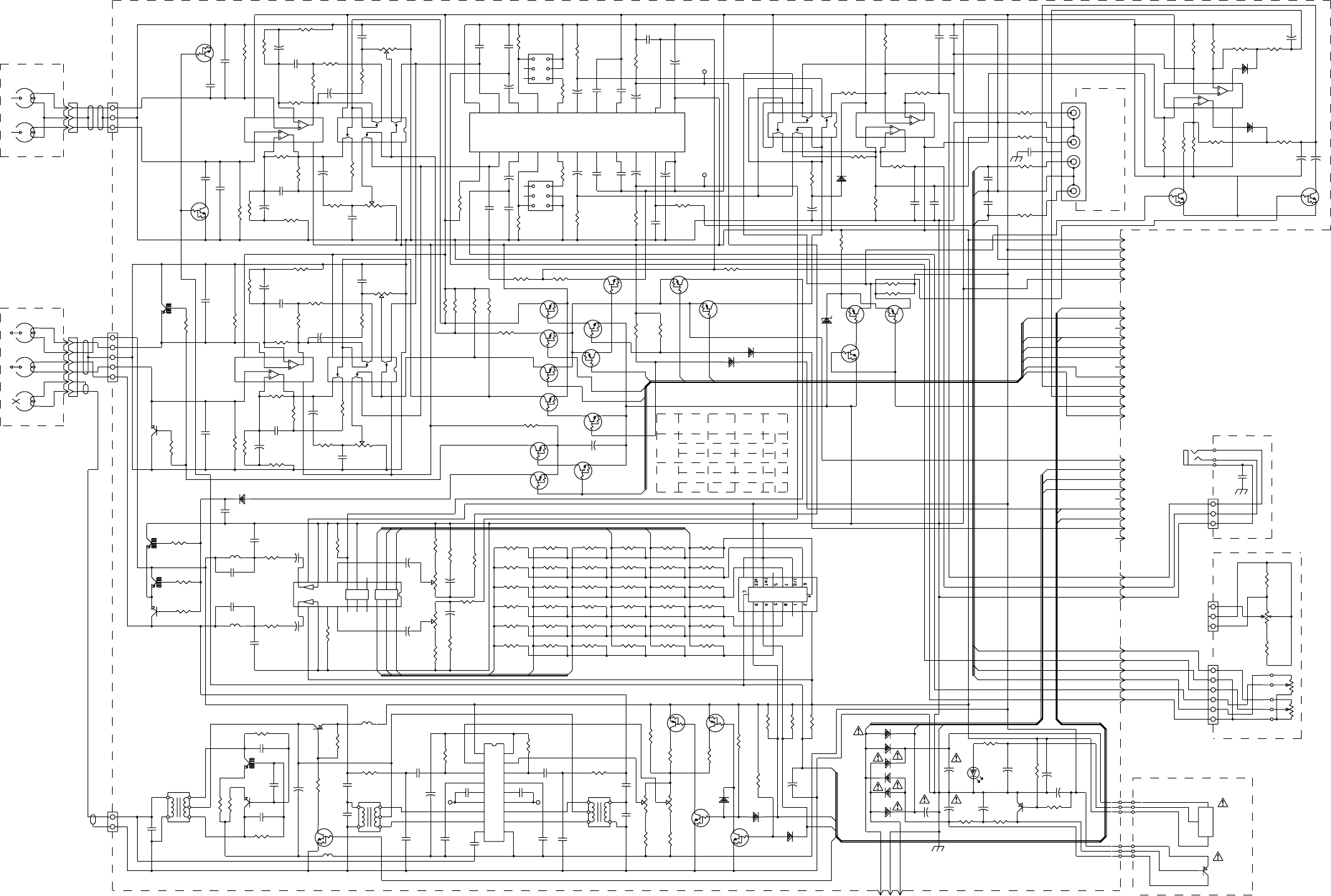
5. SCHEMATIC DIAGRAM AND PARTS LOCATION

11 12
SW1
SWSTOP I
SW8
SWFWD I
SW15
SWREV I
D9
1SS133T
D16
1SS133T
D23
1SS133T
F
1
1
F
1
2
N
P
3
1
G
4
2
G
5
3
G
6
4
G
7
5
G
8
6
G
9
N
C
1
0
N
C
1
1
P
1
7
1
2
F
2
3
1
F
2
3
0
N
P
2
9
P
1
6
2
8
P
1
5
2
7
P
1
4
2
6
P
1
3
2
5
P
1
2
2
4
P
1
1
2
3
P
1
0
2
2
P
9
2
1
P
8
2
0
P
7
1
9
P
6
1
8
P
5
1
7
P
4
1
6
P
3
1
5
P
2
1
4
P
1
1
3
FL1
BJ185GK
KEY PCB
EUR
SW2
SWFF I
SW3
SWSTOP II
SW4
SWFF II
SW7
SWCLEAR I
SW14
SWCLEAR II
SW9
SWREW I
SW10
SWFWD II
SW11
SWREW II
SW17
SWREV II
SW18
SWPAUSE II
D11
1SS133T
D10
1SS133T
D12
1SS133T
D15
1SS133T
D17
1SS133T
D18
1SS133T
D19
1SS133T
D22
1SS133T
D25
1SS133T
D26
1SS133T
D29
1SS133T
SW16
SWN DUB
SW23
SWHS DUB
SW22
SWSYNC REV D27A
1SS133T
D20A
1SS133T
D13A
1SS133T
SW24
SWREC II
SW25
SWMUTE
D33
1SS133T
D34
1SS133T
B
C
(TO MAIN PCB)
1
2
3
4
5
J304
5P
1
2
3
4
SW27A
NR SW
R83
22K
D41
1SS133T
(CPS)
R81
22K R82
22K
D35
1SS133T
123456
P501 6P
123456
J501 6P
B3
B4
B1
B2
B3
B4
B
[
1
.
.
4
]
R80
22K
3
2
1
U56
SBX1976-52
C11
47u16V
P
E
1
/
I
N
T
1
1
P
E
2
/
I
N
T
2
2
P
E
3
/
I
N
T
3
3
P
E
4
/
R
M
C
4
P
E
5
5
P
E
6
/
R
M
C
O
6
P
E
7
7
P
B
0
8
P
B
1
9
P
B
2
1
0
P
B
3
1
1
P
B
4
1
2
P
B
5
1
3
P
B
6
1
4
P
B
7
1
5
P
A
0
/
A
N
0
1
6
P
A
1
/
A
N
1
1
7
P
A
2
/
A
N
2
1
8
P
A
3
/
A
N
3
1
9
P
A
4
/
A
N
4
2
0
P
A
5
/
A
N
5
2
1
P
A
6
/
A
N
6
2
2
P
A
7
/
A
N
7
2
3
A
V
D
D
2
4
AVREF 25
PF0/SCL0 26
PF1/SCL1 27
PF2/SDA0 28
PF3/SDA1 29
AVSS 30
EXTAL 31
XTAL 32
VSS 33
RST 34
PC0/KR0 35
PC1/KR1 36
PC2/KR2 37
PC3/KR3 38
PC4/KR4 39
PC5/KR5 40
P
C
6
/
K
R
6
4
1
P
C
7
/
K
R
7
4
2
V
F
D
P
4
3
P
D
0
/
S
0
4
4
P
D
1
/
S
1
4
5
P
D
2
/
S
2
4
6
P
D
3
/
S
3
4
7
P
D
4
/
S
4
4
8
P
D
5
/
S
5
4
9
P
D
6
/
S
6
5
0
P
D
7
/
S
7
5
1
S
8
5
2
S
9
5
3
S
1
0
5
4
S
1
1
5
5
T
1
5
/
S
1
2
5
6
T
1
4
/
S
1
3
5
7
T
1
3
/
S
1
4
5
8
T
1
2
/
S
1
5
5
9
T
1
1
/
S
1
6
6
0
T
1
0
/
S
1
7
6
1
T
9
/
S
1
8
6
2
T
8
/
S
1
9
6
3
T
7
6
4
T6
65
T5
66
T4
67
T3
68
T2
69
T1
70
T0
71
VDD
72
TX
73
TEX
74
NC
75
PG0
76
PG1
77
PG2
78
PG3
79
PE0/INT0
80
U42
CXP82940
P305
P318
TO
MAIN PCB
TO
CONTROL
PCB
1
2
3
R88
100
R87
100
D8 MTZJ3.9B
1
2
3
4
5
J401
5P
1
2
1
2
P318
2P PLUG
0V
TRANS. PCB
AC CORD
AC230V
50Hz
S401
POWER SW
1
2
3
4
5
12
13
14
15
16
17
POWER
TRANS.
W172
DM
0V
TRANS. PCB
S401
POWER SW
AC CORD
AC100V
50-60Hz
1
2
3
4
5
12
13
14
15
16
17
POWER
TRANS.
W170
HS DUB
R/P HEAD II
R/P NR
PLAY MUTE
(TO TRANS. PCB)
P305
P318
TO
MAIN PCB
TO
CONTROL
PCB
1
2
3
1
2
3
4
5
6
7
8
9
10
11
12
J307 12P
PLAY I
1
2
3
4
5
J401
5P
1
2
C10
100u25V
E1
E2
E3
E4
E9
E10
E11
R73 22K
R74 22K
R72
22K
B2
B1
X1
8MHz
R95
470
MECH I
PLAY
OFF
REC
D2
1
2
3
4
SW26A
TIMER
1
2
3
4
SW21A
REV MODE
1
2
3
4
5
6
7
8
9
10
1
2
3
4
5
6
7
8
9
10
J319
10P
+-
OFF
B
C
OFF
AB
SLIDE PCB
5
6
7
8
SW27B
NR SW
GND
PLAY
SOL
CrO2
TAPE
470
+5V
C1
C2
D1
E9
E10 R77
82K
MOTOR II
SOL II C9
0.022u
(CE)
A3
A4
A1
A2
GND
E
1
1
E
1
2
S
O
L
I
M
O
T
O
R
IE
1E
2E
3E
4E
5E
6E
7
E
8E
1
2
U51
DTA114ES
+5V
C8
0.01u
(CE)
E5
E6
E7
VR1
10K(B) VR2
10K(B)
E8
D2
R46
1K
E[1..12]
R91
10KR89
5.6K
METER R-CH
METER L-CH
REC MUTE II
(TO MAIN PCB)
P305
P318
TO
MAIN PCB
TO
CONTROL
PCB
1
2
3
PLAY II
1
2
3
4
5
J401
5P
1
2
CPS
0V
TRANS. PCB
N
AC CORD
AC120V
60Hz
S401
POWER SW
1
2
3
4
5
12
13
14
15
16
17
POWER
TRANS.
W171
UL
R84
22K
X1
X0
X
1
2
3
P503
3P PLUG
D1
GND
R86
22K
R85
22K
D50 1N4003
1234567
891
01
11
21
31
4
U45
BU4066BC
(I LOW) (I HI)
R47
22K
U52 DTC144ES
R90
1K
R50
4.7K
R51
1K
R52
4.7K R54
4.7K
R55
1K R57
1K
U47
DTC124ES U48
DTC124ES U49
DTC124ES U50
DTC124ES
Q3
2SB1237TV2Q Q4
2SB1237TV2Q Q5
2SB1237TV2Q Q6
2SB1237TV2Q
R53
1K D51
1N4003
GND
R56
4.7K
MECH II
C3
C4
D3
D4
R78
82K
R94 22K
R93 22K
R92 22K
1
2
3
4
5
6
7
8
9
10
11
12
13
1
2
3
4
5
6
7
8
9
10
11
12
13
J320
13P
+-AB
470 PLAY
SOL
TAPE
METAL
CrO2
F.REC
R.REC
+5V
R44
22K
A
4
C[1..4]
D[1..4]
A[1..4]
13
2
U41
TA78L005AP
R42
22K
Q2
2SC1815GR
A
1A
2A
3
C
2C
3C
4
R62
1K R64
22K
(TEST PIN)
C3
330u25V
Q1
2SA1015GR D2
1N4003
VR4
10K(B)
U44
DTC124ES
D3
D4
C
1
D4
1SS133T
R45
22K
R49
27K
VR3
10K(B)
GND
U55
DTC124
ES
U54
DTC124
ES
(II LOW) (II HI)
R48
15K
W333
W332
U43
DTC124ES
U53
DTC124
ES
1
2
1
2
J504
2P
1
2
P504
2P PLUG
1
3
2
5
J33
REMOTE IN/OUT JACK
REMOTE PCB
CONTROL PCB
R450
47
C450
0.1u
(CE)
C1
100u35V
R41
820
D3
1N4003
D1
MTZJ22C
C2
220u35V
R43
10K
C6
10u16V
R63
10K
C4
0.047u
(CE)
Q7
2SC1815GR
G
N
D
C
r
O
2
I
I
M
E
T
A
L
I
I
C
r
O
2
I
+
5
VA
CD
C
(TO MAIN PCB)
D5
1N4003
C7
220u25V
C5
10u16V
123456789
J308
9P

U342
Q301 U201
U101 U329
U330
U340U343
U301 U302 U304
Q306 Q102 Q202 U303
Q304 Q203 Q103
U339
Q302 Q303
U322
U325
U335
U328
U331
U324
U348
U347 U349
U327 U321
U336 U305
U308 U307
U366 U312
U345 U337
U332 U309 U346
U341
MAIN PCB/TR PCB
U7
Q307
13 14
SELECTOR SW PCB
TRANS A PCB
TRANS B PCB

DECK I
1
2
3
1
2
31
2
3
P301
3P
L
PLAY HEAD
R102
56K
U101
DTC124ES
R104
4.7K
C102
330P
(CE)
R106
56
R107
6.8K
R105
1M
R103 120K
C105
2.2u50V
C103
0.027u
C104
220u10V
C101
330P
(CE)
1
2
3 4
5
6 L101
MPX
R108
2.2K
C106
0.001u
(CE)
R118
6.2K
C112
1u50V
C131
0.001u
(CE)
C133
470P
(CE)
R11
10K(B)
R117
2.7K C114
0.1u
C115
0.068
u
R119
100K
C311
560P(CE)
T.P 1
R387
100K
C113
10u
16v
C116
10u
16v
C302
10u16V
R124
100K
R125
33
R123
2.7K
C119
0.01u
(CE)
1
4
2
3
5
6
J32
4P JACK
C135
0.001u
(CE)
-7V
GND
R138
47K R139 12K
R140
68
D101
1SS133T
R132
15K
1234
56 87
U312
NJM4558D
C134
4.7u50V
R238
47K
R239
12K
D201
1SS133T
R240
68
R232
15K
U349
DTC124ES
U348
DTC124ES
C342
4.7u50V
C234
0.47u50V
R383
560
LINE OUT
L
R
LINE IN
L
R
B1
R126
1K
R226 1K
B2
B3
1
2
3
4
5
P304 5P PLUG
R227 33K
C343
0.01u
R127 33K
C236
220P
(CE)
C136
220P
(CE)
R224
100K
R223
2.7K R225
33
C219
0.01u
(CE)
1234
56 87
U307
NJM4558D
D307
1N4003
R305
47K C235
0.001
u
C315
100u10V
1234567
891
01
11
21
31
4
U306
BU4066BC
R391
270
R217
2.7K C214
0.1u
R219
100K
R355
10K
C215
0.068
u
C310
0.01u
(CE)
C213
10u16V
T.P 2
R388
100K
C303
10u16V
C216
10u
16V
R21
10K(B) 1
2
3
4
5
6
L201
MPX
C231
0.00
1u
(CE) R218
6.2K
C212
1u
50V
R302
20K
C233
470P
(CE)
1234567891
01
1
1
2
1
3
1
4
1
5
1
6
1
7
1
8
1
9
2
0
2
1
2
2
U305 CXA1561S
R203
120K
R202
56K
R207
6.8K
R208
2.2K
C204
220u10V
C203
0.027u
1234
5678
U301
UPC4570C
C202
330P
(CE)
C206
0.001u
(CE)
R205
1M
R204
4.7K
U201
DTC124
ES
1234567
891
01
11
21
31
4
U302
BU4066BC
C205
2.2u50V
C201
330P
(CE)
R206
56
R
PLAY HEAD
DECK II
1
2
3
4
5
6
1
2
3
4
5
6
R
R/P HEAD
L
R/P HEAD
1
2
3
4
5
P302
5P
1234
5678
U303
UPC4570C
R110
56K
R115
6.8K
C108
0.027u
R109
1K
Q102
2SC1815
GR
C110
2.2u50V
R112
4.7K
R111
120K
C109
220u10V
R114 56
R113
1M
1234567
891
01
11
21
31
4
U304
BU4066BC
C107
0.001u
(CE)
R309
47K
R307
47K
R306
47K
U328
DTA124ES
U329
DTA124ES
U330
DTA124ES
R308
47K
R116
2.2K
C111
0.001u
(CE)
R12 10K(B)
R310
47K
R303
4.7K
R/P NR
REC
MUTE II PLAY
MUTE
R311 2.2K
U321
DTC124ES
R368
22K
U322
DTC124ES
U337
DTA124ES
R367
22K
D305
1SS133T
U327
DTA124ES
U336
DTA124ES
+7V
G3 G
5
R312 10K
D304
1SS133T
G
4
CrO2 II
CrO2 I
U347
DTC124ES
D313
MTZ4.7C
U345
DTA124ES U346
DTA124
ES
R382 47K
R381 47K
HS.DUB
R/P HEAD II
R/P NR
PLAY MUTE
F1
G1
G2
G3
G4
REC/PLAY NR
DOLBY NR
+7V
-7V
(TO SLIDE PCB)
GND
1
2
3
4
5
6
7
8
9
10
11
12
P307 12P PLUG
PLAY I
(TO CONTROL PCB)
(TO CONTROL PCB)
J31
PHONES
C403
0.047u
(CE)
1
2
3
J306
3P
REC MUTE II
METER R-CH
METER L-CH
+5V
AC
DC
GND
A1
A2
A3
G5
1
2
3
4
5
6
7
8
9
P308
9P PLUG
B
[
1
.
.
3
]
F2
G6
G[1..6]
PLAY II
CPS
X4
X6
X0
X2
X3
X7
N
C
M
N
C
M
+5V
CrO2 II
METAL CrO2
AB
L
H
H
H
H
L
L
L
L
L
NOR
SPED
HS.
SPED H
H
HS.DUB
H
H
H
L
L
L
C
R/P H.II
U324
DTC124ES
G1
TC4051B
G6
G2
PLAY I
PLAY II
U325
DTC124ES
C340
220u10V
U331
DTA124ES
U335
DTA124ES
U332
DTA124ES
R371
330
R22
10K(B)
R210
56K
R215
6.8K
R216
2.2K
C208
0.027u
C209
220u10V
C210
2.2u50V
C211
0.001u
(CE)
D302
1SS133T
R213
1M
R212
4.7K
R211
120K
R209
1K
R214 56
C329
0.001u
(CE)
C207
0.001u
(CE)
E HEAD
Q202
2SC1815
GR
Q103
2SC2240GR
Q203
2SC2240GR
Q304
2SC2240GR
R230
8.2K
R370
1K
R131
2.2K
L102
22mH
L202
22mH
C123
150P
(CE)
C223
150P
(CE)
123456789
1
0
1
1
1
21
31
41
51
61
71
81
92
02
12
2
U308
CXA1598S
C132
100P
(CE)
C232
100P
(CE)
R313
24K
R231
2.2K
C222
10u16V
R130
8.2K C122
10u16V
R384
4.7K
f
Q
f
/
Q
G
H
G
LG
P
f
M
R228
10K
C220
0.47u50V
R23
22K(B)
R229
5.6K
C120
0.47u
50V
R129
5.6K
R128
10K
C121
10u16V
R13
22K(B)
C221
10u16V
I1 I2 I3
I[1..3]
R327 15K
R333 68K
R141
3.9K
R241
3.9K
R344
56K R345 18K
R315
43K
R321 20K
R338
56K R339 27K
R314
27K
R320
33K
R326
27K
R332
100K
fQ fM N
C
M
H.N
H.C
f/Q
R331 220K
R335 47K
I1I2I3
R316
33K R318
47K
R324 39K
R334 33K R336 15K R337 39K
R341 43K
R346 16K R348 15K R349 56K
R340 24K
R323 56K
R330 27K
R342 18K
R317
33K
R319
47K
R325 100K
R329 56K
R347 47K
R322 22K
R328 16K
R343 56K
12345678
91
01
11
21
31
41
51
6
U309
TC4051BP
GND
CrO2 II
METAL II
CrO2 I
1
2
3
P306
3P PLUG
F3
PH-LCH
PH-RCH
GND
(TO CONTROL PCB)
1
2
3
4
5
6
P309
6P PLUG
PHONE PCB
X0
X1
X
1
2
3
4
R32
10K(B)
R410
9.1K
R411
27K
1
2
3
J503
3P
VR PCB
1
2
3
4
5
R31
VR 50K(A)*2
1
2
3
4
5
6
J311
6P
R376
3.3K
A[1..3]
B1
B2
B3
MIX AMP L-CH
GND
MIX AMP R-CH
DOLBY IN L-CH
GND
DOLBY IN R-CH
C321
2200u
16V
C324
100u10V
D1
R378 68
C344
100u16V
R350
47K
D25 1N4003
D26 1N4003
D27 1N4003
D24 1N4003
A1 A2 A3
F1
R360
47K
R361
47K
R301
4.7K
GL
H.M
R235 150K
R351
22K
U342
DTA124ES
U341
DTA124ES
H1
R354
18K
R353
18K R352
4.7K
GP GH
L302
220uH
R135 150K
R234
33K
C124
0.01u C224
0.01u
R134
33K 1
2
3
4
5
6
7
8
9 10
11
12
13
14
15
16
17
18
U310
UPC1297CA
H1 H2 H2H3 H3
H[1..3]
+7V
R356
2.7K
R357
1K
C307
0.0039u
Q302
2SC1815
GR
R358 27K
Q301
2SA1015GR
C309
0.01u
100V(PP)
1
2
P303
2P
C130
200P
100V
(PS)
C129
100P
(CE)
U343
DTC124
ES
L303
220uH
C308
0.0039u
R359
27K
Q303
2SC1815
GR
1
2
3 4
6
L301
OSC
100KHz
R385
6.8 R386
6.8
C318
0.01u
(ML)
C306
100u
25V
C125
0.047u
C225
0.047u
C127
560P
(CE)
C126
0.022u
C304
10P
(CE)
C226
0.022u
1
2
3 4
5
L103
STEP UP
COIL
C305
10u25V T.P 3 T.P 4
C230
200P
100V
(PS) U340
DTC124ES
R233
2.2K R133
2.2K
1
2
3 4
5
L203
STEP UP
COIL
D303
1SS133T
C227
560P
(CE)
C229
100P
(CE)
U339
DTC124ES
-7V
R24
10K(B)
R14
10K(B)
AC
IN
D29
1N4003
D28
1N4003
123
P305
3P PLUG
D308
1SS133T
Cro2 II
METAL II
C301
1u50V
(TO TRANS PCB)
D309
1SS133T GND7
F2
F3
G
2
C320
4700u25V
Q306
2SA1015GR
R3752.7K
F[1..3]
C325
100u10V
C323
100u16V
C322
2200u
16V
R373 470 R374 470 1
3
2
U7
NJM7805FA
Q307
2SB1655E
15 16

6. MICROPROCESSOR AND IC DATA
RAM
2048 BYTES
SPC 700
CPU CORE
INTERRUPT CONTROLLER
A/D CONVERTER
SERIAL
INTERFACE
UNIT (CH0)
SERIAL
INTERFACE
UNIT (CH1)
8 BIT TIMER/COUNTER 0
8 BIT TIMER 1
I
2
C BUS
INTERFACE UNIT
INT3/NMI
INT1
INT0
INT2
AN0 to AN7 8PA0 to PA7
BUFFER
RAM
REMOCON IN
FDP
CONTROLLER/
DRIVER
32KHz
TIMER/COUNTER
PRESCALER/
TIME BASE TIMER
RST
V
DD
V
SS
PORT A
PORT B
PORT C
PORT D
PORT E
PORT F
PORT G
8
8
6
2
4
4
8
8
PB0 to PB7
PC0 to PC7
PD0 to PD7
PE0 to PE5
PF0 to PF3
PG0 to PG3
PE6 to PE7
TEX
EXTAL
XTAL
TX
AV
REF
AV
SS
T0 to T7
T8/S19 to T15/S12
S0 to S11
V
FDP
KR0 to KR7
RMCO
RMC
CS0
SI0
SO0
SCK0
SI1
SO1
SCK1
EC
SCL0
SCL1
SDA0
2
8
8
ROM
40K/48K/52K/60K
BYTES
12
8
RAM
RAMKEY SCAN
2
CLOCK
GENERATOR
SYSTEM CONTROL
BUFFER
RAM
REMOCON OUT
SDA1
AV
DD
FIFO
FIFO
ADJ
TO
2
PE0/EC/INT0
2
3
4
5
6
7
8
9
10
11
12
13
14
15
16
17
18
19
20
21
22
23
24
25 26 27 28 29 30 40
39
38
37
36
35
34
31 32 33
41
42
43
44
45
46
47
48
49
50
51
52
53
54
55
56
57
58
59
60
70 69 68 67
63
64
65
66
61
62
71
72
73
74
75
7677
78
79
80
1
T0
T1
T2
T3
T4
T5
T6
PB5/SCK1
PB3/SI0
PB4/SO0
PB6/SI1
PB7/SO1
PA7/AN7
PA0/AN0
PA1/AN1
PA2/AN2
PA3/AN3
PA4/AN4
PA5/AN5
PA6/AN6
T7
T10/S17
T11/S16
T12/S15
T13/S14
T14/S13
T15/S12
S11
S10
S9
S8
PD7/S7
PD6/S6
T8/S19
T9/S18
PC6/KR6
PC7/KR7
PD5/S5
PD4/S4
PD3/S3
PD2/S2
PD1/S1
PD0/S0
VFDP
NC
TEX
TX
V
DD
PG3
PG2
PG1
PG0
PE1/INT1
PE2/INT2
PE3/INT3/NMI
PE4/RMC
PE5
PE6/RMCO
PE7/TO/ADJ
PB0
PB1/CS0
PB2/SCK0
AVDD
PC0/KR0
PC1/KR1
PC2/KR2
PC3/KR3
PC4/KR4
PC5/KR5
AV
REF
V
SS
AV
SS
PF0/SCL0
PF1/SCL1
PF2/SDA0
PF3/SDA1
EXTAL
XTAL
RST
17
Pin code I/O Functions
I/O/
Analog input
PA0/AN0
to
PA7/AN7 Analog inputs to A/D converter. (8 pins)
I/O/Input
PC0/KR0
to
PC7/KR7
PE0/INT0/EC
PE1/INT1
PE2/INT2
PE3/INT3/
NMI
PE4/RMC
PE5
PE6/RMCO
PE7/TO/ADJ
PF0/SCL0
PF1/SCL1
PF2/SDA0
PF3/SDA1
Input/Input/Input
Input/Input
Input/Input
Input/Input/Input
Input/Input
Input
Output/Output
Output/Output/
Output
Output/I/O
Output/I/O
Serves as key return inputs when operating
key scan with fluorescent display panel (FDP)
segment signal (8 pins).
(Port E)
8-bit port. Lower 6 bits
are for inputs; upper
2 bits are for outputs.
(8 pins)
(Port F)
4-bit output port,
operating as N-ch open
drain output for large
current (12mA).
(4 pins)
External event inputs for
timer/counter.
Inputs for
external
interruption
request.
(4 pins) Non-maskable interruption
request input.
Remote control reception circuit input.
Carrier output of remote control transmission
circuit.
Output for the timer/counter rectangular waves,
and 32kHz oscillation dividing frequency.
Transfer clock I/Os for I
2
C bus interface.
Transfer data I/Os for I
2
C bus interface.
I/O
I/O/Input
I/O/I/O
I/O/Input
I/O/Output
I/O/I/O
I/O/Input
I/O/Output
PB0
PB1/CS0
PB2/SCK0
PB3/SI0
PB4/SO0
PB5/SCK1
PB6/SI1
PB7/SO1
(Port B)
8-bit I/O port. I/O can
be set in a unit of
single bits.
Incorporation of pull-up
resistor can be set
through the software in
a unit of 4 bits.
(8 pins)
Chip select input for serial interface (CH0).
Serial clock I/O (CH0).
Serial data input (CH0).
Serial data output (CH0).
Serial clock I/O (CH1).
Serial data input (CH1).
Serial data output (CH1).
(Port A)
8-bit I/O port. I/O can
be set in a unit of
single bits.
Incorporation of pull-up
resistor can be set
through the software in
a unit of 4 bits.
(8 pins)
(Port C)
8-bit I/O port. I/O can
be set in a unit of single
bits. Capable of driving
12mA sync current.
Incorporation of pull-up
resistor can be set
through the software in
a unit of 4 bits.
(8 pins)
Output/Output
PD0/S0
to
PD7/S7
(Port D)
8-bit output ports.
(8 pins)
FDP segment signal outputs.
(8 pins)
OutputS8 to S11 FDP segment signal outputs. (4 pins)
Output/Output
T8/S12
to
T15/S19
Outputs for FDP timing signals/segment signals.
(8 pins)
I/OPG0 to PG3
(Port G)
8-bit I/O port. I/O can be set in a unit of single bits.
Incorporation of pull-up resistor can be set through the software in a unit
of 4 bits.
(4 pins)
V
FDP
EXTAL
XTAL
TEX
TX
RST
NC
AV
REF
AV
SS
V
DD
V
SS
Input
Output
Input
Output
Input
Input
FDP voltage supply when incorporated resistor is set by mask option.
T0 to T7 FDP timing signal outputs.
Crystal connectors for system clock oscillation. When the clock is
supplied externally, input to EXTAL; opposite phase clock should be
input to XTAL.
Crystal connectors for 32kHz timer/counter clock oscillation. Set 32kHz
crystal oscillator between TEX and TX. For usage as event input, attach
clock source to TEX, and open TX.
Low-level active, system reset.
NC. Under normal operation, connect to V
DD
.
AV
DD
Positive power supply for A/D converter.
Reference voltage input for A/D converter.
A/D converter GND.
Positive power supply.
GND.
Output
18
U42 : CXT82940
Note) NC (Pin 75) must be connected to VDD.
1. Pin Functions
3. Pin Configuration
12
13
14
15
16
17
18
19
20
21
22
2345678910 11
1
IREF
MOA
SSK REC AMP
SSK REC AMP
KLS HDET LDET LLS
KLS HDET LDET LLS
V
CC
V
EE
Mode
Control
MOA
2. Block Diagram
U305 : CXA1561S
U310 : PC1297CA
V
CC
V
R2
V
IN(R)2
PH
2
C
IN2
C
OUT2
V
OUT21
V
OUT22
V
IN(O)
V
ST
V
R1
V
IN(R)1
PH
1
C
IN1
C
OUT1
V
OUT11
V
OUT12
GND
10111213141516
ABSO
DET PEAK
DET
ABSO
DET PEAK
DET
V C A
PRE.
DRIVER
POWER
REGULATOR THERMO
DETECT
V C A
1718
123456789

POS.
NO VERS.
COLOR PART NO.
(FOR PCS) DESCRIPTION PART NO.
(MJI)
(VERS. :VERSION, U:U.S.A., F:JAPAN, K:FAR EAST, N:EUROPE)
1 nsp BONNET nsp
2 9965 000 01104 MECH ASSY,PB CMAL2Z093A 286W304500
3 9965 000 01105 HOOK,EJECT (L) 286W258110
4 9965 000 01106 SPRING,HOOK L 286W115110
5 9965 000 01107 SPRING EJECT W-790R 286W115120
6 9965 000 01108 KNOB,SLIDE 286W154020
8 9965 000 01109 DAMPER,GEAR 001P-O-L NF 286W130110
13 9965 000 01110 BUTTON,EJECT L (B) 286W270140
14 9965 000 01111 SPRING,L 286W115130
15 9965 000 01112 BUTTON,MAIN A 286W270110
16 9965 000 01113 BUTTON,MAIN B 286W270120
21 9965 000 01114 BUTTON,EJECT R (B) 286W270130
22 9965 000 01115 SPRING,R 286W115140
23 9965 000 01116 SPRING,HOOK R 286W115150
24 9965 000 01117 HOOK,EJECT (R) 286W258120
25 9965 000 01118 PANEL,FRONT 286W248010
26 4822 454 11825 MZ BADGE 185J251012
27 9965 000 01119 LEAD 185W271110
28 9965 000 01120 BUTTON,POWER 286W270010
29 9965 000 01121 BUTTON,RESET 286W270050
30 9965 000 01122 WINDOW,FL 286W158010
31 9965 000 01123 PLATE,REFLECT 286W274110
33 9965 000 01124 MECH ASSY,R/P CMAL2Z094A 286W304510
34 9965 000 01125 KNOB,REC VOLUME 286W154010
35 9965 000 01126 KNOB,M (B) 286W154030
36 9965 000 01127 LID,CASSETTE 286W053010
47 9965 000 01128 MAINS TRANSFORMER
W0020B *TS001060R
48 9965 000 01129 LINKAGE,POWER 286W121110
52 nsp FOOT ASSY, SD455 nsp
61 nsp SCREW J, S M3X6 BLK nsp
62 nsp SCREW VPC M3X8 BLK nsp
63 nsp SCREW BPP M3X8 nsp
64 nsp SCREW 2.6X4.5 nsp
65 nsp SCREW BPS M3X6 nsp
66 nsp SCREW BPS M3X6 BLK nsp
67 nsp SCREW BPP M3X8 BLK nsp
68 nsp SCREW J, S M3X6 nsp
69 nsp SCREW BPAW M4X8 nsp
70 nsp SCREW BPS M3X8 nsp
PACKING
F nsp USER GUIDE (JPN) 286W851110
U nsp USER GUIDE (USA) 286W851250
N 9965 000 01130 USER GUIDE (EUR) 286W851310
F U nsp REMOTE CONTROL UNIT
RC455SD ZK240W0010
NOT STANDARD SPARE
PARTS
nsp CUSHION TOP 286W809010
nsp CUSHION BOTTOM 286W809020
nsp CARTON BOX INNER 286W801010
19 20
7. EXPLODED VIEW AND PARTS LIST

POS.
NO VERS.
COLOR PART NO.
(FOR PCS) DESCRIPTION PART NO.
(MJI)
(VERS. :VERSION, U:U.S.A., F:JAPAN, K:FAR EAST, N:EUROPE)
DM1A 9965 000 01131 PCB CONTROL (PB) *ZZ001340R
DM1B 9965 000 01132 PCB CONTROL (REC/PB) *ZZ001350R
DM2 9965 000 01133 MOTOR MAIN *MM000940R
DM3 9965 000 01134 CLUTCH ASSY 286W061500
DM4 4822 528 11202 POLLER PINCH (L) 240W255010
DM5 4822 528 11203 POLLER PINCH (R) 240W255020
DM6A 9965 000 01135 PLATE HEAD (PB) *LH200110R
DM6B 9965 000 01136 PLATE HEAD (REC/PB) *LH400170R
DM7 4822 358 31201 BELT MAIN 240W264010
DM8 4822 528 11204 CAPSTAN ASSY 240W061020
DM9 4822 358 31124 F/R BELT 240W264020
ASSIGNMENT OF COMMON PARTS CODES.
RESISTORS
R 1) GD05 x x x 140, Carbon film fixed resistor, 5% 1/4W
R 2) GD05 x x x 160, Carbon film fixed resistor, 5% 1/6W
1 Resistance value
Examples
1 Resistance value
0.1 ..... 001 10 ...... 100 1k ......102 100k ...... 104
0.5 ..... 005 18 ...... 180 2.7k ......272 680k ...... 684
1 ..... 010 100 ......101 10k ......103 1M ...... 105
6.8 ..... 068 390 ......391 22k ...... 223 4.7M ...... 475
Note : Please distinguish 1/4W from 1/6W by the shape of parts
used actually.
CAPACITORS
C : CERAMIC CAP.
3) DD1 x x x x 370, Ceramic capacitor
Disc type
Temp.coeff. P350~N1000, 50V
3 Capacity value
2 Tolerance
Examples
2 Tolerance (Capacity deviation)
0.25 pF ....... 0
0.5 pF ....... 1
5 % ....... 5
Tolerance of COMMON PARTS handled here are as follows :
0.5 pF - 5 pF ....... 0.25 pF
6 pF - 10 pF ..... 0.5 pF
12 pF - 560 pF ... 5 %
3 Capacity value
0.5 pF .... 005 3 pF ..... 030 100 pF..... 101
1 pF .... 010 10 pF ..... 100 220 pF ..... 221
1.5 pF .... 015 47 pF ..... 470 560 pF..... 561
C : CERAMIC CAP.
4) DK16 x x x 300, High dielectric constant ceramic
capacitor
Disc type
Temp.chara. 2B4, 50V
4 Capacity value
Examples
4 Capacity value
100 pF .....101 1000 pF .... 102 10000 pF .... 103
470 pF .....471 2200 pF .... 222
C : 5) ELECTROLY CAP.( ), 6)FILM CAP ( )
5) EA x x x x x x 10, Electrolytic capacitor
One-way lead type,Tolerance 20%
6 Working voltage
5 Capacity value
Examples
5 Capacity value
0.1 F .... 104 4.7 F .... 475 100 F ..... 107
0.33 F .... 334 10 F .... 106 330 F ..... 337
1 F .... 105 22 F .... 226 1100 F ..... 118
2200 F .... 228
6 Working voltage
6.3 V ...... 006 25 V ..... 025
10 V ...... 010 35 V ..... 035
16 V ...... 016 50 V ..... 050
6) DF15 x x x 350 Plastic film capacitor
DF15 x x x 310 One-way type, Mylar 5% 50V
DF16 x x x 310 Plastic film capacitor
One-way type, Mylar 10% 50V
7 Capacity value
Examples
7 Capacity value
0.001 F (1000 pF) ...... 102 0.1 F ......104
0.0018 F........................ 182 0.56 F...... 564
0.01 F........................ 103 1 F...... 105
0.015 F........................ 153
1) The above CODES(R ,R ,C ,C
and C ) are omitted on the schematic diagram in
some case.
2) On the occasion, be confirmed the common parts on the
parts list.
3) Refer to “Common Parts List” for the other common
parts(Rl05, DD4, DK4).
NOTE
NOTE ON SAFETY:
Symbol Fire or electrical shock hazard. Only original
parts should be used to replaced any part marked with
symbol Any other component substitution ( other than
original type), may increase risk of fire or electrical shock
hazard.
990521 A.O
NOTE ON SAFETY FOR FUSIBLE RESIST OR :
The suppliers and their type numbers of fusible resistors are as
follows ;
1 . KOA Corporation
Part No.(MJI) Type No.(KOA) Description
NH05 x x x 140 RF25S x x x x J
J
J
J
5% (1/4W)
NH05 x x x 120 RF50S x x x x 5% (1/2W)
NH85 x x x 110 RF73B2A x x x x 5% (1/10W)
NH95 x x x 140 RF73B2E x x x x 5% (1/4W)
Resistance value Resistance value(0.1 - 10k )
2. Matsushita Electronic Components Co., Ltd
Part No.(MJI) Type No.(MEC) Description
NF05 x x x 140 ERD-2FCJ x x x ( 5% 1/4W)
RF05 x x x 140
NF02 x x x 140 ERD-2FCG x x x ( 2% 1/4W)
RF02 x x x 140
Resistance value
Examples
Resistance value
0.1 ..... 001 10 ..... 100 1k ..... 102 100k ..... 104
0.5 ..... 005 18 ..... 180 2.7k ..... 272 680k ..... 684
1 ..... 010 100 ..... 101 10k ..... 103 1M ..... 105
6.8 ..... 068 390 ..... 391 22k ..... 223 4.7M ..... 475
ABBREVIA
TION AND MARKS
ANT. : ANTENNA BATT. : BATTERY
CAP. : CAPACITOR CER. : CERAMIC
CONN. : CONNECTING DIG. : DIGITAL
HP : HEADPHONE MIC. : MICROPHONE
-PRO : MICROPROCESSOR REC. : RECORDING
RES. : RESISTOR SPK : SPEAKER
SW : SWITCH TRANSF. : TRANSFORMER
TRIM. : TRIMMING TRS. : TRANSISTOR
VAR. : VARIABLE X’ TAL : CRYSTAL
:
:
21 22
8. ELECTRICAL PARTS LIST

23
POS.
NO VERS.
COLOR PART NO.
(FOR PCS) DESCRIPTION PART NO.
(MJI)
(VERS. :VERSION, U:U.S.A., F:JAPAN, K:FAR EAST, N:EUROPE)
POS.
NO VERS.
COLOR PART NO.
(FOR PCS) DESCRIPTION PART NO.
(MJI)
(VERS. :VERSION, U:U.S.A., F:JAPAN, K:FAR EAST, N:EUROPE)
MAIN CIRCUIT BOARD
CAPACITORS
C101 nsp CER. 330pF 50V nsp
C102 nsp CER. 330pF 50V nsp
C103 nsp Mylar 0.027 F 100V nsp
C104 nsp ELECT 220 F 10V nsp
C105 nsp ELECT 2.2 F 50V nsp
C106 nsp CER. 1000pF 50V nsp
C107 nsp CER. 1000pF 50V nsp
C108 nsp Mylar 0.027 F 100V nsp
C109 nsp ELECT 220 F 10V nsp
C110 nsp ELECT 2.2 F 50V nsp
C111 nsp CER. 1000pF 50V nsp
C112 nsp ELECT 1 F 50V nsp
C113 nsp ELECT 10 F 16V nsp
C114 nsp CER. 0.1 F 50V nsp
C115 nsp Mylar 0.068 F 100V nsp
C116 nsp ELECT 10 F 16V nsp
C119 nsp CER. 0.01 F 50V nsp
C120 nsp ELECT 0.47 F 50V nsp
C121 nsp ELECT 10 F 16V nsp
C122 nsp ELECT 10 F 16V nsp
C123 nsp CER. 150pF 50V nsp
C124 nsp CER. 0.01 F 50V nsp
C125 nsp Mylar 0.047 F 100V nsp
C126 nsp Mylar 0.022 F 100V nsp
C127 nsp CER. 560pF 50V nsp
C129 nsp CER. 100pF 50V nsp
C130 nsp Poly 200pF 100V nsp
C131 nsp CER. 1000pF 50V nsp
C132 nsp CER. 100pF 50V nsp
C133 nsp CER. 470pF 50V nsp
C134 nsp ELECT 4.7 F 50V nsp
C135 nsp CER. 1000pF 50V nsp
C136 nsp CER. 220pF 50V nsp
C201 nsp CER. 330pF 50V nsp
C202 nsp CER. 330pF 50V nsp
C203 nsp Mylar 0.027 F 100V nsp
C204 nsp ELECT 220 F 10V nsp
C205 nsp ELECT 2.2 F 50V nsp
C206 nsp CER. 1000pF 50V nsp
C207 nsp CER. 1000pF 50V nsp
C208 nsp Mylar 0.027 F 100V nsp
C209 nsp ELECT 220 F 10V nsp
C210 nsp ELECT 2.2 F 50V nsp
C211 nsp CER. 1000pF 50V nsp
C212 nsp ELECT 1 F 50V nsp
C213 nsp ELECT 10 F 16V nsp
C214 nsp CER. 0.1 F 50V nsp
C215 nsp Mylar 0.068 F 100V nsp
C216 nsp ELECT 10 F 16V nsp
C219 nsp CER. 0.01 F 50V nsp
C220 nsp ELECT 0.47 F 50V nsp
C221 nsp ELECT 10 F 16V nsp
C222 nsp ELECT 10 F 16V nsp
C223 nsp CER. 150pF 50V nsp
C224 nsp CER. 0.01 F 50V nsp
C225 nsp Mylar 0.047 F 100V nsp
C226 nsp Mylar 0.022 F 100V nsp
C227 nsp CER. 560pF 50V nsp
C229 nsp CER. 100pF 50V nsp
C230 nsp Poly 200pF 100V nsp
C231 nsp CER. 1000pF 50V nsp
C232 nsp CER. 100pF 50V nsp
C233 nsp CER. 470pF 50V nsp
C234 nsp ELECT 0.47 F 50V nsp
C235 nsp CER. 1000pF 50V nsp
C236 nsp CER. 220pF 50V nsp
C301 nsp ELECT 1 F 50V nsp
C302 nsp ELECT 10 F 16V nsp
C303 nsp ELECT 10 F 16V nsp
C304 nsp CER. 10pF 50V nsp
C305 nsp ELECT 10 F 25V nsp
C306 nsp ELECT 100 F 25V nsp
C307 nsp Mylar 3900pF 100V nsp
C308 nsp Mylar 3900pF 100V nsp
C309 nsp Poly 0.01 F 100V nsp
C310 nsp CER. 0.01 F 50V nsp
C311 nsp CER. 560pF 50V nsp
C315 nsp ELECT 100 F 10V nsp
C318 nsp CER. 0.01 F 50V nsp
C320 4822 124 81133 ELECT 4700 F 25V OA47802520
C321 9965 000 01137 ELECT 2200 F 16V *EA000670R
C322 9965 000 01137 ELECT 2200 F 16V *EA000670R
C323 nsp ELECT 100 F 16V nsp
C324 nsp ELECT 100 F 10V nsp
C325 nsp ELECT 100 F 10V nsp
C329 nsp CER. 1000pF 50V nsp
C340 nsp ELECT 220 F 10V nsp
C342 nsp ELECT 4.7 F 50V nsp
C343 nsp Mylar 0.01 F 100V nsp
C344 nsp ELECT 100 F 16V nsp
DIODES
D1 9965 000 01139 LED. RED LH2041 *HI100830R
D24
4822 130 31878 1N4003 HD200010AR
D29
D101 4822 130 32778 1SS133 HD20015210
D201 4822 130 32778 1SS133 HD20015210
D302
4822 130 32778 1SS133 HD20015210
D305
D307 4822 130 31878 1N4003 HD200010AR
D308 4822 130 32778 1SS133 HD20015210
D309 4822 130 32778 1SS133 HD20015210
D313 9965 000 01138 Zener Diode MTZJ4.7C *HD301690R
INTEGRATED CIRCUITS
U301 4822 209 14617 UPC4570C *HC103780R
U303 4822 209 14617 UPC4570C *HC103780R
U302 4822 209 61973 BU4066BC HC406621B0
U304 4822 209 61973 BU4066BC HC406621B0
U305 4822 209 16073 CXA1561S *HC104140R
U306 4822 209 61973 BU4066BC HC406621B0
U307 4822 209 83631 NJM4558D HC10003090
U308 4822 209 16849 CXA1598S *HC105090R
U309 4822 209 63181 TC4051BP HC405105B0
U310 4822 209 72874 UPC1297CA HC100100AR
U312 4822 209 83631 NJM4558D HC10003090
TRANSISTORS
U101 4822 130 42683 DTC124ES BA20024210
U201 4822 130 42683 DTC124ES BA20024210
U321 4822 130 42683 DTC124ES BA20024210
U322 4822 130 42683 DTC124ES BA20024210
U324 4822 130 42683 DTC124ES BA20024210
U325 4822 130 42683 DTC124ES BA20024210
U327
4822 130 42593 DTA124ES BA10016210
U332
U335 4822 130 42593 DTA124ES BA10016210
U336 4822 130 42593 DTA124ES BA10016210
U337 4822 130 42593 DTA124ES BA10016210
U339 4822 130 42683 DTC124ES BA20024210
U340 4822 130 42683 DTC124ES BA20024210
U341 4822 130 42593 DTA124ES BA10016210

24
POS.
NO VERS.
COLOR PART NO.
(FOR PCS) DESCRIPTION PART NO.
(MJI)
(VERS. :VERSION, U:U.S.A., F:JAPAN, K:FAR EAST, N:EUROPE)
POS.
NO VERS.
COLOR PART NO.
(FOR PCS) DESCRIPTION PART NO.
(MJI)
(VERS. :VERSION, U:U.S.A., F:JAPAN, K:FAR EAST, N:EUROPE)
U342 4822 130 42593 DTA124ES BA10016210
U343 4822 130 42683 DTC124ES BA20024210
U345 4822 130 42593 DTA124ES BA10016210
U346 4822 130 42593 DTA124ES BA10016210
U347 4822 130 42683 DTC124ES BA20024210
U348 4822 130 42683 DTC124ES BA20024210
U349 4822 130 42683 DTC124ES BA20024210
Q102 4822 130 41306 2SC1815GR HT318151C0
Q103 4822 130 43233 2SC2240GR HT322401A0
Q202 4822 130 41306 2SC1815GR HT318151C0
Q203 4822 130 43233 2SC2240GR HT322401A0
Q301 4822 130 11101 2SA1015GR HT110151C0
Q302 4822 130 41306 2SC1815GR HT318151C0
Q303 4822 130 41306 2SC1815GR HT318151C0
Q304 4822 130 43233 2SC2240GR HT322401A0
Q306 4822 130 11101 2SA1015GR HT110151C0
RESISTORS
All resistor are rated 5%
tolerance and 1/8 watt.
R102 nsp 56k nsp
R103 nsp 120k nsp
R104 nsp 4.7k nsp
R105 nsp 1M nsp
R106 nsp 56 nsp
R107 nsp 6.8k nsp
R108 nsp 2.2k nsp
R109 nsp 1k nsp
R110 nsp 56k nsp
R111 nsp 120k nsp
R112 nsp 4.7k nsp
R113 nsp 1M nsp
R114 nsp 56 nsp
R115 nsp 6.8k nsp
R116 nsp 2.2k nsp
R117 nsp 2.7k nsp
R118 nsp 6.2k nsp
R119 nsp 100k nsp
R123 nsp 2.7k nsp
R124 nsp 100k nsp
R125 nsp 33 nsp
R126 nsp 1k nsp
R127 nsp 33k nsp
R128 nsp 10k nsp
R129 nsp 5.6k nsp
R130 nsp 8.2k nsp
R131 nsp 2.2k nsp
R132 nsp 15k nsp
R133 nsp 2.2k nsp
R134 nsp 33k nsp
R135 nsp 150k nsp
R138 nsp 47k nsp
R139 nsp 12k nsp
R140 nsp 68 nsp
R141 nsp 3.9k nsp
R202 nsp 56k nsp
R203 nsp 120k nsp
R204 nsp 4.7k nsp
R205 nsp 1M nsp
R206 nsp 56 nsp
R207 nsp 6.8k nsp
R208 nsp 2.2k nsp
R209 nsp 1k nsp
R210 nsp 56k nsp
R211 nsp 120k nsp
R212 nsp 4.7k nsp
R213 nsp 1M nsp
R214 nsp 56 nsp
R215 nsp 6.8k nsp
R216 nsp 2.2k nsp
R217 nsp 2.7k nsp
R218 nsp 6.2k nsp
R219 nsp 100k nsp
R223 nsp 2.7k nsp
R224 nsp 100k nsp
R225 nsp 33 nsp
R226 nsp 1k nsp
R227 nsp 33k nsp
R228 nsp 10k nsp
R229 nsp 5.6k nsp
R230 nsp 8.2k nsp
R231 nsp 2.2k nsp
R232 nsp 15k nsp
R233 nsp 2.2k nsp
R234 nsp 33k nsp
R235 nsp 150k nsp
R238 nsp 47k nsp
R239 nsp 12k nsp
R240 nsp 68 nsp
R241 nsp 3.9k nsp
R301 nsp 4.7k nsp
R302 nsp 20k nsp
R303 nsp 4.7k nsp
R305
nsp 47k nsp
R310
R311 nsp 2.2k nsp
R312 nsp 10k nsp
R313 nsp 24k nsp
R314 nsp 27k nsp
R315 nsp 43k nsp
R316 nsp 33k nsp
R317 nsp 33k nsp
R318 nsp 47k nsp
R319 nsp 47k nsp
R320 nsp 33k nsp
R321 nsp 20k nsp
R322 nsp 22k nsp
R324 nsp 39k nsp
R325 nsp 100k nsp
R326 nsp 27k nsp
R327 nsp 15k nsp
R328 nsp 16k nsp
R323 nsp 56k nsp
R329 nsp 56k nsp
R330 nsp 27k nsp
R331 nsp 220k nsp
R332 nsp 100k nsp
R333 nsp 68k nsp
R334 nsp 33k nsp
R335 nsp 47k nsp
R336 nsp 15k nsp
R337 nsp 39k nsp
R338 nsp 56k nsp
R339 nsp 27k nsp
R340 nsp 24k nsp
R341 nsp 43k nsp
R342 nsp 18k nsp
R343 nsp 56k nsp
R344 nsp 56k nsp
R345 nsp 18k nsp
R346 nsp 16k nsp
R347 nsp 47k nsp
R348 nsp 15k nsp
R349 nsp 56k nsp

25
POS.
NO VERS.
COLOR PART NO.
(FOR PCS) DESCRIPTION PART NO.
(MJI)
(VERS. :VERSION, U:U.S.A., F:JAPAN, K:FAR EAST, N:EUROPE)
POS.
NO VERS.
COLOR PART NO.
(FOR PCS) DESCRIPTION PART NO.
(MJI)
(VERS. :VERSION, U:U.S.A., F:JAPAN, K:FAR EAST, N:EUROPE)
R350 nsp 47k nsp
R351 nsp 22k nsp
R352 nsp 4.7k nsp
R353 nsp 18k nsp
R354 nsp 18k nsp
R355 nsp 10k nsp
R356 nsp 2.7k nsp
R357 nsp 1k nsp
R358 nsp 27k nsp
R359 nsp 27k nsp
R360 nsp 47k nsp
R361 nsp 47k nsp
R367 nsp 22k nsp
R368 nsp 22k nsp
R370 nsp 1k nsp
R371 nsp 330 nsp
R373 nsp 470 nsp
R374 nsp 470 nsp
R375 nsp 2.7k nsp
R376 nsp 3.3k nsp
R378 nsp 68 nsp
R381 nsp 47k nsp
R382 nsp 47k nsp
R383 nsp 560 nsp
R384 nsp 4.7k nsp
R385 nsp 6.8 1/4W nsp
R386 nsp 6.8 1/4W nsp
R387 nsp 100k nsp
R388 nsp 100k nsp
R391 nsp 270 nsp
R11 9965 000 01140 VSemi-fixed 10k (B) *RA000780R
R21 9965 000 01140 VSemi-fixed 10k (B) *RA000780R
R12 9965 000 01140 VSemi-fixed 10k (B) *RA000780R
R22 9965 000 01140 VSemi-fixed 10k (B) *RA000780R
R13 9965 000 01141 VSemi-fixed 22k (B) *RA000920R
R23 9965 000 01141 VSemi-fixed 22k (B) *RA000920R
R14 9965 000 01140 VSemi-fixed 10k (B) *RA000780R
R24 9965 000 01140 VSemi-fixed 10k (B) *RA000780R
COILS
L102 9965 000 01143 22mH *LC107240R
L202 9965 000 01143 22mH *LC107240R
L103 9965 000 01144 STEP UP *TC000310R
L203 9965 000 01144 STEP UP *TC000310R
L301 9965 000 01145 Bias SM-10F *TC000330R
L302 9965 000 01146 220 H *LC106610R
L303 9965 000 01146 220 H *LC106610R
MISCELLANEOUS
L101 9965 000 01142 Filter Low Pass MPX *TC000300R
L201 9965 000 01142 Filter Low Pass MPX *TC000300R
J32 9965 000 01147 Jack RCA 4P *YT001790R
P304 nsp Plug 5P nsp
P305 nsp Plug 3P nsp
P306 nsp Plug 3P nsp
P307 nsp Plug 12P nsp
P308 nsp Plug 9P nsp
P309 nsp Plug 6P nsp
TR ASSY CIRCUIT BOARD
INTEGRATED CIRCUITS
U7 4822 209 31631 IC NJM7805FA HC3890509F
TRANSISTOR
Q307 9965 000 01148 2SB1655E *HT200360R
SLIDE CIRCUIT BOARD
SW21 9965 000 01149 Switch Slide AXA 2-3 *SS000600R
SW26 9965 000 01149 Switch Slide AXA 2-3 *SS000600R
SW27 9965 000 01149 Switch Slide AXA 2-3 *SS000600R
KEY CIRCIT BOARD
CAPACITOR
C11 nsp ELECT 47 F 16V nsp
DIODES
D9
4822 130 32778 1SS133 HD20015210
D12
D13A 4822 130 32778 1SS133 HD20015210
D15
4822 130 32778 1SS133 HD20015210
D19
D20A 4822 130 32778 1SS133 HD20015210
D22 4822 130 32778 1SS133 HD20015210
D23 4822 130 32778 1SS133 HD20015210
D25 4822 130 32778 1SS133 HD20015210
D26 4822 130 32778 1SS133 HD20015210
D27A 4822 130 32778 1SS133 HD20015210
D29 4822 130 32778 1SS133 HD20015210
D33 4822 130 32778 1SS133 HD20015210
D34 4822 130 32778 1SS133 HD20015210
D35 4822 130 32778 1SS133 HD20015210
D41 4822 130 32778 1SS133 HD20015210
INTEGRATED CIRCUIT
U56 9965 000 01150 IR Sensor SBX1976-52 *HW100340R
RESISTORS
R80
nsp 22k 5% 1/8W nsp
R83
R95 nsp 470 5% 1/8W nsp
MISCELLANEOUS
FL1 9965 000 01151 Display SVA-06SM14 *HQ300370R
SW1
9965 000 01153 Switch Tact SKQSAB HMR-187 *SP000750R
SW4
SW7
9965 000 01153 Switch Tact SKQSAB HMR-187 *SP000750R
SW11
SW14
9965 000 01153 Switch Tact SKQSAB HMR-187 *SP000750R
SW18
SW22
9965 000 01153 Switch Tact SKQSAB HMR-187 *SP000750R
SW25 9965 000 01153 Switch Tact SKQSAB HMR-187 *SP000750R
CONTROL CIRCUIT BOARD
CAPACITOS
C1 nsp ELECT 100 F 35V nsp
C2 nsp ELECT 220 F 35V nsp
C3 nsp ELECT 330 F 25V nsp
C4 nsp Mylar 0. 047 F 100V nsp
C5 nsp ELECT 10 F 16V nsp
C6 nsp ELECT 10 F 16V nsp
C7 9965 000 01154 ELECT 220 F 25V *EA000660R
C8 nsp CER. 0.01 F 50V nsp
C9 nsp Mylar 0.022 F 100V nsp
C10 nsp ELECT
1000 F 25V nsp

26
POS.
NO VERS.
COLOR PART NO.
(FOR PCS) DESCRIPTION PART NO.
(MJI)
(VERS. :VERSION, U:U.S.A., F:JAPAN, K:FAR EAST, N:EUROPE)
POS.
NO VERS.
COLOR PART NO.
(FOR PCS) DESCRIPTION PART NO.
(MJI)
(VERS. :VERSION, U:U.S.A., F:JAPAN, K:FAR EAST, N:EUROPE)
DIODES
D1 4822 130 80598 Zener Diode MTZJ22C *HD301680R
D2 4822 130 31878 1N4003 HD200010AR
D3 4822 130 31878 1N4003 HD200010AR
D4 4822 130 32778 1SS133 HD20015210
D5 4822 130 31878 1N4003 HD200010AR
D8 9965 000 01155 Zener Diode MTZJ3.9B *HD301410R
D50 4822 130 31878 1N4003 HD200010AR
D51 4822 130 31878 1N4003 HD200010AR
INTEGRATED CIRCUITS
U41 5322 209 73891 TA78L005AP *HC300180R
U42 9965 000 01156 CXP82940 *HC105100R
U45 4822 209 61973 BU4066BC HC406621B0
TRANSISTORS
U43 4822 130 42683 DTC124ES BA20024210
U44 4822 130 42683 DTC124ES BA20024210
U47
4822 130 42683 DTC124ES BA20024210
U50
U51 4822 130 42593 DTA124ES BA10016210
U52
4822 130 42683 DTC124ES BA20024210
U55
Q1 4822 130 11101 T2SA1015GR HT110151C0
Q2 4822 130 41306 T2SC1815GR HT318151C0
Q3
9965 000 01157 T2SB1237TV2Q *HT200310R
Q6
Q7 4822 130 41306 T2SC1815GR HT318151C0
RESISTORS
All resistor are rated 5%
tolerance and 1/8 watt.
R41 nsp 820 nsp
R42 nsp 22k nsp
R43 nsp 10k nsp
R44 nsp 22k nsp
R45 nsp 22k nsp
R46 nsp 1k nsp
R47 nsp 22k nsp
R48 nsp 15k nsp
R49 nsp 27k nsp
R50 nsp 4.7k nsp
R51 nsp 1k nsp
R52 nsp 4.7k nsp
R53 nsp 1k nsp
R54 nsp 4.7k nsp
R55 nsp 1k nsp
R56 nsp 4.7k nsp
R57 nsp 1k nsp
R62 nsp 1k nsp
R63 nsp 10k nsp
R64 nsp 22k nsp
R72 nsp 22k nsp
R73 nsp 22k nsp
R74 nsp 22k nsp
R77 nsp 82k nsp
R78 nsp 82k nsp
R84 nsp 22k nsp
R85 nsp 22k nsp
R86 nsp 22k nsp
R87 nsp 100 1/4W nsp
R88 nsp 100 1/4W nsp
R89 nsp 5.6k nsp
R90 nsp 1k nsp
R91 nsp 10k nsp
R92 nsp 22k nsp
R93 nsp 22k nsp
R94 nsp 22k nsp
VR1 9965 000 01140 VSemi-fixed 10k (B) *RA000780R
VR2 9965 000 01140 VSemi-fixed 10k (B) *RA000780R
VR3 9965 000 01140 VSemi-fixed 10k (B) *RA000780R
VR4 9965 000 01140 VSemi-fixed 10k (B) *RA000780R
MISCELLANEOUS
P318 nsp Plug 2P nsp
P503 nsp Plug 3P nsp
P504 nsp Plug 2P nsp
X1 9965 000 01158 Resonator Ceramic 8MHz *FQ000400R
VR CIRCUIT BOARD
RESISTORS
R410 nsp 9.1k 5% 1/8W nsp
R411 nsp 27k 5% 1/8W nsp
R31 9965 000 01159 Variable Resistor 50k (A)*2 *RM000380R
R32 9965 000 01160 Variable Resistor 10k (B) *RM000390R
PHONE CIRCUIT BOARD
C403 nsp CER. CAP 0.047 F 50V nsp
J31 9965 000 01161 Jack JY-6317-01-030G *YT001780R
TRANS A CIRCUIT BOARD
AC2 nsp Terminal Lapping 2P nsp
W170 nsp Jumper 10mm
N
F
Unsp
W171 N
nsp Jumper 10mm nsp
W172 nsp Jumper 10mm nsp
TRANS B CIRCUIT BOARD
C901 nsp CER. CAP 0.1 F 50V nsp
S401 9965 000 01162 Switch Push SPUN-12 *SP000740R
L901 9965 000 01163 COIL 3.3 H *LC107250R
L902 9965 000 01163 COIL 3.3 H *LC107250R
REMOTE CIRCUIT BOARD
C450 nsp CER. CAP 0.1 F 50V nsp
R450 nsp RES. 47 5% 1/8W nsp
J33 9965 000 01164 Jack RCA 2P (ORANGE) *YT001800R
47 9965 000 01128 MAINS TRANSFORMER *TS001060R