001 End_CFL33611R1_CBAP.P65 XR EC10 2013050216
User Manual: XR-EC10
Open the PDF directly: View PDF
.
Page Count: 76

SERVICE MANUAL
DATA
XR-EC10
XR-EC12
U(S),UC(S)
UC(S)
CD STEREO SYSTEM BASIC CD MECHANISM : CMCJ0129
S/M Code No. 09-026-361-1R1
REVISION
SYSTEM
XR-EC10
XR-EC12
CD CASSEIVER
CX-SLEC10
CX-SLEC12
SPEAKER
SX-SLEC10
SX-SLEC12
REMOTE
CONTROLLER
RC-CAS05
• This Service Manual is the “Revision Publishing” and replaces “Simple Manual”
(S/MCode 09-026-361-1T1).
http://www.xiaoyu163.com
http://www.xiaoyu163.com

-2-
TABLE OF CONTENTS
SPECIFICATIONS................................................................................................................................................ 3
PROTECTION OF EYES FROM LASER BEAM DURING SERVICING............................................................... 4
PRECAUTION TO REPALCE OPTICAL BLOCK (KSM-213 VSCM)................................................................... 5
SERVICE NOTE .................................................................................................................................................. 6
ACCESSORIES PARTS LIST ............................................................................................................................. 7
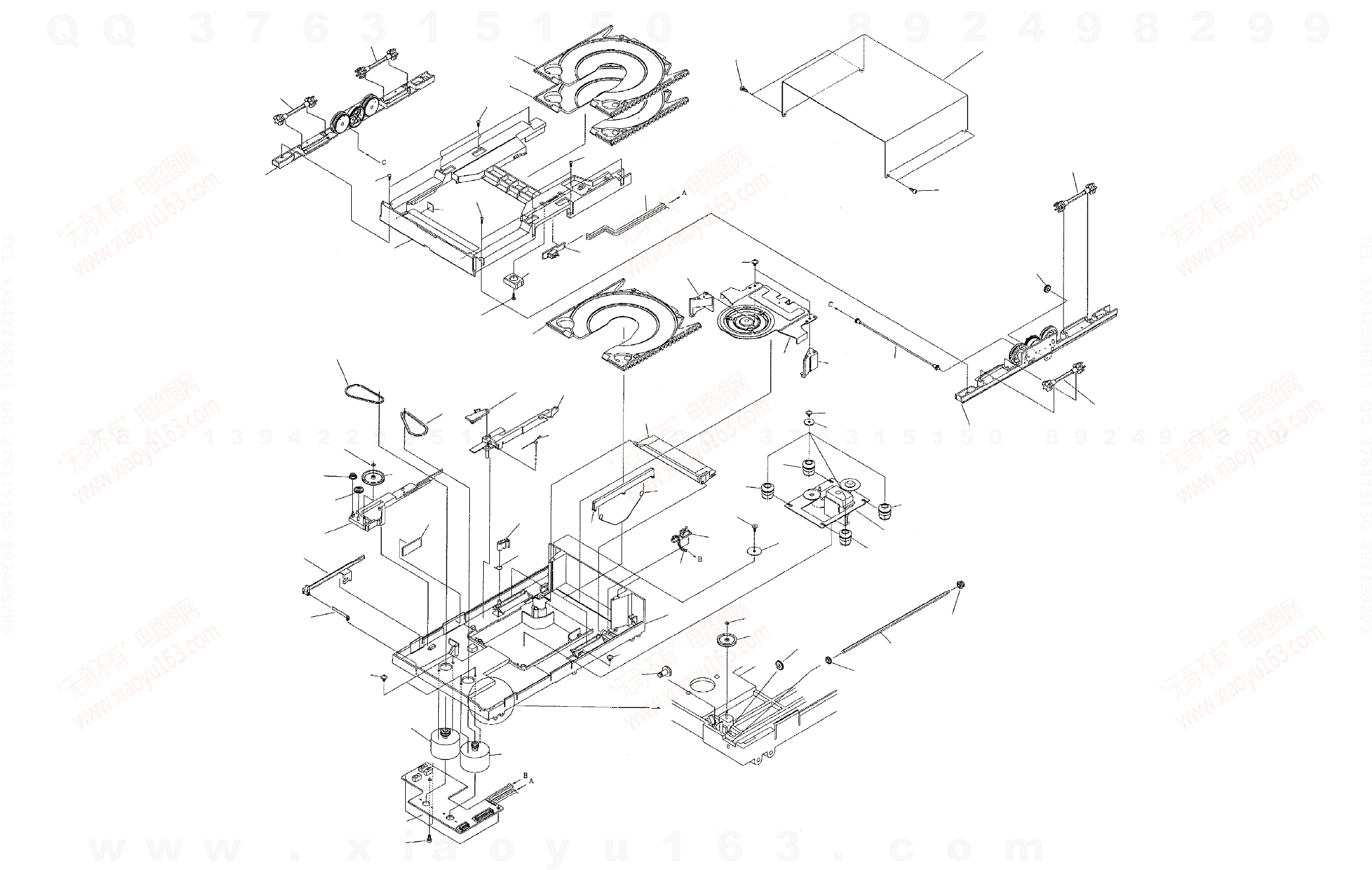
CD MECHANISM DISASSEMBLY INSTRUCTIONS AND RE-ASSEMBLY INSTRUCTION ............................8-21
HOW TO ESTABLISH THE SERVICE POSITION....................................................................................... 22, 23
ELECTRICAL PARTS LIST...........................................................................................................................24-38
TRANSISTOR ILLUSTRATION .......................................................................................................................... 39
BLOCK DIAGRAM........................................................................................................................................ 40, 41
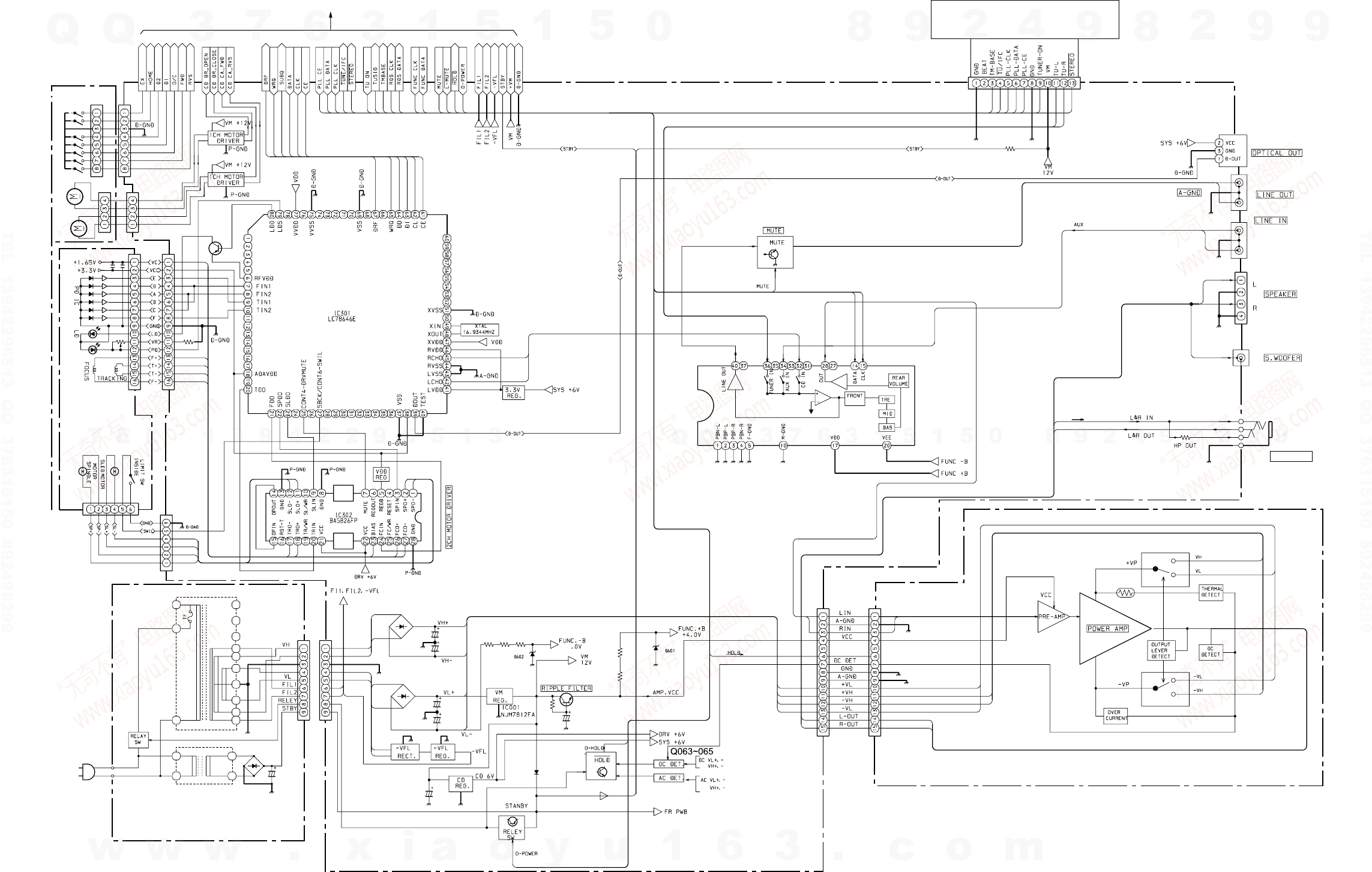
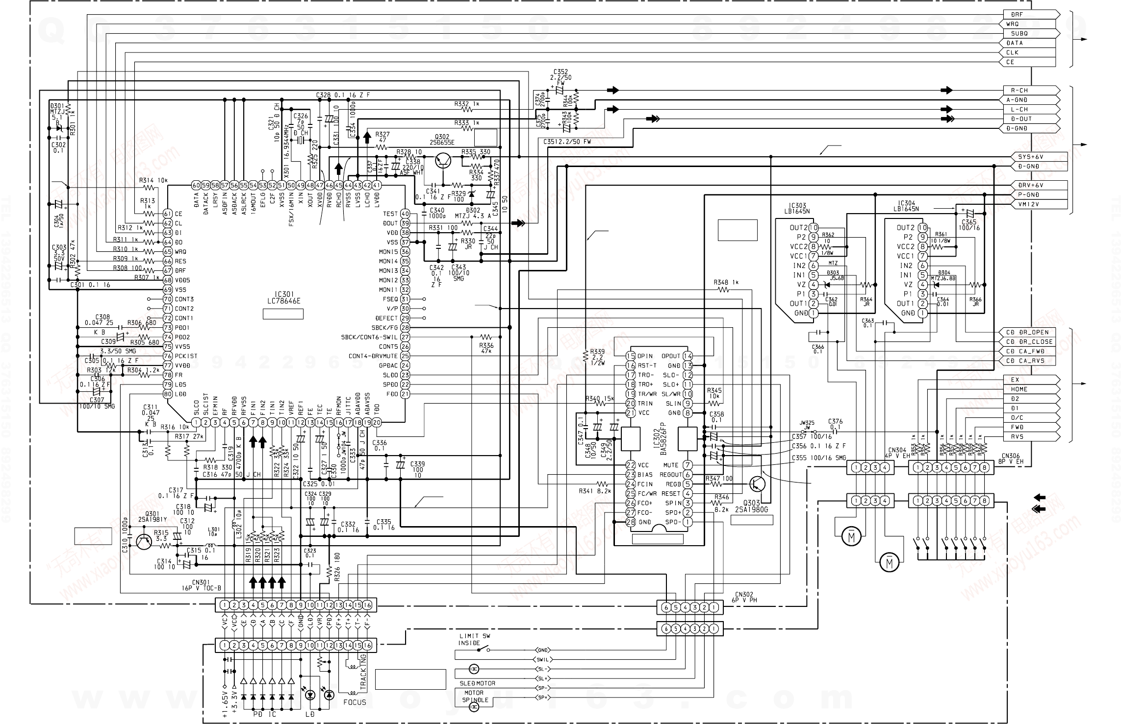
SCHEMATIC DIAGRAM-1/7 (MAIN)-1/3 .............................................................................................................. 42
SCHEMATIC DIAGRAM-2/7 (MAIN)-2/3 .............................................................................................................. 43
SCHEMATIC DIAGRAM-3/7 (MAIN)-3/3 .............................................................................................................. 44
WIRING-1/5 (MAIN) ............................................................................................................................................ 45
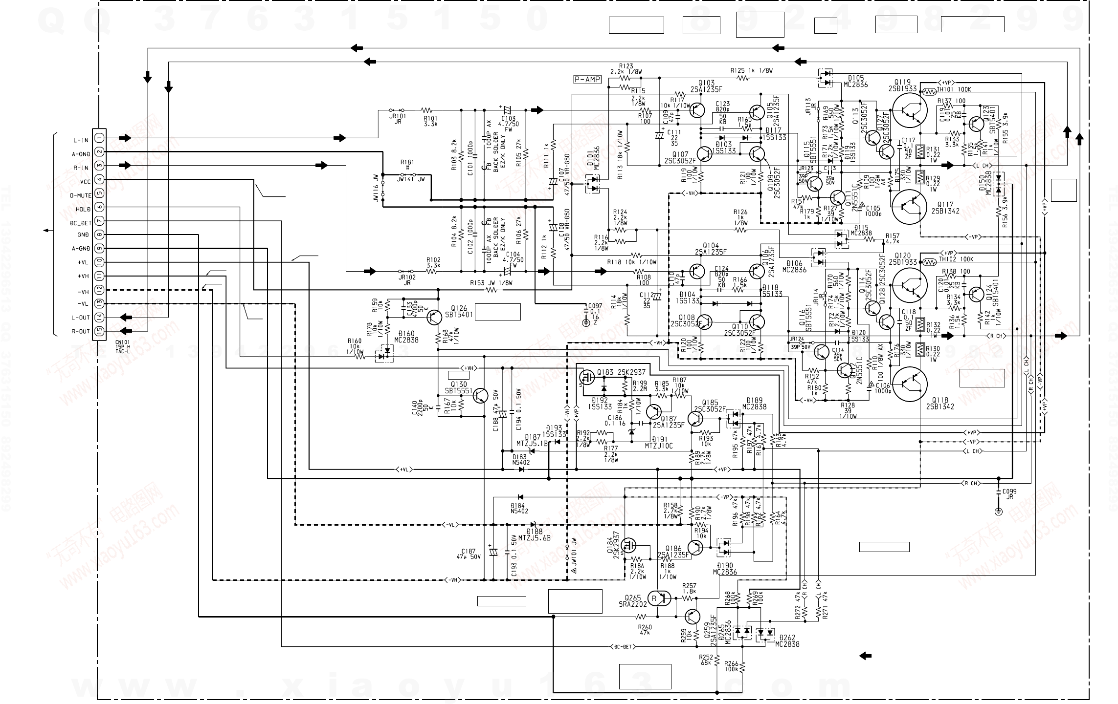
SCHEMATIC DIAGRAM-4/7 (AMP)..................................................................................................................... 46
WIRING-2/5 (AMP) ............................................................................................................................................. 47
SCHEMATIC DIAGRAM-5/7 (FRONT/KEY) ....................................................................................................... 48
WIRING-3/5 (FRONT/KEY) ................................................................................................................................ 49
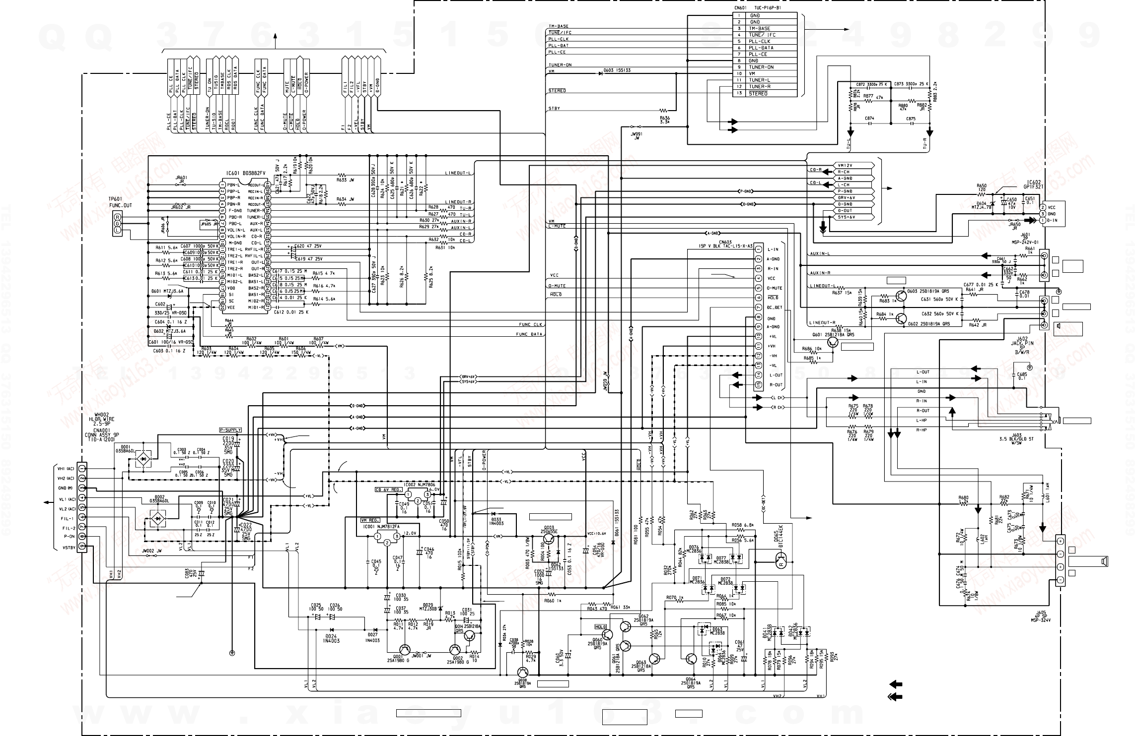
SCHEMATIC DIAGRAM-6/7 (TUNER)................................................................................................................ 50
WIRING-4/5 (TUNER) ........................................................................................................................................ 51
SCHEMATIC DIAGRAM-7/7 (PT) ....................................................................................................................... 52
WIRING-5/5 (PT) ................................................................................................................................................ 53
FL (HNA-11 SM26) GRID ASSIGNMENT/ANODE CONNECTION..................................................................... 54
ELECTRICAL ADJUSTMENT .......................................................................................................................55-59
CD TEST MODE................................................................................................................................................ 60
CD MECHANISM TEST MODE .......................................................................................................................... 61
IC BLOCK DIAGRAM ......................................................................................................................................... 62
IC DESCRIPTION-1/2 (LC78646E).............................................................................................................. 64, 65
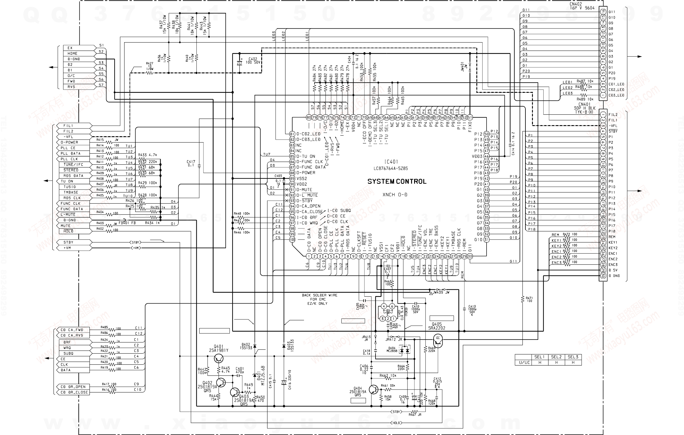
IC DESCRIPTION-2/2 (LC876764A - 5Z85) ................................................................................................. 66, 67
MECHANICAL EXPLODED VIEW...................................................................................................................... 68
MECHANICAL PARTS LIST ............................................................................................................................... 69
COLOR NAME TABLE ....................................................................................................................................... 70
CD MECHANISM EXPLODED VIEW (CMCJ0129) ............................................................................................ 71
CD MECHANISM PARTS LIST (CMCJ0129) .................................................................................................... 72
SPEAKER DISASSEMBLY INSTRUCTIONS..................................................................................................... 73
SPEAKER PARTS LIST..................................................................................................................................... 74
OTHERS PARTS LIST (CX-SLEC10) ............................................................................................................... 75
http://www.xiaoyu163.com
http://www.xiaoyu163.com

-4-
PROTECTION OF EYES FROM LASER BEAM DURING SERVICING -1/1
VAROITUS!
Laiteen Käyttäminen muulla kuin tässä käyttöohjeessa mainit-
ulla tavalla saattaa altistaa käyt-täjän turvallisuusluokan 1 ylit-
tävälle näkymättömälle lasersäteilylle.
VARNING!
Om apparaten används på annat sätt än vad som specificeras i
denna bruksanvising, kan användaren utsättas för osynling
laserstrålning, som överskrider gränsen för laserklass 1.
Caution: Invisible laser radiation when
open and interlocks defeated avoid expo-
sure to beam.
Advarsel:Usynling laserståling ved åbning,
når sikkerhedsafbrydere er ude af funktion.
Undgå udsættelse for stråling.
CAUTION
Use of controls or adjustments or performance of procedures
other than those specified herein may result in hazardous
radiation exposure.
ATTENTION
L'utilisation de commandes, réglages ou procédures autres que
ceux spécifiés peut entraîner une dangereuse exposition aux
radiations.
ADVARSEL!
Usynlig laserståling ved åbning, når sikkerhedsafbrydereer ude
af funktion. Undgå udsættelse for stråling.
This Compact Disc player is classified as a CLASS 1 LASER
product.
The CLASS 1 LASER PRODUCT label is located on the rear
exterior.
This set employs laser. Therefore, be sure to follow carefully the
instructions below when servicing.
WARNING!
WHEN SERVICING, DO NOT APPROACH THE LASER EXIT
WITH THE EYE TOO CLOSELY. IN CASE IT IS NECESSARY TO
CONFIRM LASER BEAM EMISSION. BE SURE TO OBSERVE
FROM A DISTANCE OF MORE THAN 30cm FROM THE
SURFACE OF THE OBJECTIVE LENS ON THE OPTICAL
PICK-UP BLOCK.
CLASS 1
KLASSE 1
LUOKAN 1
KLASS 1
LASER PRODUCT
LASER PRODUKT
LASER LAITE
LASER APPARAT
http://www.xiaoyu163.com
http://www.xiaoyu163.com

-5-
PRECAUTION TO REPALCE OPTICAL BLOCK (KSM-213 VSCM) -1/1
1) After the connection, remove solder shown in
the right figure.
Body or clothes electrostatic potential could ruin
laser diode in the optical block. Be sure ground
body and workbench, and use care the clothes
do not touch the diode.
Solder
http://www.xiaoyu163.com
http://www.xiaoyu163.com

-6-
SERVICE NOTE -1/1
When the repair/maintenance work is completed, attach the TAG (Aiwa part code: 8C-CL3-038-010) as follows.
1. While pressing the CL button, insert the AC power plug. Confirm that all FL display tubes light.
2. Press the PRESET button and confirm the M/TEST display.
3. Press the DISC2 OPEN/CLOSE button to open the Drawer.
4. Attach the TAG as shown in Fig. 1-3.
5. Press the DISC2 OPEN/CLOSE button to close the Drawer.
6. Press the DISC3 DIRECT PLAY button to active the INITIAL operation.
7. Disconnect the AC power plug from the wall outlet.
TAG ASSY TRAY
STICK
STICK
Fig.1-1
Fig.1-2 Fig.1-3
http://www.xiaoyu163.com
http://www.xiaoyu163.com

UNIT-NAME ! C REF-NO PARTS-NO PARTS-NAME SUFFIX&MODEL
-7-
! = ! SAFTY PARTS
C = Components marked
All components used on this model at the production line are shown in this service manual.
However, please note that not all components will be available as spare parts for after-sales service.
Components marked S and O are designated as spare parts for service and will be stocked at the spare parts centers.
Components marked X and R are not designated as spare parts for after sales service, and will not be stocked at the spare parts centers.
ACCESSORIES PARTS LIST -1/1
CX-SLEC10 CX-SLEC10 CX-SLEC12
USM UCSM UCSM
X AS1001 87-006-226-010 ANT,LOOP AM a b c
X AS1002 87-A92-345-010 ANT,WIRE FM(SEMI-ST) a b c
O AS1003 8C-CL3-701-110 RC UNIT,RC-CAS05 a b c
X AS1004 87-B50-053-010 WARR-CARD,USA CUST/AV,VISUAL a b c
X AS1005 87-B50-094-010 WARR-CARD,C(E) A/V-0104 . b c
X AS1006 87-B50-095-010 WARR-CARD,C(F) A/V-0104 . b c
O AS1007 8C-CL3-903-010 IB,UC(ESF)M EC10/EC12 a b c
http://www.xiaoyu163.com
http://www.xiaoyu163.com

-8-
CD MECHANISM DISASSEMBLY INSTRUCTIONS AND RE-ASSEMBLY INSTRUCTION -1/14
MECHANISM DISASSEMBLY INSTRUCTIONS
1. Remove the COVER 2.
2. Open the DRAWER.
3. Remove DRAWER from mechanism.
4. Remove ASS’Y CRG4 from CHASSIS.
5. Remove CRG from DRAWER ASS’Y.
6. ASS’Y HOLDER, ASS’Y GEAR DRIVE.
7. Remove BELT, MOTOR.
8. SWITCH6 OPEN/CLOSE, SWITCH7 FWD, SWITCH RVS.
9. SWITCH2 EXTRA, SWITCH HOME.
10. SWITCH4 DISC2, SWITCH DISC1.
11. P/U UNIT.
12. Remove ARM STOPPER B, ASS’Y SLIDER 2 and SLIDER 1.
MECHANISM RE-ASSEMBLY INSTRUCTION
1. ASS’Y HOLDERS, ASS’Y GEAR DRIVE.
2. ASS’Y CRG.
3. DRAWER.
4. How To Identify ASS’Y CRG Numbers.
http://www.xiaoyu163.com
http://www.xiaoyu163.com

-9-
CD MECHANISM DISASSEMBLY INSTRUCTIONS AND RE-ASSEMBLY INSTRUCTION -2/14
MECHANISM DISASSEMBLY INSTRUCTIONS
1. Remove the COVER 2
Remove the four screws and remove COVER 2.
2. Open the DRAWER
Press the Lever in the bottom left of mechanism as shown (Fig.2-b Fig.2-c).
Lock of the DRAWER is released so that you can open the DRAWER.
Fig.1
SCREW
SCREW
COVER 2
Fig.2-a
Fig.2-b Fig.2-c
Fig.2-d
DRAWER
LEVERLEVER
DRAWER
LEVER
http://www.xiaoyu163.com
http://www.xiaoyu163.com

-10-
CD MECHANISM DISASSEMBLY INSTRUCTIONS AND RE-ASSEMBLY INSTRUCTION -3/14
3. Remove DRAWER from mechanism
1) Open the HOOK to the right and left of the CHASSIS that fix the DRAWER.
At the same time, while pressing the DRAWER toward inside, raise the DRAWER and remove it.
* The DRAWER and the CHASSIS are connected by wire. Be careful of the connection.
Fig.3-a Fig.3-b
Fig.3-c
DRAWER DRAWER
CHASSIS
HOOK HOOK
CHASSIS
http://www.xiaoyu163.com
http://www.xiaoyu163.com

-11-
CD MECHANISM DISASSEMBLY INSTRUCTIONS AND RE-ASSEMBLY INSTRUCTION -4/14
4. Remove CRG from CHASSIS ASS’Y
1) Remove COVER 2. (Refer to “1. Remove the COVER 2”.)
2) Remove DRAWER. (Refer to “2. Open the DRAWER” and “3. Remove the DRAWER from mechanism”.)
3) While fixing the ARM STOPPER B inside, press the lever on the left side of the CHASSIS in the direction of the arrow.
4) As the ASS’Y CLAMPER is raised up, remove the ASS’Y CRG.
Fig.4-a Fig.4-b
ARM STOPPER B
LEVER
CHASSIS
Fig.4-c
ASS'Y CLAMPER
ASS'Y CRG
http://www.xiaoyu163.com
http://www.xiaoyu163.com

-12-
CD MECHANISM DISASSEMBLY INSTRUCTIONS AND RE-ASSEMBLY INSTRUCTION -5/14
5. Remove ASS’Y CRG from DRAWER
1) Remove COVER 2. (Refer to “1. COVER 2”.)
2) Remove DRAWER. (Refer to “2. Open the DRAWER” and “3. Remove the DRAWER from mechanism”.)
3) Rotate the BEVEL GEAR in the direction (counter-clockwise direction) of the arrow as shown.
The PINION ASS’Y rotates and the CRG moves.
* Because the BEVEL GEAR can be easily drop, be careful not to drop.
2) Further from the position where the ASS’Y CRG has moved up to the deep end, rotate the BEVEL GEAR further more.
3) While rotating the STAR GAER, raise the ASS’Y CRG and remove it.
4) Rotate the BEVAL GAER in the same way and remove the second ASS’Y CRG.
Fig.5-a F
ig
.5-b
BEVEL GEAR
BEVEL GEAR
DRAWER PINION
Fig.5-c
Fig.5-d
STAR GEAR
BEVEL GEAR
ASS'Y CRG
http://www.xiaoyu163.com
http://www.xiaoyu163.com

-13-
CD MECHANISM DISASSEMBLY INSTRUCTIONS AND RE-ASSEMBLY INSTRUCTION -6/14
6. Remove the ASS’Y HOLDER and ASS’Y GEAR DRIVE
1) Remove the COVER 2. (Refer to “1. COVER 2”.)
2) Remove the DRAWER 2. (Refer to “2. Open the DRAWER” and “3. Remove the DRAWER from mechanism”.)
3) Remove the four screws each of the DRAWER and remove the ASS’Y HOLDER, ASS’Y GEAR DRIVE.
7. Remove the BELT, MOTOR
1) Remove the COVER 2. (Refer to “1. Remove the COVER 2.”)
2) Remove the DRAWER. (Refer to “2. Open the DRAWER” and “3. Remove the DRAWER from mechanism”.)
3) Remove the BELT and remove the two screws each of the MOTOR.
4) Remove the four screws fixing the C.B., and remove the soldering. Then remove the MOTOR.
Fig.6-a Fig.6-b
ASS'Y HOLDER
ASS'Y GEAR DRIVE
SCREW
SCREW
Fig.7-a
BELT
SCREW
Fig.7-b
SCREW
MOTOR
http://www.xiaoyu163.com
http://www.xiaoyu163.com

-14-
CD MECHANISM DISASSEMBLY INSTRUCTIONS AND RE-ASSEMBLY INSTRUCTION -7/14
8. SWITCH6 (OPEN / CLOSE), SWITCH7 (FWD), SWITCH8 (RVS)
1) Remove the four screws fixing the C.B. in the bottom of the mechanism.
2) Remove soldering of the MOTOR terminal and remove the C. B.
3) You can replace the SWITCH in this state.
9. SWITCH2 (EXTRA), SWITCH3 (HOME)
1) Remove the COVER 2. (Refer to “1. COVER 2”.)
2) Remove the DRAWER. (Refer to “2. Open the DRAWER” and “3. Remove the DRAWER from mechanism”.)
3) Remove the screw of the DRAWER and remove the SPACER.
4) You can replace the SWITCH by releasing the HOOK at the two locations.
Fig.8
SW6 OPEN/CLOSESW7 FWD
SW8 RVS
Fig.9
SCREW
SW2,3
SPACER
http://www.xiaoyu163.com
http://www.xiaoyu163.com

-15-
CD MECHANISM DISASSEMBLY INSTRUCTIONS AND RE-ASSEMBLY INSTRUCTION -8/14
10.SWITCH4 (DISC2), SWITCH5 (DISC1)
1) Remove the COVER 2. (Refer to “1. COVER 2”.)
2) Open the DRAWER. (Refer to “2. Open the DRAWER”.)
3) Remove the ASS’Y CRG from the CHASSIS. (Refer to “4. Remove the ASS’Y CRG from CHASSIS.)
4) While holding the front side of the LIFTER in the right, remove the LIFTER in the right and remove the SPRING.
5) Open the top rear of the CHASSIS and remove the ASS’Y CLAMPER.
6) While pressing the portions fixing C.B. to the CHASSIS, rotate the C.B. clockwise and remove the C.B.
Note when installing SPRING to the LIFTER
Install the SPRING to the LIFTER as shown in the illustration.
Fig.10-a Fig.10-b
LIFTER
ASS'Y CLAMPER
Fig.10-c
SW4,5
Fig.10-d
SPRING
LIFTER
http://www.xiaoyu163.com
http://www.xiaoyu163.com

-16-
CD MECHANISM DISASSEMBLY INSTRUCTIONS AND RE-ASSEMBLY INSTRUCTION -9/14
11.P/U UNIT
1) Remove the COVER 2. (Refer to “1. Remove the COVER 2”.)
2) Open the DRAWER. (Refer to “2. Open the DRAWER”.)
3) Remove the ASS’Y CRG from the CHASSIS. (Refer to “4. Remove the ASS’Y CRG from the CHASSIS”.)
4) Remove the ASS’Y CLAMPER. (Refer to “10. SWITCH4, SWITCH5 5)”.)
5) You can remove the four screws of the P/UUNIT in this state.
12.Remove the ARM STOPPER B, ASS’Y SLIDER 2 and SLIDER 1
1) Remove the COVER 2. (Refer to “1. Remove the COVER 2”.)
2) Remove the DRAWER. (Refer to “2. Open the DRAWER” and “3. Remove the DRAWER from mechanism”.)
3) Remove the ASS’Y CRG from the CHASSIS. (Refer to “4. Remove ASS’Y CRG from CHASSIS”.)
4) Remove the ASS’Y CLAMPER. (Refer to “10. SWITCH4, SWITCH5 5)”.)
5) Remove the SPRING in the order of a, b then c.
6) Remove the ARM STOPPER B by rotating it counter-clockwise.
7) Remove the BELT and push the ASS’Y SLIDER 2 to the front.
8) While pushing the HOOK under the PULLEY A and push it to the front to remove the ASS’Y.
Fig.11
P/U UNIT
Fig.12-a Fig.12-b
SPRING
c
a
b
ARM STOPPER B
Fig.12-c Fig.12-d
ARM SLIDER 2
BELT
HOOK
PULLEY A
http://www.xiaoyu163.com
http://www.xiaoyu163.com

-17-
9) Pull the SLIDER1 towards the front.
10) Release the claws of the SLIDER 1 from the bottom of the CHASSIS and remove the SLIDER 1.
CD MECHANISM DISASSEMBLY INSTRUCTIONS AND RE-ASSEMBLY INSTRUCTION -10/14
Fig.12-e Top view Fig.12-f Bottom view
HOOK
SLIDER 1
HOOK
http://www.xiaoyu163.com
http://www.xiaoyu163.com

-18-
CD MECHANISM DISASSEMBLY INSTRUCTIONS AND RE-ASSEMBLY INSTRUCTION -11/14
MECHANISM RE-ASSEMBLY INSTRUCTION
1. ASS’Y HOLDER, ASS’Y GEAR DRIVE
1) Tighten the ASS’Y HOLDER L and the ASS’Y HOLDER R with four screws each tentatively.
2) Align the positions (marks) of the CAM RR, CAM RF and those of the CAM LR, CAM LF.
If these positions are aligned correctly, you cannot move the ASS’Y CRG correctly.
4) Tighten the screws of the ASS’Y HOLDER finally.
5) Confirm again that the positions (marks) of the CAM RR and those of the CAM LR are aligned correctly.
Fig.1-b
Fig.1-a
CAM LR
CAM LF
CAM RR
CAM RF
SCREW
SCREW
ASS'Y HOLDER R
ASS'Y HOLDER L
ASS'Y HOLDER L
ASS'Y HOLDER R
FIg.1-c
ASS'Y GEAR DRIVE
ASS'Y HOLDER
3) While opening the ASS’Y HOLDER towards outside, install the ASS’Y GEAR DRIVE.
http://www.xiaoyu163.com
http://www.xiaoyu163.com

-19-
CD MECHANISM DISASSEMBLY INSTRUCTIONS AND RE-ASSEMBLY INSTRUCTION -12/14
2. ASS’Y CRG
1) Confirm position of the CAM RR 3. (Refer to “1. ASS’Y HOLDER, ASS’Y GEAR DRIVE”.)
2) Insert the ASS’Y CRG A201 (No.2) and engage the PINION as shown in illustration.
3) Rotate the BEVEL GEAR clockwise.
Insert the ASS’Y CRG into the DRAWER.
4) When the first ASS’Y CRG A201 (No.2) is inserted correctly, insert the second ASS’Y CRG A101 (No.1) in the same way as step 2).
5) When you rotate the BEVEL GEAR clockwise, the first ASS’Y CRG A201 will be raised by the STAR GEAR. Then raise the ASS’Y CRG
A201 by holding it with hand so that it should not be stacked.
6) Rotate the BEVEL GEAR further. Then second ASS’Y CRG A101 DRAWER will be installed in the correct place.
7) Confirm again that position of the CAM RR 3 is correct.
Fig.2-a
PINION
ASS'Y CRG A201
Fig.2-b
BEVEL GEAR
ASS'Y CRG A201 ASS'Y CRG A101
http://www.xiaoyu163.com
http://www.xiaoyu163.com

-20-
CD MECHANISM DISASSEMBLY INSTRUCTIONS AND RE-ASSEMBLY INSTRUCTION -13/14
3. DRAWER
1) Insert the protrusion in the deep end in the left of the DRAWER into the position of the ARM STOPPER B.
2) While pressing down the left side of the DRAWER, raise the right side of the DRAWER and engage the claws in the deep end in the left of the
CHASSIS in the order of a then b.
3) Engage the groove of the BEVEL GEAR of the CHASSIS side with the BEVEL GEAR block of the DRAWER, and install the DRAWER. (Fig.3-
d ).
Fig.3-a
ARM STOPER B
DRAWER
Fig.3-b
ab
Fig.3-c Fig.3-d
BEVEL GEAR
BEVEL GEAR
http://www.xiaoyu163.com
http://www.xiaoyu163.com

-21-
CD MECHANISM DISASSEMBLY INSTRUCTIONS AND RE-ASSEMBLY INSTRUCTION -14/14
4) After opening the DRAWER completely, close it.
Fig.3-e
Fig.3-f Fig.3-g
LEVERLEVER
()Fig.4-b ASS'Y CRG A101 NO.1
Fig.4-a ASS'Y CRG
()Fig.4-c ASS'Y CRG A201 NO.2
()Fig.4-d ASS'Y CRG A301 NO.3
5) Press the lever of the SLIDER to the deep end and stop it at the position shown in Fig.3-g.
4. How To Identify ASS’Y CRG Numbers
The ASS’Y CRG numbers can be identified by the BOSS on the rear.
http://www.xiaoyu163.com
http://www.xiaoyu163.com

-22-
Fig.2-1
Fig.1-1 Fig.1-2
Fig.3-1 Fig.3-2
Fig.4-1
Fig.2-2
1. Remove the screws from the Outside Cabinet and remove the Side Cabinet.
2. Remove the screws "1" and remove the Top Cabinet. (See Fig. 1-1.)
HOW TO ESTABLISH THE SERVICE POSITION -1/2
5. Remove the cover of the Drawer and close the Drawer.
6. Remove the three screws (from the both sides and bottom) fixing the Front Section and remove the Front Section.
7. Short-circuit the shorting lands of the optical pick-up unit at the location shown as "2" in Fig. 4-1. Remove the four screws "3".
http://www.xiaoyu163.com
http://www.xiaoyu163.com

-23-
8. Remove the connector and FFC (flat flexible cable) and remove the CD mechanism.
HOW TO ESTABLISH THE SERVICE POSITION -2/2
FFC
CONNECTOR
CONNECTOR
Fig.5-1
Fig.6-1 Fig.6-2
10. Connect the Front Section, Main Board and CD mechanism as shown Fig. 6-1.
Use the jig Extension (Tanaka) SV-J00-019-010 for connecting the Front Section and the Main Board.
9. Remove the four screws “4” from the Rear of the Main Unit and separate the Main Board from the Main Unit as shown in Fig. 6-
2.
Fig.7-1
http://www.xiaoyu163.com
http://www.xiaoyu163.com

! = ! SAFTY PARTS
C = Components marked
All components used on this model at the production line are shown in this service manual.
However, please note that not all components will be available as spare parts for after-sales service.
Components marked S and O are designated as spare parts for service and will be stocked at the spare parts centers.
Components marked X and R are not designated as spare parts for after sales service, and will not be stocked at the spare parts centers.
UNIT-NAME ! C REF-NO PARTS-NO PARTS-NAME SUFFIX&MODEL
-24-
ELECTRICAL PARTS LIST -1/15
CX-SLEC10 CX-SLEC10 CX-SLEC12
USM UCSM UCSM
AMP O C 0097 87-010-831-080 C-CAP,U 0.1-16 Z F GRM a b c
AMP X C 0099 88-108-000-080 C-JUMPER,U a b c
AMP O C 0101 87-012-274-080 C-CAP,U 1000P-50 K B GRM a b c
AMP O C 0102 87-012-274-080 C-CAP,U 1000P-50 K B GRM a b c
AMP O C 0103 87-A13-074-080 CAP,E 4.7-50 M FW a b c
AMP O C 0104 87-A13-074-080 CAP,E 4.7-50 M FW a b c
AMP O C 0105 87-012-274-080 C-CAP,U 1000P-50 K B GRM a b c
AMP O C 0106 87-012-274-080 C-CAP,U 1000P-50 K B GRM a b c
AMP O C 0107 87-A13-022-080 CAP,E 47-50 M VR-GSO a b c
AMP O C 0108 87-A13-022-080 CAP,E 47-50 M VR-GSO a b c
AMP O C 0109 87-012-188-080 C-CAP,U 47P-50 J CH GRM a b c
AMP O C 0110 87-012-188-080 C-CAP,U 47P-50 J CH GRM a b c
AMP O C 0111 87-A12-076-080 CAP,E 22-35 SMG a b c
AMP O C 0112 87-A12-076-080 CAP,E 22-35 SMG a b c
AMP O C 0113 87-012-186-080 C-CAP,U 39P-50 J CH GRM a b c
AMP O C 0114 87-012-186-080 C-CAP,U 39P-50 J CH GRM a b c
AMP O C 0117 87-A12-317-080 C-CAP,U 0.1-50 Z F a b c
AMP O C 0118 87-A12-317-080 C-CAP,U 0.1-50 Z F a b c
AMP O C 0119 87-012-286-080 C-CAP,U 0.01-25 K B GRM a b c
AMP O C 0120 87-012-286-080 C-CAP,U 0.01-25 K B GRM a b c
CX-SLEC10 CX-SLEC10 CX-SLEC12
USM UCSM UCSM
AMP O C 0123 87-012-273-080 C-CAP,U 820P-50 K B GRM a b c
AMP O C 0124 87-012-273-080 C-CAP,U 820P-50 K B GRM a b c
AMP O C 0133 87-012-282-080 C-CAP,U 4700P-50 K B GRM a b c
AMP O C 0140 87-012-278-080 C-CAP,U 2200P-50 K B GRM a b c
AMP O C 0186 87-010-831-080 C-CAP,U 0.1-16 Z F GRM a b c
AMP O C 0187 87-A12-094-080 CAP,E 47-50 SMG a b c
AMP O C 0188 87-A12-094-080 CAP,E 47-50 SMG a b c
AMP O C 0193 87-A12-317-080 C-CAP,U 0.1-50 Z F a b c
AMP O C 0194 87-A12-317-080 C-CAP,U 0.1-50 Z F a b c
AMP O CN 0101 87-A61-013-010 CONN,15P H BLK TAC-L15P-A3 a b c
AMP S D 0101 87-A40-269-080 C-DIODE,MC2836 a b c
AMP S D 0103 87-020-465-080 DIODE,1SS133 a b c
AMP S D 0104 87-020-465-080 DIODE,1SS133 a b c
AMP S D 0105 87-A40-269-080 C-DIODE,MC2836 a b c
AMP S D 0106 87-A40-269-080 C-DIODE,MC2836 a b c
AMP S D 0115 87-A40-270-080 C-DIODE,MC2838 a b c
AMP S D 0117 87-020-465-080 DIODE,1SS133 a b c
AMP S D 0118 87-020-465-080 DIODE,1SS133 a b c
AMP S D 0119 87-020-465-080 DIODE,1SS133 a b c
AMP S D 0120 87-020-465-080 DIODE,1SS133 a b c
CX-SLEC10 CX-SLEC10 CX-SLEC12
USM UCSM UCSM
AMP S D 0150 87-A40-270-080 C-DIODE,MC2838 a b c
AMP S D 0160 87-A40-270-080 C-DIODE,MC2838 a b c
AMP S D 0183 87-070-022-010 DIODE,1N5402 a b c
AMP S D 0184 87-070-022-010 DIODE,1N5402 a b c
AMP S D 0187 87-070-136-080 ZENER,MTZJ5.1B a b c
AMP S D 0188 87-017-931-080 ZENER,MTZJ5.6B a b c
AMP S D 0189 87-A40-270-080 C-DIODE,MC2838 a b c
AMP S D 0190 87-A40-269-080 C-DIODE,MC2836 a b c
AMP S D 0191 87-A40-345-080 ZENER,MTZJ10C a b c
AMP S D 0192 87-020-465-080 DIODE,1SS133 a b c
AMP S D 0193 87-020-465-080 DIODE,1SS133 a b c
AMP S D 0262 87-A40-270-080 C-DIODE,MC2838 a b c
AMP S D 0265 87-A40-269-080 C-DIODE,MC2836 a b c
AMP X JR 0103 88-108-000-080 C-JUMPER,U a b c
AMP X JR 0104 88-108-000-080 C-JUMPER,U a b c
AMP X JR 0105 88-108-000-080 C-JUMPER,U a b c
AMP X JR 0106 88-108-000-080 C-JUMPER,U a b c
AMP X JR 0110 88-108-000-080 C-JUMPER,U a b c
AMP X JR 0113 88-108-000-080 C-JUMPER,U a b c
AMP X JR 0114 88-108-000-080 C-JUMPER,U a b c
CX-SLEC10 CX-SLEC10 CX-SLEC12
USM UCSM UCSM
AMP O JR 0123 87-012-186-080 C-CAP,U 39P-50 J CH GRM a b c
AMP O JR 0124 87-012-186-080 C-CAP,U 39P-50 J CH GRM a b c
AMP S Q 0103 87-A30-075-080 C-TR,2SA1235F a b c
AMP S Q 0104 87-A30-075-080 C-TR,2SA1235F a b c
AMP S Q 0105 87-A30-075-080 C-TR,2SA1235F a b c
AMP S Q 0106 87-A30-075-080 C-TR,2SA1235F a b c
AMP S Q 0107 87-A30-076-080 C-TR,2SC3052F a b c
AMP S Q 0108 87-A30-076-080 C-TR,2SC3052F a b c
AMP S Q 0109 87-A30-076-080 C-TR,2SC3052F a b c
AMP S Q 0110 87-A30-076-080 C-TR,2SC3052F a b c
AMP S Q 0111 87-A30-672-080 TR,2N5551C a b c
AMP S Q 0112 87-A30-672-080 TR,2N5551C a b c
AMP S Q 0113 87-A30-076-080 C-TR,2SC3052F a b c
AMP S Q 0114 87-A30-076-080 C-TR,2SC3052F a b c
AMP S Q 0115 87-A30-670-040 C-TR,SBT5551 a b c
AMP S Q 0116 87-A30-670-040 C-TR,SBT5551 a b c
AMP S Q 0117 87-A30-255-010 TR,2SB1342 a b c
AMP S Q 0118 87-A30-255-010 TR,2SB1342 a b c
AMP S Q 0119 87-A30-256-010 TR,2SD1933 a b c
AMP S Q 0120 87-A30-256-010 TR,2SD1933 a b c
http://www.xiaoyu163.com
http://www.xiaoyu163.com

! = ! SAFTY PARTS
C = Components marked
All components used on this model at the production line are shown in this service manual.
However, please note that not all components will be available as spare parts for after-sales service.
Components marked S and O are designated as spare parts for service and will be stocked at the spare parts centers.
Components marked X and R are not designated as spare parts for after sales service, and will not be stocked at the spare parts centers.
UNIT-NAME ! C REF-NO PARTS-NO PARTS-NAME SUFFIX&MODEL
-25-
CX-SLEC10 CX-SLEC10 CX-SLEC12
USM UCSM UCSM
AMP S Q 0123 87-A30-669-040 C-TR,SBT5401 a b c
AMP S Q 0124 87-A30-669-040 C-TR,SBT5401 a b c
AMP S Q 0126 87-A30-669-040 C-TR,SBT5401 a b c
AMP S Q 0127 87-A30-076-080 C-TR,2SC3052F a b c
AMP S Q 0128 87-A30-076-080 C-TR,2SC3052F a b c
AMP S Q 0130 87-A30-670-040 C-TR,SBT5551 a b c
AMP S Q 0183 87-A30-162-010 FET,2SK2937 a b c
AMP S Q 0184 87-A30-162-010 FET,2SK2937 a b c
AMP S Q 0185 87-A30-076-080 C-TR,2SC3052F a b c
AMP S Q 0186 87-A30-075-080 C-TR,2SA1235F a b c
AMP S Q 0187 87-A30-075-080 C-TR,2SA1235F a b c
AMP S Q 0259 87-A30-075-080 C-TR,2SA1235F a b c
AMP S Q 0265 87-A30-538-040 C-TR,SRA2202S a b c
AMP X R 0101 88-121-332-080 RES,3.3K-1/8W J a b c
AMP O R 0102 88-108-332-080 C-RES,U 3.3K-1/16W J a b c
AMP O R 0103 88-108-822-080 C-RES,U 8.2K-1/16W J a b c
AMP O R 0104 88-108-822-080 C-RES,U 8.2K-1/16W J a b c
AMP X R 0105 88-108-273-080 C-RES,U 27K-1/16W J a b c
AMP X R 0106 88-108-273-080 C-RES,U 27K-1/16W J a b c
AMP O R 0107 88-108-101-080 C-RES,U 100-1/16W J a b c
CX-SLEC10 CX-SLEC10 CX-SLEC12
USM UCSM UCSM
AMP O R 0108 88-108-101-080 C-RES,U 100-1/16W J a b c
AMP X R 0109 88-121-101-080 RES,100-1/8W J a b c
AMP X R 0110 88-121-101-080 RES,100-1/8W J a b c
AMP O R 0111 88-108-102-080 C-RES,U 1K-1/16W J a b c
AMP O R 0112 88-108-102-080 C-RES,U 1K-1/16W J a b c
AMP X R 0113 88-118-183-080 C-RES,S 18K-1/10W J a b c
AMP X R 0114 88-118-183-080 C-RES,S 18K-1/10W J a b c
AMP X R 0115 88-121-222-080 RES,2.2K-1/8W J a b c
AMP X R 0116 88-121-222-080 RES,2.2K-1/8W J a b c
AMP X R 0117 88-118-103-080 C-RES,S 10K-1/10W J a b c
AMP X R 0118 88-118-103-080 C-RES,S 10K-1/10W J a b c
AMP X R 0119 88-118-101-080 C-RES,S 100-1/10W J a b c
AMP X R 0120 88-118-101-080 C-RES,S 100-1/10W J a b c
AMP X R 0121 88-118-101-080 C-RES,S 100-1/10W J a b c
AMP X R 0122 88-118-101-080 C-RES,S 100-1/10W J a b c
AMP X R 0123 88-121-222-080 RES,2.2K-1/8W J a b c
AMP X R 0124 88-121-222-080 RES,2.2K-1/8W J a b c
AMP X R 0125 88-121-102-080 RES,1K-1/8W J a b c
AMP X R 0126 88-121-102-080 RES,1K-1/8W J a b c
AMP X R 0127 88-118-390-080 C-RES,S 39-1/10W J a b c
CX-SLEC10 CX-SLEC10 CX-SLEC12
USM UCSM UCSM
AMP X R 0128 88-118-390-080 C-RES,S 39-1/10W J a b c
AMP O R 0129 87-A00-258-080 RES,M/F 0.22-1W J a b c
AMP O R 0130 87-A00-258-080 RES,M/F 0.22-1W J a b c
AMP O R 0131 87-A00-258-080 RES,M/F 0.22-1W J a b c
AMP O R 0132 87-A00-258-080 RES,M/F 0.22-1W J a b c
AMP O R 0133 88-108-332-080 C-RES,U 3.3K-1/16W J a b c
AMP O R 0134 88-108-332-080 C-RES,U 3.3K-1/16W J a b c
AMP X R 0135 88-108-152-080 C-RES,U 1.5K-1/16W J a b c
AMP X R 0136 88-108-152-080 C-RES,U 1.5K-1/16W J a b c
AMP O R 0137 88-108-101-080 C-RES,U 100-1/16W J a b c
AMP O R 0138 88-108-101-080 C-RES,U 100-1/16W J a b c
AMP X R 0141 88-118-102-080 C-RES,S 1K-1/10W J a b c
AMP X R 0142 88-118-102-080 C-RES,S 1K-1/10W J a b c
AMP O R 0151 88-108-473-080 C-RES,U 47K-1/16W J a b c
AMP O R 0152 88-108-473-080 C-RES,U 47K-1/16W J a b c
AMP X R 0153 88-100-000-010 PLATING-JW, 0.58 SN95 a b c
AMP X R 0155 88-108-392-080 C-RES,U 3.9K-1/16W J a b c
AMP X R 0156 88-108-392-080 C-RES,U 3.9K-1/16W J a b c
AMP X R 0157 88-108-472-080 C-RES,U 4.7K-1/16W J a b c
AMP X R 0158 88-121-272-080 RES,2.7K-1/8W J a b c
CX-SLEC10 CX-SLEC10 CX-SLEC12
USM UCSM UCSM
AMP O R 0159 88-108-103-080 C-RES,U 10K-1/16W J a b c
AMP X R 0160 88-118-103-080 C-RES,S 10K-1/10W J a b c
AMP X R 0161 88-108-472-080 C-RES,U 4.7K-1/16W J a b c
AMP X R 0162 88-108-472-080 C-RES,U 4.7K-1/16W J a b c
AMP X R 0163 88-108-472-080 C-RES,U 4.7K-1/16W J a b c
AMP X R 0164 88-108-472-080 C-RES,U 4.7K-1/16W J a b c
AMP X R 0165 88-108-152-080 C-RES,U 1.5K-1/16W J a b c
AMP X R 0166 88-108-152-080 C-RES,U 1.5K-1/16W J a b c
AMP O R 0167 88-108-103-080 C-RES,U 10K-1/16W J a b c
AMP X R 0168 88-118-473-080 C-RES,S 47K-1/10W J a b c
AMP X R 0169 88-118-561-080 C-RES,S 560-1/10W J a b c
AMP X R 0170 88-118-561-080 C-RES,S 560-1/10W J a b c
AMP X R 0171 88-118-222-080 C-RES,S 2.2K-1/10W J a b c
AMP X R 0172 88-118-222-080 C-RES,S 2.2K-1/10W J a b c
AMP X R 0173 88-118-152-080 C-RES,S 1.5K-1/10W J a b c
AMP X R 0174 88-118-152-080 C-RES,S 1.5K-1/10W J a b c
AMP X R 0175 88-118-331-080 C-RES,S 330-1/10W J a b c
AMP X R 0176 88-118-331-080 C-RES,S 330-1/10W J a b c
AMP X R 0177 88-121-222-080 RES,2.2K-1/8W J a b c
AMP X R 0178 88-118-103-080 C-RES,S 10K-1/10W J a b c
ELECTRICAL PARTS LIST -2/15 http://www.xiaoyu163.com
http://www.xiaoyu163.com

! = ! SAFTY PARTS
C = Components marked
All components used on this model at the production line are shown in this service manual.
However, please note that not all components will be available as spare parts for after-sales service.
Components marked S and O are designated as spare parts for service and will be stocked at the spare parts centers.
Components marked X and R are not designated as spare parts for after sales service, and will not be stocked at the spare parts centers.
UNIT-NAME ! C REF-NO PARTS-NO PARTS-NAME SUFFIX&MODEL
-26-
CX-SLEC10 CX-SLEC10 CX-SLEC12
USM UCSM UCSM
AMP X R 0179 88-118-102-080 C-RES,S 1K-1/10W J a b c
AMP X R 0180 88-118-102-080 C-RES,S 1K-1/10W J a b c
AMP X R 0184 88-118-102-080 C-RES,S 1K-1/10W J a b c
AMP O R 0185 88-108-332-080 C-RES,U 3.3K-1/16W J a b c
AMP X R 0186 88-118-222-080 C-RES,S 2.2K-1/10W J a b c
AMP X R 0187 88-118-103-080 C-RES,S 10K-1/10W J a b c
AMP X R 0188 88-118-102-080 C-RES,S 1K-1/10W J a b c
AMP X R 0189 88-121-272-080 RES,2.7K-1/8W J a b c
AMP X R 0190 88-121-272-080 RES,2.7K-1/8W J a b c
AMP X R 0192 88-121-222-080 RES,2.2K-1/8W J a b c
AMP O R 0193 88-108-103-080 C-RES,U 10K-1/16W J a b c
AMP O R 0194 88-108-103-080 C-RES,U 10K-1/16W J a b c
AMP O R 0195 88-108-473-080 C-RES,U 47K-1/16W J a b c
AMP O R 0196 88-108-473-080 C-RES,U 47K-1/16W J a b c
AMP O R 0197 88-108-473-080 C-RES,U 47K-1/16W J a b c
AMP O R 0198 88-108-473-080 C-RES,U 47K-1/16W J a b c
AMP X R 0199 88-108-225-080 C-RES,U 2.2M-1/16W J a b c
AMP X R 0252 88-108-683-080 C-RES,U 68K-1/16W J a b c
AMP X R 0257 88-108-182-080 C-RES,U 1.8K-1/16W J a b c
AMP O R 0259 88-108-103-080 C-RES,U 10K-1/16W J a b c
CX-SLEC10 CX-SLEC10 CX-SLEC12
USM UCSM UCSM
AMP O R 0260 88-108-473-080 C-RES,U 47K-1/16W J a b c
AMP X R 0266 88-108-104-080 C-RES,U 100K-1/16W J a b c
AMP X R 0268 88-108-104-080 C-RES,U 100K-1/16W J a b c
AMP X R 0269 88-108-104-080 C-RES,U 100K-1/16W J a b c
AMP O R 0271 88-108-473-080 C-RES,U 47K-1/16W J a b c
AMP O R 0272 88-108-473-080 C-RES,U 47K-1/16W J a b c
AMP O TH 0101 87-A91-042-080 C-THMS,100K 55001 a b c
AMP O TH 0102 87-A91-042-080 C-THMS,100K 55001 a b c
FRONT O C 0501 87-012-274-080 C-CAP,U 1000P-50 K B GRM a b c
FRONT O C 0502 87-A12-091-080 CAP,E 10-50 SMG a b c
FRONT O C 0503 87-A12-092-080 CAP,E 22-50 SMG a b c
FRONT O C 0504 87-012-286-080 C-CAP,U 0.01-25 K B GRM a b c
FRONT O C 0505 87-012-286-080 C-CAP,U 0.01-25 K B GRM a b c
FRONT O C 0506 87-012-286-080 C-CAP,U 0.01-25 K B GRM a b c
FRONT O C 0507 87-012-286-080 C-CAP,U 0.01-25 K B GRM a b c
FRONT O C 0508 87-012-286-080 C-CAP,U 0.01-25 K B GRM a b c
FRONT O C 0509 87-012-286-080 C-CAP,U 0.01-25 K B GRM a b c
FRONT O C 0510 87-A12-092-080 CAP,E 22-50 SMG a b c
FRONT O C 0512 87-012-286-080 C-CAP,U 0.01-25 K B GRM a b c
FRONT O C 0513 87-012-286-080 C-CAP,U 0.01-25 K B GRM a b c
CX-SLEC10 CX-SLEC10 CX-SLEC12
USM UCSM UCSM
FRONT O C 0514 87-010-787-080 C-CAP,U 0.022-25 K B GRM a b c
FRONT O C 0515 87-A12-062-080 CAP,E 100-10 SMG a b c
FRONT O CN 0501 87-099-720-010 CONN,30P BLK TYK-B(P) a b c
FRONT O CN 0502 87-099-757-010 CONN,16P H 9604 a b c
FRONT O CN 0503 87-A60-667-010 CONN,3P H 2MM JMT a b c
FRONT O CNA0501 88-805-030-620 CONN ASSY,3P 60MM a b c
FRONT O D 0501 87-A40-317-080 LED,SLR-342VCT31 RED a b c
FRONT O D 0502 87-017-756-040 LED,SLR-342DCT31 ORN a b c
FRONT O D 0503 87-017-756-040 LED,SLR-342DCT31 ORN a b c
FRONT O D 0504 87-017-756-040 LED,SLR-342DCT31 ORN a b c
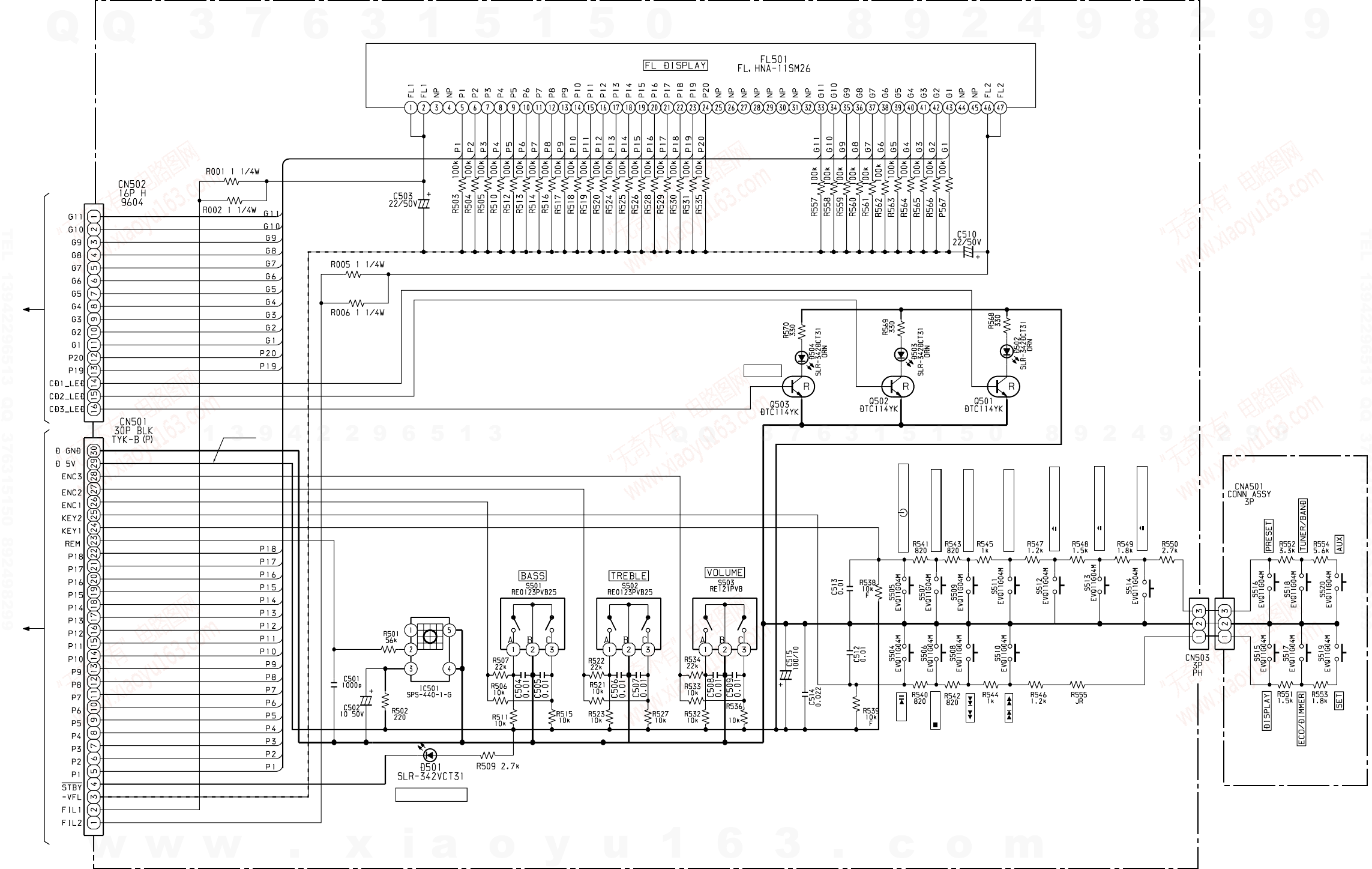
FRONT O FL 0501 8C-CL3-602-010 FL,HNA-11SM26 a b c
FRONT S IC 0501 87-A22-343-010 IC,SPS-440-1-G a b c
FRONT S Q 0501 87-A30-288-040 C-TR,DTC114YKA a b c
FRONT S Q 0502 87-A30-288-040 C-TR,DTC114YKA a b c
FRONT S Q 0503 87-A30-288-040 C-TR,DTC114YKA a b c
FRONT X R 0001 88-130-109-080 RES,1-1/4W J a b c
FRONT X R 0002 88-130-109-080 RES,1-1/4W J a b c
FRONT X R 0005 88-130-109-080 RES,1-1/4W J a b c
FRONT X R 0006 88-130-109-080 RES,1-1/4W J a b c
FRONT O R 0501 88-108-563-080 C-RES,U 56K-1/16W J a b c
CX-SLEC10 CX-SLEC10 CX-SLEC12
USM UCSM UCSM
FRONT X R 0502 88-128-221-080 C-RES, 220-1/8W J a b c
FRONT X R 0503 88-108-104-080 C-RES,U 100K-1/16W J a b c
FRONT X R 0504 88-108-104-080 C-RES,U 100K-1/16W J a b c
FRONT X R 0505 88-108-104-080 C-RES,U 100K-1/16W J a b c
FRONT O R 0506 88-108-103-080 C-RES,U 10K-1/16W J a b c
FRONT O R 0507 88-108-223-080 C-RES,U 22K-1/16W J a b c
FRONT X R 0509 88-121-272-080 RES,2.7K-1/8W J a b c
FRONT X R 0510 88-108-104-080 C-RES,U 100K-1/16W J a b c
FRONT X R 0511 88-121-103-080 RES,10K-1/8W J a b c
FRONT X R 0512 88-108-104-080 C-RES,U 100K-1/16W J a b c
FRONT X R 0513 88-108-104-080 C-RES,U 100K-1/16W J a b c
FRONT X R 0514 88-108-104-080 C-RES,U 100K-1/16W J a b c
FRONT X R 0515 88-121-103-080 RES,10K-1/8W J a b c
FRONT X R 0516 88-108-104-080 C-RES,U 100K-1/16W J a b c
FRONT X R 0517 88-108-104-080 C-RES,U 100K-1/16W J a b c
FRONT X R 0518 88-108-104-080 C-RES,U 100K-1/16W J a b c
FRONT X R 0519 88-108-104-080 C-RES,U 100K-1/16W J a b c
FRONT X R 0520 88-108-104-080 C-RES,U 100K-1/16W J a b c
FRONT O R 0521 88-108-103-080 C-RES,U 10K-1/16W J a b c
FRONT O R 0522 88-108-223-080 C-RES,U 22K-1/16W J a b c
ELECTRICAL PARTS LIST -3/15 http://www.xiaoyu163.com
http://www.xiaoyu163.com

! = ! SAFTY PARTS
C = Components marked
All components used on this model at the production line are shown in this service manual.
However, please note that not all components will be available as spare parts for after-sales service.
Components marked S and O are designated as spare parts for service and will be stocked at the spare parts centers.
Components marked X and R are not designated as spare parts for after sales service, and will not be stocked at the spare parts centers.
UNIT-NAME ! C REF-NO PARTS-NO PARTS-NAME SUFFIX&MODEL
-27-
CX-SLEC10 CX-SLEC10 CX-SLEC12
USM UCSM UCSM
FRONT X R 0523 88-121-103-080 RES,10K-1/8W J a b c
FRONT X R 0524 88-108-104-080 C-RES,U 100K-1/16W J a b c
FRONT X R 0525 88-108-104-080 C-RES,U 100K-1/16W J a b c
FRONT X R 0526 88-108-104-080 C-RES,U 100K-1/16W J a b c
FRONT X R 0527 88-121-103-080 RES,10K-1/8W J a b c
FRONT X R 0528 88-108-104-080 C-RES,U 100K-1/16W J a b c
FRONT X R 0529 88-108-104-080 C-RES,U 100K-1/16W J a b c
FRONT X R 0530 88-108-104-080 C-RES,U 100K-1/16W J a b c
FRONT X R 0531 88-108-104-080 C-RES,U 100K-1/16W J a b c
FRONT O R 0532 88-108-103-080 C-RES,U 10K-1/16W J a b c
FRONT O R 0533 88-108-103-080 C-RES,U 10K-1/16W J a b c
FRONT O R 0534 88-108-223-080 C-RES,U 22K-1/16W J a b c
FRONT X R 0535 88-108-104-080 C-RES,U 100K-1/16W J a b c
FRONT O R 0536 88-108-103-080 C-RES,U 10K-1/16W J a b c
FRONT O R 0538 87-022-239-080 C-RES,U 10K-1/16W F a b c
FRONT O R 0539 87-022-239-080 C-RES,U 10K-1/16W F a b c
FRONT X R 0540 88-108-821-080 C-RES,U 820-1/16W J a b c
FRONT X R 0541 88-108-821-080 C-RES,U 820-1/16W J a b c
FRONT X R 0542 88-108-821-080 C-RES,U 820-1/16W J a b c
FRONT X R 0543 88-108-821-080 C-RES,U 820-1/16W J a b c
CX-SLEC10 CX-SLEC10 CX-SLEC12
USM UCSM UCSM
FRONT O R 0544 88-108-102-080 C-RES,U 1K-1/16W J a b c
FRONT O R 0545 88-108-102-080 C-RES,U 1K-1/16W J a b c
FRONT X R 0546 88-108-122-080 C-RES,U 1.2K-1/16W J a b c
FRONT X R 0547 88-108-122-080 C-RES,U 1.2K-1/16W J a b c
FRONT X R 0548 88-108-152-080 C-RES,U 1.5K-1/16W J a b c
FRONT X R 0549 88-108-182-080 C-RES,U 1.8K-1/16W J a b c
FRONT O R 0550 88-108-272-080 C-RES,U 2.7K-1/16W J a b c
FRONT X R 0555 88-108-000-080 C-JUMPER,U a b c
FRONT X R 0557 88-108-104-080 C-RES,U 100K-1/16W J a b c
FRONT X R 0558 88-108-104-080 C-RES,U 100K-1/16W J a b c
FRONT X R 0559 88-108-104-080 C-RES,U 100K-1/16W J a b c
FRONT X R 0560 88-108-104-080 C-RES,U 100K-1/16W J a b c
FRONT X R 0561 88-108-104-080 C-RES,U 100K-1/16W J a b c
FRONT X R 0562 88-108-104-080 C-RES,U 100K-1/16W J a b c
FRONT X R 0563 88-108-104-080 C-RES,U 100K-1/16W J a b c
FRONT X R 0564 88-108-104-080 C-RES,U 100K-1/16W J a b c
FRONT X R 0565 88-108-104-080 C-RES,U 100K-1/16W J a b c
FRONT X R 0566 88-108-104-080 C-RES,U 100K-1/16W J a b c
FRONT X R 0567 88-108-104-080 C-RES,U 100K-1/16W J a b c
FRONT X R 0568 88-121-331-080 RES,330-1/8W J a b c
CX-SLEC10 CX-SLEC10 CX-SLEC12
USM UCSM UCSM
FRONT X R 0569 88-121-331-080 RES,330-1/8W J a b c
FRONT X R 0570 88-121-331-080 RES,330-1/8W J a b c
FRONT O S 0501 87-A92-353-010 SW,RTRY RE0123PVB25FINA1-2 a b c
FRONT O S 0502 87-A92-353-010 SW,RTRY RE0123PVB25FINA1-2 a b c
FRONT O S 0503 87-A92-418-010 SW,RTRY RE12304PVB25FINB1-24 a b c
FRONT O S 0504 87-A90-095-080 SW,TACT EVQ11G04M a b c
FRONT O S 0505 87-A90-095-080 SW,TACT EVQ11G04M a b c
FRONT O S 0506 87-A90-095-080 SW,TACT EVQ11G04M a b c
FRONT O S 0507 87-A90-095-080 SW,TACT EVQ11G04M a b c
FRONT O S 0508 87-A90-095-080 SW,TACT EVQ11G04M a b c
FRONT O S 0509 87-A90-095-080 SW,TACT EVQ11G04M a b c
FRONT O S 0510 87-A90-095-080 SW,TACT EVQ11G04M a b c
FRONT O S 0511 87-A90-095-080 SW,TACT EVQ11G04M a b c
FRONT O S 0512 87-A90-095-080 SW,TACT EVQ11G04M a b c
FRONT O S 0513 87-A90-095-080 SW,TACT EVQ11G04M a b c
FRONT O S 0514 87-A90-095-080 SW,TACT EVQ11G04M a b c
KEY X R 0551 88-108-152-080 C-RES,U 1.5K-1/16W J a b c
KEY O R 0552 88-108-332-080 C-RES,U 3.3K-1/16W J a b c
KEY X R 0553 88-108-182-080 C-RES,U 1.8K-1/16W J a b c
KEY O R 0554 88-108-562-080 C-RES,U 5.6K-1/16W J a b c
CX-SLEC10 CX-SLEC10 CX-SLEC12
USM UCSM UCSM
KEY O S 0515 87-A90-095-080 SW,TACT EVQ11G04M a b c
KEY O S 0516 87-A90-095-080 SW,TACT EVQ11G04M a b c
KEY O S 0517 87-A90-095-080 SW,TACT EVQ11G04M a b c
KEY O S 0518 87-A90-095-080 SW,TACT EVQ11G04M a b c
KEY O S 0519 87-A90-095-080 SW,TACT EVQ11G04M a b c
KEY O S 0520 87-A90-095-080 SW,TACT EVQ11G04M a b c
MAIN O C 0003 87-A12-317-080 C-CAP,U 0.1-50 Z F a b c
MAIN O C 0004 87-A12-317-080 C-CAP,U 0.1-50 Z F a b c
MAIN O C 0005 87-A12-317-080 C-CAP,U 0.1-50 Z F a b c
MAIN O C 0006 87-A12-317-080 C-CAP,U 0.1-50 Z F a b c
MAIN O C 0009 87-010-759-080 C-CAP,U 0.1-25 Z F CM/CB a b c
MAIN O C 0010 87-010-759-080 C-CAP,U 0.1-25 Z F CM/CB a b c
MAIN O C 0011 87-010-759-080 C-CAP,U 0.1-25 Z F CM/CB a b c
MAIN O C 0012 87-010-759-080 C-CAP,U 0.1-25 Z F CM/CB a b c
MAIN O C 0019 87-016-051-000 CAP,E 2200-35 M SMG a b c
MAIN O C 0020 87-016-051-000 CAP,E 2200-35 M SMG a b c
MAIN O C 0021 87-010-928-000 CAP,E 4700-25 M SMG a b c
MAIN O C 0022 87-010-928-000 CAP,E 4700-25 M SMG a b c
MAIN O C 0025 87-A12-095-080 CAP,E 100-50 SMG a b c
MAIN O C 0026 87-A12-095-080 CAP,E 100-50 SMG a b c
ELECTRICAL PARTS LIST -4/15 http://www.xiaoyu163.com
http://www.xiaoyu163.com

! = ! SAFTY PARTS
C = Components marked
All components used on this model at the production line are shown in this service manual.
However, please note that not all components will be available as spare parts for after-sales service.
Components marked S and O are designated as spare parts for service and will be stocked at the spare parts centers.
Components marked X and R are not designated as spare parts for after sales service, and will not be stocked at the spare parts centers.
UNIT-NAME ! C REF-NO PARTS-NO PARTS-NAME SUFFIX&MODEL
-28-
CX-SLEC10 CX-SLEC10 CX-SLEC12
USM UCSM UCSM
MAIN O C 0030 87-A12-079-080 CAP,E 100-35 SMG a b c
MAIN O C 0031 87-A12-072-080 CAP,E 100-25 SMG a b c
MAIN O C 0037 87-A12-079-080 CAP,E 100-35 SMG a b c
MAIN O C 0038 87-012-282-080 C-CAP,U 4700P-50 K B GRM a b c
MAIN O C 0045 87-010-759-080 C-CAP,U 0.1-25 Z F CM/CB a b c
MAIN O C 0046 87-A12-068-080 CAP,E 470-16 SMG a b c
MAIN O C 0047 87-010-831-080 C-CAP,U 0.1-16 Z F GRM a b c
MAIN O C 0049 87-010-831-080 C-CAP,U 0.1-16 Z F GRM a b c
MAIN O C 0050 87-A12-068-080 CAP,E 470-16 SMG a b c
MAIN O C 0051 87-010-831-080 C-CAP,U 0.1-16 Z F GRM a b c
MAIN O C 0052 87-A10-730-090 CAP,E 1000-16 SMG a b c
MAIN O C 0053 87-010-831-080 C-CAP,U 0.1-16 Z F GRM a b c
MAIN O C 0054 87-A13-047-080 CAP,E 470-16 M VR-GSO a b c
MAIN O C 0060 87-A12-089-080 CAP,E 3.3-50 SMG a b c
MAIN O C 0061 87-A12-071-080 CAP,E 47-25 SMG a b c
MAIN O C 0083 87-A12-074-080 CAP,E 470-25 SMG a b c
MAIN O C 0301 87-010-831-080 C-CAP,U 0.1-16 Z F GRM a b c
MAIN O C 0302 87-010-831-080 C-CAP,U 0.1-16 Z F GRM a b c
MAIN O C 0303 87-A12-089-080 CAP,E 3.3-50 SMG a b c
MAIN O C 0304 87-A12-087-080 CAP,E 1-50 SMG a b c
CX-SLEC10 CX-SLEC10 CX-SLEC12
USM UCSM UCSM
MAIN O C 0305 87-010-831-080 C-CAP,U 0.1-16 Z F GRM a b c
MAIN O C 0306 87-010-831-080 C-CAP,U 0.1-16 Z F GRM a b c
MAIN O C 0307 87-A12-062-080 CAP,E 100-10 SMG a b c
MAIN O C 0308 87-010-992-080 C-CAP,S 0.047-25 K B MK212 a b c
MAIN O C 0309 87-A12-089-080 CAP,E 3.3-50 SMG a b c
MAIN O C 0310 87-012-274-080 C-CAP,U 1000P-50 K B GRM a b c
MAIN O C 0311 87-010-992-080 C-CAP,S 0.047-25 K B MK212 a b c
MAIN O C 0312 87-A12-062-080 CAP,E 100-10 SMG a b c
MAIN O C 0313 87-010-831-080 C-CAP,U 0.1-16 Z F GRM a b c
MAIN O C 0314 87-A12-062-080 CAP,E 100-10 SMG a b c
MAIN O C 0315 87-010-831-080 C-CAP,U 0.1-16 Z F GRM a b c
MAIN O C 0316 87-012-188-080 C-CAP,U 47P-50 J CH GRM a b c
MAIN O C 0317 87-010-831-080 C-CAP,U 0.1-16 Z F GRM a b c
MAIN O C 0318 87-A12-062-080 CAP,E 100-10 SMG a b c
MAIN O C 0319 87-012-282-080 C-CAP,U 4700P-50 K B GRM a b c
MAIN O C 0321 87-012-172-080 C-CAP,U 10P-50 D CH GRM a b c
MAIN O C 0322 87-A12-091-080 CAP,E 10-50 SMG a b c
MAIN O C 0323 87-010-831-080 C-CAP,U 0.1-16 Z F GRM a b c
MAIN O C 0324 87-A12-062-080 CAP,E 100-10 SMG a b c
MAIN O C 0325 87-012-286-080 C-CAP,U 0.01-25 K B GRM a b c
CX-SLEC10 CX-SLEC10 CX-SLEC12
USM UCSM UCSM
MAIN O C 0326 87-012-169-080 C-CAP,U 7P-50 D CH GRM a b c
MAIN O C 0327 87-A12-087-080 CAP,E 1-50 SMG a b c
MAIN O C 0328 87-010-831-080 C-CAP,U 0.1-16 Z F GRM a b c
MAIN O C 0329 87-A12-062-080 CAP,E 100-10 SMG a b c
MAIN O C 0330 87-012-274-080 C-CAP,U 1000P-50 K B GRM a b c
MAIN O C 0331 87-A12-062-080 CAP,E 100-10 SMG a b c
MAIN O C 0332 87-010-831-080 C-CAP,U 0.1-16 Z F GRM a b c
MAIN O C 0333 87-012-188-080 C-CAP,U 47P-50 J CH GRM a b c
MAIN O C 0334 87-012-274-080 C-CAP,U 1000P-50 K B GRM a b c
MAIN O C 0335 87-010-831-080 C-CAP,U 0.1-16 Z F GRM a b c
MAIN O C 0336 87-010-831-080 C-CAP,U 0.1-16 Z F GRM a b c
MAIN O C 0337 87-010-831-080 C-CAP,U 0.1-16 Z F GRM a b c
MAIN O C 0338 87-A13-060-080 CAP,E 220-10 M ASF WHT a b c
MAIN O C 0339 87-A12-062-080 CAP,E 100-10 SMG a b c
MAIN O C 0340 87-012-274-080 C-CAP,U 1000P-50 K B GRM a b c
MAIN O C 0341 87-010-831-080 C-CAP,U 0.1-16 Z F GRM a b c
MAIN O C 0342 87-010-831-080 C-CAP,U 0.1-16 Z F GRM a b c
MAIN O C 0343 87-A12-062-080 CAP,E 100-10 SMG a b c
MAIN O C 0344 87-012-180-080 C-CAP,U 22P-50 J CH GRM a b c
MAIN O C 0345 87-A12-091-080 CAP,E 10-50 SMG a b c
CX-SLEC10 CX-SLEC10 CX-SLEC12
USM UCSM UCSM
MAIN O C 0347 87-010-831-080 C-CAP,U 0.1-16 Z F GRM a b c
MAIN O C 0348 87-A12-091-080 CAP,E 10-50 SMG a b c
MAIN O C 0349 87-A12-088-080 CAP,E 2.2-50 SMG a b c
MAIN O C 0351 87-A13-072-080 CAP,E 2.2-50 M FW a b c
MAIN O C 0352 87-A13-072-080 CAP,E 2.2-50 M FW a b c
MAIN O C 0355 87-A10-918-080 CAP,E 100-16 SMG a b c
MAIN O C 0356 87-010-831-080 C-CAP,U 0.1-16 Z F GRM a b c
MAIN O C 0357 87-A10-918-080 CAP,E 100-16 SMG a b c
MAIN O C 0358 87-010-831-080 C-CAP,U 0.1-16 Z F GRM a b c
MAIN O C 0362 87-012-286-080 C-CAP,U 0.01-25 K B GRM a b c
MAIN O C 0363 87-010-831-080 C-CAP,U 0.1-16 Z F GRM a b c
MAIN O C 0364 87-012-286-080 C-CAP,U 0.01-25 K B GRM a b c
MAIN O C 0365 87-A10-918-080 CAP,E 100-16 SMG a b c
MAIN O C 0366 87-010-831-080 C-CAP,U 0.1-16 Z F GRM a b c
MAIN O C 0374 87-012-279-080 C-CAP,U 2700P-50 K B GRM a b c
MAIN O C 0375 87-012-279-080 C-CAP,U 2700P-50 K B GRM a b c
MAIN O C 0376 87-018-209-080 CAP,TC U 0.1-50 Z F UP050 a b c
MAIN O C 0401 87-012-270-080 C-CAP,U 470P-50 K B GRM a b c
MAIN O C 0402 87-A12-095-080 CAP,E 100-50 SMG a b c
MAIN O C 0403 87-010-831-080 C-CAP,U 0.1-16 Z F GRM a b c
ELECTRICAL PARTS LIST -5/15 http://www.xiaoyu163.com
http://www.xiaoyu163.com

! = ! SAFTY PARTS
C = Components marked
All components used on this model at the production line are shown in this service manual.
However, please note that not all components will be available as spare parts for after-sales service.
Components marked S and O are designated as spare parts for service and will be stocked at the spare parts centers.
Components marked X and R are not designated as spare parts for after sales service, and will not be stocked at the spare parts centers.
UNIT-NAME ! C REF-NO PARTS-NO PARTS-NAME SUFFIX&MODEL
-29-
CX-SLEC10 CX-SLEC10 CX-SLEC12
USM UCSM UCSM
MAIN O C 0404 87-010-831-080 C-CAP,U 0.1-16 Z F GRM a b c
MAIN O C 0405 87-012-178-080 C-CAP,U 18P-50 J CH GRM a b c
MAIN O C 0406 87-A10-353-080 C-CAP,U 0.22-10 K B a b c
MAIN O C 0407 87-010-831-080 C-CAP,U 0.1-16 Z F GRM a b c
MAIN O C 0408 87-012-184-080 C-CAP,U 33P-50 J CH GRM a b c
MAIN O C 0409 87-010-831-080 C-CAP,U 0.1-16 Z F GRM a b c
MAIN O C 0410 87-012-274-080 C-CAP,U 1000P-50 K B GRM a b c
MAIN O C 0411 87-A12-063-080 CAP,E 220-10 SMG a b c
MAIN O C 0412 87-010-785-080 C-CAP,U 0.015-25 K B GRM a b c
MAIN O C 0413 87-012-274-080 C-CAP,U 1000P-50 K B GRM a b c
MAIN O C 0414 87-010-831-080 C-CAP,U 0.1-16 Z F GRM a b c
MAIN O C 0415 87-010-831-080 C-CAP,U 0.1-16 Z F GRM a b c
MAIN O C 0416 87-A12-063-080 CAP,E 220-10 SMG a b c
MAIN O C 0417 87-018-209-080 CAP,TC U 0.1-50 Z F UP050 a b c
MAIN O C 0418 87-018-209-080 CAP,TC U 0.1-50 Z F UP050 a b c
MAIN O C 0601 87-A13-044-080 CAP,E 100-16 M VR-GSO a b c
MAIN O C 0602 87-A13-040-080 CAP,E 330-25 M VR-GSO a b c
MAIN O C 0603 87-010-831-080 C-CAP,U 0.1-16 Z F GRM a b c
MAIN O C 0604 87-010-831-080 C-CAP,U 0.1-16 Z F GRM a b c
MAIN O C 0607 87-012-274-080 C-CAP,U 1000P-50 K B GRM a b c
CX-SLEC10 CX-SLEC10 CX-SLEC12
USM UCSM UCSM
MAIN O C 0608 87-012-274-080 C-CAP,U 1000P-50 K B GRM a b c
MAIN O C 0609 87-012-274-080 C-CAP,U 1000P-50 K B GRM a b c
MAIN O C 0610 87-012-274-080 C-CAP,U 1000P-50 K B GRM a b c
MAIN O C 0611 87-012-286-080 C-CAP,U 0.01-25 K B GRM a b c
MAIN O C 0612 87-012-286-080 C-CAP,U 0.01-25 K B GRM a b c
MAIN O C 0613 87-012-286-080 C-CAP,U 0.01-25 K B GRM a b c
MAIN O C 0614 87-012-286-080 C-CAP,U 0.01-25 K B GRM a b c
MAIN X C 0615 88-700-920-810 CAP,M 0.15-50 J LDS a b c
MAIN X C 0616 88-700-920-810 CAP,M 0.15-50 J LDS a b c
MAIN X C 0617 88-700-920-810 CAP,M 0.15-50 J LDS a b c
MAIN X C 0618 88-700-920-810 CAP,M 0.15-50 J LDS a b c
MAIN O C 0619 87-A12-071-080 CAP,E 47-25 SMG a b c
MAIN O C 0620 87-A12-071-080 CAP,E 47-25 SMG a b c
MAIN O C 0621 87-012-188-080 C-CAP,U 47P-50 J CH GRM a b c
MAIN O C 0622 87-012-188-080 C-CAP,U 47P-50 J CH GRM a b c
MAIN O C 0625 87-012-272-080 C-CAP,U 680P-50 K B GRM a b c
MAIN O C 0626 87-012-272-080 C-CAP,U 680P-50 K B GRM a b c
MAIN O C 0627 87-012-269-080 C-CAP,U 390P-50 K B GRM a b c
MAIN O C 0628 87-012-269-080 C-CAP,U 390P-50 K B GRM a b c
MAIN O C 0631 87-012-271-080 C-CAP,U 560P-50 K B GRM a b c
CX-SLEC10 CX-SLEC10 CX-SLEC12
USM UCSM UCSM
MAIN O C 0632 87-012-271-080 C-CAP,U 560P-50 K B GRM a b c
MAIN O C 0650 87-A12-061-080 CAP,E 47-10 SMG a b c
MAIN O C 0651 87-010-831-080 C-CAP,U 0.1-16 Z F GRM a b c
MAIN O C 0661 87-012-336-080 C-CAP,U 330P-50 J SL GRM a b c
MAIN O C 0662 87-012-336-080 C-CAP,U 330P-50 J SL GRM a b c
MAIN X C 0673 88-700-910-810 CAP,M 0.1-50 J AMZV a b c
MAIN X C 0674 88-700-910-810 CAP,M 0.1-50 J AMZV a b c
MAIN X C 0675 88-700-910-810 CAP,M 0.1-50 J AMZV a b c
MAIN X C 0676 88-700-910-810 CAP,M 0.1-50 J AMZV a b c
MAIN O C 0677 87-012-286-080 C-CAP,U 0.01-25 K B GRM a b c
MAIN O C 0678 87-012-286-080 C-CAP,U 0.01-25 K B GRM a b c
MAIN O C 0685 87-010-831-080 C-CAP,U 0.1-16 Z F GRM a b c
MAIN O C 0872 87-012-280-080 C-CAP,U 3300P-50 K B GRM a b c
MAIN O C 0873 87-012-280-080 C-CAP,U 3300P-50 K B GRM a b c
MAIN O C 0874 87-012-279-080 C-CAP,U 2700P-50 K B GRM a b c
MAIN O C 0875 87-012-279-080 C-CAP,U 2700P-50 K B GRM a b c
MAIN X CLP0301 87-A60-884-010 PIN,DIA1 COATING-SHS a b c
MAIN O CN 0301 87-A60-424-010 CONN,16P V TOC-B a b c
MAIN O CN 0302 87-009-034-010 CONN,6P V WHT PH a b c
MAIN O CN 0304 87-049-469-010 CONN,4P V WHT EH a b c
CX-SLEC10 CX-SLEC10 CX-SLEC12
USM UCSM UCSM
MAIN O CN 0306 87-099-408-010 CONN,8P V WHT EH a b c
MAIN O CN 0401 87-099-719-010 CONN,30P H BLK TYK-B(X) a b c
MAIN O CN 0402 87-099-751-010 CONN,16P V 9604SC a b c
MAIN O CN 0601 87-099-570-010 CONN,13P V TUC-P13P-B1 a b c
MAIN O CN 0603 87-A60-998-010 CONN,15P V BLK TAC-L15X-A3 a b c
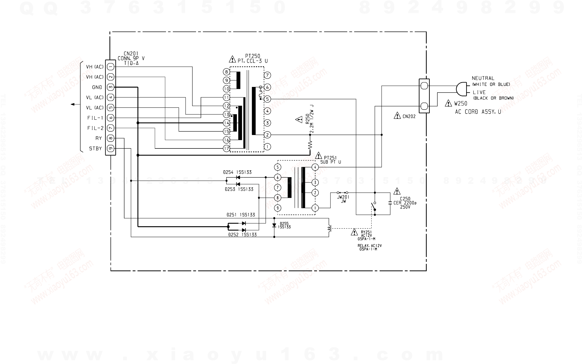
MAIN O CNA0001 8C-CL3-644-010 CONN ASSY,9P 2.5MM SUPPLY a b c
MAIN S D 0001 87-A40-838-090 DIODE,G3SBA60L-6088 a b c
MAIN S D 0002 87-A40-838-090 DIODE,G3SBA60L-6088 a b c
MAIN S D 0024 87-070-274-080 DIODE,1N4003 SEM a b c
MAIN S D 0027 87-070-274-080 DIODE,1N4003 SEM a b c
MAIN S D 0029 87-A40-500-080 ZENER,MTZJ30B a b c
MAIN S D 0033 87-070-274-080 DIODE,1N4003 SEM a b c
MAIN S D 0041 87-A40-270-080 C-DIODE,MC2838 a b c
MAIN S D 0042 87-A40-269-080 C-DIODE,MC2836 a b c
MAIN S D 0061 87-020-465-080 DIODE,1SS133 a b c
MAIN S D 0062 87-020-465-080 DIODE,1SS133 a b c
MAIN S D 0063 87-A40-270-080 C-DIODE,MC2838 a b c
MAIN S D 0064 87-A40-269-080 C-DIODE,MC2836 a b c
MAIN S D 0071 87-A40-269-080 C-DIODE,MC2836 a b c
MAIN S D 0072 87-A40-270-080 C-DIODE,MC2838 a b c
ELECTRICAL PARTS LIST -6/15 http://www.xiaoyu163.com
http://www.xiaoyu163.com

! = ! SAFTY PARTS
C = Components marked
All components used on this model at the production line are shown in this service manual.
However, please note that not all components will be available as spare parts for after-sales service.
Components marked S and O are designated as spare parts for service and will be stocked at the spare parts centers.
Components marked X and R are not designated as spare parts for after sales service, and will not be stocked at the spare parts centers.
UNIT-NAME ! C REF-NO PARTS-NO PARTS-NAME SUFFIX&MODEL
-30-
CX-SLEC10 CX-SLEC10 CX-SLEC12
USM UCSM UCSM
MAIN S D 0076 87-A40-269-080 C-DIODE,MC2836 a b c
MAIN S D 0077 87-A40-270-080 C-DIODE,MC2838 a b c
MAIN S D 0301 87-070-136-080 ZENER,MTZJ5.1B a b c
MAIN S D 0302 87-A40-003-080 ZENER,MTZJ4.3A a b c
MAIN S D 0303 87-017-931-080 ZENER,MTZJ5.6B a b c
MAIN S D 0304 87-A40-337-080 ZENER,MTZJ6.8B a b c
MAIN S D 0401 87-017-931-080 ZENER,MTZJ5.6B a b c
MAIN S D 0402 87-020-465-080 DIODE,1SS133 a b c
MAIN S D 0403 87-020-465-080 DIODE,1SS133 a b c
MAIN S D 0404 87-A40-270-080 C-DIODE,MC2838 a b c
MAIN S D 0601 87-A40-464-080 ZENER,MTZJ3.6A a b c
MAIN S D 0602 87-A40-464-080 ZENER,MTZJ3.6A a b c
MAIN S D 0603 87-020-465-080 DIODE,1SS133 a b c
MAIN S D 0604 87-A40-243-080 ZENER,MTZ J 4.7BT-72 a b c
MAIN O FB 0401 87-008-372-080 FLTR,EMI BL01 RN1 a b c
MAIN S IC 0001 87-001-576-010 IC,NJM7812FA a b c
MAIN S IC 0002 87-A21-364-010 IC,NJM7806FA(A) a b c
MAIN S IC 0301 87-A22-242-030 C-IC,LC78646E a b c
MAIN S IC 0302 87-A22-251-040 C-IC,BA5826FP a b c
MAIN S IC 0303 87-A22-283-010 IC,LB1645N a b c
CX-SLEC10 CX-SLEC10 CX-SLEC12
USM UCSM UCSM
MAIN S IC 0304 87-A22-283-010 IC,LB1645N a b c
MAIN S IC 0401 8C-CL3-601-030 C-IC,LC876764A-5Z85 a b c
MAIN S IC 0601 87-A22-264-040 C-IC,BD3882FV a b c
MAIN S IC 0602 87-017-825-010 IC,GP1F32T a b c
MAIN O J 0601 87-A61-711-010 JACK,PIN 2P MSP- 242V-01 PBSN a b c
MAIN O J 0602 87-A61-895-010 JACK,PIN 3P B/W/R a b c
MAIN O J 0603 87-A61-821-010 JACK,3.5 BLK ST W/SW GLD a b c
MAIN O J 0605 87-A61-896-110 TERMINAL,SPKR 4P MSP-324V-01 a b c
MAIN X JR 0001 88-129-000-080 C-JUMPER, 3216 a b c
MAIN X JR 0011 88-108-000-080 C-JUMPER,U a b c
MAIN X JR 0301 88-108-000-080 C-JUMPER,U a b c
MAIN X JR 0401 88-108-000-080 C-JUMPER,U a b c
MAIN X JR 0403 88-108-000-080 C-JUMPER,U a b c
MAIN X JR 0410 88-108-000-080 C-JUMPER,U a b c
MAIN X JR 0411 88-108-000-080 C-JUMPER,U a b c
MAIN X JR 0412 88-108-000-080 C-JUMPER,U a b c
MAIN X JR 0413 88-108-000-080 C-JUMPER,U a b c
MAIN X JR 0601 88-108-000-080 C-JUMPER,U a b c
MAIN X JR 0602 88-108-000-080 C-JUMPER,U a b c
MAIN X JR 0603 88-108-000-080 C-JUMPER,U a b c
CX-SLEC10 CX-SLEC10 CX-SLEC12
USM UCSM UCSM
MAIN X JR 0604 88-108-000-080 C-JUMPER,U a b c
MAIN X JR 0605 88-108-000-080 C-JUMPER,U a b c
MAIN X JR 0606 88-129-000-080 C-JUMPER, 3216 a b c
MAIN X JR 0650 88-108-000-080 C-JUMPER,U a b c
MAIN X JR 0801 88-108-000-080 C-JUMPER,U a b c
MAIN X JR 0802 88-108-000-080 C-JUMPER,U a b c
MAIN O L 0301 87-003-102-080 COIL,10UH J LAL02 a b c
MAIN O L 0302 87-003-102-080 COIL,10UH J LAL02 a b c
MAIN O L 0401 87-A50-333-010 COIL,OSC 9.43MHZ a b c
MAIN O L 0601 87-A50-610-010 COIL,1UH K(MDEC) a b c
MAIN O L 0602 87-A50-610-010 COIL,1UH K(MDEC) a b c
MAIN S Q 0001 87-A30-494-080 TR,2SA1980G a b c
MAIN S Q 0002 87-A30-494-080 TR,2SA1980G a b c
MAIN S Q 0003 89-406-555-080 TR,2SD655E a b c
MAIN S Q 0008 87-A30-547-040 C-TR,2SD1819AQRS a b c
MAIN S Q 0014 87-A30-548-040 C-TR,2SB1218AQRS a b c
MAIN S Q 0060 87-A30-547-040 C-TR,2SD1819AQRS a b c
MAIN S Q 0061 87-A30-548-040 C-TR,2SB1218AQRS a b c
MAIN S Q 0062 87-A30-547-040 C-TR,2SD1819AQRS a b c
MAIN S Q 0063 87-A30-548-040 C-TR,2SB1218AQRS a b c
CX-SLEC10 CX-SLEC10 CX-SLEC12
USM UCSM UCSM
MAIN S Q 0064 87-A30-547-040 C-TR,2SD1819AQRS a b c
MAIN S Q 0065 87-A30-435-040 C-TR,DTC144EKA a b c
MAIN S Q 0301 87-A30-495-080 TR,2SA1981Y a b c
MAIN S Q 0302 89-406-555-080 TR,2SD655E a b c
MAIN S Q 0303 87-A30-494-080 TR,2SA1980G a b c
MAIN S Q 0401 87-A30-495-080 TR,2SA1981Y a b c
MAIN S Q 0402 87-A30-547-040 C-TR,2SD1819AQRS a b c
MAIN S Q 0403 87-A30-547-040 C-TR,2SD1819AQRS a b c
MAIN S Q 0404 87-A30-547-040 C-TR,2SD1819AQRS a b c
MAIN S Q 0405 87-A30-538-040 C-TR,SRA2202S a b c
MAIN S Q 0601 87-A30-548-040 C-TR,2SB1218AQRS a b c
MAIN S Q 0602 87-A30-547-040 C-TR,2SD1819AQRS a b c
MAIN S Q 0603 87-A30-547-040 C-TR,2SD1819AQRS a b c
MAIN X R 0003 88-128-471-080 C-RES, 470-1/8W J a b c
MAIN O R 0004 88-108-101-080 C-RES,U 100-1/16W J a b c
MAIN X R 0009 88-121-273-080 RES,27K-1/8W J a b c
MAIN X R 0010 88-121-273-080 RES,27K-1/8W J a b c
MAIN X R 0011 88-108-472-080 C-RES,U 4.7K-1/16W J a b c
MAIN X R 0012 88-108-472-080 C-RES,U 4.7K-1/16W J a b c
MAIN X R 0013 88-108-472-080 C-RES,U 4.7K-1/16W J a b c
ELECTRICAL PARTS LIST -7/15 http://www.xiaoyu163.com
http://www.xiaoyu163.com

! = ! SAFTY PARTS
C = Components marked
All components used on this model at the production line are shown in this service manual.
However, please note that not all components will be available as spare parts for after-sales service.
Components marked S and O are designated as spare parts for service and will be stocked at the spare parts centers.
Components marked X and R are not designated as spare parts for after sales service, and will not be stocked at the spare parts centers.
UNIT-NAME ! C REF-NO PARTS-NO PARTS-NAME SUFFIX&MODEL
-31-
CX-SLEC10 CX-SLEC10 CX-SLEC12
USM UCSM UCSM
MAIN X R 0014 88-108-100-080 C-RES,U 10-1/16W J a b c
MAIN X R 0015 88-108-104-080 C-RES,U 100K-1/16W J a b c
MAIN X R 0019 88-108-000-080 C-JUMPER,U a b c
MAIN O R 0028 88-108-103-080 C-RES,U 10K-1/16W J a b c
MAIN X R 0029 88-108-472-080 C-RES,U 4.7K-1/16W J a b c
MAIN X R 0032 88-108-274-080 C-RES,U 270K-1/16W J a b c
MAIN X R 0034 88-121-273-080 RES,27K-1/8W J a b c
MAIN X R 0043 88-108-471-080 C-RES,U 470-1/16W J a b c
MAIN O R 0044 88-108-823-080 C-RES,U 82K-1/16W J a b c
MAIN O R 0054 88-108-473-080 C-RES,U 47K-1/16W J a b c
MAIN O R 0055 88-108-473-080 C-RES,U 47K-1/16W J a b c
MAIN O R 0056 88-108-562-080 C-RES,U 5.6K-1/16W J a b c
MAIN X R 0058 88-108-682-080 C-RES,U 6.8K-1/16W J a b c
MAIN O R 0060 88-108-102-080 C-RES,U 1K-1/16W J a b c
MAIN X R 0061 88-108-333-080 C-RES,U 33K-1/16W J a b c
MAIN X R 0062 88-108-273-080 C-RES,U 27K-1/16W J a b c
MAIN X R 0063 88-108-273-080 C-RES,U 27K-1/16W J a b c
MAIN O R 0064 88-108-102-080 C-RES,U 1K-1/16W J a b c
MAIN O R 0065 88-108-123-080 C-RES,U 12K-1/16W J a b c
MAIN O R 0067 88-108-103-080 C-RES,U 10K-1/16W J a b c
CX-SLEC10 CX-SLEC10 CX-SLEC12
USM UCSM UCSM
MAIN O R 0070 88-108-102-080 C-RES,U 1K-1/16W J a b c
MAIN X R 0078 88-108-183-080 C-RES,U 18K-1/16W J a b c
MAIN O R 0079 88-108-153-080 C-RES,U 15K-1/16W J a b c
MAIN X R 0081 88-121-101-080 RES,100-1/8W J a b c
MAIN O R 0085 88-108-103-080 C-RES,U 10K-1/16W J a b c
MAIN X R 0093 88-108-273-080 C-RES,U 27K-1/16W J a b c
MAIN X R 0094 88-108-183-080 C-RES,U 18K-1/16W J a b c
MAIN O R 0095 88-108-153-080 C-RES,U 15K-1/16W J a b c
MAIN X R 0096 88-108-273-080 C-RES,U 27K-1/16W J a b c
MAIN X R 0301 88-121-102-080 RES,1K-1/8W J a b c
MAIN O R 0302 88-108-473-080 C-RES,U 47K-1/16W J a b c
MAIN O R 0303 88-108-123-080 C-RES,U 12K-1/16W J a b c
MAIN X R 0304 88-108-122-080 C-RES,U 1.2K-1/16W J a b c
MAIN X R 0305 88-108-681-080 C-RES,U 680-1/16W J a b c
MAIN X R 0306 88-108-681-080 C-RES,U 680-1/16W J a b c
MAIN O R 0307 88-108-102-080 C-RES,U 1K-1/16W J a b c
MAIN O R 0308 88-108-101-080 C-RES,U 100-1/16W J a b c
MAIN O R 0309 88-108-102-080 C-RES,U 1K-1/16W J a b c
MAIN O R 0310 88-108-102-080 C-RES,U 1K-1/16W J a b c
MAIN O R 0311 88-108-102-080 C-RES,U 1K-1/16W J a b c
CX-SLEC10 CX-SLEC10 CX-SLEC12
USM UCSM UCSM
MAIN O R 0312 88-108-102-080 C-RES,U 1K-1/16W J a b c
MAIN O R 0313 88-108-102-080 C-RES,U 1K-1/16W J a b c
MAIN X R 0314 88-121-103-080 RES,10K-1/8W J a b c
MAIN X R 0315 88-108-339-080 C-RES,U 3.3-1/16W J a b c
MAIN O R 0316 88-108-103-080 C-RES,U 10K-1/16W J a b c
MAIN X R 0317 88-121-273-080 RES,27K-1/8W J a b c
MAIN X R 0318 88-108-331-080 C-RES,U 330-1/16W J a b c
MAIN O R 0319 88-108-153-080 C-RES,U 15K-1/16W J a b c
MAIN O R 0320 88-108-153-080 C-RES,U 15K-1/16W J a b c
MAIN O R 0321 88-108-153-080 C-RES,U 15K-1/16W J a b c
MAIN X R 0322 88-108-333-080 C-RES,U 33K-1/16W J a b c
MAIN O R 0323 88-108-153-080 C-RES,U 15K-1/16W J a b c
MAIN X R 0324 88-108-333-080 C-RES,U 33K-1/16W J a b c
MAIN X R 0325 88-108-221-080 C-RES,U 220-1/16W J a b c
MAIN X R 0326 88-108-181-080 C-RES,U 180-1/16W J a b c
MAIN X R 0327 88-108-470-080 C-RES,U 47-1/16W J a b c
MAIN X R 0328 88-121-100-080 RES,10-1/8W J a b c
MAIN O R 0329 88-108-101-080 C-RES,U 100-1/16W J a b c
MAIN X R 0330 88-108-000-080 C-JUMPER,U a b c
MAIN O R 0331 88-108-101-080 C-RES,U 100-1/16W J a b c
CX-SLEC10 CX-SLEC10 CX-SLEC12
USM UCSM UCSM
MAIN O R 0332 88-108-102-080 C-RES,U 1K-1/16W J a b c
MAIN O R 0333 88-108-102-080 C-RES,U 1K-1/16W J a b c
MAIN X R 0334 88-108-331-080 C-RES,U 330-1/16W J a b c
MAIN X R 0335 88-108-331-080 C-RES,U 330-1/16W J a b c
MAIN O R 0336 88-108-473-080 C-RES,U 47K-1/16W J a b c
MAIN X R 0337 88-128-471-080 C-RES, 470-1/8W J a b c
MAIN X R 0339 88-140-229-080 RES,2.2-1/2W J a b c
MAIN O R 0340 88-108-153-080 C-RES,U 15K-1/16W J a b c
MAIN O R 0341 88-108-822-080 C-RES,U 8.2K-1/16W J a b c
MAIN X R 0343 88-108-104-080 C-RES,U 100K-1/16W J a b c
MAIN X R 0344 88-108-104-080 C-RES,U 100K-1/16W J a b c
MAIN X R 0345 88-121-103-080 RES,10K-1/8W J a b c
MAIN O R 0346 88-108-822-080 C-RES,U 8.2K-1/16W J a b c
MAIN O R 0347 88-108-101-080 C-RES,U 100-1/16W J a b c
MAIN O R 0348 88-108-102-080 C-RES,U 1K-1/16W J a b c
MAIN O R 0353 88-108-102-080 C-RES,U 1K-1/16W J a b c
MAIN O R 0354 88-108-102-080 C-RES,U 1K-1/16W J a b c
MAIN O R 0356 88-108-102-080 C-RES,U 1K-1/16W J a b c
MAIN O R 0357 88-108-102-080 C-RES,U 1K-1/16W J a b c
MAIN O R 0358 88-108-102-080 C-RES,U 1K-1/16W J a b c
ELECTRICAL PARTS LIST -8/15 http://www.xiaoyu163.com
http://www.xiaoyu163.com

! = ! SAFTY PARTS
C = Components marked
All components used on this model at the production line are shown in this service manual.
However, please note that not all components will be available as spare parts for after-sales service.
Components marked S and O are designated as spare parts for service and will be stocked at the spare parts centers.
Components marked X and R are not designated as spare parts for after sales service, and will not be stocked at the spare parts centers.
UNIT-NAME ! C REF-NO PARTS-NO PARTS-NAME SUFFIX&MODEL
-32-
CX-SLEC10 CX-SLEC10 CX-SLEC12
USM UCSM UCSM
MAIN O R 0359 88-108-102-080 C-RES,U 1K-1/16W J a b c
MAIN O R 0360 88-108-102-080 C-RES,U 1K-1/16W J a b c
MAIN X R 0361 88-128-100-080 C-RES, 10-1/8W J a b c
MAIN X R 0362 88-128-100-080 C-RES, 10-1/8W J a b c
MAIN X R 0364 88-108-000-080 C-JUMPER,U a b c
MAIN X R 0366 88-108-000-080 C-JUMPER,U a b c
MAIN O R 0402 88-108-101-080 C-RES,U 100-1/16W J a b c
MAIN X R 0403 88-100-000-010 PLATING-JW, 0.58 SN95 a b c
MAIN X R 0404 88-121-101-080 RES,100-1/8W J a b c
MAIN X R 0405 88-121-102-080 RES,1K-1/8W J a b c
MAIN X R 0406 88-121-102-080 RES,1K-1/8W J a b c
MAIN X R 0407 88-108-000-080 C-JUMPER,U a b c
MAIN X R 0408 88-121-101-080 RES,100-1/8W J a b c
MAIN O R 0409 88-108-102-080 C-RES,U 1K-1/16W J a b c
MAIN O R 0410 88-108-102-080 C-RES,U 1K-1/16W J a b c
MAIN O R 0411 88-108-102-080 C-RES,U 1K-1/16W J a b c
MAIN O R 0412 88-108-101-080 C-RES,U 100-1/16W J a b c
MAIN O R 0413 88-108-101-080 C-RES,U 100-1/16W J a b c
MAIN O R 0414 88-108-101-080 C-RES,U 100-1/16W J a b c
MAIN X R 0415 88-100-000-010 PLATING-JW, 0.58 SN95 a b c
CX-SLEC10 CX-SLEC10 CX-SLEC12
USM UCSM UCSM
MAIN O R 0416 88-108-101-080 C-RES,U 100-1/16W J a b c
MAIN O R 0417 88-108-101-080 C-RES,U 100-1/16W J a b c
MAIN O R 0419 88-108-101-080 C-RES,U 100-1/16W J a b c
MAIN O R 0420 88-108-101-080 C-RES,U 100-1/16W J a b c
MAIN O R 0421 88-108-101-080 C-RES,U 100-1/16W J a b c
MAIN O R 0422 88-108-102-080 C-RES,U 1K-1/16W J a b c
MAIN O R 0423 88-108-102-080 C-RES,U 1K-1/16W J a b c
MAIN O R 0424 88-108-102-080 C-RES,U 1K-1/16W J a b c
MAIN O R 0425 88-108-101-080 C-RES,U 100-1/16W J a b c
MAIN O R 0426 88-108-101-080 C-RES,U 100-1/16W J a b c
MAIN X R 0427 88-128-100-080 C-RES, 10-1/8W J a b c
MAIN X R 0428 88-108-104-080 C-RES,U 100K-1/16W J a b c
MAIN X R 0429 88-108-104-080 C-RES,U 100K-1/16W J a b c
MAIN X R 0430 88-108-683-080 C-RES,U 68K-1/16W J a b c
MAIN X R 0431 88-108-683-080 C-RES,U 68K-1/16W J a b c
MAIN O R 0432 88-108-224-080 C-RES,U 220K-1/16W J a b c
MAIN X R 0433 88-121-472-080 RES,4.7K-1/8W J a b c
MAIN X R 0434 88-121-102-080 RES,1K-1/8W J a b c
MAIN X R 0435 88-121-102-080 RES,1K-1/8W J a b c
MAIN X R 0436 88-118-102-080 C-RES,S 1K-1/10W J a b c
CX-SLEC10 CX-SLEC10 CX-SLEC12
USM UCSM UCSM
MAIN X R 0437 88-118-153-080 C-RES,S 15K-1/10W J a b c
MAIN X R 0438 88-118-183-080 C-RES,S 18K-1/10W J a b c
MAIN X R 0440 88-118-102-080 C-RES,S 1K-1/10W J a b c
MAIN X R 0441 88-118-183-080 C-RES,S 18K-1/10W J a b c
MAIN X R 0442 88-108-104-080 C-RES,U 100K-1/16W J a b c
MAIN X R 0443 88-118-153-080 C-RES,S 15K-1/10W J a b c
MAIN O R 0444 88-108-153-080 C-RES,U 15K-1/16W J a b c
MAIN X R 0445 88-108-472-080 C-RES,U 4.7K-1/16W J a b c
MAIN X R 0446 88-108-104-080 C-RES,U 100K-1/16W J a b c
MAIN X R 0447 88-108-104-080 C-RES,U 100K-1/16W J a b c
MAIN X R 0448 88-108-104-080 C-RES,U 100K-1/16W J a b c
MAIN O R 0449 88-108-102-080 C-RES,U 1K-1/16W J a b c
MAIN X R 0450 88-108-471-080 C-RES,U 470-1/16W J a b c
MAIN X R 0453 88-108-104-080 C-RES,U 100K-1/16W J a b c
MAIN X R 0455 88-108-104-080 C-RES,U 100K-1/16W J a b c
MAIN X R 0457 88-108-104-080 C-RES,U 100K-1/16W J a b c
MAIN O R 0458 88-108-153-080 C-RES,U 15K-1/16W J a b c
MAIN X R 0461 88-108-333-080 C-RES,U 33K-1/16W J a b c
MAIN O R 0462 88-108-103-080 C-RES,U 10K-1/16W J a b c
MAIN O R 0463 88-108-101-080 C-RES,U 100-1/16W J a b c
CX-SLEC10 CX-SLEC10 CX-SLEC12
USM UCSM UCSM
MAIN X R 0464 88-108-104-080 C-RES,U 100K-1/16W J a b c
MAIN X R 0465 88-108-104-080 C-RES,U 100K-1/16W J a b c
MAIN O R 0466 88-108-224-080 C-RES,U 220K-1/16W J a b c
MAIN X R 0467 88-108-000-080 C-JUMPER,U a b c
MAIN X R 0468 88-108-124-080 C-RES,U 120K-1/16W J a b c
MAIN O R 0469 88-108-224-080 C-RES,U 220K-1/16W J a b c
MAIN O R 0471 88-108-101-080 C-RES,U 100-1/16W J a b c
MAIN O R 0472 88-108-101-080 C-RES,U 100-1/16W J a b c
MAIN O R 0473 88-108-101-080 C-RES,U 100-1/16W J a b c
MAIN O R 0474 88-108-101-080 C-RES,U 100-1/16W J a b c
MAIN O R 0475 88-108-101-080 C-RES,U 100-1/16W J a b c
MAIN O R 0476 88-108-101-080 C-RES,U 100-1/16W J a b c
MAIN O R 0477 88-108-101-080 C-RES,U 100-1/16W J a b c
MAIN X R 0478 88-108-273-080 C-RES,U 27K-1/16W J a b c
MAIN X R 0479 88-108-273-080 C-RES,U 27K-1/16W J a b c
MAIN X R 0480 88-108-273-080 C-RES,U 27K-1/16W J a b c
MAIN X R 0481 88-108-273-080 C-RES,U 27K-1/16W J a b c
MAIN X R 0482 88-108-273-080 C-RES,U 27K-1/16W J a b c
MAIN X R 0483 88-108-273-080 C-RES,U 27K-1/16W J a b c
MAIN X R 0484 88-108-273-080 C-RES,U 27K-1/16W J a b c
ELECTRICAL PARTS LIST -9/15 http://www.xiaoyu163.com
http://www.xiaoyu163.com

! = ! SAFTY PARTS
C = Components marked
All components used on this model at the production line are shown in this service manual.
However, please note that not all components will be available as spare parts for after-sales service.
Components marked S and O are designated as spare parts for service and will be stocked at the spare parts centers.
Components marked X and R are not designated as spare parts for after sales service, and will not be stocked at the spare parts centers.
UNIT-NAME ! C REF-NO PARTS-NO PARTS-NAME SUFFIX&MODEL
-33-
CX-SLEC10 CX-SLEC10 CX-SLEC12
USM UCSM UCSM
MAIN O R 0485 88-108-101-080 C-RES,U 100-1/16W J a b c
MAIN O R 0486 88-108-101-080 C-RES,U 100-1/16W J a b c
MAIN X R 0487 88-121-103-080 RES,10K-1/8W J a b c
MAIN X R 0488 88-121-103-080 RES,10K-1/8W J a b c
MAIN X R 0489 88-121-103-080 RES,10K-1/8W J a b c
MAIN X R 0601 88-130-101-080 RES,100-1/4W J a b c
MAIN X R 0602 88-130-101-080 RES,100-1/4W J a b c
MAIN X R 0603 88-130-121-080 RES,120-1/4W J a b c
MAIN X R 0604 88-130-121-080 RES,120-1/4W J a b c
MAIN X R 0605 88-130-121-080 RES,120-1/4W J a b c
MAIN X R 0606 88-130-151-080 RES,150-1/4W J a b c
MAIN X R 0607 88-130-101-080 RES,100-1/4W J a b c
MAIN O R 0611 88-108-562-080 C-RES,U 5.6K-1/16W J a b c
MAIN O R 0612 88-108-562-080 C-RES,U 5.6K-1/16W J a b c
MAIN O R 0613 88-108-562-080 C-RES,U 5.6K-1/16W J a b c
MAIN O R 0614 88-108-562-080 C-RES,U 5.6K-1/16W J a b c
MAIN X R 0615 88-108-472-080 C-RES,U 4.7K-1/16W J a b c
MAIN X R 0616 88-108-472-080 C-RES,U 4.7K-1/16W J a b c
MAIN X R 0617 88-108-222-080 C-RES,U 2.2K-1/16W J a b c
MAIN X R 0618 88-108-222-080 C-RES,U 2.2K-1/16W J a b c
CX-SLEC10 CX-SLEC10 CX-SLEC12
USM UCSM UCSM
MAIN O R 0619 88-108-103-080 C-RES,U 10K-1/16W J a b c
MAIN O R 0620 88-108-103-080 C-RES,U 10K-1/16W J a b c
MAIN O R 0621 88-108-123-080 C-RES,U 12K-1/16W J a b c
MAIN O R 0622 88-108-123-080 C-RES,U 12K-1/16W J a b c
MAIN O R 0623 88-108-103-080 C-RES,U 10K-1/16W J a b c
MAIN O R 0624 88-108-103-080 C-RES,U 10K-1/16W J a b c
MAIN O R 0625 88-108-822-080 C-RES,U 8.2K-1/16W J a b c
MAIN O R 0626 88-108-822-080 C-RES,U 8.2K-1/16W J a b c
MAIN X R 0627 88-108-471-080 C-RES,U 470-1/16W J a b c
MAIN X R 0628 88-108-471-080 C-RES,U 470-1/16W J a b c
MAIN X R 0629 88-108-273-080 C-RES,U 27K-1/16W J a b c
MAIN X R 0630 88-108-273-080 C-RES,U 27K-1/16W J a b c
MAIN X R 0631 88-121-103-080 RES,10K-1/8W J a b c
MAIN X R 0632 88-121-103-080 RES,10K-1/8W J a b c
MAIN X R 0633 88-100-000-010 PLATING-JW, 0.58 SN95 a b c
MAIN X R 0634 88-100-000-010 PLATING-JW, 0.58 SN95 a b c
MAIN X R 0636 88-121-332-080 RES,3.3K-1/8W J a b c
MAIN O R 0637 88-108-153-080 C-RES,U 15K-1/16W J a b c
MAIN O R 0638 88-108-153-080 C-RES,U 15K-1/16W J a b c
MAIN O R 0639 88-108-153-080 C-RES,U 15K-1/16W J a b c
CX-SLEC10 CX-SLEC10 CX-SLEC12
USM UCSM UCSM
MAIN O R 0640 88-108-153-080 C-RES,U 15K-1/16W J a b c
MAIN X R 0641 88-108-000-080 C-JUMPER,U a b c
MAIN X R 0642 88-108-000-080 C-JUMPER,U a b c
MAIN X R 0644 88-108-000-080 C-JUMPER,U a b c
MAIN X R 0645 88-108-000-080 C-JUMPER,U a b c
MAIN X R 0650 88-108-121-080 C-RES,U 120-1/16W J a b c
MAIN O R 0661 88-108-102-080 C-RES,U 1K-1/16W J a b c
MAIN O R 0662 88-108-102-080 C-RES,U 1K-1/16W J a b c
MAIN X R 0671 88-130-100-080 RES,10-1/4W J a b c
MAIN X R 0672 88-130-100-080 RES,10-1/4W J a b c
MAIN X R 0673 88-128-100-080 C-RES, 10-1/8W J a b c
MAIN X R 0674 88-128-100-080 C-RES, 10-1/8W J a b c
MAIN X R 0675 88-130-221-080 RES,220-1/4W J a b c
MAIN X R 0676 88-130-221-080 RES,220-1/4W J a b c
MAIN X R 0678 88-130-221-080 RES,220-1/4W J a b c
MAIN X R 0679 88-130-221-080 RES,220-1/4W J a b c
MAIN X R 0680 88-108-122-080 C-RES,U 1.2K-1/16W J a b c
MAIN O R 0681 88-108-223-080 C-RES,U 22K-1/16W J a b c
MAIN O R 0682 88-108-223-080 C-RES,U 22K-1/16W J a b c
MAIN X R 0683 88-121-102-080 RES,1K-1/8W J a b c
CX-SLEC10 CX-SLEC10 CX-SLEC12
USM UCSM UCSM
MAIN O R 0684 88-108-102-080 C-RES,U 1K-1/16W J a b c
MAIN X R 0685 88-121-102-080 RES,1K-1/8W J a b c
MAIN O R 0686 88-108-103-080 C-RES,U 10K-1/16W J a b c
MAIN X R 0876 88-108-222-080 C-RES,U 2.2K-1/16W J a b c
MAIN O R 0877 88-108-473-080 C-RES,U 47K-1/16W J a b c
MAIN X R 0878 88-108-000-080 C-JUMPER,U a b c
MAIN O R 0880 88-108-473-080 C-RES,U 47K-1/16W J a b c
MAIN X R 0882 88-108-000-080 C-JUMPER,U a b c
MAIN X R 0883 88-108-222-080 C-RES,U 2.2K-1/16W J a b c
MAIN X W 0601 8B-NF6-665-010 WIRE ASSY,80 BLACK 24 a b c
MAIN O WH 0002 87-A90-510-010 HLDR,WIRE 2.5-9P a b c
MAIN O X 0301 87-A70-363-010 VIB,XTAL 16.9344MHZ CSA-309 a b c
PT ! O C 0250 87-A10-479-080 CAP,CER 2200P-250 M E KH a b c
PT O CN 0201 87-A61-110-010 CONN,9P V TID-A a b c
PT O CN 0202 87-099-674-010 CONN,2P V VA a b c
PT S D 0251 87-020-465-080 DIODE,1SS133 a b c
PT S D 0252 87-020-465-080 DIODE,1SS133 a b c
PT S D 0253 87-020-465-080 DIODE,1SS133 a b c
PT S D 0254 87-020-465-080 DIODE,1SS133 a b c
PT S D 0255 87-020-465-080 DIODE,1SS133 a b c
ELECTRICAL PARTS LIST -10/15 http://www.xiaoyu163.com
http://www.xiaoyu163.com

! = ! SAFTY PARTS
C = Components marked
All components used on this model at the production line are shown in this service manual.
However, please note that not all components will be available as spare parts for after-sales service.
Components marked S and O are designated as spare parts for service and will be stocked at the spare parts centers.
Components marked X and R are not designated as spare parts for after sales service, and will not be stocked at the spare parts centers.
UNIT-NAME ! C REF-NO PARTS-NO PARTS-NAME SUFFIX&MODEL
-34-
CX-SLEC10 CX-SLEC10 CX-SLEC12
USM UCSM UCSM
PT ! O PT 0250 8C-CL3-630-010 PT,U/UC CCL-3 a b c
PT ! O PT 0251 8B-NF9-661-010 PT,SUB BNF U (TAM) a b c
PT O R 0250 87-A01-010-080 RES,SD 2.2M-1/2W J RCR50+ a b c
PT ! O RY 0251 87-A91-418-010 RELAY,AC 12V G5PA-1-M a b c
PT ! 0 W 0250 8Z-JBH-618-010 AC CORD,US BLK a b c
ELECTRICAL PARTS LIST -11/15 http://www.xiaoyu163.com
http://www.xiaoyu163.com

UNIT-NAME ! C REF-NO PARTS-NO PARTS-NAME SUFFIX&MODEL
-35-
! = ! SAFTY PARTS
C = Components marked
All components used on this model at the production line are shown in this service manual.
However, please note that not all components will be available as spare parts for after-sales service.
Components marked S and O are designated as spare parts for service and will be stocked at the spare parts centers.
Components marked X and R are not designated as spare parts for after sales service, and will not be stocked at the spare parts centers.
ELECTRICAL PARTS LIST -12/15
CX-SLEC10 CX-SLEC10 CX-SLEC12
USM UCSM UCSM
TUNER O C 0772 87-012-286-080 C-CAP,U 0.01-25 K B GRM a b c
TUNER O C 0783 87-012-286-080 C-CAP,U 0.01-25 K B GRM a b c
TUNER O C 0784 87-012-286-080 C-CAP,U 0.01-25 K B GRM a b c
TUNER O C 0785 87-012-286-080 C-CAP,U 0.01-25 K B GRM a b c
TUNER O C 0786 87-010-787-080 C-CAP,U 0.022-25 K B GRM a b c
TUNER O C 0788 87-012-167-080 C-CAP,U 5P-50 C CH GRM a b c
TUNER O C 0789 87-010-787-080 C-CAP,U 0.022-25 K B GRM a b c
TUNER O C 0790 87-010-787-080 C-CAP,U 0.022-25 K B GRM a b c
TUNER O C 0792 87-012-286-080 C-CAP,U 0.01-25 K B GRM a b c
TUNER O C 0793 87-A10-262-080 C-CAP,U 1-10 Z F a b c
TUNER O C 0794 87-012-286-080 C-CAP,U 0.01-25 K B GRM a b c
TUNER O C 0795 87-012-286-080 C-CAP,U 0.01-25 K B GRM a b c
TUNER O C 0799 87-A12-070-040 CAP,E 33-25 SMG a b c
TUNER O C 0800 87-012-286-080 C-CAP,U 0.01-25 K B GRM a b c
TUNER O C 0801 87-A10-262-080 C-CAP,U 1-10 Z F a b c
TUNER O C 0802 87-010-829-080 C-CAP,U 0.047-16 Z F CM/CB a b c
TUNER O C 0804 87-A12-062-040 CAP,E 100-10 SMG a b c
TUNER O C 0807 87-A10-463-080 C-CAP,U 0.47-10 Z F a b c
TUNER O C 0808 87-A10-262-080 C-CAP,U 1-10 Z F a b c
TUNER O C 0809 87-A10-262-080 C-CAP,U 1-10 Z F a b c
CX-SLEC10 CX-SLEC10 CX-SLEC12
USM UCSM UCSM
TUNER O C 0810 87-A10-264-080 C-CAP,S 0.1-16 Z F a b c
TUNER O C 0814 87-012-286-080 C-CAP,U 0.01-25 K B GRM a b c
TUNER O C 0815 87-A10-463-080 C-CAP,U 0.47-10 Z F a b c
TUNER O C 0816 87-A10-463-080 C-CAP,U 0.47-10 Z F a b c
TUNER O C 0821 87-A11-796-080 C-CAP,S 4.7-10 Z F a b c
TUNER O C 0822 87-012-193-080 C-CAP,U 82P-50 J CH GRM a b c
TUNER O C 0823 87-012-272-080 C-CAP,U 680P-50 K B GRM a b c
TUNER O C 0824 87-A11-796-080 C-CAP,S 4.7-10 Z F a b c
TUNER O C 0825 87-A11-317-080 C-CAP,U 0.068U-16 K B a b c
TUNER O C 0831 87-A12-069-040 CAP,E 22-25 SMG a b c
TUNER O C 0837 87-A12-022-080 C-CAP,U 0.22-16 Z F a b c
TUNER X C 0841 88-108-000-080 C-JUMPER,U a b c
TUNER O C 0842 87-012-286-080 C-CAP,U 0.01-25 K B GRM a b c
TUNER X C 0845 88-108-000-080 C-JUMPER,U a b c
TUNER X C 0849 88-108-000-080 C-JUMPER,U a b c
TUNER O C 0850 87-A10-262-080 C-CAP,U 1-10 Z F a b c
TUNER O C 0851 87-012-286-080 C-CAP,U 0.01-25 K B GRM a b c
TUNER O C 0852 87-012-286-080 C-CAP,U 0.01-25 K B GRM a b c
TUNER O C 0853 87-012-286-080 C-CAP,U 0.01-25 K B GRM a b c
TUNER O C 0860 87-012-286-080 C-CAP,U 0.01-25 K B GRM a b c
CX-SLEC10 CX-SLEC10 CX-SLEC12
USM UCSM UCSM
TUNER O C 0861 87-012-286-080 C-CAP,U 0.01-25 K B GRM a b c
TUNER O C 0901 87-012-169-080 C-CAP,U 7P-50 D CH GRM a b c
TUNER X C 0906 88-108-000-080 C-JUMPER,U a b c
TUNER O C 0909 87-012-274-080 C-CAP,U 1000P-50 K B GRM a b c
TUNER O C 0911 87-012-170-080 C-CAP,U 8P-50 D CH GRM a b c
TUNER O C 0912 87-012-195-080 C-CAP,U 100P-50 J CH GRM a b c
TUNER O C 0914 86-ZA1-616-080 C-CAP,U 0.01-50 K B (MUR) a b c
TUNER O C 0915 86-ZA1-616-080 C-CAP,U 0.01-50 K B (MUR) a b c
TUNER O C 0917 87-012-164-080 C-CAP,U 2P-50 C CH GRM a b c
TUNER O C 0920 87-012-180-080 C-CAP,U 22P-50 J CH GRM a b c
TUNER O C 0921 87-012-186-080 C-CAP,U 39P-50 J CH GRM a b c
TUNER O C 0922 87-012-174-080 C-CAP,U 12P-50 J CH GRM a b c
TUNER O C 0923 87-012-270-080 C-CAP,U 470P-50 K B GRM a b c
TUNER O C 0924 87-012-162-080 C-CAP,U 1P-50 C CH GRM a b c
TUNER O C 0926 87-012-195-080 C-CAP,U 100P-50 J CH GRM a b c
TUNER O C 0927 87-012-195-080 C-CAP,U 100P-50 J CH GRM a b c
TUNER O C 0931 87-A12-319-080 C-CAP,U 0.1-25 K B a b c
TUNER O C 0932 87-012-286-080 C-CAP,U 0.01-25 K B GRM a b c
TUNER O C 0933 87-012-286-080 C-CAP,U 0.01-25 K B GRM a b c
TUNER O C 0934 87-012-286-080 C-CAP,U 0.01-25 K B GRM a b c
CX-SLEC10 CX-SLEC10 CX-SLEC12
USM UCSM UCSM
TUNER O C 0935 87-012-286-080 C-CAP,U 0.01-25 K B GRM a b c
TUNER O C 0936 87-012-286-080 C-CAP,U 0.01-25 K B GRM a b c
TUNER O C 0937 87-012-286-080 C-CAP,U 0.01-25 K B GRM a b c
TUNER O C 0938 87-012-286-080 C-CAP,U 0.01-25 K B GRM a b c
TUNER O C 0939 87-012-286-080 C-CAP,U 0.01-25 K B GRM a b c
TUNER O C 0961 87-012-172-080 C-CAP,U 10P-50 D CH GRM a b c
TUNER O C 0962 87-A10-262-080 C-CAP,U 1-10 Z F a b c
TUNER O C 0963 87-010-831-080 C-CAP,U 0.1-16 Z F GRM a b c
TUNER O C 0971 87-010-381-010 CAP,E 330-16 M SME a b c
TUNER O C 0972 87-A11-063-080 C-CAP,S 4.7-10 Z F a b c
TUNER O C 0973 87-012-286-080 C-CAP,U 0.01-25 K B GRM a b c
TUNER O C 0974 87-012-286-080 C-CAP,U 0.01-25 K B GRM a b c
TUNER O C 0976 87-010-831-080 C-CAP,U 0.1-16 Z F GRM a b c
TUNER O C 0979 87-012-195-080 C-CAP,U 100P-50 J CH GRM a b c
TUNER O C 0981 87-A12-066-040 CAP,E 47-16 SMG a b c
TUNER O C 0982 87-010-831-080 C-CAP,U 0.1-16 Z F GRM a b c
TUNER O C 0983 87-012-286-080 C-CAP,U 0.01-25 K B GRM a b c
TUNER O C 0984 87-012-286-080 C-CAP,U 0.01-25 K B GRM a b c
TUNER O C 0985 87-012-195-080 C-CAP,U 100P-50 J CH GRM a b c
TUNER O C 0987 87-012-286-080 C-CAP,U 0.01-25 K B GRM a b c
http://www.xiaoyu163.com
http://www.xiaoyu163.com

UNIT-NAME ! C REF-NO PARTS-NO PARTS-NAME SUFFIX&MODEL
-36-
! = ! SAFTY PARTS
C = Components marked
All components used on this model at the production line are shown in this service manual.
However, please note that not all components will be available as spare parts for after-sales service.
Components marked S and O are designated as spare parts for service and will be stocked at the spare parts centers.
Components marked X and R are not designated as spare parts for after sales service, and will not be stocked at the spare parts centers.
ELECTRICAL PARTS LIST -13/15
CX-SLEC10 CX-SLEC10 CX-SLEC12
USM UCSM UCSM
TUNER O C 0988 87-012-286-080 C-CAP,U 0.01-25 K B GRM a b c
TUNER O C 0989 87-012-286-080 C-CAP,U 0.01-25 K B GRM a b c
TUNER O C 0990 87-012-195-080 C-CAP,U 100P-50 J CH GRM a b c
TUNER O C 0991 87-012-176-080 C-CAP,U 15P-50 J CH GRM a b c
TUNER O C 0992 87-012-176-080 C-CAP,U 15P-50 J CH GRM a b c
TUNER O C 0993 87-012-274-080 C-CAP,U 1000P-50 K B GRM a b c
TUNER O C 0994 87-012-195-080 C-CAP,U 100P-50 J CH GRM a b c
TUNER O C 0995 87-012-274-080 C-CAP,U 1000P-50 K B GRM a b c
TUNER O C 0996 87-012-195-080 C-CAP,U 100P-50 J CH GRM a b c
TUNER O C 0997 87-010-831-080 C-CAP,U 0.1-16 Z F GRM a b c
TUNER O C 0998 87-A12-066-040 CAP,E 47-16 SMG a b c
TUNER O C 0999 87-012-286-080 C-CAP,U 0.01-25 K B GRM a b c
TUNER O CF 0831 87-008-261-010 FLTR,CF SFE10.7MA5 a b c
TUNER O CF 0832 87-008-261-010 FLTR,CF SFE10.7MA5 a b c
TUNER O CN 0991 87-A60-700-010 CONN,13P H GRY TUC-P13X-C1 a b c
TUNER X D 0801 88-100-000-010 PLATING-JW, 0.58 SN95 a b c
TUNER S D 0803 87-020-465-080 DIODE,1SS133 a b c
TUNER X D 0896 88-100-000-010 PLATING-JW, 0.58 SN95 a b c
TUNER O D 0902 87-A40-916-040 C-VARI-CAP,HVC202A a b c
TUNER O D 0903 87-A40-916-040 C-VARI-CAP,HVC202A a b c
CX-SLEC10 CX-SLEC10 CX-SLEC12
USM UCSM UCSM
TUNER O D 0951 87-A40-799-040 C-VARI-CAP,KV1610S a b c
TUNER S D 0991 87-017-149-080 ZENER,HZS6A2L a b c
TUNER S IC 0801 87-A22-060-010 IC,LA1845N-A a b c
TUNER S IC 0991 87-A21-928-010 IC,LC72131D-N a b c
TUNER O J 0832 87-A61-535-010 TERMINAL,ANT 2P HSP-302V a b c
TUNER O J 0940 87-A60-633-010 CONN,2P H 2.5MM JMT a b c
TUNER X JR 0782 88-108-000-080 C-JUMPER,U a b c
TUNER X JR 0783 88-108-000-080 C-JUMPER,U a b c
TUNER X JR 0801 88-129-000-080 C-JUMPER, 3216 a b c
TUNER X JR 0802 88-129-000-080 C-JUMPER, 3216 a b c
TUNER X JR 0805 88-108-000-080 C-JUMPER,U a b c
TUNER X JR 0806 88-129-000-080 C-JUMPER, 3216 a b c
TUNER X JR 0807 88-129-000-080 C-JUMPER, 3216 a b c
TUNER X JR 0822 88-108-000-080 C-JUMPER,U a b c
TUNER X JR 0835 88-108-000-080 C-JUMPER,U a b c
TUNER X JR 0887 88-129-000-080 C-JUMPER, 3216 a b c
TUNER X JR 0902 88-118-000-080 C-JUMPER,S a b c
TUNER X JR 0904 88-108-000-080 C-JUMPER,U a b c
TUNER X JR 0907 88-118-000-080 C-JUMPER,S a b c
TUNER X JR 0951 88-129-000-080 C-JUMPER, 3216 a b c
CX-SLEC10 CX-SLEC10 CX-SLEC12
USM UCSM UCSM
TUNER X JR 0953 88-108-000-080 C-JUMPER,U a b c
TUNER X JR 0991 88-118-000-080 C-JUMPER,S a b c
TUNER O L 0801 87-A50-694-010 COIL,FM-DET 2 (COILS) a b c
TUNER O L 0802 87-A91-551-010 FLTR,PCFJZH-450 L(TOK) a b c
TUNER O L 0811 87-005-847-080 COIL,2.2UH K CECS a b c
TUNER O L 0832 87-005-847-080 COIL,2.2UH K CECS a b c
TUNER O L 0901 87-A50-110-010 COIL,FM BPF EX a b c
TUNER O L 0903 86-ZA1-624-010 COIL,FM RF-1 a b c
TUNER O L 0904 86-ZA1-622-010 COIL,FM ANT/RF-U a b c
TUNER X L 0905 88-100-000-010 PLATING-JW, 0.58 SN95 a b c
TUNER O L 0906 87-005-847-080 COIL,2.2UH K CECS a b c
TUNER O L 0907 86-ZA1-627-010 COIL,FM OSC-U a b c
TUNER O L 0908 88-ZA1-624-010 COIL,FM IFT 7-6.2 (COILS) a b c
TUNER O L 0954 87-A50-752-010 COIL,MW ANT(2B) a b c
TUNER O L 0955 87-A50-753-010 COIL,MW OSC(2B) a b c
TUNER S Q 0835 89-327-143-080 C-TR,2SC2714O a b c
TUNER S Q 0836 87-A30-677-040 C-TR,SRA2207S a b c
TUNER S Q 0901 89-503-602-080 C-FET,2SK360E a b c
TUNER S Q 0902 87-A30-664-080 C-TR,2SC2620B a b c
TUNER S Q 0904 87-A30-699-040 C-TR,2SC5477-T22 a b c
CX-SLEC10 CX-SLEC10 CX-SLEC12
USM UCSM UCSM
TUNER S Q 0981 87-A30-494-080 TR,2SA1980G a b c
TUNER S Q 0982 87-A30-076-080 C-TR,2SC3052F a . .
TUNER S Q 0982 87-A30-540-040 C-TR,2SC5343SF/S(G) . b c
TUNER S Q 0983 87-A30-076-080 C-TR,2SC3052F a . .
TUNER S Q 0983 87-A30-540-040 C-TR,2SC5343SF/S(G) . b c
TUNER O R 0789 88-108-223-080 C-RES,U 22K-1/16W J a b c
TUNER O R 0790 87-012-286-080 C-CAP,U 0.01-25 K B GRM a b c
TUNER O R 0791 88-108-102-080 C-RES,U 1K-1/16W J a b c
TUNER X R 0793 88-108-000-080 C-JUMPER,U a b c
TUNER X R 0795 88-108-000-080 C-JUMPER,U a b c
TUNER O R 0801 88-108-103-080 C-RES,U 10K-1/16W J a b c
TUNER O R 0802 88-108-223-080 C-RES,U 22K-1/16W J a b c
TUNER X R 0803 88-108-183-080 C-RES,U 18K-1/16W J a b c
TUNER X R 0804 88-108-000-080 C-JUMPER,U a b c
TUNER O R 0805 88-108-332-080 C-RES,U 3.3K-1/16W J a b c
TUNER X R 0806 88-108-682-080 C-RES,U 6.8K-1/16W J a b c
TUNER X R 0809 88-108-000-080 C-JUMPER,U a b c
TUNER X R 0810 88-108-000-080 C-JUMPER,U a b c
TUNER O R 0813 88-108-224-080 C-RES,U 220K-1/16W J a b c
TUNER X R 0814 88-108-105-080 C-RES,U 1M-1/16W J a b c
http://www.xiaoyu163.com
http://www.xiaoyu163.com

UNIT-NAME ! C REF-NO PARTS-NO PARTS-NAME SUFFIX&MODEL
-37-
! = ! SAFTY PARTS
C = Components marked
All components used on this model at the production line are shown in this service manual.
However, please note that not all components will be available as spare parts for after-sales service.
Components marked S and O are designated as spare parts for service and will be stocked at the spare parts centers.
Components marked X and R are not designated as spare parts for after sales service, and will not be stocked at the spare parts centers.
ELECTRICAL PARTS LIST -14/15
CX-SLEC10 CX-SLEC10 CX-SLEC12
USM UCSM UCSM
TUNER X R 0815 88-121-682-080 RES,6.8K-1/8W J a b c
TUNER O R 0818 88-108-103-080 C-RES,U 10K-1/16W J a b c
TUNER X R 0823 88-108-273-080 C-RES,U 27K-1/16W J a b c
TUNER O R 0826 88-108-223-080 C-RES,U 22K-1/16W J a b c
TUNER X R 0832 88-108-391-080 C-RES,U 390-1/16W J a b c
TUNER X R 0840 88-108-221-080 C-RES,U 220-1/16W J a b c
TUNER O R 0850 88-108-103-080 C-RES,U 10K-1/16W J a b c
TUNER O R 0852 88-108-103-080 C-RES,U 10K-1/16W J a b c
TUNER O R 0853 88-108-102-080 C-RES,U 1K-1/16W J a b c
TUNER X R 0854 88-108-331-080 C-RES,U 330-1/16W J a b c
TUNER X R 0855 88-108-183-080 C-RES,U 18K-1/16W J a b c
TUNER O R 0856 88-108-103-080 C-RES,U 10K-1/16W J a b c
TUNER X R 0857 88-108-181-080 C-RES,U 180-1/16W J a b c
TUNER X R 0860 88-121-101-080 RES,100-1/8W J a b c
TUNER X R 0903 88-108-221-080 C-RES,U 220-1/16W J a b c
TUNER O R 0904 88-108-473-080 C-RES,U 47K-1/16W J a b c
TUNER O R 0905 88-108-102-080 C-RES,U 1K-1/16W J a b c
TUNER X R 0906 88-108-564-080 C-RES,U 560K-1/16W J a b c
TUNER X R 0908 88-108-000-080 C-JUMPER,U a b c
TUNER X R 0911 88-108-121-080 C-RES,U 120-1/16W J a b c
CX-SLEC10 CX-SLEC10 CX-SLEC12
USM UCSM UCSM
TUNER O R 0912 88-108-473-080 C-RES,U 47K-1/16W J a b c
TUNER X R 0913 88-108-472-080 C-RES,U 4.7K-1/16W J a b c
TUNER X R 0914 88-108-472-080 C-RES,U 4.7K-1/16W J a b c
TUNER O R 0917 88-108-101-080 C-RES,U 100-1/16W J a b c
TUNER X R 0918 88-108-000-080 C-JUMPER,U a b c
TUNER X R 0945 88-108-104-080 C-RES,U 100K-1/16W J a b c
TUNER X R 0962 88-121-221-080 RES,220-1/8W J a b c
TUNER X R 0964 88-108-330-080 C-RES,U 33-1/16W J a b c
TUNER O R 0974 88-108-101-080 C-RES,U 100-1/16W J a b c
TUNER O R 0975 88-108-562-080 C-RES,U 5.6K-1/16W J a b c
TUNER O R 0976 88-108-102-080 C-RES,U 1K-1/16W J a b c
TUNER O R 0977 88-108-102-080 C-RES,U 1K-1/16W J a b c
TUNER X R 0978 88-108-681-080 C-RES,U 680-1/16W J a b c
TUNER X R 0980 88-108-684-080 C-RES,U 680K-1/16W J a b c
TUNER X R 0981 88-121-471-080 RES,470-1/8W J a b c
TUNER O R 0982 88-108-103-080 C-RES,U 10K-1/16W J a b c
TUNER O R 0983 88-108-562-080 C-RES,U 5.6K-1/16W J a b c
TUNER O R 0984 88-108-562-080 C-RES,U 5.6K-1/16W J a b c
TUNER X R 0985 88-121-471-080 RES,470-1/8W J a b c
TUNER X R 0986 88-108-222-080 C-RES,U 2.2K-1/16W J a b c
CX-SLEC10 CX-SLEC10 CX-SLEC12
USM UCSM UCSM
TUNER O R 0988 88-108-103-080 C-RES,U 10K-1/16W J a b c
TUNER X R 0989 88-121-102-080 RES,1K-1/8W J a b c
TUNER O R 0990 88-108-563-080 C-RES,U 56K-1/16W J a b c
TUNER O R 0992 88-108-103-080 C-RES,U 10K-1/16W J a b c
TUNER O R 0994 88-108-103-080 C-RES,U 10K-1/16W J a b c
TUNER O R 0996 88-108-103-080 C-RES,U 10K-1/16W J a b c
TUNER X R 0997 88-108-154-080 C-RES,U 150K-1/16W J a b c
TUNER O R 0998 88-108-102-080 C-RES,U 1K-1/16W J a b c
TUNER O R 0999 88-108-103-080 C-RES,U 10K-1/16W J a b c
TUNER X SH 0901 8C-ZA3-604-010 SHLD-CASE,CZA-3 a b c
TUNER X SH 0902 8B-ZA3-619-010 SHLD-CASE,BZA-3 EZ a b c
TUNER O X 0992 87-A70-306-010 VIB,XTAL 4.500MHZ CSA-309ST a b c
http://www.xiaoyu163.com
http://www.xiaoyu163.com

-40-
BLOCK DIAGRAM -1/2
CD MECHANISM
CMCJ0129
PICKUP ASSY
KSM-213VSCM
Q603,604
AMP C.B
Q003
Q061,062
Q060
Q008
IC002
NJM7805
Q001,002
Q004
PT001
PT C.B
POWER
CORD
AC 120V 60Hz PT002
Q303
Q302
Q301
IC303
LB1645N
LB1645N
IC304
MAIN C.B (1/2)
TO/FROM BLOCK DIAGRAM -2/2
PHONES
IC6601
BD3882FV
TUNER BLOCK
(CZA-3)
http://www.xiaoyu163.com
http://www.xiaoyu163.com

-42-
SCHEMATIC DIAGRAM -1/7 (MAIN) -1/3
2700P
2700P
TO PT C.B CN201
RELEY SW
RIPPLE FILTER
LINE MUTE
MUTE
Q603,604
TO AMP C.B CN101
TO/FROM MAIN C.B (2/3)
TO/FROM MAIN C.B (3/3)
MAIN C.B (1/3)
L
RLINE OUT
SUB
WOOFER
J603
J602
J601
IC602
J605
L
R
VIDEO/
AUX IN
SPEAKERS
L
R
SPEAKER
IMP:6Ω
DEGITAL OUT
(OPTICAL)
PHONES
:PB(DIGITAL)
:PB(ANALOG)
SIGNAL
Q061,062 Q063,604
SECONDARY
AC DET DC DET
Q001,002,004
FL POWER SUPPLY
TO TUNER C.B CN991
+4.1V
-4.1V
+11.5 V
11.5V
-27.9V
+10.6V
+4.77V
+30V
-30V
+19V
-20V
http://www.xiaoyu163.com
http://www.xiaoyu163.com

-43-
SCHEMATIC DIAGRAM -2/7 (MAIN) -2/3
3.2V +3.7V
3.3V
PICKUP ASSY
KSM-213DSCM
VDD REG
3.3V
REG
TO/FROM MAIN C.B
(3/3)
TO/FROM MAIN C.B
(1/3)
TO/FROM MAIN C.B (3/3)
ASP/DSP
CD DRIVER
CD TRAY
DRIVER
IC303,304
CD MECHANHISM: CMCJ0129
MAIN
C.B(2/3)
:PB(DIGITAL)
:PB(ANALOG)
SIGNAL
VOLTAGE
SW
+4.7V
+6V
+6V
+1.63V
VREF
3.3V
+12V
http://www.xiaoyu163.com
http://www.xiaoyu163.com

-45-
101112131415161718192021222324
A
B
C
D
E
F
G
H
I
J
K
L
M
N
O
P
Q
R
S
T
U
1234567892526272829303132
WIRING -1/5 (MAIN)
1
116
1
3
16
TO TUNER C.B CN991 TO PT C.B
CN201
TO AMP C.B
CN101
TO FRONT C.B
CN502
TO FRONT C.B
CN501
15
2
1
16
MAIN C.B
41
18
16
16 2
1
15
TO CD MECHANISM CMCJ0129 TO CD MECHANISM CMCJ0129
(GND)
(CLK)
J603
PHONES
R
L
J601
LINE IN
R
R
+
-
L
L
J602
LINE OUT
SUB WOOFER
IC602
J605
SPEAKER
(OPTICAL)
DIGITAL OUT
http://www.xiaoyu163.com
http://www.xiaoyu163.com

-46-
SCHEMATIC DIAGRAM -4/7 (AMP)
+10.6V
+19V
-20V
+30V
-30V
TO MAIN C.B CN603
Q117-Q120,Q103-Q116,127,128
POWER AMP
AMP C.B
Q124,123
OVER
LOARD
DET
: PB
SIGNAL
OVER LOAD
PROTECTOR
HOLD
Q183,184
VOL TAGE SW
Q185-187
AMPL IP IER
OUTPUT LEVEL
DET
Q259,265
OVER
TEMPERATURE
PROTECTION
Q123,124
OVER LOAD
PROTECTOR
Q117-120
COMPL IMENTARY
SEEP
Q115,116
EMITTER
FOLLOWER
Q113,114,127,128
SEEP
BIAS
Q111,112
COMMON
EMITTER
AMPL IF IER
Q107-110
CURRENT
MIRROR
Q103,106
DIFFERENT IAL
AMPL IF IER
http://www.xiaoyu163.com
http://www.xiaoyu163.com

-49-
101112131415161718192021222324
A
B
C
D
E
F
G
H
I
J
K
L
M
N
O
P
Q
R
S
T
U
1234567892526272829303132
WIRING -3/5 (FRONT/KEY)
S505
POWER
STANDBY/ON
TO MAIN C.B CN402
S501
BASS
S502
TREBLE
TO MAIN C.B CN401
S503
VOLUME
S506
CLEAR
S507
DISC DIRECT
PLAY
S512
CD1
OPEN/CLOSE
S504
CD
S508
/
S510
/
S509
DISC DIRECT
PLAY
S511
DISC DIRECT
PLAY
S513
CD2
OPEN/CLOSE
S514
CD3
OPEN/CLOSE
S515
DISPLAY
S517
ECO/DIMMER
S519
SET
S516
PRESET
S518
TUNER/BAND
S520
AUX
FL501
DISPLAY
D501
POWER
STAND BY/ON
D502-504
(ILLUMINATION)
1
3
1
3
FRONT C.B
KEY C.B
http://www.xiaoyu163.com
http://www.xiaoyu163.com

-50-
SCHEMATIC DIAGRAM -6/7 (TUNER)
AM IF ADJ
IC801
DETECTOR
Q835 FM IF AMP
BAND
SW
L907
FM VT ADJ
Q904
FM
OSC
13
2
4
6
FM MIXER
L904
FM TRACKING ADJ
1
2
1
2
L954,955
AM TRACKING ADJ
SIGNAL
:FM
:AM
Q981
TUNER
SW
Q982,983
TUNER
VCC AMP
TO MAIN C.B CN702
(VT)
TP3(DC)
TP2(DC)
TP2
(CLK)
TP9(Rch)
TP8(Lch)
FM RF
AMP
J832
FM75Ω
ANTENNA
J940
AMLOOP
TUNER C.B
http://www.xiaoyu163.com
http://www.xiaoyu163.com

-55-
ELECTRICAL ADJUSTMENT -1/5
TUNER ADJUSTMENT
1. Clock Check
Requirements
Measuring equipment: Frequency counter
Test point: TP1 (CLOCK), GND
1) Adjust the reception frequency of the main unit to 1710KHz.
2) Check that the test point frequency is 2160±0.045KHz.
2. VT Adjustment (FM)
Requirement
Measuring equipment: Digital multi-meter
Test point: TP4 (R962), GND
Adjustment point: L907
1) Adjust the reception frequency of the main unit to 108.0MHz.
2) Adjust L907 until the test point voltage (VT) is 7.0V±1V.
3) Adjust the reception frequency of the main unit to 87.5MHz.
4) Check that the test point (VT) voltage is about 1.5V.
3. VT Check (MW)
Requirement
Measuring equipment: Digital multi-meter
Test point: TP4 (R962), GND
1) Adjust the reception frequency of the main unit to 530KHz.
2) Check that the test point (VT) voltage is about 0.5V.
3) Adjust the reception frequency of the main unit to 1710KHz.
4) Check that the test point (VT) voltage is below 9.0V.
4. DC Balance Check
Requirement
Measuring equipment: Digital multi-meter
Test point: TP2, 3
(1) Adjust the reception frequency of the main unit to 98.0MHz.
(2) Check that the test point voltage difference between TP2 and TP3 is
0mV±500mV.
http://www.xiaoyu163.com
http://www.xiaoyu163.com

-56-
ELECTRICAL ADJUSTMENT -2/5
< MW ADJUSTMENT>
For FM adjustment, do wiring and connection as in the following.
5. MW IF Adjustment
Requirement
Measuring equipment: Oscilloscope or Millivoltmeter
Test point: TP8(Lch), TP9(Rch), GND
Adjustment point: L802
1) Adjust the setting of Standard Signal Generator (hereinafter S.S.G.) to 999KHz
of 30% variation.
2) Adjust the receiving frequency of the main unit at 1000KHz.
3) While looking at the waveform on the oscilloscope, reduce the output level all the
way (till a certain degree of is monitored through the oscilloscope).
4) Adjust L802 until the waveform of the oscilloscope reaches the maximum.
6. MW Tracking Adjustment
Requirement
Measuring equipment: Millivoltmeter
Test point: TP8(Lch), TP9(Rch), GND
Adjustment point: L954, L955
1) Adjust the S.S.G. setting to 1000KHz of 30% variation and reduce the output level all the
way (till a certain degree of is monitored through the oscilloscope).
2) Adjust the reception frequency of the main unit to 1000KHz.
3) Adjust L954 until the value of the millivoltmeter reaches the maximum.
4) Adjust the S.S.G. setting to 600KHz of 30% variation and reduce the output level
all the way (till a certain degree of is monitored through the oscilloscope).
5) Adjust the reception frequency of the main unit to 600KHz.
6) Adjust L955 until the value of the milivoltmeter reaches the maximum.
Repeat the adjustment 2 or 3 times from step 1 to 6 above.
http://www.xiaoyu163.com
http://www.xiaoyu163.com

-57-
ELECTRICAL ADJUSTMENT -3/5
< FM ADJUSTMENT>
For FM adjustment, do wiring and connection as in the following.
7. FM Tracking Adjustment
Requirement
Measuring equipment: millivoltmeter
Test point: TP8(Lch), TP9(Rch), GND
Adjustment point: L904
1) Adjust the S.S.G. setting to 87.5KHz of 30% variation and reduce the output level
all the way (till a certain degree of is monitored through the oscilloscope).
2) Adjust L904 until the value of the milivoltmeter reaches the maximum.
http://www.xiaoyu163.com
http://www.xiaoyu163.com

-58-
ELECTRICAL ADJUSTMENT -4/5
CLOCK ADJUSTMENT AND CD CHECK
OUTPUT
OSCILLOSCOPE
RF
Vref
IC401 IC301
R315
RF
TE
FE
MAIN PWB PATTERN SIDE
Vref
GND
CLOCK
L401
Q301
2
2 3
2 3
4
5
6
1
1. Clock Adjustment
Requirements
Test point: CLOCK, GND
Adjustment point: L401
1) While pressing and holding down the POWER button and the TUNER / BAND button, insert the
AC plug to outlet.
2) Adjust L401 so that the oscilloscope indicates the frequency within 347.661Hz–348.357Hz.
CD CHECK
Perform the adjustments after the main unit enters the test mode.
Place the CD mechanism on level ground.
Equipment and tools required
Measuring equipment
Digital multi-meter
Jitter meter (KIKUSUI 6235)
Test disc: TCD-782
ATD-001
2. RF Waveform Check
1) Connect oscilloscope to the test point RF and Vref.
2) Play back the 2 nd track of TCD-782.
3) Check that the RF waveform has the maximum amplitude and the center
of the wedge waveform has the clear blank.
VOLT / DIV: 500mV
TIME / DIV: 0.2 s
EYE PATTERN
must be CLEAR and MAX
Approx.
1.8 0.3Vp.p
http://www.xiaoyu163.com
http://www.xiaoyu163.com

-59-
ELECTRICAL ADJUSTMENT -5/5
3. Jitter Check
1) While oscilloscope is kept connected in the same test point as in
step2. RF WAVEFORM CHECK, connect the output terminal of
an oscilloscope to the input terminal of the jitter meter.
2) Set the VOLT range selector of oscilloscope to 500mV range or
below.
3) Play back 2 nd track of TCD-782.
4) Check that jitter meter indicates 28.0ns or less.
4. Tracking Balance Check
1) Connect the TE and Vref to the oscilloscope.
2) Playback the second track of TCD-782 and press the PAUSE butten.
3) Check that the ttaverse waveforms of oscilloscope are up and down symmetrical.
5. Play Ability Check
1) Play back the 3 rd , 8 th and 13 th track of ATD-001. Check that the noise does not
occur sound skipping does not occur.
6. Laser Current Check
*Do not perform this measurement unless the laser is suspected to be defective.
1) Connect digital multi-meter across the resistor R315 (3.3ohm).
2) Play back the TCD-782 and check the DC voltage value on the digital multi-meter.
3) Calculate the laser current (Iop) by dividing the DC voltage across R315 by the
resistor value (R315= 3.3ohm).
Check that the laser current (Iop) is SPEC value ± 10%.
OUTPUT ns
OSCILLOSCOPE
JITTER METER
INPUT
RF
Vref
OUTPUT
OSCILLOSCOPE
RF
Vref
V
DIGITAL MULTIMETER
R8
R8
R
EXAMPLE
KSS- 213F
05Y93
DA372
37.2mA
SPEC VALUE
http://www.xiaoyu163.com
http://www.xiaoyu163.com

-60-
CD TEST MODE -1/1
1. How to Start the CD Test Mode
While pressing the CD OPEN/PAUSE button, insert the AC plug to the power outlet.
When the test mode is started, the message [CD TEST] is displayed.
2. How to Exit the CD Test Mode
Press the POWER button, push other FUNCTION button or disconnect the AC plug.
3. Function Descriptions and Application of the CD Test Mode
*1: The driver IC heats up and the protection circuit starts working when the focus search is continued for 10 minutes or longer.
There can be a case that operations can not be performed correctly.
In such a case, turn off the main power. After cooling down the machine, restart the machine.
*2: After the focus search is executed three times, the gain is changed to the CD-RW gain from the fourth time.
*3: Be careful not to damage the gear because the sled motor rotates while the FF or RWD button is being pressed even if the
pick-up is located in the innermost track or the outermost track.
Mode
Start mode
Search
mode
Play mode
Traverse
mode
Sled mode
Spindle
mode
Operation
STOP
button
PLAY/
PAUSE
button
PLAY/
PAUSE
button
FF button
RWD button
SET button
Display
All indicators light
READING
Normal
Normal
CD TEST
CD TEST
All indicators light
Function
• All FL indicators light
• LD illuminates all the time
• Focus search continuous
operations *1,*2
• Spindle motor continuous kick
• Normal playback
• If TOC cannot be read, focus
search is continued
• The CLV error is ignored.
• Tracking servo OFF/ON
• Each time PAUSE button is
pressed, the tracking servo
repeats turning OFF/ON
• Pickup moves to the inner
circumference *3
At the same time, lens kicks to
the inner circumference
• Pickup moves to the outer
circumference *3
At the same time, lens kicks to
the outer circumference
• The spindle motor rotates
forward (rough speed) by
pressing the button and
rotates backward by pressing
one more time and stops by
pressing again
Checking item
• FL check
• Microprocessor check
• APC circuit check
• Laser current measurement
• Focus search waveform check
• Focus error waveform check
(DRF in the search mode is
ignored)
• Each servo circuit is checked
• DRF check
• RF waveform check
• Tracking balance check
• Sled circuit check
• Tracking circuit check
• Mechanism operation check
• Pickup check
• Spindle circuit
• Spindle motor
No
1
2
3
4
5
6
http://www.xiaoyu163.com
http://www.xiaoyu163.com

-61-
CD MECHANISM TEST MODE -1/1
1. How to Start Up the CD Mechanism Test Mode
1) While pressing the CD PLAY/PAUSE button, connect the AC power plug to wall outlet.
After the message “CD TEST” appears on the display,all display tubes light and the mechanism enters the CD Test Mode.
Then press the PRESET button.The display changes the message to “M/TEST”and the mechanism enters the CD Mechanism Test
Mode.
Whenever you press the PRESET button,the mechanism toggles between the CD Test Mode and the CD Mechanism Test Mode.
2. CD Mechanism Test Mode
You can check operations of the various blocks of the CD mechanism as follows.
NO.
1
2
3
4
5
6
Operation
Clamper modes up (un–chucking)
Clamper modes down (chucking)
Opens the Drawer (EJECT)
Closes the Drawer (LOADING)
Upper Carriage moves to the deep end.
Upper Carriage moves to front end.
Disc change is activates in the
ascending order.
Disc change is activates in the
descending order.
Activates the Initial operation.
MODE
Clamper mode
Drawer mode
Carriage mode
Disc change + mode
Disc change - mode
Initial mode *1
Operating method
CD1 OPEN/CLOSE
CD2 OPEN/CLOSE
CD3 OPEN/CLOSE
CD1 PLAY/PAUSE
CD2 PLAY/PAUSE
CD3 PLAY/PAUSE
Display(during operation)
[ _ELV_UP_ ]
[ _ELV_DWN ]
[ _DRW_OPN ]
[ _DRW_CLS ]
[ CR_EXTRA ]
[ CR_HOME_ ]
[ CHANGE_+ ]
[ CHANGE_- ]
[ _INITIAL ]
*1. You can operate the CD Mechanism Test Mode regardless of the status of mechanism and switches.Therefore,be sure to exit the
Test Mode after terminating the Initial Mode.
3. Detector Switches
You can check status of the various switches on the display as follows.
Name
EXTRA SW
HOME SW
DISC2 SW
DISC1 SW
OPEN/CLOSE
SW
FORWORD
SW
REVERSE SW
MODE
Carriage mode
Carriage mode
Disc change mode
Disc change mode
Drawer mode
Clamper mode
Drawer mode
Clamper mode
Drawer mode
Ref.No
SW2
SW3
SW4
SW5
SW6
SW7
SW8
Status
ON when the upper Carriage is located in the deep end.
ON when the upper Carriage is located in the front end.
ON when the DISC2 or DISC3 is being chucked.
ON when the DISC1 or DISC3 is being chucked.
OFF when the Drawer is being Open/Closed.
ON when the Clamper has completely moved down.
OFF when the Drawer is opened.
ON when the Clamper has completely moved down.
OFF when the Drawer is opened.
Display
Calendar 2 light on.
Calendar 3 light on.
Calendar 4 light on.
Calendar 5 light on.
Calendar 6 light on.
Calendar 7 light on.
Calendar 7 light off.
Calendar 8 light on.
Calendar 8 light off.
http://www.xiaoyu163.com
http://www.xiaoyu163.com

-62-
IC BLOCK DIAGRAM -1/2
IC, BA5826FP
GND
FCO -
FCO +
FC / WR
FC IN
BIAS
VCC
VCC
TRIN
TR / WR
TRO +
TRO -
RST-T
OPIN
OPOUT
GND
SLO -
SLO +
SL / WR
SL IN
GND
MUTE
REGOUT
REGB
RESET
SPIN
SPO +
SPO -
FM-IN
REG
AM-IN
GND
TUNE
ST
FM-DET
VCC
IF OUT
FM/AM
MONO L-OUT
R-OUT
DET
PLL
AM RF-IN
S-CURVE
AM LO
AM
OSC OUT
AM AGC/
FM S-METER
FM
DET OUT
AM
DET OUT
PILOT
CANCEL
AM MIX
OUT
IC, LA1845N-A
http://www.xiaoyu163.com
http://www.xiaoyu163.com

-63-
IC BLOCK DIAGRAM -2/2
IC, LB1645N
1
5
32897
4
Input logic circait
Pre-driver
6
10
P1
P2
OUT1
OUT2
Vcc1
Vcc1
VZ
IN2IN1
GND
IC, LC72131D-N
IC, BD3882FV
123 4 6 7 8 9 10
511 12 13 14 15 16 17 18 19 20
212223242526272829303132333435363738
20k
RECOUT-L
RECIN-L
RECIN-R
RECOUT-R
TUNER-R
TUNER-L
AUX-R
AUX-L
CD-R
CD-L
RVF IL-R
RVF IL-L
OUT-L
OUT-R
BAS2-L
BAS1-L
BAS2-R
BAS1-R
MID2-R
MID1-R
TRE1-L
M-GND
VOL IN-R
VOL IN-L
RBO-L
RBO-R
F-GND
PBN-R
PBN-L
PBP-R
PBP-L
TRE2-L
TRE1-R
TRE2-R
MID1-L
MID2-L
VDD
SI
SC
VEE
9.3k
FRONT
VOLUME TREBLE
TREBLE MIDDEL
Logic Control
MIDDEL
FRONT
VOLUME
REAR
VOLUME
REAR
VOLUME
BASS
BASS
20k
9.3k
3940
http://www.xiaoyu163.com
http://www.xiaoyu163.com

-64-
IC DESCRIPTION -1/2 (IC, LC78646E) -1/2
1 SLCO O Slice level control output.
2 SLCIST I SLCO output current adjustment resistor connection pin.
3 EFMIN I RF signal input pin.
4 RF O RF monitor pin.
5 RFVDD – RF power supply pin.
6 RFVSS – RF ground pin. (Connected to 0V)
7 FIN1 I A+C signal input pin.
8 FIN2 I B+D signal input pin.
9 TIN1 I E signal input pin.
10 TIN2 I F signal input pin.
11 VREF O VREF voltage output pin.
12 REF1 I Reference voltage setting pin.
13 FE O FE signal monitor pin.
14 TEC O TE signal low pass filter capacitor connection pin.
15 TE O TE signal monitor pin. (Not used)
16 RFMON O RF internal signal monitor pin. (Not used)
17 JITTC – Jitter detection capacitor connection pin.
18 ADAVDD – Servo A/D, D/A supply pin.
19 ADAVSS – Servo A/D, D/A ground pin. (Connected to 0V)
20 TDO O Tracking control output pin. D/A output.
21 FDO O Focus control output pin. D/A output.
22 SPDO O Spindle control output pin. D/A output.
23 SLDO O Sled control output pin. D/A output.
24 GPDAC O Servo D/A general purpose output pin. (Not used)
25 CONT4-DRVMUTE I/O General purpose input/output pin 4. (Used as a CD driver mute pin)
26 CONT5 I/O General purpose input/output pin 5. (Not used)
27 SBCK/CONT6-SWIL I/O Sub-code read clock input pin / General purpose input/output pin 6.
(Used as a CD pickup inside limit switch pin)
28 SBCK/FG I Sub-code read clock input pin / FG signal input pin/external emphasis setting pin.
Set to command pin function. (Connected to 0V)
29 DEFECT O Defect pin. (Not used)
30 V/P O Rough servo/phase control automatic switching monitor output pin.
"H" for rough servo and "L" for phase servo. (Not used)
Synchronization signal detection output pin.
31 FSEQ O Outputs a high level when the synchronization signal detected from the EFM signal and the
internally generated synchronization signal agree. (Not used)
32 ~ 36 MONI1 ~ MONI5 O Internal signal monitor pin 1 ~ 5. (Not used)
37 VSS – Digital ground pin. (Connected to 0V)
38 VDD – Digital power supply pin.
39 DOUT O Digital OUT output pin.
40 TEST I Test input pin. (Connected to 0V)
Pin No. Pin Name I/O Description
http://www.xiaoyu163.com
http://www.xiaoyu163.com

-65-
IC DESCRIPTION -1/2 (IC, LC78646E) -2/2
41 LVDD – Left channel power supply pin.
42 LCHO O Left channel output pin.
43 LVSS – Left channel ground pin. (Connected to 0V)
44 RVSS – Right channel ground pin. (Connected to 0V)
45 RCHO O Right channel output pin.
46 RVDD – Right channel power supply pin.
47 XVDD – Crystal oscillator power supply pin.
48 XOUT O Connections for a 16.9344MHz crystal oscillator pin.
49 XIN I
50 FSX/16MIN I/O 7.35kHz synchronization signal output pin / DF, DAC external clock input pin. (Not used)
51 XVSS – Crystal oscillator ground pin. (Connected to 0V)
52 C2F O C2 flag output pin. (Not used)
53 EFLG O C1, C2 error correction monitor pin. (Not used)
54 16MOUT O 16.9344MHz output pin. (Not used)
55 ASLRCK I Left/Right clock input pin during anti-shock mode. (Connected to 0V)
56 ASDACK I Bit clock input pin during anti-shock mode. (Connected to 0V)
57 ASDFIN I Left/Right channel data input pin during anti-shock mode. (Connected to 0V)
58 LRSY O Left/Right clock output pin. (Not used)
59 DATACK O Bit clock output pin. (Not used)
60 DATA O Left/Right channel data output pin. (Not used)
61 CE I Chip enable signal input pin.
62 CL I Data transfer clock input pin.
63 DI I Data input pin.
64 DO O Data output pin. (Nch open drain output)
65 WRQ O Interruption signal output pin.
66 RES I Reset input pin. This pin must be set low briefly after power is first applied.
67 DRF O Focus ON detect pin.
68 VDD5 – Microprocessor interface power supply pin.
69 VSS – Digital ground pin. (Connected to 0V)
70 ~ 72 CONT3 ~ CONT1 I/O General purpose input/output pin 3 ~ 1.
73 PDO1 O Phase comparison output pin 1 to control built-in VCO.
74 PDO2 O Phase comparison output pin 2 to control built-in VCO.
75 VVSS – Built-in VCO ground pin. (Connected to 0V)
76 PCKIST I Resistor connection pin to set current for PDO1 and PDO2 outputs.
77 VVDD – Built-in VCO power supply pin.
78 FR I Resistor connection pin to set the frequency range of built-in VCO.
79 LDS I Laser power detection signal input pin.
80 LDD O Laser power control signal output pin.
Pin No. Pin Name I/O Description
http://www.xiaoyu163.com
http://www.xiaoyu163.com

-66-
IC DESCRIPTION -2/2 (IC, LC876764A - 5Z85) -1/2
Pin No.
1
2
3
4
5
6
7
8
9
10
11
12
13
14
15
16
17
18
19
20
21
22
23
24
25,26
27
28
29
30-40
41-45
46
47-50
51
52-62
63-65
66
67
68
69
70
71
72
73
74
75,76
77
78
79
80
81
82
PinName
O-CD DATA
NC
O-CD DRAWER OPEN
O-CD DRAWER CLOSE
O-PLL CE/O-CLK
O-PLL CLK/I-SEL
O-PLL DATA/O-DATA
I-RDS DATA
NC
O-CLKSFT
I-RESET
I-TUSIG
NC
VSS1
CF1
CF2
VDD1
I-_HOLD
NC
I-_STEREO
I-_TUNE/IFC
I-ENC VOL
I-ENC TRE
I-ENC BASS
I-KEY2,I-KEY1
I-TMBASE
I-RDS CLK
I-REM
G11-G1
P20-P16
VDD3
P15-P12
FIX0
P11-P1
NC
I-TU SEL1
I-TU SEL2
I-TU SEL3
NC
I-ECO OFF
NC
VDD4
I-EX
I-HOME
I-D2,I-D1
I-O/C
I-FWD
I-RVS
O-CD1_LED
O-CD2_LED
O-CD3_LED
I/O
O
−
O
O
O
I/O
O
I
−
O
I
I
I
−
I
O
−
I
I
I
I
I
I
I
I
I
I
I
O
O
−
O
−
O
−
I
I
I
−
I
−
−
I
I
I
I
I
I
O
O
O
Description
CD IC control data output.
Not use.
CD DRAWER open signal output.
CD DRAWER close signal output.
PLL IC control chip enable output. Rewrite clock output.
PLL IC control clock output. Rewrite select WRITE/_NO.
PLL IC control data output. Rewrite data output.
RDS data input.
Not use.
MICON clock shift output.
Reset input.
TUNER _SD detect input.
Not use.
GND.
9.43MHz oscillator circuit.
Power supply input.
Power failure detection input.
Not use.
TUNER stereo detect input.
Tune IF count serial data input.
Rotary encorder VOLUME input.
Rotary encorder TREBLE input.
Rotary encorder BASS input.
KEY input.
Reference clock input for watch.
RDS clock input.
System remote control signal input.
FL grid output G11-G1.
FL segment output P20-P16.
Power supply input.
FL segment output P15-P12.
GND.
FL segment output P11-P1.
Not use.
Tuner Relect Rignal input.
Not use.
Not use.
Not use.
Initial ECO OFF/_ON.
Not use.
Power supply input.
CD MECHA CARRIAGE DET SW input.
CD MECHA CARRIAGE DET SW input.
CD DISC NUMBER DET SW input.
CD DRAWER O/C SW input.
CD DRAWER FORWORD SW input.
CD DRAWER REVERSE SW input.
DISC1 LED output.
DISC2 LED output.
DISC3 LED output.
http://www.xiaoyu163.com
http://www.xiaoyu163.com

-67-
IC DESCRIPTION -2/2 (IC, LC876764A-5Z85) -2/2
PinName
NC
O-TU ON
O-FUNC CLK
O-FUNC DATA
O-POWER
VSS2
VDD2
O-MUTE
O-_L MUTE
O-_STBY
O-CA_OPEN
O-CA_CLOSE
I-CD DRF
I-CD WRQ
I-CD SUBQ
O-CD CE
O-CD CLK
I/O
−
O
O
O
O
−
−
O
O
O
O
O
I
I
I
O
O
Description
Not use.
TUNER ON/_OFF control output.
FUNCTION IC control clock output.
FUNCTION IC control data output.
System power supply ON/_OFF output.
GND.
Power supply input.
Audio mute ON/_OFF control output.
Line mute _ON/OFF control output.
STAND BY LED _ON/OFF control output.
CD CARRIAGE open signal output.
CD CARRIAGE close signal output.
Detect CD RF level input.
Stand-by for CD sub-code Q input.
CD IC data input.
CD IC control chip enable output.
CD IC control clock output.
Pin No.
83,84
85
86
87
88
89
90
91
92
93
94
95
96
97
98
99
100
http://www.xiaoyu163.com
http://www.xiaoyu163.com

UNIT-NAME ! C REF-NO PARTS-NO PARTS-NAME SUFFIX&MODEL
-69-
! = ! SAFTY PARTS
C = Components marked
All components used on this model at the production line are shown in this service manual.
However, please note that not all components will be available as spare parts for after-sales service.
Components marked S and O are designated as spare parts for service and will be stocked at the spare parts centers.
Components marked X and R are not designated as spare parts for after sales service, and will not be stocked at the spare parts centers.
CX-SLEC10 CX-SLEC10 CX-SLEC12
USM UCSM UCSM
X MC1001 8C-CL3-009-010 WINDOW ASSY,DISP a b .
X MC1001 8C-CL3-042-010 WINDOW ASSY,DISP UC EC12 . . c
X MC1001a 8C-CL3-010-010 WINDOW,DISP a b .
X MC1001a 8C-CL3-041-010 WINDOW,DISP UC EC12 . . c
X MC1001b 8C-CL3-210-010 SH,ADH WINDOW a b c
X MC1002 8C-CL4-008-010 KNOB,RTRY BT a b c
O MC1003 87-B00-048-010 BADGE,AIWA 27.5 ABS SIL ND063 a b c
O MC1004 8C-CL4-010-010 REFLECTOR,POWER a b c
O MC1005 8C-CL4-009-010 KEY,POWER a b c
X MC1006 8C-CL3-215-110 TUBE,COVER LED a b c
X MC1007 8C-CL3-021-010 PANEL,FR a b c
X MC1008 8C-CL3-613-110 PWB,KEY a b c
X MC1009 8C-CL3-602-010 FL,HNA-11SM26 a b c
X MC1010 8C-CL3-203-010 GUIDE,FL a b c
X MC1011 8C-CL3-612-110 PWB,FL a b c
X MC1012 8C-CL3-040-010 KEY ASSY,EJECT a b c
O MC1012a 8C-CL3-022-010 REFLECTOR,EJECT 1 a b c
O MC1012b 8C-CL3-023-010 REFLECTOR,EJECT 2 a b c
O MC1012c 8C-CL3-024-010 REFLECTOR,EJECT 3 a b c
O MC1012d 8C-CL3-012-010 KEY,EJECT a b c
CX-SLEC10 CX-SLEC10 CX-SLEC12
USM UCSM UCSM
O MC1013 8C-CL3-011-110 KEY,PLAY a b c
X MC1014 M8-CZK-590-070 CMCJ0129 a b c
X MC1015 8C-CL3-013-010 KEY,FUNC a b c
O MC1016 8C-CL3-030-010 CABI,FR U a b c
X MC1017 8B-NF9-204-010 CUSH, 11-8.5-2 a b c
X MC1018 8C-CL4-007-010 KNOB,RTRY VOL a b c
X MC1019 8C-CL3-008-010 PANEL,TRAY CD a b c
X MC1020 8C-CL3-201-010 CHAS,MAIN a b c
X MC1021 87-064-080-010 BINDER,WIRE a b c
X MC1022 8C-CL3-216-010 CUSH, 25-10-5 a b c
O MC1023 87-A91-422-010 BUSHING,AC CORD(U) a b c
! O MC1024 8Z-JBH-618-010 AC CORD,US BLK a b c
X MC1025 8C-CL3-209-110 HT-SINK,SUB B a b c
X MC1026 A8-CZA-396-030 CZA-3 UM a b c
X MC1027 8C-CL3-611-110 PWB,MAIN a b c
X MC1028 8C-CL3-202-010 CHAS,PT a b c
X MC1029 8C-CL3-044-010 PANEL,SIDE L U W/O HOLE a b c
X MC1030 8C-CL3-045-010 PANEL,SIDE R U W/O HOLE a b c
X MC1031 8C-CL3-620-110 PWB,PT 3M a b c
X MC1032 8C-CL3-212-010 HLDR,FFC a b c
CX-SLEC10 CX-SLEC10 CX-SLEC12
USM UCSM UCSM
X MC1033 8C-CL3-204-010 HLDR,PWB PT a b c
X MC1034 8C-CL3-614-110 PWB,AMP 4M a b c
X MC1035 8C-CL3-208-010 HT-SINK,SUB A a b c
X MC1036 8C-CL3-205-010 HT-SINK ASSY,MAIN a b c
X MC1036a 8C-CL3-207-010 HT-SINK,FIN a b c
X MC1036b 8C-CL3-206-010 HT-SINK,MAIN a b c
O MC1037 8C-CL3-003-010 CABI,REAR U a b c
X MC1038 8C-CL3-027-010 PANEL,TOP U a b c
O MC1039 8C-CL3-641-010 CONN ASSY,6P V PH a b c
O MC1040 8C-CL3-643-010 CONN ASSY,8P V EH a b c
O MC1041 8C-CL3-642-010 CONN ASSY,4P V EH a b c
O MC1042 8C-CL3-038-010 TAG ASSY,TRAY a b c
X MC1042 8C-CL3-014-010 SH,FL a b c
X MC1042a 8C-CL3-036-010 TAG,TRAY A a b c
X MC1042b 8C-CL3-037-010 TAG,TRAY B a b c
O MC1043 87-069-033-010 CABLE,TIE a b c
O MC1044 8C-CL3-650-010 FF-CABLE,16P 1.0 310MM CD a b c
! X MC1045 8B-NF9-661-010 PT,SUB BNF U (TAM) a b c
! O MC1046 8C-CL3-630-010 PT,U/UC CCL-3 a b c
O MC1047 8C-CL3-217-010 SH, 20-11-1.5 W/ADH a b c
CX-SLEC10 CX-SLEC10 CX-SLEC12
USM UCSM UCSM
X MC1048 88-916-201-110 FF-CABLE,16P 1.25 a b c
O MC1A 87-721-096-410 QT2+3-10 W/O SLOT a b c
O MC1B 87-721-095-410 QT2+3-8 W/O SL0T a b c
O MC1C 87-067-761-010 BVT2+3-10 BLK a b c
X MC1D 87-067-641-010 UTT2+3-8 W/O SLOT BLK a b c
O MC1E 87-B10-318-010 BVIT3C+4-8 R W/O a b c
O MC1G 87-B10-315-010 BVIT3B+3-8 R W/O a b c
O MC1H 87-067-703-010 BVT2+3-10 W/0 SL0T a b c
O MC1I 87-B10-071-010 BVT2+3-16 W/O SLOT BLK a b c
MECHANICAL PARTS LIST -1/1 http://www.xiaoyu163.com
http://www.xiaoyu163.com

-70-
COLOR NAME TABLE -1/1
Basic color symbol Color Basic color symbol Color Basic color symbol Color
B Black C Cream D Orange
G Green H Gray L Blue
LT Transparent Blue N Gold P Pink
R Red S Silver ST Titan Silver
T Brown V Violet W White
WT Transparent White Y Yellow YT Transparent Yellow
LM Metallic Blue LL Light Blue GT Transparent Green
LD Dark Blue DT Transparent Orange GM Metallic Green
YM Metallic Yellow DM Metallic Orange PT Transparent Pink
LA Aqua Blue GL Light Green HT Transparent Gray
HM Metallic Gray NH Champagne Gold M Wood Pattern
http://www.xiaoyu163.com
http://www.xiaoyu163.com

! = ! SAFTY PARTS
C = Components marked
All components used on this model at the production line are shown in this service manual.
However, please note that not all components will be available as spare parts for after-sales service.
Components marked S and O are designated as spare parts for service and will be stocked at the spare parts centers.
Components marked X and R are not designated as spare parts for after sales service, and will not be stocked at the spare parts centers.
UNIT-NAME ! C REF-NO PARTS-NO PARTS-NAME SUFFIX&MODEL
-72-
CD MECHANISM PARTS LIST -1/1 (CMCJ0129)
CMCJ0129
00
O SC1001 S4-509-332-410 ASS'Y HOLDER L a
O SC1002 S4-509-342-440 ASS'Y GEAR STAR a
O SC1003 SG-SL2-0B2-006 SCREW a
O SC1004 S4-526-432-780 DRAWER 2 a
O SC1005 SG-SL1-0B2-006 SCREW a
O SC1006 S4-509-344-670 ASS'Y CRG A201 a
O SC1007 S4-509-344-660 ASS'Y CRG A101 a
X SC1008 S4-507-241-710 LEAD WIRE a
X SC1009 S4-509-344-710 ASS'Y PWB C3 a
X SC1010 S4-521-941-270 SPACER SW a
X SC1011 S4-506-341-360 CUSHION a
O SC1012 SG-ST1-5A2-005 SCREW a
O SC1013 S4-509-344-680 ASS'Y CRG A301 a
O SC1014 S4-521-931-880 ARM SLIDER L a
O SC1015 87-761-073-410 L SCREW a
O SC1016 S4-509-343-580 ASS'Y CLAMPER SO 2 a
O SC1017 S4-521-931-870 ARM SLIDER R a
O SC1018 S4-509-342-430 ASS'Y GEAR DRIVE a
O SC1019 S4-509-332-960 ASS'Y HOLDER R3B a
O SC1020 S4-522-242-140 BEVEL GEAR 4 a
CMCJ0129
00
O SC1021 87-741-073-410 SCREW a
X SC1022 S4-511-231-540 COVER 2 a
O SC1023 S4-509-344-410 ASS'Y MOTOR CRG C a
X SC1024 S4-509-344-690 ASS'Y PWB A4 a
O SC1025 S4-509-344-420 ASS'Y MOTOR DRW C a
O SC1026 SG-SP1-4A2-604 SCREW a
O SC1027 S4-516-041-740 PLATE SPRING a
X SC1028 S4-525-931-750 SLIDER 4 a
O SC1029 S4-509-332-400 ASS'Y SLIDER 2 a
O SC1030 S4-522-240-510 GEAR IDLER C a
O SC1031 S4-522-241-280 GEAR IDLER A2 a
O SC1032 80-ZM6-216-010 WASHER,1.5X4.5X0.25 a
O SC1033 S4-522-940-520 PULLEY A a
O SC1034 S0-208-342-150 BELT a
O SC1035 S0-208-342-140 BELT a
O SC1036 S4-523-940-650 ARM STOPPER B a
O SC1037 S4-525-921-850 SLIDER 1 a
O SC1038 S0-108-246-470 SPRING a
O SC1039 S4-523-942-790 ARM STOPPER A2 a
O SC1040 S0-108-246-430 SPRING a
CMCJ0129
00
O SC1041 S4-506-341-150 RUBBER CUSION a
O SC1042 S4-525-932-890 LEVER 2 a
O SC1043 S4-525-930-250 LIFTER a
O SC1044 S0-108-045-410 SPRING a
X SC1045 S4-507-241-720 LEAD WIRE a
O SC1046 S4-522-241-770 BEVEL GEAR 3 a
O SC1047 SG-WN3-1X1-200 WASHER a
O SC1048 S4-522-240-580 PULLEY C a
O SC1049 S4-522-241-760 GEAR IDLER 1 a
O SC1050 S4-522-240-210 GEAR SPLINE a
X SC1051 S4-530-041-730 SHAFT a
O SC1052 S4-522-240-590 BEVEL GEAR 1 a
X SC1053 S4-509-344-700 ASS'Y PWB B3 a
O SC1054 S0-330-044-390 WASHER a
O SC1055 SP-BE1-701-400 BUSH B a
X SC1056 S4-506-332-020 INSULATOR a
X SC1057 S4-506-332-010 INSULATOR a
O SC1058 M8-CZK-790-070 KSM-213VSCM a
O SC1059 S4-509-342-560 ASS'Y CHASSIS a
http://www.xiaoyu163.com
http://www.xiaoyu163.com

-73-
SPEAKER DISASSEMBLY INSTRUCTIONS -1/1
Insert a flat-bladed screwdriver into the position indicated by the
arrows and remove the panel. Remove the screws of each speaker unit
andthen remove the speaker units.
Remove the grill frame and four pieces of rubber caps by pulling out
with a flat-bladed screwdriver. Remove the screws from hold where
installed rubber caps. Insert a flat-bladed screwdriver into the position
indicated by the arrows and remove the panel. Remove the screws of
each speaker unit and then remove the speaker units.
Insert a flat-bladed screwdriver into the position indicated by the
arrows and remove the panel. Turn the speaker unit to
counterclockwise direction while inserting a flat-bladed screwdriver
into one of the hollows arround speaker unit, and then remove the
speaker unit. After replacing the speaker unit, install it turnning to
clockwise direction unitil "click" sound comes out.
Type.1
Type.3
Type.2
TOOLS
1 Plastic head hammer
2 (-) flat head screwdriver
3 Cut chisel
How to Remove the PANEL, FR
1. Insert the (-) flat head screwdriver tip into the gap between the
PANEL, FR and the PANEL, SPKR. Tap the head of the (-)
flat head screwdriver with the plastic hammer head, and create
the clearance as shown in Fig-1.
2. Insert the cut chisel in the clearance, and tap the head of the
cut chisel with plastic hammer as shown in Fig-2, to remove
the PANEL, FR.
3. Place the speaker horizontally. Tap head of the cut chisel
with plastic hammer as shown in Fig-3, and remove the
PANEL, FR completely.
Type.4
Fig-1 Fig-2
Fig-3
How to Attach the PANEL, FR
Attach the PANEL, FR to the PANEL, SPKR. Tap the four
corners of the PANEL, FR with the plastic hammer to fit the
PANEL, FR into the PANEL, SPKR completely.
http://www.xiaoyu163.com
http://www.xiaoyu163.com

UNIT-NAME ! C REF-NO PARTS-NO PARTS-NAME SUFFIX&MODEL
-74-
! = ! SAFTY PARTS
C = Components marked
All components used on this model at the production line are shown in this service manual.
However, please note that not all components will be available as spare parts for after-sales service.
Components marked S and O are designated as spare parts for service and will be stocked at the spare parts centers.
Components marked X and R are not designated as spare parts for after sales service, and will not be stocked at the spare parts centers.
SPEAKER PARTS LIST -1/1
SX-SLEC10 SX-SLEC12
YJBN YJMN
O SP1001 8A-CJ5-415-010 TERMINAL, . b
O SP1002 8B-CP5-610-010 CORD,SPKR a b
X SP1003 8B-CPX-001-010 TUBE,40 a b
O SP1004 8B-CPX-004-010 GRILLE,FRAME ASSY . b
X SP1005 8B-CPX-005-010 GRILLE,FRAME . b
X SP1006 8B-CPX-006-010 NET, . b
X SP1007 8B-CPX-009-010 CUSHION,FELT . b
X SP1008 8B-CPX-016-010 BADGE,AIWA 27.5 . b
O SP1009 8B-CPZ-604-010 SPKR, TW 25 a .
O SP1010 8C-CP2-007-010 TERMINAL, a .
X SP1011 8C-CP3-001-010 LBL,SPEC YJ a .
X SP1012 8C-CP3-002-010 CABI,B a .
O SP1013 8C-CP3-003-010 GRILLE,FRAME ASSY a .
X SP1014 8C-CP3-004-010 GRILLE,FRAME a .
X SP1015 8C-CP3-005-010 NET, a .
X SP1016 8C-CP3-006-010 BADGE,AIWA 27.5 B a .
O SP1017 8C-CP3-602-010 SPKR, W 100 25/2 a .
O SP1018 8C-CP4-001-010 RING,W . b
O SP1019 8C-CP4-002-010 RING,TW . b
X SP1020 8C-CP4-007-010 LBL,SPEC LEC12 . b
SX-SLEC10 SX-SLEC12
YJBN YJMN
O SP1021 8C-CP4-602-010 SPKR, W 120 25/2 . b
O SP1022 8C-CP4-604-010 SPKR, T 25 25/2 . b
X SP1023 8C-CP4-003-010 CABI,M . b
X SP1024 8C-CP4-851-010 CUSHION,ASSY-TTT . b
http://www.xiaoyu163.com
http://www.xiaoyu163.com

UNIT-NAME ! C REF-NO PARTS-NO PARTS-NAME SUFFIX&MODEL
-75-
! = ! SAFTY PARTS
C = Components marked
All components used on this model at the production line are shown in this service manual.
However, please note that not all components will be available as spare parts for after-sales service.
Components marked S and O are designated as spare parts for service and will be stocked at the spare parts centers.
Components marked X and R are not designated as spare parts for after sales service, and will not be stocked at the spare parts centers.
OTHERS PARTS LIST -1/1 (CX-SLEC10)
CX-SLEC10 CX-SLEC10 CX-SLEC12
USM UCSM UCSM
X 84-711-909-010 LBL DATE CODE a b c
X 87-B40-282-010 LBL,BAR-CODE AU 35X8 a b c
X 8C-CL3-015-110 LBL,SPEC U a . .
X 87-B40-096-010 BAG,PV 0.025-570-700 PL a b c
X 8C-CL3-851-010 CUSHION,FRONT M a b c
X 8C-CL3-852-010 CUSHION,REAR M a b c
X 93-324-066-010 SH,FOAMED-MAT 0.31-500-300 a b c
X 87-B40-085-010 BAG,PV 0.04-200-350 PL a b c
X 8A-NF8-972-010 LBL,POP ENG a b c
X 8C-CL3-970-010 LBL,POP U a b c
X 87-B40-034-010 LBL,USA 1-800 a b c
X 8C-CL3-031-110 LBL,SPEC UC . b .
X 8C-CL3-043-110 LBL,SPEC UC EC12 . . c
http://www.xiaoyu163.com
http://www.xiaoyu163.com













