HCD EP315 CMT 201309185
User Manual: CMT-EP315
Open the PDF directly: View PDF
.
Page Count: 44
- COVER
- TABLE OF CONTENTS
- 1. SERVICING NOTES
- 2. GENERAL
- 3. DISASSEMBLY
- 4. MECHANICAL ADJUSTMENTS
- 5. ELECTRICAL ADJUSTMENTS
- 6. DIAGRAMS
- 6-1. Block Diagram
- 6-2. Printed Wiring Board – CD Section –
- 6-3. Schematic Diagram – CD Section –
- 6-4. Printed Wiring Board – MAIN Section (COMPONENT SIDE) –
- 6-5. Printed Wiring Board – MAIN Section (CONDUCTOR SIDE) –
- 6-6. Schematic Diagram – MAIN Section –
- 6-7. Printed Wiring Board – CONTROL Section (COMPONENT SIDE) –
- 6-8. Printed Wiring Board – CONTROL Section (CONDUCTOR SIDE) –
- 6-9. Schematic Diagram – CONTROL Section –
- 6-10. Printed Wiring Board – POWER Section –
- 6-11. Schematic Diagram – POWER Section –
- 6-12. IC Pin Function Description
- 7. EXPLODED VIEWS
- 8. ELECTRICAL PARTS LIST
- REVISION HISTORY

HCD-EP315
AEP Model
SERVICE MANUAL
MICRO HI-FI COMPONENT SYSTEM
Sony Corporation
Home Audio Company
Published by Sony Engineering Corporation
9-877-443-03
2003H16-1
© 2003.08
HCD-EP315 is the Amplifier, CD player, Tape
Deck and Tuner section in CMT-EP315.
SPECIFICATIONS
Ver 1.2 2003. 08
Model Name Using Similar Mechanism HCD-EP313
CD CD Mechanism Type KSM-213EDP
Section Base Unit Name BU-K7BD44B
Optical Pick-up Name KSS-213E/C2N
TAPE Model Name Using Similar Mechanism HCD-EP313
Section Tape Transport Mechanism Type ADR2080FR4
Amplifier section
DIN power output (rated): 7 + 7 W
(6 ohms at 1 kHz, DIN)
Continuous RMS power output (reference):
10 + 10 W
(6 ohms at 1 kHz, 10%
THD)
Music power output (reference):
20 + 20 W
Inputs
MD IN (phono jacks):
Sensitivity 500 mV,
impedance 47 kilohms
Outputs
PHONES (stereo minijack):
Accepts headphones with
an impedance of 8 ohms or
more
SPEAKER: Accepts impedance of 6 to
16 ohms.
CD player section
System Compact disc and digital
audio system
LaserSemiconductor laser
(
λ
=780 nm)
Emission duration:
continuous
Frequency response 2 Hz – 20 kHz (±0.5 dB)
Tape deck section
Recording system 4-track 2-channel stereo
Frequency response 50 – 13,000 Hz (±3 dB),
using Sony TYPE I
cassettes
Tuner section
FM stereo, FM/AM superheterodyne tuner
FM tuner section
Tuning range 87.5 – 108.0 MHz (50-kHz
step)
Antenna FM lead antenna
Antenna terminals 75 ohms balanced
Intermediate frequency 10.7 MHz
AM tuner section
Tuning range 531 – 1,602 kHz
(with the tuning interval
set at 9 kHz)
Antenna AM loop antenna, external
antenna terminal
Intermediate frequency 450 kHz
General
Power requirements 230 V AC, 50/60 Hz
Power consumption 32 watts
0.3 watts (in the standby
mode)
Dimensions (w/h/d) Approx. 148 ×233 × 208
mm
Mass Approx. 2.9 kg
Supplied accessories Remote (1)
R6 (size AA) batteries (2)
AM loop antenna (1)
FM lead antenna (1)
Design and specifications are subject to change
without notice.
http://www.xiaoyu163.com
http://www.xiaoyu163.com

2
HCD-EP315
TABLE OF CONTENTS
1. SERVICING NOTES ······················································· 3
2. GENERAL ·········································································· 5
3. DISASSEMBLY
3-1. Rear Cabinet ··································································· 7
3-2. CD Cabinet Section ························································ 8
3-3. Front Panel Section ························································· 8
3-4. CONTROL Board, BACK LIGHT Board ······················ 9
3-5. Tape Mechanism Deck (ADR2080FR4) ························· 9
3-6. Cassette Door Assy ······················································· 10
3-7. MAIN Board, POWER Board ······································ 10
3-8. CD Mechanism Deck (KSM-213EDP)························· 11
3-9. Optical Pick-up (KSS-213E/C2N) ································ 11
4. MECHANICAL ADJUSTMENTS ····························· 12
5. ELECTRICAL ADJUSTMENTS ······························· 13
6. DIAGRAMS ······································································ 16
6-1. Block Diagram ······························································ 17
6-2. Printed Wiring Board – CD Section – ························· 18
6-3. Schematic Diagram – CD Section – ···························· 19
6-4. Printed Wiring Board – MAIN Section
(COMPONENT SIDE) – ······· 20
6-5. Printed Wiring Board – MAIN Section
(CONDUCTOR SIDE) – ······· 21
6-6. Schematic Diagram – MAIN Section – ······················· 22
6-7. Printed Wiring Board – CONTROL Section
(COMPONENT SIDE) – ······· 23
6-8. Printed Wiring Board – CONTROL Section
(CONDUCTOR SIDE) – ······· 24
6-9. Schematic Diagram – CONTROL Section – ··············· 25
6-10. Printed Wiring Board – POWER Section – ··············· 26
6-11. Schematic Diagram – POWER Section – ·················· 27
6-12. IC Pin Function Description ······································· 30
SAFETY-RELATED COMPONENT WARNING!!
COMPONENTS IDENTIFIED BY MARK 0 OR DOTTED LINE WITH
MARK 0 ON THE SCHEMATIC DIAGRAMS AND IN THE PARTS
LIST ARE CRITICAL TO SAFE OPERATION. REPLACE THESE
COMPONENTS WITH SONY PARTS WHOSE PART NUMBERS
APPEAR AS SHOWN IN THIS MANUAL OR IN SUPPLEMENTS
PUBLISHED BY SONY.
7. EXPLODED VIEWS
7-1. Overall Section ····························································· 32
7-2. Front Panel Section ······················································· 33
7-3. CD Cabinet Section ······················································ 34
7-4. Optical Pick-up Block (KSM-213EDP) ······················· 35
8. ELECTRICAL PARTS LIST ······································· 36
http://www.xiaoyu163.com
http://www.xiaoyu163.com

3
HCD-EP315
SECTION 1
SERVICING NOTES
CAUTION
Use of controls or adjustments or performance of procedures
other than those specified herein may result in hazardous
radiation exposure.
This appliance is classified as a CLASS 1 LASER product.
The CLASS 1 LASER PRODUCT MARKING is located on
the exterior.
Laser component in this product is capable of emitting radiation
exceeding the limit for Class 1.
The laser diode in the optical pick-up block may suffer electrostatic
break-down because of the potential difference generated by the
charged electrostatic load, etc. on clothing and the human body.
During repair, pay attention to electrostatic break-down and also
use the procedure in the printed matter which is included in the
repair parts.
The flexible board is easily damaged and should be handled with
care.
NOTES ON LASER DIODE EMISSION CHECK
The laser beam on this model is concentrated so as to be focused on
the disc reflective surface by the objective lens in the optical pick-
up block. Therefore, when checking the laser diode emission,
observe from more than 30 cm away from the objective lens.
LASER DIODE AND FOCUS SEARCH OPERATION
CHECK
Carry out the “S curve check” in “CD section adjustment” and check
that the S curve waveforms is output three times.
NOTES ON HANDLING THE OPTICAL PICK-UP
BLOCK OR BASE UNIT
Notes on chip component replacement
•Never reuse a disconnected chip component.
•Notice that the minus side of a tantalum capacitor may be dam-
aged by heat.
Flexible Circuit Board Repairing
•Keep the temperature of the soldering iron around 270 ˚C during
repairing.
•Do not touch the soldering iron on the same conductor of the
circuit board (within 3 times).
•Be careful not to apply force on the conductor when soldering or
unsoldering.
http://www.xiaoyu163.com
http://www.xiaoyu163.com

5
HCD-EP315
SECTION 2
GENERAL This section is extracted
from instruction manual.
Main unit
BASS/TREBLE 5 (12)
Cassette compartment qa
DISPLAY wd (9, 14)
Display window 2
DSG 4 (12)
MD 6 (15)
PHONES jack qk
PLAY MODE qj (6, 7)
PRESET +/– 8 (9)
Remote sensor 1
TUNER BAND 7 (8, 9)
TUNING +/– 0 (8, 9)
VOLUME 9 (13)
?/1 (power) wa (5, 9, 13)
m/M (fast forward/rewind)
0 (6)
./> (go back/go forward)
8 (5, 6, 7, 12, 13)
x (stop) ql (6, 7, 11, 17)
X (pause) w; (6)
CD N (play) ws (6, 7, 11)
Z PUSH OPEN/CLOSE (open/
close) 3 (6)
TAPE
m/M (fast forward/rewind)
qf (10)
xZ (stop/eject) qd (10, 11)
X (pause) qs (10, 11)
N (play) qg (10)
z (record) qh (11)
List of button locations and reference pages
How to use this page
Use this page to find the location of buttons and other
parts of the system that are mentioned in the text.
Ill
us
t
ra
ti
on num
b
er
r
DISPLAY wd (9, 14)
RR
Name of button/part Reference page
ALPHABETICAL ORDER
A – M P – Z
BUTTON DESCRIPTIONS
12 3
4
5
6
7
8
9
q;
qa
q
s
q
d
q
f
q
g
q
h
qj
qk
ql
w;
wa
ws
wd
http://www.xiaoyu163.com
http://www.xiaoyu163.com

6
HCD-EP315
1
Press ?/1 to turn on the system.
2
Press CLOCK/TIMER SET.
3
Press ./> repeatedly to set the
hour.
4
Press CLOCK/TIMER SET.
5
Press ./> repeatedly to set the
minute.
6
Press CLOCK/TIMER SET.
The clock starts working.
To adjust the clock
1
Press CLOCK/TIMER SET.
2
Press ./> to select the clock display,
then press CLOCK/TIMER SET.
3
Do the same procedures as step 3 to 6
above.
Setting the clock
Remote control
BASS +/– 0 (12)
CLEAR 8 (8, 9)
CLOCK/TIMER SELECT w;
(13)
CLOCK/TIMER SET wa (5, 13)
DISPLAY 2 (9, 14)
DSG qa (12)
MD qk (15)
PLAY MODE/DIRECTION qd
(6, 7)
PRESET +/– 5 (9)
REPEAT/FM MODE qf (7, 9)
SLEEP ql (12)
TREBLE +/– 9 (12)
TUNER BAND qh (8, 9)
TUNER MEMORY qs (8)
TUNING +/– 6 (8, 9)
VOL +/– 7 (13)
?/1 (power) 1 (5, 9, 13)
m/M (fast forward/rewind)
6 (6)
./> (go back/go forward)
5 (5, 6, 7, 13)
x (stop) 4 (6, 7, 11, 17)
X (pause) 3 (6)
CD N (play) qj (6, 7, 11)
TAPE nN qg (10)
ALPHABETICAL ORDER
A – M P – Z
BUTTON DESCRIPTIONS
1
wa
w;
ql
qk
qj
qh
qg
qf
qd
qs
qa
2
3
4
5
6
7
8
9
0
http://www.xiaoyu163.com
http://www.xiaoyu163.com

7
HCD-EP315
SECTION 3
DISASSEMBLY
Note: Follow the disassembly procedure in the numerical order given.
• This set can be disassembled in the order shown below.
3-1. Rear Cabinet
REAR CABINET
CD MECHANISM DECK
(KSM-213EDP)
OPTICAL PICK-UP
(KSS-213E/C2N)
TAPE MECHANISM DECK
(ADR2080FR4)
CONTROL BOARD,
BACK LIGHT BOARD
MAIN BOARD,
POWER BOARD
CASSETTE DOOR ASSY
SET
CD CABINET SECTION
FRONT PANEL SECTION
3
five screws
(+BVTP 3
×
8)
1
two screws
(+BVTP 3
×
8
)
5
four screws
(+KTP 3
×
12)
4
four screws
(+KTP 3
×
12)
6
rear cabinet
2
three screws
(+BTP 3
×
8)
http://www.xiaoyu163.com
http://www.xiaoyu163.com

8
HCD-EP315
3-2. CD Cabinet Section
3-3. Front Panel Section
1
screw
(+BVTP 3
×
8)
6
connector
2p (CN101)
7
CD cabinet section
2
w
ire (flat type)
21p (CN101)
3
two claws
4
two claws
5
2
two claws
1
two screws
(+BVTP 3
×
10
)
3
screw
(+BTP 3
×
8)
5
connector
7p (CN502)
4
connector 30p
(CN202) (board to board)
6
connector
8p (CN501)
7
8
front panel section
http://www.xiaoyu163.com
http://www.xiaoyu163.com

9
HCD-EP315
3-4. CONTROL Board, BACK LIGHT Board
3-5. Tape Mechanism Deck (ADR2080FR4)
1
volume knob
5
CONTROL board
3
nine screws
(+BVTP 3
×
8)
2
screw
(+BVTP 3
×
10)
4
w
ire (flat type)
21p (CN301)
6
two claws
7
connector
2p (CN305)
8
BACK LIGHT
board
3
two screws
(+BVTP 3
×
10)
2
screw
(+BVTP 3
×
10)
4
tape mechanism deck
(ADR2080FR4)
1
Open the cassette door.
http://www.xiaoyu163.com
http://www.xiaoyu163.com

11
HCD-EP315
2
two screws
(+PWH 2.6
×
10)
9
screw
(+P 2
×
5)
7
two cushion
rubbers
8
four remove soldrings.
6
two cushion
rubbers
3
two screws
(+PWH 2.6
×
10)
1
CD deck cover
4
three claws
5
panel CD
qa
CD board
qs
CD mechanism deck
(KSM-213EDP)
q;
w
ire (flat type)
16p (CN102)
2
gear (A)
1
claw
5
sled shaft
6
optical pick-up
(KSS-213E/C2N)
4
3
3-8. CD Mechanism Deck (KSM-213EDP)
3-9. Optical Pick-up (KSS-213E/C2N)
http://www.xiaoyu163.com
http://www.xiaoyu163.com

12
HCD-EP315
2.94 – 7.84 mN • m
(30 to 79 g • cm)
(0.42 – 1.11 oz • inch)
0.15 – 0.59 mN • m
(2 to 6 g • cm)
(0.03 – 0.08 oz • inch)
0.15 – 0.59 mN • m
(2 to 6 g • cm)
(0.03 – 0.08 oz • inch)
0.15 – 0.59 mN • m
(2 to 6 g • cm)
(0.03 – 0.08 oz • inch)
6.86 – 17.64 mN • m
(70 to 179 g • cm)
(0.98 – 2.49 oz • inch)
9.8 mN • m or more
(100 g • cm or more)
(1.4 oz • inch or more)
9.8 mN • m or more
(100 g • cm or more)
(1.4 oz • inch or more)
CQ-102C
CQ-102C
CQ-102RC
CQ-102RC
CQ-201B
CQ-403A
CQ-403R
Precaution
1. Clean the following parts with a denatured alcohol-moistened
swab:
record/playback heads pinch rollers
erase head rubber belts
capstan idlers
2. Demagnetize the record/playback head with a head demag-
netizer.
3. Do not use a magnetized screwdriver for the adjustments.
4. After the adjustments, apply suitable locking compound to the
parts adjusted.
5. The adjustments should be performed with the rated power
supply voltage unless otherwise noted.
Torque Measurement
Mode
FWD
FWD
back tension
REV
REV
back tension
FF/REW
FWD tension
REV tension
Torque meter Meter reading
SECTION 4
MECHANICAL ADJUSTMENTS
http://www.xiaoyu163.com
http://www.xiaoyu163.com

13
HCD-EP315
SECTION 5
ELECTRICAL ADJUSTMENTS
[Record/Playback Head Azimuth Adjustment]
Procedure:
1. Mode : Playback
2. Turn the adjustment screw and check output peaks. If the peaks
do not match for L-CH and R-CH, turn the adjustment screw
so that outputs match within 1 dB of peak.
test tape
P-4-A100
(10kHz, –10dB) MAIN board
J203
speaker terminal
level meter
set +
–
L-CH
peak
R-CH
peak
screw
position
output
level within
1 dB
L-CH
peak
R-CH
peak
screw
position
within 1dB
Signal Used forTape
P-4-A100
WS-48B
10 kHz, –10 dB
3 kHz, 0 dB
Azimuth Adjustment
Tape Speed Adjustment
DECK SECTION 0 dB=0.775V
1. Demagnetize the record/playback head with a head demagnetizer.
2. Do not use a magnetized screwdriver for the adjustments.
3. After the adjustments, apply suitable locking compound to the
parts adjusted.
4. The adjustments should be performed with the rated power
supply voltage unless otherwise noted.
5. The adjustments should be performed in the order given in this
service manual. (As a general rule, playback circuit adjustment
should be completed before performing recording circuit
adjustment.)
6. The adjustments should be performed for both L-CH and R-
CH.
7. Switches and controls should be set as follows unless otherwise
specified.
4. After the adjustments, apply suitable locking compound to the
parts adjusted.
Adjustment Location: Record/Playback/Erase Head
[Tape Speed Check]
Procedure:
1. Turn the power on.
2. Insert the WS-48B into deck.
3. Press the Nbutton of deck.
4. Check the reading of frequency counter becomes 3000 ± 90 Hz.
Sample Value of Wow and flutter
W.RMS (JIS) less than 0.3%
(test tape: WS-48B)
3. Mode: Playback
test tape
P-4-A100
(10kHz, –10dB)
oscilloscope
set
Waveform of oscilloscope
in phase 45
°
90
°
135
°
180
°
good wrong
MAIN board
J203
speaker terminal
L
R
Adjustment Location: Record/Playback Head.
Note: Refer to “3-6. Cassette Door Assy” (see page 10
)
adjustment screw
http://www.xiaoyu163.com
http://www.xiaoyu163.com

14
HCD-EP315
RFDC signal waveform
Checking Location: CD board (Conductor side)
RFAC Level Check
Connection:
Procedure:
1. Connect an oscilloscope to test point TP (RFAC) and TP (VC)
on the CD board.
2. Turn the power on.
3. Put the disc (YEDS-18) in to playback the number five track.
4. Confirm that oscilloscope waveform is clear and check RFAC
signal level is correct or not.
Note: A clear RFAC signal waveform means that the shape “◊” can be
clearly distinguished at the center of the waveform.
RFAC signal waveform
Checking Location: CD board (Conductor side)
CD SECTION
Note:
1. CD Block is basically designed to operate without adjustment. There-
fore, check each item in order given.
2. Use YEDS-18 disc (3-702-101-01) unless otherwise indicated.
3. Use an oscilloscope with more than 10MΩ impedance.
4. Clean the object lens by an applicator with neutral detergent when the
signal level is low than specified value with the following checks.
S-curve Check
Connection:
Procedure:
1. Connect an oscilloscope to test point TP (FE) and TP (DVC)
on the CD board.
2. Turn the power on.
3. Put the disc (YEDS-18) in and turned power switch on again
and actuate the focus search. (actuate the focus search when
disc table is moving in and out)
4. Check the oscilloscope waveform (S-curve) is symmetrical
between A and B. And confirm peak to peak level within 2 ± 1
Vp-p.
S-curve waveform
Note: •Try to measure several times to make sure than the ratio of A : B
or B : A is more than 10 : 7.
•Take sweep time as long as possible and light up the
brightness to obtain best waveform.
Checking Location: CD board (Conductor side)
RFDC Level Check
Connection:
Procedure:
1. Connect an oscilloscope to test point TP (RFDC) and TP (DVC)
on the CD board.
2. Turn the power on.
3. Put the disc (YEDS-18) in to playback the number five track.
4. Confirm that oscilloscope waveform is clear and check RFDC
signal level is correct or not.
Note: A clear RFDC signal waveform means that the shape “◊” can be
clearly distinguished at the center of the waveform.
+
–
CD board
TP (FE)
TP (DVC)
oscilloscope
A
B
symmetry
within 2
±
1 Vp-p
+
–
CD board
TP (RFDC)
TP (DVC)
oscilloscope
VOLT/DIV: 200 mV
TIME/DIV: 500 ns
level: 0.7
±
0.2 Vp-p
+
–
CD board
TP (RFAC)
TP (VC)
oscilloscope
VOLT/DIV: 200 mV
TIME/DIV: 500 ns
level: 0.9
±
0.4 Vp-p
http://www.xiaoyu163.com
http://www.xiaoyu163.com

1515
HCD-EP315
E-F Balance Check
Connection:
Procedure:
1. Connect an oscilloscpe to test point TP (TE) and TP (DVC) on
the CD board.
2. AC is put in pushing CD Nbutton.
3. FL tube carries out all lights and goes into CD test mode.
4. Put the disc (YEDS-18) in to playback the number five track.
5. Press the CD Nbutton. (The tracking servo and the sledding
servo are turned OFF)
6. Check the level B of the oscilliscope's waveform and the A
(DC voltage) of the center of the Traverse waveform.
Confirm the following :
A/B x 100 = less than ± 22%
Traverse Waveform
7. Press the CD Nbutton. (The tracking servo and sledding
servo are turned ON)
Confirm the C (DC voltage) is almost equal to the A (DC
voltage) is step 4.
8. To exit from this mode, turn the power off.
Notes: •Always move the optical pick-up to most inside track when
exiting from this mode. Otherwise, a disc will not be unloaded.
•Do not run the sled motor excessively, otherwise the gear can
be chipped.
Traverse Waveform
Checking Location: CD board (Conductor side)
+
–
CD board
TP (TE)
TP (DVC)
oscilloscope
0V
B
level: 1.15
±
0.5 Vp-p
Center of
the waveform
A (DC
voltage)
0V
Tracking servo
Sled servo
ON
C (DC
voltage)
Tracking servo
Sled servo
OFF
Checking Location:
– CD BOARD (Conductor Side) –
TP (VC)
TP (FE)
TP (TE) TP
(RFDC)
TP
(DVC)
TP
(RFAC)
IC103
IC101
http://www.xiaoyu163.com
http://www.xiaoyu163.com

1616
HCD-EP315 SECTION 6
DIAGRAMS
• Circuit Boards Location
THIS NOTE IS COMMON FOR PRINTED WIRING
BOARDS AND SCHEMATIC DIAGRAMS.
(In addition to this, the necessary note is printed
in each block.)
For schematic diagrams.
Note:
•All capacitors are in µF unless otherwise noted. pF: µµF
50 WV or less are not indicated except for electrolytics
and tantalums.
•All resistors are in Ω and 1/4 W or less unless otherwise
specified.
•f: internal component.
•2: nonflammable resistor.
•1: fusible resistor.
•C: panel designation.
For printed wiring boards.
Note:
•X: parts extracted from the component side.
•Y: parts extracted from the conductor side.
•f: internal component.
•: Pattern from the side which enables seeing.
•A: B+ Line.
•B: B– Line.
•Voltages are taken with a VOM (Input impedance 10 MΩ).
Voltage variations may be noted due to normal produc-
tion tolerances.
•Waveforms are taken with a oscilloscope.
Voltage variations may be noted due to normal produc-
tion tolerances.
•Circled numbers refer to waveforms.
•Abbreviation
CND : Canadian model
•Signal path.
F: TUNER (FM)
J: CD
d: MD
E: PB (TAPE)
a: REC (TAPE)
•Waveforms
– CD Board –
1.1Vp-p
1 IC103 qg (RFAC)
(CD Play Mode)
2 IC101 el (FE)
(CD Play Mode)
200mV/DIV,
1
µ
s
/DIV
50mV/DIV,
200
µ
s
/DIV
100mV/DIV,
200
µ
s
/DIV
1V/DIV,
20ns
/DIV
200mVp-p
250mVp-p
3 IC101 ra (TE)
(CD Play Mode)
4 IC101 yj (XTAO)
5.4Vp-p
59ns
6
IC301 732kHz OUT
1V/DIV,
10
µ
s
/DIV
5V/DIV,
10 ms
/DIV
5
IC301 0 8.6MHz OUT
10Vp-p
20
m
s
2.4Vp-p
30
µ
s
7 Q453,Q454
collector
(Rec mode)
5V/DIV,
5
µ
s
/DIV
10Vp-p
10
µ
s
– CONTROL Board – – MAIN Board –
•Indication of transistor
C
B
These are omitted.
E
Q
B
These are omitted.
CE
MAIN board
CONTROL board
BACK LIGHT board
TRANSFORMER board
CD board
Note: The components identified by mark 0 or dotted line
with mark 0 are critical for safety.
Replace only with part number specified.
http://www.xiaoyu163.com
http://www.xiaoyu163.com

1717
HCD-EP315
6-1. Block Diagram
: TUNER (FM)
: CD
• Signal Path
• RCH is omitted due to same as L-CH.
: MD
: PB (TAPE)
: REC (TAPE)
R-CH
+VM
ERASE
HEAD
REC/PB
HEAD
DECK BLOCK
REC/PB
SWITCH
DATA
79
PLL CLK
78
PLL CE
27
SYSTEM CONTROLLER
IC301
IFC
75
L
R
MD
J201
MUTE CONT
Q403
J202
PHONES
R CH
L
R
FUCTION
KEY
REMOTE
CONTROL
RECEIVER
IC303
S302,304,306
S308,310-312
LED302-307
(BACK RIGHT)
TUNER UNIT
L-CH
R-CH R-CH
D OUT
D IN
CLK
CE
TUNED
R-CH
TUNED
76
Q504-511
L451
BIAS
Q450,451
MECHA BLOCK
MOTOR
DRIVE
Q501,502
BIAS
53
XT1
6
XT2
7
X301
32.768kHz
X IN
19
X OUT
10
X302
8.64MHz
MUTE
Q401
22
DSG Q601
23
RMC
FUCTION
KEY
S301,303,305,307
S309,313,314
16
KEY2
55
BK LED
31
RESET
SWITCH
Q302
5
RESET RESET
IC302
21
59
POWER DOWN
D901-904
RELAY
DRIVE
AC
IN
PT902
SUB TRANS
POWER
CONTROL
Q404,405
Q200 RY901
17
KEY1
REG
Q701
+10V +VM
PB/REC EQ AMP
IC601
AUX L
19 18
OUT L
TU L
23
TAPE L
2
CD L
21
16
OUT R R-CH
13
CONT
28
REC OUT
TU MUTE
49
STEREO
74
STEREO
MUTE
R-CH
DECK
MOTOR
DECK1
50
MOTOR
52
CD DATA
80
OPEN
CLOSE
CD OPEN/CLOSE
POWER AMP
IC204
R CH
J203
SPEAKER
SEG0
SEG20
61
63
COM0
COM2
LIQUID CRYSTAL
DISPLAY
LCD301
VOL
ENCODER
S315
13
VOL ENC
+5V
REG
Q303,304
µCON +B
VM
D301
LINE
FILTER
L901
V ECO
PT901
POWER
TRANS
+7V
REG
Q402
CD +7V
+VM
REG
IC200
+VM
AC
DET
Q206
HOLD
Q205
OPTICAL PICK-UP
BLOCK
(KSM-213EDP)
A
B
C
D
E
F
LD
VC
+5V
GND
PD
VR
LD
DRIVE
FOCUS
COIL
TRACKING
COIL
Q101
RF AMP
IC103
VC
27
A
6
B
7
C
8
D
9
E
10
F
11
LD
1
PD
2
MOTOR/COIL DRIVE
IC102
CH1RO
13
CH1FO
14
CH2RO
11
CH2FO
12
CH3RO
18
CH3FO
17
M
M101
SLED
MOTOR
CH4RO
16
CH4FO
15
M
M102
SPINDLE
MOTOR
F+
F-
T-
T+
3
CH1RI
2
CH1FI
6
CH2RI
5
CH2FI
23
CH3RI
24
CH3FI
25
CH4INS
20
MUTE
MDP
26
SFDR
28
SRDR
29
TRDR
31
TFDR
30
FRDR
33
FFDR
32
DIGITAL SERVO
IC101
RFDC
43
17
FEI
28
RFDCO
16
FE
18
TE
29
RFDCI
12
SW
FE
39
TE
41
SE
40
72
L OUT
75
R OUT
5
DATA
R-CH
7
CLOK
6
XLAT
2
SQCK
9
SCLK
20
SCOR
1
SQSO
27
SSTP
66
XTAI
67
XTAO
3
XRST
S101
LIMIT
IN SW
X101
16.9344MHz
8
SENS
RFAC
51
15
RFAC
+3.3V
REG
Q102,D101
+3.3V +5.5V
M
REC
PLAY
DECK
POWER
BIAS
OSC
Q453
Q454
P CONT
Q702 TU ON
71
DECK3
58
DECK2
51
CD CLK
1
LATCH
70
C SQCK
72
SCOR
20
SQSO
2
SENS
73
XRST
69
PWM1
3
PWM2
65
PWM3
68
LDON
4
T SW
18
12
HOLD
71
CD ON
24
38
41
46
.
LED
DRIVE
Q301
56STBY LED LED
DRIVE
Q306 LED301
ECO LED
D306
D305
14MUTE
48AMP STBY
8
L OUT +
STBY
5
L IN
4
9
L OUT -
MUTE
6
D211
31
IC800
D201-204
IC601 VSS
D213
D212
D206
D205
POWER AMP
VCC
+5.5V
REG
Q406
CD +5.5V
21
POWER
V ECO
http://www.xiaoyu163.com
http://www.xiaoyu163.com

1818
HCD-EP315
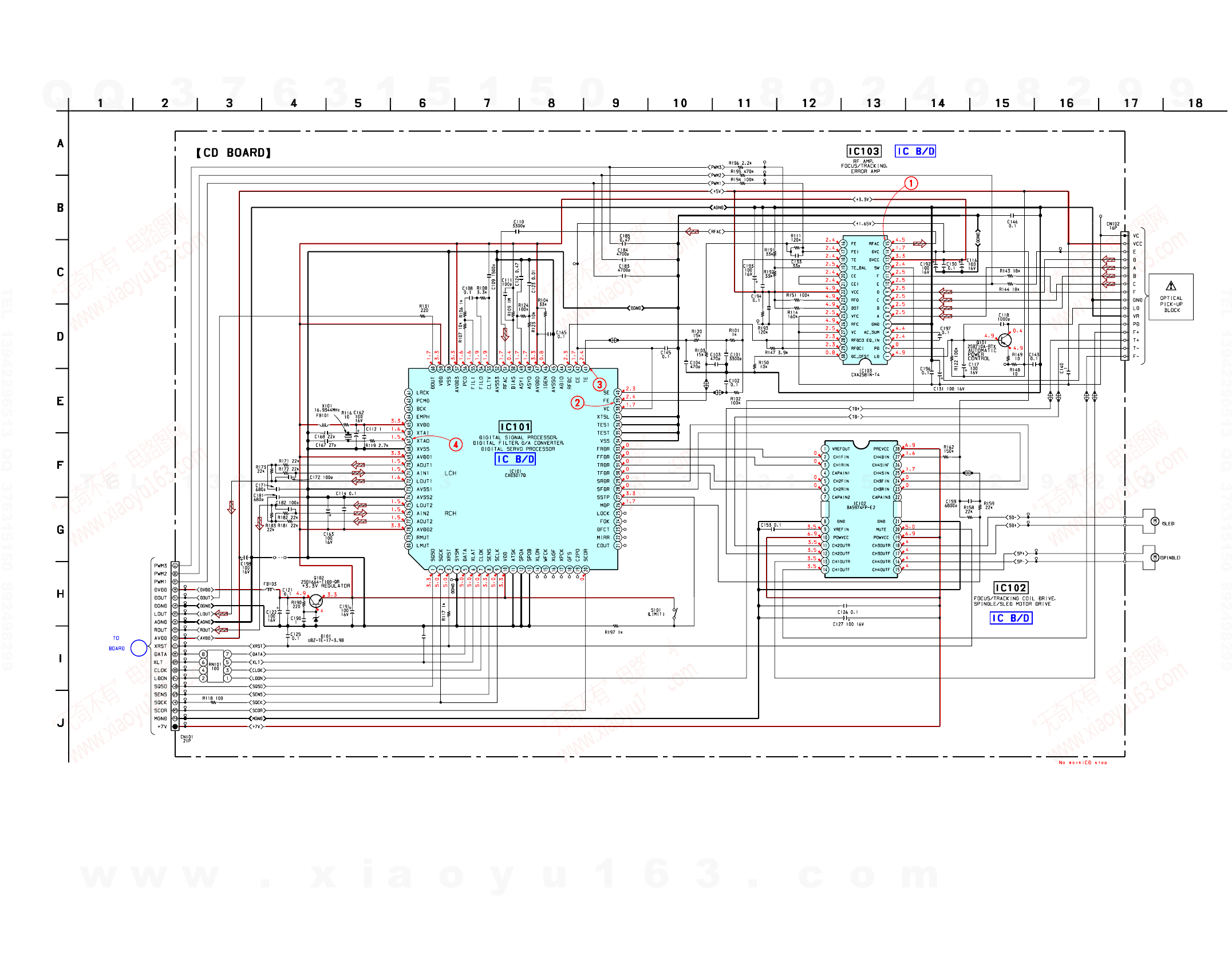
6-2. Printed Wiring Board – CD Section –
Ref. No. Location
D101 F-5
IC101 E-4
IC102 C-5
IC103 D-2
Q101 C-2
Q102 G-5
• Semiconductor
Location
• See page 16 for Circuit Boards Location.
IC102
IC101
IC103
TP (VC)
TP (RFAC)
TP (DVC)
CN301
(Page 23)
1-680-849-
B
M101
TP(RF)
M102
KSS-213E/C2N
12
A
B
C
D
E
F
G
345678
CONTROL
http://www.xiaoyu163.com
http://www.xiaoyu163.com

2020
HCD-EP315
6-4. Printed Wiring Board – MAIN Section (COMPONENT SIDE) – • See page 16 for Circuit Boards Location.
IC800
IC204
IC200
TO
DECK BLOCK
(HEAD)
J202
PHONES
TO
DECK BLOCK
(MOTOR)
J203
SPEAKER
IMPEDANCE
USE 6-16Ω
J201
MD
L
R
(TO TUNER UNIT)
ANTENNA
TO
(CD DOOR)
1
2
4
5
9
11
10
8
76 3
1-688-567
MAIN BOARD
(COMPONENT SIDE)
L
R
C
TO
TRANSFORMER
BOARD
CN901
(Page 26)
A
TO CONTROL
BOARD
CN302
(Page 23)
12
A
E
D
C
B
F
G
H
3456 8
7910
Ref. No. Location
D200 H-4
D201 H-6
D202 G-7
D203 H-6
D204 G-7
D205 G-6
D206 G-7
D207 F-6
D209 C-2
D210 C-2
D211 E-6
D212 H-6
D213 H-6
D403 F-6
D404 F-6
D405 F-5
D501 C-7
D602 C-5
D603 C-5
D801 F-4
D802 D-9
D803 F-3
D804 D-8
IC200 G-6
IC204 H-4
IC800 F-4
Q205 C-4
Q206 B-4
Q402 F-6
Q404 F-6
Q405 F-6
Q406 F-5
Q451 D-6
Q453 D-7
Q454 D-7
Q502 F-6
• Semiconductor
Location
http://www.xiaoyu163.com
http://www.xiaoyu163.com

2121
HCD-EP315
6-5. Printed Wiring Board – MAIN Section (CONDUCTOR SIDE) – • See page 16 for Circuit Boards Location.
IC601
(CONDUCTOR SIDE)
114
2815
MAIN BOARD
1-688-567
12
A
E
D
C
B
F
G
H
3456 8
7910
Ref. No. Location
IC601 C-5
Q200 F-7
Q400 E-4
Q401 E-4
Q403 E-3
Q450 D-7
Q501 E-7
Q504 C-7
Q505 D-7
Q506 C-7
Q507 C-7
Q508 D-7
Q509 C-6
Q510 C-7
Q702 B-6
Q801 D-8
Q802 D-8
Q804 D-8
• Semiconductor
Location
http://www.xiaoyu163.com
http://www.xiaoyu163.com

2222
HCD-EP315
6-6. Schematic Diagram – MAIN Section – • See page 16 for Waveform. • See page 29 for IC Block Diagram.
999
0
0
0
0
0
0.6
-3.3
-3.5
13.2
13.8
0
00
00-6.8
0
-3.3
0
0
2.5
0.2
0.2
-0.2
0.5
8.2
8.0
8.1
8.3
0
18.1
3.7
0
0
17.2
0
-3.5
-3.5
0
0.1
0.3
-3.5
6.8
9
17.9
0.1
0.8
-5.3
0.25.20.4
000
0
0
0
0
00
0
0
000000000000
17.9
16.4
1.0
17.1
0.1
0.7
0.5
7.5
7.5
4.9
5.5
0.9(1.3)
0.3(0.7)
8.6(2.4)
0.3
(0.7)
0.3(1.7)
9(8.4)
7
7
9(8.4)
9(2.5)
9(2.5)
8.6(2.9)
9
9.0(0)
9(8.1)
0
0(5.0)
0.1(8.9)
2.5(-0.6)
0
0
00(-23)
3.0
(-6.9)
3.0(-6.9)
3.3(-0.6)
3.0
(-6.9)
2.5(-0.6)
0(-23.1)
3.3(0)
0
3.3
(-12.2)
0
(4.9)
4.5(0)
L-CH
(REC/PB)
R-CH
(ERASE)
2SA1036K
– BIAS OSC – – BIAS –
REG
REG
TA7805S
IC200
IC601
PB/REC
EQ AMP
CN101
(CD DOOR)
ANTENNA
+
–
+
–v–
v+
+VM
REG.
MAIN BOARD
TO
CONTROL
BOARD
CN302
(Page 25)
A
TO
TRANSFORMER
BOARD
CN901
(Page 27)
C
DECK BLOCK
– REC/PLAY SWITCH –
0
SWITCH
SWITCH
Q400,401,403
MUTE
RELAY
DRIVE
0
Q205,206
AC DETECT
MUTE
MUTE
IC800 NJM4565D
IC800
HEAD PHONE
AMP
MUTE
MUTE
IC204
POWER AMP
Q701,702
TUNER
POWER
ON/OFF
SWITCH
(TO TUNER UNIT)
Q601,602
DSG SWITCH
L
R
J201
J202
MD
PHONES
J203
SPEAKER
IMPEDANCE
USE 6-16 Ω
SWITCH
Q404, 405
POWER
CONTROL
L
R
http://www.xiaoyu163.com
http://www.xiaoyu163.com

2323
HCD-EP315
6-7. Printed Wiring Board – CONTROL Section (COMPONENT SIDE) – • See page 16 for Circuit Boards Location.
IC303
X
?/1
x
m
M
.>
VOLUME
PLAY MODE
TUNER
MD CD
BASS/TRE
DSG
LIQUID CRYSTAL DISPLAY
(STANDBY)
DISPLAY
B
TO CD BOARD
CN101
(Page 18)
CONTROL BOARD (COMPONENT SIDE)
BACK LIGHT BOARD
1-688-569
1-688-568
A
TO MAIN BOARD
CN202
(Page 20)
BACK
LIGHT
12
A
E
D
C
B
3456 8
7
Ref. No. Location
D301 D-5
D302 E-6
D303 D-6
D304 E-5
D305 E-6
D306 D-7
D307 D-5
D308 E-5
IC303 B-6
Q303 D-6
• Semiconductor
Location
http://www.xiaoyu163.com
http://www.xiaoyu163.com

2424
HCD-EP315
6-8. Printed Wiring Board – CONTROL Section (CONDUCTOR SIDE) – • See page 16 for Circuit Boards Location.
IC301
IC302
1-688-569
CONTROL BOARD (CONDUCTOR SIDE)
1
20
21
40
41
60
61
80
12
A
E
D
C
B
3456 8
7
Ref. No. Location
IC301 B-4
IC302 D-5
Q301 B-3
Q302 D-4
Q304 D-6
Q305 D-6
Q306 A-7
• Semiconductor
Location
http://www.xiaoyu163.com
http://www.xiaoyu163.com

2525
HCD-EP315
6-9. Schematic Diagram – CONTROL Section – • See page 16 for Waveforms.
RESET
SWITCH
5.4
5.6
5.6
0
5.7
5.2
0.1
0
0
0.5
0.8
0.5
5.2
5.1
5.2
5.2
2.4
5.2
2.3
2.6
2.6
2.6
0
5.2
5.2
0
0.1
0
5.4
4.8
0
5.2
2.6
2.6
2.6
2.6
2.6
2.6
2.6
2.6
2.6
2.6
2.6
2.6
2.6
2.6
5.2
2.6
5.2
0
7.6
8.3
7.4 5.4
0
0.3
5.2
2.2
2.8
2.2
2.5
0
2.6
2.6
5.2
2.4
5.3
0.1
3.4
5.3
5.3
0
0
0.1
0.6
2.6
2.6
2.6
2.6
2.6
5.1
0
0
0
0
0
0
0
5.3
5.6
5.1
270
270
18P
68K / J
39K / J
68P
18P
LIQUID
CRYSTAL
DISPLAY
IC303
REMOTE
SENSOR
LED
SWITCH
LED
SWITCH
(STANDBY)
IC301
SYSTEM CONTROLLER
VOLUME
CONTROL BOARD BACK LIGHT BOARD
10UH
DISPLAY
m
x.
X>
M
TO
MAIN
BOARD
CN202
(Page 22)
A
TO
CD
BOARD
CN101
(Page 19)
B
IC302
RESET
5V REG.
I / 1
BACK LIGHT
http://www.xiaoyu163.com
http://www.xiaoyu163.com

2626
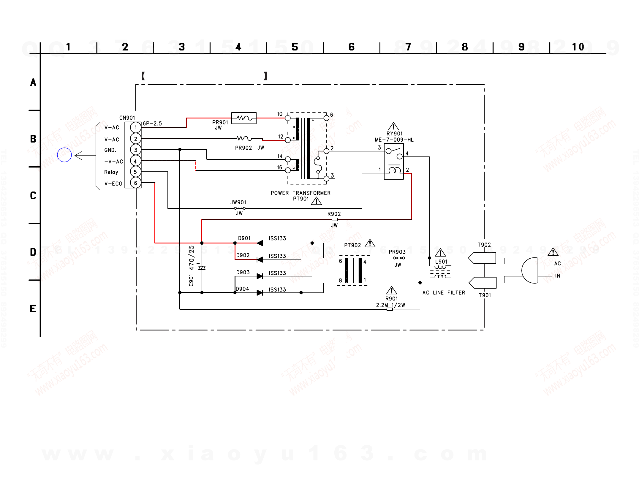
HCD-EP315
6-10. Printed Wiring Board – POWER Section – • See page 16 for Circuit Boards Location.
* : NOT REPLACEABLE
BUILT IN TRANSFORMER
SUB
POWER
TRANSFORMER
POWER
TRANSFORMER
1-688-570
AC
IN
178
1
14
59
7
C
TO MAIN
BOARD
CNA201
(Page 20)
TRANSFORMER BOARD
*
12
A
E
D
C
B
F
3456
Ref. No. Location
D901 C-3
D902 C-3
D903 C-3
D904 C-3
• Semiconductor
Location
http://www.xiaoyu163.com
http://www.xiaoyu163.com

2828
HCD-EP315
LEVEL SHIFT
INTERFACE
INTERFACE
INTERFACE
1 2 3 4 5 6 7 8 9 10 11 12 13 14
202122232425262728 19 18 17 16 15
F
R
RF F
R
RF
RR
F
F
MUTE
THERMAL
SHUTDOWN
VREFOUT
VREFIN
POWVCC
CH1FIN
CH1RIN
CH2FIN
CH2RIN
CH2OUTR
CH2OUTF
CH1OUTR
CH1OUTF
CAPAIN1
CAPAIN2
GND
PRFVCC
MUTE
POWVCC
CH4SIN'
CH4SIN
CH4BIN
CH3FIN
CH3RIN
CH3OUTR
CH3OUTF
CH4OUTR
CH4OUTF
CAPAIN3
GND
• IC Block Diagrams
IC101 CXD3017Q
IC102 BA5974FP-E2
TE
RFDC
CE
IGEN
AVSS0
ADIO
AVDD0
CLTV
FILO
AVSS3
VSS
AVDD3
DOUT
VDD
PCO
FILI
ASYO
ASYI
RFAC
BIAS
SSTP
DFCT
MIRR
MDP
LOCK
FOK
SFDR
VSS
TEST
FRDR
FE
VC
COUT
SE
XTSL
TES1
SRDR
TFDR
FFDR
TRDR
2
1
70
71
68
69
66
67
64
65
62
61
63
73
74
72
75
76
77
78
79
80
4
XRST
3
SQCK
SQSO
59
8
7
6
56
60 53
54
55
59 57
58 51
52 48
49
50 47 44
45
46 43 41
42
XLAT
CLOK
SENS
SYSM
DATA
XUGF
XPCK
GFS
C2PO
WFCK
10 11 12 13 14 15 16 17 18 19 20
21
22
23
24
25
26
32
33
30
31
36
37
34
35
39
40
38
28
27
29
SPOA
ATSK
SCLK
VDD
SCOR
SPOB
XLON
XTAI
XVDD
EMPH
AVDD1
AOUT1
AIN1
XTAO
XVSS
AIN2
AOUT2
AVDD2
RMUT
LOUT2
LOUT1
BCK
LRCK
PCMD
LMUT
AVSS1
AVSS2
CPU
INTERFACE
SERVO AUTO
SEQUENCER
SERIAL IN
INTERFACE
OVER SAMPLING
DIGITAL FILTER
3rd ORDER
NOISE SHAPER
PWM PWM
EFM
DEMODULATOR
TIMING
LOGIC
DIGITAL
OUT
D/A
INTERFACE
DIGITAL
PLL ASYMMETRY
CORRECTOR
CLOCK
GENERATOR
MIRR, DFCT,
FOK
DETECTOR
DIGITAL
CLV
SUBCODE
PROCESSOR
SERVO
INTERFACE
SERVO DSP
FOCUS
SERVO
TRACKING
SERVO
SLED
SERVO
PWM GENERATOR
FOCUS PWM
GENERATOR
TRACKING
PWM GENERATOR
SLED PWM
GENERATOR
16K
RAM
ERROR
CORRECTOR
INTERNAL BUS
A/D
CONVERTER
OPERATIONAL
AMPLIFIER
ANALOG SWITCH
– CD Board –
IC103 CXA2581N-T4
RW/ROM
RW/ROM
EQ ON/OFF
VOFST
VOFST
DVC
VC
VC
VC
RW/ROM
VC
DVC
30
29
28
+
–
+
–
DVC
VCC
DVC
27
26
25
24
RW/ROM
EQ
23
22
21
20
19
RFAC
VCA
VCC
+
–
DVC
+
–
+
–
RW/ROM
VC
RW/ROM
DVC
+
–
3
A
B
C
D
B
C
A
A
A
B
C
D
BCD D
+
–
1
2APC AMP
5
6
7
8
9
4RFAC
SUMMING
AMP
RW/ROM
APC-OFF
(Hi-Z)
RW/ROM
(H/L)
VOFST
VC
RW/ROM
+
–
10
11
GM
GM
18
17
16
B
D
A
C
13
14
15
12
EQ IN
LD
PD
GND
A
B
C
D
AC SUM
E
F
DVCC
DVC
RFAC
SW
DC OFST
RFDCI
RFDCO
VC
RFC
VFC
BST
RFG
VCC
CEI
CE
TE BAL
TE
FEI
FE
http://www.xiaoyu163.com
http://www.xiaoyu163.com

29
HCD-EP315
REC-O_L
REC-O_R
TUNER-R
TUNER-L
CD-L
AUX-L
OUT-L
OUT-R
TON_L-L
TON_L-R
AUX-R
CD-R
VSS
TON_H-R
TON_H-L
TAPE-L
TAPE-R
IC601 BD3881FV
– MAIN Board –
IC204 LA4636
1
DC
2
IN1
3
PRE GND
4
IN2
5
STBY
MUTE
6
VCC
7 8
–OUT2
+OUT2
PWR GND
+OUT1
–OUT1
911
10 12
+–+–
INPUT
AMP INPUT
AMP
OUTPUT
AMP OUTPUT
AMP
http://www.xiaoyu163.com
http://www.xiaoyu163.com

30
HCD-EP315
6-12. IC Pin Function Description
• IC301 LC877140A (SYSTEM CONTROLLER)
Pin No.
1
2
3
4
5
6
7
8
9
10
11
12
13
14
15
16
17
18
19
20
21
22
23
24 to 38
39
40
41 to 46
47
48
49
50
51
52
53
54
55
56
57
58
59
60
61
62
63
64
65
66
67
68
69
I/O
O
I
O
O
I
I
O
—
I
O
—
I
I
O
I
I
I
I
O
I
O
O
I
O
—
—
O
—
O
O
I
I
O
O
O
O
O
O
I
I
—
O
O
O
—
O
—
—
O
O
Pin Name
O-CLOCK
I-SQSO
O-PWM1
O-LDON
I-RESET
32KHz IN
32KHz OUT
VSS1
8.64MHz IN
8.64MHz OUT
VDD1 +5V
I-HOLD
I-VOL
O-MUTE
I-SUFFIX
I-KEY2
I-KEY1
I-CDTSW
O-CLKSHIFT
I-SCOR
O-POWER
O-DSG
I-RMC
SEGMENT 0 to 14
VDD2 +5V
GND
SEGMENT 15 to 20
NC
AMP STBY
O-TUMUTE
I-DECK1
I-DECK2
O-MOTOR
O-BIAS
TU-ON
O-BKLED
O-STBYLED
O-KSCAN
I-DECK3
I-POWERDOWN
NC
COM0/PL0
COM1/PL1
COM2/PL2
NC
PWM2
VSS3
VDD3 +5V
O-PWM3
O-XRST
Description
Clock output to the CD unit
SUB-Q data input from the CD unit
PWM1 signal output to the CD unit
LD ON signal output to the CD unit
Reset signal input from the reset IC (IC302)
Resonator terminal (32.768kHz)
Resonator terminal (32.768kHz)
Ground terminal
Resonator terminal (8.64MHz)
Resonator terminal (8.64MHz)
Power supply terminal
Voltage detection signal input
Volume signal input from the encoder
Muting signal output
Model setting input terminal
Key input 2
Key input 1
CD door open/close switch signal input
Clock shift control signal output
SCOR signal input from the CD unit
Power relay control signal output
DSG signal output
Remote sensor signal input from the IC303
Segment signal output to the liquid crystal display module
Power supply terminal
Ground terminal
Segment signal output to the liquid crystal display module
Not used (open)
Standby control signal output to the power amplifier
Muting signal output to the tuner
Tape switch status signal input from the tape deck
Tape switch status signal input from the tape deck
Motor control signal output to the tape deck
Bias control signal output to the bias oscillation circuit
Tuner power supply control signal output
Back light control signal output
STANDBY LED control signal output
Not used (open)
Tape switch status signal input from the tape deck
Power down detection signal input
Not used (open)
Common signal output to the liquid crystal display module
Common signal output to the liquid crystal display module
Common signal output to the liquid crystal display module
Not used (open)
PWM2 signal output to the CD unit
Ground terminal
Power supply terminal
PWM3 signal output to the CD unit
Reset signal output to the CD unit
http://www.xiaoyu163.com
http://www.xiaoyu163.com

31
HCD-EP315
Pin No.
70
71
72
73
74
75
76
77
78
79
80
I/O
O
O
O
I
I
I
I
O
O
O
O
Pin Name
O-XLAT
O-CDON
O-SQCK
I-SENS
I-STEREO
I-IFC
I-TUNE
O-PLLCE
O-PLLCLK
O-MADATA
O-DATA
Description
Latch signal output to the CD unit
CD power supply control signal output
SUBQ clock output to the CD unit
SENS signal input from the CD unit
Stereo/mono detection signal input from the tuner
Data input from the tuner
Tuner tuned status signal input
Tuner chip enable signal output to the tuner
Clock signal output to the tuner
Data output to the tuner
Data output to the CD unit
http://www.xiaoyu163.com
http://www.xiaoyu163.com

SECTION 7
EXPLODED VIEWS
NOTE:
•-XX, -X mean standardized parts, so they may
have some differences from the original one.
•Items marked “*” are not stocked since they
are seldom required for routine service. Some
delay should be anticipated when ordering these
items.
•The mechanical parts with no reference number
in the exploded views are not supplied. The components identified by mark 0 or
dotted line with mark 0 are critical for safety.
Replace only with part number specified.
32
HCD-EP315
7-1. Overall Section
not
supplied
#3
#2
#1
#1
#2
#2
#5
#2
Front panel section
CD cabinet section
#1
#1
#4
#2
#2
#2
#5
8
T901
not
supplied
23
4
5
10
not
supplied
not
supplied
not
supplied
not
supplied
not
supplied
not
supplied
not
supplied
Ver 1.2 2003. 08
Ref. No. Part No. Description Remark Ref. No. Part No. Description Remark
2A-4732-945-A MAIN BOARD, COMPLETE
31-693-622-11 TUNER UNIT
44-251-533-01 COVER, CD DECK
54-245-240-01 CABINET,REAR
081-555-795-00 CORD, POWER
10 1-688-570-11 TRANSFORMER BOARD
0T901 1-439-657-11 TRANSFORMER, POWER
#1 7-685-248-14 SCREW +KTP 3X12 TYPE2 NON-SLIT
#2 7-685-646-14 SCREW +BVTP 3X8 TYPE2 N-S
#3 7-685-661-79 SCREW +BVTP 4X12 TYPE2 SLIT
#4 7-685-647-14 SCREW +BVTP 3X10 TYPE2 N-S
#5 7-685-546-14 SCREW +BTP 3X8 TYPE2 N-S
http://www.xiaoyu163.com
http://www.xiaoyu163.com

33
HCD-EP315
Ref. No. Part No. Description Remark Ref. No. Part No. Description Remark
7-2. Front Panel Section
51
53
54
57
58
59
60
61
63
64
65
67
68
69
70
55
#2
#5
#4
#4
#4
56
not
supplied
not
supplied
not
supplied
not
supplied
51 A-4740-923-A DOOR CASSETTE ASSY
53 4-245-244-01 HOLDER,CASSETTE
54 4-238-631-01 TAPE SPRING
55 4-245-239-01 CABINET,FRONT
56 4-244-787-01 KNOB (VOLUME)
57 4-245-253-01 PLATE,FUNCTION
58 4-245-245-01 WINDOW,DISPLAY
59 4-242-318-01 OIL-DMPR, 70
60 4-245-249-01 BUTTON,DISPLAY
61 4-245-247-01 BUTTON,FUNCTION
63 4-245-248-01 BUTTON,CD
64 4-245-250-01 BUTTON,BASS
65 4-245-251-01 BUTTON,ENTER
67 4-245-252-01 BUTTON, CASSETTE
68 1-796-689-11 DECK MECHANICAL
69 A-4732-942-A CONTROL BOARD, COMPLETE
70 1-688-568-11 BACK LIGHT BOARD
#2 7-685-646-14 SCREW +BVTP 3X8 TYPE2 N-S
#4 7-685-647-14 SCREW +BVTP 3X10 TYPE2 N-S
#5 7-685-546-14 SCREW +BTP 3X8 TYPE2 N-S
Ver 1.2 2003. 08
http://www.xiaoyu163.com
http://www.xiaoyu163.com

34
HCD-EP315
7-3. CD Cabinet Section
101
111
not supplied
104
105
106
115
115
110
#6
112
113
114
S800
KSM-213EDP
115
115
not supplied
not supplied
not supplied
not supplied
not supplied
not supplied
101 A-4740-924-A DOOR CD ASSY
104 4-242-171-01 DAMPER 150 N
105 4-247-493-01 PANEL, CD
106 1-757-055-11 WIRE, PARALLEL (FFC) (16 CORE)
110 A-4728-536-A CD BOARD, COMPLETE
111 4-246-193-01 HOLDER, CHUCK A
112 4-246-191-01 PLATE, MAGNET
113 4-249-238-01 MAGNET (18-30-5)
114 4-246-192-01 BASE, CHUCK N
115 3-921-725-11 SCREW (2.6X10), +PWH
S800 1-692-960-11 SW, PUSH 1-1-1
#6 7-621-255-32 SCREW +P 2X5
Ref. No. Part No. Description Remarks Ref. No. Part No. Description Remarks
Ver 1.2 2003. 08
http://www.xiaoyu163.com
http://www.xiaoyu163.com

35
HCD-EP315
7-4. Optical Pick-up Block (KSM-213EDP)
604
Ref. No. Part No. Description Remarks
The components identified by mark 0 or dotted
line with mark 0 are critical for safety.
Replace only with part number specified.
Ver 1.1 2003. 07
0604 8-820-221-01 OPTICAL PICK-UP KSM-213EDP
http://www.xiaoyu163.com
http://www.xiaoyu163.com

SECTION 8
ELECTRICAL PARTS LIST
36
HCD-EP315
NOTE:
•Due to standardization, replacements in the
parts list may be different from the parts
specified in the diagrams or the components
used on the set.
•-XX, -X mean standardized parts, so they may
have some difference from the original one.
•Items marked “*” are not stocked since they
are seldom required for routine service. Some
delay should be anticipated when ordering these
items.
•CAPACITORS:
uF: µF
•RESISTORS
All resistors are in ohms.
METAL: metal-film resistor
METAL OXIDE: Metal Oxide-film resistor
F: nonflammable
•COILS
uH: µH The components identified by mark 0 or
dotted line with mark 0 are critical for safety.
Replace only with part number specified.
•SEMICONDUCTORS
In each case, u: µ, for example:
uA...: µA... , uPA... , µPA... ,
uPB... , µPB... , uPC... , µPC... ,
uPD..., µPD...
When indicating parts by reference number,
please include the board name.
Ref. No. Part No. Description Remarks Ref. No. Part No. Description Remarks
1-688-568-11 BACK LIGHT BOARD
****************
4-245-258-01 HOLDER,LED
< LED >
LED302 8-719-051-17 DIODE SLR-342DCT31
LED303 8-719-051-17 DIODE SLR-342DCT31
LED304 8-719-051-17 DIODE SLR-342DCT31
LED305 8-719-051-17 DIODE SLR-342DCT31
LED306 8-719-051-17 DIODE SLR-342DCT31
LED307 8-719-051-17 DIODE SLR-342DCT31
************************************************************
A-4728-536-A CD BOARD, COMPLETE
*******************
< CAPACITOR >
C101 1-162-967-11 CERAMIC CHIP 0.0033uF 10% 50V
C102 1-107-826-11 CERAMIC CHIP 0.1uF 10.00% 16V
C103 1-162-962-11 CERAMIC CHIP 470PF 10% 50V
C104 1-162-962-11 CERAMIC CHIP 470PF 10% 50V
C108 1-107-826-11 CERAMIC CHIP 0.1uF 10.00% 16V
C109 1-162-965-11 CERAMIC CHIP 0.0015uF 10% 50V
C110 1-162-967-11 CERAMIC CHIP 0.0033uF 10% 50V
C111 1-162-927-11 CERAMIC CHIP 100PF 5% 50V
C112 1-115-156-11 CERAMIC CHIP 1uF 10V
C114 1-164-360-11 CERAMIC CHIP 0.1uF 16V
C116 1-126-382-11 ELECT 100uF 20.00% 16V
C117 1-126-382-11 ELECT 100uF 20.00% 16V
C118 1-162-964-11 CERAMIC CHIP 0.001uF 10% 50V
C121 1-164-360-11 CERAMIC CHIP 0.1uF 16V
C122 1-126-933-11 ELECT 100uF 20.00% 16V
C123 1-162-970-11 CERAMIC CHIP 0.01uF 10% 25V
C124 1-125-891-11 CERAMIC CHIP 0.47uF 10.00% 10V
C125 1-164-360-11 CERAMIC CHIP 0.1uF 16V
C126 1-164-360-11 CERAMIC CHIP 0.1uF 16V
C127 1-126-382-11 ELECT 100uF 20.00% 16V
C130 1-164-360-11 CERAMIC CHIP 0.1uF 16V
C131 1-126-933-11 ELECT 100uF 20.00% 16V
C133 1-162-921-11 CERAMIC CHIP 33PF 5% 50V
C140 1-115-156-11 CERAMIC CHIP 1uF 10V
C143 1-164-360-11 CERAMIC CHIP 0.1uF 16V
C145 1-164-360-11 CERAMIC CHIP 0.1uF 16V
C146 1-107-826-11 CERAMIC CHIP 0.1uF 10.00% 16V
C150 1-107-826-11 CERAMIC CHIP 0.1uF 10.00% 16V
C153 1-164-360-11 CERAMIC CHIP 0.1uF 16V
C159 1-162-969-11 CERAMIC CHIP 0.0068uF 10% 25V
C162 1-126-382-11 ELECT 100uF 20.00% 16V
C163 1-126-933-11 ELECT 100uF 20.00% 16V
C165 1-164-360-11 CERAMIC CHIP 0.1uF 16V
C167 1-162-920-11 CERAMIC CHIP 27PF 5% 50V
C168 1-162-919-11 CERAMIC CHIP 22PF 5% 50V
C171 1-115-412-11 CERAMIC CHIP 680PF 5.00% 25V
C172 1-162-927-11 CERAMIC CHIP 100PF 5% 50V
C181 1-115-412-11 CERAMIC CHIP 680PF 5.00% 25V
C182 1-162-927-11 CERAMIC CHIP 100PF 5% 50V
C183 1-162-968-11 CERAMIC CHIP 0.0047uF 10% 50V
C184 1-162-968-11 CERAMIC CHIP 0.0047uF 10% 50V
C185 1-125-891-11 CERAMIC CHIP 0.47uF 10.00% 10V
C190 1-115-156-11 CERAMIC CHIP 1uF 10V
C191 1-126-933-11 ELECT 100uF 20.00% 16V
C192 1-126-382-11 ELECT 100uF 20.00% 16V
C193 1-126-382-11 ELECT 100uF 20.00% 16V
C194 1-164-360-11 CERAMIC CHIP 0.1uF 16V
C196 1-164-360-11 CERAMIC CHIP 0.1uF 16V
C197 1-107-826-11 CERAMIC CHIP 0.1uF 10.00% 16V
C198 1-126-933-11 ELECT 100uF 20.00% 16V
C199 1-162-962-11 CERAMIC CHIP 470PF 10% 50V
< CONNECTOR >
CN101 1-770-528-31 CONNECTOR, FFC/FPC 21P
CN102 1-779-553-21 CONNECTOR,FFC(LIF(NON-ZIF))16P
< DIODE >
D101 8-719-056-77 DIODE UDZ-TE-17-3.9B
< FERRITE BEAD >
FB101 1-469-144-21 FERRITE 0uH
FB103 1-469-144-21 FERRITE 0uH
< IC >
IC101 8-752-402-31 IC CXD3017Q
IC102 8-759-549-28 IC BA5974FP-E2
IC103 8-752-089-74 IC CXA2581N-T4
< JUMPER RESISTOR >
JR101 1-216-864-11 METAL CHIP 0 5% 1/16W
< TRANSISTOR >
Q101 8-729-049-31 TRANSISTOR 2SB710A-RTX
Q102 8-729-920-85 TRANSISTOR 2SD1664-T100-QR
BACK LIGHT CD
http://www.xiaoyu163.com
http://www.xiaoyu163.com

37
HCD-EP315
Ref. No. Part No. Description Remarks Ref. No. Part No. Description Remarks
< RESISTOR >
R101 1-216-821-11 METAL CHIP 1K 5% 1/16W
R102 1-216-845-11 METAL CHIP 100K 5% 1/16W
R103 1-216-835-11 METAL CHIP 15K 5% 1/16W
R104 1-216-839-11 METAL CHIP 33K 5% 1/16W
R106 1-216-821-11 METAL CHIP 1K 5% 1/16W
R107 1-216-833-11 METAL CHIP 10K 5% 1/16W
R108 1-216-827-11 METAL CHIP 3.3K 5% 1/16W
R109 1-216-857-11 METAL CHIP 1M 5% 1/16W
R111 1-216-846-11 METAL CHIP 120K 5% 1/16W
R114 1-218-745-11 METAL CHIP 160K 5% 1/10W
R116 1-216-797-11 METAL CHIP 10 5% 1/16W
R117 1-216-821-11 METAL CHIP 1K 5% 1/16W
R118 1-216-809-11 METAL CHIP 100 5% 1/16W
R119 1-216-826-11 METAL CHIP 2.7K 5% 1/16W
R120 1-216-835-11 METAL CHIP 15K 5% 1/16W
R122 1-216-845-11 METAL CHIP 100K 5% 1/16W
R123 1-216-833-11 METAL CHIP 10K 5% 1/16W
R124 1-216-845-11 METAL CHIP 100K 5% 1/16W
R131 1-216-813-11 METAL CHIP 220 5% 1/10W
R143 1-216-836-11 METAL CHIP 18K 5% 1/16W
R144 1-216-836-11 METAL CHIP 18K 5% 1/16W
R147 1-216-828-11 METAL CHIP 3.9K 5% 1/16W
R148 1-216-797-11 METAL CHIP 10 5% 1/16W
R149 1-216-797-11 METAL CHIP 10 5% 1/16W
R150 1-216-833-11 METAL CHIP 10K 5% 1/16W
R151 1-216-845-11 METAL CHIP 100K 5% 1/16W
R158 1-216-837-11 METAL CHIP 22K 5% 1/16W
R159 1-216-837-11 METAL CHIP 22K 5% 1/16W
R162 1-216-847-11 METAL CHIP 150K 5% 1/16W
R171 1-216-837-11 METAL CHIP 22K 5% 1/16W
R172 1-216-837-11 METAL CHIP 22K 5% 1/16W
R173 1-216-837-11 METAL CHIP 22K 5% 1/16W
R181 1-216-837-11 METAL CHIP 22K 5% 1/16W
R182 1-216-837-11 METAL CHIP 22K 5% 1/16W
R183 1-216-837-11 METAL CHIP 22K 5% 1/16W
R190 1-216-813-11 METAL CHIP 220 5% 1/16W
R191 1-216-839-11 METAL CHIP 33K 5% 1/16W
R192 1-216-839-11 METAL CHIP 33K 5% 1/16W
R193 1-216-846-11 METAL CHIP 120K 5% 1/16W
R194 1-216-845-11 METAL CHIP 100K 5% 1/16W
R195 1-216-853-11 METAL CHIP 470K 5% 1/16W
R196 1-216-825-11 METAL CHIP 2.2K 5% 1/16W
R197 1-216-821-11 METAL CHIP 1K 5% 1/16W
< NETWORK RESISTOR >
RN101 1-233-576-11 RES, CHIP NETWORK 100
< SWITCH >
S101 1-771-853-11 SWITCH, DETECTION (LIMIT IN)
< VIBRATOR >
X101 1-767-226-11 VIBRATOR, CRYSTAL 16.9344MHz
************************************************************
A-4732-942-A CONTROL BOARD, COMPLETE
************************
4-245-258-01 HOLDER,LED
< CAPACITOR >
C301 1-124-259-11 ELECT 4.7uF 20.00% 35V
C302 1-126-960-11 ELECT 1uF 20.00% 50V
C303 1-162-966-11 CERAMIC CHIP 0.0022uF 10% 50V
C304 1-126-964-11 ELECT 10uF 20.00% 50V
C305 1-124-584-00 ELECT 100uF 20% 10V
C306 1-126-960-11 ELECT 1uF 20.00% 50V
C307
C308
C309 1-164-227-11 CERAMIC CHIP 0.022uF 10% 25V
C310 1-164-156-11 CERAMIC CHIP 0.1uF 25V
C311 1-162-920-11 CERAMIC CHIP 27PF 5% 50V
C312 1-162-918-11 CERAMIC CHIP 18PF 5.00% 50V
C313
C314 1-126-926-11 ELECT 1000uF 20.00% 10V
C315 1-164-156-11 CERAMIC CHIP 0.1uF 25V
C316 1-162-927-11 CERAMIC CHIP 100PF 5% 50V
C317 1-162-927-11 CERAMIC CHIP 100PF 5% 50V
C318 1-162-927-11 CERAMIC CHIP 100PF 5% 50V
C319 1-162-927-11 CERAMIC CHIP 100PF 5% 50V
C320 1-162-927-11 CERAMIC CHIP 100PF 5% 50V
C321 1-164-156-11 CERAMIC CHIP 0.1uF 25V
C322 1-162-927-11 CERAMIC CHIP 100PF 5% 50V
C323 1-164-156-11 CERAMIC CHIP 0.1uF 25V
C324 1-162-918-11 CERAMIC CHIP 18PF 5.00% 50V
C325 1-128-551-11 ELECT 22uF 20.00% 25V
C326 1-162-970-11 CERAMIC CHIP 0.01uF 10% 25V
C327 1-162-970-11 CERAMIC CHIP 0.01uF 10% 25V
C328 1-162-968-11 CERAMIC CHIP 0.0047uF 10% 50V
C329 1-162-968-11 CERAMIC CHIP 0.0047uF 10% 50V
C330 1-127-888-11 CERAMIC 0.1uF 10% 50V
C331 1-164-156-11 CERAMIC CHIP 0.1uF 25V
C333 1-164-156-11 CERAMIC CHIP 0.1uF 25V
C334 1-162-921-11 CERAMIC CHIP 33PF 5% 50V
C335 1-162-917-11 CERAMIC CHIP 15PF 5% 50V
C336 1-162-925-11 CERAMIC CHIP 68PF 5.00% 50V
C337 1-162-964-91 CERAMIC CHIP 1000P 10% 50V
C338 1-164-156-11 CERAMIC CHIP 0.1uF 25V
C340
< CONNECTOR >
CN301 1-568-864-11 CONNECTOR, FFC 21P
CN302 1-793-767-11 CONNECTOR, BOARD TO BOARD 30P
< DIODE >
D301 8-719-991-33 DIODE 1SS133T-72
D302 8-719-991-33 DIODE 1SS133T-72
D303 8-719-010-41 DIODE UZ-5.6BSA-TP
D304 8-719-991-33 DIODE 1SS133T-72
D305 8-719-991-33 DIODE 1SS133T-72
D306 8-719-991-33 DIODE 1SS133T-72
D307 8-719-991-33 DIODE 1SS133T-72
D308 8-719-991-33 DIODE 1SS133T-72
CONTROLCD
http://www.xiaoyu163.com
http://www.xiaoyu163.com

38
HCD-EP315
Ref. No. Part No. Description Remarks Ref. No. Part No. Description Remarks
< FERRITE BEAD >
FB301 1-400-297-11 INDUCTOR 0uH
FB303
< IC >
IC301 6-802-783-01 IC LC877140A-51E2
IC302 6-700-250-01 IC PST3445UL
IC303 6-701-681-01 IC RPM7140-V4
< JUMPER RESISTOR >
JR301 1-216-864-11 METAL CHIP 0 5% 1/16W
JR302 1-216-864-11 METAL CHIP 0 5% 1/16W
JR303 1-216-864-11 METAL CHIP 0 5% 1/16W
JR304 1-216-864-11 METAL CHIP 0 5% 1/16W
JR305 1-216-864-11 METAL CHIP 0 5% 1/16W
JR306 1-216-295-91 SHORT CHIP 0
JR307 1-216-295-91 SHORT CHIP 0
JR308 1-216-295-91 SHORT CHIP 0
JR309 1-216-295-91 SHORT CHIP 0
JR310 1-216-295-91 SHORT CHIP 0
JR311 1-216-295-91 SHORT CHIP 0
JR312 1-216-295-91 SHORT CHIP 0
JR313 1-216-295-91 SHORT CHIP 0
JR314 1-216-295-91 SHORT CHIP 0
JR315 1-216-295-91 SHORT CHIP 0
JR317 1-216-864-11 METAL CHIP 0 5% 1/16W
JR318 1-216-864-11 METAL CHIP 0 5% 1/16W
JR319 1-216-295-91 SHORT CHIP 0
JR320 1-216-295-91 SHORT CHIP 0
< COIL >
L301
L302 1-408-117-00 INDUCTOR 10uH
L304
< LIQUID CRYSTAL DISPLAY >
LCD301 1-805-184-11 DISPLAY PANEL, LIQUID CRYSTAL
< LED >
LED301 8-719-059-98 DIODE SLR-342VCT31 (STANDBY)
< TRANSISTOR >
Q301 8-729-230-49 TRANSISTOR 2SC2712L-TE85R
Q302 8-729-230-49 TRANSISTOR 2SC2712L-TE85R
Q303 6-550-296-01 TRANSISTOR 2SA1980G
Q304 8-729-230-49 TRANSISTOR 2SC2712L-TE85R
Q305 8-729-230-49 TRANSISTOR 2SC2712L-TE85R
Q306 8-729-900-53 TRANSISTOR DTC114EK
< RESISTOR >
R300 1-216-825-11 METAL CHIP 2.2K 5% 1/16W
R301 1-216-821-11 METAL CHIP 1K 5% 1/16W
R302 1-216-821-11 METAL CHIP 1K 5% 1/16W
R303 1-216-821-11 METAL CHIP 1K 5% 1/16W
R304 1-216-821-11 METAL CHIP 1K 5% 1/16W
R305 1-216-821-11 METAL CHIP 1K 5% 1/16W
R306 1-216-821-11 METAL CHIP 1K 5% 1/16W
R307 1-216-809-11 METAL CHIP 100 5% 1/16W
R308 1-216-821-11 METAL CHIP 1K 5% 1/16W
R309 1-216-821-11 METAL CHIP 1K 5% 1/16W
R310 1-216-814-11 METAL CHIP 270 5% 1/16W
R311 1-216-814-11 METAL CHIP 270 5% 1/16W
R312 1-216-809-11 METAL CHIP 100 5% 1/16W
R313 1-216-825-11 METAL CHIP 2.2K 5% 1/16W
R314 1-216-821-11 METAL CHIP 1K 5% 1/16W
R315 1-216-821-11 METAL CHIP 1K 5% 1/16W
R316 1-216-809-11 METAL CHIP 100 5% 1/16W
R317 1-216-821-11 METAL CHIP 1K 5% 1/16W
R318 1-216-810-11 RES CHIP 120 5% 1/10W
R319 1-216-809-11 METAL CHIP 100 5% 1/16W
R320 1-216-809-11 METAL CHIP 100 5% 1/16W
R321 1-216-809-11 METAL CHIP 100 5% 1/16W
R322 1-249-417-11 CARBON 1K 5% 1/4W F
R323 1-216-821-11 METAL CHIP 1K 5% 1/16W
R324 1-216-821-11 METAL CHIP 1K 5% 1/16W
R325 1-216-809-11 METAL CHIP 100 5% 1/16W
R326 1-216-809-11 METAL CHIP 100 5% 1/16W
R327 1-216-821-11 METAL CHIP 1K 5% 1/16W
R328 1-249-425-11 CARBON 4.7K 5% 1/4W F
R329 1-218-867-11 METAL CHIP 6.8K 5% 1/10W
R330 1-249-427-11 CARBON 6.8K 5% 1/4W F
R331 1-216-828-11 METAL CHIP 3.9K 5% 1/16W
R332 1-216-828-11 METAL CHIP 3.9K 5% 1/16W
R333 1-249-422-11 CARBON 2.7K 5% 1/4W F
R334 1-249-422-11 CARBON 2.7K 5% 1/4W F
R335 1-216-824-11 METAL CHIP 1.8K 5% 1/16W
R336 1-249-420-11 CARBON 1.8K 5% 1/4W F
R337 1-249-429-11 CARBON 10K 5% 1/4W
R338 1-216-833-11 METAL CHIP 10K 5% 1/16W
R339 1-216-834-11 METAL CHIP 12K 5% 1/16W
R340 1-216-823-11 METAL CHIP 1.5K 5% 1/16W
R341 1-249-425-11 CARBON 4.7K 5% 1/4W F
R342 1-216-823-11 METAL CHIP 1.5K 5% 1/16W
R344 1-249-438-11 CARBON 56K 5% 1/4W
R345 1-216-809-11 METAL CHIP 100 5% 1/16W
R346 1-216-837-11 METAL CHIP 22K 5% 1/16W
R347 1-216-837-11 METAL CHIP 22K 5% 1/16W
R348 1-216-821-11 METAL CHIP 1K 5% 1/16W
R349 1-216-841-11 METAL CHIP 47K 5% 1/16W
R350 1-216-837-11 METAL CHIP 22K 5% 1/16W
R351 1-216-843-11 METAL CHIP 68K 5% 1/16W
R352 1-216-840-11 METAL CHIP 39K 5% 1/16W
R353 1-249-425-11 CARBON 4.7K 5% 1/4W F
R354 1-216-834-11 METAL CHIP 12K 5% 1/16W
R355 1-216-821-11 METAL CHIP 1K 5% 1/16W
R356 1-216-821-11 METAL CHIP 1K 5% 1/16W
R357 1-216-821-11 METAL CHIP 1K 5% 1/16W
R358 1-216-817-11 METAL CHIP 470 5% 1/16W
R359 1-245-191-21 METAL CHIP 10K 1% 1/10W
R360 1-216-833-11 METAL CHIP 10K 5% 1/16W
R361 1-216-809-11 METAL CHIP 100 5% 1/16W
R362 1-216-821-11 METAL CHIP 1K 5% 1/16W
R363 1-216-833-11 METAL CHIP 10K 5% 1/16W
R364 1-216-821-11 METAL CHIP 1K 5% 1/16W
R365 1-216-845-11 METAL CHIP 100K 5% 1/16W
CONTROL
http://www.xiaoyu163.com
http://www.xiaoyu163.com

39
HCD-EP315
Ref. No. Part No. Description Remarks Ref. No. Part No. Description Remarks
R366 1-247-887-00 CARBON 220K 5% 1/4W
R367 1-216-841-11 METAL CHIP 47K 5% 1/16W
R368 1-216-835-11 METAL CHIP 15K 5% 1/16W
R369 1-216-845-11 METAL CHIP 100K 5% 1/16W
R370 1-216-841-11 RES CHIP 47K 5% 1/10W
R371 1-249-417-11 CARBON 1K 5% 1/4W F
R372 1-216-809-11 METAL CHIP 100 5% 1/16W
R373 1-216-809-11 METAL CHIP 100 5% 1/16W
R374 1-216-809-11 METAL CHIP 100 5% 1/16W
R375 1-216-841-11 RES CHIP 47K 5% 1/10W
R376 1-216-821-11 METAL CHIP 1K 5% 1/16W
R377 1-249-429-11 CARBON 10K 5% 1/4W
R378 1-216-825-11 RES CHIP 2.2K 5% 1/10W
R379 1-216-833-11 METAL CHIP 10K 5% 1/16W
R380 1-216-825-11 RES CHIP 2.2K 5% 1/10W
< SWITCH >
S301 1-786-050-21 SWITCH, KEY BOARD (CD)
S302 1-786-050-21 SWITCH, KEY BOARD (DISPLAY)
S303 1-786-050-21 SWITCH, KEY BOARD (MD)
S304 1-786-050-21 SWITCH, KEY BOARD (TUNER)
S305 1-786-050-21 SWITCH, KEY BOARD (>)
S306 1-786-050-21 SWITCH, KEY BOARD (DSG)
S307 1-786-050-21 SWITCH, KEY BOARD (.)
S308 1-786-050-21 SWITCH, KEY BOARD (BASS/TRE)
S309 1-786-050-21 SWITCH, KEY BOARD (x)
S310 1-786-050-21 SWITCH, KEY BOARD (M)
S311 1-786-050-21 SWITCH, KEY BOARD (l/ 1)
S312 1-786-050-21 SWITCH, KEY BOARD (m)
S313 1-786-050-21 SWITCH, KEY BOARD (X)
S314 1-786-050-21 SWITCH, KEY BOARD (PLAY/MODE)
S315 1-786-419-11 SW, RTRY RE121PVB25FINB1-24E (VOLUME)
< VIBRATOR >
X301 9-300-001-87 VIB,XTAL 32.768KHZ CFS-308 CT
X302 1-795-880-11 VIBRATOR, CERAMIC 8.64MHz
************************************************************
A-4732-945-A MAIN BOARD, COMPLETE
*********************
7-685-546-14 SCREW +BTP 3X8 TYPE2 N-S
< CAPACITOR >
C200 1-126-941-11 ELECT 470uF 20.00% 25V
C201 1-164-156-11 CERAMIC CHIP 0.1uF 25V
C202 1-162-968-11 CERAMIC CHIP 0.0047uF 10% 50V
C203 1-162-970-11 CERAMIC CHIP 0.01uF 10% 25V
C204 1-162-970-11 CERAMIC CHIP 0.01uF 10% 25V
C205 1-162-970-11 CERAMIC CHIP 0.01uF 10% 25V
C206 1-128-548-11 ELECT 4700uF 20% 25V
C207 1-164-156-11 CERAMIC CHIP 0.1uF 25V
C208 1-130-495-00 MYLAR 0.1uF 5% 50V
C209 1-104-666-11 ELECT 220uF 20.00% 25V
C210 1-130-495-00 MYLAR 0.1uF 5% 50V
C211 1-130-495-00 MYLAR 0.1uF 5% 50V
C212 1-130-495-00 MYLAR 0.1uF 5% 50V
C213 1-130-495-00 MYLAR 0.1uF 5% 50V
C221 1-126-960-11 ELECT 1uF 20.00% 50V
C222 1-126-947-11 ELECT 47uF 20.00% 25V
C223 1-126-962-11 ELECT 3.3uF 20.00% 50V
C224 1-126-961-11 ELECT 2.2uF 20.00% 50V
C225 1-126-961-11 ELECT 2.2uF 20.00% 50V
C226 1-164-174-11 CERAMIC CHIP 0.0082uF 10% 25V
C227 1-164-174-11 CERAMIC CHIP 0.0082uF 10% 25V
C228 1-162-968-11 CERAMIC CHIP 0.0047uF 10% 50V
C229 1-162-968-11 CERAMIC CHIP 0.0047uF 10% 50V
C230 1-164-156-11 CERAMIC CHIP 0.1uF 25V
C240 1-126-956-91 ELECT 0.1uF 20.00% 50V
C241 1-126-956-91 ELECT 0.1uF 20.00% 50V
C242
C243
C248 1-164-156-91 CERAMIC CHIP 0.1uF 25V
C249
C400 1-126-947-11 ELECT 47uF 20.00% 25V
C415 1-216-964-11 METAL 62K 1% 0.6W
C416 1-126-935-11 ELECT 470uF 20.00% 16V
C417 1-164-156-11 CERAMIC CHIP 0.1uF 25V
C441 1-126-934-11 ELECT 220uF 20.00% 10V
C442 1-164-156-11 CERAMIC CHIP 0.1uF 25V
C446 1-126-947-11 ELECT 47uF 20.00% 25V
C447 1-164-156-11 CERAMIC CHIP 0.1uF 25V
C450 1-164-156-11 CERAMIC CHIP 0.1uF 25V
C451 1-164-156-11 CERAMIC CHIP 0.1uF 25V
C452 1-126-934-11 ELECT 220uF 20.00% 10V
C453 1-162-979-11 CERAMIC CHIP 0.0027uF 10.00% 50V
C454 1-162-979-11 CERAMIC CHIP 0.0027uF 10.00% 50V
C455 1-162-979-11 CERAMIC CHIP 0.0027uF 10.00% 50V
C456 1-162-970-11 CERAMIC CHIP 0.01uF 10% 25V
C457 1-106-361-00 MYLAR 0.0056uF 5.00% 100V
C461 1-162-935-11 CERAMIC CHIP 4PF 0.25PF 50V
C462 1-162-935-11 CERAMIC CHIP 4PF 0.25PF 50V
C501 1-162-970-11 CERAMIC CHIP 0.01uF 10% 25V
C502 1-126-947-11 ELECT 47uF 20.00% 25V
C540 1-164-230-11 CERAMIC CHIP 220PF 5.00% 50V
C588 1-126-934-11 ELECT 220uF 20.00% 10V
C601 1-164-730-11 CERAMIC CHIP 0.0012uF 10.00% 50V
C602 1-164-730-11 CERAMIC CHIP 0.0012uF 10.00% 50V
C603 1-126-961-11 ELECT 2.2uF 20.00% 50V
C604 1-126-961-11 ELECT 2.2uF 20.00% 50V
C611 1-126-956-91 ELECT 0.1uF 20.00% 50V
C612 1-126-956-91 ELECT 0.1uF 20.00% 50V
C613 1-216-957-91 METAL 33K 1% 0.6W
C614 1-216-957-91 METAL 33K 1% 0.6W
C619 1-126-961-11 ELECT 2.2uF 20.00% 50V
C620 1-126-961-11 ELECT 2.2uF 20.00% 50V
C637 1-162-923-11 CERAMIC CHIP 47PF 5% 50V
C638 1-162-923-11 CERAMIC CHIP 47PF 5% 50V
C639 1-164-315-11 CERAMIC CHIP 470PF 5.00% 50V
C640 1-164-315-11 CERAMIC CHIP 470PF 5.00% 50V
C641 1-100-229-11 C-CAP, U 6800P-50 K B GRM
C642 1-100-229-11 C-CAP, U 6800P-50 K B GRM
C643 1-128-551-11 ELECT 22uF 20.00% 25V
C644 1-128-551-11 ELECT 22uF 20.00% 25V
C645 1-162-970-11 CERAMIC CHIP 0.01uF 10% 25V
C646 1-162-970-11 CERAMIC CHIP 0.01uF 10% 25V
C647 1-100-229-11 C-CAP, U 6800P-50 K B GRM
C648 1-100-229-11 C-CAP, U 6800P-50 K B GRM
C649 1-164-218-11 CERAMIC CHIP 180PF 0.25PF 50V
CONTROL MAIN
http://www.xiaoyu163.com
http://www.xiaoyu163.com

40
HCD-EP315
Ref. No. Part No. Description Remarks Ref. No. Part No. Description Remarks
C650 1-164-218-11 CERAMIC CHIP 180PF 0.25PF 50V
C651 1-126-961-11 ELECT 2.2uF 20.00% 50V
C652 1-126-961-11 ELECT 2.2uF 20.00% 50V
C660 1-162-927-11 CERAMIC CHIP 100PF 5% 50V
C663 1-164-156-11 CERAMIC CHIP 0.1uF 25V
C665 1-162-970-11 CERAMIC CHIP 0.01uF 10% 25V
C666 1-126-935-11 ELECT 470uF 20.00% 10V
C667 1-104-665-11 ELECT 100uF 20.00% 10V
C668 1-162-970-11 CERAMIC CHIP 0.01uF 10% 25V
C670 1-162-967-11 CERAMIC CHIP 0.0033uF 10% 50V
C671 1-162-967-11 CERAMIC CHIP 0.0033uF 10% 50V
C681 1-162-966-11 CERAMIC CHIP 0.0022uF 10% 50V
C682 1-162-966-11 CERAMIC CHIP 0.0022uF 10% 50V
C683 1-110-563-11 CERAMIC CHIP 0.068uF 10% 16V
C684 1-110-563-11 CERAMIC CHIP 0.068uF 10% 16V
C700 1-126-947-11 ELECT 47uF 20.00% 25V
C705 1-126-963-11 ELECT 4.7uF 20.00% 50V
C706 1-162-970-11 CERAMIC CHIP 0.01uF 10% 25V
C708 1-126-947-11 ELECT 47uF 20.00% 25V
C709 1-162-970-11 CERAMIC CHIP 0.01uF 10% 25V
C800 1-126-961-11 ELECT 2.2uF 20.00% 50V
C801 1-126-961-11 ELECT 2.2uF 20.00% 50V
C802 1-162-964-11 CERAMIC CHIP 0.001uF 10% 50V
C803 1-162-964-11 CERAMIC CHIP 0.001uF 10% 50V
C804 1-162-970-11 CERAMIC CHIP 0.01uF 10% 25V
C805 1-162-970-11 CERAMIC CHIP 0.01uF 10% 25V
C806 1-126-935-11 ELECT 470uF 20.00% 16V
C807 1-162-970-11 CERAMIC CHIP 0.01uF 10% 25V
C808 1-126-963-11 ELECT 4.7uF 20.00% 50V
C809 1-126-963-11 ELECT 4.7uF 20.00% 50V
C814 1-165-176-11 CERAMIC CHIP 0.047uF 10% 16V
C815 1-126-933-11 ELECT 100uF 20.00% 16V
C816 1-162-970-11 CERAMIC CHIP 0.01uF 10% 25V
C817 1-165-176-11 CERAMIC CHIP 0.047uF 10% 16V
< CONNECTOR >
CN202 1-793-766-11 CONNECTOR, BOARD TO BOARD 30P
*CN305 1-564-704-11 PIN, CONNECTOR (SMALL TYPE) 2P
*CN501 1-564-710-11 PIN, CONNECTOR (SMALL TYPE) 8P
*CN502 1-564-709-11 PIN, CONNECTOR (SMALL TYPE) 7P
CN701 1-568-830-11 CONNECTOR, FFC 11P
< DIODE >
D200 6-500-376-01 DIODE 1N4003LES
D201 6-500-378-01 DIODE 1N5402GW(F20)
D202 6-500-378-01 DIODE 1N5402GW(F20)
D203 6-500-378-01 DIODE 1N5402GW(F20)
D204 6-500-378-01 DIODE 1N5402GW(F20)
D205 8-719-991-33 DIODE 1SS133T-72
D206 8-719-991-33 DIODE 1SS133T-72
D207 8-719-991-33 DIODE 1SS133T-72
D208 8-719-991-33 DIODE 1SS133T-72
D209 8-719-991-33 DIODE 1SS133T-72
D210 8-719-991-33 DIODE 1SS133T-72
D211 8-719-991-33 DIODE 1SS133T-72
D212 8-719-991-33 DIODE 1SS133T-72
D213 8-719-991-33 DIODE 1SS133T-72
D403 8-719-109-97 DIODE MTZJ-T-77-6.8B
D404 8-719-991-33 DIODE 1SS133T-72
D405 8-719-109-89 DIODE MTZJ-T-72-5.6B
D501 8-719-991-33 DIODE 1SS133T-72
D602 8-719-109-85 DIODE MTZJ-T-72-5.1B
D603 8-719-109-85 DIODE MTZJ-T-72-5.1B
D801 8-719-923-60 DIODE MTZJ-T-77-9.1A
D802 8-719-991-33 DIODE 1SS133T-72
D803 8-719-923-60 DIODE MTZJ-T-77-9.1A
D804 8-719-991-33 DIODE 1SS133T-72
< FERRITE BEAD >
FB201
FB202
FB401 1-400-297-11 INDUCTOR 0uH
FB701 1-400-297-11 INDUCTOR 0uH
FB710
< IC >
IC200 8-759-231-53 IC TA7805S
IC204 6-704-060-01 IC LA4636
IC601 6-702-895-01 IC BD3881FV
IC800 8-759-167-88 IC NJM4565D
< JACK >
J201 1-793-484-11 JACK, PIN 2P
J202 1-816-219-11 JACK, HEADPHONE
J203 1-536-708-81 TERMINAL BOARD, PUSH (4P) (SPEAKER)
< COIL >
L200 1-400-297-11 INDUCTOR 0uH
L201 1-456-107-11 COIL, K (MDEC)
L202 1-456-107-11 COIL, K (MDEC)
L203 1-456-107-11 COIL, K (MDEC)
L204 1-456-107-11 COIL, K (MDEC)
L205 1-408-117-00 INDUCTOR 10uH
L451 1-456-094-11 COIL, OSC 85kHz BIAS
< CARBON >
0PR200 1-249-385-11 CARBON 2.2 5% 1/6W F
0PR501 1-249-385-11 CARBON 2.2 5% 1/6W F
< TRANSISTOR >
Q200 8-729-230-49 TRANSISTOR 2SC2712L-TE85R
Q205 6-550-333-01 TRANSISTOR 2SC5343GL
Q206 6-550-333-01 TRANSISTOR 2SC5343GL
Q400 8-729-120-28 TRANSISTOR 2SC3052F-T1-LF
Q401 8-729-120-28 TRANSISTOR 2SC3052F-T1-LF
Q402 8-729-024-94 TRANSISTOR 2SB1370-EF
Q403 6-550-296-01 TRANSISTOR 2SA1980G
Q404 6-550-333-01 TRANSISTOR 2SC5343GL
Q405 6-550-333-01 TRANSISTOR 2SC5343GL
Q406 6-550-344-01 TRANSISTOR 2SC3266GR
Q450 8-729-120-28 TRANSISTOR 2SC3052F-T1-LF
Q451 6-550-333-01 TRANSISTOR 2SC5343GL
Q453 6-550-333-01 TRANSISTOR 2SC5343GL
Q454 6-550-333-01 TRANSISTOR 2SC5343GL
Q501 8-729-901-97 TRANSISTOR 2SA1036K-T-147-Q
MAIN
The components identified by mark 0 or dotted
line with mark 0 are critical for safety.
Replace only with part number specified.
http://www.xiaoyu163.com
http://www.xiaoyu163.com

41
HCD-EP315
Ref. No. Part No. Description Remarks Ref. No. Part No. Description Remarks
Q502 6-550-296-01 TRANSISTOR 2SA1980G
Q504 8-729-901-05 TRANSISTOR DTA124EK
Q505 8-729-045-62 TRANSISTOR 2SK2158-T2B
Q506 8-729-901-05 TRANSISTOR DTA124EK
Q507 8-729-045-62 TRANSISTOR 2SK2158-T2B
Q508 8-729-045-62 TRANSISTOR 2SK2158-T2B
Q509 8-729-216-22 TRANSISTOR 2SA1162-G
Q510 8-729-216-22 TRANSISTOR 2SA1162-G
Q511 1-809-869-11 TRANSISTOR DTA124EL-TL2
Q601 8-729-030-03 TRANSISTOR DTC144ESA-TP
Q602 8-729-030-03 TRANSISTOR DTC144ESA-TP
Q701 6-550-305-01 TRANSISTOR 2SA1296GR
Q702 8-729-030-03 TRANSISTOR 2SA1296GR
Q801 8-729-920-31 TRANSISTOR DTC343TK
Q802 8-729-920-31 TRANSISTOR DTC343TK
Q803 6-550-296-01 TRANSISTOR 2SA1980G
Q804 8-729-029-69 TRANSISTOR DTC114TSA-TP
< RESISTOR >
R200 1-249-398-11 CARBON 27 5% 1/4W F
R201 1-216-829-11 METAL CHIP 4.7K 5% 1/16W
R202 1-216-822-11 METAL CHIP 1.2K 5% 1/16W
R203 1-247-807-31 CARBON 100 5% 1/4W
R204 1-249-385-11 CARBON 2.2 5% 1/6W F
R205 1-249-385-11 CARBON 2.2 5% 1/6W F
R206 1-249-385-11 CARBON 2.2 5% 1/6W F
R207 1-249-385-11 CARBON 2.2 5% 1/6W F
R208 1-249-429-11 CARBON 10K 5% 1/4W
R209 1-249-429-11 CARBON 10K 5% 1/4W
R221 1-216-839-11 METAL CHIP 33K 5% 1/16W
R222 1-216-841-11 METAL CHIP 47K 5% 1/16W
R223 1-216-837-11 METAL CHIP 22K 5% 1/16W
R224 1-216-821-11 METAL CHIP 1K 5% 1/16W
R225 1-216-821-11 METAL CHIP 1K 5% 1/16W
R226 1-216-821-11 METAL CHIP 1K 5% 1/16W
R227 1-216-821-11 METAL CHIP 1K 5% 1/16W
R228 1-216-825-11 METAL CHIP 2.2K 5% 1/16W
R229 1-216-825-11 METAL CHIP 2.2K 5% 1/16W
R230 1-249-427-11 CARBON 6.8K 5% 1/4W F
R231 1-249-427-11 CARBON 6.8K 5% 1/4W F
R232 1-216-822-11 METAL CHIP 1.2K 5% 1/16W
R233 1-216-822-11 METAL CHIP 1.2K 5% 1/16W
R234 1-249-433-11 CARBON 22K 5% 1/4W
R237 1-216-864-11 METAL CHIP 0 5% 1/16W
R238 1-216-864-11 METAL CHIP 0 5% 1/16W
R239 1-216-222-00 RES-CHIP 10K 5% 1/8W
R240 1-216-825-11 METAL CHIP 2.2K 5% 1/16W
R241 1-216-825-11 METAL CHIP 2.2K 5% 1/16W
R245 1-216-840-11 METAL CHIP 39K 5% 1/16W
R246 1-216-840-11 METAL CHIP 39K 5% 1/16W
R247
R248
R400 1-216-825-11 METAL CHIP 2.2K 5% 1/16W
R401 1-216-825-11 METAL CHIP 2.2K 5% 1/16W
R402 1-216-841-11 METAL CHIP 47K 5% 1/16W
R403 1-216-857-11 METAL CHIP 1M 5% 1/16W
R404 1-216-833-11 METAL CHIP 10K 5% 1/16W
R405 1-216-821-11 METAL CHIP 1K 5% 1/16W
R406 1-216-828-11 METAL CHIP 3.9K 5% 1/16W
R441 1-216-817-11 METAL CHIP 470 5% 1/16W
R442 1-249-425-11 CARBON 4.7K 5% 1/4W F
R443 1-216-807-11 METAL CHIP 68 5% 1/16W
R444 1-249-429-11 CARBON 10K 5% 1/4W
R445 1-216-822-11 METAL CHIP 1.2K 5% 1/16W
R446 1-216-818-11 METAL CHIP 560 5% 1/16W
R447 1-216-821-11 METAL CHIP 1K 5% 1/16W
R453 1-216-825-11 METAL CHIP 2.2K 5% 1/16W
R454 1-249-392-11 CARBON 8.2 5% 1/4W F
R455 1-216-836-11 METAL CHIP 18K 5% 1/16W
R456 1-216-836-11 METAL CHIP 18K 5% 1/16W
R458 1-216-829-11 METAL CHIP 4.7K 5% 1/16W
R459 1-216-842-11 METAL CHIP 56K 5% 1/16W
R460 1-216-845-11 METAL CHIP 100K 5% 1/16W
R465 1-216-833-11 METAL CHIP 10K 5% 1/16W
R466 1-216-833-11 METAL CHIP 10K 5% 1/16W
R467 1-216-833-11 METAL CHIP 10K 5% 1/16W
R470 1-249-393-11 CARBON 10 5% 1/4W F
R502 1-249-409-11 CARBON 220 5% 1/4W F
R503 1-216-864-11 METAL CHIP 0 5% 1/16W
R504 1-216-821-11 METAL CHIP 1K 5% 1/16W
R505 1-216-825-11 METAL CHIP 2.2K 5% 1/16W
R525 1-216-857-11 METAL CHIP 1M 5% 1/16W
R527 1-249-436-11 CARBON 39K 5% 1/4W
R528 1-216-828-11 METAL CHIP 3.9K 5% 1/16W
R530 1-216-833-11 METAL CHIP 10K 5% 1/16W
R593 1-249-429-11 CARBON 10K 5% 1/4W
R594 1-249-429-11 CARBON 10K 5% 1/4W
R599 1-249-421-11 CARBON 2.2K 5% 1/4W F
R603 1-216-840-11 METAL CHIP 39K 5% 1/16W
R604 1-216-840-11 METAL CHIP 39K 5% 1/16W
R609 1-216-827-11 METAL CHIP 3.3K 5% 1/16W
R610 1-216-827-11 METAL CHIP 3.3K 5% 1/16W
R611 1-249-432-11 CARBON 18K 5% 1/4W
R612 1-249-432-11 CARBON 18K 5% 1/4W
R613 1-216-829-11 METAL CHIP 4.7K 5% 1/16W
R617 1-216-821-11 METAL CHIP 1K 5% 1/16W
R618 1-216-821-11 METAL CHIP 1K 5% 1/16W
R619 1-216-821-11 METAL CHIP 1K 5% 1/16W
R620 1-216-821-11 METAL CHIP 1K 5% 1/16W
R633 1-218-867-11 METAL CHIP 6.8K 5% 1/10W
R634 1-218-867-11 METAL CHIP 6.8K 5% 1/10W
R635 1-216-808-11 METAL CHIP 82 5% 1/16W
R636 1-216-808-11 METAL CHIP 82 5% 1/16W
R637 1-216-817-11 METAL CHIP 470 5% 1/16W
R638 1-216-817-11 METAL CHIP 470 5% 1/16W
R639 1-216-826-11 METAL CHIP 2.7K 5% 1/16W
R640 1-216-826-11 METAL CHIP 2.7K 5% 1/16W
R641 1-216-821-11 METAL CHIP 1K 5% 1/16W
R642 1-216-821-11 METAL CHIP 1K 5% 1/16W
R643 1-216-821-11 METAL CHIP 1K 5% 1/16W
R644 1-216-821-11 METAL CHIP 1K 5% 1/16W
R645 1-216-833-11 METAL CHIP 10K 5% 1/16W
R646 1-216-833-11 METAL CHIP 10K 5% 1/16W
R647 1-216-825-11 METAL CHIP 2.2K 5% 1/16W
R648 1-216-825-11 METAL CHIP 2.2K 5% 1/16W
R649 1-216-836-11 METAL CHIP 18K 5% 1/16W
R650 1-249-432-11 CARBON 18K 5% 1/4W
R651 1-216-822-11 METAL CHIP 1.2K 5% 1/16W
R652 1-216-822-11 METAL CHIP 1.2K 5% 1/16W
MAIN
http://www.xiaoyu163.com
http://www.xiaoyu163.com

42
HCD-EP315
Ref. No. Part No. Description Remarks Ref. No. Part No. Description Remarks
R655 1-216-836-11 METAL CHIP 18K 5% 1/16W
R656 1-216-836-11 METAL CHIP 18K 5% 1/16W
R657 1-216-852-11 METAL CHIP 390K 5% 1/16W
R658 1-216-852-11 METAL CHIP 390K 5% 1/16W
R660 1-216-833-11 METAL CHIP 10K 5% 1/16W
R662 1-216-829-11 METAL CHIP 4.7K 5% 1/16W
R665 1-249-413-11 CARBON 470 5% 1/4W F
R672 1-216-833-11 METAL CHIP 10K 5% 1/16W
R673 1-216-833-11 METAL CHIP 10K 5% 1/16W
R674 1-249-429-11 CARBON 10K 5% 1/4W
R675 1-249-429-11 CARBON 10K 5% 1/4W
R681 1-216-825-11 METAL CHIP 2.2K 5% 1/16W
R682 1-216-825-11 METAL CHIP 2.2K 5% 1/16W
R688 1-216-843-11 METAL CHIP 68K 5% 1/16W
R689 1-216-843-11 METAL CHIP 68K 5% 1/16W
R694 1-249-413-11 CARBON 470 5% 1/4W F
R695 1-249-438-11 CARBON 56K 5% 1/4W
R696 1-249-438-11 CARBON 56K 5% 1/4W
R697 1-216-842-11 METAL CHIP 56K 5% 1/16W
R698 1-216-842-11 METAL CHIP 56K 5% 1/16W
R701 1-216-864-11 METAL CHIP 0 5% 1/16W
R702 1-216-864-11 METAL CHIP 0 5% 1/16W
R705 1-216-864-11 METAL CHIP 0 5% 1/16W
R706
R708 1-216-864-11 METAL CHIP 0 5% 1/16W
R709 1-216-864-11 METAL CHIP 0 5% 1/16W
R710 1-216-837-11 METAL CHIP 22K 5% 1/16W
R711 1-216-837-11 METAL CHIP 22K 5% 1/16W
R712 1-216-825-11 METAL CHIP 2.2K 5% 1/16W
R713 1-216-864-11 METAL CHIP 0 5% 1/16W
R714 1-216-864-11 METAL CHIP 0 5% 1/16W
R800 1-216-833-11 METAL CHIP 10K 5% 1/16W
R801 1-216-833-11 METAL CHIP 10K 5% 1/16W
R802 1-216-833-11 METAL CHIP 10K 5% 1/16W
R803 1-216-833-11 METAL CHIP 10K 5% 1/16W
R804 1-216-820-11 METAL CHIP 820 5% 1/16W
R805 1-216-829-11 METAL CHIP 4.7K 5% 1/16W
R806 1-216-829-11 METAL CHIP 4.7K 5% 1/16W
R807 1-216-820-11 METAL CHIP 820 5% 1/16W
R810 1-216-825-11 METAL CHIP 2.2K 5% 1/16W
R811 1-216-821-11 METAL CHIP 1K 5% 1/16W
R814 1-249-404-00 CARBON 82 5% 1/4W F
R815 1-249-404-00 CARBON 82 5% 1/4W F
R816 1-249-407-11 CARBON 150 5% 1/4W F
R817 1-216-823-11 RES CHIP 1.5K 5% 1/10W
************************************************************
1-688-570-11 TRANSFORMER BOARD
*******************
< CAPACITOR >
C901 1-126-941-11 ELECT 470uF 20.00% 25V
< DIODE >
D901 8-719-991-33 DIODE 1SS133T-72
D902 8-719-991-33 DIODE 1SS133T-72
D903 8-719-991-33 DIODE 1SS133T-72
D904 8-719-991-33 DIODE 1SS133T-72
< COIL >
0L901
< TRANSFORMER >
0PT901
0PT902 1-439-735-11 TRANSFORMER, POWER
< RESISTOR >
0R901 1-219-236-51 RES SOLID 2.2M 20% 1/2W
< RELAY >
0RY901 1-755-276-11 RELAY, POWER
************************************************************
MISCELLANEOUS
**************
081-555-795-00 CORD, POWER
68 1-796-689-11 DECK MECHANICAL
106 1-757-055-11 WIRE, PARALLEL (FFC) (16 CORE)
0604 8-820-221-01 OPTICAL PICK-UP KSM-213EDP
M102 X-2625-769-1 GEAR ASSY (MB) (RP), MOTOR (SLED)
0T901 1-439-657-11 TRANSFORMER, POWER
MAIN TRANSFORMER
The components identified by mark 0 or dotted
line with mark 0 are critical for safety.
Replace only with part number specified.
Ver 1.1 2003. 07
http://www.xiaoyu163.com
http://www.xiaoyu163.com

HCD-EP315
REVISION HISTORY
Clicking the version allows you to jump to the revised page.
Also, clicking the version at the upper right on the revised page allows you to jump to the next revised
page.
Ver. Date Description of Revision
1.0 2003.06 New
1.1 2003.07 Correction of EXPLODED VIEW, 7-4 Optical Pick-up Block.
(SPM-03057)
1.2 2003.08 Correction of EXPLODED VIEWS Parts List. (SPM-03072)
http://www.xiaoyu163.com
http://www.xiaoyu163.com




