215665 9701_Silent_700__720_730_Operating_Instructions_Aug_1970 9701 Silent 700 720 730 Operating Instructions Aug 1970
User Manual: 215665-9701_Silent_700__720_730_Operating_Instructions_Aug_1970
Open the PDF directly: View PDF
.
Page Count: 28

SILENT 700
Electronic
Data
Terminal
//~n\
Model 720/30
Series
li\VW)
. 8&1'
\"
.....
~
Operating li1structions
MANUAL NO. 215665-9701
REVISED
14
AUGUST,
1970
TEXAS
INSTRUMENTS
INCORPORATED
DIGITAL.
ilviiTP.
QIVI.loN
P.O.
BOX
e8027
HOUSTON.
TEXAS
77008

Copyright
1970
B-y
Texas Instruments Incorporated
All
Rights Reserved
The information
andlor
drawings set
forth
in
this document and
all
rights in
and
to
inventio_ns disclosed herein and patents which might be granted thereon
disclosing
or
employing
the
materials, methods, techniques
or
apparatus
described herein are the exclusive property
of
Texas Instruments Incorporated.
No disclosure
of
the information.or drawings shall be made
to
any
other
person
or
organization without the prior consent
of
Texas Instruments Incorporated.
IMPORT
ANT
NOTICE
Only use
paper
in
this equipment which meets the requirements
of
TI
Specification 213714.
Other
papers may permanently damage
the
printhead
and/or
mechanism.
r
[,
(
r
(
(
[
[
I
(
(
I
(
(
[,
r

Section
II
TABLE
OF
CONTENTS
Page
GENERAL
DESCRIPTION
.......
1-1
1-2 Scope
of
Manual
...........
1-1
1-2 Description
of
Equipment
.....
1-1
1-2.1
Model720
..............
1-1
1-2.2
Model721
..............
1-1
1-2.3
Model722
..............
1-2
1-2A
Model
723
..............
1-2
1-2.5
Model730
..............
1-2
1-2.6
Model731
..............
1-2
1-3
Standard
Equipment
........
1-2
1-3.1 Keyboard and Transmisssion
Code
.................
1-2
1-3.2
Data
Format
...........
.
1-3.3 Communication Interface
...
.
1-3.4 Auxiliary Device Interface
1-3.5
Interrupt
..............
.
1-3.6 Parity Checking
.........
.
1-4 Options
................
.
1-4.1
40
Character/Second
Operation
(Model
720/21)
.........
.
1-4.2 Answer-Back Memory
(Model
720/30)
.........
.
1-4.3 Lower Case (All Models)
1-4.4 Built-In
Data
Sets
........
.
1-5 Specifications
............
.
1-5.1 Printer
...............
.
1-5.2 Physical
..............
.
1-3
1-3
1-5
1-5
1-6
1-6
1-6
1-6
1-6
1-6
1-6
1-7
1-8
INSTALLATION AND CHECKOUT
2-1
2-1
Equipment
Installation
.......
2-1
2-1.1 Power Connections
........
2-1
2-1.2
Communication
Interface
Connection
.............
2-2
2-1.3 Auxiliary
Input/Output
Device
Connection
......
, 2-2
Section
III
APPENDIX A
iii
Page
2-1.4 Model 722 Connection
..
..
2-2
2-1.5 Model
723
Connection
..
. . 2-2
2-2 Preliminary Checkout
.....
, 2-5
2-3 Paper Loading
..
. . . . . . . . . 2-5
2-4 Programming the
Answer-Back Memory . . . .
..
2-6
EQUIPMENT OPERATION . . . . . 3-1
3-1 General
...............
3-1
3-1.1 Model
720/30
..........
3-1
3-1.2 Power Switch
..........
3-1
3-2 Controls . . . . . . . . . . . . .
..
3-2
3-3 Condition Indicators
3-4 Operating Sequence
......
.
3-4.1
Operation
With A
Remote
Device
........
.
3-4.2
Operation
With Auxiliary
Input
Device
..........
.
3-4.3
Operation
With Auxiliary
Output
Device
.........
.
3-4.4
Operation
With
Answer-Back Memory
.....
3-5 Model
721/31
Operating Sequence
......
.
3-5.1
Operation
With A
Remote
Device
........
.
3-5.2
Remote
Device
and
Auxiliary
Output
Device
.........
.
3-6 Model
722
Operating Sequence
3-7 Model 723
..........
..
.
3-7.1 Controls . . . . . . . . . . . . . .
3-7.2 Condition Indicators
....
.
3-7.3 Operating Sequence
.....
.
3-8
Abnormal
Events
........
.
3-2
3-2
3-4
3-4
3-4
3-4
3-4
3-4
3-4
3-5
3-5
3-5
3-5
3-5
3-5
A COMPARISON BETWEEN TELETYPE
KEYBOARD AND MODEL
720/730
KEYBOARD

Figure No.
1-1
1-2
1-3
1-4
2-1
2-2
2-3
2-4
2-5
2-6
Table No.
1-1
1-2
LIST
OF
ILLUSTRATIONS
Page
silent
700 Electronic
Data
Terminal
1-1
Serial
Data
Timing Diagram
.......
1-2
Code
System
and
Character
Set
1-7
Outline Dimensions
............
1-8
120V
and
240V
Operations
.......
2-1
Terminals
Connections
..........
2-1
TTY
Neutral
Interface
Model 730,
Full
Duplex
Wiring Diagram . . . . . . . 2-3
TTY
Neutral
Interface Model 730,
Half
Duplex
Wiring Diagram
......
2-3
TTY
Neutral
Interface
Model 731,
Receive
Only
Wiring Diagram
......
2-4
TTY
Polar
Interface
Model 730,
Full
Duplex
Wiring Diagram . . . . . . .
2-4
Figure No.
2-7
2-8
3-1
3-2
3-3
3-4
3-5
LIST
OF
TABLES
Page Table No.
Model
720/21
Data
Terminal
1-3
Data
Set
Interface
Table
.........
1-3
Model
730/31
Data
Terminal 1-4
Communication
Interface
1-4
iv
r
[
Page
TTY
Polar
Interface
Model 731, r
Receive
Only
Wiring Diagram
......
2-5
Paper
Loading
Diagram
..........
2-6
Internal
Controls
..............
3-1
Model
720/30
Keyboard
[
Arrangement
.................
3-2
Keyboard
Codes
Generated
When
Shift
and
Control
Keys are [
not
Depressed
................
3-3
Keyboard
Codes
Generated
When
Shift
Key
is
Depressed
..........
3-3
Keyboard
Codes
Generated
When (
Control
Key
is
Depressed
........
3-3 I
I
(
(
Page
Model
722/23
Data
Terminal
Signal
Interface
Table
...........
1-4
Model 720, 721, 730, 731
Data
Terminal
Auxiliary Interface Table
..
1-5 (
I
I
I
[
[

SECTION I
GENERAL DESCRIPTION
1-1 SCOPE
OF
MANUAL.
This is the operating instruction manual for the Silent
700
Electronic Data Terminal, Models 720/30, produced
by
the
Digital Systems Division
of
Texas
Instruments. This manual
provides
the
information necessary for installation and
operation
of
the
following models: 720, 721, 722, 723,
730,
and 731
Data
Terminals.
1-2 DESCRIPTION OF EQUIPMENT.
The terminal
is
a self-contained electronic page printer
designed for a wide variety
of
telecommunications. (see
Figure 1-1) Silent electronic printing
is
achieved with the
use
of
a
dot
matrix on a monolithic solid-state printhead
that
moves across
the
page, printing
80
characters per 8
inch line. The matrix
is
composed
of
35 separate solid-state
heating elements, each electronically controlled. During the
printing operation,
input
data
is
decoded and voltage
is
applied
to
the
proper elements, causing a transfer
of
thermal energy to the heat-sensitive paper which creates the
image.
1-2.1 MODEL 720. The Model
720
terminal
is
a KSR
(keyboard send/receive),
Input/Output
unit. Choice
of
speeds and options
give
flexibility in applications such
as:
timesharing, point-to-point telecommunications, remote
access and computer console use.
1-2.2 MODEL 721. The Model 721 terminal
is
a receive-
Figure 1-1. Silent
700
Electronic Data Terminal
1-1

only configuration
of
the
Model
720
and incorporates
an
EIA serial
data
interface for receipt
of
data
transmission
over private
communication
lines. Areas
of
application
include public and private telecommunications systems
as
well as wire service
remote
stations.
1-2;3 MODEL 722. The Model 722 terminal
is
a receive-
only configuration
of
the Model 720 with a parallel-by-bit
data interface.
It
may
be
used
as
a hard-copy
printer
with
video
data
terminals, desk-top computers
and
calculators,
or
with
another
remote
data
terminal. This
terminal
is
designed
for
hard-wire
connection
to
a source
of
parallel
data
output
and
is
similar in
appe~rance
and
operation
to
the
Model 721.
1-2.4 MODEL
723.
The
Model 723 terminal
is
a
KSR
(keyboard send/ receive) configuration
of
the
Model
720
with parallel-by-bit
information
interchange.
It
is similar in
operation
to
the Model
722
with
the
addition
of
a
keyboard
for parallel transmission
of
information.
1-2.5 MODEL
730.
The Model
730
terminal
is
a
KSR
(keyboard send/receive)
unit
similar
to
the Model
720
but
designed for telegraph-grade dc signal
data
transmission.
It
has special application in areas using low-speed mechanical
teletypewriters, such
as
private
and
public telecommunica-
tions systems,
remote
terminals and
computer
consoles.
This terminal is provided with a Teletype interface circuit
SPACE
-T-,
-
-r
-T
(+12V) I I I I
I t I I
OV I I r
• I I
I I I
MARK
I I I I
for direct compatibility with existing terminals.
1-2.6 MODEL
731.
The
Model 731 terminal
is
a receive-
only
configuration
of
the
Model 730.
It
has a
dc
signal
interface for receipt
of
telegraph-grade
data
from wire
services
and
other
public
and
private telecommunications
systems. This terminal may also
be
used as a hard-copy
printer for desk-top
computer,
calculators and
computer
terminal applications.
1-3 STANDARD EQUIPMENT.
The terminal comes
complete
with printhead,
control
electronics
and
data
set interfaces.
i-3.1
KEYBOARD
AND
TRANSMISSION CODE
a.
Model
720/21/30/31
-USASCII, 7-leve1, 11
bits per
character
including
parity,
start
and
2
stop bits
at
10
characters per second speed;
10
bits per character with 1 stop
bit
at
higher.
speeds.
Standard
operating
speeds
of
10, 15,
or
30
characters per second are provided
by
a
selector switch (see Figure 1-2). Printable
characters, 68 plus 4
printer
control
characters
and 5
terminal
control
characters. (See Figure
1-3.)
b. Model
722/23
-USASCII, 7-level, parallel
-T-T-'--l
I I I I
I I I t
I I I
I I I I
I I
I I I I I
(-12V)
L_.L_..L_-L_-L_J.._..l.
, I
--
-
START
DATA
DATA
DATA
DATA
DATA
DATA·
DATA
PARITY
STOP STOP
START
BIT
BIT
1 BIT 2
BIT
3
BIT4
BIT
5 BIT 6
BIT
7
BIT BIT BIT
BIT
'I.
T1
~
T2
CHA RACTE RS/SEC
n(MS)
T2(MS)
10
9.09 100
15
6.66 66.6
30
3.33 33.3
40
2.50 25.0
Figure 1-2. Serial
Data
Timing Diagram
1-2
r
[
(
('
I
(
I
I I
[I
['
[
[

input;
printable
characters 68, plus 4
printer
control
characters. (See Figure 1-3.)
1-3.2
DATA
FORMAT
a.
b.
c.
d.
Model
720/30
-
An
internal
switch provides
choice
of
half
or
full-duplex
operation.
Serial
transmISSIOn
is
asynchronous
serial-by-bit,
s e rial-by-character. Auxiliary
Input/Output
parallel-by -bit, serial-by-character.
Model
721/31
-Simplex,
asychronous
serial-
by-bit,
serial-by-character. Auxiliary
output
parallel-by-bit, serial-by-character.
Model
722
-Simplex,
asychronous
parallel-by-
bit,
serial-by-character. Terminal
controlling
source
must
provide
required
serial characters
in
the
bit
parallel.
Asynchronous
operation
obtained
by
requiring
that
input
lines be
strobed
when
ready.
Completion
of
print
opera-
tion
is
indicated
by
READY-BUSY line.
Model
723
-Full-duplex,
asychronous
parallel-
by-bit,
serial-by-character. (Same as
722)
1-3.3 COMMUNICATION
INTERFACE
a. Model
720/21
-
Data
set interface
per
EIA
TABLE
1-1
b.
c.
Standard
RS
23
2B.
The
signals and
connector
pins involved are described in Table 1-1. A
5-foot
data
set cable
with
25 pin
connector
is
supplied
with
terminal.
Model
730
-
Teletype
interface, neutral
keying.
The
signals
and
connetor
pins involved
are described
in
Table 1-2.
1.
Input
current
-
60
rnA
2.
3.
4.
5.
6.
Input
switching
currents
-30
mA
Output
current
capability -60
mA
Output
voltage capability -
130
VDC
Signal
interface
-4 spade lugs
Convertible
to
20
mA loop
by
clipping
out
one
resistor
Model
731
-
Teletype
interface, neutral
keying.
The
signals
and
connector
pins involved
are described in Table 1-2.
1.
Operates
in receive-only
mode
on
2 wires.
2.
Input
current
-
60
mA
MODEL 720/21
DATA
TERMINAL
SERIAL
COMMUNICATION
INTERFACE
TABLE
Connector
Pin
Numbers
J-13
Pin
Function
Terminal
(Yellow)
Data
Set
1 1
Protective
G rou nd4
2 2
Transmitted
Data
4
,6
NOTES
3 3 Received
Data
4
1 Held
to
a high
condition
by
data
terminal.
4 4
Request
to
Send
l
,4,6
5 5 Clear
to
Send
2
,4;6
2Held
to
a high
condition
by
data
set
during
6 6
Data
Set
Readl
,4
transmission.
7 7 Signal G rou nd4 3 Held
to
a high
condition
when
data
set
is
8 8
Data
Carrier
Detector
4 operative.
A
20
Data
Terminal
Readyl
,4
4 Used
only
with
external
modem,
EIA interface,
B
and
data
set
cable
assembly 215563-0001.
C S Used
only
with
internal
modem
and
phone
line
D
Communication
LineS
cable
assembly 215619-0001.
E 6
Not
present
on
Model 721.
F
G
H
Communication
LineS
1-3

Pin Number Pin Function
Terminal (Yellow)
1
2 Teletype Line*,1
3
4
5
6 Teletvpe Line2
,3
7
8
A
B
C
D Teletype Line*,1
E
F
G
H Teletype Line2
,3
Parallel
Output
Connector Connector
(81
ue
J-11)
Pin Number
Output
from Keyboard
1 Data Line 18
2 2
3 3
4 4
5 5
6 6
7 7
8 Data Line 8
A
a
C Signal Ground
D
E
F
Output
Strobel
G
H
TABLE
1-2
MODEl
730/31
DATA
TERMINAL
COMMUNICATION INTERFACE
NOTES
1 Full duplex transmitter
output
loop.
2
Full
duplex receiver input loop.
3 Pin 0
and
Pin H must
be
tied together
for
half
duplex operation.
*Not
used
on
Model 731.
TABLE
1-3
MODEL
722/23
DATA
TERMINAL
SIGNAL
INTERFACE
TABLE
Parallel
Input
NOTES
Connector (RedJ-12)
Input
to
Printer
All
logic levels
are
TTL
compatible, Le.:
Data Line 18
+0·
.
2
+5-
2.6 VDC
for
logic high
3 0+. 5
-0 VDC
for
logic low
4 11.0
]Js
minimum high pulse
to
indicate validity
5
of
data lines.
6 2 Held
to
a
low
condition
by
the terminal when a
7
ch~racter
is
being printed, indicating busy.
Data Line 8 3
Not
used
on
Model.
723.
Ready/Busy2 41.0
].Js
minimum high pulse
to
initiate
print
Signal Ground cycle.
Printer Start3
,5
5100
].Js
minimum high pulse
to
turn
on data
Input
Strobe4 ,7 terminal. (Holds printer
to
"ON"
state when
Printer Stop3
,6
held high.
6100
].Js
minimum high pulse
to
turn
off
data
terminal (Ineffective
if
printer start held high.)
7
Used
to
initiate printing action.
I! Data line 1
thru
data line 7 corresponds
to
b1
thru
b7
of
ASC-II code
(see
Figure 1-2). Must
precede input strobe
by
1
].Js.
*Not
used
on Model 722.
1-4
r
r
[,
[
[
[
I
[
[
[I
I
(
I
I
I
[
(

d.
3.
Input
switching currents -
30
mA
4.
Signal interface - 2 spade lugs
5. Convertible
to
20
rnA
loop
and
polar
operations
by
clipping
out
resistors.
Model
722
-
The
red
connector,
J12,
is
used
to
connect
the
terminal
to
a source
of
parallel
coded
data.
The
signals
and
.connector
pins
involved are described in Table 1-3.
e. Model
723
1.
The
red
connector,
J12,
is used
to
connect
the
terminal
to
a source
of
parallel
coded
data.
2.
The
blue
connector,
J11,
is
used
to
pro-
vide
connection
to
the
terminal's parallel
keyboard
output.
Signals
and
connector
pins involved are described
in
Table 1-3.
1-3.4
AUXILIARY
DEVICE
INTERFACE
a. Model
720/30
-
The
Model
720
and
the
Model
730
have
identical
auxiliary
input
and
output
device interfaces.
The
signals
and
the
connector
pins involved are described in Table 1-4.
b.
Model
721/31
-
Neither
terminal
has
provi-
sions
for
use
of
an
auxiliary
input
device;
however
both
models have identical auxiliary
output
device interfaces.
The
signals
and
the
connector
pins involved are described
in
Table
1-4.
1-3.5
INTERRUPT
a.
b.
Model
720
-Allows
operator
to
interrupt
transmission
from
computer
to
terminal
when
necessary
by
means
of
the
BREAK key. Com-
munication
is
immediately
established
with
the
remote
computer
by
transmission
of
a space for
longer
than
140
ms,
which
is
interpreted
as
an
interrupt
or
break.
This feature requires a
full-duplex
modem
and/or
transmission media.
Model
730
-Same
procedure
as Model
720,
but
no
modem
is used.
In
full-duplex
operation,
the
break
signal is
transmitted
on
the
separate
send
loop
while
data
is being received
on
the
TABLE
1-4
Connector
Auxiliary
Output
Pin Connector (Red)
Number
J·ll
1 Data
Line
19
2 2
3 3
4 4
5 5
6 6
7 7
8 Data Line 8
A
B Signal Ground
C
Auxiliary
Output
Device Start!
D
Auxiliary
Output
Device Strobe2
E
Auxiliary
Output
Device Stop3
F
G
H
MODEL
720, 721, 730, 731
DATA
TERMINAL
AUXILIARY
INTERFACE
TABLE
Auxiliary
Input*
NOTES
Connector (Blue)
All
signals
are
TTL
compatible, i.e.:
J·12
Data Line 19 +5+0
·2.6 VDC
for
logic high
2 +5
3
O·b
VDC
for
logic
low
4 1100U; minimum high pulse
to
turn on auxiliary
5
output
device when
"DC2"
is
received.
6 2100l1s minimum high pulse
to
indicate validity
of
7
output
data lines.
Data Line 8 3100l1s minimum high pulse
to
turn
off
auxiliary
Auxiliary
I
nput
Device Stop4
output
device when
"DC4"
is
received.
Terminal Readys
4100115
minimum high pulse
to
turn
off
auxiliary
Signal Ground input device when
"DC3"
is
received.
5 Held high
to
indicate terminal
is
ready
to
accept
Auxiliary
Input
Device On6 data.
6 Held
to
a
low
condition
by
auxiliary
input
device
Aux
il
iary I
nput
Device
Stare
when operational.
7100l1s
minimum high pulse
to
turn on auxiliary
Auxiliary
Input
Device
input
device when
"DC1"
is
received.
Data StrobeS s10.0f,ls minimum high pulse
to
indicate validity
of
data on auxiliary
input
data lines.
9 Data line 1
thru
data line 7 corresponds
to
b1
thru b7
of
ASC
II
code,
(see
Figure 1-2).
*Not
used
in Model
721
or
731.
1-5

receive loop.
For
half-dupleJ!:,
the
break
signal
will
break
the
receipt
of
data
from
the
remote
transmitting
unit
to
allow its receiver circuits
to
sense
the
interrupt
condition.
1-3.6 PARITY CHECKING. No parity check
is
provided
on
data received. Even parity
is
generated with data
entered
from
the
keyboard. Through an internal reconnection,
parity transmissions can be overridden
by
causing a logic
one
to
be continuously transmitted for
thc
parity bit.
1-4 OPTIONS
1-4.1·.40 CHARACTER/SECOND. OPERATION (MODEL
720/21).
A fixed
speed
for
serial
data
transmission
and
printing
of
40
characters per second
may
be provided
in
lieu
of
normal switch-selected speeds for Model
720
and
Model 721.
1-4.2 ANSWER-BACK MEMORY (MODEL
720/30).
A
21-character, 8-bits-per-character
memory
is
provided.
Readout
is serial-by-bit
and
serial-by-character, activated
remotely
or
loc;tlly.
Readout
speed
is
that
of
the
terminal
transmission rate. Message
is
not
printed
or
transmitted
to
auxiliary data device.
1-4.3 LOWER CASE {All Models). Lower case alphabetic
printing, from a 5 x 5
portion
of
the
5 x 7 matrix, character
size .0715 in x
_080
in. giving 94 printable characters, is
provided.
1-4.4 BUILT-IN DATA SETS.
a. Model
720
- A field interchangeable modem
(DS100TH or DS100TL data set) may
be
supplied in
the
form
of
a plug-in printed circuit
card. The
connector
pins involved are indicated
in Table 1-1.
1. DS100TL
DATA
SET -Compatible with
the
Bell
103F1
originate
mode
transmit/
receive data set.
Modulation -frequency shift keying
Transmit carrier
frequencies -
1270
Hz -
mark
1070
Hz -space
Receive carrier
frequencies -
Transmitter
output
level -
2225
Hz -mark
2025
Hz -space
0-15 dbm, adjustable
1-6
b.
c.
2.
Receiver
input
level -
Input
and
output
line impedances -
Transmit-control
function
-.
Receive
control
function -
Type
facility -
operation
between
+5 .
dbm
and
-35
dbm
600/900
ohms
request
to
send/clear
to
send,
265
±65 mc
Carrier
detect
time
operate,
150
rns
±50
msr'elease,
50 ms
±25ms
3002
line (no con-
ditioning)
DS100TH
Data
Set
-
Compatible
with
the
Bell
103F2answer
mode
transmit/
receive
data
set. Similar
to
DS100TL
data
set except:
Transmit carrier
frequencies -
Receive carrier
frequencies -
2225 Hz -mark
2025
Hz -space
1270
Hz -
mark
1070
Hz
-space
Model 721 - A field interchangeable modem
(DS100RH
or
DS100RL data set) may
be
supplied in the form
of
a plug-in preinted-
circuit card. The DSIOORH
is
the
receive-only
version
of
the
DSlOOTH. The DSIOORL
is
the
receive-only version
of
the
DS100TL. The
connector
pins involved are indicated in Table
1-1.
Model
730/31
-Teletype interface, polar key-
ing.
The
connector
pins involved are indicated
in Table 1-2.
Input
currents -5 rnA
to
60
rnA
Input
switching currents - 5 rnA
Output
current
capability -
60
rnA
Output
voltage capability -
130
VDC
1-5 SPECIFICATIONS.
[!
[;
r
[
r
[
r
I ' I
(:
[
r:
I
(,
(
[i
I
[
r
[

1-5.1
PRINTER
e.
platen
-
Friction
feed
a. Printing
method
-5 x 7
dot
matrix,
electron-
f.
Carriage/Return
time -
195
milliseconds
ically
heated,
printing
on
maximum
heat
sensitive paper.
b. Line
length
- 8 inches,
80
characters
g.
Line feed time -25 milliseconds
c. Line spacing -6 lines
per
inch h. ·Printable characters -
up
to
94, see figure 1-3
d.
Paper -
~T.I.
Part
No.
213
14-0001)-'
Roll, 8.5 inches wide i. Carriage
return
and
by
3.625
inches maxi- Line feed
(CR/LF)
-
Automatic
at
column
81,
mum
diameter
(300
No
code
is
transmitted.
feet),
heat
sensitive.
b7 0 0 0 1 1 1 1
b6 0 1 1 0 0 1 1
b4 b3 b2 bi bs 1 0 1 0 1 0 1
0 0 0 0
SP
0 @ P
..
P
0 0 0 A Q a q
0 0 0 2 B R b r
0 0 # 3 C S c s
0 0 0 $ 4 D T d t
0 0 % 5 E U d u
0 0 & 6 F V f v
0
~
7 G W 9 w
0 0 0 8 H X h x
0 0 9 Y y
0 0 * J Z j z
0 + K [ k {
0 0 < L \
0 M m }
0 > N t n
1 / ? 0 +- 0
NOTE:
All
lower
case
alphabetic letters
will
be
printed
as
upper
case
unless the
"Lower
Case
Alphabetic
Print"
option
is
incorporated
L--
__
---I,
PRINTABLE
CHARACTER
REF: USAS x 3.4·1967
_
PRINTER
CONTROLCHARACTER
[j,~?/
~/
',~;
I
AUXI
LlARY
DEVICE
CONTROL
CHARACTER
_II
CODES
GENERATED
BY
KEYBOARD,
BUT
NO
ACTION
TAKEN
Figure 1-3.
Code
System
and
Character
Set
1-7

1-5.2 PHYSICAL.
a.
Terminal
size
See figure 1-4
Width
Depth
Height
17.75
inches
18.25
inches
6.75
inches
b.
c.
Terminal
weight -Models
720,
723,
730
38
pounds
Models
721,
722,
731
32
pounds
Power
requirements
-
120
VAC ±10%,
50/60
Hz,
240
watts
maximum.
240
volt
operation
optional,
see
Section
II,.
INST
ALLA
TION.
1-8
1
.........
----18.25---~~
I
=
c=:::::J
c=:::::J
c=:::::J
c:==
=
==
==
c::::=::=l
c::::=::=l
c:=::::J
c:::=:::::J
'-
-"
Figure 1-4.
Outline
Dimensions
[
[
17.75 (
(I
I
I
(
('
I
I
(
I
I

SECTION II
INSTALLATION AND CHECKOUT
2-1 EQUIPMENT INSTALLATION
The
Electronic
Data
Terminal
is
a self-contained
unit
requiring
no
auxiliary
equipment
for usual
data
terminal
operation.
2-1.1
POWER
CONNECTIONS.
The
normal
power
connec-
tion
is
120
VAC,
50/60
Hz, 3 wire.
To
use
the
optional
240
VAC,
·50/60
Hz
power
changes
must
be
made
in
the
terminal.
Disconnect
the
yellow,
brown
and
green leads
from
their
present
location,
(See Figure 2-1).
Connect
these
three
leads
to
the
center
connector
of
the
terminal
block.
Remove
the
molded
120
volt plug from
the
power
cord
and
install a
240
volt, 15 amp
rated
tandem
blade plug.
LEADS
FROM
POWER
CORD
CAUTION
A visual
inspection
should
be
made
of
the
terminal
before
applying
power. Check for
obvious shipping damage.
Open
the
top
cover
and
remove
the
card
cover
from
the
card rack.
Check
that
no
foreign
objects
are present.
Insure
that
all cards are tightly plugged
into
their
sockets
and
that
all
connectors
to
the
electronics assembly are secured. Replace
the
card
cover
and
close
the
top
cover. Check
that
all keys
on
the
keyboard
operate
freely.
GREEN
AND
BROWN
TRANSFORMER
LEADS
WHITE
TRANSFORMER
LEADS
BLACK
&
GREEN
LEADS
FROM
TRANSFORMER 7 BROWN &
WH
ITE
LEADS
FROM
TRANSFORMER
BLACK
TRANSFORMER
120V
OPERATION
FAN
LEADS
(YELLOW)
POWER CORD
LEAD
240V
OPERATION
Figure 2-1.
120V
and
240V
Operations
2-1

2-1.2 COMMUNICATION
INTERFACE
CONNECTION.
Connection
is
made
at
the rear
of
the
terminal
with
an edge
connector
(see Figure 2-2).
a.
Data
Set Cable (Part No.215563-1)
is
used
to
connect
a
standard
Model
720
or 721
to
an
external
data
set. A standard RS232B
compatible 25-pin
connector
is
provided
at
the
end
of
the
5-foot
cable.
For
pin assignments,
see Table 1-1.
b.
phone
Line
Connection
(Part No.215619-1)
is
used
to
connect
a Model
720
or 721
with
the
built-in
data
set
option
to
a
phone
line.
Connection
consists
of
an
edge
connector
for
connection
to
the
terminal
and a 5-foot cable
terminated
with
two
spade lugs for
connection
to
the
Bell
System
Direct
Access Arrangement.
For
pin assignments, see Table 1-1.
c.
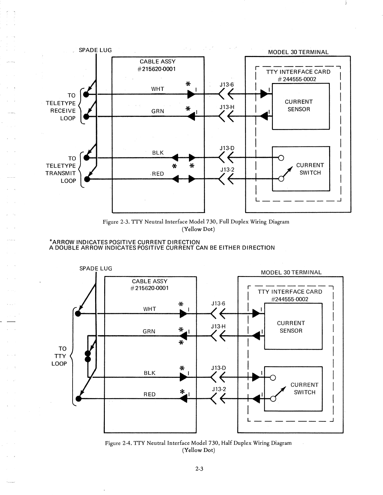
Teletype
Connection
(Part No.215620-1)
is
used
to
connect
the
Model
730
or
731
to
the
communication
line.
Connection
consists
of
an
edge
connector
for connection
to
the
terminal
and
a
5-foot
cable
terminated
with
four
spade
lugs.
The
standard
Model
730
is
shipped with
the
60
rnA
input
current
level.
To
set for
20 rnA,
R2
on
card assembly
244552-0002
or
-0001 (rearmost card
in
the
card rack)
must
be
clipped
out.
On
Model
731
to
set for polar
operation,
R2
and
R1
must
be
clipped
out
on
244552-0001.
For
specific connections, see
Figures
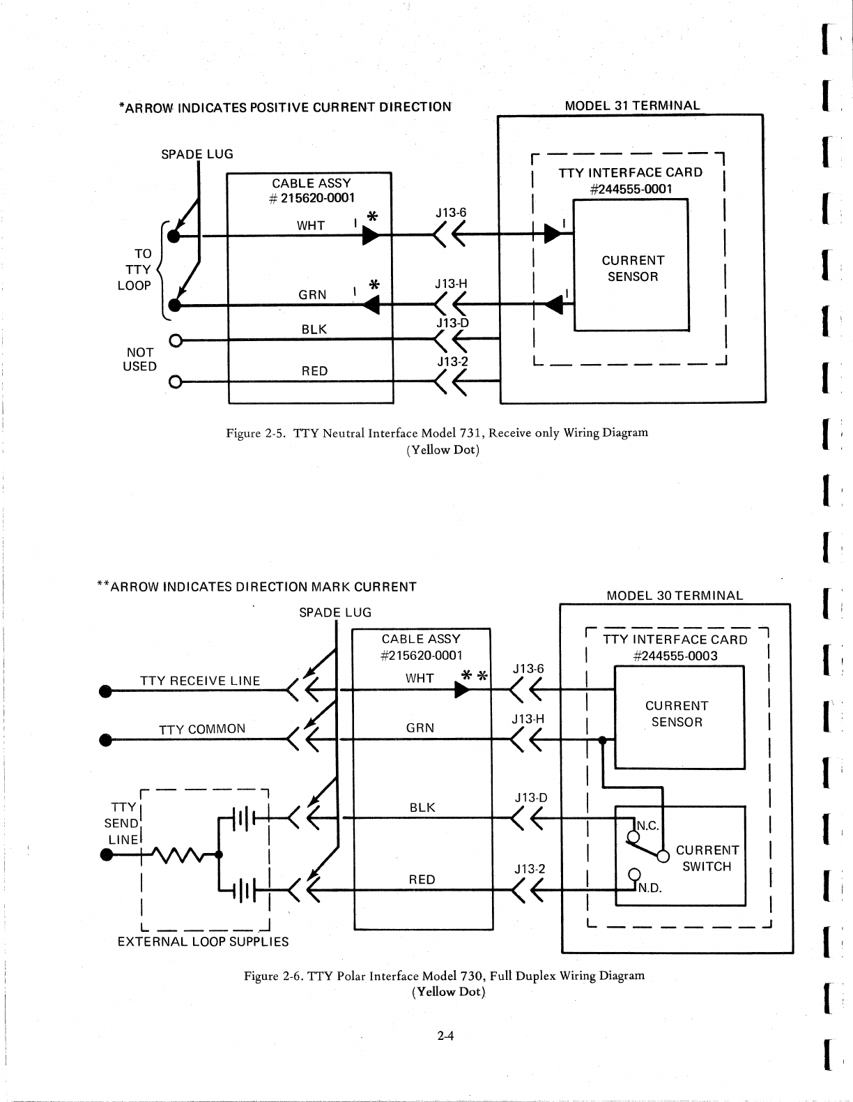
2-3,2-4,2-5,2-6,
and
2-7.
2-1.3
AUXILIARY
INPUT/OUTPUT
DEVICE
CONNECTION.
Connection
is
made
at
the
rear
of
the
terminal
with
an edge
connector
(see Figure 2-2).
For
pin
assignments, see Table 1-4.
2-1.4 MODEL
722
CONNECTION.
The
parallel
input
connection
is
made
at
the rear
of
the
terminal, below
the
red
dot,
with
an
edge
connector
(see Figure 2-2).
For
pin
assignments, see Table 1-3. A
connector
kit
21,5584-0001
is
provided for
connection
to
the terminal.
2-1.5 MODEL
723
CONNECTION.
The
parallel
input
is
identical
to
that
of
the
Model
722.
The
parallel
output
is
made
at
the
rear
of
the
terminal
below
the
blue
dot.
See
Table 1-3 for pin assignments.
Two
connector
kits
215584-0001
are provided for
connection
to
the
terminal.
Figure 2-2. Terminals Connections
2-2
[.
r
(
I
(
('
[
I
[
[
1
[
I
[

, SPADE LUG
TRANSMIT
CABLE ASSY
#215620:.0001
WHT
GRN
BLK
*
,RED
*
MODEL 30
TERMINAL
r--------,
I
TTY
INTERFACE CARD I
# 244555-0002
J13-6 I I
~~~~
I
CURRENT I
SENSOR
.113-H
CURRENT
SWITCH
TELETY!~
{
LOOP
~----~------------~~~~-+---<
I
I
I
I
I
I
I
L
_______
-1
Figure 2-3. TTY Neutral Interface Model 730, Full Duplex Wiring Diagram
(Yellow Dot)
*ARROW
INDICATES POSITIVE CURRENT DIRECTION
A DOUBLE ARROW INDICATES POSITIVE CURRENT CAN
BE
EITHER DIRECTION
TO
TTY
LOOP
SPADE LUG
CABLE ASSY
# 215620:.0001
WHT
GRN
*
MODEL
30TERMINAL
r
--------,
I
TTY
INTERFACE CARD I
#244555-0002
J13-6 I I I
+---+~I"'-I
CURRENT I
J13-H I I
SENSOR
~--------~~~
I I
I I
J13-D
BLK
RED
I I
CURRENT
SWITCH
I
I
I
I
L
_________
.J
Figure 2-4. TTY Neutral Interface Model 730, Half Duplex Wiring Diagram
(Yellow Dot)
2-3

*ARROW INDICATES POSITIVE CURREN-T DIRECTION
TO
TTY
LOOP
NOT
USED
SPADE LUG
CABLE ASSY
# 215620-0001
WHT
GRN
BLK
RED
J1
J1
3-6
/
"
-H
/
3),
f
"
3-2
/
"
MODEL
31
TERMINAL
r------l
I
TTY
INTERFACE CARD I
#244555-0001
I
~
1
...
1
'
......
I
I CURRENT I
I
SENSOR
..... 1 I
I
~
I I
L
______
-1
Figure 2-5. TTY Neutral Interface Model
731,
Receive only Wiring Diagram
(Yellow
Dot)
**ARROW
INDICATES DIRECTION
MARK
CURRENT
SPADE LUG
MODEL 30
TERMINAL
CABLE ASSY
r------,
TTY
INTERFACE CARD
#215620-0001 I #244555-0003 I
3-6
I t
/
".
I CURRENT I
J1
TTY
RECEIVE LINE < WHT * *
••
~----~--~~~~
+-~-+---------~-+-<
-H
I SENSOR I
/
" I I
J13
TTY
COMMON < GRN
.•
~--~~~------~
~~-~----------~~
I I
3-D
I I
/
" I
N.C.
I
I CURRENT I
3-2
I Q SWITCH t
/
"
N.D.
I I
BLK
J1
r-
---'1
s~~11
IJJ-4-<1
LINE I
i
Il~
~-+-
__
R_E_D
_--+-<J1
L
____
,..J
L
______
J
EXTERNAL
LOOP
SUPPLIES
Figure 2-6. TTY Polar Interface Model
730,
Full Duplex Wiring Diagram
(Yellow
Dot)
2-4
[,
[,
['
[:
. ,
(
I
I
(
(
('
r
[,

**ARROW
INDICATES DIRECTION
MARK
CURRENT
TO
TTY
LOOP
NOT
USED
SPADE
LUG
CABLE
ASSY
# 215620-000 1
WHT
**
MARK
CURRENT
GRN
J13
-6
/
~
J13
-H
/
-~
J13
"/
J1
3)
,.
"
t/·
.
MODEL
31
TERMINAL
r
--------
..,
I
TTY
INTERFACE CARD I
# 244555-0001
I I
I I
I CURRENT
I
SENSOR
I
I I
I I
L -
------
__
.J
Figure 2-7.
TTY
Polar Interface Model
731,
Receive only Wiring Diagram
(Yellow
Dot)
2-2 PRELIMINARY CHECKOUT.
A visual check
of
the
data
terminal
should be made before
applying power. Check for
any
obvious shipping damage
such as
broken
plastic scale,
dents
in
the
case or packing
material inside
the
case.
Check
to
see
that
the
top
opens
freely
without
interference. Remove the black cover from
the
top
of
the
cardrack
and
power supply. Visually check
that
there are
no
foreign objects present
that
could possibly
short
any
of
the
circuits. Press
down
on
the
card ejectors
of
all cards
to
be
sure
they
are all plugged
into
their sockets
tightly.
Check
to
be
sure
that
none
of
electrical
connectors
to
the
cardrack are loose, especially
the
terminal
block. Also
check
to
see
that
all keys
on
the
keyboard
operate properly-
without
binding. Lift
the
pinch roller and move
the
printhead
across the carriage
to
see
that
the
printhead
moves freely
without
interference.
Before plugging
the
power
card
into
a 240-volt
outlet
verify
that
the
terminal
block
has
been
connected
as
described in
Paragraph 2-1.1.
2-3 PAPER LOADING.
Only
use
paper
in
this
equipment
which
meets
the
requirements
of
TI
Specification
213714.
Other
papers may
permanently
damage
the
printhead
and/or
mechanism.
2-5
The
terminal must be
loaded
with
paper before turning on
power.
The
paper
is
loaded
as follows:
a.
Open
terminal cover
and
lift pressure pinch
roller. (See Figure 2-8.)
b. Lift
out
paper supply axle and remove any
paper
that
may be in the drive.
c.
Put
a roll
of
paper
on
the
supply
so
that
the
paper feeds as shown in Figure 2-8.
d.
e.
f.
g.
h.
i.
Unroll
about
12
inches
of
paper
and
form a
point
to
aid in threading
the
paper.
Thread
the
paper
as
shown in Figure 2-8.
Be
sure
the
paper
is
centered
in
the
paper chute.
Lower
the
pinch roller.
Check
that
the
paper
is
straight in
the
feed
mechanism.
Turn
on
the
power switch
and
depress
the
PAPER ADV key.
Feed
out
about
six inches
of
paper
to
insure
proper
operation.
Close
the
terminal
cover, being sure
that
the
paper
is
fed
through
the slot in
the
plastic
shield.

PAPER
GUIDE
DRIVE ROLLER
PINCH
ROLLER
FLANGED
ROLLER----------~~l
PRINT HEAD
PAPER
SUPPLY ROLL
Figure 2-S.
Paper
Loading
Diagram
2-4
PROGRAMMING
MEMOR Y OPTION. THE ANSWER-BACK
The
Answer-Back
memory
is
a Sx21
diode
matrix
which
can
be
programmed
for
any
message desired.
The
unit
is
shipped
initially
with
all
ONEs
in
the
matrix
indicated
by
all diodes in place. A
ZERO
may
be
generated
in
any
bit
location
and
any
character
by
clipping
out
or unsoldering
2-6
one
end
of
the
appropriate
diode.
The
card assembly is
244531-0001
and
is
located
in
position
3 as
indicated
in
Figure 3-1.
The
data
bit
number
and
character
number
are
marked
on
the
cards
with
diodes
CR1
thru
CR168
used
for
the
matrix.
Note
that
the
delete code
with
even
parity
(all
ONEs) can
not
be
transmitted
as this
is
the
code
which
resets
the
memory.
[,
(
[
(i
[
r
I
I
(
(
[
[,

SEC'~ION
III
EQUIPMENT OPERATION
3~1
GENERAL.
This section provides
the
information necessary for an
operator
to
carry
out
transactions with a computer using
anyone
of
the Model
720/30
Series data terminals. Those
operations which are common
to
the entire Series are
discllssed initially followed
by
a discussion
of
each
of
the
different models individually.
3-1.1 MODEL
720/30.
From
the operator's point
of
view,
the operation
of
the Model
720
and Model 730
is
identical.
The
only distinction between the two
is
the type
of
interface between
the
terminal and
the
other device with
which
it
is
communicating.
HALF/FULL,
DUPLEX .
SWITCH'
~1.2
POWER SWITCH. The power switch
is
located on
the keyboard (see Figure 3-1). In the
OFF
position,
both
sides
of
the power line are disconnected from all circuits in
the terminal with the exception
of
the fuse. In the ON
position, power is supplied
to
all circuits in the terminal.
NOTE
In earlier models
of
the terminal the
power switch may be located under the
cover.
3-1.3 DATA TRANSMISSION SPEED SWITCH. The data
transmission speed switch sets the serial data transmission
Figure 3-1. Internal Controls
3-1

speed
at
10,
15,
or
30
characters per second. This
control
is
not
present in the Model
720
data
terminal
equipped
with
the 40 character per second speed option.
3-1.4 TRA:"NSMISSION MODE SWITCH. This switch
selects
either
Half
or
Full Duplex operation
of
the
communication interface.
3-2 CONTROLS.
The
'Model
720/30
keyboard
arrangement
is
shown in
Figure 3-2. Figure 2-2 shows
that
the specific codes
generated
by
the terminal
and
Figures 3-3, 3-4,
and
3-5
show the
status
of
the
shift and
control
keys
to
generate
the
codes.
PAPER
ADV
(Paper Advance Key) -The Paper Advance
Key
is
used
to
advance the paper through the printer during
paper loading or clearing
of
the inachine. A manual paper
advance
knob
is
also provided on
the
right side
of
the
printing mechanism.
NOTE
Extended
operation
of
paper advance key
may
calise fuse t() blow. This
is
designed
for
maximum
protection.
LINE
FEED
(Line
Feed
Key) -The line feed
key
generates
the line feed code.
Upon
re'ceipt
of
this code
the
printer
advances the paper one line while printhead retains its
position
on
the
page.
Backspace Key (BS)
-c,
The
backspace code is generated
when the
control
key
and .the
BS
key are depressed. (See
Figure 3-5.)
The
printhead
is
stepped one position
to
the
left as long as the pril;lthead
is
not
in column one when"
code
is
received
by
the
printe,r.
Bell (BEL) -
The
bell
code)s
generated when the
control
key
and
the BEL
key
are depressed (see Figure 3-5).
The
audible alarm is actu<\:ted
when
this code
is
received
by
the
printer.
CAR
RET
(Carriage
Return)
-
The
carriage
return
key
generates
the
carriage
return
code;
The
printer
~auses
the
printhead
to
return
to
the left-hand margin
when
CR
is
received. NOTE:
The
paper
is
not
advanced one line.
REPEAT (Repeat Key) -When
the
repeat
key
is
depressed
in conjunction'
~ith
any
other
coded
keyboard
character,
that
character
is
generated
repeatedly
at the terminal's
operating speed.
NOTE
The
REPEAT
key must be depressed
first, prior
to
the
key
desired
to
be
repeated.
HERE IS (Here
Is
Key) -
The
Here
Is
key
triggers
the
Answer-Back Memi;lry causing
its'
contents
to
be
transmitted
(but
not
printed).
BREAK (Break Key) -
The
Break key causes
the
terininal
to
transmit
a space
for
greater
than
140
ms
if
the
ON-LINE
key
is depressed. The first time
the
key
is
depressed, the
BREAK light
is
turned
on
and
the
interrupt
signal is
transmitted.
The
light remains
on
until
the
BREAK
key
is
depressed again.
ON-LINE
(On~Line
Key) -
The
On-Line key
is
an alternate
action
key
which controls the
transmitter
and
receiver
circuit connections
to
the
communication
interface.
Depressing the
key
once
puts
the
terminal in the
"On
Line"
state, i.e., connects the
transmitter
and
receiver circuits
to
the
communication
line. Depressing
the
key
again
puts
the
terminal in the LOCAL state, i.e.,
transmitter
connected
to
receive circuits and
not
to
the
communication
line.
3-3 CONDITION INDICATORS.
POWER -
indicat~s
that
the
power switch
is
in
the
ON position.
ON LINE -indicates the
On
Line key
is
depressed.
LOCAL -indicates
the
On
Line
key
is
not
depressed.
BREAK -indicates
the
Break
key
'has
been
depressed.
n-lltlfOC-1llETBl[ENQI[Dc.2I[DC-4I[EMlfNAKl(HTI[SIIIDlEI~Ir::Ir;z1
~L:.J~~Wl.!...JL.!.Jl..!..J~l.!...J~I..!.JWD~
EJ
ICTRLI
IS~HIID~.3'IE~T'IA~K'IB~L
II
~s
I
QI
~T
11
F
t,
CJ
[J
I
CAR
RU
..
I_S_H_IF_T_
...
I
S~B'
[ZJ
[TI
[TI
ITJ
CS[J
[fJ
lTI
CJ
OJ
I
SHIFT
(SPACE
BAR) I
Figure 3-2. Model
720/30
Keyboard
Arrangement
3-2
I~I
~
[
r
[,
f:
[
r
r
[
[
r
('
[

BQQwQQwQQQQ~QQ~§~
[J
0
GJ
GJGJ[JQ[JQQGJeJD
EJ
§ B
o 0
GJ
[J
GJ
Q
[J
Q
[J
Q Q 0 0 I
CAR
RETURN
I §
I
1[J[JQOQQGJDDeJl
I
I (SPACE BAR) I
NOTE:
Upper
case
alphabet
codes
are
generated
unless
the
lower case
option
is
included.
Figure 3-3.
Keyboard
Codes
Generated
when
Shift
and
Control
Keys
are
not
Depressed
BDDD~~~~D~~DDD~§~
DCJ~~~c:J~~~tJ~c:J~EJ~8
o 0
~J
~
~
c:J
~
~
[J
c:J
[J
0
LJ
I
CAR
RET
I §
I
SHIFT
I
~ ~
~
~
~
~
c:J
[J
[j
[J
I
SHIFT
I
I (SPACE BAR) I
Figure 3-4.
Keyboard
Codes
Generated
when
Shift
Key
is
Depressed
~DDD~~~~DDDDLJD~§~
DDEjEJEJ~~EJEJEJc:J~EJEJ~B
EJ
0
EJ
~
EJ
EJ
EJ
EJ
rJ
c:J
EJ
0 0 I
CAR
~T
I [;j
I
IEJ~EJEJ[7JEJEJc:JEJEJI
I
I (SPACE BAR) I I . I f
~)9
I
JOf'l
v
Figure 3-5.
Keyboard
Codes
Generated
when
Control
Key
is
Depressed
3-3

3-4 OPERATING SEQUENCE.
3-4.1 OPERATION WITH A REMOTE DEVICE.
a.
Make
the
appropriate
communication
interface
connection
(See Section II).
b.
Lift
the
top
cover
and
set
the
switches for
the
appropriate speed
and
type
of
communication.
c. With the
On
Line
key
released, move
the
power
switch
to
ON.
d.
Lower
the
top
cover, threading
the
paper
through
the
clear plastic window.
NOTE
The LOCAL and POWER indicators
should
be
on. The terminal is
now
in
the
local
mode
of
operation, allowing keyboard
information
to
actuate
the printer.
e. Depress the ON LINE key, turning
the
LOCAL
light
off
and
the
ON LINE light on.
The terminal
is
now
in
the
transmit
mode
of
operation.
If
the
switch
is
in
the
Half-Duplex
position, keyboard
information
is
allowed
to
actuate
the
printer, otherwise
no
action is
taken
by
the printer when a key
is
depressed.
3-4.2 OPERATION WITH AUXILIARY INPUT DEVICE.
a.
Connect the terminal
to
the
auxiliary
input
device (Refer
to
Section II).
b. Place the Auxiliary
Input
Device in a
mode
such
that
it
can be controlled remotely
by
the
terminal.
c.
d.
place
the
terminal
in
the Local
mode
by
turning
on
the power switch with
the
On
Line key
released.
Depress
the
control
key (CTRL)
and
the
DC1
key (see Figure 3-5)
to
start the transfer
of
information
from
the
Auxiliary
Input
to
the
terminal.
This transfer continues until
the
auxiliary
input
device transmits
the
DC3
control
character
or
is
manually
turned
off.
If
the
terminal
is
in
the
transmit
mode,
i.e.
On
Line key depressed. and
the
switch
is
in the Full-Duplex position the
Auxiliary.
Input
can be
turned
on
and
off
by
the
reception
of
the
DC1
and
DC3
control
characters, respectively. While the Auxiliary
Input
is
operational the
keyboard
is inoperative
with
the
exception
of
the
Paper Advance key.
3-4.3 OPERATION WITH AUXILIARY OUTPUT DE-
VICE.
3-4
a.
Connect
the
terminal
to
the
Auxiliary
Output
device (Refer
to
Section II).
b. place
the
Auxiliary
Output
de.vice in a mode so
that
it can
be
remotely
controlled
by
the
terminal.
c. place
the
terminal in
the
local
mode
by
turning
on
the
power
switch with
the
On
Line key
released.
d. Depress
the
control
key
(CTRL)
and
the
DC2
key
(see Figure 3-5)
to
turn
on
the
Auxiliary
Output
device.
Each key
that
is
depressed
thereafter
should
be
acted
upon
by
the
Auxiliary
Output
device.
This continues until
the
control
key (CTRL)
and
the
DC4 key are depressed,
turning
off
the
Auxiliary
Output
device.
If
the
terminal
is
in
the
transmit mode,
the
Auxiliary
Output
device
may
be
remotely
controlled
through
use
of
the
DC2 and DC4
control
characters.
3-4.4 OPERATION WITH ANSWER-BACK MEMORY.
The Answer-Back Memory has
the
highest
priority
of
input
information.
When
it
is
used in
conjunction
with an
Auxiliary
Input
device
both
the
keyboard
and
Auxiliary
Input
are disabled while
the
Answer-Back Memory
is
sending its message.
The
Answer-Back Memory may
be
triggered
remotely
by
the ENQ
character
or
locally
by
the
HERE-IS key. The message
stored
in
the
Answer-Back
Memory
is
not
printed when it is triggered.
3-5 MODEL
721/31
OPERATING SEQUENCE.
The
operation
of
the Model 721
and
Model 731
is
identical.
The
only distinction between
the
two
is
the
type
of
interface
between
the terminal
and
the
device which
transmits
information
to
the
terminal.
3-5.1
OPERATION
WITH A REMOTE DEVICE. Opera-
tion
with
a
remote
device
is
accomplished
by
making the
appropriate
communication
interface
connection
(see Sec-
tion II).
Set
speed switch for
the
appropriate
speed
and
then
turn
the
power
switch ON. The
terminal
is ready
to
receive
information.
3-5.2 REMOTE DEVICE AND
AUXILIARY
OUTPUT
DEVICE.
Connect
the terminal
to
a
remote
device
as
above.
Then
connect
the terminal
to
an
Auxiliary
Output
device
(see Section II). The Auxiliary
Output
is
turned
on
and
off
through
the
use
of
the DC2
and
DC4
control
characters,
respectively. .
[:
(!
[!
[:
[
[
[
[
[
[
[
(
[
[
[
[:
[:
[I

3-6 MODEL
722
OPERATING SEQUENCE.
All
that
is necessary
to
operate a Model
722
is
to
connect
the
terminal
to
a source
of
parallel data according
to
Section II
and
turn
the
power switch
to
th~
ON position.
3-7 MODEL
723.
3-7.1 CONTROLS. The Model
723
keyboard arrangement
is identical
to
that
of
the
Model
720/30
(see Figure 3-2).
Figure 1-3 shows
the
specific codes generated
by
the
terminal
and
Figures 3-3, 3-4, 3-5 show
the
status
of
the
shift
and
control
keys
to
generate
the
codes.
LINE
FEED
(Line
Feed
key) -Generates
the
line
feed code.
Backspace key (BS) -Generates
the
backspace code.
Bell (BEL) -Generates
the
bell code.
DEL
(Delete key) -Generates
the
delete code.
CAR
RET (Carriage
Return)
-Generates
the
carriage
return
code.
REPEAT (Repeat key) -Inoperative
HERE
IS (Here Is key) -Inoperative
BREAK (Break key)
-Inoperative
ON LINE (On Line key) -Controls only
the
status
of
the
LOCAL and
the
ON LINE indicators.
3-5
3-7.2 CONDITION INDICATORS.
POWER -Indicates
that
the
power switch is in the
ON
position.
ON LINE -Indicates
the
ON-LINE key
is
depressed.
LOCAL -Indicates
the
ON-LINE key is released.
BREAK -Inoperative.
3-7.3 OPERATING SEQUENCE. First
the
terminal
is
connected
to
a source
that
is able
to
provide
and
accept
parallel data. (See Section II).
The
power switch is then
turned
on
and
the
terminal is ready
to
accept information
and simultaneously provide parallel
data
at
its
output.
3-8 ABNORMAL EVENTS.
Should
the
terminal
not
operate properly check the
following
prior
to
calling service personnel:
1. Check power connections
2.
3.
4.
5.
6.
Check power switch
ON
Check fuse
Check speed switch
Check
that
external connectors are plugged
in
and
screwed down.
Check
that
paper
is
properly loaded.

[
[:
[:
f·
[,
[.
[I
['
[,
[
[I
[
I:
[,
[:
[
[,
[;
[

APPENDIX A
A COMPARISON BETWEEN
THE
TELETYPE KEYBOARD
AND THE MODEL
720/730
KEYBOARD

---
-
-----------------
----------
-
----"-
----"-"----------"-----
-----"-----------
-
[
[,
[
r
[-
[
[,
[
[
[
[,
[
[
[,
[
[
[I
[,
[

~
,!....
SHIFT
CONTROL
SHIFT
&
SHIFT
CONTROL
SHIFT
&
KEY
ONLY
ONLY
CONTROL
KEY
ONLY ONLY
CONTROL
A
SOH
P
DLE
B
STX
Q
DCl
C
ETX
0
SI
H
BS
U
NAK
K C
ESC
V
SYN
L "
FS
W
ETB
M C
GS
X
CAN
N
SO
RS
Y
EM
Z
SUB
CD
r\
(#\
CD
f%\
f&\
{t\
(T\
CD·
f\
()
f=\
t::::d
1\:v\2)4\'v~\.2)'V9\.V:0~
@
LTQQ
evRU
~P
~APE
Q Q
CE)AB
Q
Q@INE@E-."-"',
OD
Q W E R T Y U I O· P EED
UR
, I
..
_
....
8
TRL
f\
~I
~ ~ ~
f\ f\
fvT\
~
{;\.~
SEPT
Q
\..Y \...V
~
"-U
\.sU
\J:!.}
\.U
\..:U
\J:./
\..J
~
'--../
8G)QG)QG)G)QOOCD8
( )
Figure A-I.
Teletype
Model
733/735
Keyboard
Arrangement

>
N
D
*
D
SHADED KEYS
INDICATE
KEYS WHICH ARE LOCATED IN
DIFFERENT
POSITIONS FROM TELETYPE
MODEL
33/35.
UNDERLINED
KEYS
INDICATE
THOSE KEYS WHICH GIVE
DIFFERENT
FUNCTIONS AS
SHOWN
IN
TABLE
1.
KEYS WITH
AN
ASTERISK
ABOVE THEM INDICATE KEYS WHICH GENERATE CHARACTERS NOT
AVAI
LABLE
ON
THE TELETYPE
MODEL
33/35.
*
n
[JJI
r-:l
f4il
f$I
f7l
r-&l
J.l
f7l1ll
A
~.
1
~
~
~~
~~
~~
~
RITi~~~~~~~~j;l~
llJl.:;J~~WWL2Jl!J~L!.Jl.£J~
*
U
*-
I,::~~:~jl
IcrRLI=I~II~31IE~.IIA~II~LlrnQI~lmrnn
. . ,
~=
t=~
lil::lll,
Mifr:tt::::'1
l:i'~~~~:1
~ ~
~
~
rrul
fSol
fGSl
I<ll>ll?ll
SHIFT
SHIFT
l2J
L2J
~
~ ~
ll::J
~
L:.J
LJ
lLJ
.
..
----
----
----
~--------~
SPACE
-~
_______
~
co
-]
DEPRESSING THE FOLLOWING KEYS WITH THE CONTROL KEY
WILL
GENERATE THE FOLLOWING CHARACTERS
NOT SHOWN
ON
THE KEYTOPS.
, =
FS
. =
RS
/ =
US
Figure A-2.
Model
720/730
Keyboard
Arrangement
~~~~~~~~~~~~~~~~~~~
/~