250P1ii 250P1 Installation Manual
User Manual: 250P1 Installation Manual AlarmHow.net Library
Open the PDF directly: View PDF .
Page Count: 136 [warning: Documents this large are best viewed by clicking the View PDF Link!]

K4331 9/99
3
6HFXULW\6\VWHP
,QVWDOODWLRQDQG6HWXS*XLGH
123
654
897
0
*
#
OFF AWAY S TAY
MAX TEST BYPASS
INSTANT CODE CHIME
READY
ARMED
READY
123
654
897
0
*
#
OFF AWAY S TAY
MAX TEST BYPASS
INSTANT CODE CHIME
READY
ARMED
READY
ALARM
FIRE
AWAY
BYPASS
STAY
CHECK INSTANT
NO AC
NOT READY
CHIME
BAT
NIGHT
PHONE TEST
CANCELED

ii

iii
RECOMMENDATIONS FOR PROPER PROTECTION
The Following Recommendations for the location of Fire and Burglary Detection
Devices Help Provide Proper Coverage for the Protected Premises.
Recommendations for Smoke and Heat Detectors
With regard to the number and placement of smoke/heat detectors, we subscribe to the recommendations
contained in the National Fire Protection Association's (NFPA) Standard #72 noted below.
Early warning fire detection is best achieved by the installation of fire detection equipment in all rooms
and areas of the household as follows: For minimum protection, a smoke detector should be installed
outside of each separate sleeping area and on each additional floor of a multi-floor family living unit,
including basements. The installation of smoke detectors in kitchens, attics (finished or unfinished), or
in garages is not normally recommended.
For additional protection, the NFPA recommends that you install heat or smoke detectors in the
living room, dining room, bedroom(s), kitchen, hallway(s), attic, furnace room, utility and storage rooms,
basements, and attached garages.
In addition, we recommend the following:
• Install a smoke detector inside every bedroom where a smoker sleeps.
• Install a smoke detector inside every bedroom where someone sleeps with the door partly or
completely closed. Smoke could be blocked by the closed door. Also, an alarm in the hallway outside
may not wake up the sleeper if the door is closed.
• Install a smoke detector inside bedrooms where electrical appliances (such as portable heaters, air
conditioners, or humidifiers) are used.
• Install a smoke detector at both ends of a hallway if the hallway is more than 40 feet (12 meters) long.
• Install smoke detectors in any room where an alarm control is located, or in any room where alarm
control connections to an AC source or phone lines are made. If detectors are not so located, a fire
within the room could prevent the control from reporting a fire or an intrusion.
THIS CONTROL COMPLIES WITH NFPA REQUIREMENTS FOR
TEMPORAL PULSE SOUNDING OF FIRE NOTIFICATION APPLIANCES.
DINING
KITCHEN
BEDROOM
BEDROOM
BEDROOM
BEDROOM
LIVING ROOM
✪
✪
✪✪
✪
▲
▲
BEDROOM
BDRM
BDRM
DINING
LIVING ROOM
TV ROOM KITCHEN
■■
■
✪
✪
✪
✪✪
✪
▲
✪
✪
✪
BEDROOM BEDROOM
TO
BR
■
■
■
■
■
LVNG RM
BASEMENT
KTCHN
▲
▲
.
CLOSED
DOOR
GARAGE
▲
Smoke Detectors for Minimum Protection
Smoke Detectors for Additional Protection
Heat-Activated Detectors
Recommendations for Proper Intrusion Protection
For proper intrusion coverage, sensors should be located at every possible point of entry to a home or
commercial premises. This includes skylights and upper windows in a multi-level building.
In addition, we recommend that radio backup be used in a security system so that alarm signals can still be
sent to the alarm monitoring station in the event that the telephone lines are out of order (alarm signals are
normally sent over the phone lines, if connected to an alarm monitoring station).

iv
Table of Contents
•••••••••••••••••••••••••••••••••••••••••••••••••
Conventions Used In This Manual............................................................................................................... viii
SECTION 1 Introduction................................................................................................................................1–1
Description.......................................................................................................................................................1–1
Features............................................................................................................................................................1–1
SECTION 2 Installing the Control ...............................................................................................................2–1
Mounting the Cabinet .....................................................................................................................................2–1
Installing the Lock (if used)............................................................................................................................2–1
Mounting the Control's Circuit Board Alone in the Cabinet........................................................................2–2
Mounting Control and RF Receiver Circuit Boards Together in the Cabinet.............................................2–3
Standard Phone Line Connections.................................................................................................................2–4
Wiring the AC Transformer............................................................................................................................2–5
Installing the Backup Battery........................................................................................................................2–6
Earth Ground Connections .............................................................................................................................2–6
SECTION 3 Installing Remote Keypads .....................................................................................................3–1
Keypads That May Be Used............................................................................................................................3–1
Wiring to the Keypads.....................................................................................................................................3–1
Mounting the Keypads....................................................................................................................................3–2
Supplementary Power for Additional Keypads .............................................................................................3–2
Preliminary Checkout Procedure ...................................................................................................................3–3
SECTION 4 Basic Hardwired Zones 1–6 .....................................................................................................4–1
Installing the Hardwired Zones......................................................................................................................4–1
Programming Hardwired Zones .....................................................................................................................4–4
Checkout Procedure for Hardwired Zones.....................................................................................................4–4
SECTION 5 Wired Zone Expansion..............................................................................................................5–1
Installing Zone Expansion Units....................................................................................................................5–1
Connections and Setup....................................................................................................................................5–1
Programming Wired Expansion Zones...........................................................................................................5–3
Checkout Procedure for Wired Expansion Zones ..........................................................................................5–3
SECTION 6 Wireless Expansion (5800 System).........................................................................................6–1
About Wireless Expansion ..............................................................................................................................6–1
Installing the 5881/5882 Receiver..................................................................................................................6–2
Installing the 5800TM Module .......................................................................................................................6–3
Jam Detection and Reporting .........................................................................................................................6–3
About 5800 Series Transmitters.....................................................................................................................6–3
Installing 5800 Series Transmitters ..............................................................................................................6–6
SECTION 7 Relay Outputs & Powerline Carrier Devices......................................................................7–1
About Relays and Powerline Carrier Devices................................................................................................7–1
4204 and 4229 Relay Modules ........................................................................................................................7–1
Powerline Carrier Devices ..............................................................................................................................7–3
Programming Relay Outputs..........................................................................................................................7–4
SECTION 8 4285 & 4286 VIP Module ...........................................................................................................8–1
About the 4285 & 4286 VIP Module...............................................................................................................8–1
Installing the Phone Module...........................................................................................................................8–1
Programming the 4285/4286 VIP Module......................................................................................................8–4
Checking 4285/4286 VIP Module Operation..................................................................................................8–4

v
SECTION 9 External Sounders.....................................................................................................................9–1
Compatible Sounders ......................................................................................................................................9–1
NFPA Requirements........................................................................................................................................9–1
Sounder Connections and Power....................................................................................................................9–2
Sounder Supervision .......................................................................................................................................9–2
Testing the Sounder ........................................................................................................................................9–2
SECTION 10 Long Range Radio .................................................................................................................10–1
About Long Range Radio...............................................................................................................................10–1
Wiring Connections .......................................................................................................................................10–1
Dynamic Signaling Feature..........................................................................................................................10–2
SECTION 11 Audio Alarm Verification (AAV) Unit...............................................................................11–1
About Audio Alarm Verification...................................................................................................................11–1
Wiring Connections .......................................................................................................................................11–1
SECTION 12 Final Power-Up ......................................................................................................................12–1
Earth Ground Connections ...........................................................................................................................12–1
AC Power-Up .................................................................................................................................................12–1
Connecting the Backup Battery....................................................................................................................12–1
Battery Tests..................................................................................................................................................12–2
SECTION 13 Mechanics of Programming ................................................................................................13–1
About Programming ......................................................................................................................................13–1
Entering Program Mode................................................................................................................................13–2
Programming a Data Field ...........................................................................................................................13–2
Reviewing a Data Field/Erasing an Entry...................................................................................................13–2
Interactive Mode Programming (✱56, ✱58, ✱80, ✱81, and ✱82) ...............................................................13–2
Loading Factory Defaults..............................................................................................................................13–3
Programming System Setup Fields..............................................................................................................13–3
Exiting the Programming Mode ...................................................................................................................13–3
SECTION 14 Zone Response Type Definitions........................................................................................14–1
Zone Type Definitions....................................................................................................................................14–1
SECTION 15 Data Field Descriptions .......................................................................................................15–1
Descriptions of System Data Fields..............................................................................................................15–1
SECTION 16 Zone Programming................................................................................................................16–1
About Zone Programming.............................................................................................................................16–1
✱56 Zone Programming Procedures.............................................................................................................16–1
✱58 Expert Programming Mode Procedures ...............................................................................................16–4
To Remove a Zone..........................................................................................................................................16–6
To Delete a Transmitter Serial Number......................................................................................................16–7
To Enter and Duplicate Wireless Keys ........................................................................................................16–7
SECTION 17 Output Device Programming..............................................................................................17–1
Programming Options Defined.....................................................................................................................17–1
Programming Output Relays and Powerline Carrier Devices....................................................................17–3
SECTION 18 Zone Lists.................................................................................................................................18–1
About Zone List Menu Mode.........................................................................................................................18–1
Zone List Displays.........................................................................................................................................18–1
Cross Zoning - Zone List 04...........................................................................................................................18–2
NIGHT-STAY - Zone List 05.........................................................................................................................18–2
Pager Reporting - Zone List 06.....................................................................................................................18–2

vi
SECTION 19 Alpha Descriptor Programming.........................................................................................19–1
About Alpha Descriptor Programming.........................................................................................................19–1
Zone Descriptors............................................................................................................................................19–1
Programming Zone Descriptors (Program Menu Mode ✴82).....................................................................19–1
Adding Custom Words...................................................................................................................................19–3
SECTION 20 Function Key Programming (✱83, ✱86)............................................................................20–1
About Function Key Programming...............................................................................................................20–1
Programming Procedures (✱83)....................................................................................................................20–1
Special Function Programming (✱86)..........................................................................................................20–2
Macro Key (Speedkey) Programming...........................................................................................................20–3
SECTION 21 Remote Programming and Control (Downloading)......................................................21–1
About Remote Programming.........................................................................................................................21–1
Equipment Required .....................................................................................................................................21–1
Initial Download............................................................................................................................................21–2
Remote Programming Commands................................................................................................................21–2
Remote Programming Advisory Notes.........................................................................................................21–2
SECTION 22 System Communication .......................................................................................................22–1
Panel Communication with Central Station................................................................................................22–1
Report Code Formats.....................................................................................................................................22–1
SECTION 23 System Operation ..................................................................................................................23–1
Security Codes ...............................................................................................................................................23–1
Keypad Functions..........................................................................................................................................23–2
Setting the Real-Time Clock.........................................................................................................................23–6
SECTION 24 Testing the System ................................................................................................................24–1
Test Procedure...............................................................................................................................................24–1
SECTION 25 Troubleshooting Guide.........................................................................................................25–1
SECTION 26 Specifications & Accessories ..............................................................................................26–1
Specifications .................................................................................................................................................26–1
Accessories (Compatible Devices).................................................................................................................26–3
APPENDIX A 5800 RF System Wireless Transmitters ...........................................................................A–1
Transmitter Input Loop Identification..........................................................................................................A–1
APPENDIX B Regulatory Agency Statements .........................................................................................B–1
APPENDIX C Warnings and Limitations ..................................................................................................C–1
Index.............................................................................................................................................................Index-1
List of Figures .....................................................................................................................................................vii
Programming Form .................................................................................................................................... Insert

vii
List of Figures
•••••••••••••••••••••••••••••••••••••••••••••••••
•
Figure 1. Installing the Cabinet Lock .................................................................................................................2–1
Figure 2. Mounting the PC Board........................................................................................................................2–2
Figure 3. Mounting the PC Board and RF Receiver Together in the Cabinet..................................................2–3
Figure 4. Telephone Line Connections................................................................................................................2–4
Figure 5. Connections of 4300 Transformer to the Control Board ....................................................................2–5
Figure 6. Keypad Connections to the Control Board..........................................................................................3–2
Figure 7. Using a Supplementary Power Supply for Keypads ..........................................................................3–3
Figure 8. 2-Wire Smoke Detector Connected to Zone 1......................................................................................4–2
Figure 9. 4-Wire Smoke Detector Connections (Zones 2–6)...............................................................................4–3
Figure 10. Wiring Connections - 4219 Expansion Module.................................................................................5–2
Figure 11. Wiring Connections - 4229 Expansion/Relay Module ......................................................................5–2
Figure 12. 5881/5882 RF Receiver (cover removed) ...........................................................................................6–2
Figure 13. 4229 Connections to Control..............................................................................................................7–2
Figure 14. 4204 Connections to Control..............................................................................................................7–3
Figure 15. 4300 Transformer Wiring Connections.............................................................................................7–4
Figure 16. 4285/4286 VIP Module Wiring Connections.....................................................................................8–3
Figure 17. Typical Sounder Wiring......................................................................................................................9–2
Figure 18. Bell Supervision Wiring.....................................................................................................................9–2
Figure 19. Long Range Radio Connections .......................................................................................................10–1
Figure 20. Connection of AAV Unit When Not Using a 4285/4286 VIP Module............................................11–2
Figure 21. Connection of AAV Unit When Also Using a 4285 or 4286 VIP Module ......................................11–2
Figure 22. 250P1 Summary of Connections...............................................................................Inside Back Cover

viii
Conventions Used In This Manual
•••••••••••••••••••••••••••••••••••••••••••••••••
•
Before you begin using this manual, it is important that you understand the meaning of the following
symbols:
ULA UL note includes specific information that must be followed if you are installing this system for a
UL Listed application.
A checked note includes information you should be aware of before continuing with the installation,
and which, if not observed, could result in operational difficulties.
This symbol warns of conditions that could seriously affect the operation of the system, or cause
damage to the system. Please read each warning carefully. This symbol also denotes warnings
about physical harm to the user.
Enter Zone Num.
(00 = Quit)
You may program many system options by responding to alpha keypad display
prompts. These prompts are shown in a double-line box.
✴00 When programming the system, data fields are indicated by a “star” (✴) followed
by the data field number.
PRODUCT MODEL NUMBERS: Unless noted otherwise, references to specific model numbers represent
ADEMCO products.

1–1
SECTION 1
Introduction
•••••••••••••••••••••••••••••••••••••••••••••••••
In This Section
♦Description ♦Features
•••••••••••••••••••••••••••••••••••••••••••••••••
Description
The 250P1 is a security system control that supports up to 32 zones, including six basic
hardwired zones (1 through 6) and a maximum of 26 expansion zones. These expansion zones
may include up to eight hardwired zones, or up to 26 wireless zones if hardwired zones are
not used. Three separate keypad-activated zones are also provided.
Features
Basic Hardwired Zones
Provides 6 basic hardwired zones having the following characteristics:
• EOLR supervision supporting N.O. or N.C. sensors
• Programmable response time (10, 350, or 700 milliseconds)
• Up to sixteen 2-wire smoke detectors on zone 1
• 4-wire smoke or heat detectors on zones 2 through 6 (as many as can be powered from
Auxiliary Power on the control).
Optional Expansion Zones (26 total: up to 8 wired with 18 wireless, OR 26 wireless)
Wired Expansion:
Supports up to 8 additional wired zones using a 4219 Expansion Module or 4229
Expansion/Relay Module. These zones have the following characteristics:
• EOLR supervision supporting N.O. or N.C. sensors
• 300–500mSec normal response with an option for fast (10–15mSec) response on loop A
(first expansion zone).
Wireless Expansion:
Supports up to 26 wireless zones (fewer if using wired expansion zones).
• Requires the use of a 5881 (5882 in Canada) type RF receiver, as indicated below:
Receiver Model No. of Zones
5881L/5882L Up to 8
5881M/5882M Up to 16
5881H/5882H Up to 26
• Requires the use of 5800 Series Wireless Transmitters.
Remote Keypads
Up to 4 of any of the following keypads may be used in the installation:
Fixed-Word Keypad: 6148PL2, 6150PL2, 6150RFPL2,
Alpha keypad: 6160PL2 (2-line alphanumeric displays)
To program from a keypad, you must connect a 6160PL2 (2-line alpha keypad), but it need not
stay in the system.

250P1 Installation and Setup Guide
1–2
Security Codes
• First Installer Code (user 1)
•One Master code for entire system (user 2)
• 11 Secondary User codes (users 3–13)
• One Temporary code (user 14)
• One Duress code (user 15).
• Second Installer Code (user 16).
Temporary Code: A special code that can be used to disarm and arm the system until the Master
code is entered.
Duress Code: An emergency code that, when entered by
any
user, will send a silent duress
message to the Central Station.
Keypad Panic Keys
• Up to 3 programmable panic key functions provided
• Designated as zones 95, 96, 99
• Activated by wired and wireless keypads
• Distinguished by subscriber ID number.
Zone Monitor Features
• The control will sense a high resistance in the loops on hardwired zones 2–6 if present,
and will display a trouble message (rather than an alarm) for the affected zone when the
system is in the disarmed mode.
• This system contains a Hardwire Short Detection circuit, and when enabled, detects a
short in any wired zone and sends a Sensor Trouble message to the Central Station when
the system is in the disarmed mode. At the same time a CHECK message is displayed on
the keypad.
In both cases (high resistance or short detected on any zone), prevents the system from being
armed until the offending condition is cleared.
Exit Error False Alarm Prevention Features
• Enables the system to determine the difference between an actual alarm and an alarm
caused by leaving an entry/exit or interior zone open after the Exit Delay expires. If not
disarmed in time, an alarm will sound and an Exit Error report will be sent to the Central
Station.
An exit alarm condition will also occur if an entry/exit or interior zone re-opens within 2
minutes after the end of an Exit Delay.
•The 250P1 contains an Exit Restart feature which allows the user to exit (fault), close the
door (restore the fault), then re-enter (fault again) the premises within the exit delay time
period. Upon re-entering, a new exit delay time period is begun with the keypad
annunciating three rapid beeps. This feature allows only one restart of the exit delay time
for each arming session.
Optional Output Relays and Powerline Carrier Devices (X10 type)
• Maximum of 4 Output Devices
• Up to 4 relays using one 4204 Relay Module
•Up to 2 relays using one 4229 Zone/Relay Module
• Up to 4 Powerline Carrier devices (you must subtract the number of relay outputs actually
used by the 4204 or 4229 modules, if used)
• Actions programmable to respond to zone activity or manual keypad entries.
Powerline Carrier devices require the use of the optional 4300 Transformer Module instead of the
supplied 1321 AC Transformer.

Section 1 - Introduction
1–3
Optional Phone Module
• Supports the ADEMCO 4285/4286 VIP Module (refer to Section 8 for further information).
• Provides access to the system via on-premises or off-premises phones for arming,
disarming, etc., plus control of relay outputs and Powerline Carrier devices.
Paging Feature
If programmed, the paging feature allows certain system conditions to be reported to a pager.
Up to 16 digits may be programmed to be sent as a message to the pager. A 7-digit code
following the programmed message indicates the type of condition that has occurred.
Audio Alarm Verification (AAV) Option
• Provides a programmable Audio Alarm Verification (AAV) option, which can be used in
conjunction with an output relay to permit voice dialog between an operator at the Central
Station and a person at the premises.
• Requires the use of optional AAV unit, such as Eagle Model 1250.
ULThe AAV option may not be used in UL installations.
Optional Long Range Radio
Allows all messages that have been programmed to go to the primary telephone number to be
reported additionally to a 7720PLUS or 7820 Radio. Check availability of these models.
Built-in Telephone Line Monitoring Option
You can monitor telephone line voltage to supervise the phone line connection. You must
connect the panel to a proper earth ground or you will get a false line cut indication if this
feature is enabled.
The loss of the line can optionally cause a local display, or a display and trouble sound.
Event Logging
Keeps a record of up to 48 selected events in a history log. All control and readout from the
log is done via ADEMCO COMPASS software only.
Alarm Output
•Provides a 12VDC, 2 amp output that can drive the compatible sounders listed in
Section 9: External Sounders (assuming a fully charged battery is connected).
• Steady output for burglary/panic, or temporal pulse output (3 pulses – pause – 3 pulses –
pause – 3 pulses . . .) for fire.
• Uses current-limiting circuitry for protection.

250P1 Installation and Setup Guide
1–4
Auxiliary Power Output
• Provides 12VDC, 600mA maximum. Uses current-limiting circuitry for protection.
• Interrupts for smoke detector reset if 4-wire smoke detectors are used.
Programming
Programmed options are stored in electrically erasable, nonvolatile EEPROM memory
(information can be reprogrammed at any time and will not be lost in the event of a power
loss).
The system can be uploaded, downloaded, or controlled via an IBM-compatible computer,
COMPASS software, and a modem specified by ADEMCO.
Keypad programming consists of:
• Data field programming
• Interactive (menu) mode programming
To program from a keypad, you must connect a 6160PL2 (2-line alpha keypad), but it need not
stay in the system.
Communication Formats Supported
•ADEMCO
Contact ID.
Zone Descriptors
You can assign alpha descriptors to all zones (only when using alpha keypads).
AC Power Supply
Uses 1321, 110VAC plug-in transformer with 16.5VAC 25VA output, unless Powerline
Carrier devices (for example, X10 type) are used, in which case a 4300 Transformer Module
must be used.
Backup Battery
Rechargeable (Sealed Lead Acid) 12VDC, 4AH minimum.

2–1
SECTION 2
Installing the Control
•••••••••••••••••••••••••••••••••••••••••••••••••
In This Section
♦Mounting the Cabinet
♦Installing the Lock
♦Mounting the Control's Circuit Board Alone in
the Cabinet
♦Mounting the Control and RF Receiver Circuit
Boards Together
♦Standard Phone Line Connections
♦Wiring the AC Transformer
♦Installing the Backup Battery
♦Earth Ground Connections
•••••••••••••••••••••••••••••••••••••••••••••••••
Mounting the Cabinet
Using fasteners or anchors (not supplied) to mount the control cabinet to a sturdy wall in a
clean, dry area that is not readily accessible to the general public. Four mounting holes are
provided at the back of the cabinet.
If an RF receiver is being used and you intend to mount its PC board within the cabinet, note
the following:
• Do not mount the cabinet on or near metal objects. This will decrease RF range and/or
block RF transmissions from wireless transmitters.
• Do not locate the cabinet in an area of high RF interference (revealed by frequent or
prolonged lighting of the LED in the receiver after it is operational (random flicker is OK).
Installing the Lock (if used)
Use an ADEMCO No. N6277 Cam Lock and No. N6277–1 Push-On Clip (Retainer Clip).
NOTE: The cabinet can be closed and secured without a lock by using 2 screws in the
cover's edge.
To install the lock, perform the following steps:
1. Remove the cabinet door. It is easily
removed for servicing and is easily re-
installed.
2. Remove the lock knockout from the
control cabinet door. Insert the key into
the lock. Position the lock in the hole,
making certain that the latch will make
contact with the latch bracket when the
door is closed.
3. Hold the lock steady and insert the
retainer clip into the retainer slots.
Position the clip as illustrated in order to
permit easy removal.
CABINET DOOR BOTTOM
RETAINER
CLIP
RETAINER CLIP
(NOTE POSITION)
RETAINER
SLOTS
LOCKED
UNLOCKED
Figure 1. Installing the Cabinet Lock

250P1 Installation and Setup Guide
2–2
Before installing the cabinet's contents, remove the metal cabinet knockouts required for wiring
entry. Do not attempt to remove the knockouts after the circuit board has been installed.
Mounting the Control's Circuit Board Alone in the Cabinet
To mount the circuit board alone in the cabinet, follow these steps:
1. Hang two black mounting clips (provided) on the raised cabinet tabs (see Detail B in
Figure 2).
2. Insert the top of the circuit board into the slots at the top of the cabinet. Make sure that
the board rests on the correct row (see Detail A).
3. Swing the base of the board into the mounting clips and secure the board to the cabinet
with the accompanying screws (see Detail B).
DETAIL A
SIDE VIEW OF
BOARD SUPPORTING SLOTS
CIRCUIT
BOARD
CABINET
CONTROL
CIRCUIT
BOARD
DETAIL B
SIDE VIEW OF RED
MOUNTING CLIPS
Figure 2. Mounting the PC Board

Section 2 - Installing the Control
2–3
Mounting Control and RF Receiver Circuit Boards Together in the Cabinet
To mount the control and RF receiver boards together in the cabinet, do the following:
1. Hang two black mounting clips (provided with receiver) on the raised cabinet tabs, as
shown in Detail B in Figure 3.
2. Insert the top of the receiver board (removed from its own case as described in its
instructions) into the slots at the top of the cabinet, as shown in Detail A in Figure 3.
Make sure that the board rests on the correct row of tabs, as shown.
3. Swing the base of the board into the mounting clips and secure it to the cabinet with the
accompanying screws (see Detail B).
4. Insert the top of the control's board into the slot in the clips and position two red clips at
the lower edge of the board (see Detail C).
5. Swing the board into place and secure it with two additional screws.
6. Insert grounding lugs (supplied with the receiver) through the top of the cabinet into the
left-hand terminals of the antenna blocks (at the upper edge of the receiver board). Secure
the grounding lugs to the cabinet top with the screws provided, as shown in Detail D.
7. Insert the receiver's antennas through the top of the cabinet, into the blocks' right-hand
terminals, and tighten the screws.
8. Refer to Section 6: Wireless Expansion (5800 System) for receiver setup and wiring
instructions.
RCVR BRD
RED MOUNTING CLIP
CABINET
DETAIL D
ANTENNA AND
GROUNDING LUG
INSTALLATION
ANTENNA
SCREW
GROUNDING LUG
BLACK MOUNTING CLIP
CONTROL
CIRCUIT
BOARD
BOARD SUPPORTING SLOTS
RECEIVER CIRCUIT BOARD
(See Detail D)
HOLES FOR ANTENNAS
AND GROUNDING LUGS
CIRCUIT
BOARD
CABINET
DETAIL A
SIDE VIEW
OF BOARD
SUPPORTING SLOTS
DETAIL B
SIDE VIEW OF
BLACK
MOUNTING CLIP
(2-PLACES)
DETAIL C
SIDE VIEW
OF RED
MOUNTING CLIP
(2-PLACES)
Figure 3. Mounting the PC Board and RF Receiver Together in the Cabinet

250P1 Installation and Setup Guide
2–4
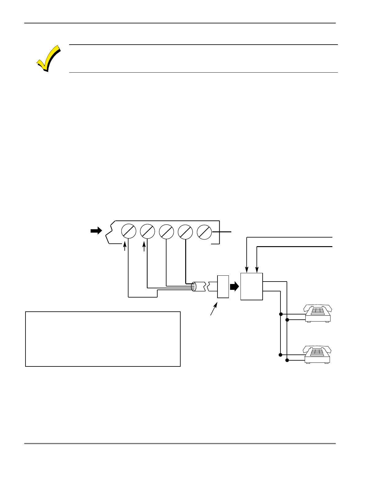
Standard Phone Line Connections
The wiring connections shown here are not applicable if the4285/4286 VIP Module is used. Refer
to
Section 8: 4285/4286 VIP Module
for information regarding phone line connections, which are
different than those shown here.
Incoming phone line and handset wiring is connected to the main terminal block (via an
RJ31X jack) as follows and shown in Figure 4:
Term. 21: Local Handset (TIP – Brown*)
Term. 22: Local Handset (RING – Gray*)
Term. 23: Incoming Phone Line (TIP – Green*)
Term. 24: Incoming Phone Line (RING – Red*)
* Colors of wires in Direct Connect Cord.
Figure 4. Telephone Line Connections
TERMINALS
ON CONTROL
EARTH GROUND
INCOMING TELECOM LINE
Handset
TIP
RING
RJ31X
JACK
PLUG
DIRECT
CONNECT
CORD
TIP
RING
GROUND
PREMISES
PHONES
{
{
BROWN (TIP)
GREY (RING)
GREEN (TIP)
RED (RING)
21 22 23 24 25
Incoming
Telecom Line
IMPORTANT!
IF THE PANEL IS NOT CONNECTED TO A
PROPER EARTH GROUND, YOU MAY GET
FALSE TELEPHONE LINE CUT INDICATIONS
(IF THE TELEPHONE LINE MONITOR HAS
BEEN PROGRAMMED IN FIELD 92).

Section 2 - Installing the Control
2–5
Wiring the AC Transformer
1321 Transformer
Wire the 1321 Transformer to terminals 1 and 2 on the control board. See wiring table below
to determine wire gauge.
Use caution when wiring the transformer to the control panel to guard against blowing the
fuse inside the transformer (the fuse is nonreplaceable).
4300 Transformer
If you are going to use a 4300 Transformer Interface (required if Powerline Carrier devices
will be used), connect the 4300 Transformer’s terminals as follows:
1. Connect terminals 1, 3 (AC), and 2 (Ground) to control board terminals 1, 2, and 25,
respectively (see Figure 5). See table below to determine wire gauge to use.
WIRING TABLE
Distance of Transformer
From the Control Panel Wire Gauge
to Use
Up to 50 feet # 20
50-100 feet # 18
100-250 feet # 16
Wiring to the AC transformer must not exceed 250 feet using 16-gauge wire. The voltage reading
between terminals 1 and 2 of the control must not fall below 16.5VAC, or an AC LOSS message
will be displayed.
Do not plug the transformer into the AC outlet until you are instructed to do so later in the manual.
2. Wire the other three terminals (Sync, Data, Com) on the 4300 Transformer. Wires from
these terminals must be connected to a 9-pin connector on the control board (using a
4142TR Cable supplied with the 4300 Transformer), as shown in Figure 5. These
particular wires can be 24-gauge or larger, and can be run along with the AC and ground
wires to the control panel.
Figure 5. Connections of 4300 Transformer to the Control Board
123456789 9-PIN CONNECTOR
ON CONTROL BOARD
BLACK
BLUE
BROWN
GREEN
RED
WHITE
YELLOW
GRAY
VIOLET
4142TR CABLE
123456
125 2
AC Earth
GroundAC SyncData Com
4300 TRANSFORMER/INTERFACE
TERMINALS
ON CONTROL
BOARD
THESE WIRES (7, 8, 9) NOT USED

250P1 Installation and Setup Guide
2–6
Installing the Backup Battery
If necessary, refer to Section 12: Final Power-Up for information regarding battery size to
use.
Do not attach the connector cable to the battery terminals until you are instructed to do so later in
the manual.
Install the backup battery as follows:
1. Place the 12-volt backup battery in the control cabinet.
2. Attach red and black wires on the battery connector cable as follows:
a. Red to the positive (+) battery terminal on the control board (see Figure 22. 250P1
Summary of Connections for location, if necessary).
b. Black to the negative (–) battery terminal on the control board.
ULUse a 4AH battery or larger for UL installations.
Earth Ground Connections
The designated earth ground terminal (25) must be terminated in a good earth ground for
the lightning transient protective devices in this product to be effective. The following are
examples of good earth grounds available at most installations:
Metal Cold Water Pipe: Use a noncorrosive metal strap (copper is recommended) firmly
secured to the pipe to which the ground lead is electrically connected and secured.
AC Power Outlet Ground: Available from 3-prong, 120VAC, power outlets only. To test
the integrity of the ground terminal, use a 3-wire circuit tester with neon lamp indicators,
such as the UL Listed Ideal Model 61-035, or equivalent, available at most electrical supply
stores.

3–1
SECTION 3
Installing Remote Keypads
•••••••••••••••••••••••••••••••••••••••••••••••••
In This Section
♦Keypads That May Be Used
♦Wiring to the Keypads
♦Mounting the Keypads
♦Supplementary Power for Additional Keypads
♦Preliminary Checkout Procedure
•••••••••••••••••••••••••••••••••••••••••••••••••
Keypads That May Be Used
Up to 8 keypads may be used in the system, independent of auxiliary power considerations
(you may need to use an auxiliary power supply if the 600mA aux. output is exceeded).
The following keypad models may be used:
• Fixed-Word Display: 6148PL2, 6150PL2, 6150RFPL2
•Alpha
Display: 6160PL2
Wiring to the Keypads
To wire keypads to the control, perform the following steps:
1. Determine wire gauge by referring to the Wiring Run Chart below.
For devices (keypads, RF receivers, zone expander, etc.) connected to a single 4-wire run,
determine the current drawn by all units connected to the single wire run, then refer to
the Wiring Run Chart below to determine the maximum wire length that can be safely
used for each wire size. Current draw for all devices can be found in Section 26:
Specifications & Accessories.
NOTE: Refer to Table 1. AUXILIARY DEVICE CURRENT DRAW WORKSHEET in
Section 12: Final Power-Up to obtain the current draw for all keypads.
Maximum wire lengths for any device that is home run to the control can also be determined from
the Wiring Run Chart, based on the current draw of that device alone.
Wiring Run Chart for Devices* Drawing Aux Power
from the Control (12V+ & 12V–)
TOTAL CURRENT DRAWN BY ALL DEVICES CONNECTED TO A SINGLE WIRE RUN
Wire
Size 50mA or less 100mA 300mA 500mA 600mA
#22 500 ft (152m) 250 ft (76m) 80 ft (24m) 50 ft (15m) 42 ft (13m)
#20 750 ft (228.6m) 380 ft (116m) 130 ft (39.6m) 80 ft (24m) 67 ft (20.4m)
#18 1300 ft (396m) 650 ft (198m) 220 ft (67m) 130 ft (39.6m) 115 ft (35m)
#16 1500 ft (457m) 1000 ft (305m) 330 ft (100.5m) 200 ft (70m) 170 ft (52m)
* Includes Keypads, RF Receivers, Zone Expander/Relay Units, or 4285/4286 VIP Module.

250P1 Installation and Setup Guide
3–2
The length of all wire runs must not exceed 1500 feet (457m) when unshielded quad conductor
cable is used (750 feet if shielded cable is used). This restriction is due to the capacitive effect on
the data lines when quad cable is used.
2. Run field wiring from the control to the keypads (using standard 4-conductor twisted wire
cable of the wire gauge determined in step 1).
3. Connect remote keypads to terminals 4, 5, 6, and 7 on the control board, as shown in
Figure 6.
4
5
6
7
KEYPAD
BLACK
RED
GREEN
YELLOW
TERMINALS ON
CONTROL PANEL
Figure 6. Keypad Connections to the Control Board
Mounting the Keypads
To mount the keypads, perform the following steps:
1. Make sure addressable-type keypads (6148PL2, 6150PL2, 6150RFPL2, or 6160PL2 are set
to non-addressable mode (address 31), which is the factory default setting. Refer to the
instructions provided with the keypad for address setting procedure.
2. Surface mount the keypad at a height that is convenient for the user. Refer to the
mounting instructions and template included with the keypad for specific information.
Supplementary Power for Additional Keypads
The 250P1 control provides 600mA for powering keypads (up to 8) and other devices from the
auxiliary power output. The backup battery will supply power to these keypads in the event
that AC power is lost.
When the control’s auxiliary power load for all devices exceeds 600 mA, you can power
additional keypads from a regulated 12VDC Power Supply (e.g., 487-12 supplies 12V,
250mA; 488-12 supplies 12V, 500mA). Use a UL Listed, battery-backed supply for UL
installations.
The 487–12/488–12 power supplies contain a backup battery that can power these keypads in
the event of AC power loss to the main supply.

Section 3 - Installing Remote Keypads
3–3
Keypads powered from supplies that do not have a backup battery will not function when AC
power is lost. Therefore, be sure to power at least one keypad from the control's auxiliary power
output.
Connect the additional keypads as shown in Figure 7, using the keypad wire colors shown.
Be sure to observe the current ratings for the power supply used.
Make connections directly to the screw terminals as shown in Figure 7. Make no connection to
the keypad blue wire (if present).
Be sure to connect the negative (–) terminal on the Power Supply unit to terminal 4 (AUX – ) on
the control.
+–
+
456 7
SUPPLEMENTARY
POWER SUPPLY
–
CONTROL TERMINAL STRIP
AUX. AUX. DATA
IN DATA
OUT
IMPORTANT:
MAKE THESE
CONNECTIONS
DIRECTLY TO
SCREW
TERMINALS AS
SHOWN.
TO KEYPAD RED WIRE
TO KEYPAD BLK WIRE
TO KEYPAD YEL WIRE
TO KEYPAD GRN WIRE
TO KEYPAD BLK WIRE
TO KEYPAD RED WIRE
TO KEYPAD GRN WIRE
TO KEYPAD YEL WIRE
Figure 7. Using a Supplementary Power Supply for Keypads
Preliminary Checkout Procedure
To verify that the system is working before connecting field wiring from zones and devices,
do the following:
1. Temporarily connect a 2000-ohm end-of-line resistor across each of the basic hardwired
zones 1–6, as shown in the 250P1 Summary of Connections diagram.
Without actual zone wiring or EOL resistors connected, the keypads will not display the
READY message.
2. Power up the system temporarily by plugging the AC transformer (previously wired to
the control) into a 120VAC outlet.
Busy – Standby (on alpha keypads) or dI (on fixed-word keypads) will be displayed.

250P1 Installation and Setup Guide
3–4
3. Wait approximately 1 minute. At that time, the green READY LED (or POWER LED on
some types of keypads) should light, and the word READY (on fixed-word keypads), or
DISARMED...READY TO ARM (on alpha keypads) should be displayed.
To bypass the 1-minute delay, press # plus 0.
If the READY display does not appear on any of the keypads in the system, or a NOT
READY message is displayed, check the keypad wiring connections, and make sure each of
the 6 basic hardwired zones has a 2000 ohm resistor connected across its terminals.
When READY is displayed on the keypad(s), the system is functioning properly.
Do not remove the EOL resistors until you are ready to make connections to the hardwired
zones, to allow for testing later in the manual.
If an OC or OPEN-CIRCUIT message is displayed on the keypad, data from the control is not
reaching the keypad. Check the wiring.

4–1
SECTION 4
Basic Hardwired Zones 1–6
•••••••••••••••••••••••••••••••••••••••••••••••••
In This Section
♦Installing the Hardwired Zones
♦Programming Hardwired Zones
♦Checkout Procedure for Hardwired Zones
•••••••••••••••••••••••••••••••••••••••••••••••••
Installing the Hardwired Zones
Common Characteristics of Zones 1–6
•EOLR-
supervised zones support both open-circuit and closed-circuit devices.
•As
many 4-wire smoke detectors as can be powered from Aux Power on the control (zones
2–6).
•Programmable for 10, 350, or 700mSec response.
• 350mSec (default) should be used for most standard contacts. For vibration-type contacts,
10mSec is more suitable.
Wiring Burglary and Panic Devices to Zones 1–6
To wire burglary and panic devices to zones 1-6, perform the following steps, referring to
Figure 22. 250P1 Summary of Connections at the back of this manual.
1. Connect sensors/contacts to the hardwired zone terminals (8 through 17).
2. Connect closed-circuit devices in series in the high (+) side loop. The EOL resistor must
be connected in series with the devices, following the last device.
3. Connect open-circuit devices in parallel across the loop. The 2000-ohm EOLR must be
connected across the loop wires at the last device.
If the EOLR is not at the end of the loop, the zone will not be properly supervised, and the system
may not respond to an open-circuit on the zone.
High-Resistance/Short Supervision on Hardwired Zones 2–6
Special supervision in the control panel senses high resistance or a short on hardwired loops
2–6, causing a FAULT and the affected zone number to be displayed when the system is in
the disarmed state. However, if the Hardwire Short Detection field ✱30 is enabled and the
panel senses a short on the hardwired loops 2-6, CHECK and the affected zone number are
displayed on the keypad when it is in the disarmed state. A Trouble report will also be sent
to the Central Station. The system cannot be armed when a FAULT or CHECK condition is
present. If the system is armed when a high-resistance or short condition occurs, an alarm
will be generated for that zone.

250P1 Installation and Setup Guide
4–2
Wiring 2-Wire Smoke Detectors to Zone 1
1. Connect 2-wire smoke detectors across zone 1 terminals 8 (+) and 9 (–). Observe proper
polarity when connecting the detectors.
2. If an EOL resistor is presently connected across zone 1 terminals, remove it. The EOL
resistor must be connected across the loop wires at the last detector.
ULIn UL installations, only zone 1 may be used as a fire zone. In addition, an ADEMCO Model 610–
7 must be used as the end-of-line resistor at the last detector.
The alarm current provided by zone 1 will support only one smoke detector in the alarmed state.
COMPATIBLE 2-WIRE SMOKE DETECTORS
Detector Type System Sensor
Model No.
Photoelectric w/heat sensor, direct wire 2300TB
Photoelectric, direct wire 2400
Photoelectric w/heat sensor, direct wire 2400TH
Photoelectric 2451 w/B401B base
Photoelectric w/heat sensor 2451TH w/B401B base
Ionization, direct wire 1400
Ionization 1451 w/B401B base
Photoelectric duct detector 2451 w/DH400 base
Ionization duct detector 1451D w/DH400 base H
Low-profile, photoelectric, w/135°F thermal 2100T
Low-profile, ionization type, direct wire 1100
Figure 8. 2-Wire Smoke Detector Connected to Zone 1
Wiring 4-Wire Smoke/Combustion Detectors on Zones 2-6
The system will support as many 4-wire detectors as can be powered from Auxiliary Power
on the control on zones 2–6. Refer to the detector’s instructions for complete details regarding
its proper installation and operation.
1. Connect 12-volt power for the detectors from Auxiliary Power terminals 4 and 5 (which
will interrupt power for fire alarm reset). Observe proper polarity when connecting
detectors.
2. Connect detectors (including heat detectors, if used) across terminals of the zone selected
(zones 2–6 may be used). All detectors must be wired in parallel.
8
9
SMOKE
2000 OHMS
EOLR
ZONE 1
+
-
2-WIRE SMOKE
DETECTOR

Section 4 - Basic Hardwired Zones 1-6
4–3
Remove 2000 ohm EOL resistor if connected across the selected zone terminals. You must
connect the EOL resistor across the loop wires at the last detector.
To supervise power, we recommend the use of a System Sensor No. A77-716B Supervisory
Module.
Compatible 4-Wire Smoke/Combustion Detectors
System Sensor
1412 4-wire ionization products of combustion detector
System Sensor
2412 4-wire photoelectric smoke detector
System Sensor
2412TH 4-wire photoelectric smoke detector w/135° F (57° C) heat
detector
System Sensor
A77-716B EOL relay module (supervisory module for wired 4-wire
fire zone).
System Sensor
2112/24T Low-profile 4-wire photoelectric smoke detector w/135° F
(57° C) heat detector
Figure 9. 4-Wire Smoke Detector Connections (Zones 2–6)
Verifying Smoke Detector Operation
The control panel will “verify” any alarm by resetting the smoke detectors after the first
alarm trigger, and then waiting 90 seconds for a second alarm trigger. If the smoke detector
or thermostat does not trigger again, the control will disregard the first trigger, and no alarm
signal will occur. This feature eliminates false alarms due to electrical or physical transients.
Turning Off Fire Alarm Sounding
You can turn off fire alarm sounding by pressing the OFF key on any keypad or other
arming/disarming device. To clear the “memory of alarm” and to reset the detector’s alarm,
enter the security code plus OFF again.
4-WIRE SMOKE
OR COMBUSTION
DETECTORS
+–+–
BLK
–RED
+
VIOLET
HEAT
DETECTOR HEAT
DETECTOR
+
–
ZONES 2-6
*
TO LO SIDE
OF SELECTED
ZONE
TO HI SIDE
OF SELECTED
ZONE
+ 5
– 4
AUX PWR
OUTPUT
TERMINALS
*
IF PROGRAMMED FOR FIRE
EOL
POWER
SUPERVISION
RELAY
MODULE
A77-716B
2000
OHMS
EOLR
•
•
•
•
•
•
•

250P1 Installation and Setup Guide
4–4
Programming Hardwired Zones
Each zone must be programmed into the system using the ✱56 Zone Programming Mode or
the ✱58 Programming Mode which assigns characteristics that define the way the system
responds to faults on that zone. Refer to Section 14: Zone Response Type Definitions and
Section 16: Zone Programming for specific instructions on programming hardwired zones.
Checkout Procedure for Hardwired Zones
After installation and programming of all hardwired devices is completed, the security
system should be checked, as follows.
1. Make certain that all devices and sensors connected to the hardwired zones are not in a
faulted state. Doors and windows with contacts should be closed, PIRs should be covered
(use a cloth to mask them temporarily, if necessary).
2. Plug in the AC transformer if you have not already done so.
With all hardwired zones intact, the Alpha keypad connected to the system should display:
DISARMED
READY TO ARM.
3. If the following is displayed,
DISARMED Press ✱
to show faults
press ✱ to display the faulted zone(s). Restore any faulted zone(s) as necessary (also
make sure that you have connected a 2000 ohm EOL resistor across the terminals of
unused zones).
When the DISARMED...READY TO ARM message is displayed, you can proceed to the
next step.
4. Fault and then restore every contact or sensor on each zone individually to ensure that it
is being monitored by the system. Each time a zone is faulted, the keypad should display
the number of the faulted zone. When each zone is restored, the READY TO ARM
message should appear again.
You will need to observe the keypad as each zone is faulted and restored.
When you get the proper displays on the keypad(s), the hardwired zones in the system are
functioning properly.
5. Unplug the AC transformer.

5–1
SECTION 5
Wired Zone Expansion
•••••••••••••••••••••••••••••••••••••••••••••••••
In This Section
♦Installing Zone Expansion Units
♦Connections and Setup
♦Programming Wired Expansion Zones
♦Checkout Procedure for Wired Expansion Zones
•••••••••••••••••••••••••••••••••••••••••••••••••
Installing Zone Expansion Units
You can add 8 wired EOLR zones to the basic control's 6 zones, for a total of 14 wired zones,
by using a 4219 Wired Expansion Unit or 4229 Wired Expansion/Relay Unit.
Location • You can mount an expansion unit within the control cabinet if space
permits. Otherwise, mount the unit outside the cabinet.
Supervision • Units are supervised against removal. Keypads will display CHECK
and ZONE 09 if a zone expander is disconnected.
• Units have tamper protection for security when mounted outside of
the cabinet.
Zone Information • Assign zone numbers 10–17 for the eight wired expansion loops
(designated A to H in Figure 10 and Figure 11). You can program
these zones individually (in ✱56 Interactive Mode or ✱58 Expert
Programming Mode). Expansion zones must also be programmed as
input type 2 (AW) when prompted.
Connections and Setup
To add an expansion module, perform the following steps:
1. Connect the 4219 or 4229 module to the control's keypad terminals (see Figure 10.
Wiring Connections - 4219 Expansion Module or Figure 11. Wiring Connections -
4229 Expansion/Relay Module).
2. Set the 4219 or 4229's DIP switch for device address “1” (switch 2 in the OFF position and
switches 3, 4, 5 in the ON position). Switch 1 determines expansion zone A's response
time (ON = normal response, OFF = fast response). For location of the DIP switch in both
the 4219 and 4229 units, see figures that follow on next page.
For additional information, see instructions supplied with the 4219 and 4229.
OFF ON
1 2 3 4 5
ON
< <

250P1 Installation and Setup Guide
5–2
Figure 10. Wiring Connections - 4219 Expansion Module
Figure 11. Wiring Connections - 4229 Expansion/Relay Module
4229
TERMINATE EACH
PROGRAMMED ZONE
WITH 1000 OHM (1K)
RESISTOR
(EACH ZONE’S MAX.
LOOP RESISTANCE:
300 OHMS + EOL.)
REED
(TAMPER)
SWITCH
WHT
GRY
VIO
BLK
YEL
ORG
BRN
NO
NC
C
GN
D
NO
NC
C
RELAY
2
12345678910 11 12 1
2
3
4
4
3
2
1
NO C NC
RELAY
1
TAMPER JUMPER
POSITION
4229 IN CABINET
(NOT TAMPERED)
4229 REMOTE
(
TAMPER PROTECTED
)
RLY
2
RLY
1
Relays Shown
Deenergized
RELAY
CONNECTOR
DIP SWITCH
FOR SETTING ADDRESS
AND ZONE “A”
TB1
TB2
4-PIN
CO
N
SO
LE
EITHER OR BOTH CAN BE USED
AB CD EF GHZONES:
GRN
BLK
RED
YEL
DATA OUT
TO CONTROL
(–) 12V RTN
(+) 12V
DATA IN FROM
CONTROL
TERMINALS ON
CONTROL
(TERM 6)
(TERM 5)
(TERM 7)
(TERM 4)
123456789 101112 1
2
3
4GRN DATA OUT
TO CONTROL
BLK (–) GROUND
RED (+) 12V
YEL DATA IN
FROM CONTROL
4
3
2
1
TERMINATE EACH PRO-
GRAMMED ZONE
WITH 1000 OHM
END-OF-LINE RESISTOR
(EACH ZONE'S MAX.
LOOP RESISTANCE:
300 OHMS + E.O.L.)
➞
ZONES:
A B C D E F G H
1K
▲▲
▲▲
DIP SWITCH
FOR SETTING ADDRESS
AND ZONE A RESPONSE
➞
REED (TAMPER) SWITCH
➞
TAMPER JUMPER POSITION
4219 IN CABINET
(NOT TAMPERED)
4219 REMOTE
(TAMPER PROTECTED)
TB1
4219
TB2
4-PIN CONSOLE PLUG
CONNECTIONS SAME
AS TB2
➞

Section 5 - Wired Zone Expansion
5–3
Programming Wired Expansion Zones
Each zone must be programmed into the system using the ✱56 Zone Programming mode or
✱58 Expert Programming mode, both of which assigns characteristics that define the way
the system responds to faults on that zone. Refer to Section 14: Zone Response Type
Definitions and Section 16: Zone Programming for specific instructions on programming
wired expansion zones.
Checkout Procedure for Wired Expansion Zones
Whenever it becomes necessary to disconnect power in order to add a module or keypad, always
disconnect the battery first, then the AC transformer. After installation has been completed,
connect the AC transformer first, then the battery.
After you have completed installation and programming of all devices, all expansion zones in
the security system should be checked as follows:
1. Make certain that all devices and sensors connected to the wired expansion zones are not
in a faulted state. Doors and windows with contacts should be closed, PIRs should be
covered (use a cloth to mask them temporarily, if necessary).
2. Plug in the AC transformer. With all zones intact (including hardwired zones), the alpha
keypad connected to the system should display:
DISARMED
READY TO ARM.
3. If the following is displayed,
DISARMED Press •
to show faults
press ✱ to display the faulted zone(s). Restore any faulted zone(s) as necessary (also
make sure that you have connected a 1000 ohm EOL resistor across the terminals of
unused expansion zones on the 4219 or 4229 Module).
When the READY TO ARM message is displayed, you can proceed to the next step.
4. Fault and restore every contact or sensor in each expansion zone individually to ensure
that it is being monitored by the system. Each time a zone is faulted, the keypad should
display the number of the faulted zone. When each zone is restored, the READY TO ARM
message should appear again.
You will need to observe the keypad in each zone, as each zone is faulted and restored.
When the proper displays appear on the keypad(s), the wired expansion zones in the
system are functioning properly.
5. Unplug the AC transformer.
A CHECK 09 message on the display signifies one of two problems:
• Data from the control is not reaching the zone expander module. Check the wiring and DIP
switch settings.
or
• The tamper jumper is on in the Expansion Module and the Expansion Module cover is off.

250P1 Installation and Setup Guide
5–4

6–1
SECTION 6
Wireless Expansion
(5800 System)
•••••••••••••••••••••••••••••••••••••••••••••••••
In This Section
♦ About Wireless Expansion
♦ Installing the 5881/5882 Receiver
♦ Installing the 5800TM Module
♦ About Jam Detection and Reporting
♦ 5800 Series Transmitters
♦ Installing 5800 Series Transmitters
•••••••••••••••••••••••••••••••••••••••••••••••••
About Wireless Expansion
In addition to its basic wired zones, the 250P1 control supports up to 26 wireless zones using
an appropriate 5881 (5882 in Canada) type RF receiver. The actual number of zones
supported depends on whether you are using a wired zone expander module.
For example: If you are using only four of the wired expansion loops, a 5881H (5882H in
Canada) RF receiver could add 22 RF zones to the system, using any unused zone numbers
10–35, for a combined total of 26 wired and wireless expansion zones.
The receiver can detect signals from wireless transmitters within a nominal range of 200
feet.
RF Receiver No. of Zones
5881L/5882L up to 8
5881M/5882M up to 16
5881H/5882H up to 26
Receiver Supervision
The receiver is supervised. The following conditions will cause a Trouble report to be
generated and CHECK and ZONE 09 messages to be displayed:
• If communication between the panel and the receiver is interrupted.
or
• If no valid RF signals from at least one supervised wireless transmitter are received
within 12 hours.
House Identification
If you are using a 5804BD, 5827, or 5827BD Wireless Keypad with the system, you must
program a House ID Code (01–31) in field ✱24 to establish proper communication, and the
keypad must be set to the same ID.
House ID 00 disables all wireless keypads.

250P1 Installation and Setup Guide
6–2
Installing the 5881/5882 Receiver
RF System Installation Advisories
Follow the guidelines below when installing the RF receiver. (Disregard if the receiver is
mounted in the control cabinet.)
• Place the RF receiver in a high, centrally located area for best reception.
• Do not locate the receiver or transmitters on or near metal objects. This will decrease
range and/or block transmissions.
• Do not locate the receiver in an area of high RF interference (revealed by frequent or
prolonged lighting of the LED in the receiver; random flicker is OK).
• The RF receiver must be at least 10 feet from any remote keypads to avoid interference
from the microprocessors in those units.
Installation and Setup of the 5881/5882 Receiver
To install the receiver, take the following steps:
ON OFF
5
4
3
2
1
1. Set the receiver's DIP switches for device address 0, as described in its instructions (all
switches to the right, the OFF position, as shown at left).
2. Mount the receiver. The RF receiver can detect signals from transmitters within a
nominal range of 200 feet. Take this into consideration when determining mounting
location.
3. Connect the receiver's wire harness to the control's keypad terminals (4, 5, 6, and 7).
Plug the connector at the other end of the harness into the receiver.
4. Refer to the installation instructions provided with the receiver for further installation
procedures regarding antenna mounting, etc.
01234567
ON
ON ON
ON ON ON ON
ON ON
ON
ON
ON
5
4
3
2
1
FOR FUTURE USE
PRESENT ONLY ON 5881EH (SEE TEXT AT LEFT)
RECEIVER ADDRESS SETTINGS
("–" MEANS "OFF")
SWITCH
POSITION
TO CONTROL'S REMOTE KEYPAD
CONNECTION POINTS. EACH RECEIVER
MUST BE ON INDIVIDUAL HOME RUN.
USE MAX. OF 220 ft. (67m) OF #22 (0.64mm)
WIRE OR 550 ft. (168m) OF #18 (1mm) WIRE
FOR EACH RUN. 20 ft. MAX. IN COMMERCIAL
FIRE INSTALLATIONS. (SEE RECEIVER'S
INSTRUCTIONS).
MOUNTING
HOLES
INSERT IN
RIGHT-HAND
TERMINALS
CIRCUIT
BOARD
DIP SWITCH
YELLOW
RED
BLACK
GREEN
INTERFERENCE
INDICATOR LED
WIRING
OPENING
PLUG & SOCKET
DIP SWITCH #5 (PRESENT ONLY ON 5881EH)
ON: SETS 5881EH FOR USE IN COMMERCIAL
FIRE. APPLICATIONS (SEE THE RECEIVERS
INSTRUCTIONS)*.
OFF: USE IN NON-COMMERCIAL FIRE
INSTALLATIONS.
* FOR COMMERCIAL FIRE APPLICATIONS,
THE 5881EH PC BOARD MUST BE MOUNTED
IN A SEPARATE CABINET (SEE RECEIVER'S
INSTRUCTIONS FOR DETAILS).
DIP SWITCH WHITE AREAS = SWITCH
HANDLES. POSITION 2-4 DETERMINE
RECEIVER'S ADDRESS. CONSULT
CONTROL'S INSTRUCTIONS FOR
ADDRESS TO USE. DIP SWITCH BELOW
SHOWN SET FOR ADDRESS "0".
ANTENNAS
Figure 12. 5881/5882 RF Receiver (cover removed)
< <

Section 6 - Wireless Expansion
6–3
Installing the 5800TM Module
Installation of this module is necessary only if you are using one or more 5827BD wireless bi-
directional keypads, 5804 or 5804BD transmitters (wireless keys).
Mounting the 5800TM Module
The 5800TM must be located next to the RF receiver (between one and two feet from the
receiver’s antennas). The 5800TM must not be installed within the control cabinet. Mount
the unit using its accompanying mounting bracket.
Wiring the 5800TM Module
Connect the 5800TM to the control panel’s keypad connection terminals, using the supplied
connector with flying leads, as follows:
Wire Terminal on Control
BLACK (Ground) Terminal 4
RED (+12VDC) Terminal 5
GREEN (Data to Control) Terminal 6
YELLOW (Data from Control) Terminal 7
BLUE: Not Used
Do NOT cut any of the jumpers on the 5800TM when using it with the 250P1.
For additional information, refer to the 5800TM’s instructions.
Jam Detection and Reporting
When field ✱22, option 4 (in Data Field Descriptions) is selected, a 5800 series receiver
detecting a jam condition will send an E344 (RF Receiver Jam Detect) Contact ID report to
the Central Station. At the same time, a Rcvr Jam message will toggle with the present
system message on the keypad. When the jam condition is cleared, a Restore message is sent
to the CS. Entering a code and OFF will restore the keypad display.
The default for this option is 0 (disabled).
Normal use of a 5827 wireless keypad may cause a false RF jam message to be displayed in
systems that have been programmed for RF Jam detection.
About 5800 Series Transmitters
Enrolling Serial and Zone Numbers
5800 series transmitters have built-in serial numbers that you must “enroll” into the system
using the ✱56 or ✱58 Interactive mode, or input to the control via the downloader.
5800 Series transmitters (except 5827, described separately) do not have DIP switches.
You can program each transmitter's zone number into the system in ✱56 or ✱58 mode. Some
transmitters, such as the 5816 and 5817, can support more than one “zone” (referred to as
loops or inputs). On the 5816, for example, the wire connection terminal block is loop 1, the
reed contact is loop 2. Each loop must be assigned a different zone number.
ULThe 5816 and 5817 transmitters do not have EOL supervision of their loop wiring. Therefore, for
UL Household Burglary installations, the loop wiring may not exceed 3 feet.

250P1 Installation and Setup Guide
6–4
For button transmitters (RF “keys”), such as the 5801, 5803, 5804, and 5804BD, you must
assign a unique zone number to each individual button used on the transmitter. Each button
on the transmitter also has a pre-designated loop or input number, which is automatically
displayed on the keypad.
Programming an RF House ID
Programming an RF House ID (01–31) in field ✱24 is necessary only if you are using
5827 or 5827BD Wireless Keypads or 5804BD Transmitters. An RF House ID is not
necessary for other 5800 Series Transmitters, and the entry should be left at 00 (default) in
those cases.
The 5827 reports low-battery status as zone 00.
Transmitter Supervision
Except for some transmitters that may be carried off-premises (5802, 5802CP, 5803, 5804,
5804BD, 5827, and 5827BD), each transmitter is supervised by a check-in signal that is sent
to the receiver at 70–90 minute intervals. If at least one check-in is not received from each
supervised transmitter within a 12-hour period, the “missing” transmitter number(s) and the
message CHECK will be displayed.
The supervision for a particular transmitter in the system that may also be carried off the
premises (5801, 5802MN) may be turned off by enrolling it as a “UR” (unsupervised RF) type,
as described later.
5800 Series Transmitters have built-in tamper protection and will annunciate as a “check”
condition if covers are removed.
Transmitter Input Types
All of the transmitters described have one or more unique factory-assigned input (loop) ID
codes. Each of the inputs requires its own programming zone (e.g., a 5803's three inputs
require three programming zones). See Appendix A.
Transmitters can be enrolled as one of the following types:
Type Description
RF
(Supervised RF) Sends periodic check-in signals, as well as fault, restore, and
low-battery signals. The transmitter must remain within the
receiver's range.
UR
(Unsupervised RF) Sends all the signals that the “RF” type does, but the control
does not supervise the check-in signals. The transmitter may
therefore be carried off-premises.
BR
(Unsupervised Button RF) Sends only fault signals. It will not send a low-battery signal
until it is activated. The transmitter may be carried off-
premises.
Transmitter Battery Life
Do not install batteries in wireless transmitters until you are ready to enroll the transmitters during
system programming. After enrolling, batteries need not be removed.
Batteries in the wireless transmitters may last from 4 to 7 years, depending on the
environment, usage, and the specific wireless device being used. Factors such as humidity,
extreme temperatures, as well as large temperature variations may all reduce the actual
battery life in a given installation. The wireless system can identify a true low-battery
situation, thus allowing the dealer or user of the system time to arrange a change of battery
and maintain protection for that given point within the system.

Section 6 - Wireless Expansion
6–5
Some transmitters (e.g., 5802, 5802CP, and 5803) contain long-life but nonreplaceable
batteries, and no battery installation is required. At the end of their life, the complete unit
must be replaced (and a new serial number enrolled by the control).
Button-type transmitters (such as 5801, 5802, 5802CP, and 5803) should be periodically
tested for battery life.
The 5802MN and 5804 Button Transmitters have replaceable batteries.
Using the Transmitter Sniffer Mode
To use the transmitter Sniffer mode, perform the following steps:
1. Enter Installer code (4112) + # + 3 on keypad. This initiates a procedure that will
verify that all transmitters have been properly programmed.
2. The keypad will display all zone numbers of wireless units programmed into the system.
Fault each transmitter in turn, causing each one to send a signal, rather than let
each transmitter send an automatic supervisory signal.
As the system receives a signal from each of the transmitters, the zone number of that
transmitter will disappear from the display. The transmitters may be checked upon
installation, or in an installed system.
3. After all transmitters have been checked, exit the Sniffer mode by keying 4112 (Installer
code) + OFF.
NOTE: Sniffer mode does not automatically expire. You must manually exit Sniffer mode
by keying [Installer code] + OFF) to return to normal operation. Sniffer mode also
terminates if a user arms the system from a console or a compatible wireless keypad.
Use of any RF devices other than a wireless keypad while in Sniffer Mode may cause
unpredicable results.

250P1 Installation and Setup Guide
6–6
5800 Series Transmitters Table
Also refer to
Appendix A
for transmitter input loops/button locations.
Model Description Input Type and Special Notes
5801 Wireless Panic
Transmitter Enroll as “3” for RF (supervised), or “4” for UR (unsupervised).
Unit has 4 pushbuttons, each with a unique input (loop) code.
Each pushbutton must be assigned to a zone.
Note: Input loop (button) No. 4 must always be used.
5802
5802CP Pendant Belt Clip
(Personal Emergency)
Transmitters
Enroll as “5” for BR (button-type transmitter).
5802MN Miniature Personal
Emergency Trans. Enroll as “3” for RF (supervised), or “4” for UR (unsupervised).
Single pushbutton-type transmitter
5804
5804BD Wireless Key
Transmitter Enroll as “5” for BR (button-type transmitter).
Has 4 pushbuttons, each with a unique input (loop) code.
Each pushbutton must be assigned to a zone.
Note: All buttons must be assigned the same input type.
5806
5807
5808
Wireless Photoelectric
Smoke Detectors Enroll as “3” for RF (supervised).
At the “INPUT S/N” prompt, fault the detector as follows:
1. On many detectors, you must press a special test switch (not test button) to
fault the detector (see detector’s instructions).
Note: With some detectors, you must short two contacts to fault the
detector. Disengage the detector’s cover and swing it open. These contacts
are on the PC board near a blue jumper (see detector’s instructions).
Momentarily short these contacts with a small screwdriver.
Two keypad beeps will occur when the detector is faulted the first time.
2. Wait 6 to 8 seconds, then press and release the test switch (or momentarily
short the contacts) again. 3 beeps will sound if the control has accepted the
input code, and the enrolled input (loop) number will be displayed.
5816
5816MN Door/Window
Transmitter Enroll as “3” for RF (supervised).
Has two unique input (loop) zones: one for a wired closed-circuit contact loop,
and the other for a built-in reed switch (used in conjunction with a magnet).
Either or both may be used.
5817 Multi-Point Universal
Transmitter Enroll as “3” for RF (supervised).
Has three unique input (loop) codes: one for a DIP switch-set “Primary” contact
loop, and the others for two “Auxiliary” closed-circuit contact loops.
The “Primary” loop may be set for:
• Repeating or Single Transmission
• Normally Open or Normally Closed-circuit
• Slow or Fast Response
• 3-Minute or No Transmission Inhibit
DIP Switches: Set all DIP switches to the OFF position when enrolling the
serial number.
Note: All loops must be assigned the same input type.
5818 Recessed Magnetic
Contact Transmitter Enroll as “3” for RF (supervised).
5819 Shock Processor
Transmitter Enroll as “3” for RF (supervised).
Has three unique input (loop) zones: one for a wired closed-circuit contact loop,
one for use with inertia-type shock detectors (mounted externally), and one for a
built-in reed switch (used in conjunction with a magnet).
5849
5850 Glassbreak
Detector/Transmitter Enroll as “3” for RF (supervised).
5890 PIR Detector/
Transmitter Enroll as “3” for RF (supervised).
The cover must be on the unit when enrolling the serial number.
† When “enrolling” a transmitter’s ID code(s), any PIR in the vicinity that is not being enrolled should be covered with a
cloth, tissue, etc. to prevent activation.
Installing 5800 Series Transmitters
To be sure reception of the transmitter's signal at the proposed mounting location is
adequate, perform a Go/No Go Test.

Section 6 - Wireless Expansion
6–7
Go/No Go Test Mode
The Go/No Go Tests will verify adequate RF signal strength from the proposed transmitter
location. They allow you to reorient or relocate transmitters, if necessary, before mounting
the transmitters permanently.
This mode is similar to the Transmitter Test mode, except that the wireless receiver gain is
reduced. This will enable you to make sure that the RF signal from each transmitter is
received with sufficient signal amplitude when the system is in the normal operating mode.
1. With at least one 2-line alpha keypad (6160PL2) connected to the system, enter 4112
(Installer code) + # + 4 on the keypad.
2. After you have placed transmitters in their desired locations and have run the
approximate length of wire from the sensors to the transmitter's screw terminals (if used),
fault each transmitter. Do not conduct this test with your hand wrapped around the
transmitter, as this will cause inaccurate results.
NOTE: On button-type transmitters whose buttons have been set to Arm AWAY, Arm
STAY, or Disarm, pressing a button will take the system out of the Go/No Go Test mode
and cause that action.
a. The keypad will beep three times to indicate signal reception and display the
appropriate zone number.
b. If the keypad does not beep, reorient or move the transmitter to another location.
Usually a few inches in either direction are all that is required.
3. If each transmitter produces the proper keypad response when it is faulted, you can then
permanently mount each of the transmitters according to the instructions provided with
them.
4. Exit the Go/No Go test mode by entering 4112 (Installer code) + OFF.
Setting DIP Switches on the 5827 Transmitter(s)
You must set a 5827 Transmitter to the programmed House ID, using its DIP switches.
1 2 3 4 5
ON
DIP SWITCH POSITIONHOUSE
ID 12345
1 ----UP
2 ---UP-
3 - - - UP UP
4--UP--
5--UP-UP
6--UPUP-
7 - - UPUPUP
8 -UP---
9 - UP - - UP
10 - UP - UP -
11 - UP - UP UP
12 - UP UP - -
13 - UP UP - UP
14 - UPUPUP -
15 - UPUPUPUP
16UP----
DIP SWITCH POSITIONHOUSE
ID 12345
17 UP - - - UP
18 UP - - UP -
19 UP - - UP UP
20 UP - UP - -
21 UP - UP - UP
22 UP - UP UP -
23 UP - UPUPUP
24 UP UP - - -
25 UP UP - - UP
26 UP UP - UP -
27 UP UP - UP UP
28 UP UP UP - -
29 UP UP UP - UP
30 UP UP UP UP -
31 UP UP UP UP UP
SWITCH UP FOR "ON"
SWITCH DOWN FOR "OFF"
SHOWN SET FOR
HOUSE ID# 30

250P1 Installation and Setup Guide
6–8

7–1
SECTION 7
Relay Outputs & Powerline Carrier Devices
•••••••••••••••••••••••••••••••••••••••••••••••••
In This Section
♦About Relays and Powerline Carrier Devices
♦4204 and 4229 Relay Modules
♦Powerline Carrier Devices
♦Programming Relay Outputs
•••••••••••••••••••••••••••••••••••••••••••••••••
About Relays and Powerline Carrier Devices
Relays and Powerline Carrier devices (such as X10 brand devices) are programmable
switches that can be used to perform many different functions. They can be used to turn
lights on and off, control sounders, or indicate status. In this system, you must program each
device as to how to act (ACTION), when to activate (START), and when to deactivate (STOP).
Each of these is described in the programming procedure for ✱80 and ✱81 Interactive Modes
in Section 13: Mechanics of Programming.
The control supports a total of 4 output devices in the following configurations:
• One 4204 Relay Module (4 relays) or 4 Powerline Carrier devices
• One 4229 Zone/Relay Module (2 relays) and 2 Powerline Carrier devices
• Up to 4 Powerline Carrier devices (4 minus the number of output relays used).
A 4204 Relay Module cannot be used if a 4219 or 4229 is already being used, and vice versa.
The 4204 and 4229 modules provide Form C (normally open and normally closed) contacts.
Powerline Carrier devices are controlled by signals sent through the electrical wiring at the
premises via a 4300 Transformer. Therefore, if you are using Powerline Carrier devices, a
4300 Transformer must be used in place of the regular system transformer.
Once a device is programmed into the system, the user sees no difference between a
Powerline Carrier device and a relay output device.
In ✱80 and ✱81 Interactive modes, a series of keypad prompts will request entries for
programming of the relay outputs and/or Powerline Carrier devices used in the system.
Refer also to Output Relays/Powerline Carrier Devices Worksheet for ✱80 and ✱81
Interactive Modes in the separate Programming Form.
4204 and 4229 Relay Modules
Setting up the 4204 or 4229
The 4204 (Figure 14) or 4229 (Figure 13) relay module can be mounted either remotely or
in the control panel. The following steps should be performed to properly set up the 4204 or
4229:
1. Connect the 4204/4229 to the control's remote keypad terminals (4 – 7), using the
connector supplied with the 4204 and 4229. Use standard 4-conductor twisted cable for
long wiring runs.

250P1 Installation and Setup Guide
7–2
2. Set the 4204/4229's DIP switch for a device address of 1 (switch 2 in the OFF position and
switches 3, 4, and 5 in the ON position). Switch 1 determines the unit's cover tamper
response (ON = disabled, OFF = enabled).
3. Connect the desired field wiring to the unit's relay contact terminals.
Supervision
4204 and 4229 modules are supervised against removal. CHECK and ZONE 09 will be
displayed if a module is disconnected from the control’s terminals (4, 5, 6, and 7). CHECK
and ZONE 09 will also be displayed if the module cover is removed and the tamper jumper is
installed.
Figure 13. 4229 Connections to Control Panel
RELAY(S) SHOWN
DE-ENERGIZED
WHT
GRY
VIO
BLK
YEL
ORG
BRN
NO
NC
C
GND
NO
NC
C
RELAY
2
1 2 3 4 5 6 7 8 9 10 11 12 1
2
3
4
4
3
2
1
NO C N
C
RELAY
1
TAMPER JUMPER
POSITION
4229 IN CABINET
(NOT TAMPERED)
4229 REMOTE
(TAMPER PROTECTED)
REED
(TAMPER)
SWITCH
RLY
2RLY
1
RELAY
CONNECTOR
DIP SWITCH
FOR SETTING ADDRESS
AND ZONE “A” RESPONSE
TB1
TB2
4-PIN CONSOLE
EITHER OR BOTH CAN BE USED
4229
DATA OUT
TO CONTROL
(–) GROUND
(+) 12V
DATA IN
FROM
CONTROL
(TERM 6)
(TERM 4)
(TERM 5)
(TERM 7)
TERMINALS ON
CONTROL PANEL
TERMINATE EACH
PROGRAMMED ZONE
WITH 1000 OHM (1K)
RESISTOR
(EACH ZONE’S MAX.
LOOP RESISTANCE:
300 OHMS + EOL)
AB CD EF GHZONES:

Section 7 - Relay Outputs & Powerline Carrier Devices
7–3
SWITCH 4204 ADDRESS SETTINGS
POSITION ("—" means "OFF")
0 1 2 3 4 5 6 7 8 9 10 11 12 13 14 15
2
ON — ON — ON — ON — ON — ON — ON — ON —
3
ON ON — — ON ON — — ON ON — — ON ON — —
4
ON ON ON ON — — — — ON ON ON ON — — — —
5
ON ON ON ON ON ON ON ON — — — — — — — —
ON
12345
➞
➞
➞
➞
➞
13 14 15 16
C
NC
NO
OFF
➞
ON
➞
DIP SWITCH
FOR SETTING DEVICE ADDRESS
AND ENABLING/DISABLING TAMPER
➞➞
COVER TAMPER (REED) SWITCH
➞➞
TB1
4204
TB2
4-PIN CONSOLE PLUG
➞➞
121110987654321
C
NC
NO
C
NC
NO
C
NC
NO
▲
RELAY
3
RELAY
2
RELAY
1
RELAY
4
TYPICAL
(SHOWN "OFF")
EITHER OR BOTH
CAN BE USED
➞➞
➞➞
DATA IN
FROM CONTROL
(–) GROUND
DATA OUT
TO CONTROL
(+) 12V
YEL
BLK
GRN
RED
Figure 14. 4204 Connections to Control Panel
Powerline Carrier Devices
ULPowerline Carrier devices and the 4300 Transformer are not UL Listed for fire or burglary
functions, and are intended for home automation.
When using Powerline Carrier devices, you must use a 4300 Transformer instead of the 1321
Transformer.
The 4300 Transformer provides AC power to the control panel, and also supplies signals from
the control panel through the premises AC wiring to the Powerline Carrier devices (which
are plugged into AC outlets). You can then make devices plugged into Powerline Carrier
devices perform various functions in response to commands you enter at the security system
keypads.

250P1 Installation and Setup Guide
7–4
Wiring Connections
To wire the Powerline Carrier Device to the control panel, perform the following steps:
1. Splice one end of a 3-conductor cable to the wire ends of the 4142TR Cable supplied with
the 4300 Transformer.
2. Connect the 4142TR Cable Plug to the 9-pin connector on the control (see Figure 22.
Summary of Connections diagram for location of the 9-pin connector).
3. Connect the other end of the 3-conductor cable to the 4300 Transformer, as indicated in
the table below and in the diagram that follows.
4300 TRANSFORMER WIRE CONNECTIONS
4300 Terminal To Terminal on Control
1 (AC) 1 (16.5V AC in)
2 (Ground) 25 Earth Ground terminal
3 (AC) 2 (16.5V AC in)
4300 Terminal 4142TR Cable Wire
4 (Sync) RED (Pin 5 of 9-pin connector)
5 (Data) VIOLET (Pin 1 of 9-pin connector)
6 (Com) WHITE (Pin 4 of 9-pin connector)
Figure 15. 4300 Transformer Wiring Connections
Programming Relay Outputs
In the 250P1, each device must be programmed as to how to act (ACTION), when to activate
(START), and when to deactivate (STOP). Refer to the programming procedures for ✱80 and
✱81 interactive modes that are provided in Section 13: Mechanics of Programming,
Section 17: Output Device Programming, and Section 18: Zone Lists for specific
programming details.
TERMINALS ON
CONTROL
4300 TRANSFORMER INTERFACE
AC EARTH
GROUN
AC SYN DAT COM
1252
123 456
123456789 9-PIN
CONNECTOR
VIOLE
GRAY
YELLO
WHITE
RED
GREEN
BROW
BLUE
BLACK
4142TR CABLE
THESE WIRES (7,
8, 9)

8–1
SECTION 8
4285 & 4286 VIP Module
•••••••••••••••••••••••••••••••••••••••••••••••••
In This Section
♦About the 4285 & 4286 VIP Module
♦Installing the Phone Module
♦Programming the 4285/4286 VIP Module
♦Checking 4285/4286 VIP Module Operation
•••••••••••••••••••••••••••••••••••••••••••••••••
About the 4285 & 4286 VIP Module
The 4285 or 4286 VIP Module is an add-on accessory for the 250P1 that permits access to the
security system via a TouchTone phone (either on-premises or by a call-in when away). The
4286 VIP Module has the additional capability of controlling thermostat(s) and providing
external speaker output.
The phone module can announce many of the same words that would normally be displayed
on an alpha keypad under the same system conditions.
Only one phone module can be used in this security system.
When properly connected, the 4285/4286 VIP Module will enable the user to do the following
via a TouchTone telephone:
• Receive synthesized voice messages over the phone regarding the status of the security
system.
• Arm and disarm the security system and perform most other commands using the
telephone keypad, with voice annunciation over the phone confirming any command that
is entered.
The phone used for phone access must have touch-tone capability, though touch-tone service
is not necessary. (If premises uses pulse dialing, switchable phones must be set for touch-
tone temporarily before attempting phone access.)
A Phone Access User's Guide for phone access to the security system is provided with the
phone module for the user of the system.
Installing the Phone Module
Mounting the 4285 or 4286 VIP Module
The phone module may be mounted in the control cabinet if space is available or, if this is not
possible, on the side of the cabinet or adjacent to it.
When mounting the module outside the cabinet, use the screw holes at its rear, which will
permit it to be mounted horizontally or vertically. (you may use double-sided adhesive tape if
you prefer.) Wires can be brought out from the side or back (a round knockout is also
available on the back).
Stick the phone module’s connections label (supplied separately) to the inside of the phone
module's cover, if the cover is used. If you have installed the module within the cabinet, stick
the label to the inside of the control cabinet's door.

250P1 Installation and Setup Guide
8–2
If you are also using an Audio Alarm Verification (AAV) unit, refer to
Section 11:
Audio Alarm
Verification (AAV) Unit
for the wiring connections required when you are using both a phone
module and an AAV unit. If you are not using an AAV unit, follow the wiring connections
instructions in this section for the phone module.
Wiring the Voice Interactive Phone (VIP) Module
The 4285 or 4286 VIP Module is wired between the control panel and the premises
handset(s). It listens for touch-tones on the phone line and reports them to the control panel.
During on-premises phone access, it powers the premise phones; during off-premises phone
access, it seizes the line from the premises phones and any answering machines.
NOTE: The phone lines must be in service for the phone module to function, even when
accessing the system from an on-premises phone.
1. Wire the 12V (+), 12V (–), data in, and data out points from the phone module to the
control (see Figure 17).
Terminal On Control
12V – AUX (terminal 4)
12V + AUX (terminal 5)
DATA IN (terminal 6)
DATA OUT (terminal 7)
2. Insert the keyed connector at the other end of the connector cable into the mating header
on the phone module (see diagram on next page for location of the header).
3. Connect terminals 1 through 5 on the phone module as shown in the Wiring Table below
and in the 4285/4286 wiring diagram that follows.
• Use an RJ31X jack with a direct-connect cord and make all connections exactly as shown. If
the leads on the direct-connect cord are too short to reach their assigned terminals, splice
additional wires to them, as required.
• If no Touch-Tones are produced following access to the security system from on-premises
(this problem may arise in rare cases), it may be necessary to reverse the wires connected to
terminals 3 and 4 on the phone module and the wires connected to terminals 21 and 22 on the
control panel. The wiring diagram shows the wiring connections that will provide proper
operation in most cases.
4285/4286 WIRING TABLE
4285 Terminal Connects to:
1. Phone In (Tip) Terminal 21 on control panel.
2. Phone In (Ring) Terminal 22 on control panel.
3. Phone Out (Tip) BROWN lead from direct-connect cord.
4. Phone Out (Ring) GRAY lead from direct-connect cord.
5. Ground Earth ground terminal 25 on control panel.
6. Output High Not used (4285). Spkr Hi on 4286.
7. Output Rtn Not used (4285). Spkr Hi on 4286.
Caller ID Units
If the telephone system on the premises includes a Caller ID unit, connect the unit directly
to the Handset terminals (21 and 22) on the control, as shown in Figure 16. 4285/4286
VIP Module Wiring Connections that follows.

Section 8 - 4285/4286 VIP Phone Module
8–3
4285/4286 VIP MODULE WIRING NOTES:
• Wire the phone module exactly as shown, using a direct-connect cord and RJ31X jack.
• If touch-tones are not heard when pressing keys following phone access to the security system via
an on-premises phone, try reversing the pair of wires connected to terminals 3 and 4 on either phone
module and the pair of wires connected to terminals 21 and 22 on the control.
• If an error signal (fast busy signal) is heard when trying to access the system via the phone, check
for correct line seizure wiring, as described in note 4.
• Connection to the incoming telco line via an RJ31X jack and direct-connect cord, as shown in this
diagram, is essential, even if the system is not connected to a Central Station. The 4285 or 4286
will not function if this is not done.
The house phone lines (gray and brown wires) must be wired to the phone module
terminals, not to the control terminals. Otherwise, an error signal (fast busy signal) will
occur when trying to access the system from an on-premises phone.
• If the telephone system on the premises includes a Caller ID unit, connect the unit directly to the
Handset terminals (21 and 22) on the control, as shown below.
22
ANSWERING
MACHINE
TERMINALS
ON CONTROL
TO EARTH GROUND (COLD WATER PIPE, ETC.)
➡
SPEAKER VOLUME
ADJUSTABLE ON
4286 ONLY
UNUSED
KEYED
HEADER
▲
▲
4285 or 4286
PHONE MODULE
123456 7
YELLOW: TO DATA OUT (term. 7)
NO CONNECTION
RED: TO AUX (+) (term. 5)
BLACK: TO AUX. GROUND (–) (term.4)
GREEN:
TO DATA IN (term. 6)
CONNECTOR
WITH FLYING
LEADS
TO CONTROL
PANEL
TERMINALS
USED FOR
KEYPAD
CONNECTIONS
➡
PREMISES ANSWERING
MACHINE AND PHONES
▲
Handset Incoming
Telco Line
TIP
RING
RJ31X
JACK
PLUG
DIRECT
CONNECT
CORD
➧
TIP
RING
GROUND
MUST CONNECT TO
ON 4285 (TIP)
MUST CONNECT TO
ON 4285 (RING)
GREEN (TIP)
RED (RING)
1
2
▲
▲▲
INCOMING TELCO LINE
TO GND
TERMINAL (25)
ON CONTROL
GRAY (R)
BROWN (T)
4285
TERMINAL ASSIGNMENTS
1 - TIP
2 - RING PHONE INPUT
3 - TIP
4 - RING PHONE OUTPUT
5 - GROUND
6 -
7 - AUDIO OUT 1
(FOR FUTURE USE)
}
}
}
▲
{
{
IMPORTANT NOTE FOR
EXISTING INSTALLATIONS:
EXISTING WIRES
CONNECTED TO THE
"HANDSET" TERMINALS ON
CONTROL MUST BE MOVED
FROM THERE TO TERMINALS
3 AND 4 ON THE 4285.
21 23 24 25
CALLER ID
UNIT
IMPORTANT!
IF THE PANEL IS NOT CONNECTED TO
A PROPER EARTH GROUND,YOU MAY
GET FALSE LINE CUT INDICATIONS (IF
TELEPHONE LINE MONITOR HAS BEEN
PROGRAMMED).
*
*
*
NOTE: IF THE TELEPHONE HAS BUILT-IN CALLER ID,
THE CALLER ID FUNCTION MAY NOT WORK
.
CA38A
IN
CANADA
Figure 16. 4285/4286 VIP Module Wiring Connections

250P1 Installation and Setup Guide
8–4
Programming the 4285/4286 VIP Module
You must program the system for use with the 4285 or 4286 VIP Module. This includes
assigning a phone code and selecting words from the alpha vocabulary. Refer to the
programming sections for specific programming details.
Checking 4285/4286 VIP Module Operation
To Check Operation From an On-Premises Phone:
1. Pick up the phone and enter the programmed 2-digit phone code. Annunciation of a
system status report should automatically start. See the User’s Guide accompanying the
phone module for detailed information regarding the nature of the status report, if
necessary.
2. During any pause in the status report, or immediately following it, key the following via
the keypad on the phone:
4112 (Installer code) + 1 (OFF).
You should hear a beep on the phone and from a wired keypad. You should also hear the
words, "Disarmed...Ready to Arm" or "Disarmed...Not Ready to Arm"* indicating
that the command was entered successfully.
* The voice message, "Disarmed...Not Ready to Arm" would indicate an open zone.
3. Hang up the phone.
To Check Operation from an Off-Premises Phone:
1. Have someone dial the premises phone number, using a TouchTone phone.
•If the phone system does not include an answering machine, 2 long tones will be heard
in the caller’s phone, followed by a voice prompt "Hello, Enter Phone Code Now."
The caller should enter the programmed 2-digit phone code.
•If the premises phone system includes an answering machine, the 2-digit phone code
should be entered during a pause at the beginning of, or during, the outgoing
answering machine message. When the 2-digit phone code is entered, the caller will
hear a voice prompt asking for entry of the 4-digit system code ("Enter System Code
Now").
2. The caller should then enter the installer code (4112). As a safety feature, there is a 3-try
limit in which to enter each code (phone code and system code), after which the call-in will
be aborted. Also, if no keys are pressed for a period of 20 seconds, the call-in is aborted.
Annunciation of a system status report will start if both codes were entered correctly.
3. During any pause in the status report, or immediately following it, the caller should key
the following via the keypad on the phone:
4112 (Installer code) + 1 (OFF).
The caller should hear a beep from the phone and a wired keypad on the premises. The
caller should also hear the words "Disarmed...Ready to Arm" or "Disarmed...Not
Ready to Arm"* on the phone, indicating that the command was entered successfully.
*"Disarmed...Not Ready to Arm" would indicate an open zone.
4. At this point, the caller can hang up the phone.
5. Verify with the caller that there was successful access to the system and that the
appropriate annunciations were heard over the phone.
6. If the phone module functioned satisfactorily, unplug the AC transformer from the AC
outlet.

9–1
SECTION 9
External Sounders
•••••••••••••••••••••••••••••••••••••••••••••••••
In This Section
♦Compatible Sounders
♦NFPA Requirements
♦Sounder Connections and Power
♦Sounder Supervision
♦Testing the Sounder
•••••••••••••••••••••••••••••••••••••••••••••••••
Compatible Sounders
The following table lists external sounders that are compatible with the 250P1:
Model Description
ADEMCO AB-12M 10
Motorized Bell & Box Motor bell & box. UL Grade A. 100 mA current draw.
ADEMCO 1011BE12M 10”
Motorized Bell & Box Motor bell & box. UL Listed. 100 mA current draw.
ADEMCO 702 Outdoor
Siren Self-contained 6–12 volt siren (driver built-in) and
weatherproof for outdoor use. Can be wired for either
a steady or warble sound.
ADEMCO 719 2-Channel
Siren Two-channel, self-contained 6-12 volt siren (driver
built-in). 109dB @ 10 feet. 550mA current draw.
ADEMCO 747 Indoor Siren Self-contained 12-volt siren (driver built-in) for indoor
wall mount. 747F available for flush mounting.
ADEMCO 747UL Indoor
Siren Self-contained siren (driver built-in) for indoor wall
mount. UL Listed.
ADEMCO 744 Siren Driver 6 jumper-selected sound outputs. Rated at 119dB
with use of an 8-ohm 30-watt speaker.
ADEMCO 745X3 Voice
Siren Driver Voice siren driver with English, Spanish, and French
voice messages. Separate messages for fire and
burglary. Use with 8-ohm speaker. UL Listed.
ADEMCO 705–820, 5-inch
Round Speaker 15-watt, 8-ohm speaker.
ADEMCO 713 Speaker 40-watt, 8-ohm, indoor/outdoor speaker.
System Sensor PA400B
(beige)/PA400R (red) Indoor
Piezo Sounder
Indoor piezo sounder (red or beige) rated at 90dB @
10 feet.
•For UL installations, use only UL Listed sounding devices mounted indoors.
NFPA Requirements
The 250P1 complies with NFPA requirements for temporal pulse sounding of fire
notification appliances.
Temporal pulse sounding for a fire alarm consists of the following:
3 pulses – pause – 3 pulses – pause – 3 pulses . . .

250P1 Installation and Setup Guide
9–2
Sounder Connections and Power
The 250P1 provides a 12VDC output, which can power external alarm sounders (bells or
sirens; see table of compatible sounders on previous page). This output will activate a
sounder when an alarm occurs.
Make connections to alarm output terminals 3 (+) and 4 (–). See Figure 17 below.
UL
The total current drawn from the alarm output and the auxiliary power output, combined, cannot
exceed 700mA. In addition, the sounding device must be a UL Listed audible signal appliance
rated to operate in a 10.2-13.8VDC range. Example: Wheelock Signals Inc. siren model 34T-12
(provides 85dBA for NFPA 74 and Standard 985).
Non-UL Installations
The total current drawn from this output cannot exceed 2 amps. A battery must be installed
because the battery supplies this current.
Going beyond the limits indicated (2 amps) will overload the power supply, or may cause the
electronic circuit protecting the sounder output to trip.
Sounder Supervision
The 250P1 contains a sounder (Bell) supervision option. To activate the Bell supervision
option:
1. Cut the red Bell Supervision Jumper located above terminals 2 and 3 on the control board.
See Figure 18.
2. Connect a 2k ohm resistor across the terminals of the last sounding device.
Testing the Sounder
After you install the sounder, test the security system carefully, as follows:
1. Connect the battery wires from the control board to the battery, observing correct
polarity.
2. Enter the Installer code (4112) and press the TEST (5) key on the keypad.
The external sounder should sound for 1 second if the sounder is working and proper
connections have been made. Note that if the backup battery is discharged, the sounder
will not turn on.
3. To turn off the Test mode, enter the Installer code (4112) and press the OFF key.
4. Disconnect the battery wires from the battery terminals.
5. Unplug the AC transformer from the AC outlet.
Figure 17. Typical Sounder Wiring Figure 18. Bell Supervision Wiring
+
-
3
4
ALARM
OUTPUT
CONTROL
BOARD NO. 702
SIREN
+
-
1234567
CUT RED JUMPER
FOR BELL SUPERVISION
CONNECT 2k EOL RESISTOR ACROSS LAST
SOUNDING DEVICE FOR BELL SUPERVISION

10–1
SECTION 10
Long Range Radio
•••••••••••••••••••••••••••••••••••••••••••••••••
In This Section
♦About Long Range Radio
♦Wiring Connections
♦Dynamic Signaling Feature
•••••••••••••••••••••••••••••••••••••••••••••••••
About Long Range Radio
If output to Long Range Radio is selected, all messages that are programmed to go to the
primary telephone line receiver will also be sent to the 7720PLUS or 7820 Long Range Radio.
These messages will be in Contact ID format (not affected by entry in field ✱48).
ULFor UL installations, Long Range Radio must be disabled (✱29 = 0).
The data line is supervised, as well as certain functions in the radio. If communication is lost
or a trouble develops, an attempt will be made to send a message via both radio and
telephone to the Central Station.
For complete information, see the manual that accompanies the radio.
Wiring Connections
Connect the data in/data out terminals and voltage input terminals of the No. 7720PLUS or
7820 Long Range Radio to the control's keypad connection points, terminals 4, 5, 6, and 7, as
shown below.
Figure 19. Long Range Radio Connections
CONTROL DATA IN
CONTROL DATA OUT
7720PLUS/7820
LONG RANGE RADIO
BLACK
RED
GREEN
YELLOW
CONTROL
TERMINALS
RADIO DATA OUT
RADIO DATA IN
+
−4
5
6
7

250P1 Installation and Setup Guide
10–2
Dynamic Signaling Feature
This 250P1 control panel features Dynamic Signaling Delay (DSD) and Dynamic
Signaling Priority (DSP) message reporting when Long Range Radio is used. These
message outputs are accessed through data field ✱79. The Dynamic Signaling feature is
designed to reduce the number of redundant reports sent to the Central Station.
The features are described as follows:
• Dynamic Signaling Delay (DSD)
You can select the time the panel should wait for acknowledgment from the first
reporting destination before it attempts to send a message to the second destination.
Delays can be selected from 0 to 225 seconds, in 15-second increments. This choice is
made by the first entry in field ✱79. This delay is applicable to each individual message.
• Dynamic Signaling Priority (DSP)
You can select the initial reporting destination for messages, Primary Dialer or Long
Range Radio. This choice is made by the second entry in field ✱79.
The chart below provides a concise explanation of how the Dynamic signaling feature
functions.
If Priority (✱79, 2nd
entry) is… And message is… Then…
Acknowledged before delay
expires Message is removed from queue and
no message is sent to LRR
Primary Phone No.
("0" entered) Not acknowledged before delay
expires Message is sent to both the Primary
Phone No. and LRR
Acknowledged before delay
expires Message is removed from queue and
no message is sent to Primary
Phone No.
Long Range Radio
("1" entered)
Not acknowledged before delay
expires Message is sent to both the Primary
Phone No. and LRR
You must enable field ✱29, OUTPUT TO LONG RANGE RADIO, if this feature is to function.

11–1
SECTION 11
Audio Alarm Verification (AAV) Unit
•••••••••••••••••••••••••••••••••••••••••••••••••
In This Section
♦About Audio Alarm Verification ♦Wiring Connections
•••••••••••••••••••••••••••••••••••••••••••••••••
About Audio Alarm Verification
An Audio Alarm Verification (AAV) module, such as the Eagle 1250, is an add-on accessory
that permits voice dialog between an operator at a Central Station and a person at the alarm
installation, for the purpose of alarm verification.
To enable the AAV feature, enter option “4” in field ✱91 Option Selection (AAV), select Contact
ID report format for the primary phone number, and program alarm reports for the primary phone
number.
ULThe AAV option cannot be used in UL installations.
After all messages have been sent during a reporting session to the primary phone number,
the control will trigger the AAV if at least one of the messages was an Alarm report. The
control will send a listen-in to follow message (Contact ID event code 606), which signals the
685 to hold the phone connection for 1 minute.
Once the digital message is “kissed off,” the control will give up the phone line to the AAV
module, without breaking connection with the Central Station. At this time, all sirens and all
continuous keypad sounds will be shut off.
You must connect a 4204 or 4229 Relay Module when using an AAV unit. Do not use relay
output number 1 for any other function.
Wiring Connections
The AAV is triggered by a 4204 or 4229 relay module, as shown in the AAV connection
diagrams that follow (one diagram for connections when a 4285/4286 VIP Module is used, the
other when the 4285/4286 VIP Module is not used).

250P1 Installation and Setup Guide
11–2
CONTROL/
DIALER HEADER
NOTE:
REFER TO AAV MODULE
INSTRUCTIONS FOR
CONNECTIONS TO AUDIO
SPEAKERS AND MICROPHONE.
•
•
•
•
•
EAGLE
1250
5422
21 23 24 25
DIP Switch
1 2 3 4 5 6
ON
CONTROL
EARTH
GROUND
RED (R)
GREEN (T)
GREY (R)
BROWN (T)
INCOMING
PHONE LINE
RJ31X
YELLOW
RED
BROWN
TIP
RING
EAGLE
SUPPLIED
CABLE
➤
➤
13
14
15
16
V+
GND
4204
RELAY 1
SHOWN
OFF
NO NC C
TO PREMISES
HANDSET
Figure 20. Connection of AAV Unit When Not Using a 4285/4286 VIP Module
CONTROL/
DIALER HEADER
NOTE:
REFER TO AAV MODULE
INSTRUCTIONS FOR
CONNECTIONS TO AUDIO
SPEAKERS AND MICROPHONE.
•
•
•
•
•
EAGLE
1250
5422
21 23 24 25
DIP Switch
1 2 3 4 5 6
ON
CONTROL
EARTH
GROUND
RED (R)
GREEN (T)
GREY (R)
BROWN (T)
INCOMING
PHONE LINE
RJ31X
YELLOW
RED
BROWN
TIP
RING
EAGLE
SUPPLIED
CABLE
➤
➤
13
14
15
16
V+
GND
4204
RELAY 1
SHOWN
OFF
NO NC C
TO PREMISES
HANDSET
4285 or 4286
4
3
2
1
Figure 21. Connection of AAV Unit When Also Using a 4285 or 4286 VIP Module

12–1
SECTION 12
Final Power-Up
•••••••••••••••••••••••••••••••••••••••••••••••••
In This Section
♦Earth Ground Connections
♦AC Power-Up
♦Connecting the Backup Battery
♦Battery Tests
•••••••••••••••••••••••••••••••••••••••••••••••••
Earth Ground Connections
The designated earth ground terminal (25) must be terminated in a good earth ground for
the lightning transient protective devices in this product to be effective. It also must be
grounded to enable the telephone line fault indicator to work properly. The following are
examples of good earth grounds available at most installations:
Metal Cold Water Pipe: Use a noncorrosive metal strap (copper is recommended) firmly
secured to the pipe to which the ground lead is electrically connected and secured.
AC Power Outlet Ground: Available from 3-prong, 120VAC power outlets only. To test the
integrity of the ground terminal, use a 3-wire circuit tester with neon lamp indicators, such
as the UL Listed Ideal Model 61-035, or equivalent, available at most electrical supply
stores.
AC Power-Up
To turn on AC power, perform the following steps:
1. Plug the 1321 or 4300 Transformer into a 24-hour, unswitched 120VAC outlet.
Following power-up, one of the following will be displayed: AC, dI (disabled); BUSY
STANDBY (alpha keypads); or NOT READY (fixed-word keypads). The green POWER
LED (or READY LED on some keypads) should light.
2. After approximately 1 minute, the initial displays will revert to DISARMED...READY
TO ARM for alpha keypads, or READY for fixed-word keypads (if there are no faulted
zones). This 1-minute delay allows PIRs, etc. to stabilize.
To bypass this delay, press: # + 0.
Connecting the Backup Battery
In the event of an AC power loss, the control panel is supported by a backup, rechargeable
Sealed Lead Acid battery. The minimum battery size recommended is the No. 467 (12V,
4AH) battery. See paragraph titled, Calculating the Battery Size Needed below. The
battery is installed in the control cabinet.
The standby battery is automatically tested every 4 hours, beginning 4 hours after exiting
Programming mode. In addition, entry into the Test mode will cause a battery test to be
initiated.

250P1 Installation and Setup Guide
12–2
Calculating the Battery Size Needed
Determine the total device current draw after filling in the Auxiliary Device Current Draw
Worksheet that follows. To this figure add the 100mA that is drawn by the control panel
itself. Then, to determine the battery size needed, use the following formula:
Total Current Drawn* x Number of hours standby wanted = Battery
Ampere/Hours.
* Convert mA figure to decimal Amps (see example).
Example: If total auxiliary device current drain is 450mA, add 100mA for the control panel,
for a total of 550mA (0.55 amps); if 24-hour standby is wanted, the calculation will be:
0.55A x 24 hours = 13.2 Ampere/Hour battery needed.
In this example, two 7 Amp/Hr batteries (connected in parallel) must be used.
Table 1. AUXILIARY DEVICE CURRENT DRAW WORKSHEET
DEVICE CURRENT # UNITS TOTAL CURRENT
6148PL2 Keypad 30ma Standby / 50mA Alarm
6150PL2 Keypad 40ma Standby / 100mA Alarm
6150RFPL2 Keypad 40ma Standby / 100mA Alarm
6160PL2 Keypad 40ma Standby / 130mA Alarm
5881/5882 RF Receiver 35mA
4219 Zone Expander 35mA
4204 Relay Unit 15/180mA‡
4229 Zone Expander/Relay Unit 35/100mA‡
4285 VIP Module 160mA
4286 VIP Module 300mA
TOTAL =
(Current available from Aux. terminals = 600mA max.)**
* If you are using hardwire devices such as PIRs, refer to the specifications for that particular unit's
current draw.
** In UL installations, maximum current draw from the Auxiliary Output and the Alarm Output
combined must not exceed 700mA (600mA max from Auxiliary Output).
‡ Figures are for relays de-energized (OFF)/relays energized (ON).
Making the Battery Connections
1. Use the battery standby formula (above) to select the appropriate battery for the
installation.
Do not connect the battery until all devices have been wired to the control.
2. Attach the red and black wires on the battery connector cable as follows:
• Red to the positive (+) battery tab on the control board
• Black to the negative (–) battery tab on the control board.
Refer to Figure 22. 250P1 Summary of Connections (SOC) diagram for location of
the (+) and (–) battery tabs on the control board.
3. Attach the red and black wires at the other end of the battery connector cable as follows:
• Red to the positive (+) terminal on the battery
• Black to the negative (–) terminal on the battery.
Battery Tests
The battery is periodically tested automatically (approximately every four hours), and if it
cannot sustain a load, a LOW BATTERY message is displayed and, if so programmed, will
be reported to the Central Station. In addition, the connection to the battery is checked every
3 minutes (a CSFM requirement). If there is no battery detected, or a low-battery condition is
detected, a LOW BATTERY message is displayed and a report is sent to the Central
Station.

13–1
SECTION 13
Mechanics of Programming
•••••••••••••••••••••••••••••••••••••••••••••••••
In This Section
♦About Programming
♦Entering Program Mode
♦Programming a Data Field
♦Reviewing a Data Field/Erasing an Entry
♦Interactive Mode Programming
♦Loading Factory Defaults
♦Programming System Setup Fields
♦Exiting the Programming Mode
•••••••••••••••••••••••••••••••••••••••••••••••••
About Programming
Characteristics for each installation are stored in nonremovable, electrically erasable, non-
volatile EEPROM memory. These must be programmed for the particular installation to
establish its specific alarm and reporting features.
If RF zones or wired expansion will be used, the following program fields must be
programmed before doing any zone programming:
✱22 RF SYSTEM
✱25 WIRED ZONE EXPANSION
It is possible to program the system at any time, even at the installer's premises prior to the
actual installation. Simply apply power temporarily to the control and then program the unit
as desired.
You cannot enter the Programming mode unless the security system is disarmed.
There are two programming modes: Data Field Programming and Interactive (Menu) mode
programming. Data Field Programming is used for setting various system options.
Interactive Programming is used for programming zone information, programming relay
outputs, and enrolling transmitter serial numbers.
To program the system, you must use a 6160PL2 (2-line alpha keypad) connected to the keypad
terminals on the control (4, 5, 6, and 7). Also, the security system must be disarmed. The
alpha keypad need not remain in the system after programming.
Programming can also be performed remotely from the installer’s office/home, using an IBM
personal computer, a modem, and COMPASS downloading software. See Section 21:
Remote Programming and Control (Downloading).

250P1 Installation and Setup Guide
13–2
Entering Program Mode
You may use one of the following methods:
a) Press [✱] and [#] keys at the same time within 50 seconds after power is applied to the
control; or
b) After power-up, enter 4 1 1 2 (Installer code) + 8 0 0.
This method is disabled if you exit the Program mode using ✱98 instead of ✱99. See the
paragraph titled, Exiting the Program Mode, later in this section.
If a different Installer code is subsequently programmed, use it instead of 4112 to gain
access to the Programming mode.
When you enter the Program mode, data field ✱20 will be displayed (this is the first data
field in the system). The system will now accept entries for field ✱20.
Programming a Data Field
1. Press [✱] + [Field No.] (for example, ✱21), then make the required entry.
2. When you have completely programmed a data field, the keypad will beep three times and
then automatically display the next data field in sequence. To go to a different field, press
[✱] plus the desired field number.
3. If the number of digits that you need to enter in a data field is less than the maximum
digits available (for example, the phone number field), enter the desired data, then press
[✱] and the next data field number to be programmed.
4. If you try to enter a non-existent field, the keypad will display EE or ENTRY ERROR.
Simply re-enter [✱] plus a valid field number.
Reviewing a Data Field/Erasing an Entry
Press [#] + [Field No.]. Data will be displayed for that field number. No changes will be
accepted in this mode.
To delete an entry in a field, press [✱] + [Field No.] + [✱] (applies only to fields ✱40 το ✱45,
✱53, and ✱94).
Interactive Mode Programming (✱56, ✱58, ✱80, through ✱83 and ✱86)
Typical prompt displayed
during Interactive mode
programming:
Enter Zn Num.
(00 = Quit) 01
Press [✱] + [Interactive Mode No.] (for example, ✱56). The
alpha keypad will display the first of a series of prompts
requesting entries.
A detailed procedure (with displays of prompts) is provided in
later sections of this manual.
Zone Number Interactive Mode Used to Program
✱56 Zone Programming Zone characteristics, report codes,
alpha descriptors and serial numbers
✱58 Expert Mode
Programming 5800 Series Transmitter serial
numbers
✱80 Relay Programming 4229 or 4204 Relay modules, or
Powerline Carrier devices
✱81 Zone List
Programming Zone lists for relay/powerline carrier,
cross zone activation, and NIGHT-
STAY Zones
✱82 Alpha Programming Zone alpha descriptors
✱83 Function Key Prgrmg. Four Function Keys with 12 options
✱86 Spcl Fnctn Prgrmg. Four Function Keys for specific
operations

Section 13 - Mechanics Of Programming
13–3
Loading Factory Defaults
To load the factory defaults, enter the Programming mode, press ✱97, then exit the
Programming mode.
Do not press ✱97 to load defaults if any programming has been done previously—data already
programmed into the system will be changed!
✱96 resets all the subscriber account numbers and CSID in preparation for an initial
download.
Programming System Setup Fields
The following program fields must be programmed before doing any zone programming:
✱22 RF SYSTEM 0
Enter 1 if 5881/5882 RF Receiver is being used; enter 0 if no receiver is being used.
Default is 0 (none).
✱25 WIRED ZONE EXPANSION 0
Use this field to select the type of expansion unit being used, as follows:
0 = none; 1 = 4219; 2 = 4229; 3 = 4204. Default is 0.
Exiting the Programming Mode
✱99 allows re-entry into the Program mode using [Installer Code] + 8 0 0.
✱98 prevents re-entry into the Programming mode using the Installer code.

250P1 Installation and Setup Guide
13–4

14–1
SECTION 14
Zone Response Type Definitions
•••••••••••••••••••••••••••••••••••••••••••••••••
In This Section
♦Zone Type Definitions
•••••••••••••••••••••••••••••••••••••••••••••••••
Zone Type Definitions
You must assign a zone type to each zone, which defines the way in which the system responds
to faults in that zone. Zone types are defined below.
Type 00
Zone Not Used Program a zone with this zone type if the zone is not used.
Type 01
Entry/Exit Burglary This zone type provides Exit and Entry Delays whenever the zone is
faulted if the control panel is armed in the AWAY, STAY, or NIGHT-
STAY mode. When the panel is armed in the INSTANT or
MAXIMUM mode, no Entry Delay is provided. Entry Delay #1 is
programmable from 30-240 seconds.
Exit Delay begins whenever the control is armed, regardless of the
arming mode selected, and is independently programmable from
30-240 seconds (field ✱34).
This zone type is usually assigned to sensors or contacts on doors
through which primary entry and exit will take place.
The 250P1 will annunciate faster beeps during the last 10 seconds
of exit delay.
Type 02
Entry/Exit Burglary This zone type provides a secondary Entry Delay whenever the
zone is faulted if the panel is armed in the AWAY, STAY, or
NIGHT-STAY modes. When the panel is armed in the INSTANT or
MAXIMUM mode, no Entry Delay is provided. Entry Delay #2 is
programmable from 30-240 seconds.
The programmed Exit Delay (field ✱34) begins whenever the
control is armed, regardless of the arming mode selected.
This zone type is usually assigned to sensors or contacts on doors
through which secondary entry and exit will take place, and where
more time might be needed to get to and from the keypad (typically
used for a garage, loading dock, or basement door).
The 250P1 will annunciate faster beeps during the last 10 seconds
of exit delay.
Type 03
Perimeter Burglary This zone type gives an instant alarm if the zone is faulted when
the panel is armed in the AWAY, STAY, INSTANT, NIGHT-STAY,
or MAXIMUM mode. This zone type is usually assigned to all
sensors or contacts on exterior doors and windows.

250P1 Installation and Setup Guide
14–2
Type 04
Interior Follower This zone type gives a delayed alarm (using the programmed
entry/exit time) if the entry/exit zone is faulted first. Otherwise this
zone type gives an instant alarm. This zone type is active when the
panel is armed in the AWAY and MAXIMUM modes. This zone
type is bypassed automatically when the panel is armed in
the STAY or INSTANT mode. If the panel is armed NIGHT-
STAY, this zone type will not be bypassed if it is on the NIGHT-
STAY Zone List 05. This zone type is usually assigned to a zone
covering an area such as a foyer, lobby, or hallway through which
one must pass upon entry (after faulting the entry/exit zone to
reach the keypad to disarm the system).
Because this zone type is designed to provide an instant alarm if
the entry/exit zone is not violated first, it will protect an area in the
event an intruder hides on the premises before the system is
armed, or gains access to the premises through an unprotected
area.
Type 05
Trouble by Day/
Alarm by Night
This zone type will give an instant alarm if faulted when armed in
the AWAY, STAY, INSTANT or MAXIMUM (night) mode. During
the disarmed state (day), the system will provide a latched trouble
sounding from the keypad (and a Central Station report, if desired).
This zone type is usually assigned to a zone that contains a foil-
protected door or window (such as in a store), or to a zone covering
a sensitive area such as a stock room, drug supply room, etc. This
zone type can also be used on a sensor or contact in an area where
immediate notification of an entry is desired.
Type 06
24-hour Silent
Alarm
This zone type sends a report to the Central Station but provides
no keypad display or sounding. This zone type is usually assigned
to a zone containing an emergency button.
Type 07
24-hour Audible
Alarm
This zone type sends a report to the Central Station and provides
an alarm sound at the keypad, as well as an audible external
alarm. This zone type is usually assigned to a zone that has an
emergency button.
Type 08
24-hour
Auxiliary Alarm
This zone type sends a report to Central Station and provides an
alarm sound at the keypad. (No bell output is provided). This
zone type is usually assigned to a zone containing a button for use
in personal emergencies, or to a zone containing monitoring devices
such as water or temperature sensors.
Type 09
Supervised Fire
(With Verification
on Zone 1)
This zone type provides a fire alarm on short circuit and a trouble
condition on open-circuit. The bell output will pulse when this zone
type is alarmed. This zone type is always active and cannot be
bypassed. This zone type can be assigned to a hardwired
zone, any zone in a wired zone Expansion Module, or
wireless zones. When used with zone 1 on the panel, 2-wire
smoke detectors can be used.
NOTE: Only hardwired zone 1 can be programmed as a fire
zone in UL installations. However, any wireless zone can be used
as a fire zone.

Section 14 - Zone Response Type Definitions
14–3
Type 10
Interior w/Delay This zone type gives Entry Delay (using the programmed entry
time), if tripped when the panel is armed in the AWAY mode.
Entry Delay begins whenever sensors in this zone are violated,
regardless of whether or not an Entry/exit Delay zone was tripped
first. No Entry Delay is provided if tripped when the panel is armed
in the MAXIMUM mode. Exit Delay is present for any arming
mode. This zone type is bypassed when the panel is armed in
the STAY or INSTANT mode. If the panel is armed NIGHT-
STAY, this zone type will not be bypassed if it is on the NIGHT-
STAY Zone List 05.
Type 12
24 Hour Monitor This zone type is a dynamic monitor of the fault/trouble of a zone.
In the case of a cross/open, the message, "*ALARM*-24 Hr. Non-
Burg. -#XXX " (where XXX is the zone number) will be sent to the
Central Station. The alarm keypad will display a fault message
indicating the appropriate zone. Upon restoral of the zone, the
message, "*RESTORE*-24 Hr. Non-Burg. -#XXX " will be sent to
the Central Station. The fault message will automatically
disappear from the keypad. The zone restores dynamically,
therefore a code + off is not needed to reset the zone. Faults of this
zone type are independent of the system, and can exist at the time
of arming without interference.
Type 20
Arm-STAY This is a special-purpose zone type, used with 5800 Series Wireless
Pushbutton units, which will result in arming the system in the
STAY mode when the zone is activated. Pushbutton units send the
zone number as a user number to the Central Station when arming
or disarming.
Type 21
Arm-AWAY This is a special-purpose zone type, used with 5800 Series Wireless
Pushbutton units, which will result in arming the system in the
AWAY mode when the zone is activated. Pushbutton units send the
zone number as a user number to the Central Station when arming
or disarming.
Type 22
Disarm This is a special-purpose zone type, used with 5800 Series Wireless
Pushbutton units, which will result in disarming the system when
the zone is activated.
Type 23
No Alarm Response This zone type can be used on a zone when an output relay action is
desired, but with no accompanying alarm (e.g., lobby door access).
Type 24
Silent Burglary This zone type provides an instant alarm, with no audible
indication at any keypad or external sounder, if the zone is faulted
when the system is armed in the AWAY, STAY, INSTANT, or
MAXIMUM mode. This zone type is usually assigned to all sensors
or contacts on exterior doors and windows where bells and/or sirens
are NOT desired. A report is sent to the Central Station.
All of the zone types described are available for the wireless portion of the system, if used.
The way any particular zone type reacts to a fault is altered if that zone is included in Zone
List 04, the Cross Zoning List. See Section 18. Zone Lists.

250P1 Installation and Setup Guide
14–4

15–1
SECTION 15
Data Field Descriptions
•••••••••••••••••••••••••••••••••••••••••••••••••
In This Section
♦ Descriptions of System Data Fields
•••••••••••••••••••••••••••••••••••••••••••••••••
Descriptions of System Data Fields
NOTE: The blank programming form should be used to record the data for this installation.
Defaults (where applicable) are indicated in text.
The following pages list all data fields in the 250P1 in numerical order. If you have
performed the programming instructions that were included with the installation of each of
the peripheral devices covered in previous sections, this table will simply serve as a reference
for all data fields in the system. If you have decided to program all the data fields in the
system at one time (and therefore did not perform the programming indicated previously in
each section), you can use this listing to program all the data fields now.
✱20 INSTALLER CODE 4 | 1 | 1 | 2
The Installer code is used to enter the 4-digit Master security code in the
normal operation mode, via the keypad. See paragraph titled “Master Code”
in Section 23: System Operation for procedure.
Enter 4 digits, 0–9.
✱21 QUICK ARM ENABLE 0
0 = do not allow Quick Arm
1 = allow Quick Arm (the [#] key can be used instead of the security code
when arming the system).
✱22 RF SYSTEM 0
0 = no RF receiver used
1 = 5881/5882 RF receiver used without RF Jam Detection
4 = 5800 with RF Jam Detection
✱23 FORCED BYPASS FUNCTION 1
0 = no forced bypass
1 = provide automatic bypass of all open (faulted) zones
All zones bypassed by this function will be displayed after the bypass is
initiated.
UL installations: Must be 0 (no forced bypass)
✱24 RF HOUSE ID CODE 0 | 0
00 = disable all wireless keypad usage
01-31 = House ID
The House ID identifies receivers and wireless keypads.
If a 5827 or 5827BD Wireless Keypad or 5804BD Transmitter is to be used, a
House ID code MUST be entered, and the keypad should be set to the same
ID.

250P1 Installation and Setup Guide
15–2
✱25 WIRED ZONE EXPANSION 0
0 = no expander module connected
1 = 4219 connected
2 = 4229 connected
3 = 4204 connected
✱26 CHIME BY ZONE 1
0 = no (chimes on fault of any entry/exit or perimeter zone when chime mode
activated)
1 = yes (chimes on fault of specific zones programmed in relay zone list 3
when chime mode activated)
This option allows the installer to define the specific zones intended to chime
when faulted while the system is in chime mode.
✱27 POWERLINE CARRIER DEVICE (X10) HOUSE ID 0
Powerline Carrier devices require a House ID. This field identifies this
House ID to the control.
If Powerline Carrier devices are used, they are selected in field ✱ 80.
House ID is entered in following manner:
0 = A, 1 = B, 2 = C, 3 = D, 4 = E, 5 = F, 6 = G, 7 = H, 8 = I, 9 = J,
# + 10 = K, # + 11 = L, # + 12 = M, # + 13 = N, # + 14 = O, # + 15 = P.
✱28 PHONE MODULE ACCESS CODE 0 | 0
1-9 = first digit of access code
[✱] or [#] = second digit of access code (enter [#] +11 for “✱”,
or [#] +12 for “#”)
The use of a 4285/4286 VIP Module requires a 2-digit code.
Example: If desired access code is 7✱ , 7 is the first entry, and # + 11 (for ✱)
is the second entry.
NOTE: A “0” in either digit disables the phone module.
✱29 OUTPUT TO LONG RANGE RADIO (No. 7720PLUS/7820) 0
If output to Long Range Radio (LRR) is selected here, all messages that are
programmed to go to the primary telephone line receiver will also be sent to
the 7720PLUS or 7820 radio. These messages will always be in Contact ID
format (not affected by entry in field ✱48). The data line and certain
functions in the radio are supervised. If communication is lost or a trouble
develops, an attempt will be made to send a message via both radio and
telephone to the Central Station.
NOTE: Normal "Trouble Restore" report (✱71) is sent upon restoration of the
condition.
Entry is first digit of "Trouble Dialer" report; enter Trouble code 1–9,
B (# +11), C (# +12), D (# +13), E (# +14), or F (# +15). The second digit of
"Trouble Dialer" report is automatically the second digit from field ✱60.
UL installations: Must be 0 (Long Range Radio disabled)
NOTE: The radio should be programmed for device address 3 on the keypad
lines.

Section 15 - Data Field Descriptions
15–3
✱30 HARDWIRE SHORT DETECTION 0
0 = disable; 1 = enable
If a short occurs in any burglary zone (entry/exit 1 or 2, perimeter, interior
follower, interior with delay or silent burglary) in the disarmed state, a
Trouble report will be sent to the Central Station, and a CHECK ZONE
message will be displayed on the keypad. Once a zone has been shorted, it
will NOT restore until ALL faults and/or troubles have been corrected.
This message can be cleared only by correcting the problem and doing two
disarms ([Code] + OFF). If any of these zones are open, a FAULT ZONE
message will appear on the keypad, but no message will be sent to the Central
Station. The message will automatically clear when the fault is rectified. All
other zone types will retain their present functions in the disarmed state, and
all zone types retain their present functions in the armed state.
✱31 SINGLE ALARM SOUNDING PER ZONE (per armed period) 1
0 = no limit on alarm sounding per zone
1 = limit alarm sounding to once per arming period for a given zone
UL installations: Must be 0 (no limit)
✱32 FIRE SOUNDER TIMEOUT 0
0 = yes; fire sounder timeout after time programmed in field ✱33
1 = no fire sounder timeout; continue sounding until manually turned off
This control complies with NFPA requirements for temporal pulse sounding
of fire notification appliances.
Temporal pulse sounding for a fire alarm consists of the following:
3 pulses – pause – 3 pulses – pause – 3 pulses.
✱33 ALARM BELL TIMEOUT 1
0 = no timeout
1 = 4 min
2 = 8 min
3 = 12 min
4 = 16 min
This field determines whether the external sounder will shut off after time
allotted, or continue until manually turned off.
UL installations: Must be set for a minimum of 4 min (option 1)
✱34 EXIT DELAY 2
0 = 30-second delay 4 = 120-second delay
1 = 45-second delay 5 = 180-second delay
2 = 60-second delay 6 = 240-second delay
3 = 90-second delay
The system will wait the time entered before it sounds an alarm if the exit
door is left open after the system has been armed.
✱35 ENTRY DELAY 1 0
0 = 30-second delay 4 = 120-second delay
1 = 45-second delay 5 = 180-second delay
2 = 60-second delay 6 = 240-second delay
3 = 90-second delay
The system will wait the time entered before it sounds an alarm upon
entering.
UL installations: Must be set for a maximum of 30 seconds

250P1 Installation and Setup Guide
15–4
✱36 ENTRY DELAY 2 2
0 = 30-second delay 4 = 120-second delay
1 = 45-second delay 5 = 180-second delay
2 = 60-second delay 6 = 240-second delay
3 = 90-second delay
The system will wait the time entered before it sounds an alarm upon
entering.
UL installations: Must be set for a maximum of 60 seconds
✱37 AUDIBLE EXIT WARNING 1
0 = no exit warning sound
1 = provide exit warning sound when armed AWAY
Warning sound consists of slow continuous beeps until last 10 seconds, when
it changes to fast beeps. The warning sound will end at the termination of
Exit time.
✱38 CONFIRMATION OF ARMING DING 0
0 = no ding
1 = confirmation ding after arming system
2 = confirmation ding after arming from RF button or RF keypad only (ding
occurs when the system receives the RF transmission)
Confirmation of arming is ½-second external sounder “ding” when closing
report is sent, or at the end of Exit Delay.
✱39 POWER UP IN PREVIOUS STATE 1
0 = always power up in a disarmed state
1 = assume the system status prior to power down
When the system powers up armed, an alarm will occur 1 minute after
arming if a zone is faulted.
Note that if the previous state was armed AWAY, STAY, NIGHT-STAY,
INSTANT, or MAXIMUM, the system will not respond to sensor changes for
1 minute, which allows time for sensors such as PIRs to stabilize.
UL installations: Must be 1 (power up in previous state)
DIALER
PROGRAMMING
(✱40–✱50)
✱40 PABX ACCESS CODE (See box at left) | | | | |
Enter up to 6 digits if PABX is needed to access an outside line. If fewer than
6 digits need to be entered, exit by pressing [✱] and next field number
(e.g., 41). To clear entries from field, press ✱40✱.
✱41 PRIMARY PHONE NO. (See box at left)
| | | | | | | | | | | | | | | | | | |
Enter up to 20 digits. If you enter fewer than 20 digits, exit by pressing
[✱] and next field number (e.g., 42). To clear entries from field, press ✱41✱.
NOTE: Backup reporting (in which 8 calls are made to the secondary phone
number if no kissoff is received after 8 attempts to the primary number) is
automatic only if there is a secondary phone number (field ✱42).
Fields ✱40, ✱41, ✱42:
Enter up to the number
of digits shown. Do not
fill unused spaces.
Enter 0–9,
[#] + 11 for ✱
[#] + 12 for #
[#] + 13 for a pause
(2 seconds) ✱42 SECONDARY PHONE NO. (See box at left)
| | | | | | | | | | | | | | | | | | |
Enter up to 20 digits. If you enter fewer than 20 digits, exit by pressing
[✱] and next field number (e.g., 43). To clear entries from field, press ✱42✱.
See backup reporting note for field ✱41.

Section 15 - Data Field Descriptions
15–5
✱43 PRIMARY SUBSCRIBER ACCOUNT NO.
See box at left. 15 | 15 | 15 | 15 | 15 | 15 | 15 | 15 | 15 | 15
✱44 SECONDARY SUBSCRIBER ACCOUNT NO.
See box at left.
15 | 15 | 15 | 15 | 15 | 15 | 15 | 15 | 15 | 15
✱45 PHONE SYSTEM SELECT 3
If Central Station receiver is not on WATS line:
0 = pulse dial
1 = tone dial
If Central Station receiver is on WATS line:
2 = pulse dial
3 = tone dial
For Fields •43 and •44:
Enter digits 0–9;
[#] +11=B; [#] +12=C;
[#] +13=D; [#] +14=E;
or [#] +15=F.
To clear entries from
field, press ✱43✱ or
✱44✱.
See separate
Programming Form for
examples of account
number entries.
✱46 REPORT FORMAT 7 7
Prim. Sec.
5 = ADEMCO Contact ID with 10-Digit Account No.
7 = ADEMCO Contact ID with 4-Digit Account No.
For an explanation of these formats, see Section 22: System Communication.
NOTE: The maximum number of “Alarm” and “Alarm Restore” reports
during one armed period is determined by field ✱93.
✱47 SPLIT/DUAL REPORTING 0
Use options 0 - 5 when reporting to standard telephone receivers:
TO PRIMARY PHONE NO. TO SECONDARY PHONE NO.
0 = All reports None, unless primary fails; then
all
1 = Alarms, Restore, Cancel Others
2 = All except Open/Close, Test Open/Close, Test
3 = Alarms, Restore, Cancel All
4 = All except Open/Close, Test All
5 = All reports All
✱48 DIALER DELAY (BURG/FIRE) (in seconds) 2 | 0
0 = no delay; 1 = 15; 2 = 30; 3 = 45; 4 = 60; 5 = 120 Burg Fire
Above options (1 through 5) provide delay of BURGLARY ALARM and
FIRE ALARM reporting (except zone types 12 and 24) to the Central
Station, which allows time for the subscriber to avoid a false alarm
transmission. This delay does not apply to zone type 12 (24-Hour Monitor)
or zone type 24 alarms (Silent Burglary), which are always sent as soon as
they occur.
UL installations: Must be set to 0 (no delay).
✱49 PERIODIC TEST REPORT 0
0 = no test report
1 = once every 24 hours
2 = weekly
3 = once every 30 days
Test Report Code entered in field ✱64 is sent. Reports with Subscriber No.

250P1 Installation and Setup Guide
15–6
✱50 TEST REPORT OFFSET 2
0 = 24 hours after exiting Program mode or download
1 = 6 hours after exiting Program mode or download
2 = 12 hours after exiting Program mode or download
3 = 18 hours after exiting Program mode or download
This is the time to first report from Programming mode or downloading.
✱51 SESCOA/RADIONICS SELECT 0
0 = Radionics (0–9, B–F reporting)
1 = SESCOA (0–9 only reporting)
Select 0 for all other formats.
✱52 CANCEL VERIFY 1
0 = no
1 = yes
When enabled (1 = yes), this feature causes a message of CANCEL ALARM
to be displayed on the LCD keypad under the following conditions:
• After the kissoff of the cancel message to the Central Station,
indicating a successful transmission.
• When an alarm is successfully canceled before the Central Station
received the Alarm message. (For example, if an alarm is incorrectly
triggered and the user presses the 4-digit code before the dial delay
time for the alarm has expired, the message will never go out to the CS.
• When the Cancel report is not enabled and the system is disarmed
after an alarm has occurred.
Cancel Verify is directly dependent on ✱83 which programs the Special
Function Keys.
The default for this option is 0 (no verification).
✱53 PAGER PHONE NO.
| | | | | | | | | | | | | | | | | | |
Enter up to 20 digits. If you enter fewer than 20 digits, exit by pressing [✱]
and next field number. To clear entries from this field, press ✱53✱.
✱54 PAGER REPORT OPTIONS 0
0 = No reports sent
1 = Open/close for all users
3 = Open/close for users 5-16 and wireless key zones
entered in zone list 6
4 = All alarms and troubles
5 = All alarms, troubles, and open/close for all users
7 = All alarms, troubles, and open/close for users 5-16,
and wireless key zones entered in zone list 6
12 = Alarms and troubles for zones entered in zone list 6
13 = Alarms and troubles for zones listed in zone list 6,
open/close for all users
15 = All alarms and troubles for zones entered in zone list 6, open/close for
users 5-16, and wireless key zones entered in zone list 6
✱56 ZONE PROGRAMMING MODE
Interactive Menu mode used for programming zone attributes and report
codes. Refer to Section 16: Zone Programming for procedure.

Section 15 - Data Field Descriptions
15–7
✱58 EXPERT PROGRAMMING MODE
Interactive Menu mode used for programming zone attributes, enrolling
transmitters, and duplicating wireless keys. Refer to Section 16: Zone
Programming for procedure.
TO PROGRAM
SYSTEM STATUS
AND RESTORE
REPORT CODES
(
✱
59 –
✱
76, &
✱
89)
Report codes can be programmed using the interactive ✱56 Zone Programming mode
or ✱58 Expert Programming mode, or codes can be entered in data fields ✱59
through ✱76 and ✱89.
The following guideline is to be used for programming Report codes. The actual
Report code digits that you enter depend upon the particular installation, and
should agree with the Central Station office receiving the signals. Use this
guideline to program this entire section.
With ADEMCO Contact ID Reporting: Enter a digit in the first box to enable the
zone to report. Use a different digit for each zone until you have used up available
digits (1 to 15). If the number of zones exceeds the number of available digits, begin
with digit 1 again. This is an “enabling” code only and is not the actual code sent to
the Central Station office. Entries in the second boxes will be ignored. For System
Status (non alarm) codes, enter a 1 in the first box for all the system conditions you
want to send to the Central Station.
An entry of 0 in the first box will disable the report.
SYSTEM STATUS
REPORT CODES
(
✱
59–
✱
68)
✱59 EXIT ERROR REPORT CODE (See box above) 1
If the system is armed and an entry/exit or Interior zone is still open after the
Exit Delay time has expired, an alarm will sound at the keypad and external
sounder (keypad also displays EXIT ALARM). If the system is disarmed
before the end of the Entry Delay that immediately follows, the alarm
sounding will stop and no message will be sent to the Central Station.
The keypad will display CA (on fixed-word keypads) or CANCELED ALARM
(on alpha keypads).
Entry/Exit or Interior zones listed in the Cross Zone list 04, as well as interior
zones listed in Night-Stay Zone List 05, will react to faults in a different
manner. Refer to Section 18. Zone Lists.
If the system is not disarmed before the end of the entry delay mentioned
above, and an entry/exit or interior zone is still open, an “Exit Alarm”
message will be sent to the Central Station if an Exit Error Report
code is selected in this field. The keypad will display EA (on fixed-word
keypads) or EXIT ALARM (on alpha keypads), and the alarm sounding will
continue until the system is disarmed (or timeout occurs).
An Exit alarm condition will also result if a fault occurs in an exit or interior
zone within 2 minutes following the end of the exit delay, and an “Exit Alarm”
message will be sent to the Central Station.
In the Contact ID format, the message will contain the zone number and error
code 374 (“Trouble–Exit Error”) to define the alarm as an Exit Error (rather
than E/E or Interior). This message will go to the primary phone number.
Under any of these conditions, no “Restore” message will be sent.
If 0 is entered in this field, no special message will be sent, only the regular
Alarm and Alarm Restore code for the zone.
✱60 TROUBLE REPORT CODE (See box above) 0 | 0
This will be sent if a zone goes into trouble.
✱61 BYPASS REPORT CODE (See box above) 0 | 0
This will be sent when a zone is manually bypassed.

250P1 Installation and Setup Guide
15–8
✱62 AC LOSS REPORT CODE 0 | 0
See box on previous page. Reports with subscriber number. Timing of this
report is random with up to a 4-hour delay. If AC restores before the report
goes out, there is no “AC Restore” report.
✱63 LOW BAT REPORT CODE 1 | 0
This will be sent when a low-battery condition exists in the system’s standby
battery. See box on previous page. Reports with subscriber number.
✱64 TEST REPORT CODE 2 | 0
This is sent periodically to test that the communicator and phone lines are
operational (frequency of report is selected in field ✱49). See box on previous
page. Reports with subscriber number.
✱65 OPEN REPORT CODE 0
This is sent upon disarming of the system. See box on previous page.
✱66 ARM AWAY/STAY REPORT CODE 0 | 0
This option allows for independent programming of Away and Stay reports.
Arming the system in the MAXIMUM mode will generate an Away report,
and arming the system in the INSTANT or NIGHT-STAY mode will generate
a Stay report.
NOTE: Open reports are not sent if the associated Closing report is not
enabled.
✱67 RF XMTR LO BAT REPORT CODE (See box on page 15-7) 3 | 0
This is sent in the event that a wireless transmitter low-battery condition
exists.
✱68 CANCEL REPORT CODE (See box on page 15-7) 4 | 0
This is sent upon entering the 4-digit code and pressing the special function
key programmed for CANCEL (refer to ✱83 for programming the special
function key).
RESTORE
REPORT CODES
(
✱
70–
✱
76)
✱70 ALARM RESTORE REPORT CODE (1st digit) 0
This is sent when the zone that caused an alarm is restored to its non-faulted
condition.
✱71 TROUBLE RESTORE REPORT CODE 0 | 0
See box on page 15-7. This is sent when a trouble in a zone is restored.
✱72 BYPASS RESTORE REPORT CODE 0 | 0
See box on page 15-7. This is sent when a zone that has been bypassed is
unbypassed.
✱73 AC RESTORE REPORT CODE 0 | 0
This is sent when AC power has been restored after an AC power outage. See
box on page 15-7. Reports with subscriber number.
✱74 LOW BAT RESTORE REPORT CODE 5 | 0
This is sent when a system low-battery condition is restored to normal. See
box on page 15-7. Reports with subscriber number.

Section 15 - Data Field Descriptions
15–9
✱75 RF XMTR LOW BATTERY RESTORE CODE 6 | 0
See box on page 15-7. This is sent when a transmitter that previously sent in
a “Low Battery” message has sent a message indicating it no longer has a low-
battery condition.
✱76 TEST RESTORE REPORT CODE 0 | 0
This is sent when the Test mode is exited. See box on page 15-7. Reports with
subscriber number. A restore code entered here will cause a “Restore”
message to be sent when Test mode is exited.
DAYLIGHT SAVING
TIME (✱77
–
✱78)✱77 DAYLIGHT SAVING TIME START/END MONTH 4 | 10
0 = Disabled
1 = Jan, 2 = Feb, 3 = Mar, 4 = April…10 = Oct, 11 = Nov, 12 = Dec
(Enter 0 - 9; # + 10 for Oct; # + 11 for Nov; # + 12 for Dec.)
✱78 DAYLIGHT SAVING TIME START/END WEEKEND 1 | 5
0 = disabled 4 = fourth
1 = first 5 = last
2 = second 6 = next to last
3 = third 7 = third to last 1st Entry 2nd Entry
✱79 DYNAMIC SIGNALLING 0 0
1st Entry Dynamic Signalling Delay (DSD):
0−15 times a 15-sec delay. Ex: A 1st Entry of 5 = 5 x 15 or 75 sec.
e.g., 0 = No delay; 1 = 15 secs; 2 = 30 secs; 3 = 45 secs; etc.
Note: If default setting (0) is not changed, the control panel will
send redundant reports to both the Primary Phone No. and LRR.
2nd Entry Dynamic Signalling Priority (DSP):
0 = Primary Phone No. first; 1 = Long Range Radio (LRR) first.
Default is 0.
✱80 OUTPUT DEVICES
Interactive menu mode applicable only if field ✱25 is programmed for a 4204
or 4229, or if Powerline Carrier devices are being used.
Refer to Section 17: Output Device Programming for detailed procedure.
✱81 ZONE LISTS FOR OUTPUT DEVICES
Interactive Menu mode applicable if ✱25 is programmed for a 4204 or 4229,
or if Powerline Carrier devices are being used.
Cross Zone, NIGHT-STAY, and Pager Reporting zone lists are also
programmed in this field.
Refer to Section 18: Zone Lists for detailed procedure.
✱82 CUSTOM ALPHA EDITING
Interactive Menu mode used to program zone descriptors.
Refer to Section 19: Alpha Descriptor Programming for procedure.
✱83 FUNCTION KEY PROGRAMMING
Interactive Menu mode used to program the four alphabet function keys to
perform one of 11 system operations. These operations can be programmed
to be performed individually or as a series of automatically initiated
commands (called macros). Refer to Section 20: Function Key
Programming.
Special Function #1 default Alpha Descriptor is SERVICE.

250P1 Installation and Setup Guide
15–10
✱84 AUTO STAY ARMING 0
0 = no 1 = yes
With this field enabled (1) and system armed in AWAY (or MAXIMUM)
mode by a non-RF device, the system will automatically revert to armed
STAY (or INSTANT) mode if no opening/closing takes place within the
programmed exit delay time. An "Opening" report followed by an "Armed
Stay" report will be sent to the Central Station. Any RF device that arms the
system AWAY (or MAXIMUM) overrides this feature and the system will
remain armed in the AWAY (or MAXIMUM) mode.
✱85 CROSS ZONE TIMER (in seconds) 0
0 = 30; 1 = 45; 2 = 60; 3 = 90; 4 = 120; 5 = 180; 6 = 240
Sets the maximum amount of time in which two cross zones (zone list 04)
must be tripped in an armed system to send an Alarm message to the
Central Station. If only one cross zone is tripped during this time, a
"Trouble" message (report) is sent to the Central Station.
✱86 SPECIAL FUNCTION PROGRAMMING
Allows the user to program up to two special messages when activated in
field ✱83. Refer to Section 20: Function Key Programming.
✱87 PAGER DELAY TIMER 3
0 = none; 1 = 1 minute; 2 = 2 minutes; 3 = 3 minutes
Field determines the delay (if any) of Alarm reports to the pager.
✱88 PAGER CHARACTERS
When programmed in field ✱47, reports will be sent to the pager depending
upon the number selected.
| | | | | | | | | | | | | | |
This programming field (✱88) allows up to 16 digits to be entered to signal a
pager. For example, these optional 16 digits may be composed of the
following:
• PIN number (to identify a specific pager to the paging company)
• Subscriber account number
• ✱ (enter # + 11 to send ✱)
• # (enter # + 12 to send #)
• Pause (enter # + 13 to allow a 2-second pause)
• Any special character(s) the end user may decide to transmit
All 16 digits do not have to be used.
The preceding 16 digits (if any) will be followed by a 7-digit Pager Format,
which is defined as follows: | | | | | |
Pager Format: XXX-YYYY
where:
XXX = 3-digit event code:
911 = Alarm 101 = Opening (disarm)
811 = Trouble 102 = Closing (arm AWAY)
YYYY = User or zone number (depending on type of event).
For System Status and Restore reports: Do NOT enter report codes for conditions that are being
sent to the pager only.

Section 15 - Data Field Descriptions
15–11
The first two digits must always be 00, and must be followed by the 2-digit
user or zone number. Paging is enabled in the Split/Dual Reporting field ✱47
by entering a number greater than 5.
NOTE: Some pagers may require an additional delay (pause) to be
programmed into this field in order to receive the entire message. Field ✱87
provides an optional pager reporting delay of 0, 1, 2, or 3 minutes for alarm
messages only.
✱89 EVENT LOG 80% FULL REPORT CODE 0 | 0
If an Event Logging selection is made in field ✱90, a message can be sent to
the Central Station receiver when the log is 80% full. If the log becomes full, a
new message will overwrite the oldest message in the log.
NOTE: Aside from the selection made by the installer in field ✱90, all control
and readout from the log is accomplished via the downloader.
✱90 EVENT LOGGING 15
0 = no event logging
1 = log Alarm/Alarm Restore
2 = log Trouble/Trouble Restore
4 = log Bypass/Bypass Restore
8 = log Open/Close
x = log combination of events (add value of entries)
Example: To select “Alarm/Alarm Restore” and “Open/Close,” enter 9 (1 + 8); to
select all events, enter #15.
The default of 3 = Alarm/Alarm Restore (1) plus Trouble/Trouble Restore (2).
The 250P1 system can record up to 48 events in a history log. The types of
events to be logged are selectable. At any time, the downloader operator can
then upload the log and view or print out all or selected categories of the log.
The downloader operator can also clear the log.
The display/printout at the Central Station will show the date, time, event,
and description of the occurrences. The time is calculated by an internal clock
at the Central Station computer. Note that the time for any events that occur
prior to a system power-down or an entry into the Programming mode cannot
be calculated by the Central Station computer. The time will then appear on
the log as “unknown.”
NOTE: System messages are logged when any nonzero selection is made.
✱91 OPTION SELECTION (Audio Alarm Verification) 8
0 = not using AAV
4 = an Audio Alarm Verification (AAV) unit is connected to the system
8 = enable Exit Delay restart
12 = both AAV and Exit Delay Restart
UL installations: Must be 0 (AAV disabled)

250P1 Installation and Setup Guide
15–12
✱92 PHONE LINE MONITOR ENABLE 0
0 = not used
1 = local keypad display only when phone line is faulted
2 = local keypad display plus keypad trouble sound when line is faulted; no
automatic timeout.
3 = same as “2” above plus Device No. 2 STARTS; if system is armed, external
sounder activates; external sounder will be turned off by normal bell
timeout, or by entering [Security Code] + OFF
NOTES:
•Option 3 may be used even if a relay unit or Powerline Carrier device is
not connected to the control.
•Device number 2 must either be programmed to be STOPPED in field
✱80 or STOPPED by entry of [Security Code] + # + 8 + 2. Field ✱80
should be set to 0 for STOP.
This feature will not function properly unless the designated earth ground
terminal (25) is physically connected to earth ground. If it is not, you may get
false line-cut indications.
✱93 SWINGER SUPPRESSION 6
0 = Unlimited, 1-15 = Number of alarms (1-9; # +10 = 10; # +11 = 11;
# +12 = 12; # +13 = 13; # +14 = 14; # +15 = 15
This option can be used to limit the number of messages (“Alarm” and “Alarm
Restore” reports) sent to the Central Station in an armed period.
UL installations: Must be set to 0 (unlimited reports)
DOWNLOAD
INFORMATION
(✱94, ✱95)
✱94 DOWNLOAD PHONE NUMBER
| | | | | | | | | | | | | | | | | | |
Enter up to 20 digits as follows: 0–9; # +11 for ✱; # + 12 for #; # + 13 for a
pause. Do NOT fill unused spaces. Exit this field by entering ✱. To clear
entries from this field, press ✱94✱.
✱95 RING DETECTION COUNT FOR DOWNLOADING 15
0-15 = number of rings before control picks up phone line
Refer to the chart below and program this field accordingly.
Phone
Module Answering
Machine Down-
loading Field ✱95
Yes No No Set for value other than 0 (1–14). This will
enable the control panel to answer the phone
call. Otherwise, it will not be possible to
access the phone module.
Yes Yes No Set for a value higher than the number of
rings for which the answering machine is set.
Example: If machine is set for 4 rings, use a
value of 5 or higher. This is recommended so
that the phone module can still be accessed if
the answering machine is turned off and does
not answer the phone call.
Yes No Yes Set for value other than 0 (1–14).
Yes Yes Yes Enter 15 to bypass answering machine.
No No No Enter 0.
No Yes No Enter 0.
No No Yes Enter 1–14.
NOTE: If 15 is entered
in field ✱95 to bypass
an answering machine,
and a 4285/4286 VIP
Module is included in
the system, you should
note the following:
When calling in from an
off-premises phone, the
user should make the
initial call, allow 1 to 3
rings only, then hang
up. The user should
then call again. The
Phone Module will now
seize the line, and 2
long tones will sound,
followed by the usual
voice prompt for the 2-
digit access code. If this
procedure is not
followed, Phone Module
operation will not be
possible.
No Yes Yes Enter 15. See note at left.

Section 15 - Data Field Descriptions
15–13
✱96 INITIALIZE DOWNLOAD ID AND SUBSCRIBER ACCT. NO. FOR
DOWNLOADING
Pressing ✱96 initializes the system for downloading.
✱97 SET ALL PROGRAM FIELDS TO DEFAULT VALUES
Pressing ✱97 automatically loads all defaults and erases any information
previously programmed.
✱98 EXITS PROGRAMMING MODE
Prevents re-entry by entering [Installer Code] + 8 + 0 + 0
Allows re-entry only by power-up, then ✱ and #.
✱99 EXITS PROGRAMMING MODE
Allows re-entry to Program mode by entering [Installer Code] + 8 + 0 + 0;
or by powering up, then entering ✱ and #.

250P1 Installation and Setup Guide
15–14

16–1
SECTION 16
Zone Programming
(
✱
56/
✱
58 Menu Mode)
•••••••••••••••••••••••••••••••••••••••••••••••••
In This Section
♦About Zone Programming
♦✱56 Zone Programming Procedures
♦✱58 Expert Programming Mode Procedures
♦To Remove a Zone
♦To Delete a Transmitter Serial Number
♦To Enter and Duplicate Wireless Keys
•••••••••••••••••••••••••••••••••••••••••••••••••
About Zone Programming
✱56 Zone Programming and ✱58 Expert Programming are interactive menu modes that are
used to enroll 5800 Series RF Wireless Transmitter serial numbers, program zone numbers,
zone types, report codes, input device types, and loop numbers (for wireless devices). ✱56
Zone Programming mode can also be used to enter alpha descriptors for programmed zones,
however, we recommend entering descriptors in menu mode ✱82 (Section 19: Alpha
Descriptor Programming) after all zone programming has been completed). Refer to the
zone assignment table for ✱56 and ✱58 on the separate programming form.
✱56 Zone Programming Procedures
Note: Before proceeding, you must program field ✱22 (RF System) and field ✱25 (Wired Zone
Expansion) as required.
In the programming mode, press ✱56.
SET TO CONFIRM?
0 = NO 1 = YES 0
This display will appear upon entry into ✱56 mode. The default is
0 (No). If 1 (Yes) is entered, you will be prompted to confirm each
transmitter after entering the serial and loop numbers (at the
XMIT TO CONFIRM prompt later in this procedure). We
recommend that you confirm the programming of every
transmitter.
Enter Zn Num.
(00 = Quit) 10
Zone 10 entered ↑
Zone Number (Zn): Enter the zone number that you wish to
program.
Zone 10 has been entered as an example in display at left.
Press [✱] to continue.
Zn ZT RC In: L
10 00 10 RF: –
A summary display appears, showing the status of that zone’s
programming when using wireless keys.
Note: If hard-wired zones (01-06) are being programmed, the
display will appear as follows.
Zn ZT RC In: RT
02 00 10 HW: 0
Refer to Response Time options on next page.
Press [✱] to continue.

250P1 Installation and Setup Guide
16–2
Zone Number
10 Zone Type
Perimeter 03
Zone Type
Zone Type (ZT): Enter the Zone Type response (or change it, if
necessary).
Each zone must be assigned to a zone type, which defines the way
in which the system responds to faults in that zone.
Enter the Zone Type code (or change it, if necessary). Zone types
are listed below.
Note: If 00 is entered, Delete Zone ? will be displayed.
00 = Not used
01 = Entry/exit #1
02 = Entry/exit #2
03 = Perimeter
04 = Interior Follower
05 = Trouble Day/ Alarm Night
06 = 24-Hr Silent
07 = 24-Hr Audible
08 = 24-Hr Aux
09 = Fire w/Verif.
10 = Interior w/Delay
12 = 24-Hour Monitor
20 = Arm–STAY
21 = Arm–AWAY
22 = Disarm
23 = No Alarm
Response
24 = Silent Burglary
Default values for hard-wired zones 01 to 06 are:
Zone No. (Zn): 1 2 3 4 5 6
Zone Type Default: 09 01 01 03 03 04
Press [✱] to continue.
10 Report Code
1st 01 2nd 00 10
Report Code (RC): Enter the report code. This consists of 2
hexadecimal digits, each in turn consisting of 2 numerical digits.
For example, for a report code of “10”, enter 01 and 00. Refer to
Section 22: System Communication for more information about
report codes and report code formats.
Press [✱] to continue.
Note that report codes are defaulted to 10 for use with CID reporting.
Press [✱] to continue.
02 Response Time
1
Response Time (RT): Enter the desired response time for hard-
wired zones 01-06 (zone 02 is used as an example in display at left.
0 = 10mSec, 1 = 350mSec, or 2 = 700mSec.
Default value = 1 for all zones.
Press [✱] to continue.
10 INPUT TYPE
RF TRANS 3
Enter Input Device type (In). Used for Input Type entry.
2 = AW (Aux wired zone), 3 = RF (supervised RF transmitter,
4 = UR (unsupervised RF transmitter), 5 = Button type RF
transmitter (unsupervised).
Note: For the built-in hardwired zones, the Input Device type is
automatically displayed as HW and cannot be edited.
Press [✱] to continue.
10 INPUT S/N: L
A022-4064 1
Note: The [A] and [B] keys
may be used to move the
cursor to the right (A) or left
(B) within the serial number
field, thus allowing you to
correct any entry errors that
may have been made.
Serial number Entry and Loop Number Entry.
Used only when enrolling wireless transmitters.
a. Transmit two open and close sequences. If using a button-type
transmitter, press and release the button twice.
OR
Manually enter the 7-digit serial number printed on the label of
the transmitter, using the Alpha display keypad.
The cursor will move to the “L”. You can edit the loop number, if
necessary. When the loop number is acceptable, press [✱].
b. To copy the serial number previously enrolled (used when
programming a transmitter with several input loops), simply
press key [C].

Section 16 - Zone Programming
16–3
10 INPUT S/N L
A022-4064 ?
Note: If the [C] key is used to copy the previously enrolled serial
number, the cursor will move to the Loop column (L) with the
previous serial number displayed, and display a highlighted
question ? mark for the loop number.
Enter the loop number and press [✱].
The system will then check for a duplicate serial/loop number
combination.
If a duplicate serial/loop number combination is found, the keypad
will emit a single long beep, and prompt with a “?” again for a
different loop entry.
10 INPUT S/N L
A022-4064 1
If serial/loop number combination is not a duplicate of one already
in the system, a display showing the serial number and loop
number entry will appear.
Press [✱] to continue.
To Delete a Serial
Number → To delete an existing serial number, enter 0 in the loop number
field. The serial number will change to 0's.
10 INPUT S/N: L
A000-0000 0
If 0 was entered in error, simply re-enter the loop number, and the
serial number will return to the display.
Press [✱] to accept.
XMIT TO CONFIRM
PRESS ✱ TO SKIP
Confirmation Option:
This prompt will only appear if you answered
Yes at the first prompt in this section on page 16-1.
The system will enter a confirmation mode so that the operation of
the actual programmed input can be confirmed. Activate the loop
input or button that corresponds to this zone.
We recommend that you confirm the programming of every
transmitter before proceeding to the next zone.
If Serial or Loop
Numbers do not match
after activating the
transmitter
→
If the serial/loop number combination transmitted does not match the
serial and loop number entered, a display similar to the one below
will appear. If the loop number does not match, it will also be
displayed.
Keyd A022-4063 1
Rcvd A022-4064 1
If so, activate the transmitter’s loop input or button one or more times.
If a match is still not obtained (i.e., summary display does not
appear), press the [#] key twice and enter the correct loop input or, if
correct, press [#] again and then enter the correct serial number.
Zn ZT RC In: L
10 03 10 RF: 1s
If the serial number transmitted matches the serial number
entered, the keypad will beep 3 times and a summary display will
appear, showing that zone's programming. Note that an “s”
indicates that a transmitter’s serial number has been enrolled.
Press [✱] to accept the zone information and display the PROGRAM
ALPHA? prompt.

250P1 Installation and Setup Guide
16–4
PROGRAM ALPHA?
0 = NO 1 = YES 0
If you want to program descriptors for zones now, enter 1 (Yes) and
refer to Section 19: Alpha Descriptor Programming for
available descriptors.
ENTER ZN NUM.
(00 = QUIT) 11
If 0 (No) was entered above, the system will return you to the ENTER ZN
NUM. prompt for the next zone.
When all zones have been programmed, enter 00 to quit.
When you have finished programming all zones, test each zone using the
system’s TEST mode. Do not use the Transmitter ID Sniffer Mode for
checking wireless transmitting devices, as it will only check for transmission
of one zone on a particular transmitter, NOT the zones assigned to each
additional loop.
NOTE: Following the successful enrollment of each wireless device, remove ONE of the
serial number labels from the device and affix it in the appropriate column on the
ENROLLED TRANSMITTERS worksheet of the Programming Form; then enter the other
information (zone number, zone type, loop number, etc.) relevant to that device.
✱58 Expert Programming Mode Procedures
Enter the program mode and follow the step-by-step instructions that follow.
Note: Before proceeding, you must program field ✱22 (RF System) and field ✱25 (Wired Zone
Expansion) as required.
SET TO CONFIRM?
0 = NO 1 = YES 0
Press ✱58. This display will appear upon entry into this mode.
The default is 0 (No).
If 1 (Yes) is entered, you will be prompted to confirm each
transmitter after entering the serial and loop numbers (see “XMIT
TO CONFIRM” prompt below). We recommend that you
confirm the programming of every transmitter.
Zn ZT RC IN: L
10 00 10 RF: 1
A summary screen will appear, showing zone 10’s current
programming or default values.
Zn ZT RC IN: L
10 – – – : –
Enter the first digit of the zone number to be programmed. In
the example at the left where zone 10 is to be programmed, the
first digit 1 is entered, followed by the 2nd digit 0. The display will
show dashes, as shown at left. If zone 9 was to be programmed,
you would press the 0 key, then the 9 key. You must always
program zones using two digits.
Use the [D] key to enter wireless keys. When the [D] key is
pressed, a special prompt will be displayed which offers a series of
default templates for wireless keys. Go to the paragraph on page
16-7 titled To Enter and Duplicate Wireless Keys for the
necessary procedure.

Section 16 - Zone Programming
16–5
Zn ZT RC IN: L
10 00 10 RF: 1
*If HW (hardwired) or AW
(Auxiliary) is entered for
Input Device Type, the next
screen will be similar to the
above, except that HW or
AW will be displayed under
“IN”.
If RF, BR, or UR is entered, a
prompt for Serial and Loop
number will be displayed, as
below. ↓
10 INPUT S/N: L
AXXX-XXXX 1
10 INPUT S/N: L
A022-4064 1
A display with that zone’s current programming will appear.
Press [✱] to continue.
Enter Zone Type (Zn), Report Code (RC), and Input Device
Type (IN)* sequentially, but not the Loop No. (L).
Use the [A] (Advance) and [B] (Back) keys on the keypad to
move the cursor within the screen.
Use the [C] key to copy the previous zones attributes.
Press [✱] if the existing information is acceptable. If not, you can
press the [#] key to back up without saving.
Manually enter the serial number (found on the transmitter
label), by typing digits in the “X” locations, using the [A]
(advance) or [B] (back) keys as required. You can also perform
two open and close sequences; for button-type transmitters that
means pressing and releasing the button twice.
Note: If you want to copy the previous zone’s serial number,
press the [C] key.
Press [✱] to advance to the loop number, then enter loop number.
Press [✱] to accept the existing serial and loop number. If neces-
sary, press [#] to back up and re-enter or edit the serial number
before pressing [✱] to save.
To Delete a Serial
Number →→To delete an existing serial number, enter 0 in the loop number
field. The serial number will change to all 0's as shown.
10 INPUT S/N: L
A000-0000 0
If 0 was entered in error, simply re-enter the loop number, and
the serial number will return to the display.
Press [✱] to accept.
10 XMIT TO CONFIRM
PRESS ✱ TO SKIP
The prompt to confirm appears. This prompt will only appear if
the first prompt on page 16-4 was answered “Yes.” To confirm,
activate the loop input or button that corresponds to this zone.
The system checks for duplicate. If a duplicate exists, a long error
beep will sound.
Press [#] to back up and re-enter the serial and/or loop number.

250P1 Installation and Setup Guide
16–6
If Serial or Loop
Numbers do not match
after activating the
transmitter
→
If the serial/loop number combination transmitted does not match
the serial and loop number entered, a display similar to the one
below will appear. If the loop number does not match, it will
also be displayed.
Keyd A022-4063 1
Rcvd A022-4064 1
If so, activate the transmitter’s loop input or button one or more
times.
If a match is still not obtained (i.e., summary display does not
appear), press the [#] key twice and enter the correct loop input or,
if correct, press [#] again and then enter the correct serial number.
Zn ZT RC In: L
10 03 10 RF: 1s
If the serial number transmitted matches the serial number
entered, the keypad will beep 3 times and a summary display will
appear, showing the programmed information for that zone.
Note that an “s” indicates
that a transmitter’s serial
number has been enrolled. Press [✱] to go to a blank summary display for entries for the next
zone.
NOTE: Following the successful enrollment of each wireless device, remove ONE of the
serial number labels from the device and affix it in the appropriate column on the
ENROLLED TRANSMITTERS worksheet of the Programming Form; then enter the other
information (zone number, zone type, loop number, etc.) relevant to that device.
To Remove a Zone
To either temporarily or permanently remove a zone from the system (5800 system):
1. Enter the programming mode:
Key [Installer Code] + 8 + 0 + 0 and press ✱56.
2. The following display will appear:
SET TO CONFIRM?
0 = NO 1 = YES 0 Enter 0 for No; 1 for Yes.
3. The following display appears:
Enter Zn Num.
(00 = Quit 10 Enter zone number to be removed. Example: 10
Press [✱] to continue.
Zn ZT RC In: L
10 03 10 RF: 1s This summary display will appear.
Press [✱] to continue.
01 Zone Type
Zone Disabled 00 4. Enter 00. This sets the zone type to Zone Disabled.
Press [✱] to continue.

Section 16 - Zone Programming
16–7
Delete Zone?
0 = No, 1 = Yes 0
5. The next prompt will ask whether you want to delete the zone.
1 (Yes) will permanently remove the zone from the system, while
0 (No) will disable it but retain all data except the original zone
type. You can then go back to this zone later and put back an
active zone type to re-enable it.
A serial number that has been entered for a 5800 system
will not be deleted if the zone is temporarily disabled by
answering “No” to the prompt above.
If only the physical transmitter is to be removed or changed (that
is; its serial number deleted, as when replacing a unit that has a
nonremovable battery), it can be done in ✱56 Zone Programming
Mode, as indicated next.
To Delete a Transmitter Serial Number
The abbreviated procedure below can be used to delete a transmitter serial number from a
zone, using the ✱56 Mode (5800 system).
1. In the Programming mode, press ✱56 to enter Zone Programming mode.
2. Then enter the zone number, and press [✱] repeatedly until the cursor is under the RF
Input Loop (L) position. This is the specific input (loop) or button on the transmitter that
has been entered for that zone.
3. Enter 0 in the loop number field.
The serial number will change to all 0's. Note that the other programmed values for that
zone will not be deleted. This will allow you to reinstate a new transmitter in its place.
10 INPUT S/N: L
A000-0000 0
If 0 was entered in error, simply re-enter the loop number, and the serial number will
return to the display.
Press [✱] to accept.
4. A display for the next zone number will appear. To exit, enter 00.
5. Press ✱99 to exit the Programming mode.
To Enter and Duplicate Wireless Keys
If the D key was previously pressed on page 16-4 to enter and duplicate 5804 and/or 5804BD
wireless keys, the following screens will appear:
TEMPLATE ?
1–6 1
1. Enter Template number 1–6 (later in this section).
1–3 = 5804 templates; 4–6 = 5804BD templates. See the defaults
provided for each template in the chart that follows these
procedures.
2. Select from templates. Press [✱] to display template (1 shown
selected). Note: If necessary, press [#] to back up and re-enter
template number.
3. Press [#] if you want to return to zone attributes screen.
L 01 02 03 04
T 21 22 23 28
4. When [✱] is pressed, the selected template will be displayed.
Top line of display represents loop numbers, bottom line
represents zone type assigned for each zone.
5. Press [✱] to accept template.

250P1 Installation and Setup Guide
16–8
ENTER START ZONE
00 = QUIT 22
Example of zone ↑
suggested by the
system. This indicates
that zones 22, 23, 24,
and 25 are available.
6. The system will search for the highest zone number available,
subtract the number of consecutive zones required for the device
(four zones in the case of the 5804 and 5804BD), and display the
lowest zone number of the group.
If you want to start at a different zone, enter the zone desired,
and press [✱].
If that zone number is displayed, the system has the required
number of consecutive zones available, beginning with the zone
you entered. If not, the system will again display a suggested
zone that can be used.
If the required number of consecutive zones is not available at
all, the system will display “00”.
7. Press [✱] to accept.
INPUT S/N L
AXXX-XXXX –
8. Enter the serial number of the wireless key or depress any
button to transmit from the wireless key.
9. Press [✱] to accept the serial number. The system will check for
a duplicate number.
10. If necessary, press the [#] key to back up without saving, and re-
enter the serial number.
Use the [A] key to move forward within the screen, and the [B]
key to move backward.
XMIT TO CONFIRM
PRESS ✱ TO SKIP
11. If “Yes” was entered at the SET TO CONFIRM? prompt
previously (see first prompt following entry into the ✱58 Expert
Programming Mode on page 16-4), the display on the left will
appear. Confirm serial and loop numbers by activating the
wireless key.
Keyd A022-4063 -
Rcvd A022-4064 3
If the serial number transmitted does not match the
serial number entered, a display similar to the one at left
will appear.
If it doesn't match, press any button on the transmitter once
again. If a match is not obtained, press the [#] key and then
enter the correct serial number (steps 8 through 10 above).
If the serial number transmitted matches the serial
number entered, the keypad will beep 3 times and will
return you to step 6 above to enter the starting zone for the
next wireless key.
NOTE: Following the successful enrollment of each wireless device, remove ONE of the serial
number labels from the device and affix it in the appropriate column on the ENROLLED
TRANSMITTERS worksheet of the Programming Form; then enter the other information (zone
number, zone type, loop number, etc.) relevant to that device.

Section 16 - Zone Programming
16–9
Wireless Key Predefined Default Templates
YOU MUST
PROGRAMME
THIS BUTTON
LOOP 3
LOOP 1
LOOP 2
LOOP 4
ENROLL AS "BR"
5804BD FRONT VIEW
•
•
•
••
••
•
•
•
•
•
•
•
•
•
•
•
•
BUTTON A
BUTTON D
BUTTON B
BUTTON C
GREEN/YELLOW
LED
RED/YELLOW
LED
LOOP 3
LOOP 2
LOOP 4
LOOP 1
GRE
GREEN/YELLOW
LED
RED/YELLOW
LED
(YOU MUST PROGRAM
THIS BUTTON)
ENROLL AS "BR"
5804 Wireless Key Transmitter 5804BD 2-Way Wireless Key Transmitter
For 5804 For 5804BD
Loop Function Zone Type Loop Function Zone Type
1 No Response 23 1 No Response 23
2 Disarm 22 2 No Response 23
3 Arm Away 21 3 Arm Away 21
TEMPLATE 1
4 No Response 23
TEMPLATE 4
4Disarm 22
Loop Function Zone Type Loop Function Zone Type
1 No Response 23 1 No Response 23
2 Disarm 22 2 Arm Stay 20
3 Arm Away 21 3 Arm Away 21
TEMPLATE 2
4 Arm Stay 20
TEMPLATE 5
4Disarm 22
Loop Function Zone Type Loop Function Zone Type
1 24-hour Panic 07 1 24-hour Panic 07
2 Disarm 22 2 Arm Stay 20
3 Arm Away 21 3 Arm Away 21
TEMPLATE 3
4 Arm Stay 20
TEMPLATE 6
4Disarm 22

250P1 Installation and Setup Guide
16–10

17–1
SECTION 17
Output Device Programming
(
✱
80 Menu Mode)
•••••••••••••••••••••••••••••••••••••••••••••••••
In This Section
♦Programming Options Defined ♦Programming Output Relays and Powerline
Carrier Devices
•••••••••••••••••••••••••••••••••••••••••••••••••
Programming Options Defined
The following will help you understand the programming of Output Devices when using ✱80
and ✱81 modes. The options used to start and stop these devices are described below,
followed by the actual screen prompts and available entries.
Relays and output devices are not recommended for life safety applications.
The letter(s) in parentheses after each function described below, such as (A) after ACTION,
are those that appear in the various summary displays of programmed data during
programming.
ACTION (A) The action of the device is how the device will respond when it is activated
by the Start programming. There are four different choices of actions:
• ACTIVATE for 2 SECONDS and then reset.
• ACTIVATE and REMAIN ACTIVATED until stopped by some other
event.
• PULSE ON and OFF until stopped by some other event.
• NO RESPONSE when the device is not used.
START (STT) The Start programming determines when and under what conditions the
device will be activated. The following Start options are available:
Start by Event
1. Event (EV) is the condition (alarm, fault, trouble) that must occur to a
zone or group of zones (a zone list) in order to activate the device. These
conditions apply only when a zone list is used. The different choices for
event are listed below.
• ALARM Relay activates upon any alarm in an assigned zone in the
zone list.
• FAULT Relay activates upon any opening or short in an assigned
zone in the zone list.
• TROUBLE Relay activates upon any trouble condition in an assigned
zone in the zone list.
• NOT USED Relay action is not dependent upon one of the above
events.

250P1 Installation and Setup Guide
17–2
2. Zone List (ZL) is a group of zones to which the event applies in order to
activate a particular device. Note that there are 3 output device-related
zone lists that can be programmed in ✱81 Menu mode; when the selected
event (alarm, fault or trouble) occurs in any zone in the selected Start
zone list (1, 2, or 3), activation of the selected device will Start.
Start by Zone Type or System Operation
1. If a System Operation, such as disarming or any fire alarm, is to
activate the device, the appropriate choice would also be entered under
the ZONE TYPE option. ZONE TYPE is used independently of the
“EVENT/ZONE LIST” combination.
If a ZONE TYPE is chosen, any zone of that response type going into
alarm, trouble, or fault will cause the device to activate as selected in
“ACTION.” If the same ZONE TYPE is also chosen for the Stop
programming, any zone of that type that restores will deactivate the
device.
If a System Operation is chosen (for example, end of exit time), that
operation will cause the device to activate as selected in action. The
different choices for ZONE TYPE and System Operation are listed in
“Programming Output Relays and Powerline Carrier Devices” later in this
section, and in the Programming Form.
STOP (STP): The Stop programming determines when and under what conditions the
device will be deactivated. The following options are available:
Upon Restore of a Zone List
1. Restore Zone List (ZL): If a ZONE LIST is used as the Stop event, the
device will deactivate when all the zones in that list restore from a
previous fault, trouble, or alarm condition. This will occur regardless of
what is programmed to Start the device; therefore, a "RESTORE ZONE
LIST" would normally only be used when a ZONE LIST is used to Start
the device.
Upon a Zone Type or System Operation
1. Zone Type/System Operation: Instead of using a "RESTORE ZONE
LIST", a specific zone (response) type or system operation action can be
selected to deactivate the device.
If a specific ZONE TYPE is chosen, any zone of that response type that
restores from a previous alarm, trouble, or fault condition will cause the
device to deactivate.
If a System Operation is chosen, that operation will cause the device to
deactivate. The different choices for ZONE TYPE and System
Operation are listed in “Programming Output Relays and Powerline
Carrier Devices” later in this section, and in the Programming Form.
During normal system operation, you may start any devices manually by a keypad entry of:
Code + # + 7 + n or stop them manually by a keypad entry of: Code + # + 8 + n, where n = the
device number to be controlled.
As a minimum, the ACTION (A) field must be programmed for this manual action to be operative.

Section 17 - Output Device Programming
17–3
If a relay is energized before a 4-wire smoke detector is reset, the relay will be stopped by the
interruption of Aux.
Power that resets the smoke detector. If this is not desired, supply power to
the relay unit from another 12V power source (e.g., the same source that is powering external
equipment through the relay contacts).
Programming Output Relays and Powerline Carrier Devices
While in Program mode, press ✱80 to enter Output Device Menu mode. This mode is
used to program all output devices used in the system (4229 or 4204 Relay Modules, or
Powerline Carrier devices). Refer to the Output Device Table for ✱80 in the separate
“Programming Guide” form when programming Output Devices.
NOTE: If you are using Powerline Carrier devices, the House ID of the devices must be
entered in data field ✱27.
After you key in ✱80, the following prompts are displayed.
Output Device Displays
Enter Device No.
(00 = Quit) 01
Enter the Device Number 01 or 02 for a 4229; or 01, 02, 03, or 04
for a 4204; or 01–04 for Powerline Carrier devices; or 00 to end
these entries. Press ✱ to continue.
The ✱ key is used to accept an entry and advance to the next
prompt. The # key is used to revert back to the last question to
check or change an entry. Press ✱ to go forward again.
02 A EV ZL ZT P
STT 0 0 0 00 1
This screen displays a summary of the current Device START
programming (for this example, device 02 has been selected).
Press ✱ to continue.
02 A EV ZL ZT P
STP – – 0 00 1
This screen displays a summary of the current Device STOP
programming.
Press ✱ to continue.
02 Device Action
No Response 0
Enter the desired device action as listed below. Press ✱ to continue.
0 = No response 2 = Close and Stay Closed
1 = Close for 2 seconds 3 = Continuous Pulse on & off (1 sec ON,
1 sec OFF)
02 Start Event
Not Used 0
Enter the event to start the relay:
0 = Not used; 2 = Fault; 1 = Alarm; 3 = Trouble
A zone list must be used in conjunction with an event. If a zone
type/system operation is to be used instead of an event, enter 0.
Press ✱ to continue.
02 Start: Zn List
No List 0
If a zone list will be used to start the relay action, enter the zone
list number (to be programmed in field ✱81): 1, 2, or 3. If not used,
enter 0. Press ✱ to continue.
02 Start: Zn Typ
Not Used 00
If a zone type or system operation will be used to START the device
action, enter the appropriate 2-digit code (see table that follows). If
not, enter 00.
Press ✱ to continue.

250P1 Installation and Setup Guide
17–4
CHOICES FOR ZONE TYPES
00 = Not Used 05 = Trouble Day/Alarm Night 10 = Interior w/Delay
01 = Entry/exit #1 06 = 24-Hr Silent 24 = Silent Burglary
02 = Entry/exit #2 07 = 24-Hr Audible
03 = Perimeter 08 = 24-Hr Aux
04 = Interior Follower 09 = Fire Trouble
CHOICES FOR SYSTEM OPERATION
20 = Arming–STAY 36 = At Bell Timeout* 42 = System Battery Low
21 = Arming–AWAY 38 = Chime 43 = Comm Failure
22 = Disarming (Code + OFF) 39 = Any Fire Alarm 52 = Kissoff
31 = End of Exit Time 40 = Bypassing 58 = Duress
32 = Start of Entry Time 41 = AC Power Failure
33 = Any Burglary Alarm * or at Disarming, whichever occurs first
02 Start: 0
Enter 0 for any.
Press ✱ to continue.
02 Stop: Zn List
No List 0
If a zone list will be used to Stop, or restore, the device action,
enter the zone list number 1, 2, or 3 (to be programmed in ✱81
mode). If not used, enter 0.
Press ✱ to continue.
02 Stop: Zn Typ
Not Used 00
If a zone type or system operation will be used to Stop the device
action, enter the appropriate 2-digit code (refer to the “CHOICES
FOR ZONE TYPES” listed above). If not, enter 00.
Press the ✱ key to continue.
02 Stop: 0
Enter 0 for any.
Press ✱ to continue.
02 A EV ZL ZT
STT 0 0 0 00
This screen again displays a summary of the current device Start
(STT) programming. Press ✱ to continue.
02 A EV ZL ZT
STP – – 0 00
This screen again displays a summary of the current device Stop
(STP) programming. Press ✱ to continue.
02 X10 Device ?
0 = No, 1 = Yes 00
Enter 1 if you are using a Powerline Carrier device (X10); if not,
enter 0.
The display then returns again to the first screen so that the next
device number to be programmed can be entered. Enter 00 to end
device programming.
Example of
Output Device
Programming
Assume that a lamp is to be turned on via a Powerline Carrier
device (X10) when any one of 3 specific zones are faulted, or when
any 24-hour auxiliary zone is faulted. Additionally, assume that you
want to be able to turn off the lamp manually without affecting the
arming status of the system.
To program this, do the following:
1. In ✱80 Interactive mode, choose Output Device 01 and program
the Action (A) to be “2” (Close and stay closed). The Event you
want to start the Device action is a fault, so program 2 in (EV).
To use Zone List 1 for the 3 specific zones, program 1 in (ZL),
and program these 3 zones in ✱81's Zone List 1.

Section 17 - Output Device Programming
17–5
2. The second condition for turning on the indicator is triggering a
24-hour aux. zone (Zone Type 08). Therefore, program (ZT) as
08.
3. To stop the Device action and turn off the lamp, you do not
want to use a restore of any zone, so program a 0 for the
Restore of Zone List (ZL). A manual entry of [User Code] + # +
8 + [Device No.] will be used to turn off. Therefore, you do not
need to program a Stop event.
4. Press ✱ to continue.
5. The system will display a summary screen for the Start
programming for device 01. Press ✱ to continue.
6. The system will display a summary screen for the Stop
programming for device 01. Press ✱ to continue.
7. The system will display the X10? prompt. Enter 1 for yes.
8. The ENTER DEVICE NO. prompt for the next zone will be
displayed.
Press 00 and then [✱] to exit the ✱80 mode.
Now use ✱81 Zone List mode to program the 3 specific zones in
Zone List 01.
Zone type 12, 24 Hour Monitor, is a dynamic zone, which means that it faults and restores
automatically, independent of what is happening with the rest of the system. Therefore, if it were
to be used as a Zone Type in Output Device Programming, there would be no way to stop the
event, as it does not require external intervention. However, should it be desired that a relay
respond to this event, all zones which are of type 12 must be placed into their own zone list. In
order to link a fault in this zone to a device, the Starting event would be fault, and the zone list
would be the one containing the zone(s) which are of type 12. The stop action would be the
restore of the zone list containing the zone(s) which are of type 12.

250P1 Installation and Setup Guide
17–6

18–1
SECTION 18
Zone Lists
(
✱✱
81 Menu Mode)
•••••••••••••••••••••••••••••••••••••••••••••••••
In This Section
♦About Zone List Menu Mode
♦Zone List Displays
♦Cross Zoning - Zone List 04
♦NIGHT-STAY - Zone List 05
♦ Pager Reporting - Zone List 06
•••••••••••••••••••••••••••••••••••••••••••••••••
About Zone List Menu Mode
Zone List Menu mode is used to program zone lists for output devices (programmed in ✱80
Menu mode). Refer to the Programming Form worksheet for ✱81 Mode. To enter Zone List
Menu mode, press ✱81 while in program mode.
Zone 92, DURESS, must not be programmed into any Zone List.
Zone List Displays
Zone List No.
(00 = Quit) 01
Enter the Zone List Number 01, 02, 03, 04, 05 or 06 you want to
program (or 00 to end these entries). Press ✱ to advance.
In the following displays, zone list 01 has been selected for
programming.
01 Enter Zn Num.
(00 = Quit) 00
Enter each zone number to add to the zone list by first entering the
zone number, then ✱ (for example, 01✱, 02✱, 03✱). After all zones
desired are entered, press 00 to advance.
IMPORTANT: Do not include fire zones in zone lists that are used to
STOP relay actions.
01 Del Zn List?
0 = No 1 = Yes 0
To delete the zone list, enter 1 (Yes). All zones in the zone list will be
deleted automatically and programming will return to the first
screen.
To save the zone list, enter 0 (No) to advance.
01 Delete Zone?
0 = No 1 = Yes 0
To save the entire zone list, enter 0 (No) and programming will
return to the first screen.
To delete a zone or zones in a zone list, enter 1 (Yes) to advance.
01 Zn to Delete?
(00 = Quit) 00
Enter each zone to be deleted from the list, followed by ✱. After all
zones to be deleted are entered, enter 00 to return to the first screen
so that another list can be programmed, if desired.
Any list may include any or all of the system's zone numbers except zone 92.
A zone list can be assigned to more than one output relay.

250P1 Installation and Setup Guide
18–2
Cross Zoning - Zone List 04
Cross alarm zone verification is an option that must be set up using zone list 04, the cross
zone list, and entering the appropriate cross number corresponding to the cross zone delay
time in field ✱85, the cross zone timer.
A cross zone is any combination of up to 10 zones of the following zone types:
• 01 - Entry/exit #1
• 02 - Entry/exit #2
• 03 - Perimeter
• 04 - Interior Follower
• 10 - Interior with Delay
The chosen zone numbers of the above types are to be entered into zone list 04 via field ✱81.
If any of the zones fault in the armed state, the system will wait to see if another zone in the
zone list faults within the cross zone list time entered in field ✱85. If another zone faults,
alarms will be sent out for both zones, the bell will sound, and the alarms will be displayed
on the keypad. However, if another fault does not occur within the programmed cross zone
time, a Trouble report will go out to the Central Station and no message will be displayed on
the keypad until the system is disarmed. Then a CHECK message will be displayed on the
keypad. This message can be cleared by another [4-digit code] + OFF sequence. The default
for the cross zone timer is 30 seconds. Zone list 04 is empty by default.
NIGHT-STAY - Zone List 05
This mode will only arm the Interior Follower and/or Interior with Delay zones programmed
into this zone list. All other zones will be bypassed. The key sequence for arming in this mode
is: [4-digit code] + 3 + 3. The installer will determine which zones are to be included in this
list. The interior zones (interior followers or interiors with delay) will have the following
characteristics:
ARMING MODE INTERIOR ZONES INTERIOR ZONES IN ZONE LIST 05
STAY Bypassed Does not apply
NIGHT-STAY Bypassed Armed
NOTE: When armed in this mode, the keypad will display NIGHT-STAY.
Pager Reporting - Zone List 06
All zones that are entered in this list will report to the pager if enabled.

19–1
SECTION 19
Alpha Descriptor Programming
•••••••••••••••••••••••••••••••••••••••••••••••••
In This Section
♦About Alpha Descriptor Programming
♦Zone Descriptors
♦Programming Zone Descriptors
♦Adding Custom Words
•••••••••••••••••••••••••••••••••••••••••••••••••
About Alpha Descriptor Programming
This section provides instructions for programming alpha zone descriptors. This is
recommended for systems using alpha keypads, and is necessary if a 4285 or 4286 VIP
Module is used.
If you are using a 4285/4286 VIP Module, select from those words in the Alpha Vocabulary
List shown in boldface type. The phone module will not provide annunciation of the
other words.
If a 4285/4286 VIP Module is added to an existing 250P1 system, the alpha descriptors presently
in the system should be reprogrammed. Select from those words shown in boldface type in the
Alpha Vocabulary List; the phone module will not provide annunciation of any other words.
The Alpha Vocabulary List and Character (ASCII) Chart can be found on a page 19-4.
Zone Descriptors
For the alpha keypad used with the 250P1, you can program into the system a user-friendly
English language description/location of all protection zones, keypad panics, and RF receiver
supervision faults. Each description can be composed of a combination of words (up to 3)
selected from a vocabulary of 196 words stored in memory (see a following page). In addition,
up to 10 installer-defined words can be added to those already in memory. Thus, when an
alarm or trouble occurs in a zone, an appropriate description for that zone's location will be
displayed at the keypad.
NOTE: Alpha descriptor entry can be done locally at the alpha keypad or remotely using
downloading software. The alpha keypad entry procedure is described below.
Programming Zone Descriptors (Program Menu Mode ✴82)
You can enter the descriptor when the zone is being defined in field ✱56, but we recommend
you do it using ✱82 menu mode.
To program zone descriptors, enter the 3-digit reference number for the desired word(s). The
3-digit number for each word is provided in the Alpha Vocabulary List (on a following page).
1. With the system powered up, enter the Programming mode by keying:
Installer code (4 1 1 2) + 8 + 0 + 0. The following display will appear:
Installer Code
20
Program Alpha?
0=No, 1=Yes 00 2. Press ✱82.
The Program Alpha? prompt will appear.

250P1 Installation and Setup Guide
19–2
Custom Words ?
0=No, 1=Yes 00 3. Press 1 (Yes).
The Custom Words ? prompt will appear.
4. Press 0 (No).* The system will then automatically display the
descriptor for zone 1.
* The procedure for adding custom words to the built-in vocabulary
is given in "Adding Custom Words" on the next page.
Summary Mode Display
Default Descriptor
✳ ZN 01ZONE 01 If a descriptor was not entered previously for zone 1, the default
descriptor for zone 1 will be displayed.
Note that this is a “summary mode,” and that no entries can be
made. Entries can be made only when the display contains a
flashing cursor, which signifies the “entry mode.”
Flashing Cursor (system
is ready for entry of
word).
✳ ZN 01 5. To delete or change the default descriptor for zone 1, press ✱
plus the same zone number (01). This will clear that
descriptor and allow changes to be made at the flashing cursor.
NOTE: If you do not wish to change the existing descriptor for
zone 1, enter ✱ plus the next zone number for which you wish to
enter (or check) a descriptor. A summary display for that zone
will appear. You must then press ✱ plus the same zone number
again to gain access to the entry mode (flashing cursor) for that
zone.
Flashing Cursor
✳ ZN 01 B ACK 6. Press # plus the 3-digit number for the first word from the
Alpha Vocabulary List.
EXAMPLE: The descriptor that we wish to enter for zone 1 is
BACK DOOR. From the list, BACK = 013. Therefore, we enter #
0 1 3.
NOTE: If you accidentally enter the wrong word, simply press #
plus the correct 3-digit number for the word you want.
✳ ZN 01 BACK
Flashing Cursor if “6” is
pressed (system is ready
for next word).
7. Press 6 to accept the selected word and continue.
NOTE: If this is the only word you are using for the descriptor,
press 8 instead of 6 to save that word in memory, and then go to
step 11.
✳ ZN 01 BACK
DOOR
Flashing Cursor
8. Enter the 3-digit number for the next word. In our example, the
word is DOOR, whose number is 057.
Enter # 0 5 7. The display at left will appear:
✳ ZN 01 BACK
DOOR
Flashing Cursor if “6”
is pressed (system is
ready for next word).
9. Press 6 to accept the selected word.
NOTE: If these are the only words you are using for the
descriptor, press 8 instead of 6 to save them in memory.
10. The two words in our example have now been entered. Note,
however, that up to three words may be entered (provided the
number of characters will fit on the screen). Press 8 to save all
words in memory.
Summary Display

Section 19 - Alpha Descriptor Programming
19–3
✳ ZN 01 BACK
DOOR
The flashing cursor will disappear, indicating that the word(s) are
stored in memory for that zone, as shown in the summary display
at the left.
11. To enter a descriptor for the next zone, press ✱ plus the desired
zone number (e.g., ✱02). The summary display following step 4
previously will appear. Now repeat Steps 6 through 10 for the
descriptor for the next zone.
12. To exit the alpha descriptor mode, press ✱00 at the summary
display.
Program Alpha?
0=No, 1=Yes 00
This prompt will be displayed.
Alpha Pgm 82
13. Press 0. This will be displayed.
14. Press ✱99 to exit the Programming mode.
Adding Custom Words
You can add up to 10 installer-defined words to the built-in vocabulary. Each of the 10 words
can actually consist of a word string of one or more words, but no more than ten characters
can be used for each word or word string.
When adding Custom Words, the keypad keys perform the following functions:
[4]Moves cursor one space to the left.
[6]Moves cursor one space to the right.
[8]Saves the new word in the system's memory.
1. Perform steps 1, 2, and 3 of Programming Zone Descriptors on a previous page.
Select Custom Word mode (enter 1) when the prompt CUSTOM WORD ? is displayed.
2. Enter the number (01–10) of the custom word or word string to be created (for example,
if you are creating the first custom word or word-string, enter 01; for the second, enter
02, etc.). A cursor will now appear at the beginning of the second line.
3. Refer to the Character Chart of letters, numbers, and symbols on a following page.
Press #, followed by the 2-digit entry for the first letter you would like to display (for
example, 65 for “A”).
The cursor will then move to the right, in position for the next character.
4. Repeat Step 3 to create the desired word(s). Note that the “4” key can be used to move the
cursor to the left, if necessary. Remember no word or word-string can exceed 10
characters.
5. Press 8 to save the custom word(s) and return to the “CUSTOM WORD ?” display.
Repeat Steps 2–5 for other custom words to be entered. To change a custom word, just
overwrite it. If no more are to be entered now, press 00 to return to the Program Alpha
prompt. The custom word(s) will be automatically added to the built-in vocabulary.
If a custom word exists, and you want to replace that word with a shorter one, do the following:
after the last character of the new word is entered, press 6 + 00 + 8. This removes all the
additional characters of the old custom word.
When zone descriptors are being entered as described in Step 6 of Programming Zone
Descriptors, the custom word numbers are 245 to 254 for words 1 to 10, respectively.

250P1 Installation and Setup Guide
19–4
ALPHA VOCABULARY LIST
(For Entering Zone Descriptors)
NOTE: The list below is a revised vocabulary list that differs from lists for earlier versions of the VISTA-20. Use only
this list when programming 250P1 zone descriptors.
000
(Word Space)
A
•001 AIR
• 002 ALARM
004 ALLEY
005 AMBUSH
• 006 AREA
• 007 APARTMENT
• 009 ATTIC
010 AUDIO
B
• 012 BABY
• 013 BACK
• 014 BAR
• 016 BASEMENT
• 017 BATHROOM
•018 BED
• 019 BEDROOM
020 BELL
•021 BLOWER
•022 BOILER
023 BOTTOM
025 BREAK
• 026 BUILDING
C
028 CABINET
• 029 CALL
030 CAMERA
031 CAR
033 CASH
034 CCTV
035 CEILING
036 CELLAR
• 037 CENTRAL
038 CIRCUIT
• 040 CLOSED
• 046 COMPUTER
047 CONTACT
D
• 048 DAUGHTERS
049 DELAYED
•050 DEN
051 DESK
• 052 DETECTOR
• 053 DINING
054 DISCRIMINATOR
055 DISPLAY
• 057 DOOR
•059 DOWN
• 060 DOWNSTAIRS
061 DRAWER
• 062 DRIVEWAY
• 064 DUCT
E
• 065 EAST
066 ELECTRIC
067 EMERGENCY
068 ENTRY
• 069 EQUIPMENT
•071 EXIT
072 EXTERIOR
F
• 073 FACTORY
075 FAMILY
• 076 FATHERS
• 077 FENCE
•079 FIRE
• 080 FLOOR
081 FLOW
082 FOIL
• 083 FOYER
084 FREEZER
•085 FRONT
G
• 089 GARAGE
•090 GAS
091 GATE
•092 GLASS
093 GUEST
094 GUN
H
• 095 HALL
• 096 HEAT
098 HOLDUP
099 HOUSE
I
100 INFRARED
•101 INSIDE
102 INTERIOR
103 INTRUSION
J
104 JEWELRY
K
• 105 KITCHEN
L
• 106 LAUNDRY
• 107 LEFT
108 LEVEL
• 109 LIBRARY
•110 LIGHT
111 LINE
•113 LIVING
• 114 LOADING
115 LOCK
116 LOOP
117 LOW
• 118 LOWER
M
• 119 MACHINE
121 MAIDS
122 MAIN
• 123 MASTER
• 125 MEDICAL
126 MEDICINE
128 MONEY
129 MONITOR
• 130 MOTHERS
• 131 MOTION
132 MOTOR
N
• 134 NORTH
135 NURSERY
O
• 136 OFFICE
• 138 OPEN
139 OPENING
• 140 OUTSIDE
142 OVERHEAD
P
143 PAINTING
• 144 PANIC
145 PASSIVE
• 146 PATIO
147 PERIMETER
• 148 PHONE
150 POINT
151 POLICE
152 POOL
• 153 POWER
R
155 RADIO
• 156 REAR
157 RECREATION
159 REFRIGERATION
160 RF
• 161 RIGHT
• 162 ROOM
163 ROOF
S
164 SAFE
165 SCREEN
166 SENSOR
• 167 SERVICE
• 168 SHED
169 SHOCK
• 170 SHOP
171 SHORT
• 173 SIDE
174 SKYLIGHT
175 SLIDING
• 176 SMOKE
• 178 SONS
• 179 SOUTH
180 SPRINKLER
• 182 STATION
184 STORE
• 185 STORAGE
186 STORY
190 SUPERVISED
191 SUPERVISION
192 SWIMMING
193 SWITCH
T
194 TAMPER
196 TELCO
197 TELEPHONE
• 199 TEMPERATURE
200 THERMOSTAT
• 201 TOOL
202 TRANSMITTER
U
• 205 UP
• 206 UPPER
• 207 UPSTAIRS
• 208 UTILITY
V
209 VALVE
210 VAULT
212 VOLTAGE
W
213 WALL
214 WAREHOUSE
• 216 WEST
• 217 WINDOW
• 219 WING
220 WIRELESS
X
222 XMITTER
Y
223 YARD
Z
224 ZONE (No.)
• 225 ZONE
• 226 0
• 227 1
• 228 1ST
• 229 2
• 230 2ND
• 231 3
• 232 3RD
• 233 4
• 234 4TH
• 235 5
• 236 5TH
• 237 6
• 238 6TH
• 239 7
• 240 7TH
• 241 8
• 242 8TH
• 243 9
• 244 9TH
245 Custom Word #1
________________
246 Custom Word #2
________________
247 Custom Word #3
________________
248 Custom Word #4
________________
249 Custom Word #5
________________
250 Custom Word #6
________________
251 Custom Word #7
________________
252 Custom Word #8
________________
253 Custom Word #9
________________
254 Custom Word #10
________________
NOTE: Bulleted (•) words in boldface type are those that are also available for use by the 4285/4286 VIP Module. If you are using a phone
module, and words other than these are selected for alpha descriptors, the phone module will not provide annunciation of those words.
CHARACTER (ASCII) CHART
(For Adding Custom Words)
32 (space)
33 !
34 “
35 #
36 $
37 %
38 &
39 '
40 (
41 )
42 *
43 +
44 ,
45 –
46 .
47 /
48 0
49 1
50 2
51 3
52 4
53 5
54 6
55 7
56 8
57 9
58 :
59 ;
60 <
61 =
62 >
63 ?
64 @
65 A
66 B
67 C
68 D
69 E
70 F
71 G
72 H
73 I
74 J
75 K
76 L
77 M
78 N
79 O
80 P
81 Q
82 R
83 S
84 T
85 U
86 V
87 W
88 X
89 Y
90 Z

20–1
SECTION 20
Function Key Programming
(✱✱83, ✱✱86)
•••••••••••••••••••••••••••••••••••••••••••••••••
♦About Function Key Programming
♦Programming Procedures (✱83)
♦Special Function Programming (✱86)
♦Macro Key Programming
•••••••••••••••••••••••••••••••••••••••••••••••••
About Function Key Programming
This 250P1 system provides the ability to program each of the four function keys, on the
6150PL2 and/or 6160PL2 hard-wired keypads, to perform one of 11 system operations.
Programming Procedures (✱83)
Note: Before proceeding, you must program field ✱22 (RF System) and field ✱25 (Wired Zone
Expansion) as required.
Enter Programming mode [Installer Code] + 8 + 0 + 0 on the keypad. Enter Function Key
Programming mode by pressing ✱83. The following prompts will be displayed in response to
the entries made:
Enter Key No.
(00 = Quit) 01 Press the digits that represent the Function Key you want to
program. At the flashing cursor press 01 for the A key; press 02 for
the B key; press 03 for the C key; or press 04 for the D key.
Press [✱] to continue.
Key "A" Function
Panic Zone 95 00 Enter the function this key will perform, 00 to 11, from the options
listed below. (00 selected for example display shown at left).
00 If selected, each Function key will be mapped as follows:
A = Zone 95
B = Zone 99
C = Zone 96
D = Single-button paging (sends a 999-9999 message to pager).
01 Arm AWAY - Reports as User 0 if closing reports are enabled.
02 Arm STAY - Reports as User 0 if closing reports are enabled.
03 Arm NIGHT-STAY - Reports as User 0 if closing reports are
enabled.
04 Lights ON/OFF toggle - If selected, Function Keys A through D
will be tied to relays 1 through 4, respectively. Pressing the
function key will activate the associated relay.
05 Cancel Key - Sends a cancel report to the Central Station after
an alarm has occurred. This key MUST be used as a fifth key
within 4 seconds of a 4-digit disarm, or immediately after a 4-
digit code. Cancel Verify (✱52) must be enabled, and Cancel
Report code (✱68) must be entered for the key to function
correctly.
06 Single-Button Communicator Test - Sends the same code as a
manual TEST (e.g., contact ID code 607).
07 Single-Button Page - Sends a 999-9999 message to a pager
when pressed.

250P1 Installation and Setup Guide
20–2
08 One shot 10-second Time/Date display.
09 Macro Key - Performs the macro function (programmed sepa-
rately - see Macro Key Programming later in this section.
10 Special Function #1 - Sends a special message when initiated,
(see Special Function Programming later in this section).
11 Special Function #2 - Sends a special message when initiated,
(see Special Function Programming later in this section).
12 Not Used
A-B-C-D KEY DEFAULTS
KEY DEFAULT FUNCTION
A (01) 05 CANCEL
B (02) 06 TEST
C (03) 12 Not Used
D (04) 10 SPECIAL FUNCTION #1
Special Function Programming (✱86)
This field lets you define the special functions (#1 or #2) selected in field ✱83. These functions
will only be activated if:
• you program one or more of the keypad function keys for one of the special functions
(10 or 11) available above in field ✱83, and
• you press the key to initiate the function.
To define these functions, enter ✱86 from programming mode. The following prompt will
appear:
Spec Funct Setup
(00 = Quit) 01 Enter the special function to program, either 01 (corresponding to #1
from ✱83) or 02 (corresponding to #2 from ✱83).
Enter CID Code
751
With Contact ID reporting to the Central station programmed, or if
sending the message to a pager, enter the second two digits of the
Contact ID code that will be sent when the special function is
initiated, 50 to 89. Defaults are: 01 = 751 and 02 = 752.
01 Report Code
1st 01 2nd 00 10
With Contact ID report format, enter "01" as the first digit of the
report code and "00" as the second digit to enable the dialer. If no
Contact ID message is being sent, enter "00" for both digits. Default
is 10 (no message will be sent), as shown at left.
Report/Log As
Alarm 1
Select whether you want to associate this function with an alarm or
with a trouble for the purpose of reporting to primary/secondary
destinations and event logging. Defaults are 1 for both (Alarm).
Add to Zn List 6
0 = No 1 = Yes 0
Select whether you want this report to be added to Zone List 6 for
paging purposes. Defaults are 0 (No) for both.
Sounder Option
Silent 0
Enter the system sounder(s) response to the initiation of the
function from the following options:
0 = silent-This is the default setting for both special functions.
1 = sound keypad only
2 = ring bell(s) only
3 = ring bell and sound keypad
Program Alpha?
0 = No 1 = Yes 0
If you would like the keypad to display a description of the function,
enter alpha programming by entering 1 (Yes). Refer to Section 19:
Alpha Descriptor Programming. If not, enter 0 (No) which is the
default setting for both special functions.

Section 20 - Function Key Programming (
✴
83)
20–3
Macro Key (Speedkey) Programming
The A, B, C, or D key can be used to activate a series of commands, represented by strings of
up to 16 keystrokes. These keystrokes, as a group, are called macros and are stored in the
system's memory. Typical Speedkey functions include:
• Arming sequences that first involve bypassing certain zones before arming
• Seldom used but repeatable sequences
• Relay activation sequences.
To Program a Macro
To program a macro, enter the 4-digit security code + [#] + [X], where X can be the A, B, C, or
D key.
The following prompt appears:
SPEED LEARN MODE
For example, you may want to perform the following:
Desired Function Keystrokes Required
Bypass zones 02 and 19 Press BYPASS [6] key, then 2-digit
zone numbers 02 and 19.
End the command Press the MACRO key.
Turn on relay 1.
(e.g., Relay 1 operates the
porch light)
Press [#] key, then the [7] key for relay
on, and the [1] key for selecting relay 1.
End the command Press the MACRO key.
Arm system in AWAY
mode Press AWAY [2] key.
End the command Press the MACRO key.
You can enter up to 16 keystrokes to program a macro. The
keyboard display echoes the keys that are pressed. Any pressed
MACRO key will appear as an "F" on the display.
At this point, the display will appear as follows:
SPEED LEARN MODE
60219F#71F2F
To exit the MACRO mode, press the MACRO key again and the
display will disappear. Note that the MACRO key is pressed only
once after each command. Press the MACRO key twice to
complete the MACRO and exit this mode. The other function keys
are disabled while in MACRO programming mode.
To Execute a Macro
To start a speedkey sequence, press the MACRO key.
The following display will appear:
ENTER USER CODE
✱✱✱✱
Enter the 4-digit user code. The programmed speedkey sequence will begin automatically.
NOTE: There is only one macro program available per system. If more than one macro is
programmed, only the latest macro will be retained by the system.

250P1 Installation and Setup Guide
20–4
When defining speedkey sequences, do NOT use the [#] key to represent Quick Arming. The
250P1 system uses the entered code in response to the prompt to initiate commands in a
speedkey sequence, so the Quick Arm key is unnecessary. The system interprets the use of the
[#] key in a speedkey sequence as its designated function only.

21–1
SECTION 21
Remote Programming and
Control (Downloading)
•••••••••••••••••••••••••••••••••••••••••••••••••
In This Section
♦About Remote Programming
♦Equipment Required
♦Initial Download
♦Remote Programming Commands
♦Remote Programming Advisory Notes
•••••••••••••••••••••••••••••••••••••••••••••••••
About Remote Programming
The 250P1 can be remotely programmed from an IBM-compatible personal computer (PC), a
compatible modem, and ADEMCO's COMPASS software (as specified below).
ULDownloading may be performed only if a technician is at the site.
The following multiple levels of security protect remote programming of the control against
compromise by someone attempting to defeat the system:
1. Security Code Handshake: An 8-digit download ID code must be matched between the
control and the downloader.
2. Site-Initiated Remote Programming: The installer or subscriber initiates the callback
from the subscriber premises (by entering [Installer code] + # + 1) while disarmed. All
parameters can then be downloaded via the phone lines using a personal computer.
3. Station-Initiated Remote Programming: The operator calls the site from your office to
initiate the download call. The control hangs up and then calls back the PC via the
preprogrammed telephone number. The unit can then be uploaded, downloaded, or
controlled from your office.
4. Telco Hand-off: Allows the installer or subscriber to perform a download session on the
call initiated from the site.
5. Data Encryption: Data passed between the PC and the control is encrypted for security
so that it is very difficult for a foreign device tapped into the phone line to take over
communication and substitute system-compromising information.
Equipment Required
The following equipment is required for remote programming and downloading:
At the premises:
•250P1 and keypad
At the installer's office/home:
• An IBM PC-compatible computer
•One of the following modems:

250P1 Installation and Setup Guide
21–2
BizComp Intellimodem 1200 w/volume
BizComp Intellimodem 2400
Hayes Optima 336 External
Hayes Smartmodem Optima 2400
Hayes Optima 2400 Fax96
Hayes Smartmodem 1200 External Modem
Hayes Smartmodem 1200B Internal Modem (Rev. 1.2 or higher)
Hayes external Optima 24 Plus FAX96 Modem
Practical Peripherals PM14400FXSA
•COMPASS® Downloader Software (at revision level supporting the 250P1)
•Appropriate interconnecting cables
Initial Download
For initial downloading, enter [Installer code] + # + 5. This sets field ✱95 to 4 rings, and
system to “no call-back” option. The download computer can then call the subscriber, make
the connection, and download all programming items.
After the control and the PC have established valid communication, each keypad on the
system will become inactive and will display “CC” or “MODEM COMM.” The control,
however, will still be scanning its zones and looking for alarms. If an alarm does occur, after
communication is broken off, alarms are sounded and the proper dialer reports are sent to
the Central Station. The keypads will become active after the download communication is
terminated. The detailed operation of the download functions is covered in the installation
instructions for the COMPASS Downloader.
Remote Programming Commands
The downloading system can perform many functions when in communication with the
control unit. Besides uploading and downloading, the status of the system can be observed
and various commands can be initiated, as follows:
•Arm the system in the AWAY mode; disarm the system.
•Bypass a zone.
•Set the time.
•Force the system to accept a new program download.
•Shut down communication (dialer) functions (in response to nonpayment of monitoring fees
in an owned system).
•Shut down all security system functions (in response to nonpayment for a leased system).
•Inhibit local keypad programming (prevents account takeover).
•Command the system to upload a copy of its resident program to the office.
•Read: arming status, AC power status, lists of faulted zones, bypassed zones, zones
currently in alarm, zones currently in trouble, RF sensors with low-battery conditions, and
time and event log.
Remote Programming Advisory Notes
•Alarm and trouble reporting may be delayed during the time that the system and the
downloader are linked to each other following a valid exchange of codes, but the proper
message will get through to the Central Station after the link is broken.
•Keypad entries are ignored during the time interval stated above.
•A copy of the program downloaded may be produced from the IBM PC-compatible
computer, using the product's internal report generator, when an optional printer is
connected (consult your PC manual for proper printer and connections).

22–1
SECTION 22
System Communication
•••••••••••••••••••••••••••••••••••••••••••••••••
In This Section
♦Panel Communication with Central Station
♦Report Code Format
♦ADEMCO Contact ID Reporting
•••••••••••••••••••••••••••••••••••••••••••••••••
Panel Communication with Central Station
This system accommodates two Contact ID formats for reporting alarms and other system
conditions to the Central Station. The process of a successful transmission consists of both
the method of communication between the control panel and the Central Station receiver;
and the actual way the information is sent and displayed at the Central Station.
When the panel calls the Central Station receiver, it waits to hear a “handshake” frequency
from the receiver to confirm that the receiver is on-line and ready to receive its message.
Once the panel hears the handshake it is programmed to listen for, it sends its message. The
panel then waits for a “kissoff” frequency from the receiver acknowledging that the message
was received and understood.
If the handshake frequency is not given or is not understood by the panel, the panel will not
send its message. Once the handshake frequency is received and understood by the panel,
the panel will send its message. If there is an error in the transmission (the receiver does
not receive a “valid” message), the kissoff frequency will not be given by the Central Station
receiver.
The panel will make a total of eight attempts to the primary telephone number and eight
attempts to the secondary telephone number (if programmed) to get a valid message through.
If the panel is not successful after its numerous attempts, the keypad will display COMM.
FAILURE (on alpha keypads) or FC (on fixed-word keypads).
Report Code Formats
The following chart indicates the characteristics of the ADEMCO Contact ID reporting that
the 250P1 panel supports:
FORMAT
TYPE HANDSHAKE TRANSMITS DATA KISSOFF TRANSMIT
Contact ID 1400–2300 Hz DTMF (10 cps) 1400 Hz Under 3 secs

250P1 Installation and Setup Guide
22–2
The ADEMCO Contact ID reporting format comprises a 10-digit or a 4-digit subscriber
account number, 1-digit event qualifier (“new” or “restore”), 3-digit event code, and 3-digit
zone number, user number, or system status number, as follows:
ADEMCO Contact ID Reporting takes the following format:
CCCCCCCCCC Q EEE ZZZ
where:
CCCCCCCCCC = Customer ID (subscriber account number)
Q = Event qualifier, where: E = new event, R = restore
EEE = Event code (3 hexadecimal digits)*
ZZZ = Zone/contact ID number reporting the alarm, or user number for open/close
reports. System status messages (AC Loss, Walk Test, etc.) contain zeroes
in the ZZZ location.
* NOTE: For a complete list of event codes, refer to the Central Station office receiver
manual.
TABLE OF CONTACT ID EVENT CODES
Code Definition
110 Fire Alarm
121 Duress
122 Alarm, 24-hour Silent
123 Alarm, 24-hour Audible
131 Alarm, Perimeter
132 Alarm, Interior
134 Alarm, Entry/exit
135 Alarm, Day/Night
143 Alarm, Expansion Module
146 Silent Burglary
150 Alarm, 24-Hour Auxiliary
301 AC Power
302 Low System Battery/Battery Test Fail
305 System Reset
321 Bell/Siren # 1 Trouble
333 Trouble or Tamper Expansion Module
344 RF Receiver Jam Detection
351 Telco Line Fault
353 Long Range Radio Trouble
373 Fire Loop Trouble
374 Exit Error Alarm
Code Definition
380 Global Trouble, Trouble Day/Night
381 RF Supervision Trouble
383 RF Sensor Tamper
384 RF Sensor Low Battery
401 Disarmed, Armed AWAY (Max), Armed
AWAY
406 Cancel by User
407 Remote Arm/Disarm (Downloading)
408 Quick Arm AWAY/Max
441 Disarmed/Armed STAY/INSTANT, Quick
Arm STAY/INSTANT, Arm NIGHT-STAY
570 Bypass
602 Periodic Test
606 AAV to Follow
607 System Test
623 Event Log 80% Full
629 1-1/3 Day No Event
750 to
789 Special Function key (#1 or #2) event
codes.

23–1
SECTION 23
System Operation
•••••••••••••••••••••••••••••••••••••••••••••••••
In This Section
♦Security Codes
♦Keypad Functions
♦Relay/Powerline Carrier Devices
♦4285/4286 VIP Module
♦Exit Error Alarm Displays
♦Trouble Conditions
♦Setting the Real-Time Clock
•••••••••••••••••••••••••••••••••••••••••••••••••
Security Codes
Installer Code
The installer programs the 4-digit Installer code initially as part of the programming
procedure. The factory default Installer code is 4-1-1-2, but may be changed in field ✱20.
The Installer code is the only code that can enter Programming mode. In Normal Operation
mode, it is also used to enter the Master code, which allows access to the normal functions of
the system.
Master Code
In Normal Operation mode, the Installer code is used to enter the 4-digit Master security
code using the hardwired connected keypad. Therefore:
To enter the system's Master code, enter:
[Installer code] + 8 + 02 + [desired 4-digit Master code]
To change the Master code, enter:
[Master code] + 8 + 02 + [new Master code] + [new Master code again]
Secondary User Codes
In Normal Operation mode, the Master security code can be used to assign up to 13
Secondary 4-digit security codes, including a Temporary code and a Duress code. The Master
code is also used to remove any Secondary User code(s) from the system (individually).
To assign (or change) a Secondary security code, enter the following on the keypad:
[Master code] + CODE key + User # [03–15] + [desired Secondary Code]
The system will emit a single beep when each secondary code has been successfully entered.
To delete a Secondary security code, enter the following on the keypad:
[Master code] + [CODE] key + [User No.] [(03–15)]
Temporary User Code: This user code can only be assigned to User 14 ([Master code] + 8
+ 14 + [desired 4-digit Temporary code]) on a strictly temporary basis because whenever
a 4-digit Master code is keyed into the keypad, the existing Temporary code is removed.
NOTES:
•All Master and Secondary User security codes permit access to the system for arming,
disarming, etc.
• The Installer code can disarm the system only if it was used to arm it.
• Temporary code (User 14) behaves as Secondary User codes 3 through 13, except that a
keypad entry of a Master code will permanently disallow use of this code.
• Duress code is User code No. 15;. When this is used to perform any system operation, a
special code is sent to the monitoring station. Instruct users to be careful not to use this
code for normal usage.

250P1 Installation and Setup Guide
23–2
•If a Secondary User code is inadvertently repeated for different users, the lower user
number will take priority.
• Opening and Closing reports are sent for the Installer code as No. 01, with the
appropriate subscriber number. Each Master code and set of Secondary User codes are
sent as Nos. 02 and 03–15, respectively, in Contact ID format (with the appropriate
subscriber number).
Keypad Functions
Arming and Disarming
The keypad allows the user to arm and disarm the system, and to perform other system
functions, such as bypass zones and display zone descriptors. Zone and system conditions
(alarm, trouble, bypass) are displayed in the display window.
All keypads with backlighting capability will automatically illuminate when system is placed
in entry mode.
If you enabled Quick Arm for the system (field ✱21), you can press # instead of entering the
system's security code, for any of the arming procedures (STAY, NIGHT-STAY, etc.). Arming
levels cannot be increased or decreased by the use of this Quick Arm feature. The 250P1 has
the ability to increase the arming level with a single button if the function keys are
programmed with arming levels in ✱83. The arming levels in increasing order are STAY,
NIGHT-STAY, INSTANT, AWAY and MAXIMUM. Arming level increases/decreases can
be accomplished using code + #(s) to indicate arming state. These arming level changes
transmit an Opening report followed by the appropriate report of the armed state to the
Central Station. The security code is always required, however, when disarming the system.
When an alarm occurs, keypad sounding and external sounding will occur, and the zone(s) in
alarm will be displayed on the keypad. Pressing any key will silence the keypad sounder for
10 seconds. Disarming the system will silence both keypad and external sounders. If the
system is armed, and an alarm has occurred, or you are in entry mode, you can disarm the
system by entering only the 4 digit user code. When the system is disarmed, any zones that
were in an alarm condition during the armed period will be displayed. To clear this display,
simply repeat the disarm sequence (enter the security code and press the OFF key) again.
Arming Commands
The following is a brief list of system commands. For detailed information concerning system
functions, refer to the User Guide.
Disarmed, Not Ready Before arming, the system must be in the Ready condition (all
zones must be intact). If the NOT READY message appears,
press ✱ (READY key) to display faulted zones.
Arming AWAY....................Enter code + 2 (AWAY), or # + 2†, or press Function key
programmed as AWAY.
Arming STAY.....................Enter code + 3 (STAY), or # + 3†, or press Function key program-
med as STAY.
Arming NIGHT-STAY Enter code + 3 (STAY) + 3 (STAY), or # + 3 + 3†, or press
Function key programmed as NIGHT-STAY.
Arming INSTANT .............Enter code + 7 (INSTANT), or # + 7†.
Arming MAXIMUM...........Enter code + 4 (MAXIMUM) or # + 4†.
Disarming...........................Enter code + 1 (OFF), or code only if an alarm has occurred and
you are in an entry mode.
Bypassing Zones...............Enter code + 6 (BYPASS) + zone number(s).
Forced (Quick) Bypass....(If enabled) To automatically bypass all faulted zones, use the
“Quick Bypass” method: Enter code + 6 (BYPASS), then wait for
all open zones to be displayed. Arm when display indicates
BYPASS and READY TO ARM.
†if Quick Arm is enabled in ✱21

Section 23 - System Operation
23–3
Chime Mode
.......................
Enter code + 9 (CHIME).
To turn chime off, enter code + 9 (CHIME) again.
NIGHT-STAY
.....................
Enter code + 3 + 3, which only arms the Interior Follower and/or
Interior with Delay zones programmed in zone list 05. All other
zones will be automatically bypassed. The installer will
determine which zones are to be included in this list.
The interior zones (Interior or Interiors with Delay), will have
the following characteristics:
Arming Mode Interior Zones Interior Zones in Zone list 5
STAY Bypassed Does not apply.
NIGHT-STAY Bypassed Armed
SUMMARY OF ARMING MODES
Features of Each Arming Mode
Arming
Mode Exit Delay*Entry Delay Perimeter Armed Interior Armed
STAY Yes Yes Yes No
NIGHT-STAY Yes Yes Yes Yes (Zone List 05)
INSTANT Yes No Yes No
AWAY Yes Yes Yes Yes
MAXIMUM Yes No Yes Yes
PANIC Keys
There are three PANIC key-pairs OR (on 6160PL2 keypads if Quick Arm is disabled in field
✱21) lettered keys that can be used to manually initiate alarms and send a report to the
Central Station.
Each lettered key may be individually programmed for 24-hour Silent, Audible, Personal, or
Fire Emergency responses. The Panic function is activated when both keys of the appropriate
key-pair are pressed at the same time, or the appropriate lettered key is pressed for at least
2 seconds.
The Panic functions are identified by the system as follows:
Ke
y
sDis
p
la
y
1 + ✱, or A 95
✱ + #, or B 99
3 + #, or C 96
DPager Msg sent
Notes:
• When function keys A, B, C, and D are
available, the keys may be
programmed to provide the conditions
as shown at left. (In field ✱83, press 00
at each Key "X" Function display.)
• Function keys may be programmed for
other individual responses in ✱83.
For example, in ✱83, the D (04) key
may be programmed separately to send
a 999-999 message to a pager by
pressing 07.
Important: For the Silent Panic functions to be of practical value, the system must be
connected to a Central Station.
* The 250P1 contains an Exit Restart feature which allows the user to exit (fault), close the door (restore the
fault), then re-enter (fault again) the premises within the exit delay time period. Upon re-entering, a new exit
delay time period is begun with the keypad annunciating three rapid beeps. This feature will only restart the exit
delay one time for each arming session.

250P1 Installation and Setup Guide
23–4
Relay/Powerline Carrier Device Activation
If relay outputs (via a 4204 or 4229) or Powerline Carrier devices are used, two keypad
entries available to the user are included. They can manually activate or deactivate the
device(s) for starting or stopping some action, such as turning lights on or off, etc.
These keypad entries are:
[Security Code] + # + 7 + [Device No.] activates (starts) that device.
[Security Code] + # + 8 + [Device No.] deactivates (stops) that device.
4285/4286 VIP Module (if used)
Refer to the separate instructions supplied with the Phone Module for information
concerning its operating procedures.
The phone module cannot be used to add user codes in this system. User codes must be added
by using a wired keypad.
Exit Error Alarm Displays (if programmed)
•A display of CANCELED ALARM or CA and a zone indication will appear if an exit or
interior zone contained a fault during closing at the time the Exit Delay ended (e.g., exit
door left open), but the system was disarmed during the Entry Delay time. The alarm
sounder and keypad sound continuously, but stop when the system is disarmed. No
message will be transmitted to the Central Station.
•A display of EXIT ALARM or EA and a zone indication will appear when the Exit Delay
ends if an exit or interior zone contained a fault during closing. The alarm sounder and
keypad sound continuously until the system is disarmed (or timeout occurs). An "Exit
Alarm" message is sent to the Central Station.
•The EXIT ALARM display and zone indication will also result if an alarm from an exit or
interior zone occurs within 2 minutes after the end of an Exit Delay.
In any of the above cases, use a second Off sequence (code plus OFF key) to clear the display.
Trouble Conditions Displays
The word CHECK on the keypad's display, accompanied by a rapid beeping at the keypad,
indicates that there is a trouble condition in the system. Pressing any key will silence the
audible warning sound. Instruct users to call for service immediately upon seeing any of the
following messages. (See Section 25: Troubleshooting Guide also).
CHECK and BATTERY Displays
•A display of CHECK and one or more zone numbers indicates that a problem exists with
the displayed zone(s) and requires attention.
NOTE: The control will sense a high resistance in the loops on hardwired zones 2–6 and
display CHECK and the affected zone number when the system is in the disarmed mode.
A Trouble report may be sent to the Central Station depending on the Hardwire Short
Detection field programmed setting and the zone type. See Hardwire Short Detection
option in Section 15: Data field Descriptions. It will not be possible to arm the system
as long as this condition exists (unless this zone is bypassed). If the system is in the armed
mode when the high resistance condition occurs, this display will not appear, but will do so
as soon as the system is disarmed. Check the sensor or the loop wiring for the displayed
zone.
When the problem has been corrected, the display can be cleared by entering the Off
sequence (code plus OFF key) twice.

Section 23 - System Operation
23–5
•A display of CHECK and 09 indicates that communication between control and a zone
expander or wireless receiver is interrupted. Check the wiring and/or DIP switch settings
on the units.
• If there are wireless sensors in the system, the CHECK condition may also be caused by
some change in the environment that prevents the receiver from receiving signals from a
particular sensor.
•A display of BAT (on fixed-word keypads) or SYSTEM LO BAT (on alpha keypads) with
no zone number indicates that the system's main standby battery is weak.
•A display of BAT (on fixed-word keypads) or LO BAT (on alpha keypads) with a zone
number and periodic beeping at the keypad indicates that a low-battery condition exists in
the wireless sensor displayed (zone 00 indicates a wireless keypad). If the battery is not
replaced within 30 days, a CHECK display may occur.
NOTE: Some wireless sensors contain a nonreplaceable long-life battery that requires
replacement of the entire unit at the end of battery life (for example, Nos. 5802, 5802CP,
5803).
Telephone Line Failure
A display of 94 (on fixed-word keypads) or TELCO FAULT (on alpha keypads) indicates
that a monitored telephone line (if programmed in field ✱92) has been cut (or disconnected).
Depending on how the system was programmed, the keypad may also produce a trouble
sound, and the external sounder may be activated. Silence by entering Installer code plus
OFF.
Power Failure Displays
• If there is no keypad display at all and the POWER indicator (if present) is not lit,
operating power for the system has been lost and the system is inoperative.
• If the message AC LOSS (on alpha keypads) or NO AC (on fixed-word keypads) is
displayed, and the POWER indicator (if present) is off, the system is operating on battery
power only.
• If the battery standby capacity is used up during a prolonged AC power outage, the
control's auxiliary power will shut down to minimize deep discharge of the battery.
Other Displays (fixed-word displays are in parentheses)
Busy-Standby (dI) If this remains displayed for more than 1 minute, the system is
disabled.
Modem Comm (CC) The system is in communication with the Central Station for change
of function or status verification.
Comm. Failure (FC) A communication failure has occurred.
Open-circuit (OC) The keypad is not receiving signals from the control and sees an open-
circuit.
Long Rng Trbl (bF) Backup LRR communication failure.
Bell Failure (CHECK 70) Bell supervision failure.
Rcvr Jam (CHECK 90) RF Receiver jam detected.

250P1 Installation and Setup Guide
23–6
Setting the Real-Time Clock
General Information
This system provides a real-time clock that must be set in order for the system's event log to
keep track of events by time and date.
Use a 6160PL2 (2-line alpha keypad) to set the real-time clock, or set the clock via the downloader
software. Only users with Installer or Master authority level can set the real-time clock.
Setting the Time and Date
1. Enter [4-digit Installer or Master code] + # + 63.
The LCD display keypad will indicate the following:
TIME/DATE FRI
12:00AM 01/01/99
The above display will disappear in one minute if no entries are made or if the # key is
pressed. If this happens and you still want to make changes, repeat step 1.
2. Press the ✱ key to change the Date/Time setting. The display will revert to the following:
TIME/DATE FRI
12:00A1999/01/01
3. The blinking cursor appears on the first digit of the hour to begin. Enter the time (hour,
then minute). After each entry, the cursor moves to the right.
4. Press any odd-digit key for PM, or any even-digit key for AM.
5. Enter the 4-digit year and the 2-digit month in sequence. The day of the week is
automatically calculated and displayed based on the date entered.
6. Look over the display to make sure it is correct. To change incorrect information, press
the # key, which moves the cursor one space to the left, until the cursor sits on the
improper entry. Then press the correct key(s).
7. Press the ✱ key until the cursor is at the far right position.
8. To accept all of the clock information, press the ✱ key again. The top display appears.
9. Exit clock mode by pressing # key.

24–1
SECTION 24
Testing the System
•••••••••••••••••••••••••••••••••••••••••••••••••
In This Section
♦ Test Procedure
•••••••••••••••••••••••••••••••••••••••••••••••••
Test Procedure
After installation is completed, the security system should be carefully tested, as follows.
1. With the system in the disarmed state, check that all zones are intact. If a NOT READY
message is displayed, press ✱ to display the faulted zone(s). Restore faulted zone(s) if
necessary, so that the READY message is displayed. Fault and restore every sensor
individually to assure that it is being monitored by the system.
2. Enter the 4-digit Security code and press the TEST key. The outside sounder will sound
for 1 second. The keypad should sound 3 beeps each time a contact is faulted. A "Test"
report is transmitted (if programmed) to the Central Station immediately. If the backup
battery is discharged or missing, the sounder may not turn on and a "Low Battery"
report will be transmitted with a "Test" report. The keypad will beep once per minute as a
reminder that the system is in the Test mode. To turn off the Test mode, enter 4-digit
Security code and press the OFF key.
NOTE: Triggering a zone set to Arm AWAY, Arm STAY, NIGHT-STAY, or Disarm
will take the system out of Test mode and cause that action.
Alarm messages will be sent to the Central Station during tests 3 and 4, below.
Notify Central Station personnel in advance that tests will be in progress.
3. Arm the system and fault one or more zones. After 15 seconds (if Optional Dialer Delay is
selected), silence alarm sounder(s) by entering the Security code and pressing OFF key.
Check entry/exit delay zones.
4. Check the keypad-initiated alarms that are in the system by pressing the PANIC key (key
pairs on some keypads). If the system has been programmed for audible emergency, the
keypad will emit a steady alarm sound, and ALARM and zone number will be displayed.
Silence the alarm by entering the Security code and pressing OFF key.
If the system has been programmed for Silent Emergency, there will be no audible alarms
or displays, but a report will be sent to the Central Station.
5. If output Relay Units/Powerline Carrier devices have been installed, test their
programmed action.
6 Notify Central Station personnel when all tests are finished, and verify results with them.
7. To test the wireless part of the system and the RF receiver, perform the following two
additional tests:
a. TRANSMITTER SNIFFER MODE
Make sure the system is disarmed before trying to enter this mode.
Press [Installer code] + # + 3 on the keypad. This initiates a procedure to verify that
all transmitters have been properly programmed.

250P1 Installation and Setup Guide
24–2
NOTE: If the communicator is in the process of sending a report to the Central
Station, the system will not go into the Sniffer mode. If so, wait a few minutes, and try
again.
The keypads will display all zone numbers of wireless units programmed into the
system. As the system receives a signal from each of the transmitters, the zone number
of that transmitter will disappear from the display. The transmitter codes may be
checked upon installation, or in an installed system.
All the wireless zone numbers should disappear after about 90 minutes.
NOTES:
• All BR-type units must physically be activated to clear the display.
• When one button of a transmitter (RF, UR, or BR) is activated, all zones assigned to
other buttons on that transmitter are cleared. This also applies to 5816 and 5817
transmitters that have multiple loops (zones).
• Any transmitter that is not “enrolled” will not turn off its zone number.
Exit this mode by keying [Installer code] + OFF.
b. GO/NO GO TEST MODE: By pressing [Installer code] + # + 4 on the keypad, a
mode similar to the user Test mode (code + TEST) is entered, but the wireless receiver
gain is reduced. Checking in this mode assists in determining good mounting locations
for the transmitters when the system is being installed, and verifies that the RF
transmission has sufficient signal amplitude margin for the installed system.
Exit the mode by entering [Installer code] + OFF.
NOTE: System Test mode ([Installer code] + TEST) will be automatically terminated
after 4 hours if the installer or user does not manually terminate it. This ensures that fire
and panic zones will not remain disabled. However, Sniffer mode ([Installer code] + [#] + 3)
does not automatically expire. You must manually exit ([Installer code] + OFF) sniffer
mode to return to normal operation. Sniffer mode also terminates if a user arms the system.
TO THE INSTALLER
Regular maintenance and inspection (at least annually) by the installer and frequent
testing by the user are vital to continuous satisfactory operation of any alarm system.
The installer should assume the responsibility of developing and offering a regular
maintenance program to the user as well as acquainting the user with the proper operation
and limitations of the alarm system and its component parts. Recommendations must be
included for a specific program of frequent testing (at least weekly) to ensure the system's
proper operation at all times.

25–1
SECTION 25
Troubleshooting Guide
•••••••••••••••••••••••••••••••••••••••••••••••••
SYSTEM (including Wireless)
SYMPTOM POSSIBLE CAUSE REMEDY
1. Transmitter signal not
received at 5881/5882. 1a. Transmitter or 5881/5882 not properly
powered. 1a Check or change transmitter's battery.
Check 250P1's AC power.
1b. If transmitter is 5827/5827BD, House
Code not set in field ✱24, or transmitter
not set to same House Code set in that
field.
1b. Check code switches inside transmitter.
Must match with RF House Code
programmed in 250P1.
1c. Transmitter located too far from RF
receiver. 1c. Move transmitter or RF receiver.
1d. Metal shielding between transmitter and
RF receiver. 1d. Check for large metal obstructions, then
relocate transmitter if necessary.
1e. Transmitter malfunctioning. 1e. Verify by activating 5881/5882 with
another, similar transmitter. If O.K.
now, return defective transmitter.
1f. 5881/5882 malfunctioning. 1f. Verify by making sure other
transmitters cannot activate 5881/5882.
If defective, replace and return original
5881/5882.
1g. Transmitter no. (zone) not programmed. 1g. Verify programming.
1h. 5881/5882 address incorrect. 1h. Set DIP switch on 5881/5882 for
address “0.”
1i. Field ✱22 not set properly. 1i. Set field ✱22 for “1.”
2. Transmitter zone number
appears during Transmitter
Sniffer mode, but does not
clear.
2a. Transmitter zone type (ZT) is set to 00
(Not Used).
2b. Transmitter battery not installed.
2a. Set ZT to a valid active zone type in
field ✱56.
2b. Install proper battery.
2c. 5800 system transmitter not enrolled in
system. 2c. Enroll unit in field ✱56 or ✱83.
3. LOW BATTERY message on
keypad. 3a. Bat or System Lo Bat (no zone nos.):
System battery is low or missing.
3b. Bat or Lo Bat + 00: Remote RF keypad
battery is low.
3a. Verify that battery charging circuit is
working. If ok, replace battery.
3b. Replace remote RF keypad battery
3c. Bat or Lo Bat + nn: Transmitter for zone
“nn” has a low battery. 3c. Replace transmitter battery in zone
"nn."
4. Periodic beep(s) from
keypad 4a. System is in Test mode.
4b. A transmitter low battery has occurred
and is displayed.
4c. A supervision Check has occurred.
4a. Enter [Code] + OFF to exit Test mode.
4b. Enter [Code] + OFF and replace the
battery.
4c. Check the transmitter indicated.
Restore communication to the receiver
to cancel the condition.
5. With 5800 system, no
response to a transmitter in
normal operation, although
zone number clears during
Transmitter Sniffer mode.
5a. Put control in Test mode. If zone does not
respond, try operating the tamper switch
or another input to the transmitter.
If another input causes the zone to be
displayed, the wrong input was enrolled
when programming.
5a. Delete input's serial number (not the
zone), and enroll the proper input (see
field ✱56).
5b. If no response at all from this transmitter,
this physical transmitter has not been
enrolled by the system. Transmitter
Sniffer display is being cleared by another
unit programmed for this zone.
5b. Determine which transmitter is
programmed for this zone and
reprogram as necessary.

250P1 Installation and Setup Guide
25–2
SYSTEM (including Wireless - cont'd)
SYMPTOM POSSIBLE CAUSE REMEDY
6. Nuisance or phantom
alarm. 6a. Sensors not properly installed, wired, or
monitored. 6a. Check installation to see if in accordance
with established procedure.
6b. Universal transmitter (5817) programmed
wrong. 6b. Check programming switches on
transmitter.
7. Intrusion alarm for no
apparent reason. 7a. Protected door or window opened while
system armed. 7a. Check with all occupants of protected
home.
7b. Improper user operation of exit/entry
delays. 7b. Check setting of entry and exit delays.
7c. Magnets located too far from switches,
and/or doors and windows not properly
aligned.
7c. Check all openings for proper switch and
magnet orientation.
8. “CHECK” and zone number
2–6 are displayed. 8. Control has sensed a high resistance
condition on a loop in one of the hardwired
zones (2–6).
8. Check the sensor or the loop wiring in
the affected zone. The system will not
arm until this condition is corrected (or
the affected zone is bypassed).
CONTROL
SYMPTOM POSSIBLE CAUSE REMEDY
1. AC POWER light off. 1a. Interrupted AC power supply. 1a. Check transformer connection and power
line circuit breaker.
2. Digital communicator
message not being received. 2a. 250P1 in Test mode.
2b. Telephone connection not secure.
2c. Digital communicator malfunctioning.
2d. Telephone number in program needs
prefix or access code.
2e. Telephone call to central monitoring
station requires operator assistance.
2a. Remove from Test mode.
2b. Check all connections.
2c. Check with a different 250P1.
2d. Program prefix or access code into the
250P1.
2e. 250P1 system cannot work in this
situation.
3. Does not arm properly. 3a. READY light not on. 3a. Check for faulted zones and make intact,
or use Bypass arming, if desired.
4. 250P1 doesn't respond to
keystrokes on keypad. 4a. CC or MODEM COMM displayed:
System is in communication with
downloader at Central Station.
4b. dI or SYSTEM BUSY displayed: System
has just been powered and is in its 1-
minute initialization.
4c. E4 or E8 displayed: More zones have
been programmed than the zone
Expansion Modules can handle.
4d. Keypad address setting incorrect.
4a. Wait until download session is finished.
4b. To bypass this time, press '#' + '0'.
4c. Delete some zones or use a higher
capability RF receiver.
4d. Keypads must be set for address 31 (non-
addressable mode).
SMOKE DETECTOR
SYMPTOM POSSIBLE CAUSE REMEDY
1. Detector alarms, no
apparent reason. 1a. Dust, dirt in sensing chamber.
1b. Improper location.
1c. Unit malfunctioning.
1a. Clean unit's sensing chamber with
vacuum cleaner per unit's instructions.
1b. See unit's instructions for locations to
avoid. Relocate as necessary.
1c. Replace detector.
2. Detector's siren sounds. 2a. Unit not receiving required power.
2b. Unit malfunctioning.
2a. Check for proper installation of battery.
Try new battery.
2b. Replace detector.

25–3
CONTACTING TECHNICAL SUPPORT
PLEASE, before you call Technical Support, be sure you:
• READ THE INSTRUCTIONS!
• Check all wiring connections.
• Determine that the power supply and/or backup battery are supplying proper voltages.
• Verify your programming information where applicable.
• Note the proper model number of this product, and the version level (if known) along
with any documentation that came with the product.
• Note your ADEMCO customer number and/or company name.
Having this information handy will make it easier for us to serve you quickly and effectively.
You may contact Technical Support via toll-free fax. Please include your return fax number. You will receive
a reply within 24 hours. You may also contact Technical Support via modem to ATLIS-BBS, Tech Support's
electronic bulletin board system. Replies are posted within 24 hours.
East Coast Technical Support:
................................
..........................
1-800-645-7492 (8 am-6 pm EST)
West Coast Technical Support:
................................
..........................
1-800-458-9469 (8 am-5 pm PST)
Technical Support Fax Number:
................................
.......................
1-800-447-5086
ATLIS-BBS Electronic Bulletin Board System:
...............................
1-516-496-3980
(1200 - 9600 Baud, 8 Data Bits, 1 Start/Stop Bit, No Parity)
ATLIS-FAX FAXBACK Automated Fax Retrieval System:
..............
1-800-573-0153 or
1-516-921-6704 / ext. 1667
World Wide Web Address:
................................
................................
..
http://www.ademco.com

250P1 Installation and Setup Guide
25–4
NOTES

26–1
SECTION 26
Specifications & Accessories
•••••••••••••••••••••••••••••••••••••••••••••••••
In This Section
♦Specifications ♦Accessories
•••••••••••••••••••••••••••••••••••••••••••••••••
Specifications
250P1
SECURITY CONTROL
1. Physical: 12-1/2” W x 14-1/2” H x 3” D (318mm x 368mm x 76mm)
2. Electrical: Powerline Carrier device Interface AC Transformer
VOLTAGE INPUT: 16.5VAC from plug-in 25VA transformer, ADEMCO No. 1321
(in USA)
RECHARGEABLE
BACKUP BATTERY: 12VDC, 4AH (Sealed Lead Acid).
Charging Voltage: 13.8VDC.
ALARM SOUNDER: 12V, 2.0 Amp output can drive 12V BELLS or can drive one or
two 702 (series connected) self-contained 20-watt sirens. Do
not connect two 702s in parallel.
AUXILIARY POWER
OUTPUT: 12VDC, 600mA max. Interrupts for 4-wire smoke detector
reset.
NOTE: For UL installations, Alarm Sounder plus Auxiliary Power currents should not
exceed 700mA total.
STANDBY TIME: (see Table in Section 12: Final Power-Up)
FUSE: Battery (3A) No. 90–12
3. Communication:
FORMAT SUPPORTED:
ADEMCO Contact
ID Reporting: 10 characters/sec., DTMF (TouchTone) Data Tones,
1400/2300Hz ACK, 1400Hz KISSOFF.
4. Maximum Zone
Resistance: Zones 1–6 = 300 ohms excluding EOLR
6148PL2 REMOTE KEYPAD
1. Physical: 5-3/4” W x 4-3/8” H x 1-1/8” D (146mm x 111mm x 29mm)
2. Electrical: Voltage Input: 12VDC; Current Drain: 30mA Standby; 50mA
Alarm
3. Interface Wiring: To control panel's terminal strip connection points:
Keypad Connector
.....
DO
:
Keypad Connector
.......
+:
Keypad Connector
.......
–
:
Keypad Connector
......
DI
:
Terminal 7: Data Output from control to keypad.
Terminal 5: +12VDC
Terminal 4: –12VDC Rtn (Ground)
Terminal 6: Data Input from keypad to control.

250P1 Installation and Setup Guide
26–2
6150PL2 REMOTE KEYPAD
1. Physical: 6-5/8” W x 4-7/8” H x 1-1/4” D (168mm x 124mm x 26mm)
2. Electrical: Voltage Input: 12VDC; Current Drain: 40mA Standby; 100mA
Alarm
3. Interface Wiring: Same as 6148PL2 keypad.
6150RFPL2 REMOTE KEYPAD
1. Physical: 6-5/8” W x 4-7/8” H x 1-1/4” D (168mm x 124mm x 26mm)
2. Electrical: Voltage Input: 12VDC; Current Drain: 40mA Standby; 100mA
Alarm
3. Interface Wiring: Same as 6150PL2 keypad.
6160PL2 REMOTE KEYPAD
1. Physical: 7-5/16” W x 5-3/8” H x 1-5/16” D (186mm x 137mm x 33mm)
2. Electrical: Voltage Input: 12VDC; Current Drain: 40mA Standby; 130mA
Alarm
3. Interface Wiring: Same as 6150RFPL2 keypad.
5881/5882 SERIES RF RECEIVERS (5800 System)
1. Physical: 7-3/8” (188mm) W x 4-3/8” (112mm) H x 1-7/16” (37mm) D
Note: 10-7/8” (277mm) H with antenna
2. Electrical: Voltage Input: 12VDC; Current Drain: 35mA
3. Interface Wiring: To control panel's keypad connection points.
4. Range: 200 ft (60m) nominal indoors from wireless transmitters (the
actual range to be determined with system in Test mode).
5. Zones: (With the ADEMCO 250P1)
5881L/5882L: accepts up to 8 transmitters
5881M/5882M: accepts up to 16 transmitters
5881H/5882H: accepts up to 26 transmitters
5800TM TRANSMITTER MODULE (used with 5827BD Wireless 2-Way Keypad)
1. Physical: 2-1/4” W x 4-1/8” H x 7/8” D (57mm x 105mm x 22mm)
2. Electrical: Voltage Input: 12VDC; Current Drain: 20mA
3. Interface Wiring: To control panel's keypad connection points.
4219 WIRED EXPANSION MODULE
1. Physical: 6-1/2” W x 4-1/4” H x 1-1/4” D (169mm x 108mm x 32mm)
2. Electrical: Voltage Input: 12VDC; Current Drain: 35mA
3. Interface Wiring: To control panel's keypad connection points.
4. 8 EOLR Loops (A–H): Loop A can be set for fast (10–15mSec) response to an open.
4204 RELAY MODULE
1. Physical: 6-1/2” W x 4-1/4” H x 1-1/4” D (169mm x 108mm x 32mm)
2. Electrical: Voltage Input: 12VDC; Current Drain: 15mA (Relays off)
180mA (Relays on)
3. Interface Wiring: To control panel's keypad connection points.
4. Four Output Relays: SPDT Contacts, Rating: 2A max at 28VDC/AC

Section 26 Specifications & Accessories
26–3
4229 WIRED EXPANSION/RELAY MODULE
1. Physical: 6-1/2” W x 4-1/4” H x 1-1/4” D (169mm x 108mm x 32mm)
2. Electrical: Voltage Input: 12VDC; Current Drain: 35mA (Relays off)
180mA (Relays on)
3. Interface Wiring: To control panel's keypad connection points.
4. 8 EOLR Loops (A–H): Loop A can be set for fast (10–15mSec) response to an open.
5. Two Output Relays: SPDT Contacts, Rating: 2A max at 28VDC/AC
4285 VIP MODULE
1. Physical: 6-1/2” W x 4-1/4” H x 1-1/4” D (169mm x 108mm x 32mm)
2. Electrical: Voltage Input: 12VDC, Current Drain: 160mA
3. DeviceAddress: Permanently set to address 4.
4. Interface Wiring: See 4285/4286 VIP Module.
5. Telephone Line
Connections: See 4285/4286 VIP Module.
4286 VIP MODULE
1. Physical: 6-1/2” W x 4-1/4” H x 1-1/4” D (169mm x 108mm x 32mm)
2. Electrical: Voltage Input: 12VDC, Current Drain: 300mA
3. DeviceAddress: Permanently set to address 4.
4. Interface Wiring: See 4285/4286 VIP Module.
5. Telephone Line
Connections: See 4285/4286 VIP Module.
Accessories (Compatible Devices)
Transformers
No. 1321 16.5VAC, 25VA Plug-In Transformer
No. 4300 Powerline Carrier device Interface AC Transformer
Sounders
ADEMCO AB-12M 10'' Motor bell & box. UL Grade A. 100mA current draw.
ADEMCO 1011BE12M 10'' Motor bell & box. UL Listed. 100mA current draw.
ADEMCO 702 Self-contained 6–12 volt siren (driver built-in) and
weatherproof for outdoor use. Can be wired for either a steady
or warble sound.
ADEMCO 719 Two-channel, self-contained 6–12-volt siren (driver built-in).
109dB @ 10 feet. 550mA current draw.
ADEMCO 747 Self-contained 12-volt siren (driver built-in) for indoor wall
mount. 747F available for flush mounting.
ADEMCO 747UL Self-contained siren (driver built-in) for indoor wall mount. UL
Listed.
ADEMCO 744 Siren driver with 6 jumper-selected sound outputs. Rated at
119dB with use of an 8-ohm 30 watt speaker.

250P1 Installation and Setup Guide
26–4
ADEMCO 745X3 Voice siren driver with English, Spanish, and French voice
messages. Separate messages for fire and burglary. Use with
8-ohm speaker. UL Listed.
ADEMCO 705820, 15-watt, 8-ohm, 5'' round speaker.
ADEMCO 713 40-watt, 8-ohm, indoor/outdoor speaker.
System Sensor
PA400B (beige)
PA400R (red)
Indoor piezo sounder (beige or red), rated at 90 dB @ 10 feet.
Compatible 2-Wire Smoke Detectors
System Sensor
2300T
2400
2400TH
2451
2451TH
1400
1451
2451
1451DH
Photoelectric w/heat sensor, direct wire
Photoelectric, direct wire
Photoelectric w/heat sensor, direct wire
Photoelectric w/B401B base
Photoelectric w/heat sensor & B401Bbase
Ionization, direct wire
Ionization w/B401B base
Photoelectric duct detector w/DH400 base
Ionization duct detector w/DH400 base
Compatible 4-Wire Smoke/Combustion Detectors
System Sensor
1412
2412
2412TH
A77716B
2112/24T
4-wire ionization products of combustion detector
4-wire photoelectric smoke detector
4-wire photoelectric smoke detector w/135º F (57° C) heat
detector
EOL relay module (supervisory module for wired 4-wire fire
zone).
Low-profile 4-wire photoelectric smoke detector w/135º F (57°
C) heat detector

A–1
APPENDIX A
5800 RF System Wireless Transmitters
•••••••••••••••••••••••••••••••••••••••••••••••••
Transmitter Input Loop Identification
All of the transmitters illustrated below have one or more unique factory-assigned input
(loop) ID codes. Each of the input loops requires its own programming zone (e.g., a 5804's
four inputs require four programming zones).
Transmitter inputs entered as:
“RF” (Supervised RF) Type send periodic check-in signals, as well as fault, restore, and low-
battery signals. The transmitter must remain within the receiver's range.
“UR” (Unsupervised RF) Type send all the signals that the “RF” type does, but the control
does not supervise the check-in signals. The transmitter may, therefore, be carried off-
premises.
“BR” (Unsupervised Button RF) Type only send fault signals. They do not send low-
battery, restore, or check-in signals. The transmitter may be carried off-premises.
LOOP
1
5802MN
ENROLL AS "UR" OR "RF"
YOU MUST
ENROLL THIS
BUTTON
LOOP 3
LOOP 1
LOOP 2
LOOP 4
LOOP
1
5808
ENROLL AS "RF"
5804
ENROLL
AS "BR"
5817
ENROLL AS "RF"
LOOP
1
(PRIMARY)
2
(AUX. CENTER)
3
(AUX. RIGHT)
LOOP
1
(MOTION)
5890
ENROLL AS "RF"
5816
ENROLL AS "RF"
LOOP
2
(REED)
LOOP 1
(TERMINALS)
5827
SET HOUSE CODE 5827BD
SET HOUSE CODE
5816MN
ENROLL AS "RF"
LOOP
2
(REED)
LOOP 1
(TERMINALS)
5819
ENROLL AS "RF"
LOOP
2
(REED)
LOOP 1
(TERMINALS)
ALTERNATE
POSITION
FOR LOOP2
LOOP 3
(TERMINALS) 5819S (WHS & BRS)
ENROLL AS "RF"
LOOP
2
(REED)
LOOP 1
(INTERNAL
SHOCK
SENSOR)
LOOP 3
(TERMINALS)
5850 (GBD)
ENROLL AS "RF"
(Green)
(Red)
(Yellow)
5804BD
ENROLL AS "BR"
LOOP 3
LOOP 1
LOOP 2
LOOP 4
SET
HOUSE
CODE
YOU MUST
ENROLL THIS
BUTTON
LOOP
1
5809
ENROLL AS "RF"
5801
ENROLL AS "UR" OR "RF"
LOOP 3
LOOP 1
LOOP 2
LOOP 4
YOU MUST
ENROLL THIS
BUTTON
•
•
••
•
•
•
•
•
•
•
•
•
•
•
•
•••
ULThe following transmitters are not intended for use in UL installations:
5802MN, 5804, 5804BD, 5819, 5819WHS/BRS, 5827BD, and 5850.

250P1 Installation and Setup Guide
A–2

B–1
APPENDIX B
Regulatory Agency Statements
•••••••••••••••••••••••••••••••••••••••••••••••••
UL NOTICE: This is a “Grade A” residential system.
FEDERAL COMMUNICATIONS COMMISSION (FCC) Part 15 STATEMENT
This equipment has been tested to FCC requirements and has been found acceptable for use. The FCC requires the following statement
for your information:
This equipment generates and uses radio frequency energy and if not installed and used properly, that is, in strict accordance with the
manufacturer's instructions, may cause interference to radio and television reception. It has been type tested and found to comply with
the limits for a Class B computing device in accordance with the specifications in Part 15 of FCC Rules, which are designed to provide
reasonable protection against such interference in a residential installation. However, there is no guarantee that interference will not
occur in a particular installation. If this equipment does cause interference to radio or television reception, which can be determined by
turning the equipment off and on, the user is encouraged to try to correct the interference by one or more of the following measures:
• If using an indoor antenna, have a quality outdoor antenna installed.
• Reorient the receiving antenna until interference is reduced or eliminated.
• Move the radio or television receiver away from the receiver/control.
• Move the antenna leads away from any wire runs to the receiver/control.
• Plug the receiver/control into a different outlet so that it and the radio or television receiver are on different branch circuits.
If necessary, the user should consult the dealer or an experienced radio/television technician for additional suggestions. The user or
installer may find the following booklet prepared by the Federal Communications Commission helpful: “Interference Handbook”
This booklet is available from the U.S. Government Printing Office, Washington, DC 20402.
The user shall not make any changes or modifications to the equipment unless authorized by the Installation Instructions or User's
Manual. Unauthorized changes or modifications could void the user's authority to operate the equipment.
FEDERAL COMMUNICATIONS COMMISSION (FCC) Part 68 STATEMENT
This equipment complies with Part 68 of the FCC rules. On the front cover of this equipment is a label that contains, among other
information, the FCC registration number and ringer equivalence number (REN) for this equipment. If requested, this information must be
provided to the telephone company.
This equipment uses the following jacks: An RJ31X is used to connect this equipment to the telephone network.
The REN is used to determine the quantity of devices which may be connected to the telephone line. Excessive RENs on the telephone
line may result in the devices not ringing in response to an incoming call. In most, but not all areas, the sum of the RENs should not
exceed five (5.0). To be certain of the number of devices that may be connected to the line, as determined by the total RENs, contact the
telephone company to determine the maximum REN for the calling area.
If this equipment causes harm to the telephone network, the telephone company will notify you in advance that temporary discontinuance
of service may be required. If advance notice is not practical, the telephone company will notify the customer as soon as possible. Also,
you will be advised of your right to file a complaint with the FCC if you believe necessary.
The telephone company may make changes in its facilities, equipment, operations, or procedures that could affect the operation of the
equipment. If this happens, the telephone company will provide advance notice in order for you to make the necessary modifications in
order to maintain uninterrupted service.
If trouble is experienced with this equipment, please contact the manufacturer for repair and warranty information. If the trouble is causing
harm to the telephone network, the telephone company may request you remove the equipment from the network until the problem is
resolved.
There are no user serviceable components in this product, and all necessary repairs must be made by the manufacturer. Other repair
methods may invalidate the FCC registration on this product.
This equipment cannot be used on telephone company-provided coin service. Connection to Party Line Service is subject to state tariffs.
This equipment is hearing-aid compatible.
When programming or making test calls to an emergency number, briefly explain to the dispatcher the reason for the call. Perform such
activities in the off-peak hours; such as early morning or late evening.

250P1 Installation and Setup Guide
B–2

C–1
APPENDIX C
Warnings and Limitations
•••••••••••••••••••••••••••••••••••••••••••••••••
WARNING
THE LIMITATIONS OF THIS ALARM SYSTEM
While this System is an advanced design security system, it does not offer guaranteed protection
against burglary, fire or other emergency. Any alarm system, whether commercial or residential, is
subject to compromise or failure to warn for a variety of reasons. For example:
• Intrusion detectors (e.g., passive infrared detectors), smoke detectors, and many other sensing
devices will not work without power. Battery-operated devices will not work without batteries,
with dead batteries, or if the batteries are not put in properly. Devices powered solely by AC will
not work if their AC power supply is cut off for any reason, however briefly.
• Signals sent by wireless transmitters may be blocked or reflected by metal before they reach the
alarm receiver. Even if the signal path has been recently checked during a weekly test, blockage
can occur if a metal object is moved into the path.
• A user may not be able to reach a panic or emergency button quickly enough.
• While smoke detectors have played a key role in reducing residential fire deaths in the United
States, they may not activate or provide early warning for a variety of reasons in as many as 35%
of all fires, according to data published by the Federal Emergency Management Agency. Some of
the reasons smoke detectors used in conjunction with this System may not work are as follows.
Smoke detectors may have been improperly installed and positioned. Smoke detectors may not
sense fires that start where smoke cannot reach the detectors, such as in chimneys, in walls, or
roofs, or on the other side of closed doors. Smoke detectors also may not sense a fire on another
level of a residence or building. A second floor detector, for example, may not sense a first floor or
basement fire. Finally, smoke detectors have sensing limitations. No smoke detector can sense
every kind of fire every time. In general, detectors may not always warn about fires caused by
carelessness and safety hazards like smoking in bed, violent explosions, escaping gas, improper
storage of flammable materials, overloaded electrical circuits, children playing with matches, or
arson. Depending on the nature of the fire and/or location of the smoke detectors, the detector,
even if it operates as anticipated, may not provide sufficient warning to allow all occupants to
escape in time to prevent injury or death.
• Passive Infrared Motion Detectors can only detect intrusion within the designed ranges as
diagrammed in their installation manual. Passive Infrared Detectors do not provide volumetric
area protection. They do create multiple beams of protection, and intrusion can only be detected in
unobstructed areas covered by those beams. They cannot detect motion or intrusion that takes
place behind walls, ceilings, floors, closed doors, glass partitions, glass doors, or windows.
Mechanical tampering, masking, painting or spraying of any material on the mirrors, windows or
any part of the optical system can reduce their detection ability. Passive Infrared Detectors sense
changes in temperature; however, as the ambient temperature of the protected area approaches
the temperature range of 90° to 105°F (32° to 40°C), the detection performance can decrease.
• Alarm warning devices such as sirens, bells or horns may not alert people or wake up sleepers if
they are located on the other side of closed or partly open doors. If warning devices are located on
a different level of the residence from the bedrooms, then they are less likely to waken or alert
people inside the bedrooms. Even persons who are awake may not hear the warning if the alarm
is muffled by noise from a stereo, radio, air conditioner or other appliance, or by passing traffic.
Finally, alarm warning devices, however loud, may not warn hearing-impaired people.
• Telephone lines needed to transmit alarm signals from a premises to a central monitoring station
may be out of service or temporarily out of service. Telephone lines are also subject to compromise
by sophisticated intruders.
• Even if the system responds to the emergency as intended, however, occupants may have
insufficient time to protect themselves from the emergency situation. In the case of a monitored
alarm system, authorities may not respond appropriately.
• This equipment, like other electrical devices, is subject to component failure. Even though this
equipment is designed to last as long as 20 years, the electronic components could fail at any time.

250P1 Installation and Setup Guide
C–2
The most common cause of an alarm system not functioning when an intrusion or fire occurs is
inadequate maintenance. This alarm system should be tested weekly to make sure all sensors and
transmitters are working properly. The security keypad (and remote keypad) should be tested as
well.
Wireless transmitters (used in some systems) are designed to provide long battery life under normal
operating conditions. Longevity of batteries may be as much as 4 to 7 years, depending on the
environment, usage, and the specific wireless device being used. External factors such as humidity,
high or low temperatures, as well as large swings in temperature, may all reduce the actual battery
life in a given installation. This wireless system, however, can identify a true low battery situation,
thus allowing time to arrange a change of battery to maintain protection for that given point within
the system.
Installing an alarm system may make the owner eligible for a lower insurance rate, but an alarm
system is not a substitute for insurance. Homeowners, property owners and renters should continue
to act prudently in protecting themselves and continue to insure their lives and property.
We continue to develop new and improved protection devices. Users of alarm systems owe it to
themselves and their loved ones to learn about these developments.
ADEMCO LIMITED WARRANTY
Alarm Device Manufacturing Company, a Division of Pittway Corporation, and its divisions, subsidiaries and
affiliates (“Seller”), 165 Eileen Way, Syosset, New York 11791, warrants its products to be in conformance with its
own plans and specifications and to be free from defects in materials and workmanship under normal use and
service for 24 months from the date stamp control on the product or, for products not having an Ademco date
stamp, for 12 months from date of original purchase unless the installation instructions or catalog sets forth a
shorter period, in which case the shorter period shall apply. Seller's obligation shall be limited to repairing or
replacing, at its option, free of charge for materials or labor, any product which is proved not in compliance with
Seller's specifications or proves defective in materials or workmanship under normal use and service. Seller shall
have no obligation under this Limited Warranty or otherwise if the product is altered or improperly repaired or
serviced by anyone other than Ademco factory service. For warranty service, return product transportation
prepaid, to Ademco Factory Service, 165 Eileen Way, Syosset, New York 11791.
THERE ARE NO WARRANTIES, EXPRESS OR IMPLIED, OF MERCHANTABILITY, OR FITNESS FOR A
PARTICULAR PURPOSE OR OTHERWISE, WHICH EXTEND BEYOND THE DESCRIPTION ON THE FACE
HEREOF. IN NO CASE SHALL SELLER BE LIABLE TO ANYONE FOR ANY CONSEQUENTIAL OR
INCIDENTAL DAMAGES FOR BREACH OF THIS OR ANY OTHER WARRANTY, EXPRESS OR IMPLIED, OR
UPON ANY OTHER BASIS OF LIABILITY WHATSOEVER, EVEN IF THE LOSS OR DAMAGE IS CAUSED BY
THE SELLER'S OWN NEGLIGENCE OR FAULT.
Seller does not represent that the products it sells may not be compromised or circumvented; that the products
will prevent any personal injury or property loss by burglary, robbery, fire or otherwise; or that the products will in
all cases provide adequate warning or protection. Customer understands that a properly installed and maintained
alarm may only reduce the risk of a burglary, robbery, fire or other events occurring without providing an alarm,
but it is not insurance or a guarantee that such will not occur or that there will be no personal injury or property
loss as a result. CONSEQUENTLY, SELLER SHALL HAVE NO LIABILITY FOR ANY PERSONAL INJURY,
PROPERTY DAMAGE OR OTHER LOSS BASED ON A CLAIM THE PRODUCT FAILED TO GIVE WARNING.
HOWEVER, IF SELLER IS HELD LIABLE, WHETHER DIRECTLY OR INDIRECTLY, FOR ANY LOSS OR
DAMAGE ARISING UNDER THIS LIMITED WARRANTY OR OTHERWISE, REGARDLESS OF CAUSE OR
ORIGIN, SELLER'S MAXIMUM LIABILITY SHALL NOT IN ANY CASE EXCEED THE PURCHASE PRICE OF
THE PRODUCT, WHICH SHALL BE THE COMPLETE AND EXCLUSIVE REMEDY AGAINST SELLER. This
warranty replaces any previous warranties and is the only warranty made by Seller on this product. No increase
or alteration, written or verbal, of the obligations of this Limited Warranty is authorized.

Index
•••••••••••••••••••••••••••••••••••••••••••••••••
Index-1
1011BE12M.............................................26–1, 26–3
1321..............................................................1–4, 2–5
1321 AC Transformer.................................1–2, 7–3
1321 Transformer .............................................12–1
1400....................................................................26–4
1412....................................................................26–4
1412 Combustion Detector.................................4–3
1451....................................................................26–4
1451DH..............................................................26–4
1-Minute Delay..................................................12–1
2112/24T............................................................26–4
2112/24T Photoelectric Detector........................4–3
2300T.................................................................26–4
2400....................................................................26–4
2400TH..............................................................26–4
2412....................................................................26–4
2412 Photoelectric Detector................................4–3
2412TH..............................................................26–4
2412TH Photoelectric. Detector.........................4–3
2451....................................................................26–4
2451TH..............................................................26–4
24-Hour Audible Alarm....................................14–2
24-Hour Auxiliary Alarm .................................14–2
24-Hour Silent Alarm.......................................14–2
2-Digit Phone Code.............................................8–4
2-Wire Smoke Detectors...........................4–2, 26–4
4142TR Cable..............................................2–5, 7–4
4204................................................11–1, 13–2, 23–4
4204 Relay Module....................................1–2, 17–3
4219 Expansion Unit..........................................5–1
4229..................................................1–1, 11–1, 13–2
4229 Expansion Unit..........................................5–1
4229 Relay Module....................................1–2, 17–3
4285............................................................8–4, 11–1
4285 VIP Module.......................................8–1, 19–1
4285 Wiring.........................................................8–2
4285/4286 Installation........................................8–1
4285/4286 VIP Module................................1–3, 2–4
4285/4286 VIP Module Checkout.......................8–4
4285/4286 VIP Module Programming ...............8–4
4286............................................................8–4, 11–1
4286 VIP Module.......................................8–1, 19–1
4286 Wiring.........................................................8–2
4300 Transformer .......................1–2, 2–5, 7–1, 7–3
4300 Transformer Module..................................1–4
467 Battery........................................................12–1
487–12 Power Supply .........................................3–2
488–12 Power Supply .........................................3–2
4-Wire Smoke Detectors.....................4–1, 4–2, 4–3
4-Wire Smoke/Combustion Detectors..............26–4
5800 Series Transmitters...................6–3, 6–4, 6–6
5800TM................................................................6–3
5800TM Transmitter Module.............................6–3
5800TM Wiring ...................................................6–3
5801..............................................................6–4, 6–5
5801 Button.........................................................6–4
5802....................................................6–4, 6–5, 23–5
5802CP...............................................6–4, 6–5, 23–5
5802MN ...............................................................6–4
5803....................................................6–4, 6–5, 23–5
5803 Button.........................................................6–4
5804 Button.........................................................6–4
5804 Keypad........................................................6–3
5804BD ................................................................6–1
5804BD Button....................................................6–4
5804BD Keypad.........................................6–3, 15–1
5816 Transmitter ................................................6–3
5817....................................................................25–2
5817 Transmitter ................................................6–3
5827....................................6–1, 6–3, 6–4, 6–7, 25–1
5827 Wireless Keypad.........................................6–3
5827BD ..............................................6–1, 6–4, 25–1
5827BD Keypad...................................................6–3
5881......................................................................6–2
5881/5882...........................................................25–1
5881H...................................................................6–1
5881H/5882H.......................................................1–1
5881L ...................................................................6–1
5881L/5882L........................................................1–1
5881M ..................................................................6–1
5881M/5882M......................................................1–1
5882..............................................................1–1, 6–2
5882H...................................................................6–1
6148PL2...............................................................1–1
6150PL2...............................................................1–1
6150RFPL2..........................................................1–1
6160PL2.......................................................1–1, 1–4
702......................................................................26–3
705–820..............................................................26–4
713......................................................................26–4
719......................................................................26–3
744......................................................................26–3
745X3 .................................................................26–4
747......................................................................26–3
747UL ................................................................26–3
7720PLUS..................................................1–3, 10–1
7820......................................................................1–3
7820 LRR...........................................................10–1
A77–716B...........................................................26–4
A77-716B Supervisory. Module..........................4–3
AAV............................................................1–3, 11–1
AAV Wiring Connections..................................11–1

Index
Index-2
AC Loss Report Code........................................15–8
AC Power Supply................................................1–4
AC Restore Report Code...................................15–8
AC Transformer..................................................2–5
ADEMCO 1011BE12M.......................................9–1
ADEMCO 702......................................................9–1
ADEMCO 705-820 ..............................................9–1
ADEMCO 713 Speaker.......................................9–1
ADEMCO 719 Siren............................................9–1
ADEMCO 744......................................................9–1
ADEMCO 745X3.................................................9–1
ADEMCO 747......................................................9–1
ADEMCO 747UL Siren ......................................9–1
ADEMCO AB-12M..............................................9–1
ADEMCO AB-12M........................26–1, 26–2, 26–3
ADEMCO COMPASS .........................................1–3
ADEMCO Contact ID .........................................1–4
ADEMCO Contact ID Reporting Format ........22–2
ADEMCO Model 610-7.......................................4–2
Alarm Bell Timeout ..........................................15–3
Alarm Output..............................................1–3, 9–2
Alarm Output....................................................12–2
Alarm Response- Off.........................................14–3
Alarm Restore Report Code..............................15–8
Alarm Sounders ..................................................9–2
Alpha Descriptor...............................................19–3
Alpha Descriptor Programming.......................19–1
Alpha Display Keypad........................................3–1
Alpha keypad.......................................................1–1
Alpha Keypad....................................................13–2
Alpha Programming .........................................13–2
Alpha Vocabulary List..................19–1, 19–2, 19–4
Answering Machine ........................................15–12
Antennas..............................................................2–3
Arm Away/Stay Report Code ...........................15–8
Arm–Away.........................................................14–3
Arming Away.....................................................23–2
Arming Commands...........................................23–2
Arming Ding Confirmation ..............................15–4
Arming Instant..................................................23–2
Arming Maximum...................................23–2, 23–3
Arming Modes....................................................23–3
Arming Stay ......................................................23–2
Arm–Stay...........................................................14–3
ASCII Character Chart ................................19–1, 4
ATLIS-BBS........................................................25–3
Audible Exit Warning.......................................15–4
Audio Alarm Verification (AAV)......1–3, 8–2, 11–1
Auto Stay Arming ...........................................15–10
Auxiliary Device Worksheet.............................12–2
Auxiliary Output...............................................12–2
Auxiliary Power Output .....................................1–4
Backup Battery.........................1–4, 2–6, 9–2, 12–1
Backup Battery Installation...............................2–6
Basic Hardwired Zones...............................1–1, 4–1
Battery Connector Cable ..................................12–2
Battery Life .........................................................6–4
Battery Size Calculation...................................12–2
Battery Standby Formula.................................12–2
Battery,Sealed Lead Acid.................................26–1
Bell Supervision..................................................9–2
Bells .....................................................................9–2
Busy-Standby......................................................3–3
Button transmitters............................................6–4
Bypass Report Code..........................................15–7
Bypass Restore Report Code ............................15–8
Bypassing Zones................................................23–2
Caller ID Unit..............................................8–2, 8–3
CANCEL ALARM Message..............................15–6
Cancel Report Code...........................................15–8
Cancel Verify.....................................................15–6
Central Station..........................................4–1, 15–7
Character List ...................................................19–3
Charging Voltage ..............................................26–1
CHECK 09 Message............................................5–3
CHECK Condition...............................................4–1
CHECK Message.........................................1–2, 7–2
CHECK ZONE Message...................................15–3
Checked Notes ..................................................... viii
Check-In Signal...................................................6–4
Checkout Procedure............................................4–4
Chime By Zone..................................................15–2
Chime Mode.......................................................23–3
Clock Mode ........................................................23–6
Communication Failure....................................23–5
COMPASS® Downloader..................................21–2
COMPASS® Software.......................................21–1
Compatible Sounders..........................................9–1
Confirmation Option.........................................16–3
Contact ID .....................................10–1, 15–7, 22–2
Contact ID Event Codes ...................................22–2
Control's Circuit Board.......................................2–2
Conventions......................................................... viii
Cross Zone Timer............................................15–10
Cross Zoning - Zone List 04..............................18–2
Custom Alpha Editing ......................................15–9
Custom Words...............................................19–3, 4
Data Field Descriptions....................................15–1
Data Field Programming........................13–1, 13–2
Data Fields .......................................................... viii
Daylight Saving Time Start/End .....................15–9
Default Descriptor.............................................19–2
Delete Serial Number.......................................16–7
Description...........................................................1–1
Device Address....................................................5–1
dI ................................................................3–3, 12–1
Dialer Delay (Burg/Fire)...................................15–5
Dialer Programming.........................................15–4

Index
Index-3
DIP Switch ..........................................5–1, 6–2, 7–2
DIP Switch. .................................................6–3, 6–7
DIP switches........................................................6–6
Direct-Connect Cord.............................................8–2
Disarm...............................................................14–3
Disarmed, Not Ready........................................23–2
Disarmed...Not Ready to Arm Message.............8–4
Disarming..........................................................23–2
Download Information....................................15–12
Download Phone Number...............................15–12
Downloader. ........................................................6–3
Downloading......................................................21–2
DSD..........................................................10–2, 15–9
DSP..........................................................10–2, 15–9
Duress code..........................................................1–2
Dynamic Signaling Delay.................................10–2
Dynamic Signalling...........................................15–9
Dynamic Signalling Priority ............................10–2
E344 Report.........................................................6–3
Eagle 1241.........................................................11–1
Earth Ground............................................2–6, 12–1
EE Message.......................................................13–2
Enrolling..................................6–3, 6–6, 16–1, 16–8
Enrolling,.............................................................6–4
Entry Delay.......................................................14–3
Entry Delay 1....................................................15–3
Entry Delay 2....................................................15–4
ENTRY ERROR Message.................................13–2
Entry/Exit Burglary..........................................14–1
Entry/Exit Burglary................................................2
EOL Resistor.......................3–3, 4–2, 4–3, 4–4, 5–3
EOL Supervision.................................................6–3
EOLR...........................................................4–1, 5–1
Event Log 80% Full Report Code...................15–11
Event Logging.........................................1–3, 15–11
Exit Alarm...........................................................1–2
EXIT ALARM Message.....................................15–7
Exit Delay..........................................................15–3
Exit Error Alarm...............................................23–4
Exit Error Report Code.....................................15–7
Exit Restart.........................................................1–2
Exiting Programming Mode...........................15–13
Expert Mode Programming..............................16–4
Expert Programming Mode..............................15–7
External Sounders..............................................9–1
Factory Defaults................................................13–3
False Alarm Prevention......................................1–2
Fast Busy Signal.................................................8–3
FAULT.................................................................4–1
FAULT Condition ...............................................4–1
FAULT ZONE Message....................................15–3
FCC..................................................................... B–2
FCC (Part 68)..................................................... B–2
Features...............................................................1–1
Final Power-Up.................................................12–1
Fire Alarm Sounding ..........................................4–3
Fire Sounder Timeout.......................................15–3
Fixed-Word Keypads...................................1–1, 3–1
Forced (Quick) Bypass......................................23–2
Forced Bypass....................................................15–1
Function Key Defaults......................................20–2
Function Key Programming...................15–9, 20–1
Go/No Go Test Mode .................................6–7, 24–2
Grounding Lugs...................................................2–3
Handshake...............................................21–1, 22–1
Hardwire Short Detection ..................................1–2
HAYES Modem .........................................1–4, 21–1
House ID......................................................6–1, 6–7
IBM Personal Computer...................................21–1
Ideal Model 61–035...................................2–6, 12–1
Initialize Download ID....................................15–13
Installer Code....................................................15–1
Installing the Control .........................................2–1
Intellimodem 1200 ............................................21–2
Intellimodem 2400 ............................................21–2
Interactive Mode .................................................6–3
Interactive Mode Programming.......................13–2
Interior Follower...............................................14–2
Interior w/Delay................................................14–3
Introduction.........................................................1–1
Jam Detection and Reporting.............................6–3
Keypad Connections............................................3–2
Keypad Display Prompts.................................... viii
Keypad Functions .............................................23–2
Keypad Panic Keys .............................................1–2
Keypad Wiring ....................................................3–1
Keypads ...............................................................3–2
Kiss Off ....................................................11–1, 15–6
Kissoff ................................................................22–1
Line Seizure Wiring............................................8–3
Lock installation..................................................2–1
Long Range Radio.....................................1–3, 10–1
Loop....................................................6–3, 6–4, 16–6
Low Bat Report Code........................................15–8
Low Bat Restore Report Code ..........................15–8
Low Battery Message........................................25–1
LOW BATTERY Message.................................12–2
LRR Communication Failure ...........................23–5
Macro Key Programming..................................20–3
Magnet...............................................................25–2
Master Code.......................................................23–1
Mechanics of Programming..............................13–1
Memory-of-Alarm................................................4–3
Model Numbers................................................... viii
Modem ...............................................................13–1
Monitored Telephone Line................................23–5

Index
Index-4
Mounting Clips............................................2–2, 2–3
Night-Stay - Zone List 05.................................18–2
No. 1321...................................................26–1, 26–3
No. 4300...................................................26–1, 26–3
OC Message.........................................................3–4
Off-Premises Phone ............................................8–4
On-Premises Phone.............................................8–4
OPEN CIRCUIT Message ..................................3–4
Open Report Code.............................................15–8
Optima 24 Plus FAX96 Modem........................21–2
Optima 2400 Fax96...........................................21–2
Optima 336 External........................................21–2
Option Selection..............................................15–11
Optional Phone Modules ....................................1–3
Output Device Menu Mode...............................17–3
Output Devices..................................................15–9
Output Devices Programming..........................17–1
Output Relay Programming.............................17–3
Output Relays .....................................................1–2
Output to Long Range Radio............................15–2
PA400B..............................................................26–4
PA400B Piezo Sounder.......................................9–1
PA400R..............................................................26–4
PA400R Piezo Sounder.......................................9–1
PABX Access Code............................................15–4
Pager Characters ............................................15–10
Pager Delay Timer..........................................15–10
Pager Format ..................................................15–10
Pager Phone No.................................................15–6
Pager Report Options .......................................15–6
Pager Reporting - Zone List 06 ........................18–2
Paging Feature....................................................1–3
Panic Keys.........................................................23–3
Perimeter Burglary...........................................14–1
Periodic Test Report .........................................15–5
Phone Line...........................................................2–4
Phone Line Monitor Enable ...........................15–12
Phone Module................2–4, 8–2, 8–3, 15–12, 23–4
Phone Module Access Code ..............................15–2
Phone System Select.........................................15–5
Power Failure....................................................23–5
POWER LED.......................................................3–4
Power Up in Previous State .............................15–4
Powerline Carrier Device .......1–2, 7–1, 17–3, 17–4
Practical Peripherals........................................21–2
Preliminary Checkout.........................................3–3
Primary Phone No. ...........................................15–4
Primary Subscriber Account No. .....................15–5
Program Mode Exiting......................................13–2
Program Mode Start.........................................13–2
Programming.............................................1–4, 13–1
Programming Hardwired Zones.........................4–4
Programming Information ...............................13–1
Programming Procedures.................................20–1
Pulse Dialing,......................................................8–1
Quick Arm Enable.............................................15–1
Rcvr Jam Message ..............................................6–3
READY LED........................................................3–4
READY TO ARM Message .........................4–4, 5–3
Real-Time Clock................................................23–6
Receiver Supervision...........................................6–1
Relay ACTION ..................................7–1, 7–4, 17–1
Relay Outputs......................................................7–1
Relay Programming..........................................13–2
Relay START.....................................7–1, 7–4, 17–1
Relay STOP .......................................7–1, 7–4, 17–2
Relays...................................................................7–1
Remote Keypad Installation...............................3–1
Remote Keypads..................................................1–1
Remote Programming.......................................21–1
Report Code.............................................15–7, 16–2
Report Code Formats........................................22–1
Report Codes .....................................................15–7
Report Format...................................................15–5
Response Time.....................................................4–1
Restore...............................................................15–8
Restore Report Code Programming .................15–7
RF.........................................................................6–4
RF House ID........................................................6–4
RF House ID Code.............................................15–1
RF Interference (RFI) .........................................6–2
RF Receiver .........................................................6–2
RF System .....................................13–1, 13–3, 15–1
RF XMTR Low Bat Report Code......................15–8
RF XMTR Low Bat Restore Code.....................15–9
Ring Detection Count for Downloading.........15–12
RJ31X Jack.................................2–4, 8–2, 8–3, B–2
Secondary Phone No.........................................15–4
Secondary Subscriber Account No...................15–5
Secondary User Codes ......................................23–1
Security Codes...........................................1–2, 23–1
Sequential Mode................................................13–2
Serial Number...................................................25–1
Serial Number...................................................16–7
Serial Number Removal ...................................16–5
Sescoa/Radionics Select....................................15–6
Setting Program Fields to Default Values ....15–13
Short Detection .................................................15–3
Silent Burglary..................................................14–3
Silent Panic .......................................................23–3
Single Alarm Sounding.....................................15–3
Sirens...................................................................9–2
Smartmodem 1200............................................21–2
Smartmodem 1200B .........................................21–2
Smartmodem Optima 2400 ..............................21–2
Sniffer Mode........................................................6–5
Sounder Supervision...........................................9–2
Sounder Testing..................................................9–2

Index
Index-5
Sounders................................9–2, 26–1, 26–2, 26–3
Special Function Programming ...........15–10, 20–2
Speedkey............................................................20–3
Split/Dual Reporting.........................................15–5
Star .......................................................................viii
Subscriber Account No. ..................................15–13
Supervised Fire.................................................14–2
Supervised RF.....................................................6–4
Supervision..........................................................7–2
Supplementary Power Supply............................3–2
Swinger Suppression ......................................15–12
System Communication....................................22–1
System Operation .............................................23–1
System Operation Choices................................17–4
System Status Programming...........................15–7
System Status Report Codes............................15–7
Tamper Protection ......................................5–1, 6–4
Technical Support Contact...............................25–3
Telco Hand-off...................................................21–1
Telco Line ............................................................8–3
Telephone Line Monitoring................................1–3
Temporal Pulse Sounding ..................................9–1
Temporary Code..................................................1–2
Temporary User Code.......................................23–1
Test Mode ..........................................................24–1
Test Report Code...............................................15–8
Test Report Offset.............................................15–6
Test Restore Report Code.................................15–9
TouchTone...........................................................8–1
TouchTone Phone................................................8–4
Transformer ......................................................26–3
Transformer Wiring Table .................................2–5
Transmitter Input Types....................................6–4
Transmitter Sniffer Mode.......................24–1, 25–1
Transmitter Supervision....................................6–4
Trouble by Day..................................................14–2
Trouble Condition.............................................23–4
Trouble Report Code.........................................15–7
Trouble Restore.................................................15–2
Trouble Restore Report Code ...........................15–8
UL ...................2–6, 6–3, 7–3, 9–1, 10–1, 12–2, B–2
UL Notes.............................................................. viii
Unsupervised Button..........................................6–4
Unsupervised RF.................................................6–4
Verifying Detector Operation.............................4–3
Voice Messages....................................................8–1
Warning Symbols................................................ viii
Wired Expansion.................................................1–1
Wired Zone Expansion..................13–1, 13–3, 15–2
Wireless Expansion.............................................1–1
Wireless Expansion Zones..................................6–1
Wireless Keys............................................6–3, 16–9
Wireless Transmitters ........................................6–1
Wiring Length/Gauge Chart...............................3–1
Wiring Run Chart ...............................................3–1
Word String.......................................................19–3
X10 .............................................................1–2, 15–2
X-10............................................................1–4, 17–4
Xmtr Serial Number Removal..........................16–7
ZONE 09 Message...............................................7–2
Zone Default Values..........................................16–2
Zone Descriptor Programming.........................19–1
Zone Descriptors..............................1–4, 19–1, 19–4
Zone Expansion...................................................5–1
Zone List............................................................13–2
Zone List Displays.............................................18–1
Zone List Menu .................................................18–1
Zone Lists for Output Devices..........................15–9
Zone Monitor Features .......................................1–2
Zone Not Used...................................................14–1
Zone Programming..................................13–2, 16–1
Zone Programming Mode .................................15–6
Zone Removable ................................................16–6
Zone Type Choices.............................................17–4
Zone Type Definitions.......................................14–1
Zone Types...............................................14–1, 16–2

Index
Index-6

AUX. POWER
OUTPUT
10.5-13.8VDC
600mA MAX.
(500mA MAX.
FOR UL
INSTALLATIONS)
INTERRUPTS
FOR 4-WIRE
FIRE ALARM
RESET. ALL
CIRCUITS ARE
POWER
LIMITED.
NOTE:
KEYPAD(S)
CURRENT
AND ALL OTHER
DEVICES
DRAWING
POWER FROM
TERMS 4 & 5
MUST BE
INCLUDED IN
AUX CURRENT
DRAIN
CALCULATIONS.
OPTIONAL
FOR UP TO 30 ADDITIONAL ZONES
(ONE FROM EITHER OR BOTH GROUPS)
ADEMCO 5881* Type
RF RECEIVER
WIRELESS ZONES
5881L: UP TO 8
5881M: UP TO 16
5881H: UP TO 30
* 5882 IN CANADA
ADEMCO No. 4219
WIRED EXPANSION MODULE
(8 ADD'L EOLR WIRED ZONES)
-OR-
ADEMCO No. 4229
WIRED EXPANSION/RELAY MODULE
(8 ADD'L EOLR WIRED ZONES PLUS 2
OUTPUT RELAYS)
-OR-
ADEMCO No. 4204 RELAY MODULE
(4 OUTPUT RELAYS)
BLK
RED
GRN
YEL
12345678910 11 12 13 14 15 16 17 18 19 20 21 22 23 24 25
EARTH GROUND
SEE
INSTRUCTIONS
FOR PROPER
GROUNDING
TELEPHONE WIRING
(VIA RJ31X* JACK AND DIRECT
CONNECT CORD)
*CA38A IN CANADA
DOC LOAD NO.: 3
REMOTE KEYPADS
BLACK: KEYPAD GROUND (–) RETURN
RED: KEYPAD PWR (+)
GREEN: DATA IN FROM KEYPAD
YELLOW: KEYPAD DATA OUT
REMOTE
KEYPAD
}
WARNING:
TO PREVENT RISK OF
SHOCK, DISCONNECT TELEPHONE LINE
AT TELCO JACK BEFORE SERVICING
THIS UNIT.
BATTERY
12V, 4AH
–
+
PLUG-IN TRANSFORMER
16.5VAC, 25VA (e.g. ADEMCO
No. 1321, USE No. 1321CN IN
CANADA)
TO 110VAC
UNSWITCHED
OUTLET (24HR)
–
+
BLK
RED
GRN
YEL
TO TERM 4
TO TERM 5
TO TERM 6
TO TERM 7
BLK
RED
GRN
YEL
AND/OR
SET RECEIVER’S
DIP SWITCH FOR
DEVICE ADDRESS
OF “0”.
SEE
INSTRUCTIONS.
THIS EQUIPMENT SHOULD BE INSTALLED IN
ACCORDANCE WITH THE NATIONAL FIRE PRO-
TECTION ASSOCIATION’S STANDARD 72, CHAP-
TER 2 (NATIONAL FIRE PROTECTION ASSOC.,
BATTERYMARCH PARK, QUINCY, MA 02269).
PRINTED INFORMATION DESCRIBING PROPER
INSTALLATION, OPERATION, TESTING, MAINTE-
NANCE, EVACUATION PLANNING AND REPAIR
SERVICE IS TO BE PROVIDED WITH THIS
EQUIPMENT.
RING
(GRAY) TIP
(GREEN) RING
(RED)
INCOMING
PHONE LINE
HANDSET
BLACK
RED
–+
2000
OHMS
EOLR
2000
OHMS
EOLR
ZONE 1
ZONE 2
HI
LO
HI
LO
2000
OHMS
EOLR
2000
OHMS
EOLR
ZONE 3
ZONE 4
HI
LO
HI
LO
2000
OHMS
EOLR
2000
OHMS
EOLR
ZONE 5
ZONE 6
HI
LO
HI
LO
• MAXIMUM LOOP RESISTANCE: (EACH ZONE) 300 OHMS
(PLUS EOLR)
• RESPONSE, ZONES 1-6: 10, 350, OR 700 MSEC
(PROGRAMMABLE)
USE UL LISTED
LIMITED ENERGY
CABLE FOR ALL
CONNECTIONS
BATTERY FUSE
FOR REPLACEMENT,
USE SAME VALUE
(e.g. ADEMCO No. 90-12)
9-PIN CONNECTOR
USED FOR 4300
TRANSFORMER
CONNECTIONS (FOR
OPTIONAL POWER LINE
CARRIER DEVICES)
SEE INSTRUCTIONS.
123456789
USE 4142TR CABLE
USE 4300 TRANSFORMER INTERFACE
IN PLACE OF 1321 WHEN POWER LINE
CARRIER DEVICES ARE BEING USED
(SEE INSTRUCTIONS FOR
CONNECTIONS)
TIP
(BROWN)
}
}
OPTIONAL:
No. 5800TM
TRANSMITTER MODULE (20mA)
(for No. 5827BD
Wireless Bidirectional Console)
AND/OR
AND/OR
No. 7720 PLUS/7820
LONG RANGE RADIO
MAY ALSO BE CONNECTED. SEE
INSTRUCTIONS ACCOMPANYING
THOSE DEVICES.
THIS DEVICE COMPLIES WITH PART 15 OF FCC RULES.
OPERATION IS SUBJECT TO THE FOLLOWING TWO
CONDITIONS: (1) THIS DEVICE MAY NOT CAUSE HARMFUL
INTERFERENCE, AND (2) THIS DEVICE MUST ACCEPT ANY
INTERFERENCE RECEIVED, INCLUDING INTERFERENCE
THAT MAY CAUSE UNDESIRED OPERATION.
COMPLIES WITH FCC RULES, PART 68.
FCC REGISTRATION NO. AC398U-68192-AL-E
RINGER EQUIVALENCE: 0.7B.
WEEKLY TESTING IS REQUIRED TO ENSURE
PROPER OPERATION OF THIS SYSTEM.
3A
ALARM OUTPUT
10.5-13.8VDC, 2A MAX. (700mA MAX. FOR UL
USAGE, INCLUDING AUX POWER)
STEADY FOR BURGLARY/PANIC, TEMPORAL PULSE
SOUNDING FOR FIRE (e.g. USE ADEMCO No. 702
SIREN, OR 12V BELL). SEE INSTRUCTIONS.
CONNECT 2k RESISTOR ACROSS LAST
SOUNDING DEVICE FOR BELL SUPERVISION
CAN BE USED FOR 2-WIRE SMOKE DETECTORS
SET UNIT’S
DIP SWITCH
FOR DEVICE
ADDRESS
OF “1”.
SEE
INSTRUCTIONS.
FOR COMPLETE INFORMATION
SEE INSTRUCTIONS ACCOMPANYING
250P1 CONTROL (K4331)
SMOKE
AUX PWR
OUTPUT
TERMS
+
-
TO HI SIDE OF SELECTED ZONE
TO LO SIDE OF SELECTED ZONE
+
-
-
+
•
•
EOL
POWER
SUPER-
VISION
RELAY
MODULE
A77-716B
•
•
5
4
4-WIRE SMOKE
OR COMBUSTION
DETECTOR
2000
OHMS
EOLR
HEAT
DETECTOR
ZONES 2–7
*
+
RED
BLK
–
VIOLET
*
IF PROGRAMMED FOR FIRE
CHARGING
VOLTAGE
13.8VDC
24 HR BATTERY STANDBY REQUIRED FOR FIRE
INSTALLATIONS. USE 12V, 17.2AH BATTERY
FOR 500mA AUX POWER. SEE INSTRUCTIONS.
BATTERY CAPACITY FOR EMERGENCY BUR-
GLARY STANDBY USE AT LEAST 4 HOURS.
BATTERY NORMALLY
NEED NOT BE
REPLACED FOR AT
LEAST 3 YRS.
TO DETERMINE TOTAL
STANDBY LOAD ON
BATTERY, ADD 100mA TO
TOTAL OF AUX. POWER CUT RED JUMPER
FOR BELL SUPERVISION
SEALED LEAD ACID TYPE.
FOR CONNECTION OF
OPTIONAL 4285/4286 VOICE MODULE
TO PHONE TERMINALS, SEE
INSTRUCTIONS.
}
NOT USED
250P1
SUMMARY OF CONNECTIONS
USE 6148PL2, 6150PL2,
OR 6160PL2 KEYPADS.
LOCAL PROGRAMMING
MUST BE DONE WITH A
6160PL2 CONNECTED
TO KEYPAD TERMINALS,
BUT NEED NOT REMAIN
IN THE SYSTEM.
No. 4285/4286 VIP MODULE (160mA)
–
+
PC BOARD
Figure 22. 250P1 Summary of Connections

600 Corporate Pointe
Cullver City, CA 90230
Tel: (800) 738-4255
¬.¦l
K4331 9/99