USB2517 USB 2.0 Hi Speed 7 Port Hub Controller Datasheet SMSC 2517
User Manual: USB2517
Open the PDF directly: View PDF
.
Page Count: 50
- Chapter 1 Acronyms & Definitions
- Chapter 2 Pin Configuration
- Chapter 3 Pin Table
- Chapter 4 Block Diagram
- Chapter 5 Pin Descriptions
- Chapter 6 LED Usage Description
- Chapter 7 Configuration Options
- 7.1 7-Port Hub
- 7.2 EEPROM Interface
- 7.3 SMBus Slave Interface
- 7.4 Default Configuration Option:
- 7.5 Default Strapping Options:
- 7.6 Reset
- Chapter 8 DC Parameters
- Chapter 9 AC Specifications
- Chapter 10 Package Outline

SMSC USB2517 Revision 2.8 (09-17-12)
DATASHEET
Datasheet
PRODUCT FEATURES
USB2517
USB 2.0 Hi-Speed 7-Port Hub Controller
General Description
The SMSC 7-Port Hub is a low power, OEM
configurable, MTT (multi transaction translator) hub
controller IC with 7 downstream ports for embedded
USB solutions. The 7-port hub is fully compliant with the
USB 2.0 Specification and will attach to an upstream
port as a Full-Speed Hub or as a Full-/Hi-Speed Hub.
The 7-Port Hub supports Low-Speed, Full-Speed, and
Hi-Speed (if operating as a Hi-Speed Hub) downstream
devices on all of the enabled downstream ports.
General Features
Hub Controller IC with 7 downstream ports
High-performance multiple transaction translator
MultiTRAK™ Technology provides one transaction
translator per port
Enhanced OEM configuration options available
through either a single serial I2CTM EEPROM, or
SMBus Slave Port
64-Pin (9x9 mm) QFN lead-free, RoHS compliant
package
Hardware Features
Low power operation
Full Power Management with individual or ganged
power control of each downstream port
On-chip Power On Reset (POR)
Internal 1.8V Voltage Regulator
Fully integrated USB termination and Pull-up/Pull-
down resistors
On Board 24MHz Crystal Driver, Resonator, or
External 24MHz clock input
USB host/device speed indicator. Per-port 3-color
LED drivers indicate the speed of USB host and
device connection - hi-speed (480 Mbps), full-speed
(12 Mbps), low-speed (1.5 Mbps)
Enhanced EMI rejection and ESD protection
performance
OEM Selectable Features
Customizable Vendor ID, Product ID, and Device ID
Select whether the hub is part of a compound device
(When any downstream port is permanently
hardwired to a USB peripheral device, the hub is part
of a compound device.)
Flexible port mapping and disable sequence. Ports
can be disabled/reordered in any order to support
multiple product SKUs. Hub will automatically reorder
the remaining ports to match the Host controller's
numbering scheme
Programmable USB differential-pair pin location
— Eases PCB layout by aligning USB signal lines directly
to connectors
Programmable USB signal drive strength. Recover
USB signal integrity due to compromised system
environments using 4-level driving strength resolution
Select the presence of a permanently hardwired USB
peripheral device on a port by port basis
Configure the delay time for filtering the over-current
sense inputs
Configure the delay time for turning on downstream
port power
Indicate the maximum current that the 7-port hub
consumes from the USB upstream port
Indicate the maximum current required for the hub
controller
Support Custom String Descriptor up to 31 characters
in length for:
– Product String
– Manufacturer String
– Serial Number String
Pin Selectable Options for Default Configuration
— Select Downstream Ports as Non-Removable Ports
— Select Downstream Ports as Disabled Ports
— Select Downstream Port Power Control and Over-
Current Detection on a Ganged or Individual Basis
— Select USB Signal Drive Strength
— Select USB Differential Pair Pin location
Applications
LCD monitors and TVs
Multi-function USB peripherals
PC mother boards
Set-top boxes, DVD players, DVR/PVR
Printers and scanners
PC media drive bay
Portable hub boxes
Mobile PC docking
Embedded systems

Order Number(s):
USB2517-JZX for 64 pin, QFN lead-free RoHS compliant package
This product meets the halogen maximum concentration values per IEC61249-2-21
For RoHS compliance and environmental information, please visit www.smsc.com/rohs
Please contact your SMSC sales representative for additional documentation related to this product
such as application notes, anomaly sheets, and design guidelines.
USB 2.0 Hi-Speed 7-Port Hub Controller
Datasheet
Revision 2.8 (09-17-12) 2 SMSC USB2517
DATASHEET
Copyright © 2012 SMSC or its subsidiaries. All rights reserved.
Circuit diagrams and other information relating to SMSC products are included as a means of illustrating typical applications. Consequently, complete information sufficient for
construction purposes is not necessarily given. Although the information has been checked and is believed to be accurate, no responsibility is assumed for inaccuracies. SMSC
reserves the right to make changes to specifications and product descriptions at any time without notice. Contact your local SMSC sales office to obtain the latest specifications
before placing your product order. The provision of this information does not convey to the purchaser of the described semiconductor devices any licenses under any patent
rights or other intellectual property rights of SMSC or others. All sales are expressly conditional on your agreement to the terms and conditions of the most recently dated
version of SMSC's standard Terms of Sale Agreement dated before the date of your order (the "Terms of Sale Agreement"). The product may contain design defects or errors
known as anomalies which may cause the product's functions to deviate from published specifications. Anomaly sheets are available upon request. SMSC products are not
designed, intended, authorized or warranted for use in any life support or other application where product failure could cause or contribute to personal injury or severe property
damage. Any and all such uses without prior written approval of an Officer of SMSC and further testing and/or modification will be fully at the risk of the customer. Copies of
this document or other SMSC literature, as well as the Terms of Sale Agreement, may be obtained by visiting SMSC’s website at http://www.smsc.com. SMSC is a registered
trademark of Standard Microsystems Corporation (“SMSC”). Product names and company names are the trademarks of their respective holders.
The Microchip name and logo, and the Microchip logo are registered trademarks of Microchip Technology Incorporated in the U.S.A. and other countries.
SMSC DISCLAIMS AND EXCLUDES ANY AND ALL WARRANTIES, INCLUDING WITHOUT LIMITATION ANY AND ALL IMPLIED WARRANTIES OF MERCHANTABILITY,
FITNESS FOR A PARTICULAR PURPOSE, TITLE, AND AGAINST INFRINGEMENT AND THE LIKE, AND ANY AND ALL WARRANTIES ARISING FROM ANY COURSE
OF DEALING OR USAGE OF TRADE. IN NO EVENT SHALL SMSC BE LIABLE FOR ANY DIRECT, INCIDENTAL, INDIRECT, SPECIAL, PUNITIVE, OR CONSEQUENTIAL
DAMAGES; OR FOR LOST DATA, PROFITS, SAVINGS OR REVENUES OF ANY KIND; REGARDLESS OF THE FORM OF ACTION, WHETHER BASED ON CONTRACT;
TORT; NEGLIGENCE OF SMSC OR OTHERS; STRICT LIABILITY; BREACH OF WARRANTY; OR OTHERWISE; WHETHER OR NOT ANY REMEDY OF BUYER IS HELD
TO HAVE FAILED OF ITS ESSENTIAL PURPOSE, AND WHETHER OR NOT SMSC HAS BEEN ADVISED OF THE POSSIBILITY OF SUCH DAMAGES.

USB 2.0 Hi-Speed 7-Port Hub Controller
Datasheet
SMSC USB2517 3 Revision 2.8 (09-17-12)
DATASHEET
Table of Contents
Chapter 1 Acronyms & Definitions . . . . . . . . . . . . . . . . . . . . . . . . . . . . . . . . . . . . . . . . . . . . . 6
Chapter 2 Pin Configuration . . . . . . . . . . . . . . . . . . . . . . . . . . . . . . . . . . . . . . . . . . . . . . . . . . 7
Chapter 3 Pin Table. . . . . . . . . . . . . . . . . . . . . . . . . . . . . . . . . . . . . . . . . . . . . . . . . . . . . . . . . . 8
3.1 64-Pin List. . . . . . . . . . . . . . . . . . . . . . . . . . . . . . . . . . . . . . . . . . . . . . . . . . . . . . . . . . . . . . . . . . . . . 8
Chapter 4 Block Diagram . . . . . . . . . . . . . . . . . . . . . . . . . . . . . . . . . . . . . . . . . . . . . . . . . . . . 10
Chapter 5 Pin Descriptions . . . . . . . . . . . . . . . . . . . . . . . . . . . . . . . . . . . . . . . . . . . . . . . . . . . 11
5.1 PIN Descriptions . . . . . . . . . . . . . . . . . . . . . . . . . . . . . . . . . . . . . . . . . . . . . . . . . . . . . . . . . . . . . . . 11
5.2 Buffer Type Descriptions . . . . . . . . . . . . . . . . . . . . . . . . . . . . . . . . . . . . . . . . . . . . . . . . . . . . . . . . 16
Chapter 6 LED Usage Description . . . . . . . . . . . . . . . . . . . . . . . . . . . . . . . . . . . . . . . . . . . . . 17
6.1 LED Functionality . . . . . . . . . . . . . . . . . . . . . . . . . . . . . . . . . . . . . . . . . . . . . . . . . . . . . . . . . . . . . . 17
Chapter 7 Configuration Options. . . . . . . . . . . . . . . . . . . . . . . . . . . . . . . . . . . . . . . . . . . . . . 19
7.1 7-Port Hub . . . . . . . . . . . . . . . . . . . . . . . . . . . . . . . . . . . . . . . . . . . . . . . . . . . . . . . . . . . . . . . . . . . 19
7.2 EEPROM Interface . . . . . . . . . . . . . . . . . . . . . . . . . . . . . . . . . . . . . . . . . . . . . . . . . . . . . . . . . . . . . 19
7.3 SMBus Slave Interface . . . . . . . . . . . . . . . . . . . . . . . . . . . . . . . . . . . . . . . . . . . . . . . . . . . . . . . . . . 37
7.4 Default Configuration Option: . . . . . . . . . . . . . . . . . . . . . . . . . . . . . . . . . . . . . . . . . . . . . . . . . . . . . 39
7.5 Default Strapping Options: . . . . . . . . . . . . . . . . . . . . . . . . . . . . . . . . . . . . . . . . . . . . . . . . . . . . . . . 39
7.6 Reset . . . . . . . . . . . . . . . . . . . . . . . . . . . . . . . . . . . . . . . . . . . . . . . . . . . . . . . . . . . . . . . . . . . . . . . 40
Chapter 8 DC Parameters. . . . . . . . . . . . . . . . . . . . . . . . . . . . . . . . . . . . . . . . . . . . . . . . . . . . 45
8.1 Maximum Guaranteed Ratings . . . . . . . . . . . . . . . . . . . . . . . . . . . . . . . . . . . . . . . . . . . . . . . . . . . . 45
8.2 Operating Conditions . . . . . . . . . . . . . . . . . . . . . . . . . . . . . . . . . . . . . . . . . . . . . . . . . . . . . . . . . . . 45
Chapter 9 AC Specifications . . . . . . . . . . . . . . . . . . . . . . . . . . . . . . . . . . . . . . . . . . . . . . . . . . 49
9.1 Oscillator/Clock. . . . . . . . . . . . . . . . . . . . . . . . . . . . . . . . . . . . . . . . . . . . . . . . . . . . . . . . . . . . . . . . 49
Chapter 10 Package Outline . . . . . . . . . . . . . . . . . . . . . . . . . . . . . . . . . . . . . . . . . . . . . . . . . . . 50
USB 2.0 Hi-Speed 7-Port Hub Controller
Datasheet
Revision 2.8 (09-17-12) 4 SMSC USB2517
DATASHEET
List of Figures
Figure 2.1 USB2517 64-Pin QFN Diagram . . . . . . . . . . . . . . . . . . . . . . . . . . . . . . . . . . . . . . . . . . . . . . . . 7
Figure 4.1 USB2517 Block Diagram . . . . . . . . . . . . . . . . . . . . . . . . . . . . . . . . . . . . . . . . . . . . . . . . . . . . 10
Figure 6.1 Dual Color LED Implementation Example . . . . . . . . . . . . . . . . . . . . . . . . . . . . . . . . . . . . . . . 18
Figure 7.1 Block Write . . . . . . . . . . . . . . . . . . . . . . . . . . . . . . . . . . . . . . . . . . . . . . . . . . . . . . . . . . . . . . . 38
Figure 7.2 Block Read. . . . . . . . . . . . . . . . . . . . . . . . . . . . . . . . . . . . . . . . . . . . . . . . . . . . . . . . . . . . . . . 38
Figure 7.3 LED Strapping Option . . . . . . . . . . . . . . . . . . . . . . . . . . . . . . . . . . . . . . . . . . . . . . . . . . . . . . 40
Figure 7.4 Reset_N Timing for Default/Strap Option Mode. . . . . . . . . . . . . . . . . . . . . . . . . . . . . . . . . . . 41
Figure 7.5 Reset_N Timing for EEPROM Mode . . . . . . . . . . . . . . . . . . . . . . . . . . . . . . . . . . . . . . . . . . . 42
Figure 7.6 Reset_N Timing for SMBus Mode . . . . . . . . . . . . . . . . . . . . . . . . . . . . . . . . . . . . . . . . . . . . . 43
Figure 8.1 Supply Rise Time Model . . . . . . . . . . . . . . . . . . . . . . . . . . . . . . . . . . . . . . . . . . . . . . . . . . . . 46
Figure 9.1 Typical Crystal Circuit . . . . . . . . . . . . . . . . . . . . . . . . . . . . . . . . . . . . . . . . . . . . . . . . . . . . . . 49
Figure 9.2 Formula to find value of C1 and C2 . . . . . . . . . . . . . . . . . . . . . . . . . . . . . . . . . . . . . . . . . . . . 49
Figure 10.1 64-Pin QFN, 9x9mm Body, 0.5mm Pitch . . . . . . . . . . . . . . . . . . . . . . . . . . . . . . . . . . . . . . . . 50
USB 2.0 Hi-Speed 7-Port Hub Controller
Datasheet
SMSC USB2517 5 Revision 2.8 (09-17-12)
DATASHEET
List of Tables
Table 3.1 USB2517 64-Pin Table . . . . . . . . . . . . . . . . . . . . . . . . . . . . . . . . . . . . . . . . . . . . . . . . . . . . . . . 8
Table 5.1 USB2517 Pin Descriptions . . . . . . . . . . . . . . . . . . . . . . . . . . . . . . . . . . . . . . . . . . . . . . . . . . . 11
Table 5.2 USB2517 SMBUS or EEPROM Interface Behavior. . . . . . . . . . . . . . . . . . . . . . . . . . . . . . . . . 15
Table 5.3 USB2517 Buffer Type Descriptions . . . . . . . . . . . . . . . . . . . . . . . . . . . . . . . . . . . . . . . . . . . . . 16
Table 7.1 Internal Default, EEPROM and SMBus Register Memory Map. . . . . . . . . . . . . . . . . . . . . . . . 19
Table 7.2 Port Remap Register for Ports 1 & 2 . . . . . . . . . . . . . . . . . . . . . . . . . . . . . . . . . . . . . . . . . . . . 32
Table 7.3 Port Remap Register for Ports 3 & 4 . . . . . . . . . . . . . . . . . . . . . . . . . . . . . . . . . . . . . . . . . . . . 33
Table 7.4 Port Remap Register for Ports 5 & 6 . . . . . . . . . . . . . . . . . . . . . . . . . . . . . . . . . . . . . . . . . . . . 35
Table 7.5 Port Remap Register for Port 7 . . . . . . . . . . . . . . . . . . . . . . . . . . . . . . . . . . . . . . . . . . . . . . . . 36
Table 7.6 Reset_N Timing for Default/Strap Option Mode . . . . . . . . . . . . . . . . . . . . . . . . . . . . . . . . . . . 41
Table 7.7 Reset_N Timing for EEPROM Mode . . . . . . . . . . . . . . . . . . . . . . . . . . . . . . . . . . . . . . . . . . . . 42
Table 7.8 Reset_N Timing for SMBus Mode . . . . . . . . . . . . . . . . . . . . . . . . . . . . . . . . . . . . . . . . . . . . . . 43
Table 8.1 DC Electrical Characteristics . . . . . . . . . . . . . . . . . . . . . . . . . . . . . . . . . . . . . . . . . . . . . . . . . . 46
Table 8.2 Pin Capacitance. . . . . . . . . . . . . . . . . . . . . . . . . . . . . . . . . . . . . . . . . . . . . . . . . . . . . . . . . . . . 48

USB 2.0 Hi-Speed 7-Port Hub Controller
Datasheet
Revision 2.8 (09-17-12) 6 SMSC USB2517
DATASHEET
Chapter 1 Acronyms & Definitions
EEPROMM: Electrically Erasable Programmable Read-Only Memory (a type of non-volatile memory)
EMI: Electromagnetic Interference
ESD: Electrostatic Discharge
I2CTM: Inter-Integrated Circuit1
LCD: Liquid Crystal Display
LED: Light Emitting Diode
OCS: Over-current sense
PCB: Printed Circuit Board
PHY: Physical Layer
PLL: Phase-Locked Loop
PVR: Personal Video Recorder (also known as a Digital Video Recorder)
QFN: Quad Flat No Leads
RoHS: Restriction of Hazardous Substances Directive
SCK: Serial Clock
SD: Secure Digital
SIE: Serial Interface Engine
SMBus: System Management Bus
TT: Transaction Translator
1.I2C is a registered trademark of Philips Corporation.

USB 2.0 Hi-Speed 7-Port Hub Controller
Datasheet
SMSC USB2517 7 Revision 2.8 (09-17-12)
DATASHEET
Chapter 2 Pin Configuration
Figure 2.1 USB2517 64-Pin QFN Diagram
Thermal Slug
(must be connected to VSS)
SMSC
USB2517
(Top View QFN-64)
Indicates pins on the bottom of the device.
USBDN6_DP/PRT_DIS_P6 54
USBDN7_DM/PRT_DIS_M7 55
USBDN6_DM/PRT_DIS_M6 53
USBDN7_DP/PRT_DIS_P7 56
VDDA33 57
USBUP_DP 59
XTAL2 60
XTAL1/CLKIN 61
RBIAS
64
VDD33PLL
63
VDD18PLL 62
USBUP_DM 58
VDDA33
1
USBDN1_DM/PRT_DIS_M1
2
USBDN1_DP/PRT_DIS_P1
3
USBDN2_DM/PRT_DIS_M2
4
USBDN2_DP/PRT_DIS_P2
5
USBDN3_DM/PRT_DIS_M3 6
USBDN3_DP/PRT_DIS_P3 7
USBDN4_DM/PRT_DIS_M4 8
USBDN4_DP/PRT_DIS_P4 9
USBDN5_DP/PRT_DIS_P5
10
USBDN5_DM/PRT_DIS_M5 11
VDDA33
12
27 OCS2_N
26 PRTPWR2
25 VDD18
24 VDD33CR
23
OCS4_N
22
PRTPWR3
21
OCS3_N
20 PRTPWR4
19 TEST
29 PRTPWR1
28 OCS1_N
30 PRTPWR5
45
VDD33
44
SUSP_IND/LOCAL_PWR/NON_REM0
43
VBUS_DET
42 HS_IND/CFG_SEL1
41 SCL/SMBCLK/CFG_SEL0
40 SDA/SMBDATA/NON_REM1
39 PRTPWR6
38 OCS6_N
46
RESET_N
37 OCS7_N
36 PRTPWR7
35 OCS5_N
LED_B1_N/BOOST0 50
LED_A1_N/PRT_SWP1 51
LED_A2_N/PRT_SWP2 49
VDDA33 52
47
LED_B2_N/BOOST1
LED_A3_N/PRT_SWP3
48
33
LED_B3_N/GANG_EN
LED_A4_N/PRT_SWP4
34
18 LED_B5_N
17 LED_A6_N/PRT_SWP6
32 LED_B4_N
31 LED_A5_N/PRT_SWP5
CFG_SEL2 13
LED_B6_N
14
LED_A7_N/PRT_SWP7 15
LED_B7_N
16

USB 2.0 Hi-Speed 7-Port Hub Controller
Datasheet
Revision 2.8 (09-17-12) 8 SMSC USB2517
DATASHEET
Chapter 3 Pin Table
3.1 64-Pin List
Table 3.1 USB2517 64-Pin Table
UPSTREAM USB 2.0 INTERFACES (3 PINS)
USBUP_DP USBUP_DM VBUS_DET
DOWNSTREAM 7-PORT USB 2.0 INTERFACES (43 PINS)
USBDN1_DP/
PRT_DIS_P1
USBDN2_DP/
PRT_DIS_P2
USBDN3_DP/
PRT_DIS_P3
USBDN4_DP/
PRT_DIS_P4
USBDN5_DP/
PRT_DIS_P5
USBDN6_DP/
PRT_DIS_P6
USBDN7_DP/
PRT_DIS_P7
USBDN1_DM/
PRT_DIS_M1
USBDN2_DM/
PRT_DIS_M2
USBDN3_DM/
PRT_DIS_M3
USBDN4_DM/
PRT_DIS_M4
USBDN5_DM/
PRT_DIS_M5
USBDN6_DM/
PRT_DIS_M6
USBDN7_DM/
PRT_DIS_M7
LED_A1_N/
PRT_SWP1
LED_A2_N/
PRT_SWP2
LED_A3_N/
PRT_SWP3
LED_A4_N/
PRT_SWP4
LED_A5_N/
PRT_SWP5
LED_A6_N/
PRT_SWP6
LED_A7_N/
PRT_SWP7
LED_B1_N/
BOOST0
LED_B2_N/
BOOST1
LED_B3_N/
GANG_EN
LED_B4_N LED_B5_N LED_B6_N LED_B7_N
PRTPWR1 PRTPWR2 PRTPWR3 PRTPWR4
PRTPWR5 PRTPWR6 PRTPWR7 OCS1_N
OCS2_N OCS3_N OCS4_N OCS5_N
OCS6_N OCS7_N RBIAS
SERIAL PORT INTERFACE (4 PINS)
SDA/
SMBDATA/
NON_REM1
SCL/
SMBCLK/
CFG_SEL0
HS_IND/
CFG_SEL1 CFG_SEL2
MISC (5 PINS)
XTAL1/CLKIN XTAL2
SUSP_IND/
LOCAL_PWR/
NON_REM0
RESET_N
TEST

USB 2.0 Hi-Speed 7-Port Hub Controller
Datasheet
SMSC USB2517 9 Revision 2.8 (09-17-12)
DATASHEET
ANALOG POWER (6 PINS)
VDD18PLL VDD33PLL (4) VDDA33
DIGITAL POWER, GROUND (3 PINS)
VDD33 VDD18 VDD33CR
TOTAL 64
Table 3.1 USB2517 64-Pin Table (continued)

USB 2.0 Hi-Speed 7-Port Hub Controller
Datasheet
Revision 2.8 (09-17-12) 10 SMSC USB2517
DATASHEET
Chapter 4 Block Diagram
Figure 4.1 USB2517 Block Diagram
To Upstream
VBUS
3.3V
Upstream
PHY
Upstream USB
Data
Repeater Controller
SIE
Serial
Interface
PLL
24 MHz Crystal To EEPROM or
SMBus Master
Routing & Port Re-Ordering Logic
SCKSD
TT
#7
Port
Controller
PHY#1
Port #1
OC
Sense
Switch
Driver
LED
Drivers
USB Data
Downstream
OC Sense
Switch/LED
Drivers
Bus-Power
Detect/VBUS
Pulse
1.8V
TT
#6
TT
#5
TT
#1
1.8V Reg
PHY#2
Port #2
OC
Sense
Switch
Driver
LED
Drivers
PHY#7
Port #7
OC
Sense
Switch
Driver
LED
Drivers
USB Data
Downstream
OC Sense
Switch/LED
Drivers
USB Data
Downstream
OC Sense
Switch/LED
Drivers
TT
#4
TT
#3
TT
#2

USB 2.0 Hi-Speed 7-Port Hub Controller
Datasheet
SMSC USB2517 11 Revision 2.8 (09-17-12)
DATASHEET
Chapter 5 Pin Descriptions
5.1 PIN Descriptions
This section provides a detailed description of each signal. The signals are arranged in functional groups according
to their associated interface.
The “N” symbol in the signal name indicates that the active, or asserted, state occurs when the signal is at a low
voltage level. When “N” is not present before the signal name, the signal is asserted when at the high voltage level.
The terms assertion and negation are used exclusively. This is done to avoid confusion when working with a mixture
of “active low” and “active high” signals. The term assert, or assertion, indicates that a signal is active, independent
of whether that level is represented by a high or low voltage. The term negate, or negation, indicates that a signal
is inactive.
Table 5.1 USB2517 Pin Descriptions
SYMBOL 64 QFN
BUFFER
TYPE DESCRIPTION
UPSTREAM USB INTERFACES
USBUP_DP
USBUP_DM
59
58
IO-U USB Bus Data
These pins connect to the upstream USB bus data signals (Host
port, or upstream hub).
VBUS_DET 44 I/O12 Detect Upstream VBUS Power
Detects state of Upstream VBUS power. The SMSC Hub monitors
VBUS_DET to determine when to assert the internal D+ pull-up
resistor (signaling a connect event).
When designing a detachable hub, this pin must be connected to
the VBUS power pin of the USB port that is upstream from the
hub.
For self-powered applications with a permanently attached host,
this pin must be connected to 3.3V or 5.0V (typically VDD33).
DOWNSTREAM 7-PORT USB 2.0 INTERFACES
USBDN[7:1]_DP/
PRT_DIS_P[7:1]
&
USBDN[7:1]_DM/
PRT_DIS_M[7:1]
2
4
7
9
12
54
56
IO-U Hi-Speed USB Data & Port Disable Strap Option
USBDN_DP[7:1] / PRT_DIS_P[7:1]: These pins connect to the
downstream USB peripheral devices attached to the hub’s port.
To disable, pull up with 10K resistor to 3.3V.
1
3
6
8
11
53
55
Downstream Port Disable Strap option:
USBDN_DM[7:1] / PRT_DIS_M[7:1]: If this strap is enabled by
package and configuration settings (see Tab l e 5 . 2), this pin will be
sampled at RESET_N negation to determine if the port is
disabled.
PRTPWR[7:1] 36
39
30
20
23
26
29
O12 USB Power Enable
Enables power to USB peripheral devices downstream.
Note: The hub supports active high power controllers only!

USB 2.0 Hi-Speed 7-Port Hub Controller
Datasheet
Revision 2.8 (09-17-12) 12 SMSC USB2517
DATASHEET
LED_A[7:1]_N/
PRT_SWP[7:1]
15
17
31
33
47
49
51
I/O12 Port LED Indicators & Port Swap strapping option
Indicator LED for ports 1-7. Will be active low when LED support
is enabled via EEPROM or SMBus.
If this strap is enabled by package and configuration settings (see
Ta b l e 5 . 2 ), this pin will be sampled at RESET_N negation to
determine the electrical connection polarity of the downstream
USB Port pins (USB_DP and USB_DM).
Also, the active state of the LED will be determined as follows:
‘0’ = Port Polarity is normal, LED is active high.
‘1’ = Port Polarity (USB_DP and USB_DM) is swapped, LED is
active low.
LED_B[7:4]_N 14
16
18
32
I/O12 Enhanced Indicator Port 4-7 LED
Enhanced Indicator LED for ports 4-7. Will be active low when
LED support is enabled via EEPROM or SMBus.
LED_B3_N/
GANG_EN
34 I/O12 Enhanced Port 3 LED, Gang Power, and Over-current Strap
Option
Enhanced Indicator LED for port 3. Will be active low when LED
support is enabled via EEPROM or SMBus.
GANG_EN: Selects between Gang or Individual Port power and
Over-current sensing.
If this strap is enabled by package and configuration settings (see
Ta b l e 5 . 2 ), this pin will be sampled at RESET_N negation to
determine the mode as follows:
‘0’ = Individual sensing & switching, and LED_B3_N is active
high.
‘1’ = Ganged sensing & switching, and LED_B3_N is active low.
LED_B[2:1]_N/
BOOST[1:0]
48
50
I/O12 Enhanced Port [2:1] LED & PHY Boost strapping option
Enhanced Indicator LED for ports 1 & 2. Will be active low when
LED support is enabled via EEPROM or SMBus.
BOOST[1:0]: If this strap is enabled by package and configuration
settings (see Ta b le 5.2), this pin will be sampled at RESET_N
negation to determine if all PHY ports (upstream and
downstream) operate at a normal or boosted electrical level. Also,
the active state of the LEDs will be determined as follows:
See Section 7.2.1.26, "Register F6h: Boost_Up" and Section
7.2.1.28, "Register F8h: Boost_4:0".
BOOST[1:0] = BOOST_IOUT[1:0]
BOOST[1:0] = ‘00’,
LED_B2_N is active high,
LED_B1_N is active high.
BOOST[1:0] = ‘01’,
LED_B2_N is active high,
LED_B1_N is active low.
BOOST[1:0] = ‘10’,
LED_B2_N is active low,
LED_B1_N is active high.
BOOST[1:0] = ‘11’,
LED_B2_N is active low,
LED_B1_N is active low.
Table 5.1 USB2517 Pin Descriptions (continued)
SYMBOL 64 QFN
BUFFER
TYPE DESCRIPTION

USB 2.0 Hi-Speed 7-Port Hub Controller
Datasheet
SMSC USB2517 13 Revision 2.8 (09-17-12)
DATASHEET
OCS[7:1]_N 37
38
35
21
22
27
28
IPU Over-current Sense
Input from external current monitor indicating an over-current
condition.
{Note: Contains internal pull-up to 3.3V supply}
RBIAS 63 I-R USB Transceiver Bias
A 12.0kΩ (+/- 1%) resistor is attached from the ground to this pin
to set the transceiver’s internal bias settings.
SERIAL PORT INTERFACE
SDA/
SMBDATA/
NON_REM1
40 I/OSD12 Serial Data / SMB Data
NON_REM1: Non-removable port strap option.
If this strap is enabled by package and configuration settings (see
Ta b l e 5 . 2 ) this pin will be sampled (in conjunction with
SUSP_IND/LOCAL_PWR/NON_REM0) at RESET_N negation to
determine if ports [3:1] contain permanently attached (non-
removable) devices:
NON_REM[1:0] = ‘00’, All ports are removable,
NON_REM[1:0] = ‘01’, Port 1 is non-removable,
NON_REM[1:0] = ‘10’, Ports 1 & 2 are non-removable,
NON_REM[1:0] = ‘11’, Ports 1, 2 & 3 are non-removable.
SCL/
SMBCLK/
CFG_SEL0
41 I/OSD12 Serial Clock (SCL)
SMBus Clock (SMBCLK)
Configuration Select_SEL0: The logic state of this multifunctional
pin is internally latched on the rising edge of RESET_N
(RESET_N negation), and will determine the hub configuration
method as described in Table 5.2, "USB2517 SMBUS or
EEPROM Interface Behavior".
HS_IND/
CFG_SEL1
42 I/O12 Hi-Speed Upstream port indicator & Configuration Programming
Select
HS_IND: High Speed Indicator for upstream port connection
speed.
The active state of the LED will be determined as follows:
CFG_SEL1 = ‘0’,
HS_IND is active high,
CFG_SEL1 = ‘1’,
HS_IND is active low,
‘Asserted’ = Hub is connected at HS
‘Negated’ = Hub is connected at FS
CFG_SEL1: The logic state of this pin is internally latched on the
rising edge of RESET_N (RESET_N negation), and will determine
the hub configuration method as described in Table 5.2,
"USB2517 SMBUS or EEPROM Interface Behavior".
Table 5.1 USB2517 Pin Descriptions (continued)
SYMBOL 64 QFN
BUFFER
TYPE DESCRIPTION

USB 2.0 Hi-Speed 7-Port Hub Controller
Datasheet
Revision 2.8 (09-17-12) 14 SMSC USB2517
DATASHEET
CFG_SEL2 13 I Configuration Programming Select
Note: This pin is not available in all packages; it is held to a
logic ‘0’ when not available.
The logic state of this pin is internally latched on the rising edge
of RESET_N (RESET_N negation), and will determine the hub
configuration method as described in Table 5.2, "USB2517
SMBUS or EEPROM Interface Behavior".
MISC
XTAL1/
CLKIN
61 ICLKx Crystal Input/External Clock Input
24MHz crystal or external clock input.
This pin connects to either one terminal of the crystal or to an
external 24MHz clock when a crystal is not used.
XTAL2 60 OCLKx Crystal Output
24MHz Crystal
This is the other terminal of the crystal. It can be treated as a no
connect when an external clock source is used to drive
XTAL1/CLKIN. This output must not be used to drive any external
circuitry other than the crystal circuit.
RESET_N 43 IS RESET Input
The system can reset the chip by driving this input low. The
minimum active low pulse is 1 μs.
When the RESET_N pin is pulled to VDD33, the internal POR
(Power on Reset) is enabled and no external reset circuitry is
required. The internal POR holds the internal logic in reset until
the power supplies are stable.
SUSP_IND/
LOCAL_PWR/
NON_REM0
45 I/O12 Active/Suspend status LED or Local-Power & Non-Removable
Strap Option
Suspend Indicator: Indicates the USB state of the hub.
‘negated’ = Unconfigured or configured and in USB suspend
‘asserted’ = Hub is configured, and is active (i.e., not in suspend)
Local Power: Detects availability of local self-power source.
Low = Self/local power source is NOT available (i.e., Hub gets all
power from the upstream USB VBus).
High = Self/local power source is available.
NON_REM0 Strap Option:
If this strap is enabled by package and configuration settings (see
Table 5.2, "USB2517 SMBUS or EEPROM Interface Behavior"),
this pin will be sampled (in conjunction with NON_REM1) at
RESET_N negation to determine if ports [3:1] contain
permanently attached (non-removable) devices. Also, the active
state of the LED will be determined as follows:
NON_REM[1:0] = ‘00’, All ports are removable, and the LED is
active high
NON_REM[1:0] = ‘01’, Port 1 is non-removable, and the LED is
active low
NON_REM[1:0] = ‘10’, Ports 1 & 2 are non-removable, and the
LED is active high
NON_REM[1:0] = ‘11’, Ports 1, 2 & 3 are non-removable, and the
LED is active low
Table 5.1 USB2517 Pin Descriptions (continued)
SYMBOL 64 QFN
BUFFER
TYPE DESCRIPTION

USB 2.0 Hi-Speed 7-Port Hub Controller
Datasheet
SMSC USB2517 15 Revision 2.8 (09-17-12)
DATASHEET
Table 5.2 USB2517 SMBUS or EEPROM Interface Behavior
TEST 19 IPD TEST pin
XNOR continuity tests all signal pins on the hub. Please contact
your SMSC representative for a detailed description of how this
test mode is enabled and utilized.
Power, Ground, No Connect
VDD18 25 VDD Core
+1.8V core power. This pin must have a 1.0μF (or greater) ±20%
(ESR <0.1Ω) capacitor to VSS.
VDD33PLL 64 VDD 3.3 PLL Regulator Reference
+3.3V power supply for the Digital I/O. If the internal PLL 1.8V reg-
ulator is enabled, then this pin acts as the regulator input.
VDD18PLL 62 VDD PLL
+1.8V Filtered analog power for internal PLL. This pin must have
a 1.0μF (or greater) ±20% (ESR <0.1Ω) capacitor to VSS.
VDD33 46 VDD I/O
+3.3V Digital I/O power
VDDA33 5
10
52
57
VDD Analog I/O
+3.3V Filtered analog PHY power which is shared between
adjacent ports.
VDD33CR 24 VDDIO/VDD 3.3 Core Regulator Reference
+3.3V power supply for the Digital I/O. If the internal core
regulator is enabled, then VDD33CR acts as the regulator input.
Ground VSS Slug Ground
CFG_SEL2 CFG_SEL1 CFG_SEL0 SMBUS OR EEPROM INTERFACE BEHAVIOR
0 0 0 Internal Default Configuration
Strap Option sare Enabled
0 0 1 Configured as an SMBus slave for external download
of user-defined descriptors
SMBus slave address is ‘0101100’
Strap Options are Disabled
All Settings are Controlled by Registers
0 1 0 Internal Default Configuration
Strap Options are Enabled
Bus Power Operation
LED Mode = USB
01 12-Wire
I2C EEPROMS are supported
Strap Options are Disabled
All Settings are Controlled by Registers
1 0 0 Internal Default Configuration
Strap Options are Disabled
Dynamic Power Switching is Enabled
Table 5.1 USB2517 Pin Descriptions (continued)
SYMBOL 64 QFN
BUFFER
TYPE DESCRIPTION

USB 2.0 Hi-Speed 7-Port Hub Controller
Datasheet
Revision 2.8 (09-17-12) 16 SMSC USB2517
DATASHEET
5.2 Buffer Type Descriptions
1 0 1 Internal Default Configuration
Strap Options are Disabled
Dynamic Power Switching is Enabled
LED Mode = USB
1 1 0 Internal Default Configuration
Strap Options are Disabled
1 1 1 Internal Default Configuration
Strap Options are Disabled
LED Mode = USB
Ganged Power Switching
Ganged Over-Current Sensing
Table 5.3 USB2517 Buffer Type Descriptions
BUFFER DESCRIPTION
I Input.
IPD Input with internal weak pull-down resistor.
IPU Input with internal weak pull-up resistor.
IS Input with Schmitt trigger.
O12 Output 12mA.
I/O12 Input/Output buffer with 12mA sink and 12mA source.
I/OSD12 Open drain...12mA sink with Schmitt trigger, and must meet I2C-Bus Specification
Version 2.1 requirements.
ICLKx XTAL clock input.
OCLKx XTAL clock output.
I-R RBIAS.
IO-U Analog Input/Output Defined in USB specification.
CFG_SEL2 CFG_SEL1 CFG_SEL0 SMBUS OR EEPROM INTERFACE BEHAVIOR
USB 2.0 Hi-Speed 7-Port Hub Controller
Datasheet
SMSC USB2517 17 Revision 2.8 (09-17-12)
DATASHEET
Chapter 6 LED Usage Description
6.1 LED Functionality
The hub supports 2 different (mutually exclusive) LED modes. The USB Mode provides 14 LED’s that conform to the
USB 2.0 specification functional requirements for Green and Amber LED’s. The LED Mode “Speed indicator” provides
the downstream device connection speed.
6.1.1 USB Mode 14-Wire
The LED_A[7:1]_N pins are used to provide Green LED support as defined in the USB 2.0 specification. The
LED_B[7:1]_N pins are used to provide Amber LED support as defined in the USB 2.0 specification. The USB
Specification defines the LED’s as port status indicators for the downstream ports. Please note that no indication of
port speed is possible in this mode. The pins are utilized as follows:
LED_A1_N = Port 1 green LED
LED_A2_N = Port 2 green LED
LED_A3_N = Port 3 green LED
LED_A4_N = Port 4 green LED
LED_A5_N = Port 5 green LED
LED_A6_N = Port 6 green LED
LED_A7_N = Port 7 green LED
LED_B1_N = Port 1 amber LED
LED_B2_N = Port 2 amber LED
LED_B3_N = Port 3 amber LED
LED_B4_N = Port 4 amber LED
LED_B5_N = Port 5 amber LED
LED_B6_N = Port 6 amber LED
LED_B7_N = Port 7 amber LED
6.1.2 LED Mode Speed Indication
The LED_A[7:1]_N pins are used to provide connection status as well as port speed by using dual color LED's. This
scheme requires that the LED's be in the same package, and that a third color is produced so that the user percieves
both LED's as being driven "simultaneously".
The LED_A[7:1] pins used in this mode are connected to 7 dual color LED’s (each LED pair in a single package).
These pins indicate the USB speed of each attached downstream device.
Each dual color LED provides two separate colors (commonly Green and Red). If each of these separate colors are
pulsed on and off at a rapid rate, a user will see a third color (in this example, Orange). Using this method, 4 different
"color" states are possible (Green, Red, Orange, and Off).

USB 2.0 Hi-Speed 7-Port Hub Controller
Datasheet
Revision 2.8 (09-17-12) 18 SMSC USB2517
DATASHEET
Figure 6.1 Dual Color LED Implementation Example
Figure 6.1 shows a simple example of how this LED circuit will be implemented. The circuit should be replicated for
each of the 7 LED pins on the HUB. In this circuit, when the LED pin is driven to a logic low state, the Green LED
will light up. When the LED pin is driven to a Logic High state the Red LED will light up. When a 1 KHz square wave
is driven out on the LED pin, the Green and Red LED's will both alternately light up giving the effect of the color
Orange. When nothing is driven out on the LED pin (i.e. the pin floats to a "tri-state" condition), neither the Green
nor Red LED will light up, this is the "Off" state.
The assignment is as follows:
LED_A1_N = LED D1 (Downstream Port 1)
LED_A2_N = LED D2 (Downstream Port 2)
LED_A3_N = LED D3 (Downstream Port 3)
LED_A4_N = LED D4 (Downstream Port 4)
LED_A5_N = LED D5 (Downstream Port 5)
LED_A6_N = LED D6 (Downstream Port 6)
LED_A7_N = LED D7 (Downstream Port 7)
The usage is as follows:
LED_Ax_N Driven to Logic Low = LS device attached (Green LED)
LED_Ax_N Driven to Logic High = FS device attached (Red LED)
LED_Ax_N Pulsed @ 1 KHz= HS device attached (Orange color by pulsing Red & Green).
LED_Ax_N is tri-state= No devices are attached, or the hub is in suspend, LED's are off.
Hub LED pin
D1A (Green LED)
D1B (Red LED)
3.3V General
Purpose
Diode
Current limiting
resistor
Connect to other
dual color diodes.

USB 2.0 Hi-Speed 7-Port Hub Controller
Datasheet
SMSC USB2517 19 Revision 2.8 (09-17-12)
DATASHEET
Chapter 7 Configuration Options
7.1 7-Port Hub
SMSC’s USB 2.0 7-Port Hub is fully compliant to the Universal Serial Bus Specification Revision 2.0 from April 27,
2000 (12/7/2000 and 5/28/2002 Errata). Please reference Chapter 11 (Hub Specification) for general details regarding
Hub operation and functionality.
For performance reasons, the 7-Port Hub provides 1 Transaction Translator (TT) per port (defined as Multi-TT
configuration), divided into 4 non-periodic buffers per TT.
7.1.1 Hub Configuration Options
The SMSC Hub supports a large number of features (some are mutually exclusive), and must be configured in order
to correctly function when attached to a USB host controller. There are three principal ways to configure the Hub:
SMBus, EEPROM, or by internal default settings (with or without pin strapping option overrides). In all cases, the
configuration method will be determined by the CFG_SEL2, CFG_SEL1 and CFG_SEL0 pins immediately after
RESET_N negation.
7.1.1.1 Power Switching Polarity
Note: The hub will support active high power controllers only!
7.1.2 VBus Detect
According to Section 7.2.1 of the USB 2.0 Specification, a downstream port can never provide power to its D+ or D-
pull up resistors unless the upstream port’s VBUS is in the asserted (powered) state. The VBUS_DET pin on the
Hub monitors the state of the upstream VBUS signal and will not pull up the D+ resistor if VBUS is not active. If
VBUS goes from an active to an inactive state (not powered), the Hub will remove power from the D+ pull up resistor
within 10 seconds.
7.2 EEPROM Interface
The SMSC Hub can be configured via a 2-wire (I2C) EEPROM (256x8). (Please see Table 5.2, "USB2517 SMBUS
or EEPROM Interface Behavior" for specific details on how to enable configuration via an I2C EEPROM).
The internal state machine will (when configured for EEPROM support) read the external EEPROM for configuration
data. The Hub will then “attach” to the upstream USB host.
Note: The Hub does not have the capacity to write, or “Program,” an external EEPROM. The Hub
only has the capability to read external EEPROMs. The external EEPROM will be read (even
if it is blank or non-populated), and the Hub will be “configured” with the values that are read.
Please see Internal Register Set (Common to EEPROM and SMBus) for a list of data fields available.
7.2.1 Internal Register Set (Common to EEPROM and SMBus)
Table 7.1 Internal Default, EEPROM and SMBus Register Memory Map
REG
ADDR R/W REGISTER NAME ABBR
INTERNAL
DEFAULT ROM
SMBUS AND
EEPROM POR
VALUES
00h R/W VID LSB VIDL 24h 0x00
01h R/W VID MSB VIDM 04h 0x00
02h R/W PID LSB PIDL 17h 0x00
03h R/W PID MSB PIDM 25h 0x00
04h R/W DID LSB DIDL 00h 0x00
05h R/W DID MSB DIDM 00h 0x00

USB 2.0 Hi-Speed 7-Port Hub Controller
Datasheet
Revision 2.8 (09-17-12) 20 SMSC USB2517
DATASHEET
06h R/W Config Data Byte 1 CFG1 9Bh 0x00
07h R/W Config Data Byte 2 CFG2 20h 0x00
08h R/W Config Data Byte 3 CFG3 00h 0x00
09h R/W Non-Removable Devices NRD 00h 0x00
0Ah R/W Port Disable (Self) PDS 00h 0x00
0Bh R/W Port Disable (Bus) PDB 00h 0x00
0Ch R/W Max Power (Self) MAXPS 01h 0x00
0Dh R/W Max Power (Bus) MAXPB 32h 0x00
0Eh R/W Hub Controller Max Current
(Self)
HCMCS 01h 0x00
0Fh R/W Hub Controller Max Current
(Bus)
HCMCB 32h 0x00
10h R/W Power-on Time PWRT 32h 0x00
11h R/W LANG_ID_H LANGIDH 00h 0x00
12h R/W LANG_ID_L LANGIDL 00h 0x00
13h R/W MFR_STR_LEN MFRSL 00h 0x00
14h R/W PRD_STR_LEN PRDSL 00h 0x00
15h R/W SER_STR_LEN SERSL 00h 0x00
16h-53h R/W MFR_STR MANSTR 00h 0x00
54h-91h R/W PROD_STR PRDSTR 00h 0x00
92h-Cfh R/W SER_STR SERSTR 00h 0x00
D0h-F5h R/W Reserved N/A 00h 0x00
F6h R/W Boost_Up BOOSTUP 00h 0x00
F7h R/W Boost_7:5 BOOST75 00h 0x00
F8h R/W Boost_4:0 BOOST40 00h 0x00
F9h R/W Reserved N/A 00h 0x00
FAh R/W Port Swap PRTSP 00h 0x00
FBh R/W Port Remap 12 PRTR12 00h 0x00
FCh R/W Port Remap 34 PRTR34 00h 0x00
FDh R/W Port Remap 56 PRTR56 00h 0x00
Table 7.1 Internal Default, EEPROM and SMBus Register Memory Map (continued)
REG
ADDR R/W REGISTER NAME ABBR
INTERNAL
DEFAULT ROM
SMBUS AND
EEPROM POR
VALUES

USB 2.0 Hi-Speed 7-Port Hub Controller
Datasheet
SMSC USB2517 21 Revision 2.8 (09-17-12)
DATASHEET
7.2.1.1 Register 00h: Vendor ID (LSB)
7.2.1.2 Register 01h: Vendor ID (MSB)
7.2.1.3 Register 02h: Product ID (LSB)
7.2.1.4 Register 03h: Product ID (MSB)
FEh R/W Port Remap 7 PRTR7 00h 0x00
FFh R/W Status/Command
Note: SMBus register
only
STCD 00h 0x00
BIT
NUMBER BIT NAME DESCRIPTION
7:0 VID_LSB Least Significant Byte of the Vendor ID. This is a 16-bit value that uniquely
identifies the Vendor of the user device (assigned by USB-Interface Forum).
This field is set by the OEM using either the SMBus or EEPROM interface
options.
BIT
NUMBER BIT NAME DESCRIPTION
7:0 VID_MSB Most Significant Byte of the Vendor ID. This is a 16-bit value that uniquely
identifies the Vendor of the user device (assigned by USB-Interface Forum).
This field is set by the OEM using either the SMBus or EEPROM interface
options.
BIT
NUMBER BIT NAME DESCRIPTION
7:0 PID_LSB Least Significant Byte of the Product ID. This is a 16-bit value that the Vendor
can assign that uniquely identifies this particular product (assigned by OEM).
This field is set by the OEM using either the SMBus or EEPROM interface
options.
BIT
NUMBER BIT NAME DESCRIPTION
7:0 PID_MSB Most Significant Byte of the Product ID. This is a 16-bit value that the Vendor
can assign that uniquely identifies this particular product (assigned by OEM).
This field is set by the OEM using either the SMBus or EEPROM interface
options.
Table 7.1 Internal Default, EEPROM and SMBus Register Memory Map (continued)
REG
ADDR R/W REGISTER NAME ABBR
INTERNAL
DEFAULT ROM
SMBUS AND
EEPROM POR
VALUES

USB 2.0 Hi-Speed 7-Port Hub Controller
Datasheet
Revision 2.8 (09-17-12) 22 SMSC USB2517
DATASHEET
7.2.1.5 Register 04h: Device ID (LSB)
7.2.1.6 Register 05h: Device ID (MSB)
7.2.1.7 Register 06h: CONFIG_BYTE_1
BIT
NUMBER BIT NAME DESCRIPTION
7:0 DID_LSB Least Significant Byte of the Device ID. This is a 16-bit device release
number in BCD format (assigned by OEM). This field is set by the OEM
using either the SMBus or EEPROM interface options.
BIT
NUMBER BIT NAME DESCRIPTION
7:0 DID_MSB Most Significant Byte of the Device ID. This is a 16-bit device release
number in BCD format (assigned by OEM). This field is set by the OEM
using either the SMBus or EEPROM interface options.
BIT
NUMBER BIT NAME DESCRIPTION
7 SELF_BUS_PWR Self or Bus Power: Selects between Self- and Bus-Powered operation.
The Hub is either Self-Powered (draws less than 2mA of upstream bus
power) or Bus-Powered (limited to a 100mA maximum of upstream power
prior to being configured by the host controller).
When configured as a Bus-Powered device, the SMSC Hub consumes less
than 100mA of current prior to being configured. After configuration, the Bus-
Powered SMSC Hub (along with all associated hub circuitry, any embedded
devices if part of a compound device, and 100mA per externally available
downstream port) must consume no more than 500mA of upstream VBUS
current. The current consumption is system dependent, and the OEM must
ensure that the USB 2.0 specifications are not violated.
When configured as a Self-Powered device, <1mA of upstream VBUS
current is consumed and all ports are available, with each port being capable
of sourcing 500mA of current.
This field is set by the OEM using either the SMBus or EEPROM interface
options.
Please see the description under Dynamic Power for the self/bus power
functionality when dynamic power switching is enabled.
0 = Bus-Powered operation
1 = Self-Powered operation
Note: If Dynamic Power Switching is enabled, this bit is ignored and the
LOCAL_PWR pin is used to determine if the hub is operating from
self or bus power.
6 Reserved Reserved
5 HS_DISABLE High Speed Disable: Disables the capability to attach as either a High/Full-
speed device, and forces attachment as Full-speed only (i.e. no Hi-Speed
support).
0 = High-/Full-Speed
1 = Full-Speed-Only (Hi-Speed disabled!)

USB 2.0 Hi-Speed 7-Port Hub Controller
Datasheet
SMSC USB2517 23 Revision 2.8 (09-17-12)
DATASHEET
7.2.1.8 Register 07h: Configuration Data Byte 2
4 MTT_ENABLE Multi-TT enable: Enables one transaction translator per port operation.
Selects between a mode where only one transaction translator is available
for all ports (Single-TT), or each port gets a dedicated transaction translator
(Multi-TT) {Note: The host may force single-TT mode only}.
0 = single TT for all ports
1 = one TT per port (multiple TT’s supported)
3 EOP_DISABLE EOP Disable: Disables EOP generation of EOF1 when in Full-Speed mode.
During FS operation only, this permits the Hub to send EOP if no
downstream traffic is detected at EOF1. See Section 11.3.1 of the USB 2.0
Specification for additional details. Note: generation of an EOP at the EOF1
point may prevent a Host controller (operating in FS mode) from placing the
USB bus in suspend.
0 = EOP generation is normal
1 = EOP generation is disabled
2:1 CURRENT_SNS Over-current Sense: Selects current sensing on a port-by-port basis, all ports
ganged, or none (only for bus-powered hubs). The ability to support current
sensing on a port or ganged basis is hardware implementation dependent.
00 = Ganged sensing (all ports together)
01 = Individual port-by-port
1x = Over-current sensing not supported (must only be used with Bus-
Powered configurations!)
0 PORT_PWR Port Power Switching: Enables power switching on all ports simultaneously
(ganged), or port power is individually switched on and off on a port- by-port
basis (individual). The ability to support power enabling on a port or ganged
basis is hardware implementation dependent.
0 = Ganged switching (all ports together)
1 = Individual port-by-port switching
BIT
NUMBER BIT NAME DESCRIPTION
7 DYNAMIC Dynamic Power Enable: Controls the ability of the Hub to automatically
change from Self-Powered operation to Bus-Powered operation if the local
power source is removed or is unavailable (and from Bus-Powered to Self-
Powered if the local power source is restored). {Note: If the local power
source is available, the Hub will always switch to Self-Powered operation.}
When Dynamic Power switching is enabled, the Hub detects the availability
of a local power source by monitoring the external LOCAL_PWR pin. If the
Hub detects a change in power source availability, the Hub immediately
disconnects and removes power from all downstream devices and
disconnects the upstream port. The Hub will then re-attach to the upstream
port as either a Bus-Powered Hub (if local-power is unavailable) or a Self-
Powered Hub (if local power is available).
0 = No Dynamic auto-switching
1 = Dynamic Auto-switching capable
6 Reserved Reserved
BIT
NUMBER BIT NAME DESCRIPTION

USB 2.0 Hi-Speed 7-Port Hub Controller
Datasheet
Revision 2.8 (09-17-12) 24 SMSC USB2517
DATASHEET
7.2.1.9 Register 08h: Configuration Data Byte 3
5:4 OC_TIMER Over-Current Timer: Over-Current Timer delay.
00 = 0.1ms
01 = 4ms
10 = 8ms
11 = 16ms
3 COMPOUND Compound Device: Allows the OEM to indicate that the Hub is part of a
compound (see the USB Specification for definition) device. The applicable
port(s) must also be defined as having a "Non-Removable Device".
Note: When configured via strapping options, declaring a port as non-
removable automatically causes the hub controller to report that it
is part of a compound device.
0 = No
1 = Yes, Hub is part of a compound device
2:0 Reserved Reserved
BIT
NUMBER BIT NAME DESCRIPTION
7:4 Reserved Reserved
3 PRTMAP_EN Port Re-mapping enable: Selects the method used by the hub to assign port
numbers and disable ports.
‘0’ = Standard Mode
‘1’ = Port Re-map mode
2:1 LED_MODE LED Mode Selection: The LED_A[7:1]_N and LED_B[7:1]_N pins support
several different modes of operation.
‘00’ = USB Mode
‘01’ = Speed Indication Mode
‘10’ = Same as ‘00’, USB Mode
‘11’ = Same as ‘00’, USB Mode
Warning: Do not enable an LED mode that requires LED pins that are not
available in the specific package being used in the implementation!
Note: The Hub will only report that it supports LED's to the host when
USB mode is selected. All other modes will be reported as No LED
Support.
0 STRING_EN Enables String Descriptor Support
‘0’ = String Support Disabled
‘1’ = String Support Enabled
BIT
NUMBER BIT NAME DESCRIPTION

USB 2.0 Hi-Speed 7-Port Hub Controller
Datasheet
SMSC USB2517 25 Revision 2.8 (09-17-12)
DATASHEET
7.2.1.10 Register 09h: Non-Removable Device
7.2.1.11 Register 0Ah: Port Disable For Self Powered Operation
BIT
NUMBER BIT NAME DESCRIPTION
7:0 NR_DEVICE Non-Removable Device: Indicates which port(s) include non-removable
devices. ‘0’ = port is removable, ‘1’ = port is non-removable.
Informs the Host if one of the active ports has a permanent device that is
undetachable from the Hub. (Note: The device must provide its own
descriptor data.)
When using the internal default option, the NON_REM[1:0] pins will
designate the appropriate ports as being non- removable.
Bit 7= 1; Port 7 non-removable
Bit 6= 1; Port 6 non-removable
Bit 5= 1; Port 5 non-removable
Bit 4= 1; Port 4 non-removable
Bit 3= 1; Port 3 non-removable
Bit 2= 1; Port 2 non-removable
Bit 1= 1; Port 1 non-removable
Bit 0 is Reserved, always = ‘0’
BIT
NUMBER BIT NAME DESCRIPTION
7:0 PORT_DIS_SP Port Disable Self-Powered: Disables 1 or more contiguous ports. ‘0’ = port
is available, ‘1’ = port is disabled.
During Self-Powered operation when remapping mode is disabled
(PRTMAP_EN='0'), this selects the ports which will be permanently disabled,
and are not available to be enabled or enumerated by a Host Controller. The
ports can be disabled in any order, the internal logic will automatically report
the correct number of enabled ports to the USB Host, and will reorder the
active ports in order to ensure proper function.
Bit 7= 1; Port 7 is disabled
Bit 6= 1; Port 6 is disabled
Bit 5= 1; Port 5 is disabled
Bit 4= 1; Port 4 is disabled
Bit 3= 1; Port 3 is disabled
Bit 2= 1; Port 2 is disabled
Bit 1= 1; Port 1 is disabled
Bit 0 is Reserved, always = ‘0’

USB 2.0 Hi-Speed 7-Port Hub Controller
Datasheet
Revision 2.8 (09-17-12) 26 SMSC USB2517
DATASHEET
7.2.1.12 Register 0Bh: Port Disable For Bus Powered Operation
7.2.1.13 Register 0Ch: Max Power For Self Powered Operation
7.2.1.14 Register 0Dh: Max Power For Bus Powered Operation
BIT
NUMBER BIT NAME DESCRIPTION
7:0 PORT_DIS_BP Port Disable Bus-Powered: Disables 1 or more contiguous ports. ‘0’ = port
is available, ‘1’ = port is disabled.
During Self-Powered operation when remapping mode is disabled
(PRTMAP_EN='0'), this selects the ports which will be permanently disabled,
and are not available to be enabled or enumerated by a Host Controller. The
ports can be disabled in any order, the internal logic will automatically report
the correct number of enabled ports to the USB Host, and will reorder the
active ports in order to ensure proper function.
When using the internal default option, the PRT_DIS_P[7:1] and
PRT_DIS_M[7:1] pins will disable the appropriate ports.
Bit 7= 1; Port 7 is disabled
Bit 6= 1; Port 6 is disabled
Bit 5= 1; Port 5 is disabled
Bit 4= 1; Port 4 is disabled
Bit 3= 1; Port 3 is disabled
Bit 2= 1; Port 2 is disabled
Bit 1= 1; Port 1 is disabled
Bit 0 is Reserved, always = ‘0’
BIT
NUMBER BIT NAME DESCRIPTION
7:0 MAX_PWR_SP Max Power Self_Powered: Value in 2mA increments that the Hub consumes
from an upstream port (VBUS) when operating as a self-powered hub. This
value includes the hub silicon along with the combined power consumption
(from VBUS) of all associated circuitry on the board. This value also includes
the power consumption of a permanently attached peripheral if the hub is
configured as a compound device, and the embedded peripheral reports
0mA in its descriptors.
Note: The USB 2.0 Specification does not permit this value to exceed
100mA.
BIT
NUMBER BIT NAME DESCRIPTION
7:0 MAX_PWR_BP Max Power Bus_Powered: Value in 2mA increments that the Hub consumes
from an upstream port (VBUS) when operating as a bus-powered hub. This
value includes the hub silicon along with the combined power consumption
(from VBUS) of all associated circuitry on the board. This value also includes
the power consumption of a permanently attached peripheral if the hub is
configured as a compound device, and the embedded peripheral reports
0mA in its descriptors.

USB 2.0 Hi-Speed 7-Port Hub Controller
Datasheet
SMSC USB2517 27 Revision 2.8 (09-17-12)
DATASHEET
7.2.1.15 Register 0Eh: Hub Controller Max Current For Self Powered Operation
7.2.1.16 Register 0Fh: Hub Controller Max Current For Bus Powered Operation
7.2.1.17 Register 10h: Power-On Time
7.2.1.18 Register 11h: Language ID High
7.2.1.19 Register 12h: Language ID Low
BIT
NUMBER BIT NAME DESCRIPTION
7:0 HC_MAX_C_SP Hub Controller Max Current Self-Powered: Value in 2mA increments that the
Hub consumes from an upstream port (VBUS) when operating as a self-
powered hub. This value includes the hub silicon along with the combined
power consumption (from VBUS) of all associated circuitry on the board.
This value does NOT include the power consumption of a permanently
attached peripheral if the hub is configured as a compound device.
Note: The USB 2.0 Specification does not permit this value to exceed
100mA.
A value of 50 (decimal) indicates 100mA, which is the default value.
BIT
NUMBER BIT NAME DESCRIPTION
7:0 HC_MAX_C_BP Hub Controller Max Current Bus-Powered: Value in 2mA increments that the
Hub consumes from an upstream port (VBUS) when operating as a bus-
powered hub. This value will include the hub silicon along with the combined
power consumption (from VBUS) of all associated circuitry on the board.
This value will NOT include the power consumption of a permanently
attached peripheral if the hub is configured as a compound device.
A value of 50 (decimal) would indicate 100mA, which is the default value.
BIT
NUMBER BIT NAME DESCRIPTION
7:0 POWER_ON_TIME Power On Time: The length of time that it takes (in 2 ms intervals) from the
time the host initiated power-on sequence begins on a port until power is
stable on that port.
BIT
NUMBER BIT NAME DESCRIPTION
7:0 LANG_ID_H USB LANGUAGE ID (Upper 8 bits of a 16 bit ID field)
BIT
NUMBER BIT NAME DESCRIPTION
7:0 LANG_ID_L USB LANGUAGE ID (Lower 8 bits of a 16 bit ID field)

USB 2.0 Hi-Speed 7-Port Hub Controller
Datasheet
Revision 2.8 (09-17-12) 28 SMSC USB2517
DATASHEET
7.2.1.20 Register 13h: Manufacturer String Length
7.2.1.21 Register 14h: Product String Length
7.2.1.22 Register 15h: Serial String Length
7.2.1.23 Register 16h-53h: Manufacturer String
BIT
NUMBER BIT NAME DESCRIPTION
7:0 MFR_STR_LEN Manufacturer String Length
Maximum string length is 31 characters
BIT
NUMBER BIT NAME DESCRIPTION
7:0 PRD_STR_LEN Product String Length
Maximum string length is 31 characters
BIT
NUMBER BIT NAME DESCRIPTION
7:0 SER_STR_LEN Serial String Length
Maximum string length is 31 characters
BIT
NUMBER BIT NAME DESCRIPTION
7:0 MFR_STR Manufacturer String, UNICODE UTF-16LE per USB 2.0 Specification
Maximum string length is 31 characters (62 bytes)
Note: The string consists of individual 16 Bit UNICODE UTF-16LE
characters. The characters will be stored starting with the LSB at
the least significant address and the MSB at the next 8-bit location
(subsequent characters must be stored in sequential contiguous
address in the same LSB, MSB manner). Some EEPROM
programmers may transpose the MSB and LSB, thus reversing the
Byte order. Please pay careful attention to the byte ordering or
your selected programming tools.

USB 2.0 Hi-Speed 7-Port Hub Controller
Datasheet
SMSC USB2517 29 Revision 2.8 (09-17-12)
DATASHEET
7.2.1.24 Register 54h-91h: Product String
7.2.1.25 Register 92h-CFh: Serial String
7.2.1.26 Register F6h: Boost_Up
7.2.1.27 Register F7h: Boost_7:5 (Reset = 0x00)
BIT
NUMBER BIT NAME DESCRIPTION
7:0 PRD_STR Product String, UNICODE UTF-16LE per USB 2.0 Specification
Maximum string length is 31 characters (62 bytes)
Note: The string consists of individual 16 Bit UNICODE UTF-16LE
characters. The characters will be stored starting with the LSB at
the least significant address and the MSB at the next 8-bit location
(subsequent characters must be stored in sequential contiguous
address in the same LSB, MSB manner). Some EEPROM
programmers may transpose the MSB and LSB, thus reversing the
Byte order. Please pay careful attention to the byte ordering or
your selected programming tools.
BIT
NUMBER BIT NAME DESCRIPTION
7:0 SER_STR Serial String, UNICODE UTF16LE per USB 2.0 Specification
Maximum string length is 31 characters (62 bytes)
Note: The string consists of individual 16 Bit UNICODE UTF-16LE
characters. The characters will be stored starting with the LSB at
the least significant address and the MSB at the next 8-bit location
(subsequent characters must be stored in sequential contiguous
address in the same LSB, MSB manner). Some EEPROM
programmers may transpose the MSB and LSB, thus reversing the
Byte order. Please pay careful attention to the byte ordering or
your selected programming tools.
BIT
NUMBER BIT NAME DESCRIPTION
7:2 Reserved Reserved
1:0 BOOST_IOUT USB electrical signaling drive strength Boost Bit for Upstream Port.
‘00’ = Normal electrical drive strength = No boost
‘01’ = Elevated electrical drive strength = Low (approximately 4% boost)
‘10’ = Elevated electrical drive strength = Medium (approximately 8% boost)
‘11’ = Elevated electrical drive strength = High (approximately 12% boost)
Note: “Boost” could result in non-USB Compliant parameters (one
example would be Test J/K levels), the OEM should use a ‘00’
value unless specific implementation issues require additional
signal boosting to correct for degraded USB signalling levels.
BIT
NUMBER BIT NAME DESCRIPTION

USB 2.0 Hi-Speed 7-Port Hub Controller
Datasheet
Revision 2.8 (09-17-12) 30 SMSC USB2517
DATASHEET
7.2.1.28 Register F8h: Boost_4:0
7:6 Reserved Reserved
5:4 BOOST_IOUT_7 USB electrical signaling drive strength Boost Bit for Downstream Port ‘7’.
‘00’ = Normal electrical drive strength
‘01’ = Elevated electrical drive strength (+4% boost)
‘10’ = Elevated electrical drive strength (+8% boost)
‘11’ = Elevated electrical drive strength (+12% boost)
3:2 BOOST_IOUT_6 USB electrical signaling drive strength Boost Bit for Downstream Port ‘6’.
‘00’ = Normal electrical drive strength
‘01’ = Elevated electrical drive strength (+4% boost)
‘10’ = Elevated electrical drive strength (+8% boost)
‘11’ = Elevated electrical drive strength (+12% boost)
1:0 BOOST_IOUT_5 USB electrical signaling drive strength Boost Bit for Downstream Port ‘5’.
‘00’ = Normal electrical drive strength
‘01’ = Elevated electrical drive strength (+4% boost)
‘10’ = Elevated electrical drive strength (+8% boost)
‘11’ = Elevated electrical drive strength (+12% boost)
BIT
NUMBER BIT NAME DESCRIPTION
7:6 BOOST_IOUT_4 USB electrical signaling drive strength Boost Bit for Downstream Port ‘4’.
‘00’ = Normal electrical drive strength = No boost
‘01’ = Elevated electrical drive strength = Low (approximately 4% boost)
‘10’ = Elevated electrical drive strength = Medium (approximately 8% boost)
‘11’ = Elevated electrical drive strength = High (approximately 12% boost)
Note: “Boost” could result in non-USB Compliant parameters (one
example would be Test J/K levels), the OEM should use a ‘00’
value unless specific implementation issues require additional
signal boosting to correct for degraded USB signalling levels.
5:4 BOOST_IOUT_3 USB electrical signaling drive strength Boost Bit for Downstream Port ‘3’.
‘00’ = Normal electrical drive strength = No boost
‘01’ = Elevated electrical drive strength = Low (approximately 4% boost)
‘10’ = Elevated electrical drive strength = Medium (approximately 8% boost)
‘11’ = Elevated electrical drive strength = High (approximately 12% boost)
Note: “Boost” could result in non-USB Compliant parameters (one
example would be Test J/K levels), the OEM should use a ‘00’
value unless specific implementation issues require additional
signal boosting to correct for degraded USB signalling levels.
3:2 BOOST_IOUT_2 USB electrical signaling drive strength Boost Bit for Downstream Port ‘2’.
‘00’ = Normal electrical drive strength = No boost
‘01’ = Elevated electrical drive strength = Low (approximately 4% boost)
‘10’ = Elevated electrical drive strength = Medium (approximately 8% boost)
‘11’ = Elevated electrical drive strength = High (approximately 12% boost)
Note: “Boost” could result in non-USB Compliant parameters (one
example would be Test J/K levels), the OEM should use a ‘00’
value unless specific implementation issues require additional
signal boosting to correct for degraded USB signalling levels.

USB 2.0 Hi-Speed 7-Port Hub Controller
Datasheet
SMSC USB2517 31 Revision 2.8 (09-17-12)
DATASHEET
7.2.1.29 Register FAh: Port Swap
1:0 BOOST_IOUT_1 USB electrical signaling drive strength Boost Bit for Downstream Port ‘1’.
‘00’ = Normal electrical drive strength = No boost
‘01’ = Elevated electrical drive strength = Low (approximately 4% boost)
‘10’ = Elevated electrical drive strength = Medium (approximately 8% boost)
‘11’ = Elevated electrical drive strength = High (approximately 12% boost)
Note: “Boost” could result in non-USB Compliant parameters (one
example would be Test J/K levels), the OEM should use a ‘00’
value unless specific implementation issues require additional
signal boosting to correct for degraded USB signalling levels.
BIT
NUMBER BIT NAME DESCRIPTION
7:0 PRTSP Port Swap: Swaps the Upstream and Downstream USB DP and DM Pins for
ease of board routing to devices and connectors.
‘0’ = USB D+ functionality is associated with the DP pin and D- functionality
is associated with the DM pin.
‘1’ = USB D+ functionality is associated with the DM pin and D- functionality
is associated with the DP pin.
Bit 7= ’1’; Port 7 DP/DM is swapped.
Bit 6= ’1’; Port 6 DP/DM is swapped.
Bit 5= ’1’; Port 5 DP/DM is swapped.
Bit 4= ‘1’; Port 4 DP/DM is swapped.
Bit 3= ‘1’; Port 3 DP/DM is swapped.
Bit 2= ‘1’; Port 2 DP/DM is swapped.
Bit 1= ‘1’; Port 1 DP/DM is swapped.
Bit 0= ‘1’; Upstream Port DP/DM is swapped
BIT
NUMBER BIT NAME DESCRIPTION

USB 2.0 Hi-Speed 7-Port Hub Controller
Datasheet
Revision 2.8 (09-17-12) 32 SMSC USB2517
DATASHEET
7.2.1.30 Register FBh: Port Remap 12
BIT
NUMBER BIT NAME DESCRIPTION
7:0 PRTR12 Port remap register for ports 1 & 2
When a hub is enumerated by a USB Host Controller, the hub is only
permitted to report how many ports it has; the hub is not permitted to select
a numerical range or assignment. The Host Controller will number the
downstream ports of the hub starting with the number '1', up to the number
of ports that the hub recognizes.
The host's port number is referred to as "Logical Port Number" and the
physical port on the hub is the “Physical Port Number". When remapping
mode is enabled (see PRTMAP_EN in Register 08h: Configuration Data
Byte 3) the hub's downstream port numbers can be remapped to different
logical port numbers (assigned by the host).
Note: The OEM must ensure that Contiguous Logical Port Numbers are
used, starting from #1 up to the maximum number of enabled ports;
this ensures that the hub's ports are numbered in accordance with
the way a Host will communicate with the ports.
Table 7.2 Port Remap Register for Ports 1 & 2
Bit [7:4] ‘0000’ Physical Port 2 is Disabled
‘0001’ Physical Port 2 is mapped to Logical Port 1
‘0010’ Physical Port 2 is mapped to Logical Port 2
‘0011’ Physical Port 2 is mapped to Logical Port 3
‘0100’ Physical Port 2 is mapped to Logical Port 4
‘0101’ Physical Port 2 is mapped to Logical Port 5
‘0110’ Physical Port 2 is mapped to Logical Port 6
‘0111’ Physical Port 2 is mapped to Logical Port 7
‘1000’
to
‘1111’
Reserved, will default to ‘0000’ value
Bit [3:0] ‘0000’ Physical Port 1 is Disabled
‘0001’ Physical Port 1 is mapped to Logical Port 1
‘0010’ Physical Port 1 is mapped to Logical Port 2
‘0011’ Physical Port 1 is mapped to Logical Port 3
‘0100’ Physical Port 1 is mapped to Logical Port 4
‘0101’ Physical Port 1 is mapped to Logical Port 5
‘0110’ Physical Port 1 is mapped to Logical Port 6
‘0111’ Physical Port 1 is mapped to Logical Port 7
‘1000’
to
‘1111’
Reserved, will default to ‘0000’ value

USB 2.0 Hi-Speed 7-Port Hub Controller
Datasheet
SMSC USB2517 33 Revision 2.8 (09-17-12)
DATASHEET
7.2.1.31 Register FCh: Port Remap 34
BIT
NUMBER BIT NAME DESCRIPTION
7:0 PRTR34 Port remap register for ports 3 & 4
When a hub is enumerated by a USB Host Controller, the hub is only
permitted to report how many ports it has; the hub is not permitted to select
a numerical range or assignment. The Host Controller will number the
downstream ports of the hub starting with the number '1', up to the number
of ports that the hub recognizes.
The host's port number is referred to as "Logical Port Number" and the
physical port on the hub is the “Physical Port Number". When remapping
mode is enabled (see PRTMAP_EN in Register 08h: Configuration Data
Byte 3) the hub's downstream port numbers can be remapped to different
logical port numbers (assigned by the host).
Note: The OEM must ensure that Contiguous Logical Port Numbers are
used, starting from #1 up to the maximum number of enabled ports;
this ensures that the hub's ports are numbered in accordance with
the way a Host will communicate with the ports.
Table 7.3 Port Remap Register for Ports 3 & 4
Bit [7:4] ‘0000’ Physical Port 4 is Disabled
‘0001’ Physical Port 4 is mapped to Logical Port 1
‘0010’ Physical Port 4 is mapped to Logical Port 2
‘0011’ Physical Port 4 is mapped to Logical Port 3
‘0100’ Physical Port 4 is mapped to Logical Port 4
‘0101’ Physical Port 4 is mapped to Logical Port 5
‘0110’ Physical Port 4 is mapped to Logical Port 6
‘0111’ Physical Port 4 is mapped to Logical Port 7
‘1000’
to
‘1111’
Reserved, will default to ‘0000’ value
Bit [3:0] ‘0000’ Physical Port 3 is Disabled
‘0001’ Physical Port 3 is mapped to Logical Port 1
‘0010’ Physical Port 3 is mapped to Logical Port 2
‘0011’ Physical Port 3 is mapped to Logical Port 3
‘0100’ Physical Port 3 is mapped to Logical Port 4
‘0101’ Physical Port 3 is mapped to Logical Port 5
‘0110’ Physical Port 3 is mapped to Logical Port 6
‘0111’ Physical Port 3 is mapped to Logical Port 7
‘1000’
to
‘1111’
Reserved, will default to ‘0000’ value
USB 2.0 Hi-Speed 7-Port Hub Controller
Datasheet
Revision 2.8 (09-17-12) 34 SMSC USB2517
DATASHEET
7.2.1.32 Register FDh: Port Remap 56 (Reset = 0x00)

USB 2.0 Hi-Speed 7-Port Hub Controller
Datasheet
SMSC USB2517 35 Revision 2.8 (09-17-12)
DATASHEET
BIT
NUMBER BIT NAME DESCRIPTION
7:0 PRTR56 Port remap register for ports 5 & 6.
When a hub is enumerated by a USB Host Controller, the hub is only
permitted to report how many ports it has; the hub is not permitted to select
a numerical range or assignment. The Host Controller will number the
downstream ports of the hub starting with the number '1', up to the number
of ports that the hub recognizes.
The host's port number is referred to as "Logical Port Number" and the
physical port on the hub is the “Physical Port Number". When remapping
mode is enabled (see PRTMAP_EN in Register 08h: Configuration Data
Byte 3) the hub's downstream port numbers can be remapped to different
logical port numbers (assigned by the host).
Note: The OEM must ensure that Contiguous Logical Port Numbers are
used, starting from #1 up to the maximum number of enabled ports;
this ensures that the hub's ports are numbered in accordance with
the way a Host will communicate with the ports.
Table 7.4 Port Remap Register for Ports 5 & 6
Bit [7:4] ‘0000’ Physical Port 6 is Disabled
‘0001’ Physical Port 6 is mapped to Logical Port 1
‘0010’ Physical Port 6 is mapped to Logical Port 2
‘0011’ Physical Port 6 is mapped to Logical Port 3
‘0100’ Physical Port 6 is mapped to Logical Port 4
‘0101’ Physical Port 6 is mapped to Logical Port 5
‘0110’ Physical Port 6 is mapped to Logical Port 6
‘0111’ Physical Port 6 is mapped to Logical Port 7
‘1000’
to
‘1111’
Reserved, will default to ‘0000’ value
Bit [3:0] ‘0000’ Physical Port 3 is Disabled
‘0001’ Physical Port 5 is mapped to Logical Port 1
‘0010’ Physical Port 5 is mapped to Logical Port 2
‘0011’ Physical Port 5 is mapped to Logical Port 3
‘0100’ Physical Port 5 is mapped to Logical Port 4
‘0101’ Physical Port 5 is mapped to Logical Port 5
‘0110’ Physical Port 5 is mapped to Logical Port 6
‘0111’ Physical Port 5 is mapped to Logical Port 7
‘1000’
to
‘1111’
Reserved, will default to ‘0000’ value

USB 2.0 Hi-Speed 7-Port Hub Controller
Datasheet
Revision 2.8 (09-17-12) 36 SMSC USB2517
DATASHEET
7.2.1.33 Register FEh: Port Remap 7 (Reset = 0x00)
BIT
NUMBER BIT NAME DESCRIPTION
7:0 PRTR7 Port remap register for ports 7.
When a hub is enumerated by a USB Host Controller, the hub is only
permitted to report how many ports it has; the hub is not permitted to select
a numerical range or assignment. The Host Controller will number the
downstream ports of the hub starting with the number '1', up to the number
of ports that the hub recognizes.
The host's port number is referred to as "Logical Port Number" and the
physical port on the hub is the “Physical Port Number". When remapping
mode is enabled (see PRTMAP_EN in Register 08h: Configuration Data
Byte 3) the hub's downstream port numbers can be remapped to different
logical port numbers (assigned by the host).
Note: The OEM must ensure that Contiguous Logical Port Numbers are
used, starting from #1 up to the maximum number of enabled ports;
this ensures that the hub's ports are numbered in accordance with
the way a Host will communicate with the ports.
Table 7.5 Port Remap Register for Port 7
Bit [7:4] ‘0000’
to
‘1111’
Reserved
Bit [3:0] ‘0000’ Physical Port 7 is Disabled
‘0001’ Physical Port 7 is mapped to Logical Port 1
‘0010’ Physical Port 7 is mapped to Logical Port 2
‘0011’ Physical Port 7 is mapped to Logical Port 3
‘0100’ Physical Port 7 is mapped to Logical Port 4
‘0101’ Physical Port 7 is mapped to Logical Port 5
‘0110’ Physical Port 7 is mapped to Logical Port 6
‘0111’ Physical Port 7 is mapped to Logical Port 7
‘1000’
to
‘1111’
Reserved, will default to ‘0000’ value

USB 2.0 Hi-Speed 7-Port Hub Controller
Datasheet
SMSC USB2517 37 Revision 2.8 (09-17-12)
DATASHEET
7.2.1.34 Register FFh: Status/Command
7.2.2 I2C EEPROM
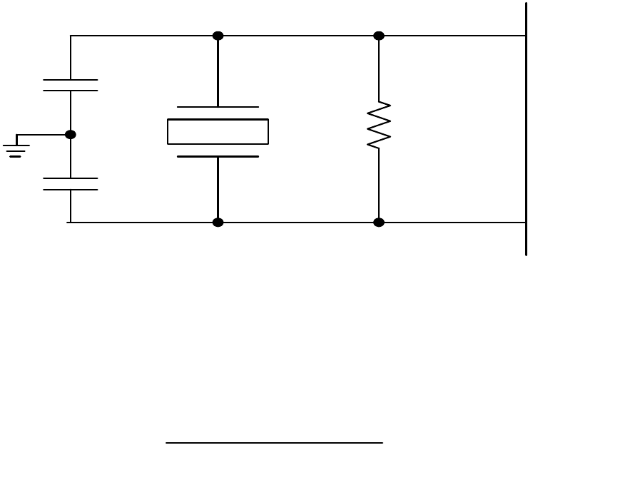
The I2C EEPROM interface implements a subset of the I2C Master Specification (Please refer to the Philips
Semiconductor Standard I2C-Bus Specification for details on I2C bus protocols). The Hub’s I2C EEPROM interface
is designed to attach to a single “dedicated” I2C EEPROM, and conforms to the Standard-mode I2C Specification
(100kbit/s transfer rate and 7-bit addressing) for protocol and electrical compatibility.
Note: Extensions to the I2C Specification are not supported.
The Hub acts as the master and generates the serial clock SCL, controls the bus access (determines which device
acts as the transmitter and which device acts as the receiver), and generates the START and STOP conditions.
7.2.2.1 Implementation Characteristics
The Hub will only access an EEPROM using the Sequential Read Protocol.
7.2.2.2 Pull-Up Resistor
The Circuit board designer is required to place external pull-up resistors (10KΩ recommended) on the
SDA/SMBDATA & SCL/SMBCLK/CFG_SELO lines (per SMBus 1.0 Specification, and EEPROM manufacturer
guidelines) to Vcc in order to assure proper operation.
7.2.2.3 I2C EEPROM Slave Address
Slave address is 1010000.
Note: 10-bit addressing is NOT supported.
7.2.3 In-Circuit EEPROM Programming
The EEPROM can be programmed via ATE by pulling RESET_N low (which tri-states the Hub’s EEPROM interface
and allows an external source to program the EEPROM).
7.3 SMBus Slave Interface
Instead of loading User-Defined Descriptor data from an external EEPROM, the SMSC Hub can be configured to
receive a code load from an external processor via an SMBus interface. The SMBus interface shares the same pins
as the EEPROM interface; if CFG_SEL1 & CFG_SEL0 activates the SMBus interface, external EEPROM support is
no longer available (and the user-defined descriptor data must be downloaded via the SMBus). Due to system issues,
the SMSC Hub waits indefinitely for the SMBus code load to complete and only “appears” as a newly connected
device on USB after the code load is complete.
BIT
NUMBER BIT NAME DESCRIPTION
7:3 Reserved Reserved
2 INTF_PW_DN SMBus Interface Power Down
‘0’ = Interface is active
‘1’ = Interface power down after ACK has completed
1 RESET Reset the SMBus Interface and internal memory back to RESET_N
assertion default settings.
‘0’ = Normal Run/Idle State
‘1’ = Force a reset of registers to their default state
0 USB_ATTACH USB Attach (and write protect)
‘0’ = SMBus slave interface is active
‘1’ = Hub will signal a USB attach event to an upstream device. The internal
memory (address range 00h-FEh) is “write-protected” to prevent
unintentional data corruption.

USB 2.0 Hi-Speed 7-Port Hub Controller
Datasheet
Revision 2.8 (09-17-12) 38 SMSC USB2517
DATASHEET
The Hub’s SMBus implementation is a subset of the SMBus interface to the host. The device is a slave-only SMBus
device. The implementation in the device is a subset of SMBus since it only supports two protocols.
The Write Block and Read Block protocols are the only valid SMBus protocols for the Hub. The Hub responds to
other protocols as described in Section 7.3.2, "Invalid Protocol Response Behavior," on page 39. Reference the
System Management Bus Specification, Rev 1.0.
The SMBus interface is used to read and write the registers in the device. The register set is shown in Section 7.2.1,
"Internal Register Set (Common to EEPROM and SMBus)," on page 19.
7.3.1 Bus Protocols
Typical Write Block and Read Block protocols are shown below. Register accesses are performed using 7-bit slave
addressing, an 8-bit register address field, and an 8-bit data field. The shading indicates the Hub driving data on the
SMBDATA line; otherwise, host data is on the SDA/SMBDATA line.
The slave address is the unique SMBus Interface Address for the Hub that identifies it on SMBus. The register
address field is the internal address of the register to be accessed. The register data field is the data that the host
is attempting to write to the register or the contents of the register that the host is attempting to read.
Note: Data bytes are transferred MSB first (msb first).
7.3.1.1 Block Read/Write
The Block Write begins with a slave address and a write condition. After the command code, the host issues a byte
count which describes how many more bytes will follow in the message. If a slave had 20 bytes to send, the first
byte would be the number 20 (14h), followed by the 20 bytes of data. The byte count may not be 0. A Block Read
or Write is allowed to transfer a maximum of 32 data bytes.
Note: For the following SMBus tables:
Figure 7.1 Block Write
Block Read
A Block Read differs from a block write in that the repeated start condition exists to satisfy the I2C specification’s
requirement for a change in the transfer direction.
Figure 7.2 Block Read
Denotes Master-to-Slave Denotes Slave-to-Master
181
SSlave Address Register AddressWr A
17118
A
1
...
Byte Count = N AData byte 1 AData byte 2
81 1 188
Data byte N A P
Block Write
A
Block Read
1
SS Slave Address Register AddressWr A
17118
A
1
Slave Address Rd A
711
81 1 188
P
181
A AAA
Byte Count = N Data byte 1 Data byte 2 Data byte N
...
USB 2.0 Hi-Speed 7-Port Hub Controller
Datasheet
SMSC USB2517 39 Revision 2.8 (09-17-12)
DATASHEET
7.3.2 Invalid Protocol Response Behavior
Registers accessed with an invalid protocol are not updated. A register is only updated following a valid protocol.
The only valid protocols are Write Block and Read Block, which are described above.
The Hub only responds to the hardware selected Slave Address.
Attempting to communicate with the Hub over SMBus with an invalid slave address or invalid protocol results in no
response, and the SMBus Slave Interface returns to the idle state.
The only valid registers that are accessible by the SMBus slave address are the registers defined in the Registers
Section. See Section 7.3.3 for the response to undefined registers.
7.3.3 General Call Address Response
The Hub does not respond to a general call address of 0000_000b.
7.3.4 Slave Device Time-Out
According to the SMBus Specification, V1.0 devices in a transfer can abort the transfer in progress and release the
bus when any single clock low interval exceeds 25ms (TTIMEOUT, MIN). Devices that have detected this condition must
reset their communication and be able to receive a new START condition no later than 35ms (TTIMEOUT, MAX).
Note: Some simple devices do not contain a clock low drive circuit; this simple kind of device typically
resets its communications port after a start or stop condition. The Slave Device Time-Out must
be implemented.
7.3.5 Stretching the SCLK Signal
The Hub supports stretching of the SCLK by other devices on the SMBus. The Hub does not stretch the SCLK.
7.3.6 SMBus Timing
The SMBus Slave Interface complies with the SMBus AC Timing Specification. See the SMBus timing in the “Timing
Diagram” section.
7.3.7 Bus Reset Sequence
The SMBus Slave Interface resets and returns to the idle state upon a START field followed immediately by a STOP
field.
7.3.8 SMBus Alert Response Address
The SMBALERT# signal is not supported by the Hub.
7.3.8.1 Undefined Registers
The registers shown in Table 7.1 are the defined registers in the Hub. Reads to undefined registers return to 00h.
Writes to undefined registers have no effect and do not return an error.
7.3.8.2 Reserved Registers
Unless otherwise instructed, only a ‘0’ may be written to all reserved registers or bits.
7.4 Default Configuration Option:
The SMSC Hub can be configured via its internal default configuration. (Please see Section 7.2.1, "Internal Register
Set (Common to EEPROM and SMBus)" for specific details on how to enable default configuration.)
Please refer to Tabl e 7 . 1 for the internal default values that are loaded when this option is selected.
7.5 Default Strapping Options:
The USB2517 can be configured via a combination of internal default values and pin strap options. Please see
Table 5.1, "PIN Descriptions" and Table 5.2, "USB2517 SMBUS or EEPROM Interface Behavior" for specific details
on how to enable the default/pin-strap configuration option.
The strapping option pins only cover a limited sub-set of the configuration options. The internal default values will be
used for the bits & registers that are not controlled by a strapping option pin. Please refer to Ta b l e 7 . 1 for the internal
default values that are loaded when this option is selected.

USB 2.0 Hi-Speed 7-Port Hub Controller
Datasheet
Revision 2.8 (09-17-12) 40 SMSC USB2517
DATASHEET
The Amber and Green LED pins are sampled after RESET_N negation, and the logic values are used to configure
the hub if the internal default configuration mode is selected. The implementation shown below (see Figure 7.3)
shows a recommended passive scheme. When a pin is configured with a “Strap High” configuration, the LED
functions with active low signalling, and the PAD will “sink” the current from the external supply. When a pin is
configured with a “Strap Low” configuration, the LED functions with active high signalling, and the PAD will “source”
the current to the external LED.
Figure 7.3 LED Strapping Option
7.6 Reset
There are two different resets that the Hub experiences. One is a hardware reset (either from the internal POR reset
circuit or via the RESET_N pin) and the second is a USB Bus Reset.
7.6.1 Internal POR Hardware Reset
All reset timing parameters are guaranteed by design.
7.6.2 External Hardware RESET_N
A valid hardware reset is defined as assertion of RESET_N for a minimum of 1us after all power supplies are within
operating range. While reset is asserted, the Hub (and its associated external circuitry) consumes less than 500μA
of current from the upstream USB power source.
Assertion of RESET_N (external pin) causes the following:
1. All downstream ports are disabled, and PRTPWR power to downstream devices is removed.
2. The PHYs are disabled, and the differential pairs will be in a high-impedance state.
3. All transactions immediately terminate; no states are saved.
4. All internal registers return to the default state (in most cases, 00(h)).
5. The external crystal oscillator is halted.
6. The PLL is halted.
7. LED indicators are disabled.
The Hub is “operational” 500μs after RESET_N is negated.
Once operational, the Hub immediately reads OEM-specific data from the external EEPROM (if the SMBus option is
not disabled).
HUB
100K
Strap Low
LED
Pin
100K
Strap High
LED
Pin
+V
LED
LED

USB 2.0 Hi-Speed 7-Port Hub Controller
Datasheet
SMSC USB2517 41 Revision 2.8 (09-17-12)
DATASHEET
7.6.2.1 RESET_N for Strapping Option Configuration
Figure 7.4 Reset_N Timing for Default/Strap Option Mode
Notes:
When in Bus-Powered mode, the Hub and its associated circuitry must not consume more than
100mA from the upstream USB power source during t1+t5.
All Power Supplies must have reached the operating levels mandated in Chapter 8, DC
Parameters, prior to (or coincident with) the assertion of RESET_N.
Table 7.6 Reset_N Timing for Default/Strap Option Mode
NAME DESCRIPTION MIN TYP MAX UNITS
t1 RESET_N Asserted. 1 μsec
t2 Strap Setup Time 16.7 nsec
t3 Strap Hold Time. 16.7 1400 nsec
t4 hub outputs driven to inactive logic states 1.5 2 μsec
t5 USB Attach (See Note). 100 msec
t6 Host acknowledges attach and signals USB
Reset.
100 msec
t7 USB Idle. undefined msec
t8 Completion time for requests (with or without data
stage).
5 msec
t1
t4
t5 t6 t7 t8
Valid Don’t Care
Don’t Care Driven by Hub if strap is an output.
RESET_N
VSS
Strap Pins
VSS
Hardware
reset
asserted
Read Strap
Options
Drive Strap
Outputs to
inactive
levels
Attach
USB
Upstream
USB Reset
recovery Idle
Start
completion
request
response
t2
t3

USB 2.0 Hi-Speed 7-Port Hub Controller
Datasheet
Revision 2.8 (09-17-12) 42 SMSC USB2517
DATASHEET
7.6.2.2 RESET_N for EEPROM Configuration
Figure 7.5 Reset_N Timing for EEPROM Mode
Notes:
When in Bus-Powered mode, the Hub and its associated circuitry must not consume more than
100mA from the upstream USB power source during t4+t5+t6+t7.
All Power Supplies must have reached the operating levels mandated in Chapter 8, DC
Parameters, prior to (or coincident with) the assertion of RESET_N.
Table 7.7 Reset_N Timing for EEPROM Mode
NAME DESCRIPTION MIN TYP MAX UNITS
t1 RESET_N Asserted. 1 μsec
t2 Hub Recovery/Stabilization. 500 μsec
t3 EEPROM Read / Hub Config. 2.0 99.5 msec
t4 USB Attach (See Note). 100 msec
t5 Host acknowledges attach and signals USB
Reset.
100 msec
t6 USB Idle. undefined msec
t7 Completion time for requests (with or without data
stage).
5 msec
t1 t2
t4
t5 t6 t7
RESET_N
VSS
Hardware
reset
asserted
Read Strap
Options
Read EEPROM
+
Set Options
Attach
USB
Upstream
USB Reset
recovery Idle
Start
completion
request
response
t3

USB 2.0 Hi-Speed 7-Port Hub Controller
Datasheet
SMSC USB2517 43 Revision 2.8 (09-17-12)
DATASHEET
7.6.2.3 RESET_N for SMBus Slave Configuration
Figure 7.6 Reset_N Timing for SMBus Mode
Notes:
For Bus-Powered configurations, the 99.5ms (MAX) is required, and the Hub and its associated
circuitry must not consume more than 100mA from the upstream USB power source during
t2+t3+t4+t5+t6+t7. For Self-Powered configurations, t3 MAX is not applicable and the time to load
the configuration is determined by the external SMBus host.
All Power Supplies must have reached the operating levels mandated in Chapter 8, DC
Parameters, prior to (or coincident with) the assertion of RESET_N.
7.6.3 USB Bus Reset
In response to the upstream port signaling a reset to the Hub, the Hub does the following:
Note: The Hub does not propagate the upstream USB reset to downstream devices.
1. Sets default address to 0.
2. Sets configuration to: Unconfigured.
3. Negates PRTPWR[7:1] to all downstream ports.
4. Clears all TT buffers.
5. Moves device from suspended to active (if suspended).
Table 7.8 Reset_N Timing for SMBus Mode
NAME DESCRIPTION MIN TYP MAX UNITS
t1 RESET_N Asserted. 1 μsec
t2 Hub Recovery/Stabilization. 500 μsec
t3 SMBus Code Load (See Note). 250 300 msec
t4 Hub Configuration and USB Attach. 100 msec
t5 Host acknowledges attach and signals USB
Reset.
100 msec
t6 USB Idle. Undefined msec
t7 Completion time for requests (with or without data
stage).
5 msec
t1 t2 t4 t5 t6 t7
RESET_N
VSS
Hardware
reset
asserted
Reset
Negation
SMBus Code
Load
Attach
USB
Upstream
USB Reset
recovery Idle
Start
completion
request
response
t3
Hub PHY
Stabilization
USB 2.0 Hi-Speed 7-Port Hub Controller
Datasheet
Revision 2.8 (09-17-12) 44 SMSC USB2517
DATASHEET
6. Complies with Section 11.10 of the USB 2.0 Specification for behavior after completion of the reset
sequence.
The Host then configures the Hub and the Hub’s downstream port devices in accordance with the USB Specification.

USB 2.0 Hi-Speed 7-Port Hub Controller
Datasheet
SMSC USB2517 45 Revision 2.8 (09-17-12)
DATASHEET
Chapter 8 DC Parameters
8.1 Maximum Guaranteed Ratings
Note 8.1 Stresses above the specified parameters could cause permanent damage to the device.
This is a stress rating only and functional operation of the device at any condition above
those indicated in the operation sections of this specification is not implied.
Note 8.2 When powering this device from laboratory or system power supplies, it is important that
the Absolute Maximum Ratings not be exceeded or device failure can result. Some power
supplies exhibit voltage spikes on their outputs when the AC power is switched on or off.
In addition, voltage transients on the AC power line may appear on the DC output. When
this possibility exists, it is suggested that a clamp circuit be used.
8.2 Operating Conditions
PARAMETER SYMBOL MIN MAX UNITS COMMENTS
Storage
Temperature
TSTOR -55 150 °C
Lead
Temperature
325 °C Soldering < 10 seconds
1.8V supply
voltage
VDDA18PLL,
VDD18
2.5 V
3.3V supply
voltage
VDDA33,
VDD33PLL,
VDD33,
VDD33CR
4.6 V
Voltage on any
I/O pin
-0.5 5.5 V
Voltage on
XTAL1
-0.5 4.0 V
Voltage on
XTAL2
-0.5 3.6 V
PARAMETER SYMBOL MIN MAX UNITS COMMENTS
Operating
Temperature
TA0 70 °C Ambient temperature in still air.
1.8V supply voltage VDDA18PLL
VDD18
1.62 1.98 V
3.3V supply voltage VDDA33
VDDA33PLL
VDD33
VDD33CR
3.0 3.6 V
3.3V supply rise time tRT 400 μs(See Figure 8.1, "Supply Rise
Time Model")

USB 2.0 Hi-Speed 7-Port Hub Controller
Datasheet
Revision 2.8 (09-17-12) 46 SMSC USB2517
DATASHEET
Figure 8.1 Supply Rise Time Model
Voltage on any I/O pin -0.3 5.5 V If any 3.3V supply voltage drops
below 3.0V, then the MAX
becomes:
(3.3V supply voltage) + 0.5
Voltage on XTAL1 -0.3 VDD33 V
Voltage on XTAL2 -0.3 VDD18 V
Table 8.1 DC Electrical Characteristics
PARAMETER SYMBOL MIN TYP MAX UNITS COMMENTS
I, IS Type Input Buffer
Low Input Level
High Input Level
Input Leakage
Hysteresis (‘IS’ Only)
VILI
VIHI
IIL
VHYSI
2.0
-10
250
0.8
+10
350
V
V
uA
mV
TTL Levels
VIN = 0 to VDD33
Input Buffer with Pull-Up
(IPU)
Low Input Level
High Input Level
Low Input Leakage
High Input Leakage
VILI
VIHI
IILL
IIHL
2.0
+35
-10
0.8
+90
+10
V
V
uA
uA
TTL Levels
VIN = 0
VIN = VDD33
Input Buffer with Pull-
Down (IPD)
Low Input Level
High Input Level
Low Input Leakage
High Input Leakage
VILI
VIHI
IILL
IIHL
2.0
+10
-35
0.8
-10
-90
V
V
uA
uA
TTL Levels
VIN = 0
VIN = VDD33
PARAMETER SYMBOL MIN MAX UNITS COMMENTS
t10%
10%
90%
Voltage tRT
t90% Time
100%
3.3V
VSS
VDD33

USB 2.0 Hi-Speed 7-Port Hub Controller
Datasheet
SMSC USB2517 47 Revision 2.8 (09-17-12)
DATASHEET
Note 8.3 Output leakage is measured with the current pins in high impedance.
Note 8.4 See USB 2.0 Specification for USB DC electrical characteristics.
Note 8.5 Max supply current was measured under ICH10 EHCI controller while transferring files in
Windows7 using fastest available HDs, at VDD=3.3V+20% and T (case) temperature -55C.
ICLK Input Buffer
Low Input Level
High Input Level
Input Leakage
VILCK
VIHCK
IIL
1.4
-10
0.5
+10
V
V
uA VIN = 0 to VDD33
O12, I/O12 & I/OSD12
Type Buffer
Low Output Level
High Output Level
Output Leakage
Hysteresis (‘SD’ pad only)
VOL
VOH
IOL
VHYSC
2.4
-10
250
0.4
+10
350
V
V
uA
mV
IOL = 12mA @ VDD33 = 3.3V
IOH = -12mA @ VDD33 = 3.3V
VIN = 0 to VDD33
(Note 8.3)
IO-U
(Note 8.4)
Supply Current
Unconfigured
Hi-Speed Host
Full-Speed Host
ICCINTHS
ICCINITFS
95
95
mA
mA
Supply Current
Configured
(Hi-Speed Host) (Note 8.5)
1 Port HS, 1 Port LS/FS
2 Ports @ LS/FS
2 Ports @ HS
4 Ports @ HS
7 Ports @ HS
IHCH1C1
IHCC2
IHCH2
IHCH4
IHCH7
230
230
270
330
420 460
mA
mA
mA
mA
mA
All supplies combined
Supply Current
Configured
(Full-Speed Host)
1 Port
2 Ports
3 Ports
4 Ports
7 Ports
IFCC1
IFCC2
IFCC3
IFCC4
IFCC7
205
210
215
220
235 270
mA
mA
mA
mA
mA
All supplies combined
Supply Current
Suspend
ICSBY 360 610 μA All supplies combined
Supply Current
Reset
ICRST 110 400 μA All supplies combined
Table 8.1 DC Electrical Characteristics (continued)
PARAMETER SYMBOL MIN TYP MAX UNITS COMMENTS

USB 2.0 Hi-Speed 7-Port Hub Controller
Datasheet
Revision 2.8 (09-17-12) 48 SMSC USB2517
DATASHEET
CAPACITANCE TA = 25°C; fc = 1MHz; VDD18, VDDPLL = 1.8V
Table 8.2 Pin Capacitance
LIMITS
PARAMETER SYMBOL MIN TYP MAX UNIT TEST CONDITION
Clock Input
Capacitance
CXTAL 2 pF All pins except USB pins (and pins under
test tied to AC ground)
Input Capacitance CIN 10 pF
Output Capacitance COUT 20 pF

USB 2.0 Hi-Speed 7-Port Hub Controller
Datasheet
SMSC USB2517 49 Revision 2.8 (09-17-12)
DATASHEET
Chapter 9 AC Specifications
9.1 Oscillator/Clock
Crystal: Parallel Resonant, Fundamental Mode, 24 MHz ±350ppm.
External Clock: 50% Duty cycle ± 10%, 24 MHz ± 350ppm, Jitter < 100ps rms.
Figure 9.1 Typical Crystal Circuit
Note: CB equals total board/trace capacitance.
Figure 9.2 Formula to find value of C1 and C2
9.1.1 SMBus Interface:
The SMSC Hub conforms to all voltage, power, and timing characteristics and specifications as set forth in the SMBus
1.0 Specification for Slave-Only devices (except as noted in Section 7.3, "SMBus Slave Interface").
9.1.2 I2C EEPROM:
Frequency is fixed at 58.6KHz ± 20%.
9.1.3 USB 2.0
The SMSC Hub conforms to all voltage, power, and timing characteristics and specifications as set forth in the USB
2.0 Specification. Please refer to the USB 2.0 Specification for more information.
XTAL1
(CS1 =
CB + CXTAL )
XTAL2
(CS2 =
CB + CXTAL )
C1
C2
CL1Meg
Crystal
(C1 + CS1) x (C2 + CS2)
(C1 + CS1 + C2 + CS2)
CL
=

USB 2.0 Hi-Speed 7-Port Hub Controller
Datasheet
Revision 2.8 (09-17-12) 50 SMSC USB2517
DATASHEET
Chapter 10 Package Outline
Figure 10.1 64-Pin QFN, 9x9mm Body, 0.5mm Pitch