Service Parts Manual H422B 262Aservicemanual
User Manual: H422B
Open the PDF directly: View PDF
.
Page Count: 206 [warning: Documents this large are best viewed by clicking the View PDF Link!]
- Cover
- Manual History
- Contents
- Warning Pages
- Section 1 (Introduction & Ordering Information)
- Section 2 (Exterior Trim/Framework)
- Section 3 (Electronic Assemblies, Dials & Schematics)
- 262A Electronics Enclosure Assembly (1 & 2 Lamp System)
- 262A Electronics Enclosure Assembly (3 & 6 Lamp System)
- Electrical Component & Power Supply Assembly
- Contactor & Circuit Breaker Box Assembly (262A-HD 380 Volt)
- 262A Backlite Dial Assembly (1 or 2 Lamp System)
- 262A Backlite Dial Assembly (3 or 6 Lamp System)
- 262A/AFL Dial Assembly
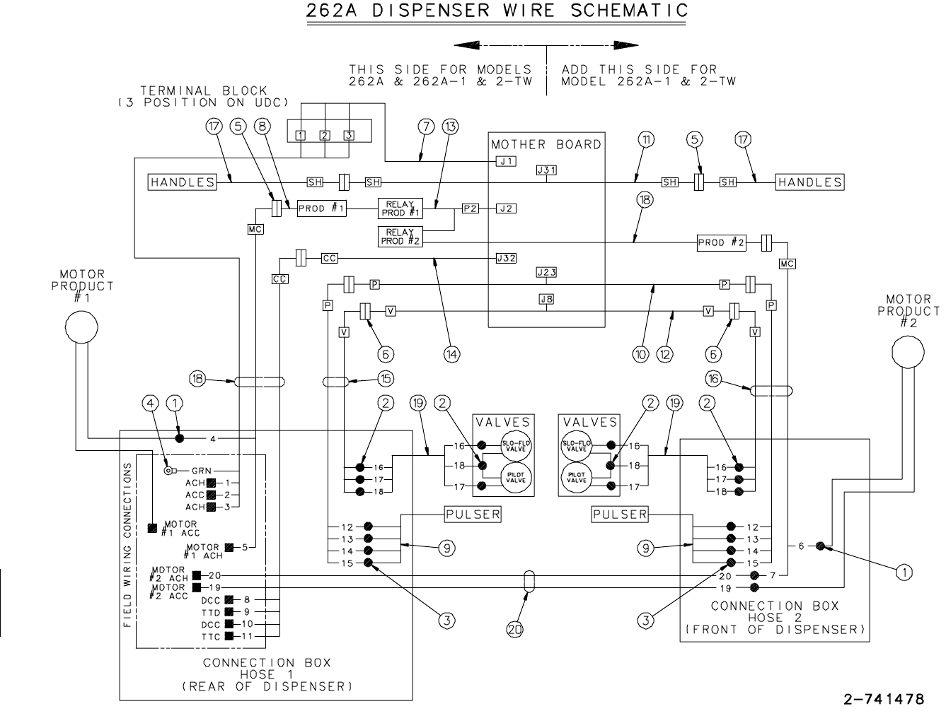
- 262A Dispenser Wire Schematic
- 262A-RC Dispenser Wiring Schematic
- 262A Electronics Enclosure Schematic (1 or 2 Lamp System)
- 262A Electronics Enclosure Schematic (3 or 6 Lamp System)
- 262AFL Electronics Enclosure Schematic (1 or 2 Lamp System)
- 262A Card Cage Wiring Schematic
- 262A-HD Dispenser Wiring Schematic
- 262A-HS Dispenser Wiring Schematic (115 Volt)
- 262A-HS Dispenser Wiring Schematic (380 Volt)
- 262A/AFL-MS/S-HV-LCS-RC Dispenser Wiring Schematic
- 262A-HD-1-TW Dispenser Wiring Schematic
- 262A-HD-2-TW Dispenser Wiring Schematic
- 262A/AFL-MM-HV-LCS-RC Dispenser Wiring Schematic
- Section 4 (Meters & Pulser Assemblies)
- 898 Positive Displacement Type Meter
- 262A Gear Train Assembly
- Cable Drive Totalizer Assembly
- Totalizer Assembly (Inside Mounting)
- Pulser & Gear Box Assembly (262A/AFL)
- Pulser & Gear Box Assembly (262A/AFL-M-HV-LCS-RC)
- Pulser & Gear Box Assembly (262A/AFL-M-HV-LCS-RC)
- Meter Assembly-Gear Drive (Model 1450-15-SP-HV)
- Calibrator Assembly (Model 1510)
- Section 5 (Discharge & Solenoid Assemblies)
- Hydraulic Discharge Assembly (262A/AFL, 262A/AFL-1-TW, 262A/AFL-RC, 262A/AFL-1&2-RC-TW)
- Hydraulic Discharge Assembly (262A/AFL-2-TW)
- Hydraulic Discharge Assembly (262A-HS)
- Hydraulic Discharge Assembly (262AFL-S/M/MS-RC, 262AFL-M-1&2-RC-TW & 262AFL-S-1-RC-TW)
- 262A Vapor Recovery Discharge System
- Vapor Recovery System with Blackmer Pump (262A Amoco V1)
- 262A Outlet & Pilot Valve Tube Assembly
- 262A Outlet & Pilot Valve Tube Assembly (Continued)
- 262A Solenoid Assembly
- Hydraulic Control Valve Assembly
- 262A Sight Glass
- 262A-R Fuel Containment Pan Assembly
- Section 6 (262A High Volume System)
- 1450-15-SP-HV Meter Assembly with Tokheim 1550-15-SP-HV Valve
- Satellite System for 1450-15-SP-HV Meter (1550-15-SP-HV Valve)
- Inlet Supply Assembly for 1450-15-SP-HV Meter
- Outlet Discharge Assembly for 1450-15-SP-HV Meter
- LC Meter Assembly with Tokheim 1550-15-SP-HV Valve
- Inlet Supply Assembly for LC Meter
- Outlet Discharge Assembly for LC Meter
- LC Meter Assembly with Skinner Valve
- Satellite System for LC Meter with Skinner Valve
- Inlet Supply Assembly for LC Meter
- Outlet Discharge Assembly for LC Meter
- 1550-15-SP-HV Valve Assembly
- Section 7 (Connection Box & Conduit Assemblies
- Section 8 (Suction Systems)
- Suction System (262A, 262A-HD & 262A-1-TW)
- Motor Assembly (262A-HD)
- Motor Assembly (262A & 262A-1-TW)
- Rotary Pump Assembly (262A, 262A-HD & 262A-1-TW)
- Suction System (262A-2-TW)
- Motor Assembly (262A-HD-2-TW)
- Motor Assembly (262A-2-TW)
- Rotary Pump Assembly (262A-2-TW)
- Suction System (262A-HS)
- Motor Assembly (262A-HS)
- Rotary Pump Assembly (262A-HS)
- Rotary Pump & Air Separator
- Section 9 (Remote System)
- User's Comment & Evaluation Form


262A Dispenser Parts Manual Form 4660 Version 2.0
Tokheim Corporation October 1991 Rev. 07/29/94
PagePage
PagePage
Page VersionVersion
VersionVersion
Version
No.No.
No.No.
No. No.No.
No.No.
No.
PagePage
PagePage
Page VersionVersion
VersionVersion
Version
No.No.
No.No.
No. No.No.
No.No.
No.
PagePage
PagePage
Page VersionVersion
VersionVersion
Version
No.No.
No.No.
No. No.No.
No.No.
No.
Date of issue for original version and subsequent versions:
Version 1.0 ............. October 1991
Version 2.0Version 2.0
Version 2.0Version 2.0
Version 2.0 ........................
........................
............ July 1994July 1994
July 1994July 1994
July 1994
MANUAL HISTORMANUAL HISTOR
MANUAL HISTORMANUAL HISTOR
MANUAL HISTORYY
YY
Y
Latest version pages supersede previous version(s).
Cover ....................... 2.0
History Page ............ 2.0
i— iii........................ 2.0
1-1 — 1-8 ................. 1.0
1-9 ............................ 2.0
2-1 — 2-19 ............... 2.0
2-20 — 2-232-20 — 2-23
2-20 — 2-232-20 — 2-23
2-20 — 2-23 ..........................
..........................
............. 2.02.0
2.02.0
2.0
3-1 — 3-21 .............. 2.0
3-22 — 3-413-22 — 3-41
3-22 — 3-413-22 — 3-41
3-22 — 3-41 ..........................
..........................
............. 2.02.0
2.02.0
2.0
4-1 — 4-13 ............... 2.0
4-14 — 4-194-14 — 4-19
4-14 — 4-194-14 — 4-19
4-14 — 4-19 ..........................
..........................
............. 2.02.0
2.02.0
2.0
5-1 ............................ 2.0
5-2 — 5-3 ................. 1.0
5-4 — 5-17 .............. 2.0
5-18 — 5-235-18 — 5-23
5-18 — 5-235-18 — 5-23
5-18 — 5-23 ..........................
..........................
............. 2.02.0
2.02.0
2.0
6-1 ............................ 1.0
6-2 — 6-5 ................. 2.0
6-6 — 6-9 ................. 1.0
6-10 — 6-11 ............. 2.0
6-12 .......................... 1.0
6-13 .......................... 2.0
6-14 — 6-15 ............. 1.0
6-16 — 6-21 ............. 2.0
6-22 .......................... 1.0
6-23 .......................... 2.0
6-24 .......................... 1.0
6-25 .......................... 2.0
7-1 — 7-9 ................. 2.0
7-10 — 7-137-10 — 7-13
7-10 — 7-137-10 — 7-13
7-10 — 7-13 ..........................
..........................
............. 2.02.0
2.02.0
2.0
8-1 ............................ 2.0
8-2 ............................ 1.0
8-3 — 8-5 ................. 2.0
8-6 ............................ 1.0
8-7 — 8-13 ............... 2.0
8-14 .......................... 1.0
8-15 .......................... 2.0
8-16 .......................... 1.0
8-17 — 8-19 ............ 1.0
8-20 — 8-278-20 — 8-27
8-20 — 8-278-20 — 8-27
8-20 — 8-27 ..........................
..........................
............. 2.02.0
2.02.0
2.0
9-1 — 9-5 ................. 2.0
9-6 — 9-79-6 — 9-7
9-6 — 9-79-6 — 9-7
9-6 — 9-7 ..................................
..................................
................. 2.02.0
2.02.0
2.0
Note: If entries are shown in bold italics on
this page, they represent new page(s)
found in this latest version.
Previous version numbers are
contained within this latest version
printing. Use the Manual History
page as a guide.

262A Dispenser Parts Manual Form 4660 Version 2.0
Tokheim Corporation October 1991 Rev. 07/29/94
CONTENTSCONTENTS
CONTENTSCONTENTS
CONTENTS
Page i
Section 1Section 1
Section 1Section 1
Section 1
-
Introduction and ordering information ............................................. 1-1 — 1-9
Section 2Section 2
Section 2Section 2
Section 2
-
Exterior, Trim/Framework ........................................................... 2-1 — 2-23
Section 3Section 3
Section 3Section 3
Section 3
-
Electronic Assemblies, Dials and schematics ............................. 3-1 — 3-41
Section 4Section 4
Section 4Section 4
Section 4
-
Meter & Pulser Assemblies ........................................................... 4-1 — 4-19
Section 5Section 5
Section 5Section 5
Section 5
-
Discharge & Solenoid Assemblies .............................................. 5-1 — 5-23
Section 6Section 6
Section 6Section 6
Section 6
-
262A High Volume Systems ......................................................... 6-1 — 6-25
Section 7Section 7
Section 7Section 7
Section 7
-
Connection Box and Conduit Assemblies .................................... 7-1 — 7-13
Section 8Section 8
Section 8Section 8
Section 8
-
Suction Systems .......................................................................... 8-1 — 8-27
Section 9Section 9
Section 9Section 9
Section 9
-
Remote Systems ............................................................................. 9-1 — 9-7

262A Dispenser Parts Manual Form 4660 Version 2.0
Tokheim Corporation October 1991 Rev. 07/29/94
Page ii
EMERGENCY POEMERGENCY PO
EMERGENCY POEMERGENCY PO
EMERGENCY PO
WER CUTWER CUT
WER CUTWER CUT
WER CUTOFFOFF
OFFOFF
OFF
Tokheim Corporation has determined that because more than one disconnect mayTokheim Corporation has determined that because more than one disconnect may
Tokheim Corporation has determined that because more than one disconnect mayTokheim Corporation has determined that because more than one disconnect may
Tokheim Corporation has determined that because more than one disconnect may
be required, Consoles and/or Dispensers equipped with Emergency Stop Switchesbe required, Consoles and/or Dispensers equipped with Emergency Stop Switches
be required, Consoles and/or Dispensers equipped with Emergency Stop Switchesbe required, Consoles and/or Dispensers equipped with Emergency Stop Switches
be required, Consoles and/or Dispensers equipped with Emergency Stop Switches
do not guarantee shutting off all power to the dispensers. In order to provide thedo not guarantee shutting off all power to the dispensers. In order to provide the
do not guarantee shutting off all power to the dispensers. In order to provide thedo not guarantee shutting off all power to the dispensers. In order to provide the
do not guarantee shutting off all power to the dispensers. In order to provide the
highest level of safety to you, your employees, and customers, we recommend thathighest level of safety to you, your employees, and customers, we recommend that
highest level of safety to you, your employees, and customers, we recommend thathighest level of safety to you, your employees, and customers, we recommend that
highest level of safety to you, your employees, and customers, we recommend that
all employees be trained as to the location and procedure of turning off power toall employees be trained as to the location and procedure of turning off power to
all employees be trained as to the location and procedure of turning off power toall employees be trained as to the location and procedure of turning off power to
all employees be trained as to the location and procedure of turning off power to
the entire system. This is in keeping with N.F.P.A. 30A, 1993 Edition, Code #4-1.2:the entire system. This is in keeping with N.F.P.A. 30A, 1993 Edition, Code #4-1.2:
the entire system. This is in keeping with N.F.P.A. 30A, 1993 Edition, Code #4-1.2:the entire system. This is in keeping with N.F.P.A. 30A, 1993 Edition, Code #4-1.2:
the entire system. This is in keeping with N.F.P.A. 30A, 1993 Edition, Code #4-1.2:
““
““
“A clearly identified and easily accessible switch(es) or circuit breaker(s) shall be
provided at a location remote from dispensing devices, including remote pumping
systems, to shut off the power to all dispensing devices in the event of an
emergency.”
Additionally, in accordance with N.F.P.A. 30A, 1993 Edition, Code #9-4.5:Additionally, in accordance with N.F.P.A. 30A, 1993 Edition, Code #9-4.5:
Additionally, in accordance with N.F.P.A. 30A, 1993 Edition, Code #9-4.5:Additionally, in accordance with N.F.P.A. 30A, 1993 Edition, Code #9-4.5:
Additionally, in accordance with N.F.P.A. 30A, 1993 Edition, Code #9-4.5:
““
““
“Emergency controls specified in 4-1.2 [listed above] shall be installed at a
location acceptable to the authority having jurisdiction, but controls shall not be
more than 100 ft. (30m) from dispensers.”
DISCLOSURE NOTICEDISCLOSURE NOTICE
DISCLOSURE NOTICEDISCLOSURE NOTICE
DISCLOSURE NOTICE
This document contains information proprietary to Tokheim Corporation. The data
contained herein, in whole or in part, may not be duplicated, used, or disclosed outside
the recipient or purchaser for any purpose other than to evaluate or operate the equip-
ment described within the document.
!!! FCC !!! FCC
!!! FCC !!! FCC
!!! FCC WW
WW
WARNING !!!ARNING !!!
ARNING !!!ARNING !!!
ARNING !!!
This equipment generates, uses, and can radiate radio frequency energy and if not
installed and used in accordance with the instruction manual, may cause interference to
radio communications. It has been tested and has been found to comply as a class “A”
device with Part 15, Subpart “J” of the FCC rules at date of manufacture.
IMPORIMPOR
IMPORIMPOR
IMPORTT
TT
TANTANT
ANTANT
ANT
THIS EQUIPMENT MUST BE INSTALLED AND USED IN ACCORDANCE WITH ALL
FEDERAL, STATE, AND LOCAL CODES AND REGULATIONS, INCLUDING, BUT NOT
LIMITED TO, THE NATIONAL ELECTRICAL CODE (N.F.P.A. NO. 70) AND THE
AUTOMOTIVE AND MARINE SERVICE STATION CODE (N.F.P.A. 30A).
DISCLAIMERDISCLAIMER
DISCLAIMERDISCLAIMER
DISCLAIMER
ALTHOUGH TOKHEIM CORPORATION HAS ATTEMPTED TO COMPILE THE MATERIAL
IN THIS MANUAL WITH ACCURACY, NEITHER IT, ITS’ EMPLOYEES, NOR ITS’ AGENTS
CAN MAKE ANY WARRANTY OR REPRESENTATION, EXPRESSED OR IMPLIED, WITH
RESPECT TO THE LIABILITY WITH REGARD TO THE USE OF THIS MATERIAL, OR
ASSUME ANY LIABILITY FOR DAMAGES RESULTING FROM THE USE OF ANY
INFORMATION, APPARATUS, METHOD, OR PROCEDURE DESCRIBED IN THIS
MANUAL.

262A Dispenser Parts Manual Form 4660 Version 2.0
Tokheim Corporation October 1991 Rev. 07/29/94 Page iii
Tokheim equipment must be
installed and used in
conformance with all building/
fire codes and all other safety
requirements applicable to it’s
installation and use.
Tokheim dispensers shall not be
used for direct fueling of aircraft
without filters, separators, and
other equipment necessary to
ensure product purity.
Check all liquid-carrying joints
of the dispenser and piping
system for proper tightness to
avoid product leaks prior to initial
operation and daily thereafter.
Dispensers must be anchored to
a concrete island as specified per
appropriate foundation plan.
To reduce the risk of electrical
shock when servicing, turn off all
power to all equipment. In
submersible pump applications,
turn off power to the submersible
pump and any other dispensers
which use that submersible
pump. AC power can feed back
into a shut-off dispenser when
dispensers share a common
submersible pump or starter
relay.
Always turn off all power to the
dispenser and submerged pumps
at the master panel and close any
impact valve before performing
any maintenance or service to the
dispenser, including the changing
of any fuel filters or strainers.
Also, block islands so no vehicles
can pull up to the dispenser when
the dispenser is being worked on.
Never permit the dispensing of
gasoline or other petroleum
products into a vehicle with its
motor running.
Never permit the dispensing of
gasoline or other petroleum
products into unapproved
containers, or into approved
containers in or on vehicles,
including trucks. All approved
containers must be filled on the
ground to prevent static discharge.
Always use Tokheim approved and
U.L. listed hose assemblies and
nozzles for this dispenser.
Never permit smoking or the use
of open flames in the dispensing
area.
Never permit hoses to drag on the
island or dispensing area.
Someone may trip or fall.
Always clean up product spills on
the driveway.
It is the owner’s and operator’s
responsibility to ensure that the
proper warning signs are posted
per N.F.P.A. 30A, 1993 Edition,
Code #9-9. These include, but are
not limited to,
•“STOP MOTOR”
•“NO SMOKING”
•“WARNING -- IT IS
UNLAWFUL AND
DANGEROUS TO
DISPENSE GASOLINE
INTO UNAPPROVED
CONTAINERS”.
If fuel is spilled on a person or
their clothing, the person must
wash, and their clothing must be
changed immediately. Do not go
near open flames, sparks, or people
smoking.
Do not reuse gaskets or seals when
servicing or rebuilding Tokheim
equipment. Always use new
Tokheim furnished gaskets or
seals.
Ensure dispensers are properly
grounded before using.
Don’t destroy these pages.Don’t destroy these pages.
Don’t destroy these pages.Don’t destroy these pages.
Don’t destroy these pages.
These warnings are for your
SAFETY!!
REMEMBER, GASOLINE AND PETROLEUM PRODUCTS AREREMEMBER, GASOLINE AND PETROLEUM PRODUCTS ARE
REMEMBER, GASOLINE AND PETROLEUM PRODUCTS AREREMEMBER, GASOLINE AND PETROLEUM PRODUCTS ARE
REMEMBER, GASOLINE AND PETROLEUM PRODUCTS ARE
FLAMMABLE. THEREFORE, TO AVOID DEATH OR INJURY TO PERSONS,FLAMMABLE. THEREFORE, TO AVOID DEATH OR INJURY TO PERSONS,
FLAMMABLE. THEREFORE, TO AVOID DEATH OR INJURY TO PERSONS,FLAMMABLE. THEREFORE, TO AVOID DEATH OR INJURY TO PERSONS,
FLAMMABLE. THEREFORE, TO AVOID DEATH OR INJURY TO PERSONS,
OR DAMAGE TO EQUIPMENT OR PROPERTY, THE FOLLOWINGOR DAMAGE TO EQUIPMENT OR PROPERTY, THE FOLLOWING
OR DAMAGE TO EQUIPMENT OR PROPERTY, THE FOLLOWINGOR DAMAGE TO EQUIPMENT OR PROPERTY, THE FOLLOWING
OR DAMAGE TO EQUIPMENT OR PROPERTY, THE FOLLOWING
PRECAUTIONS ARE MANDATORY AND SHALL BE FOLLOWED WHENPRECAUTIONS ARE MANDATORY AND SHALL BE FOLLOWED WHEN
PRECAUTIONS ARE MANDATORY AND SHALL BE FOLLOWED WHENPRECAUTIONS ARE MANDATORY AND SHALL BE FOLLOWED WHEN
PRECAUTIONS ARE MANDATORY AND SHALL BE FOLLOWED WHEN
INSTALLING, USING, OR WORKING AROUND TOKHEIM EQUIPMENT.INSTALLING, USING, OR WORKING AROUND TOKHEIM EQUIPMENT.
INSTALLING, USING, OR WORKING AROUND TOKHEIM EQUIPMENT.INSTALLING, USING, OR WORKING AROUND TOKHEIM EQUIPMENT.
INSTALLING, USING, OR WORKING AROUND TOKHEIM EQUIPMENT.
DANGERDANGER
DANGERDANGER
DANGER
ý
!!
!!
!

262A Dispenser Parts Manual Form 4660 Version 2.0
Tokheim Corporation October 1991 Rev. 07/29/94

262A Dispenser Parts Manual Form 4660 Version 1.0
Tokheim Corporation October 1991 Page 1-1
Section
One
Intr oduction
And
O r dering Infor mation
Page
Number
IntroductionIntroduction
IntroductionIntroduction
Introduction
....................................................... 1-2
Tokheim Model NumbersTokheim Model Numbers
Tokheim Model NumbersTokheim Model Numbers
Tokheim Model Numbers
................................... 1-3
DeterDeter
DeterDeter
Determine the A Side of the Dispensermine the A Side of the Dispenser
mine the A Side of the Dispensermine the A Side of the Dispenser
mine the A Side of the Dispenser
............. 1-4
Pump and Pedestal OutlinesPump and Pedestal Outlines
Pump and Pedestal OutlinesPump and Pedestal Outlines
Pump and Pedestal Outlines
262A ................................................................ 1-5
262A-TW .......................................................... 1-6
262A-FL ........................................................... 1-7
262A-FL-TW ..................................................... 1-8
Drawing Number and Reference ChartDrawing Number and Reference Chart
Drawing Number and Reference ChartDrawing Number and Reference Chart
Drawing Number and Reference Chart
............. 1-9
2
6
2
A
D
I
S
P
E
N
S
E
R

262A Dispenser Parts Manual Form 4660 Version 1.0
Tokheim Corporation October 1991Page 1-2
INTRODUCTIONINTRODUCTION
INTRODUCTIONINTRODUCTION
INTRODUCTION
This document contains information proprietary to Tokheim Corporation. The data
contained herein, in whole or in part may not used or disclosed outside the recipient
or purchaser for any purpose other than to assist in the ordering of the equipment
described within the document.
This manual provides a parts breakdown of each model or unit, or sub-assembly of
the Tokheim Model 262A series dispenser. A breakdown of individual parts is
necessary to ensure that the correct part is obtained when ordering replacements or
spares. This manual has been prepared to assist in the prevention of error through
ordering.
TOKHEIM CORPORATION
Service Parts Division
P.O. Box 663
Fremont, IN 46737
(219) 495-9826(219) 495-9826
(219) 495-9826(219) 495-9826
(219) 495-9826
FF
FF
FAX:AX:
AX:AX:
AX: (219) 495-3100 (219) 495-3100
(219) 495-3100 (219) 495-3100
(219) 495-3100
When ordering, ALWAYSALWAYS
ALWAYSALWAYS
ALWAYS give the serial and model number of your model or unit.
Be prepared to give
the following information to ensure you receive the correct supplies:
INFORMATION ON YOUR UNIT(S)
ITEM NAME: ____________________________________________________________
SERIAL NUMBER:_______________________________________________________
MODEL NUMBER: ______________________________________________________
ITEM NAME: ____________________________________________________________
SERIAL NUMBER:_______________________________________________________
MODEL NUMBER: ______________________________________________________
ITEM NAME: ____________________________________________________________
SERIAL NUMBER:_______________________________________________________
MODEL NUMBER: ______________________________________________________
ITEM NAME: ____________________________________________________________
SERIAL NUMBER:_______________________________________________________
MODEL NUMBER: ______________________________________________________
Use the part number and description to order your new part(s). Do not Do not
Do not Do not
Do not order parts by item number.
Item numbers are used on the illustrations for location purposes only.
Failure to install any model, unit, or part of the 262A series dispenser per Tokheim
specifications, or if maintenance is performed by untrained personnel, may void themay void the
may void themay void the
may void the
Tokheim Warranty.Tokheim Warranty.
Tokheim Warranty.Tokheim Warranty.
Tokheim Warranty.

262A Dispenser Parts Manual Form 4660 Version 1.0
Tokheim Corporation October 1991 Page 1-3
NOZZLE POSITION
(N O E NTRY).........................SIDE LOAD NOZZLE (ISLAND ORIENTED, SIDE A AND SIDE B HAVE DISPLAYS
FOR EACH HOSE)
FL .........................................FRONT LOAD NOZZLE (L ANE ORIENTED, ONE DISPLAY PER HOSE)
MASTER / SATELLITE OPTION
(N O E NTRY).........................STANDARD (STAND ALONE DISPENSER)
M..........................................M ASTER ONLY
M-M......................................M ASTER, M ASTER
S...........................................SATELLITE ONLY
S-S.......................................SATELLITE, S ATELLITE
M-S ......................................M ASTER, S ATELLITE
METER AND VALVES
(N O E NTRY).........................STANDARD VOLUME WITH 898 SERIES POSITIVE DISPLACEMENT METER
HV........................................HIGH VOLUME, DANIELS 1450 METER WITH 1550 VALVE
HV-LC .................................H IGH VOLUME, LIQUID CONTROLS METER WITH 1550 VALVE
HV-LCS...............................HIGH VOLUME, LIQUID CONTROLS METER WITH SKINNER VALVE
NUMBER OF PRODUCTS
(N O E NTRY).........................1 PRODUCT INLET
1...........................................1 PRODUCT INLET
2...........................................2 PRODUCT INLETS
PUMP TYPE
(N O ENTRY)..........................SUCTION SYSTEM, STANDARD 1/3 H.P.
HD........................................H EAVY DUTY, SUCTION SYSTEM
HS........................................HIGH SPEED, SUCTION SYSTEM
RC........................................R EMOTE CONTROL DISPENSING SYSTEM
NUMBER OF HOSES
(N O ENTRY)..........................O NE HOSE OUTLET
TW........................................TWIN, TWO HOSE OUTLETS
VAPOR RECOVERY
(N O ENTRY)..........................STANDARD NON-VAPOR RECOVERY
VC........................................VAPOR RECOVERY DISCHARGE
IVC.......................................INTERIM VAPOR RECOVERY (P REPIPED TO ADD VAPOR RECOVERY LATER)
V1.........................................AMOCO VAPOR RECOVERY
MISCELLANEOUS OPTIONS
(N O ENTRY)..........................C ASH DISPENSER ONLY
K...........................................C ASH/C REDIT DISPENSER
P...........................................C ASH DISPENSER WITH P RESET OPTION
KP........................................CASH/C REDIT WITH P RESET OPTION
The following is an example of a model number for a MODEL 262A dispenser:
Tokheim model number = 262AFL-M-S-HV-LC-1-RC-TW-KP
MODEL NUMBER = 262A plus:MODEL NUMBER = 262A plus:
MODEL NUMBER = 262A plus:MODEL NUMBER = 262A plus:
MODEL NUMBER = 262A plus:
NOZZLE
POSITION
MASTER /
SATELLITE
METER &
VALVES
NUMBER OF
PRODUCTS
PUMP
TYPE
FLFL
FLFL
FL --
--
-M-SM-S
M-SM-S
M-S --
--
-HV-LCHV-LC
HV-LCHV-LC
HV-LC --
--
-11
11
1--
--
-RCRC
RCRC
RC --
--
-TWTW
TWTW
TW --
--
---
--
-KPKP
KPKP
KP
VAPOR
RECOVERY
MISC.
OPTIONS
NUMBER OF
HOSES

262A Dispenser Parts Manual Form 4660 Version 1.0
Tokheim Corporation October 1991Page 1-4
With the 262A Dispenser it is important to identify the FRONT - SIDE (A).FRONT - SIDE (A).
FRONT - SIDE (A).FRONT - SIDE (A).
FRONT - SIDE (A).
DISPENSER ORIENTATION: FRONT - SIDE ADISPENSER ORIENTATION: FRONT - SIDE A
DISPENSER ORIENTATION: FRONT - SIDE ADISPENSER ORIENTATION: FRONT - SIDE A
DISPENSER ORIENTATION: FRONT - SIDE A
DETERMINE DETERMINE
DETERMINE DETERMINE
DETERMINE THE A SIDE OF THE A SIDE OF
THE A SIDE OF THE A SIDE OF
THE A SIDE OF THE DISPENSERTHE DISPENSER
THE DISPENSERTHE DISPENSER
THE DISPENSER
Manager
Button Keyswitch
SIDE VIEW FRONT - SIDE ASIDE A
SIDE ASIDE A
SIDE A
Serial
plate
1. Face the side of the dispenser with the
Serial plate
.
2. The keyswitch will be under the head of the dispenser on your right.
3. The Manager button will be under the head of the dispenser on your left.
4. FRONT - SIDE A is on your right hand side.
TT
TT
TO DETERMINE FRO DETERMINE FR
O DETERMINE FRO DETERMINE FR
O DETERMINE FRONT - SIDE AONT - SIDE A
ONT - SIDE AONT - SIDE A
ONT - SIDE A
ON THE 262A DISPENSERON THE 262A DISPENSER
ON THE 262A DISPENSERON THE 262A DISPENSER
ON THE 262A DISPENSER

262A Dispenser Parts Manual Form 4660 Version 1.0
Tokheim Corporation October 1991 Page 1-5
PUMP AND PEDESTPUMP AND PEDEST
PUMP AND PEDESTPUMP AND PEDEST
PUMP AND PEDESTAL OUTLINEAL OUTLINE
AL OUTLINEAL OUTLINE
AL OUTLINE
MODEL 262A-TWMODEL 262A-TW
MODEL 262A-TWMODEL 262A-TW
MODEL 262A-TW

262A Dispenser Parts Manual Form 4660 Version 1.0
Tokheim Corporation October 1991Page 1-6
PUMP AND PEDESTPUMP AND PEDEST
PUMP AND PEDESTPUMP AND PEDEST
PUMP AND PEDESTAL OUTLINEAL OUTLINE
AL OUTLINEAL OUTLINE
AL OUTLINE
MODEL 262A-TWMODEL 262A-TW
MODEL 262A-TWMODEL 262A-TW
MODEL 262A-TW

262A Dispenser Parts Manual Form 4660 Version 1.0
Tokheim Corporation October 1991 Page 1-7
PUMP AND PEDESTPUMP AND PEDEST
PUMP AND PEDESTPUMP AND PEDEST
PUMP AND PEDESTAL OUTLINEAL OUTLINE
AL OUTLINEAL OUTLINE
AL OUTLINE
MODEL 262A-FLMODEL 262A-FL
MODEL 262A-FLMODEL 262A-FL
MODEL 262A-FL

262A Dispenser Parts Manual Form 4660 Version 1.0
Tokheim Corporation October 1991Page 1-8
PUMP AND PEDESTPUMP AND PEDEST
PUMP AND PEDESTPUMP AND PEDEST
PUMP AND PEDESTAL OUTLINEAL OUTLINE
AL OUTLINEAL OUTLINE
AL OUTLINE
MODEL 262A-FL-TWMODEL 262A-FL-TW
MODEL 262A-FL-TWMODEL 262A-FL-TW
MODEL 262A-FL-TW

262A Dispenser Parts Manual Form 4660 Version 1.0
Tokheim Corporation October 1991 Page 1-9
Drawing Number - Quick Reference ChartDrawing Number - Quick Reference Chart
Drawing Number - Quick Reference ChartDrawing Number - Quick Reference Chart
Drawing Number - Quick Reference Chart
The drawings used in this manual are identified by a "drawing number". This number is found in the
bottom right corner of each drawing page. If there is a separate text page, the drawing number can
be located on the text page in the upper right corner and at the end of the parts listing. These numbers
are used for reference purposes in other drawings in this manual. The prefix number (i.e. 1-, 2-, 9-)
represents the number of revisions to the drawing.
To use this chart the prefix number is not used. Refer only to the base numberTo use this chart the prefix number is not used. Refer only to the base number
To use this chart the prefix number is not used. Refer only to the base numberTo use this chart the prefix number is not used. Refer only to the base number
To use this chart the prefix number is not used. Refer only to the base number
as shown below.as shown below.
as shown below.as shown below.
as shown below.
71143 .................... 2-23
72234 .................... 5-16, 5-17
72235 .................... 4-8, 4-9
72236 .................... 5-22, 5-23
72237 .................... 7-12, 7-13
72238 .................... 7-4, 7-5
72239 .................... 3-8, 3-9
73505 .................... 6-24, 6-25
73550 .................... 5-18, 5-19
73778 .................... 4-10, 4-11
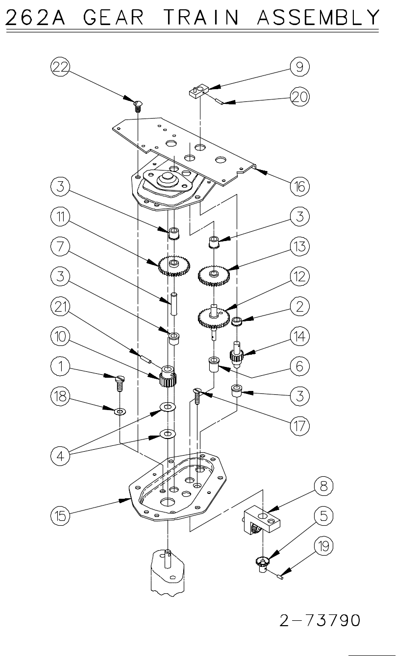
73790 .................... 4-4, 4-5
73791 .................... 2-16, 2-17
73792 .................... 2-18, 2-19
73793 .................... 4-14, 4-15
73794 .................... 6-20, 6-21
73795 .................... 6-22, 6-23
73796 .................... 6-12, 6-13
73797 .................... 6-14, 6-15
73798 .................... 6-4, 6-5
73799 .................... 6-8, 6-9
73800 .................... 6-6, 6-7
73801 .................... 5-12, 5-13
73802 .................... 5-14, 5-15
73806 .................... 5-8, 5-9
73807 .................... 2-22
73808 .................... 2-21
73809 .................... 2-20
73811 .................... 5-4
73812 .................... 5-2
73813 .................... 5-3
73842 .................... 5-20, 5-21
73894 .................... 4-12, 4-13
73895 .................... 9-6, 9-7
73896 .................... 3-14, 3-15
74285 .................... 4-18, 4-19
74372 .................... 4-2, 4-3
75063 .................... 8-24, 8-25, 8-26
741162 .................. 4-16, 4-17
741342 .................. 3-6, 3-7
741343 .................. 3-12, 3-13
741344 .................. 3-4, 3-5
741345 .................. 3-22, 3-23
741438 .................. 2-14, 2-15
741439 .................. 2-2, 2-3, 2-4
741441 .................. 4-6, 4-7
741443 .................. 2-10, 2-11
741444 .................. 8-2, 8-3
741445 .................. 8-8, 8-9
741446 .................. 9-2, 9-3
741447 .................. 8-6, 8-7
741449 .................. 2-6, 2-7
741451 .................. 8-14, 8-15
741452 .................. 8-16, 8-17
741453 .................. 8-10, 8-11
741454 .................. 9-4, 9-5
741455 .................. 6-16, 6-17
741456 .................. 3-10, 3-11
741457 .................. 6-18, 6-19
741458 .................. 6-10, 6-11
741459 .................. 7-2, 7-3
741460 .................. 7-8, 7-9
741461 .................. 7-6, 7-7
741462 .................. 7-10 7-11
741463 .................. 5-6, 5-7
741466 .................. 8-4, 8-5
741467 .................. 8-12, 8-13
741468 .................. 6-2, 6-3
741471 .................. 3-2, 3-3
741473 .................. 2-8, 2-9
741474 .................. 2-12, 2-13
741476 .................. 5-10, 5-11
741478 .................. 3-16, 3-17
741479 .................. 3-18, 3-19
741483 .................. 3-20, 3-21
741484 .................. 3-24, 3-25
741579 .................. 8-22, 8-23
741580 .................. 8-20, 8-21
741581 .................. 8-18, 8-19
741583 .................. 3-26, 3-27
741585 .................. 3-38, 3-39
741586 .................. 3-28, 3-29
741587 .................. 3-32, 3-33
741588 .................. 3-36, 3-37
741589 .................. 3-30, 3-31
741590 .................. 3-40, 3-41
741591 .................. 3-34, 3-35
262A Dispenser Parts Manual Form 4660 Version 2.0
Tokheim Corporation October 1991 Rev. 07/29/94
BASEBASE
BASEBASE
BASE BASEBASE
BASEBASE
BASE BASEBASE
BASEBASE
BASE
DRAWINGDRAWING
DRAWINGDRAWING
DRAWING PAGEPAGE
PAGEPAGE
PAGE DRAWINGDRAWING
DRAWINGDRAWING
DRAWING PAGEPAGE
PAGEPAGE
PAGE DRAWINGDRAWING
DRAWINGDRAWING
DRAWING PAGEPAGE
PAGEPAGE
PAGE
NUMBERNUMBER
NUMBERNUMBER
NUMBER NUMBERNUMBER
NUMBERNUMBER
NUMBER NUMBERNUMBER
NUMBERNUMBER
NUMBER NUMBERNUMBER
NUMBERNUMBER
NUMBER NUMBERNUMBER
NUMBERNUMBER
NUMBER NUMBERNUMBER
NUMBERNUMBER
NUMBER

262A Dispenser Parts Manual Form 4660 Version 1.0
Tokheim Corporation October 1991Page 1-10

262A Dispenser Parts Manual Form 4660 Version 2.0
Tokheim Corporation October 1991 Rev. 07/29/94
Section
Two
Exterior
Trim/Framework
2
6
2
A
D
I
S
P
E
N
S
E
R
Page 2-1
Page
Number
Trim AssemblyTrim Assembly
Trim AssemblyTrim Assembly
Trim Assembly ..........................................................................................................................
..........................................................................................................................
.............................................................
2-2 — 2-4
A page for notes ................................................................ 2-5
Post Trim AssemblyPost Trim Assembly
Post Trim AssemblyPost Trim Assembly
Post Trim Assembly
262A ..................................................................................... 2-6, 2-7
262A-VC/IVC ....................................................................... 2-8, 2-9
262A-FL ................................................................................ 2-10, 2-11
262A-FL-VC/IVC .................................................................. 2-12, 2-13
Chassis AssemblyChassis Assembly
Chassis AssemblyChassis Assembly
Chassis Assembly ................................................................................................................
................................................................................................................
........................................................
2-14, 2-15
Switch Box AssemblySwitch Box Assembly
Switch Box AssemblySwitch Box Assembly
Switch Box Assembly
262A ..................................................................................... 2-16, 2-17
262A-FL ................................................................................ 2-18, 2-19
Hose Clamp AssemblyHose Clamp Assembly
Hose Clamp AssemblyHose Clamp Assembly
Hose Clamp Assembly
1" Clamp .............................................................................. 2-20
5/8" and 3/4" Clamp ............................................................ 2-21
Cable Reel AssemblyCable Reel Assembly
Cable Reel AssemblyCable Reel Assembly
Cable Reel Assembly ........................................................................................................
........................................................................................................
....................................................
2-22
DecalcomaniaDecalcomania
DecalcomaniaDecalcomania
Decalcomania............................................................................................................................
............................................................................................................................
..............................................................
2-23

Page 2-2 262A Dispenser Parts Manual Form 4660 Version 2.0
Tokheim Corporation October 1991 Rev. 07/29/94

Page 2-3
262A Dispenser Parts Manual Form 4660 Version 2.0
Tokheim Corporation October 1991 Rev. 07/29/94
MODEL 262A MODEL 262A
MODEL 262A MODEL 262A
MODEL 262A TRIM ASSEMBLTRIM ASSEMBL
TRIM ASSEMBLTRIM ASSEMBL
TRIM ASSEMBL
YY
YY
Y
2-7414392-741439
2-7414392-741439
2-741439
1 of 2
ItemItem
ItemItem
Item Part No.Part No.
Part No.Part No.
Part No. DescriptionDescription
DescriptionDescription
Description ItemItem
ItemItem
Item Part No.Part No.
Part No.Part No.
Part No. DescriptionDescription
DescriptionDescription
Description
1 1-127656 Lock Gasket
2 1-127806 Rivet
3 1-130552 Molded Bumper
4 1-130796 Gasket
5 1-130964 Hole Cover
6 1-131342 #8-32 x 3/8" Long Flat Head
Thread Cutting Screw
7 1-131381 TPX83 Key
8 1-131436 Pop Rivet
9 3-217160 Spring Clip
10 Grommet
1-222838 262A, 262AFL
1-227249 262A/AFL-M-HV-LC-RC, 262A-M-HV-
LCS-RC, 262AFL-MS/MM/SS/M/S-HV-LCS-
RC
11 9-224713 Cushion
12 1-224714 Cushion
13 1-225499 Insert
14 1-226268 Decalcomania
15 Notice Label
1-227277 All Except 262A-FL-S-RC
1-227312 262A-FL-S-RC
16 End Cap (Left)
1-227442 All Except 262A-VC/IVC
2-228362 262A-VC/IVC
17 End Cap (Right)
2-227442 All Except 262A-VC/IVC
1-228362 262A-VC/IVC
18 2-227492 Door Lock
19 End Trim
1-314755 Without Preset (Stainless Steel)
4-314755 Preset (Stainless Steel)
5-314755 Without Preset (Brushed Stainless)
6-314755 Preset (Brushed Stainless)
20 1-315607 Nozzle Support (262A-FL Only)
21 1-131282 Seal Screw
22 Front & Rear Door
1-414804 Painted
2-414804 Stainless Steel
10-414804 Brushed Stainless Steel
Front & Rear Door cont…
411267-10 Assembly (Painted)
411267-11 Assembly (Stainless Steel)
23 Top Trim
4-414995 Stainless Steel
6-414995 Brushed Stainless Steel
24 Top Housing (Stainless Steel)
1-417010 262A, 262A-RC, 262A-1 & 2-TW &
262A-1 & 2-RC-TW, 262A-M-HV-LC-RC
262A-M-HV-LCS-RC, 262A-HD, 262A-HS
2-417010 262AFL, 262AFL-RC, 262AFL-M-HV-LC-RC,
262AFL-M/S-HV-LCS-RC
3-417010 262AFL-1 & 2-TW, 262AFL-1 & 2-RC-TW,
262AFL-MS-RC, 262AFL-M-1-RC-TW,
262AFL-MS/MM/SS-HV-LCS-RC
1-418087 262A-VC/IVC, 262A-VC/IVC-TW
2-418087 262A-FL-VC/IVC
3-418087 262A-FL-VC/IVC-TW
Top Housing (Brushed Stainless Steel)
7-417010 262AFL-1 & 2-TW, 262AFL-1 & 2-RC-TW
8-417010 262A, 262A-RC, 262A-1 & 2-TW, 262A-1 &
2-RC-TW
25 Side Housing Assembly (Includes Item # 5)
415318-9 262AFL, 262AFL-M/MS-RC, 262AFL-M-1-RC-TW
415318-11 262A-1 & 2-TW (Canada), 262A-1 & 2-RC-TW
(Canada), 262AFL-MS/S-RC, 262A-HC
415318-14 262A-SG
Side Housing (Stainless Steel)
(R.S.-Side Opposite Serial Plate)
1-417011 262A/AFL, 262A/AFL-RC, 262A-HS,
262A/AFL-M-HV-LC/LCS-RC, 262AFL-M/S-RC,
262A-HD, 262AFL-S-HV-LCS-RC
2-417011 262AFL-MS-RC
5-417011 262A/AFL-1 & 2-TW, 262A/AFL-RC-1 & 2-TW,
262AFL-M-1-RC-TW
9-417011 262A/AFL-VC-1 & 2-RC-TW
11-417011 262A-IVC-RC, 262A-IVC-1 & 2-RC-TW
12-417011 262A-SG
CONTINUED NEXT PAGE …CONTINUED NEXT PAGE …
CONTINUED NEXT PAGE …CONTINUED NEXT PAGE …
CONTINUED NEXT PAGE …

Page 2-4 262A Dispenser Parts Manual Form 4660 Version 2.0
Tokheim Corporation October 1991 Rev. 07/29/94
MODEL 262A MODEL 262A
MODEL 262A MODEL 262A
MODEL 262A TRIM ASSEMBLTRIM ASSEMBL
TRIM ASSEMBLTRIM ASSEMBL
TRIM ASSEMBL
YY
YY
Y
2-7414392-741439
2-7414392-741439
2-741439
2 of 2
ItemItem
ItemItem
Item Part No.Part No.
Part No.Part No.
Part No. DescriptionDescription
DescriptionDescription
Description ItemItem
ItemItem
Item Part No.Part No.
Part No.Part No.
Part No. DescriptionDescription
DescriptionDescription
Description
Side Housing (Stainless Steel) cont…
13-417011 262AFL-MS-HV-LC/LCS-RC,
262AFL-S/SS-HV-LCS-RC
14-417011 262A-V1-RC
15-417011 262A-IVC-2-TW (Canada)
16-417011 262A-VC-2-TW (Canada)
17-417011 262AFL-MS/MM/M-HV-LCS-RC
21-417011 262A-M-HV-LCS-RC
22-417011 262A-RC-VC, 262A-RC-VC-1 & 2-TW
23-417011 262A-RC-IVC (Canada)
Side Housing (Painted)
19-417011 262AFL-1 & 2-RC-TW, 262A
20-417011 262A, 262A-RC,
26 Side Housing Assembly (Includes Item # 5)
415318-8 262A/AFL-M-HV-LC-RC
415318-9 262A/AFL, 262A/AFL-RC, 262A-HS,
262A/AFL-1 & 2-TW, 262A/AFL-1 &
2-RC-TW, 262AFL-M/MS-RC,
262AFL-M-1-RC-TW
415318-11 262A, 262A-RC, 262A-HD, 262A-1& 2-TW
(Canada),262A-1 & 2-RC-TW(Canada),
262AFL-MS/S-RC, 262A-HC
415318-14 262A-SG, 262A-2-TW-SG
Side Housing (L.S.-Serial Plate Side)
2-417011 262AFL-S-RC
4-417011 262A/AFL-M-HV-LC-RC
5-417011 262A/AFL, 262A/AFL-RC, 262A-HS,
262A/AFL-1 & 2-TW, 262A/AFL-1 & 2-RC-
TW, 262AFL-M/MS-RC, 262AFL-M-1-RC-TW
9-417011 262A/AFL-VC-RC, 262A/AFL-VC-1 &
2-RC-TW
11-417011 262A/AFL-IVC
12-417011 262A-SG, 262A-2-TW-SG
13-417011 262AFL-MS-HV-LC-RC
14-417011 262A-V1-RC
15-417011 262A-IVC-2-TW (Canada)
16-417011 262A-VC-2-TW (Canada)
17-417011 262AFL-M/MS/MM-HV-LCS-RC
Side Housing (Painted)
18-417011 262A/AFL-1 & 2-TW, 262A/AFL-1 &
2-TW, 262AFL-1 & 2-RC-TW
19-417011 262AFL-1 & 2-TW, 262AFL-1 & 2-RC-TW
22-417011 262A-RC-VC-1 & 2-TW, 262A-VC-1-TW
27 397-50041 1/4-20 x 5/8" Long Oval Head Machine
Screw
28 01-50301 1/4-20 Hex Nut
29 13-50641 1/4" Lockwasher
30 1-128281 Pop Rivet
31 1-225094 Decal (Unleaded)
32 Decalcomania (see drawing number 71143)
33 Decalcomania (see drawing number 71143)
Reference:Reference:
Reference:Reference:
Reference:
Brushed Stainless Trim Painted Side Housing
232139 262AFL-1 & 2-TW, 262AFL-1 & 2-RC-TW
319519 262A
Final Assembly
419755 262A (Canada)
420038 262A
420039 262AFL
420315 262A/AFL-H-HV-LC-RC
420364 262AFL-M/MS/S-RC
420385 262A-SG, 262A-2-TW-SG
420392 262A-VC/IVC
420393 262AFL-VC/IVC
420804 262A-RC-V1
420815 262A-VC/IVC
420653 262A/AFL-HV-LCS-RC
Chassis Assembly
420652 262AFL-MS/MM/SS/S-HV-LCS-RC,
262A/AFL-M-HV-LCS-RC
Electronics Enclosure Assembly
420053 262A/AFL
420383 262A/AFL-VC
421148 262A/AFL (Continued)
2-7414392-741439
2-7414392-741439
2-741439

Page 2-5
262A Dispenser Parts Manual Form 4660 Version 2.0
Tokheim Corporation October 1991 Rev. 07/29/94
NOTES

Page 2-6 262A Dispenser Parts Manual Form 4660 Version 2.0
Tokheim Corporation October 1991 Rev. 07/29/94

Page 2-7
262A Dispenser Parts Manual Form 4660 Version 2.0
Tokheim Corporation October 1991 Rev. 07/29/94
MODEL 262A POST MODEL 262A POST
MODEL 262A POST MODEL 262A POST
MODEL 262A POST TRIM ASSEMBLTRIM ASSEMBL
TRIM ASSEMBLTRIM ASSEMBL
TRIM ASSEMBL
YY
YY
Y
2-7414492-741449
2-7414492-741449
2-741449
1 of 1
ItemItem
ItemItem
Item Part No.Part No.
Part No.Part No.
Part No. DescriptionDescription
DescriptionDescription
Description ItemItem
ItemItem
Item Part No.Part No.
Part No.Part No.
Part No. DescriptionDescription
DescriptionDescription
Description
1 1-118761 Washer
2 1-127967 #12-24 x 1/2" Long Oval Head Thread
Cutting Screw
3 1-130451 Shaft
4 1-227254 Switch Link
5 1-227257 Spring
6 3-314548 Nozzle Guide
7 1-314549 Operating Lever
8Ad Panel (Off Set Panel)
1-416880 Painted
2-416880 Stainless Steel
3-416880 Brushed Stainless Steel
Ad Panel (Flat Panel)
1-416882 Painted
2-416882 Stainless Steel
Rear Post Trim (Not used with Ad Panel)
1-414795 Stainless Steel
2-414795 Painted
9Post Trim (Without Nozzle)
1-414797 Used with Rear Post Trim
1-416883 Used with Ad Panel Post Trim (With
Nozzle)
2-414797 Used with Rear Post Trim
2-416883 Used with Ad Panel
10 416686-1 Post Welding Assembly
11 287-50001 #10-32 x 3/8" Long Round Head Machine
Screw
12 1-131585 1/4" Plainwasher
13 10-50641 #10 Lockwasher
14 17-51201 1/16" Dia. x 1/2" Long Cotter Pin
15 07-51511 Rod End Pin
16 22-51511 Rod End Pin
17 06-52482 Tru-Arc Retaining Ring Type “E”
18 10-52922 Tru-Arc Retaining Ring
19 174-53620 #8-32 x 1/2" Long Phillip Truss Head
Screw
20 35-54742 5/16-18 x 5/8" Long M-F Hex Head
Whiz-Lock Screw
21 02-54752 5/16-18 M-F Flange Whiz Locknut
For complete Post Assembly order:
420144-1 262A, 262A-RC, 262A-1 & 2-RC-TW
(Hose #1)
420144-2 262A-1 & 2-TW, 262A-1 & 2-RC-TW
(Hose #2)
420144-3 262A-1-TW (Hose #1)
420144-4 262A-2-TW (Hose #1)
420144-5 262A-M-HV-LC-RC
420144-6 262A-2-TW (Hose #1) 3/4 H.P. Motor
420144-7 262A-HD (3/4 H.P. 380 Volt)
420144-8 262A-HD-2-TW (3/4 H.P. 380 Volt)
420144-9 262A-HD-2-TW (Hose #2) 3/4 H.P. 380
Volt
420144-10 262A-HS
420144-11 262A-HD-1-TW (Hose #1) 3/4 H.P. 380
Volt
420144-12 262A-HD-1-TW (Hose #2) 3/4 H.P. 380
Volt
420144-13 262A-HS (380 Volt)
420144-14 262A-M-HV-LCS-RC
Reference: Final Assembly
419755 262A (Canada)
420038 262A
420548 262A-HD/HS
420653 262A-M-HV-LCS-RC
416897 Advertising Panel
420243 Spec For 1/2 H.P. & 3/4 H.P. Motor
2-741449

Page 2-8 262A Dispenser Parts Manual Form 4660 Version 2.0
Tokheim Corporation October 1991 Rev. 07/29/94

Page 2-9
262A Dispenser Parts Manual Form 4660 Version 2.0
Tokheim Corporation October 1991 Rev. 07/29/94
MODEL 262A -VC/IVC POST MODEL 262A -VC/IVC POST
MODEL 262A -VC/IVC POST MODEL 262A -VC/IVC POST
MODEL 262A -VC/IVC POST TRIM ASSEMBLTRIM ASSEMBL
TRIM ASSEMBLTRIM ASSEMBL
TRIM ASSEMBLYY
YY
Y
ItemItem
ItemItem
Item Part No.Part No.
Part No.Part No.
Part No. DescriptionDescription
DescriptionDescription
Description ItemItem
ItemItem
Item Part No.Part No.
Part No.Part No.
Part No. DescriptionDescription
DescriptionDescription
Description
1 1-126182 Washer
2 2-127967 #12-24 x 3/4" Long Oval Head Thread
Cutting Screw
3 1-130451 Shaft
4 1-131424 Spring
5 1-131515 Actuator
6 1-131574 Link
7 228150-1 Switch Sensor Assembly
8Boot Top
2-316683 VC
2-317444 IVC
3-317444 VC (Emco Wheaton #A4015)
9 1-317422 Operating Lever
10 1-317423 Support
11 1-317427 Column Top Plate
12 Nozzle Stop
1-317487 IVC
1-319734 VC (Emco Wheaton #A4015)
13 2-317838 Ad Panel
1-418073 Post Trim (Not Used With Ad Panel)
14 1-417126 Nozzle Boot
15 Post Trim
1-418075 Post Without Nozzle
1-418074 Post With Nozzle
16 418090-1 Post Weld Assembly
17 30-50001 #4-40 x 3/8" Long Round Head Machine
Screw
2-7414732-741473
2-7414732-741473
2-741473
1 of 1
18 291-50001 #10-32 x 1/2" Long Round Head Machine
Screw (IVC)
19 106-50181 #10-32 x 1/2" Long Fillister Head Screw
(VC)
291-50001 #10-32 x 1/2" Long Round Head Machine
Screw (IVC)
20 13-50211 #10-32 Hex Machine Nut (IVC)
21 01-50301 1/4-20 Hex Nut
22 03-50361 1/4-20 x 3/4" Long Hex Head Cap Screw
23 06-50621 Plain Washer
24 10-50641 #10 Lockwasher-Split (IVC)
25 13-50641 1/4" Lockwasher-Split
26 17-51201 1/16" Dia. x 1/2" Long Cotter Pin
27 06-52482 Tru-Arc Retaining Ring Type “E”
28 174-53620 #8-32 x 1/2" Long Phillip Truss Head
Screw
29 35-54742 5/16-18 x 5/8" Long M-F Hex Head Whiz-
Lock Screw
30 02-54752 5/16-18 M-F Flange Whiz Locknut
31 35-55132 5/16-18 x 5/8" Long M-F Flange Whiz-
Lock Screw
Reference: Final Assembly
420392
420392 (Canada)
421536 Specification For Vapor Recovery Nozzle
Stop (Used only with Emco Wheaton
#A4015)
2-741473

Page 2-10 262A Dispenser Parts Manual Form 4660 Version 2.0
Tokheim Corporation October 1991 Rev. 07/29/94

Page 2-11
262A Dispenser Parts Manual Form 4660 Version 2.0
Tokheim Corporation October 1991 Rev. 07/29/94
MODEL 262A-FL POST MODEL 262A-FL POST
MODEL 262A-FL POST MODEL 262A-FL POST
MODEL 262A-FL POST TRIM ASSEMBLTRIM ASSEMBL
TRIM ASSEMBLTRIM ASSEMBL
TRIM ASSEMBLYY
YY
Y
ItemItem
ItemItem
Item Part No.Part No.
Part No.Part No.
Part No. DescriptionDescription
DescriptionDescription
Description ItemItem
ItemItem
Item Part No.Part No.
Part No.Part No.
Part No. DescriptionDescription
DescriptionDescription
Description
1 12-123452 1/8" x 1-1/8" Long Groov-Pin
2 1-127967 #12-24 x 1/2" Long Oval Head
Thread Cutting Screw
3 1-226386 Operating Lever
4 1-226856 Corner Cap (Left)
5 1-226857 Corner Cap (Right)
6 1-227991 Stop Block
7 1-314548 Nozzle Guide
8 1-316104 Cover
9 415772-2 Post Welding Assembly
10 Post Trim
1-417663 Without Nozzle
1-417664 With Nozzle
11 Advertising Panel With Nozzle
3-417666 Off Set Panel (Painted)
4-417666 Off Set Panel (Stainless Steel)
7-417666 Off Set Panel (Brushed Stainless
Steel)
3-417785 Flat Panel (Painted)
4-417785 Flat Panel (Stainless Steel)
Advertising Panel Without Nozzle
5-417666 Off Set Panel (Painted)
6-417666 Off Set Panel (Stainless Steel)
5-417785 Flat Panel (Painted)
6-417785 Flat Panel (Stainless Steel)
12 287-50001 #10-32 x 3/8" Long Round Head
Machine Screw
2-7414432-741443
2-7414432-741443
2-741443
1 of 1
13 326-50011 #12-24 x 1/2" Long Flat Head
Machine Screw
14 06-50481 #4-40 x 1/2" Long Pan Head Thread
Cutting Screw
15 10-50641 #10 Lockwasher
16 174-53620 #8-32 x 1/2" Long Truss Head Thread
Cutting Screw
17 35-54742 5/16-18 x 5/8" Long M-F Hex Head
Whiz-Lock Screw
18 02-54752 5/16-18 M-F Flange Whiz-Lock Nut
For complete Nozzle Guide Assy. order: 317088-1
Reference: Final Assembly
420039 262AFL
420315 262AFL-M-HV-LC-RC
420364 262AFL-MS/S-RC, 262AFL-M-1-RC-TW
420653 262AFL-MS/MM/SS/M-HV-LCS-RC
2-741443

Page 2-12 262A Dispenser Parts Manual Form 4660 Version 2.0
Tokheim Corporation October 1991 Rev. 07/29/94

Page 2-13
262A Dispenser Parts Manual Form 4660 Version 2.0
Tokheim Corporation October 1991 Rev. 07/29/94
MODEL 262A -FL -VC/IVC POST MODEL 262A -FL -VC/IVC POST
MODEL 262A -FL -VC/IVC POST MODEL 262A -FL -VC/IVC POST
MODEL 262A -FL -VC/IVC POST TRIM ASSEMBLTRIM ASSEMBL
TRIM ASSEMBLTRIM ASSEMBL
TRIM ASSEMBL
YY
YY
Y
ItemItem
ItemItem
Item Part No.Part No.
Part No.Part No.
Part No. DescriptionDescription
DescriptionDescription
Description ItemItem
ItemItem
Item Part No.Part No.
Part No.Part No.
Part No. DescriptionDescription
DescriptionDescription
Description
2-7414742-741474
2-7414742-741474
2-741474
1 of 1
1 1-125244 Cable Clamp
2 1-126182 Washer
3 1-127777 Turnbuckle (VC)
4 2-127967 #12-24 x 3/4" Long Oval Head Thead
Cutting Screw
5 1-131349 Shaft
6 1-131350 Link
7 1-131423 Bumper
8 1-131424 Spring
9 1-131445 Nylon Washer
10 1-131515 Actuator
11 1-227593 Magnet Shield
12 1-227763 Upper Link (VC)
13 228150-1 Switch Sensor Assembly
14 1-228938 Bracket
15 1-316511 Support
16 316803-1 Door Assembly (VC)
2-317444 Boot Top (IVC)
17 1-317438 Linkage Rod (VC)
18 1-317487 Nozzle Stop (IVC)
19 1-417126 Nozzle Boot
20 1-417252 Cover
21 418090-1 Post Welding Assembly
22 1-418112 Operating Lever
23 Ad Panel
3-418726 With Nozzle
4-418726 Without Nozzle
24 30-50001 #4-40 x 3/8" Long Round Head Machine
Screw
25 291-50001 #10-32 x 1/2" Long Round Head Machine
Screw (IVC)
26 106-50181 #10-32 x 1/2" Long Fillister Head
Machine Screw (VC)
27 13-50211 #10-32 Hex Machine Nut (IVC)
28 01-50301 1/4-20 Hex Nut (VC)
29 01-50361 1/4-20 x 1/2" Long Hex Head Cap Screw
30 02-50361 1/4-20 x 5/8" Long Hex Head Cap Screw
31 03-50361 1/4-20 x 3/4" Long Hex Head Cap Screw
32 07-50621 1/4" Plain Washer
33 10-50641 #10 Lockwasher-Split (IVC)
34 13-50641 1/4" Lockwasher-Split
35 17-51201 1/16" Dia. x 1/2" Long Cotter Pin
36 22-51511 Rod End Pin
37 174-53620 #8-32 x 1/2" Long Phillip Truss Head
Screw
38 35-54742 5/16-18 x 5/8" Long M-F Hex Head
Whiz-Lock Screw
39 02-54752 5/16-18 Hex Head Whiz-Lock Nut
40 317439-1 Linkage Assembly
41 417222-1 Boot Assembly
42 418219-1 Lever Assembly
Reference: 420396 Final Assembly
2-741474

262A Dispenser Parts Manual Form 4660 Version 2.0
Tokheim Corporation October 1991 Rev.07/29/94
Page 2-14

262A Dispenser Parts Manual Form 4660 Version 2.0
Tokheim Corporation October 1991 Rev. 07/29/94 Page 2-15
7Column Top
1-415045 All models except listed
below
1-418076 262A/FL-VC/IVC
8 11-51491 5/16-18 x 1/2" Long Hex
Head Self Tapping Screw
9 35-54742 5/16-18 x 5/8 Long M-F
Hex Head Whiz Lock
Screw
10 02-54752 5/16-18 M-F Flange Whiz
Lock Nut
Reference: Chassis Assembly
419754 262A (Canada)
420091 262A
420092 262AFL
420316 262A/FL-M-HV-LC
420363 262AFL-M/MS/S-RC
262AFL-M-1-RC-TW
420652 262A/FL-M-HV-LCS-RC,
262AFL-M/MS/MM/S-
HV-LCS-RC
Reference: Final Assembly
420392 262A-VC/IVC
420393 262AFL-VC/IVC
2-741438
ItemItem
ItemItem
Item PartPart
PartPart
Part
No.No.
No.No.
No. No.No.
No.No.
No. DescriptionDescription
DescriptionDescription
Description
ItemItem
ItemItem
Item PartPart
PartPart
Part
No.No.
No.No.
No. No.No.
No.No.
No. DescriptionDescription
DescriptionDescription
Description
262A CHASSIS ASSEMBL262A CHASSIS ASSEMBL
262A CHASSIS ASSEMBL262A CHASSIS ASSEMBL
262A CHASSIS ASSEMBLYY
YY
Y
1 1-129159 Pop Rivet
2 1-221906 Column Brace
3 1-229482 Warning Plate (RC only)
4Column Top
2-311998 Support (All models
except below)
411254-5 Plate Weld Assembly
(262A 2-TW)
5 4-411263 Base
6Side Frame
1-415044 All models except listed
below
4-415044 262A/FL-M-HV-RC,
262A/FL-M-HV-LC-RC
8-415044 262A/FL-VC/IVC
9-415044 262AFL-MS-HV-LCS-RC
(Master Side),
262AFL-SS-HV-LCS-RC,
262A/FL-M-HV-LCS-RC
(No Hose Side),
262AFL-S-HV-LCS-RC
10-415044 262A-VC/IVC-2-TW
(Canada)
11-415044 262AFL-MS-HV-LCS-RC
(Satellite Side)
262AFL-MM-HV-LCS-
RC 262A/FL-M-HV-LCS-
RC (Master Side)
1-7414381-741438
1-7414381-741438
1-741438
1 1
1 1
1
ofof
ofof
of
1 1
1 1
1

262A Dispenser Parts Manual Form 4660 Version 2.0
Tokheim Corporation October 1991 Rev.07/29/94
Page 2-16

262A Dispenser Parts Manual Form 4660 Version 2.0
Tokheim Corporation October 1991 Rev. 07/29/94 Page 2-17
1 1-126182 Washer
2 1-130590 Hex Locknut
3 1-130613 Conduit Washer
4 1-131000 Shoulder Rivet
5 1-131280 Switch
6 1-131302 Special Screw
7 1-131303 Hinge
8 1-227255 Switch Actuator
9 1-227256 Mounting Bracket
10 227262-1 Switch Shaft Assembly
11 230444-1 Switch & Bracket
Assembly
12 1-316355 Switch Box Cover
13 1-416685 Switch Box
14 96-50001 #6-32 x 1/2" Long Round
Head Machine Screw
15 104-50001 #6-32 x 1" Long Round
Head Machine Screw
16 287-50001 #10-32 x 3/8" Long Round
Head Machine Screw
17 03-50211 #6-32 Hex Mach Nut
18 04-50361 1/4-20 x 1" Long Hex
Head Cap Screw
19 05-50621 #10 Plain Washer
20 10-50641 #10 Lockwasher
21 03-50761 #6 Shakeproof
Lockwasher
22 04-51901 1/2" Pipe Plug (262A-1 &
2-TW & 262A-1 & 2-RC-
TW only) (Hose #2)
23 05-52482 Retaining Ring Type “E”
24 Wire Harness Assembly
TBS* 262A-2-RC-TW, 262A,
262A-RC,
262A-1-RC-TW (Hose
#1),
262A-2-TW & 262A-M-
HV-LC-RC
TBS* 262A-2-RC-TW, 262A-1-
RC-TW,
262A-1-TW & 262A-2-
TW (Hose #2),
ItemItem
ItemItem
Item PartPart
PartPart
Part
No.No.
No.No.
No. No.No.
No.No.
No. DescriptionDescription
DescriptionDescription
Description
ItemItem
ItemItem
Item PartPart
PartPart
Part
No.No.
No.No.
No. No.No.
No.No.
No. DescriptionDescription
DescriptionDescription
Description
2-737912-73791
2-737912-73791
2-73791
1 1
1 1
1
ofof
ofof
of
1 1
1 1
1
MODEL 262A SWITCH BOMODEL 262A SWITCH BO
MODEL 262A SWITCH BOMODEL 262A SWITCH BO
MODEL 262A SWITCH BOX ASSEMBLX ASSEMBL
X ASSEMBLX ASSEMBL
X ASSEMBL
YY
YY
Y
* TBS = "To be supplied"* TBS = "To be supplied"
* TBS = "To be supplied"* TBS = "To be supplied"
* TBS = "To be supplied"
Wire Harness Assembly cont…
TBS* 262A-2-TW (Hose #1)(3/4
H.P. Motor)
TBS* 262A-HS
25 Wire Harness Assembly
TBS* 262A-2-RC-TW, 262A,
262A-RC & 262A-
262A-1-RC-TW (Hose
#1)
TBS* 262A-M-HV-LC-RC
TBS* 262A-2-TW (Hose #2)
TBS* 262A-1-TW (Hose #1)
TBS* 262A-2-TW (Hose #1)
(3/4 H.P. Motor)
TBS* 262A-HS
For complete Switch Box Assembly order:
420145-1 262A-2-RC-TW, 262A,
262A-RC &
262A-1-RC-TW (Hose
#1)
420145-2 262A-2-RC-TW, 262A-1-
RC-TW,
262A-1-TW & 262A-2-
TW (Hose #2)
420145-3 262A-1-TW
420145-4 262A-2-TW
420145-5 262A-M-HV-LC-RC
420145-6 262A-2-TW (Hose #1)(3/4
H.P. Motor)
420145-7 262A-HD 3/4 H.P. 380
Volt
420145-8 262A-HD-2-TW (Hose
#1) 3/4 H.P. 380 Volt
420145-9 262A-HD-2-TW (Hose
#2) 3/4 H.P. 380 Volt
420145-10 262A-HS
420145-11 262A-HD-1-TW (Hose
#1) 3/4 H.P. 380 Volt
420145-12 262A-HD-1-TW (Hose
#2) 3/4 H.P. 380 Volt
420145-13 262A-HS 380 Volt
420145-14 262A-M-HV-LCS-RC
2-73791

262A Dispenser Parts Manual Form 4660 Version 2.0
Tokheim Corporation October 1991 Rev.07/29/94
Page 2-18

262A Dispenser Parts Manual Form 4660 Version 2.0
Tokheim Corporation October 1991 Rev. 07/29/94 Page 2-19
22 Conduit and Harness Assembly
TBS SINGLE, MASTER, 1-
TWIN, 2-RC-TW (Hose #1)
TBS 2-TWIN (Hose #1)
TBS SATELLITE
TBS HV-MS-LC-RC (Master
Side)
TBS HV-MS-LC-RC (Satellite
Side)
23 Switch & Bracket Assembly
226354-4 110 Volt
226354-5 220 Volt
For Complete Switch Box Assembly Order:
420285-1 262AFL, 262AFL-RC,
262AFL-1-RC-TW,
262AFL-2-RC-TW (Hose
#1), 262AFL- M-HV-LC-RC
420285-2 262AFL-1-TW, 262AFL-2-
TW, 262AFL-1-RC-TW,
262AFL-2-RC-TW
(Hose #2)
420285-3 262AFL-1-TW (Hose #1)
420285-4 262AFL-2-TW (Hose #1)
420285-5 262AFL SATELLITE
420285-6 262AFL MASTER
420285-7 262AFL-HV-MS-LC-RC
(Master Side)
420285-8 262AFL-HV-MS-LC-RC
(Satellite Side)
420285-9 262AFL-SS-HV-LCS-RC
(Satellite Side)
420285-10 262AFL-MS-HV-LCS-RC
(Satellite Side )(220 Volt)
2-73792
1 3-110901 Thrust Washer
2 1-130590 Hex Locknut
3 1-130613 Conduit Washer
4 1-130965 Stop
5 1-131365 Spacer
6Switch
1-225240 110 Volt
2-225240 220 Volt
7 226299-1 Bracket & Pawl Assembly
8 1-226350 Shaft
9 1-226352 Cam
10 1-314279 Pulser Box Cover
11 1-415687 Switch Box
12 36-50001 #4-40 x 5/8" Long Round
Head Machine Screw
13 90-50001 #6-32 x 5/16" Long Round
Head Machine Screw
14 02-50211 #4 Hex Nut
15 06-50361 1/4-20 x 1-1/4" Long Hex
Head Cap Screw
16 01-50761 #4 Lockwasher
17 03-50761 #1106 Lockwasher
18 04-51901 1/2" Pipe Plug
19 34-52901 3/32" Dia x 5/8" Long
Rollpin
20 13-52922 Tru-Arc Retaining Ring
21 Conduit and Harness Assembly
TBS SINGLE, MASTER, 1-RC-
TWIN, 2-TWIN (Hose #1)
TBS 1-TWIN (Hose #1)
TBS TWIN (Hose #2)
TBS HV-MS-LC-RC (Master
Side)
ItemItem
ItemItem
Item PartPart
PartPart
Part
No.No.
No.No.
No. No.No.
No.No.
No. DescriptionDescription
DescriptionDescription
Description
ItemItem
ItemItem
Item PartPart
PartPart
Part
No.No.
No.No.
No. No.No.
No.No.
No. DescriptionDescription
DescriptionDescription
Description
MODEL 262A-FL SWITCH BOMODEL 262A-FL SWITCH BO
MODEL 262A-FL SWITCH BOMODEL 262A-FL SWITCH BO
MODEL 262A-FL SWITCH BOX ASSEMBLX ASSEMBL
X ASSEMBLX ASSEMBL
X ASSEMBL
YY
YY
Y
2-737922-73792
2-737922-73792
2-73792
1 1
1 1
1
ofof
ofof
of
1 1
1 1
1
* TBS = "To be supplied"* TBS = "To be supplied"
* TBS = "To be supplied"* TBS = "To be supplied"
* TBS = "To be supplied"

262A Dispenser Parts Manual Form 4660 Version 2.0
Tokheim Corporation October 1991 Rev.07/29/94
Page 2-20 262A Dispenser Parts Manual Form 4660 Version 2.0
Tokheim Corporation July 1994

262A Dispenser Parts Manual Form 4660 Version 2.0
Tokheim Corporation October 1991 Rev. 07/29/94 Page 2-21
262A Dispenser Parts Manual Form 4660 Version 2.0
Tokheim Corporation July 1994

262A Dispenser Parts Manual Form 4660 Version 2.0
Tokheim Corporation October 1991 Rev.07/29/94
Page 2-22 262A Dispenser Parts Manual Form 4660 Version 2.0
Tokheim Corporation July 1994

262A Dispenser Parts Manual Form 4660 Version 2.0
Tokheim Corporation October 1991 Rev. 07/29/94 Page 2-23
DECALCOMANIADECALCOMANIA
DECALCOMANIADECALCOMANIA
DECALCOMANIA
32 Decalcomania
1-420079 262AFL Preset, Cash/Credit
2-420079 262A Cash/Credit
3-420079 262A Preset, Cash/Credit
4-420079 262AFL Cash/Credit
5-420079 262A, 262A (Canada)
6-420079 262A Preset
7-420079 262AFL
8-420079 262AFL Preset
11-420079 262A Preset (Spanish - Mexico)
12-420079 262A Preset (Yugoslavia)
13-420079 262A Preset (Universal)
18-420079 262AFL Preset (Spanish -Guatemalia)
20-420079 262A (Universal)
21-420079 262AFL (Universal)
22-420079 262AFL Preset (Universal)
31-420079 262AFL Preset Cash/Credit (Universal)
32-420079 262A Cash/Credit (Universal)
33-420079 262A Preset, Cash/Credit (Universal)
34-420079 262AFL Cash/Credit (Universal)
33 Preset Amount
9-420079 Dollar Amount
10-420079 Spanish (Mexico)
14-420079 Korea
15-420079 Spanish (Ecuador)
16-420079 Spanish (Colombia)
17-420079 Spanish (Ecuador)
19-420079 Spanish (Bolivia)
23-420079 Spanish (Costa Rica)
24-420079 Indonesia
25-420079 Universal
26-420079 Qatar
27-420079 Taiwan
28-420079 Bolivia
29-420079 Saudi Arabia
30-420079 Spanish (El Salvador)
35-420079 Spanish (Peru)
1-71143
ItemItem
ItemItem
Item PartPart
PartPart
Part
No.No.
No.No.
No. No.No.
No.No.
No. DescriptionDescription
DescriptionDescription
Description
1-711431-71143
1-711431-71143
1-71143
1 1
1 1
1
ofof
ofof
of
1 1
1 1
1
262A Dispenser Parts Manual Form 4660 Version 2.0
Tokheim Corporation July 1994

262A Dispenser Parts Manual Form 4660 Version 2.0
Tokheim Corporation October 1991 Rev.07/29/94
Page 2-24

262A Dispenser Parts Manual Form 4660 Version 2.0
Tokheim Corporation October 1991 Rev. 07/29/94
2
6
2
A
D
I
S
P
E
N
S
E
R
Page 3-1
Electronic Enclosure AssemblyElectronic Enclosure Assembly
Electronic Enclosure AssemblyElectronic Enclosure Assembly
Electronic Enclosure Assembly
(1 and 2 lamp system) ................................................. 3-2, 3-3
(3 and 6 lamp system) ................................................. 3-4, 3-5
Electronic Component and Power Supply AssemblyElectronic Component and Power Supply Assembly
Electronic Component and Power Supply AssemblyElectronic Component and Power Supply Assembly
Electronic Component and Power Supply Assembly
...... 3-5, 3-6
Contactor and Circuit Breaker Box (262A-HD 380 volt)Contactor and Circuit Breaker Box (262A-HD 380 volt)
Contactor and Circuit Breaker Box (262A-HD 380 volt)Contactor and Circuit Breaker Box (262A-HD 380 volt)
Contactor and Circuit Breaker Box (262A-HD 380 volt)
3-7, 3-8
Dial AssembliesDial Assemblies
Dial AssembliesDial Assemblies
Dial Assemblies
262A Backlite Dial (1 or 2 lamp system) ........................ 3-10, 3-11
262A Backlite Dial (3 or 6 lamp system) ........................ 3-12, 3-13
262A/AFL Dial Assembly .............................................. 3-14, 3-15
Wiring SchematicsWiring Schematics
Wiring SchematicsWiring Schematics
Wiring Schematics
262A Dispenser Wire Schematic ................................... 3-16, 3-17
262A-RC Dispenser Wiring Schematic .......................... 3-18, 3-19
262A Electronics Enclosure schematic
(1 or 2 lamp dial system) .............................................. 3-20, 3-21
262A Electronics Enclosure schematic
(3 or 6 lamp dial system) .............................................. 3-22, 3-23
262A-FL Electronics Enclosure schematic
(1 or 2 lamp dial system) .............................................. 3-24, 3-25
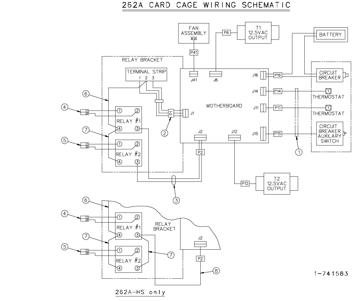
262A Card Cage Wiring Schematic ................................ 3-26, 3-27
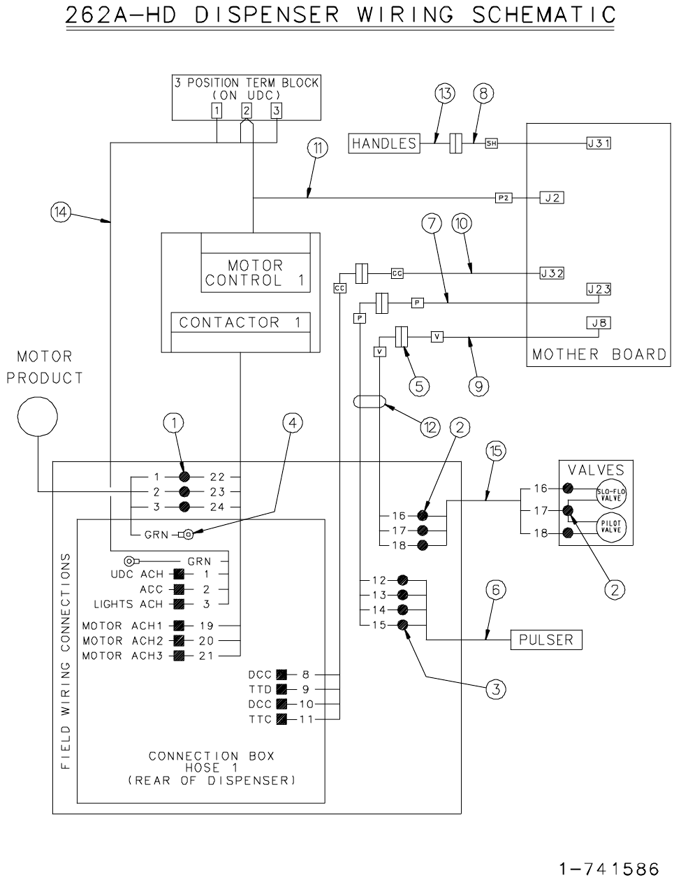
262A-HD Dispenser Wiring Schematic .......................... 3-28, 3-29
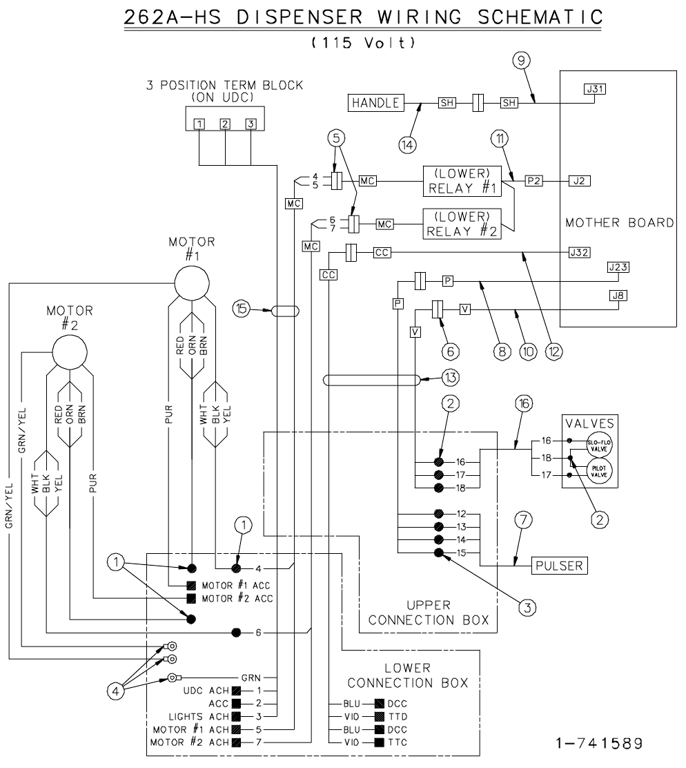
262A-HS Dispenser Wiring Schematic (115 Volt) ........... 3-30, 3-31
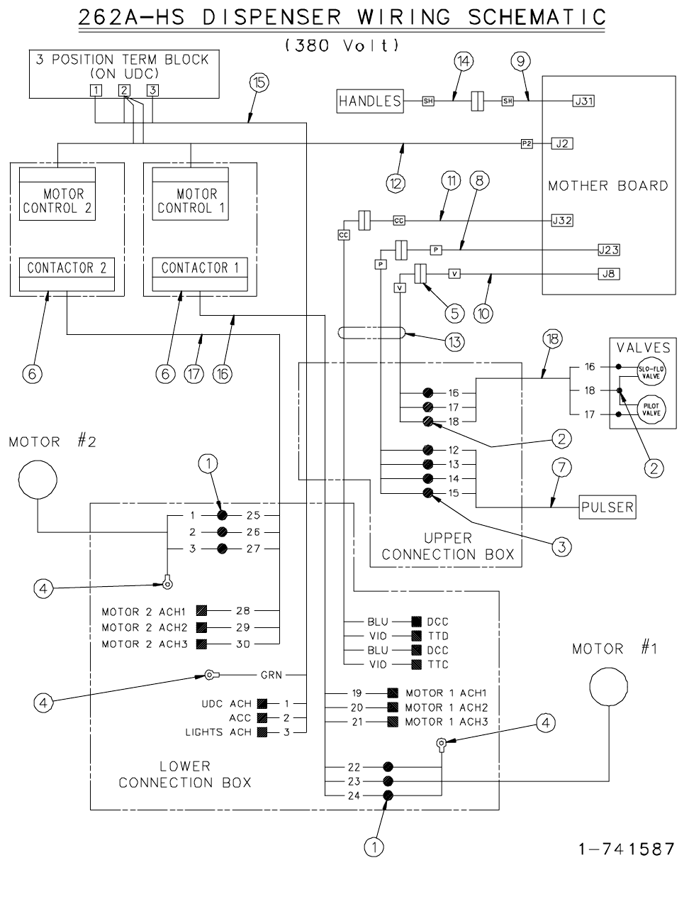
262A-HS Dispenser Wiring Schematic (380 Volt) ........... 3-32, 3-33
262A/AFL-MS/S-HV-LCS-RC Dispenser Wiring
Schematic .................................................................... 3-34, 3-35
262A-HD-1-TW Dispenser Wiring Schematic................. 3-36, 3-37
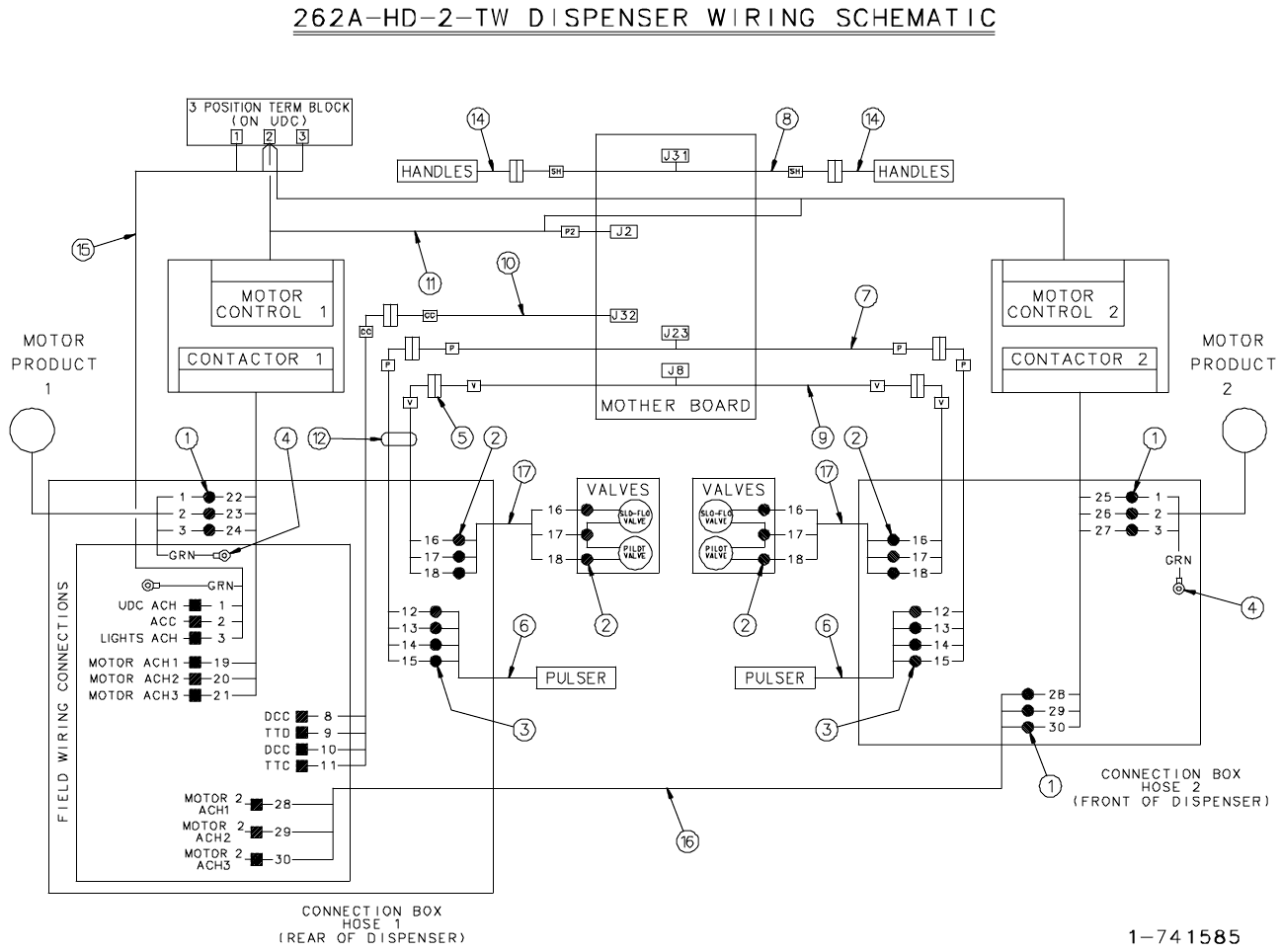
262A-HD-2-TW Dispenser Wiring Schematic................. 3-38, 3-39
262A/AFL -MM-HV-LCS-RC Dispenser Wiring
Schematic .................................................................... 3-40, 3-41
Page
Number
Electr onic Assemblies,
Dials & Schematics
Section
Three

Page 3-2 262A Dispenser Parts Manual Form 4660 Version 2.0
Tokheim Corporation October 1991 Rev. 07/29/94

Page 3-3
262A Dispenser Parts Manual Form 4660 Version 2.0
Tokheim Corporation October 1991 Rev. 07/29/94
2-7414712-741471
2-7414712-741471
2-741471
1 of 1
ItemItem
ItemItem
Item Part No.Part No.
Part No.Part No.
Part No. DescriptionDescription
DescriptionDescription
Description ItemItem
ItemItem
Item Part No.Part No.
Part No.Part No.
Part No. DescriptionDescription
DescriptionDescription
Description
Item 19 continued
420382-3 262A/AFL-VC Single
420382-4 262A/AFL-VC Twin
20 420165-15 Conductor Assembly (Vapor
Recovery only)
21 Display End Weld Assembly
420289-1 262A/AFL (No Presets)
420289-2 262A/AFL (Presets)
420289-3 262A/AFL-VC (No Presets) (Serial
Plate Side only)
420289-4 262A/AFL-VC (Presets) (Serial Plate
Side only)
420289-5 262A-HD/HS (No Presets) (Serial
Plate Side)
420289-6 262A-HS (Presets)
22 03-50211 #6-32 Hex Machine Nut (Vapor
Recovery only)
23 03-50621 Plainwasher (Vapor Recovery only)
24 03-50761 #6 Shakeproof Lockwasher
25 04-52532 Truarc Retaining Ring (5105)
26 02-54752 5/16-18 M-F Flange Whiz Lock Nut
27 36-317638 Cushion
For complete Keylock Switch Harness AssemblyFor complete Keylock Switch Harness Assembly
For complete Keylock Switch Harness AssemblyFor complete Keylock Switch Harness Assembly
For complete Keylock Switch Harness Assembly
order:order:
order:order:
order:
230187-2 (Includes item #7 & 8)
Reference: Electronic Enclosure AssemblyReference: Electronic Enclosure Assembly
Reference: Electronic Enclosure AssemblyReference: Electronic Enclosure Assembly
Reference: Electronic Enclosure Assembly
420053 262A/AFL
420383 262A/AFL-VC
421148 262A/AFL (Continued)
2-7414712-741471
2-7414712-741471
2-741471
1 1-128791 #6-32 Special Nut
2 1-130590 Hex Locknut (Vapor Recovery only)
3 1-130613 Conduit Washer (Vapor Recovery
only)
4 1-131436 Pop Rivet
5 1-131569 End Cap
6 3-227937 Sealed Touch Switch
7 1-229680 Switch Lock With 2 Keys (Includes
Item #8)
8 Key (1)
2-229023 Key Code 8556
2-229680 Key Code 372T
3-229680 Key Code 592T
9 1-229621 Switch Grommet (Preset only)
10 2-230118 Strap Clamp (Vapor recovery only)
11 1-230333 Brace
12 1-230438 Prop Rod
13 Barrier Assembly
230769-1 262A/AFL-VC Single
230769-2 262A/AFL-VC Twin
14 1-318701 Pivot Left Hand
15 2-318701 Pivot Right Hand
16 1-319195 Push Button Switch (Preset only)
17 2-414820 Display Top
18 418150-2 Barrier Conduit Assembly (Vapor
Recovery only)
19 Display Base Weld Assembly
419914-3 262A Single
419914-4 262A Twin
419914-7 262AFL Single
419914-8 262AFL Twin
419914-9 262A-HS
419914-10 262AFL-MM-HV-LCS-RC
ELECTRELECTR
ELECTRELECTR
ELECTRONICS ENCLOSURE ASSEMBLONICS ENCLOSURE ASSEMBL
ONICS ENCLOSURE ASSEMBLONICS ENCLOSURE ASSEMBL
ONICS ENCLOSURE ASSEMBL
YY
YY
Y
(one & two lamp system)(one & two lamp system)
(one & two lamp system)(one & two lamp system)
(one & two lamp system)

Page 3-4 262A Dispenser Parts Manual Form 4660 Version 2.0
Tokheim Corporation October 1991 Rev. 07/29/94

Page 3-5
262A Dispenser Parts Manual Form 4660 Version 2.0
Tokheim Corporation October 1991 Rev. 07/29/94
2-7413442-741344
2-7413442-741344
2-741344
1 of 1
ItemItem
ItemItem
Item Part No.Part No.
Part No.Part No.
Part No. DescriptionDescription
DescriptionDescription
Description ItemItem
ItemItem
Item Part No.Part No.
Part No.Part No.
Part No. DescriptionDescription
DescriptionDescription
Description
1 1-128791 #6-32 Special Nut
2 1-131569 End Cap
3 1-131436 Pop Rivet
4 3-227937 Sealed Touch Switch
5 1-229023 Switch Lock With Two Keys
(Includes Item #6)
6 2-229023 Keys (2 Each)
7 1-229621 Switch Grommet
8 1-230333 Brace
9 1-230438 Prop Rod
10 36-317638 Cushion
11 1-318218 Push Button Switch
Assembly
12 1-318701 Pivot (Left Hand)
13 2-318701 Pivot (Right Hand)
14 1-318739 Terminal Strip
15 318744-1 Ballast Assembly
16 2-414820 Display Top
17 Display End Weld Assembly
419913-1 262A, 262A-1 & 2-TW &
262AFL
419913-2 262A & 262AFL
419913-3 Presets
ELECTRELECTR
ELECTRELECTR
ELECTRONICS ENCLOSURE ASSEMBLONICS ENCLOSURE ASSEMBL
ONICS ENCLOSURE ASSEMBLONICS ENCLOSURE ASSEMBL
ONICS ENCLOSURE ASSEMBL
YY
YY
Y
(three & six lamp system on dials)(three & six lamp system on dials)
(three & six lamp system on dials)(three & six lamp system on dials)
(three & six lamp system on dials)
18 Display Base Weld Assembly
419914-3 Single
419914-4 Twin
19 90-50001 #6-32 x 5/16" Long Round
Head Machine Screw
20 03-50761 #6 Shakeproof Lockwasher
21 04-52532 Truarc Retaining Ring
22 02-54752 5/16-18 M-F Flange Whiz
Lock Nut
Reference:Reference:
Reference:Reference:
Reference:
420053 Electronics Enclosure Assembly
2-7413442-741344
2-7413442-741344
2-741344

Page 3-6 262A Dispenser Parts Manual Form 4660 Version 2.0
Tokheim Corporation October 1991 Rev. 07/29/94

Page 3-7
262A Dispenser Parts Manual Form 4660 Version 2.0
Tokheim Corporation October 1991 Rev. 07/29/94
ItemItem
ItemItem
Item Part No.Part No.
Part No.Part No.
Part No. DescriptionDescription
DescriptionDescription
Description ItemItem
ItemItem
Item Part No.Part No.
Part No.Part No.
Part No. DescriptionDescription
DescriptionDescription
Description
1 3-129138 Circuit Breaker (1.5 Amp)
2 3-130217 Thermostat
3 6-130217 Thermostat
4 1-130404 Warning Label
5 1-132468 Label
6 1-226445 Warning Label
7 1-227360 Circuit Breaker (3.5 Amp)
8 1-227816 Label
9 2-227818 Card Guide
10 Fan Assembly
228665-2 110 Volts
228665-3 220 Volts
11 1-229652 Plastic Rivet
12 230104-1 Transformer Assembly (High Voltage)
13 230105-1 Transformer Assembly (Low Voltage)
14 1-230368 Terminal Block
15 6-315684 Power Relay
16 318269-1 Fan Shroud Weld Assembly
17 318349-2 Battery Assembly
18 1-318757 Relay Bracket
19 1-318758 Relay Cover
20 1-319232 Card Retainer - UDC
21 Computer Board Assembly
417815-2 All models except listed below
417815-8 262AFL-MS/MM-HV-LC/LCS-RC (Gallons)
417815-9 262AFL-MS/MM-HV-LCS-RC (Liters)
22 Mother Board Assembly
419149-1 110 Volts
419149-2 220 Volts
23 419223-1 Card Cage Weld Assembly
24 419628-1 Battery Bracket Weld Assembly
25 Multiplex Board Assembly
419844-1 262A-2-TW & 262A-2-RC-TW
419844-2 All models except 262A2-TW & 262A-2-RC-TW
26 Relay Board Assembly
420322-5 262A-2-TW, 262A-2-RC-TW
420322-6 All models except 262A-2-TW &
262A-2-RC-TW
27 420760-2 Interface Board Assembly
28 92-50021 #6-32 x 3/8" Long Phillips Round Head
Machine Screw
29 170-50001 #8-32 x 3/8" Long Round Head Machine
Screw
30 03-50211 #6-32 Machine Nut
31 04-50211 #8-32 Hex Nut
32 03-50381 #8-32 Wing Nut
33 03-50761 #6 Lockwasher
34 04-50761 #8 Lockwasher
35 19-51441 #6 x 3/8" Long Round Head Self Tapping
Screw
36 26-53292 #8 x 3/4" Long Phillips Pan Head Thread
Cutting Screw
37 02-54752 5/16-18 M-F Flange Whiz-Lock Nut
38 166-52851 #8-32 x 1/4" Long Hex Head Machine Screw
Reference: Relay Bracket Assembly 419970Reference: Relay Bracket Assembly 419970
Reference: Relay Bracket Assembly 419970Reference: Relay Bracket Assembly 419970
Reference: Relay Bracket Assembly 419970
For complete Electrical Component And Power SupplyFor complete Electrical Component And Power Supply
For complete Electrical Component And Power SupplyFor complete Electrical Component And Power Supply
For complete Electrical Component And Power Supply
Assembly order:Assembly order:
Assembly order:Assembly order:
Assembly order:
419984-1 262A & 262A-1-TW (110 Volts)
419984-2 262A-2-TW (110 Volts)
419984-3 262A-RC & 262A-1-RC-TW (110 Volts)
419984-4 262A-2-RC-TW (110 Volts)
419984-5 262A & 262A-1-TW (220 Volts)
419984-6 262A-2-TW (220 Volts)
419984-7 262A-RC & 262A-1-RC-TW (220 Volts)
419984-8 262A-2-RC-TW (220 Volts)
419984-9 262A-HS (110 Volts)
419984-10 262AFL-MS-HV-LCS-RC (110 Volts)
419984-11 262AFL-MM-HV-LCS-RC (110 Volts)
419984-12 262A-HS (220 Volt)
419984-13 262AFL-MS-HV-LCS-RC (220 Volts) (Liters)
419984-14 262AFL-MM-HV-LCS-RC (220 Volts) (Liters)
419984-15 262AFL-MS-HV-LCS-RC (220 Volts) (Gallons)
419984-16 262AFL-MM-HV-LCS-RC (220 Volts) (Gallons)
3-7413423-741342
3-7413423-741342
3-741342
ELECTRICAL COMPONENT AND POELECTRICAL COMPONENT AND PO
ELECTRICAL COMPONENT AND POELECTRICAL COMPONENT AND PO
ELECTRICAL COMPONENT AND POWER SUPPLWER SUPPL
WER SUPPLWER SUPPL
WER SUPPL
Y ASSEMBLY ASSEMBL
Y ASSEMBLY ASSEMBL
Y ASSEMBL
YY
YY
Y
3-7413423-741342
3-7413423-741342
3-741342
1 of 1

Page 3-8 262A Dispenser Parts Manual Form 4660 Version 2.0
Tokheim Corporation October 1991 Rev. 07/29/94

Page 3-9
262A Dispenser Parts Manual Form 4660 Version 2.0
Tokheim Corporation October 1991 Rev. 07/29/94
1-722391-72239
1-722391-72239
1-72239
1 of 1
ItemItem
ItemItem
Item Part No.Part No.
Part No.Part No.
Part No. DescriptionDescription
DescriptionDescription
Description ItemItem
ItemItem
Item Part No.Part No.
Part No.Part No.
Part No. DescriptionDescription
DescriptionDescription
Description
CONTCONT
CONTCONT
CONT
AA
AA
ACTCT
CTCT
CT
OR & CIRCUIT BREAKER BOOR & CIRCUIT BREAKER BO
OR & CIRCUIT BREAKER BOOR & CIRCUIT BREAKER BO
OR & CIRCUIT BREAKER BOX ASSEMBLX ASSEMBL
X ASSEMBLX ASSEMBL
X ASSEMBL
YY
YY
Y
(262A-HD 380 (262A-HD 380
(262A-HD 380 (262A-HD 380
(262A-HD 380 VV
VV
Volt)olt)
olt)olt)
olt)
1 1-128725 Cable Tie
2 1-128791 #6-32 Special Nut
3 1-226445 Warning Label
4 1-227816 Label
5 230768-1 Wire Harness Assembly
6 230768-3 Wire Harness Assembly
7 230775-1 Wire Harness Assembly
8 1-230816 Contactor
9Decal
1-230838 Contactor 1
2-230838 Contactor 2
10 Decal
3-230838 Motor Control 1
4-230838 Motor Control 2
11 1-230842 Contactor Box Cover
12 1-318994 Circuit Breaker (3 AMP)
13 Contactor Box Weld Assembly
319018-1 262A-HD
319018-2 262A-HD-2-TW
14 420165-22 Lead Assembly (Brown)
15 88-50001 #6-32 x 1/4" Long Round
Head Machine Screw
16 05-50211 #10-24 Hex Machine Nut
17 03-50761 #6 Shakeproof Lockwasher
18 05-50761 #10 Shakeproof Lockwasher
19 03-51491 #6 x 3/8" Long Hex Head
Self Tapping Screw
For complete Contactor & CircuitFor complete Contactor & Circuit
For complete Contactor & CircuitFor complete Contactor & Circuit
For complete Contactor & Circuit
Breaker Box Assembly order:Breaker Box Assembly order:
Breaker Box Assembly order:Breaker Box Assembly order:
Breaker Box Assembly order:
420541-1 262A-HD 380 Volt
420541-2 262A-HD-2-TW (Contactor 1)
420541-3 262A-HD-2-TW (Contactor 2)
Reference: Electronics Enclosure AssemblyReference: Electronics Enclosure Assembly
Reference: Electronics Enclosure AssemblyReference: Electronics Enclosure Assembly
Reference: Electronics Enclosure Assembly
420053 & 421148
1-722391-72239
1-722391-72239
1-72239

Page 3-10 262A Dispenser Parts Manual Form 4660 Version 2.0
Tokheim Corporation October 1991 Rev. 07/29/94

Page 3-11
262A Dispenser Parts Manual Form 4660 Version 2.0
Tokheim Corporation October 1991 Rev. 07/29/94
ItemItem
ItemItem
Item Part No.Part No.
Part No.Part No.
Part No. DescriptionDescription
DescriptionDescription
Description ItemItem
ItemItem
Item Part No.Part No.
Part No.Part No.
Part No. DescriptionDescription
DescriptionDescription
Description
1 1-128281 Rivet
2 1-128725 Cable Tie (Not Shown)
3 2-130330 Pivot Pin
4 2-130449 “U” Nut
5 1-132416 #6-32 x 1/2" Long Special Screw
6 6-219435 Fluorescent Lamp (Daylight)
7 1-226278 Fluorescent Starter
8 1-227766 Lampholder
9 3-227766 Lampholder
10 4-228671 #6-32 Capped Washer Lock Nut
11 228677-1 Buzzer Assembly
12 1-229652 Plastic Rivet
13 1-230398 Display Brace
14 Ballast
1-315556 115 Volt
3-315556 220 Volt 50 Hz
4-315556 220 Volt 60 Hz
15 1-315557 Starter Socket
16 2-318856 Reflector
17 2-419225 Liquid Crystal Display (Cash or
Credit)
18 3-419225 Liquid Crystal Display (Money/
Volume)
19 Circuit Board Assy. (Includes Items #17 & 18)
419814-1 Cash Credit (Commas)
419814-2 Cash (Commas)
419814-3 Cash Credit (Decimals)
419814-4 Cash (Decimals)
20 419911-1 Dial Mask Weld Assembly
2-7414562-741456
2-7414562-741456
2-741456
1 of 1
MODEL 262A BAMODEL 262A BA
MODEL 262A BAMODEL 262A BA
MODEL 262A BACKLITE DIAL ASSEMBLCKLITE DIAL ASSEMBL
CKLITE DIAL ASSEMBLCKLITE DIAL ASSEMBL
CKLITE DIAL ASSEMBLYY
YY
Y
(one or two lamp system)
21 Light Bracket Assembly
420209-1 115 Volt (Right)
420209-2 115 Volt (Left)
420209-3 220 Volt 50 Hz (Right)
420209-4 220 Volt 50 Hz (Left)
420209-5 220 Volt 60 Hz (Right)
420209-6 220 Volt 60 Hz (Left)
22 Light Bracket Weld Assembly
420260-1 Right
420260-2 Left
23 30-50001 #4-40 x 3/8" Long Round Head
Machine Screw
24 88-50001 #6-32 x 1/4" Long Round Head
Machine Screw
25 90-50001 #6-32 x 5/16" Long Round Head
Machine Screw
26 02-50211 #4-40 Hex. Nut
27 24-50423 #8-32 x 1/2" Long Truss Head
Thread Cutting Screw
28 01-50761 #4 Shakeproof Lockwasher
29 03-50761 #6 Shakeproof Lockwasher
30 05-50761 #10 Shakeproof Lockwasher
31 08-53281 #10 x 1/2" Long Hex Head Self
Tapping Screw
32 06-52482 Retaining Ring
33 1-132456 Tax Decal (not shown)
Reference: Dial Mask Assembly 420056Reference: Dial Mask Assembly 420056
Reference: Dial Mask Assembly 420056Reference: Dial Mask Assembly 420056
Reference: Dial Mask Assembly 420056
2-7414562-741456
2-7414562-741456
2-741456

Page 3-12 262A Dispenser Parts Manual Form 4660 Version 2.0
Tokheim Corporation October 1991 Rev. 07/29/94

Page 3-13
262A Dispenser Parts Manual Form 4660 Version 2.0
Tokheim Corporation October 1991 Rev. 07/29/94
ItemItem
ItemItem
Item Part No.Part No.
Part No.Part No.
Part No. DescriptionDescription
DescriptionDescription
Description ItemItem
ItemItem
Item Part No.Part No.
Part No.Part No.
Part No. DescriptionDescription
DescriptionDescription
Description
3-7413433-741343
3-7413433-741343
3-741343
1 of 1
MODEL 262A BAMODEL 262A BA
MODEL 262A BAMODEL 262A BA
MODEL 262A BACKLITE DIAL ASSEMBLCKLITE DIAL ASSEMBL
CKLITE DIAL ASSEMBLCKLITE DIAL ASSEMBL
CKLITE DIAL ASSEMBLYY
YY
Y
(three or six lamp system)
1 2-130330 Pivot Pin
2 2-130449 “U” Nut
3 1-130456 Seal Screw
4 2-131156 1/8" Dia. x 5/16" Long
Tubular Eyelet
5 1-132416 #6-32 x 1/2" Long Special
Screw
6 6-219435 Fluorescent Lamp
7 1-226278 Fluorescent Starter
8 1-227766 Lamp Holder
9 3-227766 Lamp Holder
10 228677-1 Buzzer Assembly
(Annunciator)
11 1-230332 Retaining Board
12 1-230398 Display Brace
13 1-315557 Starter Socket
14 Circuit Board Assembly (Includes Item #17
& 18)
419814-1 Cash/Credit (Commas)
419814-2 Cash (Commas)
419814-3 Cash/Credit (Decimal)
419814-4 Cash (Decimal)
15 419911-1 Dial Mask Weld Assembly
16 419912-1 Light Bracket Weld Assembly
17 2-419225 Liquid Crystal Display
(Cash/Credit) (Commas or
Decimals)
18 3-419225 Liquid Crystal Display
(Money/Volume)
19 86-50001 #6-32 x 3/16" Long Round
Head Machine Screw
20 88-50001 #6-32 x 1/4" Long Round
Head Machine Screw
21 90-50001 #6-32 x 5/16" Long Round
Head Machine Screw
22 03-50621 #6 Flat Washer
23 03-50761 #6 Shakeproof Lockwasher
24 05-50761 #10 Shakeproof Lockwasher
25 06-52482 Retaining Ring
26 08-53281 #10 x 1/2" Long Hex Head
Self Tapping Screw
Reference: 420056 Dial Mask AssemblyReference: 420056 Dial Mask Assembly
Reference: 420056 Dial Mask AssemblyReference: 420056 Dial Mask Assembly
Reference: 420056 Dial Mask Assembly
3-7413433-741343
3-7413433-741343
3-741343

Page 3-14 262A Dispenser Parts Manual Form 4660 Version 2.0
Tokheim Corporation October 1991 Rev. 07/29/94

Page 3-15
262A Dispenser Parts Manual Form 4660 Version 2.0
Tokheim Corporation October 1991 Rev. 07/29/94
ItemItem
ItemItem
Item Part No.Part No.
Part No.Part No.
Part No. DescriptionDescription
DescriptionDescription
Description ItemItem
ItemItem
Item Part No.Part No.
Part No.Part No.
Part No. DescriptionDescription
DescriptionDescription
Description
1-738961-73896
1-738961-73896
1-73896
1 of 1
1 1-128281 Pop Rivet
2 1-128791 #6-32 Special Nut
3 1-130328 Bezel Clamp
4Dial Glass
1-225222 262A/AFL
2-225222 262A/AFL (Solid Black)
1-318706 262A/AFL (Cash/Credit)
5 1-226680 Spring Clip
6 1-227498 Dial Brace
7 2-229621 Switch Grommet
8 2-229631 Cushion
9 1-319195 Push Button Switch
Assembly
10 1-319513 Adhesive Pad
11 Dial
2-419917 262AFL (Blank)
1-420042 262A (Front)
2-420042 262A (Rear)
3-420042 262A-1 & 2-TW
4-420042 262AFL (Front)
5-420042 262A (Front Cash/Credit)
6-420042 262A (Rear Cash/Credit)
7-420042 262A-1 & 2-TW (Cash/Credit)
8-420042 262AFL (Cash/Credit)
9-420042 262A-M-HV-LC-RC (Front)
10-420042 262A-M-HV-LC-RC (Rear)
Dial continued…
11-420042 262AFL-M-HV-LC-RC
12-420042 262A-M-HV-LC-RC-K (Front)
13-420042 262A-M-HV-LC-RC-K (Rear)
14-420042 262AFL-M-HV-LC-RC-K
15-420042 262AFL-MM-HV-LCS-RC
12 419971-17 Dial Assembly (Includes Item
#1,3 & 8)
13 03-50761 #6 Shakeproof Lockwasher
For complete Dial Assembly order:For complete Dial Assembly order:
For complete Dial Assembly order:For complete Dial Assembly order:
For complete Dial Assembly order:
419971-1 262A (Front)
419971-2 262A (Rear)
419971-3 262A-TW
419971-4 262AFL (Blank)
419971-5 262AFL & 262AFL-TW
419971-6 262A-K (Front)
419971-7 262A-K (Rear)
419971-8 262A-TW-K
419971-9 262AFL-K
419971-10 262A-M-HV-LC-RC (Front)
419971-11 262A-M-HV-LC-RC (Rear)
419971-12 262AFL-M-HV-LC-RC
419971-13 262A-M-HV-LC-RC-K (Front)
419971-14 262A-M-HV-LC-RC-K (Rear)
419971-15 262AFL-M-HV-LC-RC-K
419971-16 262AFL-MM-HV-LCS-RC
1-738961-73896
1-738961-73896
1-73896
262A/AFL DIAL ASSEMBL262A/AFL DIAL ASSEMBL
262A/AFL DIAL ASSEMBL262A/AFL DIAL ASSEMBL
262A/AFL DIAL ASSEMBLYY
YY
Y

Page 3-16 262A Dispenser Parts Manual Form 4660 Version 2.0
Tokheim Corporation October 1991 Rev. 07/29/94

Page 3-17
262A Dispenser Parts Manual Form 4660 Version 2.0
Tokheim Corporation October 1991 Rev. 07/29/94
MODEL 262A DISPENSER MODEL 262A DISPENSER
MODEL 262A DISPENSER MODEL 262A DISPENSER
MODEL 262A DISPENSER WIRE SCHEMAWIRE SCHEMA
WIRE SCHEMAWIRE SCHEMA
WIRE SCHEMATICTIC
TICTIC
TIC
ItemItem
ItemItem
Item Part No.Part No.
Part No.Part No.
Part No. DescriptionDescription
DescriptionDescription
Description ItemItem
ItemItem
Item Part No.Part No.
Part No.Part No.
Part No. DescriptionDescription
DescriptionDescription
Description
2-7414782-741478
2-7414782-741478
2-741478
1 of 1
1 1-127473 Wire Connector
2 1-129223 Wire Connector
3 1-132450 Butt Splice
4 4-224494 Wire Terminal
5 1-227873 Connector
6 4-227873 Connector
7 230319-1 AC Power Wiring Harness Assembly
8Motor Control Wire Harness Assembly
230324-1 262A (Product #1)
230324-2 262A (Product #2)
9Pulser Wiring Harness Assembly
317473-2 262A
317473-3 262A-1-TW
317473-6 262A-1 & 2-TW (3/4 H.P. Motor)
10 318385-1 J23 To Pulser Wiring Harness
Assembly
11 J31 To Handle Wiring Harness Assembly
318755-1 Single
318755-2 Twin
318957-1 Vapor Recovery
12 J8 To Valve Wiring Harness Assembly
318789-1 Single
318789-2 Twin
13 318790-1 J2 To Motor Control Wiring Harness
Assembly
14 318791-1 J32 To Console Communication
Wiring Harness Assembly
15 Communication/Valve/Pulser Wiring Harness Assembly
421099-1 262A
421099-13 262A (3/4 H.P. Motor)
16 Pulser/Valve Wiring Harness Assembly
421099-10 262A-1-TW
421099-11 262A
421099-12 262A-2-TW
421099-14 262A-2-TW (3/4 H.P. Motor)
17 Handle Switch Wiring Harness Assembly
420148-1 262A
420148-2 262AFL
18 AC/Motor Control Wiring Harness Assembly
420149-1 262A
420149-2 262A/AFL-1-TW
420149-3 262AFL
420149-4 262A-2-TW (3/4 H.P. Motor)
420149-5 262A/AFL-VC-RC
19 Solenoid Wire Harness Assembly
420152-1 262A, 262A-1-TW (Left Side)
420152-2 262A-1-TW (Right Side)
420152-3 262A-2-TW (Right & Left Side)
420152-4 262A-2-TW (Right & Left Side)
(3/4 H.P. Motor)
420152-5 262A-HD-1-TW
20 318795-1 Wiring Harness Assembly
(262A-2-TW)
Reference: Connection Box & Conduit AssemblyReference: Connection Box & Conduit Assembly
Reference: Connection Box & Conduit AssemblyReference: Connection Box & Conduit Assembly
Reference: Connection Box & Conduit Assembly
420044 262A
420125 262AFL
2-7414782-741478
2-7414782-741478
2-741478

Page 3-18 262A Dispenser Parts Manual Form 4660 Version 2.0
Tokheim Corporation October 1991 Rev. 07/29/94

Page 3-19
262A Dispenser Parts Manual Form 4660 Version 2.0
Tokheim Corporation October 1991 Rev. 07/29/94
MODEL 262A-RC DISPENSER MODEL 262A-RC DISPENSER
MODEL 262A-RC DISPENSER MODEL 262A-RC DISPENSER
MODEL 262A-RC DISPENSER WIRING SCHEMAWIRING SCHEMA
WIRING SCHEMAWIRING SCHEMA
WIRING SCHEMATICTIC
TICTIC
TIC
2-7414792-741479
2-7414792-741479
2-741479
1 1
1 1
1
OfOf
OfOf
Of
1 1
1 1
1
1 1-129223 Wire Connector
2 1-132450 Butt Splice
3 4-224494 Wire Terminal
4 1-227873 Connector
5 4-227873 Connector
6 230319-1 AC Power Wiring Harness Assy.
7Pulser Wiring Harness Assembly
317473-2 262A-RC, 262A-1 & 2-RC-TW
317473-5 262A/AFL-M-HV-LC-RC
8 318385-1 J23 To Pulser Wiring Harness
Assembly
9J31 To Handle Wiring Harness Assembly
318755-1 262A (Single)
318755-2 262A (Twin)
318957-1 Vapor Recovery
10 J8 To Valve Wiring Harness Assembly
318789-1 262A (Single)
318789-2 262A (Twin)
11 318790-1 J2 To Motor Control Wiring
Harness Assembly
12 318791-1 J32 To Console Communication
Wiring Harness Assembly
13 Communication/Valve/Pulser Wiring Harness
Assembly
420123-3 262A-VC-RC
420123-4 262AFL-VC-RC
14 Pulser/Valve Wiring Harness Assembly
420147-5 262A-VC-RC
420147-6 262AFL-VC-RC
15 Handle Switch Wiring Harness Assembly
420148-1 262A
420148-2 262AFL
16 420149-5 AC/Motor Control Wiring Harness
Assembly
17 Solenoid Wire Harness Assembly
420152-1 All except listed below
Conductor (262AFL-MS/S-RC)
027-541902-35 #18 Gauge Black
027-541909-35 #18 Gauge White
027-541944-35 #18 Gauge Yellow
18 1-129792 Butt Splice
19 316514-2 Wire Harness Assembly (Canada
only)
Reference: Electronics Enclosure AssemblyReference: Electronics Enclosure Assembly
Reference: Electronics Enclosure AssemblyReference: Electronics Enclosure Assembly
Reference: Electronics Enclosure Assembly
420053 262A-RC
420383 262A-RC-VC
421148 262A-RC (Continued)
2-7414792-741479
2-7414792-741479
2-741479
ItemItem
ItemItem
Item Part No.Part No.
Part No.Part No.
Part No. DescriptionDescription
DescriptionDescription
Description ItemItem
ItemItem
Item Part No.Part No.
Part No.Part No.
Part No. DescriptionDescription
DescriptionDescription
Description

Page 3-20 262A Dispenser Parts Manual Form 4660 Version 2.0
Tokheim Corporation October 1991 Rev. 07/29/94

Page 3-21
262A Dispenser Parts Manual Form 4660 Version 2.0
Tokheim Corporation October 1991 Rev. 07/29/94
MODEL 262A ELECTRMODEL 262A ELECTR
MODEL 262A ELECTRMODEL 262A ELECTR
MODEL 262A ELECTRONICS ENCLOSURE SCHEMAONICS ENCLOSURE SCHEMA
ONICS ENCLOSURE SCHEMAONICS ENCLOSURE SCHEMA
ONICS ENCLOSURE SCHEMA
TICTIC
TICTIC
TIC
(one or two lamp system per dial)
1-7414831-741483
1-7414831-741483
1-741483
1 of 1
1 1-129223 Wire Connector (Not Shown)
2 2-131474 Pin
3 1-228606 Connector Housing
4 230187-2 Managers Key Harness Assembly
5 317476-1 Display Harness Assembly
6 317476-10 Display Harness Assembly
7Wire Harness Assembly
420175-1 Single (Cash-Credit)
420175-3 Single (Presets)
420175-4 Single (Cash-Credit/Presets)
420175-6 Twin (Cash-Credit)
420175-7 Twin (Presets)
420175-8 Twin (Cash-Credit/Presets)
8Lights Harness Assembly
420298-1 Single
420298-2 Twin
Reference: Electronics Enclosure AssemblyReference: Electronics Enclosure Assembly
Reference: Electronics Enclosure AssemblyReference: Electronics Enclosure Assembly
Reference: Electronics Enclosure Assembly
420053 262A/AFL
420383 262A/AFL Vapor Recovery
421148 262A/AFL (Continued)
Reference: Light Bracket Assembly 420209Reference: Light Bracket Assembly 420209
Reference: Light Bracket Assembly 420209Reference: Light Bracket Assembly 420209
Reference: Light Bracket Assembly 420209
2-7414832-741483
2-7414832-741483
2-741483
ItemItem
ItemItem
Item Part No.Part No.
Part No.Part No.
Part No. DescriptionDescription
DescriptionDescription
Description

Page 3-22 262A Dispenser Parts Manual Form 4660 Version 2.0
Tokheim Corporation October 1991 Rev. 07/29/94
262A Dispenser Parts Manual Form 4660 Version 2.0
Tokheim Corporation July 1994

Page 3-23
262A Dispenser Parts Manual Form 4660 Version 2.0
Tokheim Corporation October 1991 Rev. 07/29/94
MODEL 262A ELECTRMODEL 262A ELECTR
MODEL 262A ELECTRMODEL 262A ELECTR
MODEL 262A ELECTRONICS ENCLOSURE SCHEMAONICS ENCLOSURE SCHEMA
ONICS ENCLOSURE SCHEMAONICS ENCLOSURE SCHEMA
ONICS ENCLOSURE SCHEMA
TICTIC
TICTIC
TIC
(three or six lamp system per dial)
2-7413452-741345
2-7413452-741345
2-741345
1 of 1
ItemItem
ItemItem
Item Part No.Part No.
Part No.Part No.
Part No. DescriptionDescription
DescriptionDescription
Description
1 1-131474 Pin
2 3-227873 Connector Housing (Plug)
3 1-129223 Wire Connector
4 230320-1 Lights Wiring Harness Assembly
5 230321-1 Managers Key Wiring Harness Assembly
6 230325-1 Lights I.C. Wiring Harness Assembly
7 318388-1 Lights Wiring Harness Assembly
8 317476-1 Display Wiring Harness Assembly
9 317476-10 Display Wiring Harness Assembly
10 Wire Harness Assembly
Cash/CreditCash/Credit
Cash/CreditCash/Credit
Cash/Credit
420175-1 262A
420175-6 262A-1 & 2-TW
PresetsPresets
PresetsPresets
Presets
420175-3 262A
420175-7 262A-1 & 2-TW
Cash-Credit/PresetsCash-Credit/Presets
Cash-Credit/PresetsCash-Credit/Presets
Cash-Credit/Presets
420175-4 262A
420175-8 262A-1 & 2-TW
11 3-224492 Connector (Used Only On Open Terminal
Connections) (Not Shown)
2-7413452-741345
2-7413452-741345
2-741345
262A Dispenser Parts Manual Form 4660 Version 2.0
Tokheim Corporation July 1994

Page 3-24 262A Dispenser Parts Manual Form 4660 Version 2.0
Tokheim Corporation October 1991 Rev. 07/29/94
262A Dispenser Parts Manual Form 4660 Version 2.0
Tokheim Corporation July 1994

Page 3-25
262A Dispenser Parts Manual Form 4660 Version 2.0
Tokheim Corporation October 1991 Rev. 07/29/94
MODEL 262A-FL ELECTRMODEL 262A-FL ELECTR
MODEL 262A-FL ELECTRMODEL 262A-FL ELECTR
MODEL 262A-FL ELECTRONICS ENCLOSURE SCHEMAONICS ENCLOSURE SCHEMA
ONICS ENCLOSURE SCHEMAONICS ENCLOSURE SCHEMA
ONICS ENCLOSURE SCHEMATICTIC
TICTIC
TIC
(one or two lamp system per dial)
2-7414842-741484
2-7414842-741484
2-741484
1 of 1
ItemItem
ItemItem
Item Part No.Part No.
Part No.Part No.
Part No. DescriptionDescription
DescriptionDescription
Description
1 1-129223 Wire Connector (Not Shown)
2 2-131474 Pin
3 1-228606 Connector Housing
4 230187-2 Managers Key Harness Assembly
5 317476-1 Display Harness Assembly
6Wire Harness Assembly
420175-2 Twin (Cash-Credit)
420175-3 Single (Preset)
420175-5 Twin (Cash-Credit/Preset)
420175-7 Twin (Preset)
420175-9 Single (Cash-Credit)
420175-10 Single (Cash-Credit/Preset)
7Lights Harness Assembly
420298-3 Single
420298-4 Twin
Reference: Electronics Enclosure AssemblyReference: Electronics Enclosure Assembly
Reference: Electronics Enclosure AssemblyReference: Electronics Enclosure Assembly
Reference: Electronics Enclosure Assembly
420053 262A/AFL
420383 262A/AFL Vapor Recovery
421148 262A/AFL (Continued)
Reference: Light Bracket Assembly 420209
2-7414842-741484
2-7414842-741484
2-741484
262A Dispenser Parts Manual Form 4660 Version 2.0
Tokheim Corporation July 1994

Page 3-26 262A Dispenser Parts Manual Form 4660 Version 2.0
Tokheim Corporation October 1991 Rev. 07/29/94
262A Dispenser Parts Manual Form 4660 Version 2.0
Tokheim Corporation July 1994

Page 3-27
262A Dispenser Parts Manual Form 4660 Version 2.0
Tokheim Corporation October 1991 Rev. 07/29/94
1-7415831-741583
1-7415831-741583
1-741583
1 of 1
ItemItem
ItemItem
Item Part No.Part No.
Part No.Part No.
Part No. DescriptionDescription
DescriptionDescription
Description
MODEL 262A CARD CAMODEL 262A CARD CA
MODEL 262A CARD CAMODEL 262A CARD CA
MODEL 262A CARD CAGE GE
GE GE
GE WIRING SCHEMAWIRING SCHEMA
WIRING SCHEMAWIRING SCHEMA
WIRING SCHEMATICTIC
TICTIC
TIC
1 230108-1 Wire Harness Assembly (Thermostat /
Circuit Breaker To Motherboard)
2 230319-1 Wire Harness Assembly (Motherboard To
Terminal Block)
3Wire Harness Assembly (Relay To Motherboard)
230322-1 All models except listed below
230322-2 262AFL-2-TW, 262A-2-TW
4 230324-1 Wire Harness Assembly (Relay #1) (Suction
Systems only)
5 230324-2 Wire Harness Assembly (Relay #2) (Suction
Systems only)
6 420165-1 Wire Harness Assembly (Terminal Block To
Relay)
7 420165-2 Wire Harness Assembly (Relay To Relay)
8 420165-31 Lead Assembly (Motherboard To Relay)
Reference: Card Cage Assembly 419984Reference: Card Cage Assembly 419984
Reference: Card Cage Assembly 419984Reference: Card Cage Assembly 419984
Reference: Card Cage Assembly 419984
Relay Bracket Assembly 419970
1-7415831-741583
1-7415831-741583
1-741583
262A Dispenser Parts Manual Form 4660 Version 2.0
Tokheim Corporation July 1994

262A Dispenser Parts Manual Form 4660 Version 2.0
Tokheim Corporation July 1994
Page 3-28

262A Dispenser Parts Manual Form 4660 Version 2.0
Tokheim Corporation July 1994 Page 3-29
262A- HD DISPENSER 262A- HD DISPENSER
262A- HD DISPENSER 262A- HD DISPENSER
262A- HD DISPENSER WIRING SCHEMAWIRING SCHEMA
WIRING SCHEMAWIRING SCHEMA
WIRING SCHEMATICTIC
TICTIC
TIC
1-7415861-741586
1-7415861-741586
1-741586
1 1
1 1
1
ofof
ofof
of
1 1
1 1
1
1 1-127473 Wire Connector
2 1-129223 Wire Connector
3 1-132450 Butt Splice
4 4-224494 Wire Terminal
5 4-227873 Connector
6 317473-2 Pulser Wiring Harness Assembly
7 318385-1 J23 To Pulser Wiring Harness
Assembly
8 318755-1 J31 To Handle Wiring Harness
Assembly
9 318789-1 J8 To Valves Wiring Harness
Assembly
10 318791-1 J32 To Console Communication
Wiring Harness Assembly
11 319314-1 Motor Control Wire Harness
Assembly
12 420123-1 Communication/Valve/Pulser Wiring
Harness Assembly
13 420148-1 Handle Switch Wiring Harness
Assembly
14 420149-6 AC/Motor Control Wiring Harness
Assembly
15 420152-1 Solenoid Wiring Harness Assembly
Reference:
Electronics Enclosure Assembly 420053
Final Assembly 420548
1-741586
ItemItem
ItemItem
Item PartPart
PartPart
Part
No.No.
No.No.
No. No.No.
No.No.
No. DescriptionDescription
DescriptionDescription
Description

262A Dispenser Parts Manual Form 4660 Version 2.0
Tokheim Corporation July 1994
Page 3-30

262A Dispenser Parts Manual Form 4660 Version 2.0
Tokheim Corporation July 1994 Page 3-31
1 1-127473 Wire Connector
2 1-129223 Wire Connector
3 1-132450 Butt Splice
4 4-224494 Wire Terminal
5 1-227873 Connector
6 4-227873 Connector
7 317473-8 Pulser Wiring Harness Assembly
8 318385-1 J23 To Pulser Wiring Harness
Assembly
9 318755-1 J31 To Handle Wiring Harness
Assembly
10 318789-1 J8 To Valve Wiring Harness Assembly
11 318790-1 Motor Control Wiring Harness
Assembly
12 318791-1 J32 To Console Communication Wiring
Harness Assembly
13 420123-5 Communication/Valve/Pulser Wiring
Harness Assembly
14 420148-1 Handle Switch Wiring Harness
Assembly
15 420149-9 AC/Motor Control Wiring Harness
Assembly
16 420152-7 Solenoid Wire Harness Assembly
Reference: Electronics Enclosure Assembly
420053 262A-HS
Reference: 420038 Final Assembly
1-741589
ItemItem
ItemItem
Item PartPart
PartPart
Part
No.No.
No.No.
No. No.No.
No.No.
No. DescriptionDescription
DescriptionDescription
Description
1-7415891-741589
1-7415891-741589
1-741589
1 1
1 1
1
ofof
ofof
of
1 1
1 1
1
262A- HS DISPENSER 262A- HS DISPENSER
262A- HS DISPENSER 262A- HS DISPENSER
262A- HS DISPENSER WIRING SCHEMAWIRING SCHEMA
WIRING SCHEMAWIRING SCHEMA
WIRING SCHEMATIC TIC
TIC TIC
TIC (115 V olt)

262A Dispenser Parts Manual Form 4660 Version 2.0
Tokheim Corporation July 1994
Page 3-32

262A Dispenser Parts Manual Form 4660 Version 2.0
Tokheim Corporation July 1994 Page 3-33
ItemItem
ItemItem
Item PartPart
PartPart
Part
No.No.
No.No.
No. No.No.
No.No.
No. DescriptionDescription
DescriptionDescription
Description
262A- HS DISPENSER 262A- HS DISPENSER
262A- HS DISPENSER 262A- HS DISPENSER
262A- HS DISPENSER WIRING SCHEMAWIRING SCHEMA
WIRING SCHEMAWIRING SCHEMA
WIRING SCHEMA
TIC TIC
TIC TIC
TIC (380 V olt)
1-7415871-741587
1-7415871-741587
1-741587
1 1
1 1
1
ofof
ofof
of
1 1
1 1
1
1 1-127473 Wire Connector
2 1-129223 Wire Connector
3 1-132450 Butt Splice
4 4-224494 Wire Terminal
5 3-227873 Connector
6 4-227873 Connector
7 317473-8 Pulser Wiring Harness Assembly
8 318385-1 J23 To Pulser Wiring Harness
Assembly
9 318755-1 J31 To Handle Wiring Harness
Assembly
10 318789-2 J8 To Valve Wiring Harness Assembly
11 318791-1 J32 To Console Communication Wiring
Harness Assembly
12 319314-1 Motor Control Wiring Harness
Assembly
13 420123-5 Communication/Valve/Pulser Wiring
Harness Assembly
14 420148-1 Handle Switch Wiring Harness
Assembly
15 420149-10 AC/Motor Control Wiring Harness
Assembly
16 420149-13 AC/Motor Control Wiring Harness
Assembly
17 420149-14 AC/Motor Control Wiring Harness
Assembly
18 420152-7 Solenoid Wire Harness Assembly
Reference: Electronics Enclosure Assembly
421148 262A-HS (380 Volt)
Reference: 420548 Final Assembly
1-741587

Page 3-34 262A Dispenser Parts Manual Form 4660 Version 2.0
Tokheim Corporation July 1994

Page 3-35
262A Dispenser Parts Manual Form 4660 Version 2.0
Tokheim Corporation July 1994
ItemItem
ItemItem
Item Part No.Part No.
Part No.Part No.
Part No. DescriptionDescription
DescriptionDescription
Description ItemItem
ItemItem
Item Part No.Part No.
Part No.Part No.
Part No. DescriptionDescription
DescriptionDescription
Description
1 1-129223 Wire Connector
2 1-132450 Wire Connector
3 4-224494 Wire Terminal
4 1-227873 Connector
5 4-227873 Connector
6 317473-9 Pulser Wiring Harness
Assembly
7 318385-1 J23 To Pulser Wiring
Harness Assembly
8 318755-1 J31 To Handle Wiring
Harness Assembly
9 318789-1 J8 To Valve Wiring Harness
Assembly
10 318790-1 J2 To Motor Control Wiring
Harness Assembly
11 318791-1 J32 To Console
Communication Wiring
Harness Assembly
12 Pulser/Valve Wiring Harness Assembly
420147-5 262A
420147-6 262AFL
13 Handle Switch Wiring Harness Assembly
420148-1 262A
420148-2 262AFL
14 420149-12 AC/Motor Control Wiring
Harness Assembly
15 006-541909-20 Conductor (18 Gauge
White)
Reference: Electronics EnclosureReference: Electronics Enclosure
Reference: Electronics EnclosureReference: Electronics Enclosure
Reference: Electronics Enclosure
AssemblyAssembly
AssemblyAssembly
Assembly
420053 262A/AFL
421148 262A/AFL (Continued)
Reference: Electronics EnclosureReference: Electronics Enclosure
Reference: Electronics EnclosureReference: Electronics Enclosure
Reference: Electronics Enclosure
AssemblyAssembly
AssemblyAssembly
Assembly
420053 262A/AFL
421148 262A/AFL (Continued)
Reference: Final Assembly 420653.Reference: Final Assembly 420653.
Reference: Final Assembly 420653.Reference: Final Assembly 420653.
Reference: Final Assembly 420653.
1-7415911-741591
1-7415911-741591
1-741591
1-7415911-741591
1-7415911-741591
1-741591
1 of 1
262A/AFL-MS/S-HV262A/AFL-MS/S-HV
262A/AFL-MS/S-HV262A/AFL-MS/S-HV
262A/AFL-MS/S-HV-LCS-RC DISPENSER -LCS-RC DISPENSER
-LCS-RC DISPENSER -LCS-RC DISPENSER
-LCS-RC DISPENSER WIRING SCHEMAWIRING SCHEMA
WIRING SCHEMAWIRING SCHEMA
WIRING SCHEMATICTIC
TICTIC
TIC

Page 3-36 262A Dispenser Parts Manual Form 4660 Version 2.0
Tokheim Corporation July 1994

Page 3-37
262A Dispenser Parts Manual Form 4660 Version 2.0
Tokheim Corporation July 1994
ItemItem
ItemItem
Item Part No.Part No.
Part No.Part No.
Part No. DescriptionDescription
DescriptionDescription
Description ItemItem
ItemItem
Item Part No.Part No.
Part No.Part No.
Part No. DescriptionDescription
DescriptionDescription
Description
1 1-127473 Wire Connector
2 1-129223 Wire Connector
3 1-132450 Butt Splice
4 4-224494 Wire Terminal
5 4-227873 Connector Pulser Wiring
Harness Assembly
7 318385-1 J23 To Pulser Wiring
Harness Assembly
8 318755-2 J31 To Handle Wiring
Harness Assembly
9 318789-2 J8 To Valve Wiring Harness
Assembly
10 318791-1 J32 To Console
Communication Wiring
Harness Assembly
11 319030-2 Motor Control Wiring
Harness Assembly
12 420123-2 Communication/Valve/
Pulser Wiring Harness
Assembly
13 420147-8 Pulser/Valve Wiring
Harness Assembly
14 420148-1 Handle Switch Wiring
Harness Assembly
15 420149-10 AC/Motor Control Wiring
Harness Assembly
16 420149-11 AC/Motor Control Wiring
Harness Assembly
17 420152-5 Solenoid Wire Harness
Assembly (Left Side)
18 420152-6 Solenoid Wire Harness
Assembly (Right Side)
Reference:Reference:
Reference:Reference:
Reference: Electronics EnclosureElectronics Enclosure
Electronics EnclosureElectronics Enclosure
Electronics Enclosure
AssemblyAssembly
AssemblyAssembly
Assembly
420053 262A-HD-1-TW
421148 262A-HD-1-TW (Continued)
Reference: 420548 Final AssemblyReference: 420548 Final Assembly
Reference: 420548 Final AssemblyReference: 420548 Final Assembly
Reference: 420548 Final Assembly
1-7415881-741588
1-7415881-741588
1-741588
1-7415881-741588
1-7415881-741588
1-741588
1 of 1
262A-HD-1-TW DISPENSER 262A-HD-1-TW DISPENSER
262A-HD-1-TW DISPENSER 262A-HD-1-TW DISPENSER
262A-HD-1-TW DISPENSER WIRING SCHEMAWIRING SCHEMA
WIRING SCHEMAWIRING SCHEMA
WIRING SCHEMATICTIC
TICTIC
TIC

Page 3-38 262A Dispenser Parts Manual Form 4660 Version 2.0
Tokheim Corporation July 1994

Page 3-39
262A Dispenser Parts Manual Form 4660 Version 2.0
Tokheim Corporation July 1994
ItemItem
ItemItem
Item Part No.Part No.
Part No.Part No.
Part No. DescriptionDescription
DescriptionDescription
Description ItemItem
ItemItem
Item Part No.Part No.
Part No.Part No.
Part No. DescriptionDescription
DescriptionDescription
Description
1 1-127473 Wire Connector
2 1-129223 Wire Connector
3 1-132450 Butt Splice
4 4-224494 Wire Terminal
5 4-227873 Connector
6 317473-6 Pulser Wiring Harness
Assembly
7 318385-1 J23 To Pulser Wiring
Harness Assembly
8 318755-2 J31 To Handle Wiring
Harness Assembly
9 318789-2 J8 To Valve Wiring Harness
Assembly
10 318791-1 J32 To Console
Communication Wiring
Harness Assembly
11 319068-1 Motor Control Wiring
Harness Assembly
12 420123-2 Communication/Valve/
Pulser Wiring Harness
Assembly
13 420147-7 Pulser/Valve Wiring
Harness Assembly
14 420148-1 Handle Switch Wiring
Harness Assembly
15 420149-7 AC/Motor Control Wiring
Harness Assembly
16 AC/Motor Control Wiring Harness Assembly
420149-8 All models except listed
below
318795-1 115/230 Volt
318795-3 380 Volt
17 Solenoid Wire Harness Assembly
420152-3 All models except listed
below
420152-4 World motor & 380 Volt
Reference:Reference:
Reference:Reference:
Reference: Electronics EnclosureElectronics Enclosure
Electronics EnclosureElectronics Enclosure
Electronics Enclosure
AssemblyAssembly
AssemblyAssembly
Assembly
420053 262A-HD-2-TW
421148 262A-HD-2-TW (Continued)
Reference:Reference:
Reference:Reference:
Reference: 420548 Final Assembly420548 Final Assembly
420548 Final Assembly420548 Final Assembly
420548 Final Assembly
1-7415851-741585
1-7415851-741585
1-741585
1-7415851-741585
1-7415851-741585
1-741585
1 of 1
262A-HD-2-TW DISPENSER 262A-HD-2-TW DISPENSER
262A-HD-2-TW DISPENSER 262A-HD-2-TW DISPENSER
262A-HD-2-TW DISPENSER WIRING SCHEMAWIRING SCHEMA
WIRING SCHEMAWIRING SCHEMA
WIRING SCHEMATICTIC
TICTIC
TIC

Page 3-40 262A Dispenser Parts Manual Form 4660 Version 2.0
Tokheim Corporation July 1994

Page 3-41
262A Dispenser Parts Manual Form 4660 Version 2.0
Tokheim Corporation July 1994
ItemItem
ItemItem
Item Part No.Part No.
Part No.Part No.
Part No. DescriptionDescription
DescriptionDescription
Description ItemItem
ItemItem
Item Part No.Part No.
Part No.Part No.
Part No. DescriptionDescription
DescriptionDescription
Description
1 1-129223 Wire Connector
2 1-132450 Wire Connector
3 4-224494 Wire Terminal
4 1-227873 Connector
5 4-227873 Connector
6 317473-9 Pulser Wiring Harness
Assembly
7 318385-1 J23 To Pulser Wiring
Harness Assembly
8 318755-2 J31 To Handle Wiring
Harness Assembly
9 318789-2 J8 To Valve Wiring Harness
Assembly
10 318790-1 J2 To Motor Control Wiring
Harness Assembly
11 318791-1 J32 To Console
Communication Wiring
Harness Assembly
12 Pulser/Valve Wiring Harness Assembly
420147-5 262A
420147-6 262AFL
13 Handle Switch Wiring Harness Assembly
420148-1 262A
420148-2 262AFL
14 420149-12 AC/Motor Control Wiring
Harness Assembly
15 318795-4 Motor Connection Harness
Assembly
Reference:Reference:
Reference:Reference:
Reference: Electronics EnclosureElectronics Enclosure
Electronics EnclosureElectronics Enclosure
Electronics Enclosure
AssemblyAssembly
AssemblyAssembly
Assembly
420053 262A/AFL
421148 262A/AFL (Continued)
Reference: Final Assembly 420653.Reference: Final Assembly 420653.
Reference: Final Assembly 420653.Reference: Final Assembly 420653.
Reference: Final Assembly 420653.
1-7415901-741590
1-7415901-741590
1-741590
1-7415901-741590
1-7415901-741590
1-741590
1 of 1
262A/AFL-MM-HV262A/AFL-MM-HV
262A/AFL-MM-HV262A/AFL-MM-HV
262A/AFL-MM-HV-LCS-RC DISPENSER -LCS-RC DISPENSER
-LCS-RC DISPENSER -LCS-RC DISPENSER
-LCS-RC DISPENSER WIRING SCHEMAWIRING SCHEMA
WIRING SCHEMAWIRING SCHEMA
WIRING SCHEMATICTIC
TICTIC
TIC

Page 3-42 262A Dispenser Parts Manual Form 4660 Version 2.0
Tokheim Corporation July 1994

262A Dispenser Parts Manual Form 4660 Version 2.0
Tokheim Corporation October 1991 Rev. 07/29/94 Page 4-1
Section
Four
Meters & Pulser
Assemblies
2
6
2
A
D
I
S
P
E
N
S
E
R
Page
Number
Positive Displacement MeterPositive Displacement Meter
Positive Displacement MeterPositive Displacement Meter
Positive Displacement Meter ................................................................................
................................................................................
........................................
4-2, 4-3
Gear Train AssemblyGear Train Assembly
Gear Train AssemblyGear Train Assembly
Gear Train Assembly ......................................................................................................
......................................................................................................
...................................................
4-4, 4-5
Cable Drive Totalizer AssemblyCable Drive Totalizer Assembly
Cable Drive Totalizer AssemblyCable Drive Totalizer Assembly
Cable Drive Totalizer Assembly ......................................................................
......................................................................
...................................
4-6, 4-7
Totlizer Assembly (inside mounting)Totlizer Assembly (inside mounting)
Totlizer Assembly (inside mounting)Totlizer Assembly (inside mounting)
Totlizer Assembly (inside mounting) ........................................................
........................................................
............................
4-8, 4-9
Pulser & Gear Box AssemblyPulser & Gear Box Assembly
Pulser & Gear Box AssemblyPulser & Gear Box Assembly
Pulser & Gear Box Assembly
for 262A-FL ............................................................. 4-10, 4-11
for 262A-FL-M-HV-LCS-RC ...................................... 4-12, 4-13
Pulser Assembly for 262A (Model 88D)Pulser Assembly for 262A (Model 88D)
Pulser Assembly for 262A (Model 88D)Pulser Assembly for 262A (Model 88D)
Pulser Assembly for 262A (Model 88D) ..................................................
..................................................
.........................
4-14, 4-15
Model 1450-15-SP-HV Meter Assembly-Gear DriveModel 1450-15-SP-HV Meter Assembly-Gear Drive
Model 1450-15-SP-HV Meter Assembly-Gear DriveModel 1450-15-SP-HV Meter Assembly-Gear Drive
Model 1450-15-SP-HV Meter Assembly-Gear Drive .............
4-16, 4-17
Model 1510 Calibrator AssemblyModel 1510 Calibrator Assembly
Model 1510 Calibrator AssemblyModel 1510 Calibrator Assembly
Model 1510 Calibrator Assembly ..................................................................
..................................................................
.................................
4-18, 4-19

Page 4-2 262A Dispenser Parts Manual Form 4660 Version 2.0
Tokheim Corporation October 1991 Rev. 07/29/94

Page 4-3
262A Dispenser Parts Manual Form 4660 Version 2.0
Tokheim Corporation October 1991 Rev. 07/29/94
MODEL 898 SERIES POSITIVE DISPLACEMENT TYPE METERMODEL 898 SERIES POSITIVE DISPLACEMENT TYPE METER
MODEL 898 SERIES POSITIVE DISPLACEMENT TYPE METERMODEL 898 SERIES POSITIVE DISPLACEMENT TYPE METER
MODEL 898 SERIES POSITIVE DISPLACEMENT TYPE METER
11-7437211-74372
11-7437211-74372
11-74372
1 of 1
35 Slack Roller Assembly
219800-1 All models
36 221403-1 Slack Spring Assembly
37 Drive Shaft Gear
1-222081 Gallons & Liters
217195-2 Assembly (Imperial Gallons)
38 Counter Drive Gear Complete
218556-2 Imperial Gallons
1-222084 Gallons
1-232282 Liter
39 1-224081 Compensator Shaft
40 Bracket & Pin Assembly
224709-5 All models
41 1-226085 Index Plate
42 Main Pivot Assembly
125079-1 All models
43 1-38083 Meter Body Gasket
44 5-318940 “O” Ring (.362 Dia.)
45 6-318940 “O” Ring (.487 Dia.)
46 420557-1 Meter Cover And Gear Post Assy
47 287-50001 #10-32 x 3/8" Long Round Head
Machine Screw
48 326-50001 #12-24 x 1/2" Long Round Head
Machine Screw
49 1/4-20 x 3/4" Long Round Head Machine Screw
399-50001 All models
50 1/4-20 Hex Nut
01-50301 All models
51 02-50301 5/16-18 Hex Nut
52 1/4" Lockwasher
13-50641 All models
53 24-50761 #12 Lockwasher
54 #14 Lockwasher
42-50761 All models
55 01-51911 1/8" Square Head Pipe Plug
56 #10-32 x 3/8" Long Phillips Pan Head Sems Fastener
28-55431 All models
57 13-52870 1/16" Dia x 1/4" Long Cotter Pin
58 10-52922 Truarc Retaining Ring
59 12-53420 Truarc “E” Retaining Ring
60 232332-1 Plunger Kit (Contains Plunger
Assembly, Bearing Retainer, Bearing
Seat & Sems Fastener)
61 Body & Seat Assembly With Pins
407488-11 All models
62 1-130905 5/8" Carbon Ball
63 04-50600 Washer
64 1-217934 Wobble Bearing Plate
For complete Meter Cover Assembly order:
(Item no. 5 & 46 not included)
407494-1 Gallons
407494-5 Imperial Gallons
415282-30 Liters
For complete Final Assembly (898-K Meter) order:
407726-10 Gallons
416873-25 Imperial Gallons
416873-32 Liters
11-74372
ItemItem
ItemItem
Item PartPart
PartPart
Part
No.No.
No.No.
No. No.No.
No.No.
No. DescriptionDescription
DescriptionDescription
Description
ItemItem
ItemItem
Item PartPart
PartPart
Part
No.No.
No.No.
No. No.No.
No.No.
No. DescriptionDescription
DescriptionDescription
Description
1 1-19592 Packing Gland Plate
2 1-19602 Seal Pin
3 1-19743 Compensator Screw Spring
4 1-114815 Drive Shaft
5 1-118849 Seal & Seal Wire (6" Long)
6Special Screw
1-119064 All models
7 1-124144 Drive Shaft Pin
8 1-124588 1/2" Ball
9 1-125069 Plunger Cup Support
10 1-125071 Plunger Disc
11 1-125095 Washer
12 1-125103 Washer
13 125118-1 Upper Bearing Assembly
14 125154-1 Bearing Assembly
15 1-125243 Compensator Index Disc
16 1-125308 Seal Half
17 1-125309 Seal Wedge
18 1-125315 Washer
19 1-125357 Packing Spring
20 1-125360 Seal
21 125420-1 Meter Drive Shaft Packing Kit
22 125478-1 Compensator Shaft Seal Kit
23 Bearing Retainer
1-125966 All models
24 1-126898 Seal (Black)
25 1-126902 Seal Retaining Ring
26 1-129607 Compensator Pinion
27 65-50361 3/8-16 x 1" Long Hex Head Cap Screw
28 218236-2 Main Pivot Bracket Assy. With Pins
29 218769-1 Plunger Cup Kit (Set Of 3 Cups)
30 1-219330 Valve
31 219331-1 Wobble Plate With Slack Roller Post
32 1-219377 Connector
33 1-219378 Bearing Seat
34 219407-2 Plunger Assembly
ItemItem
ItemItem
Item PartPart
PartPart
Part
No.No.
No.No.
No. No.No.
No.No.
No. DescriptionDescription
DescriptionDescription
Description

Page 4-4 262A Dispenser Parts Manual Form 4660 Version 2.0
Tokheim Corporation October 1991 Rev. 07/29/94

Page 4-5
262A Dispenser Parts Manual Form 4660 Version 2.0
Tokheim Corporation October 1991 Rev. 07/29/94
262A GEAR TRAIN ASSEMBLY
ItemItem
ItemItem
Item PartPart
PartPart
Part
No.No.
No.No.
No. No.No.
No.No.
No. DescriptionDescription
DescriptionDescription
Description
15 Lower Gear Box Plate Assembly (Includes
item #3 & #6)
311074-29 Gallons & Imperial
Gallons
311074-34 Liters & Canada
16 Upper Gear Box Plate Assembly (Includes
item #2 & #3)
314317-2 Gallons & Imperial
Gallons
314317-5 Liters & Canada
17 176-50011 #8-32 x 5/8" Long Flat
Head Machine Screw
18 24-50761 #12 Lockwasher
19 08-51221 1/16" Dia x 1/4" Long
Groov-Pin
20 09-51221 1/16" Dia x 3/8" Long
Groov-Pin
21 40-51221 1/8" Dia x 1/2" Long
Groov-Pin
22 21-55431 #10-24 x 3/8" Long
Phillips Pan Head Sems
Fastener
For complete Gear Train Assembly order:
410058-28 Gallons & Imperial
Gallons
410058-30 Liters & Canada
Reference: Meter Cover Assembly
415262-7 Liters & Canada
415262-15 Gallons
415262-16 Imperial Gallons
2-73790
ItemItem
ItemItem
Item PartPart
PartPart
Part
No.No.
No.No.
No. No.No.
No.No.
No. DescriptionDescription
DescriptionDescription
Description
1 1-114401 #12-24 Special Screw
2 1-117885 Gear Box Bushing
3 1-117901 Gear Box Bushing
4 1-122316 Washer (Used only on
gallons)
5 1-130195 Gear
6 1-130234 Gear Box Bushing
7 1-130280 Idler Shaft
8Gear Block Assembly
224992-3 Liters & Canada
224992-10 Gallons & Imperial Gallons
9 225042-1 Coupling Half Assembly
10 Meter Pinion
1-225133 Gallons & Imperial Gallons
1-225756 Liters & Canada
11 Idler Gear Assembly
225136-1 Gallons & Imperial Gallons
225136-3 Liters & Canada
12 Totalizer Gear Assembly
225138-1 Gallons & Imperial Gallons
225138-4 Liters & Canada
13 Gear Assembly
225140-1 Gallons & Imperial Gallons
225140-3 Liters & Canada
14 Pulser Gear Assembly
225142-1 Gallons & Imperial Gallons
225142-2 Liters & Canada
2-737902-73790
2-737902-73790
2-73790
1 1
1 1
1
ofof
ofof
of
1 1
1 1
1

Page 4-6 262A Dispenser Parts Manual Form 4660 Version 2.0
Tokheim Corporation October 1991 Rev. 07/29/94

Page 4-7
262A Dispenser Parts Manual Form 4660 Version 2.0
Tokheim Corporation October 1991 Rev. 07/29/94
3-7414413-741441
3-7414413-741441
3-741441
1 of 1
1Seal Wire & Seal
1-118850 All models except listed below
1-118849 262AFL-M/MS/MM-HV-LCS-RC,
262A-M-HV-LCS-RC
2 4-127291 Cable Clamp
3Seal Wire & Seal
1-131438 All models except listed below
1-118849 262AFL-M/MS/MM-HV-LCS-RC,
262A-M-HV-LCS-RC
4 4-131156 Tubular Eyelet(Not used with blind rivet)
5 224992-10 Gear Block Assembly
6Totalizer
1-227146 Gallons
2-227146 Liters
7 2-227437 Window
8Drive Cable
1-317040 Twin
3-317040 Single
4-317040 262AFL-M/MS-RC, 262AFL-M-1-RC-TW
1-319480 262AFL-M/MS/MM-HV-LCS-RC,
262A-M-HV-LCS-RC
9 1-317086 Lock Plate
10 96-50001 6-32 x 1/2" Long Round Head Machine Screw
11 96-50001 6-32 x 1/2" Long Round Head Machine Screw
1-228380 Blind Rivet
12 03-50211 6-32 Hex Nut
13 03-50211 6-32 Hex Nut (Not used with blind rivet)
14 21-50761 #6 Lockwasher
15 21-50761 #6 Lockwasher (Not used with blind rivet)
16 03-52901 Roll Pin
17 35-54742 5/16-18 x 5/8" Long M-F Hex Head Whiz Lock
Screw
18 02-54752 5/16-18 M-F Flange Whiz Lock Nut
19 04-52901 Roll Pin
For complete Totalizer Assembly order:
316522-9 All except Listed Below (Gallons)
316522-5 262A/AFL-2-TW (Gallons)
316522-6 262A-2-TW (Litre)
316522-10 262A & 262A-1-TW (Litre)
316522-11 262AFL-M/MS-RC, 262AFL-M-1-RC-TW (Gallons)
316522-12 262AFL-M (Litre)
316522-13 262A/AFL-2-TW (1/10 Gallon)
3-741441
CABLE DRIVE CABLE DRIVE
CABLE DRIVE CABLE DRIVE
CABLE DRIVE TT
TT
TOO
OO
OTT
TT
TALIZER ASSEMBLALIZER ASSEMBL
ALIZER ASSEMBLALIZER ASSEMBL
ALIZER ASSEMBLYY
YY
Y
Model 262A SeriesModel 262A Series
Model 262A SeriesModel 262A Series
Model 262A Series
ItemItem
ItemItem
Item Part No.Part No.
Part No.Part No.
Part No. DescriptionDescription
DescriptionDescription
Description ItemItem
ItemItem
Item Part No.Part No.
Part No.Part No.
Part No. DescriptionDescription
DescriptionDescription
Description

Page 4-8 262A Dispenser Parts Manual Form 4660 Version 2.0
Tokheim Corporation October 1991 Rev. 07/29/94

Page 4-9
262A Dispenser Parts Manual Form 4660 Version 2.0
Tokheim Corporation October 1991 Rev. 07/29/94
1-722351-72235
1-722351-72235
1-72235
1 of 1
TT
TT
TOO
OO
OTT
TT
TALIZER ASSEMBLALIZER ASSEMBL
ALIZER ASSEMBLALIZER ASSEMBL
ALIZER ASSEMBLYY
YY
Y
(Inside Mounting)(Inside Mounting)
(Inside Mounting)(Inside Mounting)
(Inside Mounting)
1 1-130465 #6-32 x 3/8" Long Hex Slotted Head Thread Cutting Screw
2 1-131438 Seal Wire & Seal
3 1-225008 Totalizer
4 225042-2 Coupling Half Assembly
5 1-225367 Seal Plate
6 1-225921 Totalizer Support
7 88-50001 #6-32 x 1/4" Long Round Head Machine Screw
8 06-50641 #6 Split Lockwasher
9 09-51221 1/16" Dia x 3/8" Long Groov-Pin
For complete Totalizer Assembly order:
225062-5 (Item #1, 2 & 5 not included)
1-72235
ItemItem
ItemItem
Item Part No.Part No.
Part No.Part No.
Part No. DescriptionDescription
DescriptionDescription
Description

Page 4-10 262A Dispenser Parts Manual Form 4660 Version 2.0
Tokheim Corporation October 1991 Rev. 07/29/94

Page 4-11
262A Dispenser Parts Manual Form 4660 Version 2.0
Tokheim Corporation October 1991 Rev. 07/29/94
1 1-120282 Seal Wire & Seal
2 1-130456 #8-32 x 3/8" Long Seal Screw
3 1-130463 Pop Rivet
4 1-131371 Window
5 225042-5 Coupling Half Assembly
6 227461-2 Drive Shaft Assembly
7Totalizer Drive Assembly
227462-1 Gallons
227462-2 Litre
8Idler Assembly
227463-2 Gallons
227463-3 Litre
9Pulser Drive Assembly
227464-1 Gallons
227464-2 Litre
1 0 Idler Assembly
227465-1 Gallons
227465-3 Litre
11 227465-2 Idler Assembly
1 2 Totalizer Assembly
227470-1 262A/AFL-M-HV-LC-RC (Gallons) (Left Side Drive)
227470-2 262AFL-MS-HV-LCS-RC (Gallons) (Right Side
Drive)
227470-3 262AFL-HV-LCS-RC (Litre)
13 227490-1 Pin & Coupling Assembly
14 1-230309 Coupling
15 1-316527 Totalizer Guard
16 1-316536 Totalizer Bracket
17 Housing & Bearing Assembly
316551-2 Gallons
316551-3 Litre
18 Cover & Bearing Assembly
316567-2 262A/AFL-M-HV-LC-RC (Gallons)
(Left Side Totalizer)
316567-3 262AFL-MS-HV-LCS-RC (Gallons)
(Right Side Totalizer)
316567-4 262AFL-HV-LCS-RC (Litre)
19 90-50001 #6-32 x 5/16" Long Round Head Machine Screw
20 170-50001 #8-32 x 3/8" Long Round Head Machine Screw
21 02-50361 1/4-20 x 5/8" Long Hex Head Cap Screw
22 08-50641 #8 Lockwasher
23 04-52901 1/16" Dia x 3/8" Long Roll Pin
For complete Pulser & Gear Box Assembly order:For complete Pulser & Gear Box Assembly order:
For complete Pulser & Gear Box Assembly order:For complete Pulser & Gear Box Assembly order:
For complete Pulser & Gear Box Assembly order:
(Includes Totalizer Assembly)
416935-3 262A/AFL-M-HV-LC-RC (Gallons) (Left Side
Totalizer)
416935-4 262AFL-MS-HV-LCS-RC (Gallons) (Right Side
Totalizer)
416935-5 262AFL-HV-LCS-RC (Litre)
For complete Gear Box Assembly order:For complete Gear Box Assembly order:
For complete Gear Box Assembly order:For complete Gear Box Assembly order:
For complete Gear Box Assembly order:
416935-6 262A/AFL-M-HV-LC-RC (Gallons) (Left Side
Totalizer)
416935-7 262AFL-MS-HV-LCS-RC (Gallons) (Right Side
Totalizer)
416935-8 262AFL-HV-LCS-RC (Litre)
1-737781-73778
1-737781-73778
1-73778
PULSER AND GEAR BOPULSER AND GEAR BO
PULSER AND GEAR BOPULSER AND GEAR BO
PULSER AND GEAR BOX ASSEMBLX ASSEMBL
X ASSEMBLX ASSEMBL
X ASSEMBL
YY
YY
Y
(262A-FL)(262A-FL)
(262A-FL)(262A-FL)
(262A-FL)
1-737781-73778
1-737781-73778
1-73778
1 of 1
ItemItem
ItemItem
Item Part No.Part No.
Part No.Part No.
Part No. DescriptionDescription
DescriptionDescription
Description ItemItem
ItemItem
Item Part No.Part No.
Part No.Part No.
Part No. DescriptionDescription
DescriptionDescription
Description

Page 4-12 262A Dispenser Parts Manual Form 4660 Version 2.0
Tokheim Corporation October 1991 Rev. 07/29/94

Page 4-13
262A Dispenser Parts Manual Form 4660 Version 2.0
Tokheim Corporation October 1991 Rev. 07/29/94
1-738941-73894
1-738941-73894
1-73894
1 of 1
PULSER AND GEAR BOPULSER AND GEAR BO
PULSER AND GEAR BOPULSER AND GEAR BO
PULSER AND GEAR BOX ASSEMBLX ASSEMBL
X ASSEMBLX ASSEMBL
X ASSEMBL
YY
YY
Y
(262A-FL-M-HV(262A-FL-M-HV
(262A-FL-M-HV(262A-FL-M-HV
(262A-FL-M-HV-LCS-RC) (T-LCS-RC) (T
-LCS-RC) (T-LCS-RC) (T
-LCS-RC) (Totalizotaliz
otalizotaliz
otaliz er Caber Cab
er Caber Cab
er Cable Drive)le Drive)
le Drive)le Drive)
le Drive)
1 225042-5 Coupling Half Assembly
2 227461-2 Drive Shaft Assembly
3Totalizer Drive Assembly
227462-3 Gallons
227462-4 Litre
4Idler Assembly
227463-2 Gallons
227463-3 Litre
5Pulser Drive Assembly
227464-1 Gallons
227464-2 Litre
6Idler Assembly
227465-1 Gallons
227465-3 Litre
7 227465-2 Idler Assembly
8 1-230309 Coupling
9Housing & Bearing Assembly
316551-2 Gallons
316551-3 Litre
10 Cover & Bearing Assembly
316567-5 Gallon
316567-6 Litre
11 174-50001 #8-32 x 1/2" Long Round Head
Machine Screw
12 02-50361 1/4-20 x 5/8" Long Hex Head Cap
Screw
13 04-52901 1/16" Dia x 3/8" Long Roll Pin
For complete Pulser & Gear Box Assembly order:For complete Pulser & Gear Box Assembly order:
For complete Pulser & Gear Box Assembly order:For complete Pulser & Gear Box Assembly order:
For complete Pulser & Gear Box Assembly order:
(Includes Totalizer Assembly)
416935-9 Gallon
416935-10 Litre
For complete Gear Box Assembly order:For complete Gear Box Assembly order:
For complete Gear Box Assembly order:For complete Gear Box Assembly order:
For complete Gear Box Assembly order:
416935-11 Gallon
416935-12 Litre
1-738941-73894
1-738941-73894
1-73894
ItemItem
ItemItem
Item Part No.Part No.
Part No.Part No.
Part No. DescriptionDescription
DescriptionDescription
Description ItemItem
ItemItem
Item Part No.Part No.
Part No.Part No.
Part No. DescriptionDescription
DescriptionDescription
Description

Page 4-14 262A Dispenser Parts Manual Form 4660 Version 2.0
Tokheim Corporation October 1991 Rev. 07/29/94
262A Dispenser Parts Manual Form 4660 Version 2.0
Tokheim Corporation July 1994

Page 4-15
262A Dispenser Parts Manual Form 4660 Version 2.0
Tokheim Corporation October 1991 Rev. 07/29/94
1-738941-73894
1-738941-73894
1-73894
1 of 1
PULSER ASSEMBLPULSER ASSEMBL
PULSER ASSEMBLPULSER ASSEMBL
PULSER ASSEMBL
Y fY f
Y fY f
Y for 262Aor 262A
or 262Aor 262A
or 262A
(Model 88D)(Model 88D)
(Model 88D)(Model 88D)
(Model 88D)
ItemItem
ItemItem
Item Part No.Part No.
Part No.Part No.
Part No. DescriptionDescription
DescriptionDescription
Description ItemItem
ItemItem
Item Part No.Part No.
Part No.Part No.
Part No. DescriptionDescription
DescriptionDescription
Description
1 1-120282 Seal & Seal Wire (16" Long)
2 1-126182 Washer
31/2" x 90° Conduit Street Elbow
1-128035 262AFL-MS-HV-RC
Conduit
4-227372 262A, 262A-RC, 262A-1-TW, 262A-HD-1-TW
1-230943 Nipple (262A-HS)
1-318928 262AFL-M/MS-RC, 262AFL-M-1-RC-TW
01-50710 Nipple (262A-2-TW & 262A Canada)
4 1-130465 #6-32 x 3/8" Long Hex Slotted Head Thread
Cutting Screw
5 1-131508 Washer
6 1-217337 Conduit Tee (262A-2-TW)
1-219892 Expansion Union (262A/A-RC, 262A-1-TW,
262A/AFL-M-HV-LC-RC & 262AFL-MS-HV-LC-
RC, 262AFL-M/MS-RC, 262AFL-M-1-RC-TW)
8 1-228106 Gear
9 228114-1 Shaft Assembly
10 Disc & Bearing Assembly
228154-1 All models except listed below
228154-2 262A/AFL-M/MS-HV-LC-RC
11 1-316688 Pulser Box Cover
12 1-317097 Sensor Housing
13 Box Support
1-317099 All models except listed below
2-317099 262A (Canada), 262A/AFL-M/MS-HV-LC-RC
14 Pulser Box & Bearing Assembly
317101-1 All models except listed below
317101-2 262A/AFL-M-HV-LC-RC & 262AFL-MS-HV-LC-RC
15 Wire Harness Assembly
317473-2 262A, 262A-RC, 262A-2-TW & 262AFL-RC-MS
317473-3 262A-1-TW
317473-5 262A/AFL-M-HV-LC-RC
317473-6 262A-2-TW
317473-8 262A-HS
317473-9 262AFL-MS-HV-LC/LCS-RC
317473-10 262A-HD-1-TW
16 417694-1 Pulser Board Assembly
17 03-50361 1/4-20 x 3/4" Long Hex HeadCap Screw
18 20-50721 #6-32 x 1/4" Long Hex Socket Headless Cup
Point Set Screw
19 03-50761 #6 Shakeproof Lockwasher
20 04-52482 Truarc Retaining Ring
21 03-52920 Truarc Retaining Ring
22 07-52922 Truarc Retaining Ring
23 1-118850 Seal Wire & Seal
24 1-127940 Hex Head Seal Screw
25 1-131314 Shaft
26 1-227288 Bracket
27 1-227289 Clip
28 05-50211 #10 Hex Nut
29 10-50641 #10 Lockwasher
Reference: 231109-1 Sensor Housing AssemblyReference: 231109-1 Sensor Housing Assembly
Reference: 231109-1 Sensor Housing AssemblyReference: 231109-1 Sensor Housing Assembly
Reference: 231109-1 Sensor Housing Assembly
For complete model 88D Pulser Assembly order:For complete model 88D Pulser Assembly order:
For complete model 88D Pulser Assembly order:For complete model 88D Pulser Assembly order:
For complete model 88D Pulser Assembly order:
417759-3 262A/A-RC
417759-4 262A-1-TW (Hose #1)
417759-5 262A-2-TW
417759-7 262A/AFL-M-HV-LC-RC
417759-8 262A-2-TW (3/4 h.p. motor)
417759-9 262AFL-RC, 262AFL-M-RC, 262AFL-MS-RC,
262AFL-M-1-RC-TW
417759-12 262A, 262A-RC, 262A-1-TW (Hose #1), 262A-1/2-
RC-TW, 262A-HD
417759-13 262A-1-TW (Hose #1)
417759-14 262A-2-TW
417759-15 262A-HS
417759-16 262AFL-MS-HV-LCS-RC
417759-17 262A-HD-1-TW (Hose #1)
2-737932-73793
2-737932-73793
2-73793
262A Dispenser Parts Manual Form 4660 Version 2.0
Tokheim Corporation July 1994

Page 4-16 262A Dispenser Parts Manual Form 4660 Version 2.0
Tokheim Corporation October 1991 Rev. 07/29/94
262A Dispenser Parts Manual Form 4660 Version 2.0
Tokheim Corporation July 1994

Page 4-17
262A Dispenser Parts Manual Form 4660 Version 2.0
Tokheim Corporation October 1991 Rev. 07/29/94
MODEL 1450-15-SP-HV METER ASSEMBLMODEL 1450-15-SP-HV METER ASSEMBL
MODEL 1450-15-SP-HV METER ASSEMBLMODEL 1450-15-SP-HV METER ASSEMBL
MODEL 1450-15-SP-HV METER ASSEMBLY - GEAR DRIVEY - GEAR DRIVE
Y - GEAR DRIVEY - GEAR DRIVE
Y - GEAR DRIVE
ItemItem
ItemItem
Item Part No.Part No.
Part No.Part No.
Part No. DescriptionDescription
DescriptionDescription
Description ItemItem
ItemItem
Item Part No.Part No.
Part No.Part No.
Part No. DescriptionDescription
DescriptionDescription
Description
1 17-37106 “O” Ring
2 15-38210 “O” Ring
3 5-125117 Bearing Insert
4 2-125936 1/4 Square Head Pipe Plug
5 1-126182 Washer
6 1-126341 Washer
7 2-126898 Seal
8 1-126902 Seal Retaining Ring
9 1-127617 Upper Bearing
10 1-127618 Packing Gland Plate
11 1-127619 Coupling
12 1-127620 Drive Shaft
13 2-127672 Retaining Ring
14 1-127673 Bearing
15 1-127821 Spacer
16 1-127863 Retaining Ring Type 5100
17 1-128068 Washer
18 1-128075 Bearing
19 3-128075 Bearing Insert
20 1-128087 Washer
21 1-129168 Seal Screw
22 1-221454 Bearing Cover
23 1-221455 Inspection Cover
24 1-221456 Rotor Shaft Assembly
(Includes Item 51)
25 1-221546 Packing Capsule
26 221547-1 Packing Capsule Assembly
27 222014-6 Gear Assembly (48/24 Teeth)
(Includes Item 18)
28 222015-6 Gear Assembly (42/12 Teeth)
(Includes Item 19)
29 2-222749 Gear (12 Teeth)
30 Shim (Specify Number Of Each Color Req,d.)
1-222795 “Red”
2-222795 “Green”
31 Blade (Proper blade determined by using blade
identifier letter stamped on serial # plate.)
1-225077 Blade “A”
2-225077 Blade “B”
3-225077 Blade “C”
4-225077 Blade “D”
32 226143-1 Gear Plate & Shaft Assembly
33 226144-1 Gear Train Assembly
34 22-311105 Gasket
35 36-311105 Gasket
36 44-311105 Gasket
37 2-311803 Blade Ring
38 311804-1 Cover Assembly (Includes Items
13 & 14)
39 311805-1 Gear Cover & Pin Assembly
(Includes Items 13 & 14)
40 3-315174 Miter Gear (24 Teeth)
41 1-410797 Meter Body
42 1-415582 Rotor
43 88-50183 #10-24 X 3/8 Long Fillister Head
Machine Screw
44 119-50183 #12-24 X 3/8 Long Fillister Head
Machine Screw
45 01-50361 1/4-20 X 1/2 Long Hex Head Cap Screw
46 03-50361 1/4-20 X 3/4 Long Hex Head Cap Screw
47 13-50641 1/4 Lockwasher
48 23-50763 #1210 Shakeproof Lockwasher
49 24-50763 #1212 Shakeproof Lockwasher
50 25-51323 Groov-Pin “Type 5” 3/32 Dia X 5/8 Long
51 41-51341 Groov-Pin 1/8 Dia X 5/8 Long
52 05-53420 Truarc retaining Ring Type 5133
Order: 1-317328 for complete Meter Assembly w/ calibratorOrder: 1-317328 for complete Meter Assembly w/ calibrator
Order: 1-317328 for complete Meter Assembly w/ calibratorOrder: 1-317328 for complete Meter Assembly w/ calibrator
Order: 1-317328 for complete Meter Assembly w/ calibrator
1-7411621-741162
1-7411621-741162
1-741162
1-7411621-741162
1-7411621-741162
1-741162
1 of 1
262A Dispenser Parts Manual Form 4660 Version 2.0
Tokheim Corporation July 1994

Page 4-18 262A Dispenser Parts Manual Form 4660 Version 2.0
Tokheim Corporation October 1991 Rev. 07/29/94
262A Dispenser Parts Manual Form 4660 Version 2.0
Tokheim Corporation July 1994

Page 4-19
262A Dispenser Parts Manual Form 4660 Version 2.0
Tokheim Corporation October 1991 Rev. 07/29/94
1 1-118849 Seal Wire & Seal
2 4-125117 Bearing Insert
3 1-127630 Control Ring
4 2-127634 Special Thumb Screw
5 1-127635 Clutch Washer
6 1-127636 Ball 3/16 Diameter
7 1-127638 Washer
8 1-127639 Roller
9 1-127641 Roller
10 1-127644 Guide Pin
11 1-127648 Spring
12 1-127649 Spring
13 1-127650 Spring
14 1-127652 Clutch Spacer
15 1-127661 Retaining Disc
16 1-221418 Dial Plate
17 221419-1 Clutch Core Assembly
18 221420-1 Drive Disc Assembly
19 221421-1 Stroke Ring Assembly
20 221423-1 Knob Assembly
21 221426-1 Cover Assembly
22 221428-2 Housing & Bearing Assembly
(With Plugs)
23 1-221429 Dial Cover
24 311790-1 Clutch Assembly
25 1-311843 Ball Retainer Complete
26 166-50001 #8-32 X 1/4 Long Round Head Machine
Screw
27 03-50761 #1106 Shakeproof Lockwasher
28 13-51441 #6 X 5/16 Long. Round Head Self-Tapping
Screw
29 49-52901 Roll Pin 1/8 Diameter X 5/8 Long
For Complete calibrator assembly order: 410770-2For Complete calibrator assembly order: 410770-2
For Complete calibrator assembly order: 410770-2For Complete calibrator assembly order: 410770-2
For Complete calibrator assembly order: 410770-2
4-742854-74285
4-742854-74285
4-74285
ItemItem
ItemItem
Item PartPart
PartPart
Part
No.No.
No.No.
No. No.No.
No.No.
No. DescriptionDescription
DescriptionDescription
Description
MODEL 1510 CALIBRATOR ASSEMBLY
262A Dispenser Parts Manual Form 4660 Version 2.0
Tokheim Corporation July 1994
4-742854-74285
4-742854-74285
4-74285
1 1
1 1
1
ofof
ofof
of
1 1
1 1
1

Page 4-20 262A Dispenser Parts Manual Form 4660 Version 2.0
Tokheim Corporation October 1991 Rev. 07/29/94

262A Dispenser Parts Manual Form 4660 Version 2.0
Tokheim Corporation October 1991 Rev. 07/29/94
Section
Five
Discharge and
Solenoid Assemblies
2
6
2
A
D
I
S
P
E
N
S
E
R
Page 5-1
Page
Number
Hydraulic Discharge AssembliesHydraulic Discharge Assemblies
Hydraulic Discharge AssembliesHydraulic Discharge Assemblies
Hydraulic Discharge Assemblies
262A (FL), 262A (FL)-1-TW, 262A (FL)-RC,
262A (FL)-1 & -2RC-TW ........................................................ 5-2
262A (FL) -2-TW ................................................................... 5-3
262A-HS ............................................................................... 5-4
FOR YOUR NOTES................................................................ 5-5
262A-FL-S-RC, 262A-FL-M-RC, 262A-FL-MS-RC,
262A-FL-M-1 & -2-RC-TW, and 262A-FL-S-1-RC-TW ........... 5-6, 5-7
Vapor Recovery Discharge AssembliesVapor Recovery Discharge Assemblies
Vapor Recovery Discharge AssembliesVapor Recovery Discharge Assemblies
Vapor Recovery Discharge Assemblies
262A..................................................................................... 5-8, 5-9
262A Vapor Recovery with Blackmer Pump (Amoco) .............. 5-10, 5-11
Outlet & Pilot Valve AssembliesOutlet & Pilot Valve Assemblies
Outlet & Pilot Valve AssembliesOutlet & Pilot Valve Assemblies
Outlet & Pilot Valve Assemblies
262A-AFL, 262A-AFL-RC, 262A-AFL-1-TW,
262A-AFL-1 & 2-RC-TW ................................................... 5-12, 5-13
262AFL-M & MS-RC, 262A-M-1-RC-TW,
262AFL-MS & S-RC, 262A/AFL-M-HV-LC-RC .................. 5-14, 5-15
262A Solenoid Assemblies262A Solenoid Assemblies
262A Solenoid Assemblies262A Solenoid Assemblies
262A Solenoid Assemblies ......................................................................................
......................................................................................
...........................................
5-16, 5-17
Hydraulic Control ValveHydraulic Control Valve
Hydraulic Control ValveHydraulic Control Valve
Hydraulic Control Valve
................................................. 5-18, 5-19
262A Sight Glass262A Sight Glass
262A Sight Glass262A Sight Glass
262A Sight Glass ..................................................................................................................
..................................................................................................................
.........................................................
5-20, 5-21
262A-R Fuel Containment Pan Assembly262A-R Fuel Containment Pan Assembly
262A-R Fuel Containment Pan Assembly262A-R Fuel Containment Pan Assembly
262A-R Fuel Containment Pan Assembly ............................................
............................................
......................
5-22, 5-23

Page 5-2 262A Dispenser Parts Manual Form 4660 Version 2.0
Tokheim Corporation October 1991 Rev. 07/29/94
262A Dispenser Parts Manual Form 4660 Version 1.0
Tokheim Corporation October 1991

Page 5-3
262A Dispenser Parts Manual Form 4660 Version 2.0
Tokheim Corporation October 1991 Rev. 07/29/94
262A Dispenser Parts Manual Form 4660 Version 1.0
Tokheim Corporation October 1991

Page 5-4 262A Dispenser Parts Manual Form 4660 Version 2.0
Tokheim Corporation October 1991 Rev. 07/29/94

Page 5-5
262A Dispenser Parts Manual Form 4660 Version 2.0
Tokheim Corporation October 1991 Rev. 07/29/94
NOTESNOTES
NOTESNOTES
NOTES

Page 5-6 262A Dispenser Parts Manual Form 4660 Version 2.0
Tokheim Corporation October 1991 Rev. 07/29/94

Page 5-7
262A Dispenser Parts Manual Form 4660 Version 2.0
Tokheim Corporation October 1991 Rev. 07/29/94
ItemItem
ItemItem
Item Part No.Part No.
Part No.Part No.
Part No. DescriptionDescription
DescriptionDescription
Description ItemItem
ItemItem
Item Part No.Part No.
Part No.Part No.
Part No. DescriptionDescription
DescriptionDescription
Description
1 1-125637 1/4" Male Elbow
2 5-220383 Conduit Nipple
3 1-220923 Meter Flange
4 226064-2 1" Hose Swivel Assembly
5 13-313235 Gasket
6 1-313721 1" Swivel Connector
7Discharge Connector
2-313734 Slave Discharge Connector
2-313736 Master Discharge Connector
8 1-316027 Slave Connector Support
9 19-318940 "O" Ring
10 32-50361 5/16-18 x 5/8" Long Hex Head
Cap Screw
11 33-50361 5/16-18 x 3/4" Long Hex Head
Cap Screw
12 35-50361 5/16-18 x 1" Long Hex Head
Cap Screw
13 Pipe 1-1/2" x
259-50510 13-1/2" Long (Master)
(Used With 27-51780)
268-50510 16-1/2" Long (Slave)
(Used With 27-51780)
315-50510 13-3/4" Long (Master)
(Used With 07-51780)
319-50510 16-3/4" Long (Slave)
(Used With 07-51780)
HYDRAHYDRA
HYDRAHYDRA
HYDRA
ULIC DISCHARGE ASSEMBLULIC DISCHARGE ASSEMBL
ULIC DISCHARGE ASSEMBLULIC DISCHARGE ASSEMBL
ULIC DISCHARGE ASSEMBLYY
YY
Y
Model 262A-FL-S-RC,Model 262A-FL-S-RC,
Model 262A-FL-S-RC,Model 262A-FL-S-RC,
Model 262A-FL-S-RC, FL-S-1-RC-TW FL-S-1-RC-TW
FL-S-1-RC-TW FL-S-1-RC-TW
FL-S-1-RC-TW,,
,,
,
FL-M-RC, FL-M-RC,
FL-M-RC, FL-M-RC,
FL-M-RC, FL-MS-RC & FL-M-1&2-RC-TW FL-MS-RC & FL-M-1&2-RC-TW
FL-MS-RC & FL-M-1&2-RC-TW FL-MS-RC & FL-M-1&2-RC-TW
FL-MS-RC & FL-M-1&2-RC-TW
2-7414632-741463
2-7414632-741463
2-741463
1 of 1
14 87-50560 1" x 2-1/2" Long Pipe Nipple
15 14-50641 5/16" Lockwasher
16 18-51750 1-1/2" x 1" Reducing
Coupling
17 1-1/2" Union - Female
07-51780 150#
27-51780 250#
18 35-54742 5/16-18 x 5/8" Long M-F
Hex Head Whiz-Lock Screw
19 02-54752 5/16-18 M-F Flange Whiz-
Lock Nut
20 001-547812-00 1" x 12'-0" Long Hose
Reference:Reference:
Reference:Reference:
Reference:
420363 Chassis Assembly
311932 Hydraulic Valve Assembly
2-7414632-741463
2-7414632-741463
2-741463

Page 5-8 262A Dispenser Parts Manual Form 4660 Version 2.0
Tokheim Corporation October 1991 Rev. 07/29/94

Page 5-9
262A Dispenser Parts Manual Form 4660 Version 2.0
Tokheim Corporation October 1991 Rev. 07/29/94
ItemItem
ItemItem
Item Part No.Part No.
Part No.Part No.
Part No. DescriptionDescription
DescriptionDescription
Description ItemItem
ItemItem
Item Part No.Part No.
Part No.Part No.
Part No. DescriptionDescription
DescriptionDescription
Description
1 3-220923 Meter Flange
2 1-227432 Flow Regulator
3 1-227586 Retaining Cap
4 1-227588 Slip Joint
5 1-227838 Non-Swivel Adapter (Interim
Vapor Recovery)
6 1-227978 Hose Grommet
7 13-313235 Gasket
8 1-318912 Bracket
9 1-318914 Outlet Tube Bracket
10 11-318940 "O" Ring
11 14-318940 "O" Ring
12 27-318940 "O" Ring (Interim Vapor
Recovery)
13 319096-1 Discharge Tube Weld Assembly
(Lower)
14 Outlet Adapter
3-418059 All Models Except Listed Below
4-418059 262A-VC/IVC, 262A-VC/IVC-1-
TW, 262A-VC/IVC-HD
2-420716 262A-VC/IVC-2-TW
15 Discharge Tube Assembly
420348-1 All Models Except Listed Below
420878-1 262A-VC/IVC-2-TW
16 420636-1 Discharge Tube Weld Assembly
(Upper)
2-738062-73806
2-738062-73806
2-73806
1 of 1
262A 262A
262A 262A
262A VV
VV
VAPOR RECOAPOR RECO
APOR RECOAPOR RECO
APOR RECOVERVER
VERVER
VER
Y DISCHARGE SYSTEMY DISCHARGE SYSTEM
Y DISCHARGE SYSTEMY DISCHARGE SYSTEM
Y DISCHARGE SYSTEM
17 35-50361 5/16-18 x 1" Long Hex Head
Cap Screw
18 08-50621 5/16" Plainwasher
19 05-51710 3/4" x 90o Street Elbow
20 02-54752 5/16-18 Hex Head Whiz-
Lock Nut
21 35-54742 5/16-18 x 5/8" Long M-F
Hex Head Whiz-Lock Screw
22 Vent Tube
1-319302 262A-VC-2-TW
1-420876 262A-VC, 262A-VC-1-TW,
262A-VC-HD
23 05-52020 Compression Elbow
24 05-52040 Compression Sleeve
25 14-52040 Compression Nut
Reference:Reference:
Reference:Reference:
Reference:
Final Assembly 420815
2-738062-73806
2-738062-73806
2-73806

Page 5-10 262A Dispenser Parts Manual Form 4660 Version 2.0
Tokheim Corporation October 1991 Rev. 07/29/94

Page 5-11
262A Dispenser Parts Manual Form 4660 Version 2.0
Tokheim Corporation October 1991 Rev. 07/29/94
ItemItem
ItemItem
Item Part No.Part No.
Part No.Part No.
Part No. DescriptionDescription
DescriptionDescription
Description ItemItem
ItemItem
Item Part No.Part No.
Part No.Part No.
Part No. DescriptionDescription
DescriptionDescription
Description
1 1-131551 Spacer
2 2-220923 Meter Flange
3 1-227299 Flange
4 13-313235 Gasket
5 3-318229 Vapor Outlet Adapter
6 11-318940 "O" Ring
7 26-318940 "O" Ring
8 319086-1 Meter Discharge Tube Weld
Assembly
9 1-319112 Pump Support Bracket
10 1-319113 Outlet Support Bracket
11 319121-1 Vapor Discharge Tube
Assembly
12 1-319168 Blackmer Pump
13 02-50301 5/16-18 Hex. Nut
14 31-50361 5/16-18 x 1/2" Long Hex
Head Cap Screw
15 35-50361 5/16-18 x 1" Long Hex Head
Cap Screw
16 36-50361 5/16-18 x 1-1/4" Long Hex
Head Cap Screw
17 37-50361 5/16-18 x 1-1/2" Long Hex
Head Cap Screw
18 65-50361 3/8-16 x 1" Long Hex Head
Cap Screw
19 69-50560 3/4-14 x 1-3/8" Long Pipe
Nipple
20 72-50560 3/4-14 x 3" Long Pipe
Nipple
21 03-50621 5/16" Plate Washer
22 05-51710 3/4" NPT Street Elbow
23 01-51911 1/8" NPT Pipe Plug
24 04-54752 3/8-16 Whiz Lock Nut
25 1-132476 Warning Label (Located
On Door Not Shown)
For complete Pump Assembly order:For complete Pump Assembly order:
For complete Pump Assembly order:For complete Pump Assembly order:
For complete Pump Assembly order:
319272-1
Reference:Reference:
Reference:Reference:
Reference:
420804 Final Assembly
2-7414762-741476
2-7414762-741476
2-741476
VV
VV
VAPOR RECOAPOR RECO
APOR RECOAPOR RECO
APOR RECOVERVER
VERVER
VER
Y SYSTEM Y SYSTEM
Y SYSTEM Y SYSTEM
Y SYSTEM WITH BLAWITH BLA
WITH BLAWITH BLA
WITH BLACKMER PUMPCKMER PUMP
CKMER PUMPCKMER PUMP
CKMER PUMP
(262A AMOCO (262A AMOCO
(262A AMOCO (262A AMOCO
(262A AMOCO V1)V1)
V1)V1)
V1)
2-7414762-741476
2-7414762-741476
2-741476
1 of 1

Page 5-12 262A Dispenser Parts Manual Form 4660 Version 2.0
Tokheim Corporation October 1991 Rev. 07/29/94

Page 5-13
262A Dispenser Parts Manual Form 4660 Version 2.0
Tokheim Corporation October 1991 Rev. 07/29/94
1 312049-90 Pilot Valve Tube Assembly
2 312049-91 Pilot Valve Tube Assembly
3 312049-94 Pilot Valve Tube Assembly
4 312049-95 Pilot Valve Tube Assembly
5 313354-8 Outlet Tube Assembly
6 313354-20 Outlet Tube Assembly
7 319123-1 Pilot Valve Tube Assembly
8 319123-2 Pilot Valve Tube Assembly
9 319124-1 Outlet Tube Assembly
2-73801
ItemItem
ItemItem
Item Part No.Part No.
Part No.Part No.
Part No. DescriptionDescription
DescriptionDescription
Description
262A OUTLET & PILO262A OUTLET & PILO
262A OUTLET & PILO262A OUTLET & PILO
262A OUTLET & PILOT T
T T
T VV
VV
VALAL
ALAL
AL
VE VE
VE VE
VE TUBE ASSEMBLTUBE ASSEMBL
TUBE ASSEMBLTUBE ASSEMBL
TUBE ASSEMBL
YY
YY
Y
2-738012-73801
2-738012-73801
2-73801
1 of 1

Page 5-14 262A Dispenser Parts Manual Form 4660 Version 2.0
Tokheim Corporation October 1991 Rev. 07/29/94

Page 5-15
262A Dispenser Parts Manual Form 4660 Version 2.0
Tokheim Corporation October 1991 Rev. 07/29/94
1 313354-14 Outlet Tube Assembly
2 313354-18 Outlet Tube Assembly
3 316215-4 Pilot Valve Tube Assembly
4 316215-5 Pilot Valve Tube Assembly
5 316215-6 Pilot Valve Tube Assembly
6 316215-16 Pilot Valve Tube Assembly
7 316215-17 Pilot Valve Tube Assembly
2-73802
ItemItem
ItemItem
Item Part No.Part No.
Part No.Part No.
Part No. DescriptionDescription
DescriptionDescription
Description
262A OUTLET & PILO262A OUTLET & PILO
262A OUTLET & PILO262A OUTLET & PILO
262A OUTLET & PILOT T
T T
T VV
VV
VALAL
ALAL
AL
VE VE
VE VE
VE TUBE ASSEMBLTUBE ASSEMBL
TUBE ASSEMBLTUBE ASSEMBL
TUBE ASSEMBL
YY
YY
Y
2-738022-73802
2-738022-73802
2-73802
1 of 1

Page 5-16 262A Dispenser Parts Manual Form 4660 Version 2.0
Tokheim Corporation October 1991 Rev. 07/29/94

Page 5-17
262A Dispenser Parts Manual Form 4660 Version 2.0
Tokheim Corporation October 1991 Rev. 07/29/94
ItemItem
ItemItem
Item Part No.Part No.
Part No.Part No.
Part No. DescriptionDescription
DescriptionDescription
Description ItemItem
ItemItem
Item Part No.Part No.
Part No.Part No.
Part No. DescriptionDescription
DescriptionDescription
Description
1 1-125636 1/4" Male Connector
21/4" Male
1-125636 Connector (262A/AFL-2-TW)
1-125637 Elbow (All Models Except
262A/AFL-2-TW)
3Solenoid
1-127324 110 Volt
220 Volt
4 4-127324 Plunger & Seal
5 5-127324 Flange Seal
6 1-127345 Seat Insert
7 1-128433 5/16" Male Elbow
8 1-228327 Seat Insert
9 1-313219 Solenoid Cover
10 1-314610 Solenoid Box
11 05-50361 1/4-20 x 1" Long M-F Hex
Head Cap Screw
12 01-51911 1/8" Pipe Plug
For complete Cover & SolenoidFor complete Cover & Solenoid
For complete Cover & SolenoidFor complete Cover & Solenoid
For complete Cover & Solenoid
Assembly order:Assembly order:
Assembly order:Assembly order:
Assembly order:
(Does not include Solenoid Box)
313227-4 262A/AFL, 262A/AFL-RC,
262A/AFL-1-TW, 262A/AFL-
1 & 2-RC-TW
313227-7 262A/AFL-2-TW
313227-12 262A-HD (380 Volt), 262A-
HD-1-TW (380 Volt)
313227-13 262A-HD-2-TW (380 Volt)
313227-20 262A/AFL-M-HV-LC-RC
313227-27 262A-HS
1-722341-72234
1-722341-72234
1-72234
1-722341-72234
1-722341-72234
1-72234
1 of 1
262A SOLENOID ASSEMBL262A SOLENOID ASSEMBL
262A SOLENOID ASSEMBL262A SOLENOID ASSEMBL
262A SOLENOID ASSEMBLYY
YY
Y

Page 5-18 262A Dispenser Parts Manual Form 4660 Version 2.0
Tokheim Corporation July 1994

Page 5-19
262A Dispenser Parts Manual Form 4660 Version 2.0
Tokheim Corporation July 1994
ItemItem
ItemItem
Item Part No.Part No.
Part No.Part No.
Part No. DescriptionDescription
DescriptionDescription
Description
HYDRAHYDRA
HYDRAHYDRA
HYDRA
ULIC CONTRULIC CONTR
ULIC CONTRULIC CONTR
ULIC CONTROL OL
OL OL
OL VALVAL
VALVAL
VAL
VE VE
VE VE
VE ASSEMBLASSEMBL
ASSEMBLASSEMBL
ASSEMBL
YY
YY
Y
4-735504-73550
4-735504-73550
4-73550
1 of 1
1 1-39023 Valve Cover
2 1-125637 1/4" Male Elbow
3 1-128433 5/16" Male Elbow
4 218750-1 Hydraulic Valve Assembly
5 1-124454 Poppet Spring
6 3-313235 Gasket
7 228101-1 Valve Body
8 228101-3 Valve Body
9 04-50361 1/4-20 x 7/8" Long Hex Head Cap Screw
10 13-50641 1/4" Lockwasher
11 228101-5 Valve Body
12 1-125636 5/16" Male Connector
13 2-217867 Hose Flange
14 85-50550 1" x 1-1/2" Long Pipe Nipple
For complete Hydraulic Valve Assembly order:
408542-9 262A/AFL, 262A/AFL-RC, 262A/AFL-1-TW, 262A/AFL-1 & 2-RC-TW
311932-12 262A/AFL-2-TW
311932-15 262AFL-M & S-RC
311932-18 262A-HS
311932-19 262A-VC-2-TW
4-73550

Page 5-20 262A Dispenser Parts Manual Form 4660 Version 2.0
Tokheim Corporation July 1994

Page 5-21
262A Dispenser Parts Manual Form 4660 Version 2.0
Tokheim Corporation July 1994
ItemItem
ItemItem
Item Part No.Part No.
Part No.Part No.
Part No. DescriptionDescription
DescriptionDescription
Description ItemItem
ItemItem
Item Part No.Part No.
Part No.Part No.
Part No. DescriptionDescription
DescriptionDescription
Description
1-738421-73842
1-738421-73842
1-73842
1 of 1
262A SIGHT GLASS262A SIGHT GLASS
262A SIGHT GLASS262A SIGHT GLASS
262A SIGHT GLASS
1 2-122586 Telegauge Glass Retainer
2 1-122669 Telegauge Glass Gasket
3 1-132453 Telegauge Spinner
4 1-132455 Spinner Axle
5 1-228621 Gasket
6 1-230750 Flow Diverter (Without Spinner)
1-230945 Spinner Bracket
7 1-230932 Coupling
8 2-230958 5/16-18 X 1" Long Hex Head
Cap Screw
9 1-36802 Spinner Globe
10 318924-1 Outlet Tube Assembly
11 318935-1 Guard Assembly
12 14-318940 “O” Ring
13 22-318940 “O” Ring
14 1-319097 Swivel Connector
15 Telegauge Housing
1-420354 262A-SG
1-420632 262A-2-TW-SG
16 36-50361 5/16-18 X 1-1/4" Long Hex
Head Cap Screw
17 08-50761 5/16 Shakeproof Lockwasher
18 34-52751 1/4-20 X 5/8" Long Socket Head
Cap Screw
19 47-52751 5/16-18 X 1/2" Long Socket
Head Cap Screw
20 10-53291 #6-32 X 1/4" Long Phillips Pan
Head Thread Cutting Screw
For complete Sight Glass Assembly order:For complete Sight Glass Assembly order:
For complete Sight Glass Assembly order:For complete Sight Glass Assembly order:
For complete Sight Glass Assembly order:
(Includes Side Housing Assembly)(Includes Side Housing Assembly)
(Includes Side Housing Assembly)(Includes Side Housing Assembly)
(Includes Side Housing Assembly)
420385-1 262A-SG
420385-2 262A-2-TW-SG
420385-3 262A-SG (With Spinner)
420385-4 262A-2-TW-SG (With Spinner)
1-738421-73842
1-738421-73842
1-73842

Page 5-22 262A Dispenser Parts Manual Form 4660 Version 2.0
Tokheim Corporation July 1994

Page 5-23
262A Dispenser Parts Manual Form 4660 Version 2.0
Tokheim Corporation July 1994
1-722361-72236
1-722361-72236
1-72236
1 of 1
262A-R FUEL CONT262A-R FUEL CONT
262A-R FUEL CONT262A-R FUEL CONT
262A-R FUEL CONTAINMENT PAINMENT P
AINMENT PAINMENT P
AINMENT PAN ASSEMBLAN ASSEMBL
AN ASSEMBLAN ASSEMBL
AN ASSEMBL
YY
YY
Y
ItemItem
ItemItem
Item Part No.Part No.
Part No.Part No.
Part No. DescriptionDescription
DescriptionDescription
Description
1 DP-101-1 Poly Pan
2 DP-102 Pipe Cap
3 DP-103 3/8" x 3/8" 90° Elbow
4 DP-104 3/8" x 3/8" x 3/8" Tee
5 DP-105 Tube Clamp
6 DP-106 3/8" x 7" Long Poly Tubing
7 DP-107 3/8" x 22" Long Poly Tubing
8 DP-108 5/16-18 x 1" Long Hex Head Cap Screw
9 DP-109 5/16" Wingnut
For complete Fuel Containment Pan Assembly order: 1-232183
Reference: Specs For Fuel Containment Pan Assembly.
1-72236

Page 5-24 262A Dispenser Parts Manual Form 4660 Version 2.0
Tokheim Corporation July 1994

262A Dispenser Parts Manual Form 4660 Version 1.0
Tokheim Corporation October 1991
Section
Six
262A High Volume
Systems
2
6
2
A
D
I
S
P
E
N
S
E
R
Page 6-1
Tokheim Meter and Valve SystemTokheim Meter and Valve System
Tokheim Meter and Valve SystemTokheim Meter and Valve System
Tokheim Meter and Valve System
Tokheim, 1450 Meter with 1550 Valve .......................... 6-2, 6-3
Satellite System for 1450 Meter with 1550 Valve ........... 6-4, 6-5
Inlet Supply Assembly .................................................. 6-6, 6-7
Outlet Discharge Assembly ........................................... 6-8, 6-9
LC Meter System with Tokheim 1550 ValveLC Meter System with Tokheim 1550 Valve
LC Meter System with Tokheim 1550 ValveLC Meter System with Tokheim 1550 Valve
LC Meter System with Tokheim 1550 Valve
LC Meter with Tokheim 1550 Valve Assembly ............... 6-10, 6-11
Inlet Supply Assembly .................................................. 6-12, 6-13
Outlet Discharge Assembly ........................................... 6-14, 6-15
LC Meter System with Skinner ValveLC Meter System with Skinner Valve
LC Meter System with Skinner ValveLC Meter System with Skinner Valve
LC Meter System with Skinner Valve
LC Meter with Skinner Valve Assembly ......................... 6-16, 6-17
Satellite System ............................................................ 6-18, 6-19
Inlet Supply Assembly .................................................. 6-20, 6-21
Outlet Discharge Assembly ........................................... 6-22, 6-23
High Volume (1550-15-SP-HV) Valve AssemblyHigh Volume (1550-15-SP-HV) Valve Assembly
High Volume (1550-15-SP-HV) Valve AssemblyHigh Volume (1550-15-SP-HV) Valve Assembly
High Volume (1550-15-SP-HV) Valve Assembly ............................
............................
..............
6-24, 6-25
Page
Number

Page 6-2 262A Dispenser Parts Manual Form 4660 Version 2.0
Tokheim Corporation October 1991 Rev. 07/29/94

Page 6-3
262A Dispenser Parts Manual Form 4660 Version 2.0
Tokheim Corporation October 1991 Rev. 07/29/94
2-7414682-741468
2-7414682-741468
2-741468
1 of 1
TT
TT
TOKHEIM ASSEMBLOKHEIM ASSEMBL
OKHEIM ASSEMBLOKHEIM ASSEMBL
OKHEIM ASSEMBL
Y (1450 METER Y (1450 METER
Y (1450 METER Y (1450 METER
Y (1450 METER WITH 1550 WITH 1550
WITH 1550 WITH 1550
WITH 1550 VV
VV
VALAL
ALAL
AL
VE)VE)
VE)VE)
VE)
ItemItem
ItemItem
Item Part No.Part No.
Part No.Part No.
Part No. DescriptionDescription
DescriptionDescription
Description
1 1-129513 1/4-20 x 1" Long Hex Head Seal Screw
2 7-313235 Gasket
3 1-316520 Meter Support
4 1-316525 Support
5 127-50361 1/2-13 x 1" Long Hex Head Cap Screw
6 128-50361 1/2-13 x 1-1/4" Long Hex Head Cap Screw
7 17-50641 1/2" Lockwasher
8 15-51681 1-1/2" x 1-1/4" 90° Reducing Elbow
9 16-51851 1-1/4" x 1" Hex Bushing
10 35-54742 5/16-18 x 5/8" Long M-F Hex Head Whiz-Lock Screw
11 02-54752 5/16-18 M-F Flange Whiz-Lock Nut
12 001-547812-00 1" x 12'-0" Long Hose
2-741468

Page 6-4 262A Dispenser Parts Manual Form 4660 Version 2.0
Tokheim Corporation October 1991 Rev. 07/29/94

Page 6-5
262A Dispenser Parts Manual Form 4660 Version 2.0
Tokheim Corporation October 1991 Rev. 07/29/94
2-737982-73798
2-737982-73798
2-73798
1 of 1
ItemItem
ItemItem
Item Part No.Part No.
Part No.Part No.
Part No. DescriptionDescription
DescriptionDescription
Description
SASA
SASA
SA
TELLITE SYSTEM FOR TELLITE SYSTEM FOR
TELLITE SYSTEM FOR TELLITE SYSTEM FOR
TELLITE SYSTEM FOR TT
TT
TOKHEIM 1450 METEROKHEIM 1450 METER
OKHEIM 1450 METEROKHEIM 1450 METER
OKHEIM 1450 METER
WITH 1550 WITH 1550
WITH 1550 WITH 1550
WITH 1550 VV
VV
VALAL
ALAL
AL
VEVE
VEVE
VE
1 2-221447 Companion Flange
2 7-313235 Gasket
3 1-316524 Valve Support
4 1-316525 Support
5 1-316541 Valve Hanger
6 05-50301 1/2-13 Hex. Nut
7 131-50361 1/2-13 x 2" Long Hex Head Cap Screw
8 284-50510 1-1/2" x 14" Long Pipe
9 121-50560 1-1/2" x 3-1/2" Long Pipe Nipple
10 119-50561 1-1/2" x 2-1/2" Long Pipe Nipple
11 06-50611 1/2" Plate Washer
12 17-50641 1/2" Lockwasher
13 15-51681 1-1/2" x 1-1/4" 90° Reducing Elbow
14 08-51700 1-1/2" x 90° Pipe Elbow
15 27-51780 1-1/2" Union - Female
16 16-51851 1-1/4" x 1" Hex Bushing
17 35-54742 5/16-18 x 5/8" Long M-F Hex Head Whiz-Lock Screw
18 02-54752 5/16-18 M-F Flange Whiz-Lock Nut
19 001-547812-00 1" x 12'-0" Long Hose
2-73798

Page 6-6 262A Dispenser Parts Manual Form 4660 Version 2.0
Tokheim Corporation October 1991 Rev. 07/29/94
262A Dispenser Parts Manual Form 4660 Version 1.0
Tokheim Corporation October 1991

Page 6-7
262A Dispenser Parts Manual Form 4660 Version 2.0
Tokheim Corporation October 1991 Rev. 07/29/94
1-738001-73800
1-738001-73800
1-73800
1 of 1
ItemItem
ItemItem
Item Part No.Part No.
Part No.Part No.
Part No. DescriptionDescription
DescriptionDescription
Description
1 2-115075 Suction Screen Complete (Diesel)
2 1-121564 Poppet Spring
3 1-130758 Poppet Spring Retainer
4 1-225980 Check Valve Seat
5 225981-1 Check Valve Assembly (Includes
Items 1,2,4,6 & 15)
6 225981-2 Poppet Assembly
7 127-311105 Gasket
8 15-313235 Gasket
9 1-316526 Strainer Support
10 1-316957 Strainer Cap
11 1-415410 Strainer Body
12 1-416878 Meter Inlet
13 124-50560 1-1/2 X 5" Long Pipe Nipple
14 27-51780 1-1/2" Union Female
15 08-53270 Reliance Square Snap Ring (Closed)
16 38-54742 5/16-18 X 1" Long M-F Hex. Head
Whiz-Lock Screw
17 02-54752 5/16-18 M-F Flange Whiz-Lock Nut
1-738001-73800
1-738001-73800
1-73800
INLET SUPPLINLET SUPPL
INLET SUPPLINLET SUPPL
INLET SUPPLY ASSEMBLY ASSEMBL
Y ASSEMBLY ASSEMBL
Y ASSEMBL
Y FOR 1450 METERY FOR 1450 METER
Y FOR 1450 METERY FOR 1450 METER
Y FOR 1450 METER
262A Dispenser Parts Manual Form 4660 Version 1.0
Tokheim Corporation October 1991

Page 6-8 262A Dispenser Parts Manual Form 4660 Version 2.0
Tokheim Corporation October 1991 Rev. 07/29/94
262A Dispenser Parts Manual Form 4660 Version 1.0
Tokheim Corporation October 1991

Page 6-9
262A Dispenser Parts Manual Form 4660 Version 2.0
Tokheim Corporation October 1991 Rev. 07/29/94
ItemItem
ItemItem
Item Part No.Part No.
Part No.Part No.
Part No. DescriptionDescription
DescriptionDescription
Description
1 2-221447 Companion Flange
2 7-313235 Gasket
3 1-316524 Valve Support
4 1-416884 Valve Inlet
5 1-416886 Meter Outlet
6 05-50301 1/2-13 Hex. Nut
7 127-50361 1/2-13 X 1" Long Hex. Head Cap Screw
8 128-50361 1/2-13 X 1-1/4 Long Hex. Head Cap
Screw
9 131-50361 1/2-13 X 2" Long Hex. Head Cap Screw
10 129-50560 1-1/2 X 9" Long Pipe Nipple
11 119-50561 1-1/2" X 2-1/2" Long Pipe Nipple
12 06-50611 1/2 Plate Washer
13 17-50641 1/2 Lockwasher
14 27-51780 1-1/2 Union - Female
1-737991-73799
1-737991-73799
1-73799
OUTLET DISCHARGE FOR 1450 METEROUTLET DISCHARGE FOR 1450 METER
OUTLET DISCHARGE FOR 1450 METEROUTLET DISCHARGE FOR 1450 METER
OUTLET DISCHARGE FOR 1450 METER
1-737991-73799
1-737991-73799
1-73799
1 of 1
262A Dispenser Parts Manual Form 4660 Version 1.0
Tokheim Corporation October 1991

Page 6-10 262A Dispenser Parts Manual Form 4660 Version 2.0
Tokheim Corporation October 1991 Rev. 07/29/94

Page 6-11
262A Dispenser Parts Manual Form 4660 Version 2.0
Tokheim Corporation October 1991 Rev. 07/29/94
1 1-120282 Seal Wire & Seal (16" Long)
2 1-127122 Seal Wire & Seal (24" Long)
3 1-129513 1/4-20 x 1" Long Hex Head Seal Screw
4 8-229606 Spacer (Universal)
5 7-313235 Gasket
6 1-318374 Meter Dust Shield
7 1-419902 LC Meter
8 04-50361 1/4-20 x 7/8" Long Hex Head Cap Screw
9 05-50361 1/4-20 x 1" Long Hex Head Cap Screw
10 03-50611 5/16" Plate Washer
11 15-51681 1-1/2" x 1-1/4" 90o Reducing Elbow
12 16-51851 1-1/4" x 1" Hex Bushing
13 35-54742 5/16-18 x 5/8" Long M-F Hex Head Whiz-Lock Screw
14 38-54742 5/16-18 x 1" Long M-F Hex Head Whiz-Lock Screw
15 02-54752 5/16-18 M-F Flange Whiz-Lock Nut
16 1-419855 Support Bracket
17 001-547812-00 1" x 12'-0" Long Hose
Reference:Reference:
Reference:Reference:
Reference:
420315 Final Assembly
420316 Chassis Assembly
2-7414582-741458
2-7414582-741458
2-741458
LC METER ASSEMBLLC METER ASSEMBL
LC METER ASSEMBLLC METER ASSEMBL
LC METER ASSEMBL
Y Y
Y Y
Y WITH WITH
WITH WITH
WITH TT
TT
TOKHEIM 1550 OKHEIM 1550
OKHEIM 1550 OKHEIM 1550
OKHEIM 1550 VV
VV
VALAL
ALAL
AL
VEVE
VEVE
VE
2-7414582-741458
2-7414582-741458
2-741458
1 of 1
ItemItem
ItemItem
Item Part No.Part No.
Part No.Part No.
Part No. DescriptionDescription
DescriptionDescription
Description

Page 6-12 262A Dispenser Parts Manual Form 4660 Version 2.0
Tokheim Corporation October 1991 Rev. 07/29/94
262A Dispenser Parts Manual Form 4660 Version 1.0
Tokheim Corporation October 1991

Page 6-13
262A Dispenser Parts Manual Form 4660 Version 2.0
Tokheim Corporation October 1991 Rev. 07/29/94
1-737961-73796
1-737961-73796
1-73796
1 of 1
ItemItem
ItemItem
Item Part No.Part No.
Part No.Part No.
Part No. DescriptionDescription
DescriptionDescription
Description
1 2-115075 Suction Screen Complete (Diesel)
2 1-121564 Poppet Spring
3 1-130758 Poppet Spring Retainer
4 1-225980 Check Valve Seat
5 225981-1 Check Valve Assembly (Includes Items 1,2,4,6 & 15)
6 225981-2 Poppet Assembly
7 2-313235 Gasket
8 15-313235 Gasket
9 1-316957 Strainer Cap
10 1-318381 Strainer Support
11 1-415410 Strainer Body
12 1-419765 Meter Inlet
13 Pipe Nipple 1½" x
255-50510 3 ¼" Long (used with 07-51780)
120-50561 3" Long (used with 27-51780)
14 1½" Union Female
07-51780 150#
27-51780 250#
15 08-53270 Reliance Square Snap Ring (Closed)
16 38-54742 5/16-18 X 1" Long M-F Hex. Head Whiz-Lock Screw
17 02-54752 5/16-18 M-F Flange Whiz-Lock Nut
1-737961-73796
1-737961-73796
1-73796
INLET SUPPLINLET SUPPL
INLET SUPPLINLET SUPPL
INLET SUPPLY ASSEMBLY ASSEMBL
Y ASSEMBLY ASSEMBL
Y ASSEMBL
Y FOR LC METERY FOR LC METER
Y FOR LC METERY FOR LC METER
Y FOR LC METER
WITH 1550 WITH 1550
WITH 1550 WITH 1550
WITH 1550 VV
VV
VALAL
ALAL
AL
VEVE
VEVE
VE

Page 6-14 262A Dispenser Parts Manual Form 4660 Version 2.0
Tokheim Corporation October 1991 Rev. 07/29/94
262A Dispenser Parts Manual Form 4660 Version 1.0
Tokheim Corporation October 1991

Page 6-15
262A Dispenser Parts Manual Form 4660 Version 2.0
Tokheim Corporation October 1991 Rev. 07/29/94
1-737971-73797
1-737971-73797
1-73797
1 of 1
1 2-221447 Companion Flange
2 7-313235 Gasket
3 1-318380 Valve Support
4 1-416884 Valve Inlet
5 1-416886 Meter Outlet
6 1-420233 Meter Elbow
7 05-50301 1/2-13 Hex. Nut
8 127-50361 1/2-13 X 1" Long Hex. Head Cap Scre w
9 128-50361 1/2-13 X 1-1/4 Long Hex. Head Cap Scre w
10 131-50361 1/2-13 X 2" Long Hex. Head Cap Scre w
11 269-50511 1-1/2" X 2-1/4" Long Pipe Nipple
12 06-50611 1/2 Plate Washer
13 17-50641 1/2 Lockwasher
14 08-51900 1-1/2 Pipe Plug
1-737971-73797
1-737971-73797
1-73797
OUTLET DISCHARGE ASSEMBLOUTLET DISCHARGE ASSEMBL
OUTLET DISCHARGE ASSEMBLOUTLET DISCHARGE ASSEMBL
OUTLET DISCHARGE ASSEMBLY FOR LC METERY FOR LC METER
Y FOR LC METERY FOR LC METER
Y FOR LC METER
WITH 1550 WITH 1550
WITH 1550 WITH 1550
WITH 1550 VV
VV
VALAL
ALAL
AL
VEVE
VEVE
VE
262A Dispenser Parts Manual Form 4660 Version 1.0
Tokheim Corporation October 1991
ItemItem
ItemItem
Item Part No.Part No.
Part No.Part No.
Part No. DescriptionDescription
DescriptionDescription
Description

Page 6-16 262A Dispenser Parts Manual Form 4660 Version 2.0
Tokheim Corporation October 1991 Rev. 07/29/94

Page 6-17
262A Dispenser Parts Manual Form 4660 Version 2.0
Tokheim Corporation October 1991 Rev. 07/29/94
LC METER ASSEMBLLC METER ASSEMBL
LC METER ASSEMBLLC METER ASSEMBL
LC METER ASSEMBL
Y Y
Y Y
Y WITH SKINNER WITH SKINNER
WITH SKINNER WITH SKINNER
WITH SKINNER VV
VV
VALAL
ALAL
AL
VEVE
VEVE
VE
2-7414552-741455
2-7414552-741455
2-741455
1 of 1
1 1-120282 Seal Wire & Seal (16" Long)
2 1-127122 Seal Wire & Seal (24" Long)
3 1-129513 1/4-20 x 1" Long Hex Head Seal Screw
4 1-131336 U-Bolt
5 1-131560 #10-24 x 5/8" Long Pan Head Thread Cutting Screw
6 1-230877 Gasket
7 1-230878 Support Bracket
8 19-313235 Gasket
9 1-317400 Eyelet
10 1-318374 Meter Dust Shield
11 1-319006 Meter Support Plate
12 1-419902 LC Meter
13 3-420233 Meter Elbow
14 1-420514 Meter Support
15 05-50361 1/4-20 x 1" Long Hex Head Cap Screw
16 36-50361 5/16-18 x 1-1/4" Long Hex Head Cap Screw
17 15-51681 1-1/2" x 1-1/4" 90o Reducing Elbow
18 16-51851 1-1/4" x 1" Hex Bushing
19 35-54742 5/16-18 x 5/8" Long M-F Hex Head Whiz-Lock Screw
20 02-54752 5/16-18 M-F Flange Whiz-Lock Nut
21 001-547812-00 1" x 12'-0" Long Hose
Reference:Reference:
Reference:Reference:
Reference:
Chassis Assembly 420652
Final Assembly 420653
2-7414552-741455
2-7414552-741455
2-741455
ItemItem
ItemItem
Item Part No.Part No.
Part No.Part No.
Part No. DescriptionDescription
DescriptionDescription
Description

Page 6-18 262A Dispenser Parts Manual Form 4660 Version 2.0
Tokheim Corporation October 1991 Rev. 07/29/94

Page 6-19
262A Dispenser Parts Manual Form 4660 Version 2.0
Tokheim Corporation October 1991 Rev. 07/29/94
SASA
SASA
SA
TELLITE SYSTEM FOR LC METER with SKINNER TELLITE SYSTEM FOR LC METER with SKINNER
TELLITE SYSTEM FOR LC METER with SKINNER TELLITE SYSTEM FOR LC METER with SKINNER
TELLITE SYSTEM FOR LC METER with SKINNER VV
VV
VALAL
ALAL
AL
VEVE
VEVE
VE
2-7414572-741457
2-7414572-741457
2-741457
1 of 1
1 1-131336 U-Bolt
2 1-131560 #10-24 x 5/8" Long Pan Head Thread Cutting Screw
3 1-230878 Support Bracket
4 1-317400 Eyelet
5Control Valve
1-319059 110 Volt
2-319059 220 Volt
6 1-319087 Inlet Support Bracket
7 121-50560 1-1/2" x 3-1/2" Long Pipe
8Pipe 1-1/2" x
306-50510 23-3/4" Long (Used with 27-51780)
318-50510 23-3/8" Long (Used with 07-51780)
9 120-50561 1-1/2" x 3" Long Pipe Nipple
10 15-51681 1-1/2" x 1-1/4" 90 o Reducing Elbow
11 08-51700 1-1/2" 90 o Elbow - Banded
12 1-1/2" Union Female
07-51780 150#
27-51780 250#
13 16-51851 1-1/4" x 1" Hex Bushing
14 35-54742 5/16-18 x 5/8" Long M-F Hex Head Whiz-Lock Screw
15 02-54752 5/16-18 M-F Flange Whiz-Lock Nut
16 001-547812-00 1" x 12'-0" Long Hose
Reference: Chassis Assembly 420652Reference: Chassis Assembly 420652
Reference: Chassis Assembly 420652Reference: Chassis Assembly 420652
Reference: Chassis Assembly 420652
2-7414572-741457
2-7414572-741457
2-741457
ItemItem
ItemItem
Item Part No.Part No.
Part No.Part No.
Part No. DescriptionDescription
DescriptionDescription
Description

Page 6-20 262A Dispenser Parts Manual Form 4660 Version 2.0
Tokheim Corporation October 1991 Rev. 07/29/94

Page 6-21
262A Dispenser Parts Manual Form 4660 Version 2.0
Tokheim Corporation October 1991 Rev. 07/29/94
INLET SUPPLINLET SUPPL
INLET SUPPLINLET SUPPL
INLET SUPPLY ASSEMBLY ASSEMBL
Y ASSEMBLY ASSEMBL
Y ASSEMBL
Y FOR LC METERY FOR LC METER
Y FOR LC METERY FOR LC METER
Y FOR LC METER
2-737942-73794
2-737942-73794
2-73794
1 of 1
1 1-121564 Poppet Spring
2 1-130758 Poppet Spring Retainer
3 5-221447 Companion Flange
4 1-225980 Check Valve Seat
5 225981-1 Check Valve Assembly (Includes Items 1,2,4,6 & 14)
6 225981-2 Poppet Assembly
7 15-313235 Gasket
8 1-319057 Check Valve Housing
9 1-420697 “Y” Strainer
10 37-50361 5/16-18 x 1-1/2" Long Hex Head Cap Screw
11 Pipe Nipple 1-1/2" x
117-50560 1-3/4" Long (Used with 27-51780)
118-50560 2" Long (Used with 08-51780)
12 Union Female
27-51780 1-1/2"
08-51780 2"
13 05-51901 3/4" Pipe Plug
14 08-53270 Reliance Square Snap Ring (Closed)
15 02-54752 5/16-18 M-F Flange Whiz-Lock Nut
16 27-51850 1-1/2" x 2" Bushing Hexagon (Used with 08-51780)
17 1-132471 Gasket (Used with 08-51780)
Reference: Chassis Assembly 420652Reference: Chassis Assembly 420652
Reference: Chassis Assembly 420652Reference: Chassis Assembly 420652
Reference: Chassis Assembly 420652
2-737942-73794
2-737942-73794
2-73794
ItemItem
ItemItem
Item Part No.Part No.
Part No.Part No.
Part No. DescriptionDescription
DescriptionDescription
Description

Page 6-22 262A Dispenser Parts Manual Form 4660 Version 2.0
Tokheim Corporation October 1991 Rev. 07/29/94
262A Dispenser Parts Manual Form 4660 Version 1.0
Tokheim Corporation October 1991

Page 6-23
262A Dispenser Parts Manual Form 4660 Version 2.0
Tokheim Corporation October 1991 Rev. 07/29/94
1-737951-73795
1-737951-73795
1-73795
1 of 1
1 18-313235 Gasket
2Control Valve
1-319059 110 Volt
2-319059 220 Volt
3 1-420665 Meter Discharge Manifold
4 2-420233 Meter Elbow
5 36-50361 5/16-18 x 1-1/4" Long Hex Head Cap Screw
6 120-50561 1-1/2" x 3" Long Pipe
7Pipe 1-1/2" x
306-50510 23-3/4" Long (Used with 27-51780)
318-50510 23-3/8" Long (Used with 07-51780)
8 1-1/2" x 3-1/2" Long Pipe Nipple
91-1/2" Union Female
07-51780 150#
27-51780 250#
Reference: Chassis Assembly 420652Reference: Chassis Assembly 420652
Reference: Chassis Assembly 420652Reference: Chassis Assembly 420652
Reference: Chassis Assembly 420652
1-737951-73795
1-737951-73795
1-73795
OUTLET DISCHARGE ASSEMBLOUTLET DISCHARGE ASSEMBL
OUTLET DISCHARGE ASSEMBLOUTLET DISCHARGE ASSEMBL
OUTLET DISCHARGE ASSEMBL
Y FOR LC METERY FOR LC METER
Y FOR LC METERY FOR LC METER
Y FOR LC METER
ItemItem
ItemItem
Item Part No.Part No.
Part No.Part No.
Part No. DescriptionDescription
DescriptionDescription
Description

Page 6-24 262A Dispenser Parts Manual Form 4660 Version 2.0
Tokheim Corporation October 1991 Rev. 07/29/94
262A Dispenser Parts Manual Form 4660 Version 1.0
Tokheim Corporation October 1991

Page 6-25
262A Dispenser Parts Manual Form 4660 Version 2.0
Tokheim Corporation October 1991 Rev. 07/29/94
HIGH HIGH
HIGH HIGH
HIGH VV
VV
VOLUME (1550-15-SP-HV) OLUME (1550-15-SP-HV)
OLUME (1550-15-SP-HV) OLUME (1550-15-SP-HV)
OLUME (1550-15-SP-HV) VV
VV
VALAL
ALAL
AL
VE ASSEMBLVE ASSEMBL
VE ASSEMBLVE ASSEMBL
VE ASSEMBL
YY
YY
Y
2-735052-73505
2-735052-73505
2-73505
1 of 1
ItemItem
ItemItem
Item Part No.Part No.
Part No.Part No.
Part No. DescriptionDescription
DescriptionDescription
Description
1 16-318940 “O” Ring
2 23-318940 “O” Ring
3 1-125636 Male Connector (785)
1-125637 Male Elbow (162, 262 & 262A)
4 1-128278 Valve Disc
5 1-128612 Plunger Cup
6 1-130936 Valve Spring
7 1-222357 Plunger Cup Support
8 2-224214 Poppet Guide
9 1-227097 Cover
10 228000-1 Poppet Assembly (Includes
Items 4,5,7,8,13,14 & 17)
11 228001-1 Valve Body Assembly
12 1-316166 Valve Cover
13 1-316167 Plunger
14 252-50100 #10-24 X 1/2" Long Round Head Machine
Screw
15 35-50361 5/16-18 X 1" Long Hex. Head Cap
Screw
16 01-51911 1/8 Square Head Pipe Plug (785)
1-125637 Male Elbow (162, 262 & 262A)
17 1-131608 Dowel Pin
18 1-125636 Male Connector (785-HV-RC)
1-125637 Male Elbow (785M-HVR-LC-RC)
1-128433 Male Elbow (162, 262 & 262A)
For complete 1550-15-SP-HV Valve Assembly order:For complete 1550-15-SP-HV Valve Assembly order:
For complete 1550-15-SP-HV Valve Assembly order:For complete 1550-15-SP-HV Valve Assembly order:
For complete 1550-15-SP-HV Valve Assembly order:
416193-1 785-HV-RC
416193-2 162, 262 & 262A
416193-3 785M-HVR-LC-RC
2-735052-73505
2-735052-73505
2-73505

Page 6-26 262A Dispenser Parts Manual Form 4660 Version 2.0
Tokheim Corporation October 1991 Rev. 07/29/94

262A Dispenser Parts Manual Form 4660 Version 2.0
Tokheim Corporation October 1991 Rev. 07/29/94
Section
Seven
Connection Box &
Conduit Assemblies
2
6
2
A
D
I
S
P
E
N
S
E
R
Page 7-1
Page
Number
Connection Box and Conduit AssembliesConnection Box and Conduit Assemblies
Connection Box and Conduit AssembliesConnection Box and Conduit Assemblies
Connection Box and Conduit Assemblies
262A-AFL Series .............................................. 7-2, 7-3
262A-HS .......................................................... 7-4, 7-5
262A-1-TW....................................................... 7-6, 7-7
262A-2-TW....................................................... 7-8, 7-9
262A-M/S Series .............................................. 7-10, 7-11
Connection Box AssemblyConnection Box Assembly
Connection Box AssemblyConnection Box Assembly
Connection Box Assembly
262A-HS and 262A-2-TW ................................. 7-12, 7-13

Page 7-2 262A Dispenser Parts Manual Form 4660 Version 2.0
Tokheim Corporation October 1991 Rev. 07/29/94

Page 7-3
262A Dispenser Parts Manual Form 4660 Version 2.0
Tokheim Corporation October 1991 Rev. 07/29/94
2-7414592-741459
2-7414592-741459
2-741459
1 of 1
ItemItem
ItemItem
Item Part No.Part No.
Part No.Part No.
Part No. DescriptionDescription
DescriptionDescription
Description ItemItem
ItemItem
Item Part No.Part No.
Part No.Part No.
Part No. DescriptionDescription
DescriptionDescription
Description
17 Conduit & Harness Assembly
421099-1 262AFL, 262AFL-RC, 262AFL-1 & 2 RC-
TW (Hose #1), 262AFL-1-TW (Hose #1),
262AFL-M/MS-RC, 262AFL-M-1-RC-TW
(Hose #1)
421099-4 262AFL-1 & 2-RC-TW (Hose #2),
262AFL-M-1-RC-TW (Hose #2)
421099-9 262A, RC, 1 & 2-RC-TW (Hose #1) 262A-
1-TW (Hose #1)
421099-11 262A-1 & 2-RC-TW (Hose #2)
421099-18 262A-VC-RC (Hose #1)
421099-19 262A-VC-1 & 2-RC-TW (Hose #2),
262AFL-MM-HV-LCS-RC PKWY
421099-20 262AFL-VC-RC (Hose #1)
421099-21 262AFL-VC-1 & 2 RC-TW (Hose #2)
18 Conduit & Harness Assembly
421099-22 262AFL-VC-RC
421099-23 262A-VC-RC
19 1-130617 Coupling (All Models Except Listed Below)
1-226384 90o Pull Elbow (262A-VC-RC, 262A-VC-1
& 2-RC-TW (Hose #2)
For complete Conduit Assembly order:For complete Conduit Assembly order:
For complete Conduit Assembly order:For complete Conduit Assembly order:
For complete Conduit Assembly order:
316483-1 262A-1 & 2-RC-TW
316483-3 262AFL-M-1-RC-TW
Reference: Connection Box & Conduit AssemblyReference: Connection Box & Conduit Assembly
Reference: Connection Box & Conduit AssemblyReference: Connection Box & Conduit Assembly
Reference: Connection Box & Conduit Assembly
420044 262A
420125 262AFL
420400 262A/AFL-VC-RC
420401 Conduit Assembly (262A/AFL-VC)
2-741459-741459
-741459-741459
-741459
MODEL 262A SERIESMODEL 262A SERIES
MODEL 262A SERIESMODEL 262A SERIES
MODEL 262A SERIES
CONNECTION BOCONNECTION BO
CONNECTION BOCONNECTION BO
CONNECTION BOX & CONDUIT ASSEMBLX & CONDUIT ASSEMBL
X & CONDUIT ASSEMBLX & CONDUIT ASSEMBL
X & CONDUIT ASSEMBLYY
YY
Y
1 1-121413 Special Screw
2 1-130617 Coupling
3 1-214107 Conduit Connector
4 1-217337 Conduit Tee
5 1-218941 Expansion Union Male & Female
6 1-219892 Expansion Union Female
7 1-220834 Conduit Flange
8 1-227372 Conduit
9 2-227372 Conduit
10 1-316390 Conduit
11 Conduit
1-316620 262A-VC-RC
1-420408 262AFL-VC-RC
12 Conduit
1-316621 262A/AFL, 262A/AFL-RC, 262AFL-
RC- TW, 262A/AFL-1-TW (Hose #1),
262A (Canada), 262A-RC-TW Canada,
262A-1-TW Canada (Hose #1)
1-226948 262AFL-M/MS-RC, 262AFL-M-1-RC-
TW
13 Conduit
1-417237 262A, 262A-RC, 262A-RC-TW, 262A-
1-TW (Hose #1), 262AFL-VC-RC (Hose
#1), 262AFL-VC-1 & 2-RC-TW
14 03-50361 1/4-20 x 3/4" Long Hex Head Cap
Screw
15 22-50700 1/2" x 3-1/4" Long Conduit
16 01-50710 1/2" x 1-1/8" Long Conduit Nipple

Page 7-4 262A Dispenser Parts Manual Form 4660 Version 2.0
Tokheim Corporation October 1991 Rev. 07/29/94

Page 7-5
262A Dispenser Parts Manual Form 4660 Version 2.0
Tokheim Corporation October 1991 Rev. 07/29/94
1-722381-72238
1-722381-72238
1-72238
1 of 1
CONNECTION BOCONNECTION BO
CONNECTION BOCONNECTION BO
CONNECTION BOX & CONDUIT ASSEMBLX & CONDUIT ASSEMBL
X & CONDUIT ASSEMBLX & CONDUIT ASSEMBL
X & CONDUIT ASSEMBLY (262A-HS)Y (262A-HS)
Y (262A-HS)Y (262A-HS)
Y (262A-HS)
ItemItem
ItemItem
Item Part No.Part No.
Part No.Part No.
Part No. DescriptionDescription
DescriptionDescription
Description
1 1-128035 1/2" x 90o Street Elbow
2 1-130617 Straight Coupling
3 1-217337 1/2" Conduit Tee
4 1-218941 Expansion Union (Male-Female)
5 1-220834 Conduit Flange
6 1-311341 Connection Box Cover
7 2-410018 Connection Box
8 3-420578 Conduit
9 421099- Conduit & Harness Assembly
10 03-50361 1/4-20 x 3/4" Long Hex Head Cap Screw
11 05-50361 1/4-20 x 1" Long Hex Head Cap Screw
12 15-50710 1/2" x 2" Long Conduit Nipple
13 26-50710 1/2" x 3" Long Conduit Nipple
14 12-51851 1" x 1/2" Bushing Hexagon
15 07-51852 3/4" x 1/2" Bushing Hexagon
16 04-51901 1/2" Pipe Plug
For complete Connection Box Assembly order:For complete Connection Box Assembly order:
For complete Connection Box Assembly order:For complete Connection Box Assembly order:
For complete Connection Box Assembly order:
420646-1 262A-HS
Reference: Trim Assembly 420038Reference: Trim Assembly 420038
Reference: Trim Assembly 420038Reference: Trim Assembly 420038
Reference: Trim Assembly 420038
Chassis Assembly 420091
Conduit Assembly 420644
Pulser & Solenoid Assembly 420645
1-722381-72238
1-722381-72238
1-72238

Page 7-6 262A Dispenser Parts Manual Form 4660 Version 2.0
Tokheim Corporation October 1991 Rev. 07/29/94

Page 7-7
262A Dispenser Parts Manual Form 4660 Version 2.0
Tokheim Corporation October 1991 Rev. 07/29/94
2-7414612-741461
2-7414612-741461
2-741461
1 of 1
ItemItem
ItemItem
Item Part No.Part No.
Part No.Part No.
Part No. DescriptionDescription
DescriptionDescription
Description ItemItem
ItemItem
Item Part No.Part No.
Part No.Part No.
Part No. DescriptionDescription
DescriptionDescription
Description
1 1-118345 1/2" Conduit Elbow
2 1-128035 1/2" x 90o Conduit Street Elbow
3 1-130617 Straight Coupling
4 1-217337 Conduit Tee
5 1-218941 Expansion Union (Male/Female)
6 1-219892 Expansion Union (Female)
7 1-220834 Conduit Flange
8 1-311341 Connection Box Cover
9 1-316398 Conduit
10 1-316621 Conduit
11 2-410018 Connection Box
12 1-417237 Conduit
13 1-420700 Conduit 1/2"
14 03-50361 1/4-20 x 3/4" Long Hex Head
Cap Screw
15 05-50361 1/4-20 x 1" Long Hex Head Cap
Screw
16 27-50700 1/2" x 6-1/2" Long Conduit
17 Conduit 1/2" x
35-50700 262A-1-TW
1-420253 262AFL-1-TW
18 35-50700 1/2" x 14-1/2" Long Conduit
MODEL 262A-1-TWINMODEL 262A-1-TWIN
MODEL 262A-1-TWINMODEL 262A-1-TWIN
MODEL 262A-1-TWIN
CONNECTION BOCONNECTION BO
CONNECTION BOCONNECTION BO
CONNECTION BOX & CONDUIT ASSEMBLX & CONDUIT ASSEMBL
X & CONDUIT ASSEMBLX & CONDUIT ASSEMBL
X & CONDUIT ASSEMBLYY
YY
Y
19 01-50710 1/2" x 1-1/8" Long Conduit
Nipple
20 05-51901 3/4" Pipe Plug
21 06-51901 1" Pipe Plug
22 07-51852 3/4" x 1/2" Hex Bushing
23 12-51852 1" x 1/2" Hex Bushing
24 Conduit & Wire Harness Assembly
421099-2 262AFL-1-TW (Hose #2)
421099-10 262A-1-TW (Hose #2)
421099-17 262A-HD-1-TW 380 Volt (Hose #2)
25 420149-2 Wire Harness Assembly
Reference:Reference:
Reference:Reference:
Reference:
Connection Box & Conduit AssemblyConnection Box & Conduit Assembly
Connection Box & Conduit AssemblyConnection Box & Conduit Assembly
Connection Box & Conduit Assembly
420044 262A
420125 262AFL
420400 262A/AFL-VC
Conduit AssemblyConduit Assembly
Conduit AssemblyConduit Assembly
Conduit Assembly
420999 262A-VC-2-TW
2-7414612-741461
2-7414612-741461
2-741461

Page 7-8 262A Dispenser Parts Manual Form 4660 Version 2.0
Tokheim Corporation October 1991 Rev. 07/29/94

Page 7-9
262A Dispenser Parts Manual Form 4660 Version 2.0
Tokheim Corporation October 1991 Rev. 07/29/94
ItemItem
ItemItem
Item Part No.Part No.
Part No.Part No.
Part No. DescriptionDescription
DescriptionDescription
Description ItemItem
ItemItem
Item Part No.Part No.
Part No.Part No.
Part No. DescriptionDescription
DescriptionDescription
Description
2-7414602-741460
2-7414602-741460
2-741460
1 of 1
MODEL 262A -2-TWINMODEL 262A -2-TWIN
MODEL 262A -2-TWINMODEL 262A -2-TWIN
MODEL 262A -2-TWIN
CONNECTION BOCONNECTION BO
CONNECTION BOCONNECTION BO
CONNECTION BOX & CONDUIT ASSEMBLX & CONDUIT ASSEMBL
X & CONDUIT ASSEMBLX & CONDUIT ASSEMBL
X & CONDUIT ASSEMBLYY
YY
Y
1 1-121413 Special Screw
2 1-128035 1/2" x 90o Conduit Street Elbow
3 1-130617 Straight Coupling (All Except 262AFL-
2-TW)
4 1-214107 Conduit Connector
5 1-217337 Conduit Tee
6 1-218941 Expansion Union (Male/Female)
7 1-218941 Expansion Union (Male/Female) (380
Volt)
04-51901 1/2" Pipe Plug (115/230 Volt)
8 1-219892 Expansion Union (Female)
9 1-220834 Conduit Flange
10 1-226932 Conduit Tee
11 2-228147 Conduit
12 Conduit
1-314628 All models except listed below
1-228147 (World) & 380 Volt (Hose #2)
13 Conduit
1-318859 AFL-2-TW
27-50700 A-2-TW & Canada
14 1-319074 1/2" Conduit
15 Conduit
1-414833 All models except listed below
1-228149 World & 380 Volt (Hose #2)
16 Conduit & Harness Assembly
421099-3 AFL-2-TW (Hose #1)
421099-5 AFL-2-TW (Hose #2)
421099-12 A-2-TW & Canada (Hose #2)
421099-28 A-VC-2-TW (Hose #1)
421099-29 A-VC-2-TW (Hose #2)
17 Conduit & Harness Assembly
421099-13 A-2-TW (Hose #1) World
421099-14 A-2-TW (Hose #2) World
421099-15 A-HD-2-TW (380 Volt)
18 421099-27 Conduit & Harness Assembly
19 02-50361 1/4-20 x 5/8" Long Hex Head Cap
Screw
20 31-50700 1/2" x 11" Long Conduit
21 36-50700 1/2" x 11-1/8" Long Conduit
22 01-50710 1/2 x 1-1/8" Long Conduit Nipple
23 15-50710 1/2" x 2" Long Conduit Nipple
24 03-50710 1" Conduit (Close)
25 04-51901 1/2" Pipe Plug
26 1-130617 Straight Coupling (All Models Except
Listed Below & 262AFL-2-TW)
1-226384 90o Pull Elbow (262A-VC, 262A-VC-1-
TW, 262A-VC-2-TW Hose #1)
Reference:Reference:
Reference:Reference:
Reference:
420999 Conduit Assembly (262A-VC-2-TW)
Connection Box & Conduit AssemblConnection Box & Conduit Assembl
Connection Box & Conduit AssemblConnection Box & Conduit Assembl
Connection Box & Conduit Assembly
420044 262A
420125 262AFL
420400 262A-VC, 262A-VC-1 & 2-TW
Final AssemblyFinal Assembly
Final AssemblyFinal Assembly
Final Assembly
420548 262A-HD-2-TW
420815 262A-VC-2-TW
2-741460

Page 7-10 262A Dispenser Parts Manual Form 4660 Version 2.0
Tokheim Corporation October 1991 Rev. 07/29/94
262A Dispenser Parts Manual Form 4660 Version 2.0
Tokheim Corporation July 1994

Page 7-11
262A Dispenser Parts Manual Form 4660 Version 2.0
Tokheim Corporation October 1991 Rev. 07/29/94
2-7414622-741462
2-7414622-741462
2-741462
1 of 1
ItemItem
ItemItem
Item Part No.Part No.
Part No.Part No.
Part No. DescriptionDescription
DescriptionDescription
Description ItemItem
ItemItem
Item Part No.Part No.
Part No.Part No.
Part No. DescriptionDescription
DescriptionDescription
Description
17 Conduit 1/2" x
06-50700 7" Long (262AFL-S/MS-RC)
37-50700 4-3/4" Long (262A/AFL-M-HV-LC-
RC)
18 22-50700 1/2" x 3-1/4" Long Conduit
19 45-50700 1/2" x 3-3/4" Long Conduit
20 01-50710 1/2" x 1-1/8" Long Conduit Nipple
For complete Conduit Assembly order:For complete Conduit Assembly order:
For complete Conduit Assembly order:For complete Conduit Assembly order:
For complete Conduit Assembly order:
(Includes item #3,4,6 & 12)
Reference: Connection Box & Conduit AssemblyReference: Connection Box & Conduit Assembly
Reference: Connection Box & Conduit AssemblyReference: Connection Box & Conduit Assembly
Reference: Connection Box & Conduit Assembly
420044 262A
420125 262AFL
420317 262A/AFL-M-HV-LCS-RC
2-7414622-741462
2-7414622-741462
2-741462
MODEL 262A MASTER / SAMODEL 262A MASTER / SA
MODEL 262A MASTER / SAMODEL 262A MASTER / SA
MODEL 262A MASTER / SATELLITE SERIESTELLITE SERIES
TELLITE SERIESTELLITE SERIES
TELLITE SERIES
CONNECTION BOCONNECTION BO
CONNECTION BOCONNECTION BO
CONNECTION BOX & CONDUIT ASSEMBLX & CONDUIT ASSEMBL
X & CONDUIT ASSEMBLX & CONDUIT ASSEMBL
X & CONDUIT ASSEMBLYY
YY
Y
1 1-118345 1/2" x 90o Conduit Elbow
2 1-121413 Special Screw
3 1-128035 1/2" x 90o Conduit Street Elbow
4 1-214107 Conduit Connector
5 1-217337 Conduit Tee
6 1-218941 Expansion Union (Male & Female)
7 1-219892 Expansion Union (Female)
8 1-220834 Conduit Flange
9 1-318921 Conduit
10 1-319063 Conduit
11 1-319304 Conduit
12 1-319306 Conduit
13 1-420944 Conduit
14 421099-6 Conduit & Harness Assembly
15 Conduit & Harness Assembly
421099-7 262A-M-HV-LC-RC
421099-8 262AFL-M-HV-LC-RC
16 03-50361 1/4-20 x 3/4" Long Hex Head Cap
Screw
262A Dispenser Parts Manual Form 4660 Version 2.0
Tokheim Corporation July 1994

Page 7-12 262A Dispenser Parts Manual Form 4660 Version 2.0
Tokheim Corporation October 1991 Rev. 07/29/94
262A Dispenser Parts Manual Form 4660 Version 2.0
Tokheim Corporation July 1994

Page 7-13
262A Dispenser Parts Manual Form 4660 Version 2.0
Tokheim Corporation October 1991 Rev. 07/29/94
1-722371-72237
1-722371-72237
1-72237
1 of 1
ItemItem
ItemItem
Item Part No.Part No.
Part No.Part No.
Part No. DescriptionDescription
DescriptionDescription
Description ItemItem
ItemItem
Item Part No.Part No.
Part No.Part No.
Part No. DescriptionDescription
DescriptionDescription
Description
262A Dispenser Parts Manual Form 4660 Version 2.0
Tokheim Corporation July 1994
262A CONNECTION BO262A CONNECTION BO
262A CONNECTION BO262A CONNECTION BO
262A CONNECTION BOX ASSEMBLX ASSEMBL
X ASSEMBLX ASSEMBL
X ASSEMBLYY
YY
Y
connection box cover - continued
1-316419 262A/AFL, 262A/AFL-RC, 262A/AFL-1 &
2-RC-TW, 262A/AFL-2-TW, 262AFL-S/M/
MS-RC, 262AFL-M-1-RC-TW, 262A/AFL-M-
HV-LC-RC, 262A-HS
1-314063 262A/AFL-1-TW (Hose #1), 262A-HD/VC-1-
TW (Hose #1)
8 1-311997 Connection Box Support
9 05-50361 1/4-20 x 1" Long M-F Hex Head Cap Screw
10 33-50361 5/16-18 x 3/4" Long Hex Head Cap Screw
11 38-50361 5/16-18 x 1-3/4" Long Hex Head Cap Screw
12 03-50611 5/16" Platewasher
13 14-50641 5/16" Lockwasher
14 12-51851 1" x 1/2" Hex Bushing (Sattelite side only)
15 04-51890 1/2" Pipe Plug
16 05-51901 3/4" Pipe Plug
17 06-51901 1" Pipe Plug (Sattelite side only, 262A/AFL-2-TW)
18 35-54742 5/16-18 x 5/8" Long M-F Hex Head Whiz-
Lock Screw
19 02-54752 5/16-18 M-F Flange Whiz Lock-Nut
Reference:Reference:
Reference:Reference:
Reference:
Connection Box & Conduit AssemblyConnection Box & Conduit Assembly
Connection Box & Conduit AssemblyConnection Box & Conduit Assembly
Connection Box & Conduit Assembly
420044 262A
420125 262AFL
420400 262A/AFL-VC
Connection Box AssemblyConnection Box Assembly
Connection Box AssemblyConnection Box Assembly
Connection Box Assembly
420646 262A-HS
Chassis AssemblyChassis Assembly
Chassis AssemblyChassis Assembly
Chassis Assembly
419754 262A (Canada)
420091 262A
420092 262AFL
420316 262A/AFL-M-HV-LC-RC
420363 262AFL-M/MS/S-RC, 262AFL-M-1-RC-TW
1-72237
1 1-19167 Connection Box Cover
2 1-126752 Box Support
3 1-131270 #10-32 x 3/8" Long Special Screw
4 1-131322 Cup Washer (All models except listed below)
05-50761 #10 Shake-Proof Lockwasher
(All 262A/AFL-VC, 262A/AFL-S-RC,262AFL-S-
RC, 262AFL-S-HV-RC, 262A-MS-HV-LCS-RC,
262AFL-MM-HV-LCS-RC, 262A-M-HV-LCS-RC,
262A-HS, 262A/AFL-M-HV-LC-RC
5 226986-1 Relay & Connection Box Assembly (Sattelite side
only & 262A-HS)
6Connection Box
2-39699 262AFL-M-1-RC-TW (Hose #2)
1-39702 262A/AFL-RC, 262A/AFL-1-RC-TW, 262A/AFL-
2-RC-TW (Hose #1), 262A/AFL-2-TW (Hose #2),
262AFL-M/MS-RC, 262AFL-S/SS/MS/M & MM-
HV-LCS-RC
1-311478 262A/AFL, 262A-VC, 262A/AFL-2-TW (Hose #1),
262A- 2-TW (World Motor Hose #1 & 2), 262A-
VC-2-TW (Canada Hose #1 & 2), 262AFL-1-RC-
TW (Hose #1),262A/AFL-M/MM-HV-LC/LCS-
RC, 262A-HS
1-408199 262A/AFL-1-RC-TW, 262A/AFL-2-RC-TW Hose
#2), 262AFL-S/MS-RC, 262AFL-S-HV-RC
4-413978 262A-1-TW (Hose #1)
8-413978 262A-1-TW(Hose #1), 262A-HD/VC-1-TW(Hose #1)
1-39700 262A-M-HV-RC
7Connection Box Cover
1-311479 262A-RC, 262A-1-RC-TW, 262A-2-RC-TW (Hose #1),
262A-2-TW (Hose #2) 262AFL-S/SS/MS/M/MM-
HV-LCS-RC, 262A-M-HV-RC

Page 7-14 262A Dispenser Parts Manual Form 4660 Version 2.0
Tokheim Corporation October 1991 Rev. 07/29/94

262A Dispenser Parts Manual Form 4660 Version 2.0
Tokheim Corporation October 1991 Rev. 07/29/94
Section
Eight
Suction
Systems
Page 8-1
Page
Number
2
6
2
A
D
I
S
P
E
N
S
E
R
Suction System for 262A, 262A-HD & 262A-1-TWSuction System for 262A, 262A-HD & 262A-1-TW
Suction System for 262A, 262A-HD & 262A-1-TWSuction System for 262A, 262A-HD & 262A-1-TW
Suction System for 262A, 262A-HD & 262A-1-TW
.. 8-2, 8-3
Motor Assembly for 262A-HD.................................. 8-4, 8-5
Motor Assembly for 262A & 262A-1-TW .................. 8-6, 8-7
Rotary Pump Assembly ........................................... 8-8, 8-9
Suction System for 262A-2-TWSuction System for 262A-2-TW
Suction System for 262A-2-TWSuction System for 262A-2-TW
Suction System for 262A-2-TW
................................ 8-10, 8-11
Motor Assembly for 262A-HD-2-TW ........................ 8-12, 8-13
Motor Assembly for 262A-2-TW .............................. 8-14, 8-15
Rotary Pump Assembly ........................................... 8-16, 8-17
Suction System for 262A-HSSuction System for 262A-HS
Suction System for 262A-HSSuction System for 262A-HS
Suction System for 262A-HS
.................................... 8-18, 8-19
Motor Assembly for 262A-HS .................................. 8-20, 8-21
Rotary Pump Assembly ........................................... 8-22, 8-23
Rotary Pump & Air SeparatorRotary Pump & Air Separator
Rotary Pump & Air SeparatorRotary Pump & Air Separator
Rotary Pump & Air Separator
................................. 8-24—8-27

Page 8-2 262A Dispenser Parts Manual Form 4660 Version 2.0
Tokheim Corporation October 1991 Rev. 07/29/94
262A Dispenser Parts Manual Form 4660 Version 1.0
Tokheim Corporation October 1991

Page 8-3
262A Dispenser Parts Manual Form 4660 Version 2.0
Tokheim Corporation October 1991 Rev. 07/29/94
ItemItem
ItemItem
Item Part No.Part No.
Part No.Part No.
Part No. DescriptionDescription
DescriptionDescription
Description ItemItem
ItemItem
Item Part No.Part No.
Part No.Part No.
Part No. DescriptionDescription
DescriptionDescription
Description
1 1-129618 Flange
2 1-224019 Coupling
3“V” Belt
9-37852 262A-HD 3/4 H.P. 60 Cycle
Motor
15-37852 All Except 262A-HD
17-37852 262A-HD 3/4 H.P. 380 Volt
28-37852 262A-HD 3/4 H.P. 50 Cycle
Motor
4 1-38082 Meter Transfer Body Gasket
5 1-310979 Meter Inlet Connector
6 1-312008 Meter Support
7 6-313235 Gasket
8 13-313235 Gasket
9 315582-1 Meter Mounting Bracket
Weld Assembly
10 315582-2 Meter Mounting Bracket
Weld Assembly
11 19-318940 “O” Ring
12 2-406857 Meter Transfer Body
13 1-407233 Transfer Body Manifold
14 35-50361 5/16-18 X 1" Large Hex.
Head Cap Screw
15 38-50361 5/16-18 X 1-3/4 Large Hex.
Head Cap Screw
16 66-50361 5/16-18 X 1-1/4 Large Hex.
Head Cap Screw
17 296-50361 5/16-18 X 1-1/8 Large Hex.
Head Cap Screw
18 03-50611 5/16 Plate Washer
19 14-50641 5/16 Lockwasher
20 35-54742 5/16-18 X 5/8 Large M-F
Hex. Head Whiz-Lock Screw
21 38-54742 5/16-18 X 1" Large M-F
Hex. Head Whiz-Lock Screw
22 43-54742 5/16-18 X 2" Large M-F
Hex. Head Whiz-Lock Screw
23 02-54752 5/16-18 M-F Flange Whiz-
Lock Nut
For complete Meter & Strainer AssemblyFor complete Meter & Strainer Assembly
For complete Meter & Strainer AssemblyFor complete Meter & Strainer Assembly
For complete Meter & Strainer Assembly
order:order:
order:order:
order:
316594-3 Gallons
316594-9 Litre
1-7414441-741444
1-7414441-741444
1-741444
SUCTION SYSTEMSUCTION SYSTEM
SUCTION SYSTEMSUCTION SYSTEM
SUCTION SYSTEM
MODEL 262A-HD & 262A-1-TWMODEL 262A-HD & 262A-1-TW
MODEL 262A-HD & 262A-1-TWMODEL 262A-HD & 262A-1-TW
MODEL 262A-HD & 262A-1-TW
1-7414441-741444
1-7414441-741444
1-741444
1 of 1

Page 8-4 262A Dispenser Parts Manual Form 4660 Version 2.0
Tokheim Corporation October 1991 Rev. 07/29/94

Page 8-5
262A Dispenser Parts Manual Form 4660 Version 2.0
Tokheim Corporation October 1991 Rev. 07/29/94
ItemItem
ItemItem
Item Part No.Part No.
Part No.Part No.
Part No. DescriptionDescription
DescriptionDescription
Description ItemItem
ItemItem
Item Part No.Part No.
Part No.Part No.
Part No. DescriptionDescription
DescriptionDescription
Description
1 1-114468 Cushion Grommet
2 1-114469 Cushion Washer
3 1-114470 Cushion Retainer
4 1-119636 Key
5Motor Pulley
1-119529 262A-HD 3/4 H.P. 60 Cycle
1-220878 262A-HD 3/4 H.P. 50 Cycle
6 1-121413 Special Screw
7 1-128035 1/2 x 90o Conduit Street Elbow
8 1-214107 Conduit Connector
9 1-219892 Expansion Union
10 1-227391 3/4" x 1/2" Conduit Union
(Female)
11 1-227605 Conduit
12 1-230742 Conduit
13 Motor 3/4 H.P. (115/230 Volt) Volt 60/50
Cycle
2-417119 General Electric
1-419108 Franklin Electric
1-421174 A.O. Smith
Motor 3/4 H.P. 380 Volt 50 Cycle
1-420499 Franklin Electric
2-420499 Franklin Electric
(Thermal Protection)
14 1-411235 Motor Support
15 37-50361 5/16-18 x 1-1/2" Long Hex
Head Cap Screw
16 03-50611 5/16" Plate Washer
17 65-50721 5/16-18 x 1/4" Long Hex
Socket Head Cup Point Set
Screw
18 35-54742 5/16-18 x 5/8" Long M-F Hex
Head Whiz-Lock Screw
19 02-54752 5/16-18 M-F Flange Whiz-Lock
Nut
20 02-50710 3/4" x 1-3/8" Close Conduit
Nipple
For complete Motor Conduit Assembly order:For complete Motor Conduit Assembly order:
For complete Motor Conduit Assembly order:For complete Motor Conduit Assembly order:
For complete Motor Conduit Assembly order:
316481-2 262A-HD 115/230 Volt
316481-3 262A-HD 380 Volt
For complete 3/4 H.P. Motor AssemblyFor complete 3/4 H.P. Motor Assembly
For complete 3/4 H.P. Motor AssemblyFor complete 3/4 H.P. Motor Assembly
For complete 3/4 H.P. Motor Assembly
order:order:
order:order:
order:
316479-3 262A-HD 115/230 Volt 50
Cycle
316479-4 262A-HD 380 Volt 50 Cycle
316479-5 262A-HD 380 Volt 50 Cycle
(Thermal Protected)
2-7414662-741466
2-7414662-741466
2-741466
1-7414661-741466
1-7414661-741466
1-741466
1 of 1
MOMO
MOMO
MO
TT
TT
TOR ASSEMBLOR ASSEMBL
OR ASSEMBLOR ASSEMBL
OR ASSEMBL
Y FOR 262A-HDY FOR 262A-HD
Y FOR 262A-HDY FOR 262A-HD
Y FOR 262A-HD

Page 8-6 262A Dispenser Parts Manual Form 4660 Version 2.0
Tokheim Corporation October 1991 Rev. 07/29/94
262A Dispenser Parts Manual Form 4660 Version 1.0
Tokheim Corporation October 1991

Page 8-7
262A Dispenser Parts Manual Form 4660 Version 2.0
Tokheim Corporation October 1991 Rev. 07/29/94
ItemItem
ItemItem
Item Part No.Part No.
Part No.Part No.
Part No. DescriptionDescription
DescriptionDescription
Description ItemItem
ItemItem
Item Part No.Part No.
Part No.Part No.
Part No. DescriptionDescription
DescriptionDescription
Description
1 1-114468 Cushion Grommet
2 1-114469 Cushion Washer
3 1-114470 Cushion Retainer
4 1-119636 Key
5Motor Pulley
1-119529 262A-1-TW
2-221339 262A
6 1-121413 Special Screw
7 1-214107 Conduit Connector
8 1-218860 Motor Conduit
9 1-218941 Expansion Union
10 Motor 1/3 H.P. (115/230 Volt) (262A)
1-405586 A. O. Smith
4-408411 General Electric
1-412766 Franklin Electric
Motor 1/2 H.P. (115/230 Volt) (262A-1-
TW)
1-406206 Leland
2-408389 A. O. Smith
2-415138 General Electric
2-416908 Franklin Electric
11 1-411235 Motor Support
12 37-50361 5/16-18 x 1-1/2" Long Hex
Head Cap Screw
13 03-50611 5/16" Plate Washer
14 65-50721 5/16-18 x 1/4" Long Hex
Socket Head Cup Point Set
Screw
15 35-54742 5/16-18 x 5/8" Long M-F
Hex Head Whiz-Lock Screw
16 02-54752 5/16-18 M-F Flange Whiz-
Lock Nut
For complete Motor Conduit AssemblyFor complete Motor Conduit Assembly
For complete Motor Conduit AssemblyFor complete Motor Conduit Assembly
For complete Motor Conduit Assembly
order:order:
order:order:
order:
39168-1 262A & 262A-1-TW
1-7414471-741447
1-7414471-741447
1-741447
1-7414471-741447
1-7414471-741447
1-741447
1 of 1
MOMO
MOMO
MO
TT
TT
TOR ASSEMBLOR ASSEMBL
OR ASSEMBLOR ASSEMBL
OR ASSEMBL
Y FOR 262A & 262A-1-TWY FOR 262A & 262A-1-TW
Y FOR 262A & 262A-1-TWY FOR 262A & 262A-1-TW
Y FOR 262A & 262A-1-TW

Page 8-8 262A Dispenser Parts Manual Form 4660 Version 2.0
Tokheim Corporation October 1991 Rev. 07/29/94

Page 8-9
262A Dispenser Parts Manual Form 4660 Version 2.0
Tokheim Corporation October 1991 Rev. 07/29/94
ItemItem
ItemItem
Item Part No.Part No.
Part No.Part No.
Part No. DescriptionDescription
DescriptionDescription
Description ItemItem
ItemItem
Item Part No.Part No.
Part No.Part No.
Part No. DescriptionDescription
DescriptionDescription
Description
2-7414452-741445
2-7414452-741445
2-741445
1 of 1
RR
RR
ROO
OO
OTT
TT
TARAR
ARAR
AR
Y PUMP ASSEMBLY PUMP ASSEMBL
Y PUMP ASSEMBLY PUMP ASSEMBL
Y PUMP ASSEMBL
Y FOR 262A,Y FOR 262A,
Y FOR 262A,Y FOR 262A,
Y FOR 262A,
262A-HD & 262A-1-TWIN262A-HD & 262A-1-TWIN
262A-HD & 262A-1-TWIN262A-HD & 262A-1-TWIN
262A-HD & 262A-1-TWIN
1 1-114468 Cushion Grommet
2 1-114469 Cushion Washer
3 1-114470 Cushion Retainer
4 1-119636 Key
5 1-127786 Grommet
6 1-217902 Pump Inlet Connection Gasket
7 1-217903 Idler Arm
8Pump Pulley
1-216295 262A-HD & 262A-1-TW
2-221338 262A
9 2-220383 Coupling Nipple
10 1-221668 Idler Pulley
11 1-221821 Pump Support
12 2-224150 Vent Tube
13 1-38403 Pump Inlet Connection
14 137-311105 Gasket
15 1-312034 Pump Support Bracket
16 Rotary Pump Discharge Connection
1-407225 Without Wix Filter
3-411304 With Wix Filter
17 03-50301 3/8-16 Hex Nut
18 32-50361 5/16-18 x 5/8" Long Hex Head Cap
Screw
19 33-50361 5/16-18 x 3/4" Long Hex Head Cap
Screw
20 35-50361 5/16-18 x 1" Long Hex Head Cap
Screw
21 36-50361 5/16-18 x 1-1/4" Long Hex Head
Cap Screw
22 67-50361 3/8-16 x 1-1/2" Long Hex Head
Cap Screw
23 297-50361 3/8-16 x 1-1/8" Long Hex Head
Cap Screw
24 Pipe 1-1/2" x (262A & 262A-1-TW)
269-50510 2-1/4" Long (Used with 27-51780)
119-50560 2-1/2" Long (Used with 07-51780)
Pipe 2" x (262A-HD)
316-50510 2-1/4" Long (Used with 28-51780)
138-50560 2-1/2" Long (Used with 08-5178
25 03-50611 5/16" Plate Washer
26 14-50641 5/16" Lockwasher
27 15-50641 3/8" Lockwasher
28 65-50721 5/16-18 x 1/4" Long Hex Socket Head
Cup Point Set Screw
29 1-1/2" Female Union (262A & 262A-1-TW)
07-51780 150#
27-51780 250#
2" Female Union (262A-HD)
08-51780 150#
28-51780 250#
30 06-51901 1" Pipe Plug
31 05-52020 Compression Elbow
32 05-52040 Compression Sleeve
33 14-52040 Compression Nut
34 35-54742 5/16-18 x 5/8" Long M-F Hex Head
Whiz-Lock Screw
35 1-125865 Nipple
36 16-313235 Gasket
37 Filter
1-218950 Standard Duty Wix Filter
1-226999 Water Alert Filter
1-318183 Cap (Wix GFB Filter)
1-311509 Heavy Duty Wix Filter
For complete Rotary Pump Assembly order:For complete Rotary Pump Assembly order:
For complete Rotary Pump Assembly order:For complete Rotary Pump Assembly order:
For complete Rotary Pump Assembly order:
405952-37 262A-HD (Gallon)
411284-2 262A-1-TW (Gallon)
411284-5 262A (Gallon)
411284-10 262A (Litre)
411284-11 262A-1-TW (Litre)
411284-14 262A-HD (Litre)
For complete Idler Arm & Pulley Assembly order:For complete Idler Arm & Pulley Assembly order:
For complete Idler Arm & Pulley Assembly order:For complete Idler Arm & Pulley Assembly order:
For complete Idler Arm & Pulley Assembly order:
37277-5 262A & 262A-1-TW & Canada
37277-24 262A-HD
2-7414452-741445
2-7414452-741445
2-741445

Page 8-10 262A Dispenser Parts Manual Form 4660 Version 2.0
Tokheim Corporation October 1991 Rev. 07/29/94

Page 8-11
262A Dispenser Parts Manual Form 4660 Version 2.0
Tokheim Corporation October 1991 Rev. 07/29/94
ItemItem
ItemItem
Item Part No.Part No.
Part No.Part No.
Part No. DescriptionDescription
DescriptionDescription
Description ItemItem
ItemItem
Item Part No.Part No.
Part No.Part No.
Part No. DescriptionDescription
DescriptionDescription
Description
1 1-129618 Flange
2 1-224019 Coupling
3"V" Belt
10-37852 262A-2-TW
25-37852 262A-HD-2-TW
4 1-38082 Meter Transfer Body Gasket
5Manifold
1-312061 Without Wix Filter
1-312062 With Wix Filter
6 6-313235 Gasket
7 13-313235 Gasket
8 1-314602 Meter Mounting Bracket
9 19-318940 "O" Ring
10 2-406857 Meter Transfer Body
11 1-411187 Meter & Motor Mounting
Bracket
12 35-50361 5/16-18 x 1" Long Hex Head
Cap Screw
13 38-50361 5/16-18 x 1-3/4" Long Hex
Head Cap Screw
14 66-50361 5/16-18 x 1-1/4" Long Hex
Head Cap Screw
15 296-50361 5/16-18 x 1-1/8" Long Hex
Head Cap Screw
16 03-50611 5/16" Plate Washer
17 14-50641 5/16" Lockwasher
18 35-54742 5/16-18 x 5/8" Long M-F Hex
Head Whiz-Lock Screw
19 Filter
1-218950 Standard Duty Wix Filter
1-226999 Water Alert Filter
1-318183 Cap (Wix GFB Filter)
1-311509 Heavy Duty Wix Filter
20 02-54752 5/16-18 M-F Flange Whiz-Lock
Nut
21 1-125865 Nipple
22 16-313235 Gasket
For complete Meter & Strainer AssemblyFor complete Meter & Strainer Assembly
For complete Meter & Strainer AssemblyFor complete Meter & Strainer Assembly
For complete Meter & Strainer Assembly
order:order:
order:order:
order:
316594-3 262A-2-TW
316594-9 262A-2-TW Canada
2-7414532-741453
2-7414532-741453
2-741453
2-7414532-741453
2-7414532-741453
2-741453
1 of 1
SUCTION SYSTEM FOR 262A-2-TWSUCTION SYSTEM FOR 262A-2-TW
SUCTION SYSTEM FOR 262A-2-TWSUCTION SYSTEM FOR 262A-2-TW
SUCTION SYSTEM FOR 262A-2-TW

Page 8-12 262A Dispenser Parts Manual Form 4660 Version 2.0
Tokheim Corporation October 1991 Rev. 07/29/94

Page 8-13
262A Dispenser Parts Manual Form 4660 Version 2.0
Tokheim Corporation October 1991 Rev. 07/29/94
ItemItem
ItemItem
Item Part No.Part No.
Part No.Part No.
Part No. DescriptionDescription
DescriptionDescription
Description ItemItem
ItemItem
Item Part No.Part No.
Part No.Part No.
Part No. DescriptionDescription
DescriptionDescription
Description
1 1-114468 Cushion Grommet
2 1-114469 Cushion Washer
3 1-114470 Cushion Retainer
4Motor Pulley 3/4 H.P.
2-119529 60 Cycle
2-220878 50 Cycle
5 1-119636 Key
6 1-121413 Special Screw
7 1-128035 1/2" x 90o Conduit Street Elbow
8 1-214107 Conduit Connector
9 2-218591 Motor Support Rod
10 1-219892 Expansion Union
11 1-227391 Conduit Union
07-51841 Face Bushing
12 1-230752 Motor Support Bracket
13 1-319408 Motor Conduit
14 319110-1 Adapter Plate Weld Assembly
15 3/4 H.P. Motor (115/230 Volt)
2-417119 Franklin Electric
1-419108 General Electric
1-421174 A.O. Smith
3/4 H.P. Motor (380 Volt)
319067-1 Franklin Electric
16 3-407915 Motor & Connection Box Support
17 01-50301 1/4-20 Hex Nut
18 03-50611 5/16" Plate Washer
19 Conduit Nipple 1/2" x
14-50710 1-1/2" Long (262A-HD-2-TW
380 Volt)
26-50710 3" Long (262A-2-TW 115/230
Volt)
20 65-50721 5/16-18 x 1/4" Long Hex
Socket Head Cup Point Set
Screw
21 35-54742 5/16-18 x 5/8" Long M-F Hex
Head Whiz-Lock Screw
22 02-54752 5/16-18 M-F Flange Whiz-Lock
Nut
23 1-319363 Conduit
24 Expansion Union
1-218941 Male/Female (115/230 Volt)
1-219892 Female (380 Volt)
For complete Motor Conduit Assembly order:For complete Motor Conduit Assembly order:
For complete Motor Conduit Assembly order:For complete Motor Conduit Assembly order:
For complete Motor Conduit Assembly order:
319315-1 115/230 Volt
319315-2 380 Volt
For complete Motor Assembly order:For complete Motor Assembly order:
For complete Motor Assembly order:For complete Motor Assembly order:
For complete Motor Assembly order:
316479-3 3/4 H.P. 50/60 Cycle
319067-1 3/4 H.P. (380 Volt)
319067-2 3/4 H.P. (115/230 Volt)
2-7414672-741467
2-7414672-741467
2-741467
2-7414672-741467
2-7414672-741467
2-741467
1 of 1
MOMO
MOMO
MO
TT
TT
TOR ASSEMBLOR ASSEMBL
OR ASSEMBLOR ASSEMBL
OR ASSEMBL
Y FOR 262A-HD-2-TWY FOR 262A-HD-2-TW
Y FOR 262A-HD-2-TWY FOR 262A-HD-2-TW
Y FOR 262A-HD-2-TW

Page 8-14 262A Dispenser Parts Manual Form 4660 Version 2.0
Tokheim Corporation October 1991 Rev. 07/29/94
262A Dispenser Parts Manual Form 4660 Version 1.0
Tokheim Corporation October 1991

Page 8-15
262A Dispenser Parts Manual Form 4660 Version 2.0
Tokheim Corporation October 1991 Rev. 07/29/94
ItemItem
ItemItem
Item Part No.Part No.
Part No.Part No.
Part No. DescriptionDescription
DescriptionDescription
Description ItemItem
ItemItem
Item Part No.Part No.
Part No.Part No.
Part No. DescriptionDescription
DescriptionDescription
Description
1 1-114468 Cushion Grommet
2 1-114469 Cushion Washer
3 1-114470 Cushion Retainer
4 1-119636 Key
5 125369-1 Clamp Weld Assembly
6 1-128034 1/2" x 45° Conduit Elbow
7 2-221339 Motor Pulley
8 1-121413 Special Screw
9 1-214107 Conduit Connector
10 2-218591 Motor Support Rod
11 Motor Conduit
1-218871 All Models Except Listed
Below
1-231821 262A-VC/IVC-2-TW
12 1-218941 Expansion Union
13 Motor 1/3 H.P. (115/230 Volt)
1-38983 General Electric
2-38983 A. O. Smith
7-38983 Franklin Electric
14 2-407915 Motor & Connection Box
Support
15 01-50301 1/4-20 Hex. Nut
16 36-50361 5/16-18 x 1-1/4" Long Hex
Head Cap Screw
17 03-50611 5/16" Plate Washer
18 01-50710 1/2" x 1-1/8" Long Conduit
Nipple
19 65-50721 5/16-18 x 1/4" Long Hex
Socket Head Cup Point Set
Screw
20 35-54742 5/16-18 x 5/8" Long M-F
Hex Head Whiz-Lock Screw
21 02-54752 5/16-18 M-F Flange Whiz-
Lock Nut
For complete Motor Conduit AssemblyFor complete Motor Conduit Assembly
For complete Motor Conduit AssemblyFor complete Motor Conduit Assembly
For complete Motor Conduit Assembly
order:order:
order:order:
order:
316408-1 262A-2-TW
319402-1 262A-VC/IVC-2-TW
1-7414511-741451
1-7414511-741451
1-741451
1-7414511-741451
1-7414511-741451
1-741451
1 of 1
MOMO
MOMO
MO
TT
TT
TOR ASSEMBLOR ASSEMBL
OR ASSEMBLOR ASSEMBL
OR ASSEMBL
Y FOR 262A-2-TWY FOR 262A-2-TW
Y FOR 262A-2-TWY FOR 262A-2-TW
Y FOR 262A-2-TW

Page 8-16 262A Dispenser Parts Manual Form 4660 Version 2.0
Tokheim Corporation October 1991 Rev. 07/29/94
262A Dispenser Parts Manual Form 4660 Version 1.0
Tokheim Corporation October 1991

Page 8-17
262A Dispenser Parts Manual Form 4660 Version 2.0
Tokheim Corporation October 1991 Rev. 07/29/94
ItemItem
ItemItem
Item Part No.Part No.
Part No.Part No.
Part No. DescriptionDescription
DescriptionDescription
Description ItemItem
ItemItem
Item Part No.Part No.
Part No.Part No.
Part No. DescriptionDescription
DescriptionDescription
Description
1-7414521-741452
1-7414521-741452
1-741452
1 of 1
1 2-13867 Washer
2 1-114468 Cushion Grommet
3 1-114469 Cushion Washer
4 1-114470 Cushion Retainer
5 1-119636 Key
6 1-124981 Suction Support Stud
7 1-127786 Grommet
8 1-217902 Pump Inlet Connection Gasket
9 2-220383 Coupling Nipple
10 1-220849 Idler Arm
11 1-216295 Pump Pulley
12 1-221668 Idler Pulley
13 2-224156 Vent Tube
14 1-38510 Pump Inlet Connection
15 1-312036 Pump Support Bracket
16 1-413442 Pump Support
17 05-50271 1/2-13 Hex Jam Nut
18 02-54752 5/16-18 M-F Flange Whiz-Lock Nut
19 03-50301 3/8-16 Hex Nut
20 32-50361 5/16-18 x 5/8" Long Hex Head Cap
Screw
21 33-50361 5/16-18 x 3/4" Long Hex Head Cap
Screw
22 38-50361 5/16-18 x 1-3/4" Long Hex Head
Cap Screw
23 67-50361 3/8-16 x 1-1/2" Long Hex Head
Cap Screw
24 297-50361 3/8-16 x 1-1/8" Long Hex Head
Cap Screw
25 Pipe 1-1/2" x
320-50510 4-3/4" Long (Used with 150#
Female Union)
123-50560 4-1/2" Long (Used with 250#
Female Union)
26 03-50611 5/16" Plate Washer
27 06-50611 1/2" Plate Washer
28 14-50641 5/16" Lockwasher
29 15-50641 3/8" Lockwasher
30 17-50641 1/2" Lockwasher
31 65-50721 5/16-18 x 1/4" Long Hex Socket
Head Cup Point Set Screw
32 27-50761 3/8" Lockwasher
33 1-1/2" Female Union
07-51780 150#
27-51780 250#
34 06-51901 1" Pipe Plug
35 05-52020 Compression Elbow
36 05-52040 Compression Sleeve
37 14-52040 Compression Nut
38 35-54742 5/16-18 x 5/8" Long M-F Hex Head
Whiz-Lock Screw
39 38-54742 5/16-18 x 1" Long M-F Hex Head
Whiz-Lock Screw
For complete Rotary Pump Assembly order:For complete Rotary Pump Assembly order:
For complete Rotary Pump Assembly order:For complete Rotary Pump Assembly order:
For complete Rotary Pump Assembly order:
407241-5 Gallon
407241-25 Litre
For complete Idler Arm & Pulley Assembly order:or complete Idler Arm & Pulley Assembly order:
or complete Idler Arm & Pulley Assembly order:or complete Idler Arm & Pulley Assembly order:
or complete Idler Arm & Pulley Assembly order:
37277-16 262A-2-TW
1-7414521-741452
1-7414521-741452
1-741452
RR
RR
ROO
OO
OTT
TT
TARAR
ARAR
AR
Y PUMP ASSEMBLY PUMP ASSEMBL
Y PUMP ASSEMBLY PUMP ASSEMBL
Y PUMP ASSEMBL
Y FOR 262A-2-TWY FOR 262A-2-TW
Y FOR 262A-2-TWY FOR 262A-2-TW
Y FOR 262A-2-TW

Page 8-18 262A Dispenser Parts Manual Form 4660 Version 2.0
Tokheim Corporation October 1991 Rev. 07/29/94

Page 8-19
262A Dispenser Parts Manual Form 4660 Version 2.0
Tokheim Corporation October 1991 Rev. 07/29/94
1-7415811-741581
1-7415811-741581
1-741581
1 of 1
SUCTION SYSTEM (262A-HS)SUCTION SYSTEM (262A-HS)
SUCTION SYSTEM (262A-HS)SUCTION SYSTEM (262A-HS)
SUCTION SYSTEM (262A-HS)
ItemItem
ItemItem
Item Part No.Part No.
Part No.Part No.
Part No. DescriptionDescription
DescriptionDescription
Description
1 1-129618 Flange
2 1-224019 Coupling
3 10-37852 "V" Belt
4 1-38082 Meter Transfer Body Gasket
5 6-313235 Gasket
6 19-318940 "O" Ring
7 2-406857 Meter Transfer Body
8 38-50361 5/16-18 x 1-3/4" Long Hex Head
Cap Screw
9 66-50361 5/16-18 x 1-1/4" Long Hex Head
Cap Screw
10 03-50611 5/16" Plate Washer
11 14-50641 5/16" Lockwasher
For complete Meter & Strainer Assembly order:or complete Meter & Strainer Assembly order:
or complete Meter & Strainer Assembly order:or complete Meter & Strainer Assembly order:
or complete Meter & Strainer Assembly order:
316594-3 262A-HS
1-7415811-741581
1-7415811-741581
1-741581

Page 8-20 262A Dispenser Parts Manual Form 4660 Version 2.0
Tokheim Corporation October 1991 Rev. 07/29/94
262A Dispenser Parts Manual Form 4660 Version 2.0
Tokheim Corporation July 1994

Page 8-21
262A Dispenser Parts Manual Form 4660 Version 2.0
Tokheim Corporation October 1991 Rev. 07/29/94
ItemItem
ItemItem
Item Part No.Part No.
Part No.Part No.
Part No. DescriptionDescription
DescriptionDescription
Description ItemItem
ItemItem
Item Part No.Part No.
Part No.Part No.
Part No. DescriptionDescription
DescriptionDescription
Description
1 1-114468 Cushion Grommet
2 1-114469 Cushion Washer
3 1-114470 Cushion Retainer
4 1-119529 Motor Pulley
5 1-119636 Key
6 1-121413 Special Screw
7 1-128035 1/2" x 90° Street Elbow
8 1-214107 Conduit Connector
9 1-218941 Expansion Union (Male
Female)
10 1-219892 Expansion Union (Female)
11 1-227391 3/4" x 1/2" Conduit Union
(Female)
12 2-319063 Conduit
13 1-411188 Meter & Motor Mounting Plate
14 Motor 3/4 H.P. (115/230 Volt)
2-417119 General Electric
1-419108 Franklin Electric
1-421174 A. O. Smith
15 37-50361 5/16-18 x 1-1/2" Long Hex
Head Cap Screw
16 03-50611 5/16" Plate Washer
17 13-50700 Conduit
18 47-50700 Conduit
19 20-50710 Conduit
20 65-50721 5/16-18 x 1/4" Long Hex
Socket Head Cup Point Set
Screw
21 02-54752 5/16-18 M-F Flange Whiz-Lock
Nut
22 35-54742 5/16-18 x 5/8" Long M-F Hex
Head Whiz-Lock Screw
For complete Motor Conduit Assembly order:For complete Motor Conduit Assembly order:
For complete Motor Conduit Assembly order:For complete Motor Conduit Assembly order:
For complete Motor Conduit Assembly order:
420650-1 262A-HS Motor #2
420651-1 262A-HS Motor #1
For complete Motor Assembly order:For complete Motor Assembly order:
For complete Motor Assembly order:For complete Motor Assembly order:
For complete Motor Assembly order:
316479-3 262A-HS
1-7415801-741580
1-7415801-741580
1-741580
1-7415801-741580
1-7415801-741580
1-741580
1 of 1
MOMO
MOMO
MO
TT
TT
TOR ASSEMBLOR ASSEMBL
OR ASSEMBLOR ASSEMBL
OR ASSEMBL
YY
YY
Y
(262A-HS)(262A-HS)
(262A-HS)(262A-HS)
(262A-HS)
262A Dispenser Parts Manual Form 4660 Version 2.0
Tokheim Corporation July 1994

Page 8-22 262A Dispenser Parts Manual Form 4660 Version 2.0
Tokheim Corporation October 1991 Rev. 07/29/94
262A Dispenser Parts Manual Form 4660 Version 2.0
Tokheim Corporation July 1994

Page 8-23
262A Dispenser Parts Manual Form 4660 Version 2.0
Tokheim Corporation October 1991 Rev. 07/29/94
ItemItem
ItemItem
Item Part No.Part No.
Part No.Part No.
Part No. DescriptionDescription
DescriptionDescription
Description ItemItem
ItemItem
Item Part No.Part No.
Part No.Part No.
Part No. DescriptionDescription
DescriptionDescription
Description
1 2-13867 Washer
2 1-114468 Cushion Grommet
3 1-114469 Cushion Washer
4 1-114470 Cushion Retainer
5 1-119636 Key
6 1-125619 Gasket
7 1-125630 Compression Spring
8 1-125632 Check Valve Stem
9 1-127786 Grommet
10 1-130561 Poppet Retainer
11 1-130562 Poppet Seal
12 1-217902 Pump Inlet Connection Gasket
13 1-218897 Valve Seat
14 1-218914 Cover
15 220300-1 Poppet Disc Assembly
16 2-220383 Coupling Nipple
17 1-220849 Idler Arm
18 1-216295 Pump Pulley
19 1-221668 Idler Pulley
20 1-221821 Pump Support
21 2-224150 Vent Tube
22 1-225595 Poppet Guide
23 1-312034 Pump Support Bracket
24 14-313235 Gasket
25 2-407747 Pump Inlet Connection
26 1-407757 Pump Discharge Connection
27 06-50211 #12-24 Hex Machine Nut
28 03-50301 3/8-16 Hex Nut
29 33-50361 5/16-18 x 3/4" Long Hex Head Cap
Screw
30 35-50361 5/16-18 x 1" Long Hex Head Cap
Screw
31 36-50361 5/16-18 x 1-1/4" Long Hex Head
Cap Screw
32 67-50361 3/8-16 x 1-1/2" Long Hex Head
Cap Screw
33 297-50361 3/8-16 x 1-1/8" Long Hex Head
Cap Screw
34 Pipe 1-1/2" x
119-50560 2-1/2" Long (Used with 07-51780)
269-50510 2-1/4" Long (Used with 27-51780)
35 03-50611 5/16" Plate Washer
36 14-50641 5/16" Lockwasher
37 15-50641 3/8" Lockwasher
38 65-50721 5/16-18 x 1/4" Long Hex Socket Head
Cup Point Set Screw
39 06-50761 #12 Lockwasher Shakeproof
40 1-1/2" Female Union
07-51780 150#
27-51780 250#
41 06-51901 1" Pipe Plug
42 05-52020 Compression Elbow
43 05-52040 Compression Sleeve
44 14-52040 Compression Nut
45 35-55132 5/16-18 x 5/8" Long M-F Flange
Whiz-Lock Screw
For complete Rotary Pump Assembly order:For complete Rotary Pump Assembly order:
For complete Rotary Pump Assembly order:For complete Rotary Pump Assembly order:
For complete Rotary Pump Assembly order:
411284-4 262A-HS
For complete Idler Arm & Pulley Assembly order:For complete Idler Arm & Pulley Assembly order:
For complete Idler Arm & Pulley Assembly order:For complete Idler Arm & Pulley Assembly order:
For complete Idler Arm & Pulley Assembly order:
37277-16 262A-HS
1-7415791-741579
1-7415791-741579
1-741579
RR
RR
ROO
OO
OTT
TT
TARAR
ARAR
AR
Y PUMP ASSEMBLY PUMP ASSEMBL
Y PUMP ASSEMBLY PUMP ASSEMBL
Y PUMP ASSEMBL
Y FOR 262A-HSY FOR 262A-HS
Y FOR 262A-HSY FOR 262A-HS
Y FOR 262A-HS
1-7415791-741579
1-7415791-741579
1-741579
1 of 1
262A Dispenser Parts Manual Form 4660 Version 2.0
Tokheim Corporation July 1994

Page 8-24 262A Dispenser Parts Manual Form 4660 Version 2.0
Tokheim Corporation October 1991 Rev. 07/29/94
262A Dispenser Parts Manual Form 4660 Version 2.0
Tokheim Corporation July 1994

Page 8-25
262A Dispenser Parts Manual Form 4660 Version 2.0
Tokheim Corporation October 1991 Rev. 07/29/94
RR
RR
ROO
OO
OTT
TT
TARAR
ARAR
AR
Y PUMP & AIR SEPY PUMP & AIR SEP
Y PUMP & AIR SEPY PUMP & AIR SEP
Y PUMP & AIR SEPARAARA
ARAARA
ARA
TT
TT
TOROR
OROR
OR
15-7506315-75063
15-7506315-75063
15-75063
1 of 2
ItemItem
ItemItem
Item Part No.Part No.
Part No.Part No.
Part No. DescriptionDescription
DescriptionDescription
Description ItemItem
ItemItem
Item Part No.Part No.
Part No.Part No.
Part No. DescriptionDescription
DescriptionDescription
Description
1 1-17526 Gasket
2 1-18654 Float Lever Pin
3 1-18655 Valve Pin
4 1-18716 Guide Plate
5 1-18717 Spring Plate
6 1-18718 Plunger Head
7 1-18719 Plunger Plate
8 1-18720 Plunger Follower
9 1-18721 Valve Cylinder
10 1-18722 Cylinder Head
11 1-18731 Clamp Plate
12 1-18734 Float Valve Body
13 By-Pass Valve Spring
1-18735 (34# To 35-1/2# Spring) (855-BB
& 855-CC)
1-131178 (44-1/2# Spring) (855-DD & 855-
BB)
14 1-18750 Vent Screw
15 1-18792 Valve Cylinder Gasket
16 1-18799 Vent Screw Guard
17 1-18860 Float Valve Needle
18 1-18961 Float Valve Gasket
19 25664-1 Pump Rotor Shaft Assembly
20 1-25879 Bottom Head Gasket
21 1-32089 Separator Cover
22 2-113691 Cover Gasket
23 1-113698 Retainer
24 1-113703 Bearing
25 113776-1 Regulating Poppet Assembly
26 1-113819 Oil Well Felt
27 114064-1 Float Assembly
29 21-313235 Gasket
30 Suction Screen
1-115075 Gasoline
2-115075 Diesel
31 1-115642 Regulating Valve Spring
32 1-116628 By-Pass Valve Poppet
33 1-117475 Packing Gland
34 1-117660 Packing Spring
35 118335-1 Rotary Pump & Separator Body With
Gasket, Bearing, Screws & Spring
36 1-118590 Regulating Valve Seat
37 1-118591 Valve Seat Guide
38 1-118640 By-Pass Valve Seat
39 2-120731 Check Valve Cap
41 1-120733 Poppet Spring
43 1-121394 "V" Packing
44 1-126295 Plunger Guide
45 1-126343 Plunger Disc
CONTINUED NEXT PAGE …CONTINUED NEXT PAGE …
CONTINUED NEXT PAGE …CONTINUED NEXT PAGE …
CONTINUED NEXT PAGE …
262A Dispenser Parts Manual Form 4660 Version 2.0
Tokheim Corporation July 1994

Page 8-26 262A Dispenser Parts Manual Form 4660 Version 2.0
Tokheim Corporation October 1991 Rev. 07/29/94
RR
RR
ROO
OO
OTT
TT
TARAR
ARAR
AR
Y PUMP & AIR SEPY PUMP & AIR SEP
Y PUMP & AIR SEPY PUMP & AIR SEP
Y PUMP & AIR SEPARAARA
ARAARA
ARA
TT
TT
TOROR
OROR
OR
15-7506315-75063
15-7506315-75063
15-75063
2 of 2
ItemItem
ItemItem
Item Part No.Part No.
Part No.Part No.
Part No. DescriptionDescription
DescriptionDescription
Description ItemItem
ItemItem
Item Part No.Part No.
Part No.Part No.
Part No. DescriptionDescription
DescriptionDescription
Description
46 1-126344 Plunger Spacer
47 1-210024 Drive Shaft Bearing
48 1-211816 Rotary Pump Idler
50 213168-1 Poppet Disc & Relief Valve
Assembly
52 Suction Strainer Cap
1-232289 855-BB & 855-DD
2-215030 855-CC
53 By-Pass Valve Assembly
217897-2 34# To 35-1/2# Spring (855-BB &
855-CC)
217897-6 44-1/2# Spring (855-DD & 855-
BB)
54 217898-2 Regulating Valve Assembly
55 2-313235 Gasket
56 403-54921 1/4-20 x 1" Long Phillips Pan
Head Machine Screw
57 01-50360 1/4-20 x 1/2" Long Hex Head Cap
Screw
58 34-50360 5/16-18 x 7/8" Long Hex Head
Cap Screw
59 72-50360 3/8-16 x 2-3/4" Long Hex Head
Cap Screw
60 297-50360 3/8-16 x 1-1/8" Long Hex Head
Cap Screw
61 15-50641 3/8" Lockwasher (855-CC)
62 17-51210 1/16" Dia x 1/2" Long Cotter Pin
63 02-51911 1/4" Square Head Pipe Plug
262A Dispenser Parts Manual Form 4660 Version 2.0
Tokheim Corporation July 1994
64 38-51911 1/4" Countersunk Pipe Plug
65 01-52321 1/4-28 Hex Nut
67 Lower Pump Head With Valve SeatGuides,
Regulating Valve Seat.
408143-1 855-BB
408143-2 855-CC
408143-4 855-DD
68 211818-1 Rotary Pump Head Assembly
69 27-51901 1" Pipe Plug (855-CC)
70 1-132735 Valve Stem
71 1-232164 Float Assembly
72 05-52020 3/8" Tube 90o Elbow
For complete Rotary Pump & AirFor complete Rotary Pump & Air
For complete Rotary Pump & AirFor complete Rotary Pump & Air
For complete Rotary Pump & Air
Separator order:Separator order:
Separator order:Separator order:
Separator order:
405952-39 855-BB (162, 162-1-TW, 1248/
50A, 1248/50A-1-TW, 1248/
50AS, 785, 785MC, 785-1-TW,
262 & 262-1-TW, 311, 312,
322, 324, 413, 426, 614& 628)
405952-40 855-CC (162-2-TW, 1248/50A-
2-TW, 785-2-TW, 262-2-TW)
405952-42 855-DD (162-HC, 1248/50A-
HS, 1248/50AS-HS & 785-HC
405952-43 855-BB (1248/50AS-HD)
15-7506315-75063
15-7506315-75063
15-75063

Page 8-27
262A Dispenser Parts Manual Form 4660 Version 2.0
Tokheim Corporation October 1991 Rev. 07/29/94
NOTES
262A Dispenser Parts Manual Form 4660 Version 2.0
Tokheim Corporation July 1994

Page 8-28 262A Dispenser Parts Manual Form 4660 Version 2.0
Tokheim Corporation October 1991 Rev. 07/29/94

262A Dispenser Parts Manual Form 4660 Version 2.0
Tokheim Corporation October 1991 Rev. 07/29/94
Section
Nine
Remote
Systems
2
6
2
A
D
I
S
P
E
N
S
E
R
Page 9-1
Remote Control System for 262A-RCRemote Control System for 262A-RC
Remote Control System for 262A-RCRemote Control System for 262A-RC
Remote Control System for 262A-RC
................. 9-2, 9-3
Remote Control System for 262A-1 & 2-RC-TWRemote Control System for 262A-1 & 2-RC-TW
Remote Control System for 262A-1 & 2-RC-TWRemote Control System for 262A-1 & 2-RC-TW
Remote Control System for 262A-1 & 2-RC-TW
9-4, 9-5
Satellite DischarSatellite Dischar
Satellite DischarSatellite Dischar
Satellite Discharge Stub Assemblyge Stub Assembly
ge Stub Assemblyge Stub Assembly
ge Stub Assembly
................... 9-6, 9-7
Page
Number

Page 9-2 262A Dispenser Parts Manual Form 4660 Version 2.0
Tokheim Corporation October 1991 Rev. 07/29/94

Page 9-3
262A Dispenser Parts Manual Form 4660 Version 2.0
Tokheim Corporation October 1991 Rev. 07/29/94
2-741446
1 of 1
Item Part No. Description Item Part No. Description
REMOTE CONTROL SYSTEM FOR 262A-RCREMOTE CONTROL SYSTEM FOR 262A-RC
REMOTE CONTROL SYSTEM FOR 262A-RCREMOTE CONTROL SYSTEM FOR 262A-RC
REMOTE CONTROL SYSTEM FOR 262A-RC
1Suction Screen Complete
1-115075 Gasoline
2-115075 Diesel
2 1-124296 Gasket
3 1-125865 Nipple
4 1-215030 Suction Strainer Cap
5Filter
1-218950 Standard Duty Wix Filter
1-226999 Water Alert Filter
1-311509 Heavy Duty Wix Filter
1-318183 Cap (Wix GFB Filter)
6 1-38082 Meter Transfer Body Gasket
7 127-311105 Gasket
8 1-312008 Meter Support
9 1-312065 Manifold
10 16-313235 Gasket
11 315582-1 Meter Mounting Bracket Weld Assy.
12 Strainer Body
2-406787 Without Wix Filter
1-411285 With Wix Filter
13 66-50361 3/8-16 x 1-1/4" Long Hex Head Cap
Screw
14 296-50361 5/16-18 x 1-1/8" Long Hex Head
Cap Screw
15 Pipe 1-1/2" x
271-50510 4-13/16" Long (Used with 27-51780)
314-50510 5-1/16" Long (Used with 07-51780)
16 1-1/2" Female Union
07-51780 150#
27-51780 250#
17 35-54742 5/16-18 x 5/8" Long M-F Hex Head
Whiz-Lock Screw
18 38-54742 5/16-18 x 1" Long M-F Hex Head
Whiz-Lock Screw
19 43-54742 5/16-18 x 2" Long M-F Hex Head
Whiz-Lock Screw
20 02-54752 5/16-18 M-F Flange Whiz-Lock Nut
For complete Meter & Strainer Assembly order:
316594-2 262A-RC (Gallon)
316594-10 262A-RC (Litre)
2-741446

Page 9-4 262A Dispenser Parts Manual Form 4660 Version 2.0
Tokheim Corporation October 1991 Rev. 07/29/94

Page 9-5
262A Dispenser Parts Manual Form 4660 Version 2.0
Tokheim Corporation October 1991 Rev. 07/29/94
REMOTE CONTROL SYSTEM FOR 262A-1 & 2-RC-TWREMOTE CONTROL SYSTEM FOR 262A-1 & 2-RC-TW
REMOTE CONTROL SYSTEM FOR 262A-1 & 2-RC-TWREMOTE CONTROL SYSTEM FOR 262A-1 & 2-RC-TW
REMOTE CONTROL SYSTEM FOR 262A-1 & 2-RC-TW
2-741454
1 of 1
Item Part No. Description Item Part No. Description
1Suction Screen Complete
1-115075 Gasoline
2-115075 Diesel
2 1-124296 Gasket
3 1-125865 Nipple
4 1-215030 Suction Strainer Cap
5Filter
1-218950 Standard Duty Wix Filter
1-226999 Water Alert Filter
1-318183 Cap (Wix GFB Filter)
1-311509 Heavy Duty Wix Filter
6 1-38082 Meter Transfer Body Gasket
7 1-38101 Valve Housing
8 127-311105 Gasket
9 1-312008 Meter Support
10 16-313235 Gasket
11 315582-2 Meter Mounting Bracket Weld Assy.
12 Strainer Body
2-406787 Without Wix Filter
1-411285 With Wix Filter
13 2-407244 Manifold
14 66-50361 3/8-16 x 1-1/4" Long Hex Head Cap
Screw
15 296-50361 5/16-18 x 1-1/8" Long Hex Head Cap
Screw
16 Pipe 1-1/2" x
271-50510 4-13/16" Long (Used with 27-51780)
314-50510 5-1/16" Long (Used with 07-51780)
17 Pipe 1-1/2" x
127-50560 7" Long (Used with 27-51780)
313-50510 7-1/4" Long (Used with 07-51780)
18 1-1/2" Female Union
07-51780 150#
27-51780 250#
19 35-54742 5/16-18 x 5/8" Long M-F Hex Head
Whiz-Lock Screw
20 38-54742 5/16-18 x 1" Long M-F Hex Head
Whiz-Lock Screw
21 43-54742 5/16-18 x 2" Long M-F Hex Head
Whiz-Lock Screw
22 02-54752 5/16-18 M-F Flange Whiz-Lock Nut
For complete Meter & Strainer Assembly order:
316594-1 262A-2-RC-TW (Gallon)
316594-2 262A-1-RC-TW (Gallon)
316594-10 262A-2-RC-TW (Litre)
316594-11 262A-1-RC-TW (Litre)
2-741454

Page 9-6 262A Dispenser Parts Manual Form 4660 Version 2.0
Tokheim Corporation October 1991 Rev. 07/29/94
262A Dispenser Parts Manual Form 4660 Version 2.0
Tokheim Corporation July 1994

Page 9-7
262A Dispenser Parts Manual Form 4660 Version 2.0
Tokheim Corporation October 1991 Rev. 07/29/94
1-73895
1 of 1
SASA
SASA
SA
TELLITE DISCHARGE STUB ASSEMBLTELLITE DISCHARGE STUB ASSEMBL
TELLITE DISCHARGE STUB ASSEMBLTELLITE DISCHARGE STUB ASSEMBL
TELLITE DISCHARGE STUB ASSEMBLYY
YY
Y
Item Part No. Description
262A Dispenser Parts Manual Form 4660 Version 2.0
Tokheim Corporation July 1994
1 1-220923 Meter Flange
2 13-313235 Gasket
3 35-50361 5/16-18 x 1" Long Hex Head Cap Screw
4 76-50510 1" x 4-1/4" Long Pipe
5Pipe 1" x
316-50510 2-1/4" Long (Used with 07-51780)
86-50560 2" Long (Used with 27-51780)
6 86-50560 1" x 2" Long Pipe Nipple
7 95-50560 1" x 7" Long Pipe Nipple
8 06-51700 1" 90o Elbow
91-1/2" Female Union
07-51780 150#
27-51780 250#
10 22-51851 1-1/2" x 1" Hex Bushing
For complete Satellite Discharge Stub
Assembly order:
420756-1
1-73895

Page 9-8 262A Dispenser Parts Manual Form 4660 Version 2.0
Tokheim Corporation October 1991 Rev. 07/29/94

R
USER’S COMMENT AND EVALUATION FORM
MANUAL : ___________________________________________________
FORM NUMBER : _________________
We appreciate your comments and evaluation (both favorable and unfavorable) of this manual.
1. This manual was easy to follow. YES_____ NO_____
2. The information was easy to understand. YES_____ NO_____
3. Section _____ of this manual was the MOST helpful. (briefly state why)
______________________________________________________________________________
________________________________________________________________________________
________________________________________________________________________________
4. Section _____ of this manual was the LEAST helpful. (briefly state why)
______________________________________________________________________________
_______________________________________________________________________________
________________________________________________________________________________
5. What errors, if any, did you find? (Please identify by page number)
Page#:_____Error:___________________________________________________________________
Page#:_____Error:___________________________________________________________________
Page#:_____Error:___________________________________________________________________
Page#:_____Error:___________________________________________________________________
Suggestions for Improvements or Additional Comments:
______________________________________________________________________________
______________________________________________________________________________
______________________________________________________________________________
______________________________________________________________________________
______________________________________________________________________________
Date: ______________________________________
Name: _____________________________________
Title: _____________________________________
Company: __________________________________
Please send to:
Technical Publications
Tokheim Corporation
PO Box 360
Fort Wayne, IN 46897-1028

NO POSTAGE
NECESSARY
IF MAILED
IN THE
UNITED STATES
POSTAGE WILL BE PAID BY ADDRESSEE
BUSINESS REPLY MAIL
FIRST CLASS PERMIT NO 41 FORT WAYNE IN
FOLD HERE
FOLD HERE
TECHNICAL PUBLICATIONS
TOKHEIM CORPORATION
PO BOX 360
FORT WAYNE IN 46897-1028

TOKHEIM CORPORATION
PO BOX 360
FORT WAYNE IN 46801
For technical questions, please contact:
Tokheim Solution Center
Ph: 800-866-6762
or
Fax: 219-470-4644
For service parts, please contact:
Service Parts Department
Ph: 219-470-4710
or
Fax: 800-866-1999