87C196CA 27225802
User Manual: 87C196CA
Open the PDF directly: View PDF
.
Page Count: 651 [warning: Documents this large are best viewed by clicking the View PDF Link!]
- 8XC196Kx, 8XC196Jx, 87C196CA Microcontroller Family User’s Manual
- CONTENTS
- CHAPTER 1 GUIDE TO THIS MANUAL
- CHAPTER 2 ARCHITECTURAL OVERVIEW
- CHAPTER 3 PROGRAMMING CONSIDERATIONS
- CHAPTER 4 MEMORY PARTITIONS
- CHAPTER 5 STANDARD AND PTS INTERRUPTS
- CHAPTER 6 I/O PORTS
- CHAPTER 7 SERIAL I/O (SIO) PORT
- CHAPTER 8 SYNCHRONOUS SERIAL I/O (SSIO) PORT
- CHAPTER 9 SLAVE PORT
- CHAPTER 10 EVENT PROCESSOR ARRAY (EPA)
- 10.1 EPA FUNCTIONAL OVERVIEW
- 10.2 EPA AND TIMER/COUNTER SIGNALS AND REGISTERS
- 10.3 TIMER/COUNTER FUNCTIONAL OVERVIEW
- 10.4 EPA CHANNEL FUNCTIONAL OVERVIEW
- 10.5 PROGRAMMING THE EPA AND TIMER/COUNTERS
- 10.6 ENABLING THE EPA INTERRUPTS
- 10.7 DETERMINING EVENT STATUS
- 10.8 SERVICING THE MULTIPLEXED EPA INTERRUPT WITH SOFTWARE
- 10.9 PROGRAMMING EXAMPLES FOR EPA CHANNELS
- CHAPTER 11 ANALOG-TO-DIGITAL CONVERTER
- CHAPTER 12 CAN SERIAL COMMUNICATIONS CONTROLLER
- CHAPTER 13 MINIMUM HARDWARE CONSIDERATIONS
- CHAPTER 14 SPECIAL OPERATING MODES
- CHAPTER 15 INTERFACING WITH EXTERNAL MEMORY
- 15.1 EXTERNAL MEMORY INTERFACE SIGNALS
- 15.2 CHIP CONFIGURATION REGISTERS AND CHIP CONFIGURATION BYTES
- 15.3 BUS WIDTH AND MULTIPLEXING
- 15.4 WAIT STATES (READY CONTROL)
- 15.5 BUS-HOLD PROTOCOL (8XC196KQ, KR, KS, KT ONLY)
- 15.6 BUS-CONTROL MODES
- 15.7 BUS TIMING MODES (8XC196KS, KT ONLY)
- 15.8 SYSTEM BUS AC TIMING SPECIFICATIONS
- CHAPTER 16 PROGRAMMING THE NONVOLATILE MEMORY
- 16.1 PROGRAMMING METHODS
- 16.2 OTPROM MEMORY MAP
- 16.3 SECURITY FEATURES
- 16.4 PROGRAMMING PULSE WIDTH
- 16.5 MODIFIED QUICK-PULSE ALGORITHM
- 16.6 PROGRAMMING MODE PINS
- 16.7 ENTERING PROGRAMMING MODES
- 16.8 SLAVE PROGRAMMING MODE
- 16.9 AUTO PROGRAMMING MODE
- 16.10 SERIAL PORT PROGRAMMING MODE
- 16.11 RUN-TIME PROGRAMMING
- APPENDIX A INSTRUCTION SET REFERENCE
- APPENDIX B SIGNAL DESCRIPTIONS
- APPENDIX C REGISTERS
- GLOSSARY
- INDEX
- FIGURES
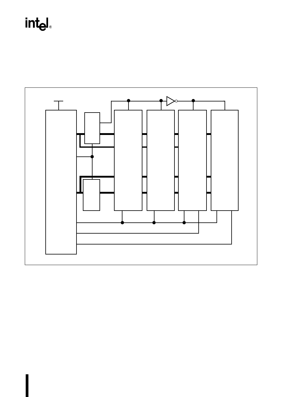
- Figure 2-1. 8XC196K x Block DiagramFigure 2-1. 8XC196K x Block Diagram
- Figure 2-2. Block Diagram of the Core
- Figure 2-3. Clock Circuitry
- Figure 2-4. Internal Clock Phases
- Figure 4-1. Register File Memory Map
- Figure 4-2. Windowing
- Figure 4-3. Window Selection Register (WSR)
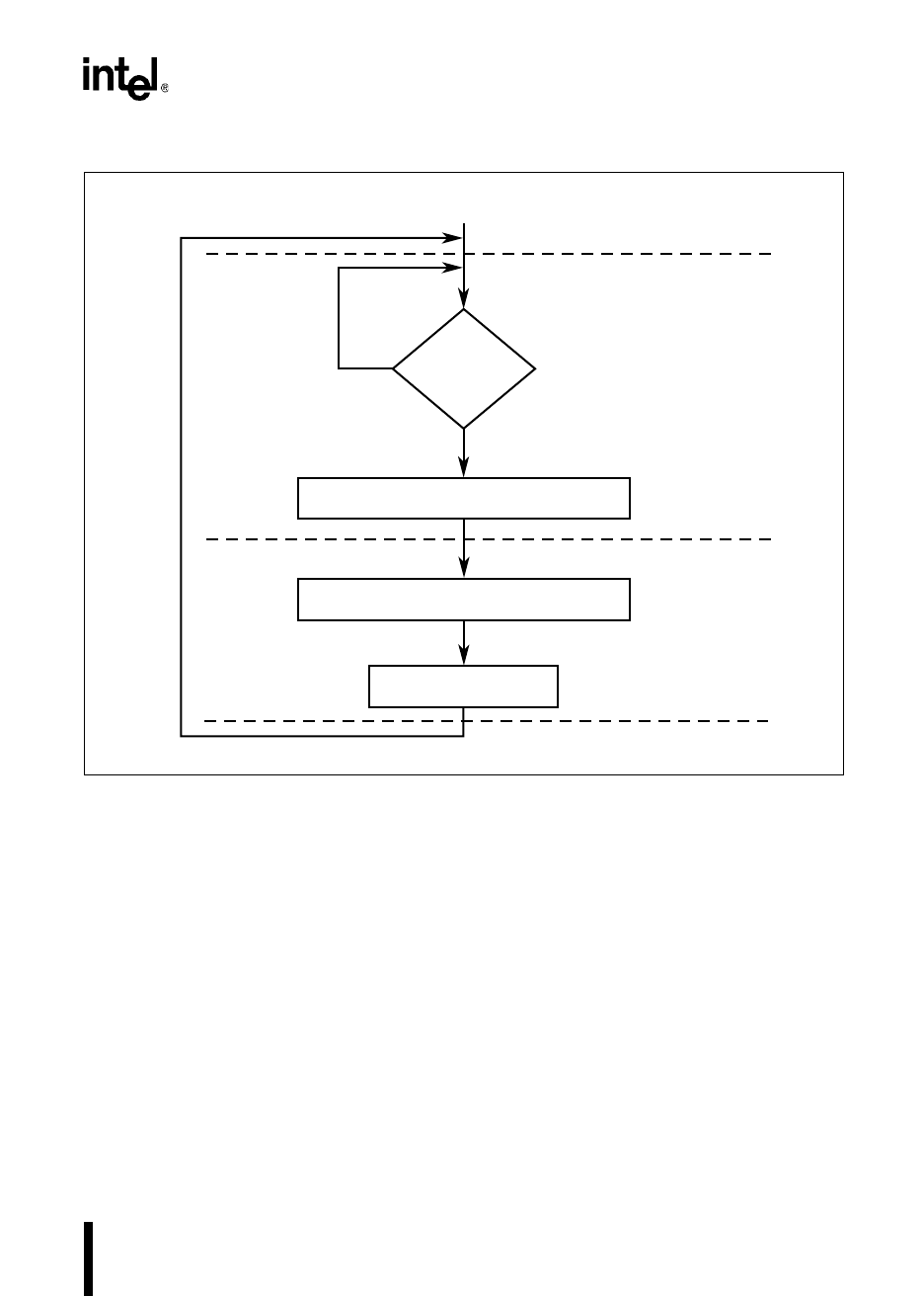
- Figure 5-1. Flow Diagram for PTS and Standard Interrupts
- Figure 5-2. Standard Interrupt Response Time
- Figure 5-3. PTS Interrupt Response Time
- Figure 5-4. PTS Select (PTSSEL) Register
- Figure 5-5. Interrupt Mask (INT_MASK) Register
- Figure 5-6. Interrupt Mask 1 (INT_MASK1) Register
- Figure 5-7. Interrupt Pending (INT_PEND) Register
- Figure 5-8. Interrupt Pending 1 (INT_PEND1) Register
- Figure 5-9. PTS Control Blocks
- Figure 5-10. PTS Service (PTSSRV) Register
- Figure 5-11. PTS Mode Selection Bits (PTSCON Bits 7:5)
- Figure 5-12. PTS Control Block – Single Transfer Mode
- Figure 5-13. PTS Control Block – Block Transfer Mode
- Figure 5-14. PTS Control Block – A/D Scan Mode
- Figure 5-15. A Generic PWM Waveform
- Figure 5-16. PTS Control Block – PWM Toggle Mode
- Figure 5-17. EPA and PTS Operations for the PWM Toggle Mode Example
- Figure 5-18. PTS Control Block – PWM Remap Mode
- Figure 5-19. EPA and PTS Operations for the PWM Remap Mode Example
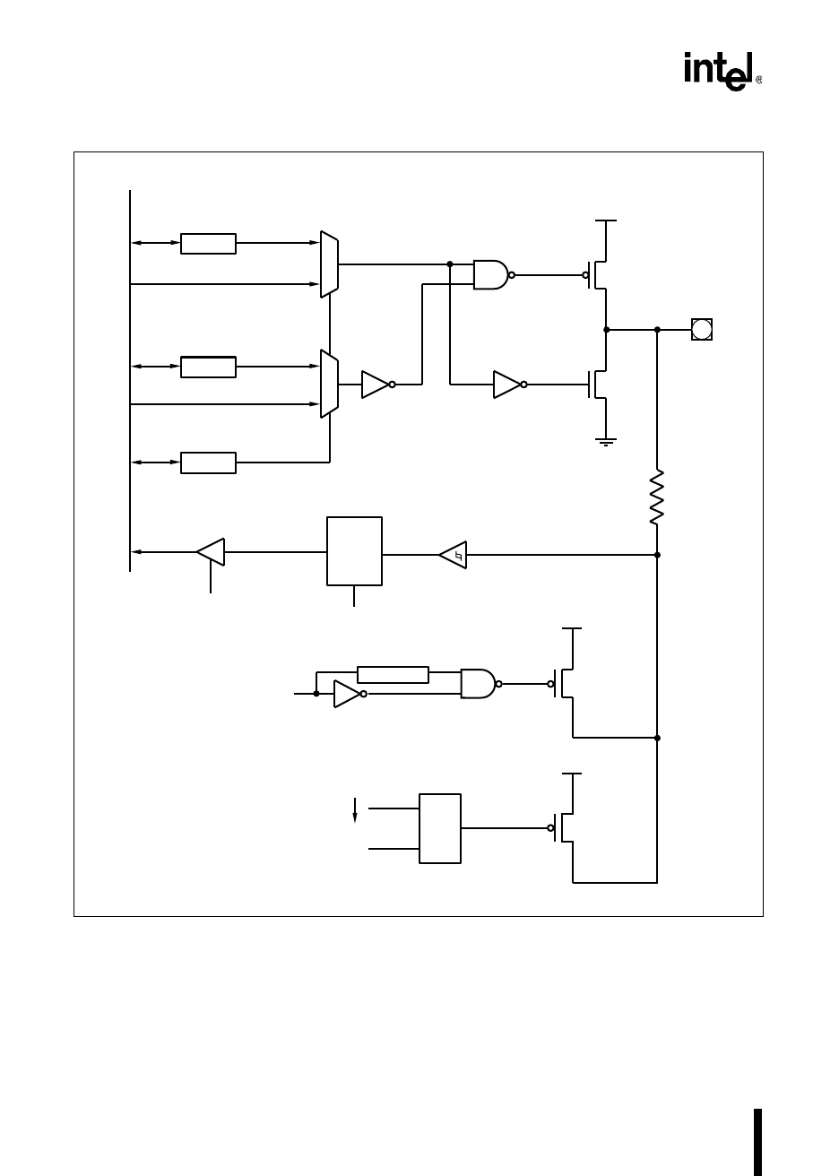
- Figure 6-1. Standard Input-only Port Structure
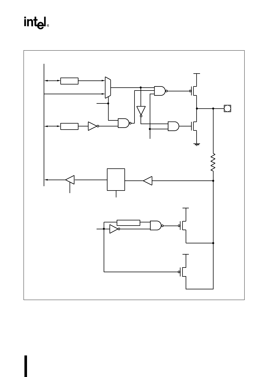
- Figure 6-2. Bidirectional Port Structure
- Figure 6-3. Address/Data Bus (Ports 3 and 4) Structure
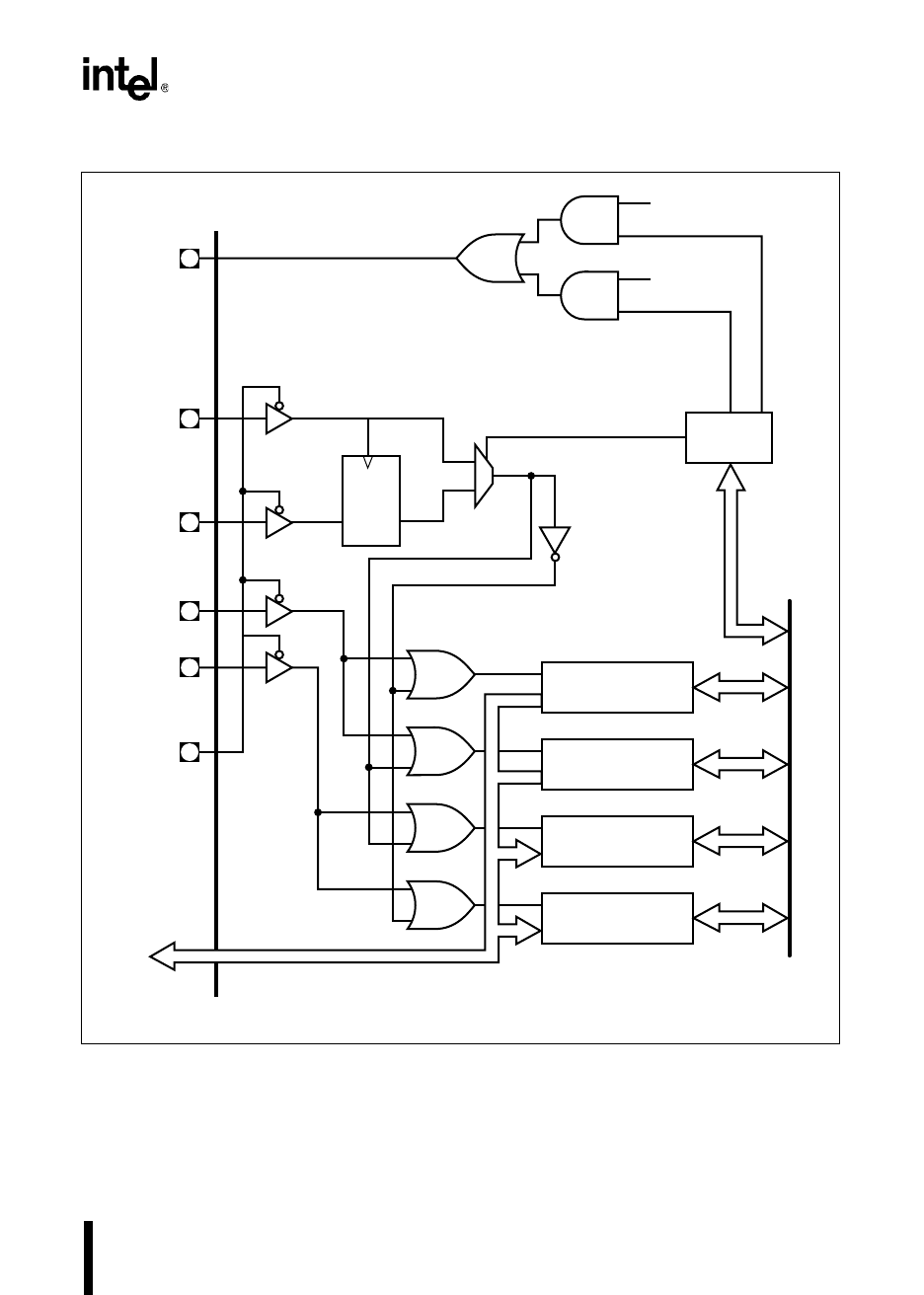
- Figure 7-1. SIO Block Diagram
- Figure 7-2. Typical Shift Register Circuit for Mode 0
- Figure 7-3. Mode 0 Timing
- Figure 7-4. Serial Port Frames for Mode 1
- Figure 7-5. Serial Port Frames in Mode 2 and 3
- Figure 7-6. Serial Port Control (SP_CON) Register
- Figure 7-7. Serial Port Baud Rate (SP_BAUD) Register
- Figure 7-8. Serial Port Status (SP_STATUS) Register
- Figure 8-1. SSIO Block Diagram
- Figure 8-2. SSIO Operating Modes
- Figure 8-3. SSIO Transmit/Receive Timings
- Figure 8-4. SSIO Handshaking Flow Diagram
- Figure 8-5. Synchronous Serial Port Baud (SSIO_BAUD) Register
- Figure 8-6. Synchronous Serial Control x (SSIO x_CON) Registers
- Figure 8-7. Variable-width MSB in SSIO Transmissions
- Figure 9-1. DPRAM vs Slave-Port Solution
- Figure 9-2. Slave Port Block Diagram
- Figure 9-3. Master/Slave Hardware Connections
- Figure 9-4. Standard Slave Mode Timings (Demultiplexed Bus)
- Figure 9-5. Standard or Shared Memory Mode Timings (Multiplexed Bus)
- Figure 9-6. Slave Port Control (SLP_CON) Register
- Figure 9-7. Slave Port Status (SLP_STAT) Register
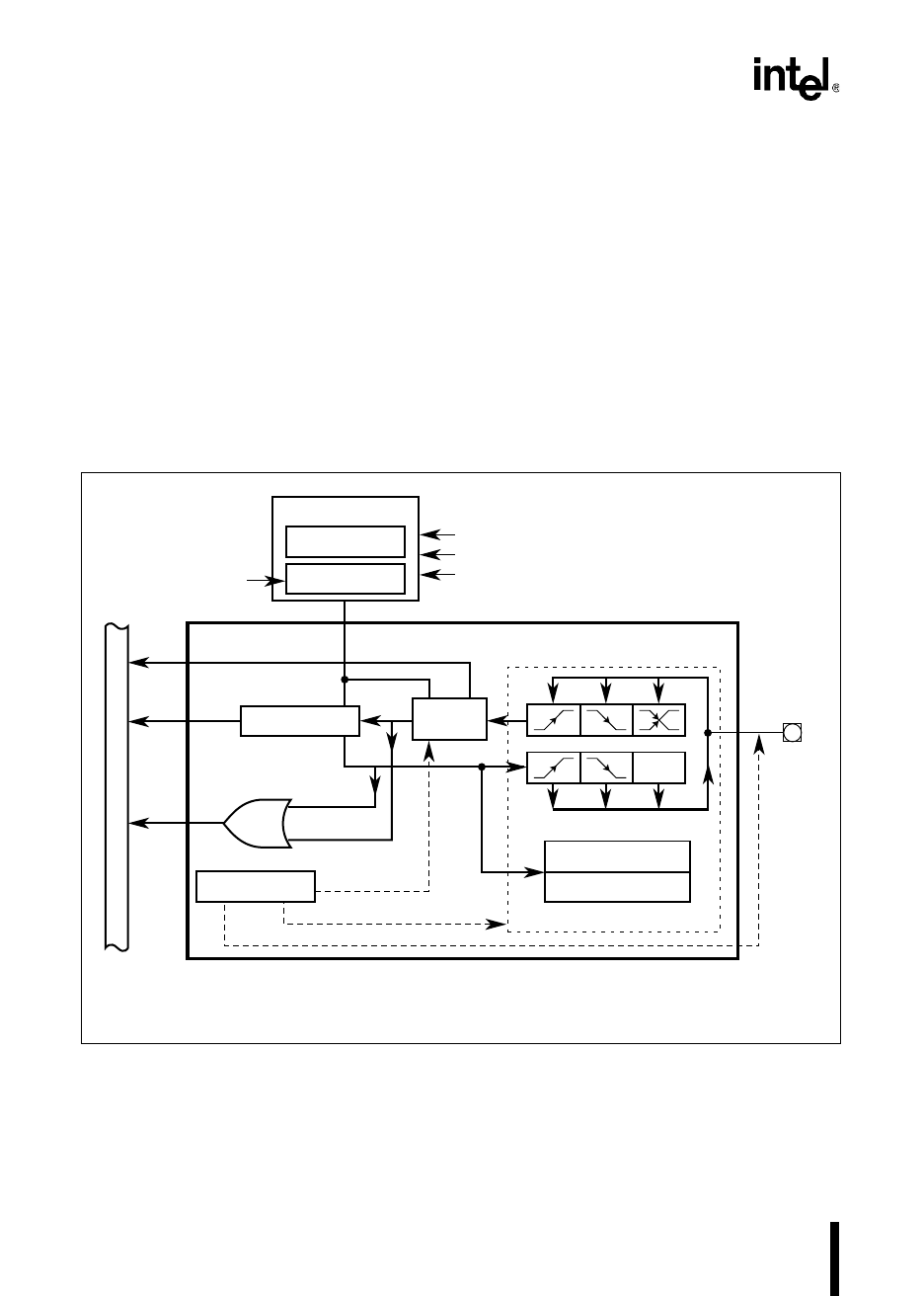
- Figure 10-1. EPA Block Diagram
- Figure 10-2. EPA Timer/Counters
- Figure 10-3. Quadrature Mode Interface
- Figure 10-4. Quadrature Mode Timing and Count
- Figure 10-5. A Single EPA Capture/Compare Channel
- Figure 10-6. EPA Simplified Input-Capture Structure
- Figure 10-7. Valid EPA Input Events
- Figure 10-8. Timer 1 Control (T1CONTROL) Register
- Figure 10-9. Timer 2 Control (T2CONTROL) Register
- Figure 10-10. EPA Control (EPA x_CON) Registers
- Figure 10-11. EPA Compare Control (COMP x_CON) Registers
- Figure 10-12. EPA Interrupt Mask (EPA_MASK) Register
- Figure 10-13. EPA Interrupt Mask 1 (EPA_MASK1) Register
- Figure 10-14. EPA Interrupt Pending (EPA_PEND) Register
- Figure 10-15. EPA Interrupt Pending 1 (EPA_PEND1) Registers
- Figure 10-16. EPA Interrupt Priority Vector Register (EPAIPV)
- Figure 11-1. A/D Converter Block Diagram
- Figure 11-2. A/D Test (AD_TEST) Register
- Figure 11-3. A/D Result (AD_RESULT) Register — Write Format
- Figure 11-4. A/D Time (AD_TIME) Register
- Figure 11-5. A/D Command (AD_COMMAND) Register
- Figure 11-6. A/D Result (AD_RESULT) Register — Read Format
- Figure 11-7. Idealized A/D Sampling Circuitry
- Figure 11-8. Suggested A/D Input Circuit
- Figure 11-9. Ideal A/D Conversion Characteristic
- Figure 11-10. Actual and Ideal A/D Conversion Characteristics
- Figure 11-11. Terminal-based A/D Conversion Characteristic
- Figure 12-1. A System Using CAN Controllers
- Figure 12-2. CAN Controller Block Diagram
- Figure 12-3. CAN Message Frames
- Figure 12-4. A Bit Time as Specified by the CAN Protocol
- Figure 12-5. A Bit Time as Implemented in the CAN Controller
- Figure 12-6. CAN Control (CAN_CON) Register
- Figure 12-7. CAN Bit Timing 0 (CAN_BTIME0) Register
- Figure 12-8. CAN Bit Timing 1 (CAN_BTIME1) Register
- Figure 12-9. CAN Standard Global Mask (CAN_SGMSK) Register
- Figure 12-10. CAN Extended Global Mask (CAN_EGMSK) Register
- Figure 12-11. CAN Message 15 Mask (CAN_MSK15) Register
- Figure 12-12. CAN Message Object x Configuration (CAN_MSGxCFG) Register
- Figure 12-13. CAN Message Object x Identifier (CAN_MSG xID0–3) Register
- Figure 12-14. CAN Message Object x Control 0 (CAN_MSGxCON0) Register
- Figure 12-15. CAN Message Object x Control 1 (CAN_MSG xCON1) Register
- Figure 12-16. CAN Message Object Data (CAN_MSG xDATA0–7) Registers
- Figure 12-17. CAN Control (CAN_CON) Register
- Figure 12-18. CAN Message Object x Control 0 (CAN_MSGxCON0) Register
- Figure 12-19. CAN Interrupt Pending (CAN_INT) Register
- Figure 12-20. CAN Status (CAN_STAT) Register
- Figure 12-21. CAN Message Object x Control 0 (CAN_MSG xCON0) Register
- Figure 12-22. Receiving a Message for Message Objects 1–14 — CPU Flow
- Figure 12-23. Receiving a Message for Message Object 15 — CPU Flow
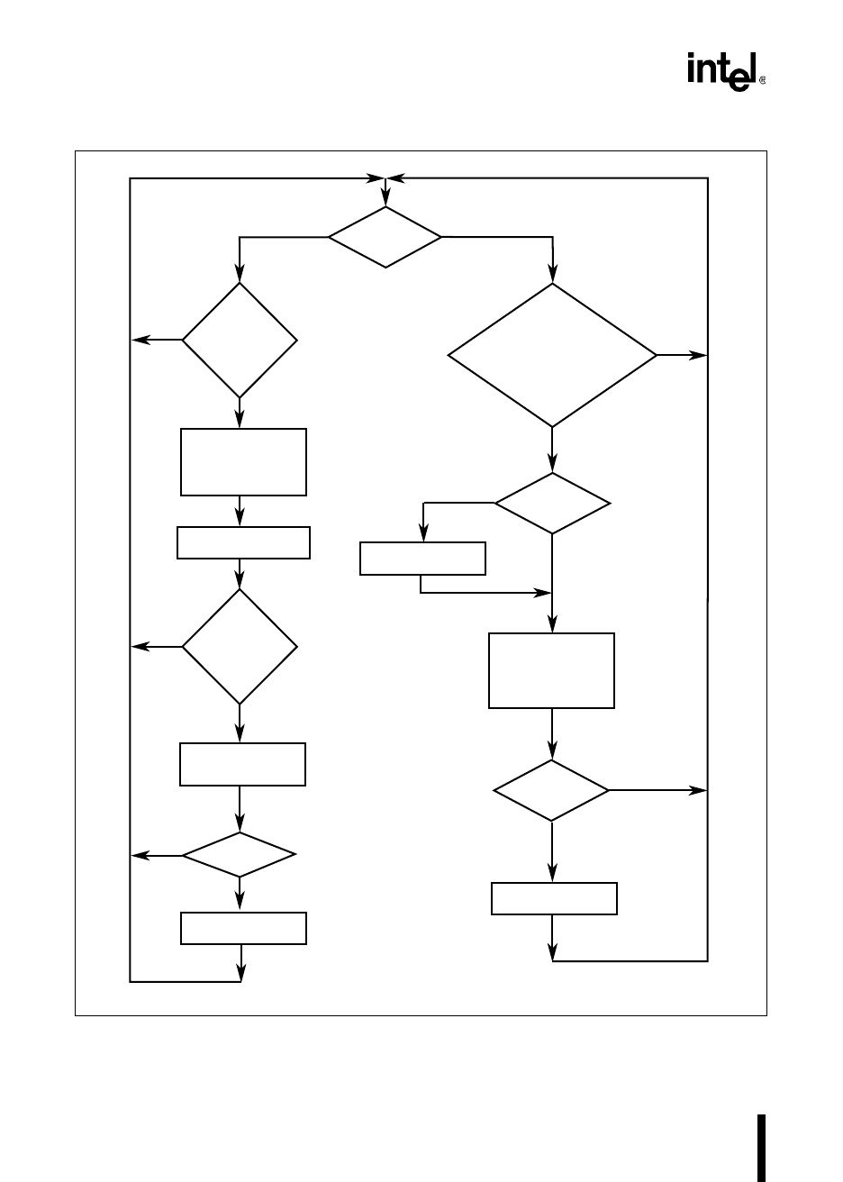
- Figure 12-24. Receiving a Message — CAN Controller Flow
- Figure 12-25. Transmitting a Message — CPU Flow
- Figure 12-26. Transmitting a Message — CAN Controller Flow
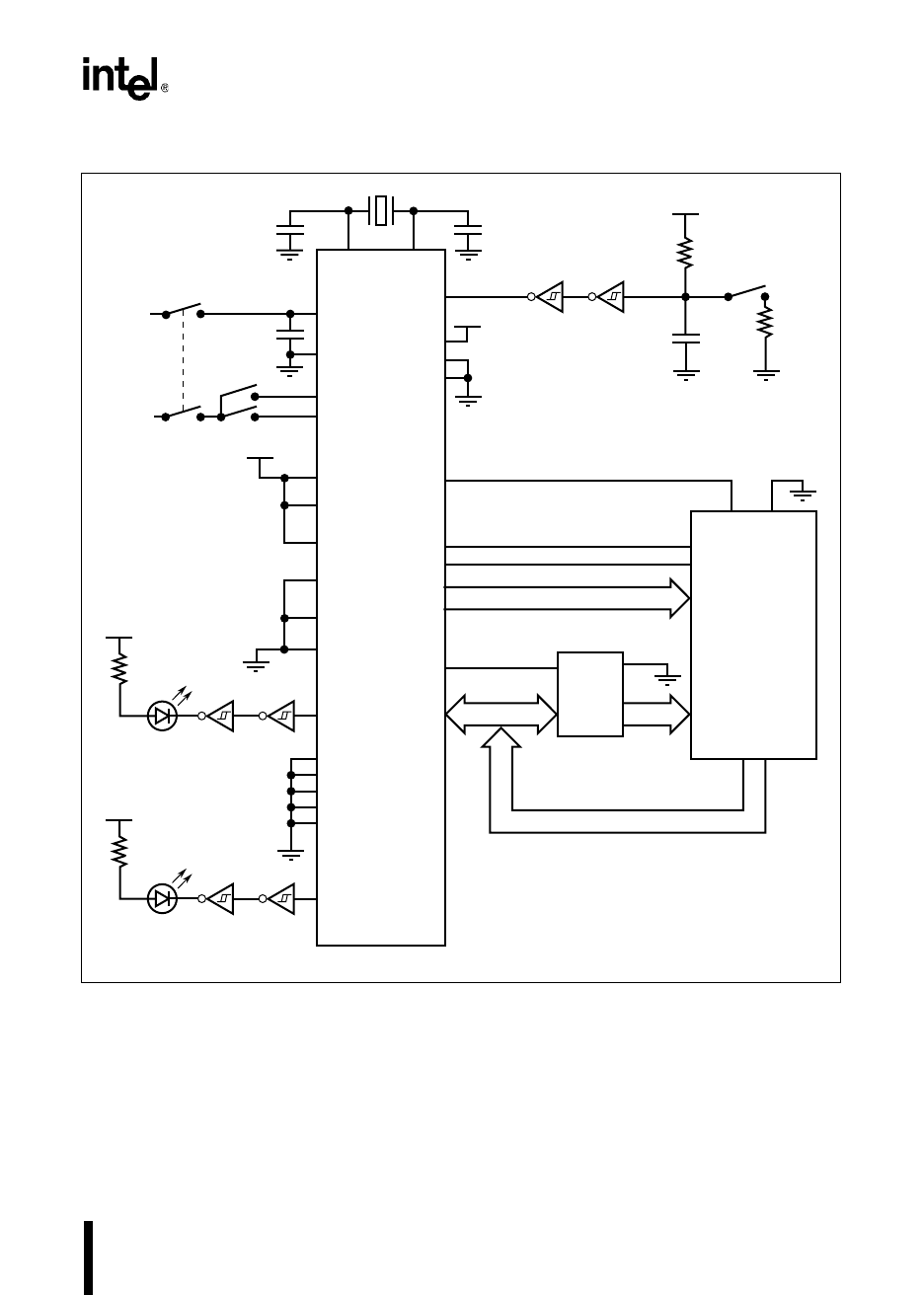
- Figure 13-1. Minimum Hardware Connections
- Figure 13-2. Power and Return Connections
- Figure 13-3. On-chip Oscillator Circuit
- Figure 13-4. External Crystal Connections
- Figure 13-5. External Clock Connections
- Figure 13-6. External Clock Drive Waveforms
- Figure 13-7. Reset Timing Sequence
- Figure 13-8. Internal Reset Circuitry
- Figure 13-9. Minimum Reset Circuit
- Figure 13-10. Example System Reset Circuit
- Figure 14-1. Clock Control During Power-saving Modes
- Figure 14-2. Power-up and Powerdown Sequence When Using an External Interrupt
- Figure 14-3. External RC Circuit
- Figure 14-4. Typical Voltage on the V PP Pin While Exiting Powerdown
- Figure 15-1. Chip Configuration 0 (CCR0) Register
- Figure 15-2. Chip Configuration 1 (CCR1) Register
- Figure 15-3. Multiplexing and Bus Width Options
- Figure 15-4. BUSWIDTH Timing Diagram
- Figure 15-5. Timings for 16-bit Buses
- Figure 15-6. Timings for 8-bit Buses
- Figure 15-7. READY Timing Diagram
- Figure 15-8. HOLD#, HLDA# Timing
- Figure 15-9. Standard Bus Control
- Figure 15-10. Decoding WRL# and WRH#
- Figure 15-11. 8-bit System with Flash and RAM
- Figure 15-12. 16-bit System with Dynamic Bus Width
- Figure 15-13. Write Strobe Mode
- Figure 15-14. 16-bit System with Single-byte Writes to RAM
- Figure 15-15. Address Valid Strobe Mode
- Figure 15-16. Comparison of ALE and ADV# Bus Cycles
- Figure 15-17. 8-bit System with Flash
- Figure 15-18. 16-bit System with EPROM
- Figure 15-19. Timings of Address Valid with Write Strobe Mode
- Figure 15-20. 16-bit System with RAM
- Figure 15-21. Modes 0, 1, 2, and 3 Timings
- Figure 15-22. Mode 1 System Bus Timing
- Figure 15-23. Mode 2 System Bus Timing
- Figure 15-24. System Bus Timing
- Figure 16-1. Unerasable PROM (USFR) Register
- Figure 16-2. Programming Pulse Width Register (PPW or SP_PPW)
- Figure 16-3. Modified Quick-pulse Algorithm
- Figure 16-4. Pin Functions in Programming Modes
- Figure 16-5. Slave Programming Circuit
- Figure 16-6. Chip Configuration Registers (CCRs)
- Figure 16-7. Address/Command Decoding Routine
- Figure 16-8. Program Word Routine
- Figure 16-9. Program Word Waveform
- Figure 16-10. Dump Word Routine
- Figure 16-11. Dump Word Waveform
- Figure 16-12. Auto Programming Circuit for 8XC196K x Devices
- Figure 16-13. Auto Programming Routine
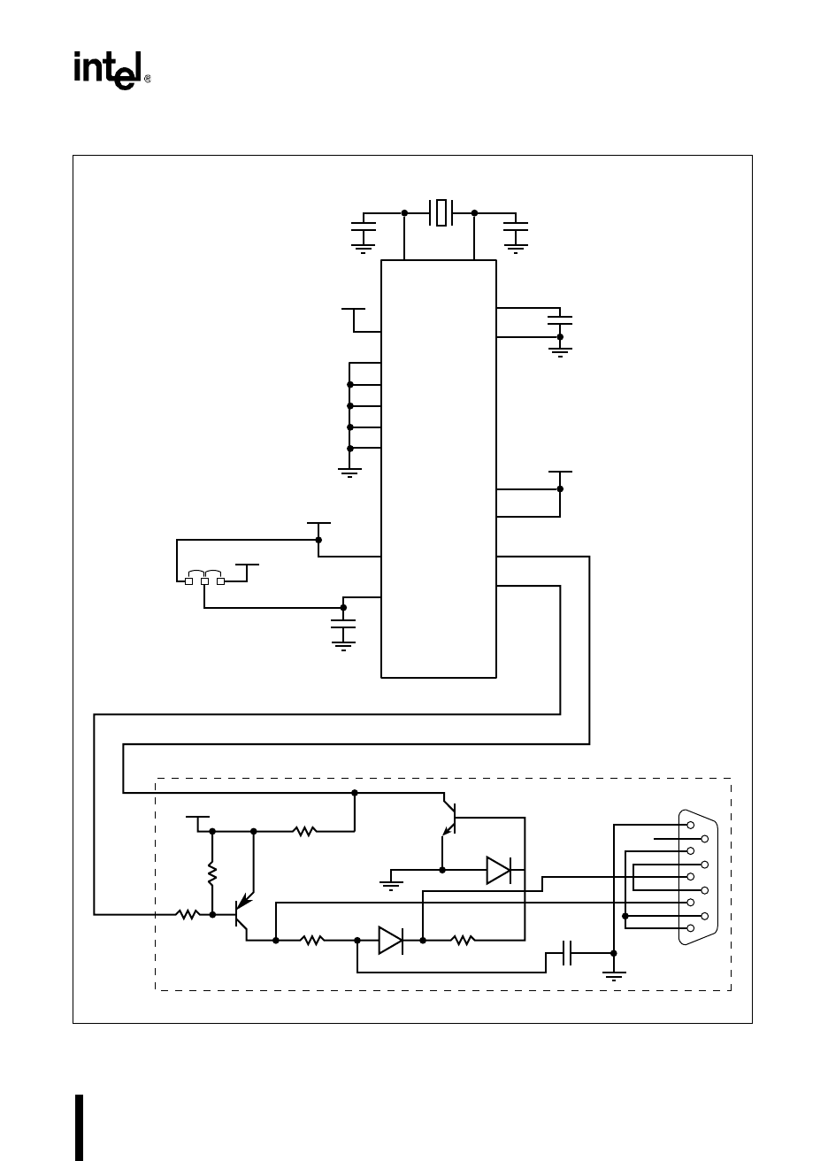
- Figure 16-14. Serial Port Programming Mode Circuit
- Figure 16-15. Run-time Programming Code Example
- Figure B-1. 8XC196K x 68-lead PLCC Package
- Figure B-2. 8XC196J x 52-lead PLCC Package
- Figure B-3. 87C196CA 68-lead PLCC Package
- TABLES
- Table 1-1. Handbooks and Product Information
- Table 1-2. Application Notes, Application Briefs, and Article Reprints
- Table 1-3. MCS ® 96 Microcontroller Datasheets (Commercial/Express)
- Table 1-4. MCS ® 96 Microcontroller Datasheets (Automotive)
- Table 1-5. MCS ® 96 Microcontroller Quick References
- Table 2-1. Features of the 8XC196K x, J x, CA Product Family
- Table 2-2. State Times at Various Frequencies
- Table 2-3. Unsupported Functions in 87C196CA Devices
- Table 2-4. Unsupported Functions in 8XC196J x Devices
- Table 3-1. Operand Type Definitions
- Table 3-2. Equivalent Operand Types for Assembly and C Programming Languages
- Table 3-3. Definition of Temporary Registers
- Table 4-1. Memory Map
- Table 4-2. Special-purpose Memory Addresses
- Table 4-3. Memory-mapped SFRs
- Table 4-4. Peripheral SFRs
- Table 4-5. CAN Peripheral SFRs — 8XC196CA Only
- Table 4-6. Register File Memory Addresses
- Table 4-7. CPU SFRs
- Table 4-8. Selecting a Window of Peripheral SFRs
- Table 4-9. Selecting a Window of the Upper Register File
- Table 4-10. Selecting a Window of Upper Register RAM — 8XC196JV Only
- Table 4-11. Windows
- Table 4-12. Windowed Base Addresses
- Table 5-1. Interrupt Signals
- Table 5-2. Interrupt and PTS Control and Status Registers
- Table 5-3. Interrupt Sources, Vectors, and Priorities
- Table 5-4. Execution Times for PTS Cycles
- Table 5-5. Single Transfer Mode PTSCB
- Table 5-6. Block Transfer Mode PTSCB
- Table 5-7. A/D Scan Mode Command/Data Table
- Table 5-8. Command/Data Table (Example 1)
- Table 5-9. A/D Scan Mode PTSCB (Example 1)
- Table 5-10. Command/Data Table (Example 2)
- Table 5-11. A/D Scan Mode PTSCB (Example 2)
- Table 5-12. Comparison of PWM Modes
- Table 5-13. PWM Toggle Mode PTSCB
- Table 5-14. PWM Remap Mode PTSCB
- Table 6-1. Device I/O Ports
- Table 6-2. Standard Input-only Port Pins
- Table 6-3. Input-only Port Registers
- Table 6-4. Bidirectional Port Pins
- Table 6-5. Bidirectional Port Control and Status Registers
- Table 6-6. Logic Table for Bidirectional Ports in I/O Mode
- Table 6-7. Logic Table for Bidirectional Ports in Special-function Mode
- Table 6-8. Control Register Values for Each Configuration
- Table 6-9. Port Configuration Example
- Table 6-10. Port Pin States After Reset and After Example Code Execution
- Table 6-11. Ports 3 and 4 Pins
- Table 6-12. Ports 3 and 4 Control and Status Registers
- Table 6-13. Logic Table for Ports 3 and 4 as I/O
- Table 7-1. Serial Port Signals
- Table 7-2. Serial Port Control and Status Registers
- Table 7-3. SP_BAUD Values When Using XTAL1 at 16 MHz
- Table 8-1. SSIO Port Signals
- Table 8-2. SSIO Port Control and Status Registers
- Table 8-3. Common SSIO_BAUD Values at 16 MHz
- Table 9-1. Slave Port Signals
- Table 9-2. Slave Port Control and Status Registers
- Table 9-3. Master and Slave Interconnections
- Table 10-1. EPA Channels
- Table 10-2. EPA and Timer/Counter Signals
- Table 10-3. EPA Control and Status Registers
- Table 10-4. Quadrature Mode Truth Table
- Table 10-5. Action Taken when a Valid Edge Occurs
- Table 10-6. Example Control Register Settings and EPA Operations
- Table 10-7. EPAIPV Interrupt Priority Values
- Table 11-1. A/D Converter Pins
- Table 11-2. A/D Control and Status Registers
- Table 12-1. CAN Controller Signals
- Table 12-2. Control and Status Registers
- Table 12-3. CAN Controller Address Map
- Table 12-4. Message Object Structure
- Table 12-5. Effect of Masking on Message Identifiers
- Table 12-6. Standard Message Frame
- Table 12-7. Extended Message Frame
- Table 12-8. CAN Protocol Bit Time Segments
- Table 12-9. CAN Controller Bit Time Segments
- Table 12-10. Bit Timing Relationships
- Table 12-11. Bit Timing Requirements for Synchronization
- Table 12-12. Control Register Bit-pair Interpretation
- Table 12-13. Cross-reference for Register Bits Shown in Flowcharts
- Table 12-14. Register Values Following Reset
- Table 13-1. Minimum Required Signals
- Table 13-2. I/O Port Configuration Guide
- Table 14-1. Operating Mode Control Signals
- Table 14-2. Operating Mode Control and Status Registers
- Table 14-3. ONCE# Pin Alternate Functions
- Table 14-4. Test-mode-entry Pins
- Table 15-1. External Memory Interface Signals
- Table 15-2. READY Signal Timing Definitions
- Table 15-3. HOLD#, HLDA# Timing Definitions
- Table 15-4. Maximum Hold Latency
- Table 15-5. Bus-control Mode
- Table 15-6. Modes 0, 1, 2, and 3 Timing Comparisons
- Table 15-7. AC Timing Symbol Definitions
- Table 15-8. AC Timing Definitions
- Table 16-1. OTPROM Sizes for 87C196K x, J x, CA Devices
- Table 16-2. 87C196K x OTPROM Memory Map
- Table 16-3. Memory Protection for Normal Operating Mode
- Table 16-4. Memory Protection Options for Programming Modes
- Table 16-5. UPROM Programming Values and Locations for Slave Mode
- Table 16-6. Pin Descriptions
- Table 16-7. PMODE Values
- Table 16-8. Device Signature Word and Programming Voltages
- Table 16-9. Slave Programming Mode Memory Map
- Table 16-10. Timing Mnemonics
- Table 16-11. Auto Programming Memory Map
- Table 16-12. Serial Port Programming Mode Memory Map
- Table 16-13. Serial Port Programming Default Values and Locations
- Table 16-14. User Program Register Values and Test ROM Locations
- Table 16-15. RISM Command Descriptions
- Table A-1. Opcode Map (Left Half)
- Table A-2. Processor Status Word (PSW) Flags
- Table A-3. Effect of PSW Flags or Specified Bits on Conditional Jump Instructions
- Table A-4. PSW Flag Setting Symbols
- Table A-5. Operand Variables
- Table A-6. Instruction Set
- Table A-7. Instruction Opcodes
- Table A-8. Instruction Lengths and Hexadecimal Opcodes
- Table A-9. Instruction Execution Times (in State Times)
- Table B-1. Signal Name Changes
- Table B-2. 8XC196K x Signals Arranged by Functional Categories
- Table B-3. 8XC196J x Signals Arranged by Functional Categories
- Table B-4. 87C196CA Signals Arranged by Functional Categories
- Table B-5. Description of Columns of Table B-6
- Table B-6. Signal Descriptions
- Table B-7. Definition of Status Symbols
- Tabl e B- 8. 8XC196K x Pin Status
- Table B-9. 8XC196J x Pin Status
- Table B-10. 87C196CA Pin Status
- Table C-1. Modules and Related Registers
- Table C-2. Register Name, Address, and Reset Status
- Table C-3. CAN_EGMSK Addresses and Reset Values
- Table C-4. CAN_MSG xCFG Addresses and Reset Values
- Table C-5. CAN_MSG xCON0 Addresses and Reset Values
- Table C-6. CAN_MSG xCON1 Addresses and Reset Values
- Table C-7. CAN_MSG xDATA0–7 Addresses
- Table C-8. CAN_MSG xID0–3 Addresses
- Table C-9. CAN_MSK15 Addresses and Reset Values
- Table C-10. COMP x_CON Addresses and Reset Values
- Table C-11. COMP x_TIME Addresses and Reset Values
- Table C-12. EPA x_CON Addresses and Reset Values
- Table C-13. EPA x_TIME Addresses and Reset Values
- Table C-14. EPA Interrupt Priority Vectors
- Table C-15. P x_DIR Addresses and Reset Values
- Table C-16. P x_MODE Addresses and Reset Values
- Table C-17. Special-function Signals for Ports 1, 2, 5, 6
- Table C-18. P x_PIN Addresses and Reset Values
- Table C-19. P x_REG Addresses and Reset Values
- Table C-20. Common SSIO_BAUD Values at 16 MHz
- Table C-21. SSIO x_BUF Addresses and Reset Values
- Table C-22. SSIO x_CON Addresses and Reset Values
- Table C-23. TIMER x Addresses and Reset Values
- Table C-24. WSR Settings and Direct Addresses for Windowable SFRs

8XC196Kx, 8XC196Jx,
87C196CA
Microcontroller Family
User’s Manual
Includes
8XC196KQ,
8XC196KR,
8XC196KS,
8XC196KT,
8XC196JQ,
8XC196JR,
8XC196JT,
8XC196JV,
87C196CA

8XC196Kx,
8XC196Jx, 87C196CA
Microcontroller Family
User’s Manual
Includes
8XC196KQ, 8XC196KR, 8XC196KS, 8XC196KT,
8XC196JQ, 8XC196JR, 8XC196JT, 8XC196JV,
87C196CA
June 1995

ii
Information in this document is provided solely to enable use of Intel products. Intel assumes no liability whatsoever, including
infringement of any patent or copyright, for sale and use of Intel products except as provided in Intel’s Terms and Conditions
of Sale for such products.
Intel Corporation makes no warranty for the use of its products and assumes no responsibility for any errors which may appear
in this document nor does it make a commitment to update the information contained herein.
Intel retains the right to make changes to these specifications at any time, without notice.
Contact your local Intel sales office or your distributor to obtain the latest specifications before placing your product order.
MDS is an ordering code only and is not used as a product name or trademark of Intel Corporation.
Intel Corporation and Intel's FASTPATH are not affiliated with Kinetics, a division of Excelan, Inc. or its FASTPATH trademark
or products.
*Other brands and names are the property of their respective owners.
Additional copies of this document or other Intel literature may be obtained from:
Intel Corporation
Literature Sales
P.O. Box 7641
Mt. Prospect, IL 60056-7641
or call 1-800-879-4683
© INTEL CORPORATION, 1996

iii
CONTENTS
CHAPTER 1
GUIDE TO THIS MANUAL
1.1 MANUAL CONTENTS................................................................................................... 1-1
1.2 NOTATIONAL CONVENTIONS AND TERMINOLOGY ................................................ 1-3
1.3 RELATED DOCUMENTS .............................................................................................. 1-5
1.4 ELECTRONIC SUPPORT SYSTEMS ........................................................................... 1-8
1.4.1 FaxBack Service .......................................................................................................1-8
1.4.2 Bulletin Board System (BBS) ....................................................................................1-9
1.4.2.1 How to Find MCS® 96 Microcontroller Files on the BBS ......................................1-9
1.4.2.2 How to Find
Ap
BUILDER Software and Hypertext Documents on the BBS ......1-10
1.4.3 CompuServe Forums ..............................................................................................1-10
1.4.4 World Wide Web .....................................................................................................1-10
1.5 TECHNICAL SUPPORT .............................................................................................. 1-11
1.6 PRODUCT LITERATURE............................................................................................ 1-11
1.7 TRAINING CLASSES .................................................................................................. 1-11
CHAPTER 2
ARCHITECTURAL OVERVIEW
2.1 TYPICAL APPLICATIONS............................................................................................. 2-1
2.2 DEVICE FEATURES ..................................................................................................... 2-2
2.3 BLOCK DIAGRAM......................................................................................................... 2-2
2.3.1 CPU Control ..............................................................................................................2-4
2.3.2 Register File ..............................................................................................................2-4
2.3.3 Register Arithmetic-logic Unit (RALU) .......................................................................2-4
2.3.3.1 Code Execution ....................................................................................................2-5
2.3.3.2 Instruction Format ................................................................................................2-5
2.3.4 Memory Controller ....................................................................................................2-6
2.3.5 Interrupt Service ........................................................................................................2-6
2.4 INTERNAL TIMING........................................................................................................ 2-7
2.5 INTERNAL PERIPHERALS........................................................................................... 2-8
2.5.1 I/O Ports ....................................................................................................................2-9
2.5.2 Serial I/O (SIO) Port ..................................................................................................2-9
2.5.3 Synchronous Serial I/O (SSIO) Port ..........................................................................2-9
2.5.4 Slave Port (8XC196K
x
Only) ..................................................................................2-10
2.5.5 Event Processor Array (EPA) and Timer/Counters .................................................2-10
2.5.6 Analog-to-digital Converter .....................................................................................2-11
2.5.7 Watchdog Timer ......................................................................................................2-11
2.5.8 CAN Serial Communications Controller (87C196CA Only) .....................................2-11
2.6 SPECIAL OPERATING MODES ................................................................................. 2-11
2.6.1 Reducing Power Consumption ...............................................................................2-12

CONTENTS
iv
2.6.2 Testing the Printed Circuit Board ............................................................................2-12
2.6.3 Programming the Nonvolatile Memory ....................................................................2-12
2.7 DESIGN CONSIDERATIONS FOR 87C196CA DEVICES.......................................... 2-13
2.8 DESIGN CONSIDERATIONS FOR 8XC196JQ, JR, JT, AND JV DEVICES............... 2-14
CHAPTER 3
PROGRAMMING CONSIDERATIONS
3.1 OVERVIEW OF THE INSTRUCTION SET.................................................................... 3-1
3.1.1 BIT Operands ............................................................................................................3-2
3.1.2 BYTE Operands ........................................................................................................3-2
3.1.3 SHORT-INTEGER Operands ....................................................................................3-2
3.1.4 WORD Operands ......................................................................................................3-2
3.1.5 INTEGER Operands .................................................................................................3-3
3.1.6 DOUBLE-WORD Operands ......................................................................................3-3
3.1.7 LONG-INTEGER Operands ......................................................................................3-4
3.1.8 Converting Operands ................................................................................................3-4
3.1.9 Conditional Jumps ....................................................................................................3-4
3.1.10 Floating Point Operations .........................................................................................3-4
3.2 ADDRESSING MODES................................................................................................. 3-5
3.2.1 Direct Addressing ......................................................................................................3-6
3.2.2 Immediate Addressing ..............................................................................................3-6
3.2.3 Indirect Addressing ...................................................................................................3-6
3.2.3.1 Indirect Addressing with Autoincrement ...............................................................3-7
3.2.3.2 Indirect Addressing with the Stack Pointer ...........................................................3-7
3.2.4 Indexed Addressing ..................................................................................................3-7
3.2.4.1 Short-indexed Addressing ....................................................................................3-7
3.2.4.2 Long-indexed Addressing ....................................................................................3-8
3.2.4.3 Zero-indexed Addressing .....................................................................................3-8
3.3 ASSEMBLY LANGUAGE ADDRESSING MODE SELECTIONS .................................. 3-9
3.3.1 Direct Addressing ......................................................................................................3-9
3.3.2 Indexed Addressing ..................................................................................................3-9
3.4 SOFTWARE STANDARDS AND CONVENTIONS ....................................................... 3-9
3.4.1 Using Registers .........................................................................................................3-9
3.4.2 Addressing 32-bit Operands ...................................................................................3-10
3.4.3 Linking Subroutines ................................................................................................3-10
3.5 SOFTWARE PROTECTION FEATURES AND GUIDELINES .................................... 3-11
CHAPTER 4
MEMORY PARTITIONS
4.1 MEMORY PARTITIONS ................................................................................................ 4-1
4.1.1 External Devices (Memory or I/O) .............................................................................4-1
4.1.2 Program and Special-purpose Memory ....................................................................4-1
4.1.3 Program Memory ......................................................................................................4-3
4.1.4 Special-purpose Memory ..........................................................................................4-3

v
CONTENTS
4.1.4.1 Reserved Memory Locations ...............................................................................4-4
4.1.4.2 Interrupt and PTS Vectors ....................................................................................4-4
4.1.4.3 Security Key .........................................................................................................4-4
4.1.4.4 Chip Configuration Bytes (CCBs) .........................................................................4-4
4.1.5 Special-function Registers (SFRs) ............................................................................4-5
4.1.5.1 Memory-mapped SFRs ........................................................................................4-5
4.1.5.2 Peripheral SFRs ...................................................................................................4-6
4.1.6 Internal RAM (Code RAM) ......................................................................................4-10
4.1.7 Register File ............................................................................................................4-10
4.1.7.1 General-purpose Register RAM .........................................................................4-12
4.1.7.2 Stack Pointer (SP) ..............................................................................................4-12
4.1.7.3 CPU Special-function Registers (SFRs) .............................................................4-13
4.2 WINDOWING............................................................................................................... 4-13
4.2.1 Selecting a Window ................................................................................................4-14
4.2.2 Addressing a Location Through a Window .............................................................4-17
4.2.2.1 32-byte Windowing Example ..............................................................................4-20
4.2.2.2 64-byte Windowing Example ..............................................................................4-20
4.2.2.3 128-byte Windowing Example ............................................................................4-20
4.2.2.4 Unsupported Locations Windowing Example .....................................................4-21
4.2.2.5 Using the Linker Locator to Set Up a Window ....................................................4-21
4.2.3 Windowing and Addressing Modes .........................................................................4-23
CHAPTER 5
STANDARD AND PTS INTERRUPTS
5.1 OVERVIEW ................................................................................................................... 5-1
5.2 INTERRUPT SIGNALS AND REGISTERS ................................................................... 5-3
5.3 INTERRUPT SOURCES AND PRIORITIES.................................................................. 5-4
5.3.1 Special Interrupts ......................................................................................................5-6
5.3.1.1 Unimplemented Opcode ......................................................................................5-6
5.3.1.2 Software Trap .......................................................................................................5-6
5.3.1.3 NMI .......................................................................................................................5-6
5.3.2 External Interrupt Pins ..............................................................................................5-6
5.3.3 Multiplexed Interrupt Sources ...................................................................................5-7
5.3.4 End-of-PTS Interrupts ...............................................................................................5-7
5.4 INTERRUPT LATENCY................................................................................................. 5-7
5.4.1 Situations that Increase Interrupt Latency ................................................................5-8
5.4.2 Calculating Latency ...................................................................................................5-9
5.4.2.1 Standard Interrupt Latency ...................................................................................5-9
5.4.2.2 PTS Interrupt Latency ........................................................................................5-10
5.5 PROGRAMMING THE INTERRUPTS......................................................................... 5-11
5.5.1 Programming the Multiplexed Interrupts .................................................................5-11
5.5.2 Modifying Interrupt Priorities ...................................................................................5-14
5.5.3 Determining the Source of an Interrupt ...................................................................5-16
5.5.3.1 Determining the Source of Multiplexed Interrupts ..............................................5-16
5.6 INITIALIZING THE PTS CONTROL BLOCKS............................................................. 5-18

CONTENTS
vi
5.6.1 Specifying the PTS Count .......................................................................................5-19
5.6.2 Selecting the PTS Mode .........................................................................................5-21
5.6.3 Single Transfer Mode ..............................................................................................5-21
5.6.4 Block Transfer Mode ...............................................................................................5-24
5.6.5 A/D Scan Mode .......................................................................................................5-26
5.6.5.1 A/D Scan Mode Cycles ......................................................................................5-29
5.6.5.2 A/D Scan Mode Example 1 ................................................................................5-29
5.6.5.3 A/D Scan Mode Example 2 ................................................................................5-30
5.6.6 PWM Modes ...........................................................................................................5-31
5.6.6.1 PWM Toggle Mode Example .............................................................................5-32
5.6.6.2 PWM Remap Mode Example .............................................................................5-37
CHAPTER 6
I/O PORTS
6.1 I/O PORTS OVERVIEW ................................................................................................ 6-1
6.2 INPUT-ONLY PORT 0 ................................................................................................... 6-1
6.2.1 Standard Input-only Port Operation ..........................................................................6-2
6.2.2 Standard Input-only Port Considerations ..................................................................6-3
6.3 BIDIRECTIONAL PORTS 1, 2, 5, AND 6 ...................................................................... 6-4
6.3.1 Bidirectional Port Operation ......................................................................................6-6
6.3.2 Bidirectional Port Pin Configurations .......................................................................6-10
6.3.3 Bidirectional Port Pin Configuration Example .........................................................6-11
6.3.4 Bidirectional Port Considerations ............................................................................6-12
6.3.5 Design Considerations for External Interrupt Inputs ...............................................6-15
6.4 BIDIRECTIONAL PORTS 3 AND 4 (ADDRESS/DATA BUS)...................................... 6-15
6.4.1 Bidirectional Ports 3 and 4 (Address/Data Bus) Operation .....................................6-16
6.4.2 Using Ports 3 and 4 as I/O ......................................................................................6-18
6.4.3 Design Considerations for Ports 3 and 4 ................................................................6-19
CHAPTER 7
SERIAL I/O (SIO) PORT
7.1 SERIAL I/O (SIO) PORT FUNCTIONAL OVERVIEW ................................................... 7-1
7.2 SERIAL I/O PORT SIGNALS AND REGISTERS .......................................................... 7-2
7.3 SERIAL PORT MODES................................................................................................. 7-4
7.3.1 Synchronous Mode (Mode 0) ....................................................................................7-4
7.3.2 Asynchronous Modes (Modes 1, 2, and 3) ...............................................................7-6
7.3.2.1 Mode 1 .................................................................................................................7-6
7.3.2.2 Mode 2 .................................................................................................................7-7
7.3.2.3 Mode 3 .................................................................................................................7-7
7.3.2.4 Mode 2 and 3 Timings ..........................................................................................7-7
7.3.2.5 Multiprocessor Communications ..........................................................................7-8
7.4 PROGRAMMING THE SERIAL PORT.......................................................................... 7-8
7.4.1 Configuring the Serial Port Pins ................................................................................7-8
7.4.2 Programming the Control Register ............................................................................7-8

vii
CONTENTS
7.4.3 Programming the Baud Rate and Clock Source .....................................................7-10
7.4.4 Enabling the Serial Port Interrupts ..........................................................................7-12
7.4.5 Determining Serial Port Status ................................................................................7-13
7.5 PROGRAMMING EXAMPLE USING AN INTERRUPT-DRIVEN ROUTINE............... 7-14
CHAPTER 8
SYNCHRONOUS SERIAL I/O (SSIO) PORT
8.1 SYNCHRONOUS SERIAL I/O (SSIO) PORT FUNCTIONAL OVERVIEW.................... 8-1
8.2 SSIO PORT SIGNALS AND REGISTERS .................................................................... 8-2
8.3 SSIO OPERATION ........................................................................................................ 8-3
8.4 SSIO HANDSHAKING................................................................................................... 8-6
8.4.1 SSIO Handshaking Configuration .............................................................................8-6
8.4.2 SSIO Handshaking Operation ...................................................................................8-7
8.5 PROGRAMMING THE SSIO PORT .............................................................................. 8-9
8.5.1 Configuring the SSIO Port Pins ................................................................................8-9
8.5.2 Programming the Baud Rate and Enabling the Baud-rate Generator .......................8-9
8.5.3 Controlling the Communications Mode and Handshaking ......................................8-10
8.5.4 Enabling the SSIO Interrupts ..................................................................................8-13
8.5.5 Determining SSIO Port Status ................................................................................8-13
8.6 PROGRAMMING CONSIDERATIONS........................................................................ 8-13
8.7 PROGRAMMING EXAMPLE....................................................................................... 8-15
CHAPTER 9
SLAVE PORT
9.1 SLAVE PORT FUNCTIONAL OVERVIEW.................................................................... 9-2
9.2 SLAVE PORT SIGNALS AND REGISTERS ................................................................. 9-2
9.3 HARDWARE CONNECTIONS ...................................................................................... 9-6
9.4 SLAVE PORT MODES .................................................................................................. 9-8
9.4.1 Standard Slave Mode Example ................................................................................9-8
9.4.1.1 Master Device Program .......................................................................................9-8
9.4.1.2 Slave Device Program .........................................................................................9-9
9.4.1.3 Demultiplexed Bus Timings ................................................................................9-10
9.4.2 Shared Memory Mode Example (8XC196KS and KT only) ....................................9-11
9.4.2.1 Master Device Program .....................................................................................9-11
9.4.2.2 Slave Device Program .......................................................................................9-12
9.4.2.3 Multiplexed Bus Timings ....................................................................................9-13
9.5 CONFIGURING THE SLAVE PORT............................................................................ 9-14
9.5.1 Programming the Slave Port Control Register (SLP_CON) ....................................9-14
9.5.2 Enabling the Slave Port Interrupts ..........................................................................9-16
9.6 DETERMINING SLAVE PORT STATUS..................................................................... 9-16
9.7 USING STATUS BITS TO SYNCHRONIZE MASTER AND SLAVE........................... 9-16

CONTENTS
viii
CHAPTER 10
EVENT PROCESSOR ARRAY (EPA)
10.1 EPA FUNCTIONAL OVERVIEW ................................................................................. 10-1
10.2 EPA AND TIMER/COUNTER SIGNALS AND REGISTERS ....................................... 10-2
10.3 TIMER/COUNTER FUNCTIONAL OVERVIEW........................................................... 10-6
10.3.1 Cascade Mode (Timer 2 Only) ................................................................................10-7
10.3.2 Quadrature Clocking Mode .....................................................................................10-7
10.4 EPA CHANNEL FUNCTIONAL OVERVIEW ............................................................... 10-9
10.4.1 Operating in Capture Mode ...................................................................................10-11
10.4.1.1 Handling EPA Overruns ...................................................................................10-12
10.4.2 Operating in Compare Mode .................................................................................10-13
10.4.2.1 Generating a Low-speed PWM Output ............................................................10-14
10.4.2.2 Generating a Medium-speed PWM Output ......................................................10-15
10.4.2.3 Generating a High-speed PWM Output ...........................................................10-16
10.4.2.4 Generating the Highest-speed PWM Output ....................................................10-16
10.5 PROGRAMMING THE EPA AND TIMER/COUNTERS............................................. 10-17
10.5.1 Configuring the EPA and Timer/Counter Port Pins ...............................................10-17
10.5.2 Programming the Timers .......................................................................................10-17
10.5.3 Programming the Capture/Compare Channels .....................................................10-20
10.5.4 Programming the Compare-only Channels ...........................................................10-25
10.6 ENABLING THE EPA INTERRUPTS ........................................................................ 10-26
10.7 DETERMINING EVENT STATUS.............................................................................. 10-28
10.8 SERVICING THE MULTIPLEXED EPA INTERRUPT WITH SOFTWARE................ 10-29
10.8.1 Using the TIJMP Instruction to Reduce Interrupt Service Overhead ....................10-31
10.9 PROGRAMMING EXAMPLES FOR EPA CHANNELS ............................................. 10-33
10.9.1 EPA Compare Event Program ..............................................................................10-33
10.9.2 EPA Capture Event Program ................................................................................10-34
10.9.3 EPA PWM Output Program ..................................................................................10-35
CHAPTER 11
ANALOG-TO-DIGITAL CONVERTER
11.1 A/D CONVERTER FUNCTIONAL OVERVIEW........................................................... 11-1
11.2 A/D CONVERTER SIGNALS AND REGISTERS ........................................................ 11-2
11.3 A/D CONVERTER OPERATION ................................................................................. 11-3
11.4 PROGRAMMING THE A/D CONVERTER.................................................................. 11-4
11.4.1 Programming the A/D Test Register .......................................................................11-5
11.4.2 Programming the A/D Result Register (for Threshold Detection Only) ...................11-6
11.4.3 Programming the A/D Time Register ......................................................................11-6
11.4.4 Programming the A/D Command Register ..............................................................11-8
11.4.5 Enabling the A/D Interrupt .......................................................................................11-9
11.5 DETERMINING A/D STATUS AND CONVERSION RESULTS .................................. 11-9
11.6 DESIGN CONSIDERATIONS.................................................................................... 11-10
11.6.1 Designing External Interface Circuitry ...................................................................11-11

ix
CONTENTS
11.6.1.1 Minimizing the Effect of High Input Source Resistance ....................................11-12
11.6.1.2 Suggested A/D Input Circuit .............................................................................11-13
11.6.1.3 Analog Ground and Reference Voltages .........................................................11-13
11.6.1.4 Using Mixed Analog and Digital Inputs ............................................................11-14
11.6.2 Understanding A/D Conversion Errors ..................................................................11-14
CHAPTER 12
CAN SERIAL COMMUNICATIONS CONTROLLER
12.1 CAN FUNCTIONAL OVERVIEW................................................................................. 12-1
12.2 CAN CONTROLLER SIGNALS AND REGISTERS..................................................... 12-3
12.3 CAN CONTROLLER OPERATION.............................................................................. 12-4
12.3.1 Address Map ...........................................................................................................12-5
12.3.2 Message Objects ....................................................................................................12-5
12.3.2.1 Receive and Transmit Priorities .........................................................................12-6
12.3.2.2 Message Acceptance Filtering ...........................................................................12-6
12.3.3 Message Frames ....................................................................................................12-7
12.3.4 Error Detection and Management Logic .................................................................12-9
12.3.5 Bit Timing ..............................................................................................................12-10
12.3.5.1 Bit Timing Equations ........................................................................................12-12
12.4 CONFIGURING THE CAN CONTROLLER............................................................... 12-13
12.4.1 Programming the CAN Control (CAN_CON) Register ..........................................12-13
12.4.2 Programming the Bit Timing 0 (CAN_BTIME0) Register ......................................12-15
12.4.3 Programming the Bit Timing 1 (CAN_BTIME1) Register ......................................12-16
12.4.4 Programming a Message Acceptance Filter .........................................................12-18
12.5 CONFIGURING MESSAGE OBJECTS..................................................................... 12-20
12.5.1 Specifying a Message Object’s Configuration .......................................................12-21
12.5.2 Programming the Message Object Identifier .........................................................12-22
12.5.3 Programming the Message Object Control Registers ...........................................12-23
12.5.3.1 Message Object Control Register 0 .................................................................12-23
12.5.3.2 Message Object Control Register 1 .................................................................12-23
12.5.4 Programming the Message Object Data ...............................................................12-23
12.6 ENABLING THE CAN INTERRUPTS........................................................................ 12-29
12.7 DETERMINING THE CAN CONTROLLER’S INTERRUPT STATUS ....................... 12-32
12.8 FLOW DIAGRAMS .................................................................................................... 12-35
12.9 DESIGN CONSIDERATIONS.................................................................................... 12-41
12.9.1 Hardware Reset ....................................................................................................12-41
12.9.2 Software Initialization ............................................................................................12-41
12.9.3 Bus-off State .........................................................................................................12-41
CHAPTER 13
MINIMUM HARDWARE CONSIDERATIONS
13.1 MINIMUM CONNECTIONS ......................................................................................... 13-1
13.1.1 Unused Inputs .........................................................................................................13-2
13.1.2 I/O Port Pin Connections ........................................................................................13-2

CONTENTS
x
13.2 APPLYING AND REMOVING POWER ....................................................................... 13-4
13.3 NOISE PROTECTION TIPS ........................................................................................ 13-4
13.4 PROVIDING THE CLOCK ........................................................................................... 13-5
13.4.1 Using the On-chip Oscillator ...................................................................................13-5
13.4.2 Using a Ceramic Resonator Instead of a Crystal Oscillator ....................................13-7
13.4.3 Providing an External Clock Source ........................................................................13-7
13.5 RESETTING THE DEVICE.......................................................................................... 13-8
13.5.1 Generating an External Reset ...............................................................................13-10
13.5.2 Issuing the Reset (RST) Instruction ......................................................................13-12
13.5.3 Issuing an Illegal IDLPD Key Operand .................................................................13-12
13.5.4 Enabling the Watchdog Timer ...............................................................................13-12
13.5.5 Detecting Oscillator Failure ...................................................................................13-12
CHAPTER 14
SPECIAL OPERATING MODES
14.1 SPECIAL OPERATING MODE SIGNALS AND REGISTERS..................................... 14-1
14.2 REDUCING POWER CONSUMPTION ....................................................................... 14-3
14.3 IDLE MODE ................................................................................................................. 14-3
14.4 POWERDOWN MODE ............................................................................................... 14-4
14.4.1 Enabling and Disabling Powerdown Mode ..............................................................14-4
14.4.2 Entering Powerdown Mode .....................................................................................14-5
14.4.3 Exiting Powerdown Mode .......................................................................................14-5
14.4.3.1 Driving the Vpp Pin Low ......................................................................................14-5
14.4.3.2 Generating a Hardware Reset ...........................................................................14-6
14.4.3.3 Asserting the External Interrupt Signal ...............................................................14-6
14.4.3.4 Selecting R1 and C1 ...........................................................................................14-7
14.5 ONCE MODE............................................................................................................... 14-9
14.5.1 Entering and Exiting ONCE Mode ..........................................................................14-9
14.6 RESERVED TEST MODES....................................................................................... 14-10
CHAPTER 15
INTERFACING WITH EXTERNAL MEMORY
15.1 EXTERNAL MEMORY INTERFACE SIGNALS........................................................... 15-1
15.2 CHIP CONFIGURATION REGISTERS AND CHIP CONFIGURATION BYTES ......... 15-4
15.3 BUS WIDTH AND MULTIPLEXING............................................................................. 15-8
15.3.1 Timing Requirements for BUSWIDTH ...................................................................15-10
15.3.2 16-bit Bus Timings ................................................................................................15-11
15.3.3 8-bit Bus Timings ..................................................................................................15-13
15.4 WAIT STATES (READY CONTROL)......................................................................... 15-14
15.5 BUS-HOLD PROTOCOL (8XC196KQ, KR, KS, KT ONLY) ...................................... 15-17
15.5.1 Enabling the Bus-hold Protocol (8XC196K
x
Only) ................................................15-18
15.5.2 Disabling the Bus-hold Protocol (8XC196K
x
Only) ...............................................15-19
15.5.3 Hold Latency (8XC196K
x
Only) ............................................................................15-19

xi
CONTENTS
15.5.4 Regaining Bus Control (8XC196K
x
Only) .............................................................15-20
15.6 BUS-CONTROL MODES........................................................................................... 15-20
15.6.1 Standard Bus-control Mode ..................................................................................15-20
15.6.2 Write Strobe Mode ................................................................................................15-24
15.6.3 Address Valid Strobe Mode ..................................................................................15-26
15.6.4 Address Valid with Write Strobe Mode ..................................................................15-29
15.7 BUS TIMING MODES (8XC196KS, KT ONLY) ......................................................... 15-30
15.7.1 Mode 3, Standard Mode .......................................................................................15-32
15.7.2 Mode 0, Standard Timing with One Automatic Wait State ....................................15-32
15.7.3 Mode 1, Long Read/Write Mode ...........................................................................15-32
15.7.4 Mode 2, Long Read/Write with Early Address ......................................................15-33
15.7.5 Design Considerations ..........................................................................................15-34
15.8 SYSTEM BUS AC TIMING SPECIFICATIONS ......................................................... 15-36
CHAPTER 16
PROGRAMMING THE NONVOLATILE MEMORY
16.1 PROGRAMMING METHODS...................................................................................... 16-2
16.2 OTPROM MEMORY MAP ........................................................................................... 16-2
16.3 SECURITY FEATURES............................................................................................... 16-3
16.3.1 Controlling Access to Internal Memory ...................................................................16-4
16.3.1.1 Controlling Access to the OTPROM During Normal Operation ..........................16-4
16.3.1.2 Controlling Access to the OTPROM During Programming Modes .....................16-5
16.3.2 Controlling Fetches from External Memory .............................................................16-6
16.3.3 Enabling the Oscillator Failure Detection Circuitry ..................................................16-8
16.4 PROGRAMMING PULSE WIDTH ............................................................................... 16-8
16.5 MODIFIED QUICK-PULSE ALGORITHM.................................................................. 16-10
16.6 PROGRAMMING MODE PINS.................................................................................. 16-11
16.7 ENTERING PROGRAMMING MODES ..................................................................... 16-14
16.7.1 Selecting the Programming Mode .........................................................................16-14
16.7.2 Power-up and Power-down Sequences ................................................................16-14
16.7.2.1 Power-up Sequence .........................................................................................16-15
16.7.2.2 Power-down Sequence ....................................................................................16-15
16.8 SLAVE PROGRAMMING MODE............................................................................... 16-15
16.8.1 Reading the Signature Word and Programming Voltages ....................................16-16
16.8.2 Slave Programming Circuit and Memory Map ......................................................16-16
16.8.3 Operating Environment .........................................................................................16-18
16.8.4 Slave Programming Routines ...............................................................................16-20
16.8.5 Timing Mnemonics ................................................................................................16-25
16.9 AUTO PROGRAMMING MODE ................................................................................ 16-26
16.9.1 Auto Programming Circuit and Memory Map ........................................................16-26
16.9.2 Operating Environment .........................................................................................16-28
16.9.3 Auto Programming Routine ...................................................................................16-28
16.9.4 Auto Programming Procedure ..............................................................................16-30

CONTENTS
xii
16.9.5 ROM-dump Mode .................................................................................................16-31
16.10 SERIAL PORT PROGRAMMING MODE .................................................................. 16-32
16.10.1 Serial Port Programming Circuit and Memory Map ...............................................16-32
16.10.2 Changing Serial Port Programming Defaults ........................................................16-34
16.10.3 Executing Programs from Internal RAM ................................................................16-35
16.10.4 Reduced Instruction Set Monitor (RISM) ..............................................................16-35
16.10.5 RISM Command Descriptions ...............................................................................16-36
16.10.6 RISM Command Examples ...................................................................................16-38
16.10.6.1 Example 1 — Programming the PPW ..............................................................16-39
16.10.6.2 Example 2 — Reading OTPROM Contents .....................................................16-40
16.10.6.3 Example 3 — Loading a Program into Internal RAM .......................................16-40
16.10.6.4 Example 4 — Setting the PC and Executing the Program ...............................16-42
16.10.6.5 Writing to OTPROM with Examples 3 and 4 ....................................................16-43
16.11 RUN-TIME PROGRAMMING .................................................................................... 16-44
APPENDIX A
INSTRUCTION SET REFERENCE
APPENDIX B
SIGNAL DESCRIPTIONS
B.1 SIGNAL NAME CHANGES........................................................................................... B-1
B.2 FUNCTIONAL GROUPINGS OF SIGNALS ................................................................. B-1
B.3 SIGNAL DESCRIPTIONS............................................................................................. B-8
B.4 DEFAULT CONDITIONS............................................................................................ B-19
APPENDIX C
REGISTERS
GLOSSARY
INDEX

xiii
CONTENTS
FIGURES
Figure Page
2-1 8XC196K
x
Block Diagram............................................................................................2-3
2-2 Block Diagram of the Core ...........................................................................................2-3
2-3 Clock Circuitry ..............................................................................................................2-7
2-4 Internal Clock Phases ..................................................................................................2-8
4-1 Register File Memory Map .........................................................................................4-11
4-2 Windowing..................................................................................................................4-14
4-3 Window Selection Register (WSR).............................................................................4-15
5-1 Flow Diagram for PTS and Standard Interrupts ...........................................................5-2
5-2 Standard Interrupt Response Time ..............................................................................5-9
5-3 PTS Interrupt Response Time....................................................................................5-10
5-4 PTS Select (PTSSEL) Register..................................................................................5-12
5-5 Interrupt Mask (INT_MASK) Register.........................................................................5-13
5-6 Interrupt Mask 1 (INT_MASK1) Register....................................................................5-14
5-7 Interrupt Pending (INT_PEND) Register ....................................................................5-17
5-8 Interrupt Pending 1 (INT_PEND1) Register ...............................................................5-18
5-9 PTS Control Blocks ....................................................................................................5-19
5-10 PTS Service (PTSSRV) Register ...............................................................................5-20
5-11 PTS Mode Selection Bits (PTSCON Bits 7:5) ............................................................5-21
5-12 PTS Control Block – Single Transfer Mode................................................................5-22
5-13 PTS Control Block – Block Transfer Mode.................................................................5-25
5-14 PTS Control Block – A/D Scan Mode.........................................................................5-27
5-15 A Generic PWM Waveform ........................................................................................5-32
5-16 PTS Control Block – PWM Toggle Mode ...................................................................5-34
5-17 EPA and PTS Operations for the PWM Toggle Mode Example.................................5-36
5-18 PTS Control Block – PWM Remap Mode...................................................................5-39
5-19 EPA and PTS Operations for the PWM Remap Mode Example ................................5-41
6-1 Standard Input-only Port Structure...............................................................................6-3
6-2 Bidirectional Port Structure...........................................................................................6-8
6-3 Address/Data Bus (Ports 3 and 4) Structure ..............................................................6-17
7-1 SIO Block Diagram.......................................................................................................7-1
7-2 Typical Shift Register Circuit for Mode 0 ......................................................................7-5
7-3 Mode 0 Timing..............................................................................................................7-5
7-4 Serial Port Frames for Mode 1 .....................................................................................7-6
7-5 Serial Port Frames in Mode 2 and 3.............................................................................7-7
7-6 Serial Port Control (SP_CON) Register........................................................................7-9
7-7 Serial Port Baud Rate (SP_BAUD) Register ..............................................................7-10
7-8 Serial Port Status (SP_STATUS) Register.................................................................7-13
8-1 SSIO Block Diagram ....................................................................................................8-1
8-2 SSIO Operating Modes ................................................................................................8-4
8-3 SSIO Transmit/Receive Timings ..................................................................................8-6
8-4 SSIO Handshaking Flow Diagram................................................................................8-7
8-5 Synchronous Serial Port Baud (SSIO_BAUD) Register.............................................8-10
8-6 Synchronous Serial Control
x
(SSIO
x
_CON) Registers.............................................8-11
8-7 Variable-width MSB in SSIO Transmissions ..............................................................8-14

CONTENTS
xiv
FIGURES
Figure Page
9-1 DPRAM vs Slave-Port Solution ....................................................................................9-2
9-2 Slave Port Block Diagram.............................................................................................9-3
9-3 Master/Slave Hardware Connections...........................................................................9-7
9-4 Standard Slave Mode Timings (Demultiplexed Bus)..................................................9-10
9-5 Standard or Shared Memory Mode Timings (Multiplexed Bus)..................................9-13
9-6 Slave Port Control (SLP_CON) Register....................................................................9-15
9-7 Slave Port Status (SLP_STAT) Register....................................................................9-17
10-1 EPA Block Diagram....................................................................................................10-2
10-2 EPA Timer/Counters ..................................................................................................10-6
10-3 Quadrature Mode Interface ........................................................................................10-8
10-4 Quadrature Mode Timing and Count..........................................................................10-9
10-5 A Single EPA Capture/Compare Channel................................................................10-10
10-6 EPA Simplified Input-Capture Structure ...................................................................10-11
10-7 Valid EPA Input Events ............................................................................................10-12
10-8 Timer 1 Control (T1CONTROL) Register .................................................................10-18
10-9 Timer 2 Control (T2CONTROL) Register .................................................................10-19
10-10 EPA Control (EPA
x
_CON) Registers .......................................................................10-21
10-11 EPA Compare Control (COMP
x
_CON) Registers....................................................10-25
10-12 EPA Interrupt Mask (EPA_MASK) Register .............................................................10-27
10-13 EPA Interrupt Mask 1 (EPA_MASK1) Register ........................................................10-27
10-14 EPA Interrupt Pending (EPA_PEND) Register.........................................................10-28
10-15 EPA Interrupt Pending 1 (EPA_PEND1) Registers..................................................10-29
10-16 EPA Interrupt Priority Vector Register (EPAIPV)......................................................10-30
11-1 A/D Converter Block Diagram ....................................................................................11-1
11-2 A/D Test (AD_TEST) Register....................................................................................11-5
11-3 A/D Result (AD_RESULT) Register — Write Format.................................................11-6
11-4 A/D Time (AD_TIME) Register ...................................................................................11-7
11-5 A/D Command (AD_COMMAND) Register ................................................................11-8
11-6 A/D Result (AD_RESULT) Register — Read Format...............................................11-10
11-7 Idealized A/D Sampling Circuitry..............................................................................11-11
11-8 Suggested A/D Input Circuit .....................................................................................11-13
11-9 Ideal A/D Conversion Characteristic.........................................................................11-16
11-10 Actual and Ideal A/D Conversion Characteristics.....................................................11-17
11-11 Terminal-based A/D Conversion Characteristic .......................................................11-19
12-1 A System Using CAN Controllers...............................................................................12-1
12-2 CAN Controller Block Diagram ...................................................................................12-2
12-3 CAN Message Frames ...............................................................................................12-7
12-4 A Bit Time as Specified by the CAN Protocol...........................................................12-10
12-5 A Bit Time as Implemented in the CAN Controller ...................................................12-11
12-6 CAN Control (CAN_CON) Register..........................................................................12-13
12-7 CAN Bit Timing 0 (CAN_BTIME0) Register..............................................................12-15
12-8 CAN Bit Timing 1 (CAN_BTIME1) Register..............................................................12-16
12-9 CAN Standard Global Mask (CAN_SGMSK) Register.............................................12-18
12-10 CAN Extended Global Mask (CAN_EGMSK) Register ............................................12-19

xv
CONTENTS
FIGURES
Figure Page
12-11 CAN Message 15 Mask (CAN_MSK15) Register.....................................................12-20
12-12 CAN Message Object
x
Configuration (CAN_MSGxCFG) Register.........................12-21
12-13 CAN Message Object
x
Identifier (CAN_MSG
x
ID0–3) Register ..............................12-22
12-14 CAN Message Object
x
Control 0 (CAN_MSGxCON0) Register .............................12-24
12-15 CAN Message Object
x
Control 1 (CAN_MSG
x
CON1) Register .............................12-26
12-16 CAN Message Object Data (CAN_MSG
x
DATA0–7) Registers................................12-28
12-17 CAN Control (CAN_CON) Register..........................................................................12-29
12-18 CAN Message Object
x
Control 0 (CAN_MSGxCON0) Register .............................12-31
12-19 CAN Interrupt Pending (CAN_INT) Register ............................................................12-32
12-20 CAN Status (CAN_STAT) Register ..........................................................................12-33
12-21 CAN Message Object
x
Control 0 (CAN_MSG
x
CON0) Register .............................12-34
12-22 Receiving a Message for Message Objects 1–14 — CPU Flow ..............................12-36
12-23 Receiving a Message for Message Object 15 — CPU Flow ....................................12-37
12-24 Receiving a Message — CAN Controller Flow.........................................................12-38
12-25 Transmitting a Message — CPU Flow .....................................................................12-39
12-26 Transmitting a Message — CAN Controller Flow.....................................................12-40
13-1 Minimum Hardware Connections ...............................................................................13-3
13-2 Power and Return Connections .................................................................................13-4
13-3 On-chip Oscillator Circuit............................................................................................13-6
13-4 External Crystal Connections.....................................................................................13-7
13-5 External Clock Connections .......................................................................................13-8
13-6 External Clock Drive Waveforms................................................................................13-8
13-7 Reset Timing Sequence.............................................................................................13-9
13-8 Internal Reset Circuitry.............................................................................................13-10
13-9 Minimum Reset Circuit .............................................................................................13-11
13-10 Example System Reset Circuit.................................................................................13-11
14-1 Clock Control During Power-saving Modes................................................................14-3
14-2 Power-up and Powerdown Sequence When Using an External Interrupt..................14-6
14-3 External RC Circuit.....................................................................................................14-7
14-4 Typical Voltage on the VPP Pin While Exiting Powerdown.........................................14-8
15-1 Chip Configuration 0 (CCR0) Register .......................................................................15-5
15-2 Chip Configuration 1 (CCR1) Register .......................................................................15-7
15-3 Multiplexing and Bus Width Options...........................................................................15-9
15-4 BUSWIDTH Timing Diagram....................................................................................15-10
15-5 Timings for 16-bit Buses...........................................................................................15-12
15-6 Timings for 8-bit Buses.............................................................................................15-14
15-7 READY Timing Diagram...........................................................................................15-16
15-8 HOLD#, HLDA# Timing ............................................................................................15-17
15-9 Standard Bus Control ...............................................................................................15-21
15-10 Decoding WRL# and WRH#.....................................................................................15-21
15-11 8-bit System with Flash and RAM ............................................................................15-22
15-12 16-bit System with Dynamic Bus Width....................................................................15-23
15-13 Write Strobe Mode ...................................................................................................15-24
15-14 16-bit System with Single-byte Writes to RAM.........................................................15-25

CONTENTS
xvi
FIGURES
Figure Page
15-15 Address Valid Strobe Mode......................................................................................15-26
15-16 Comparison of ALE and ADV# Bus Cycles..............................................................15-26
15-17 8-bit System with Flash ............................................................................................15-27
15-18 16-bit System with EPROM......................................................................................15-28
15-19 Timings of Address Valid with Write Strobe Mode ...................................................15-29
15-20 16-bit System with RAM ...........................................................................................15-30
15-21 Modes 0, 1, 2, and 3 Timings ...................................................................................15-31
15-22 Mode 1 System Bus Timing......................................................................................15-33
15-23 Mode 2 System Bus Timing......................................................................................15-35
15-24 System Bus Timing ..................................................................................................15-36
16-1 Unerasable PROM (USFR) Register..........................................................................16-7
16-2 Programming Pulse Width Register (PPW or SP_PPW)............................................16-9
16-3 Modified Quick-pulse Algorithm................................................................................16-10
16-4 Pin Functions in Programming Modes......................................................................16-11
16-5 Slave Programming Circuit.......................................................................................16-17
16-6 Chip Configuration Registers (CCRs).......................................................................16-19
16-7 Address/Command Decoding Routine .....................................................................16-21
16-8 Program Word Routine.............................................................................................16-22
16-9 Program Word Waveform.........................................................................................16-23
16-10 Dump Word Routine.................................................................................................16-24
16-11 Dump Word Waveform.............................................................................................16-25
16-12 Auto Programming Circuit for 8XC196K
x
Devices...................................................16-27
16-13 Auto Programming Routine ......................................................................................16-29
16-14 Serial Port Programming Mode Circuit.....................................................................16-33
16-15 Run-time Programming Code Example....................................................................16-45
B-1 8XC196K
x
68-lead PLCC Package............................................................................. B-3
B-2 8XC196J
x
52-lead PLCC Package ............................................................................. B-5
B-3 87C196CA 68-lead PLCC Package ............................................................................ B-7

xvii
CONTENTS
TABLES
Table Page
1-1 Handbooks and Product Information............................................................................1-6
1-2 Application Notes, Application Briefs, and Article Reprints ..........................................1-6
1-3 MCS® 96 Microcontroller Datasheets (Commercial/Express)......................................1-7
1-4 MCS® 96 Microcontroller Datasheets (Automotive) .....................................................1-7
1-5 MCS® 96 Microcontroller Quick References ................................................................1-7
2-1 Features of the 8XC196K
x
, J
x
, CA Product Family......................................................2-2
2-2 State Times at Various Frequencies ............................................................................2-8
2-3 Unsupported Functions in 87C196CA Devices ..........................................................2-13
2-4 Unsupported Functions in 8XC196J
x
Devices ...........................................................2-14
3-1 Operand Type Definitions.............................................................................................3-1
3-2 Equivalent Operand Types for Assembly and C Programming Languages .................3-2
3-3 Definition of Temporary Registers................................................................................3-6
4-1 Memory Map ................................................................................................................4-2
4-2 Special-purpose Memory Addresses............................................................................4-3
4-3 Memory-mapped SFRs ................................................................................................4-5
4-4 Peripheral SFRs...........................................................................................................4-7
4-5 CAN Peripheral SFRs — 8XC196CA Only...................................................................4-8
4-6 Register File Memory Addresses ...............................................................................4-11
4-7 CPU SFRs..................................................................................................................4-13
4-8 Selecting a Window of Peripheral SFRs.....................................................................4-16
4-9 Selecting a Window of the Upper Register File..........................................................4-16
4-10 Selecting a Window of Upper Register RAM — 8XC196JV Only...............................4-17
4-11 Windows.....................................................................................................................4-18
4-12 Windowed Base Addresses .......................................................................................4-20
5-1 Interrupt Signals ...........................................................................................................5-3
5-2 Interrupt and PTS Control and Status Registers ..........................................................5-3
5-3 Interrupt Sources, Vectors, and Priorities.....................................................................5-5
5-4 Execution Times for PTS Cycles................................................................................5-10
5-5 Single Transfer Mode PTSCB ....................................................................................5-24
5-6 Block Transfer Mode PTSCB .....................................................................................5-24
5-7 A/D Scan Mode Command/Data Table......................................................................5-28
5-8 Command/Data Table (Example 1)............................................................................5-30
5-9 A/D Scan Mode PTSCB (Example 1).........................................................................5-30
5-10 Command/Data Table (Example 2)............................................................................5-30
5-11 A/D Scan Mode PTSCB (Example 2).........................................................................5-31
5-12 Comparison of PWM Modes.......................................................................................5-31
5-13 PWM Toggle Mode PTSCB........................................................................................5-33
5-14 PWM Remap Mode PTSCB.......................................................................................5-38
6-1 Device I/O Ports ...........................................................................................................6-1
6-2 Standard Input-only Port Pins ......................................................................................6-2
6-3 Input-only Port Registers..............................................................................................6-2
6-4 Bidirectional Port Pins ..................................................................................................6-4
6-5 Bidirectional Port Control and Status Registers ...........................................................6-5
6-6 Logic Table for Bidirectional Ports in I/O Mode ............................................................6-9

CONTENTS
xviii
TABLES
Table Page
6-7 Logic Table for Bidirectional Ports in Special-function Mode .......................................6-9
6-8 Control Register Values for Each Configuration.........................................................6-11
6-9 Port Configuration Example .......................................................................................6-11
6-10 Port Pin States After Reset and After Example Code Execution................................6-12
6-11 Ports 3 and 4 Pins......................................................................................................6-16
6-12 Ports 3 and 4 Control and Status Registers ...............................................................6-16
6-13 Logic Table for Ports 3 and 4 as I/O...........................................................................6-18
7-1 Serial Port Signals........................................................................................................7-2
7-2 Serial Port Control and Status Registers......................................................................7-2
7-3 SP_BAUD Values When Using XTAL1 at 16 MHz.....................................................7-12
8-1 SSIO Port Signals ........................................................................................................8-2
8-2 SSIO Port Control and Status Registers ......................................................................8-2
8-3 Common SSIO_BAUD Values at 16 MHz....................................................................8-9
9-1 Slave Port Signals ........................................................................................................9-4
9-2 Slave Port Control and Status Registers......................................................................9-4
9-3 Master and Slave Interconnections ..............................................................................9-6
10-1 EPA Channels............................................................................................................10-1
10-2 EPA and Timer/Counter Signals.................................................................................10-3
10-3 EPA Control and Status Registers .............................................................................10-3
10-4 Quadrature Mode Truth Table....................................................................................10-8
10-5 Action Taken when a Valid Edge Occurs .................................................................10-12
10-6 Example Control Register Settings and EPA Operations.........................................10-20
10-7 EPAIPV Interrupt Priority Values..............................................................................10-30
11-1 A/D Converter Pins.....................................................................................................11-2
11-2 A/D Control and Status Registers...............................................................................11-2
12-1 CAN Controller Signals...............................................................................................12-3
12-2 Control and Status Registers .....................................................................................12-3
12-3 CAN Controller Address Map .....................................................................................12-5
12-4 Message Object Structure..........................................................................................12-6
12-5 Effect of Masking on Message Identifiers...................................................................12-7
12-6 Standard Message Frame..........................................................................................12-8
12-7 Extended Message Frame .........................................................................................12-8
12-8 CAN Protocol Bit Time Segments ............................................................................12-10
12-9 CAN Controller Bit Time Segments..........................................................................12-11
12-10 Bit Timing Relationships...........................................................................................12-12
12-11 Bit Timing Requirements for Synchronization ..........................................................12-17
12-12 Control Register Bit-pair Interpretation.....................................................................12-23
12-13 Cross-reference for Register Bits Shown in Flowcharts...........................................12-35
12-14 Register Values Following Reset..............................................................................12-41
13-1 Minimum Required Signals.........................................................................................13-1
13-2 I/O Port Configuration Guide ......................................................................................13-2
14-1 Operating Mode Control Signals ................................................................................14-1
14-2 Operating Mode Control and Status Registers...........................................................14-2
14-3 ONCE# Pin Alternate Functions.................................................................................14-9

xix
CONTENTS
TABLES
Table Page
14-4 Test-mode-entry Pins ...............................................................................................14-10
15-1 External Memory Interface Signals.............................................................................15-1
15-2 READY Signal Timing Definitions.............................................................................15-16
15-3 HOLD#, HLDA# Timing Definitions ..........................................................................15-18
15-4 Maximum Hold Latency............................................................................................15-19
15-5 Bus-control Mode .....................................................................................................15-20
15-6 Modes 0, 1, 2, and 3 Timing Comparisons...............................................................15-32
15-7 AC Timing Symbol Definitions..................................................................................15-37
15-8 AC Timing Definitions...............................................................................................15-37
16-1 OTPROM Sizes for 87C196K
x,
J
x,
CA Devices.........................................................16-1
16-2 87C196K
x
OTPROM Memory Map...........................................................................16-3
16-3 Memory Protection for Normal Operating Mode.........................................................16-4
16-4 Memory Protection Options for Programming Modes ................................................16-5
16-5 UPROM Programming Values and Locations for Slave Mode...................................16-8
16-6 Pin Descriptions .......................................................................................................16-11
16-7 PMODE Values ........................................................................................................16-14
16-8 Device Signature Word and Programming Voltages................................................16-16
16-9 Slave Programming Mode Memory Map..................................................................16-18
16-10 Timing Mnemonics ...................................................................................................16-25
16-11 Auto Programming Memory Map..............................................................................16-28
16-12 Serial Port Programming Mode Memory Map ..........................................................16-34
16-13 Serial Port Programming Default Values and Locations ..........................................16-35
16-14 User Program Register Values and Test ROM Locations........................................16-35
16-15 RISM Command Descriptions ..................................................................................16-36
A-1 Opcode Map (Left Half) ............................................................................................... A-2
A-1 Opcode Map (Right Half)............................................................................................. A-3
A-2 Processor Status Word (PSW) Flags .......................................................................... A-4
A-3 Effect of PSW Flags or Specified Bits on Conditional Jump Instructions .................... A-5
A-4 PSW Flag Setting Symbols ......................................................................................... A-5
A-5 Operand Variables ...................................................................................................... A-6
A-6 Instruction Set ............................................................................................................. A-7
A-7 Instruction Opcodes .................................................................................................. A-42
A-8 Instruction Lengths and Hexadecimal Opcodes........................................................ A-48
A-9 Instruction Execution Times (in State Times)............................................................ A-54
B-1 Signal Name Changes ................................................................................................ B-1
B-2 8XC196K
x
Signals Arranged by Functional Categories.............................................. B-2
B-3 8XC196J
x
Signals Arranged by Functional Categories............................................... B-4
B-4 87C196CA Signals Arranged by Functional Categories.............................................. B-6
B-5 Description of Columns of Table B-6........................................................................... B-8
B-6 Signal Descriptions...................................................................................................... B-8
B-7 Definition of Status Symbols ..................................................................................... B-19
B-8 8XC196K
x
Pin Status................................................................................................ B-20
B-9 8XC196J
x
Pin Status ................................................................................................ B-21
B-10 87C196CA Pin Status ............................................................................................... B-22

CONTENTS
xx
TABLES
Table Page
C-1 Modules and Related Registers ..................................................................................C-1
C-2 Register Name, Address, and Reset Status................................................................C-2
C-3 CAN_EGMSK Addresses and Reset Values.............................................................C-15
C-4 CAN_MSG
x
CFG Addresses and Reset Values........................................................C-17
C-5 CAN_MSG
x
CON0 Addresses and Reset Values......................................................C-19
C-6 CAN_MSG
x
CON1 Addresses and Reset Values......................................................C-21
C-7 CAN_MSG
x
DATA0–7 Addresses .............................................................................C-23
C-8 CAN_MSG
x
ID0–3 Addresses ...................................................................................C-25
C-9 CAN_MSK15 Addresses and Reset Values..............................................................C-26
C-10 COMP
x
_CON Addresses and Reset Values.............................................................C-34
C-11 COMP
x
_TIME Addresses and Reset Values............................................................ C-35
C-12 EPA
x
_CON Addresses and Reset Values................................................................C-43
C-13 EPA
x
_TIME Addresses and Reset Values................................................................C-44
C-14 EPA Interrupt Priority Vectors.................................................................................... C-45
C-15 P
x
_DIR Addresses and Reset Values.......................................................................C-51
C-16 P
x
_MODE Addresses and Reset Values ..................................................................C-52
C-17 Special-function Signals for Ports 1, 2, 5, 6............................................................... C-53
C-18 P
x
_PIN Addresses and Reset Values....................................................................... C-54
C-19 P
x
_REG Addresses and Reset Values.....................................................................C-55
C-20 Common SSIO_BAUD Values at 16 MHz.................................................................C-71
C-21 SSIO
x
_BUF Addresses and Reset Values................................................................C-72
C-22 SSIO
x
_CON Addresses and Reset Values...............................................................C-74
C-23 TIMER
x
Addresses and Reset Values ...................................................................... C-77
C-24 WSR Settings and Direct Addresses for Windowable SFRs.....................................C-80

1
Guide to This Manual

1-1
CHAPTER 1
GUIDE TO THIS MANUAL
This manual describes the 8XC196Kx, Jx, CA family of embedded microcontrollers. It is intend-
ed for use by both software and hardware designers familiar with the principles of microcontrol-
lers. This chapter describes what you’ll find in this manual, lists other documents that may be
useful, and explains how to access the support services we provide to help you complete your de-
sign.
1.1 MANUAL CONTENTS
This manual contains several chapters and appendixes, a glossary, and an index. This chapter,
Chapter 1, provides an overview of the manual. This section summarizes the contents of the re-
maining chapters and appendixes. The remainder of this chapter describes notational conventions
and terminology used throughout the manual, provides references to related documentation, de-
scribes customer support services, and explains how to access information and assistance.
Chapter 2 — Architectural Overview — provides an overview of the device hardware. It de-
scribes the core, internal timing, internal peripherals, and special operating modes.
Chapter 3 — Programming ConsiderAtions — provides an overview of the instruction set, de-
scribes general standards and conventions, and defines the operand types and addressing modes
supported by the MCS® 96 microcontroller family. (For additional information about the instruc-
tion set, see Appendix A.)
Chapter 4 — Memory Partitions — describes the addressable memory space of the device. It
describes the memory partitions, explains how to use windows to increase the amount of memory
that can be accessed with register-direct (8-bit) instructions, and provides examples of memory
configurations.
Chapter 5 — Standard and PTS Interrupts — describes the interrupt control circuitry, priority
scheme, and timing for standard and peripheral transaction server (PTS) interrupts. It also ex-
plains interrupt programming and control.
Chapter 6 — I/O Ports — describes the input/output ports and explains how to configure the
ports for input, output, or special functions.
Chapter 7 — Serial I/O (SIO) Port — describes the asynchronous/synchronous serial I/O (SIO)
port and explains how to program it.
Chapter 8 — Synchronous Serial I/O (SSIO) Port — describes the synchronous serial I/O
(SSIO) port and explains how to program it.

8XC196K
x
, J
x
, CA USER’S MANUAL
1-2
Chapter 9 — Slave Port — describes the slave port of the 8XC196Kx and explains how to pro-
gram it. Chapter 6, “I/O Ports,” explains how to configure port 3 to serve as the slave port. This
chapter discusses additional configurations specific to the slave port function and describes how
to use the slave port for interprocessor communication.
Chapter 10 — Event Processor Array (EPA) — describes the event processor array, a tim-
er/counter-based, high-speed input/output unit. It describes the timer/counters and explains how
to program the EPA and how to use the EPA to produce pulse-width modulated (PWM) outputs.
Chapter 11 — Analog-to-digital Converter — provides an overview of the analog-to-digital
(A/D) converter and describes how to program the converter, read the conversion results, and in-
terface with external circuitry.
Chapter 12 — CAN Serial Communications Controller — describes the 8XC196CA’s inte-
grated CAN controller and explains how to configure it. This integrated peripheral is similar to
Intel’s standalone 82527 CAN serial communications controller, supporting both the standard
and extended message frames specified by the CAN 2.0 protocol parts A and B.
Chapter 13 — Minimum Hardware Considerations — describes options for providing the ba-
sic requirements for device operation within a system, discusses other hardware considerations,
and describes device reset options.
Chapter 14 — Special Operating Modes — provides an overview of the idle, powerdown,
and on-circuit emulation (ONCE) modes and describes how to enter and exit each mode.
Chapter 15 — Interfacing with External Memory — lists the external memory signals and de-
scribes the registers that control the external memory interface. It discusses the bus width and
memory configurations, the bus-hold protocol, write-control modes, and internal wait states and
ready control. Finally, it provides timing information for the system bus.
Chapter 16 — Programming the Nonvolatile Memory — provides recommended circuits, the
corresponding memory maps, and flow diagrams. It also provides procedures for auto program-
ming, and describes the commands used for serial port programming.
Appendix A — Instruction Set Reference — provides reference information for the instruction
set. It describes each instruction; defines the program status word (PSW) flags; shows the rela-
tionships between instructions and PSW flags; and lists hexadecimal opcodes, instruction
lengths, and execution times. (For additional information about the instruction set, see Chapter 3,
“Programming ConsiderAtions.”)
Appendix B — Signal Descriptions — provides reference information for the device pins, in-
cluding descriptions of the pin functions, reset status of the I/O and control pins, and package pin
assignments.

1-3
GUIDE TO THIS MANUAL
Appendix C — Registers — provides a compilation of all device registers arranged alphabeti-
cally by register mnemonic. It also includes tables that list the windowed direct addresses for all
SFRs in each possible window.
Glossary — defines terms with special meaning used throughout this manual.
Index — lists key topics with page number references.
1.2 NOTATIONAL CONVENTIONS AND TERMINOLOGY
The following notations and terminology are used throughout this manual. The Glossary defines
other terms with special meanings.
# The pound symbol (#) has either of two meanings, depending on the
context. When used with a signal name, the symbol means that the
signal is active low. When used in an instruction, the symbol prefixes
an immediate value in immediate addressing mode.
Assert and Deassert The terms assert and deassert refer to the act of making a signal
active (enabled) and inactive (disabled), respectively. The active
polarity (high/low) is defined by the signal name. Active-low signals
are designated by a pound symbol (#) suffix; active-high signals have
no suffix. To assert RD# is to drive it low; to assert ALE is to drive it
high; to deassert RD# is to drive it high; to deassert ALE is to drive it
low.
Clear and Set The terms clear and set refer to the value of a bit or the act of giving
it a value. If a bit is clear, its value is “0”; clearing a bit gives it a “0”
value. If a bit is set, its value is “1”; setting a bit gives it a “1” value.
Instructions Instruction mnemonics are shown in upper case to avoid confusion.
You may use either upper case or lower case.
italics Italics identify variables and introduce new terminology. The context
in which italics are used distinguishes between the two possible
meanings.
Variables in registers and signal names are commonly represented by
x and y, where x represents the first variable and y represents the
second variable. For example, in register Px_MODE.y, x represents
the variable that identifies the specific port, and y represents the
register bit variable [7:0]. Variables must be replaced with the correct
values when configuring or programming registers or identifying
signals.

8XC196K
x
, J
x
, CA USER’S MANUAL
1-4
Numbers Hexadecimal numbers are represented by a string of hexadecimal
digits followed by the character H. Decimal and binary numbers are
represented by their customary notations. (That is, 255 is a decimal
number and 1111 1111 is a binary number. In some cases, the letter B
is appended to binary numbers for clarity.)
Register Bits Bit locations are indexed by 7:0 (or 15:0), where bit 0 is the least-
significant bit and bit 7 (or 15) is the most-significant bit. An
individual bit is represented by the register name, followed by a
period and the bit number. For example, WSR.7 is bit 7 of the
window selection register. In some discussions, bit names are used.
Register Names Register mnemonics are shown in upper case. For example, TIMER2
is the timer 2 register; timer 2 is the timer. A register name containing
a lowercase italic character represents more than one register. For
example, the x in Px_REG indicates that the register name refers to
any of the port data registers.
Reserved Bits Certain bits are described as reserved bits. In illustrations, reserved
bits are indicated with a dash (—). These bits are not used in this
device, but they may be used in future implementations. To help
ensure that a current software design is compatible with future imple-
mentations, reserved bits should be cleared (given a value of “0”) or
left in their default states, unless otherwise noted.
Signal Names Signal names are shown in upper case. When several signals share a
common name, an individual signal is represented by the signal name
followed by a number. For example, the EPA signals are named
EPA0, EPA1, EPA2, etc. Port pins are represented by the port abbre-
viation, a period, and the pin number (e.g., P1.0, P1.1). A pound
symbol (#) appended to a signal name identifies an active-low signal.

1-5
GUIDE TO THIS MANUAL
Units of Measure The following abbreviations are used to represent units of measure:
A amps, amperes
DCV direct current volts
Kbytes kilobytes
KΩkilo-ohms
mA milliamps, milliamperes
Mbytes megabytes
MHz megahertz
ms milliseconds
mW milliwatts
ns nanoseconds
pF picofarads
W watts
V volts
µA microamps, microamperes
µF microfarads
µs microseconds
µW microwatts
XUppercase X (no italics) represents an unknown value or an
immaterial (“don’t care”) state or condition. The value may be either
binary or hexadecimal, depending on the context. For example,
2XAFH (hex) indicates that bits 11:8 are unknown; 10XX in binary
context indicates that the two LSBs are unknown.
1.3 RELATED DOCUMENTS
The tables in this section list additional documents that you may find useful in designing systems
incorporating MCS 96 microcontrollers. These are not comprehensive lists, but are a representa-
tive sample of relevant documents. For a complete list of available printed documents, please or-
der the literature catalog (order number 210621). To order documents, please call the Intel
literature center for your area (telephone numbers are listed on page 1-11).
Intel’s ApBUILDER software, hypertext manuals and datasheets, and electronic versions of ap-
plication notes and code examples are also available from the BBS (see “Bulletin Board System
(BBS)” on page 1-9). New information is available first from FaxBack and the BBS. Refer to
“Electronic Support Systems” on page 1-8 for details.

8XC196K
x
, J
x
, CA USER’S MANUAL
1-6
Table 1-1. Handbooks and Product Information
Title and Description Order Number
Intel Embedded Quick Reference Guide
272439
Solutions for Embedded Applications Guide
240691
Data on Demand
fact sheet 240952
Data on Demand
annual subscription (6 issues; Windows* version)
Complete set of Intel handbooks on CD-ROM. 240897
Handbook Set
— handbooks and product overview
Complete set of Intel’s product line handbooks. Contains datasheets, application
notes, article reprints and other design information on microprocessors, periph-
erals, embedded controllers, memory components, single-board computers,
microcommunications, software development tools, and operating systems.
231003
Automotive Products
†
Application notes and article reprints on topics including the MCS 51 and MCS 96
microcontrollers. Documents in this handbook discuss hardware and software
implementations and present helpful design techniques.
231792
Embedded Applications
handbook (2 volume set) †
Data sheets, architecture descriptions, and application ntoes on topics including
flash memory devices, networking chips, and MCS 51 and MCS 96 microcon-
trollers. Documents in this handbook discuss hardware and software implementa-
tions and present helpful design techniques.
270648
Embedded Microcontrollers
†
Data sheets and architecture descriptions for Intel’s three industry-standard
microcontrollers, the MCS® 48, MCS 51, and MCS 96 microcontrollers.
270646
Peripheral Components
†
Comprehensive information on Intel’s peripheral components, including
datasheets, application notes, and technical briefs.
296467
Flash Memory
(2 volume set) †
A collection of data sheets and application notes devoted to techniques and
information to help design semiconductor memory into an application or system.
210830
Packaging
†
Detailed information on the manufacturing, applications, and attributes of a variety
of semiconductor packages.
240800
Development Tools Handbook
Information on third-party hardware and software tools that support Intel’s
embedded microcontrollers.
272326
† Included in handbook set (order number 231003)
Table 1-2. Application Notes, Application Briefs, and Article Reprints
Title Order Number
AB-71,
Using the SIO on the 8XC196MH
(application brief) 272594
AP-125,
Design Microcontroller Systems for Electrically Noisy Environments
††† 210313
AP-155,
Oscillators for Microcontrollers
††† 230659
AR-375,
Motor Controllers Take the Single-Chip Route
(article reprint) 270056
AP-406,
MCS
®
96 Analog Acquisition Primer
††† 270365
AP-445,
8XC196KR Peripherals: A User’s Point of View
†270873
† Included in
Automotive Products
handbook (order number 231792)
†† Included in
Embedded Applications
handbook (order number 270648)
††† Included in
Automotive Products
and
Embedded Applications
handbooks

1-7
GUIDE TO THIS MANUAL
AP-449,
A Comparison of the Event Processor Array (EPA) and High Speed
Input/Output (HSIO) Unit
†270968
AP-475,
Using the 8XC196NT
†† 272315
AP-477,
Low Voltage Embedded Design
†† 272324
AP-483,
Application Examples Using the 8XC196MC/MD Microcontroller
272282
AP-700,
Intel Fuzzy Logic Tool Simplifies ABS Design
†272595
AP-711,
EMI Design Techniques for Microcontrollers in Automotive Applications
272324
AP-715,
Interfacing an I2C Serial EEPROM to an MCS
®
96 Microcontroller
272680
Table 1-3. MCS® 96 Microcontroller Datasheets (Commercial/Express)
Title Order Number
8XC196KR/KQ/JR/JQ Commercial/Express CHMOS Microcontroller
†270912
8XC196KT Commercial CHMOS Microcontroller
†272266
87C196KT/87C196KS 20 MHz Advanced 16-Bit CHMOS Microcontroller
†272513
8XC196MC Industrial Motor Control Microcontroller
†272323
87C196MD Industrial Motor Control CHMOS Microcontroller
†270946
8XC196NP Commercial CHMOS 16-Bit Microcontroller
†272459
8XC196NT CHMOS Microcontroller with 1-Mbyte Linear Address Space
†272267
† Included in
Embedded Microcontrollers
handbook (order number 270646)
Table 1-4. MCS® 96 Microcontroller Datasheets (Automotive)
Title and Description Order Number
87C196CA/87C196CB 20 MHz Advanced 16-Bit CHMOS Microcontroller with
Integrated CAN 2.0
†272405
87C196JT 20 MHz Advanced 16-Bit CHMOS Microcontroller
†272529
87C196JV 20 MHz Advanced 16-Bit CHMOS Microcontroller
†272580
87C196KR/KQ, 87C196JV/JT, 87C196JR/JQ Advanced 16-Bit CHMOS
Microcontroller
†270827
87C196KT/87C196KS Advanced 16-Bit CHMOS Microcontroller
†270999
87C196KT/KS 20 MHz Advanced 16-Bit CHMOS Microcontroller
†272513
† Included in
Automotive Products
handbook (order number 231792)
Table 1-5. MCS® 96 Microcontroller Quick References
Title and Description Order Number
8XC196KR Quick Reference
(includes the JQ, JR, KQ, KR) 272113
8XC196KT Quick Reference
272269
8XC196MC Quick Reference
272114
8XC196NP Quick Reference
272466
8XC196NT Quick Reference
272270
Table 1-2. Application Notes, Application Briefs, and Article Reprints (Continued)
Title Order Number
† Included in
Automotive Products
handbook (order number 231792)
†† Included in
Embedded Applications
handbook (order number 270648)
††† Included in
Automotive Products
and
Embedded Applications
handbooks

8XC196K
x
, J
x
, CA USER’S MANUAL
1-8
1.4 ELECTRONIC SUPPORT SYSTEMS
Intel’s FaxBack* service and application BBS provide up-to-date technical information. We also
maintain several forums on CompuServe and offer a variety of information on the World Wide
Web. These systems are available 24 hours a day, 7 days a week, providing technical information
whenever you need it.
1.4.1 FaxBack Service
FaxBack is an on-demand publishing system that sends documents to your fax machine. You can
get product announcements, change notifications, product literature, device characteristics, de-
sign recommendations, and quality and reliability information from FaxBack 24 hours a day, 7
days a week.
1-800-628-2283 U.S. and Canada
916-356-3105 U.S., Canada, Japan, APac
44(0)1793-496646 Europe
Think of the FaxBack service as a library of technical documents that you can access with your
phone. Just dial the telephone number and respond to the system prompts. After you select a doc-
ument, the system sends a copy to your fax machine.
Each document is assigned an order number and is listed in a subject catalog. The first time you
use FaxBack, you should order the appropriate subject catalogs to get a complete listing of doc-
ument order numbers. Catalogs are updated twice monthly, so call for the latest information. The
following catalogs and information are available at the time of publication:
1. Solutions OEM subscription form
2. Microcontroller and flash catalog
3. Development tools catalog
4. Systems catalog
5. Multimedia catalog
6. Multibus and iRMX® software catalog and BBS file listings
7. Microprocessor, PCI, and peripheral catalog
8. Quality and reliability and change notification catalog
9. iAL (Intel Architecture Labs) technology catalog

1-9
GUIDE TO THIS MANUAL
1.4.2 Bulletin Board System (BBS)
The bulletin board system (BBS) lets you download files to your computer. The application BBS
has the latest ApBUILDER software, hypertext manuals and datasheets, software drivers, firm-
ware upgrades, application notes and utilities, and quality and reliability data.
916-356-3600 U.S., Canada, Japan, APac (up to 19.2 Kbaud)
916-356-7209 U.S., Canada, Japan, APac (2400 baud only)
44(0)1793-496340 Europe
The toll-free BBS (available in the U.S. and Canada) offers lists of documents available from Fax-
Back, a master list of files available from the application BBS, and a BBS user’s guide. The BBS
file listing is also available from FaxBack (catalog number 6; see page 1-8 for phone numbers
and a description of the FaxBack service).
1-800-897-2536 U.S. and Canada only
Any customer with a modem and computer can access the BBS. The system provides automatic
configuration support for 1200- through 19200-baud modems. Typical modem settings are 14400
baud, no parity, 8 data bits, and 1 stop bit (14400, N, 8, 1).
To access the BBS, just dial the telephone number and respond to the system prompts. During
your first session, the system asks you to register with the system operator by entering your name
and location. The system operator will set up your access account within 24 hours. At that time,
you can access the files on the BBS.
NOTE
If you encounter any difficulty accessing the high-speed modem, try the
dedicated 2400-baud modem. Use these modem settings: 2400, N, 8, 1.
1.4.2.1 How to Find MCS® 96 Microcontroller Files on the BBS
Application notes, utilities, and product literature are available from the BBS. To access the files,
complete these steps:
1. Enter F from the BBS Main menu. The BBS displays the Intel Apps Files menu.
2. Type L and press <Enter>. The BBS displays the list of areas and prompts for the area
number.
3. Type 12 and press <Enter> to select MCS 96 Family. The BBS displays a list of subject
areas including general and product-specific subjects.
4. Type the number that corresponds to the subject of interest and press <Enter> to list the
latest files.

8XC196K
x
, J
x
, CA USER’S MANUAL
1-10
5. Type the file numbers to select the files you wish to download (for example, 1,6 for files 1
and 6 or 3-7 for files 3, 4, 5, 6, and 7) and press <Enter>. The BBS displays the approx-
imate time required to download the files you have selected and gives you the option to
download them.
1.4.2.2 How to Find
Ap
BUILDER Software and Hypertext Documents on the BBS
The latest ApBUILDER files and hypertext manuals and data sheets are available first from the
BBS. To access the files, complete these steps:
1. Type F from the BBS Main menu. The BBS displays the Intel Apps Files menu.
2. Type L and press <Enter>. The BBS displays the list of areas and prompts for the area
number.
3. Type 25 and press <Enter> to select ApBUILDER/Hypertext. The BBS displays several
options: one for ApBUILDER software and the others for hypertext documents for
specific product families.
4. Type 1 and press <Enter> to list the latest ApBUILDER files or type 2 and press <Enter>
to list the hypertext manuals and datasheets for MCS 96 microcontrollers.
5. Type the file numbers to select the files you wish to download (for example, 1,6 for files 1
and 6 or 3-7 for files 3, 4, 5, 6, and 7) and press <Enter>. The BBS displays the approx-
imate time required to download the selected files and gives you the option to download
them.
1.4.3 CompuServe Forums
The CompuServe forums provide a means for you to gather information, share discoveries, and
debate issues. Type “go intel” for access. For information about CompuServe access and service
fees, call CompuServe at 1-800-848-8199 (U.S.) or 614-529-1340 (outside the U.S.).
1.4.4 World Wide Web
We offer a variety of information through the World Wide Web (URL:http://www.intel.com/). Se-
lect “Embedded Design Products” from the Intel home page.

1-11
GUIDE TO THIS MANUAL
1.5 TECHNICAL SUPPORT
In the U.S. and Canada, technical support representatives are available to answer your questions
between 5 a.m. and 5 p.m. PST. You can also fax your questions to us. (Please include your voice
telephone number and indicate whether you prefer a response by phone or by fax). Outside the
U.S. and Canada, please contact your local distributor.
1-800-628-8686 U.S. and Canada
916-356-7599 U.S. and Canada
916-356-6100 (fax) U.S. and Canada
1.6 PRODUCT LITERATURE
You can order product literature from the following Intel literature centers.
1-800-468-8118, ext. 283 U.S. and Canada
708-296-9333 U.S. (from overseas)
44(0)1793-431155 Europe (U.K.)
44(0)1793-421333 Germany
44(0)1793-421777 France
81(0)120-47-88-32 Japan (fax only)
1.7 TRAINING CLASSES
In the U.S. and Canada, you can register for training classes through the Intel customer training
center. Classes are held in the U.S.
1-800-234-8806 U.S. and Canada

2
Architectural
Overview

2-1
CHAPTER 2
ARCHITECTURAL OVERVIEW
The 16-bit 8XC196Kx, 8XC196Jx, and 87C196CA CHMOS microcontrollers are designed to
handle high-speed calculations and fast input/output (I/O) operations. They share a common ar-
chitecture and instruction set with other members of the MCS® 96 microcontroller family. This
chapter provides a high-level overview of the architecture.
NOTE
This manual describes a family of devices. For brevity, the name 8XC196Kx
is used when the discussion applies to all family members. When information
applies to specific devices, individual product names are used.
2.1 TYPICAL APPLICATIONS
MCS 96 microcontrollers are typically used for high-speed event control systems. Commercial
applications include modems, motor-control systems, printers, photocopiers, air conditioner con-
trol systems, disk drives, and medical instruments. Automotive customers use MCS 96 microcon-
trollers in engine-control systems, airbags, suspension systems, and antilock braking systems
(ABS).

8XC196K
x
, J
x
, CA USER’S MANUAL
2-2
2.2 DEVICE FEATURES
Table 2-1 lists the features of each member of the 8XC196Kx family.
2.3 BLOCK DIAGRAM
Figure 2-1 shows the major blocks within the device. The core of the device (Figure 2-2) consists
of the central processing unit (CPU) and memory controller. The CPU contains the register file
and the register arithmetic-logic unit (RALU). The CPU connects to both the memory controller
and an interrupt controller via a 16-bit internal bus. An extension of this bus connects the CPU to
the internal peripheral modules. In addition, an 8-bit internal bus transfers instruction bytes from
the memory controller to the instruction register in the RALU.
Table 2-1. Features of the 8XC196K
x,
J
x
, CA Product Family
Device Pins OTPROM/
EPROM/
ROM (1)
Register
RAM (2) Code/
Data RAM I/O
Pins EPA
Pins
SIO/
SSIO
Ports
A/D
Channels
External
Interrupt
Pins
8XC196JV (3) 52 48 K 1536 512 56 6 3 6 1
8XC196KT 68 32 K 1024 512 56 10 3 8 2
8XC196JT (3) 52 32 K 1024 512 41 6 3 6 1
87C196CA (4) 68 32 K 1024 256 51 6 3 6 2
8XC196KS (3) 68 24 K 1024 256 56 10 3 8 2
8XC196KR 68 16 K 512 256 56 10 3 8 2
8XC196JR 52 16 K 512 256 41 6 3 6 1
8XC196KQ 68 12 K 384 128 56 10 3 8 2
8XC196JQ 52 12 K 384 128 41 6 3 6 1
NOTES:
1. Optional. The second character of the device name indicates the presence and type of nonvolatile
memory. 80C196
xx
= none; 83C196
xx
= ROM; 87C196
xx
= OTPROM or EPROM.
2. Register RAM amounts include the 24 bytes allocated to core SFRs and the stack pointer.
3. The 8XC196JT, JV, and KS are offered in automotive temperature ranges only. The 87C196CA,
8XC196JQ, JR, KQ, KR, and KT are offered in both automotive and commercial temperature ranges.
4. The 87C196CA also has an on-chip networking peripheral that supports CAN specification 2.0.

2-3
ARCHITECTURAL OVERVIEW
Figure 2-1. 8XC196K
x
Block Diagram
Figure 2-2. Block Diagram of the Core
A2799-02
Optional
ROM
Core
Code/Data
RAM
Clock and
Power Mgmt. PTS
EPA A/DSSIOI/O WDT
SIO Slave
Port
Interrupt
Controller
CAN
Note:
The slave port is unique to 8XC196K
x
devices.
The CAN peripheral is unique to the 8XC196CA.
A2797-01
Register File
Register
RAM
CPU SFRs
RALU
Microcode
Engine
ALU
Master PC
Memory Controller
Prefetch Queue
Slave PC
Address Register
Data Register
CPU
Bus Controller
PSW
Registers

8XC196K
x
, J
x
, CA USER’S MANUAL
2-4
2.3.1 CPU Control
The CPU is controlled by the microcode engine, which instructs the RALU to perform operations
using bytes, words, or double words from either the 256-byte lower register file or through a win-
dow that directly accesses the upper register file. (See Chapter 4, “Memory Partitions,” for more
information about the register file and windowing.) CPU instructions move from the 4-byte queue
in the memory controller into the RALU’s instruction register. The microcode engine decodes the
instructions and then generates the sequence of events that cause desired functions to occur.
2.3.2 Register File
The register file is divided into an upper and a lower file. In the lower register file, the lowest 24
bytes are allocated to the CPU’s special-function registers (SFRs) and the stack pointer, while the
remainder is available as general-purpose register RAM. The upper register file contains only
general-purpose register RAM. The register RAM can be accessed as bytes, words, or double-
words.
The RALU accesses the upper and lower register files differently. The lower register file is always
directly accessible with register-direct addressing (see “Addressing Modes” on page 3-5). The
upper register file is accessible with register-direct addressing only when windowing is enabled.
Windowing is a technique that maps blocks of the upper register file into a window in the lower
register file. See Chapter 4, “Memory Partitions,” for more information about the register file and
windowing.
2.3.3 Register Arithmetic-logic Unit (RALU)
The RALU contains the microcode engine, the 16-bit arithmetic logic unit (ALU), the master pro-
gram counter (PC), the program status word (PSW), and several registers. The registers in the
RALU are the instruction register, a constants register, a bit-select register, a loop counter, and
three temporary registers (the upper-word, lower-word, and second-operand registers).
The PSW contains one bit (PSW.1) that globally enables or disables servicing of all maskable in-
terrupts, one bit (PSW.2) that enables or disables the peripheral transaction server (PTS), and six
Boolean flags that reflect the state of your program. Appendix A, “Instruction Set Reference”
provides a detailed description of the PSW.
All registers, except the 3-bit bit-select register and the 6-bit loop counter, are either 16 or 17 bits
(16 bits plus a sign extension). Some of these registers can reduce the ALU’s workload by per-
forming simple operations.

2-5
ARCHITECTURAL OVERVIEW
The RALU uses the upper- and lower-word registers together for the 32-bit instructions and as
temporary registers for many instructions. These registers have their own shift logic and are used
for operations that require logical shifts, including normalize, multiply, and divide operations.
The six-bit loop counter counts repetitive shifts. The second-operand register stores the second
operand for two-operand instructions, including the multiplier during multiply operations and the
divisor during divide operations. During subtraction operations, the output of this register is com-
plemented before it is moved into the ALU.
The RALU speeds up calculations by storing constants (e.g., 0, 1, and 2) in the constants register
so that they are readily available when complementing, incrementing, or decrementing bytes or
words. In addition, the constants register generates single-bit masks, based on the bit-select reg-
ister, for bit-test instructions.
2.3.3.1 Code Execution
The RALU performs most calculations for the device, but it does not use an accumulator. Instead
it operates directly on the lower register file, which essentially provides 256 accumulators. Be-
cause data does not flow through a single accumulator, the device’s code executes faster and more
efficiently.
2.3.3.2 Instruction Format
MCS 96 microcontrollers combine a large set of general-purpose registers with a three-operand
instruction format. This format allows a single instruction to specify two source registers and a
separate destination register. For example, the following instruction multiplies two 16-bit vari-
ables and stores the 32-bit result in a third variable.
MUL RESULT, FACTOR_1, FACTOR_2 ;multiply FACTOR_1 and FACTOR_2
;and store answer in RESULT
;(RESULT)←(FACTOR_1 × FACTOR_2)
An 80C186 device requires four instructions to accomplish the same operation. The following ex-
ample shows the equivalent code for an 80C186 device.
MOV AX, FACTOR_1 ;move FACTOR_1 into accumulator (AX)
;(AX)←FACTOR1
MUL FACTOR_2 ;multiply FACTOR_2 and AX
;(DX:AX)←(AX)×(FACTOR_2)
MOV RESULT, AX ;move lower byte into RESULT
;(RESULT)←(AX)
MOV RESULT+2, DX ;move upper byte into RESULT+2
;(RESULT+2)←(DX)

8XC196K
x
, J
x
, CA USER’S MANUAL
2-6
2.3.4 Memory Controller
The RALU communicates with all memory, except the register file and peripheral SFRs, through
the memory controller. (It communicates with the upper register file through the memory control-
ler except when windowing is used; see Chapter 4, “Memory Partitions.”) The memory controller
contains the prefetch queue, the slave program counter (slave PC), address and data registers, and
the bus controller.
The bus controller drives the memory bus, which consists of an internal memory bus and the ex-
ternal address/data bus. The bus controller receives memory-access requests from either the
RALU or the prefetch queue; queue requests always have priority. This queue is transparent to
the RALU and your software.
NOTE
When using a logic analyzer to debug code, remember that instructions are
preloaded into the prefetch queue and are not necessarily executed
immediately after they are fetched.
When the bus controller receives a request from the queue, it fetches the code from the address
contained in the slave PC. The slave PC increases execution speed because the next instruction
byte is available immediately and the processor need not wait for the master PC to send the ad-
dress to the memory controller. If a jump, interrupt, call, or return changes the address sequence,
the master PC loads the new address into the slave PC, then the CPU flushes the queue and con-
tinues processing.
2.3.5 Interrupt Service
The device’s flexible interrupt-handling system has two main components: the programmable in-
terrupt controller and the peripheral transaction server (PTS). The programmable interrupt con-
troller has a hardware priority scheme that can be modified by your software. Interrupts that go
through the interrupt controller are serviced by interrupt service routines that you provide. The
peripheral transaction server (PTS), a microcoded hardware interrupt processor, provides high-
speed, low-overhead interrupt handling. You can configure most interrupts (except NMI, trap,
and unimplemented opcode) to be serviced by the PTS instead of the interrupt controller.
The PTS can transfer bytes or words, either individually or in blocks, between any memory loca-
tions, manage multiple analog-to-digital (A/D) conversions, and generate pulse-width modulated
(PWM) signals. PTS interrupts have a higher priority than standard interrupts and may temporari-
ly suspend interrupt service routines. See Chapter 5, “Standard and PTS Interrupts,” for more in-
formation.

2-7
ARCHITECTURAL OVERVIEW
2.4 INTERNAL TIMING
The clock circuitry (Figure 2-3) receives an input clock signal on XTAL1 provided by an external
crystal or oscillator and divides the frequency by two. The clock generators accept the divided
input frequency from the divide-by-two circuit and produce two nonoverlapping internal timing
signals, PH1 and PH2. These signals are active when high. The rising edges of PH1 and PH2 gen-
erate CLKOUT, the output of the internal clock generator (Figure 2-4). The clock circuitry routes
separate internal clock signals to the CPU and the peripherals to provide flexibility in power man-
agement. (“Reducing Power Consumption” on page 14-3 describes the power management
modes.) It also outputs the CLKOUT signal on the CLKOUT pin. Because of the complex logic
in the clock circuitry, the signal on the CLKOUT pin is a delayed version of the internal CLKOUT
signal. This delay varies with temperature and voltage.
Figure 2-3. Clock Circuitry
A3064-02
Clock
Generators
CPU Clocks (PH1, PH2)
Divide-by-two
Circuit
Peripheral Clocks (PH1, PH2)
CLKOUT
Disable Clocks
(Powerdown)
Disable Clocks
(Idle, Powerdown)
XTAL1
XTAL2
FOSC
Disable
Oscillator
(Powerdown)
Disable Clock Input
(Powerdown)

8XC196K
x
, J
x
, CA USER’S MANUAL
2-8
Figure 2-4. Internal Clock Phases
The combined period of phase 1 and phase 2 of the internal CLKOUT signal defines the basic
time unit known as a state time or state. Table 2-2 lists state time durations at various frequencies.
The following formulas calculate the frequency of PH1 and PH2 and the duration of a state time
(FOSC is the input frequency to the divide-by-two circuit).
Because the device can operate at many frequencies, this manual defines time requirements in
terms of state times rather than specific times. Consult the latest datasheet for AC timing specifi-
cations.
2.5 INTERNAL PERIPHERALS
The internal peripheral modules provide special functions for a variety of applications. This sec-
tion provides a brief description of each peripheral and other chapters describe each one in detail.
Table 2-2. State Times at Various Frequencies
FOSC
(Frequency Input to the
Divide-by-two Circuit) State Time
8 MHz 250 ns
12 MHz 167 ns
16 MHz 125 ns
PH1
PH2
CLKOUT
1 State Time
Phase 1 Phase 2
XTAL1
A0114-02
1 State Time
Phase 1 Phase 2
PH1 (in MHz) Fosc
2
----------- PH2 (in MHz)== State Time (in seconds) 2
Fosc
-----------
=

2-9
ARCHITECTURAL OVERVIEW
2.5.1 I/O Ports
The 8XC196Kx, 8XC196Jx, and 87C196CA have seven I/O ports, ports 0–6. Individual port pins
are multiplexed to serve as standard I/O or to carry special-function signals associated with an
on-chip peripheral or an off-chip component. If a particular special-function signal is not used in
an application, the associated pin can be individually configured to serve as a standard I/O pin.
Ports 3 and 4 are exceptions. Their pins must be configured either as all I/O or as all address/data.
Port 0 is an input-only port that is also the analog input for the A/D converter. Ports 1, 2, and 6
are standard, bidirectional I/O ports. Port 1 provides pins for the EPA and timers. Port 2 provides
pins for the serial I/O (SIO) port, interrupts, bus control signals, and clock generator. Port 6 pro-
vides pins for the event processor array (EPA) and synchronous serial I/O (SSIO) port.
Ports 3, 4, and 5 are memory-mapped, bidirectional I/O ports. Ports 3 and 4 serve as the external
address/data bus. Port 5 provides bus control signals; for the 8XC196Kx, it can also provide pins
for the slave port. Chapter 6, “I/O Ports,” describes the I/O ports in more detail.
NOTE
The 87C196CA device does not implement the following port pins: P0.1:0,
P1.7:4, P2.5 and P2.3, P5.7 and P5.1, and P6.3:2. See “Design Considerations
for 87C196CA Devices” on page 2-13 for details.
The 8XC196Jx devices do not implement the following port pins: P0.1:0,
P1.7:4, P2.5 and P2.3, P5.7:4, and P6.3:2. See “Design Considerations for
8XC196JQ, JR, JT, and JV Devices” on page 2-14 for details.
2.5.2 Serial I/O (SIO) Port
The serial I/O (SIO) port is an asynchronous/synchronous port that includes a universal asynchro-
nous receiver and transmitter (UART). The UART has one synchronous mode (mode 0) and three
asynchronous modes (modes 1, 2, and 3) for both transmission and reception. The asynchronous
modes are full duplex, meaning that they can transmit and receive data simultaneously. The re-
ceiver is buffered, so the reception of a second byte may begin before the first byte is read. The
transmitter is also buffered, allowing continuous transmissions. See Chapter 7, “Serial I/O (SIO)
Port,” for details.
2.5.3 Synchronous Serial I/O (SSIO) Port
The synchronous serial I/O (SSIO) port provides for simultaneous, bidirectional communications
between two 8XC196 family devices or between an 8XC196 device and another synchronous se-
rial I/O device. The SSIO port consists of two identical transceiver channels with a dedicated
baud-rate generator. The channels can be programmed to operate in several modes. See Chapter
8, “Synchronous Serial I/O (SSIO) Port,” for more information.

8XC196K
x
, J
x
, CA USER’S MANUAL
2-10
2.5.4 Slave Port (8XC196K
x
Only)
The slave port offers an alternative for communication between two CPU devices. Traditionally,
system designers have had three alternatives for achieving this communication — a serial link, a
parallel bus without a dual-port RAM (DPRAM), or a parallel bus with a DPRAM to hold shared
data.
NOTE
The 87C196CA and 8XC196Jx devices do not implement the slave port chip-
select and interrupt signals, so you cannot use the slave port on an 87C196CA
or 8XC196Jx device.
A serial link, the most common method, has several advantages: it uses only two pins from each
device, it needs no hardware protocol, and it allows for error detection before data is stored. How-
ever, it is relatively slow and involves software overhead to differentiate data, addresses, and
commands. A parallel bus increases communication speed, but requires more pins and a rather
involved hardware and software protocol. Using a DPRAM offers software flexibility between
master and slave devices, but the hardware interconnect uses a demultiplexed bus, which requires
even more pins than a simple parallel connection does. The DPRAM is also costly, and error de-
tection can be difficult. The SSIO offers a simple means for implementing a serial link. The mul-
tiplexed address/data bus can be used to implement a parallel link, with or without a DPRAM.
The slave port offers a fourth alternative.
The slave port offers the advantages of the traditional methods, without their drawbacks. It brings
the DPRAM on-chip. With this configuration, an external processor (master) can simply read
from and write to the on-chip memory of the 8XC196 (slave) device. The slave port requires more
pins than a serial link does, but fewer than the number used for a parallel bus. It requires no hard-
ware protocol, and it can interface with either a multiplexed or a demultiplexed bus. The master
simply reads or writes as if there were a DPRAM device on the bus. Data error detection can be
handled through the software. See Chapter 9, “Slave Port,” for details.
2.5.5 Event Processor Array (EPA) and Timer/Counters
The event processor array (EPA) performs high-speed input and output functions associated with
its timer/counters. In the input mode, the EPA monitors an input for signal transitions. When an
event occurs, the EPA records the timer value associated with it. This is a capture event. In the
output mode, the EPA monitors a timer until its value matches that of a stored time value. When
a match occurs, the EPA triggers an output event, which can set, clear, or toggle an output pin.
This is a compare event. Both capture and compare events can initiate interrupts, which can be
serviced by either the interrupt controller or the PTS.

2-11
ARCHITECTURAL OVERVIEW
Timer 1 and timer 2 are both 16-bit up/down timer/counters that can be clocked internally or ex-
ternally. Each timer/counter is called a timer if it is clocked internally and a counter if it is clocked
externally. (See Chapter 10, “Event Processor Array (EPA),” for additional information on the
EPA and timer/counters.)
2.5.6 Analog-to-digital Converter
The analog-to-digital (A/D) converter converts an analog input voltage to a digital equivalent.
Resolution is either 8 or 10 bits; sample and convert times are programmable. Conversions can
be performed on the analog ground and reference voltage, and the results can be used to calculate
gain and zero-offset errors. The internal zero-offset compensation circuit enables automatic zero-
offset adjustment. The A/D also has a threshold-detection mode, which can be used to generate
an interrupt when a programmable threshold voltage is crossed in either direction. The A/D scan
mode of the PTS facilitates automated A/D conversions and result storage.
The main components of the A/D converter are a sample-and-hold circuit and an 8-bit or 10-bit
successive approximation analog-to-digital converter. See Chapter 11, “Analog-to-digital Con-
verter,” for more information.
2.5.7 Watchdog Timer
The watchdog timer is a 16-bit internal timer that resets the device if the software fails to operate
properly. See Chapter 13, “Minimum Hardware Considerations,” for more information.
2.5.8 CAN Serial Communications Controller (87C196CA Only)
The 87C196CA device has a peripheral not found on 8XC196Jx or 8XC196Kx devices, the CAN
(controller area network) peripheral. The CAN serial communications controller manages com-
munications between multiple network nodes. This integrated peripheral is similar to Intel’s
standalone 82527 CAN serial communications controller, supporting both the standard and ex-
tended message frames specified by the CAN 2.0 protocol parts A and B. See Chapter 12, “CAN
Serial Communications Controller,” for more information.
2.6 SPECIAL OPERATING MODES
In addition to the normal execution mode, the device operates in several special-purpose modes.
Idle and powerdown modes conserve power when the device is inactive. On-circuit emulation
(ONCE) mode electrically isolates the microcontroller from the system, and several other modes
provide programming options for nonvolatile memory. See Chapter 14, “Special Operating
Modes,” for more information about idle, powerdown, and ONCE modes and Chapter 16, “Pro-
gramming the Nonvolatile Memory,” for details about programming options.

8XC196K
x
, J
x
, CA USER’S MANUAL
2-12
2.6.1 Reducing Power Consumption
In idle mode, the CPU stops executing instructions, but the peripheral clocks remain active. Pow-
er consumption drops to about 40% of normal execution mode consumption. Either a hardware
reset or any enabled interrupt source will bring the device out of idle mode.
In powerdown mode, all internal clocks are frozen at logic state zero and the oscillator is shut off.
The register file, internal code and data RAM, and most peripherals retain their data if VCC is
maintained. Power consumption drops into the µW range.
2.6.2 Testing the Printed Circuit Board
The on-circuit emulation (ONCE) mode electrically isolates the 8XC196 device from the system.
By invoking ONCE mode, you can test the printed circuit board while the device is soldered onto
the board.
2.6.3 Programming the Nonvolatile Memory
MCS 96 microcontrollers that have internal OTPROM or EPROM provide several programming
options:
•Slave programming allows a master EPROM programmer to program and verify one or
more slave MCS 96 microcontrollers. Programming vendors and Intel distributors typically
use this mode to program a large number of microcontrollers with a customer’s code and
data.
•Auto programming allows an MCS 96 microcontroller to program itself with code and data
located in an external memory device. Customers typically use this low-cost method to
program a small number of microcontrollers after development and testing are complete.
•Serial port programming allows you to download code and data (usually from a personal
computer or workstation) to an MCS 96 microcontroller asynchronously through the serial
I/O port’s RXD and TXD pins. Customers typically use this mode to download large
sections of code to the microcontroller during software development and testing.
•Run-time programming allows you to program individual nonvolatile memory locations
during normal code execution, under complete software control. Customers typically use
this mode to download a small amount of information to the microcontroller after the rest of
the array has been programmed. For example, you might use run-time programming to
download a unique identification number to a security device.
•ROM dump mode allows you to dump the contents of the device’s nonvolatile memory to a
tester or to a memory device (such as flash memory or RAM).

2-13
ARCHITECTURAL OVERVIEW
Chapter 16, “Programming the Nonvolatile Memory,” provides recommended circuits, the corre-
sponding memory maps, and flow diagrams. It also provides procedures for auto programming
and describes the commands used for serial port programming.
2.7 DESIGN CONSIDERATIONS FOR 87C196CA DEVICES
Some functions that were implemented on 8XC196Kx devices are omitted from the 87C196CA.
Table 2-3 lists the pins and signals that are omitted.
Follow these recommendations to help maintain hardware and software compatibility between
the 87C196CA and future devices.
•Bus width. Since the 87C196CA has no BUSWIDTH pin, the device cannot dynamically
switch between 8- and 16-bit bus widths. Configure the CCBs to select either 8- or 16-bit
bus width.
•EPA4–EPA7. The 87C196CA has neither the EPA7:4 pins nor the associated functions.
•Slave port. The 87C196CA has no P5.1/SLPCS# pin and no SLPINT signal, so you cannot
use the slave port.
•I/O ports. The following port pins do not exist in the 87C196CA: P0.1:0; P1.7:4; P2.3 and
P2.5; P5.1 and P5.7; P6.2 and P6.3. Software can still read the associated Px_DIR,
Px_MODE, and Px_REG registers. The registers for the removed pins are permanently
configured as follows:
—Px_DIR bits are set.
—Px_MODE bits are clear, except P5_MODE.7 is set.
—Px_REG bits are set.
Do not use the bits associated with the removed port pins for conditional branch instruc-
tions. Treat these bits as reserved.
•Auto programming. During auto programming, the 87C196CA supports only a 16-bit,
zero-wait-state bus configuration.
Table 2-3. Unsupported Functions in 87C196CA Devices
Removed Pins or Signals Unsupported Functions
P0.0 and P0.1 Analog channels 0 and 1
P1.4/EPA4, P1.5/EPA5, P1.6/EPA6, P1.7/EPA7 EPA channels 4 through 7
P2.3/BREQ, P2.5/HOLD# Bus hold request and hold acknowledge
P5.1/INST/SLPCS# Instruction fetch indication and slave port
SLPINT (multiplexed with P5.4 in K
x
devices) Slave port (P5.4 is implemented as a low-speed I/O pin)
P5.7/BUSWIDTH Dynamic buswidth selection
P6.2/T1CLK, P6.3/T1DIR External clocking and direction control of timer 1

8XC196K
x
, J
x
, CA USER’S MANUAL
2-14
2.8 DESIGN CONSIDERATIONS FOR 8XC196JQ, JR, JT, AND JV DEVICES
The 8XC196Jx devices are 52-lead versions of 8XC196Kx devices. Some functions were re-
moved to reduce the pin count (Table 2-4).
Table 2-4. Unsupported Functions in 8XC196J
x
Devices
Removed Pins Unsupported Functions
P0.0 and P0.1 Analog channels 0 and 1
P1.4/EPA4, P1.5/EPA5, P1.6/EPA6, P1.7/EPA7 Pins for EPA channels 4 through 7
P2.3/BREQ, P2.5/HOLD# Bus hold request and hold acknowledge
P5.1/INST/SLPCS# Instruction fetch indication and slave port
P5.4/SLPINT Slave port
P5.5/BHE#/WRH# 16-bit external bus
P5.6/READY Dynamic wait-state control
P5.7/BUSWIDTH Dynamic buswidth selection
P6.2/T1CLK, P6.3/T1DIR External clocking and direction control of timer 1
NMI Nonmaskable interrupt

2-15
ARCHITECTURAL OVERVIEW
Follow these recommendations to help maintain hardware and software compatibility between
52-lead, 68-lead, and future devices.
•Bus width. Since the 8XC196Jx has neither a WRH# nor a BUSWIDTH pin, the device
cannot dynamically switch between 8- and 16-bit bus widths. Program the CCBs to select 8-
bit bus mode.
•Wait states. Since the 8XC196Jx has no READY pin, the device cannot rely on a READY
signal to control wait states. Program the CCBs to limit the number of wait states (0, 1, 2, or
3).
•EPA4–EPA7. These functions exist in the 8XC196Jx, but the associated pins are omitted.
You can use these functions as software timers, to start A/D conversions, or to reset the
timers.
•Slave port. Since the 8XC196Jx has no P5.1/SLPCS and P5.4/SLPINT pins, you cannot
use the slave port.
•ONCE mode. On the 8XC196JQ and JR, the ONCE mode entry function is multiplexed
with P2.6 (P2.6/HLDA#/ONCE) rather than with P5.4 as it is on the 8XC196KQ and KR
(P5.4/SLPINT/ONCE).
•NMI. Since the 8XC196Jx has no NMI pin, the nonmaskable interrupt is not supported.
Initialize the NMI vector (at location 203EH) to point to a RET instruction. This method
provides glitch protection only.
•I/O ports. The following port pins do not exist in the 8XC196Jx: P0.0–P0.1, P1.4–P1.7,
P2.3 and P2.5, P5.1 and P5.4–P5.7, P6.2 and P6.3. Software can still read and write the
associated Px_REG, Px_MODE, and Px_DIR registers. Configure the registers for the
removed pins as follows:
— Clear the corresponding Px_DIR bits. (Configures pins as complementary outputs.)
— Clear the corresponding Px_MODE bits. (Selects I/O port function.)
— Write either “0” or “1” to the corresponding Px_REG bits. (Effectively ties signals low
or high.)
Do not use the bits associated with the removed port pins for conditional branch instruc-
tions. Treat these bits as reserved.
•Auto programming. During auto programming, the 8XC196Jx supports only a 16-bit,
zero-wait-state bus configuration.

3
Programming
Considerations

3-1
CHAPTER 3
PROGRAMMING CONSIDERATIONS
This section provides an overview of the instruction set of the MCS® 96 microcontrollers and of-
fers guidelines for program development. For detailed information about specific instructions,
see Appendix A.
3.1 OVERVIEW OF THE INSTRUCTION SET
The instruction set supports a variety of operand types likely to be useful in control applications
(see Table 3-1).
NOTE
The operand-type variables are shown in all capitals to avoid confusion. For
example, a BYTE is an unsigned 8-bit variable in an instruction, while a byte is
any 8-bit unit of data (either signed or unsigned).
Table 3-1. Operand Type Definitions
Operand Type No. of
Bits Signed Possible Values Addressing
Restrictions
BIT 1 No True or False As components of bytes
BYTE 8 No 0 through 255 (28–1) None
SHORT-
INTEGER 8 Yes –128 (–27) through +127 (+27–1) None
WORD 16 No 0 through 65,535 (216–1) Even byte address
INTEGER 16 Yes –32,768 (–215) through
+32,767 (+215–1) Even byte address
DOUBLE-WORD
(Note 1) 32 No 0 through 4,294,967,295 (232–1) An address in the lower
register file that is evenly
divisible by four (Note 2)
LONG-INTEGER
(Note 1) 32 Yes –2,147,483,648 (–231) through
+2,147,483,647 (+231–1) An address in the lower
register file that is evenly
divisible by four (Note 2)
NOTES:
1. The 32-bit variables are supported only as the operand in shift operations, as the dividend in 32-by-
16 divide operations, and as the product of 16-by-16 multiply operations.
2. For consistency with third-party software, you should adopt the C programming conventions for
addressing 32-bit operands. For more information, refer to “Software Standards and Conventions” on
page 3-9.

8XC196K
x
, J
x
, CA USER’S MANUAL
3-2
Table 3-2 lists the equivalent operand-type names for both C programming and assembly lan-
guage.
3.1.1 BIT Operands
A BIT is a single-bit variable that can have the Boolean values, “true” and “false.” The architec-
ture requires that BITs be addressed as components of BYTEs or WORDs. It does not support the
direct addressing of BITs.
3.1.2 BYTE Operands
A BYTE is an unsigned, 8-bit variable that can take on values from 0 through 255 (28–1). Arith-
metic and relational operators can be applied to BYTE operands, but the result must be interpret-
ed in modulo 256 arithmetic. Logical operations on BYTEs are applied bitwise. Bits within
BYTEs are labeled from 0 to 7; bit 0 is the least-significant bit. There are no alignment restric-
tions for BYTEs, so they may be placed anywhere in the address space.
3.1.3 SHORT-INTEGER Operands
A SHORT-INTEGER is an 8-bit, signed variable that can take on values from –128 (–27) through
+127 (+27–1). Arithmetic operations that generate results outside the range of a SHORT-INTE-
GER set the overflow flags in the PSW. The numeric result is the same as the result of the equiv-
alent operation on BYTE variables. There are no alignment restrictions on SHORT-INTEGERs,
so they may be placed anywhere in the address space.
3.1.4 WORD Operands
A WORD is an unsigned, 16-bit variable that can take on values from 0 through 65,535 (216–1).
Arithmetic and relational operators can be applied to WORD operands, but the result must be in-
terpreted in modulo 65536 arithmetic. Logical operations on WORDs are applied bitwise. Bits
within WORDs are labeled from 0 to 15; bit 0 is the least-significant bit.
Table 3-2. Equivalent Operand Types for Assembly and C Programming Languages
Operand Types Assembly Language Equivalent C Programming Language Equivalent
BYTE BYTE unsigned char
SHORT-INTEGER BYTE char
WORD WORD unsigned int
INTEGER WORD int
DOUBLE-WORD LONG unsigned long
LONG-INTEGER LONG long

3-3
PROGRAMMING CONSIDERATIONS
WORDs must be aligned at even byte boundaries in the address space. The least-significant byte
of the WORD is in the even byte address, and the most-significant byte is in the next higher (odd)
address. The address of a WORD is that of its least-significant byte (the even byte address).
WORD operations to odd addresses are not guaranteed to operate in a consistent manner.
3.1.5 INTEGER Operands
An INTEGER is a 16-bit, signed variable that can take on values from –32,768 (–215) through
+32,767 (+215–1) . Arithmetic operations that generate results outside the range of an INTEGER
set the overflow flags in the processor status word (PSW). The numeric result is the same as the
result of the equivalent operation on WORD variables.
INTEGERs must be aligned at even byte boundaries in the address space. The least-significant
byte of the INTEGER is in the even byte address, and the most-significant byte is in the next high-
er (odd) address. The address of an INTEGER is that of its least-significant byte (the even byte
address). INTEGER operations to odd addresses are not guaranteed to operate in a consistent
manner.
3.1.6 DOUBLE-WORD Operands
A DOUBLE-WORD is an unsigned, 32-bit variable that can take on values from 0 through
4,294,967,295 (232–1) . The architecture directly supports DOUBLE-WORD operands only as
the operand in shift operations, as the dividend in 32-by-16 divide operations, and as the product
of 16-by-16 multiply operations. For these operations, a DOUBLE-WORD variable must reside
in the lower register file and must be aligned at an address that is evenly divisible by four. The
address of a DOUBLE-WORD is that of its least-significant byte (the even byte address). The
least-significant word of the DOUBLE-WORD is always in the lower address, even when the
data is in the stack. This means that the most-significant word must be pushed into the stack first.
DOUBLE-WORD operations that are not directly supported can be easily implemented with two
WORD operations. For example, the following sequences of 16-bit operations perform a 32-bit
addition and a 32-bit subtraction, respectively.
ADD REG1,REG3 ; (2-operand addition)
ADDC REG2,REG4
SUB REG1,REG3 ; (2-operand subtraction)
SUBC REG2,REG4

8XC196K
x
, J
x
, CA USER’S MANUAL
3-4
3.1.7 LONG-INTEGER Operands
A LONG-INTEGER is a 32-bit, signed variable that can take on values from –2,147,483,648
(– 231) through +2,147,483,647 (+231–1) . The architecture directly supports LONG-INTEGER
operands only as the operand in shift operations, as the dividend in 32-by-16 divide operations,
and as the product of 16-by-16 multiply operations. For these operations, a LONG-INTEGER
variable must reside in the lower register file and must be aligned at an address that is evenly di-
visible by four. The address of a LONG-INTEGER is that of its least-significant byte (the even
byte address).
LONG-INTEGER operations that are not directly supported can be easily implemented with two
INTEGER operations. See the example in “DOUBLE-WORD Operands” on page 3-3.
3.1.8 Converting Operands
The instruction set supports conversions between the operand types. The LDBZE (load byte, zero
extended) instruction converts a BYTE to a WORD. CLR (clear) converts a WORD to a
DOUBLE-WORD by clearing (writing zeros to) the upper WORD of the DOUBLE-WORD.
LDBSE (load byte, sign extended) converts a SHORT-INTEGER into an INTEGER. EXT (sign
extend) converts an INTEGER to a LONG-INTEGER.
3.1.9 Conditional Jumps
The instructions for addition, subtraction, and comparison do not distinguish between unsigned
WORDs and signed INTEGERs. However, the conditional jump instructions allow you to treat
the results of these operations as signed or unsigned quantities. For example, the CMPB (compare
byte) instruction is used to compare both signed and unsigned 8-bit quantities. Following a com-
pare operation, you can use the JH (jump if higher) instruction for unsigned operands or the JGT
(jump if greater than) instruction for signed operands.
3.1.10 Floating Point Operations
The hardware does not directly support operations on REAL (floating point) variables. Those op-
erations are supported by floating point libraries from third-party tool vendors. (See the Develop-
ment Tools Handbook.) The performance of these operations is significantly improved by the
NORML instruction and by the sticky bit (ST) flag in the processor status word (PSW). The
NORML instruction normalizes a 32-bit variable; the sticky bit (ST) flag can be used in conjunc-
tion with the carry (C) flag to achieve finer resolution in rounding.

3-5
PROGRAMMING CONSIDERATIONS
3.2 ADDRESSING MODES
The instruction set uses four basic addressing modes:
•direct
•immediate
•indirect (with or without autoincrement)
•indexed (short-, long-, or zero-indexed)
The stack pointer can be used with indirect addressing to access the top of the stack, and it can
also be used with short-indexed addressing to access data within the stack. The zero register can
be used with long-indexed addressing to access any memory location.
An instruction can contain only one immediate, indirect, or indexed reference; any remaining op-
erands must be direct references.
This section describes the addressing modes as they are handled by the hardware. An understand-
ing of these details will help programmers to take full advantage of the architecture. The assembly
language hides some of the details of how these addressing modes work. “Assembly Language
Addressing Mode Selections” on page 3-9 describes how the assembly language handles direct
and indexed addressing modes.
The examples in this section assume that temporary registers are defined as shown in this segment
of assembly code and described in Table 3-3.
Oseg at 1ch
AX DSW 1
BX DSW 1
CX DSW 1
DX DSW 1

8XC196K
x
, J
x
, CA USER’S MANUAL
3-6
3.2.1 Direct Addressing
Direct addressing directly accesses a location in the 256-byte lower register file, without involv-
ing the memory controller. Windowing allows you to remap other sections of memory into the
lower register file for register-direct access (see Chapter 4, “Memory Partitions,” for details). You
specify the registers as operands within the instruction. The register addresses must conform to
the alignment rules for the operand type. Depending on the instruction, up to three registers can
take part in a calculation. The following instructions use register-direct addressing:
ADD AX,BX,CX ; AX ← BX + CX
ADDB AL,BL,CL ; AL ← BL + CL
MUL AX,BX ; AX ← AX * BX
INCB CL ; CL ← CL + 1
3.2.2 Immediate Addressing
Immediate addressing mode accepts one immediate value as an operand in the instruction. You
specify an immediate value by preceding it with a number symbol (#). An instruction can contain
only one immediate value; the remaining operands must be register-direct references. The follow-
ing instructions use immediate addressing:
ADD AX,#340 ; AX ← AX + 340
PUSH #1234H ; SP ← SP - 2
; MEM_WORD(SP) ← 1234H
DIVB AX,#10 ; AL ← AX/10
; AH ← AX MOD 10
3.2.3 Indirect Addressing
The indirect addressing mode accesses an operand by obtaining its address from a WORD regis-
ter in the lower register file. You specify the register containing the indirect address by enclosing
it in square brackets ([ ]). The indirect address can refer to any location within the address space,
including the register file. The register that contains the indirect address must be word-aligned,
and the indirect address must conform to the rules for the operand type. An instruction can contain
only one indirect reference; any remaining operands must be register-direct references. The fol-
lowing instructions use indirect addressing:
LD AX,[BX] ; AX ← MEM_WORD(BX)
Table 3-3. Definition of Temporary Registers
Temporary Register Description
AX word-aligned 16-bit register; AH is the high byte of AX and AL is the low byte
BX word-aligned 16-bit register; BH is the high byte of BX and BL is the low byte
CX word-aligned 16-bit register; CH is the high byte of CX and CL is the low byte
DX word-aligned 16-bit register; DH is the high byte of DX and DL is the low byte

3-7
PROGRAMMING CONSIDERATIONS
ADDB AL,BL,[CX] ; AL ← BL + MEM_BYTE(CX)
POP [AX] ; MEM_WORD(AX) ← MEM_WORD(SP)
; SP ← SP + 2
3.2.3.1 Indirect Addressing with Autoincrement
You can choose to automatically increment the indirect address after the current access. You spec-
ify autoincrementing by adding a plus sign (+) to the end of the indirect reference. In this case,
the instruction automatically increments the indirect address (by one if the destination is an 8-bit
register or by two if it is a 16-bit register). When your code is assembled, the assembler automat-
ically sets the least-significant bit of the indirect address register. The following instructions use
indirect addressing with autoincrement:
LD AX,[BX]+ ; AX ← MEM_WORD(BX)
; BX ← BX + 2
ADDB AL,BL,[CX]+ ; AL ← BL + MEM_BYTE(CX)
; CX ← CX + 1
PUSH [AX]+ ; SP ← SP - 2
; MEM_WORD(SP) ← MEM_WORD(AX)
; AX ← AX + 2
3.2.3.2 Indirect Addressing with the Stack Pointer
You can also use indirect addressing to access the top of the stack by using the stack pointer as
the WORD register in an indirect reference. The following instruction uses indirect addressing
with the stack pointer:
PUSH [SP] ; duplicate top of stack
; SP ← SP +2
3.2.4 Indexed Addressing
Indexed addressing calculates an address by adding an offset to a base address. There are three
variations of indexed addressing: short-indexed, long-indexed, and zero-indexed. Both short- and
long-indexed addressing are used to access a specific element within a structure. Short-indexed
addressing can access up to 255 byte locations, long-indexed addressing can access up to 65,535
byte locations, and zero-indexed addressing can access a single location. An instruction can con-
tain only one indexed reference; any remaining operands must be register-direct references.
3.2.4.1 Short-indexed Addressing
In a short-indexed instruction, you specify the offset as an 8-bit constant and the base address as
an indirect address register (a WORD). The following instructions use short-indexed addressing.
LD AX,12[BX] ; AX ← MEM_WORD(BX+12)
MULB AX,BL,3[CX] ; AX ← BL × MEM_BYTE(CX+3)

8XC196K
x
, J
x
, CA USER’S MANUAL
3-8
The instruction LD AX,12[BX] loads AX with the contents of the memory location that resides
at address BX+12. That is, the instruction adds the constant 12 (the offset) to the contents of BX
(the base address), then loads AX with the contents of the resulting address. For example, if BX
contains 1000H, then AX is loaded with the contents of location 1012H. Short-indexed address-
ing is typically used to access elements in a structure, where BX contains the base address of the
structure and the constant (12 in this example) is the offset of a specific element in a structure.
You can also use the stack pointer in a short-indexed instruction to access a particular location
within the stack, as shown in the following instruction.
LD AX,2[SP]
3.2.4.2 Long-indexed Addressing
In a long-indexed instruction, you specify the base address as a 16-bit variable and the offset as
an indirect address register (a WORD). The following instructions use long-indexed addressing.
LD AX,TABLE[BX] ; AX ← MEM_WORD(TABLE+BX)
AND AX,BX,TABLE[CX] ; AX ← BX AND MEM_WORD(TABLE+CX)
ST AX,TABLE[BX] ; MEM_WORD(TABLE+BX) ← AX
ADDB AL,BL,LOOKUP[CX] ; AL ← BL + MEM_BYTE(LOOKUP+CX)
The instruction LD AX, TABLE[BX] loads AX with the contents of the memory location that re-
sides at address TABLE+BX. That is, the instruction adds the contents of BX (the offset) to the
constant TABLE (the base address), then loads AX with the contents of the resulting address. For
example, if TABLE equals 4000H and BX contains 12H, then AX is loaded with the contents of
location 4012H. Long-indexed addressing is typically used to access elements in a table, where
TABLE is a constant that is the base address of the structure and BX is the scaled offset (n × el-
ement size, in bytes) into the structure.
3.2.4.3 Zero-indexed Addressing
In a zero-indexed instruction, you specify the address as a 16-bit variable; the offset is zero, and
you can express it in one of three ways: [0], [ZERO_REG], or nothing. Each of the following load
instructions loads AX with the contents of the variable THISVAR.
LD AX,THISVAR[0]
LD AX,THISVAR[ZERO_REG]
LD AX,THISVAR
The following instructions also use zero-indexed addressing:
ADD AX,1234[ZERO_REG] ; AX ← AX + MEM_WORD(1234)
POP 5678[ZERO_REG] ; MEM_WORD(5678) ← MEM_WORD(SP)
; SP ← SP + 2

3-9
PROGRAMMING CONSIDERATIONS
3.3 ASSEMBLY LANGUAGE ADDRESSING MODE SELECTIONS
The assembly language simplifies the choice of addressing modes. Use these features wherever
possible.
3.3.1 Direct Addressing
The assembly language chooses between direct and zero-indexed addressing depending on the
memory location of the operand. Simply refer to the operand by its symbolic name. If the operand
is in the lower register file, the assembly language chooses a direct reference. If the operand is
elsewhere in memory, it chooses a zero-indexed reference.
3.3.2 Indexed Addressing
The assembly language chooses between short-indexed and long-indexed addressing depending
on the value of the index expression. If the value can be expressed in eight bits, the assembly lan-
guage chooses a short-indexed reference. If the value is greater than eight bits, it chooses a long-
indexed reference.
3.4 SOFTWARE STANDARDS AND CONVENTIONS
For a software project of any size, it is a good idea to develop the program in modules and to es-
tablish standards that control communication between the modules. These standards vary with the
needs of the final application. However, all standards must include some mechanism for passing
parameters to procedures and returning results from procedures. We recommend that you use the
conventions adopted by the C programming language for procedure linkage. These standards are
usable for both the assembly language and C programming environments, and they offer compat-
ibility between these environments.
3.4.1 Using Registers
The 256-byte lower register file contains the CPU special-function registers and the stack pointer.
The remainder of the lower register file and all of the upper register file is available for your use.
Peripheral special-function registers (SFRs) and memory-mapped SFRs reside in higher memory.
The peripheral SFRs can be windowed into the lower register file for direct access. Memory-
mapped SFRs cannot be windowed; you must use indirect or indexed addressing to access them.
All SFRs can be operated on as BYTEs or WORDs, unless otherwise specified. See “Special-
function Registers (SFRs)” on page 4-5 and “Register File” on page 4-10 for more information.

8XC196K
x
, J
x
, CA USER’S MANUAL
3-10
To use these registers effectively, you must have some overall strategy for allocating them. The
C programming language adopts a simple, effective strategy. It allocates the eight bytes beginning
at address 1CH as temporary storage and treats the remaining area in the register file as a segment
of memory that is allocated as required.
NOTE
Using any SFR as a base or index register for indirect or indexed operations
can cause unpredictable results. External events can change the contents of
SFRs, and some SFRs are cleared when read. For this reason, consider the
implications of using an SFR as an operand in a read-modify-write instruction
(e.g., XORB).
3.4.2 Addressing 32-bit Operands
The 32-bit operands (DOUBLE-WORDs and LONG-INTEGERs) are formed by two adjacent
16-bit words in memory. The least-significant word of a DOUBLE-WORD is always in the lower
address, even when the data is in the stack (which means that the most-significant word must be
pushed into the stack first). The address of a 32-bit operand is that of its least-significant byte.
The hardware supports the 32-bit data types as operands in shift operations, as dividends of 32-
by-16 divide operations, and as products of 16-by-16 multiply operations. For these operations,
the 32-bit operand must reside in the lower register file and must be aligned at an address that is
evenly divisible by four.
3.4.3 Linking Subroutines
Parameters are passed to subroutines via the stack. Parameters are pushed into the stack from the
rightmost parameter to the left. The 8-bit parameters are pushed into the stack with the high-order
byte undefined. The 32-bit parameters are pushed onto the stack as two 16-bit values; the most-
significant half of the parameter is pushed into the stack first. As an example, consider the fol-
lowing procedure:
void example_procedure (char param1, long param2, int param3);
When this procedure is entered at run-time, the stack will contain the parameters in the following
order:
param3
low word of param2
high word of param2
undefined;param1
return address ← Stack Pointer

3-11
PROGRAMMING CONSIDERATIONS
If a procedure returns a value to the calling code (as opposed to modifying more global variables)
the result is returned in the temporary storage space (TMPREG0, in this example) starting at 1CH.
TMPREG0 is viewed as either an 8-, 16-, or 32-bit variable, depending on the type of the proce-
dure.
The standard calling convention adopted by the C programming language has several key fea-
tures:
•Procedures can always assume that the eight bytes of register file memory starting at 1CH
can be used as temporary storage within the body of the procedure.
•Code that calls a procedure must assume that the procedure modifies the eight bytes of
register file memory starting at 1CH.
•Code that calls a procedure must assume that the procedure modifies the processor status
word (PSW) condition flags because procedures do not save and restore the PSW.
•Function results from procedures are always returned in the variable TMPREG0.
The C programming language allows the definition of interrupt procedures, which are executed
when a predefined interrupt request occurs. Interrupt procedures do not conform to the rules of
normal procedures. Parameters cannot be passed to these procedures and they cannot return re-
sults. Since interrupt procedures can execute essentially at any time, they must save and restore
both the PSW and TMPREG0.
3.5 SOFTWARE PROTECTION FEATURES AND GUIDELINES
The device has several features to assist in recovering from hardware and software errors. The
unimplemented opcode interrupt provides protection from executing unimplemented opcodes.
The hardware reset instruction (RST) can cause a reset if the program counter goes out of bounds.
The RST instruction opcode is 0FFH, so the processor will reset itself if it tries to fetch an instruc-
tion from unprogrammed locations in nonvolatile memory or from bus lines that have been pulled
high. The watchdog timer (WDT) can also reset the device in the event of a hardware or software
error.
We recommend that you fill unused areas of code with NOPs and periodic jumps to an error rou-
tine or RST instruction. This is particularly important in the code surrounding lookup tables, since
accidentally executing from lookup tables will cause undesired results. Wherever space allows,
surround each table with seven NOPs (because the longest device instruction has seven bytes) and
a RST or a jump to an error routine. Since RST is a one-byte instruction, the NOPs are unneces-
sary if RSTs are used instead of jumps to an error routine. This will help to ensure a speedy re-
covery from a software error.

8XC196K
x
, J
x
, CA USER’S MANUAL
3-12
When using the watchdog timer (WDT) for software protection, we recommend that you reset the
WDT from only one place in code, reducing the chance of an undesired WDT reset. The section
of code that resets the WDT should monitor the other code sections for proper operation. This can
be done by checking variables to make sure they are within reasonable values. Simply using a
software timer to reset the WDT every 10 milliseconds will provide protection only for cata-
strophic failures.

4
Memory Partitions

4-1
CHAPTER 4
MEMORY PARTITIONS
This chapter describes the address space, its major partitions, and a windowing technique for ac-
cessing the upper register file and peripheral SFRs with register-direct instructions.
4.1 MEMORY PARTITIONS
Table 4-1 is a memory map of the 8XC196CA, 8XC196Jx, and 8XC196Kx devices. The remain-
der of this section describes the partitions.
4.1.1 External Devices (Memory or I/O)
Several partitions are assigned to external devices (see Table 4-1). Data can be stored in any part
of this memory. Chapter 15, “Interfacing with External Memory,” describes the external memory
interface and shows examples of external memory configurations. These partitions can also be
used to interface with external peripherals connected to the address/data bus.
4.1.2 Program and Special-purpose Memory
Internal nonvolatile memory is an optional component of the 8XC196CA, 8XC196Jx, and
8XC196Kx devices. Various devices are available with masked ROM, EPROM, QROM, or
OTPROM. Please consult the datasheets in the Automotive Products or Embedded Microcontrol-
lers databook for details.
If present, the nonvolatile memory occupies the special-purpose memory and program memory
partitions (locations 2000H and above; see Table 4-1 on page 4-2). The EA# signal controls ac-
cess to these memory partitions. Accesses to these partitions are directed to internal memory if
EA# is held high and to external memory if EA# is held low. For devices without internal non-
volatile memory, the EA# signal must be tied low. EA# is latched at reset.

8XC196K
x
, J
x
, CA USER’S MANUAL
4-2
Table 4-1. Memory Map
Device (Note 1) and Hex Address Range
Description Addressing
Modes
CA JQ,
KQ JR,
KR KS JT,
KT JV
FFFF
A000 FFFF
6000 FFFF
6000 FFFF
8000 FFFF
A000 FFFF
E000 External device (memory or I/O)
connected to address/data bus Indirect or
indexed
—5FFF
5000 ————
These locations are not available in
the 8XC196JQ and 8XC196KQ. —
9FFF
2080 4FFF
2080 5FFF
2080 7FFF
2080 9FFF
2080 DFFF
2080
Program memory (internal
nonvolatile or external memory);
see Note 2
Indirect or
indexed
207F
2000 207F
2000 207F
2000 207F
2000 207F
2000 207F
2000 Special-purpose memory (internal
nonvolatile or external memory) Indirect or
indexed
1FFF
1FE0 1FFF
1FE0 1FFF
1FE0 1FFF
1FE0 1FFF
1FE0 1FFF
1FE0 Memory-mapped SFRs Indirect or
indexed
1FDF
1F00 1FDF
1F00 1FDF
1F00 1FDF
1F00 1FDF
1F00 1FDF
1F00 Peripheral SFRs Indirect, indexed,
or windowed
direct
1EFF
1E00 —————CAN SFRs Indirect, indexed,
or windowed
direct
1DFF
1C00 1EFF
1C00 1EFF
1C00 1EFF
1C00 1EFF
1C00 1EFF
1E00
External device (memory or I/O)
connected to address/data bus;
(future SFR expansion; see Note 3)
Indirect or
indexed
—————
1DFF
1C00 Register RAM Indirect, indexed,
or windowed
direct
1BFF
0500 1BFF
0500 1BFF
0500 1BFF
0500 1BFF
0600 1BFF
0600 External device (memory or I/O)
connected to address/data bus Indirect or
indexed
—04FF
0480 ————
These locations are not available in
the 8XC196JQ and 8XC196KQ. —
04FF
0400 047F
0400 04FF
0400 04FF
0400 05FF
0400 05FF
0400 Internal code or data RAM Indirect or
indexed
—03FF
0200 03FF
0200 ———
External device (memory or I/O)
connected to address/data bus Indirect or
indexed
—01FF
0180 ————
These locations are not available in
the 8XC196JQ and 8XC196KQ. —
03FF
0100 017F
0100 01FF
0100 03FF
0100 03FF
0100 03FF
0100 Upper register file (general-purpose
register RAM)
Indirect, indexed,
or windowed
direct
00FF
0000 00FF
0000 00FF
0000 00FF
0000 00FF
0000 00FF
0000 Lower register file (register RAM,
stack pointer, and CPU SFRs) Direct, indirect,
or indexed
NOTES:
1. The 8XC196JT, JV, and KS are offered in automotive temperature ranges only. The 8XC196CA, JQ,
JR, KQ, KR, and KT are offered in both automotive and commercial temperature ranges.
2. After a reset, the device fetches its first instruction from 2080H.
3. The content or function of these locations may change in future device revisions, in which case a pro-
gram that relies on a location in this range might not function properly.

4-3
MEMORY PARTITIONS
4.1.3 Program Memory
Program memory occupies a memory partition beginning at 2080H. (See Table 4-1 for the ending
address for each device.) This entire partition is available for storing executable code and data.
The EA# signal controls access to program memory. Accesses to this address range are directed
to internal memory if EA# is held high and to external memory if EA# is held low. For devices
without internal nonvolatile memory, the EA# signal must be tied low. EA# is latched at reset.
NOTE
We recommend that you write FFH (the opcode for the RST instruction) to
unused program memory locations. This causes a device reset if a program
unintentionally begins to execute in unused memory.
4.1.4 Special-purpose Memory
Special-purpose memory resides in locations 2000–207FH (Table 4-2). It contains several re-
served memory locations, the chip configuration bytes (CCBs), and vectors for both peripheral
transaction server (PTS) and standard interrupts. Accesses to this address range are directed to
internal memory if EA# is held high and to external memory if EA# is held low. For devices with-
out internal nonvolatile memory, the EA# signal must be tied low. EA# is latched at reset.
Table 4-2. Special-purpose Memory Addresses
Hex Address Description
207F
205E Reserved (each byte must contain FFH)
205D
2040 PTS vectors
203F
2030 Upper interrupt vectors
202F
2020 Security key
201F Reserved (must contain 20H)
201E Reserved (must contain FFH)
201D Reserved (must contain 20H)
201C Reserved (must contain FFH)
201B Reserved (must contain 20H)
201A CCB1
2019 Reserved (must contain 20H)
2018 CCB0
2017
2016 OFD flag (see page 13-12 and page 16-8)
2015
2014 Reserved (each byte must contain FFH)
2013
2000 Lower interrupt vectors

8XC196K
x
, J
x
, CA USER’S MANUAL
4-4
4.1.4.1 Reserved Memory Locations
Several memory locations are reserved for testing or for use in future products. Do not read or
write these locations except to initialize them. The function or contents of these locations may
change in future revisions; software that uses reserved locations may not function properly. Al-
ways initialize reserved locations to the values listed in Table 4-2 on page 4-3.
4.1.4.2 Interrupt and PTS Vectors
The upper and lower interrupt vectors contain the addresses of the interrupt service routines. The
peripheral transaction server (PTS) vectors contain the addresses of the PTS control blocks. See
Chapter 5, “Standard and PTS Interrupts,” for more information on interrupt and PTS vectors.
4.1.4.3 Security Key
The security key prevents unauthorized programming access to the nonvolatile memory. See
Chapter 16, “Programming the Nonvolatile Memory,” for details.
4.1.4.4 Chip Configuration Bytes (CCBs)
The chip configuration bytes (CCBs) specify the operating environment. They specify the bus
width, bus-control mode, and wait states. They also control powerdown mode, the watchdog tim-
er, and nonvolatile memory protection.
The CCBs are the first bytes fetched from memory when the device leaves the reset state. The
post-reset sequence loads the CCBs into the chip configuration registers (CCRs). Once they are
loaded, the CCRs cannot be changed until the next device reset. Typically, the CCBs are pro-
grammed once when the user program is compiled and are not redefined during normal operation.
“Chip Configuration Registers and Chip Configuration Bytes” on page 15-4 describes the CCBs
and CCRs.
For devices with user-programmable nonvolatile memory, the CCBs are loaded for normal oper-
ation, but the PCCBs are loaded into the CCRs if the device is entering programming modes. See
Chapter 16, “Programming the Nonvolatile Memory,” for details.

4-5
MEMORY PARTITIONS
4.1.5 Special-function Registers (SFRs)
These devices have both memory-mapped SFRs and peripheral SFRs. The memory-mapped
SFRs must be accessed using indirect or indexed addressing modes, and they cannot be win-
dowed. The peripheral SFRs are physically located in the on-chip peripherals, and they can be
windowed (see “Windowing” on page 4-13). Do not use reserved SFRs; write zeros to them or
leave them in their default state. When read, reserved bits and reserved SFRs return undefined
values.
NOTE
Using any SFR as a base or index register for indirect or indexed operations
can cause unpredictable results. External events can change the contents of
SFRs, and some SFRs are cleared when read. For this reason, consider the
implications of using an SFR as an operand in a read-modify-write instruction
(e.g., XORB).
4.1.5.1 Memory-mapped SFRs
Locations 1FE0–1FFFH contain memory-mapped SFRs (see Table 4-3). Locations in this range
that are omitted from the table are reserved. The memory-mapped SFRs must be accessed with
indirect or indexed addressing modes, and they cannot be windowed. If you read a location in this
range through a window, the SFR appears to contain FFH (all ones). If you write a location in
this range through a window, the write operation has no effect on the SFR.
The memory-mapped SFRs are accessed through the memory controller, so instructions that op-
erate on these SFRs execute as they would from external memory with zero wait states.
Table 4-3. Memory-mapped SFRs
Ports 3, 4, 5, Slave Port, UPROM SFRs
Hex Address High (Odd) Byte Low (Even) Byte
1FFE P4_PIN P3_PIN
1FFC P4_REG P3_REG
1FFA SLP_CON SLP_CMD
1FF8 Reserved SLP_STAT
1FF6 P5_PIN USFR
1FF4 P5_REG P34_DRV
1FF2 P5_DIR Reserved
1FF0 P5_MODE Reserved

8XC196K
x
, J
x
, CA USER’S MANUAL
4-6
4.1.5.2 Peripheral SFRs
Locations 1F00–1FDFH provide access to the peripheral SFRs (Table 4-4). Locations in this
range that are omitted from the table are reserved. The peripheral SFRs are I/O control registers;
they are physically located in the on-chip peripherals. These peripheral SFRs can be windowed
and they can be addressed either as words or bytes, except as noted in Table 4-4.
The peripheral SFRs are accessed directly, without using the memory controller, so instructions
that operate on these SFRs execute as they would if they were operating on the register file.
NOTE
Some peripheral SFRs are implemented differently in the 87C196CA,
8XC196Jx, and 8XC196Kx devices. The individual SFR descriptions
throughout this manual note the differences.

4-7
MEMORY PARTITIONS
Table 4-4. Peripheral SFRs
Ports 0, 1, 2, and 6 SFRs Timer 1, Timer 2, and EPA SFRs
Address High (Odd) Byte Low (Even) Byte Address High (Odd) Byte Low (Even) Byte
1FDEH Reserved Reserved †1F9EH TIMER2 (H) TIMER2 (L)
1FDCH Reserved Reserved 1F9CH Reserved T2CONTROL
1FDAH Reserved P0_PIN †1F9AH TIMER1 (H) TIMER1 (L)
1FD8H Reserved Reserved 1F98H Reserved T1CONTROL
1FD6H P6_PIN P1_PIN 1F96H Reserved Reserved
1FD4H P6_REG P1_REG 1F94H Reserved Reserved
1FD2H P6_DIR P1_DIR 1F92H Reserved Reserved
1FD0H P6_MODE P1_MODE 1F90H Reserved Reserved
1FCEH P2_PIN Reserved EPA SFRs
1FCCH P2_REG Reserved Address High (Odd) Byte Low (Even) Byte
1FCAH P2_DIR Reserved †1F8EH COMP1_TIME (H) COMP1_TIME (L)
1FC8H P2_MODE Reserved 1F8CH Reserved COMP1_CON
1FC6H Reserved Reserved †1F8AH COMP0_TIME (H) COMP0_TIME (L)
1FC4H Reserved Reserved 1F88H Reserved COMP0_CON
1FC2H Reserved Reserved †1F86H EPA9_TIME (H) EPA9_TIME (L)
1FC0H Reserved Reserved 1F84H Reserved EPA9_CON
SIO and SSIO SFRs †1F82H EPA8_TIME (H) EPA8_TIME (L)
Address High (Odd) Byte Low (Even) Byte 1F80H Reserved EPA8_CON
1FBEH Reserved Reserved †1F7EH EPA7_TIME (H) EPA7_TIME (L)
1FBCH SP_BAUD (H) SP_BAUD (L) 1F7CH Reserved EPA7_CON
1FBAH SP_CON SBUF_TX †1F7AH EPA6_TIME (H) EPA6_TIME (L)
1FB8H SP_STATUS SBUF_RX 1F78H Reserved EPA6_CON
1FB6H Reserved Reserved †1F76H EPA5_TIME (H) EPA5_TIME (L)
1FB4H Reserved SSIO_BAUD 1F74H Reserved EPA5_CON
1FB2H SSIO1_CON SSIO1_BUF †1F72H EPA4_TIME (H) EPA4_TIME (L)
1FB0H SSIO0_CON SSIO0_BUF 1F70H Reserved EPA4_CON
A/D SFRs †1F6EH EPA3_TIME (H) EPA3_TIME (L)
Address High (Odd) Byte Low (Even) Byte †1F6CH EPA3_CON (H) EPA3_CON (L)
1FAEH AD_TIME AD_TEST †1F6AH EPA2_TIME (H) EPA2_TIME (L)
1FACH Reserved AD_COMMAND 1F68H Reserved EPA2_CON
1FAAH AD_RESULT (H) AD_RESULT (L) †1F66H EPA1_TIME (H) EPA1_TIME (L)
EPA Interrupt SFRs †1F64H EPA1_CON (H) EPA1_CON (L)
Address High (Odd) Byte Low (Even) Byte †1F62H EPA0_TIME (H) EPA0_TIME (L)
1FA8H Reserved EPAIPV 1F60H Reserved EPA0_CON
1FA6H Reserved EPA_PEND1
1FA4H Reserved EPA_MASK1
†1FA2H EPA_PEND (H) EPA_PEND (L)
†1FA0H EPA_MASK (H) EPA_MASK (L)
† Must be addressed as a word.

8XC196K
x
, J
x
, CA USER’S MANUAL
4-8
Table 4-5. CAN Peripheral SFRs — 8XC196CA Only
Message 15 Message 11
Addr High (Odd) Byte Low (Even) Byte Addr High (Odd) Byte Low (Even) Byte
1EFEH Reserved CAN_MSG15DATA7 1EBEH Reserved CAN_MSG11DATA7
1EFCH CAN_MSG15DATA6 CAN_MSG15DATA5 1EBCH CAN_MSG11DATA6 CAN_MSG11DATA5
1EFAH CAN_MSG15DATA4 CAN_MSG15DATA3 1EBAH CAN_MSG11DATA4 CAN_MSG11DATA3
1EF8H CAN_MSG15DATA2 CAN_MSG15DATA1 1EB8H CAN_MSG11DATA2 CAN_MSG11DATA1
1EF6H CAN_MSG15DATA0 CAN_MSG15CFG 1EB6H CAN_MSG11DATA0 CAN_MSG11CFG
1EF4H CAN_MSG15ID3 CAN_MSG15ID2 1EB4H CAN_MSG11ID3 CAN_MSG11ID2
1EF2H CAN_MSG15ID1 CAN_MSG15ID0 1EB2H CAN_MSG11ID1 CAN_MSG11ID0
1EF0H CAN_MSG15CON1 CAN_MSG15CON0 1EB0H CAN_MSG11CON1 CAN_MSG11CON0
Message 14 Message 10
Addr High (Odd) Byte Low (Even) Byte Addr High (Odd) Byte Low (Even) Byte
1EEEH Reserved CAN_MSG14DATA7 1EAEH Reserved CAN_MSG10DATA7
1EECH CAN_MSG14DATA6 CAN_MSG14DATA5 1EACH CAN_MSG10DATA6 CAN_MSG10DATA5
1EEAH CAN_MSG14DATA4 CAN_MSG14DATA3 1EAAH CAN_MSG10DATA4 CAN_MSG10DATA3
1EE8H CAN_MSG14DATA2 CAN_MSG14DATA1 1EA8H CAN_MSG10DATA2 CAN_MSG10DATA1
1EE6H CAN_MSG14DATA0 CAN_MSG14CFG 1EA6H CAN_MSG10DATA0 CAN_MSG10CFG
1EE4H CAN_MSG14ID3 CAN_MSG14ID2 1EA4H CAN_MSG10ID3 CAN_MSG10ID2
1EE2H CAN_MSG14ID1 CAN_MSG14ID0 1EA2H CAN_MSG10ID1 CAN_MSG10ID0
1EE0H CAN_MSG14CON1 CAN_MSG14CON0 1EA0H CAN_MSG10CON1 CAN_MSG10CON0
Message 13 Message 9
Addr High (Odd) Byte Low (Even) Byte Addr High (Odd) Byte Low (Even) Byte
1EDEH Reserved CAN_MSG13DATA7 1E9EH Reserved CAN_MSG9DATA7
1EDCH CAN_MSG13DATA6 CAN_MSG13DATA5 1E9CH CAN_MSG9DATA6 CAN_MSG9DATA5
1EDAH CAN_MSG13DATA4 CAN_MSG13DATA3 1E9AH CAN_MSG9DATA4 CAN_MSG9DATA3
1ED8H CAN_MSG13DATA2 CAN_MSG13DATA1 1E98H CAN_MSG9DATA2 CAN_MSG9DATA1
1ED6H CAN_MSG13DATA0 CAN_MSG13CFG 1E96H CAN_MSG9DATA0 CAN_MSG9CFG
1ED4H CAN_MSG13ID3 CAN_MSG13ID2 1E94H CAN_MSG9ID3 CAN_MSG9ID2
1ED2H CAN_MSG13ID1 CAN_MSG13ID0 1E92H CAN_MSG9ID1 CAN_MSG9ID0
1ED0H CAN_MSG13CON1 CAN_MSG13CON0 1E90H CAN_MSG9CON1 CAN_MSG9CON0
Message 12 Message 8
Addr High (Odd) Byte Low (Even) Byte Addr High (Odd) Byte Low (Even) Byte
1ECEH Reserved CAN_MSG12DATA7 1E8EH Reserved CAN_MSG8DATA7
1ECCH CAN_MSG12DATA6 CAN_MSG12DATA5 1E8CH CAN_MSG8DATA6 CAN_MSG8DATA5
1ECAH CAN_MSG12DATA4 CAN_MSG12DATA3 1E8AH CAN_MSG8DATA4 CAN_MSG8DATA3
1EC8H CAN_MSG12DATA2 CAN_MSG12DATA1 1E88H CAN_MSG8DATA2 CAN_MSG8DATA1
1EC6H CAN_MSG12DATA0 CAN_MSG12CFG 1E86H CAN_MSG8DATA0 CAN_MSG8CFG
1EC4H CAN_MSG12ID3 CAN_MSG12ID2 1E84H CAN_MSG8ID3 CAN_MSG8ID2
1EC2H CAN_MSG12ID1 CAN_MSG12ID0 1E82H CAN_MSG8ID1 CAN_MSG8ID0
1EC0H CAN_MSG12CON1 CAN_MSG12CON0 1E80H CAN_MSG8CON1 CAN_MSG8CON0

4-9
MEMORY PARTITIONS
Message 7 Message 3 and Bit Timing 0
Addr High (Odd) Byte Low (Even) Byte Addr High (Odd) Byte Low (Even) Byte
1E7EH Reserved CAN_MSG7DATA7 1E3EH CAN_BTIME0†CAN_MSG3DATA7
1E7CH CAN_MSG7DATA6 CAN_MSG7DATA5 1E3CH CAN_MSG3DATA6 CAN_MSG3DATA5
1E7AH CAN_MSG7DATA4 CAN_MSG7DATA3 1E3AH CAN_MSG3DATA4 CAN_MSG3DATA3
1E78H CAN_MSG7DATA2 CAN_MSG7DATA1 1E38H CAN_MSG3DATA2 CAN_MSG3DATA1
1E76H CAN_MSG7DATA0 CAN_MSG7CFG 1E36H CAN_MSG3DATA0 CAN_MSG3CFG
1E74H CAN_MSG7ID3 CAN_MSG7ID2 1E34H CAN_MSG3ID3 CAN_MSG3ID2
1E72H CAN_MSG7ID1 CAN_MSG7ID0 1E32H CAN_MSG3ID1 CAN_MSG3ID0
1E70H CAN_MSG7CON1 CAN_MSG7CON0 1E30H CAN_MSG3CON1 CAN_MSG3CON0
Message 6 Message 2
Addr High (Odd) Byte Low (Even) Byte Addr High (Odd) Byte Low (Even) Byte
1E6EH Reserved CAN_MSG6DATA7 1E2EH Reserved CAN_MSG2DATA7
1E6CH CAN_MSG6DATA6 CAN_MSG6DATA5 1E2CH CAN_MSG2DATA6 CAN_MSG2DATA5
1E6AH CAN_MSG6DATA4 CAN_MSG6DATA3 1E2AH CAN_MSG2DATA4 CAN_MSG2DATA3
1E68H CAN_MSG6DATA2 CAN_MSG6DATA1 1E28H CAN_MSG2DATA2 CAN_MSG2DATA1
1E66H CAN_MSG6DATA0 CAN_MSG6CFG 1E26H CAN_MSG2DATA0 CAN_MSG2CFG
1E64H CAN_MSG6ID3 CAN_MSG6ID2 1E24H CAN_MSG2ID3 CAN_MSG2ID2
1E62H CAN_MSG6ID1 CAN_MSG6ID0 1E22H CAN_MSG2ID1 CAN_MSG2ID0
1E60H CAN_MSG6CON1 CAN_MSG6CON0 1E20H CAN_MSG2CON1 CAN_MSG2CON0
Message 5 and Interrupts Message 1
Addr High (Odd) Byte Low (Even) Byte Addr High (Odd) Byte Low (Even) Byte
1E5EH CAN_INT CAN_MSG5DATA7 1E1EH Reserved CAN_MSG1DATA7
1E5CH CAN_MSG5DATA6 CAN_MSG5DATA5 1E1CH CAN_MSG1DATA6 CAN_MSG1DATA5
1E5AH CAN_MSG5DATA4 CAN_MSG5DATA3 1E1AH CAN_MSG1DATA4 CAN_MSG1DATA3
1E58H CAN_MSG5DATA2 CAN_MSG5DATA1 1E18H CAN_MSG1DATA2 CAN_MSG1DATA1
1E56H CAN_MSG5DATA0 CAN_MSG5CFG 1E16H CAN_MSG1DATA0 CAN_MSG1CFG
1E54H CAN_MSG5ID3 CAN_MSG5ID2 1E14H CAN_MSG1ID3 CAN_MSG1ID2
1E52H CAN_MSG5ID1 CAN_MSG5ID0 1E12H CAN_MSG1ID1 CAN_MSG1ID0
1E50H CAN_MSG5CON1 CAN_MSG5CON0 1E10H CAN_MSG1CON1 CAN_MSG1CON0
Message 4 and Bit Timing 1 Mask, Control, and Status
Addr High (Odd) Byte Low (Even) Byte Addr High (Odd) Byte Low (Even) Byte
1E4EH CAN_BTIME1†CAN_MSG4DATA7 1E0EH CAN_MSK15 CAN_MSK15
1E4CH CAN_MSG4DATA6 CAN_MSG4DATA5 1E0CH CAN_MSK15 CAN_MSK15
1E4AH CAN_MSG4DATA4 CAN_MSG4DATA3 1E0AH CAN_EGMSK CAN_EGMSK
1E48H CAN_MSG4DATA2 CAN_MSG4DATA1 1E08H CAN_EGMSK CAN_EGMSK
1E46H CAN_MSG4DATA0 CAN_MSG4CFG 1E06H CAN_SGMSK CAN_SGMSK
1E44H CAN_MSG4ID3 CAN_MSG4ID2 1E04H Reserved Reserved
1E42H CAN_MSG4ID1 CAN_MSG4ID0 1E02H Reserved Reserved
1E40H CAN_MSG4CON1 CAN_MSG4CON0 1E00H CAN_STAT CAN_CON†
† The CCE bit in the control register (CAN_CON) must be set to enable write access to the bit timing registers
(CAN_BTIME0 and CAN_BTIME1).
Table 4-5. CAN Peripheral SFRs — 8XC196CA Only (Continued)

8XC196K
x
, J
x
, CA USER’S MANUAL
4-10
4.1.6 Internal RAM (Code RAM)
These devices have up to 512 bytes of internal RAM (see Table 4-1 on page 4-2 for details) be-
ginning at location 0400H. Although it is sometimes called code RAM to distinguish it from reg-
ister RAM, this internal RAM can store either executable code or data. The code RAM is accessed
through the memory controller, so code executes as it would from external memory with zero wait
states. Data stored in this area must be accessed with indirect or indexed addressing, so data ac-
cesses to this area take longer than data accesses to the register RAM. The code RAM cannot be
windowed.
4.1.7 Register File
The register file (Figure 4-1) is divided into an upper register file and a lower register file. The
upper register file consists of general-purpose register RAM. The lower register file contains gen-
eral-purpose register RAM along with the stack pointer (SP) and the CPU special-function regis-
ters (SFRs).
Table 4-1 on page 4-2 lists the register file memory addresses. The RALU accesses the lower reg-
ister file directly, without the use of the memory controller. It also accesses a windowed location
directly (see “Windowing” on page 4-13). The upper register file and the peripheral SFRs can be
windowed. The 8XC196JV has additional register RAM in locations 1C00–1DFFH. Like the
general-purpose register RAM in the upper register file, this register RAM can be windowed and
is accessed directly, without the use of the memory controller. Registers in the lower register file
and registers being windowed can be accessed with register-direct addressing.
NOTE
The register file must not contain code. An attempt to execute an instruction
from a location in the register file causes the memory controller to fetch the
instruction from external memory.

4-11
MEMORY PARTITIONS
Figure 4-1. Register File Memory Map
Table 4-6. Register File Memory Addresses
Device and Hex Address Range
Description Addressing Modes
JV CA, JT,
KS, KT JR, KR JQ, KQ
1DFF
1C00 — — — Register RAM Indirect, indexed, or windowed
direct
03FF
0100 03FF
0100 01FF
0100 017F
0100 Upper register file (register RAM) Indirect, indexed, or windowed
direct
00FF
001A 00FF
001A 00FF
001A 00FF
001A Lower register file (register RAM) Direct, indirect, or indexed
0019
0018 0019
0018 0019
0018 0019
0018 Lower register file (stack pointer) Direct, indirect, or indexed
0017
0000 0017
0000 0017
0000 0017
0000 Lower register file (CPU SFRs) Direct, indirect, or indexed
Upper
Register File
Lower
Register File
03FFH
0100H
00FFH
0000H
Address
A3073-02
01FFH (JR, KR)
017FH (JQ, KQ)
0100H
00FFH
001AH
0019H
0018H
0017H
0000H
General-purpose
Register RAM
Stack Pointer
General-purpose
Register RAM
CPU SFRs
03FFH
(CA, JT, JV,
KS, KT)
Address

8XC196K
x
, J
x
, CA USER’S MANUAL
4-12
4.1.7.1 General-purpose Register RAM
The lower register file contains general-purpose register RAM. The stack pointer locations can
also be used as general-purpose register RAM when stack operations are not being performed.
The RALU can access this memory directly, using register-direct addressing.
The upper register file also contains general-purpose register RAM. The RALU normally uses
indirect or indexed addressing to access the RAM in the upper register file. Windowing enables
the RALU to use register-direct addressing to access this memory. (See Chapter 3, “Programming
ConsiderAtions,” for a discussion of addressing modes.) Windowing can provide for fast context
switching of interrupt tasks and faster program execution. (See “Windowing” on page 4-13.) PTS
control blocks and the stack are most efficient when located in the upper register file.
The 8XC196JV has additional register RAM in locations 1C00–1DFFH. Like the general-pur-
pose register RAM in the upper register file, this register RAM can be windowed and is accessed
directly, without the use of the memory controller.
4.1.7.2 Stack Pointer (SP)
Memory locations 0018H and 0019H contain the stack pointer (SP). The SP contains the address
of the stack. The SP must point to a word (even) address that is two bytes greater than the desired
starting address. Before the CPU executes a subroutine call or interrupt service routine, it decre-
ments the SP by two and copies (PUSHes) the address of the next instruction from the program
counter onto the stack. It then loads the address of the subroutine or interrupt service routine into
the program counter. When it executes the return-from-subroutine (RET) instruction at the end of
the subroutine or interrupt service routine, the CPU loads (POPs) the contents of the top of the
stack (that is, the return address) into the program counter and increments the SP by two.
Subroutines may be nested. That is, each subroutine may call other subroutines. The CPU
PUSHes the contents of the program counter onto the stack each time it executes a subroutine call.
The stack grows downward as entries are added. The only limit to the nesting depth is the amount
of available memory. As the CPU returns from each nested subroutine, it POPs the address off
the top of the stack, and the next return address moves to the top of the stack.
Your program must load a word-aligned (even) address into the stack pointer. Select an address
that is two bytes greater than the desired starting address because the CPU automatically decre-
ments the stack pointer before it pushes the first byte of the return address onto the stack. Remem-
ber that the stack grows downward, so allow sufficient room for the maximum number of stack
entries. The stack must be located in either the internal register file or external RAM. The stack
can be used most efficiently when it is located in the register file.

4-13
MEMORY PARTITIONS
The following example initializes the top of the upper register file (8XC196CA, JT, JV, KS, KT)
as the stack. (For the 8XC196JR or KR, the immediate value would be #200H; for the 8XC196JQ
or KQ, it would be #180H.)
LD SP, #400H ;Load stack pointer
The following example shows how to allow the linker locator to determine where the stack fits
in the memory map that you specify.
LD SP, #STACK
4.1.7.3 CPU Special-function Registers (SFRs)
Locations 0000–0017H in the lower register file are the CPU SFRs (Table 4-7). Appendix C de-
scribes the CPU SFRs.
NOTE
Using any SFR as a base or index register for indirect or indexed operations
can cause unpredictable results. External events can change the contents of
SFRs, and some SFRs are cleared when read. For this reason, consider the
implications of using an SFR as an operand in a read-modify-write instruction
(e.g., XORB).
4.2 WINDOWING
Windowing expands the amount of memory that is accessible with register-direct addressing.
Register-direct addressing can access the lower register file with short, fast-executing instruc-
tions. With windowing, register-direct addressing can also access the upper register file and pe-
ripheral SFRs.
Table 4-7. CPU SFRs
Address High (Odd) Byte Low (Even) Byte
0016H Reserved Reserved
0014H Reserved WSR
0012H INT_MASK1 INT_PEND1
0010H Reserved Reserved
000EH Reserved Reserved
000CH Reserved Reserved
000AH Reserved WATCHDOG
0008H INT_PEND INT_MASK
0006H PTSSRV (H) PTSSRV (L)
0004H PTSSEL (H) PTSSEL (L)
0002H ONES_REG (H) ONES_REG (L)
0000H ZERO_REG (H) ZERO_REG (L)

8XC196K
x
, J
x
, CA USER’S MANUAL
4-14
Windowing maps a segment of higher memory (the upper register file or peripheral SFRs) into
the lower register file. The window selection register (WSR) selects a 32-, 64-, or 128-byte seg-
ment of higher memory to be windowed into the top of the lower register file space. Figure 4-2
shows the upper register file of the 8XC196CA, JT, JV, KS, and KT devices. Please refer to Table
4-1 on page 4-2 for the upper register file addresses for other devices.
The 8XC196JV has additional register RAM in locations 1C00–1DFFH. Like the general-pur-
pose register RAM in the upper register file, this register RAM can be windowed and is accessed
directly, without the use of the memory controller.
Figure 4-2. Windowing
NOTE
Memory-mapped SFRs must be accessed using indirect or indexed addressing
modes; they cannot be windowed. Reading a memory-mapped SFR through a
window returns FFH (all ones). Writing to a memory-mapped SFR through a
window has no effect.
4.2.1 Selecting a Window
The window selection register (Figure 4-3) has two functions. The HLDEN bit (WSR.7) enables
and disables the bus-hold protocol (see Chapter 15, “Interfacing with External Memory”); it is
unrelated to windowing. The remaining bits select a window to be mapped into the top of the low-
er register file.
03FFH
0380H
00FFH
0080H
A3060-01
128-byte Window
(WSR = 17H)
Window in
Lower Register File

4-15
MEMORY PARTITIONS
Table 4-8 on page 4-16 provides a quick reference of WSR values for windowing the peripheral
SFRs. Table 4-9 on page 4-16 lists the WSR values for windowing the upper register file. Table
4-9 on page 4-16 lists the WSR values for windowing the additional register RAM of the
8XC196JV.
WSR Address:
Reset State: 14H
00H
The window selection register (WSR) has two functions. One bit enables and disables the bus-hold
protocol. The remaining bits select windows. Windows map sections of RAM into the upper section of
the lower register file, in 32-, 64-, or 128-byte increments. PUSHA saves this register on the stack and
POPA restores it.
7 0
CA, J
x
—W6 W5 W4 W3 W2 W1 W0
7 0
K
x
HLDEN W6 W5 W4 W3 W2 W1 W0
Bit
Number Bit
Mnemonic Function
7†HLDEN Hold Enable
This bit enables and disables the bus-hold protocol (see Chapter 15,
“Interfacing with External Memory”). It has no effect on windowing.
1 = bus-hold protocol enabled
0 = bus-hold protocol disabled
6:0 W6:0 Window Selection
These bits specify the window size and window number:
6543210
1
xxxxxx
32-byte window; W5:0 = window number
01
xxxxx
64-byte window; W4:0 = window number
001
xxxx
128-byte window; W3:0 = window number
† On the 8XC196CA, J
x
devices this bit is reserved; always write as zero.
Figure 4-3. Window Selection Register (WSR)

8XC196K
x
, J
x
, CA USER’S MANUAL
4-16
Table 4-8. Selecting a Window of Peripheral SFRs
Peripheral WSR Value for
32-byte Window
(00E0–00FFH)
WSR Value for
64-byte Window
(00C0–00FFH)
WSR Value for
128-byte Window
(0080–00FFH)
Ports 0, 1, 2, 6 7EH 3FH
1FHA/D converter, EPA interrupts 7DH 3EH
EPA compare 0–1, capture/compare 8–9, timers 7CH
EPA capture/compare 0–7 7BH 3DH 1EH
CAN messages 14–15 (CA) 77H 3BH
1DH
CAN messages 12–13 (CA) 76H
CAN messages 10–11 (CA) 75H 3AH
CAN messages 8–9 (CA) 74H
CAN messages 6–7 (CA) 73H 39H
1CH
CAN messages 4–5, bit timing 1, interrupts (CA) 72H
CAN messages 2–3, bit timing 0 (CA) 71H 38H
CAN message 1, control, status, mask (CA) 70H
Table 4-9. Selecting a Window of the Upper Register File
Register RAM
Locations
WSR Value
for 32-byte Window
(00E0–00FFH)
WSR Value
for 64-byte Window
(00C0–00FFH)
WSR Value
for 128-byte Window
(0080–00FFH)
03E0–03FFH 5FH 2FH
17H
03C0–03DFH 5EH
03A0–03BFH 5DH 2EH
0380–039FH 5CH
0360–037FH 5BH 2DH
16H
0340–035FH 5AH
0320–033FH 59H 2CH
0300–031FH 58H
02E0–02FFH 57H 2BH
15H
02C0–02DFH 56H
02A0–02BFH 55H 2AH
0280–029FH 54H
0260–027FH 53H 29H
14H
0240–025FH 52H
0220–023FH 51H 28H
0200–021FH 50H
01E0–01FFH 4FH 27H
13H
01C0–01DFH 4EH
01A0–01BFH 4DH 26H
0180–019FH 4CH

4-17
MEMORY PARTITIONS
4.2.2 Addressing a Location Through a Window
After you have selected the desired window, you need to know the windowed direct address of
the memory location (the address in the lower register file). Calculate the windowed direct ad-
dress as follows:
1. Subtract the base address of the area to be remapped (from Table 4-11 on page 4-18) from
the address of the desired location. This gives you the offset of that particular location.
2. Add the offset to the base address of the window (from Table 4-12 on page 4-20). The
result is the windowed direct address.
0160–017FH 4BH 25H
12H
0140–015FH 4AH
0120–013FH 49H 24H
0100–011FH 48H
Table 4-10. Selecting a Window of Upper Register RAM — 8XC196JV Only
Register RAM
Locations
WSR Value
for 32-byte Window
(00E0–00FFH)
WSR Value
for 64-byte Window
(00C0–00FFH)
WSR Value
for 128-byte Window
(0080–00FFH)
0DE0–0DFFH 6FH 37H
1BH
0DC0–0DDFH 6EH
0DA0–0DBFH 6DH 36H
0D80–0D9FH 6CH
0D60–0D7FH 6BH 35H
1AH
0D40–0D5FH 6AH
0D20–0D3FH 69H 34H
0D00–0D1FH 68H
0CE0–0CFFH 67H 33H
19H
0CC0–0CDFH 66H
0CA0–0CBFH 65H 32H
0C80–0C9FH 64H
0C60–0C7FH 63H 31H
18H
0C40–0C5FH 62H
0C20–0C3FH 61H 30H
0C00–0C1FH 60H
Table 4-9. Selecting a Window of the Upper Register File (Continued)
Register RAM
Locations
WSR Value
for 32-byte Window
(00E0–00FFH)
WSR Value
for 64-byte Window
(00C0–00FFH)
WSR Value
for 128-byte Window
(0080–00FFH)

8XC196K
x
, J
x
, CA USER’S MANUAL
4-18
Appendix C includes a table of the windowable SFRs with the WSR values and windowed direct
addresses for each window size. Examples beginning on page 4-20 explain how to determine the
WSR value and windowed direct address for any windowable location. An additional example
shows how to set up a window by using the linker locator.
Table 4-11. Windows
Base
Address
WSR Value
for 32-byte Window
(00E0–00FFH)
WSR Value
for 64-byte Window
(00C0–00FFH)
WSR Value for
128-byte
Window
(0080–00FFH)
Peripheral SFRs
1FE0H 7FH (Note)
3FH (Note)
1FH (Note)
1FC0H 7EH
1FA0H 7DH
3EH1F80H 7CH
1F60H 7BH
3DH
1EH
1F40H 7AH
1F20H 79H
3CH1F00H 78H
CAN Peripheral SFRs (8XC196CA Only)
1EE0H 77H
3BH
1DH
1EC0H 76H
1EA0H 75H
3AH1E80H 74H
1E60H 73H
39H
1CH
1E40H 72H
1E20H 71H
38H1E00H 70H
Register RAM (8XC196JV Only)
1DE0H 6FH
37H
1BH
1DC0H 6EH
1DA0H 6DH
36H1D80H 6CH
1D60H 6BH
35H
1AH
1D40H 6AH
1D20H 69H
34H1D00H 68H
1CE0H 67H
33H
19H
1CC0H 66H
1CA0H 65H
32H1C80H 64H
NOTE: Locations 1FE0–1FFFH cannot be windowed. Reading these locations through a window
returns FFH; writing these locations through a window has no effect.

4-19
MEMORY PARTITIONS
Register RAM (8XC196JV Only; Continued)
1C60H 63H
31H
18H
1C40H 62H
1C20H 61H
30H1C00H 60H
Upper Register File (8XC196CA, JT, JV, KS, KT Only)
03E0H 5FH
2FH
17H
03C0H 5EH
03A0H 5DH
2EH0380H 5CH
0360H 5BH
2DH
16H
0340H 5AH
0320H 59H
2CH0300H 58H
02E0H 57H
2BH
15H
02C0H 56H
02A0H 55H
2AH0280H 54H
0260H 53H
29H
14H
0240H 52H
0220H 51H
28H0200H 50H
Upper Register File (8XC196CA, JR, JT, JV, KR, KS, KT Only)
01E0H 4FH
27H
13H
01C0H 4EH
01A0H 4DH
26H0180H 4CH
Upper Register File (8XC196CA, JQ, JR, JT, JV, KQ, KR, KS, KT)
0160H 4BH
25H
12H
0140H 4AH
0120H 49H
24H0100H 48H
Table 4-11. Windows (Continued)
Base
Address
WSR Value
for 32-byte Window
(00E0–00FFH)
WSR Value
for 64-byte Window
(00C0–00FFH)
WSR Value for
128-byte
Window
(0080–00FFH)
NOTE: Locations 1FE0–1FFFH cannot be windowed. Reading these locations through a window
returns FFH; writing these locations through a window has no effect.

8XC196K
x
, J
x
, CA USER’S MANUAL
4-20
Appendix C includes a table of the windowable SFRs with the WSR values and direct addresses
for each window size. The following examples explain how to determine the WSR value and di-
rect address for any windowable location. An additional example shows how to set up a window
by using the linker locator.
4.2.2.1 32-byte Windowing Example
Assume that you wish to access location 014BH (a location in the upper register file used for gen-
eral-purpose register RAM) with register-direct addressing through a 32-byte window. Table 4-11
on page 4-18 shows that you need to write 4AH to the window selection register. It also shows
that the base address of the 32-byte memory area is 0140H. To determine the offset, subtract that
base address from the address to be accessed (014BH – 0140H = 000BH). Add the offset to the
base address of the window in the lower register file (00E0H, from Table 4-12). The direct ad-
dress is 00EBH (000BH + 00E0H)
4.2.2.2 64-byte Windowing Example
Assume that you wish to access the COMP1_CON register (location 1F8CH) with register-direct
addressing through a 64-byte window. Table 4-11 on page 4-18 shows that you need to write 3EH
to the window selection register. It also shows that the base address of the 64-byte memory area
is 1F80H. To determine the offset, subtract that base address from the address to be accessed
(1F8CH – 1F80H = 000CH). Add the offset to the base address of the window in the lower reg-
ister file (00C0H, from Table 4-12). The direct address is 00CCH (000CH + 00C0H).
4.2.2.3 128-byte Windowing Example
Assume that you wish to access location 1F82H (the EPA8_TIME register) with register-direct
addressing through a 128-byte window. Table 4-11 on page 4-18 shows that you need to write
1FH to the window selection register. It also shows that the base address of the 128-byte memory
area is 1F80H. To determine the offset, subtract that base address from the address to be accessed
(1F82H – 1F80H = 0002H). Add the offset to the base address of the window in the lower register
file (0080H, from Table 4-12). The direct address is 0082H (0002H + 0080H).
Table 4-12. Windowed Base Addresses
Window Size WSR Windowed Base Address
(Base Address in Lower Register File)
32-byte 00E0H
64-byte 00C0H
128-byte 0080H

4-21
MEMORY PARTITIONS
4.2.2.4 Unsupported Locations Windowing Example
Assume that you wish to access location 1FF1H (the P5_MODE register, a memory-mapped
SFR) with register-direct addressing through a 128-byte window. This location is in the range of
addresses (1FE0–1FFFH) that cannot be windowed. Although you could set up the window by
writing 1FH to the WSR, reading this location through the window would return FFH (all ones)
and writing to it would not change the contents. However, you could access the peripheral SFRs
in the range of 1F80–1FDFH with their windowed direct addresses.
4.2.2.5 Using the Linker Locator to Set Up a Window
In this example, the linker locator is used to set up a window. The linker locator locates the win-
dow in the upper register file and determines the value to load in the WSR for access to that win-
dow. (Please consult the manual provided with the linker locator for details.)
********* mod1 **************
mod1 module main ;Main module for linker
public function1
extrn ?WSR ;Must declare ?WSR as external
wsr equ 14h:byte
sp equ 18h:word
oseg
var1: dsw 1 ;Allocate variables in an
var2: dsw 1 ;overlayable segment
var3: dsw 1
cseg
function1:
push wsr ;Prolog code for wsr
ldb wsr, #?WSR ;Prolog code for wsr
add var1, var2, var3 ;Use the variables as registers
;
;
;
ldb wsr, [sp] ;Epilog code for wsr
add sp, #2 ;Epilog code for wsr
ret
end
******** mod2 **************

8XC196K
x
, J
x
, CA USER’S MANUAL
4-22
public function2
extrn ?WSR
wsr equ 14h:byte
sp equ 18h:word
oseg
var1: dsw 1
var2: dsw 1
var3: dsw 1
cseg
function2:
push wsr ;Prolog code for wsr
ldb wsr, #?WSR ;Prolog code for wsr
add var1, var2, var3
;
;
;
ldb wsr, [sp] ;Epilog code for wsr
add sp, #2 ;Epilog code for wsr
ret
end
******************************
The following is an example of a linker invocation to link and locate the modules and to deter-
mine the proper windowing. (This example assumes an 8XC196CA, JT, JV, KS, or KT.)
RL196 MOD1.OBJ, MOD2.OBJ registers(100h-03ffh) windowsize(32)
The above linker controls tell the linker to use registers 0100–03FFH for windowing and to use
a window size of 32 bytes. (These two controls enable windowing.)
The following is the map listing for the resultant output module (MOD1 by default):
SEGMENT MAP FOR mod1(MOD1):
TYPE BASE LENGTH ALIGNMENT MODULE NAME
---- ---- ------ --------- -----------
**RESERVED* 0000H 001AH
STACK 001AH 0006H WORD
*** GAP *** 0020H 00E0H
OVRLY 0100H 0006H WORD MOD2
OVRLY 0106H 0006H WORD MOD1
*** GAP *** 010CH 1F74H
CODE 2080H 0011H BYTE MOD2
CODE 2091H 0011H BYTE MOD1
*** GAP *** 20A2H DF5EH

4-23
MEMORY PARTITIONS
This listing shows the disassembled code:
2080H ;C814 | PUSH WSR
2082H ;B14814 | LDB WSR,#48H
2085H ;44E4E2E0 | ADD E0H,E2H,E4H
2089H ;B21814 | LDB WSR,[SP]
208CH ;65020018 | ADD SP,#02H
2090H ;F0 | RET
2091H ;C814 | PUSH WSR
2093H ;B14814 | LDB WSR,#48H
2096H ;44EAE8E6 | ADD E6H,E8H,EAH
209AH ;B21814 | LDB WSR,[SP]
209DH ;65020018 | ADD SP,#02H
20A1H ;F0 | RET
The C compiler can also take advantage of this feature if the “windows” switch is enabled. For
details, see the MCS 96 microcontroller architecture software products in the Development Tools
Handbook.
4.2.3 Windowing and Addressing Modes
Once windowing is enabled, the windowed locations can be accessed both through the window
using direct (8-bit) addressing and by the usual 16-bit addressing. The lower register file locations
that are covered by the window are always accessible by indirect or indexed operations. To re-
enable direct access to the entire lower register file, clear the WSR. To enable direct access to a
particular location in the lower register file, you can select a smaller window that does not cover
that location.
When windowing is enabled:
•a register-direct instruction that uses an address within the lower register file actually
accesses the window in the upper register file;
•an indirect, indexed, or zero-register instruction that uses an address within either the lower
register file or the upper register file accesses the actual location in memory.
The following sample code illustrates the difference between register-direct and indexed address-
ing when using windowing.
PUSHA ; pushes the contents of WSR onto the stack
LDB WSR, #12H ; select window 12H, a 128-byte block
; The next instruction uses register-direct addr
ADD 40H, 80H ; mem_word(40H)←mem_word(40H) + mem_word(380H)
; The next two instructions use indirect addr
ADD 40H, 80H[0] ; mem_word(40H)←mem_word(40H) + mem_word(80H +0)
ADD 40H, 380H[0] ; mem_word(40H)←mem_word(40H) + mem_word(380H +0)
POPA ; reloads the previous contents into WSR

5
Standard and PTS
Interrupts

5-1
CHAPTER 5
STANDARD AND PTS INTERRUPTS
This chapter describes the interrupt control circuitry, priority scheme, and timing for standard and
peripheral transaction server (PTS) interrupts. It discusses the three special interrupts and the five
PTS modes, two of which are used with the EPA to produce pulse-width modulated (PWM) out-
puts. It also explains interrupt programming and control.
5.1 OVERVIEW
The interrupt control circuitry within a microcontroller permits real-time events to control pro-
gram flow. When an event generates an interrupt, the device suspends the execution of current
instructions while it performs some service in response to the interrupt. When the interrupt is ser-
viced, program execution resumes at the point where the interrupt occurred. An internal periph-
eral, an external signal, or an instruction can request an interrupt. In the simplest case, the device
receives the request, performs the service, and returns to the task that was interrupted.
This microcontroller’s flexible interrupt-handling system has two main components: the pro-
grammable interrupt controller and the peripheral transaction server (PTS). The programmable
interrupt controller has a hardware priority scheme that can be modified by your software. Inter-
rupts that go through the interrupt controller are serviced by interrupt service routines that you
provide. The upper and lower interrupt vectors in special-purpose memory (see Chapter 4,
“Memory Partitions”) contain the interrupt service routines’ addresses. The peripheral transac-
tion server (PTS), a microcoded hardware interrupt processor, provides high-speed, low-over-
head interrupt handling; it does not modify the stack or the PSW. You can configure most
interrupts (except NMI, trap, and unimplemented opcode) to be serviced by the PTS instead of
the interrupt controller.
The PTS supports five special microcoded routines that enable it to complete specific tasks in
much less time than an equivalent interrupt service routine can. It can transfer bytes or words,
either individually or in blocks, between any memory locations; manage multiple analog-to-dig-
ital (A/D) conversions; and generate pulse-width modulated (PWM) signals. PTS interrupts have
a higher priority than standard interrupts and may temporarily suspend interrupt service routines.
A block of data called the PTS control block (PTSCB) contains the specific details for each PTS
routine (see “Initializing the PTS Control Blocks” on page 5-18). When a PTS interrupt occurs,
the priority encoder selects the appropriate vector and fetches the PTS control block (PTSCB).
Figure 5-1 illustrates the interrupt processing flow. In this flow diagram, “INT_MASK” repre-
sents both the INT_MASK and INT_MASK1 registers, and “INT_PEND” represents both the
INT_PEND and INT_PEND1 registers.

8XC196K
x
, J
x
, CA USER’S MANUAL
5-2
Figure 5-1. Flow Diagram for PTS and Standard Interrupts
No
No
PTS
Enabled?
PTSSEL.
x
Bit = 1?
Yes
Yes
No
Interrupt Pending or PTSSRV Bit Set
NMI
Pending
?
Interrupts
Enabled
?
Yes
No Return
INT_MASK.
x
= 1?
No Return
Yes
Return
Reset INT_PEND.
x
Bit
Reset PTSSRV.
x
Bit
Priority
Encoder
Highest Priority Interrupt
PUSH PC
on Stack
LJMP to
ISR
Execute Interrupt
Service Routine
POP PC
from Stack
Priority
Encoder
Highest Priority PTS Interrupt
Execute 1 PTS Cycle
(Microcoded)
Decrement
PTSCOUNT
PTSCOUNT
= 0?
Yes
No
Return
Clear PTSSEL.
x
Bit
Set PTSSRV.
x
Bit
Return
PTSSRV.
x
= 1?
Yes No
Reset INT_PEND.
x
Bit
Yes
A0320-02

5-3
STANDARD AND PTS INTERRUPTS
5.2 INTERRUPT SIGNALS AND REGISTERS
Table 5-1 describes the external interrupt signals and Table 5-2 describes the control and status
registers for both the interrupt controller and PTS.
Table 5-1. Interrupt Signals
PWM Signal Port Pin Type Description
EXTINT P2.2 I External Interrupt
In normal operating mode, a rising edge on EXTINT sets the
EXTINT interrupt pending flag. EXTINT is sampled during
phase 2 (CLKOUT high). The minimum high time is one state
time.
If the chip is in idle mode and if EXTINT is enabled, a rising
edge on EXTINT brings the chip back to normal operation,
where the first action is to execute the EXTINT service
routine. After completion of the service routine, execution
resumes at the the IDLPD instruction following the one that
put the device into idle mode.
In powerdown mode, asserting EXTINT
causes the chip to
return to normal operating mode. If EXTINT is enabled, the
EXTINT service routine is executed. Otherwise, execution
continues at the instruction following the IDLPD instruction
that put the device into powerdown mode.
NMI†— I Nonmaskable Interrupt
In normal operating mode, a rising edge on NMI causes a
vector through the NMI interrupt at location 203EH. NMI must
be asserted for greater than one state time to guarantee that
it is recognized.
In idle mode, a rising edge on the NMI pin causes the device
to return to normal operation, where the first action is to
execute the NMI service routine. After completion of the
service routine, execution resumes at the instruction following
the IDLPD instruction that put the device into idle mode.
In powerdown mode, a rising edge on the NMI pin does not
cause the device to exit powerdown.
† This signal is not implemented on the 8XC196J
x
(see “Design Considerations for 8XC196JQ, JR, JT, and
JV Devices” on page 2-14).
Table 5-2. Interrupt and PTS Control and Status Registers
Register
Mnemonic Register
Name Description
CAN_INT
(CA only)
1E5FH CAN Interrupt Pending
This read-only register indicates the source of the highest-priority
pending CAN interrupt.

8XC196K
x
, J
x
, CA USER’S MANUAL
5-4
5.3 INTERRUPT SOURCES AND PRIORITIES
Table 5-3 lists the interrupts sources, their default priorities (30 is highest and 0 is lowest), and
their vector addresses. The unimplemented opcode and software trap interrupts are not priori-
tized; they go directly to the interrupt controller for servicing. The priority encoder determines
the priority of all other pending interrupt requests. NMI has the highest priority of all prioritized
interrupts, PTS interrupts have the next highest priority, and standard interrupts have the lowest.
The priority encoder selects the highest priority pending request and the interrupt controller se-
lects the corresponding vector location in special-purpose memory. This vector contains the start-
ing (base) address of the corresponding PTS control block (PTSCB) or interrupt service routine.
PTSCBs must be located in register RAM on a quad-word boundary.
EPA_MASK
EPA_MASK1
EPA
Interrupt
Mask
Registers
These registers enable/disable the 20 multiplexed EPA interrupts
EPA_PEND
EPA_PEND1
EPA
Interrupt
Pending
Registers
The bits in these registers are set by hardware to indicate that a
multiplexed EPA interrupt is pending.
EPAIPV EPA
Interrupt
Priority
Vector
This register contains a number from 00H to 14H corresponding to the
highest-priority pending EPA
x
interrupt source. This value allows
software to branch via the TIJMP instruction to the correct interrupt
service routine when the EPAx interrupt is activated. Reading this
register clears the pending bit of the associated interrupt source. The
EPA
x
pending bit (INT_PEND.7) is cleared when all the pending bits
for its sources (in EPA_PEND and EPA_PEND1) have been cleared.
INT_MASK
INT_MASK1
Interrupt
Mask
Registers
These registers enable/disable each maskable interrupt (that is, each
interrupt except unimplemented opcode, software trap, and NMI.)
INT_PEND
INT_PEND1
Interrupt
Pending
Registers
The bits in this register are set by hardware to indicate that an interrupt
is pending.
PSW Program
Status Word
This register contains one bit that globally enables or disables servicing
of all maskable interrupts and another that enables or disables the
PTS. These bits are set or cleared by executing the enable interrupts
(EI), disable interrupts (DI), enable PTS (EPTS), and disable PTS
(DPTS) instructions.
PTSSEL PTS Select
Register
This register selects either a PTS routine or a standard interrupt
service routine for each of the maskable interrupt requests.
PTSSRV PTS
Service
Register
The bits in this register are set by hardware to request an end-of-PTS
interrupt.
Table 5-2. Interrupt and PTS Control and Status Registers (Continued)
Register
Mnemonic Register
Name Description

5-5
STANDARD AND PTS INTERRUPTS
Table 5-3. Interrupt Sources, Vectors, and Priorities
Interrupt Source Mnemonic
Interrupt Controller
Service PTS Service
Name
Vector
Priority
Name
Vector
Priority
Nonmaskable Interrupt NMI†INT15 203EH 30 — — —
EXTINT Pin EXTINT INT14 203CH 14 PTS14 205CH 29
CAN (CA)†††
Reserved (K
x
, J
x
)
CAN
—INT13 203AH 13 PTS13†† 205AH 28
SIO Receive RI INT12 2038H 12 PTS12 2058H 27
SIO Transmit TI INT11 2036H 11 PTS11 2056H 26
SSIO Channel 1 Transfer SSIO1 INT10 2034H 10 PTS10 2054H 25
SSIO Channel 0 Transfer SSIO0 INT09 2032H 09 PTS09 2052H 24
Slave Port Command Buff Full CBF INT08 2030H 08 PTS08 2050H 23
Unimplemented Opcode — — 2012H — — — —
Software TRAP Instruction — — 2010H — — — —
Slave Port Input Buff Full IBF INT07 200EH 07 PTS07 204EH 22
Slave Port Output Buff Empty OBE INT06 200CH 06 PTS06 204CH 21
A/D Conversion Complete AD_DONE INT05 200AH 05 PTS05 204AH 20
EPA Capture/Compare 0 EPA0 INT04 2008H 04 PTS04 2048H 19
EPA Capture/Compare 1 EPA1 INT03 2006H 03 PTS03 2046H 18
EPA Capture/Compare 2 EPA2 INT02 2004H 02 PTS02 2044H 17
EPA Capture/Compare 3 EPA3 INT01 2002H 01 PTS01 2042H 16
EPA Capture/Compare 4–9,
EPA 0–9 Overrun,
EPA Compare 0–1,
Timer 1 Overflow,
Timer 2 Overflow
††††
EPA
x
INT00 2000H 00 PTS00†† 2040H 15
NOTES:
† The NMI pin is not bonded out on the 8XC196J
x.
To protect against glitches, create a dummy interrupt
service routine that contains a RET instruction.
†† The PTS cannot determine the source of multiplexed interrupts, so do not use it to service these
interrupts when more than one multiplexed interrupt is unmasked.
††† All CAN-controller interrupts are multiplexed into the single CAN interrupt input (INT13). The interrupt
service routine associated with INT13 must read the CAN interrupt pending register (CAN_INT) to
determine the source of the interrupt request
†††† These interrupts are individually prioritized in the EPAIPV register (see Table 10-16 on page 10-30).
Read the EPA pending registers (EPA_PEND and EPA_PEND1) to determine which source caused the
interrupt.

8XC196K
x
, J
x
, CA USER’S MANUAL
5-6
5.3.1 Special Interrupts
This microcontroller has three special interrupt sources that are always enabled: unimplemented
opcode, software trap, and NMI. These interrupts are not affected by the EI (enable interrupts)
and DI (disable interrupts) instructions, and they cannot be masked. All of these interrupts are
serviced by the interrupt controller; they cannot be assigned to the PTS. Of these three, only NMI
goes through the transition detector and priority encoder. The other two special interrupts go di-
rectly to the interrupt controller for servicing. Be aware that these interrupts are often assigned to
special functions in development tools.
5.3.1.1 Unimplemented Opcode
If the CPU attempts to execute an unimplemented opcode, an indirect vector through location
2012H occurs. This prevents random software execution during hardware and software failures.
The interrupt vector should contain the starting address of an error routine that will not further
corrupt an already erroneous situation. The unimplemented opcode interrupt prevents other inter-
rupts from being acknowledged until after the next instruction is executed.
5.3.1.2 Software Trap
The TRAP instruction (opcode F7H) causes an interrupt call that is vectored through location
2010H. The TRAP instruction provides a single-instruction interrupt that is useful when debug-
ging software or generating software interrupts. The TRAP instruction prevents other interrupts
from being acknowledged until after the next instruction is executed.
5.3.1.3 NMI
The external NMI pin generates a nonmaskable interrupt for implementation of critical interrupt
routines. NMI has the highest priority of all the prioritized interrupts. It is passed directly from
the transition detector to the priority encoder, and it vectors indirectly through location 203EH.
(The NMI pin is not implemented on the 8XC196Jx. To protect against glitches, create a dummy
interrupt service routine that contains a RET instruction.) The NMI pin is sampled during phase
2 (CLKOUT high) and is latched internally. Because interrupts are edge-triggered, only one in-
terrupt is generated, even if the pin is held high. If your system does not use the NMI interrupt,
connect the NMI pin to VSS to prevent spurious interrupts.
5.3.2 External Interrupt Pins
The interrupt detection logic can generate an interrupt if a momentary negative glitch occurs
while the input pin is held high. For this reason, interrupt inputs should normally be held low
when they are inactive.

5-7
STANDARD AND PTS INTERRUPTS
5.3.3 Multiplexed Interrupt Sources
Both the EPAx and CAN (CA only) interrupts are generated by a group of multiplexed interrupt
sources. The EPA4–9 and COMP0–1 event interrupts, the EPA0–9 overrun interrupts, and the
timer 1 and timer 2 overflow/underflow interrupts are multiplexed into EPAx. All CAN-controller
interrupts are multiplexed into the single CAN interrupt. Generally, PTS interrupt service is not
useful for multiplexed interrupts because the PTS cannot readily determine the interrupt source.
Your interrupt service routine should read the EPA_PEND or EPA_PEND1 register (EPAx) or the
CAN_INT (CAN) regsiter to determine the source of the interrupt and to ensure that no additional
interrupts are pending before executing the return instruction. Chapter 10, “Event Processor Ar-
ray (EPA)” and Chapter 12, “CAN Serial Communications Controller” discuss the EPA and CAN
interrupts in detail.
5.3.4 End-of-PTS Interrupts
When the PTSCOUNT register decrements to zero at the end of a single transfer, block transfer,
or A/D scan routine, hardware clears the corresponding bit in the PTSSEL register, which disables
PTS service for that interrupt. It also sets the corresponding PTSSRV bit, requesting an end-of-
PTS interrupt. An end-of-PTS interrupt has the same priority as a corresponding standard inter-
rupt. The interrupt controller processes it with an interrupt service routine that is stored in the
memory location pointed to by the standard interrupt vector. For example, the PTS services the
SIO transmit interrupt if PTSSEL.11 is set. The interrupt vectors through 2056H, but the corre-
sponding end-of-PTS interrupt vectors through 2036H, the standard SIO transmit interrupt vector.
When the end-of-PTS interrupt vectors to the interrupt service routine, hardware clears the PTSS-
RV bit. The end-of-PTS interrupt service routine should reinitialize the PTSCB, if required, and
set the appropriate PTSSEL bit to re-enable PTS interrupt service.
5.4 INTERRUPT LATENCY
Interrupt latency is the total delay between the time that the interrupt request is generated (not
acknowledged) and the time that the device begins executing either the standard interrupt service
routine or the PTS interrupt service routine. A delay occurs between the time that the interrupt
request is detected and the time that it is acknowledged. An interrupt request is acknowledged
when the current instruction finishes executing. If the interrupt request occurs during one of the
last four state times of the instruction, it may not be acknowledged until after the next instruction
finishes. This additional delay occurs because instructions are prefetched and prepared a few state
times before they are executed. Thus, the maximum delay between interrupt request and ac-
knowledgment is four state times plus the execution time of the next instruction.

8XC196K
x
, J
x
, CA USER’S MANUAL
5-8
When a standard interrupt request is acknowledged, the hardware clears the interrupt pending bit
and forces a call to the address contained in the corresponding interrupt vector after completing
the current instruction. The procedure that gets the vector and forces the call requires 11 state
times. If the stack is in external RAM, the call requires an additional two state times assuming a
zero-wait-state bus.
When a PTS interrupt request is acknowledged, it immediately vectors to the PTSCB and begins
executing the PTS routine.
5.4.1 Situations that Increase Interrupt Latency
If an interrupt request occurs while any of the following instructions are executing, the interrupt
will not be acknowledged until after the next instruction is executed:
•the signed prefix opcode (FE) for the two-byte, signed multiply and divide instructions
•any of these eight protected instructions: DI, EI, DPTS, EPTS, POPA, POPF, PUSHA,
PUSHF (see Appendix A for descriptions of these instructions)
•any of the read-modify-write instructions: AND, ANDB, OR, ORB, XOR, XORB
Both the unimplemented opcode interrupt and the software trap interrupt prevent other interrupt
requests from being acknowledged until after the next instruction is executed.
Each PTS cycle within a PTS routine cannot be interrupted. A PTS cycle is the entire PTS re-
sponse to a single interrupt request. In block transfer mode, a PTS cycle consists of the transfer
of an entire block of bytes or words. This means a worst-case latency of 500 states if you assume
a block transfer of 32 words from one external memory location to another. See Table 5-4 on page
5-10 for PTS cycle execution times.

5-9
STANDARD AND PTS INTERRUPTS
5.4.2 Calculating Latency
The maximum latency occurs when the interrupt request occurs too late for acknowledgment fol-
lowing the current instruction. The following worst-case calculation assumes that the current in-
struction is not a protected instruction. To calculate latency, add the following terms:
•Time for the current instruction to finish execution (4 state times).
— if this is a protected instruction, the instruction that follows it must also execute before
the interrupt can be acknowledged. Add the execution time of the instruction that
follows a protected instruction.
•Time for the next instruction to execute. (The longest instruction, NORML, takes 39 state
times. However, the BMOV instruction could actually take longer if it is transferring a large
block of data. If your code contains routines that transfer large blocks of data, you may want
to use the BMOV instruction in your calculation instead of NORML. See Appendix A for
instruction execution times.)
•For standard interrupts only, the response time to get the vector and force the call
— 11 state times for an internal stack or 13 for an external stack
5.4.2.1 Standard Interrupt Latency
The worst-case delay for a standard interrupt is 56 state times (4 + 39 + 11 + 2) if the stack is in
external memory. This delay time does not include the time needed to execute the first instruction
in the interrupt service routine or to execute the instruction following a protected instruction. Fig-
ure 5-2 illustrates the worst-case scenario.
Figure 5-2. Standard Interrupt Response Time
A0136-02
11 2 1239
Ending
Instruction End
"NORML"
Call is
Forced If Stack
External "PUSHA"
Interrupt Routine
ClearedSet
Execution
EXTINT
Pending
Interrupt
Response
Time
56 State Times
If Stack
External
6
"NORML"
4 3 2 1

8XC196K
x
, J
x
, CA USER’S MANUAL
5-10
5.4.2.2 PTS Interrupt Latency
The maximum delay for a PTS interrupt is 43 state times (4 + 39). This delay time does not in-
clude the added delay if a protected instruction is being executed or if a PTS request is already in
progress. See Table 5-4 for execution times for PTS routines.
Figure 5-3. PTS Interrupt Response Time
Table 5-4. Execution Times for PTS Cycles
PTS Mode Execution Time (in State Times)
Single transfer mode
register/register†
memory/register†
memory/memory†
18 per byte or word transfer + 1
21 per byte or word transfer + 1
24 per byte or word transfer + 1
Block transfer mode
register/register†
memory/register†
memory/memory†
13 + 7 per byte or word transfer (1 minimum)
16 + 7 per byte or word transfer (1 minimum)
19 + 7 per byte or word transfer (1 minimum)
A/D scan mode
register/register†
register/memory†21
25
PWM remap mode 15
PWM toggle mode 15
†
Register
indicates an access to the register file or peripheral SFR.
Memory
indicates
an access to a memory-mapped register, I/O, or memory. See Table 4-1 on page 4-2 for
address information.
Ending
Instruction End
"NORML"
Vector to PTS
Control Block PTS
PTS Interrupt Routine
ClearedSet
Execution
EXTINT
Pending
Interrupt
Response Time Latency Time
"NORML"
43 State Times
PTS
A0142-01
4 3 2 1 39

5-11
STANDARD AND PTS INTERRUPTS
5.5 PROGRAMMING THE INTERRUPTS
The PTS select register (PTSSEL) selects either PTS service or a standard software interrupt ser-
vice routine for each of the maskable interrupt requests (see Figure 5-4). The interrupt mask reg-
isters, INT_MASK and INT_MASK1, enable or disable (mask) individual interrupts (see Figures
5-5 and 5-6). With the exception of the nonmaskable interrupt (NMI) bit (INT_MASK1.7), set-
ting a bit enables the corresponding interrupt source and clearing a bit disables the source.
To disable any interrupt, clear its mask bit. To enable an interrupt for standard interrupt service,
set its mask bit and clear its PTS select bit. To enable an interrupt for PTS service, set both the
mask bit and the PTS select bit.
Additionally, when you assign an interrupt to the PTS, you must set up a PTS control block
(PTSCB) for each interrupt source (see “Initializing the PTS Control Blocks” on page 5-18) and
use the EPTS instruction to globally enable the PTS. When you assign an interrupt to a standard
software service routine, use the EI (enable interrupts) instruction to globally enable interrupt ser-
vicing.
NOTE
PTS routines will execute after a DI (disable interrupts) instruction, if the
appropriate INT_MASK and PTSSEL bits are set. However, the end-of-PTS
interrupt request will not occur. If an interrupt request occurs while interrupts
are disabled, the corresponding pending bit is set in the INT_PEND or
INT_PEND1 register.
5.5.1 Programming the Multiplexed Interrupts
On the 87C196CA, the CAN-controller interrupts are multiplexed into the single CAN interrupt
input (INT13). Write to the CAN control register (Figure 12-6 on page 12-13) to enable or disable
global CAN interrupt sources (error, status change, and individual message object) and
INT_MASK1.5 to enable or disable the multiplexed CAN interrupt.
The EPA4–9 and COMP0–1 event interrupts, the EPA0–9 overrun interrupts, and the timer 1 and
timer 2 overflow/underflow interrupts are multiplexed into EPAx. Write to the EPA_MASK (Fig-
ure 10-12 on page 10-27) or EPA_MASK1 (Figure 10-13 on page 10-27) registers to enable or
disable the multiplexed EPA interrupt sources and INT_MASK.0 to enable or disable the EPAx
interrupt.
The PTS cannot determine the source of multiplexed interrupts, so do not use it to service these
interrupts when more than one multiplexed interrupt is unmasked.

8XC196K
x
, J
x
, CA USER’S MANUAL
5-12
PTSSEL Address:
Reset State:
04H
0000H
The PTS select (PTSSEL) register selects either a PTS microcode routine or a standard interrupt
service routine for each interrupt requests. Setting a bit selects a PTS microcode routine; clearing a bit
selects a standard interrupt service routine. When PTSCOUNT reaches zero, hardware clears the
corresponding PTSSEL bit. The PTSSEL bit must be set manually to re-enable the PTS channel.
15 8
87C196CA —EXTINT CAN RI TI SSIO1 SSIO0 —
7 0
——
AD EPA0 EPA1 EPA2 EPA3 EPA
x
15 8
8XC196J
x
—EXTINT — RI TI SSIO1 SSIO0 —
7 0
——
AD EPA0 EPA1 EPA2 EPA3 EPA
x
15 8
8XC196K
x
—EXTINT — RI TI SSIO1 SSIO0 CBF
7 0
IBF OBE AD EPA0 EPA1 EPA2 EPA3 EPA
x
Bit
Number Function
14:0
(Note 1) Setting this bit causes the corresponding interrupt to be handled by a PTS microcode
routine.
The PTS interrupt vector locations are as follows:
Bit Mnemonic Interrupt PTS Vector
EXTINT EXTINT pin 205CH
CAN (CA)†CAN Peripheral 205AH
RI SIO Receive 2058H
TI SIO Transmit 2056H
SSIO1 SSIO 1 Transfer 2054H
SSIO0 SSIO 0 Transfer 2052H
CBF (K
x
) Slave Port Command Buffer Full 2050H
IBF (K
x
) Slave Port Input Buffer Full 204EH
OBE (K
x
) Slave Port Output Buffer Empty 204CH
AD A/D Conversion Complete 204AH
EPA0 EPA Capture/Compare Channel 0 2048H
EPA1 EPA Capture/Compare Channel 1 2046H
EPA2 EPA Capture/Compare Channel 2 2044H
EPA3 EPA Capture/Compare Channel 3 2042H
EPA
x
†Multiplexed EPA 2040H
† PTS service is not recommended because the PTS cannot determine the source of
multiplexed interrupts.
1. Bit 13 is reserved on the 8XC196J
x
, K
x
devices and bits 6–8 are reserved on the 87C196CA,
8XC196J
x
devices. For compatibility with future devices, write zeros to these bits.
Figure 5-4. PTS Select (PTSSEL) Register

5-13
STANDARD AND PTS INTERRUPTS
INT_MASK Address:
Reset State:
08H
00H
The interrupt mask (INT_MASK) register enables or disables (masks) individual interrupts. (The EI
and DI instructions enable and disable servicing of all maskable interrupts.). INT_MASK is the low
byte of the program status word (PSW). PUSHF or PUSHA saves the contents of this register onto the
stack and then clears this register. Interrupt calls cannot occur immediately following this instruction.
POPF or POPA restores it.
7 0
CA, J
x
——AD EPA0 EPA1 EPA2 EPA3 EPA
x
7 0
8XC196K
x
IBF OBE AD EPA0 EPA1 EPA2 EPA3 EPA
x
Bit
Number Function
7:0†Setting this bit enables the corresponding interrupt.
The standard interrupt vector locations are as follows:
Bit Mnemonic Interrupt Standard Vector
IBF (K
x
) Slave Port Input Buffer Full 200EH
OBE (K
x
) Slave Port Output Buffer Empty 200CH
AD A/D Conversion Complete 200AH
EPA0 EPA Capture/Compare Channel 0 2008H
EPA1 EPA Capture/Compare Channel 1 2006H
EPA2 EPA Capture/Compare Channel 2 2004H
EPA3 EPA Capture/Compare Channel 3 2002H
EPA
x
†† Multiplexed EPA 2000H
†† EPA 4–9 capture/compare channel events, EPA 0–1 compare channel events, EPA 0–
9 capture/compare overruns, and timer overflows can generate this multiplexed interrupt.
The EPA mask and pending registers decode the EPA
x
interrupt. Write the EPA mask
registers (EPA_MASK and EPA_MASK1) to enable the interrupt sources; read the EPA
pending registers (EPA_PEND and EPA_PEND1) to determine which source caused the
interrupt.
† Bits 6–7 are reserved on the 87C196CA and 8XC196J
x
devices. For compatibility with future
devices, write zeros to these bits.
Figure 5-5. Interrupt Mask (INT_MASK) Register

8XC196K
x
, J
x
, CA USER’S MANUAL
5-14
5.5.2 Modifying Interrupt Priorities
The software can modify the default priorities of maskable interrupts by controlling the interrupt
mask registers (INT_MASK and INT_MASK1). For example, you can specify which interrupts,
if any, can interrupt an interrupt service routine. The following code shows one way to prevent
all interrupts, except EXTINT (priority 14), from interrupting an SIO receive interrupt service
routine (priority12).
INT_MASK1 Address:
Reset State:
13H
00H
The interrupt mask 1 (INT_MASK1) register enables or disables (masks) individual interrupts. (The EI
and DI instructions enable and disable servicing of all maskable interrupts.) INT_MASK1 can be read
from or written to as a byte register. PUSHA saves this register on the stack and POPA restores it.
7 0
87C196CA NMI EXTINT CAN RI TI SSIO1 SSIO0 —
7 0
8XC196J
x
—EXTINT — RI TI SSIO1 SSIO0 —
7 0
8XC196K
x
NMI EXTINT — RI TI SSIO1 SSIO0 CBF
Bit
Number Function
7:0†Setting this bit enables the corresponding interrupt.
The standard interrupt vector locations are as follows:
Bit Mnemonic Interrupt Standard Vector
NMI†† Nonmaskable Interrupt 203EH
EXTINT EXTINT Pin 203CH
CAN (CA) CAN Peripheral 203AH
RI SIO Receive 2038H
TI SIO Transmit 2036H
SSIO1 SSIO 1 Transfer 2034H
SSIO0 SSIO 0 Transfer 2032H
CBF (K
x
) Slave Port Command Buffer Full 2030H
† Bit 5 is reserved on the 8XC196J
x
, K
x
devices and bit 0 is reserved on the 87C196CA, 8XC196J
x
devices. For compatibility with future devices, always write zeros to these bits.
†† NMI is always enabled. This nonfunctional mask bit exists for design symmetry with the
INT_PEND1 register. Always write zero to this bit.
Figure 5-6. Interrupt Mask 1 (INT_MASK1) Register

5-15
STANDARD AND PTS INTERRUPTS
SERIAL_RI_ISR:
PUSHA ; Save PSW, INT_MASK, INT_MASK1, & WSR
; (this disables all interrupts)
LDB INT_MASK1, #01000000B ; Enable EXTINT only
EI ; Enable interrupt servicing
; Service the RI interrupt
POPA ; Restore PSW, INT_MASK, INT_MASK1, &
; WSR registers
RET
CSEG AT 2038H ; fill in interrupt table
DCW SERIAL_RI_ISR END
Note that location 2038H in the interrupt vector table must be loaded with the value of the label
SERIAL_RI_ISR before the interrupt request occurs and that the receive interrupt must be en-
abled for this routine to execute.
This routine, like all interrupt service routines, is handled in the following manner:
1. After the hardware detects and prioritizes an interrupt request, it generates and executes an
interrupt call. This pushes the program counter onto the stack and then loads it with the
contents of the vector corresponding to the highest priority, pending, unmasked interrupt.
The hardware will not allow another interrupt call until after the first instruction of the
interrupt service routine is executed.
2. The PUSHA instruction, which is now guaranteed to execute, saves the contents of the
PSW, INT_MASK, INT_MASK1, and window select register (WSR) onto the stack and
then clears the PSW, INT_MASK, and INT_MASK1. In addition to the arithmetic flags,
the PSW contains the global interrupt enable bit (I) and the PTS enable bit (PSE). By
clearing the PSW and the interrupt mask registers, PUSHA effectively masks all maskable
interrupts, disables standard interrupt servicing, and disables the PTS. Because PUSHA is
a protected instruction, it also inhibits interrupt calls until after the next instruction
executes.
3. The LDB INT_MASK1 instruction enables those interrupts that you choose to allow to
interrupt the service routine. In this example, only EXTINT can interrupt the receive
interrupt service routine. By enabling or disabling interrupts, the software establishes its
own interrupt servicing priorities.
4. The EI instruction re-enables interrupt processing and inhibits interrupt calls until after the
next instruction executes.
5. The actual interrupt service routine executes within the priority structure established by
the software.

8XC196K
x
, J
x
, CA USER’S MANUAL
5-16
6. At the end of the service routine, the POPA instruction restores the original contents of the
PSW, INT_MASK, INT_MASK1, and WSR registers; any changes made to these
registers during the interrupt service routine are overwritten. Because interrupt calls
cannot occur immediately following a POPA instruction, the last instruction (RET) will
execute before another interrupt call can occur.
Notice that the “preamble” and exit code for this routine does not save or restore register RAM.
The interrupt service routine is assumed to allocate its own private set of registers from the lower
register file. The general-purpose register RAM in the lower register file makes this quite practi-
cal. In addition, the RAM in the upper register file is available via windowing (see “Windowing”
on page 4-13).
5.5.3 Determining the Source of an Interrupt
When the transition detector detects an interrupt, it sets the corresponding bit in the INT_PEND
or INT_PEND1 register (Figures 5-7 and 5-8). This bit is set even if the individual interrupt is
disabled (masked). The pending bit is cleared when the program vectors to the interrupt service
routine. INT_PEND and INT_PEND1 can be read, to determine which interrupts are pending.
They can also be modified (written), either to clear pending interrupts or to generate interrupts
under software control. However, we recommend the use of the read-modify-write instructions,
such as AND and OR, to modify these registers.
ANDB INT_PEND, #11111110B ; Clears the EPA
x
interrupt
ORB INT_PEND, #00000001B ; Sets the EPA
x
interrupt
Other methods could result in a partial interrupt cycle. For example, an interrupt could occur dur-
ing an instruction sequence that loads the contents of the interrupt pending register into a tempo-
rary register, modifies the contents of the temporary register, and then writes the contents of the
temporary register back into the interrupt pending register. If the interrupt occurs during one of
the last four states of the second instruction, it will not be acknowledged until after the completion
of the third instruction. The third instruction overwrites the contents of the interrupt pending reg-
ister, so the jump to the interrupt vector will not occur.
5.5.3.1 Determining the Source of Multiplexed Interrupts
On the 87C196CA, the CAN-controller interrupts are multiplexed into the single CAN interrupt
input (INT13). The interrupt service routine associated with INT13 must read the CAN interrupt
pending register (CAN_INT, Figure 12-19 on page 12-32) to determine the source of the interrupt
request.

5-17
STANDARD AND PTS INTERRUPTS
The EPA4–9 and COMP0–1 event interrupts, the EPA0–9 overrun interrupts, and the timer 1 and
timer 2 overflow/underflow interrupts are multiplexed into EPAx. The interrupt service routine
associated with EPAx must read the EPA interrupt pending registers (EPA_PEND and
EPA_PEND1) to determine the source of the interrupt request (see Figure 10-14 on page
10-28 and Figure 10-15 on page 10-29).
INT_PEND Address:
Reset State:
09H
00H
When hardware detects an interrupt request, it sets the corresponding bit in the interrupt pending
(INT_PEND or INT_PEND1) registers. When the vector is taken, the hardware clears the pending bit.
Software can generate an interrupt by setting the corresponding interrupt pending bit.
7 0
CA, J
x
——AD EPA0 EPA1 EPA2 EPA3 EPA
x
7 0
8XC196K
x
IBF OBE AD EPA0 EPA1 EPA2 EPA3 EPA
x
Bit
Number Function
7:0†When set, this bit indicates that the corresponding interrupt is pending. The interrupt bit is
cleared when processing transfers to the corresponding interrupt vector.
The standard interrupt vector locations are as follows:
Bit Mnemonic Interrupt Standard Vector
IBF (K
x
) Slave Port Input Buffer Full 200EH
OBE (K
x
) Slave Port Output Buffer Empty 200CH
AD A/D Conversion Complete 200AH
EPA0 EPA Capture/Compare Channel 0 2008H
EPA1 EPA Capture/Compare Channel 1 2006H
EPA2 EPA Capture/Compare Channel 2 2004H
EPA3 EPA Capture/Compare Channel 3 2002H
EPA
x
†† Multiplexed EPA 2000H
†† EPA 4–9 capture/compare channel events, EPA 0–1 compare channel events, EPA 0–
9 capture/compare overruns, and timer overflows can generate this multiplexed interrupt.
The EPA mask and pending registers decode the EPA
x
interrupt. Write the EPA mask
registers to enable the interrupt sources; read the EPA pending registers (EPA_PEND
and EPA_PEND1) to determine which source caused the interrupt.
† Bits 6–7 are reserved on the 87C196CA, 8XC196J
x
devices. For compatibility with future devices,
write zeros to these bits.
Figure 5-7. Interrupt Pending (INT_PEND) Register

8XC196K
x
, J
x
, CA USER’S MANUAL
5-18
5.6 INITIALIZING THE PTS CONTROL BLOCKS
Each PTS interrupt requires a block of data called the PTS control block (PTSCB). The PTSCB
identifies which PTS microcode routine will be invoked and sets up the specific parameters for
the routine. You must set up the PTSCB for each interrupt source before enabling the correspond-
ing PTS interrupts.
INT_PEND1 Address:
Reset State:
12H
00H
When hardware detects a pending interrupt, it sets the corresponding bit in the interrupt pending
(INT_PEND or INT_PEND1) registers. When the vector is taken, the hardware clears the pending bit.
Software can generate an interrupt by setting the corresponding interrupt pending bit.
7 8
87C196CA NMI EXTINT CAN RI TI SSIO1 SSIO0 —
7 0
8XC196J
x
—EXTINT — RI I TI SSIO1 SSIO0 —
7 0
8XC196K
x
NMI EXTINT — RI I TI SSIO1 SSIO0 CBF
Bit
Number Function
7:0†When set, this bit indicates that the corresponding interrupt is pending. The interrupt bit is
cleared when processing transfers to the corresponding interrupt vector.
The standard interrupt vector locations are as follows:
Bit Mnemonic Interrupt Standard Vector
NMI Nonmaskable Interrupt 203EH
EXTINT EXTINT Pin 203CH
CAN (CA)†† CAN Peripheral 203AH
RI SIO Receive 2038H
TI SIO Transmit 2036H
SSIO1 SSIO 1 Transfer 2034H
SSIO0 SSIO 0 Transfer 2032H
CBF (K
x
) Slave Port Command Buffer Full 2030H
†† All CAN-controller interrupts are multiplexed into the single CAN interrupt input
(INT13). The interrupt service routine associated with INT13 must read the CAN interrupt
pending register (CAN_INT) to determine the source of the interrupt request.
† Bit 7 is reserved on the 8XC196J
x
devices, bit 5 is reserved on the 8XC196J
x
, K
x
devices, and bit 0
is reserved on the 87C196CA, 8XC196J
x
devices. For compatibility with future devices, always write
zeros to these bits.
Figure 5-8. Interrupt Pending 1 (INT_PEND1) Register

5-19
STANDARD AND PTS INTERRUPTS
Each PTS control block (PTSCB) requires eight data bytes in register RAM. The address of the
first (lowest) byte is stored in the PTS vector table in special-purpose memory (see “Special-pur-
pose Memory” on page 4-3). Figure 5-9 shows the PTSCB for each PTS mode. Unused PTSCB
bytes can be used as extra RAM.
NOTE
The PTSCB must be located in register RAM. The location of the first byte of
the PTSCB must be aligned on a quad-word boundary (an address evenly
divisible by 8).
Figure 5-9. PTS Control Blocks
5.6.1 Specifying the PTS Count
For single transfer, block transfer, and A/D scan routines, the first location of the PTSCB contains
an 8-bit value called PTSCOUNT. This value defines the number of interrupts that will be ser-
viced by the PTS routine. The PTS decrements PTSCOUNT after each PTS cycle. When
PTSCOUNT reaches zero, hardware clears the corresponding PTSSEL bit and sets the PTSSRV
bit (Figure 5-10), which requests an end-of-PTS interrupt. The end-of-PTS interrupt service rou-
tine should reinitialize the PTSCB, if required, and set the appropriate PTSSEL bit to re-enable
PTS interrupt service.
Single
Transfer Block
Transfer A/D Scan
Mode PWM Toggle
Mode PWM Remap
Mode
Unused Unused Unused PTSCONST2 (H) Unused
Unused PTSBLOCK Unused PTSCONST2 (L) Unused
PTSDST(H) PTSDST (H) PTSPTR2 (H) PTSCONST1 (H) PTSCONST1 (H)
PTSDST (L) PTSDST (L) PTSPTR2 (L) PTSCONST1 (L) PTSCONST1 (L)
PTSSRC (H) PTSSRC (H) PTSPTR1 (H) PTSPTR1 (H) PTSPTR1 (H)
PTSSRC (L) PTSSRC (L) PTSPTR1 (L) PTSPTR1 (L) PTSPTR1 (L)
PTSCON PTSCON PTSCON PTSCON PTSCON
PTSVECT PTSCOUNT PTSCOUNT PTSCOUNT Unused Unused

8XC196K
x
, J
x
, CA USER’S MANUAL
5-20
PTSSRV Address:
Reset State:
06H
0000H
The PTS service (PTSSRV) register is used by the hardware to indicate that the final PTS interrupt
has been serviced by the PTS routine. When PTSCOUNT reaches zero, hardware clears the corre-
sponding PTSSEL bit and sets the PTSSRV bit, which requests the end-of-PTS interrupt. When the
end-of-PTS interrupt is called, hardware clears the PTSSRV bit. The PTSSEL bit must be set
manually to re-enable the PTS channel.
15 8
87C196CA —EXTINT CAN RI TI SSIO1 SSIO0 —
7 0
——
AD EPA0 EPA1 EPA2 EPA3 EPA
x
15 8
8XC196J
x
—EXTINT — RI TI SSIO1 SSIO0 —
7 0
——
AD EPA0 EPA1 EPA2 EPA3 EPA
x
15 8
8XC196K
x
—EXTINT — RI TI SSIO1 SSIO0 CBF
7 0
IBF OBE AD EPA0 EPA1 EPA2 EPA3 EPA
x
Bit
Number Function
14:0
(Note 1) This bit is set by hardware to request an end-of-PTS interrupt for the corresponding
interrupt through its standard interrupt vector.
The standard interrupt vector locations are as follows.
Bit Mnemonic Interrupt Standard Vector
EXTINT External 203CH
CAN (CA) CAN Peripheral 203AH
RI SIO Receive 2038H
TI SIO Transmit 2036H
SSIO1 SSIO1 Transfer 2034H
SSIO0 SSIO0 Transfer 2032H
CBF (K
x
) Slave Port Command Buffer Full 2030H
IBF (K
x
Slave Port Input Buffer Full 200EH
OBE (K
x
) Slave Port Output Buffer Empty 200CH
AD A/D Conversion Complete 200AH
EPA0 EPA Capture/Compare Channel 0 2008H
EPA1 EPA Capture/Compare Channel 1 2006H
EPA2 EPA Capture/Compare Channel 2 2004H
EPA3 EPA Capture/Compare Channel 3 2002H
EPA
x
†Multiplexed EPA 2000H
† This bit is cleared when all EPA interrupt pending bits (EPA_PEND and EPA_PEND1)
are cleared.
1. Bit 13 is reserved on the 8XC196J
x
, K
x
devices and bits 6–8 are reserved on the 87C196CA,
8XC196J
x
devices. For compatibility with future devices, write zeros to these bits.
Figure 5-10. PTS Service (PTSSRV) Register

5-21
STANDARD AND PTS INTERRUPTS
5.6.2 Selecting the PTS Mode
The second byte of each PTSCB is always an 8-bit value called PTSCON. Bits 5–7 select the PTS
mode (Figure 5-11). The function of bits 0–4 differ for each PTS mode. Refer to the sections that
describe each routine in detail to see the function of these bits. Table 5-4 on page 5-10 lists the
execution times for each PTS mode.
5.6.3 Single Transfer Mode
In single transfer mode, an interrupt causes the PTS to transfer a single byte or word (selected by
the BW bit in PTSCON) from one memory location to another. This mode is typically used with
serial I/O, or synchronous serial I/O, or slave port interrupts. It can also be used with the EPA to
move captured time values from the event-time register to internal RAM for further processing.
See AP-445, 8XC196KR Peripherals: A User’s Point of View, for application examples with code.
Figure 5-12 shows the PTS control block for single transfer mode.
PTSCON Address: PTSPCB + 1
The PTS control (PTSCON) register selects the PTS mode and sets up control functions for that
mode.
7 0
M2 M1 M0 †††††
Bit
Number Bit
Mnemonic Function
7:5 M2:0 PTS Mode
These bits select the PTS mode:
M2 M1 M0
000block transfer
001reserved
010PWM toggle or remap
011reserved
100single transfer
101reserved
110A/D scan
111reserved
† The function of this bit depends upon which mode is selected. See the PTS control block description
in each PTS mode section.
Figure 5-11. PTS Mode Selection Bits (PTSCON Bits 7:5)

8XC196K
x
, J
x
, CA USER’S MANUAL
5-22
PTS Single Transfer Mode Control Block
In single transfer mode, the PTS control block contains a source and destination address (PTSSRC
and PTSDST), a control register (PTSCON), and a transfer count (PTSCOUNT).
7 0
Unused 0 0 0 0 0 0 0 0
7 0
Unused 0 0 0 0 0 0 0 0
15 8
PTSDST (HI) PTS Destination Address (high byte)
7 0
PTSDST (LO) PTS Destination Address (low byte)
15 8
PTSSRC (HI) PTS Source Address (high byte)
7 0
PTSSRC (LO) PTS Source Address (low byte)
7 0
PTSCON M2 M1 M0 BW SU DU SI DI
7 0
PTSCOUNT Consecutive Byte or Word Transfers
Register Location Function
PTSDST PTSCB + 4 PTS Destination Address
Write the destination memory location to this register. A valid address is
any unreserved memory location; however, it must point to an even
address if word transfers are selected.
PTSSRC PTSCB + 2 PTS Source Address
Write the source memory location to this register. A valid address is any
unreserved memory location; however, it must point to an even address
if word transfers are selected.
Figure 5-12. PTS Control Block – Single Transfer Mode

5-23
STANDARD AND PTS INTERRUPTS
The PTSCB in Table 5-5 defines nine PTS cycles. Each cycle moves a single word from location
20H to an external memory location. The PTS transfers the first word to location 6000H. Then it
increments and updates the destination address and decrements the PTSCOUNT register; it does
not increment the source address. When the second cycle begins, the PTS moves a second word
from location 20H to location 6002H. When PTSCOUNT equals zero, the PTS will have filled
locations 6000H–600FH, and an end-of-PTS interrupt is generated.
Register Location Function
PTSCON PTSCB + 1 PTS Control Bits
M2:0 PTS Mode
M2 M1 M0
1 0 0 single transfer mode
BW Byte/Word Transfer
0 = word transfer
1 = byte transfer
SU†Update PTSSRC
0 = reload original PTS source address after each byte or word
transfer
1 = retain current PTS source address after each byte or word
transfer
DU†Update PTSDST
0 = reload original PTS destination address after each byte or
word transfer
1 = retain current PTS destination address after each byte or
word transfer
SI†PTSSRC Autoincrement
0 = do not increment the contents of PTSSRC
1 = increment the contents of PTSSRC after each byte or word
transfer
DI†PTSDST Autoincrement
0 = do not increment the contents of PTSDST
1 = increment the contents of PTSDST after each byte or word
transfer
PTSCOUNT PTSCB + 0 Consecutive Word or Byte Transfers
Defines the number of words or bytes that will be transferred during the
single transfer routine. Each word or byte transfer is one PTS cycle.
Maximum value is 255.
† In single transfer mode, the DU and SU bits and DI and SI bits are paired. Each pair must be set or
cleared together. However, the two pairs, DU/SU and DI/SI, need not be equal.
PTS Single Transfer Mode Control Block (Continued)
Figure 5-12. PTS Control Block – Single Transfer Mode (Continued)

8XC196K
x
, J
x
, CA USER’S MANUAL
5-24
5.6.4 Block Transfer Mode
In block transfer mode, an interrupt causes the PTS to move a block of bytes or words from one
memory location to another. See AP-445, 8XC196KR Peripherals: A User’s Point of View, for ap-
plication examples with code. Figure 5-12 shows the PTS control block for block transfer modes.
In this mode, each PTS cycle consists of the transfer of an entire block of bytes or words. Because
a PTS cycle cannot be interrupted, the block transfer mode can create long interrupt latency. The
worst-case latency could be as high as 500 states, if you assume a block transfer of 32 words from
one external memory location to another, using an 8-bit bus with no wait states. See Table 5-4 on
page 5-10 for execution times of PTS routines.
The PTSCB in Table 5-6 sets up three PTS cycles that will transfer five bytes from memory loca-
tions 20H–24H to 6000H–6004H (cycle 1), 6005H–6009H (cycle 2), and 600AH–600EH (cycle
3). The source and destination are incremented after each byte transfer, but the original source
address is reloaded into PTSSRC at the end of each block-transfer cycle. In this routine, the PTS
always gets the first byte from location 20H.
Table 5-5. Single Transfer Mode PTSCB
Unused
Unused
PTSDST (HI) = 60H
PTSDST (LO) = 00H
PTSSRC (HI) = 00H
PTSSRC (LO) = 20H
PTSCON = 85H (Mode = 100, DI & DU = 1, BW = 0)
PTSCOUNT = 09H
Table 5-6. Block Transfer Mode PTSCB
Unused
PTSCOUNT = 05H
PTSDST (HI) = 60H
PTSDST (LO) = 00H
PTSSRC (HI) = 00H
PTSSRC (LO) = 20H
PTSCON = 17H (Mode = 000; DI, SI, DU, BW = 1; SU = 0)
PTSCOUNT = 03H

5-25
STANDARD AND PTS INTERRUPTS
PTS Block Transfer Mode Control Block
In block transfer mode, the PTS control block contains a block size (PTSBLOCK), a source and
destination address (PTSSRC and PTSDST), a control register (PTSCON), and a transfer count
(PTSCOUNT).
7 0
Unused 0 0 0 0 0 0 0 0
7 0
PTSBLOCK PTS Block Size
15 8
PTSDST (HI) PTS Destination Address (high byte)
7 0
PTSDST (LO) PTS Destination Address (low byte)
15 8
PTSSRC (HI) PTS Source Address (high byte)
7 0
PTSSRC (LO) PTS Source Address (low byte)
7 0
PTSCON M2 M1 M0 BW SU DU SI DI
7 0
PTSCOUNT Consecutive Block Transfers
Register Location Function
PTSBLOCK PTSCB + 6 PTS Block Size
Specifies the number of bytes or words in each block. Valid values are
1–32, inclusive.
PTSDST PTSCB + 4 PTS Destination Address
Write the destination memory location to this register. A valid address is
any unreserved memory location; however, it must point to an even
address if word transfers are selected.
PTSSRC PTSCB + 2 PTS Source Address
Write the source memory location to this register. A valid address is any
unreserved memory location; however, it must point to an even address
if word transfers are selected.
Figure 5-13. PTS Control Block – Block Transfer Mode

8XC196K
x
, J
x
, CA USER’S MANUAL
5-26
5.6.5 A/D Scan Mode
In the A/D scan mode, the PTS causes the A/D converter to perform multiple conversions on one
or more channels and then stores the results in a table in memory. Figure 5-14 shows the PTS con-
trol block for A/D scan mode.
Register Location Function
PTSCON PTSCB + 1 PTS Control Bits
M2:0 PTS Mode
These bits select the PTS mode:
M2 M1 M0
000block transfer mode
BW Byte/Word Transfer
0 = word transfer
1 = byte transfer
SU Update PTSSRC
0 = reload original PTS source address after each block
transfer is complete
1 = retain current PTS source address after each block transfer
is complete
DU Update PTSDST
0 = reload original PTS destination address after each block
transfer is complete
1 = retain current PTS destination address after each block
transfer is complete
SI PTSSRC Autoincrement
0 = do not increment the contents of PTSSRC
1 = increment the contents of PTSSRC after each byte or word
transfer
DI PTSDST Autoincrement
0 = do not increment the contents of PTSDST
1 = increment the contents of PTSDST after each byte or word
transfer
PTSCOUNT PTSCB + 0 Consecutive Block Transfers
Defines the number of blocks that will be transferred during the block
transfer routine. Each block transfer is one PTS cycle. Maximum number
is 255.
PTS Block Transfer Mode Control Block (Continued)
Figure 5-13. PTS Control Block – Block Transfer Mode (Continued)

5-27
STANDARD AND PTS INTERRUPTS
PTS A/D Scan Mode Control Block
In A/D scan mode, the PTS causes the A/D converter to perform multiple conversions on one or more
channels and then stores the results. The control block contains pointers to both the AD_RESULT
register and a table of A/D conversion commands and results (PTSPTR1 and PTSPTR2), a control
register (PTSCON), and a A/D conversion count (PTSCOUNT).
7 0
Unused 0 0 0 0 0 0 0 0
7 0
Unused 0 0 0 0 0 0 0 0
15 8
PTSPTR2 (H) Pointer 2 Value (high byte)
7 0
PTSPTR2 (L) Pointer 2 Value (low byte)
15 8
PTSPTR1 (H) Pointer 1 Value (high byte)
7 0
PTSPTR1 (L) Pointer 1 Value (low byte)
7 0
PTSCON M2 M1 M0 0 UPDT 0 1 0
7 0
PTSCOUNT Consecutive A/D Conversions
Register Location Function
PTSPTR2 PTSCB + 4 Pointer 2 Value
This register contains the address of the A/D result register
(AD_RESULT).
PTSPTR1 PTSCB + 2 Pointer 1 Value
This register contains the address of the table of A/D conversion
commands and results.
PTSCON PTSCB + 1 PTS Control Bits
M2:0 PTS Mode
These bits specify the PTS mode:
M2 M1 M0
1 1 0 A/D Scan Mode
UPDT Update
0 = reload original PTSPTR1 value after each A/D scan
1 = retain current PTSPTR1 value after each A/D scan
Figure 5-14. PTS Control Block – A/D Scan Mode

8XC196K
x
, J
x
, CA USER’S MANUAL
5-28
To use the A/D scan mode, you must first set up a command/data table in memory (Table 5-7).
The command/data table contains A/D commands that are interleaved with blank memory loca-
tions. The PTS stores the conversion results in these blank locations. Only the amount of available
memory limits the table size; it can reside in internal or external RAM.
To initiate A/D scan mode, enable the A/D conversion complete interrupt and assign it to the PTS.
Software must initiate the first conversion. When the A/D finishes the first conversion and gen-
erates an A/D conversion complete interrupt, the interrupt vectors to the PTSCB and initiates the
A/D scan routine. The PTS stores the conversion results, loads a new command into
AD_COMMAND, and then decrements the number in PTSCOUNT. As each additional conver-
sion complete interrupt occurs, the PTS repeats the A/D scan cycle; it stores the conversion re-
sults, loads the next conversion command into the AD_COMMAND register, and decrements
PTSCOUNT. The routine continues until PTSCOUNT decrements to zero. When this occurs,
hardware clears the enable bit in the PTSSEL register, which disables PTS service, and sets the
PTSSRV bit, which requests an end-of-PTS interrupt. The interrupt service routine could process
the conversion results and then re-enable PTS service for the A/D conversion complete interrupt.
Because the lower six bits of the AD_RESULT register contain status information, the end-of-
PTS interrupt service routine could shift the results data to the right six times to leave only the
conversion results in the memory locations. See AP-445, 8XC196KR Peripherals: A User’s Point
of View, for application examples with code.
PTSCOUNT PTSCB + 0 Consecutive A/D Conversions
Defines the number of A/D conversions that will be completed during the
A/D scan routine. Each cycle consists of the PTS transferring the A/D
conversion results into the command/data table, and then loading a new
command into the AD_COMMAND register. Maximum number is 255.
Table 5-7. A/D Scan Mode Command/Data Table
XXX + 0AH A/D Result 2
XXX + 8H Unused A/D Command 3†
XXX + 6H A/D Result 1
XXX + 4H Unused A/D Command 2
XXX + 2H A/D Result 0††
XXX Unused A/D Command 1
† Write 0000H to prevent a new conversion at the end of the routine.
†† Result of the A/D conversion that initiated the PTS routine.
PTS A/D Scan Mode Control Block (Continued)
Figure 5-14. PTS Control Block – A/D Scan Mode (Continued)

5-29
STANDARD AND PTS INTERRUPTS
5.6.5.1 A/D Scan Mode Cycles
Software must start the first A/D conversion. After the A/D conversion complete interrupt ini-
tiates the PTS routine, the following actions occur.
1. The PTS reads the first command, stores it in a temporary location, and increments the
PTSPTR1 register twice. PTSPTR1 now points to the first blank location in the
command/data table (address XXXX + 2).
2. The PTS reads the AD_RESULT register, stores the results of the first conversion into
location XXXX + 2 in the command/data table, and increments the PTSPTR1 register
twice. PTSPTR1 now points to XXXX + 4.
3. The PTS loads the command from the temporary location into the AD_COMMAND
register. This completes the first A/D scan cycle and initiates the next A/D conversion.
4. If UPDT (PTSCON.3) is clear, the original address is reloaded into the PTSPTR1 register.
The next cycle will use the same command and overwrite previous data. If UPDT is set,
the updated address remains in PTSPTR1 and the next cycle will use a new command and
store the conversion results at the new address.
5. PTSCOUNT is decremented and the CPU returns to regular program execution. When the
next A/D conversion complete interrupt occurs, the cycle repeats. When PTSCOUNT
reaches zero, hardware clears the corresponding PTSSEL bit and sets the PTSSRV bit,
which requests the end-of-PTS interrupt.
5.6.5.2 A/D Scan Mode Example 1
The command/data table shown in Table 5-8 sets up a series of A/D conversions, beginning with
channel 7 and ending with channel 4. Each table entry is a word (two bytes). Table 5-9 shows the
corresponding PTSCB.
Software starts a conversion on channel 7. Upon completion of the conversion, the A/D conver-
sion complete interrupt initiates the A/D scan mode routine. Step 1 stores the channel 6 command
in a temporary location and increments PTSPTR1 to 3002H. Step 2 stores the result of the channel
7 conversion in location 3002H and increments PTSPTR1 to 3004H. Step 3 loads the channel 6
command from the temporary location into the AD_COMMAND register to start the next con-

8XC196K
x
, J
x
, CA USER’S MANUAL
5-30
version. Step 4 updates PTSPTR1 (PTSPTR1 now points to 3004H) and step 5 decrements
PTSCOUNT to 3. The next cycle begins by storing the channel 5 command in the temporary lo-
cation. During the last cycle (PTSCOUNT = 1), the dummy command is loaded into the
AD_COMMAND register and no conversion is performed. PTSCOUNT is decremented to zero
and the end-of-PTS interrupt is requested.
5.6.5.3 A/D Scan Mode Example 2
Table 5-11 sets up a series of ten PTS cycles, each of which reads a single A/D channel and stores
the result in a single location (3002H). The UPDT bit (PTSCON.3) is cleared so that original con-
tents of PTSPTR1 are restored after the cycle. The command/data table is shown in Table 5-10.
Table 5-8. Command/Data Table (Example 1)
Address Contents
300EH AD_RESULT for ACH4
300CH 0000H (Dummy command)
300AH AD_RESULT for ACH5
3008H AD_COMMAND for ACH4
3006H AD_RESULT for ACH6
3004H AD_COMMAND for ACH5
3002H AD_RESULT for ACH7
3000H AD_COMMAND for ACH6
Table 5-9. A/D Scan Mode PTSCB (Example 1)
Unused
Unused
PTSPTR2 (HI) = 1FH
PTSPTR2 (LO) = AAH
PTSPTR1 (HI) = 30H
PTSPTR1 (LO) = 00H
PTSCON = CBH (Mode = 110, UPDT = 1)
PTSCOUNT = 04H
Table 5-10. Command/Data Table (Example 2)
Address Contents
3002H AD_RESULT for ACH
x
3000H AD_COMMAND for ACH
x

5-31
STANDARD AND PTS INTERRUPTS
Software starts a conversion on channel x. When the conversion is finished and the A/D conver-
sion complete interrupt is generated, the A/D scan mode routine begins. The PTS reads the com-
mand in location 3000H and stores it in a temporary location. Then it increments PTSPTR1 twice
and stores the value of the AD_RESULT register in location 3002H. The final step is to copy the
conversion command from the temporary location to the AD_COMMAND register. The CPU
could process or move the conversion results data from the table before the next conversion com-
pletes and a new PTS cycle begins. When the next cycle begins, PTSPTR1 again points to 3000H
and the repeats the events of the first cycle. The value of the AD_RESULT register is written to
location 3002H and the command at location 3000H is re-executed.
5.6.6 PWM Modes
The PWM toggle and PWM remap modes are designed for use with the event processor array
(EPA) to generate pulse-width modulated (PWM) output signals. These modes can also be used
with an interrupt signal from any other source. The PWM toggle mode uses a single EPA channel
to generate a PWM signal. The PWM remap mode uses two EPA channels, but it can generate
signals with duty cycles closer to 0% or 100% than are possible with the PWM toggle mode. Ta-
ble 5-12 compares the two PWM modes. For code examples, see AP-445, 8XC196KR Peripher-
als: A User’s Point of View and “EPA PWM Output Program” on page 10-35.
Table 5-11. A/D Scan Mode PTSCB (Example 2)
Unused
Unused
PTSPTR2 (HI) = 1FH
PTSPTR2 (LO) = AAH
PTSPTR1 (HI) = 30H
PTSPTR1 (LO) = 00H
PTSCON = C3H (Mode = 110, UPDT = 0)
PTSCOUNT = 0AH
Table 5-12. Comparison of PWM Modes
PWM Toggle Mode PWM Remap Mode
Reads the location specified by PTSPTR1
(usually EPA
x
_TIME).
Reads the location specified by PTSPTR1
(usually EPA
x
_TIME).
Adds one of two values to the location specified by
PTSPTR1. If TBIT is clear, it adds the value in
PTSCONST1. If TBIT is set, it adds the value in
PTSCONST2.
Adds the value in PTSCONST1 to the location
specified by PTSPTR1.
Stores the sum back into the location specified by
PTSPTR1.
Stores the sum back into the location specified by
PTSPTR1.
Toggles TBIT. Toggles the unused TBIT.

8XC196K
x
, J
x
, CA USER’S MANUAL
5-32
Figure 5-15 illustrates a generic PWM waveform. The time the output is “on” is T1; the time the
output is “off” is T2 – T1. The formulas for frequency and duty cycle are shown below. In most
applications, the frequency is held constant and the duty cycle is varied to change the average val-
ue of the waveform.
Frequency, in Hertz =
Duty Cycle = × 100%
Figure 5-15. A Generic PWM Waveform
The PWM modes do not use a PTSCOUNT register to specify the number of consecutive PTS
cycles. To stop producing the PWM output, clear the PTSSEL.x bit to disable PTS service for the
interrupt and reconfigure the EPA channel in the interrupt service routine.
5.6.6.1 PWM Toggle Mode Example
Figure 5-16 shows the PTS control block for PWM toggle mode. To generate a PWM waveform
using PWM toggle mode and EPA0, complete the following procedure. This example uses the
values stored in CSTORE1 and CSTORE2 to control the frequency and duty cycle of a PWM.
1. Disable the interrupts and the PTS. The DI instruction disables all standard interrupts; the
DPTS instruction disables the PTS.
2. Store the on-time (T1) in CSTORE1.
3. Store the off-time (T2 – T1) in CSTORE2.
1
T2
-------
T1
T2
-------
Output Value
1 on off on off
0
0T1 T2T2 + T1 Time, t
On-time = T1 Off-time = T2 - T1
A0263-02

5-33
STANDARD AND PTS INTERRUPTS
4. Set up the PTSCB as shown in Table 5-13:
— Load PTSCON with 43H (selects PWM toggle mode, initial TBIT value = 1)
— Set up PTSPTR1 to point to EPA0_TIME (the EPA0 event-time register)
— Load PTSCONST1 with the on-time (T1) from CSTORE1.
— Load PTSCONST2 with the off-time (T2 – T1) from CSTORE2.
5. Configure P1.0 to serve as the EPA0 output:
— Clear P1_DIR.0 (selects output)
— Set P1_MODE.0 (selects the EPA0 special-function signal)
— Set P1_REG.0 (initializes the output to “1”)
6. Set up EPA0:
— Load EPA0_CON with 0078H (timer 1, compare, toggle output pin, re-enable)
— Load EPA0_TIME with the value in PTSCONST1 (selects T1 as first event time)
— Load T1CONTROL with C2H (enables timer 1, selects up counting at FOSC/4, and
enables the divide-by-four prescaler)
7. Enable the EPA0 interrupt and select PTS service for it:
— Set INT_MASK.4
— Set PTSSEL.4
8. Enable the interrupts and the PTS. The EI instruction enables interrupts; the EPTS
instruction enables the PTS.
Table 5-13. PWM Toggle Mode PTSCB
PTSCONST2 (HI) = T2 – T1 (HI)
PTSCONST2 (LO) = T2 – T1 (LO)
PTSCONST1 (HI) = T1 (HI)
PTSCONST1 (LO) = T1 (LO)
PTSPTR1 (HI) = 1FH
PTSPTR1 (LO) = 62H
PTSCON = 43H (Mode = 010, TMOD = 1, TBIT = 1)
Unused

8XC196K
x
, J
x
, CA USER’S MANUAL
5-34
PTS PWM Toggle Mode Control Block
In PWM toggle mode, the PTS uses a single EPA channel to generate a pulse-width modulated (PWM)
output signal. The control block contains registers that contain the PWM on-time (PTSCONST1), the
PWM off-time (PTSCONST2), the address pointer (PTSPTR1), and a control register (PTSCON).
7 0
PTSCONST2 (H) PWM Off-time (high byte)
7 0
PTSCONST2 (L) PWM Off-time (low byte)
15 8
PTSCONST1 (H) PWM On-time (high byte)
7 0
PTSCONST1 (L) PWM On-time (low byte)
15 8
PTSPTR1 (H) Pointer 1 Value (high byte)
7 0
PTSPTR1 (L) Pointer 1 Value (low byte)
7 0
PTSCON M2 M1 M0 — — — TMOD TBIT
7 0
Unused 0 0 0 0 0 0 0 0
Register Location Function
PTSCONST2 PTSCB + 6 PWM Off-time
Write the desired PWM off-time to these bits.
PTSCONST1 PTSCB + 4 PWM On-time
Write the desired PWM on-time to these bits.
PTSPTR1 PTSCB + 2 Pointer 1 Value
These bits point to a memory location, usually EPA
x
_TIME.
Figure 5-16. PTS Control Block – PWM Toggle Mode

5-35
STANDARD AND PTS INTERRUPTS
Figure 5-17 is a flow diagram of the EPA and PTS operations for this example. Operation begins
when the timer is enabled (at t = 0 in Figure 5-15 on page 5-32) by the write to T1CONTROL.
The first timer match occurs at t = T1. The EPA toggles the output pin to zero and generates an
interrupt to initiate the first PTS cycle.
PWM Toggle Cycle 1. Because TBIT is initialized to one, the PTS adds the off-time (T2 –
T1) to EPA0_TIME and toggles TBIT to zero.
The second timer match occurs at t = T2 (the end of one complete PWM pulse). The EPA toggles
the output to one and generates an interrupt to initiate the second PTS cycle.
PWM Toggle Cycle 2. Because TBIT is zero, the PTS adds the on-time (T1) to
EPA0_TIME and toggles the TBIT to one.
The next timer match occurs at t = T2 + T1. The EPA toggles the output to zero and initiates the
third PTS cycle. The PTS actions are the same as in cycle 1, and generation of the PWM output
continues with PTS cycle 1 and cycle 2 alternating.
Register Location Function
PTSCON PTSCB + 1 PTS Control Bits
M2:0 PTS Mode
These bits specify the PTS mode:
M2 M1 M0
010PWM
TMOD Toggle Mode Select
1 = PWM toggle mode
TBIT Toggle Bit Initial Value
Determines the initial value of TBIT.
0 = selects initial value as zero
1 = selects initial value as one
The TBIT value determines whether PTSCONST1 or
PTSCONST2 is added to the PTSPTR1 value:
0 = PTSCONST1 is added to PTSPTR1
1 = PTSCONST2 is added to PTSPTR1
Reading this bit returns the current value of TBIT, which is
toggled by hardware at the end of each PWM toggle cycle.
PTS PWM Toggle Mode Control Block (Continued)
Figure 5-16. PTS Control Block – PWM Toggle Mode (Continued)

8XC196K
x
, J
x
, CA USER’S MANUAL
5-36
Figure 5-17. EPA and PTS Operations for the PWM Toggle Mode Example
Software can change the duty cycle during the PWM operation. When a duty cycle change is re-
quired, the program writes new values of T1 and T2 – T1 to CSTORE1 and CSTORE2 and selects
normal interrupt service for the next EPA0 interrupt. When the next timer match occurs, the out-
put is toggled, and the device executes a normal interrupt service routine, which performs these
operations:
1. The routine writes the new value of T1 (in CSTORE1) to PTSCONST1 and the new value
of T1 – T2 (in CSTORE2) to PTSCONST2.
2. It selects PTS service for the EPA0 interrupt.
A2552-02
= 1
Toggle Output
Timer
Match
?
No
Yes
= 0
Toggle TBIT
EPA0_TIME = EPA0_TIME + T1 EPA0_TIME = EPA0_TIME + (T2 - T1)
Start
TBIT
EPA
PTS
A2552-02
= 1
Toggle Output
Timer
Match
?
No
Yes
= 0
Toggle TBIT
EPA0_TIME = EPA0_TIME + T1 EPA0_TIME = EPA0_TIME + (T2 - T1)
Start
TBIT
EPA
PTS Cycle

5-37
STANDARD AND PTS INTERRUPTS
When the next timer match occurs, the PTS cycle (Figure 5-17) increments EPA0_TIME by T1
(if TBIT is zero (output = 0)) or T2 – T1 (if TBIT is one (output = 1)). (Note that although the
values of the EPA0 output and TBIT are the same in this example, these two values are unrelated.
To establish the initial value of the output, set or clear P1_REG.x.)
The PWM toggle mode has the advantage of using only one EPA channel. However, if the wave-
form edges are close together, the PTS may take too long and miss setting up the next edge. The
PWM remap mode uses two EPA channels to eliminate this problem.
5.6.6.2 PWM Remap Mode Example
Figure 5-18 shows the PTS control block for PWM remap mode. This example uses two EPA
channels and a single timer to generate a PWM waveform in PWM remap mode. EPA0 sets the
output, and EPA1 clears it. For each channel, an interrupt is generated every T2 period, but the
comparison times for the channels are offset by the on-time, T1 (see Figure 5-15 on page 5-32).
Although TBIT is toggled at the end of every PWM remap mode cycle (see Table 5-12 on page
5-31), it plays no role in this mode. To generate a PWM waveform, follow this procedure.
1. Disable the interrupts and the PTS. The DI instruction disables all interrupts; the DPTS
instruction disables the PTS.
2. Set up one PTSCB for EPA0 and one for EPA1 as shown in Table 5-14. Note that the two
blocks are identical, except that PTSPTR1 points to EPA0_TIME for EPA0 and to
EPA1_TIME for EPA1.
3. Configure P1.1 to serve as the EPA1 output. (Because EPA0 is not used as an output, port
pin P1.0 can be used for standard I/O.)
— Clear P1_DIR.1 (selects output)
— Set P1_MODE.1 (selects the EPA0 special-function signal)
— Set P1_REG.1 (initializes the output to “1”)

8XC196K
x
, J
x
, CA USER’S MANUAL
5-38
4. Set up EPA0 and EPA1:
— Load EPA0_CON with 68H (timer 1, compare mode, set output pin, re-enable).
— Load EPA1_CON with 158H (timer 1, compare mode, clear output pin, re-enable,
remap enabled).
— Load EPA0_TIME with 0000H (selects time 0 as first event time for EPA0).
— Load EPA1_TIME with the value of T1 (selects time T1 as first event time for EPA1).
— Load timer 1 with FFFFH to ensure that the EPA0 event time (t = 0) is matched first.
— Load T1CONTROL with C2H (enables timer 1, selects up-counting at FOSC/4, and
enables the divide-by-four prescaler).
5. Enable the EPA0 and EPA1 interrupts and select PTS service for them:
— Set INT_MASK.4 and INT_MASK.3.
— Set PTSSEL.4 and PTSSEL.3
6. Enable the interrupts and the PTS. The EI instruction enables interrupts; the EPTS
instruction enables the PTS.
Table 5-14. PWM Remap Mode PTSCB
PTSCB0 for EPA0 PTSCB1 for EPA1
Unused Unused
Unused Unused
PTSCONST1 (HI) = T2 (HI) PTSCONST1 (HI) = T2 (HI)
PTSCONST1 (LO) = T2 (LO) PTSCONST1 (LO) = T2 (LO)
PTSPTR1 (HI) = 1FH (EPA0_TIME, HI) PTSPTR1 (HI) = 1FH (EPA1_TIME, HI)
PTSPTR1 (LO) = 62H (EPA0_TIME, LO) PTSPTR1 (LO) = 66H (EPA1_TIME, LO)
PTSCON = 40H (Mode = 010, TMOD = 0) PTSCON = 40H (Mode = 010, TMOD = 0)
Unused Unused

5-39
STANDARD AND PTS INTERRUPTS
PTS PWM Remap Mode Control Block
In PWM remap mode, the PTS uses two EPA channels to generate a pulse-width modulated (PWM)
output signal. The control block contains registers that contain the PWM on-time (PTSCONST1), the
address pointer (PTSPTR1), and a control register (PTSCON).
7 0
Unused 0 0 0 0 0 0 0 0
7 0
Unused 0 0 0 0 0 0 0 0
15 8
PTSCONST1 (HI) PWM Const 1 Value (high byte)
7 0
PTSCONST1 (LO) PWM Const 1 Value (low byte)
15 8
PTSPTR1 (HI) Pointer 1 Value (high byte)
7 0
PTSPTR1 (LO) Pointer 1 Value (low byte)
7 0
PTSCON M2 M1 M0 — — — TMOD TBIT
7 0
Unused 0 0 0 0 0 0 0 0
Register Location Function
PTSCONST1 PTSCB + 4 PWM Const 1 Value
Write the desired PWM on-time to these bits.
PTSPTR1 PTSCB + 2 Pointer 1 Value
These bits point to a memory location, usually EPA
x
_TIME.
Figure 5-18. PTS Control Block – PWM Remap Mode

8XC196K
x
, J
x
, CA USER’S MANUAL
5-40
Figure 5-19 shows the EPA and PTS operations for this example. The first timer match occurs at
t = 0 for EPA0, which sets the output and generates an interrupt.
PWM Remap Cycle 1. The PTS adds T2 to EPA0_TIME and toggles the TBIT.
The output remains set until the second timer match occurs at T1 for EPA1, which clears the out-
put and generates an interrupt.
PWM Remap Cycle 2. The PTS adds T2 to EPA1_TIME and toggles the TBIT.
Alternating EPA0 and EPA1 interrupts continue, with EPA0 setting the output and EPA1 clearing
it.
Register Location Function
PTSCON PTSCB + 1 PTS Control Bits
M2:0 PTS Mode
These bits specify the PTS mode:
M2 M1 M0
010PWM
TMOD Remap Mode Select
0 = PWM remap mode
TBIT Toggle Bit Initial Value
Determines the initial value of TBIT.
1 = selects initial value as one
0 = selects initial value as zero
The TBIT value determines whether PTSCONST1 or
PTSCONST2 is added to the PTSPTR1 value:
1 = PTSCONST2 is added to PTSPTR1
0 = PTSCONST1 is added to PTSPTR1
Reading this bit returns the current value of TBIT, which is
toggled by hardware at the end of each PWM remap cycle.
In PWM remap mode, the TBIT value is not used; PTSCONST1
is always added to the PTSPTR1 value. However, the unused
TBIT still toggles at the end of each PWM remap cycle.
PTS PWM Remap Mode Control Block (Continued)
Figure 5-18. PTS Control Block – PWM Remap Mode (Continued)

5-41
STANDARD AND PTS INTERRUPTS
Figure 5-19. EPA and PTS Operations for the PWM Remap Mode Example
You can change the duty cycle by changing the time that the output is high and keeping the period
constant. After a timer match occurs for EPA1 (when the output falls), schedule the next EPA1
match for T2 + DT, where DT is the time to be added to the on-time. Thereafter, schedule the next
EPA1 match for T2. You can do this by replacing one EPA1 PTS interrupt with a normal interrupt
(clear PTSSEL.3). Have the interrupt service routine add T2 + DT to EPA1_TIME and set
PTSSEL.3 to re-enable PTS service for EPA1. This adjustment changes the duty cycle without
affecting the period.
By using two EPA channels in the PWM remap mode, you can generate duty cycles closer to 0%
and 100% than is possible with PWM toggle mode. For further information about generating
PWM waveforms with the EPA, consult “Operating in Compare Mode” on page 10-13.
A2553-01
Timer
Match
?
No
Yes
Toggle TBIT
(TBIT is not used)
Start
EPA
PTS
If EPA0: EPA0_TIME = EPA0_TIME + T2
If EPA1: EPA1_TIME = EPA1_TIME + T2
If EPA0, set the output
If EPA1, clear the output
A2553-01
Timer
Match
?
No
Yes
Toggle TBIT
(TBIT is not used)
Start
EPA
PTS Cycle
If EPA0: EPA0_TIME = EPA0_TIME + T2
If EPA1: EPA1_TIME = EPA1_TIME + T2
If EPA0, set the output
If EPA1, clear the output

6
I/O Ports

6-1
CHAPTER 6
I/O PORTS
I/O ports provide a mechanism to transfer information between the device and the surrounding
system circuitry. They can read system status, monitor system operation, output device status,
configure system options, generate control signals, provide serial communication, and so on.
Their usefulness in an application is limited only by the number of I/O pins available and the
imagination of the engineer.
6.1 I/O PORTS OVERVIEW
Standard I/O port registers are located in the SFR address space and they can be windowed. Mem-
ory-mapped I/O port registers are located in memory-mapped address space. They are indirectly
addressable only, and they cannot be windowed. All ports can provide low-speed input/output
pins or serve alternate functions. Table 6-1 provides an overview of the device I/O ports. The re-
mainder of this chapter describes the ports in more detail and explains how to configure the pins.
The chapters that cover the associated peripherals discuss using the pins for their special func-
tions.
6.2 INPUT-ONLY PORT 0
Port 0 is an eight-bit, high-impedance, input-only port. Its pins can be read as digital inputs; they
are also inputs to the A/D converter. Port 0 differs from the other ports in that its pins can be used
only as inputs to the digital or analog circuitry.
Table 6-1. Device I/O Ports
Port Bits Type Direction Associated Peripheral(s)
Port 0 8 (K
x
)
6 (CA, J
x
)Standard Input-only A/D converter
Port 1 8 (K
x
)
4 (CA, J
x
)Standard Bidirectional EPA and timers
Port 2 8 (K
x
)
6 (CA, J
x
)Standard Bidirectional SIO, interrupts, bus control, clock gen.
Port 3 8 Memory-mapped Bidirectional Address/data bus
Port 4 8 Memory-mapped Bidirectional Address/data bus
Port 5 8 Memory-mapped Bidirectional Bus control, slave port
Port 6 8 Standard Bidirectional EPA, SSIO

8XC196K
x
, J
x
, CA USER’S MANUAL
6-2
Because port 0 is permanently configured as an input-only port, it has no configuration registers.
Its single register, P0_PIN, can be read to determine the current state of the pin. The register is
byte-addressable and can be windowed. (See Chapter 4, “Memory Partitions.”)
Table 6-2 lists the standard input-only port pins and Table 6-3 describes the P0_PIN status regis-
ter.
6.2.1 Standard Input-only Port Operation
Figure 6-1 is a schematic of an input-only port pin. Transistors Q1 and Q2 serve as electrostatic
discharge (ESD) protection devices; they are referenced to VREF and ANGND. Transistor Q3 is
an additional ESD protection device; it is referenced to VSS (digital ground). Resistor R1 limits
current flow through Q3 to acceptable levels. At this point, the input signal is sent to the analog
multiplexer and to the digital level-translation buffer. The level-translation buffer converts the in-
put signals to work with the VCC and VSS digital voltage levels used by the CPU core. This buffer
is Schmitt-triggered for improved noise immunity. The signals are latched in the P0_PIN register
and are output onto the internal bus when P0_PIN is read.
Table 6-2. Standard Input-only Port Pins
Port Pin Special-function
Signal(s) Special-function
Signal Type Associated
Peripheral
P0.7:0 (Kx),
P0.7:2 (CA, Jx) ACH7:0 (Kx),
ACH7:2 (CA, Jx) Input A/D converter
Table 6-3. Input-only Port Registers
Mnemonic Address Description
P0_PIN 1FDAH Port 0 Input
Each bit of P0_PIN reflects the current state of the corresponding
port 0 pin.

6-3
I/O PORTS
Figure 6-1. Standard Input-only Port Structure
6.2.2 Standard Input-only Port Considerations
Port 0 pins are unique in that they may individually be used as digital inputs and analog inputs at
the same time. However, reading the port induces noise into the A/D converter, decreasing the
accuracy of any conversion in progress. We strongly recommend that you not read the port while
an A/D conversion is in progress. To reduce noise, the P0_PIN register is clocked only when the
port is read.
These port pins are powered by the analog reference voltage (VREF) and analog ground (ANGND)
pins. If the port pins are to function as either analog or digital inputs, the VREF and ANGND pins
must provide power. If the voltage applied to the analog input exceeds VREF or ANGND by more
than 0.5 volts, current will be driven through Q1 or Q2 into the reference circuitry, decreasing the
accuracy of all analog conversions.
The port pin is sampled one state time before the read buffer is enabled. Sampling occurs during
phase 1 (while CLKOUT is low) and resolves the value of the pin before it is presented to the
internal bus. To ensure that the value is recognized, it must be valid 45 ns before the rising edge
of CLKOUT and must remain valid until CLKOUT falls. If the pin value changes during the sam-
ple time, the new value may or may not be recorded.
As a digital input, a pin acts as a high-impedance input. However, as an analog input, a pin must
provide current for a short time to charge the internal sample capacitor when a conversion begins.
This means that if a conversion is taking place on a port pin, its input characteristics change mo-
mentarily.
V
REF
Q3
Q1
Level
Translation
Buffer
PH1 Clock
PORT 0
Data Register
Internal Bus
P0_PIN
DQ
V
REF
Vss
150 to 200 Ohms
Q2
ANGNDANGND
To Analog MUX
Vss
Vss
Vcc
Buffer
Read Port
R1
LE
Input Pin
A0236-01

8XC196K
x
, J
x
, CA USER’S MANUAL
6-4
6.3 BIDIRECTIONAL PORTS 1, 2, 5, AND 6
Although the bidirectional ports are very similar in both circuitry and configuration, port 5 differs
from the others in some ways. Port 5, a memory-mapped port, uses a standard CMOS input buffer
because of the high speeds required for system control functions. The remaining bidirectional
ports use Schmitt-triggered input buffers for improved noise immunity.
NOTE
Ports 3 and 4 are significantly different from the other bidirectional ports. See
“Bidirectional Ports 3 and 4 (Address/Data Bus)” on page 6-15 for details on
the structure and operation of these ports.
Table 6-4 lists the bidirectional port pins with their special-function signals and associated periph-
erals.
Table 6-4. Bidirectional Port Pins
Port Pin Special-function
Signal(s) Special-function
Signal Type Associated
Peripheral
P1.0 EPA0 I/O EPA
T2CLK I Timer 2
P1.1 EPA1 I/O EPA
P1.2 EPA2 I/O EPA
T2DIR I Timer 2
P1.3 EPA3 I/O EPA
P1.4† EPA4 I/O EPA
P1.5†EPA5 I/O EPA
P1.6†EPA6 I/O EPA
P1.7†EPA7 I/O EPA
P2.0 TXD O SIO
P2.1 RXD I/O SIO
P2.2 EXTINT I Interrupts
P2.3†BREQ# O Bus controller
P2.4 INTOUT# O Interrupts
P2.5†HOLD# I Bus controller
P2.6 HLDA# O Bus controller
P2.7 CLKOUT O Clock generator
P5.0 ALE/ADV# O Bus controller
SLPALE I Slave port
†This pin is not implemented on 8XC196J
x
and 87C196CA devices.
††This pin is not implemented on 8XC196J
x
devices.
†††P5.4/SLPINT is not implemented on 8XC196J
x
devices. P5.4 is
implemented on the 87C196CA as a low-speed input/output pin (but it is not
multiplexed with SLPINT).

6-5
I/O PORTS
Table 6-5 lists the registers associated with the bidirectional ports. Each port has three control reg-
isters (Px_MODE, Px_DIR, and Px_REG); they can be both read and written. The Px_PIN regis-
ter is a status register that returns the logic level present on the pins; it can only be read. The
registers for the standard ports are byte-addressable and can be windowed. The port 5 registers
must be accessed using 16-bit addressing and cannot be windowed. “Bidirectional Port Consid-
erations” on page 6-12 discusses special considerations for reading P2_REG.7 and P6_REG.7:4.
P5.1†INST O Bus controller
SLPCS# I Slave port
P5.2 WR#/WRL# O Bus controller
SLPWR# I Slave port
P5.3 RD# O Bus controller
SLPRD# I Slave port
P5.4††† SLPINT††† O Slave port
P5.5†† BHE#/WRH# O Bus controller
P5.6†† READY I Bus controller
P5.7†† BUSWIDTH I Bus controller
P6.0 EPA8 I/O EPA
P6.1 EPA9 I/O EPA
P6.2†T1CLK I Timer 1
P6.3†T1DIR I Timer 1
P6.4 SC0 I/O SSIO0
P6.5 SD0 I/O SSIO0
P6.6 SC1 I/O SSIO1
P6.7 SD1 I/O SSIO1
Table 6-5. Bidirectional Port Control and Status Registers
Mnemonic Address Description
P1_DIR
P2_DIR
P5_DIR
P6_DIR
1FD2H
1FCBH
1FF3H
1FD3H
Port
x
Direction
Each bit of P
x
_DIR controls the direction of the corresponding pin.
0 =complementary output (output only)
1 =input or open-drain output (input, output, or bidirectional)
Open-drain outputs require external pull-ups.
Table 6-4. Bidirectional Port Pins (Continued)
Port Pin Special-function
Signal(s) Special-function
Signal Type Associated
Peripheral
†This pin is not implemented on 8XC196J
x
and 87C196CA devices.
††This pin is not implemented on 8XC196J
x
devices.
†††P5.4/SLPINT is not implemented on 8XC196J
x
devices. P5.4 is
implemented on the 87C196CA as a low-speed input/output pin (but it is not
multiplexed with SLPINT).

8XC196K
x
, J
x
, CA USER’S MANUAL
6-6
6.3.1 Bidirectional Port Operation
Figure 6-2 shows the logic for driving the output transistors, Q1 and Q2. Q1 can source at least
–3 mA at VCC – 0.7 volts. Q2 can sink at least 3 mA at 0.45 volts. (Consult the datasheet for spec-
ifications.)
In I/O mode (selected by clearing Px_MODE.y), Px_REG and Px_DIR are input to the multiplex-
ers. These signals combine to drive the gates of Q1 and Q2 so that the output is high, low, or high
impedance. Table 6-6 is a logic table for I/O operation of these ports.
In special-function mode (selected by setting Px_MODE.y), SFDIR and SFDATA are input to the
multiplexers. These signals combine to drive the gates of Q1 and Q2 so that the output is high,
low, or high impedance. Special-function output signals clear SFDIR; special-function input sig-
nals set SFDIR. Table 6-7 is a logic table for special-function operation of these ports. Even if a
pin is to be used in special-function mode, you must still initialize the pin as an input or output
by writing to Px_DIR.
P1_MODE
P2_MODE
P5_MODE
P6_MODE
1FD0H
1FC9H
1FF1H
1FD1H
Port
x
Mode
Each bit of P
x
_MODE controls whether the corresponding pin
functions as a standard I/O port pin or as a special-function signal.
0 = standard I/O port pin
1 = special-function signal
P1_PIN
P2_PIN
P5_PIN
P6_PIN
1FD6H
1FCFH
1FF7H
1FD7H
Port
x
Input
Each bit of P
x
_PIN reflects the current state of the corresponding
pin, regardless of the pin configuration.
P1_REG
P2_REG
P5_REG
P6_REG
1FD4H
1FCDH
1FF5H
1FD5H
Port
x
Data Output
For an input, set the corresponding P
x
_REG bit.
For an output, write the data to be driven out by each pin to the
corresponding bit of P
x
_REG. When a pin is configured as standard
I/O (P
x
_MODE.
x
=0), the result of a CPU write to P
x
_REG is
immediately visible on the pin. When a pin is configured as a
special-function signal (P
x
_MODE.
x
=1), the associated on-chip
peripheral or off-chip component controls the pin. The CPU can still
write to P
x
_REG, but the pin is unaffected until it is switched back to
its standard I/O function.
This feature allows software to configure a pin as standard I/O (clear
P
x
_MODE.
x
), initialize or overwrite the pin value, then configure the
pin as a special-function signal (set P
x
_MODE.
x
). In this way, initial-
ization, fault recovery, exception handling, etc., can be done without
changing the operation of the associated peripheral.
Table 6-5. Bidirectional Port Control and Status Registers (Continued)
Mnemonic Address Description

6-7
I/O PORTS
Resistor R1 provides ESD protection for the pin. Input signals are buffered. The standard ports
use Schmitt-triggered buffers for improved noise immunity. Port 5 uses a standard input buffer
because of the high speeds required for system control functions. The signals are latched into the
Px_PIN sample latch and output onto the internal bus when the Px_PIN register is read.
The falling edge of RESET# turns on transistor Q3, which remains on for about 300 ns, causing
the pin to change rapidly to its reset state. The active-low level of RESET# turns on transistor Q4,
which weakly holds the pin high. (Q4 can source approximately –10 µA; consult the datasheet
for exact specifications.) Q4 remains on, weakly holding the pin high, until your software writes
to the Px_MODE register.
NOTE (8XC196CA, JQ, JR, JT, JV, KQ, KR)
P2.7 is an exception. After reset, P2.7 carries the CLKOUT signal (half the
crystal input frequency) rather than being held high. When CLKOUT is
selected, it is always a complementary output.

8XC196K
x
, J
x
, CA USER’S MANUAL
6-8
Figure 6-2. Bidirectional Port Structure
Vcc
Q2
Q1
Px_REG
Px_DIR
Sample
Latch
PH1 Clock
Internal Bus
SFDATA
SFDIR
Px_MODE
Px_PIN
DQ
0
1
0
1
Vcc
Vcc
Q
R
S
Any Write to Px_MODE
Weak
Pullup
Medium
Pullup
RESET#
RESET#
Q3
Q4
Vss
Read Port
LE
300ns Delay
I/O Pin
A0238-04
150Ω to 200ΩR1

6-9
I/O PORTS
Table 6-6. Logic Table for Bidirectional Ports in I/O Mode
Configuration Complementary Output Open-drain
Output Input
P
x
_MODE 00 0 0
P
x
_DIR 00 1 1
SFDIR XX X X
SFDATA XX X X
P
x
_REG 0 1 0, 1 (Note 2) 1
Q1 off on off off
Q2 on off on, off (Note 2) off
P
x
_PIN 0 1 X (Note 3) high-impedance (Note 4)
NOTES:
1. X = Don’t care.
2. If P
x
_REG is cleared, Q2 is on; if P
x
_REG is set, Q2 is off.
3. P
x
_PIN contains the current value on the pin.
4. During reset and until the first write to P
x
_MODE, Q3 is on.
Table 6-7. Logic Table for Bidirectional Ports in Special-function Mode
Configuration Complementary Output Open-drain
Output Input
P
x
_MODE 11 1 1
P
x
_DIR 00 1 1
SFDIR 00 1 1
SFDATA 0 1 0, 1 (Note 2) 1
P
x
_REG XX X 1
Q1 off on off off
Q2 on off on, off (Note 2) off
P
x
_PIN 0 1 X (Note 3) high-impedance (Note 4)
NOTES:
1. X = Don’t care.
2. If P
x
_REG is cleared, Q2 is on; if P
x
_REG is set, Q2 is off.
3. P
x
_PIN contains the current value on the pin.
4. During reset and until the first write to P
x
_MODE, Q3 is on.

8XC196K
x
, J
x
, CA USER’S MANUAL
6-10
6.3.2 Bidirectional Port Pin Configurations
Each bidirectional port pin can be individually configured to operate either as an I/O pin or as a
pin for a special-function signal. In the special-function configuration, the signal is controlled by
an on-chip peripheral or an off-chip component. In either configuration, two modes are possible:
•complementary output (output only)
•high-impedance input or open-drain output (input, output, or bidirectional)
To prevent the CMOS inputs from floating, the bidirectional port pins are weakly pulled high dur-
ing and after reset, until your software writes to Px_MODE. The default values of the control reg-
isters after reset configure the pins as high-impedance inputs with weak pull-ups. To ensure that
the ports are initialized correctly and that the weak pull-ups are turned off, follow this suggested
initialization sequence:
1. Write to Px_DIR to establish the individual pins as either inputs or outputs. (Outputs will
drive the data that you specify in step 3.)
— For a complementary output, clear its Px_DIR bit.
— For a high-impedance input or an open-drain output, set its Px_DIR bit. (Open-drain
outputs require external pull-ups.)
2. Write to Px_MODE to select either I/O or special-function mode. Writing to Px_MODE
(regardless of the value written) turns off the weak pull-ups. Even if the entire port is to be
used as I/O (its default configuration after reset), you must write to Px_MODE to ensure
that the weak pull-ups are turned off.
— For a standard I/O pin, clear its Px_MODE bit. In this mode, the pin is driven as
defined in steps 1 and 3.
— For a special-function signal, set its Px_MODE bit. In this mode, the associated
peripheral controls the pin.
3. Write to Px_REG.
— For output pins defined in step 1, write the data that is to be driven by the pins to the
corresponding Px_REG bits. For special-function outputs, the value is immaterial
because the peripheral controls the pin. However, you must still write to Px_REG to
initialize the pin.
— For input pins defined in step 1, set the corresponding Px_REG bits.
Table 6-8 lists the control register values for each possible configuration. For special-function
outputs, the Px_REG value is immaterial (don’t care) because the associated peripheral controls
the pin in special-function mode. However, you must still write to Px_REG to initialize the pin.
For a bidirectional pin to function as an input (either special function or port pin), you must set
Px_REG.

6-11
I/O PORTS
6.3.3 Bidirectional Port Pin Configuration Example
Assume that you wish to configure the pins of a bidirectional port as shown in Table 6-9.
To do so, you could use the following example code segment. Table 6-10 shows the state of each
pin after reset and after execution of each line of the example code.
LDB P
x
_DIR,#00011111B
LDB P
x
_MODE,#00000000B
LDB P
x
_REG,#10010011B
Table 6-8. Control Register Values for Each Configuration
Desired Pin Configuration Configuration Register Settings
Standard I/O Signal P
x
_DIR P
x
_MODE †P
x
_REG
Complementary output, driving 0 0 0 0
Complementary output, driving 1 0 0 1
Open-drain output, strongly driving 0 1 0 0
Open-drain output, high-impedance 1 0 1
Input 1 0 1
Special-function signal P
x
_DIR P
x
_MODE †P
x
_REG
Complementary output, output value controlled by peripheral 0 1 X
Open-drain output, output value controlled by peripheral 1 1 X
Input 1 1 1
† During reset and until the first write to P
x
_MODE, the pins are weakly held high.
Table 6-9. Port Configuration Example
Port Pin(s) Configuration Data
P
x
.0, P
x
.1 high-impedance input high-impedance
P
x
.2, P
x
.3 open-drain output 0
P
x
.4 open-drain output 1 (assuming external pull-up)
P
x
.5, P
x
.6 complementary output 0
P
x
.7 complementary output 1

8XC196K
x
, J
x
, CA USER’S MANUAL
6-12
6.3.4 Bidirectional Port Considerations
This section outlines special considerations for using the pins of these ports.
Port 1 After reset, your software must configure the device to match the
external system. This is accomplished by writing appropriate config-
uration data into P1_MODE. Writing to P1_MODE not only
configures the pins but also turns off the transistor that weakly holds
the pins high (Q4 in Figure 6-2 on page 6-8). For this reason, even if
port 1 is to be used as it is configured at reset, you should still write
data into P1_MODE.
Port 2 After reset, your software must configure the device to match the
external system. This is accomplished by writing appropriate config-
uration data into P2_MODE. Writing to P2_MODE not only
configures the pins but also turns off the transistor that weakly holds
the pins high (Q4 in Figure 6-2 on page 6-8). For this reason, even if
port 2 is to be used as it is configured at reset, you should still write
data into P2_MODE.
P2.2/EXTINT Writing to P2_MODE.2 sets the EXTINT interrupt pending bit. After
configuring the port pins, clear the interrupt pending register before
enabling interrupts. See “Design Considerations for External
Interrupt Inputs” on page 6-15.
P2.5/HOLD# 8XC196Kx Only: If P2.5 is configured as a standard I/O port pin,
the device does not recognize signals on this pin as HOLD#. Instead,
the bus controller receives an internal HOLD signal. This enables the
device to access the external bus while it is performing I/O at P2.5.
Table 6-10. Port Pin States After Reset and After Example Code Execution
Action or Code Resulting Pin States†
Px.7 Px.6 Px.5 Px.4 Px.3 Px.2 Px.1 Px.0
Reset wk1 wk1 wk1 wk1 wk1 wk1 wk1 wk1
LDB P
x
_DIR, #00011111B 1 1 1 wk1 wk1 wk1 wk1 wk1
LDB P
x
_MODE, #00000000B 1 1 1 HZ1 HZ1 HZ1 HZ1 HZ1
LDB P
x
_REG, #10010011B 1 0 0 HZ1 0 0 HZ1 HZ1
† wk1 = weakly pulled high, HZ1 = high impedance (actually a “1” with an external pull-up).

6-13
I/O PORTS
P2.6/HLDA# The HLDA# pin is used in systems with more than one processor
using the system bus. This device asserts HLDA# to indicate that it
has freed the bus in response to HOLD# and another processor can
take control. (This signal is active low to avoid misinterpretation by
external hardware immediately after reset.)
P2.6/HLDA# is the enable pin for ONCE mode in certain 8XC196Kx
devices (see Chapter 14, “Special Operating Modes”) and one of the
enable pins for Intel-reserved test modes. Because a low input during
reset could cause the device to enter ONCE mode or a reserved test
mode, exercise caution if you use this pin for input. Be certain that
your system meets the VIH specification (listed in the datasheet)
during reset to prevent inadvertent entry into ONCE mode or a test
mode.
P2.7/CLKOUT 8XC196CA, JQ, JR, JT, JV, KQ, KR: Following reset, P2.7 carries
the strongly driven CLKOUT signal. It is not held high. When P2.7
is configured as CLKOUT, it is always a complementary output.
8XC196KS, KT: Following reset, P2.7 is weakly held high.
P2.7 A value written to the upper bit of P2_REG (bit 7) is held in a buffer
until the corresponding P2_MODE bit is cleared, at which time the
value is loaded into the P2_REG bit. A value read from P2_REG.7 is
the value currently in the register, not the value in the buffer.
Therefore, any change to P2_REG.7 can be read only after
P2_MODE.7 is cleared.
Port 5 After reset, the device configures port 5 to match the external system.
The following paragraphs describe the states of the port 5 pins after
reset and until your software writes to the P5_MODE register.
Writing to P5_MODE not only configures the pins but also turns off
the transistor that weakly holds the pins high (Q4 in Figure 6-2 on
page 6-8). For this reason, even if port 5 is to be used as it is
configured at reset, you should still write data into P5_MODE.
P5.0/ALE If EA# is high on reset (internal access), the pin is weakly held high
until your software writes to P5_MODE. If EA# is low on reset
(external access), either ALE or ADV# is activated as a system
control pin, depending on the ALE bit of CCR0. In either case, the
pin becomes a true complementary output.
P5.1/INST 8XC196Kx Only: This pin remains weakly held high until your
software writes configuration data into P5_MODE.
P5.2/WR#/WRL# This pin remains weakly held high until your software writes config-
uration data into P5_MODE.

8XC196K
x
, J
x
, CA USER’S MANUAL
6-14
P5.3/RD# If EA# is high on reset (internal access), the pin is weakly held high
until your software writes to P5_MODE. If EA# is low on reset
(external access), RD# is activated as a system control pin and the
pin becomes a true complementary output.
P5.4/SLPINT 8XC196Kx Only: This pin is weakly held high until your software
writes to P5_MODE. P5.4/SLPINT is the enable pin for ONCE mode
in certain 8XC196Kx devices (see Chapter 14, “Special Operating
Modes”) and one of the enable pins for Intel-reserved test modes.
Because a low input during reset could cause the device to enter
ONCE mode or a reserved test mode, exercise caution if you use this
pin for input. Be certain that your system meets the VIH specification
(listed in the datasheet) during reset to prevent inadvertent entry into
ONCE mode or a test mode.
P5.5/BHE#/WRH# This pin is weakly held high until the CCB fetch is completed. At
that time, the state of this pin depends on the value of the BW0 bit of
the CCRs. If BW0 is clear, the pin remains weakly held high until
your software writes to P5_MODE. If BW0 is set, BHE# is activated
as a system control pin and the pin becomes a true complementary
output.
P5.6/READY 8XC196CA, Kx Only: This pin remains weakly held high until the
CCB fetch is completed. At that time, the state of this pin depends on
the value of the IRC0–IRC2 bits of the CCRs. If IRC0–IRC2 are all
set (111B), READY is activated as a system control pin. This
prevents the insertion of infinite wait states upon the first access to
external memory. For any other values of IRC0–IRC2, the pin is
configured as I/O upon reset.
NOTE
If IRC0–IRC2 of the CCB are all set (activating READY as a
system control pin) and P5_MODE.6 is cleared (configuring
the pin as I/O), an external memory access may cause the
processor to lock up.
P5.7/BUSWIDTH 8XC196Kx Only: This pin remains weakly held high until your
software writes configuration data into P5_MODE.
P6.0–P6.7 After reset, your software must configure the device to match the
external system. This is accomplished by writing appropriate config-
uration data into P6_MODE. Writing to P6_MODE not only
configures the pins but also turns off the transistor that weakly holds
the pins high (Q4 in Figure 6-2 on page 6-8). For this reason, even if
port 6 is to be used as it is configured at reset, you should still write
data into P6_MODE.

6-15
I/O PORTS
P6.4–P6.7 A value written to any of the upper four bits of P6_REG (bits 4–7) is
held in a buffer until the corresponding P6_MODE bit is cleared, at
which time the value is loaded into the P6_REG bit. A value read
from a P6_REG bit is the value currently in the register, not the value
in the buffer. Therefore, any change to a P6_REG bit can be read
only after the corresponding P6_MODE bit is cleared.
6.3.5 Design Considerations for External Interrupt Inputs
To configure a port pin that serves as an external interrupt input, you must set the corresponding
bits in the configuration registers (Px_DIR, Px_MODE, and Px_REG). To configure
P2.2/EXTINT as an external interrupt input, we recommend the following sequence to prevent a
false interrupt request:
1. Disable interrupts by executing the DI instruction.
2. Set the Px_DIR bit.
3. Set the Px_MODE bit.
4. Set the Px_REG bit.
5. Clear the INT_PEND and INT_PEND1 bits.
6. Enable interrupts (optional) by executing the EI instruction.
6.4 BIDIRECTIONAL PORTS 3 AND 4 (ADDRESS/DATA BUS)
Ports 3 and 4 are eight-bit, bidirectional, memory-mapped I/O ports. They can be addressed only
with indirect or indexed addressing and cannot be windowed. Ports 3 and 4 provide the multi-
plexed address/data bus. In programming modes, ports 3 and 4 serve as the programming bus
(PBUS). Port 3 can also serve as the slave port (8XC196Kx only). Port 5 supplies the bus-control
signals.
During external memory bus cycles, the processor takes control of ports 3 and 4 and automatical-
ly configures them as complementary output ports for driving address/data or as inputs for read-
ing data. For this reason, these ports have no mode registers.
Systems with EA# tied inactive do not use the address/data bus, and systems that do use the ad-
dress/data bus have idle time between external bus cycles. When the address/data bus is not in
use, you can use the ports for I/O. Like port 5, these ports use standard CMOS input buffers. How-
ever, ports 3 and 4 must be configured entirely as complementary or open-drain ports; their pins
cannot be configured individually. Systems with EA# tied active cannot use ports 3 and 4 as stan-
dard I/O; when EA# is active, these ports will function only as the address/data bus.

8XC196K
x
, J
x
, CA USER’S MANUAL
6-16
Table 6-11 lists the port 3 and 4 pins with their special-function signals and associated peripher-
als. Table 6-12 lists the registers that affect the function and indicate the status of ports 3 and 4.
6.4.1 Bidirectional Ports 3 and 4 (Address/Data Bus) Operation
Figure 6-3 shows the ports 3 and 4 logic. During reset, the active-low level of RESET# turns off
Q1 and Q2 and turns on transistor Q4, which weakly holds the pin high. (Q4 can source approx-
imately –10 µΑ at VCC – 1.0 volts; consult the datasheet for exact specifications.) Resistor R1 pro-
vides ESD protection for the pin.
During normal operation, the device controls the port through BUS CONTROL SELECT, an in-
ternal control signal. When the device needs to access external memory, it clears BUS CONTROL
SELECT, selecting ADDRESS/DATA as the input to the multiplexer. ADDRESS/DATA then
drives Q1 and Q2 as complementary outputs. (Q1 can source at least –3 mA at VCC – 1.0 volts;
Q2 can sink at least 3 mA at 0.45 volts. Consult the datasheet for exact specifications.)
Table 6-11. Ports 3 and 4 Pins
Port Pins Special-function
Signal(s) Special-function
Signal Type Associated Peripheral
P3.7:0
AD7:0 I/O Address/data bus, low byte
PBUS7:0 I/O Programming bus, low byte
SLP7:0 (K
x
only) I/O Slave port
P4.7:0 AD15:8 I/O Address/data bus, high byte
PBUS15:8 I/O Programming bus, high byte
Table 6-12. Ports 3 and 4 Control and Status Registers
Mnemonic Address Description
P3_PIN
P4_PIN 1FFEH
1FFFH Port
x
Input
Each bit of P
x
_PIN reflects the current state of the corresponding pin,
regardless of the pin configuration.
P3_REG
P4_REG 1FFCH
1FFDH Port
x
Data Output
Each bit of P
x
_REG contains data to be driven out by the corresponding
pin.
When the device requires access to external memory, it takes control of
the port and drives the address/data bit onto the pin. The address/data
bit replaces your output during this time. When the external access is
completed, the device restores your data onto the pin.
P34_DRV 1FF4H Ports 3/4 Driver Enable Register
Bits 7 and 6 of the P34_DRV register control whether ports 3 and 4,
respectively, are configured as complementary or open-drain. Setting a
bit configures a port as complementary; clearing a bit configures a port
as open-drain. These bits affect port operation only in I/O mode.

6-17
I/O PORTS
Figure 6-3. Address/Data Bus (Ports 3 and 4) Structure
When external memory access is not required, the device sets BUS CONTROL SELECT, select-
ing Px_REG as the input to the multiplexer. Px_REG then drives Q1 and Q2. If P34_DRV is set,
Q1 and Q2 are driven as complementary outputs. If P34_DRV is cleared, Q1 is disabled and Q2
is driven as an open-drain output requiring an external pull-up resistor.
Vcc
Q2
Q1
Px_REG
P34_DRV
Sample
Latch
PH1 Clock
Internal Bus
ADDRESS/DATA
Px_PIN
DQ
1
0
Vcc
Vcc
Weak
Pullup
Medium
Pullup
RESET# Q3
Q4
Buffer
Vss
Read Port
LE
300ns Delay
I/O Pin
BUS CONTROL SELECT
0=Address/Data
1=I/O
RESET#
A0240-03
150Ω to 200ΩR1

8XC196K
x
, J
x
, CA USER’S MANUAL
6-18
With the open-drain configuration (BUS CONTROL SELECT set and P34_DRV cleared) and
Px_REG set, the pin can be used as an input. The signal on the pin is latched in the Px_PIN reg-
ister. The pins can be read, making it easy to see which pins are driven low by the device and
which are driven high by external drivers while in open-drain mode. Table 6-13 is a logic table
for ports 3 and 4 as I/O.
6.4.2 Using Ports 3 and 4 as I/O
Ports 3 and 4 must be configured entirely as complementary or open-drain ports; their pins cannot
be configured individually. To configure a port, first select complementary or open-drain mode
by writing to P34_DRV. Set a bit to configure the port as complementary; clear a bit to configure
the port as open-drain.
To use a port pin as an output, write the output data to the corresponding Px_REG bit. In comple-
mentary mode, a pin is driven high when the corresponding Px_REG bit is set. In open-drain
mode, you need to connect an external pull-up resistor. When the device requires access to exter-
nal memory, it takes control of the port and drives the address/data bit onto the pin. The ad-
dress/data bit replaces your output during this time. When the external access is completed, the
device restores your data onto the pin.
To use a port pin as an input, first clear the corresponding P34_DRV bit to configure the port as
open-drain. Next, set the corresponding Px_REG bit to drive the pin to a high-impedance state.
You may then read the pin’s input value in the Px_PIN register. When the device requires access
to external memory, it takes control of the port. You must configure the input source to avoid con-
tention on the bus.
Table 6-13. Logic Table for Ports 3 and 4 as I/O
Configuration Complementary Open-drain
P34_DRV 110 0
P
x
_REG 010 1
Q1 off on off off
Q2 on off on off
P
x_
PIN 0 1 0 high-impedance

6-19
I/O PORTS
6.4.3 Design Considerations for Ports 3 and 4
When EA# is active, ports 3 and 4 will function only as the address/data bus. In these circum-
stances, an instruction that operates on P3_REG or P4_REG causes a bus cycle that reads from
or writes to the external memory location corresponding to the SFR’s address. (For example, writ-
ing to P4_REG causes a bus cycle that writes to external memory location 1FFDH.) Because
P3_REG and P4_REG have no effect when EA# is active, the bus will float during long periods
of inactivity (such as during a BMOV or TIJMP instruction).
When EA# is inactive, ports 3 and 4 output the contents of the P3_REG and P4_REG registers.
Because these registers reset to FFH and the P34_DRV register resets to 00H (open-drain mode),
ports 3 and 4 will float unless you either connect external resistors to the pins, write zeros to the
P3_REG and P4_REG registers, or write ones to the P34_DRV register.

7
Serial I/O (SIO) Port

7-1
CHAPTER 7
SERIAL I/O (SIO) PORT
A serial input/output (SIO) port provides a means for the system to communicate with external
devices. This device has a serial I/O (SIO) port that shares pins with port 2. This chapter describes
the SIO port and explains how to configure it. Chapter 6, “I/O Ports,” explains how to configure
the port pins for their special functions. Refer to Appendix B for details about the signals dis-
cussed in this chapter.
7.1 SERIAL I/O (SIO) PORT FUNCTIONAL OVERVIEW
The serial I/O port (Figure 7-1) is an asynchronous/synchronous port that includes a universal
asynchronous receiver and transmitter (UART). The UART has one synchronous mode (mode 0)
and three asynchronous modes (modes 1, 2, and 3) for both transmission and reception.
Figure 7-1. SIO Block Diagram
The serial port receives data into the receive buffer; it transmits data from the port through the
transmit buffer. The transmit and receive buffers are separate registers, permitting simultaneous
reads and writes to both. The transmitter and receiver are buffered to support continuous trans-
missions and to allow reception of a second byte before the first byte has been read.
SP_CONSP_STATUS
SBUF_TX
SBUF_RX Receive Shift Register
Transmit Shift Register
RXD
TXD
Control Logic Baud Rate
Generator
TI
RI
Interrupts XTAL1
T1CLK
MSB
1
0
Internal
Data
Bus
SP_BAUD
Note:
The T1CLK clock source is unique to the 8XC196K
x
.
For the 8XC196CA and J
x
, XTAL1 must provide the clock signal.
A3137-01

8XC196K
x
, J
x
, CA USER’S MANUAL
7-2
An independent, 15-bit baud-rate generator controls the baud rate of the serial port. Either XTAL1
or T1CLK can provide the clock signal. The baud-rate register (SP_BAUD) selects the clock
source and the baud rate.
7.2 SERIAL I/O PORT SIGNALS AND REGISTERS
Table 7-1 describes the SIO signals and Table 7-2 describes the control and status registers.
Table 7-1. Serial Port Signals
Port
Pin Serial Port
Signal
Serial
Port
Signal
Type
Description
P2.0 TXD O Transmit Serial Data
In modes 1, 2, and 3, TXD transmits serial port output data. In mode 0,
it is the serial clock output.
P2.1 RXD I/O Receive Serial Data
In modes 1, 2, and 3, RXD receives serial port input data. In mode 0, it
functions as an input or an open-drain output for data.
P6.2 T1CLK †I Timer 1 Clock
External clock source for the baud-rate generator input.
† The T1CLK pin is not implemented on the 8XC196CA, JQ, JR, JT, JV devices. XTAL1 must provide
the serial port clock.
Table 7-2. Serial Port Control and Status Registers
Mnemonic Address Description †
INT_MASK1 0013H Interrupt Mask 1
Setting the TI bit enables the transmit interrupt; clearing the bit
disables (masks) the interrupt.
Setting the RI bit enables the receive interrupt; clearing the bit
disables (masks) the interrupt.
INT_PEND1 0012H Interrupt Pending 1
When set, the TI bit indicates a pending transmit interrupt.
When set, the RI bit indicates a pending receive interrupt.
†Except as otherwise noted, write zeros to the reserved bits in these registers.
†† The T1CLK pin is not implemented on the 8XC196CA, JQ, JR, JT, JV devices. XTAL1 must provide the
serial port clock.

7-3
SERIAL I/O (SIO) PORT
P2_DIR 1FCBH Port 2 Direction
This register selects the direction of each port 2 pin. Clear P2_DIR.1
to configure RXD (P2.1) as a high-impedance input/open-drain
output, and set P2_DIR.0 to configure TXD (P2.0) as a comple-
mentary output.
P6_DIR 1FD2H Port 6 Direction
This register selects the direction of each port 6 pin. To use T1CLK††
as the input clock to the baud-rate generator, clear P6_DIR.2.
P2_MODE 1FC9H Port 2 Mode
This register selects either the general-purpose input/output function
or the peripheral function for each pin of port 2. Set P2_MODE.1:0
to configure TXD (P2.0) and RXD (P2.1) for the SIO port.
P6_MODE 1FD1H Port 6 Mode
This register selects either the general-purpose input/output function
or the peripheral function for each pin of port 6. Set P6_MODE.2 to
configure T1CLK†† for the SIO port.
P2_PIN 1FCFH Port 2 Pin State
Two bits of this register contain the values of the TXD (P2.0) and
RXD (P2.1) pins. Read P2_PIN to determine the current value of the
pins.
P6_PIN 1FD7H Port 6 Pin State
If you are using T1CLK (P6.2) as the clock source for the baud-rate
generator, you can read P6_PIN.2 to determine the current value of
T1CLK††.
P2_REG 1FCDH Port 2 Output Data
This register holds data to be driven out on the pins of port 2. Set
P2_REG.1 for the RXD (P2.1) pin. Write the desired output data for
the TXD (P2.0) pin to P2_REG.0.
P6_REG 1FD5H Port 6 Output Data
This register holds data to be driven out on the pins of port 6. To use
T1CLK as the clock source for the baud-rate generator, set
P6_REG.2.
SBUF_RX 1FB8H Serial Port Receive Buffer
This register contains data received from the serial port.
SBUF_TX 1FBAH Serial Port Transmit Buffer
This register contains data that is ready for transmission. In modes
1, 2, and 3, writing to SBUF_TX starts a transmission. In mode 0,
writing to SBUF_TX starts a transmission only if the receiver is
disabled (SP_CON.3=0)
Table 7-2. Serial Port Control and Status Registers (Continued)
Mnemonic Address Description †
†Except as otherwise noted, write zeros to the reserved bits in these registers.
†† The T1CLK pin is not implemented on the 8XC196CA, JQ, JR, JT, JV devices. XTAL1 must provide the
serial port clock.

8XC196K
x
, J
x
, CA USER’S MANUAL
7-4
7.3 SERIAL PORT MODES
The serial port has both synchronous and asynchronous operating modes for transmission and re-
ception. This section describes the operation of each mode.
7.3.1 Synchronous Mode (Mode 0)
The most common use of mode 0, the synchronous mode, is to expand the I/O capability of the
device with shift registers (see Figure 7-2). In this mode, the TXD pin outputs a set of eight clock
pulses, while the RXD pin either transmits or receives data. Data is transferred eight bits at a time
with the least-significant bit first. Figure 7-3 shows a diagram of the relative timing of these sig-
nals. Note that only mode 0 uses RXD as an open-drain output.
In mode 0, RXD must be enabled for receptions and disabled for transmissions. (See “Program-
ming the Control Register” on page 7-8.) When RXD is enabled, either a rising edge on the RXD
input or clearing the receive interrupt (RI) flag in SP_STATUS starts a reception. When RXD is
disabled, writing to SBUF_TX starts a transmission.
Disabling RXD stops a reception in progress and inhibits further receptions. To avoid a partial or
undesired complete reception, disable RXD before clearing the RI flag in SP_STATUS. This can
be handled in an interrupt environment by using software flags or in straight-line code by using
the interrupt pending register to signal the completion of a reception.
SP_BAUD 1FBCH,1FBDH Serial Port Baud Rate
This register selects the serial port baud rate and clock source. The
most-significant bit selects the clock source. The lower 15 bits
represent the BAUD_VALUE, an unsigned integer that determines
the baud rate.
SP_CON 1FBBH Serial Port Control
This register selects the communications mode and enables or
disables the receiver, parity checking, and ninth-bit data transmis-
sions. The TB8 bit is cleared after each transmission.
SP_STATUS 1FB9H Serial Port Status
This register contains the serial port status bits. It has status bits for
receive overrun errors (OE), transmit buffer empty (TXE), framing
errors (FE), transmit interrupt (TI), receive interrupt (RI), and
received parity error (RPE) or received bit 8 (RB8). Reading
SP_STATUS clears all bits except TXE; writing a byte to SBUF_TX
clears the TXE bit.
Table 7-2. Serial Port Control and Status Registers (Continued)
Mnemonic Address Description †
†Except as otherwise noted, write zeros to the reserved bits in these registers.
†† The T1CLK pin is not implemented on the 8XC196CA, JQ, JR, JT, JV devices. XTAL1 must provide the
serial port clock.

7-5
SERIAL I/O (SIO) PORT
During a reception, the RI flag in SP_STATUS is set after the stop bit is sampled. The RI pending
bit in the interrupt pending register is set immediately before the RI flag is set. During a transmis-
sion, the TI flag is set immediately after the end of the last (eighth) data bit is transmitted. TheTI
pending bit in the interrupt pending register is generated when the TI flag in SP_STATUS is set.
Figure 7-2. Typical Shift Register Circuit for Mode 0
Figure 7-3. Mode 0 Timing
Clock Inhibit
Serial In
Shift / LOAD# P
x
.
x
RXD
TXD
8XC196
Device
Shift Register
74HC165
Shift Register
74HC164
Inputs
Outputs
Serial
In B
Clear
P
x
.
x
Clock
Serial In A
V
CC
Enable#
Clock
Data
15KΩ
74HC05
Q#
A0264-02
V
CC
TXD
RXD (OUT)
RXD (IN)
D0
D0
D1 D2 D3 D4 D5 D6 D7
D1 D2 D3 D4 D5 D6 D7
D0
D0
D1 D2
D1
XTAL1
TXD
RXD (OUT)
RXD (IN)
Expanded:
A0109-02

8XC196K
x
, J
x
, CA USER’S MANUAL
7-6
7.3.2 Asynchronous Modes (Modes 1, 2, and 3)
Modes 1, 2, and 3 are full-duplex serial transmit/receive modes, meaning that they can transmit
and receive data simultaneously. Mode 1 is the standard 8-bit, asynchronous mode used for nor-
mal serial communications. Modes 2 and 3 are 9-bit asynchronous modes typically used for in-
terprocessor communications (see “Multiprocessor Communications” on page 7-8). In mode 2,
the serial port sets an interrupt pending bit only if the ninth data bit is set. In mode 3, the serial
port always sets an interrupt pending bit upon completion of a data transmission or reception.
When the serial port is configured for mode 1, 2, or 3, writing to SBUF_TX causes the serial port
to start transmitting data. New data placed in SBUF_TX is transmitted only after the stop bit of
the previous data has been sent. A falling edge on the RXD input causes the serial port to begin
receiving data if RXD is enabled. Disabling RXD stops a reception in progress and inhibits fur-
ther receptions. (See “Programming the Control Register” on page 7-8.)
7.3.2.1 Mode 1
Mode 1 is the standard asynchronous communications mode. The data frame used in this mode
(Figure 7-4) consists of ten bits: a start bit (0), eight data bits (LSB first), and a stop bit (1). If
parity is enabled, a parity bit is sent instead of the eighth data bit, and parity is checked on recep-
tion.
Figure 7-4. Serial Port Frames for Mode 1
The transmit and receive functions are controlled by separate shift clocks. The transmit shift
clock starts when the baud rate generator is initialized. The receive shift clock is reset when a start
bit (high-to-low transition) is received. Therefore, the transmit clock may not be synchronized
with the receive clock, although both will be at the same frequency.
The transmit interrupt (TI) and receive interrupt (RI) flags in SP_STATUS are set to indicate com-
pleted operations. During a reception, both the RI flag and the RI interrupt pending bit are set just
before the end of the stop bit. During a transmission, both the TI flag and the TI interrupt pending
bit are set at the beginning of the stop bit. The next byte cannot be sent until the stop bit is sent.
StartStop D0 D1 D2 D3 D4 D5 D6 D7 Stop
8 Bits of Data or 7 Bits of Data
with Parity Bit
10-Bit Frame
A0245-02

7-7
SERIAL I/O (SIO) PORT
Use caution when connecting more than two devices with the serial port in half-duplex (i.e., with
one wire for transmit and receive). The receiving processor must wait for one bit time after the
RI flag is set before starting to transmit. Otherwise, the transmission could corrupt the stop bit,
causing a problem for other devices listening on the link.
7.3.2.2 Mode 2
Mode 2 is the asynchronous, ninth-bit recognition mode. This mode is commonly used with mode
3 for multiprocessor communications. Figure 7-5 shows the data frame used in this mode. It con-
sists of a start bit (0), nine data bits (LSB first), and a stop bit (1). During transmissions, setting
the TB8 bit in the SP_CON register before writing to SBUF_TX sets the ninth transmission bit.
The hardware clears the TB8 bit after every transmission, so it must be set (if desired) before each
write to SBUF_TX. During receptions, the RI flag and RI interrupt pending bit are set only if the
TB8 bit is set. This provides an easy way to have selective reception on a data link. (See “Multi-
processor Communications” on page 7-8). Parity cannot be enabled in this mode.
Figure 7-5. Serial Port Frames in Mode 2 and 3
7.3.2.3 Mode 3
Mode 3 is the asynchronous, ninth-bit mode. The data frame for this mode is identical to that of
mode 2. Mode 3 differs from mode 2 during transmissions in that parity can be enabled, in which
case the ninth bit becomes the parity bit. When parity is disabled, data bits 0–7 are written to the
serial port transmit buffer, and the ninth data bit is written to bit 4 (TB8) bit in the SP_CON reg-
ister. In mode 3, a reception always sets the RI interrupt pending bit, regardless of the state of the
ninth bit. If parity is disabled, the SP_STATUS register bit 7 (RB8) contains the ninth data bit. If
parity is enabled, then bit 7 (RB8) is the received parity error (RPE) flag.
7.3.2.4 Mode 2 and 3 Timings
Operation in modes 2 and 3 is similar to mode 1 operation. The only difference is that the data
consists of 9 bits, so 11-bit packages are transmitted and received. During a reception, the RI flag
and the RI interrupt pending bit are set just after the end of the stop bit. During a transmission,
the TI flag and the TI interrupt pending bit are set at the beginning of the stop bit. The ninth bit
can be used for parity or multiprocessor communications.
Start
Stop D0 D1 D2 D3 D4 D5 D6 D7 D8 Stop
8 Bits of Data
11-Bit Frame
Programmable 9th Bit
A0111-01

8XC196K
x
, J
x
, CA USER’S MANUAL
7-8
7.3.2.5 Multiprocessor Communications
Modes 2 and 3 are provided for multiprocessor communications. In mode 2, the serial port sets
the RI interrupt pending bit only when the ninth data bit is set. In mode 3, the serial port sets the
RI interrupt pending bit regardless of the value of the ninth bit. The ninth bit is always set in ad-
dress frames and always cleared in data frames.
One way to use these modes for multiprocessor communication is to set the master processor to
mode 3 and the slave processors to mode 2. When the master processor wants to transmit a block
of data to one of several slaves, it sends out an address frame that identifies the target slave. Be-
cause the ninth bit is set, an address frame interrupts all slaves. Each slave examines the address
byte to check whether it is being addressed. The addressed slave switches to mode 3 to receive
the data frames, while the slaves that are not addressed remain in mode 2 and are not interrupted.
7.4 PROGRAMMING THE SERIAL PORT
To use the SIO port, you must configure the port pins to serve as special-function signals and set
up the SIO channel.
7.4.1 Configuring the Serial Port Pins
Before you can use the serial port, you must configure the associated port pins to serve as special-
function signals. Table 7-1 on page 7-2 lists the pins associated with the serial port. Table 7-2 lists
the port configuration registers, and Chapter 6, “I/O Ports,” explains how to configure the pins.
7.4.2 Programming the Control Register
The SP_CON register (Figure 7-6) selects the communication mode and enables or disables the
receiver, parity checking, and nine-bit data transmissions. Selecting a new mode resets the serial
I/O port and aborts any transmission or reception in progress on the channel.

7-9
SERIAL I/O (SIO) PORT
SP_CON Address:
Reset State:
1FBBH
00H
The serial port control (SP_CON) register selects the communications mode and enables or disables
the receiver, parity checking, and nine-bit data transmission.
7 0
CA, J
x
, KQ, KR ———TB8 REN PEN M1 M0
7 0
KS, KT ——PARTB8 REN PEN M1 M0
Bit
Number Bit
Mnemonic Function
7:6 — Reserved; always write as zeros.
5†PAR Parity Selection Bit
Selects even or odd parity.
1 = odd parity
0 = even parity
4 TB8 Transmit Ninth Data Bit
This is the ninth data bit that will be transmitted in mode 2 or 3. This bit
is cleared after each transmission, so it must be set before SBUF_TX is
written. When SP_CON.2 is set, this bit takes on the even parity value.
3 REN Receive Enable
Setting this bit enables the receiver function of the RXD pin. When this
bit is set, a high-to-low transition on the pin starts a reception in mode 1,
2, or 3. In mode 0, this bit must be clear for transmission to begin and
must be set for reception to begin. Clearing this bit stops a reception in
progress and inhibits further receptions.
2 PEN Parity Enable
In modes 1 and 3, setting this bit enables the parity function. This bit
must be cleared if mode 2 is used. When this bit is set, TB8 takes the
parity value on transmissions. With parity enabled, SP_STATUS.7
becomes the receive parity error bit.
1:0 M1:0 Mode Selection
These bits select the communications mode.
M1 M0
00 mode 0
01 mode 1
10 mode 2
11 mode 3
†
This bit is reserved on the 87C196CA, 8XC196J
x
, KQ, KR devices. For compatibility with future
devices, write zero to this bit.
Figure 7-6. Serial Port Control (SP_CON) Register

8XC196K
x
, J
x
, CA USER’S MANUAL
7-10
7.4.3 Programming the Baud Rate and Clock Source
The SP_BAUD register (Figure 7-7) selects the clock input for the baud-rate generator and de-
fines the baud rate for all serial I/O modes. This register acts as a control register during write
operations and as a down-counter monitor during read operations.
WARNING
Writing to the SP_BAUD register during a reception or transmission can
corrupt the received or transmitted data. Before writing to SP_BAUD, check
the SP_STATUS register to ensure that the reception or transmission is
complete.
SP_BAUD Address:
Reset State:
1FBCH
0000H
The serial port baud rate (SP_BAUD) register selects the serial port baud rate and clock source. The
most-significant bit selects the clock source. The lower 15 bits represent BAUD_VALUE, an unsigned
integer that determines the baud rate.
The maximum BAUD_VALUE is 32,767 (7FFFH). In asynchronous modes 1, 2, and 3, the minimum
BAUD_VALUE is 0000H when using XTAL1 and 0001H when using T1CLK. In synchronous mode 0, the
minimum BAUD_VALUE is 0001H for transmissions and 0002H for receptions.
15 8
CA, J
x
—BV14 BV13 BV12 BV11 BV10 BV9 BV8
7 0
BV7 BV6 BV5 BV4 BV3 BV2 BV1 BV0
15 8
K
x
CLKSRC BV14 BV13 BV12 BV11 BV10 BV9 BV8
7 0
BV7 BV6 BV5 BV4 BV3 BV2 BV1 BV0
Bit
Number Bit
Mnemonic Function
15†CLKSRC Serial Port Clock Source
This bit determines whether the serial port is clocked from an internal or
an external source.
1 = XTAL1 (internal source)
0 = T1CLK (external source)
† On the 87C196CA, 8XC196J
x
devices the T1CLK pin is not implemented; therefore, on these devices
this bit is reserved and should be written as one.
Figure 7-7. Serial Port Baud Rate (SP_BAUD) Register

7-11
SERIAL I/O (SIO) PORT
14:0 BV14:0 These bits constitute the BAUD_VALUE.
Use the following equations to determine the BAUD_VALUE for a given
baud rate.
Synchronous mode 0:††
or
Asynchronous modes 1, 2, and 3:
or
†† For mode 0 receptions, the BAUD_VALUE must be 0002H or greater.
Otherwise, the resulting data in the receive shift register will be incorrect.
SP_BAUD (Continued) Address:
Reset State:
1FBCH
0000H
The serial port baud rate (SP_BAUD) register selects the serial port baud rate and clock source. The
most-significant bit selects the clock source. The lower 15 bits represent BAUD_VALUE, an unsigned
integer that determines the baud rate.
The maximum BAUD_VALUE is 32,767 (7FFFH). In asynchronous modes 1, 2, and 3, the minimum
BAUD_VALUE is 0000H when using XTAL1 and 0001H when using T1CLK. In synchronous mode 0, the
minimum BAUD_VALUE is 0001H for transmissions and 0002H for receptions.
15 8
CA, J
x
—BV14 BV13 BV12 BV11 BV10 BV9 BV8
7 0
BV7 BV6 BV5 BV4 BV3 BV2 BV1 BV0
15 8
K
x
CLKSRC BV14 BV13 BV12 BV11 BV10 BV9 BV8
7 0
BV7 BV6 BV5 BV4 BV3 BV2 BV1 BV0
Bit
Number Bit
Mnemonic Function
† On the 87C196CA, 8XC196J
x
devices the T1CLK pin is not implemented; therefore, on these devices
this bit is reserved and should be written as one.
Figure 7-7. Serial Port Baud Rate (SP_BAUD) Register (Continued)
BAUD_VALUE FOSC
Baud Rate 2×
-------------------------------------- 1–= T1CLK
Baud Rate
----------------------------
BAUD_VALUE FOSC
Baud Rate 16×
----------------------------------------- 1–= T1CLK
Baud Rate 8×
--------------------------------------

8XC196K
x
, J
x
, CA USER’S MANUAL
7-12
CAUTION
For mode 0 receptions, the BAUD_VALUE must be 0002H or greater.
Otherwise, the resulting data in the receive shift register will be incorrect.
The reason for this restriction is that the receive shift register is clocked from
an internal signal rather than the signal on TXD. Although these two signals
are normally synchronized, the internal signal generates one clock before the
first pulse transmitted by TXD and this first clock signal is not synchronized
with TXD. This clock signal causes the receive shift register to shift in
whatever data is present on the RXD pin. This data is treated as the least-
significant bit (LSB) of the reception. The reception then continues in the
normal synchronous manner, but the data received is shifted left by one bit
because of the false LSB. The seventh data bit transmitted is received as the
most-significant bit (MSB), and the transmitted MSB is never shifted into the
receive shift register.
Using XTAL1 at 16 MHz, the maximum baud rates are 2.76 Mbaud (SP_BAUD = 8002H or
0002H) for mode 0 and 1.0 Mbaud for modes 1, 2, and 3. Table 7-3 shows the SP_BAUD values
for common baud rates when using a 16 MHz XTAL1 clock input. Because of rounding, the
BAUD_VALUE formula is not exact and the resulting baud rate is slightly different than desired.
Table 7-3 shows the percentage of error when using the sample SP_BAUD values. In most cases,
a serial link will work with up to 5.0% difference in the receiving and transmitting baud rates.
7.4.4 Enabling the Serial Port Interrupts
The serial port has both a transmit interrupt (TI) and a receive interrupt (RI). To enable an inter-
rupt, set the corresponding mask bit in the interrupt mask register (see Table 7-2 on page 7-2) and
execute the EI instruction to globally enable servicing of interrupts. See Chapter 5, “Standard and
PTS Interrupts,” for more information about interrupts.
Table 7-3. SP_BAUD Values When Using XTAL1 at 16 MHz
Baud Rate SP_BAUD Register Value (Note 1) % Error
Mode 0 Mode 1, 2, 3 Mode 0 Mode 1, 2, 3
9600 8340H 8067H 0.04 0.16
4800 8682H 80CFH 0.02 0.16
2400 8D04H 81A0H 0.01 0.08
1200 9A0AH 8340H 0 0.04
300 E82BH 8D04H 0 0.01
NOTE:
1. Bit 15 is always set when XTAL1 is selected as the clock source for the baud-rate generator.

7-13
SERIAL I/O (SIO) PORT
7.4.5 Determining Serial Port Status
You can read the SP_STATUS register (Figure 7-8) to determine the status of the serial port.
Reading SP_STATUS clears all bits except TXE. For this reason, we recommend that you copy
the contents of the SP_STATUS register into a shadow register and then execute bit-test instruc-
tions such as JBC and JBS on the shadow register. Otherwise, executing a bit-test instruction
clears the flags, so any subsequent bit-test instructions will return false values. You can also read
the interrupt pending register (see Table 7-2 on page 7-2) to determine the status of the serial port
interrupts.
SP_STATUS Address:
Reset State:
1FB9H
0BH
The serial port status (SP_STATUS) register contains bits that indicate the status of the serial port.
7 0
RPE/RB8 RI TI FE TXE OE — —
Bit
Number Bit
Mnemonic Function
7 RPE/RB8 Received Parity Error/Received Bit 8
RPE is set if parity is disabled (SP_CON.2=0) and the ninth data bit
received is high.
RB8 is set if parity is enabled (SP_CON.2=1) and a parity error occurred.
Reading SP_STATUS clears this bit.
6 RI Receive Interrupt
This bit is set when the last data bit is sampled. Reading SP_STATUS
clears this bit.
This bit need not be clear for the serial port to receive data.
5 TI Transmit Interrupt
This bit is set at the beginning of the stop bit transmission. Reading
SP_STATUS clears this bit.
4 FE Framing Error
This bit is set if a stop bit is not found within the appropriate period of
time. Reading SP_STATUS clears this bit.
3 TXE SBUF_TX Empty
This bit is set if the transmit buffer is empty and ready to accept up to two
bytes. It is cleared when a byte is written to SBUF_TX.
2 OE Overrun Error
This bit is set if data in the receive shift register is loaded into SBUF_RX
before the previous bit is read. Reading SP_STATUS clears this bit.
1:0 — Reserved. These bits are undefined.
Figure 7-8. Serial Port Status (SP_STATUS) Register

8XC196K
x
, J
x
, CA USER’S MANUAL
7-14
The receiver checks for a valid stop bit. Unless a stop bit is found within the appropriate time, the
framing error (FE) bit in the SP_STATUS register is set. When the stop bit is detected, the data
in the receive shift register is loaded into SBUF_RX and the receive interrupt (RI) flag is set. If
this happens before the previous byte in SBUF_RX is read, the overrun error (OE) bit is set.
SBUF_RX always contains the latest byte received; it is never a combination of the two bytes.
The receive interrupt (RI) flag indicates whether an incoming data byte has been received. The
transmit interrupt (TI) flag indicates whether a data byte has finished transmitting. These flags
also set the corresponding bits in the interrupt pending register. A reception or transmission sets
the RI or TI flag in SP_STATUS and the corresponding interrupt pending bit. However, a soft-
ware write to the RI or TI flag in SP_STATUS has no effect on the interrupt pending bits and does
not cause an interrupt. Similarly, reading SP_STATUS clears the RI and TI flags, but does not
clear the corresponding interrupt pending bits. The RI and TI flags in the SP_STATUS and the
corresponding interrupt pending bits can be set even if the RI and TI interrupts are masked.
The transmitter empty (TXE) bit is set if SBUF_TX and its buffer are empty and ready to accept
up to two bytes. TXE is cleared as soon as a byte is written to SBUF_TX. One byte may be written
if TI alone is set. By definition, if TXE has just been set, a transmission has completed and TI is
set.
The received parity error (RPE) flag or the received bit 8 (RB8) flag applies for parity enabled or
disabled, respectively. If parity is enabled, RPE is set if a parity error is detected. If parity is dis-
abled, RB8 is the ninth data bit received in modes 2 and 3.
7.5 PROGRAMMING EXAMPLE USING AN INTERRUPT-DRIVEN ROUTINE
This programming example is an interrupt-driven “putchar” and “getchar” routine that allows you
to set the size of the transmit and receive buffers, the baud rate, and the operating frequency.
#pragma model(kr)
#pragma interrupt(receive=28,transmit=27)
#ifdef EVAL_BOARD
/* Reserve the 9 bytes required by eval board */
char reserve[9];
#pragma locate(reserve=0x30)
#else
/* Initialize the chip configuration bytes */
const unsigned int ccr[2] = {0x20FF,0x20DE};
#pragma locate (ccr = 0x2018)
#endif

7-15
SERIAL I/O (SIO) PORT
#define TRANSMIT_BUF_SIZE 20
#define RECEIVE_BUF_SIZE 20
#define WINDOW_SELECT 0x1F
#define FREQUENCY (long)16000000 /* 16 MHz */
#define BAUD_RATE_VALUE 9600
#define BAUD_REG ((unsigned int)(FREQUENCY/((long)BAUD_RATE_VALUE*16)-1)+0x8000)
#define RI_BIT 0x40
#define TI_BIT 0x20
unsigned char status_temp;
/* image of SP_STATUS to preserve the RI and TI bits on a read. */
/* receive and transmit buffers and their indexes */
unsigned char trans_buff[TRANSMIT_BUF_SIZE];
unsigned char receive_buff[RECEIVE_BUF_SIZE];
char begin_trans_buff,end_trans_buff;
char end_rec_buff,begin_rec_buff;
/* declares and locates the special function registers */
volatile register unsigned char port2_reg, port2_dir, port2_mode;
volatile register unsigned char wsr;
volatile unsigned char sbuf_tx, sbuf_rx, SP_STATUS, sp_con;
volatile unsigned char int_mask1, int_pend1;
volatile unsigned int sp_baud;
#pragma locate(sbuf_tx=0xba,sbuf_rx=0xb8,SP_STATUS=0xb9h)
#pragma locate(sp_con=0xbb,sp_baud=0xbc)
#pragma locate(int_mask1=0x13,int_pend1=0x12)
#pragma locate(wsr=0x14)
#pragma locate(port2_reg = 0xcd)
#pragma locate(port2_dir = 0xcb)
#pragma locate(port2_mode = 0xc9)
void transmit(void) /* serial interrupt routine */
{
wsr = WINDOW_SELECT;
status_temp |= SP_STATUS; /* image SP_STATUS into status_temp */
/* transmit a character if there is a character in the buffer */
if(begin_trans_buff!=end_trans_buff)
{
sbuf_tx=trans_buff[begin_trans_buff]; /* transmit character */
/* The next statement makes the buffer circular by starting over when the
index reaches the end of the buffer. */
if(++begin_trans_buff>TRANSMIT_BUF_SIZE - 1)begin_trans_buff=0;
status_temp &= (~TI_BIT); /* clear TI bit in status_temp. */
}
}

8XC196K
x
, J
x
, CA USER’S MANUAL
7-16
void receive(void) /* serial interrupt routine */
{
wsr = WINDOW_SELECT;
status_temp |= SP_STATUS; /* image SP_STATUS into status_temp */
/* If the input buffer is full, the last character will be ignored,
and the BEL character is output to the terminal. */
if(end_rec_buff+1==begin_rec_buff || (end_rec_buff==RECEIVE_BUF_SIZE-1 &&
!begin_rec_buff))
{
; /* input overrun code */
}
else
{
/* The next statement makes the buffer circular by starting over when the
index reaches the end of the buffer. */
if(++end_rec_buff > RECEIVE_BUF_SIZE - 1) end_rec_buff=0;
receive_buff[end_rec_buff]=sbuf_rx; /* place character in buffer */
}
status_temp &= (~RI_BIT); /* clear RI bit in status_temp. */
int putchar(int c)
{
/* remain in loop while the buffer is full. This is done by checking
the end of buffer index to make sure it does not overrun the
beginning of buffer index. The while instruction checks the case
when the end index is one less than the beginning index and at the
end of the buffer when the beginning index may be equal to 0 and
the end buffer index may be at the buffer end. */
while((end_trans_buff+1==begin_trans_buff)||
(end_trans_buff==TRANSMIT_BUF_SIZE -1 && !begin_trans_buff));
trans_buff[end_trans_buff]=c; /* put character in buffer */
if(++end_trans_buff>TRANSMIT_BUF_SIZE - 1) /* make buffer appear circular */
end_trans_buff=0;
if(status_temp & TI_BIT) int_pend1 |= 0x08; /* If transmit buffer was empty,
then cause an interrupt to
start transmitting. */
}
unsigned char getchar()
{
while(begin_rec_buff==end_rec_buff); /* remain in loop while there is
not a character available. */
if(++begin_rec_buff>RECEIVE_BUF_SIZE - 1) /* make buffer appear circular */
begin_rec_buff=0;
return(receive_buff[begin_rec_buff]); /* return the character in buffer */
main()
{
char c;
wsr=WINDOW_SELECT;
sp_baud = BAUD_REG; /* set baud rate as described in Figure 7-7 on page 7-10*/
sp_con = 0x09; /* mode 1, no parity, receive enabled, no 9th bit */
status_temp=SP_STATUS;

7-17
SERIAL I/O (SIO) PORT
port2_reg |= 0xFF; /* Init port2 reg */
port2_dir &= 0xFE; /* TXD output */
port2_mode |= 0x03; /* p2.4-6 lsio */
wsr=0;
end_rec_buff=0; /* initialize buffer pointers */
begin_rec_buff=0;
end_trans_buff=0;
begin_trans_buff=0;
status_temp = TI_BIT; /* allow for initial transmission */
int_mask1=0x18; /* enable the serial port interrupt */
enable(); /* global enable of interrupts */
while((c=getchar()) != 0x1b) /* stay in loop until escape key pressed */
printf("key pressed = %02X\n\r",c);
}

8
Synchronous Serial
I/O (SSIO) Port

8-1
CHAPTER 8
SYNCHRONOUS SERIAL I/O (SSIO) PORT
This device has a synchronous serial I/O (SSIO) port that shares pins with port 6. This chapter
describes the SSIO port and explains how to program it. Chapter 6, “I/O Ports,” explains how to
configure the port pins for their special functions. Refer to Appendix B for details about the sig-
nals discussed in this chapter.
8.1 SYNCHRONOUS SERIAL I/O (SSIO) PORT FUNCTIONAL OVERVIEW
The synchronous serial I/O (SSIO) port provides for simultaneous, bidirectional communications
between this device and another synchronous serial I/O device. The SSIO port consists of two
identical transceiver channels. A single dedicated baud-rate generator controls the baud rate of
the SSIO port (15.625 kHz to 2.0 MHz at 16 MHz). Figure 8-1 is a block diagram of the SSIO
port showing a master and slave configuration.
Figure 8-1. SSIO Block Diagram
SD
x
SC
x
Control Logic
A2840-02
SD
x
SC
x
SSIO
x
_BUF
SSIO
x
_BAUD
SSIO
x
_BUF
SSIO
x
_BAUD
SSIO
x
_CON
Master 8XC196 SSIO Slave 8XC196 SSIO
SSIO
x
Interrupt
to Interrupt Controller
or PTS
Control Logic
SSIO
x
_CON
SSIO
x
Interrupt
to Interrupt Controller
or PTS

8XC196K
x
, J
x
, CA USER’S MANUAL
8-2
8.2 SSIO PORT SIGNALS AND REGISTERS
Table 8-1 describes the SSIO signals and Table 8-2 describes the control and status registers.
Table 8-1. SSIO Port Signals
Port
Pin
SSIO
Port
Signal
SSIO Port
Signal Type Description
P6.4 SC0 I/O SSIO0 Clock Pin
This pin transmits a clock signal when SSIO0 is configured as a
master and receives a clock signal when it is configured as a
slave.
SC0 carries a clock signal only during receptions and transmis-
sions. The SC0 pin clocks once for each bit transmitted or
received (eight clocks per transmission or reception). When the
SSIO port is idle, the pin remains either high (with handshaking)
or low (without handshaking).
Handshaking mode requires an external pull-up resistor.
P6.5 SD0 I/O SSIO0 Data Pin
SD0 transmits data when SSIO0 is configured as a transmitter
and receives data when it is configured as a receiver.
P6.6 SC1 I/O SSIO1 Clock Pin
This pin transmits a clock signal when SSIO1 is configured as a
master and receives a clock signal when it is configured as a
slave.
SC1 carries a clock signal only during receptions and transmis-
sions. This pin carries a clock signal only during receptions and
transmissions. The SC1 pin clocks once for each bit transmitted
or received (eight clocks per transmission or reception). When
the SSIO port is idle, the pin remains either high (with
handshaking) or low (without handshaking).
P6.7 SD1 I/O SSIO1 Data Pin
SD1 transmits data when SSIO1 is configured as a transmitter
and receives data when it is configured as a receiver.
Table 8-2. SSIO Port Control and Status Registers
Mnemonic Address Description
INT_MASK1 0013H Interrupt Mask 1
Setting the SSIO0 bit of this register enables the SSIO channel 0
transfer interrupt; clearing the bit disables (masks) the interrupt.
Setting the SSIO1 bit of this register enables the SSIO channel 1
transfer interrupt; clearing the bit disables (masks) the interrupt.
NOTE: Always write zeros to the reserved bits in these registers.

8-3
SYNCHRONOUS SERIAL I/O (SSIO) PORT
8.3 SSIO OPERATION
Each SSIO channel can be configured as either master or slave and as either transmitter or receiv-
er, allowing the channels to communicate in several bidirectional, single-byte transfer modes
(Figure 8-2). A master device transmits a clock signal; a slave device receives a clock signal.
INT_PEND1 0012H Interrupt Pending 1
When set, SSIO0 indicates a pending channel 0 transfer interrupt.
When set, SSIO1 indicates a pending channel 1 transfer interrupt.
P6_DIR 1FD2H Port 6 Direction
This register selects the direction of each port 6 pin. Clear P6_DIR.7:4
to configure SD1 (P6.7), SC1 (P6.6), SD0 (P6.5), and SC0 (P6.4) as
high-impedance inputs/open-drain outputs.
P6_MODE 1FD1H Port 6 Mode
This register selects either the general-purpose input/output function or
the peripheral function for each pin of port 6. Set P6_MODE.7:4 to
configure SD1 (P6.7), SC1 (P6.6), SD0 (P6.5), and SC0 (P6.4) for the
SSIO.
P6_PIN 1FD7H Port 6 Pin State
Read P6_PIN to determine the current values of SD1 (P6.7), SC1
(P6.6), SD0 (P6.5), and SC0 (P6.4).
P6_REG 1FD5H Port 6 Output Data
This register holds data to be driven out on the pins of port 6. For pins
serving as inputs, set the corresponding P6_REG bits; for pins serving
as outputs, write the data to be driven out on the pins to the corre-
sponding P6_REG bits.
SSIO_BAUD 1FB4H SSIO Baud Rate
This register enables and disables the baud-rate generator and selects
the SSIO baud rate.
SSIO0_BUF
SSIO1_BUF 1FB0H
1FB2H SSIO Receive and Transmit Buffers
These registers contain either received data or data for transmission,
depending on the communications mode. Data is shifted into this
register from the SD
x
pin or from this register to the SD
x
pin, with the
most-significant bit first.
SSIO0_CON
SSIO1_CON 1FB1H
1FB3H These registers control the communications mode and handshaking
and reflect the status of the SSIO channels.
Table 8-2. SSIO Port Control and Status Registers (Continued)
Mnemonic Address Description
NOTE: Always write zeros to the reserved bits in these registers.

8XC196K
x
, J
x
, CA USER’S MANUAL
8-4
Figure 8-2. SSIO Operating Modes
•One channel can act as master transceiver to communicate with compatible protocols in
half-duplex mode. This mode requires one data input/output pin and one clock output pin.
•One channel can act as slave transceiver to communicate with compatible protocols in half-
duplex mode. This mode requires one data input/output pin and one clock input pin.
SD0
SC0
Master Slave
SD0
SC0
Single-channel Half-duplex Master/Slave Configuration
SD0
SC0
Master Slave
SD0
SC0
SD1
SC1
Slave
SD1
SC1
Double-channel Full-duplex Lockstep
Common Clock Configuration
Slave
SD0
SC0
Master Slave
SD0
SC0
SD1
SC1
SD1
SC1
Double-channel Full-duplex Master/Slave
Separate Clock Configuration
Slave Master
A0233-03

8-5
SYNCHRONOUS SERIAL I/O (SSIO) PORT
•The two channels can operate together, from the same clock, as master transceivers to
communicate in lockstep (mutually synchronous), full-duplex mode. This mode requires
one data input pin, one data output pin, and two clock pins (the clock output pin from one
channel connected to the clock input pin of the other).
•The two channels can operate together, from the same clock, as slave transceivers to
communicate in lockstep (mutually synchronous), full-duplex mode. This mode requires
one data input pin, one data output pin, and two clock input pins.
•The two channels can operate independently, with different clocks, to communicate in non-
lockstep, full-duplex mode. In this mode, one channel acts as slave (receives a clock) and
the other acts as master (transmits a clock). This mode requires a data input pin, a data
output pin, a clock input pin, and a clock output pin.
The SSIO channels can also operate in handshaking modes for unidirectional, multi-byte trans-
fers. These modes enable a master device to perform SSIO transfers using the PTS. Handshaking
prevents a data underflow or overflow from occurring at the slave. It takes place in hardware, us-
ing the clock pins, with no CPU overhead.
•The two channels can operate with handshaking enabled, in full-duplex mode. One channel
acts as slave and the other acts as master. This mode requires four pins.
•The two channels can operate with handshaking enabled, in half-duplex mode. One channel
acts as slave and the other acts as master. This mode requires two pins.
Each channel contains an 8-bit buffer register, SSIOx_BUF, and logic to clock the data into and
out of the transceiver. In receive mode, data is shifted (MSB first) from the SDx pin into
SSIOx_BUF. In transmit mode, data is shifted from SSIOx_BUF onto the SDx pin. The receiver
latches data from the transmitter on the rising edge of SCx and the transmitter changes (or floats)
output data on the falling edge of SCx.
In the handshaking modes, the clock polarities are reversed, so the corresponding clock edges are
also reversed. The clock pin, SCx, must be configured as an open-drain output in both master and
slave modes. (This configuration requires an external pull-up.) The master leaves the SCx output
high at the end of each byte transfer. The slave pulls its clock input low when it is busy. (In receive
mode, the slave is busy when the buffer is full; in transmit mode, the slave is busy when the buffer
is empty.) The slave releases SCx when it is ready to receive or transmit. The master waits for
SCx to return high before attempting the next transfer. Figure 8-3 illustrates transmit and receive
timings with and without handshaking.

8XC196K
x
, J
x
, CA USER’S MANUAL
8-6
Figure 8-3. SSIO Transmit/Receive Timings
8.4 SSIO HANDSHAKING
Handshaking (Figure 8-4) prevents a data underflow or overflow from occurring at the slave,
which enables a master device to perform SSIO data transfers using the PTS. Without handshak-
ing, data overflows and underflows would make it nearly impossible to use the PTS for transfer-
ring blocks of data. Handshaking takes place in hardware, using the clock pins, with no CPU
overhead. When the master is the transmitter and the slave is the receiver, the slave pulls the clock
line low until it is ready to receive a byte. This prevents a data overflow at the slave. In the oppo-
site configuration, the slave pulls the clock line low until its buffer is loaded with data. This pre-
vents a data underflow at the slave.
8.4.1 SSIO Handshaking Configuration
To use the PTS with the SSIO in handshaking mode, the SSIO channels must be configured as
follows:
•Channels must be auto-enabled (both the ATR and STE bits in SSIOx_CON must be set).
•Handshaking mode must be selected (the THS bit in SSIOx_CON must be set).
•The clock pin, SCx, must be configured as a special-function, open-drain output in both
master and slave. (This requires an external pull-up resistor.)
MSB D6 D5 D4 D3 D2 D1 D0
valid valid valid valid valid valid valid valid
1 8765432
1 8765432
STE
SC
x
SD
x
(out)
SD
x
(in)
SC
x
(Handshake Mode)
Slave Receiver Pulls SC
x
low
A0266-01

8-7
SYNCHRONOUS SERIAL I/O (SSIO) PORT
Figure 8-4. SSIO Handshaking Flow Diagram
8.4.2 SSIO Handshaking Operation
When handshaking is enabled, the slave pulls its clock input (SCx) low whenever it is busy. (In
receive mode, the slave is busy when the buffer is full; in transmit mode, the slave is busy when
the buffer is empty.) This happens automatically one to two state times after the rising clock edge
corresponding to the last data bit of the transmitted 8-bit packet. The slave releases its SCx line
only after the CPU reads from or writes to SSIOx_BUF, which clears the transmit buffer status
(TBS) bit in SSIOx_CON and indicates that SSIOx_BUF is available for another packet to be re-
ceived or transmitted.
When handshaking is enabled, the master leaves its clock output (SCx) high at the end of each
byte transfer. This allows the slave to pull the clock line low if its SSIOx_BUF register is unavail-
able for the next transfer. The master waits for the clock line to return high before it attempts the
next transfer. (If handshaking is not enabled for the master, the master drives the clock line low
between transfers.)
Load SSIO
x
_BUF
SC
x
Pin High
?
No
Yes
Transmit Byte
Set SSIO
x
Interrupt
Pending Bit
SSIO Transmit Handshaking
Receive Byte
Pull SC Pin Low
SSIO
x
_BUF
Read
?
No
Yes
Float SC
x
Pin
SSIO Receive Handshaking
A0232-03

8XC196K
x
, J
x
, CA USER’S MANUAL
8-8
The following example describes how the master can transmit 16 bytes of data to the slave
through the PTS, using this optional handshaking capability.
1. These four steps can occur in any order:
— You initialize the master as a transmitter and the slave as a receiver.
— The master prepares 16 bytes for transmission and places them in RAM.
— The master initializes a PTS channel to move data from RAM to SSIOx_BUF.
— The slave initializes a PTS channel to move data from SSIOx_BUF to RAM.
2. You set the master’s SSIOx interrupt pending bit in the INT_PEND1 register.
3. The PTS transfers a byte to SSIOx_BUF.
4. The slave pulls the clock line low until it is ready to receive a byte, then allows the clock
line to float (allowing the external resistor to pull it up).
5. The master detects the high clock line and transmits the byte.
6. When the master finishes transmitting the byte, it sets its SSIOx interrupt pending bit in
INT_PEND1 and allows the clock line to float.
7. When the slave finishes receiving the byte, it sets its SSIOx interrupt pending bit in
INT_PEND1.
8. Steps 3 through 7 are repeated until the PTS byte count reaches 0.
9. The next interrupt requests PTS service.

8-9
SYNCHRONOUS SERIAL I/O (SSIO) PORT
8.5 PROGRAMMING THE SSIO PORT
To use the SSIO port, you must configure the port pins to serve as special-function signals, then
set up the SSIO channels.
8.5.1 Configuring the SSIO Port Pins
Before you can use the SSIO port, you must configure the necessary port 6 pins to serve as their
special-function signals. Handshaking mode requires that both the master and slave SCx pins be
configured as open-drain outputs. (This configuration requires external pull-up resistors.) Table
8-1 on page 8-2 lists the pins associated with the SSIO port, and Table 8-2 lists the port configu-
ration registers. See Chapter 6 for configuration details.
8.5.2 Programming the Baud Rate and Enabling the Baud-rate Generator
The SSIO_BAUD register (Figure 8-5 on page 8-10) defines the baud rate and enables the baud-
rate generator. This register acts as a control register during write operations and as a down-
counter monitor during read operations. The baud-rate generator provides an internal clock to the
transceiver channels. The frequency ranges from FOSC/8 to FOSC/1024. With a 16-MHz oscillator
frequency, this corresponds to a range from a maximum of 2.0 MHz to a minimum of 15.625 kHz.
Table 8-3 lists SSIO_BAUD values for common baud rates.
Table 8-3. Common SSIO_BAUD Values at 16 MHz
Baud Rate SSIO_BAUD Value†
(Maximum) 2.0 MHz 80H
100.0 kHz 93H
64.52 kHz 9DH
50.0 kHz A7H
25.0 kHz CFH
(Minimum) 15.625 kHz FFH
†Bit 7 must be set to enable the baud-rate generator.

8XC196K
x
, J
x
, CA USER’S MANUAL
8-10
8.5.3 Controlling the Communications Mode and Handshaking
The SSIOx_CON register (Figure 8-6) controls the communications mode and handshaking. The
two least-significant bits indicate whether an underflow or overflow has occurred and whether
the channel is ready to transmit or receive.
SSIO_BAUD Address:
Reset State:
1FB4H
XXH
The synchronous serial port baud (SSIO_BAUD) register enables and disables the baud-rate
generator and selects the SSIO baud rate. During read operations, SSIO_BAUD serves as the down-
counter monitor. The down-counter is decremented once every four state times when the baud-rate
generator is enabled.
7 0
BE BV6 BV5 BV4 BV3 BV2 BV1 BV0
Bit
Number Bit
Mnemonic Function
7 BE Baud-rate Generator Enable
This bit enables and disables the baud-rate generator.
For write operations:
0 = disable the baud-rate generator and clear BV6:0
1 = enable the baud-rate generator and start the down-counter
For read operations:
0 = baud-rate generator is disabled
1 = baud-rate generator is enabled and down-counter is running
6:0 BV6:0 Baud Value
For write operations:
These bits represent BAUD_VALUE, an unsigned integer that
determines the baud rate. The maximum value of BAUD_VALUE is 7FH;
the minimum value is 0. Use the following equation to determine
BAUD_VALUE for a given baud rate.
For read operations:
These bits contain the current value of the down-counter.
Figure 8-5. Synchronous Serial Port Baud (SSIO_BAUD) Register
BAUD_VALUE
FOSC
Baud Rate 8×
-------------------------------------- 1–=

8-11
SYNCHRONOUS SERIAL I/O (SSIO) PORT
SSIO
x
_CON
x
= 0–1
Address: 1FB1H, 1FB3H
Reset State: 00H
The synchronous serial control
x
(SSIO
x
_CON) registers control the communications mode and
handshaking. The two least-significant bits indicate whether an overflow or underflow has occurred
and whether the channel is ready to transmit or receive.
7 0
M/S# T/R# TRT THS STE ATR OUF TBS
Bit
Number Bit
Mnemonic Function
7†M/S# Master/Slave Select
Configures the channel as either master or slave.
0 = slave; SC
x
is an external clock input to SSIO
x
_BUF
1 = master; SC
x
is an output driven by the SSIO baud-rate generator
6†T/R# Transmit/Receive Select
Configures the channel as either transmitter or receiver.
0 = receiver; SD
x
is an input to SSIO
x
_BUF
1 = transmitter; SD
x
is an output driven by the output of SSIO
x
_BUF
5 TRT Transmitter/Receiver Toggle
Controls whether receiver and transmitter switch roles at the end of each
transfer.
0 = do not switch
1 = switch; toggle T/R# and clear TRT at the end of the current transfer
Setting TRT allows the channel configuration to change immediately on
transfer completions, thus avoiding possible contention on the data line.
4 THS Transceiver Handshake Select
Enables and disables handshaking. The THS, STE, and ATR bits must
be set for handshaking modes.
0 = disables handshaking
1 = enables handshaking
3 STE Single Transfer Enable
Enables and disables transfer of a single byte. Unless ATR is set, STE is
automatically cleared at the end of a transfer. The THS, STE, and ATR
bits must be set for handshaking modes.
0 = disable transfers
1 = allow transmission or reception of a single byte
†The M/S# and T/R# bits specify four possible configurations: master transmitter, master receiver,
slave transmitter, or slave receiver.
Figure 8-6. Synchronous Serial Control
x
(SSIO
x
_CON) Registers

8XC196K
x
, J
x
, CA USER’S MANUAL
8-12
2 ATR Automatic Transfer Re-enable
Enables and disables subsequent transfers. The THS, STE, and ATR bits
must be set for handshaking modes.
0 = allow automatic clearing of STE; disable subsequent transfers
1 = prevent automatic clearing of STE; allow transfer of next byte
1 OUF Overflow/Underflow Flag
Indicates whether an overflow or underflow has occurred. An attempt to
access SSIO
x
_BUF during a byte transfer sets this bit.
For the master (M/S# = 1)
0 = no overflow or underflow has occurred
1 = the core attempted to access SSIO
x
_BUF during the current transfer
For the slave (M/S# = 0)
0 = no overflow or underflow has occurred
1 = the core attempted to access SSIO
x
_BUF during the current transfer
or the master attempted to clock data into or out of the slave’s
SSIO
x
_BUF before the buffer was available
0 TBS Transceiver Buffer Status
Indicates the status of the channel’s SSIO
x
_BUF.
For the transmitter (T/R# =1)
0 = SSIO
x
_BUF is full; waiting to transmit
1 = SSIO
x
_BUF is empty; buffer available
For the receiver (T/R# = 0)
0 = SSIO
x
_BUF is empty; waiting to receive
1 = SSIO
x
_BUF is full; data available
SSIO
x
_CON (Continued)
x
= 0–1
Address: 1FB1H, 1FB3H
Reset State: 00H
The synchronous serial control
x
(SSIO
x
_CON) registers control the communications mode and
handshaking. The two least-significant bits indicate whether an overflow or underflow has occurred
and whether the channel is ready to transmit or receive.
7 0
M/S# T/R# TRT THS STE ATR OUF TBS
Bit
Number Bit
Mnemonic Function
†The M/S# and T/R# bits specify four possible configurations: master transmitter, master receiver,
slave transmitter, or slave receiver.
Figure 8-6. Synchronous Serial Control
x
(SSIO
x
_CON) Registers (Continued)

8-13
SYNCHRONOUS SERIAL I/O (SSIO) PORT
8.5.4 Enabling the SSIO Interrupts
Each SSIO channel can generate an interrupt request if you enable the individual interrupt as well
as globally enabling servicing of all maskable interrupts. The INT_MASK1 register enables and
disables individual interrupts. To enable an SSIO interrupt, set the corresponding bit in
INT_MASK1 (see Table 8-2 on page 8-2) and execute the EI instruction to globally enable inter-
rupt servicing. See Chapter 5, “Standard and PTS Interrupts,” for more information about inter-
rupts.
8.5.5 Determining SSIO Port Status
The SSIO_BAUD register (Figure 8-5 on page 8-10) indicates the current status and value of the
down-counter. The SSIOx_CON register (Figure 8-6) indicates whether an underflow or over-
flow has occurred and whether the channel is ready to transmit or receive. Read the INT_PEND1
register (see Table 8-2 on page 8-2) to determine the status of SSIO interrupts. See Chapter 5,
“Standard and PTS Interrupts,” for details about interrupts.
8.6 PROGRAMMING CONSIDERATIONS
For transmissions, the time that you write to SSIOx_BUF determines the data setup time (the
length of time between data being placed on the data pin and the first clock edge on the clock pin).
The reason for this anomaly is that the baud-rate down-counter starts when you write to
SSIO_BAUD, but the transmission doesn’t start until you write to SSIOx_BUF. The write to
SSIOx_BUF can occur at any point during the count. Since the most-significant bit (MSB)
doesn’t change until the falling edge of SCx (which is triggered by a counter overflow), the width
of the MSB appears to vary (Figure 8-7). If you write to SSIOx_BUF early in the count, the MSB
seems relatively long. If you write to SSIOx_BUF late in the count, the MSB seems relatively
short.
For example, assume that you write 93H to SSIO_BAUD (the MSB enables the baud-rate gener-
ator, and the lower seven bits define the initial count value). As soon as this register is written,
the down-counter starts decrementing from 13H. If the counter is at 11H when you write to
SSIOx_BUF, the MSB will remain on the data pin for approximately 8.5 µs. If the counter is at
03H when you write to SSIOx_BUF, the MSB will remain on the data pin for only approximately
1.5 µs.

8XC196K
x
, J
x
, CA USER’S MANUAL
8-14
Figure 8-7. Variable-width MSB in SSIO Transmissions
NOTE
This condition exists only for the MSB. Once the MSB is clocked out, the
remaining bits are clocked out consistently at the programmed frequency.
One way to achieve a consistent MSB bit length is to start the down-count at a fixed time, using
these steps:
1. Clear SSIO_BAUD bit 7. This disables the baud-rate generator and clears the remaining
bits (BV6:0).
2. Write the byte to be transmitted to SSIOx_BUF.
3. Set the STE bit in SSIOx_CON. This enables transfers and drives the MSB onto the data
pin.
4. Disable interrupts.
5. Set the MSB of SSIO_BAUD and write the desired BAUD_VAL to the remaining bits.
This enables the baud-rate generator and starts the down count.
6. Rewrite the byte to be transmitted to SSIOx_BUF. This starts the transmission.
7. Enable interrupts.
Using this procedure starts the clock at a known point before each transmission, establishing a
predictable MSB bit time. Interrupts are disabled in step 4 and reenabled in step 7; otherwise, an
interrupt could cause a similar problem between steps 5 and 6.
Clock (SC
x
pin)
Data (SD
x
pin)
1234
"1"
MSB B6 B5 B4 B3
"0" "1" "0" "0"
A2066-01

8-15
SYNCHRONOUS SERIAL I/O (SSIO) PORT
8.7 PROGRAMMING EXAMPLE
This code example configures SSIO0 as a master transmitter to send one byte of data to SSIO1,
the slave receiver. First it sets up a window to allow register-direct access to the necessary regis-
ters. Next, it configures the clock and data pins. Since SSIO0 is sending data, SC0 (P6.4) and SD0
(P6.5) are configured as special-function complementary outputs. Since SSIO1 is receiving data,
SC1 (P6.6) and SD1 (P6.7) are configured as special-function inputs. The example also sets up a
register (result) to store the received data byte.
wsr equ 014h:byte
p6_dir equ 0d3h:byte ;window to 1fd3h
p6_mode equ 0d1h:byte ;window to 1fd1h
p6_reg equ 0d5h:byte ;window to 1fd5h
ssio_baud equ 0b4h:byte ;window to 1fb4h
ssio0_con equ 0b1h:byte ;window to 1fb1h
ssio1_con equ 0b3h:byte ;window to 1fb3h
ssio0_buf equ 0b0h:byte ;window to 1fb0h
ssio1_buf equ 0b2h:byte ;window to 1fb2h
result equ 122h:byte ;register to store the received data byte
cseg at 2080h
ldb wsr,#1fh ;select window 1fh
ldb p6_dir,#0c0h ;set up SD1/SC1 as inputs and
;set up SD0/SC0 as complementary outputs
ldb p6_mode,#0f0h ;set up SD1/SC1, SD0/SC0 as special-function
ldb p6_reg,#0c0h ;set up SD1/SC1 inputs (1), SD0/SC0 outputs (0)
ldb ssio_baud,#80h ;enable baud-rate generator at 2 MHz
ldb ssio0_con,#0c9h ;set up channel 0 as master transmitter
ldb ssio1_con,#08h ;set up channel 1 as slave receiver
ldb ssio0_buf,#55h ;transmit data 55h
d_wait:
jbc ssio1_con,0,d_wait ;wait for data to be received
stb ssio1_buf,result ;store received data in “result”
sjmp $
end

9
Slave Port

9-1
CHAPTER 9
SLAVE PORT
The slave port offers an alternative for communication between two microcontrollers. Tradition-
ally, design engineers have had three options for achieving this communication — a serial link, a
parallel bus without a dual-port RAM (DPRAM), or a parallel bus with a DPRAM to hold shared
data.
A serial link, the most common method, has several advantages: it uses only two pins from each
device, it needs no hardware protocol, and it allows for error detection before data is stored. How-
ever, it is relatively slow and involves software overhead to differentiate data, addresses, and
commands. A parallel bus increases communication speed, but requires more pins and a rather
involved hardware and software protocol. Using a DPRAM offers software flexibility between
master and slave devices, but the hardware interconnect uses a demultiplexed bus, which requires
even more pins than a simple parallel connection does. The DPRAM is also costly, and error de-
tection can be difficult. The SSIO offers a simple means for implementing a serial link. The mul-
tiplexed address/data bus can be used to implement a parallel link, with or without a DPRAM.
The slave port offers a fourth alternative.
The slave port offers the advantages of the traditional methods, without their drawbacks. It brings
the DPRAM on-chip, inside the microcontroller (Figure 9-1). With this configuration, the exter-
nal processor (master) can simply read from and write to the on-chip memory of the 8XC196Kx
(slave) processor. The slave port requires more pins than a serial link does, but fewer than the
number used for a parallel bus. It requires no hardware protocol, and it can interface with either
a multiplexed or a demultiplexed bus. The master CPU simply writes to or reads from the device
as it would write or read any parallel interface device (such as a memory or an I/O port). Data
error detection can be handled through the software.
NOTE
The slave port functions are not available on the 8XC196CA and Jx. The slave
port shared memory mode is available only on the 8XC196KS and KT.

8XC196K
x
, J
x
, CA USER’S MANUAL
9-2
Figure 9-1. DPRAM vs Slave-Port Solution
9.1 SLAVE PORT FUNCTIONAL OVERVIEW
Figure 9-2 is a block diagram of the slave port. The slave port is a simple bus configuration that
can interface to an external processor through an 8-bit address/data bus (SLP7:0). The slave
8XC196Kx processor communicates with the master (the external device) through the slave port
registers. From the slave viewpoint, the status register and data output register are output-only
registers that are latched onto the slave port address/data bus when SLPCS# and SLPRD# are
both low. The command register and data input register are input-only registers that are written
when SLPCS# and SLPWR# are both low.
9.2 SLAVE PORT SIGNALS AND REGISTERS
Table 9-1 lists the signals used for slave port operation. The bus-control output signals provided
by P5.3:0 in normal operation become inputs for slave port operation, and P5.4 functions as
SLPINT, the slave port interrupt signal. The P3.7:0 pins function as SLP7:0 to transfer byte-wide
information between the slave device and the master CPU. If external memory is to be used while
the slave port is enabled, external bus arbitration logic is required. Table 9-2 lists the registers that
affect the function and indicate the status of the slave port.
A3065-01
Processor A
(Master)
Processor A
(Master)
Dual-port
RAM
(DPRAM)
Slave
Processor B
(Slave)
On-chip
RAM
8XC196 Device

9-3
SLAVE PORT
Figure 9-2. Slave Port Block Diagram
SLP_CON
SLP_ADDR
SLPALE
/P5.0
SLP1/P3.1
SLPRD#
/P5.3
SLPWR#
/P5.2
SLPCS#
P5.1
SLP_STAT
P3_REG
(Data Out)
P3_PIN
(Data In)
SLP_CMD
OE#
OE#
WE#
WE#
Q
Internal
Bus
8XC196 Device
D
A0267-03
SLP7:0/
P3.7:0
0
1
SLP_STAT.1
SLP_STAT.0
SLPINT/
P5.4
SLP_CON.1
SLP_CON.0
SLP_CON.2

8XC196K
x
, J
x
, CA USER’S MANUAL
9-4
Table 9-1. Slave Port Signals
Port Pin Slave
Port
Signal
Slave Port
Signal Type Description
P3.7:0 SLP7:0 I/O Slave Port Address/Data bus
Slave port address/data bus in multiplexed mode and slave port
data bus in demultiplexed mode. In multiplexed mode, SLP1 is
the source of the internal control signal, SLP_ADDR.
P5.0 SLPALE I Slave Port Address Latch Enable
Functions as either a latch enable input to latch the value on
SLP1 (with a multiplexed address/data bus) or as the source of
the internal control signal, SLP_ADDR (with a demultiplexed
address/data bus).
P5.1 SLPCS# I Slave Port Chip Select
SLPCS# must be held low to enable slave port operation.
P5.2 SLPWR# I Slave Port Write Control Input
This active-low signal is an input to the slave. The rising edge of
SLPWR# latches data on port 3 into the P3_PIN or SLP_CMD
register.
SLPWR# is multiplexed with P5.2, WR#, and WRL#.
P5.3 SLPRD# I Slave Port Read Control Input
This active-low signal is an input to the slave. Data from the
P3_REG or SLP_STAT register is valid after the falling edge of
SLPRD#.
P5.4 SLPINT O Slave Port Interrupt
This active-high slave port output signal can be used to interrupt
the master processor.
NOTE: SLPINT is multiplexed with P5.4 and the ONCE# func-
tion (KR, KQ) or a special test-mode-entry pin (KS, KT).
Because driving this pin low on the rising edge of
RESET# could cause the device to enter a reserved
test mode, this pin should not be used as an input.
Table 9-2. Slave Port Control and Status Registers
Mnemonic Address Description
INT_MASK 08H Interrupt Mask
Setting bit 6 enables the output buffer empty (OBE) interrupt; clearing
the bit disables it.
Setting bit 7 enables the input buffer full (IBF) interrupt; clearing the bit
disables it.
INT_MASK1 13H Interrupt Mask 1
Setting bit 0 enables the command buffer full (CBF) interrupt; clearing
the bit disables it.
INT_PEND 09H Interrupt Pending
Bit 6, when set, indicates a pending output buffer empty (OBE) interrupt.
This bit is set after the master writes to the data input register, P3_PIN.
Bit 7, when set, indicates a pending input buffer full (IBF). This bit is set
after the master reads from the data output register, P3_REG.

9-5
SLAVE PORT
INT_PEND1 12H Interrupt Pending 1
Bit 0, when set, indicates a pending command buffer full (CBF) interrupt.
This bit is set after the master writes to the command register,
SLP_CMD.
P3_PIN 1FFEH Slave Port Data Input Register
This register is also used for standard port 3 operation.
In slave port operation, this register accepts data written by the master
to be read by the slave. The slave can only read from this register and
the master can only write to it. If the master attempts to read from
P3_PIN, it will actually read P3_REG.
To write to this register in standard slave mode, the master must first
write “0” to the pin selected by SLP_CON.2. To write to this register in
shared memory mode (8XC196KS and KT only), the master must first
write “0” to the SLP1 pin.
P3_REG 1FFCH Slave Port Data Output Register
This register is also used for standard port 3 operation.
In slave port operation, this register accepts data written by the slave to
be read by the master. The slave can write to and read from this register.
The master can only read it. If the master attempts to write to this
register, it will actually write to P3_PIN.
To read from this register in standard slave mode, the master must first
write “0” to the pin selected by SLP_CON.2. To read from this register in
shared memory mode (8XC196KS and KT only), the master must first
write “0” to the SLP1 pin.
SLP_CMD 1FFAH Slave Port Command Register
This register accepts commands from the master to the slave. The
commands are defined by the device software. The slave can read from
and write to this register. The master can only write to it.
To write to this register in standard slave mode, the master must first
write “1” to the pin selected by SLP_CON.2. To write to this register in
shared memory mode (8XC196KS and KT only), the master must first
write “1” to the SLP1 pin.
SLP_CON 1FFBH Slave Port Control Register
This register is used to configure the slave port. It selects the operating
mode (8XC196KS and KT only), enables and disables slave port
operation, controls whether the master accesses the data registers or
the control and status registers, and controls whether the SLPINT signal
is asserted when the input buffer empty (IBE) and output buffer full
(OBF) flags are set in the SLP_STAT register. Only the slave can access
this register.
SLP_STAT 1FF8H Slave Port Status Register
The master can read this register to determine the status of the slave.
The slave can read all bits. If the master attempts to write to SLP_STAT,
it actually writes to SLP_CMD. To read from this register in standard
slave mode, the master must first write “1” to the pin selected by
SLP_CON.2. To read from this register in shared memory mode
(8XC196KS and KT only), the master must first write “1” to the SLP1
pin.
Table 9-2. Slave Port Control and Status Registers (Continued)
Mnemonic Address Description

8XC196K
x
, J
x
, CA USER’S MANUAL
9-6
9.3 HARDWARE CONNECTIONS
Figure 9-3 shows the basic hardware connections for both multiplexed and demultiplexed bus
modes. Table 9-3 lists the interconnections. Note that the shared memory mode (8XC196KS and
KT only) supports only a multiplexed bus, while the standard slave mode supports either a mul-
tiplexed or a demultiplexed bus.
When using a multiplexed bus, connect the master’s AD1 pin to the slave’s SLP1 pin and the mas-
ter’s ALE pin to the slave’s P5.0 pin. When using a demultiplexed bus, connect the master’s ad-
dress output (A1) to the slave’s SLPALE (P5.0) pin. The master’s AD1 (with a multiplexed bus)
or A1 (with a demultiplexed bus) signal must be held high to either write to the slave’s command
register (SLP_CMD) or read the slave’s status register (SLP_STAT). It must be held low to either
write to the slave’s P3_PIN register or read the slave’s P3_REG register.
The configurations shown in Figure 9-3 allow the master to select the slave device by forcing
SLPCS# low. The master can then request that the slave perform a read or a write operation by
forcing SLPRD# or SLPWR# low, respectively. Data is latched on the rising edge of either
SLPRD# or SLPWR#. When the slave completes a read or a write, it notifies the master via the
SLPINT signal.
When the master writes to the P3_PIN register, the input buffer empty (IBE) flag is cleared and
SLPINT is pulled low. When the slave reads P3_PIN, the IBE flag is set and SLPINT is forced
high. This notifies the master that the write operation is completed and another write can be per-
formed.
When the slave writes to P3_REG, the output buffer full (OBF) flag is set and SLPINT is forced
high. This notifies the master that P3_REG contains valid data from the previous read cycle. Note
that this is a pipelined read. The address specified in the previous read cycle is fetched and placed
into the P3_REG register to be read by the master in the next read cycle. When the master reads
from P3_REG, the OBF flag is cleared and SLPINT is pulled low.
Table 9-3. Master and Slave Interconnections
Multiplexed Bus Demultiplexed Bus
Master Slave Master Slave
AD7:0 SLP7:0 D7:0 SLP7:0
ALE SLPALE A1 SLPALE
RD# SLPRD# RD# SLPRD#
WR# SLPWR# WR# SLPWR#
Latched addr. or port pin SLPCS# Latched addr. pin SLPCS#
Interrupt input or port pin SLPINT Interrupt input or port pin SLPINT

9-7
SLAVE PORT
Figure 9-3. Master/Slave Hardware Connections
SLP7:0
SLPALE
SLPRD#
SLPWR#
SLPCS#
SLPINT
8XC196
Slave Processor
Address/Data Bus
Address Latch Enable (ALE)
Data Read (RD#)
Data Write (WR#)
Chip Select (CS#)
Slave Interrupt Output
Master
Processor
or System Bus
Slave Port Connections for Multiplexed Bus Interface
LE Latched
Address
Decoder
SLP7:0
SLPALE
SLPRD#
SLPWR#
SLPCS#
SLPINT
8XC196
Slave Processor
Data Bus
System Address Line A1
Data Read (RD#)
Data Write (WR#)
Chip Select (CS#)
Slave Interrupt Output
Master
Processor
or System Bus
Slave Port Connections for Demultiplexed Bus Interface
Address
Decoder
Address Bus
A0309-02

8XC196K
x
, J
x
, CA USER’S MANUAL
9-8
9.4 SLAVE PORT MODES
The slave port can operate in either standard slave mode or shared memory mode (8XC196KS
and KT only). In both modes, the master and slave share a 256-byte block of memory located any-
where within the slave’s memory space. Data written is stored in the slave’s P3_PIN register; data
to be read is stored in the slave’s P3_REG register. The standard slave mode supports either a de-
multiplexed or a multiplexed bus and uses the command buffer full (CBF) interrupt. The shared
memory mode supports only a multiplexed bus and uses the input buffer empty (IBE) and output
buffer full (OBF) interrupts. In both modes, the interrupts must be processed by a software inter-
rupt service routine.
9.4.1 Standard Slave Mode Example
In standard slave mode, the master and slave share a 256-byte block of memory. The high byte of
the address (the base address) selects the location within the slave’s memory space. The master
writes the low byte of the address to the slave’s command register (SLP_CMD). This mode can
be used with either a multiplexed or a demultiplexed bus.
In this example, the master and slave share a 256-byte block of memory from 0400–04FFH. The
master device has arbitrary external memory locations that are dedicated to slave port accesses.
9.4.1.1 Master Device Program
The following code segment illustrates the simple method for writing to the slave.
EXT_P3_PIN EQU 0FFFDH ; (A1=0)
EXT_SLP_CMD EQU 0FFFEH ; (A1=1)
STB DATA, EXT_P3_PIN ; write the data into the slave’s P3_PIN
STB ADDR, EXT_SLP_CMD ; write address LSB into slave’s SLP_CMD
; wait for SLPINT to go high
The master first writes data to the P3_PIN register, which clears the IBE flag in the slave’s
SLP_STAT register and pulls SLPINT low. This notifies the slave to perform a data write at the
address BASE + SLP_CMD.
The following code segment illustrates the equally simple method for reading from the slave.
EXT_P3_REG EQU 0FFFCH ; (A1=0)
EXT_SLP_CMD EQU 0FFFEH ; (A1=1)
LDB TEMP, EXT_P3_REG ; clear slave’s P3_REG
STB ADDR, EXT_SLP_CMD ; write address LSB into slave’s SLP_CMD
; ... wait for SLPINT to go high
LDB DATA, EXT_P3_REG ; read the data from P3_REG

9-9
SLAVE PORT
The master first reads the P3_REG register. This ensures that the slave’s P3_REG is indeed emp-
ty, clears the OBF flag, and pulls SLPINT low. Next, it loads the address it wants to read into the
SLP_CMD register. This causes a CBF interrupt in the slave processor. The slave reads that lo-
cation and stores the data in P3_REG, which sets the OBF flag and forces SLPINT high. This
notifies the master to read the P3_REG register.
9.4.1.2 Slave Device Program
Once the slave port and ports 3 and 5 are initialized, the slave device program is strictly interrupt
driven. When the slave device receives a byte in the SLP_CMD register, the command buffer full
(CBF) interrupt is generated. The CBF interrupt service routine reads the OBF and IBE flags in
the SLP_STAT register to determine whether the master device is sending data or requesting a
data read. For a data-read request, the master device clears P3_REG, which clears the OBF flag,
before it loads SLP_CMD. For a data write, the master writes P3_PIN, which clears the IBE flag,
before it loads SLP_CMD. Therefore, only one of the two flags is clear when the CBF interrupt
service routine is entered.
If the IBE flag is clear (the input buffer, P3_PIN, is full), the slave moves the data from the
P3_PIN register to the specified address. If the OBF flag is clear (the output buffer, P3_REG, is
empty), the slave moves the data from the specified address to the P3_REG register so that the
master can read it.
The following code segment shows the CBF interrupt service routine. The CBF interrupt must be
enabled and interrupts must be globally enabled for this routine to function.
CBF_ISR:
PUSHA
LDBZE MAILBOX, SLP_CMD[0] ; read SLP_CMD value (mailbox=address)
ADDB MAILBOX+1, BASE ; window address is 400-4FFH
LDB TEMPW, SLP_STAT[0] ; get SLP_STAT register
BBC TEMPW, 1, WRITE_DATA ; if IBE=0, master wants to write
BBC TEMPW, 0, READ_DATA ; if OBF=0, master wants to read
; if neither IBE=0 nor OBF=0, RETURN
; if both are set, an error has occurred
; no read or write can be performed
; (BBC is an assembler command that is
; translated to either a JBC, SJMP, or LJMP,
; depending upon the distance to the
; referenced address.)
DONE_ISR:
POPA
RET
WRITE_DATA:
LDB TEMPW, P3_PIN[0] ; get data to write
STB TEMPW, [MAILBOX] ; write P3_PIN at SLP_CMD+400H
POPA
RET

8XC196K
x
, J
x
, CA USER’S MANUAL
9-10
READ_DATA:
LDB TEMPW, [MAILBOX] ; get data to write to P3_REG
STB TEMPW, P3_REG[0] ; write SLP_CMD+400H data to P3_REG
POPA
RET
END
9.4.1.3 Demultiplexed Bus Timings
The master processor performs two bus cycles for each byte written and three bus cycles for each
byte read. For the slave device, only five bytes are used (two bytes for the pointer to the open
memory window, two bytes for the temporary storage register, and one byte for the base address).
A read requires 91 state times (11.375 µs at 16 MHz) and a write requires 86 state times (10.750
µs at 16 MHz). These times do not include interrupt latency (see “Interrupt Latency” on page
5-7). Figure 9-4 shows relative timing relationships. Consult the datasheet for actual timing spec-
ifications.
Figure 9-4. Standard Slave Mode Timings (Demultiplexed Bus)
Data
SLPCS#
SLPALE
(Note 1)
SLPRD#
SLP7:0/
P3.7:0
SLPWR#
SLPINT
A0307-02
Notes:
1. Connect to master's A1 signal.
2. Rising edge associated with either
– Read ready (write to P3_REG)
– Write complete (read of P3_PIN)
(Note 2)

9-11
SLAVE PORT
9.4.2 Shared Memory Mode Example (8XC196KS and KT only)
In shared memory mode, the master and slave share a 256-byte block of memory. The high byte
of the address (the base address) controls the location within the slave device memory space. The
low byte of the address is always in the SLP_CMD register. The P3_REG register contains data
to be read; the P3_PIN register contains the data written. This mode requires a multiplexed bus.
The primary difference between this mode and the standard slave mode is in the way that the ad-
dress is loaded into the SLP_CMD register. The low byte of the address is automatically loaded
into SLP_CMD on the falling edge of SLPALE. The data is latched on the rising edge of SLPRD#
or SLPWR#. For this reason, a write or read operation requires only one master bus cycle rather
than two and three bus cycles, respectively, in standard slave mode.
The time between the falling edge of SLPALE and the rising edge of SLPRD# is too short to allow
the slave processor to perform the read. Therefore, reads are pipelined in this mode, as they are
in standard slave mode. When the master requests a read operation, the data present during the
current bus cycle is either “dummy” data or the data from the previous read operation. Although
read operations are pipelined, write operations are not. Therefore, write operations can be per-
formed between reads without corrupting data that is waiting to be read. This allows the master
to assign higher priority to write cycles. The master must wait for SLPINT to go high between
reads or writes.
In this example, the master and slave share a 256-byte block of memory from 0400–04FFH.
9.4.2.1 Master Device Program
In this mode, the master simply requests a read and receives data one bus cycle following the pre-
vious read. The following code segment illustrates how this is done.
OFFSET EQU 0FF00H
ADD ADDR,#OFFSET ; point to the external address
LDB DATA,[ADDR] ; read the slave device data
The data that is read is actually the data from the previous read cycle. The address driven causes
the slave to perform an interrupt service routine to fetch the data at that address. The data at the
address is valid on the rising edge of SLPINT. Writing to the slave is equally simple, as the fol-
lowing code segment illustrates.
OFFSET EQU 0FF00H
ADD ADDR,#OFFSET ; point to the slave address
STB DATA,[ADDR] ; store data at the address

8XC196K
x
, J
x
, CA USER’S MANUAL
9-12
9.4.2.2 Slave Device Program
This example shows how the slave device reacts to reads and writes requested by the master. Re-
gardless of the operation to be performed, the address is latched into the SLP_CMD register. The
interrupt determines whether a read or write operation is to be performed.
An IBF interrupt requires a write operation. The slave branches to the IBF interrupt service rou-
tine, reads the data in the P3_PIN register, and writes that data to the address specified by adding
a base address to the value in SLP_CMD. When the slave reads P3_PIN, it forces SLPINT high,
which notifies the master that another operation can be performed.
An OBE interrupt requires a read operation. The slave branches to the OBE interrupt service rou-
tine, reads the data at the address specified by adding a base address to the value in SLP_CMD,
and writes that data into the P3_REG register. When the slave writes the P3_REG register, it forc-
es SLPINT high, which notifies the master that another operation can be performed. (Remember
that read operations are pipelined.)
The following code segment shows the IBF and OBE interrupt service routines. The interrupt ser-
vice routines are very much alike. One reads from the SFR space to the memory block; the other
reads from the memory block to the SFR space. The slave need only know which routine to exe-
cute. The IBF and OBE interrupts must be enabled and interrupts must be globally enabled for
these routines to function.
IBF_ISR:
PUSHA ; save flags
LDBZE ADDR, SLP_CMD[0] ; load SLP_CMD value into Addr register
ADDB ADDR+1, BASE ; add a base to address (16-bit address)
LDB TEMP, P3_PIN[0] ; read P3_PIN (read forces SLPINT high)
STB TEMP, [ADDR] ; write data to address
POPA
RET
OBE_ISR:
PUSHA ; save flags
LDBZE ADDR, SLP_CMD[0] ; load SLP_CMD value into Addr register
ADDB ADDR+1, BASE ; add a base to address (16-bit address)
LDB TEMP, [ADDR] ; load data from address to temp register
STB TEMP, P3_REG[0] ; write data to P3_REG
; (write forces SLPINT high)
POPA
RET

9-13
SLAVE PORT
9.4.2.3 Multiplexed Bus Timings
The memory space required for the sample code is four bytes (two bytes for the address register,
one for the temp register, and one for the base address). Reads and writes each require 58 state
times (7.25 µs at 16 MHz). These times do not include interrupt latency (see “Interrupt Latency”
on page 5-7). They also do not include the master device bus cycle time. Each read or write op-
eration requires only one master bus cycle. Figure 9-5 shows relative timing relationships. Con-
sult the datasheet for actual timing specifications.
Figure 9-5. Standard or Shared Memory Mode Timings (Multiplexed Bus)
A0306-03
SLPCS#
SLPALE
(Note 1)
SLPRD#
SLP7:0/
P3.7:0
SLPWR#
SLPINT
(Note 2)
Notes:
1. Connect to master's ALE signal.
2. The falling edge of SLPINT is the same for both standard and PTS interrupts. It follows the falling
edge of SLPALE when SLPCS# is low. However, the rising edge of SLPINT occurs earlier for PTS
interrupts than for standard.
3. Rising edge associated with either
– Read ready (write to P3_REG)
– Write complete (read of P3_PIN)
DataAddress
(Note 3)

8XC196K
x
, J
x
, CA USER’S MANUAL
9-14
9.5 CONFIGURING THE SLAVE PORT
Before you can use the slave port, you must configure the associated port 3 and port 5 pins to
serve as special-function signals. (See Chapter 6, “I/O Ports,” for configuration details.)
•Configure P5.3:0 as special-function inputs.
•Configure P5.4 as a special-function open-drain or complementary output.
•Configure P3.7:0 as special-function open-drain input/outputs.
The following code example shows the port 5 configuration code.
LDB TEMP, #EFH
STB TEMP, P5_DIR[0] ; make P5.4/SLPINT a complementary output
; set up all other port 5 pins as inputs
LDB TEMP, #1FH
STB TEMP, P5_MODE[0] ; select special function for P5.4:0
LDB TEMP, #FFH
STB TEMP, P5_REG[0] ; write all ones to P5_REG
The following code example shows the port 3 configuration code.
LDB TEMP, P34_DRV[0] ; read the current state of P34_DRV
ANDB TEMP, #7FH ; clear the MSB of P34_DRV
STB TEMP, P34_DRV[0] ; make Port 3 open-drain
Once you have configured the pins, you must initialize the registers. This example shows the ini-
tialization code. The remaining sections of this chapter describe the registers and explain the con-
figuration options.
LDB TEMP, #slave_mode ; 0FH for standard, 1BH for shared mem mode
STB TEMP, SLP_CON[0] ; initialize the slave port
STB ONES_REG, P3_REG[0] ; write all ones to port 3 (write sets OBF)
STB ZERO_REG, SLP_CMD[0] ; clear the command register
STB ZERO_REG, P3_PIN[0] ; clear the data input register
LDB TEMP, SLP_STAT[0] ; read the status reg (CBE, IBE, OBF=111)
9.5.1 Programming the Slave Port Control Register (SLP_CON)
The SLP_CON register (Figure 9-6) selects the operating mode, enables and disables slave port
operation, controls whether the master accesses the data registers or the control and status regis-
ters, and controls whether the SLPINT signal is asserted when the input buffer empty (IBE) and
output buffer full (OBF) flags are set in the SLP_STAT register. Only the slave can access this
register.

9-15
SLAVE PORT
SLP_CON
(8XC196K
x
)
Address:
Reset State:
1FFBH
00H
The slave port control (SLP_CON) register is used to configure the slave port. Only the slave can
access the register.
7 0
KQ, KR — — —— SLP SLPL IBEMSK OBFMSK
7 0
KS, KT — — —SME SLP SLPL IBEMSK OBFMSK
Bit
Number Bit
Mnemonic Function
7:5 — Reserved; always write as zeros.
4†SME Shared Memory Enable
Enables slave port shared memory mode.
1 = shared memory mode
0 = standard slave mode
3 SLP Slave Port Enable
This bit enables or disables the slave port.
1 = enables the slave port
0 = disables the slave port and clears the command buffer empty (CBE),
input buffer empty (IBE), and output buffer full (OBF) flags in the
SLP_STAT register.
2SLPL
Slave Port Latch
In standard slave mode only, this bit determines the source of the internal
control signal, SLP_ADDR. When SLP_ADDR is held high, the master can
write to the SLP_CMD register and read from the SLP_STAT register. When
SLP_ADDR is held low, the master can write to the P3_PIN register and read
from the P3_REG register.
1 = SLP1 (P3.1) via master’s AD1 signal. Use with multiplexed bus.
0 = SLPALE (P5.0) via master’s A1 signal. Use with demultiplexed bus.
In shared memory mode, this bit has no function.
1 IBEMSK Input Buffer Empty Mask
Controls whether the IBE flag (in SLP_STAT) asserts the SLPINT signal.
In shared memory mode, this bit has no effect on the SLPINT signal.
0 OBFMSK Output Buffer Full Mask
Controls whether the OBF flag (in SLP_STAT) asserts the SLPINT signal.
In shared memory mode, this bit has no effect on the SLPINT signal.
† On the 8XC196KQ, KR devices this bit is reserved; always write as zero.
Figure 9-6. Slave Port Control (SLP_CON) Register

8XC196K
x
, J
x
, CA USER’S MANUAL
9-16
9.5.2 Enabling the Slave Port Interrupts
The master can generate three interrupt requests: command buffer full (CBF), output buffer emp-
ty (OBE), and input buffer full (IBF). The CBF interrupt is used in standard slave mode; the OBE
and IBF interrupts are used in shared memory mode. To enable an interrupt, set the corresponding
bit in the interrupt mask register (Table 9-2 on page 9-4).
9.6 DETERMINING SLAVE PORT STATUS
The master can determine the status of the slave port by reading the SLP_STAT register (Figure
9-7). It can also read the interrupt pending registers (Table 9-2 on page 9-4) to determine the status
of the interrupts.
9.7 USING STATUS BITS TO SYNCHRONIZE MASTER AND SLAVE
The status bits in the SLP_STAT register can be used to synchronize the master with the slave.
Because synchronization of the status bits is not monitored by the status flags, it is more difficult
for the master to monitor. Software must ensure data integrity throughout the operation. Two
techniques are recommended — a double read or a software flag.
If the master processor is fast enough to read SLP_STAT twice before the contents change, the
master can compare the readings from before and after the data fetch. If the readings are identical,
the data is guaranteed correct.
In standard slave mode, the slave can use bit 7 of SLP_STAT to indicate valid data. To update the
status, the slave performs the following sequence:
•Clear the flag bit (bit 7) without changing the other four status bits.
•Update the status bits (SLP_STAT.6:3).
•Set the flag bit (bit 7) without changing the other four status bits.

9-17
SLAVE PORT
SLP_STAT
(8XC196K
x
)
Address:
Reset State:
1FF8H
00H
The master can read the slave port status (SLP_STAT) register to determine the status of the slave.
The slave can read all bits and can write bits 3–7 for general-purpose status information. (The bits are
user-defined flags.) If the master attempts to write to SLP_STAT, it actually writes to SLP_CMD. To read
from this register (rather than P3_REG), the master must first write “1” to the pin selected by
SLP_CON.2.
7 0
KQ, KR SF4 SF3 SF2 SF1 SF0 CBE IBE OBF
7 0
KS, KT SMO/SF4 SF3 SF2 SF1 SF0 CBE IBE OBF
Bit
Number Bit
Mnemonic Function
7† (KS, KT) SMO/SF4 Shared Memory Operation/Status Field Bit 4
In shared memory mode bit 7 (SMO) indicates whether the bus
interface logic received a read (1) or a write (0). SMO can be read but
not written.
In standard slave mode bit 7 (SF4) is the high bit of the status field.
7:3 (KQ, KR)
6:3 (KS, KT) SF4:0
SF3:0 Status Field
The slave can write to these bits for general-purpose status infor-
mation. (The bits are user-defined flags).
2 CBE Command Buffer Empty
This flag is set after the slave reads SLP_CMD. The flag is cleared and
the command buffer full (CBF) interrupt pending bit (INT_PEND1.0) is
set after the master writes to SLP_CMD.
1 IBE Input Buffer Empty
This flag is set after the slave reads P3_PIN. The flag is cleared and
the IBF interrupt pending bit (INT_PEND.7) is set after the master
writes to P3_PIN.
0 OBF Output Buffer Full
This flag is set after the slave writes to P3_REG. The flag is cleared
and the OBE interrupt pending bit (INT_PEND.6) is set after the master
reads P3_REG.
† On the 8XC196KQ, KR devices this bit functions only as SF4.
Figure 9-7. Slave Port Status (SLP_STAT) Register

10
Event Processor
Array (EPA)

10-1
CHAPTER 10
EVENT PROCESSOR ARRAY (EPA)
Control applications often require high-speed event control. For example, the controller may need
to periodically generate pulse-width modulated outputs, an analog-to-digital conversion, or an in-
terrupt. In another application, the controller may monitor an input signal to determine the status
of an external device. The event processor array (EPA) was designed to reduce the CPU overhead
associated with these types of event control. This chapter describes the EPA and its timers and
explains how to configure and program them.
10.1 EPA FUNCTIONAL OVERVIEW
The EPA performs input and output functions associated with two timer/counters, timer 1 and
timer 2 (Figure 10-1). In the input mode, the EPA monitors an input pin for an event: a rising edge,
a falling edge, or an edge in either direction. When the event occurs, the EPA records the value
of the timer/counter, so that the event is tagged with a time. This is called an input capture. Input
captures are buffered to allow two captures before an overrun occurs. In the output mode, the EPA
monitors a timer/counter and compares its value with a value stored in a register. When the tim-
er/counter value matches the stored value, the EPA can trigger an event: a timer reset or an output
event (set a pin, clear a pin, toggle a pin, or take no action). This is called an output compare. The
EPA sets an interrupt pending bit in response to an input capture or an output compare. This bit
can optionally cause an interrupt. Table 10-1 lists the capture/compare and compare-only chan-
nels for each device in the 8XC196Kx family.
Table 10-1. EPA Channels
Device Capture/Compare Channels Compare-only Channels
87C196CA, 8XC196J
x
EPA3:0 & EPA9:8 COMP1:0
8XC196K
x
EPA9:0 COMP1:0

8XC196K
x
, J
x
, CA USER’S MANUAL
10-2
Figure 10-1. EPA Block Diagram
10.2 EPA AND TIMER/COUNTER SIGNALS AND REGISTERS
Table 10-2 describes the EPA and timer/counter input and output signals. Each signal is multi-
plexed with a port pin as shown in the first column. Table 10-3 briefly describes the registers for
the EPA capture/compare channels, EPA compare-only channels, and timer/counters.
Indirect
Interrupt
Processor
Logic
EPA
x
Interrupt
A3114-01
TIMER1
TIMER2
Timer-Counter Unit
Compare-only
Channel 1
Capture/Compare
Channel 9
Compare-only
Channel 0
Capture/Compare
Channel 8
Capture/Compare
Channel 4–7
Capture/Compare
Channel 0–3
EPA9 / COMP1
EPA8 / COMP0
EPA7:4
EPA 3:0
8XC196K
x
Only
EPA 3:0 Interrupts

10-3
EVENT PROCESSOR ARRAY (EPA)
Table 10-2. EPA and Timer/Counter Signals
Port Pin EPA Signal(s) EPA
Signal Type Description
P1.0 EPA0 I/O High-speed input/output for capture/compare
channel 0.
T2CLK I External clock source for timer 2. If you use
T2CLK, you cannot use capture/compare channel
0.
P1.1 EPA1 I/O High-speed input/output for capture/compare
channel 1.
P1.2 EPA2 I/O High-speed input/output for capture/compare
channel 2.
T2DIR I External direction control for timer 2. If you use
T2DIR, you cannot use capture/compare channel
2.
P1.3 EPA3 I/O High-speed input/output for capture/compare
channel 3.
P1.7:4 EPA7:4†I/O High-speed input/output for capture/compare
channels 4–7.
P6.0 EPA8 I/O High-speed input/output for capture/compare
channel 8.
COMP0 O Output of the compare-only channel 0.
P6.1 EPA9 I/O High-speed input/output for capture/compare
channel 9.
COMP1 O Output of the compare-only channel 1.
P6.2 T1CLK†I External clock source for timer 1.
P6.3 T1DIR†I External direction control for timer 1.
† This pin is not implemented on the 8XC196J
x
and 87C196CA devices.
Table 10-3. EPA Control and Status Registers
Mnemonic Address Description
COMP0_CON
COMP1_CON 1F88H
1F8CH EPA
x
Compare Control
These registers control the functions of the compare-only
channels.
COMP0_TIME
COMP1_TIME 1F8AH
1F8EH EPA
x
Compare Time
These registers contain the time at which an event is to occur on
the compare-only channels.
EPA_MASK 1FA0H EPA Interrupt Mask
The bits in this 16-bit register enable and disable (mask) 16 of the
interrupts associated with the EPA
x
interrupt, EPA4–9 and
OVR0–9.
EPA_MASK1 1FA4H EPA Interrupt Mask 1
The bits in this 8-bit register enable and disable (mask) four
interrupts associated with the EPA
x
interrupt, OVRTM1,
OVRTM2, COMP0, and COMP1
EPA_PEND 1FA2H EPA Interrupt Pending
Any set bit in this register indicates a pending interrupt.

8XC196K
x
, J
x
, CA USER’S MANUAL
10-4
EPA_PEND1 1FA6H EPA Interrupt Pending 1
Any set bit in this register indicates a pending interrupt.
EPA0_CON
EPA1_CON
EPA2_CON
EPA3_CON
EPA4_CON
EPA5_CON
EPA6_CON
EPA7_CON
EPA8_CON
EPA9_CON
1F60H
1F64H
1F68H
1F6CH
1F70H
1F74H
1F78H
1F7CH
1F80H
1F84H
EPA
x
Capture/Compare
Control
These registers control the functions of the capture/compare
channels. EPA1_CON and EPA3_CON require an extra byte
because they contain an additional bit for PWM remap mode.
These two registers must be addressed as words; the others can
be addressed as bytes.
EPA0_TIME
EPA1_TIME
EPA2_TIME
EPA3_TIME
EPA4_TIME
EPA5_TIME
EPA6_TIME
EPA7_TIME
EPA8_TIME
EPA9_TIME
1F62H
1F66H
1F6AH
1F6EH
1F72H
1F76H
1F7AH
1F7EH
1F82H
1F86H
EPA
x
Capture/Compare Time
In capture mode, these registers contain the captured timer value.
In compare mode, these registers contain the time at which an
event is to occur. In capture mode, these registers are buffered to
allow two captures before an overrun occurs. However, they are
not buffered in compare mode.
EPAIPV 1FA8H EPA Interrupt Priority Vector Register
The lower four bits of this register contain a number from 01H to
14H corresponding to the highest priority active EPA
x
interrupt
source. This value, when used with the TIJMP instruction,
enables software to branch to the correct interrupt service routine
for the active interrupt.
INT_MASK 0008H Interrupt Mask
Five bits in this register enable and disable (mask) the individual
EPA0, EPA1, EPA2, and EPA3 interrupts and the multiplexed
EPA
x
interrupt. The EPA_MASK and EPA_MASK1 register bits
enable and disable the individual sources of the EPA
x
interrupt.
INT_PEND 0009H Interrupt Pending
Five bits in this register are set to indicate pending individual
interrupts EPA0, EPA1, EPA2, and EPA3, and the multiplexed
EPA
x
interrupt. The EPA_PEND and EPA_PEND1 register bits
indicate which source(s) of the EPA
x
interrupt are pending.
P1_DIR
P6_DIR 1FD2H
1FD3H Port
x
Direction
Each bit of P
x
_DIR controls the direction of the corresponding pin.
Clearing a bit configures a pin as a complementary output; setting
a bit configures a pin as an input or open-drain output. (Open-
drain outputs require external pull-ups.)
P1_MODE
P6_MODE 1FD0H
1FD1H Port
x
Mode
Each bit of P
x
_MODE controls whether the corresponding pin
functions as a standard I/O port pin or as a special-function
signal. Setting a bit configures a pin as a special-function signal;
clearing a bit configures a pin as a standard I/O port pin.
Table 10-3. EPA Control and Status Registers (Continued)
Mnemonic Address Description

10-5
EVENT PROCESSOR ARRAY (EPA)
P1_PIN
P6_PIN 1FD6H
1FD7H Port
x
Input
Each bit of P
x
_PIN reflects the current state of the corresponding
pin, regardless of the pin configuration.
P1_REG
P6_REG 1FD4H
1FD5H Port
x
Data Output
For an input, set the corresponding P
x
_REG bit.
For an output, write the data to be driven out by each pin to the
corresponding bit of P
x
_REG. When a pin is configured as
standard I/O (P
x
_MODE.
x
=0), the result of a CPU write to
P
x
_REG is immediately visible on the pin. When a pin is
configured as a special-function signal (P
x
_MODE.
x
=1), the
associated on-chip peripheral or off-chip component controls the
pin. The CPU can still write to P
x
_REG, but the pin is unaffected
until it is switched back to its standard I/O function.
This feature allows software to configure a pin as standard I/O
(clear P
x
_MODE.
x
), initialize or overwrite the pin value, then
configure the pin as a special-function signal (set P
x
_MODE.
x
). In
this way, initialization, fault recovery, exception handling, etc., can
be done without changing the operation of the associated
peripheral.
T1CONTROL 1F98H Timer 1 Control
This register enables/disables timer 1, controls whether it counts
up or down, selects the clock source and direction, and
determines the clock prescaler setting.
T2CONTROL 1F9CH Timer 2 Control
This register enables/disables timer 2, controls whether it counts
up or down, selects the clock source and direction, and
determines the clock prescaler setting.
TIMER1 1F9AH Timer 1 Value
This register contains the current value of timer 1.
TIMER2 1F9EH Timer 2 Value
This register contains the current value of timer 2.
Table 10-3. EPA Control and Status Registers (Continued)
Mnemonic Address Description

8XC196K
x
, J
x
, CA USER’S MANUAL
10-6
10.3 TIMER/COUNTER FUNCTIONAL OVERVIEW
The EPA has two 16-bit up/down timer/counters, timer 1 and timer 2, which can be clocked in-
ternally or externally. Each is called a timer if it is clocked internally and a counter if it is clocked
externally. Figure 10-2 illustrates the timer/counter structure.
Figure 10-2. EPA Timer/Counters
T2CLK
FOSC/4
Timer 1 Overflow
T2DIR
T2CONTROL.6
Timer 1
T1CLK
FOSC/4 Prescaler
Module
T1CONTROL.2:0
3
T1CONTROL.6
T1DIR
Overflow
OVR1
Interrupt
A3129-01
Timer 2
Clock
Prescaler
Module
T2CONTROL.2:0
3
Direction
Overflow
OVR2
Interrupt
Clock
Direction
Quadrature Direction
Quadrature Count
Quadrature Count
Quadrature Direction
= 8XC196K
x
only

10-7
EVENT PROCESSOR ARRAY (EPA)
The timer/counters can be used as time bases for input captures, output compares, and pro-
grammed interrupts (software timers). When a counter increments from FFFEH to FFFFH or dec-
rements from 0001H to 0000H, the counter-overflow interrupt pending bit is set. This bit can
optionally cause an interrupt. The clock source, direction-control source, count direction, and res-
olution of the input capture or output compare are all programmable (see “Programming the Tim-
ers” on page 10-17). The maximum count rate is one-half the internal clock rate, or FOSC/4 (where
FOSC is the XTAL1 frequency, in Hz). This provides a 250 ns resolution (at 16 MHz) for an input
capture or output compare.
10.3.1 Cascade Mode (Timer 2 Only)
Timer 2 can be used in cascade mode. In this mode, the timer 1 overflow output is used as the
timer 2 clock input. Either the direction control bit of the timer 2 control register or the direction
control assigned to timer 1 controls the count direction. This method, called cascading, can pro-
vide a slow clock for idle mode timeout control or for slow pulse-width modulation (PWM) ap-
plications (see “Generating a Low-speed PWM Output” on page 10-14).
10.3.2 Quadrature Clocking Mode
On the 8XC196Kx, both timer 1 and timer 2 can be used in quadrature clocking mode. (On the
8XC196 Jx and CA, only timer 2 supports quadrature clocking mode.) This mode uses the TxCLK
and TxDIR pins as quadrature inputs, as shown in Figure 10-3. External quadrature-encoded sig-
nals (two signals at the same frequency that differ in phase by 90°) are input, and the timer incre-
ments or decrements by one count on each rising edge and each falling edge. Because the TxCLK
and TxDIR inputs are sampled by the internal phase clocks, transitions must be separated by at
least two state times for proper operation. The count is clocked by PH2, which is PH1 delayed by
one-half period. The sequence of the signal edges and levels controls the count direction. Refer
to Figure 10-4 and Table 10-4 for sequencing information.
A typical source of quadrature-encoded signals is a shaft-angle decoder, shown in Figure 10-3.
Its output signals X and Y are input to TxCLK and TxDIR, which in turn output signals
X_internal and Y_internal. These signals are used in Figure 10-4 and Table 10-4 to describe the
direction of the shaft.

8XC196K
x
, J
x
, CA USER’S MANUAL
10-8
Figure 10-3. Quadrature Mode Interface
Table 10-4. Quadrature Mode Truth Table
State of X_internal
(T
x
CLK) State of Y_internal
(T
x
DIR) Count Direction
↑0 Increment
↓1 Increment
0↓Increment
1↑Increment
↓0 Decrement
↑1 Decrement
0↑Decrement
1↓Decrement
Optical
Reader
T
x
DIR
T
x
CLK D Q D Q D Q
D Q D Q D Q
X_internal
Y_internal
PH2
PH1
8XC196 Device
Increment
Decrement
X
Y
A0268-02

10-9
EVENT PROCESSOR ARRAY (EPA)
Figure 10-4. Quadrature Mode Timing and Count
10.4 EPA CHANNEL FUNCTIONAL OVERVIEW
The EPA has ten programmable capture/compare channels that can perform the following tasks.
•capture the current timer value when a specified transition occurs on the EPA pin
•start an A/D conversion when an event is captured or the timer value matches the
programmed value in the event-time register
•clear, set, or toggle the EPA pin when the timer value matches the programmed value in the
event-time register
•generate an interrupt when a capture or compare event occurs
•generate an interrupt when a capture overrun occurs
•reset its own base timer in compare mode
•reset the opposite timer in both compare and capture mode
In addition to the capture/compare channels, the EPA also has two compare-only channels. They
support all the compare functions of the capture/compare channels.
T
x
CLK
T
x
DIR
COUNT
xx
+ 1
x
+ 2
x
+ 3
x
+ 4
x
+ 5
x
+ 6
x
+ 5
x
+ 4
x
+ 3
x
+ 2
x
+ 1
A0269-02
PH2
CLKOUT

8XC196K
x
, J
x
, CA USER’S MANUAL
10-10
Each EPA channel has a control register, EPAx_CON (capture/compare channels) or
COMPx_CON (compare-only channels); an event-time register, EPAx_TIME (capture/compare
channels) or COMPx_TIME (compare-only channels); and a timer input (Figure 10-5). The con-
trol register selects the timer, the mode, and either the event to be captured or the event that is to
occur. The event-time register holds the captured timer value in capture mode and the event time
in compare mode. See “Programming the Capture/Compare Channels” on page 10-20 and “Pro-
gramming the Compare-only Channels” on page 10-25 for configuration information.
The two compare-only channels share output pins with capture/compare channels 8 and 9. This
means that both capture/compare channel 8 and compare-only channel 0 can set, clear, or toggle
the EPA8/COMP0 pin. They can operate at the same time, and neither has priority in its access to
the output pin. Capture/compare channel 9 and compare-only channel 1 share the EPA9/COMP1
pin in this same way.
Figure 10-5. A Single EPA Capture/Compare Channel
External clocking (T
x
CLK) with up to 6-bit prescaler
Quadrature clocking through T
x
CLK and T
x
DIR
Internal clocking with up to 6-bit prescaler
Clock on
TIMER1 overflow
TIMER1
TIMER2
EPA
Interrupt
EPA
x
_CON
TGL
Reset Timer
Start A/D
Mode Selection
†Remap
EPA Pin
EPA
x
_TIME
OVR
x
Interrupt
A0270-02
Timer/Counter Unit
Capture
Buffer
Overwrite
Mode Control
Compare
Capture Overrun
EPA Capture/Compare
Channel
x
† EPA1 and 3 only. If enabled for EPA1, EPA0 shares the EPA1 pin. If enabled for EPA3, EPA2
shares the EPA3 pin.
Bus

10-11
EVENT PROCESSOR ARRAY (EPA)
10.4.1 Operating in Capture Mode
In capture mode, when a valid event occurs on the pin, the value of the selected timer is captured
into a buffer. The timer value is then transferred from the buffer to the EPAx_TIME register,
which sets the EPA interrupt pending bit as shown in Figure 10-6. If enabled, an interrupt is gen-
erated. If a second event occurs before the CPU reads the first timer value in EPAx_TIME, the
current timer value is loaded into the buffer and held there. After the CPU reads the EPAx_TIME
register, the contents of the capture buffer are automatically transferred into EPAx_TIME and the
EPA interrupt pending bit is set.
Figure 10-6. EPA Simplified Input-Capture Structure
If a third event occurs before the CPU reads the event-time register, the overwrite bit
(EPAx_CON.0) determines how the EPA will handle the event. If the bit is clear, the EPA ignores
the third event. If the bit is set, the third event time overwrites the second event time in the capture
buffer. Both situations set the overrun interrupt pending bit and, if enabled, generate an overrun
interrupt. Table 10-5 summarizes the possible actions when a valid event occurs.
NOTE
In order for an event to be captured, the signal must be stable for at least two
state times both before and after the transition occurs (Figure 10-7).
TIMER
x
Capture Buffer
EPA
x
_TIME
Read-out Time Value
EPA
Interrupt
Pending Bit
Set
Event Occurs
at EPA Pin
A2458-02

8XC196K
x
, J
x
, CA USER’S MANUAL
10-12
Figure 10-7. Valid EPA Input Events
An input capture event does not set the interrupt pending bit until the captured time value actually
moves from the capture buffer into the EPAx_TIME register. If the buffer contains data and the
PTS is used to service the interrupts, then two PTS interrupts occur almost back-to-back (that is,
with one instruction executed between the interrupts).
10.4.1.1 Handling EPA Overruns
Overruns occur when an EPA input transitions at a rate that cannot be handled by the EPA inter-
rupt service routine. If no overrun handling strategy is in place, and if the following three condi-
tions exist, a situation may occur where both the capture buffer and the EPAx_TIME register
contain data, and no EPA interrupt is generated.
•an input signal with a frequency high enough to cause overruns is present on an enabled
EPA pin, and
•the overwrite bit is set (EPAx_CON.0 = 1; old data is overwritten on overrun), and
•the EPAx_TIME register is read at the exact instant that the EPA recognizes the captured
edge as valid.
Table 10-5. Action Taken when a Valid Edge Occurs
Overwrite Bit
(EPA
x
_CON.0)
Status of
Capture Buffer
& EPAx_TIME Action taken when a valid edge occurs
0 empty Edge is captured and event time is loaded into the capture buffer and
EPA
x
_TIME register.
0 full New data is ignored — no capture, EPA interrupt, or transfer occurs;
OVR
x
interrupt pending bit is set.
1 empty Edge is captured and event time is loaded into the capture buffer and
EPA
x
_TIME register.
1 full Old data is overwritten in the capture buffer; OVR
x
interrupt pending
bit is set.
A3130-01
Event 1
2 State
Times 2 State
Times
Event 2
2 State
Times 2 State
Times

10-13
EVENT PROCESSOR ARRAY (EPA)
The input frequency at which this occurs depends on the length of the interrupt service routine as
well as other factors. Unless the interrupt service routine includes a check for overruns, this situ-
ation will remain the same until the device is reset or the EPAx_TIME register is read. The act of
reading EPAx_TIME allows the buffered time value to be moved into EPAx_TIME. This clears
the buffer and allows another event to be captured. Remember that the act of the transferring the
buffer contents to the EPAx_TIME register is what actually sets the EPAx interrupt pending bit
and generates the interrupt.
Any one of the following methods can be used to prevent or recover from this situation.
•Clear EPAx_CON.0
When the overwrite bit (EPAx_CON.0) is zero, the EPA does not consider the captured
edge until the EPAx_TIME register is read and the data in the capture buffer is transferred to
EPAx_TIME. This prevents the situation by ignoring new input capture events when both
the capture buffer and EPAx_TIME contain valid capture times. The OVRx pending bit in
EPA_PEND is set to indicate that an overrun occurred.
•Enable the OVRx interrupt and read the EPAx_TIME register within the ISR
If this situation occurs, the overrun (OVRx) interrupt will be generated. The OVRx interrupt
will then be acknowledged and its interrupt service routine will read the EPAx_TIME regis-
ter. After the CPU reads the EPAx_TIME register, the buffered data moves from the buffer
to the EPAx_TIME register. This sets the EPA interrupt pending bit.
•Check for pending EPAx interrupts before exiting an EPAx ISR
Another method for avoiding this situation is to check for pending EPA interrupts before
exiting the EPA interrupt service routine. This is an easy way to detect overruns and addi-
tional interrupts. It can also save loop time by eliminating the latency necessary to service
the pending interrupt. However, this method cannot be used with the peripheral transaction
server (PTS). If your system uses the PTS, you should choose one of the other methods.
10.4.2 Operating in Compare Mode
When the selected timer value matches the event-time value, the action specified in the control
register occurs (i.e., the pin is set, cleared, toggled, or an A/D conversion is initiated). If the re-
enable bit (EPAx_CON.3 or COMPx_CON.3) is set, the action reoccurs on every timer match. If
the re-enable bit is cleared, the action does not reoccur until a new value is written to the event-
time register. See “Programming the Capture/Compare Channels” on page 10-20 and “Program-
ming the Compare-only Channels” on page 10-25 for configuration information.
In compare mode, you can use the EPA to produce a pulse-width modulated (PWM) output. The
following sections describe four possible methods.

8XC196K
x
, J
x
, CA USER’S MANUAL
10-14
10.4.2.1 Generating a Low-speed PWM Output
You can generate a low-speed, pulse-width modulated output with a single EPA channel and a
standard interrupt service routine. Configure the EPA channel as follows: compare mode, toggle
output, and the compare function re-enabled. Select standard interrupt service, enable the EPA
interrupt, and globally enable interrupts with the EI instruction. When the assigned timer/counter
value matches the value in the event-time register, the EPA toggles the output pin and generates
an interrupt. The interrupt service routine loads a new value into EPAx_TIME.
The maximum output frequency depends upon the total interrupt latency and the interrupt-service
execution times used by your system. As additional EPA channels and the other functions of the
microcontroller are used, the maximum PWM frequency decreases because the total interrupt la-
tency and interrupt-service execution time increases. To determine the maximum, low-speed
PWM frequency in your system, calculate your system's worst-case interrupt latency and worst-
case interrupt-service execution time, and then add them together. The worst-case interrupt la-
tency is the total latency of all the interrupts (both normal and PTS) used in your system. The
worst-case interrupt-service execution time is the total execution time of all interrupt service rou-
tines and PTS routines.
The following example shows the calculations for a system that uses a single EPA channel, a sin-
gle enabled interrupt, and the following interrupt service routine.
;If EPA0-3 interrupt is generated
EPA0-3_ISR:
PUSHA
LD EPA
x
_CON, #toggle_command
ADD EPA
x
_TIME, TIMER
x
, [next_duty_ptr]; Load next event time
POPA
RET
;If EPA
x
interrupt is generated from EPA4-9 interrupts
EPA
x
_ISR:
PUSHA
LD jtbase_ptr, #LSW jtbase1
LD epaipv_ptr, EPAIPV ; Load contents of EPAIPV reg into ptr
TIJMP jtbase_ptr,[epaipv_ptr],7FH ; Jump to appropriate EPA ISR
;EPA4-9 service routines
EPA4-9_ISR:
PUSHA
LD EPA
x
_CON, #toggle_command
ADD EPA
x
_TIME,TIMER
x
,[next_duty_ptr]
LJMP EPA
x
_DONE
EPA
x
_DONE:
POPA
RET

10-15
EVENT PROCESSOR ARRAY (EPA)
The worst-case interrupt latency for a single-interrupt system is 56 state times for external stack
usage and 54 state times for internal stack usage (see “Standard Interrupt Latency” on page 5-9).
To determine the execution time for an interrupt service routine, add up the execution time of the
instructions in the ISR (Table A-9).
The total execution time for the ISR that services interrupts EPA3:0 is 79 state times for external
stack usage or 71 state times for internal stack usage. Therefore, a single capture/compare channel
0–3 can be updated every 125 state times assuming internal stack usage (54 + 71). Each PWM
period requires two updates (one setting and one clearing), so the execution time for a PWM pe-
riod equals 250 state times. At 16 MHz, the PWM period is 31.25 µs and the maximum PWM
frequency is 32 kHz.
The total execution time for the ISR that services the EPAx (capture/compare channels 4–9) in-
terrupt is 175 state times for external stack usage or 159 for internal stack usage. Therefore, a sin-
gle capture/compare channel 4–7 can be updated every 213 state times assuming internal stack
usage (54 + 159). Each PWM period requires two updates (one setting and one clearing), so the
execution time for a PWM period equals 426 state times. At 16 MHz, the PWM period is
53.25 µs and the maximum PWM frequency is 18.8 kHz.
10.4.2.2 Generating a Medium-speed PWM Output
You can generate a medium-speed, pulse-width modulated output with a single EPA channel and
the PTS set up in PWM toggle mode. “PWM Toggle Mode Example” on page 5-32 describes how
to configure the EPA and PTS. Once started, this method requires no CPU intervention unless you
need to change the output frequency. The method uses a single timer/counter. The timer/counter
is not interrupted during this process, so other EPA channels can also use it if they do not reset it.
The maximum output frequency depends upon the total interrupt latency and interrupt-service ex-
ecution time. As additional EPA channels and the other functions of the microcontroller are used,
the maximum PWM frequency decreases because the total interrupt latency and interrupt-service
execution time increases. To determine the maximum, medium-speed PWM frequency in your
system, calculate your system's worst-case interrupt latency and worst-case interrupt-service ex-
ecution time, and then add them together. The worst-case interrupt latency is the total latency of
all the interrupts (both normal and PTS) used in your system. The worst-case interrupt-service
execution time is the total execution time of all interrupt service routines and PTS cycles.
The following example shows the calculations for a system that uses a single EPA channel, a sin-
gle enabled interrupt, and PTS service. This example assumes that the PTS has been initialized,
the duty cycle and frequency are fixed, and that the interrupt from the capture/compare channel
is not multiplexed (i.e., EPA3:0).

8XC196K
x
, J
x
, CA USER’S MANUAL
10-16
The worst-case interrupt latency for a single-interrupt system with PTS service is 43 state times
(see “PTS Interrupt Latency” on page 5-10). The PTS cycle execution time in PWM toggle mode
is 15 state times (Table 5-4 on page 5-10). Therefore, a single capture/compare channel 0–3 can
be updated every 58 state times (43 + 15). Each PWM period requires two updates (one setting
and one clearing), so the execution time for a PWM period equals 116 state times. At 16 MHz,
the PWM period is 14.49 µs and the maximum PWM frequency is 68.97 kHz.
10.4.2.3 Generating a High-speed PWM Output
You can generate a high-speed, pulse-width modulated output with a pair of EPA channels and
the PTS set up in PWM remap mode. “PWM Remap Mode Example” on page 5-37 describes how
to configure the EPA and PTS. The remap bit (bit 8) must be set in EPA1_CON (to pair EPA0 and
EPA1) or EPA3_CON (to pair EPA2 and EPA3). One channel must be configured to set the out-
put; the other, to clear it. At the set (or clear) time, the PTS reads the old time value from
EPAx_TIME, adds to it the PWM period constant, and returns the new value to EPAx_TIME. Set
and clear times can be programmed to differ by as little as one timer count, resulting in very nar-
row pulses. Once started, this method requires no CPU intervention unless you need to change
the output frequency. The method uses a single timer/counter. The timer/counter is not interrupted
during this process, so other EPA channels can also use it if they do not reset it.
To determine the maximum, high-speed PWM frequency in your system, calculate your system's
worst-case interrupt latency and then double it. The worst-case interrupt latency is the total la-
tency of all the interrupts (both normal and PTS) used in your system. The following example
shows the calculations for a system that uses a pair of remapped EPA channels (i.e., EPA0 and 1
or EPA 3 and 4), two enabled interrupts, and PTS service. This example assumes that the PTS has
been initialized and that the duty cycle and frequency are fixed.
The worst-case interrupt latency for a single-interrupt system with PTS service is 43 state times
(see “PTS Interrupt Latency” on page 5-10). In this mode, the maximum period equals twice the
PTS latency. Therefore, the execution time for a PWM period equals 86 state times. At 16 MHz,
the PWM period is 10.75 µs and the maximum PWM frequency is 93 kHz.
10.4.2.4 Generating the Highest-speed PWM Output
You can generate a highest-speed, pulse-width modulated output with a pair of EPA channels and
a dedicated timer/counter. The first channel toggles the output when the timer value matches
EPAx_TIME, and at some later time, the second channel toggles the output again and resets the
timer/counter. This restarts the cycle. No interrupts are required, resulting in the highest possible
speed. Software must calculate and load the appropriate EPAx_TIME values and load them at the
correct time in the cycle in order to change the frequency or duty cycle.

10-17
EVENT PROCESSOR ARRAY (EPA)
With this method, the resolution of the EPA (Figure 10-8 on page 10-18 and Figure 10-9 on page
10-19) determines the maximum PWM output frequency. (Resolution is the minimum time re-
quired between a capture or compare.) At 16 MHz, a 250 ns resolution results in a maximum
PWM of 4 MHz.
10.5 PROGRAMMING THE EPA AND TIMER/COUNTERS
This section discusses configuring the port pins for the EPA and the timer/counters; describes
how to program the timers, the capture/compare channels, and the compare-only channels; and
explains how to enable the EPA interrupts.
10.5.1 Configuring the EPA and Timer/Counter Port Pins
Before you can use the EPA, you must configure the pins of port 1 and port 6 to serve as the spe-
cial-function signals for the EPA and, optionally, for the timer/counter clock source and direction
control signals. See “Bidirectional Ports 1, 2, 5, and 6” on page 6-4 for information about config-
uring the port pins.
NOTE
If you use T2CLK as the timer 2 input clock, you cannot use EPA
capture/compare channel 0. If you use T2DIR as the timer 2 direction-control
source, you cannot use EPA capture/compare channel 1.
Table 10-2 on page 10-3 lists the pins associated with the EPA and the timer/counters. Pins that
are not being used for an EPA channel or timer/counter can be configured as standard I/O.
10.5.2 Programming the Timers
The control registers for the timers are T1CONTROL (Figure 10-8) and T2CONTROL (Figure
10-9). Write to these registers to configure the timers. Write to the TIMER1 and TIMER2 regis-
ters to load a specific timer value.

8XC196K
x
, J
x
, CA USER’S MANUAL
10-18
T1CONTROL Address:
Reset State:
1F98H
00H
The timer 1 control (T1CONTROL) register determines the clock source, counting direction, and count
rate for timer 1.
7 0
CE UD M2 M1 M0 P2 P1 P0
Bit
Number Bit
Mnemonic Function
7 CE Counter Enable
This bit enables or disables the timer. From reset, the timers are
disabled and not free running.
0 = disables timer
1 = enables timer
6 UD Up/Down
This bit determines the timer counting direction, in selected modes (see
mode bits, M2:0)
0 = count down
1 = count up
5:3 M2:0 EPA Clock Direction Mode Bits
These bits determine the timer clocking source and direction control
source.
M2 M1 M0 Clock Source Direction Source
000F
OSC/4 UD bit (T1CONTROL.6)
X01T1CLK Pin
†UD bit (T1CONTROL.6)††
010F
OSC/4 T1DIR Pin††
011T1CLK Pin
†T1DIR Pin††
111quadrature clocking using T1CLK and T1DIR pins††
† If an external clock is selected, the timer counts on both the rising and
falling edges of the clock.
†† These modes are reserved on the 8XC196CA, J
x
devices.
2:0 P2:0 EPA Clock Prescaler Bits
These bits determine the clock prescaler value.
P2 P1 P0 Prescaler Resolution (at 16 MHz)
000divide by 1 (disabled) 250 ns
001divide by 2 500 ns
010divide by 4 1 µs
011divide by 8 2 µs
100divide by 16 4 µs
101divide by 32 8 µs
110divide by 64 16 µs
111reserved —
Figure 10-8. Timer 1 Control (T1CONTROL) Register

10-19
EVENT PROCESSOR ARRAY (EPA)
T2CONTROL Address:
Reset State: 1F9CH
00H
The timer 2 control (T2CONTROL) register determines the clock source, counting direction, and count
rate for timer 2.
7 0
CE UD M2 M1 M0 P2 P1 P0
Bit
Number Bit
Mnemonic Function
7 CE Counter Enable
This bit enables or disables the timer. From reset, the timers are
disabled and not free running.
0 = disables timer
1 = enables timer
6 UD Up/Down
This bit determines the timer counting direction, in selected modes (see
mode bits, M2:0).
0 = count down
1 = count up
5:3 M2:0 EPA Clock Direction Mode Bits.
These bits determine the timer clocking source and direction source
M2 M1 M0 Clock Source Direction Source
000F
OSC/4 UD bit (T2CONTROL.6)
X01T2CLK Pin
†UD bit (T2CONTROL.6)
010F
OSC/4 T2DIR Pin
011T2CLK Pin
†T2DIR Pin
100timer 1 overflow UD bit (T2CONTROL.6)
110timer 1 same as timer 1
1 1 1 quadrature clocking using T2CLK and T2DIR pins†
If an external clock is selected, the timer counts on both the rising and
falling edges of the clock.
2:0 P2:0 EPA Clock Prescaler Bits
These bits determine the clock prescaler value.
P2 P1 P0 Prescaler Resolution (at 16 MHz)
000divide by 1 (disabled) 250 ns
001divide by 2 500 ns
010divide by 4 1 µs
011divide by 8 2 µs
100divide by 16 4 µs
101divide by 32 8 µs
110divide by 64 16 µs
111reserved —
Figure 10-9. Timer 2 Control (T2CONTROL) Register

8XC196K
x
, J
x
, CA USER’S MANUAL
10-20
10.5.3 Programming the Capture/Compare Channels
The EPAx_CON register controls the function of its assigned capture/compare channel. The reg-
isters for EPA0, EPA2, and EPA4–9 are identical. The registers for EPA1 and EPA3 have an ad-
ditional bit, the remap bit (RM), which is used to enable and disable remapping for high-speed
PWM generation (see “Generating a High-speed PWM Output” on page 10-16). This added bit
(bit 8) requires an additional byte, so EPA1_CON and EPA3_CON must be addressed as words,
while the others can be addressed as bytes.
To program a compare event, write to EPAx_CON (Figure 10-10) to configure the EPA cap-
ture/compare channel and then load the event time into EPAx_TIME. To program a capture event,
you need only write to EPAx_CON. Table 10-6 shows the effects of various combinations of
EPAx_CON bit settings.
Table 10-6. Example Control Register Settings and EPA Operations
Capture Mode
TB CE MODE RE AD ROT ON/RT Operation
765432 1 0
X 0 0 0 — – — 0 None
X 0 0 1 — X X X Capture on falling edges
X 0 1 0 — X X X Capture on rising edges
X 0 1 1 — X X X Capture on both edges
X 0 X 1 — X 1 X Capture on falling edge and reset opposite timer
X 0 1 X — X 1 X Capture on rising edge and reset opposite timer
X 0 0 1 — 1 X X Start A/D conversion on falling edge
X 0 1 0 — 1 X X Start A/D conversion on rising edge
Compare Mode
TB CE MODE RE AD ROT ON/RT Operation
765432 1 0
X 1 0 0 X — — 0 None
X 1 0 1 X X X X Clear output pin
X 1 1 0 X X X X Set output pin
X 1 1 1 X X X X Toggle output pin
X 1 X X X X 0 1 Reset same timer
X 1 X X X X 1 1 Reset opposite timer
X 1 X X X 1 X X Start A/D conversion
NOTES: — = bit is not used
X = bit may be used, but has no effect on the described operation. These bits cause other oper-
ations to occur.

10-21
EVENT PROCESSOR ARRAY (EPA)
EPA
x
_CON
x
= 0–9 (8XC196K
x
)
x
= 0–3, 8, 9 (8XC196CA, J
x
)
Address:
Reset State:
1F60H + (
x
* 4)
F700H (
x
= 1 & 3)
00H(
x
= 0, 2, 4–9)
The EPA control (EPA
x
_CON) registers control the functions of their assigned capture/compare
channels. The registers for EPA0, EPA2, and EPA4–9 are identical. The registers for EPA1 and EPA3
have an additional bit, the remap bit. This added bit (bit 8) requires an additional byte, so EPA1_CON
and EPA3_CON must be addressed as words, while the others can be addressed as bytes.
15 8
x
= 1, 3 ———— ———RM
7 0
TB CE M1 M0 RE AD ROT ON/RT
7 0
x
= 0, 2, 4–9 TB CE M1 M0 RE AD ROT ON/RT
Bit
Number Bit
Mnemonic Function
15:9†— Reserved; always write as zeros.
8†RM Remap Feature
The Remap feature applies to the compare mode of the EPA1 and EPA3
only.
When the remap feature of EPA1 is enabled, EPA capture/compare
channel 0 shares output pin EPA1 with EPA capture/compare channel 1.
When the remap feature of EPA3 is enabled, EPA capture/compare
channel 2 shares output pin EPA3 with EPA capture/compare channel 3.
0 = remap feature disabled
1 = remap feature enabled
7 TB Time Base Select
Specifies the reference timer.
0 = Timer 1 is the reference timer and Timer 2 is the opposite timer
1 = Timer 2 is the reference timer and Timer 1 is the opposite timer
A compare event (start of an A/D conversion; clearing, setting, or toggling
an output pin; and/or resetting either timer) occurs when the reference
timer matches the time programmed in the event-time register.
When a capture event (falling edge, rising edge, or an edge change on
the EPA
x
pin) occurs, the reference timer value is saved in the EPA event-
time register (EPA
x
_TIME).
† These bits apply to the EPA1_CON and EPA3_CON registers only.
Figure 10-10. EPA Control (EPA
x
_CON) Registers

8XC196K
x
, J
x
, CA USER’S MANUAL
10-22
6 CE Compare Enable
Determines whether the EPA channel operates in capture or compare
mode.
0 = capture mode
1 = compare mode
5:4 M1:0 EPA Mode Select
In capture mode, specifies the type of event that triggers an input capture.
In compare mode, specifies the action that the EPA executes when the
reference timer matches the event time.
M1 M0 Capture Mode Event
00no capture
0 1 capture on falling edge
1 0 capture on rising edge
1 1 capture on either edge
M1 M0 Compare Mode Action
0 0 no output
0 1 clear output pin
1 0 set output pin
1 1 toggle output pin
3 RE Re-enable
Re-enable applies to the compare mode only. It allows a compare event
to continue to execute each time the event-time register (EPA
x
_TIME)
matches the reference timer rather than only upon the first time match.
0 = compare function is disabled after a single event
1 = compare function always enabled
EPA
x
_CON (Continued)
x
= 0–9 (8XC196K
x
)
x
= 0–3, 8, 9 (8XC196CA, J
x
)
Address:
Reset State:
1F60H + (
x
* 4)
F700H (
x
= 1 & 3)
00H(
x
= 0, 2, 4–9)
The EPA control (EPA
x
_CON) registers control the functions of their assigned capture/compare
channels. The registers for EPA0, EPA2, and EPA4–9 are identical. The registers for EPA1 and EPA3
have an additional bit, the remap bit. This added bit (bit 8) requires an additional byte, so EPA1_CON
and EPA3_CON must be addressed as words, while the others can be addressed as bytes.
15 8
x
= 1, 3 ———— ———RM
7 0
TB CE M1 M0 RE AD ROT ON/RT
7 0
x
= 0, 2, 4–9 TB CE M1 M0 RE AD ROT ON/RT
Bit
Number Bit
Mnemonic Function
† These bits apply to the EPA1_CON and EPA3_CON registers only.
Figure 10-10. EPA Control (EPA
x
_CON) Registers (Continued)

10-23
EVENT PROCESSOR ARRAY (EPA)
2 AD A/D Conversion
Allows the EPA to start an A/D conversion that has been previously set up
in the A/D control registers. To use this feature, you must select the EPA
as the conversion source in the AD_CONTROL register.
0 = causes no A/D action
1 = EPA capture or compare event triggers an A/D conversion
1 ROT Reset Opposite Timer
Controls different functions for capture and compare modes.
In Capture Mode:
0 = causes no action
1 = resets the opposite timer
In Compare Mode:
ROT selects the timer that is to be reset if the RT bit is set:
0 = selects base timer
1 = selects opposite timer
The TB bit (bit 7) selects which timer is the reference timer and which
timer is the opposite timer.
EPA
x
_CON (Continued)
x
= 0–9 (8XC196K
x
)
x
= 0–3, 8, 9 (8XC196CA, J
x
)
Address:
Reset State:
1F60H + (
x
* 4)
F700H (
x
= 1 & 3)
00H(
x
= 0, 2, 4–9)
The EPA control (EPA
x
_CON) registers control the functions of their assigned capture/compare
channels. The registers for EPA0, EPA2, and EPA4–9 are identical. The registers for EPA1 and EPA3
have an additional bit, the remap bit. This added bit (bit 8) requires an additional byte, so EPA1_CON
and EPA3_CON must be addressed as words, while the others can be addressed as bytes.
15 8
x
= 1, 3 ———— ———RM
7 0
TB CE M1 M0 RE AD ROT ON/RT
7 0
x
= 0, 2, 4–9 TB CE M1 M0 RE AD ROT ON/RT
Bit
Number Bit
Mnemonic Function
† These bits apply to the EPA1_CON and EPA3_CON registers only.
Figure 10-10. EPA Control (EPA
x
_CON) Registers (Continued)

8XC196K
x
, J
x
, CA USER’S MANUAL
10-24
0 ON/RT Overwrite New/Reset Timer
The ON/RT bit functions as overwrite new in capture mode and reset
timer in compare mode.
In Capture Mode (ON):
An overrun error is generated when an input capture occurs while the
event-time register (EPA
x
_TIME) and its buffer are both full. When an
overrun occurs, the ON bit determines whether old data is overwritten or
new data is ignored:
0 = ignores new data
1 = overwrites old data in the buffer
In Compare Mode (RT):
0 = disables the reset function
1 = resets the ROT-selected timer
EPA
x
_CON (Continued)
x
= 0–9 (8XC196K
x
)
x
= 0–3, 8, 9 (8XC196CA, J
x
)
Address:
Reset State:
1F60H + (
x
* 4)
F700H (
x
= 1 & 3)
00H(
x
= 0, 2, 4–9)
The EPA control (EPA
x
_CON) registers control the functions of their assigned capture/compare
channels. The registers for EPA0, EPA2, and EPA4–9 are identical. The registers for EPA1 and EPA3
have an additional bit, the remap bit. This added bit (bit 8) requires an additional byte, so EPA1_CON
and EPA3_CON must be addressed as words, while the others can be addressed as bytes.
15 8
x
= 1, 3 ———— ———RM
7 0
TB CE M1 M0 RE AD ROT ON/RT
7 0
x
= 0, 2, 4–9 TB CE M1 M0 RE AD ROT ON/RT
Bit
Number Bit
Mnemonic Function
† These bits apply to the EPA1_CON and EPA3_CON registers only.
Figure 10-10. EPA Control (EPA
x
_CON) Registers (Continued)

10-25
EVENT PROCESSOR ARRAY (EPA)
10.5.4 Programming the Compare-only Channels
To program a compare event, you must first write to the COMPx_CON (Figure 10-11) register to
configure the compare-only channel and then load the event time into COMPx_TIME.
COMPx_CON has the same bits and settings as EPAx_CON. COMPx_TIME is functionally iden-
tical to EPAx_TIME.
COMP
x
_CON
x
= 0–1
Address:
Reset State:
x
= 0, 1F88H
x
= 1, 1F8CH
00H
The EPA compare control (COMP
x
_CON) registers determine the function of the EPA compare
channels.
7 0
TB CE M1 M0 RE AD ROT RT
Bit
Number Bit
Mnemonic Function
7 TB Time Base Select
Specifies the reference timer.
1 = timer 2 is the reference timer and timer 1 is the opposite timer
0 = timer 1 is the reference timer and timer 2 is the opposite timer
A compare event (start of an A/D conversion; clearing, setting, or
toggling an output pin; and/or resetting either timer) occurs when the
reference timer matches the time programmed in the event-time register.
6 CE Compare Enable
This bit enables the compare function.
1 = compare function enabled
0 = compare function disabled
5:4 M1:0 EPA Mode Select
Specifies the type of compare event.
M1 M0
00no output
0 1 clear output pin
1 0 set output pin
1 1 toggle output pin
3 RE Re-enable
Allows a compare event to continue to execute each time the event-time
register (COMP
x
_TIME) matches the reference timer rather than only
upon the first time match.
1 = compare function always enabled
0 = compare function will drive the output only once.
Figure 10-11. EPA Compare Control (COMP
x
_CON) Registers

8XC196K
x
, J
x
, CA USER’S MANUAL
10-26
10.6 ENABLING THE EPA INTERRUPTS
The EPA generates four individual event interrupts, EPA0–EPA3, and the multiplexed event in-
terrupt, EPAx. To enable the interrupts, set the corresponding bits in the INT_MASK register
(Figure 5-5 on page 5-13). To enable the individual sources of the multiplexed EPAx interrupt,
set the corresponding bits in the EPA_MASK (Figure 10-12) and EPA_MASK1(Figure 10-13)
registers. (Chapter 5, “Standard and PTS Interrupts,” discusses the interrupts in greater detail.)
2 AD A/D Conversion
Allows the EPA to start an A/D conversion that has been previously set
up in the A/D control registers. To use this feature, you must select the
EPA as the conversion source in the AD_CONTROL register.
1 = EPA compare event triggers an A/D conversion
0 = causes no A/D action
1 ROT Reset Opposite Timer and Reset Timer
These bits control whether an EPA compare event resets the reference
timer or the opposite timer.
ROT RT
X 0 reset function disabled
0 1 resets reference timer
1 1 resets opposite timer
The state of the TB bit (COMP
x
_CON.7) determines which timer is the
reference timer and which timer is the opposite timer.
0 RT Reset Timer
This bit controls whether the timer selected by the ROT bit will be reset
1 = resets the timer selected by the ROT bit
0 = disables the reset function
COMP
x
_CON
(Continued)
x
= 0–1
Address:
Reset State:
x
= 0, 1F88H
x
= 1, 1F8CH
00H
The EPA compare control (COMP
x
_CON) registers determine the function of the EPA compare
channels.
7 0
TB CE M1 M0 RE AD ROT RT
Bit
Number Bit
Mnemonic Function
Figure 10-11. EPA Compare Control (COMP
x
_CON) Registers (Continued)

10-27
EVENT PROCESSOR ARRAY (EPA)
EPA_MASK Address:
Reset State:
1FA0H
0000H
The EPA interrupt mask (EPA_MASK) register enables or disables (masks) interrupts associated with
the multiplexed EPA
x
interrupt.
15 8
CA, Jx ————EPA8 EPA9 OVR0 OVR1
7 0
0VR2 OVR3 — — — — OVR8 OVR9
15 8
K
x
EPA4 EPA5 EPA6 EPA7 EPA8 EPA9 OVR0 OVR1
7 0
OVR2 OVR3 OVR4 OVR5 OVR6 OVR7 OVR8 OVR9
Bit
Number Function
15:0†Setting a bit enables the corresponding interrupt as a multiplexed EPA
x
interrupt source.
The multiplexed EPA
x
interrupt is enabled by setting its interrupt enable bit in the interrupt
mask register (INT_MASK.0 = 1).
† Bits 2–5 and 12–15 are reserved on the 8XC196CA, J
x
devices. For compatibility with future
devices, write zeros to these bits.
Figure 10-12. EPA Interrupt Mask (EPA_MASK) Register
EPA_MASK1 Address:
Reset State:
1FA4H
00H
The EPA interrupt mask 1 (EPA_MASK1) register enables or disables (masks) interrupts associated
with the EPA
x
interrupt.
7 0
— — — — COMP0 COMP1 OVRTM1 OVRTM2
Bit
Number Function
7:4 Reserved; for compatibility with future devices, write zeros to these bits.
3:0 Setting a bit enables the corresponding interrupt as a multiplexed EPA
x
interrupt source.
The multiplexed EPA
x
interrupt is enabled by setting its interrupt enable bit in the
interrupt mask register (INT_MASK.0 = 1).
Figure 10-13. EPA Interrupt Mask 1 (EPA_MASK1) Register

8XC196K
x
, J
x
, CA USER’S MANUAL
10-28
10.7 DETERMINING EVENT STATUS
In compare mode, an interrupt pending bit is set each time a match occurs on an enabled event
(even if the interrupt is specifically masked in the mask register). In capture mode, an interrupt
pending bit is set each time a programmed event is captured and the event time moves from the
capture buffer to the EPAx_TIME register. If the capture buffer is full when an event occurs, an
overrun interrupt pending bit is set.
The EPA0–EPA3 pending bits are located in INT_PEND (Figure 5-5 on page 5-13). The pending
bits for the multiplexed interrupts (those that share EPAx) are located in EPA_PEND (Figure
10-14) and EPA_PEND1 (Figure 10-15). If an interrupt is masked, software can still poll the in-
terrupt pending registers to determine whether an event has occurred.
EPA_PEND Address:
Reset State:
1FA2H
0000H
When hardware detects a pending EPA
x
interrupt, it sets the corresponding bit in EPA interrupt
pending (EPA_PEND or EPA_PEND1) registers. The EPAIPV register contains a number that
identifies the highest priority, active, multiplexed interrupt source. When EPAIPV is read, the EPA
interrupt pending bit associated with the EPAIPV priority value is cleared.
15 8
CA, J
x
————EPA8 EPA9 OVR0 OVR1
7 0
OVR2 OVR3 — — — — OVR8 OVR9
15 8
K
x
EPA4 EPA5 EPA6 EPA7 EPA8 EPA9 OVR0 OVR1
7 0
OVR2 OVR3 OVR4 OVR5 OVR6 OVR7 OVR8 OVR9
Bit
Number Function
15:0†Any set bit indicates that the corresponding EPA
x
interrupt source is pending. The bit is
cleared when the EPA interrupt priority vector register (EPAIPV) is read.
† Bits 2–5 and 12–15 are reserved on the 8XC196CA, J
x
devices. For compatibility with future
devices, write zeros to these bits.
Figure 10-14. EPA Interrupt Pending (EPA_PEND) Register

10-29
EVENT PROCESSOR ARRAY (EPA)
10.8 SERVICING THE MULTIPLEXED EPA INTERRUPT WITH SOFTWARE
The multiplexed interrupts (those represented by EPAx) should be serviced with a standard inter-
rupt service routine rather than the PTS (Chapter 5, “Standard and PTS Interrupts”). The PTS can
take only a limited number of actions, while interrupt service routines can be tailored to the needs
of each interrupt.
The EPA_PEND (Figure 10-14) and EPA_PEND1 (Figure 10-15) registers contain the bits that
identify the interrupt source(s). Traditionally, software would sort these bits to determine which
interrupt service routine to execute. This sorting increases the overall interrupt response time by
a significant number of states. However, the EPA interrupt priority vector register (EPAIPV, Fig-
ure 10-16) contains a number that corresponds to the highest-priority active interrupt source (Ta-
ble 10-7).
For example, assume that an overrun occurs on capture/compare channel 9 and no other multi-
plexed interrupt is pending and unmasked. This sets the OVR9 pending bit in the EPA_PEND
register. If the corresponding mask bit is set in the EPA_MASK register, the EPAx interrupt pend-
ing bit is set. If enabled, the EPAx interrupt is generated. The encoder places the number for the
OVR9 interrupt (05H) into EPAIPV. Reading EPAIPV identifies capture/compare channel 9 as
the source, clears the OVR9 pending bit, and clears EPAIPV. When the device vectors to the EPAx
interrupt service routine, the EPAx pending bit is cleared. If other multiplexed interrupts have oc-
curred, the encoder loads the number that corresponds to the highest-priority, active, multiplexed
interrupt into EPAIPV. When the EPAIPV register contains 00H, there are no more pending in-
terrupts associated with the EPAx interrupt. Thus, it is recommended that the EPAIPV register be
read until it equals 00H to ensure that all pending, enabled interrupts are serviced.
EPA_PEND1 Address:
Reset State:
1FA6H
00H
When hardware detects a pending EPA
x
interrupt, it sets the corresponding bit in EPA interrupt
pending (EPA_PEND or EPA_PEND1) registers. The EPAIPV register contains a number that
identifies the highest priority, active, multiplexed interrupt source. When EPAIPV is read, the EPA
interrupt pending bit associated with the EPAIPV priority value is cleared.
7 0
— — — — COMP0 COMP1 OVRTM1 OVRTM2
Bit
Number Function
7:4 Reserved; always write as zeros.
3:0 Any set bit indicates that the corresponding EPA
x
interrupt source is pending. The bit is
cleared when the EPA interrupt priority vector register (EPAIPV) is read.
Figure 10-15. EPA Interrupt Pending 1 (EPA_PEND1) Registers

8XC196K
x
, J
x
, CA USER’S MANUAL
10-30
EPAIPV Address:
Reset State:
1FA8H
00H
When an EPA
x
interrupt occurs, the EPA interrupt priority vector register (EPAIPV) contains a number
that identifies the highest priority, active, multiplexed interrupt source (see Table 10-7).
EPAIPV allows software to branch via the TIJMP instruction to the correct interrupt service routine
when EPA
x
is activated. Reading EPAIPV clears the EPA pending bit for the interrupt associated with
the value in EPAIPV. When all the EPA pending bits are cleared, the EPA
x
pending bit is also cleared.
7 0
— — — PV4 PV3 PV2 PV1 PV0
Bit
Number Bit
Mnemonic Function
5:7 — Reserved; always write as zeros.
4:0 PV4:0 Priority Vector
These bits contain a number from 01H to 14H corresponding to the
highest-priority active interrupt source. This value, when used with the
TIJMP instruction, allows software to branch to the correct interrupt
service routine.
Figure 10-16. EPA Interrupt Priority Vector Register (EPAIPV)
Table 10-7. EPAIPV Interrupt Priority Values
Value Interrupt Value Interrupt Value Interrupt
highest 14H EPA4 0DH OVR1 06H OVR8
13H EPA5 0CH OVR2 05H OVR9
12H EPA6 0BH OVR3 04H COMP0
11H EPA7 0AH OVR4 03H COMP1
10H EPA8 09H OVR5 02H OVRTM1
0FH EPA9 08H OVR6 01H OVRTM2 lowest
0EH OVR0 07H OVR7 00H None Pending

10-31
EVENT PROCESSOR ARRAY (EPA)
10.8.1 Using the TIJMP Instruction to Reduce Interrupt Service Overhead
The EPAIPV register and the TIJMP instruction can be used together to reduce the interrupt ser-
vice overhead. The primary purpose of the TIJMP instruction is to reduce the interrupt response
time associated with servicing multiplexed interrupts. With TIJMP, the additional time required
to service interrupts is only the instruction time, 15 states. (See Appendix A for additional infor-
mation about TIJMP.)
The format for the TIJMP instruction is TIJMP tbase,[index],#index_mask
where:
tbase is a word register containing the 16-bit starting address of the jump
table.
[index] is a word register containing a 16-bit address that points to a register
that contains a 7-bit value used to calculate the offset into the jump
table.
#index_mask is 7-bit immediate data to mask the index. This value is ANDed with
the 7-bit value pointed to by [index] and multiplies the result by two
to determine the offset into the jump table.
TIJMP calculates the destination address as follows:
(
[index]
AND
#index_mask
) × 2 +
tbase
To use the TIJMP instruction in this application, you would create a jump table with 21 destina-
tion addresses; one for each of the 20 EPA interrupt sources and one for the return.
The following code is a simplified example of an interrupt service routine that uses the EPAIPV
register with the TIJMP instruction to service an EPAx interrupt. This routine services all active
interrupts in the EPA in order of their priority. The TIJMP instruction calculates an offset to fetch
a word from a jump table (JTBASE in this example) which contains the start addresses of the in-
terrupt service routines.

8XC196K
x
, J
x
, CA USER’S MANUAL
10-32
INIT_INTERRUPTS:
LD JTBASE_PTR,#LSW JTBASE ;store jump table base address
EPAx_ISR:
LD EPAIPV_PTR,#EPAIPV ;read EPAIPV offset
PUSHA ;save INT_MASK/INT_MASK1/WSR/PSW
TIJMP JTBASE_PTR,[EPAIPV_PTR],#1FH ;initiate jump to correct ISR
OVR_EPA0_ISR: ;EPA0 overrun routine
.;
.;
TIJMP JTBASE_PTR,[EPAIPV_PTR],#1FH
;check for pending
;interrupts, exit
EPAx_DONE:
POPA
RET ;exit, all EPAx
;interrupts serviced
JTBASE:
DCW LSW EPAx_done ;0 (no interrupt pending)
DCW LSW OVR_TM2_ISR ;1 (Timer2 overflow)
DCW LSW OVR_TM1_ISR ;2 (Timer1 overflow)
DCW .
DCW .
DCW .
DCW LSW OVR_EPA0_ISR ;0EH (EPA0 overflow)
This example assumes that EPAx is enabled, OVR0 is enabled, interrupts are globally enabled,
and the capture/compare channel 0 has generated an OVR0 interrupt. This interrupt occurs when
an edge is detected on the EPA channel and both the input buffer and EPA0_TIME are full. This
causes software to enter the EPAx_ISR interrupt service routine.
Note that index_mask is set to 1FH . This sets the pointer to the end of the jump table to prevent
software from jumping to an invalid address. Changing index_mask can dictate software control,
thus superseding interrupt priorities.
Note that instead of a RET instruction at the end of OVR_EPA0_ISR, another TIJMP instruction
is used. This is done to check for any other pending multiplexed interrupts. If EPAIPV contains
a zero value (no pending interrupts) a vector to EPAx_DONE occurs and a RET is executed. This
is to ensure that EPAIPV is cleared before the routine returns from the EPAx_ISR.

10-33
EVENT PROCESSOR ARRAY (EPA)
10.9 PROGRAMMING EXAMPLES FOR EPA CHANNELS
The three programming examples provided in this section demonstrate the use of the EPA channel
for a compare event, for a capture event, and for generation of a PWM signal. The programs dem-
onstrate the detection of events by a polling scheme, by interrupts, and by the PTS. All three ex-
amples were created using ApBUILDER, an interactive application program available through
Intel Literature Fulfillment or the Intel Applications Bulletin Board system (BBS). See Chapter
1, “Guide to This Manual,” for information about ordering information from Intel Literature and
downloading files from the BBS. These sample program were written in the C programming lan-
guage. ASM versions are also available from ApBUILDER.
NOTE
The initialization file (80c196kr.h) used in these examples is available from
the Intel Applications BBS.
10.9.1 EPA Compare Event Program
This example C program demonstrates an EPA compare event. It sets up EPA channel 0 to toggle
its output pin whenever timer 1 is zero. This program uses no interrupts; a polling scheme detects
the EPA event. The program initializes EPA channel 0 for a compare event.
#pragma model(KR)
#include <80c196kr.h>
#define COMPARE 0x40
#define RE_ENABLE 0x08
#define TOGGLE_PIN 0x30
#define USE_TIMER1 0x00
#define EPA0_INT_BIT 47
void init_epa0()
{
epa0_con = COMPARE |
TOGGLE_PIN|
RE_ENABLE |
USE_TIMER1;
epa0_time = 0;
setbit(p1_reg, 0); /* int reg */
clrbit(p1_dir, 0); /* make output pin */
setbit(p1_mode, 0);/* select EPA mode */
}
void init_timer1()
{
t1control = COUNT_ENABLE |
COUNT_UP |
CLOCK_INTERNAL |
DIVIDE_BY_1;
}

8XC196K
x
, J
x
, CA USER’S MANUAL
10-34
void poll_epa0()
{
if(checkbit(int_pend, EPA0_INT_BIT))
{
/* User code for event channel 0 would go here. */
/* Since this event is absolute and re-enabled, no polling is neccessary.*/
clrbit(int_pend, EPA0_INT_BIT);
}
}
void main(void)
{
/* Initialize the timers before using the epa */
init_timer1();
init_epa0();
/* EPA events can be serviced by polling int_pend
or epa_pend. */
while(1)
{
poll_epa0();
}
}
10.9.2 EPA Capture Event Program
This example C program demonstrates an EPA capture event. It sets up EPA channel 0 to capture
edges (rising and falling) on the EPA0 pin. The program also shows how to set up the EPA inter-
rupts. You can add your own code for the interrupt service routine.
#pragma model(KR)
#include <80c196kr.h>
#define COUNT_ENABLE 0x80
#define COUNT_UP 0x40
#define CLOCK_INTERNAL 0x00
#define DIVIDE_BY_1 0x00
#define CAPTURE 0x00
#define BOTH_EDGE 0x30
#define USE_TIMER1 0x00
#define EPA0_INT_BIT 4
void init_epa0()
{
epa0_con = CAPTURE |
BOTH_EDGE |
USE_TIMER1;
setbit(p1_reg, 0); /* int reg */
setbit(p1_dir, 0); /* make input pin */
setbit(p1_mode, 0); /* select EPA mode */
setbit(int_mask, EPA0_INT_BIT); /* unmask EPA interrupts */
}
#pragma interrupt(epa0_interrupt=EPA0_INT_BIT)
void epa0_interrupt()
{
unsigned int time_value;

10-35
EVENT PROCESSOR ARRAY (EPA)
time_value = epa0_time; /* must read to prevent overrun */
}
/* To generate have code for the epax interrupt,select the ICU design screen.*/
void init_timer1()
{
t1control = COUNT_ENABLE |
COUNT_UP |
CLOCK_INTERNAL |
DIVIDE_BY_1;
}
void main(void)
{
unsigned int time_value;
/* Initialize the timers and interrupts before using the EPA */
init_timer1();
init_epa0();
enable(); /* Globally enable interrupts */
while(1); /* loop forever, wait for interrupts to occur */
}
10.9.3 EPA PWM Output Program
This example C program demonstrates the generation of a PWM signal using the EPA’s PWM
toggle mode (see “PWM Modes” on page 5-31) and shows how to service the interrupts with the
PTS. The PWM signal in this example has a 50% duty cycle.
#pragma model(KR)
#include <80c196kr.h>
#define PTS_BLOCK_BASE 0x98
/* Create typedef template for the PWM_TOGGLE mode control block.*/
typedef struct PWM_toggle_ptscb_t {
unsigned char unused;
unsigned char ptscon;
void *pts_ptr;
unsigned int constant1;
unsigned int constant2;
} PWM_toggle_ptscb;
/* This locates the PTS block mode control block in register ram. This */
/* control block may be located at any quad-word boundary. */
register PWM_toggle_ptscb PWM_toggle_CB_3;
#pragma locate(PWM_toggle_CB_3=PTS_BLOCK_BASE)
/* The PTS vector must contain the address of the PTS control block.*/
#pragma pts(PWM_toggle_CB_3=0x3)

8XC196K
x
, J
x
, CA USER’S MANUAL
10-36
/* Sample PTS control block initialization sequence.*/
void Init_PWM_toggle_PTS3(void)
{
disable(); /* disable all interrupts */
disable_pts(); /* disable the PTS interrupts */
PWM_toggle_CB_3.constant2 = 127;
PWM_toggle_CB_3.constant1 = 127;
PWM_toggle_CB_3.pts_ptr = (void *)&EPA0_TIME;
PWM_toggle_CB_3.ptscon = 0x42;
/* Sample code that could be used to generate a PWM with an EPA channel.*/
setbit(p1_reg, 0x1); /* init output */
clrbit(p1_dir, 0x1); /* set to output */
setbit(p1_mode, 0x1); /* set special function*/
setbit(ptssel, 0x3);
setbit(int_mask, 0x3)
}
void main(void)
{
Init_PWM_toggle_PTS3();
epa1_con = 0x78; /* toggle, timer1, compare, re-enable */
epa1_timer = 127;
t1control = 0xC2; /* enable timer, up 1 micrsecond @ 16 MHz */
enable_pts();
while(1);
}

11
Analog-to-digital
Converter

11-1
CHAPTER 11
ANALOG-TO-DIGITAL CONVERTER
The analog-to-digital (A/D) converter can convert an analog input voltage to a digital value and
set the A/D interrupt pending bit when it stores the result. It can also monitor a pin and set the
A/D interrupt pending bit when the input voltage crosses over or under a programmed threshold
voltage. This chapter describes the A/D converter and explains how to program it.
11.1 A/D CONVERTER FUNCTIONAL OVERVIEW
The A/D converter (Figure 11-1) can convert an analog input voltage to an 8- or 10-bit digital
result and set the A/D interrupt pending bit when it stores the result. It can also monitor an input
and set the A/D interrupt pending bit when the input voltage crosses over or under the pro-
grammed threshold voltage.
Figure 11-1. A/D Converter Block Diagram
Analog Mux
A2652-01
Succession
Approximation
A/D
Converter
Sample
and Hold
V
REF
EPA or PTS
Command
Control
Logic
AD_RESULT AD_COMMAND AD_TIME AD_TEST
ANGND
Status
* Multiplexed with port inputs
Analog Inputs *

8XC196K
x
, J
x
, CA USER’S MANUAL
11-2
11.2 A/D CONVERTER SIGNALS AND REGISTERS
Table 11-1 lists the A/D signals and Table 11-2 describes the control and status registers. Al-
though the analog inputs are multiplexed with I/O port pins, no configuration is necessary.
Table 11-1. A/D Converter Pins
Port Pin A/D Signal A/D Signal
Type Description
P0.7:0
P0.7:2 ACH7:0 (K
x
)
ACH7:2 (CA, J
x
)I Analog Inputs
Input channels to the A/D converter. See the “Voltage on
Analog Input Pin” specification in the datasheet for
acceptable voltage ranges.
— ANGND GND Reference Ground
Must be connected for A/D converter and port operation.
—V
REF PWR Reference Voltage
Must be connected for A/D converter and port operation.
Table 11-2. A/D Control and Status Registers
Mnemonic Address Description
AD_COMMAND 1FACH A/D Command
This register selects the A/D channel, controls whether the A/D
conversion starts immediately or is triggered by the EPA, and
selects the operating mode.
AD_RESULT 1FAAH, 1FABH A/D Result
For an A/D conversion, the high byte contains the eight MSBs from
the conversion, while the low byte contains the two LSBs from a 10-
bit conversion (undefined for an 8-bit conversion), indicates which
A/D channel was used, and indicates whether the channel is idle.
For a threshold-detection, calculate the value for the successive
approximation register and write that value to the high byte of
AD_RESULT. Clear the low byte or leave it in its default state.
AD_TEST 1FAEH A/D Conversion Test
This register enables conversions on ANGND and VREF and
specifies adjustments for zero-offset errors.
AD_TIME 1FAFH A/D Conversion Time
This register defines the sample window time and the conversion
time for each bit.
INT_MASK 0008H Interrupt Mask
The AD bit in this register enables or disables the A/D interrupt. Set
the AD bit to enable the interrupt request.
INT_PEND 0009H Interrupt Pending
The AD bit in this register, when set, indicates that an A/D interrupt
request is pending.

11-3
ANALOG-TO-DIGITAL CONVERTER
11.3 A/D CONVERTER OPERATION
An A/D conversion converts an analog input voltage to a digital value, stores the result in the
AD_RESULT register, and sets the A/D interrupt pending bit. An 8-bit conversion provides
20 mV resolution, while a 10-bit conversion provides 5 mV resolution. An 8-bit conversion takes
less time than a 10-bit conversion because it has two fewer bits to resolve and the comparator re-
quires less settling time for 20 mV resolution than for 5 mV resolution.
You can convert the either the voltage on an analog input channel or a test voltage. Converting
the test inputs allows you to calculate the zero-offset error, and the zero-offset adjustment allows
you to compensate for it. This feature can reduce or eliminate off-chip compensation hardware.
Typically, you would convert the test voltages and adjust for the zero-offset error before perform-
ing conversions on an input channel. The AD_TEST register allows you to select a test voltage
and program a zero-offset adjustment.
A threshold-detection compares an input voltage to a programmed reference voltage and sets the
A/D interrupt pending bit when the input voltage crosses over or under the reference voltage.
A conversion can be started by a write to the AD_COMMAND register or it can be initiated by
the EPA, which can provide equally spaced samples or synchronization with external events.
(See“Programming the EPA and Timer/Counters” on page 10-17.) The A/D scan mode of the pe-
ripheral transaction server (PTS) allows you to perform multiple conversions and store their re-
sults. (See “A/D Scan Mode” on page 5-26.)
Once the A/D converter receives the command to start a conversion, a delay time elapses before
sampling begins. (EPA-initiated conversions begin after the capture/compare event. Immediate
conversions, those initiated directly by a write to AD_COMMAND, begin within three state
times after the instruction is completed.) During this sample delay, the hardware clears the suc-
cessive approximation register and selects the designated multiplexer channel. After the sample
delay, the device connects the multiplexer output to the sample capacitor for the specified sample
time. After this sample window closes, it disconnects the multiplexer output from the sample ca-
pacitor so that changes on the input pin will not alter the stored charge while the conversion is in
progress. The device then zeros the comparator and begins the conversion.
P0_PIN 1FDAH Port 0 Pin State
Read P0_PIN to determine the current values of the port 0 pins.
Reading the port induces noise into the A/D converter, decreasing
the accuracy of any conversion in progress. We strongly
recommend that you not read the port while an A/D conversion is in
progress. To reduce noise, the P0_PIN register is clocked only
when the port is read.
Table 11-2. A/D Control and Status Registers (Continued)
Mnemonic Address Description

8XC196K
x
, J
x
, CA USER’S MANUAL
11-4
The A/D converter uses a successive approximation algorithm to perform the analog-to-digital
conversion. The converter hardware consists of a 256-resistor ladder, a comparator, coupling ca-
pacitors, and a 10-bit successive approximation register (SAR) with logic that guides the process.
The resistive ladder provides 20 mV steps (VREF = 5.12 volts), while capacitive coupling creates
5 mV steps within the 20 mV ladder voltages. Therefore, 1024 internal reference voltage levels
are available for comparison against the analog input to generate a 10-bit conversion result. In 8-
bit conversion mode, only the resistive ladder is used, providing 256 internal reference voltage
levels.
The successive approximation conversion compares a sequence of reference voltages to the ana-
log input, performing a binary search for the reference voltage that most closely matches the in-
put. The ½ full scale reference voltage is the first tested. This corresponds to a 10-bit result where
the most-significant bit is zero and all other bits are ones (0111111111B). If the analog input was
less than the test voltage, bit 10 of the SAR is left at zero, and a new test voltage of ¼ full scale
(0011111111B) is tried. If the analog input was greater than the test voltage, bit 9 of SAR is set.
Bit 8 is then cleared for the next test (0101111111B). This binary search continues until 10 (or 8)
tests have occurred, at which time the valid conversion result resides in the AD_RESULT register
where it can be read by software. The result is equal to the ratio of the input voltage divided by
the analog supply voltage. If the ratio is 1.00, the result will be all ones.
11.4 PROGRAMMING THE A/D CONVERTER
The following A/D converter parameters are programmable:
•conversion input — input channel or test voltage (ANGND or VREF)
•zero-offset adjustment — no adjustment, plus 2.5 mV, minus 2.5 mV, or minus 5.0 mV
•conversion times — sample window time and conversion time for each bit
•operating mode — 8- or 10-bit conversion or 8-bit high or low threshold detection
•conversion trigger — immediate or EPA starts
This section describes the A/D converters’s registers and explains how to program them.

11-5
ANALOG-TO-DIGITAL CONVERTER
11.4.1 Programming the A/D Test Register
The AD_TEST register (Figure 11-2) selects either an analog input or a test voltage (ANGND or
VREF) for conversion and specifies an offset voltage to be applied to the resistor ladder. To use the
zero-offset adjustment, first perform two conversions, one on ANGND and one on VREF. With the
results of these conversions, use a software routine to calculate the zero-offset error. Specify the
zero-offset adjustment by writing the appropriate value to AD_TEST. This offset voltage is added
to the resistor ladder and applies to all input channels. “Understanding A/D Conversion Errors”
on page 11-14 describes zero-offset and other errors inherent in A/D conversions.
AD_TEST Address:
Reset State:
1FAEH
C0H
The A/D test (AD_TEST) register enables conversions on ANGND and VREF and specifies
adjustments for DC offset errors. Its functions allow you to perform two conversions, one on ANGND
and one on VREF. With these results, a software routine can calculate the offset and gain errors.
7 0
— — — — OFF1 OFF0 TV TE
Bit
Number Bit
Mnemonic Function
7:4 — Reserved; for compatibility with future devices, write zeros to these bits.
3:2 OFF1:0 Offset
These bits allows you to set the zero-offset point.
OFF1 OFF0
00 no adjustment
0 1 add 2.5 mV
1 0 subtract 2.5 mV
1 1 subtract 5.0 mV
1 TV Test Voltage
This bit selects the test voltage for a test mode conversion.
1 = VREF
0 = ANGND
0 TE Test Enable
This bit determines whether normal or test mode conversions will be
performed. A normal conversion converts the analog signal input on one
of the analog input channels. A test conversion allows you to perform a
conversion on ANGND or VREF.
1 = test
0 = normal
Figure 11-2. A/D Test (AD_TEST) Register

8XC196K
x
, J
x
, CA USER’S MANUAL
11-6
11.4.2 Programming the A/D Result Register (for Threshold Detection Only)
To use the threshold-detection modes, you must first write a value to the high byte of
AD_RESULT to set the desired reference (threshold) voltage.
11.4.3 Programming the A/D Time Register
Two parameters, sample time and conversion time, control the time required for an A/D conver-
sion. The sample time is the length of time that the analog input voltage is actually connected to
the sample capacitor. If this time is too short, the sample capacitor will not charge completely. If
the sample time is too long, the input voltage may change and cause conversion errors. The con-
version time is the length of time required to convert the analog input voltage stored on the sample
capacitor to a digital value. The conversion time must be long enough for the comparator and cir-
cuitry to settle and resolve the voltage. Excessively long conversion times allow the sample ca-
pacitor to discharge, degrading accuracy.
AD_RESULT (Write) Address:
Reset State:
1FAAH
7F80H
The high byte of the A/D result (AD_RESULT) register can be written to set the reference voltage for
the A/D threshold-detection modes.
15 8
REFV7 REFV6 REFV5 REFV4 REFV3 REFV2 REFV1 REFV0
7 0
— — — — — — — —
Bit
Number Bit
Mnemonic Function
15:8 REFV7:0 Reference Voltage
These bits specify the threshold value. This selects a reference voltage
that is compared with an analog input pin. When the voltage on the
analog input pin crosses over (detect high) or under (detect low) the
threshold value, the A/D interrupt flag is set.
Use the following formula to determine the value to write this register for
a given threshold voltage.
7:0 — Reserved; for compatibility with future devices, write zeros to these bits.
Figure 11-3. A/D Result (AD_RESULT) Register — Write Format
reference voltage desired threshold voltage 256×
VREF ANGND–
-----------------------------------------------------------------------------------
=

11-7
ANALOG-TO-DIGITAL CONVERTER
The AD_TIME register (Figure 11-4) specifies the A/D sample and conversion times. To avoid
erroneous conversion results, use the TSAM and TCONV specifications on the datasheet to determine
appropriate values.
AD_TIME Address:
Reset State:
1FAFH
FFH
The A/D time (AD_TIME) register programs the sample window time and the conversion time for each
bit.
7 0
SAM2 SAM1 SAM0 CONV4 CONV3 CONV2 CONV1 CONV0
Bit
Number Bit
Mnemonic Function
7:5 SAM2:0 A/D Sample Time
These bits specify the sample time. Use the following formula to
compute the sample time.
where:
SAM = 1 to 7
TSAM = the sample time, in µsec, from the data sheet
FOSC = the XTAL1 frequency, in MHz
4:0 CONV4:0 A/D Convert Time
These bits specify the conversion time for each bit. Use the following
formula to compute the conversion time.
where:
CONV= 2 to 31
TCONV = the conversion time, in µsec, from the data sheet
FOSC = the XTAL1 frequency, in MHz
B = the number of bits to be converted (8 or 10)
NOTES:
1. This register programs the speed at which the A/D can run — not the speed at which it can con-
vert correctly. Consult the data sheet for recommended values.
2. Initialize the AD_TIME register before initializing the AD_COMMAND register.
3. Do not write to this register while a conversion is in progress; the results are unpredictable.
Figure 11-4. A/D Time (AD_TIME) Register
SAM TSAM FOSC
×2–
8
--------------------------------------------
=
CONV TCONV FOSC
×3–
2B×
----------------------------------------------- 1–=

8XC196K
x
, J
x
, CA USER’S MANUAL
11-8
11.4.4 Programming the A/D Command Register
The A/D command register controls the operating mode, the analog input channel, and the con-
version trigger.
AD_COMMAND Address:
Reset State:
1FACH
C0H
The A/D command (AD_COMMAND) register selects the A/D channel number to be converted,
controls whether the A/D converter starts immediately or with an EPA command, and selects the
conversion mode.
7 0
— — M1 M0 GO ACH2 ACH1 ACH0
Bit
Number Bit
Mnemonic Function
7:6 — Reserved; for compatibility with future devices, write zeros to these bits.
5:4 M1:0 A/D Mode (Note 1)
These bits determine the A/D mode.
M1 M0 Mode
0 0 10-bit conversion
0 1 8-bit conversion
1 0 threshold detect high
1 1 threshold detect low
3 GO A/D Conversion Trigger (Note 2)
Writing this bit arms the A/D converter. The value that you write to it
determines at what point a conversion is to start.
1 = start immediately
0 = EPA initiates conversion
2:0 ACH2:0 A/D Channel Selection
Write the A/D conversion channel number to these bits. The 87C196CA,
8XC196J
x
devices have six A/D channels, numbered 2–7. The
8XC196K
x
devices have eight channels, numbered 0–7.
NOTES:
1. While a threshold-detection mode is selected for an analog input pin, no other conversion can be
started. If another value is loaded into AD_COMMAND, the threshold-detection mode is disabled
and the new command is executed.
2. It is the act of writing to the GO bit, rather than its value, that starts a conversion. Even if the GO
bit has the desired value, you must set it again to start a conversion immediately or clear it again
to arm it for an EPA-initiated conversion.
Figure 11-5. A/D Command (AD_COMMAND) Register

11-9
ANALOG-TO-DIGITAL CONVERTER
11.4.5 Enabling the A/D Interrupt
The A/D converter can set the A/D interrupt pending bit when it completes a conversion or when
the input voltage crosses the threshold value in the selected direction. To enable the interrupt, set
the corresponding mask bit in the interrupt mask register (see Table 11-2 on page 11-2) and exe-
cute the EI instruction to globally enable servicing of interrupts. The A/D interrupt can cause the
PTS to begin a new conversion. See Chapter 5, “Standard and PTS Interrupts,” for details about
interrupts and a description of using the PTS in A/D scan mode.
11.5 DETERMINING A/D STATUS AND CONVERSION RESULTS
You can read the AD_RESULT register (Figure 11-6) to determine the status of the A/D convert-
er. The AD_RESULT register is cleared when a new conversion is started; therefore, to prevent
losing data, you must read both bytes before a new conversion starts. If you read AD_RESULT
before the conversion is complete, the result is not guaranteed to be accurate.
The conversion result is the ratio of the input voltage to the reference voltage:
You can also read the interrupt pending register (see Table 11-2 on page 11-2) to determine the
status of the A/D interrupt.
RESULT (8-bit) 255 VIN ANGND–
VREF ANGND–
-------------------------------------------
×=RESULT (10-bit) 1023 VIN ANGND–
VREF ANGND–
-------------------------------------------
×=

8XC196K
x
, J
x
, CA USER’S MANUAL
11-10
11.6 DESIGN CONSIDERATIONS
This section describes considerations for the external interface circuitry and describes the errors
that can occur in any A/D converter. The datasheet lists the absolute error specification, which
includes all deviations between the actual conversion process and an ideal converter. However,
because the various components of error are important in many applications, the datasheet also
lists the specific error components. This section describes those components. For additional in-
formation and design techniques, consult AP-406, MCS® 96 Analog Acquisition Primer (order
number 270365). Application note AP-406 is also included in Automotive Products and Embed-
ded Microcontrollers handbooks.
AD_RESULT (Read) Address:
Reset State:
1FAAH
7F80H
The A/D result (AD_RESULT) register consists of two bytes. The high byte contains the eight most-
significant bits from the A/D converter. The low byte contains the two least-significant bits from a ten-
bit A/D conversion, indicates the A/D channel number that was used for the conversion, and indicates
whether a conversion is currently in progress.
15 8
ADRLT9 ADRLT8 ADRLT7 ADRLT6 ADRLT5 ADRLT4 ADRLT3 ADRLT2
7 0
ADRLT1 ADRLT0 — — STATUS ACH2 ACH1 ACH0
Bit
Number Bit
Mnemonic Function
15:6 ADRLT9:0 A/D Result
These bits contain the A/D conversion result.
5:4 — Reserved. These bits are undefined.
3 STATUS A/D Status
Indicates the status of the A/D converter. Up to 8 state times are required
to set this bit following a start command. When testing this bit, wait at
least the 8 state times.
1 = A/D conversion is in progress
0 = A/D is idle
2:0 ACH2:0 A/D Channel Number
These bits indicate the A/D channel number that was used for the
conversion. The 87C196CA, 8XC196J
x
devices have six channel inputs.
These channels are numbered 2–7. The 8XC196K
x
devices have eight
channels, numbered 0–7.
Figure 11-6. A/D Result (AD_RESULT) Register — Read Format

11-11
ANALOG-TO-DIGITAL CONVERTER
11.6.1 Designing External Interface Circuitry
The external interface circuitry to an analog input is highly dependent upon the application and
can affect the converter characteristics. Factors such as input pin leakage, sample capacitor size,
and multiplexer series resistance from the input pin to the sample capacitor must be considered
in the external circuit’s design. These factors are idealized in Figure 11-7.
Figure 11-7. Idealized A/D Sampling Circuitry
During the sample window, the external input circuit must be able to charge the sample capacitor
(CS) through the series combination of the input source resistance (RSOURCE), the input series re-
sistance (R1), and the comparator feedback resistance (RF). The total effective series resistance
(RT) is calculated using the following formula, where AV is the gain of the comparator circuit.
Typically, the (RF / AV + 1) term is the major contributor to the total resistance and the factor that
determines the minimum sample time specified in the datasheet.
Leakage
V
R
SOURCE
+
-
C
S
R1
~1KΩ~2pF
I
LI1
External Internal
A
V
R
F
Sample
A0243-02
RTRSOURCE R1
RF
AV1+
----------------
++=

8XC196K
x
, J
x
, CA USER’S MANUAL
11-12
11.6.1.1 Minimizing the Effect of High Input Source Resistance
Under some conditions, the input source resistance (RSOURCE) can be great enough to affect the
measurement. You can minimize this effect by increasing the sample time or by connecting an
external capacitor (CEXT) from the input pin to ANGND. The external signal will charge CEXT to
the source voltage level. When the channel is sampled, CEXT acts as a low-impedance source to
charge the sample capacitor (CS). A small portion of the charge in CEXT is transferred to CS, re-
sulting in a drop of the sampled voltage. The voltage drop is calculated using the following for-
mula.
If CEXT is 0.005 µF or greater, the error will be less than –0.4 LSB in 10-bit conversion mode. The
use of CEXT in conjunction with RSOURCE forms a low-pass filter that reduces noise input to the
A/D converter.
High RSOURCE resistance can also cause errors due to the input leakage (ILI1). ILI1 is typically much
lower than its specified maximum (consult the datasheet for specifications). The combined effect
of ILI1 leakage and high RSOURCE resistance is calculated using the following formula.
where:
RSOURCE is the input source resistance, in ohms
ILI1 is the input leakage, in amperes
VREF is the reference voltage, in volts
External circuits with RSOURCE resistance of 1 KΩ or lower and VREF equal to 5.0 volts will have
a resultant error due to source impedance of 0.6 LSB or less.
Sampled Voltage Drop, % CS
CEXT CS
+
--------------------------- 100%×=
error (LSBs) RSOURCE ILI1
×1024×
VREF
------------------------------------------------------------
=

11-13
ANALOG-TO-DIGITAL CONVERTER
11.6.1.2 Suggested A/D Input Circuit
The suggested A/D input circuit shown in Figure 11-8 provides limited protection against over-
voltage conditions on the analog input. Should the input voltage be driven significantly below
ANGND or above VREF, diode D2 or D1 will forward bias at about 0.8 volts. The device’s input
protection begins to turn on at approximately 0.5 volts beyond ANGND or VREF. The 270Ω re-
sistor limits the current input to the analog input pin to a safe value, less than 1 mA.
NOTE
Driving any analog input more than 0.5 volts beyond ANGND or VREF begins
to activate the input protection devices. This drives current into the internal
reference circuitry and substantially degrades the accuracy of A/D conversions
on all channels.
Thoroughly analyze the applicability of the circuit shown in Figure 11-8 before
using it in an actual application.
Figure 11-8. Suggested A/D Input Circuit
11.6.1.3 Analog Ground and Reference Voltages
Reference supply levels strongly influence the absolute accuracy of the conversion. For this rea-
son, we recommend that you tie the ANGND pin to the VSS pin as close to the device as possible,
using a minimum trace length. In a noisy environment, we highly recommend the use of a sepa-
rate analog ground plane that connects to VSS at a single point as close to the device as possible.
IREF may vary between 2 mA and 5 mA during a conversion. To minimize the effect of this fluc-
tuation, mount a 1.0 µF ceramic or tantalum bypass capacitor between VREF and ANGND, as
close to the device as possible.
Analog
Input Pin
ANGND
(Optional)
D1
D2
270Ω
100Ω
0.005µF
ANGND
A0082-02
VREF
VREF
From
Application
System

8XC196K
x
, J
x
, CA USER’S MANUAL
11-14
ANGND should be within about ± 50 mV of VSS. VREF should be well regulated and used only
for the A/D converter. The VREF supply can be between 4.5 and 5.5 V and must be able to source
approximately 5 mA (see the datasheet for actual specifications). VREF should be approximately
the same voltage as VCC. VREF and VCC should power up at the same time, to avoid potential latch-
up conditions on VREF. Large negative current spikes on the ANGND pin relative to VSS may
cause the analog circuitry to latch up. This is an additional reason to follow careful grounding
practice.
The analog voltage reference (VREF) is the positive supply to which all A/D conversions are com-
pared. It is also the supply to port 0 if the A/D converter is not being used. If high accuracy is not
required, VREF can be tied to VCC. If accuracy is important, VREF must be very stable. One way to
accomplish this is through the use of a precision power supply or a separate voltage regulator
(usually an IC). These devices must be referenced to ANGND, not to VSS, to ensure that VREF
tracks ANGND and not VSS.
11.6.1.4 Using Mixed Analog and Digital Inputs
Port 0 may be used for both analog and digital input signals at the same time. However, reading
the port may inject some noise into the analog circuitry. For this reason, make certain that an an-
alog conversion is not in progress when the port is read. Refer to Chapter 6, “I/O Ports,” for in-
formation about using the port as digital inputs.
11.6.2 Understanding A/D Conversion Errors
The conversion result is the ratio of the input voltage to the reference voltage.
This ratio produces a stair-stepped transfer function when the output code is plotted versus input
voltage. The resulting digital codes can be taken as simple ratiometric information, or they pro-
vide information about absolute voltages or relative voltage changes on the inputs.
The more demanding the application, the more important it is to fully understand the converter’s
operation. For simple applications, knowing the absolute error of the converter is sufficient.
However, closing a servo-loop with analog inputs requires a detailed understanding of an A/D
converter’s operation and errors.
RESULT (8-bit) 255 VIN ANGND–
VREF ANGND–
-------------------------------------------
×=RESULT (10-bit) 1023 VIN ANGND–
VREF ANGND–
-------------------------------------------
×=

11-15
ANALOG-TO-DIGITAL CONVERTER
In many applications, it is less critical to record the absolute accuracy of an input than it is to de-
tect that a change has occurred. This approach is acceptable as long as the converter is monotonic
and has no missing codes. That is, increasing input voltages produce adjacent, unique output
codes that are also increasing. Decreasing input voltages produce adjacent, unique output codes
that are also decreasing. In other words, there exists a unique input voltage range for each 10-bit
output code that produces that code only, with a repeatability of typically ± 0.25 LSBs (1.5 mV).
The inherent errors in an analog-to-digital conversion process are quantizing error, zero-offset er-
ror, full-scale error, differential nonlinearity, and nonlinearity. All of these are transfer function
errors related to the A/D converter. In addition, temperature coefficients, VCC rejection, sample-
hold feedthrough, multiplexer off-isolation, channel-to-channel matching, and random noise
should be considered. Fortunately, one absolute error specification (listed in datasheets) de-
scribes the total of all deviations between the actual conversion process and an ideal converter.
However, the various components of error are important in many applications.
An unavoidable error results from the conversion of a continuous voltage to an integer digital rep-
resentation. This error is called quantizing error and is always ± 0.5 LSB. Quantizing error is the
only error seen in a perfect A/D converter, and is obviously present in actual converters. Figure
11-9 shows the transfer function for an ideal 3-bit A/D converter.

8XC196K
x
, J
x
, CA USER’S MANUAL
11-16
Figure 11-9. Ideal A/D Conversion Characteristic
Note that the ideal characteristic possesses unique qualities:
•its first code transition occurs when the input voltage is 0.5 LSB;
•its full-scale code transition occurs when the input voltage equals the full-scale reference
voltage minus 1.5 LSB (VREF – 1.5LSB); and
•its code widths are all exactly one LSB.
These qualities result in a digitization without zero-offset, full-scale, or linearity errors; in other
words, a perfect conversion.
FINAL CODE TRANSITION OCCURS
WHEN THE APPLIED VOLTAGE IS
EQUAL TO (Vref – 1.5 (LSB)).
ACTUAL CHARACTERISTIC OF
AN IDEAL A/D CONVERTER
FIRST CODE TRANSITION OCCURS
WHEN THE APPLIED VOLTAGE IS
EQUAL TO 1/2 LSB.
THE VOLTAGE CHANGE
BETWEEN THE ADJACENT CODE
TRANSITIONS (THE “CODE
WIDTH”) IS = 1 LSB.
1/2123456786 1/2
0
1
2
3
4
5
6
7
INPUT VOLTAGE (LSBs)
Ø OUTPUT CODE, Q
A0083-01

11-17
ANALOG-TO-DIGITAL CONVERTER
Figure 11-10. Actual and Ideal A/D Conversion Characteristics
The actual characteristic of a hypothetical 3-bit converter is not perfect. When the ideal charac-
teristic is overlaid with the actual characteristic, the actual converter is seen to exhibit errors in
the locations of the first and final code transitions and in code widths, as shown in Figure 11-10.
The deviation of the first code transition from ideal is called zero-offset error, and the deviation
of the final code transition from ideal is full-scale error. The deviation of a code width from ideal
causes two types of errors: differential nonlinearity and nonlinearity. Differential nonlinearity is
a measure of local code-width error, whereas nonlinearity is a measure of overall code-transition
error.
FULL SCALE ERROR
ZERO OFFSET
ACTUAL
CHARACTERISTIC
1/2123456786 1/2
0
1
2
3
4
5
6
7
INPUT VOLTAGE (LSBs)
Ø OUTPUT CODE, Q
ABSOLUTE ERROR
IDEAL
CHARACTERISTIC
A0084-01

8XC196K
x
, J
x
, CA USER’S MANUAL
11-18
Differential nonlinearity is the degree to which actual code widths differ from the ideal one-LSB
width. It provides a measure of how much the input voltage may have changed in order to produce
a one-count change in the conversion result. In the 10-bit converter, the code widths are ideally
5 mV (VREF / 1024). If such a converter is specified to have a maximum differential nonlinearity
of 2 LSBs (10 mV), then the maximum code width will be no greater than 10 mV larger than ide-
al, or 15 mV.
Because the A/D converter has no missing codes, the minimum code width will always be greater
than –1 (negative one). The differential nonlinearity error on a particular code width is compen-
sated for by other code widths in the transfer function, such that 1024 unique steps occur. The
actual code widths in this converter typically vary from 2.5 mV to 7.5 mV.
Nonlinearity is the worst-case deviation of code transitions from the corresponding code transi-
tions of the ideal characteristic. Nonlinearity describes the extent to which differential nonlinear-
ities can add up to produce an overall maximum departure from a linear characteristic. If the
differential nonlinearity errors are too large, it is possible for an A/D converter to miss codes or
to exhibit non-monotonic behavior. Neither behavior is desirable in a closed-loop system. A con-
verter has no missing codes if there exists for each output code a unique input voltage range that
produces that code only. A converter is monotonic if every subsequent code change represents an
input voltage change in the same direction.
Differential nonlinearity and nonlinearity are quantified by measuring the terminal-based linear-
ity errors. A terminal-based characteristic results when an actual characteristic is translated and
scaled to eliminate zero-offset and full-scale error, as shown in Figure 11-11. The terminal-based
characteristic is similar to the actual characteristic that would result if zero-offset and full-scale
error were externally trimmed away. In practice, this is done by using input circuits that include
gain and offset trimming. In addition, VREF could also be closely regulated and trimmed within
the specified range to affect full-scale error.
Other factors that affect a real A/D converter system include temperature drift, failure to com-
pletely reject unwanted signals, multiplexer channel dissimilarities, and random noise. Fortunate-
ly, these effects are small. Temperature drift is the rate at which typical specifications change with
a change in temperature. These changes are reflected in the temperature coefficients. Unwanted
signals come from three main sources: noise on VCC, input signal changes on the channel being
converted (after the sample window has closed), and signals applied to channels not selected by
the multiplexer. The effects of these unwanted signals are specified as Vcc rejection, off-isolation,
and feedthrough, respectively. Finally, multiplexer on-channel resistances differ slightly from one
channel to the next, which causes channel-to-channel matching errors and repeatability errors.
Differences in DC leakage current from one channel to another and random noise in general con-
tribute to repeatability errors.

11-19
ANALOG-TO-DIGITAL CONVERTER
Figure 11-11. Terminal-based A/D Conversion Characteristic
IDEAL FULL-SCALE CODE
TRANSITION
ACTUAL FIRST TRANSITION
1/2123456786 1/2
0
1
2
3
4
5
6
7
INPUT VOLTAGE (LSBs)
Ø OUTPUT CODE, Q
IDEAL STRAIGHT LINE
TRANSFER FUNCTION
NON-LINEARITY
DIFFERENTIAL
NON-LINEARITY
(POSITIVE)
IDEAL
CODE WIDTH
IDEAL FIRST TRANSITION
IDEAL CODE WIDTH
DIFFERENTIAL
NON-LINEARITY (NEGATIVE)
ACTUAL
CHARACTERISTIC
TERMINAL BASED
CHARACTERISTIC
(corrected for zero-offset
and full-scale error)
ACTUAL
FULL-SCALE CODE
TRANSITION
A0085-01

12
CAN Serial
Communications
Controller

<PageNum>-22

12-1
CHAPTER 12
CAN SERIAL COMMUNICATIONS CONTROLLER
The 87C196CA has a peripheral not found in the 8XC196Kx and 8XC196Jx controllers — the
CAN (controller area network) peripheral. The CAN serial communications controller manages
communications between multiple network nodes. This integrated peripheral is similar to Intel’s
standalone 82527 CAN serial communications controller. It supports both the standard and the
extended message frames specified by CAN 2.0 protocol parts A and B developed by Robert
Bosch, GmbH. This chapter describes the integrated CAN controller and explains how to config-
ure it. Consult Appendix B, “Signal Descriptions,” for detailed descriptions of the signals dis-
cussed in this chapter.
12.1 CAN FUNCTIONAL OVERVIEW
The integrated CAN controller transfers messages between network nodes according to the CAN
protocol. The CAN protocol uses a multiple-master, contention-based bus configuration, which
is also called CSMA/CR (carrier sense, multiple access, with collision resolution). Each CAN
controller’s input and output pins are connected to a two-line CAN bus through which all com-
munication takes place (Figure 12-1).
Figure 12-1. A System Using CAN Controllers
196Cx
device
Engine
ABS
82527
82527
Transmission
Dashboard
196Cx
device
196Cx
device
CAN Bus
A2588-02
Bus
Driver CPU
CPU
Tx0
Rx0
Tx0
Rx0
Bus
Driver
TXCAN
RXCAN
TXCAN
RXCAN
TXCAN
RXCAN
Bus
Driver CAN_H
CAN_L
Bus
Driver
Bus
Driver CAN_H
CAN_L
Security System
CAN_H
CAN_L
CAN_H
CAN_L
CAN_H
CAN_L
Bus
Bus

8XC196K
x
, J
x
, CA USER’S MANUAL
12-2
This bus configuration reduces point-to-point wiring requirements, making the CAN controller
well suited to automotive and factory automation applications. In addition, it relieves the CPU of
much of the communications burden while providing a high level of data integrity through error
management logic.
The CAN controller (Figure 12-2) has one input pin, one output pin, control and status registers,
and error detection and management logic.
Figure 12-2. CAN Controller Block Diagram
Bit Timing Registers
Control Register
Status Register
Interrupt Register
Message
Objects 1-14
Message
Object 15
Global
Mask
Registers
Mask 15
Register
RAM
Error
Management
Logic
RXCAN
TXCAN
2
A2590-02
Bus
Driver Bus
Driver
CAN Bus

12-3
CAN SERIAL COMMUNICATIONS CONTROLLER
12.2 CAN CONTROLLER SIGNALS AND REGISTERS
Table 12-1 describes the CAN controller’s pins, and Table 12-2 describes the control and status
registers.
Table 12-1. CAN Controller Signals
Signal Type Description
RXCAN I Receive
This signal carries messages from other nodes on the CAN bus to the CAN controller.
TXCAN O Transmit
This signal carries messages from the CAN controller to other nodes on the CAN bus.
Table 12-2. Control and Status Registers
Register
Mnemonic †† Register
Address †† Description
CAN_BTIME0†1E3FH Bit Timing 0
Program this register to define the length of one time quantum
and the maximum number of time quanta by which a bit time can
be modified for resynchronization.
CAN_BTIME1†1E4FH Bit Timing 1
Program this register to define the sample time and mode.
CAN_CON†1E00H Control
Program this register to prevent transfers to and from the CAN
bus, to enable and disable CAN interrupts, and to control write
access to the bit timing registers.
CAN_EGMSK 1E08H, 1E09H,
1E0AH, 1E0BH Extended Global Mask
Program this register to mask (“don’t care”) specific message
identifier bits for extended message objects.
CAN_INT 1E5FH CAN Interrupt Pending
This read-only register indicates the source of the highest-priority
pending interrupt.
CAN_MSG
x
CFG 1E
y
6H Message Object
x
Configuration
Program this register to specify a message object’s data length,
transfer direction, and identifier type.
CAN_MSG
x
CON0 1E
y
0H Message Object
x
Control 0
Program this register to enable or disable the message object’s
successful transmission (TX) and reception (RX) interrupts. Read
this register to determine whether a message object is ready to
transmit and whether an interrupt is pending.
†The CCE bit in CAN_CON must be set to enable write access to the bit timing registers.
††In register names,
x
= 1–15; in addresses,
y
= 1–F.

8XC196K
x
, J
x
, CA USER’S MANUAL
12-4
12.3 CAN CONTROLLER OPERATION
This section describes the address map, message objects, message frames (which contain mes-
sage objects), error detection and management logic, and bit timing for CAN transmissions and
receptions.
CAN_MSG
x
CON1 1E
y
1H Message Object
x
Control 1
Program this register to indicate that a message is ready to
transmit or to initiate a transmission. Read this register to
determine whether the message object contains new data,
whether a message has been overwritten, whether software is
updating the message, and whether a transfer is pending.
CAN_MSG
x
DATA0
CAN_MSG
x
DATA1
CAN_MSG
x
DATA2
CAN_MSG
x
DATA3
CAN_MSG
x
DATA4
CAN_MSG
x
DATA5
CAN_MSG
x
DATA6
CAN_MSG
x
DATA7
1E
y7
H
1E
y
8H
1E
y
9H
1E
y
AH
1E
y
BH
1E
y
CH
1E
y
DH
1E
y
EH
Message Object
x
Data 0–7
The data registers contain data to be transmitted or data received.
Do not use unused data bytes as scratch-pad memory; the CAN
controller writes random values to these registers during
operation.
CAN_MSG
x
ID0
CAN_MSG
x
ID1
CAN_MSG
x
ID2
CAN_MSG
x
ID3
1E
y
2H
1E
y
3H
1E
y
4H
1E
y
5H
Message Object
x
Identification 0–3
Write the message object’s ID to this register. (This register is the
same as the arbitration register of the 82527.)
CAN_MSK15 1E0CH, 1E0DH,
1E0EH, 1E0FH Message 15 Mask
Program this register to mask (“don’t care”) specific message
identifier bits for message 15 in addition to those bits masked by a
global mask. The message 15 mask is ANDed with the standard
or extended global mask, so any “don’t care” bits defined in a
global mask are also “don’t care” bits for message 15.
CAN_SGMSK 1E06H, 1E07H Standard Global Mask
Program this register to mask (“don’t care”) specific message
identifier bits for standard message objects.
CAN_STAT 1E01H Status
This register reflects the current status of the CAN controller.
INT_MASK1 0013H Interrupt Mask 1
The CAN bit in this register enables and disables the CAN
interrupt request.
INT_PEND1 0012H Interrupt Pending 1
The CAN bit in this register, when set, indicates a pending CAN
interrupt request.
Table 12-2. Control and Status Registers (Continued)
Register
Mnemonic †† Register
Address †† Description
†The CCE bit in CAN_CON must be set to enable write access to the bit timing registers.
††In register names,
x
= 1–15; in addresses,
y
= 1–F.

12-5
CAN SERIAL COMMUNICATIONS CONTROLLER
12.3.1 Address Map
The CAN controller has 256 bytes of RAM, containing 15 message objects and control and status
registers at fixed addresses. Each message object occupies 15 consecutive bytes beginning at a
base address that is a multiple of 16 bytes. The byte above each message object is reserved (indi-
cated by a dash (—) ) or occupied by a control register. The lowest 16 bytes of RAM contain the
remaining control and status registers (Table 12-3). This 256-byte section of memory can be win-
dowed for register-direct access (see “Windowing” on page 4-13).
12.3.2 Message Objects
The CAN controller includes 15 message objects, each of which occupies 15 bytes of RAM (Ta-
ble 12-4). Message objects 1–14 can be configured to either transmit or receive messages, while
message object 15 can only receive messages. Message objects 1–14 have only a single buffer,
so if a second message is received before the CPU reads the first, the first message is overwritten.
Message object 15 has two alternating buffers, so it can receive a second message while the first
is being processed. However, if a third message is received while the CPU is reading the first, the
second message is overwritten.
Table 12-3. CAN Controller Address Map
Hex Address Description Hex Address Description
1EFF — 1E6F —
1EF0–1EFE Message Object 15 1E60–1E6E Message Object 6
1EEF — 1E5F Interrupt Register
1EE0–1EEE Message Object 14 1E50–1E5E Message Object 5
1EDF — 1E4F Bit Timing Register 1†
1ED0–1EDE Message Object 13 1E40–1E4E Message Object 4
1ECF — 1E3F Bit Timing Register 0†
1EC0–1ECE Message Object 12 1E30–1E3E Message Object 3
1EBF — 1E2F —
1EB0–1EBE Message Object 11 1E20–1E2E Message Object 2
1EAF — 1E1F —
1EA0–1EAE Message Object 10 1E10–1E1E Message Object 1
1E9F — 1E0C–1E0F Message 15 Mask Register
1E90–1E9E Message Object 9 1E08–1E0B Extended Global Mask Register
1E8F — 1E06–1E07 Standard Global Mask Register
1E80–1E8E Message Object 8 1E02–1E05 —
1E7F — 1E01 Status Register
1E70–1E7E Message Object 7 1E00 Control Register†
†The control register’s CCE bit must be set to enable write access to the bit timing registers.

8XC196K
x
, J
x
, CA USER’S MANUAL
12-6
12.3.2.1 Receive and Transmit Priorities
The lowest-numbered message object always has the highest priority, regardless of the message
identifier. When multiple messages are ready to transmit, the CAN controller transmits the mes-
sage from the lowest-numbered message object first. When multiple message objects are capable
of receiving the same message, the lowest-numbered message object receives it. For example, if
all identifier bits are masked, message object 1 receives all messages.
12.3.2.2 Message Acceptance Filtering
The mask registers provide a method for developing an acceptance filtering strategy for a specific
system. Software can program the mask registers to require an exact match on specific identifier
bits while masking (“don’t care”) the remaining bits. Without a masking strategy, a message ob-
ject could accept only those messages with an identical message identifier. With a masking strat-
egy in place, a message object can accept messages whose identifiers are not identical.
The CAN controller filters messages by comparing an incoming message’s identifier with that of
an enabled internal message object. The standard global mask register applies to messages with
standard (11-bit) identifiers, while the extended global mask register applies to those with extend-
ed (29-bit) identifiers. The CAN controller applies the appropriate global mask to each incoming
message identifier and checks for an acceptance match in message objects 1–14. If no match ex-
ists, it then applies the message 15 mask and checks for a match on message object 15. The mes-
sage 15 mask is ANDed with the global mask, so any bit that is masked by the global mask is
automatically masked for message 15.
The CAN controller accepts an incoming data message if the message’s identifier matches that of
any enabled receive message object. It accepts an incoming remote message (request for data
transmission) if the message’s identifier matches that of any enabled transmit message object.
The remote message’s identifier is stored in the transmit message object, overwriting any masked
bits. Table 12-5 shows an example.
Table 12-4. Message Object Structure
Hex Address† Contents
1E
x
7–1E
x
E Data Bytes 0–7
1E
x
6 Message Configuration
1E
x
2–1E
x
5 Message Identifier 0–3
1E
x
0–1E
x
1 Message Control 0–1
†
x
= message object number, in hexadecimal

12-7
CAN SERIAL COMMUNICATIONS CONTROLLER
12.3.3 Message Frames
A message object is contained within a message frame that adds control and error-detection bits
to the content of the message object. The frame for an extended message differs slightly from that
for a standard message, but they contain similar information. A data frame contains a message
object with data to be transmitted; a remote frame is a request for another node to transmit a data
frame, so it contains no data.
Figure 12-3 illustrates standard and extended message frames. Table 12-6 and Table 12-7 describe
their contents and summarize the minimum message lengths. Actual message lengths may differ
because the CAN controller adds bits during transmission (see “Error Detection and Management
Logic” on page 12-9). After each message frame, an intermission field consisting of three reces-
sive (1) bits separates messages. This intermission may be followed by a bus idle time.
Figure 12-3. CAN Message Frames
Table 12-5. Effect of Masking on Message Identifiers
Transmit message object ID 1 1 0 0 0 0 0 0 0 0 0
Mask (0 = don’t care; 1 = must match) 0 0 0 0 0 0 0 0 0 1 1
Received remote message object ID 0 0 1 1 1 1 1 1 1 0 0
Resulting message object ID 0 0 1 1 1 1 1 1 1 0 0
18-bit
Identifier
11 bit
Identifier
S
O
F
S
R
R
I
D
E
R
T
R
r
1
r
00–8 Bytes 15-bit
CRC
DLC
11-bit
Identifier
S
O
F
R
T
R
I
D
E
r
00–8 Bytes 15-bit
CRC
DLC
End of
Frame
Ack
F.
CRC
Field
Data Field
Control
Field
Arbitration
Field
End of
Frame
Ack
F.
CRC
Field
Data Field
Control
Field
Arbitration
Field
A2599-01
Standard Frame
Extended Frame

8XC196K
x
, J
x
, CA USER’S MANUAL
12-8
Table 12-6. Standard Message Frame
Field Description Bit Count
SOF Start-of-frame. A dominant (0) bit marks the beginning of a message frame. 1
Arbitration
11-bit message identifier.
12
RTR. Remote transmission request. Dominant (0) for data frames; recessive (1)
for remote frames.
Control
IDE. Identifier extension bit; always dominant (0).
6
r0. Reserved bit; always dominant (0).
DLC. Data length code. A 4-bit code that indicates the number of data bytes
(0–8).
Data Data. 1 to 8 bytes for data frames; 0 bytes for remote frames. 0–64
CRC CRC code. A 15-bit CRC code plus a recessive (1) delimiter bit. 16
Ack Acknowledgment. A dominant (0) bit sent by nodes receiving the frame plus a
recessive (1) delimiter bit. 2
End of frame 7 recessive (1) bits mark the end of a frame. 7
Minimum standard message frame length (bits) 44–108
Table 12-7. Extended Message Frame
Field Description Bit Count
SOF Start-of-frame. A dominant (0) bit marks the beginning of a message frame. 1
Arbitration
11 bits of the 29-bit message identifier
32
SRR. Substitute remote transmission request; always recessive (1)
IDE. Identifier extension bit; always recessive (1)
18 bits of the 29-bit message identifier
RTR. Remote transmission request; always recessive (1)
Control
r0. Reserved bit; always dominant (0)
6
r1. Reserved bit; always dominant (0)
DLC. Data length code. A 4-bit code that indicates the number of data bytes (0–
8)
Data Data. 1 to 8 bytes for data frames; 0 bytes for remote frames 0–64
CRC CRC code. A 15-bit CRC code plus a recessive (1) delimiter bit 16
Ack Acknowledgment. A dominant (0) bit sent by nodes receiving the frame plus a
recessive (1) delimiter bit. 2
End of frame 7 recessive (1) bits mark the end of a frame. 7
Minimum extended message frame length (bits) 64–128

12-9
CAN SERIAL COMMUNICATIONS CONTROLLER
12.3.4 Error Detection and Management Logic
The CAN controller has several error detection mechanisms, including cyclical redundancy
checking (CRC) and bit coding rules (stuffing and destuffing). The CAN controller generates a
CRC code for transmitted messages and checks the CRC code of incoming messages. The CRC
polynomial has been optimized for control applications with short messages.
After five consecutive bits of equal value are transmitted, a bit with the opposite polarity is added
to the bit stream. This bit is called a stuff bit; by adding a transition, a stuff bit aids in synchroni-
zation. All message fields are stuffed except the CRC delimiter, the acknowledgment field, and
the end-of-frame field.
Receiving nodes reject data from any message that is corrupted during transmission and send an
error message via the CAN bus. Transmitting nodes monitor the CAN bus for error messages and
automatically repeat a transmission if an error occurs. The following error types are detected:
•stuff error — more than 5 equal bits in a sequence have occurred in a part of a received
message where this is not allowed
•form error — the fixed-format part of a received frame has the wrong format (for example,
a reserved bit has the wrong value)
•acknowledgment error — this device transmitted a message, but it was not acknowledged
by another node on the CAN bus. (The transmit error counter stops incrementing after 128
acknowledgment errors, so this error type does not cause a bus-off state.)
•bit 1 error — the CAN controller tried to send a recessive (logic 1) bit as part of a
transmitted message (with the exception of the arbitration field), but the monitored CAN
bus value was dominant (logic 0)
•bit 0 error — the CAN controller tried to send a dominant (logic 0) bit as part of a
transmitted message (with the exception of the arbitration field), but the monitored CAN
bus value was recessive (logic 1)
•CRC error — the CRC checksum received for an incoming message does not match the
CRC value that the CAN controller calculated for the received data
The CAN status register indicates the type of the first transmission error that occurred on the
CAN bus and whether an abnormal number of errors have occurred. Two counters (a receive error
counter and a transmit error counter) track the number of errors. The status register’s warning bit
is set when the receive or transmit error counter reaches 96; the bus-off bit is set when either
counter reaches 256. If this occurs, the CAN controller isolates itself from the CAN bus (floats
the TX pin). Software must clear the INIT bit in the control register (Figure 12-6 on page 12-13)
to begin a bus-off recovery sequence.

8XC196K
x
, J
x
, CA USER’S MANUAL
12-10
12.3.5 Bit Timing
A message object consists of a series of bits transmitted in consecutive bit times. The CAN pro-
tocol specifies a bit time composed of four separate, nonoverlapping time segments: a synchro-
nization delay segment, a propagation delay segment, and two phase delay segments (Figure 12-4
and Table 12-8). The CAN controller implements a bit time as three segments, combining
PROP_SEG and PHASE_SEG1 into tTSEG1 (Figure 12-5 and Table 12-9). This implementation is
identical to that of the 82527 CAN peripheral.
Figure 12-4. A Bit Time as Specified by the CAN Protocol
Table 12-8. CAN Protocol Bit Time Segments
Symbol Definition
SYNC_SEG The synchronization delay segment allows for synchronization of the various nodes on
the bus. An edge is expected to lie within this segment.
PROP_SEG The propagation delay segment compensates for the physical delay times within the
network. It is twice the sum of the signal’s propagation time on the bus line, the input
comparator delay, and the output driver delay. The factor of two accounts for the
requirement that all nodes monitor all bus transmissions for errors.
PHASE_SEG1 This segment compensates for edge phase errors. It can be lengthened or shortened by
resynchronization.
PHASE_SEG2 This segment compensates for edge phase errors. It can be lengthened or shortened by
resynchronization.
SYNC_SEG PROP_SEG PHASE_SEG2
PHASE_SEG1
Sample Transmit
Nominal Bit Time
A2603-01

12-11
CAN SERIAL COMMUNICATIONS CONTROLLER
Figure 12-5. A Bit Time as Implemented in the CAN Controller
Table 12-9. CAN Controller Bit Time Segments
Symbol Definition
tSYNC_SEG This time segment is equivalent to SYNC_SEG in the CAN protocol. Its length is one time
quantum.
tTSEG1 This time segment is equivalent to the sum of PROP_SEG and PHASE_SEG1 in the CAN
protocol. Its length is specified by the TSEG1 field in bit timing register 1. To allow for resyn-
chronization, the sample point can be moved (tTSEG1 or tTSEG2 can be shortened and the other
lengthened) by 1 to 4 time quanta, depending on the programmed value of the SJW field in bit
timing register 0.
The CAN controller samples the bus once or three times, depending on the value of the
sampling mode (SPL) bit in bit timing register 0. In three-sample mode, the hardware
lengthens tTSEG1 by 2 time quanta to allow time for the additional two bus samples. In this
case, the “sample point” shown in Figure 12-5 is the time of the third sample; the first and
second samples occur 2 and 1 time quanta earlier, respectively.
tTSEG2 This time segment is equivalent to PHASE_SEG2 in the CAN protocol. Its length is specified
by the TSEG2 field in bit timing register 1. To allow for resynchronization, the sample point
can be moved (tTSEG1 or tTSEG2 can be shortened and the other lengthened) by 1 to 4 time
quanta, depending on the programmed value of the SJW field in bit timing register 0.
TSEG1
Sample Transmit
1 tq
Bit Time
(TSEG1 + 1)tq
t
A2602-01
TSEG2
t
SYNC
_SEG
t
(TSEG2 + 1)tq

8XC196K
x
, J
x
, CA USER’S MANUAL
12-12
12.3.5.1 Bit Timing Equations
The bit timing equations of the integrated CAN controller are equivalent to those for the 82527
CAN peripheral with the DSC bit in the CPU interface register set (system clock divided by two).
The following equations show the timing calculations for the integrated CAN controller and the
82527 CAN peripheral, respectively.
where:
FOSC = the input clock frequency on the XTAL1 pin, in MHz
BRP = the value of the BRP bit in bit timing register 0
TSEG1 = the value of the TSEG1 field in bit timing register 0
TSEG2 = the value of the TSEG1 field in bit timing register 1
Table 12-10 defines the bit timing relationships of the CAN controller.
Table 12-10. Bit Timing Relationships
Timing
Parameter Definition
tBITTIME t
SYNC_SEG + tTSEG1 + tTSEG2
tXTAL1input clock period on XTAL1 (50 ns at 20 MHz operation)
tq 2tXTAL1 × (BRP + 1), where BRP is a field in bit timing register 0 (valid values are 0–63)
tSYNC_SEG 1tq
tTSEG1 (TSEG1 + 1) × tq, where TSEG1 is a field in bit timing register 1 (valid values are 2–15)
tTSEG2 (TSEG2 + 1) × tq, where TSEG2 is a field in bit timing register 1 (valid values are 1–7)
tSJW (SJW + 1) × tq, where SJW is a field in bit timing register 0 (valid values are 0–3)
tPROP The portion of tTSEG1 that is equivalent to PROP_SEG as defined by the CAN protocol. Twice
the maximum sum of the physical bus delay, input comparator delay, and output driver delay,
rounded up to the nearest multiple of tq.
CAN Controller CAN bus frequency Fosc
2 BRP + 1()× 3 TSEG1 TSEG2++()×
-------------------------------------------------------------------------------------------------------------
=
82527 CAN bus frequency Fosc
DSC 1+()BRP + 1()× 3 TSEG1 TSEG2++()×
---------------------------------------------------------------------------------------------------------------------------------------
=

12-13
CAN SERIAL COMMUNICATIONS CONTROLLER
12.4 CONFIGURING THE CAN CONTROLLER
This section explains how to configure the CAN controller. Several registers combine to control
the configuration: the CAN control register, the two bit timing registers, and the three mask reg-
isters.
12.4.1 Programming the CAN Control (CAN_CON) Register
The CAN control register (Figure 12-6) controls write access to the bit timing registers, enables
and disables global interrupt sources (error, status change, and individual message object), and
controls access to the CAN bus.
CAN_CON
(87C196CA)
Address:
Reset State:
1E00H
01H
Program the CAN control (CAN_CON) register to control write access to the bit timing registers, to
enable and disable CAN interrupts, and to control access to the CAN bus.
7 0
87C196CA —CCE — — EIE SIE IE INIT
Bit
Number Bit
Mnemonic Function
7 — Reserved; for compatibility with future devices, write zero to this bit.
6 CCE Change Configuration Enable
This bit controls whether software can write to the bit timing registers.
1 = allow write access
0 = prohibit write access
5:4 — Reserved; for compatibility with future devices, write zeros to these bits.
3 EIE Error Interrupt Enable
This bit enables and disables the bus-off and warn interrupts.
1 = enable bus-off and warn interrupts
0 = disable bus-off and warn interrupts
2 SIE Status-change Interrupt Enable
This bit enables and disables the successful reception (RXOK), successful
transmission (TXOK), and error code change (LEC2:0) interrupts.
1 = enable status-change interrupt
0 = disable status-change interrupt
When the SIE bit is set, the CAN controller generates a successful
reception (RXOK) interrupt request each time it receives a valid message,
even if no message object accepts it.
Figure 12-6. CAN Control (CAN_CON) Register

8XC196K
x
, J
x
, CA USER’S MANUAL
12-14
1 IE Interrupt Enable
This bit globally enables and disables interrupts (error, status-change, and
message object transmit and receive interrupts).
1 = enable interrupts
0 = disable interrupts
When the IE bit is set, an interrupt is generated only if the corresponding
interrupt source’s enable bit (EIE or SIE in CAN_CON; TXIE or RXIE in
CAN_MSG
x
_CON0) is also set. If the IE bit is clear, an interrupt request
updates the CAN interrupt pending register, but does not generate an
interrupt.
0 INIT Software Initialization Enable
Setting this bit isolates the CAN bus from the system. (If a transfer is in
progress, it completes, but no additional transfers are allowed.)
1 = software initialization enabled
0 = software initialization disabled
A hardware reset sets this bit, enabling you to configure the RAM without
allowing any CAN bus activity. After a hardware reset or software initial-
ization, clearing this bit completes the initialization. The CAN peripheral
waits for a bus idle state (11 consecutive recessive bits) before partici-
pating in bus activities.
Software can set this bit to stop all receptions and transmissions on the
CAN bus. (To prevent transmission of a specific message object while its
contents are being updated, set the CPUUPD bit in the individual message
object’s control register 1. See “Configuring Message Objects” on page
12-20.)
Entering powerdown mode stops an in-progress CAN transmission
immediately. To avoid stopping a CAN transmission while it is sending a
dominant bit on the CAN bus, set the INIT bit before executing the IDLPD
instruction.
The CAN peripheral also sets this bit to isolate the CAN bus when an error
counter reaches 256. This isolation is called a
bus-off
condition. After a
bus-off condition, clearing this bit initiates a bus-off recovery sequence,
which clears the error counters. The CAN peripheral waits for 128 bus idle
states (128 packets of 11 consecutive recessive bits), then resumes
normal operation. (See “Bus-off State” on page 12-41.)
CAN_CON (Continued)
(87C196CA)
Address:
Reset State:
1E00H
01H
Program the CAN control (CAN_CON) register to control write access to the bit timing registers, to
enable and disable CAN interrupts, and to control access to the CAN bus.
7 0
87C196CA —CCE — — EIE SIE IE INIT
Bit
Number Bit
Mnemonic Function
Figure 12-6. CAN Control (CAN_CON) Register (Continued)

12-15
CAN SERIAL COMMUNICATIONS CONTROLLER
12.4.2 Programming the Bit Timing 0 (CAN_BTIME0) Register
Bit timing register 0 (Figure 12-7) defines the length of one time quantum and the maximum
amount by which the sample point can be moved (tTSEG1 or tTSEG2 can be shortened and the other
lengthened) to compensate for resynchronization.
CAN_BTIME0
(87C196CA)
Address:
Reset State:
1E3FH
Unchanged
Program the CAN bit timing 0 (CAN_BTIME0) register to define the length of one time quantum and
the maximum number of time quanta by which a bit time can be modified for resynchronization.
7 0
87C196CA SJW1 SJW0 BRP5 BRP4 BRP3 BRP2 BRP1 BRP0
Bit
Number Bit
Mnemonic Function
7:6 SJW1:0 Synchronization Jump Width
This field defines the maximum number of time quanta by which a resyn-
chronization can modify tTSEG1 and tTSEG2. Valid programmed values are 0–
3. The hardware adds 1 to the programmed value, so a “1” value causes
the CAN peripheral to add or subtract 2 time quanta, for example. This
adjustment has no effect on the total bit time; if tTSEG1 is increased by 2 tq,
tTSEG2 is decreased by 2 tq, and vice versa.
5:0 BRP5:0 Baud-rate Prescaler
This field defines the length of one time quantum (tq), using the following
formula, where tXTAL1 is the input clock period on XTAL1. Valid programmed
values are 0–63.
For example, at 20 MHz operation, the system clock period is 50 ns.
Writing 3 to BRP achieves a time quanta of 400 ns; writing 1 to BRP
achieves a time quanta of 200 ns.
NOTE: The CCE bit (CAN_CON.6) must be set to enable write access to this register.
Figure 12-7. CAN Bit Timing 0 (CAN_BTIME0) Register
tq 2tXTAL1 BRP 1+()×=
tq 2 50×()31+()× 400 ns==
tq 2 50×()11+()× 200 ns==

8XC196K
x
, J
x
, CA USER’S MANUAL
12-16
12.4.3 Programming the Bit Timing 1 (CAN_BTIME1) Register
Bit timing register 1 (Figure 12-8) controls the time at which the bus is sampled and the number
of samples taken. In single-sample mode, the bus is sampled once and the value of that sample is
considered valid. In three-sample mode, the bus is sampled three times and the value of the ma-
jority of those samples is considered valid. Single-sample mode may achieve a faster transmis-
sion rate, but it is more susceptible to errors caused by noise on the CAN bus. Three-sample mode
is less susceptible to noise-related errors, but it may be slower. If you specify three-sample mode,
the hardware adds two time quanta to the TSEG1 value to allow time for two additional samples
during tTSEG1.
CAN_BTIME1
(87C196CA)
Address:
Reset State:
1E4FH
Unchanged
Program the CAN bit timing 1 (CAN_BTIME1) register to define the sample time and the sample
mode. The CAN controller samples the bus during the last one (in single-sample mode) or three (in
three-sample mode) time quanta of tTSEG1, and initiates a transmission at the end of tTSEG2.
Therefore, specifying the lengths of tTSEG1 and tTSEG2 defines both the sample point and the trans-
mission point.
7 0
87C196CA SPL TSEG2.2 TSEG2.1 TSEG2.0 TSEG1.3 TSEG1.2 TSEG1.1 TSEG1.0
Bit
Number Bit
Mnemonic Function
7 SPL Sampling Mode
This bit determines how many samples are taken to determine a valid bit
value.
1 = 3 samples, using majority logic
0 = 1 sample
6:4 TSEG2 Time Segment 2
This field determines the length of time that follows the sample point within
a bit time. Valid programmed values are 1–7; the hardware adds 1 to this
value. (Note 2)
Figure 12-8. CAN Bit Timing 1 (CAN_BTIME1) Register

12-17
CAN SERIAL COMMUNICATIONS CONTROLLER
3:0 TSEG1 Time Segment 1
This field defines the length of time that precedes the sample point within a
bit time. Valid programmed values are 2–15; the hardware adds 1 to this
value. In three-sample mode, the hardware adds 2 time quanta to allow
time for the two additional samples. (Note 2)
NOTES:
1. The CCE bit (CAN_CON.6) must be set to enable write access to this register.
2. For correct operation according to the CAN protocol, the total bit time must be at least 8 time
quanta, so the sum of the programmed values of TSEG1 and TSEG2 must be at least 5. (The
total bit time is the sum of tSYNC_SEG + tTSEG1 + tTSEG2. The length of tSYNC_SEG is 1 time quanta,
and the hardware adds 1 to both TSEG1 and TSEG2. Therefore, if TSEG1 + TSEG2 = 5, the
total bit length will be equal to 8 (1+5+1+1)). Table 12-11 lists additional conditions that must be
met to maintain synchronization.
Table 12-11. Bit Timing Requirements for Synchronization
Bit Time
Segment Requirement Comments
tTSEG1
≥3tq minimum tolerance with 1tq propagation delay allowance
≥tSJW + tPROP for single-sample mode
≥tSJW + tPROP + 2tq for three-sample mode
tTSEG2 ≥2tq minimum tolerance
≥tSJW if tSJW > tTSEG2 , sampling may occur after the bit time
CAN_BTIME1
(87C196CA)
Address:
Reset State:
1E4FH
Unchanged
Program the CAN bit timing 1 (CAN_BTIME1) register to define the sample time and the sample
mode. The CAN controller samples the bus during the last one (in single-sample mode) or three (in
three-sample mode) time quanta of tTSEG1, and initiates a transmission at the end of tTSEG2.
Therefore, specifying the lengths of tTSEG1 and tTSEG2 defines both the sample point and the trans-
mission point.
7 0
87C196CA SPL TSEG2.2 TSEG2.1 TSEG2.0 TSEG1.3 TSEG1.2 TSEG1.1 TSEG1.0
Bit
Number Bit
Mnemonic Function
Figure 12-8. CAN Bit Timing 1 (CAN_BTIME1) Register (Continued)

8XC196K
x
, J
x
, CA USER’S MANUAL
12-18
12.4.4 Programming a Message Acceptance Filter
The mask registers provide a method for developing an acceptance filtering strategy. Without a
filtering strategy, a message object could accept an incoming message only if their identifiers
were identical. The mask registers allow a message object to ignore one or more bits of incoming
message identifiers, so it can accept a range of message identifiers.
The standard global mask register (Figure 12-9) applies to messages with standard (11-bit) mes-
sage identifiers, while the extended global mask register (Figure 12-10) applies to messages with
extended (29-bit) identifiers. The message 15 mask register (Figure 12-11) provides an additional
filter for message object 15, to allow it to accept a greater range of message identifiers than mes-
sage objects 1–14 can. Clear a mask bit to accept either a zero or a one in that position.
The CAN controller applies the appropriate global mask to each incoming message identifier and
checks for an acceptance match on message objects 1–14. If no match exists, it then applies the
message 15 mask and checks for a match on message object 15.
CAN_SGMSK
(87C196CA)
Address:
Reset State: 1E07H, 1E06H
Unchanged
Program the CAN standard global mask (CAN_SGMSK) register to mask (“don’t care”) specific
message identifier bits for standard message objects.
15 8
87C196CA MSK20 MSK19 MSK18 — — — — —
7 0
MSK28 MSK27 MSK26 MSK25 MSK24 MSK23 MSK22 MSK21
Bit
Number Bit
Mnemonic Function
15:13 MSK20:18 ID Mask
These bits individually mask incoming message identifier (ID) bits.
0 = mask the ID bit (accept either “0” or “1”)
1 = accept only an exact match
12:8 — Reserved; for compatibility with future devices, write zeros to these bits.
7:0 MSK28:21 ID Mask
These bits individually mask incoming message identifier (ID) bits.
0 = mask the ID bit (accept either “0” or “1”)
1 = accept only an exact match
Figure 12-9. CAN Standard Global Mask (CAN_SGMSK) Register

12-19
CAN SERIAL COMMUNICATIONS CONTROLLER
CAN_EGMSK
(87C196CA)
Address:
Reset State:
1E0BH, 1E0AH,
1E09H, 1E08H
Unchanged
Program the CAN extended global mask (CAN_EGMSK) register to mask (“don’t care”) specific
message identifier bits for extended message objects.
31 24
87C196CA MSK4 MSK3 MSK2 MSK1 MSK0 — — —
23 16
MSK12 MSK11 MSK10 MSK9 MSK8 MSK7 MSK6 MSK5
15 8
MSK20 MSK19 MSK18 MSK17 MSK16 MSK15 MSK14 MSK13
7 0
MSK28 MSK27 MSK26 MSK25 MSK24 MSK23 MSK22 MSK21
Bit
Number Bit
Mnemonic Function
31:27 MSK4:0 ID Mask
These bits individually mask incoming message identifier (ID) bits.
0 = mask the ID bit (accept either “0” or “1”)
1 = accept only an exact match
26:24 — Reserved; for compatibility with future devices, write zeros to these bits.
23:16
15:8
7:0
MSK12:5
MSK20:13
MSK28:21
ID Mask
These bits individually mask incoming message identifier (ID) bits.
0 = mask the ID bit (accept either “0” or “1”)
1 = accept only an exact match
Figure 12-10. CAN Extended Global Mask (CAN_EGMSK) Register

8XC196K
x
, J
x
, CA USER’S MANUAL
12-20
12.5 CONFIGURING MESSAGE OBJECTS
Each message object consists of a configuration register, a message identifier, control registers,
and data registers (from zero to eight bytes of data). This section explains how to configure mes-
sage objects and determine their status.
CAN_MSK15
(87C196CA)
Address:
Reset State:
1E0FH, 1E0EH,
1E0DH, 1E0CH
Unchanged
Program the CAN message 15 mask (CAN_MSK15) register to mask (“don’t care”) specific message
identifier bits for message 15 in addition to those bits masked by a global mask (CAN_EGMSK or
CAN_SGMSK).
31 24
87C196CA MSK4 MSK3 MSK2 MSK1 MSK0 — — —
23 16
MSK12 MSK11 MSK10 MSK9 MSK8 MSK7 MSK6 MSK5
15 8
MSK20 MSK19 MSK18 MSK17 MSK16 MSK15 MSK14 MSK13
7 0
MSK28 MSK27 MSK26 MSK25 MSK24 MSK23 MSK22 MSK21
Bit
Number Function
31:27 MSK4:0 ID Mask
These bits individually mask incoming message identifier (ID) bits.
0 = mask the ID bit (accept either “0” or “1”)
1 = accept only an exact match
26:24 — Reserved. These bits are undefined; for compatibility with future devices,
do not modify these bits.
23:16
15:8
7:0
MSK12:5
MSK20:13
MSK28:21
ID Mask
These bits individually mask incoming message identifier (ID) bits.
0 = mask the ID bit (accept either “0” or “1”)
1 = accept only an exact match
NOTE: Setting a CAN_MSK15 bit in any position that is cleared in the global mask register has no
effect. The message 15 mask is ANDed with the global mask, so any “don’t care” bits
defined in a global mask are also “don’t care” bits for message 15.
Figure 12-11. CAN Message 15 Mask (CAN_MSK15) Register

12-21
CAN SERIAL COMMUNICATIONS CONTROLLER
12.5.1 Specifying a Message Object’s Configuration
Each message object configuration register (Figure 12-12) specifies a message identifier type
(standard or extended), transfer direction (transmit or receive), and data length (in bytes).
Set the XTD bit for a message object with an extended identifier; clear it for a message with a
standard identifier. If you accidentally clear the XTD bit for a message that has an extended iden-
tifier, the CAN controller will clear the extended bits in the identification register. If you set the
XTD bit for a message object, that message object cannot receive message objects with standard
identifiers.
For a transmit message, set the DIR bit and write the number of programmed data bytes (0–8) to
the DLC field. For a receive message, clear the DIR bit. The CAN controller stores the data length
from the received message in the DLC field.
CAN_MSG
x
CFG
x
= 1–15 (87C196CA) Address:
Reset State: 1E
x
6H (
x
= 1–F)
Unchanged
Program the CAN message object
x
configuration (CAN_MSG
x
CFG) register to specify a message
object’s data length, transfer direction, and identifier type.
7 0
87C196CA DLC3 DLC2 DLC1 DLC0 DIR XTD — —
Bit
Number Bit
Mnemonic Function
7:4 DLC3:0 Data Length Code
Specify the number of data bytes this message object contains. Valid
values are 0–8. The CAN controller updates a receive message object’s
data length code after each reception to reflect the number of data bytes in
the current message.
3 DIR Direction
Specify whether this message object is to be transmitted or is to receive a
message object from a remote node.
0 = receive
1 = transmit
2 XTD Extended Identifier Used
Specify whether this message object’s identification registers contain an
extended (29-bit) or a standard (11-bit) identifier.
0 = standard identifier
1 = extended identifier
1:0 — Reserved; for compatibility with future devices, write zeros to these bits.
Figure 12-12. CAN Message Object
x
Configuration (CAN_MSGxCFG) Register

8XC196K
x
, J
x
, CA USER’S MANUAL
12-22
12.5.2 Programming the Message Object Identifier
For messages with extended identifiers, write the identifier to bits ID28:0. For messages with
standard identifiers, write the identifier to bits ID28:18. Software can change the identifier during
normal operation without requiring a subsequent device reset. Clear the MSGVAL bit in the cor-
responding message control register 0 to prevent the CAN controller from accessing the message
object while the modification takes place, then set the bit to allow access.
CAN_MSG
x
ID0–3
x
= 1–15 (87C196CA) Address:
Reset State:
1E
x
5H, 1E
x
4H,
1E
x
3H, 1E
x
2H
(
x
= 1–F)
Unchanged
Write the message object’s identifier to the CAN message object
x
identifier (CAN_MSG
x
ID0–3)
register. Software can change the identifier during normal operation. Clear the MSGVAL bit in the
corresponding CAN_MSG
x
CON0 register to prevent the CPU from accessing the message object,
change the identifier in CAN_MSG
x
ID0–3, then set the MSGVAL bit to allow access.
87C196CA 31 24
CAN_MSG
x
ID3 ID4 ID3 ID2 ID1 ID0 — — —
23 16
CAN_MSG
x
ID2 ID12 ID11 ID10 ID9 ID8 ID7 ID6 ID5
15 8
CAN_MSG
x
ID1 ID20 ID19 ID18 ID17 ID16 ID15 ID14 ID13
7 0
CAN_MSG
x
ID0 ID28 ID27 ID26 ID25 ID24 ID23 ID22 ID21
Bit
Number Bit
Mnemonic Function
31:27
23:16
12:8
ID4:0
ID12:5
ID17:13
Message Identifier 17:0
These bits hold the 18 least-significant bits of an extended identifier. If
you write an extended identifier to these bits, but specify a standard
identifier (XTD = 0) in the corresponding message object’s configuration
register (CAN_MSG
x
CFG), the CPU clears these bits (ID17:0).
26:24 — Reserved; for compatibility with future devices, write zeros to these bits.
15:13
7:0 ID20:18
ID28:21 Message Identifier 28:18
These bits hold either an entire standard identifier or the 11 most-
significant bits of an extended identifier.
NOTE: This register is the same as the arbitration register in the standalone 82527 CAN peripheral.
Figure 12-13. CAN Message Object
x
Identifier (CAN_MSG
x
ID0–3) Register

12-23
CAN SERIAL COMMUNICATIONS CONTROLLER
12.5.3 Programming the Message Object Control Registers
Each message object control register consists of four bit pairs — one bit of each pair is in true
form and one is in complement form. This format allows software to set or clear any bit with a
single write operation, without affecting the remaining bits. Table 12-12 shows how to interpret
the bit-pair values.
12.5.3.1 Message Object Control Register 0
Message object control register 0 (Figure 12-14) indicates whether an interrupt is pending, con-
trols whether a successful transmission or reception generates an interrupt, and indicates whether
a message object is ready to transmit.
12.5.3.2 Message Object Control Register 1
Message object control register 1 (Figure 12-15) indicates whether the message object contains
new data, whether a message has been overwritten, whether the message is being updated, and
whether a transmission or reception is pending. Message objects 1–14 have only a single buffer,
so if a second message is received before the CPU reads the first, the first message is overwritten.
Message object 15 has two alternating buffers, so it can receive a second message while the first
is being processed. However, if a third message is received while the CPU is reading the first, the
second message is overwritten.
12.5.4 Programming the Message Object Data
Each message object can have from zero to eight bytes of data. For transmit message objects,
write the message data to the data registers (Figure 12-16). For receive message objects, the CAN
controller stores the received data in these registers. The CAN controller writes random values to
any unused data bytes during operation, so you should not use unused data bytes as scratch-pad
memory.
Table 12-12. Control Register Bit-pair Interpretation
Access Type MSB LSB Definition
Write
0 0 Not allowed (indeterminate)
0 1 Clear (0)
1 0 Set (1)
1 1 No change
Read 0 1 Clear (0)
1 0 Set (1)

8XC196K
x
, J
x
, CA USER’S MANUAL
12-24
CAN_MSG
x
CON0
x
= 1–15 (87C196CA) Address:
Reset State: 1E
x
0H (
x
= 1–F)
Unchanged
Program the CAN message object
x
control 0 (CAN_MSG
x
CON0) register to indicate whether the
message object is ready to transmit and to control whether a successful transmission or reception
generates an interrupt. The least-significant bit-pair indicates whether an interrupt is pending.
This register consists of four bit-pairs — the most-significant bit of each pair is in true form and the
least-significant bit is in complement form. This format allows software to set or clear any bit with a
single write operation, without affecting the remaining bits.
7 0
87C196CA MSGVAL MSGVAL TXIE TXIE RXIE RXIE INT_PND INT_PND
Bit
Number Bit
Mnemonic Function
7:6 MSGVAL Message Object Valid
Set this bit-pair to indicate that a message object is valid (configured and
ready for transmission or reception).
bit 7 bit 6
01not ready
1 0 message object is valid
The CAN peripheral will access a message object only if this bit-pair
indicates that the message is valid. If multiple message objects have the
same identifier, only one can be valid at any given time.
During initialization, software should clear this bit for any unused message
objects. Software can clear this bit if a message is no longer needed or if
you need to change a message object’s contents or identifier.
5:4 TXIE Transmit Interrupt Enable
Receive message objects do not use this bit-pair.
For transmit message objects, set this bit-pair to enable the CAN
peripheral to initiate a transmit (TX) interrupt after a successful trans-
mission. You must also set the interrupt enable bit (CAN_CON.1) to enable
the interrupt.
bit 5 bit 4
01no interrupt
1 0 generate an interrupt
Figure 12-14. CAN Message Object
x
Control 0 (CAN_MSGxCON0) Register

12-25
CAN SERIAL COMMUNICATIONS CONTROLLER
3:2 RXIE Receive Interrupt Enable
Transmit message objects do not use this bit-pair.
For a receive message object, set this bit-pair to enable this message
object to initiate a receive (RX) interrupt after a successful reception. You
must also set the interrupt enable bit (CAN_CON.1) to enable the interrupt.
bit 3 bit 2
01no interrupt
1 0 generate an interrupt
1:0 INT_PND Interrupt Pending
This bit-pair indicates that this message object has initiated a transmit (TX)
or receive (RX) interrupt. Software must clear this bit when it services the
interrupt.
bit 1 bit 0
01no interrupt
1 0 an interrupt was generated
CAN_MSG
x
CON0 (Continued)
x
= 1–15 (87C196CA) Address:
Reset State: 1E
x
0H (
x
= 1–F)
Unchanged
Program the CAN message object
x
control 0 (CAN_MSG
x
CON0) register to indicate whether the
message object is ready to transmit and to control whether a successful transmission or reception
generates an interrupt. The least-significant bit-pair indicates whether an interrupt is pending.
This register consists of four bit-pairs — the most-significant bit of each pair is in true form and the
least-significant bit is in complement form. This format allows software to set or clear any bit with a
single write operation, without affecting the remaining bits.
7 0
87C196CA MSGVAL MSGVAL TXIE TXIE RXIE RXIE INT_PND INT_PND
Bit
Number Bit
Mnemonic Function
Figure 12-14. CAN Message Object
x
Control 0 (CAN_MSGxCON0) Register (Continued)

8XC196K
x
, J
x
, CA USER’S MANUAL
12-26
CAN_MSG
x
CON1
x
= 1–15 (87C196CA)
Address:
Reset State: 1E
x
1H (
x
= 1–F)
Unchanged
The CAN message object
x
control 1 (CAN_MSG
x
CON1) register indicates whether a message
object has been updated, whether a message has been overwritten, whether the CPU is updating the
message, and whether a transmission or reception is pending.
This register consists of four bit-pairs — the most-significant bit of each pair is in true form and the
least-significant bit is in complement form. This format allows software to set or clear any bit with a
single write operation, without affecting the remaining bits.
7 0
87C196CA RMTPND RMTPND TX_REQ TX_REQ MSGLST
CPUUPD MSGLST
CPUUPD NEWDAT NEWDAT
Bit
Number Bit
Mnemonic Function
7:6 RMTPND Remote Request Pending
Receive message objects do not use this bit-pair.
The CAN controller sets this bit-pair to indicate that a remote frame has
requested the transmission of a transmit message object. If the CPUUPD
bit-pair is clear, the CAN controller transmits the message object, then
clears RMTPND. Setting RMTPND does not cause a transmission; it only
indicates that a transmission is pending.
bit 7 bit 6
0 1 no pending request
1 0 a remote request is pending
5:4 TX_REQ Transmission Request
Set this bit-pair to cause a receive message object to transmit a remote
frame (a request for transmission) or to cause a transmit object to transmit
a data frame. Read this bit-pair to determine whether a transmission is in
progress.
bit 5 bit 4
0 1 no pending request; no transmission in progress
1 0 transmission request; transmission in progress
Figure 12-15. CAN Message Object
x
Control 1 (CAN_MSG
x
CON1) Register

12-27
CAN SERIAL COMMUNICATIONS CONTROLLER
3:2 MSGLST or
CPUUPD Message Lost (receive)
For a receive message object, the CAN controller sets this bit-pair to
indicate that it stored a new message while the NEWDAT bit-pair was still
set, overwriting the previous message.
bit 3 bit 2
0 1 no overwrite occurred
1 0 a message was lost (overwritten)
CPU Updating (transmit)
For a transmit message object, software should set this bit-pair to indicate
that it is in the process of updating the message contents. This prevents a
remote frame from triggering a transmission that would contain invalid
data.
bit 3 bit 2
0 1 the message is valid
1 0 software is updating data
1:0 NEWDAT New Data
This bit-pair indicates whether a message object is valid (configured and
ready for transmission).
bit 1 bit 2
01not ready
1 0 message object is valid
For receive message objects, the CAN peripheral sets this bit-pair when it
stores new data into the message object.
For transmit message objects, set this bit-pair and clear the CPUUPD bit-
pair to indicate that the message contents have been updated. Clearing
CPUUPD prevents a remote frame from triggering a transmission that
would contain invalid data.
During initialization, clear this bit for any unused message objects.
CAN_MSG
x
CON1 (Continued)
x
= 1–15 (87C196CA) Address:
Reset State: 1E
x
1H (
x
= 1–F)
Unchanged
The CAN message object
x
control 1 (CAN_MSG
x
CON1) register indicates whether a message
object has been updated, whether a message has been overwritten, whether the CPU is updating the
message, and whether a transmission or reception is pending.
This register consists of four bit-pairs — the most-significant bit of each pair is in true form and the
least-significant bit is in complement form. This format allows software to set or clear any bit with a
single write operation, without affecting the remaining bits.
7 0
87C196CA RMTPND RMTPND TX_REQ TX_REQ MSGLST
CPUUPD MSGLST
CPUUPD NEWDAT NEWDAT
Bit
Number Bit
Mnemonic Function
Figure 12-15. CAN Message Object
x
Control 1 (CAN_MSG
x
CON1) Register (Continued)

8XC196K
x
, J
x
, CA USER’S MANUAL
12-28
CAN_MSG
x
DATA0–7
x
= 1–15 (87C196CA)
Address:
Reset State:
1E
x
EH, 1E
x
DH,
1E
x
CH, 1E
x
BH,
1E
x
AH, 1E
x
9H,
1E
x
8H, 1E
x
7H
(
x
= 1–F)
Unchanged
The CAN message object data (CAN_MSG
x
DATA0–7) registers contain data to be transmitted or data
received. Any unused data bytes have random values that change during operation.
87C196CA 7 0
CAN_MSG
x
DATA7 Data 7
7 0
CAN_MSG
x
DATA6 Data 6
7 0
CAN_MSG
x
DATA5 Data 5
7 0
CAN_MSG
x
DATA4 Data 4
7 0
CAN_MSG
x
DATA3 Data 3
7 0
CAN_MSG
x
DATA2 Data 2
7 0
CAN_MSG
x
DATA1 Data 1
7 0
CAN_MSG
x
DATA0 Data 0
Bit
Number Function
7:0 Data
Each message object can use from zero to eight data registers to hold data to
be transmitted or data received.
For receive message objects, these registers accept data during a reception.
For transmit message objects, write the data that is to be transmitted to these
registers. The number of data bytes must match the DLC field in the
CAN_MSG
x
CFG register. (For example, if CAN_MSG1DATA0,
CAN_MSG1DATA1, CAN_MSG1DATA2, and CAN_MSG1DATA3 contain data,
the DLC field in CAN_MSG1CFG must contain 04H.)
Figure 12-16. CAN Message Object Data (CAN_MSG
x
DATA0–7) Registers

12-29
CAN SERIAL COMMUNICATIONS CONTROLLER
12.6 ENABLING THE CAN INTERRUPTS
The CAN controller has a single interrupt input (INT13) to the interrupt controller. (Generally,
PTS interrupt service is not useful for the CAN controller because the PTS cannot readily deter-
mine the source of the CAN controller’s multiplexed interrupts.) To enable the CAN controller’s
interrupts, you must enable the interrupt source by setting the CAN bit in INT_MASK1 (see Ta-
ble 12-2 on page 12-3) and globally enable interrupt servicing (by executing the EI instruction).
In addition, you must set bits in the CAN control register (Figure 12-17) and the individual mes-
sage objects’ control register 0 (Figure 12-18) to enable the individual interrupt sources within
the CAN controller.
CAN_CON
(87C196CA)
Address:
Reset State:
1E00H
01H
Program the CAN control (CAN_CON) register to control write access to the bit timing registers, to
enable and disable CAN interrupts, and to control access to the CAN bus.
7 0
87C196CA —CCE — —EIESIEIEINIT
Bit
Number Bit
Mnemonic Function
7 — Reserved; for compatibility with future devices, write zero to this bit.
6CCE Change Configuration Enable
5:4 — Reserved; for compatibility with future devices, write zeros to these bits.
3 EIE Error Interrupt Enable
This bit enables and disables the bus-off and warn interrupts.
1 = enable bus-off and warn interrupts
0 = disable bus-off and warn interrupts
2 SIE Status-change Interrupt Enable
This bit enables and disables the successful reception (RXOK), successful
transmission (TXOK), and error code change (LEC2:0) interrupts.
1 = enable status-change interrupt
0 = disable status-change interrupt
When the SIE bit is set, the CAN controller generates a successful
reception (RXOK) interrupt request each time it receives a valid message,
even if no message object accepts it.
Figure 12-17. CAN Control (CAN_CON) Register

8XC196K
x
, J
x
, CA USER’S MANUAL
12-30
1 IE Interrupt Enable
This bit globally enables and disables interrupts (error, status-change, and
message object transmit and receive interrupts).
1 = enable interrupts
0 = disable interrupts
When the IE bit is set, an interrupt is generated only if the corresponding
interrupt source’s enable bit (EIE or SIE in CAN_CON; TXIE or RXIE in
CAN_MSG
x
_CON0) is also set. If the IE bit is clear, an interrupt request
updates the CAN interrupt pending register, but does not generate an
interrupt.
0INIT Software Initialization Enable
CAN_CON (Continued)
(87C196CA)
Address:
Reset State:
1E00H
01H
Program the CAN control (CAN_CON) register to control write access to the bit timing registers, to
enable and disable CAN interrupts, and to control access to the CAN bus.
7 0
87C196CA —CCE — —EIESIEIEINIT
Bit
Number Bit
Mnemonic Function
Figure 12-17. CAN Control (CAN_CON) Register (Continued)

12-31
CAN SERIAL COMMUNICATIONS CONTROLLER
When the SIE bit in the CAN control register is set, the CAN controller generates a successful
reception (RXOK) interrupt request each time it receives a valid message, even if no message ob-
ject accepts it. If you set both the SIE bit (Figure 12-17) and an individual message object’s RXIE
bit (Figure 12-18), the CAN controller generates two interrupt requests each time a message ob-
ject receives a message. The status change interrupt is useful during development to detect bus
errors caused by noise or other hardware problems. However, you should disable this interrupt
during normal operation in most applications. If the status change interrupt is enabled, each status
change generates an interrupt request, placing an unnecessary burden on the CPU. To prevent re-
dundant interrupt requests, enable the error interrupt sources (with the EIE bit) and enable the re-
ceive and transmit interrupts in the individual message objects.
CAN_MSG
x
CON0
x
= 1–15 (87C196CA)
Address:
Reset State: 1E
x
0H (
x
= 1–F)
Unchanged
Program the CAN message object
x
control 0 (CAN_MSG
x
CON0) register to indicate whether the
message object is ready to transmit and to control whether a successful transmission or reception
generates an interrupt. The least-significant bit-pair indicates whether an interrupt is pending.
This register consists of four bit-pairs — the most-significant bit of each pair is in true form and the
least-significant bit is in complement form. This format allows software to set or clear any bit with a
single write operation, without affecting the remaining bits.
7 0
87C196CA MSGVAL MSGVAL TXIE TXIE RXIE RXIE INT_PND INT_PND
Bit
Number Bit
Mnemonic Function
7:6 MSGVAL Message Object Valid
5:4 TXIE Transmit Interrupt Enable
Receive message objects do not use this bit-pair.
For transmit message objects, set this bit-pair to enable the CAN
peripheral to initiate a transmit (TX) interrupt after a successful trans-
mission. You must also set the interrupt enable bit (CAN_CON.1) to enable
the interrupt.
bit 5 bit 4
01no interrupt
1 0 generate an interrupt
3:2 RXIE Receive Interrupt Enable
Transmit message objects do not use this bit-pair.
For receive message objects, set this bit-pair to enable the CAN peripheral
to initiate a receive (RX) interrupt after a successful reception. You must
also set the interrupt enable bit (CAN_CON.1) to enable the interrupt.
bit 3 bit 2
01no interrupt
1 0 generate an interrupt
1:0 INT_PND Interrupt Pending
Figure 12-18. CAN Message Object
x
Control 0 (CAN_MSGxCON0) Register

8XC196K
x
, J
x
, CA USER’S MANUAL
12-32
12.7 DETERMINING THE CAN CONTROLLER’S INTERRUPT STATUS
A successful reception or transmission or a change in the status register can cause the CAN con-
troller to generate an interrupt request. The INT_PEND1 register (see Table 12-2 on page 12-3)
indicates whether a CAN interrupt request is pending. The CAN interrupt pending register (Fig-
ure 12-19) indicates the source of the request (either the status register or a specific message ob-
ject). Your interrupt service routine should read the CAN_INT register to ensure that no
additional interrupts are pending before executing the return instruction. Chapter 5, “Standard
and PTS Interrupts,” discusses interrupt service, relative priorities, and timing.
CAN_INT
read-only (87C196CA)
Address:
Reset State:
1E5FH
00H
The CAN interrupt pending (CAN_INT) register indicates the source of the highest priority pending
interrupt. If a status change generated the interrupt request, software can read the status register
(CAN_STAT) to determine whether the interrupt request was caused by an abnormal error rate, a
successful reception, a successful transmission, or a new error. If an individual message object
generated the interrupt request, software can read the associated message object control 0 register
(CAN_MSG
x
CON0). The INT_PND bit-pair will be set, indicating that a receive or transmit interrupt
request is pending.
7 0
87C196CA Pending Interrupt
Bit
Number Function
7:0 Pending Interrupt
This field indicates the source of the highest priority pending interrupt.
Value Pending Interrupt Priority (15 is highest; 0 is lowest)
00H none —
01H status register 15
02H message object 15 14
03H message object 1 13
04H message object 2 12
05H message object 3 11
06H message object 4 10
07H message object 5 9
08H message object 6 8
09H message object 7 7
0AH message object 8 6
0BH message object 9 5
0CH message object 10 4
0DH message object 11 3
0EH message object 12 2
0FH message object 13 1
10H message object 14 0
Figure 12-19. CAN Interrupt Pending (CAN_INT) Register

12-33
CAN SERIAL COMMUNICATIONS CONTROLLER
If a status change generated the interrupt (CAN_INT = 01H), software can read the CAN status
register (Figure 12-20) to determine the source of the interrupt request.
CAN_STAT
(87C196CA)
Address:
Reset State:
1E01H
XXH
The CAN status (CAN_STAT) register reflects the current status of the CAN peripheral.
7 0
87C196CA BUSOFF WARN — RXOK TXOK LEC2 LEC1 LEC0
Bit
Number Bit
Mnemonic Function
7 BUSOFF Bus-off Status
The CAN peripheral sets this read-only bit to indicate that it has isolated
itself from the CAN bus (floated the TX pin) because an error counter has
reached 256. A bus-off recovery sequence clears this bit and clears the
error counters. (See “Bus-off State” on page 12-41.)
6 WARN Warning Status
The CAN peripheral sets this read-only bit to indicate that an error counter
has reached 96, indicating an abnormal rate of errors on the CAN bus.
5 — Reserved. This bit is undefined.
4 RXOK Reception Successful
The CAN peripheral sets this bit to indicate that a message has been
successfully received (error free, regardless of acknowledgment) since the
bit was last cleared. Software must clear this bit when it services the
interrupt.
3 TXOK Transmission Successful
The CAN peripheral sets this bit to indicate that a message has been
successfully transmitted (error free and acknowledged by at least one
other node) since the bit was last cleared. Software must clear this bit
when it services the interrupt.
2:0 LEC2:0 Last Error Code
This field indicates the error type of the first error that occurs in a message
frame on the CAN bus. (“Error Detection and Management Logic” on page
12-9 describes the error types.)
LEC2 LEC1 LEC0 Error Type
000no error
001stuff error
010form error
0 1 1 acknowledgment error
100bit 1 error
101bit 0 error
1 1 0 CRC error
111unused
Figure 12-20. CAN Status (CAN_STAT) Register

8XC196K
x
, J
x
, CA USER’S MANUAL
12-34
If an individual message object caused the interrupt request (CAN_INT = 02–10H), software can
read the associated message object control 0 register (Figure 12-21). The INT_PND bit-pair will
be set, indicating that a receive or transmit interrupt request is pending
.
CAN_MSG
x
CON0
(
n
= 1–15) Address: 1E
x
0H (
x
=1–F)
Reset State: Unchanged
Program the CAN message object
x
control 0 register (CAN_MSGxCON0) to indicate whether the
message object is ready to transmit and to control whether a successful transmission or reception
generates an interrupt. The most-significant bit-pair indicates whether an interrupt is pending.
This register consists of four bit-pairs — the most-significant bit of each pair is in true form and the
least-significant bit is in complement form. This format allows software to set or clear any bit with a
single write operation, without affecting the remaining bits.
7 0
MSGVAL MSGVAL TXIE TXIE RXIE RXIE INT_PND INT_PND
Bit
Number Bit
Mnemonic Function
7:6 MSGVAL Message Object Valid
5:4 TXIE Transmit Interrupt Enable
3:2 RXIE Receive Interrupt Enable
1:0 INT_PND Interrupt Pending
This bit-pair indicates that the CAN peripheral has initiated a transmit (TX)
or receive (RX) interrupt. Software must clear this bit when it services the
interrupt.
01 = no interrupt
10 = an interrupt was generated
Figure 12-21. CAN Message Object
x
Control 0 (CAN_MSG
x
CON0) Register

12-35
CAN SERIAL COMMUNICATIONS CONTROLLER
12.8 FLOW DIAGRAMS
The flow diagrams in this section describe the steps that your software (shown as CPU) and the
CAN controller execute to receive and transmit messages. Table 12-13 lists the register bits
shown in the diagrams along with their associated registers and a cross-reference to the figure that
describes them.
Table 12-13. Cross-reference for Register Bits Shown in Flowcharts
Bit Mnemonic Register Mnemonic Figure and Page
CPUUPD CAN_MSG
x
CON1 Figure 12-15 on page 12-26
DIR CAN_MSG
x
CFG Figure 12-12 on page 12-21
DLC CAN_MSG
x
CFG Figure 12-12 on page 12-21
ID CAN_MSG
x
ID Figure 12-13 on page 12-22
INT_PND CAN_MSG
x
CON0 Figure 12-14 on page 12-24
MSGLST CAN_MSG
x
CON1 Figure 12-15 on page 12-26
MSGVAL CAN_MSG
x
CON0 Figure 12-14 on page 12-24
NEWDAT CAN_MSG
x
CON1 Figure 12-15 on page 12-26
RMTPND CAN_MSG
x
CON1 Figure 12-15 on page 12-26
RXIE CAN_MSG
x
CON0 Figure 12-14 on page 12-24
TXIE CAN_MSGxCON0 Figure 12-14 on page 12-24
TX_REG CAN_MSG
x
CON1 Figure 12-15 on page 12-26
XTD CAN_MSG
x
CFG Figure 12-12 on page 12-21

8XC196K
x
, J
x
, CA USER’S MANUAL
12-36
Figure 12-22. Receiving a Message for Message Objects 1–14 — CPU Flow
(All bits undefined)
NEWDAT := 0
Process message contents.
NEWDAT = 1?
Request update?
TX_REQ := 1
Power Up
Initialization
Process
Yes
No
No
Yes
Restart Process
A2594-01
MSGVAL
INT_PND
TXIE
RXIE
:= 1
:= 0
:= (Application specific)
:= (Application specific)
NEWDAT
RMTPND
TX_REQ
MSGLST
:= 0
:= 0
:= 0
:= 0
DLC
DIR
XTD
ID
:= (don't care)
:= 0 (receive)
:= (Application specific)
:= (Application specific)

12-37
CAN SERIAL COMMUNICATIONS CONTROLLER
Figure 12-23. Receiving a Message for Message Object 15 — CPU Flow
(All bits undefined)
NEWDAT := 0 and RMTPND := 0
Process message contents.
NEWDAT = 1?
Power Up
Initialization
Process
No
Yes
Restart Process
A2597-02
MSGVAL
INT_PND
RXIE
:= 1
:= 0
:= (Application specific)
NEWDAT
RMTPND
MSGLST
:= 0
:= 0
:= 0
DIR
XTD := 0 (receive)
:= (Application specific)
ID
MASK := (Application specific)
:= (Application specific)
INT_PND := 0

8XC196K
x
, J
x
, CA USER’S MANUAL
12-38
Figure 12-24. Receiving a Message — CAN Controller Flow
NEWDAT := 0
Load identifer and
control into buffer
Send remote frame
Transmission
successful?
TXIE = 1?
INT_PND := 1
TX_REQ := 0
RMTPND:= 0
TX_REQ=1?
MSGLST=0?
Bus idle?
Received frame with
same identifer as this
message object?
RXIE = 1?
INT_PND := 1
A2598-01
No
No
No
No
No
Yes
Yes
Yes
Yes
Yes
Yes No
NEWDAT = 1?
Store message
NEWDAT := 1
TX_REQ := 0
RMTPND := 0
MSGLST := 1

12-39
CAN SERIAL COMMUNICATIONS CONTROLLER
Figure 12-25. Transmitting a Message — CPU Flow
(All bits undefined)
CPUUPD := 1
NEWDAT := 1
Want to send?
TX_REQ := 1
Power Up
Initialization
Update
Yes
No Yes
Update message?
CPUUPD := 0
Write/calculate message contents.
A2596-01
MSGVAL
INT_PND
TXIE
RXIE
:= 1
:= 0
:= (Application specific)
:= (Application specific)
NEWDAT
RMTPND
TX_REQ
MSGLST
:= 0
:= 0
:= 0
:= 0
DLC
DIR
XTD
:= (Application specific)
:= 1 (transmit)
:= (Application specific)
ID := (Application specific)

8XC196K
x
, J
x
, CA USER’S MANUAL
12-40
Figure 12-26. Transmitting a Message — CAN Controller Flow
NEWDAT := 0
Load message
into buffer
Send message
Transmission
successful?
NEWDAT = 1?
TXIE = 1?
INT_PND := 1
TX_REQ := 0
RMTPND := 0
TX_REQ= 1?
CPUUPD= 0?
Bus free?
Received remote frame
with same identifer as
this message object?
TX_REQ := 1
RMTPND := 1
RXIE = 1
?
INT_PND := 1
A2595-02
No
No
No
No
No
No
Yes
Yes
Yes
Yes
Yes
Yes
Yes No

12-41
CAN SERIAL COMMUNICATIONS CONTROLLER
12.9 DESIGN CONSIDERATIONS
This section outlines design considerations for the CAN controller.
12.9.1 Hardware Reset
A hardware reset clears the error management counters and the bus-off state and leaves the reg-
isters with the values listed in Table 12-14.
12.9.2 Software Initialization
The software initialization state allows software to configure the CAN controller’s RAM without
risk of messages being received or transmitted during this time. Setting the INIT bit in the control
register causes the CAN controller to enter the software initialization state. Either a hardware re-
set or a software write can set the INIT bit. While INIT is set, all message transfers to and from
the CAN controller are stopped and the error counters and bit timing registers are unchanged.
Your software should clear the INIT bit to cause the CAN controller to exit the software initial-
ization state. At this time, the CAN controller synchronizes itself to the CAN bus by waiting for
a bus idle state (11 consecutive recessive bits) before participating in bus activities.
12.9.3 Bus-off State
If an error counter reaches 256, the CAN controller isolates itself from the CAN bus, sets the
BUSOFF bit in the status register, and sets the INIT bit in the control register. While INIT is set,
all message transfers to and from the CAN controller are stopped; the error counters and bit tim-
ing registers are unchanged. Software must clear the INIT bit to initiate the bus-off recovery se-
quence.
Table 12-14. Register Values Following Reset
Register Hex Address Reset Value
Control 1E00 01H
Status 1E01 undefined
Standard Global Mask 1E06–1E07 unchanged (undefined at power-up)
Extended Global Mask 1E08–1E0B unchanged (undefined at power-up)
Message 15 Mask 1E0C–1E0F unchanged (undefined at power-up)
Bit Timing 0 1E3F unchanged (undefined at power-up)
Bit Timing 1 1E4F unchanged (undefined at power-up)
Interrupt 1E5F 00H
Message Object
x
1E
x
0–1E
x
E unchanged (undefined at power-up)

8XC196K
x
, J
x
, CA USER’S MANUAL
12-42
The CAN controller synchronizes itself to the CAN bus by waiting for 128 bus idle states (128
occurrences of 11 consecutive recessive bits) before participating in bus activities. During this se-
quence, the CAN controller writes a bit 0 error code to the LEC2:0 bits of the status register each
time it receives a recessive bit. Software can check the status register to determine whether the
CAN bus is stuck in a dominant state. Once the CAN controller is resynchronized with the CAN
bus, it clears the BUSOFF bit and starts transferring messages again.

13
Minimum Hardware
Considerations

13-1
CHAPTER 13
MINIMUM HARDWARE CONSIDERATIONS
The 8XC196Kx, Jx, and CA have several basic requirements for operation within a system. This
chapter describes options for providing the basic requirements and discusses other hardware con-
siderations.
13.1 MINIMUM CONNECTIONS
Table 13-1 lists the signals that are required for the device to function and Figure 13-1 shows the
connections for a minimum configuration.
Table 13-1. Minimum Required Signals
Signal
Name Type Description
ANGND GND Analog Ground
ANGND must be connected for A/D converter and port 0 operation. ANGND and
VSS should be nominally at the same potential.
RESET# I/O Reset
A level-sensitive reset input to and open-drain system reset output from the micro-
controller. Either a falling edge on RESET# or an internal reset turns on a pull-down
transistor connected to the RESET# pin for 16 state times. In the powerdown and
idle modes, asserting RESET# causes the chip to reset and return to normal
operating mode. The microcontroller resets to 2080H.
VCC PWR Digital Supply Voltage
Connect each VCC pin to the digital supply voltage.
VPP PWR Programming Voltage
During programming, the VPP pin is typically at +12.5 V (VPP voltage). Exceeding the
maximum VPP voltage specification can damage the device.
VPP also causes the device to exit powerdown mode when it is driven low for at least
50 ns. Use this method to exit powerdown only when using an external clock source
because it enables the internal phase clocks, but not the internal oscillator.
On devices with no internal nonvolatile memory, connect VPP to VCC.
VREF PWR Reference Voltage for the A/D Converter
This pin also supplies operating voltage to both the analog portion of the A/D
converter and the logic used to read port 0.
VSS GND Digital Circuit Ground
Connect each VSS pin to ground through the lowest possible impedance path.

8XC196K
x
, J
x
, CA USER’S MANUAL
13-2
13.1.1 Unused Inputs
For predictable performance, it is important to tie unused inputs to VCC or VSS. Otherwise, they
can float to a mid-voltage level and draw excessive current. Unused interrupt inputs may generate
spurious interrupts if left unconnected.
13.1.2 I/O Port Pin Connections
Tie unused input-only port inputs to VSS as shown in Figure 13-1. Chapter 6, “I/O Ports,” contains
information about initializing and configuring the ports. Table 13-2 lists the sections, with page
numbers, that contain the information for each port.
XTAL1 I Input Crystal/Resonator or External Clock Input
Input to the on-chip oscillator and the internal clock generators. The internal clock
generators provide the peripheral clocks, CPU clock, and CLKOUT signal. When
using an external clock source instead of the on-chip oscillator, connect the clock
input to XTAL1. The external clock signal must meet the VIH specification for XTAL1
(see datasheet).
XTAL2 O Inverted Output for the Crystal/Resonator
Output of the on-chip oscillator inverter. Leave XTAL2 floating when the design uses
a external clock source instead of the on-chip oscillator.
Table 13-2. I/O Port Configuration Guide
Port Where to Find Configuration Information
Port 0 “Standard Input-only Port Considerations” on page 6-3
Ports 1 and 2 “Bidirectional Port Pin Configurations” on page 6-10 and “Bidirectional Port Considerations”
on page 6-12
Ports 3 and 4 “Bidirectional Ports 3 and 4 (Address/Data Bus) Operation” on page 6-16
Ports 5 and 6 “Bidirectional Port Pin Configurations” on page 6-10 and “Bidirectional Port Considerations”
on page 6-12
Table 13-1. Minimum Required Signals(Continued)
Signal
Name Type Description

13-3
MINIMUM HARDWARE CONSIDERATIONS
Figure 13-1. Minimum Hardware Connections
ALE
ANGND
INST
XTAL1XTAL2
V
CC
(Note 2)
0.01 µF
BUSWIDTH
NMI
READY
V
CC
Port 5 / Bus Control
(Note 4)
20 pF 20 pF
(Note 1)
4.7 µF
+
V
CC
+1 µF
1 M
RESET#
BHE#
WR#
RD#
EA#
+1 µF
V
CC
V
CC
A2643-02
V
SS
V
PP
V
REF
8XC196 Device
V
CC
Notes:
1. See the datasheet for the oscillator frequency range (F
OSC
) and the crystal manufacturer's
datasheet for recommended load capacitors.
2. The number of V
CC
and V
SS
pins varies with package type (see datasheet). Be sure to connect
each V
CC
pin to the supply voltage and each V
SS
pin to ground.
3. Connect the RC network to V
PP
only if powerdown mode will be used. Otherwise, connect V
PP
to V
CC.
4. No connection is required.
5. Tie all input-only port pins to V
SS.
(Note 3)
Input-only
Port Pins
(Note 5)

8XC196K
x
, J
x
, CA USER’S MANUAL
13-4
13.2 APPLYING AND REMOVING POWER
When power is first applied to the device, RESET# must remain continuously low for at least one
state time after the power supply is within tolerance and the oscillator/clock has stabilized; oth-
erwise, operation might be unpredictable. Similarly, when powering down a system, RESET#
should be brought low before VCC is removed; otherwise, an inadvertent write to an external lo-
cation might occur. Carefully evaluate the possible effect of power-up and power-down sequenc-
es on a system.
13.3 NOISE PROTECTION TIPS
The fast rise and fall times of high-speed CMOS logic often produce noise spikes on the power
supply lines and outputs. To minimize noise, it is important to follow good design and board lay-
out techniques. We recommend liberal use of decoupling capacitors and transient absorbers. Add
0.01 µF bypass capacitors between VCC and each VSS pin and a 1.0 µF capacitor between VREF and
ANGND to reduce noise (Figure 13-2). Place the capacitors as close to the device as possible.
Use the shortest possible path to connect VSS lines to ground and each other.
Figure 13-2. Power and Return Connections
8XC196 Device
V
REF
ANGND
+5 V 5 V
Return
Analog
Ground
Plane
Power Source
†
†
† Use 0.01 µF bypass capacitors for maximum decoupling.
Digital
Ground
Plane
+
1.0 µF
A0272-02
+
–
V
REF
V
CC
V
SS
V
SS
V
SS
†

13-5
MINIMUM HARDWARE CONSIDERATIONS
If the A/D converter will be used, connect VREF to a separate reference supply to minimize noise
during A/D conversions. Even if the A/D converter will not be used, VREF and ANGND must be
connected to provide power to port 0. Refer to “Analog Ground and Reference Voltages” on page
11-13 for a detailed discussion of A/D power and ground recommendations.
Multilayer printed circuit boards with separate VCC and ground planes also help to minimize
noise. For more information on noise protection, refer to AP-125, Designing Microcontroller Sys-
tems for Noisy Environments and AP-711, EMI Design Techinques for Microcontrollers in Auto-
motive Applications.
13.4 PROVIDING THE CLOCK
The device can either use the on-chip oscillator to generate the clocks or use an external clock
input signal. The following paragraphs describe the considerations for both methods.
13.4.1 Using the On-chip Oscillator
The on-chip oscillator circuit (Figure 13-3) consists of a crystal-controlled, positive reactance os-
cillator. In this application, the crystal operates in a parallel resonance mode. The feedback resis-
tor, Rf, consists of paralleled n-channel and p-channel FETs controlled by the internal powerdown
signal. In powerdown mode, Rf acts as an open and the output drivers are disabled, which disables
the oscillator. Both the XTAL1 and XTAL2 pins have built-in electrostatic discharge (ESD) pro-
tection.

8XC196K
x
, J
x
, CA USER’S MANUAL
13-6
Figure 13-3. On-chip Oscillator Circuit
Figure 13-4 shows the connections between the external crystal and the device. When designing
an external oscillator circuit, consider the effects of parasitic board capacitance, extended oper-
ating temperatures, and crystal specifications. Consult the manufacturer’s datasheet for perfor-
mance specifications and required capacitor values. With high-quality components, 20 pF load
capacitors (CL) are usually adequate for frequencies above 1 MHz.
Noise spikes on the XTAL1 or XTAL2 pin can cause a miscount in the internal clock-generating
circuitry. Capacitive coupling between the crystal oscillator and traces carrying fast-rising digital
signals can introduce noise spikes. To reduce this coupling, mount the crystal oscillator and ca-
pacitors near the device and use short, direct traces to connect to XTAL1, XTAL2, and VSS. To
further reduce the effects of noise, use grounded guard rings around the oscillator circuitry and
ground the metallic crystal case.
Rf XTAL2
(Output)
VCC
XTAL1
(Input)
Oscillator Enable#
(from powerdown circuitry)
To internal
circuitry
A0076-03
VSS

13-7
MINIMUM HARDWARE CONSIDERATIONS
Figure 13-4. External Crystal Connections
13.4.2 Using a Ceramic Resonator Instead of a Crystal Oscillator
In cost-sensitive applications, you may choose to use a ceramic resonator instead of a crystal os-
cillator. Ceramic resonators may require slightly different load capacitor values and circuit con-
figurations. Consult the manufacturer’s datasheet for the required oscillator circuitry.
13.4.3 Providing an External Clock Source
To use an external clock source, apply a clock signal to XTAL1 and let XTAL2 float (Figure
13-5). To ensure proper operation, the external clock source must meet the minimum high and
low times (TXHXX and TXLXX) and the maximum rise and fall transition times (TXLHX and TXHXL)
(Figure 13-6). The longer the rise and fall times, the higher the probability that external noise will
affect the clock generator circuitry and cause unreliable operation. See the datasheet for required
XTAL1 voltage drive levels and actual specifications.
8XC196
Device
XTAL2
XTAL1
Quartz Crystal
C1
C2
A0273-02
Note:
Mount oscillator components close to the device and use
short, direct traces to XTAL1, XTAL2, and Vss. When
using crystals, C1=C2≈20 pF. When using ceramic
resonators, consult the manufacturer for recommended
oscillator circuitry.
8XC196
Device
XTAL2
XTAL1
Quartz Crystal
C1
C2
A0273-02
Note:
Mount oscillator components close to the device and use
short, direct traces to XTAL1, XTAL2, and Vss. When
using crystals, C1=C2≈20 pF. When using ceramic
resonators, consult the manufacturer for recommended
oscillator circuitry.

8XC196K
x
, J
x
, CA USER’S MANUAL
13-8
Figure 13-5. External Clock Connections
Figure 13-6. External Clock Drive Waveforms
At power-on, the interaction between the internal amplifier and its feedback capacitance (i.e., the
Miller effect) may cause a load of up to 100 pF at the XTAL1 pin if the signal at XTAL1 is weak
(such as might be the case during start-up of the external oscillator). This situation will go away
when the XTAL1 input signal meets the VIL and VIH specifications (listed in the datasheet). If
these specifications are met, the XTAL1 pin capacitance will not exceed 20 pF.
13.5 RESETTING THE DEVICE
Reset forces the device into a known state. As soon as RESET# is asserted, the I/O pins, the con-
trol pins, and the registers are driven to their reset states. (Tables in Appendix B list the reset states
of the pins (see Table B-8 on page B-20 for the 8XC196Kx, Table B-9 on page B-21 for the
8XC196Jx, or Table B-10 on page B-22 for the 87C196CA). See Table C-2 on page C-2 for the
reset values of the SFRs.) The device remains in its reset state until RESET# is deasserted. When
RESET# is deasserted, the bus controller fetches the chip configuration bytes (CCBs), loads them
into the chip configuration registers (CCRs), and then fetches the first instruction.
4.7 kن
8XC196 Device
XTAL2
XTAL1
External
Clock Input
Clock Driver
No Connection
VCC
A0274-02
† Required if TTL driver is used. Not needed if CMOS driver is used.
4.7 kن
8XC196 Device
XTAL2
XTAL1
External
Clock Input
Clock Driver
No Connection
VCC
A0274-02
† Required if TTL driver is used. Not needed if CMOS driver is used.
A2119-02
T
XHXX
T
XLXX
T
XHXL
T
XLXL
0.3 V
CC
– 0.5 V
0.7 V
CC
+ 0.5 V
T
XLXH
0.7 V
CC
+ 0.5 V
0.3 V
CC
– 0.5 V

13-9
MINIMUM HARDWARE CONSIDERATIONS
Figure 13-7 shows the reset-sequence timing. Depending upon when RESET# is brought high,
the CLKOUT signal may become out of phase with the PH1 internal clock. When this occurs, the
clock generator immediately resynchronizes CLKOUT as shown in Case 2.
Figure 13-7. Reset Timing Sequence
The following events will reset the device (see Figure 13-8):
•an external device pulls the RESET# pin low
•the CPU issues the reset (RST) instruction
•the CPU issues an idle/powerdown (IDLPD) instruction with an illegal key operand
•the watchdog timer (WDT) overflows
•the oscillator fail detect (OFD) circuitry is enabled and an oscillator failure occurs
The following paragraphs describe each of these reset methods in more detail.
RESET#
Pin
Case 1
CLKOUT
Case 2
CLKOUT
Internal
Reset
ALE
CCB0 CCB1
Phases Resynchronized
RD#
AD7:0
Bus parameters defined by CCB0 (ready
control, bus width, and bus-timing
modes) take effect here.
18H 1AH 80H
20H20H 20H
†
Weak
†
Weak
†Defaults to an 8-bit bus until the CCBs are loaded. AD15:8 strongly drive address during the CCB
fetches. For 16-bit systems, write 20H to the high byte of CCB0 and CCB1 (2019H and 201BH) in
order to prevent bus contention.
AD15:8
7 T
OSC
7 T
OSC
9 T
OSC
9 T
OSC
= ADV# Selected
9 T
OSC
7 T
OSC
8 T
OSC
11 T
OSC
A3084-01
RESET#
Pin
Case 1
CLKOUT
Case 2
CLKOUT
Internal
Reset
ALE
CCB0 CCB1
Phases Resynchronized
RD#
AD7:0
Bus parameters defined by CCB0 (ready
control, bus width, and bus-timing
modes) take effect here.
18H 1AH 80H
20H20H 20H
†
Weak
†
Weak
†Defaults to an 8-bit bus until the CCBs are loaded. AD15:8 weakly drive address during the CCB fetches.
For 16-bit systems, write 20H to the high byte of CCB0 and CCB1 (2019H and 201BH) in order to prevent
bus contention.
AD15:8
7 T
OSC
7 T
OSC
9 T
OSC
9 T
OSC
= ADV# Selected
9 T
OSC
7 T
OSC
8 T
OSC
11 T
OSC
A3084-01

8XC196K
x
, J
x
, CA USER’S MANUAL
13-10
Figure 13-8. Internal Reset Circuitry
13.5.1 Generating an External Reset
To reset the device, hold the RESET# pin low for at least one state time after the power supply is
within tolerance and the oscillator has stabilized. When RESET# is first asserted, the device turns
on a pull-down transistor (Q1) for 16 state times. This enables the RESET# signal to function as
the system reset.
The simplest way to reset the device is to insert a capacitor between the RESET# pin and VSS, as
shown in Figure 13-9. The device has an internal pull-up (RRST) (Figure 13-8). RESET# should
remain asserted for at least one state time after VCC and XTAL1 have stabilized and met the op-
erating conditions specified in the datasheet. A capacitor of 4.7 µF or greater should provide suf-
ficient reset time, as long as VCC rises quickly.
A0034-02
Internal
Reset
Signal
Reset State
Machine
Trigger
Clock
Internal External
RRST
†
CLR
Q
RST Instruction
WDT Overflow
IDLPD Invalid Key
RESET#
~200 Ω
Count Complete
Q1
SET
VCC
USFR.0
OFD
(FOSC < 100 kHz)
† See the datasheet for minimum and maximum R
RST
values.

13-11
MINIMUM HARDWARE CONSIDERATIONS
Figure 13-9. Minimum Reset Circuit
The other devices may not be reset because the capacitor will keep the voltage above VIL. Since
RESET# is asserted for only 16 state times, it may be necessary to lengthen and buffer the system-
reset pulse. Figure 13-10 shows an example of a system-reset circuit. In this example, D2 creates
a wired-OR gate connection to the reset pin. An internal reset, system power-up, or SW1 closing
will generate the system-reset signal.
Figure 13-10. Example System Reset Circuit
RESET#
8XC196 Device
+4.7 µF
A0276-01
RESET#
8XC196 Device
+4.7 µF
A0276-01
RESET#
8XC196
Device
System reset signal
to external circuitry
(1)
Schmitt Triggers
Notes:
1. D1 provides a faster cycle time for repetitive power-on resets.
2. Optional pull-up for faster recovery.
R
C
4.7 kΩ
(2)
D2
SW1
D1
A0277-02
VCC
VCC

8XC196K
x
, J
x
, CA USER’S MANUAL
13-12
13.5.2 Issuing the Reset (RST) Instruction
The RST instruction (opcode FFH) resets the device by pulling RESET# low for 16 state times.
It also clears the processor status word (PSW), sets the master program counter (PC) to 2080H,
and resets the special function registers (SFRs). See Table C-2 on page C-2 for the reset values
of the SFRs.
Putting pull-ups on the address/data bus causes unimplemented areas of memory to be read as
FFH. If unused internal OTPROM memory is set to FFH, then execution from any unused mem-
ory locations will reset the device.
13.5.3 Issuing an Illegal IDLPD Key Operand
The device resets itself if an illegal key operand is used with the idle/powerdown (IDLPD) com-
mand. The legal keys are “1” for idle mode and “2” for powerdown mode. If any other value is
used, the device executes a reset sequence. (See Appendix A for a description of the IDLPD com-
mand.)
13.5.4 Enabling the Watchdog Timer
The watchdog timer (WDT) is a 16-bit counter that resets the device when the counter overflows
(every 64K state times). The WDE bit (bit 3) of CCR1 controls whether the watchdog is enabled
immediately or is disabled until the first time it is cleared. Clearing WDE activates the watchdog.
Setting WDE makes the watchdog timer inactive, but you can activate it by clearing the watchdog
register. Once the watchdog is activated, only a reset can disable it.
You must write two consecutive bytes to the watchdog register (location 0AH) to clear it. The
first byte must be 1EH and the second must be E1H. We recommend that you disable interrupts
before writing to the watchdog register. If an interrupt occurs between the two writes, the watch-
dog register will not be cleared.
If enabled, the watchdog continues to run in idle mode. The device must be awakened within 64K
state times to clear the watchdog; otherwise, the watchdog will reset the device, which causes it
to exit idle mode.
13.5.5 Detecting Oscillator Failure
The ability to sense an oscillator failure is important in safety-sensitive applications. This device
provides a feature that can detect a failed oscillator and reset itself. Low-frequency oscillation,
typically 100 KHz or below, is sensed as a failure. If enabled, the oscillator fail detect (OFD) cir-
cuitry resets the device in the event of an oscillator failure. This feature is enabled by program-
ming the OFD bit (bit 0) in the USFR. (See “Enabling the Oscillator Failure Detection Circuitry”
on page 16-8 for details.)

14
Special Operating
Modes

14-1
CHAPTER 14
SPECIAL OPERATING MODES
The 8XC196Kx, Jx, and CA have two power saving modes: idle and powerdown. They also pro-
vide an on-circuit emulation (ONCE) mode that electrically isolates the device from the other sys-
tem components. This chapter describes each mode and explains how to enter and exit each.
(Refer to Appendix A for descriptions of the instructions discussed in this chapter, to Appendix
B for descriptions of signal status during each mode, and to Appendix C for details about the reg-
isters.)
14.1 SPECIAL OPERATING MODE SIGNALS AND REGISTERS
Table 14-1 lists the signals and Table 14-2 lists the registers that are mentioned in this chapter.
Table 14-1. Operating Mode Control Signals
Port Pin Signal
Name Type Description
P2.7 CLKOUT O Clock Output
NOTE: Output of the internal clock generator. The CLKOUT fre-
quency is ½ the oscillator input frequency (XTAL1). CLKOUT
has a 50% duty cycle.
P2.2 EXTINT I External Interrupt
In normal operating mode, a rising edge on EXTINT sets the EXTINT
interrupt pending bit. EXTINT is sampled during phase 2 (CLKOUT
high). The minimum high time is one state time.
If the chip is in idle mode and if EXTINT is enabled, a rising edge on
EXTINT brings the chip back to normal operation, where the first
action is to execute the EXTINT service routine. After completion of
the service routine, execution resumes at the the IDLPD instruction
following the one that put the device into idle mode.
In powerdown mode, asserting EXTINT
causes the chip to return to
normal operating mode. If EXTINT is enabled, the EXTINT service
routine is executed. Otherwise, execution continues at the instruction
following the IDLPD instruction that put the device into powerdown
mode.
P5.4
(KR, KQ)
P2.6
(J
x
, CA,
KT, KS)
ONCE# I On-circuit Emulation
Holding ONCE# low during the rising edge of RESET# places the
device into on-circuit emulation (ONCE) mode. This mode puts all pins
into a high-impedance state, thereby isolating the device from other
components in the system. The value of ONCE# is latched when the
RESET# pin goes inactive. While the device is in ONCE mode, you
can debug the system using a clip-on emulator. To exit ONCE mode,
reset the device by pulling the RESET# signal low. To prevent
inadvertent entry into ONCE mode, configure this pin as an output.

8XC196K
x
, J
x
, CA USER’S MANUAL
14-2
P5.4
(CA, KT,
KS)
P2.6
(KR, KQ)
Test -
mode
entry
I/O Test-mode entry
If this pin is held low during reset, the device will enter a reserved test
mode, so exercise caution if you use this pin for input. If you choose
to configure this pin as an input, always hold it high during reset and
ensure that your system meets the VIH specification (see datasheet) to
prevent inadvertent entry into a test mode.
— RESET# I/O Reset
A level-sensitive reset input to and open-drain system reset output
from the microcontroller. Either a falling edge on RESET# or an
internal reset turns on a pull-down transistor connected to the RESET
pin for 16 state times. In the powerdown and idle modes, asserting
RESET# causes the chip to reset and return to normal operating
mode. The microcontroller resets to 2080H.
—V
PP PWR Programming Voltage
During programming, the VPP pin is typically at +12.5 V (VPP voltage).
Exceeding the maximum VPP voltage specification can damage the
device.
VPP also causes the device to exit powerdown mode when it is driven
low for at least 50 ns. Use this method to exit powerdown only when
using an external clock source because it enables the internal phase
clocks, but not the internal oscillator.
On devices with no internal nonvolatile memory, connect VPP to VCC.
Table 14-2. Operating Mode Control and Status Registers
Mnemonic Address Description
CCR0 2018H Chip Configuration 0 Register
Bit 0 of this register enables and disables powerdown mode.
INT_MASK1 0013H Interrupt Mask 1
Bit 6 of this 8-bit register enables and disables (masks) the
external interrupt (EXTINT).
INT_PEND1 0012H Interrupt Pending 1
When set, bit 6 of this register indicates a pending external
interrupt.
P2_DIR
P5_DIR 1FCBH
1FF3H Port
x
Direction
Each bit of P
x
_DIR controls the direction of the corresponding pin.
Clearing a bit configures a pin as a complementary output; setting
a bit configures a pin as an input or open-drain output. (Open-
drain outputs require external pull-ups.)
P2_MODE
P5_MODE 1FC9H
1FF1H Port
x
Mode
Each bit of P
x
_MODE controls whether the corresponding pin
functions as a standard I/O port pin or as a special-function
signal. Setting a bit configures a pin as a special-function signal;
clearing a bit configures a pin as a standard I/O port pin.
Table 14-1. Operating Mode Control Signals (Continued)
Port Pin Signal
Name Type Description

14-3
SPECIAL OPERATING MODES
14.2 REDUCING POWER CONSUMPTION
Both power-saving modes conserve power by disabling portions of the internal clock circuitry
(Figure 14-1). The following paragraphs describe both modes in detail.
Figure 14-1. Clock Control During Power-saving Modes
14.3 IDLE MODE
In idle mode, the device’s power consumption decreases to approximately 40% of normal con-
sumption. Internal logic holds the CPU clocks at logic zero, causing the CPU to stop executing
instructions. Neither the peripheral clocks nor CLKOUT are affected, so the special-function reg-
isters (SFRs) and register RAM retain their data and the peripherals and interrupt system remain
active. Tables in Appendix B list the values of the pins during idle mode (see Table B-8 on page
B-20 for the 8XC196Kx, Table B-9 on page B-21 for the 8XC196Jx, or Table B-10 on page B-22
for the 87C196CA).
A3064-02
Clock
Generators
CPU Clocks (PH1, PH2)
Divide-by-two
Circuit
Peripheral Clocks (PH1, PH2)
CLKOUT
Disable Clocks
(Powerdown)
Disable Clocks
(Idle, Powerdown)
XTAL1
XTAL2
FOSC
Disable
Oscillator
(Powerdown)
Disable Clock Input
(Powerdown)

8XC196K
x
, J
x
, CA USER’S MANUAL
14-4
The device enters idle mode after executing the IDLPD #1 instruction. Either an interrupt or a
hardware reset will cause the device to exit idle mode. Any enabled interrupt source, either inter-
nal or external, can cause the device to exit idle mode. When an interrupt occurs, the CPU clocks
restart and the CPU executes the corresponding interrupt service or PTS routine. When the routine
is complete, the CPU fetches and then executes the instruction that follows the IDLPD #1 instruc-
tion.
NOTE
If enabled, the watchdog timer continues to run in idle mode. The device must
be awakened within every 64K state times to clear the WATCHDOG register;
otherwise, the timer will reset the device.
To prevent an accidental return to full power, hold the external interrupt pin
(EXTINT) low while the device is in idle mode.
14.4 POWERDOWN MODE
Powerdown mode places the device into a very low power state by disabling the internal oscillator
and clock generators. Internal logic holds the CPU and peripheral clocks at logic zero, which
causes the CPU to stop executing instructions, the system bus-control signals to become inactive,
the CLKOUT signal to become high, and the peripherals to turn off. Power consumption drops
into the microwatt range (refer to the datasheet for exact specifications). ICC is reduced to device
leakage. Tables in Appendix B list the values of the pins during powerdown mode (see Table B-8
on page B-20 for the 8XC196Kx, Table B-9 on page B-21 for the 8XC196Jx, or Table B-10 on
page B-22 for the 87C196CA). If VCC is maintained above the minimum specification, the spe-
cial-function registers (SFRs) and register RAM retain their data.
14.4.1 Enabling and Disabling Powerdown Mode
Setting the PD bit in the chip-configuration register 0 (CCR0.0) enables powerdown mode. Clear-
ing it disables powerdown. CCR0 is loaded from the chip configuration byte (CCB0) when the
device is reset.

14-5
SPECIAL OPERATING MODES
14.4.2 Entering Powerdown Mode
Before entering powerdown, complete the following tasks:
•Complete all serial port transmissions or receptions. Otherwise, when the device exits
powerdown, the serial port activity will continue where it left off and incorrect data may be
transmitted or received.
•Complete all analog conversions. If powerdown occurs during the conversion, the result
will be incorrect.
•If the watchdog timer (WDT) is enabled, clear the WATCHDOG register just before issuing
the powerdown instruction. This ensures that the device can exit powerdown cleanly.
Otherwise, the WDT could reset the device before the oscillator stabilizes. (The WDT
cannot reset the device during powerdown because the clock is stopped.)
•Put all other peripherals into an inactive state.
•8XC196Kx: To allow other devices to control the bus while the microcontroller is in
powerdown, assert HLDA#. Do this only if the routines for entering and exiting powerdown
do not require access to external memory.
After completing these tasks, execute the IDLPD #2 instruction to enter powerdown mode.
NOTE
To prevent an accidental return to full power, hold the external interrupt pin
(EXTINT) low while the device is in powerdown mode.
14.4.3 Exiting Powerdown Mode
The device will exit powerdown mode when one of the following events occurs:
•an external device drives the VPP pin low for at least 50 ns,
•a hardware reset is generated,
•or a transition occurs on the external interrupt pin.
14.4.3.1 Driving the VPP Pin Low
If the design uses an external clock input signal rather than the on-chip oscillator, the fastest way
to exit powerdown mode is to drive the VPP pin low for at least 50 ns. Use this method only when
using an external clock input because the internal CPU and peripheral clocks will be enabled, but
not the internal oscillator.

8XC196K
x
, J
x
, CA USER’S MANUAL
14-6
14.4.3.2 Generating a Hardware Reset
The device will exit powerdown if RESET# is asserted. If the design uses an external clock input
signal rather than the on-chip oscillator, RESET# must remain low for at least 16 state times. If
the design uses the on-chip oscillator, then RESET# must be held low until the oscillator has sta-
bilized.
14.4.3.3 Asserting the External Interrupt Signal
The final way to exit powerdown mode is to assert the external interrupt signal (EXTINT) for at
least 50 ns. Although EXTINT is normally a sampled input, the powerdown circuitry uses it as a
level-sensitive input. The interrupt need not be enabled to bring the device out of powerdown, but
the pin must be configured as a special-function input (see “Bidirectional Port Pin Configura-
tions” on page 6-10). Figure 14-2 shows the power-up and powerdown sequence when using an
external interrupt to exit powerdown.
When an external interrupt brings the device out of powerdown mode, the corresponding pending
bit is set in the interrupt pending register. If the interrupt is enabled, the device executes the in-
terrupt service routine, then fetches and executes the instruction following the IDLPD #2 instruc-
tion. If the interrupt is disabled (masked), the device fetches and executes the instruction
following the IDLPD #2 instruction and the pending bit remains set until the interrupt is serviced
or software clears the pending bit.
Figure 14-2. Power-up and Powerdown Sequence When Using an External Interrupt
XTAL1
CLKOUT
PH1
Internal Powerdown
Signal
EXTINT
V
PP
Timeout
(Internal)
A0078-01

14-7
SPECIAL OPERATING MODES
When using an external interrupt signal to exit powerdown mode, we recommend that you con-
nect the external RC circuit shown in Figure 14-3 to the VPP pin. The discharging of the capacitor
causes a delay that allows the oscillator to stabilize before the internal CPU and peripheral clocks
are enabled.
Figure 14-3. External RC Circuit
During normal operation (before entering powerdown mode), an internal pull-up holds the
VPP pin at VCC. When an external interrupt signal is asserted, the internal oscillator circuitry is
enabled and turns on a weak internal pull-down. This weak pull-down causes the external capac-
itor (C1) to begin discharging at a typical rate of 200 µA. When the VPP pin voltage drops below
the threshold voltage (about 2.5 V), the internal phase clocks are enabled and the device resumes
code execution.
At this time, the internal pull-up transistor turns on and quickly pulls the pin back up to about
3.5 V. The pull-up becomes ineffective and the external resistor (R1) takes over and pulls the volt-
age up to VCC (see recovery time in Figure 14-4). The time constant follows an exponential charg-
ing curve. If C1 = 1 µF and R1 = 1 MΩ, the recovery time will be one second.
14.4.3.4 Selecting R1 and C1
The values of R1 and C1 are not critical. Select components that produce a sufficient discharge
time to permit the internal oscillator circuitry to stabilize. Because many factors can influence the
discharge time requirement, you should always fully characterize your design under worst-case
conditions to verify proper operation.
8XC196
Device
R
1
1 MΩ Typical
C
1
1µF Typical
VPP
A0279-01
VCC

8XC196K
x
, J
x
, CA USER’S MANUAL
14-8
Figure 14-4. Typical Voltage on the VPP Pin While Exiting Powerdown
Select a resistor that will not interfere with the discharge current. In most cases, values between
200 kΩ and 1 MΩ should perform satisfactorily. When selecting the capacitor, determine the
worst-case discharge time needed for the oscillator to stabilize, then use this formula to calculate
an appropriate value for C1.
where:
C1is the capacitor value, in farads
TDIS is the worst-case discharge time, in seconds
I is the discharge current, in amperes
Vtis the threshold voltage
NOTE
If powerdown is re-entered and exited before C1 charges to VCC, it will take
less time for the voltage to ramp down to the threshold. Therefore, the device
will take less time to exit powerdown.
VPP
, Volts
1
2
3
4
5
200 µA C1 Discharge
Pullup On
Code Execution Resumes
R1 x C1 Recovery
Time Constant
EXTINT
Time, ms
246810121416182022
A0151-01
C1
TDIS I×
Vt
--------------------
=

14-9
SPECIAL OPERATING MODES
For example, assume that the oscillator needs at least 12.5 ms to discharge (TDIS = 12.5 ms), Vt
is 2.5 V, and the discharge current is 200 µA. The minimum C1 capacitor size is 1 µF.
When using an external oscillator, the value of C1 can be very small, allowing rapid recovery from
powerdown. For example, a 100 pF capacitor discharges in 1.25 µs.
14.5 ONCE MODE
On-circuit emulation (ONCE) mode isolates the device from other components in the system to
allow printed-circuit-board testing or debugging with a clip-on emulator. During ONCE mode,
all pins except XTAL1, XTAL2, VSS, and VCC are weakly pulled high or low. During ONCE
mode, RESET# must be held high or the device will exit ONCE mode and enter the reset state.
Tables in Appendix B list the reset states of the pins (see Table B-8 on page B-20 for the
8XC196Kx, Table B-9 on page B-21 for the 8XC196Jx, or Table B-10 on page B-22 for the
87C196CA).
14.5.1 Entering and Exiting ONCE Mode
Holding the ONCE# signal low during the rising edge of RESET# causes the device to enter
ONCE mode. To prevent accidental entry into ONCE mode, we highly recommend configuring
this pin as an output. If you choose to configure this pin as an input, always hold it high during
reset and ensure that your system meets the VIH specification (see datasheet) to prevent inadvert-
ent entry into ONCE mode. Table 14-3 shows the ONCE# pin multiplexing for each device in the
8XC196Kx, Jx, and CA product families.
Exit ONCE mode by asserting the RESET# signal and allowing the ONCE# pin to float or be
pulled high. Normal operations resume when RESET# goes high.
Table 14-3. ONCE# Pin Alternate Functions
Device ONCE# Alternate Functions
8XC196CA P2.6/HLDA#
8XC196J
x
P2.6/HLDA#
8XC196KQ, KR P5.4/SLPINT
8XC196KS, KT P2.6/HLDA#
C1
0.0125 0.0002×
2.5
------------------------------------------- 1 µF==
T
DIS
C1Vt
×
I
------------------ 1.0 10 10–
×2.5×
0.0002
------------------------------------------- 1.25 µs== =

8XC196K
x
, J
x
, CA USER’S MANUAL
14-10
14.6 RESERVED TEST MODES
A special test-mode-entry pin (Table 14-4) is provided for Intel’s in-house testing only. These test
modes can be entered accidentally if you configure the test-mode-entry pin as an input and hold
it low during the rising edge of RESET#. To prevent accidental entry into an unsupported test
mode, we highly recommend configuring the test-mode-entry pin as an output. If you choose to
configure this pin as an input, always hold it high during reset and ensure that your system meets
theVIH specification (see datasheet) to prevent inadvertent entry into an unsupported test mode.
Table 14-4. Test-mode-entry Pins
Device Test-Mode-Entry Pin
8XC196CA P5.4
8XC196J
x
Not implemented
8XC196KQ, KR P2.6
8XC196KS, KT P5.4

15
Interfacing with
External Memory

15-1
CHAPTER 15
INTERFACING WITH EXTERNAL MEMORY
The device can interface with a variety of external memory devices. It supports either a fixed 8-
bit bus width, a fixed 16-bit bus width, or a dynamic 8-bit/16-bit bus width; internal control of
wait states for slow external memory devices; a bus-hold protocol that enables external devices
to take over the bus; and several bus-control modes. These features provide a great deal of flexi-
bility when interfacing with external memory devices.
In addition to describing the signals and registers related to external memory, this chapter discuss-
es the process of fetching the chip configuration bytes and configuring the external bus. It also
provides examples of external memory configurations.
15.1 EXTERNAL MEMORY INTERFACE SIGNALS
Table 15-1 describes the external memory interface signals. For some signals, the pin has an al-
ternate function (shown in the Multiplexed With column). In some cases the alternate function is
a port signal (e.g., P2.7). Chapter 6, “I/O Ports,” describes how to configure a pin for its I/O port
function and for its special function. In other cases, the signal description includes instructions
for selecting the alternate function.
Table 15-1. External Memory Interface Signals
Function
Name Type Description Multiplexed
With
AD15:0 I/O Address/Data Lines
These pins provide a multiplexed address and data bus. During the
address phase of the bus cycle, address bits 0–15 are presented on
the bus and can be latched using ALE or ADV#. During the data
phase, 8- or 16-bit data is transferred. When a bus access is not
occurring, these pins revert to their I/O port function.
P4.7:0
P3.7:0
ADV# O Address Valid
This active-low output signal is asserted only during external
memory accesses. ADV# indicates that valid address information is
available on the system address/data bus. The signal remains low
while a valid bus cycle is in progress and is returned high as soon as
the bus cycle completes.
An external latch can use this signal to demultiplex the address from
the address/data bus. A decoder can also use this signal to generate
chip selects for external memory.
ALE/P5.0

8XC196K
x
, J
x
, CA USER’S MANUAL
15-2
ALE O Address Latch Enable
This active-high output signal is asserted only during external
memory cycles. ALE signals the start of an external bus cycle and
indicates that valid address information is available on the system
address/data bus. ALE differs from ADV# in that it does not remain
active during the entire bus cycle.
An external latch can use this signal to demultiplex the address from
the address/data bus.
ADV#/P5.0
BHE#†O Byte High Enable
The chip configuration register 0 (CCR0) determines whether this pin
functions as BHE# or WRH#. CCR0.2=1 selects BHE#; CCR0.2=0
selects WRH#.
During 16-bit bus cycles, this active-low output signal is asserted for
word reads and writes and high-byte reads and writes to external
memory. BHE# indicates that valid data is being transferred over the
upper half of the system data bus. BHE#, in conjunction with AD0,
indicates the memory byte that is being transferred over the system
bus:
BHE# AD0 Byte(s) Accessed
0 0 both bytes
0 1 high byte only
1 0 low byte only
† This pin is not implemented on the 8XC196J
x
device.
P5.5/WRH#
BREQ#†O Bus Request
This active-low output signal is asserted during a hold cycle when
the bus controller has a pending external memory cycle.
The device can assert BREQ# at the same time as or after it asserts
HLDA#. Once it is asserted, BREQ# remains asserted until HOLD#
is removed.
You must enable the bus-hold protocol before using this signal (see
“Enabling the Bus-hold Protocol (8XC196Kx Only)” on page 15-18).
† This pin is not implemented on the 87C196CA, 8XC196J
x
devices.
P2.3
BUSWIDTH†I Bus Width
The chip configuration register bits, CCR0.1 and CCR1.2, along with
the BUSWIDTH pin, control the data bus width. When both CCR bits
are set, the BUSWIDTH signal selects the external data bus width.
When only one CCR bit is set, the bus width is fixed at either 16 or 8
bits, and the BUSWIDTH signal has no effect.
CCR0.1 CCR1.2 BUSWIDTH
0 1 N/A fixed 8-bit data bus
1 0 N/A fixed 16-bit data bus
11high16-bit data bus
1 1 low 8-bit data bus
† This pin is not implemented on the 87C196CA, 8XC196J
x
devices.
P5.7
Table 15-1. External Memory Interface Signals (Continued)
Function
Name Type Description Multiplexed
With

15-3
INTERFACING WITH EXTERNAL MEMORY
CLKOUT O Clock Output
Output of the internal clock generator. The CLKOUT frequency is ½
the oscillator frequency input (XTAL1). CLKOUT has a 50% duty
cycle.
P2.7
EA# I External Access
EA# is sampled and latched only on the rising edge of RESET#.
Changing the level of EA# after reset has no effect. Accesses to
special-purpose and program memory partitions are directed to
internal memory if EA# is held high and to external memory if EA# is
held low. (See Table 4-1 on page 4-2 for address ranges of special-
purpose and program memory partitions.)
EA# also controls program mode entry. If EA# is at VPP voltage
(typically +12.5 V) on the rising edge of RESET#, the device enters
programming mode.
NOTE: When EA# is active, ports 3 and 4 will function only as the
address/data bus. They cannot be used for standard I/O.
On devices with no internal nonvolatile memory, always connect EA#
to VSS.
—
HLDA#†O Bus Hold Acknowledge
This active-low output indicates that the CPU has released the bus
as the result of an external device asserting HOLD#.
† The P2.6 pin does not function as HLDA# on the 87C196CA,
8XC196J
x
devices.
P2.6
HOLD#†I Bus Hold Request
An external device uses this active-low input signal to request control
of the bus. This pin functions as HOLD# only if the pin is configured
for its special function (see “Bidirectional Port Pin Configurations” on
page 6-10) and the bus-hold protocol is enabled. Setting bit 7 of the
window selection register enables the bus-hold protocol.
† This pin is not implemented on the 87C196CA, 8XC196J
x
devices.
P2.5
INTOUT#†O Interrupt Output
This active-low output indicates that a pending interrupt requires use
of the external bus.
† This pin is not implemented on the 87C196CA, 8XC196J
x
devices.
AINC#/P2.4
INST†O Instruction Fetch
This active-high output signal is valid only during external memory
bus cycles. When high, INST indicates that an instruction is being
fetched from external memory. The signal remains high during the
entire bus cycle of an external instruction fetch. INST is low for data
accesses, including interrupt vector fetches and chip configuration
byte reads. INST is low during internal memory fetches.
† This pin is not implemented on the 87C196CA, 8XC196J
x
devices.
P5.1
RD# O Read
Read-signal output to external memory. RD# is asserted only during
external memory reads.
P5.3
Table 15-1. External Memory Interface Signals (Continued)
Function
Name Type Description Multiplexed
With

8XC196K
x
, J
x
, CA USER’S MANUAL
15-4
15.2 CHIP CONFIGURATION REGISTERS AND CHIP CONFIGURATION BYTES
Two chip configuration registers (CCRs) have bits that set parameters for chip operation and ex-
ternal bus cycles. The CCRs cannot be accessed by code. They are loaded from the chip config-
uration bytes (CCBs), which have addresses 2018H (CCB0) and 201AH (CCB1).
When the device returns from reset, the bus controller fetches the CCBs and loads them into the
CCRs. From this point, these CCR bit values define the chip configuration until the device is reset
again. The CCR bits are described in Figures 15-1 and 15-2.
READY†I Ready Input
This active-high input signal is used to lengthen external memory
cycles for slow memory by generating wait states in addition to the
wait states that are generated internally.
When READY is high, CPU operation continues in a normal manner
with wait states inserted as programmed in the chip configuration
registers. READY is ignored for all internal memory accesses.
† This pin is not implemented on the 8XC196J
x
device.
P5.6
WR# O Write
The chip configuration register 0 (CCR0) determines whether this pin
functions as WR# or WRL#. CCR0.2=1 selects WR#; CCR0.2=0
selects WRL#.
This active-low output indicates that an external write is occurring.
This signal is asserted only during external memory writes.
P5.2/WRL#
WRH#†O Write High
The chip configuration register 0 (CCR0) determines whether this pin
functions as BHE# or WRH#. CCR0.2=1 selects BHE; CCR0.2=0
selects WRH#.
During 16-bit bus cycles, this active-low output signal is asserted for
high-byte writes and word writes to external memory. During 8-bit
bus cycles, WRH# is asserted for all write operations.
† This pin is not implemented on the 87C196CA, 8XC196J
x
devices.
P5.5/BHE#
WRL# O Write Low
The chip configuration register 0 (CCR0) determines whether this pin
functions as WR# or WRL#. CCR0.2=1 selects WR#; CCR0.2=0
selects WRL#.
During 16-bit bus cycles, this active-low output signal is asserted for
low-byte writes and word writes. During 8-bit bus cycles, WRL# is
asserted for all write operations.
P5.2/WR#
Table 15-1. External Memory Interface Signals (Continued)
Function
Name Type Description Multiplexed
With

15-5
INTERFACING WITH EXTERNAL MEMORY
CCR0 Address:
Reset State:
2018H
XXH
The chip configuration 0 (CCR0) register controls powerdown mode, bus-control signals, and internal
memory protection. Three of its bits combine with two bits of CCR1 to control wait states and bus
width.
7 0
LOC1 LOC0 IRC1 IRC0 ALE WR BW0 PD
Bit
Number Bit
Mnemonic Function
7:6 LOC1:0 Lock Bits
Determine the programming protection scheme for internal memory.
LOC1 LOC0
0 0 read and write protect
0 1 read protect only
1 0 write protect only
1 1 no protection
5:4 IRC1:0 Internal Ready Control
These two bits, along with IRC2 (CCR1.1), limit the number of wait states
that can be inserted while the READY pin is held low. Wait states are
inserted into the bus cycle either until the READY pin is pulled high or
until this internal number is reached.
IRC2 IRC1 IRC0
0 0 0 zero wait states
0X1illegal
01Xillegal
100one wait state
1 0 1 two wait states
110three wait states
111infinite
†
†
This mode is unavailable on the 8XC196J
x
device. On this device, the
READY pin is not implemented. Therefore, the number of wait states
inserted into the bus cycle is determined only by the IRC2:0 bit settings.
Figure 15-1. Chip Configuration 0 (CCR0) Register

8XC196K
x
, J
x
, CA USER’S MANUAL
15-6
3 ALE Address Valid Strobe and Write Strobe
These bits define which bus-control signals will be generated during
external read and write cycles.
ALE WR
0 0 address valid with write strobe mode
(ADV#, RD#, WRL#, WRH#)†
0 1 address valid strobe mode
(ADV#, RD#, WR#, BHE#)†
1 0 write strobe mode
(ALE, RD#, WRL#, WRH#)†
1 1 standard bus-control mode
(ALE, RD#, WR#, BHE#)†
† On the 8XC196J
x
device, the BHE#/WRH# pin is not implemented.
2WR
1 BW0 Buswidth Control
This bit, along with the BW1 bit (CCR1.2), selects the bus width.
BW1 BW0
00illegal
0 1 16-bit only
1 0 8-bit only
1 1 BUSWIDTH pin controlled†
† This mode is unavailable on the 87C196CA, 8XC196J
x
devices. The
BUSWIDTH pin is not implemented.
0 PD Powerdown Enable
Controls whether the IDLPD #2 instruction causes the device to enter
powerdown mode. Clearing this bit at reset can prevent accidental entry
into powerdown mode.
1 = enable powerdown mode
0 = disable powerdown mode
CCR0 (Continued) Address:
Reset State:
2018H
XXH
The chip configuration 0 (CCR0) register controls powerdown mode, bus-control signals, and internal
memory protection. Three of its bits combine with two bits of CCR1 to control wait states and bus
width.
7 0
LOC1 LOC0 IRC1 IRC0 ALE WR BW0 PD
Bit
Number Bit
Mnemonic Function
Figure 15-1. Chip Configuration 0 (CCR0) Register (Continued)

15-7
INTERFACING WITH EXTERNAL MEMORY
CCR1 Address:
Reset State:
201AH
XXH
The chip configuration 1 (CCR1) register enables the watchdog timer and selects the bus timing mode.
Two of its bits combine with three bits of CCR0 to control wait states and bus width.
7 0
CA, J
x
, KQ, KR 110 1WDE BW1 IRC2 0
7 0
KS, KT MSEL1 MSEL0 0 1 WDE BW1 IRC2 0
Bit
Number Bit
Mnemonic Function
7:6 1
(CA, J
x
, KQ,
KR)
To guarantee device operation, write ones to these bits.
MSEL1:0
(KS, KT) External Access Timing Mode Select
These bits control the bus-timing modes.
MSEL1 MSEL0
0 0 standard mode plus one wait state
0 1 long read/write
1 0 long read/write with early address
1 1 standard mode
5 0 To guarantee device operation, write zero to this bit.
4 1 To guarantee device operation, write one to this bit.
3 WDE Watchdog Timer Enable
Selects whether the watchdog timer is always enabled or enabled the first
time it is cleared.
1 = enabled first time it is cleared
0 = always enabled
2 BW1 Buswidth Control
This bit, along with the BW0 bit (CCR0.1), selects the bus width.
BW1 BW0
0 0 illegal
0116-bit only
1 0 8-bit only
1 1 BUSWIDTH pin controlled†
† This mode is unavailable on the 87C196CA, 8XC196J
x
devices. The
BUSWIDTH pin is not implemented.
Figure 15-2. Chip Configuration 1 (CCR1) Register

8XC196K
x
, J
x
, CA USER’S MANUAL
15-8
15.3 BUS WIDTH AND MULTIPLEXING
The external bus can operate as either a 16-bit multiplexed address/data bus or as a multiplexed
16-bit address/8-bit data bus (Figure 15-3).
1 IRC2 Ready Control
This bit, along with IRC0 (CCR0.4) and IRC1 (CCR0.5), limits the number
of wait states that can be inserted while the READY pin is held low. Wait
states are inserted into the bus cycle either until the READY pin is pulled
high or until this internal number is reached.
IRC2 IRC1 IRC0
000zero wait states
0X1illegal
0 1 X illegal
100one wait state
101two wait states
110three wait states
111infinite
†
†
This mode is unavailable on the 8XC196J
x
device. On this device, the
READY pin is not implemented. Therefore, the number of wait states
inserted into the bus cycle is determined only by the IRC2:0 bit settings.
0 — Reserved; always write as zero.
CCR1 (Continued) Address:
Reset State:
201AH
XXH
The chip configuration 1 (CCR1) register enables the watchdog timer and selects the bus timing mode.
Two of its bits combine with three bits of CCR0 to control wait states and bus width.
7 0
CA, J
x
, KQ, KR 110 1WDE BW1 IRC2 0
7 0
KS, KT MSEL1 MSEL0 0 1 WDE BW1 IRC2 0
Bit
Number Bit
Mnemonic Function
Figure 15-2. Chip Configuration 1 (CCR1) Register (Continued)

15-9
INTERFACING WITH EXTERNAL MEMORY
Figure 15-3. Multiplexing and Bus Width Options
After reset, but before the CCB fetch, the device is configured for 8-bit bus mode, regardless of
the BUSWIDTH input. The upper address lines (AD15:8) are weakly driven throughout the
CCB0 and CCB1 bus cycles. To prevent bus contention, neither pull-ups nor pull-downs should
be used on AD15:8. Also, the upper bytes of the CCB words (locations 2019H and 201BH)
should be loaded with 20H. If the external memory outputs 20H on its high byte, there will be no
bus contention.
After the CCBs are loaded into the CCRs, the values of BW0 and BW1 define the data bus width
as either a fixed 8-bit, a fixed 16-bit, or a dynamic 16-bit/8-bit bus width controlled by the
BUSWIDTH signal (The BW0 and BW1 bits are defined in Figures 15-1 and 15-2).
If BW0 is clear and BW1 is set, the bus controller is locked into an 8-bit bus mode. In comparing
an 8-bit bus system to a 16-bit bus system, expect some performance degradation. In a 16-bit bus
system, a word fetch is done with a single word fetch. However, in an 8-bit bus system, a word
fetch takes an additional bus cycle because it must be done with two byte fetches.
If BW0 is set and BW1 is clear, the bus controller is locked into a 16-bit bus mode. If both BW0
and BW1 are set, the BUSWIDTH signal controls the bus width. The bus is 16 bits wide when
BUSWIDTH is high and 8 bits wide when BUSWIDTH is low. The BUSWIDTH signal is sam-
pled after the address is on the bus, as shown in Figure 15-4.
Bus Control
16-bit Multiplexed
Address/Data
AD15:0
(Ports 4 and 3)
8XC196
Bus Control
AD15:8
(Port 4)
8XC196
8-bit Multiplexed
Address/Data
8-bit Address
High
AD7:0
(Port 3)
8-bit Bus16-bit Bus
A3068-01

8XC196K
x
, J
x
, CA USER’S MANUAL
15-10
Figure 15-4. BUSWIDTH Timing Diagram
The BUSWIDTH signal can be used in numerous applications. For example, a system could store
code in a 16-bit memory device and data in an 8-bit memory device. The BUSWIDTH signal
could be tied to the chip-select input of the 8-bit memory device (shown in Figure 15-12 on page
15-23). When BUSWIDTH is low, it enables 8-bit bus mode and selects the 8-bit memory device.
When BUSWIDTH is high, it enables 16-bit bus mode and deselects the 8-bit memory device.
15.3.1 Timing Requirements for BUSWIDTH
When using BUSWIDTH to dynamically change between 8-bit and 16-bit bus widths, setup and
hold timings must be met for proper operation (see Figure 15-4). Because a decoded, valid ad-
dress is used to generate the BUSWIDTH signal, the setup time is specified relative to the address
being valid. This specification, TAVGV, indicates how much time one has to decode the valid ad-
dress and generate a valid BUSWIDTH signal.
BUSWIDTH must be held valid until the minimum hold specification, TCLGX, has been met. Typ-
ically this hold time is 0 ns minimum after CLKOUT goes low. In all cases, refer to the data sheet
for current specifications for TAVGV and TCLGX.
NOTE
Earlier HMOS devices used a BUSWIDTH setup timing that was referenced to
the falling edge of ALE (TLLGV). This specification is not meaningful for
CMOS devices, which use an internal two-phase clock; it is included for
comparison only.
T
LLGV
Bus
XTAL1
BUSWIDTH
ALE
CLKOUT
T
AVGV
T
CLGX
(MIN)
Valid
A0164-02
Address Data

15-11
INTERFACING WITH EXTERNAL MEMORY
15.3.2 16-bit Bus Timings
When the device is configured to operate in the 16-bit bus-width mode, lines AD15:0 form a 16-
bit multiplexed address/data bus. Figure 15-5 shows an idealized timing diagram for the external
read and write cycles. (Comprehensive timing specifications are shown in Figure 15-24).
The rising edge of the address latch enable (ALE) indicates that the device is driving an address
onto the bus (AD15:0). The device presents a valid address before ALE falls. The ALE signal is
used to strobe a transparent latch (such as a 74AC373), which captures the address from AD15:0
and holds it while the bus controller puts data onto AD15:0.
For 16-bit read cycles, the bus controller floats the bus and then drives RD# low so that it can
receive data. The external memory must put data (Data In) onto the bus before the rising edge of
RD#. The data sheet specifies the maximum time the memory device has to output valid data after
RD# is asserted. When INST is asserted, it indicates that the read operation is an instruction fetch.
For 16-bit write cycles, the bus controller drives WR# low, then puts data onto the bus. The rising
edge of WR# signifies that data is valid. At this time, the external system must latch the data.

8XC196K
x
, J
x
, CA USER’S MANUAL
15-12
Figure 15-5. Timings for 16-bit Buses
XTAL1
CLKOUT
ALE
BUSWIDTH
Bus
AD15:0
(Read)
RD#
INST
Bus
AD15:0
(Write)
WR#
Address Out
Data Out
Data In
Address Out
Valid
Valid
A3074-01

15-13
INTERFACING WITH EXTERNAL MEMORY
15.3.3 8-bit Bus Timings
When the device is configured to operate in the 8-bit bus mode, lines AD7:0 form a multiplexed
lower address and data bus. Lines AD15:8 are not multiplexed; the upper address is latched and
remains valid throughout the bus cycle. Figure 15-6 shows an idealized timing diagram for the
external read and write cycles. One cycle is required for an 8-bit read or write. A 16-bit access
requires two cycles. The first cycle accesses the lower byte, and the second cycle accesses the
upper byte. Except for requiring an extra cycle to write the bytes separately, the timings are the
same as on the 16-bit bus.
The ALE signal is used to demultiplex the lower address by strobing a transparent latch (such as
a 74AC373).
For 8-bit bus read cycles, after ALE falls, the bus controller floats the bus and drives the RD#
signal low. The external memory then must put its data on the bus. That data must be valid at the
rising edge of the RD# signal. To read a data word, the bus controller performs two consecutive
reads, reading the low byte first, followed by the high byte.
For 8-bit bus write cycles, after ALE falls, the bus controller outputs data on AD7:0 and then
drives WR# low. The external memory must latch the data by the time WR# goes high. That data
will be valid on the bus until slightly after WR# goes high. To write a data word, the bus controller
performs two consecutive writes, writing the low byte first, followed by the high byte.

8XC196K
x
, J
x
, CA USER’S MANUAL
15-14
Figure 15-6. Timings for 8-bit Buses
15.4 WAIT STATES (READY CONTROL)
An external device can use the READY input to request wait states in addition to the wait states
that are generated internally by the 87C196CA, 8XC196Jx, Kx device. When an address is placed
on the bus for an external bus cycle, the external device can pull the READY signal low to indi-
cate it is not ready. In response, the bus controller inserts wait states to lengthen the bus cycle until
the external device raises the READY signal. Each wait state adds one CLKOUT period (i.e., one
state time or 2TOSC) to the bus cycle.
CLKOUT
ALE
BUSWIDTH
Bus
AD15:8
RD#
INST
Bus
AD7:0
(Write)
WR#
Address
Out
Address Out
Low data in
Address
Out Low data out
Bus
AD7:0
(Read)
XTAL1
Address
+1 Out
High data out
High data in
Address Out
Address
+1 Out
A3075-01

15-15
INTERFACING WITH EXTERNAL MEMORY
After reset and until CCB1 is read, the bus controller always inserts three wait states into bus cy-
cles. Then, until P5.6 has been configured to operate as the READY signal, the internal ready
control bits (IRC2:0) control the wait states. If IRC2:0 are all set during CCB0 and CCB1 fetch,
READY (P5.6) is configured as a special-function input. If port 5 is initialized after reset, you
must ensure that P5.6 remains configured as the READY input. If P5.6 is configured as a port
pin, the READY input to the device is equal to zero. This will cause an infinite number of wait
states to be inserted into bus cycles and the chip to lock up.
After the CCB1 fetch, the internal ready control circuitry allows slow external memory devices
to increase the length of the read and write bus cycles. If the external memory device is not ready
for access, it pulls the READY signal low and holds it low until it is ready to complete the oper-
ation, at which time it releases READY. While READY is low, the bus controller inserts wait
states into the bus cycle.
The internal ready control bits (IRC2:0) define the maximum number of wait states that will be
inserted. (The IRC2:0 bits are defined in Figures 15-1 and 15-2.) When all three bits are set, the
bus controller inserts wait states until the external memory device releases the READY signal.
Otherwise, the bus controller inserts wait states until either the external memory device releases
the READY signal or the number of wait states equals the number (0, 1, 2, or 3) specified by the
CCB bit settings.
When selecting infinite wait states, be sure to add external hardware to count wait states and re-
lease READY within a specified period of time. Otherwise, a defective external device could tie
up the address/data bus indefinitely.
NOTE
Ready control is valid only for external memory; you cannot add wait states
when accessing internal ROM.
Setup and hold timings must be met when using the READY signal to insert wait states into a bus
cycle (see Table 15-2 and Figure 15-7). Because a decoded, valid address is used to generate the
READY signal, the setup time is specified relative to the address being valid. This specification,
TAVYV, indicates how much time one has to decode the address and assert READY after the ad-
dress is valid. The READY signal must be held valid until the TCLYX timing specification is met.
Typically, this is a minimum of 0 ns from the time CLKOUT goes low. Do not exceed the maxi-
mum TCLYX specification or additional (unwanted) wait states might be added. In all cases, refer
to the data sheets for the current specifications for TAVYV and TCLYX.

8XC196K
x
, J
x
, CA USER’S MANUAL
15-16
.
Figure 15-7. READY Timing Diagram
Table 15-2. READY Signal Timing Definitions
Symbol Definition
TCLYX READY Hold after CLKOUT Low
Minimum hold time is typically 0 ns. If maximum specification is exceeded, additional wait
states will occur.
TAVYV Address Valid to READY Setup
Maximum time the memory system has to assert READY after the device outputs the address
to guarantee that at least one wait state will occur.
TAVYV
TCLYX
(MIN)
TCLYX
(MAX)
Address Out Data Out
Address Out Data
Address
AD15:0
WR#
AD15:0
RD#
READY
ALE
CLKOUT
A3076-01

15-17
INTERFACING WITH EXTERNAL MEMORY
15.5 BUS-HOLD PROTOCOL (8XC196KQ, KR, KS, KT ONLY)
The 8XC196Kx device supports a bus-hold protocol that allows external devices to gain control
of the address/data bus. The protocol uses three signals, all of which are port 2 special functions:
HOLD#/P2.5 (hold request), HLDA#/P2.6 (hold acknowledge), and BREQ#/P2.3 (bus request).
When an external device wants to use the device bus, it asserts the HOLD# signal. HOLD# is
sampled while CLKOUT is low. The device responds by releasing the bus and asserting HLDA#.
During this hold time, the address/data bus floats, and signals ALE, RD#, WR#/WRL#,
BHE#/WRH#, and INST are weakly held in their inactive states. Figure 15-8 shows the timing
for bus-hold protocol, and Table 15-3 on page 15-18 lists the timing parameters and their defini-
tions. Refer to the data sheet for timing parameter values.
Figure 15-8. HOLD#, HLDA# Timing
CLKOUT
HOLD#
HLDA#
BREQ#
Bus
BHE#, INST
RD#, WR#
WRL#, WRH#
ALE
T
CLLH
T
CLHAH
T
CLBRH
T
HAHAX
T
HAHBV
T
HALBZ
T
HALAZ
T
CLBRL
T
CLHAL
T
HVCH
T
HVCH
Hold
Latency
Weakly Driven Inactive
ADV#
ADV# weakly driven Start of strongly driven ADV# and ALE
A0165-02
Weakly Driven Inactive

8XC196K
x
, J
x
, CA USER’S MANUAL
15-18
When the external device is finished with the bus, it relinquishes control by driving HOLD# high.
In response, the 8XC196Kx drives HLDA# high and assumes control of the bus.
If the 8XC196Kx has a pending external bus cycle while it is in hold, it asserts BREQ# to request
control of the bus. After the external device responds by driving HOLD# high, the 8XC196Kx
exits hold and then deasserts BREQ# and HLDA#.
NOTE
If the 8XC196Kx receives an interrupt request while it is in hold, the
8XC196Kx asserts INTOUT# only if it is executing from internal memory. If
the 8XC196Kx needs to access external memory, it asserts BREQ# and waits
until the external device deasserts HOLD# to assert INTOUT#. If the
8XC196Kx receives an interrupt request as it is going into hold (between the
time that an external device asserts HOLD# and the time that the 8XC196Kx
responds with HLDA#), the 8XC196Kx asserts INTOUT# and keeps it
asserted until the external device deasserts HOLD#.
15.5.1 Enabling the Bus-hold Protocol (8XC196K
x
Only)
To use the bus-hold protocol, you must configure P2.3/BREQ#, P2.5/HOLD#, and P2.6/HLDA#
to operate as special-function signals. BREQ# and HLDA# are active-low outputs; HOLD# is an
active-low input.
Table 15-3. HOLD#, HLDA# Timing Definitions
Symbol Parameter
THVCH HOLD# Setup Time
TCLHAL CLKOUT Low to HLDA# Low
TCLHAH CLKOUT Low to HLDA# High
TCLBRL CLKOUT Low to BREQ# Low
TCLBRH CLKOUT Low to BREQ# High
THALAZ HLDA# Low to Address Float
THAHAX HLDA# High to Address No Longer Float
THALBZ HLDA# Low to BHE#, INST, RD#, WR#, WRL#, WRH#
Weakly Driven
THAHBV HLDA# High to BHE#, INST, RD#, WR#, WRL#, WRH# valid
TCLLH Clock Falling to ALE Rising; Use to derive other timings.

15-19
INTERFACING WITH EXTERNAL MEMORY
You must also set the hold enable bit (HLDEN) in the window selection register (WSR.7) to en-
able the bus-hold protocol. Once the bus-hold protocol has been selected, the port functions of
P2.3, P2.5, and P2.6 cannot be selected without resetting the device. (During the time that the pins
are configured to operate as special-function signals, their special-function values can be read
from the P2_PIN.x bits.) However, the hold function can be dynamically enabled and disabled as
described in “Disabling the Bus-hold Protocol (8XC196Kx Only).”
15.5.2 Disabling the Bus-hold Protocol (8XC196K
x
Only)
To disable hold requests, clear WSR.7. The device does not take over the bus immediately after
HLDEN is cleared. Instead, it waits for the current HOLD# request to finish and then disables the
bus-hold feature and ignores any new requests until the bit is set again.
Sometimes it is important to prevent another device from taking control of the bus while a block
of code is executing. One way to protect a code segment is to clear WSR.7 and then execute a
JBC instruction to check the status of the HLDA# signal. The JBC instruction prevents the RALU
from executing the protected block until current HOLD# requests are serviced and the hold fea-
ture is disabled. This is illustrated in the following code:
DI ;Disable interrupts to prevent
;code interruption
PUSH WSR ;Disable hold requests and
LDB WSR,#1FH ;window Port 2
WAIT: JBC P2_PIN,6, WAIT ;Check the HLDA# signal. If set,
;add protected instruction here
POP WSR ;Enable hold requests
EI ;Enable interrupts
15.5.3 Hold Latency (8XC196K
x
Only)
When an external device asserts HOLD#, the device finishes the current bus cycle and then as-
serts HLDA#. The time it takes the device to assert HLDA# after the external device asserts
HOLD# is called hold latency (see Figure 15-8). Table 15-4 lists the maximum hold latency for
each type of bus cycle.
Table 15-4. Maximum Hold Latency
Bus Cycle Type Maximum Hold Latency
(state times)
Internal execution or idle mode 1.5
16-bit external execution 2.5 + 1 per wait state
8-bit external execution 2.5 + 2 per wait state

8XC196K
x
, J
x
, CA USER’S MANUAL
15-20
15.5.4 Regaining Bus Control (8XC196K
x
Only)
While HOLD# is asserted, the device continues executing code until it needs to access the exter-
nal bus. If executing from internal memory, it continues until it needs to perform an external
memory cycle. If executing from external memory, it continues executing until the queue is emp-
ty or until it needs to perform an external data cycle. As soon as it needs to access the external
bus, the device asserts BREQ# and waits for the external device to deassert HOLD#. After assert-
ing BREQ#, the device cannot respond to any interrupt requests, including NMI, until the exter-
nal device deasserts HOLD#. One state time after HOLD# goes high, the device deasserts
HLDA# and, with no delay, resumes control of the bus.
If the device is reset while in hold, bus contention can occur. For example, a CPU-only device
would try to fetch the chip configuration byte from external memory after RESET# was brought
high. Bus contention would occur because both the external device and the device would attempt
to access memory. One solution is to use the RESET# signal as the system reset; then all bus mas-
ters (including the device) are reset at once. Chapter 13, “Minimum Hardware Considerations,”
shows system reset circuit examples.
15.6 BUS-CONTROL MODES
The ALE and WR bits (CCR0.3 and CCR0.2) define which bus-control signals will be generated
during external read and write cycles. Table 15-5 lists the four bus-control modes and shows the
CCR0.3 and CCR0.2 settings for each.
.
15.6.1 Standard Bus-control Mode
In the standard bus-control mode, the device generates the standard bus-control signals: ALE,
RD#, WR#, and BHE# (see Figure 15-9). ALE is asserted while the address is driven, and it can
be used to latch the address externally. RD# is asserted for every external memory read, and WR#
is asserted for every external memory write. When asserted, BHE# selects the bank of memory
that is addressed by the high byte of the data bus.
Table 15-5. Bus-control Mode
Bus-control Mode Bus-control Signals CCR0.3
(ALE) CCR0.2
(WR)
Standard Bus-control Mode ALE, RD#, WR#, BHE#†11
Write Strobe Mode ALE, RD#, WRL#, WRH#†10
Address Valid Strobe Mode ADV#, RD#, WR#, BHE#†01
Address Valid with Write Strobe Mode ADV#, RD#, WRL#, WRH#†00
†
The BHE# and WRH# pins are not implemented on the 87C196CA, 8XC196J
x
devices.

15-21
INTERFACING WITH EXTERNAL MEMORY
Figure 15-9. Standard Bus Control
When the device is configured to use a 16-bit bus, separate low- and high-byte write signals must
be generated for single-byte writes. Figure 15-10 shows a sample circuit that combines BHE# and
AD0 to produce these signals (WRL# and WRH#). A similar pair of signals for read is unneces-
sary. For a single-byte read with the 16-bit bus, both bytes are placed on the data bus and the pro-
cessor discards the unwanted byte.
Figure 15-10. Decoding WRL# and WRH#
ALE
WR# or RD#
BHE#
AD15:0
Valid
Addr Data Out
16-bit Bus Cycle
ALE
WR# or RD#
AD7:0
AD15:8 Address High
Addr Low Data Out
8-bit Bus Cycle
A3077-01
BHE#
WR#
AD0
WRH#
WRL#
A3109-01

8XC196K
x
, J
x
, CA USER’S MANUAL
15-22
Figure 15-11 shows an 8-bit system with both flash and RAM. The flash is the lower half of mem-
ory, and the RAM is the upper half. This system configuration uses the most-significant address
bit (AD15) as the chip-select signal and ALE as the address-latch signal.
Figure 15-11. 8-bit System with Flash and RAM
AD14:8
AD7:0
ALE
RD#
WR#
8XC196
74AC
373
32K×8
Flash
(28F256)
8K×8
RAM
A7:0
A14:8
D7:0
OE# OE# WE#
CS# CS#
A3078-01
A7:0
D7:0
A12:8
AD15
LE
A7:0
74AC
373
LE
A14:8
Applies to the 8XC196KS, KT devices in bus timing modes 1 and 2 only.

15-23
INTERFACING WITH EXTERNAL MEMORY
Figure 15-12 shows a system that uses the dynamic bus-width feature. (The CCR bits, BW0 and
BW1, are set.) Code is executed from the two EPROMs and data is stored in the byte-wide RAM.
The RAM is in high memory. It is selected by driving AD15 high, which also selects the 8-bit bus
width mode by driving the BUSWIDTH signal low.
Figure 15-12. 16-bit System with Dynamic Bus Width
A3087-01
AD15:8
RD#
ALE
74AC
373
74AC
373
A13:7
A6:0
CS# CS#
OE# OE#
8XC196
16K×8
EPROM
(High)
16K×8
EPROM
(Low)
D7:0
CS#
OE#
8K×8
RAM
WE#
WR#
BUSWIDTH
AD7:0
LE
LE
A13:7 A12:8
A6:0 A7:0
D7:0
D15:8
A7:1 A7:1 A7:0
A14:8 A14:8 A12:8
A15

8XC196K
x
, J
x
, CA USER’S MANUAL
15-24
15.6.2 Write Strobe Mode
The write strobe mode eliminates the need to externally decode high- and low-byte writes to ex-
ternal 16-bit RAM in 16-bit bus mode. When the write strobe mode is selected, the device gen-
erates WRL# and WRH# instead of WR# and BHE#. WRL# is asserted for all low byte writes
(even addresses) and all word writes. WRH# is asserted for all high byte writes (odd addresses)
and all word writes. In the 8-bit bus mode, WRH# and WRL# are asserted for both even and odd
addresses. Figure 15-13 shows write strobe mode timing.
Figure 15-13. Write Strobe Mode
ALE
WRL#
WRH#
AD15:0
Valid
Address Data Out
16-bit Bus Cycle
ALE
WRL# and WRH#
AD7:0
AD15:8 Address High
Address Low Data Out
8-bit Bus Cycle
Valid
A3089-01

15-25
INTERFACING WITH EXTERNAL MEMORY
Figure 15-14 shows a 16-bit system with two EPROMs and two RAMs. It is configured to use
the write strobe mode. ALE latches the address; AD15 is the chip-select signal for the EPROMs
and RAMs. WRL# is asserted during low byte writes and word writes. WRH# is asserted during
high byte writes and word writes. Note that RAM devices do not use AD0. WRL# and WRH#
determine whether the low byte (AD0=0) or high byte (AD0=1) is selected.
Figure 15-14. 16-bit System with Single-byte Writes to RAM
A3090-01
AD15:8
ALE
AD7:0
8XC196
RD#
WRH#
WRL#
74AC
373
74AC
373
CS#
OE#
CS#
OE#
CS#
OE# WE#
CS#
OE# WE#
8K×8
RAM
(Low)
D7:0
A6:0
D7:0
A6:0
8K×8
RAM
(High)
D15:8
A6:0
16K×8
EPROM
(Low)
16K×8
EPROM
(High)
D15:8
A6:0
BUSWIDTH
V
CC
A12:7A12:7
A13:7 A13:7
A7:1
A14:8
LE
LE
A15

8XC196K
x
, J
x
, CA USER’S MANUAL
15-26
15.6.3 Address Valid Strobe Mode
When the address valid strobe mode is selected, the device generates the address valid signal
(ADV#) instead of the address latch enable signal (ALE). ADV# is asserted after an external ad-
dress is valid (see Figure 15-15). This signal can be used to latch the valid address and simulta-
neously enable an external memory device.
Figure 15-15. Address Valid Strobe Mode
The difference between ALE and ADV# is that ADV# is asserted for the entire bus cycle, not just
to latch the address. Figure 15-16 shows the difference between ALE and ADV# for a single read
or write cycle. Note that for back-to-back bus access, the ADV# function will look identical to
the ALE function. The difference becomes apparent only when the bus is idle. Because ADV# is
high during these periods, external memory will be disabled, thus saving power.
Figure 15-16. Comparison of ALE and ADV# Bus Cycles
ADV#
WR# or RD#
BHE#
AD15:0
Valid
Data OutAddress
16-bit Bus Cycle 8-bit Bus Cycle
Address High
Data Out
ADV#
WR# or RD#
AD7:0
AD15:0
Addr
Low
A3092-01
Address Data
ADV#
ALE
RD#/WR#
Next Bus Cycle
Bus Idle
A3093-01
AD15:0

15-27
INTERFACING WITH EXTERNAL MEMORY
Figure 15-17 and Figure 15-18 show sample circuits that use address valid strobe mode. Figure
15-17 shows a simple 8-bit system with a single flash. It is configured for the address valid strobe
mode. This system configuration uses the ADV# signal as both the flash chip-select signal and
the address-latch signal.
Figure 15-17. 8-bit System with Flash
A3132-01
RD#
AD14:8
AD7:0
8XC196 32K×8
Flash
(28F256)
74AC
373
A14:8
OE#
D7:0
A7:0
A7:0
LE
ADV#
74AC
373
CS#
A14:8
LE
Applies to the 8XC196KS, KT devices in bus timing modes 1 and 2 only.

8XC196K
x
, J
x
, CA USER’S MANUAL
15-28
Figure 15-18 shows a 16-bit system with two EPROMs. This system configuration uses the
ADV# signal as both the EPROM chip-select signal and the address-latch signal.
Figure 15-18. 16-bit System with EPROM
A3095-01
V
CC
AD7:0
AD15:8
RD#
ADV#
74AC
373
74AC
373
A13:7 A13:7
D15:8
D7:0
A6:0 A6:0
CS# CS#
OE# OE#
8XC196 16K×8
EPROM
(High)
16K×8
EPROM
(Low)
BUSWIDTH
A7:1 A7:1
A14:8 A15:8
LE
LE

15-29
INTERFACING WITH EXTERNAL MEMORY
15.6.4 Address Valid with Write Strobe Mode
When the address valid with write strobe mode is selected, the device generates the ADV#,
WRL#, and WRH# bus-control signals. This mode is used for a simple system using external 16-
bit RAM. Figure 15-19 shows the timing. The RD# signal (not shown) is similar to WRL#,
WRH#, and WR#. The example system of Figure 15-20 uses address valid with write strobe.
Figure 15-19. Timings of Address Valid with Write Strobe Mode
ADV#
WRH#
AD15:0
Valid
Data OutAddress
16-bit Bus Cycle 8-bit Bus Cycle
Address High
Addr
Low
Data Out
ADV#
WRL#
AD7:0
AD15:0
Valid
WRL#
A3096-01

8XC196K
x
, J
x
, CA USER’S MANUAL
15-30
Figure 15-20. 16-bit System with RAM
15.7 BUS TIMING MODES (8XC196KS, KT ONLY)
The 8XC196KS, KT devices have selectable bus timing modes controlled by the MSEL0 and
MSEL1 bits (bits 6 and 7) of CCR1. Figure 15-2 on page 15-7 defines these bit settings. The re-
mainder of this section describes each mode. Figure 15-21 illustrates the modes together and Ta-
ble 15-6 summarizes the differences in their timings.
AD7:0
AD15:8
WRL#
ADV#
74AC
373
74AC
373
A12:7 A12:7
D15:8
D7:0
A6:0 A6:0
CS# CS#
WE# WE#
8XC196 8K×8
RAM
(High)
8K×8
RAM
(Low)
WRH#
BUSWIDTH
VCC
A3097-01
A7:1
A13:8
LE
LE

15-31
INTERFACING WITH EXTERNAL MEMORY
Figure 15-21. Modes 0, 1, 2, and 3 Timings
TOSC
CLKOUT
ALE
BUS
RD#
RD#
ALE
RD#
BUS
BUS
BUS
MODE 3
MODE 0
MODE 1
MODE 2
TRLDV = 1 TOSC
TAVDV = 3 TOSC
TRLDV = 2 TOSC
TRLDV = 3 TOSC
TAVDV = 3 TOSC
TAVDV = 3.5 TOSC
TRHDZ = 1/2 TOSC
1/2 TOSC
TAVDV = 5 TOSC
TRHDZ = 1 TOSC
TRHDZ = 1 TOSC
DATA DATA DATAADDR ADDR
DATA DATA DATAADDR ADDR
DATA ADDR
DATA ADDRDATA ADDRDATA ADDR
DATA ADDRDATA ADDR
ADDR
ALE
TRHDZ = 1 TOSC
A0311-02
TRLDV = 2 TOSC

8XC196K
x
, J
x
, CA USER’S MANUAL
15-32
15.7.1 Mode 3, Standard Mode
Mode 3 is the standard timing mode. Use this mode for systems that need to emulate the
8XC196KR.
15.7.2 Mode 0, Standard Timing with One Automatic Wait State
Mode 0 is the standard timing mode with a minimum of one wait state added to each bus cycle.
The READY signal can be used to insert additional wait states, if necessary. The TRLDV and TAVDV
timings are each 2 TOSC longer in mode 0 than in mode 3. The TRHDZ timing in mode 0 is the same
as in mode 3.
15.7.3 Mode 1, Long Read/Write Mode
Mode 1 is the long read/write mode (Figure 15-22). In this mode, RD#, WR#, and ALE begin ½
TOSC earlier in the bus cycle and the width of RD# and WR# are 1 TOSC longer than in mode 3.
The TRLDV timing is 1 TOSC longer in mode 1 than in mode 3, allowing the memory more time to
get its data on the bus without the wait-state penalty of mode 0. The TAVDV and TRHDZ timing in
mode 1 is the same as in mode 3.
Table 15-6. Modes 0, 1, 2, and 3 Timing Comparisons
Mode Timing Specifications (in TOSC) Note 1
TCLLH TCHLH TAVLL TAVDV TRLRH TRHDZ TRLDV
Mode 30N/A13111
Mode 00N/A15313
Mode 1 N/A 0.5 0.5 3 2 1 2
Mode 2 N/A 0.5 1 3.5 2 0.5 2
NOTES:
1. These are ideal timing values for purposes of comparison only. They do not
include internal device delays. Consult the data sheet for current device
specifications.
2. N/A = This timing specification is not applicable in this mode.

15-33
INTERFACING WITH EXTERNAL MEMORY
Figure 15-22. Mode 1 System Bus Timing
15.7.4 Mode 2, Long Read/Write with Early Address
Mode 2 (Figure 15-23) is similar to mode 1 in that RD#, WR#, and ALE begin ½ TOSC earlier in
the bus cycle and the widths of RD# and WR# are 1 TOSC longer than in mode 3. It differs from
mode 1 in that the address is also placed onto the bus ½ TOSC earlier in the bus cycle. The TRLDV
timing is 1 TOSC longer, the TAVDV timing is ½ TOSC longer, and TRHDZ is ½ TOSC shorter in mode 2
than in mode 3. This mode trades a longer TAVDV for a shorter TRHDZ.
XTAL 1
CLKOUT
T
CLCL
T
LHLH
T
RHLH
T
RLRH
T
LLRL
T
LHLL
T
RLDV
T
RHDZ
T
LLAX
T
AVLL
T
AVDV
T
LLWL
T
WLWH
Address Out Data Out
T
QVWH
T
WHQX
T
OSC
T
CLLL
Data In D15:0
T
CHLH
Address
T
XHCH
T
CHCL
Bus Write
AD15:0
8- and 16-bit
Bus Mode T
WHBX
, T
RHBX
T
WHAX
, T
RHAX
T
WHIX
, T
RHIX
AD15:8
INST
BHE Valid
INST Valid
T
RLAZ
ALE/ADV#
RD#
AD15:8 Valid 8-bit Bus Mode
BHE#
WR#
Bus Read
AD15:0
8- and16-bit
Bus Mode
A3098-01

8XC196K
x
, J
x
, CA USER’S MANUAL
15-34
15.7.5 Design Considerations
In all bus timing modes, for 16-bit bus-width operation, latch the upper and lower address/data
lines. In modes 1 and 2, for 8-bit bus-width operation, also latch the upper and lower address/data
lines; the upper address lines are not driven throughout the entire bus cycle (see Figures 15-22
and 15-23). In modes 0 and 3, for 8-bit bus-width operation, latch only the lower address/data
lines. In these modes, it is not necessary to latch the upper address lines because these lines are
driven throughout the entire bus cycle.

15-35
INTERFACING WITH EXTERNAL MEMORY
Figure 15-23. Mode 2 System Bus Timing
XTAL 1
CLKOUT
T
CLCL
T
LHLH
T
RHLH
T
RLRH
T
LLRL
T
LHLL
T
RLDV
T
RHDZ
T
LLAX
T
AVLL
T
AVDV
T
LLWL
T
WLWH
Address Out Data Out
T
QVWH
T
WHQX
T
OSC
T
CLLL
Data In D15:0
T
CHLH
Address
T
XHCH
T
CHCL
Bus Write
AD15:0
8- and 16-bit
Bus Mode T
WHBX
, T
RHBX
T
WHAX
, T
RHAX
T
WHIX
, T
RHIX
AD15:0
INST
BHE Valid
INST Valid
T
RLAZ
ALE/ADV#
RD#
AD15:8 Valid 8-bit Bus Mode
BHE#
WR#
Bus Read
AD15:0
8- and 16-bit
Bus Mode
A3099-01

8XC196K
x
, J
x
, CA USER’S MANUAL
15-36
15.8 SYSTEM BUS AC TIMING SPECIFICATIONS
Refer to the latest data sheet for the AC timings to make sure your system meets specifications.
The major external bus timing specifications are shown in Figure 15-24.
Figure 15-24. System Bus Timing
XTAL1
CLKOUT
ALE/ADV#
RD#
WR#
BHE#, INST
T
OSC
T
XHCH
T
CHCL
T
CLCL
T
CLLH
T
LLCH
T
LHLH
T
LHLL
T
LLRL
T
RLRH
T
RHLH
T
RHDZ
T
AVLL
T
LLAX
T
RLDV
Address Out Data In
T
AVDV
T
LLWL
T
WLWH
T
WHLH
T
QVWH
T
WHQX
Data OutAddress Out Address Out
Valid
Address Out
T
WHBX
, T
RHBX
T
WHAX
, T
RHAX
T
RLAZ
A3100-01
BUS
(Read Cycle)
BUS
(Write Cycle)
AD15:8
(8-bit Mode)

15-37
INTERFACING WITH EXTERNAL MEMORY
Each symbol consists of two pairs of letters prefixed by “T” (for time). The characters in a pair
indicate a signal and its condition, respectively. Symbols represent the time between the two sig-
nal/condition points. For example, TCLDV is the time between signal C (CLKOUT) condition L
(Low) and signal D (Input Data) condition V (Valid). Table 15-7 defines the signal and condition
codes.
Table 15-8 defines the AC timing specifications that the memory system must meet and those that
the device will provide.
Table 15-7. AC Timing Symbol Definitions
Signals Conditions
A Address G BUSWIDTH R RD# H High
B BHE# H HOLD# W WR#, WRH#, WRL# L Low
BR BREQ# HA HLDA# X XTAL1 V Valid
C CLKOUT L ALE/ADV# Y READY X No Longer Valid
D DATA Q Data Out Z Floating
Table 15-8. AC Timing Definitions
Symbol Definition
The External Memory System Must Meet These Specifications
TAVDV Address Valid to Input Data Valid
Maximum time the memory device has to output valid data after the 87C196CA, 8XC196J
x
, K
x
outputs a valid address.
TAVGV Address Valid to BUSWIDTH† Valid
Maximum time after address is valid until BUSWIDTH must be valid. If this specification is
exceeded, the 8XC196K
x
may not respond with the specified bus cycle.
TAVYV Address Valid to READY†† Setup
Maximum time the memory system has to assert READY after the 87C196CA, 8XC196K
x
outputs the address to guarantee that at least one wait state will occur.
TCLDV CLKOUT Low to Input Data Valid
Maximum time the memory system has to output valid data after CLKOUT falls.
TCLGX BUSWIDTH† Hold after CLKOUT Low
Minimum time BUSWIDTH must be held valid after CLKOUT falls. Always 0 ns on the
8XC196K
x
.
TCLYX READY†† Hold after CLKOUT Low
Minimum hold time is always 0 ns. If maximum specification is exceeded, additional wait states
will occur.
† 8XC196K
x
only; the BUSWIDTH and BHE# pins are not implemented on the 87C196CA, 8XC196J
x
.
†† 8XC196K
x
, 87C196CA only; the READY and INST pins are not implemented on the 8XC196J
x
.

8XC196K
x
, J
x
, CA USER’S MANUAL
15-38
The External Memory System Must Meet These Specifications (Continued)
TLLGV ALE Low to BUSWIDTH† Valid
Maximum time after ALE/ADV# falls until BUSWIDTH must be valid. If this specification is
exceeded, the 8XC196K
x
may not respond with the specified bus cycle.
TLLYH ALE Low to READY†† Setup
Maximum time the memory system has to assert READY after ALE falls to guarantee that at
least one wait state will occur. (This specification is included only for comparison with HMOS
device timings.)
TLLYX READY†† Hold after ALE Low
Minimum time the level of the READY signal must be valid after ALE falls. If the maximum
value is exceeded, additional wait states will occur.
TRHDX Data Hold after RD# High
Time after RD# is inactive that the memory system must hold data on the bus. Always 0 ns.
TRHDZ RD# High to Input Data Float
Time after RD# is inactive until the memory system must float the bus. If this timing is not met,
bus contention will occur.
TRLDV RD# Low to Input Data Valid
Maximum time the memory system has to output valid data after the 87C196CA, 8XC196J
x
,
K
x
asserts RD#.
The 87C196CA, 8XC196J
x
, K
x
Meets These Specifications
FXTAL Frequency on XTAL
Frequency of the signal input on the XTAL1 input. The internal bus speed of the 87C196CA,
8XC196J
x
, K
x
device is ½ FXTAL.
TOSC 1/FXTAL
All AC Timings are referenced to TOSC.
TAVLL Address Setup to ALE/ADV# Low: Length of time address is valid before ALE/ADV# falls. Use
this specification when designing the external latch.
TCHCL CLKOUT High Period
Needed in systems that use CLKOUT as clock for external devices.
TCHLH CLKOUT High to ALE/ADV# High (8XC196KS, KT, modes 1 and 2 only)
Time between CLKOUT going high and ALE/ADV# going high. Use to derive other timings.
TCHWH CLKOUT High to WR# High
Time between CLKOUT going high and WR# going inactive.
TCLCL CLKOUT Cycle Time
Normally 2 TOSC.
TCLLH CLKOUT Falling to ALE/ADV# Rising
Use to derive other timings.
Table 15-8. AC Timing Definitions (Continued)
Symbol Definition
† 8XC196K
x
only; the BUSWIDTH and BHE# pins are not implemented on the 87C196CA, 8XC196J
x
.
†† 8XC196K
x
, 87C196CA only; the READY and INST pins are not implemented on the 8XC196J
x
.

15-39
INTERFACING WITH EXTERNAL MEMORY
The 87C196CA, 8XC196J
x
, K
x
Meets These Specifications (Continued)
TCLLL CLKOUT Low to ALE/ADV# Low (8XC196KS, KT, modes 1 and 2 only)
Time between CLKOUT going low and ALE/ADV# going low. Use to derive other timings.
TCLWL CLKOUT Low to WR# Low
Time between CLKOUT going low and WR# being asserted.
TLHLH ALE Cycle Time
Minimum time between ALE pulses.
TLHLL ALE/ADV# High Period
Use this specification when designing the external latch.
TLLAX Address Hold after ALE/ADV# Low
Length of time address is valid after ALE/ADV# falls. Use this specification when designing the
external latch.
TLLCH ALE/ADV# Falling to CLKOUT Rising
Use to derive other timings.
TLLRL ALE/ADV# Low to RD# Low
Length of time after ALE/ADV# falls before RD# is asserted. Could be needed to ensure proper
memory decoding takes place before a device is enabled.
TLLWL ALE/ADV# Low to WR# Low
Length of time after ALE/ADV# falls before WR# is asserted. Could be needed to ensure
proper memory decoding takes place before a device is enabled.
TQVWH Data Valid to WR# High
Time between data being valid on the bus and WR# going inactive. Memory devices must meet
this specification.
TRHAX AD15:8 Hold after RD# High
Minimum time the high byte of the address in 8-bit mode will be valid after RD# inactive.
TRHBX BHE#†, INST†† Hold after RD# High
Minimum time these signals will be valid after RD# inactive.
TRHLH RD# High to ALE/ADV# Asserted
Time between RD# going inactive and the next ALE/ADV#. Useful in calculating time between
inactive and next address valid.
TRLAZ RD# Low to Address Float
Used to calculate when the 87C196CA, 8XC196J
x
, K
x
stops driving address on the bus.
TRLCL RD# Low to CLKOUT Low
Length of time from RD# asserted to CLKOUT falling edge.
TRLRH RD# Low to RD# High
RD# pulse width.
Table 15-8. AC Timing Definitions (Continued)
Symbol Definition
† 8XC196K
x
only; the BUSWIDTH and BHE# pins are not implemented on the 87C196CA, 8XC196J
x
.
†† 8XC196K
x
, 87C196CA only; the READY and INST pins are not implemented on the 8XC196J
x
.

8XC196K
x
, J
x
, CA USER’S MANUAL
15-40
The 87C196CA, 8XC196J
x
, K
x
Meets These Specifications (Continued)
TWHAX AD15:8 Hold after WR# High
Minimum time the high byte of the address in 8-bit mode will be valid after WR# inactive.
TWHBX BHE#†, INST†† Hold after WR# High
Minimum time these signals will be valid after WR# inactive. (8XC196K
x
only)
TWHLH WR# High to ALE/ADV# High
Time between WR# going inactive and next ALE/ADV#. Also used to calculate WR# inactive
and next address valid.
TWHQX Data Hold after WR# High
Length of time after WR# rises that the data stays valid on the bus. Memory devices must meet
this specification.
TWLWH WR# Low to WR# High
WR# pulse width.
TXHCH XTAL1 High to CLKOUT High or Low
Table 15-8. AC Timing Definitions (Continued)
Symbol Definition
† 8XC196K
x
only; the BUSWIDTH and BHE# pins are not implemented on the 87C196CA, 8XC196J
x
.
†† 8XC196K
x
, 87C196CA only; the READY and INST pins are not implemented on the 8XC196J
x
.

16
Programming the
Nonvolatile Memory

16-1
CHAPTER 16
PROGRAMMING THE NONVOLATILE MEMORY
The 87C196Kx devices contain from 12 Kbytes to 48 Kbytes of one-time-programmable read-
only memory (OTPROM). Table 16-1 lists the devices and OTPROM sizes. OTPROM is similar
to EPROM, but it comes in an unwindowed package and cannot be erased. You can either pro-
gram the OTPROM yourself or have the factory program it as a quick-turn ROM product (this
option may not be available for all devices). This chapter provides procedures and guidelines to
help you program the device. The information is organized as follows.
•overview of programming methods (page 16-2)
•OTPROM memory map (page 16-2)
•security features (page 16-3)
•programming pulse width (page 16-8)
•modified quick-pulse algorithm (page 16-10)
•programming mode pins (page 16-11)
•entering programming modes (page 16-14)
•slave programming (page 16-15)
•auto programming (page 16-26)
•serial port programming (page 16-32)
•run-time programming (page 16-44)
NOTE
Some devices may also be available in windowed EPROM packages. In this
manual, OTPROM refers to the device’s internal read-only memory, whether it
is EPROM or OTPROM, and EPROM refers specifically to EPROM devices.
Table 16-1. OTPROM Sizes for 87C196K
x,
J
x,
CA Devices
87C196JQ, KQ 87C196JR, KR 87C196KS† 87C196CA, JT†, KT 87C196JV†
12 Kbytes
(2000–4FFFH) 16 Kbytes
(2000–5FFFH) 24 Kbytes
(2000–7FFFH) 32 Kbytes
(2000–9FFFH) 48 Kbytes
(2000–DFFFH)
†The 8XC196JT, JV, and KS are offered in automotive temperature ranges only. The 8XC196CA, JQ, JR,
KQ, KR, and KT are offered in both automotive and commercial temperature ranges.

8XC196K
x
, J
x
, CA USER’S MANUAL
16-2
16.1 PROGRAMMING METHODS
You can program the OTPROM by configuring a circuit that allows the device to enter a program-
ming mode. In programming modes, the device executes an algorithm that resides in the internal
test ROM.
•Slave programming mode allows you to use an EPROM programmer as a master to
program 8XC196 devices (the slaves). The code and data to be programmed into the
nonvolatile memory typically resides on a diskette. The EPROM programmer transfers the
code and data from the diskette to its memory, then manipulates the slave’s pins to define
the addresses to be programmed and the contents to be written to those addresses. Using this
mode, you can program and verify single or multiple words in the OTPROM. This is the
only mode that allows you to read the signature word and programming voltages and to
program the PCCBs and unerasable PROM (UPROM) bits. Programming vendors and Intel
distributors typically use this mode to program a large number of microcontrollers with a
customer’s code and data.
•Auto programming mode enables the 8XC196 device to act as a master to program itself
with code and data that reside in an external memory device. Using this mode, you can
program the entire OTPROM array except the UPROM bits and PCCBs. After
programming, you can use the ROM-dump mode to write the entire OTPROM array to an
external memory device to verify its contents. Customers typically use this low-cost method
to program a small number of microcontrollers after development and testing are complete.
•Serial port programming mode enables you to download code and data (usually from a
personal computer or workstation) to an 8XC196 device (the slave) through the serial I/O
port. You can write data to the OTPROM asynchronously via the TXD (P2.0) pin and read
the data via the RXD (P2.1) pin. Customers typically use this mode to download large
sections of code to the microcontroller during software development and testing.
You can also program individual OTPROM locations without entering a programming mode.
With this method, called run-time programming, your software controls the number and duration
of programming pulses. Customers typically use this mode to download small sections of code to
the microcontroller during software development and testing.
16.2 OTPROM MEMORY MAP
The OTPROM contains customer-specified special-purpose and program memory (Table 16-2).
The 128-byte special-purpose memory partition is used for interrupt vectors, the chip configura-
tion bytes (CCBs), and the security key. Several locations are reserved for testing or for use in
future products. Write the value (20H or FFH) indicated in Table 16-2 to each reserved location.
The remainder of the OTPROM is available for code storage.

16-3
PROGRAMMING THE NONVOLATILE MEMORY
16.3 SECURITY FEATURES
Several security features enable you to control access to both internal and external memory. Read
and write protection bits in the chip configuration register (CCR0), combined with a security key,
allow various levels of internal memory protection. Two UPROM bits disable fetches of instruc-
tions and data from external memory. An additional bit enables circuitry that can detect an oscil-
lator failure and cause a device reset. (See Figure 16-1 on page 16-7 for more information.)
Table 16-2. 87C196K
x
OTPROM Memory Map
Address Range (Hex) Description
DFFF (JV)
2080 Program memory
9FFF (KT, JT, CA)
2080 Program memory
7FFF (KS)
2080 Program memory
5FFF (KR, JR)
2080 Program memory
4FFF (KQ, JQ)
2080 Program memory
207F
205E Reserved (each location must contain FFH)
205D
2040 PTS vectors
203F
2030 Upper interrupt vectors
202F
2020 Security key
201F
201C Reserved (each location must contain FFH)
201B Reserved (must contain 20H)
201A CCB1
2019 Reserved (must contain 20H)
2018 CCB0
2017
2016 OFD flag for QROM or MROM codes†
2015
2014 Reserved (each location must contain FFH)
2013
2000 Lower interrupt vectors
†Intel manufacturing uses this location to determine whether to
program the OFD bit. Customers with QROM or MROM codes who
desire oscillator failure detection should equate this location to the
value 0CDEH.

8XC196K
x
, J
x
, CA USER’S MANUAL
16-4
16.3.1 Controlling Access to Internal Memory
The lock bits in the chip configuration register (CCR0) control access to the OTPROM. The reset
sequence loads the CCRs from the CCBs for normal operation and from the PCCBs when enter-
ing programming modes. You can program the CCBs using any of the programming methods, but
only slave programming mode allows you to program the PCCBs.
NOTE
The developers have made a substantial effort to provide an adequate program
protection scheme. However, Intel cannot and does not guarantee that these
protection methods will always prevent unauthorized access.
16.3.1.1 Controlling Access to the OTPROM During Normal Operation
During normal operation, the lock bits in CCB0 control read and write accesses to the OTPROM.
Table 16-3 describes the options. You can program the CCBs using any of the programming
methods.
Clearing CCB0.6 enables write protection. With write protection enabled, a write attempt causes
the bus controller to cycle through the write sequence, but it does not enable VPP or write data to
the OTPROM. This protects the entire OTPROM array from inadvertent or unauthorized pro-
gramming.
Clearing CCB0.7 enables read protection and also write protects the security key to protect it
from being overwritten. With read protection enabled, the bus controller will not read from pro-
tected areas of OTPROM. An attempt to load the slave program counter with an external address
causes the device to reset itself. Because the slave program counter can be as much as four bytes
ahead of the CPU program counter, the bus controller might prevent code execution from the last
four bytes of internal memory. The interrupt vectors and CCBs are not read protected because
interrupts can occur even when executing from external memory.
Table 16-3. Memory Protection for Normal Operating Mode
Read Protect
LOC1 (CCR0.7) Write Protect
LOC0 (CCR0.6) Protection Status
1 1 No protection. Run-time programming is permitted, and the entire
OTPROM array can be read.
1 0 Write protection only. Run-time programming is disabled, but the
entire OTPROM array can be read.
0 1 Read protection. Run-time programming is disabled. If program
execution is external, only the interrupt vectors and CCBs can be
read. The security key is write protected.
0 0 Read and write protection. Run-time programming is disabled. If
program execution is external, only the interrupt vectors and CCBs
can be read.

16-5
PROGRAMMING THE NONVOLATILE MEMORY
16.3.1.2 Controlling Access to the OTPROM During Programming Modes
For programming modes, three levels of protection are available:
•prohibit all programming
•prohibit all programming, but permit authorized ROM dumps
•prohibit serial port programming, but permit authorized ROM dumps, auto programming,
and slave programming
These protection levels are provided by the PCCB0 lock bits, the CCB0 lock bits, and the internal
security key (Table 16-4). When entering programming modes, the reset sequence loads the
PCCBs into the chip configuration registers. It also loads CCB0 into internal RAM to provide an
additional level of security.
You can program the CCBs using any of the programming methods, but only slave programming
mode permits access to the PCCBs, and only slave and auto programming allow you to program
the internal security key.
If you want to prohibit all programming, clear both PCCB0 lock bits. If these bits are cleared,
they prevent the device from entering any programming mode.
If you want to prevent programming, but allow ROM dumps, leave the PCCB0 read-protection
bit (PCCB0.7) unprogrammed and clear the PCCB0 write-protection lock bit (PCCB0.6). To pro-
tect against unauthorized reads, program an internal security key. The ROM-dump mode com-
pares the internal security key location with an externally supplied security key regardless of the
CCB0 lock bits. If the security keys match, the routine continues; otherwise, the device enters an
endless internal loop.
Table 16-4. Memory Protection Options for Programming Modes
LOC1
(CCR0.7) LOC0
(CCR0.6) Security Key
Programmed
?Protection Status
PCCB CCB PCCB CCB
1 1 1 1 No No protection. All programming modes allowed.
1 X 0 X Yes All programming disabled. ROM-dump permitted with
matching security key.
XXXX Yes Serial programming disabled.
1 0 1 0 Yes Serial programming disabled. Auto and slave
programming permitted with matching security key.
0 X 0 X X All programming unconditionally disabled.

8XC196K
x
, J
x
, CA USER’S MANUAL
16-6
If you want to allow slave and auto programming as well as ROM dumps, leave both PCCB0 lock
bits unprogrammed. To protect against unauthorized programming, clear the CCB0 lock bits and
program an internal security key. After the device enters either slave or auto programming mode,
the corresponding test ROM routine reads the CCB0 lock bits. If either CCB0 lock bit is enabled,
the routine compares the internal security key location with an externally supplied security key.
If the security keys match, the routine continues; otherwise, the device enters an endless internal
loop.
You can program the internal security key in either auto or slave programming mode. Once the
security key is programmed, you must provide a matching key to gain access to any programming
mode. For auto programming and ROM-dump modes, a matching security key must reside in ex-
ternal memory. For slave programming mode, you must “program” a matching security key into
the appropriate OTPROM locations with the program word command. The locations are not ac-
tually programmed, but the data is compared to the internal security key.
The serial programming mode checks the internal security key regardless of the CCB0 lock bits.
This mode has no provision for security key verification. If the security key is blank (FFFFH),
serial programming continues. If any word contains a value other than FFFFH, the device enters
an endless internal loop.
WARNING
If you leave the internal security key locations unprogrammed (filled with
FFFFH), an unauthorized person could gain access to the OTPROM by using
an external EPROM with an unprogrammed external security key location or
by using slave or serial port programming mode.
16.3.2 Controlling Fetches from External Memory
Two UPROM bits disable external instruction fetches and external data fetches. If you program
the UPROM bits, an attempt to fetch data or instructions from external memory causes a device
reset. Another bit enables circuitry that can detect an oscillator failure and cause a device reset.
You can program the UPROM bits using slave programming mode.
Programming the DEI bit prevents the bus controller from executing external instruction fetches.
An attempt to load the slave program counter with an external address causes the device to reset
itself. Because the slave program counter can be as much as four bytes ahead of the CPU program
counter, the bus controller might prevent code execution from the last four bytes of internal mem-
ory. The automatic reset also gives extra protection against runaway code.
Programming the DED bit prevents the bus controller from executing external data reads and
writes. An attempt to access data through the bus controller causes the device to reset itself. Set-
ting this bit disables ROM-dump mode.

16-7
PROGRAMMING THE NONVOLATILE MEMORY
To program these bits, write the correct value to the location shown in Table 16-5 on page 16-8
using slave programming mode. During normal operation, you can determine the values of these
bits by reading the UPROM special-function register (Figure 16-1).
You can verify a UPROM bit to make sure it programmed, but you cannot erase it. For this reason,
Intel cannot test the bits before shipment. However, Intel does test the features that the UPROM
bits enable, so the only undetectable defects are (unlikely) defects within the UPROM cells them-
selves.
USFR Address:
Reset State: 1FF6H
XXH
The unerasable PROM (USFR) register contains two bits that disable external fetches of data and
instructions and another that detects a failed oscillator. These bits can be programmed, but cannot be
erased.
WARNING: These bits can be programmed, but can never be erased. Programming these bits makes
dynamic failure analysis impossible. For this reason, devices with programmed UPROM bits cannot
be returned to Intel for failure analysis.
7 0
— — — — DEI DED — OFD
Bit
Number Bit
Mnemonic Function
7:4 — Reserved; always write as zeros.
3 DEI Disable External Instruction Fetch
Setting this bit prevents the bus controller from executing external
instruction fetches. Any attempt to load an external address initiates a
reset.
2 DED Disable External Data Fetch
Setting this bit prevents the bus controller from executing external data
reads and writes. Any attempt to access data through the bus controller
initiates a reset.
1 — Reserved; always write as zero.
0 OFD Oscillator Fail Detect
Setting this bit enables the device to detect a failed oscillator and reset
itself. (In EPROM packages, this bit can be erased.)
Figure 16-1. Unerasable PROM (USFR) Register

8XC196K
x
, J
x
, CA USER’S MANUAL
16-8
16.3.3 Enabling the Oscillator Failure Detection Circuitry
Programming the OFD bit enables circuitry that resets the device when it detects a failed oscilla-
tor. (See “Detecting Oscillator Failure” on page 13-12 for details.) To program this bit, you must
write the correct value to the location shown in Table 16-5, using slave programming mode. Dur-
ing normal operation, you can determine the value of this bit by reading the USFR (Figure 16-1
on page 16-7). In EPROM packages, the OFD bit can be erased.
16.4 PROGRAMMING PULSE WIDTH
The programming pulse width is controlled in different ways depending on the programming
mode. In all cases, the pulse width must be at least 100 µs for successful programming. In slave
programming mode, the pulse width is controlled by the PALE# signal. In auto programming
mode, it is loaded from the external EPROM into the PPW register. In serial port programming
mode, it is loaded from the test ROM into the SP_PPW register. In run-time programming mode,
your software controls the pulse width.
The PPW and SP_PPW registers (Figure 16-2) are identical except for their locations and default
values. Both are word registers and both require that the most-significant bit always be set; the
remaining bits constitute the PPW_VALUE. To determine the correct PPW_VALUE for the fre-
quency of the device, use the following formula and round the result to the next higher integer.
where:
PPW_VALUE is a 15-bit word
FOSC is the input frequency on XTAL1, in MHz
Time is the duration of the programming pulse, in µs
Table 16-5. UPROM Programming Values and Locations for Slave Mode
To set this bit Write this value To this location
DEI 08H 0718H
DED 04H 0758H
OFD†01H 0778H
†Intel manufacturing uses location 2016H to determine whether to program the OFD bit. Customers with
QROM or MROM codes who desire the OFD feature should equate location 2016H to the value 0CDEH.
PPW_VALUE Fosc Time×
144
-------------------------------- 1–=

16-9
PROGRAMMING THE NONVOLATILE MEMORY
The following two examples calculate the PPW_VALUE for a 100-µs pulse width with an 8-MHz
and a 16-MHz crystal, respectively.
You can use the following simplified equation to calculate the PPW_VALUE for a 100-µs pulse
width at various frequencies:
PPW (or SP_PPW) no direct access
The PPW register is loaded from the external EPROM (locations 14H and 15H) in auto programming
mode. The SP_PPW register is loaded from the internal test ROM in serial port programming mode.
The default pulse width for serial port programming is longer than required, so you should change the
value before beginning to program the device. (See “Changing Serial Port Programming Defaults” on
page 16-34.) The PPW_VALUE determines the programming pulse width, which must be at least 100
µs for successful programming.
15 8
1PPW14 PPW13 PPW12 PPW11 PPW10 PPW9 PPW8
7 0
PPW7 PPW6 PPW5 PPW4 PPW3 PPW2 PPW1 PPW0
Bit
Number Bit
Mnemonic Function
15 1 Set this bit for proper device operation.
14:0 PPW14:0 PPW_VALUE.
This value establishes the programming pulse width for auto programming
or serial port programming. For a 100-µs pulse width, use the following
formula and round the result to the next higher integer. For auto
programming, write this value to the external EPROM (see “Auto
Programming Procedure” on page 16-30). For serial port programming,
write this value to the internal memory (see “Changing Serial Port
Programming Defaults” on page 16-34).
Figure 16-2. Programming Pulse Width Register (PPW or SP_PPW)
PPW_VALUE 8100×
144
------------------- 1–800
144
---------- 1–4.5552 5≈05 H====
PPW_VALUE 16 100×
144
---------------------- 1–1600
144
------------- 1–10.11 11≈0BH====
PPW_VALUE 0.6944 Fosc
×()1–=
PPW_VALUE 0.6944 Fosc
×()1–=

8XC196K
x
, J
x
, CA USER’S MANUAL
16-10
16.5 MODIFIED QUICK-PULSE ALGORITHM
Both the slave and auto programming routines use the modified quick-pulse algorithm (Figure
16-3). The modified quick-pulse algorithm sends programming pulses to each OTPROM word
location. After the required number of programming pulses, a verification routine compares the
contents of the programmed location to the input data. A verification error deasserts the PVER
signal, but does not stop the programming routine. This process repeats until each OTPROM
word has been programmed and verified. Intel guarantees lifetime data retention for a device pro-
grammed with the modified quick-pulse algorithm.
Figure 16-3. Modified Quick-pulse Algorithm
A0190-03
Return
From Auto or Slave
Programming
Required
Writes Done
?
Start PPW Timer
Write Data to
OTPROM
Enter Idle Mode
Wait for PPW Timer Interrupt
Yes
No
Enable Interrupts
Compare Programmed
Locations and Set Flags

16-11
PROGRAMMING THE NONVOLATILE MEMORY
Auto programming repeats the pulse five times, using the pulse width you specify in the external
EPROM. Slave mode repeats the pulse until PROG# is deasserted. In slave programming mode,
the PALE# signal controls the pulse width. In all cases, the pulse width must be at least 100 µs
for successful programming.
16.6 PROGRAMMING MODE PINS
Figure 16-4 illustrates the signals used in programming and Table 16-6 describes them. The EA#,
VPP, and PMODE pins combine to control entry into programming modes. You must configure
the PMODE (P0.7:4) pins to select the desired programming mode (see Table 16-7 on page
16-14). Each programming routine configures the port 2 pins to operate as the appropriate spe-
cial-function signals. Ports 3 and 4 automatically serve as the PBUS during programming.
Figure 16-4. Pin Functions in Programming Modes
Table 16-6. Pin Descriptions
Port Pin Special
Function
Signal Type Program-
ming
Mode Description
P0.7:4 PMODE.3:
PMODE.0 I All Programming Mode Select
Determines the programming mode. PMODE is sampled
after a device reset and must be static while the part is
operating. (Table 16-7 on page 16-14 lists the PMODE
values and programming modes.)
P2.7
P2.6
P2.4
P2.2
P2.1
P2.0
P4.7:0
P3.7:0
8XC196 Device
PBUS†
A0314-03
P0.7:4 PACT#
CPVER
AINC#
PROG#
PALE#/RXD
PVER/TXD
PMODE.3:0 4
Programming
Voltage
† For auto programming, P1.2:1 replace P4.7:6 as the high address bits.
V
PP
EA#

8XC196K
x
, J
x
, CA USER’S MANUAL
16-12
P2.0 PVER O Slave
Auto Programming Verification
During slave or auto programming, PVER is updated
after each programming pulse. A high output signal
indicates successful programming of a location, while a
low signal indicates a detected error.
TXD O Serial Transmit Serial Data
During serial port programming, TXD transmits data from
the OTPROM to an external device.
P2.1 PALE# I Slave Programming ALE Input
During slave programming, a falling edge causes the
device to read a command and address from the PBUS.
RXD I Serial Receive Serial Data
During serial port programming, RXD receives data from
an external device.
P2.2 PROG# I Slave Programming
During programming, a falling edge latches data on the
PBUS and begins programming, while a rising edge ends
programming. The current location is programmed with
the same data as long as PROG# remains asserted, so
the data on the PBUS must remain stable while PROG#
is active.
During a word dump, a falling edge causes the contents
of an OTPROM location to be output on the PBUS, while
a rising edge ends the data transfer.
P2.4 AINC# I Slave Auto-increment
During slave programming, this active-low input enables
the auto-increment feature. (Auto increment allows
reading or writing of sequential OTPROM locations,
without requiring address transactions across the PBUS
for each read or write.) AINC# is sampled after each
location is programmed or dumped. If AINC# is asserted,
the address is incremented and the next data word is
programmed or dumped.
P2.6 CPVER O Slave Cumulative Program Verification
During slave programming, a high signal indicates that all
locations programmed correctly, while a low signal
indicates that an error occurred during one of the
programming operations.
P2.7 PACT# O Auto
ROM-
dump
Programming Active
During auto programming or ROM-dump, a low signal
indicates that programming or dumping is in progress,
while a high signal indicates that the operation is
complete.
Table 16-6. Pin Descriptions (Continued)
Port Pin Special
Function
Signal Type Program-
ming
Mode Description

16-13
PROGRAMMING THE NONVOLATILE MEMORY
P4.7:0,
P3.7:0 PBUS I/O Slave Address/Command/Data Bus
During slave programming, ports 3 and 4 serve as a
bidirectional port with open-drain outputs to pass
commands, addresses, and data to or from the device.
Slave programming requires external pull-up resistors.
P1.2:1
P4.7:5,
P3.7:0
PBUS I/O Auto
ROM-
dump
Address/Command/Data Bus
During auto programming and ROM-dump, ports 3 and 4
serve as a regular system bus to access external
memory.
P4.6 and P4.7 are left unconnected; P1.2 and P1.1 serve
as the upper address lines.
— EA# I All External Access
Controls program mode entry. If EA# is at VPP voltage on
the rising edge of RESET#, the device enters
programming mode.
EA# is sampled and latched only on the rising edge of
RESET#. Changing the level of EA# after reset has no
effect.
—V
PP I All Programming Voltage
During programming, the VPP pin is typically at +12.5V
(VPP voltage). Exceeding the maximum VPP voltage speci-
fication can damage the device.
Table 16-6. Pin Descriptions (Continued)
Port Pin Special
Function
Signal Type Program-
ming
Mode Description

8XC196K
x
, J
x
, CA USER’S MANUAL
16-14
16.7 ENTERING PROGRAMMING MODES
To execute programs properly, the device must have these minimum hardware connections:
XTAL1 driven, unused input pins strapped, and power and grounds applied. Follow the operating
conditions specified in the datasheet. Place the device into programming mode by applying VPP
voltage (+12.5 V) to EA# during the rising edge of RESET#.
16.7.1 Selecting the Programming Mode
The PMODE (P0.7:4) value controls the programming mode. PMODE is sampled on the rising
edge of RESET#. You must reset the device to switch programming modes. Table 16-7 lists the
PMODE value for each programming mode. All other PMODE values are reserved.
16.7.2 Power-up and Power-down Sequences
When you are ready to begin programming, follow these power-up and power-down procedures.
WARNING
Failure to observe these warnings will cause permanent device damage.
•Voltage must not be applied to VPP while VCC is low.
•The VPP voltage must be within 1 volt of VCC while VCC is less than 4.5 volts. VPP must not
go above 4.5 volts until VCC is at least 4.5 volts.
•The VPP maximum voltage must not be exceeded.
•EA# must reach programming voltage before VPP does so.
•The PMODE pins (P0.7:4) must be in their desired states before RESET# rises.
•All voltages must be within the ranges specified in the datasheet and the oscillator must be
stable before RESET# rises.
•The power supplies to the VCC, VPP, EA# and RESET# pins must be well regulated and free
of glitches and spikes.
•All VSS pins must be well grounded.
Table 16-7. PMODE Values
PMODE Value
(Hex) Programming Mode
0 Serial port programming
5 Slave programming
6 ROM-dump
C Auto programming

16-15
PROGRAMMING THE NONVOLATILE MEMORY
16.7.2.1 Power-up Sequence
1. Hold the RESET# pin low while VCC stabilizes. Allow VPP and EA# to float during this
time.
2. After VCC and the oscillator stabilize, continue to hold the device in reset and apply VPP
voltage to EA#.
3. After EA# stabilizes, apply VPP voltage (+12.5V) to the VPP pin.
4. Set the PMODE value to select a programming algorithm.
5. Bring the RESET# pin high.
6. Complete the selected programming algorithm.
16.7.2.2 Power-down Sequence
1. Assert the RESET# signal and hold it low throughout the powerdown sequence.
2. Remove the VPP voltage from the VPP pin and allow the pin to float.
3. Remove the VPP voltage from the EA# pin and allow the pin to float.
4. Turn off the VCC supply and allow time for it to reach 0 volts.
16.8 SLAVE PROGRAMMING MODE
Slave programming mode allows you to program and verify the entire OTPROM array, including
the PCCBs and UPROM bits, by using an EPROM programmer.
In this mode, ports 3 and 4 serve as the PBUS, transferring commands, addresses, and data. The
least-significant bit of the PBUS (P3.0) controls the command (1 = program word; 0 = dump
word) and the remaining 15 bits contain the address of the word to be programmed or dumped.
Some port 2 pins provide handshaking signals. The AINC# signal controls whether the address
is automatically incremented, enabling programming or dumping sequential OTPROM locations.
This speeds up the programming process, since it eliminates the need to generate and decode each
sequential address.
NOTE
If a glitch or reset occurs during programming of the security key, an unknown
security key might accidentally be written, rendering the device inaccessible
for further programming. To prevent this possibility during slave
programming, program the rest of the OTPROM array before you program the
CCB security-lock bits (CCB0.6 and CCB0.7).

8XC196K
x
, J
x
, CA USER’S MANUAL
16-16
16.8.1 Reading the Signature Word and Programming Voltages
The signature word identifies the device; the programming voltages specify the VPP and VCC volt-
ages required for programming. This information resides in the test ROM at locations 2070H,
2072H, and 2073H; however, these locations are remapped to 007xH. You can use the dump word
command in slave programming mode to read the signature word and programming voltages at
the locations shown in Table 16-8. The external programmer can use this information to deter-
mine the device type and operating conditions. You should never write to these locations. The
voltages are calculated by using the following equation (after converting the test ROM value to
decimal).
Voltage =
VCC (40H) = VPP (0A0H) =
16.8.2 Slave Programming Circuit and Memory Map
Figure 16-5 shows the circuit diagram and Table 16-9 shows the memory map for slave program-
ming mode. The external clock signal can be supplied by either a clock or a crystal. Refer to the
device datasheet for acceptable clock frequencies.
Table 16-8. Device Signature Word and Programming Voltages
Device Signature Word Programming VCC Programming VPP
Location Value Location Value Location Value
8XC196CA 0070H 87ACH 0072H 40H 0073H 0A0H
8XC196KR, JR, KQ, JQ – C step 0070H 8797H 0073H 40H 0072H 0A0H
8XC196JR, JQ – D step 0070H 8797H 0073H 40H 0072H 0A0H
8XC196JT 0070H 87AFH 0073H 40H 0072H 0A0H
8XC196KT, KS 0070H 87AFH 0072H 40H 0073H 0A0H
8XC196JV 0070H 87BEH 0073H 40H 0072H 0A0H
20 test ROM value×256
------------------------------------------------------
20 64×
256
------------------- 5 volts=20 160×
256
---------------------- 12.5 volts=

16-17
PROGRAMMING THE NONVOLATILE MEMORY
Figure 16-5. Slave Programming Circuit
P2.6
P2.4
P2.2
P2.1
P2.0
P0.7/PMODE.3
P0.6/PMODE.2
P0.5/PMODE.1
P0.4/PMODE.0
ANGND
EA#
XTAL1
0.1 µF NMI
RESET#
CLOCK
EA#
Pullups Required
P4.7 - P3.0
87C196 Device
RESET#
10
kΩ
V
CC
V
CC
V
PP
V
CC
A0256-03
V
REF
V
CC
V
SS
P3.7:0
P4.7:0 PBUS
V
PP
CPVER
AINC#
PROG#
PALE#
PVER

8XC196K
x
, J
x
, CA USER’S MANUAL
16-18
NOTE (8XC196JV Only)
The 8XC196JV, which has 48Kbytes of OTPROM, requires an additional step
for programming or verifying the entire array. The OTPROM array is treated
as two 24-Kbyte pages, page 0 and page 1. Bit 7 of the byte register at test
ROM location 1FF9H selects the active page (initially page 0). After
programming and verifying page 0, set the bit to select page 1. The following
instruction selects the upper 24-Kbyte page (page 1) of OTPROM.
orb tmr,#80h
16.8.3 Operating Environment
The chip configuration registers (CCRs) define the system environment. Since the programming
environment is not necessarily the same as the application environment, the device provides a
means for specifying different configurations. Specify your application environment in the chip
configuration bytes (CCBs) located in the OTPROM. Specify your programming environment in
the programming chip configuration bytes (PCCBs) located in the test ROM.
Figure 16-6 shows an abbreviated description of the CCRs with the default PCCB environment
settings. The reset sequence loads the CCRs from the CCBs for normal operation and from the
PCCBs when entering programming modes. You can program the CCBs using any of the pro-
gramming methods, but only slave mode allows you to program the PCCBs. Chapter 15, “Inter-
facing with External Memory,” describes the system configuration options, and “Controlling
Access to Internal Memory” on page 16-4 describes the memory protection options.
Table 16-9. Slave Programming Mode Memory Map
Description Address Comments
OTPROM (JV) 2000–DFFFH
(CA, JT, KT) 2000–9FFFH
(KS) 2000–7FFFH
(JR, KR) 2000–5FFFH
(JQ, KQ) 2000–4FFFH
OTPROM Cells
OFD 0778H OTPROM Cell
DED†0758H UPROM Cell
DEI†0718H UPROM Cell
PCCB 0218H Test EPROM
Programming voltages (see Table 16-8 on page 16-16) 0072H, 0073H Read Only
Signature word 0070H Read Only
†These bits program the UPROM cells. Once these bits are programmed, they cannot be erased and
dynamic failure analysis of the device is impossible.

16-19
PROGRAMMING THE NONVOLATILE MEMORY
CCR1, CCR0 Address: 201AH, 2018H
Reset State: from CCBs XXH, XXH
Reset State: see bit descriptions
The chip configuration registers (CCRs) control bus-control signals, bus width, wait states, powerdown
mode, and internal memory protection. These registers are loaded from the PCCBs during
programming modes and from the CCBs for normal operation.
7 0
MSEL1 MSEL0 — — WDE BW1 IRC2 —
7 0
LOC1 LOC0 IRC1 IRC0 ALE WR BW0 PD
Bit Mnemonic Function
MSEL1:0 †External Access Timing Mode Select
PCCB default is standard mode.
WDE Watchdog Timer Enable
PCCB default is initially disabled (enabled the first time WDT is cleared).
BW1 Buswidth Control
For the K
x
, PCCB default selects BUSWIDTH pin control.
For the CA, J
x
, the PCCB default selects a16-bit bus.
IRC2 Internal Ready Control.
For the K
x
, PCCB default selects READY pin control.
For the CA, J
x
, the PCCB default selects zero wait states.
LOC1:0 Security Bits
PCCB default selects no protection.
IRC1:0 Internal Ready Control
For the K
x
, PCCB default selects READY pin control.
For the CA, J
x
, the PCCB default selects zero wait states.
ALE Select Address Valid Strobe Mode.
PCCB default selects ALE.
WR Select Write Strobe Mode.
For the K
x
, PCCB default selects WR# and BHE#.
For the CA, J
x
, the PCCB default selects WR# (BHE# is not imple-
mented).
BW0 Buswidth Control
For the K
x
, PCCB default selects BUSWIDTH pin control.
For the CA, J
x
, the PCCB default selects a16-bit bus.
PD Powerdown Enable.
PCCB default enables powerdown.
† These bits are reserved on the 8XC196CA, J
x,
KQ, KR. They are unique to the 8XC196KS and KT.
Figure 16-6. Chip Configuration Registers (CCRs)

8XC196K
x
, J
x
, CA USER’S MANUAL
16-20
16.8.4 Slave Programming Routines
The slave programming mode algorithm consists of three routines: the address/command decod-
ing routine, the program word routine, and the dump word routine.
The address/command decoding routine (Figure 16-7) reads the PBUS and transfers control to
the program word or dump word routine based on the value of P3.0. A one on P3.0 selects the
program word command and the remaining bits specify the address. For example, a PBUS value
of 3501H programs a word of data at location 3500H. A zero on P3.0 selects the dump word com-
mand and the remaining bits specify the address. For example, a PBUS value of 3500H places
the word at location 3500H on the PBUS.
The program word routine (Figure 16-8) checks the CCB security-lock bits. If either security lock
bit (CCB0.6 or CCB0.7) has been programmed, you must provide a matching security key to gain
access to the device. Using the program word command, write eight consecutive words to the de-
vice, starting at location 2020H and continuing to 202FH. The routine stores these eight words in
an internal register and compares their value with the internal key. If the keys match, the routine
allows you to program individual or sequential OTPROM locations; otherwise, the device enters
an endless loop.
The dump word routine (Figure 16-10) also checks the CCB security-lock bits, but it has no pro-
vision for security key verification. If the lock bits are unprogrammed, the routine fetches a word
of data from the OTPROM and writes that data to the PBUS. If either lock bit is programmed, the
routine performs a write cycle without first getting data from the OTPROM.

16-21
PROGRAMMING THE NONVOLATILE MEMORY
Figure 16-7. Address/Command Decoding Routine
Yes
No
Other
Modes
A0193-02
PMODE = 05H
?
PALE#
(P2.1) = 0
?
Yes
PVER
(P2.0) = 1
?
Yes
Read Data
From PBUS
No
PALE#
(P2.1)= 0
?
Check Address
P3.0 = 1
?
Yes
Program Word
Routine
No
Dump Word
Routine
No
No
Deassert CPVER
Assert PVER
Yes

8XC196K
x
, J
x
, CA USER’S MANUAL
16-22
Figure 16-8. Program Word Routine
A0194-03
No
PROG#
(P2.2)=0
?
From Address/
Command Decoder
Read Data
from PBUS
No
Lock Bits
Enabled
?
Yes Verify
Security Key
Keys
Match
?
Yes
Programming
Verifies
?
Yes No Loop
Forever
No Deassert
PVER (P2.0 = 0)
PROG#
(P2.2) = 0
?
Yes
No
Yes
Yes
To Address/
Command Decoder
PALE#
(P2.1) = 0
?
AINC#
(P2.4) = 0
?
Increment
Address by 2
No
PVER
(P2.0) = 1
?
Deassert CPVER
Assert PVER
No
Yes
No
Yes
Execute Modified
Quick-Pulse Algorithm
then Return
Read Data
from PBUS
Assert PVER
(P2.0 = 1)

16-23
PROGRAMMING THE NONVOLATILE MEMORY
Figure 16-9 shows the timings of the program word command with a repeated programming pulse
and auto increment. Asserting PALE# latches the command and address on the PBUS. Asserting
PROG# latches the data on the PBUS and starts the programming sequence. The PROG# signal
controls the programming pulse width. (Slave programming mode does not use the PPW.) After
the rising edge of PROG#, the routine verifies the contents of the location that was just pro-
grammed and asserts PVER to indicate successful programming. AINC# is optional and can au-
tomatically increment the address for the next location. If you do not use AINC#, you must send
a new program word command to access the next word location.
Figure 16-9. Program Word Waveform
*
*
RESET#
PBUS
(Ports 3/4)
PALE#
PROG#
PVER
AINC#
ADDR/COMMAND
AVLL
T
DATA1
ADDR1
DATA2
ADDR2
SHLL
T
LLLH
T
LLAX
T
PHPL
T
**
PLPH
TILPL
T
ILVH
T
ILIH
T
PHIL
T
PHVL
T
LHPL
T
PLDX
T
DVPL
T
*
**
Additional program pulses and verifications.
Measure from falling edge of last PROG# pulse in sequence.
Pulse 1
A0121-01

8XC196K
x
, J
x
, CA USER’S MANUAL
16-24
Figure 16-10. Dump Word Routine
A0189-03
Yes
Lock Bits
Enabled
?
No
PROG#
(P2.2) = 0
?
Yes
Get Data
from OPTROM
Yes
PROG#
(P2.2) = 1
?
PALE#
(P2.1) = 0
?
Yes
No
No
Increment
Address by 2
AINC#
(P2.4) = 0
?
No
Yes
To Address/
Command Decoder
From Address/
Command Decoder
No
Write 0FFFFH
to PBUS
Write Data
to PBUS

16-25
PROGRAMMING THE NONVOLATILE MEMORY
Figure 16-11 shows the timings of the dump word command. PROG# governs when the device
drives the bus. The timings before the dump word command are the same as those shown in Fig-
ure 16-9. In the dump word mode, the AINC# pin can remain active and toggling. The PROG#
pin automatically increments the address.
Figure 16-11. Dump Word Waveform
16.8.5 Timing Mnemonics
Table 16-10 defines the timing mnemonics used in the program word and dump word waveforms.
The datasheets include timing specifications for these signals.
Table 16-10. Timing Mnemonics
Mnemonic Description
TSHLL Reset High to First PALE# Low.
TLLLH PALE# Pulse Width.
TAVLL Address Setup Time.
TLLAX Address Hold Time.
TPLDV PROG# Low to Word Dump Valid.
TPHDX Word Dump Data Hold.
TDVPL Data Setup Time.
TPLDX Data Hold Time.
TPLPH PROG# Pulse Width.
TPHLL PROG# High to Next PALE# Low.
TLHPL PALE# High to PROG# Low.
RESET#
PBUS
(Ports 3/4)
PALE#
PROG#
AINC#
T
PLDV
ADDR/COMMAND Word Dump
ADDR1 ADDR2
T
PHDX
T
ILPL T
PHPL
T
PLDV T
PHDX
Word Dump
A0122-02
TSHLL

8XC196K
x
, J
x
, CA USER’S MANUAL
16-26
16.9 AUTO PROGRAMMING MODE
The auto programming mode is a low-cost programming alternative. Using this programming
mode, the device programs itself with data from an external EPROM (external locations 4000H
and above). A bank switching mechanism supplied by P1.2 and P1.1 supports auto programming
of devices with more than 16 Kbytes of internal memory.
16.9.1 Auto Programming Circuit and Memory Map
Figure 16-12 shows the recommended circuit for an 8XC196Kx device and Table 16-11 shows
the memory map for auto programming mode. Auto programming is specified for a crystal fre-
quency of 6 to 8 MHz for commercial devices and 6 to 10 MHz for automotive devices. At 8
MHz, use a 27(C)512 EPROM with tACC = 250 ns and tOE = 100 ns or faster specifications. At
10 MHz, use a 27(C)512 EPROM with tACC = 245 ns and tOE = 100 ns or faster specifications.
Tie the BUSWIDTH pin low to configure an 8-bit data bus. Connect P1.1 and P1.2 as shown to
generate the high-order bits of the external EPROM address. Connect P0.7:4 to VSS and VCC to
select auto programming (1100B = 0CH). PACT# and PVER are status outputs, buffered by the
74HC14s. They drive LEDs that indicate programming active (PACT#) and programming verifi-
cation (PVER). Connect all unused inputs to ground (VSS) and leave unused outputs floating.
READY and NMI are active; connect them as indicated.
NOTE
All external EPROM addresses specified in this section are given for the
circuit in Figure 16-12. If you choose a different circuit, you must adjust the
addresses accordingly.
TPHPL PROG# High to Next PROG# Low.
TPHIL PROG# High to AINC# Low.
TILIH AINC# Pulse Width.
TILVH PVER Hold After AINC# Low.
TILPL AINC# Low to PROG# Low.
TPHVL PROG# High to PVER Valid.
Table 16-10. Timing Mnemonics (Continued)
Mnemonic Description

16-27
PROGRAMMING THE NONVOLATILE MEMORY
Figure 16-12. Auto Programming Circuit for 8XC196K
x
Devices
NOTE
The 8XC196CA and Jx devices support only a 16-bit, zero-wait-state bus
configuration for auto programming. For these devices, omit the BUSWIDTH,
P2.5, and P2.3 connections (the pins are not implemented). For the 8XC196Jx,
also omit the NMI connection (the pin is not implemented).
270kΩ
+5.0V
XTAL1
20 pF
20 pF
XTAL2
P2.7/PACT#
P2.5
P2.4
P2.3
P2.2
P2.1
P2.0/PVER
RESET#
+12.50V
100 kΩ
1 kΩ
10µF
74HC14
1.0µF
Reset
EA#
V
PP
V
REF
P0.7/
PMODE.3
P0.6/
PMODE.2
P0.5/
PMODE.1
P0.4/
PMODE.0
ANGND
READY/P5.6
NMI
BUSWIDTH/P5.7
RD#/P5.3
P1.2
P1.1
AD13:8
87C196 Device
A7:0
ALE/P5.0
A13:8
A14
OE# CE#
LE OE#
O7:0
A15
74LS373
V
CC
V
CC
V
CC
A0296-03
V
CC
V
CC
V
SS
27(C)512
270kΩ
V
CC
74HC14
74HC14
ON = Programming
ON = Error
AD7:0

8XC196K
x
, J
x
, CA USER’S MANUAL
16-28
16.9.2 Operating Environment
In the auto programming mode, the PCCBs are loaded into the chip configuration registers. Since
the device gets programming data through the external bus, the memory device in the program-
ming system must correspond to the default configuration (Figure 16-6 on page 16-19). Auto pro-
gramming requires an 8-bit bus configuration, so the circuit must tie the BUSWIDTH pin low.
The PCCB defaults allow you to use any standard EPROM that satisfies the AC specifications
listed in the device datasheet.
The auto programming mode also loads CCB0 into an internal RAM location and checks the lock
bits. If either lock bit is programmed, the auto programming routine compares the internal secu-
rity key to the external security key location. If the verification fails, the device enters an endless
internal loop. If the security keys match, the routine continues. The auto programming routine
uses the modified quick-pulse algorithm and the pulse width value programmed into the external
EPROM (locations 14H and 15H).
16.9.3 Auto Programming Routine
Figure 16-13 illustrates the auto programming routine. This routine checks the security lock bits
in CCB0; if either bit is programmed, it compares the internal security key to the external security
key locations. If the security keys match, the routine continues; otherwise, the device enters an
endless loop.
Table 16-11. Auto Programming Memory Map
Address
Output from
8XC196
Device
(A15:0)
Internal
OTPROM
Address
Address
Using Circuit
in Figure
16-12
(P1.2:1, A13:0)
Description
4014H N/A 14H Programming pulse width (PPW) LSB.
4015H N/A 15H Programming pulse width (PPW) MSB.
4020–402FH 2020–202FH 0020–002FH Security key for verification.
4000–6FFFH 2000–4FFFH 4000–6FFFH Code, data, and reserved locations. (KQ, JQ)
4000–7FFFH 2000–5FFFH 4000–7FFFH Code, data, and reserved locations. (KR, JR)
4000–7FFFH 2000–7FFFH 4000–9FFFH Code, data, and reserved locations. (KS)
4000–7FFFH 2000–9FFFH 4000–BFFFH Code, data, and reserved locations. (KT, JT, CA)
A000–FFFEH
8000–DFFEH 2000–7FFEH
8000–DFFEH 2000–4FFFH
5000–7FFFH Code, data, and reserved locations. (JV)

16-29
PROGRAMMING THE NONVOLATILE MEMORY
Figure 16-13. Auto Programming Routine
No
Other
Modes
Loop
Forever
A0191-03
PMODE = 0CH
?
No
Lock Bits
Enabled
?
Load PPW
Yes
No
Pass
?
Yes
Verify
Security Key
Assert PACT#
Get External Data
No
Yes
Data = 0FFFFH
?
Execute Modified
Quick-Pulse Algorithm
then Return
Yes
Top of
OTPROM
?
No
Deassert PACT#
Loop Forever
(Done)
Clear PVER
Error
Programming
?
Yes
Increment Address Pointer
No
Yes

8XC196K
x
, J
x
, CA USER’S MANUAL
16-30
If the security key verification is successful, the routine loads the programming pulse width
(PPW) value from the external EPROM into the internal PPW register. It then asserts PACT#, in-
dicating that programming has begun. (PACT# is also active during reset, although no program-
ming is in progress.) PVER is initially asserted and remains asserted unless an error is detected,
in which case it is deasserted.
The routine then reads the contents of the external EPROM, beginning at 4000H. It skips any
word that contains FFFFH (unprogrammed state). When it reads a word that contains any value
other than FFFFH, the routine calls the modified quick-pulse algorithm, which writes that value
to the OTPROM, using the appropriate number of pulses for the device, then verifies the result.
The routine repeats this activity until the entire OTPROM is programmed, then deasserts PACT#
and enters an endless loop. It takes approximately 40 seconds to program 16 Kbytes of OTPROM.
16.9.4 Auto Programming Procedure
If a glitch or reset occurs while programming the security key and lock bits, an unknown security
key might accidentally be written, rendering the device inaccessible for further programming. To
minimize this possibility, follow this recommended programming procedure.
NOTE
All addresses are given for the circuit shown in Figure 16-12 on page 16-27. If
you choose a different circuit, you must adjust the addresses accordingly.
1. Using a blank EPROM device, follow these steps to skip programming of CCB0 and
program the rest of the OTPROM array, including the security key.
— Place the programming pulse width (PPW) in external EPROM locations 14H–15H.
— Leave the external CCB0 location (4018H) unprogrammed (0FFFFH).
— Place the appropriate CCB1 value at external location 401AH.
— Place the security key to be programmed in external EPROM locations 4020H–402FH.
— Place the value 20H in external EPROM locations 4019H and 401BH (for the reserved
OTPROM locations that require this value).
— Place the desired code in the remaining external EPROM locations 4000H and above
(see Table 16-11 on page 16-28).
— Execute the power-up sequence (page 16-15) to initiate auto programming.
— When programming is complete, execute the powerdown sequence (page 16-15) before
continuing to step 2.

16-31
PROGRAMMING THE NONVOLATILE MEMORY
2. Using another blank EPROM device, follow these steps to program only CCB0.
— Place the programming pulse width (PPW) in external locations 14H–15H.
— Place the appropriate CCB0 value in external location 4018H.
— Place the security key to be verified in external EPROM locations 0020H–002FH. This
value must match the security key programmed in step 1.
— Leave the remaining EPROM locations unprogrammed (0FFFFH).
— Execute the power-up sequence (page 16-15) to initiate auto programming.
— When programming is complete, follow the powerdown sequence (page 16-15).
At this point, you can modify the circuit, then use ROM-dump mode to write the entire OTPROM
array to an external memory device and verify its contents. (See “ROM-dump Mode” for details.)
16.9.5 ROM-dump Mode
The ROM-dump mode provides an easy way to verify the contents of the OTPROM array after
auto programming. Use the same circuit as for auto programming, but change the connections of
the PMODE (P0.7:4) pins. To select ROM-dump mode (PMODE=6H), connect P0.6 and P0.5 to
VCC and connect P0.7 and P0.4 to ground. The same bank switching mechanism is used and the
memory map is the same as that for auto programming. The example circuit (Figure 16-12 on
page 16-27) does not show the necessary WR# and VPP connections to allow writing to the
EPROM. And although the example uses an EPROM, you could also use a RAM device. Alter-
natively, you could dump the OTPROM contents to any 16-bit parallel port.
For the 8XC196JV, which has 48 Kbytes of OTPROM, use a word-wide memory device or a 16-
bit parallel port for the ROM dump. The internal algorithm dumps the first 24 Kbytes of
OTPROM (2000–7FFFH) to the 12 Kwords at 2000–4FFFH and the remaining 24 Kbytes (8000–
DFFFH) to the 12 Kwords at external locations 5000–7FFFH.
NOTE
If you have programmed the DED bit (USFR.2), ROM-dump mode is
disabled. (See “Controlling Fetches from External Memory” on page 16-6).
To enter ROM-dump mode, follow the power-up sequence on page 16-15. The ROM-dump mode
checks the security key regardless of the CCR security-lock bits. If you have programmed a se-
curity key, a matching key must reside in the external memory; otherwise, the device enters an
endless loop. If the security key verifies, ROM-dump mode fetches the PPW, then writes the en-
tire OTPROM array to external memory. PACT# remains low while the dump is in progress, then
goes high to indicate that the dump is complete.

8XC196K
x
, J
x
, CA USER’S MANUAL
16-32
16.10 SERIAL PORT PROGRAMMING MODE
The serial port programming mode enables the serial I/O (SIO) port to write data to the OTPROM
through the TXD (P2.0) pin and read it through the RXD (P2.1) pin. In this mode, the device ex-
ecutes a program from its internal test ROM. This program is a modified version of the reduced
instruction set monitor (RISM) that exists on all 8X9X evaluation boards. The simple hardware
setup of this mode makes it useful for in-module testing, programming, and in-line diagnostics.
Special software, called IBSP196, simplifies communication between the device and a smart ter-
minal. This software is available free of charge through the Intel BBS. (See “Bulletin Board Sys-
tem (BBS)” on page 1-9.)
NOTE
Serial port programming mode has no provision for security-key verification.
If a security key has been programmed, an attempt to enter serial port
programming mode causes the device to enter an endless loop.
Entering serial port programming mode with VPP at +12.5 volts allows you to modify code in
OTPROM or to program small segments of OTPROM to customize code for a particular module.
(Programming more than 2 Kbytes of OTPROM is not recommended in this mode because of its
relatively long programming time.)
Entering serial port programming mode with VPP at +5.0 volts enables you to perform these func-
tions:
•download a module-testing program into internal RAM and execute it without altering
nonvolatile memory or using dedicated OTPROM software space
•run a segment of code in OTPROM and monitor its performance during execution
•examine the code programmed into the OTPROM
•examine the contents of any register
•manipulate RAM, SFRs, or pin states
16.10.1 Serial Port Programming Circuit and Memory Map
Figure 16-14 shows the recommended circuit for serial port programming. In this mode, data is
transmitted and received through the TXD (P2.0) and RXD (P2.1) pins. Connect these pins to any
smart terminal capable of communicating with the RISM. Any host that requires an RS-232C in-
terface (such as a PC) must be connected through an RS-232C driver/receiver such as the one
shown within the dashed line in Figure 16-14. XTAL1 and XTAL2 can be connected to a crystal
with a frequency between 3.5 MHz and 16 MHz. The frequency must correspond to the value in
the SP_BAUD register (see “Changing Serial Port Programming Defaults” on page 16-34).

16-33
PROGRAMMING THE NONVOLATILE MEMORY
Figure 16-14. Serial Port Programming Mode Circuit
5
9
4
8
3
7
2
6
1
1.8kΩ
1.8kΩ
1.8kΩ
1.8kΩ1.8kΩ
10µF
A0298-04
RXD
TXD
RXD
TXD
V
CC
87C196 Device
30 pF30 pF
XTAL1 XTAL2
P0.7/PMODE.3
P0.6/PMODE.2
P0.5/PMODE.1
P0.4/PMODE.0
ANGND
V
REF
V
CC
ABC
V
CC
V
PP
EA#
0.01 µF
V
PP
P2.0/TXD
P2.1/RXD
10 µF
V
CC
RESET#
NMI
READY/P5.6
BUSWIDTH/5.7
1N914
2N2222A
2N2907
1N914

8XC196K
x
, J
x
, CA USER’S MANUAL
16-34
Because the RISM begins at location 2000H in serial port programming mode, the OTPROM lo-
cations are automatically remapped as shown in Table 16-12. For example, to access OTPROM
location 2000H in serial port programming mode, you must address it as A000H.
16.10.2 Changing Serial Port Programming Defaults
Several locations in test ROM are used to control operating parameters. The test ROM routine
establishes the default values shown in Table 16-13. To change the default values, write the de-
sired values to the test ROM addresses shown in the table. (Refer to the SP_BAUD, SP_CON,
and SP_PPW register descriptions in Appendix C.) After you write the new values to the test
ROM locations, the RISM writes the programmed values into the associated registers.
The default programming pulse width is longer than required. To avoid unnecessarily long pro-
gramming times, change the default value before beginning to program the device. For a 100-µs
pulse width, use the following formula to determine the required PPW_VALUE and write that
value to the test ROM location listed in Table 16-13.
Table 16-12. Serial Port Programming Mode Memory Map
Description Device
Address Range (Hex)
Normal
Operation Serial Port
Programming Mode
Internal OTPROM
87C196JV 2000–DFFF A000–FFFF, 8000–DFFF†
87C196CA, JT, KT 2000–9FFF A000–FFFF, 8000–9FFF††
87C196KS 2000–7FFF A000–FFFF
87C196JR, KR 2000–5FFF A000–DFFF
87C196JQ, KQ 2000–4FFF A000–CFFF
External memory 87C196CA, JT, KT, JV — 4000–7FFF
87C196JQ, KQ, JR, KR, KS — 4000–9FFF
Do not address All — 2400–3FFF
Test ROM and RISM All — 2000–23FF
†For the 87C196JV, the lower 24 Kbytes of internal OTPROM (2000–7FFFH) are remapped to A000–
FFFFH. The upper 24 Kbytes must be addressed as 8000–DFFFH. A bank switching mechanism differen-
tiates between the two address ranges. To program the upper 24 Kbytes of the internal OTPROM, execute
this instruction: orb tmr, #80h.
††For the 87C196CA, JT, and KT, the lower 24 Kbytes of internal OTPROM (2000–7FFFH) are remapped to
A000–FFFFH. The upper 8 Kbytes must be addressed as 8000–9FFFH.
PPW_VALUE 0.6944 Fosc
×()1–=

16-35
PROGRAMMING THE NONVOLATILE MEMORY
16.10.3 Executing Programs from Internal RAM
For those wanting to execute user programs from internal RAM while in serial port programming
mode, the RISM allows you to initialize the user program counter (PC), window selection register
(WSR), and processor status word (PSW). Table 16-14 lists the registers, the default assumed by
the RISM, and the test ROM address to which you may write new values.
Before attempting to execute a program from internal RAM or OTPROM, write the beginning
address of the program to the PC at the test ROM address shown in Table 16-14. You need not
change the WSR and PSW unless other flags need to be set for the program you are executing.
After writing the PC value, issue the GO command, which automatically initializes the PC and
begins code execution. When the RISM interrupts or halts the program, it writes the user PC,
WSR (which includes INT_MASK1), and PSW (which includes INT_MASK) to the test ROM
locations.
Internal RAM locations 4EH–63H are used as registers for serial port programming mode. Pro-
grams executing from internal RAM should not alter these locations.
16.10.4 Reduced Instruction Set Monitor (RISM)
When you enter serial port programming mode, the device begins executing its RISM program.
You communicate with the device by sending RISM commands from any smart terminal across
the TXD and RXD pins at a fixed baud rate.
Table 16-13. Serial Port Programming Default Values and Locations
Parameter RISM Default Test ROM Address
(CA, JQ, JR,
JT, JV, KQ, KR)
Test ROM
Address
(KS, KT) SFR
Mode 09H; mode 1, receiver enabled 2213H 2215H SP_CON
Baud rate 8067H; 9600 baud at 16 MHz 2214H 2216H SP_BAUD
Pulse width 80FFH; 2.30ms per pulse at 16 MHz 2216–2217H 221C–221DH SP_PPW
Table 16-14. User Program Register Values and Test ROM Locations
User Program Register RISM Default Test ROM Address
PC 2080H 5EH
WSR 1000H 60H
PSW 0200H 62H

8XC196K
x
, J
x
, CA USER’S MANUAL
16-36
Upon entering serial port programming mode, the device enters a waiting loop, called
Monitor_Pause, in which it waits for RISM commands to arrive across the serial port. The com-
mands are each one byte in length and have values between 00H and 1FH. A value between 00H
and 1FH is considered a command unless it follows a data latch enable (SET_DLE_FLAG) com-
mand. The SET_DLE_FLAG command sets the DLE flag in the MODE register (57H). The DLE
flag alerts the RISM to store the next byte in the DATA register, a 32-bit first-in-last-out (FILO)
register located at 58H.
When a receive interrupt occurs, the RISM checks the data value and the DLE flag. If the data
value is greater than 1FH or if the DLE flag is set, the received byte is considered data and is
stored in the DATA register (58H). Each time new data is received, the DATA register is shifted
left by eight bits. If the value is between 00H and 1FH and the DLE flag is clear, the received byte
is considered a command. Commands are stored in the CHAR register (56H). After it executes
each command, the RISM resumes Monitor_Pause, except where otherwise noted.
To access a particular address, you must first send the address across the serial port as data. Send
it one byte at a time, with the high byte first (the address is always assumed to be 16 bits). The
RISM stores the address data in the DATA register. Now you must transfer the address from the
DATA register to the ADDR register (5CH) by sending the DATA_TO_ADDR command (0AH).
16.10.5 RISM Command Descriptions
Table 16-15 lists and describes the RISM commands. The following sections provide examples.
Table 16-15. RISM Command Descriptions
Value Command Description
00H SET_DLE_FLAG Sets the DLE flag in bit 0 of the MODE register (57H) to tell the RISM that the next
byte on the serial port is data that should be loaded into the DATA register (58H).
The flag is cleared as soon as the byte is read.
02H TRANSMIT Transmits the low byte of the DATA register to the serial port through the CHAR
register, shifts the DATA register right (long) by eight bits, and increments ADDR
by one.
ADDR DATA SBUF_TX
Before command 22 14 7A 2F 80 67
After command 22 15 00 7A 2F 80 67

16-37
PROGRAMMING THE NONVOLATILE MEMORY
04H READ_BYTE Puts the contents of the (byte) memory address pointed to by the ADDR register
into the low byte of the DATA register.
Memory Addr.
ADDR DATA 2215 2214
Before command 22 14 80 67
After command 22 14 67 80 67
05H READ_WORD Puts the contents of the (word) memory address pointed to by the ADDR register
into the low byte of the DATA register.
Memory Addr.
ADDR DATA 2215 2214
Before command 22 14 80 67
After command 22 14 80 67 80 67
07H WRITE_BYTE Puts the low byte of the DATA register into the memory address pointed to by the
ADDR register and increments ADDR by one.
Memory Addr.
ADDR DATA 2217 2216
Before command 22 16 2E 11 80 09 FF FF
After command 22 17 2E 11 80 09 FF 09
NOTE: To write to an OTPROM location, VPP must be at +12.5 volts. To write to
an internal RAM location, VPP can be at either +5.0 volts or +12.5 volts.
08H WRITE_WORD Puts the low word of the DATA register into the memory address pointed to by the
ADDR register and increments ADDR by two.
Memory Addr.
ADDR DATA 2217 2216
Before command 22 16 2E 11 80 09 FF FF
After command 22 18 2E 11 80 09 80 09
NOTE
To write to an OTPROM location, VPP must be at +12.5 volts. To write to an
internal RAM location, VPP can be at either +5.0 volts or +12.5 volts.
Table 16-15. RISM Command Descriptions (Continued)
Value Command Description

8XC196K
x
, J
x
, CA USER’S MANUAL
16-38
16.10.6 RISM Command Examples
This section provides examples of ways in which you might use the RISM commands.
0AH DATA_TO_ADDR Puts the low word of the DATA register into the ADDR register.
ADDR DATA
Before command F1 05 22 16
After command 22 16 F1 05 22 16
0BH INDIRECT Puts the word from the memory address pointed to by the ADDR register into the
ADDR register.
Memory Addr.
ADDR 2217 2216
Before command 22 16 80 09
After command 80 09 80 09
12H GO PUSHes the user PC, PSW, and WSR onto the stack and starts your program
from the location contained in the user PC. The RISM PC, PSW, and WSR will
also be in the stack, so allow enough room on the stack for all six words. Your
program must not directly alter memory locations 56H–5CH; the RISM uses these
locations if your program reads from or writes to any memory.
You can interrogate memory locations while your program is running. The RISM
interrupts your program to process the command, then returns execution to your
program.
13H HALT Stops executing your program, POPs the user PC, PSW, and WSR from the
stack, and PUSHes the RISM PC, PSW, and WSR back onto the stack. The RISM
PC contains the location of the Monitor_Pause routine, so the RISM returns to
Monitor_Pause.
14H REPORT Loads a value into the DATA register. This value indicates the status of your
program:
Value Status
00 halted
01 running
02 trapped
Table 16-15. RISM Command Descriptions (Continued)
Value Command Description

16-39
PROGRAMMING THE NONVOLATILE MEMORY
16.10.6.1 Example 1 — Programming the PPW
You should specify the programming pulse width before you do any programming or write to any
memory locations. This example assumes an 87C196KT device. It loads the SP_PPW register
(221CH/221DH) with 8010H, the minimum value for 16-MHz operation. (See “Programming
Pulse Width” on page 16-8 to determine the correct PPW for other frequencies.)
Before this programming step takes place, the SP_PPW register contains its default value,
80FFH. The PPW is equal to 2.30 ms, so this program step will take 11.52 ms per word to com-
plete (5 pulses of 2.30ms each). After the PPW value is changed, subsequent programming oper-
ations will take only 500 µs per word (5 pulses of 100 µs each).
Because an OTPROM location is being altered, VPP must be at +12.5 volts. RISM commands
must be sent across the serial port one byte at a time, and a SET_DLE_FLAG command must
precede any data byte that is less than 1FH. The address being modified must first be loaded into
the DATA register, then transferred to the ADDR register.
Any write operation can be done in this manner.
Send Comments (Example 1) DATA ADDR
22 Data. High byte of address to DATA register. 22
00 SET_DLE_FLAG. The next data byte is < 1FH. 22
1C Data. Low byte of address to DATA register. 22 1C
0A DATA_TO_ADDR. Move address to ADDR. 22 1C 22 1C
80 Data. High byte of data to DATA register. 22 1C 80 22 1C
00 SET_DLE_FLAG. The next data byte is < 1FH. 22 1C 80 22 1C
10 Data. Low byte of data to DATA register. 22 1C 80 10 22 1C
08 WRITE_WORD. Low word of DATA to memory
location 221C (contents of ADDR). Increment
ADDR by two.
22 1C 80 10 22 1C
Memory Addresses
221D 221C
80 10 22 1E

8XC196K
x
, J
x
, CA USER’S MANUAL
16-40
16.10.6.2 Example 2 — Reading OTPROM Contents
This example reads the contents of OTPROM address A080H. Because the OTPROM is
remapped from 2000H to A000H, the location read is actually 2080H of the program in
OTPROM. This example assumes that the word at location 2080H is 8067H, the assembled hex
value of the code. No OTPROM locations are changed, so VPP can be either +12.5 volts or +5
volts.
Any address can be read in this manner, including register RAM, internal RAM, and SFRs.
16.10.6.3 Example 3 — Loading a Program into Internal RAM
This example loads a program into internal RAM. No OTPROM locations are changed, so VPP
can be either +12.5 volts or +5 volts. The following program is to be loaded:
400 A1221180 LD 80H, #1122H ;Puts 1122H into register RAM location 80H
404 27FE SJMP 0404H ;Jumps to itself to keep program running
;indefinitely
The hex file must be loaded one byte at a time using the RISM commands.
Send Comments (Example 2) DATA ADDR
A0 Data. High byte of address to DATA register. A0
80 Data. Low byte of address to DATA register. A0 80
0A DATA_TO_ADDR. Move address to DATA register. A0 80 A0 80
05 READ_WORD. Put word at A080H into DATA. A0 80 80 67 A0 80
02 TRANSMIT. Transmit low byte of DATA across the
serial port, increment ADDR by one, and shift
DATA right long by eight bits.
00 A0 80 80 A0 81
02 TRANSMIT. Transmit low byte of DATA across the
serial port, increment ADDR by one, and shift
DATA right long by eight bits.
00 00 A0 80 A0 82

16-41
PROGRAMMING THE NONVOLATILE MEMORY
Send Comments (Example 3) DATA ADDR
00 SET_DLE_FLAG. Next data byte is < 1FH.
04 Data. High byte of address 0400H. 04
00 SET_DLE_FLAG. Next data byte is < 1FH. 04
00 Data. Low byte of address 0400H. 04 00
0A DATA_TO_ADDR. Move address to ADDR. 04 00 04 00
A1 Data. High byte of hex file for location 0401H. 04 00 A1 04 00
22 Data. Low byte of hex file for location 0400H. 04 00 A1 22 04 00
08 WRITE_WORD. Low word of DATA to memory
location 0400 (contents of ADDR). Increment
ADDR by two.
04 00 A1 22 04 00
Memory Addresses
0401 0400
A1 22 04 02
00 SET_DLE_FLAG. Next data byte is < 1FH. 04 00 A1 22 04 02
11 Data. High byte of hex file for location 0403H. 00 A1 22 11 04 02
00 SET_DLE_FLAG. Next data byte is < 1FH. 00 A1 22 11 04 02
80 Data. Low byte of hex file for location 0402H. A1 22 11 80 04 02
08 WRITE_WORD. Low word of DATA to memory
location 0402 (contents of ADDR). Increment
ADDR by two.
A1 22 11 80 04 02
Memory Addresses
0403 0402
11 80 04 04

8XC196K
x
, J
x
, CA USER’S MANUAL
16-42
16.10.6.4 Example 4 — Setting the PC and Executing the Program
This example sets the PC and begins executing the program loaded in example 3. The PC (at lo-
cation 5EH) must be set at 400H to tell the RISM where to begin execution of the program. The
WSR and PSW are automatically set to their default values (1000H and 200H, respectively), but
can be changed in this same manner. No OTPROM locations are changed, so VPP can be either
+12.5 volts or +5 volts.
.
27 Data. High byte of hex file for location 0405H. 22 11 80 27 04 04
FE Data. Low byte of hex file for location 0404H. 11 80 27 FE 04 04
08 WRITE_WORD. Low word of DATA to memory
location 0404 (contents of ADDR). Increment
ADDR by two.
11 80 27 FE 04 04
Memory Addresses
0405 0404
27 FE 04 06
Send Comments (Example 4) DATA ADDR
00 SET_DLE_FLAG. Next data byte is < 1FH.
00 Data. High byte of PC address 005EH. 00
5E Data. Low byte of PC address 005EH. 00 5E
0A DATA_TO_ADDR. Move address to ADDR. 00 5E 00 5E
00 SET_DLE_FLAG. Next data byte is < 1FH. 00 5E 00 5E
04 Data. High byte of program address 0400H. 00 5E 04 00 5E
00 SET_DLE_FLAG. Next data byte is < 1FH. 00 5E 04 00 5E
00 Data. Low byte of program address 0400H. 00 5E 04 00 00 5E
Send Comments (Example 3) DATA ADDR

16-43
PROGRAMMING THE NONVOLATILE MEMORY
You can now interrogate memory locations using RISM commands. Reading location 80H using
the method shown in example 2 will return 1122H (the value that the executing program loaded
into that location). A REPORT command (14H) will place “01” into the DATA register, indicating
that a program is running. A HALT command (13H) will stop execution of the program. The PC
will be reset to the Monitor_Pause location. At this point, a REPORT command (14H) will place
“00” into the DATA register, indicating that the program is halted.
16.10.6.5 Writing to OTPROM with Examples 3 and 4
If a program writes to OTPROM or if it is to be loaded into an OTPROM location, +12.5 volts
must be applied to VPP. There are other considerations, as well.
Assume that the program in examples 3 and 4 attempted to write OTPROM location A500H with
the value 1122H. Changing the contents of location A500H alters any code programmed at
2500H because that location has been remapped to A500H. Any bits at 2500H that are zero can-
not be changed to one.
Assume that the program is loaded into OTPROM locations A000–A004H. Changing the con-
tents of those locations alters any code programmed at 2000–2004H because those locations have
been remapped to A000–A004H. Any bits in those locations that are zero cannot be changed to
one, so you may get unexpected results. (Internal RAM can always be altered to any value.)
08 WRITE_WORD. Low word of DATA to PC location
005EH (contents of ADDR). Increment ADDR by
two.
00 5E 04 00 00 5E
Memory Addresses
005F 005E
04 00 00 60
12 GO. PUSHes the user PC onto the stack and
begins program execution at 0400H. (Had they
been changed, GO would also PUSH the PSW
and WSR.)
00 5E 04 00 00 60
Send Comments (Example 4) DATA ADDR

8XC196K
x
, J
x
, CA USER’S MANUAL
16-44
16.11 RUN-TIME PROGRAMMING
You can program an OTPROM location during normal code execution. To make the OTPROM
array accessible, apply VCC voltage to EA# while you reset the device. Apply VPP voltage to the
VPP pin during the entire programming process. Then simply write to the location to be pro-
grammed.
NOTE
Programming either security-lock bit in CCB0 disables run-time
programming. (For details, see “Controlling Access to the OTPROM During
Normal Operation” on page 16-4.)
Immediately after writing to the OTPROM, the device must either enter idle mode or execute code
from external memory. An access to OTPROM would abort the current programming cycle. Each
programming cycle begins when a word is written to the OTPROM and ends when the next
OTPROM access occurs. Each word requires a total of five programming cycles, each of which
must be approximately 100 µs in duration.
Figure 16-15 is a run-time programming example. It performs five programming cycles for each
word. After each programming cycle, the code causes the device to enter idle mode. EPA0 causes
the device to exit idle mode at the appropriate time. To ensure that the device does not exit idle
mode prematurely, all other interrupts are disabled.
The routine assumes that the following conditions are true:
•the EPA is dedicated to run-time programming
•timer 1 is configured to use an internal clock
•EPA0_ISR is assigned as the EPA0 interrupt vector.
It also assumes that the following constants and registers are assigned:
CLEAR_EPA0 constant (0EFH) that clears the EPA0 interrupt pending bit
ENABLE_EPA0 constant (10H) that enables only the EPA0 interrupt
EPA0_TIMER constant (40H) that sets up EPA0 as a software timer using timer 1
PGM_PULSE constant that determines programming pulse width
ADDR_TEMP register that contains the address to be programmed
COUNT count register
DATA_TEMP register that contains the data to be programmed
TEMP0 temporary register

16-45
PROGRAMMING THE NONVOLATILE MEMORY
The calling routine must pass two parameters to this routine — the data to be programmed (in
DATA_TEMP) and the address (in ADDR_TEMP).
Figure 16-15. Run-time Programming Code Example
PROGRAM:
PUSHA ;clear PSW, WSR, INT_MASK, INT_MASK1
LD WSR,#7BH ;select 32-byte window with EPA0_CON
LD COUNT,#5 ;set up for 5 programming cycles
ANDB INT_PEND,#CLEAR_EPA0 ;clear EPA0 pending bit
LDB INT_MASK,#ENABLE_EPA0 ;enable EPA0 interrupt
LDB EPA0_CON,#EPA0_TIMER ;set up EPA0 as software timer
LOOP:
LD TEMP0,TIMER1 ;load TIMER1 value into TEMP0
ADD EPA0_TIME,TEMP0,#PGM_PULSE
;load EPA0_TIME with TIMER1 + PGM_PULSE
EI ;enable unmasked interrupt(EPA0)
ST DATA_TEMP,[ADDR_TEMP] ;store passed data at passed address
IDLPD #1 ;enter idle mode
DJNZ COUNT,LOOP ;decrement COUNT and loop if not 0
;to complete 5 programming cycles
POPA ;restore PSW, WSR, and INT_MASKs
RET
EPA0_ISR:
RET

A
Instruction Set
Reference

A-1
APPENDIX A
INSTRUCTION SET REFERENCE
This appendix provides reference information for the instruction set of the family of MCS® 96
microcontrollers. It defines the processor status word (PSW) flags, describes each instruction,
shows the relationships between instructions and processor status word (PSW) flags, and shows
hexadecimal opcodes, instruction lengths, and execution times. It includes the following tables.
•Table A-1 on page A-2 is a map of the opcodes.
•Table A-2 on page A-4 defines the processor status word (PSW) flags.
•Table A-3 on page A-5 shows the effect of the PSW flags or a specified register bit on
conditional jump instructions.
•Table A-4 on page A-5 defines the symbols used in Table A-6.
•Table A-5 on page A-6 defines the variables used in Table A-6 to represent instruction
operands.
•Table A-6 on page A-7 lists the instructions alphabetically, describes each of them, and
shows the effect of each instruction on the PSW flags.
•Table A-7 beginning on page A-42 lists the instruction opcodes, in hexadecimal order,
along with the corresponding instruction mnemonics.
•Table A-8 on page A-48 lists instruction lengths and opcodes for each applicable addressing
mode.
•Table A-9 on page A-54 lists instruction execution times, expressed in state times.
NOTE
The # symbol prefixes an immediate value in immediate addressing mode.
Chapter 3, “Programming ConsiderAtions,” describes the operand types and
addressing modes.

8XC196K
x
, J
x
, CA USER’S MANUAL
A-2
Table A-1. Opcode Map (Left Half)
Opcode x0 x1 x2 x3 x4 x5 x6 x7
0x SKIP CLR NOT NEG XCH
di
DEC EXT INC
1x CLRB NOTB NEGB XCHB
di
DECB EXTB INCB
2x SJMP
3x JBC
bit 0bit 1bit 2bit 3bit 4bit 5bit 6bit 7
4x AND 3op ADD 3op
di im in ix di im in ix
5x ANDB 3op ADDB 3op
di im in ix di im in ix
6x AND 2op ADD 2op
di im in ix di im in ix
7x ANDB 2op ADDB 2op
di im in ix di im in ix
8x OR XOR
di im in ix di im in ix
9x ORB XORB
di im in ix di im in ix
Ax LD ADDC
di im in ix di im in ix
Bx LDB ADDCB
di im in ix di im in ix
Cx ST BMOV ST STB CMPL STB
di in ix di in ix
Dx JNST JNH JGT JNC JNVT JNV JGE JNE
Ex DJNZ DJNZW TIJMP BR
in LJMP
Fx RET PUSHF POPF PUSHA POPA IDLPD TRAP
NOTE: The first digit of the opcode is listed vertically, and the second digit is listed horizontally. The
related instruction mnemonic is shown at the intersection of the two digits. Shading indicates
reserved opcodes. If the CPU attempts to execute an unimplemented opcode, an interrupt
occurs. For more information, see “Unimplemented Opcode” on page 5-6.

A-3
INSTRUCTION SET REFERENCE
Table A-1. Opcode Map (Right Half)
Opcode x8 x9 xA xB xC xD xE xF
0x SHR SHL SHRA XCH
ix
SHRL SHLL SHRAL NORML
1x SHRB SHLB SHRAB XCHB
ix
(Note 1) (Note 1) (Note 1) (Note 1)
2x SCALL
3x JBS
bit 0bit 1bit 2bit 3bit 4bit 5bit 6bit 7
4x SUB 3op MULU 3op (Note 2)
di im in ix di im in ix
5x SUBB 3op MULUB 3op (Note 2)
di im in ix di im in ix
6x SUB 2op MULU 2op (Note 2)
di im in ix di im in ix
7x SUBB 2op MULUB 2op (Note 2)
di im in ix di im in ix
8x CMP DIVU (Note 2)
di im in ix di im in ix
9x CMPB DIVUB (Note 2)
di im in ix di im in ix
Ax SUBC LDBZE
di im in ix di im in ix
Bx SUBCB LDBSE
di im in ix di im in ix
Cx PUSH POP BMOVI POP
di im in ix di in ix
Dx JST JH JLE JC JVT JV JLT JE
Ex (Note 1) (Note 1) (Note 1) (Note 1) DPTS (Note 1) (Note 1) LCALL
Fx CLRC SETC DI EI CLRVT NOP signed
MUL/DIV
(Note 2)
RST
NOTES:
1. For the 8XC196KS and KT only, this opcode is reserved, but it does not generate an unimplemented
opcode interrupt.
2. Signed multiplication and division are two-byte instructions. The first byte is “FE” and the second is the
opcode of the corresponding unsigned instruction.

8XC196K
x
, J
x
, CA USER’S MANUAL
A-4
Table A-2. Processor Status Word (PSW) Flags
Mnemonic Description
C The carry flag is set to indicate an arithmetic carry from the MSB of the ALU or the state of
the last bit shifted out of an operand. If a subtraction operation generates a borrow, the
carry flag is cleared.
C Value of Bits Shifted Off
0 < ½ LSB
1≥ ½ LSB
Normally, the result is rounded up if the carry flag is set. The sticky bit flag allows a finer
resolution in the rounding decision.
C ST Value of Bits Shifted Off
00 = 0
0 1 > 0 and < ½ LSB
1 0 = ½ LSB
1 1 > ½ LSB and < 1 LSB
N The negative flag is set to indicate that an operation generated a negative result. It is
correct even if an overflow occurs. For all shift operations and the NORML instruction, the
flag is set or cleared to equal the most-significant bit of the result, even if the shift count is
zero.
ST The sticky bit flag is set to indicate that, during a right shift, a “1” has been shifted into the
carry flag and then shifted out. This bit is undefined after a multiply operation. The sticky
bit flag can be used with the carry flag to allow finer resolution in rounding decisions. See
the description of the carry (C) flag for details.
V The overflow flag is set to indicate that the result of an operation is too large to be
represented correctly in the available space.
For shift operations, the flag is set if the most-significant bit of the operand changes during
the shift.
For divide operations, the quotient is stored in the low-order half of the destination
operand and the remainder is stored in the high-order half. The overflow flag is set if the
quotient is outside the range for the low-order half of the destination operand. (Chapter 3,
“Programming ConsiderAtions,” defines the operands and possible values for each.)
Instruction Quotient Stored in: V Flag Set if Quotient is:
DIVB Short-Integer < –128 (81H) or > +127 (7FH)
DIV Integer < –32768 (8001H) or > +32767 (7FFFH)
DIVUB Byte > 255 (0FFH)
DIVU Word > 65535 (0FFFFH)
VT The overflow-trap flag is set when the overflow flag is set, but it is cleared only by the
CLRVT, JVT, and JNVT instructions. This allows testing for a possible overflow at the end
of a sequence of related arithmetic operations, which is generally more efficient than
testing the overflow flag after each operation.
Z The zero flag is set to indicate that the result of an operation was zero. For add-with-carry
and subtract-with-borrow operations, the flag is never set, but it is cleared if the result is
other than zero. Therefore, the zero flag indicates the correct zero or non-zero result for
multiple-precision calculations.

A-5
INSTRUCTION SET REFERENCE
Table A-3 shows the effect of the PSW flags or a specified register bit on conditional jump in-
structions. Table A-4 defines the symbols used in Table A-6 to show the effect of each instruction
on the PSW flags.
.
Table A-3. Effect of PSW Flags or Specified Bits on Conditional Jump Instructions
Instruction Jumps to Destination if Continues if
DJNZ decremented byte ≠ 0 decremented byte = 0
DJNZW decremented word ≠ 0 decremented word = 0
JBC specified register bit = 0 specified register bit = 1
JBS specified register bit = 1 specified register bit = 0
JNC C = 0 C = 1
JNH C = 0 OR Z = 1 C = 1 AND Z = 0
JC C = 1 C = 0
JH C = 1 AND Z = 0 C = 0 OR Z = 1
JGE N = 0 N = 1
JGT N = 0 AND Z = 0 N = 1 OR Z = 1
JLT N = 1 N = 0
JLE N = 1 OR Z = 1 N = 0 AND Z = 0
JNST ST = 0 ST = 1
JST ST = 1 ST = 0
JNV V = 0 V = 1
JV V = 1 V = 0
JNVT VT = 0 VT = 1 (clears VT)
JVT VT = 1 (clears VT) VT = 0
JNE Z = 0 Z = 1
JE Z = 1 Z = 0
Table A-4. PSW Flag Setting Symbols
Symbol Description
✓The instruction sets or clears the flag, as appropriate.
— The instruction does not modify the flag.
↓The instruction may clear the flag, if it is appropriate, but cannot set it.
↑The instruction may set the flag, if it is appropriate, but cannot clear it.
1 The instruction sets the flag.
0 The instruction clears the flag.
? The instruction leaves the flag in an indeterminate state.

8XC196K
x
, J
x
, CA USER’S MANUAL
A-6
Table A-5 defines the variables that are used in Table A-6 to represent the instruction operands.
Table A-5. Operand Variables
Variable Description
aa A 2-bit field within an opcode that selects the basic addressing mode used. This field is present
only in those opcodes that allow addressing mode options. The field is encoded as follows:
00 register-direct 01 immediate 10 indirect 11 indexed
baop A byte operand that is addressed by any addressing mode.
bbb A 3-bit field within an opcode that selects a specific bit within a register.
bitno A 3-bit field within an opcode that selects one of the eight bits in a byte.
breg A byte register in the internal register file. When it could be unclear whether this variable refers
to a source or a destination register, it is prefixed with an
S
or a
D
. The value must be in the
range of 00–FFH.
cadd An address in the program code.
Dbreg†A byte register in the lower register file that serves as the destination of the instruction
operation.
disp Displacement. The distance between the end of an instruction and the target label.
Dlreg†A 32-bit register in the lower register file that serves as the destination of the instruction
operation. Must be aligned on an address that is evenly divisible by 4. The value must be in the
range of 00–FCH.
Dwreg†A word register in the lower register file that serves as the destination of the instruction
operation. Must be aligned on an address that is evenly divisible by 2. The value must be in the
range of 00–FEH.
lreg A 32-bit register in the lower register file. Must be aligned on an address that is evenly divisible
by 4. The value must be in the range of 00–FCH.
preg A pointer register. Must be aligned on an address that is evenly divisible by 4. The value must
be in the range of 00–FCH.
Sbreg†A byte register in the lower register file that serves as the source of the instruction operation.
Slreg†A 32-bit register in the lower register file that serves as the source of the instruction operation.
Must be aligned on an address that is evenly divisible by 4. The value must be in the range of
00–FCH.
Swreg†A word register in the lower register file that serves as the source of the instruction operation.
Must be aligned on an address that is evenly divisible by 2. The value must be in the range of
00–FEH.
waop A word operand that is addressed by any addressing mode.
w2_reg A double-word register in the lower register file. Must be aligned on an address that is evenly
divisible by 4. The value must be in the range of 00–FCH. Although
w2_reg
is similar to
lreg
,
there is a distinction:
w2_reg
consists of two halves, each containing a 16-bit address;
lreg
is
indivisible and contains a 32-bit number.
wreg A word register in the lower register file. When it could be unclear whether this variable refers
to a source or a destination register, it is prefixed with an
S
or a
D
. Must be aligned on an
address that is evenly divisible by 2. The value must be in the range of 00–FEH.
xxx The three high-order bits of displacement.
†The
D
or
S
prefix is used only when it could be unclear whether a variable refers to a destination or a
source register.

A-7
INSTRUCTION SET REFERENCE
Table A-6. Instruction Set
Mnemonic Operation Instruction Format
ADD
(2 operands) ADD WORDS. Adds the source and
destination word operands and stores the
sum into the destination operand.
(DEST) ← (DEST) + (SRC)
DEST, SRC
ADD wreg, waop
(011001aa) (waop) (wreg)
PSW Flag Settings
ZNCVVTST
✓✓✓✓ ↑—
ADD
(3 operands) ADD WORDS. Adds the two source word
operands and stores the sum into the
destination operand.
(DEST) ← (SRC1) + (SRC2)
DEST, SRC1, SRC2
ADD Dwreg, Swreg, waop
(010001aa) (waop) (Swreg) (Dwreg)
PSW Flag Settings
ZNCVVTST
✓✓✓✓ ↑—
ADDB
(2 operands) ADD BYTES. Adds the source and
destination byte operands and stores the sum
into the destination operand.
(DEST) ← (DEST) + (SRC)
DEST, SRC
ADDB breg, baop
(011101aa) (baop) (breg)
PSW Flag Settings
ZNCVVTST
✓✓✓✓ ↑—
ADDB
(3 operands) ADD BYTES. Adds the two source byte
operands and stores the sum into the
destination operand.
(DEST) ← (SRC1) + (SRC2)
DEST, SRC1, SRC2
ADDB Dbreg, Sbreg, baop
(010101aa) (baop) (Sbreg) (Dbreg)
PSW Flag Settings
ZNCVVTST
✓✓✓✓ ↑—
ADDC ADD WORDS WITH CARRY. Adds the
source and destination word operands and
the carry flag (0 or 1) and stores the sum into
the destination operand.
(DEST) ← (DEST) + (SRC) + C
DEST, SRC
ADDC wreg, waop
(101001aa) (waop) (wreg)
PSW Flag Settings
ZNCVVTST
↓✓✓✓↑—

8XC196K
x
, J
x
, CA USER’S MANUAL
A-8
ADDCB ADD BYTES WITH CARRY. Adds the source
and destination byte operands and the carry
flag (0 or 1) and stores the sum into the
destination operand.
(DEST) ← (DEST) + (SRC) + C
DEST, SRC
ADDCB breg, baop
(101101aa) (baop) (breg)
PSW Flag Settings
ZNCVVTST
↓✓✓✓↑—
AND
(2 operands) LOGICAL AND WORDS. ANDs the source
and destination word operands and stores
the result into the destination operand. The
result has ones in only the bit positions in
which both operands had a “1” and zeros in
all other bit positions.
(DEST) ← (DEST) AND (SRC)
DEST, SRC
AND wreg, waop
(011000aa) (waop) (wreg)
PSW Flag Settings
ZNCVVTST
✓✓ 00——
AND
(3 operands) LOGICAL AND WORDS. ANDs the two
source word operands and stores the result
into the destination operand. The result has
ones in only the bit positions in which both
operands had a “1” and zeros in all other bit
positions.
(DEST) ← (SRC1) AND (SRC2)
DEST, SRC1, SRC2
AND Dwreg, Swreg, waop
(010000aa) (waop) (Swreg) (Dwreg)
PSW Flag Settings
ZNCVVTST
✓✓ 00——
ANDB
(2 operands) LOGICAL AND BYTES. ANDs the source
and destination byte operands and stores the
result into the destination operand. The result
has ones in only the bit positions in which
both operands had a “1” and zeros in all other
bit positions.
(DEST) ← (DEST) AND (SRC)
DEST, SRC
ANDB breg, baop
(011100aa) (baop) (breg)
PSW Flag Settings
ZNCVVTST
✓✓ 00——
Table A-6. Instruction Set (Continued)
Mnemonic Operation Instruction Format

A-9
INSTRUCTION SET REFERENCE
ANDB
(3 operands) LOGICAL AND BYTES. ANDs the two source
byte operands and stores the result into the
destination operand. The result has ones in
only the bit positions in which both operands
had a “1” and zeros in all other bit positions.
(DEST) ← (SRC1) AND (SRC2)
DEST, SRC1, SRC2
ANDB Dbreg, Sbreg, baop
(010100aa) (baop) (Sbreg) (Dbreg)
PSW Flag Settings
ZNCVVTST
✓✓ 00——
BMOV BLOCK MOVE. Moves a block of word data
from one location in memory to another. The
source and destination addresses are
calculated using the indirect with autoin-
crement addressing mode. A long register
(PTRS) addresses the source and destination
pointers, which are stored in adjacent word
registers. The source pointer (SRCPTR) is
the low word and the destination pointer
(DSTPTR) is the high word of PTRS. A word
register (CNTREG) specifies the number of
transfers. The blocks of data can be located
anywhere in register RAM, but should not
overlap.
COUNT ← (CNTREG)
LOOP: SRCPTR ← (PTRS)
DSTPTR ← (PTRS + 2)
(DSTPTR) ← (SRCPTR)
(PTRS) ← SRCPTR + 2
(PTRS + 2) ← DSTPTR + 2
COUNT ← COUNT – 1
if COUNT ≠ 0 then
go to LOOP
PTRS, CNTREG
BMOV lreg, wreg
(11000001) (wreg) (lreg)
NOTE: The pointers are autoincre-
mented during this instruction.
However, CNTREG is not decre-
mented. Therefore, it is easy to
unintentionally create a long,
uninterruptible operation with the
BMOV instruction. Use the
BMOVI instruction for an interrupt-
ible operation.
PSW Flag Settings
ZNCVVTST
——————
Table A-6. Instruction Set (Continued)
Mnemonic Operation Instruction Format

8XC196K
x
, J
x
, CA USER’S MANUAL
A-10
BMOVI INTERRUPTIBLE BLOCK MOVE. Moves a
block of word data from one location in
memory to another. The instruction is
identical to BMOV, except that BMOVI is
interruptible. The source and destination
addresses are calculated using the indirect
with autoincrement addressing mode. A long
register (PTRS) addresses the source and
destination pointers, which are stored in
adjacent word registers. The source pointer
(SRCPTR) is the low word and the
destination pointer (DSTPTR) is the high
word of PTRS. A word register (CNTREG)
specifies the number of transfers. The blocks
of data can be located anywhere in register
RAM, but should not overlap.
COUNT ← (CNTREG)
LOOP: SRCPTR ← (PTRS)
DSTPTR ← (PTRS + 2)
(DSTPTR) ← (SRCPTR)
(PTRS) ← SRCPTR + 2
(PTRS + 2) ← DSTPTR + 2
COUNT ← COUNT – 1
if COUNT ≠ 0 then
go to LOOP
PTRS, CNTREG
BMOVI lreg, wreg
(11001101) (wreg) (lreg)
NOTE: The pointers are autoincre-
mented during this instruction.
However, CNTREG is decre-
mented only when the instruction
is interrupted. When BMOVI is
interrupted, CNTREG is updated
to store the interim word count at
the time of the interrupt. For this
reason, you should always reload
CNTREG before starting a
BMOVI.
PSW Flag Settings
ZNCVVTST
——————
BR BRANCH INDIRECT. Continues execution at
the address specified in the operand word
register.
PC ← (DEST)
DEST
BR [wreg]
(11100011) (wreg)
PSW Flag Settings
ZNCVVTST
——————
CLR CLEAR WORD. Clears the value of the
operand.
(DEST) ← 0
DEST
CLR wreg
(00000001) (wreg)
PSW Flag Settings
ZNCVVTST
1000——
Table A-6. Instruction Set (Continued)
Mnemonic Operation Instruction Format

A-11
INSTRUCTION SET REFERENCE
CLRB CLEAR BYTE. Clears the value of the
operand.
(DEST) ← 0
DEST
CLRB breg
(00010001) (breg)
PSW Flag Settings
ZNCVVTST
1000——
CLRC CLEAR CARRY FLAG. Clears the carry flag.
C ← 0CLRC
(11111000)
PSW Flag Settings
ZNCVVTST
—— 0 ———
CLRVT CLEAR OVERFLOW-TRAP FLAG. Clears
the overflow-trap flag.
VT ← 0 CLRVT
(11111100)
PSW Flag Settings
ZNCVVTST
———— 0 —
CMP COMPARE WORDS. Subtracts the source
word operand from the destination word
operand. The flags are altered, but the
operands remain unaffected. If a borrow
occurs, the carry flag is cleared; otherwise, it
is set.
(DEST) – (SRC)
DEST, SRC
CMP wreg, waop
(100010aa) (waop) (wreg)
PSW Flag Settings
ZNCVVTST
✓✓✓✓ ↑—
CMPB COMPARE BYTES. Subtracts the source
byte operand from the destination byte
operand. The flags are altered, but the
operands remain unaffected. If a borrow
occurs, the carry flag is cleared; otherwise, it
is set.
(DEST) – (SRC)
DEST, SRC
CMPB breg, baop
(100110aa) (baop) (breg)
PSW Flag Settings
ZNCVVTST
✓✓✓✓ ↑—
Table A-6. Instruction Set (Continued)
Mnemonic Operation Instruction Format

8XC196K
x
, J
x
, CA USER’S MANUAL
A-12
CMPL COMPARE LONG. Compares the
magnitudes of two double-word (long)
operands. The operands are specified using
the direct addressing mode. The flags are
altered, but the operands remain unaffected.
If a borrow occurs, the carry flag is cleared;
otherwise, it is set.
(DEST) – (SRC)
DEST, SRC
CMPL Dlreg, Slreg
(11000101) (Slreg) (Dlreg)
PSW Flag Settings
ZNCVVTST
✓✓✓✓✓—
DEC DECREMENT WORD. Decrements the value
of the operand by one.
(DEST) ← (DEST) –1
DEST
DEC wreg
(00000101) (wreg)
PSW Flag Settings
ZNCVVTST
✓✓✓✓ ↑—
DECB DECREMENT BYTE. Decrements the value
of the operand by one.
(DEST) ← (DEST) –1
DEST
DECB breg
(00010101) (breg)
PSW Flag Settings
ZNCVVTST
✓✓✓✓ ↑—
DI DISABLE INTERRUPTS. Disables
interrupts. Interrupt-calls cannot occur after
this instruction.
Interrupt Enable (PSW.1) ← 0
DI
(11111010)
PSW Flag Settings
ZNCVVTST
——————
Table A-6. Instruction Set (Continued)
Mnemonic Operation Instruction Format

A-13
INSTRUCTION SET REFERENCE
DIV DIVIDE INTEGERS. Divides the contents of
the destination long-integer operand by the
contents of the source integer word operand,
using signed arithmetic. It stores the quotient
into the low-order word of the destination
(i.e., the word with the lower address) and the
remainder into the high-order word. The
following two statements are performed
concurrently.
(low word DEST) ← (DEST) / (SRC)
(high word DEST) ← (DEST) MOD (SRC)
DEST, SRC
DIV lreg, waop
(11111110) (100011aa) (waop) (lreg)
PSW Flag Settings
ZNCVVTST
———✓↑—
DIVB DIVIDE SHORT-INTEGERS. Divides the
contents of the destination integer operand
by the contents of the source short-integer
operand, using signed arithmetic. It stores the
quotient into the low-order byte of the
destination (i.e., the word with the lower
address) and the remainder into the high-
order byte. The following two statements are
performed concurrently.
(low byte DEST) ← (DEST) / (SRC)
(high byte DEST) ← (DEST) MOD (SRC)
DEST, SRC
DIVB wreg, baop
(11111110) (100111aa) (baop) (wreg)
PSW Flag Settings
ZNCVVTST
———✓↑—
DIVU DIVIDE WORDS, UNSIGNED. Divides the
contents of the destination double-word
operand by the contents of the source word
operand, using unsigned arithmetic. It stores
the quotient into the low-order word (i.e., the
word with the lower address) of the
destination operand and the remainder into
the high-order word. The following two
statements are performed concurrently.
(low word DEST) ← (DEST) / (SRC)
(high word DEST) ← (DEST) MOD (SRC)
DEST, SRC
DIVU lreg, waop
(100011aa) (waop) (lreg)
PSW Flag Settings
ZNCVVTST
———✓↑—
Table A-6. Instruction Set (Continued)
Mnemonic Operation Instruction Format

8XC196K
x
, J
x
, CA USER’S MANUAL
A-14
DIVUB DIVIDE BYTES, UNSIGNED. This instruction
divides the contents of the destination word
operand by the contents of the source byte
operand, using unsigned arithmetic. It stores
the quotient into the low-order byte (i.e., the
byte with the lower address) of the
destination operand and the remainder into
the high-order byte. The following two
statements are performed concurrently.
(low byte DEST) ← (DEST) / (SRC)
(high byte DEST) ← (DEST) MOD (SRC)
DEST, SRC
DIVUB wreg, baop
(100111aa) (baop) (wreg)
PSW Flag Settings
ZNCVVTST
———✓↑—
DJNZ DECREMENT AND JUMP IF NOT ZERO.
Decrements the value of the byte operand by
1. If the result is 0, control passes to the next
sequential instruction. If the result is not 0,
the instruction adds to the program counter
the offset between the end of this instruction
and the target label, effecting the jump. The
offset must be in the range of –128 to +127.
(COUNT) ← (COUNT) –1
if (COUNT) ≠ 0 then
PC ← PC + 8-bit disp
end_if
DJNZ breg,cadd
(11100000) (breg) (disp)
NOTE: The displacement (disp) is sign-
extended to 16 bits.
PSW Flag Settings
ZNCVVTST
——————
DJNZW DECREMENT AND JUMP IF NOT ZERO
WORD. Decrements the value of the word
operand by 1. If the result is 0, control passes
to the next sequential instruction. If the result
is not 0, the instruction adds to the program
counter the offset between the end of this
instruction and the target label, effecting the
jump. The offset must be in the range of –128
to +127
(COUNT) ← (COUNT) –1
if (COUNT) ≠ 0 then
PC ← PC + 8-bit disp
end_if
DJNZW wreg,cadd
(11100001) (wreg) (disp)
NOTE: The displacement (disp) is sign-
extended to 16 bits.
PSW Flag Settings
ZNCVVTST
——————
Table A-6. Instruction Set (Continued)
Mnemonic Operation Instruction Format

A-15
INSTRUCTION SET REFERENCE
DPTS DISABLE PERIPHERAL TRANSACTION
SERVER (PTS). Disables the peripheral
transaction server (PTS).
PTS Disable (PSW.2) ← 0
DPTS
(11101100)
PSW Flag Settings
ZNCVVTST
——————
EI ENABLE INTERRUPTS. Enables interrupts
following the execution of the next statement.
Interrupt calls cannot occur immediately
following this instruction.
Interrupt Enable (PSW.1) ← 1
EI
(11111011)
PSW Flag Settings
ZNCVVTST
——————
EPTS ENABLE PERIPHERAL TRANSACTION
SERVER (PTS). Enables the peripheral
transaction server (PTS).
PTS Enable (PSW.2) ← 1
EPTS
(11101101)
PSW Flag Settings
ZNCVVTST
——————
EXT SIGN-EXTEND INTEGER INTO LONG-
INTEGER. Sign-extends the low-order word
of the operand throughout the high-order
word of the operand.
if DEST.15 = 1 then
(high word DEST) ← 0FFFFH
else
(high word DEST) ← 0
end_if
EXT lreg
(00000110) (lreg)
PSW Flag Settings
ZNCVVTST
✓✓ 00——
Table A-6. Instruction Set (Continued)
Mnemonic Operation Instruction Format

8XC196K
x
, J
x
, CA USER’S MANUAL
A-16
EXTB SIGN-EXTEND SHORT-INTEGER INTO
INTEGER. Sign-extends the low-order byte
of the operand throughout the high-order byte
of the operand.
if DEST.7 = 1 then
(high byte DEST) ← 0FFH
else
(high byte DEST) ← 0
end_if
EXTB wreg
(00010110) (wreg)
PSW Flag Settings
ZNCVVTST
✓✓ 00——
IDLPD IDLE/POWERDOWN. Depending on the 8-bit
value of the KEY operand, this instruction
causes the device
•to enter idle mode, KEY=1,
•to enter powerdown mode, KEY=2,
•to execute a reset sequence,
KEY = any value other than 1 or 2.
The bus controller completes any prefetch
cycle in progress before the CPU stops or
resets.
if KEY = 1 then
enter idle
else if KEY = 2 then
enter powerdown
else
execute reset
IDLPD #key
(11110110) (key)
PSW Flag Settings
ZNCVVTST
KEY = 1 or 2
——————
KEY = any value other than
1 or 2
000000
INC INCREMENT WORD. Increments the value
of the word operand by 1.
(DEST) ← (DEST) + 1 INC wreg
(00000111) (wreg)
PSW Flag Settings
ZNCVVTST
✓✓✓✓ ↑0
Table A-6. Instruction Set (Continued)
Mnemonic Operation Instruction Format

A-17
INSTRUCTION SET REFERENCE
INCB INCREMENT BYTE. Increments the value of
the byte operand by 1.
(DEST) ← (DEST) + 1 INCB breg
(00010111) (breg)
PSW Flag Settings
ZNCVVTST
✓✓✓✓ ↑—
JBC JUMP IF BIT IS CLEAR. Tests the specified
bit. If the bit is set, control passes to the next
sequential instruction. If the bit is clear, this
instruction adds to the program counter the
offset between the end of this instruction and
the target label, effecting the jump. The offset
must be in the range of –128 to +127.
if (specified bit) = 0 then
PC ← PC + 8-bit disp
JBC breg,bitno,cadd
(00110bbb) (breg) (disp)
NOTE: The displacement (disp) is sign-
extended to 16 bits.
PSW Flag Settings
ZNCVVTST
——————
JBS JUMP IF BIT IS SET. Tests the specified bit. If
the bit is clear, control passes to the next
sequential instruction. If the bit is set, this
instruction adds to the program counter the
offset between the end of this instruction and
the target label, effecting the jump. The offset
must be in the range of –128 to +127.
if (specified bit) = 1 then
PC ← PC + 8-bit disp
JBS breg,bitno,cadd
(00111bbb) (breg) (disp)
NOTE: The displacement (disp) is sign-
extended to 16 bits.
PSW Flag Settings
ZNCVVTST
——————
Table A-6. Instruction Set (Continued)
Mnemonic Operation Instruction Format

8XC196K
x
, J
x
, CA USER’S MANUAL
A-18
JC JUMP IF CARRY FLAG IS SET. Tests the
carry flag. If the carry flag is clear, control
passes to the next sequential instruction. If
the carry flag is set, this instruction adds to
the program counter the offset between the
end of this instruction and the target label,
effecting the jump. The offset must be in the
range of –128 to +127.
if C = 1 then
PC ← PC + 8-bit disp
JC cadd
(11011011) (disp)
NOTE: The displacement (disp) is sign-
extended to 16 bits.
PSW Flag Settings
ZNCVVTST
——————
JE JUMP IF EQUAL. Tests the zero flag. If the
flag is clear, control passes to the next
sequential instruction. If the zero flag is set,
this instruction adds to the program counter
the offset between the end of this instruction
and the target label, effecting the jump. The
offset must be in the range of –128 to +127.
if Z = 1 then
PC ← PC + 8-bit disp
JE cadd
(11011111) (disp)
NOTE: The displacement (disp) is sign-
extended to 16 bits.
PSW Flag Settings
ZNCVVTST
——————
JGE JUMP IF SIGNED GREATER THAN OR
EQUAL. Tests the negative flag. If the
negative flag is set, control passes to the next
sequential instruction. If the negative flag is
clear, this instruction adds to the program
counter the offset between the end of this
instruction and the target label, effecting the
jump. The offset must be in the range of –128
to +127.
if N = 0 then
PC ← PC + 8-bit disp
JGE cadd
(11010110) (disp)
NOTE: The displacement (disp) is sign-
extended to 16 bits.
PSW Flag Settings
ZNCVVTST
——————
Table A-6. Instruction Set (Continued)
Mnemonic Operation Instruction Format

A-19
INSTRUCTION SET REFERENCE
JGT JUMP IF SIGNED GREATER THAN. Tests
both the zero flag and the negative flag. If
either flag is set, control passes to the next
sequential instruction. If both flags are clear,
this instruction adds to the program counter
the offset between the end of this instruction
and the target label, effecting the jump. The
offset must be in the range of –128 to +127.
if N = 0 AND Z = 0 then
PC ← PC + 8-bit disp
JGT cadd
(11010010) (disp)
NOTE: The displacement (disp) is sign-
extended to 16 bits.
PSW Flag Settings
ZNCVVTST
——————
JH JUMP IF HIGHER (UNSIGNED). Tests both
the zero flag and the carry flag. If either the
carry flag is clear or the zero flag is set,
control passes to the next sequential
instruction. If the carry flag is set and the zero
flag is clear, this instruction adds to the
program counter the offset between the end
of this instruction and the target label,
effecting the jump. The offset must be in
range of –128 to +127.
if C = 1 AND Z = 0 then
PC ← PC + 8-bit disp
JH cadd
(11011001) (disp)
NOTE: The displacement (disp) is sign-
extended to 16 bits.
PSW Flag Settings
ZNCVVTST
——————
JLE JUMP IF SIGNED LESS THAN OR EQUAL.
Tests both the negative flag and the zero flag.
If both flags are clear, control passes to the
next sequential instruction. If either flag is set,
this instruction adds to the program counter
the offset between the end of this instruction
and the target label, effecting the jump. The
offset must be in the range of –128 to +127.
if N = 1 OR Z = 1 then
PC ← PC + 8-bit disp
JLE cadd
(11011010) (disp)
NOTE: The displacement (disp) is sign-
extended to 16 bits.
PSW Flag Settings
ZNCVVTST
——————
Table A-6. Instruction Set (Continued)
Mnemonic Operation Instruction Format

8XC196K
x
, J
x
, CA USER’S MANUAL
A-20
JLT JUMP IF SIGNED LESS THAN. Tests the
negative flag. If the flag is clear, control
passes to the next sequential instruction. If
the negative flag is set, this instruction adds
to the program counter the offset between the
end of this instruction and the target label,
effecting the jump. The offset must be in the
range of –128 to +127.
if N = 1 then
PC ← PC + 8-bit disp
JLT cadd
(11011110) (disp)
NOTE: The displacement (disp) is sign-
extended to 16 bits.
PSW Flag Settings
ZNCVVTST
——————
JNC JUMP IF CARRY FLAG IS CLEAR. Tests the
carry flag. If the flag is set, control passes to
the next sequential instruction. If the carry
flag is clear, this instruction adds to the
program counter the offset between the end
of this instruction and the target label,
effecting the jump. The offset must be in the
range of –128 to +127.
if C = 0 then
PC ← PC + 8-bit disp
JNC cadd
(11010011) (disp)
NOTE: The displacement (disp) is sign-
extended to 16 bits.
PSW Flag Settings
ZNCVVTST
——————
JNE JUMP IF NOT EQUAL. Tests the zero flag. If
the flag is set, control passes to the next
sequential instruction. If the zero flag is clear,
this instruction adds to the program counter
the offset between the end of this instruction
and the target label, effecting the jump. The
offset must be in the range of –128 to +127.
if Z = 0 then
PC ← PC + 8-bit disp
JNE cadd
(11010111) (disp)
NOTE: The displacement (disp) is sign-
extended to 16 bits.
PSW Flag Settings
ZNCVVTST
——————
Table A-6. Instruction Set (Continued)
Mnemonic Operation Instruction Format

A-21
INSTRUCTION SET REFERENCE
JNH JUMP IF NOT HIGHER (UNSIGNED). Tests
both the zero flag and the carry flag. If the
carry flag is set and the zero flag is clear,
control passes to the next sequential
instruction. If either the carry flag is clear or
the zero flag is set, this instruction adds to the
program counter the offset between the end
of this instruction and the target label,
effecting the jump. The offset must be in
range of –128 to +127.
if C = 0 OR Z = 1 then
PC ← PC + 8-bit disp
JNH cadd
(11010001) (disp)
NOTE: The displacement (disp) is sign-
extended to 16 bits.
PSW Flag Settings
ZNCVVTST
——————
JNST JUMP IF STICKY BIT FLAG IS CLEAR. Tests
the sticky bit flag. If the flag is set, control
passes to the next sequential instruction. If
the sticky bit flag is clear, this instruction adds
to the program counter the offset between the
end of this instruction and the target label,
effecting the jump. The offset must be in
range of –128 to +127.
if ST = 0 then
PC ← PC + 8-bit disp
JNST cadd
(11010000) (disp)
NOTE: The displacement (disp) is sign-
extended to 16 bits.
PSW Flag Settings
ZNCVVTST
——————
JNV JUMP IF OVERFLOW FLAG IS CLEAR.
Tests the overflow flag. If the flag is set,
control passes to the next sequential
instruction. If the overflow flag is clear, this
instruction adds to the program counter the
offset between the end of this instruction and
the target label, effecting the jump. The offset
must be in range of –128 to +127.
if V = 0 then
PC ← PC + 8-bit disp
JNV cadd
(11010101) (disp)
NOTE: The displacement (disp) is sign-
extended to 16 bits.
PSW Flag Settings
ZNCVVTST
——————
Table A-6. Instruction Set (Continued)
Mnemonic Operation Instruction Format

8XC196K
x
, J
x
, CA USER’S MANUAL
A-22
JNVT JUMP IF OVERFLOW-TRAP FLAG IS
CLEAR. Tests the overflow-trap flag. If the
flag is set, this instruction clears the flag and
passes control to the next sequential
instruction. If the overflow-trap flag is clear,
this instruction adds to the program counter
the offset between the end of this instruction
and the target label, effecting the jump. The
offset must be in range of –128 to +127.
if VT = 0 then
PC ← PC + 8-bit disp
JNVT cadd
(11010100) (disp)
NOTE: The displacement (disp) is sign-
extended to 16 bits.
PSW Flag Settings
ZNCVVTST
———— 0 —
JST JUMP IF STICKY BIT FLAG IS SET. Tests
the sticky bit flag. If the flag is clear, control
passes to the next sequential instruction. If
the sticky bit flag is set, this instruction adds
to the program counter the offset between the
end of this instruction and the target label,
effecting the jump. The offset must be in
range of –128 to +127.
if ST = 1 then
PC ← PC + 8-bit disp
JST cadd
(11011000) (disp)
NOTE: The displacement (disp) is sign-
extended to 16 bits.
PSW Flag Settings
ZNCVVTST
——————
JV JUMP IF OVERFLOW FLAG IS SET. Tests
the overflow flag. If the flag is clear, control
passes to the next sequential instruction. If
the overflow flag is set, this instruction adds
to the program counter the offset between the
end of this instruction and the target label,
effecting the jump. The offset must be in
range of –128 to +127.
if V = 1 then
PC ← PC + 8-bit disp
JV cadd
(11011101) (disp)
NOTE: The displacement (disp) is sign-
extended to 16 bits.
PSW Flag Settings
ZNCVVTST
——————
Table A-6. Instruction Set (Continued)
Mnemonic Operation Instruction Format

A-23
INSTRUCTION SET REFERENCE
JVT JUMP IF OVERFLOW-TRAP FLAG IS SET.
Tests the overflow-trap flag. If the flag is clear,
control passes to the next sequential
instruction. If the overflow-trap flag is set, this
instruction clears the flag and adds to the
program counter the offset between the end
of this instruction and the target label,
effecting the jump. The offset must be in
range of –128 to +127.
if VT = 1 then
PC ← PC + 8-bit disp
JVT cadd
(11011100) (disp)
NOTE: The displacement (disp) is sign-
extended to 16 bits.
PSW Flag Settings
ZNCVVTST
———— 0 —
LCALL LONG CALL. Pushes the contents of the
program counter (the return address) onto
the stack, then adds to the program counter
the offset between the end of this instruction
and the target label, effecting the call. The
offset must be in the range of –32,768 to
+32,767.
SP ← SP – 2
(SP) ← PC
PC ← PC + 16-bit disp
LCALL cadd
(11101111) (disp-low) (disp-high)
PSW Flag Settings
ZNCVVTST
——————
LD LOAD WORD. Loads the value of the source
word operand into the destination operand.
(DEST) ← (SRC)
DEST, SRC
LD wreg, waop
(101000aa) (waop) (wreg)
PSW Flag Settings
ZNCVVTST
——————
LDB LOAD BYTE. Loads the value of the source
byte operand into the destination operand.
(DEST) ← (SRC)
DEST, SRC
LDB breg, baop
(101100aa) (baop) (breg)
PSW Flag Settings
ZNCVVTST
——————
Table A-6. Instruction Set (Continued)
Mnemonic Operation Instruction Format

8XC196K
x
, J
x
, CA USER’S MANUAL
A-24
LDBSE LOAD BYTE SIGN-EXTENDED. Sign-
extends the value of the source short-
integer operand and loads it into the
destination integer operand.
(low byte DEST) ← (SRC)
if DEST.15 = 1 then
(high word DEST) ← 0FFH
else
(high word DEST) ← 0
end_if
DEST, SRC
LDBSE wreg, baop
(101111aa) (baop) (wreg)
PSW Flag Settings
ZNCVVTST
——————
LDBZE LOAD BYTE ZERO-EXTENDED. Zero-
extends the value of the source byte operand
and loads it into the destination word
operand.
(low byte DEST) ← (SRC)
(high byte DEST) ← 0
DEST, SRC
LDBZE wreg, baop
(101011aa) (baop) (wreg)
PSW Flag Settings
ZNCVVTST
——————
LJMP LONG JUMP. Adds to the program counter
the offset between the end of this instruction
and the target label, effecting the jump. The
offset must be in the range of –32,768 to
+32,767.
PC ← PC + 16-bit disp
LJMP cadd
(11100111) (disp-low) (disp-high)
PSW Flag Settings
ZNCVVTST
————— ?
MUL
(2 operands) MULTIPLY INTEGERS. Multiplies the source
and destination integer operands, using
signed arithmetic, and stores the 32-bit result
into the destination long-integer operand.
The sticky bit flag is undefined after the
instruction is executed.
(DEST) ← (DEST) × (SRC)
DEST, SRC
MUL lreg, waop
(11111110) (011011aa) (waop) (lreg)
PSW Flag Settings
ZNCVVTST
————— ?
Table A-6. Instruction Set (Continued)
Mnemonic Operation Instruction Format

A-25
INSTRUCTION SET REFERENCE
MUL
(3 operands) MULTIPLY INTEGERS. Multiplies the two
source integer operands, using signed
arithmetic, and stores the 32-bit result into
the destination long-integer operand. The
sticky bit flag is undefined after the instruction
is executed.
(DEST) ← (SRC1) × (SRC2)
DEST, SRC1, SRC2
MUL lreg, wreg, waop
(11111110) (010011aa) (waop) (wreg) (lreg)
PSW Flag Settings
ZNCVVTST
————— ?
MULB
(2 operands) MULTIPLY SHORT-INTEGERS. Multiplies
the source and destination short-integer
operands, using signed arithmetic, and stores
the 16-bit result into the destination integer
operand. The sticky bit flag is undefined after
the instruction is executed.
(DEST) ← (DEST) × (SRC)
DEST, SRC
MULB wreg, baop
(11111110) (011111aa) (baop) (wreg)
PSW Flag Settings
ZNCVVTST
————— ?
MULB
(3 operands) MULTIPLY SHORT-INTEGERS. Multiplies
the two source short-integer operands,
using signed arithmetic, and stores the 16-bit
result into the destination integer operand.
The sticky bit flag is undefined after the
instruction is executed.
(DEST) ← (SRC1) × (SRC2)
DEST, SRC1, SRC2
MULB wreg, breg, baop
(11111110) (010111aa) (baop) (breg) (wreg)
PSW Flag Settings
ZNCVVTST
————— ?
MULU
(2 operands) MULTIPLY WORDS, UNSIGNED. Multiplies
the source and destination word operands,
using unsigned arithmetic, and stores the 32-
bit result into the destination double-word
operand. The sticky bit flag is undefined after
the instruction is executed.
(DEST) ← (DEST) × (SRC)
DEST, SRC
MULU lreg, waop
(011011aa) (waop) (lreg)
PSW Flag Settings
ZNCVVTST
————— ?
Table A-6. Instruction Set (Continued)
Mnemonic Operation Instruction Format

8XC196K
x
, J
x
, CA USER’S MANUAL
A-26
MULU
(3 operands) MULTIPLY WORDS, UNSIGNED. Multiplies
the two source word operands, using
unsigned arithmetic, and stores the 32-bit
result into the destination double-word
operand. The sticky bit flag is undefined after
the instruction is executed.
(DEST) ← (SRC1) × (SRC2)
DEST, SRC1, SRC2
MULU lreg, wreg, waop
(010011aa) (waop) (wreg) (lreg)
PSW Flag Settings
ZNCVVTST
————— ?
MULUB
(2 operands) MULTIPLY BYTES, UNSIGNED. Multiplies
the source and destination operands, using
unsigned arithmetic, and stores the word
result into the destination operand. The sticky
bit flag is undefined after the instruction is
executed.
(DEST) ← (DEST) × (SRC)
DEST, SRC
MULUB wreg, baop
(011111aa) (baop) (wreg)
PSW Flag Settings
ZNCVVTST
————— ?
MULUB
(3 operands) MULTIPLY BYTES, UNSIGNED. Multiplies
the two source byte operands, using
unsigned arithmetic, and stores the word
result into the destination operand. The sticky
bit flag is undefined after the instruction is
executed.
(DEST) ← (SRC1) × (SRC2)
DEST, SRC1, SRC2
MULUB wreg, breg, baop
(010111aa) (baop) (breg) (wreg)
PSW Flag Settings
ZNCVVTST
————— ?
NEG NEGATE INTEGER. Negates the value of the
integer operand.
(DEST) ← – (DEST) NEG wreg
(00000011) (wreg)
PSW Flag Settings
ZNCVVTST
✓✓✓✓ ↑—
Table A-6. Instruction Set (Continued)
Mnemonic Operation Instruction Format

A-27
INSTRUCTION SET REFERENCE
NEGB NEGATE SHORT-INTEGER. Negates the
value of the short-integer operand.
(DEST) ← – (DEST) NEGB breg
(00010011) (breg)
PSW Flag Settings
ZNCVVTST
✓✓✓✓ ↑—
NOP NO OPERATION. Does nothing. Control
passes to the next sequential instruction. NOP
(11111101)
PSW Flag Settings
ZNCVVTST
——————
NORML NORMALIZE LONG-INTEGER. Normalizes
the source (leftmost) long-integer operand.
(That is, it shifts the operand to the left until
its most significant bit is “1” or until it has
performed 31 shifts). If the most significant
bit is still “0” after 31 shifts, the instruction
stops the process and sets the zero flag. The
instruction stores the actual number of shifts
performed in the destination (rightmost)
operand.
(COUNT) ← 0
do while
(MSB (DEST) = 0) AND (COUNT) < 31)
(DEST) ← (DEST) × 2
(COUNT) ← (COUNT) + 1
end_while
SRC, DEST
NORML lreg, breg
(00001111) (breg) (lreg)
PSW Flag Settings
ZNCVVTST
✓?0———
NOT COMPLEMENT WORD. Complements the
value of the word operand (replaces each “1”
with a “0” and each “0” with a “1”).
(DEST) ← NOT (DEST)
NOT wreg
(00000010) (wreg)
PSW Flag Settings
ZNCVVTST
✓✓ 00——
Table A-6. Instruction Set (Continued)
Mnemonic Operation Instruction Format

8XC196K
x
, J
x
, CA USER’S MANUAL
A-28
NOTB COMPLEMENT BYTE. Complements the
value of the byte operand (replaces each “1”
with a “0” and each “0” with a “1”).
(DEST) ← NOT (DEST)
NOTB breg
(00010010) (breg)
PSW Flag Settings
ZNCVVTST
✓✓ 00——
OR LOGICAL OR WORDS. ORs the source word
operand with the destination word operand
and replaces the original destination operand
with the result. The result has a “1” in each bit
position in which either the source or
destination operand had a “1”.
(DEST) ← (DEST) OR (SRC)
DEST, SRC
OR wreg, waop
(100000aa) (waop) (wreg)
PSW Flag Settings
ZNCVVTST
✓✓ 00——
ORB LOGICAL OR BYTES. ORs the source byte
operand with the destination byte operand
and replaces the original destination operand
with the result. The result has a “1” in each bit
position in which either the source or
destination operand had a “1”.
(DEST) ← (DEST) OR (SRC)
DEST, SRC
ORB breg, baop
(100100aa) (baop) (breg)
PSW Flag Settings
ZNCVVTST
✓✓ 00——
POP POP WORD. Pops the word on top of the
stack and places it at the destination
operand.
(DEST) ← (SP)
SP ← SP + 2
POP waop
(110011aa) (waop)
PSW Flag Settings
ZNCVVTST
——————
Table A-6. Instruction Set (Continued)
Mnemonic Operation Instruction Format

A-29
INSTRUCTION SET REFERENCE
POPA POP ALL. This instruction is used instead of
POPF, to support the eight additional
interrupts. It pops two words off the stack and
places the first word into the
INT_MASK1/WSR register pair and the
second word into the PSW/INT_MASK
register-pair. This instruction increments the
SP by 4. Interrupt-calls cannot occur
immediately following this instruction.
INT_MASK1/WSR ← (SP)
SP ← SP + 2
PSW/INT_MASK ← (SP)
SP ← SP + 2
POPA
(11110101)
PSW Flag Settings
ZNCVVTST
✓✓✓✓✓✓
POPF POP FLAGS. Pops the word on top of the
stack and places it into the PSW. Interrupt-
calls cannot occur immediately following this
instruction.
(PSW) ← (SP)
SP ← SP + 2
POPF
(11110011)
PSW Flag Settings
ZNCVVTST
✓✓✓✓✓✓
PUSH PUSH WORD. Pushes the word operand
onto the stack.
SP ← SP – 2
(SP) ← (DEST)
PUSH waop
(110010aa) (waop)
PSW Flag Settings
ZNCVVTST
——————
Table A-6. Instruction Set (Continued)
Mnemonic Operation Instruction Format

8XC196K
x
, J
x
, CA USER’S MANUAL
A-30
PUSHA PUSH ALL. This instruction is used instead of
PUSHF, to support the eight additional
interrupts. It pushes two words —
PSW/INT_MASK and INT_MASK1/WSR —
onto the stack.
This instruction clears the PSW, INT_MASK,
and INT_MASK1 registers and decrements
the SP by 4. Interrupt-calls cannot occur
immediately following this instruction.
SP ← SP – 2
(SP) ← PSW/INT_MASK
PSW/INT_MASK ← 0
SP ← SP – 2
(SP) ← INT_MASK1/WSR
INT_MASK1 ← 0
PUSHA
(11110100)
PSW Flag Settings
ZNCVVTST
000000
PUSHF PUSH FLAGS. Pushes the PSW onto the top
of the stack, then clears it. Clearing the PSW
disables interrupt servicing. Interrupt-calls
cannot occur immediately following this
instruction.
SP ← SP – 2
(SP) ← PSW/INT_MASK
PSW/INT_MASK ← 0
PUSHF
(11110010)
PSW Flag Settings
ZNCVVTST
000000
RET RETURN FROM SUBROUTINE. Pops the
PC off the top of the stack.
PC ← (SP)
SP ← SP + 2
RET
(11110000)
PSW Flag Settings
ZNCVVTST
——————
Table A-6. Instruction Set (Continued)
Mnemonic Operation Instruction Format

A-31
INSTRUCTION SET REFERENCE
RST RESET SYSTEM. Initializes the PSW to zero,
the PC to 2080H, and the pins and SFRs to
their reset values. Executing this instruction
causes the RESET# pin to be pulled low for
16 state times.
SFR ← Reset Status
Pin ← Reset Status
PSW ← 0
PC ← 2080H
RST
(11111111)
PSW Flag Settings
ZNCVVTST
000000
SCALL SHORT CALL. Pushes the contents of the
program counter (the return address) onto
the stack, then adds to the program counter
the offset between the end of this instruction
and the target label, effecting the call. The
offset must be in the range of –1024 to
+1023.
SP ← SP – 2
(SP) ← PC
PC←PC+11-bit disp
SCALL cadd
(00101xxx) (disp-low)
NOTE: The displacement (disp) is sign-
extended to 16-bits.
PSW Flag Settings
ZNCVVTST
——————
SETC SET CARRY FLAG. Sets the carry flag.
C ← 1SETC
(11111001)
PSW Flag Settings
ZNCVVTST
—— 1 ———
Table A-6. Instruction Set (Continued)
Mnemonic Operation Instruction Format

8XC196K
x
, J
x
, CA USER’S MANUAL
A-32
SHL SHIFT WORD LEFT. Shifts the destination
word operand to the left as many times as
specified by the count operand. The count
may be specified either as an immediate
value in the range of 0 to 15 (0FH), inclusive,
or as the content of any register (10H –
0FFH) with a value in the range of 0 to 31
(1FH), inclusive. The right bits of the result
are filled with zeroes. The last bit shifted out
is saved in the carry flag.
Te mp ← (COUNT)
do while Temp ≠ 0
C ← High order bit of (DEST)
(DEST) ← (DEST) × 2
Temp ← Temp – 1
end_while
SHL wreg,#count
(00001001) (count) (wreg)
or
SHL wreg,breg
(00001001) (breg) (wreg)
PSW Flag Settings
ZNCVVTST
✓✓✓✓ ↑—
SHLB SHIFT BYTE LEFT. Shifts the destination
byte operand to the left as many times as
specified by the count operand. The count
may be specified either as an immediate
value in the range of 0 to 15 (0FH), inclusive,
or as the content of any register (10H –
0FFH) with a value in the range of 0 to 31
(1FH), inclusive. The right bits of the result
are filled with zeroes. The last bit shifted out
is saved in the carry flag.
Te mp ← (COUNT)
do while Temp ≠ 0
C ← High order bit of (DEST)
(DEST) ← (DEST) × 2
Temp ← Temp – 1
end_while
SHLB breg,#count
(00011001) (count) (breg)
or
SHLB breg,breg
(00011001) (breg) (breg)
PSW Flag Settings
ZNCVVTST
✓✓✓✓ ↑—
Table A-6. Instruction Set (Continued)
Mnemonic Operation Instruction Format

A-33
INSTRUCTION SET REFERENCE
SHLL SHIFT DOUBLE-WORD LEFT. Shifts the
destination double-word operand to the left
as many times as specified by the count
operand. The count may be specified either
as an immediate value in the range of 0 to 15
(0FH), inclusive, or as the content of any
register (10H – 0FFH) with a value in the
range of 0 to 31 (1FH), inclusive. The right
bits of the result are filled with zeroes. The
last bit shifted out is saved in the carry flag.
Temp ← (COUNT)
do while Temp ≠ 0
C ← High order bit of (DEST)
(DEST) ← (DEST) × 2
Temp ← Temp – 1
end_while
SHLL lreg,#count
(00001101) (count) (breg)
or
SHLL lreg,breg
(00001101) (breg) (lreg)
PSW Flag Settings
ZNCVVTST
✓✓✓✓ ↑—
SHR LOGICAL RIGHT SHIFT WORD. Shifts the
destination word operand to the right as
many times as specified by the count
operand. The count may be specified either
as an immediate value in the range of 0 to 15
(0FH), inclusive, or as the content of any
register (10H – 0FFH) with a value in the
range of 0 to 31 (1FH), inclusive. The left bits
of the result are filled with zeroes. The last bit
shifted out is saved in the carry flag.
Te mp ← (COUNT)
do while Temp ≠ 0
C ← Low order bit of (DEST)
(DEST) ← (DEST)/2
Te mp ← Temp – 1
end_while
SHR wreg,#count
(00001000) (count) (wreg)
or
SHR wreg,breg
(00001000) (breg) (wreg)
NOTES: This instruction clears the
sticky bit flag at the beginning
of the instruction. If at any time
during the shift a “1” is shifted
into the carry flag and another
shift cycle occurs, the instruc-
tion sets the sticky bit flag.
In this operation, DEST/2 rep-
resents unsigned division.
PSW Flag Settings
ZNCVVTST
✓0✓0—✓
Table A-6. Instruction Set (Continued)
Mnemonic Operation Instruction Format

8XC196K
x
, J
x
, CA USER’S MANUAL
A-34
SHRA ARITHMETIC RIGHT SHIFT WORD. Shifts
the destination word operand to the right as
many times as specified by the count
operand. The count may be specified either
as an immediate value in the range of 0 to 15
(0FH), inclusive, or as the content of any
register (10H – 0FFH) with a value in the
range of 0 to 31 (1FH), inclusive. If the
original high order bit value was “0,” zeroes
are shifted in. If the value was “1,” ones are
shifted in. The last bit shifted out is saved in
the carry flag.
Temp ← (COUNT)
do while Temp ≠ 0
C ← Low order bit of (DEST)
(DEST) ← (DEST)/2
Te mp ← Temp – 1
end_while
SHRA wreg,#count
(00001010) (count) (wreg)
or
SHRA wreg,breg
(00001010) (breg) (wreg)
NOTE: This instruction clears the sticky
bit flag at the beginning of the
instruction. If at any time during
the shift a “1” is shifted into the
carry flag and another shift cycle
occurs, the instruction sets the
sticky bit flag.
In this operation, DEST/2 repre-
sents signed division.
PSW Flag Settings
ZNCVVTST
✓✓✓ 0—✓
SHRAB ARITHMETIC RIGHT SHIFT BYTE. Shifts the
destination byte operand to the right as many
times as specified by the count operand. The
count may be specified either as an
immediate value in the range of 0 to 15
(0FH), inclusive, or as the content of any
register (10H – 0FFH) with a value in the
range of 0 to 31 (1FH), inclusive. If the
original high order bit value was “0,” zeroes
are shifted in. If the value was “1,” ones are
shifted in. The last bit shifted out is saved in
the carry flag.
Temp ← (COUNT)
do while Temp ≠ 0
C = Low order bit of (DEST)
(DEST) ← (DEST)/2
Te mp ← Temp – 1
end_while
SHRAB breg,#count
(00011010) (count) (breg)
or
SHRAB breg,breg
(00011010) (breg) (breg)
NOTES: This instruction clears the
sticky bit flag at the beginning
of the instruction. If at any time
during the shift a “1” is shifted
into the carry flag and another
shift cycle occurs, the instruc-
tion sets the sticky bit flag.
In this operation, DEST/2 rep-
resents signed division.
PSW Flag Settings
ZNCVVTST
✓✓✓ 0—✓
Table A-6. Instruction Set (Continued)
Mnemonic Operation Instruction Format

A-35
INSTRUCTION SET REFERENCE
SHRAL ARITHMETIC RIGHT SHIFT DOUBLE-
WORD. Shifts the destination double-word
operand to the right as many times as
specified by the count operand. The count
may be specified either as an immediate
value in the range of 0 to 15 (0FH), inclusive,
or as the content of any register (10H –
0FFH) with a value in the range of 0 to 31
(1FH), inclusive. If the original high order bit
value was “0,” zeroes are shifted in. If the
value was “1,” ones are shifted in.
Te mp ← (COUNT)
do while Temp ≠ 0
C ← Low order bit of (DEST)
(DEST) ← (DEST)/2
Te mp ← Temp – 1
end_while
SHRAL lreg,#count
(00001110) (count) (lreg)
or
SHRAL lreg,breg
(00001110) (breg) (lreg)
NOTES: This instruction clears the
sticky bit flag at the beginning
of the instruction. If at any time
during the shift a “1” is shifted
into the carry flag and another
shift cycle occurs, the instruc-
tion sets the sticky bit flag.
In this operation, DEST/2 rep-
resents signed division.
PSW Flag Settings
ZNCVVTST
✓✓✓ 0—✓
SHRB LOGICAL RIGHT SHIFT BYTE. Shifts the
destination byte operand to the right as many
times as specified by the count operand. The
count may be specified either as an
immediate value in the range of 0 to 15
(0FH), inclusive, or as the content of any
register (10H – 0FFH) with a value in the
range of 0 to 31 (1FH), inclusive. The left bits
of the result are filled with zeroes. The last bit
shifted out is saved in the carry flag.
Te mp ← (COUNT)
do while Temp ≠ 0
C ← Low order bit of (DEST)
(DEST) ← (DEST)/2
Te mp ← Temp–1
end_while
SHRB breg,#count
(00011000) (count) (breg)
or
SHRB breg,breg
(00011000) (breg) (breg)
NOTES: This instruction clears the
sticky bit flag at the beginning
of the instruction. If at any time
during the shift a “1” is shifted
into the carry flag and another
shift cycle occurs, the instruc-
tion sets the sticky bit flag.
In this operation, DEST/2 rep-
resents unsigned division.
PSW Flag Settings
ZNCVVTST
✓0✓0—✓
Table A-6. Instruction Set (Continued)
Mnemonic Operation Instruction Format

8XC196K
x
, J
x
, CA USER’S MANUAL
A-36
SHRL LOGICAL RIGHT SHIFT DOUBLE-WORD.
Shifts the destination double-word operand to
the right as many times as specified by the
count operand. The count may be specified
either as an immediate value in the range of 0
to 15 (0FH), inclusive, or as the content of
any register (10H – 0FFH) with a value in the
range of 0 to 31 (1FH), inclusive. The left bits
of the result are filled with zeroes. The last bit
shifted out is saved in the carry flag.
Te mp ← (COUNT)
do while Temp ≠ 0
C ← Low order bit of (DEST)
(DEST) ← (DEST)/2)
Te mp ← Temp – 1
end_while
SHRL lreg,#count
(00001100) (count) (lreg)
or
SHRL lreg,breg
(00001100) (breg) (lreg)
NOTES: This instruction clears the
sticky bit flag at the beginning
of the instruction. If at any time
during the shift a “1” is shifted
into the carry flag and another
shift cycle occurs, the instruc-
tion sets the sticky bit flag.
In this operation, DEST/2 rep-
resents unsigned division.
PSW Flag Settings
ZNCVVTST
✓0✓0—✓
SJMP SHORT JUMP. Adds to the program counter
the offset between the end of this instruction
and the target label, effecting the jump. The
offset must be in the range of –1024 to
+1023, inclusive.
PC ← PC + 11-bit disp
SJMP cadd
(00100xxx) (disp-low)
NOTE: The displacement (disp) is sign-
extended to 16 bits.
PSW Flag Settings
ZNCVVTST
——————
SKIP TWO BYTE NO-OPERATION. Does nothing.
Control passes to the next sequential
instruction. This is actually a two-byte NOP in
which the second byte can be any value and
is simply ignored.
SKIP breg
(00000000) (breg)
PSW Flag Settings
ZNCVVTST
——————
Table A-6. Instruction Set (Continued)
Mnemonic Operation Instruction Format

A-37
INSTRUCTION SET REFERENCE
ST STORE WORD. Stores the value of the
source (leftmost) word operand into the
destination (rightmost) operand.
(DEST) ← (SRC)
SRC, DEST
ST wreg, waop
(110000aa) (waop) (wreg)
PSW Flag Settings
ZNCVVTST
——————
STB STORE BYTE. Stores the value of the source
(leftmost) byte operand into the destination
(rightmost) operand.
(DEST) ← (SRC)
SRC, DEST
STB breg, baop
(110001aa) (baop) (breg)
PSW Flag Settings
ZNCVVTST
——————
SUB
(2 operands) SUBTRACT WORDS. Subtracts the source
word operand from the destination word
operand, stores the result in the destination
operand, and sets the carry flag as the
complement of borrow.
(DEST) ← (DEST) – (SRC)
DEST, SRC
SUB wreg, waop
(011010aa) (waop) (wreg)
PSW Flag Settings
ZNCVVTST
✓✓✓✓ ↑—
SUB
(3 operands) SUBTRACT WORDS. Subtracts the first
source word operand from the second, stores
the result in the destination operand, and sets
the carry flag as the complement of borrow.
(DEST) ← (SRC1) – (SRC2)
DEST, SRC1, SRC2
SUB Dwreg, Swreg, waop
(010010aa) (waop) (Swreg) (Dwreg)
PSW Flag Settings
ZNCVVTST
✓✓✓✓ ↑—
Table A-6. Instruction Set (Continued)
Mnemonic Operation Instruction Format

8XC196K
x
, J
x
, CA USER’S MANUAL
A-38
SUBB
(2 operands) SUBTRACT BYTES. Subtracts the source
byte operand from the destination byte
operand, stores the result in the destination
operand, and sets the carry flag as the
complement of borrow.
(DEST) ← (DEST) – (SRC)
DEST, SRC
SUBB breg, baop
(011110aa) (baop) (breg)
PSW Flag Settings
ZNCVVTST
✓✓✓✓ ↑—
SUBB
(3 operands) SUBTRACT BYTES. Subtracts the first
source byte operand from the second, stores
the result in the destination operand, and sets
the carry flag as the complement of borrow.
(DEST) ← (SRC1) – (SRC2)
DEST, SRC1, SRC2
SUBB Dbreg, Sbreg, baop
(010110aa) (baop) (Sbreg) (Dbreg)
PSW Flag Settings
ZNCVVTST
✓✓✓✓ ↑—
SUBC SUBTRACT WORDS WITH BORROW.
Subtracts the source word operand from the
destination word operand. If the carry flag
was clear, SUBC subtracts 1 from the result.
It stores the result in the destination operand
and sets the carry flag as the complement of
borrow.
(DEST) ← (DEST) – (SRC) – (1–C)
DEST, SRC
SUBC wreg, waop
(101010aa) (waop) (wreg)
PSW Flag Settings
ZNCVVTST
↓✓✓✓↑—
SUBCB SUBTRACT BYTES WITH BORROW.
Subtracts the source byte operand from the
destination byte operand. If the carry flag was
clear, SUBCB subtracts 1 from the result. It
stores the result in the destination operand
and sets the carry flag as the complement of
borrow.
(DEST) ← (DEST) – (SRC) – (1–C)
DEST, SRC
SUBCB breg, baop
(101110aa) (baop) (breg)
PSW Flag Settings
ZNCVVTST
↓✓✓✓↑—
Table A-6. Instruction Set (Continued)
Mnemonic Operation Instruction Format

A-39
INSTRUCTION SET REFERENCE
TIJMP TABLE INDIRECT JUMP. Causes execution
to continue at an address selected from a
table of addresses.
The TIJMP instruction reduces the interrupt
response time associated with servicing
multiple interrupt sources that are multiplexed
into a single interrupt request line (a single
vector). It is typically used in conjunction with
the EPAIPV register to determine the source
of multiplexed EPA interrupts. (“Servicing the
Multiplexed EPA Interrupt with Software” on
page 10-29 discusses the use of TIJMP with
the EPA.)
The first word register, TBASE, contains the
16-bit address of the beginning of the jump
table. TBASE can be located in RAM up to
0FEH without windowing or above 0FFH with
windowing. The jump table itself can be
placed at any nonreserved memory location
on a word boundary.
The second word register, INDEX, contains
the 16-bit address that points to a register
containing a 7-bit value. This value is used to
calculate the offset into the jump table. Like
TBASE, INDEX can be located in RAM up to
0FEH without windowing or above 0FFH with
windowing. Note that the 16-bit address
contained in INDEX is absolute; it disregards
any windowing that may be in effect when the
TIJMP instruction is executed.
The byte operand, #MASK, is 7-bit immediate
data to mask INDEX. #MASK is ANDed with
INDEX to determine the offset (OFFSET).
OFFSET is multiplied by two, then added to
the base address (TBASE) to determine the
destination address (DEST X).
[INDEX] AND #MASK = OFFSET
(2 × OFFSET) + TBASE = DEST X
PC ← (DEST X)
TIJMP TBASE, [INDEX], #MASK
(11100010) [INDEX] (#MASK) (TBASE)
NOTE: TIJMP multiplies OFFSET by two
to provide for word alignment of
the jump table. This must be con-
sidered when decoding the
EPAIPV register and when set-
ting up the jump table.
PSW Flag Settings
ZNCVVTST
——————
Table A-6. Instruction Set (Continued)
Mnemonic Operation Instruction Format

8XC196K
x
, J
x
, CA USER’S MANUAL
A-40
TRAP SOFTWARE TRAP. This instruction causes
an interrupt-call that is vectored through
location 2010H. The operation of this
instruction is not affected by the state of the
interrupt enable flag (I) in the PSW. Interrupt-
calls cannot occur immediately following this
instruction.
SP ← SP – 2
(SP) ← PC
PC ← (2010H)
TRAP
(11110111)
NOTE: This instruction is not supported
by assemblers. The TRAP
instruction is intended for use by
development tools. These tools
may not support user-application
of this instruction.
PSW Flag Settings
ZNCVVTST
——————
XCH EXCHANGE WORD. Exchanges the value of
the source word operand with that of the
destination word operand.
(DEST) ↔ (SRC)
DEST, SRC
XCH wreg, waop
(00000100) (waop) (wreg) direct
(00001011) (waop) (wreg) indexed
PSW Flag Settings
ZNCVVTST
——————
XCHB EXCHANGE BYTE. Exchanges the value of
the source byte operand with that of the
destination byte operand.
(DEST) ↔ (SRC)
DEST, SRC
XCHB breg, baop
(00010100) (baop) (breg) direct
(00011011) (baop) (breg) indexed
PSW Flag Settings
ZNCVVTST
——————
XOR LOGICAL EXCLUSIVE-OR WORDS. XORs
the source word operand with the destination
word operand and stores the result in the
destination operand. The result has ones in
the bit positions in which either operand (but
not both) had a “1” and zeros in all other bit
positions.
(DEST) ← (DEST) XOR (SRC)
DEST, SRC
XOR wreg, waop
(100001aa) (waop) (wreg)
PSW Flag Settings
ZNCVVTST
✓✓ 00——
Table A-6. Instruction Set (Continued)
Mnemonic Operation Instruction Format

A-41
INSTRUCTION SET REFERENCE
Table A-7 lists the instruction opcodes, in hexadecimal order, along with the corresponding in-
struction mnemonics.
XORB LOGICAL EXCLUSIVE-OR BYTES. XORs
the source byte operand with the destination
byte operand and stores the result in the
destination operand. The result has ones in
the bit positions in which either operand (but
not both) had a “1” and zeros in all other bit
positions.
(DEST) ← (DEST) XOR (SRC)
DEST, SRC
XORB breg, baop
(100101aa) (baop) (breg)
PSW Flag Settings
ZNCVVTST
✓✓ 00——
Table A-6. Instruction Set (Continued)
Mnemonic Operation Instruction Format

8XC196K
x
, J
x
, CA USER’S MANUAL
A-42
Table A-7. Instruction Opcodes
Hex Code Instruction Mnemonic
00 SKIP
01 CLR
02 NOT
03 NEG
04 XCH Direct
05 DEC
06 EXT
07 INC
08 SHR
09 SHL
0A SHRA
0B XCH Indexed
0C SHRL
0D SHLL
0E SHRAL
0F NORML
10 Reserved
11 CL RB
12 NOTB
13 NEGB
14 XCHB Direct
15 DECB
16 EXTB
17 INCB
18 SHRB
19 SHLB
1A SHRAB
1B XCHB Indexed
1C–1F Reserved (Note 1)
20–27 SJMP
28–2F SCALL
30–37 JBC
38–3F JBS
40 AND Direct (3 ops)
41 AND Immediate (3 ops)
42 AND Indirect (3 ops)
43 AND Indexed (3 ops)
44 ADD Direct (3 ops)
45 ADD Immediate (3 ops)
46 ADD Indirect (3 ops)

A-43
INSTRUCTION SET REFERENCE
47 ADD Indexed (3 ops)
48 SUB Direct (3 ops)
49 SUB Immediate (3 ops)
4A SUB Indirect (3 ops)
4B SUB Indexed (3 ops)
4C MULU Direct (3 ops)
4D MULU Immediate (3 ops)
4E MULU Indirect (3 ops)
4F MULU Indexed (3 ops)
50 ANDB Direct (3 ops)
51 ANDB Immediate (3 ops)
52 ANDB Indirect (3 ops)
53 ANDB Indexed (3 ops)
54 ADDB Direct (3 ops)
55 ADDB Immediate (3 ops)
56 ADDB Indirect (3 ops)
57 ADDB Indexed (3 ops)
58 SUBB Direct (3 ops)
59 SUBB Immediate (3 ops)
5A SUBB Indirect (3 ops)
5B SUBB Indexed (3 ops)
5C MULUB Direct (3 ops)
5D MULUB Immediate (3 ops)
5E MULUB Indirect (3 ops)
5F MULUB Indexed (3 ops)
60 AND Direct (2 ops)
61 AND Immediate (2 ops)
62 AND Indirect (2 ops)
63 AND Indexed (2 ops)
64 ADD Direct (2 ops)
65 ADD Immediate (2 ops)
66 ADD Indirect (2 ops)
67 ADD Indexed (2 ops)
68 SUB Direct (2 ops)
69 SUB Immediate (2 ops)
6A SUB Indirect (2 ops)
6B SUB Indexed (2 ops)
6C MULU Direct (2 ops)
6D MULU Immediate (2 ops)
6E MULU Indirect (2 ops)
6F MULU Indexed (2 ops)
Table A-7. Instruction Opcodes (Continued)
Hex Code Instruction Mnemonic

8XC196K
x
, J
x
, CA USER’S MANUAL
A-44
70 ANDB Direct (2 ops)
71 ANDB Immediate (2 ops)
72 ANDB Indirect (2 ops)
73 ANDB Indexed (2 ops)
74 ADDB Direct (2 ops)
75 ADDB Immediate (2 ops)
76 ADDB Indirect (2 ops)
77 ADDB Indexed (2 ops)
78 SUBB Direct (2 ops)
79 SUBB Immediate (2 ops)
7A SUBB Indirect (2 ops)
7B SUBB Indexed (2 ops)
7C MULUB Direct (2 ops)
7D MULUB Immediate (2 ops)
7E MULUB Indirect (2 ops)
7F MULUB Indexed (2 ops)
80 OR Direct
81 OR Immediate
82 OR Indirect
83 OR Indexed
84 XOR Direct
85 XOR Immediate
86 XOR Indirect
87 XOR Indexed
88 CMP Direct
89 CMP Immediate
8A CMP Indirect
8B CMP Indexed
8C DIVU Direct
8E DIVU Indirect
8F DIVU Indexed
90 ORB Direct
91 ORB Immediate
92 ORB Indirect
93 ORB Indexed
94 XORB Direct
95 XORB Immediate
96 XORB Indirect
97 XORB Indexed
98 CMPB Direct
99 CMPB Immediate
Table A-7. Instruction Opcodes (Continued)
Hex Code Instruction Mnemonic

A-45
INSTRUCTION SET REFERENCE
9A CMPB Indirect
9B CMPB Indexed
9C DIVUB Direct
9D DIVUB Immediate
9E DIVUB Indirect
9F DIVUB Indexed
A0 LD Direct
A1 LD Immediate
A2 LD Indirect
A3 LD Indexed
A4 ADDC Direct
A5 ADDC Immediate
A6 ADDC Indirect
A7 ADDC Indexed
A8 SUBC Direct
A9 SUBC Immediate
AA SUBC Indirect
AB SUBC Indexed
AC LDBZE Direct
AD LDBZE Immediate
AE LDBZE Indirect
AF LDBZE Indexed
B0 LDB Direct
B1 LDB Immediate
B2 LDB Indirect
B3 LDB Indexed
B4 ADDCB Direct
B5 ADDCB Immediate
B6 ADDCB Indirect
B7 ADDCB Indexed
B8 SUBCB Direct
B9 SUBCB Immediate
BA SUBCB Indirect
BB SUBCB Indexed
BC LDBSE Direct
BD LDBSE Immediate
BE LDBSE Indirect
BF LDBSE Indexed
C0 ST Direct
C1 BMOV
C2 ST Indirect
Table A-7. Instruction Opcodes (Continued)
Hex Code Instruction Mnemonic

8XC196K
x
, J
x
, CA USER’S MANUAL
A-46
C3 ST Indexed
C4 STB Direct
C5 CMPL
C6 STB Indirect
C7 STB Indexed
C8 PUSH Direct
C9 PUSH Immediate
CA PUSH Indirect
CB PUSH Indexed
CC POP Direct
CD BMOVI
CE POP Indirect
CF POP Indexed
D0 JNST
D1 JNH
D2 JGT
D3 JNC
D4 JNVT
D5 JNV
D4 JNVT
D5 JNV
D6 JGE
D7 JNE
D8 JST
D9 JH
DA JLE
DB JC
DC JVT
DD JV
DE JLT
DF JE
E0 DJNZ
E1 DJNZW
E2 TIJMP
E3 BR Indirect
E4–EB Reserved (Note 1)
EC DPTS
ED EPTS
EE Reserved (Note 1)
EF LCALL
F0 RET
Table A-7. Instruction Opcodes (Continued)
Hex Code Instruction Mnemonic

A-47
INSTRUCTION SET REFERENCE
Table A-8 lists instructions along with their lengths and opcodes for each applicable addressing
mode. A dash (—) in any column indicates “not applicable.”
”
F2 PUSHF
F3 POPF
F4 PUSHA
F5 POPA
F6 IDLPD
F7 TRAP
F8 CLRC
F9 SETC
FA DI
FB EI
FC CLRVT
FD NOP
FE DIV/DIVB/MUL/MULB (Note 2)
FF RST
NOTES:
1. For the 8XC196KS and KT only, this opcode is reserved, but it does not generate an unimple-
mented opcode interrupt.
2. Signed multiplication and division are two-byte instructions. For each signed instruction, the
first byte is “FE” and the second is the opcode of the corresponding unsigned instruction. For
example, the opcode for MULU (3 operands) direct is “4C,” so the opcode for MUL (3 oper-
ands) direct is “FE 4C.”
Table A-7. Instruction Opcodes (Continued)
Hex Code Instruction Mnemonic

8XC196K
x
, J
x
, CA USER’S MANUAL
A-48
Table A-8. Instruction Lengths and Hexadecimal Opcodes
Arithmetic (Group I)
Mnemonic
Direct Immediate Indirect
(Note 1) Indexed
(Notes 1, 2)
Length Opcode Length Opcode Length Opcode Length
S/L Opcode
ADD (2 ops) 3644653664/567
ADD (3 ops) 4445454465/647
ADDB (2 ops) 3 74 3 75 3 76 4/5 77
ADDB (3 ops) 4 54 4 55 4 56 5/6 57
ADDC 3A44A53A64/5A7
ADDCB 3 B4 3 B5 3 B6 4/5 B7
CLR 201——————
CLRB 2 11——————
CMP 38848938A4/58B
CMPB 39839939A4/59B
CMPL 3C5——————
DEC 205——————
DECB 2 15——————
EXT 206——————
EXTB 216——————
INC 207——————
INCB 2 17——————
SUB (2 ops) 3 68 4 69 3 6A 4/5 6B
SUB (3 ops) 4 48 5 49 4 4A 5/6 4B
SUBB (2 ops) 3 78 3 79 3 7A 4/5 7B
SUBB (3 ops) 4 58 4 59 4 5A 5/6 5B
SUBC 3 A8 4 A9 3 AA 4/5 AB
SUBCB 3 B8 3 B9 3 BA 4/5 BB
NOTES:
1. Indirect normal and indirect autoincrement share the same opcodes, as do short- and long-indexed
modes. Because word registers always have even addresses, the address can be expressed in the
upper seven bits; the least-significant bit determines the addressing mode. Indirect normal and short-
indexed modes make the second byte of the instruction even (LSB = 0). Indirect autoincrement and
long-indexed modes make the second byte odd (LSB = 1).
2. For indexed instructions, the first column lists instruction lengths as
S
/
L
, where
S
is the short-indexed
instruction length and
L
is the long-indexed instruction length.
3. For the SCALL and SJMP instructions, the three least-significant bits of the opcode are concatenated
with the eight bits to form an 11-bit, 2’s complement offset.

A-49
INSTRUCTION SET REFERENCE
Arithmetic (Group II)
Mnemonic
Direct Immediate Indirect
(Note 1) Indexed
(Notes 1, 2)
Length Opcode Length Opcode Length Opcode Length
S/L Opcode
DIV 4 FE 8C 5 FE 8D 4 FE 8E 5/6 FE 8F
DIVB 4 FE 9C 4 FE 9D 4 FE 9E 5/6 FE 9F
DIVU 3 8C 4 8D 3 8E 4/5 8F
DIVUB 3 9C 3 9D 3 9E 4/5 9F
MUL (2 ops) 4 FE 6C 5 FE 6D 4 FE 6E 5/6 FE 6F
MUL (3 ops) 5 FE 4C 6 FE 4D 5 FE 4E 6/7 FE 4F
MULB (2 ops) 4 FE 7C 4 FE 7D 4 FE 7E 5/6 FE 7F
MULB (3 ops) 5 FE 5C 5 FE 5D 5 FE 5E 6/7 FE 5F
MULU (2 ops) 3 6C 4 6D 3 6E 4/5 6F
MULU (3 ops) 4 4C 5 4D 4 4E 5/6 4F
MULUB (2 ops) 3 7C 3 7D 3 7E 4/5 7F
MULUB (3 ops) 4 5C 4 5D 4 5E 5/6 5F
Logical
Mnemonic
Direct Immediate Indirect
(Note 1) Indexed
(Notes 1, 2)
Length Opcode Length Opcode Length Opcode Length
S/L Opcode
AND (2 ops) 3604613624/563
AND (3 ops) 4405414425/643
ANDB (2 ops) 3 70 3 71 3 72 4/5 73
ANDB (3 ops) 4 50 4 51 4 52 5/6 53
NEG 203——————
NEGB 2 13——————
NOT 2 02——————
NOTB 2 12——————
OR 3804813824/583
ORB 3903913924/593
XOR 3844853864/587
XORB 3943953964/597
Table A-8. Instruction Lengths and Hexadecimal Opcodes (Continued)
NOTES:
1. Indirect normal and indirect autoincrement share the same opcodes, as do short- and long-indexed
modes. Because word registers always have even addresses, the address can be expressed in the
upper seven bits; the least-significant bit determines the addressing mode. Indirect normal and short-
indexed modes make the second byte of the instruction even (LSB = 0). Indirect autoincrement and
long-indexed modes make the second byte odd (LSB = 1).
2. For indexed instructions, the first column lists instruction lengths as
S
/
L
, where
S
is the short-indexed
instruction length and
L
is the long-indexed instruction length.
3. For the SCALL and SJMP instructions, the three least-significant bits of the opcode are concatenated
with the eight bits to form an 11-bit, 2’s complement offset.

8XC196K
x
, J
x
, CA USER’S MANUAL
A-50
Stack
Mnemonic
Direct Immediate Indirect
(Note 1) Indexed
(Notes 1, 2)
Length Opcode Length Opcode Length Opcode Length
S/L Opcode
POP 2 CC — — 2 CE 3/4 CF
POPA 1F5——————
POPF 1F3——— ———
PUSH 2 C8 3 C9 2 CA 3/4 CB
PUSHA 1F4——————
PUSHF 1F2——————
Data
Length Opcode Length Opcode Length Opcode Length Opcode
Mnemonic
Direct Immediate Indirect
(Note 1) Indexed
(Notes 1, 2)
Length Opcode Length Opcode Length Opcode Length
S/L Opcode
BMOV ———— 3C1——
BMOVI ———— 3CD——
LD 3A04A13A24/5A3
LDB 3B03B13B24/5B3
LDBSE 3 BC 3 BD 3 BE 4/5 BF
LDBZE 3 AC 3 AD 3 AE 4/5 AF
ST 3 C0 — — 3 C2 4/5 C3
STB 3 C4 — — 3 C6 4/5 C7
XCH 304————4/50B
XCHB 3 14————4/51B
Table A-8. Instruction Lengths and Hexadecimal Opcodes (Continued)
NOTES:
1. Indirect normal and indirect autoincrement share the same opcodes, as do short- and long-indexed
modes. Because word registers always have even addresses, the address can be expressed in the
upper seven bits; the least-significant bit determines the addressing mode. Indirect normal and short-
indexed modes make the second byte of the instruction even (LSB = 0). Indirect autoincrement and
long-indexed modes make the second byte odd (LSB = 1).
2. For indexed instructions, the first column lists instruction lengths as
S
/
L
, where
S
is the short-indexed
instruction length and
L
is the long-indexed instruction length.
3. For the SCALL and SJMP instructions, the three least-significant bits of the opcode are concatenated
with the eight bits to form an 11-bit, 2’s complement offset.

A-51
INSTRUCTION SET REFERENCE
Jump
Length Opcode Length Opcode Length Opcode Length Opcode
Mnemonic
Direct Immediate Indirect
(Note 1) Indexed
(Notes 1, 2)
Length Opcode Length Opcode Length Opcode Length
S/L Opcode
BR ———— 2E3——
LJMP ———————/3E7
SJMP (Note 3) ——————2/—20–27
TIJMP 4 E2 4 E2 — — —/4 E2
Call
Length Opcode Length Opcode Length Opcode Length Opcode
Mnemonic Direct Immediate Indirect
(Note 1) Indexed
(Note 1)
Length Opcode Length Opcode Length Opcode Length Opcode
LCALL —————— 3EF
RET ———— 1F0——
SCALL (Note 3) —————— 228–2F
TRAP 1F7——————
Table A-8. Instruction Lengths and Hexadecimal Opcodes (Continued)
NOTES:
1. Indirect normal and indirect autoincrement share the same opcodes, as do short- and long-indexed
modes. Because word registers always have even addresses, the address can be expressed in the
upper seven bits; the least-significant bit determines the addressing mode. Indirect normal and short-
indexed modes make the second byte of the instruction even (LSB = 0). Indirect autoincrement and
long-indexed modes make the second byte odd (LSB = 1).
2. For indexed instructions, the first column lists instruction lengths as
S
/
L
, where
S
is the short-indexed
instruction length and
L
is the long-indexed instruction length.
3. For the SCALL and SJMP instructions, the three least-significant bits of the opcode are concatenated
with the eight bits to form an 11-bit, 2’s complement offset.

8XC196K
x
, J
x
, CA USER’S MANUAL
A-52
Conditional Jump
Mnemonic
Direct Immediate Indirect Indexed
(Notes 1, 2)
Length Opcode Length Opcode Length Opcode Length
S/L Opcode
DJNZ ——————3/—E0
DJNZW ——————3/—E1
JBC ——————3/—30–37
JBS ——————3/—38–3F
JC ——————2/—DB
JE ——————2/—DF
JGE ——————2/—D6
JGT ——————2/—D2
JH ——————2/—D9
JLE ——————2/—DA
JLT ——————2/—DE
JNC ——————2/—D3
JNE ——————2/—D7
JNH ——————2/—D1
JNST ——————2/—D0
JNV ——————2/—D5
JNVT ——————2/—D4
JST ——————2/—D8
JV ——————2/—DD
JVT ——————2/—DC
Table A-8. Instruction Lengths and Hexadecimal Opcodes (Continued)
NOTES:
1. Indirect normal and indirect autoincrement share the same opcodes, as do short- and long-indexed
modes. Because word registers always have even addresses, the address can be expressed in the
upper seven bits; the least-significant bit determines the addressing mode. Indirect normal and short-
indexed modes make the second byte of the instruction even (LSB = 0). Indirect autoincrement and
long-indexed modes make the second byte odd (LSB = 1).
2. For indexed instructions, the first column lists instruction lengths as
S
/
L
, where
S
is the short-indexed
instruction length and
L
is the long-indexed instruction length.
3. For the SCALL and SJMP instructions, the three least-significant bits of the opcode are concatenated
with the eight bits to form an 11-bit, 2’s complement offset.

A-53
INSTRUCTION SET REFERENCE
Shift
Mnemonic Direct Immediate Indirect Indexed
Length Opcode Length Opcode Length Opcode Length Opcode
NORML 3 0F ——————
SHL 309——————
SHLB 319——————
SHLL 30D——————
SHR 308——————
SHRA 30A——————
SHRAB 31A——————
SHRAL 30E——————
SHRB 3 18——————
SHRL 30C——————
Special
Mnemonic Direct Immediate Indirect Indexed
Length Opcode Length Opcode Length Opcode Length Opcode
CLRC 1F8——————
CLRVT 1FC——————
DI 1FA——————
EI 1FB——————
IDLPD — — 1 F6 — — — —
NOP 1FD——————
RST 1FF——————
SETC 1F9——————
SKIP 200——————
PTS
Mnemonic Direct Immediate Indirect Indexed
Length Opcode Length Opcode Length Opcode Length Opcode
DPTS 1 EC ——————
EPTS 1ED——————
Table A-8. Instruction Lengths and Hexadecimal Opcodes (Continued)
NOTES:
1. Indirect normal and indirect autoincrement share the same opcodes, as do short- and long-indexed
modes. Because word registers always have even addresses, the address can be expressed in the
upper seven bits; the least-significant bit determines the addressing mode. Indirect normal and short-
indexed modes make the second byte of the instruction even (LSB = 0). Indirect autoincrement and
long-indexed modes make the second byte odd (LSB = 1).
2. For indexed instructions, the first column lists instruction lengths as
S
/
L
, where
S
is the short-indexed
instruction length and
L
is the long-indexed instruction length.
3. For the SCALL and SJMP instructions, the three least-significant bits of the opcode are concatenated
with the eight bits to form an 11-bit, 2’s complement offset.

8XC196K
x
, J
x
, CA USER’S MANUAL
A-54
Table A-9 lists instructions alphabetically within groups, along with their execution times, ex-
pressed in state times.
Table A-9. Instruction Execution Times (in State Times)
Arithmetic (Group I)
Mnemonic Direct Immed.
Indirect Indexed
Normal Autoinc. Short Long
Reg.Mem.Reg.Mem.Reg.Mem.Reg.Mem.
ADD (2 ops) 4 5 68796879
ADD (3 ops) 5 6 710811710811
ADDB (2 ops) 4 4 68796879
ADDB (3 ops) 5 5 710811710811
ADDC 4 5 68796879
ADDCB 4 4 68796879
CLR 3—————
CLRB 3—————
CMP 4 5 68796879
CMPB 4 4 68796879
CMPL 7—————
DEC 3—————
DECB 3 — — — — —
EXT 4—————
EXTB 4—————
INC 3—————
INCB 3—————
SUB (2 ops) 4 5 68796879
SUB (3 ops) 5 6 710811710811
SUBB (2 ops) 4 4 68796879
SUBB (3 ops) 5 5 710811710811
SUBC 4 5 68796879
SUBCB 4 4 68796879
NOTE: The column entitled “Reg.” lists the instruction execution times for accesses to the register file or
peripheral SFRs. The column entitled “Mem.” lists the instruction execution times for accesses to
all memory-mapped registers, I/O, or memory. See Table 4-1 on page 4-2 for address information.

A-55
INSTRUCTION SET REFERENCE
Arithmetic (Group II)
Mnemonic Direct Immed.
Indirect Indexed
Normal Autoinc. Short Long
Reg.Mem.Reg.Mem.Reg.Mem.Reg.Mem.
DIV 26 27 2831293229323033
DIVB 18 18 20 23 21 24 21 24 22 25
DIVU 24 25 26 29 27 30 27 30 28 31
DIVUB 16 16 18 21 19 22 19 22 20 23
MUL (2 ops) 16 17 18 21 19 22 19 22 20 23
MUL (3 ops) 16 17 18 21 19 22 19 22 20 23
MULB (2 ops) 12 12 14 17 15 18 15 18 16 19
MULB (3 ops) 12 12 14 17 15 18 15 18 16 19
MULU (2 ops) 14 15 16 19 17 19 17 20 18 21
MULU (3 ops) 14 15 16 19 17 19 17 20 18 21
MULUB (2 ops) 10 10 12 15 13 15 12 16 14 17
MULUB (3 ops) 10 10 12 15 13 15 12 16 14 17
Logical
Mnemonic Direct Immed.
Indirect Indexed
Normal Autoinc. Short Long
Reg.Mem.Reg.Mem.Reg.Mem.Reg.Mem.
AND (2 ops) 4 5 68796879
AND (3 ops) 5 6 710811710811
ANDB (2 ops) 4 4 68796879
ANDB (3 ops) 5 5 710811710811
NEG 3—————
NEGB 3—————
NOT 3—————
NOTB 3 — — — — —
OR 4 5 68796879
ORB 4 4 68796879
XOR 4 5 68796879
XORB 4 4 68796879
Table A-9. Instruction Execution Times (in State Times) (Continued)
NOTE: The column entitled “Reg.” lists the instruction execution times for accesses to the register file or
peripheral SFRs. The column entitled “Mem.” lists the instruction execution times for accesses to
all memory-mapped registers, I/O, or memory. See Table 4-1 on page 4-2 for address information.

8XC196K
x
, J
x
, CA USER’S MANUAL
A-56
Stack (Register)
Mnemonic Direct Immed.
Indirect Indexed
Normal Autoinc. Short Long
Reg.Mem.Reg.Mem.Reg.Mem.Reg.Mem.
POP 8 — 10 12 11 13 11 13 12 14
POPA 12 — ————————
POPF 7 — ————————
PUSH 6 7 9 12101310131114
PUSHA 12 — ————————
PUSHF 6 — ————————
Stack (Memory)
Mnemonic Direct Immed.
Indirect Indexed
Normal Autoinc. Short Long
Reg.Mem.Reg.Mem.Reg.Mem.Reg.Mem.
POP 11 — 13 15 14 16 14 16 15 17
POPA 18 — ————————
POPF 10 — ————————
PUSH 8 9 11 14 12 15 12 15 13 16
PUSHA 18 — ————————
PUSHF 8 — ————————
Table A-9. Instruction Execution Times (in State Times) (Continued)
NOTE: The column entitled “Reg.” lists the instruction execution times for accesses to the register file or
peripheral SFRs. The column entitled “Mem.” lists the instruction execution times for accesses to
all memory-mapped registers, I/O, or memory. See Table 4-1 on page 4-2 for address information.

A-57
INSTRUCTION SET REFERENCE
Data
Mnemonic Indirect
BMOV register/register 6 + 8 per word
memory/register 6 + 11 per word
memory/memory 6 + 14 per word
BMOVI register/register 7 + 8 per word + 14 per interrupt
memory/register 7 + 11 per word + 14 per interrupt
memory/memory 7 + 14 per word + 14 per interrupt
Mnemonic Direct Immed.
Indirect Indexed
Normal Autoinc. Short Long
Reg.Mem.Reg.Mem.Reg.Mem.Reg.Mem.
LD 4 5 586869710
LDB 4 4 586869710
LDBSE 4 4 586869710
LDBZE 4 4 586869710
ST 4 — 586969710
STB 4 — 586869710
XCH 5 — ————813914
XCHB 5 — ————813914
Jump
Mnemonic Direct Immed. Indirect Indexed
Normal Autoinc. Short Long
BR — — 7 7 — —
LJMP — — — — — 7
SJMP — — — — 7 —
TIJMP
register/register
memory/register
memory/memory
—— 15
18
21
———
Call (Register)
Mnemonic Direct Immed. Indirect Indexed
Normal Autoinc. Short Long
LCALL — — — — — 11
RET ——11———
SCALL — — — — — 11
TRAP 16—————
Table A-9. Instruction Execution Times (in State Times) (Continued)
NOTE: The column entitled “Reg.” lists the instruction execution times for accesses to the register file or
peripheral SFRs. The column entitled “Mem.” lists the instruction execution times for accesses to
all memory-mapped registers, I/O, or memory. See Table 4-1 on page 4-2 for address information.

8XC196K
x
, J
x
, CA USER’S MANUAL
A-58
Call (Memory)
Mnemonic Direct Immed.
Indirect Indexed
Normal Autoinc. Short Long
LCALL — — — — — 13
RET —— 14 — — —
SCALL — — — — — 13
TRAP 18—————
Conditional Jump
Mnemonic Short-Indexed
DJNZ 5 (jump not taken), 9 (jump taken)
DJNZW 6 (jump not taken), 10 (jump taken)
JBC 5 (jump not taken), 9 (jump taken)
JBS 5 (jump not taken), 9 (jump taken)
JC 4 (jump not taken), 8 (jump taken)
JE 4 (jump not taken), 8 (jump taken)
JGE 4 (jump not taken), 8 (jump taken)
JGT 4 (jump not taken), 8 (jump taken)
JH 4 (jump not taken), 8 (jump taken)
JLE 4 (jump not taken), 8 (jump taken)
JLT 4 (jump not taken), 8 (jump taken)
JNC 4 (jump not taken), 8 (jump taken)
JNE 4 (jump not taken), 8 (jump taken)
JNH 4 (jump not taken), 8 (jump taken)
JNST 4 (jump not taken), 8 (jump taken)
JNV 4 (jump not taken), 8 (jump taken)
JNVT 4 (jump not taken), 8 (jump taken)
JST 4 (jump not taken), 8 (jump taken)
JV 4 (jump not taken), 8 (jump taken)
JVT 4 (jump not taken), 8 (jump taken)
Table A-9. Instruction Execution Times (in State Times) (Continued)
NOTE: The column entitled “Reg.” lists the instruction execution times for accesses to the register file or
peripheral SFRs. The column entitled “Mem.” lists the instruction execution times for accesses to
all memory-mapped registers, I/O, or memory. See Table 4-1 on page 4-2 for address information.

A-59
INSTRUCTION SET REFERENCE
Shift
Mnemonic Direct
NORML 8 + 1 per shift (9 for 0 shift)
SHL 6 + 1 per shift (7 for 0 shift)
SHLB 6 + 1 per shift (7 for 0 shift)
SHLL 7 + 1 per shift (8 for 0 shift)
SHR 6 + 1 per shift (7 for 0 shift)
SHRA 6 + 1 per shift (7 for 0 shift)
SHRAB 6 + 1 per shift (7 for 0 shift)
SHRAL 7 + 1 per shift (8 for 0 shift)
SHRB 6 + 1 per shift (7 for 0 shift)
SHRL 7 + 1 per shift (8 for 0 shift)
Special
Mnemonic Direct Immed. Indirect Indexed
Normal Autoinc. Short Long
CLRC 2—————
CLRVT 2—————
DI 2—————
EI 2—————
IDLPD
Valid key
Invalid key —
—12
28 —
——
——
——
—
NOP 2—————
RST 4—————
SETC 2—————
SKIP 3—————
PTS
Mnemonic Direct Immed. Indirect Indexed
Normal Autoinc. Short Long
DPTS 2 — — — — —
EPTS 2—————
Table A-9. Instruction Execution Times (in State Times) (Continued)
NOTE: The column entitled “Reg.” lists the instruction execution times for accesses to the register file or
peripheral SFRs. The column entitled “Mem.” lists the instruction execution times for accesses to
all memory-mapped registers, I/O, or memory. See Table 4-1 on page 4-2 for address information.

B
Signal Descriptions

B-1
APPENDIX B
SIGNAL DESCRIPTIONS
This appendix provides reference information for the pin functions of the 8XC196Kx, 8XC196Jx,
and 87C196CA.
B.1 SIGNAL NAME CHANGES
The names of some 8XC196Kx and 8XC196Jx signals have been changed for consistency with
other MCS® 96 microcontrollers. Table B-1 lists the old and new names.
B.2 FUNCTIONAL GROUPINGS OF SIGNALS
Tables B-2, B-3, and B-4 list the signals for the 8XC196Kx, 8XC196Jx, and 87C196CA, respec-
tively, grouped by function. A diagram of each package that is currently available shows the pin
location of each signal.
NOTE
As new packages are supported, they will be added to the datasheets first. If
your package type is not shown in this appendix, refer to the latest datasheet to
find the pin locations.
Table B-1. Signal Name Changes
Name in
8XC196Kx User’s Manual
New Name
BUSW BUSWIDTH
INTINTOUT# INTOUT#

8XC196K
x
, J
x
, CA USER’S MANUAL
B-2
Table B-2. 8XC196K
x
Signals Arranged by Functional Categories
Input/Output Input/Output (Cont’d) Programming
Control Bus Control & Status
P0.7:0/ACH7:0 P6.5/SD0 AINC# ALE/ADV#
P1.0/EPA0/T2CLK P6.6/SC1 CPVER BHE#/WRH#
P1.1/EPA1 P6.7/SD1 PACT# BREQ#
P1.2/EPA2/T2DIR PALE# BUSWIDTH
P1.7:3/EPA7:3 Processor Control PBUS.15:0 CLKOUT
P2.0/TXD EA# PMODE.3:0 HOLD#
P2.1/RXD EXTINT PROG# HLDA#
P2.7:2 NMI PVER INST
P3.7:0 ONCE# INTOUT#
P4.7:0 RESET# Power & Ground READY
P5.7:0 SLPINT ANGND RD#
P6.0/EPA8/COMP0 XTAL1 VCC SLPALE†
P6.1/EPA9/COMP1 XTAL2 VPP SLPCS#†
P6.2/T1CLK VREF SLPWR#†
P6.3/T1DIR Address & Data VSS SLPRD#†
P6.4/SC0 AD15:0 WR#/WRL#
SLP7:0†
†Slave port signal

B-3
SIGNAL DESCRIPTIONS
Figure B-1. 8XC196K
x
68-lead PLCC Package
P6.2 / T1CLK
P6.1 / EPA9 / COMP1
P6.0 / EPA8 / COMP0
P1.0 / EPA0 / T2CLK
P1.1 / EPA1
P1.2 / EPA2 / T2DIR
P1.3 / EPA3
P1.4 / EPA4
P1.5 / EPA5
P1.6 / EPA6
P1.7 / EPA7
V
REF
ANGND
P0.7 / ACH7 / PMODE.3
P0.6 / ACH6 / PMODE.2
P0.5 / ACH5 / PMODE.1
P0.4 / ACH4 / PMODE.0
P5.2 / WR# / WRL# / SLPWR#
P5.5 / BHE# / WRH#
P5.3 / RD# / SLPRD#
VPP
V
SS
P5.0 / ADV# / ALE / SLPALE
P5.1 / INST / SLPCS#
P5.6 / READY
P5.4 / SLPINT
V
SS
XTAL1
XTAL2
P6.7 / SD1
P6.6 / SC1
P6.5 / SD0
P6.4 / SC0
P6.3 / T1DIR
A2842-01
P5.7 / BUSWIDTH
AD15 / P4.7 / PBUS.15
AD14 / P4.6 / PBUS.14
AD13 / P4.5 / PBUS.13
AD12 / P4.4 / PBUS.12
AD11 / P4.3 / PBUS.11
AD10 / P4.2 / PBUS.10
AD9 / P4.1 / PBUS.9
AD8 / P4.0 / PBUS.8
AD7 / P3.7 / SLP7 / PBUS.7
AD6 / P3.6 / SLP6 / PBUS.6
AD5 / P3.5 / SLP5 / PBUS.5
AD4 / P3.4 / SLP4 / PBUS.4
AD3 / P3.3 / SLP3 / PBUS.3
AD2 / P3.2 / SLP2 / PBUS.2
AD1 / P3.1 / SLP1 / PBUS.1
AD0 / P3.0 / SLP0 / PBUS.0
60
59
58
57
56
55
54
53
52
51
50
49
48
47
46
45
44
8XC196K
x
View of component as
mounted on PC board
10
11
12
13
14
15
16
17
18
19
20
21
22
23
24
25
26
RESET#
NMI
EA#
V
SS
V
CC
P2.0 / TXD / PVER
P2.1 / RXD / PALE#
P2.2 / EXTINT / PROG#
P2.3 / BREQ#
P2.4 / INTOUT# / AINC#
P2.5 / HOLD#
P2.6 / HLDA# / CPVER
P2.7 / CLKOUT / PACT#
P0.0 / ACH0
P0.1 / ACH1
P0.2 / ACH2
P0.3 / ACH3
27
28
29
30
31
32
33
34
35
36
37
38
39
40
41
42
43
9
8
7
6
5
4
3
2
1
68
67
66
65
64
63
62
61
Note:
In the 8XC196KR and KQ, ONCE# is multiplexed with P5.4.
In the 8XC196KT and KS, ONCE# is multiplexed with P2.6

8XC196K
x
, J
x
, CA USER’S MANUAL
B-4
Table B-3. 8XC196J
x
Signals Arranged by Functional Categories
Input/Output Input/Output (Cont’d) Programming
Control Bus Control & Status
P0.7:2/ACH7:2 P6.1/EPA9/COMP1 AINC# ALE/ADV#
P1.0/EPA0/T2CLK P6.4/SC0 CPVER CLKOUT
P1.1/EPA1 P6.5/SD0 PACT# RD#
P1.2/EPA2/T2DIR P6.6/SC1 PALE# WR#/WRL#
P1.3/EPA3 P6.7/SD1 PBUS.15:0
P2.0/TXD PMODE.3:0 Address & Data
P2.1/RXD Processor Control PROG# AD15:0
P2.2 EA# PVER
P2.4 EXTINT
P2.7:6 ONCE# Power & Ground
P3.7:0 RESET# ANGND
P4.7:0 XTAL1 VCC
P5.0 XTAL2 VPP
P5.3:2 VREF
P6.0/EPA8/COMP0 VSS

B-5
SIGNAL DESCRIPTIONS
Figure B-2. 8XC196J
x
52-lead PLCC Package
P6.1 / EPA9 / COMP1
P6.0 / EPA8 / COMP0
P1.0 / EPA0 / T2CLK
P1.1 / EPA1
P1.2 / EPA2 / T2DIR
P1.3 / EPA3
V
REF
ANGND
P0.7 / ACH7 / PMODE.3
P0.6 / ACH6 / PMODE.2
P0.5 / ACH5 / PMODE.1
P0.4 / ACH4 / PMODE.0
P0.3 / ACH3
AD15 / P4.7 / PBUS.15
P5.2 / WR# / WRL#
P5.3 / RD#
V
PP
V
SS
P5.0 / ADV# / ALE
V
SS
XTAL1
XTAL2
P6.7 / SD1
P6.6 / SC1
P6.5 / SD0
P6.4 / SC0
A2843-01
AD14 / P4.6 / PBUS.14
AD13 / P4.5 / PBUS.13
AD12 / P4.4 / PBUS.12
AD11 / P4.3 / PBUS.11
AD10 / P4.2 / PBUS.10
AD9 / P4.1 / PBUS.9
AD8 / P4.0 / PBUS.8
AD7 / P3.7 / PBUS.7
AD6 / P3.6 / PBUS.6
AD5 / P3.5 / PBUS.5
AD4 / P3.4 / PBUS.4
AD3 / P3.3 / PBUS.3
AD2 / P3.2 / PBUS.2
46
45
44
43
42
41
40
39
38
37
36
35
34
8XC196J
x
View of component as
mounted on PC board
8
9
10
11
12
13
14
15
16
17
18
19
20
AD1 / P3.1 / PBUS.1
AD0 / P3.0 / PBUS.0
RESET#
EA#
V
SS
V
CC
P2.0 / TXD / PVER
P2.1 / RXD / PALE#
P2.2 / EXTINT / PROG#
P2.4 / AINC#
P2.6 / ONCE# / CPVER
P2.7 / CLKOUT / PACT#
P0.2 / ACH2
21
22
23
24
25
26
27
28
29
30
31
32
33
7
6
5
4
3
2
1
52
51
50
49
48
47

8XC196K
x
, J
x
, CA USER’S MANUAL
B-6
Table B-4. 87C196CA Signals Arranged by Functional Categories
Input/Output Input/Output (Cont’d) Programming
Control Bus Control & Status
P0.7:2/ACH7:2 P6.4/SC0 AINC# ALE/ADV#
P1.0/EPA0/T2CLK P6.5/SD0 CPVER WRH#
P1.1/EPA1 P6.6/SC1 PACT# CLKOUT
P1.2/EPA2/T2DIR P6.7/SD1 PALE# READY
P1.3/EPA3 RXCAN PBUS.15:0 RD#
P2.0/TXD TXCAN PMODE.3:0 WR#/WRL#
P2.1/RXD PROG#
P2.2 Processor Control PVER Address & Data
P2.4 EA# AD15:0
P2.7:6 EXTINT Power & Ground
P3.7:0 NMI ANGND
P4.7:0 ONCE# VCC
P5.0 RESET# VPP
P5.6:2 XTAL1 VREF
P6.0/EPA8/COMP0 XTAL2 VSS
P6.1/EPA9/COMP1

B-7
SIGNAL DESCRIPTIONS
Figure B-3. 87C196CA 68-lead PLCC Package
NC
NC
V
CC
P6.1 / EPA9 / COMP1
P6.0 / EPA8 / COMP0
P1.0 / EPA0 / T2CLK
P1.1 / EPA1
P1.2 / EPA2 / T2DIR
P1.3 / EPA3
NC
V
REF
ANGND
P0.7 / ACH7 / PMODE.3
P0.6 / ACH6 / PMODE.2
P0.5 / ACH5 / PMODE.1
P0.4 / ACH4 / PMODE.0
NC
P5.2 / WR# / WRL#
P5.5 / BHE# / WRH#
P5.3 / RD#
V
PP
V
SS
P5.0 / ADV# / ALE
P5.6 / READY
P5.4
V
SS1
XTAL1
XTAL2
RXCAN
TXCAN
P6.7 / SD1
P6.6 / SC1
P6.5 / SD0
P6.4 / SC0
A2841-01
NC
AD15 / P4.7 / PBUS.15
AD14 / P4.6 / PBUS.14
AD13 / P4.5 / PBUS.13
AD12 / P4.4 / PBUS.12
AD11 / P4.3 / PBUS.11
AD10 / P4.2 / PBUS.10
AD9 / P4.1 / PBUS.9
AD8 / P4.0 / PBUS.8
AD7 / P3.7 / PBUS.7
AD6 / P3.6 / PBUS.6
AD5 / P3.5 / PBUS.5
AD4 / P3.4 / PBUS.4
AD3 / P3.3 / PBUS.3
AD2 / P3.2 / PBUS.2
NC
NC
60
59
58
57
56
55
54
53
52
51
50
49
48
47
46
45
44
87C196CA
View of component as
mounted on PC board
10
11
12
13
14
15
16
17
18
19
20
21
22
23
24
25
26
AD1 / P3.1 / PBUS.1
AD0 / P3.0 / PBUS.0
RESET#
NMI
EA#
V
SS
V
CC
V
SS
P2.0 / TXD / PVER
P2.1 / RXD / PALE#
P2.2 / EXTINT / PROG#
P2.4 / AINC#
P2.6 / ONCE# / CPVER
P2.7 / CLKOUT / PACT#
P0.2 / ACH2
P0.3 / ACH3
NC
27
28
29
30
31
32
33
34
35
36
37
38
39
40
41
42
43
9
8
7
6
5
4
3
2
1
68
67
66
65
64
63
62
61

8XC196K
x
, J
x
, CA USER’S MANUAL
B-8
B.3 SIGNAL DESCRIPTIONS
Table B-5 defines the columns used in Table B-6, which describes the signals.
Table B-5. Description of Columns of Table B-6
Column Heading Description
Name Lists the signals, arranged alphabetically. Many pins have two functions, so
there are more entries in this column than there are pins. Every signal is
listed in this column.
Type Identifies the pin function listed in the
Name
column as an input (I), output
(O), bidirectional (I/O), power (PWR), or ground (GND).
Note that all inputs except RESET# are
sampled inputs
. RESET# is a level-
sensitive input. During powerdown mode, the powerdown circuitry uses
EXTINT as a level-sensitive input.
Description Briefly describes the function of the pin for the specific signal listed in the
Name
column. Also lists the alternate fuction that are multiplexed with the
signal (if applicable).
Table B-6. Signal Descriptions
Name Type Description
ACH7:0 (K
x
)
ACH7:2
(CA/J
x
)
I Analog Channels
These pins are analog inputs to the A/D converter.
These pins may individually be used as analog inputs (ACH
x
) or digital inputs
(P0.
x
). While it is possible for the pins to function simultaneously as analog and
digital inputs, this is not recommended because reading port 0 while a
conversion is in process can produce unreliable conversion results.
The ANGND and VREF pins must be connected for the A/D converter and port 0
to function.
NOTE: On the 8XC196J
x
and 87C196CA, ACH0 and ACH1 are tied to VREF
internally. The result of reading these channels is 3FFH (full-scale).
On the 8XC196K
x,
ACH7:0 are multiplexed as follows: ACH0/P0.0, ACH1/P0.1,
ACH2/P0.2, ACH3/P0.3, ACH4/P0.4/PMODE.0, ACH5/P0.5/PMODE.1,
ACH6/P0.6/PMODE.2, and ACH7/P0.7/PMODE.3.
On the 8XC196J
x
and 87C196CA, ACH7:2 are multiplexed as follows:
ACH2/P0.2, ACH3/P0.3, ACH4/P0.4/PMODE.0, ACH5/P0.5/PMODE.1,
ACH6/P0.6/PMODE.2, and ACH7/P0.7/PMODE.3.
ACH1:0 are not implemented on the 8XC196J
x
and 87C196CA.
†This signal is not implemented on the 8XC196J
x
or 87C196CA (see “Design Considerations for
8XC196JQ, JR, JT, and JV Devices” on page 2-14 or “Design Considerations for 87C196CA Devices” on
page 2-13).
††This signal is not implemented on the 8XC196J
x
(see “Design Considerations for 8XC196JQ, JR, JT, and
JV Devices” on page 2-14).

B-9
SIGNAL DESCRIPTIONS
AD15:0 I/O Address/Data Lines
These pins provide a multiplexed address and data bus. During the address
phase of the bus cycle, address bits 0–15 are presented on the bus and can be
latched using ALE or ADV#. During the data phase, 8- or 16-bit data is trans-
ferred.
AD7:0 are multiplexed with SLP7:0††, P3.7:0 and PBUS.7:0. AD15:8 are
multiplexed with P4.7:0 and PBUS.15:8.
ADV# O Address Valid
This active-low output signal is asserted only during external memory
accesses. ADV# indicates that valid address information is available on the
system address/data bus. The signal remains low while a valid bus cycle is in
progress and is returned high as soon as the bus cycle completes.
An external latch can use this signal to demultiplex the address from the
address/data bus. A decoder can also use this signal to generate chip selects
for external memory.
On the 8XC196K
x
, ADV# is multiplexed with P5.0, SLPALE, and ALE.
On the 8XC196J
x
and 87C196CA, ADV# is multiplexed with P5.0 and ALE.
AINC# I Auto Increment
During slave programming, this active-low input enables the auto-increment
feature. (Auto increment allows reading or writing of sequential OTPROM
locations, without requiring address transactions across the PBUS for each
read or write.) AINC# is sampled after each location is programmed or dumped.
If AINC# is asserted, the address is incremented and the next data word is
programmed or dumped.
On the 8XC196K
x
, AINC# is multiplexed with P2.4 and INTOUT#.
On the 8XC196J
x
and 87C196CA, AINC# is multiplexed with P2.4.
ALE O Address Latch Enable
This active-high output signal is asserted only during external memory cycles.
ALE signals the start of an external bus cycle and indicates that valid address
information is available on the system address/data bus. ALE differs from ADV#
in that it does not remain active during the entire bus cycle.
An external latch can use this signal to demultiplex the address from the
address/data bus.
On the 8XC196K
x
, ALE is multiplexed with P5.0, SLPALE, and ADV#.
On the 8XC196J
x
and 87C196CA, ALE is multiplexed with P5.0 and ADV#.
ANGND GND Analog Ground
ANGND must be connected for A/D converter and port 0 operation. ANGND
and VSS should be nominally at the same potential.
Table B-6. Signal Descriptions (Continued)
Name Type Description
†This signal is not implemented on the 8XC196J
x
or 87C196CA (see “Design Considerations for
8XC196JQ, JR, JT, and JV Devices” on page 2-14 or “Design Considerations for 87C196CA Devices” on
page 2-13).
††This signal is not implemented on the 8XC196J
x
(see “Design Considerations for 8XC196JQ, JR, JT, and
JV Devices” on page 2-14).

8XC196K
x
, J
x
, CA USER’S MANUAL
B-10
BHE#†† O Byte High Enable
The chip configuration register 0 (CCR0) determines whether this pin functions
as BHE# or WRH#. CCR0.2=1 selects BHE#; CCR0.2=0 selects WRH#.
During 16-bit bus cycles, this active-low output signal is asserted for word reads
and writes and high-byte reads and writes to external memory. BHE# indicates
that valid data is being transferred over the upper half of the system data bus.
Use BHE#, in conjunction with AD0, to determine which memory byte is being
transferred over the system bus:
BHE# AD0 Byte(s) Accessed
0 0 both bytes
0 1 high byte only
1 0 low byte only
BHE# is multiplexed with P5.5 and WRH#.
BREQ#†O Bus Request
This active-low output signal is asserted during a hold cycle when the bus
controller has a pending external memory cycle.
The device can assert BREQ# at the same time as or after it asserts HLDA#.
Once it is asserted, BREQ# remains asserted until HOLD# is removed.
You must enable the bus-hold protocol before using this signal (see “Enabling
the Bus-hold Protocol (8XC196Kx Only)” on page 15-18).
BREQ# is multiplexed with P2.3.
BUSWIDTH†I Bus Width
The chip configuration register bits, CCR0.1 and CCR1.2, along with the
BUSWIDTH pin, control the data bus width. When both CCR bits are set, the
BUSWIDTH signal selects the external data bus width. When only one CCR bit
is set, the bus width is fixed at either 16 or 8 bits, and the BUSWIDTH signal
has no effect.
CCR0.1 CCR1.2 BUSWIDTH
0 1 N/A fixed 8-bit data bus
1 0 N/A fixed 16-bit data bus
1 1 high 16-bit data bus
1 1 low 8-bit data bus
BUSWIDTH is multiplexed with P5.7.
CLKOUT O Clock Output
Output of the internal clock generator. The CLKOUT frequency is ½ the
oscillator input frequency (XTAL1). CLKOUT has a 50% duty cycle.
CLKOUT is multiplexed with P2.7 and PACT#.
COMP1:0 O Event Processor Array (EPA) Compare Pins
These signals are the output of the EPA compare-only channels. These pins
are multiplexed with other signals and may be configured as standard I/O.
COMP1:0 are multiplexed as follows: COMP0/P6.0/EPA8 and
COMP1/P6.1/EPA9.
Table B-6. Signal Descriptions (Continued)
Name Type Description
†This signal is not implemented on the 8XC196J
x
or 87C196CA (see “Design Considerations for
8XC196JQ, JR, JT, and JV Devices” on page 2-14 or “Design Considerations for 87C196CA Devices” on
page 2-13).
††This signal is not implemented on the 8XC196J
x
(see “Design Considerations for 8XC196JQ, JR, JT, and
JV Devices” on page 2-14).

B-11
SIGNAL DESCRIPTIONS
CPVER O Cumulative Program Verification
During slave programming, a high signal indicates that all locations
programmed correctly, while a low signal indicates that an error occurred during
one of the programming operations.
On the 8XC196K
x
, CPVER is multiplexed with P2.6 and HLDA#.
On the 8XC196J
x
and 87C196CA, CPVER is multiplexed with P2.6 and
ONCE#.
EA# I External Access
EA# is sampled and latched only on the rising edge of RESET#. Changing the
level of EA# after reset has no effect. Accesses to special-purpose and program
memory partitions are directed to internal memory if EA# is held high and to
external memory if EA# is held low. (See Table 4-1 on page 4-2 for address
ranges of special-purpose and program memory partitions.)
EA# also controls program mode entry. If EA# is at VPP voltage (typically
+12.5 V) on the rising edge of RESET#, the device enters programming mode.
NOTE: When EA# is active, ports 3 and 4 will function only as the
address/data bus. They cannot be used for standard I/O.
On devices with no internal nonvolatile memory, always connect EA# to VSS.
EPA9:0 (K
x
)
EPA9:8,
EPA3:0
(J
x
, CA)
I/O Event Processor Array (EPA) Input/Output pins
These are the high-speed input/output pins for the EPA capture/compare
channels. For high-speed PWM applications, the outputs of two EPA channels
(either EPA0 and EPA1 or EPA2 and EPA3) can be remapped to produce a
PWM waveform on a shared output pin (see “Generating a High-speed PWM
Output” on page 10-16).
EPA9:0 are multiplexed as follows: EPA0/P1.0/T2CLK, EPA1/P1.1,
EPA2/P1.2/T2DIR, EPA3/P1.3, EPA4/P1.4, EPA5/P1.5, EPA6/P1.6, EPA7/P1.7,
EPA8/P6.0/COMP0, and EPA9/P6.1/COMP1.
EPA7:4 are not implemented on the 8XC196J
x
or 87C196CA.
Table B-6. Signal Descriptions (Continued)
Name Type Description
†This signal is not implemented on the 8XC196J
x
or 87C196CA (see “Design Considerations for
8XC196JQ, JR, JT, and JV Devices” on page 2-14 or “Design Considerations for 87C196CA Devices” on
page 2-13).
††This signal is not implemented on the 8XC196J
x
(see “Design Considerations for 8XC196JQ, JR, JT, and
JV Devices” on page 2-14).

8XC196K
x
, J
x
, CA USER’S MANUAL
B-12
EXTINT I External Interrupt
In normal operating mode, a rising edge on EXTINT sets the EXTINT interrupt
pending flag. EXTINT is sampled during phase 2 (CLKOUT high). The minimum
high time is one state time.
If the chip is in idle mode and if EXTINT is enabled, a rising edge on EXTINT
brings the chip back to normal operation, where the first action is to execute the
EXTINT service routine. After completion of the service routine, execution
resumes at the the IDLPD instruction following the one that put the device into
idle mode.
In powerdown mode, asserting EXTINT
causes the chip to return to normal
operating mode. If EXTINT is enabled, the EXTINT service routine is executed.
Otherwise, execution continues at the instruction following the IDLPD
instruction that put the device into powerdown mode.
EXTINT is multiplexed with P2.2 and PROG#.
HLDA#†O Bus Hold Acknowledge
This active-low output indicates that the CPU has released the bus as the result
of an external device asserting HOLD#.
HLDA# is multiplexed with P2.6 and CPVER.
HOLD#†I Bus Hold Request
An external device uses this active-low input signal to request control of the
bus. This pin functions as HOLD# only if the pin is configured for its special
function (see “Bidirectional Port Pin Configurations” on page 6-10) and the bus-
hold protocol is enabled. Setting bit 7 of the window selection register enables
the bus-hold protocol.
HOLD# is multiplexed with P2.5.
INST†O Instruction Fetch
This active-high output signal is valid only during external memory bus cycles.
When high, INST indicates that an instruction is being fetched from external
memory. The signal remains high during the entire bus cycle of an external
instruction fetch. INST is low for data accesses, including interrupt vector
fetches and chip configuration byte reads. INST is low during internal memory
fetches.
INST is multiplexed with P5.1 and SLPCS#.
INTOUT#†O Interrupt Output
This active-low output indicates that a pending interrupt requires use of the
external bus. If the 8XC196K
x
receives an interrupt request while it is in hold,
the 8XC196K
x
asserts INTOUT# only if it is executing from internal memory. If
the 8XC196K
x
needs to access external memory, it asserts BREQ# and waits
until the external device deasserts HOLD# to assert INTOUT#. If the
8XC196K
x
receives an interrupt request as it is going into hold (between the
time that an external device asserts HOLD# and the time that the 8XC196K
x
responds with HLDA#), the 8XC196K
x
asserts INTOUT# and keeps it asserted
until the external device deasserts HOLD#.
INTOUT is multiplexed with P2.4 and AINC#.
Table B-6. Signal Descriptions (Continued)
Name Type Description
†This signal is not implemented on the 8XC196J
x
or 87C196CA (see “Design Considerations for
8XC196JQ, JR, JT, and JV Devices” on page 2-14 or “Design Considerations for 87C196CA Devices” on
page 2-13).
††This signal is not implemented on the 8XC196J
x
(see “Design Considerations for 8XC196JQ, JR, JT, and
JV Devices” on page 2-14).

B-13
SIGNAL DESCRIPTIONS
NMI†† I Nonmaskable Interrupt
In normal operating mode, a rising edge on NMI causes a vector through the
NMI interrupt at location 203EH. NMI must be asserted for greater than one
state time to guarantee that it is recognized.
In idle mode, a rising edge on the NMI pin causes the device to return to normal
operation, where the first action is to execute the NMI service routine. After
completion of the service routine, execution resumes at the instruction following
the IDLPD instruction that put the device into idle mode.
In powerdown mode, a rising edge on the NMI pin does not cause the device to
exit powerdown.
ONCE# I On-circuit Emulation
Holding ONCE# low during the rising edge of RESET# places the device into
on-circuit emulation (ONCE) mode. This mode puts all pins into a high-
impedance state, thereby isolating the device from other components in the
system. The value of ONCE# is latched when the RESET# pin goes inactive.
While the device is in ONCE mode, you can debug the system using a clip-on
emulator. To exit ONCE mode, reset the device by pulling the RESET# signal
low. To prevent inadvertent entry into ONCE mode, either configure this pin as
an output or hold it high during reset and ensure that your system meets the VIH
specification (see datasheet).
On the 8XC196KR and KQ, ONCE# is multiplexed with P5.4 and SLPINT.
On the 8XC196KT and KS, ONCE# is multiplexed with P2.6 and HLDA#.
On the 8XC196J
x
and CA, ONCE# is multiplexed with P2.6.
P0.7:0 (K
x
)
P0.7:2 (Jx, CA)
I Port 0
This is a high-impedance, input-only port. Port 0 pins should not be left floating.
These pins may individually be used as analog inputs (ACH
x
) or digital inputs
(P0.
x
). While it is possible for the pins to function simultaneously as analog and
digital inputs, this is not recommended because reading port 0 while a
conversion is in process can produce unreliable conversion results.
ANGND and VREF must be connected for port 0 to function.
On the 8XC196K
x,
P0.3:0 are multiplexed with ACH3:0 and P0.7:4 are
multiplexed with ACH7:4 and PMODE.3:0.
On the 8XC196J
x
and 87C196CA, P0.3:2 are multiplexed with ACH3:2 and
P0.7:4 are multiplexed with ACH7:4 and PMODE.3:0.
P0.1:0 are not implemented on the 8XC196J
x
and 87C196CA.
P1.7:0 (K
x
)
P1.3:0 (Jx,
CA)
I/O Port 1
This is a standard, bidirectional port that is multiplexed with individually
selectable special-function signals.
Port 1 is multiplexed as follows: P1.0/EPA0/T2CLK, P1.1/EPA1,
P1.2/EPA2/T2DIR, P1.3/EPA3, P1.4/EPA4, P1.5/EPA5, P1.6/EPA6, and
P1.7/EPA7.
P1.7:4 are not implemented on the 8XC196J
x
and 87C196CA.
Table B-6. Signal Descriptions (Continued)
Name Type Description
†This signal is not implemented on the 8XC196J
x
or 87C196CA (see “Design Considerations for
8XC196JQ, JR, JT, and JV Devices” on page 2-14 or “Design Considerations for 87C196CA Devices” on
page 2-13).
††This signal is not implemented on the 8XC196J
x
(see “Design Considerations for 8XC196JQ, JR, JT, and
JV Devices” on page 2-14).

8XC196K
x
, J
x
, CA USER’S MANUAL
B-14
P2.7:0 (K
x
)
P2.7:6, P2.4,
P2.2:0 (J
x
, CA)
I/O Port 2
This is a standard bidirectional port that is multiplexed with individually
selectable special-function signals.
P2.6 is multiplexed with the ONCE# function (CA, JR, JT, JV, KS, KT) or a
special test-mode-entry function (KR, KQ). If this pin is held low during reset,
the device will enter ONCE mode or a reserved test mode, so exercise caution
if you use this pin for input. If you choose to configure this pin as an input,
always hold it high during reset and ensure that your system meets the VIH
specification (see datasheet) to prevent inadvertent entry into ONCE mode or a
test mode.
On the 8XC196K
x
, port 2 is multiplexed as follows: P2.0/TXD/PVER,
P2.1/RXD/PALE#, P2.2/EXTINT/PROG#, P2.3/BREQ#,
P2.4/INTOUT#/AINC#, P2.5/HOLD#, P2.6/HLDA#/ONCE#(KT, KS)/CPVER,
P2.7/CLKOUT/PACT#.
On the 8XC196J
x
and 87C196CA, port 2 is multiplexed as follows:
P2.0/TXD/PVER, P2.1/RXD/PALE#, P2.2/EXTINT/PROG#, P2.4/AINC#,
P2.6/ONCE#/CPVER, P2.7/CLKOUT/PACT#. P2.3 and P2.5 are not imple-
mented.
P3.7:0 I/O Port 3
This is an 8-bit, bidirectional, memory-mapped I/O port with open-drain outputs.
The pins are shared with the multiplexed address/data bus, which has comple-
mentary drivers.
P3.7:0 are multiplexed with AD7:0, SLP7:0 (K
x
only), and PBUS.7:0.
P4.7:0 I/O Port 4
This is an 8-bit, bidirectional, memory-mapped I/O port with open-drain outputs.
P4.7:0 are multiplexed with AD15:8 and PBUS15:8.
P5.7:0 I/O Port 5
This is an 8-bit, bidirectional, memory-mapped I/O port.
P5.4 is multiplexed with the ONCE# function (KR, KQ) or a special test-mode-
entry function (CA, KS, KT). If this pin is held low during reset, the device will
enter ONCE mode or a reserved test mode, so exercise caution if you use this
pin for input. If you choose to configure this pin as an input, always hold it high
during reset and ensure that your system meets the VIH specification (see
datasheet) to prevent inadvertent entry into ONCE mode or a test mode.
On the 8XC196K
x
, port 5 is multiplexed as follows: P5.0/ALE/ADV#/SLPALE,
P5.1/INST/SLPCS#, P5.2/WR#/WRL#/SLPWR#, P5.3/RD#/SLPRD#,
P5.4/ONCE# (KR, KQ)/SLPINT, P5.5/BHE#/WRH#, P5.6/READY, and
P5.7/BUSWIDTH.
On the 8XC196J
x
, port 5 is multiplexed as follows: P5.0/ADV#/ALE,
P5.2/WR#/WRL#, and P5.3/RD#. P5.1 and P5.7:4 are not implemented.
On the 87C196CA, port 5 is multiplexed as follows: P5.0/ADV#/ALE,
P5.2/WR#/WRL#, P5.3/RD#, P5.5/BHE#/WRH#, and P5.6/READY. P5.4 is not
multiplexed; P5.1 and P5.7 are not implemented.
Table B-6. Signal Descriptions (Continued)
Name Type Description
†This signal is not implemented on the 8XC196J
x
or 87C196CA (see “Design Considerations for
8XC196JQ, JR, JT, and JV Devices” on page 2-14 or “Design Considerations for 87C196CA Devices” on
page 2-13).
††This signal is not implemented on the 8XC196J
x
(see “Design Considerations for 8XC196JQ, JR, JT, and
JV Devices” on page 2-14).

B-15
SIGNAL DESCRIPTIONS
P6.7:0 I/O Port 6
This is a standard 8-bit bidirectional port.
Port 6 is multiplexed as follows: P6.0/EPA8/COMP0, P6.1/EPA9/COMP1,
P6.2/T1CLK, P6.3/T1DIR, P6.4/SC0, P6.5/SD0, P6.6/SC1, and P6.7/SD1.
P6.2 and P6.3 are not implemented on the 8XC196J
x
and 87C196CA.
PACT# O Programming Active
During auto programming or ROM-dump, a low signal indicates that
programming or dumping is in progress, while a high signal indicates that the
operation is complete.
PACT# is multiplexed with P2.7 and CLKOUT.
PALE# I Programming ALE
During slave programming, a falling edge causes the device to read a
command and address from the PBUS.
PALE# is multiplexed with P2.1 and RXD.
PBUS.15:0 I/O Address/Command/Data Bus
During slave programming, ports 3 and 4 serve as a bidirectional port with
open-drain outputs to pass commands, addresses, and data to or from the
device. Slave programming requires external pull-up resistors.
During auto programming and ROM-dump, ports 3 and 4 serve as a regular
system bus to access external memory. P4.6 and P4.7 are left unconnected;
P1.1 and P1.2 serve as the upper address lines.
Slave programming:
PBUS.7:0 are multiplexed with AD7:0, SLP7:0 (K
x
only), and P3.7:0.
PBUS.15:8 are multiplexed with AD15:8 and P4.7:0.
Auto programming:
PBUS.7:0 are multiplexed with AD7:0, SLP7:0 (K
x
only), and P3.7:0.
PBUS.13:8 are multiplexed with AD13:8 and P4.5:0; PBUS15:14 are
multiplexed with P1.2:1.
PMODE.3:0 I Programming Mode Select
Determines the programming mode. PMODE is sampled after a device reset
and must be static while the part is operating. (Table 16-7 on page 16-14 lists
the PMODE values and programming modes.)
PMODE.3:0 are multiplexed with P0.7:4 and ACH7:4.
PROG# I Programming Start
During programming, a falling edge latches data on the PBUS and begins
programming, while a rising edge ends programming. The current location is
programmed with the same data as long as PROG# remains asserted, so the
data on the PBUS must remain stable while PROG# is active.
During a word dump, a falling edge causes the contents of an OTPROM
location to be output on the PBUS, while a rising edge ends the data transfer.
PROG# is multiplexed with P2.2 and EXTINT.
Table B-6. Signal Descriptions (Continued)
Name Type Description
†This signal is not implemented on the 8XC196J
x
or 87C196CA (see “Design Considerations for
8XC196JQ, JR, JT, and JV Devices” on page 2-14 or “Design Considerations for 87C196CA Devices” on
page 2-13).
††This signal is not implemented on the 8XC196J
x
(see “Design Considerations for 8XC196JQ, JR, JT, and
JV Devices” on page 2-14).

8XC196K
x
, J
x
, CA USER’S MANUAL
B-16
PVER O Program Verification
During slave or auto programming, PVER is updated after each programming
pulse. A high output signal indicates successful programming of a location,
while a low signal indicates a detected error.
PVER is multiplexed with P2.0 and TXD.
RD# O Read
Read-signal output to external memory. RD# is asserted only during external
memory reads.
RD# is multiplexed with P5.3 and SLPRD#.
READY I Ready Input
This active-high input signal is used to lengthen external memory cycles for
slow memory by generating wait states in addition to the wait states that are
generated internally.
When READY is high, CPU operation continues in a normal manner with wait
states inserted as programmed in the chip configuration registers. READY is
ignored for all internal memory accesses.
READY is multiplexed with P5.6.
RESET# I/O Reset
A level-sensitive reset input to and open-drain system reset output from the
microcontroller. Either a falling edge on RESET# or an internal reset turns on a
pull-down transistor connected to the RESET# pin for 16 state times. In the
powerdown and idle modes, asserting RESET# causes the chip to reset and
return to normal operating mode. The microcontroller resets to 2080H.
RXCAN
(CA only) I Receive
This signal carries messages from other nodes on the CAN bus to the
integrated CAN controller.
RXD I/O Receive Serial Data
In modes 1, 2, and 3, RXD receives serial port input data. In mode 0, it
functions as either an input or an open-drain output for data.
RXD is multiplexed with P2.1 and PALE#.
SC1:0 I/O Clock Pins for SSIO0 and 1
For handshaking mode, configure SC1:0 as open-drain outputs.
This pin carries a signal only during receptions and transmissions. When the
SSIO port is idle, the pin remains either high (with handshaking) or low (without
handshaking).
SC0 is multiplexed with P6.4. SC1 is multiplexed with P6.6.
SD1:0 I/O Data Pins for SSIO0 and 1
SD0 is multiplexed with P6.5. SD1 is multiplexed with P6.7.
Table B-6. Signal Descriptions (Continued)
Name Type Description
†This signal is not implemented on the 8XC196J
x
or 87C196CA (see “Design Considerations for
8XC196JQ, JR, JT, and JV Devices” on page 2-14 or “Design Considerations for 87C196CA Devices” on
page 2-13).
††This signal is not implemented on the 8XC196J
x
(see “Design Considerations for 8XC196JQ, JR, JT, and
JV Devices” on page 2-14).

B-17
SIGNAL DESCRIPTIONS
SLP7:0†I/O Slave Port Address/Data bus
Slave port address/data bus in multiplexed mode and slave port data bus in
demultiplexed mode. In multiplexed mode, SLP1 is the source of the internal
control signal, SLP_ADDR.
SLP7:0 are multiplexed with AD7:0, P3.7:0, and PBUS.7:0.
SLPALE†I Slave Port Address Latch Enable
Functions as either a latch enable input to latch the value on SLP1 (with a
multiplexed address/data bus) or as the source of the internal control signal,
SLP_ADDR (with a demultiplexed address/data bus).
SLPALE is multiplexed with P5.0, ADV#, and ALE.
SLPCS#†I Slave Port Chip Select
SLPCS# must be held low to enable slave port operation.
SLPCS# is multiplexed with P5.1 and INST.
SLPINT†O Slave Port Interrupt
This active-high slave port output signal can be used to interrupt the master
processor.
SLPINT is multiplexed with P5.4 and the ONCE# function (KR, KQ) or a special
test-mode-entry pin (KS, KT). See P5.7:0 for special considerations.
SLPRD#†I Slave Port Read Control Input
This active-low signal is an input to the slave. Data from the P3_REG or
SLP_STAT register is valid after the falling edge of SLPRD#.
SLPRD# is multiplexed with P5.3 and RD#.
SLPWR#†I Slave Port Write Control Input
This active-low signal is an input to the slave. The rising edge of SLPWR#
latches data on port 3 into the P3_PIN or SLP_CMD register.
SLPWR# is multiplexed with P5.2, WR#, and WRL#.
T1CLK†I Timer 1 External Clock
External clock for timer 1. Timer 1 increments (or decrements) on both rising
and falling edges of T1CLK. Also used in conjunction with T1DIR for quadrature
counting mode.
and
External clock for the serial I/O baud-rate generator input (program selectable).
T1CLK is multiplexed with P6.2.
T2CLK I Timer 2 External Clock
External clock for timer 2. Timer 2 increments (or decrements) on both rising
and falling edges of T2CLK. Also used in conjunction with T2DIR for quadrature
counting mode.
T2CLK is multiplexed with P1.0 and EPA0.
Table B-6. Signal Descriptions (Continued)
Name Type Description
†This signal is not implemented on the 8XC196J
x
or 87C196CA (see “Design Considerations for
8XC196JQ, JR, JT, and JV Devices” on page 2-14 or “Design Considerations for 87C196CA Devices” on
page 2-13).
††This signal is not implemented on the 8XC196J
x
(see “Design Considerations for 8XC196JQ, JR, JT, and
JV Devices” on page 2-14).

8XC196K
x
, J
x
, CA USER’S MANUAL
B-18
T1DIR†I Timer 1 External Direction
External direction (up/down) for timer 1. Timer 1 increments when T1DIR is high
and decrements when it is low. Also used in conjunction with T1CLK for
quadrature counting mode.
T1DIR is multiplexed with P6.3.
T2DIR I Timer 2 External Direction
External direction (up/down) for timer 2. Timer 2 increments when T2DIR is high
and decrements when it is low. Also used in conjunction with T2CLK for
quadrature counting mode.
T2DIR is multiplexed with P1.2 and EPA2.
TXCAN
(CA only) O Transmit
This signal carries messages from the integrated CAN controller to other nodes
on the CAN bus.
TXD O Transmit Serial Data
In serial I/O modes 1, 2, and 3, TXD transmits serial port output data. In mode
0, it is the serial clock output.
TXD is multiplexed with P2.0 and PVER.
VCC PWR Digital Supply Voltage
Connect each VCC pin to the digital supply voltage.
VPP PWR Programming Voltage
During programming, the VPP pin is typically at +12.5 V (VPP voltage).
Exceeding the maximum VPP voltage specification can damage the device.
VPP also causes the device to exit powerdown mode when it is driven low for at
least 50 ns. Use this method to exit powerdown only when using an external
clock source because it enables the internal phase clocks, but not the internal
oscillator. See “Driving the Vpp Pin Low” on page 14-5.
On devices with no internal nonvolatile memory, connect VPP to VCC.
VREF PWR Reference Voltage for the A/D Converter
This pin also supplies operating voltage to both the analog portion of the A/D
converter and the logic used to read Port 0.
VSS GND Digital Circuit Ground
Connect each VSS pin to ground through the lowest possible impedance path.
WR# O Write
The chip configuration register 0 (CCR0) determines whether this pin functions
as WR# or WRL#. CCR0.2=1 selects WR#; CCR0.2=0 selects WRL#.
This active-low output indicates that an external write is occurring. This signal is
asserted only during external memory writes.
WR# is multiplexed with P5.2, SLPWR#, and WRL#.
Table B-6. Signal Descriptions (Continued)
Name Type Description
†This signal is not implemented on the 8XC196J
x
or 87C196CA (see “Design Considerations for
8XC196JQ, JR, JT, and JV Devices” on page 2-14 or “Design Considerations for 87C196CA Devices” on
page 2-13).
††This signal is not implemented on the 8XC196J
x
(see “Design Considerations for 8XC196JQ, JR, JT, and
JV Devices” on page 2-14).

B-19
SIGNAL DESCRIPTIONS
B.4 DEFAULT CONDITIONS
Table B-8 lists the default functions of the I/O and control pins of the 8XC196Kx with their values
during various operating conditions. Tables B-9 and B-10 list the same information for the
8XC196Jx and 87C196CA, respectively. Table B-7 defines the symbols used to represent the pin
status. Refer to the DC Characteristics table in the datasheet for actual specifications for VOL, VIL,
VOH, and VIH.
WRH#†O Write High
The chip configuration register 0 (CCR0) determines whether this pin functions
as BHE# or WRH#. CCR0.2=1 selects BHE#; CCR0.2=0 selects WRH#.
During 16-bit bus cycles, this active-low output signal is asserted for high-byte
writes and word writes to external memory. During 8-bit bus cycles, WRH# is
asserted for all write operations.
WRH# is multiplexed with P5.5 and BHE#.
WRL# O Write Low
The chip configuration register 0 (CCR0) determines whether this pin functions
as WR# or WRL#. CCR0.2=1 selects WR#; CCR0.2=0 selects WRL#.
During 16-bit bus cycles, this active-low output signal is asserted for low-byte
writes and word writes. During 8-bit bus cycles, WRL# is asserted for all write
operations.
WRL# is multiplexed with P5.2, SLPWR#, and WR#.
XTAL1 I Input Crystal/Resonator or External Clock Input
Input to the on-chip oscillator and the internal clock generators. The internal
clock generators provide the peripheral clocks, CPU clock, and CLKOUT
signal. When using an external clock source instead of the on-chip oscillator,
connect the clock input to XTAL1. The external clock signal must meet the VIH
specification for XTAL1 (see datasheet).
XTAL2 O Inverted Output for the Crystal/Resonator
Output of the on-chip oscillator inverter. Leave XTAL2 floating when the design
uses a external clock source instead of the on-chip oscillator.
Table B-7. Definition of Status Symbols
Symbol Definition Symbol Definition
0 Voltage less than or equal to VOL, VIL MD0 Medium pull-down
1 Voltage greater than or equal to VOH, VIH MD1 Medium pull-up
HiZ High impedance WK0 Weak pull-down
LoZ0 Low impedance; strongly driven low WK1 Weak pull-up
LoZ1 Low impedance; strongly driven high ODIO Open-drain I/O
Table B-6. Signal Descriptions (Continued)
Name Type Description
†This signal is not implemented on the 8XC196J
x
or 87C196CA (see “Design Considerations for
8XC196JQ, JR, JT, and JV Devices” on page 2-14 or “Design Considerations for 87C196CA Devices” on
page 2-13).
††This signal is not implemented on the 8XC196J
x
(see “Design Considerations for 8XC196JQ, JR, JT, and
JV Devices” on page 2-14).

8XC196K
x
, J
x
, CA USER’S MANUAL
B-20
Table B-8. 8XC196K
x
Pin Status
Pins Multiplexed
With During RESET#
Active
Upon RESET#
Inactive
(Note 9) Idle Power-
down
P0.7:0 ACH7:0 HiZ HiZ HiZ HiZ
P1.0 EPA0/T2CLK WK1 WK1 (Note 3) (Note 3)
P1.1 EPA1 WK1 WK1 (Note 3) (Note 3)
P1.2 EPA2/T2DIR WK1 WK1 (Note 3) (Note 3)
P1.7:3 EPA7:3 WK1 WK1 (Note 3) (Note 3)
P2.0 TXD WK1 WK1 (Note 3) (Note 3)
P2.1 RXD WK1 WK1 (Note 3) (Note 3)
P2.2 EXTINT WK1 WK1 (Note 3) (Note 3)
P2.3 BREQ# WK1 WK1 (Note 3) (Note 3)
P2.4 INTOUT# WK1 WK1 (Note 3) (Note 3)
P2.5 HOLD# WK1 WK1 (Note 3) (Note 3)
P2.6 HLDA#
& ONCE# (KT, KS) MD1 MD1 (Note 3) (Note 3)
P2.7 CLKOUT CLKOUT active,
LoZ0/1 (Note 7) CLKOUT active,
LoZ0/1 (Note 3) (Note 4)
P3.7:0 AD7:0 WK1 HiZ (Note 6) (Note 6)
P4.7:0 AD15:8 WK1 HiZ (Note 6) (Note 6)
P5.0 ALE/ADV#/SLPALE WK1 WK1 (Note 1) (Note 1)
P5.1 INST/SLPCS# WK0 WK0 (Note 1) (Note 1)
P5.2 WR#/WRL#
/SLPWR# WK1 WK1 (Note 3) (Note 3)
P5.3 RD#/SLPRD# WK1 WK1 (Note 3) (Note 3)
P5.4 SLPINT
& ONCE# (KR, KQ) MD1 MD1 (Note 3) (Note 3)
P5.5 BHE#/WRH# WK1 WK1 (Note 1) (Note 1)
P5.6 READY WK1 WK1 (Note 2) (Note 2)
P5.7 BUSWIDTH WK1 WK1 (Note 2) (Note 2)
P6.0 EPA8/COMP0 WK1 WK1 (Note 3) (Note 3)
P6.1 EPA9/COMP1 WK1 WK1 (Note 3) (Note 3)
P6.2 T1CLK WK1 WK1 (Note 3) (Note 3)
P6.3 T1DIR WK1 WK1 (Note 3) (Note 3)
P6.4 SC0 WK1 WK1 (Note 3) (Note 3)
P6.5 SD0 WK1 WK1 (Note 3) (Note 3)
P6.6 SC1 WK1 WK1 (Note 3) (Note 3)
P6.7 SD1 WK1 WK1 (Note 3) (Note 3)
EA# — WK1 (Note 8) WK1 WK1 WK1
NMI — WK0 (Note 8) WK0 WK0 WK0
RESET# — LoZ0 MD1 MD1 MD1
VPP — HiZ HiZ LoZ1 LoZ1

B-21
SIGNAL DESCRIPTIONS
XTAL1 — Osc input, HiZ Osc input, HiZ Osc input,
HiZ Osc input,
HiZ
XTAL2 — Osc output,
LoZ0/1 Osc output,
LoZ0/1 Osc output,
LoZ0/1 (Note 5)
NOTES:
1. If P5_MODE.
x
= 0, port is as programmed.
If P5_MODE.
x
= 1 and HLDA# = 1, P5.0 and P5.1 are LoZ0; P5.5 is LoZ1.
If P5_MODE.
x
= 1 and HLDA# = 0, port is HiZ.
2. If P5_MODE.
x
= 0, port is as programmed. If P5_MODE.
x
= 1, port is HiZ.
3. If P
x
_MODE.
x
= 0, port is as programmed.
If P
x
_MODE.
x
= 1, pin is as specified by P
x
_DIR and the associated peripheral.
4. If P2_MODE.7 = 0, pin is as programmed. If P2_MODE.7 = 1, pin is LoZ0.
5. If XTAL1 = 0, pin is LoZ1. If XTAL1 = 1, pin is LoZ0.
6. If EA# = 0, port is HiZ. If EA# = 1, port is open-drain I/O.
7. On the 8XC196KS and KT, CLKOUT is HiZ during RESET# active.
8. Although these signals are weakly pulled high or low, do not allow them to float. Always tie these sig-
nals to their inactive state (VCC or VSS) if they are not connected to an external device.
9. The values in this column are valid until user code configures the specific signal (i.e., until P
x
_MODE
is written).
Table B-9. 8XC196J
x
Pin Status
Pins Multiplexed
With During RESET#
Active
Upon RESET#
Inactive
(Note 8) Idle Power-down
P0.7:2 ACH7:2 HiZ HiZ HiZ HiZ
P1.0 EPA0/T2CLK WK1 WK1 (Note 3) (Note 3)
P1.1 EPA1 WK1 WK1 (Note 3) (Note 3)
P1.2 EPA2/T2DIR WK1 WK1 (Note 3) (Note 3)
P1.3 EPA3 WK1 WK1 (Note 3) (Note 3)
P2.0 TXD WK1 WK1 (Note 3) (Note 3)
P2.1 RXD WK1 WK1 (Note 3) (Note 3)
P2.2 EXTINT WK1 WK1 (Note 3) (Note 3)
P2.4 — WK1 WK1 (Note 3) (Note 3)
P2.6 ONCE# MD1 MD1 (Note 3) (Note 3)
P2.7 CLKOUT CLKOUT active,
LoZ0/1 (Note 9) CLKOUT active,
LoZ0/1 (Note 3) (Note 4)
P3.7:0 AD7:0 WK1 HiZ (Note 6) (Note 6)
P4.7:0 AD15:8 WK1 HiZ (Note 6) (Note 6)
P5.0 ALE/ADV# WK1 WK1 (Note 1) (Note 1)
P5.2 WR#/WRL# WK1 WK1 (Note 3) (Note 3)
P5.3 RD# WK1 WK1 (Note 3) (Note 3)
P6.0 EPA8/COMP0 WK1 WK1 (Note 3) (Note 3)
P6.1 EPA9/COMP1 WK1 WK1 (Note 3) (Note 3)
Table B-8. 8XC196K
x
Pin Status (Continued)
Pins Multiplexed
With During RESET#
Active
Upon RESET#
Inactive
(Note 9) Idle Power-
down

8XC196K
x
, J
x
, CA USER’S MANUAL
B-22
P6.4 SC0 WK1 WK1 (Note 3) (Note 3)
P6.5 SD0 WK1 WK1 (Note 3) (Note 3)
P6.6 SC1 WK1 WK1 (Note 3) (Note 3)
P6.7 SD1 WK1 WK1 (Note 3) (Note 3)
EA# — WK1 (Note 7) WK1 WK1 WK1
RESET# — LoZ0 MD1 MD1 MD1
VPP — HiZ HiZ LoZ1 LoZ1
XTAL1 — Osc input, HiZ Osc input, HiZ Osc input,
HiZ Osc input,
HiZ
XTAL2 — Osc output,
LoZ0/1 Osc output,
LoZ0/1 Osc output,
LoZ0/1 (Note 5)
NOTES:
1. If P5_MODE.
x
= 0, port is as programmed.
If P5_MODE.
x
= 1 and HLDA# = 1, P5.0 and P5.1 are LoZ0; P5.5 is LoZ1.
If P5_MODE.
x
= 1 and HLDA# = 0, port is HiZ.
2. If P5_MODE.
x
= 0, port is as programmed. If P5_MODE.
x
= 1, port is HiZ.
3. If P
x
_MODE.
x
= 0, port is as programmed.
If P
x
_MODE.
x
= 1, pin is as specified by P
x
_DIR and the associated peripheral.
4. If P2_MODE.7 = 0, pin is as programmed. If P2_MODE.7 = 1, pin is LoZ0.
5. If XTAL1 = 0, pin is LoZ1. If XTAL1 = 1, pin is LoZ0.
6. If EA# = 0, port is HiZ. If EA# = 1, port is open-drain I/O.
7. Although EA# is weakly pulled high, do not allow it to float. Always tie EA# to VCC if it is not connected
to an external device.
8. The values in this column are valid until user code configures the specific signal (i.e., until P
x
_MODE
is written).
9. On the 8XC196JT, CLKOUT is HiZ during RESET# active.
Table B-10. 87C196CA Pin Status
Pins Multiplexed
With During RESET#
Active Upon RESET#
Inactive (Note 9) Idle Power-down
P0.7:2 ACH7:2 HiZ HiZ HiZ HiZ
P1.0 EPA0/T2CLK WK1 WK1 (Note 3) (Note 3)
P1.1 EPA1 WK1 WK1 (Note 3) (Note 3)
P1.2 EPA2/T2DIR WK1 WK1 (Note 3) (Note 3)
P1.3 EPA3 WK1 WK1 (Note 3) (Note 3)
P2.0 TXD WK1 WK1 (Note 3) (Note 3)
P2.1 RXD WK1 WK1 (Note 3) (Note 3)
P2.2 EXTINT WK1 WK1 (Note 3) (Note 3)
P2.4 — WK1 WK1 (Note 3) (Note 3)
P2.6 ONCE# MD1 MD1 (Note 3) (Note 3)
P2.7 CLKOUT CLKOUT active,
LoZ0/1 CLKOUT active,
LoZ0/1 (Note 3) (Note 4)
P3.7:0 AD7:0 WK1 HiZ (Note 6) (Note 6)
Table B-9. 8XC196J
x
Pin Status (Continued)
Pins Multiplexed
With During RESET#
Active
Upon RESET#
Inactive
(Note 8) Idle Power-down

B-23
SIGNAL DESCRIPTIONS
P4.7:0 AD15:8 WK1 HiZ (Note 6) (Note 6)
P5.0 ALE/ADV# WK1 WK1 (Note 1) (Note 1)
P5.2 WR#/WRL# WK1 WK1 (Note 3) (Note 3)
P5.3 RD# WK1 WK1 (Note 3) (Note 3)
P5.4 — MD1 MD1 (Note 3) (Note 3)
P5.5 BHE#/WRH# WK1 WK1 (Note 1) (Note 1)
P5.6 READY WK1 WK1 (Note 2) (Note 2)
P6.0 EPA8/COMP0 WK1 WK1 (Note 3) (Note 3)
P6.1 EPA9/COMP1 WK1 WK1 (Note 3) (Note 3)
P6.4 SC0 WK1 WK1 (Note 3) (Note 3)
P6.5 SD0 WK1 WK1 (Note 3) (Note 3)
P6.6 SC1 WK1 WK1 (Note 3) (Note 3)
P6.7 SD1 WK1 WK1 (Note 3) (Note 3)
EA# — WK1 (Note 8) WK1 WK1 WK1
NMI — WK0 (Note 8) WK0 WK0 WK0
RESET# — LoZ0 MD1 MD1 MD1
RXCAN — WK1 WK1 WK1 WK1
TXCAN — LoZ1 LoZ1 LoZ1
(Note 7) LoZ1
VPP — HiZ HiZ LoZ1 LoZ1
XTAL1 — Osc input, HiZ Osc input, HiZ Osc input,
HiZ Osc input,
HiZ
XTAL2 — Osc output,
LoZ0/1 Osc output,
LoZ0/1 Osc output,
LoZ0/1 (Note 5)
NOTES:
1. If P5_MODE.
x
= 0, port is as programmed.
If P5_MODE.
x
= 1 and HLDA# = 1, P5.0 and P5.1 are LoZ0; P5.5 is LoZ1.
If P5_MODE.
x
= 1 and HLDA# = 0, port is HiZ.
2. If P5_MODE.
x
= 0, port is as programmed. If P5_MODE.
x
= 1, port is HiZ.
3. If P
x
_MODE.
x
= 0, port is as programmed.
If P
x
_MODE.
x
= 1, pin is as specified by P
x
_DIR and the associated peripheral.
4. If P2_MODE.7 = 0, pin is as programmed. If P2_MODE.7 = 1, pin is LoZ0.
5. If XTAL1 = 0, pin is LoZ1. If XTAL1 = 1, pin is LoZ0.
6. If EA# = 0, port is HiZ. If EA# = 1, port is open-drain I/O.
7. If CAN_MSG
x
CON1.5:4 = 01, TXCAN is LoZ1.
If CAN_MSG
x
CON1.5:4 = 10, TXCAN is transmitting information.
8. Although these signals are weakly pulled high or low, do not allow them to float. Always tie these sig-
nals to their inactive state (VCC or VSS) if they are not connected to an external device.
9. The values in this column are valid until user code configures the specific signal (i.e., until P
x
_MODE
is written).
Table B-10. 87C196CA Pin Status (Continued)
Pins Multiplexed
With During RESET#
Active Upon RESET#
Inactive (Note 9) Idle Power-down

C
Registers

C-1
APPENDIX C
REGISTERS
This appendix provides reference information about the device registers. Table C-1 lists the mod-
ules and major components of the device with their related configuration and status registers. Ta-
ble C-2 lists the registers, arranged alphabetically by mnemonic, along with their names,
addresses, and reset values. Following the tables, individual descriptions of the registers are ar-
ranged alphabetically by mnemonic.
Table C-1. Modules and Related Registers
A/D Converter CAN
(87C196CA,
x
= 0–15) Chip Configuration CPU
AD_COMMAND CAN_BTIME0–1 CCR0 ONES_REG
AD_RESULT CAN_CON CCR1 PSW
AD_TEST CAN_EGMSK PPW (or SP_PPW) SP
AD_TIME CAN_INT USFR ZERO_REG
CAN_MSG
x
CFG
CAN_MSG
x
CON0–1
CAN_ MSG
x
_DATA0–7
CAN_MSG
x
_ID0–3
CAN_MSG15
CAN_SGMSK
CAN_STAT
EPA I/O Ports Interrupts and PTS Memory Control
COMP
x
_CON (
x
= 0–1) P
x
_DIR (
x
= 1, 2, 5, 6) INT_MASK WSR
COMP
x
_TIME (
x
= 0–1) P
x
_MODE (
x
= 1, 2, 5, 6) INT_MASK1
EPA_MASK P
x
_PIN (
x
= 0–6) INT_PEND
EPA_MASK1 P
x
_REG (
x
= 1–6) INT_PEND1
EPA_PEND P34_DRV PTSSEL
EPA_PEND1 PTSSRV
EPAIPV
EPA
x
_CON (K
x
,
x
= 0–9)
EPAx_CON (CA, J
x
,
x
= 0–3, 8, 9)
EPA
x
_TIME (K
x
,
x
= 0–9)
EPA
x
_TIME (CA, J
x
,
x
= 0–3, 8, 9)

8XC196K
x,
J
x
, CA USER’S MANUAL
C-2
Serial Port Slave Port
(8XC196K
x
)Synch. Serial Port
(
x
= 0–1) Timers
(
x
= 1–2)
SBUF_RX SLP_CMD SSIO_BAUD TIMER
x
SBUF_TX SLP_CON SSIO
x
_BUF T
x
CONTROL
SP_BAUD SLP_STAT SSIO
x
_CON WATCHDOG
SP_CON
SP_STATUS
Table C-2. Register Name, Address, and Reset Status
Register
Mnemonic Register Name Hex
Address
Binary Reset Value
High Low
AD_COMMAND A/D Command 1FACH 1100 0000
AD_RESULT A/D Result 1FAAH 0111 1111 1000 0000
AD_TEST A/D Test 1FAEH 1100 0000
AD_TIME A/D Time 1FAFH 1111 1111
CAN_BTIME0 (CA) CAN Bit Timing 0 1E3FH Unchanged††
CAN_BTIME1 (CA) CAN Bit Timing 1 1E4FH Unchanged††
CAN_CON (CA) CAN Control 1E00H 0000 0001
CAN_EGMSK (CA) CAN Extended Global Mask 1E08H
1E09H
1E0AH
1E0BH
Unchanged††
CAN_INT (CA) CAN Interrupt Pending 1E5FH 0000 0000
CAN_MSG
x
CFG (CA)†CAN Message Object
x
Config 1E
y
6H Unchanged††
CAN_MSG
x
CON0 (CA)†CAN Message Object
x
Control 0 1E
y
0H Unchanged††
CAN_MSG
x
CON1 (CA)†CAN Message Object
x
Control 1 1E
y
1H Unchanged††
CAN_MSG
x
DATA0 (CA)†CAN Message Object Data 0 1E
y
7H Unchanged††
CAN_MSG
x
DATA1 (CA)†CAN Message Object Data 1 1E
y
8H Unchanged††
CAN_MSG
x
DATA2 (CA)†CAN Message Object Data 2 1E
y
9H Unchanged††
CAN_MSG
x
DATA3 (CA)†CAN Message Object Data 3 1E
y
AH Unchanged††
CAN_MSG
x
DATA4 (CA)†CAN Message Object Data 4 1E
y
BH Unchanged††
CAN_MSG
x
DATA5 (CA)†CAN Message Object Data 5 1E
y
CH Unchanged††
CAN_MSG
x
DATA6 (CA)†CAN Message Object Data 6 1E
y
DH Unchanged††
CAN_MSG
x
DATA7 (CA)†CAN Message Object Data 7 1E
y
EH Unchanged††
CAN_MSG
x
ID0 (CA)†CAN Message Object Ident 0 1E
y
2H Unchanged††
† x = 1–15; y = 1–F
†† After reset, this register contains the value that was written to it before reset.
Table C-1. Modules and Related Registers (Continued)

C-3
REGISTERS
CAN_MSG
x
ID1 (CA)†CAN Message Object Ident 1 1E
y
3H Unchanged††
CAN_MSG
x
ID2 (CA)†CAN Message Object Ident 2 1E
y
4H Unchanged††
CAN_MSG
x
ID3 (CA)†CAN Message Object Ident 3 1E
y
5H Unchanged††
CAN_MSK15 (CA) CAN Message 15 Mask 1E0CH
1E0DH
1E0EH
1E0FH
Unchanged††
CAN_SGMSK (CA) CAN Standard Global Mask 1E06H Unchanged††
CAN_STAT (CA) CAN Status 1E01H XXXX XXXX
CCR0 Chip Configuration 0 2018H XXXX XXXX
CCR1 Chip Configuration 1 201AH XXXX XXXX
COMP0_CON EPA Compare 0 Control 1F88H 0000 0000
COMP0_TIME EPA Compare 0 Time 1F8AH XXXX XXXX XXXX XXXX
COMP1_CON EPA Compare 1 Control 1F8CH 0000 0000
COMP1_TIME EPA Compare 1 Time 1F8EH XXXX XXXX XXXX XXXX
EPA_MASK EPA Mask 1FA0H 0000 0000 0000 0000
EPA_MASK1 EPA Mask 1 1FA4H 0000 0000
EPA_PEND EPA Pending 1FA2H 0000 0000 0000 0000
EPA_PEND1 EPA Pending 1 1FA6H 0000 0000
EPA0_CON EPA Capture/Comp 0 Control 1F60H 0000 0000
EPA0_TIME EPA Capture/Comp 0 Time 1F62H XXXX XXXX XXXX XXXX
EPA1_CON EPA Capture/Comp 1 Control 1F64H 1111 1110 0000 0000
EPA1_TIME EPA Capture/Comp 1 Time 1F66H XXXX XXXX XXXX XXXX
EPA2_CON EPA Capture/Comp 2 Control 1F68H 0000 0000
EPA2_TIME EPA Capture/Comp 2 Time 1F6AH XXXX XXXX XXXX XXXX
EPA3_CON EPA Capture/Comp 3 Control 1F6CH 1111 1110 0000 0000
EPA3_TIME EPA Capture/Comp 3 Time 1F6EH XXXX XXXX XXXX XXXX
EPA4_CON (K
x
) EPA Capture/Comp 4 Control 1F70H 0000 0000
EPA4_TIME (K
x
) EPA Capture/Comp 4 Time 1F72H XXXX XXXX XXXX XXXX
EPA5_CON (K
x
) EPA Capture/Comp 5 Control 1F74H 0000 0000
EPA5_TIME (K
x
) EPA Capture/Comp 5 Time 1F76H XXXX XXXX XXXX XXXX
EPA6_CON (K
x
) EPA Capture/Comp 6 Control 1F78H 0000 0000
EPA6_TIME (K
x
) EPA Capture/Comp 6 Time 1F7AH XXXX XXXX XXXX XXXX
Table C-2. Register Name, Address, and Reset Status (Continued)
Register
Mnemonic Register Name Hex
Address
Binary Reset Value
High Low
† x = 1–15; y = 1–F
†† After reset, this register contains the value that was written to it before reset.

8XC196K
x,
J
x
, CA USER’S MANUAL
C-4
EPA7_CON (K
x
) EPA Capture/Comp 7 Control 1F7CH 0000 0000
EPA7_TIME (K
x
) EPA Capture/Comp 7 Time 1F7EH XXXX XXXX XXXX XXXX
EPA8_CON EPA Capture/Comp 8 Control 1F80H 0000 0000
EPA8_TIME EPA Capture/Comp 8 Time 1F82H XXXX XXXX XXXX XXXX
EPA9_CON EPA Capture/Comp 9 Control 1F84H 0000 0000
EPA9_TIME EPA Capture/Comp 9 Time 1F86H XXXX XXXX XXXX XXXX
EPAIPV EPA Interrupt Priority Vector 1FA8H 0000 0000
INT_MASK Interrupt Mask 0008H 0000 0000
INT_MASK1 Interrupt Mask 1 0013H 0000 0000
INT_PEND Interrupt Pending 0009H 0000 0000
INT_PEND1 Interrupt Pending 1 0012H 0000 0000
ONES_REG Ones Register 0002H 1111 1111 1111 1111
P0_PIN Port 0 Pin Input 1FDAH XXXX XXXX
P1_DIR Port 1 I/O Direction 1FD2H 1111 1111
P1_MODE Port 1 Mode 1FD0H 0000 0000
P1_PIN Port 1 Pin Input 1FD6H XXXX XXXX
P1_REG Port 1 Data Output 1FD4H 1111 1111
P2_DIR Port 2 I/O Direction 1FCBH 0111 1111
P2_MODE Port 2 Mode 1FC9H 1000 0000
P2_PIN Port 2 Pin Input 1FCFH 1XXX XXXX
P2_REG Port 2 Data Output 1FCDH 0111 1111
P3_PIN Port 3 Pin Input 1FFEH XXXX XXXX
P3_REG Port 3 Data Output 1FFCH 1111 1111
P34_DRV Port 3/4 Push-pull Enable 1FF4H 0000 0000
P4_PIN Port 4 Pin Input 1FFFH XXXX XXXX
P4_REG Port 4 Data Output 1FFDH 1111 1111
P5_DIR Port 5 I/O Direction 1FF3H 1111 1111
P5_MODE Port 5 Mode 1FF1H 1000 0000
P5_PIN Port 5 Pin Input 1FF7H 1XXX XXXX
P5_REG Port 5 Data Output 1FF5H 1111 1111
P6_DIR Port 6 I/O Direction 1FD3H 1111 1111
P6_MODE Port 6 Mode 1FD1H 0000 0000
Table C-2. Register Name, Address, and Reset Status (Continued)
Register
Mnemonic Register Name Hex
Address
Binary Reset Value
High Low
† x = 1–15; y = 1–F
†† After reset, this register contains the value that was written to it before reset.

C-5
REGISTERS
P6_PIN Port 6 Pin Input 1FD7H XXXX XXXX
P6_REG Port 6 Data Output 1FD5H 1111 1111
PPW (or SP_PPW) Programming Pulse Width
PSW Program Status Word
PTSSEL PTS Select 0004H 0000 0000 0000 0000
PTSSRV PTS Service 0006H 0000 0000 0000 0000
SBUF_RX Serial Port Receive Buffer 1FB8H 0000 0000
SBUF_TX Serial Port Transmit Buffer 1FBAH 0000 0000
SLP_CMD (K
x
) Slave Port Command 1FFAH 0000 0000
SLP_CON (K
x
) Slave Port Control 1FFBH 0000 0000
SLP_STAT (K
x
) Slave Port Status 1FF8H 0000 0000
SP Stack Pointer 0018H XXXX XXXX XXXX XXXX
SP_BAUD Serial Port Baud Rate 1FBCH 0000 0000 0000 0000
SP_CON Serial Port Control 1FBBH 0000 0000
SP_STATUS Serial Port Status 1FB9H 0000 1011
SSIO_BAUD Syn Serial Port Baud Rate 1FB4H 0XXX XXXX
SSIO0_BUF Syn Serial Port 0 Buffer 1FB0H 0000 0000
SSIO0_CON Syn Serial Port 0 Control 1FB1H 0000 0000
SSIO1_BUF Syn Serial Port 1 Buffer 1FB2H 0000 0000
SSIO1_CON Syn Serial Port 1 Control 1FB3H 0000 0000
T1CONTROL Timer 1 Control 1F98H 0000 0000
T2CONTROL Timer 2 Control 1F9CH 0000 0000
TIMER1 Timer 1 Value 1F9AH 0000 0000 0000 0000
TIMER2 Timer 2 Value 1F9EH 0000 0000 0000 0000
USFR UPROM Special Function Reg 1FF6H XXXX XXXX
WATCHDOG Watchdog Timer 000AH 0000 0000
WSR Window Selection 0014H 0000 0000
ZERO_REG Zero Register 0000H 0000 0000 0000 0000
Table C-2. Register Name, Address, and Reset Status (Continued)
Register
Mnemonic Register Name Hex
Address
Binary Reset Value
High Low
† x = 1–15; y = 1–F
†† After reset, this register contains the value that was written to it before reset.

8XC196K
x,
J
x
, CA USER’S MANUAL
C-6
AD_COMMAND
AD_COMMAND Address:
Reset State:
1FACH
C0H
The A/D command (AD_COMMAND) register selects the A/D channel number to be converted,
controls whether the A/D converter starts immediately or with an EPA command, and selects the
conversion mode.
7 0
— — M1 M0 GO ACH2 ACH1 ACH0
Bit
Number Bit
Mnemonic Function
7:6 — Reserved; for compatibility with future devices, write zeros to these bits.
5:4 M1:0 A/D Mode (Note 1)
These bits determine the A/D mode.
M1 M0 Mode
0 0 10-bit conversion
0 1 8-bit conversion
1 0 threshold detect high
1 1 threshold detect low
3 GO A/D Conversion Trigger (Note 2)
Writing this bit arms the A/D converter. The value that you write to it
determines at what point a conversion is to start.
1 = start immediately
0 = EPA initiates conversion
2:0 ACH2:0 A/D Channel Selection
Write the A/D conversion channel number to these bits. The 87C196CA,
8XC196J
x
devices have six A/D channels, numbered 2–7. The
8XC196K
x
devices have eight channels, numbered 0–7.
NOTES:
1. While a threshold-detection mode is selected for an analog input pin, no other conversion can be
started. If another value is loaded into AD_COMMAND, the threshold-detection mode is disabled
and the new command is executed.
2. It is the act of writing to the GO bit, rather than its value, that starts a conversion. Even if the GO
bit has the desired value, you must set it again to start a conversion immediately or clear it again
to arm it for an EPA-initiated conversion.

C-7
REGISTERS
AD_RESULT (Read)
AD_RESULT (Read) Address:
Reset State:
1FAAH
7F80H
The A/D result (AD_RESULT) register consists of two bytes. The high byte contains the eight most-
significant bits from the A/D converter. The low byte contains the two least-significant bits from a ten-
bit A/D conversion, indicates the A/D channel number that was used for the conversion, and indicates
whether a conversion is currently in progress.
15 8
ADRLT9 ADRLT8 ADRLT7 ADRLT6 ADRLT5 ADRLT4 ADRLT3 ADRLT2
7 0
ADRLT1 ADRLT0 — — STATUS ACH2 ACH1 ACH0
Bit
Number Bit
Mnemonic Function
15:6 ADRLT9:0 A/D Result
These bits contain the A/D conversion result.
5:4 — Reserved. These bits are undefined.
3 STATUS A/D Status
Indicates the status of the A/D converter. Up to 8 state times are required
to set this bit following a start command. When testing this bit, wait at
least the 8 state times.
1 = A/D conversion is in progress
0 = A/D is idle
2:0 ACH2:0 A/D Channel Number
These bits indicate the A/D channel number that was used for the
conversion. The 87C196CA, 8XC196J
x
devices have six channel inputs.
These channels are numbered 2–7. The 8XC196K
x
devices have eight
channels, numbered 0–7.

8XC196K
x,
J
x
, CA USER’S MANUAL
C-8
AD_RESULT (Write)
AD_RESULT (Write) Address:
Reset State:
1FAAH
7F80H
The high byte of the A/D result (AD_RESULT) register can be written to set the reference voltage for
the A/D threshold-detection modes.
15 8
REFV7 REFV6 REFV5 REFV4 REFV3 REFV2 REFV1 REFV0
7 0
— — — — — — — —
Bit
Number Bit
Mnemonic Function
15:8 REFV7:0 Reference Voltage
These bits specify the threshold value. This selects a reference voltage
which is compared with an analog input pin. When the voltage on the
analog input pin crosses over (detect high) or under (detect low) the
threshold value, the A/D conversion complete interrupt flag is set.
Use the following formula to determine the value to write this register for
a given threshold voltage.
7:0 — Reserved; for compatibility with future devices, write zeros to these bits.
reference voltage desired threshold voltage 256×
VREF ANGND–
-----------------------------------------------------------------------------------
=

C-9
REGISTERS
AD_TEST
AD_TEST Address:
Reset State:
1FAEH
C0H
The A/D test (AD_TEST) register enables conversions on ANGND and VREF and specifies
adjustments for DC offset errors. Its functions allow you to perform two conversions, one on ANGND
and one on VREF. With these results, a software routine can calculate the offset and gain errors.
7 0
— — — — OFF1 OFF0 TV TE
Bit
Number Bit
Mnemonic Function
7:4 — Reserved; for compatibility with future devices, write zeros to these bits.
3:2 OFF1:0 Offset
These bits allows you to set the zero offset point.
OFF1 OFF0
00 no adjustment
0 1 add 2.5 mV
1 0 subtract 2.5 mV
1 1 subtract 5.0 mV
1 TV Test Voltage
This bit selects the test voltage for a test mode conversion.
1 = VREF
0 = ANGND
0 TE Test Enable
This bit determines whether normal or test mode conversions will be
performed. A normal conversion converts the analog signal input on one
of the analog input channels. A test conversion allows you to perform a
conversion on ANGND or VREF.
1 = test
0 = normal

8XC196K
x,
J
x
, CA USER’S MANUAL
C-10
AD_TIME
AD_TIME Address:
Reset State:
1FAFH
FFH
The A/D time (AD_TIME) register programs the sample window time and the conversion time for each
bit.
7 0
SAM2 SAM1 SAM0 CONV4 CONV3 CONV2 CONV1 CONV0
Bit
Number Bit
Mnemonic Function
7:5 SAM2:0 A/D Sample Time
These bits specify the sample time. Use the following formula to
compute the sample time.
where:
SAM = 1 to 7
TSAM = the sample time, in µsec, from the data sheet
FOSC = the XTAL1 frequency, in MHz
4:0 CONV4:0 A/D Convert Time
These bits specify the conversion time. Use the following formula to
compute the conversion time.
where:
CONV= 2 to 31
TCONV = the conversion time, in µsec, from the data sheet
FOSC = the XTAL1 frequency, in MHz
B = the number of bits to be converted (8 or 10)
NOTES:
1. The register programs the speed at which the A/D can run — not the speed at which it can con-
vert correctly. Consult the data sheet for recommended values.
2. Initialize the AD_TIME register before initializing the AD_COMMAND register.
3. Do not write to this register while a conversion is in progress; the results are unpredictable.
SAM TSAM FOSC
×2–
8
--------------------------------------------
=
CONV TCONV FOSC
×3–
2B×
----------------------------------------------- 1–=

C-11
REGISTERS
CAN_BTIME0
CAN_BTIME0
(87C196CA)
Address:
Reset State:
1E3FH
Unchanged
Program the CAN bit timing 0 (CAN_BTIME0) register to define the length of one time quantum and
the maximum number of time quanta by which a bit time can be modified for resynchronization.
7 0
87C196CA SJW1 SJW0 BRP5 BRP4 BRP3 BRP2 BRP1 BRP0
Bit
Number Bit
Mnemonic Function
7:6 SJW1:0 Synchronization Jump Width
This field defines the maximum number of time quanta by which a resyn-
chronization can modify tTSEG1 and tTSEG2. Valid programmed values are 0–
3. The hardware adds 1 to the programmed value, so a “1” value causes
the CAN peripheral to add or subtract 2 time quanta, for example. This
adjustment has no effect on the total bit time; if tTSEG1 is increased by 2 tq,
tTSEG2 is decreased by 2 tq, and vice versa.
5:0 BRP5:0 Baud-rate Prescaler
This field defines the length of one time quantum (tq), using the following
formula, where tXTAL1 is the input clock period on XTAL1. Valid programmed
values are 0–63.
For example, at 20 MHz operation, the system clock period is 50 ns.
Writing 3 to BRP achieves a time quanta of 400 ns; writing 1 to BRP
achieves a time quanta of 200 ns.
NOTE: The CCE bit (CAN_CON.6) must be set to enable write access to this register.
tq 2tXTAL1 BRP 1+()×=
tq 2 50×()31+()× 400 ns==
tq 2 50×()11+()× 200 ns==

8XC196K
x,
J
x
, CA USER’S MANUAL
C-12
CAN_BTIME1
CAN_BTIME1
(87C196CA)
Address:
Reset State:
1E4FH
Unchanged
Program the CAN bit timing 1 (CAN_BTIME1) register to define the sample time and the sample
mode. The CAN controller samples the bus during the last one (in single-sample mode) or three (in
three-sample mode) time quanta of tTSEG1, and initiates a transmission at the end of tTSEG2.
Therefore, specifying the lengths of tTSEG1 and tTSEG2 defines both the sample point and the trans-
mission point.
7 0
87C196CA SPL TSEG2.2 TSEG2.1 TSEG2.0 TSEG1.3 TSEG1.2 TSEG1.1 TSEG1.0
Bit
Number Bit
Mnemonic Function
7 SPL Sampling Mode
This bit determines how many samples are taken to determine a valid bit
value.
1 = 3 samples, using majority logic
0 = 1 sample
6:4 TSEG2 Time Segment 2
This field determines the length of time that follows the sample point within
a bit time. Valid programmed values are 1–7; the hardware adds 1 to this
value. (Note 2)
3:0 TSEG1 Time Segment 1
This field defines the length of time that precedes the sample point within a
bit time. Valid programmed values are 2–15; the hardware adds 1 to this
value. In three-sample mode, the hardware adds 2 time quanta to allow
time for the two additional samples. (Note 2)
NOTES:
1. The CCE bit (CAN_CON.6) must be set to enable write access to this register.
2. For correct operation according to the CAN protocol, the total bit time length must be at least 8
time quanta, so the sum of the programmed values of TSEG1 and TSEG2 must be at least 5.
(The total bit time is the sum of tSYNC_SEG + tTSEG1 + tTSEG2. The length of tSYNC_SEG is 1 time
quanta, and the hardware adds 1 to both TSEG1 and TSEG2. Therefore, if TSEG1 + TSEG2 =
5, the total bit length will be equal to 8 (1+5+1+1)).

C-13
REGISTERS
CAN_CON
CAN_CON
(87C196CA)
Address:
Reset State:
1E00H
01H
Program the CAN control (CAN_CON) register to control write access to the bit timing registers, to
enable and disable CAN interrupts, and to control access to the CAN bus.
7 0
87C196CA —CCE — — EIE SIE IE INIT
Bit
Number Bit
Mnemonic Function
7 — Reserved; for compatibility with future devices, write zero to this bit.
6 CCE Change Configuration Enable
This bit controls whether software can write to the bit timing registers.
1 = allow write access
0 = prohibit write access
5:4 — Reserved; for compatibility with future devices, write zeros to these bits.
3 EIE Error Interrupt Enable
This bit enables and disables the bus-off and warn interrupts.
1 = enable bus-off and warn interrupts
0 = disable bus-off and warn interrupts
2 SIE Status-change Interrupt Enable
This bit enables and disables the successful reception (RXOK), successful
transmission (TXOK), and error code change (LEC2:0) interrupts.
1 = enable status-change interrupt
0 = disable status-change interrupt
When the SIE bit is set, the CAN controller generates a successful
reception (RXOK) interrupt request each time it receives a valid message,
even if no message object accepts it.

8XC196K
x,
J
x
, CA USER’S MANUAL
C-14
CAN_CON
1 IE Interrupt Enable
This bit globally enables and disables interrupts (error, status-change, and
message object transmit and receive interrupts).
1 = enable interrupts
0 = disable interrupts
When the IE bit is set, an interrupt is generated only if the corresponding
interrupt source’s enable bit (EIE or SIE in CAN_CON; TXIE or RXIE in
CAN_MSG
x
_CON0) is also set. If the IE bit is clear, an interrupt request
updates the CAN interrupt pending register, but does not generate an
interrupt.
0 INIT Software Initialization Enable
Setting this bit isolates the CAN bus from the system. (If a transfer is in
progress, it completes, but no additional transfers are allowed.)
1 = software initialization enabled
0 = software initialization disabled
A hardware reset sets this bit, enabling you to configure the RAM without
allowing any CAN bus activity. After a hardware reset or software initial-
ization, clearing this bit completes the initialization. The CAN peripheral
waits for a bus idle state (11 consecutive recessive bits) before partici-
pating in bus activities.
Software can set this bit to stop all receptions and transmissions on the
CAN bus. (To prevent transmission of a specific message object while its
contents are being updated, set the CPUUPD bit in the individual message
object’s control register 1. See “Configuring Message Objects” on page
12-20.)
Entering powerdown mode stops an in-progress CAN transmission
immediately. To avoid stopping a CAN transmission while it is sending a
dominant bit on the CAN bus, set the INIT bit before executing the IDLPD
instruction.
The CAN peripheral also sets this bit to isolate the CAN bus when an error
counter reaches 256. This isolation is called a
bus-off
condition. After a
bus-off condition, clearing this bit initiates a bus-off recovery sequence,
which clears the error counters. The CAN peripheral waits for 128 bus idle
states (128 packets of 11 consecutive recessive bits), then resumes
normal operation. (See “Bus-off State” on page 12-41.)
CAN_CON (Continued)
(87C196CA)
Address:
Reset State:
1E00H
01H
Program the CAN control (CAN_CON) register to control write access to the bit timing registers, to
enable and disable CAN interrupts, and to control access to the CAN bus.
7 0
87C196CA —CCE — — EIE SIE IE INIT
Bit
Number Bit
Mnemonic Function

C-15
REGISTERS
CAN_EGMSK
CAN_EGMSK
(87C196CA)
Address:
Reset State:
Table C-3
Program the CAN extended global mask (CAN_EGMSK) register to mask (“don’t care”) specific
message identifier bits for extended message objects.
31 24
87C196CA MSK4 MSK3 MSK2 MSK1 MSK0 — — —
23 16
MSK12 MSK11 MSK10 MSK9 MSK8 MSK7 MSK6 MSK5
15 8
MSK20 MSK19 MSK18 MSK17 MSK16 MSK15 MSK14 MSK13
7 0
MSK28 MSK27 MSK26 MSK25 MSK24 MSK23 MSK22 MSK21
Bit
Number Bit
Mnemonic Function
31:27 MSK4:0 ID Mask
These bits individually mask incoming message identifier (ID) bits.
0 = mask the ID bit (accept either “0” or “1”)
1 = accept only an exact match
26:24 — Reserved; for compatibility with future devices, write zeros to these bits.
23:16
15:8
7:0
MSK12:5
MSK20:13
MSK28:21
ID Mask
These bits individually mask incoming message identifier (ID) bits.
0 = mask the ID bit (accept either “0” or “1”)
1 = accept only an exact match
Table C-3. CAN_EGMSK Addresses and Reset Values
Register Address Reset Value
CAN_EGMSK (bits 0–7) 1E08H Unchanged††
CAN_EGMSK (bits 8–15) 1E09H Unchanged
CAN_EGMSK (bits 16–23) 1E0AH Unchanged
CAN_EGMSK (bits 24–31) 1E0BH Unchanged
† This register can be accessed as a byte, word, or double word.
†† After reset, this register contains the value that was written to it before
reset.

8XC196K
x,
J
x
, CA USER’S MANUAL
C-16
CAN_INT
CAN_INT
read-only (87C196CA)
Address:
Reset State:
1E5FH
00H
The CAN interrupt pending (CAN_INT) register indicates the source of the highest priority pending
interrupt. If a status change generated the interrupt request, software can read the status register
(CAN_STAT) to determine whether the interrupt request was caused by an abnormal error rate, a
successful reception, a successful transmission, or a new error. If an individual message object
generated the interrupt request, software can read the associated message object control 0 register
(CAN_MSG
x
CON0). The INT_PND bit-pair will be set, indicating that a receive or transmit interrupt
request is pending.
7 0
87C196CA Pending Interrupt
Bit
Number Function
7:0 Pending Interrupt
This field indicates the source of the highest priority pending interrupt.
Value Pending Interrupt Priority (15 is highest; 0 is lowest)
00H none —
01H status register 15
02H message object 15 14
03H message object 1 13
04H message object 2 12
05H message object 3 11
06H message object 4 10
07H message object 5 9
08H message object 6 8
09H message object 7 7
0AH message object 8 6
0BH message object 9 5
0CH message object 10 4
0DH message object 11 3
0EH message object 12 2
0FH message object 13 1
10H message object 14 0

C-17
REGISTERS
CAN_MSGxCFG
CAN_MSG
x
CFG
x
= 1–15 (87C196CA)
Address:
Reset State:
Table C-4
Program the CAN message object
x
configuration (CAN_MSG
x
CFG) register to specify a message
object’s data length, transfer direction, and identifier type.
7 0
87C196CA DLC3 DLC2 DLC1 DLC0 DIR XTD — —
Bit
Number Bit
Mnemonic Function
7:4 DLC3:0 Data Length Code
Specify the number of data bytes this message object contains. Valid
values are 0–8. The CAN controller updates a receive message object’s
data length code after each reception to reflect the number of data bytes in
the current message.
3 DIR Direction
Specify whether this message object is to be transmitted or is to receive a
message object from a remote node.
0 = receive
1 = transmit
2 XTD Extended Identifier Used
Specify whether this message object’s identification registers contain an
extended (29-bit) or a standard (11-bit) identifier.
0 = standard identifier
1 = extended identifier
1:0 — Reserved; for compatibility with future devices, write zeros to these bits.
Table C-4. CAN_MSG
x
CFG Addresses and Reset Values
Register Address Reset Value Register Address Reset Value
CAN_MSG1CFG 1E16H Unchanged†CAN_MSG9CFG 1E96H Unchanged
CAN_MSG2CFG 1E26H Unchanged CAN_MSG10CFG 1EA6H Unchanged
CAN_MSG3CFG 1E36H Unchanged CAN_MSG11CFG 1EB6H Unchanged
CAN_MSG4CFG 1E46H Unchanged CAN_MSG12CFG 1EC6H Unchanged
CAN_MSG5CFG 1E56H Unchanged CAN_MSG13CFG 1ED6H Unchanged
CAN_MSG6CFG 1E66H Unchanged CAN_MSG14CFG 1EE6H Unchanged
CAN_MSG7CFG 1E76H Unchanged CAN_MSG15CFG 1EF6H Unchanged
CAN_MSG8CFG 1E86H Unchanged
† After reset, this register contains the value that was written to it before reset.

8XC196K
x,
J
x
, CA USER’S MANUAL
C-18
CAN_MSGxCON0
CAN_MSG
x
CON0
x
= 1–15 (87C196CA)
Address:
Reset State:
Table C-5
Program the CAN message object
x
control 0 (CAN_MSG
x
CON0) register to indicate whether the
message object is ready to transmit and to control whether a successful transmission or reception
generates an interrupt. The least-significant bit-pair indicates whether an interrupt is pending.
This register consists of four bit-pairs — the most-significant bit of each pair is in true form and the
least-significant bit is in complement form. This format allows software to set or clear any bit with a
single write operation, without affecting the remaining bits.
7 0
87C196CA MSGVAL MSGVAL TXIE TXIE RXIE RXIE INT_PND INT_PND
Bit
Number Bit
Mnemonic Function
7:6 MSGVAL Message Object Valid
Set this bit-pair to indicate that a message object is valid (configured and
ready for transmission or reception).
bit 7 bit 6
01not ready
1 0 message object is valid
The CAN peripheral will access a message object only if this bit-pair
indicates that the message is valid. If multiple message objects have the
same identifier, only one can be valid at any given time.
During initialization, software should clear this bit for any unused message
objects. Software can clear this bit if a message is no longer needed or if
you need to change a message object’s contents or identifier.
5:4 TXIE Transmit Interrupt Enable
Receive message objects do not use this bit-pair.
For transmit message objects, set this bit-pair to enable the CAN
peripheral to initiate a transmit (TX) interrupt after a successful trans-
mission. You must also set the interrupt enable bit (CAN_CON.1) to enable
the interrupt.
bit 5 bit 4
01no interrupt
1 0 generate an interrupt

C-19
REGISTERS
CAN_MSGxCON0
3:2 RXIE Receive Interrupt Enable
Transmit message objects do not use this bit-pair.
For a receive message object, set this bit-pair to enable this message
object to initiate a receive (RX) interrupt after a successful reception. You
must also set the interrupt enable bit (CAN_CON.1) to enable the interrupt.
bit 3 bit 2
01no interrupt
1 0 generate an interrupt
1:0 INT_PND Interrupt Pending
This bit-pair indicates that this message object has initiated a transmit (TX)
or receive (RX) interrupt. Software must clear this bit when it services the
interrupt.
bit 1 bit 0
01no interrupt
1 0 an interrupt was generated
Table C-5. CAN_MSG
x
CON0 Addresses and Reset Values
Register Address Reset Value Register Address Reset Value
CAN_MSG1CON0 1E10H Unchanged†CAN_MSG9CON0 1E90H Unchanged
CAN_MSG2CON0 1E20H Unchanged CAN_MSG10CON0 1EA0H Unchanged
CAN_MSG3CON0 1E30H Unchanged CAN_MSG11CON0 1EB0H Unchanged
CAN_MSG4CON0 1E40H Unchanged CAN_MSG12CON0 1EC0H Unchanged
CAN_MSG5CON0 1E50H Unchanged CAN_MSG13CON0 1ED0H Unchanged
CAN_MSG6CON0 1E60H Unchanged CAN_MSG14CON0 1EE0H Unchanged
CAN_MSG7CON0 1E70H Unchanged CAN_MSG15CON0 1EF0H Unchanged
CAN_MSG8CON0 1E80H Unchanged
† After reset, this register contains the value that was written to it before reset.
CAN_MSG
x
CON0 (Continued)
x
= 1–15 (87C196CA)
Address:
Reset State:
Table C-5
Program the CAN message object
x
control 0 (CAN_MSG
x
CON0) register to indicate whether the
message object is ready to transmit and to control whether a successful transmission or reception
generates an interrupt. The least-significant bit-pair indicates whether an interrupt is pending.
This register consists of four bit-pairs — the most-significant bit of each pair is in true form and the
least-significant bit is in complement form. This format allows software to set or clear any bit with a
single write operation, without affecting the remaining bits.
7 0
87C196CA MSGVAL MSGVAL TXIE TXIE RXIE RXIE INT_PND INT_PND
Bit
Number Bit
Mnemonic Function

8XC196K
x,
J
x
, CA USER’S MANUAL
C-20
CAN_MSGxCON1
CAN_MSG
x
CON1
x
= 1–15 (87C196CA)
Address:
Reset State:
Tabl e C -6
The CAN message object
x
control 1 (CAN_MSG
x
CON1) register indicates whether a message
object has been updated, whether a message has been overwritten, whether the CPU is updating the
message, and whether a transmission or reception is pending.
This register consists of four bit-pairs — the most-significant bit of each pair is in true form and the
least-significant bit is in complement form. This format allows software to set or clear any bit with a
single write operation, without affecting the remaining bits.
7 0
87C196CA RMTPND RMTPND TX_REQ TX_REQ MSGLST
CPUUPD MSGLST
CPUUPD NEWDAT NEWDAT
Bit
Number Bit
Mnemonic Function
7:6 RMTPND Remote Request Pending
Receive message objects do not use this bit-pair.
The CAN controller sets this bit-pair to indicate that a remote frame has
requested the transmission of a transmit message object. If the CPUUPD
bit-pair is clear, the CAN controller transmits the message object, then
clears RMTPND. Setting RMTPND does not cause a transmission; it only
indicates that a transmission is pending.
bit 7 bit 6
0 1 no pending request
1 0 a remote request is pending
5:4 TX_REQ Transmission Request
Set this bit-pair to cause a receive message object to transmit a remote
frame (a request for transmission) or to cause a transmit object to transmit
a data frame. Read this bit-pair to determine whether a transmission is in
progress.
bit 5 bit 4
0 1 no pending request; no transmission in progress
1 0 transmission request; transmission in progress
3:2 MSGLST or
CPUUPD Message Lost (receive)
For a receive message object, the CAN controller sets this bit-pair to
indicate that it stored a new message while the NEWDAT bit-pair was still
set, overwriting the previous message.
bit 3 bit 2
0 1 no overwrite occurred
1 0 a message was lost (overwritten)
CPU Updating (transmit)
For a transmit message object, software should set this bit-pair to indicate
that it is in the process of updating the message contents. This prevents a
remote frame from triggering a transmission that would contain invalid
data.
bit 3 bit 2
0 1 the message is valid
1 0 software is updating data

C-21
REGISTERS
CAN_MSGxCON1
1:0 NEWDAT New Data
This bit-pair indicates whether a message object is valid (configured and
ready for transmission).
bit 1 bit 2
01not ready
1 0 message object is valid
For receive message objects, the CAN peripheral sets this bit-pair when it
stores new data into the message object.
For transmit message objects, set this bit-pair and clear the CPUUPD bit-
pair to indicate that the message contents have been updated. Clearing
CPUUPD prevents a remote frame from triggering a transmission that
would contain invalid data.
During initialization, clear this bit for any unused message objects.
Table C-6. CAN_MSG
x
CON1 Addresses and Reset Values
Register Address Reset Value Register Address Reset Value
CAN_MSG1CON1 1E11H Unchanged†CAN_MSG9CON1 1E91H Unchanged
CAN_MSG2CON1 1E21H Unchanged CAN_MSG10CON1 1EA1H Unchanged
CAN_MSG3CON1 1E31H Unchanged CAN_MSG11CON1 1EB1H Unchanged
CAN_MSG4CON1 1E41H Unchanged CAN_MSG12CON1 1EC1H Unchanged
CAN_MSG5CON1 1E51H Unchanged CAN_MSG13CON1 1ED1H Unchanged
CAN_MSG6CON1 1E61H Unchanged CAN_MSG14CON1 1EE1H Unchanged
CAN_MSG7CON1 1E71H Unchanged CAN_MSG15CON1 1EF1H Unchanged
CAN_MSG8CON1 1E81H Unchanged
† After reset, this register contains the value that was written to it before reset.
CAN_MSG
x
CON1 (Continued)
x
= 1–15 (87C196CA)
Address:
Reset State:
Tabl e C -6
The CAN message object
x
control 1 (CAN_MSG
x
CON1) register indicates whether a message
object has been updated, whether a message has been overwritten, whether the CPU is updating the
message, and whether a transmission or reception is pending.
This register consists of four bit-pairs — the most-significant bit of each pair is in true form and the
least-significant bit is in complement form. This format allows software to set or clear any bit with a
single write operation, without affecting the remaining bits.
7 0
87C196CA RMTPND RMTPND TX_REQ TX_REQ MSGLST
CPUUPD MSGLST
CPUUPD NEWDAT NEWDAT
Bit
Number Bit
Mnemonic Function

8XC196K
x,
J
x
, CA USER’S MANUAL
C-22
CAN_MSGxDATA0–7
CAN_MSG
x
DATA0–7
x
= 1–15 (87C196CA)
Address:
Reset State:
Tabl e C -7
The CAN message object data (CAN_MSG
x
DATA0–7) registers contain data to be transmitted or data
received. Any unused data bytes have random values that change during operation.
87C196CA 7 0
CAN_MSG
x
DATA7 Data 7
7 0
CAN_MSG
x
DATA6 Data 6
7 0
CAN_MSG
x
DATA5 Data 5
7 0
CAN_MSG
x
DATA4 Data 4
7 0
CAN_MSG
x
DATA3 Data 3
7 0
CAN_MSG
x
DATA2 Data 2
7 0
CAN_MSG
x
DATA1 Data 1
7 0
CAN_MSG
x
DATA0 Data 0
Bit
Number Function
7:0 Data
Each message object can use from zero to eight data registers to hold data to
be transmitted or data received.
For receive message objects, these registers accept data during a reception.
For transmit message objects, write the data that is to be transmitted to these
registers. The number of data bytes must match the DLC field in the
CAN_MSG
x
CFG register. (For example, if CAN_MSG1DATA0,
CAN_MSG1DATA1, CAN_MSG1DATA2, and CAN_MSG1DATA3 contain data,
the DLC field in CAN_MSG1CFG must contain 04H.)

C-23
REGISTERS
CAN_MSGxDATA0–7
Table C-7. CAN_MSG
x
DATA0–7 Addresses
Register Address Register Address Register Address
CAN_MSG1DATA0
CAN_MSG1DATA1
CAN_MSG1DATA2
CAN_MSG1DATA3
CAN_MSG1DATA4
CAN_MSG1DATA5
CAN_MSG1DATA6
CAN_MSG1DATA7
1E17H
1E18H
1E19H
1E1AH
1E1BH
1E1CH
1E1DH
1E1EH
CAN_MSG6DATA0
CAN_MSG6DATA1
CAN_MSG6DATA2
CAN_MSG6DATA3
CAN_MSG6DATA4
CAN_MSG6DATA5
CAN_MSG6DATA6
CAN_MSG6DATA7
1E67H
1E68H
1E69H
1E6AH
1E6BH
1E6CH
1E6DH
1E6EH
CAN_MSG11DATA0
CAN_MSG11DATA1
CAN_MSG11DATA2
CAN_MSG11DATA3
CAN_MSG11DATA4
CAN_MSG11DATA5
CAN_MSG11DATA6
CAN_MSG11DATA7
1EB7H
1EB8H
1EB9H
1EBAH
1EBBH
1EBCH
1EBDH
1EBEH
CAN_MSG2DATA0
CAN_MSG2DATA1
CAN_MSG2DATA2
CAN_MSG2DATA3
CAN_MSG2DATA4
CAN_MSG2DATA5
CAN_MSG2DATA6
CAN_MSG2DATA7
1E27H
1E28H
1E29H
1E2AH
1E2BH
1E2CH
1E2DH
1E2EH
CAN_MSG7DATA0
CAN_MSG7DATA1
CAN_MSG7DATA2
CAN_MSG7DATA3
CAN_MSG7DATA4
CAN_MSG7DATA5
CAN_MSG7DATA6
CAN_MSG7DATA7
1E77H
1E78H
1E79H
1E7AH
1E7BH
1E7CH
1E7DH
1E7EH
CAN_MSG12DATA0
CAN_MSG12DATA1
CAN_MSG12DATA2
CAN_MSG12DATA3
CAN_MSG12DATA4
CAN_MSG12DATA5
CAN_MSG12DATA6
CAN_MSG12DATA7
1EC7H
1EC8H
1EC9H
1ECAH
1ECBH
1ECCH
1ECDH
1ECEH
CAN_MSG3DATA0
CAN_MSG3DATA1
CAN_MSG3DATA2
CAN_MSG3DATA3
CAN_MSG3DATA4
CAN_MSG3DATA5
CAN_MSG3DATA6
CAN_MSG3DATA7
1E37H
1E38H
1E39H
1E3AH
1E3BH
1E3CH
1E3DH
1E3EH
CAN_MSG8DATA0
CAN_MSG8DATA1
CAN_MSG8DATA2
CAN_MSG8DATA3
CAN_MSG8DATA4
CAN_MSG8DATA5
CAN_MSG8DATA6
CAN_MSG8DATA7
1E87H
1E88H
1E89H
1E8AH
1E8BH
1E8CH
1E8DH
1E8EH
CAN_MSG13DATA0
CAN_MSG13DATA1
CAN_MSG13DATA2
CAN_MSG13DATA3
CAN_MSG13DATA4
CAN_MSG13DATA5
CAN_MSG13DATA6
CAN_MSG13DATA7
1ED7H
1ED8H
1ED9H
1EDAH
1EDBH
1EDCH
1EDDH
1EDEH
CAN_MSG4DATA0
CAN_MSG4DATA1
CAN_MSG4DATA2
CAN_MSG4DATA3
CAN_MSG4DATA4
CAN_MSG4DATA5
CAN_MSG4DATA6
CAN_MSG4DATA7
1E47H
1E48H
1E49H
1E4AH
1E4BH
1E4CH
1E4DH
1E4EH
CAN_MSG9DATA0
CAN_MSG9DATA1
CAN_MSG9DATA2
CAN_MSG9DATA3
CAN_MSG9DATA4
CAN_MSG9DATA5
CAN_MSG9DATA6
CAN_MSG9DATA7
1E97H
1E98H
1E99H
1E9AH
1E9BH
1E9CH
1E9DH
1E9EH
CAN_MSG14DATA0
CAN_MSG14DATA1
CAN_MSG14DATA2
CAN_MSG14DATA3
CAN_MSG14DATA4
CAN_MSG14DATA5
CAN_MSG14DATA6
CAN_MSG14DATA7
1EE7H
1EE8H
1EE9H
1EEAH
1EEBH
1EECH
1EEDH
1EEEH
CAN_MSG5DATA0
CAN_MSG5DATA1
CAN_MSG5DATA2
CAN_MSG5DATA3
CAN_MSG5DATA4
CAN_MSG5DATA5
CAN_MSG5DATA6
CAN_MSG5DATA7
1E57H
1E58H
1E59H
1E5AH
1E5BH
1E5CH
1E5DH
1E5EH
CAN_MSG10DATA0
CAN_MSG10DATA1
CAN_MSG10DATA2
CAN_MSG10DATA3
CAN_MSG10DATA4
CAN_MSG10DATA5
CAN_MSG10DATA6
CAN_MSG10DATA7
1EA7H
1EA8H
1EA9H
1EAAH
1EABH
1EACH
1EADH
1EAEH
CAN_MSG15DATA0
CAN_MSG15DATA1
CAN_MSG15DATA2
CAN_MSG15DATA3
CAN_MSG15DATA4
CAN_MSG15DATA5
CAN_MSG15DATA6
CAN_MSG15DATA7
1EF7H
1EF8H
1EF9H
1EFAH
1EFBH
1EFCH
1EFDH
1EFEH
NOTE: After reset, these register contain the values that were written to them before reset (i.e. their val-
ues remain unchanged after resetting the device).

8XC196K
x,
J
x
, CA USER’S MANUAL
C-24
CAN_MSGxID0–3
CAN_MSG
x
ID0–3
x
= 1–15 (87C196CA)
Address:
Reset State:
Table C-8
Write the message object’s identifier to the CAN message object
x
identifier (CAN_MSG
x
ID0–3)
register. Software can change the identifier during normal operation. Clear the MSGVAL bit in the
corresponding CAN_MSG
x
CON0 register to prevent the CPU from accessing the message object,
change the identifier in CAN_MSG
x
ID0–3, then set the MSGVAL bit to allow access.
87C196CA 31 24
CAN_MSG
x
ID3 ID4 ID3 ID2 ID1 ID0 — — —
23 16
CAN_MSG
x
ID2 ID12 ID11 ID10 ID9 ID8 ID7 ID6 ID5
15 8
CAN_MSG
x
ID1 ID20 ID19 ID18 ID17 ID16 ID15 ID14 ID13
7 0
CAN_MSG
x
ID0 ID28 ID27 ID26 ID25 ID24 ID23 ID22 ID21
Bit
Number Bit
Mnemonic Function
31:27
23:16
12:8
ID4:0
ID12:5
ID17:13
Message Identifier 17:0
These bits hold the 18 least-significant bits of an extended identifier. If
you write an extended identifier to these bits, but specify a standard
identifier (XTD = 0) in the corresponding message object’s configuration
register (CAN_MSG
x
CFG), the CPU clears these bits (ID17:0).
26:24 — Reserved; for compatibility with future devices, write zeros to these bits.
15:13
7:0 ID20:18
ID28:21 Message Identifier 28:18
These bits hold either an entire standard identifier or the 11 most-
significant bits of an extended identifier.
NOTE: This register is the same as the arbitration register in the standalone 82527 CAN peripheral.

C-25
REGISTERS
CAN_MSGxID0–3
Table C-8. CAN_MSG
x
ID0–3 Addresses
Register Address Register Address Register Address
CAN_MSG1ID0
CAN_MSG1ID1
CAN_MSG1ID2
CAN_MSG1ID3
1E12H
1E13H
1E14H
1E15H
CAN_MSG6ID0
CAN_MSG6ID1
CAN_MSG6ID2
CAN_MSG6ID3
1E62H
1E63H
1E64H
1E65H
CAN_MSG11ID0
CAN_MSG11ID1
CAN_MSG11ID2
CAN_MSG11ID3
1EB2H
1EB3H
1EB4H
1EB5H
CAN_MSG2ID0
CAN_MSG2ID1
CAN_MSG2ID2
CAN_MSG2ID3
1E22H
1E23H
1E24H
1E25H
CAN_MSG7ID0
CAN_MSG7ID1
CAN_MSG7ID2
CAN_MSG7ID3
1E72H
1E73H
1E74H
1E75H
CAN_MSG12ID0
CAN_MSG12ID1
CAN_MSG12ID2
CAN_MSG12ID3
1EC2H
1EC3H
1EC4H
1EC5H
CAN_MSG3ID0
CAN_MSG3ID1
CAN_MSG3ID2
CAN_MSG3ID3
1E32H
1E33H
1E34H
1E35H
CAN_MSG8ID0
CAN_MSG8ID1
CAN_MSG8ID2
CAN_MSG8ID3
1E82H
1E83H
1E84H
1E85H
CAN_MSG13ID0
CAN_MSG13ID1
CAN_MSG13ID2
CAN_MSG13ID3
1ED2H
1ED3H
1ED4H
1ED5H
CAN_MSG4ID0
CAN_MSG4ID1
CAN_MSG4ID2
CAN_MSG4ID3
1E42H
1E43H
1E44H
1E45H
CAN_MSG9ID0
CAN_MSG9ID1
CAN_MSG9ID2
CAN_MSG9ID3
1E92H
1E93H
1E94H
1E95H
CAN_MSG14ID0
CAN_MSG14ID1
CAN_MSG14ID2
CAN_MSG14ID3
1EE2H
1EE3H
1EE4H
1EE5H
CAN_MSG5ID0
CAN_MSG5ID1
CAN_MSG5ID2
CAN_MSG5ID3
1E52H
1E53H
1E54H
1E55H
CAN_MSG10ID0
CAN_MSG10ID1
CAN_MSG10ID2
CAN_MSG10ID3
1EA2H
1EA3H
1EA4H
1EA5H
CAN_MSG15ID0
CAN_MSG15ID1
CAN_MSG15ID2
CAN_MSG15ID3
1EF2H
1EF3H
1EF4H
1EF5H
NOTE: After reset, these register contain the values that were written to them before reset.

8XC196K
x,
J
x
, CA USER’S MANUAL
C-26
CAN_MSK15
CAN_MSK15
(87C196CA) Address:
Reset State:
Table C-9
Program the CAN message 15 mask (CAN_MSK15) register to mask (“don’t care”) specific message
identifier bits for message 15 in addition to those bits masked by a global mask (CAN_EGMSK or
CAN_SGMSK).
31 24
87C196CA MSK4 MSK3 MSK2 MSK1 MSK0 — — —
23 16
MSK12 MSK11 MSK10 MSK9 MSK8 MSK7 MSK6 MSK5
15 8
MSK20 MSK19 MSK18 MSK17 MSK16 MSK15 MSK14 MSK13
7 0
MSK28 MSK27 MSK26 MSK25 MSK24 MSK23 MSK22 MSK21
Bit
Number Function
31:27 MSK4:0 ID Mask
These bits individually mask incoming message identifier (ID) bits.
0 = mask the ID bit (accept either “0” or “1”)
1 = accept only an exact match
26:24 — Reserved. These bits are undefined; for compatibility with future devices,
do not modify these bits.
23:16
15:8
7:0
MSK12:5
MSK20:13
MSK28:21
ID Mask
These bits individually mask incoming message identifier (ID) bits.
0 = mask the ID bit (accept either “0” or “1”)
1 = accept only an exact match
NOTE: Setting a CAN_MSK15 bit in any position that is cleared in the global mask register has no
effect. The message 15 mask is ANDed with the global mask, so any “don’t care” bits
defined in a global mask are also “don’t care” bits for message 15.
Table C-9. CAN_MSK15 Addresses and Reset Values
Register Address Reset Value
CAN_MSK15 (bits 0–7) 1E0CH Unchanged††
CAN_MSK15 (bits 8–15) 1E0DH Unchanged
CAN_MSK15 (bits 16–23) 1E0EH Unchanged
CAN_MSK15 (bits 24–31) 1E0FH Unchanged
† This register can be accessed as a byte, word, or double word.
†† After reset, this register contains the value that was written to it before
reset.

C-27
REGISTERS
CAN_SGMSK
CAN_SGMSK
(87C196CA)
Address:
Reset State:
1E07H, 1E06H
Unchanged
Program the CAN standard global mask (CAN_SGMSK) register to mask (“don’t care”) specific
message identifier bits for standard message objects.
15 8
87C196CA MSK20 MSK19 MSK18 — — — — —
7 0
MSK28 MSK27 MSK26 MSK25 MSK24 MSK23 MSK22 MSK21
Bit
Number Bit
Mnemonic Function
15:13 MSK20:18 ID Mask
These bits individually mask incoming message identifier (ID) bits.
0 = mask the ID bit (accept either “0” or “1”)
1 = accept only an exact match
12:8 — Reserved; for compatibility with future devices, write zeros to these bits.
7:0 MSK28:21 ID Mask
These bits individually mask incoming message identifier (ID) bits.
0 = mask the ID bit (accept either “0” or “1”)
1 = accept only an exact match

8XC196K
x,
J
x
, CA USER’S MANUAL
C-28
CAN_STAT
CAN_STAT
(87C196CA)
Address:
Reset State:
1E01H
XXH
The CAN status (CAN_STAT) register reflects the current status of the CAN peripheral.
7 0
87C196CA BUSOFF WARN — RXOK TXOK LEC2 LEC1 LEC0
Bit
Number Bit
Mnemonic Function
7 BUSOFF Bus-off Status
The CAN peripheral sets this read-only bit to indicate that it has isolated
itself from the CAN bus (floated the TX pin) because an error counter has
reached 256. A bus-off recovery sequence clears this bit and clears the
error counters. (See “Bus-off State” on page 12-41.)
6 WARN Warning Status
The CAN peripheral sets this read-only bit to indicate that an error counter
has reached 96, indicating an abnormal rate of errors on the CAN bus.
5 — Reserved. This bit is undefined.
4 RXOK Reception Successful
The CAN peripheral sets this bit to indicate that a message has been
successfully received (error free, regardless of acknowledgment) since the
bit was last cleared. Software must clear this bit when it services the
interrupt.
3 TXOK Transmission Successful
The CAN peripheral sets this bit to indicate that a message has been
successfully transmitted (error free and acknowledged by at least one
other node) since the bit was last cleared. Software must clear this bit
when it services the interrupt.
2:0 LEC2:0 Last Error Code
This field indicates the error type of the first error that occurs in a message
frame on the CAN bus. (“Error Detection and Management Logic” on page
12-9 describes the error types.)
LEC2 LEC1 LEC0 Error Type
000no error
001stuff error
010form error
0 1 1 acknowledgment error
100bit 1 error
101bit 0 error
1 1 0 CRC error
111unused

C-29
REGISTERS
CCR0
CCR0 Address:
Reset State:
2018H
XXH
The chip configuration 0 (CCR0) register controls powerdown mode, bus-control signals, and internal
memory protection. Three of its bits combine with two bits of CCR1 to control wait states and bus
width.
7 0
LOC1 LOC0 IRC1 IRC0 ALE WR BW0 PD
Bit
Number Bit
Mnemonic Function
7:6 LOC1:0 Lock Bits
Determine the programming protection scheme for internal memory.
LOC1 LOC0
0 0 read and write protect
0 1 read protect only
1 0 write protect only
1 1 no protection
5:4 IRC1:0 Internal Ready Control
These two bits, along with IRC2 (CCR1.1), limit the number of wait states
that can be inserted while the READY pin is held low. Wait states are
inserted into the bus cycle either until the READY pin is pulled high or
until this internal number is reached.
IRC2 IRC1 IRC0
0 0 0 zero wait states
0X1illegal
01Xillegal
100one wait state
1 0 1 two wait states
110three wait states
111infinite
†
†
This mode is unavailable on the 8XC196J
x
device. On this device, the
READY pin is not implemented. Therefore, the number of wait states
inserted into the bus cycle is determined only by the IRC2:0 bit settings.
3 ALE Address Valid Strobe and Write Strobe
These bits define which bus-control signals will be generated during
external read and write cycles.
ALE WR
0 0 address valid with write strobe mode
(ADV#, RD#, WRL#, WRH#)†
0 1 address valid strobe mode
(ADV#, RD#, WR#, BHE#)†
1 0 write strobe mode
(ALE, RD#, WRL#, WRH#)†
1 1 standard bus-control mode
(ALE, RD#, WR#, BHE#)†
† On the 8XC196J
x
device, the BHE#/WRH# pin is not implemented.
2WR

8XC196K
x,
J
x
, CA USER’S MANUAL
C-30
CCR0
1 BW0 Buswidth Control
This bit, along with the BW1 bit (CCR1.2), selects the bus width.
BW1 BW0
00illegal
0 1 16-bit only
1 0 8-bit only
1 1 BUSWIDTH pin controlled†
† This mode is unavailable on the 87C196CA, J
x
devices. The
BUSWIDTH pin is not implemented.
0 PD Powerdown Enable
Controls whether the IDLPD #2 instruction causes the device to enter
powerdown mode. Clearing this bit at reset can prevent accidental entry
into powerdown mode.
1 = enable powerdown mode
0 = disable powerdown mode
CCR0 (Continued) Address:
Reset State:
2018H
XXH
The chip configuration 0 (CCR0) register controls powerdown mode, bus-control signals, and internal
memory protection. Three of its bits combine with two bits of CCR1 to control wait states and bus
width.
7 0
LOC1 LOC0 IRC1 IRC0 ALE WR BW0 PD
Bit
Number Bit
Mnemonic Function

C-31
REGISTERS
CCR1
CCR1 Address:
Reset State:
201AH
XXH
The chip configuration 1 (CCR1) register enables the watchdog timer and selects the bus timing mode.
Two of its bits combine with three bits of CCR0 to control wait states and bus width.
7 0
CA, J
x
, KQ, KR 110 1WDE BW1 IRC2 0
7 0
KS, KT MSEL1 MSEL0 0 1 WDE BW1 IRC2 0
Bit
Number Bit
Mnemonic Function
7:6 1
(CA, J
x
, KQ,
KR)
To guarantee device operation, write ones to these bits.
MSEL1:0
(KS, KT) External Access Timing Mode Select
These bits control the bus-timing modes.
MSEL1 MSEL0
0 0 standard mode plus one wait state
0 1 long read/write
1 0 long read/write with early address
1 1 standard mode
5 0 To guarantee device operation, write zero to this bit.
4 1 To guarantee device operation, write one to this bit.
3 WDE Watchdog Timer Enable
Selects whether the watchdog timer is always enabled or enabled the first
time it is cleared.
1 = enabled first time it is cleared
0 = always enabled
2 BW1 Buswidth Control
This bit, along with the BW0 bit (CCR0.1), selects the bus width.
BW1 BW0
0 0 illegal
0116-bit only
1 0 8-bit only
1 1 BUSWIDTH pin controlled†
† This mode is unavailable on the 87C196CA, 8XC196J
x
devices. The
BUSWIDTH pin is not implemented.

8XC196K
x,
J
x
, CA USER’S MANUAL
C-32
CCR1
1 IRC2 Ready Control
This bit, along with IRC0 (CCR0.4) and IRC1 (CCR0.5), limits the number
of wait states that can be inserted while the READY pin is held low. Wait
states are inserted into the bus cycle either until the READY pin is pulled
high or until this internal number is reached.
IRC2 IRC1 IRC0
000zero wait states
0X1illegal
0 1 X illegal
100one wait state
101two wait states
110three wait states
111infinite
†
†
This mode is unavailable on the 8XC196J
x
device. On this device, the
READY pin is not implemented. Therefore, the number of wait states
inserted into the bus cycle is determined only by the IRC2:0 bit settings.
0 — Reserved; always write as zero.
CCR1 (Continued) Address:
Reset State:
201AH
XXH
The chip configuration 1 (CCR1) register enables the watchdog timer and selects the bus timing mode.
Two of its bits combine with three bits of CCR0 to control wait states and bus width.
7 0
CA, J
x
, KQ, KR 110 1WDE BW1 IRC2 0
7 0
KS, KT MSEL1 MSEL0 0 1 WDE BW1 IRC2 0
Bit
Number Bit
Mnemonic Function

C-33
REGISTERS
COMPx_CON
COMP
x
_CON
x
= 0–1
Address:
Reset State:
Table C-10
The EPA compare control (COMP
x
_CON) registers determine the function of the EPA compare
channels.
7 0
TB CE M1 M0 RE AD ROT RT
Bit
Number Bit
Mnemonic Function
7 TB Time Base Select
Specifies the reference timer.
1 = timer 2 is the reference timer and timer 1 is the opposite timer
0 = timer 1 is the reference timer and timer 2 is the opposite timer
A compare event (start of an A/D conversion; clearing, setting, or
toggling an output pin; and/or resetting either timer) occurs when the
reference timer matches the time programmed in the event-time register.
6 CE Compare Enable
This bit enables the compare function.
1 = compare function enabled
0 = compare function disabled
5:4 M1:0 EPA Mode Select
Specifies the type of compare event.
M1 M0
00no output
0 1 clear output pin
1 0 set output pin
1 1 toggle output pin
3 RE Re-enable
Allows a compare event to continue to execute each time the event-time
register (COMP
x
_TIME) matches the reference timer rather than only
upon the first time match.
1 = compare function always enabled
0 = compare function will drive the output only once.
2 AD A/D Conversion
Allows the EPA to start an A/D conversion that has been previously set
up in the A/D control registers. To use this feature, you must select the
EPA as the conversion source in the AD_CONTROL register.
1 = EPA compare event triggers an A/D conversion
0 = causes no A/D action

8XC196K
x,
J
x
, CA USER’S MANUAL
C-34
COMPx_CON
1 ROT Reset Opposite Timer and Reset Timer
These bits control whether an EPA compare event resets the reference
timer or the opposite timer.
ROT RT
X 0 reset function disabled
0 1 resets reference timer
1 1 resets opposite timer
The state of the TB bit (COMP
x
_CON.7) determines which timer is the
reference timer and which timer is the opposite timer.
0 RT Reset Timer
This bit controls whether the timer selected by the ROT bit will be reset
1 = resets the timer selected by the ROT bit
0 = disables the reset function
Table C-10. COMP
x
_CON Addresses and Reset Values
Register Address Reset Value
COMP0_CON 1F88H 00H
COMP1_CON 1F8CH 00H
COMP
x
_CON
(Continued)
Address:
Reset State:
Table C-10
The EPA compare control (COMP
x
_CON) registers determine the function of the EPA compare
channels.
7 0
TB CE M1 M0 RE AD ROT RT
Bit
Number Bit
Mnemonic Function

C-35
REGISTERS
COMPx_TIME
COMP
x
_TIME
x
= 0–1
Address:
Reset State:
Tabl e C - 11
The EPA compare
x
time (COMP
x
_TIME) registers are the event-time registers for the EPA compare
channels; they are functionally identically to the EPA
x
_TIME registers. The EPA triggers a compare
event when the reference timer matches the value in COMP
x
_TIME.
15 8
EPA Event Time Value (high byte)
7 0
EPA Event Time Value (low byte)
Bit
Number Function
15:0 EPA Event Time Value
Write the desired compare event time to this register.
Table C-11. COMP
x
_TIME Addresses and Reset Values
Register Address Reset Value
COMP0_TIME 1F8AH XXXXH
COMP1_TIME 1F8EH XXXXH

8XC196K
x,
J
x
, CA USER’S MANUAL
C-36
EPA_MASK
EPA_MASK Address:
Reset State:
1FA0H
0000H
The EPA interrupt mask (EPA_MASK) register enables or disables (masks) interrupts associated with
the multiplexed EPA
x
interrupt.
15 8
CA, Jx ————EPA8 EPA9 OVR0 OVR1
7 0
0VR2 OVR3 — — — — OVR8 OVR9
15 8
K
x
EPA4 EPA5 EPA6 EPA7 EPA8 EPA9 OVR0 OVR1
7 0
OVR2 OVR3 OVR4 OVR5 OVR6 OVR7 OVR8 OVR9
Bit
Number Function
15:0†Setting a bit enables the corresponding interrupt as a multiplexed EPA
x
interrupt source.
The multiplexed EPA
x
interrupt is enabled by setting its interrupt enable bit in the interrupt
mask register (INT_MASK.0 = 1).
† Bits 2–5 and 12–15 are reserved on the 8XC196CA, J
x
devices. For compatibility with future
devices, write zeros to these bits.

C-37
REGISTERS
EPA_MASK1
EPA_MASK1 Address:
Reset State:
1FA4H
00H
The EPA interrupt mask 1 (EPA_MASK1) register enables or disables (masks) interrupts associated
with the EPA
x
interrupt.
7 0
— — — — COMP0 COMP1 OVRTM1 OVRTM2
Bit
Number Function
7:4 Reserved; for compatibility with future devices, write zeros to these bits.
3:0 Setting a bit enables the corresponding interrupt as a multiplexed EPA
x
interrupt source.
The multiplexed EPA
x
interrupt is enabled by setting its interrupt enable bit in the
interrupt mask register (INT_MASK.0 = 1).

8XC196K
x,
J
x
, CA USER’S MANUAL
C-38
EPA_PEND
EPA_PEND Address:
Reset State:
1FA2H
0000H
When hardware detects a pending EPA
x
interrupt, it sets the corresponding bit in EPA interrupt
pending (EPA_PEND or EPA_PEND1) registers. The EPAIPV register contains a number that
identifies the highest priority, active, multiplexed interrupt source. When EPAIPV is read, the EPA
interrupt pending bit associated with the EPAIPV priority value is cleared.
15 8
CA, J
x
————EPA8 EPA9 OVR0 OVR1
7 0
OVR2 OVR3 — — — — OVR8 OVR9
15 8
K
x
EPA4 EPA5 EPA6 EPA7 EPA8 EPA9 OVR0 OVR1
7 0
OVR2 OVR3 OVR4 OVR5 OVR6 OVR7 OVR8 OVR9
Bit
Number Function
15:0†Any set bit indicates that the corresponding EPA
x
interrupt source is pending. The bit is
cleared when the EPA interrupt priority vector register (EPAIPV) is read.
† Bits 2–5 and 12–15 are reserved on the 8XC196CA, J
x
devices. For compatibility with future
devices, write zeros to these bits.

C-39
REGISTERS
EPA_PEND1
EPA_PEND1 Address:
Reset State:
1FA6H
00H
When hardware detects a pending EPA
x
interrupt, it sets the corresponding bit in EPA interrupt
pending (EPA_PEND or EPA_PEND1) registers. The EPAIPV register contains a number that
identifies the highest priority, active, multiplexed interrupt source. When EPAIPV is read, the EPA
interrupt pending bit associated with the EPAIPV priority value is cleared.
7 0
— — — — COMP0 COMP1 OVRTM1 OVRTM2
Bit
Number Function
7:4 Reserved; always write as zeros.
3:0 Any set bit indicates that the corresponding EPA
x
interrupt source is pending. The bit is
cleared when the EPA interrupt priority vector register (EPAIPV) is read.

8XC196K
x,
J
x
, CA USER’S MANUAL
C-40
EPAx_CON
EPA
x
_CON
x
= 0–9 (8XC196K
x
)
x
= 0–3, 8, 9 (8XC196CA, J
x
)
Address:
Reset State:
Table C-12
The EPA control (EPA
x
_CON) registers control the functions of their assigned capture/compare
channels. The registers for EPA0, EPA2, and EPA4–9 are identical. The registers for EPA1 and EPA3
have an additional bit, the remap bit. This added bit (bit 8) requires an additional byte, so EPA1_CON
and EPA3_CON must be addressed as words, while the others can be addressed as bytes.
15 8
x
= 1, 3 ———— ———RM
7 0
TB CE M1 M0 RE AD ROT ON/RT
7 0
x
= 0, 2, 4–9 TB CE M1 M0 RE AD ROT ON/RT
Bit
Number Bit
Mnemonic Function
15:9†— Reserved; always write as zeros.
8†RM Remap Feature
The Remap feature applies to the compare mode of the EPA1 and EPA3
only.
When the remap feature of EPA1 is enabled, EPA capture/compare
channel 0 shares output pin EPA1 with EPA capture/compare channel 1.
When the remap feature of EPA3 is enabled, EPA capture/compare
channel 2 shares output pin EPA3 with EPA capture/compare channel 3.
0 = remap feature disabled
1 = remap feature enabled
7 TB Time Base Select
Specifies the reference timer.
0 = Timer 1 is the reference timer and Timer 2 is the opposite timer
1 = Timer 2 is the reference timer and Timer 1 is the opposite timer
A compare event (start of an A/D conversion; clearing, setting, or toggling
an output pin; and/or resetting either timer) occurs when the reference
timer matches the time programmed in the event-time register.
When a capture event (falling edge, rising edge, or an edge change on
the EPA
x
pin) occurs, the reference timer value is saved in the EPA event-
time register (EPA
x
_TIME).
6 CE Compare Enable
Determines whether the EPA channel operates in capture or compare
mode.
0 = capture mode
1 = compare mode
† These bits apply to the EPA1_CON and EPA3_CON registers only.

C-41
REGISTERS
EPAx_CON
5:4 M1:0 EPA Mode Select
In capture mode, specifies the type of event that triggers an input capture.
In compare mode, specifies the action that the EPA executes when the
reference timer matches the event time.
M1 M0 Capture Mode Event
00no capture
0 1 capture on falling edge
1 0 capture on rising edge
1 1 capture on either edge
M1 M0 Compare Mode Action
0 0 no output
0 1 clear output pin
1 0 set output pin
1 1 toggle output pin
3 RE Re-enable
Re-enable applies to the compare mode only. It allows a compare event
to continue to execute each time the event-time register (EPA
x
_TIME)
matches the reference timer rather than only upon the first time match.
0 = compare function is disabled after a single event
1 = compare function always enabled
2 AD A/D Conversion
Allows the EPA to start an A/D conversion that has been previously set up
in the A/D control registers. To use this feature, you must select the EPA
as the conversion source in the AD_CONTROL register.
0 = causes no A/D action
1 = EPA capture or compare event triggers an A/D conversion
EPA
x
_CON (Continued)
x
= 0–9 (8XC196K
x
)
x
= 0–3, 8, 9 (8XC196CA, J
x
)
Address:
Reset State:
Table C-12
The EPA control (EPA
x
_CON) registers control the functions of their assigned capture/compare
channels. The registers for EPA0, EPA2, and EPA4–9 are identical. The registers for EPA1 and EPA3
have an additional bit, the remap bit. This added bit (bit 8) requires an additional byte, so EPA1_CON
and EPA3_CON must be addressed as words, while the others can be addressed as bytes.
15 8
x
= 1, 3 ———— ———RM
7 0
TB CE M1 M0 RE AD ROT ON/RT
7 0
x
= 0, 2, 4–9 TB CE M1 M0 RE AD ROT ON/RT
Bit
Number Bit
Mnemonic Function
† These bits apply to the EPA1_CON and EPA3_CON registers only.

8XC196K
x,
J
x
, CA USER’S MANUAL
C-42
EPAx_CON
1 ROT Reset Opposite Timer
Controls different functions for capture and compare modes.
In Capture Mode:
0 = causes no action
1 = resets the opposite timer
In Compare Mode:
ROT selects the timer that is to be reset if the RT bit is set:
0 = selects base timer
1 = selects opposite timer
The TB bit (bit 7) selects which timer is the reference timer and which
timer is the opposite timer.
0 ON/RT Overwrite New/Reset Timer
The ON/RT bit functions as overwrite new in capture mode and reset
timer in compare mode.
In Capture Mode (ON):
An overrun error is generated when an input capture occurs while the
event-time register (EPA
x
_TIME) and its buffer are both full. When an
overrun occurs, the ON bit determines whether old data is overwritten or
new data is ignored:
0 = ignores new data
1 = overwrites old data in the buffer
In Compare Mode (RT):
0 = disables the reset function
1 = resets the ROT-selected timer
EPA
x
_CON (Continued)
x
= 0–9 (8XC196K
x
)
x
= 0–3, 8, 9 (8XC196CA, J
x
)
Address:
Reset State:
Table C-12
The EPA control (EPA
x
_CON) registers control the functions of their assigned capture/compare
channels. The registers for EPA0, EPA2, and EPA4–9 are identical. The registers for EPA1 and EPA3
have an additional bit, the remap bit. This added bit (bit 8) requires an additional byte, so EPA1_CON
and EPA3_CON must be addressed as words, while the others can be addressed as bytes.
15 8
x
= 1, 3 ———— ———RM
7 0
TB CE M1 M0 RE AD ROT ON/RT
7 0
x
= 0, 2, 4–9 TB CE M1 M0 RE AD ROT ON/RT
Bit
Number Bit
Mnemonic Function
† These bits apply to the EPA1_CON and EPA3_CON registers only.

C-43
REGISTERS
EPAx_CON
Table C-12. EPA
x
_CON Addresses and Reset Values
Register Address Reset Value Register Address Reset Value
EPA0_CON 1F60H 00H EPA5_CON†1F74H 00H
EPA1_CON 1F64H F700H EPA6_CON†1F78H 00H
EPA2_CON 1F68H 00H EPA7_CON 1F7CH 00H
EPA3_CON 1F6CH F700H EPA8_CON 1F80H 00H
EPA4_CON†1F70H 00H EPA9_CON 1F84H 00H
† These registers are available on the 8XC196Kx devices only.

8XC196K
x,
J
x
, CA USER’S MANUAL
C-44
EPAx_TIME
EPA
x
_TIME
x
= 0–9 (8XC196K
x
)
x
= 0–3, 8, 9 (87C196CA, 8XC196J
x
)
Address:
Reset State:
Table C-13
The EPA time (EPA
x
_TIME) registers are the event-time registers for the EPA channels. In capture
mode, the value of the reference timer is captured in EPA
x
_TIME when an input transition occurs.
Each event-time register is buffered, allowing the storage of two capture events at once. In compare
mode, the EPA triggers a compare event when the reference timer matches the value in EPA
x
_TIME.
EPA
x
_TIME is not buffered for compare mode.
15 8
EPA Timer Value (high byte)
7 0
EPA Timer Value (low byte)
Bit
Number Function
15:0 EPA Time Value
When an EPA channel is configured for capture mode, this register contains the value of
the reference timer when the specified event occurred.
When an EPA channel is configured for compare mode, write the compare event time to
this register.
Table C-13. EPA
x
_TIME Addresses and Reset Values
Register Address Reset Value Register Address Reset Value
EPA0_TIME 1F62H XXXXH EPA5_TIME†1F76H XXXXH
EPA1_TIME 1F66H XXXXH EPA6_TIME†1F7AH XXXXH
EPA2_TIME 1F6AH XXXXH EPA7_TIME†1F7EH XXXXH
EPA3_TIME 1F6EH XXXXH EPA8_TIME 1F82H XXXXH
EPA4_TIME†1F72H XXXXH EPA9_TIME 1F86H XXXXH
† These registers are available on the 8XC196K
x
devices only.

C-45
REGISTERS
EPAIPV
EPAIPV Address:
Reset State:
1FA8H
00H
When an EPA
x
interrupt occurs, the EPA interrupt priority vector register (EPAIPV) contains a number
that identifies the highest priority, active, multiplexed interrupt source (see Table C-14).
EPAIPV allows software to branch via the TIJMP instruction to the correct interrupt service routine
when EPA
x
is activated. Reading EPAIPV clears the EPA pending bit for the interrupt associated with
the value in EPAIPV. When all the EPA pending bits are cleared, the EPA
x
pending bit is also cleared.
7 0
— — — PV4 PV3 PV2 PV1 PV0
Bit
Number Bit
Mnemonic Function
5:7 — Reserved; always write as zeros.
4:0 PV4:0 Priority Vector
These bits contain a number from 01H to 14H corresponding to the
highest-priority active interrupt source. This value, when used with the
TIJMP instruction, allows software to branch to the correct interrupt
service routine.
Table C-14. EPA Interrupt Priority Vectors
Value Interrupt Value Interrupt Value Interrupt
14H EPA4†0DH OVR1 06H OVR8
13H EPA5†0CH OVR2 05H OVR9
12H EPA6†0BH OVR3 04H COMP0
11H EPA7†0AH OVR4†03H COMP1
10H EPA8 09H OVR5†02H OVRTM1
0FH EPA9 08H OVR6†01H OVRTM2
0EH OVR0 07H OVR7†00H None
† These interrupts apply to the 8XC196K
x
devices only.

8XC196K
x,
J
x
, CA USER’S MANUAL
C-46
INT_MASK
INT_MASK Address:
Reset State:
08H
00H
The interrupt mask (INT_MASK) register enables or disables (masks) individual interrupts. (The EI
and DI instructions enable and disable servicing of all maskable interrupts.). INT_MASK is the low
byte of the program status word (PSW). PUSHF or PUSHA saves the contents of this register onto the
stack and then clears this register. Interrupt calls cannot occur immediately following this instruction.
POPF or POPA restores it.
7 0
CA, J
x
——AD EPA0 EPA1 EPA2 EPA3 EPA
x
7 0
8XC196K
x
IBF OBE AD EPA0 EPA1 EPA2 EPA3 EPA
x
Bit
Number Function
7:0†Setting this bit enables the corresponding interrupt.
The standard interrupt vector locations are as follows:
Bit Mnemonic Interrupt Standard Vector
IBF (K
x
) Slave Port Input Buffer Full 200EH
OBE (K
x
) Slave Port Output Buffer Empty 200CH
AD A/D Conversion Complete 200AH
EPA0 EPA Capture/Compare Channel 0 2008H
EPA1 EPA Capture/Compare Channel 1 2006H
EPA2 EPA Capture/Compare Channel 2 2004H
EPA3 EPA Capture/Compare Channel 3 2002H
EPA
x
†† Multiplexed EPA 2000H
†† EPA 4–9 capture/compare channel events, EPA 0–1 compare channel events, EPA 0–
9 capture/compare overruns, and timer overflows can generate this multiplexed interrupt.
The EPA mask and pending registers decode the EPA
x
interrupt. Write the EPA mask
registers (EPA_MASK and EPA_MASK1) to enable the interrupt sources; read the EPA
pending registers (EPA_PEND and EPA_PEND1) to determine which source caused the
interrupt.
† Bits 6–7 are reserved on the 87C196CA and 8XC196J
x
devices. For compatibility with future
devices, write zeros to these bits.

C-47
REGISTERS
INT_MASK1
INT_MASK1 Address:
Reset State:
13H
00H
The interrupt mask 1 (INT_MASK1) register enables or disables (masks) individual interrupts. (The EI
and DI instructions enable and disable servicing of all maskable interrupts.) INT_MASK1 can be read
from or written to as a byte register. PUSHA saves this register on the stack and POPA restores it.
7 0
87C196CA NMI EXTINT CAN RI TI SSIO1 SSIO0 —
7 0
8XC196J
x
—EXTINT — RI TI SSIO1 SSIO0 —
7 0
8XC196K
x
NMI EXTINT — RI TI SSIO1 SSIO0 CBF
Bit
Number Function
7:0†Setting this bit enables the corresponding interrupt.
The standard interrupt vector locations are as follows:
Bit Mnemonic Interrupt Standard Vector
NMI†† Nonmaskable Interrupt 203EH
EXTINT EXTINT Pin 203CH
CAN (CA) CAN Peripheral 203AH
RI SIO Receive 2038H
TI SIO Transmit 2036H
SSIO1 SSIO 1 Transfer 2034H
SSIO0 SSIO 0 Transfer 2032H
CBF (K
x
) Slave Port Command Buffer Full 2030H
† Bit 5 is reserved on the 8XC196J
x
, K
x
devices and bit 0 is reserved on the 87C196CA, 8XC196J
x
devices. For compatibility with future devices, always write zeros to these bits.
†† NMI is always enabled. This nonfunctional mask bit exists for design symmetry with the
INT_PEND1 register. Always write zero to this bit.

8XC196K
x,
J
x
, CA USER’S MANUAL
C-48
INT_PEND
INT_PEND Address:
Reset State:
09H
00H
When hardware detects an interrupt request, it sets the corresponding bit in the interrupt pending
(INT_PEND or INT_PEND1) registers. When the vector is taken, the hardware clears the pending bit.
Software can generate an interrupt by setting the corresponding interrupt pending bit.
7 0
CA, J
x
——AD EPA0 EPA1 EPA2 EPA3 EPA
x
7 0
8XC196K
x
IBF OBE AD EPA0 EPA1 EPA2 EPA3 EPA
x
Bit
Number Function
7:0†When set, this bit indicates that the corresponding interrupt is pending. The interrupt bit is
cleared when processing transfers to the corresponding interrupt vector.
The standard interrupt vector locations are as follows:
Bit Mnemonic Interrupt Standard Vector
IBF (K
x
) Slave Port Input Buffer Full 200EH
OBE (K
x
) Slave Port Output Buffer Empty 200CH
AD A/D Conversion Complete 200AH
EPA0 EPA Capture/Compare Channel 0 2008H
EPA1 EPA Capture/Compare Channel 1 2006H
EPA2 EPA Capture/Compare Channel 2 2004H
EPA3 EPA Capture/Compare Channel 3 2002H
EPA
x
†† Multiplexed EPA 2000H
†† EPA 4–9 capture/compare channel events, EPA 0–1 compare channel events, EPA 0–
9 capture/compare overruns, and timer overflows can generate this multiplexed interrupt.
The EPA mask and pending registers decode the EPA
x
interrupt. Write the EPA mask
registers to enable the interrupt sources; read the EPA pending registers (EPA_PEND
and EPA_PEND1) to determine which source caused the interrupt.
† Bits 6–7 are reserved on the 87C196CA, 8XC196J
x
devices. For compatibility with future devices,
write zeros to these bits.

C-49
REGISTERS
INT_PEND1
INT_PEND1 Address:
Reset State:
12H
00H
When hardware detects a pending interrupt, it sets the corresponding bit in the interrupt pending
(INT_PEND or INT_PEND1) registers. When the vector is taken, the hardware clears the pending bit.
Software can generate an interrupt by setting the corresponding interrupt pending bit.
7 8
87C196CA NMI EXTINT CAN RI TI SSIO1 SSIO0 —
7 0
8XC196J
x
—EXTINT — RI I TI SSIO1 SSIO0 —
7 0
8XC196K
x
NMI EXTINT — RI I TI SSIO1 SSIO0 CBF
Bit
Number Function
7:0†When set, this bit indicates that the corresponding interrupt is pending. The interrupt bit is
cleared when processing transfers to the corresponding interrupt vector.
The standard interrupt vector locations are as follows:
Bit Mnemonic Interrupt Standard Vector
NMI Nonmaskable Interrupt 203EH
EXTINT EXTINT Pin 203CH
CAN (CA)†† CAN Peripheral 203AH
RI SIO Receive 2038H
TI SIO Transmit 2036H
SSIO1 SSIO 1 Transfer 2034H
SSIO0 SSIO 0 Transfer 2032H
CBF (K
x
) Slave Port Command Buffer Full 2030H
†† All CAN-controller interrupts are multiplexed into the single CAN interrupt input
(INT13). The interrupt service routine associated with INT13 must read the CAN interrupt
pending register (CAN_INT) to determine the source of the interrupt request.
† Bit 7 is reserved on the 8XC196J
x
devices, bit 5 is reserved on the 8XC196J
x
, K
x
devices, and bit 0
is reserved on the 87C196CA, 8XC196J
x
devices. For compatibility with future devices, always write
zeros to these bits.

8XC196K
x,
J
x
, CA USER’S MANUAL
C-50
ONES_REG
ONES_REG Address:
Reset State: 02H
FFFFH
The two-byte ones register (ONES_REG) is always equal to FFFFH. It is useful as a fixed source of all
ones for comparison operations.
15 8
One (high byte)
7 0
One (low byte)
Bit
Number Function
15:0 One
These bits are always equal to FFFFH.

C-51
REGISTERS
Px_DIR
P
x
_DIR
x
= 1, 2, 5, 6
Address:
Reset State:
Table C-15
Each pin of port
x
can operate in any of the standard I/O modes of operation: complementary output,
open-drain output, or high-impedance input. The port
x
I/O direction (P
x
_DIR) register determines the
I/O mode for each port
x
pin. The register settings for an open-drain output or a high-impedance input
are identical. An open-drain output configuration requires an external pull-up. A high-impedance input
configuration requires that the corresponding bit in P
x
_REG be set.
7 0
x
= 1 (CA, J
x
)————PIN3 PIN2 PIN1 PIN0
7 0
x
= 2 (CA, J
x
)PIN7 PIN6 — PIN4 — PIN2 PIN1 PIN0
7 0
x
= 5 (CA) —PIN6 PIN5 PIN4 PIN3 PIN2 — PIN0
7 0
x
= 5 (J
x
)————PIN3 PIN2 — PIN0
7 0
x
= 6 (CA, J
x
)PIN7 PIN6 PIN5 PIN4 — — PIN1 PIN0
7 0
x
= 1, 2, 5, 6 (K
x
)PIN7 PIN6 PIN5 PIN4 PIN3 PIN2 PIN1 PIN0
Bit
Number Bit
Mnemonic Function
7:0 PIN7:0 Port
x
Pin
y
Direction
This bit selects the P
x
.
y
direction:
1 = input/open-drain output (input, output, or bidirectional)
0 = complementary output (output only)
Table C-15. P
x
_DIR Addresses and Reset Values
Register Address Reset Value
P1_DIR 1FD2H FFH
P2_DIR 1FCBH 7FH
P5_DIR 1FF3H FFH
P6_DIR 1FD3H FFH

8XC196K
x,
J
x
, CA USER’S MANUAL
C-52
Px_MODE
P
x
_MODE
x
= 1, 2, 5, 6
Address:
Reset State:
Table C-16
Each bit in the port
x
mode (P
x
_MODE) register determines whether the corresponding pin functions
as a standard I/O port pin or is used for a special-function signal.
7 0
x
= 1 (CA, J
x
)————PIN3 PIN2 PIN1 PIN0
7 0
x
= 2 (CA, J
x
)PIN7 PIN6 — PIN4 — PIN2 PIN1 PIN0
7 0
x
= 5 (CA) —PIN6 PIN5 PIN4 PIN3 PIN2 — PIN0
7 0
x
= 5 (J
x
)————PIN3 PIN2 — PIN0
7 0
x
= 6 (CA, J
x
)PIN7 PIN6 PIN5 PIN4 — — PIN1 PIN0
7 0
x
= 1, 2, 5, 6 (K
x
)PIN7 PIN6 PIN5 PIN4 PIN3 PIN2 PIN1 PIN0
Bit
Number Bit
Mnemonic Function
7:0 PIN7:0 Port
x
Pin
y
Mode
This bit determines the mode of the corresponding port pin:
0 = standard I/O port pin
1 = special-function signal
Table C-17 lists the special-function signals for each pin.
Table C-16. P
x
_MODE Addresses and Reset Values
Register Address Reset Value
P1_MODE 1FD0H 00H
P2_MODE 1FC9H 80H
P5_MODE 1FF1H 80H
P6_MODE 1FD1H 00H

C-53
REGISTERS
Px_MODE
Table C-17. Special-function Signals for Ports 1, 2, 5, 6
Port 1 Port 2
Pin Special-function Signal Pin Special-function Signal
P1.0 EPA0/T2CLK P2.0 TXD/PVER
P1.1 EPA1 P2.1 RXD/PALE#
P1.2 EPA2/T2DIR P2.2 EXTINT/PROG#
P1.3 EPA3 P2.3 BREQ# (8XC196K
x
)
P1.4 EPA4 (8XC196K
x
) P2.4 AINC# (87C196CA, 8XC196J
x
)
P1.5 EPA5 (8XC196K
x
) INTOUT#/AINC# (8XC196K
x
)
P1.6 EPA6 (8XC196K
x
) P2.5 HOLD# (8XC196K
x
)
P1.7 EPA7 (8XC196K
x
) P2.6 ONCE#/CPVER (87C196CA, 8XC196J
x
)
HLDA#/ONCE#/CPVER (8XC196K
x
)
P2.7 CLKOUT/PACT#
Port 5 Port 6
Pin Special-function Signal Pin Special-function Signal
P5.0 ALE/ADV# (87C196CA, 8XC196J
x
) P6.0 EPA8/COMP0
ALE/ADV#/SLPALE (8XC196K
x
) P6.1 EPA9/COMP1
P5.1 INST/SLPCS# (8XC196K
x
) P6.2 T1CLK (8XC196K
x
)
P5.2 WR#/WRL# (87C196CA, 8XC196J
x
) P6.3 T1DIR (8XC196K
x
)
WR#/WRL#/SLPWR# (8XC196K
x
)P6.4SC0
P5.3 RD# (87C196CA, 8XC196J
x
)P6.5SD0
RD#/SLPRD# (8XC196K
x
)P6.6SC1
P5.4 — (87C196CA) P6.7 SD1
SLPINT (8XC196K
x
)
P5.5 BHE#/WRH# (87C196CA, 8XC196K
x
)
P5.6 READY (87C196CA, 8XC196K
x
)
P5.7 BUSWIDTH (8XC196K
x
)

8XC196K
x,
J
x
, CA USER’S MANUAL
C-54
Px_PIN
P
x
_PIN
x
= 0–6
Address:
Reset State:
Table C-18
The port
x
pin input (P
x
_PIN) register contains the current state of each port pin, regardless of the pin
mode setting.
7 0
x
= 0 (CA, J
x
)PIN7 PIN6 PIN5 PIN4 PIN3 PIN2 — —
7 0
x
= 1 (CA, J
x
)————PIN3 PIN2 PIN1 PIN0
7 0
x
= 2 (CA, J
x
)PIN7 PIN6 — PIN4 — PIN2 PIN1 PIN0
7 0
x
= 3–4 (CA, J
x
)PIN7 PIN6 PIN5 PIN4 PIN3 PIN2 PIN1 PIN0
7 0
x
= 5 (CA) —PIN6 PIN5 PIN4 PIN3 PIN2 — PIN0
7 0
x
= 5 (J
x
)————PIN3 PIN2 — PIN0
7 0
x
= 6 (CA, J
x
)PIN7 PIN6 PIN5 PIN4 — — PIN1 PIN0
7 0
x
= 0–6 (K
x
)PIN7 PIN6 PIN5 PIN4 PIN3 PIN2 PIN1 PIN0
Bit Number Bit
Mnemonic Function
7:0 PIN7:0 Port
x
Pin
y
Input Value
This bit contains the current state of P
x
.
y
.
Table C-18. P
x
_PIN Addresses and Reset Values
Register Address Reset Value
P0_PIN 1FDAH XXH
P1_PIN 1FD6H XXH
P2_PIN 1FCFH XXH
P3_PIN 1FFEH XXH
P4_PIN 1FFFH XXH
P5_PIN 1FF7H XXH
P6_PIN 1FD7H XXH

C-55
REGISTERS
Px_REG
P
x
_REG
x
= 1–6
Address:
Reset State:
Table C-19
P
x
_REG contains data to be driven out by the respective pins. When a port pin is configured as an
input, the corresponding bit in P
x
_REG must be set.
The effect of a write to P
x
_REG is seen on the pins only when the associated pins are configured as
standard I/O port pins (P
x
_MODE.
y
= 0).
7 0
x
= 1 (CA, J
x
)————PIN3 PIN2 PIN1 PIN0
7 0
x
= 2 (CA, J
x
)PIN7 PIN6 — PIN4 — PIN2 PIN1 PIN0
7 0
x
= 3–4 (CA, J
x
)PIN7 PIN6 PIN5 PIN4 PIN3 PIN2 PIN1 PIN0
7 0
x
= 5 (CA) —PIN6 PIN5 PIN4 PIN3 PIN2 — PIN0
7 0
x
= 5 (J
x
)————PIN3 PIN2 — PIN0
7 0
x
= 6 (CA, J
x
)PIN7 PIN6 PIN5 PIN4 — — PIN1 PIN0
7 0
x
= 1–6 (K
x
)PIN7 PIN6 PIN5 PIN4 PIN3 PIN2 PIN1 PIN0
Bit Number Bit
Mnemonic Function
7:0 PIN7:0 Port
x
Pin
y
Output
To u se P
x
.
y
for output, write the desired output data to this bit. To use
P
x
.
y
for input, set this bit.
Table C-19. P
x
_REG Addresses and Reset Values
Register Address Reset Value
P1_REG 1FD4H FFH
P2_REG 1FCDH 7FH
P3_REG 1FFCH FFH
P4_REG 1FFDH FFH
P5_REG 1FF5H FFH
P6_REG 1FD5H FFH

8XC196K
x,
J
x
, CA USER’S MANUAL
C-56
P34_DRV
P34_DRV Address:
Reset State:
1FF4H
00H
The port 3/4 complementary enable (P34_DRV) register controls whether the port is configured as
complementary or open-drain outputs. In complementary operation, Ports 3 and 4 are driven high
when a one is written to the P
x
_REG (
x
= 3–4) register. This mode does not require ports 3 and 4 to
be externally pulled high by pull-up resistors.
7 0
P3DRV P4DRV — — — — — —
Bit
Number Bit
Mnemonic Function
7 P3DRV Port 3 I/O Mode
This bit controls whether port 3 is configured as complementary or open-
drain outputs.
0 = selects open-drain operation
1 = selects complementary operation
6 P4DRV Port 4 I/O Mode
This bit controls whether port 4 is configured as complementary or open-
drain outputs.
0 = selects open-drain operation
1 = selects complementary operation
5:0 — Reserved; always write as zeros.

C-57
REGISTERS
PPW (or SP_PPW)
PPW (or SP_PPW) no direct access
The PPW register is loaded from the external EPROM (locations 14H and 15H) in auto programming
mode. The SP_PPW register is loaded from the internal test ROM in serial port programming mode.
The default pulse width for serial port programming is longer than required, so you should change the
value before beginning to program the device. (See “Changing Serial Port Programming Defaults” on
page 16-34.) The PPW_VALUE determines the programming pulse width, which must be at least 100
µs for successful programming.
15 8
1PPW14 PPW13 PPW12 PPW11 PPW10 PPW9 PPW8
7 0
PPW7 PPW6 PPW5 PPW4 PPW3 PPW2 PPW1 PPW0
Bit
Number Bit
Mnemonic Function
15 1 Set this bit for proper device operation.
14:0 PPW14:0 PPW_VALUE.
This value establishes the programming pulse width for auto programming
or serial port programming. For a 100-µs pulse width, use the following
formula and round the result to the next higher integer. For auto
programming, write this value to the external EPROM (see “Auto
Programming Procedure” on page 16-30). For serial port programming,
write this value to the internal memory (see “Changing Serial Port
Programming Defaults” on page 16-34).
PPW_VALUE 0.6944 Fosc
×()1–=

8XC196K
x,
J
x
, CA USER’S MANUAL
C-58
PSW
PSW no direct access
The processor status word (PSW) actually consists of two bytes. The high byte is the status word,
which is described here; the low byte is the INT_MASK register. The status word contains one bit
(PSW.1) that globally enables or disables servicing of all maskable interrupts, one bit (PSW.2) that
enables or disables the peripheral transaction server (PTS), and six Boolean flags that reflect the
state of a user’s program.
The status word portion of the PSW cannot be accessed directly. To access the status word, push the
value onto the stack (PUSHF), then pop the value to a register (POP
test_reg
). The PUSHF and
PUSHA instructions save the PSW in the system stack and then clear it; POPF and POPA restore it.
15 8
Z N V VT C PSE I ST
7 0
See INT_MASK on page C-46
Bit
Number Bit
Mnemonic Function
7 Z Zero Flag
This flag is set to indicate that the result of an operation is zero. For add-
with-carry and subtract-with-borrow operations, the flag is never set, but
it is cleared if the result is non-zero. This way, the zero flag indicates the
correct zero or non-zero result for multiple-precision calculations.
6 N Negative Flag
This flag is set to indicate that the result of an operation is negative. The
flag is correct even if an overflow occurs. For all shift operations and the
NORML instruction, the flag is set to equal the most-significant bit of the
result, even if the shift count is zero.
5 V Overflow Flag
This flag is set to indicate that the result of an operation is too large to be
represented correctly in the available space. For shift operations (SHL,
SHLB, and SHLL), the flag is set if the most-significant bit of the operand
changes during the shift.
4 VT Overflow-trap Flag
This flag is set when the overflow flag is set, but it is cleared only by the
CLRVT, JVT, and JNVT instructions. This allows testing for a possible
overflow condition at the end of a sequence of related arithmetic
operations, which is generally more efficient than testing the overflow
flag after each operation.
3 C Carry Flag
This flag is set to indicate an arithmetic carry or the last bit shifted out of
an operand. It is cleared if a subtraction operation generates a borrow.
Normally, the result is rounded up if the carry flag is set. The sticky bit
flag allows a finer resolution in the rounding decision. (See the PSW flag
descriptions in Appendix A for details.)

C-59
REGISTERS
PSW
2 PSE PTS Enable
This bit globally enables or disables the peripheral transaction server
(PTS). The EPTS instruction sets this bit; DPTS clears it.
1 = enable PTS
0 = disable PTS
1 I Interrupt Disable (Global)
This bit globally enables or disables the servicing of all
maskable
interrupts
. The bits in INT_MASK and INT_MASK1 individually enable or
disable the interrupts. The EI instruction sets this bit; DI clears it.
1 = enable interrupt servicing
0 = disable interrupt servicing
0 ST Sticky Bit Flag
This flag is set to indicate that, during a right shift, a “1” was shifted into
the carry flag and then shifted out. It can be used with the carry flag to
allow finer resolution in rounding decisions.
PSW (Continued) no direct access
The processor status word (PSW) actually consists of two bytes. The high byte is the status word,
which is described here; the low byte is the INT_MASK register. The status word contains one bit
(PSW.1) that globally enables or disables servicing of all maskable interrupts, one bit (PSW.2) that
enables or disables the peripheral transaction server (PTS), and six Boolean flags that reflect the
state of a user’s program.
The status word portion of the PSW cannot be accessed directly. To access the status word, push the
value onto the stack (PUSHF), then pop the value to a register (POP
test_reg
). The PUSHF and
PUSHA instructions save the PSW in the system stack and then clear it; POPF and POPA restore it.
15 8
Z N V VT C PSE I ST
7 0
See INT_MASK on page C-46
Bit
Number Bit
Mnemonic Function

8XC196K
x
USER’S MANUAL
C-60
PTSSEL
PTSSEL Address:
Reset State:
04H
0000H
The PTS select (PTSSEL) register selects either a PTS microcode routine or a standard interrupt
service routine for each interrupt requests. Setting a bit selects a PTS microcode routine; clearing a bit
selects a standard interrupt service routine. When PTSCOUNT reaches zero, hardware clears the
corresponding PTSSEL bit. The PTSSEL bit must be set manually to re-enable the PTS channel.
15 8
87C196CA —EXTINT CAN RI TI SSIO1 SSIO0 —
7 0
——
AD EPA0 EPA1 EPA2 EPA3 EPA
x
15 8
8XC196J
x
—EXTINT — RI TI SSIO1 SSIO0 —
7 0
——
AD EPA0 EPA1 EPA2 EPA3 EPA
x
15 8
8XC196K
x
—EXTINT — RI TI SSIO1 SSIO0 CBF
7 0
IBF OBE AD EPA0 EPA1 EPA2 EPA3 EPA
x
Bit
Number Function
14:0
(Note 1) Setting this bit causes the corresponding interrupt to be handled by a PTS microcode
routine.
The PTS interrupt vector locations are as follows:
Bit Mnemonic Interrupt PTS Vector
EXTINT EXTINT pin 205CH
CAN (CA)†CAN Peripheral 205AH
RI SIO Receive 2058H
TI SIO Transmit 2056H
SSIO1 SSIO 1 Transfer 2054H
SSIO0 SSIO 0 Transfer 2052H
CBF (K
x
) Slave Port Command Buffer Full 2050H
IBF (K
x
) Slave Port Input Buffer Full 204EH
OBE (K
x
) Slave Port Output Buffer Empty 204CH
AD A/D Conversion Complete 204AH
EPA0 EPA Capture/Compare Channel 0 2048H
EPA1 EPA Capture/Compare Channel 1 2046H
EPA2 EPA Capture/Compare Channel 2 2044H
EPA3 EPA Capture/Compare Channel 3 2042H
EPA
x
†Multiplexed EPA 2040H
† PTS service is not recommended because the PTS cannot determine the source of
multiplexed interrupts.
1. Bit 13 is reserved on the 8XC196J
x
, K
x
devices and bits 6–8 are reserved on the 87C196CA,
8XC196J
x
devices. For compatibility with future devices, write zeros to these bits.

C-61
REGISTERS
PTSSRV
PTSSRV Address:
Reset State:
06H
0000H
The PTS service (PTSSRV) register is used by the hardware to indicate that the final PTS interrupt
has been serviced by the PTS routine. When PTSCOUNT reaches zero, hardware clears the corre-
sponding PTSSEL bit and sets the PTSSRV bit, which requests the end-of-PTS interrupt. When the
end-of-PTS interrupt is called, hardware clears the PTSSRV bit. The PTSSEL bit must be set
manually to re-enable the PTS channel.
15 8
87C196CA —EXTINT CAN RI TI SSIO1 SSIO0 —
7 0
——
AD EPA0 EPA1 EPA2 EPA3 EPA
x
15 8
8XC196J
x
—EXTINT — RI TI SSIO1 SSIO0 —
7 0
——
AD EPA0 EPA1 EPA2 EPA3 EPA
x
15 8
8XC196K
x
—EXTINT — RI TI SSIO1 SSIO0 CBF
7 0
IBF OBE AD EPA0 EPA1 EPA2 EPA3 EPA
x
Bit
Number Function
14:0
(Note 1) This bit is set by hardware to request an end-of-PTS interrupt for the corresponding
interrupt through its standard interrupt vector.
The standard interrupt vector locations are as follows.
Bit Mnemonic Interrupt Standard Vector
EXTINT External 203CH
CAN (CA) CAN Peripheral 203AH
RI SIO Receive 2038H
TI SIO Transmit 2036H
SSIO1 SSIO1 Transfer 2034H
SSIO0 SSIO0 Transfer 2032H
CBF (K
x
) Slave Port Command Buffer Full 2030H
IBF (K
x
Slave Port Input Buffer Full 200EH
OBE (K
x
) Slave Port Output Buffer Empty 200CH
AD A/D Conversion Complete 200AH
EPA0 EPA Capture/Compare Channel 0 2008H
EPA1 EPA Capture/Compare Channel 1 2006H
EPA2 EPA Capture/Compare Channel 2 2004H
EPA3 EPA Capture/Compare Channel 3 2002H
EPA
x
†Multiplexed EPA 2000H
† This bit is cleared when all EPA interrupt pending bits (EPA_PEND and EPA_PEND1)
are cleared.
1. Bit 13 is reserved on the 8XC196J
x
, K
x
devices and bits 6–8 are reserved on the 87C196CA,
8XC196J
x
devices. For compatibility with future devices, write zeros to these bits.

8XC196K
x,
J
x
, CA USER’S MANUAL
C-62
SBUF_RX
SBUF_RX Address:
Reset State:
1FB8H
00H
The serial port receive buffer (SBUF_RX) register contains data received from the serial port. The
serial port receiver is buffered and can begin receiving a second data byte before the first byte is
read. Data is held in the receive shift register until the last data bit is received, then the data byte is
loaded into SBUF_RX. If data in the shift register is loaded into SBUF_RX before the previous byte is
read, the overflow error bit is set (SP_STATUS.2). The data in SBUF_RX will always be the last byte
received, never a combination of the last two bytes.
7 0
Data Received
Bit
Number Function
7:0 Data Received
This register contains the last byte of data received from the serial port.

C-63
REGISTERS
SBUF_TX
SBUF_TX Address:
Reset State:
1FBAH
00H
The serial port transmit buffer (SBUF_TX) register contains data that is ready for transmission. In
modes 1, 2, and 3, writing to SBUF_TX starts a transmission. In mode 0, writing to SBUF_TX starts a
transmission only if the receiver is disabled (SP_CON.3=0).
7 0
Data to Transmit
Bit
Number Function
7:0 Data to Transmit
This register contains a byte of data to be transmitted by the serial port.

8XC196K
x,
J
x
, CA USER’S MANUAL
C-64
SLP_CMD
SLP_CMD
(8XC196K
x
)
Address:
Reset State:
1FFAH
00H
The slave port comand (SLP_CMD) register accepts commands from the master to the slave. The
commands are defined by the device software. The slave can read from and write to this register. The
master can only write to it. To write to SLP_CMD (rather than P3_PIN) the master must first write “1” to
the pin selected by SLP_CON.2.
7 0
8XC196K
x
Command Value
Bit Number Function
7:0 Command Value
This register is used to hold commands from the master to the slave.

C-65
REGISTERS
SLP_CON
SLP_CON
(8XC196K
x
)
Address:
Reset State:
1FFBH
00H
The slave port control (SLP_CON) register is used to configure the slave port. Only the slave can
access the register.
7 0
KQ, KR — — —— SLP SLPL IBEMSK OBFMSK
7 0
KS, KT — — —SME SLP SLPL IBEMSK OBFMSK
Bit
Number Bit
Mnemonic Function
7:5 — Reserved; always write as zeros.
4†SME Shared Memory Enable
Enables slave port shared memory mode.
1 = shared memory mode
0 = standard slave mode
3 SLP Slave Port Enable
This bit enables or disables the slave port.
1 = enables the slave port
0 = disables the slave port and clears the command buffer empty (CBE),
input buffer empty (IBE), and output buffer full (OBF) flags in the
SLP_STAT register.
2SLPL
Slave Port Latch
In standard slave mode only, this bit determines the source of the internal
control signal, SLP_ADDR. When SLP_ADDR is held high, the master can
write to the SLP_CMD register and read from the SLP_STAT register. When
SLP_ADDR is held low, the master can write to the P3_PIN register and read
from the P3_REG register.
1 = SLP1 (P3.1) via master’s AD1 signal. Use with multiplexed bus.
0 = SLPALE (P5.0) via master’s A1 signal. Use with demultiplexed bus.
In shared memory mode, this bit has no function.
1 IBEMSK Input Buffer Empty Mask
Controls whether the IBE flag (in SLP_STAT) asserts the SLPINT signal.
In shared memory mode, this bit has no effect on the SLPINT signal.
0 OBFMSK Output Buffer Full Mask
Controls whether the OBF flag (in SLP_STAT) asserts the SLPINT signal.
In shared memory mode, this bit has no effect on the SLPINT signal.
† On the 8XC196KQ, KR devices this bit is reserved; always write as zero.

8XC196K
x,
J
x
, CA USER’S MANUAL
C-66
SLP_STAT
SLP_STAT
(8XC196K
x
)
Address:
Reset State:
1FF8H
00H
The master can read the slave port status (SLP_STAT) register to determine the status of the slave.
The slave can read all bits and can write bits 3–7 for general-purpose status information. (The bits are
user-defined flags.) If the master attempts to write to SLP_STAT, it actually writes to SLP_CMD. To read
from this register (rather than P3_REG), the master must first write “1” to the pin selected by
SLP_CON.2.
7 0
KQ, KR SF4 SF3 SF2 SF1 SF0 CBE IBE OBF
7 0
KS, KT SMO/SF4 SF3 SF2 SF1 SF0 CBE IBE OBF
Bit
Number Bit
Mnemonic Function
7† (KS, KT) SMO/SF4 Shared Memory Operation/Status Field Bit 4
In shared memory mode bit 7 (SMO) indicates whether the bus
interface logic received a read (1) or a write (0). SMO can be read but
not written.
In standard slave mode bit 7 (SF4) is the high bit of the status field.
7:3 (KQ, KR)
6:3 (KS, KT) SF4:0
SF3:0 Status Field
The slave can write to these bits for general-purpose status infor-
mation. (The bits are user-defined flags).
2 CBE Command Buffer Empty
This flag is set after the slave reads SLP_CMD. The flag is cleared and
the command buffer full (CBF) interrupt pending bit (INT_PEND1.0) is
set after the master writes to SLP_CMD.
1 IBE Input Buffer Empty
This flag is set after the slave reads P3_PIN. The flag is cleared and
the IBF interrupt pending bit (INT_PEND.7) is set after the master
writes to P3_PIN.
0 OBF Output Buffer Full
This flag is set after the slave writes to P3_REG. The flag is cleared
and the OBE interrupt pending bit (INT_PEND.6) is set after the master
reads P3_REG.
† On the 8XC196KQ, KR devices this bit functions only as SF4.

C-67
REGISTERS
SP
SP Address:
Reset State:
18H
XXXXH
The system’s stack pointer (SP) can point anywhere in internal or external memory; it must be word
aligned and must always be initialized before use. The stack pointer is decremented before a PUSH
and incremented after a POP, so the stack pointer should be initialized to two bytes above the highest
stack location. If stack operations are not being performed, locations 18H and 19H may be used as
standard registers.
15 8
Stack Pointer (high byte)
7 0
Stack Pointer (low byte)
Bit
Number Function
15:0 Stack Pointer
This register makes up the system’s stack pointer.

8XC196K
x,
J
x
, CA USER’S MANUAL
C-68
SP_BAUD
SP_BAUD Address:
Reset State:
1FBCH
0000H
The serial port baud rate (SP_BAUD) register selects the serial port baud rate and clock source. The
most-significant bit selects the clock source. The lower 15 bits represent BAUD_VALUE, an unsigned
integer that determines the baud rate.
The maximum BAUD_VALUE is 32,767 (7FFFH). In asynchronous modes 1, 2, and 3, the minimum
BAUD_VALUE is 0000H when using XTAL1 and 0001H when using T1CLK. In synchronous mode 0, the
minimum BAUD_VALUE is 0001H for transmissions and 0002H for receptions.
15 8
CA, J
x
—BV14 BV13 BV12 BV11 BV10 BV9 BV8
7 0
BV7 BV6 BV5 BV4 BV3 BV2 BV1 BV0
15 8
K
x
CLKSRC BV14 BV13 BV12 BV11 BV10 BV9 BV8
7 0
BV7 BV6 BV5 BV4 BV3 BV2 BV1 BV0
Bit
Number Bit
Mnemonic Function
15†CLKSRC Serial Port Clock Source
This bit determines whether the serial port is clocked from an internal or
an external source.
1 = XTAL1 (internal source)
0 = T1CLK (external source)
14:0 BV14:0 These bits constitute the BAUD_VALUE.
Use the following equations to determine the BAUD_VALUE for a given
baud rate.
Synchronous mode 0:††
or
Asynchronous modes 1, 2, and 3:
or
†† For mode 0 receptions, the BAUD_VALUE must be 0002H or greater.
Otherwise, the resulting data in the receive shift register will be incorrect.
† On the 87C196CA, 8XC196J
x
devices the T1CLK pin is not implemented; therefore, on these devices
this bit is reserved and should be written as one.
BAUD_VALUE FOSC
Baud Rate 2×
-------------------------------------- 1–= T1CLK
Baud Rate
----------------------------
BAUD_VALUE FOSC
Baud Rate 16×
----------------------------------------- 1–= T1CLK
Baud Rate 8×
--------------------------------------

C-69
REGISTERS
SP_CON
SP_CON Address:
Reset State:
1FBBH
00H
The serial port control (SP_CON) register selects the communications mode and enables or disables
the receiver, parity checking, and nine-bit data transmission.
7 0
CA, J
x
, KQ, KR ———TB8 REN PEN M1 M0
7 0
KS, KT ——PARTB8 REN PEN M1 M0
Bit
Number Bit
Mnemonic Function
7:6 — Reserved; always write as zeros.
5†PAR Parity Selection Bit
Selects even or odd parity.
1 = odd parity
0 = even parity
4 TB8 Transmit Ninth Data Bit
This is the ninth data bit that will be transmitted in mode 2 or 3. This bit
is cleared after each transmission, so it must be set before SBUF_TX is
written. When SP_CON.2 is set, this bit takes on the even parity value.
3 REN Receive Enable
Setting this bit enables the receiver function of the RXD pin. When this
bit is set, a high-to-low transition on the pin starts a reception in mode 1,
2, or 3. In mode 0, this bit must be clear for transmission to begin and
must be set for reception to begin. Clearing this bit stops a reception in
progress and inhibits further receptions.
2 PEN Parity Enable
In modes 1 and 3, setting this bit enables the parity function. This bit
must be cleared if mode 2 is used. When this bit is set, TB8 takes the
parity value on transmissions. With parity enabled, SP_STATUS.7
becomes the receive parity error bit.
1:0 M1:0 Mode Selection
These bits select the communications mode.
M1 M0
00 mode 0
01 mode 1
10 mode 2
11 mode 3
†
This bit is reserved on the 87C196CA, 8XC196J
x
, KQ, KR devices. For compatibility with future
devices, write zero to this bit.

8XC196K
x,
J
x
, CA USER’S MANUAL
C-70
SP_STATUS
SP_STATUS Address:
Reset State:
1FB9H
0BH
The serial port status (SP_STATUS) register contains bits that indicate the status of the serial port.
7 0
RPE/RB8 RI TI FE TXE OE — —
Bit
Number Bit
Mnemonic Function
7 RPE/RB8 Received Parity Error/Received Bit 8
RPE is set if parity is disabled (SP_CON.2=0) and the ninth data bit
received is high.
RB8 is set if parity is enabled (SP_CON.2=1) and a parity error occurred.
Reading SP_STATUS clears this bit.
6 RI Receive Interrupt
This bit is set when the last data bit is sampled. Reading SP_STATUS
clears this bit.
This bit need not be clear for the serial port to receive data.
5 TI Transmit Interrupt
This bit is set at the beginning of the stop bit transmission. Reading
SP_STATUS clears this bit.
4 FE Framing Error
This bit is set if a stop bit is not found within the appropriate period of
time. Reading SP_STATUS clears this bit.
3 TXE SBUF_TX Empty
This bit is set if the transmit buffer is empty and ready to accept up to two
bytes. It is cleared when a byte is written to SBUF_TX.
2 OE Overrun Error
This bit is set if data in the receive shift register is loaded into SBUF_RX
before the previous bit is read. Reading SP_STATUS clears this bit.
1:0 — Reserved. These bits are undefined.

C-71
REGISTERS
SSIO_BAUD
SSIO_BAUD Address:
Reset State:
1FB4H
XXH
The synchronous serial port baud (SSIO_BAUD) register enables and disables the baud-rate
generator and selects the SSIO baud rate. During read operations, SSIO_BAUD serves as the down-
counter monitor. The down-counter is decremented once every four state times when the baud-rate
generator is enabled.
7 0
BE BV6 BV5 BV4 BV3 BV2 BV1 BV0
Bit
Number Bit
Mnemonic Function
7 BE Baud-rate Generator Enable
This bit enables and disables the baud-rate generator.
For write operations:
0 = disable the baud-rate generator and clear BV6:0
1 = enable the baud-rate generator and start the down-counter
For read operations:
0 = baud-rate generator is disabled
1 = baud-rate generator is enabled and down-counter is running
6:0 BV6:0 Baud Value
For write operations:
These bits represent BAUD_VALUE, an unsigned integer that
determines the baud rate. The maximum value of BAUD_VALUE is 7FH;
the minimum value is 0. Use the following equation to determine
BAUD_VALUE for a given baud rate.
For read operations:
These bits contain the current value of the down-counter.
Table C-20. Common SSIO_BAUD Values at 16 MHz
Baud Rate SSIO_BAUD Value†
(Maximum) 2.0 MHz 80H
100.0 kHz 93H
64.52 kHz 9DH
50.0 kHz A7H
25.0 kHz CFH
(Minimum)15.625 kHz FFH
† Bit 7 must be set to enable the baud-rate generator.
BAUD_VALUE
FOSC
Baud Rate 8×
-------------------------------------- 1–=

8XC196K
x,
J
x
, CA USER’S MANUAL
C-72
SSIOx_BUF (RXD, TXD)
SSIO
x
_BUF (RXD, TXD)
x
= 0–1
Address:
Reset State:
Table C-21
The synchronous serial receive buffer
x
(SSIO
x
_BUF (RXD)) contains received data. Data is shifted
into this register from the SD
x
pin, with the most-significant bit first.
The synchronous serial transmit buffer
x
(SSIO
x
_BUF (TXD)) contains data for transmission. Data is
shifted from this register to the SD
x
pin, with the most-significant bit first.
7 0
RXD Data Received
7 0
TXD Data to Transmit
Bit
Number Function
7:0 Data Received
During receptions, this register contains the last byte of data received from the
synchronous serial port.
Data to Transmit
During transmissions, this register contains a byte of data to be transmitted by the
synchronous serial port.
Table C-21. SSIO
x
_BUF Addresses and Reset Values
Register Address Reset Value
SSIO0_BUF 1FB0H 00H
SSIO1_BUF 1FB2H 00H

C-73
REGISTERS
SSIOx_CON
SSIO
x
_CON
x
= 0–1
Address:
Reset State:
Table C-22
The synchronous serial control
x
(SSIO
x
_CON) registers control the communications mode and
handshaking. The two least-significant bits indicate whether an overflow or underflow has occurred
and whether the channel is ready to transmit or receive.
7 0
M/S# T/R# TRT THS STE ATR OUF TBS
Bit
Number Bit
Mnemonic Function
7†M/S# Master/Slave Select
Configures the channel as either master or slave.
0 = slave; SC
x
is an external clock input to SSIO
x
_BUF
1 = master; SC
x
is an output driven by the SSIO baud-rate generator
6†T/R# Transmit/Receive Select
Configures the channel as either transmitter or receiver.
0 = receiver; SD
x
is an input to SSIO
x
_BUF
1 = transmitter; SD
x
is an output driven by the output of SSIO
x
_BUF
5 TRT Transmitter/Receiver Toggle
Controls whether receiver and transmitter switch roles at the end of each
transfer.
0 = do not switch
1 = switch; toggle T/R# and clear TRT at the end of the current transfer
Setting TRT allows the channel configuration to change immediately on
transfer completions, thus avoiding possible contention on the data line.
4 THS Transceiver Handshake Select
Enables and disables handshaking. The THS, STE, and ATR bits must be
set for handshaking modes.
0 = disables handshaking
1 = enables handshaking
3 STE Single Transfer Enable
Enables and disables transfer of a single byte. Unless ATR is set, STE is
automatically cleared at the end of a transfer. The THS, STE, and ATR
bits must be set for handshaking modes.
0 = disable transfers
1 = allow transmission or reception of a single byte.
2 ATR Automatic Transfer Re-enable
Enables and disables subsequent transfers. The THS, STE, and ATR bits
must be set for handshaking modes.
0 = allow automatic clearing of STE; disable subsequent transfers
1 = prevent automatic clearing of STE; allow transfer of next byte
† The M/S# and T/R# bits specify four possible configurations: master transmitter, master receiver,
slave transmitter, or slave receiver.

8XC196K
x,
J
x
, CA USER’S MANUAL
C-74
SSIOx_CON
1 OUF Overflow/Underflow Flag
Indicates whether an overflow or underflow has occurred. An attempt to
access SSIO
x
_BUF during a byte transfer sets this bit.
For the master (M/S# = 1)
0 = no overflow or underflow has occurred
1 = the core attempted to access SSIO
x
_BUF during the current transfer
For the slave (M/S# = 0)
0 = no overflow or underflow has occurred
1 = the core attempted to access SSIO
x
_BUF during the current transfer
or the master attempted to clock data into or out of the slave’s
SSIO
x
_BUF before the buffer was available
0 TBS Transceiver Buffer Status
Indicates the status of the channel’s SSIO
x
_BUF.
For the transmitter (T/R# =1)
0 = SSIO
x
_BUF is full; waiting to transmit
1 = SSIO
x
_BUF is empty; buffer available
For the receiver (T/R# = 0)
0 = SSIO
x
_BUF is empty; waiting to receive
1 = SSIO
x
_BUF is full; data available
Table C-22. SSIO
x
_CON Addresses and Reset Values
Register Address Reset Value
SSIO0_CON 1FB1H 00H
SSIO1_CON 1FB3H 00H
SSIO
x
_CON (Continued)
x
= 0–1
Address:
Reset State:
Table C-22
The synchronous serial control
x
(SSIO
x
_CON) registers control the communications mode and
handshaking. The two least-significant bits indicate whether an overflow or underflow has occurred
and whether the channel is ready to transmit or receive.
7 0
M/S# T/R# TRT THS STE ATR OUF TBS
Bit
Number Bit
Mnemonic Function
† The M/S# and T/R# bits specify four possible configurations: master transmitter, master receiver,
slave transmitter, or slave receiver.

C-75
REGISTERS
T1CONTROL
T1CONTROL Address:
Reset State:
1F98H
00H
The timer 1 control (T1CONTROL) register determines the clock source, counting direction, and count
rate for timer 1.
7 0
CE UD M2 M1 M0 P2 P1 P0
Bit
Number Bit
Mnemonic Function
7 CE Counter Enable
This bit enables or disables the timer. From reset, the timers are
disabled and not free running.
0 = disables timer
1 = enables timer
6 UD Up/Down
This bit determines the timer counting direction, in selected modes (see
mode bits, M2:0)
0 = count down
1 = count up
5:3 M2:0 EPA Clock Direction Mode Bits
These bits determine the timer clocking source and direction control
source.
M2 M1 M0 Clock Source Direction Source
000F
OSC/4 UD bit (T1CONTROL.6)
X01T1CLK Pin
†UD bit (T1CONTROL.6)††
010F
OSC/4 T1DIR Pin††
011T1CLK Pin
†T1DIR Pin††
111quadrature clocking using T1CLK and T1DIR pins††
† If an external clock is selected, the timer counts on both the rising and
falling edges of the clock.
†† These modes are reserved on the 8XC196CA, J
x
devices.
2:0 P2:0 EPA Clock Prescaler Bits
These bits determine the clock prescaler value.
P2 P1 P0 Prescaler Resolution (at 16 MHz)
000divide by 1 (disabled) 250 ns
001divide by 2 500 ns
010divide by 4 1 µs
011divide by 8 2 µs
100divide by 16 4 µs
101divide by 32 8 µs
110divide by 64 16 µs
111reserved —

8XC196K
x,
J
x
, CA USER’S MANUAL
C-76
T2CONTROL
T2CONTROL Address:
Reset State: 1F9CH
00H
The timer 2 control (T2CONTROL) register determines the clock source, counting direction, and count
rate for timer 2.
7 0
CE UD M2 M1 M0 P2 P1 P0
Bit
Number Bit
Mnemonic Function
7 CE Counter Enable
This bit enables or disables the timer. From reset, the timers are
disabled and not free running.
0 = disables timer
1 = enables timer
6 UD Up/Down
This bit determines the timer counting direction, in selected modes (see
mode bits, M2:0).
0 = count down
1 = count up
5:3 M2:0 EPA Clock Direction Mode Bits.
These bits determine the timer clocking source and direction source
M2 M1 M0 Clock Source Direction Source
000F
OSC/4 UD bit (T2CONTROL.6)
X01T2CLK Pin
†UD bit (T2CONTROL.6)
010F
OSC/4 T2DIR Pin
011T2CLK Pin
†T2DIR Pin
100timer 1 overflow UD bit (T2CONTROL.6)
110timer 1 same as timer 1
1 1 1 quadrature clocking using T2CLK and T2DIR pins†
If an external clock is selected, the timer counts on both the rising and
falling edges of the clock.
2:0 P2:0 EPA Clock Prescaler Bits
These bits determine the clock prescaler value.
P2 P1 P0 Prescaler Resolution (at 16 MHz)
000divide by 1 (disabled) 250 ns
001divide by 2 500 ns
010divide by 4 1 µs
011divide by 8 2 µs
100divide by 16 4 µs
101divide by 32 8 µs
110divide by 64 16 µs
111reserved —

C-77
REGISTERS
TIMERx
TIMER
x
x
= 1–2
Address:
Reset State: Table C-23
The two bytes of the timer
x
register contain the value of timer
x
. This register can be written, allowing
timer
x
to be initialized to a value other than zero.
15 8
Timer Value (high byte)
7 0
Timer Value (low byte)
Bit
Number Function
15:0 Timer
Read the current timer
x
value from this register or write a new timer
x
value to this
register.
Table C-23. TIMER
x
Addresses and Reset Values
Register Address Reset Value
TIMER1 1F9AH 0000H
TIMER2 1F9EH 0000H

8XC196K
x,
J
x
, CA USER’S MANUAL
C-78
USFR
USFR Address:
Reset State: 1FF6H
XXH
The unerasable PROM (USFR) register contains two bits that disable external fetches of data and
instructions and another that detects a failed oscillator. These bits can be programmed, but cannot be
erased.
WARNING: These bits can be programmed, but can never be erased. Programming these bits makes
dynamic failure analysis impossible. For this reason, devices with programmed UPROM bits cannot
be returned to Intel for failure analysis.
7 0
— — — — DEI DED — OFD
Bit
Number Bit
Mnemonic Function
7:4 — Reserved; always write as zeros.
3 DEI Disable External Instruction Fetch
Setting this bit prevents the bus controller from executing external
instruction fetches. Any attempt to load an external address initiates a
reset.
2 DED Disable External Data Fetch
Setting this bit prevents the bus controller from executing external data
reads and writes. Any attempt to access data through the bus controller
initiates a reset.
1 — Reserved; always write as zero.
0 OFD Oscillator Fail Detect
Setting this bit enables the device to detect a failed oscillator and reset
itself. (In EPROM packages, this bit can be erased.)

C-79
REGISTERS
WATCHDOG
WATCHDOG Address:
Reset State: 0AH
00H
Unless it is cleared every 64K state times, the watchdog timer resets the device. To clear the
watchdog timer, send “1EH” followed immediately by “E1H” to location 0AH. Clearing this register the
first time enables the watchdog with an initial value of 0000H, which is incremented once every state
time. After it is enabled, the watchdog can be disabled only by a reset.
The WDE bit (bit 3) of CCR1 controls whether the watchdog is enabled immediately or is disabled until
the first time it is cleared. Clearing WDE activates the watchdog. Setting WDE makes the watchdog
timer inactive, but you can activate it by clearing the watchdog register. Once the watchdog is
activated, only a reset can disable it.
7 0
Watchdog Timer Value
Bit
Number Function
7:0 Watchdog Timer Value
This register contains the 8 most-significant bits of the current value of the watchdog
timer.

8XC196K
x,
J
x
, CA USER’S MANUAL
C-80
WSR
WSR Address:
Reset State: 14H
00H
The window selection register (WSR) has two functions. One bit enables and disables the bus-hold
protocol. The remaining bits select windows. Windows map sections of RAM into the upper section of
the lower register file, in 32-, 64-, or 128-byte increments. PUSHA saves this register on the stack and
POPA restores it.
7 0
CA, J
x
—W6 W5 W4 W3 W2 W1 W0
7 0
K
x
HLDEN W6 W5 W4 W3 W2 W1 W0
Bit
Number Bit
Mnemonic Function
7†HLDEN Hold Enable:
This bit enables and disables the bus-hold protocol (see Chapter 15,
“Enabling the Bus-hold Protocol (8XC196Kx Only)”). It has no effect on
windowing.
1 = bus-hold protocol enabled
0 = bus-hold protocol disabled
6:0 W6:0 Window Selection:
These bits specify the window size and window number:
6543210
1
xxxxxx
32-byte window; W5:0 = window number
01
xxxxx
64-byte window; W4:0 = window number
001
xxxx
128-byte window; W3:0 = window number
† On the 87C196CA, 8XC196J
x
devices this bit is reserved; always write as zero.
Table C-24. WSR Settings and Direct Addresses for Windowable SFRs
Register Mnemonic Memory
Location
32-Byte Windows
(00E0–00FFH) 64-Byte Windows
(00C0–00FFH) 128-Byte Windows
(0080–00FFH)
WSR Direct
Address WSR Direct
Address WSR Direct
Address
AD_COMMAND 1FACH 7DH 00ECH 3EH 00ECH 1FH 00ACH
AD_RESULT 1FAAH 7DH 00EAH 3EH 00EAH 1FH 00AAH
AD_TEST 1FAEH 7DH 00EEH 3EH 00EEH 1FH 00AEH
AD_TIME 1FAFH 7DH 00EFH 3EH 00EFH 1FH 00AFH
CAN_BTIME0 (CA) 1E3FH 71H 00FFH 38H 00FFH 1CH 00BFH
CAN_BTIME1 (CA) 1E4FH 72H 00EFH 39H 00CFH 1CH 00CFH
† Must be addressed as a word.

C-81
REGISTERS
WSR
CAN_CON (CA) 1E00H 70H 00E0H 38H 00C0H 1CH 0080H
CAN_EGMSK (CA) 1E08H 70H 00E8H 38H 00C8H 1CH 0088H
CAN_INT (CA) 1E5FH 72H 00FFH 39H 00DFH 1CH 00DFH
CAN_MSG1CFG (CA) 1E16H 70H 00F6H 38H 00D6H 1CH 0096H
CAN_MSG2CFG (CA) 1E26H 71H 00E6H 38H 00E6H 1CH 00A6H
CAN_MSG3CFG (CA) 1E36H 71H 00F6H 38H 00F6H 1CH 00B6H
CAN_MSG4CFG (CA) 1E46H 72H 00E6H 39H 00C6H 1CH 00C6H
CAN_MSG5CFG (CA) 1E56H 72H 00F6H 39H 00D6H 1CH 00D6H
CAN_MSG6CFG (CA) 1E66H 73H 00E6H 39H 00E6H 1CH 00E6H
CAN_MSG7CFG (CA) 1E76H 73H 00F6H 39H 00F6H 1CH 00F6H
CAN_MSG8CFG (CA) 1E86H 74H 00E6H 3AH 00C6H 1DH 0086H
CAN_MSG9CFG (CA) 1E96H 74H 00F6H 3AH 00D6H 1DH 0096H
CAN_MSG10CFG (CA) 1EA6H 75H 00E6H 3AH 00E6H 1DH 00A6H
CAN_MSG11CFG (CA) 1EB6H 75H 00F6H 3AH 00F6H 1DH 00B6H
CAN_MSG12CFG (CA) 1EC6H 76H 00E6H 3BH 00C6H 1DH 00C6H
CAN_MSG13CFG (CA) 1ED6H 76H 00F6H 3BH 00D6H 1DH 00D6H
CAN_MSG14CFG (CA) 1EE6H 77H 00E6H 3BH 00E6H 1DH 00E6H
CAN_MSG15CFG (CA) 1EF6H 77H 00F6H 3BH 00F6H 1DH 00F6H
CAN_MSG1CON0 (CA) 1E10H 70H 00F0H 38H 00D0H 1CH 0090H
CAN_MSG2CON0 (CA) 1E20H 71H 00E0H 38H 00E0H 1CH 00A0H
CAN_MSG3CON0 (CA) 1E30H 71H 00F0H 38H 00F0H 1CH 00B0H
CAN_MSG4CON0 (CA) 1E40H 72H 00E0H 39H 00C0H 1CH 00C0H
CAN_MSG5CON0 (CA) 1E50H 72H 00F0H 39H 00D0H 1CH 00D0H
CAN_MSG6CON0 (CA) 1E60H 73H 00E0H 39H 00E0H 1CH 00E0H
CAN_MSG7CON0 (CA) 1E70H 73H 00F0H 39H 00F0H 1CH 00F0H
CAN_MSG8CON0 (CA) 1E80H 74H 00E0H 3AH 00C0H 1DH 0080H
CAN_MSG9CON0 (CA) 1E90H 74H 00F0H 3AH 00D0H 1DH 0090H
CAN_MSG10CON0 (CA) 1EA0H 75H 00E0H 3AH 00E0H 1DH 00A0H
CAN_MSG11CON0 (CA) 1EB0H 75H 00F0H 3AH 00F0H 1DH 00B0H
CAN_MSG12CON0 (CA) 1EC0H 76H 00E0H 3BH 00C0H 1DH 00C0H
CAN_MSG13CON0 (CA) 1ED0H 76H 00F0H 3BH 00D0H 1DH 00D0H
Table C-24. WSR Settings and Direct Addresses for Windowable SFRs (Continued)
Register Mnemonic Memory
Location
32-Byte Windows
(00E0–00FFH) 64-Byte Windows
(00C0–00FFH) 128-Byte Windows
(0080–00FFH)
WSR Direct
Address WSR Direct
Address WSR Direct
Address
† Must be addressed as a word.

8XC196K
x,
J
x
, CA USER’S MANUAL
C-82
WSR
CAN_MSG14CON0 (CA) 1EE0H 77H 00E0H 3BH 00E0H 1DH 00E0H
CAN_MSG15CON0 (CA) 1EF0H 77H 00F0H 3BH 00F0H 1DH 00F0H
CAN_MSG1CON1 (CA) 1E11H 70H 00F1H 38H 00D1H 1CH 0091H
CAN_MSG2CON1 (CA) 1E21H 71H 00E1H 38H 00E1H 1CH 00A1H
CAN_MSG3CON1 (CA) 1E31H 71H 00F1H 38H 00F1H 1CH 00B1H
CAN_MSG4CON1 (CA) 1E41H 72H 00E1H 39H 00C1H 1CH 00C1H
CAN_MSG5CON1 (CA) 1E51H 72H 00F1H 39H 00D1H 1CH 00D1H
CAN_MSG6CON1 (CA) 1E61H 73H 00E1H 39H 00E1H 1CH 00E1H
CAN_MSG7CON1 (CA) 1E71H 73H 00F1H 39H 00F1H 1CH 00F1H
CAN_MSG8CON1 (CA) 1E81H 74H 00E1H 3AH 00C1H 1DH 0081H
CAN_MSG9CON1 (CA) 1E91H 74H 00F1H 3AH 00D1H 1DH 0091H
CAN_MSG10CON1 (CA) 1EA1H 75H 00E1H 3AH 00E1H 1DH 00A1H
CAN_MSG11CON1 (CA) 1EB1H 75H 00F1H 3AH 00F1H 1DH 00B1H
CAN_MSG12CON1 (CA) 1EC1H 76H 00E1H 3BH 00C1H 1DH 00C1H
CAN_MSG13CON1 (CA) 1ED1H 76H 00F1H 3BH 00D1H 1DH 00D1H
CAN_MSG14CON1 (CA) 1EE1H 77H 00E1H 3BH 00E1H 1DH 00E1H
CAN_MSG15CON1 (CA) 1EF1H 77H 00F1H 3BH 00F1H 1DH 00F1H
CAN_MSG1DATA0 (CA) 1E17H 70H 00F7H 38H 00D7H 1CH 0097H
CAN_MSG2DATA0 (CA) 1E27H 71H 00E7H 38H 00E7H 1CH 00A7H
CAN_MSG3DATA0 (CA) 1E37H 71H 00F7H 38H 00F7H 1CH 00B7H
CAN_MSG4DATA0 (CA) 1E47H 72H 00E7H 39H 00C7H 1CH 00C7H
CAN_MSG5DATA0 (CA) 1E57H 72H 00F7H 39H 00D7H 1CH 00D7H
CAN_MSG6DATA0 (CA) 1E67H 73H 00E7H 39H 00E7H 1CH 00E7H
CAN_MSG7DATA0 (CA) 1E77H 73H 00F7H 39H 00F7H 1CH 00F7H
CAN_MSG8DATA0 (CA) 1E87H 74H 00E7H 3AH 00C7H 1DH 0087H
CAN_MSG9DATA0 (CA) 1E97H 74H 00F7H 3AH 00D7H 1DH 0097H
CAN_MSG10DATA0 (CA) 1EA7H 75H 00E7H 3AH 00E7H 1DH 00A7H
CAN_MSG11DATA0 (CA) 1EB7H 75H 00F7H 3AH 00F7H 1DH 00B7H
CAN_MSG12DATA0 (CA) 1EC7H 76H 00E7H 3BH 00C7H 1DH 00C7H
CAN_MSG13DATA0 (CA) 1ED7H 76H 00F7H 3BH 00D7H 1DH 00D7H
CAN_MSG14DATA0 (CA) 1EE7H 77H 00E7H 3BH 00E7H 1DH 00E7H
Table C-24. WSR Settings and Direct Addresses for Windowable SFRs (Continued)
Register Mnemonic Memory
Location
32-Byte Windows
(00E0–00FFH) 64-Byte Windows
(00C0–00FFH) 128-Byte Windows
(0080–00FFH)
WSR Direct
Address WSR Direct
Address WSR Direct
Address
† Must be addressed as a word.

C-83
REGISTERS
WSR
CAN_MSG15DATA0 (CA) 1EF7H 77H 00F7H 3BH 00F7H 1DH 00F7H
CAN_MSG1DATA1 (CA) 1E18H 70H 00F8H 38H 00D8H 1CH 0098H
CAN_MSG2DATA1 (CA) 1E28H 71H 00E8H 38H 00E8H 1CH 00A8H
CAN_MSG3DATA1 (CA) 1E38H 71H 00F8H 38H 00F8H 1CH 00B8H
CAN_MSG4DATA1 (CA) 1E48H 72H 00E8H 39H 00C8H 1CH 00C8H
CAN_MSG5DATA1 (CA) 1E58H 72H 00F8H 39H 00D8H 1CH 00D8H
CAN_MSG6DATA1 (CA) 1E68H 73H 00E8H 39H 00E8H 1CH 00E8H
CAN_MSG7DATA1 (CA) 1E78H 73H 00F8H 39H 00F8H 1CH 00F8H
CAN_MSG8DATA1 (CA) 1E88H 74H 00E8H 3AH 00C8H 1DH 0088H
CAN_MSG9DATA1 (CA) 1E98H 74H 00F8H 3AH 00D8H 1DH 0098H
CAN_MSG10DATA1 (CA) 1EA8H 75H 00E8H 3AH 00E8H 1DH 00A8H
CAN_MSG11DATA1 (CA) 1EB8H 75H 00F8H 3AH 00F8H 1DH 00B8H
CAN_MSG12DATA1 (CA) 1EC8H 76H 00E8H 3BH 00C8H 1DH 00C8H
CAN_MSG13DATA1 (CA) 1ED8H 76H 00F8H 3BH 00D8H 1DH 00D8H
CAN_MSG14DATA1 (CA) 1EE8H 77H 00E8H 3BH 00E8H 1DH 00E8H
CAN_MSG15DATA1 (CA) 1EF8H 77H 00F8H 3BH 00F8H 1DH 00F8H
CAN_MSG1DATA2 (CA) 1E19H 70H 00F9H 38H 00D9H 1CH 0099H
CAN_MSG2DATA2 (CA) 1E29H 71H 00E9H 38H 00E9H 1CH 00A9H
CAN_MSG3DATA2 (CA) 1E39H 71H 00F9H 38H 00F9H 1CH 00B9H
CAN_MSG4DATA2 (CA) 1E49H 72H 00E9H 39H 00C9H 1CH 00C9H
CAN_MSG5DATA2 (CA) 1E59H 72H 00F9H 39H 00D9H 1CH 00D9H
CAN_MSG6DATA2 (CA) 1E69H 73H 00E9H 39H 00E9H 1CH 00E9H
CAN_MSG7DATA2 (CA) 1E79H 73H 00F9H 39H 00F9H 1CH 00F9H
CAN_MSG8DATA2 (CA) 1E89H 74H 00E9H 3AH 00C9H 1DH 0089H
CAN_MSG9DATA2 (CA) 1E99H 74H 00F9H 3AH 00D9H 1DH 0099H
CAN_MSG10DATA2 (CA) 1EA9H 75H 00E9H 3AH 00E9H 1DH 00A9H
CAN_MSG11DATA2 (CA) 1EB9H 75H 00F9H 3AH 00F9H 1DH 00B9H
CAN_MSG12DATA2 (CA) 1EC9H 76H 00E9H 3BH 00C9H 1DH 00C9H
CAN_MSG13DATA2 (CA) 1ED9H 76H 00F9H 3BH 00D9H 1DH 00D9H
CAN_MSG14DATA2 (CA) 1EE9H 77H 00E9H 3BH 00E9H 1DH 00E9H
CAN_MSG15DATA2 (CA) 1EF9H 77H 00F9H 3BH 00F9H 1DH 00F9H
Table C-24. WSR Settings and Direct Addresses for Windowable SFRs (Continued)
Register Mnemonic Memory
Location
32-Byte Windows
(00E0–00FFH) 64-Byte Windows
(00C0–00FFH) 128-Byte Windows
(0080–00FFH)
WSR Direct
Address WSR Direct
Address WSR Direct
Address
† Must be addressed as a word.

8XC196K
x,
J
x
, CA USER’S MANUAL
C-84
WSR
CAN_MSG1DATA3 (CA) 1E1AH 70H 00FAH 38H 00DAH 1CH 009AH
CAN_MSG2DATA3 (CA) 1E2AH 71H 00EAH 38H 00EAH 1CH 00AAH
CAN_MSG3DATA3 (CA) 1E3AH 71H 00FAH 38H 00FAH 1CH 00BAH
CAN_MSG4DATA3 (CA) 1E4AH 72H 00EAH 39H 00CAH 1CH 00CAH
CAN_MSG5DATA3 (CA) 1E5AH 72H 00FAH 39H 00DAH 1CH 00DAH
CAN_MSG6DATA3 (CA) 1E6AH 73H 00EAH 39H 00EAH 1CH 00EAH
CAN_MSG7DATA3 (CA) 1E7AH 73H 00FAH 39H 00FAH 1CH 00FAH
CAN_MSG8DATA3 (CA) 1E8AH 74H 00EAH 3AH 00CAH 1DH 008AH
CAN_MSG9DATA3 (CA) 1E9AH 74H 00FAH 3AH 00DAH 1DH 009AH
CAN_MSG10DATA3 (CA) 1EAAH 75H 00EAH 3AH 00EAH 1DH 00AAH
CAN_MSG11DATA3 (CA) 1EBAH 75H 00FAH 3AH 00FAH 1DH 00BAH
CAN_MSG12DATA3 (CA) 1ECAH 76H 00EAH 3BH 00CAH 1DH 00CAH
CAN_MSG13DATA3 (CA) 1EDAH 76H 00FAH 3BH 00DAH 1DH 00DAH
CAN_MSG14DATA3 (CA) 1EEAH 77H 00EAH 3BH 00EAH 1DH 00EAH
CAN_MSG15DATA3 (CA) 1EFAH 77H 00FAH 3BH 00FAH 1DH 00FAH
CAN_MSG1DATA4 (CA) 1E1BH 70H 00FBH 38H 00DBH 1CH 009BH
CAN_MSG2DATA4 (CA) 1E2BH 71H 00EBH 38H 00EBH 1CH 00ABH
CAN_MSG3DATA4 (CA) 1E3BH 71H 00FBH 38H 00FBH 1CH 00BBH
CAN_MSG4DATA4 (CA) 1E4BH 72H 00EBH 39H 00CBH 1CH 00CBH
CAN_MSG5DATA4 (CA) 1E5BH 72H 00FBH 39H 00DBH 1CH 00DBH
CAN_MSG6DATA4 (CA) 1E6BH 73H 00EBH 39H 00EBH 1CH 00EBH
CAN_MSG7DATA4 (CA) 1E7BH 73H 00FBH 39H 00FBH 1CH 00FBH
CAN_MSG8DATA4 (CA) 1E8BH 74H 00EBH 3AH 00CBH 1DH 008BH
CAN_MSG9DATA4 (CA) 1E9BH 74H 00FBH 3AH 00DBH 1DH 009BH
CAN_MSG10DATA4 (CA) 1EABH 75H 00EBH 3AH 00EBH 1DH 00ABH
CAN_MSG11DATA4 (CA) 1EBBH 75H 00FBH 3AH 00FBH 1DH 00BBH
CAN_MSG12DATA4 (CA) 1ECBH 76H 00EBH 3BH 00CBH 1DH 00CBH
CAN_MSG13DATA4 (CA) 1EDBH 76H 00FBH 3BH 00DBH 1DH 00DBH
CAN_MSG14DATA4 (CA) 1EEBH 77H 00EBH 3BH 00EBH 1DH 00EBH
CAN_MSG15DATA4 (CA) 1EFBH 77H 00FBH 3BH 00FBH 1DH 00FBH
CAN_MSG1DATA5 (CA) 1E1CH 70H 00FCH 38H 00DCH 1CH 009CH
Table C-24. WSR Settings and Direct Addresses for Windowable SFRs (Continued)
Register Mnemonic Memory
Location
32-Byte Windows
(00E0–00FFH) 64-Byte Windows
(00C0–00FFH) 128-Byte Windows
(0080–00FFH)
WSR Direct
Address WSR Direct
Address WSR Direct
Address
† Must be addressed as a word.

C-85
REGISTERS
WSR
CAN_MSG2DATA5 (CA) 1E2CH 71H 00ECH 38H 00ECH 1CH 00ACH
CAN_MSG3DATA5 (CA) 1E3CH 71H 00FCH 38H 00FCH 1CH 00BCH
CAN_MSG4DATA5 (CA) 1E4CH 72H 00ECH 39H 00CCH 1CH 00CCH
CAN_MSG5DATA5 (CA) 1E5CH 72H 00FCH 39H 00DCH 1CH 00DCH
CAN_MSG6DATA5 (CA) 1E6CH 73H 00ECH 39H 00ECH 1CH 00ECH
CAN_MSG7DATA5 (CA) 1E7CH 73H 00FCH 39H 00FCH 1CH 00FCH
CAN_MSG8DATA5 (CA) 1E8CH 74H 00ECH 3AH 00CCH 1DH 008CH
CAN_MSG9DATA5 (CA) 1E9CH 74H 00FCH 3AH 00DCH 1DH 009CH
CAN_MSG10DATA5 (CA) 1EACH 75H 00ECH 3AH 00ECH 1DH 00ACH
CAN_MSG11DATA5 (CA) 1EBCH 75H 00FCH 3AH 00FCH 1DH 00BCH
CAN_MSG12DATA5 (CA) 1ECCH 76H 00ECH 3BH 00CCH 1DH 00CCH
CAN_MSG13DATA5 (CA) 1EDCH 76H 00FCH 3BH 00DCH 1DH 00DCH
CAN_MSG14DATA5 (CA) 1EECH 77H 00ECH 3BH 00ECH 1DH 00ECH
CAN_MSG15DATA5 (CA) 1EFCH 77H 00FCH 3BH 00FCH 1DH 00FCH
CAN_MSG1DATA6 (CA) 1E1DH 70H 00FDH 38H 00DDH 1CH 009DH
CAN_MSG2DATA6 (CA) 1E2DH 71H 00EDH 38H 00EDH 1CH 00ADH
CAN_MSG3DATA6 (CA) 1E3DH 71H 00FDH 38H 00FDH 1CH 00BDH
CAN_MSG4DATA6 (CA) 1E4DH 72H 00EDH 39H 00CDH 1CH 00CDH
CAN_MSG5DATA6 (CA) 1E5DH 72H 00FDH 39H 00DDH 1CH 00DDH
CAN_MSG6DATA6 (CA) 1E6DH 73H 00EDH 39H 00EDH 1CH 00EDH
CAN_MSG7DATA6 (CA) 1E7DH 73H 00FDH 39H 00FDH 1CH 00FDH
CAN_MSG8DATA6 (CA) 1E8DH 74H 00EDH 3AH 00CDH 1DH 008DH
CAN_MSG9DATA6 (CA) 1E9DH 74H 00FDH 3AH 00DDH 1DH 009DH
CAN_MSG10DATA6 (CA) 1EADH 75H 00EDH 3AH 00EDH 1DH 00ADH
CAN_MSG11DATA6 (CA) 1EBDH 75H 00FDH 3AH 00FDH 1DH 00BDH
CAN_MSG12DATA6 (CA) 1ECDH 76H 00EDH 3BH 00CDH 1DH 00CDH
CAN_MSG13DATA6 (CA) 1EDDH 76H 00FDH 3BH 00DDH 1DH 00DDH
CAN_MSG14DATA6 (CA) 1EEDH 77H 00EDH 3BH 00EDH 1DH 00EDH
CAN_MSG15DATA6 (CA) 1EFDH 77H 00FDH 3BH 00FDH 1DH 00FDH
CAN_MSG1DATA7 (CA) 1E1EH 70H 00FEH 38H 00DEH 1CH 009EH
CAN_MSG2DATA7 (CA) 1E2EH 71H 00EEH 38H 00EEH 1CH 00AEH
Table C-24. WSR Settings and Direct Addresses for Windowable SFRs (Continued)
Register Mnemonic Memory
Location
32-Byte Windows
(00E0–00FFH) 64-Byte Windows
(00C0–00FFH) 128-Byte Windows
(0080–00FFH)
WSR Direct
Address WSR Direct
Address WSR Direct
Address
† Must be addressed as a word.

8XC196K
x,
J
x
, CA USER’S MANUAL
C-86
WSR
CAN_MSG3DATA7 (CA) 1E3EH 71H 00FEH 38H 00FEH 1CH 00BEH
CAN_MSG4DATA7 (CA) 1E4EH 72H 00EEH 39H 00CEH 1CH 00CEH
CAN_MSG5DATA7 (CA) 1E5EH 72H 00FEH 39H 00DEH 1CH 00DEH
CAN_MSG6DATA7 (CA) 1E6EH 73H 00EEH 39H 00EEH 1CH 00EEH
CAN_MSG7DATA7 (CA) 1E7EH 73H 00FEH 39H 00FEH 1CH 00FEH
CAN_MSG8DATA7 (CA) 1E8EH 74H 00EEH 3AH 00CEH 1DH 008EH
CAN_MSG9DATA7 (CA) 1E9EH 74H 00FEH 3AH 00DEH 1DH 009EH
CAN_MSG10DATA7 (CA) 1EAEH 75H 00EEH 3AH 00EEH 1DH 00AEH
CAN_MSG11DATA7 (CA) 1EBEH 75H 00FEH 3AH 00FEH 1DH 00BEH
CAN_MSG12DATA7 (CA) 1ECEH 76H 00EEH 3BH 00CEH 1DH 00CEH
CAN_MSG13DATA7 (CA) 1EDEH 76H 00FEH 3BH 00DEH 1DH 00DEH
CAN_MSG14DATA7 (CA) 1EEEH 77H 00EEH 3BH 00EEH 1DH 00EEH
CAN_MSG15DATA7 (CA) 1EFEH 77H 00FEH 3BH 00FEH 1DH 00FEH
CAN_MSG1ID0 (CA) 1E12H 70H 00F2H 38H 00D2H 1CH 0092H
CAN_MSG2ID0 (CA) 1E22H 71H 00E2H 38H 00E2H 1CH 00A2H
CAN_MSG3ID0 (CA) 1E32H 71H 00F2H 38H 00F2H 1CH 00B2H
CAN_MSG4ID0 (CA) 1E42H 72H 00E2H 39H 00C2H 1CH 00C2H
CAN_MSG5ID0 (CA) 1E52H 72H 00F2H 39H 00D2H 1CH 00D2H
CAN_MSG6ID0 (CA) 1E62H 73H 00E2H 39H 00E2H 1CH 00E2H
CAN_MSG7ID0 (CA) 1E72H 73H 00F2H 39H 00F2H 1CH 00F2H
CAN_MSG8ID0 (CA) 1E82H 74H 00E2H 3AH 00C2H 1DH 0082H
CAN_MSG9ID0 (CA) 1E92H 74H 00F2H 3AH 00D2H 1DH 0092H
CAN_MSG10ID0 (CA) 1EA2H 75H 00E2H 3AH 00E2H 1DH 00A2H
CAN_MSG11ID0 (CA) 1EB2H 75H 00F2H 3AH 00F2H 1DH 00B2H
CAN_MSG12ID0 (CA) 1EC2H 76H 00E2H 3BH 00C2H 1DH 00C2H
CAN_MSG13ID0 (CA) 1ED2H 76H 00F2H 3BH 00D2H 1DH 00D2H
CAN_MSG14ID0 (CA) 1EE2H 77H 00E2H 3BH 00E2H 1DH 00E2H
CAN_MSG15ID0 (CA) 1EF2H 77H 00F2H 3BH 00F2H 1DH 00F2H
CAN_MSG1ID1 (CA) 1E13H 70H 00F3H 38H 00D3H 1CH 0093H
CAN_MSG2ID1 (CA) 1E23H 71H 00E3H 38H 00E3H 1CH 00A3H
CAN_MSG3ID1 (CA) 1E33H 71H 00F3H 38H 00F3H 1CH 00B3H
Table C-24. WSR Settings and Direct Addresses for Windowable SFRs (Continued)
Register Mnemonic Memory
Location
32-Byte Windows
(00E0–00FFH) 64-Byte Windows
(00C0–00FFH) 128-Byte Windows
(0080–00FFH)
WSR Direct
Address WSR Direct
Address WSR Direct
Address
† Must be addressed as a word.

C-87
REGISTERS
WSR
CAN_MSG4ID1 (CA) 1E43H 72H 00E3H 39H 00C3H 1CH 00C3H
CAN_MSG5ID1 (CA) 1E53H 72H 00F3H 39H 00D3H 1CH 00D3H
CAN_MSG6ID1 (CA) 1E63H 73H 00E3H 39H 00E3H 1CH 00E3H
CAN_MSG7ID1 (CA) 1E73H 73H 00F3H 39H 00F3H 1CH 00F3H
CAN_MSG8ID1 (CA) 1E83H 74H 00E3H 3AH 00C3H 1DH 0083H
CAN_MSG9ID1 (CA) 1E93H 74H 00F3H 3AH 00D3H 1DH 0093H
CAN_MSG10ID1 (CA) 1EA3H 75H 00E3H 3AH 00E3H 1DH 00A3H
CAN_MSG11ID1 (CA) 1EB3H 75H 00F3H 3AH 00F3H 1DH 00B3H
CAN_MSG12ID1 (CA) 1EC3H 76H 00E3H 3BH 00C3H 1DH 00C3H
CAN_MSG13ID1 (CA) 1ED3H 76H 00F3H 3BH 00D3H 1DH 00D3H
CAN_MSG14ID1 (CA) 1EE3H 77H 00E3H 3BH 00E3H 1DH 00E3H
CAN_MSG15ID1 (CA) 1EF3H 77H 00F3H 3BH 00F3H 1DH 00F3H
CAN_MSG1ID2 (CA) 1E14H 70H 00F4H 38H 00D4H 1CH 0094H
CAN_MSG2ID2 (CA) 1E24H 71H 00E4H 38H 00E4H 1CH 00A4H
CAN_MSG3ID2 (CA) 1E34H 71H 00F4H 38H 00F4H 1CH 00B4H
CAN_MSG4ID2 (CA) 1E44H 72H 00E4H 39H 00C4H 1CH 00C4H
CAN_MSG5ID2 (CA) 1E54H 72H 00F4H 39H 00D4H 1CH 00D4H
CAN_MSG6ID2 (CA) 1E64H 73H 00E4H 39H 00E4H 1CH 00E4H
CAN_MSG7ID2 (CA) 1E74H 73H 00F4H 39H 00F4H 1CH 00F4H
CAN_MSG8ID2 (CA) 1E84H 74H 00E4H 3AH 00C4H 1DH 0084H
CAN_MSG9ID2 (CA) 1E94H 74H 00F4H 3AH 00D4H 1DH 0094H
CAN_MSG10ID2 (CA) 1EA4H 75H 00E4H 3AH 00E4H 1DH 00A4H
CAN_MSG11ID2 (CA) 1EB4H 75H 00F4H 3AH 00F4H 1DH 00B4H
CAN_MSG12ID2 (CA) 1EC4H 76H 00E4H 3BH 00C4H 1DH 00C4H
CAN_MSG13ID2 (CA) 1ED4H 76H 00F4H 3BH 00D4H 1DH 00D4H
CAN_MSG14ID2 (CA) 1EE4H 77H 00E4H 3BH 00E4H 1DH 00E4H
CAN_MSG15ID2 (CA) 1EF4H 77H 00F4H 3BH 00F4H 1DH 00F4H
CAN_MSG1ID3 (CA) 1E15H 70H 00F5H 38H 00D5H 1CH 0095H
CAN_MSG2ID3 (CA) 1E25H 71H 00E5H 38H 00E5H 1CH 00A5H
CAN_MSG3ID3 (CA) 1E35H 71H 00F5H 38H 00F5H 1CH 00B5H
CAN_MSG4ID3 (CA) 1E45H 72H 00E5H 39H 00C5H 1CH 00C5H
Table C-24. WSR Settings and Direct Addresses for Windowable SFRs (Continued)
Register Mnemonic Memory
Location
32-Byte Windows
(00E0–00FFH) 64-Byte Windows
(00C0–00FFH) 128-Byte Windows
(0080–00FFH)
WSR Direct
Address WSR Direct
Address WSR Direct
Address
† Must be addressed as a word.

8XC196K
x,
J
x
, CA USER’S MANUAL
C-88
WSR
CAN_MSG5ID3 (CA) 1E55H 72H 00F5H 39H 00D5H 1CH 00D5H
CAN_MSG6ID3 (CA) 1E65H 73H 00E5H 39H 00E5H 1CH 00E5H
CAN_MSG7ID3 (CA) 1E75H 73H 00F5H 39H 00F5H 1CH 00F5H
CAN_MSG8ID3 (CA) 1E85H 74H 00E5H 3AH 00C5H 1DH 0085H
CAN_MSG9ID3 (CA) 1E95H 74H 00F5H 3AH 00D5H 1DH 0095H
CAN_MSG10ID3 (CA) 1EA5H 75H 00E5H 3AH 00E5H 1DH 00A5H
CAN_MSG11ID3 (CA) 1EB5H 75H 00F5H 3AH 00F5H 1DH 00B5H
CAN_MSG12ID3 (CA) 1EC5H 76H 00E5H 3BH 00C5H 1DH 00C5H
CAN_MSG13ID3 (CA) 1ED5H 76H 00F5H 3BH 00D5H 1DH 00D5H
CAN_MSG14ID3 (CA) 1EE5H 77H 00E5H 3BH 00E5H 1DH 00E5H
CAN_MSG15ID3 (CA) 1EF5H 77H 00F5H 3BH 00F5H 1DH 00F5H
CAN_MSK15 (CA) 1E0CH 70H 00ECH 38H 00CCH 1CH 008CH
CAN_SGMSK (CA) 1E06H 70H 00E6H 38H 00C6H 1CH 0086H
CAN_STAT (CA) 1E01H 70H 00E1H 38H 00C1H 1CH 0081H
COMP0_CON 1F88H 7CH 00E8H 3EH 00C8H 1FH 0088H
COMP0_TIME†1F8AH 7CH 00EAH 3EH 00CAH 1FH 008AH
COMP1_CON 1F8CH 7CH 00ECH 3EH 00CCH 1FH 008CH
COMP1_TIME†1F8EH 7CH 00EEH 3EH 00CEH 1FH 008EH
EPA_MASK†1FA0H 7DH 00E0H 3EH 00E0H 1FH 00A0H
EPA_MASK1 1FA4H 7DH 00E4H 3EH 00E4H 1FH 00A4H
EPA_PEND†1FA2H 7DH 00E2H 3EH 00E2H 1FH 00A2H
EPA_PEND1 1FA6H 7DH 00E6H 3EH 00E6H 1FH 00A6H
EPA0_CON 1F60H 7BH 00E0H 3DH 00E0H 1EH 00E0H
EPA0_TIME†1F62H 7BH 00E2H 3DH 00E2H 1EH 00E2H
EPA1_CON†1F64H 7BH 00E4H 3DH 00E4H 1EH 00E4H
EPA1_TIME†1F66H 7BH 00E6H 3DH 00E6H 1EH 00E6H
EPA2_CON 1F68H 7BH 00E8H 3DH 00E8H 1EH 00E8H
EPA2_TIME†1F6AH 7BH 00EAH 3DH 00EAH 1EH 00EAH
EPA3_CON†1F6CH 7BH 00ECH 3DH 00ECH 1EH 00ECH
EPA3_TIME†1F6EH 7BH 00EEH 3DH 00EEH 1EH 00EEH
EPA4_CON (K
x
) 1F70H 7BH 00F0H 3DH 00F0H 1EH 00F0H
Table C-24. WSR Settings and Direct Addresses for Windowable SFRs (Continued)
Register Mnemonic Memory
Location
32-Byte Windows
(00E0–00FFH) 64-Byte Windows
(00C0–00FFH) 128-Byte Windows
(0080–00FFH)
WSR Direct
Address WSR Direct
Address WSR Direct
Address
† Must be addressed as a word.

C-89
REGISTERS
WSR
EPA4_TIME† (K
x
) 1F72H 7BH 00F2H 3DH 00F2H 1EH 00F2H
EPA5_CON (K
x
) 1F74H 7BH 00F4H 3DH 00F4H 1EH 00F4H
EPA5_TIME† (K
x
) 1F76H 7BH 00F6H 3DH 00F6H 1EH 00F6H
EPA6_CON (K
x
) 1F78H 7BH 00F8H 3DH 00F8H 1EH 00F8H
EPA6_TIME† (K
x
) 1F7AH 7BH 00FAH 3DH 00FAH 1EH 00FAH
EPA7_CON (K
x
) 1F7CH 7BH 00FCH 3DH 00FCH 1EH 00FCH
EPA7_TIME† (K
x
) 1F7EH 7BH 00FEH 3DH 00FEH 1EH 00FEH
EPA8_CON 1F80H 7CH 00E0H 3EH 00C0H 1FH 0080H
EPA8_TIME†1F82H 7CH 00E2H 3EH 00C2H 1FH 0082H
EPA9_CON 1F84H 7CH 00E4H 3EH 00C4H 1FH 0084H
EPA9_TIME† 1F86H 7CH 00E6H 3EH 00C6H 1FH 0086H
EPAIPV 1FA8H 7DH 00E8H 3EH 00E8H 1FH 00A8H
P0_PIN 1FDAH 7EH 00FAH 3FH 00DAH 1FH 00DAH
P1_DIR 1FD2H 7EH 00F2H 3FH 00D2H 1FH 00D2H
P1_MODE 1FD0H 7EH 00F0H 3FH 00D0H 1FH 00D0H
P1_PIN 1FD6H 7EH 00F6H 3FH 00D6H 1FH 00D6H
P1_REG 1FD4H 7EH 00F4H 3FH 00D4H 1FH 00D4H
P2_DIR 1FCBH 7EH 00EBH 3FH 00CBH 1FH 00CBH
P2_MODE 1FC9H 7EH 00E9H 3FH 00C9H 1FH 00C9H
P2_PIN 1FCFH 7EH 00EFH 3FH 00CFH 1FH 00CFH
P2_REG 1FCDH 7EH 00EDH 3FH 00CDH 1FH 00CDH
P6_DIR 1FD3H 7EH 00F3H 3FH 00D3H 1FH 00D3H
P6_MODE 1FD1H 7EH 00F1H 3FH 00D1H 1FH 00D1H
P6_PIN 1FD7H 7EH 00F7H 3FH 00D7H 1FH 00D7H
P6_REG 1FD5H 7EH 00F5H 3FH 00D5H 1FH 00D5H
SBUF_RX 1FB8H 7DH 00F8H 3EH 00F8H 1FH 00B8H
SBUF_TX 1FBAH 7DH 00FAH 3EH 00FAH 1FH 00BAH
SP_BAUD†1FBCH 7DH 00FCH 3EH 00FCH 1FH 00BCH
SP_CON 1FBBH 7DH 00FBH 3EH 00FBH 1FH 00BBH
SP_STATUS 1FB9H 7DH 00F9H 3EH 00F9H 1FH 00B9H
SSIO_BAUD 1FB4H 7DH 00F4H 3EH 00F4H 1FH 00B4H
Table C-24. WSR Settings and Direct Addresses for Windowable SFRs (Continued)
Register Mnemonic Memory
Location
32-Byte Windows
(00E0–00FFH) 64-Byte Windows
(00C0–00FFH) 128-Byte Windows
(0080–00FFH)
WSR Direct
Address WSR Direct
Address WSR Direct
Address
† Must be addressed as a word.

8XC196K
x,
J
x
, CA USER’S MANUAL
C-90
WSR
SSIO0_BUF 1FB0H 7DH 00F0H 3EH 00F0H 1FH 00B0H
SSIO0_CON 1FB1H 7DH 00F1H 3EH 00F1H 1FH 00B1H
SSIO1_BUF 1FB2H 7DH 00F2H 3EH 00F2H 1FH 00B2H
SSIO1_CON 1FB3H 7DH 00F3H 3EH 00F3H 1FH 00B3H
T1CONTROL 1F98H 7CH 00F8H 3EH 00D8H 1FH 0098H
T2CONTROL 1F9CH 7CH 00FCH 3EH 00DCH 1FH 009CH
TIMER1 †1F9AH 7CH 00FAH 3EH 00DAH 1FH 009AH
TIMER2 †1F9EH 7CH 00FEH 3EH 00DEH 1FH 009EH
Table C-24. WSR Settings and Direct Addresses for Windowable SFRs (Continued)
Register Mnemonic Memory
Location
32-Byte Windows
(00E0–00FFH) 64-Byte Windows
(00C0–00FFH) 128-Byte Windows
(0080–00FFH)
WSR Direct
Address WSR Direct
Address WSR Direct
Address
† Must be addressed as a word.

C-91
REGISTERS
ZERO_REG
ZERO_REG Address:
Reset State: 00H
0000H
The two-byte zero register (ZERO_REG) is always equal to zero. It is useful as a fixed source of the
constant zero for comparisons and calculations. ZERO_REG can also be used as the WORD variable
in a long-indexed reference. This combination of register selection and address mode enables direct
addressing of any location in memory. A CMPL (compare long) instruction with ZERO_REG forces a
compare with a “generated” 32-bit zero value.
15 8
Zero (high byte)
7 0
Zero (low byte)
Bit
Number Function
15:0 Zero
This register is always equal to zero.

8XC196K
x,
J
x
, CA USER’S MANUAL
C-92
ZERO_REG

Glossary

Glossary-1
GLOSSARY
This glossary defines acronyms, abbreviations, and terms that have special meaning in this man-
ual. (Chapter 1 discusses notational conventions and general terminology.)
absolute error The maximum difference between corresponding
actual and ideal code transitions. Absolute error
accounts for all deviations of an actual A/D converter
from an ideal converter.
accumulator A register or storage location that forms the result of
an arithmetic or logical operation.
actual characteristic A graph of output code versus input voltage of an
actual A/D converter. An actual characteristic may
vary with temperature, supply voltage, and frequency
conditions.
A/D converter Analog-to-digital converter.
ALU Arithmetic-logic unit. The part of the RALU that
processes arithmetic and logical operations.
assert The act of making a signal active (enabled). The
polarity (high or low) is defined by the signal name.
Active-low signals are designated by a pound symbol
(#) suffix; active-high signals have no suffix. To assert
RD# is to drive it low; to assert ALE is to drive it
high.
attenuation A decrease in amplitude; voltage decay.
bit A binary digit.
BIT A single-bit operand that can take on the Boolean
values, “true” and “false.”
break-before-make The property of a multiplexer which guarantees that a
previously selected channel is deselected before a
new channel is selected. (That is, break-before-make
ensures that the A/D converter will not short inputs
together.)
byte Any 8-bit unit of data.
BYTE An unsigned, 8-bit variable with values from 0
through 28–1.

8XC196K
x
, J
x
, CA USER’S MANUAL
Glossary-2
CAN Controller area network. The 8XC196CA’s integrated
networking peripheral, similar to Intel’s standalone
82527 CAN serial communications controller, that
supports CAN specification 2.0.
CCBs Chip configuration bytes. The chip configuration
registers (CCRs) are loaded with the contents of the
CCBs after a device reset, unless the device is
entering programming modes, in which case the
PCCBs is used.
CCRs Chip configuration registers. Registers that specify
the environment in which the device will be
operating. The chip configuration registers are loaded
with the contents of the CCBs after a device reset
unless the device is entering programming modes, in
which case the PCCBs are used.
channel-to-channel matching error The difference between corresponding code
transitions of actual characteristics taken from
different A/D converter channels under the same
temperature, voltage, and frequency conditions. This
error is caused by differences in DC input leakage and
on-channel resistance from one multiplexer channel
to another.
characteristic A graph of output code versus input voltage; the
transfer function of an A/D converter.
clear The “0” value of a bit or the act of giving it a “0”
value. See also set.
code 1) A set of instructions that perform a specific
function; a program.
2) The digital value output by the A/D converter.
code center The voltage corresponding to the midpoint between
two adjacent code transitions on the A/D converter.
code transition The point at which the A/D converter’s output code
changes from “Q” to “Q+1.” The input voltage corre-
sponding to a code transition is defined as the voltage
that is equally likely to produce either of two adjacent
codes.

Glossary-3
GLOSSARY
code width The voltage change corresponding to the difference
between two adjacent code transitions. Code width
deviations cause differential nonlinearity and nonlin-
earity errors.
crosstalk See off-isolation.
DC input leakage Leakage current from an analog input pin to ground.
deassert The act of making a signal inactive (disabled). The
polarity (high or low) is defined by the signal name.
Active-low signals are designated by a pound symbol
(#) suffix; active-high signals have no suffix. To
deassert RD# is to drive it high; to deassert ALE is to
drive it low.
differential nonlinearity The difference between the actual code width and the
ideal one-LSB code width of the terminal-based
characteristic of an A/D converter. It provides a
measure of how much the input voltage may have
changed in order to produce a one-count change in the
conversion result. Differential nonlinearity is a
measure of local code-width error; nonlinearity is a
measure of overall code-transition error.
doping The process of introducing a periodic table Group III
or Group V element into a Group IV element (e.g.,
silicon). A Group III impurity (e.g., indium or
gallium) results in a p-type material. A Group V
impurity (e.g., arsenic or antimony) results in an n-
type material.
double-word Any 32-bit unit of data.
DOUBLE-WORD An unsigned, 32-bit variable with values from 0
through 232–1.
DPRAM Dual-port RAM. A type of random-access memory
commonly used to hold shared data when using a
parallel bus for communication between two CPUs.
EPA Event processor array. An integrated peripheral that
provides high-speed input/output capability.
EPROM Erasable, programmable read-only-memory.
ESD Electrostatic discharge.

8XC196K
x
, J
x
, CA USER’S MANUAL
Glossary-4
feedthrough The attenuation from an input voltage on the selected
channel to the A/D output after the sample window
closes. The ability of the A/D converter to reject an
input on its selected channel after the sample window
closes.
FET Field-effect transistor.
full-scale error The difference between the ideal and actual input
voltage corresponding to the final (full-scale) code
transition of an A/D converter.
hold latency The time it takes the microcontroller to assert HLDA#
after an external device asserts HOLD#.
ideal characteristic The characteristic of an ideal A/D converter. An ideal
characteristic is unique: its first code transition occurs
when the input voltage is 0.5 LSB, its full-scale (final)
code transition occurs when the input voltage is 1.5
LSB less than the full-scale reference, and its code
widths are all exactly 1.0 LSB. These properties result
in a conversion without zero offset, full-scale, or
linearity errors. Quantizing error is the only error
seen in an ideal A/D converter.
input leakage Current leakage from an input pin to power or ground.
input series resistance The effective series resistance from an analog input
pin to the sample capacitor of an A/D converter.
integer Any member of the set consisting of the positive and
negative whole numbers and zero.
INTEGER A 16-bit, signed variable with values from –215
through +215–1.
interrupt controller The module responsible for handling interrupts that
are to be serviced by interrupt service routines that
you provide. Also called the programmable interrupt
controller (PIC).
interrupt latency The total delay between the time that an interrupt is
generated (not acknowledged) and the time that the
device begins executing the interrupt service routine
or PTS routine.
interrupt service routine A software routine that you provide to service a
standard interrupt. See also PTS routine.

Glossary-5
GLOSSARY
interrupt vector A location in special-purpose memory that holds the
starting address of an interrupt service routine.
ISR See interrupt service routine.
linearity errors See differential nonlinearity and nonlinearity.
LONG-INTEGER A 32-bit, signed variable with values from –231
through +231–1.
LSB 1) Least-significant bit of a byte or least-significant
byte of a word.
2) In an A/D converter, the reference voltage divided
by 2n, where n is the number of bits to be converted.
For a 10-bit converter with a reference voltage of 5.12
volts, one LSB is equal to 5.0 millivolts (5.12 ÷ 210)
maskable interrupts All interrupts except unimplemented opcode,
software trap, and NMI. Maskable interrupts can be
disabled (masked) by the individual mask bits in the
interrupt mask registers, and their servicing can be
disabled by the global interrupt enable bit. Each
maskable interrupt can be assigned to the PTS for
processing.
monotonic The property of successive approximation converters
which guarantees that increasing input voltages
produce adjacent codes of increasing value, and that
decreasing input voltages produce adjacent codes of
decreasing value. (In other words, a converter is
monotonic if every code change represents an input
voltage change in the same direction.) Large differ-
ential nonlinearity errors can cause the converter to
exhibit nonmonotonic behavior.
MSB Most-significant bit of a byte or most-significant byte
of a word.
n-channel FET A field-effect transistor with an n-type conducting
path (channel).
n-type material Semiconductor material with introduced impurities
(doping) causing it to have an excess of negatively
charged carriers.

8XC196K
x
, J
x
, CA USER’S MANUAL
Glossary-6
no missing codes An A/D converter has no missing codes if, for every
output code, there is a unique input voltage range
which produces that code only. Large differential
nonlinearity errors can cause the converter to miss
codes.
nonlinearity The maximum deviation of code transitions of the
terminal-based characteristic from the corre-
sponding code transitions of the ideal characteristic.
nonmaskable interrupts Interrupts that cannot be masked (disabled) and
cannot be assigned to the PTS for processing. The
nonmaskable interrupts are unimplemented opcode,
software trap, and NMI.
nonvolatile memory Read-only memory that retains its contents when
power is removed. Many MCS® 96 microcontrollers
are available with either masked ROM, EPROM, or
OTPROM. Consult the Automotive Products or
Embedded Microcontrollers databook to determine
which type of memory is available for a specific
device.
npn transistor A transistor consisting of one part p-type material and
two parts n-type material.
off-isolation The ability of an A/D converter to reject (isolate) the
signal on a deselected (off) output.
OTPROM One-time-programmable read-only memory. Similar
to EPROM, but it comes in an unwindowed package
and cannot be erased.
p-channel FET A field-effect transistor with a p-type conducting
path.
p-type material Semiconductor material with introduced impurities
(doping) causing it to have an excess of positively
charged carriers.
PC Program counter.
PCCBs Programming chip configuration bytes, which are
loaded into the chip configuration registers (CCRs)
when the device is entering programming modes;
otherwise, the CCBs are used.

Glossary-7
GLOSSARY
PIC Programmable interrupt controller. The module
responsible for handling interrupts that are to be
serviced by interrupt service routines that you
provide. Also called simply the interrupt controller.
prioritized interrupt Any maskable interrupt or nonmaskable NMI. Two of
the nonmaskable interrupts (unimplemented opcode
and software trap) are not prioritized; they vector
directly to the interrupt service routine when
executed.
program memory A partition of memory where instructions can be
stored for fetching and execution.
protected instruction An instruction that prevents an interrupt from being
acknowledged until after the next instruction
executes. The protected instructions are DI, EI, DPTS,
EPTS, POPA, POPF, PUSHA, and PUSHF.
PSW Program status word. The high byte of the PSW is the
status byte, which contains one bit that globally
enables or disables servicing of all maskable
interrupts, one bit that enables or disables the PTS,
and six Boolean flags that reflect the state of the
user’s program. The low byte of the PSW is the
INT_MASK register. A push or pop instruction saves
or restores both bytes (PSW + INT_MASK).
PTS Peripheral transaction server. The microcoded
hardware interrupt processor.
PTSCB See PTS control block.
PTS control block A block of data required for each PTS interrupt. The
microcode executes the proper PTS routine based on
the contents of the PTS control block.
PTS cycle The microcoded response to a single PTS interrupt
request.
PTS interrupt Any maskable interrupt that is assigned to the PTS for
interrupt processing.
PTS mode A microcoded response that enables the PTS to
complete a specific task quickly. These tasks include
transferring a single byte or word, transferring a block
of bytes or words, managing multiple A/D conver-
sions, and generating PWM outputs.

8XC196K
x
, J
x
, CA USER’S MANUAL
Glossary-8
PTS routine The entire microcoded response to multiple PTS
interrupt requests. The PTS routine is controlled by
the contents of the PTS control block.
PTS transfer The movement of a single byte or word from the
source memory location to the destination memory
location.
PTS vector A location in special-purpose memory that holds the
starting address of a PTS control block.
PWM Pulse-width modulated (outputs). The EPA can be
used with or without the PTS to generate PWM
outputs.
quantizing error An unavoidable A/D conversion error that results
simply from the conversion of a continuous voltage to
its integer digital representation. Quantizing error is
always ± 0.5 LSB and is the only error present in an
ideal A/D converter.
RALU Register arithmetic-logic unit. A part of the CPU that
consists of the ALU, the PSW, the master PC, the
microcode engine, a loop counter, and six registers.
repeatability error The difference between corresponding code
transitions from different actual characteristics taken
from the same converter on the same channel with the
same temperature, voltage, and frequency conditions.
The amount of repeatability error depends on the
comparator’s ability to resolve very similar voltages
and the extent to which random noise contributes to
the error.
reserved memory A memory location that is reserved for factory use or
for future expansion. Do not use a reserved memory
location except to initialize it with FFH.
resolution The number of input voltage levels that an A/D
converter can unambiguously distinguish between.
The number of useful bits of information that the
converter can return.
sample capacitor A small (2–3 pF) capacitor used in the A/D converter
circuitry to store the input voltage on the selected
input channel.

Glossary-9
GLOSSARY
sample delay The time period between the time that A/D converter
receives the “start conversion” signal and the time
that the sample capacitor is connected to the selected
channel.
sample delay uncertainty The variation in the sample delay.
sample time The period of time that the sample window is open.
(That is, the length of time that the input channel is
actually connected to the sample capacitor.)
sample time uncertainty The variation in the sample time.
sample window The period of time that begins when the sample
capacitor is attached to a selected channel of an A/D
converter and ends when the sample capacitor is
disconnected from the selected channel.
sampled inputs All input pins, with the exception of RESET#, are
sampled inputs. The input pin is sampled one state
time before the read buffer is enabled. Sampling
occurs during PH1 (while CLKOUT is low) and
resolves the value (high or low) of the pin before it is
presented to the internal bus. If the pin value changes
during the sample time, the new value may or may not
be recorded during the read.
RESET# is a level-sensitive input. EXTINT is
normally a sampled input; however, the powerdown
circuitry uses EXTINT as a level-sensitive input
during powerdown mode.
SAR Successive approximation register. A component of
the A/D converter.
set The “1” value of a bit or the act of giving it a “1”
value. See also clear.
SFR Special-function register.
SHORT-INTEGER An 8-bit, signed variable with values from –27
through +27–1.
sign extension A method for converting data to a larger format by
filling the upper bit positions with the value of the
sign. This conversion preserves the positive or
negative value of signed integers.
sink current Current flowing into a device to ground. Always a
positive value.

8XC196K
x
, J
x
, CA USER’S MANUAL
Glossary-10
source current Current flowing out of a device from VCC. Always a
negative value.
SP Stack pointer.
special interrupt Any of the three nonmaskable interrupts (unimple-
mented opcode, software trap, or NMI).
special-purpose memory A partition of memory used for storing the interrupt
vectors, PTS vectors, chip configuration bytes, and
several reserved locations. In previous documen-
tation, this area was called reserved memory. In this
manual, reserved memory refers to locations that you
should not use for any purpose except to initialize
them with FFH.
standard interrupt Any maskable interrupt that is assigned to the
interrupt controller for processing by an interrupt
service routine.
state time (or state) The basic time unit of the device; the combined
period of the two internal timing signals, PH1 and
PH2. (The internal clock generator produces PH1 and
PH2 by halving the frequency of the signal on
XTAL1. The rising edges of the active-high PH1 and
PH2 signals generate CLKOUT, the output of the
internal clock generator.) Because the device can
operate at many frequencies, this manual defines time
requirements in terms of state times rather than in
specific units of time.
successive approximation An A/D conversion method that uses a binary search
to arrive at the best digital representation of an analog
input.
temperature coefficient Change in the stated variable for each degree
Centigrade of temperature change.
temperature drift The change in a specification due to a change in
temperature. Temperature drift can be calculated by
using the temperature coefficient for the specification.
terminal-based characteristic An actual characteristic that has been translated and
scaled to remove zero offset error and full-scale error.
A terminal-based characteristic resembles an actual
characteristic with zero offset error and full-scale
error removed.

Glossary-11
GLOSSARY
transfer function A graph of output code versus input voltage; the
characteristic of the A/D converter.
transfer function errors Errors inherent in an analog-to-digital conversion
process: quantizing error, zero offset error, full-scale
error, differential nonlinearity, and nonlinearity.
Errors that are hardware-dependent, rather than being
inherent in the process itself, include feedthrough,
repeatability, channel-to-channel matching, off-
isolation, and VCC rejection errors.
UART Universal asynchronous receiver and transmitter. A
part of the serial I/O port.
VCC rejection The property of an A/D converter that causes it to
ignore (reject) changes in VCC so that the actual
characteristic is unaffected by those changes. The
effectiveness of VCC rejection is measured by the ratio
of the change in VCC to the change in the actual
characteristic.
watchdog timer An internal timer that resets the device if software
fails to respond before the timer overflows.
WDT See watchdog timer.
word Any 16-bit unit of data.
WORD An unsigned, 16-bit variable with values from 0
through 216–1.
zero extension A method for converting data to a larger format by
filling the upper bit positions with zeros.
zero offset error An ideal A/D converter’s first code transition occurs
when the input voltage is 0.5 LSB. Zero-offset error is
the difference between 0.5 LSB and the actual input
voltage that triggers an A/D converter’s first code
transition.

8XC196K
x
, J
x
, CA USER’S MANUAL
Glossary-12

Index

Index-1
INDEX
#, defined, 1-3, A-1
A
A/D converter, 2-11, 11-1–11-19
actual characteristic, 11-17
and port 0 reads, 11-14
and PTS, 5-26–5-31
block diagram, 11-1
calculating result, 11-9, 11-14
calculating series resistance, 11-11
characteristics, 11-16–11-19
conversion time, 11-6
determining status, 11-9
errors, 11-14–11-19
hardware considerations, 11-11–11-14
ideal characteristic, 11-16, 11-17
input circuit, suggested, 11-13
input protection devices, 11-13
interfacing with, 11-11–11-14
interpreting results, 11-9
interrupt, 5-28, 5-29, 5-31, 11-9
minimizing input source resistance, 11-12
overview, 11-3–11-4
programming, 11-4–11-9
sample delay, 11-3
sample time, 11-6
sample window, 11-3
SFRs, 11-2
signals, 11-2
starting with PTS, 5-26–5-31
successive approximation algorithm, 11-4
successive approximation register (SAR),
11-4
terminal-based characteristic, 11-19
threshold-detection modes, 11-6, 11-8
transfer function, 11-16–11-19
zero-offset adjustment, 11-3, 11-5
zero-offset error, 11-17
See also port 0
A/D scan mode‚ See PTS
Accumulator, RALU, 2-5
ACH0–ACH7, B-8
idle, powerdown, reset status, B-20
ACH2–ACH7
idle, powerdown, reset status, B-21, B-22
AD0–AD15, B-9
AD_COMMAND, 11-8, C-80
ADD instruction, A-2, A-7, A-42, A-43, A-48,
A-54
ADDB instruction, A-2, A-7, A-43, A-44, A-48,
A-54
ADDC instruction, A-2, A-7, A-45, A-48, A-54
ADDCB instruction, A-2, A-8, A-45, A-48, A-54
Address space
See memory partitions
Address/data bus, 2-6, 15-11, 15-17
AC timing specifications, 15-36–15-40
multiplexing, 15-8–15-14
Addressing modes, 3-5–3-6, A-6
AD_RESULT, 5-28, 11-6, 11-10, C-80
AD_TEST, 11-5, C-80
AD_TIME, 11-7, C-80
ADV#, B-9
AINC#, 16-12, B-9
ALE, 15-2, B-9
during bus hold, 15-17
idle, powerdown, reset status, B-20, B-21,
B-23
Analog-to-digital converter‚ See A/D converter
AND instruction, A-2, A-8, A-42, A-43, A-49,
A-55
ANDB instruction, A-2, A-8, A-9, A-43, A-44,
A-49, A-55
ANGND, 11-5, 13-1, B-9
ApBUILDER software, downloading, 1-10
Application notes, ordering, 1-6
Architecture
core block diagram, 2-3
device block diagram, 2-3
device comparison, 2-3
Arithmetic instructions, A-48, A-49, A-54, A-55
Assert, defined, 1-3
Auto programming mode, 16-26–16-29
algorithm, 16-29
circuit, 16-26–16-27
memory map, 16-28
PCCB, 16-28
security key programming, 16-30

Index-2
B
Baud rate
SIO port, 7-10–7-12
SSIO port, 8-9
Baud-rate generator
SSIO port, 8-9
BAUD_VALUE, 7-11, C-68
BHE#, 15-2, B-10
during bus hold, 15-17
idle, powerdown, reset status, B-20, B-23
BIT, defined, 3-2
Bit-test instructions, A-17
Block diagram
A/D converter, 11-1
CAN peripheral, 12-2
EPA, 10-2
SIO port, 7-1, 10-2
slave port, 9-3
SSIO, 8-1
Block transfer mode‚ See PTS
BMOV instruction, A-2, A-9, A-45, A-50
BMOVI instruction, A-3, A-9, A-10, A-46, A-50
BR (indirect) instruction, A-2, A-10, A-51, A-57
BREQ#, 15-2, 15-17, B-10
Bulletin board system (BBS), 1-9
Bus contention, during CCB fetch, 15-9
Bus contention, See address/data bus, contention
Bus controller, 2-6, 15-15, 16-6
read cycles, 15-11, 15-13
write cycles, 15-11, 15-13
Bus-control modes, 15-20–15-30
address valid strobe, 15-26–15-28
address valid with write strobe, 15-29–15-30
standard, 15-20–15-23
write strobe, 15-24–15-25
Bus-control signals, 15-20
Bus-hold protocol, 15-17–15-20
and code execution, 15-20
and interrupts, 15-20
and reset, See reset
disabling, 15-19
enabling, 15-18
hold latency, 15-19
regaining bus control, 15-20
signals, 15-17
signals, See also port 2, BREQ#, HLDA#,
HOLD#
software protection, 15-19
timing parameters, 15-17
Bus-timing modes, 15-30–15-35
comparison, 15-31, 15-32
mode 0, 15-32
mode 1, 15-32
mode 2, 15-33
mode 3, 15-32
BUSWIDTH, 15-9, 15-10, 15-23, 16-26, 16-28,
B-10
and CCB fetch, 15-9
idle, powerdown, reset status, B-20
timing requirements, 15-10
Bus-width
16-bit, 15-9, 15-11, 15-21
8- and 16-bit comparison, 15-8–15-14
8-bit, 15-9, 15-13, 15-22, 15-24
dynamic 16-bit/8-bit, 15-10, 15-23
selecting, 15-9, 15-10
BYTE, defined, 3-2
C
Call instructions, A-51, A-57, A-58
CAN serial communications controller, 2-11,
12-1–12-42
address map, 12-5
bit timing, 12-10–12-12
block diagram, 12-2
bus-off state, 12-41
error detection and management logic, 12-9
message
acceptance filtering, 12-6
frames, 12-7
extended, 12-8
standard, 12-8
identifiers, effect of masking on, 12-7
objects, 12-5–12-6
overview, 12-1–12-2
programming, 12-4–12-31
receive and transmit priorities, 12-6
registers, 12-3–12-4
signals, 12-3
Carry (C) flag, 3-4, A-4, A-5, A-11, A-18, A-19,
A-20, A-21, A-31
Cascading timers, 10-7
CBE flag, 9-15
CCB fetch

Index-3
and BHE#, 6-14
and bus-width, 15-9
and P5.5, 6-14
and P5.6, 6-14
and READY, 6-14
CCBs, 4-3, 13-8, 15-1, 15-4
fetching, 15-4
security-lock bits, 16-30–16-31
CCR0, 15-20
CCRs, 13-8, 14-4, 15-4
security-lock bits, 16-18
Chip configuration bytes, See CCBs
Clear, defined, 1-3
CLKOUT, 14-1, 15-3, 15-11, B-10
and BUSWIDTH, 15-10
and HOLD#, 15-17
and internal timing, 2-7
and interrupts, 5-6
and READY, 15-15
and RESET#, 13-9
considerations, 6-13
idle, powerdown, reset status, B-20, B-21,
B-22
reset status, 6-7
Clock
external, 13-7
generator, 2-7, 13-7, 13-9
internal
and idle mode, 14-3, 14-4
phases, internal, 2-8
slow, 10-7
sources, 13-5
CLR instruction, A-2, A-10, A-42, A-48, A-54
CLRB instruction, A-2, A-11, A-42, A-48, A-54
CLRC instruction, A-3, A-11, A-47, A-53, A-59
CLRVT instruction, A-3, A-11, A-47, A-53, A-59
CMP instruction, A-3, A-11, A-44, A-48, A-54
CMPB instruction, A-3, A-11, A-44, A-45, A-48,
A-54
CMPL instruction, A-2, A-12, A-46, A-48, A-54
Code execution, 2-5, 2-6
Code RAM, 4-10
COMP0_CON, C-88
COMP0_TIME, C-88
COMP1_CON, C-88
COMP1_TIME, C-88
CompuServe forums, 1-10
Conditional jump instructions, A-5
Controlling the clock source and direction, 10-18,
10-19, C-75, C-76
CPU, 2-4
CPVER, 16-12, B-11
Customer service, 1-8
D
Data instructions, A-50, A-57
Data types, 3-1–3-4
addressing restrictions, 3-1
converting between, 3-4
defined, 3-1
iC-96, 3-1
PLM-96, 3-1
signed and unsigned, 3-1, 3-4
values permitted, 3-1
Datasheets, online, 1-10
Datasheets, ordering, 1-7
Deassert, defined, 1-3
DEC instruction, A-2, A-12, A-42, A-48, A-54
DECB instruction, A-2, A-12, A-42, A-48, A-54
DED bit, 16-6–16-8, 16-31
DEI bit, 16-6–16-8, 16-18
Device
clock sources, 13-5
minimum hardware configuration, 13-1
pin reset status, B-20, B-21, B-22
programming, 16-1–16-45
reset, 13-8, 13-9, 13-10, 13-11, 13-12, 15-20
signal descriptions, B-8
DI instruction, A-3, A-12, A-47, A-53, A-59
Direct addressing, 3-9
DIV instruction, A-13, A-47, A-49, A-55
DIVB instruction, A-13, A-47, A-49, A-55
DIVU instruction, A-3, A-13, A-44, A-49, A-55
DIVUB instruction, A-3, A-14, A-45, A-49, A-55
DJNZ instruction, A-2, A-5, A-14, A-46, A-52,
A-58
DJNZW instruction, A-2, A-5, A-14, A-46, A-52,
A-58
DLE flag, 16-36
Documents, related, 1-5–1-7
DOUBLE-WORD, defined, 3-3
DPTS instruction, A-3, A-15, A-46, A-53, A-59
Dump-word routine, 16-25

Index-4
E
EA#, 15-3, 16-13, 16-14, B-11
and P5.0, 6-13
and P5.3, 6-14
and programming modes, 16-14
idle, powerdown, reset status, B-20, B-22,
B-23
EBR (indirect) instruction, A-2
ECALL instruction, A-2
EE opcode, and unimplemented opcode interrupt,
A-3, A-47
EI instruction, 5-11, A-3, A-15, A-47, A-53, A-59
EJMP instruction, A-2
Enabling a timer/counter, 10-18, 10-19, C-75,
C-76
EPA, 2-10, 10-1–10-36
and PTS, 10-12
block diagram, 10-2
capture data overruns, 10-24, C-42
capture/compare modules, 10-9
programming, 10-20
choosing capture or compare mode, 10-22,
C-40
compare modules
programming, 10-20
configuring pins, 10-2
determining event status, 10-28
enabling remapping for PWM, 10-21, C-40
enabling the compare function, 10-25, C-33
multiplexed interrupts, 10-29
re-enabling the compare event, 10-22, 10-25,
C-33, C-41
resetting the timer in compare mode, 10-24,
C-42
resetting the timers, 10-23, 10-26, C-34, C-42
selecting the capture/compare event, 10-22,
C-41
selecting the compare event, 10-25, C-33
selecting the time base, 10-21, 10-25, C-33,
C-40
shared output pins, 10-10
starting an A/D conversion, 10-23, 10-26,
C-33, C-41
using for PWM, 5-31, 5-37
See also port 1, port 6, PWM, timer/counters
EPA0–3, EPA8–9, B-11
EPA0_CON, C-88
EPA0–EPA9, 10-3, B-11
EPA0_TIME, C-88
EPA1_CON, 10-21, C-40, C-88
EPA1_TIME, C-88
EPA2_CON, C-88
EPA2_TIME, C-88
EPA3_CON, 10-21, C-40, C-88
EPA3_TIME, C-88
EPA4_CON, C-88, C-89
EPA4_TIME, C-89
EPA5_TIME, C-89
EPA6_TIME, C-89
EPA7_CON, C-89
EPA7_TIME, C-89
EPA8_CON, C-89
EPA8_TIME, C-89
EPA9_CON, C-89
EPA9_TIME, C-89
EPAIPV, 5-4, 10-4, 10-29, 10-30, C-89
EPA_MASK, 10-3, C-88
EPA_MASK1, 10-3, C-88
EPA_PEND, 10-3, C-88
EPA_PEND1, 10-4, C-88
EPAx interrupts
and TIJMP, 10-29, 10-31
EPAx_CON, 10-4
settings and operations, 10-20
EPAx_TIME, 10-4
EPTS instruction, 5-11, A-15, A-46, A-53, A-59
ESD protection, 6-2, 6-7, 6-16, 13-5
Event, 10-1
Event processor array‚ See EPA
EXT instruction, A-2, A-15, A-42, A-48, A-54
EXTB instruction, A-2, A-16, A-42, A-48, A-54
EXTINT, 5-3, 14-1, 14-6, B-12
and powerdown mode, 14-4, 14-5, 14-6
hardware considerations, 14-7
F
FaxBack service, 1-8
FE opcode
and inhibiting interrupts, 5-8
Floating point library, 3-4
Formulas
A/D conversion result, 11-9, 11-14
A/D error, 11-12
A/D series resistance, 11-11

Index-5
A/D threshold voltage, 11-6
A/D voltage drop, 11-12
capacitor size (powerdown circuit), 14-8
programming voltage, 16-16
PWM duty cycle, 5-32
PWM frequency, 5-32
SIO baud rate, 7-11, C-68
FPAL-96, 3-4
Frequency
external crystal, 16-32
SSIO port baud-rate generator, 8-9
G
GO command, RISM, 16-35
H
Handbooks, ordering, 1-6
Handshaking
SSIO, 8-6
Hardware
A/D converter considerations, 11-11–11-14
addressing modes, 3-5
auto programming circuit, 16-27
clock sources, 13-5
device considerations, 13-1–13-12
device reset, 13-8, 13-10, 13-11, 13-12
interrupt processor, 2-6, 5-1
memory protection, 16-7, 16-18
minimum configuration, 13-1
NMI considerations, 5-6
noise protection, 13-4
oscillator failure detection, 16-8
pin reset status, B-20, B-21, B-22
programming mode requirements, 16-14
reset instruction, 3-11
serial port programming circuit, 16-33
SIO port considerations, 7-7
slave port connections, 9-6–9-7
slave programming circuit, 16-17
UPROM considerations, 16-7
HLDA#, 15-3, 15-17, B-12
HLDA# considerations, 6-13
HLDEN bit, 15-19
Hold latency, See bus-hold protocol
HOLD#, 15-3, 15-17, B-12
HOLD# considerations, 6-12
Hypertext manuals and datasheets, downloading,
1-10
I
I/O ports
unused inputs, 13-2
I/O ports‚ See ports‚ SIO port‚ SSIO port
IBE flag, 9-5, 9-14, 9-15
IBSP196, 16-32
Idle mode, 2-12, 13-12, 14-3–14-4
entering, 14-4
exiting, 14-4
pin status, B-20, B-21, B-22
timeout control, 10-7
IDLPD #1, 14-4
IDLPD #2, 14-5
IDLPD instruction, A-2, A-16, A-47, A-53, A-59
illegal operand, 13-9, 13-12
Immediate addressing, 3-6
INC instruction, A-2, A-16, A-42, A-48, A-54
INCB instruction, A-2, A-17, A-42, A-48, A-54
Indexed addressing, 3-9
and register RAM, 4-12
and windows, 4-23
Indirect addressing, 3-6
and register RAM, 4-12
with autoincrement, 3-7
Input pins
level-sensitive, B-8
sampled, B-8
INST, 15-3
idle, powerdown, reset status, B-20
Instruction set, 3-1
and PSW flags, A-5
code execution, 2-5, 2-6
conventions, 1-3
execution times, A-54–A-55
lengths, A-48–A-54
opcode map, A-2–A-3
opcodes, A-42–A-47
overview, 3-1–3-4
protected instructions, 5-8
reference, A-1–A-3
See also RISM
INTEGER, defined, 3-3
Interrupts, 5-1–5-41
and bus-hold, See bus-hold protocol

Index-6
controller, 2-6, 5-1
end-of-PTS, 5-19
inhibiting, 5-8
latency, 5-7–5-10, 5-24
calculating, 5-9
multiplexed, 10-29
priorities, 10-30
pending registers‚ See EPA_PEND,
EPA_PEND1, INT_PEND,
INT_PEND1
priorities, 5-4, 5-5
modifying, 5-14–5-16
procedures, PLM-96, 3-11
processing, 5-2
programming, 5-11–5-16
selecting PTS or standard service, 5-11
service routine
processing, 5-15
sources, 5-5
unused inputs, 13-2
vectors, 5-1, 5-5
vectors, memory locations, 4-3, 4-4
INT_MASK, 10-4, 14-2
INT_MASK1, 5-4
INT_PEND, 10-4, 14-2
INT_PEND1, 5-4
Italics, defined, 1-3
J
JBC instruction, A-2, A-5, A-17, A-42, A-52, A-58
JBS instruction, A-3, A-5, A-17, A-42, A-52, A-58
JC instruction, A-3, A-5, A-18, A-46, A-52, A-58
JE instruction, A-3, A-5, A-18, A-46, A-52, A-58
JGE instruction, A-2, A-5, A-18, A-46, A-52, A-58
JGT instruction, A-2, A-5, A-19, A-46, A-52, A-58
JH instruction, A-3, A-5, A-19, A-46, A-52, A-58
JLE instruction, A-3, A-5, A-19, A-46, A-52, A-58
JLT instruction, A-3, A-5, A-20, A-46, A-52, A-58
JNC instruction, A-2, A-5, A-20, A-46, A-52,
A-58
JNE instruction, A-2, A-5, A-20, A-46, A-52, A-58
JNH instruction, A-2, A-5, A-21, A-46, A-52,
A-58
JNST instruction, A-2, A-5, A-21, A-46, A-52,
A-58
JNV instruction, A-2, A-5, A-21, A-46, A-52,
A-58
JNVT instruction, A-2, A-5, A-22, A-46, A-52,
A-58
JST instruction, A-3, A-5, A-22, A-46, A-52, A-58
Jump instructions, A-57
conditional, A-5, A-52, A-58
unconditional, A-51
JV instruction, A-3, A-5, A-22, A-46, A-52, A-58
JVT instruction, A-3, A-5, A-23, A-46, A-52, A-58
L
Latency‚ See hold latency‚ interrupt latency
LCALL instruction, A-3, A-23, A-46, A-51
LD instruction, A-2, A-23, A-45, A-50, A-57
LDB instruction, A-2, A-23, A-45, A-50, A-57
LDBSE instruction, A-3, A-24, A-45, A-50, A-57
LDBZE instruction, A-3, A-24, A-45, A-50, A-57
Level-sensitive input, B-8
Literature, 1-11
LJMP instruction, A-2, A-24, A-51, A-57
Logical instructions, A-49, A-55
LONG-INTEGER, defined, 3-4
Lookup tables, software protection, 3-11
M
Manual contents, summary, 1-1
Manuals, online, 1-10
Measurements, defined, 1-5
Memory bus, 2-6
Memory controller, 2-4, 2-6
Memory map, 4-1, 4-2, 16-1
Memory mapping
auto programming mode, 16-28
serial port programming mode, 16-34
Memory partitions, 4-1–4-23
chip configuration bytes, 4-4
chip configuration registers, 4-4
internal (code) RAM, 4-10
interrupt and PTS vectors, 4-4
map, 4-2
OTPROM, 16-2
peripheral SFRs, 4-6
program memory, 4-3, 16-2
register file, 4-10
register RAM, 4-12
reserved memory, 4-4
security key, 4-4
SFRs, 4-5

Index-7
special-purpose memory, 4-3, 16-2
Memory protection, 16-3–16-7
CCR security-lock bits, 16-18
UPROM security bits, 16-7
Memory space, See memory partitions
Memory, external, 15-1–15-40
interface signals, 15-1
See also address/data bus, bus controller,
bus-control modes, bus-control
signals, bus-hold protocol,
bus-width, BUSWIDTH, CCRs,
ready control, timing, wait states
Microcode engine, 2-4
Miller effect, 13-8
Mode 0
bus-timing mode, 15-32
SIO port mode, 7-5
Mode 1
bus-timing mode, 15-32
SIO port mode, 7-6
Mode 2
bus-timing mode, 15-33
SIO port mode, 7-6, 7-7, 7-8
Mode 3
bus-timing mode, 15-32
SIO port mode, 7-6, 7-7, 7-8
Modified quick-pulse algorithm, 16-10
MUL instruction, A-24, A-25, A-47, A-49, A-55
MULB instruction, A-25, A-47, A-49, A-55
Multiprocessor communications, 2-9, 2-10
methods, 2-10, 9-1
SIO port, 7-7, 7-8
slave port, 9-1
MULU instruction, A-3, A-25, A-26, A-43, A-47,
A-49, A-55
MULUB instruction, A-3, A-26, A-43, A-44,
A-49, A-55
N
Naming conventions, 1-3–1-4
NEG instruction, A-2, A-26, A-42, A-49, A-55
Negative (N) flag, A-4, A-5, A-18, A-19, A-20
NEGB instruction, A-2, A-27, A-42, A-49, A-55
NMI, 5-3, 5-4, 5-6, B-13
and bus-hold protocol, 15-20
hardware considerations, 5-6
idle, powerdown, reset status, B-20, B-23
Noise, reducing, 6-2, 6-3, 6-7, 11-3, 11-13, 11-14,
13-4, 13-5, 13-6
NOP instruction, 3-11, A-3, A-27, A-47, A-53,
A-59
two-byte‚ See SKIP instruction
NORML instruction, 3-4, A-3, A-27, A-42, A-53,
A-59
NOT instruction, A-2, A-27, A-42, A-49, A-55
Notational conventions, 1-3–1-4
NOTB instruction, A-2, A-28, A-42, A-49, A-55
Numbers, conventions, 1-4
O
OBF flag, 9-5, 9-14, 9-15
OFD bit, 16-8
ONCE mode, 2-11, 14-9
exiting, 14-9
Opcodes, A-42
EE, and unimplemented opcode interrupt,
A-3, A-47
FE, and signed multiply and divide, A-3
map, A-2
reserved, A-3, A-47
Operand types, See data types, 3-1
Operands, addressing, 3-10
Operating modes, 2-11–2-12
OR instruction, A-2, A-28, A-44, A-49, A-55
ORB instruction, A-2, A-28, A-44, A-49, A-55
Oscillator
and powerdown mode, 14-4
detecting failure, 13-9, 13-12
external crystal, 13-7
on-chip, 13-5
OTPROM
controlling access to internal memory,
16-4–16-6
controlling fetches from external memory,
16-6–16-7
enabling oscillator failure detection circuitry,
16-8
memory map, 16-2
programming, 16-1–16-45
See also programming modes
ROM-dump mode, 16-31
verifying, 16-31
Overflow (V) flag, A-4, A-5, A-21, A-22

Index-8
Overflow-trap (VT) flag, A-4, A-5, A-11, A-22,
A-23
P
P0.0–P0.7
idle, powerdown, reset status, B-20
P0.2–P0.7
idle, powerdown, reset status, B-21, B-22
P0.4–P0.7
and programming modes, 16-14
P0_PIN, C-89
P1.0–P1.3, B-13
idle, powerdown, reset status, B-21
P1.0–P1.7, B-13
idle, powerdown, reset status, B-20, B-22
P1_DIR, C-89
P1_MODE, C-89
P1_PIN, C-89
P1_REG, C-89
P2.0–P2.7, B-14
P2.2 considerations, 14-7
P2.7 reset status, 6-7
P2_DIR, C-89
P2_MODE, C-89
P2_PIN, C-89
P2_REG, C-89
P3.0–P3.7, B-14
idle, powerdown, reset status, B-20, B-21,
B-22
See also port 3
P4.0–P4.7, B-14
idle, powerdown, reset status, B-20, B-21,
B-22
See also port 4
P5.0–P5.7, B-14
idle, powerdown, reset status, B-20, B-21,
B-23
P6.0–P6.7, B-15
idle, powerdown, reset status, B-20, B-21,
B-23
P6_DIR, C-89
P6_MODE, C-89
P6_PIN, C-89
P6_REG, C-89
PACT#, B-15
PALE#, 16-8, 16-11, 16-12, B-15
Parameters, passing to subroutines, 3-10
Parity, 7-6, 7-7
PBUS, 16-13
PBUS0–PBUS15, B-15
PC (program counter), 2-4, 2-6
PD bit, 14-4
Peripherals, internal, 2-8
Pin diagrams, B-3, B-5, B-7
PLM-96
conventions, 3-9, 3-10, 3-11
interrupt procedures, 3-11
PMODE, 16-11, 16-14
and programming modes, 16-14
PMODE0–PMODE3, B-15
POP instruction, A-3, A-28, A-46, A-50, A-56
POPA instruction, A-2, A-29, A-47, A-50, A-56
POPF instruction, A-2, A-29, A-47, A-50, A-56
Port 0, 6-1, 6-2
considerations, 6-3, 11-14, 13-5
idle, reset, powerdown status, B-20
initializing, 6-10
input only pins, 6-2
overview, 6-1
pin configuration
example, 6-11
structure, 6-3
Port 1, B-13
considerations, 6-12
idle, powerdown, reset status, B-20, B-21,
B-22
initializing, 6-10
input buffer, 6-7
logic tables, 6-9
operation, 6-4, 6-9
overview, 6-1
pin configuration, 6-10, 6-12
example, 6-11
SFRs, 6-5, 6-6, 10-4, 10-5
structure, 6-8
Port 2, 14-2, B-14
considerations, 6-12
initializing, 6-10
logic tables, 6-9
operation, 6-4, 6-9
overview, 6-1
pin configuration, 6-10, 6-12
example, 6-11
SFRs, 6-5, 6-6, 14-2
structure, 6-8

Index-9
Port 3
addressing, 6-15
configuration, 6-18
configuring for slave port, 9-14
idle, powerdown, reset status, B-20, B-21,
B-22
operation, 6-16–6-18
overview, 6-1
pin configuration, 6-12, 6-15
structure, 6-17
Port 4
addressing, 6-15
configuration, 6-18
idle, powerdown, reset status, B-20, B-21,
B-23
operation, 6-16–6-18
overview, 6-1
pin configuration, 6-12, 6-15
structure, 6-17
Port 5, B-14
configuring for slave port, 9-14
considerations, 6-13
idle, powerdown, reset status, B-20
initializing, 6-10
logic tables, 6-9
operation, 6-4, 6-9, 6-13
overview, 6-1
pin configuration, 6-10, 6-12, 6-13
example, 6-11
SFRs, 6-5, 6-6, 10-4, 14-2
structure, 6-8
Port 6, B-15
considerations, 6-14
initializing, 6-10
logic tables, 6-9
operation, 6-4
overview, 6-1
pin configuration, 6-10, 6-12
example, 6-11
SFRs, 6-5, 6-6, 10-4, 10-5
structure, 6-8
Port, serial‚ See SIO port
Port, slave‚ See slave port
Port, synchronous serial, See SSIO port
Ports, 2-9
Power and ground pins
minimum hardware connections, 13-5
Power consumption, reducing, 2-12, 14-4
Powerdown mode, 2-11, 2-12, 14-4–14-7
circuitry
external, 14-7, 14-8
disabling, 14-4
entering, 14-5
exiting with EXTINT, 14-6–14-9
exiting with VPP, 14-5
pin status, B-20, B-21, B-22
Powerdown sequence, programming modes, 16-15
Power-up sequence, programming modes, 16-15
Prefetch queue, 2-6
Priority encoder, 5-4
Processor status word‚ See PSW
Product information, ordering, 1-6
PROG#, 16-11, 16-12, B-15
Program counter‚ See PC
Programming modes, 16-1–16-45
algorithms, 16-21, 16-22, 16-24, 16-29
auto, 16-2
entering, 16-14, 16-15
exiting, 16-15
hardware requirements, 16-14
pin functions, 16-11–16-13
selecting, 16-14
serial port, 16-2
slave, 16-2
Programming voltages, 13-1, 14-2, 16-13, B-18
calculating, 16-16
Program-word routine, 16-23
PSW, 2-4, 3-11, 5-13
flags, and instructions, A-5
PTS, 2-4, 2-6, 2-11, 5-1
A/D scan mode, 5-26–5-31
and A/D converter, 5-26, 5-27
and EPA, 5-31–5-41
and SSIO handshaking, 8-6
and SSIO port, 8-5, 8-6
block transfer mode, 5-24
cycle execution time, 5-10
cycle, defined, 5-24
interrupt latency, 5-10
interrupt processing flow, 5-2
PWM modes, 5-31–5-41
PWM remap mode, 5-37
PWM toggle mode, 5-32, 10-15, 10-16
single transfer mode, 5-21
vectors, memory locations, 4-3, 4-4
See also PWM

Index-10
PTS control block‚ See PTSCB
PTS instructions, A-53, A-59
PTSCB, 5-1, 5-4, 5-7, 5-8, 5-19, 5-24
memory locations, 4-4
PTSSEL, 5-7, 5-11, 5-19
PTSSRV, 5-7, 5-19
PUSH instruction, A-3, A-29, A-46, A-50, A-56
PUSHA instruction, A-2, A-30, A-47, A-50, A-56
PUSHF instruction, A-2, A-30, A-47, A-50, A-56
PVER, 16-10, 16-12, B-16
PWM, 5-31
and cascading timer/counters, 10-7
calculating duty cycle, 5-32
calculating frequency, 5-32
generating, 10-16
modes, 5-31–5-41
remap mode, 5-37
toggle mode, 5-32
waveform, 5-32
with dedicated timer/counter, 10-16
See also EPA‚ PTS
Q
Quick reference guides, ordering, 1-7
R
RALU, 2-4–2-6
RAM, internal
and serial port programming mode, 16-35
RD#, 15-3, B-16
considerations, 6-14
during bus hold, 15-17
idle, powerdown, reset status, B-20, B-21,
B-23
READY, 15-4, 15-14–15-16, 16-26, B-16
and wait states, 15-15
considerations, 6-14
idle, powerdown, reset status, B-20, B-23
timing requirements, 15-15
Ready control, 15-14–15-16
REAL variables, 3-4
Reduced instruction set monitor‚ See RISM
Register bits
naming conventions, 1-4
reserved, 1-4
Register file, 2-4, 4-10
and windowing, 4-10, 4-13
See also windows
Register RAM, 4-12, 5-19
and powerdown mode, 14-3, 14-4
Register-direct addressing, 3-6, 3-9, 4-12
and register RAM, 4-12
and windows, 4-13, 4-23
Registers
AD_COMMAND, 11-2
AD_RESULT, 11-2
AD_TEST, 11-2, 11-5
AD_TIME, 11-2
allocating, 3-10
CAN_BTIME0, 12-3
CAN_BTIME1, 12-3
CAN_CON, 12-3
CAN_EGMSK, 12-3
CAN_INT, 5-3, 12-3
CAN_MSGxCFG, 12-3
CAN_MSGxCON0, 12-3
CAN_MSGxCON1, 12-4
CAN_MSGxDATAx, 12-4
CAN_MSGxID, 12-4
CAN_MSK15, 12-4
CAN_SGMSK, 12-4
CAN_STAT, 12-4
INT_MASK, 5-4, 5-11, 5-15, 11-2, 16-35
INT_MASK1, 5-4, 5-11, 5-15, 7-2, 8-2, 8-13,
9-4, 16-35
INT_PEND, 5-4, 5-16, 11-2
INT_PEND1, 5-4, 5-16, 7-2, 8-3, 8-8, 9-4, 9-5
naming conventions, 1-4
P0_PIN, 6-2, 6-3, 11-3
P1_MODE
considerations, 6-12
P2_DIR, 7-3
P2_MODE, 7-3
considerations, 6-12, 6-13
P2_PIN, 7-3, 8-3
P2_REG, 7-3
considerations, 6-13
P34_DRV, 6-16, 6-18
P3_PIN, 9-2, 9-5
P3_REG, 9-2, 9-5
P5_MODE
considerations, 6-13, 6-14
P6_DIR, 7-3
P6_MODE, 7-3
considerations, 6-15

Index-11
P6_PIN, 7-3
P6_REG, 7-3
considerations, 6-15
PPW, 16-8, 16-9, 16-35
PSW, 5-4, 5-15
PTSCON, 5-21
PTSCOUNT, 5-19
PTSSEL, 5-4
PTSSRV, 5-4
Px_DIR, 6-5, 6-9, 6-10, 6-11
Px_MODE, 6-5, 6-9, 6-10, 6-11
Px_PIN, 6-5, 6-7, 6-9, 6-16, 6-18
Px_REG, 6-5, 6-9, 6-10, 6-11, 6-16, 6-17,
6-18
RALU, 2-4, 2-5, 4-12
SBUF_RX, 7-3
SBUF_TX, 7-3
SLP_CMD, 9-2, 9-5
SLP_CON, 9-5, 9-14, 9-15
SLP_STAT, 9-2, 9-5, 9-14, 9-15, 9-16
SP_BAUD, 7-4, 7-10, 16-35
SP_CON, 7-4, 7-9, 16-35
SP_PPW, 16-8, 16-9
SP_STATUS, 7-4, 7-13
SSIO0_BUF, 8-3, 8-5
SSIO0_CON, 8-3
configuring for handshaking, 8-6
SSIO1_BUF, 8-3
SSIO1_CON, 8-3
configuring for handshaking, 8-6
SSIO_BAUD, 8-3, 8-9
SSIOx_BUF, 8-8
SSIOx_CON, 8-10
using, 3-9
WSR, 4-14, 5-15
Reserved bits, defined, 1-4
Reset, 13-9, 15-4
and bus-hold protocol, 15-20
and CCB fetches, 4-4
circuit diagram, 13-11
status
CLKOUT/P2.7, 6-7, 6-13
I/O and control pins, B-20, B-21, B-22
with illegal IDLPD operand, 13-12
with RESET# pin, 13-10
with RST instruction, 13-9, 13-12
with watchdog timer, 13-12
RESET#, 13-1, 14-2, B-16
and CCB fetch, 13-8
and CLKOUT, 13-9
and device reset, 13-8, 13-9, 13-10, 15-20
and ONCE mode, 14-9
and powerdown mode, 14-6
and programming modes, 16-14
idle, powerdown, reset status, B-20, B-22,
B-23
Resonator, ceramic, 13-7
RET instruction, A-2, A-30, A-46, A-51
RISM, 16-34, 16-35
defaults, 16-34, 16-35
examples
beginning execution, 16-42
loading program into RAM, 16-40
programming the PPW, 16-39
reading the OTPROM, 16-40
setting the PC, 16-42
writing to OTPROM, 16-43
ROM-dump mode, 16-31
security key verification, 16-31
RS-232C interface, 16-32
RST instruction, 3-11, 13-9, 13-12, A-3, A-31,
A-47, A-53, A-59
Run-time programming, 16-44–16-45
code example, 16-45
RXCAN, B-16
RXD, 7-2, 16-12, B-16
and SIO port mode 0, 7-4
and SIO port modes 1, 2, and 3, 7-6
S
Sampled input, 15-9, B-8
SBUF_RX, C-89
SBUF_TX, C-89
SC0, 8-5, B-16
configuring for handshaking, 8-6
SC1, 8-5, B-16
configuring for handshaking, 8-6
SCALL instruction, A-3, A-31, A-42, A-48, A-51
SD0, 8-5, B-16
SD1, 8-5, B-16
Security key
and serial port programming mode, 16-32
verification, 16-31
Selecting up or down counting, 10-18, 10-19,
C-75, C-76

Index-12
Serial I/O port‚ See SIO port
Serial port programming mode, 16-32–16-43
circuit, 16-33
defaults, 16-34, 16-35
functions, 16-32
memory map, 16-34
operation, 16-36
RISM code examples, 16-38
using internal RAM, 16-35
VPP voltage, 16-32
See also RISM
SETC instruction, A-3, A-31, A-47, A-53, A-59
SFRs
and powerdown mode, 14-3, 14-4
CPU, 4-13
memory-mapped, 4-5
peripheral, 4-5, 4-6
and windowing, 4-13
reserved, 3-10, 4-5, 4-13
with indirect or indexed operations, 3-10, 4-5,
4-13
with read-modify-write instructions, 4-5
Shift instructions, A-53, A-59
SHL instruction, A-3, A-32, A-42, A-53, A-59
SHLB instruction, A-3, A-32, A-42, A-53, A-59
SHLL instruction, A-3, A-33, A-42, A-53
SHORT-INTEGER, defined, 3-2
SHR instruction, A-3, A-33, A-42, A-53, A-59
SHRA instruction, A-3, A-34, A-42, A-53, A-59
SHRAB instruction, A-3, A-34, A-42, A-53, A-59
SHRAL instruction, A-3, A-35, A-42, A-53, A-59
SHRB instruction, A-3, A-35, A-42, A-53, A-59
SHRL instruction, A-3, A-36, A-42, A-53, A-59
Signals
descriptions, B-8–B-19
functional listings, B-2, B-4, B-6
name changes, B-1
naming conventions, 1-4
Single transfer mode‚ See PTS
SIO port, 2-9, 7-1
9-bit data‚ See mode 2‚ mode 3
block diagram, 7-1, 10-2
calculating baud rate, 7-11, 7-12, C-68
downloading to OTPROM‚ See serial port
programming mode
enabling interrupts, 7-12
enabling parity, 7-8–7-10
framing error, 7-14
half-duplex considerations, 7-7
interrupts, 7-6, 7-8, 7-14
mode 0, 7-4–7-5
mode 1, 7-6
mode 2, 7-6, 7-7
mode 3, 7-6, 7-7
multiprocessor communications, 7-7, 7-8
overrun error, 7-14
programming, 7-8
programming mode‚ See serial port
programming mode
receive interrupt (RI) flag, 7-14
receive register‚ See registers, SBUF_RX
received bit 8 (RB8) flag, 7-14
received parity error (RPE) flag, 7-14
receiver, 7-1
selecting baud rate, 7-10–7-12
SFRs, 7-2
signals, 7-2
status, 7-13–7-14
transmit interrupt (TI) flag, 7-14
transmit register‚ See registers, SBUF_TX
transmitter, 7-1
transmitter empty (TXE) flag, 7-14
See also mode 0‚ mode 1‚ mode 2‚ mode 3‚
port 2
SJMP instruction, A-2, A-36, A-42, A-48, A-51,
A-57
SKIP instruction, A-2, A-36, A-42, A-53, A-59
Slave port, 2-10, 9-1–9-16
address/data bus, 9-2
and demultiplexed bus, 9-6
and multiplexed bus, 9-6, 9-11
block diagram, 9-3
code examples
master program, 9-8, 9-11
Port 3 configuration, 9-14
Port 5 configuration, 9-14
SFR initialization, 9-14
slave program, 9-9, 9-12
configuring pins, 9-14
determining status, 9-16
hardware connections, 9-6–9-7
initializing SFRs, 9-14
interrupts, 9-8, 9-16
CBF interrupt, 9-16
IBF interrupt, 9-16
OBE interrupt, 9-16

Index-13
modes, 9-8–9-13
overview, 9-2–9-5
programming
SLP_CON register, 9-14–9-16
programming SFRs, 9-14
selecting data or command and status
registers, 9-15, C-65
SFRs, 9-3
shared memory mode, 9-11–9-13
signals, 9-3
standard slave mode, 9-8–9-13
synchronizing master and slave, 9-16
using with external memory, 9-2
Slave programming mode, 16-15–16-25
address/command decoder routine, 16-20,
16-21
algorithm, 16-20–16-25
circuit, 16-16–16-17
dump-word routine, 16-20, 16-24
entering, 16-20
program-word routine, 16-20, 16-22
security key programming, 16-15
timings, 16-23, 16-25
SLP0–SLP7, 9-4, B-17
SLPALE, 9-4, B-17
SLPCS#, 9-2, 9-4, B-17
SLPINT, 9-4, B-17
considerations, 6-14
idle, powerdown, reset status, B-20
SLPRD#, 9-2, 9-4, B-17
SLPWR#, 9-4, B-17
Software
addressing modes, 3-9
conventions, 3-9–3-11
device reset, 13-12
IBSP196, 16-32
interrupt service routines, 5-15
linking subroutines, 3-10
protection, 3-11, 15-19
Software trap interrupt, 5-4, 5-6, 5-8
SP_BAUD, 7-10, 16-32, 16-35, C-89
SP_CON, 7-9, 16-35, C-89
Special instructions, A-53, A-59
Special operating modes
SFRs, 14-2
SP_STATUS, 7-13, C-89
SSIO port, 2-9
and PTS, 8-6
block diagram, 8-1
configuring port pins, 8-9
enabling interrupts, 8-13
handshaking, 8-6, 8-7
configuring, 8-6
flow diagram, 8-7
modes, 8-3–8-6
overview, 8-1
programming considerations, 8-13
programming example, 8-15
SFRs, 8-2
signals, 8-2
timing diagrams, 8-6
SSIO0_BUF, C-90
SSIO0_CON, C-90
SSIO1_BUF, C-90
SSIO1_CON, C-90
SSIO_BAUD, C-89
ST instruction, A-2, A-37, A-45, A-46, A-50, A-57
Stack instructions, A-50, A-56
Stack pointer, 4-12
and subroutine call, 4-12
initializing, 4-12
State time, defined, 2-8
STB instruction, A-2, A-37, A-46, A-50, A-57
Sticky bit (ST) flag, 3-4, A-4, A-5, A-21, A-22
SUB instruction, A-3, A-37, A-43, A-48, A-54
SUBB instruction, A-3, A-38, A-43, A-44, A-48,
A-54
SUBC instruction, A-3, A-38, A-45, A-48, A-54
SUBCB instruction, A-3, A-38, A-45, A-48, A-54
Subroutines
linking, 3-10
nested, 4-12
Synchronous serial I/O port‚ See SSIO port
T
T1CLK, 7-2, 10-3, B-17
T1CONTROL, 10-5, C-90
T1DIR, 10-3, B-18
T2CLK, 10-3, B-17
T2CONTROL, 10-5, C-90
T2DIR, 10-3, B-18
Technical support, 1-11
Terminology, 1-3
TIJMP instruction, A-2, A-39, A-46, A-51, A-57
and EPAx interrupt, 10-29, 10-31

Index-14
Timer, watchdog‚ See watchdog timer
Timer/counters, 2-10, 10-6, 10-7
and PWM, 10-14, 10-15, 10-16
cascading, 10-7
configuring pins, 10-2
count rate, 10-7
resolution, 10-7
SFRs, 10-3
See also EPA
TIMER1, 10-5, C-90
TIMER2, 10-5, C-90
Timing
BUSWIDTH, 15-10
dump-word routine, 16-25
HLDA#, 15-17
HOLD#, 15-17
instruction execution, A-54–A-55
internal, 2-7, 2-8
interrupt latency, 5-7–5-10, 5-24
program-word routine, 16-23
PTS cycles, 5-10
READY, 15-15
selectable bus-timing
See bus-timing modes
SIO port mode 0, 7-5
SIO port mode 1, 7-6
SIO port mode 2, 7-7
SIO port mode 3, 7-7
slave port, 9-10, 9-13
slave programming routines, 16-23, 16-25
write-strobe mode, 15-24
Training, 1-11
TRAP instruction, 5-6, A-2, A-40, A-47, A-51
TXCAN, B-18
TXD, 7-2, 16-12, B-18
and SIO port mode 0, 7-4
U
UART, 2-9, 7-1
Unimplemented opcode interrupt, 3-11, 5-4, 5-6,
5-8
Units of measure, defined, 1-5
Universal asynchronous receiver and transmitter‚
See UART
UPROM, 16-6
programming, 16-6–16-7
USFR, 16-7
V
VCC, 13-1, B-18
and programming modes, 16-14
VPP, 13-1, 14-2, 16-13, B-18
and programming modes, 16-14
hardware considerations, 14-7
idle, powerdown, reset status, B-20, B-22,
B-23
VREF, 11-5, 13-1, B-18
VSS, 13-1, B-18
and programming modes, 16-14
W
Wait states, 15-14–15-16
controlling, 15-15
Watchdog timer, 2-11, 3-11, 3-12, 13-9, 13-12
and idle mode, 14-4
WDE bit, 13-12
Window selection register, See WSR
Windowing, 4-13–4-23
examples, 4-20–4-23
See also windows
Windows, 4-13–4-23
addressing, 4-20, 4-21
and addressing modes, 4-23
and memory-mapped SFRs, 4-18
base address, 4-17, 4-20
locations that cannot be windowed, 4-18
offset address, 4-17
selecting, 4-14
setting up with linker loader, 4-21
WSR values and direct addresses, 4-18
WORD, defined, 3-2
World Wide Web, 1-10
WR#, 15-4, B-18
during bus hold, 15-17
idle, powerdown, reset status, B-20, B-21,
B-23
WRH#, 15-2, 15-4, B-19
Write-strobe mode timing, 15-24
WRL#, 15-4, B-19
WSR, 4-14, 15-19
X
X, defined, 1-5
XCH instruction, A-2, A-3, A-40, A-42, A-50,
A-57

Index-15
XCHB instruction, A-2, A-3, A-40, A-42, A-50,
A-57
XOR instruction, A-2, A-40, A-44, A-49, A-55
XORB instruction, A-2, A-41, A-44, A-49, A-55
XTAL1, 13-2, B-19
and Miller effect, 13-8
and programming modes, 16-14, 16-32
and SIO baud rate, 7-12
and SSIO baud rate, 8-9
hardware connections, 13-6, 13-7
idle, powerdown, reset status, B-21, B-22,
B-23
XTAL2, 13-2, B-19
and programming modes, 16-32
hardware connections, 13-6, 13-7
idle, powerdown, reset status, B-21, B-22,
B-23
Z
Zero (Z) flag, A-4, A-5, A-18, A-19, A-20, A-21