PIC24F16KL402 Family Data Sheet CN21 30001037c
User Manual: CN21
Open the PDF directly: View PDF .
Page Count: 262 [warning: Documents this large are best viewed by clicking the View PDF Link!]
- Power Management Modes:
- High-Performance CPU:
- Peripheral Features:
- Analog Features:
- Special Microcontroller Features:
- Pin Diagrams: PIC24FXXKL302/402
- Pin Diagrams: PIC24FXXKL301/401
- Pin Diagrams: PIC24FXXKL10X/20X
- Table of Contents
- Most Current Data Sheet
- Errata
- Customer Notification System
- 1.0 Device Overview
- 1.1 Core Features
- 1.2 Other Special Features
- 1.3 Details on Individual Family Members
- TABLE 1-1: Feature Comparison for PIC24F16KL402 Family Groups
- TABLE 1-2: Device Features for PIC24F16KL40X/30X Devices
- TABLE 1-3: Device Features for the PIC24F16KL20X/10X Devices
- FIGURE 1-1: PIC24F16KL402 Family General Block Diagram
- TABLE 1-4: PIC24F16KL40X/30X FAMILY PINOUT DESCRIPTIONS
- TABLE 1-5: PIC24F16KL20X/10X FAMILY PINOUT DESCRIPTIONS
- 2.0 Guidelines for Getting Started with 16-Bit Microcontrollers
- 3.0 CPU
- 4.0 Memory Organization
- 4.1 Program Address Space
- 4.2 Data Address Space
- 4.2.1 Data Space Width
- 4.2.2 Data Memory Organization and Alignment
- 4.2.3 Near Data Space
- 4.2.4 SFR Space
- TABLE 4-2: Implemented Regions of SFR Data Space
- TABLE 4-3: CPU CORE REGISTERS MAP
- TABLE 4-4: ICN Register Map
- TABLE 4-5: Interrupt Controller Register Map
- TABLE 4-6: Timer Register Map
- TABLE 4-7: CCP/ECCP Register Map
- TABLE 4-8: MSSP Register Map
- TABLE 4-9: UART Register Map
- TABLE 4-10: PORTA Register Map
- TABLE 4-11: PORTB Register Map
- TABLE 4-12: Pad Configuration Register Map
- TABLE 4-13: A/D Register Map
- TABLE 4-14: Analog Select Register Map
- TABLE 4-15: Comparator Register Map
- TABLE 4-16: System Register Map
- TABLE 4-17: NVM Register Map
- TABLE 4-18: Ultra Low-Power Wake-up Register Map
- TABLE 4-19: PMD Register Map
- 4.2.5 Software Stack
- 4.3 Interfacing Program and Data Memory Spaces
- 5.0 Flash Program Memory
- 5.1 Table Instructions and Flash Programming
- 5.2 RTSP Operation
- 5.3 Enhanced In-Circuit Serial Programming
- 5.4 Control Registers
- 5.5 Programming Operations
- Register 5-1: NVMCON: Flash Memory Control Register
- 5.5.1 Programming Algorithm for Flash Program Memory
- EXAMPLE 5-1: Erasing a Program Memory Row – Assembly Language Code
- EXAMPLE 5-2: Erasing a Program Memory Row – ‘C’ Language Code
- EXAMPLE 5-3: Loading the Write Buffers – Assembly Language Code
- EXAMPLE 5-4: Loading the Write Buffers – ‘C’ Language Code
- EXAMPLE 5-5: Initiating a Programming Sequence – Assembly Language Code
- EXAMPLE 5-6: Initiating a Programming Sequence – ‘C’ Language Code
- 6.0 Data EEPROM Memory
- 7.0 Resets
- 8.0 Interrupt Controller
- 8.1 Interrupt Vector Table (IVT)
- 8.2 Reset Sequence
- 8.3 Interrupt Control and Status Registers
- Register 8-1: SR: ALU STATUS Register
- Register 8-2: CORCON: CPU Control Register
- Register 8-3: INTCON1: Interrupt Control Register 1
- Register 8-4: INTCON2: Interrupt Control Register2
- Register 8-5: IFS0: Interrupt Flag Status Register 0
- Register 8-6: IFS1: Interrupt Flag Status Register 1
- Register 8-7: IFS2: Interrupt Flag Status Register 2
- Register 8-8: IFS3: Interrupt Flag Status Register 3
- Register 8-9: IFS4: Interrupt Flag Status Register 4
- Register 8-10: IFS5: Interrupt Flag Status Register 5
- Register 8-11: IEC0: Interrupt Enable Control Register 0
- Register 8-12: IEC1: Interrupt Enable Control Register 1
- Register 8-13: IEC2: Interrupt Enable Control Register 2
- Register 8-14: IEC3: Interrupt Enable Control Register 3
- Register 8-15: IEC4: Interrupt Enable Control Register 4
- Register 8-16: Iec5: Interrupt ENABLE CONTROL Register 5
- Register 8-17: IPC0: Interrupt Priority Control Register 0
- Register 8-18: IPC1: Interrupt Priority Control Register 1
- Register 8-19: IPC2: Interrupt Priority Control Register 2
- Register 8-20: IPC3: Interrupt Priority Control Register 3
- Register 8-21: IPC4: Interrupt Priority Control Register 4
- Register 8-22: IPC5: Interrupt Priority Control Register 5
- Register 8-23: IPC6: Interrupt Priority Control Register 6
- Register 8-24: IPC7: Interrupt Priority Control Register 7
- Register 8-25: IPC9: Interrupt Priority Control Register 9
- Register 8-26: IPC12: Interrupt Priority Control Register 12
- Register 8-27: IPC16: Interrupt Priority Control Register 16
- Register 8-28: IPC18: Interrupt Priority Control Register 18
- Register 8-29: IPC20: Interrupt Priority Control Register 20
- Register 8-30: INTTREG: Interrupt Control and Status Register
- 8.4 Interrupt Setup Procedures
- 9.0 Oscillator Configuration
- 10.0 Power-Saving Features
- 11.0 I/O Ports
- 12.0 Timer1
- 13.0 Timer2 Module
- 14.0 Timer3 Module
- 15.0 Timer4 Module
- 16.0 Capture/Compare/PWM (CCP) and Enhanced CCP Modules
- 16.1 Timer Selection
- 16.2 CCP I/O Pins
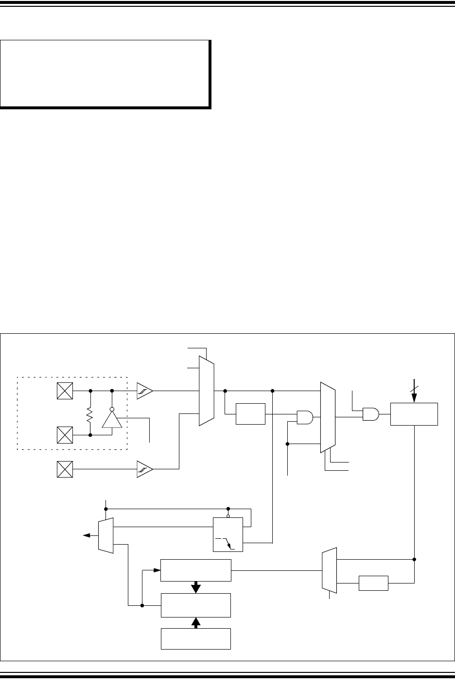
- FIGURE 16-1: Generic Capture Mode Block Diagram
- FIGURE 16-2: Generic Compare Mode Block Diagram
- FIGURE 16-3: Simplified PWM Block Diagram
- FIGURE 16-4: Simplified Block Diagram of Enhanced PWM Mode
- Register 16-1: CCPxCON: CCPx Control Register (Standard CCP Modules)
- Register 16-2: CCP1CON: ECCP1 Control Register (ECCP Modules Only)(1)
- Register 16-3: ECCP1AS: ECCP1 Auto-Shutdown Control Register(1)
- Register 16-4: ECCP1DEL: ECCP1 Enhanced PWM Control Register(1)
- Register 16-5: PSTR1CON: ECCP1 Pulse Steering Control Register(1)
- Register 16-6: CCPTMRS0: CCP Timer Select Control Register 0(1)
- 17.0 Master Synchronous Serial Port (MSSP)
- 17.1 I/O Pin Configuration for SPI
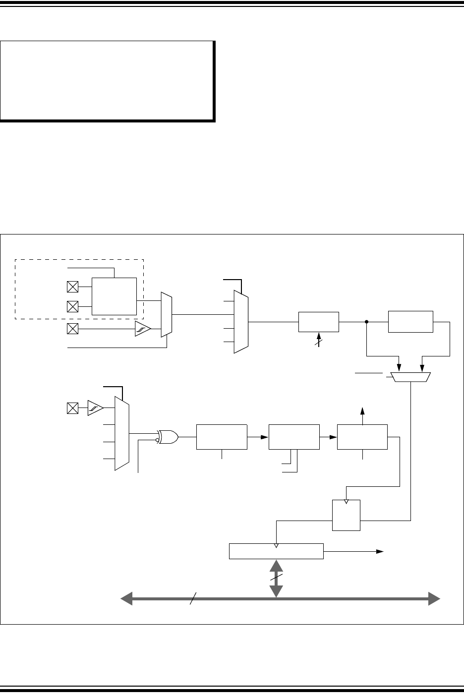
- FIGURE 17-1: MSSPx Block Diagram (SPI Mode)
- FIGURE 17-2: SPI Master/Slave Connection
- FIGURE 17-3: MSSPx Block Diagram (I2C™ Mode)
- FIGURE 17-4: MSSPx Block Diagram (I2C™ Master Mode)
- Register 17-1: SSPxSTAT: MSSPx Status Register (SPI Mode)
- Register 17-2: SSPxSTAT: MSSPx Status Register (I2C™ Mode)
- Register 17-3: SSPxCON1: MSSPx Control Register 1 (SPI Mode)
- Register 17-4: SSPxCON1: MSSPx Control Register 1 (I2C™ Mode)
- Register 17-5: SSPxCON2: MSSPx Control Register 2 (I2C™ Mode)
- Register 17-6: SSPxCON3: MSSPx Control Register 3 (SPI Mode)
- Register 17-7: SSPxCON3: MSSPx Control Register 3 (I2C™ Mode)
- Register 17-8: SSPxADD: MSSPx Slave Address/Baud Rate Generator Register
- Register 17-9: SSPxMSK: I2C™ Slave Address Mask Register
- Register 17-10: PADCFG1: Pad Configuration Control Register
- 17.1 I/O Pin Configuration for SPI
- 18.0 Universal Asynchronous Receiver Transmitter (UART)
- 19.0 10-Bit High-Speed A/D Converter
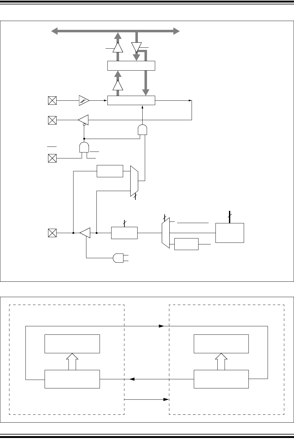
- FIGURE 19-1: 10-Bit High-Speed A/D Converter Block Diagram
- Register 19-1: AD1CON1: A/D Control Register 1
- Register 19-2: AD1CON2: A/D Control Register 2
- Register 19-3: AD1CON3: A/D Control Register 3
- Register 19-4: AD1CHS: A/D Input Select Register
- Register 19-5: AD1CSSL: A/D Input Scan Select Register
- Register 19-6: ANCFG: Analog Input Configuration register
- EQUATION 19-1: A/D Conversion Clock Period(1)
- FIGURE 19-2: 10-bit A/D Converter Analog Input Model
- FIGURE 19-3: A/D Transfer Function
- 20.0 Comparator Module
- 21.0 Comparator Voltage Reference
- 22.0 High/Low-Voltage Detect (HLVD)
- 23.0 Special Features
- 23.1 Code Protect Security Options
- 23.2 Configuration Bits
- TABLE 23-1: CONFIGURATION Registers LOCATIONS
- Register 23-1: FBS: Boot Segment Configuration Register
- Register 23-2: FGS: General Segment Configuration Register
- Register 23-3: FoscSEL: Oscillator Selection Configuration Register
- Register 23-4: Fosc: Oscillator Configuration Register
- Register 23-5: FWDT: Watchdog Timer Configuration Register
- Register 23-6: FPOR: Reset Configuration Register
- Register 23-7: FICD: In-Circuit Debugger Configuration Register
- 23.3 Unique ID
- 23.4 Watchdog Timer (WDT)
- 23.5 Program Verification and Code Protection
- 23.6 In-Circuit Serial Programming
- 23.7 In-Circuit Debugger
- 24.0 Development Support
- 24.1 MPLAB X Integrated Development Environment Software
- 24.2 MPLAB XC Compilers
- 24.3 MPASM Assembler
- 24.4 MPLINK Object Linker/ MPLIB Object Librarian
- 24.5 MPLAB Assembler, Linker and Librarian for Various Device Families
- 24.6 MPLAB X SIM Software Simulator
- 24.7 MPLAB REAL ICE In-Circuit Emulator System
- 24.8 MPLAB ICD 3 In-Circuit Debugger System
- 24.9 PICkit 3 In-Circuit Debugger/ Programmer
- 24.10 MPLAB PM3 Device Programmer
- 24.11 Demonstration/Development Boards, Evaluation Kits and Starter Kits
- 24.12 Third-Party Development Tools
- 25.0 Instruction Set Summary
- 26.0 Electrical Characteristics
- Absolute Maximum Ratings(†)
- 26.1 DC Characteristics
- FIGURE 26-1: PIC24F16KL402 Family voltage-frequency graph (industrial)
- FIGURE 26-2: PIC24F16KL402 Family voltage-frequency graph (Extended)
- TABLE 26-1: Thermal Operating Conditions
- TABLE 26-2: Thermal Packaging Characteristics
- TABLE 26-3: DC Characteristics: Temperature and Voltage Specifications
- TABLE 26-4: High/Low–Voltage Detect Characteristics
- TABLE 26-5: BOR Trip Points
- TABLE 26-6: DC Characteristics: Operating Current (Idd)(2)
- TABLE 26-7: DC Characteristics: Idle Current (Iidle)(2)
- TABLE 26-8: DC Characteristics: Power-Down Current (Ipd)
- TABLE 26-9: DC Characteristics: Power-Down Current (Ipd)
- TABLE 26-10: DC Characteristics: I/O Pin Input Specifications
- TABLE 26-11: DC Characteristics: I/O Pin Output Specifications
- TABLE 26-12: DC Characteristics: Program Memory
- TABLE 26-13: DC Characteristics: Data EEPROM Memory
- TABLE 26-14: DC Characteristics: Comparator
- TABLE 26-15: DC Characteristics: Comparator Voltage Reference
- 26.2 AC Characteristics and Timing Parameters
- TABLE 26-16: Temperature and Voltage Specifications – AC
- FIGURE 26-3: Load Conditions for Device Timing Specifications
- TABLE 26-17: Capacitive Loading Requirements on Output Pins
- FIGURE 26-4: External Clock Timing
- TABLE 26-18: External Clock Timing Requirements
- TABLE 26-19: PLL Clock Timing Specifications
- TABLE 26-20: Internal RC Oscillator Accuracy
- TABLE 26-21: Internal RC Oscillator Specifications
- FIGURE 26-5: CLKO and I/O Timing Characteristics
- TABLE 26-22: CLKO and I/O Timing Requirements
- TABLE 26-23: Reset, Watchdog Timer, Oscillator Start-up Timer, Power-Up Timer and Brown-Out Reset Timing Requirements
- TABLE 26-24: Comparator Timings
- TABLE 26-25: Comparator Voltage Reference Settling Time Specifications
- FIGURE 26-6: Capture/Compare/PWM Timings (ECCP1, ECCP2 Modules)
- TABLE 26-26: Capture/Compare/PWM Requirements (ECCP1, ECCP2 Modules)
- FIGURE 26-7: Example SPI Master Mode Timing (CKE = 0)
- TABLE 26-27: Example SPI Mode Requirements (Master Mode, Cke = 0)
- FIGURE 26-8: Example SPI Master Mode Timing (CKE = 1)
- TABLE 26-28: Example SPI Mode Requirements (Master Mode, CKE = 1)
- FIGURE 26-9: Example SPI Slave Mode Timing (CKE = 0)
- TABLE 26-29: Example SPI Mode Requirements (Slave Mode Timing, CKE = 0)
- FIGURE 26-10: Example SPI Slave Mode Timing (CKE = 1)
- TABLE 26-30: Example SPI Slave Mode Requirements (CKE = 1)
- FIGURE 26-11: I2C™ Bus Start/Stop Bits Timing
- TABLE 26-31: I2C™ Bus Start/Stop Bits Requirements (Slave Mode)
- FIGURE 26-12: I2C™ Bus Data Timing
- TABLE 26-32: I2C™ Bus Data Requirements (Slave Mode)
- FIGURE 26-13: MSSPx I2C™ Bus Start/Stop Bits Timing Waveforms
- TABLE 26-33: I2C™ Bus Start/Stop Bits Requirements (Master Mode)
- FIGURE 26-14: MSSPx I2C™ Bus Data Timing
- TABLE 26-34: I2C™ Bus Data Requirements (Master Mode)
- TABLE 26-35: A/D Module Specifications
- TABLE 26-36: A/D Conversion Timing Requirements(1)
- 27.0 Packaging Information
- Appendix A: Revision History
- Appendix B: Migrating from PIC18/PIC24 to PIC24F16KL402
- INDEX
- The Microchip Web Site
- Customer Change Notification Service
- Customer Support
- Product Identification System
- Worldwide Sales and Service

2011-2013 Microchip Technology Inc. DS30001037C-page 1
PIC24F16KL402 FAMILY
Power Management Modes:
• Run – CPU, Flash, SRAM and Peripherals On
• Doze – CPU Clock Runs Slower than Peripherals
• Idle – CPU Off, SRAM and Peripherals On
• Sleep – CPU, Flash and Peripherals Off and SRAM On
• Low-Power Consumption:
- Run mode currents of 150 µA/MHz typical at 1.8V
- Idle mode currents under 80 µA/MHz at 1.8V
- Sleep mode currents as low as 30 nA at +25°C
- Watchdog Timer as low as 210 nA at +25°C
High-Performance CPU:
• Modified Harvard Architecture
• Up to 16 MIPS Operation @ 32 MHz
• 8 MHz Internal Oscillator:
- 4x PLL option
- Multiple divide options
• 17-Bit x 17-Bit Single-Cycle Hardware
Fractional/integer Multiplier
• 32-Bit by 16-Bit Hardware Divider
• 16 x 16-Bit Working Register Array
• C Compiler Optimized Instruction Set
Architecture (ISA):
- 76 base instructions
- Flexible addressing modes
• Linear Program Memory Addressing
• Linear Data Memory Addressing
• Two Address Generation Units (AGU) for Separate
Read and Write Addressing of Data Memory
Peripheral Features:
• High-Current Sink/Source (18 mA/18 mA) on All
I/O Pins
• Configurable Open-Drain Outputs on Digital I/O Pins
• Up to Three External Interrupt Sources
• Two 16-Bit Timer/Counters with Selectable Clock
Sources
• Up to Two 8-Bit Timers/Counters with Programmable
Prescalers
• Two Capture/Compare/PWM (CCP) modules:
- Modules automatically configure and drive I/O
- 16-bit Capture with max. resolution 40 ns
- 16-bit Compare with max. resolution 83.3 ns
- 1-bit to 10-bit PWM resolution
• Up to One Enhanced CCP module:
- Backward compatible with CCP
- 1, 2 or 4 PWM outputs
- Programmable dead time
- Auto-shutdown on external event
• Up to Two Master Synchronous Serial Port modules
(MSSPs) with Two Modes of Operation:
- 3-wire SPI (all four modes)
-I
2C™ Master, Multi-Master and Slave modes and
7-Bit/10-Bit Addressing
• Up to Two UART modules:
- Supports RS-485, RS-232 and LIN/J2602
- On-chip hardware encoder/decoder for IrDA®
- Auto-wake-up on Start bit
- Auto-Baud Detect (ABD)
- Two-byte transmit and receive FIFO buffers
Device Pins
Memory Peripherals
Ultra Low-Power
Wake-up
Flash
Program
(bytes)
Data
(bytes)
Data
EEPROM
(bytes)
10-Bit A/D (ch)
Comparators
8/16-Bit
Timers
CCP/ECCP
MSSP
UART w/IrDA®
PIC24F16KL402 28 16K 1024 512 12 2 2/2 2/1 2 2 Y
PIC24F08KL402 28 8K 1024 512 12 2 2/2 2/1 2 2 Y
PIC24F16KL401 20 16K 1024 512 12 2 2/2 2/1 2 2 Y
PIC24F08KL401 20 8K 1024 512 12 2 2/2 2/1 2 2 Y
PIC24F08KL302 28 8K 1024 256 — 2 2/2 2/1 2 2 Y
PIC24F08KL301 20 8K 1024 256 — 2 2/2 2/1 2 2 Y
PIC24F08KL201 20 8K 512 — 12 1 1/2 2/0 1 1 Y
PIC24F08KL200 14 8K 512 — 7 1 1/2 2/0 1 1 Y
PIC24F04KL101 20 4K 512 — — 1 1/2 2/0 1 1 Y
PIC24F04KL100 14 4K 512 — — 1 1/2 2/0 1 1 Y
Low-Power, Low-Cost, General Purpose
16-Bit Flash Microcontrollers with XLP Technology

PIC24F16KL402 FAMILY
DS30001037C-page 2 2011-2013 Microchip Technology Inc.
Analog Features:
• 10-Bit, up to 12-Channel Analog-to-Digital (A/D)
Converter:
- 500 ksps conversion rate
- Conversion available during Sleep and Idle
• Dual Rail-to-Rail Analog Comparators with
Programmable Input/Output Configuration
• On-Chip Voltage Reference
Special Microcontroller Features:
• Operating Voltage Range of 1.8V to 3.6V
• 10,000 Erase/Write Cycle Endurance Flash Program
Memory, Typical
• 100,000 Erase/Write Cycle Endurance Data
EEPROM, Typical
• Flash and Data EEPROM Data Retention:
40 Years Minimum
• Self-Programmable under Software Control
• Programmable Reference Clock Output
• Fail-Safe Clock Monitor (FSCM) Operation:
- Detects clock failure and switches to on-chip,
Low-Power RC (LPRC) oscillator
• Power-on Reset (POR), Power-up Timer (PWRT)
and Oscillator Start-up Timer (OST)
• Flexible Watchdog Timer (WDT):
- Uses its own Low-Power RC oscillator
- Windowed operating modes
- Programmable period of 2 ms to 131s
• In-Circuit Serial Programming™ (ICSP™) and
In-Circuit Emulation (ICE) via 2 Pins
• Programmable High/Low-Voltage Detect (HLVD)
• Programmable Brown-out Reset (BOR):
- Configurable for software controlled operation and
shutdown in Sleep mode
- Selectable trip points (1.8V, 2.7V and 3.0V)
- Low-power 2.0V POR re-arm

2011-2013 Microchip Technology Inc. DS30001037C-page 3
PIC24F16KL402 FAMILY
Pin Diagrams: PIC24FXXKL302/402
Note 1: Analog features (indicated in red) are not available on PIC24FXXKL302 devices.
2: Alternate location for I2C™ functionality of MSSP1, as determined by the I2C1SEL Configuration bit.
28-Pin SPDIP/SSOP/SOIC(1)
PIC24FXXKL402
MCLR/VPP/RA5
VSS
VDD
VREF+/CVREF+/AN0/SDA2/CN2/RA0
CVREF-/VREF-/AN1/CN3/RA1
VDD
VSS
PGED1/AN2/ULPWU/C1IND/C2INB/U2TX/CN4/RB0
PGEC3/ASCL1(2)/SDO2/CN24/RB6
SOSCO/SCLKI/U2CTS/CN0/RA4
SOSCI/AN15/U2RTS/CN1/RB4
SDI2/CCP3/CN9/RA7
OSCO/AN14/CLKO/CN29/RA3
OSCI/AN13/CLKI/CN30/RA2 C2OUT/CCP1/P1A/INT2/CN8/RA6
U1TX/INT0/CN23/RB7
SDA1/T1CK/U1RTS/P1D/CN21/RB9
SCL1/U1CTS/CN22/RB8
C1INA/C2INC/SCL2/CN7/RB3
AN4/C1INB/C2IND/T3G/U1RX/CN6/RB2
PGEC1/AN3/C1INC/C2INA/U2RX/CN5/RB1
1
2
3
4
5
6
7
8
9
10
11
12
13
14
28
27
26
25
24
23
22
21
20
19
18
17
16
15
AN9/T3CK/REFO/SS1/CN11/RB15
CVREF/AN10/C1OUT/FLT0/INT1/CN12/RB14
AN11/SDO1/CN13/RB13
AN12/HLVDIN/SS2/CCP2/CN14/RB12
PGED2/SDI1/P1B/CN16/RB10
PGEC2/SCK1/P1C/CN15/RB11
PGED3/ASDA1(2)/SCK2/CN27/RB5
PIC24FXXKL302(2)
10 11
2
3
6
1
18
19
20
21
22
12 13 14
15
8
7
16
17
232425262728
9
PIC24FXXKL402
5
4
MCLR/ VPP/RA5
VSS
VDD
VREF+/CVREF+/AN0/SDA2/CN2/RA0
CVREF-/VREF-/AN1/CN3/RA1
VDD
VSS
PGED1/AN2/ULPWU/C1IND/C2INB/U2TX/CN4/RB0
PGEC3/ASCL1(2)/SDO2/CN24/RB6
SOSCO/SCLKI/U2CTS/CN0/RA4
SOSCI/AN15/U2RTS/CN1/RB4
SDI2/CCP3/CN9/RA7
OSCO/AN14/CLKO/CN29/RA3
OSCI/AN13/CLKI/CN30/RA2
C2OUT/CCP1/P1A/INT2/CN8/RA6
U1TX/INT0/CN23/RB7
SDA1/T1CK/U1RTS/P1D/CN21/RB9
SCL1/U1CTS/CN22/RB8
C1INA/C2INC/SCL2/CN7/RB3
AN4/C1INB/C2IND/T3G/U1RX/CN6/RB2
PGEC1/AN3/C1INC/C2INA/U2RX/CN5/RB1
AN9/T3CK/REFO/SS1/CN11/RB15
CVREF/AN10/C1OUT/FLT0/INT1/CN12/RB14
AN11/SDO1/CN13/RB13
AN12/HLVDIN/SS2/CCP2/CN14/RB12
PGED2/SDI1/P1B/CN16/RB10
PGEC2/SCK1/P1C/CN15/RB11
PGED3/ASDA1(2)/SCK2/CN27/RB5
PIC24FXXKL302(2)
28-Pin QFN(1)
Contact your Microchip sales team for Chip Scale Package (CSP) availability.

PIC24F16KL402 FAMILY
DS30001037C-page 4 2011-2013 Microchip Technology Inc.
Pin Diagrams: PIC24FXXKL301/401
Note 1: Analog features (indicated in red) are not available on PIC24FXXKL301 devices.
2: Alternate location for I2C™ functionality of MSSP1, as determined by the I2C1SEL Configuration bit.
20-Pin QFN(1)
89
2
3
1
12
13
14
15
106
11
1617181920
7
5
4
OSCO/AN14/C1INA/C2INC/CLKO/CN29/RA3
PGED1/AN2/ULPWU/C1IND/C2INB/U2TX/P1C/CN4/RB0
OSCI/AN13/C1INB/C2IND/CLKI/CN30/RA2
AN4/T3G/U1RX/CN6/RB2
PGEC1/AN3/C1INC/C2INA/U2RX/CN5/RB1
U1TX/INT0/CN23/RB7
SDA1/T1CK/U1RTS/CCP3/CN21/RB9
PGEC3/SOSCO/SCLKI/U2CTS/CN0/RA4
PGED3/SOSCI/AN15/U2RTS/CN1/RB4
SCL1/U1CTS/SS1/CN22/RB8
AN12/HLVDIN/SCK1/SS2/CCP2/CN14/RB12
AN11/SDO1/P1D/CN13/RB13
C2OUT/CCP1/P1A/INT2/CN8/RA6
CVREF/AN10/SDI1/C1OUT/FLT0/INT1/CN12/RB14
AN9/SCL2/T3CK/REFO/SCK2/CN11/RB15
PGED2/CVREF-/VREF-/AN1/SDO2/CN3/RA1
PGEC2/VREF+/CVREF+/AN0/SDA2/SDI2/CN2/RA0
MCLR/VPP/RA5
VDD
VSS
20-Pin PDIP/SSOP/SOIC(1)
PIC24FXXKL301(2)
MCLR/VPP/RA5
OSCO/AN14/C1INA/C2INC/CLKO/CN29/RA3
PGEC2/VREF+/CVREF+/AN0/SDA2/SDI2/CN2/RA0
PGED2/CVREF-/VREF-/AN1/SDO2/CN3/RA1
VDD
VSS
PGED1/AN2/ULPWU/C1IND/C2INB/U2TX/P1C/CN4/RB0
U1TX/INT0/CN23/RB7
PGEC3/SOSCO/SCLKI/U2CTS/CN0/RA4
PGED3/SOSCI/AN15/U2RTS/CN1/RB4 SCL1/U1CTS/SS1/CN22/RB8
OSCI/AN13/C1INB/C2IND/CLKI/CN30/RA2
AN4/T3G/U1RX/CN6/RB2
PGEC1/AN3/C1INC/C2INA/U2RX/CN5/RB1
1
2
3
4
5
6
7
8
9
10
20
19
18
17
16
15
14
13
12
11
AN9/SCL2/T3CK/REFO/SCK2/CN11/RB15
CVREF/AN10/SDI1/C1OUT/FLT0/INT1/CN12/RB14
AN11/SDO1/P1D/CN13/RB13
AN12/HLVDIN/SCK1/SS2/CCP2/CN14/RB12
SDA1/T1CK/U1RTS/CCP3/CN21/RB9
C2OUT/CCP1/P1A/INT2/CN8/RA6
PIC24FXXKL401
PIC24FXXKL301
(2)
PIC24FXXKL401

2011-2013 Microchip Technology Inc. DS30001037C-page 5
PIC24F16KL402 FAMILY
Pin Diagrams: PIC24FXXKL10X/20X
20-Pin QFN(1)
89
2
3
1
12
13
14
15
106
11
1617181920
7
5
4
OSCO/AN14/C1INA/CLKO/CN29/RA3
PGED1/AN2/ULPWU/C1IND/CN4/RB0
OSCI/AN13/C1INB/CLKI/CN30/RA2
AN4/T3G/U1RX/CN6/RB2
PGEC1/AN3/C1INC/CN5/RB1
U1TX/INT0/CN23/RB7
SDA1/T1CK/U1RTS/CN21/RB9
PGEC3/SOSCO/SCLKI/CN0/RA4
PGED3/SOSCI/AN15/CN1/RB4
SCL1/U1CTS/SS1/CN22/RB8
AN12/HLVDIN/SCK1/CCP2/CN14/RB12
AN11/SDO1/CN13/RB13
CCP1/INT2/CN8/RA6
CVREF/AN10/SDI1/C1OUT/INT1/CN12/RB14
AN9/T3CK/REFO/CN11/RB15
PGED2/CVREF-/VREF-/AN1/CN3/RA1
PGEC2/VREF+/CVREF+/AN0/CN2/RA0
MCLR/VPP/RA5
VDD
VSS
Note 1: Analog features (indicated in red) are not available on PIC24FXXKL100/101 devices.
2: Alternate location for I2C™ functionality of MSSP1, as determined by the I2C1SEL Configuration bit.
20-Pin PDIP/SSOP/SOIC(1)
PIC24FXXKL101
(2)
MCLR/VPP/RA5
OSCO/AN14/C1INA/CLKO/CN29/RA3
PGEC2/VREF+/CVREF+/AN0/CN2/RA0
PGED2/CVREF-/VREF-/AN1/CN3/RA1
VDD
VSS
PGED1/AN2/ULPWU/C1IND/CN4/RB0
U1TX/INT0/CN23/RB7
PGEC3/SOSCO/SCLKI/CN0/RA4
PGED3/SOSCI/AN15/CN1/RB4 SCL1/U1CTS/SS1/CN22/RB8
OSCI/AN13/C1INB/CLKI/CN30/RA2
AN4/T3G/U1RX/CN6/RB2
PGEC1/AN3/C1INC/CN5/RB1
1
2
3
4
5
6
7
8
9
10
20
19
18
17
16
15
14
13
12
11
AN9/T3CK/REFO/CN11/RB15
CVREF/AN10/SDI1/C1OUT/INT1/CN12/RB14
AN11/SDO1/CN13/RB13
AN12/HLVDIN/SCK1/CCP2/CN14/RB12
SDA1/T1CK/U1RTS/CN21/RB9
CCP1/INT2/CN8/RA6
PIC24FXXKL201
MCLR/VPP/RA5
PGEC2/VREF+/CVREF+/AN0/CN2/RA0
PGED2/CVREF-/VREF-/AN1/ULPWU/CN3/RA1
VDD
VSS
OSCI/AN13/C1INB/CLKI/CN30/RA2
PGEC3/SOSCO/SCLKI/CN0/RA4
PGED3/SOSCI/AN15/HLVDIN/CN1/RB4
OSCO/AN14/C1INA/CLKO/CN29/RA3
1
2
3
4
5
6
7
14
13
12
11
10
9
8
AN9/T3CK/REFO/U1RX/SS1/INT0/CN11/RB15
CVREF/AN10/T3G/U1TX/SDI1/C1OUT/INT1/CN12/RB14
CCP1/INT2/CN8/RA6
SDA1/T1CK/U1RTS/SDO1/CCP2/CN21/RB9
SCL1/U1CTS/SCK1/CN22/RB8
14-Pin PDIP/TSSOP(1)
PIC24FXXKL101
(2)
PIC24FXXKL201
PIC24FXXKL100
(2)
PIC24FXXKL200

PIC24F16KL402 FAMILY
DS30001037C-page 6 2011-2013 Microchip Technology Inc.
Table of Contents
1.0 Device Overview .......................................................................................................................................................................... 9
2.0 Guidelines for Getting Started with 16-Bit Microcontrollers........................................................................................................ 21
3.0 CPU ........................................................................................................................................................................................... 25
4.0 Memory Organization ................................................................................................................................................................. 31
5.0 Flash Program Memory.............................................................................................................................................................. 47
6.0 Data EEPROM Memory ............................................................................................................................................................. 53
7.0 Resets ........................................................................................................................................................................................ 59
8.0 Interrupt Controller ..................................................................................................................................................................... 65
9.0 Oscillator Configuration .............................................................................................................................................................. 95
10.0 Power-Saving Features ............................................................................................................................................................ 105
11.0 I/O Ports ................................................................................................................................................................................... 111
12.0 Timer1 ..................................................................................................................................................................................... 115
13.0 Timer2 Module ......................................................................................................................................................................... 117
14.0 Timer3 Module ......................................................................................................................................................................... 119
15.0 Timer4 Module ......................................................................................................................................................................... 123
16.0 Capture/Compare/PWM (CCP) and Enhanced CCP Modules................................................................................................. 125
17.0 Master Synchronous Serial Port (MSSP) ................................................................................................................................. 135
18.0 Universal Asynchronous Receiver Transmitter (UART) ........................................................................................................... 149
19.0 10-Bit High-Speed A/D Converter ............................................................................................................................................ 157
20.0 Comparator Module.................................................................................................................................................................. 167
21.0 Comparator Voltage Reference................................................................................................................................................ 171
22.0 High/Low-Voltage Detect (HLVD)............................................................................................................................................. 173
23.0 Special Features ...................................................................................................................................................................... 175
24.0 Development Support............................................................................................................................................................... 187
25.0 Instruction Set Summary .......................................................................................................................................................... 191
26.0 Electrical Characteristics .......................................................................................................................................................... 199
27.0 Packaging Information.............................................................................................................................................................. 225
Appendix A: Revision History............................................................................................................................................................. 251
Appendix B: Migrating from PIC18/PIC24 to PIC24F16KL402 .......................................................................................................... 251
Index .................................................................................................................................................................................................. 253
The Microchip Web Site ..................................................................................................................................................................... 257
Customer Change Notification Service .............................................................................................................................................. 257
Customer Support .............................................................................................................................................................................. 257
Product Identification System............................................................................................................................................................. 259

2011-2013 Microchip Technology Inc. DS30001037C-page 7
PIC24F16KL402 FAMILY
TO OUR VALUED CUSTOMERS
It is our intention to provide our valued customers with the best documentation possible to ensure successful use of your Microchip
products. To this end, we will continue to improve our publications to better suit your needs. Our publications will be refined and
enhanced as new volumes and updates are introduced.
If you have any questions or comments regarding this publication, please contact the Marketing Communications Department via
E-mail at docerrors@microchip.com. We welcome your feedback.
Most Current Data Sheet
To obtain the most up-to-date version of this data sheet, please register at our Worldwide Web site at:
http://www.microchip.com
You can determine the version of a data sheet by examining its literature number found on the bottom outside corner of any page.
The last character of the literature number is the version number, (e.g., DS30000000A is version A of document DS30000000).
Errata
An errata sheet, describing minor operational differences from the data sheet and recommended workarounds, may exist for current
devices. As device/documentation issues become known to us, we will publish an errata sheet. The errata will specify the revision
of silicon and revision of document to which it applies.
To determine if an errata sheet exists for a particular device, please check with one of the following:
• Microchip’s Worldwide Web site; http://www.microchip.com
• Your local Microchip sales office (see last page)
When contacting a sales office, please specify which device, revision of silicon and data sheet (include literature number) you are
using.
Customer Notification System
Register on our web site at www.microchip.com to receive the most current information on all of our products.

PIC24F16KL402 FAMILY
DS30001037C-page 8 2011-2013 Microchip Technology Inc.
NOTES:

2011-2013 Microchip Technology Inc. DS30001037C-page 9
PIC24F16KL402 FAMILY
1.0 DEVICE OVERVIEW
This document contains device-specific information for
the following devices:
The PIC24F16KL402 family adds an entire range of
economical, low pin count and low-power devices to
Microchip’s portfolio of 16-bit microcontrollers. Aimed
at applications that require low-power consumption but
more computational ability than an 8-bit platform can
provide, these devices offer a range of tailored
peripheral sets that allow the designer to optimize both
price point and features with no sacrifice of
functionality.
1.1 Core Features
1.1.1 16-BIT ARCHITECTURE
Central to all PIC24F devices is the 16-bit modified
Harvard architecture, first introduced with Microchip’s
dsPIC® digital signal controllers. The PIC24F CPU core
offers a wide range of enhancements, such as:
• 16-bit data and 24-bit address paths with the
ability to move information between data and
memory spaces
• Linear addressing of up to 12 Mbytes (program
space) and 64 Kbytes (data)
• A 16-element Working register array with built-in
software stack support
• A 17 x 17 hardware multiplier with support for
integer math
• Hardware support for 32-bit by 16-bit division
• An instruction set that supports multiple
addressing modes and is optimized for high-level
languages, such as C
• Operational performance up to 16 MIPS
1.1.2 POWER-SAVING TECHNOLOGY
All of the devices in the PIC24F16KL402 family
incorporate a range of features that can significantly
reduce power consumption during operation. Key
features include:
•On-the-Fly Clock Switching: The device clock
can be changed under software control to the
Timer1 source, or the internal, Low-Power RC
(LPRC) oscillator during operation, allowing the
user to incorporate power-saving ideas into their
software designs.
•Doze Mode Operation: When timing-sensitive
applications, such as serial communications,
require the uninterrupted operation of peripherals,
the CPU clock speed can be selectively reduced,
allowing incremental power savings without
missing a beat.
•Instruction-Based Power-Saving Modes: The
microcontroller can suspend all operations, or
selectively shut down its core while leaving its
peripherals active, with a single instruction in
software.
1.1.3 OSCILLATOR OPTIONS AND
FEATURES
The PIC24F16KL402 family offers five different
oscillator options, allowing users a range of choices in
developing application hardware. These include:
• Two Crystal modes using crystals or ceramic
resonators.
• Two External Clock modes offering the option of a
divide-by-2 clock output.
• Two Fast Internal Oscillators (FRCs): One with a
nominal 8 MHz output and the other with a
nominal 500 kHz output. These outputs can also
be divided under software control to provide clock
speed as low as 31 kHz or 2 kHz.
• A Phase Locked Loop (PLL) frequency multiplier,
available to the External Oscillator modes and the
8 MHz FRC Oscillator, which allows clock speeds
of up to 32 MHz.
• A separate Internal RC Oscillator (LPRC) with a
fixed 31 kHz output, which provides a low-power
option for timing-insensitive applications.
The internal oscillator block also provides a stable
reference source for the Fail-Safe Clock Monitor
(FSCM). This option constantly monitors the main clock
source against a reference signal provided by the
internal oscillator and enables the controller to switch to
the internal oscillator, allowing for continued low-speed
operation or a safe application shutdown.
1.1.4 EASY MIGRATION
The consistent pinout scheme used throughout the
entire family also helps in migrating to the next larger
device. This is true when moving between devices with
the same pin count, or even jumping from 20-pin or
28-pin devices to 44-pin/48-pin devices.
The PIC24F family is pin compatible with devices in the
dsPIC33 family, and shares some compatibility with the
pinout schema for PIC18 and dsPIC30. This extends
the ability of applications to grow, from the relatively
simple, to the powerful and complex.
• PIC24F04KL100 • PIC24F04KL101
• PIC24F08KL200 • PIC24F08KL201
• PIC24F08KL301 • PIC24F08KL302
• PIC24F08KL401 • PIC24F16KL401
• PIC24F08KL402 • PIC24F16KL402

PIC24F16KL402 FAMILY
DS30001037C-page 10 2011-2013 Microchip Technology Inc.
1.2 Other Special Features
•Communications: The PIC24F16KL402 family
incorporates multiple serial communication
peripherals to handle a range of application
requirements. The MSSP module implements
both SPI and I2C™ protocols, and supports both
Master and Slave modes of operation for each.
Devices also include one of two UARTs with
built-in IrDA® encoders/decoders.
•Analog Features: Select members of the
PIC24F16KL402 family include a 10-bit A/D
Converter module. The A/D module incorporates
programmable acquisition time, allowing for a
channel to be selected and a conversion to be
initiated without waiting for a sampling period, as
well as faster sampling speeds.
The comparator modules are configurable for a
wide range of operations and can be used as
either a single or double comparator module.
1.3 Details on Individual Family
Members
Devices in the PIC24F16KL402 family are available in
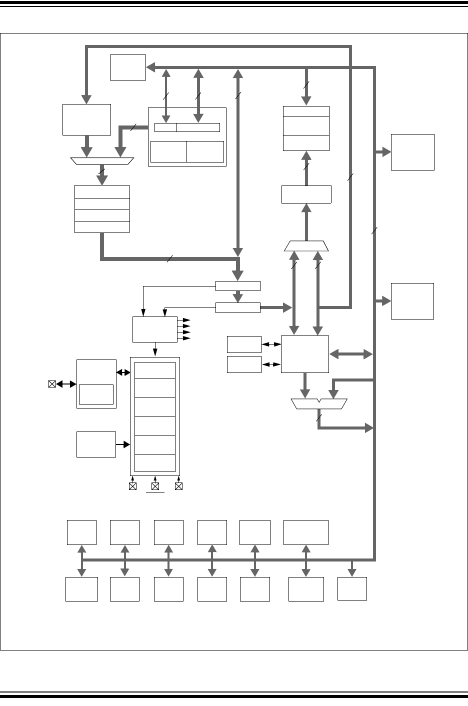
14-pin, 20-pin and 28-pin packages. The general block
diagram for all devices is shown in Figure 1-1.
The PIC24F16KL402 family may be thought of as four
different device groups, each offering a slightly different
set of features. These differ from each other in multiple
ways:
• The size of the Flash program memory
• The presence and size of data EEPROM
• The presence of an A/D Converter and the
number of external analog channels available
• The number of analog comparators
• The number of general purpose timers
• The number and type of CCP modules
(i.e., CCP vs. ECCP)
• The number of serial communications modules
(both MSSPs and UARTs)
The general differences between the different
sub-families are shown in Table 1-1. The feature sets
for specific devices are summarized in Tab le 1 -2 and
Table 1-3.
A list of the individual pin features available on the
PIC24F16KL402 family devices, sorted by function, is
provided in Tab le 1 -4 (for PIC24FXXKL40X/30X
devices) and Tab le 1- 5 (for PIC24FXXKL20X/10X
devices). Note that these tables show the pin location
of individual peripheral features and not how they are
multiplexed on the same pin. This information is
provided in the pinout diagrams in the beginning of this
data sheet. Multiplexed features are sorted by the
priority given to a feature, with the highest priority
peripheral being listed first.
TABLE 1-1: FEATURE COMPARISON FOR PIC24F16KL402 FAMILY GROUPS
Device Group Program
Memory
(bytes)
Data
EEPROM
(bytes)
Timers
(8/16-bit) CCP and
ECCP
Serial
(MSSP/
UART)
A/D
(channels) Comparators
PIC24FXXKL10X 4K — 1/2 2/0 1/1 — 1
PIC24FXXKL20X 8K — 1/2 2/0 1/1 7 or 12 1
PIC24FXXKL30X 8K 256 2/2 2/1 2/2 — 2
PIC24FXXKL40X 8K or 16K 512 2/2 2/1 2/2 12 2

2011-2013 Microchip Technology Inc. DS30001037C-page 11
PIC24F16KL402 FAMILY
TABLE 1-2: DEVICE FEATURES FOR PIC24F16KL40X/30X DEVICES
Features
PIC24F16KL402
PIC24F08KL402
PIC24F08KL302
PIC24F16KL401
PIC24F08KL401
PIC24F08KL301
Operating Frequency DC – 32 MHz
Program Memory (bytes) 16K 8K 8K 16K 8K 8K
Program Memory (instructions) 5632 2816 2816 5632 2816 2816
Data Memory (bytes) 1024 1024 1024 1024 1024 1024
Data EEPROM Memory (bytes) 512 512 256 512 512 256
Interrupt Sources
(soft vectors/NMI traps)
31 (27/4) 31 (27/4) 30 (26/4) 31 (27/4) 31 (27/4) 30 (26/4)
I/O Ports PORTA<7:0>
PORTB<15:0>
PORTA<6:0>
PORTB<15:12,9:7,4,2:0>
Total I/O Pins 24 18
Timers (8/16-bit) 2/2 2/2 2/2 2/2 2/2 2/2
Capture/Compare/PWM modules:
Total 333333
Enhanced CCP 111111
Input Change Notification Interrupt 23 23 23 17 17 17
Serial Communications:
UART 222222
MSSP 222222
10-Bit Analog-to-Digital Module
(input channels)
12 12 — 12 12 —
Analog Comparators 2 2 2 2 2 2
Resets (and delays) POR, BOR, RESET Instruction, MCLR, WDT, Illegal Opcode,
REPEAT Instruction, Hardware Traps, Configuration Word Mismatch
( PW RT, OS T, P L L L oc k)
Instruction Set 76 Base Instructions, Multiple Addressing Mode Variations
Packages 28-Pin SPDIP/SSOP/SOIC/QFN 20-Pin PDIP/SSOP/SOIC/QFN

PIC24F16KL402 FAMILY
DS30001037C-page 12 2011-2013 Microchip Technology Inc.
TABLE 1-3: DEVICE FEATURES FOR THE PIC24F16KL20X/10X DEVICES
Features
PIC24F08KL201
PIC24F04KL101
PIC24F08KL200
PIC24F04KL100
Operating Frequency DC – 32 MHz
Program Memory (bytes) 8K4K8K4K
Program Memory (instructions) 2816 1408 2816 1408
Data Memory (bytes) 512 512 512 512
Data EEPROM Memory (bytes) — — — —
Interrupt Sources
(soft vectors/NMI traps)
27 (23/4) 26 (22/4) 27 (23/4) 26 (22/4)
I/O Ports PORTA<6:0>
PORTB<15:12,9:7,4,2:0>
PORTA<5:0>
PORTB<15:14,9:8,4,0>
Total I/O Pins 17 12
Timers (8/16-bit) 1/2 1/2 1/2 1/2
Capture/Compare/PWM modules:
Total 2 2 2 2
Enhanced CCP 0 0 0 0
Input Change Notification Interrupt 17 17 11 11
Serial Communications:
UART 1 1 1 1
MSSP 1 1 1 1
10-Bit Analog-to-Digital Module
(input channels)
12 — 7 —
Analog Comparators 1 1 1 1
Resets (and delays) POR, BOR, RESET Instruction, MCLR, WDT, Illegal Opcode,
REPEAT Instruction, Hardware Traps, Configuration Word Mismatch
(PWRT, OST, PLL Lock)
Instruction Set 76 Base Instructions, Multiple Addressing Mode Variations
Packages 20-Pin PDIP/SSOP/SOIC/QFN 14-Pin PDIP/TSSOP

2011-2013 Microchip Technology Inc. DS30001037C-page 13
PIC24F16KL402 FAMILY
FIGURE 1-1: PIC24F16KL402 FAMILY GENERAL BLOCK DIAGRAM
Instruction
Decode and
Control
16
PCH
16
Program Counter
23
24
Data Bus
16
Divide
Support
16
16
16
8
Interrupt
Controller
PSV and Table
Data Access
Control Block
Stack
Control
Logic
Repeat
Control
Logic
Data Latch
Data RAM
Address
Latch
Address Latch
Program Memory
Data Latch
16
Address Bus
Literal Data
23
Control Signals
16
16
16 x 16
W Reg Array
Multiplier
17x17
PORTA(1)
RA<0:7>
PORTB(1)
RB<0:15>
Note 1: All pins or features are not implemented on all device pinout configurations. See Table 1-4 and
Table 1-5 for I/O port pin descriptions.
Comparators
Timer4
Timer3
CCP2
A/D
10-Bit
CCP3(1) MSSP CN1-23(1)
UART
Data EEPROM
OSCI/CLKI
OSCO/CLKO
V
DD
,
Timing
Generation
MCLR
Power-up
Timer
Oscillator
Start-up Timer
Power-on
Reset
Watchdog
Timer
BOR
FRC/LPRC
Oscillators
Timer2Timer1
CCP1/ HLVD
Precision
Reference
Band Gap
ECCP1(1)
ULPWU
V
SS
ULPWU
1/2(1) 1/2(1)
PCL
Inst Latch
Inst Register
16-Bit ALU
Read AGU
Write AGU
EA MUX

PIC24F16KL402 FAMILY
DS30001037C-page 14 2011-2013 Microchip Technology Inc.
TABLE 1-4: PIC24F16KL40X/30X FAMILY PINOUT DESCRIPTIONS
Function
Pin Number
I/O Buffer Description
20-Pin
PDIP/
SSOP/
SOIC
20-Pin
QFN
28-Pin
SPDIP/
SSOP/
SOIC
28-Pin
QFN
AN0 2 19 2 27 I ANA A/D Analog Inputs. Not available on PIC24F16KL30X
family devices.
AN1 3 20 3 28 I ANA
AN2 4141IANA
AN3 5252IANA
AN4 6363IANA
AN5 — — 7 4 I ANA
AN9 18 15 26 23 I ANA
AN10 17 14 25 22 I ANA
AN11 16 13 24 21 I ANA
AN12 15 12 23 20 I ANA
AN13 7496IANA
AN14 8 5 10 7 I ANA
AN15 9 6 11 8 I ANA
ASCL1 — — 15 12 I/O I2C™ Alternate MSSP1 I2C Clock Input/Output
ASDA1 — — 14 11 I/O I2C Alternate MSSP1 I2C Data Input/Output
AVDD 20 17 28 25 I ANA Positive Supply for Analog modules
AVSS 19 16 27 24 I ANA Ground Reference for Analog modules
CCP1 14 11 20 17 I/O ST CCP1/ECCP1 Capture Input/Compare and PWM
Output
CCP2 15 12 23 20 I/O ST CCP2 Capture Input/Compare and PWM Output
CCP3 13 10 19 16 I/O ST CCP3 Capture Input/Compare and PWM Output
C1INA 8574IANAComparator 1 Input A (+)
C1INB 7463IANAComparator 1 Input B (-)
C1INC 5252IANAComparator 1 Input C (+)
C1IND 4141IANAComparator 1 Input D (-)
C1OUT 17 14 25 22 O — Comparator 1 Output
C2INA 5252IANAComparator 2 Input A (+)
C2INB 4141IANAComparator 2 Input B (-)
C2INC 8574IANAComparator 2 Input C (+)
C2IND 7463IANAComparator 2 Input D (-)
C2OUT 14 11 20 17 O — Comparator 2 Output
CLK I 7496IANAMain Clock Input
CLKO 8 5 10 7 O — System Clock Output
Legend: TTL = TTL input buffer ST = Schmitt Trigger input buffer
ANA = Analog level input/output I2C = I2C™/SMBus input buffer

2011-2013 Microchip Technology Inc. DS30001037C-page 15
PIC24F16KL402 FAMILY
CN0 10 7 12 9 I ST Interrupt-on-Change Inputs
CN1 9 6 11 8 I ST
CN2 2 19 2 27 I ST
CN3 3 20 3 28 I ST
CN4 4141IST
CN5 5252IST
CN6 6363IST
CN7 — — 7 4 I ST
CN8 14 11 20 17 I ST
CN9 — — 19 16 I ST
CN11 18 15 26 23 I ST
CN12 17 14 25 22 I ST
CN13 16 13 24 21 I ST
CN14 15 12 23 20 I ST
CN15 — — 22 19 I ST
CN16 — — 21 18 I ST
CN21 13 10 18 15 I ST
CN22 12 9 17 14 I ST
CN23 11 8 16 13 I ST
CN24 — — 15 12 I ST
CN27 — — 14 11 I ST
CN29 8 5 10 7 I ST
CN30 7496IST
CVREF 17 14 25 22 I ANA Comparator Voltage Reference Output
CVREF+ 2 19 2 27 I ANA Comparator Reference Positive Input Voltage
CVREF- 3 20 3 28 I ANA Comparator Reference Negative Input Voltage
FLT0 17 14 25 22 I ST ECCP1 Enhanced PWM Fault Input
HLVDIN 15 12 23 20 I ST High/Low-Voltage Detect Input
INT0 11 8 16 13 I ST Interrupt 0 Input
INT1 17 14 25 22 I ST Interrupt 1 Input
INT2 14 11 20 17 I ST Interrupt 2 Input
MCLR 1 18 1 26 I ST Master Clear (device Reset) Input. This line is
brought low to cause a Reset.
OSCI 7496IANAMain Oscillator Input
OSCO 8 5 10 7 O ANA Main Oscillator Output
P1A 14 11 20 17 O — ECCP1 Output A (Enhanced PWM Mode)
P1B 5 2 21 18 O — ECCP1 Output B (Enhanced PWM Mode)
P1C 4 1 22 19 O — ECCP1 Output C (Enhanced PWM Mode)
P1D 16 13 18 15 O — ECCP1 Output D (Enhanced PWM Mode)
TABLE 1-4: PIC24F16KL40X/30X FAMILY PINOUT DESCRIPTIONS (CONTINUED)
Function
Pin Number
I/O Buffer Description
20-Pin
PDIP/
SSOP/
SOIC
20-Pin
QFN
28-Pin
SPDIP/
SSOP/
SOIC
28-Pin
QFN
Legend: TTL = TTL input buffer ST = Schmitt Trigger input buffer
ANA = Analog level input/output I2C = I2C™/SMBus input buffer

PIC24F16KL402 FAMILY
DS30001037C-page 16 2011-2013 Microchip Technology Inc.
PGEC1 5252I/OSTICSP™ Clock 1
PCED1 4141I/OSTICSP Data 1
PGEC2 2 19 22 19 I/O ST ICSP Clock 2
PGED2 3 20 21 18 I/O ST ICSP Data 2
PGEC3 10 7 15 12 I/O ST ICSP Clock 3
PGED3 9 6 14 11 I/O ST ICSP Data 3
RA0 2 19 2 27 I/O ST PORTA Pins
RA1 320328I/OST
RA2 7496I/OST
RA3 8 5 10 7 I/O ST
RA4 10 7 12 9 I/O ST
RA5 118126IST
RA6 14 11 20 17 I/O ST
RA7 — — 19 16 I/O ST
RB0 4141I/OSTPORTB Pins
RB1 5252I/OST
RB2 6363I/OST
RB3 — — 7 4 I/O ST
RB4 9 6 11 8 I/O ST
RB5 — — 14 11 I/O ST
RB6 — — 15 12 I/O ST
RB7 11 8 16 13 I/O ST
RB8 12 9 17 14 I/O ST
RB9 13 10 18 15 I/O ST
RB10 — — 21 18 I/O ST
RB11 — — 22 19 I/O ST
RB12 15 12 23 20 I/O ST
RB13 16 13 24 21 I/O ST
RB14 17 14 25 22 I/O ST
RB15 18 15 26 23 I/O ST
REFO 18 15 26 23 O — Reference Clock Output
SCK1 15 12 22 19 I/O ST MSSP1 SPI Serial Input/Output Clock
SCK2 18 15 14 11 I/O ST MSSP2 SPI Serial Input/Output Clock
SCL1 12 9 17 14 I/O I2C MSSP1 I2C Clock Input/Output
SCL2 18 15 7 4 I/O I2C MSSP2 I2C Clock Input/Output
SCLKI 10 7 12 9 I ST Digital Secondary Clock Input
SDA1 13 10 18 15 I/O I2C MSSP1 I2C Data Input/Output
SDA2 219227I/OI
2C MSSP2 I2C Data Input/Output
SDI1 17 14 21 18 I ST MSSP1 SPI Serial Data Input
SDI2 2 19 19 16 I ST MSSP2 SPI Serial Data Input
SDO1 16 13 24 21 O — MSSP1 SPI Serial Data Output
SDO2 3 20 15 12 O — MSSP2 SPI Serial Data Output
TABLE 1-4: PIC24F16KL40X/30X FAMILY PINOUT DESCRIPTIONS (CONTINUED)
Function
Pin Number
I/O Buffer Description
20-Pin
PDIP/
SSOP/
SOIC
20-Pin
QFN
28-Pin
SPDIP/
SSOP/
SOIC
28-Pin
QFN
Legend: TTL = TTL input buffer ST = Schmitt Trigger input buffer
ANA = Analog level input/output I2C = I2C™/SMBus input buffer

2011-2013 Microchip Technology Inc. DS30001037C-page 17
PIC24F16KL402 FAMILY
SOSCI 9 6 11 8 I ANA Secondary Oscillator Input
SOSCO 10 7 12 9 O ANA Secondary Oscillator Output
SS1 12 9 26 23 O — SPI1 Slave Select
SS2 15 12 23 20 O — SPI2 Slave Select
T1CK 13 10 18 15 I ST Timer1 Clock
T3CK 18 15 26 23 I ST Timer3 Clock
T3G 6363ISTTimer3 External Gate Input
U1CTS 12 9 17 14 I ST UART1 Clear-to-Send Input
U1RTS 13 10 18 15 O — UART1 Request-to-Send Output
U1RX 6363ISTUART1 Receive
U1TX 11 8 16 13 O — UART1 Transmit
U2CTS 10 7 12 9 I ST UART2 Clear-to-Send Input
U2RTS 9 6 11 8 O — UART2 Request-to-Send Output
U2RX 5252ISTUART2 Receive
U2TX 4141O—UART2 Transmit
ULPWU 4141IANAUltra Low-Power Wake-up Input
VDD 20 17 13, 28 10, 25 P — Positive Supply for Peripheral Digital Logic and
I/O Pins
VREF+ 2 19 2 27 I ANA A/D Reference Voltage Input (+)
VREF- 3 20 3 28 I ANA A/D Reference Voltage Input (-)
VSS 19 16 8, 27 5, 24 P — Ground Reference for Logic and I/O Pins
TABLE 1-4: PIC24F16KL40X/30X FAMILY PINOUT DESCRIPTIONS (CONTINUED)
Function
Pin Number
I/O Buffer Description
20-Pin
PDIP/
SSOP/
SOIC
20-Pin
QFN
28-Pin
SPDIP/
SSOP/
SOIC
28-Pin
QFN
Legend: TTL = TTL input buffer ST = Schmitt Trigger input buffer
ANA = Analog level input/output I2C = I2C™/SMBus input buffer

PIC24F16KL402 FAMILY
DS30001037C-page 18 2011-2013 Microchip Technology Inc.
TABLE 1-5: PIC24F16KL20X/10X FAMILY PINOUT DESCRIPTIONS
Function
Pin Number
I/O Buffer Description
20-Pin
PDIP/
SSOP/
SOIC
20-Pin
QFN
14-Pin
PDIP/
TSSOP
AN0 2 19 2 I ANA A/D Analog Inputs. Not available on PIC24F16KL10X
family devices.
AN1 3 20 3 I ANA
AN2 4 1 — I ANA
AN3 5 2 — I ANA
AN4 6 3 — I ANA
AN9 18 15 12 I ANA
AN10 17 14 11 I ANA
AN11 16 13 — I ANA
AN12 15 12 — I ANA
AN13 7 4 4 I ANA
AN14 8 5 5 I ANA
AN15 9 6 6 I ANA
AVDD 20 17 14 I ANA Positive Supply for Analog modules
AVSS 19 16 13 I ANA Ground Reference for Analog modules
CCP1 14 11 10 I/O ST CCP1 Capture Input/Compare and PWM Output
CCP2 15 12 9 I/O ST CCP2 Capture Input/Compare and PWM Output
C1INA 8 5 5 I ANA Comparator 1 Input A (+)
C1INB 7 4 4 I ANA Comparator 1 Input B (-)
C1INC 5 2 — I ANA Comparator 1 Input C (+)
C1IND 4 1 — I ANA Comparator 1 Input D (-)
C1OUT 17 14 11 O — Comparator 1 Output
CLK I 7 4 9 I ANA Main Clock Input
CLKO 8 5 10 O — System Clock Output
CN0 10 7 7 I ST Interrupt-on-Change Inputs
CN1 9 6 6 I ST
CN2 2 19 2 I ST
CN3 3 20 3 I ST
CN4 4 1 — I ST
CN5 5 2 — I ST
CN6 6 3 — I ST
CN8 14 11 10 I ST
CN9 — — — I ST
CN11 18 15 12 I ST
CN12 17 14 11 I ST
CN13 16 13 — I ST
CN14 15 12 — I ST
CN21 13 10 9 I ST
CN22 12 9 8 I ST
CN23 11 8 — I ST
CN29 8 5 5 I ST
CN30 7 4 4 I ST
Legend: TTL = TTL input buffer ST = Schmitt Trigger input buffer
ANA = Analog level input/output I2C = I2C™/SMBus input buffer

2011-2013 Microchip Technology Inc. DS30001037C-page 19
PIC24F16KL402 FAMILY
CVREF 17 14 11 I ANA Comparator Voltage Reference Output
CVREF+ 2 19 2 I ANA Comparator Reference Positive Input Voltage
CVREF- 3 20 3 I ANA Comparator Reference Negative Input Voltage
HLVDIN 15 12 6 I ST High/Low-Voltage Detect Input
INT0 11 8 12 I ST Interrupt 0 Input
INT1 17 14 11 I ST Interrupt 1 Input
INT2 14 11 10 I ST Interrupt 2 Input
MCLR 1 18 1 I ST Master Clear (device Reset) Input. This line is brought
low to cause a Reset.
OSCI 7 4 4 I ANA Main Oscillator Input
OSCO 8 5 5 O ANA Main Oscillator Output
PGEC1 5 2 — I/O ST ICSP™ Clock 1
PCED1 4 1 — I/O ST ICSP Data 1
PGEC2 2 19 2 I/O ST ICSP Clock 2
PGED2 3 20 3 I/O ST ICSP Data 2
PGEC3 10 7 7 I/O ST ICSP Clock 3
PGED3 9 6 6 I/O ST ICSP Data 3
RA0 2 19 2 I/O ST PORTA Pins
RA1 3 20 3 I/O ST
RA2 744I/OST
RA3 855I/OST
RA4 10 7 7 I/O ST
RA5 1 18 1 I ST
RA6 14 11 10 I/O ST
RB0 4 1 — I/O ST PORTB Pins
RB1 5 2 — I/O ST
RB2 6 3 — I/O ST
RB4 966I/OST
RB7 11 8 — I/O ST
RB8 12 9 8 I/O ST
RB9 13 10 9 I/O ST
RB12 15 12 — I/O ST
RB13 16 13 — I/O ST
RB14 17 14 11 I/O ST
RB15 18 15 12 I/O ST
REFO 18 15 12 O — Reference Clock Output
TABLE 1-5: PIC24F16KL20X/10X FAMILY PINOUT DESCRIPTIONS (CONTINUED)
Function
Pin Number
I/O Buffer Description
20-Pin
PDIP/
SSOP/
SOIC
20-Pin
QFN
14-Pin
PDIP/
TSSOP
Legend: TTL = TTL input buffer ST = Schmitt Trigger input buffer
ANA = Analog level input/output I2C = I2C™/SMBus input buffer

PIC24F16KL402 FAMILY
DS30001037C-page 20 2011-2013 Microchip Technology Inc.
SCK1 15 12 8 I/O ST MSSP1 SPI Serial Input/Output Clock
SCL1 12 9 8 I/O I2C MSSP1 I2C Clock Input/Output
SCLKI 10 7 12 I ST Digital Secondary Clock Input
SDA1 13 10 9 I/O I2C MSSP1 I2C Data Input/Output
SDI1 17 14 11 I ST MSSP1 SPI Serial Data Input
SDO1 16 13 9 O — MSSP1 SPI Serial Data Output
SOSCI 9 6 11 I ANA Secondary Oscillator Input
SOSCO 10 7 12 O ANA Secondary Oscillator Output
SS1 12 9 12 O — SPI1 Slave Select
T1CK 13 10 9 I ST Timer1 Clock
T3CK 18 15 12 I ST Timer3 Clock
T3G 6 3 11 I ST Timer3 External Gate Input
U1CTS 12 9 8 I ST UART1 Clear-to-Send Input
U1RTS 13 10 9 O — UART1 Request-to-Send Output
U1RX 6 3 12 I ST UART1 Receive
U1TX 11 8 11 O — UART1 Transmit
ULPWU 3 1 3 I ANA Ultra Low-Power Wake-up Input
VDD 20 17 14 P — Positive Supply for Peripheral Digital Logic and I/O Pins
VREF+ 2 19 2 I ANA A/D Reference Voltage Input (+)
VREF- 3 20 3 I ANA A/D Reference Voltage Input (-)
VSS 19 16 13 P — Ground Reference for Logic and I/O Pins
TABLE 1-5: PIC24F16KL20X/10X FAMILY PINOUT DESCRIPTIONS (CONTINUED)
Function
Pin Number
I/O Buffer Description
20-Pin
PDIP/
SSOP/
SOIC
20-Pin
QFN
14-Pin
PDIP/
TSSOP
Legend: TTL = TTL input buffer ST = Schmitt Trigger input buffer
ANA = Analog level input/output I2C = I2C™/SMBus input buffer

2011-2013 Microchip Technology Inc. DS30001037C-page 21
PIC24F16KL402 FAMILY
2.0 GUIDELINES FOR GETTING
STARTED WITH 16-BIT
MICROCONTROLLERS
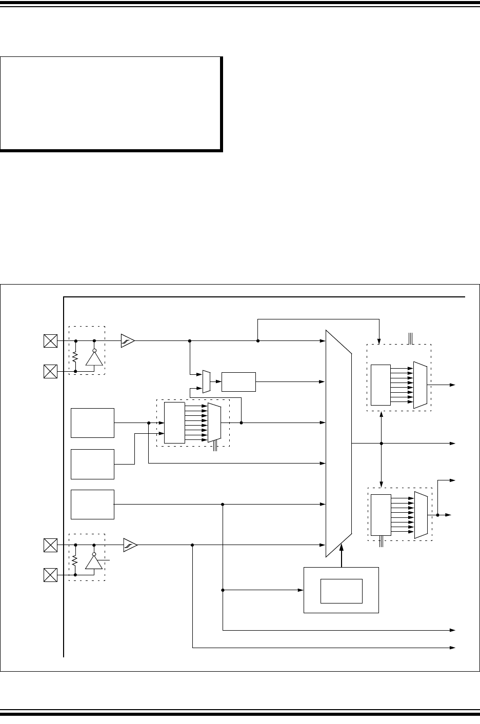
2.1 Basic Connection Requirements
Getting started with the PIC24F16KL402 family of
16-bit microcontrollers requires attention to a minimal
set of device pin connections before proceeding with
development.
The following pins must always be connected:
•All V
DD and VSS pins
(see Section 2.2 “Power Supply Pins”)
•All AV
DD and AVSS pins, regardless of whether or
not the analog device features are used
(see Section 2.2 “Power Supply Pins”)
•MCLR
pin
(see Section 2.3 “Master Clear (MCLR) Pin”)
These pins must also be connected if they are being
used in the end application:
• PGECx/PGEDx pins used for In-Circuit Serial
Programming™ (ICSP™) and debugging purposes
(see Section 2.4 “ICSP Pins”)
• OSCI and OSCO pins when an external oscillator
source is used
(see Section 2.5 “External Oscillator Pins”)
Additionally, the following pins may be required:
•V
REF+/VREF- pins are used when external voltage
reference for analog modules is implemented
The minimum mandatory connections are shown in
Figure 2-1.
FIGURE 2-1: RECOMMENDED
MINIMUM CONNECTIONS
Note: The AVDD and AVSS pins must always be
connected, regardless of whether any of
the analog modules are being used.
PIC24FXXKLXXX
VDD
VSS
VDD
VSS
VSS
VDD
AVDD
AVSS
VDD
VSS
C1
R1
VDD
MCLR
R2
C2(1)
C3(1)
C4(1)
C5(1)
C6(1)
Key (all values are recommendations):
C1 through C6: 0.1 F, 20V ceramic
R1: 10 kΩ
R2: 100Ω to 470Ω
Note 1: The example shown is for a PIC24F device
with five VDD/VSS and AVDD/AVSS pairs.
Other devices may have more or less pairs;
adjust the number of decoupling capacitors
appropriately.

PIC24F16KL402 FAMILY
DS30001037C-page 22 2011-2013 Microchip Technology Inc.
2.2 Power Supply Pins
2.2.1 DECOUPLING CAPACITORS
The use of decoupling capacitors on every pair of
power supply pins, such as VDD, VSS, AVDD and
AVSS, is required.
Consider the following criteria when using decoupling
capacitors:
•Value and type of capacitor: A 0.1 F (100 nF),
10-20V capacitor is recommended. The capacitor
should be a low-ESR device, with a resonance
frequency in the range of 200 MHz and higher.
Ceramic capacitors are recommended.
•Placement on the printed circuit board: The
decoupling capacitors should be placed as close
to the pins as possible. It is recommended to
place the capacitors on the same side of the
board as the device. If space is constricted, the
capacitor can be placed on another layer on the
PCB using a via; however, ensure that the trace
length from the pin to the capacitor is no greater
than 0.25 inch (6 mm).
•Handling high-frequency noise: If the board is
experiencing high-frequency noise (upward of
tens of MHz), add a second ceramic type capaci-
tor in parallel to the above described decoupling
capacitor. The value of the second capacitor can
be in the range of 0.01 F to 0.001 F. Place this
second capacitor next to each primary decoupling
capacitor. In high-speed circuit designs, consider
implementing a decade pair of capacitances as
close to the power and ground pins as possible
(e.g., 0.1 F in parallel with 0.001 F).
•Maximizing performance: On the board layout
from the power supply circuit, run the power and
return traces to the decoupling capacitors first,
and then to the device pins. This ensures that the
decoupling capacitors are first in the power chain.
Equally important is to keep the trace length
between the capacitor and the power pins to a
minimum, thereby reducing PCB trace
inductance.
2.2.2 TANK CAPACITORS
On boards with power traces running longer than
six inches in length, it is suggested to use a tank capac-
itor for integrated circuits, including microcontrollers, to
supply a local power source. The value of the tank
capacitor should be determined based on the trace
resistance that connects the power supply source to
the device, and the maximum current drawn by the
device in the application. In other words, select the tank
capacitor so that it meets the acceptable voltage sag at
the device. Typical values range from 4.7 F to 47 F.
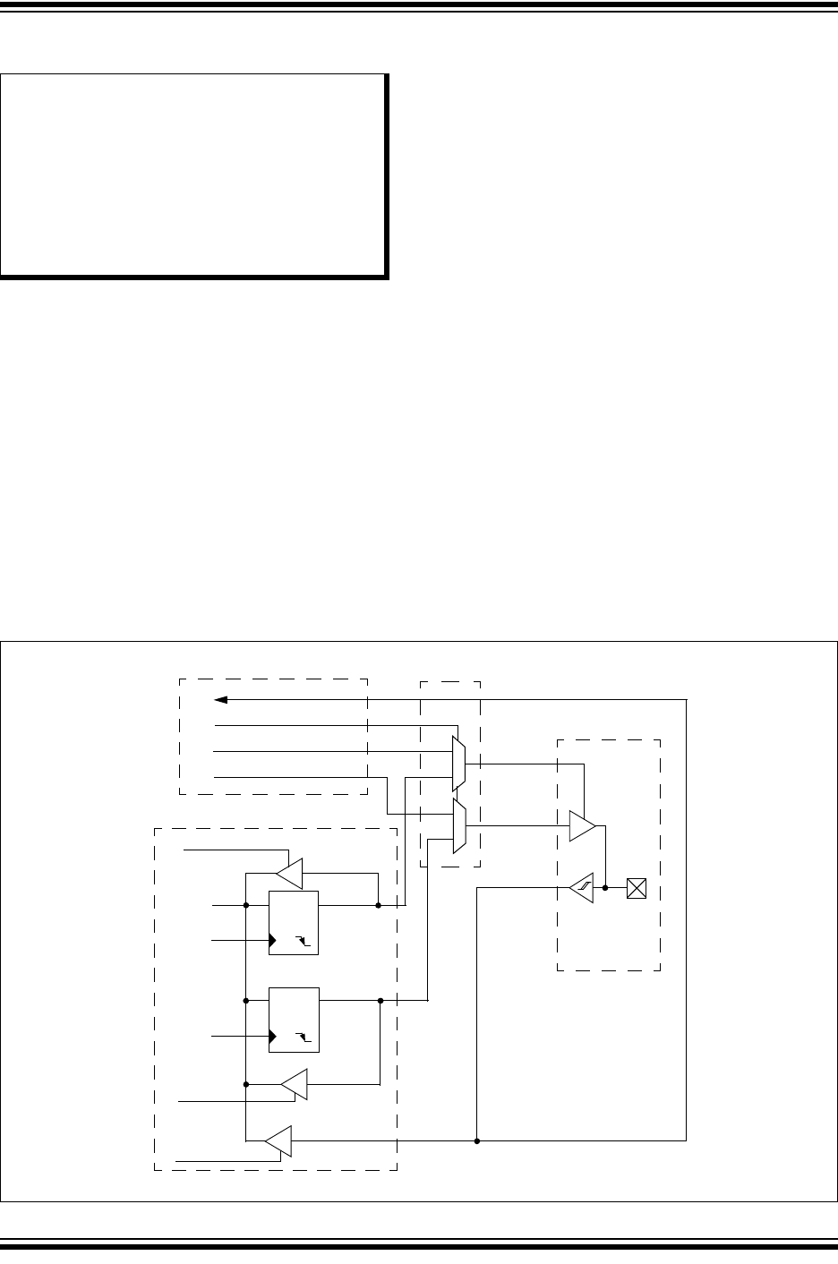
2.3 Master Clear (MCLR) Pin
The MCLR pin provides two specific device
functions: Device Reset, and Device Programming
and Debugging. If programming and debugging are
not required in the end application, a direct
connection to VDD may be all that is required. The
addition of other components, to help increase the
application’s resistance to spurious Resets from
voltage sags, may be beneficial. A typical
configuration is shown in Figure 2-1. Other circuit
designs may be implemented, depending on the
application’s requirements.
During programming and debugging, the resistance
and capacitance that can be added to the pin must
be considered. Device programmers and debuggers
drive the MCLR pin. Consequently, specific voltage
levels (VIH and VIL) and fast signal transitions must
not be adversely affected. Therefore, specific values
of R1 and C1 will need to be adjusted based on the
application and PCB requirements. For example, it is
recommended that the capacitor, C1, be isolated
from the MCLR pin during programming and
debugging operations by using a jumper (Figure 2-2).
The jumper is replaced for normal run-time
operations.
Any components associated with the MCLR pin
should be placed within 0.25 inch (6 mm) of the pin.
FIGURE 2-2: EXAMPLE OF MCLR PIN
CONNECTIONS
Note 1: R1 10 k is recommended. A suggested
starting value is 10 k. Ensure that the
MCLR pin VIH and VIL specifications are met.
2: R2 470 will limit any current flowing into
MCLR from the external capacitor, C, in the
event of MCLR pin breakdown, due to
Electrostatic Discharge (ESD) or Electrical
Overstress (EOS). Ensure that the MCLR pin
VIH and VIL specifications are met.
C1
R2
R1
VDD
MCLR
PIC24FXXKXX
JP

2011-2013 Microchip Technology Inc. DS30001037C-page 23
PIC24F16KL402 FAMILY
2.4 ICSP Pins
The PGC and PGD pins are used for In-Circuit Serial
Programming™ (ICSP™) and debugging purposes. It
is recommended to keep the trace length between the
ICSP connector and the ICSP pins on the device as
short as possible. If the ICSP connector is expected to
experience an ESD event, a series resistor is recom-
mended, with the value in the range of a few tens of
ohms, not to exceed 100Ω.
Pull-up resistors, series diodes and capacitors on the
PGC and PGD pins are not recommended as they will
interfere with the programmer/debugger communica-
tions to the device. If such discrete components are an
application requirement, they should be removed from
the circuit during programming and debugging. Alter-
natively, refer to the AC/DC characteristics and timing
requirements information in the respective device
Flash programming specification for information on
capacitive loading limits, and pin Input Voltage High
(VIH) and Input Voltage Low (VIL) requirements.
For device emulation, ensure that the “Communication
Channel Select” (i.e., PGCx/PGDx) pins, programmed
into the device, matches the physical connections for
the ICSP to the Microchip debugger/emulator tool.
For more information on available Microchip
development tools connection requirements, refer to
Section 24.0 “Development Support”.
2.5 External Oscillator Pins
Many microcontrollers have options for at least two
oscillators: a high-frequency primary oscillator and a
low-frequency secondary oscillator (refer to
Section 9.0 “Oscillator Configuration” for details).
The oscillator circuit should be placed on the same
side of the board as the device. Place the oscillator
circuit close to the respective oscillator pins with no
more than 0.5 inch (12 mm) between the circuit
components and the pins. The load capacitors should
be placed next to the oscillator itself, on the same side
of the board.
Use a grounded copper pour around the oscillator cir-
cuit to isolate it from surrounding circuits. The
grounded copper pour should be routed directly to the
MCU ground. Do not run any signal traces or power
traces inside the ground pour. Also, if using a two-sided
board, avoid any traces on the other side of the board
where the crystal is placed.
Layout suggestions are shown in Figure 2-3. In-line
packages may be handled with a single-sided layout
that completely encompasses the oscillator pins. With
fine-pitch packages, it is not always possible to com-
pletely surround the pins and components. A suitable
solution is to tie the broken guard sections to a mirrored
ground layer. In all cases, the guard trace(s) must be
returned to ground.
FIGURE 2-3: SUGGESTED PLACEMENT
OF THE OSCILLATOR
CIRCUIT
In planning the application’s routing and I/O assign-
ments, ensure that adjacent port pins and other
signals, in close proximity to the oscillator, are benign
(i.e., free of high frequencies, short rise and fall times,
and other similar noise).
GND
`
`
`
OSC1
OSC2
T1OSO
T1OS I
Copper Pour Primary Oscillator
Crystal
Timer1 Oscillator
Crystal
DEVICE PINS
Primary
Oscillator
C1
C2
T1 Oscillator: C1 T1 Oscillator: C2
(tied to ground)
Single-Sided and In-Line Layouts:
Fine-Pitch (Dual-Sided) Layouts:
GND
OSCO
OSCI
Bottom Layer
Copper Pour
Oscillator
Crystal
Top Layer Copper Pour
C2
C1
DEVICE PINS
(tied to ground)
(tied to ground)

PIC24F16KL402 FAMILY
DS30001037C-page 24 2011-2013 Microchip Technology Inc.
For additional information and design guidance on
oscillator circuits, please refer to these Microchip
Application Notes, available at the corporate web site
(www.microchip.com):
•AN826, “Crystal Oscillator Basics and Crystal
Selection for rfPIC™ and PICmicro® Devices”
• AN849, “Basic PICmicro® Oscillator Design”
• AN943, “Practical PICmicro® Oscillator Analysis
and Design”
•AN949, “Making Your Oscillator Work”
2.6 Unused I/Os
Unused I/O pins should be configured as outputs and
driven to a logic low state. Alternatively, connect a 1 kΩ
to 10 kΩ resistor to VSS on unused pins and drive the
output to logic low.

2011-2013 Microchip Technology Inc. DS30001037C-page 25
PIC24F16KL402 FAMILY
3.0 CPU
The PIC24F CPU has a 16-bit (data) modified Harvard
architecture with an enhanced instruction set and a
24-bit instruction word with a variable length opcode
field. The Program Counter (PC) is 23 bits wide and
addresses up to 4M instructions of user program
memory space. A single-cycle instruction prefetch
mechanism is used to help maintain throughput and
provides predictable execution. All instructions execute
in a single cycle, with the exception of instructions that
change the program flow, the double-word move
(MOV.D) instruction and the table instructions.
Overhead-free program loop constructs are supported
using the REPEAT instructions, which are interruptible
at any point.
PIC24F devices have sixteen, 16-bit Working registers
in the programmer’s model. Each of the Working
registers can act as a data, address or address offset
register. The 16th Working register (W15) operates as
a Software Stack Pointer (SSP) for interrupts and calls.
The upper 32 Kbytes of the data space memory map
can optionally be mapped into program space at any
16K word boundary of either program memory or data
EEPROM memory, defined by the 8-bit Program Space
Visibility Page Address (PSVPAG) register. The pro-
gram to data space mapping feature lets any instruction
access program space as if it were data space.
The Instruction Set Architecture (ISA) has been
significantly enhanced beyond that of the PIC18, but
maintains an acceptable level of backward
compatibility. All PIC18 instructions and addressing
modes are supported, either directly, or through simple
macros. Many of the ISA enhancements have been
driven by compiler efficiency needs.
The core supports Inherent (no operand), Relative,
Literal, Memory Direct and three groups of addressing
modes. All modes support Register Direct and various
Register Indirect modes. Each group offers up to seven
addressing modes. Instructions are associated with
predefined addressing modes depending upon their
functional requirements.
For most instructions, the core is capable of executing
a data (or program data) memory read, a Working
register (data) read, a data memory write and a
program (instruction) memory read per instruction
cycle. As a result, three parameter instructions can be
supported, allowing trinary operations (i.e., A + B = C)
to be executed in a single cycle.
A high-speed, 17-bit by 17-bit multiplier has been
included to significantly enhance the core arithmetic
capability and throughput. The multiplier supports
Signed, Unsigned and Mixed mode, 16-bit by 16-bit or
8-bit by 8-bit integer multiplication. All multiply
instructions execute in a single cycle.
The 16-bit ALU has been enhanced with integer divide
assist hardware that supports an iterative non-restoring
divide algorithm. It operates in conjunction with the
REPEAT instruction looping mechanism and a selection
of iterative divide instructions to support 32-bit (or
16-bit), divided by a 16-bit integer signed and unsigned
division. All divide operations require 19 cycles to
complete, but are interruptible at any cycle boundary.
The PIC24F has a vectored exception scheme, with up
to eight sources of non-maskable traps and up to
118 interrupt sources. Each interrupt source can be
assigned to one of seven priority levels.
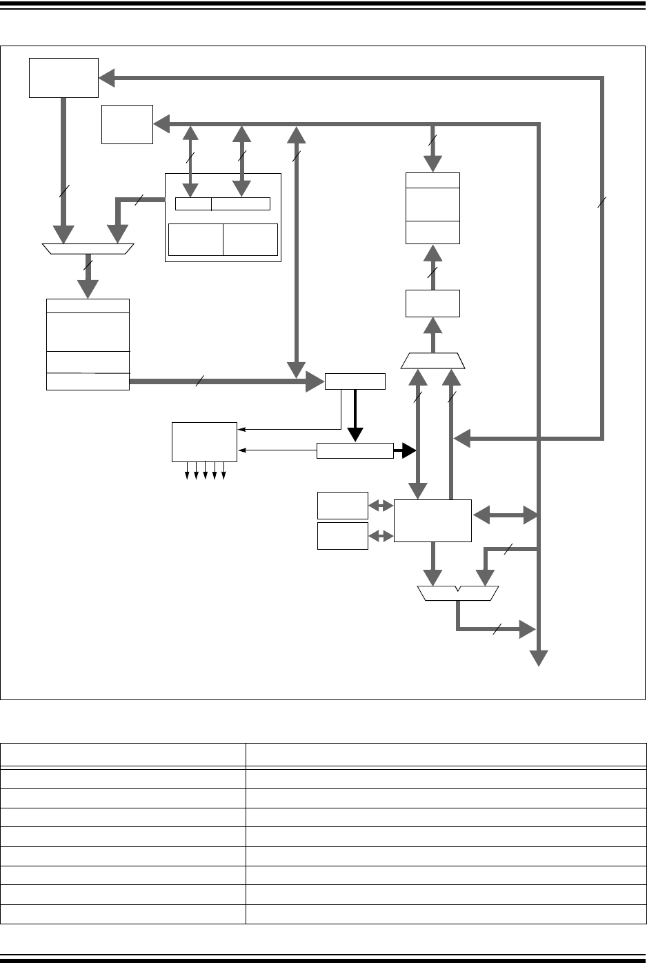
A block diagram of the CPU is illustrated in Figure 3-1.
3.1 Programmer’s Model
Figure 3-2 displays the programmer’s model for the
PIC24F. All registers in the programmer’s model are
memory mapped and can be manipulated directly by
instructions.
Table 3-1 provides a description of each register. All
registers associated with the programmer’s model are
memory mapped.
Note: This data sheet summarizes the features
of this group of PIC24F devices. It is not
intended to be a comprehensive refer-
ence source. For more information on the
CPU, refer to the “dsPIC33/PIC24 Family
Reference Manual”, “CPU” (DS39703).

PIC24F16KL402 FAMILY
DS30001037C-page 26 2011-2013 Microchip Technology Inc.
FIGURE 3-1: PIC24F CPU CORE BLOCK DIAGRAM
TABLE 3-1: CPU CORE REGISTERS
Register(s) Name Description
W0 through W15 Working Register Array
PC 23-Bit Program Counter
SR ALU STATUS Register
SPLIM Stack Pointer Limit Value Register
TBLPAG Table Memory Page Address Register
PSVPAG Program Space Visibility Page Address Register
RCOUNT REPEAT Loop Counter Register
CORCON CPU Control Register
Instruction
Decode and
Control
PCH
16
Program Counter
16-Bit ALU
23
23
24
23
Data Bus
Instruction Reg
16
Divide
Support
ROM Latch
16
EA MUX
RAGU
WAGU
16
16
8
Interrupt
Controller
PSV and Table
Data Access
Control Block
Stack
Control
Logic
Loop
Control
Logic
Data Latch
Data RAM
Address
Latch
Control Signals
to Various Blocks
Program Memory
Data Latch
Address Bus
16
Literal Data
16 16
Hardware
Multiplier
16
To Peripheral Modules
Address Latch
Data EEPROM
PCL
16 x 16
W Register Array

2011-2013 Microchip Technology Inc. DS30001037C-page 27
PIC24F16KL402 FAMILY
FIGURE 3-2: PROGRAMMER’S MODEL
NOVZ C
TBLPAG
22 0
7 0
015
Program Counter
Table Memory Page
ALU STATUS Register (SR)
Working/Address
Registers
W0 (WREG)
W1
W2
W3
W4
W5
W6
W7
W8
W9
W10
W11
W12
W13
Frame Pointer
Stack Pointer
PSVPAG
7 0 Program Space Visibility
RA
0
RCOUNT
15 0 REPEAT Loop Counter
SPLIM Stack Pointer Limit
SRL
Registers or bits are shadowed for PUSH.S and POP.S instructions.
0
0
Page Address Register
15 0
CPU Control Register (CORCON)
SRH
W14
W15
DC IPL
210
———————
IPL3 PSV
————————————
——
PC
Divider Working Registers
Multiplier Registers
15 0
Value Register
Address Register
Register

PIC24F16KL402 FAMILY
DS30001037C-page 28 2011-2013 Microchip Technology Inc.
3.2 CPU Control Registers
REGISTER 3-1: SR: ALU STATUS REGISTER
U-0 U-0 U-0 U-0 U-0 U-0 U-0 R/W-0
— — — — — — —DC
bit 15 bit 8
R/W-0(1)R/W-0(1)R/W-0(1)R-0 R/W-0 R/W-0 R/W-0 R/W-0
IPL2(2)IPL1(2)IPL0(2)RA N OV Z C
bit 7 bit 0
Legend:
R = Readable bit W = Writable bit U = Unimplemented bit, read as ‘0’
-n = Value at POR ‘1’ = Bit is set ‘0’ = Bit is cleared x = Bit is unknown
bit 15-9 Unimplemented: Read as ‘0’
bit 8 DC: ALU Half Carry/Borrow bit
1 = A carry-out from the 4th low-order bit (for byte-sized data) or 8th low-order bit (for word-sized data)
of the result occurred
0 = No carry-out from the 4th or 8th low-order bit of the result has occurred
bit 7-5 IPL<2:0>: CPU Interrupt Priority Level (IPL) Status bits(1,2)
111 = CPU Interrupt Priority Level is 7 (15); user interrupts disabled
110 = CPU Interrupt Priority Level is 6 (14)
101 = CPU Interrupt Priority Level is 5 (13)
100 = CPU Interrupt Priority Level is 4 (12)
011 = CPU Interrupt Priority Level is 3 (11)
010 = CPU Interrupt Priority Level is 2 (10)
001 = CPU Interrupt Priority Level is 1 (9)
000 = CPU Interrupt Priority Level is 0 (8)
bit 4 RA: REPEAT Loop Active bit
1 = REPEAT loop in progress
0 = REPEAT loop not in progress
bit 3 N: ALU Negative bit
1 = Result was negative
0 = Result was non-negative (zero or positive)
bit 2 OV: ALU Overflow bit
1 = Overflow occurred for signed (2’s complement) arithmetic in this arithmetic operation
0 = No overflow has occurred
bit 1 Z: ALU Zero bit
1 = An operation, which effects the Z bit, has set it at some time in the past
0 = The most recent operation, which effects the Z bit, has cleared it (i.e., a non-zero result)
bit 0 C: ALU Carry/Borrow bit
1 = A carry-out from the Most Significant bit (MSb) of the result occurred
0 = No carry-out from the Most Significant bit (MSb) of the result occurred
Note 1: The IPL Status bits are read-only when NSTDIS (INTCON1<15>) = 1.
2: The IPL Status bits are concatenated with the IPL3 bit (CORCON<3>) to form the CPU Interrupt Priority
Level (IPL). The value in parentheses indicates the IPL when IPL3 = 1.

2011-2013 Microchip Technology Inc. DS30001037C-page 29
PIC24F16KL402 FAMILY
3.3 Arithmetic Logic Unit (ALU)
The PIC24F ALU is 16 bits wide and is capable of
addition, subtraction, bit shifts and logic operations.
Unless otherwise mentioned, arithmetic operations are
2’s complement in nature. Depending on the operation,
the ALU may affect the values of the Carry (C), Zero
(Z), Negative (N), Overflow (OV) and Digit Carry (DC)
Status bits in the SR register. The C and DC Status bits
operate as Borrow and Digit Borrow bits, respectively,
for subtraction operations.
The ALU can perform 8-bit or 16-bit operations,
depending on the mode of the instruction that is used.
Data for the ALU operation can come from the W
register array, or data memory, depending on the
addressing mode of the instruction. Likewise, output
data from the ALU can be written to the W register array
or a data memory location.
The PIC24F CPU incorporates hardware support for
both multiplication and division. This includes a
dedicated hardware multiplier and support hardware
division for a 16-bit divisor.
3.3.1 MULTIPLIER
The ALU contains a high-speed, 17-bit x 17-bit
multiplier. It supports unsigned, signed or mixed sign
operation in several Multiplication modes:
• 16-bit x 16-bit signed
• 16-bit x 16-bit unsigned
• 16-bit signed x 5-bit (literal) unsigned
• 16-bit unsigned x 16-bit unsigned
• 16-bit unsigned x 5-bit (literal) unsigned
• 16-bit unsigned x 16-bit signed
• 8-bit unsigned x 8-bit unsigned
REGISTER 3-2: CORCON: CPU CONTROL REGISTER
U-0 U-0 U-0 U-0 U-0 U-0 U-0 U-0
————————
bit 15 bit 8
U-0 U-0 U-0 U-0 R/C-0 R/W-0 U-0 U-0
————IPL3
(1)PSV — —
bit 7 bit 0
Legend: C = Clearable bit
R = Readable bit W = Writable bit U = Unimplemented bit, read as ‘0’
-n = Value at POR ‘1’ = Bit is set ‘0’ = Bit is cleared x = Bit is unknown
bit 15-4 Unimplemented: Read as ‘0’
bit 3 IPL3: CPU Interrupt Priority Level Status bit(1)
1 = CPU Interrupt Priority Level is greater than 7
0 = CPU Interrupt Priority Level is 7 or less
bit 2 PSV: Program Space Visibility in Data Space Enable bit
1 = Program space is visible in data space
0 = Program space is not visible in data space
bit 1-0 Unimplemented: Read as ‘0’
Note 1: User interrupts are disabled when IPL3 = 1.

PIC24F16KL402 FAMILY
DS30001037C-page 30 2011-2013 Microchip Technology Inc.
3.3.2 DIVIDER
The divide block supports 32-bit/16-bit and 16-bit/16-bit
signed and unsigned integer divide operations with the
following data sizes:
1. 32-bit signed/16-bit signed divide
2. 32-bit unsigned/16-bit unsigned divide
3. 16-bit signed/16-bit signed divide
4. 16-bit unsigned/16-bit unsigned divide
The quotient for all divide instructions ends up in W0
and the remainder in W1. Sixteen-bit signed and
unsigned DIV instructions can specify any W register
for both the 16-bit divisor (Wn), and any W register
(aligned) pair (W(m + 1):Wm) for the 32-bit dividend.
The divide algorithm takes one cycle per bit of divisor,
so both 32-bit/16-bit and 16-bit/16-bit instructions take
the same number of cycles to execute.
3.3.3 MULTI-BIT SHIFT SUPPORT
The PIC24F ALU supports both single bit and
single-cycle, multi-bit arithmetic and logic shifts.
Multi-bit shifts are implemented using a shifter block,
capable of performing up to a 15-bit arithmetic right
shift, or up to a 15-bit left shift, in a single cycle. All
multi-bit shift instructions only support Register Direct
Addressing for both the operand source and result
destination.
A full summary of instructions that use the shift
operation is provided in Table 3-2.
TABLE 3-2: INSTRUCTIONS THAT USE THE SINGLE AND MULTI-BIT SHIFT OPERATION
Instruction Description
ASR Arithmetic shift right source register by one or more bits.
SL Shift left source register by one or more bits.
LSR Logical shift right source register by one or more bits.

PIC24F16KL402 FAMILY
DS30001037C-page 31 2011-2013 Microchip Technology Inc.
4.0 MEMORY ORGANIZATION
As Harvard architecture devices, the PIC24F
microcontrollers feature separate program and data
memory space and bussing. This architecture also
allows the direct access of program memory from the
data space during code execution.
4.1 Program Address Space
The program address memory space of the
PIC24F16KL402 family is 4M instructions. The space is
addressable by a 24-bit value derived from either the
23-bit Program Counter (PC) during program execution,
or from a table operation or data space remapping, as
described in Section 4.3 “Interfacing Program and
Data Memory Spaces”.
User access to the program memory space is restricted
to the lower half of the address range (000000h to
7FFFFFh). The exception is the use of TBLRD/TBLWT
operations, which use TBLPAG<7> to permit access to
the Configuration bits and Device ID sections of the
configuration memory space.
Memory maps for the PIC24F16KL402 family of
devices are shown in Figure 4-1.
FIGURE 4-1: PROGRAM SPACE MEMORY MAP FOR PIC24F16KL402 FAMILY DEVICES
000000h
0000FEh
000002h
000100h
F8000Eh
F80010h
FEFFFEh
FFFFFFh
000004h
000200h
0001FEh
000104h
Configuration Memory Space User Memory Space
Note: Memory areas are not displayed to scale.
Reset Address
Device Config Registers
DEVID (2)
GOTO
Instruction
Reserved
Alternate Vector Table
Reserved
Interrupt Vector Table
PIC24F04KLXXX
FF0000h
F80000h
800000h
7FFFFFh
Reserved
Unimplemented
Read ‘
0
’
Reset Address
DEVID (2)
GOTO
Instruction
Alternate Vector Table
Reserved
Interrupt Vector Table
PIC24F16KLXXX
Device Config Registers
Unique ID
Unimplemented
Read ‘
0
’
002BFEh
7FFE00h
Data EEPROM
Flash
Program Memory
(5632 instructions)
Flash
Program Memory
(1408 instructions)
0015FEh
000AFEh
Reset Address
Device Config Registers
DEVID (2)
GOTO
Instruction
Reserved
Alternate Vector Table
Reserved
Interrupt Vector Table
PIC24F08KL2XX
Reserved
Unimplemented
Read ‘
0
’
Flash
Program Memory
(2816 instructions)
(512 bytes)
7FFF00h
Reset Address
Device Config Registers
DEVID (2)
GOTO
Instruction
Reserved
Alternate Vector Table
Reserved
Interrupt Vector Table
PIC24F08KL3XX
Reserved
Unimplemented
Read ‘
0
’
Data EEPROM
Flash
Program Memory
(2816 instructions)
(256 bytes)
Reset Address
Device Config Registers
DEVID (2)
GOTO
Instruction
Reserved
Alternate Vector Table
Reserved
Interrupt Vector Table
PIC24F08KL4XX
Reserved
Unimplemented
Read ‘
0
’
Data EEPROM
Flash
Program Memory
(2816 instructions)
(512 bytes)
800802h
800808h
800800h
80080Ah
Reserved
Reserved
Reserved
Unique IDUnique IDUnique IDUnique ID
Reserved ReservedReservedReserved

2011-2013 Microchip Technology Inc. DS30001037C-page 32
PIC24F16KL402 FAMILY
4.1.1 PROGRAM MEMORY
ORGANIZATION
The program memory space is organized in
word-addressable blocks. Although it is treated as
24 bits wide, it is more appropriate to think of each
address of the program memory as a lower and upper
word, with the upper byte of the upper word being
unimplemented. The lower word always has an even
address, while the upper word has an odd address, as
shown in Figure 4-2.
Program memory addresses are always word-aligned
on the lower word, and addresses are incremented or
decremented by two during code execution. This
arrangement also provides compatibility with data
memory space addressing and makes it possible to
access data in the program memory space.
4.1.2 HARD MEMORY VECTORS
All PIC24F devices reserve the addresses between
00000h and 000200h for hard-coded program
execution vectors. A hardware Reset vector is provided
to redirect code execution from the default value of the
PC on device Reset to the actual start of code. A GOTO
instruction is programmed by the user at 000000h, with
the actual address for the start of code at 000002h.
PIC24F devices also have two Interrupt Vector Tables
(IVT), located from 000004h to 0000FFh and 000104h
to 0001FFh. These vector tables allow each of the
many device interrupt sources to be handled by
separate ISRs. A more detailed discussion of the
Interrupt Vector Tables is provided in Section 8.1
“Interrupt Vector Table (IVT)”.
4.1.3 DATA EEPROM
In the PIC24F16KL402 family, the data EEPROM is
mapped to the top of the user program memory space,
starting at address, 7FFE00, and expanding up to
address, 7FFFFF.
The data EEPROM is organized as 16-bit wide memory
and 256 words deep. This memory is accessed using
Table Read and Table Write operations, similar to the
user code memory.
4.1.4 DEVICE CONFIGURATION WORDS
Table 4-1 provides the addresses of the device
Configuration Words for the PIC24F16KL402 family.
Their location in the memory map is shown in
Figure 4-1.
For more information on device Configuration Words,
see Section 23.0 “Special Features”.
TABLE 4-1: DEVICE CONFIGURATION
WORDS FOR PIC24F16KL402
FAMILY DEVICES
FIGURE 4-2: PROGRAM MEMORY ORGANIZATION
Configuration Words Configuration Word
Addresses
FBS F80000
FGS F80004
FOSCSEL F80006
FOSC F80008
FWDT F8000A
FPOR F8000C
FICD F8000E
0816
PC Address
000000h
000002h
000004h
000006h
23
00000000
00000000
00000000
00000000
Program Memory
‘Phantom’ Byte
(read as ‘
0
’)
least significant word
most significant word
Instruction Width
000001h
000003h
000005h
000007h
msw
Address (lsw Address)

PIC24F16KL402 FAMILY
DS30001037C-page 33 2011-2013 Microchip Technology Inc.
4.2 Data Address Space
The PIC24F core has a separate, 16-bit wide data
memory space, addressable as a single linear range.
The data space is accessed using two Address
Generation Units (AGUs); one each for read and write
operations. The data space memory map is shown in
Figure 4-3.
All Effective Addresses (EAs) in the data memory space
are 16 bits wide and point to bytes within the data space.
This gives a data space address range of 64 Kbytes or
32K words. The lower half of the data memory space
(that is, when EA<15> = 0) is used for implemented
memory addresses, while the upper half (EA<15> = 1) is
reserved for the Program Space Visibility (PSV) area
(see Section 4.3.3 “Reading Data From Program
Memory Using Program Space Visibility”).
Depending on the particular device, PIC24F16KL402
family devices implement either 512 or 1024 words of
data memory. If an EA points to a location outside of
this area, an all zero word or byte will be returned.
4.2.1 DATA SPACE WIDTH
The data memory space is organized in
byte-addressable, 16-bit wide blocks. Data is aligned in
data memory and registers as 16-bit words, but all the
data space EAs resolve to bytes. The Least Significant
Bytes (LSBs) of each word have even addresses, while
the Most Significant Bytes (MSBs) have odd
addresses.
FIGURE 4-3: DATA SPACE MEMORY MAP FOR PIC24F16KL402 FAMILY DEVICES(3)
0000h
07FEh
FFFEh
LSB
Address
LSBMSB
MSB
Address
0001h
07FFh
0BFFh(2)
FFFFh
8001h 8000h
7FFFh
0801h 0800h
Near
0BFEh(2)
SFR
SFR Space
Data RAM
7FFFh
Program Space
Visibility Area
Note 1: Upper data memory boundary for PIC24FXXKL10X/20X devices.
2: Upper data memory boundary for PIC24FXXKL30X/40X devices.
3: Data memory areas are not shown to scale.
1FFEh
1FFFh
Space
Data Space
Implemented
Data RAM
Unimplemented
Read as ‘0’
09FFh(1) 09FEh(1)

2011-2013 Microchip Technology Inc. DS30001037C-page 34
PIC24F16KL402 FAMILY
4.2.2 DATA MEMORY ORGANIZATION
AND ALIGNMENT
To maintain backward compatibility with PIC® devices
and improve data space memory usage efficiency, the
PIC24F instruction set supports both word and byte
operations. As a consequence of byte accessibility, all
Effective Address (EA) calculations are internally
scaled to step through word-aligned memory. For
example, the core recognizes that Post-Modified
Register Indirect Addressing mode [Ws++] will result in
a value of Ws + 1 for byte operations and Ws + 2 for
word operations.
Data byte reads will read the complete word, which
contains the byte, using the LSB of any EA to
determine which byte to select. The selected byte is
placed onto the LSB of the data path. That is, data
memory and the registers are organized as two
parallel, byte-wide entities with shared (word) address
decode, but separate write lines. Data byte writes only
write to the corresponding side of the array or register,
which matches the byte address.
All word accesses must be aligned to an even address.
Mis-aligned word data fetches are not supported, so
care must be taken when mixing byte and word
operations, or translating from 8-bit MCU code. If a
mis-aligned read or write is attempted, an address error
trap will be generated. If the error occurred on a read,
the instruction underway is completed; if it occurred on
a write, the instruction will be executed, but the write
will not occur. In either case, a trap is then executed,
allowing the system and/or user to examine the
machine state prior to execution of the address Fault.
All byte loads into any W register are loaded into the
LSB; the MSB is not modified.
A Sign-Extend (SE) instruction is provided to allow the
users to translate 8-bit signed data to 16-bit signed
values. Alternatively, for 16-bit unsigned data, users
can clear the MSB of any W register by executing a
Zero-Extend (ZE) instruction on the appropriate
address.
Although most instructions are capable of operating on
word or byte data sizes, it should be noted that some
instructions operate only on words.
4.2.3 NEAR DATA SPACE
The 8-Kbyte area between 0000h and 1FFFh is
referred to as the Near Data Space (NDS). Locations in
this space are directly addressable via a 13-bit abso-
lute address field within all memory direct instructions.
The remainder of the data space is addressable
indirectly. Additionally, the whole data space is
addressable using MOV instructions, which support
Memory Direct Addressing (MDA) with a 16-bit address
field. For PIC24F16KL402 family devices, the entire
implemented data memory lies in Near Data Space.
4.2.4 SFR SPACE
The first 2 Kbytes of the Near Data Space, from 0000h
to 07FFh, are primarily occupied with Special Function
Registers (SFRs). These are used by the PIC24F core
and peripheral modules for controlling the operation of
the device.
SFRs are distributed among the modules that they
control and are generally grouped together by the
module. Much of the SFR space contains unused
addresses; these are read as ‘0’. The SFR space,
where the SFRs are actually implemented, is provided
in Ta b l e 4 - 2 . Each implemented area indicates a
32-byte region, where at least one address is
implemented as an SFR. A complete listing of
implemented SFRs, including their addresses, is
provided in Table 4-3 through Ta b l e 4 - 1 8 .
TABLE 4-2: IMPLEMENTED REGIONS OF SFR DATA SPACE
SFR Space Address
xx00 xx20 xx40 xx60 xx80 xxA0 xxC0 xxE0
000h Core ICN Interrupts —
100h Timers —TMR — — — CCP — — —
200h MSSP UART — — — — I/O —
300h A/D — — — — — —
400h — — — — — — — ANSEL —
500h — — — — — — — —
600h —CMP— — — — — — —
700h —— System NVM/PMD — — — —
Legend: — = No implemented SFRs in this block.

PIC24F16KL402 FAMILY
DS30001037C-page 35 2011-2013 Microchip Technology Inc.
TABLE 4-3: CPU CORE REGISTERS MAP
File Name Start
Addr Bit 15 Bit 14 Bit 13 Bit 12 Bit 11 Bit 10 Bit 9 Bit 8 Bit 7 Bit 6 Bit 5 Bit 4 Bit 3 Bit 2 Bit 1 Bit 0 All
Resets
WREG0 0000 Working Register 0 0000
WREG1 0002 Working Register 1 0000
WREG2 0004 Working Register 2 0000
WREG3 0006 Working Register 3 0000
WREG4 0008 Working Register 4 0000
WREG5 000A Working Register 5 0000
WREG6 000C Working Register 6 0000
WREG7 000E Working Register 7 0000
WREG8 0010 Working Register 8 0000
WREG9 0012 Working Register 9 0000
WREG10 0014 Working Register 10 0000
WREG11 0016 Working Register 11 0000
WREG12 0018 Working Register 12 0000
WREG13 001A Working Register 13 0000
WREG14 001C Working Register 14 0000
WREG15 001E Working Register 15 —0800
SPLIM 0020 Stack Pointer Limit Value Register xxxx
PCL 002E Program Counter Low Word Register 0000
PCH 0030 — — — — — — — — — Program Counter Register High Byte 0000
TBLPAG 0032 — — — — — — — — Table Memory Page Address Register 0000
PSVPAG 0034 — — — — — — — — Program Space Visibility Page Address Register 0000
RCOUNT 0036 REPEAT Loop Counter Register xxxxx
SR 0042 — — — — — — — DC IPL2 IPL1 IPL0 RA N OV Z C 0000
CORCON 0044 — — — — — — — — — — — — IPL3 PSV — — 0000
DISICNT 0052 —— Disable Interrupts Counter Register xxxx
Legend: — = unimplemented, read as ‘0’. Reset values are shown in hexadecimal.

2011-2013 Microchip Technology Inc. DS30001037C-page 36
PIC24F16KL402 FAMILY
TABLE 4-4: ICN REGISTER MAP
File
Name Addr Bit 15 Bit 14 Bit 13 Bit 12 Bit 11 Bit 10 Bit 9 Bit 8 Bit 7 Bit 6 Bit 5 Bit 4 Bit 3 Bit 2 Bit 1 Bit 0 All
Resets
CNPD1 0056 CN15PDE
(1)
CN14PDE
(1)
CN13PDE
(1)
CN12PDE CN11PDE — CN9PDE
(2)
CN8PDE CN7PDE
(2)
CN6PDE
(1)
CN5PDE
(1)
CN4PDE
(1)
CN3PDE CN2PDE CN1PDE CN0PDE
0000
CNPD2 0058 — CN30PDE CN29PDE — CN27PDE
(2)
—— CN24PDE
(2)
CN23PDE
(1)
CN22PDE CN21PDE — — — —CN16PDE
(2)
0000
CNEN1 0062 CN15IE
(1)
CN14IE
(1)
CN13IE
(1)
CN12IE CN11IE — CN9IE
(1)
CN8IE CN7IE
(1)
CN6IE
(2)
CN5PIE
(2)
CN4IE
(2)
CN3IE CNIE CN1IE CN0IE
0000
CNEN2 0064 — CN30IE CN29IE — CN27IE
(2)
—— CN24IE
(2)
CN23IE
(1)
CN22IE CN21IE — — — — CN16IE
(2)
0000
CNPU1 006E CN15PUE
(1)
CN14PUE
(1)
CN13PUE
(1)
CN12PUE CN11PUE — CN9PUE
(1)
CN8PUE CN7PUE
(1)
CN6PUE
(2)
CN5PUE
(2)
CN4PUE
(2)
CN3PUE CN2PUE CN1PUE CN0PUE
0000
CNPU2 0070 — CN30PUE CN29PUE — CN27PUE
(2)
—— CN24PUE
(2)
CN23PUE
(1)
CN22PUE CN21PUE — — — —CN16PUE
(2)
0000
Legend:
— = unimplemented, read as ‘
0
’. Reset values are shown in hexadecimal.
Note 1:
These bits are unimplemented in 14-pin devices; read as ‘
0
’.
2:
These bits are unimplemented in 14-pin and 20-pin devices; read as ‘
0
’.

PIC24F16KL402 FAMILY
DS30001037C-page 37 2011-2013 Microchip Technology Inc.
TABLE 4-5: INTERRUPT CONTROLLER REGISTER MAP
File
Name Addr Bit 15 Bit 14 Bit 13 Bit 12 Bit 11 Bit 10 Bit 9 Bit 8 Bit 7 Bit 6 Bit 5 Bit 4 Bit 3 Bit 2 Bit 1 Bit 0 All
Resets
INTCON1 0080 NSTDIS — — — — — — — — — — MATHERR ADDRERR STKERR OSCFAIL —
0000
INTCON2 0082 ALTIVT DISI — — — — — — — — — — — INT2EP INT1EP INT0EP
0000
IFS0 0084 NVMIF — AD1IF U1TXIF U1RXIF —— T3IF T2IF CCP2IF —— T1IF CCP1IF —INT0IF
0000
IFS1 0086 U2TXIF U2RXIF INT2IF —T4IF
(1)
— CCP3IF
(1)
— — — — INT1IF CNIF CMIF BCL1IF SSP1IF
0000
IFS2 0088 — — — — — — — — — —T3GIF—————
0000
IFS3 008A — — — — — — — — — — — — —BCL2IF
(1)
SSP2IF
(1)
—
0000
IFS4 008C — — — — — — —HLVDIF— — — — —U2ERIFU1ERIF—
0000
IFS5 008E — — — — — — — — — — — — — — —ULPWUIF
0000
IEC0 0094 NVMIE — AD1IE U1TXIE U1RXIE —— T3IE T2IE CCP2IE —— T1IE CCP1IE —INT0IE
0000
IEC1 0096 U2TXIE U2RXIE INT2IE —T4IE
(1)
—CCP3IE
(1)
— — — — INT1IE CNIE CMIE BCL1IE SSP1IE
0000
IEC2 0098 — — — — — — — — — —T3GIE—————
0000
IEC3 009A — — — — — — — — — — — — — BCL2IE
(1)
SSP2IE
(1)
—
0000
IEC4 009C — — — — — — —HLVDIE— — — — — U2ERIE U1ERIE —
0000
IEC5 009E — — — — — — — — — — — — — — —ULPWUIE
0000
IPC0 00A4 — T1IP2 T1IP1 T1IP0 — CCP1IP2 CCP1IP1 CCP1IP0 — — — — — INT0IP2 INT0IP1 INT0IP0
4404
IPC1 00A6 — T2IP2 T2IP1 T2IP0 — CCP2IP2 CCP2IP1 CCP2IP0 — — — — — — — —
4400
IPC2 00A8 — U1RXIP2 U1RXIP1 U1RXIP0 — — — — — — — — — T3IP2 T3IP1 T3IP0
4004
IPC3 00AA — NVMIP2 NVMIP1 NVMIP0 — — — — — AD1IP2 AD1IP1 AD1IP0 — U1TXIP2 U1TXIP1 U1TXIP0
4044
IPC4 00AC — CNIP2 CNIP1 CNIP0 — CMIP2 CMIP1 CMIP0 — BCL1IP2 BCL1IP1 BCL1IP0 — SSP1IP2 SSP1IP1 SS1IP0
4444
IPC5 00AE — — — — — — — — — — — — — INT1IP2 INT1IP1 INT1IP0
0004
IPC6 00B0 —T4IP2
(1)
T4IP1
(1)
T4IP0
(1)
— — — — —CCP3IP2
(1)
CCP3IP1
(1)
CCP3IP0
(1)
————
4040
IPC7 00B2 — U2TXIP2 U2TXIP1 U2TXIP0 — U2RXIP2 U2RXIP1 U2RXIP0 — INT2IP2 INT2IP1 INT2IP0 ————
4440
IPC9 00B6 — — — — — — — — — T3GIP2 T3GIP1 T3GIP0 ————
0040
IPC12 00BC — — — — —BCL2IP2
(1)
BCL2IP1
(1)
BCL2IP0
(1)
—SSP2IP2
(1)
SSP2IP1
(1)
SSP2IP0
(1)
————
0440
IPC16 00C4 — — — — — U2ERIP2 U2ERIP1 U2ERIP0 — U1ERIP2 U1ERIP1 U1ERIP0 ————
0440
IPC18 00C8 — — — — — — — — — — — — — HLVDIP2 HLVDIP1 HLVDIP0
0004
IPC20 00CC — — — — — — — — — — — — — ULPWUIP2 ULPWUIP1 ULPWUIP0
0004
INTTREG 00E0 CPUIRQ rVHOLD— ILR3 ILR2 ILR1 ILR0 — VECNUM6 VECNUM5 VECNUM4 VECNUM3 VECNUM2 VECNUM1 VECNUM0
0000
Legend:
— = unimplemented, read as ‘
0
’, r = reserved. Reset values are shown in hexadecimal.
Note 1:
These bits are unimplemented on PIC24FXXKL10X and PIC24FXXKL20X family devices; read as ‘
0
’.

2011-2013 Microchip Technology Inc. DS30001037C-page 38
PIC24F16KL402 FAMILY
TABLE 4-6: TIMER REGISTER MAP
File Name Addr Bit 15 Bit 14 Bit 13 Bit 12 Bit 11 Bit 10 Bit 9 Bit 8 Bit 7 Bit 6 Bit 5 Bit 4 Bit 3 Bit 2 Bit 1 Bit 0 All
Resets
TMR1 0100 Timer1 Register 0000
PR1 0102 Timer1 Period Register FFFF
T1CON 0104 TON —TSIDL — — — T1ECS1 T1ECS0 — TGATE TCKPS1 TCKPS0 — TSYNC TCS —0000
TMR2 0106 — — — — — — — — Timer2 Register 0000
PR2 0108 — — — — — — — — Timer2 Period Register 00FF
T2CON 010A — — — — — — — — — T2OUTPS3 T2OUTPS2 T2OUTPS1 T2OUTPS0 TMR2ON T2CKPS1 T2CKPS0 0000
TMR3 010C Timer3 Register 0000
T3GCON 010E — — — — — — — — TMR3GE T3GPOL T3GTM T3GSPM T3GGO/
T3DONE
T3GVAL T3GSS1 T3GSS0 0000
T3CON 0110 — — — — — — — — TMR3CS1 TMR3CS0 T3CKPS1 T3CKPS0 T3OSCEN T3SYNC —TMR3ON0000
TMR4(1)0112 — — — — — — — — Timer4 Register 0000
PR4(1)0114 — — — — — — — — Timer4 Period Register 00FF
T4CON(1)0116 — — — — — — — — — T4OUTPS3 T4OUTPS2 T4OUTPS1 T4OUTPS0 TMR4ON T4CKPS1 T4CKPS0 0000
CCPTMRS0(1)013C — — — — — — — — — C3TSEL0(1)—— C2TSEL0 —— C1TSEL0 0000
Legend: — = unimplemented, read as ‘0’. Reset values are shown in hexadecimal.
Note 1: These bits and/or registers are unimplemented on PIC24FXXKL10X and PIC24FXXKL20X family devices; read as ‘0’.
TABLE 4-7: CCP/ECCP REGISTER MAP
File Name Addr Bit 15 Bit 14 Bit 13 Bit 12 Bit 11 Bit 10 Bit 9 Bit 8 Bit 7 Bit 6 Bit 5 Bit 4 Bit 3 Bit 2 Bit 1 Bit 0 All
Resets
CCP1CON 0190 ————————PM1
(1)PM0(1)DC1B1 DC1B0 CCP1M3 CCP1M2 CCP1M1 CCP1M0 0000
CCPR1L 0192 ———————— Capture/Compare/PWM1 Register Low Byte 0000
CCPR1H 0194 ———————— Capture/Compare/PWM1 Register High Byte 0000
ECCP1DEL(1)0196 ———————— PRSEN PDC6 PDC5 PDC4 PDC3 PDC2 PDC1 PDC0 0000
ECCP1AS(1)0198 ———————— ECCPASE ECCPAS2 ECCPAS1 ECCPAS0 PSSAC1 PSSAC0 PSSBD1 PSSBD0 0000
PSTR1CON(1)019A ————————CMPL1CMPL0— STRSYNC STRD STRC STRB STRA 0001
CCP2CON 019C ———————— — — DC2B1 DC2B0 CCP2M3 CCP2M2 CCP2M1 CCP2M0 0000
CCPR2L 019E ———————— Capture/Compare/PWM2 Register Low Byte 0000
CCPR2H 01A0 ———————— Capture/Compare/PWM2 Register High Byte 0000
CCP3CON(1)01A8 ———————— — — DC3B1 DC3B0 CCP3M3 CCP3M2 CCP3M1 CCP3M0 0000
CCPR3L(1)01AA ———————— Capture/Compare/PWM3 Register Low Byte 0000
CCPR3H(1)01AC ———————— Capture/Compare/PWM3 Register High Byte 0000
Legend: — = unimplemented, read as ‘0’. Reset values are shown in hexadecimal.
Note 1: These bits and/or registers are unimplemented on PIC24FXXKL10X and PIC24FXXKL20X family devices; read as ‘0’.

PIC24F16KL402 FAMILY
DS30001037C-page 39 2011-2013 Microchip Technology Inc.
TABLE 4-8: MSSP REGISTER MAP
File Name Addr Bit 15 Bit 14 Bit 13 Bit 12 Bit 11 Bit 10 Bit 9 Bit 8 Bit 7 Bit 6 Bit 5 Bit 4 Bit 3 Bit 2 Bit 1 Bit 0 All
Resets
SSP1BUF 0200 — — — — — — — — MSSP1 Receive Buffer/Transmit Register 00xx
SSP1CON1 0202 — — — — — — — — WCOL SSPOV SSPEN CKP SSPM3 SSPM2 SSPM1 SSPM0 0000
SSP1CON2 0204 — — — — — — — — GCEN ACKSTAT ACKDT ACKEN RCEN PEN RSEN SEN 0000
SSP1CON3 0206 — — — — — — — — ACKTIM PCIE SCIE BOEN SDAHT SBCDE AHEN DHEN 0000
SSP1STAT 0208 — — — — — — — —SMPCKED/A PSR/WUA BF 0000
SSP1ADD 020A — — — — — — — — MSSP1 Address Register (I2C™ Slave Mode)
MSSP1 Baud Rate Reload Register (I2C Master Mode)
0000
SSP1MSK 020C — — — — — — — — MSSP1 Address Mask Register (I2C Slave Mode) 00FF
SSP2BUF(1)0210 — — — — — — — — MSSP2 Receive Buffer/Transmit Register 00xx
SSP2CON1(1)0212 — — — — — — — — WCOL SSPOV SSPEN CKP SSPM3 SSPM2 SSPM1 SSPM0 0000
SSP2CON2(1)0214 — — — — — — — — GCEN ACKSTAT ACKDT ACKEN RCEN PEN RSEN SEN 0000
SSP2CON3(1)0216 — — — — — — — — ACKTIM PCIE SCIE BOEN SDAHT SBCDE AHEN DHEN 0000
SSP2STAT(1)0218 — — — — — — — —SMPCKED/A PSR/WUA BF 0000
SSP2ADD(1)021A — — — — — — — — MSSP2 Address Register (I2C Slave Mode)
MSSP2 Baud Rate Reload Register (I2C Master Mode)
0000
SSP2MSK(1)021C — — — — — — — — MSSP2 Address Mask Register (I2C Slave Mode) 00FF
Legend: — = unimplemented, read as ‘0’. Reset values are shown in hexadecimal.
Note 1: These bits and/or registers are unimplemented on PIC24FXXKL10X and PIC24FXXKL20X family devices; read as ‘0’.
TABLE 4-9: UART REGISTER MAP
File
Name Addr Bit 15 Bit 14 Bit 13 Bit 12 Bit 11 Bit 10 Bit 9 Bit 8 Bit 7 Bit 6 Bit 5 Bit 4 Bit 3 Bit 2 Bit 1 Bit 0 All
Resets
U1MODE 0220 UARTEN — USIDL IREN RTSMD — UEN1 UEN0 WAKE LPBACK ABAUD RXINV BRGH PDSEL1 PDSEL0 STSEL 0000
U1STA 0222 UTXISEL1 UTXINV UTXISEL0 — UTXBRK UTXEN UTXBF TRMT URXISEL1 URXISEL0 ADDEN RIDLE PERR FERR OERR URXDA 0110
U1TXREG 0224 — — — — — — — UART1 Transmit Register xxxx
U1RXREG 0226 — — — — — — — UART1 Receive Register 0000
U1BRG 0228 Baud Rate Generator Prescaler Register 0000
U2MODE 0230 UARTEN — USIDL IREN RTSMD — UEN1 UEN0 WAKE LPBACK ABAUD RXINV BRGH PDSEL1 PDSEL0 STSEL 0000
U2STA 0232 UTXISEL1 UTXINV UTXISEL0 — UTXBRK UTXEN UTXBF TRMT URXISEL1 URXISEL0 ADDEN RIDLE PERR FERR OERR URXDA 0110
U2TXREG 0234 — — — — — — — UART2 Transmit Register xxxx
U2RXREG 0236 — — — — — — — UART2 Receive Register 0000
U2BRG 0238 Baud Rate Generator Prescaler Register 0000
Legend: — = unimplemented, read as ‘0’. Reset values are shown in hexadecimal.

2011-2013 Microchip Technology Inc. DS30001037C-page 40
PIC24F16KL402 FAMILY
TABLE 4-10: PORTA REGISTER MAP
File
Name Addr Bit 15 Bit 14 Bit 13 Bit 12 Bit 11 Bit 10 Bit 9 Bit 8 Bit 7(1)Bit 6 Bit 5(2)Bit 4 Bit 3 Bit 2 Bit 1 Bit 0 All
Resets
TRISA 02C0 ———————— TRISA7 TRISA6 — TRISA4 TRISA3 TRISA2 TRISA1 TRISA0 00DF
PORTA 02C2 ———————— RA7 RA6 RA5 RA4 RA3 RA2 RA1 RA0 xxxx
LATA 02C4 ————————LATA7LATA6 — L ATA4 LATA3 LATA2 L ATA1 L ATA 0 xxxx
ODCA 02C6 ————————ODA7ODA6 — ODA4 ODA3 ODA2 ODA1 ODA0 0000
Legend: — = unimplemented, read as ‘0’. Reset values are shown in hexadecimal.
Note 1: These ports and their associated bits are unimplemented on 14-pin and 20-pin devices; read as ‘0’.
2: PORTA<5> is unavailable when MCLR functionality is enabled (MCLRE Configuration bit = 1).
TABLE 4-11: PORTB REGISTER MAP
File
Name Addr Bit 15 Bit 14 Bit 13(1)Bit 12(1)Bit 11(2)Bit 10(2)Bit 9 Bit 8 Bit 7(1)Bit 6(2)Bit 5(2)Bit 4 Bit 3(2)Bit 2(1)Bit 1(1)Bit 0 All
Resets
TRISB 02C8 TRISB15 TRISB14 TRISB13 TRISB12 TRISB11 TRISB10 TRISB9 TRISB8 TRISB7 TRISB6 TRISB5 TRISB4 TRISB3 TRISB2 TRISB1 TRISB0 FFFF
PORTB 02CA RB15 RB14 RB13 RB12 RB11 RB10 RB9 RB8 RB7 RB6 RB5 RB4 RB3 RB2 RB1 RB0 xxxx
LATB 02CC LATB15 LATB14 LATB13 LATB12 LATB11 LATB10 LATB9 LATB8 LATB7 LATB6 LATB5 LATB4 LATB3 LATB2 LATB1 LATB0 xxxx
ODCB 02CE ODB15 ODB14 ODB13 ODB12 ODB11 ODB10 ODB9 ODB8 ODB7 ODB6 ODB5 ODB4 ODB3 ODB2 ODB1 ODB0 0000
Legend: — = unimplemented, read as ‘0’. Reset values are shown in hexadecimal.
Note 1: These ports and their associated bits are unimplemented on 14-pin and 20-pin devices.
2: These ports and their associated bits are unimplemented in 14-pin devices.
TABLE 4-12: PAD CONFIGURATION REGISTER MAP
File
Name Addr Bit 15 Bit 14 Bit 13 Bit 12
Bit 11 Bit 10
Bit 9 Bit 8 Bit 7 Bit 6 Bit 5 Bit 4 Bit 3 Bit 2 Bit 1 Bit 0 All
Resets
PADCFG1 02FC — — — —
SDO2DIS
(1)
SCK2DIS
(1)
SDO1DIS SCK1DIS — — — — — — — — 0000
Legend: — = unimplemented, read as ‘0’. Reset values are shown in hexadecimal.
Note 1: These bits are unimplemented on PIC24FXXKL10X and PIC24FXXKL20X family devices; read as ‘0’.

PIC24F16KL402 FAMILY
DS30001037C-page 41 2011-2013 Microchip Technology Inc.
TABLE 4-13: A/D REGISTER MAP
File
Name Addr Bit 15 Bit 14 Bit 13 Bit 12 Bit 11 Bit 10 Bit 9 Bit 8 Bit 7 Bit 6 Bit 5 Bit 4 Bit 3 Bit 2 Bit 1 Bit 0 All
Resets
ADC1BUF0 0300 A/D Buffer 0 xxxx
ADC1BUF1 0302 A/D Buffer 1 xxxx
AD1CON1 0320 ADON —ADSIDL— — — FORM1 FORM0 SSRC2 SSRC1 SSRC0 —— ASAM SAMP DONE 0000
AD1CON2 0322 VCFG2 VCFG1 VCFG0 OFFCAL —CSCNA— — r — SMPI3 SMPI2 SMPI1 SMPI0 rALTS0000
AD1CON3 0324 ADRC EXTSAM PUMPEN SAMC4 SAMC3 SAMC2 SAMC1 SAMC0 —— ADCS5 ADCS4 ADCS3 ADCS2 ADCS1 ADCS0 0000
AD1CHS 0328 CH0NB — — — CH0SB3 CH0SB2 CH0SB1 CH0SB0 CH0NA ——— CH0SA3 CH0SA2 CH0SA1 CH0SA0 0000
AD1CSSL 0330 CSSL15 CSSL14 CSSL13 CSSL12(1)CSSL11(1)CSSL10 CSSL9 CSSL8 CSSL7 CSSL6 — CSSL4(1)CSSL3(1)CSSL2(1)CSSL1 CSSL0 0000
Legend: — = unimplemented, read as ‘0’, r = reserved bit. Reset values are shown in hexadecimal.
Note 1: These bits are unimplemented in 14-pin devices; read as ‘0’.
TABLE 4-14: ANALOG SELECT REGISTER MAP
File Name Addr Bit 15 Bit 14 Bit 13 Bit 12 Bit 11 Bit 10 Bit 9 Bit 8 Bit 7 Bit 6 Bit 5 Bit 4 Bit 3 Bit 2 Bit 1 Bit 0 All
Resets
ANCFG 04DE — — — — — — — — — — — — — — — VBGEN 0000
ANSA 04E0 — — — — — — — — — — — — ANSA3 ANSA2 ANSA1 ANSA0 000F
ANSB 04E2 ANSB15 ANSB14 ANSB13 ANSB12(1)— — — — — — — ANSB4 ANSB3(2)ANSB2(1)ANSB1(1)ANSB0(1)F01F(3)
Legend: — = unimplemented, read as ‘0’. Reset values are shown in hexadecimal.
Note 1: These bits are unimplemented in 14-pin devices; read as ‘0’.
2: These bits are unimplemented in 14-pin and 20-pin devices; read as ‘0’
3: Reset value for 28-pin devices is shown.
TABLE 4-15: COMPARATOR REGISTER MAP
File
Name Addr Bit 15 Bit 14 Bit 13 Bit 12 Bit 11 Bit 10 Bit 9 Bit 8 Bit 7 Bit 6 Bit 5 Bit 4 Bit 3 Bit 2 Bit 1 Bit 0 All
Resets
CMSTAT 0630 CMIDL — — — — — C2EVT(1)C1EVT ——————C2OUTC1OUTxxxx
CVRCON 0632 ———————— CVREN CVROE CVRSS CVR4 CVR3 CVR2 CVR1 CVR0 0000
CM1CON 0634 CON COE CPOL CLPWR —— CEVT COUT EVPOL1 EVPOL0 — CREF —— CCH1 CCH0 xxxx
CM2CON(1)0636 CON COE CPOL CLPWR —— CEVT COUT EVPOL1 EVPOL0 — CREF —— CCH1 CCH0 0000
Legend: — = unimplemented, read as ‘0’. Reset values are shown in hexadecimal.
Note 1: These bits and/or registers are unimplemented in PIC24FXXKL10X/20X devices; read as ‘0’.

2011-2013 Microchip Technology Inc. DS30001037C-page 42
PIC24F16KL402 FAMILY
TABLE 4-16: SYSTEM REGISTER MAP
File Name Addr Bit 15 Bit 14 Bit 13 Bit 12 Bit 11 Bit 10 Bit 9 Bit 8 Bit 7 Bit 6 Bit 5 Bit 4 Bit 3 Bit 2 Bit 1 Bit 0 All
Resets
RCON 0740 TRAPR IOPUWR SBOREN — — — CM PMSLP EXTR SWR SWDTEN WDTO SLEEP IDLE BOR POR (Note 1)
OSCCON 0742 — COSC2 COSC1 COSC0 — NOSC2 NOSC1 NOSC0 CLKLOCK —LOCK — CF SOSCDRV SOSCEN OSWEN (Note 2)
CLKDIV 0744 ROI DOZE2 DOZE1 DOZE0 DOZEN RCDIV2 RCDIV1 RCDIV0 — — — — — — — — 3100
OSCTUN 0748 — — — — — — — — — — TUN5 TUN4 TUN3 TUN2 TUN1 TUN0 0000
REFOCON 074E ROEN — ROSSLP ROSEL RODIV3 RODIV2 RODIV1 RODIV0 — — — — — — — — 0000
HLVDCON 0756 HLVDEN —HLSIDL— — — — — VDIR BGVST IRVST — HLVDL3 HLVDL2 HLVDL1 H LVDL0 0000
Legend: — = unimplemented, read as ‘0’. Reset values are shown in hexadecimal.
Note 1: RCON register Reset values are dependent on the type of Reset.
2: OSCCON register Reset values are dependent on configuration fuses and by type of Reset.
TABLE 4-17: NVM REGISTER MAP
File Name Addr Bit 15 Bit 14 Bit 13 Bit 12 Bit 11 Bit 10 Bit 9 Bit 8 Bit 7 Bit 6 Bit 5 Bit 4 Bit 3 Bit 2 Bit 1 Bit 0 All
Resets
NVMCON 0760 WR WREN WRERR PGMONLY — — — — — ERASE NVMOP5 NVMOP4 NVMOP3 NVMOP2 NVMOP1 NVMOP0 0000
NVMKEY 0766 — — — — — — — — NVM Key Register 0000
Legend: — = unimplemented, read as ‘0’. Reset values are shown in hexadecimal.
TABLE 4-18: ULTRA LOW-POWER WAKE-UP REGISTER MAP
File Name Addr Bit 15 Bit 14 Bit 13 Bit 12 Bit 11 Bit 10 Bit 9 Bit 8 Bit 7 Bit 6 Bit 5 Bit 4 Bit 3 Bit 2 Bit 1 Bit 0 All
Resets
ULPWCON 0768 ULPEN —ULPSIDL———— ULPSINK — — — — — — — — 0000
Legend: — = unimplemented, read as ‘0’. Reset values are shown in hexadecimal.
TABLE 4-19: PMD REGISTER MAP
File Name Addr Bit 15 Bit 14 Bit 13 Bit 12 Bit 11 Bit 10 Bit 9 Bit 8 Bit 7 Bit 6 Bit 5 Bit 4 Bit 3 Bit 2 Bit 1 Bit 0 All Resets
PMD1 0770 — T4MD T3MD T2MD T1MD ——— SSP1MD U2MD U1MD ———— ADC1MD 0000
PMD2 0772 — — — — — — — — — — — — — CCP3MD CCP2MD CCP1MD 0000
PMD3 0774 —————CMPMD— — — — — — — — SSP2MD —0000
PMD4 0776 ————————ULPWUMD—— EEMD REFOMD —HLVDMD—0000
Legend: — = unimplemented, read as ‘0’. Reset values are shown in hexadecimal.

PIC24F16KL402 FAMILY
DS30001037C-page 43 2011-2013 Microchip Technology Inc.
4.2.5 SOFTWARE STACK
In addition to its use as a Working register, the W15
register in PIC24F devices is also used as a Software
Stack Pointer. The pointer always points to the first
available free word and grows from lower to higher
addresses. It predecrements for stack pops and
post-increments for stack pushes, as shown in
Figure 4-4.
Note that for a PC push during any CALL instruction,
the MSB of the PC is zero-extended before the push,
ensuring that the MSB is always clear.
The Stack Pointer Limit Value (SPLIM) register,
associated with the Stack Pointer, sets an upper
address boundary for the stack. SPLIM is uninitialized
at Reset. As is the case for the Stack Pointer,
SPLIM<0> is forced to ‘0’ as all stack operations must
be word-aligned. Whenever an EA is generated, using
W15 as a source or destination pointer, the resulting
address is compared with the value in SPLIM. If the
contents of the Stack Pointer (W15) and the SPLIM
register are equal, and a push operation is performed,
a stack error trap will not occur. The stack error trap will
occur on a subsequent push operation.
Thus, for example, if it is desirable to cause a stack
error trap when the stack grows beyond address,
0DF6, in RAM, initialize the SPLIM with the value,
0DF4.
Similarly, a Stack Pointer underflow (stack error) trap is
generated when the Stack Pointer address is found to
be less than 0800h. This prevents the stack from
interfering with the Special Function Register (SFR)
space.
FIGURE 4-4: CALL STACK FRAME
4.3 Interfacing Program and Data
Memory Spaces
The PIC24F architecture uses a 24-bit wide program
space and 16-bit wide data space. The architecture is
also a modified Harvard scheme, meaning that data
can also be present in the program space. To use this
data successfully, it must be accessed in a way that
preserves the alignment of information in both spaces.
Apart from the normal execution, the PIC24F
architecture provides two methods by which the
program space can be accessed during operation:
• Using table instructions to access individual bytes
or words anywhere in the program space
• Remapping a portion of the program space into
the data space, PSV
Table instructions allow an application to read or write
small areas of the program memory. This makes the
method ideal for accessing data tables that need to be
updated from time to time. It also allows access to all
bytes of the program word. The remapping method
allows an application to access a large block of data on
a read-only basis, which is ideal for look-ups from a
large table of static data. It can only access the least
significant word (lsw) of the program word.
4.3.1 ADDRESSING PROGRAM SPACE
Since the address ranges for the data and program
spaces are 16 and 24 bits, respectively, a method is
needed to create a 23-bit or 24-bit program address
from 16-bit data registers. The solution depends on the
interface method to be used.
For table operations, the 8-bit Table Memory Page
Address register (TBLPAG) is used to define a 32K word
region within the program space. This is concatenated
with a 16-bit EA to arrive at a full 24-bit program space
address. In this format, the Most Significant bit (MSb) of
TBLPAG is used to determine if the operation occurs in
the user memory (TBLPAG<7> = 0) or the configuration
memory (TBLPAG<7> = 1).
For remapping operations, the 8-bit Program Space
Visibility Page Address register (PSVPAG) is used to
define a 16K word page in the program space. When
the MSb of the EA is ‘1’, PSVPAG is concatenated with
the lower 15 bits of the EA to form a 23-bit program
space address. Unlike the table operations, this limits
remapping operations strictly to the user memory area.
Table 4-20 and Figure 4-5 show how the program EA is
created for table operations and remapping accesses
from the data EA. Here, P<23:0> bits refer to a program
space word, whereas the D<15:0> bits refer to a data
space word.
Note: A PC push during exception processing
will concatenate the SRL register to the
MSB of the PC prior to the push.
Note: A write to the SPLIM register should not
be immediately followed by an indirect
read operation using W15.
<Free Word>
PC<15:0>
000000000
015
W15 (before CALL)
W15 (after CALL)
Stack Grows Towards
Higher Address
0000h
PC<22:16>
POP : [--W15]
PUSH : [W15++]

2011-2013 Microchip Technology Inc. DS30001037C-page 44
PIC24F16KL402 FAMILY
TABLE 4-20: PROGRAM SPACE ADDRESS CONSTRUCTION
FIGURE 4-5: DATA ACCESS FROM PROGRAM SPACE ADDRESS GENERATION
Access Type Access
Space
Program Space Address
<23> <22:16> <15> <14:1> <0>
Instruction Access
(Code Execution)
User 0PC<22:1> 0
0xx xxxx xxxx xxxx xxxx xxx0
TBLRD/TBLWT
(Byte/Word Read/Write)
User TBLPAG<7:0> Data EA<15:0>
0xxx xxxx xxxx xxxx xxxx xxxx
Configuration TBLPAG<7:0> Data EA<15:0>
1xxx xxxx xxxx xxxx xxxx xxxx
Program Space Visibility
(Block Remap/Read)
User 0PSVPAG<7:0>(2)Data EA<14:0>(1)
0 xxxx xxxx xxx xxxx xxxx xxxx
Note 1: Data EA<15> is always ‘1’ in this case, but is not used in calculating the program space address. Bit 15 of
the address is PSVPAG<0>.
2: PSVPAG can have only two values (‘00’ to access program memory and FF to access data EEPROM) on
PIC24F16KL402 family devices.
0
Program Counter
23 Bits
1
PSVPAG
8 bits
EA
15 bits
Program Counter(1)
Select
TBLPAG
8 Bits
EA
16 bits
Byte Select
0
0
1/0
User/Configuration
Table Operations(2)
Program Space Visibility(1)
Space Select
24 Bits
23 Bits
(Remapping)
1/0
0
Note 1: The LSb of program space addresses is always fixed as ‘0’ in order to maintain word alignment of data in the
program and data spaces.
2: Table operations are not required to be word-aligned. Table read operations are permitted in the configuration
memory space.

PIC24F16KL402 FAMILY
DS30001037C-page 45 2011-2013 Microchip Technology Inc.
4.3.2 DATA ACCESS FROM PROGRAM
MEMORY AND DATA EEPROM
MEMORY USING TABLE
INSTRUCTIONS
The TBLRDL and TBLWTL instructions offer a direct
method of reading or writing the lower word of any
address within the program memory without going
through data space. It also offers a direct method of
reading or writing a word of any address within data
EEPROM memory. The TBLRDH and TBLWTH
instructions are the only method to read or write the
upper 8 bits of a program space word as data.
The PC is incremented by two for each successive
24-bit program word. This allows program memory
addresses to directly map to data space addresses.
Program memory can thus be regarded as two, 16-bit
word-wide address spaces, residing side by side, each
with the same address range. TBLRDL and TBLWTL
access the space which contains the least significant
data word, and TBLRDH and TBLWTH access the space
which contains the upper data byte.
Two table instructions are provided to move byte or
word-sized (16-bit) data to and from program space.
Both function as either byte or word operations.
1. TBLRDL (Table Read Low): In Word mode, it
maps the lower word of the program space
location (P<15:0>) to a data address (D<15:0>).
In Byte mode, either the upper or lower byte of
the lower program word is mapped to the lower
byte of a data address. The upper byte is
selected when the byte select is ‘1’; the lower
byte is selected when it is ‘0’.
2. TBLRDH (Table Read High): In Word mode, it
maps the entire upper word of a program address
(P<23:16>) to a data address. Note that
D<15:8>, the ‘phantom’ byte, will always be ‘0’.
In Byte mode, it maps the upper or lower byte of
the program word to D<7:0> of the data
address, as above. Note that the data will
always be ‘0’ when the upper ‘phantom’ byte is
selected (byte select = 1).
In a similar fashion, two table instructions, TBLWTH
and TBLWTL, are used to write individual bytes or
words to a program space address. The details of
their operation are explained in Section 5.0 “Flash
Program Memory”.
For all table operations, the area of program memory
space to be accessed is determined by the Table
Memory Page Address register (TBLPAG). TBLPAG
covers the entire program memory space of the
device, including user and configuration spaces. When
TBLPAG<7> = 0, the table page is located in the user
memory space. When TBLPAG<7> = 1, the page is
located in configuration space.
FIGURE 4-6: ACCESSING PROGRAM MEMORY WITH TABLE INSTRUCTIONS
Note: The TBLRDH and TBLWTH instructions are
not used while accessing data EEPROM
memory.
Note: Only Table Read operations will execute
in the configuration memory space, and
only then, in implemented areas, such as
the Device ID. Table write operations are
not allowed.
081623
00000000
00000000
00000000
00000000
‘Phantom’ Byte
TBLRDH.B (Wn<0> = 0)
TBLRDL.W
TBLRDL.B (Wn<0> = 1)
TBLRDL.B (Wn<0> = 0)
23 15 0
TBLPAG
00
000000h
800000h
002BFEh
Program Space
Data EA<15:0>
The address for the table operation is determined by the data EA
within the page defined by the TBLPAG register. Only read
operations are provided; write operations are also valid in the
user memory area.

2011-2013 Microchip Technology Inc. DS30001037C-page 46
PIC24F16KL402 FAMILY
4.3.3 READING DATA FROM PROGRAM
MEMORY USING PROGRAM SPACE
VISIBILITY
The upper 32 Kbytes of data space may optionally be
mapped into a 16K word page of the program space.
This provides transparent access of stored constant
data from the data space without the need to use
special instructions (i.e., TBLRDL/H).
Program space access through the data space occurs
if the MSb of the data space EA is ‘1’ and PSV is
enabled by setting the PSV bit in the CPU Control
(CORCON<2>) register. The location of the program
memory space to be mapped into the data space is
determined by the Program Space Visibility Page
Address (PSVPAG) register. This 8-bit register defines
any one of 256 possible pages of 16K words in program
space. In effect, PSVPAG functions as the upper 8 bits
of the program memory address, with 15 bits of the EA
functioning as the lower bits.
By incrementing the PC by 2 for each program memory
word, the lower 15 bits of data space addresses directly
map to the lower 15 bits in the corresponding program
space addresses.
Data reads from this area add an additional cycle to the
instruction being executed, since two program memory
fetches are required.
Although each data space address, 8000h and higher,
maps directly into a corresponding program memory
address (see Figure 4-7), only the lower 16 bits of the
24-bit program word are used to contain the data. The
upper 8 bits of any program space location, used as
data, should be programmed with ‘1111 1111’ or
‘0000 0000’ to force a NOP. This prevents possible
issues should the area of code ever be accidentally
executed.
For operations that use PSV and are executed outside of
a REPEAT loop, the MOV and MOV.D instructions will
require one instruction cycle, in addition to the specified
execution time. All other instructions will require two
instruction cycles in addition to the specified execution
time.
For operations that use PSV, which are executed inside
a REPEAT loop, there will be some instances that
require two instruction cycles, in addition to the
specified execution time of the instruction:
• Execution in the first iteration
• Execution in the last iteration
• Execution prior to exiting the loop due to an
interrupt
• Execution upon re-entering the loop after an
interrupt is serviced
Any other iteration of the REPEAT loop will allow the
instruction accessing data, using PSV, to execute in a
single cycle.
FIGURE 4-7: PROGRAM SPACE VISIBILITY OPERATION
Note: PSV access is temporarily disabled during
Table Reads/Writes.
23 15 0
PSVPAG
Data Space
Program Space
0000h
8000h
FFFFh
00 000000h
800000h
002BFEh
When CORCON<2> = 1 and EA<15> = 1:
PSV Area
The data in the page
designated by
PSVPAG is mapped
into the upper half of
the data memory
space....
Data EA<14:0>
...while the lower 15 bits of
the EA specify an exact
address within the PSV
area. This corresponds
exactly to the same lower
15 bits of the actual
program space address.

2011-2013 Microchip Technology Inc. DS30001037C-page 47
PIC24F16KL402 FAMILY
5.0 FLASH PROGRAM MEMORY
The PIC24F16KL402 family of devices contains
internal Flash program memory for storing and execut-
ing application code. The memory is readable, writable
and erasable when operating with VDD over 1.8V.
Flash memory can be programmed in three ways:
• In-Circuit Serial Programming™ (ICSP™)
• Run-Time Self Programming (RTSP)
• Enhanced In-Circuit Serial Programming
(Enhanced ICSP)
ICSP allows a PIC24F device to be serially pro-
grammed while in the end application circuit. This is
simply done with two lines for the programming clock
and programming data (which are named PGECx and
PGEDx, respectively), and three other lines for power
(VDD), ground (VSS) and Master Clear/Program mode
Entry Voltage (MCLR/VPP). This allows customers to
manufacture boards with unprogrammed devices and
then program the microcontroller just before shipping
the product. This also allows the most recent firmware
or custom firmware to be programmed.
Run-Time Self Programming (RTSP) is accomplished
using TBLRD (Table Read) and TBLWT (Table Write)
instructions. With RTSP, the user may write program
memory data in blocks of 32 instructions (96 bytes) at
a time, and erase program memory in blocks of 32, 64
and 128 instructions (96,192 and 384 bytes) at a time.
The NVMOP<1:0> (NVMCON<1:0>) bits decide the
erase block size.
5.1 Table Instructions and Flash
Programming
Regardless of the method used, Flash memory
programming is done with the Table Read and Table
Write instructions. These allow direct read and write
access to the program memory space from the data
memory while the device is in normal operating mode.
The 24-bit target address in the program memory is
formed using the TBLPAG<7:0> bits and the Effective
Address (EA) from a W register, specified in the table
instruction, as depicted in Figure 5-1.
The TBLRDL and TBLWTL instructions are used to read
or write to bits<15:0> of program memory. TBLRDL and
TBLWTL can access program memory in both Word
and Byte modes.
The TBLRDH and TBLWTH instructions are used to read
or write to bits<23:16> of program memory. TBLRDH
and TBLWTH can also access program memory in Word
or Byte mode.
FIGURE 5-1: ADDRESSING FOR TABLE REGISTERS
Note: This data sheet summarizes the features of
this group of PIC24F devices. It is not
intended to be a comprehensive reference
source. For more information on Flash
Programming, refer to the “dsPIC33/PIC24
Family Reference Manual”, “Program
Memory” (DS39715).
0Program Counter
24 Bits
Program
TBLPAG Reg
8 Bits
Working Reg EA
16 Bits
Using
Byte
24-Bit EA
0
1/0
Select
Table
Instruction
Counter
Using
User/Configuration
Space Select

PIC24F16KL402 FAMILY
DS30001037C-page 48 2011-2013 Microchip Technology Inc.
5.2 RTSP Operation
The PIC24F Flash program memory array is organized
into rows of 32 instructions or 96 bytes. RTSP allows
the user to erase blocks of 1 row, 2 rows and 4 rows
(32, 64 and 128 instructions) at a time, and to program
one row at a time.
The 1-row (96 bytes), 2-row (192 bytes) and 4-row
(384 bytes) erase blocks and single row write block
(96 bytes) are edge-aligned, from the beginning of
program memory.
When data is written to program memory using TBLWT
instructions, the data is not written directly to memory.
Instead, data written using Table Writes is stored in holding
latches until the programming sequence is executed.
Any number of TBLWT instructions can be executed
and a write will be successfully performed. However,
32 TBLWT instructions are required to write the full row
of memory.
The basic sequence for RTSP programming is to set up
a Table Pointer, then do a series of TBLWT instructions to
load the buffers. Programming is performed by setting
the control bits in the NVMCON register.
Data can be loaded in any order and the holding regis-
ters can be written to multiple times before performing
a write operation. Subsequent writes, however, will
wipe out any previous writes.
All of the Table Write operations are single-word writes
(two instruction cycles), because only the buffers are writ-
ten. A programming cycle is required for programming
each row.
5.3 Enhanced In-Circuit Serial
Programming
Enhanced ICSP uses an on-board bootloader, known
as the program executive, to manage the programming
process. Using an SPI data frame format, the program
executive can erase, program and verify program
memory. For more information on Enhanced ICSP, see
the device programming specification.
5.4 Control Registers
There are two SFRs used to read and write the
program Flash memory: NVMCON and NVMKEY.
The NVMCON register (Register 5-1) controls the blocks
that need to be erased, which memory type is to be
programmed and when the programming cycle starts.
NVMKEY is a write-only register that is used for write
protection. To start a programming or erase sequence,
the user must consecutively write 55h and AAh to the
NVMKEY register. For more information, refer to
Section 5.5 “Programming Operations”.
5.5 Programming Operations
A complete programming sequence is necessary for
programming or erasing the internal Flash in RTSP
mode. During a programming or erase operation, the
processor stalls (waits) until the operation is finished.
Setting the WR bit (NVMCON<15>) starts the
operation and the WR bit is automatically cleared when
the operation is finished.
Note: Writing to a location multiple times without
erasing it is not recommended.

2011-2013 Microchip Technology Inc. DS30001037C-page 49
PIC24F16KL402 FAMILY
REGISTER 5-1: NVMCON: FLASH MEMORY CONTROL REGISTER
R/SO-0, HC R/W-0 R/W-0 R/W-0 U-0 U-0 U-0 U-0
WR WREN WRERR PGMONLY(4)— — — —
bit 15 bit 8
U-0 R/W-0 R/W-0 R/W-0 R/W-0 R/W-0 R/W-0 R/W-0
— ERASE NVMOP5(1)NVMOP4(1)NVMOP3(1)NVMOP2(1)NVMOP1(1)NVMOP0(1)
bit 7 bit 0
Legend: SO = Settable Only bit HC = Hardware Clearable bit
-n = Value at POR ‘1’ = Bit is set R = Readable bit W = Writable bit
‘0’ = Bit is cleared x = Bit is unknown U = Unimplemented bit, read as ‘0’
bit 15 WR: Write Control bit
1 = Initiates a Flash memory program or erase operation; the operation is self-timed and the bit is
cleared by hardware once the operation is complete
0 = Program or erase operation is complete and inactive
bit 14 WREN: Write Enable bit
1 = Enables Flash program/erase operations
0 = Inhibits Flash program/erase operations
bit 13 WRERR: Write Sequence Error Flag bit
1 = An improper program or erase sequence attempt, or termination, has occurred (bit is set automatically
on any set attempt of the WR bit)
0 = The program or erase operation completed normally
bit 12 PGMONLY: Program Only Enable bit(4)
bit 11-7 Unimplemented: Read as ‘0’
bit 6 ERASE: Erase/Program Enable bit
1 = Performs the erase operation specified by NVMOP<5:0> on the next WR command
0 = Performs the program operation specified by NVMOP<5:0> on the next WR command
bit 5-0 NVMOP<5:0>: Programming Operation Command Byte bits(1)
Erase Operations (when ERASE bit is ‘1’):
1010xx = Erases entire boot block (including code-protected boot block)(2)
1001xx = Erases entire memory (including boot block, configuration block, general block)(2)
011010 = Erases 4 rows of Flash memory(3)
011001 = Erases 2 rows of Flash memory(3)
011000 = Erases 1 row of Flash memory(3)
0101xx = Erases entire configuration block (except code protection bits)
0100xx = Erases entire data EEPROM(4)
0011xx = Erases entire general memory block programming operations
0001xx = Writes 1 row of Flash memory (when ERASE bit is ‘0’)(3)
Note 1: All other combinations of the NVMOP<5:0> bits are no operation.
2: Available in ICSP™ mode only. Refer to the device programming specification.
3: The address in the Table Pointer decides which rows will be erased.
4: This bit is used only while accessing data EEPROM. It is implemented only in devices with data EEPROM.

PIC24F16KL402 FAMILY
DS30001037C-page 50 2011-2013 Microchip Technology Inc.
5.5.1 PROGRAMMING ALGORITHM FOR
FLASH PROGRAM MEMORY
The user can program one row of Flash program
memory at a time by erasing the programmable row.
The general process is as follows:
1. Read a row of program memory (32 instructions)
and store in data RAM.
2. Update the program data in RAM with the
desired new data.
3. Erase a row (see Example 5-1):
a) Set the NVMOPx bits (NVMCON<5:0>) to
‘011000’ to configure for row erase. Set the
ERASE (NVMCON<6>) and WREN
(NVMCON<14>) bits.
b) Write the starting address of the block to be
erased into the TBLPAG and W registers.
c) Write 55h to NVMKEY.
d) Write AAh to NVMKEY.
e) Set the WR bit (NVMCON<15>). The erase
cycle begins and the CPU stalls for the
duration of the erase cycle. When the erase is
done, the WR bit is cleared automatically.
4. Write the first 32 instructions from data RAM into
the program memory buffers (see Example 5-1).
5. Write the program block to Flash memory:
a) Set the NVMOPx bits to ‘000100’ to
configure for row programming. Clear the
ERASE bit and set the WREN bit.
b) Write 55h to NVMKEY.
c) Write AAh to NVMKEY.
d) Set the WR bit. The programming cycle
begins and the CPU stalls for the duration of
the write cycle. When the write to Flash
memory is done, the WR bit is cleared
automatically.
For protection against accidental operations, the write
initiate sequence for NVMKEY must be used to allow
any erase or program operation to proceed. After the
programming command has been executed, the user
must wait for the programming time until programming
is complete. The two instructions following the start of
the programming sequence should be NOPs, as shown
in Example 5-5.
EXAMPLE 5-1: ERASING A PROGRAM MEMORY ROW – ASSEMBLY LANGUAGE CODE
; Set up NVMCON for row erase operation
MOV #0x4058, W0 ;
MOV W0, NVMCON ; Initialize NVMCON
; Init pointer to row to be ERASED
MOV #tblpage(PROG_ADDR), W0 ;
MOV W0, TBLPAG ; Initialize PM Page Boundary SFR
MOV #tbloffset(PROG_ADDR), W0 ; Initialize in-page EA[15:0] pointer
TBLWTL W0, [W0] ; Set base address of erase block
DISI #5 ; Block all interrupts
for next 5 instructions
MOV #0x55, W0
MOV W0, NVMKEY ; Write the 55 key
MOV #0xAA, W1 ;
MOV W1, NVMKEY ; Write the AA key
BSET NVMCON, #WR ; Start the erase sequence
NOP ; Insert two NOPs after the erase
NOP ; command is asserted

2011-2013 Microchip Technology Inc. DS30001037C-page 51
PIC24F16KL402 FAMILY
EXAMPLE 5-2: ERASING A PROGRAM MEMORY ROW – ‘C’ LANGUAGE CODE
EXAMPLE 5-3: LOADING THE WRITE BUFFERS – ASSEMBLY LANGUAGE CODE
// C example using MPLAB C30
int __attribute__ ((space(auto_psv))) progAddr = &progAddr; // Global variable located in Pgm Memory
unsigned int offset;
//Set up pointer to the first memory location to be written
TBLPAG = __builtin_tblpage(&progAddr); // Initialize PM Page Boundary SFR
offset = &progAddr & 0xFFFF; // Initialize lower word of address
__builtin_tblwtl(offset, 0x0000); // Set base address of erase block
// with dummy latch write
NVMCON = 0x4058; // Initialize NVMCON
asm("DISI #5"); // Block all interrupts for next 5
// instructions
__builtin_write_NVM(); // C30 function to perform unlock
// sequence and set WR
; Set up NVMCON for row programming operations
MOV #0x4004, W0 ;
MOV W0, NVMCON ; Initialize NVMCON
; Set up a pointer to the first program memory location to be written
; program memory selected, and writes enabled
MOV #0x0000, W0 ;
MOV W0, TBLPAG ; Initialize PM Page Boundary SFR
MOV #0x6000, W0 ; An example program memory address
; Perform the TBLWT instructions to write the latches
; 0th_program_word
MOV #LOW_WORD_0, W2 ;
MOV #HIGH_BYTE_0, W3 ;
TBLWTL W2, [W0] ; Write PM low word into program latch
TBLWTH W3, [W0++] ; Write PM high byte into program latch
; 1st_program_word
MOV #LOW_WORD_1, W2 ;
MOV #HIGH_BYTE_1, W3 ;
TBLWTL W2, [W0] ; Write PM low word into program latch
TBLWTH W3, [W0++] ; Write PM high byte into program latch
; 2nd_program_word
MOV #LOW_WORD_2, W2 ;
MOV #HIGH_BYTE_2, W3 ;
TBLWTL W2, [W0] ; Write PM low word into program latch
TBLWTH W3, [W0++] ; Write PM high byte into program latch
•
•
•
; 32nd_program_word
MOV #LOW_WORD_31, W2 ;
MOV #HIGH_BYTE_31, W3 ;
TBLWTL W2, [W0] ; Write PM low word into program latch
TBLWTH W3, [W0] ; Write PM high byte into program latch

PIC24F16KL402 FAMILY
DS30001037C-page 52 2011-2013 Microchip Technology Inc.
EXAMPLE 5-4: LOADING THE WRITE BUFFERS – ‘C’ LANGUAGE CODE
EXAMPLE 5-5: INITIATING A PROGRAMMING SEQUENCE – ASSEMBLY LANGUAGE CODE
EXAMPLE 5-6: INITIATING A PROGRAMMING SEQUENCE – ‘C’ LANGUAGE CODE
// C example using MPLAB C30
#define NUM_INSTRUCTION_PER_ROW 64
int __attribute__ ((space(auto_psv))) progAddr = &progAddr; // Global variable located in Pgm Memory
unsigned int offset;
unsigned int i;
unsigned int progData[2*NUM_INSTRUCTION_PER_ROW]; // Buffer of data to write
//Set up NVMCON for row programming
NVMCON = 0x4004; // Initialize NVMCON
//Set up pointer to the first memory location to be written
TBLPAG = __builtin_tblpage(&progAddr); // Initialize PM Page Boundary SFR
offset = &progAddr & 0xFFFF; // Initialize lower word of address
//Perform TBLWT instructions to write necessary number of latches
for(i=0; i < 2*NUM_INSTRUCTION_PER_ROW; i++)
{
__builtin_tblwtl(offset, progData[i++]); // Write to address low word
__builtin_tblwth(offset, progData[i]); // Write to upper byte
offset = offset + 2; // Increment address
}
DISI #5 ; Block all interrupts
for next 5 instructions
MOV #0x55, W0
MOV W0, NVMKEY ; Write the 55 key
MOV #0xAA, W1 ;
MOV W1, NVMKEY ; Write the AA key
BSET NVMCON, #WR ; Start the erase sequence
NOP ; 2 NOPs required after setting WR
NOP ;
BTSC NVMCON, #15 ; Wait for the sequence to be completed
BRA $-2 ;
// C example using MPLAB C30
asm("DISI #5"); // Block all interrupts for next 5 instructions
__builtin_write_NVM(); // Perform unlock sequence and set WR

2011-2013 Microchip Technology Inc. DS30001037C-page 53
PIC24F16KL402 FAMILY
6.0 DATA EEPROM MEMORY
The data EEPROM memory is a Nonvolatile Memory
(NVM), separate from the program and volatile data
RAM. Data EEPROM memory is based on the same
Flash technology as program memory, and is optimized
for both long retention and a higher number of
erase/write cycles.
The data EEPROM is mapped to the top of the user pro-
gram memory space, with the top address at program
memory address, 7FFFFFh. For PIC24FXXKL4XX
devices, the size of the data EEPROM is 256 words
(7FFE00h to 7FFFFFh). For PIC24FXXKL3XX devices,
the size of the data EEPROM is 128 words (7FFF00h to
7FFFFFh). The data EEPROM is not implemented in
PIC24F08KL20X or PIC24F04KL10X devices.
The data EEPROM is organized as 16-bit wide
memory. Each word is directly addressable, and is
readable and writable during normal operation over the
entire VDD range.
Unlike the Flash program memory, normal program
execution is not stopped during a data EEPROM
program or erase operation.
The data EEPROM programming operations are
controlled using the three NVM Control registers:
• NVMCON: Nonvolatile Memory Control Register
• NVMKEY: Nonvolatile Memory Key Register
• NVMADR: Nonvolatile Memory Address Register
6.1 NVMCON Register
The NVMCON register (Register 6-1) is also the primary
control register for data EEPROM program/erase
operations. The upper byte contains the control bits
used to start the program or erase cycle, and the flag bit
to indicate if the operation was successfully performed.
The lower byte of NVMCOM configures the type of NVM
operation that will be performed.
6.2 NVMKEY Register
The NVMKEY is a write-only register that is used to
prevent accidental writes or erasures of data EEPROM
locations.
To start any programming or erase sequence, the
following instructions must be executed first, in the
exact order provided:
1. Write 55h to NVMKEY.
2. Write AAh to NVMKEY.
After this sequence, a write will be allowed to the
NVMCON register for one instruction cycle. In most
cases, the user will simply need to set the WR bit in the
NVMCON register to start the program or erase cycle.
Interrupts should be disabled during the unlock
sequence.
The MPLAB® C30 C compiler provides a defined library
procedure (builtin_write_NVM) to perform the
unlock sequence. Example 6-1 illustrates how the
unlock sequence can be performed with in-line
assembly.
EXAMPLE 6-1: DATA EEPROM UNLOCK SEQUENCE
Note: This data sheet summarizes the features of
this group of PIC24F devices. It is not
intended to be a comprehensive reference
source. For more information on Data
EEPROM, refer to the “dsPIC33/PIC24
Family Reference Manual”, “Data
EEPROM” (DS39720).
//Disable Interrupts For 5 instructions
asm volatile("disi #5");
//Issue Unlock Sequence
asm volatile ("mov #0x55, W0 \n"
"mov W0, NVMKEY \n"
"mov #0xAA, W1 \n"
"mov W1, NVMKEY \n");
// Perform Write/Erase operations
asm volatile ("bset NVMCON, #WR \n"
"nop \n"
"nop \n");

PIC24F16KL402 FAMILY
DS30001037C-page 54 2011-2013 Microchip Technology Inc.
REGISTER 6-1: NVMCON: NONVOLATILE MEMORY CONTROL REGISTER
R/SO-0, HC R/W-0 R/W-0 R/W-0 U-0 U-0 U-0 U-0
WR WREN WRERR PGMONLY — — — —
bit 15 bit 8
U-0 R/W-0 R/W-0 R/W-0 R/W-0 R/W-0 R/W-0 R/W-0
— ERASE NVMOP5(1)NVMOP4(1)NVMOP3(1)NVMOP2(1)NVMOP1(1)NVMOP0(1)
bit 7 bit 0
Legend: HC = Hardware Clearable bit U = Unimplemented bit, read as ‘0’
R = Readable bit W = Writable bit SO = Settable Only bit
-n = Value at POR ‘1’ = Bit is set ‘0’ = Bit is cleared x = Bit is unknown
bit 15 WR: Write Control bit (program or erase)
1 = Initiates a data EEPROM erase or write cycle (can be set but not cleared in software)
0 = Write cycle is complete (cleared automatically by hardware)
bit 14 WREN: Write Enable bit (erase or program)
1 = Enables an erase or program operation
0 = No operation allowed (device clears this bit on completion of the write/erase operation)
bit 13 WRERR: Flash Error Flag bit
1 = A write operation is prematurely terminated (any MCLR or WDT Reset during programming
operation)
0 = The write operation completed successfully
bit 12 PGMONLY: Program Only Enable bit
1 = Write operation is executed without erasing target address(es) first
0 = Automatic erase-before-write; write operations are preceded automatically by an erase of target
address(es)
bit 11-7 Unimplemented: Read as ‘0’
bit 6 ERASE: Erase Operation Select bit
1 = Performs an erase operation when WR is set
0 = Performs a write operation when WR is set
bit 5-0 NVMOP<5:0>: Programming Operation Command Byte bits(1)
Erase Operations (when ERASE bit is ‘1’):
011010 = Erases 8 words
011001 = Erases 4 words
011000 = Erases 1 word
0100xx = Erases entire data EEPROM
Programming Operations (when ERASE bit is ‘0’):
001xxx = Writes 1 word
Note 1: These NVMOP configurations are unimplemented on PIC24F04KL10X and PIC24F08KL20X devices.

2011-2013 Microchip Technology Inc. DS30001037C-page 55
PIC24F16KL402 FAMILY
6.3 NVM Address Register
As with Flash program memory, the NVM Address
Registers, NVMADRU and NVMADR, form the 24-bit
Effective Address (EA) of the selected row or word for
data EEPROM operations. The NVMADRU register is
used to hold the upper 8 bits of the EA, while the
NVMADR register is used to hold the lower 16 bits of
the EA. These registers are not mapped into the
Special Function Register (SFR) space; instead, they
directly capture the EA<23:0> of the last Table Write
instruction that has been executed and selects the data
EEPROM row to erase. Figure 6-1 depicts the program
memory EA that is formed for programming and erase
operations.
Like program memory operations, the Least Significant
bit (LSb) of NVMADR is restricted to even addresses.
This is because any given address in the data EEPROM
space consists of only the lower word of the program
memory width; the upper word, including the uppermost
“phantom byte”, is unavailable. This means that the LSb
of a data EEPROM address will always be ‘0’.
Similarly, the Most Significant bit (MSb) of NVMADRU
is always ‘0’, since all addresses lie in the user program
space.
FIGURE 6-1: DATA EEPROM
ADDRESSING WITH TBLPAG
AND NVM ADDRESS
REGISTERS
6.4 Data EEPROM Operations
The EEPROM block is accessed using Table Read and
Table Write operations, similar to those used for pro-
gram memory. The TBLWTH and TBLRDH instructions
are not required for data EEPROM operations since the
memory is only 16 bits wide (data on the lower address
is valid only). The following programming operations
can be performed on the data EEPROM:
• Erase one, four or eight words
• Bulk erase the entire data EEPROM
• Write one word
• Read one word
The library procedures are used in the code examples
detailed in the following sections. General descriptions
of each process are provided for users who are not
using the C30 compiler libraries.
24-Bit PM Address
TBLPAG
NVMADR
W Register EA
7Fh xxxxh
00
NVMADRU
Note: Unexpected results will be obtained if the
user attempts to read the EEPROM while
a programming or erase operation is
underway.
The C30 C compiler includes library
procedures to automatically perform the
Table Read and Table Write operations,
manage the Table Pointer and write
buffers, and unlock and initiate memory
write sequences. This eliminates the need
to create assembler macros or time
critical routines in C for each application.

PIC24F16KL402 FAMILY
DS30001037C-page 56 2011-2013 Microchip Technology Inc.
6.4.1 ERASE DATA EEPROM
The data EEPROM can be fully erased, or can be
partially erased, at three different sizes: one word, four
words or eight words. The bits, NVMOP<1:0>
(NVMCON<1:0>), decide the number of words to be
erased. To erase partially from the data EEPROM, the
following sequence must be followed:
1. Configure NVMCON to erase the required
number of words: one, four or eight.
2. Load TBLPAG and WREG with the EEPROM
address to be erased.
3. Clear the NVMIF status bit and enable the NVM
interrupt (optional).
4. Write the key sequence to NVMKEY.
5. Set the WR bit to begin the erase cycle.
6. Either poll the WR bit or wait for the NVM
interrupt (NVMIF is set).
A typical erase sequence is provided in Example 6-2.
This example shows how to do a one-word erase.
Similarly, a four-word erase and an eight-word erase
can be done. This example uses C library procedures to
manage the Table Pointer (builtin_tblpage and
builtin_tbloffset) and the Erase Page Pointer
(builtin_tblwtl). The memory unlock sequence
(builtin_write_NVM) also sets the WR bit to initiate
the operation and returns control when complete.
EXAMPLE 6-2: SINGLE-WORD ERASE
int __attribute__ ((space(eedata))) eeData = 0x1234; // Global variable located in EEPROM
unsigned int offset;
// Set up NVMCON to erase one word of data EEPROM
NVMCON = 0x4058;
// Set up a pointer to the EEPROM location to be erased
TBLPAG = __builtin_tblpage(&eeData); // Initialize EE Data page pointer
offset = __builtin_tbloffset(&eeData); // Initizlize lower word of address
__builtin_tblwtl(offset, 0); // Write EEPROM data to write latch
asm volatile ("disi #5"); // Disable Interrupts For 5 Instructions
__builtin_write_NVM(); // Issue Unlock Sequence & Start Write Cycle
while(NVMCONbits.WR=1); // Optional: Poll WR bit to wait for
// write sequence to complete

2011-2013 Microchip Technology Inc. DS30001037C-page 57
PIC24F16KL402 FAMILY
6.4.1.1 Data EEPROM Bulk Erase
To erase the entire data EEPROM (bulk erase), the
address registers do not need to be configured
because this operation affects the entire data
EEPROM. The following sequence helps in performing
a bulk erase:
1. Configure NVMCON to Bulk Erase mode.
2. Clear the NVMIF status bit and enable the NVM
interrupt (optional).
3. Write the key sequence to NVMKEY.
4. Set the WR bit to begin the erase cycle.
5. Either poll the WR bit or wait for the NVM
interrupt (NVMIF is set).
A typical bulk erase sequence is provided in
Example 6-3.
6.4.2 SINGLE-WORD WRITE
To write a single word in the data EEPROM, the
following sequence must be followed:
1. Erase one data EEPROM word (as mentioned in
Section 6.4.1 “Erase Data EEPROM”) if
PGMONLY bit (NVMCON<12>) is set to ‘1’.
2. Write the data word into the data EEPROM
latch.
3. Program the data word into the EEPROM:
- Configure the NVMCON register to program one
EEPROM word (NVMCON<5:0> =
0001xx
).
- Clear the NVMIF status bit and enable the NVM
interrupt (optional).
- Write the key sequence to NVMKEY.
- Set the WR bit to begin the erase cycle.
- Either poll the WR bit or wait for the NVM
interrupt (NVMIF set).
- To get cleared, wait until NVMIF is set.
A typical single-word write sequence is provided in
Example 6-4.
EXAMPLE 6-3: DATA EEPROM BULK ERASE
EXAMPLE 6-4: SINGLE-WORD WRITE TO DATA EEPROM
// Set up NVMCON to bulk erase the data EEPROM
NVMCON = 0x4050;
// Disable Interrupts For 5 Instructions
asm volatile ("disi #5");
// Issue Unlock Sequence and Start Erase Cycle
__builtin_write_NVM();
int __attribute__ ((space(eedata))) eeData = 0x1234; // Global variable located in EEPROM
int newData; // New data to write to EEPROM
unsigned int offset;
// Set up NVMCON to erase one word of data EEPROM
NVMCON = 0x4004;
// Set up a pointer to the EEPROM location to be erased
TBLPAG = __builtin_tblpage(&eeData); // Initialize EE Data page pointer
offset = __builtin_tbloffset(&eeData); // Initizlize lower word of address
__builtin_tblwtl(offset, newData); // Write EEPROM data to write latch
asm volatile ("disi #5"); // Disable Interrupts For 5 Instructions
__builtin_write_NVM(); // Issue Unlock Sequence & Start Write Cycle
while(NVMCONbits.WR=1); // Optional: Poll WR bit to wait for
// write sequence to complete

PIC24F16KL402 FAMILY
DS30001037C-page 58 2011-2013 Microchip Technology Inc.
6.4.3 READING THE DATA EEPROM
To read a word from data EEPROM, the Table Read
instruction is used. Since the EEPROM array is only
16 bits wide, only the TBLRDL instruction is needed.
The read operation is performed by loading TBLPAG
and WREG with the address of the EEPROM location
followed by a TBLRDL instruction.
A typical read sequence using the Table
Pointer management (builtin_tblpage and
builtin_tbloffset) and Table Read
(builtin_tblrdl) procedures from the C30 compiler
library is provided in Example 6-5.
Program Space Visibility (PSV) can also be used to
read locations in the data EEPROM.
EXAMPLE 6-5: READING THE DATA EEPROM USING THE TBLRD COMMAND
int __attribute__ ((space(eedata))) eeData = 0x1234; // Global variable located in EEPROM
int data; // Data read from EEPROM
unsigned int offset;
// Set up a pointer to the EEPROM location to be erased
TBLPAG = __builtin_tblpage(&eeData); // Initialize EE Data page pointer
offset = __builtin_tbloffset(&eeData); // Initizlize lower word of address
data = __builtin_tblrdl(offset); // Write EEPROM data to write latch

2011-2013 Microchip Technology Inc. DS30001037C-page 59
PIC24F16KL402 FAMILY
7.0 RESETS
The Reset module combines all Reset sources and
controls the device Master Reset Signal, SYSRST. The
following is a list of device Reset sources:
• POR: Power-on Reset
•MCLR
: Pin Reset
•SWR: RESET Instruction
• WDTR: Watchdog Timer Reset
• BOR: Brown-out Reset
• TRAPR: Trap Conflict Reset
• IOPUWR: Illegal Opcode Reset
• UWR: Uninitialized W Register Reset
A simplified block diagram of the Reset module is
shown in Figure 7-1.
Any active source of Reset will make the SYSRST
signal active. Many registers associated with the CPU
and peripherals are forced to a known Reset state.
Most registers are unaffected by a Reset; their status is
unknown on a Power-on Reset (POR) and unchanged
by all other Resets.
All types of device Reset will set a corresponding status
bit in the RCON register to indicate the type of Reset
(see Register 7-1). A POR will clear all bits except for
the BOR and POR bits (RCON<1:0>) which are set.
The user may set or clear any bit at any time during
code execution. The RCON bits only serve as status
bits. Setting a particular Reset status bit in software will
not cause a device Reset to occur.
The RCON register also has other bits associated with
the Watchdog Timer (WDT) and device power-saving
states. The function of these bits is discussed in other
sections of this manual.
FIGURE 7-1: RESET SYSTEM BLOCK DIAGRAM
Note: This data sheet summarizes the features
of this group of PIC24F devices. It is not
intended to be a comprehensive refer-
ence source. For more information on
Resets, refer to the “dsPIC33/PIC24
Family Reference Manual”, “Reset with
Programmable Brown-out Reset”
(DS39728).
Note: Refer to the specific peripheral or CPU
section of this manual for register Reset
states.
Note: The status bits in the RCON register
should be cleared after they are read so
that the next RCON register value, after a
device Reset, will be meaningful.
MCLR
VDD
VDD
Rise
Detect
POR
Sleep or Idle
Brown-out
Reset
RESET
Instruction
WDT
Module
Glitch Filter
BOR
Trap Conflict
Illegal Opcode
Uninitialized W Register
SYSRST
BOREN<1:0>
00
01
10
11
0
SBOREN
SLEEP
1
Configuration Mismatch

PIC24F16KL402 FAMILY
DS30001037C-page 60 2011-2013 Microchip Technology Inc.
REGISTER 7-1: RCON: RESET CONTROL REGISTER(1)
R/W-0 R/W-0 R/W-0(3)U-0 U-0 U-0 R/W-0 R/W-0
TRAPR IOPUWR SBOREN — — —CMPMSLP
bit 15 bit 8
R/W-0 R/W-0 R/W-0 R/W-0 R/W-0 R/W-0 R/W-1 R/W-1
EXTR SWR SWDTEN(2)WDTO SLEEP IDLE BOR POR
bit 7 bit 0
Legend:
R = Readable bit W = Writable bit U = Unimplemented bit, read as ‘0’
-n = Value at POR ‘1’ = Bit is set ‘0’ = Bit is cleared x = Bit is unknown
bit 15 TRAPR: Trap Reset Flag bit
1 = A Trap Conflict Reset has occurred
0 = A Trap Conflict Reset has not occurred
bit 14 IOPUWR: Illegal Opcode or Uninitialized W Access Reset Flag bit
1 = An illegal opcode detection, an illegal address mode or an Uninitialized W register is used as an
Address Pointer and caused a Reset
0 = An illegal opcode or Uninitialized W register Reset has not occurred
bit 13 SBOREN: Software Enable/Disable of BOR bit(3)
1 = BOR is turned on in software
0 = BOR is turned off in software
bit 12-10 Unimplemented: Read as ‘0’
bit 9 CM: Configuration Word Mismatch Reset Flag bit
1 = A Configuration Word Mismatch Reset has occurred
0 = A Configuration Word Mismatch Reset has not occurred
bit 8 PMSLP: Program Memory Power During Sleep bit
1 = Program memory bias voltage remains powered during Sleep
0 = Program memory bias voltage is powered down during Sleep
bit 7 EXTR: External Reset (MCLR) Pin bit
1 = A Master Clear (pin) Reset has occurred
0 = A Master Clear (pin) Reset has not occurred
bit 6 SWR: Software Reset (Instruction) Flag bit
1 = A RESET instruction has been executed
0 = A RESET instruction has not been executed
bit 5 SWDTEN: Software Enable/Disable of WDT bit(2)
1 = WDT is enabled
0 = WDT is disabled
bit 4 WDTO: Watchdog Timer Time-out Flag bit
1 = WDT time-out has occurred
0 = WDT time-out has not occurred
Note 1: All of the Reset status bits may be set or cleared in software. Setting one of these bits in software does not
cause a device Reset.
2: If the FWDTEN Configuration bit is ‘1’ (unprogrammed), the WDT is always enabled, regardless of the
SWDTEN bit setting.
3: The SBOREN bit is forced to ‘0’ when disabled by the Configuration bits, BOREN<1:0> (FPOR<1:0>).
When the Configuration bits are set to enable SBOREN, the default Reset state will be ‘1’.

2011-2013 Microchip Technology Inc. DS30001037C-page 61
PIC24F16KL402 FAMILY
TABLE 7-1: RESET FLAG BIT OPERATION
7.1 Clock Source Selection at Reset
If clock switching is enabled, the system clock source at
device Reset is chosen, as shown in Table 7-2. If clock
switching is disabled, the system clock source is always
selected according to the oscillator Configuration bits.
For more information, see Section 9.0 “Oscillator
Configuration”.
TABLE 7-2: OSCILLATOR SELECTION vs.
TYPE OF RESET (CLOCK
SWITCHING ENABLED)
bit 3 SLEEP: Wake-up from Sleep Flag bit
1 = Device has been in Sleep mode
0 = Device has not been in Sleep mode
bit 2 IDLE: Wake-up from Idle Flag bit
1 = Device has been in Idle mode
0 = Device has not been in Idle mode
bit 1 BOR: Brown-out Reset Flag bit
1 = A Brown-out Reset has occurred (the BOR is also set after a POR)
0 = A Brown-out Reset has not occurred
bit 0 POR: Power-on Reset Flag bit
1 = A Power-up Reset has occurred
0 = A Power-up Reset has not occurred
Flag Bit Setting Event Clearing Event
TRAPR (RCON<15>) Trap Conflict Event POR
IOPUWR (RCON<14>) Illegal Opcode or Uninitialized W Register Access POR
CM (RCON<9>) Configuration Mismatch Reset POR
EXTR (RCON<7>) MCLR Reset POR
SWR (RCON<6>) RESET Instruction POR
WDTO (RCON<4>) WDT Time-out PWRSAV Instruction, POR
SLEEP (RCON<3>) PWRSAV #SLEEP Instruction POR
IDLE (RCON<2>) PWRSAV #IDLE Instruction POR
BOR (RCON<1>) POR, BOR —
POR (RCON<0>) POR —
Note: All Reset flag bits may be set or cleared by the user software.
REGISTER 7-1: RCON: RESET CONTROL REGISTER(1) (CONTINUED)
Note 1: All of the Reset status bits may be set or cleared in software. Setting one of these bits in software does not
cause a device Reset.
2: If the FWDTEN Configuration bit is ‘1’ (unprogrammed), the WDT is always enabled, regardless of the
SWDTEN bit setting.
3: The SBOREN bit is forced to ‘0’ when disabled by the Configuration bits, BOREN<1:0> (FPOR<1:0>).
When the Configuration bits are set to enable SBOREN, the default Reset state will be ‘1’.
Reset Type Clock Source Determinant
POR FNOSCx Configuration bits
(FNOSC<10:8>)
BOR
MCLR COSCx Control bits
(OSCCON<14:12>)
WDTO
SWR

PIC24F16KL402 FAMILY
DS30001037C-page 62 2011-2013 Microchip Technology Inc.
7.2 Device Reset Times
The Reset times for various types of device Reset are
summarized in Tab le 7 -3 . Note that the System Reset
Signal, SYSRST, is released after the POR and PWRT
delay times expire.
The time at which the device actually begins to execute
code will also depend on the system oscillator delays,
which include the Oscillator Start-up Timer (OST) and
the PLL lock time. The OST and PLL lock times occur
in parallel with the applicable SYSRST delay times.
The FSCM delay determines the time at which the
FSCM begins to monitor the system clock source after
the SYSRST signal is released.
TABLE 7-3: RESET DELAY TIMES FOR VARIOUS DEVICE RESETS
Reset Type Clock Source SYSRST Delay System Clock
Delay Notes
POR(6)EC TPOR + TPWRT —1, 2
FRC, FRCDIV TPOR + TPWRT TFRC 1, 2, 3
LPRC TPOR + TPWRT TLPRC 1, 2, 3
ECPLL TPOR + TPWRT TLOCK 1, 2, 4
FRCPLL TPOR + TPWRT TFRC + TLOCK 1, 2, 3, 4
XT, HS, SOSC TPOR+ TPWRT TOST 1, 2, 5
XTPLL, HSPLL TPOR + TPWRT TOST + TLOCK 1, 2, 4, 5
BOR EC TPWRT —2
FRC, FRCDIV TPWRT TFRC 2, 3
LPRC TPWRT TLPRC 2, 3
ECPLL TPWRT TLOCK 2, 4
FRCPLL TPWRT TFRC + TLOCK 2, 3, 4
XT, HS, SOSC TPWRT TOST 2, 5
XTPLL, HSPLL TPWRT TFRC + TLOCK 2, 3, 4
All Others Any Clock — — None
Note 1: TPOR = Power-on Reset delay.
2: TPWRT = 64 ms nominal if the Power-up Timer is enabled; otherwise, it is zero.
3: TFRC and TLPRC = RC oscillator start-up times.
4: TLOCK = PLL lock time.
5: TOST = Oscillator Start-up Timer (OST). A 10-bit counter waits 1024 oscillator periods before releasing the
oscillator clock to the system.
6: If Two-Speed Start-up is enabled, regardless of the primary oscillator selected, the device starts with
FRC, and in such cases, FRC start-up time is valid.
Note: For detailed operating frequency and timing specifications, see Section 26.0 “Electrical Characteristics”.

2011-2013 Microchip Technology Inc. DS30001037C-page 63
PIC24F16KL402 FAMILY
7.2.1 POR AND LONG OSCILLATOR
START-UP TIMES
The oscillator start-up circuitry and its associated delay
timers are not linked to the device Reset delays that
occur at power-up. Some crystal circuits (especially
low-frequency crystals) will have a relatively long
start-up time. Therefore, one or more of the following
conditions is possible after SYSRST is released:
• The oscillator circuit has not begun to oscillate.
• The Oscillator Start-up Timer (OST) has not
expired (if a crystal oscillator is used).
• The PLL has not achieved a lock (if PLL is used).
The device will not begin to execute code until a valid
clock source has been released to the system.
Therefore, the oscillator and PLL start-up delays must
be considered when the Reset delay time must be
known.
7.2.2 FAIL-SAFE CLOCK MONITOR
(FSCM) AND DEVICE RESETS
If the FSCM is enabled, it will begin to monitor the
system clock source when SYSRST is released. If a
valid clock source is not available at this time, the
device will automatically switch to the FRC oscillator
and the user can switch to the desired crystal oscillator
in the Trap Service Routine (TSR).
7.3 Special Function Register Reset
States
Most of the Special Function Registers (SFRs)
associated with the PIC24F CPU and peripherals are
reset to a particular value at a device Reset. The SFRs
are grouped by their peripheral or CPU function and their
Reset values are specified in each section of this manual.
The Reset value for each SFR does not depend on the
type of Reset, with the exception of four registers. The
Reset value for the Reset Control register, RCON, will
depend on the type of device Reset. The Reset value
for the Oscillator Control register, OSCCON, will
depend on the type of Reset and the programmed
values of the FNOSC bits in the Flash Configuration
Word (FOSCSEL); see Table 7-2. The RCFGCAL and
NVMCON registers are only affected by a POR.
7.4 Brown-out Reset (BOR)
PIC24F16KL402 family devices implement a BOR
circuit, which provides the user several configuration
and power-saving options. The BOR is controlled by
the BORV<1:0> and BOREN<1:0> Configuration bits
(FPOR<6:5,1:0>). There are a total of four BOR
configurations, which are provided in Ta ble 7 -3.
The BOR threshold is set by the BORV<1:0> bits. If
BOR is enabled (any values of BOREN<1:0>, except
‘00’), any drop of VDD below the set threshold point will
reset the device. The chip will remain in BOR until VDD
rises above the threshold.
If the Power-up Timer is enabled, it will be invoked after
VDD rises above the threshold. Then, it will keep the chip
in Reset for an additional time delay, TPWRT, if VDD
drops below the threshold while the power-up timer is
running. The chip goes back into a BOR and the
Power-up Timer will be initialized. Once VDD rises above
the threshold, the Power-up Timer will execute the
additional time delay.
BOR and the Power-up Timer (PWRT) are inde-
pendently configured. Enabling the BOR Reset does
not automatically enable the PWRT.
7.4.1 SOFTWARE ENABLED BOR
When BOREN<1:0> = 01, the BOR can be enabled or
disabled by the user in software. This is done with the
control bit, SBOREN (RCON<13>). Setting SBOREN
enables the BOR to function, as previously described.
Clearing the SBOREN disables the BOR entirely. The
SBOREN bit only operates in this mode; otherwise, it is
read as ‘0’.
Placing BOR under software control gives the user the
additional flexibility of tailoring the application to its
environment without having to reprogram the device to
change the BOR configuration. It also allows the user
to tailor the incremental current that the BOR
consumes. While the BOR current is typically very
small, it may have some impact in low-power
applications.
Note: Even when the BOR is under software
control, the BOR Reset voltage level is still
set by the BORV<1:0> Configuration bits;
it can not be changed in software.

PIC24F16KL402 FAMILY
DS30001037C-page 64 2011-2013 Microchip Technology Inc.
7.4.2 DETECTING BOR
When BOR is enabled, the BOR bit (RCON<1>) is
always reset to ‘1’ on any BOR or POR event. This
makes it difficult to determine if a BOR event has
occurred just by reading the state of BOR alone. A
more reliable method is to simultaneously check the
state of both POR and BOR. This assumes that the
POR and BOR bits are reset to ‘0’ in the software,
immediately after any POR event. If the BOR bit is ‘1’
while POR is ‘0’, it can be reliably assumed that a BOR
event has occurred.
7.4.3 DISABLING BOR IN SLEEP MODE
When BOREN<1:0> = 10, BOR remains under
hardware control and operates as previously
described. However, whenever the device enters Sleep
mode, BOR is automatically disabled. When the device
returns to any other operating mode, BOR is
automatically re-enabled.
This mode allows for applications to recover from
brown-out situations, while actively executing code
when the device requires BOR protection the most. At
the same time, it saves additional power in Sleep mode
by eliminating the small incremental BOR current.
Note: Even when the device exits from Deep Sleep
mode, both the POR and BOR are set.

2011-2013 Microchip Technology Inc. DS30001037C-page 65
PIC24F16KL402 FAMILY
8.0 INTERRUPT CONTROLLER
The PIC24F interrupt controller reduces the numerous
peripheral interrupt request signals to a single interrupt
request signal to the CPU. It has the following features:
• Up to eight processor exceptions and
software traps
• Seven user-selectable priority levels
• Interrupt Vector Table (IVT) with up to 118 vectors
• Unique vector for each interrupt or exception
source
• Fixed priority within a specified user priority level
• Alternate Interrupt Vector Table (AIVT) for debug
support
• Fixed interrupt entry and return latencies
8.1 Interrupt Vector Table (IVT)
The IVT is shown in Figure 8-1. The IVT resides in the
program memory, starting at location, 000004h. The
IVT contains 126 vectors, consisting of eight non-mas-
kable trap vectors, plus up to 118 sources of interrupt.
In general, each interrupt source has its own vector.
Each interrupt vector contains a 24-bit wide address.
The value programmed into each interrupt vector loca-
tion is the starting address of the associated Interrupt
Service Routine (ISR).
Interrupt vectors are prioritized in terms of their natural
priority; this is linked to their position in the vector table.
All other things being equal, lower addresses have a
higher natural priority. For example, the interrupt
associated with vector 0 will take priority over interrupts
at any other vector address.
PIC24F16KL402 family devices implement
32 non-maskable traps and unique interrupts; these
are summarized in Ta b l e 8 - 1 and Tab le 8 -2 .
8.1.1 ALTERNATE INTERRUPT VECTOR
TAB LE (AI VT)
The Alternate Interrupt Vector Table (AIVT) is located
after the IVT, as shown in Figure 8-1. Access to the AIVT
is provided by the ALTIVT control bit (INTCON2<15>). If
the ALTIVT bit is set, all interrupt and exception
processes will use the alternate vectors instead of the
default vectors. The alternate vectors are organized in
the same manner as the default vectors.
The AIVT supports emulation and debugging efforts by
providing a means to switch between an application
and a support environment without requiring the
interrupt vectors to be reprogrammed. This feature also
enables switching between applications for evaluation
of different software algorithms at run time. If the AIVT
is not needed, the AIVT should be programmed with
the same addresses used in the IVT.
8.2 Reset Sequence
A device Reset is not a true exception, because the
interrupt controller is not involved in the Reset process.
The PIC24F devices clear their registers in response to
a Reset, which forces the Program Counter (PC) to
zero. The microcontroller then begins program
execution at location, 000000h. The user programs a
GOTO instruction at the Reset address, which redirects
the program execution to the appropriate start-up
routine.
Note: This data sheet summarizes the features of
this group of PIC24F devices. It is not
intended to be a comprehensive reference
source. For more information on the Inter-
rupt Controller, refer to the “dsPIC33/PIC24
Family Reference Manual”, “Interrupts”
(DS39707).
Note: Any unimplemented or unused vector
locations in the IVT and AIVT should be
programmed with the address of a default
interrupt handler routine that contains a
RESET instruction.

PIC24F16KL402 FAMILY
DS30001037C-page 66 2011-2013 Microchip Technology Inc.
FIGURE 8-1: PIC24F INTERRUPT VECTOR TABLE
Reset – GOTO Instruction 000000h
Reset – GOTO Address 000002h
Reserved 000004h
Oscillator Fail Trap Vector
Address Error Trap Vector
Stack Error Trap Vector
Math Error Trap Vector
Reserved
Reserved
Reserved
Interrupt Vector 0 000014h
Interrupt Vector 1
—
—
—
Interrupt Vector 52 00007Ch
Interrupt Vector 53 00007Eh
Interrupt Vector 54 000080h
—
—
—
Interrupt Vector 116 0000FCh
Interrupt Vector 117 0000FEh
Reserved 000100h
Reserved 000102h
Reserved
Oscillator Fail Trap Vector
Address Error Trap Vector
Stack Error Trap Vector
Math Error Trap Vector
Reserved
Reserved
Reserved
Interrupt Vector 0 000114h
Interrupt Vector 1
—
—
—
Interrupt Vector 52 00017Ch
Interrupt Vector 53 00017Eh
Interrupt Vector 54 000180h
—
—
—
Interrupt Vector 116
Interrupt Vector 117 0001FEh
Start of Code 000200h
Decreasing Natural Order Priority
Interrupt Vector Table (IVT)(1)
Alternate Interrupt Vector Table (AIVT)(1)
Note 1: See Table 8-2 for the interrupt vector list.

2011-2013 Microchip Technology Inc. DS30001037C-page 67
PIC24F16KL402 FAMILY
TABLE 8-2: IMPLEMENTED INTERRUPT VECTORS
TABLE 8-1: TRAP VECTOR DETAILS
Vector Number IVT Address AIVT Address Trap Source
0 000004h 000104h Reserved
1 000006h 000106h Oscillator Failure
2 000008h 000108h Address Error
3 00000Ah 00010Ah Stack Error
4 00000Ch 00010Ch Math Error
5 00000Eh 00010Eh Reserved
6 000010h 000110h Reserved
7 000012h 000112h Reserved
Interrupt Source Vector
Number IVT Address AIVT Address Interrupt Bit Locations
Flag Enable Priority
ADC1 Conversion Done 13 00002Eh 00012Eh IFS0<13> IEC0<13> IPC3<6:4>
Comparator Event 18 000038h 000138h IFS1<2> IEC1<2> IPC4<10:8>
External Interrupt 0 0 000014h 000114h IFS0<0> IEC0<0> IPC0<2:0>
External Interrupt 1 20 00003Ch 00013Ch IFS1<4> IEC1<4> IPC5<2:0>
External Interrupt 2 29 00004Eh 00014Eh IFS1<13> IEC1<13> IPC7<6:4>
MSSP1 Bus Collision Event 17 000036h 000136h IFS1<1> IEC1<1> IPC4<6:4>
MSSP1 SPI or I2C™ Event 16 000034h 000134h IFS1<0> IEC1<0> IPC4<2:0>
MSSP2 Bus Collision Event 50 000078h 000178h IFS3<2> IEC3<2> IPC12<10:8>
MSSP2 SPI or I2C Event 49 000076h 000176h IFS3<1> IEC3<1> IPC12<6:4>
Input Change Notification 19 00003Ah 00013Ah IFS1<3> IEC1<3> IPC4<14:12>
HLVD (High/Low-Voltage Detect) 72 0000A4h 0001A4h IFS4<8> IEC4<8> IPC17<2:0>
NVM (NVM Write Complete) 15 000032h 000132h IFS0<15> IEC0<15> IPC3<14:12>
CCP1/ECCP1 2 000018h 000118h IFS0<2> IEC0<2> IPC0<10:8>
CCP2 6 000020h 000120h IFS0<6> IEC0<6> IPC1<10:8>
CCP3 25 000046h 000146h IFS1<9> IEC1<9> IPC6<6:4>
Timer1 3 00001Ah 00011Ah IFS0<3> IEC0<3> IPC0<14:12>
Timer2 7 000022h 000122h IFS0<7> IEC0<7> IPC1<14:12>
Timer3 8 000024h 000124h IFS0<8> IEC0<8> IPC2<2:0>
Timer4 27 00004Ah 00014Ah IFS1<11> IEC1<11> IPC6<14:12>
Timer3 Gate External Count 37 00005Eh 00015Eh IFS2<5> IEC2<5> IPC9<6:4>
UART1 Error 65 000096h 000196h IFS4<1> IEC4<1> IPC16<6:4>
UART1 Receiver 11 00002Ah 00012Ah IFS0<11> IEC0<11> IPC2<14:12>
UART1 Transmitter 12 00002Ch 00012Ch IFS0<12> IEC0<12> IPC3<2:0>
UART2 Error 66 000098h 000198h IFS4<2> IEC4<2> IPC16<10:8>
UART2 Receiver 30 000050h 000150h IFS1<14> IEC1<14> IPC7<10:8>
UART2 Transmitter 31 000052h 000152h IFS1<15> IEC1<15> IPC7<14:12>
ULPW (Ultra Low-Power Wake-up) 80 0000B4h 0001B4h IFS5<0> IEC5<0> IPC20<2:0>

PIC24F16KL402 FAMILY
DS30001037C-page 68 2011-2013 Microchip Technology Inc.
8.3 Interrupt Control and Status
Registers
Depending on the particular device, the
PIC24F16KL402 family of devices implements up to
28 registers for the interrupt controller:
• INTCON1
• INTCON2
• IFS0 through IFS5
• IEC0 through IEC5
• IPC0 through IPC7, ICP9, IPC12, ICP16, ICP18
and IPC20
•INTTREG
Global interrupt control functions are controlled from
INTCON1 and INTCON2. INTCON1 contains the
Interrupt Nesting Disable (NSTDIS) bit, as well as the
control and status flags for the processor trap sources.
The INTCON2 register controls the external interrupt
request signal behavior and the use of the AIV table.
The IFSx registers maintain all of the interrupt request
flags. Each source of interrupt has a status bit, which is
set by the respective peripherals or external signal, and
is cleared via software.
The IECx registers maintain all of the interrupt enable
bits. These control bits are used to individually enable
interrupts from the peripherals or external signals.
The IPCx registers are used to set the Interrupt Priority
Level for each source of interrupt. Each user interrupt
source can be assigned to one of eight priority levels.
The INTTREG register contains the associated
interrupt vector number and the new CPU Interrupt
Priority Level, which are latched into the Vector
Number (VECNUM<6:0>) and the Interrupt Level
(ILR<3:0>) bit fields in the INTTREG register. The new
Interrupt Priority Level is the priority of the pending
interrupt.
The interrupt sources are assigned to the IFSx, IECx
and IPCx registers in the same sequence listed in
Table 8-2. For example, the INT0 (External Interrupt 0)
is depicted as having a vector number and a natural
order priority of 0. The INT0IF status bit is found in
IFS0<0>, the INT0IE enable bit in IEC0<0> and the
INT0IP<2:0> priority bits are in the first position of IPC0
(IPC0<2:0>).
Although they are not specifically part of the interrupt
control hardware, two of the CPU control registers
contain bits that control interrupt functionality. The ALU
STATUS Register (SR) contains the IPL<2:0> bits
(SR<7:5>). These indicate the current CPU Interrupt
Priority Level. The user may change the current CPU
priority level by writing to the IPL bits.
The CORCON register contains the IPL3 bit, which
together with the IPL<2:0> bits, also indicates the cur-
rent CPU priority level. IPL3 is a read-only bit so that
the trap events cannot be masked by the user’s
software.
All interrupt registers are described in Register 8-3
through Register 8-30, in the following sections.

2011-2013 Microchip Technology Inc. DS30001037C-page 69
PIC24F16KL402 FAMILY
REGISTER 8-1: SR: ALU STATUS REGISTER
U-0 U-0 U-0 U-0 U-0 U-0 U-0 R/W-0
———————DC(1)
bit 15 bit 8
R/W-0 R/W-0 R/W-0 R-0 R/W-0 R/W-0 R/W-0 R/W-0
IPL2(2,3)IPL1(2,3)IPL0(2,3)RA(1)N(1)OV(1)Z(1)C(1)
bit 7 bit 0
Legend:
R = Readable bit W = Writable bit U = Unimplemented bit, read as ‘0’
-n = Value at POR ‘1’ = Bit is set ‘0’ = Bit is cleared x = Bit is unknown
bit 15-9 Unimplemented: Read as ‘0’
bit 7-5 IPL<2:0>: CPU Interrupt Priority Level Status bits(2,3)
111 = CPU Interrupt Priority Level is 7 (15); user interrupts disabled
110 = CPU Interrupt Priority Level is 6 (14)
101 = CPU Interrupt Priority Level is 5 (13)
100 = CPU Interrupt Priority Level is 4 (12)
011 = CPU Interrupt Priority Level is 3 (11)
010 = CPU Interrupt Priority Level is 2 (10)
001 = CPU Interrupt Priority Level is 1 (9)
000 = CPU Interrupt Priority Level is 0 (8)
Note 1: See Register 3-1 for the description of these bits, which are not dedicated to interrupt control functions.
2: The IPL bits are concatenated with the IPL3 bit (CORCON<3>) to form the CPU Interrupt Priority Level.
The value in parentheses indicates the Interrupt Priority Level if IPL3 = 1.
3: The IPL Status bits are read-only when NSTDIS (INTCON1<15>) = 1.
Note: Bit 8 and bits 4 through 0 are described in Section 3.0 “CPU”.

PIC24F16KL402 FAMILY
DS30001037C-page 70 2011-2013 Microchip Technology Inc.
REGISTER 8-2: CORCON: CPU CONTROL REGISTER
U-0 U-0 U-0 U-0 U-0 U-0 U-0 U-0
————————
bit 15 bit 8
U-0 U-0 U-0 U-0 R/C-0 R/W-0 U-0 U-0
————IPL3
(2)PSV(1)— —
bit 7 bit 0
Legend: C = Clearable bit
R = Readable bit W = Writable bit U = Unimplemented bit, read as ‘0’
-n = Value at POR ‘1’ = Bit is set ‘0’ = Bit is cleared x = Bit is unknown
bit 15-4 Unimplemented: Read as ‘0’
bit 3 IPL3: CPU Interrupt Priority Level Status bit(2)
1 = CPU Interrupt Priority Level is greater than 7
0 = CPU Interrupt Priority Level is 7 or less
bit 1-0 Unimplemented: Read as ‘0’
Note 1: See Register 3-2 for the description of this bit, which is not dedicated to interrupt control functions.
2: The IPL3 bit is concatenated with the IPL<2:0> bits (SR<7:5>) to form the CPU Interrupt Priority Level.
Note: Bit 2 is described in Section 3.0 “CPU”.

2011-2013 Microchip Technology Inc. DS30001037C-page 71
PIC24F16KL402 FAMILY
REGISTER 8-3: INTCON1: INTERRUPT CONTROL REGISTER 1
R/W-0 U-0 U-0 U-0 U-0 U-0 U-0 U-0
NSTDIS ———————
bit 15 bit 8
U-0 U-0 U-0 R/W-0 R/W-0 R/W-0 R/W-0 U-0
——— MATHERR ADDRERR STKERR OSCFAIL —
bit 7 bit 0
Legend:
R = Readable bit W = Writable bit U = Unimplemented bit, read as ‘0’
-n = Value at POR ‘1’ = Bit is set ‘0’ = Bit is cleared x = Bit is unknown
bit 15 NSTDIS: Interrupt Nesting Disable bit
1 = Interrupt nesting is disabled
0 = Interrupt nesting is enabled
bit 14-5 Unimplemented: Read as ‘0’
bit 4 MATHERR: Arithmetic Error Trap Status bit
1 = Overflow trap has occurred
0 = Overflow trap has not occurred
bit 3 ADDRERR: Address Error Trap Status bit
1 = Address error trap has occurred
0 = Address error trap has not occurred
bit 2 STKERR: Stack Error Trap Status bit
1 = Stack error trap has occurred
0 = Stack error trap has not occurred
bit 1 OSCFAIL: Oscillator Failure Trap Status bit
1 = Oscillator failure trap has occurred
0 = Oscillator failure trap has not occurred
bit 0 Unimplemented: Read as ‘0’

PIC24F16KL402 FAMILY
DS30001037C-page 72 2011-2013 Microchip Technology Inc.
REGISTER 8-4: INTCON2: INTERRUPT CONTROL REGISTER2
R/W-0 R-0, HSC U-0 U-0 U-0 U-0 U-0 U-0
ALTIVT DISI ——————
bit 15 bit 8
U-0 U-0 U-0 U-0 U-0 R/W-0 R/W-0 R/W-0
————— INT2EP INT1EP INT0EP
bit 7 bit 0
Legend: HSC = Hardware Settable/Clearable bit
R = Readable bit W = Writable bit U = Unimplemented bit, read as ‘0’
-n = Value at POR ‘1’ = Bit is set ‘0’ = Bit is cleared x = Bit is unknown
bit 15 ALTIVT: Enable Alternate Interrupt Vector Table bit
1 = Uses Alternate Interrupt Vector Table
0 = Uses standard (default) vector table
bit 14 DISI: DISI Instruction Status bit
1 = DISI instruction is active
0 = DISI instruction is not active
bit 13-3 Unimplemented: Read as ‘0’
bit 2 INT2EP: External Interrupt 2 Edge Detect Polarity Select bit
1 = Interrupt on negative edge
0 = Interrupt on positive edge
bit 1 INT1EP: External Interrupt 1 Edge Detect Polarity Select bit
1 = Interrupt on negative edge
0 = Interrupt on positive edge
bit 0 INT0EP: External Interrupt 0 Edge Detect Polarity Select bit
1 = Interrupt on negative edge
0 = Interrupt on positive edge

2011-2013 Microchip Technology Inc. DS30001037C-page 73
PIC24F16KL402 FAMILY
REGISTER 8-5: IFS0: INTERRUPT FLAG STATUS REGISTER 0
R/W-0 U-0 R/W-0 R/W-0 R/W-0 U-0 U-0 R/W-0
NVMIF — AD1IF U1TXIF U1RXIF ——T3IF
bit 15 bit 8
R/W-0 R/W-0 U-0 U-0 R/W-0 R/W-0 U-0 R/W-0
T2IF CCP2IF —— T1IF CCP1IF —INT0IF
bit 7 bit 0
Legend:
R = Readable bit W = Writable bit U = Unimplemented bit, read as ‘0’
-n = Value at POR ‘1’ = Bit is set ‘0’ = Bit is cleared x = Bit is unknown
bit 15 NVMIF: NVM Interrupt Flag Status bit
1 = Interrupt request has occurred
0 = Interrupt request has not occurred
bit 14 Unimplemented: Read as ‘0’
bit 13 AD1IF: A/D Conversion Complete Interrupt Flag Status bit
1 = Interrupt request has occurred
0 = Interrupt request has not occurred
bit 12 U1TXIF: UART1 Transmitter Interrupt Flag Status bit
1 = Interrupt request has occurred
0 = Interrupt request has not occurred
bit 11 U1RXIF: UART1 Receiver Interrupt Flag Status bit
1 = Interrupt request has occurred
0 = Interrupt request has not occurred
bit 10-9 Unimplemented: Read as ‘0’
bit 8 T3IF: Timer3 Interrupt Flag Status bit
1 = Interrupt request has occurred
0 = Interrupt request has not occurred
bit 7 T2IF: Timer2 Interrupt Flag Status bit
1 = Interrupt request has occurred
0 = Interrupt request has not occurred
bit 6 CCP2IF: Capture/Compare/PWM2 Interrupt Flag Status bit
1 = Interrupt request has occurred
0 = Interrupt request has not occurred
bit 5-4 Unimplemented: Read as ‘0’
bit 3 T1IF: Timer1 Interrupt Flag Status bit
1 = Interrupt request has occurred
0 = Interrupt request has not occurred
bit 2 CCP1IF: Capture/Compare/PWM1 Interrupt Flag Status bit (ECCP1 on PIC24FXXKL40X devices)
1 = Interrupt request has occurred
0 = Interrupt request has not occurred
bit 1 Unimplemented: Read as ‘0’
bit 0 INT0IF: External Interrupt 0 Flag Status bit
1 = Interrupt request has occurred
0 = Interrupt request has not occurred

PIC24F16KL402 FAMILY
DS30001037C-page 74 2011-2013 Microchip Technology Inc.
REGISTER 8-6: IFS1: INTERRUPT FLAG STATUS REGISTER 1
R/W-0 R/W-0 R/W-0 U-0 R/W-0 U-0 R/W-0 U-0
U2TXIF(1)U2RXIF(1)INT2IF —T4IF
(1)— CCP3IF(1) —
bit 15 bit 8
U-0 U-0 U-0 R/W-0 R/W-0 R/W-0 R/W-0 R/W-0
——— INT1IF CNIF CMIF BCL1IF SSP1IF
bit 7 bit 0
Legend:
R = Readable bit W = Writable bit U = Unimplemented bit, read as ‘0’
-n = Value at POR ‘1’ = Bit is set ‘0’ = Bit is cleared x = Bit is unknown
bit 15 U2TXIF: UART2 Transmitter Interrupt Flag Status bit(1)
1 = Interrupt request has occurred
0 = Interrupt request has not occurred
bit 14 U2RXIF: UART2 Receiver Interrupt Flag Status bit(1)
1 = Interrupt request has occurred
0 = Interrupt request has not occurred
bit 13 INT2IF: External Interrupt 2 Flag Status bit
1 = Interrupt request has occurred
0 = Interrupt request has not occurred
bit 12 Unimplemented: Read as ‘0’
bit 11 T4IF: Timer4 Interrupt Flag Status bit(1)
1 = Interrupt request has occurred
0 = Interrupt request has not occurred
bit 10 Unimplemented: Read as ‘0’
bit 9 CCP3IF: Capture/Compare/PWM3 Interrupt Flag Status bit(1)
1 = Interrupt request has occurred
0 = Interrupt request has not occurred
bit 8-5 Unimplemented: Read as ‘0’
bit 4 INT1IF: External Interrupt 1 Flag Status bit
1 = Interrupt request has occurred
0 = Interrupt request has not occurred
bit 3 CNIF: Input Change Notification Interrupt Flag Status bit
1 = Interrupt request has occurred
0 = Interrupt request has not occurred
bit 2 CMIF: Comparator Interrupt Flag Status bit
1 = Interrupt request has occurred
0 = Interrupt request has not occurred
bit 1 BCL1IF: MSSP1 I2C™ Bus Collision Interrupt Flag Status bit
1 = Interrupt request has occurred
0 = Interrupt request has not occurred
bit 0 SSP1IF: MSSP1 SPI/I2C Event Interrupt Flag Status bit
1 = Interrupt request has occurred
0 = Interrupt request has not occurred
Note 1: These bits are unimplemented on PIC24FXXKL10X and PIC24FXXKL20X devices.

2011-2013 Microchip Technology Inc. DS30001037C-page 75
PIC24F16KL402 FAMILY
REGISTER 8-7: IFS2: INTERRUPT FLAG STATUS REGISTER 2
U-0 U-0 U-0 U-0 U-0 U-0 U-0 U-0
—— ——————
bit 15 bit 8
U-0 U-0 R/W-0 U-0 U-0 U-0 U-0 U-0
—— T3GIF —————
bit 7 bit 0
Legend:
R = Readable bit W = Writable bit U = Unimplemented bit, read as ‘0’
-n = Value at POR ‘1’ = Bit is set ‘0’ = Bit is cleared x = Bit is unknown
bit 15-6 Unimplemented: Read as ‘0’
bit 5 T3GIF: Timer3 External Gate Interrupt Flag Status bit
1 = Interrupt request has occurred
0 = Interrupt request has not occurred
bit 4-0 Unimplemented: Read as ‘0’
REGISTER 8-8: IFS3: INTERRUPT FLAG STATUS REGISTER 3
U-0 U-0 U-0 U-0 U-0 U-0 U-0 U-0
————————
bit 15 bit 8
U-0 U-0 U-0 U-0 U-0 R/W-0 R/W-0 U-0
—————BCL2IF
(1)SSP2IF(1)—
bit 7 bit 0
Legend:
R = Readable bit W = Writable bit U = Unimplemented bit, read as ‘0’
-n = Value at POR ‘1’ = Bit is set ‘0’ = Bit is cleared x = Bit is unknown
bit 15-3 Unimplemented: Read as ‘0’
bit 2 BCL2IF: MSSP2 I2C™ Bus Collision Interrupt Flag Status bit(1)
1 = Interrupt request has occurred
0 = Interrupt request has not occurred
bit 1 SSP2IF: MSSP2 SPI/I2C Event Interrupt Flag Status bit(1)
1 = Interrupt request has occurred
0 = Interrupt request has not occurred
bit 0 Unimplemented: Read as ‘0’
Note 1: These bits are unimplemented on PIC24FXXKL10X and PIC24FXXKL20X devices.

PIC24F16KL402 FAMILY
DS30001037C-page 76 2011-2013 Microchip Technology Inc.
REGISTER 8-9: IFS4: INTERRUPT FLAG STATUS REGISTER 4
U-0 U-0 U-0 U-0 U-0 U-0 U-0 R/W-0
———————HLVDIF
bit 15 bit 8
U-0 U-0 U-0 U-0 U-0 R/W-0 R/W-0 U-0
—————U2ERIF
(1)U1ERIF —
bit 7 bit 0
Legend:
R = Readable bit W = Writable bit U = Unimplemented bit, read as ‘0’
-n = Value at POR ‘1’ = Bit is set ‘0’ = Bit is cleared x = Bit is unknown
bit 15-9 Unimplemented: Read as ‘0’
bit 8 HLVDIF: High/Low-Voltage Detect Interrupt Flag Status bit
1 = Interrupt request has occurred
0 = Interrupt request has not occurred
bit 7-3 Unimplemented: Read as ‘0’
bit 2 U2ERIF: UART2 Error Interrupt Flag Status bit(1)
1 = Interrupt request has occurred
0 = Interrupt request has not occurred
bit 1 U1ERIF: UART1 Error Interrupt Flag Status bit
1 = Interrupt request has occurred
0 = Interrupt request has not occurred
bit 0 Unimplemented: Read as ‘0’
Note 1: This bit is unimplemented on PIC24FXXKL10X and PIC24FXXKL20X devices.
REGISTER 8-10: IFS5: INTERRUPT FLAG STATUS REGISTER 5
U-0 U-0 U-0 U-0 U-0 U-0 U-0 U-0
————————
bit 15 bit 8
U-0 U-0 U-0 U-0 U-0 U-0 U-0 R/W-0
———————ULPWUIF
bit 7 bit 0
Legend:
R = Readable bit W = Writable bit U = Unimplemented bit, read as ‘0’
-n = Value at POR ‘1’ = Bit is set ‘0’ = Bit is cleared x = Bit is unknown
bit 15-1 Unimplemented: Read as ‘0’
bit 0 ULPWUIF: Ultra Low-Power Wake-up Interrupt Flag Status bit
1 = Interrupt request has occurred
0 = Interrupt request has not occurred

2011-2013 Microchip Technology Inc. DS30001037C-page 77
PIC24F16KL402 FAMILY
REGISTER 8-11: IEC0: INTERRUPT ENABLE CONTROL REGISTER 0
R/W-0 U-0 R/W-0 R/W-0 R/W-0 U-0 U-0 R/W-0
NVMIE — AD1IE U1TXIE U1RXIE ——T3IE
bit 15 bit 8
R/W-0 R/W-0 U-0 U-0 R/W-0 R/W-0 U-0 R/W-0
T2IE CCP2IE —— T1IE CCP1IE —INT0IE
bit 7 bit 0
Legend:
R = Readable bit W = Writable bit U = Unimplemented bit, read as ‘0’
-n = Value at POR ‘1’ = Bit is set ‘0’ = Bit is cleared x = Bit is unknown
bit 15 NVMIE: NVM Interrupt Enable bit
1 = Interrupt request is enabled
0 = Interrupt request is not enabled
bit 14 Unimplemented: Read as ‘0’
bit 13 AD1IE: A/D Conversion Complete Interrupt Enable bit
1 = Interrupt request is enabled
0 = Interrupt request is not enabled
bit 12 U1TXIE: UART1 Transmitter Interrupt Enable bit
1 = Interrupt request is enabled
0 = Interrupt request is not enabled
bit 11 U1RXIE: UART1 Receiver Interrupt Enable bit
1 = Interrupt request is enabled
0 = Interrupt request is not enabled
bit 10-9 Unimplemented: Read as ‘0’
bit 8 T3IE: Timer3 Interrupt Enable bit
1 = Interrupt request is enabled
0 = Interrupt request is not enabled
bit 7 T2IE: Timer2 Interrupt Enable bit
1 = Interrupt request is enabled
0 = Interrupt request is not enabled
bit 6 CCP2IE: Capture/Compare/PWM2 Interrupt Enable bit
1 = Interrupt request is enabled
0 = Interrupt request is not enabled
bit 5-4 Unimplemented: Read as ‘0’
bit 3 T1IE: Timer1 Interrupt Enable bit
1 = Interrupt request is enabled
0 = Interrupt request is not enabled
bit 2 CCP1IE: Capture/Compare/PWM1 Interrupt Enable bit
1 = Interrupt request is enabled
0 = Interrupt request is not enabled
bit 1 Unimplemented: Read as ‘0’
bit 0 INT0IE: External Interrupt 0 Enable bit
1 = Interrupt request is enabled
0 = Interrupt request is not enabled

PIC24F16KL402 FAMILY
DS30001037C-page 78 2011-2013 Microchip Technology Inc.
REGISTER 8-12: IEC1: INTERRUPT ENABLE CONTROL REGISTER 1
R/W-0 R/W-0 R/W-0 U-0 R/W-0 U-0 R/W-0 U-0
U2TXIE(1)U2RXIE(1)INT2IE —T4IE
(1)— CCP3IE(1)—
bit 15 bit 8
U-0 U-0 U-0 R/W-0 R/W-0 R/W-0 R/W-0 R/W-0
——— INT1IE CNIE CMIE BCL1IE SSP1IE
bit 7 bit 0
Legend:
R = Readable bit W = Writable bit U = Unimplemented bit, read as ‘0’
-n = Value at POR ‘1’ = Bit is set ‘0’ = Bit is cleared x = Bit is unknown
bit 15 U2TXIE: UART2 Transmitter Interrupt Enable bit(1)
1 = Interrupt request is enabled
0 = Interrupt request is not enabled
bit 14 U2RXIE: UART2 Receiver Interrupt Enable bit(1)
1 = Interrupt request is enabled
0 = Interrupt request is not enabled
bit 13 INT2IE: External Interrupt 2 Enable bit
1 = Interrupt request is enabled
0 = Interrupt request is not enabled
bit 12 Unimplemented: Read as ‘0’
bit 11 T4IE: Timer4 Interrupt Enable bit(1)
1 = Interrupt request is enabled
0 = Interrupt request is not enabled
bit 10 Unimplemented: Read as ‘0’
bit 9 CCP3IE: Capture/Compare/PWM3 Interrupt Enable bit(1)
1 = Interrupt request is enabled
0 = Interrupt request is not enabled
bit 8-5 Unimplemented: Read as ‘0’
bit 4 INT1IE: External Interrupt 1 Enable bit
1 = Interrupt request is enabled
0 = Interrupt request is not enabled
bit 3 CNIE: Input Change Notification Interrupt Enable bit
1 = Interrupt request is enabled
0 = Interrupt request is not enabled
bit 2 CMIE: Comparator Interrupt Enable bit
1 = Interrupt request is enabled
0 = Interrupt request is not enabled
bit 1 BCL1IE: MSSP1 I2C™ Bus Collision Interrupt Enable bit
1 = Interrupt request is enabled
0 = Interrupt request is not enabled
bit 0 SSP1IE: MSSP1 SPI/I2C Event Interrupt Enable bit
1 = Interrupt request is enabled
0 = Interrupt request is not enabled
Note 1: These bits are unimplemented on PIC24FXXKL10X and PIC24FXXKL20X devices.

2011-2013 Microchip Technology Inc. DS30001037C-page 79
PIC24F16KL402 FAMILY
REGISTER 8-13: IEC2: INTERRUPT ENABLE CONTROL REGISTER 2
U-0 U-0 U-0 U-0 U-0 U-0 U-0 U-0
—— ——————
bit 15 bit 8
U-0 U-0 R/W-0 U-0 U-0 U-0 U-0 U-0
—— T3GIE —————
bit 7 bit 0
Legend:
R = Readable bit W = Writable bit U = Unimplemented bit, read as ‘0’
-n = Value at POR ‘1’ = Bit is set ‘0’ = Bit is cleared x = Bit is unknown
bit 15-6 Unimplemented: Read as ‘0’
bit 5 T3GIF: Timer3 External Gate Interrupt Enable bit
1 = Interrupt request is enabled
0 = Interrupt request is not enabled
bit 4-0 Unimplemented: Read as ‘0’
REGISTER 8-14: IEC3: INTERRUPT ENABLE CONTROL REGISTER 3
U-0 U-0 U-0 U-0 U-0 U-0 U-0 U-0
————————
bit 15 bit 8
U-0 U-0 U-0 U-0 U-0 R/W-0 R/W-0 U-0
—————BCL2IE
(1)SSP2IE(1)—
bit 7 bit 0
Legend:
R = Readable bit W = Writable bit U = Unimplemented bit, read as ‘0’
-n = Value at POR ‘1’ = Bit is set ‘0’ = Bit is cleared x = Bit is unknown
bit 15-3 Unimplemented: Read as ‘0’
bit 2 BCL2IE: MSSP2 I2C™ Bus Collision Interrupt Enable bit(1)
1 = Interrupt request is enabled
0 = Interrupt request is not enabled
bit 1 SSP2IF: MSSP2 SPI/I2C Event Interrupt Enable bit(1)
1 = Interrupt request is enabled
0 = Interrupt request is not enabled
bit 0 Unimplemented: Read as ‘0’
Note 1: These bits are unimplemented on PIC24FXXKL10X and PIC24FXXKL20X devices.

PIC24F16KL402 FAMILY
DS30001037C-page 80 2011-2013 Microchip Technology Inc.
REGISTER 8-15: IEC4: INTERRUPT ENABLE CONTROL REGISTER 4
U-0 U-0 U-0 U-0 U-0 U-0 U-0 R/W-0
———————HLVDIE
bit 15 bit 8
U-0 U-0 U-0 U-0 U-0 R/W-0 R/W-0 U-0
—————U2ERIE
(1)U1ERIE —
bit 7 bit 0
Legend:
R = Readable bit W = Writable bit U = Unimplemented bit, read as ‘0’
-n = Value at POR ‘1’ = Bit is set ‘0’ = Bit is cleared x = Bit is unknown
bit 15-9 Unimplemented: Read as ‘0’
bit 8 HLVDIE: High/Low-Voltage Detect Interrupt Enable bit
1 = Interrupt request is enabled
0 = Interrupt request is not enabled
bit 7-3 Unimplemented: Read as ‘0’
bit 2 U2ERIE: UART2 Error Interrupt Enable bit(1)
1 = Interrupt request is enabled
0 = Interrupt request is not enabled
bit 1 U1ERIE: UART1 Error Interrupt Enable bit
1 = Interrupt request is enabled
0 = Interrupt request is not enabled
bit 0 Unimplemented: Read as ‘0’
Note 1: This bit is unimplemented on PIC24FXXKL10X and PIC24FXXKL20X devices.
REGISTER 8-16: IEC5: INTERRUPT ENABLE CONTROL REGISTER 5
U-0 U-0 U-0 U-0 U-0 U-0 U-0 U-0
————————
bit 15 bit 8
U-0 U-0 U-0 U-0 U-0 U-0 U-0 R/W-0
———————ULPWUIE
bit 7 bit 0
Legend:
R = Readable bit W = Writable bit U = Unimplemented bit, read as ‘0’
-n = Value at POR ‘1’ = Bit is set ‘0’ = Bit is cleared x = Bit is unknown
bit 15-1 Unimplemented: Read as ‘0’
bit 0 ULPWUIE: Ultra Low-Power Wake-up Interrupt Enable Bit
1 = Interrupt request is enabled
0 = Interrupt request is not enabled

2011-2013 Microchip Technology Inc. DS30001037C-page 81
PIC24F16KL402 FAMILY
REGISTER 8-17: IPC0: INTERRUPT PRIORITY CONTROL REGISTER 0
U-0 R/W-1 R/W-0 R/W-0 U-0 R/W-1 R/W-0 R/W-0
— T1IP2 T1IP1 T1IP0 — CCP1IP2 CCP1IP1 CCP1IP0
bit 15 bit 8
U-0 U-0 U-0 U-0 U-0 R/W-1 R/W-0 R/W-0
————— INT0IP2 INT0IP1 INT0IP0
bit 7 bit 0
Legend:
R = Readable bit W = Writable bit U = Unimplemented bit, read as ‘0’
-n = Value at POR ‘1’ = Bit is set ‘0’ = Bit is cleared x = Bit is unknown
bit 15 Unimplemented: Read as ‘0’
bit 14-12 T1IP<2:0>: Timer1 Interrupt Priority bits
111 = Interrupt is Priority 7 (highest priority interrupt)
•
•
•
001 = Interrupt is Priority 1
000 = Interrupt source is disabled
bit 11 Unimplemented: Read as ‘0’
bit 10-8 CCP1IP<2:0>: Capture/Compare/PWM1 Interrupt Priority bits
111 = Interrupt is Priority 7 (highest priority interrupt)
•
•
•
001 = Interrupt is Priority 1
000 = Interrupt source is disabled
bit 7-3 Unimplemented: Read as ‘0’
bit 2-0 INT0IP<2:0>: External Interrupt 0 Priority bits
111 = Interrupt is Priority 7 (highest priority interrupt)
•
•
•
001 = Interrupt is Priority 1
000 = Interrupt source is disabled

PIC24F16KL402 FAMILY
DS30001037C-page 82 2011-2013 Microchip Technology Inc.
REGISTER 8-18: IPC1: INTERRUPT PRIORITY CONTROL REGISTER 1
U-0 R/W-1 R/W-0 R/W-0 U-0 R/W-1 R/W-0 R/W-0
— T2IP2 T2IP1 T2IP0 — CCP2IP2 CCP2IP1 CCP2IP0
bit 15 bit 8
U-0 U-0 U-0 U-0 U-0 U-0 U-0 U-0
————————
bit 7 bit 0
Legend:
R = Readable bit W = Writable bit U = Unimplemented bit, read as ‘0’
-n = Value at POR ‘1’ = Bit is set ‘0’ = Bit is cleared x = Bit is unknown
bit 15 Unimplemented: Read as ‘0’
bit 14-12 T2IP<2:0>: Timer2 Interrupt Priority bits
111 = Interrupt is Priority 7 (highest priority interrupt)
•
•
•
001 = Interrupt is Priority 1
000 = Interrupt source is disabled
bit 11 Unimplemented: Read as ‘0’
bit 10-8 CCP2IP<2:0>: Capture/Compare/PWM2 Interrupt Priority bits
111 = Interrupt is Priority 7 (highest priority interrupt)
•
•
•
001 = Interrupt is Priority 1
000 = Interrupt source is disabled
bit 7-0 Unimplemented: Read as ‘0’

2011-2013 Microchip Technology Inc. DS30001037C-page 83
PIC24F16KL402 FAMILY
REGISTER 8-19: IPC2: INTERRUPT PRIORITY CONTROL REGISTER 2
U-0 R/W-1 R/W-0 R/W-0 U-0 U-0 U-0 U-0
— U1RXIP2 U1RXIP1 U1RXIP0 — — — —
bit 15 bit 8
U-0 U-0 U-0 U-0 U-0 R/W-1 R/W-0 R/W-0
————— T3IP2 T3IP1 T3IP0
bit 7 bit 0
Legend:
R = Readable bit W = Writable bit U = Unimplemented bit, read as ‘0’
-n = Value at POR ‘1’ = Bit is set ‘0’ = Bit is cleared x = Bit is unknown
bit 15 Unimplemented: Read as ‘0’
bit 14-12 U1RXIP<2:0>: UART1 Receiver Interrupt Priority bits
111 = Interrupt is Priority 7 (highest priority interrupt)
•
•
•
001 = Interrupt is Priority 1
000 = Interrupt source is disabled
bit 11-3 Unimplemented: Read as ‘0’
bit 2-0 T3IP<2:0>: Timer3 Interrupt Priority bits
111 = Interrupt is Priority 7 (highest priority interrupt)
•
•
•
001 = Interrupt is Priority 1
000 = Interrupt source is disabled

PIC24F16KL402 FAMILY
DS30001037C-page 84 2011-2013 Microchip Technology Inc.
REGISTER 8-20: IPC3: INTERRUPT PRIORITY CONTROL REGISTER 3
U-0 R/W-1 R/W-0 R/W-0 U-0 U-0 U-0 U-0
— NVMIP2 NVMIP1 NVMIP0 — — — —
bit 15 bit 8
U-0 R/W-1 R/W-0 R/W-0 U-0 R/W-1 R/W-0 R/W-0
— AD1IP2 AD1IP1 AD1IP0 — U1TXIP2 U1TXIP1 U1TXIP0
bit 7 bit 0
Legend:
R = Readable bit W = Writable bit U = Unimplemented bit, read as ‘0’
-n = Value at POR ‘1’ = Bit is set ‘0’ = Bit is cleared x = Bit is unknown
bit 15 Unimplemented: Read as ‘0’
bit 14-12 NVMIP<2:0>: NVM Interrupt Priority bits
111 = Interrupt is Priority 7 (highest priority interrupt)
•
•
•
001 = Interrupt is Priority 1
000 = Interrupt source is disabled
bit 11-7 Unimplemented: Read as ‘0’
bit 6-4 AD1IP<2:0>: A/D Conversion Complete Interrupt Priority bits
111 = Interrupt is Priority 7 (highest priority interrupt)
•
•
•
001 = Interrupt is Priority 1
000 = Interrupt source is disabled
bit 3 Unimplemented: Read as ‘0’
bit 2-0 U1TXIP<2:0>: UART1 Transmitter Interrupt Priority bits
111 = Interrupt is Priority 7 (highest priority interrupt)
•
•
•
001 = Interrupt is Priority 1
000 = Interrupt source is disabled

2011-2013 Microchip Technology Inc. DS30001037C-page 85
PIC24F16KL402 FAMILY
REGISTER 8-21: IPC4: INTERRUPT PRIORITY CONTROL REGISTER 4
U-0 R/W-1 R/W-0 R/W-0 U-0 R/W-1 R/W-0 R/W-0
— CNIP2 CNIP1 CNIP0 —CMIP2CMIP1CMIP0
bit 15 bit 8
U-0 R/W-1 R/W-0 R/W-0 U-0 R/W-1 R/W-0 R/W-0
— BCL1IP2 BCL1IP1 BCL1IP0 — SSP1IP2 SSP1IP1 SSP1IP0
bit 7 bit 0
Legend:
R = Readable bit W = Writable bit U = Unimplemented bit, read as ‘0’
-n = Value at POR ‘1’ = Bit is set ‘0’ = Bit is cleared x = Bit is unknown
bit 15 Unimplemented: Read as ‘0’
bit 14-12 CNIP<2:0>: Input Change Notification Interrupt Priority bits
111 = Interrupt is Priority 7 (highest priority interrupt)
•
•
•
001 = Interrupt is Priority 1
000 = Interrupt source is disabled
bit 11 Unimplemented: Read as ‘0’
bit 10-8 CMIP<2:0>: Comparator Interrupt Priority bits
111 = Interrupt is Priority 7 (highest priority interrupt)
•
•
•
001 = Interrupt is Priority 1
000 = Interrupt source is disabled
bit 7 Unimplemented: Read as ‘0’
bit 6-4 BCL1IP<2:0>: MSSP1 I2C™ Bus Collision Interrupt Priority bits
111 = Interrupt is Priority 7 (highest priority interrupt)
•
•
•
001 = Interrupt is Priority 1
000 = Interrupt source is disabled
bit 3 Unimplemented: Read as ‘0’
bit 2-0 SSP1IP<2:0>: MSSP1 SPI/I2C Event Interrupt Priority bits
111 = Interrupt is Priority 7 (highest priority interrupt)
•
•
•
001 = Interrupt is Priority 1
000 = Interrupt source is disabled

PIC24F16KL402 FAMILY
DS30001037C-page 86 2011-2013 Microchip Technology Inc.
REGISTER 8-22: IPC5: INTERRUPT PRIORITY CONTROL REGISTER 5
U-0 U-0 U-0 U-0 U-0 U-0 U-0 U-0
————————
bit 15 bit 8
U-0 U-0 U-0 U-0 U-0 R/W-1 R/W-0 R/W-0
————— INT1IP2 INT1IP1 INT1IP0
bit 7 bit 0
Legend:
R = Readable bit W = Writable bit U = Unimplemented bit, read as ‘0’
-n = Value at POR ‘1’ = Bit is set ‘0’ = Bit is cleared x = Bit is unknown
bit 15-3 Unimplemented: Read as ‘0’
bit 2-0 INT1IP<2:0>: External Interrupt 1 Priority bits
111 = Interrupt is Priority 7 (highest priority interrupt)
•
•
•
001 = Interrupt is Priority 1
000 = Interrupt source is disabled

2011-2013 Microchip Technology Inc. DS30001037C-page 87
PIC24F16KL402 FAMILY
REGISTER 8-23: IPC6: INTERRUPT PRIORITY CONTROL REGISTER 6
U-0 R/W-1 R/W-0 R/W-0 U-0 U-0 U-0 U-0
—T4IP2
(1)T4IP1(1)T4IP0(1)— — — —
bit 15 bit 8
U-0 R/W-1 R/W-0 R/W-0 U-0 U-0 U-0 U-0
— CCP3IP2(1)CCP3IP1(1)CCP3IP0(1)— — — —
bit 7 bit 0
Legend:
R = Readable bit W = Writable bit U = Unimplemented bit, read as ‘0’
-n = Value at POR ‘1’ = Bit is set ‘0’ = Bit is cleared x = Bit is unknown
bit 15 Unimplemented: Read as ‘0’
bit 14-12 T4IP<2:0>: Timer4 Interrupt Priority bits(1)
111 = Interrupt is Priority 7 (highest priority interrupt)
•
•
•
001 = Interrupt is Priority 1
000 = Interrupt source is disabled
bit 11-7 Unimplemented: Read as ‘0’
bit 6-4 CCP3IP: Capture/Compare/PWM3 Interrupt Priority bits(1)
111 = Interrupt is Priority 7 (highest priority interrupt)
•
•
•
001 = Interrupt is Priority 1
000 = Interrupt source is disabled
bit 3-0 Unimplemented: Read as ‘0’
Note 1: These bits are unimplemented on PIC24FXXKL10X and PIC24FXXKL20X devices.

PIC24F16KL402 FAMILY
DS30001037C-page 88 2011-2013 Microchip Technology Inc.
REGISTER 8-24: IPC7: INTERRUPT PRIORITY CONTROL REGISTER 7
U-0 R/W-1 R/W-0 R/W-0 U-0 R/W-1 R/W-0 R/W-0
— U2TXIP2(1)U2TXIP1(1)U2TXIP0(1)— U2RXIP2(1)U2RXIP1(1)U2RXIP0(1)
bit 15 bit 8
U-0 R/W-1 R/W-0 R/W-0 U-0 U-0 U-0 U-0
— INT2IP2 INT2IP1 INT2IP0 — — — —
bit 7 bit 0
Legend:
R = Readable bit W = Writable bit U = Unimplemented bit, read as ‘0’
-n = Value at POR ‘1’ = Bit is set ‘0’ = Bit is cleared x = Bit is unknown
bit 15 Unimplemented: Read as ‘0’
bit 14-12 U2TXIP<2:0>: UART2 Transmitter Interrupt Priority bits(1)
111 = Interrupt is Priority 7 (highest priority interrupt)
•
•
•
001 = Interrupt is Priority 1
000 = Interrupt source is disabled
bit 11 Unimplemented: Read as ‘0’
bit 10-8 U2RXIP<2:0>: UART2 Receiver Interrupt Priority bits(1)
111 = Interrupt is Priority 7 (highest priority interrupt)
•
•
•
001 = Interrupt is Priority 1
000 = Interrupt source is disabled
bit 7 Unimplemented: Read as ‘0’
bit 6-4 INT2IP<2:0>: External Interrupt 2 Priority bits
111 = Interrupt is Priority 7 (highest priority interrupt)
•
•
•
001 = Interrupt is Priority 1
000 = Interrupt source is disabled
bit 3-0 Unimplemented: Read as ‘0’
Note 1: These bits are unimplemented on PIC24FXXKL10X and PIC24FXXKL20X devices.

2011-2013 Microchip Technology Inc. DS30001037C-page 89
PIC24F16KL402 FAMILY
REGISTER 8-25: IPC9: INTERRUPT PRIORITY CONTROL REGISTER 9
U-0 U-0 U-0 U-0 U-0 U-0 U-0 U-0
————————
bit 15 bit 8
U-0 R/W-1 R/W-0 R/W-0 U-0 U-0 U-0 U-0
— T3GIP2 T3GIP1 T3GIP0 — — — —
bit 7 bit 0
Legend:
R = Readable bit W = Writable bit U = Unimplemented bit, read as ‘0’
-n = Value at POR ‘1’ = Bit is set ‘0’ = Bit is cleared x = Bit is unknown
bit 15-7 Unimplemented: Read as ‘0’
bit 6-4 T3GIP<2:0>: Timer3 External Gate Interrupt Priority bits
111 = Interrupt is Priority 7 (highest priority interrupt)
•
•
•
001 = Interrupt is Priority 1
000 = Interrupt source is disabled
bit 3-0 Unimplemented: Read as ‘0’

PIC24F16KL402 FAMILY
DS30001037C-page 90 2011-2013 Microchip Technology Inc.
REGISTER 8-26: IPC12: INTERRUPT PRIORITY CONTROL REGISTER 12
U-0 U-0 U-0 U-0 U-0 R/W-1 R/W-0 R/W-0
————— BCL2IP2(1)BCL2IP1(1)BCL2IP0(1)
bit 15 bit 8
U-0 R/W-1 R/W-0 R/W-0 U-0 U-0 U-0 U-0
— SSP2IP2(1)SSP2IP1(1) SSP2IP0(1)— — — —
bit 7 bit 0
Legend:
R = Readable bit W = Writable bit U = Unimplemented bit, read as ‘0’
-n = Value at POR ‘1’ = Bit is set ‘0’ = Bit is cleared x = Bit is unknown
bit 15-11 Unimplemented: Read as ‘0’
bit 10-8 BCL2IP<2:0>: MSSP2 I2C™ Bus Collision Interrupt Priority bits(1)
111 = Interrupt is Priority 7 (highest priority interrupt)
•
•
•
001 = Interrupt is Priority 1
000 = Interrupt source is disabled
bit 7 Unimplemented: Read as ‘0’
bit 6-4 SSP2IP<2:0>: MSSP2 SPI/I2C Event Interrupt Priority bits(1)
111 = Interrupt is Priority 7 (highest priority interrupt)
•
•
•
001 = Interrupt is Priority 1
000 = Interrupt source is disabled
bit 3-0 Unimplemented: Read as ‘0’
Note 1: These bits are unimplemented on PIC24FXXKL10X and PIC24FXXKL20X devices.

2011-2013 Microchip Technology Inc. DS30001037C-page 91
PIC24F16KL402 FAMILY
REGISTER 8-27: IPC16: INTERRUPT PRIORITY CONTROL REGISTER 16
U-0 U-0 U-0 U-0 U-0 R/W-1 R/W-0 R/W-0
—————U2ERIP2
(1)U2ERIP1(1)U2ERIP0(1)
bit 15 bit 8
U-0 R/W-1 R/W-0 R/W-0 U-0 U-0 U-0 U-0
—U1ERIP2
(1)U1ERIP1(1)U1ERIP0(1)— — — —
bit 7 bit 0
Legend:
R = Readable bit W = Writable bit U = Unimplemented bit, read as ‘0’
-n = Value at POR ‘1’ = Bit is set ‘0’ = Bit is cleared x = Bit is unknown
bit 15-11 Unimplemented: Read as ‘0’
bit 10-8 U2ERIP<2:0>: UART2 Error Interrupt Priority bits(1)
111 = Interrupt is Priority 7 (highest priority interrupt)
•
•
•
001 = Interrupt is Priority 1
000 = Interrupt source is disabled
bit 7 Unimplemented: Read as ‘0’
bit 6-4 U1ERIP<2:0>: UART1 Error Interrupt Priority bits(1)
111 = Interrupt is Priority 7 (highest priority interrupt)
•
•
•
001 = Interrupt is Priority 1
000 = Interrupt source is disabled
bit 3-0 Unimplemented: Read as ‘0’
Note 1: These bits are unimplemented on PIC24FXXKL10X and PIC24FXXKL20X devices.

PIC24F16KL402 FAMILY
DS30001037C-page 92 2011-2013 Microchip Technology Inc.
REGISTER 8-28: IPC18: INTERRUPT PRIORITY CONTROL REGISTER 18
U-0 U-0 U-0 U-0 U-0 U-0 U-0 U-0
————————
bit 15 bit 8
U-0 U-0 U-0 U-0 U-0 R/W-1 R/W-0 R/W-0
————— HLVDIP2 HLVDIP1 HLVDIP0
bit 7 bit 0
Legend:
R = Readable bit W = Writable bit U = Unimplemented bit, read as ‘0’
-n = Value at POR ‘1’ = Bit is set ‘0’ = Bit is cleared x = Bit is unknown
bit 15-3 Unimplemented: Read as ‘0’
bit 2-0 HLVDIP<2:0>: High/Low-Voltage Detect Interrupt Priority bits
111 = Interrupt is Priority 7 (highest priority interrupt)
•
•
•
001 = Interrupt is Priority 1
000 = Interrupt source is disabled
REGISTER 8-29: IPC20: INTERRUPT PRIORITY CONTROL REGISTER 20
U-0 U-0 U-0 U-0 U-0 U-0 U-0 U-0
————————
bit 15 bit 8
U-0 U-0 U-0 U-0 U-0 R/W-1 R/W-0 R/W-0
————— ULPWUIP2 ULPWUIP1 ULPWUIP0
bit 7 bit 0
Legend:
R = Readable bit W = Writable bit U = Unimplemented bit, read as ‘0’
-n = Value at POR ‘1’ = Bit is set ‘0’ = Bit is cleared x = Bit is unknown
bit 15-3 Unimplemented: Read as ‘0’
bit 6-4 ULPWUIP<2:0>: Ultra Low-Power Wake-up Interrupt Priority bits
111 = Interrupt is Priority 7 (highest priority interrupt)
•
•
•
001 = Interrupt is Priority 1
000 = Interrupt source is disabled

2011-2013 Microchip Technology Inc. DS30001037C-page 93
PIC24F16KL402 FAMILY
REGISTER 8-30: INTTREG: INTERRUPT CONTROL AND STATUS REGISTER
R-0 r-0 R/W-0 U-0 R-0 R-0 R-0 R-0
CPUIRQ rVHOLD— ILR3 ILR2 ILR1 ILR0
bit 15 bit 8
U-0 R-0 R-0 R-0 R-0 R-0 R-0 R-0
— VECNUM6 VECNUM5 VECNUM4 VECNUM3 VECNUM2 VECNUM1 VECNUM0
bit 7 bit 0
Legend: r = Reserved bit
R = Readable bit W = Writable bit U = Unimplemented bit, read as ‘0’
-n = Value at POR ‘1’ = Bit is set ‘0’ = Bit is cleared x = Bit is unknown
bit 15 CPUIRQ: Interrupt Request from Interrupt Controller CPU bit
1 = An interrupt request has occurred but has not yet been Acknowledged by the CPU (this will
happen when the CPU priority is higher than the interrupt priority)
0 = No interrupt request is left unacknowledged
bit 14 Reserved: Maintain as ‘0’
bit 13 VHOLD: Vector Hold bit
Allows Vector Number Capture and Changes What Interrupt is Stored in the VECNUM bit:
1 = VECNUM<6:0> will contain the value of the highest priority pending interrupt, instead of the
current interrupt
0 = VECNUM<6:0> will contain the value of the last Acknowledged interrupt (last interrupt that has
occurred with higher priority than the CPU, even if other interrupts are pending)
bit 12 Unimplemented: Read as ‘0’
bit 11-8 ILR<3:0>: New CPU Interrupt Priority Level bits
1111 = CPU Interrupt Priority Level is 15
•
•
•
0001 = CPU Interrupt Priority Level is 1
0000 = CPU Interrupt Priority Level is 0
bit 7 Unimplemented: Read as ‘0’
bit 6-0 VECNUM<6:0>: Vector Number of Pending Interrupt bits
0111111 = Interrupt vector pending is Number 135
•
•
•
0000001 = Interrupt vector pending is Number 9
0000000 = Interrupt vector pending is Number 8

PIC24F16KL402 FAMILY
DS30001037C-page 94 2011-2013 Microchip Technology Inc.
8.4 Interrupt Setup Procedures
8.4.1 INITIALIZATION
To configure an interrupt source:
1. Set the NSTDIS Control bit (INTCON1<15>) if
nested interrupts are not desired.
2. Select the user-assigned priority level for the
interrupt source by writing the control bits in the
appropriate IPCx register. The priority level will
depend on the specific application and the type
of interrupt source. If multiple priority levels are
not desired, the IPCx register control bits, for all
enabled interrupt sources, may be programmed
to the same non-zero value.
3. Clear the interrupt flag status bit associated with
the peripheral in the associated IFSx register.
4. Enable the interrupt source by setting the
interrupt enable control bit associated with the
source in the appropriate IECx register.
8.4.2 INTERRUPT SERVICE ROUTINE
The method that is used to declare an ISR and initialize
the IVT with the correct vector address depends on the
programming language (i.e., C or assembler) and the
language development toolsuite that is used to develop
the application. In general, the user must clear the
interrupt flag in the appropriate IFSx register for the
source of the interrupt that the ISR handles. Otherwise,
the ISR will be re-entered immediately after exiting the
routine. If the ISR is coded in assembly language, it
must be terminated using a RETFIE instruction to
unstack the saved PC value, SRL value and old CPU
priority level.
8.4.3 TRAP SERVICE ROUTINE (TSR)
A Trap Service Routine (TSR) is coded like an ISR,
except that the appropriate trap status flag in the
INTCON1 register must be cleared to avoid re-entry
into the TSR.
8.4.4 INTERRUPT DISABLE
All user interrupts can be disabled using the following
procedure:
1. Push the current SR value onto the software
stack using the PUSH instruction.
2. Force the CPU to Priority Level 7 by inclusive
ORing the value, OEh, with SRL.
To enable user interrupts, the POP instruction may be
used to restore the previous SR value.
Only user interrupts with a priority level of 7 or less can
be disabled. Trap sources (Levels 8-15) cannot be
disabled.
The DISI instruction provides a convenient way to
disable interrupts of Priority Levels 1-6 for a fixed
period. Level 7 interrupt sources are not disabled by
the DISI instruction.
Note: At a device Reset, the IPCx registers are
initialized, such that all user interrupt
sources are assigned to Priority Level 4.

2011-2013 Microchip Technology Inc. DS30001037C-page 95
PIC24F16KL402 FAMILY
9.0 OSCILLATOR
CONFIGURATION
The oscillator system for the PIC24F16KL402 family of
devices has the following features:
• A total of five external and internal oscillator options
as clock sources, providing 11 different clock
modes.
• On-chip, 4x Phase Locked Loop (PLL) to boost
internal operating frequency on select internal and
external oscillator sources.
• Software-controllable switching between various
clock sources.
• Software-controllable postscaler for selective
clocking of CPU for system power savings.
• System frequency range declaration bits for EC
mode. When using an external clock source, the
current consumption is reduced by setting the
declaration bits to the expected frequency range.
• A Fail-Safe Clock Monitor (FSCM) that detects clock
failure and permits safe application recovery or
shutdown.
A simplified diagram of the oscillator system is shown in
Figure 9-1.
FIGURE 9-1: PIC24F16KL402 FAMILY CLOCK DIAGRAM
Note: This data sheet summarizes the features
of this group of PIC24F devices. It is not
intended to be a comprehensive refer-
ence source. For more information on
Oscillator Configuration, refer to the
“dsPIC33/PIC24 Family Reference
Manual”, “Oscillator with 500 kHz
Low-Power FRC” (DS39726).
Secondary Oscillator
SOSCEN
Enable
Oscillator
SOSCO
SOSCI
Clock Source Option
for Other Modules
OSCI
OSCO
Primary Oscillator
XT, HS, EC
Postscaler
CLKDIV<10:8>
WDT, PWRT, DSWDT
FRCDIV
31 kHz (nominal)
8 MHz
FRC
LPRC
Oscillator
SOSC
LPRC
Clock Control Logic
Fail-Safe
Clock
Monitor
FRC
4 x PLL
8 MHz
4 MHz
CPU
Peripherals
Postscaler
CLKDIV<14:12>
CLKO
Reference Clock
Generator
REFO
REFOCON<15:8>
Oscillator
500 kHz
LPFRC
Oscillator
XTPLL, HSPLL,
ECPLL, FRCPLL

PIC24F16KL402 FAMILY
DS30001037C-page 96 2011-2013 Microchip Technology Inc.
9.1 CPU Clocking Scheme
The system clock source can be provided by one of
four sources:
• Primary Oscillator (POSC) on the OSCI and
OSCO pins
• Secondary Oscillator (SOSC) on the SOSCI and
SOSCO pins
PIC24F16KL402 family devices consist of two
types of secondary oscillators:
- High-Power Secondary Oscillator
- Low-Power Secondary Oscillator
These can be selected by using the SOSCSEL
(FOSC<5>) bit.
• Fast Internal RC (FRC) Oscillator
- 8 MHz FRC Oscillator
- 500 kHz Lower Power FRC Oscillator
• Low-Power Internal RC (LPRC) Oscillator with two
modes:
- High-Power/High-Accuracy mode
- Low-Power/Low-Accuracy mode
The primary oscillator and 8 MHz FRC sources have the
option of using the internal 4x PLL. The frequency of the
FRC clock source can optionally be reduced by the pro-
grammable clock divider. The selected clock source
generates the processor and peripheral clock sources.
The processor clock source is divided by two to produce
the internal instruction cycle clock, FCY. In this
document, the instruction cycle clock is also denoted by
FOSC/2. The internal instruction cycle clock, FOSC/2, can
be provided on the OSCO I/O pin for some operating
modes of the primary oscillator.
9.2 Initial Configuration on POR
The oscillator source (and operating mode) that is used
at a device Power-on Reset (POR) event is selected
using Configuration bit settings. The Oscillator
Configuration bit settings are located in the Configuration
registers in the program memory (for more information,
see Section 23.2 “Configuration Bits”). The Primary
Oscillator Configuration bits, POSCMD<1:0>
(FOSC<1:0>), and the Initial Oscillator Select
Configuration bits, FNOSC<2:0> (FOSCSEL<2:0>),
select the oscillator source that is used at a POR. The
FRC Primary Oscillator with Postscaler (FRCDIV) is the
default (unprogrammed) selection. The secondary
oscillator, or one of the internal oscillators, may be
chosen by programming these bit locations. The EC
mode Frequency Range Configuration bits,
POSCFREQ<1:0> (FOSC<4:3>), optimize power
consumption when running in EC mode. The default
configuration is “frequency range is greater than 8 MHz”.
The Configuration bits allow users to choose between
the various clock modes, shown in Tab le 9- 1.
9.2.1 CLOCK SWITCHING MODE
CONFIGURATION BITS
The FCKSMx Configuration bits (FOSC<7:6>) are
used jointly to configure device clock switching and the
FSCM. Clock switching is enabled only when FCKSM1
is programmed (‘0’). The FSCM is enabled only when
FCKSM<1:0> are both programmed (‘00’).
TABLE 9-1: CONFIGURATION BIT VALUES FOR CLOCK SELECTION
Oscillator Mode Oscillator Source POSCMD<1:0> FNOSC<2:0> Notes
8 MHz FRC Oscillator with Postscaler (FRCDIV) Internal 11 111 1, 2
500 kHz FRC Oscillator with Postscaler
(LPFRCDIV)
Internal 11 110 1
Low-Power RC Oscillator (LPRC) Internal 11 101 1
Secondary (Timer1) Oscillator (SOSC) Secondary 00 100 1
Primary Oscillator (HS) with PLL Module
(HSPLL)
Primary 10 011
Primary Oscillator (EC) with PLL Module (ECPLL) Primary 00 011
Primary Oscillator (HS) Primary 10 010
Primary Oscillator (XT) Primary 01 010
Primary Oscillator (EC) Primary 00 010
8 MHz FRC Oscillator with PLL Module
(FRCPLL)
Internal 11 001 1
8 MHz FRC Oscillator (FRC) Internal 11 000 1
Note 1: OSCO pin function is determined by the OSCIOFNC Configuration bit.
2: This is the default oscillator mode for an unprogrammed (erased) device.

2011-2013 Microchip Technology Inc. DS30001037C-page 97
PIC24F16KL402 FAMILY
9.3 Control Registers
The operation of the oscillator is controlled by three
Special Function Registers (SFRs):
• OSCCON
•CLKDIV
•OSCTUN
The OSCCON register (Register 9-1) is the main
control register for the oscillator. It controls clock
source switching and allows the monitoring of clock
sources.
The Clock Divider register (Register 9-2) controls the
features associated with Doze mode, as well as the
postscaler for the FRC oscillator.
The FRC Oscillator Tune register (Register 9-3) allows
the user to fine-tune the FRC oscillator. OSCTUN
functionality has been provided to help customers com-
pensate for temperature effects on the FRC frequency
over a wide range of temperatures. The tuning step-size
is an approximation and is neither characterized nor
tested.
REGISTER 9-1: OSCCON: OSCILLATOR CONTROL REGISTER
U-0 R-0, HSC R-0, HSC R-0, HSC U-0 R/W-x(1)R/W-x(1)R/W-x(1)
— COSC2 COSC1 COSC0 — NOSC2 NOSC1 NOSC0
bit 15 bit 8
R/SO-0, HSC U-0 R-0, HSC(2)U-0 R/CO-0, HS R/W-0(3) R/W-0 R/W-0
CLKLOCK —LOCK— CF SOSCDRV SOSCEN OSWEN
bit 7 bit 0
Legend: HSC = Hardware Settable/Clearable bit
HS = Hardware Settable bit CO = Clearable Only bit SO = Settable Only bit
R = Readable bit W = Writable bit U = Unimplemented bit, read as ‘0’
-n = Value at POR ‘1’ = Bit is set ‘0’ = Bit is cleared x = Bit is unknown
bit 15 Unimplemented: Read as ‘0’
bit 14-12 COSC<2:0>: Current Oscillator Selection bits
111 = 8 MHz Fast RC Oscillator with Postscaler (FRCDIV)
110 = 500 kHz Low-Power Fast RC Oscillator (FRC) with Postscaler (LPFRCDIV)
101 = Low-Power RC Oscillator (LPRC)
100 = Secondary Oscillator (SOSC)
011 = Primary Oscillator with PLL module (XTPLL, HSPLL, ECPLL)
010 = Primary Oscillator (XT, HS, EC)
001 = 8 MHz FRC Oscillator with Postscaler and PLL module (FRCPLL)
000 = 8 MHz FRC Oscillator (FRC)
bit 11 Unimplemented: Read as ‘0’
bit 10-8 NOSC<2:0>: New Oscillator Selection bits(1)
111 = 8 MHz Fast RC Oscillator with Postscaler (FRCDIV)
110 = 500 kHz Low-Power Fast RC Oscillator (FRC) with Postscaler (LPFRCDIV)
101 = Low-Power RC Oscillator (LPRC)
100 = Secondary Oscillator (SOSC)
011 = Primary Oscillator with PLL module (XTPLL, HSPLL, ECPLL)
010 = Primary Oscillator (XT, HS, EC)
001 = 8 MHz FRC Oscillator with Postscaler and PLL module (FRCPLL)
000 = 8 MHz FRC Oscillator (FRC)
Note 1: Reset values for these bits are determined by the FNOSC<2:0> Configuration bits.
2: Also resets to ‘0’ during any valid clock switch or whenever a non-PLL Clock mode is selected.
3: When SOSC is selected to run from a digital clock input rather than an external crystal (SOSCSRC = 0),
this bit has no effect.

PIC24F16KL402 FAMILY
DS30001037C-page 98 2011-2013 Microchip Technology Inc.
bit 7 CLKLOCK: Clock Selection Lock Enable bit
If FSCM is Enabled (FCKSM1 = 1):
1 = Clock and PLL selections are locked
0 = Clock and PLL selections are not locked and may be modified by setting the OSWEN bit
If FSCM is Disabled (FCKSM1 = 0):
Clock and PLL selections are never locked and may be modified by setting the OSWEN bit.
bit 6 Unimplemented: Read as ‘0’
bit 5 LOCK: PLL Lock Status bit(2)
1 = PLL module is in lock or the PLL module start-up timer is satisfied
0 = PLL module is out of lock, the PLL start-up timer is running or PLL is disabled
bit 4 Unimplemented: Read as ‘0’
bit 3 CF: Clock Fail Detect bit
1 = FSCM has detected a clock failure
0 = No clock failure has been detected
bit 2 SOSCDRV: Secondary Oscillator Drive Strength bit(3)
1 = High-power SOSC circuit is selected
0 = Low/high-power select is done via the SOSCSRC Configuration bit
bit 1 SOSCEN: 32 kHz Secondary Oscillator (SOSC) Enable bit
1 = Enables secondary oscillator
0 = Disables secondary oscillator
bit 0 OSWEN: Oscillator Switch Enable bit
1 = Initiates an oscillator switch to the clock source specified by the NOSC<2:0> bits
0 = Oscillator switch is complete
REGISTER 9-1: OSCCON: OSCILLATOR CONTROL REGISTER (CONTINUED)
Note 1: Reset values for these bits are determined by the FNOSC<2:0> Configuration bits.
2: Also resets to ‘0’ during any valid clock switch or whenever a non-PLL Clock mode is selected.
3: When SOSC is selected to run from a digital clock input rather than an external crystal (SOSCSRC = 0),
this bit has no effect.

2011-2013 Microchip Technology Inc. DS30001037C-page 99
PIC24F16KL402 FAMILY
REGISTER 9-2: CLKDIV: CLOCK DIVIDER REGISTER
R/W-0 R/W-0 R/W-1 R/W-1 R/W-0 R/W-0 R/W-0 R/W-1
ROI DOZE2 DOZE1 DOZE0 DOZEN(1)RCDIV2 RCDIV1 RCDIV0
bit 15 bit 8
U-0 U-0 U-0 U-0 U-0 U-0 U-0 U-0
————————
bit 7 bit 0
Legend:
R = Readable bit W = Writable bit U = Unimplemented bit, read as ‘0’
-n = Value at POR ‘1’ = Bit is set ‘0’ = Bit is cleared x = Bit is unknown
bit 15 ROI: Recover on Interrupt bit
1 = Interrupts clear the DOZEN bit, and reset the CPU and peripheral clock ratio to 1:1
0 = Interrupts have no effect on the DOZEN bit
bit 14-12 DOZE<2:0>: CPU-to-Peripheral Clock Ratio Select bits
111 = 1:128
110 = 1:64
101 = 1:32
100 = 1:16
011 = 1:8
010 = 1:4
001 = 1:2
000 = 1:1
bit 11 DOZEN: DOZE Enable bit(1)
1 = DOZE<2:0> bits specify the CPU-to-peripheral clock ratio
0 = CPU and the peripheral clock ratio are set to 1:1
bit 10-8 RCDIV<2:0>: FRC Postscaler Select bits
When COSC<2:0> (OSCCON<14:12) = 111 or 001:
111 = 31.25 kHz (divide-by-256)
110 = 125 kHz (divide-by-64)
101 = 250 kHz (divide-by-32)
100 = 500 kHz (divide-by-16)
011 = 1 MHz (divide-by-8)
010 = 2 MHz (divide-by-4)
001 = 4 MHz (divide-by-2) (default)
000 = 8 MHz (divide-by-1)
When COSC<2:0> (OSCCON<14:12>) = 110:
111 = 1.95 kHz (divide-by-256)
110 = 7.81 kHz (divide-by-64)
101 = 15.62 kHz (divide-by-32)
100 = 31.25 kHz (divide-by-16)
011 = 62.5 kHz (divide-by-8)
010 = 125 kHz (divide-by-4)
001 = 250 kHz (divide-by-2) (default)
000 = 500 kHz (divide-by-1)
bit 7-0 Unimplemented: Read as ‘0’
Note 1: This bit is automatically cleared when the ROI bit is set and an interrupt occurs.

PIC24F16KL402 FAMILY
DS30001037C-page 100 2011-2013 Microchip Technology Inc.
REGISTER 9-3: OSCTUN: FRC OSCILLATOR TUNE REGISTER
U-0 U-0 U-0 U-0 U-0 U-0 U-0 U-0
————————
bit 15 bit 8
U-0 U-0 R/W-0 R/W-0 R/W-0 R/W-0 R/W-0 R/W-0
—— TUN5(1)TUN4(1)TUN3(1)TUN2(1)TUN1(1)TUN0(1)
bit 7 bit 0
Legend:
R = Readable bit W = Writable bit U = Unimplemented bit, read as ‘0’
-n = Value at POR ‘1’ = Bit is set ‘0’ = Bit is cleared x = Bit is unknown
bit 15-6 Unimplemented: Read as ‘0’
bit 5-0 TUN<5:0>: FRC Oscillator Tuning bits(1)
011111 = Maximum frequency deviation
011110
•
•
•
000001
000000 = Center frequency, oscillator is running at factory calibrated frequency
111111
•
•
•
100001
100000 = Minimum frequency deviation
Note 1: Increments or decrements of TUN<5:0> may not change the FRC frequency in equal steps over the FRC
tuning range and may not be monotonic.

2011-2013 Microchip Technology Inc. DS30001037C-page 101
PIC24F16KL402 FAMILY
9.4 Clock Switching Operation
With few limitations, applications are free to switch
between any of the four clock sources (POSC, SOSC,
FRC and LPRC) under software control and at any
time. To limit the possible side effects that could result
from this flexibility, PIC24F devices have a safeguard
lock built into the switching process.
9.4.1 ENABLING CLOCK SWITCHING
To enable clock switching, the FCKSM1 Configuration bit
in the FOSC Configuration register must be programmed
to ‘0’. (Refer to Section 23.0 “Special Features” for
further details.) If the FCKSM1 Configuration bit is
unprogrammed (‘1’), the clock switching function and
FSCM function are disabled; this is the default setting.
The NOSCx control bits (OSCCON<10:8>) do not
control the clock selection when clock switching is
disabled. However, the COSCx bits (OSCCON<14:12>)
will reflect the clock source selected by the FNOSCx
Configuration bits.
The OSWEN control bit (OSCCON<0>) has no effect
when clock switching is disabled; it is held at ‘0’ at all
times.
9.4.2 OSCILLATOR SWITCHING
SEQUENCE
At a minimum, performing a clock switch requires this
basic sequence:
1. If desired, read the COSCx bits
(OSCCON<14:12>) to determine the current
oscillator source.
2. Perform the unlock sequence to allow a write to
the OSCCON register high byte.
3. Write the appropriate value to the NOSCx bits
(OSCCON<10:8>) for the new oscillator source.
4. Perform the unlock sequence to allow a write to
the OSCCON register low byte.
5. Set the OSWEN bit to initiate the oscillator
switch.
Once the basic sequence is completed, the system
clock hardware responds automatically, as follows:
1. The clock switching hardware compares the
COSCx bits with the new value of the NOSCx
bits. If they are the same, then the clock switch
is a redundant operation. In this case, the
OSWEN bit is cleared automatically and the
clock switch is aborted.
2. If a valid clock switch has been initiated, the
LOCK (OSCCON<5>) and CF (OSCCON<3>)
bits are cleared.
3. The new oscillator is turned on by the hardware
if it is not currently running. If a crystal oscillator
must be turned on, the hardware will wait until
the OST expires. If the new source is using the
PLL, then the hardware waits until a PLL lock is
detected (LOCK = 1).
4. The hardware waits for 10 clock cycles from the
new clock source and then performs the clock
switch.
5. The hardware clears the OSWEN bit to indicate a
successful clock transition. In addition, the
NOSCx bits value is transferred to the COSCx
bits.
6. The old clock source is turned off at this time,
with the exception of LPRC (if WDT or FSCM,
with LPRC as a clock source, are enabled) or
SOSC (if SOSCEN remains enabled).
Note: The Primary Oscillator mode has three
different submodes (XT, HS and EC),
which are determined by the POSCMDx
Configuration bits. While an application
can switch to and from Primary Oscillator
mode in software, it cannot switch
between the different primary submodes
without reprogramming the device.
Note 1: The processor will continue to execute
code throughout the clock switching
sequence. Timing-sensitive code should
not be executed during this time.
2: Direct clock switches between any
Primary Oscillator mode with PLL and
FRCPLL mode are not permitted. This
applies to clock switches in either direc-
tion. In these instances, the application
must switch to FRC mode as a transition
clock source between the two PLL modes.

PIC24F16KL402 FAMILY
DS30001037C-page 102 2011-2013 Microchip Technology Inc.
The following code sequence for a clock switch is
recommended:
1. Disable interrupts during the OSCCON register
unlock and write sequence.
2. Execute the unlock sequence for the OSCCON
high byte by writing 78h and 9Ah to
OSCCON<15:8>, in two back-to-back
instructions.
3. Write the new oscillator source to the NOSCx
bits in the instruction immediately following the
unlock sequence.
4. Execute the unlock sequence for the OSCCON
low byte by writing 46h and 57h to
OSCCON<7:0>, in two back-to-back instructions.
5. Set the OSWEN bit in the instruction immediately
following the unlock sequence.
6. Continue to execute code that is not
clock-sensitive (optional).
7. Invoke an appropriate amount of software delay
(cycle counting) to allow the selected oscillator
and/or PLL to start and stabilize.
8. Check to see if OSWEN is ‘0’. If it is, the switch
was successful. If OSWEN is still set, then check
the LOCK bit to determine the cause of failure.
The core sequence for unlocking the OSCCON register
and initiating a clock switch is shown in Example 9-1.
EXAMPLE 9-1: BASIC CODE SEQUENCE
FOR CLOCK SWITCHING
9.5 Reference Clock Output
In addition to the CLKO output (FOSC/2) available in
certain oscillator modes, the device clock in the
PIC24F16KL402 family devices can also be configured
to provide a reference clock output signal to a port pin.
This feature is available in all oscillator configurations
and allows the user to select a greater range of clock
submultiples to drive external devices in the
application.
This reference clock output is controlled by the
REFOCON register (Register 9-4). Setting the ROEN
bit (REFOCON<15>) makes the clock signal available
on the REFO pin. The RODIV bits (REFOCON<11:8>)
enable the selection of 16 different clock divider
options.
The ROSSLP and ROSEL bits (REFOCON<13:12>)
control the availability of the reference output during
Sleep mode. The ROSEL bit determines if the oscillator
on OSC1 and OSC2, or the current system clock
source, is used for the reference clock output. The
ROSSLP bit determines if the reference source is
available on REFO when the device is in Sleep mode.
To use the reference clock output in Sleep mode, both
the ROSSLP and ROSEL bits must be set. The device
clock must also be configured for one of the primary
modes (EC, HS or XT). Therefore, if the ROSEL bit is
also not set, the oscillator on OSC1 and OSC2 will be
powered down when the device enters Sleep mode.
Clearing the ROSEL bit allows the reference output
frequency to change as the system clock changes
during any clock switches.
;Place the new oscillator selection in W0
;OSCCONH (high byte) Unlock Sequence
MOV #OSCCONH, w1
MOV #0x78, w2
MOV #0x9A, w3
MOV.b w2, [w1]
MOV.b w3, [w1]
;Set new oscillator selection
MOV.b WREG, OSCCONH
;OSCCONL (low byte) unlock sequence
MOV #OSCCONL, w1
MOV #0x46, w2
MOV #0x57, w3
MOV.b w2, [w1]
MOV.b w3, [w1]
;Start oscillator switch operation
BSET OSCCON,#0

2011-2013 Microchip Technology Inc. DS30001037C-page 103
PIC24F16KL402 FAMILY
REGISTER 9-4: REFOCON: REFERENCE OSCILLATOR CONTROL REGISTER
R/W-0 U-0 R/W-0 R/W-0 R/W-0 R/W-0 R/W-0 R/W-0
ROEN — ROSSLP ROSEL RODIV3 RODIV2 RODIV1 RODIV0
bit 15 bit 8
U-0 U-0 U-0 U-0 U-0 U-0 U-0 U-0
————————
bit 7 bit 0
Legend:
R = Readable bit W = Writable bit U = Unimplemented bit, read as ‘0’
-n = Value at POR ‘1’ = Bit is set ‘0’ = Bit is cleared x = Bit is unknown
bit 15 ROEN: Reference Oscillator Output Enable bit
1 = Reference oscillator is enabled on REFO pin
0 = Reference oscillator is disabled
bit 14 Unimplemented: Read as ‘0’
bit 13 ROSSLP: Reference Oscillator Output Stop in Sleep bit
1 = Reference oscillator continues to run in Sleep
0 = Reference oscillator is disabled in Sleep
bit 12 ROSEL: Reference Oscillator Source Select bit
1 = Primary oscillator is used as the base clock(1)
0 = System clock is used as the base clock; the base clock reflects any clock switching of the device
bit 11-8 RODIV<3:0>: Reference Oscillator Divisor Select bits
1111 = Base clock value divided by 32,768
1110 = Base clock value divided by 16,384
1101 = Base clock value divided by 8,192
1100 = Base clock value divided by 4,096
1011 = Base clock value divided by 2,048
1010 = Base clock value divided by 1,024
1001 = Base clock value divided by 512
1000 = Base clock value divided by 256
0111 = Base clock value divided by 128
0110 = Base clock value divided by 64
0101 = Base clock value divided by 32
0100 = Base clock value divided by 16
0011 = Base clock value divided by 8
0010 = Base clock value divided by 4
0001 = Base clock value divided by 2
0000 = Base clock value
bit 7-0 Unimplemented: Read as ‘0’
Note 1: The crystal oscillator must be enabled using the FOSC<2:0> bits; the crystal maintains the operation in
Sleep mode.

PIC24F16KL402 FAMILY
DS30001037C-page 104 2011-2013 Microchip Technology Inc.
NOTES:

2011-2013 Microchip Technology Inc. DS30001037C-page 105
PIC24F16KL402 FAMILY
10.0 POWER-SAVING FEATURES
The PIC24F16KL402 family of devices provides the
ability to manage power consumption by selectively
managing clocking to the CPU and the peripherals. In
general, a lower clock frequency and a reduction in the
number of circuits being clocked constitutes lower
consumed power. All PIC24F devices manage power
consumption using several strategies:
• Clock frequency
• Instruction-based Idle and Sleep modes
• Hardware-based periodic wake-up from Sleep
• Software Controlled Doze mode
• Selective peripheral control in software
Combinations of these methods can be used to
selectively tailor an application’s power consumption,
while still maintaining critical application features, such
as timing-sensitive communications.
10.1 Clock Frequency and Clock
Switching
PIC24F devices allow for a wide range of clock
frequencies to be selected under application control. If
the system clock configuration is not locked, users can
choose low-power or high-precision oscillators by simply
changing the NOSCx bits. The process of changing a
system clock during operation, as well as limitations to
the process, are discussed in more detail in Section 9.0
“Oscillator Configuration”.
10.2 Instruction-Based Power-Saving
Modes
PIC24F devices have two special power-saving modes
that are entered through the execution of a special
PWRSAV instruction. Sleep mode stops clock operation
and halts all code execution; Idle mode halts the CPU
and code execution, but allows peripheral modules to
continue operation.
The assembly syntax of the PWRSAV instruction is
shown in Example 10-1.
Sleep and Idle modes can be exited as a result of an
enabled interrupt, WDT time-out or a device Reset.
When the device exits these modes, it is said to
“wake-up”.
EXAMPLE 10-1: PWRSAV INSTRUCTION SYNTAX
Note: This data sheet summarizes the features
of this group of PIC24F devices. It is not
intended to be a comprehensive
reference source. For more information
on Power-Saving Features, refer to the
“dsPIC33/PIC24 Family Reference
Manual”, “Power-Saving Features with
Deep Sleep” (DS39727).
Note: SLEEP_MODE and IDLE_MODE are
constants defined in the assembler
include file for the selected device.
PWRSAV #SLEEP_MODE ; Put the device into SLEEP mode
PWRSAV #IDLE_MODE ; Put the device into IDLE mode

PIC24F16KL402 FAMILY
DS30001037C-page 106 2011-2013 Microchip Technology Inc.
10.2.1 SLEEP MODE
Sleep mode includes these features:
• The system clock source is shut down. If an
on-chip oscillator is used, it is turned off.
• The device current consumption will be reduced
to a minimum, provided that no I/O pin is sourcing
current.
• The I/O pin directions and states are frozen.
• The Fail-Safe Clock Monitor does not operate
during Sleep mode since the system clock source
is disabled.
• The LPRC clock will continue to run in Sleep
mode if any active module has selected the LPRC
as its source, including the WDT, Timer1 and
Timer3.
• The WDT, if enabled, is automatically cleared
prior to entering Sleep mode.
• Some device features, or peripherals, may
continue to operate in Sleep mode. This includes
items, such as the Input Change Notification
(ICN) on the I/O ports or peripherals that use an
external clock input. Any peripheral that requires
the system clock source for its operation will be
disabled in Sleep mode.
The device will wake-up from Sleep mode on any of
these events:
• On any interrupt source that is individually
enabled
• On any form of device Reset
• On a WDT time-out
On wake-up from Sleep, the processor will restart with
the same clock source that was active when Sleep
mode was entered.
10.2.2 IDLE MODE
Idle mode has these features:
• The CPU will stop executing instructions.
• The WDT is automatically cleared.
• The system clock source remains active. By
default, all peripheral modules continue to operate
normally from the system clock source, but can
also be selectively disabled (see Section 10.5
“Selective Peripheral Module Control”).
• If the WDT or FSCM is enabled, the LPRC will
also remain active.
The device will wake from Idle mode on any of these
events:
• Any interrupt that is individually enabled
• Any device Reset
• A WDT time-out
On wake-up from Idle, the clock is re-applied to the
CPU. Instruction execution begins immediately, start-
ing with the instruction following the PWRSAV instruction
or the first instruction in the ISR.
10.2.3 INTERRUPTS COINCIDENT WITH
POWER SAVE INSTRUCTIONS
Any interrupt that coincides with the execution of a
PWRSAV instruction will be held off until entry into Sleep
or Idle mode has completed. The device will then
wake-up from Sleep or Idle mode.

2011-2013 Microchip Technology Inc. DS30001037C-page 107
PIC24F16KL402 FAMILY
10.3 Ultra Low-Power Wake-up
The Ultra Low-Power Wake-up (ULPWU) on pin, RB0,
allows a slow falling voltage to generate an interrupt
without excess current consumption. This feature
provides a low-power technique for periodically waking
up the device from Sleep mode.
To use this feature:
1. Charge the capacitor on RB0 by configuring the
RB0 pin to an output and setting it to ‘1’.
2. Stop charging the capacitor by configuring RB0
as an input.
3. Discharge the capacitor by setting the ULPEN
and ULPSINK bits in the ULPWCON register.
4. Configure Sleep mode.
5. Enter Sleep mode.
The time-out is dependent on the discharge time of the
RC circuit on RB0. When the voltage on RB0 drops
below VIL, the device wakes up and executes the next
instruction.
When the ULPWU module wakes the device from
Sleep mode, the ULPWUIF bit (IFS5<0>) is set. Soft-
ware can check this bit upon wake-up to determine the
wake-up source.
See Example 10-2 for initializing the ULPWU module.
A series resistor, between RB0 and the external
capacitor, provides overcurrent protection for the
RB0/AN2/ULPWU pin and enables software calibration
of the time-out (see Figure 10-1).
FIGURE 10-1: SERIES RESISTOR
A timer can be used to measure the charge time and
discharge time of the capacitor. The charge time can
then be adjusted to provide the desired delay in Sleep.
This technique compensates for the affects of tempera-
ture, voltage and component accuracy. The peripheral
can also be configured as a simple, programmable
Low-Voltage Detect (LVD) or temperature sensor.
EXAMPLE 10-2: ULTRA LOW-POWER WAKE-UP INITIALIZATION
R1
C1
RB0
//******************************************************************************
// 1. Charge the capacitor on RB0
//******************************************************************************
TRISBbits.TRISB0 = 0;
LATBbits.LATB0 = 1;
for(i = 0; i < 10000; i++) Nop();
//******************************************************************************
//2. Stop Charging the capacitor on RB0
//******************************************************************************
TRISBbits.TRISB0 = 1;
//******************************************************************************
//3. Enable ULPWU Interrupt
//******************************************************************************
IFS5bits.ULPWUIF = 0;
IEC5bits.ULPWUIE = 1;
IPC20bits.ULPWUIP = 0x7;
//******************************************************************************
//4. Enable the Ultra Low Power Wakeup module and allow capacitor discharge
//******************************************************************************
ULPWCONbits.ULPEN = 1;
ULPWCONbits.ULPSINK = 1;
//******************************************************************************
//5. Enter Sleep Mode
//******************************************************************************
Sleep();
//for Sleep, execution will resume here

PIC24F16KL402 FAMILY
DS30001037C-page 108 2011-2013 Microchip Technology Inc.
REGISTER 10-1: ULPWCON: ULPWU CONTROL REGISTER
R/W-0 U-0 R/W-0 U-0 U-0 U-0 U-0 R/W-0
ULPEN — ULPSIDL ———— ULPSINK
bit 15 bit 8
U-0 U-0 U-0 U-0 U-0 U-0 U-0 U-0
— — — — — — — —
bit 7 bit 0
Legend:
R = Readable bit W = Writable bit U = Unimplemented bit, read as ‘0’
-n = Value at POR ‘1’ = Bit is set ‘0’ = Bit is cleared x = Bit is unknown
bit 15 ULPEN: ULPWU Module Enable bit
1 = Module is enabled
0 = Module is disabled
bit 14 Unimplemented: Read as ‘0’
bit 13 ULPSIDL: ULPWU Stop in Idle Select bit
1 = Discontinues module operation when the device enters Idle mode
0 = Continues module operation in Idle mode
bit 12-9 Unimplemented: Read as ‘0’
bit 8 ULPSINK: ULPWU Current Sink Enable bit
1 = Current sink is enabled
0 = Current sink is disabled
bit 7-0 Unimplemented: Read as ‘0’

2011-2013 Microchip Technology Inc. DS30001037C-page 109
PIC24F16KL402 FAMILY
10.4 Doze Mode
Generally, changing clock speed and invoking one of
the power-saving modes are the preferred strategies
for reducing power consumption. There may be
circumstances, however, where this is not practical. For
example, it may be necessary for an application to
maintain uninterrupted, synchronous communication,
even while it is doing nothing else. Reducing system
clock speed may introduce communication errors,
while using a power-saving mode may stop
communications completely.
Doze mode is a simple and effective alternative method
to reduce power consumption while the device is still
executing code. In this mode, the system clock
continues to operate from the same source and at the
same speed. Peripheral modules continue to be
clocked at the same speed, while the CPU clock speed
is reduced. Synchronization between the two clock
domains is maintained, allowing the peripherals to
access the SFRs while the CPU executes code at a
slower rate.
Doze mode is enabled by setting the DOZEN bit
(CLKDIV<11>). The ratio between peripheral and core
clock speed is determined by the DOZE<2:0> bits
(CLKDIV<14:12>). There are eight possible
configurations, from 1:1 to 1:128, with 1:1 being the
default.
It is also possible to use Doze mode to selectively reduce
power consumption in event driven applications. This
allows clock-sensitive functions, such as synchronous
communications, to continue without interruption. Mean-
while, the CPU Idles, waiting for something to invoke an
interrupt routine. Enabling the automatic return to
full-speed CPU operation on interrupts is enabled by
setting the ROI bit (CLKDIV<15>). By default, interrupt
events have no effect on Doze mode operation.
10.5 Selective Peripheral Module
Control
Idle and Doze modes allow users to substantially
reduce power consumption by slowing or stopping the
CPU clock. Even so, peripheral modules still remain
clocked and thus, consume power. There may be
cases where the application needs what these modes
do not provide: the allocation of power resources to
CPU processing, with minimal power consumption
from the peripherals.
PIC24F devices address this requirement by allowing
peripheral modules to be selectively disabled, reducing
or eliminating their power consumption. This can be
done with two control bits:
• The Peripheral Enable bit, generically named,
“XXXEN”, located in the module’s main control
SFR.
• The Peripheral Module Disable (PMD) bit,
generically named, “XXXMD”, located in one of
the PMD Control registers.
Both bits have similar functions in enabling or disabling
its associated module. Setting the PMD bit for a module
disables all clock sources to that module, reducing its
power consumption to an absolute minimum. In this
state, the control and status registers associated with
the peripheral will also be disabled, so writes to those
registers will have no effect, and read values will be
invalid. Many peripheral modules have a corresponding
PMD bit.
In contrast, disabling a module by clearing its XXXEN
bit, disables its functionality, but leaves its registers
available to be read and written to. Power consumption
is reduced, but not by as much as when the PMD bits
are used.
To achieve more selective power savings, peripheral
modules can also be selectively disabled when the
device enters Idle mode. This is done through the control
bit of the generic name format, “XXXIDL”. By default, all
modules that can operate during Idle mode will do so.
Using the disable on Idle feature disables the module
while in Idle mode, allowing further reduction of power
consumption during Idle mode. This enhances power
savings for extremely critical power applications.

PIC24F16KL402 FAMILY
DS30001037C-page 110 2011-2013 Microchip Technology Inc.
NOTES:

2011-2013 Microchip Technology Inc. DS30001037C-page 111
PIC24F16KL402 FAMILY
11.0 I/O PORTS
All of the device pins (except VDD and VSS) are shared
between the peripherals and the parallel I/O ports. All
I/O input ports feature Schmitt Trigger inputs for
improved noise immunity.
11.1 Parallel I/O (PIO) Ports
A parallel I/O port that shares a pin with a peripheral is,
in general, subservient to the peripheral. The
peripheral’s output buffer data and control signals are
provided to a pair of multiplexers. The multiplexers
select whether the peripheral or the associated port
has ownership of the output data and control signals of
the I/O pin. Figure 11-1 illustrates how ports are shared
with other peripherals and the associated I/O pin to
which they are connected.
When a peripheral is enabled and the peripheral is
actively driving an associated pin, the use of the pin as
a general purpose output pin is disabled. The I/O pin
may be read, but the output driver for the parallel port
bit will be disabled. If a peripheral is enabled, but the
peripheral is not actively driving a pin, that pin may be
driven by a port.
All port pins have three registers directly associated
with their operation as digital I/O. The Data Direction
register (TRISx) determines whether the pin is an input
or an output. If the data direction bit is a ‘1’, then the pin
is an input. All port pins are defined as inputs after a
Reset. Reads from the Data Latch register (LATx), read
the latch. Writes to the Data Latch, write the latch.
Reads from the port (PORTx), read the port pins, while
writes to the port pins, write the latch.
Any bit and its associated data and control registers,
that are not valid for a particular device, will be dis-
abled. That means the corresponding LATx and TRISx
registers, and the port pin will read as zeros.
When a pin is shared with another peripheral or func-
tion that is defined as an input only, it is nevertheless,
regarded as a dedicated port because there is no
other competing source of outputs.
FIGURE 11-1: BLOCK DIAGRAM OF A TYPICAL SHARED I/O PORT STRUCTURE
Note: This data sheet summarizes the features of
this group of PIC24F devices. It is not
intended to be a comprehensive reference
source. For more information on the I/O
Ports, refer to the “dsPIC33/PIC24 Family
Reference Manual”, “I/O Ports with
Peripheral Pin Select (PPS)” (DS39711).
Note that the PIC24F16KL402 family
devices do not support Peripheral Pin
Select features.
Q
D
CK
WR LAT +
TRIS Latch
I/O Pin
WR PORT
Data Bus
Q
D
CK
Data Latch
Read PORT
Read TRIS
1
0
1
0
WR TRIS
Peripheral Output Data
Peripheral Input Data
I/O
Peripheral Module
Peripheral Output Enable
PIO Module
Output Multiplexers
Output Data
Input Data
Peripheral Module Enable
Read LAT
Output Enable

PIC24F16KL402 FAMILY
DS30001037C-page 112 2011-2013 Microchip Technology Inc.
11.1.1 OPEN-DRAIN CONFIGURATION
In addition to the PORTx, LATx and TRISx registers for
data control, each port pin can be individually
configured for either digital or open-drain output. This is
controlled by the Open-Drain Control register, ODCx,
associated with each port. Setting any of the bits
configures the corresponding pin to act as an
open-drain output.
The maximum open-drain voltage allowed is the same
as the maximum VIH specification.
11.1.2 I/O PORT WRITE/READ TIMING
One instruction cycle is required between a port
direction change or port write operation and a read
operation of the same port. Typically, this instruction
would be a NOP.
11.2 Configuring Analog Port Pins
The use of the ANSx and TRISx registers control the
operation of the A/D port pins. The port pins that are
desired as analog inputs must have their
corresponding TRISx bit set (input). If the TRISx bit is
cleared (output), the digital output level (VOH or VOL)
will be converted.
When reading the PORTx register, all pins configured
as analog input channels will read as cleared (a low
level). Analog levels on any pin that is defined as a dig-
ital input (including the ANx pins) may cause the input
buffer to consume current that exceeds the device
specifications.
11.2.1 ANALOG SELECTION REGISTER
I/O pins with shared analog functionality, such as A/D
inputs and comparator inputs, must have their digital
inputs shut off when analog functionality is used. Note
that analog functionality includes an analog voltage
being applied to the pin externally.
To allow for analog control, the ANSx registers are
provided. There is one ANS register for each port
(ANSA and ANSB, Register 11-1 and Register 11-2).
Within each ANSx register, there is a bit for each pin
that shares analog functionality with the digital I/O
functionality. If a particular pin does not have an analog
function, that bit is unimplemented.

2011-2013 Microchip Technology Inc. DS30001037C-page 113
PIC24F16KL402 FAMILY
REGISTER 11-1: ANSA: PORTA ANALOG SELECTION REGISTER
U-0 U-0 U-0 U-0 U-0 U-0 U-0 U-0
— — — — — — — —
bit 15 bit 8
U-0 U-0 U-0 U-0 R/W-1 R/W-1 R/W-1 R/W-1
———— ANSA3 ANSA2 ANSA1 ANSA0
bit 7 bit 0
Legend:
R = Readable bit W = Writable bit U = Unimplemented bit, read as ‘0’
-n = Value at POR ‘1’ = Bit is set ‘0’ = Bit is cleared x = Bit is unknown
bit 15-4 Unimplemented: Read as ‘0’
bit 3-0 ANSA<3:0>: Analog Select Control bits
1 = Digital input buffer is not active (use for analog input)
0 = Digital input buffer is active
REGISTER 11-2: ANSB: PORTB ANALOG SELECTION REGISTER
R/W-1 R/W-1 R/W-1 R/W-1 U-0 U-0 U-0 U-0
ANSB15 ANSB14 ANSB13(1)ANSB12(1)— — — —
bit 15 bit 8
U-0 U-0 U-0 R/W-1 R/W-1 R/W-1 R/W-1 R/W-1
— — — ANSB4 ANSB3(2)ANSB2(1)ANSB1(1)ANSB0(1)
bit 7 bit 0
Legend:
R = Readable bit W = Writable bit U = Unimplemented bit, read as ‘0’
-n = Value at POR ‘1’ = Bit is set ‘0’ = Bit is cleared x = Bit is unknown
bit 15-12 ANSB<15:12>: Analog Select Control bits(1)
1 = Digital input buffer is not active (use for analog input)
0 = Digital input buffer is active
bit 11-5 Unimplemented: Read as ‘0’
bit 4-0 ANSB<4:0>: Analog Select Control bits(2)
1 = Digital input buffer is not active (use for analog input)
0 = Digital input buffer is active
Note 1: ANSB<13:12,2:0> are unimplemented on 14-pin devices.
2: ANSB<3> is unimplemented on 14-pin and 20-pin devices.

PIC24F16KL402 FAMILY
DS30001037C-page 114 2011-2013 Microchip Technology Inc.
11.3 Input Change Notification
The Input Change Notification (ICN) function of the I/O
ports allows the PIC24F16KL402 family of devices to
generate interrupt requests to the processor in response
to a Change-of-State (COS) on selected input pins. This
feature is capable of detecting input Change-of-States,
even in Sleep mode, when the clocks are disabled.
Depending on the device pin count, there are up to
23 external signals that may be selected (enabled) for
generating an interrupt request on a Change-of-State.
There are six control registers associated with the
Change Notification (CN) module. The CNEN1 and
CNEN2 registers contain the interrupt enable control
bits for each of the CN input pins. Setting any of these
bits enables a CN interrupt for the corresponding pins.
Each CN pin also has a weak pull-up/pull-down
connected to it. The pull-ups act as a current source
that is connected to the pin. The pull-downs act as a
current sink to eliminate the need for external resistors
when push button or keypad devices are connected.
On any pin, only the pull-up resistor or the pull-down
resistor should be enabled, but not both of them. If the
push button or the keypad is connected to VDD, enable
the pull-down, or if they are connected to VSS, enable
the pull-up resistors. The pull-ups are enabled sepa-
rately using the CNPU1 and CNPU2 registers, which
contain the control bits for each of the CN pins.
Setting any of the control bits enables the weak
pull-ups for the corresponding pins. The pull-downs are
enabled separately, using the CNPD1 and CNPD2
registers, which contain the control bits for each of the
CN pins. Setting any of the control bits enables the
weak pull-downs for the corresponding pins.
When the internal pull-up is selected, the pin uses VDD
as the pull-up source voltage. When the internal
pull-down is selected, the pins are pulled down to VSS
by an internal resistor. Make sure that there is no exter-
nal pull-up source/pull-down sink when the internal
pull-ups/pull-downs are enabled.
EXAMPLE 11-1: PORT WRITE/READ EXAMPLE (ASSEMBLY LANGUAGE)
EXAMPLE 11-2: PORT WRITE/READ EXAMPLE (C LANGUAGE)
Note: Pull-ups and pull-downs on Change Notifi-
cation pins should always be disabled
whenever the port pin is configured as a
digital output.
MOV #0xFF00, W0 ; Configure PORTB<15:8> as inputs and PORTB<7:0> as outputs
MOV W0, TRISB
MOV #0x00FF, W0 ; Enable PORTB<15:8> digital input buffers
MOV W0, ANSB
NOP ; Delay 1 cycle
BTSS PORTB, #13 ; Next Instruction
TRISB = 0xFF00; // Configure PORTB<15:8> as inputs and PORTB<7:0> as outputs
ANSB = 0x00FF; // Enable PORTB<15:8> digital input buffers
NOP(); // Delay 1 cycle
if(PORTBbits.RB13 == 1) // execute following code if PORTB pin 13 is set.
{
}

2011-2013 Microchip Technology Inc. DS30001037C-page 115
PIC24F16KL402 FAMILY
12.0 TIMER1
The Timer1 module is a 16-bit timer which can operate
as a free-running, interval timer/counter, or serve as the
time counter for a software-based Real-Time Clock
(RTC). Timer1 is only reset on initial VDD power-on
events. This allows the timer to continue operating as an
RTC clock source through other types of device Reset.
Timer1 can operate in three modes:
•16-Bit Timer
• 16-Bit Synchronous Counter
• 16-Bit Asynchronous Counter
Timer1 also supports these features:
• Timer Gate Operation
• Selectable Prescaler Settings
• Timer Operation During CPU Idle and Sleep modes
• Interrupt on 16-Bit Period Register Match or
Falling Edge of External Gate Signal
Figure 12-1 illustrates a block diagram of the 16-bit
Timer1 module.
To configure Timer1 for operation:
1. Set the TON bit (= 1).
2. Select the timer prescaler ratio using the
TCKPS<1:0> bits.
3. Set the Clock and Gating modes using the TCS
and TGATE bits.
4. Set or clear the TSYNC bit to configure
synchronous or asynchronous operation.
5. Load the timer period value into the PR1
register.
6. If interrupts are required, set the Timer1 Interrupt
Enable bit, T1IE. Use the Timer1 Interrupt Priority
bits, T1IP<2:0>, to set the interrupt priority.
FIGURE 12-1: 16-BIT TIMER1 MODULE BLOCK DIAGRAM
Note: This data sheet summarizes the features of
this group of PIC24F devices. It is not
intended to be a comprehensive reference
source. For more information on Timers,
refer to the “dsPIC33/PIC24 Family
Reference Manual”, “Timers” (DS39704).
TON
Sync
SOSCI
SOSCO
PR1
Set T1IF
Equal
Reset
SOSCEN
TSYNC
Q
QD
CK
TCKPS<1:0>
Prescaler
1, 8, 64, 256
2
TGATE
F
OSC
/2
TCS
TGATE
T1CK
TECS<1:0>
LPRC
Comparator
TMR1
Gate
Sync

PIC24F16KL402 FAMILY
DS30001037C-page 116 2011-2013 Microchip Technology Inc.
REGISTER 12-1: T1CON: TIMER1 CONTROL REGISTER
R/W-0 U-0 R/W-0 U-0 U-0 U-0 R/W-0 R/W-0
TON —TSIDL— — —T1ECS1
(1)T1ECS0(1)
bit 15 bit 8
U-0 R/W-0 R/W-0 R/W-0 U-0 R/W-0 R/W-0 U-0
— TGATE TCKPS1 TCKPS0 —TSYNCTCS —
bit 7 bit 0
Legend:
R = Readable bit W = Writable bit U = Unimplemented bit, read as ‘0’
-n = Value at POR ‘1’ = Bit is set ‘0’ = Bit is cleared x = Bit is unknown
bit 15 TON: Timer1 On bit
1 = Starts 16-bit Timer1
0 = Stops 16-bit Timer1
bit 14 Unimplemented: Read as ‘0’
bit 13 TSIDL: Timer1 Stop in Idle Mode bit
1 = Discontinues module operation when device enters Idle mode
0 = Continues module operation in Idle mode
bit 12-10 Unimplemented: Read as ‘0’
bit 9-8 T1ECS <1:0>: Timer1 Extended Clock Select bits(1)
11 = Reserved; do not use
10 = Timer1 uses the LPRC as the clock source
01 = Timer1 uses the external clock from T1CK
00 = Timer1 uses the Secondary Oscillator (SOSC) as the clock source
bit 7 Unimplemented: Read as ‘0’
bit 6 TGATE: Timer1 Gated Time Accumulation Enable bit
When TCS = 1:
This bit is ignored.
When TCS = 0:
1 = Gated time accumulation is enabled
0 = Gated time accumulation is disabled
bit 5-4 TCKPS<1:0>: Timer1 Input Clock Prescale Select bits
11 = 1:256
10 = 1:64
01 = 1:8
00 = 1:1
bit 3 Unimplemented: Read as ‘0’
bit 2 TSYNC: Timer1 External Clock Input Synchronization Select bit
When TCS = 1:
1 = Synchronizes external clock input
0 = Does not synchronize external clock input
When TCS = 0:
This bit is ignored.
bit 1 TCS: Timer1 Clock Source Select bit
1 = Timer1 clock source is selected by T1ECS<1:0>
0 = Internal clock (FOSC/2)
bit 0 Unimplemented: Read as ‘0’
Note 1: The T1ECSx bits are valid only when TCS = 1.

2011-2013 Microchip Technology Inc. DS30001037C-page 117
PIC24F16KL402 FAMILY
13.0 TIMER2 MODULE
The Timer2 module incorporates the following features:
• 8-bit Timer and Period registers (TMR2 and PR2,
respectively)
• Readable and writable (both registers)
• Software programmable prescaler (1:1, 1:4 and
1:16)
• Software programmable postscaler (1:1 through
1:16)
• Interrupt on TMR2 to PR2 match
• Optional Timer3 gate on TMR2 to PR2 match
• Optional use as the shift clock for the MSSP
modules
This module is controlled through the T2CON register
(Register 13-1), which enables or disables the timer
and configures the prescaler and postscaler. Timer2
can be shut off by clearing control bit, TMR2ON
(T2CON<2>), to minimize power consumption.
The prescaler and postscaler counters are cleared
when any of the following occurs:
• A write to the TMR2 register
• A write to the T2CON register
• Any device Reset (POR, BOR, MCLR or
WDT Reset)
TMR2 is not cleared when T2CON is written.
A simplified block diagram of the module is shown in
Figure 13-1.
FIGURE 13-1: TIMER2 BLOCK DIAGRAM
Note: This data sheet summarizes the features
of this group of PIC24F devices. It is not
intended to be a comprehensive
reference source. For more information
on Timers, refer to the “dsPIC33/PIC24
Family Reference Manual”, “Timers”
(DS39704).
Comparator
TMR2 Output
Postscaler
PR2
2
FOSC/2
1:1 to 1:16
4
T2OUTPS<3:0>
T2CKPS<1:0>
Set T2IF
Internal Data Bus
8
Reset
TMR2/PR2
8
8
(to PWM or MSSPx)
Match
Prescaler
1:1, 1:4, 1:16 TMR2

PIC24F16KL402 FAMILY
DS30001037C-page 118 2011-2013 Microchip Technology Inc.
REGISTER 13-1: T2CON: TIMER2 CONTROL REGISTER
U-0 U-0 U-0 U-0 U-0 U-0 U-0 U-0
— — — — — — — —
bit 15 bit 8
U-0 R/W-0 R/W-0 R/W-0 R/W-0 R/W-0 R/W-0 R/W-0
— T2OUTPS3 T2OUTPS2 T2OUTPS1 T2OUTPS0 TMR2ON T2CKPS1 T2CKPS0
bit 7 bit 0
Legend:
R = Readable bit W = Writable bit U = Unimplemented bit, read as ‘0’
-n = Value at POR ‘1’ = Bit is set ‘0’ = Bit is cleared x = Bit is unknown
bit 15-7 Unimplemented: Read as ‘0’
bit 6-3 T2OUTPS<3:0>: Timer2 Output Postscale Select bits
1111 = 1:16 Postscale
1110 = 1:15 Postscale
•
•
•
0001 = 1:2 Postscale
0000 = 1:1 Postscale
bit 2 TMR2ON: Timer2 On bit
1 = Timer2 is on
0 = Timer2 is off
bit 1-0 T2CKPS<1:0>: Timer2 Clock Prescale Select bits
10 = Prescaler is 16
01 = Prescaler is 4
00 = Prescaler is 1

2011-2013 Microchip Technology Inc. DS30001037C-page 119
PIC24F16KL402 FAMILY
14.0 TIMER3 MODULE
The Timer3 timer/counter modules incorporate these
features:
• Software-selectable operation as a 16-bit timer or
counter
• One 16-bit readable and writable Timer Value
register
• Selectable clock source (internal or external) with
device clock, SOSC or LPRC oscillator options
• Interrupt-on-overflow
• Multiple timer gating options, including:
- User-selectable gate sources and polarity
- Gate/toggle operation
- Single Pulse (One-Shot) mode
• Module Reset on ECCP Special Event Trigger
The Timer3 module is controlled through the T3CON
register (Register 14-1). A simplified block diagram of
the Timer3 module is shown in Figure 14-1.
The FOSC clock source should not be used with the
ECCP capture/compare features. If the timer will be
used with the capture or compare features, always
select one of the other timer clocking options.
FIGURE 14-1: TIMER3 BLOCK DIAGRAM
Note: This data sheet summarizes the features
of this group of PIC24F devices. It is not
intended to be a comprehensive refer-
ence source. For more information on
Timers, refer to the “dsPIC33/PIC24
Family Reference Manual”, “Timers”
(DS39704).
TMR3
T3SYNC
T3CKPS<1:0>
01
Synchronized
Clock Input
2
Set Flag bit,
T3IF, on
Overflow
T3G
FOSC
SOSCO/T1CK
SOSCI
T3OSCEN
T3CK
TMR3CS<1:0>
TMR3GE
00
01
10
11
C1OUT
T3GPOL
T3GTM T3GSPM
T3GGO
T3GSS<1:0>
EN
10
00
01
FOSC/2
C2OUT/LPRC
TMR2 Match
Set T3GIF
DQ
SOSCEN
SOSC
16
One-Shot
Select
Gate
Control
SOSC Components
16
Internal Data Bus
11
LPRC
1
0
Prescaler
1, 2, 4, 8 Gate Sync
Toggle
Select

PIC24F16KL402 FAMILY
DS30001037C-page 120 2011-2013 Microchip Technology Inc.
REGISTER 14-1: T3CON: TIMER3 CONTROL REGISTER
U-0 U-0 U-0 U-0 U-0 U-0 U-0 U-0
— — — — — — — —
bit 15 bit 8
R/W-0 R/W-0 R/W-0 R/W-0 R/W-0 R/W-0 U-0 R/W-0
TMR3CS1 TMR3CS0 T3CKPS1 T3CKPS0 T3OSCEN T3SYNC —TMR3ON
bit 7 bit 0
Legend:
R = Readable bit W = Writable bit U = Unimplemented bit, read as ‘0’
-n = Value at POR ‘1’ = Bit is set ‘0’ = Bit is cleared x = Bit is unknown
bit 15-8 Unimplemented: Read as ‘0’
bit 7-6 TMR3CS<1:0>: Timer3 Clock Source Select bits
11 = Low-Power RC Oscillator (LPRC)
10 = External clock source (selected by T3CON<3>)
01 = Instruction clock (FOSC/2)
00 = System clock (FOSC)(1)
bit 5-4 T3CKPS<1:0>: Timer3 Input Clock Prescale Select bits
11 = 1:8 Prescale value
10 = 1:4 Prescale value
01 = 1:2 Prescale value
00 = 1:1 Prescale value
bit 3 T3OSCEN: Timer3 Oscillator Enable bit
1 = SOSC (Secondary Oscillator) is used as a clock source
0 = T3CK digital input pin is used as a clock source
bit 2 T3SYNC: Timer3 External Clock Input Synchronization Control bit
When TMR3CS<1:0> = 1x:
1 = Does not synchronize the external clock input
0 = Synchronizes the external clock input(2)
When TMR3CS<1:0> = 0x:
This bit is ignored; Timer3 uses the internal clock.
bit 1 Unimplemented: Read as ‘0’
bit 0 TMR3ON: Timer3 On bit
1 = Enables Timer3
0 = Stops Timer3
Note 1: The FOSC clock source should not be selected if the timer will be used with the ECCP capture or compare
features.
2: This option must be selected when the timer will be used with ECCP/CCP.

2011-2013 Microchip Technology Inc. DS30001037C-page 121
PIC24F16KL402 FAMILY
REGISTER 14-2: T3GCON: TIMER3 GATE CONTROL REGISTER(1)
U-0 U-0 U-0 U-0 U-0 U-0 U-0 U-0
— — — — — — — —
bit 15 bit 8
R/W-0 R/W-0 R/W-0 R/W-0 R/W-0 R-x R/W-0 R/W-0
TMR3GE T3GPOL T3GTM T3GSPM T3GGO/
T3DONE
T3GVAL T3GSS1 T3GSS0
bit 7 bit 0
Legend:
R = Readable bit W = Writable bit U = Unimplemented bit, read as ‘0’
-n = Value at POR ‘1’ = Bit is set ‘0’ = Bit is cleared x = Bit is unknown
bit 15-8 Unimplemented: Read as ‘0’
bit 7 TMR3GE: Timer3 Gate Enable bit
If TMR3ON = 0:
This bit is ignored.
If TMR3ON = 1:
1 = Timer counting is controlled by the Timer3 gate function
0 = Timer counts regardless of the Timer3 gate function
bit 6 T3GPOL: Timer3 Gate Polarity bit
1 = Timer gate is active-high (Timer3 counts when the gate is high)
0 = Timer gate is active-low (Timer3 counts when the gate is low)
bit 5 T3GTM: Timer3 Gate Toggle Mode bit
1 = Timer Gate Toggle mode is enabled.
0 = Timer Gate Toggle mode is disabled and toggle flip-flop is cleared
Timer3 gate flip-flop toggles on every rising edge.
bit 4 T3GSPM: Timer3 Gate Single Pulse Mode bit
1 = Timer Gate Single Pulse mode is enabled and is controlling the Timer3 gate
0 = Timer Gate Single Pulse mode is disabled
bit 3 T3GGO/T3DONE: Timer3 Gate Single Pulse Acquisition Status bit
1 = Timer gate single pulse acquisition is ready, waiting for an edge
0 = Timer gate single pulse acquisition has completed or has not been started
This bit is automatically cleared when T3GSPM is cleared.
bit 2 T3GVAL: Timer3 Gate Current State bit
Indicates the current state of the timer gate that could be provided to the TMR3 register; unaffected by
the state of TMR3GE.
bit 1-0 T3GSS<1:0>: Timer3 Gate Source Select bits
11 = Comparator 2 output
10 = Comparator 1 output
01 = TMR2 to match PR2 output
00 = T3G input pin
Note 1: Initializing T3GCON prior to T3CON is recommended.

PIC24F16KL402 FAMILY
DS30001037C-page 122 2011-2013 Microchip Technology Inc.
NOTES:

2011-2013 Microchip Technology Inc. DS30001037C-page 123
PIC24F16KL402 FAMILY
15.0 TIMER4 MODULE
The Timer4 module is implemented in
PIC24FXXKL30X/40X devices only. It has the following
features:
• Eight-bit Timer register (TMR4)
• Eight-bit Period register (PR4)
• Readable and writable (all registers)
• Software programmable prescaler (1:1, 1:4, 1:16)
• Software programmable postscaler (1:1 to 1:16)
• Interrupt on TMR4 match of PR4
The Timer4 module has a control register shown in
Register 15-1. Timer4 can be shut off by clearing
control bit, TMR4ON (T4CON<2>), to minimize power
consumption. The prescaler and postscaler selection of
Timer4 is controlled by this register.
The prescaler and postscaler counters are cleared
when any of the following occurs:
• A write to the TMR4 register
• A write to the T4CON register
• Any device Reset (POR, BOR, MCLR or WDT
Reset)
TMR4 is not cleared when T4CON is written.
Figure 15-1 is a simplified block diagram of the Timer4
module.
FIGURE 15-1: TIMER4 BLOCK DIAGRAM
Note: This data sheet summarizes the features
of this group of PIC24F devices. It is not
intended to be a comprehensive refer-
ence source. For more information on
Timers, refer to the “dsPIC33/PIC24
Family Reference Manual”, “Timers”
(DS39704).
Comparator
TMR4 Output
Postscaler
PR4
2
FOSC/2
1:1 to 1:16
4
T4OUTPS<3:0>
T4CKPS<1:0>
Set T4IF
Internal Data Bus
8
Reset
TMR4/PR4
8
8
(to PWM)
Match
Prescaler
1:1, 1:4, 1:16 TMR4

PIC24F16KL402 FAMILY
DS30001037C-page 124 2011-2013 Microchip Technology Inc.
REGISTER 15-1: T4CON: TIMER4 CONTROL REGISTER
U-0 U-0 U-0 U-0 U-0 U-0 U-0 U-0
— — — — — — — —
bit 15 bit 8
U-0 R/W-0 R/W-0 R/W-0 R/W-0 R/W-0 R/W-0 R/W-0
— T4OUTPS3 T4OUTPS2 T4OUTPS1 T4OUTPS0 TMR4ON T4CKPS1 T4CKPS0
bit 7 bit 0
Legend:
R = Readable bit W = Writable bit U = Unimplemented bit, read as ‘0’
-n = Value at POR ‘1’ = Bit is set ‘0’ = Bit is cleared x = Bit is unknown
bit 15-7 Unimplemented: Read as ‘0’
bit 6-3 T4OUTPS<3:0>: Timer4 Output Postscale Select bits
1111 = 1:16 Postscale
1110 = 1:15 Postscale
•
•
•
0001 = 1:2 Postscale
0000 = 1:1 Postscale
bit 2 TMR4ON: Timer4 On bit
1 = Timer4 is on
0 = Timer4 is off
bit 1-0 T4CKPS<1:0>: Timer4 Clock Prescale Select bits
10 = Prescaler is 16
01 = Prescaler is 4
00 = Prescaler is 1

2011-2013 Microchip Technology Inc. DS30001037C-page 125
PIC24F16KL402 FAMILY
16.0 CAPTURE/COMPARE/PWM
(CCP) AND ENHANCED CCP
MODULES
Depending on the particular device, PIC24F16KL402
family devices include up to three CCP and/or ECCP
modules. Key features of all CCP modules include:
• 16-bit input capture for a range of edge events
• 16-bit output compare with multiple output options
• Single-output Pulse-Width Modulation (PWM)
with up to 10 bits of resolution
• User-selectable time base from any available
timer
• Special Event Trigger on capture and compare
events to automatically trigger a range of
peripherals
ECCP modules also include these features:
• Operation in Half-Bridge and Full-Bridge (Forward
and Reverse) modes
• Pulse steering control across any or all Enhanced
PWM pins with user-configurable steering
synchronization
• User-configurable external Fault detect with
auto-shutdown and auto-restart
PIC24FXXKL40X/30X devices instantiate three CCP
modules, one Enhanced (ECCP1) and two standard
(CCP2 and CCP3). All other devices instantiate two
standard CCP modules (CCP1 and CCP2).
16.1 Timer Selection
On all PIC24F16KL402 family devices, the CCP and
ECCP modules use Timer3 as the time base for cap-
ture and compare operations. PWM and Enhanced
PWM operations may use either Timer2 or Timer4.
PWM time base selection is done through the
CCPTMRS0 register (Register 16-6).
16.2 CCP I/O Pins
To configure I/O pins with a CCP function, the proper
mode must be selected by setting the CCPxM<3:0>
bits.
Where the Enhanced CCP module is available, it may
have up to four PWM outputs depending on the
selected operating mode. These outputs are desig-
nated, P1A through P1D. The outputs that are active
depend on the ECCP operating mode selected. To
configure I/O pins for Enhanced PWM operation, the
proper PWM mode must be selected by setting the
PM<1:0> and CCPxM<3:0> bits.
Note: This data sheet summarizes the features
of this group of PIC24F devices. It is not
intended to be a comprehensive refer-
ence source. For more information on the
Capture/Compare/PWM module, refer to
the “dsPIC33/PIC24 Family Reference
Manual”.

PIC24F16KL402 FAMILY
DS30001037C-page 126 2011-2013 Microchip Technology Inc.
FIGURE 16-1: GENERIC CAPTURE MODE BLOCK DIAGRAM
FIGURE 16-2: GENERIC COMPARE MODE BLOCK DIAGRAM
FIGURE 16-3: SIMPLIFIED PWM BLOCK DIAGRAM
CCPRxH CCPRxL
Set CCPxIF
Q1:Q4
CCPxCON<3:0>
(E)CCPx Pin
4
4
Prescaler
1, 4, 16
and
Edge Detect
TMR3H TMR3L
CCPRxH CCPRxL
TMR3H TMR3L
Comparator
QS
R
Output
Logic
Special Event Trigger
Set CCPxIF
CCPx Pin
CCP
CCPxCON<3:0>
Output Enable
Compare
4
(Timer3 Reset)
Match
CCPRxL
CCPRxH (Slave)
Comparator
TMR2(2)
Comparator
PR2(2)
(1)
RQ
S
Duty Cycle Registers CCPxCON<5:4>
Clear Timer,
CCP1 Pin and
Latch D.C.
CCPx
CCPx
Note 1: The 8-bit TMR2 value is concatenated with the 2-bit internal Q clock, or 2 bits of the prescaler, to create the
10-bit time base.
2: Either Timer2 or Timer4 may be used as the PWM time base.
Output Enable

2011-2013 Microchip Technology Inc. DS30001037C-page 127
PIC24F16KL402 FAMILY
FIGURE 16-4: SIMPLIFIED BLOCK DIAGRAM OF ENHANCED PWM MODE
DC1B<1:0>
ECCP Enable
ECCP1/P1A Output
ECCP Enable
P1B Output
ECCP Enable
P1C Output
ECCP Enable
P1D Output
PM<1:0> 2CCP1M<3:0>
4
ECCP1DEL
CCPR1L
CCPR1H (Slave)
Comparator
TMR2(2)
Comparator
PR2(2)
(1)
RQ
S
Duty Cycle Registers
Clear Timer,
CCP1 Pin and
Latch D.C.
Output
Controller
ECCP1/P1A
P1B
P1C
P1D
Note 1: The 8-bit TMR2 value is concatenated with the 2-bit internal Q clock, or 2 bits of the prescaler, to create the 10-
bit time base.
2: Either Timer2 or Timer4 may be used as the Enhanced PWM time base.

PIC24F16KL402 FAMILY
DS30001037C-page 128 2011-2013 Microchip Technology Inc.
REGISTER 16-1: CCPxCON: CCPx CONTROL REGISTER (STANDARD CCP MODULES)
U-0 U-0 U-0 U-0 U-0 U-0 U-0 U-0
— — — — — — — —
bit 15 bit 8
U-0 U-0 R/W-0 R/W-0 R/W-0 R/W-0 R/W-0 R/W-0
—— DCxB1 DCxB0 CCPxM3(1)CCPxM2(1)CCPxM1(1)CCPxM0(1)
bit 7 bit 0
Legend:
R = Readable bit W = Writable bit U = Unimplemented bit, read as ‘0’
-n = Value at POR ‘1’ = Bit is set ‘0’ = Bit is cleared x = Bit is unknown
bit 15-6 Unimplemented: Read as ‘0’
bit 5-4 DCxB<1:0>: PWM Duty Cycle Bit 1 and Bit 0 for CCPx Module bits
Capture and Compare modes:
Unused.
PWM mode:
These bits are the two Least Significant bits (bit 1 and bit 0) of the 10-bit PWM duty cycle. The eight
Most Significant bits (DCxB<9:2>) of the duty cycle are found in CCPRxL.
bit 3-0 CCPxM<3:0>: CCPx Module Mode Select bits(1)
1111 = Reserved
1110 = Reserved
1101 = Reserved
1100 =PWM mode
1011 = Compare mode: Special Event Trigger; resets timer on CCPx match (CCPxIF bit is set)
1010 = Compare mode: Generates software interrupt on compare match (CCPxIF bit is set, CCPx pin
reflects I/O state)
1001 = Compare mode: Initializes CCPx pin high; on compare match, forces CCPx pin low (CCPxIF
bit is set)
1000 = Compare mode: Initializes CCPx pin low; on compare match, forces CCPx pin high (CCPxIF bit is
set)
0111 = Capture mode: Every 16th rising edge
0110 = Capture mode: Every 4th rising edge
0101 = Capture mode: Every rising edge
0100 = Capture mode: Every falling edge
0011 = Reserved
0010 = Compare mode: Toggles output on match (CCPxIF bit is set)
0001 = Reserved
0000 = Capture/Compare/PWM is disabled (resets CCPx module)
Note 1: CCPxM<3:0> = 1011 will only reset the timer and not start the A/D conversion on a CCPx match.

2011-2013 Microchip Technology Inc. DS30001037C-page 129
PIC24F16KL402 FAMILY
REGISTER 16-2: CCP1CON: ECCP1 CONTROL REGISTER (ECCP MODULES ONLY)(1)
U-0 U-0 U-0 U-0 U-0 U-0 U-0 U-0
— — — — — — — —
bit 15 bit 8
R/W-0 R/W-0 R/W-0 R/W-0 R/W-0 R/W-0 R/W-0 R/W-0
PM1 PM0 DC1B1 DC1B0 CCP1M3(2)CCP1M2(2)CCP1M1(2)CCP1M0(2)
bit 7 bit 0
Legend:
R = Readable bit W = Writable bit U = Unimplemented bit, read as ‘0’
-n = Value at POR ‘1’ = Bit is set ‘0’ = Bit is cleared x = Bit is unknown
bit 15-8 Unimplemented: Read as ‘0’
bit 7-6 PM<1:0>: Enhanced PWM Output Configuration bits
If CCP1M<3:2> = 00, 01, 10:
xx = P1A is assigned as a capture input or compare output; P1B, P1C and P1D are assigned as port pins
If CCP1M<3:2> = 11:
11 = Full-bridge output reverse: P1B is modulated; P1C is active; P1A and P1D are inactive
10 = Half-bridge output: P1A, P1B are modulated with dead-band control; P1C and P1D are
assigned as port pins
01 = Full-bridge output forward: P1D is modulated; P1A is active; P1B, P1C are inactive
00 = Single output: P1A, P1B, P1C and P1D are controlled by steering
bit 5-4 DC1B<1:0>: PWM Duty Cycle bit 1 and bit 0 for CCP1 Module bits
Capture and Compare modes:
Unused.
PWM mode:
These bits are the two Least Significant bits (bit 1 and bit 0) of the 10-bit PWM duty cycle. The eight
Most Significant bits (DC1B<9:2>) of the duty cycle are found in CCPR1L.
bit 3-0 CCP1M<3:0>: ECCP1 Module Mode Select bits(2)
1111 = PWM mode: P1A and P1C are active-low; P1B and P1D are active-low
1110 = PWM mode: P1A and P1C are active-low; P1B and P1D are active-high
1101 = PWM mode: P1A and P1C are active-high; P1B and P1D are active-low
1100 = PWM mode: P1A and P1C are active-high; P1B and P1D are active-high
1011 = Compare mode: Special Event Trigger; resets timer on CCP1 match (CCPxIF bit is set)
1010 = Compare mode: Generates software interrupt on compare match (CCP1IF bit is set, CCP1 pin
reflects I/O state)
1001 = Compare mode: Initializes CCP1 pin high; on compare match, forces CCP1 pin low (CCP1IF bit
is set)
1000 = Compare mode: Initializes CCP1 pin low; on compare match, forces CCP1 pin high (CCP1IF
bit is set)
0111 = Capture mode: Every 16th rising edge
0110 = Capture mode: Every 4th rising edge
0101 = Capture mode: Every rising edge
0100 = Capture mode: Every falling edge
0011 = Reserved
0010 = Compare mode: Toggles output on match (CCP1IF bit is set)
0001 = Reserved
0000 = Capture/Compare/PWM is disabled (resets CCP1 module)
Note 1: This register is implemented only on PIC24FXXKL40X/30X devices. For all other devices, CCP1CON is
configured as Register 16-1.
2: CCP1M<3:0> = 1011 will only reset the timer and not start the A/D conversion on a CCP1 match.

PIC24F16KL402 FAMILY
DS30001037C-page 130 2011-2013 Microchip Technology Inc.
REGISTER 16-3: ECCP1AS: ECCP1 AUTO-SHUTDOWN CONTROL REGISTER(1)
U-0 U-0 U-0 U-0 U-0 U-0 U-0 U-0
— — — — — — — —
bit 15 bit 8
R/W-0 R/W-0 R/W-0 R/W-0 R/W-0 R/W-0 R/W-0 R/W-0
ECCPASE ECCPAS2 ECCPAS1 ECCPAS0 PSSAC1 PSSAC0 PSSBD1 PSSBD0
bit 7 bit 0
Legend:
R = Readable bit W = Writable bit U = Unimplemented bit, read as ‘0’
-n = Value at POR ‘1’ = Bit is set ‘0’ = Bit is cleared x = Bit is unknown
bit 15-8 Unimplemented: Read as ‘0’
bit 7 ECCPASE: ECCP1 Auto-Shutdown Event Status bit
1 = A shutdown event has occurred; ECCP outputs are in a shutdown state
0 = ECCP outputs are operating
bit 6-4 ECCPAS<2:0>: ECCP1 Auto-Shutdown Source Select bits
111 =V
IL on FLT0 pin, or either C1OUT or C2OUT is high
110 =V
IL on FLT0 pin or C2OUT comparator output is high
101 =V
IL on FLT0 pin or C1OUT comparator output is high
100 =V
IL on FLT0 pin
011 = Either C1OUT or C2OUT is high
010 = C2OUT comparator output is high
001 = C1OUT comparator output is high
000 = Auto-shutdown is disabled
bit 3-2 PSSAC<1:0>: P1A and P1C Pins Shutdown State Control bits
1x = P1A and P1C pins tri-state
01 = Drive pins, P1A and P1C, to ‘1’
00 = Drive pins, P1A and P1C, to ‘0’
bit 1-0 PSSBD<1:0>: P1B and P1D Pins Shutdown State Control bits
1x = P1B and P1D pins tri-state
01 = Drive pins, P1B and P1D, to ‘1’
00 = Drive pins, P1B and P1D, to ‘0’
Note 1: This register is implemented only on PIC24FXXKL40X/30X devices.
Note 1: The auto-shutdown condition is a level-based signal, not an edge-based signal. As long as the level is
present, the auto-shutdown will persist.
2: Writing to the ECCPASE bit is disabled while an auto-shutdown condition persists.
3: Once the auto-shutdown condition has been removed and the PWM restarted (either through firmware or
auto-restart), the PWM signal will always restart at the beginning of the next PWM period.

2011-2013 Microchip Technology Inc. DS30001037C-page 131
PIC24F16KL402 FAMILY
REGISTER 16-4: ECCP1DEL: ECCP1 ENHANCED PWM CONTROL REGISTER(1)
U-0 U-0 U-0 U-0 U-0 U-0 U-0 U-0
— — — — — — — —
bit 15 bit 8
R/W-0 R/W-0 R/W-0 R/W-0 R/W-0 R/W-0 R/W-0 R/W-0
PRSEN PDC6 PDC5 PDC4 PDC3 PDC2 PDC1 PDC0
bit 7 bit 0
Legend:
R = Readable bit W = Writable bit U = Unimplemented bit, read as ‘0’
-n = Value at POR ‘1’ = Bit is set ‘0’ = Bit is cleared x = Bit is unknown
bit 15-8 Unimplemented: Read as ‘0’
bit 7 PRSEN: PWM Restart Enable bit
1 = Upon auto-shutdown, the ECCPASE bit clears automatically once the shutdown event goes away;
the PWM restarts automatically
0 = Upon auto-shutdown, ECCPASE must be cleared by software to restart the PWM
bit 6-0 PDC<6:0>: PWM Delay Count bits
PDCn = Number of FCY (FOSC/2) cycles between the scheduled time when a PWM signal should
transition active and the actual time it transitions active.
Note 1: This register is implemented only on PIC24FXXKL40X/30X devices.

PIC24F16KL402 FAMILY
DS30001037C-page 132 2011-2013 Microchip Technology Inc.
REGISTER 16-5: PSTR1CON: ECCP1 PULSE STEERING CONTROL REGISTER(1)
U-0 U-0 U-0 U-0 U-0 U-0 U-0 U-0
— — — — — — — —
bit 15 bit 8
R/W-0 R/W-0 U-0 R/W-0 R/W-0 R/W-0 R/W-0 R/W-1
CMPL1 CMPL0 — STRSYNC STRD STRC STRB STRA
bit 7 bit 0
Legend:
R = Readable bit W = Writable bit U = Unimplemented bit, read as ‘0’
-n = Value at POR ‘1’ = Bit is set ‘0’ = Bit is cleared x = Bit is unknown
bit 15-8 Unimplemented: Read as ‘0’
bit 7-6 CMPL<1:0>: Complementary Mode Output Assignment Steering bits
00 = Complementary output assignment is disabled; the STR<D:A> bits are used to determine
Steering mode
01 = P1A and P1B are selected as the complementary output pair
10 = P1A and P1C are selected as the complementary output pair
11 = P1A and P1D are selected as the complementary output pair
bit 5 Unimplemented: Read as ‘0’
bit 4 STRSYNC: Steering Sync bit
1 = Output steering update occurs on the next PWM period
0 = Output steering update occurs at the beginning of the instruction cycle boundary
bit 3 STRD: Steering Enable D bit
1 = P1D pin has the PWM waveform with polarity control from CCP1M<1:0>
0 = P1D pin is assigned to port pin
bit 2 STRC: Steering Enable C bit
1 = P1C pin has the PWM waveform with polarity control from CCP1M<1:0>
0 = P1C pin is assigned to port pin
bit 1 STRB: Steering Enable B bit
1 = P1B pin has the PWM waveform with polarity control from CCP1M<1:0>
0 = P1B pin is assigned to port pin
bit 0 STRA: Steering Enable A bit
1 = P1A pin has the PWM waveform with polarity control from CCP1M<1:0>
0 = P1A pin is assigned to port pin
Note 1: This register is only implemented on PIC24FXXKL40X/30X devices. In addition, PWM Steering mode is
available only when CCP1M<3:2> = 11 and PM<1:0> = 00.

2011-2013 Microchip Technology Inc. DS30001037C-page 133
PIC24F16KL402 FAMILY
REGISTER 16-6: CCPTMRS0: CCP TIMER SELECT CONTROL REGISTER 0(1)
U-0 U-0 U-0 U-0 U-0 U-0 U-0 U-0
— — — — — — — —
bit 15 bit 8
U-0 R/W-0 U-0 U-0 R/W-0 U-0 U-0 R/W-0
— C3TSEL0 —— C2TSEL0 —— C1TSEL0
bit 7 bit 0
Legend:
R = Readable bit W = Writable bit U = Unimplemented bit, read as ‘0’
-n = Value at POR ‘1’ = Bit is set ‘0’ = Bit is cleared x = Bit is unknown
bit 15-7 Unimplemented: Read as ‘0’
bit 6 C3TSEL0: CCP3 Timer Selection bit
1 = CCP3 uses TMR3/TMR4
0 = CCP3 uses TMR3/TMR2
bit 5-4 Unimplemented: Read as ‘0’
bit 3 C2TSEL0: CCP2 Timer Selection bit
1 = CCP2 uses TMR3/TMR4
0 = CCP2 uses TMR3/TMR2
bit 2-1 Unimplemented: Read as ‘0’
bit 0 C1TSEL0: CCP1/ECCP1 Timer Selection bit
1 = CCP1/ECCP1 uses TMR3/TMR4
0 = CCP1/ECCP1 uses TMR3/TMR2
Note 1: This register is unimplemented on PIC24FXXKL20X/10X devices; maintain as ‘0’.

PIC24F16KL402 FAMILY
DS30001037C-page 134 2011-2013 Microchip Technology Inc.
NOTES:

2011-2013 Microchip Technology Inc. DS30001037C-page 135
PIC24F16KL402 FAMILY
17.0 MASTER SYNCHRONOUS
SERIAL PORT (MSSP)
The Master Synchronous Serial Port (MSSP) module is
an 8-bit serial interface, useful for communicating with
other peripheral or microcontroller devices. These
peripheral devices may be serial EEPROMs, Shift
registers, display drivers, A/D Converters, etc. The
MSSP module can operate in one of two modes:
• Serial Peripheral Interface (SPI)
• Inter-Integrated Circuit (I2C™)
- Full Master mode
- Slave mode (with general address call)
The SPI interface supports these modes in hardware:
•Master mode
• Slave mode
• Daisy-Chaining Operation in Slave mode
• Synchronized Slave operation
The I2C interface supports the following modes in
hardware:
•Master mode
• Multi-Master mode
• Slave mode with 10-Bit And 7-Bit Addressing and
Address Masking
•Byte NACKing
• Selectable Address and Data Hold and Interrupt
Masking
17.1 I/O Pin Configuration for SPI
In SPI Master mode, the MSSP module will assert con-
trol over any pins associated with the SDOx and SCKx
outputs. This does not automatically disable other digi-
tal functions associated with the pin, and may result in
the module driving the digital I/O port inputs. To prevent
this, the MSSP module outputs must be disconnected
from their output pins while the module is in SPI Master
mode. While disabling the module temporarily may be
an option, it may not be a practical solution in all
applications.
The SDOx and SCKx outputs for the module can be
selectively disabled by using the SDOxDIS and
SCKxDIS bits in the PADCFG1 register (Register 17-10).
Setting the bit disconnects the corresponding output for a
particular module from its assigned pin.
Note: This data sheet summarizes the features
of this group of PIC24F devices. It is not
intended to be a comprehensive refer-
ence source. For more information on
MSSP, refer to the “dsPIC33/PIC24
Family Reference Manual”.

PIC24F16KL402 FAMILY
DS30001037C-page 136 2011-2013 Microchip Technology Inc.
FIGURE 17-1: MSSPx BLOCK DIAGRAM (SPI MODE)
FIGURE 17-2: SPI MASTER/SLAVE CONNECTION
( )
Read Write
Internal Data Bus
SSPM<3:0>
bit 0
Shift Clock
SSx Control Enable
Edge
Select
Clock Select
TMR2 Output
TOSC
Prescaler
4, 16, 64
2
Edge
Select
2
4
Data to TXx/RXx in SSPxSR
TRISx bit
2
SMP:CKE
SDOx
SDIx
SSx
SCKx
Note: Refer to the device data sheet for pin multiplexing.
SSPxADD<7:0>
7
SSPxBUF
SSPxSR
Baud
Rate
Generator
Serial Input Buffer
(SSPxBUF)
Shift Register
(SSPxSR)
MSb LSb
SDOx
SDIx
PROCESSOR 1
SCKx
SPI Master SSPM<3:0> = 00xx
Serial Input Buffer
(SSPxBUF)
Shift Register
(SSPxSR)
LSb
MSb
SDIx
SDOx
PROCESSOR 2
SCKx
SPI Slave SSPM<3:0> = 010x
Serial Clock

2011-2013 Microchip Technology Inc. DS30001037C-page 137
PIC24F16KL402 FAMILY
FIGURE 17-3: MSSPx BLOCK DIAGRAM (I2C™ MODE)
FIGURE 17-4: MSSPx BLOCK DIAGRAM (I2C™ MASTER MODE)
SSPxADD
Internal Data Bus
Address Match
Set/Reset S, P bits
Shift
Clock
MSb LSb
Note: Only port I/O names are shown in this diagram. Refer to the text for a full list of multiplexed functions.
SCLx
SDAx
Start and
Stop bit Detect
Read Write
SSPxSR
SSPxBUF
Address Mask
Match Detect
Start and
Start bit, Stop bit,
Internal Data Bus
Set/Reset S, P (SSPxSTAT), WCOL;
Shift
Clock
MSb LSb
SDAx
Acknowledge
Generate
SCLx
SCLx In
Bus Collision
SDAx In
RCV Enable
Clock Cntl
Clock Arbitrate/WCOL Detect
(hold off clock source)
SSPxADD<6:0>
Baud
Set SSPxIF, BCLxIF;
Reset ACKSTAT, PEN
Rate
Generator
SSPM<3:0>
SSPxSR
SSPxBUF
Read Write
Stop bit Detect,
Write Collision Detect,
Clock Arbitration
State Counter for
End of XMIT/RCV
Start bit Detect,

PIC24F16KL402 FAMILY
DS30001037C-page 138 2011-2013 Microchip Technology Inc.
REGISTER 17-1: SSPxSTAT: MSSPx STATUS REGISTER (SPI MODE)
U-0 U-0 U-0 U-0 U-0 U-0 U-0 U-0
— — — — — — — —
bit 15 bit 8
R/W-0 R/W-0 R-0 R-0 R-0 R-0 R-0 R-0
SMP CKE(1)D/A PSR/WUA BF
bit 7 bit 0
Legend:
R = Readable bit W = Writable bit U = Unimplemented bit, read as ‘0’
-n = Value at POR ‘1’ = Bit is set ‘0’ = Bit is cleared x = Bit is unknown
bit 15-8 Unimplemented: Read as ‘0’
bit 7 SMP: Sample bit
SPI Master mode:
1 = Input data is sampled at the end of data output time
0 = Input data is sampled at the middle of data output time
SPI Slave mode:
SMP must be cleared when SPI is used in Slave mode.
bit 6 CKE: SPI Clock Select bit(1)
1 = Transmit occurs on transition from active to Idle clock state
0 = Transmit occurs on transition from Idle to active clock state
bit 5 D/A: Data/Address bit
Used in I2C™ mode only.
bit 4 P: Stop bit
Used in I2C mode only. This bit is cleared when the MSSPx module is disabled; SSPEN is cleared.
bit 3 S: Start bit
Used in I2C mode only.
bit 2 R/W: Read/Write Information bit
Used in I2C mode only.
bit 1 UA: Update Address bit
Used in I2C mode only.
bit 0 BF: Buffer Full Status bit
1 = Receive is complete, SSPxBUF is full
0 = Receive is not complete, SSPxBUF is empty
Note 1: The polarity of the clock state is set by the CKP bit (SSPxCON1<4>).

2011-2013 Microchip Technology Inc. DS30001037C-page 139
PIC24F16KL402 FAMILY
REGISTER 17-2: SSPxSTAT: MSSPx STATUS REGISTER (I2C™ MODE)
U-0 U-0 U-0 U-0 U-0 U-0 U-0 U-0
— — — — — — — —
bit 15 bit 8
R/W-0 R/W-0 R-0 R-0 R-0 R-0 R-0 R-0
SMP CKE D/A P(1)S(1)R/W UA BF
bit 7 bit 0
Legend:
R = Readable bit W = Writable bit U = Unimplemented bit, read as ‘0’
-n = Value at POR ‘1’ = Bit is set ‘0’ = Bit is cleared x = Bit is unknown
bit 15-8 Unimplemented: Read as ‘0’
bit 7 SMP: Slew Rate Control bit
In Master or Slave mode:
1 = Slew rate control is disabled for Standard Speed mode (100 kHz and 1 MHz)
0 = Slew rate control is enabled for High-Speed mode (400 kHz)
bit 6 CKE: SMBus Select bit
In Master or Slave mode:
1 = Enables SMBus specific inputs
0 = Disables SMBus specific inputs
bit 5 D/A: Data/Address bit
In Master mode:
Reserved.
In Slave mode:
1 = Indicates that the last byte received or transmitted was data
0 = Indicates that the last byte received or transmitted was address
bit 4 P: Stop bit(1)
1 = Indicates that a Stop bit has been detected last
0 = Stop bit was not detected last
bit 3 S: Start bit(1)
1 = Indicates that a Start bit has been detected last
0 = Start bit was not detected last
bit 2 R/W: Read/Write Information bit
In Slave mode:(2)
1 = Read
0 = Write
In Master mode:(3)
1 = Transmit is in progress
0 = Transmit is not in progress
bit 1 UA: Update Address bit (10-Bit Slave mode only)
1 = Indicates that the user needs to update the address in the SSPxADD register
0 = Address does not need to be updated
Note 1: This bit is cleared on RESET and when SSPEN is cleared.
2: This bit holds the R/W bit information following the last address match. This bit is only valid from the
address match to the next Start bit, Stop bit or not ACK bit.
3: ORing this bit with SEN, RSEN, PEN, RCEN or ACKEN will indicate if the MSSPx is in Active mode.

PIC24F16KL402 FAMILY
DS30001037C-page 140 2011-2013 Microchip Technology Inc.
bit 0 BF: Buffer Full Status bit
In Transmit mode:
1 = Transmit is in progress, SSPxBUF is full
0 = Transmit is complete, SSPxBUF is empty
In Receive mode:
1 = SSPxBUF is full (does not include the ACK and Stop bits)
0 = SSPxBUF is empty (does not include the ACK and Stop bits)
REGISTER 17-2: SSPxSTAT: MSSPx STATUS REGISTER (I2C™ MODE) (CONTINUED)
Note 1: This bit is cleared on RESET and when SSPEN is cleared.
2: This bit holds the R/W bit information following the last address match. This bit is only valid from the
address match to the next Start bit, Stop bit or not ACK bit.
3: ORing this bit with SEN, RSEN, PEN, RCEN or ACKEN will indicate if the MSSPx is in Active mode.

2011-2013 Microchip Technology Inc. DS30001037C-page 141
PIC24F16KL402 FAMILY
REGISTER 17-3: SSPxCON1: MSSPx CONTROL REGISTER 1 (SPI MODE)
U-0 U-0 U-0 U-0 U-0 U-0 U-0 U-0
— — — — — — — —
bit 15 bit 8
R/W-0 R/W-0 R/W-0 R/W-0 R/W-0 R/W-0 R/W-0 R/W-0
WCOL SSPOV(1)SSPEN(2)CKP SSPM3(3)SSPM2(3)SSPM1(3)SSPM0(3)
bit 7 bit 0
Legend:
R = Readable bit W = Writable bit U = Unimplemented bit, read as ‘0’
-n = Value at POR ‘1’ = Bit is set ‘0’ = Bit is cleared x = Bit is unknown
bit 15-8 Unimplemented: Read as ‘0’
bit 7 WCOL: Write Collision Detect bit
1 = The SSPxBUF register is written while it is still transmitting the previous word (must be cleared
in software)
0 = No collision
bit 6 SSPOV: MSSPx Receive Overflow Indicator bit(1)
SPI Slave mode:
1 = A new byte is received while the SSPxBUF register is still holding the previous data. In case of over-
flow, the data in SSPxSR is lost. Overflow can only occur in Slave mode. The user must read the
SSPxBUF, even if only transmitting data, to avoid setting overflow (must be cleared in software).
0 = No overflow
bit 5 SSPEN: MSSPx Enable bit(2)
1 = Enables serial port and configures SCKx, SDOx, SDIx and SSx as serial port pins
0 = Disables serial port and configures these pins as I/O port pins
bit 4 CKP: Clock Polarity Select bit
1 = Idle state for clock is a high level
0 = Idle state for clock is a low level
bit 3-0 SSPM<3:0>: MSSPx Mode Select bits(3)
1010 = SPI Master mode, Clock = FOSC/(2 * ([SSPxADD] + 1))(4)
0101 = SPI Slave mode, Clock = SCKx pin; SSx pin control is disabled, SSx can be used as an I/O pin
0100 = SPI Slave mode, Clock = SCKx pin; SSx pin control is enabled
0011 = SPI Master mode, Clock = TMR2 output/2
0010 = SPI Master mode, Clock = FOSC/32
0001 = SPI Master mode, Clock = FOSC/8
0000 = SPI Master mode, Clock = FOSC/2
Note 1: In Master mode, the overflow bit is not set since each new reception (and transmission) is initiated by
writing to the SSPxBUF register.
2: When enabled, these pins must be properly configured as input or output.
3: Bit combinations not specifically listed here are either reserved or implemented in I2C mode only.
4: SSPxADD value of 0 is not supported when the Baud Rate Generator is used in SPI mode.

PIC24F16KL402 FAMILY
DS30001037C-page 142 2011-2013 Microchip Technology Inc.
REGISTER 17-4: SSPxCON1: MSSPx CONTROL REGISTER 1 (I2C™ MODE)
U-0 U-0 U-0 U-0 U-0 U-0 U-0 U-0
— — — — — — — —
bit 15 bit 8
R/W-0 R/W-0 R/W-0 R/W-0 R/W-0 R/W-0 R/W-0 R/W-0
WCOL SSPOV SSPEN(1)CKP SSPM3(2)SSPM2(2)SSPM1(2)SSPM0(2)
bit 7 bit 0
Legend:
R = Readable bit W = Writable bit U = Unimplemented bit, read as ‘0’
-n = Value at POR ‘1’ = Bit is set ‘0’ = Bit is cleared x = Bit is unknown
bit 15-8 Unimplemented: Read as ‘0’
bit 7 WCOL: Write Collision Detect bit
In Master Transmit mode:
1 = A write to the SSPxBUF register was attempted while the I2C conditions were not valid for a
transmission to be started (must be cleared in software)
0 = No collision
In Slave Transmit mode:
1 = The SSPxBUF register is written while it is still transmitting the previous word (must be cleared in software)
0 = No collision
In Receive mode (Master or Slave modes):
This is a “don’t care” bit.
bit 6 SSPOV: MSSPx Receive Overflow Indicator bit
In Receive mode:
1 = A byte is received while the SSPxBUF register is still holding the previous byte (must be cleared in software)
0 = No overflow
In Transmit mode:
This is a “don’t care” bit in Transmit mode.
bit 5 SSPEN: MSSPx Enable bit(1)
1 = Enables the serial port and configures the SDAx and SCLx pins as the serial port pins
0 = Disables the serial port and configures these pins as I/O port pins
bit 4 CKP: SCLx Release Control bit
In Slave mode:
1 = Releases clock
0 = Holds clock low (clock stretch); used to ensure data setup time
In Master mode:
Unused in this mode.
bit 3-0 SSPM<3:0>: MSSPx Mode Select bits(2)
1111 = I2C Slave mode, 10-bit address with Start and Stop bit interrupts is enabled
1110 = I2C Slave mode, 7-bit address with Start and Stop bit interrupts is enabled
1011 = I2C Firmware Controlled Master mode (Slave Idle)
1000 = I2C Master mode, Clock = FOSC/(2 * ([SSPxADD] + 1))(3)
0111 = I2C Slave mode, 10-bit address
0110 = I2C Slave mode, 7-bit address
Note 1: When enabled, the SDAx and SCLx pins must be configured as inputs.
2: Bit combinations not specifically listed here are either reserved or implemented in SPI mode only.
3: SSPxADD values of 0, 1 or 2 are not supported when the Baud Rate Generator is used with I2C mode.

2011-2013 Microchip Technology Inc. DS30001037C-page 143
PIC24F16KL402 FAMILY
REGISTER 17-5: SSPxCON2: MSSPx CONTROL REGISTER 2 (I2C™ MODE)
U-0 U-0 U-0 U-0 U-0 U-0 U-0 U-0
— — — — — — — —
bit 15 bit 8
R/W-0 R/W-0 R/W-0 R/W-0 R/W-0 R/W-0 R/W-0 R/W-0
GCEN ACKSTAT ACKDT(1)ACKEN(2)RCEN(2)PEN(2)RSEN(2)SEN(2)
bit 7 bit 0
Legend:
R = Readable bit W = Writable bit U = Unimplemented bit, read as ‘0’
-n = Value at POR ‘1’ = Bit is set ‘0’ = Bit is cleared x = Bit is unknown
bit 15-8 Unimplemented: Read as ‘0’
bit 7 GCEN: General Call Enable bit (Slave mode only)
1 = Enables interrupt when a general call address (0000h) is received in the SSPxSR
0 = General call address is disabled
bit 6 ACKSTAT: Acknowledge Status bit (Master Transmit mode only)
1 = Acknowledge was not received from slave
0 = Acknowledge was received from slave
bit 5 ACKDT: Acknowledge Data bit (Master Receive mode only)(1)
1 = No Acknowledge
0 = Acknowledge
bit 4 ACKEN: Acknowledge Sequence Enable bit (Master mode only)(2)
1 = Initiates Acknowledge sequence on SDAx and SCLx pins, and transmits ACKDT data bit;
automatically cleared by hardware
0 = Acknowledge sequence is Idle
bit 3 RCEN: Receive Enable bit (Master Receive mode only)(2)
1 = Enables Receive mode for I2C
0 = Receive is Idle
bit 2 PEN: Stop Condition Enable bit (Master mode only)(2)
1 = Initiates Stop condition on SDAx and SCLx pins; automatically cleared by hardware
0 = Stop condition is Idle
bit 1 RSEN: Repeated Start Condition Enable bit (Master mode only)(2)
1 = Initiates Repeated Start condition on SDAx and SCLx pins; automatically cleared by hardware
0 = Repeated Start condition is Idle
bit 0 SEN: Start Condition Enable bit(2)
Master Mode:
1 = Initiates Start condition on SDAx and SCLx pins; automatically cleared by hardware
0 = Start condition is Idle
Slave Mode:
1 = Clock stretching is enabled for both slave transmit and slave receive (stretch is enabled)
0 = Clock stretching is disabled
Note 1: The value that will be transmitted when the user initiates an Acknowledge sequence at the end of a
receive.
2: If the I2C module is active, these bits may not be set (no spooling) and the SSPxBUF may not be written
(or writes to the SSPxBUF are disabled).

PIC24F16KL402 FAMILY
DS30001037C-page 144 2011-2013 Microchip Technology Inc.
REGISTER 17-6: SSPxCON3: MSSPx CONTROL REGISTER 3 (SPI MODE)
U-0 U-0 U-0 U-0 U-0 U-0 U-0 U-0
— — — — — — — —
bit 15 bit 8
R-0 R/W-0 R/W-0 R/W-0 R/W-0 R/W-0 R/W-0 R/W-0
ACKTIM PCIE SCIE BOEN(1)SDAHT SBCDE AHEN DHEN
bit 7 bit 0
Legend:
R = Readable bit W = Writable bit U = Unimplemented bit, read as ‘0’
-n = Value at POR ‘1’ = Bit is set ‘0’ = Bit is cleared x = Bit is unknown
bit 15-8 Unimplemented: Read as ‘0’
bit 7 ACKTIM: Acknowledge Time Status bit (I2C™ mode only)
Unused in SPI mode.
bit 6 PCIE: Stop Condition Interrupt Enable bit (I2C mode only)
Unused in SPI mode.
bit 5 SCIE: Start Condition Interrupt Enable bit (I2C mode only)
Unused in SPI mode.
bit 4 BOEN: Buffer Overwrite Enable bit(1)
In SPI Slave mode:
1 = SSPxBUF updates every time that a new data byte is shifted in, ignoring the BF bit
0 = If a new byte is received with the BF bit of the SSPxSTAT register already set, the SSPOV bit of
the SSPxCON1 register is set and the buffer is not updated
bit 3 SDAHT: SDAx Hold Time Selection bit (I2C mode only)
Unused in SPI mode.
bit 2 SBCDE: Slave Mode Bus Collision Detect Enable bit (I2C Slave mode only)
Unused in SPI mode.
bit 1 AHEN: Address Hold Enable bit (I2C Slave mode only)
Unused in SPI mode.
bit 0 DHEN: Data Hold Enable bit (Slave mode only)
Unused in SPI mode.
Note 1: For daisy-chained SPI operation: Allows the user to ignore all but the last received byte. SSPOV is still set
when a new byte is received and BF = 1, but hardware continues to write the most recent byte to
SSPxBUF.

2011-2013 Microchip Technology Inc. DS30001037C-page 145
PIC24F16KL402 FAMILY
REGISTER 17-7: SSPxCON3: MSSPx CONTROL REGISTER 3 (I2C™ MODE)
U-0 U-0 U-0 U-0 U-0 U-0 U-0 U-0
— — — — — — — —
bit 15 bit 8
R-0 R/W-0 R/W-0 R/W-0 R/W-0 R/W-0 R/W-0 R/W-0
ACKTIM(2)PCIE SCIE BOEN SDAHT SBCDE AHEN DHEN
bit 7 bit 0
Legend:
R = Readable bit W = Writable bit U = Unimplemented bit, read as ‘0’
-n = Value at POR ‘1’ = Bit is set ‘0’ = Bit is cleared x = Bit is unknown
bit 15-8 Unimplemented: Read as ‘0’
bit 7 ACKTIM: Acknowledge Time Status bit(2)
1 = Indicates the I2C bus is in an Acknowledge sequence, set on the 8th falling edge of the SCLx clock
0 = Not an Acknowledge sequence, cleared on the 9th rising edge of the SCLx clock
bit 6 PCIE: Stop Condition Interrupt Enable bit
1 = Enables interrupt on detection of a Stop condition
0 = Stop detection interrupts are disabled(1)
bit 5 SCIE: Start Condition Interrupt Enable bit
1 = Enables interrupt on detection of the Start or Restart conditions
0 = Start detection interrupts are disabled(1)
bit 4 BOEN: Buffer Overwrite Enable bit
I2 C Master mode:
This bit is ignored.
I2 C Slave mode:
1 = SSPxBUF is updated and an ACK is generated for a received address/data byte, ignoring the state
of the SSPOV bit only if the BF bit = 0
0 = SSPxBUF is only updated when SSPOV is clear
bit 3 SDAHT: SDAx Hold Time Selection bit
1 = Minimum of 300 ns hold time on SDAx after the falling edge of SCLx
0 = Minimum of 100 ns hold time on SDAx after the falling edge of SCLx
bit 2 SBCDE: Slave Mode Bus Collision Detect Enable bit (Slave mode only)
1 = Enables slave bus collision interrupts
0 = Slave bus collision interrupts are disabled
bit 1 AHEN: Address Hold Enable bit (Slave mode only)
1 = Following the 8th falling edge of SCLx for a matching received address byte; the CKP bit of the
SSPxCON1 register will be cleared and SCLx will be held low
0 = Address holding is disabled
bit 0 DHEN: Data Hold Enable bit (Slave mode only)
1 = Following the 8th falling edge of SCLx for a received data byte; slave hardware clears the CKP bit
of the SSPxCON1 register and SCLx is held low
0 = Data holding is disabled
Note 1: This bit has no effect in Slave modes for which Start and Stop condition detection is explicitly listed as
enabled.
2: The ACKTIM status bit is active only when the AHEN bit or DHEN bit is set.

PIC24F16KL402 FAMILY
DS30001037C-page 146 2011-2013 Microchip Technology Inc.
REGISTER 17-8: SSPxADD: MSSPx SLAVE ADDRESS/BAUD RATE GENERATOR REGISTER
U-0 U-0 U-0 U-0 U-0 U-0 U-0 U-0
— — — — — — — —
bit 15 bit 8
R/W-0 R/W-0 R/W-0 R/W-0 R/W-0 R/W-0 R/W-0 R/W-0
ADD<7:0>
bit 7 bit 0
Legend:
R = Readable bit W = Writable bit U = Unimplemented bit, read as ‘0’
-n = Value at POR ‘1’ = Bit is set ‘0’ = Bit is cleared x = Bit is unknown
bit 15-8 Unimplemented: Read as ‘0’
bit 7-0 ADD<7:0>: Slave Address/Baud Rate Generator Value bits
SPI Master and I2 C™ Master modes:
Reloads value for Baud Rate Generator. Clock period is (([SPxADD] + 1) *2)/FOSC.
I2 C Slave modes:
Represents 7 or 8 bits of the slave address, depending on the addressing mode used:
7-Bit mode: Address is ADD<7:1>; ADD<0> is ignored.
10-Bit LSb mode: ADD<7:0> are the Least Significant bits of the address.
10-Bit MSb mode: ADD<2:1> are the two Most Significant bits of the address; ADD<7:3> are always
‘11110’ as a specification requirement, ADD<0> is ignored.
REGISTER 17-9: SSPxMSK: I2C™ SLAVE ADDRESS MASK REGISTER
U-0 U-0 U-0 U-0 U-0 U-0 U-0 U-0
— — — — — — — —
bit 15 bit 8
R/W-1 R/W-1 R/W-1 R/W-1 R/W-1 R/W-1 R/W-1 R/W-1
MSK<7:0>(1)
bit 7 bit 0
Legend:
R = Readable bit W = Writable bit U = Unimplemented bit, read as ‘0’
-n = Value at POR ‘1’ = Bit is set ‘0’ = Bit is cleared x = Bit is unknown
bit 15-8 Unimplemented: Read as ‘0’
bit 7-0 MSK<7:0>: Slave Address Mask Select bits(1)
1 = Masking of corresponding bit of SSPxADD is enabled
0 = Masking of corresponding bit of SSPxADD is disabled
Note 1: MSK0 is not used as a mask bit in 7-bit addressing.

2011-2013 Microchip Technology Inc. DS30001037C-page 147
PIC24F16KL402 FAMILY
REGISTER 17-10: PADCFG1: PAD CONFIGURATION CONTROL REGISTER
U-0 U-0 U-0 U-0 R/W-0 R/W-0 R/W-0 R/W-0
————SDO2DIS
(1)SCK2DIS(1)SDO1DIS SCK1DIS
bit 15 bit 8
U-0 U-0 U-0 U-0 U-0 U-0 U-0 U-0
— — — — — — — —
bit 7 bit 0
Legend:
R = Readable bit W = Writable bit U = Unimplemented bit, read as ‘0’
-n = Value at POR ‘1’ = Bit is set ‘0’ = Bit is cleared x = Bit is unknown
bit 15-12 Unimplemented: Read as ‘0’
bit 11 SDO2DIS: MSSP2 SDO2 Pin Disable bit(1)
1 = The SPI output data (SDO2) of MSSP2 to the pin is disabled
0 = The SPI output data (SDO2) of MSSP2 is output to the pin
bit 10 SCK2DIS: MSSP2 SCK2 Pin Disable bit(1)
1 = The SPI clock (SCK2) of MSSP2 to the pin is disabled
0 = The SPI clock (SCK2) of MSSP2 is output to the pin
bit 9 SDO1DIS: MSSP1 SDO1 Pin Disable bit
1 = The SPI output data (SDO1) of MSSP1 to the pin is disabled
0 = The SPI output data (SDO1) of MSSP1 is output to the pin
bit 8 SCK1DIS: MSSP1 SCK1 Pin Disable bit
1 = The SPI clock (SCK1) of MSSP1 to the pin is disabled
0 = The SPI clock (SCK1) of MSSP1 is output to the pin
bit 7-0 Unimplemented: Read as ‘0’
Note 1: These bits are implemented only on PIC24FXXKL40X/30X devices.

PIC24F16KL402 FAMILY
DS30001037C-page 148 2011-2013 Microchip Technology Inc.
NOTES:

2011-2013 Microchip Technology Inc. DS30001037C-page 149
PIC24F16KL402 FAMILY
18.0 UNIVERSAL ASYNCHRONOUS
RECEIVER TRANSMITTER
(UART)
The Universal Asynchronous Receiver Transmitter
(UART) module is one of the serial I/O modules
available in this PIC24F device family. The UART is a
full-duplex, asynchronous system that can communicate
with peripheral devices, such as personal computers,
LIN/J2602, RS-232 and RS-485 interfaces. This module
also supports a hardware flow control option with the
UxCTS and UxRTS pins, and also includes an IrDA®
encoder and decoder.
The primary features of the UART module are:
• Full-Duplex, 8-Bit or 9-Bit Data Transmission
Through the UxTX and UxRX Pins
• Even, Odd or No Parity Options (for 8-bit data)
• One or Two Stop bits
• Hardware Flow Control Option with UxCTS and
UxRTS Pins
• Fully Integrated Baud Rate Generator (IBRG) with
16-Bit Prescaler
• Baud Rates Ranging from 1 Mbps to 15 bps at
16 MIPS
• Two-Level Deep, First-In-First-Out (FIFO)
Transmit Data Buffer
• Two-Level Deep, FIFO Receive Data Buffer
• Parity, Framing and Buffer Overrun Error
Detection
• Support for 9-Bit mode with Address Detect
(9th bit = 1)
• Transmit and Receive Interrupts
• Loopback mode for Diagnostic Support
• Support for Sync and Break Characters
• Supports Automatic Baud Rate Detection
• IrDA Encoder and Decoder Logic
• 16x Baud Clock Output for IrDA® Support
A simplified block diagram of the UART module is
shown in Figure 18-1. The UART module consists of
these important hardware elements:
• Baud Rate Generator
• Asynchronous Transmitter
• Asynchronous Receiver
FIGURE 18-1: UARTx SIMPLIFIED BLOCK DIAGRAM
Note: This data sheet summarizes the features
of this group of PIC24F devices. It is not
intended to be a comprehensive refer-
ence source. For more information on the
Universal Asynchronous Receiver
Transmitter, refer to the “dsPIC33/PIC24
Family Reference Manual”, “UART”
(DS39708).
UxRX
IrDA®
Hardware Flow Control
UARTx Receiver
UARTx Transmitter UxTX
UxCTS
UxRTS
UxBCLK
Baud Rate Generator

PIC24F16KL402 FAMILY
DS30001037C-page 150 2011-2013 Microchip Technology Inc.
18.1 UART Baud Rate Generator (BRG)
The UART module includes a dedicated 16-bit Baud
Rate Generator (BRG). The UxBRG register controls
the period of a free-running, 16-bit timer. Equation 18-1
provides the formula for computation of the baud rate
with BRGH = 0.
EQUATION 18-1: UARTx BAUD RATE WITH
BRGH = 0(1)
Example 18-1 provides the calculation of the baud rate
error for the following conditions:
•F
CY = 4 MHz
• Desired Baud Rate = 9600
The maximum baud rate (BRGH = 0) possible is
FCY/16 (for UxBRG = 0) and the minimum baud rate
possible is FCY/(16 * 65536).
Equation 18-2 shows the formula for computation of
the baud rate with BRGH = 1.
EQUATION 18-2: UARTx BAUD RATE WITH
BRGH = 1(1)
The maximum baud rate (BRGH = 1) possible is FCY/4
(for UxBRG = 0) and the minimum baud rate possible
is FCY/(4 * 65536).
Writing a new value to the UxBRG register causes the
BRG timer to be reset (cleared). This ensures the BRG
does not wait for a timer overflow before generating the
new baud rate.
EXAMPLE 18-1: BAUD RATE ERROR CALCULATION (BRGH = 0)(1)
Note 1: Based on FCY = FOSC/2; Doze mode
and PLL are disabled.
Baud Rate = FCY
16 • (UxBRG + 1)
FCY
16 • Baud Rate
UxBRG = – 1
Baud Rate = FCY
4 • (UxBRG + 1)
FCY
4 • Baud Rate
UxBRG =– 1
Note 1: Based on FCY = FOSC/2; Doze mode
and PLL are disabled.
Desired Baud Rate = FCY/(16 (UxBRG + 1))
Solving for UxBRG Value:
UxBRG = ((FCY/Desired Baud Rate)/16) – 1
UxBRG = ((4000000/9600)/16) – 1
UxBRG = 25
Calculated Baud Rate = 4000000/(16 (25 + 1))
= 9615
Error = (Calculated Baud Rate – Desired Baud Rate)
Desired Baud Rate
= (9615 – 9600)/9600
=0.16%
Note 1: Based on FCY = FOSC/2; Doze mode and PLL are disabled.

2011-2013 Microchip Technology Inc. DS30001037C-page 151
PIC24F16KL402 FAMILY
18.2 Transmitting in 8-Bit Data Mode
1. Set up the UART:
a) Write appropriate values for data, parity and
Stop bits.
b) Write appropriate baud rate value to the
UxBRG register.
c) Set up transmit and receive interrupt enable
and priority bits.
2. Enable the UART.
3. Set the UTXEN bit (causes a transmit interrupt,
two cycles after being set).
4. Write data byte to lower byte of UxTXREG word.
The value will be immediately transferred to the
Transmit Shift Register (TSR) and the serial bit
stream will start shifting out with the next rising
edge of the baud clock.
5. Alternately, the data byte may be transferred
while UTXEN = 0 and then, the user may set
UTXEN. This will cause the serial bit stream to
begin immediately, because the baud clock will
start from a cleared state.
6. A transmit interrupt will be generated as per
interrupt control bit, UTXISELx.
18.3 Transmitting in 9-Bit Data Mode
1. Set up the UART (as described in Section 18.2
“Transmitting in 8-Bit Data Mode”).
2. Enable the UART.
3. Set the UTXEN bit (causes a transmit interrupt,
two cycles after being set).
4. Write UxTXREG as a 16-bit value only.
5. A word write to UxTXREG triggers the transfer
of the 9-bit data to the TSR. The serial bit stream
will start shifting out with the first rising edge of
the baud clock.
6. A transmit interrupt will be generated as per the
setting of control bit, UTXISELx.
18.4 Break and Sync Transmit
Sequence
The following sequence will send a message frame
header made up of a Break, followed by an auto-baud
Sync byte.
1. Configure the UART for the desired mode.
2. Set UTXEN and UTXBRK – sets up the Break
character.
3. Load the UxTXREG with a dummy character to
initiate transmission (value is ignored).
4. Write ‘55h’ to UxTXREG – loads the Sync
character into the transmit FIFO.
5. After the Break has been sent, the UTXBRK bit
is reset by hardware. The Sync character now
transmits.
18.5 Receiving in 8-Bit or 9-Bit Data
Mode
1. Set up the UART (as described in Section 18.2
“Transmitting in 8-Bit Data Mode”).
2. Enable the UART.
3. A receive interrupt will be generated when one
or more data characters have been received as
per interrupt control bit, URXISELx.
4. Read the OERR bit to determine if an overrun
error has occurred. The OERR bit must be reset
in software.
5. Read UxRXREG.
The act of reading the UxRXREG character will move
the next character to the top of the receive FIFO,
including a new set of PERR and FERR values.
18.6 Operation of UxCTS and UxRTS
Control Pins
UARTx Clear-to-Send (UxCTS) and Request-to-Send
(UxRTS) are the two hardware-controlled pins that are
associated with the UART module. These two pins
allow the UART to operate in Simplex and Flow Control
modes. They are implemented to control the
transmission and reception between the Data Terminal
Equipment (DTE). The UEN<1:0> bits in the UxMODE
register configure these pins.
18.7 Infrared Support
The UART module provides two types of infrared UART
support: one is the IrDA clock output to support an
external IrDA encoder and decoder device (legacy
module support), and the other is the full
implementation of the IrDA encoder and decoder.
As the IrDA modes require a 16x baud clock, they will
only work when the BRGH bit (UxMODE<3>) is ‘0’.
18.7.1 EXTERNAL IrDA SUPPORT – IrDA
CLOCK OUTPUT
To support external IrDA encoder and decoder devices,
the UxBCLK pin (same as the UxRTS pin) can be
configured to generate the 16x baud clock. When
UEN<1:0> = 11, the UxBCLK pin will output the 16x
baud clock if the UART module is enabled; it can be
used to support the IrDA codec chip.
18.7.2 BUILT-IN IrDA ENCODER AND
DECODER
The UART has full implementation of the IrDA encoder
and decoder as part of the UART module. The built-in
IrDA encoder and decoder functionality is enabled
using the IREN bit (UxMODE<12>). When enabled
(IREN = 1), the receive pin (UxRX) acts as the input
from the infrared receiver. The transmit pin (UxTX) acts
as the output to the infrared transmitter.

PIC24F16KL402 FAMILY
DS30001037C-page 152 2011-2013 Microchip Technology Inc.
REGISTER 18-1: UxMODE: UARTx MODE REGISTER
R/W-0 U-0 R/W-0 R/W-0 R/W-0 U-0 R/W-0(2)R/W-0(2)
UARTEN — USIDL IREN(1)RTSMD — UEN1 UEN0
bit 15 bit 8
R/C-0, HC R/W-0 R/W-0, HC R/W-0 R/W-0 R/W-0 R/W-0 R/W-0
WAKE LPBACK ABAUD RXINV BRGH PDSEL1 PDSEL0 STSEL
bit 7 bit 0
Legend: C = Clearable bit HC = Hardware Clearable bit
R = Readable bit W = Writable bit U = Unimplemented bit, read as ‘0’
-n = Value at POR ‘1’ = Bit is set ‘0’ = Bit is cleared x = Bit is unknown
bit 15 UARTEN: UARTx Enable bit
1 = UARTx is enabled; all UARTx pins are controlled by UARTx as defined by UEN<1:0>
0 = UARTx is disabled; all UARTx pins are controlled by port latches, UARTx power consumption is
minimal
bit 14 Unimplemented: Read as ‘0’
bit 13 USIDL: UARTx Stop in Idle Mode bit
1 = Discontinues module operation when device enters Idle mode
0 = Continues module operation in Idle mode
bit 12 IREN: IrDA® Encoder and Decoder Enable bit(1)
1 = IrDA encoder and decoder are enabled
0 = IrDA encoder and decoder are disabled
bit 11 RTSMD: Mode Selection for UxRTS Pin bit
1 =UxRTS
pin is in Simplex mode
0 =UxRTS
pin is in Flow Control mode
bit 10 Unimplemented: Read as ‘0’
bit 9-8 UEN<1:0>: UARTx Enable bits(2)
11 = UxTX, UxRX and UxBCLK pins are enabled and used; UxCTS pin is controlled by port latches
10 = UxTX, UxRX, UxCTS and UxRTS pins are enabled and used
01 = UxTX, UxRX and UxRTS pins are enabled and used; UxCTS pin is controlled by port latches
00 = UxTX and UxRX pins are enabled and used; UxCTS and UxRTS/UxBCLK pins are controlled by
port latches
bit 7 WAKE: Wake-up on Start Bit Detect During Sleep Mode Enable bit
1 = UARTx will continue to sample the UxRX pin; interrupt is generated on the falling edge, bit is
cleared in hardware on the following rising edge
0 = No wake-up is enabled
bit 6 LPBACK: UARTx Loopback Mode Select bit
1 = Enables Loopback mode
0 = Loopback mode is disabled
bit 5 ABAUD: Auto-Baud Enable bit
1 = Enables baud rate measurement on the next character – requires reception of a Sync field (55h);
cleared in hardware upon completion
0 = Baud rate measurement is disabled or completed
bit 4 RXINV: Receive Polarity Inversion bit
1 = UxRX Idle state is ‘0’
0 = UxRX Idle state is ‘1’
Note 1: This feature is is only available for the 16x BRG mode (BRGH = 0).
2: Bit availability depends on pin availability.

2011-2013 Microchip Technology Inc. DS30001037C-page 153
PIC24F16KL402 FAMILY
bit 3 BRGH: High Baud Rate Enable bit
1 = BRG generates 4 clocks per bit period (4x baud clock, High-Speed mode)
0 = BRG generates 16 clocks per bit period (16x baud clock, Standard mode)
bit 2-1 PDSEL<1:0>: Parity and Data Selection bits
11 = 9-bit data, no parity
10 = 8-bit data, odd parity
01 = 8-bit data, even parity
00 = 8-bit data, no parity
bit 0 STSEL: Stop Bit Selection bit
1 = Two Stop bits
0 = One Stop bit
REGISTER 18-1: UxMODE: UARTx MODE REGISTER (CONTINUED)
Note 1: This feature is is only available for the 16x BRG mode (BRGH = 0).
2: Bit availability depends on pin availability.

PIC24F16KL402 FAMILY
DS30001037C-page 154 2011-2013 Microchip Technology Inc.
REGISTER 18-2: UxSTA: UARTx STATUS AND CONTROL REGISTER
R/W-0 R/W-0 R/W-0 U-0 R/W-0, HC R/W-0 R-0, HSC R-1, HSC
UTXISEL1 UTXINV UTXISEL0 — UTXBRK UTXEN UTXBF TRMT
bit 15 bit 8
R/W-0 R/W-0 R/W-0 R-1, HSC R-0, HSC R-0, HSC R/C-0, HS R-0, HSC
URXISEL1 URXISEL0 ADDEN RIDLE PERR FERR OERR URXDA
bit 7 bit 0
Legend: HC = Hardware Clearable bit
HS = Hardware Settable bit C = Clearable bit HSC = Hardware Settable/Clearable bit
R = Readable bit W = Writable bit U = Unimplemented bit, read as ‘0’
-n = Value at POR ‘1’ = Bit is set ‘0’ = Bit is cleared x = Bit is unknown
bit 15,13 UTXISEL<1:0>: UARTx Transmission Interrupt Mode Selection bits
11 = Reserved; do not use
10 = Interrupt when a character is transferred to the Transmit Shift Register (TSR), and as a result, the
transmit buffer becomes empty
01 = Interrupt when the last character is shifted out of the Transmit Shift Register; all transmit operations
are completed
00 = Interrupt when a character is transferred to the Transmit Shift Register (this implies there is at least
one character open in the transmit buffer)
bit 14 UTXINV: IrDA® Encoder Transmit Polarity Inversion bit
If IREN = 0:
1 = UxTX Idle ‘0’
0 = UxTX Idle ‘1’
If IREN = 1:
1 = UxTX Idle ‘1’
0 = UxTX Idle ‘0’
bit 12 Unimplemented: Read as ‘0’
bit 11 UTXBRK: UARTx Transmit Break bit
1 = Sends Sync Break on next transmission – Start bit, followed by twelve ‘0’ bits; followed by Stop bit;
cleared by hardware upon completion
0 = Sync Break transmission is disabled or completed
bit 10 UTXEN: UARTx Transmit Enable bit
1 = Transmit is enabled; UxTX pin is controlled by UARTx
0 = Transmit is disabled; any pending transmission is aborted and the buffer is reset. UxTX pin is
controlled by the PORT register.
bit 9 UTXBF: UARTx Transmit Buffer Full Status bit (read-only)
1 = Transmit buffer is full
0 = Transmit buffer is not full, at least one more character can be written
bit 8 TRMT: Transmit Shift Register Empty bit (read-only)
1 = Transmit Shift Register is empty and the transmit buffer is empty (the last transmission has
completed)
0 = Transmit Shift Register is not empty; a transmission is in progress or queued
bit 7-6 URXISEL<1:0>: UARTx Receive Interrupt Mode Selection bits
11 = Interrupt is set on the RSR transfer, making the receive buffer full (i.e., has 2 data characters)
10 = Reserved
01 = Reserved
00 = Interrupt is set when any character is received and transferred from the RSR to the receive buffer;
receive buffer has one or more characters

2011-2013 Microchip Technology Inc. DS30001037C-page 155
PIC24F16KL402 FAMILY
bit 5 ADDEN: Address Character Detect bit (bit 8 of the received data = 1)
1 = Address Detect mode is enabled; if 9-bit mode is not selected, this does not take effect
0 = Address Detect mode is disabled
bit 4 RIDLE: Receiver Idle bit (read-only)
1 = Receiver is Idle
0 = Receiver is active
bit 3 PERR: Parity Error Status bit (read-only)
1 = Parity error has been detected for the current character (character at the top of the receive FIFO)
0 = Parity error has not been detected
bit 2 FERR: Framing Error Status bit (read-only)
1 = Framing error has been detected for the current character (character at the top of the receive FIFO)
0 = Framing error has not been detected
bit 1 OERR: Receive Buffer Overrun Error Status bit (clear/read-only)
1 = Receive buffer has overflowed
0 = Receive buffer has not overflowed (clearing a previously set OERR bit (10 transition) will reset
the receiver buffer and the RSR to the empty state)
bit 0 URXDA: UARTx Receive Buffer Data Available bit (read-only)
1 = Receive buffer has data; at least one more character can be read
0 = Receive buffer is empty
REGISTER 18-2: UxSTA: UARTx STATUS AND CONTROL REGISTER (CONTINUED)

PIC24F16KL402 FAMILY
DS30001037C-page 156 2011-2013 Microchip Technology Inc.
NOTES:

2011-2013 Microchip Technology Inc. DS30001037C-page 157
PIC24F16KL402 FAMILY
19.0 10-BIT HIGH-SPEED A/D
CONVERTER
The 10-bit A/D Converter has the following key
features:
• Successive Approximation (SAR) conversion
• Conversion speeds of up to 500 ksps
• Up to 12 analog input pins
• External voltage reference input pins
• Internal band gap reference input
• Automatic Channel Scan mode
• Selectable conversion trigger source
• Two-word conversion result buffer
• Selectable Buffer Fill modes
• Four result alignment options
• Operation during CPU Sleep and Idle modes
Depending on the particular device, PIC24F16KL402
family devices implement up to 12 analog input pins,
designated AN0 through AN4 and AN9 through AN15.
In addition, there are two analog input pins for external
voltage reference connections (VREF+ and VREF-).
These voltage reference inputs may be shared with
other analog input pins.
A block diagram of the A/D Converter is displayed in
Figure 19-1.
To perform an A/D conversion:
1. Configure the A/D module:
a) Configure port pins as analog inputs and/
or select band gap reference inputs
(ANSA<3:0>, ANSB<15:12,4:0> and
ANCFG<0>).
b) Select the voltage reference source to
match the expected range on analog inputs
(AD1CON2<15:13>).
c) Select the analog conversion clock to match
the desired data rate with the processor
clock (AD1CON3<7:0>).
d) Select the appropriate sample/conversion
sequence (AD1CON1<7:5> and
AD1CON3<12:8>).
e) Select how conversion results are
presented in the buffer (AD1CON1<9:8>).
f) Select interrupt rate (AD1CON2<5:2>).
g) Turn on A/D module (AD1CON1<15>).
2. Configure A/D interrupt (if required):
a) Clear the AD1IF bit.
b) Select A/D interrupt priority.
Note: This data sheet summarizes the features of
this group of PIC24F devices. It is not
intended to be a comprehensive reference
source. For more information on the 10-Bit
High-Speed A/D Converter, refer to the
“dsPIC33/PIC24 Family Reference
Manual”, “10-Bit A/D Converter”
(DS39705).

PIC24F16KL402 FAMILY
DS30001037C-page 158 2011-2013 Microchip Technology Inc.
FIGURE 19-1: 10-BIT HIGH-SPEED A/D CONVERTER BLOCK DIAGRAM
Comparator
10-Bit SAR
VREF+
AN12(1)
AN10
AN11(1)
AN4(1)
AN0
AN1
AN2(1)
AN3(1)
VREF-
Sample Control
S/H
AVSS
AVDD
ADC1BUF0:
ADC1BUF1
AD1CON1
AD1CON2
AD1CON3
AD1CHS
Control Logic
Data Formatting
Input MUX Control
Conversion Control
Pin Config Control
Internal Data Bus
16
MUX A
MUX B
VINH
VINL
VINH
VINH
VINL
VINL
VBG
AD1CSSL
VR+
VR-
VR Select
AN1
AN1
Note 1: Unimplemented in 14-pin devices.
AN15
AN13
AN14
AN9
DAC
VR+VR-
Conversion Logic

2011-2013 Microchip Technology Inc. DS30001037C-page 159
PIC24F16KL402 FAMILY
REGISTER 19-1: AD1CON1: A/D CONTROL REGISTER 1
R/W-0 U-0 R/W-0 U-0 U-0 U-0 R/W-0 R/W-0
ADON(1)—ADSIDL— — —FORM1FORM0
bit 15 bit 8
R/W-0 R/W-0 R/W-0 U-0 U-0 R/W-0 R/W-0, HSC R-0, HSC
SSRC2 SSRC1 SSRC0 —— ASAM SAMP DONE
bit 7 bit 0
Legend: HSC = Hardware Settable/Clearable bit
R = Readable bit W = Writable bit U = Unimplemented bit, read as ‘0’
-n = Value at POR ‘1’ = Bit is set ‘0’ = Bit is cleared x = Bit is unknown
bit 15 ADON: A/D Operating Mode bit(1)
1 = A/D Converter module is operating
0 = A/D Converter is off
bit 14 Unimplemented: Read as ‘0’
bit 13 ADSIDL: A/D Stop in Idle Mode bit
1 = Discontinues module operation when device enters Idle mode
0 = Continues module operation in Idle mode
bit 12-10 Unimplemented: Read as ‘0’
bit 9-8 FORM<1:0>: Data Output Format bits
11 = Signed fractional (sddd dddd dd00 0000)
10 = Fractional (dddd dddd dd00 0000)
01 = Signed integer (ssss sssd dddd dddd)
00 = Integer (0000 00dd dddd dddd)
bit 7-5 SSRC<2:0>: Conversion Trigger Source Select bits
111 = Internal counter ends sampling and starts conversion (auto-convert)
110 = Reserved
101 = Reserved
100 = Reserved
011 = Reserved
010 = Timer1 compare ends sampling and starts conversion
001 = Active transition on INT0 pin ends sampling and starts conversion
000 = Clearing the SAMP bit ends sampling and starts conversion
bit 4-3 Unimplemented: Read as ‘0’
bit 2 ASAM: A/D Sample Auto-Start bit
1 = Sampling begins immediately after the last conversion completes; SAMP bit is auto-set
0 = Sampling begins when the SAMP bit is set
bit 1 SAMP: A/D Sample Enable bit
1 = A/D Sample-and-Hold amplifier is sampling input
0 = A/D Sample-and-Hold amplifier is holding
bit 0 DONE: A/D Conversion Status bit
1 = A/D conversion is done
0 = A/D conversion is not done
Note 1: Values of ADC1BUFx registers will not retain their values once the ADON bit is cleared. Read out the
conversion values from the buffer before disabling the module.

PIC24F16KL402 FAMILY
DS30001037C-page 160 2011-2013 Microchip Technology Inc.
REGISTER 19-2: AD1CON2: A/D CONTROL REGISTER 2
R/W-0 R/W-0 R/W-0 R/W-0 U-0 R/W-0 U-0 U-0
VCFG2 VCFG1 VCFG0 OFFCAL(1)— CSCNA — —
bit 15 bit 8
R-x U-0 R/W-0 R/W-0 R/W-0 R/W-0 r-0 R/W-0
r— SMPI3 SMPI2 SMPI1 SMPI0 rALTS
bit 7 bit 0
Legend: r = Reserved bit
R = Readable bit W = Writable bit U = Unimplemented bit, read as ‘0’
-n = Value at POR ‘1’ = Bit is set ‘0’ = Bit is cleared x = Bit is unknown
bit 15-13 VCFG<2:0>: Voltage Reference Configuration bits
bit 12 OFFCAL: Offset Calibration bit(1)
1 = Conversions to get the offset calibration value
0 = Conversions to get the actual input value
bit 11 Unimplemented: Read as ‘0’
bit 10 CSCNA: Scan Input Selections for MUX A Input Multiplexer bit
1 = Scans inputs
0 = Does not scan inputs
bit 9-8 Unimplemented: Read as ‘0’
bit 7 Reserved: Ignore this value
bit 6 Unimplemented: Read as ‘0’
bit 5-2 SMPI<3:0>: Sample/Convert Sequences Per Interrupt Selection bits
1111 =
•
•= Reserved, do not use (may cause conversion data loss)
•
0010 =
0001 = Interrupts at the completion of conversion for each 2nd sample/convert sequence
0000 = Interrupts at the completion of conversion for each sample/convert sequence
bit 1 Reserved: Always maintain as ‘0’
bit 0 ALTS: Alternate Input Sample Mode Select bit
1 = Uses MUX A input multiplexer settings for the first sample, then alternates between MUX B and
MUX A input multiplexer settings for all subsequent samples
0 = Always uses MUX A input multiplexer settings
Note 1: When the OFFCAL bit is set, inputs are disconnected and tied to AVSS. This sets the inputs of the A/D to
zero. Then, the user can perform a conversion. Use of the Calibration mode is not affected by AD1PCFG
contents nor channel input selection. Any analog input switches are disconnected from the A/D Converter
in this mode. The conversion result is stored by the user software and used to compensate subsequent
conversions. This can be done by adding the two’s complement of the result obtained with the OFFCAL bit
set to all normal A/D conversions.
VCFG<2:0> VR+VR-
000 AVDD AVSS
001 External VREF+ pin AVSS
010 AVDD External VREF- pin
011 External VREF+ pin External VREF- pin
1xx AVDD AVSS

2011-2013 Microchip Technology Inc. DS30001037C-page 161
PIC24F16KL402 FAMILY
REGISTER 19-3: AD1CON3: A/D CONTROL REGISTER 3
R/W-0 R-0 R/W-0 R/W-0 R/W-0 R/W-0 R/W-0 R/W-0
ADRC EXTSAM PUMPEN SAMC4 SAMC3 SAMC2 SAMC1 SAMC0
bit 15 bit 8
U
-0
U
-0
R/W-0 R/W-0 R/W-0 R/W-0 R/W-0 R/W-0
—— ADCS5 ADCS4 ADCS3 ADCS2 ADCS1 ADCS0
bit 7 bit 0
Legend:
R = Readable bit W = Writable bit U = Unimplemented bit, read as ‘0’
-n = Value at POR ‘1’ = Bit is set ‘0’ = Bit is cleared x = Bit is unknown
bit 15 ADRC: A/D Conversion Clock Source bit
1 = A/D internal RC clock
0 = Clock derived from system clock
bit 14 EXTSAM: Extended Sampling Time bit
1 = A/D is still sampling after SAMP = 0
0 = A/D is finished sampling
bit 13 PUMPEN: Charge Pump Enable bit
1 = Charge pump for switches is enabled
0 = Charge pump for switches is disabled
bit 12-8 SAMC<4:0>: Auto-Sample Time bits
11111 = 31 T
AD
•
•
•
00001 = 1 TAD
00000 = 0 TAD (not recommended)
bit 7-6 Unimplemented: Maintain as ‘0’
bit 5-0 ADCS<5:0>: A/D Conversion Clock Select bits
11111 = 64 • TCY
11110 = 63 • TCY
•
•
•
00001 = 2 • TCY
00000 = TCY

PIC24F16KL402 FAMILY
DS30001037C-page 162 2011-2013 Microchip Technology Inc.
-
REGISTER 19-4: AD1CHS: A/D INPUT SELECT REGISTER
R/W-0 U-0 U-0 U-0 R/W-0 R/W-0 R/W-0 R/W-0
CH0NB ——— CH0SB3 CH0SB2 CH0SB1 CH0SB0
bit 15 bit 8
R/W-0 U-0 U-0 U-0 R/W-0 R/W-0 R/W-0 R/W-0
CH0NA ——— CH0SA3 CH0SA2 CH0SA1 CH0SA0
bit 7 bit 0
Legend:
R = Readable bit W = Writable bit U = Unimplemented bit, read as ‘0’
-n = Value at POR ‘1’ = Bit is set ‘0’ = Bit is cleared x = Bit is unknown
bit 15 CH0NB: Channel 0 Negative Input Select for MUX B Multiplexer Setting bit
1 = Channel 0 negative input is AN1
0 = Channel 0 negative input is VR-
bit 14-12 Unimplemented: Read as ‘0’
bit 11-8 CH0SB<3:0>: Channel 0 Positive Input Select for MUX B Multiplexer Setting bits
1111 = AN15
1110 = AN14
1101 = AN13
1100 = AN12(1)
1011 = AN11(1)
1010 = AN10
1001 = AN9
1000 = Upper guardband rail (0.785 * VDD)
0111 = Lower guardband rail (0.215 * VDD)
0110 = Internal band gap reference (VBG)
0101 = Reserved; do not use
0100 = AN4(1)
0011 = AN3(1)
0010 = AN2(1)
0001 = AN1
0000 = AN0
bit 7 CH0NA: Channel 0 Negative Input Select for MUX A Multiplexer Setting bit
1 = Channel 0 negative input is AN1
0 = Channel 0 negative input is VR-
bit 6-4 Unimplemented: Read as ‘0’
bit 3-0 CH0SA<3:0>: Channel 0 Positive Input Select for MUX A Multiplexer Setting bits
Bit combinations are identical to those for CH0SB<3:0> (above).
Note 1: Unimplemented on 14-pin devices; do not use.

2011-2013 Microchip Technology Inc. DS30001037C-page 163
PIC24F16KL402 FAMILY
REGISTER 19-5: AD1CSSL: A/D INPUT SCAN SELECT REGISTER
R/W-0 R/W-0 R/W-0 R/W-0 R/W-0 R/W-0 R/W-0 R/W-0
CSSL<15:8>(1)
bit 15 bit 8
R/W-0 R/W-0 U-0 R/W-0 R/W-0 R/W-0 R/W-0 R/W-0
CSSL<7:6> — CSSL<4:0>(1)
bit 7 bit 0
Legend:
R = Readable bit W = Writable bit U = Unimplemented bit, read as ‘0’
-n = Value at POR ‘1’ = Bit is set ‘0’ = Bit is cleared x = Bit is unknown
bit 15-6 CSSL<15:6>: A/D Input Pin Scan Selection bits(1)
1 = Corresponding analog channel selected for input scan
0 = Analog channel omitted from input scan
bit 5 Unimplemented: Read as ‘0’
bit 4-0 CSSL<4:0>: A/D Input Pin Scan Selection bits(1)
1 = Corresponding analog channel selected for input scan
0 = Analog channel omitted from input scan
Note 1: CSSL<12:11,4:2> bits are unimplemented on 14-pin devices.
REGISTER 19-6: ANCFG: ANALOG INPUT CONFIGURATION REGISTER
U-0 U-0 U-0 U-0 U-0 U-0 U-0 U-0
————————
bit 15 bit 8
U-0 U-0 U-0 U-0 U-0 U-0 U-0 R/W-0
——————— VBGEN
bit 7 bit 0
Legend:
R = Readable bit W = Writable bit U = Unimplemented bit, read as ‘0’
-n = Value at POR ‘1’ = Bit is set ‘0’ = Bit is cleared x = Bit is unknown
bit 15-1 Unimplemented: Read as ‘0’
bit 0 VBGEN: Internal Band Gap Reference Enable bit
1 = Internal band gap voltage is available as a channel input to the A/D Converter
0 = Band gap is not available to the A/D Converter

PIC24F16KL402 FAMILY
DS30001037C-page 164 2011-2013 Microchip Technology Inc.
EQUATION 19-1: A/D CONVERSION CLOCK PERIOD(1)
FIGURE 19-2: 10-BIT A/D CONVERTER ANALOG INPUT MODEL
Note 1: Based on TCY = 2 * TOSC; Doze mode and PLL are disabled.
TAD = TCY • (ADCS + 1)
TAD
TCY
ADCS = – 1
CPIN
VA
Rs ANx VT = 0.6V
VT = 0.6V ILEAKAGE
RIC 250W Sampling
Switch
RSS
CHOLD
= DAC Capacitance
VSS
VDD
= 4.4 pF (Typical)
±500 nA
Legend: CPIN
VT
ILEAKAGE
RIC
RSS
CHOLD
= Input Capacitance
= Threshold Voltage
= Leakage Current at the pin due to
= Interconnect Resistance
= Sampling Switch Resistance
= Sample/Hold Capacitance (from DAC)
Various Junctions
Note: CPIN value depends on device package and is not tested. Effect of CPIN is negligible if Rs 5 k.
RSS 5 k (Typical)
6-11 pF
(Typical)

2011-2013 Microchip Technology Inc. DS30001037C-page 165
PIC24F16KL402 FAMILY
FIGURE 19-3: A/D TRANSFER FUNCTION
11 1111 1111 (1023)
11 1111 1110 (1022)
10 0000 0011 (515)
10 0000 0010 (514)
10 0000 0001 (513)
10 0000 0000 (512)
01 1111 1111 (511)
01 1111 1110 (510)
01 1111 1101 (509)
Digital Output Code
Binary (Decimal)
00 0000 0001 (1)
00 0000 0000 (0)
VR-
VR- + VR+ - VR-
1024
VR- + 1024
512 * (VR+ - VR-)
Voltage Level
VR+
VR- + 1024
1023 * (VR+ - VR-)
VINH - VINL
0

PIC24F16KL402 FAMILY
DS30001037C-page 166 2011-2013 Microchip Technology Inc.
NOTES:

2011-2013 Microchip Technology Inc. DS30001037C-page 167
PIC24F16KL402 FAMILY
20.0 COMPARATOR MODULE
Depending on the particular device, the comparator
module provides one or two analog comparators. The
inputs to the comparator can be configured to use any
one of up to four external analog inputs, as well as a
voltage reference input from either the internal band
gap reference, divided by 2 (VBG/2), or the comparator
voltage reference generator.
The comparator outputs may be directly connected to
the CxOUT pins. When the respective COE equals ‘1’,
the I/O pad logic makes the unsynchronized output of
the comparator available on the pin.
A simplified block diagram of the module is displayed in
Figure 20-1. Diagrams of the possible individual
comparator configurations are displayed in
Figure 20-2.
Each comparator has its own control register,
CMxCON (Register 20-1), for enabling and configuring
its operation. The output and event status of all three
comparators is provided in the CMSTAT register
(Register 20-2).
FIGURE 20-1: COMPARATOR MODULE BLOCK DIAGRAM
Note: This data sheet summarizes the features of
this group of PIC24F devices. It is not
intended to be a comprehensive reference
source. For more information on the
Comparator module, refer to the
“dsPIC33/PIC24 Family Reference
Manual”, “Dual Comparator Module”
(DS39710).
C1
VIN-
VIN+
CXINB
CXINC(1)
CXINA
CXIND(1)
CVREF
VBG/2
C2
VIN-
VIN+
COE
C1OUT
Pin
CPOL
Trigger/Interrupt
Logic
CEVT
EVPOL<1:0>
COUT
CCH<1:0>
CREF
COE
C2OUT
Pin
CPOL
CEVT
EVPOL<1:0>
COUT
Note 1: These inputs are unavailable on 14-pin (PIC24FXXKL100/200) devices.
2: Comparator 2 is unimplemented on PIC24FXXKL10X/20X devices.
(Note 2)
Input
Select
Logic
Trigger/Interrupt
Logic

PIC24F16KL402 FAMILY
DS30001037C-page 168 2011-2013 Microchip Technology Inc.
FIGURE 20-2: INDIVIDUAL COMPARATOR CONFIGURATIONS
Cx
VIN-
VIN+Off (Read as ‘0’)
Comparator Off
CON = 0, CREF = x, CCH<1:0> = xx
Comparator CxINB > CxINA Compare
CON = 1, CREF = 0, CCH<1:0> = 00
COE
CxOUT
Cx
VIN-
VIN+
COE
CXINB
CXINA
Comparator CxIND > CxINA Compare(1)
CON = 1, CREF = 0, CCH<1:0> = 10
Cx
VIN-
VIN+
COE
CxOUT
CXIND
CXINA
Comparator CxINC > CxINA Compare(1)
CON = 1, CREF = 0, CCH<1:0> = 01
Cx
VIN-
VIN+
COE
CXINC
CXINA
Comparator VBG > CxINA Compare
CON = 1, CREF = 0, CCH<1:0> = 11
Cx
VIN-
VIN+
COE
VBG/2
CXINA
Comparator CxINB > CVREF Compare
CON = 1, CREF = 1, CCH<1:0> = 00
Cx
VIN-
VIN+
COE
CXINB
CVREF
Comparator CxIND > CVREF Compare(1)
CON = 1, CREF = 1, CCH<1:0> = 10
Cx
VIN-
VIN+
COE
CXIND
CVREF
Comparator CxINC > CVREF Compare(1)
CON = 1, CREF = 1, CCH<1:0> = 01
Cx
VIN-
VIN+
COE
CXINC
CVREF
Comparator VBG > CVREF Compare
CON = 1, CREF = 1, CCH<1:0> = 11
Cx
VIN-
VIN+
COE
VBG/2
CVREF
Pin
Pin
CxOUT
Pin
CxOUT
Pin
CxOUT
Pin
CxOUT
Pin
CxOUT
Pin
CxOUT
Pin
CxOUT
Pin
–
–
–
–
––
–
–
–
Note 1: This configuration is unavailable on 14-pin (PIC24FXXKL100/200) devices.

2011-2013 Microchip Technology Inc. DS30001037C-page 169
PIC24F16KL402 FAMILY
REGISTER 20-1: CMxCON: COMPARATOR x CONTROL REGISTER
R/W-0 R/W-0 R/W-0 R/W-0 U-0 U-0 R/W-0 R-0
CON COE CPOL CLPWR —— CEVT COUT
bit 15 bit 8
R/W-0 R/W-0 U-0 R/W-0 U-0 U-0 R/W-0 R/W-0
EVPOL1(1)EVPOL0(1)— CREF —— CCH1 CCH0
bit 7 bit 0
Legend:
R = Readable bit W = Writable bit U = Unimplemented bit, read as ‘0’
-n = Value at POR ‘1’ = Bit is set ‘0’ = Bit is cleared x = Bit is unknown
bit 15 CON: Comparator Enable bit
1 = Comparator is enabled
0 = Comparator is disabled
bit 14 COE: Comparator Output Enable bit
1 = Comparator output is present on the CxOUT pin
0 = Comparator output is internal only
bit 13 CPOL: Comparator Output Polarity Select bit
1 = Comparator output is inverted
0 = Comparator output is not inverted
bit 12 CLPWR: Comparator Low-Power Mode Select bit
1 = Comparator operates in Low-Power mode
0 = Comparator does not operate in Low-Power mode
bit 11-10 Unimplemented: Read as ‘0’
bit 9 CEVT: Comparator Event bit
1 = Comparator event defined by EVPOL<1:0> has occurred; subsequent triggers and interrupts are
disabled until the bit is cleared
0 = Comparator event has not occurred
bit 8 COUT: Comparator Output bit
When CPOL = 0:
1 =VIN+ > VIN-
0 =V
IN+ < VIN-
When CPOL = 1:
1 =VIN+ < VIN-
0 =V
IN+ > VIN-
bit 7-6 EVPOL<1:0>: Trigger/Event/Interrupt Polarity Select bits(1)
11 = Trigger/event/interrupt is generated on any change of the comparator output (while CEVT = 0)
10 = Trigger/event/interrupt is generated on the high-to-low transition of the comparator output
01 = Trigger/event/Interrupt is generated on the low-to-high transition of the comparator output
00 = Trigger/event/interrupt generation is disabled
bit 5 Unimplemented: Read as ‘0’
bit 4 CREF: Comparator Reference Select bits (non-inverting input)
1 = Non-inverting input connects to the internal CVREF voltage
0 = Non-inverting input connects to the CxINA pin
Note 1: If EVPOL<1:0> is set to a value other than ‘00’, the first interrupt generated will occur on any transition of
COUT, regardless of if it is a rising or falling edge. Subsequent interrupts will occur based on the EVPOLx
bits setting.
2: Unimplemented on 14-pin (PIC24FXXKL100/200) devices.

PIC24F16KL402 FAMILY
DS30001037C-page 170 2011-2013 Microchip Technology Inc.
bit 3-2 Unimplemented: Read as ‘0’
bit 1-0 CCH<1:0>: Comparator Channel Select bits
11 = Inverting input of the comparator connects to VBG/2
10 = Inverting input of the comparator connects to the CxIND pin(2)
01 = Inverting input of the comparator connects to the CxINC pin(2)
00 = Inverting input of the comparator connects to the CxINB pin
REGISTER 20-1: CMxCON: COMPARATOR x CONTROL REGISTER (CONTINUED)
Note 1: If EVPOL<1:0> is set to a value other than ‘00’, the first interrupt generated will occur on any transition of
COUT, regardless of if it is a rising or falling edge. Subsequent interrupts will occur based on the EVPOLx
bits setting.
2: Unimplemented on 14-pin (PIC24FXXKL100/200) devices.
REGISTER 20-2: CMSTAT: COMPARATOR MODULE STATUS REGISTER
R/W-0 U-0 U-0 U-0 U-0 U-0 R-0, HSC R-0, HSC
CMIDL ————— C2EVT(1)C1EVT
bit 15 bit 8
U-0 U-0 U-0 U-0 U-0 U-0 R-0, HSC R-0, HSC
——————C2OUT
(1)C1OUT
bit 7 bit 0
Legend: HSC = Hardware Settable/Clearable bit
R = Readable bit W = Writable bit U = Unimplemented bit, read as ‘0’
-n = Value at POR ‘1’ = Bit is set ‘0’ = Bit is cleared x = Bit is unknown
bit 15 CMIDL: Comparator Stop in Idle Mode bit
1 = Discontinues operation of all comparators when device enters Idle mode
0 = Continues operation of all enabled comparators in Idle mode
bit 14-10 Unimplemented: Read as ‘0’
bit 9 C2EVT: Comparator 2 Event Status bit (read-only)(1)
Shows the current event status of Comparator 2 (CM2CON<9>).
bit 8 C1EVT: Comparator 1 Event Status bit (read-only)
Shows the current event status of Comparator 1 (CM1CON<9>).
bit 7-2 Unimplemented: Read as ‘0’
bit 1 C2OUT: Comparator 2 Output Status bit (read-only)(1)
Shows the current output of Comparator 2 (CM2CON<8>).
bit 0 C1OUT: Comparator 1 Output Status bit (read-only)
Shows the current output of Comparator 1 (CM1CON<8>).
Note 1: These bits are unimplemented on PIC24FXXKL10X/20X devices.

2011-2013 Microchip Technology Inc. DS30001037C-page 171
PIC24F16KL402 FAMILY
21.0 COMPARATOR VOLTAGE
REFERENCE 21.1 Configuring the Comparator
Voltage Reference
The comparator voltage reference module is controlled
through the CVRCON register (Register 21-1). The
comparator voltage reference provides a range of
output voltages, with 32 distinct levels.
The comparator voltage reference supply voltage can
come from either VDD and VSS, or the external VREF+
and VREF-. The voltage source is selected by the
CVRSS bit (CVRCON<5>).
The settling time of the comparator voltage reference
must be considered when changing the CVREF output.
FIGURE 21-1: COMPARATOR VOLTAGE REFERENCE BLOCK DIAGRAM
Note: This data sheet summarizes the features of
this group of PIC24F devices. It is not
intended to be a comprehensive reference
source. For more information on the
Comparator Voltage Reference, refer to the
“dsPIC33/PIC24 Family Reference Man-
ual”, “Comparator Voltage Reference
Module” (DS39709).
32-to-1 MUX
CVR<3:0>
8R
R
CVREN
CVRSS = 0
AVDD
VREF+CVRSS = 1
8R
CVRSS = 0
VREF-CVRSS = 1
R
R
R
R
R
R
32 Steps
CVREF
AVSS

PIC24F16KL402 FAMILY
DS30001037C-page 172 2011-2013 Microchip Technology Inc.
REGISTER 21-1: CVRCON: COMPARATOR VOLTAGE REFERENCE CONTROL REGISTER
U-0 U-0 U-0 U-0 U-0 U-0 U-0 U-0
————————
bit 15 bit 8
R/W-0 R/W-0 R/W-0 R/W-0 R/W-0 R/W-0 R/W-0 R/W-0
CVREN CVROE CVRSS CVR4 CVR3 CVR2 CVR1 CVR0
bit 7 bit 0
Legend:
R = Readable bit W = Writable bit U = Unimplemented bit, read as ‘0’
-n = Value at POR ‘1’ = Bit is set ‘0’ = Bit is cleared x = Bit is unknown
bit 15-8 Unimplemented: Read as ‘0’
bit 7 CVREN: Comparator Voltage Reference Enable bit
1 =CV
REF circuit is powered on
0 =CV
REF circuit is powered down
bit 6 CVROE: Comparator VREF Output Enable bit
1 =CVREF voltage level is output on the CVREF pin
0 =CV
REF voltage level is disconnected from the CVREF pin
bit 5 CVRSS: Comparator VREF Source Selection bit
1 = Comparator reference source, CVRSRC = VREF+ – VREF-
0 = Comparator reference source, CVRSRC = AVDD – AVSS
bit 4-0 CVR<4:0>: Comparator VREF Value Selection 0 ≤ CVR<4:0> ≤ 31 bits
When CVRSS = 1:
CVREF = (VREF-) + (CVR<4:0>/32) • (VREF+ – VREF-)
When CVRSS = 0:
CVREF = (AVSS) + (CVR<4:0>/32) • (AVDD – AVSS)

2011-2013 Microchip Technology Inc. DS30001037C-page 173
PIC24F16KL402 FAMILY
22.0 HIGH/LOW-VOLTAGE DETECT
(HLVD)
The High/Low-Voltage Detect module (HLVD) is a
programmable circuit that allows the user to specify
both the device voltage trip point and the direction of
change.
An interrupt flag is set if the device experiences an
excursion past the trip point in the direction of change.
If the interrupt is enabled, the program execution will
branch to the interrupt vector address and the software
can then respond to the interrupt.
The HLVD Control register (see Register 22-1)
completely controls the operation of the HLVD module.
This allows the circuitry to be “turned off” by the user
under software control, which minimizes the current
consumption for the device.
FIGURE 22-1: HIGH/LOW-VOLTAGE DETECT (HLVD) MODULE BLOCK DIAGRAM
Note: This data sheet summarizes the features of
this group of PIC24F devices. It is not
intended to be a comprehensive reference
source. For more information on the
High/Low-Voltage Detect, refer to the
“dsPIC33/PIC24 Family Reference
Manual”, “High-Level Integration with
Programmable High/Low-Voltage Detect
(HLVD)” (DS39725).
Set
VDD
HLVDEN
HLVDL<3:0>
HLVDIN
VDD
Externally Generated
Trip Point
HLVDIF
HLVDEN
Internal Voltage
Reference
VDIR
1.2V Typical
–
16-to-1 MUX

PIC24F16KL402 FAMILY
DS30001037C-page 174 2011-2013 Microchip Technology Inc.
REGISTER 22-1: HLVDCON: HIGH/LOW-VOLTAGE DETECT CONTROL REGISTER
R/W-0 U-0 R/W-0 U-0 U-0 U-0 U-0 U-0
HLVDEN —HLSIDL—————
bit 15 bit 8
R/W-0 R/W-0 R/W-0 U-0 R/W-0 R/W-0 R/W-0 R/W-0
VDIR BGVST IRVST — HLVDL3 HLVDL2 HLVDL1 HLVDL0
bit 7 bit 0
Legend:
R = Readable bit W = Writable bit U = Unimplemented bit, read as ‘0’
-n = Value at POR ‘1’ = Bit is set ‘0’ = Bit is cleared x = Bit is unknown
bit 15 HLVDEN: High/Low-Voltage Detect Power Enable bit
1 = HLVD is enabled
0 = HLVD is disabled
bit 14 Unimplemented: Read as ‘0’
bit 13 HLSIDL: HLVD Stop in Idle Mode bit
1 = Discontinues module operation when the device enters Idle mode
0 = Continues module operation in Idle mode
bit 12-8 Unimplemented: Read as ‘0’
bit 7 VDIR: Voltage Change Direction Select bit
1 = Event occurs when the voltage equals or exceeds the trip point (HLVDL<3:0>)
0 = Event occurs when the voltage equals or falls below the trip point (HLVDL<3:0>)
bit 6 BGVST: Band Gap Voltage Stable Flag bit
1 = Indicates that the band gap voltage is stable
0 = Indicates that the band gap voltage is unstable
bit 5 IRVST: Internal Reference Voltage Stable Flag bit
1 = Indicates that the internal reference voltage is stable and the High-Voltage Detect logic generates
the interrupt flag at the specified voltage range
0 = Indicates that the internal reference voltage is unstable and the High-Voltage Detect logic will not
generate the interrupt flag at the specified voltage range, and the HLVD interrupt should not be
enabled
bit 4 Unimplemented: Read as ‘0’
bit 3-0 HLVDL<3:0>: High/Low-Voltage Detection Limit bits
1111 = External analog input is used (input comes from the HLVDIN pin)
1110 = Trip Point 14(1)
1101 = Trip Point 13(1)
1100 = Trip Point 12(1)
.
.
.
0000 = Trip Point 0(1)
Note 1: For the actual trip point, see Section 26.0 “Electrical Characteristics”.

2011-2013 Microchip Technology Inc. DS30001037C-page 175
PIC24F16KL402 FAMILY
23.0 SPECIAL FEATURES
PIC24F16KL402 family devices include several
features intended to maximize application flexibility and
reliability, and minimize cost through elimination of
external components. These are:
• Flexible Configuration
• Watchdog Timer (WDT)
• Code Protection
• In-Circuit Serial Programming™ (ICSP™)
• In-Circuit Emulation
• Factory Programmed Unique ID
23.1 Code Protect Security Options
The Boot Segment (BS) and General Segment (GS)
are two segments on this device with separate
programmable security levels. The Boot Segment, con-
figured via the FBS Configuration register, can have
three possible levels of security:
•No Security (BSS = 111): The Boot Segment is
not utilized and all addresses in program memory
are part of the General Segment (GS).
•Standard Security (BSS = 110 or 101): The
Boot Segment is enabled and code-protected,
preventing ICSP reads of the Flash memory.
Standard security also prevents Flash reads and
writes of the BS from the GS. The BS can still
read and write to itself.
•High Security (BSS = 010 or 001): The Boot
Segment is enabled with all of the security pro-
vided by Standard Security mode. In addition, in
High-Security mode, there are program flow
change restrictions in place. While executing from
the GS, program flow changes that attempt to enter
the BS (e.g., branch (BRA) or CALL instructions)
can only enter the BS at one of the first 32 instruc-
tion locations (0x200 to 0x23F). Attempting to jump
into the BS at an instruction higher than this will
result in an Illegal Opcode Reset.
The General Segment, configured via the FGS Config-
uration register, can have two levels of security:
•No Security (GSS0 = 1): The GS is not
code-protected and can be read in all modes.
•Standard Security (GSS0 = 0): The GS is
code-protected, preventing ICSP reads of the
Flash memory.
For more detailed information on these Security
modes, refer to the “dsPIC33/PIC24 Family Reference
Manual”, “CodeGuard™ Security” (DS70199).
23.2 Configuration Bits
The Configuration bits can be programmed (read as ‘0’),
or left unprogrammed (read as ‘1’), to select various
device configurations. These bits are mapped starting at
program memory location, F80000h. A complete list is
provided in Table 23-1. A detailed explanation of the
various bit functions is provided in Register 23-1 through
Register 23-7.
The address, F80000h, is beyond the user program
memory space. In fact, it belongs to the configuration
memory space (800000h-FFFFFFh), which can only be
accessed using Table Reads and Table Writes.
TABLE 23-1: CONFIGURATION REGISTERS
LOCATIONS
Note: This data sheet summarizes the features of
this group of PIC24F devices. It is not
intended to be a comprehensive reference
source. For more information on the
Watchdog Timer, High-Level Device
Integration and Programming Diagnostics,
refer to the individual sections of the
“dsPIC33/PIC24 Family Reference
Manual” provided below:
•“Watchdog Timer (WDT)” (DS39697)
•“High-Level Integration with
Programmable High/Low-Voltage
Detect (HLVD)” (DS39725)
•“Programming and Diagnostics”
(DS39716)
Configuration
Register Address
FBS F80000
FGS F80004
FOSCSEL F80006
FOSC F80008
FWDT F8000A
FPOR F8000C
FICD F8000E

PIC24F16KL402 FAMILY
DS30001037C-page 176 2011-2013 Microchip Technology Inc.
REGISTER 23-1: FBS: BOOT SEGMENT CONFIGURATION REGISTER
REGISTER 23-2: FGS: GENERAL SEGMENT CONFIGURATION REGISTER
U-0 U-0 U-0 U-0 R/C-1(1)R/C-1(1)R/C-1(1)R/C-1(1)
———— BSS2 BSS1 BSS0 BWRP
bit 7 bit 0
Legend:
R = Readable bit C = Clearable bit U = Unimplemented bit, read as ‘0’
-n = Value at POR ‘1’ = Bit is set ‘0’ = Bit is cleared x = Bit is unknown
bit 7-4 Unimplemented: Read as ‘0’
bit 3-1 BSS<2:0>: Boot Segment Program Flash Code Protection bits(1)
111 = No Boot Segment; all program memory space is General Segment
110 = Standard security Boot Segment starts at 0200h, ends at 0AFEh
101 = Standard security Boot Segment starts at 0200h, ends at 15FEh(2)
100 = Reserved
011 = Reserved
010 = High-security Boot Segment starts at 0200h, ends at 0AFEh
001 = High-security Boot Segment starts at 0200h, ends at 15FEh(2)
000 = Reserved
bit 0 BWRP: Boot Segment Program Flash Write Protection bit(1)
1 = Boot Segment may be written
0 = Boot Segment is write-protected
Note 1: Code protection bits can only be programmed by clearing them. They can be reset to their default factory
state (‘1’), but only by performing a bulk erase and reprogramming the entire device.
2: This selection is available only on PIC24F16KL40X devices.
U-0 U-0 U-0 U-0 U-0 U-0 R/C-1(1)R/C-1(1)
—————— GSS0 GWRP
bit 7 bit 0
Legend:
R = Readable bit C = Clearable bit U = Unimplemented bit, read as ‘0’
-n = Value at POR ‘1’ = Bit is set ‘0’ = Bit is cleared x = Bit is unknown
bit 7-2 Unimplemented: Read as ‘0’
bit 1 GSS0: General Segment Code Flash Code Protection bit(1)
1 = No protection
0 = Standard security is enabled
bit 0 GWRP: General Segment Code Flash Write Protection bit(1)
1 = General Segment may be written
0 = General Segment is write-protected
Note 1: Code protection bits can only be programmed by clearing them. They can be reset to their default factory
state (‘1’), but only by performing a bulk erase and reprogramming the entire device.

2011-2013 Microchip Technology Inc. DS30001037C-page 177
PIC24F16KL402 FAMILY
REGISTER 23-3: FOSCSEL: OSCILLATOR SELECTION CONFIGURATION REGISTER
R/P-1 R/P-1 R/P-1 U-0 U-0 R/P-0 R/P-0 R/P-1
IESO LPRCSEL SOSCSRC —— FNOSC2 FNOSC1 FNOSC0
bit 7 bit 0
Legend:
R = Readable bit P = Programmable bit U = Unimplemented bit, read as ‘0’
-n = Value at POR ‘1’ = Bit is set ‘0’ = Bit is cleared x = Bit is unknown
bit 7 IESO: Internal External Switchover bit
1 = Internal External Switchover mode is enabled (Two-Speed Start-up is enabled)
0 = Internal External Switchover mode is disabled (Two-Speed Start-up is disabled)
bit 6 LPRCSEL: Internal LPRC Oscillator Power Select bit
1 = High-Power/High-Accuracy mode
0 = Low-Power/Low-Accuracy mode
bit 5 SOSCSRC: Secondary Oscillator Clock Source Configuration bit
1 = SOSC analog crystal function is available on the SOSCI/SOSCO pins
0 = SOSC crystal is disabled; digital SCLKI function is selected on the SOSCO pin
bit 4-3 Unimplemented: Read as ‘0’
bit 2-0 FNOSC<2:0>: Oscillator Selection bits
111 = 8 MHz FRC Oscillator with Divide-by-N (FRCDIV)
110 = 500 kHz Low-Power FRC Oscillator with Divide-by-N (LPFRCDIV)
101 = Low-Power RC Oscillator (LPRC)
100 = Secondary Oscillator (SOSC)
011 = Primary Oscillator with PLL module (HS+PLL, EC+PLL)
010 = Primary Oscillator (XT, HS, EC)
001 = 8 MHz FRC Oscillator with Divide-by-N with PLL module (FRCDIV+PLL)
000 = 8 MHz FRC Oscillator (FRC)

PIC24F16KL402 FAMILY
DS30001037C-page 178 2011-2013 Microchip Technology Inc.
REGISTER 23-4: FOSC: OSCILLATOR CONFIGURATION REGISTER
R/P-0 R/P-0 R/P-1 R/P-1 R/P-1 R/P-0 R/P-1 R/P-1
FCKSM1 FCKSM0 SOSCSEL POSCFREQ1 POSCFREQ0 OSCIOFNC POSCMD1 POSCMD0
bit 7 bit 0
Legend:
R = Readable bit P = Programmable bit U = Unimplemented bit, read as ‘0’
-n = Value at POR ‘1’ = Bit is set ‘0’ = Bit is cleared x = Bit is unknown
bit 7-6 FCKSM<1:0>: Clock Switching and Monitor Selection Configuration bits
1x = Clock switching is disabled, Fail-Safe Clock Monitor is disabled
01 = Clock switching is enabled, Fail-Safe Clock Monitor is disabled
00 = Clock switching is enabled, Fail-Safe Clock Monitor is enabled
bit 5 SOSCSEL: Secondary Oscillator Power Selection Configuration bit
1 = Secondary oscillator is configured for high-power operation
0 = Secondary oscillator is configured for low-power operation
bit 4-3 POSCFREQ<1:0>: Primary Oscillator Frequency Range Configuration bits
11 = Primary oscillator/external clock input frequency is greater than 8 MHz
10 = Primary oscillator/external clock input frequency is between 100 kHz and 8 MHz
01 = Primary oscillator/external clock input frequency is less than 100 kHz
00 = Reserved; do not use
bit 2 OSCIOFNC: CLKO Enable Configuration bit
1 = CLKO output signal is active on the OSCO pin; primary oscillator must be disabled or configured
for the External Clock mode (EC) for the CLKO to be active (POSCMD<1:0> = 11 or 00)
0 = CLKO output is disabled
bit 1-0 POSCMD<1:0>: Primary Oscillator Configuration bits
11 = Primary Oscillator mode is disabled
10 = HS Oscillator mode is selected
01 = XT Oscillator mode is selected
00 = External Clock mode is selected

2011-2013 Microchip Technology Inc. DS30001037C-page 179
PIC24F16KL402 FAMILY
REGISTER 23-5: FWDT: WATCHDOG TIMER CONFIGURATION REGISTER
R/P-1 R/P-1 R/P-0 R/P-1 R/P-1 R/P-1 R/P-1 R/P-1
FWDTEN1 WINDIS FWDTEN0 FWPSA WDTPS3 WDTPS2 WDTPS1 WDTPS0
bit 7 bit 0
Legend:
R = Readable bit P = Programmable bit U = Unimplemented bit, read as ‘0’
-n = Value at POR ‘1’ = Bit is set ‘0’ = Bit is cleared x = Bit is unknown
bit 7,5 FWDTEN<1:0>: Watchdog Timer Enable bits
11 = WDT is enabled in hardware
10 = WDT is controlled with the SWDTEN bit setting
01 = WDT is enabled only while device is active; WDT is disabled in Sleep, SWDTEN bit is disabled
00 = WDT is disabled in hardware; SWDTEN bit is disabled
bit 6 WINDIS: Windowed Watchdog Timer Disable bit
1 = Standard WDT is selected; windowed WDT is disabled
0 = Windowed WDT is enabled; note that executing a CLRWDT instruction while the WDT is disabled
in hardware and software (FWDTEN<1:0> = 00 and SWDTEN (RCON<5> = 0) will not cause a
device Reset
bit 4 FWPSA: WDT Prescaler bit
1 = WDT prescaler ratio of 1:128
0 = WDT prescaler ratio of 1:32
bit 3-0 WDTPS<3:0>: Watchdog Timer Postscale Select bits
1111 = 1:32,768
1110 = 1:16,384
1101 = 1:8,192
1100 = 1:4,096
1011 = 1:2,048
1010 = 1:1,024
1001 = 1:512
1000 = 1:256
0111 = 1:128
0110 = 1:64
0101 = 1:32
0100 = 1:16
0011 = 1:8
0010 = 1:4
0001 = 1:2
0000 = 1:1

PIC24F16KL402 FAMILY
DS30001037C-page 180 2011-2013 Microchip Technology Inc.
REGISTER 23-6: FPOR: RESET CONFIGURATION REGISTER
R/P-1 R/P-1 R/P-1 R/P-1 R/P-1 U-0 R/P-1 R/P-1
MCLRE(1)BORV1(2)BORV0(2)I2C1SEL(3)PWRTEN — BOREN1 BOREN0
bit 7 bit 0
Legend:
R = Readable bit P = Programmable bit U = Unimplemented bit, read as ‘0’
-n = Value at POR ‘1’ = Bit is set ‘0’ = Bit is cleared x = Bit is unknown
bit 7 MCLRE: MCLR Pin Enable bit(1)
1 = MCLR pin is enabled; RA5 input pin is disabled
0 = RA5 input pin is enabled; MCLR is disabled
bit 6-5 BORV<1:0>: Brown-out Reset Enable bits(2)
11 = Brown-out Reset is set to the low trip point
10 = Brown-out Reset is set to the middle trip point
01 = Brown-out Reset is set to the high trip point
00 = Downside protection on POR is enabled (Low-Power BOR is selected)
bit 4 I2C1SEL: Alternate MSSP1 I2C™ Pin Mapping bit(3)
1 = Default location for SCL1/SDA1 pins (RB8 and RB9)
0 = Alternate location for SCL1/SDA1 pins (ASCL1/RB6 and ASDA1/RB5)
bit 3 PWRTEN: Power-up Timer Enable bit
1 = PWRT is enabled
0 = PWRT is disabled
bit 2 Unimplemented: Read as ‘0’
bit 1-0 BOREN<1:0>: Brown-out Reset Enable bits
11 = BOR is enabled in hardware; SBOREN bit is disabled
10 = BOR is enabled only while device is active and disabled in Sleep; SBOREN bit is disabled
01 = BOR is controlled with the SBOREN bit setting
00 = BOR is disabled in hardware; SBOREN bit is disabled
Note 1: The MCLRE fuse can only be changed when using the VPP-Based ICSP™ mode entry. This prevents a
user from accidentally locking out the device from the low-voltage test entry.
2: Refer to Table 26-5 for BOR trip point voltages.
3: Implemented in 28-pin devices only. This bit position must be programmed (= 1) in all other devices for I2C
functionality to be available.

2011-2013 Microchip Technology Inc. DS30001037C-page 181
PIC24F16KL402 FAMILY
REGISTER 23-7: FICD: IN-CIRCUIT DEBUGGER CONFIGURATION REGISTER
R/P-1 U-1 U-1 U-0 U-0 U-0 R/P-1 R/P-1
DEBUG — — — — — ICS1 ICS0
bit 7 bit 0
Legend:
R = Readable bit P = Programmable bit U = Unimplemented bit, read as ‘0’
-n = Value at POR ‘1’ = Bit is set ‘0’ = Bit is cleared x = Bit is unknown
bit 7 DEBUG: Background Debugger Enable bit
1 = Background debugger is disabled
0 = Background debugger functions are enabled
bit 6-5 Unimplemented: Read as ‘1’
bit 4-2 Unimplemented: Read as ‘0’
bit 1-0 ICS<1:0:> ICD Pin Select bits
11 = PGEC1/PGED1 are used for programming and debugging the device(1)
10 = PGEC2/PGED2 are used for programming and debugging the device
01 = PGEC3/PGED3 are used for programming and debugging the device
00 = Reserved; do not use
Note 1: PGEC1/PGED1 are not available on PIC24F04KL100 (14-pin) devices.

PIC24F16KL402 FAMILY
DS30001037C-page 182 2011-2013 Microchip Technology Inc.
23.3 Unique ID
A read-only Unique ID value is stored at addresses,
800802h through 800808h. This factory programmed
value is unique to each microcontroller produced in the
PIC24F16KL402 family. To access this region, use
Table Read instructions or Program Space Visibility.
To ensure a globally Unique ID across other Microchip
microcontroller families, the “Unique ID” value should
be further concatenated with the family and Device ID
values stored at address, FF0000h.
REGISTER 23-8: DEVID: DEVICE ID REGISTER
U-0 U-0 U-0 U-0 U-0 U-0 U-0 U-0
————————
bit 23 bit 16
RRRRRRRR
FAMID7 FAMID6 FAMID5 FAMID4 FAMID3 FAMID2 FAMID1 FAMID0
bit 15 bit 8
RRRRRRRR
DEV7 DEV6 DEV5 DEV4 DEV3 DEV2 DEV1 DEV0
bit 7 bit 0
Legend:
R = Readable bit W = Writable bit U = Unimplemented bit, read as ‘0’
-n = Value at POR ‘1’ = Bit is set ‘0’ = Bit is cleared x = Bit is unknown
bit 23-16 Unimplemented: Read as ‘0’
bit 15-8 FAMID<7:0>: Device Family Identifier bits
01001011 = PIC24F16KL402 family
bit 7-0 DEV<7:0>: Individual Device Identifier bits
00000001 = PIC24F04KL100
00000010 = PIC24F04KL101
00000101 = PIC24F08KL200
00000110 = PIC24F08KL201
00001010 = PIC24F08KL301
00000000 = PIC24F08KL302
00001110 = PIC24F08KL401
00000100 = PIC24F08KL402
00011110 = PIC24F16KL401
00010100 = PIC24F16KL402

2011-2013 Microchip Technology Inc. DS30001037C-page 183
PIC24F16KL402 FAMILY
REGISTER 23-9: DEVREV: DEVICE REVISION REGISTER
U-0 U-0 U-0 U-0 U-0 U-0 U-0 U-0
————————
bit 23 bit 16
U-0 U-0 U-0 U-0 U-0 U-0 U-0 U-0
————————
bit 15 bit 8
U-0 U-0 U-0 U-0 R R R R
———— REV3 REV2 REV1 REV0
bit 7 bit 0
Legend:
R = Readable bit W = Writable bit U = Unimplemented bit, read as ‘0’
-n = Value at POR ‘1’ = Bit is set ‘0’ = Bit is cleared x = Bit is unknown
bit 23-4 Unimplemented: Read as ‘0’
bit 3-0 REV<3:0>: Revision Identifier bits

PIC24F16KL402 FAMILY
DS30001037C-page 184 2011-2013 Microchip Technology Inc.
23.4 Watchdog Timer (WDT)
For the PIC24F16KL402 family of devices, the WDT is
driven by the LPRC oscillator. When the WDT is
enabled, the clock source is also enabled.
The nominal WDT clock source from LPRC is 31 kHz.
This feeds a prescaler that can be configured for either
5-bit (divide-by-32) or 7-bit (divide-by-128) operation.
The prescaler is set by the FWPSA Configuration bit.
With a 31 kHz input, the prescaler yields a nominal
WDT time-out period (TWDT) of 1 ms in 5-bit mode or
4 ms in 7-bit mode.
A variable postscaler divides down the WDT prescaler
output and allows for a wide range of time-out periods.
The postscaler is controlled by the Configuration bits,
WDTPS<3:0> (FWDT<3:0>), which allow the selection
of a total of 16 settings, from 1:1 to 1:32,768. Using the
prescaler and postscaler time-out periods, ranges from
1 ms to 131 seconds can be achieved.
The WDT, prescaler and postscaler are reset:
• On any device Reset
• On the completion of a clock switch, whether
invoked by software (i.e., setting the OSWEN bit
after changing the NOSCx bits) or by hardware
(i.e., Fail-Safe Clock Monitor)
• When a PWRSAV instruction is executed
(i.e., Sleep or Idle mode is entered)
• When the device exits Sleep or Idle mode to
resume normal operation
•By a CLRWDT instruction during normal execution
If the WDT is enabled in hardware (FWDTEN<1:0> = 11),
it will continue to run during Sleep or Idle modes. When
the WDT time-out occurs, the device will wake and code
execution will continue from where the PWRSAV
instruction was executed. The corresponding SLEEP or
IDLE bits (RCON<3:2>) will need to be cleared in
software after the device wakes up.
The WDT Time-out Flag bit, WDTO (RCON<4>), is not
automatically cleared following a WDT time-out. To
detect subsequent WDT events, the flag must be
cleared in software.
23.4.1 WINDOWED OPERATION
The Watchdog Timer has an optional Fixed Window
mode of operation. In this Windowed mode, CLRWDT
instructions can only reset the WDT during the last 1/4
of the programmed WDT period. A CLRWDT instruction,
executed before that window, causes a WDT Reset
similar to a WDT time-out.
Windowed WDT mode is enabled by programming the
Configuration bit, WINDIS (FWDT<6>), to ‘0’.
23.4.2 CONTROL REGISTER
The WDT is enabled or disabled by the FWDTEN<1:0>
Configuration bits. When both the FWDTEN<1:0>
Configuration bits are set, the WDT is always enabled.
The WDT can be optionally controlled in software when
the FWDTEN<1:0> Configuration bits have been pro-
grammed to ‘10’. The WDT is enabled in software by
setting the SWDTEN control bit (RCON<5>). The
SWDTEN control bit is cleared on any device Reset.
The software WDT option allows the user to enable the
WDT for critical code segments, and disable the WDT
during non-critical segments, for maximum power sav-
ings. When the FWTEN<1:0> bits are set to ‘01’, the
WDT is enabled only in Run and Idle modes, and is dis-
abled in Sleep. Software control of the WDT SWDTEN
bit (RCON<5>) is disabled with this setting.
FIGURE 23-1: WDT BLOCK DIAGRAM
Note: The CLRWDT and PWRSAV instructions
clear the prescaler and postscaler counts
when executed.
LPRC Input
WDT Overflow
Wake from Sleep
31 kHz
Prescaler
FWPSA
SWDTEN
FWDTEN
Reset
All Device Resets
Sleep or Idle Mode
LPRC Control
CLRWDT Instr.
PWRSAV Instr.
(5-Bit/7-Bit)
WDTPS<3:0>
1 ms/4 ms
Exit Sleep or
Idle Mode
WDT
Counter
Transition to
New Clock Source
1:1 to 1:32.768
Postscaler

2011-2013 Microchip Technology Inc. DS30001037C-page 185
PIC24F16KL402 FAMILY
23.5 Program Verification and
Code Protection
For all devices in the PIC24F16KL402 family, code
protection for the Boot Segment is controlled by the
BSS<2:0> Configuration bits and the General Segment
by the Configuration bit, GSS0. These bits inhibit exter-
nal reads and writes to the program memory space
This has no direct effect in normal execution mode.
Write protection is controlled by bit, BWRP, for the Boot
Segment and bit, GWRP, for the General Segment in
the Configuration Word. When these bits are pro-
grammed to ‘0’, internal write and erase operations to
program memory are blocked.
23.6 In-Circuit Serial Programming
PIC24F16KL402 family microcontrollers can be serially
programmed while in the end application circuit. This is
simply done with two lines for clock (PGECx) and data
(PGEDx), and three other lines for power, ground and
the programming voltage. This allows customers to
manufacture boards with unprogrammed devices and
then program the microcontroller just before shipping
the product. This also allows the most recent firmware
or a custom firmware to be programmed.
23.7 In-Circuit Debugger
When MPLAB® ICD 3, MPLAB REAL ICE™ or
PICkit™ 3 is selected as a debugger, the in-circuit
debugging functionality is enabled. This function allows
simple debugging functions when used with
MPLAB IDE. Debugging functionality is controlled
through the PGECx and PGEDx pins.
To use the in-circuit debugger function of the device,
the design must implement ICSP connections to
MCLR, VDD, VSS, PGECx, PGEDx and the pin pair. In
addition, when the feature is enabled, some of the
resources are not available for general use. These
resources include the first 80 bytes of data RAM and
two I/O pins.

PIC24F16KL402 FAMILY
DS30001037C-page 186 2011-2013 Microchip Technology Inc.
NOTES:

2011-2013 Microchip Technology Inc. DS30001037C-page 187
PIC24F16KL402 FAMILY
24.0 DEVELOPMENT SUPPORT
The PIC® microcontrollers (MCU) and dsPIC® digital
signal controllers (DSC) are supported with a full range
of software and hardware development tools:
• Integrated Development Environment
- MPLAB® X IDE Software
• Compilers/Assemblers/Linkers
- MPLAB XC Compiler
- MPASMTM Assembler
-MPLINK
TM Object Linker/
MPLIBTM Object Librarian
- MPLAB Assembler/Linker/Librarian for
Various Device Families
• Simulators
- MPLAB X SIM Software Simulator
•Emulators
- MPLAB REAL ICE™ In-Circuit Emulator
• In-Circuit Debuggers/Programmers
- MPLAB ICD 3
- PICkit™ 3
• Device Programmers
- MPLAB PM3 Device Programmer
• Low-Cost Demonstration/Development Boards,
Evaluation Kits and Starter Kits
• Third-party development tools
24.1 MPLAB X Integrated Development
Environment Software
The MPLAB X IDE is a single, unified graphical user
interface for Microchip and third-party software, and
hardware development tool that runs on Windows®,
Linux and Mac OS® X. Based on the NetBeans IDE,
MPLAB X IDE is an entirely new IDE with a host of free
software components and plug-ins for high-
performance application development and debugging.
Moving between tools and upgrading from software
simulators to hardware debugging and programming
tools is simple with the seamless user interface.
With complete project management, visual call graphs,
a configurable watch window and a feature-rich editor
that includes code completion and context menus,
MPLAB X IDE is flexible and friendly enough for new
users. With the ability to support multiple tools on
multiple projects with simultaneous debugging, MPLAB
X IDE is also suitable for the needs of experienced
users.
Feature-Rich Editor:
• Color syntax highlighting
• Smart code completion makes suggestions and
provides hints as you type
• Automatic code formatting based on user-defined
rules
• Live parsing
User-Friendly, Customizable Interface:
• Fully customizable interface: toolbars, toolbar
buttons, windows, window placement, etc.
• Call graph window
Project-Based Workspaces:
• Multiple projects
• Multiple tools
• Multiple configurations
• Simultaneous debugging sessions
File History and Bug Tracking:
• Local file history feature
• Built-in support for Bugzilla issue tracker

PIC24F16KL402 FAMILY
DS30001037C-page 188 2011-2013 Microchip Technology Inc.
24.2 MPLAB XC Compilers
The MPLAB XC Compilers are complete ANSI C
compilers for all of Microchip’s 8, 16 and 32-bit MCU
and DSC devices. These compilers provide powerful
integration capabilities, superior code optimization and
ease of use. MPLAB XC Compilers run on Windows,
Linux or MAC OS X.
For easy source level debugging, the compilers provide
debug information that is optimized to the MPLAB X
IDE.
The free MPLAB XC Compiler editions support all
devices and commands, with no time or memory
restrictions, and offer sufficient code optimization for
most applications.
MPLAB XC Compilers include an assembler, linker and
utilities. The assembler generates relocatable object
files that can then be archived or linked with other
relocatable object files and archives to create an exe-
cutable file. MPLAB XC Compiler uses the assembler
to produce its object file. Notable features of the
assembler include:
• Support for the entire device instruction set
• Support for fixed-point and floating-point data
• Command-line interface
• Rich directive set
• Flexible macro language
• MPLAB X IDE compatibility
24.3 MPASM Assembler
The MPASM Assembler is a full-featured, universal
macro assembler for PIC10/12/16/18 MCUs.
The MPASM Assembler generates relocatable object
files for the MPLINK Object Linker, Intel® standard HEX
files, MAP files to detail memory usage and symbol
reference, absolute LST files that contain source lines
and generated machine code, and COFF files for
debugging.
The MPASM Assembler features include:
• Integration into MPLAB X IDE projects
• User-defined macros to streamline
assembly code
• Conditional assembly for multipurpose
source files
• Directives that allow complete control over the
assembly process
24.4 MPLINK Object Linker/
MPLIB Object Librarian
The MPLINK Object Linker combines relocatable
objects created by the MPASM Assembler. It can link
relocatable objects from precompiled libraries, using
directives from a linker script.
The MPLIB Object Librarian manages the creation and
modification of library files of precompiled code. When
a routine from a library is called from a source file, only
the modules that contain that routine will be linked in
with the application. This allows large libraries to be
used efficiently in many different applications.
The object linker/library features include:
• Efficient linking of single libraries instead of many
smaller files
• Enhanced code maintainability by grouping
related modules together
• Flexible creation of libraries with easy module
listing, replacement, deletion and extraction
24.5 MPLAB Assembler, Linker and
Librarian for Various Device
Families
MPLAB Assembler produces relocatable machine
code from symbolic assembly language for PIC24,
PIC32 and dsPIC DSC devices. MPLAB XC Compiler
uses the assembler to produce its object file. The
assembler generates relocatable object files that can
then be archived or linked with other relocatable object
files and archives to create an executable file. Notable
features of the assembler include:
• Support for the entire device instruction set
• Support for fixed-point and floating-point data
• Command-line interface
• Rich directive set
• Flexible macro language
• MPLAB X IDE compatibility

2011-2013 Microchip Technology Inc. DS30001037C-page 189
PIC24F16KL402 FAMILY
24.6 MPLAB X SIM Software Simulator
The MPLAB X SIM Software Simulator allows code
development in a PC-hosted environment by simulat-
ing the PIC MCUs and dsPIC DSCs on an instruction
level. On any given instruction, the data areas can be
examined or modified and stimuli can be applied from
a comprehensive stimulus controller. Registers can be
logged to files for further run-time analysis. The trace
buffer and logic analyzer display extend the power of
the simulator to record and track program execution,
actions on I/O, most peripherals and internal registers.
The MPLAB X SIM Software Simulator fully supports
symbolic debugging using the MPLAB XC Compilers,
and the MPASM and MPLAB Assemblers. The soft-
ware simulator offers the flexibility to develop and
debug code outside of the hardware laboratory envi-
ronment, making it an excellent, economical software
development tool.
24.7 MPLAB REAL ICE In-Circuit
Emulator System
The MPLAB REAL ICE In-Circuit Emulator System is
Microchip’s next generation high-speed emulator for
Microchip Flash DSC and MCU devices. It debugs and
programs all 8, 16 and 32-bit MCU, and DSC devices
with the easy-to-use, powerful graphical user interface of
the MPLAB X IDE.
The emulator is connected to the design engineer’s
PC using a high-speed USB 2.0 interface and is
connected to the target with either a connector
compatible with in-circuit debugger systems (RJ-11)
or with the new high-speed, noise tolerant, Low-
Voltage Differential Signal (LVDS) interconnection
(CAT5).
The emulator is field upgradable through future firmware
downloads in MPLAB X IDE. MPLAB REAL ICE offers
significant advantages over competitive emulators
including full-speed emulation, run-time variable
watches, trace analysis, complex breakpoints, logic
probes, a ruggedized probe interface and long (up to
three meters) interconnection cables.
24.8 MPLAB ICD 3 In-Circuit Debugger
System
The MPLAB ICD 3 In-Circuit Debugger System is
Microchip’s most cost-effective, high-speed hardware
debugger/programmer for Microchip Flash DSC and
MCU devices. It debugs and programs PIC Flash
microcontrollers and dsPIC DSCs with the powerful,
yet easy-to-use graphical user interface of the MPLAB
IDE.
The MPLAB ICD 3 In-Circuit Debugger probe is
connected to the design engineer’s PC using a high-
speed USB 2.0 interface and is connected to the target
with a connector compatible with the MPLAB ICD 2 or
MPLAB REAL ICE systems (RJ-11). MPLAB ICD 3
supports all MPLAB ICD 2 headers.
24.9 PICkit 3 In-Circuit Debugger/
Programmer
The MPLAB PICkit 3 allows debugging and program-
ming of PIC and dsPIC Flash microcontrollers at a most
affordable price point using the powerful graphical user
interface of the MPLAB IDE. The MPLAB PICkit 3 is
connected to the design engineer’s PC using a full-
speed USB interface and can be connected to the
target via a Microchip debug (RJ-11) connector (com-
patible with MPLAB ICD 3 and MPLAB REAL ICE). The
connector uses two device I/O pins and the Reset line
to implement in-circuit debugging and In-Circuit Serial
Programming™ (ICSP™).
24.10 MPLAB PM3 Device Programmer
The MPLAB PM3 Device Programmer is a universal,
CE compliant device programmer with programmable
voltage verification at VDDMIN and VDDMAX for
maximum reliability. It features a large LCD display
(128 x 64) for menus and error messages, and a mod-
ular, detachable socket assembly to support various
package types. The ICSP cable assembly is included
as a standard item. In Stand-Alone mode, the MPLAB
PM3 Device Programmer can read, verify and program
PIC devices without a PC connection. It can also set
code protection in this mode. The MPLAB PM3
connects to the host PC via an RS-232 or USB cable.
The MPLAB PM3 has high-speed communications and
optimized algorithms for quick programming of large
memory devices, and incorporates an MMC card for file
storage and data applications.

PIC24F16KL402 FAMILY
DS30001037C-page 190 2011-2013 Microchip Technology Inc.
24.11 Demonstration/Development
Boards, Evaluation Kits and
Starter Kits
A wide variety of demonstration, development and
evaluation boards for various PIC MCUs and dsPIC
DSCs allows quick application development on fully
functional systems. Most boards include prototyping
areas for adding custom circuitry and provide applica-
tion firmware and source code for examination and
modification.
The boards support a variety of features, including LEDs,
temperature sensors, switches, speakers, RS-232
interfaces, LCD displays, potentiometers and additional
EEPROM memory.
The demonstration and development boards can be
used in teaching environments, for prototyping custom
circuits and for learning about various microcontroller
applications.
In addition to the PICDEM™ and dsPICDEM™
demonstration/development board series of circuits,
Microchip has a line of evaluation kits and demonstra-
tion software for analog filter design, KEELOQ® security
ICs, CAN, IrDA®, PowerSmart battery management,
SEEVAL® evaluation system, Sigma-Delta ADC, flow
rate sensing, plus many more.
Also available are starter kits that contain everything
needed to experience the specified device. This usually
includes a single application and debug capability, all
on one board.
Check the Microchip web page (www.microchip.com)
for the complete list of demonstration, development
and evaluation kits.
24.12 Third-Party Development Tools
Microchip also offers a great collection of tools from
third-party vendors. These tools are carefully selected
to offer good value and unique functionality.
• Device Programmers and Gang Programmers
from companies, such as SoftLog and CCS
• Software Tools from companies, such as Gimpel
and Trace Systems
• Protocol Analyzers from companies, such as
Saleae and Total Phase
• Demonstration Boards from companies, such as
MikroElektronika, Digilent® and Olimex
• Embedded Ethernet Solutions from companies,
such as EZ Web Lynx, WIZnet and IPLogika®

2011-2013 Microchip Technology Inc. DS30001037C-page 191
PIC24F16KL402 FAMILY
25.0 INSTRUCTION SET SUMMARY
The PIC24F instruction set adds many enhancements
to the previous PIC® MCU instruction sets, while
maintaining an easy migration from previous PIC MCU
instruction sets. Most instructions are a single program
memory word. Only three instructions require two
program memory locations.
Each single-word instruction is a 24-bit word divided
into an 8-bit opcode, which specifies the instruction
type and one or more operands, which further specify
the operation of the instruction. The instruction set is
highly orthogonal and is grouped into four basic
categories:
• Word or byte-oriented operations
• Bit-oriented operations
• Literal operations
• Control operations
Table 25-1 lists the general symbols used in describing
the instructions. The PIC24F instruction set summary
in Tab le 2 5- 2 lists all the instructions, along with the
status flags affected by each instruction.
Most word or byte-oriented W register instructions
(including barrel shift instructions) have three
operands:
• The first source operand, which is typically a
register ‘Wb’ without any address modifier
• The second source operand, which is typically a
register ‘Ws’ with or without an address modifier
• The destination of the result, which is typically a
register ‘Wd’ with or without an address modifier
However, word or byte-oriented file register instructions
have two operands:
• The file register specified by the value, ‘f’
• The destination, which could either be the file
register, ‘f’, or the W0 register, which is denoted
as ‘WREG’
Most bit-oriented instructions (including simple
rotate/shift instructions) have two operands:
• The W register (with or without an address
modifier) or file register (specified by the value of
‘Ws’ or ‘f’)
• The bit in the W register or file register (specified
by a literal value or indirectly by the contents of
register, ‘Wb’)
The literal instructions that involve data movement may
use some of the following operands:
• A literal value to be loaded into a W register or file
register (specified by the value of ‘k’)
• The W register or file register where the literal
value is to be loaded (specified by ‘Wb’ or ‘f’)
However, literal instructions that involve arithmetic or
logical operations use some of the following operands:
• The first source operand, which is a register ‘Wb’
without any address modifier
• The second source operand, which is a literal
value
• The destination of the result (only if not the same
as the first source operand), which is typically a
register ‘Wd’ with or without an address modifier
The control instructions may use some of the following
operands:
• A program memory address
• The mode of the Table Read and Table Write
instructions
All instructions are a single word, except for certain
double-word instructions, which were made
double-word instructions so that all of the required
information is available in these 48 bits. In the second
word, the 8 MSbs are ‘0’s. If this second word is
executed as an instruction (by itself), it will execute as
a NOP.
Most single-word instructions are executed in a single
instruction cycle, unless a conditional test is true or the
Program Counter (PC) is changed as a result of the
instruction. In these cases, the execution takes two
instruction cycles, with the additional instruction
cycle(s) executed as a NOP. Notable exceptions are the
BRA (unconditional/computed branch), indirect
CALL/GOTO, all Table Reads and Table Writes, and
RETURN/RETFIE instructions, which are single-word
instructions but take two or three cycles.
Certain instructions that involve skipping over the
subsequent instruction require either two or three
cycles if the skip is performed, depending on whether
the instruction being skipped is a single-word or
two-word instruction. Moreover, double-word moves
require two cycles. The double-word instructions
execute in two instruction cycles.
Note: This chapter is a brief summary of the
PIC24F Instruction Set Architecture (ISA)
and is not intended to be a comprehensive
reference source.

PIC24F16KL402 FAMILY
DS30001037C-page 192 2011-2013 Microchip Technology Inc.
TABLE 25-1: SYMBOLS USED IN OPCODE DESCRIPTIONS
Field Description
#text Means literal defined by “text”
(text) Means “content of text”
[text] Means “the location addressed by text”
{ } Optional field or operation
<n:m> Register bit field
.b Byte mode selection
.d Double-Word mode selection
.S Shadow register select
.w Word mode selection (default)
bit4 4-bit bit selection field (used in word addressed instructions) {0...15}
C, DC, N, OV, Z MCU Status bits: Carry, Digit Carry, Negative, Overflow, Sticky Zero
Expr Absolute address, label or expression (resolved by the linker)
f File register address {0000h...1FFFh}
lit1 1-bit unsigned literal {0,1}
lit4 4-bit unsigned literal {0...15}
lit5 5-bit unsigned literal {0...31}
lit8 8-bit unsigned literal {0...255}
lit10 10-bit unsigned literal {0...255} for Byte mode, {0:1023} for Word mode
lit14 14-bit unsigned literal {0...16384}
lit16 16-bit unsigned literal {0...65535}
lit23 23-bit unsigned literal {0...8388608}; LSB must be ‘0’
None Field does not require an entry, may be blank
PC Program Counter
Slit10 10-bit signed literal {-512...511}
Slit16 16-bit signed literal {-32768...32767}
Slit6 6-bit signed literal {-16...16}
Wb Base W register {W0..W15}
Wd Destination W register { Wd, [Wd], [Wd++], [Wd--], [++Wd], [--Wd] }
Wdo Destination W register
{ Wnd, [Wnd], [Wnd++], [Wnd--], [++Wnd], [--Wnd], [Wnd+Wb] }
Wm,Wn Dividend, Divisor Working register pair (direct addressing)
Wn One of 16 Working registers {W0..W15}
Wnd One of 16 destination Working registers {W0..W15}
Wns One of 16 source Working registers {W0..W15}
WREG W0 (Working register used in File register instructions)
Ws Source W register { Ws, [Ws], [Ws++], [Ws--], [++Ws], [--Ws] }
Wso Source W register { Wns, [Wns], [Wns++], [Wns--], [++Wns], [--Wns], [Wns+Wb] }

2011-2013 Microchip Technology Inc. DS30001037C-page 193
PIC24F16KL402 FAMILY
TABLE 25-2: INSTRUCTION SET OVERVIEW
Assembly
Mnemonic Assembly Syntax Description # of
Words # of
Cycles Status Flags
Affected
ADD ADD f f = f + WREG 1 1 C, DC, N, OV, Z
ADD f,WREG WREG = f + WREG 1 1 C, DC, N, OV, Z
ADD #lit10,Wn Wd = lit10 + Wd 1 1 C, DC, N, OV, Z
ADD Wb,Ws,Wd Wd = Wb + Ws 1 1 C, DC, N, OV, Z
ADD Wb,#lit5,Wd Wd = Wb + lit5 1 1 C, DC, N, OV, Z
ADDC ADDC f f = f + WREG + (C) 1 1 C, DC, N, OV, Z
ADDC f,WREG WREG = f + WREG + (C) 1 1 C, DC, N, OV, Z
ADDC #lit10,Wn Wd = lit10 + Wd + (C) 1 1 C, DC, N, OV, Z
ADDC Wb,Ws,Wd Wd = Wb + Ws + (C) 1 1 C, DC, N, OV, Z
ADDC Wb,#lit5,Wd Wd = Wb + lit5 + (C) 1 1 C, DC, N, OV, Z
AND AND f f = f .AND. WREG 1 1 N, Z
AND f,WREG WREG = f .AND. WREG 1 1 N, Z
AND #lit10,Wn Wd = lit10 .AND. Wd 1 1 N, Z
AND Wb,Ws,Wd Wd = Wb .AND. Ws 1 1 N, Z
AND Wb,#lit5,Wd Wd = Wb .AND. lit5 1 1 N, Z
ASR ASR f f = Arithmetic Right Shift f 1 1 C, N, OV, Z
ASR f,WREG WREG = Arithmetic Right Shift f 1 1 C, N, OV, Z
ASR Ws,Wd Wd = Arithmetic Right Shift Ws 1 1 C, N, OV, Z
ASR Wb,Wns,Wnd Wnd = Arithmetic Right Shift Wb by Wns 1 1 N, Z
ASR Wb,#lit5,Wnd Wnd = Arithmetic Right Shift Wb by lit5 1 1 N, Z
BCLR BCLR f,#bit4 Bit Clear f 1 1 None
BCLR Ws,#bit4 Bit Clear Ws 1 1 None
BRA BRA C,Expr Branch if Carry 1 1 (2) None
BRA GE,Expr Branch if Greater than or Equal 1 1 (2) None
BRA GEU,Expr Branch if Unsigned Greater than or Equal 1 1 (2) None
BRA GT,Expr Branch if Greater than 1 1 (2) None
BRA GTU,Expr Branch if Unsigned Greater than 1 1 (2) None
BRA LE,Expr Branch if Less than or Equal 1 1 (2) None
BRA LEU,Expr Branch if Unsigned Less than or Equal 1 1 (2) None
BRA LT,Expr Branch if Less than 1 1 (2) None
BRA LTU,Expr Branch if Unsigned Less than 1 1 (2) None
BRA N,Expr Branch if Negative 1 1 (2) None
BRA NC,Expr Branch if Not Carry 1 1 (2) None
BRA NN,Expr Branch if Not Negative 1 1 (2) None
BRA NOV,Expr Branch if Not Overflow 1 1 (2) None
BRA NZ,Expr Branch if Not Zero 1 1 (2) None
BRA OV,Expr Branch if Overflow 1 1 (2) None
BRA Expr Branch Unconditionally 1 2 None
BRA Z,Expr Branch if Zero 1 1 (2) None
BRA Wn Computed Branch 1 2 None
BSET BSET f,#bit4 Bit Set f 1 1 None
BSET Ws,#bit4 Bit Set Ws 1 1 None
BSW BSW.C Ws,Wb Write C bit to Ws<Wb> 1 1 None
BSW.Z Ws,Wb Write Z bit to Ws<Wb> 1 1 None
BTG BTG f,#bit4 Bit Toggle f 1 1 None
BTG Ws,#bit4 Bit Toggle Ws 1 1 None
BTSC BTSC f,#bit4 Bit Test f, Skip if Clear 1 1
(2 or 3)
None
BTSC Ws,#bit4 Bit Test Ws, Skip if Clear 1 1
(2 or 3)
None

PIC24F16KL402 FAMILY
DS30001037C-page 194 2011-2013 Microchip Technology Inc.
BTSS BTSS f,#bit4 Bit Test f, Skip if Set 1 1
(2 or 3)
None
BTSS Ws,#bit4 Bit Test Ws, Skip if Set 1 1
(2 or 3)
None
BTST BTST f,#bit4 Bit Test f 1 1 Z
BTST.C Ws,#bit4 Bit Test Ws to C 1 1 C
BTST.Z Ws,#bit4 Bit Test Ws to Z 1 1 Z
BTST.C Ws,Wb Bit Test Ws<Wb> to C 1 1 C
BTST.Z Ws,Wb Bit Test Ws<Wb> to Z 1 1 Z
BTSTS BTSTS f,#bit4 Bit Test then Set f 1 1 Z
BTSTS.C Ws,#bit4 Bit Test Ws to C, then Set 1 1 C
BTSTS.Z Ws,#bit4 Bit Test Ws to Z, then Set 1 1 Z
CALL CALL lit23 Call Subroutine 2 2 None
CALL Wn Call Indirect Subroutine 1 2 None
CLR CLR f f = 0x0000 1 1 None
CLR WREG WREG = 0x0000 1 1 None
CLR Ws Ws = 0x0000 1 1 None
CLRWDT CLRWDT Clear Watchdog Timer 1 1 WDTO, Sleep
COM COM f f = f 11N, Z
COM f,WREG WREG = f 11N, Z
COM Ws,Wd Wd = Ws 11N, Z
CP CP f Compare f with WREG 1 1 C, DC, N, OV, Z
CP Wb,#lit5 Compare Wb with lit5 1 1 C, DC, N, OV, Z
CP Wb,Ws Compare Wb with Ws (Wb – Ws) 1 1 C, DC, N, OV, Z
CP0 CP0 f Compare f with 0x0000 1 1 C, DC, N, OV, Z
CP0 Ws Compare Ws with 0x0000 1 1 C, DC, N, OV, Z
CPB CPB f Compare f with WREG, with Borrow 1 1 C, DC, N, OV, Z
CPB Wb,#lit5 Compare Wb with lit5, with Borrow 1 1 C, DC, N, OV, Z
CPB Wb,Ws Compare Wb with Ws, with Borrow
(Wb – Ws – C)
1 1 C, DC, N, OV, Z
CPSEQ CPSEQ Wb,Wn Compare Wb with Wn, Skip if = 1 1
(2 or 3)
None
CPSGT CPSGT Wb,Wn Compare Wb with Wn, Skip if > 1 1
(2 or 3)
None
CPSLT CPSLT Wb,Wn Compare Wb with Wn, Skip if < 1 1
(2 or 3)
None
CPSNE CPSNE Wb,Wn Compare Wb with Wn, Skip if 11
(2 or 3)
None
DAW DAW.B Wn Wn = Decimal Adjust Wn 1 1 C
DEC DEC f f = f –1 1 1 C, DC, N, OV, Z
DEC f,WREG WREG = f –1 1 1 C, DC, N, OV, Z
DEC Ws,Wd Wd = Ws – 1 1 1 C, DC, N, OV, Z
DEC2 DEC2 f f = f – 2 1 1 C, DC, N, OV, Z
DEC2 f,WREG WREG = f – 2 1 1 C, DC, N, OV, Z
DEC2 Ws,Wd Wd = Ws – 2 1 1 C, DC, N, OV, Z
DISI DISI #lit14 Disable Interrupts for k Instruction Cycles 1 1 None
DIV DIV.SW Wm,Wn Signed 16/16-bit Integer Divide 1 18 N, Z, C, OV
DIV.SD Wm,Wn Signed 32/16-bit Integer Divide 1 18 N, Z, C, OV
DIV.UW Wm,Wn Unsigned 16/16-bit Integer Divide 1 18 N, Z, C, OV
DIV.UD Wm,Wn Unsigned 32/16-bit Integer Divide 1 18 N, Z, C, OV
EXCH EXCH Wns,Wnd Swap Wns with Wnd 1 1 None
FF1L FF1L Ws,Wnd Find First One from Left (MSb) Side 1 1 C
FF1R FF1R Ws,Wnd Find First One from Right (LSb) Side 1 1 C
TABLE 25-2: INSTRUCTION SET OVERVIEW (CONTINUED)
Assembly
Mnemonic Assembly Syntax Description # of
Words # of
Cycles Status Flags
Affected

2011-2013 Microchip Technology Inc. DS30001037C-page 195
PIC24F16KL402 FAMILY
GOTO GOTO Expr Go to Address 2 2 None
GOTO Wn Go to Indirect 1 2 None
INC INC f f = f + 1 1 1 C, DC, N, OV, Z
INC f,WREG WREG = f + 1 1 1 C, DC, N, OV, Z
INC Ws,Wd Wd = Ws + 1 1 1 C, DC, N, OV, Z
INC2 INC2 f f = f + 2 1 1 C, DC, N, OV, Z
INC2 f,WREG WREG = f + 2 1 1 C, DC, N, OV, Z
INC2 Ws,Wd Wd = Ws + 2 1 1 C, DC, N, OV, Z
IOR IOR f f = f .IOR. WREG 1 1 N, Z
IOR f,WREG WREG = f .IOR. WREG 1 1 N, Z
IOR #lit10,Wn Wd = lit10 .IOR. Wd 1 1 N, Z
IOR Wb,Ws,Wd Wd = Wb .IOR. Ws 1 1 N, Z
IOR Wb,#lit5,Wd Wd = Wb .IOR. lit5 1 1 N, Z
LNK LNK #lit14 Link Frame Pointer 1 1 None
LSR LSR f f = Logical Right Shift f 1 1 C, N, OV, Z
LSR f,WREG WREG = Logical Right Shift f 1 1 C, N, OV, Z
LSR Ws,Wd Wd = Logical Right Shift Ws 1 1 C, N, OV, Z
LSR Wb,Wns,Wnd Wnd = Logical Right Shift Wb by Wns 1 1 N, Z
LSR Wb,#lit5,Wnd Wnd = Logical Right Shift Wb by lit5 1 1 N, Z
MOV MOV f,Wn Move f to Wn 1 1 None
MOV [Wns+Slit10],Wnd Move [Wns+Slit10] to Wnd 1 1 None
MOV f Move f to f 1 1 N, Z
MOV f,WREG Move f to WREG 1 1 None
MOV #lit16,Wn Move 16-bit Literal to Wn 1 1 None
MOV.b #lit8,Wn Move 8-bit Literal to Wn 1 1 None
MOV Wn,f Move Wn to f 1 1 None
MOV Wns,[Wns+Slit10] Move Wns to [Wns+Slit10] 1 1 None
MOV Wso,Wdo Move Ws to Wd 1 1 None
MOV WREG,f Move WREG to f 1 1 None
MOV.D Wns,Wd Move Double from W(ns):W(ns+1) to Wd 1 2 None
MOV.D Ws,Wnd Move Double from Ws to W(nd+1):W(nd) 1 2 None
MUL MUL.SS Wb,Ws,Wnd {Wnd+1, Wnd} = Signed(Wb) * Signed(Ws) 1 1 None
MUL.SU Wb,Ws,Wnd {Wnd+1, Wnd} = Signed(Wb) * Unsigned(Ws) 1 1 None
MUL.US Wb,Ws,Wnd {Wnd+1, Wnd} = Unsigned(Wb) * Signed(Ws) 1 1 None
MUL.UU Wb,Ws,Wnd {Wnd+1, Wnd} = Unsigned(Wb) * Unsigned(Ws) 1 1 None
MUL.SU Wb,#lit5,Wnd {Wnd+1, Wnd} = Signed(Wb) * Unsigned(lit5) 1 1 None
MUL.UU Wb,#lit5,Wnd {Wnd+1, Wnd} = Unsigned(Wb) * Unsigned(lit5) 1 1 None
MUL f W3:W2 = f * WREG 1 1 None
NEG NEG f f = f + 1 1 1 C, DC, N, OV, Z
NEG f,WREG WREG = f + 1 1 1 C, DC, N, OV, Z
NEG Ws,Wd Wd = Ws + 1 1 1 C, DC, N, OV, Z
NOP NOP No Operation 1 1 None
NOPR No Operation 1 1 None
POP POP f Pop f from Top-of-Stack (TOS) 1 1 None
POP Wdo Pop from Top-of-Stack (TOS) to Wdo 1 1 None
POP.D Wnd Pop from Top-of-Stack (TOS) to W(nd):W(nd+1) 1 2 None
POP.S Pop Shadow Registers 1 1 All
PUSH PUSH f Push f to Top-of-Stack (TOS) 1 1 None
PUSH Wso Push Wso to Top-of-Stack (TOS) 1 1 None
PUSH.D Wns Push W(ns):W(ns+1) to Top-of-Stack (TOS) 1 2 None
PUSH.S Push Shadow Registers 1 1 None
TABLE 25-2: INSTRUCTION SET OVERVIEW (CONTINUED)
Assembly
Mnemonic Assembly Syntax Description # of
Words # of
Cycles Status Flags
Affected

PIC24F16KL402 FAMILY
DS30001037C-page 196 2011-2013 Microchip Technology Inc.
PWRSAV PWRSAV #lit1 Go into Sleep or Idle mode 1 1 WDTO, Sleep
RCALL RCALL Expr Relative Call 1 2 None
RCALL Wn Computed Call 1 2 None
REPEAT REPEAT #lit14 Repeat Next Instruction lit14 + 1 times 1 1 None
REPEAT Wn Repeat Next Instruction (Wn) + 1 times 1 1 None
RESET RESET Software Device Reset 1 1 None
RETFIE RETFIE Return from Interrupt 1 3 (2) None
RETLW RETLW #lit10,Wn Return with Literal in Wn 1 3 (2) None
RETURN RETURN Return from Subroutine 1 3 (2) None
RLC RLC f f = Rotate Left through Carry f 1 1 C, N, Z
RLC f,WREG WREG = Rotate Left through Carry f 1 1 C, N, Z
RLC Ws,Wd Wd = Rotate Left through Carry Ws 1 1 C, N, Z
RLNC RLNC f f = Rotate Left (No Carry) f 1 1 N, Z
RLNC f,WREG WREG = Rotate Left (No Carry) f 1 1 N, Z
RLNC Ws,Wd Wd = Rotate Left (No Carry) Ws 1 1 N, Z
RRC RRC f f = Rotate Right through Carry f 1 1 C, N, Z
RRC f,WREG WREG = Rotate Right through Carry f 1 1 C, N, Z
RRC Ws,Wd Wd = Rotate Right through Carry Ws 1 1 C, N, Z
RRNC RRNC f f = Rotate Right (No Carry) f 1 1 N, Z
RRNC f,WREG WREG = Rotate Right (No Carry) f 1 1 N, Z
RRNC Ws,Wd Wd = Rotate Right (No Carry) Ws 1 1 N, Z
SE SE Ws,Wnd Wnd = Sign-Extended Ws 1 1 C, N, Z
SETM SETM f f = FFFFh 1 1 None
SETM WREG WREG = FFFFh 1 1 None
SETM Ws Ws = FFFFh 1 1 None
SL SL f f = Left Shift f 1 1 C, N, OV, Z
SL f,WREG WREG = Left Shift f 1 1 C, N, OV, Z
SL Ws,Wd Wd = Left Shift Ws 1 1 C, N, OV, Z
SL Wb,Wns,Wnd Wnd = Left Shift Wb by Wns 1 1 N, Z
SL Wb,#lit5,Wnd Wnd = Left Shift Wb by lit5 1 1 N, Z
SUB SUB f f = f – WREG 1 1 C, DC, N, OV, Z
SUB f,WREG WREG = f – WREG 1 1 C, DC, N, OV, Z
SUB #lit10,Wn Wn = Wn – lit10 1 1 C, DC, N, OV, Z
SUB Wb,Ws,Wd Wd = Wb – Ws 1 1 C, DC, N, OV, Z
SUB Wb,#lit5,Wd Wd = Wb – lit5 1 1 C, DC, N, OV, Z
SUBB SUBB f f = f – WREG – (C) 1 1 C, DC, N, OV, Z
SUBB f,WREG WREG = f – WREG – (C) 1 1 C, DC, N, OV, Z
SUBB #lit10,Wn Wn = Wn – lit10 – (C) 1 1 C, DC, N, OV, Z
SUBB Wb,Ws,Wd Wd = Wb – Ws – (C) 1 1 C, DC, N, OV, Z
SUBB Wb,#lit5,Wd Wd = Wb – lit5 – (C) 1 1 C, DC, N, OV, Z
SUBR SUBR f f = WREG – f 1 1 C, DC, N, OV, Z
SUBR f,WREG WREG = WREG – f 1 1 C, DC, N, OV, Z
SUBR Wb,Ws,Wd Wd = Ws – Wb 1 1 C, DC, N, OV, Z
SUBR Wb,#lit5,Wd Wd = lit5 – Wb 1 1 C, DC, N, OV, Z
SUBBR SUBBR f f = WREG – f – (C) 1 1 C, DC, N, OV, Z
SUBBR f,WREG WREG = WREG – f – (C) 1 1 C, DC, N, OV, Z
SUBBR Wb,Ws,Wd Wd = Ws – Wb – (C) 1 1 C, DC, N, OV, Z
SUBBR Wb,#lit5,Wd Wd = lit5 – Wb – (C) 1 1 C, DC, N, OV, Z
SWAP SWAP.b Wn Wn = Nibble Swap Wn 1 1 None
SWAP Wn Wn = Byte Swap Wn 1 1 None
TABLE 25-2: INSTRUCTION SET OVERVIEW (CONTINUED)
Assembly
Mnemonic Assembly Syntax Description # of
Words # of
Cycles Status Flags
Affected

2011-2013 Microchip Technology Inc. DS30001037C-page 197
PIC24F16KL402 FAMILY
TBLRDH TBLRDH Ws,Wd Read Prog<23:16> to Wd<7:0> 1 2 None
TBLRDL TBLRDL Ws,Wd Read Prog<15:0> to Wd 1 2 None
TBLWTH TBLWTH Ws,Wd Write Ws<7:0> to Prog<23:16> 1 2 None
TBLWTL TBLWTL Ws,Wd Write Ws to Prog<15:0> 1 2 None
ULNK ULNK Unlink Frame Pointer 1 1 None
XOR XOR f f = f .XOR. WREG 1 1 N, Z
XOR f,WREG WREG = f .XOR. WREG 1 1 N, Z
XOR #lit10,Wn Wd = lit10 .XOR. Wd 1 1 N, Z
XOR Wb,Ws,Wd Wd = Wb .XOR. Ws 1 1 N, Z
XOR Wb,#lit5,Wd Wd = Wb .XOR. lit5 1 1 N, Z
ZE ZE Ws,Wnd Wnd = Zero-Extend Ws 1 1 C, Z, N
TABLE 25-2: INSTRUCTION SET OVERVIEW (CONTINUED)
Assembly
Mnemonic Assembly Syntax Description # of
Words # of
Cycles Status Flags
Affected

PIC24F16KL402 FAMILY
DS30001037C-page 198 2011-2013 Microchip Technology Inc.
NOTES:

2011-2013 Microchip Technology Inc. DS30001037C-page 199
PIC24F16KL402 FAMILY
26.0 ELECTRICAL CHARACTERISTICS
This section provides an overview of the PIC24F16KL402 family electrical characteristics. Additional information will be
provided in future revisions of this document as it becomes available.
Absolute maximum ratings for the PIC24F16KL402 family are listed below. Exposure to these maximum rating
conditions for extended periods may affect device reliability. Functional operation of the device at these, or any other
conditions above the parameters indicated in the operation listings of this specification, is not implied.
Absolute Maximum Ratings(†)
Ambient temperature under bias.............................................................................................................-40°C to +125°C
Storage temperature .............................................................................................................................. -65°C to +150°C
Voltage on VDD with respect to VSS ......................................................................................................... -0.3V to +4.5V
Voltage on any combined analog and digital pin, with respect to VSS ........................................... -0.3V to (VDD + 0.3V)
Voltage on any digital only pin with respect to VSS ....................................................................... -0.3V to (VDD + 0.3V)
Voltage on MCLR/VPP pin with respect to VSS ......................................................................................... -0.3V to +9.0V
Maximum current out of VSS pin ...........................................................................................................................300 mA
Maximum current into VDD pin(1)...........................................................................................................................250 mA
Maximum output current sunk by any I/O pin..........................................................................................................25 mA
Maximum output current sourced by any I/O pin ....................................................................................................25 mA
Maximum current sunk by all ports .......................................................................................................................200 mA
Maximum current sourced by all ports(1)...............................................................................................................200 mA
Note 1: Maximum allowable current is a function of device maximum power dissipation (see Tabl e 26- 1).
† Notice: Stresses above those listed under “Absolute Maximum Ratings” may cause permanent damage to
the device. This is a stress rating only and functional operation of the device at those or any other conditions
above those indicated in the operation listings of this specification is not implied. Exposure to maximum rating
conditions for extended periods may affect device reliability.

PIC24F16KL402 FAMILY
DS30001037C-page 200 2011-2013 Microchip Technology Inc.
26.1 DC Characteristics
FIGURE 26-1: PIC24F16KL402 FAMILY VOLTAGE-FREQUENCY GRAPH (INDUSTRIAL)
FIGURE 26-2: PIC24F16KL402 FAMILY VOLTAGE-FREQUENCY GRAPH (EXTENDED)
Frequency
Voltage (VDD)
1.80V
32 MHz
3.60V
3.00V
3.60V
8 MHz
3.00V
Note: For frequencies between 8 MHz and 32 MHz, FMAX = 20 MHz * (VDD – 1.8) + 8 MHz.
Frequency
Voltage (VDD)
1.80V
24 MHz
3.60V
3.00V
3.60V
8 MHz
3.00V
Note: For frequencies between 8 MHz and 24 MHz, FMAX = 13.33 MHz * (VDD – 1.8) + 8 MHz.

2011-2013 Microchip Technology Inc. DS30001037C-page 201
PIC24F16KL402 FAMILY
TABLE 26-1: THERMAL OPERATING CONDITIONS
Rating Symbol Min Typ Max Unit
Operating Junction Temperature Range TJ-40 — +140 °C
Operating Ambient Temperature Range TA-40 — +125 °C
Power Dissipation:
Internal Chip Power Dissipation:
PINT = VDD x (IDD – IOH)PDPINT + PI/OW
I/O Pin Power Dissipation:
PI/O = ({VDD – VOH} x IOH) + (VOL x IOL)
Maximum Allowed Power Dissipation PDMAX (TJ – TA)/JA W
TABLE 26-2: THERMAL PACKAGING CHARACTERISTICS
Characteristic Symbol Typ Max Unit Notes
Package Thermal Resistance, 20-Pin PDIP JA 62.4 — °C/W 1
Package Thermal Resistance, 28-Pin SPDIP JA 60 — °C/W 1
Package Thermal Resistance, 20-Pin SSOP JA 108 — °C/W 1
Package Thermal Resistance, 28-Pin SSOP JA 71 — °C/W 1
Package Thermal Resistance, 20-Pin SOIC JA 75 — °C/W 1
Package Thermal Resistance, 28-Pin SOIC JA 80.2 — °C/W 1
Package Thermal Resistance, 20-Pin QFN JA 43 — °C/W 1
Package Thermal Resistance, 28-Pin QFN JA 32 — °C/W 1
Package Thermal Resistance, 14-Pin PDIP JA 62.4 — °C/W 1
Package Thermal Resistance, 14-Pin TSSOP JA 108 — °C/W 1
Note 1: Junction to ambient thermal resistance, Theta-JA (JA) numbers are achieved by package simulations.
TABLE 26-3: DC CHARACTERISTICS: TEMPERATURE AND VOLTAGE SPECIFICATIONS
DC CHARACTERISTICS Standard Operating Conditions: 1.8V to 3.6V
Operating temperature -40°C TA +85°C for Industrial
-40°C T
A +125°C for Extended
Para
m No. Symbol Characteristic Min Typ(1)Max Units Conditions
DC10 VDD Supply Voltage 1.8 — 3.6 V
DC12 VDR RAM Data Retention
Voltage(2)1.5 — — V
DC16 VPOR VDD Start Voltage
to Ensure Internal
Power-on Reset Signal
VSS —0.7V
DC17 SVDD VDD Rise Rate
to Ensure Internal
Power-on Reset Signal
0.05 — — V/ms 0-3.3V in 0.1s
0-2.5V in 60 ms
VBG Band Gap Voltage
Reference
1.14 1.2 1.26 V
Note 1: Data in “Typ” column is at 3.3V, +25°C unless otherwise stated. Parameters are for design guidance only
and are not tested.
2: This is the limit to which VDD can be lowered without losing RAM data.

PIC24F16KL402 FAMILY
DS30001037C-page 202 2011-2013 Microchip Technology Inc.
TABLE 26-4: HIGH/LOW–VOLTAGE DETECT CHARACTERISTICS
TABLE 26-5: BOR TRIP POINTS
Standard Operating Conditions (unless otherwise stated)
Operating temperature -40°C TA +85°C for industrial
-40°C T
A +125°C for Extended
Param
No. Symbol Characteristic Min Typ Max Units Conditions
DC18 VHLVD HLVD Voltage on VDD
Transition
HLVDL<3:0> = 0000 —1.851.94V
HLVDL<3:0> = 0001 1.81 1.90 2.00 V
HLVDL<3:0> = 0010 1.85 1.95 2.05 V
HLVDL<3:0> = 0011 1.90 2.00 2.10 V
HLVDL<3:0> = 0100 1.95 2.05 2.15 V
HLVDL<3:0> = 0101 2.06 2.17 2.28 V
HLVDL<3:0> = 0110 2.12 2.23 2.34 V
HLVDL<3:0> = 0111 2.24 2.36 2.48 V
HLVDL<3:0> = 1000 2.31 2.43 2.55 V
HLVDL<3:0> = 1001 2.47 2.60 2.73 V
HLVDL<3:0> = 1010 2.64 2.78 2.92 V
HLVDL<3:0> = 1011 2.74 2.88 3.02 V
HLVDL<3:0> = 1100 2.85 3.00 3.15 V
HLVDL<3:0> = 1101 2.96 3.12 3.28 V
HLVDL<3:0> = 1110 3.22 3.39 3.56 V
Standard Operating Conditions: 1.8V to 3.6V
Operating temperature -40°C TA +85°C for Industrial
-40°C TA +125°C for Extended
Param
No. Symbol Characteristic Min Typ Max Units Conditions
DC19 BOR Voltage on VDD
Transition
BORV = 00 1.85 2.0 2.15 V Note 1
BORV = 01 2.90 3.0 3.38 V
BORV = 10 2.53 2.7 3.07 V
BORV = 11 1.75 1.85 2.05 V
Note 1: LPBOR re-arms the POR circuit but does not cause a BOR.

2011-2013 Microchip Technology Inc. DS30001037C-page 203
PIC24F16KL402 FAMILY
TABLE 26-6: DC CHARACTERISTICS: OPERATING CURRENT (IDD)(2)
DC CHARACTERISTICS Standard Operating Conditions: 1.8V to 3.6V
Operating temperature -40°C TA +85°C for Industrial
-40°C TA +125°C for Extended
Parameter No. Typical(1)Max Units Conditions
IDD Current
DC20 0.154 0.350 mA 1.8V +85V°C 0.5 MIPS,
FOSC = 1 MHz
0.301 0.630 3.3V
—.500
mA 1.8V +125°C
—.800 3.3V
DC22 0.300 — mA 1.8V +85°C 1 MIPS,
FOSC = 2 MHz
0.585 — 3.3V
DC24 7.76 12.0 mA 3.3V +85°C 16 MIPS,
FOSC = 32 MHz
— 18.0 3.3V +125°C
DC26 1.44 — mA 1.8V +85°C FRC (4 MIPS),
FOSC = 8 MHz
2.71 — 3.3V
DC30 4.00 28.0 µA 1.8V +85°C LPRC (15.5 KIPS),
FOSC = 31 kHz
9.00 55.0 3.3V
— 45.0 µA 1.8V +125°C
— 90.0 3.3V
Note 1: Data in the Typical column is at 3.3V, +25°C, unless otherwise stated.
2: IDD is measured with all peripherals disabled. All I/Os are configured as outputs and set low; PMDx bits are
set to ‘1’ and WDT, etc., are all disabled.
TABLE 26-7: DC CHARACTERISTICS: IDLE CURRENT (IIDLE)(2)
DC CHARACTERISTICS Standard Operating Conditions: 1.8V to 3.6V
Operating temperature -40°C TA +85°C for Industrial
-40°C T
A +125°C for Extended
Parameter No. Typical(1)Max Units Conditions
Idle Current (IIDLE)
DC40 0.035 0.080 mA 1.8V +85°C
0.5 MIPS,
FOSC = 1 MHz
0.077 0.150 3.3V
—0.160
mA 1.8V +125°C
— 0.300 3.3V
DC42 0.076 — mA 1.8V +85°C 1 MIPS,
FOSC = 2 MHz
0.146 — 3.3V
DC44 2.52 3.20 mA 3.3V +85°C 16 MIPS,
FOSC = 32 MHz
— 5.00 mA 3.3V +125°C
DC46 0.45 — mA 1.8V +85°C FRC (4 MIPS),
FOSC = 8 MHz
0.76 — mA 3.3V
DC50 0.87 18.0 µA 1.8V +85°C
LPRC (15.5 KIPS),
FOSC
= 31 kHz
1.55 40.0 µA 3.3V
— 27.0 µA 1.8V +125°C
— 50.0 µA 3.3V
Note 1: Data in the Typical column is at 3.3V, +25°C, unless otherwise stated.
2: IIDLE is measured with all I/Os configured as outputs and set low; PMDx bits are set to ‘1’ and WDT, etc.,
are all disabled.

PIC24F16KL402 FAMILY
DS30001037C-page 204 2011-2013 Microchip Technology Inc.
TABLE 26-8: DC CHARACTERISTICS: POWER-DOWN CURRENT (IPD)
DC CHARACTERISTICS Standard Operating Conditions: 1.8V to 3.6V
Operating temperature -40°C TA +85°C for Industrial
-40°C TA +125°C for Extended
Parameter No. Typical(1)Max Units Conditions
Power-Down Current (IPD)
DC60 0.01 0.20 µA -40°C
1.8V
Sleep Mode(2)
0.03 0.20 µA +25°C
0.06 0.87 µA +60°C
0.20 1.35 µA +85°C
— 8.00 µA +125ºC
0.01 0.54 µA -40°C
3.3V
0.03 0.54 µA +25°C
0.08 1.68 µA +60°C
0.25 2.45 µA +85°C
— 10.00 µA +125ºC
Note 1: Data in the Typical column is at 3.3V, +25°C unless otherwise stated.
2: Base IPD is measured with all peripherals and clocks disabled. All I/Os are configured as outputs and set
low; PMDx bits are set to ‘1’ and WDT, etc., are all disabled

2011-2013 Microchip Technology Inc. DS30001037C-page 205
PIC24F16KL402 FAMILY
TABLE 26-9: DC CHARACTERISTICS: POWER-DOWN CURRENT (IPD)
DC CHARACTERISTICS Standard Operating Conditions: 1.8V to 3.6V
Operating temperature -40°C TA +85°C for Industrial
-40°C TA +125°C for Extended
Parameter No. Typical(1)Max Units Conditions
Module Differential Current (IPD)
DC71 0.21 0.65 µA 1.8V +85°C
Watchdog Timer Current:
WDT(2,3)
0.45 0.95 µA 3.3V
— 1.30 µA 1.8V +125°C
— 1.50 µA 3.3V
DC72 0.69 1.50 µA 1.8V +85°C 32 kHz Crystal with Timer1:
SOSC (SOSCSEL = 0)(2)
1.00 1.50 µA 3.3V
DC75 5.24 — µA 1.8V +85°C
HLVD(2,3)
5.16 11.00 µA 3.3V
— 12.00 µA 1.8V +125°C
— 15.00 µA 3.3V
DC76 4.15 9.00 µA 3.3V +85°C BOR(2,3)
— 11.0 µA 3.3V +125°C
DC78 0.03 0.20 µA 1.8V +85°C
LPBOR(2)
0.03 0.20 µA 3.3V
— 0.40 µA 1.8V +125°C
— 0.40 µA 3.3V
Note 1: Data in the Typical column is at 3.3V, +25°C unless otherwise stated.
2: The current is the additional current consumed when the module is enabled. This current should be
added to the base IPD current.
3: This current applies to Sleep only.

PIC24F16KL402 FAMILY
DS30001037C-page 206 2011-2013 Microchip Technology Inc.
TABLE 26-10: DC CHARACTERISTICS: I/O PIN INPUT SPECIFICATIONS
DC CHARACTERISTICS Standard Operating Conditions: 1.8V to 3.6V
Operating temperature -40°C TA +85°C for Industrial
-40°C TA +125°C for Extended
Param
No. Sym Characteristic Min Typ(1)Max Units Conditions
VIL Input Low Voltage(4)
DI10 I/O Pins VSS — 0.2 VDD V
DI15 MCLR VSS — 0.2 VDD V
DI16 OSCI (XT mode) VSS — 0.2 VDD V
DI17 OSCI (HS mode) VSS — 0.2 VDD V
DI18 I/O Pins with I2C™ Buffer VSS — 0.3 VDD V SMBus disabled
DI19 I/O Pins with SMBus Buffer VSS — 0.8 V SMBus enabled
VIH Input High Voltage(4,5)
DI20 I/O Pins:
with Analog Functions
Digital Only
0.8 VDD
0.8 VDD
—
—
VDD
VDD
V
V
DI25 MCLR 0.8 VDD —VDD V
DI26 OSCI (XT mode) 0.7 VDD —VDD V
DI27 OSCI (HS mode) 0.7 VDD —VDD V
DI28 I/O Pins with I2C Buffer:
with Analog Functions
Digital Only
0.7 VDD
0.7 VDD
—
—
VDD
VDD
V
V
DI29 I/O Pins with SMBus 2.1 — VDD V2.5V VPIN VDD
DI30 ICNPU CNx Pull-up Current 50 250 500 AVDD = 3.3V, VPIN = VSS
DI31 IPU Maximum Load Current
for Digital High Detection
w/Internal Pull-up
——30AVDD = 2.0V
— — 1000 AVDD = 3.3V
IIL Input Leakage
Current(2,3)
DI50 I/O Ports — 0.050 ±0.100 AVSS VPIN VDD,
Pin at high-impedance
DI51 VREF+, VREF-, AN0, AN1 — 0.300 ±0.500 AVSS VPIN VDD,
Pin at high-impedance
Note 1: Data in “Typ” column is at 3.3V, +25°C unless otherwise stated.
2: The leakage current on the MCLR pin is strongly dependent on the applied voltage level. The specified
levels represent normal operating conditions. Higher leakage current may be measured at different input
voltages.
3: Negative current is defined as current sourced by the pin.
4: Refer to Ta b l e 1 - 4 and Tabl e 1- 5 for I/O pin buffer types.
5: VIH requirements are met when the internal pull-ups are enabled.

2011-2013 Microchip Technology Inc. DS30001037C-page 207
PIC24F16KL402 FAMILY
TABLE 26-11: DC CHARACTERISTICS: I/O PIN OUTPUT SPECIFICATIONS
DC CHARACTERISTICS Standard Operating Conditions: 1.8V to 3.6V
Operating temperature -40°C TA +85°C for Industrial
-40°C TA +125°C for Extended
Param
No. Sym Characteristic Min Typ(1)Max Units Conditions
VOL Output Low Voltage
DO10 All I/O Pins — — 0.4 V IOL = 4.0 mA VDD = 3.6V
——0.4VIOL = 3.5 mA VDD = 2.0V
DO16 OSC2/CLKO — — 0.4 V IOL = 1.2 mA VDD = 3.6V
——0.4VI
OL = 0.4 mA VDD = 2.0V
VOH Output High Voltage
DO20 All I/O Pins 3 — — V IOH = -3.0 mA VDD = 3.6V
1.6 — — V IOH = -1.0 mA VDD = 2.0V
DO26 OSC2/CLKO 3 — — V IOH = -1.0 mA VDD = 3.6V
1.6 — — V IOH = -0.5 mA VDD = 2.0V
Note 1: Data in “Typ” column is at +25°C unless otherwise stated.
TABLE 26-12: DC CHARACTERISTICS: PROGRAM MEMORY
DC CHARACTERISTICS Standard Operating Conditions: 1.8V to 3.6V
Operating temperature -40°C TA +85°C for Industrial
-40°C T
A +125°C for Extended
Param
No. Sym Characteristic Min Typ(1)Max Units Conditions
Program Flash Memory
D130 EPCell Endurance 10,000(2)——E/W
D131 VPR VDD for Read VMIN —3.6VVMIN = Minimum operating voltage
D133A TIW Self-Timed Write Cycle
Time
—2—ms
D134 TRETD Characteristic Retention 40 — — Year Provided no other specifications
are violated
D135 IDDP Supply Current During
Programming
—10—mA
Note 1: Data in “Typ” column is at 3.3V, +25°C unless otherwise stated.
2: Self-write and block erase.

PIC24F16KL402 FAMILY
DS30001037C-page 208 2011-2013 Microchip Technology Inc.
TABLE 26-14: DC CHARACTERISTICS: COMPARATOR
TABLE 26-15: DC CHARACTERISTICS: COMPARATOR VOLTAGE REFERENCE
TABLE 26-13: DC CHARACTERISTICS: DATA EEPROM MEMORY
DC CHARACTERISTICS Standard Operating Conditions: 1.8V to 3.6V
Operating temperature -40°C TA +85°C for Industrial
-40°C TA +125°C for Extended
Param
No. Sym Characteristic Min Typ(1)Max Units Conditions
Data EEPROM Memory
D140 EPD Cell Endurance 100,000 — — E/W
D141 VPRD VDD for Read VMIN —3.6VVMIN = Minimum operating
voltage
D143A TIWD Self-Timed Write Cycle
Time
—4 —ms
D143B TREF Number of Total
Write/Erase Cycles Before
Refresh
—10M —E/W
D144 TRETDD Characteristic Retention 40 — — Year Provided no other specifications
are violated
D145 IDDPD Supply Current during
Programming
—7 —mA
Note 1: Data in “Typ” column is at 3.3V, +25°C unless otherwise stated.
Standard Operating Conditions: 2.0V < VDD < 3.6V
Operating temperature -40°C < TA +85°C (unless otherwise stated)
-40°C T
A +125°C for Extended
Param
No. Symbol Characteristic Min Typ Max Units Comments
D300 VIOFF Input Offset Voltage — 20 40 mV
D301 VICM Input Common-Mode Voltage 0 — VDD V
D302 CMRR Common-Mode Rejection
Ratio
55 — — dB
Standard Operating Conditions: 2.0V < VDD < 3.6V
Operating temperature -40°C < TA +85°C (unless otherwise stated)
-40°C T
A +125°C for Extended
Param
No. Symbol Characteristic Min Typ Max Units Comments
VRD310 CVRES Resolution — — VDD/32 LSb
VRD311 CVRAA Absolute Accuracy — — AVDD – 1.5 LSb
VRD312 CVRUR Unit Resistor Value (R) — 2k —

2011-2013 Microchip Technology Inc. DS30001037C-page 209
PIC24F16KL402 FAMILY
26.2 AC Characteristics and Timing Parameters
The information contained in this section defines the PIC24F16KL402 Family AC characteristics and timing parameters.
TABLE 26-16: TEMPERATURE AND VOLTAGE SPECIFICATIONS – AC
FIGURE 26-3: LOAD CONDITIONS FOR DEVICE TIMING SPECIFICATIONS
TABLE 26-17: CAPACITIVE LOADING REQUIREMENTS ON OUTPUT PINS
AC CHARACTERISTICS Standard Operating Conditions: 1.8V to 3.6V
Operating temperature -40°C TA +85°C for Industrial
Operating voltage VDD range as described in Section 26.1 “DC Characteristics”.
Param
No. Symbol Characteristic Min Typ(1)Max Units Conditions
DO50 COSC2 OSCO/CLKO Pin — — 15 pF In XT and HS modes when
external clock is used to drive
OSCI
DO56 CIO All I/O Pins and OSCO — — 50 pF EC mode
DO58 CBSCLx, SDAx — — 400 pF In I2C™ mode
Note 1: Data in “Typ” column is at 3.3V, +25°C unless otherwise stated. Parameters are for design guidance only
and are not tested.
VDD/2
CL
RL
Pin
Pin
VSS
VSS
CL
RL= 464
CL= 50 pF for all pins except OSCO
15 pF for OSCO output
Load Condition 1 – for All Pins Except OSCO Load Condition 2 – for OSCO

PIC24F16KL402 FAMILY
DS30001037C-page 210 2011-2013 Microchip Technology Inc.
FIGURE 26-4: EXTERNAL CLOCK TIMING
OSCI
CLKO
Q4 Q1 Q2 Q3 Q4 Q1
OS20
OS25
OS30 OS30
OS40 OS41
OS31OS31
Q1 Q2 Q3 Q4 Q2 Q3
TABLE 26-18: EXTERNAL CLOCK TIMING REQUIREMENTS
AC CHARACTERISTICS Standard Operating Conditions: 1.8V to 3.6V
Operating temperature -40°C TA +85°C for Industrial
-40°C T
A +125°C for Extended
Param
No. Sym Characteristic Min Typ(1)Max Units Conditions
OS10 FOSC External CLKI Frequency
(External clocks allowed
only in EC mode)
DC
4
—
—
32
8
MHz
MHz
EC
ECPLL
Oscillator Frequency 0.2
4
4
31
—
—
—
—
4
25
8
33
MHz
MHz
MHz
kHz
XT
HS
HSPLL
SOSC
OS20 TOSC TOSC = 1/FOSC — — — — See Parameter OS10 for
FOSC value
OS25 TCY Instruction Cycle Time(2)62.5 — DC ns
OS30 TosL,
Tos H
External Clock in (OSCI)
High or Low Time
0.45 x TOSC ——nsEC
OS31 TosR,
Tos F
External Clock in (OSCI)
Rise or Fall Time
——20nsEC
OS40 TckR CLKO Rise Time(3) —610ns
OS41 TckF CLKO Fall Time(3)—610ns
Note 1: Data in “Typ” column is at 3.3V, +25°C unless otherwise stated. Parameters are for design guidance only
and are not tested.
2: Instruction cycle period (TCY) equals two times the input oscillator time base period. All specified values
are based on characterization data for that particular oscillator type under standard operating conditions
with the device executing code. Exceeding these specified limits may result in an unstable oscillator
operation and/or higher than expected current consumption. All devices are tested to operate at “Min.”
values with an external clock applied to the OSCI/CLKI pin. When an external clock input is used, the
“Max.” cycle time limit is “DC” (no clock) for all devices.
3: Measurements are taken in EC mode. The CLKO signal is measured on the OSCO pin. CLKO is low for
the Q1-Q2 period (1/2 TCY) and high for the Q3-Q4 period (1/2 TCY).

2011-2013 Microchip Technology Inc. DS30001037C-page 211
PIC24F16KL402 FAMILY
TABLE 26-19: PLL CLOCK TIMING SPECIFICATIONS
AC CHARACTERISTICS
Standard Operating Conditions: 1.8V to 3.6V
Operating temperature -40°C TA +85°C for Industrial
-40°C T
A +125°C for Extended
Param
No. Sym Characteristic(1)Min Typ(2)Max Units Conditions
OS50 FPLLI PLL Input Frequency
Range
4 — 8 MHz ECPLL, HSPLL modes,
-40°C T
A +85°C
OS51 FSYS PLL Output Frequency
Range
16 — 32 MHz -40°C TA +85°C
OS52 TLOCK PLL Start-up Time
(Lock Time)
—1 2ms
OS53 DCLK CLKO Stability (Jitter) -2 1 2 % Measured over 100 ms period
Note 1: These parameters are characterized but not tested in manufacturing.
2: Data in “Typ” column is at 3.3V, +25°C unless otherwise stated. Parameters are for design guidance only
and are not tested.
TABLE 26-20: INTERNAL RC OSCILLATOR ACCURACY
AC CHARACTERISTICS Standard Operating Conditions: 1.8V to 3.6V
Operating temperature -40°C TA +85°C for Industrial
-40°C T
A +125°C for Extended
Param
No. Characteristic Min Typ Max Units Conditions
F20 FRC @ 8 MHz(1)-2 — +2 % +25°C 3.0V VDD 3.6V
-5 — +5 % -40°C TA +85°C 1.8V VDD 3.6V
-10 — +10 % -40°C TA +125°C 1.8V VDD 3.6V
F21 LPRC @ 31 kHz(2)-15 — +15 % -40°C TA +85°C 1.8V VDD 3.6V
-25 — +25 % -40°C TA +125°C 1.8V VDD 3.6V
Note 1: The frequency is calibrated at +25°C and 3.3V. The OSCTUN bits can be used to compensate for
temperature drift.
2: The change of LPRC frequency as VDD changes.
TABLE 26-21: INTERNAL RC OSCILLATOR SPECIFICATIONS
AC CHARACTERISTICS
Standard Operating Conditions: 1.8V to 3.6V
Operating temperature -40°C TA +85°C for Industrial
-40°C TA +125°C for Extended
Param
No. Sym Characteristic Min Typ Max Units Conditions
TFRC FRC Start-up Time — 5 — s
TLPRC LPRC Start-up Time — 70 — s

PIC24F16KL402 FAMILY
DS30001037C-page 212 2011-2013 Microchip Technology Inc.
FIGURE 26-5: CLKO AND I/O TIMING CHARACTERISTICS
Note: Refer to Figure 26-3 for load conditions.
I/O Pin
(Input)
I/O Pin
(Output)
DI35
Old Value New Value
DI40
DO31
DO32
TABLE 26-22: CLKO AND I/O TIMING REQUIREMENTS
AC CHARACTERISTICS Standard Operating Conditions: 1.8V to 3.6V
Operating temperature -40°C TA +85°C for Industrial
-40°C TA +125°C for Extended
Param
No. Sym Characteristic Min Typ(1)Max Units Conditions
DO31 TIOR Port Output Rise Time — 10 25 ns
DO32 TIOF Port Output Fall Time — 10 25 ns
DI35 TINP INTx pin High or Low
Time (output)
20 — — ns
DI40 TRBP CNx High or Low Time
(input)
2——TCY
Note 1: Data in “Typ” column is at 3.3V, +25°C unless otherwise stated.

2011-2013 Microchip Technology Inc. DS30001037C-page 213
PIC24F16KL402 FAMILY
TABLE 26-23: RESET, WATCHDOG TIMER, OSCILLATOR START-UP TIMER, POWER-UP TIMER
AND BROWN-OUT RESET TIMING REQUIREMENTS
TABLE 26-24: COMPARATOR TIMINGS
TABLE 26-25: COMPARATOR VOLTAGE REFERENCE SETTLING TIME SPECIFICATIONS
AC CHARACTERISTICS Standard Operating Conditions: 1.8V to 3.6V
Operating temperature -40°C TA +85°C for Industrial
-40°C TA +125°C for Extended
Param
No. Symbol Characteristic Min. Typ(1)Max. Units Conditions
SY10 TmcL MCLR Pulse Width (low) 2 — — s
SY11 TPWRT Power-up Timer Period 50 64 90 ms
SY12 TPOR Power-on Reset Delay 1 5 10 s
SY13 TIOZ I/O High-Impedance from
MCLR Low or Watchdog
Timer Reset
— — 100 ns
SY20 TWDT Watchdog Timer Time-out
Period
0.85 1.0 1.15 ms 1.32 prescaler
3.4 4.0 4.6 ms 1:128 prescaler
SY25 TBOR Brown-out Reset Pulse
Width
1— — s
SY45 TRST Internal State Reset Time — 5 — s
SY55 TLOCK PLL Start-up Time — 100 — s
SY65 TOST Oscillator Start-up Time — 1024 — TOSC
SY71 TPM Program Memory Wake-up
Time
—1 — s Sleep wake-up with
PMSLP = 0
Note 1: Data in “Typ” column is at 3.3V, +25°C unless otherwise stated.
Param
No. Symbol Characteristic Min Typ Max Units Comments
300 TRESP Response Time(1,2)— 150 400 ns
301 TMC2OV Comparator Mode Change to
Output Valid(2)—— 10s
Note 1: Response time is measured with one comparator input at (VDD – 1.5)/2, while the other input transitions
from VSS to VDD.
2: Parameters are characterized but not tested.
Param
No. Symbol Characteristic Min Typ Max Units Comments
VR310 TSET Settling Time(1)——10s
Note 1: Settling time is measured while CVRSS = 1 and the CVR<3:0> bits transition from ‘0000’ to ‘1111’.

PIC24F16KL402 FAMILY
DS30001037C-page 214 2011-2013 Microchip Technology Inc.
FIGURE 26-6: CAPTURE/COMPARE/PWM TIMINGS (ECCP1, ECCP2 MODULES)
TABLE 26-26: CAPTURE/COMPARE/PWM REQUIREMENTS (ECCP1, ECCP2 MODULES)
Param
No. Symbol Characteristic Min Max Units Conditions
50 TCCL CCPx Input Low
Time
No Prescaler 0.5 TCY + 20 — ns
With Prescaler 20 — ns
51 TCCH CCPx Input
High Time
No Prescaler 0.5 TCY + 20 — ns
With Prescaler 20 — ns
52 TCCP CCPx Input Period Greater of:
40 or
2 TCY + 40
N
— ns N = prescale
value (1, 4 or 16)
53 TCCR CCPx Output Fall Time — 25 ns
54 TCCF CCPx Output Fall Time — 25 ns
Note: Refer to Figure 26-3 for load conditions.
CCPx
(Capture Mode)
50 51
52
CCPx
53 54
(Compare or PWM Mode)

2011-2013 Microchip Technology Inc. DS30001037C-page 215
PIC24F16KL402 FAMILY
FIGURE 26-7: EXAMPLE SPI MASTER MODE TIMING (CKE = 0)
TABLE 26-27: EXAMPLE SPI MODE REQUIREMENTS (MASTER MODE, CKE = 0)
Param
No. Symbol Characteristic Min Max Units Conditions
73 TDIV2SCH,
TDIV2SCL
Setup Time of SDIx Data Input to SCKx Edge 20 — ns
74 TSCH2DIL,
T
SCL2DIL
Hold Time of SDIx Data Input to SCKx Edge 40 — ns
75 TDOR SDOx Data Output Rise Time — 25 ns
76 TDOF SDOx Data Output Fall Time — 25 ns
78 TSCR SCKx Output Rise Time (Master mode) — 25 ns
79 TSCF SCKx Output Fall Time (Master mode) — 25 ns
FSCK SCKx Frequency — 10 MHz
SCKx
(CKP = 0)
SCKx
(CKP = 1)
SDOx
SDIx
73
74
75, 76
7879
7978
MSb LSbbit 6 - - - - - - 1
LSb Inbit 6 - - - - 1
Note: Refer to Figure 26-3 for load conditions.
MSb In

PIC24F16KL402 FAMILY
DS30001037C-page 216 2011-2013 Microchip Technology Inc.
FIGURE 26-8: EXAMPLE SPI MASTER MODE TIMING (CKE = 1)
TABLE 26-28: EXAMPLE SPI MODE REQUIREMENTS (MASTER MODE, CKE = 1)
Param.
No. Symbol Characteristic Min Max Units Conditions
73 TDIV2SCH,
TDIV2SCL
Setup Time of SDIx Data Input to SCKx Edge 35 — ns
74 TSCH2DIL,
T
SCL2DIL
Hold Time of SDIx Data Input to SCKx Edge 40 — ns
75 TDOR SDOx Data Output Rise Time — 25 ns
76 TDOF SDOx Data Output Fall Time — 25 ns
78 T
SCR SCKx Output Rise Time (Master mode) — 25 ns
79 TSCF SCKx Output Fall Time (Master mode) — 25 ns
81 TDOV2SCH,
TDOV2SCL
SDOx Data Output Setup to SCKx Edge T
CY —ns
FSCK SCKx Frequency — 10 MHz
SCKx
(CKP = 0)
SCKx
(CKP = 1)
SDOx
SDIx
81
74
75, 76
78
79
73
bit 6 - - - - - - 1
LSb Inbit 6 - - - - 1
LSb
Note: Refer to Figure 26-3 for load conditions.
MSb In
MSb

2011-2013 Microchip Technology Inc. DS30001037C-page 217
PIC24F16KL402 FAMILY
FIGURE 26-9: EXAMPLE SPI SLAVE MODE TIMING (CKE = 0)
TABLE 26-29: EXAMPLE SPI MODE REQUIREMENTS (SLAVE MODE TIMING, CKE = 0)
Param
No. Symbol Characteristic Min Max Units Conditions
70 T
SSL2SCH,
T
SSL2SCL
SSx to SCKx or SCKx Input 3 TCY —ns
70A TSSL2WB SSx to Write to SSPxBUF 3 TCY —ns
71 TSCH SCKx Input High Time
(Slave mode)
Continuous 1.25 TCY + 30 — ns
71A Single Byte 40 — ns (Note 1)
72 T
SCL SCKx Input Low Time
(Slave mode)
Continuous 1.25 TCY + 30 — ns
72A Single Byte 40 — ns (Note 1)
73 TDIV2SCH,
TDIV2SCL
Setup Time of SDIx Data Input to SCKx Edge 20 — ns
73A TB2BLast Clock Edge of Byte 1 to the First Clock Edge of Byte 2 1.5 TCY + 40 — ns (Note 2)
74 T
SCH2DIL,
T
SCL2DIL
Hold Time of SDIx Data Input to SCKx Edge 40 — ns
75 TDOR SDOx Data Output Rise Time — 25 ns
76 TDOF SDOx Data Output Fall Time — 25 ns
77 T
SSH2DOZ SSx to SDOx Output High-Impedance 10 50 ns
80 T
SCH2DOV,
T
SCL2DOV
SDOx Data Output Valid after SCKx Edge — 50 ns
83 T
SCH2SSH,
T
SCL2SSH
SSx after SCKx Edge 1.5 TCY + 40 — ns
FSCK SCKx Frequency — 10 MHz
Note 1: Requires the use of Parameter 73A.
2: Only if Parameters 71A and 72A are used.
SSx
SCKx
(CKP = 0)
SCKx
(CKP = 1)
SDOx
SDIx
70
71 72
73
74
75, 76 77
80
MSb LSbbit 6 - - - - - - 1
bit 6 - - - - 1 LSb In
83
Note: Refer to Figure 26-3 for load conditions.
MSb In

PIC24F16KL402 FAMILY
DS30001037C-page 218 2011-2013 Microchip Technology Inc.
FIGURE 26-10: EXAMPLE SPI SLAVE MODE TIMING (CKE = 1)
TABLE 26-30: EXAMPLE SPI SLAVE MODE REQUIREMENTS (CKE = 1)
Param
No. Symbol Characteristic Min Max Units Conditions
70 T
SSL2SCH,
T
SSL2SCL
SSx to SCKx or SCKx Input 3 TCY —ns
70A TSSL2WB SSx to Write to SSPxBUF 3 TCY —ns
71 TSCH SCKx Input High Time
(Slave mode)
Continuous 1.25 TCY + 30 — ns
71A Single Byte 40 — ns (Note 1)
72 T
SCL SCKx Input Low Time
(Slave mode)
Continuous 1.25 TCY + 30 — ns
72A Single Byte 40 — ns (Note 1)
73A TB2BLast Clock Edge of Byte 1 to the First Clock Edge of Byte 2 1.5 TCY + 40 — ns (Note 2)
74 T
SCH2DIL,
T
SCL2DIL
Hold Time of SDIx Data Input to SCKx Edge 40 — ns
75 TDOR SDOx Data Output Rise Time — 25 ns
76 TDOF SDOx Data Output Fall Time — 25 ns
77 T
SSH2DOZ SSx to SDOx Output High-Impedance 10 50 ns
80 T
SCH2DOV,
T
SCL2DOV
SDOx Data Output Valid After SCKx Edge — 50 ns
82 T
SSL2DOV SDOx Data Output Valid After SSx Edge — 50 ns
83 T
SCH2SSH,
T
SCL2SSH
SSx After SCKx Edge 1.5 TCY + 40 — ns
FSCK SCKx Frequency — 10 MHz
Note 1: Requires the use of Parameter 73A.
2: Only if Parameters 71A and 72A are used.
SSx
SCKx
(CKP = 0)
SCKx
(CKP = 1)
SDOx
71 72
82
SDIx
74
75, 76
MSb bit 6 - - - - - - 1 LSb
77
bit 6 - - - - 1 LSb In
80
83
73
MSb In
Note: Refer to Figure 26-3 for load conditions.
70

2011-2013 Microchip Technology Inc. DS30001037C-page 219
PIC24F16KL402 FAMILY
FIGURE 26-11: I2C™ BUS START/STOP BITS TIMING
TABLE 26-31: I2C™ BUS START/STOP BITS REQUIREMENTS (SLAVE MODE)
FIGURE 26-12: I2C™ BUS DATA TIMING
Param.
No. Symbol Characteristic Min Max Units Conditions
90 TSU:STA Start Condition 100 kHz mode 4700 — ns Only relevant for Repeated
Start condition
Setup Time 400 kHz mode 600 —
91 THD:STA Start Condition 100 kHz mode 4000 — ns After this period, the first
clock pulse is generated
Hold Time 400 kHz mode 600 —
92 TSU:STO Stop Condition 100 kHz mode 4700 — ns
Setup Time 400 kHz mode 600 —
93 THD:STO Stop Condition 100 kHz mode 4000 — ns
Hold Time 400 kHz mode 600 —
Note: Refer to Figure 26-3 for load conditions.
SCLx
SDAx
Start
Condition
Stop
Condition
91
90
93
92
Note: Refer to Figure 26-3 for load conditions.
90
91 92
100
101
103
106 107
109 109
110
102
SCLx
SDAx
In
SDAx
Out

PIC24F16KL402 FAMILY
DS30001037C-page 220 2011-2013 Microchip Technology Inc.
TABLE 26-32: I2C™ BUS DATA REQUIREMENTS (SLAVE MODE)
Param.
No. Symbol Characteristic Min Max Units Conditions
100 THIGH Clock High Time 100 kHz mode 4.0 — s Must operate at a minimum of
1.5 MHz
400 kHz mode 0.6 — s Must operate at a minimum of
10 MHz
MSSP module 1.5 — TCY
101 TLOW Clock Low Time 100 kHz mode 4.7 — s Must operate at a minimum of
1.5 MHz
400 kHz mode 1.3 — s Must operate at a minimum of
10 MHz
MSSP module 1.5 — TCY
102 TRSDAx and SCLx Rise Time 100 kHz mode — 1000 ns
400 kHz mode 20 + 0.1 CB300 ns CB is specified to be from
10 to 400 pF
103 TFSDAx and SCLx Fall Time 100 kHz mode — 300 ns
400 kHz mode 20 + 0.1 CB300 ns CB is specified to be from
10 to 400 pF
90 TSU:STA Start Condition Setup Time 100 kHz mode 4.7 — s Only relevant for Repeated
Start condition
400 kHz mode 0.6 — s
91 THD:STA Start Condition Hold Time 100 kHz mode 4.0 — s After this period, the first clock
pulse is generated
400 kHz mode 0.6 — s
106 THD:DAT Data Input Hold Time 100 kHz mode 0 — ns
400 kHz mode 0 0.9 s
107 TSU:DAT Data Input Setup Time 100 kHz mode 250 — ns (Note 2)
400 kHz mode 100 — ns
92 TSU:STO Stop Condition Setup Time 100 kHz mode 4.7 — s
400 kHz mode 0.6 — s
109 TAA Output Valid from Clock 100 kHz mode — 3500 ns (Note 1)
400 kHz mode — — ns
110 TBUF Bus Free Time 100 kHz mode 4.7 — s Time the bus must be free before
a new transmission can start
400 kHz mode 1.3 — s
D102 CBBus Capacitive Loading — 400 pF
Note 1: As a transmitter, the device must provide this internal minimum delay time to bridge the undefined region (min. 300 ns)
of the falling edge of SCLx to avoid unintended generation of Start or Stop conditions.
2: A Fast mode I2C™ bus device can be used in a Standard mode I2C bus system, but the requirement, TSU:DAT 250 ns,
must then be met. This will automatically be the case if the device does not stretch the LOW period of the SCLx signal.
If such a device does stretch the LOW period of the SCLx signal, it must output the next data bit to the SDAx line,
TR max. + TSU:DAT = 1000 + 250 = 1250 ns (according to the Standard mode I2C bus specification), before the SCLx
line is released.

2011-2013 Microchip Technology Inc. DS30001037C-page 221
PIC24F16KL402 FAMILY
FIGURE 26-13: MSSPx I2C™ BUS START/STOP BITS TIMING WAVEFORMS
TABLE 26-33: I2C™ BUS START/STOP BITS REQUIREMENTS (MASTER MODE)
Param.
No. Symbol Characteristic Min Max Units Conditions
90 TSU:STA Start Condition 100 kHz mode 2(TOSC)(BRG + 1) — ns Only relevant for
Repeated Start
condition
Setup Time 400 kHz mode 2(TOSC)(BRG + 1) —
91 THD:STA Start Condition 100 kHz mode 2(TOSC)(BRG + 1) — ns After this period, the
first clock pulse is
generated
Hold Time 400 kHz mode 2(TOSC)(BRG + 1) —
92 TSU:STO Stop Condition 100 kHz mode 2(TOSC)(BRG + 1) —
—
ns
Setup Time 400 kHz mode 2(TOSC)(BRG + 1)
93 THD:STO Stop Condition 100 kHz mode 2(TOSC)(BRG + 1) — ns
Hold Time 400 kHz mode 2(TOSC)(BRG + 1) —
Note: Refer to Figure 26-3 for load conditions.
SCLx
SDAx
Start
Condition
Stop
Condition
91
90
93
92

PIC24F16KL402 FAMILY
DS30001037C-page 222 2011-2013 Microchip Technology Inc.
FIGURE 26-14: MSSPx I2C™ BUS DATA TIMING
TABLE 26-34: I2C™ BUS DATA REQUIREMENTS (MASTER MODE)
Param.
No. Symbol Characteristic Min Max Units Conditions
100 THIGH Clock High Time 100 kHz mode 2(TOSC)(BRG + 1) — —
400 kHz mode 2(TOSC)(BRG + 1) — —
101 TLOW Clock Low Time 100 kHz mode 2(TOSC)(BRG + 1) — —
400 kHz mode 2(TOSC)(BRG + 1) — —
102 TRSDAx and SCLx
Rise Time
100 kHz mode — 1000 ns CB is specified to be from
10 to 400 pF
400 kHz mode 20 + 0.1 CB300 ns
103 TFSDAx and SCLx
Fall Time
100 kHz mode — 300 ns CB is specified to be from
10 to 400 pF
400 kHz mode 20 + 0.1 CB 300 ns
90 TSU:STA Start Condition
Setup Time
100 kHz mode 2(TOSC)(BRG + 1) — — Only relevant for Repeated
Start condition
400 kHz mode 2(TOSC)(BRG + 1) — —
91 THD:STA Start Condition
Hold Time
100 kHz mode 2(TOSC)(BRG + 1) — — After this period, the first
clock pulse is generated
400 kHz mode 2(TOSC)(BRG + 1) — —
106 THD:DAT Data Input
Hold Time
100 kHz mode 0 — ns
400 kHz mode 0 0.9 s
107 T
SU:DAT Data Input
Setup Time
100 kHz mode 250 — ns (Note 1)
400 kHz mode 100 — ns
92 T
SU:STO Stop Condition
Setup Time
100 kHz mode 2(TOSC)(BRG + 1) — —
400 kHz mode 2(TOSC)(BRG + 1) — —
109 T
AA Output Valid
from Clock
100 kHz mode — 3500 ns
400 kHz mode — 1000 ns
110 TBUF Bus Free Time 100 kHz mode
400 kHz mode
4.7 — s Time the bus must be free
before a new transmission
can start
1.3 — s
D102 CBBus Capacitive Loading — 400 pF
Note 1: A Fast mode I2C bus device can be used in a Standard mode I2C bus system, but Parameter 107 250 ns
must then be met. This will automatically be the case if the device does not stretch the LOW period of the
SCLx signal. If such a device does stretch the LOW period of the SCLx signal, it must output the next data
bit to the SDAx line, Parameter 102 + Parameter 107 = 1000 + 250 = 1250 ns (for 100 kHz mode), before
the SCLx line is released.
Note: Refer to Figure 26-3 for load conditions.
90
91 92
100
101
103
106 107
109 109 110
102
SCLx
SDAx
In
SDAx
Out

2011-2013 Microchip Technology Inc. DS30001037C-page 223
PIC24F16KL402 FAMILY
TABLE 26-35: A/D MODULE SPECIFICATIONS
AC CHARACTERISTICS
Standard Operating Conditions: 1.8V to 3.6V (unless otherwise stated)
Operating temperature -40°C TA +85°C for Industrial
Param
No. Symbol Characteristic Min. Typ Max. Units Conditions
Device Supply
AD01 AVDD Module VDD Supply Greater of:
VDD – 0.3
or 1.8
— Lesser of:
VDD + 0.3
or 3.6
V
AD02 AVSS Module VSS Supply VSS – 0.3 — VSS + 0.3 V
Reference Inputs
AD05 VREFH Reference Voltage High AVSS + 1.7 — AVDD V
AD06 VREFL Reference Voltage Low AVSS —AVDD – 1.7 V
AD07 VREF Absolute Reference
Voltage
AVSS – 0.3 — AVDD + 0.3 V
Analog Input
AD10 VINH-VINL Full-Scale Input Span VREFL —VREFH V(Note 1)
AD11 VIN Absolute Input Voltage AVSS – 0.3 — AVDD + 0.3 V
AD12 VINL Absolute VINL Input
Voltage
AVSS – 0.3 AVDD/2 V
AD17 RIN Recommended
Impedance of Analog
Voltage Source
— — 2.5K 10-bit
A/D Accuracy
AD20b NRResolution — 10 — bits
AD21b INL Integral Nonlinearity — ±1 ±2 LSb VINL = AVSS = VREFL = 0V,
AVDD = VREFH = 3V
AD22b DNL Differential Nonlinearity — ±1 ±1.5 LSb VINL = AVSS = VREFL = 0V,
AVDD = VREFH = 3V
AD23b GERR Gain Error — ±1 ±3 LSb VINL = AVSS = VREFL = 0V,
AVDD = VREFH = 3V
AD24b EOFF Offset Error — ±1 ±2 LSb VINL = AVSS = VREFL = 0V,
AVDD = VREFH = 3V
AD25b Monotonicity — — — — (Note 2)
Note 1: Measurements are taken with external VREF+ and VREF- used as the A/D voltage reference.
2: The A/D conversion result never decreases with an increase in the input voltage.

PIC24F16KL402 FAMILY
DS30001037C-page 224 2011-2013 Microchip Technology Inc.
TABLE 26-36: A/D CONVERSION TIMING REQUIREMENTS(1)
AC CHARACTERISTICS Standard Operating Conditions: 1.8V to 3.6V
(unless otherwise stated)
Operating temperature -40°C TA +85°C for Industrial
Param
No. Symbol Characteristic Min. Typ Max. Units Conditions
Clock Parameters
AD50 TAD A/D Clock Period 75 — — ns TCY = 75 ns, AD1CON3
is in default state
AD51 TRC A/D Internal RC Oscillator Period — 250 — ns
Conversion Rate
AD55 TCONV Conversion Time — 12 — TAD
AD56 FCNV Throughput Rate — — 500 ksps AVDD 2.7V
AD57 TSAMP Sample Time — 1 — TAD
AD58 TACQ Acquisition Time 750 — — ns (Note 2)
AD59 TSWC Switching Time from Convert to
Sample
——(Note 3)—
AD60 TDIS Discharge Time 0.5 — — TAD
Clock Parameters
AD61 TPSS Sample Start Delay from Setting
Sample bit (SAMP)
2— 3 TAD
Note 1: Because the sample caps will eventually lose charge, clock rates below 10 kHz can affect linearity
performance, especially at elevated temperatures.
2: The time for the holding capacitor to acquire the “New” input voltage when the voltage changes full scale
after the conversion (VDD to VSS or VSS to VDD).
3: On the following cycle of the device clock.

2011-2013 Microchip Technology Inc. DS30001037C-page 225
PIC24F16KL402 FAMILY
27.0 PACKAGING INFORMATION
27.1 Package Marking Information
Legend: XX...X Product-specific information
Y Year code (last digit of calendar year)
YY Year code (last 2 digits of calendar year)
WW Week code (week of January 1 is week ‘01’)
NNN Alphanumeric traceability code
Pb-free JEDEC designator for Matte Tin (Sn)
*This package is Pb-free. The Pb-free JEDEC designator ( )
can be found on the outer packaging for this package.
Note: In the event the full Microchip part number cannot be marked on one line, it
will be carried over to the next line, thus limiting the number of available
characters for customer-specific information.
3
e
3
e
20-Lead PDIP (300 mil) Example
XXXXXXXXXXXXXXXXX
XXXXXXXXXXXXXXXXX
YYWWNNN
14-Lead PDIP (300 mil) Example
28-Lead SPDIP (.300”) Example
PIC24F04KL100
3
e
-I/P
1316012
3
e
3
e
PIC24F08KL201
-I/P
1316012
PIC24F16KL302
-I/SP
1316012

PIC24F16KL402 FAMILY
DS30001037C-page 226 2011-2013 Microchip Technology Inc.
20-Lead SSOP (5.30 mm) Example
20-Lead SOIC (7.50 mm) Example
XXXXXXXXXXXX
YYWWNNN
XXXXXXXXXXXX
XXXXXXXXXXXX
28-Lead SOIC (7.50 mm) Example
YYWWNNN
XXXXXXXXXXXXXXXXXXXX
XXXXXXXXXXXXXXXXXXXX
XXXXXXXXXXXXXXXXXXXX
3
e
3
e
3
e
PIC24F08KL
401-I/SS
1316012
PIC24F08KL301
-I/SO
1316012
PIC24F08KL302
-I/SO
1316012
14-Lead TSSOP (4.4 mm) Example
YYWW
NNN
XXXXXXXX
1316
012
24F08KL1

2011-2013 Microchip Technology Inc. DS30001037C-page 227
PIC24F16KL402 FAMILY
20-Lead QFN (5x5x0.9 mm) Example
PIN 1PIN 1
28-Lead QFN (6x6 mm) Example
XXXXXXXX
XXXXXXXX
YYWWNNN
PIN 1 PIN 1
3
e
24F08
KL301
-I/MQ
1316012
3
e
24F08KL3
01-I/ML
1316012
28-Lead QFN (5x5x0.9 mm) Example
PIN 1 PIN 1
3
e
24F08
KL302
-I/MQ
1316012
28-Lead SSOP (5.30 mm) Example
3
e
PIC24F08KL
402-I/SS
1316012

PIC24F16KL402 FAMILY
DS30001037C-page 228 2011-2013 Microchip Technology Inc.
27.2 Package Details
The following sections give the technical details of the packages.
N
E1
D
NOTE 1
123
E
c
eB
A2
L
A
A1 b1
be

2011-2013 Microchip Technology Inc. DS30001037C-page 229
PIC24F16KL402 FAMILY
!
N
E1
NOTE 1
D
123
A
A1
A2
L
e
b1
b
E
c
eB

PIC24F16KL402 FAMILY
DS30001037C-page 230 2011-2013 Microchip Technology Inc.
!"#$##
NOTE 1
N
12
D
E1
eB
c
E
L
A2
eb
b1
A1
A
3

2011-2013 Microchip Technology Inc. DS30001037C-page 231
PIC24F16KL402 FAMILY
Note: For the most current package drawings, please see the Microchip Packaging Specification located at
http://www.microchip.com/packaging

PIC24F16KL402 FAMILY
DS30001037C-page 232 2011-2013 Microchip Technology Inc.
Note: For the most current package drawings, please see the Microchip Packaging Specification located at
http://www.microchip.com/packaging

2011-2013 Microchip Technology Inc. DS30001037C-page 233
PIC24F16KL402 FAMILY
Note: For the most current package drawings, please see the Microchip Packaging Specification located at
http://www.microchip.com/packaging

PIC24F16KL402 FAMILY
DS30001037C-page 234 2011-2013 Microchip Technology Inc.
Note: For the most current package drawings, please see the Microchip Packaging Specification located at
http://www.microchip.com/packaging

2011-2013 Microchip Technology Inc. DS30001037C-page 235
PIC24F16KL402 FAMILY
Note: For the most current package drawings, please see the Microchip Packaging Specification located at
http://www.microchip.com/packaging

PIC24F16KL402 FAMILY
DS30001037C-page 236 2011-2013 Microchip Technology Inc.
Note: For the most current package drawings, please see the Microchip Packaging Specification located at
http://www.microchip.com/packaging

2011-2013 Microchip Technology Inc. DS30001037C-page 237
PIC24F16KL402 FAMILY
Note: For the most current package drawings, please see the Microchip Packaging Specification located at
http://www.microchip.com/packaging

PIC24F16KL402 FAMILY
DS30001037C-page 238 2011-2013 Microchip Technology Inc.
Note: For the most current package drawings, please see the Microchip Packaging Specification located at
http://www.microchip.com/packaging

2011-2013 Microchip Technology Inc. DS30001037C-page 239
PIC24F16KL402 FAMILY
Note: For the most current package drawings, please see the Microchip Packaging Specification located at
http://www.microchip.com/packaging

PIC24F16KL402 FAMILY
DS30001037C-page 240 2011-2013 Microchip Technology Inc.
!#%&$#'##()##'
φ
L
L1
A2 c
e
b
A1
A
12
NOTE 1
E1
E
D
N

2011-2013 Microchip Technology Inc. DS30001037C-page 241
PIC24F16KL402 FAMILY
Note: For the most current package drawings, please see the Microchip Packaging Specification located at
http://www.microchip.com/packaging

PIC24F16KL402 FAMILY
DS30001037C-page 242 2011-2013 Microchip Technology Inc.
!"#%&$#'##()##'
L
L1
c
A2
A1
A
E
E1
D
N
12
NOTE 1 b
e
φ

2011-2013 Microchip Technology Inc. DS30001037C-page 243
PIC24F16KL402 FAMILY
Note: For the most current package drawings, please see the Microchip Packaging Specification located at
http://www.microchip.com/packaging

PIC24F16KL402 FAMILY
DS30001037C-page 244 2011-2013 Microchip Technology Inc.
20-Lead Plastic Quad Flat, No Lead Package (MQ) – 5x5x0.9 mm Body [QFN]
Note: For the most current package drawings, please see the Microchip Packaging Specification located at
http://www.microchip.com/packaging
Microchip Technology Drawing C04-120A

2011-2013 Microchip Technology Inc. DS30001037C-page 245
PIC24F16KL402 FAMILY
Note: For the most current package drawings, please see the Microchip Packaging Specification located at
http://www.microchip.com/packaging

PIC24F16KL402 FAMILY
DS30001037C-page 246 2011-2013 Microchip Technology Inc.
Note: For the most current package drawings, please see the Microchip Packaging Specification located at
http://www.microchip.com/packaging

2011-2013 Microchip Technology Inc. DS30001037C-page 247
PIC24F16KL402 FAMILY
Note: For the most current package drawings, please see the Microchip Packaging Specification located at
http://www.microchip.com/packaging

PIC24F16KL402 FAMILY
DS30001037C-page 248 2011-2013 Microchip Technology Inc.
28-Lead Plastic Quad Flat, No Lead Package (MQ) – 5x5 mm Body [QFN] Land Pattern
With 0.55 mm Contact Length
Note: For the most current package drawings, please see the Microchip Packaging Specification located at
http://www.microchip.com/packaging
Microchip Technology Drawing C04-2140A

2011-2013 Microchip Technology Inc. DS30001037C-page 249
PIC24F16KL402 FAMILY
!"*+,$-./0/*+
1%)((2-%
DEXPOSED D2
e
b
K
E2
E
L
N
NOTE 1
1
2
2
1
N
A
A1
A3
TOP VIEW BOTTOM VIEW
PAD

PIC24F16KL402 FAMILY
DS30001037C-page 250 2011-2013 Microchip Technology Inc.
!"*+,$-./0/*+
1%)((2-%

2011-2013 Microchip Technology Inc. DS30001037C-page 251
PIC24F16KL402 FAMILY
APPENDIX A: REVISION HISTORY
Revision A (September 2011)
Original data sheet for the PIC24F16KL402 family of
devices.
Revision B (November 2011)
Updates DC Specifications in Tables 26-6 through 26-9
(all Typical and Maximum values).
Updates AC Specifications in Tables 26-7 through
26-30 (SPI Timing Requirements) with the addition of
the FSCK specification.
Other minor typographic corrections throughout.
Revision C (October 2013)
Adds +125°C Extended Temperature information.
Updates several packaging drawings in Section 27.0
“Packaging Information”. Other minor typographic
corrections throughout.
APPENDIX B: MIGRATING FROM
PIC18/PIC24 TO
PIC24F16KL402
The PIC24F16KL402 family combines traditional
PIC18 peripherals with a faster PIC24 core to provide
a low-cost, high-performance microcontroller with
low-power consumption.
Code written for PIC18 devices can be migrated to the
PIC24F16KL402 by using a C compiler that generates
PIC24 machine level instructions. Assembly language
code will need to be rewritten using PIC24 instructions.
The PIC24 instruction set shares similarities to the
PIC18 instruction set, which should ease porting of
assembly code. Application code will require changes
to support certain PIC24 peripherals.
Code written for PIC24 devices can be migrated to the
PIC24F16KL402 without many code changes. Certain
peripherals, however, will require application changes
to support modules that were traditionally available
only on PIC18 devices.
Refer to Tabl e B- 1 for a list of peripheral modules on
the PIC24F16KL402 and where they originated from.
TABLE B-1: TABLE B-1: PIC24F16KL402
PERIPHERAL MODULE
ORIGINATING
ARCHITECTURE
Peripheral Module PIC18 PIC24
ECCP/CCP X —
MSSP (I2C™/SPI) X —
Timer2/4 (8-bit) X —
Timer3 (16-bit) X —
Timer1 (16-bit) — X
10-Bit A/D Converter — X
Comparator — X
Comparator Voltage
Reference
—X
UART — X
HLVD — X

PIC24F16KL402 FAMILY
DS30001037C-page 252 2011-2013 Microchip Technology Inc.
NOTES:

2011-2013 Microchip Technology Inc. DS30001037C-page 253
PIC24F16KL402 FAMILY
INDEX
A
A/D
10-Bit High-Speed A/D Converter............................. 157
Conversion Timing Requirements............................. 224
Module Specifications ............................................... 223
A/D Converter
Analog Input Model ................................................... 164
Transfer Function...................................................... 165
AC Characteristics
A/D Module ............................................................... 223
Capacitive Loading Requirements on
Output Pins ....................................................... 209
Internal RC Oscillator Accuracy ................................ 211
Internal RC Oscillator Specifications......................... 211
Load Conditions and Requirements.......................... 209
Temperature and Voltage Specifications .................. 209
Assembler
MPASM Assembler................................................... 188
B
Block Diagrams
10-Bit High-Speed A/D Converter............................. 158
16-Bit Timer1 ............................................................ 115
Accessing Program Memory with
Table Instructions ............................................... 45
CALL Stack Frame...................................................... 43
Capture Mode Operation .......................................... 126
Comparator Module .................................................. 167
Comparator Voltage Reference Module ................... 171
Compare Mode Operation ........................................ 126
CPU Programmer’s Model .......................................... 27
Data Access From Program Space
Address Generation ............................................ 44
Data EEPROM Addressing with TBLPAG and
NVM Registers.................................................... 55
Enhanced PWM Mode .............................................. 127
High/Low-Voltage Detect (HLVD) Module ................ 173
Individual Comparator Configurations....................... 168
MCLR Pin Connections Example................................ 22
MSSPx Module (I2C Master Mode)........................... 137
MSSPx Module (I2C Mode)....................................... 137
MSSPx Module (SPI Mode) ...................................... 136
PIC24F CPU Core ...................................................... 26
PIC24F16KL402 Family (General).............................. 13
PSV Operation............................................................ 46
PWM Operation (Simplified) ..................................... 126
Recommended Minimum Connections ....................... 21
Reset System.............................................................. 59
Serial Resistor........................................................... 107
Shared I/O Port Structure ......................................... 111
Simplified UARTx...................................................... 149
SPI Master/Slave Connection ................................... 136
Suggested Placement of Oscillator Circuit.................. 23
System Clock .............................................................. 95
Table Register Addressing.......................................... 47
Timer2....................................................................... 117
Timer3....................................................................... 119
Timer4....................................................................... 123
Watchdog Timer (WDT) ............................................ 184
C
C Compilers
MPLAB XC Compilers .............................................. 188
Capture/Compare/PWM (CCP) ........................................ 125
CCP/ECCP
CCP I/O Pins ............................................................ 125
Timer Selection......................................................... 125
Code Examples
Data EEPROM Bulk Erase......................................... 57
Data EEPROM Unlock Sequence .............................. 53
Erasing a Program Memory Row,
Assembly Language........................................... 50
Erasing a Program Memory Row, C Language.......... 51
I/O Port Write/Read (Assembly Language) .............. 114
I/O Port Write/Read (C Language) ........................... 114
Initiating a Programming Sequence,
Assembly Language........................................... 52
Initiating a Programming Sequence, C Language...... 52
Loading the Write Buffers, Assembly Language ........ 51
Loading the Write Buffers, C Language ..................... 52
PWRSAV Instruction Syntax .................................... 105
Reading Data EEPROM Using the
TBLRD Command .............................................. 58
Sequence for Clock Switching .................................. 102
Single-Word Erase ..................................................... 56
Single-Word Write to Data EEPROM ......................... 57
Ultra Low-Power Wake-up Initialization.................... 107
Code Protection................................................................ 185
Comparator....................................................................... 167
Comparator Voltage Reference ........................................ 171
Configuring ............................................................... 171
Configuration Bits ............................................................. 175
Core Features....................................................................... 9
CPU
ALU............................................................................. 29
Control Registers........................................................ 28
Core Registers............................................................ 26
Programmer’s Model .................................................. 25
Customer Change Notification Service............................. 257
Customer Notification Service .......................................... 257
Customer Support............................................................. 257
D
Data EEPROM Memory...................................................... 53
Erasing ....................................................................... 56
Nonvolatile Memory Registers
NVMCON............................................................ 53
NVMKEY ............................................................ 53
NVMADR(U)....................................................... 55
Operations .................................................................. 55
Programming
Bulk Erase .......................................................... 57
Reading Data EEPROM ..................................... 58
Single-Word Write .............................................. 57
Data Memory
Address Space ........................................................... 33
Memory Map............................................................... 33
Near Data Space........................................................ 34
Organization ............................................................... 34
SFR Space ................................................................. 34
Software Stack ........................................................... 43
Space Width ............................................................... 33

PIC24F16KL402 FAMILY
DS30001037C-page 254 2011-2013 Microchip Technology Inc.
DC Characteristics
BOR Trip Points ........................................................ 202
Comparator ............................................................... 208
Comparator Voltage Reference ................................ 208
Data EEPROM Memory............................................ 208
High/Low-Voltage Detect .......................................... 202
I/O Pin Input Specifications....................................... 206
I/O Pin Output Specifications .................................... 207
Idle Current (IIDLE) .................................................... 203
Operating Current (IDD)............................................. 203
Power-Down Current (IPD) ................................ 204, 205
Program Memory ...................................................... 207
Temperature and Voltage Specifications .................. 201
Demo/Development Boards, Evaluation and
Starter Kits ................................................................ 190
Development Support ....................................................... 187
Third-Party Tools ...................................................... 190
Device Features for PIC24F16KL20X/10X
Devices (Summary) .................................................... 12
Device Features for PIC24F16KL40X/30X
Devices (Summary) .................................................... 11
E
Electrical Characteristics
Absolute Maximum Ratings ...................................... 199
Thermal Operating Conditions .................................. 201
Thermal Packaging Characteristics .......................... 201
V/F Graph, Extended ................................................ 200
V/F Graph, Industrial.................................................200
Enhanced CCP ................................................................. 125
Equations
A/D Conversion Clock Period ...................................164
UARTx Baud Rate with BRGH = 0............................150
UARTx Baud Rate with BRGH = 1............................150
Errata .................................................................................... 7
Examples
Baud Rate Error Calculation (BRGH = 0) ................. 150
F
Flash Program Memory
Control Registers ........................................................ 48
Enhanced ICSP Operation.......................................... 48
Programming Algorithm ..............................................50
Programming Operations............................................ 48
RTSP Operation.......................................................... 48
Table Instructions........................................................ 47
G
Getting Started Guidelines for 16-Bit MCUs .......................21
H
High/Low-Voltage Detect (HLVD) ..................................... 173
I
I/O Ports
Analog Port Configuration.........................................112
Analog Selection Registers....................................... 112
Input Change Notification.......................................... 114
Open-Drain Configuration ......................................... 112
Parallel (PIO) ............................................................ 111
In-Circuit Debugger ........................................................... 185
In-Circuit Serial Programming (ICSP) ............................... 185
Instruction Set
Opcode Symbols....................................................... 192
Overview ................................................................... 193
Summary................................................................... 191
Inter-Integrated Circuit. See I2C.
Internet Address ............................................................... 257
Interrupt Sources
TMR3 Overflow......................................................... 119
TMR4 to PR4 Match (PWM)..................................... 123
Interrupts
Alternate Interrupt Vector Table (AIVT) ...................... 65
Control and Status Registers...................................... 68
Implemented Vectors.................................................. 67
Interrupt Vector Table (IVT)........................................ 65
Reset Sequence ......................................................... 65
Setup Procedures....................................................... 94
Trap Vectors ............................................................... 67
Vector Table ............................................................... 66
M
Master Synchronous Serial Port (MSSP) ......................... 135
I/O Pin Configuration for SPI .................................... 135
Microchip Internet Web Site.............................................. 257
MPLAB Assembler, Linker, Librarian................................ 188
MPLAB ICD 3 In-Circuit Debugger ................................... 189
MPLAB PM3 Device Programmer .................................... 189
MPLAB REAL ICE In-Circuit Emulator System ................ 189
MPLAB X Integrated Development
Environment Software .............................................. 187
MPLAB X SIM Software Simulator ................................... 189
MPLIB Object Librarian..................................................... 188
MPLINK Object Linker ...................................................... 188
N
Near Data Space ................................................................ 34
O
Oscillator Configuration
Clock Switching ........................................................ 101
Sequence ......................................................... 101
Configuration Bit Values for Clock Selection .............. 96
CPU Clocking Scheme ............................................... 96
Initial Configuration on POR ....................................... 96
Reference Clock Output ........................................... 102
Oscillator, Timer3.............................................................. 119
P
Packaging
Details....................................................................... 228
Marking..................................................................... 225
PICkit 3 In-Circuit Debugger/Programmer ........................ 189
Pinout Descriptions
PIC24F16KL20X/10X Devices.................................... 18
PIC24F16KL40X/30X Devices.................................... 14
Power-Saving ................................................................... 109
Power-Saving Features .................................................... 105
Clock Frequency, Clock Switching ........................... 105
Coincident Interrupts................................................. 106
Instruction-Based Modes.......................................... 105
Idle.................................................................... 106
Sleep ................................................................ 106
Selective Peripheral Control ..................................... 109
Ultra Low-Power Wake-up (ULPWU) ....................... 107
Product Identification System ........................................... 259
Program and Data Memory
Access Using Table Instructions................................. 45
Program Space Visibility............................................. 46
Program and Data Memory Spaces
Addressing.................................................................. 43
Interfacing................................................................... 43

2011-2013 Microchip Technology Inc. DS30001037C-page 255
PIC24F16KL402 FAMILY
Program Memory
Address Space............................................................ 31
Data EEPROM............................................................ 32
Device Configuration Words ....................................... 32
Hard Memory Vectors................................................. 32
Organization................................................................ 32
Program Space
Memory Map............................................................... 31
Program Verification ......................................................... 185
PWM (CCP Module)
TMR4 to PR4 Match ................................................. 123
R
Register Maps
A/D Converter ............................................................. 41
Analog Select.............................................................. 41
CCP/ECCP ................................................................. 38
Comparator ................................................................. 41
CPU Core.................................................................... 35
ICN.............................................................................. 36
Interrupt Controller...................................................... 37
MSSP.......................................................................... 39
NVM ............................................................................ 42
Pad Configuration ....................................................... 40
PMD ............................................................................ 42
PORTA........................................................................ 40
PORTB........................................................................ 40
System, Clock Control ................................................ 42
Timer........................................................................... 38
UART .......................................................................... 39
Ultra Low-Power Wake-up .......................................... 42
Registers
AD1CHS (A/D Input Select) ...................................... 162
AD1CON1 (A/D Control 1) ........................................ 159
AD1CON2 (A/D Control 2) ........................................ 160
AD1CON3 (A/D Control 3) ........................................ 161
AD1CSSL (A/D Input Scan Select) ........................... 163
ANCFG (Analog Input Configuration) ....................... 163
ANSA (PORTA Analog Selection) ............................ 113
ANSB (PORTB Analog Selection) ............................ 113
CCP1CON (ECCP1 Control, Enhanced CCP).......... 129
CCPTMRS0 (CCP Timer Select Control 0) .............. 133
CCPxCON (CCPx Control, Standard CCP) .............. 128
CLKDIV (Clock Divider) .............................................. 99
CMSTAT (Comparator Status).................................. 170
CMxCON (Comparator x Control)............................. 169
CORCON (CPU Control) ...................................... 29, 70
CVRCON (Comparator Voltage
Reference Control) ........................................... 172
DEVID (Device ID) .................................................... 182
DEVREV (Device Revision) ...................................... 183
ECCP1AS (ECCP1 Auto-Shutdown Control)............ 130
ECCP1DEL (ECCP1 Enhanced PWM Control) ........ 131
FBS (Boot Segment Configuration) .......................... 176
FGS (General Segment Configuration)..................... 176
FICD (In-Circuit Debugger Configuration)................. 181
FOSC (Oscillator Configuration) ............................... 178
FOSCSEL (Oscillator Selection Configuration)......... 177
FPOR (Reset Configuration)..................................... 180
FWDT (Watchdog Timer Configuration) ................... 179
HLVDCON (High/Low-Voltage Detect Control)......... 174
IEC0 (Interrupt Enable Control 0) ............................... 77
IEC1 (Interrupt Enable Control 1) ............................... 78
IEC2 (Interrupt Enable Control 2) ............................... 79
IEC3 (Interrupt Enable Control 3) ............................... 79
IEC4 (Interrupt Enable Control 4) ............................... 80
IEC5 (Interrupt Enable Control 5) ............................... 80
IFS0 (Interrupt Flag Status 0) ..................................... 73
IFS1 (Interrupt Flag Status 1) ..................................... 74
IFS2 (Interrupt Flag Status 2) ..................................... 75
IFS3 (Interrupt Flag Status 3) ..................................... 75
IFS4 (Interrupt Flag Status 4) ..................................... 76
IFS5 (Interrupt Flag Status 5) ..................................... 76
INTCON 2 (Interrupt Control 2) .................................. 72
INTCON1 (Interrupt Control 1) ................................... 71
INTTREG (Interrupt Control and Status) .................... 93
IPC0 (Interrupt Priority Control 0)............................... 81
IPC1 (Interrupt Priority Control 1)............................... 82
IPC12 (Interrupt Priority Control 12) ........................... 90
IPC16 (Interrupt Priority Control 16) ........................... 91
IPC18 (Interrupt Priority Control 18) ........................... 92
IPC2 (Interrupt Priority Control 2)............................... 83
IPC20 (Interrupt Priority Control 20) ........................... 92
IPC3 (Interrupt Priority Control 3)............................... 84
IPC4 (Interrupt Priority Control 4)............................... 85
IPC5 (Interrupt Priority Control 5)............................... 86
IPC6 (Interrupt Priority Control 6)............................... 87
IPC7 (Interrupt Priority Control 7)............................... 88
IPC9 (Interrupt Priority Control 9)............................... 89
NVMCON (Flash Memory Control)............................. 49
NVMCON (Nonvolatile Memory Control).................... 54
OSCCON (Oscillator Control)..................................... 97
OSCTUN (FRC Oscillator Tune) .............................. 100
PADCFG1 (Pad Configuration Control).................... 147
PSTR1CON (ECCP1 Pulse Steering Control).......... 132
RCON (Reset Control)................................................ 60
REFOCON (Reference Oscillator Control) ............... 103
SR (ALU STATUS) ............................................... 28, 69
SSPxADD (MSSPx Slave Address/Baud
Rate Generator)................................................ 146
SSPxCON1 (MSSPx Control 1, I2C Mode) .............. 142
SSPxCON1 (MSSPx Control 1, SPI Mode).............. 141
SSPxCON2 (MSSPx Control 2, I2C Mode) .............. 143
SSPxCON3 (MSSPx Control 3, I2C Mode) .............. 145
SSPxCON3 (MSSPx Control 3, SPI Mode).............. 144
SSPxMSK (I2C Slave Address Mask) ...................... 146
SSPxSTAT (MSSPx Status, I2C Mode).................... 139
SSPxSTAT (MSSPx Status, SPI Mode) ................... 138
T1CON (Timer1 Control) .......................................... 116
T2CON (Timer2 Control) .......................................... 118
T3CON (Timer3 Control) .......................................... 120
T3GCON (Timer3 Gate Control)............................... 121
T4CON (Timer4 Control) .......................................... 124
ULPWCON (ULPWU Control) .................................. 108
UxMODE (UARTx Mode) ......................................... 152
UxSTA (UARTx Status and Control) ........................ 154
Resets
Brown-out Reset (BOR).............................................. 63
Clock Source Selection .............................................. 61
Delay Times................................................................ 62
Device Times.............................................................. 62
RCON Flag Operation ................................................ 61
SFR States ................................................................. 63
Revision History................................................................ 251
S
Serial Peripheral Interface. See SPI Mode.
SFR Space ......................................................................... 34
Software Stack ................................................................... 43

PIC24F16KL402 FAMILY
DS30001037C-page 256 2011-2013 Microchip Technology Inc.
T
Timer1 ............................................................................... 115
Timer2 ............................................................................... 117
Timer3 ............................................................................... 119
Oscillator ................................................................... 119
Overflow Interrupt .....................................................119
Timer4 ............................................................................... 123
PR4 Register.............................................................123
TMR4 Register.......................................................... 123
TMR4 to PR4 Match Interrupt ................................... 123
Timing Diagrams
Capture/Compare/PWM (ECCP1, ECCP2) .............. 214
CLKO and I/O ........................................................... 212
Example SPI Master Mode (CKE = 0) ...................... 215
Example SPI Master Mode (CKE = 1) ...................... 216
Example SPI Slave Mode (CKE = 0) ........................ 217
Example SPI Slave Mode (CKE = 1) ........................ 218
External Clock........................................................... 210
I2C Bus Data ............................................................. 219
I2C Bus Start/Stop Bits..............................................219
MSSPx I2C Bus Data ................................................222
MSSPx I2C Bus Start/Stop Bits................................. 221
Timing Requirements
A/D Conversion ......................................................... 224
Capture/Compare/PWM (ECCP1, ECCP2) .............. 214
CLKO and I/O ........................................................... 212
Comparator ............................................................... 213
Comparator Voltage Reference Settling Time .......... 213
External Clock........................................................... 210
I2C Bus Data (Slave Mode)....................................... 220
I2C Bus Data Requirements (Master Mode) ............. 222
I2C Bus Start/Stop Bits (Master Mode) ..................... 221
I2C Bus Start/Stop Bits (Slave Mode) ....................... 219
PLL Clock Specifications ..........................................211
Reset, Watchdog Timer, Oscillator Start-up Timer,
Power-up Timer and Brown-out Reset.............. 213
SPI Mode (Master Mode, CKE = 0) .......................... 215
SPI Mode (Master Mode, CKE = 1) .......................... 216
SPI Slave Mode (CKE = 1) ....................................... 218
Timing Requirements SPI Mode (Slave Mode,
CKE = 0) ................................................................... 217
U
UART ................................................................................ 149
Baud Rate Generator (BRG) .................................... 150
Break and Sync Transmit Sequence ........................ 151
IrDA Support............................................................. 151
Operation of UxCTS and UxRTS Control Pins ......... 151
Receiving in 8-Bit or 9-Bit Data Mode....................... 151
Transmitting in 8-Bit Data Mode ............................... 151
Transmitting in 9-Bit Data Mode ............................... 151
Unique ID.......................................................................... 182
W
Watchdog Timer (WDT).................................................... 184
Windowed Operation ................................................ 184
WWW Address ................................................................. 257
WWW, On-Line Support ....................................................... 7

2011-2013 Microchip Technology Inc. DS30001037C-page 257
PIC24F16KL402 FAMILY
THE MICROCHIP WEB SITE
Microchip provides online support via our WWW site at
www.microchip.com. This web site is used as a means
to make files and information easily available to
customers. Accessible by using your favorite Internet
browser, the web site contains the following
information:
•Product Support – Data sheets and errata,
application notes and sample programs, design
resources, user’s guides and hardware support
documents, latest software releases and archived
software
•General Technical Support – Frequently Asked
Questions (FAQ), technical support requests,
online discussion groups, Microchip consultant
program member listing
•Business of Microchip – Product selector and
ordering guides, latest Microchip press releases,
listing of seminars and events, listings of
Microchip sales offices, distributors and factory
representatives
CUSTOMER CHANGE NOTIFICATION
SERVICE
Microchip’s customer notification service helps keep
customers current on Microchip products. Subscribers
will receive e-mail notification whenever there are
changes, updates, revisions or errata related to a
specified product family or development tool of interest.
To register, access the Microchip web site at
www.microchip.com. Under “Support”, click on
“Customer Change Notification” and follow the
registration instructions.
CUSTOMER SUPPORT
Users of Microchip products can receive assistance
through several channels:
• Distributor or Representative
• Local Sales Office
• Field Application Engineer (FAE)
• Technical Support
Customers should contact their distributor,
representative or Field Application Engineer (FAE) for
support. Local sales offices are also available to help
customers. A listing of sales offices and locations is
included in the back of this document.
Technical support is available through the web site
at: http://microchip.com/support

PIC24F16KL402 FAMILY
DS30001037C-page 258 2011-2013 Microchip Technology Inc.
NOTES:

2011-2013 Microchip Technology Inc. DS30001037C-page 259
PIC24F16KL402 FAMILY
PRODUCT IDENTIFICATION SYSTEM
To order or obtain information, e.g., on pricing or delivery, refer to the factory or the listed sales office.
Architecture 24 = 16-bit modified Harvard without DSP
Flash Memory Family F = Standard voltage range Flash program memory
Product Group KL4 = General purpose microcontrollers
KL3
KL2
KL1
Pin Count 00 = 14-pin
01 = 20-pin
02 = 28-pin
Temperature Range I = -40C to +85C (Industrial)
E= -40C to +125C (Extended)
Package SP = SPDIP
SO = SOIC
SS = SSOP
ST = TSSOP
ML, MQ = QFN
P=PDIP
Pattern Three-digit QTP, SQTP, Code or Special Requirements
(blank otherwise)
ES = Engineering Sample
Examples:
a) PIC24F16KL402-I/ML: General Purpose,
16-Kbyte Program Memory, 28-Pin, Industrial
Temperature, QFN Package
b) PIC24F04KL101T-I/SS: General Purpose,
4-Kbyte Program Memory, 20-Pin, Industrial
Temperature, SSOP Package, Tape-and-Reel
Microchip Trademark
Architecture
Flash Memory Family
Program Memory Size (Kbytes)
Product Group
Pin Count
Temperature Range
Package
Pattern
PIC 24 F 16 KL4 02 T - I / PT - XXX
Tape and Reel Flag (if applicable)

PIC24F16KL402 FAMILY
DS30001037C-page 260 2011-2013 Microchip Technology Inc.
NOTES:

2011-2013 Microchip Technology Inc. DS30001037C-page 261
Information contained in this publication regarding device
applications and the like is provided only for your convenience
and may be superseded by updates. It is your responsibility to
ensure that your application meets with your specifications.
MICROCHIP MAKES NO REPRESENTATIONS OR
WARRANTIES OF ANY KIND WHETHER EXPRESS OR
IMPLIED, WRITTEN OR ORAL, STATUTORY OR
OTHERWISE, RELATED TO THE INFORMATION,
INCLUDING BUT NOT LIMITED TO ITS CONDITION,
QUALITY, PERFORMANCE, MERCHANTABILITY OR
FITNESS FOR PURPOSE. Microchip disclaims all liability
arising from this information and its use. Use of Microchip
devices in life support and/or safety applications is entirely at
the buyer’s risk, and the buyer agrees to defend, indemnify and
hold harmless Microchip from any and all damages, claims,
suits, or expenses resulting from such use. No licenses are
conveyed, implicitly or otherwise, under any Microchip
intellectual property rights.
Trademarks
The Microchip name and logo, the Microchip logo, dsPIC,
FlashFlex, KEELOQ, KEELOQ logo, MPLAB, PIC, PICmicro,
PICSTART, PIC32 logo, rfPIC, SST, SST Logo, SuperFlash
and UNI/O are registered trademarks of Microchip Technology
Incorporated in the U.S.A. and other countries.
FilterLab, Hampshire, HI-TECH C, Linear Active Thermistor,
MTP, SEEVAL and The Embedded Control Solutions
Company are registered trademarks of Microchip Technology
Incorporated in the U.S.A.
Silicon Storage Technology is a registered trademark of
Microchip Technology Inc. in other countries.
Analog-for-the-Digital Age, Application Maestro, BodyCom,
chipKIT, chipKIT logo, CodeGuard, dsPICDEM,
dsPICDEM.net, dsPICworks, dsSPEAK, ECAN,
ECONOMONITOR, FanSense, HI-TIDE, In-Circuit Serial
Programming, ICSP, Mindi, MiWi, MPASM, MPF, MPLAB
Certified logo, MPLIB, MPLINK, mTouch, Omniscient Code
Generation, PICC, PICC-18, PICDEM, PICDEM.net, PICkit,
PICtail, REAL ICE, rfLAB, Select Mode, SQI, Serial Quad I/O,
Total Endurance, TSHARC, UniWinDriver, WiperLock, ZENA
and Z-Scale are trademarks of Microchip Technology
Incorporated in the U.S.A. and other countries.
SQTP is a service mark of Microchip Technology Incorporated
in the U.S.A.
GestIC and ULPP are registered trademarks of Microchip
Technology Germany II GmbH & Co. KG, a subsidiary of
Microchip Technology Inc., in other countries.
All other trademarks mentioned herein are property of their
respective companies.
© 2011-2013, Microchip Technology Incorporated, Printed in
the U.S.A., All Rights Reserved.
Printed on recycled paper.
ISBN: 978-1-62077-620-9
Note the following details of the code protection feature on Microchip devices:
• Microchip products meet the specification contained in their particular Microchip Data Sheet.
• Microchip believes that its family of products is one of the most secure families of its kind on the market today, when used in the
intended manner and under normal conditions.
• There are dishonest and possibly illegal methods used to breach the code protection feature. All of these methods, to our
knowledge, require using the Microchip products in a manner outside the operating specifications contained in Microchip’s Data
Sheets. Most likely, the person doing so is engaged in theft of intellectual property.
• Microchip is willing to work with the customer who is concerned about the integrity of their code.
• Neither Microchip nor any other semiconductor manufacturer can guarantee the security of their code. Code protection does not
mean that we are guaranteeing the product as “unbreakable.”
Code protection is constantly evolving. We at Microchip are committed to continuously improving the code protection features of our
products. Attempts to break Microchip’s code protection feature may be a violation of the Digital Millennium Copyright Act. If such acts
allow unauthorized access to your software or other copyrighted work, you may have a right to sue for relief under that Act.
Microchip received ISO/TS-16949:2009 certification for its worldwide
headquarters, design and wafer fabrication facilities in Chandler and
Tempe, Arizona; Gresham, Oregon and design centers in California
and India. The Company’s quality system processes and procedures
are for its PIC® MCUs and dsPIC® DSCs, KEELOQ® code hopping
devices, Serial EEPROMs, microperipherals, nonvolatile memory and
analog products. In addition, Microchip’s quality system for the design
and manufacture of development systems is ISO 9001:2000 certified.
QUALITY MANAGEMENT S
YSTEM
CERTIFIED BY DNV
== ISO/TS 16949 ==

DS30001037C-page 262 2011-2013 Microchip Technology Inc.
AMERICAS
Corporate Office
2355 West Chandler Blvd.
Chandler, AZ 85224-6199
Tel: 480-792-7200
Fax: 480-792-7277
Technical Support:
http://www.microchip.com/
support
Web Address:
www.microchip.com
Atlanta
Duluth, GA
Tel: 678-957-9614
Fax: 678-957-1455
Austin, TX
Tel: 512-257-3370
Boston
Westborough, MA
Tel: 774-760-0087
Fax: 774-760-0088
Chicago
Itasca, IL
Tel: 630-285-0071
Fax: 630-285-0075
Cleveland
Independence, OH
Tel: 216-447-0464
Fax: 216-447-0643
Dallas
Addison, TX
Tel: 972-818-7423
Fax: 972-818-2924
Detroit
Novi, MI
Tel: 248-848-4000
Houston, TX
Tel: 281-894-5983
Indianapolis
Noblesville, IN
Tel: 317-773-8323
Fax: 317-773-5453
Los Angeles
Mission Viejo, CA
Tel: 949-462-9523
Fax: 949-462-9608
New York, NY
Tel: 631-435-6000
San Jose, CA
Tel: 408-735-9110
Canada - Toronto
Tel: 905-673-0699
Fax: 905-673-6509
ASIA/PACIFIC
Asia Pacific Office
Suites 3707-14, 37th Floor
Tower 6, The Gateway
Harbour City, Kowloon
Hong Kong
Tel: 852-2401-1200
Fax: 852-2401-3431
Australia - Sydney
Tel: 61-2-9868-6733
Fax: 61-2-9868-6755
China - Beijing
Tel: 86-10-8569-7000
Fax: 86-10-8528-2104
China - Chengdu
Tel: 86-28-8665-5511
Fax: 86-28-8665-7889
China - Chongqing
Tel: 86-23-8980-9588
Fax: 86-23-8980-9500
China - Hangzhou
Tel: 86-571-2819-3187
Fax: 86-571-2819-3189
China - Hong Kong SAR
Tel: 852-2943-5100
Fax: 852-2401-3431
China - Nanjing
Tel: 86-25-8473-2460
Fax: 86-25-8473-2470
China - Qingdao
Tel: 86-532-8502-7355
Fax: 86-532-8502-7205
China - Shanghai
Tel: 86-21-5407-5533
Fax: 86-21-5407-5066
China - Shenyang
Tel: 86-24-2334-2829
Fax: 86-24-2334-2393
China - Shenzhen
Tel: 86-755-8864-2200
Fax: 86-755-8203-1760
China - Wuhan
Tel: 86-27-5980-5300
Fax: 86-27-5980-5118
China - Xian
Tel: 86-29-8833-7252
Fax: 86-29-8833-7256
China - Xiamen
Tel: 86-592-2388138
Fax: 86-592-2388130
China - Zhuhai
Tel: 86-756-3210040
Fax: 86-756-3210049
ASIA/PACIFIC
India - Bangalore
Tel: 91-80-3090-4444
Fax: 91-80-3090-4123
India - New Delhi
Tel: 91-11-4160-8631
Fax: 91-11-4160-8632
India - Pune
Tel: 91-20-3019-1500
Japan - Osaka
Tel: 81-6-6152-7160
Fax: 81-6-6152-9310
Japan - Tokyo
Tel: 81-3-6880- 3770
Fax: 81-3-6880-3771
Korea - Daegu
Tel: 82-53-744-4301
Fax: 82-53-744-4302
Korea - Seoul
Tel: 82-2-554-7200
Fax: 82-2-558-5932 or
82-2-558-5934
Malaysia - Kuala Lumpur
Tel: 60-3-6201-9857
Fax: 60-3-6201-9859
Malaysia - Penang
Tel: 60-4-227-8870
Fax: 60-4-227-4068
Philippines - Manila
Tel: 63-2-634-9065
Fax: 63-2-634-9069
Singapore
Tel: 65-6334-8870
Fax: 65-6334-8850
Taiwan - Hsin Chu
Tel: 886-3-5778-366
Fax: 886-3-5770-955
Taiwan - Kaohsiung
Tel: 886-7-213-7830
Taiwan - Taipei
Tel: 886-2-2508-8600
Fax: 886-2-2508-0102
Thailand - Bangkok
Tel: 66-2-694-1351
Fax: 66-2-694-1350
EUROPE
Austria - Wels
Tel: 43-7242-2244-39
Fax: 43-7242-2244-393
Denmark - Copenhagen
Tel: 45-4450-2828
Fax: 45-4485-2829
France - Paris
Tel: 33-1-69-53-63-20
Fax: 33-1-69-30-90-79
Germany - Dusseldorf
Tel: 49-2129-3766400
Germany - Munich
Tel: 49-89-627-144-0
Fax: 49-89-627-144-44
Germany - Pforzheim
Tel: 49-7231-424750
Italy - Milan
Tel: 39-0331-742611
Fax: 39-0331-466781
Italy - Venice
Tel: 39-049-7625286
Netherlands - Drunen
Tel: 31-416-690399
Fax: 31-416-690340
Poland - Warsaw
Tel: 48-22-3325737
Spain - Madrid
Tel: 34-91-708-08-90
Fax: 34-91-708-08-91
Sweden - Stockholm
Tel: 46-8-5090-4654
UK - Wokingham
Tel: 44-118-921-5800
Fax: 44-118-921-5820
Worldwide Sales and Service
10/28/13