Service Manual UltraESP AX5011 3103 785 25060
User Manual: AX5011
Open the PDF directly: View PDF
.
Page Count: 23

PRODUCT FAMILY ULTRA – ESP
Technical specification ......................................................1-1
Connections and controls..................................................1-2
Features ............................................................................1-3
Accessories .......................................................................1-3
Safety & Warnings.............................................................1-4
Service hints
Repair positions ............................................................2-1
Dismantling CD-door.....................................................2-1
Handling chip components............................................2-2
Service tools..................................................................2-2
Pin description of ICs ................................................3-1...3-3
Start-up procedure.............................................................3-4
Service Test Program................................................3-5...3-6
Blockdiagram.....................................................................3-7
Circuit diagrams
CD part..........................................................................4-1
Control/Supply part .......................................................4-2
Audio part......................................................................4-3
Printed circuit board
Componentside view.....................................................4-4
Copperside view............................................................4-5
Exploded view ...................................................................5-1
Mechanical partslist ...........................................................5-1
Electrical partslist ......................................................6-1...6-3
CS 46 718
©3103 785 25060
Published by PW 0103 Service Audio Printed in The Netherlands Subject to modification
Portable compact disc player
CLASS 1
LASER PRODUCT
AX2000
AX2001
AX2002
AX2003
AX2011
AX5000
AX5001
AX5002
AX5003
AX5004
AX5006
AX5011
AX5012
AX5013
AX5014
AX5015
AX5016
AX5017
AX5018
AX5019
all versions
TABLE OF CONTENTS
©Copyright 2001 Philips Consumer Electronics B.V. Eindhoven, The Netherlands
All rights reserved. No part of this publication may be reproduced, stored in a retrieval
system or transmitted, in any form or by any means, electronic, mechanical, photocopying,
or otherwise without the prior permission of Philips.

1-1
CS 46 719
TECHNICAL SPECIFICATION
General
Dimensions (WxHxD) : 128x28x139.5mm
Weight without batteries : 212g
Power supply modes
DC-in socket : 2.9-8.0V
Primary batteries (2xLR6) : 1.6-3.6V
Rechargable batteries (AY3362) : 1.6-3.6V
Battery lifetime
Battery level detection
Charge section (not on all versions)
Charge current : 250mA ±10%
Charge time for 80% AY3362 : 4.0h nom.
Charge time for 100% AY3362 : 6.0h nom.
Max. charge time (µP controlled) : 7h
Temperature protection : 50°C ±5°C
Current consumption
Shock resistance
+X/-X direction : ≥2.5g
+Y/-Y direction : ≥2.5g
+Z/-Z direction : ≥2.0g
Headphone out (measured with 16Ωload, DBB/ESP off)
Output power (THD=10%)
/17 version only : 2x12mW (+1/-3dB)
all other versions : 2x6mW (+1/-3dB)
Frequency response (1mW) : 100Hz-20kHz within 6dB
S/N ratio (unwght) : ≥80dB (83dB typ.)
S/N ratio (A-wght) : ≥82dB (85dB typ.)
THD+N (1kHz, 1mW) : ≤1% (0.2% typ.)
Channel crosstalk (1kHz, no load) : ≤-24dB (-44dB typ.)
Channel unbalance (-40dB) : ≤5dB
Volume attenuation (1kHz) : ≥60dB
Dynamic Bass Boost DBB
Laser
Output power : <5mW (3mW typ.)
Wavelength : 780nm
Measurement setup
Use Audio Signal disc SBC429 4822 397 30184
Low pass filterDUT S/N and distortion meter
L
R
i.e. Sennheiser UPM550
with FF-filter
Level meter
i.e. Sound Technology ST1700Bi.e. 4822 395 30204
22kHz
13th order
EGATSBBD esnopserycneuqerF
zHk36zHk1zHk01
1BBDBd6+ ±Bd2Bd0 ±Bd2Bd0 ±Bd2
2BBDBd9+ ±Bd2Bd0 ±Bd2Bd5+ ±Bd2
EDOMNOITAREPO )V5.4(YLPPUSNI-CD)V52.2(YLPPUS.TTAB
FFOPSENOPSEFFOPSENOPSE
edom-yalP.pytAm001.pytAm001.pytAm021.pytAm021
edom-pmuJ.pytAm022.pytAm022.pytAm003.pytAm004
yb-dnatS )egrahcer.lcxe( .pytAm0305µ.pytA
LEVELNOITCETEDseirettabyramirPseirettabelbagrahceR
ytpmeyrettaB V8.1 Vm05-/001+ V8.1 Vm05-/001+
1kaewyrettaB +levelytpmeyrettab V58.0 ±Vm001 +levelytpmeyrettab V56.0 ±Vm001
2kaewyrettaB +levelytpmeyrettab V55.0 ±Vm001 +levelytpmeyrettab V54.0 ±Vm001
3kaewyrettaB +levelytpmeyrettab V52.0 ±Vm001 +levelytpmeyrettab V52.0 ±Vm001
EPYTYRETTABFFOPSENOPSE
seirettabyramirP 6RLx2 ≥h41 ).pyth02( ≥h41 ).pyth02(
seirettabelbagrahceR )hAm0021(2633YA ≥h7 ).pyth5.9( ≥h7 ).pyth5.9(

1OPEN 2..........opens the CD lid
22; ...................switches the player on, starts or pauses CD play
39.....................stops CD play, clears a program or switches the
player off
4§....................skips and searches CD tracks forwards
5ESP.................Electronic Skip Protection ensures continuous
CD playback regardless of vibrations and shocks
6MODE .............selects the different playing possibilities:
SHUFFLE, SHUFFLE REPEAT ALL, REPEAT, REPEAT ALL
and SCAN
7........................display
8PROGRAM .....programs tracks and reviews the program
9BASS ..............switches the bass enhancement on and off.
This button also switches acoustic feedback (the
beep) on/off when it is pressed for more than 2
seconds
0∞....................skips and searches CD tracks backwards
!RESUME.........stores the last position of a CD track played
HOLD..............locks all buttons
OFF.................switches RESUME and HOLD off
@LINE OUT/p....3.5mm headphone socket, socket to connect the
player to another audio input of an additional
appliance, remote control socket (not on all
versions)
#VOL E..........adjusts the volume
$4.5V DC ..........socket for external power supply
%........................typeplate
^........................belt clip holder
1-2
CS 46 720
CONNECTIONS AND CONTROLS
3
4
5
6
7
8
9
0
!
@#
1
2
$
%
^
TROUBLESHOOTING (excerpt from the Instruction For Use)
Problem Possible cause Solution
No power, Batteries
playback does Batteries inserted incorrectly Insert the batteries
not start correctly
Batteries are empty Change the batteries
Contact pins are dirty Clean them with a cloth
Mains adapter
Loose connection Connect the adapter
securely
In-car use
Cigarette lighter is not Switch on ignition or insert
powered when ignition is off batteries
nF d1SC CD-RW (CD-R) is not Use FINALIZE on the
indication recorded properly CD Recorder to complete
the recording
no d1SC The CD is badly scratched Replace or clean the CD
indication or dirty
CD is not or incorrectly inserted Insert a CD, label upwards
The laser lens is steamed up Wait until the lens has
cleared
Hold HOLD is activated Deactivate HOLD
indication Electrostatic discharge Disconnect the set from
and/or power supply or take out
no reaction the batteries for a few
to controls seconds
Problem Possible cause Solution
CD skips tracks The CD is damaged or dirty Replace or clean the CD
RESUME, SHUFFLE or PROGRAM Switch RESUME, SHUFFLE
is active or PROGRAM off
No sound or PAUSE is activated Press 2;
bad sound Loose, wrong or dirty Check and clean
quality connections connections
Volume is not adjusted Adjust the volume
Malfunctions due to nearness Keep the player away from
of active mobile phones active mobile phones
Strong magnetic fields near Change the player’s
the player position or connections
In-car use
Cassette adapter is inserted Insert the cassette adapter
incorrectly correctly
Temperature inside the car Let the player adjust to
is too high/low the temperature
Cigarette lighter socket Clean the cigarette
is dirty lighter socket
Wrong playback direction of Change the autoreverse
the car cassette player’s direction
autoreverse feature

1-3
CS 46 721
AX2000
AX2001
AX2002
AX2003
AX2011
AX5000
AX5001
AX5002
AX5003
AX5004
AX5006
AX5011
AX5012
AX5013
AX5014
AX5015
AX5016
AX5017
AX5018
AX5019
CD-RW COMPATIBILITY
ELECTRONIC SKIP PROTECTION
ESP DRAM SIZE [Mbit]
HOLD / RESUME FUNCTION
DBB STAGES
ACOUSTIC FEEDBACK
PROGRAM MEMORY
RECHARGE NiCd / NiMH
BELT-CLIP
CORD REMOTE CONTROL
LCD BACKLIGHT
LINE / OPT. DIGITAL OUTPUT
●
12s
4
●/●
2
●
99
–/–
–
–
–
–/–
FEATURES OF CD-PORTABLE
PRODUCT FAMILY “ULTRA – ESP”
●
12s
4
●/●
2
●
99
–/–
–
–
–
–/–
●
12s
4
●/●
2
●
99
●/●
–
–
–
–/–
●
12s
4
●/●
2
●
99
–/–
–
–
–
–/–
●
12s
4
●/●
2
●
99
–/–
–
–
–
–/–
●
45s
8
●/●
2
●
99
–/–
●
–
–
–/–
●
45s
16
●/●
2
●
99
–/–
●
–
–
–/–
●
45s
16
●/●
2
●
99
●/●
●
–
–
–/–
●
45s
16
●/●
2
●
99
–/–
●
–
–
–/–
●
45s
16
●/●
2
●
99
●/●
●
●
–
–/–
●
45s
16
●/●
2
●
99
–/–
●
–
–
–/–
●
45s
16
●/●
2
●
99
–/–
–
–
–
–/–
●
45s
16
●/●
2
●
99
–/–
–
–
–
–/–
●
45s
16
●/●
2
●
99
–/–
–
–
–
–/–
●
45s
16
●/●
2
●
99
–/–
●
–
–
–/–
●
45s
16
●/●
2
●
99
–/–
●
–
–
–/–
●
45s
16
●/●
2
●
99
–/–
–
–
–
–/–
●
45s
16
●/●
2
●
99
–/–
●
–
–
–/–
●
45s
16
●/●
2
●
99
–/–
●
–
–
–/–
●
45s
16
●/●
2
●
99
–/–
●
–
–
–/–
FEATURES
AX2000
AX2001
AX2002
AX2003
AX2011
AX5000
AX5001
AX5002
AX5003
AX5004
AX5006
AX5011
AX5012
AX5013
AX5014
AX5015
AX5016
AX5017
AX5018
AX5019
/00
/00z
/00
/05
/11
/00
/05
/01
/18
/19
/19z
/00
/05
/00
/00z
/00
/00
/05
/01
/10
/00
/17
/17
/17
/17
/00
/17
/17
/17
/17
/17
/17
/17
O
O
O
O
X
O
AY3170/00 AC/DC Adaptor
AY3170/02 AC/DC Adaptor
AY3170/05 AC/DC Adaptor
AY3170/09 AC/DC Adaptor
AY3170/10 AC/DC Adaptor
AY3170/12 AC/DC Adaptor
AY3170/17 AC/DC Adaptor
AY3170/19 AC/DC Adaptor
AY3266/00 Pouch (Neoprene)
AY3362/00 Rechargable Batt. NiMH
AY3464 HiFi Cord (3.5mm L-plug→cinch)
AY3501/00 Car Adaptor Cassette
AY3545/00 Car DC/DC Converter
AY3767/00 Cord Remote Control
SBC HE545/77 Headphone (L-plug)
SBC HE545/77s Headphone (S-plug)
SBC HL350/77 Headphone (L-plug)
BELT-CLIP
X...supplied with the set, O...optional available
ACCESSORIES FOR CD-PORTABLE
PRODUCT FAMILY “ULTRA – ESP”
4822 219 10617
4822 219 10676
4822 219 10672
4822 219 10679
4822 219 10681
4822 219 10671
4822 219 10616
local supplier
3140 113 10360
3103 308 84120
4822 320 11881
4822 397 10059
4822 219 10033
3103 309 72380
9082 100 00268
9082 100 00269
9082 100 00235
3103 304 70250
O
O
O
O
X
O
X
O
O
O
X
O
X
O
O
O
X
O
X
O
O
O
X
O
O
X
O
O
O
X
O
O
O
O
O
X
X
X
X
O
O
O
X
O
X
O
X
X
X
O
X
O
X
X
X
O
X
O
X
X
X
O
X
O
X
X
X
O
X
O
O
O
X
O
X
O
O
O
X
O
O
O
O
O
X
X
X
O
O
O
X
X
X
O
O
O
X
X
X
O
O
O
X
X
X
O
O
O
X
X
O
O
X
X
X
O
O
O
X
X
X
O
X
O
X
X
X
X
X
O
X
X
X
X
X
O
O
O
X
X
X
X
O
O
O
X
X
X
O
X
X
X
X
X
O
X
X
X
X
X
X
X
O
O
O
X
X
X
X
O
O
O
X
X
X
O
X
X
X
X
O
O
O
O
X
O
O
O
O
O
X
O
X
X
O
O
O
X
X
ACCESSORIES

1-4
CS 46 722
© WARNING
All ICs and many other semiconductors are susceptible to
electrostatic discharges (ESD). Careless handling during
repair can reduce life drastically.
When repairing, make sure that you are connected with the
same potential as the mass of the set via a wristband with
resistance. Keep components and tools at this potential.
f ATTENTION
Tous les IC et beaucoup d´autres semi-conducteurs sont
sensibles aux décharges statiques (ESD). Leur longévite
pourrait être considérablement écourtée par le fait qu´aucune
précaution nést prise à leur manipulation.
Lors de réparations, s´assurer de bien être relié au même
potentiel que la masse de l´appareil et enfileer le bracelet
serti d´une résistance de sécurité.
Veiller à ce que les composants ainsi que les outils que l´on
utilise soient également à ce potentiel.
d WARNUNG
Alle ICs und viele andere Halbleiter sind empfindlich
gegenüber elektrostatischen Entladungen (ESD).
Unsorgfältige Behandlung im Reparaturfall kann die
Lebensdauer drastisch reduzieren.
Sorgen Sie dafür, daß Sie im Reparaturfall über ein Puls-
armband mit Widerstand mit dem Massepotential des
Gerätes verbunden sind.
Halten Sie Bauteile und Hilfsmittel ebenfalls auf diesem
Potential.
ñ WAARSCHUWING
Alle IC´s en vele andere halfgeleiders zijn gevoelig voor
electrostatische ontladingen (ESD).
Onzorgvuldig behandelen tijdens reparatie kan de levensduur
drastisch doen vermindern. Zorg ervoor dat u tijdens reparatie
via een polsband met weerstand verbonden bent met hetzelfde
potentiaal als de massa van het apparaat.
Houd componenten en hulpmiddelen ook op ditzelfde potentiaal.
i AVVERTIMENTO
Tutti IC e parecchi semi-conduttori sono sensibili alle scariche
statiche (ESD).
La loro longevità potrebbe essere fortemente ridatta in caso di
non osservazione della più grande cauzione alla loro
manipolazione. Durante le riparationi occorre quindi essere
collegato allo stesso potenziale che quello della massa
delápparecchio tramite un braccialetto a resistenza.
Assicurarsi che i componenti e anche gli utensili con quali si
lavora siano anche a questo potenziale.
©
Safety regulations require that the set be restored to its
original condition and that parts which are identical with
those specified be used.
Safety components are marked by the symbol
i
Le norme di sicurezza estigono che l´apparecchio venga
rimesso nelle condizioni originali e che siano utilizzati i
pezzi di ricambiago identici a quelli specificati.
Componenty di sicurezza sono marcati con
ñ
Veiligheidsbepalingen vereisen, dat het apparaat in zijn
oorspronkeliijke toestand wordt teruggebracht en dat
onderdelen, identiek aan de gespecificeerde, worden toegepast.
De Veiligheidsonderdelen zijn aangeduid met het symbool
s Varning !
Osynlig laserstrålning när apparaten är öppnad och
spärren är urkopplad. Betrakta ej strålen.
∂ Advarsel !
Usynlig laserstråling ved åbning når sikkerhedsafbrydere
er ude af funktion. Undgå udsaettelse for stråling.
ß Varoitus !
Avatussa laitteessa ja suojalukituksen ohitettaessa olet alttiina
näkymättömälle laserisäteilylle. Älä katso säteeseen !
f
"Pour votre sécurite, ces documents doivent être utilisés par
des spécialistes agréés, seuls habilités à réparer votre
appareil en panne".
ESD
SAFETY
d
Bei jeder Reparatur sind die geltenden Sicherheitsvor-
schriften zu beachten. Der Originalzustand des Gerätes
darf nicht verändert werden. Für Reparaturen sind Original-
ersatzteile zu verwenden.
Sicherheitsbauteile sind durch das Symbol markiert.
f
Les normes de sécurité exigent que l`appareil soit remis
à l`état d`origine et que soient utilisées les pièces de
rechange identiques à celles spécifiées.
Les composants de sécurité sont marqués
CLASS 1
LASER PRODUCT
©
DANGER: Invisible laser radiation when open.
©
After servicing and before returning the set to customer
perform a leakage current measurement test from all
exposed metal parts to earth ground, to assure no
shock hazard exists.
The leakage current must not exceed 0.5mA.
AVOID DIRECT EXPOSURE TO BEAM.
©
AVAILABLE ESD PROTECTION EQUIPMENT :
anti-static table mat large 1200x650x1.25mm 4822 466 10953
small 600x650x1.25mm 4822 466 10958
anti-static wristband 4822 395 10223
connection box (3 press stud connections, 1MΩ) 4822 320 11307
extendible cable (2m, 2MΩ, to connect wristband to connection box) 4822 320 11305
connecting cable (3m, 2MΩ, to connect table mat to connection box) 4822 320 11306
earth cable (1MΩ, to connect any product to mat or to connection box) 4822 320 11308
KIT ESD3 (combining all 6 prior products - small table mat) 4822 310 10671
wristband tester 4822 344 13999
SAFETY & WARNINGS

2-1
CS 46 723
SERVICE HINTS
REPAIR POSITION COPPERSIDE
To get access to the copperside of the
printed board assembly proceed as follows:
1. Remove the bottom screws (6x)
2. Lift the bottom-cabinet
3. Supply the unit via external DC-socket
4. Take care that the door switch is closed during
measurements
To get access to the componentside of the
printed board assembly proceed as follows:
1. Remove the bottom screws (6x)
2. Open the CD-door
3. Lift the top-cabinet and put it backwards on the table
4. Supply the unit via the external DC-socket
5. Take care that the door switch is closed during
measurements
REPAIR POSITION COMPONENTSIDE
DISMANTLING THE CD-DOOR
To dismantle the CD-door proceed as follows:
1. Dismantle bottom and printed board/drive assembly
2. Disconnect membrane keyboard
(flex-foil connector on copperside of printed board)
3. Bend the cabinet leftwards downwards 1,
while bending the CD-door rightwards upwards 2
The procedure appears to be tricky at first, but force
needs to be applied with thumb and middle finger only.
It’s just like snapping one’s fingers.
Remark: Don’t worry about applied force - both parts have a
solid design. However, do not use screwdrivers or
tools like that. Sharp edges could damage hinge or
cabinet part.

HANDLING CHIP COMPONENTS
SERVICE TOOLS
Audio signal disc SBC429 4822 397 30184
Playability test disc SBC444 4822 397 30245
Test disc 5 (disc without errors) + Test disc 5A (disc with dropout errors,
black spots and fingerprints) SBC426/SBC426A 4822 397 30096
ESD PROTECTION EQUIPMENT
Anti-static table mat large 1200x650x1.25mm 4822 466 10953
small 600x650x1.25mm 4822 466 10958
Anti-static wristband 4822 395 10223
Connection box (3 press stud connections, 1MΩ) 4822 320 11307
Extendible cable (2m, 2MΩ, to connect wristband to connection box) 4822 320 11305
Connecting cable (3m, 2MΩ, to connect table mat to connection box) 4822 320 11306
Earth cable (1MΩ, to connect any product to mat or to connection box) 4822 320 11308
KIT ESD3 (combining all 6 prior products - small table mat) 4822 310 10671
Wristband tester 4822 344 13999
2-2
CS 46 724

PIN DESCRIPTION OF INTEGRATED CIRCUITS
TZA1024 – HF-PREAMPLIFIER AND LASER SUPPLY CIRCUIT
Pin Name Direction Description
–––––––––––––––––––––––––––––––––––––––––––––––––––––––––––––––––––––––––––––––––––––––––––––––––––––––––––
1 LD HF-preamp →CD-drive current output to laser diode
2 VCCL +2.6V laser supply voltage
3 CFIL →HF-preamp external filter capacitor
4 MON CD-drive →HF-preamp laser monitor diode input
5 DIN CD-drive →HF-preamp central diode input
6 GND GND ground
7 PWRON CD10 →HF-preamp power-on select input
8 CMFB +2.6V / 2 common mode feedback voltage input
9 RFFB →HF-preamp external RF feedback resistor
10 RFEQO HF-preamp →RF amplifier output
11 CDRW CD10 →HF-preamp gain select input for CDDA/CDRW
12 EQSEL CD10 →HF-preamp equalizer/speed select input
13 VCC2 +2.6V supply voltage
14 RGADJ GND external laser supply gain adjust resistor
SC111259FTA – SERVO DRIVER & POWER MANAGEMENT IC
Pin Name Direction Description
–––––––––––––––––––––––––––––––––––––––––––––––––––––––––––––––––––––––––––––––––––––––––––––––––––––––––––
1 SLEEP µP →servo driver sleep input
2 WAKW µP →servo driver wake input
3 VR +VR reference voltage input (motor driver)
4 ERR4 CD10 →servo driver control signal input (slide error signal)
5 CF4 →servo driver phase correction capacitor connect (CH4)
6 CF3 →servo driver phase correction capacitor connect (CH3)
7 ERR3 CD10 →servo driver control signal input (radial error signal)
8 ERR2 CD10/µP →servo driver control signal input (disc speed error signal)
9 CF2 →servo driver phase correction capacitor connect (CH2)
10 CF1 →servo driver phase correction capacitor connect (CH1)
11 ERR1 CD10 →servo driver control signal input (focus error signal)
12 OUT1A servo driver →CD-drive positive drive output (CH1)
13 PGND1 GND H-bridge driver ground
14 OUT1B servo driver →CD-drive negative drive output (CH1)
15 VIN12 +A CH1 and CH2 H-bridge driver supply voltage
16 OUT2B servo driver →CD-drive negative drive output (CH2)
17 PGND2 GND H-bridge driver ground
18 OUT2A servo driver →CD-drive positive drive output (CH2)
19 OUT3A servo driver →CD-drive positive drive output (CH3)
20 PGND2 GND H-bridge driver ground
21 OUT3B servo driver →CD-drive negative drive output (CH3)
22 VIN34 +A CH3 and CH4 H-bridge driver supply voltage
23 OUT4B servo driver →CD-drive negative drive output (CH4)
24 PGND4 GND H-bridge driver ground
25 OUT4A servo driver →CD-drive positive drive output (CH4)
26 VG +VG charge pump output
27 C2H →servo driver charge pump capacitor connect
28 C1H →servo driver charge pump capacitor connect
29 C1L →servo driver charge pump capacitor connect
30 C2L →servo driver charge pump capacitor connect
31 VIN battery →servo driver battery supply voltage
32 RSTB servo driver →µP reset block output
33 CHGSW servo driver →charge circuit transistor drive output for battery charger
34 RS charge circuit →servo driver OpAmp non-inverting input for battery charger
35 INM2 +A stabilizer →servo driver error amplifier inverting input
36 RF2 +A stabilizer →servo driver error amplifier output
37 DCIN +DC DC power supply from AC/DC adaptor
38 VDET servo driver →DCIN over voltage and VIN low voltage detect output
39 VREF servo driver →Voltage reference circuit output
40 DTC →servo driver max. duty control voltage input for power management
41 VOUT servo driver →DC/DC converter PWM output for power management
42 VC →servo driver power management power supply
43 CGND GND internal ground
44 RF1 servo driver →OpAmp output for power management
45 INM1 →servo driver OpAmp inverting input for power management
46 CLK →servo driver clock input
47 OE µP →servo driver output enable for motor drivers
48 CHGON µP →servo driver charge enable for battery charger
3-1
CS 46 725

SAA7324 – DECODER, DIGITAL SERVO IC AND D/A-CONVERTER CD10 (low voltage version)
Pin Name Direction Description
–––––––––––––––––––––––––––––––––––––––––––––––––––––––––––––––––––––––––––––––––––––––––––––––––––––––––––
1 HFREF →CD10 comparator common mode input
2 HFIN →CD10 comparator signal input
3 ISLICE CD10 →current feedback from data slicer
4 VSSA1 GND analog ground 1
5 VDDA1 +2.6V analog supply voltage 1
6 IREF CD10 →reference current output pin
7 VRIN CD10 →reference voltage for servo ADC’s
8 D1 CD-drive →CD10 unipolar current input (central diode signal input)
9 D2 CD-drive →CD10 unipolar current input (central diode signal input)
10 D3 CD-drive →CD10 unipolar current input (central diode signal input)
11 D4 CD-drive →CD10 unipolar current input (central diode signal input)
12 R1 CD-drive →CD10 unipolar current input (satellite diode signal input)
13 R2 CD-drive →CD10 unipolar current input (satellite diode signal input)
14 VSSA2 GND analog ground 2
15 CROUT CD10 →X-TAL crystal/resonator output
16 CRIN X-TAL →CD10 crystal/resonator input
17 VDDA2 +2.6V analog supply voltage 2
18 LN CD10 →DAC left channel differential output - negative
19 LP CD10 →DAC left channel differential output - positive
20 VNEG GND DAC negative reference input
21 VPOS +2.6V DAC positive reference input
22 RN CD10 →DAC right channel differential output - negative
23 RP CD10 →DAC right channel differential output - positive
24 SELPLL CD10 →selects whether internal clock multiplier PLL is used
25 TEST1 GND test control input 1; this pin should be tied low
26 CL16 CD10 →NPC 16.9344 MHz system clock output
27 DATA CD10 →NPC serial data output (3-state)
28 WCLK CD10 →NPC word clock output (3-state)
29 SCLK CD10 →NPC serial bit clock output (3-state)
30 EF CD10 →NPC C2 error flag output (3-state)
31 TEST2 GND test control input 2; this pin should be tied low
32 KILL CD10 →Mute control kill output (programmable; open-drain)
33 VSSD1 GND digital ground 2
34 V2/V3 CD10 →NPC versatile I/O: input versatile pin 2 or output versatile pin 3 (open-drain)
35 WCLI NPC →CD10 word clock input (for data loopback to DAC)
36 SDI NPC →CD10 serial data input (for data loopback to DAC)
37 SCLI NPC →CD10 serial bit clock input (for data loopback to DAC)
38 RESETn µP →CD10 power-on reset input (active low)
39 SDA µP ↔CD10 microcontroller interface data I/O line (open-drain output)
40 SCL µP →CD10 microcontroller interface clock line input
41 RAB µP →CD10 microcontroller interface R/W and load control line input (4-wire bus mode)
42 SILD µP →CD10 microcontroller interface R/W and load control line input (4-wire bus mode)
43 STATUS CD10 →servo interrupt request line/decoder status register output (open-drain)
44 TEST3 GND test control input 3; this pin should be tied low
45 RCK →CD10 subcode clock input
46 SUB CD10 →P-to-W subcode bits output (3-state)
47 SFSY CD10 →µP subcode frame sync output (3-state)
48 SBSY CD10 →NPC subcode block sync output (3-state)
49 CL11/4 CD10 →11.2896 MHz or 4.2336 MHz (for microcontroller) clock output
50 VSSD2 GND digital ground 3
51 DOBM CD10 →bi-phase mark output (externally buffered; 3-state)
52 VDDD1P +2.6V digital supply voltage 2 for periphery
53 CFLG CD10 →correction flag output (open-drain)
54 RA CD10 →servo driver radial actuator output
55 FO CD10 →servo driver focus actuator output
56 SL CD10 →servo driver slide control output
57 VDDD2C +2.6V digital supply voltage 3 for core
58 VSSD3 GND digital ground 4
59 MOTO1 CD10 →servo driver motor output 1; versatile (3-state)
60 MOTO2 CD10 →motor output 2; versatile (3-state)
61 V4 CD10 →HF-preamp versatile output pin 4
62 V5 CD10 →HF-preamp versatile output pin 5
63 V1 innerswitch →CD10 versatile input pin 1
64 LDON CD10 →HF-preamp laser drive on output (open-drain)
3-2
CS 46 726

SM5903BF – COMPRESSION-TYPE ANTI-SHOCK MEMORY CONTROLLER NPC
Pin Name Direction Description
–––––––––––––––––––––––––––––––––––––––––––––––––––––––––––––––––––––––––––––––––––––––––––––––––––––––––––
1 VDD +2.6V supply voltage
2 UC1 NPC ↔µP interface extension I/O line 1
3 UC2 NPC ↔µP interface extension I/O line 2
4 UC3 NPC ↔µP interface extension I/O line 3
5 UC4 NPC ↔µP interface extension I/O line 4
6 UC5 NPC ↔µP interface extension I/O line 5
7 TEST1/DIT NPC →digital audio interface output
8 TEST2 +2.6V test pin
9 CLK CD10 →NPC 16.9344MHz clock input
10 VSS GND ground
11 YSRDATA CD10 →NPC audio serial data input
12 YLRCK CD10 →NPC audio serial L/R clock input
13 YSCK CD10 →NPC audio serial bit clock input
14 ZSCK NPC →CD10 audio serial bit clock output
15 ZLRCK NPC →CD10 audio serial L/R clock output
16 ZSRDATA NPC →CD10 audio serial data output
17 YFLAG CD10 →NPC signal processor IC RAM overflow flag
18 YFCLK GND crystal-controlled frame clock input
19 YBLKCK CD10 →NPC subcode block clock signal output
20 RESET µP →NPC system reset input (active low)
21 ZSENSE NPC →µP interface status output
22 VDD2 +2.6V supply voltage
23 YDMUTE →NPC forced mute input
24 YMLD µP →NPC µP interface latch clock input
25 YMDATA µP →NPC µP interface serial data input
26 YMCLK µP →NPC µP interface shift clock input
27 OE NPC →DRAM DRAM OE control output (active low)
28 CAS NPC →DRAM DRAM CAS control output (active low)
29 D2 NPC ↔DRAM DRAM data input/output 2
30 D3 NPC ↔DRAM DRAM data input/output 3
31 D0 NPC ↔DRAM DRAM data input/output 0
32 D1 NPC ↔DRAM DRAM data input/output 1
33 WE NPC →DRAM DRAM WE control output (active low)
34 RAS NPC →DRAM DRAM RAS control output (active low)
35 A9 NPC →DRAM DRAM address output 9
36 A8 NPC →DRAM DRAM address output 8
37 A7 NPC →DRAM DRAM address output 7
38 A6 NPC →DRAM DRAM address output 6
39 A5 NPC →DRAM DRAM address output 5
40 A4 NPC →DRAM DRAM address output 4
41 A0 NPC →DRAM DRAM address output 0
42 A1 NPC →DRAM DRAM address output 1
43 A2 NPC →DRAM DRAM address output 2
44 A3 NPC →DRAM DRAM address output 3
3-3
CS 46 727

START-UP PROCEDURE – FLOW CHART
PLAY
pressed ?
µP sends
command to CD10:
“move slide inside”
µP accelerates
disc motor for
~200ms
inner switch
closed within
~6s ?
µP sends
command to CD10:
“move slide outside”
µP sends
commands to CD10:
“slide servo off”
µP sends
commands to CD10:
“laser on”
“focus servo on”
µP resets
CD10 and NPC
PORES=L
NPC_RESET=L
µP outputs servo
signal for disc motor
(DM_PWM 50% duty)
µP switches
servo driver on
(via S_MUTE)
µP initializes
CD10 and NPC
with default
parameter/settings
inner switch
open within
~0.25s ?
Start-up procedure for ext.DC supply,
no accu inserted, hold-switch in off pos.,
ESP on, resume-mode off, CD-door closed.
µP switches
headphone amplifier
on (via LF_POW)
N
N
N
Y
TOC
found within
~30s ?
N
Y
Y
Y
POWER OFF
(stand-by)
focus found
during ramping
cycle ?
µP accelerates
disc to nom. speed
DC/DC converter
is switched on
(via WAKE)
Y
N
µP calculates
ramping offset and
sends play-params
to CD10
jump
ok ?
µP initializes
radial servo loop
(~330ms)
µP releases
muting
(via MUTE)
µP sends command
to CD10: “jump
10 tracks inside”
Y
Y
subcode
ok ?
N
N
Y
Y
N
PLAY-MODE
N
N
display shows
“no d1SC”
start-up stopped
display shows
“nF d1SC”
start-up stopped
disc at nom.
speed within
~10s ?
N
focus
stability test
ok ?
µP sends new focus
parameters to CD10
(switch to higher
focus sensitivity)
switch back to
normal focus
sensitivity
Y
already
looped through
all (4) focus
sensitivities
?
re-initialize CD10
and restart focus
search procedure
N
Y
Y
re-initialize CD10
and restart focus
search procedure
N
focus found
during ramping
cycle ?
subcode
error handler
radial
error handler
N
µP sends new focus
parameters to CD10
(switch to higher
focus sensitivity)
Y
already
looped through
all (4) focus
sensitivities
?
Y
focus found
during ramping
cycle ?
focus found
during ramping
cycle ?
3-4
CS 46 728

SERVICE TEST PROGRAM
1. PRELIMINARY SETUP
•To enter the service test program disconnect the AC/DC adaptor
and remove batteries, open the CD-door and hold the buttons
“PLAY” & “PREV” depressed while turning power on (i.e.
connecting the AC/DC adaptor).
•The display shows the software version of the built-in µP
(i.e. “S-26”). Versions are counted from “00” onwards; that
means the higher the number the newer the software.
•The program is now in the main menu – various tests can be
entered by pressing the corresponding buttons (see flow chart on
next page or detailed description of available tests below).
•To exit the service test program press the “STOP“ button or
disconnect the set from the power source.
2. DISPLAY TEST
Purpose: Check functionality of display and display driver.
•To enter the display test start the service test program and press
the “NEXT” button.
•The display shows test pattern1. All segments are activated for
finding open circuits (see flow chart on next page).
•To jump to the next pattern press the “NEXT” button.
•The display shows test pattern2. All alternate pins (2, 4, ...) are
activated for finding short circuits (see flow chart on next page).
•To jump back to test pattern1 press the “NEXT” button, to exit the
display test and return to the main menu press the “STOP” button.
3. KEY TEST
Purpose: Check operation of keys and cord remote control.
•To enter the key test start the service test program and press the
“MODE” button.
•The display shows “--”.
•Hold key depressed and check corresponding key code on the
display. Key codes can be found in table1 (see flow chart on next
page).
•To exit the key test and return to the main menu press the “STOP”
button.
4. PLAYBACK TEST WITH ERROR ANALYSIS
Purpose: Analyze errors that occur during playback and search for
intermittent failures.
•To enter the playback test start the service test program and press
the “BASS” button.
•To start the error analysis press the “PLAY” button. Note that the
playback test can only be entered if the CD-door is closed.
•The set will read the TOC and start playback.
As long as the playback is free of errors the display shows track and
time information like in normal play-mode. In case of errors
corresponding error codes will be displayed. The meaning of these
error codes can be found in table2 (see flow chart on next page).
Note: Errors can either be
“fatal”
or
“non fatal”
. Fatal errors always
stop the playback, non fatal errors only cause a short
interruption of the music. Fatal errors are displayed as long
as the set is connected to the power source, non fatal errors
are displayed until a new error occurs or a button is pressed.
•To stop the playback test disconnect the set from the power
source.
5. SERVO TEST
Purpose: Check door switch, inner switch of CD-drive, movement
of slide and acceleration of discmotor.
•To enter the servo test start the service test program and press
the “PLAY” button.
•The display shows “Cd
xy
”.
“
x
” indicates state of door switch;
“
y
” indicates state of inner switch.
x,y
= “0” means switch is closed; “1” means switch is open.
•To move slide outside hold the “NEXT” button depressed.
•To move slide inside hold the “PREV” button depressed.
•To accelerate the discmotor clockwise hold the “MODE” button
depressed.
•To accelerate the discmotor counter-clockwise hold the “PROG”
button depressed.
•To enter the focus test press the “PLAY” button, to exit the servo
test and return to the main menu press the “STOP” button.
6. FOCUS TEST
Purpose: Check movement of lens and operation of focus servo for
CDDA and CDRW discs.
•The focus servo loop is switched on and the set starts searching
the focus (“focus ramping”). As soon as the focus has been found
the focus servo loop is closed and the state of the focus is
monitored continuously.
•If the focus is OK the display shows “ F
x
”, else “-F
x
”.
“x” indicates the sensitivity mode. Details can be found in table3
(see flow chart on next page).
•To toggle between sensitivity modes press the “BASS” button.
•To move slide outside hold the “NEXT” button depressed.
•To move slide inside hold the “PREV” button depressed.
•To accelerate the discmotor clockwise hold the “MODE” button
depressed.
•To accelerate the discmotor counter-clockwise hold the “PROG”
button depressed.
•In case the focus is OK the discmotor test can be entered by
pressing the “PLAY” button, to exit the focus test and return to the
main menu press the “STOP” button.
7. DISCMOTOR TEST
Purpose: Check speed regulation of discmotor.
•The speed regulation is switched on and the discmotor starts
rotating. If the speed reaches 75% of the nom. speed the display
shows “ d”, else “-d”.
•In parallel also the state of the focus is monitored continuously
(display “ F
x
” or “-F
x
”).
•In case the disc speed is OK and the focus is OK the radial test
can be entered by pressing the “PLAY” button, to exit the
discmotor test and return to the main menu press the “STOP”
button.
8. RADIAL TEST
Purpose: Check if radial loop locks and an audio signal is audible
at the headphone output.
•The radial servo loop is switched on, mute is released and the
audio signal is audible. If the system is on track the display shows
“r”, else “-r”.
•In parallel also the disc speed (display “ d” or “-d”) and the state
of the focus (display “ F
x
” or “-F
x
”) are monitored continuously.
Note: In case of radial errors the audio output is muted and muting
is not released automatically when the systems recovers from the
error. “-r” remains on the display.
To open mute again press the “NEXT” or “PREV” button.
•To jump 16 tracks outside press the “NEXT” button.
•To jump 16 tracks inside press the “PREV” button.
•To exit the radial test and return to the main menu press the
“STOP” button, to exit the service test program disconnect the set
from the power source.
Important remark:
In radial test mode data to the DRAM is written at 1.2 times the
nominal speed, and read from the DRAM at nominal speed.
Because writing is done faster than reading the DRAM gets full after
a certain time.
In normal play mode the system would now wait until the DRAM is
partly emptied again, jump backwards and resume filling at the last
written position. However, in radial test mode the jumps would
disturb measurements on the radial servo loop.
Therefore this function has been disabled and filling restarts
immediately from the current position of the pick-up unit. As a result
“jumps” are audible during playback.
Since the CDRW reflects much less light than an ordinary CDDA, the gain
of the HF-amplifier stage and the sensitivity of the ADC inside the
Decoder&Digital Servo IC “CD10” must be adapted accordingly.
The gain is switched via the CDRW input of the HF-preamplifier.
The ADC-sensitivity is set via software parameters (sent from µP to
“CD10”). In total, there are 4 sensitivity modes available: 1 for CDDA and
3 for CDRW. The modes are listed in table3 (see next page).
In normal play-mode, the correct focus sensitivity is choosen
automatically during start-up (see “Start-up procedure” on previous page).
In the service test program, the sensitivity can be choosen manually in
order to allow individual measurements in several modes.
3-5
CS 46 729

3-63-6
CS 46 730
table1 – key test
DISPLAY SET
1
2
3
5
6
7
8
4 rc
5 rc
6 rc
7 rc
KEYS OF SET
BASS
PROGRAM
MODE
PLAY
NEXT
PREVIOUS
ESP
KEYS OF CORD REMOTE CONTROL
STOP
PLAY
NEXT
PREVIOUS
Press “STOP” on the CD-player to exit the key test.
table3 – focus sensitivity
DISPLAY
-F 01
-F 02
-F 03
-F 04
ESP-FLAG
off
on
on
on
FOCUS SENSITIVITY
Normal focus sensitivity for CDDA
Low focus sensitivity for
high-reflective CD-RW
Medium focus sensitivity for
normal-reflective CD-RW
High focus sensitivity for
low-reflective CD-RW
PRELIMINARY
SETUP
EXIT
SERVICE TEST
PROGRAM
Display shows
software-version
(e.g. “S-26”)
DISPLAY TEST 1
display shows
test pattern 1
DISPLAY TEST 2
display shows
test pattern 2
KEY TEST
Display shows
“--”
To enter the service test program
1. Disconnect the AC/DC adaptor and remove batteries
2. Open the CD-door
3. Hold “PLAY” & “PREV” buttons depressed
4. Connect the AC/DC adaptor or insert batteries
Remark: Playback test can only
be entered if CD-door
is closed!
CUE-MODE
Track servo jumps
16 tracks forwards
“NEXT”
pressed? “MODE”
pressed? “BASS”
pressed?
“PLAY”
pressed?
“PLAY”
pressed?
Error during
playback?
“PLAY”
pressed and
focus OK?
“PLAY”
and focus OK
and speed
OK?
“NEXT”
depressed?
REVIEW-MODE
Track servo jumps
16 tracks backw.
Fatal error?
Display shows
error-code
(see table2)
PLAYBACK
TEST
Slide moves
outside Slide moves
inside
“NEXT”
depressed?
“NEXT”
pressed?
“NEXT”
pressed?
“PREV”
depressed? “MODE”
depressed? “PROG”
depressed?
Stop playback
MAIN MENU
N
Y
N
Y
N
Y
N
Y
N
Y
N
Y
N
Y
N
Y
N
Y
N
Y
N
Y
N
Y
N
Y
N
Y
N
Y
N
Y
N
Y
N
Toggle focus
sensitivity
(see table 3)
“BASS”
pressed? N
Y
CODE
E 1000
E 1001
E 1002
E 1003
E 1004
E 1005
E 1006
E 1008
E 1009
E 1020
ERROR
focus error
radial error
sledge in error
sledge out error
DRAM filling
error
jump error
subcode error
turntable motor
error
audio error
(error flag)
focus search
error
TYPE
non fatal
non fatal
non fatal
non fatal
non fatal
non fatal
non fatal
fatal
non fatal
fatal
CAUSE
Focus point lost for at least 3ms.
The radial servo was offtrack for a
certain amount of time.
The slide did not reach it´s inner pos.
(inner switch of CD-drive does not close)
within approx. 6s.
The slide did not come out of it´s inner
pos. (inner switch of CD-drive is open)
within approx. 250ms.
The DRAM controller was not able to
connect two consecutive audio frames.
The microcontroller had to perform a
direct audio connection that produces
audible clicks.
The offtrack values do not decrease
properly when jumping tracks, the jump
destination could not be found.
No valid subcode for approx. 230ms.
During start-up, the disc speed did not
reach 75% of the nom. speed within
approx. 6 seconds.
Uncorrectable audio error (EF error flag
from CD-Decoder).
The focus point could not be found
within approx. 10s (no valid TOC info),
resp. 30s (valid TOC info).
table2 – playback error analysis
Disc motor turns
clockwise
(accelerate)
Disc motor turns
counter-clockwise
(brake)
Slide moves
outside Slide moves
inside
“NEXT”
depressed? “PREV”
depressed? “MODE”
depressed? “PROG”
depressed?
N
Y
N
Y
N
Y
N
Y
Disc motor turns
clockwise
(accelerate)
Disc motor turns
counter-clockwise
(brake)
ATTENTION: FROM THIS TEST ONWARDS THE
LASER IS SWITCHED ON !!
→ AVOID DIRECT EXPOSURE TO BEAM !!
test pattern 1 (all segments activated)
“PREV”
depressed?
RADIAL TEST
• On track status
“r” = on track
“-r” = not on track
• Disc speed status
“d” = speed OK
“-d” = speed error
• Focus status
“F x” = focus OK
“-F x” = focus error
x = focus sensitivity
DISC MOT. TEST
• Disc speed status
“d” = speed OK
“-d” = speed error
• Focus status
“F x” = focus OK
“-F x” = focus error
x = focus sensitivity
(see table3)
FOCUS TEST
• Focus status
“F x” = focus OK
“-F x” = focus error
x = focus sensitivity
(see table3)
Note: If focus has
been lost, focus
start-up procedure
is entered (ramping).
SERVO TEST
Display shows:
“Cd xy”
• State of switches
x = door switch
y = inner switch
“0” = closed
“1” = open
test pattern 2 (alternate segments activated)
Display shows
keycode
(see table1)
Display shows
keycode + “rc”
(see table1)
key on
remote control
depressed?
key on
cd-player
depressed?
N
YY
SERVICE TEST PROGRAM – FLOW CHART

3-7 3-7
CS 46 731
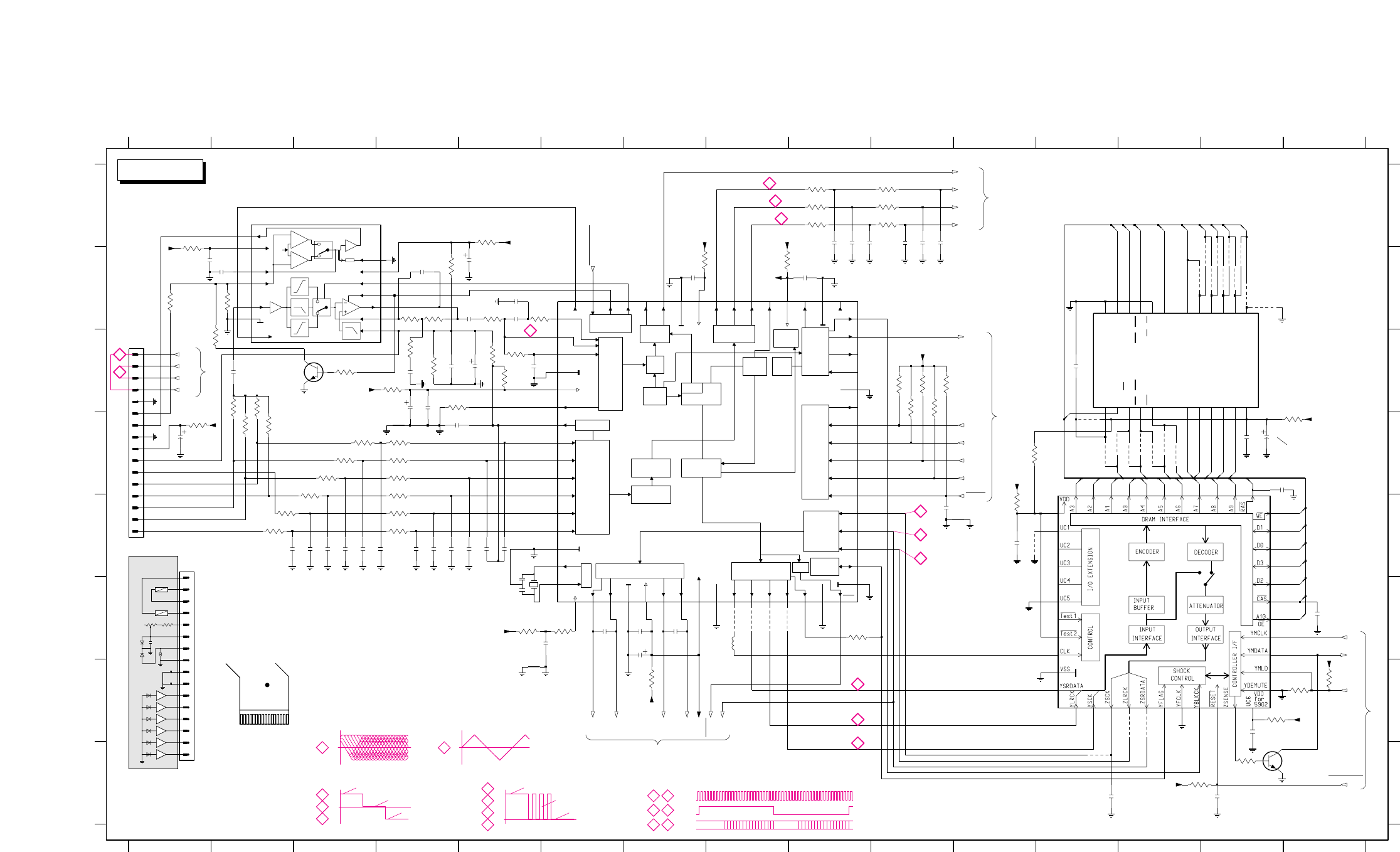
TZA1024
HF-PREAMPLIFIER
SAA7324H
CD10
SM5903BF
NPC
R2
D1
D2
D3
D4
R1
SILD
RAB
SCL
SDA
SBSY
SFSY
YMLD
YMCLK
YMDATA
SILD
RAB
SCL
SDA
SFSY
SCLK
WCLK
DATA
SCLI
WCLI
SDI
HFIN
RESET
F
B
A
C
E
A0...A10, D0...D3
CAS, RAS, WE, OE
DISC
Laser
diode
PHOTO DIODE
ARRAY
TURNTABLE
MOTOR
TRACK
SERVO
FOCUS
SERVO
SLIDE
SERVO
CD
BA
EF
DA23-L(N)PH
CD-DRIVE
Monitor
diode
D
DRAM INTERFACE
A/D-CONVERTER
SHOCK
CONTROL
CONTROLLER
INTERFACE
INPUT
INTERFACE I/O
EXTENSION OUTPUT
INTERFACE
YFLAG
(FROM
CD10)
YMLD
YMCLK
YMDATA
ZSENSE
YSCK
YLRCK
YSRDATA
ZSCK
ZLRCK
ZSRDATA
SBSY
SERIAL
INTERFACE
SERIAL
LOOPBACK
µP
INTERFACE
LCD
DECODERENCODER
CONTROL PART ATTENUATORINPUT BUFFER
EBU
INTERFACE
RAM
ADDRESS.
SUBCODE
PROCESS.
MOTOR
CONTROL
OUTPUT
STAGES
ERROR
CORRECT.
FRONT END TIMING
DIGITAL PLL
SRAM
EFM
DEMOD.
Vref
PRE-PROC. FUNCTION
CONTROL
BITSTREAM
DAC
VERSATILE
INTERFACE
AUDIO
PROCESS.
PEAK
DET.
P TMP86C829
F
LCD DRIVER
CLOCK GEN.
& TIMING
MEMBRANE
KEYBOARD
16bit TIMER
COUNTER ALU
ROMRAM
4MHz
I/O PORTS
RC
SL (PWM signal)
SL FO RA KILL
FO (PWM signal)
RA (PWM signal)
SLIDE_IN
FOCUS_IN
DM±
SL±
Focus±
TRACK_IN
+DC
SC111259FTA
SERVO DRIVER &
POWER MGT. IC
DM_IN
DCIN
DM_PWM
(FROM µP)
SAWVG VLG VR
SAW
Track±
L.P.F.
L.P.F.
L.P.F.
FLEX
BEEP
CHG_ON
TEMP
DC_IN
MUTE
LF_POW
ACCU
CHG_DET
BAT_LEVEL
DM_PWM
(TO SERVO)
PORES
(TO CD10)
NPC_RESET
(TO NPC)
DBB_ON
DBB_STEP
NPC_RESET
(FROM µP)
E_KILL
RESET
PORES
(FROM µP)
RESET
FROM/TO SUPPLY/
CHARGE CIRCUIT
TO SERVO &
POWER MGT.
TO HEADPHONE AMP.
FROM µP
FROM/TO µP
DRAM
RC (FROM/TO
RC-SOCKET) RC-CIRCUIT1)
SAWVG VLG VR
H-BRIDGE
MOTOR DRIVER 2
H-BRIDGE
MOTOR DRIVER 3
H-BRIDGE
MOTOR DRIVER 1
SAWVG VLG VR
SAWVG VLG VR
H-BRIDGE
MOTOR DRIVER 4
8.4MHz
L.P.F.
1) not on all versions
VDD VDD
AVDD
+2.6V
VCC2, VCCL
+2.6V
+2.6V
+2.6V
VCC
+2.6V
RESET (FROM
SERVO DRIVER)
YFLAG
(TO NPC)
VOLUME
DBB
CONT.
DBB_STEP
BEEP
DBB_ON
IN A
Switch
Beep in
DBB
Switch
Low-pass
boost
IN B
S_MUTE
WAKE
SLEEP
t
u
r
n
t
a
b
l
e
LASER
SUPPLY &
PROTECT.
EQSEL
DIN
PWRON
MON
+
RFEQO
RFFB
CDRW
CMFB
LD
1x
2x
SUM (A + B + C + D)
HEADPHONE&
RC-SOCKET
RC
(FROM/TO
RC-CIRCUIT)
BA3574BFS
HEADPHONE AMP.
VCC
+A
RIGHT
LEFT
BEEP
MUTE
SAW
GEN.2 SAW
GEN.1
RIPPLE
FILTER POW.
SW.
Vref
Vref
4x
SUPPLY/CHARGE CIRCUIT
DC-in socket
+
ACCU or
BATTERY +
charge
T630mA
ACCU
DETECT.
DC/DC
CONVERTER
ACCU
(TO µP)
TEMP
(TO µP)
+A
+DC
RECH. BATT.
MEASURING
PART
+2.6V
TEMP.
DETECT.
CHARGE
SWITCH
+A STAB.
DM_PWM
(FROM µP)
CHGSW
VC
VOUT
RS
CHG_DET
(TO µP)
VIN
RF2
BATT_LEVEL
(TO µP)
DC_IN
(TO µP)
RESET
SLEEP
WAKE
CHGON
S_MUTE
CONTROL RESET
DC/DC
CONVERTER
CONST.VOLT.
CURRENT &
CHARGE
LF_POW
(FROM µP)
MUTE
(FROM µP)
+2.6V
MUTE
CONT.
KILL
MEMBRANE-KEYBOARD & LCD
PLAY
PREVSTOP
NEXT
ESP
MODE
DBB
PROG
R11 R12 R13
R1 R2 R3 R4
124
GND2
PLAY
KEY2
GND1
KEY1
VDD
LCD
(connected via zebra-strip)
3V
0
-3V
2,5V
0
-2,5V
eye-pattern signal
> 800 mVpp
TB=0.5µs
1
during focus search
TB=0.1s
9
12
10
11
3V
0
servo in or
disc motor cw
not moving
servo out or
disc motor ccw
servo out or disc motor cw
not moving
servo in or
disc motor ccw
16
14
13
15
DATA
WCLK left channel
MSB
LSB
MSB
LSB
right channel
SCLK
TRANSFER OF AUDIO SAMPLES VIA SERIAL INTERFACE CD10 ↔ NPC
2
3
4
5
6
7
1
14
16
15
2-4
5-7
13
9
11
1012
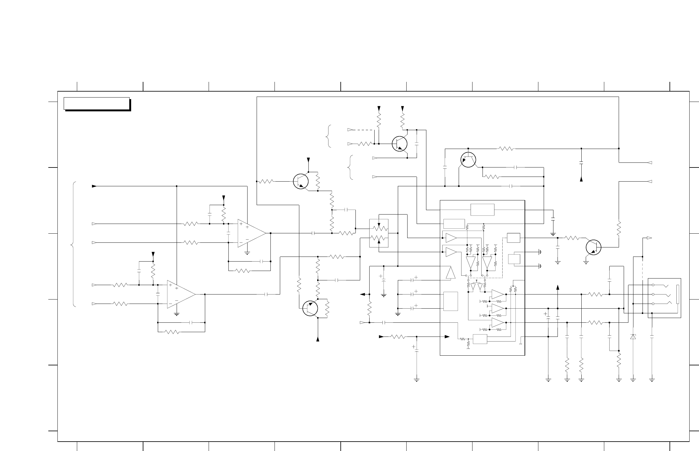
BLOCKDIAGRAM

4-14-1
CS 46 732
V/I
V/I
Vgap
1x
4x
2x INTERFACE
VERSATILE
DEMOD
EFM
PLL
DIG.
STAGES
OUTPUT
CONTROL
MOTOR
KILL
INTERF.
LOOPBACK
SER. DATA
INTERF.
VERSAT.
INTERFACE
SER. DATA
BITSTREAM DAC
TIMING
INTERFACE
MICROCONTROLLER
PROCESSOR
AUDIO
PROCESSING
PRE-
FUNCTION
CONTROL
SRAM
ADDR
INTERF.
EBU
DET.
PEAK
CORR.
ERROR
PROCESSOR
SUBCODE
END
FRONT
VREF GEN.
ADC
16,9MHz
from/to
CD-drive
X
3888 G15
3889 G15
3890 D15
3891 D13
3892 D13
3872 F8
X
3873 F8
3874 C5
3875 B4
3876 C4
3880 E11
3881 E11
3882 G12
3883 G13 7830 B5
3835 E2
3836 E2 3898 D12
3899 B14
3900 B14
5800 F8
7800 A2
7801 C33843 D4 3864 C103844 D4
3845 E4
3846 E4
3847 C4
3848 C4
3849 B5
3850 C5
3851 B5
A ... only for SM5903
B ... only for SM5904
F ... only for 12 sec ESP
G ... only for 45 sec ESP
X ... component only provided (not in use)
CD-DRIVE
DA23-LPH
3865 F9
2800 B1
2801 B2 3854 A9
B...SM5904
A
B
C
D
2832 E3
2833 E3
2834 E3
2835 E3
2836 E4
2837 E4
789101112
3852 B7
3853 B8 3896 D12
3897 D12 3903 B14
3904 B14
3901 B13
3902 B14
to CONTROL / SUPPLY-PART
8.46MHz
7880 D12
7881 C12
7882 H143857 A10
3858 A10
3859 A10
3860 C10
3861 C10
3862 C10
3863 C10
2861 B7
2862 B9
3866 D11
3867 F5
3868 F6
3869 G7
3870 F8
3871 F8
2886 D14
from/to CONTROL / SUPPLY-PART
2887 C12
2888 F7
2889 H12
2890 B4
3806 C4
14 15
B,F
to AUDIO-PART
from/to CONTROL / SUPPLY-PART
F
3808 C3
3809 C2
3830 D1
3831 C2
3832 C2
3833 D2
3834 D2
A...SM5903
X
3837 D3
3838 D3
3839 D3
3840 D3
3841 D4
3842 D4
E
2840 E5
2841 E5
2842 E5
2843 C4
2844 C4
X
3856 A9
2854 A10
2855 A10
2856 E10
2857 F6
2858 F6
2859 F7
2860 F7
56
2880 E11
2881 H14
2882 G14
2883 F15
2884 D14
2885 D14
G
H
A
B
2345
2891 C4
3800 A1
3801 B1
3802 B2
3893 D13
3894 D13
3895 D13 3905 B14
3908 B14
3906 B14
3907 B143887 G14
3807 C5
2839 E4
1234 13 14 15
1
from CONTROL / SUPPLY-PART
F
10 11 12 13
C
D
E
F
2845 D4
2846 B5
2847 B5
2848 B5
3855 A9
2853 A10
G
H
1830 C1
1840 E5 3803 B4
3804 A5
3805 B4
X
2802 B5
2803 C4
2804 C5
2805 C2
2830 D1
2831 E2
2849 C5
2850 A9
2851 A9
6789
3884 G13
3885 H13
3886 H14
2852 A9
2838 E4
3853
10R
2857
100n
3865
3K3
3889
1K
H
2889
10p
3866
0R
3803
3K3
2804
47u
3845
10K
CFIL
3
CMFB 8
DIN
5
EQSEL 12
GND
6
LD
1
MON
4
PWRON
7
RFEQO 10
RFFB 9
RGADJ 14
VCC2 13
VCCL
2
2847
22n
7800
TZA1024 HF-PREAMPLIFIER
CDRW 11
3800
4R7
3830
10R
5K6
3832
H
180p
2835
3804
47R
H
1u
2862
3881
H
3887
22R
CSTCC
1840
2848
27p
1n5
2854
3802
68K
3880
22R
H
2856
33n
1n5
2853
H
2834
180p
D
2882
100n
H
3856
2K2
3854
2K2
3867
22R
10K
3846
2831
180p
3806
H
3843
10K
3K3
10K
3863
H
3849
1K
3841
10K
2890
4p7
H
61
V5
62
VDDA15
VDDA2
17
VDDD1P
52
VDDD2C
57
VNEG
20
VPOS
21
VRIN7
VSSA14
VSSA214
VSSD1 33
VSSD2
50
VSSD3
58
WCLI 35
WCLK
28
40
SCLI 37
SCLK
29
SDA 39
SDI 36
SELPLL
24
SFSY 47
SILD 42
SL
56
STATUS 43
SUB 46
TEST1
25
TEST2
31
TEST3 44
V1
63
V2|V3 34
V4
3
KILL
32
LDON
64
LN
18
LP
19
MOTO1
59
MOTO2
60
R112
R213
RA
54
RAB 41
RCK 45
RESETn 38
RN
22
RP
23
SBSY 48
SCL
53
CL11|4
49
CL16
26
CRIN16
CROUT
15
D18
D29
D310
D411
DATA
27
DOEM
51
EF
30
FO
55
HFIN
2
HFREF1
IREF6
ISLICE
7830
SAA7324
DECODER&DIG.SERVO
CD10
CFLG
2K2
3859
D
H
7882
BC847BW
10K
3844
27K
3836
3873
2832
330p
3833
5K6
D
A
3871
180p
2833
2861
1u
2845
47n
H
H
4u7
2800
1n5
2860
2801
4n7
H
3870
H
D
3838
2844
100n
3801
15K
33K
220p
2842
10K
3842
D
3876
4K7
D
2891
22p
3875
4K7
2K2
3857
D
16G) / 4F) MBit DRAM
7881A
3885
10K
2830
22u
3883
H
D
3809
56K
3852
10R
3864
10K
3835
27K
D
2836
180p
H
H
2803
100n
2884
47p
3837
33K
3869
3850
22K
47R
2802
22u
2883
100p
3851
1K
3847
33R
47u
2859
7801
BC847BW
3808
220K
100n
2888
3862
10K
100n
2805
H
3872
D
3848
33K
220p
2839
3884
2838
220p
D
1830
FMN
1M
3874
2K2
3855
33K
3840
3861
10K
A
3882
H
H
D
5
6
7
8
9
2851
3n3
30
31
32
33
343536373839
4
4041424344
16 17 18 19
2
20 21 22
23
24
25
26
27
28
29
3
7880
1
10
11
12 13 14 15
D
2881
100n
220p
3860
10K
H
3831
5K6
2840
22u
2843
2880
100n
2841
220p
3858
2K2
3807
470R
2855
3n3
10K
3886
220p
2837
2849
10n
5K6
3834
3805
4K7
H
3888
10K
2858
1n5
3n3
2850
3839
33K
3n3
2852
22R
3868
5800
100M
INNERSWITCH
2846
1n
A7A6A5A4
A0A1A2A3
+2.6V
A10
CAS
D2
D3
D0
D1
WE
RASA9A8
NPC_RESET
YMLD
SDA
SCL
Track+
DM
+2.6V
+2.6V
Focus+
Focus-
Track-
Slide
Focus
Radial
RP
RN
LP
LN
+Audio
KILL
+VR
E_KILL
+2.6V
+2.6V
+2.6V
+2.6V
+2.6V
+2.6V
+2.6V
SILD
RAB
+2.6V
SCL
SDA
PORES
+2.6V
+2.6V
SFSY
FROM CONTROL/
SUPPLY-PART
CD-PART
5
6
7
8
9
1
10
11
12
13
14
15
16
2
3
4
1830
Focus coil
5
6
7
8
9
1
116
10
11
12
13
14
15
16
2
3
4
DRAM & DRAM-CONTROLLERS
––––––––––––––––––––––––––––––––––––––––––––
SM5903...DRAM-Controller without internal DRAM
used with external 4Mbit resp. 16Mbit DRAM
for 12s resp. 45s ESP version
SM5904...DRAM-Controller with internal 4MBit DRAM
used for 12s ESP version only
Tracking coil
-
VR
solder
joint
solder joint
F
B
D
A
C
E
MD
LD
+
+
-
REPLACEMENT OF CD-DRIVE DA23-LPH (3103 309 05340)
––––––––––––––––––––––––––––––––––––––––––––––––––––––
ATT: The laser diode of the DA23-LPH is protected against ESD by
a solder joint which shortcircuits the laser diode to ground.
For proper functionality this solder joint must be removed before
connecting the drive to the printed circuit board.
I/02 | WE
WE | RAS
RAS | A9
NC | NC
A10 | NC
A0 | A0
A1 | A1
A2 | A2
A3 | A3
VCC | VCC
GND | GND
I/04 | I/04
I/03 | I/03
CAS | CAS
OE | OE
A9 | NC
A8 | NC
A7 | A8
A6 | A7
A5 | A6
A4 | A5
GND | A4
VCC | I/01
I/01 | I/02
F,A G,A
F,A G,A
F,A G,A
F,A G,A
F,A
F,A
G,A
A
G,A
F,A
G,A
G,A
G,A
F,A
F,A
G,A
3897
D
2885
100n
3894
3893
3892
3903
3906
3901
3907 3908
3904
3905
3902
D
3891
3896
3898
33n
2887
8
9
16
17
18
19
2
21
22
23
24
25
26
3
4
5
6
1
10
11
12
13 14
15
2886
22u
3899
D
D
3900
3895
3890
47u for SM5904
22R
D1
CAS
A9
A6
D2
A10 A0 A1 A2 A3
D0
A5
A4
A8
A7
RASWED3 A9
+2.6V
0V
0,2V
0V
2,5V
0V
0V
1,4V
0,8V
1,3V
1,2V
1,2V
1,2V
0V
2,5V
1,2V
1,3V
1,3V
1.3V
0V
2.5V
1.3V
1.3V
1.3V
2.5V
0V
2,6V
0V
0,1V
1,3V
1,0V
1,3V
2.6V
1,8V
1.9V
0.3V
2,0V
0V
0V
2,1V
2,4V
0V
0,7V
0,2V
0,8V
2,5V
1,8V
1,2V
1,3V
2,6V
0V
0,4V
0,4V
0V
0V
2,6V
2,4V
2,6V
2,5V
2,5V
2,5V
2,5V
0V
0,6V
2,6V
1,3V
1,3V
0V
0V
0V
1,3V
1,3V
1,3V
1,3V
1,3V
0V
1,3V
1,2V
2,6V
1,3V
1,3V
1,3V
1,3V
0,9V
0,1V
0V
0V
0V
2,6V
2,7V
0V
1,8V
0V
1,8V
2,0V
2,4V
2,5V
2,5V
1,2V
1,2V
1,2V
1,3V
0V
1,5V
0V
0V
0V
0V
2,6V
0V
1,4V
0V
0V
0V
0V
0V
0V
0V
0V
2,4V
6
3
2
4
9
10
1
14
13
15
5
7
3V
0
-3V
2,5V
0
-2,5V
eye-pattern signal
TB=0.5µs
1
during focus search
TB=0.1s
9
12
10
11
3V
0
servo in or disc motor cw
not moving
servo out or disc motor ccw
servo out or disc motor cw
not moving
servo in or disc motor ccw
16
14
13
15
DATA
WCLK left channel
MSB
LSB
MSB
LSB
right channel
SCLK
TRANSFER OF AUDIO SAMPLES VIA SERIAL INTERFACE OF CD10 AND NPCCD10 → NPC
NPC → CD10
2
3
4
5
6
7

4-2 4-2
CS 46 733
REMOTE CONTROL CIRCUIT
BATT. LEVEL
DETECTION
INT0
P64
STOP2
P65
STOP3
P66
STOP4
STOP5
P54
SEG19
P77
VDD
XTOUT
VAREF
P67
XTIN
ECIN
P60
P20
STOP
INT5
P61
LCD - DRIVER
LCD - DRIVERLCD - DRIVER
I/O PORT P1
8 BIT A/D Converter
ADC INPUT I/O PORT P6P2P2
BOOSTER CIRCUIT
LCD VOLTAGE
P3
ROM RAM
8-BIT-CPU
7400
TMP86C829F
MICROCONTROLLER
ECNT
P63
I/O PORT P7
SEG3
SEG8
SEG5
SEG6
SEG7
P76
SEG9
P75
SEG10
LCD - DRIVER
I/O PORT P5
DV0
PD03
P30
AVDD
P10
P31
TC3
SEG26
INT3
P16
SEG25
P17
SEG24
P50
SEG23
P51
SEG22
P52
SEG21
P53
SEG20
SEG18
SEG1
SEG0
COM3
COM2
COM1
COM0
SEG31
RXD/SI
P11
SEG30
TXD/SO
P12
SEG29
P62
P74
SEG11
P73
SEG12
P72
V3
V2
V1
C1
C0
TC4
P32
PD04
TC6
P33
PD06
SEG4
SCK
P13
SEG28
INT1
P14
SEG27
INT2
P15
SEG2
RESET
P22
P21
TEST
XIN
VSS
XOUT
SEG13
P71
SEG14
P70
SEG15
P57
SEG16
P56
SEG17
P55
912131 2
14
14 15
1
B
2 3
3
5 6
6
4 5 10 117 8
F
A
1252 D1
C
D
4
E
F
8 9 10 11 13
2269 F4
2270 F3
15
H
1250 H4
1251 A2
2277 D8
1400 A10
1401 B14
1402 B15
1403 F11
2251 A2
2252 B6
2253 A6
2254 B6
G
7
H
A
2261 D1
B
C
12
E
3263 E3
3264 D2
2271 F2
G
2273 G6
2274 G3
2275 E8
2276 E8
3271 E1
2278 D8
2279 E8
2400 F15
2401 G12
2250 A6
2403 D10
2404 E10
2405 G12
2700 H14
2255 B7
2257 B8
2258 C5
2259 C7
2260 C6
3254 B5
2262 D4
2263 E7
2264 E7
2265 E4
D
2267 F4
2268 F7
3295 C6
3296 D3
3265 E2
2272 G5
3267 D2
3268 D8
3269 D8
3270 E2
3406 B14
3272 F2
3273 F2
3274 F2
3275 F3
2402 D10
3277 F2
3278 F3
3279 G2
3280 G2
2701 H14
2256 B7
3250 B7
3251 B2
3252 B6
3253 B2
3287 G1
3255 C5
3256 C7
3257 C6
3258 C2
2266 F7
3260 C6
3261 C4
3901 E8
5250 A6
3400 A14
3266 D4
3402 A14
3403 A15
3404 B14
3405 B14
7251 B6
3407 D10
3408 D10
3409 E10
3410 G11
3276 F2
3412 D15
3413 D15
3414 A15
3415 C15
3281 H3
2702 H15
3283 H2
3284 E1
3285 E1
3286 E1
3701 H14
3288 A7
3289 E8
3290 F8
3291 D8
3259 C2
3293 D2
3294 F4 5251 B8
3401 A14
6252 B2
6400 A13
6401 A13
7250 B7
7252 B2
7254-A D3
7254-B E3
7255 D2
3411 F15
7258 F1
7259 G2
7260 H3
7400 B10
3416 C15
3282 H2
3418 B15
3419 C15
3420 C15
3700 H15
3702 H15
3703 H15
3704 H15
3705 H14
3292 C8
3707 H14
3708 H15
6251 B2
7256 C7
7700 H15
3417 C15
7702 H14
3706 H14 7701 H15
t
VC VG
CF4 ERR3
CF3 ERR2
CF2 ERR1
CF1
MOTOR
DRIVER MOTOR
DRIVER MOTOR
DRIVER
CH2CH3
CH4
VROERST
RESET
DCIN
DETECT
VR
OERST
SAW
VROERST
SAW
VR
OE
RST
SAW
RST SAW
OE
BANDGAP
REF.
VC
VC
DCIN
VC
INM2
RF2
CGHSW
RS VIN
DTC
VINVCVOUT
RF1
INM1
SAW
GEN2
OSC
CONVERTER
VC VG
VIN34
VIN34
VIN12
VIN12
VC VG
VC VG
VC VIN
to 1830 CD-PART
C
C
C
C
X
R
to CD-PART
180K
DM-
R
C
C
%....tolerance 1%
SL+
CHARGE PUMP
VG
C
SL-
7256 C7
to AUDIO-PART
R
R
C
C
40uH
X
C
C
charging
from/to AUDIO-PART
C
C
X
%
C
from/to CD-PART
DISPLAY & KEYBOARD
(CONNECTED VIA MEMBRANE KEYBOARD)
%
7700 H15
3417 C15
7702 H14
31
VIN
26
VG
38
VDET
42
VC
1
SLEEP
32
RSTB
34
RS
36
RF2
7256
SC111259FTA
SERVO DRIVER&
POWER MGT. IC
DC/DC-CONVERTER
+A STABILIZER
TEMP.
CHARGE
SWITCH
RECHARGABLE BATTERY
MEASURING PART
ACCU_IN
DETECTION
23
OUT4B
25
OUT4A
21
OUT3B
19
OUT3A
16
OUT2B
18
OUT2A
14
OUT1B
12
OUT1A
47
2
WAKE
39
VREF
3
VR
41
VOUT
22
VIN34
15
VIN12
11
ERR1
40
DTC
37
DCIN
46
CLK
33
CHGSW
4843
CGND
5
CF4
6
CF3
44
RF1
24
PGND4
20
PGND3
17
PGND2
13
PGND1
23
3250
680R
9
CF2
10
CF1
30
C2L
27
C2H
29
C1L
28
C1H
CHGON
OE
35
INM2
45
INM1
4
ERR4
7
ERR3
8
ERR2
C
7701 H15
6251 B2
C....only for charging version
DM+
C
C
C
R....only for Cord R/C
C
R
4.233MHz
2R7
3706 H14
5251 B8
3401 A14
6252 B2
6400 A13
6401 A13
7250 B7
7252 B2
7254-A D3
7254-B E3
7255 D2
3411 F15
7258 F1
7259 G2
C
R
2R7
7260 H3
7400 B10
3416 C15
3282 H2
3418 B15
3419 C15
3420 C15
3700 H15
3702 H15
3703 H15
3704 H15
3705 H14
3292 C8
3707 H14
3708 H15
3901 E8
5250 A6
3400 A14
3266 D4
3402 A14
3403 A15
3404 B14
3405 B14
7251 B6
3407 D10
3408 D10
3409 E10
R
C
C
R
3410 G11
3276 F2
3412 D15
3413 D15
3414 A15
3415 C15
3281 H3
2702 H15
3283 H2
3284 E1
3285 E1
3286 E1
3701 H14
3288 A7
3289 E8
3290 F8
3291 D8
3259 C2
3293 D2
3294 F4
3295 C6
3296 D3
3265 E2
2272 G5
3267 D2
3268 D8
3269 D8
3270 E2
C
LN ... only for DA23-LNPH
LN
3701...0R for Non RC
R
%
R
C
C
%
%
3406 B14
3272 F2
3273 F2
3274 F2
3275 F3
2402 D10
3277 F2
3278 F3
3279 G2
3280 G2
2701 H14
2256 B7
3250 B7
3251 B2
3252 B6
3253 B2
3287 G1
3255 C5
3256 C7
3257 C6
C
3258 C2
2266 F7
3260 C6
3261 C4
3263 E3
3264 D2
2271 F2
G
2273 G6
2274 G3
2275 E8
2276 E8
3271 E1
2278 D8
2279 E8
2400 F15
2401 G12
2250 A6
2403 D10
2404 E10
2405 G12
2700 H14
2255 B7
2257 B8
2258 C5
2259 C7
2260 C6
3254 B5
2262 D4
2263 E7
2264 E7
C
0R for non
charging
0R for non
C
L ... only for DA23-LPH
X
%
L
2265 E4
D
2267 F4
2268 F7
2269 F4
2270 F3
15
H
1250 H4
1251 A2
2277 D8
1400 A10
1401 B14
1402 B15
1403 F11
2251 A2
2252 B6
2253 A6
2254 B6
G
7
H
A
2261 D1
B
C
12
E
F
A
1252 D1
C
D
4
E
F
8 9 10 11 13 14
14 15
1
B
23
3
56
645 10 11
X....component only provided (not in use)
R
789 121312
ERR4
CONSTANT VOLTAGE
CURRENT & BATTERY
CHARGE CIRCUIT
2263
220p
CONTROL
SAW
DC/DC SAW
GEN
MOTOR
DRIVER
CH1
from/to CD-drive
to CD-part
100n
2404
2259
10n
470K
3283
1M
3704
10R
3411
ESD
100R
3413
5K6
3289
3408
12K
47K
3281
3285
150K
1
8
4
TC75W51FU
7254-A
3
2
6400
BAS216
BC337-40
7250
3255X
3256
2K7
3703
1M
47K
7259
BC857BW
100n
2700
10K
3286
7252
BC869
2254
4n7
2260
100p
2K7
3420
3401
220K
2M2
3700
2701
1n
7260
BC847BW
BAT254
6251
3284
5
6
7
8
4
3274
100K
7254-B
TC75W51FU
9
ESD
16
17
18
19
2
20
21
22
23
24
3
4
5
6
7
8
1400
1
10
11
12
13
14
15
100K
3273
3290
5K6
3272
4K7
330R
3252
2268
220p
3253
3251
270R
270R
BC368
7251
4K7
3416
1M
3260
3258
100K
4u7
2257
100n
2261
3412
100R
SB140
6252
T630mA
470K
3280
10K
3901
1251
SP391
2264
220p
10u
5251
2255
1u
470p
2270
10n
2275
3702
2M2
1K
3404
10K
3292
150K
3407
1u
2271
3265
7258
BC847BW
2269
100n
330K
2403
100n
7255
BC868
3409
5K6
3269
10K
2M2
3279
DC JACK
1403
CST
5250
6RG
1
2
34
6
1252
68K
3267
100n
2267
4M7
3705
100n
2276
10K
3261
10M
3706
1u
2278
8
51
50
49
48 47 46 45 44
4
58
57
56
18
51 10111213141516
17
3637383940414243
27
967
61
62
63
64
28
29
30
31
32
333435
19
60
59
55
54
53
52
20
21
22
23
24
25
26
2274
1n
1401
SPPB51
100K
3264
68K
3259
BC847BW
7701
22n
2253
3270
2265
100n
3701
2258
1u
10K
3287
0R
3418
3277
18K
2M2
3707
10K
3708
10n
2702
100n
2402
1402 ESD-11H130
HOLD/RESUME
123 4
7700
BC857BW
100n
2405
220p
2266
1u
2277
3288
10R
330p
2252
2256
100u
10K
3415
C
3271
4u7
10K
3266
2250
1K
3405
10K
3417
18K
3276
1u
2272
2401
4u7
3295
270K
0R
3419
3294
470K
100K
3291
2273
1u
3278
10K
220K
3402
10K
3268
100K
3400
220K
CD-DRIVE DA23
VERSION SELECT
3403
ESD
DOOR
SWITCH
330K
3275
470K
3282
47K
3254
1u
2400
330R
3293C
1u
2251
3257
220K
3406
1K
3n3
2262
ESD
ESD
3414
47K
BAT254
6401
22K
3263
1250
B-ZR
123456
10R
3410
BC847BW
7702
C
100n
2279
3296
1M
+VG
+DC
+2.6V
SLEEP
+2.6V
+2.6V
BATT_LEVEL
+2.6V
+A
DBB_STEP
S0
C3
DBB_ON
C2
C1
C0
PORES
NPC_RESET
YMLD
RAB
SILD
BEEP
DM_PWM
+AVDD
S_MUTE
DM_PWM
Key1
SLEEP
Key2
TEMP
BATT_LEVEL
CHG_DET
SFSY
DC_IN
RESET
MUTE
ACCU
+RCREF
WAKE
+A
S2
S1
S0
+VG
RC
+2.6V
+DC
S13
S12
S11
S10
S9
S8
S7
S6
S5
S4
S3
chg_on
S2
S1
LF_POW
{C0,C1,C2,C3,S0,S1,S2,S3,S4,S5,S6,S7,S8,S9,S10,S11,S12,S13,Key1,Key2,S_MUTE,SLEEP,DC_IN}
C0
C1
C2
C3
S13
S12
S11
S10
S9
S8
S7
S6
S5
S4
S3
+2.6V
CHG_DET
SCL
INNERSWITCH
Focus
WAKE
Key2
ACCU
DM_PWM
TEMP
DM
+A
Key1
DC_IN
Focus+
Focus-
+1.25V
+AVDD
+2.6V
SDA
+2.6V
+AVDD
+2.6V
Radial
Slide
S_MUTE
+VR
+2.6V
+2.6V
+2.6V
+1.25V
+2.6V
+2.6V
+A +A
RESET
+A
+2.6V
Track-
Track+
CONTROL / SUPPLY-PART
11
1,8V
4,4V
2,3V
1,2V
0V
2,2V
0V
2,2V
4,4V
2,3V
0V
2,2V
4,5V
8,4V
7,4V
5,5V
1,4V
1,2V
4,4V
2,6V
0V
0V
0,4V
3,4V
0,2V
1,2V
2,6V
4,8V
2,6V
0V
0V
1,4V
0,9V
0,4V
4,5V
4,0V
2,0V
2,4V
1,6V
1,9V
1,8V
1,8V
2,6V
2,6V
2,6V
0,3V
2,6V
2,6V
2,6V
2,6V
2,6V
2,6V
0V
2,7V
0V
1,3V
16
12
1,3V
1,3V
1,3V
1,3V
1,3V
2,6V
1,7V
0,9V
0,7V
1,5V
1,3V
1,5V
2,6V
0V
0V
1,0V
1,1V
0V
2,6V
2,6V
4,0V 0V
0V
4,4V
1,9V
1,3V1,4V
4,4V 4,3V 2,7V
0V
2,6V
2,6V
2,5V
4,4V
0V
4,8V5,0V
4,4V
5,0V
4,8V
4,3V
2,6V
2,6V
1,8V
1,8V 1,8V
3,8V
0V
0V
2,6V
1,7V
1,3V
1,3V
1,3V
1,3V
1,3V
1,3V
1,3V
1,3V
1,3V
1,3V
1,3V
1,3V
0,3V
2,6V
1,6V
0,6V
0V
2,6V
0V
0V
4,4V
1,3V
1,3V
1,3V
1,3V
1,3V
1,5V
1,3V
1,3V
0V
2,2V
0V
0V
2,6V
3,2V
1,3V
1,5V
2,6V
1,8V
1,4V
2,6V
1,4V
M
slide motor disc motor
M

4-34-3
CS 46 734
in
BIAS
time
in
Mix out
Switch time
Beep in
RF in
RF out
in
in
Vref
out
out
+
+
43k43k
Switch
DBB
MUTE
Power on
Switch
Ripple
Filter
Vcc
Beep
27k
2k
AVC
++
+- +-
+
-
+
-
-
+
1,7-3,6V
boost
Low-pass
out
3334 C4
3335 D5
6300 D9
7300-A B3
7300-B C2
7301 B4
7302 D4
7303 A5
7305 B6
7306 B8
RIGHT Channel
LEFT Channel
7307 A7
3300 B2
3301 C1
3302 C2 3306 B4
3307 C4
3308 C3
3309 D2
3310 C4
3311 B4
3312 D4
3313 B4
3314 C4
3315 B3
3316 A5
3317 A5
3318 C8
3319 D5
3320 B5
3321 B9
3322 C8
3323 D8
3324 D8
3325 D8
3326 C9
2302 C3
2303 C2
2304 C3 3331 A5
3332 A5
3333 B5
D
E
A
B
C
D
E
1300 C9
2300 B2
2301 C1
S...only for non Cord R/C
R...only for Cord R/C
X...component only provided (not in use)
X
R
from CONTROL/
SUPPLY PART
from CD-PART
from CONTROL/
SUPPLY PART
12
3303 D1
3304 B3
3305 C2
8
R
from CONTROL/
SUPPLY PART
to CONTROL/
SUPPLY PART
2x10K
from CD-PART
3330 D9
3327 B7
3328 A7
3456789
123456
A
B
C
2305 D2
2306 C4
2307 B5
2308 B4
2309 C3
2310 A6
2311 C5
2312 C6
2313 C6
2314 D6
2315 D5
2316 D6
2317 B7
S
X
9
2318 B8
2319 C8
2320 D8
2321 D8
2322 D8
2323 D8
2324 C9
2325 D9
2326 D9
2327 A7
2328 A6
2892 A8
7
A
5K6
3311
3305
15K
4u7
2309
220p
2300
33n
2324
2328
100n
15K
3309
1u
2321
18K
3333
2R2
3319
3K3
3315
2311
22u
3n3
2307
2u2
2312
7306
BC847BW
15K
3304
2308
3328
47K
4u7
3317
2302
100p
A
A
A
4K7
3323
22R
(1R for /17)
BC847BW
7302
A
1u
2318
8
4
2305
220p
A
8
4
TC75W51FU
7300-B
5
6
7
7300-A
TC75W51FU
3
2
1
2314
22u
10n
2326
2320
2u2
2R2
3324
7307
BC847BW
1M
3327
3325
2R2
4u7
2892
ESD
3332
1M
3312
ESD
3322
22R
(1R for /17)
220p
1u
2310
2304
7303
BC847BW
2306
3n3
33n
2325
A
10K
3316
33K
3302
2K2
3307 3310
5K6
2322
100n
AA
15K
3308
3314
3K3
3326
100n
2323
A
A
BZX284-C10
6300
2313
1u
100K
3318
3331
10K
2319
1u
3
4
2
5
1
3330
22K
3320
10K
3321
2303
100p
100n
2317
100n
1M
3313
2315
3
4
A
Headphone
1300
1
2
2327
100n
18K
3334
33K
3300
220u
2316
A
7301
BC847BW
3303
33K
4K7
3335
2301
220p
3301
33K
19 2
20
3
4
5
6
7
8
9
BA3574BFS
7305
1
1011
12
13
14
15
16
17
18
VREF
A
3306
2K2
LF_POW DBB_ON
MUTE
RC
VREF
RP
VREF
KILL
RN
LP
LN
+2.6V
+Audio
+2.6V
E_KILL
+RCREF
+A
BEEP
VREF
VREF
DBB_STEP
VREF
AUDIO-PART
1,3V1,3V
1,3V
0,7V
1,3V
2,5V
1,3V
1,3V
1,3V
0V
4,2V
0V
1,3V
1,3V
1,3V
0,7V
1,3V
2,5V 1,3V
2,0V
1,3V
1,3V
0V
0V
1,3V
1,3V
1,2V
0V 0,6V
4,4V
1,3V
1,3V
1,3V 1,3V
0V
0V
0,6V
1,3V
1,3V
1,9V
1,9V
1,3V
1,3V

4-4 4-4
CS 46 735
This assembly drawing shows a summary of
all possible versions. For components used in
specific versions see circuit diagram or partslist.
COMPONENTSIDE VIEW
1250 G4
1251 C7
1252 C7
1300 F1
1401 B1
1402 E1
1403 C7
1830 D2
2254 F5
2256 A6
2258 G5
2260 F4
2262 G5
2263 F4
2264 F4
2265 G4
2266 F4
2267 G4
2268 F4
2269 G4
2272 G4
2273 G4
2300 H3
2301 G2
2302 G3
2303 G3
2304 G3
2305 G3
2306 H2
2307 H3
2308 H3
2309 H3
2310 F3
2311 G2
2312 G3
2313 G3
2314 G3
2316 H4
2320 H4
2328 H4
2802 B2
2804 A2
2830 D1
2831 C2
2837 C2
2838 C2
2843 C1
2859 F3
2883 F2
2884 E2
2885 E2
2886 E1
2887 F2
2889 E2
2892 H4
3252 F5
3257 F4
3260 F4
3266 G5
3295 F4
3300 G3
3301 G3
3302 G3
3303 G3
3304 H3
3305 G2
3306 H3
3307 H3
3308 H3
3309 H3
3310 H3
3311 H3
3312 H3
3313 H3
3314 H3
3315 H4
3316 G3
3317 F3
3320 G2
3331 F3
3332 F3
3333 H3
3334 H2
3335 G2
3420 G3
3835 C2
3837 C2
3845 C1
3846 C2
3871 D3
3872 D3
3882 E3
3883 E3
3884 E3
3890 E2
3891 F3
3892 E2
3893 E2
3894 F3
3895 F3
3896 F3
3897 F3
3898 F3
3899 E1
3900 E1
3901 F2
3902 F2
3903 F2
3904 F1
3905 F1
3906 F1
3907 E1
3908 E1
5250 C7
5251 A6
6252 D7
6300 F1
7250 B6
7251 B7
7256 G4
7300 G3
7301 H3
7302 H3
7303 F3
7307 H4
7881 F2

4-54-5
CS 46 736
This assembly drawing shows a summary of
all possible versions. For components used in
specific versions see circuit diagram or partslist.
For service testpoints see
circuit diagram “CD-Part”
COPPERSIDE VIEW
1400 A4
1840 C5
2250 C2
2251 C1
2252 B1
2253 B1
2255 A2
2257 A2
2259 F4
2261 D1
2270 D3
2271 E3
2274 D3
2275 F4
2276 E4
2277 E4
2278 F4
2279 F4
2315 G5
2317 H6
2318 H6
2319 H5
2321 H4
2322 H5
2323 H5
2324 F6
2325 F7
2326 F7
2327 H5
2400 D3
2401 C2
2402 A2
2403 B2
2404 B2
2405 C2
2700 D3
2701 D3
2702 D4
2800 B4
2801 B5
2803 B6
2805 B5
2832 C7
2833 C6
2834 B6
2835 D6
2836 D6
2839 C6
2840 C5
2841 C6
2842 C6
2844 C6
2845 C6
2846 B6
2847 C6
2848 C6
2849 C6
2850 E5
2851 E5
2852 E4
2853 F4
2854 E4
2855 E4
2856 D5
2857 C5
2858 C5
2860 C4
2861 D6
2862 D5
2880 E6
2881 E5
2882 E5
2888 C5
2890 A5
2891 A5
3250 B2
3251 D2
3253 D2
3254 D2
3255 C2
3256 F3
3258 D2
3259 D2
3261 F3
3263 D3
3264 D2
3265 D2
3267 D3
3268 E5
3269 E4
3270 D2
3271 D2
3272 E3
3273 E3
3274 E3
3275 D3
3276 E3
3277 E3
3278 D3
3279 E2
3280 E2
3281 E3
3282 E3
3283 E3
3284 E2
3285 E2
3286 E2
3287 E3
3288 B1
3289 E4
3290 E4
3291 A2
3292 F3
3293 D3
3294 G4
3296 D2
3318 H5
3319 H4
3321 H4
3322 G6
3323 G6
3324 H4
3325 H4
3326 F7
3327 H5
3328 G4
3330 G6
3400 A2
3401 B4
3402 B4
3403 B4
3404 B4
3405 B4
3406 B4
3407 A2
3408 A2
3409 A2
3410 C2
3411 C3
3412 C4
3413 C4
3414 B4
3415 F5
3416 G4
3417 F5
3418 C4
3419 B4
3700 D3
3701 D3
3702 D3
3703 D4
3704 D4
3705 E4
3706 F4
3707 E3
3708 D4
3800 B4
3801 B5
3802 B5
3803 A5
3804 B6
3805 A5
3806 A6
3807 B6
3808 A5
3809 A5
3830 C7
3831 B5
3832 B5
3833 B5
3834 B5
3836 C7
3838 B6
3839 D6
3840 D6
3841 D6
3842 D6
3843 C6
3844 C6
3847 C7
3848 C6
3849 C6
3850 C6
3851 C6
3852 D6
3853 E5
3854 E5
3855 E5
3856 E4
3857 E4
3858 E4
3859 F4
3860 C3
3861 D4
3862 D4
3863 D4
3864 D4
3865 D4
3866 E7
3867 B4
3868 C5
3869 C7
3870 C4
3873 C4
3874 C6
3875 A5
3876 A5
3880 E7
3881 E6
3885 F5
3886 E5
3887 E5
3888 F5
3889 F5
3909 F4
4201 E3
5800 C4
6251 C2
6400 A3
6401 A2
7252 C2
7254 D3
7255 D2
7258 E3
7259 E2
7260 E3
7305 H5
7306 H4
7400 C3
7700 D3
7701 E4
7702 E4
7800 B5
7801 A5
7830 D5
7880 E6
7882 E5

MECHANICAL PARTSLIST
401 3103 308 11040 DOOR-CD-P-ASSY-1-TRANSLUCENT-BLUE-12s
401 3103 308 11110 DOOR-CD-P-ASSY-2-TRANSLUCENT-BROWN-12s
401 3103 308 11090 DOOR-CD-P-ASSY-3-BRONZE-45s
401 3103 308 11060 DOOR-CD-P-ASSY-4-FLIP-FLOP-45s
401 3103 308 11070 DOOR-CD-P-ASSY-5-TRANSLUCENT-BLUE-45s
401 3103 308 11080 DOOR-CD-P-ASSY-6-TRANSLUCENT-BROWN-45s
401 3103 308 11100 DOOR-CD-Q-ASSY-1-AUBERGINE-45s
402 3103 307 99670 DOOR-BATTERY-LAC (only for translucent versions)
402 3103 304 70320 DOOR-BATTERY-2 (not for translucent versions)
403 3103 307 99610 CABINET-ASSY-1 (only for translucent versions)
403 3103 307 99710 CABINET-ASSY-2 (not for translucent versions)
404 3103 301 06500 SPRING-SLIDER-OPEN-2
406 3103 304 69580 SLIDER-OPEN
407 3103 304 69570 SLIDER-RESUME
408 3103 301 45180 SPRING-BATTERY-SHORT-2
409 3103 304 69540 COVER-BOTTOM
411 3103 308 11050 INSERT-P-ASSY-1-SILVER-DESIGN “P”
411 3103 308 11120 INSERT-P-ASSY-3-BLACK-DESIGN “P”
411 3103 308 11130 INSERT-Q-ASSY-1-AUBERGINE-DESIGN “Q”
412 3103 301 45400 BRACKET-LCD
413 3103 308 84250 LCD-ULTRA-ESP
414 3103 304 69510 ZEBRASTRIP
416 3103 304 69500 MEMBRANE-KEYBOARD-P (only for Design “P”)
416 3103 304 69680 MEMBRANE-KEYBOARD-Q (only for Design “Q”)
417 3103 301 06570 SPRING-OPEN-LEFT
418 3103 301 06580 SPRING-OPEN-RIGHT
419 3103 304 69560 BRAKE
421 3103 309 05340 CD-DRIVE DA23-LPH
422 3103 304 69590 SUSPENSION
423 3103 301 45410 SPRING-BATTERY-MINUS
424 3103 301 45420 SPRING-BATTERY-PLUS
426 3103 301 45430 SPRING-BATTERY-CHARGE
427 3103 307 99620 BOTTOM-ASSY-1 (not for /17)
427 3103 307 99860 BOTTOM-ASSY-2 (only for /17)
428 3103 304 70250 BELT CLIP
4822 462 41819 RUBBER FOOT
3140 110 40670 SCREW B-1.4x3.5-NI
3103 300 41580 SCREW P-1.7x9-CR
5-1 5-1
CS 46 737
401
402
403
406
407
408
409
428
427
426
422
(3x)
421
423
424
419
418
417
416
414
413
412
411
404
6 x SCREW
P-1.7x9-CR
10 x SCREW
B-1.4x3.5-NI
EXPLODED VIEW
DESIGN “P”
411
412
413
414
416
401
EXPLODED VIEW
DESIGN “Q”

ELECTRICAL PARTSLIST
MISCELLANEOUS
–––––––––––––––––––––––––––––––––––––––––––––––––––––
413 3103 308 84250 LCD-ULTRA-ESP
421 3103 309 05340 CD-DRIVE DA23-LPH
1250 2422 025 12272 CONNECTOR, CD-DRIVE (6 pins)
1251 !2422 086 10946 FUSE T630mA 65V
1252 2422 026 05086 EXT.DC-JACK
1300 4822 265 11247 SOCKET, HEADPHONE HSJ1537
1300 4822 265 11565 SOCKET, HEADPHONE/RC HSJ1637
1400 4822 265 11248 CONNECTOR, MEMBRANE (24 pins)
1401 4822 276 12889 SWITCH, CD-ROOR
1402 4822 277 21643 SWITCH-SLIDE, HOLD/RESUME
1830 4822 267 11028 CONNECTOR, CD-DRIVE (16 pins)
CAPACITORS
–––––––––––––––––––––––––––––––––––––––––––––––––––––
2250 © 4822 126 14083 4,7µF 20% 10V
2251 © 4822 126 14472 1µF 10% 10V
2252 © 4822 126 14241 330pF 50V
2253 © 4822 126 14494 22nF 10% 25V
2254 © 4822 126 13193 4,7nF 10% 63V
2255 © 4822 126 14472 1µF 10% 10V
2256 4822 124 12248 100µF 20% 4V
2257 © 4822 126 14083 4,7µF 20% 10V
2258 © 3198 017 41050 1µF 20% 10V
2259 © 5322 126 11583 10nF 10% 63V
2260 © 4822 122 31765 100pF 5% 50V
2261 © 4822 126 14305 100nF 10% 16V
2262 © 5322 126 11579 3,3nF 10% 63V
2263 © 4822 126 13883 220pF 5% 50V
2264 © 4822 126 13883 220pF 5% 50V
2265 © 4822 126 14305 100nF 10% 16V
2266 © 4822 126 13883 220pF 5% 50V
2267 © 4822 126 14305 100nF 10% 16V
2268 © 4822 126 13883 220pF 5% 50V
2269 © 4822 126 14305 100nF 10% 16V
2270 © 4822 126 13881 470pF 5% 50V
2271 © 4822 126 14472 1µF 10% 10V
2272 © 4822 126 14472 1µF 10% 10V
2273 © 4822 126 14472 1µF 10% 10V
2274 © 5322 126 11578 1nF 10% 63V
2275 © 5322 126 11583 10nF 10% 63V
2276 © 4822 126 14305 100nF 10% 16V
2277 © 3198 017 41050 1µF 20% 10V
2278 © 3198 017 41050 1µF 20% 10V
2279 © 4822 126 14305 100nF 10% 16V
2300 © 4822 126 13883 220pF 5% 50V
2301 © 4822 126 13883 220pF 5% 50V
2302 © 4822 122 31765 100pF 5% 50V
2303 © 4822 122 31765 100pF 5% 50V
2304 © 4822 126 13883 220pF 5% 50V
2305 © 4822 126 13883 220pF 5% 50V
2306 © 5322 126 11579 3,3nF 10% 63V
2307 © 5322 126 11579 3,3nF 10% 63V
2308 © 4822 126 14083 4,7µF 20% 10V
2309 © 4822 126 14083 4,7µF 20% 10V
2310 © 4822 126 14472 1µF 10% 10V
2311 4822 124 40998 22µF 20% 6,3V
2312 4822 124 22652 2,2µF 20% 50V
2313 4822 124 22651 1µF 20% 50V
2314 4822 124 40998 22µF 20% 6,3V
2315 © 4822 126 14305 100nF 10% 16V
2316 4822 124 12052 220µF 20% 6,3V
2317 © 4822 126 14305 100nF 10% 16V
CAPACITORS
–––––––––––––––––––––––––––––––––––––––––––––––––––––
2318 © 4822 126 14472 1µF 10% 10V
2319 © 3198 017 41050 1µF 20% 10V
2320 4822 124 22652 2,2µF 20% 50V
2321 © 4822 126 14472 1µF 10% 10V
2322 © 4822 126 14305 100nF 10% 16V
2323 © 4822 126 14305 100nF 10% 16V
2324 © 4822 126 14549 33nF 10% 16V
2325 © 4822 126 14549 33nF 10% 16V
2326 © 5322 126 11583 10nF 10% 63V
2327 © 4822 126 14305 100nF 10% 16V
2328 © 4822 126 14305 100nF 10% 16V
2400 © 4822 126 14472 1µF 10% 10V
2401 © 4822 126 14083 4,7µF 20% 10V
2402 © 4822 126 14305 100nF 10% 16V
2403 © 4822 126 14305 100nF 10% 16V
2404 © 4822 126 14305 100nF 10% 16V
2405 © 4822 126 14305 100nF 10% 16V
2700 © 4822 126 14305 100nF 10% 16V
2701 © 5322 126 11578 1nF 10% 63V
2702 © 5322 126 11583 10nF 10% 63V
2800 © 4822 126 14083 4,7µF 20% 10V
2801 © 4822 126 13193 4,7nF 10% 63V
2802 4822 124 40998 22µF 20% 6,3V
2803 © 4822 126 14305 100nF 10% 16V
2804 4822 124 12362 47µF 20% 4V
2805 © 4822 126 14305 100nF 10% 16V
2830 4822 124 40998 22µF 20% 6,3V
2831 © 4822 126 14508 180pF 5% 50V
2832 © 4822 126 14241 330pF 50V
2833 © 4822 126 14508 180pF 5% 50V
2834 © 4822 126 14508 180pF 5% 50V
2835 © 4822 126 14508 180pF 5% 50V
2836 © 4822 126 14508 180pF 5% 50V
2837 © 4822 126 13883 220pF 5% 50V
2838 © 4822 126 13883 220pF 5% 50V
2839 © 4822 126 13883 220pF 5% 50V
2840 © 4822 126 13883 220pF 5% 50V
2841 © 4822 126 13883 220pF 5% 50V
2842 © 4822 126 13883 220pF 5% 50V
2843 4822 124 40998 22µF 20% 6,3V
2844 © 4822 126 14305 100nF 10% 16V
2845 © 3198 017 34730 47nF 10% 16V
2846 © 5322 126 11578 1nF 10% 63V
2847 © 4822 126 14494 22nF 10% 25V
2848 © 4822 126 11669 27pF 10% 50V
2849 © 5322 126 11583 10nF 10% 63V
2850 © 5322 126 11579 3,3nF 10% 63V
2851 © 5322 126 11579 3,3nF 10% 63V
2852 © 5322 126 11579 3,3nF 10% 63V
2853 © 4822 126 14247 1,5nF 10% 50V
2854 © 4822 126 14247 1,5nF 10% 50V
2855 © 5322 126 11579 3,3nF 10% 63V
2856 © 4822 126 14549 33nF 10% 16V
2857 © 4822 126 14305 100nF 10% 16V
2858 © 4822 126 13344 1,5nF 5% 63V
2859 4822 124 12362 47µF 20% 4V
2860 © 4822 126 13344 1,5nF 5% 63V
2861 © 3198 017 41050 1µF 20% 10V
2862 © 3198 017 41050 1µF 20% 10V
2880 © 4822 126 14305 100nF 10% 16V
2881 © 4822 126 14305 100nF 10% 16V
2882 © 4822 126 14305 100nF 10% 16V
2885 © 4822 126 14305 100nF 10% 16V
2886 4822 124 40998 22µF 20% 6,3V for SM5903 only
6-1
CS 46 738

CAPACITORS
–––––––––––––––––––––––––––––––––––––––––––––––––––––
2886 4822 124 12362 47µF 20% 4V for SM5904 only
2887 © 4822 126 14549 33nF 10% 16V
2888 © 4822 126 14305 100nF 10% 16V
2889 © 4822 122 33741 10pF 10% 50V
2892 © 4822 126 14083 4,7µF 20% 10V
RESISTORS
–––––––––––––––––––––––––––––––––––––––––––––––––––––
3250 © 4822 051 30681 680Ω5% 0,06W
3251 © 4822 051 30271 270Ω5% 0,06W
3252 © 4822 051 30331 330Ω5% 0,06W
3253 © 4822 051 30271 270Ω5% 0,06W
3254 © 4822 051 30473 47kΩ5% 0,06W
3256 © 4822 051 30272 2,7kΩ5% 0,06W
3257 © 4822 117 12891 220kΩ1% 0,06W
3258 © 4822 117 13632 100kΩ1% 0,06W
3259 © 2120 108 93057 68kΩ1% 0,06W
3260 © 4822 051 30105 1MΩ5% 0,06W
3261 © 4822 051 30103 10kΩ5% 0,06W
3263 © 4822 051 30223 22kΩ5% 0,06W
3264 © 4822 117 13632 100kΩ1% 0,06W
3265 © 4822 051 30334 330kΩ5% 0,06W
3266 © 4822 051 30103 10kΩ5% 0,06W
3267 © 2120 108 93057 68kΩ1% 0,06W
3268 © 2120 108 93942 10kΩ1% 0,06W
3269 © 2120 108 93942 10kΩ1% 0,06W
3270 © 2322 702 70278 2,7Ω5% 0,06W for charge version
3270 © 4822 051 30008 CHIP JUMPER 0603 not for charge vers.
3271 © 2322 702 70278 2,7Ω5% 0,06W
3272 © 4822 051 30472 4,7kΩ5% 0,06W
3273 © 4822 117 13632 100kΩ1% 0,06W
3274 © 4822 117 13632 100kΩ1% 0,06W
3275 © 4822 051 30334 330kΩ5% 0,06W for charge version
3275 © 4822 051 30008 CHIP JUMPER 0603 not for charge vers.
3276 © 4822 051 30183 18kΩ5% 0,06W
3277 © 4822 051 30183 18kΩ5% 0,06W
3278 © 4822 051 30103 10kΩ5% 0,06W
3279 © 3198 021 32250 2,2MΩ5% 0,06W
3280 © 4822 051 30474 470kΩ5% 0,06W
3281 © 4822 117 12925 47kΩ1% 0,06W
3282 © 4822 051 30474 470kΩ5% 0,06W
3283 © 4822 051 30474 470kΩ5% 0,06W
3284 © 4822 116 30467 10kΩ5% NTC
3286 © 4822 051 30103 10kΩ5% 0,06W
3287 © 4822 051 30103 10kΩ5% 0,06W
3288 © 4822 051 30109 10Ω5% 0,06W
3289 © 4822 051 30562 5,6kΩ5% 0,06W
3291 © 4822 117 13632 100kΩ1% 0,06W
3292 © 4822 051 30103 10kΩ5% 0,06W
3293 © 4822 051 30331 330Ω5% 0,06W
3294 © 4822 051 30474 470kΩ5% 0,06W
3300 © 4822 051 30333 33kΩ5% 0,06W
3301 © 4822 051 30333 33kΩ5% 0,06W
3302 © 4822 051 30333 33kΩ5% 0,06W
3303 © 4822 051 30333 33kΩ5% 0,06W
3304 © 4822 051 30153 15kΩ5% 0,06W
3305 © 4822 051 30153 15kΩ5% 0,06W
3306 © 4822 051 30222 2,2kΩ5% 0,06W
3307 © 4822 051 30222 2,2kΩ5% 0,06W
3308 © 4822 051 30153 15kΩ5% 0,06W
3309 © 4822 051 30153 15kΩ5% 0,06W
3310 © 4822 051 30562 5,6kΩ5% 0,06W
3311 © 4822 051 30562 5,6kΩ5% 0,06W
3312 © 4822 051 30105 1MΩ5% 0,06W
3313 © 4822 051 30105 1MΩ5% 0,06W
RESISTORS
–––––––––––––––––––––––––––––––––––––––––––––––––––––
3314 © 4822 051 30332 3,3kΩ5% 0,06W
3315 © 4822 051 30332 3,3kΩ5% 0,06W
3316 © 4822 051 30103 10kΩ5% 0,06W
3317 © 4822 051 30472 4,7kΩ5% 0,06W
3318 © 4822 117 13632 100kΩ1% 0,06W
3319 © 4822 117 13613 2,2Ω5% 0,06W
3320 3103 308 53680 2x10kΩPOTMETER (CX2)
3321 © 4822 051 30103 10kΩ5% 0,06W
3322 © 4822 117 12139 22Ω5% 0,06W not for /17 version
3322 © 4822 117 12917 1Ω5% 0,06W only for /17 version
3323 © 4822 117 12139 22Ω5% 0,06W not for /17 version
3323 © 4822 117 12917 1Ω5% 0,06W only for /17 version
3324 © 4822 117 13613 2,2Ω5% 0,06W
3325 © 4822 117 13613 2,2Ω5% 0,06W
3326 © 4822 051 30008 CHIP JUMPER 0603
3327 © 4822 051 30105 1MΩ5% 0,06W
3328 © 4822 117 12925 47kΩ1% 0,06W
3330 © 4822 051 30223 22kΩ5% 0,06W
3333 © 4822 051 30183 18kΩ5% 0,06W
3334 © 4822 051 30183 18kΩ5% 0,06W
3335 © 4822 051 30472 4,7kΩ5% 0,06W
3400 © 4822 117 13632 100kΩ1% 0,06W
3401 © 4822 117 12891 220kΩ1% 0,06W
3402 © 4822 117 12891 220kΩ1% 0,06W
3403 © 4822 117 12891 220kΩ1% 0,06W
3404 © 4822 051 30102 1kΩ5% 0,06W
3405 © 4822 051 30102 1kΩ5% 0,06W
3406 © 4822 051 30102 1kΩ5% 0,06W
3407 © 4822 051 30154 150kΩ5% 0,06W
3408 © 4822 051 30123 12kΩ5% 0,06W
3409 © 4822 051 30562 5,6kΩ5% 0,06W
3410 © 4822 051 30109 10Ω5% 0,06W
3411 © 4822 051 30109 10Ω5% 0,06W
3412 © 4822 051 30101 100Ω5% 0,06W
3413 © 4822 051 30101 100Ω5% 0,06W
3414 © 4822 117 12925 47kΩ1% 0,06W
3415 © 4822 051 30103 10kΩ5% 0,06W
3416 © 4822 051 30472 4,7kΩ5% 0,06W
3417 © 4822 051 30103 10kΩ5% 0,06W
3418 © 4822 051 30008 CHIP JUMPER 0603 only for DA23-LNPH
3419 © 4822 051 30008 CHIP JUMPER 0603 only for DA23-LPH
3420 © 4822 051 30272 2,7kΩ5% 0,06W
3700 © 3198 021 32250 2,2MΩ5% 0,06W
3701 © 4822 051 30184 180kΩ5% 0,06W only for RC version
3701 © 4822 051 30008 CHIP JUMPER 0603 not for RC version
3702 © 3198 021 32250 2,2MΩ5% 0,06W
3703 © 4822 051 30105 1MΩ5% 0,06W
3704 © 4822 051 30105 1MΩ5% 0,06W
3705 © 4822 051 30475 4,7MΩ5% 0,06W
3707 © 3198 021 32250 2,2MΩ5% 0,06W
3708 © 4822 051 30103 10kΩ5% 0,06W
3800 © 4822 117 13608 4,7Ω5% 0,06W
3801 © 4822 051 30153 15kΩ5% 0,06W
3802 © 4822 051 30683 68kΩ5% 0,06W
3803 © 4822 051 30332 3,3kΩ5% 0,06W
3804 © 4822 051 30479 47Ω5% 0,06W
3805 © 4822 051 30472 4,7kΩ5% 0,06W
3806 © 4822 051 30332 3,3kΩ5% 0,06W
3807 © 4822 051 30471 470Ω5% 0,06W
3808 © 4822 117 12891 220kΩ1% 0,06W
3809 © 4822 051 30563 56kΩ5% 0,06W
3830 © 4822 051 30109 10Ω5% 0,06W
3831 © 4822 051 30562 5,6kΩ5% 0,06W
3832 © 4822 051 30562 5,6kΩ5% 0,06W
6-2
CS 46 739

RESISTORS
–––––––––––––––––––––––––––––––––––––––––––––––––––––
3833 © 4822 051 30562 5,6kΩ5% 0,06W
3834 © 4822 051 30562 5,6kΩ5% 0,06W
3835 © 4822 051 30273 27kΩ5% 0,06W
3836 © 4822 051 30273 27kΩ5% 0,06W
3837 © 4822 051 30333 33kΩ5% 0,06W
3838 © 4822 051 30333 33kΩ5% 0,06W
3839 © 4822 051 30333 33kΩ5% 0,06W
3840 © 4822 051 30333 33kΩ5% 0,06W
3841 © 4822 051 30103 10kΩ5% 0,06W
3842 © 4822 051 30103 10kΩ5% 0,06W
3843 © 4822 051 30103 10kΩ5% 0,06W
3844 © 4822 051 30103 10kΩ5% 0,06W
3845 © 4822 051 30103 10kΩ5% 0,06W
3846 © 4822 051 30103 10kΩ5% 0,06W
3847 © 4822 051 30339 33Ω5% 0,06W
3848 © 4822 051 30333 33kΩ5% 0,06W
3849 © 4822 051 30102 1kΩ5% 0,06W
3850 © 4822 051 30223 22kΩ5% 0,06W
3851 © 4822 051 30102 1kΩ5% 0,06W
3852 © 4822 051 30109 10Ω5% 0,06W
3853 © 4822 051 30109 10Ω5% 0,06W
3854 © 4822 051 30222 2,2kΩ5% 0,06W
3855 © 4822 051 30222 2,2kΩ5% 0,06W
3856 © 4822 051 30222 2,2kΩ5% 0,06W
3857 © 4822 051 30222 2,2kΩ5% 0,06W
3858 © 4822 051 30222 2,2kΩ5% 0,06W
3859 © 4822 051 30222 2,2kΩ5% 0,06W
3860 © 4822 051 30103 10kΩ5% 0,06W
3861 © 4822 051 30103 10kΩ5% 0,06W
3862 © 4822 051 30103 10kΩ5% 0,06W
3863 © 4822 051 30103 10kΩ5% 0,06W
3864 © 4822 051 30103 10kΩ5% 0,06W
3865 © 4822 051 30332 3,3kΩ5% 0,06W
3866 © 4822 051 30008 CHIP JUMPER 0603
3867 © 4822 117 12139 22Ω5% 0,06W
3868 © 4822 117 12139 22Ω5% 0,06W
3869 © 4822 051 30479 47Ω5% 0,06W
3870 © 4822 051 30008 CHIP JUMPER 0603
3871 © 4822 051 30008 CHIP JUMPER 0603
3872 © 4822 051 30008 CHIP JUMPER 0603
3873 © 4822 051 30008 CHIP JUMPER 0603
3874 © 4822 051 30105 1MΩ5% 0,06W
3875 © 4822 051 30472 4,7kΩ5% 0,06W
3880 © 4822 117 12139 22Ω5% 0,06W
3881 © 4822 051 30008 CHIP JUMPER 0603
3882 © 4822 051 30008 CHIP JUMPER 0603
3883 © 4822 051 30008 CHIP JUMPER 0603
3884 © 4822 051 30008 CHIP JUMPER 0603
3885 © 4822 051 30103 10kΩ5% 0,06W
3886 © 4822 051 30103 10kΩ5% 0,06W
3887 © 4822 117 12139 22Ω5% 0,06W
3888 © 4822 051 30103 10kΩ5% 0,06W
3890 © 4822 117 12139 22Ω5% 0,06W
3891 © 4822 051 30008 CHIP JUMPER 0603
3892 © 4822 051 30008 CHIP JUMPER 0603
3893 © 4822 051 30008 CHIP JUMPER 0603
3894 © 4822 051 30008 CHIP JUMPER 0603
3895 © 4822 051 30008 CHIP JUMPER 0603
3896 © 4822 051 30008 CHIP JUMPER 0603
3897 © 4822 051 30008 CHIP JUMPER 0603
3898 © 4822 051 30008 CHIP JUMPER 0603
3899 © 4822 051 30008 CHIP JUMPER 0603
3900 © 4822 051 30008 CHIP JUMPER 0603
3901 © 4822 051 30008 CHIP JUMPER 0603
RESISTORS
–––––––––––––––––––––––––––––––––––––––––––––––––––––
3902 © 4822 051 30008 CHIP JUMPER 0603
3903 © 4822 051 30008 CHIP JUMPER 0603
3904 © 4822 051 30008 CHIP JUMPER 0603
3905 © 4822 051 30008 CHIP JUMPER 0603
3906 © 4822 051 30008 CHIP JUMPER 0603
3907 © 4822 051 30008 CHIP JUMPER 0603
3908 © 4822 051 30008 CHIP JUMPER 0603
3909 © 4822 051 30103 10kΩ5% 0,06W
3981 4822 101 11944 2kΩ20% 0,5W
3997 © 4822 117 13632 100kΩ1% 0,06W
3998 © 2322 704 61204 120kΩ1% 0,06W
3999 © 4822 117 13634 390kΩ1% 0,06W
4201 © 4822 051 30008 CHIP JUMPER 0603
COILS
–––––––––––––––––––––––––––––––––––––––––––––––––––––
1403 2422 540 98516 CER. RES. 4,23MHz
1840 © 4822 242 81546 CER. RES. 8,4672MHz
5250 2422 536 00141 TRANSFORMER 6RG (40µH)
5251 4822 157 51462 10µH 10%
5800 © 4822 157 11781 FILTER, 100MHz
DIODES
–––––––––––––––––––––––––––––––––––––––––––––––––––––
6251 © 4822 130 10654 BAT254
6252 5322 130 81917 SB140
6300 © 4822 130 10794 BZX284-C10
6400 © 4822 130 83757 BAS216
6401 © 4822 130 10654 BAT254
TRANSISTORS
–––––––––––––––––––––––––––––––––––––––––––––––––––––
7250 4822 130 40855 BC337-40
7251 5322 130 44647 BC368
7252 © 4822 130 60142 BC869
7255 5322 130 61569 BC868
7258 © 3198 010 42310 BC847BW
7259 © 5322 130 42756 BC857C
7260 © 3198 010 42310 BC847BW
7301 © 3198 010 42310 BC847BW
7302 © 3198 010 42310 BC847BW
7303 © 3198 010 42310 BC847BW
7306 © 3198 010 42310 BC847BW
7307 © 3198 010 42310 BC847BW
7700 © 5322 130 42756 BC857C
7701 © 3198 010 42310 BC847BW
7702 © 3198 010 42310 BC847BW
7801 © 3198 010 42310 BC847BW
7882 © 3198 010 42310 BC847BW
INTEGRATED CIRCUITS
–––––––––––––––––––––––––––––––––––––––––––––––––––––
7254 © 9322 142 72685 TC75W51FU
7256 © 9322 160 31669 SC111259FTA (POWER MGR.)
7300 © 9322 142 72685 TC75W51FU
7305 © 4822 209 16083 BA3574BFS (HEADPHONE AMP.)
7400 © 3103 308 84340 TMP86CH29AF-AX5000.2 (µP)
7800 © 4822 209 17286 TZA1024T/N1 (HF-AMPLIFIER)
7830 © 9352 641 80557 SAA7324H/M2B (CD10)
7880 © 9322 142 87671 SM5903BF (DRAM CONTROLLER)
7880 © 9322 142 46671 SM5904BF (DRAM CONTROLLER)
7881 © 9322 138 25668 MSM514400D-60SJ (4Mbit DRAM)
7881© 9322 138 26668 MSM51V17405D-60TS-K (16Mbit DRAM)
6-3
CS 46 740