34401 90013 Manual
34401__manual
User Manual:
Open the PDF directly: View PDF
.
Page Count: 165 [warning: Documents this large are best viewed by clicking the View PDF Link!]
- Contents
- The Front Panel at a Glance
- In This Book
- Chapter 1: Specifications
- Chapter 2: Quick Start
- To Prepare the Multimeter for Use
- If the Multimeter Does Not Turn On
- To Adjust the Carrying Handle
- To Measure Voltage
- To Measure Resistance
- To Measure Current
- To Measure Frequency (or Period)
- To Test Continuity
- To Check Diodes
- To Select a Range
- To Set the Resolution
- To Make Null (Relative) Measurements
- To Store Minimum and Maximum Readings
- To Make dB Measurements
- To Make dBm Measurements
- To Trigger the Multimeter
- To Make dcv:dcv Ratio Measurements
- Front-Panel Display Formats
- To Rack Mount the Multimeter
- Chapter 3: Menu Tutorial
- Chapter 4: Calibration Procedures
- Closed-Case Electronic Calibration
- Agilent Calibration Services
- Calibration Interval
- Time Required for Calibration
- Automating Calibration Procedures
- Recommended Test Equipment
- Test Considerations
- Performance Verification Tests
- Zero Offset Verification
- Gain Verification
- Optional AC Performance Verification Tests
- Calibration Security Code
- Calibration Count
- Calibration Message
- Calibration Procedures
- Aborting a Calibration in Progress
- Zero Adjustments
- Gain Adjustment
- Optional Gain Calibration Procedures
- Understanding the AC Signal Filter
- Understanding Resolution
- Error Messages
- Chapter 5: Theory of Operation
- Chapter 6: Service
- Chapter 7: Replaceable Parts
- Chapter 8: Backdating
- Chapter 9: Schematics
- FrontCover_Medium.pdf

Keysight 34401A
6½ Digit Multimeter
Service
Guide


ii 34401A Service Guide
Notices
© Agilent Technologies, Inc. 1991 - 2012
No part of this manual may be reproduced in any
form or by any means (including electronic
storage and retrieval or translation into a foreign
language) without prior agreement and written
consent from Agilent Technologies, Inc. as
governed by United States and international
copyright laws.
Manual Part Number
34401-90013
Edition
Eighth Edition. May 2012
Printed in Malaysia
Agilent Technologies, Inc.
3501 Stevens Creek Blvd. Santa
Clara, CA 95052 USA
Microsoft® and Windows® are U.S. registered
trademarks of Microsoft Corporation.
Software Revision
This guide is valid for the firmware that was
installed in the instrument at the time of
manufacture. However, upgrading the
firmware may add or change product features.
For the latest firmware and documentation, go
to the product page at:
www.agilent.com/find/34401A
Warranty
The material contained in this
document is provided “as is,” and is
subject to being changed, without
notice, in future editions. Further, to
the maximum extent permitted by
applicable law, Agilent disclaims all
warranties, either express or implied,
with regard to this manual and any
information contained herein, including
but not limited to the implied
warranties of merchantability and
fitness for a particular purpose. Agilent
shall not be liable for errors or for
incidental or consequential damages in
connection with the furnishing, use, or
performance of this document or of
any information contained herein.
Should Agilent and the user have a
separate written agreement with
warranty terms covering the material in
this document that conflict with these
terms, the warranty terms in the
separate agreement shall control.
Technology Licenses
The hardware and/or software described in this
document are furnished under a license and
may be used or copied only in accordance with
the terms of such license.
Restricted Rights Legend
U.S. Government Restricted Rights. Software
and technical data rights granted to the federal
government include only those rights
customarily provided to end user customers.
Agilent provides this customary commercial
license in Software and technical data pursuant
to FAR 12.211 (Technical Data) and 12.212
(Computer Software) and, for the Department
of Defense, DFARS 252.227-7015 (Technical
Data - Commercial Items) and DFARS
227.7202-3 (Rights in Commercial Computer
Software or Computer Software
Documentation).
Safety Notices
CAUTION
A CAUTION notice denotes a hazard.
It calls attention to an operating
procedure, practice, or the like that, if
not correctly performed or adhered to,
could result in damage to the product
or loss of important data. Do not
proceed beyond a CAUTION notice
until the indicated conditions are fully
understood and met.
WARNING
A WARNING notice denotes a
hazard. It calls attention to an
operating procedure, practice, or
the like that, if not correctly
performed or adhered to, could
result in personal injury or death.
Do not proceed beyond a
WARNING notice until the
indicated conditions are fully
understood and met.

34401A Service Guide iii
Safety Information
General
Do not use this product in any manner not
specified by the manufacturer. The protective
features of this product may be impaired if it is
used in a manner not specified in the
operation instructions.
Do not install substitute parts or perform any
unauthorized modification to the product.
Return the product to an Agilent Technologies
Sales and Service Office for service and repair
to ensure that safety features are maintained.
Ground the Instrument
If your product is provided with a grounding-
type power plug, the instrument chassis and
cover must be connected to an electrical
ground to minimize shock hazard. The ground
pin must be firmly connected to an electrical
ground (safety ground) terminal at the power
outlet. Any interruption of the protective
(grounding) conductor or disconnection of the
protective earth terminal will cause a potential
shock hazard that could result in personal
injury.
Cleaning
Clean the outside of the instrument with a soft,
lint-free, slightly dampened cloth. Do not use
detergent or chemical solvents.
Safety Symbols WARNING
Main Power and Test Input
Disconnect: Unplug instrument
from wall outlet, remove power
cord, and remove all probes from
all terminals before servicing. Only
qualified, service-trained
personnel should remove the
cover from the instrument.
WARNING
Line and Current Protection
Fuses: For continued protection
against fire, replace the line fuse
and the current-protection fuse
only with fuses of the specified
type and rating.
WARNING
Front/Rear Switch: Do not change
the position of the
Front/Rear switch on the front
panel while signals are present on
either the front or rear set of
terminals. The switch is not
intended as an active multiplexer.
Switching while high voltages or
currents are present may cause
instrument damage and lead to the
risk of electric shock.
Earth Ground
Chassis Ground
Risk of electric shock
Refer to manual for additional
safety information
Alternating Current
On supply
Off supply
‘In’ position of bi-stable push switch
‘Out’ position of bi-stable push
switch
CAT II (300V)
IEC Measurement Category II.
Inputs may be connected to
mains (up to 300 VAC) under
Category II overvoltage
conditions.

iv 34401A Service Guide
WARNING
IEC Measurement Category II. The
HI and LO input terminals may be
connected to mains in IEC
Category II installations for line
voltages up to 300 VAC. To avoid
the danger of electric shock, do
not connect the inputs to mains for
line voltages above 300 VAC. See
"IEC Measurement Category II
Overvoltage Protection" on the
following page for further
information.
WARNING
Protection Limits: To avoid
instrument damage and the risk of
electric shock, do not exceed any
of the Protection Limits defined in
the following section.
Protection Limits
The Agilent 34401A Digital Multimeter provides
protection circuitry to prevent damage to the
instrument and to protect against the danger of
electric shock, provided the Protection Limits
are not exceeded. To ensure safe operation of
the instrument, do not exceed the Protection
Limits shown on the front and rear panel, and
defined as follows:
Note: The front-panel terminals are shown
above. The rear-panel terminals are identical.
The Front/Rear switch selects the terminal set
to be used. Do not operate this switch while
signals are present on the front or rear
terminals. The current-protection fuse is on
the rear panel.
Input Terminal Protection
Limits
Protection Limits are defined for the input
terminals:
Main Input (HI and LO) Terminals. The HI
and LO input terminals are used for voltage,
resistance, frequency (period), and diode test
measurements. Two Protection Limits are
defined for these terminals:
HI to LO Protection Limit. The Protection
Limit from HI to LO (Input terminals) is 1000
VDC or 750 VAC, which is also the
maximum voltage measurement. This limit
can also be expressed as 1000 Vpk
maximum.
LO to Ground Protection Limit. The LO
input terminal can safely "float" a
maximum of 500 Vpk relative to ground.
As is implied by the above limits, the Protection
Limit for the HI input terminal is a maximum of
1500 Vpk relative to ground.
Current Input Terminal. The current input
("I") terminal has a Protection Limit of 3A
(rms) maximum current flowing from the LO
input terminal. Note that the current input
terminal will be at approximately the same
voltage as the LO terminal.
Note: The current-protection circuitry includes
a fuse on the rear panel. To maintain
protection, replace this fuse only with a fuse of
the specified type and rating.
Sense Terminal Protection
Limits
The HI and LO sense terminals are used only
for four-wire resistance and temperature
measurements ("Ω 4W"). The Protection Limit
is 200 Vpk for all of the terminal pairings:
LO sense to LO input
HI sense to LO input
HI sense to LO sense
Note: The 200 Vpk limit on the sense
terminals is the Protection Limit. Operational
voltages in resistance measurements are
much lower — less than 10 V in normal
operation.
IEC Measurement Category II
Overvoltage Protection
To protect against the danger of electric shock,
the Agilent 34401A Digital Multimeter provides
overvoltage protection for line-voltage mains
connections meeting both of the following
conditions:
The HI and LO input terminals are connected
to the mains under Measurement Category II
conditions, defined below,
and
The mains are limited to a maximum line
voltage of 300 VAC.

34401A Service Guide v
IEC Measurement Category II includes
electrical devices connected to mains at an
outlet on a branch circuit. Such devices include
most small appliances, test equipment, and
other devices that plug into a branch outlet or
socket. The 34401A may be used to make
measurements with the HI and LO inputs
connected to mains in such devices, or to the
branch outlet itself (up to 300 VAC). However,
the 34401A may not be used with its HI and LO
inputs connected to mains in permanently
installed electrical devices such as the main
circuit-breaker panel,
sub-panel disconnect boxes, or permanently
wired motors. Such devices and circuits are
subject to overvoltages that may exceed the
protection limits of the 34401A.
Note: Voltages above 300 VAC may be
measured only in circuits that are isolated from
mains. However, transient overvoltages are
also present on circuits that are isolated from
mains. The Agilent 34401A are designed to
safely withstand occasional transient
overvoltages up to 2500 Vpk. Do not use this
equipment to measure circuits where transient
overvoltages could exceed this level.
Additional Notices
Waste Electrical and
Electronic Equipment (WEEE)
Directive 2002/96/EC
This product complies with the WEEE Directive
(2002/96/EC) marking requirement. The affixed
product label (see below) indicates that you
must not discard this electrical/electronic
product in domestic household waste.
Product Category: With reference to the
equipment types in the WEEE directive
Annex 1, this product is classified as a
"Monitoring and Control instrumentation"
product.
Do not dispose in domestic household
waste.
To return unwanted products, contact your
local Agilent office, or see
www.agilent.com/environment/product for
more information.
Agilent 34138A Test Lead Set
The Agilent 34401A is compatible with the
Agilent 34138A Test Lead Set described
below.
Test Lead Ratings
Test Leads - 1000V, 15A
Fine Tip Probe Attachments - 300V, 3A
Mini Grabber Attachment - 300V, 3A
SMT Grabber Attachments - 300V, 3A
Operation
The Fine Tip, Mini Grabber, and SMT Grabber
attachments plug onto the probe end of the
Test Leads.
Maintenance
If any portion of the Test Lead Set is worn or
damaged, do not use. Replace with a new
Agilent 34138A Test Lead Set.
WARNING
If the Test Lead Set is used in a
manner not specified by Agilent
Technologies, the protection
provided by the Test Lead Set may
be impaired. Also, do not use a
damaged or worn Test Lead Set.
Instrument damage or personal
injury may result.

DECLARATION OF CONFORMITY
According to ISO/IEC Guide 22 and CEN/CENELEC EN 45014
Manufacturer’s Name: Agilent Technologies, Incorporated
Manufacturer’s Address: 815 – 14th St. SW
Loveland, Colorado 80537
USA
Declares, that the product
Product Name: Multimeter
Model Number: 34401A
Product Options: This declaration covers all options of the above product(s).
Conforms with the following European Directives:
The product herewith complies with the requirements of the Low Voltage Directive 73/23/EEC and the EMC Directive 89/336/EEC
(including 93/68/EEC) and carries the CE Marking accordingly.
Conforms with the following product standards:
EMC Standard
IEC 61326-1:1997+A1:1998 / EN 61326-1:1997+A1:1998
CISPR 11:1990 / EN 55011:1991
IEC 61000-4-2:1995+A1:1998 / EN 61000-4-2:1995
IEC 61000-4-3:1995 / EN 61000-4-3:1995
IEC 61000-4-4:1995 / EN 61000-4-4:1995
IEC 61000-4-5:1995 / EN 61000-4-5:1995
IEC 61000-4-6:1996 / EN 61000-4-6:1996
IEC 61000-4-11:1994 / EN 61000-4-11:1994
Canada: ICES-001:1998
Australia/New Zealand: AS/NZS 2064.1
Limit
Group 1 Class A
4kV CD, 8kV AD
3 V/m, 80-1000 MHz
0.5kV signal lines, 1kV power lines
0.5 kV line-line, 1 kV line-ground
3V, 0.15-80 MHz
Dips: 30% 10ms; 60% 100ms
Interrupt > 95%@5000ms
The product was tested in a typical configuration with Agilent Technologies test systems.
Safety IEC 61010-1:1990+A1:1992+A2:1995 / EN 61010-1:1993+A2:1995
Canada: CSA C22.2 No. 1010.1:1992
UL 3111-1: 1994
18 July 2001
Date Ray Corson
Product Regulations Program Manager
For further information, please contact your local Agilent Technologies sales office, agent or distr butor.
Authorized EU-representative: Agilent Technologies Deutschland GmbH, Herrenberger Straβe 130, D 71034 Böblingen, Germany

Note: Unless otherwise indicated, this manual applies to all serial numbers.
The Agilent Technologies 34401A is a 61⁄2-digit, high-performance
digital multimeter. Its combination of bench-top and system features
makes this multimeter a versatile solution for your measurement needs
now and in the future.
Convenient Bench-Top Features
•Highly visible vacuum-fluorescent display
•Built-in math operations
•Continuity and diode test functions
•Hands-free, Reading Hold feature
•Portable, ruggedized case with non-skid feet
Flexible System Features
•GPIB (IEEE-488) interface and RS-232 interface
•Standard programming languages: SCPI, Agilent 3478A, and
Fluke 8840
•Reading rates up to 1000 readings per second
•Storage for up to 512 readings
•Limit testing with pass/fail signals
•Optional 34812A IntuiLink/Meter Software
for Microsoft® WindowsTM
Warning The procedures in this manual are intended for use by qualified,
service-trained personnel only.
Agilent 34401A
Multimeter

The Front Panel at a Glance
1 Measurement Function keys
2 Math Operation keys
3 Single Trigger / Autotrigger / Reading Hold key
4 Shift / Local key
5 Front / Rear Input Terminal Switch
6 Range / Number of Digits Displayed keys
7 Menu Operation keys
2

The Front-Panel Menu at a Glance
A: MEASurement MENU
1: AC FILTER > 2: CONTINUITY > 3: INPUT R > 4: RATIO FUNC > 5: RESOLUTION
F: CALibration MENU*
1: SECURED > [ 1: UNSECURED ] > [ 2: CALIBRATE ] > 3: CAL COUNT > 4: MESSAGE
*The commands enclosed in square brackets ( [ ] ) are “hidden” unless the multimeter
is UNSECURED for calibration.
B: MATH MENU
1: MIN-MAX > 2: NULL VALUE > 3: dB REL > 4: dBm REF R > 5: LIMIT TEST > 6: HIGH LIMIT > 7: LOW LIMIT
C: TRIGger MENU
1: READ HOLD > 2: TRIG DELAY > 3: N SAMPLES
D: SYStem MENU
1: RDGS STORE > 2: SAVED RDGS > 3: ERROR > 4: TEST > 5: DISPLAY > 6 : BEEP > 7: COMMA > 8 : REVISION
E: Input / Output MENU
1: HP-IB ADDR > 2: INTERFACE > 3: BAUD RATE > 4: PARITY > 5: LANGUAGE
The menu is organized in a top-down tree structure with three levels.
3

Display Annunciators
Adrs
Rmt
Man
Trig
Hold
Mem
Ratio
Math
ERROR
Rear
Shift
Turns on during a measurement.
Multimeter is addressed to listen or talk over the GPIB interface.
Multimeter is in remote mode (remote interface).
Multimeter is using manual ranging (autorange is disabled).
Multimeter is waiting for a single trigger or external trigger.
Reading Hold is enabled.
Turns on when reading memory is enabled.
Multimeter is in dcv:dcv ratio function.
A math operation is enabled (null, min-max, dB, dBm, or limit test).
Hardware or remote interface command errors are detected.
Rear input terminals are selected.
“Shift” key has been pressed. Press “Shift” again to turn off.
Multimeter is in 4-wire ohms function.
Multimeter is in continuity test function.
Multimeter is in diode test function.
To review the display annunciators, hold down the Shift key as you
turn on the multimeter.
∗
4

The Rear Panel at a Glance
1 Chassis Ground
2 Power-Line Fuse-Holder Assembly
3 Power-Line Voltage Setting
4 Front and Rear Current Input Fuse
5 Voltmeter Complete Output Terminal
6 External Trigger Input Terminal
7 GPIB (IEEE-488) Interface connector
8 RS-232 interface connector
Use the front-panel Input / Output Menu to:
• Select the GPIB or RS-232 interface (see chapter 4 in the “User’s Guide”).
• Set the GPIB bus address (see chapter 4 in the “User’s Guide”).
• Set the RS-232 baud rate and parity (see chapter 4 in the “User’s Guide”).
5

In This Book
Specifications Chapter 1 lists the multimeter’s specifications and
describes how to interpret these specifications.
Quick Start Chapter 2 prepares the multimeter for use and helps you
get familiar with a few of its front-panel features.
Menu Tutorial Chapter 3 introduces you to the front-panel menu and
steps you through several simple menu examples.
Calibration Procedures Chapter 4 provides a detailed description of
the multimeter’s calibrations and adjustments.
Theory of Operation Chapter 5 describes each functional block in the
multimeter.
Service Chapter 6 provides guidelines for returning your multimeter
to Agilent for servicing, or for servicing it yourself.
Replaceable Parts Chapter 7 contains a detailed parts list of the
multimeter.
Backdating Chapter 8 describes the procedures involved with back
issues of this manual.
Schematics Chapter 9 provides the multimeter’s schematics.
If you have questions relating to the operation of the Agilent 34401A,
call 1-800-452-4844 in the United States, or contact your nearest
Agilent Sales Office.
If your 34401A fails within one year of purchase, Agilent will repair or
replace it free of charge. Call 1-877-444-7278 (“Agilent Express”) in the
United States, or contact your nearest Agilent Sales Office.
6

Contents
Chapter 1 Specifications
DC Characteristics 12
AC Characteristics 14
Frequency and Period Characteristics 16
General Information 18
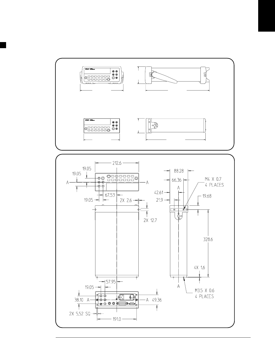
Product Dimensions 19
To Calculate Total Measurement Error 20
Interpreting Multimeter Specifications 22
Configuring for Highest Accuracy Measurements 25
Chapter 2 Quick Start
To Prepare the Multimeter for Use 29
If the Multimeter Does Not Turn On 30
To Adjust the Carrying Handle 32
To Measure Voltage 33
To Measure Resistance 33
To Measure Current 34
To Measure Frequency (or Period) 34
To Test Continuity 35
To Check Diodes 35
To Select a Range 36
To Set the Resolution 37
To Make Null (Relative) Measurements 38
To Store Minimum and Maximum Readings 39
To Make dB Measurements 40
To Make dBm Measurements 41
To Trigger the Multimeter 42
To Make dcv:dcv Ratio Measurements 43
Front-Panel Display Formats 44
To Rack Mount the Multimeter 45
Chapter 3 Menu Tutorial
Front-Panel Menu Reference 49
A Front-Panel Menu Tutorial 51
Menu Examples 53
Contents
7

Chapter 4 Calibration Procedures
Agilent Calibration Services 61
Calibration Interval 61
Time Required for Calibration 61
Automating Calibration Procedures 62
Recommended Test Equipment 63
Test Considerations 64
Performance Verification Tests 65
Zero Offset Verification 67
Gain Verification 69
Optional AC Performance Verification Tests 72
Calibration Security Code 73
Calibration Count 75
Calibration Message 75
Calibration Procedures 76
Aborting a Calibration in Progress 76
Zero Adjustment 77
Gain Adjustment 79
Optional Gain Calibration Procedures 82
Understanding the AC Signal Filter 85
Understanding Resolution 86
Error Messages 89
Chapter 5 Theory of Operation
Block Diagram 93
Front/Rear Selection 94
Function Switching 95
DC Amplifier 96
Ohms Current Source 98
AC Circuit 99
A-to-D Converter 101
Floating Logic 103
Earth-Referenced Logic 105
Power Supplies 106
Front Panel 107
Contents
Contents
8

Chapter 6 Service
Operating Checklist 111
Types of Service Available 112
Repackaging for Shipment 113
Electrostatic Discharge (ESD) Precautions 114
Surface Mount Repair 114
To Replace the Power-Line Fuse 114
To Replace The Current Input Fuses 115
To Connect Pass/Fail Output Signals 115
Troubleshooting Hints 117
Self-Test Procedures 120
Chapter 7 Replaceable Parts
To Order Replaceable Parts 126
Backdating and Part Changes 126
Replaceable Parts: 34401-66501 (Main Assembly) 127
Replaceable Parts: 34401-66512 (Display Assembly) 133
Replaceable Parts: Agilent 34401A Mainframe 134
Manufacturer’s List 135
Chapter 8 Backdating 137
Chapter 9 Schematics
Mechanical Disassembly 9-3
Component Locator Diagram – Main Board (34401-66501) 9-5
Component Locator Diagram – Front Panel (34401-66512) 9-6
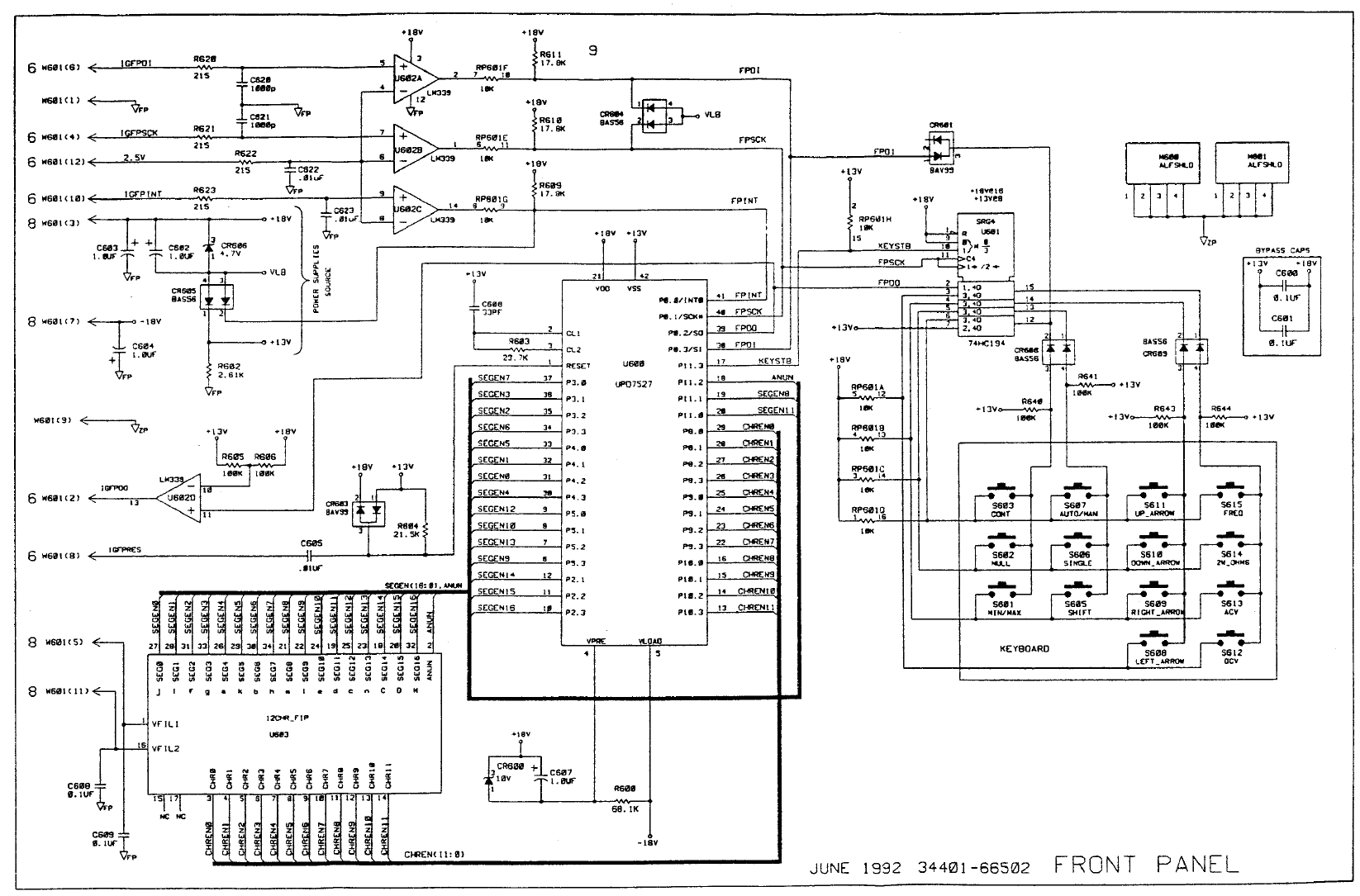
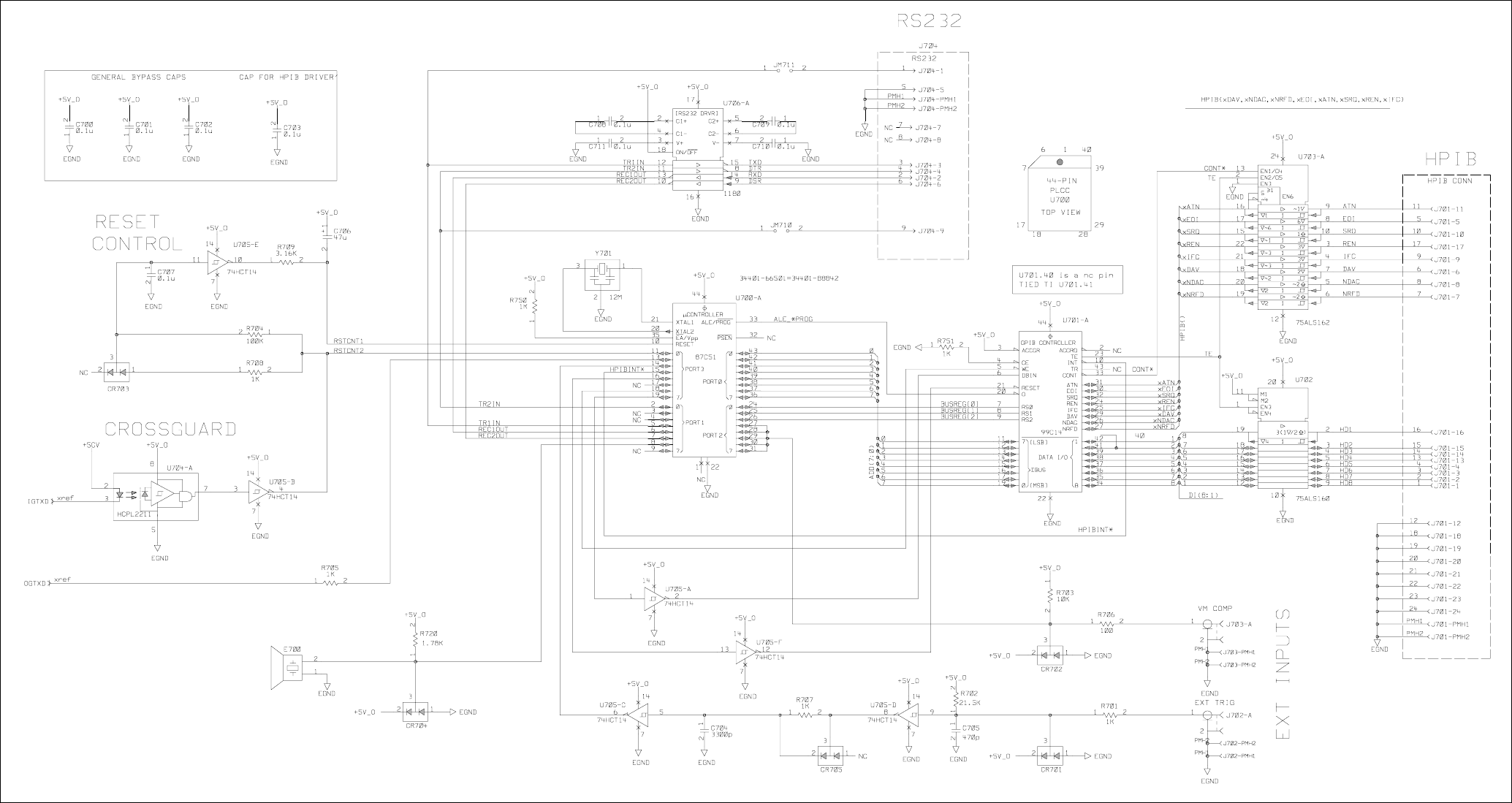
Agilent 34401A Block Diagram 9-7
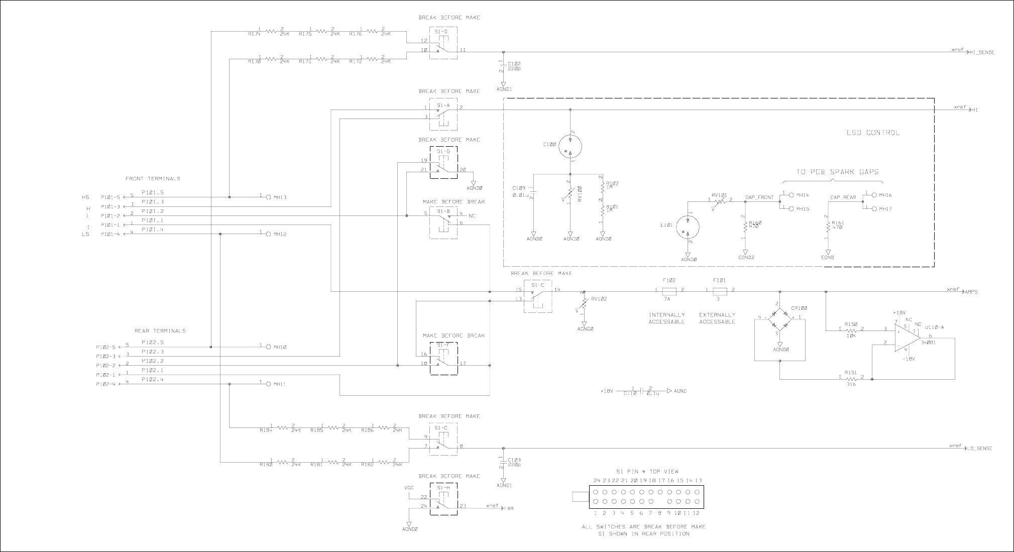
Front/Rear Selection Schematic 9-8
Function Switching Schematic 9-9
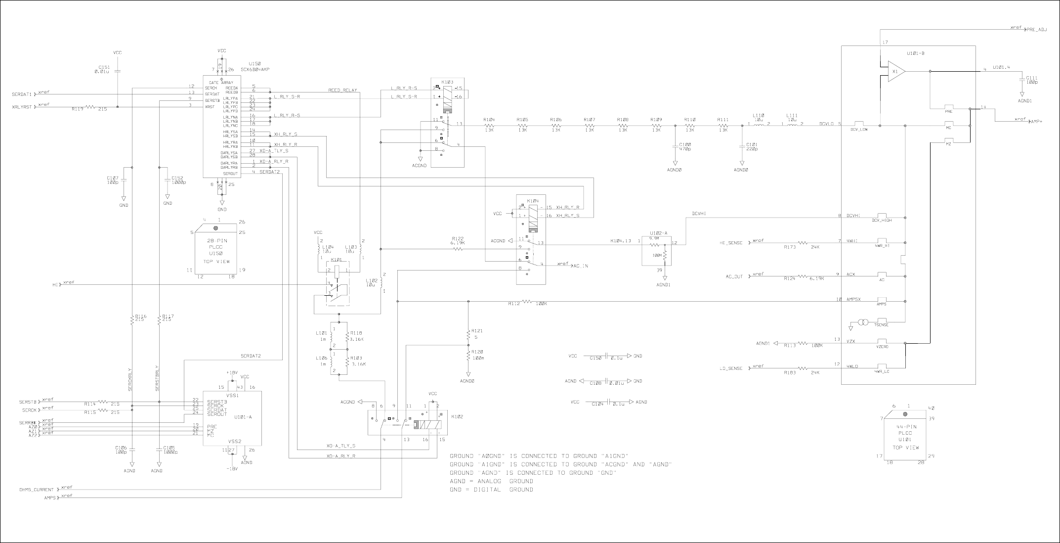
DC Amplifier and Ohms Schematic 9-10
AC Circuit Schematic 9-11
A/D Converter Schematic 9-12
Floating Logic Schematic 9-13
Earth-Referenced Logic Schematic 9-14
Power Supplies Schematic 9-15
Front-Panel Display Schematic 9-16
Contents
Contents
9

Contents
10

1
Specifications
1

DC Characteristics
DC Characteristics
Accuracy Specifications ± ( % of reading + % of range ) [ 1 ]
Function
Range [ 3 ]
Test Current or
Burden Voltage
90 Day
23°C ± 5°C 1 Year
23°C ± 5°C
Temperature
Coefficient /°C
0°C – 18°C
28°C – 55°C
DC Voltage 100.0000 mV
1.000000 V
10.00000 V
100.0000 V
1000.000 V
0.0030 + 0.0030
0.0020 + 0.0006
0.0015 + 0.0004
0.0020 + 0.0006
0.0020 + 0.0006
0.0040 + 0.0035
0.0030 + 0.0007
0.0020 + 0.0005
0.0035 + 0.0006
0.0035 + 0.0010
0.0050 + 0.0035
0.0040 + 0.0007
0.0035 + 0.0005
0.0045 + 0.0006
0.0045 + 0.0010
0.0005 + 0.0005
0.0005 + 0.0001
0.0005 + 0.0001
0.0005 + 0.0001
0.0005 + 0.0001
Resistance
[ 4 ]
100.0000 Ω
1.000000 kΩ
10.00000 kΩ
100.0000 kΩ
1.000000 MΩ
10.00000 MΩ
100.0000 MΩ
1 mA
1 mA
100 µA
10 µA
5 µA
500 nA
500 nA || 10 MΩ
0.0030 + 0.0030
0.0020 + 0.0005
0.0020 + 0.0005
0.0020 + 0.0005
0.002 + 0.001
0.015 + 0.001
0.300 + 0.010
0.008 + 0.004
0.008 + 0.001
0.008 + 0.001
0.008 + 0.001
0.008 + 0.001
0.020 + 0.001
0.800 + 0.010
0.010 + 0.004
0.010 + 0.001
0.010 + 0.001
0.010 + 0.001
0.010 + 0.001
0.040 + 0.001
0.800 + 0.010
0.0006 + 0.0005
0.0006 + 0.0001
0.0006 + 0.0001
0.0006 + 0.0001
0.0010 + 0.0002
0.0030 + 0.0004
0.1500 + 0.0002
DC Current 10.00000 mA
100.0000 mA
1.000000 A
3.000000 A
< 0.1 V
< 0.6 V
< 1 V
< 2 V
0.005 + 0.010
0.01 + 0.004
0.05 + 0.006
0.10 + 0.020
0.030 + 0.020
0.030 + 0.005
0.080 + 0.010
0.120 + 0.020
0.050 + 0.020
0.050 + 0.005
0.100 + 0.010
0.120 + 0.020
0.002 + 0.0020
0.002 + 0.0005
0.005 + 0.0010
0.005 + 0.0020
Continuity 1000.0 Ω1 mA 0.002 + 0.030 0.008 + 0.030 0.010 + 0.030 0.001 + 0.002
Diode Test
[12]
1.0000 V 1 mA 0.002 + 0.010 0.008 + 0.020 0.010 + 0.020 0.001 + 0.002
DC:DC Ratio 100 mV
to
1000 V
( Input Accuracy ) + ( Reference Accuracy )
Input Accuracy = accuracy specification for the HI-LO input signal.
Reference Accuracy = accuracy specification for the HI-LO reference input signal.
Transfer Accuracy ( typical )
( 24 hour % of range error )
2
Conditions:
Within 10 minutes and ± 0.5°C.
Within ±10% of initial value.
Following a 2-hour warm-up.
Fixed range between 10% and 100% of full scale.
Using 61⁄2 digit slow resolution ( 100 PLC ).
Measurements are made using accepted metrology practices.
24 Hour [ 2 ]
23°C ± 1°C
Chapter 1 Specifications
12

DC Characteristics
Function
DCV, DCI, and
Resistance
Digits
61⁄2
61⁄2
51⁄2
51⁄2
41⁄2
Readings/s
0.6 (0.5)
6 (5)
60 (50)
300
1000
Additional
Noise Error
0% of range
0% of range
0.001% of range
0.001% of range
0.01% of range
System Speeds [ 9 ]
Function Change
Range Change
Autorange Time
ASCII readings to RS-232
ASCII readings to GPIB
Max. Internal Trigger Rate
Max. External Trigger Rate to Memory
Max. External Trigger Rate to GPIB
26/sec
50/sec
<30 ms
55/sec
1000/sec
1000/sec
1000/sec
900/sec
Operating Characteristics [ 8 ]
[10]
[10]
Measurement Noise Rejection
60 Hz ( 50 Hz ) [ 5 ]
DC CMRR
Integration Time
100 PLC / 1.67s (2s)
10 PLC / 167 ms (200 ms)
1 PLC / 16.7 ms (20 ms)
0.2 PLC / 3 ms (3 ms)
0.02 PLC / 400 µs (400 µs)
140 dB
Normal Mode Rejection [ 6 ]
60 dB [ 7 ]
60 dB [ 7 ]
60 dB [ 7 ]
0 dB
0 dB
[12] Accuracy specifications are for the voltage measured at
the input terminals only. 1mA test current is typical. Variation
in the current source will create some variation in the voltage
drop across a diode junction.
DC Voltage
Measurement Method:
A/D Linearity:
Input Resistance:
0.1 V, 1 V, 10 V ranges
100 V, 1000 V ranges
Input Bias Current:
Input Terminals:
Input Protection:
Resistance
Measurement Method:
Max. Lead Resistance:
(4-wire ohms)
Input Protection:
DC Current
Shunt Resistor:
Input Protection:
Continuity / Diode Test
Response Time:
Continuity Threshold:
DC:DC Ratio
Measurement Method:
Input HI-LO
Reference HI-Input LO
Input to Reference
Continuously integrating, multi-slope III
A/D converter.
0.0002% of reading + 0.0001% of range
Selectable 10 MΩ or >10 GΩ [11]
10 MΩ ±1%
< 30 pA at 25°C
Copper alloy
1000 V on all ranges
Selectable 4-wire or 2-wire ohms.
Current source referenced to LO input.
10% of range per lead for 100 Ω, 1 kΩ
ranges. 1 kΩ per lead on all other ranges.
1000 V on all ranges
0.1Ω for 1A, 3A. 5Ω for 10 mA, 100 mA
Externally accessible 3A, 250 V fuse
Internal 7A, 250 V fuse
300 samples/sec with audible tone
Adjustable from 1 Ω to 1000 Ω
Input HI-LO / Reference HI-LO
100 mV to 1000 V ranges
100 mV to 10 V ranges (autoranged)
Reference LO to Input LO voltage < 2 V
Reference HI to Input LO voltage < 12V
Measuring Characteristics
Autozero OFF Operation
Following instrument warm-up at calibration temperature ±1°C
and <10 minutes, add 0.0002% range additional error + 5 µV.
Settling Considerations
Reading settling times are affected by source impedance,
cable dielectric characteristics, and input signal changes.
Measurement Considerations
Agilent recommends the use of PTFE â or other high-impedance,
low-dielectric absorption wire insulation for these measurements.
[ 1 ] Specifications are for 1-hour warm-up at 61⁄2 digits.
[ 2 ] Relative to calibration standards.
[ 3 ] 20% overrange on all ranges, except 1000 Vdc, 3 A range.
[ 4 ] Specifications are for 4-wire ohms function, or 2-wire
ohms using Math Null. Without Math Null, add 0.2 Ω
additional error in 2-wire ohms function.
[ 5 ] For 1 kΩ unbalance in LO lead.
[ 6 ] For power-line frequency ± 0.1%.
[ 7 ] For power-line frequency ± 1%, subtract 20 dB.
For ± 3%, subtract 30 dB.
[ 8 ] Readings speeds for 60 Hz and ( 50 Hz ) operation,
Autozero Off.
[ 9 ] Speeds are for 41⁄2 digits, Delay 0, Autozero OFF,
and Display OFF. Includes measurement and data
transfer over GPIB.
[ 10 ] Add 20 µV for dc volts, 4 µA for dc current, or
20 mΩ for resistance.
[ 11 ] For these ranges, inputs beyond ±17V are
clamped through 100 kΩ (typical).
1
Chapter 1 Specifications
13

AC Characteristics
AC Characteristics
Accuracy Specifications ± ( % of reading + % of range ) [ 1 ]
Function Range [ 3 ] Frequency 24 Hour [ 2 ]
23°C ± 1°C
1 Year
23°C ± 5°C
Temperature
Coefficient/°C
0°C – 18°C
28°C – 55°C
True RMS
AC Voltage
[ 4 ]
100.0000 mV
1.000000 V
to
750.000 V
3 Hz – 5 Hz
5 Hz – 10 Hz
10 Hz – 20 kHz
20 kHz – 50 kHz
50 kHz – 100 kHz
100 kHz – 300 kHz [6]
3 Hz – 5 Hz
5 Hz – 10 Hz
10 Hz – 20 kHz
20 kHz – 50 kHz
50 kHz – 100 kHz [5]
100 kHz – 300 kHz [6]
1.00 + 0.03
0.35 + 0.03
0.04 + 0.03
0.10 + 0.05
0.55 + 0.08
4.00 + 0.50
1.00 + 0.02
0.35 + 0.02
0.04 + 0.02
0.10 + 0.04
0.55 + 0.08
4.00 + 0.50
1.00 + 0.04
0.35 + 0.04
0.05 + 0.04
0.11 + 0.05
0.60 + 0.08
4.00 + 0.50
1.00 + 0.03
0.35 + 0.03
0.05 + 0.03
0.11 + 0.05
0.60 + 0.08
4.00 + 0.50
1.00 + 0.04
0.35 + 0.04
0.06 + 0.04
0.12 + 0.05
0.60 + 0.08
4.00 + 0.50
1.00 + 0.03
0.35 + 0.03
0.06 + 0.03
0.12 + 0.05
0.60 + 0.08
4.00 + 0.50
0.100 + 0.004
0.035 + 0.004
0.005 + 0.004
0.011 + 0.005
0.060 + 0.008
0.20 + 0.02
0.100 + 0.003
0.035 + 0.003
0.005 + 0.003
0.011 + 0.005
0.060 + 0.008
0.20 + 0.02
True RMS
AC Current
[ 4 ]
1.000000 A
3.00000 A
3 Hz – 5 Hz
5 Hz – 10 Hz
10 Hz – 5 kHz
3 Hz – 5 Hz
5 Hz – 10 Hz
10 Hz – 5 kHz
1.00 + 0.04
0.30 + 0.04
0.10 + 0.04
1.10 + 0.06
0.35 + 0.06
0.15 + 0.06
1.00 + 0.04
0.30 + 0.04
0.10 + 0.04
1.10 + 0.06
0.35 + 0.06
0.15 + 0.06
1.00 + 0.04
0.30 + 0.04
0.10 + 0.04
1.10 + 0.06
0.35 + 0.06
0.15 + 0.06
0.100 + 0.006
0.035 + 0.006
0.015 + 0.006
0.100 + 0.006
0.035 + 0.006
0.015 + 0.006
Additional Low Frequency Errors ( % of reading )
Frequency
AC Filter
Slow Medium Fast
0 0.74 ––
0 0.22 ––
0 0.06 0.73
0 0.01 0.22
0 0 0.18
0 0 0
10 Hz – 20 Hz
20 Hz – 40 Hz
40 Hz – 100 Hz
100 Hz – 200 Hz
200 Hz – 1 kHz
> 1 kHz
Sinewave Transfer Accuracy ( typical )
Frequency
10 Hz – 50 kHz
50 kHz – 300 kHz
Error ( % of range )
0.002%
0.005%
Conditions:
Sinewave input.
Within 10 minutes and ± 0.5°C.
Within ±10% of initial voltage and ±1% of initial frequency.
Following a 2-hour warm-up.
Fixed range between 10% and 100% of full scale ( and <120 V ).
Using 61⁄2 digit resolution.
Measurements are made using accepted metrology practices.
90 Day
23°C ± 5°C
Additional Crest Factor Errors ( non-sinewave ) [ 7 ]
Crest Factor
1 – 2
2 – 3
3 – 4
4 – 5
Error ( % of reading )
0.05%
0.15%
0.30%
0.40%
Chapter 1 Specifications
14

AC Characteristics
Measurement Noise Rejection [ 8 ]
AC CMRR
True RMS AC Voltage
Measurement Method:
Crest Factor:
AC Filter Bandwidth:
Slow
Medium
Fast
Input Impedance:
Input Protection:
True RMS AC Current
Measurement Method:
Shunt Resistor:
Burden Voltage:
Input Protection:
70 dB
AC-coupled True RMS – measures
the ac component of input with up
to 400 Vdc of bias on any range.
Maximum 5:1 at full scale
3 Hz – 300 kHz
20 Hz – 300 kHz
200 Hz – 300 kHz
1 MΩ ± 2%, in parallel with 100 pF
750 V rms all ranges
Direct coupled to the fuse and shunt.
AC-coupled True RMS measurement
(measures the ac component only).
0.1 Ω for 1 A and 3 A ranges
1 A range: < 1 V rms
3 A range: < 2 V rms
Externally accessible 3A, 250 V fuse
Internal 7A, 250 V fuse
Settling Considerations
Applying >300 V rms (or >1 A rms) will cause self-heating in
signal-conditioning components. These errors are included in
the instrument specifications. Internal temperature changes
due to self-heating may cause additional error on lower ac
voltage ranges. The additional error will be less than 0.02%
of reading and will generally dissipate within a few minutes.
Measuring Characteristics
Function
ACV, ACI 61⁄2
61⁄2
61⁄2
61⁄2
61⁄2
7 sec/reading
1
1.6 [ 10 ]
10
50 [ 11 ]
AC Filter
Slow
Medium
Fast
Fast
Fast
System Speeds [ 11 ] , [ 12 ]
Function or Range Change
Autorange Time
ASCII readings to RS-232
ASCII readings to GPIB
Max. Internal Trigger Rate
Max. External Trigger Rate to Memory
Max. External Trigger Rate to GPIB/RS-232
5/sec
<0.8 sec
50/sec
50/sec
50/sec
50/sec
50/sec
Operating Characteristics [ 9 ]
Reading/sDigits
[ 1 ] Specifications are for 1-hour warm-up at 61⁄2 digits,
Slow ac filter, sinewave input.
[ 2 ] Relative to calibration standards.
[ 3 ] 20% overrange on all ranges, except 750 Vac, 3 A range.
[ 4 ] Specifications are for sinewave input >5% of range.
For inputs from 1% to 5% of range and <50 kHz,
add 0.1% of range additional error. For 50 kHz to 100 kHz,
add 0.13% of range.
[ 5 ] 750 Vac range limited to 100 kHz or 8x107 Volt-Hz.
[ 6 ] Typically 30% of reading error at 1 MHz.
[ 7 ] For frequencies below 100 Hz, slow AC filter specified
for sinewave input only.
[ 8 ] For 1 kΩ unbalance in LO lead.
[ 9 ] Maximum reading rates for 0.01% of ac step
additional error. Additional settling delay required
when input dc level varies.
[ 10 ] For External Trigger or remote operation using default
settling delay ( Delay Auto ).
[ 11 ] Maximum useful limit with default settling delays defeated.
[ 12 ] Speeds are for 41⁄2 digits, Delay 0, Display OFF, and
Fast AC filter.
1
Chapter 1 Specifications
15

Frequency and Period Characteristics
Frequency and Period Characteristics
Accuracy Specifications ± ( % of reading ) [ 1 ]
Function Range [ 3 ] Frequency 24 Hour [ 2 ]
23°C ± 1°C
1 Year
23°C ± 5°C
Temperature
Coefficient/°C
0°C – 18°C
28°C – 55°C
Frequency,
Period [ 4 ]
100 mV
to
750 V
3 Hz – 5 Hz
5 Hz – 10 Hz
10 Hz – 40 Hz
40 Hz – 300 kHz
0.10
0.05
0.03
0.006
0.10
0.05
0.03
0.01
0.10
0.05
0.03
0.01
0.005
0.005
0.001
0.001
Additional Low-Frequency Errors ( % of reading ) [ 4 ]
Frequency
Resolution
61⁄2 51⁄2 41⁄2
0 0.12 0.12
0 0.17 0.17
0 0.2 0.2
0 0.06 0.21
0 0.03 0.21
0 0.01 0.07
0 0 0.02
3 Hz – 5 Hz
5 Hz – 10 Hz
10 Hz – 40 Hz
40 Hz – 100 Hz
100 Hz – 300 Hz
300 Hz – 1 kHz
> 1 kHz
Transfer Accuracy ( typical )
0.0005% of reading Conditions:
Within 10 minutes and ± 0.5°C.
Within ±10% of initial value.
Following a 2-hour warm-up.
For inputs > 1 kHz and > 100 mV.
Using 61⁄2 digit slow resolution ( 1 second gate time ).
Measurements are made using accepted metrology practices.
90 Day
23°C ± 5°C
Chapter 1 Specifications
16

Frequency and Period Characteristics
Frequency and Period
Measurement Method:
Voltage Ranges:
Gate Time:
Reciprocal-counting technique.
AC-coupled input using the
ac voltage measurement function.
100 mV rms full scale to 750 V rms.
Auto or manual ranging.
10 ms, 100 ms, or 1 sec
Settling Considerations
Errors will occur when attempting to measure the frequency or
period of an input following a dc offset voltage change. The input
blocking RC time constant must be allowed to fully settle ( up to
1 sec ) before the most accurate measurements are possible.
Measurement Considerations
All frequency counters are susceptible to error when
measuring low-voltage, low-frequency signals. Shielding
inputs from external noise pickup is critical for minimizing
measurement errors.
Measuring Characteristics
Function
Frequency,
Period
61⁄2
51⁄2
41⁄2
1
9.8
80
System Speeds [ 5 ]
Configuration Rates
Autorange Time
ASCII readings to RS-232
ASCII readings to GPIB
Max. Internal Trigger Rate
Max. External Trigger Rate to Memory
Max. External Trigger Rate to GPIB/RS-232
14/sec
<0.6 sec
55/sec
80/sec
80/sec
80/sec
80/sec
[ 1 ] Specifications are for 1-hour warm-up at 61⁄2 digits.
[ 2 ] Relative to calibration standards.
[ 3 ] 20% overrange on all ranges, except 750 Vac range.
[ 4 ] Input > 100 mV. For 10 mV to 100 mV inputs,
multiply % of reading error x10.
[ 5 ] Speeds are for 41⁄2 digits, Delay 0, Display OFF,
and Fast AC filter.
Operating Characteristics [ 5 ]
Digits Reading/s
1
Chapter 1 Specifications
17

General Information
General Information
General Specifications
Power Supply:
Power Line Frequency:
Power Consumption:
Operating Environment:
Storage Environment:
Rack Dimensions (HxWxD):
Weight:
Safety:
EMI:
Vibration and Shock:
Warranty:
100 V / 120 V / 220 V / 240 V ±10%.
45 Hz to 66 Hz and 360 Hz to 440 Hz.
Automatically sensed at power-on.
25 VA peak ( 10 W average )
Full accuracy for 0°C to 55°C
Full accuracy to 80% R.H. at 40°C
-40°C to 70°C
88.5 mm x 212.6 mm x 348.3 mm
3.6 kg (8 lbs)
Designed to CSA 231, UL 1244,
IEC 1010-1 (1990)
CISPR 11, IEC 801,
MIL-461C (data on file)
MIL-T-28800E Type III, Class 5
(data on file)
1 year
Accessories Included
Test Lead Kit with probes, alligator, and grabber attachments.
User’s Guide, Service Guide, test report, and power cord.
Triggering and Memory
Reading HOLD Sensitivity:
Samples per Trigger:
Trigger Delay:
External Trigger Delay:
External Trigger Jitter:
Memory:
0.01%, 0.1%, 1%, or 10% of reading
1 to 50,000
0 to 3600 sec ( 10 µs step size )
< 1 ms
< 500 µs
512 readings
Math Functions
Null, Min/Max/Average, dB, dBm, Limit Test (with TTL output).
dBm reference resistances: 50, 75, 93, 110, 124, 125, 135, 150,
250, 300, 500, 600, 800, 900, 1000, 1200, or 8000 ohms.
Standard Programming Languages
SCPI (Standard Commands for Programmable Instruments)
Agilent 3478A Language Emulation
Fluke 8840A, Fluke 8842A Language Emulation
Remote Interface
GPIB (IEEE-488.1, IEEE-488.2) and RS-232C
N10149
This ISM device complies with Canadian ICES-001.
Cet appareil ISM est conforme à la norme NMB-001
du Canada.
Chapter 1 Specifications
18

Product Dimensions
Product Dimensions
348.3 mm
88. 5 mm
212. 6 mm
261.1 mm 379.4 mm
103.8 mm
TOP
Product Dimensions
All dimensions are
shown in millimeters.
1
Chapter 1 Specifications
19

To Calculate Total Measurement Error
Each specification includes correction factors which account for errors
present due to operational limitations of the multimeter. This section
explains these errors and shows how to apply them to your measurements.
Refer to “Interpreting Multimeter Specifications,” starting on page 22,
to get a better understanding of the terminology used and to help you
interpret the multimeter’s specifications.
The multimeter’s accuracy specifications are expressed in the form:
( % of reading + % of range ). In addition to the reading error and range
error, you may need to add additional errors for certain operating
conditions. Check the list below to make sure you include all
measurement errors for a given function. Also, make sure you apply the
conditions as described in the footnotes on the specification pages.
•If you are operating the multimeter outside the 23°C ± 5°C
temperature range specified, apply an additional temperature
coefficient error.
•For dc voltage, dc current, and resistance measurements, you may
need to apply an additional reading speed error or autozero OFF error.
•For ac voltage and ac current measurements, you may need to apply
an additional low frequency error or crest factor error.
Understanding the “ % of reading ” Error The reading error
compensates for inaccuracies that result from the function and range
you select, as well as the input signal level. The reading error varies
according to the input level on the selected range. This error is
expressed in percent of reading. The following table shows the reading
error applied to the multimeter’s 24-hour dc voltage specification.
Range
10 Vdc
10 Vdc
10 Vdc
Input Level
10 Vdc
1 Vdc
0.1 Vdc
Reading Error
(% of reading)
0.0015
0.0015
0.0015
Reading
Error Voltage
≤ 150 µV
≤ 15 µV
≤ 1.5 µV
Chapter 1 Specifications
To Calculate Total Measurement Error
20

Understanding the “ % of range ” Error The range error compensates
for inaccuracies that result from the function and range you select.
The range error contributes a constant error, expressed as a percent of
range, independent of the input signal level. The following table shows
the range error applied to the multimeter’s 24-hour dc voltage specification.
Total Measurement Error To compute the total measurement error,
add the reading error and range error. You can then convert the total
measurement error to a “percent of input” error or a “ppm (part-per-
million) of input” error as shown below.
% of input error = Total Measurement Error
Input Signal Level × 100
ppm of input error = Total Measurement Error
Input Signal Level × 1,000,000
Error Example Assume that a 5 Vdc signal is input to the multimeter on the 10 Vdc range.
Compute the total measurement error using the 90-day accuracy
specifications: ± (0.0020% of reading + 0.0005% of range).
Range
10 Vdc
10 Vdc
10 Vdc
Input Level
10 Vdc
1 Vdc
0.1 Vdc
Range Error
(% of range)
0.0004
0.0004
0.0004
Range
Error Voltage
≤ 40 µV
≤ 40 µV
≤ 40 µV
Reading Error
Range Error
Total Error
= 0.0020% × 5 Vdc
= 0.0005% × 10 Vdc
= 100 µV + 50 µV
= 100 µV
= 50 µV
= ± 150 µV
= ± 0.0030% of 5 Vdc
= ± 30 ppm of 5 Vdc
1
Chapter 1 Specifications
To Calculate Total Measurement Error
21

Interpreting Multimeter Specifications
This section is provided to give you a better understanding of the terminology
used and will help you interpret the multimeter’s specifications.
Number of Digits and Overrange
The “number of digits” specification is the most fundamental, and
sometimes, the most confusing characteristic of a multimeter.
The number of digits is equal to the maximum number of “9’s” the
multimeter can measure or display. This indicates the number of full
digits. Most multimeters have the ability to overrange and add a partial
or “1⁄2” digit.
For example, the Agilent 34401A can measure 9.99999 Vdc on the 10 V
range. This represents six full digits of resolution. The multimeter can
also overrange on the 10 V range and measure up to a maximum of
12.00000 Vdc. This corresponds to a 61⁄2-digit measurement with 20%
overrange capability.
Sensitivity
Sensitivity is the minimum level that the multimeter can detect for a
given measurement. Sensitivity defines the ability of the multimeter to
respond to small changes in the input level. For example, suppose you
are monitoring a 1 mVdc signal and you want to adjust the level to
within ±1 µV. To be able to respond to an adjustment this small, this
measurement would require a multimeter with a sensitivity of at least 1 µV.
You could use a 61⁄2-digit multimeter if it has a 1 Vdc or smaller range.
You could also use a 41⁄2-digit multimeter with a 10 mVdc range.
For ac voltage and ac current measurements, note that the smallest
value that can be measured is different from the sensitivity. For the
Agilent 34401A, these functions are specified to measure down to 1% of
the selected range. For example, the multimeter can measure down to
1 mV on the 100 mV range.
Chapter 1 Specifications
Interpreting Multimeter Specifications
22

Resolution
Resolution is the numeric ratio of the maximum displayed value divided
by the minimum displayed value on a selected range. Resolution is
often expressed in percent, parts-per-million (ppm), counts, or bits.
For example, a 61⁄2-digit multimeter with 20% overrange capability can
display a measurement with up to 1,200,000 counts of resolution.
This corresponds to about 0.0001% (1 ppm) of full scale, or 21 bits
including the sign bit. All four specifications are equivalent.
Accuracy
Accuracy is a measure of the “exactness” to which the multimeter’s
measurement uncertainty can be determined relative to the calibration
reference used. Absolute accuracy includes the multimeter’s relative
accuracy specification plus the known error of the calibration reference
relative to national standards (such as the U.S. National Institute of
Standards and Technology). To be meaningful, the accuracy specifications
must be accompanied with the conditions under which they are valid.
These conditions should include temperature, humidity, and time.
There is no standard convention among multimeter manufacturers for
the confidence limits at which specifications are set. The table below
shows the probability of non-conformance for each specification with the
given assumptions.
Variations in performance from reading to reading, and instrument to
instrument, decrease for increasing number of sigma for a given
specification. This means that you can achieve greater actual measurement
precision for a specific accuracy specification number.
The Agilent 34401A is designed and tested to meet performance better
than mean ±4 sigma of the published accuracy specifications.
Specification
Criteria
Mean ± 2 sigma
Mean ± 3 sigma
Mean ± 4 sigma
Probability
of Failure
4.5%
0.3%
0.006%
1
Chapter 1 Specifications
Interpreting Multimeter Specifications
23

Transfer Accuracy
Transfer accuracy refers to the error introduced by the multimeter
due to noise and short-term drift. This error becomes apparent when
comparing two nearly-equal signals for the purpose of “transferring”
the known accuracy of one device to the other.
24-Hour Accuracy
The 24-hour accuracy specification indicates the multimeter’s relative
accuracy over its full measurement range for short time intervals and
within a stable environment. Short-term accuracy is usually specified
for a 24-hour period and for a ±1°C temperature range.
90-Day and 1-Year Accuracy
These long-term accuracy specifications are valid for a 23°C ± 5°C
temperature range. These specifications include the initial calibration
errors plus the multimeter’s long-term drift errors.
Temperature Coefficients
Accuracy is usually specified for a 23°C ± 5°C temperature range.
This is a common temperature range for many operating environments.
You must add additional temperature coefficient errors to the accuracy
specification if you are operating the multimeter outside a 23°C ± 5°C
temperature range (the specification is per °C).
Chapter 1 Specifications
Interpreting Multimeter Specifications
24

Configuring for Highest Accuracy Measurements
The measurement configurations shown below assume that the
multimeter is in its power-on or reset state. It is also assumed that
manual ranging is enabled to ensure proper full scale range selection.
DC Voltage, DC Current, and Resistance Measurements:
•Set the resolution to 6 digits (you can use the 6 digits slow mode for
further noise reduction).
•Set the input resistance to greater than 10 GΩ (for the 100 mV, 1 V,
and 10 V ranges) for the best dc voltage accuracy.
•Use 4-wire ohms for the best resistance accuracy.
•Use Math Null to null the test lead resistance for 2-wire ohms, and to
remove interconnection offset for dc voltage measurements.
AC Voltage and AC Current Measurements:
•Set the resolution to 6 digits.
•Select the slow ac filter (3 Hz to 300 kHz).
Frequency and Period Measurements:
•Set the resolution to 6 digits.
1
Chapter 1 Specifications
Configuring for Highest Accuracy Measurements
25

26

2
Quick Start
2

Quick Start
One of the first things you will want to do with your multimeter is to
become acquainted with its front panel. We have written the exercises
in this chapter to prepare the multimeter for use and help you get
familiar with some of its front-panel operations.
The front panel has two rows of keys to select various functions and
operations. Most keys have a shifted function printed in blue above
the key. To perform a shifted function, press Shift (the Shift
annunciator will turn on). Then, press the key that has the desired
label above it. For example, to select the dc current function,
press Shift DC V .
If you accidentally press Shift , just press it again to turn off the
Shift annunciator.
The rear cover of this book is a fold-out Quick Reference Guide. On this
cover you will find a quick summary of various multimeter features.
28

To Prepare the Multimeter for Use
The following steps help you verify that the multimeter is ready for use.
1 Check the list of supplied items.
Verify that you have received the following items with your multimeter.
If anything is missing, contact your nearest Agilent Sales Office.
One test lead kit.
One power cord.
This Service Guide.
One User’s Guide.
One folded Quick Reference card.
Certificate of Calibration.
2 Connect the power cord and turn on the multimeter.
The front-panel display will light up while the multimeter performs its
power-on self-test. The GPIB bus address is displayed. Notice that the
multimeter powers up in the dc voltage function with autoranging enabled.
To review the power-on display with all annunciators turned on,
hold down Shift as you turn on the multimeter.
3 Perform a complete self-test.
The complete self-test performs a more extensive series of tests than
those performed at power-on. Hold down Shift as you press the
Power switch to turn on the multimeter; hold down the key for more
than 5 seconds. The self-test will begin when you release the key.
If the self-test is successful, “PASS” is displayed. If the self-test is
not successful, “FAIL” is displayed and the ERROR annunciator turns on.
2
Chapter 2 Quick Start
To Prepare the Multimeter for Use
29

If the Multimeter Does Not Turn On
Use the following steps to help solve problems you might encounter
when turning on the multimeter. If you need more help, see chapter 6
for instructions on returning the multimeter to Agilent for service.
1 Verify that there is ac power to the multimeter.
First, verify that the multimeter’s Power switch is in the “On” position.
Also, make sure that the power cord is firmly plugged into the power
module on the rear panel. You should also make sure that the power
source you plugged the multimeter into is energized.
2 Verify the power-line voltage setting.
The line voltage is set to the proper value for your country when the
multimeter is shipped from the factory. Change the voltage setting if
it is not correct. The settings are: 100, 120, 220, or 240 Vac (for 230 Vac
operation, use the 220 Vac setting).
See the next page if you need to change the line-voltage setting.
3 Verify that the power-line fuse is good.
The multimeter is shipped from the factory with a 250 mA fuse
installed. This is the correct fuse for all line voltages.
See the next page if you need to replace the power-line fuse.
To replace the 250 mAT fuse, order Agilent part number 2110-0817.
Chapter 2 Quick Start
If the Multimeter Does Not Turn On
30

See rear panel for proper fuse rating.
Agilent Part Number: 2110-0817 (250 mAT)
100, 120, 220 (230) or 240 Vac
1 Remove the power cord. Remove the
fuse-holder assembly from the rear panel.
2 Remove the line-voltage selector from
the assembly.
3 Rotate the line-voltage selector until the
correct voltage appears in the window.
4 Replace the fuse-holder assembly in
the rear panel.
Verify that the correct line voltage is selected and the power-line fuse is good.
2
Chapter 2 Quick Start
If the Multimeter Does Not Turn On
31

To Adjust the Carrying Handle
To adjust the position, grasp the handle by the sides and pull outward.
Then, rotate the handle to the desired position.
Bench-top viewing positions Carrying position
Chapter 2 Quick Start
To Adjust the Carrying Handle
32

To Measure Voltage
Ranges: 100 mV, 1 V, 10 V, 100 V, 1000 V (750 Vac)
Maximum resolution: 100 nV (on 100 mV range)
AC technique: true RMS, ac-coupled
To Measure Resistance
Ranges: 100 Ω, 1 kΩ, 10 kΩ, 100 kΩ, 1 MΩ, 10 MΩ, 100 MΩ
Maximum resolution: 100 µΩ (on 100 ohm range)
2
Chapter 2 Quick Start
To Measure Voltage
33

To Measure Current
Ranges: 10 mA (dc only), 100 mA (dc only), 1 A , 3 A
Maximum resolution: 10 nA (on 10 mA range)
AC technique: true RMS, ac-coupled
To Measure Frequency (or Period)
Measurement band: 3 Hz to 300 kHz (0.33 sec to 3.3 µsec)
Input signal range: 100 mVac to 750 Vac
Technique: reciprocal counting
Chapter 2 Quick Start
To Measure Current
34

To Test Continuity
Test current source: 1 mA
Maximum resolution: 0.1 Ω (range is fixed at 1 kohm)
Beeper threshold: 1 Ω to 1000 Ω (beeps below adjustable threshold)
To Check Diodes
Test current source: 1 mA
Maximum resolution: 100 µV (range is fixed at 1 Vdc)
Beeper threshold: 0.3 volts ≤ Vmeasured ≤ 0.8 volts (not adjustable)
2
Chapter 2 Quick Start
To Test Continuity
35

To Select a Range
You can let the multimeter automatically select the range using
autoranging or you can select a fixed range using manual ranging.
•Autoranging is selected at power-on and after a remote interface reset.
•Autorange thresholds:
Down range at <10% of range
Up range at >120% of range
•If the input signal is greater than the present range can measure,
the multimeter will give an overload indication (“OVLD”).
•For frequency and period measurements from the front panel,
ranging applies to the signal’s input voltage, not its frequency.
•The range is fixed for continuity (1 kΩ range) and diode (1 Vdc range).
Ranging is local to the selected function. This means that you can select
the ranging method (auto or manual) for each function independently.
When manually ranging, the selected range is local to the function;
the multimeter remembers the range when you switch between functions.
Selects a lower range and
disables autoranging.
Man annunciator is on when
manual range is enabled.
Selects a higher range and
disables autoranging.
Toggles between autoranging
and manual ranging.
Chapter 2 Quick Start
To Select a Range
36

To Set the Resolution
You can set the display resolution to 41⁄2, 51⁄2, or 61⁄2 digits either to
optimize measurement speed or noise rejection. In this book, the most
significant digit (leftmost on the display) is referred to as the “1⁄2” digit,
since it can only be a “0” or “1.”
•The resolution is set to 51⁄2 digits at power-on and after a remote
interface reset.
•The resolution is fixed at 51⁄2 digits for continuity and diode tests.
•You can also vary the number of digits displayed using the arrow keys
(however, the integration time is not changed).
Resolution is local to the selected function. This means that you can
select the resolution for each function independently. The multimeter
remembers the resolution when you switch between functions.
Press the Shift key.
Selects 41⁄2 digits.
Selects 51⁄2 digits.
Selects 61⁄2 digits (most noise rejection).
Fewer More
Digits Digits
2
Chapter 2 Quick Start
To Set the Resolution
37

To Make Null (Relative) Measurements
Each null measurement, also called relative, is the difference between a
stored null value and the input signal.
Result = reading – null value
•You can make null measurements with any function except
continuity, diode, or ratio. The null operation is local to the selected
function; when you change functions, null is disabled.
•To null the test lead resistance for more accurate two-wire ohms
measurements, short the ends of the test leads together and then
press Null .
•The first reading taken after you press Null is stored as the null
value in the Null Register. Any previously stored value is
replaced with the new value.
•After enabling null, you can edit the stored null value by
pressing Shift > (Menu Recall). This takes you to the
“NULL VALUE” command in the MATH MENU (only if null is
enabled). Go down to the “parameter” level, and then edit the
displayed value.
•The null register is cleared when you change functions, turn null off,
turn off the power, or perform a remote interface reset.
Enables null operation;
Press again to disable.
Math annunciator is on when
null operation is enabled.
To read / edit the null value, use the MATH menu
Chapter 2 Quick Start
To Make Null (Relative) Measurements
38

To Store Minimum and Maximum Readings
You can store the minimum and maximum readings during a series
of measurements. The following discussion shows how to read the
minimum, maximum, average, and reading count.
•You can use min-max with any function except continuity or diode test.
The min-max operation is local to the selected function; when you
change functions, min-max is disabled.
•• After enabling min-max, you can read the stored minimum,
maximum, average, and count by pressing Shift > (Menu Recall).
This takes you to the “MIN–MAX” command in the MATH MENU
(only if min-max is enabled). Go down to the “parameter” level,
and then read the values by pressing < or > .
•The stored values are cleared when you turn min-max off, turn off the
power, or perform a remote interface reset.
•The average is of all readings taken since min-max was enabled (not
just the average of the stored minimum and maximum). The count is
the total number of readings taken since min-max was enabled.
Enables min-max operation;
Press again to disable. Math annunciator is on when
min-max operation is enabled.
To read the minimum, maximum, average, and count,
use the MATH menu.
2
Chapter 2 Quick Start
To Store Minimum and Maximum Readings
39

To Make dB Measurements
Each dB measurement is the difference between the input signal and a
stored relative value, with both values converted to dBm.
dB = reading in dBm – relative value in dBm
•Select DC V or AC V .
•The first reading taken after you enable dB measurements is
converted to dBm and is stored as the relative value in the
dB Relative Register. Any previously stored value is replaced
with the new value.
•After enabling dB operations, you can edit the relative value by
pressing Shift > (Menu Recall). This takes you to the “dB REL”
command in the MATH MENU (only if dB is enabled). Go down to
the “parameter” level, and then edit the value displayed.
•The register is cleared when you change functions, turn dB off,
turn off the power, or perform a remote interface reset.
Enables dB operation;
Press again to disable.
Math annunciator is on when
dB operation is enabled.
To read / edit the dB relative value, use the MATH menu.
Chapter 2 Quick Start
To Make dB Measurements
40

To Make dBm Measurements
The dBm operation calculates the power delivered to a resistance
referenced to 1 milliwatt.
dBm = 10 × Log10 ( reading2 / reference resistance / 1 mW )
•Select DC V or AC V .
•The factory setting for the reference resistance is 600 Ω. To select a
different value, press Shift > (Menu Recall) after enabling dBm
operations. This takes you to the “dBm REF R” command in the
MATH MENU (only if dBm is enabled).
Go down to the “parameter” level, and then select a value: 50, 75,
93, 110, 124, 125, 135, 150, 250, 300, 500, 600, 800, 900, 1000,
1200, or 8000 ohms.
•The reference resistance is stored in non-volatile memory, and does not
change when power has been off or after a remote interface reset.
Enables dBm operation;
Press again to disable.
Math annunciator is on when
dBm operation is enabled.
To read / edit the dBm reference resistance,
use the MATH menu.
2
Chapter 2 Quick Start
To Make dBm Measurements
41

To Trigger the Multimeter
You can trigger the multimeter from the front panel using single trigger
or auto trigger.
•Auto triggering is enabled when you turn on the multimeter. Notice
that the ∗ (sample) annunciator turns on during each measurement.
•Single triggering takes one reading each time you press Single
and then waits for the next trigger. Continue pressing this key to
trigger the multimeter.
Using an External Trigger
The external trigger mode is also enabled by pressing . It is like
the single trigger mode except that you apply a trigger pulse to the rear-panel
Ext Trig terminal. The multimeter is triggered on the negative edge of a
TTL pulse.
The front-panel key is disabled when in remote.
Single
Single
Enables single trigger
and triggers the multimeter.
Trig annunciator is on when the
multimeter is waiting for single
trigger (auto trigger disabled).
∗ (sample) annunciator is on
during each measurement.
Toggles between auto trigger
and reading hold.
Chapter 2 Quick Start
To Trigger the Multimeter
42

To Make dcv:dcv Ratio Measurements
To calculate a ratio, the multimeter measures a dc reference voltage
applied to the Sense terminals and the voltage applied to the Input
terminals.
•At the Sense terminals, the reference voltage measurement function
is always dc voltage and has a maximum measurable input of
±12 Vdc. Autoranging is automatically selected for reference voltage
measurements on the Sense terminals.
•The Input LO and Sense LO terminals must have a common reference
and cannot have a voltage difference greater than ±2 volts.
•The specified measurement range applies only to the signal connected
to the Input terminals. The signal on the Input terminals can be any
dc voltage up to 1000 volts.
Ratio = dc signal voltage
dc reference voltage
Ratio annunciator is on when
ratio measurements are enabled.
To enable ratio measurements, use the MEAS menu.
2
Chapter 2 Quick Start
To Make dcv:dcv Ratio Measurements
43

Front-Panel Display Formats
-H.DDD,DDD EFFF
Front-panel display format.
10.216,5 VDC
This is the 10 Vdc range, 51⁄2 digits are displayed.
-045.23 mVDC
This is the 100 mVdc range, 41⁄2 digits are displayed.
113.325,6 OHM
This is the 100 ohm range, 61⁄2 digits are displayed.
OVL.D mVDC
This is an overload indication on the 100 mVdc range.
“1⁄2” digit
5 digits
– Negative sign or blank (positive)
H “ 1⁄2 ” digit (0 or 1)
D Numeric digits
E Exponent ( m, k, M )
F Measurement units ( VDC, OHM, HZ, dB )
“1⁄2” digit
Chapter 2 Quick Start
Front-Panel Display Formats
44

To Rack Mount the Multimeter
You can mount the multimeter in a standard 19-inch rack cabinet using
one of three optional kits available. Instructions and mounting hardware
are included with each rack-mounting kit. Any Agilent System II
instrument of the same size can be rack-mounted beside the 34401A.
Remove the carrying handle, and the front and rear rubber bumpers,
before rack-mounting the multimeter.
To remove the handle, rotate it to the vertical position and pull the ends outward.
Front Rear (bottom view)
To remove the rubber bumper, stretch a corner and then slide it off.
2
Chapter 2 Quick Start
To Rack Mount the Multimeter
45

To rack mount a single instrument, order adapter kit 5063-9240.
To rack mount two instruments side-by-side, order lock-link kit 5061-9694 and
flange kit 5063-9212.
To install one or two instruments in a sliding support shelf, order shelf 5063-9255,
and slide kit 1494-0015 (for a single instrument, also order filler panel 5002-3999).
Chapter 2 Quick Start
To Rack Mount the Multimeter
46

3
Menu Tutorial
3

Menu Tutorial
By now you should be familiar with the FUNCTION and RANGE / DIGITS
groups of front-panel keys. You should also understand how to make
front-panel connections for the various types of measurements. If you
are not familiar with this information, we recommend that you read
chapter 2, “Quick Start,” starting on page 27.
This chapter introduces you to the front panel menu. It describes each
menu and takes you step-by-step through calibration examples.
See chapter 3, “Features and Functions” in the User’s Guide for a
complete discussion of the multimeter’s capabilities and operation.
48

Front-Panel Menu Reference
1: AC FILTER
2: CONTINUITY
3: INPUT R
4: RATIO FUNC
5: RESOLUTION
Selects the slow, medium, or fast ac filter.
Sets the continuity beeper threshold (1 Ω to 1000 Ω).
Sets the input resistance for dc voltage measurements.
Enables the dcv:dcv ratio function.
Selects the measurement resolution.
1: MIN-MAX
2: NULL VALUE
3: dB REL
4: dBm REF R
5: LIMIT TEST
6: HIGH LIMIT
7: LOW LIMIT
Recalls the stored minimum, maximum, average, and reading count.
Recalls or sets the null value stored in the null register.
Recalls or sets the dBm value stored in the dB relative register.
Selects the dBm reference resistance value.
Enables or disables limit testing.
Sets the upper limit for limit testing.
Sets the lower limit for limit testing.
1: READ HOLD
2: TRIG DELAY
3: N SAMPLES
Sets the reading hold sensitivity band.
Specifies a time interval which is inserted before a measurement.
Sets the number of samples per trigger.
A: MEASurement MENU
1: AC FILTER > 2: CONTINUITY > 3: INPUT R > 4: RATIO FUNC > 5: RESOLUTION
B: MATH MENU
1: MIN-MAX > 2: NULL VALUE > 3: dB REL > 4: dBm REF R > 5: LIMIT TEST > 6: HIGH LIMIT > 7: LOW LIMIT
C: TRIGger MENU
1: READ HOLD > 2: TRIG DELAY > 3: N SAMPLES
3
Chapter 3 Menu Tutorial
Front-Panel Menu Reference
49

1: RDGS STORE
2: SAVED RDGS
3: ERROR
4: TEST
5: DISPLAY
6: BEEP
7: COMMA
8: REVISION
Enables or disables reading memory.
Recalls readings stored in memory (up to 512 readings).
Retrieves errors from the error queue (up to 20 errors).
Performs a complete self-test.
Enables or disables the front-panel display.
Enables or disables the beeper function.
Enables or disables a comma separator between digits on the display.
Displays the multimeter’s firmware revision codes.
1: HP-IB ADDR
2: INTERFACE
3: BAUD RATE
4: PARITY
5: LANGUAGE
Sets the GPIB bus address (0 to 31).
Selects the GPIB or RS-232 interface.
Selects the baud rate for RS-232 operation.
Selects even, odd, or no parity for RS-232 operation.
Selects the interface language: SCPI, Agilent 3478, or Fluke
8840/42.
1: SECURED
1: UNSECURED
2: CALIBRATE
3: CAL COUNT
4: MESSAGE
The multimeter is secured against calibration; enter code to unsecure.
The multimeter is unsecured for calibration; enter code to secure.
Performs complete calibration of present function; must be UNSECURED.
Reads the total number of times the multimeter has been calibrated.
Reads the calibration string (up to 12 characters) entered from remote.
F: CALibration MENU*
1: SECURED > [ 1: UNSECURED ] > [ 2: CALIBRATE ] > 3: CAL COUNT > 4: MESSAGE
* The commands enclosed in square brackets ( [ ] ) are “hidden” unless the multimeter is UNSECURED for calibration.
D: SYStem MENU
1: RDGS STORE > 2: SAVED RDGS > 3: ERROR > 4: TEST > 5: DISPLAY > 6: BEEP > 7: COMMA > 8: REVISION
E: Input / Output MENU
1: HP-IB ADDR > 2: INTERFACE > 3: BAUD RATE > 4: PARITY > 5: LANGUAGE
Chapter 3 Menu Tutorial
Front-Panel Menu Reference
50

A Front-Panel Menu Tutorial
This section is a step-by-step tutorial which shows how to use the
front-panel menu. We recommend that you spend a few minutes with this
tutorial to get comfortable with the structure and operation of the menu.
The menu is organized in a top-down tree structure with three
levels (menus, commands, and parameters). You move down ∨
or up ∧ the menu tree to get from one level to the next. Each of the
three levels has several horizontal choices which you can view by
moving left < or right > .
•To turn on the menu, press Shift Menu On/Off .
•To turn off the menu, press Shift Menu On/Off , or press any of
the function or math keys on the top row of front-panel keys.
•To execute a menu command, press Enter .
•To recall the last menu command that was executed,
press Shift Recall .
Menus
Parameters
Commands
3
Chapter 3 Menu Tutorial
A Front-Panel Menu Tutorial
51

MESSAGES DISPLAYED DURING MENU USE
TOP OF MENU You pressed while on the “menus” level; this is the top level of
the menu and you cannot go any higher.
To turn off the menu, press (Menu On/Off). To move across the choices
on a level, press or . To move down a level, press .
MENUS You are on the “menus” level. Press or to view the choices.
COMMANDS You are on the “commands” level. Press or to view the
command choices within the selected menu group.
PARAMETER You are on the “parameter” level. Press or to view and edit
the parameter for the selected command.
MENU BOTTOM You pressed while on the “parameter” level; this is the bottom
level of the menu and you cannot go any lower.
To turn off the menu, press (Menu On/Off). To move up a level,
press .
CHANGE SAVED The change made on the “parameter” level is saved. This is
displayed after you press (Menu Enter) to execute the command.
MIN VALUE The value you specified on the “parameter” level is too small for the
selected command. The minimum value allowed is displayed for you to edit.
MAX VALUE The value you specified on the “parameter” level is too large for the
selected command. The maximum value allowed is displayed for you to edit.
EXITING MENU You will see this message if you turn off the menu by pressing
(Menu On/Off) or a front-panel function/math key. You did not edit any values
on the “parameter” level and changes were NOT saved.
NOT ENTERED You will see this message if you turn off the menu by pressing
(Menu On/Off) or a front-panel function/math key. You did some editing of
parameters but the changes were NOT saved. Press (Menu Enter)
to save changes made on the “parameter” level.
NOT RELEVANT The selected math operation is NOT valid for the function in use.
∨
∧
∧
∨
< >
Shift <
Auto/Man
< >
< >
< >
Shift <
Shift
Auto/Man
<
Shift <
Chapter 3 Menu Tutorial
A Front-Panel Menu Tutorial
52

Menu Example 1 The following steps show you how to turn on the menu, move up or down
between levels, move across the choices on each level, and turn off the
menu. In this example, you will unsecure the multimeter for calibration.
1 Turn on the menu.
You enter the menu on the “menus” level. The MEAS MENU is your
first choice on this level.
A: MEAS MENU
2 Move across to the CAL MENU choice on this level.
There are six menu group choices available on the “menus” level. Each
choice has a letter prefix for easy identification (A: , B: , etc.).
F: CAL MENU
3 Move down to the “commands” level within the CAL MENU.
Either SECURED or UNSECURED is the first command on this level.
If SECURED is displayed, you must unsecure the multimeter so that
calibrations can be performed.
1: SECURED
∨
Shift <
On/Off
>
>
> >
>
3
Chapter 3 Menu Tutorial
A Front-Panel Menu Tutorial
53

4 Move down to the “parameters” level.
The multimeter will wait for the security code to be entered.
^000000 CODE
5 Unsecure the multimeter by entering the security code.
The security code is set to “HP034401” when the multimeter is shipped
from the factory. The security code is stored in non-volatile memory, and
does not change when power has been off or after a remote interface reset.
Use < and > to move left or right between digits. Use ∧ or
∨ to increment or decrement numbers.
If you have not changed the security code from its factory setting, you
can unsecure the multimeter by entering “034401” from the front panel.
Only the last six characters are recognized from the front panel and
they must be numeric characters only.
^034401 CODE
We recommend that you use a unique SECURE code for each multimeter
to obtain the maximum benefit from the electronic calibration security
features of the multimeter.
To secure the multimeter again, return to the parameter level of the
UNSECURED command and enter a new security code.
For further information on the calibration security features of the
multimeter, see “Calibration Security Code” on page 73.
∨
4 3 0
1 0 4
Auto/Man
ENTER
Chapter 3 Menu Tutorial
A Front-Panel Menu Tutorial
54

Menu Example 2 Some commands in the menu require that you enter a numeric parameter
value. The following steps show you how to enter a number in the menu.
In this example, you will set the calibration value to 0.0 volts. For this
example you must apply a short between HI-LO Sense and HI-LO Input.
Caution Completing this example will perform a zero calibration. Refer
to chapter 4, “Calibration Procedures,” before attempting this example.
1 Turn on the menu.
You enter the menu on the “menus” level. The MEAS MENU is your first
choice on this level.
A: MEAS MENU
2 Move across to the CAL MENU choice on this level.
There are six menu group choices available on the “menus” level. Each
choice has a letter prefix for easy identification (A: , B: , etc.).
F: CAL MENU
<
Shift <
On/Off
3
Chapter 3 Menu Tutorial
A Front-Panel Menu Tutorial
55

3 Move down to the “commands” level within the CAL MENU.
Either SECURED or UNSECURED is the first command on this level.
To perform a calibration, UNSECURED must be displayed. If SECURED
is displayed, see example 1 in this chapter to unsecure for calibration.
1: UNSECURED
4 Move across to the CALIBRATE command on this level.
There are four command choices available in the CAL MENU. Each choice
on this level has a number prefix for easy identification (1: , 2: , etc.).
2: CALIBRATE
5 Move down to edit the CALIBRATE VALUE parameter.
The calibration value should read 100.000,0 mVDC when you come to
this point in the menu for the first time (when set to 100 mVdc range).
For this example, you will set the calibration value to 0.0 volts.
∧ 100.000,0 mVDC
When you see the flashing “∧” on the left side of the display, you can
abort the edit and return to the “commands” level by pressing ∧ .
6 Move the flashing cursor over to edit the first digit.
Notice that the leftmost digit is flashing.
100.000,0 mVDC
>
∨
>
∨
Chapter 3 Menu Tutorial
A Front-Panel Menu Tutorial
56

7 Decrement the first digit until “0” is displayed.
You decrement or increment each digit independently. Neighboring
digits are not affected.
000.000,0 mVDC
8 Move the flashing cursor over to the “units” location.
Notice that the units are flashing on the right side of the display.
000.000,0 mVDC
9 Increase the displayed number by a factor of 10.
Notice that the position of the decimal point changes and the displayed
number increases by a factor of 10.
0.000,000 VDC
10 Save the change and turn off the menu.
The multimeter beeps and displays a message to show that the change
is now in effect. You are then exited from the menu.
The zero offset calibration procedure determines new calibration
constants for each function and range. Separate calibration is required
for the front and rear terminals.
< <
∧
∨
Auto/Man
ENTER
3
Chapter 3 Menu Tutorial
A Front-Panel Menu Tutorial
57

58

4
Calibration
Procedures
4

Calibration Procedures
•Agilent Calibration Services 61
•Calibration Interval 61
•Time Required for Calibration 61
•Automating Calibration Procedures 62
•Recommended Test Equipment 63
•Test Considerations 64
•Performance Verification Tests 65
•Zero Offset Verification 67
•Gain Verification 69
•Optional AC Performance Verification Tests 72
•Calibration Security Code 73
•Calibration Count 75
•Calibration Message 75
•Calibration Procedures 76
•Aborting a Calibration in Progress 76
•Zero Adjustment 77
•Gain Adjustment 79
•Optional Gain Calibration Procedures 82
•Understanding the AC Signal Filter 85
•Understanding Resolution 86
•Error Messages 89
The performance verification tests use the multimeter’s specifications
listed in chapter 1, “Specifications,” starting on page 11.
Closed-Case Electronic Calibration The multimeter features
closed-case electronic calibration since there are no internal mechanical
adjustments required. The multimeter automatically prompts you for
the required full-scale input when performing a range calibration.
The multimeter measures the applied input and calculates correction
factors based upon the input reference value you specify. The new
correction factors are stored in non-volatile memory until the next
calibration adjustment is performed. (Non-volatile memory does not
change when power has been off or after a remote interface reset.)
60

Agilent Calibration Services
When your multimeter is due for calibration, contact your local Agilent
Service Center for a low-cost recalibration. The 34401A Multimeter is
supported on automated calibration systems which allow Agilent to
provide this service at competitive prices. Calibrations to MIL-STD-45662
are also available at competitive prices.
Calibration Interval
The multimeter should be calibrated on a regular interval determined
by the measurement accuracy requirements of your application.
A 90-day interval is recommended for the most demanding applications,
while a 1-year or 2-year interval may be adequate for less demanding
applications. Agilent does not recommend extending calibration
intervals beyond 2 years for any application.
Whatever calibration interval you select, Agilent recommends that
complete re-adjustment should always be performed at the calibration
interval. This will increase your confidence that the Agilent 34401A will
remain within specification for the next calibration interval. This
criteria for re-adjustment provides the best measure of the multimeter’s
long-term stability. Performance data measured using this method can
easily be used to extend future calibration intervals.
Time Required for Calibration
The Agilent 34401A can be automatically calibrated under computer
control. With computer control you can perform the complete calibration
procedure and performance verification tests in less than 20 minutes.
Manual calibrations using a multi-function calibrator will take
approximately 40 minutes.
4
Chapter 4 Calibration Procedures
Agilent Calibration Services
61

Automating Calibration Procedures
You can automate the complete verification and adjustment procedures
outlined in this chapter if you have access to programmable standards,
such as a multi-function calibrator. You can program the instrument
configurations specified for each test over the remote interface. You can
then enter readback verification data into a test program and compare
the results to the appropriate test limit values.
If you are using the Agilent 34401A in the Fluke 8840A/8842A
emulation mode, you cannot use the Fluke calibration commands. You
must use the SCPI calibration commands described in chapter 4 of the
Agilent 34401A User’s Guide.
You can also adjust the multimeter from the remote interface. Remote
adjustment is similar to the local front-panel procedure. You can use
a computer to perform the adjustment by first selecting the required
function and range. The calibration value is sent to the multimeter and
then the calibration is initiated over the remote interface. The multimeter
must be unsecured prior to initiating the calibration procedure.
For further details on programming the multimeter, see chapter 3 and
chapter 4 in the Agilent 34401A User’s Guide.
Chapter 4 Calibration Procedures
Automating Calibration Procedures
62

Recommended Test Equipment
The test equipment recommended for the performance verification and
adjustment procedures is listed below. If the exact instrument is not
available, use the accuracy requirements shown to select substitute
calibration standards.
A suggested alternate method would be to use the Agilent 3458A 81⁄2
digit Digital Multimeter to measure less accurate yet stable sources.
The output value measured from the source can be entered into the
34401A Multimeter as the target calibration value.
Application
Zero Calibration
DC Voltage
DC Current
Resistance
AC Voltage
AC Current
Frequency
Recommended Equipment
None
Fluke 5700A
Fluke 5700A/5725A
Fluke 5700A
Fluke 5700A/5725A
Fluke 5700A/5725A
Agilent 3325A
Accuracy Requirements
4-terminal short using ONLY copper interconnections.
<1/5 dmm 24 hour spec ±1 pmm linearity
<1/5 dmm 24 hour spec
<1/5 dmm 24 hour spec
<1/5 dmm 24 hour spec
<1/5 dmm 24 hour spec
<1/5 dmm 24 hour spec
4
Chapter 4 Calibration Procedures
Recommended Test Equipment
63

Test Considerations
To ensure proper instrument operation, verify that you have selected
the correct power-line voltage prior to attempting any test procedure in
this chapter. See chapter 2, “Quick Start,” for more information.
Ensure that all measurement terminal connections (both front panel
and rear panel) are removed while the multimeter’s internal self-test is
being performed. Errors may be induced by ac signals present on the
multimeter’s input terminals during a self-test. Long test leads can also
act as an antenna causing pick-up of ac signals.
For optimum performance, all test procedures should comply with the
following recommendations:
•Assure that the calibration ambient temperature is stable and
between 18°C and 28°C.
•Assure ambient relative humidity is less than 80%.
•Allow a 2-hour warm-up period before verification or adjustment.
•Use only copper connections to minimize thermal offset voltages.
•Use shielded twisted PTFE â insulated cable to minimize high
resistance errors.
•Keep cables as short as possible.
•Allow 5 minutes after handling input connections for thermal offset
voltage settling.
Because the multimeter is capable of making highly accurate
measurements, you must take special care to ensure that the calibration
standards and test procedures used do not introduce additional errors.
Ideally, the standards used to test and calibrate the multimeter should
be an order of magnitude more accurate than each multimeter range full
scale error specification.
For dc voltage, dc current, and resistance measurements, you should
take care to ensure that the calibrator’s “0” output is correct. If necessary,
the multimeter measurements can be referenced to the calibrator’s “0”
output using the multimeter’s front-panel NULL function. You will need
to repeat this procedure for each range of the measuring function being
verified.
Chapter 4 Calibration Procedures
Test Considerations
64

Performance Verification Tests
You can perform three different levels of performance verification tests:
•Self-Test A series of internal verification tests that give a high
confidence that the multimeter is operational.
•Quick Verification A combination of the internal self-tests and
selected verification tests.
•Performance Verification Tests An extensive set of tests that are
recommended as an acceptance test when you first receive the
multimeter or after performing adjustments.
Self-Test
A brief power-on self-test occurs automatically whenever you turn on
the multimeter. This limited test assures that the multimeter is capable
of operation.
To perform a complete self-test, including over 25 tests, hold down
the Shift key as you press the Power switch to turn on the multimeter;
hold down the key for more than 5 seconds (a complete description of
these tests can be found in chapter 6.) The multimeter meter will
automatically perform the complete self-test procedure when you
release the key. The self-test will complete in approximately 20 seconds.
You can perform many tests individually (or all tests at once) using the
TEST command in the SYS MENU. You can also perform a self-test from
the remote interface. For further information, see chapter 3 in the
Agilent 34401A User’s Guide.
• If the self-test is successful, “PASS” is displayed on the front panel.
•If the self-test fails, “FAIL” is displayed and the ERROR annunciator
turns on. If repair is required, see chapter 6, “Service,” for further details.
•If all tests pass, you can have a high confidence (90%) that the
multimeter is operational.
4
Chapter 4 Calibration Procedures
Performance Verification Tests
65

Quick Performance Check
The quick performance check is a combination of internal self-test and
an abbreviated performance test (specified by the letter Q in the
performance verification tests). This test provides a simple method to
achieve high confidence in the multimeter’s ability to functionally
operate and meet specifications. These tests represent the absolute
minimum set of performance checks recommended following any service
activity. Auditing the multimeter’s performance for the quick check
points (designated by a Q) verifies performance for “normal” accuracy drift
mechanisms. This test does not check for abnormal component failures.
To perform the quick performance check, do the following:
•Perform a complete self-test.
•Perform only the performance verification tests indicated with the
letter Q.
If the multimeter fails the quick performance check, adjustment or repair
is required.
Performance Verification Tests
The performance verification tests are recommended as acceptance tests
when you first receive the multimeter. The acceptance test results
should be compared against the 90-day test limits. You should use the
24-hour test limits only for verification within 24 hours after performing
the adjustment procedure. After acceptance, you should repeat the
performance verification tests with the next calibration interval.
If the multimeter fails performance verification, adjustment or repair
is required.
ALL configurations shown assume that the multimeter starts from its
power-on or remote reset state.
Chapter 4 Calibration Procedures
Performance Verification Tests
66

Zero Offset Verification
This procedure is used to check the zero offset performance of the
multimeter. Verification checks are only performed for those functions
and ranges with unique offset calibration constants. A low-thermal EMF
four-terminal short is applied to the input of the multimeter.
Measurements are checked for each function and range as described in
the procedure below.
Zero Offset Verification Procedure
Configuration: 61⁄2 digit (slow or fast resolution – MEAS MENU)
1Make sure you have read “Test Considerations” on page 64.
2Apply a 4-wire short (copper) across the Input HI-LO and Sense HI-LO
terminals as shown below (front or rear terminal).
3Select the shorted terminal set (front or rear) with the front/rear
switch. Separate zero offset calibration constants are stored for the
front and rear input terminals.
4Select each function and range in the order shown in the table on
the next page. Compare measurement results to the appropriate
test limits shown in the table.
4
Chapter 4 Calibration Procedures
Zero Offset Verification
67

Caution Zero offset calibration using a multifunction calibrator is NOT
recommended. The calibrator and cabling offset can be large and unstable
causing poor offset calibration of the Agilent 34401A or any multimeter.
Note These offset tests should be verified for both the front and the rear
input terminals.
Input
(Front/Rear)
Function Quick
Check 34401A
Range
Error From Nominal
24 hour 90 day 1 year
Open
Open
Open
Open
Short
Short
Short
Short
Short
Short
Short
Short
Short
Short
Short
Short
DC Current
DC Volts
2-Wire
Ohms[1]
and
4-Wire
Ohms
Q
Q
Q
10 mA
100 mA
1 A
3 A
100 mV
1 V
10 V
100 V
1000 V
100 Ω
1 kΩ
10 kΩ
100 kΩ
1 MΩ
10 MΩ
100 MΩ
±1 µA
±4 µA
±60 µA
±600 µA
±3 µV
±6 µV
±40 µV
±600 µV
±6 mV
±3 mΩ
±5 mΩ
±50 mΩ
±500 mΩ
±10 Ω
±100 Ω
±10 kΩ
±2 µA
±5 µA
±100 µA
±600 µA
±3.5 µV
±7 µV
±50 µV
±600 µV
±10 mV
±4 mΩ
±10 mΩ
±100 mΩ
±1 Ω
±10 Ω
±100 Ω
±10 kΩ
±2 µA
±5 µA
±100 µA
±600 µA
±3.5 µV
±7 µV
±50 µV
±600 µV
±10 mV
±4 mΩ
±10 mΩ
±100 mΩ
±1 Ω
±10 Ω
±100 Ω
±10 kΩ
[1] For 2-wire ohms, these errors assume you are using Math Null. Without Math Null,
an additional 200 mΩ of error must be added.
Q: Quick performance verification test points.
Chapter 4 Calibration Procedures
Zero Offset Verification
68

Gain Verification
This procedure is used to check the “full scale” reading calibration of the
multimeter. Verification checks are performed only for those functions
and ranges with unique gain calibration constants. Begin verification by
selecting a measuring function and range. Make sure you have read
“Test Considerations” on page 64.
Gain Verification Test (DC V, Resistance, DC I)
Configuration: 61⁄2 digit (slow or fast resolution – MEAS MENU)
Select each function and range in the order shown below. Compare
measurement results to the appropriate test limits shown in the table.
(Be certain to allow for appropriate source settling.)
Input
(Front)
Function Quick
Check 34401A
Range
Error From Nominal
24 hour 90 day 1 year
100 mV
1 V
10 V
-10 V
100 V
1000 V
100 Ω
1 kΩ
10 kΩ
100 kΩ [2]
1 MΩ [2]
10 MΩ [2]
100 MΩ [2]
10 mA
100 mA
1 A
2 A
DC Volts
2-Wire
Ohms[1]
and
4-Wire
Ohms
DC Current
Q
Q
Q
Q
Q
100 mV
1 V
10 V
10 V
100 V
1000 V
100 Ω
1 kΩ
10 kΩ
100 kΩ
1 MΩ
10 MΩ
100 MΩ
10 mA
100 mA
1 A
3 A
±6 µV
±26 µV
±190 µV
±190 µV
±2.6 mV
±26 mV
±6 mΩ
±25 mΩ
±250 mΩ
±2.5 Ω
±30 Ω
±1.6 kΩ
±310 kΩ
±1.5 µA
±14 µA
±560 µA
±2.6 mA
±7.5 µV
±37 µV
±250 µV
±250 µV
±4.1 mV
±45 mV
±12 mΩ
±90 mΩ
±900 mΩ
±9 Ω
±90 Ω
±2.1 kΩ
±810 kΩ
±5 µA
±35 µA
±900 µA
±3.0 mA
±8.5 µV
±47 µV
±400 µV
±400 µV
±5.1 mV
±55 mV
±14 mΩ
±110 mΩ
±1.1 Ω
±11 Ω
±110 Ω
±4.1 kΩ
±810 kΩ
±7 µA
±55 µA
±1.1 mA
±3.0 mA
[1] For 2-wire ohms, these errors assume you are using Math Null. Without Math Null,
an additional 200 mΩ of error must be added.
[2] Use shielded twisted pair PTFE â
insulated cables to reduce settling and noise errors.
Q: Quick performance verification test points.
4
Chapter 4 Calibration Procedures
Gain Verification
69

Gain Verification Test (AC V)
Configuration: AC volts
61⁄2 digit
AC FILTER slow (MEAS MENU)
1Make sure you have read “Test Considerations” on page 64.
2Select each function and range in the order shown below.
Compare measurement results to the appropriate test limits shown
in the table. (Be certain to allow for appropriate source settling.)
Caution The 50 kHz ac voltage test points may fail performance
verification if the internal shields have been removed and reinstalled.
See the “Gain Adjustment,” on page 79, for further information on how
to recalibrate the ac voltage function.
Input
(Front)
Input
Frequency Quick
Check 34401A
Range
Error From Nominal
24 hour 90 day 1 year
10 mV
100 mV
100 mV
1 V
1 V
10 V
10 V
10 V
100 V
100 V
750 V
750 V [1]
1 kHz
1 kHz
50 kHz
1 kHz
50 kHz
1 kHz
50 kHz
10 Hz
1 kHz
50 kHz
1 kHz
50 kHz
Q
Q
Q
100 mV
100 mV
1 V
10 V
100 V
750 V
±34 µV
±70 µV
±150 µV
±600 µV
±1.4 mV
±6 mV
±14 mV
±6 mV
±60 mV
±140 mV
±450 mV
±1.05 V
±45 µV
±90 µV
±160 µV
±800 µV
±1.6 mV
±8 mV
±16 mV
±8 mV
±80 mV
±160 mV
±600 mV
±1.2 V
±46 µV
±100 µV
±170 µV
±900 µV
±1.7 mV
±9 mV
±17 mV
±9 mV
±90 mV
±170 mV
±675 mV
±1.275 V
[1] Some calibrators may have difficulty driving the multimeter and cable load at this
V-Hz output. Use short, low capacitance cable to reduce calibration loading.
Verification can be performed at >195 Vrms. New test limits can be computed from
the accuracy specification shown in chapter 1 for the actual test conditions used.
Q: Quick performance verification test points.
Chapter 4 Calibration Procedures
Gain Verification
70

AC Gain Verification Test (AC I)
Configuration: AC current
61⁄2 digit
AC FILTER slow (MEAS MENU)
1Make sure you have read “Test Considerations” on page 64.
2Select each function and range in the order shown below. Compare
measurement results to the appropriate test limits shown in the
table. (Be certain to allow for appropriate source settling.)
Gain Verification Test (Frequency)
Configuration: Frequency
61⁄2 digit
1Make sure you have read “Test Considerations” on page 64.
2 Select each function and range in the order shown below.
Compare measurement results to the appropriate test limits shown
in the table. (Be certain to allow for appropriate source settling.)
Input
(Front)
Input
Frequency 34401A
Range
Error From Nominal
24 hour 90 day 1 year
1A
2A
1 kHz
1 kHz
1A
3A ±1.4 mA
±4.8 mA
±1.4 mA
±4.8 mA
±1.4 mA
±4.8 mA
Input
(Front)
Input
Frequency Quick
Check 34401A
Range
Error From Nominal
24 hour 90 day 1 year
10 mV [1]
1 V
100 Hz
100 kHz Q
100 mV
1 V
±0.06 Hz
±6 Hz
±0 .1 Hz
±10 Hz
±0 .1 Hz
±10 Hz
[1] Using a coaxial input cable.
Q: Quick performance verification test points.
4
Chapter 4 Calibration Procedures
Gain Verification
71

Optional AC Performance Verification Tests
These tests are not intended to be performed with every calibration.
They are provided as an aid for verifying additional instrument
specifications. There are no adjustments for these tests; they are
provided for performance verification only.
Configuration: AC volts
61⁄2 digit
AC FILTER slow (MEAS MENU)
1Make sure you have read “Test Considerations” on page 64.
2 Select each function and range in the order shown below.
Compare measurement results to the appropriate test limits shown
in the table. (Be certain to allow for appropriate source settling.)
Input
(Front)
Input
Frequency 34401A
Range
Error From Nominal
24 hour 90 day 1 year
1 V
1 V
1 V
1 V
1 V
1 V
10 V
1 V
100 mV
20 Hz
1 kHz
20 kHz
50 kHz
100 kHz
300 kHz
1 kHz
1 kHz
1 kHz
1 V
1 V
1 V
1 V
1 V
1 V
10 V
10 V
10 V
±600 µV
±600 µV
±600 µV
±1.4 mV
±6.3 mV
±45 mV
±6 mV
±2.4 mV
±12 mV
±800 µV
±800 µV
±800 µV
±1.6 mV
±6.8 mV
±45 mV
±8 mV
±3.5 mV
±13 mV
±900 µV
±900 µV
±900 µV
±1.7 mV
±6.8 mV
±45 mV
±9 mV
±3.6 mV
±13 mV
Chapter 4 Calibration Procedures
Optional AC Performance Verification Tests
72

Calibration Security Code
This feature allows you to enter a security code (electronic key) to
prevent accidental or unauthorized calibrations of the multimeter.
When you first receive your multimeter, it is secured. Before you can
adjust calibration constants you must unsecure the meter by entering
the correct security code. See example 1 in chapter 3, “Menu Tutorial,”
starting on page 53.
•The security code is set to “HP034401” when the multimeter is shipped
from the factory. The security code is stored in non-volatile memory,
and does not change when power has been off or after a remote
interface reset.
•To secure the multimeter from the remote interface, the security code
may contain up to 12 alphanumeric characters as shown below.
The first character must be a letter, but the remaining characters can
be letters or numbers. You do not have to use all 12 characters but
the first character must always be a letter.
A _ _ _ _ _ _ _ _ _ _ _ (12 characters)
•To secure the multimeter from the remote interface so that it can be
unsecured from the front panel, use the eight-character format shown
below. The first two characters must be “HP” and the remaining
characters must be numbers. Only the last six characters are
recognized from the front panel, but all eight characters are required.
(To unsecure the multimeter from the front panel, omit the “HP” and
enter the remaining numbers as shown on the following pages.)
H P _ _ _ _ _ _ (8 characters)
If you forget your security code, you can disable the security feature by
adding a jumper inside the multimeter, and then entering a new code.
See the procedure on the following page for more information.
4
Chapter 4 Calibration Procedures
Calibration Security Code
73

To Unsecure the Multimeter Without the Security Code
To unsecure the meter without the correct security code, follow the steps
below. Chapter 9, “Schematics,” contains the schematics associated with
this procedure. See example 1 in chapter 3, “Menu Tutorial,” starting
on page 53, for an example of entering the security code. Also see
“Electrostatic Discharge (ESD) Precautions” on page 114 before
beginning this procedure.
1Disconnect the power cord and disconnect all input connections
(both front and rear terminals).
2Remove the instrument cover. There are two rear panel screws
and one screw on the bottom cover (see the mechanical
disassembly drawing on page 9-3).
3Remove the internal metal shields, push the top shield to the
side, and then lift out (see the mechanical disassembly drawing
on page 9-3.)
4Connect the power cord and turn on the multimeter. Be careful
not to touch the power line connections.
5Apply a short between the two exposed metal pads on JM500
(located between U500 and U506). The exposed metal pads are
outlined with a small rectangular silkscreen. (See the component
locator drawing for the 34401-66501 Main PC Board on page 9-5.)
6While maintaining the short, enter any valid unsecure code.
The multimeter is now unsecured.
7Remove the short at JM500.
8Reassemble the multimeter.
Now you can enter a new security code. Be sure you take note of the
new security code.
Chapter 4 Calibration Procedures
Calibration Security Code
74

Calibration Count
The calibration count feature provides an independent “serialization”
of your calibrations. You can determine the number of times that your
multimeter has been calibrated. By monitoring the calibration count,
you can determine whether an unauthorized calibration has been
performed. Since the value increments by one for each calibration,
a complete calibration increases the value by approximately 35 counts.
•The calibration count is stored in non-volatile memory and does not
change when power has been off or after a remote interface reset.
Your multimeter was calibrated before it left the factory. When you
receive your multimeter, read the calibration count to determine its
value.
•The calibration count increments up to a maximum of 32,767 after
which it wraps around to 0. There is no way provided to program or
reset the calibration count. It is an independent electronic calibration
“serialization” value.
Calibration Message
You can use the calibration message feature to record calibration
information about your multimeter. For example, you can store such
information as the last calibration date, the next calibration due date,
the multimeter’s serial number, or even the name and phone number of
the person to contact for a new calibration.
You can record information in the calibration message only from the
remote interface. You can read the message from either the front-panel
menu or the remote interface.
•The calibration message may contain up to 40 characters.
The multimeter can display up to 12 characters of the message on
the front panel; any additional characters are truncated.
•The calibration message is stored in non-volatile memory, and does not
change when power has been off or after a remote interface reset.
4
Chapter 4 Calibration Procedures
Calibration Count
75

Calibration Procedures
Before beginning any adjustment procedures, the multimeter must be in
the “UNSECURED” state. To unsecure the multimeter, see “Calibration
Security Code” on page 73. Each adjustment should be followed by a
performance verification check for added confidence. We recommend
that you always adhere to the following general procedure.
•Make sure you have read “Test Considerations” on page 64.
•Unsecure the multimeter as outlined in “Calibration Security Code”
on page 73.
•Perform the Zero Adjustment Procedure.
•Perform the Gain Adjustment Procedure.
•Perform the Verification Tests.
•Secure the multimeter.
•Note the new secure code and calibration count in your maintenance
records for future reference.
Aborting a Calibration in Progress
Sometimes it may be necessary to abort a calibration after the
procedure has already been initiated. You can abort a calibration at
any time by pressing any front-panel key (except Shift ). When
performing a calibration from the remote interface, you can abort a
calibration by issuing a remote interface device clear message or by
pressing the front-panel LOCAL key. Pressing the front/rear switch
during a calibration will also abort the calibration in progress.
Chapter 4 Calibration Procedures
Calibration Procedures
76

Zero Adjustment
Each time you perform a zero adjustment, the multimeter stores a new
set of offset correction constants for every measurement function and
range. Separate offset correction constants are stored for the front and
rear input terminals. The multimeter will sequence through all required
functions and ranges automatically and store new zero offset calibration
constants. All offset corrections are determined automatically. You may
not correct a single range or function without re-entering ALL zero offset
correction constants automatically. This feature is intended to save
calibration time and improve zero calibration consistency.
Caution Never turn off the multimeter during Zero Adjustment.
This may cause ALL calibration memory to be lost.
Zero Adjustment Procedure
The automatic zero adjustment procedure takes about 5 minutes to
complete for each terminal set calibrated (front or rear terminal).
Follow the steps outlined below. Review “Test Considerations” on
page 64 before beginning this test. Also see example 2 in chapter 3,
“Menu Tutorial,” starting on page 55, for an example of how to initiate
a zero calibration.
1Select the DC V function and apply a 4-wire short (copper) across
the Input HI-LO and Sense HI-LO terminals as shown below
(front or rear terminal).
4
Chapter 4 Calibration Procedures
Zero Adjustment
77

Zero Adjustment
(continued) 2Select the shorted terminal set (front or rear terminal) with the
front/rear switch. Separate calibration constants are stored for the
front and rear input terminals.
3Turn on the menu ( Shift < ) and then use < or > to
select F: CAL MENU.
4Use ∨ to move down to the “commands” level and select
2. CALIBRATE.
5Use ∨ to move down to the “parameters” level and then set the
input value to 000.0000 mV.
6Execute the command by pressing Auto/Man .
7Perform the Zero Offset Verification tests (see page 67) to check
zero calibration results .
8Repeat steps 1 through 7 for the other input terminal set (front or
rear terminal).
ENTER
Chapter 4 Calibration Procedures
Zero Adjustment
78

Gain Adjustment
The multimeter stores a single new gain correction constant each time
this procedure is followed. The gain constant is computed from the
calibration value entered for the calibration command and from
measurements made automatically during the adjustment procedure.
Most measuring functions and ranges have gain adjustment procedures.
Only the 100 MΩ range and the ac current, continuity, and diode test
functions do not have gain calibration procedures. The gain calibration
value may be entered through the front panel menu or over the remote
interface. See example 2 in chapter 3, “Menu Tutorial,” starting on
page 55, for an example of how to enter calibration values.
Adjustments for each function should be performed ONLY in the order shown
in the performance verification table. See “Performance Verification Tests”
earlier in this chapter for the tables used for gain adjustments.
Gain Adjustment Considerations
•The zero adjustment procedure must have been recently performed
prior to beginning any gain adjustment procedures.
•The optional –10 Vdc, 500 Vdc, and 10 mA calibrations should be
performed only after servicing the multimeter’s a-to-d converter or
after replacing network U101 or calibration RAM U505. Refer to the
“Optional Gain Calibration Procedures” section starting on page 82
for further details.
•When performing a 4-wire ohms gain adjustment, a new gain
correction constant is also stored for the corresponding 2-wire ohms
measurement range. If desired, the 2-wire gain can be adjusted
separately after the 4-wire ohms gain calibration is completed.
•AC voltage gain calibration relies on a previous calibration of the dc
voltage function. Failure to do so can cause significant calibration errors.
Never turn off the multimeter during a Gain Adjustment. This may
cause calibration memory for the present function to be lost.
4
Chapter 4 Calibration Procedures
Gain Adjustment
79

Valid Gain Adjustment Input Values
Gain adjustment can be accomplished using the following input values.
Gain Adjustment Procedure
Adjustment for each function should be performed only in the order
shown in the performance verification table. See “Performance
Verification Tests,” starting on page 65, for the performance verification
tables used for gain adjustments.
Review the “Test Considerations” (page 64) and “Gain Adjustment
Considerations” (page 79) sections before beginning this test.
1Select a function to be adjusted. Refer to the appropriate gain
verification table (see pages 69 through 71).
2Apply the input signal shown in the “Input” column of the
appropriate verification table. Always complete tests in the same
order as shown in the appropriate verification table.
Function Range Valid Calibration Input Values
DC V
Ω 2W, Ω 4W
DC I
AC V [1]
Frequency
100 mV to 100 V
1000 V
100 Ω to 10 MΩ
10 mA to 1 A
3 A
10 mV to 100 V
750 V
Any
0.9 to 1.1 x Full Scale
900 V to 1050 V
0.9 to 1.1 x Full Scale
0.9 to 1.1 x Full Scale
1 A to 3.03 A
0.9 to 1.1 x Full Scale
195 V to 770 V
Any Input > 100 mV rms, 1 kHz – 100 kHz
[1] Valid frequencies are as follows: 1 kHz ±10% for the 1 kHz calibration,
45 kHz – 100 kHz for the 50 kHz calibration, and 10 Hz ±10% for the 10 Hz calibration.
Chapter 4 Calibration Procedures
Gain Adjustment
80

3Turn on the menu ( Shift < ) and then use < or > to select
F: CAL MENU.
4Use ∨ to move down to the “commands” level and select
2. CALIBRATE.
5Use ∨ to move down to the “parameters” level and then set the
calibration value for the present input value.
6Execute the command by pressing Auto/Man .
7Perform the appropriate Gain Verification Test to check the
calibration results.
8Repeat steps 1 through 7 for each gain verification test point
shown in the tables. Each range in the gain adjustment procedure
takes less than 20 seconds to complete.
ENTER
4
Chapter 4 Calibration Procedures
Gain Adjustment
81

Optional Gain Calibration Procedures
The optional calibrations in this section are used to enhance the
performance of your Agilent 34401A Multimeter. These calibrations are
normally performed at the factory. These adjustments should be
performed following the repair of your multimeter. You are not required
to perform these adjustments at any other interval.
–10 Vdc Adjustment Procedure
The –10 Vdc calibration electronically corrects the multimeter’s a-to-d
converter linearity characteristic. This adjustment should ONLY be
performed after servicing the a-to-d converter or replacement of the
calibration RAM (U505).
Configuration: DC volts
61⁄2 digit (slow resolution , NPLC 100 – MEAS MENU)
1Perform the +10 V dc gain adjustment procedure. Note the
multimeter’s reading immediately following the +10 V calibration.
2Manually reverse the multimeter’s input connections and allow
time for thermal offset voltages to settle (usually about 1 minute).
3Enter the + 10 V reading noted in step 1 above with the “ – ” sign
for the –10 V calibration value.
4Check that the –10 V reversed input is within the following limits:
0 ± 30 µV of the +10 V input reading.
Chapter 4 Calibration Procedures
Optional Gain Calibration Procedures
82

500 Vdc Adjustment Procedure
The 500 Vdc calibration electronically corrects the multimeter’s 100:1
divider network (U101) linearity characteristic for minimum error.
This adjustment should be performed only after replacement of the
divider network U101 or the calibration RAM U505.
This calibration procedure is available starting with firmware
Revision 3 (REV 03-01-01).
Inputs from 450 V to 550 V are valid for this procedure. A failure to
complete this procedure correctly will generate error 725, “500V DC
correction out of range”.
Configuration: DC volts
1000 V range
61⁄2 digit (slow or fast resolution – MEAS MENU)
1Perform the complete dc Volts gain calibration procedure.
2Apply +500 Vdc to the input terminals.
3Enter the CALibration MENU as shown in steps 3 through 6 of
the “Gain Adjustment Procedure” section on page 80. Enter the
exact known value for the +500 Vdc input as shown in step 5.
4Check that the multimeter reads within the following limits of the
applied input after the calibration has completed: 0 ± 6 mVdc.
4
Chapter 4 Calibration Procedures
Optional Gain Calibration Procedures
83

1/100th Scale AC Adjustment Procedure
This calibration procedure is used to enhance the ac volts and ac current
measurement accuracy for <1/100th scale inputs. The single calibration
generates a correction constant used for all ranges of the ac volts and
ac current measuring functions. This adjustment should be performed
after servicing ac section circuits or after replacement of the calibration
RAM U505.
This calibration procedure is available starting with firmware
Revision 2 (REV 02-01-01).
Inputs from 9 mA to 11 mA are valid for this procedure. A failure to
complete this procedure correctly will generate error 736, “AC rms 100th
scale linearity correction out of range”.
Configuration: AC current
1 A range
61⁄2 digit (slow or fast resolution – MEAS MENU)
AC FILTER slow (MEAS MENU)
1Perform the complete ac volts gain calibration procedure.
2Apply 10 mA, 1 kHz ac to the current input terminals.
3Enter the CALibration MENU as shown in steps 3 through 6 of
the “Gain Adjustment Procedure” section on page 80. Enter the
exact known value for the 10 mA ac input as shown in step 5.
4Check that the multimeter reads within the following limits of the
applied input after the calibration has completed: 0 ± 400 µA ac.
Chapter 4 Calibration Procedures
Optional Gain Calibration Procedures
84

Understanding the AC Signal Filter
The multimeter uses three different ac filters which enable you to either
optimize low frequency accuracy or achieve faster ac settling times.
The multimeter selects the slow, medium, or fast filter based on the
input frequency that you specify.
Applies to ac voltage and ac current measurements only.
•The ac filter selection is stored in volatile memory; the multimeter
selects the medium filter (20 Hz) when power has been off or after a
remote interface reset.
•Front-Panel Operation: Select from the menu the slow filter (3 Hz),
medium filter (20 Hz), or fast filter (200 Hz). The default is the
medium filter.
1: AC FILTER (MEAS MENU)
•Remote Interface Operation: Specify the lowest frequency expected in
the input signal. The multimeter selects the appropriate filter based
on the frequency you specify (see table above). The CONFigure and
MEASure? commands select the 20 Hz filter.
DETector:BANDwidth {3|20|200|MINimum|MAXimum}
Input Frequency
3 Hz to 300 kHz
20 Hz to 300 kHz
200 Hz to 300 kHz
AC Filter Selected
Slow filter
Medium filter (default)
Fast filter
Settling Time
7 seconds / reading
1 reading / second
10 readings / second 4
Chapter 4 Calibration Procedures
Understanding the AC Signal Filter
85

Understanding Resolution
Resolution is expressed in terms of number of digits the multimeter can
measure or display. You can set the resolution to 4, 5, or 6 full digits,
plus a “1⁄2” digit which can only be a “0” or “1”. To increase measurement
accuracy and improve noise rejection, select 61⁄2 digits. To increase
measurement speed, select 41⁄2 digits.
Applies to all measurement functions. The resolution for the math
operations (null, min-max, dB, dBm, limit test) is the same as the
resolution for the measurement function in use.
The correspondence between the number of digits selected and the
resulting integration time (in power line cycles) is shown below.
The autozero mode is set indirectly when you set the resolution.
Resolution is local to the selected function. This means that you can
select the resolution for each function independently. The multimeter
remembers the resolution when you switch between functions.
Resolution Choices
Fast 4 Digit
* Slow 4 Digit
Fast 5 Digit
* Slow 5 Digit (default)
* Fast 6 Digit
Slow 6 Digit
Integration Time
0.02 PLC
1 PLC
0.2 PLC
10 PLC
10 PLC
100 PLC
* These settings configure the multimeter just as if you had pressed
the corresponding “DIGITS” keys from the front panel.
Chapter 4 Calibration Procedures
Understanding Resolution
86

10.216,5 VDC
This is the 10 Vdc range, 51⁄2 digits are displayed.
-045.23 mVDC
This is the 100 mVdc range, 41⁄2 digits are displayed.
113.325,6 OHM
This is the 100 ohm range, 61⁄2 digits are displayed.
•The resolution is stored in volatile memory; the multimeter sets the
resolution to 51⁄2 digits (for all functions) when power has been off or
after a remote interface reset.
•The resolution is fixed at 51⁄2 digits for continuity and diode tests.
•For dc and resistance measurements, changing the number of digits
does more than just change the resolution of the multimeter. It also
changes the integration time, which is the period the multimeter’s
analog-to-digital (A/D) converter samples the input signal for a
measurement.
•For ac measurements, the resolution is actually fixed at 61⁄2 digits.
If you select 41⁄2 digits or 51⁄2 digits, the multimeter “masks” one or
two digits. The only way to control the reading rate for ac
measurements is by setting a trigger delay.
•For ratio measurements, the specified resolution applies to the signal
connected to the Input terminals.
“1⁄2” digit
5 digits
“1⁄2” digit
4
Chapter 4 Calibration Procedures
Understanding Resolution
87

Resolution
(continued)
•Front-Panel Operation: Select either the slow or fast mode for each
resolution setting. The default mode is 5 digits slow.
5: RESOLUTION (MEAS MENU)
See also “To Set the Resolution,” on page 37.
•Remote Interface Operation: You can set the resolution using the
following commands.
Specify the resolution in the same units as the measurement
function, not in number of digits. For example, for dc volts, specify the
resolution in volts. For frequency, specify the resolution in hertz.
CONF:VOLT:DC 10,0.001 41⁄2 digits on the 10 Vdc range
MEAS:CURR:AC? 1,1E-6 61⁄2 digits on the 1 A range
CONF:FREQ 1 KHZ,0.1 Hz 1000 Hz input, 0.1 Hz resolution
VOLT:AC:RES 0.05 50 mV resolution on the ac function
CONFigure:<function> {<range>|MIN|MAX|DEF},{<resolution>|MIN|MAX|DEF}
MEASure:<function>? {<range>|MIN|MAX|DEF},{<resolution>|MIN|MAX|DEF}
<function>:RESolution {<resolution>|MIN|MAX}
Chapter 4 Calibration Procedures
Understanding Resolution
88

Error Messages
The following tables are abbreviated lists of multimeter’s error messages.
They are intended to include errors which are likely to be encountered
during the procedures described in this chapter. For a more complete
list of error messages and descriptions, see chapter 5 in the Agilent
34401A User’s Guide.
Error Error Message
-330
-350
501
502
511
512
513
514
521
522
531
532
Self-test failed
Too many errors
Isolator UART framing error
Isolator UART overrun error
RS-232 framing error
RS-232 overrun error
RS-232 parity error
Command allowed only with RS-232
Input buffer overflow
Output buffer overflow
Insufficient memory
Cannot achieve requested resolution
System Error Messages
Error Error Message
601
602
603
604
605
606
607
608
609
610
611
612
613
614
615
616
617
618
619
620
621
622
623
624
625
626
Front panel does not respond
RAM read/write failed
A/D sync stuck
A/D slope convergence failed
Cannot calibrate rundown gain
Rundown gain out of range
Rundown too noisy
Serial configuration readback failed
DC gain x1 failed
DC gain x10 failed
DC gain x100 failed
Ohms 500 nA source failed
Ohms 5 uA source failed
DC 1000 V zero failed
Ohms 10 uA source failed
DC current sense failed
Ohms 100 uA source failed
DC high voltage attenuator failed
Ohms 1 mA source failed
AC rms zero failed
AC rms full scale failed
Frequency counter failed
Cannot calibrate precharge
Unable to sense line frequency
I/O processor does not respond
I/O processor failed self-test
Self-Test Error Messages
For further descriptions of the self-test
procedures, refer to “Self-Test Procedures”
in chapter 6.
4
Chapter 4 Calibration Procedures
Error Messages
89

Error Error Message
605
606
701
702
703
704
705
706
707
708
709
720
721
722 [1]
723 [1]
725 [2]
730
731
732
733
734
735
736 [2]
740 [3]
741 [3]
742 [3]
743 [3]
744 [3]
745 [3]
746 [3]
747 [3]
748 [3]
Cannot calibrate rundown gain
Rundown gain out of range
Cal security disabled by jumper
Cal secured
Invalid secure code
Secure code too long
Cal aborted
Cal value out of range
Cal signal measurement out of range
Cal signal frequency out of range
No cal for this function or range
Cal DCV offset out of range
Cal DCI offset out of range
Cal RES offset out of range
Cal FRES offset out of range
500V DC correction out of range
Precharge DAC convergence failed
A/D turnover correction out of range
AC flatness DAC convergence failed
AC low frequency convergence failed
AC low frequency correction out of range
AC rms converter noise correction out of range
AC rms 100th scale linearity correction out of range
Cal checksum failed, secure state
Cal checksum failed, string data
Cal checksum failed, DCV corrections
Cal checksum failed, DCI corrections
Cal checksum failed, RES corrections
Cal checksum failed, FRES corrections
Cal checksum failed, AC corrections
Cal checksum failed, GPIB address
Cal checksum failed, internal data
Calibration Error Messages
[1] RES is the 2-wire ohms function. FRES is the 4-wire ohms function.
[2] Available starting with firmware Revision 2 (REV 02-01-01).
[3] This error may be generated if you turn off the power during a calibration.
Recalibration is required to clear the error. If the error persists,
a hardware failure of U505 may have occurred.
Chapter 4 Calibration Procedures
Error Messages
90

5
Theory of
Operation
5

Theory of Operation
This chapter is organized to provide descriptions of the circuitry
contained on each schematic shown in chapter 9. A block diagram
overview is provided in this chapter followed by more detailed
descriptions of the circuitry contained in the schematics chapter.
•Block Diagram 93
•Front/Rear Selection 94
•Function Switching 95
•DC Amplifier 96
•Ohms Current Source 98
•AC Circuit 99
•A-to-D Converter 101
•Floating Logic 103
•Earth-Referenced Logic 105
•Power Supplies 106
•Front Panel 107
The self-test procedures are described in chapter 6.
92

Block Diagram
Referring to the block diagram on page 9-7, you will notice that the
multimeter’s circuitry is divided into two major blocks: the floating
circuitry and the earth (ground) referenced circuitry. All measurement,
control, and display functions are contained in the floating section.
This section contains the input switching, function selection, and
measurement circuitry. It also contains the multimeter’s main CPU.
All measurement setup and a-to-d conversion is performed in the
floating section. Each measuring function converts the input to a
dc voltage between ±12 volts. The ADC (a-to-d conversion) changes the
dc voltage into a digital representation. This digital information is used
by the main CPU to calculate the reading. Data stored at the time of
calibration is recalled and used to correct the measurement data.
The corrected reading is then formatted and sent to the front-panel
processor for display. The corrected reading can also be sent to the earth
referenced I/O processor for output to the remote interface.
The earth referenced circuitry consists of a processor configured as a
slave to the main CPU. This processor establishes external I/O
communications with the main CPU through an optically-isolated serial
communication link. The earth referenced processor provides the GPIB
(IEEE-488) and RS-232 interfaces. It also handles external trigger and
voltmeter complete handshake signaling.
Separate power supplies are provided for the floating and earth
referenced sections. The front panel operates from the floating section
with its logic common different from the floating CPU logic common.
5
Chapter 5 Theory of Operation
Block Diagram
93

Front/Rear Selection
Referring to the front/rear schematic on page 9-8, the purpose of this
circuitry is to select either the front terminals or the rear terminals
(via switch S1). The output of S1 is connected to the Function Switching
schematic (see page 9-9). Input protection circuitry designed to protect
the measuring circuits from high-energy transients such as electrostatic
discharge or power-line transients is also shown.
The double fused (F101, F102) current input is designed to protect
against potential catastrophic damage caused by accidental input
connection across high VA sources beyond the 250 V rating of the rear-
panel current input fuse. U110 bootstraps out the offset current errors
caused by the leakage current of CR100. CR100 clamps the current input
to protect R120 and R121 from excessive overloads.
Caution Only the front panel or rear panel current input is fused with
F101 and F102 as selected by the front/rear switch S1. The unselected
input is not fused through F101 and F102.
Chapter 5 Theory of Operation
Front/Rear Selection
94

Function Switching
The purpose of the Function Switching section (schematic shown on
page 9-9) is to connect the Input HI terminal to the various measuring
functions. This is accomplished through K101, K102, K103, and K104.
In addition, the connections of the 4-wire ohms HI Sense and LO Sense
inputs are shown. Shunt selection (ranging) and voltage sensing are also
shown for the current function. The table below shows the state of each
relay for each measuring function. Relay K101 opens momentarily during
each range or function change. All relay coils are driven from U150.
Function K101 K102 K103 K104 Sense at:
0.1 V – 10 Vdc
100 V – 1000 Vdc
2-Wire Ohms
4-Wire Ohms
AC Voltage
Frequency/Period
3 A, 1A DC I
100 mA, 10 mA DC I
3A, 1A AC I
Closed
Closed
Closed
Closed
Closed
Closed
Closed
Closed
Closed
Set
Set
Reset
Reset
Set
Set
Reset
Set
Reset
Set
Reset
Set
Set
Reset
Reset
Set
Set
Set
Set [1]
Set
Reset [2]
Reset [2]
Reset
Reset
Reset
Reset
Set
U101-5
U102-12
U101-5
[3]
AC_IN
AC_IN
U101-10
U101-10
AC_IN
[1] K104 will be reset when input resistance is selected to >10,000 MΩ through the menu.
[2] K104 will be set for the 100 MΩ range.
[3] Configurations shown are for the current source output (HI) terminal. The measurement
sense is accomplished through the Sense HI / Sense LO terminals.
5
Chapter 5 Theory of Operation
Function Switching
95

DC Amplifier
The DC Amplifier circuit (schematic shown on page 9-10) is used by
every measuring function except frequency and period. Analog switch
U101B selects various input signals for measurement by the ADC.
Switch U101B has three sources which can be dynamically selected:
measure customer input (MC), measure zero input (MZ), and precharge
(PRE). The MC state is the actual input measurement. The MZ state
measures internal offset voltages which are also present in the MC
measurement. The final measurement result is computed from MC–MZ.
The PRE state is used to “precharge” internal capacitances to reduce
charge injection to the input terminal from the dynamic switching of MC
and MZ. Autozero off disables the dynamic switching of the amplifier
input. However, a new MZ value is automatically taken whenever a new
function or range is selected, even if autozero is turned off. [1]
In the dc voltage function, ranging is accomplished through both input
relay switching (K101–K104) and solid state switching (U101). As a
result, the input to the ADC has the same nominal 10V value for a full
scale input on each range. The dc input op amp is comprised of source
follower dual FET U104, amplifier U106, and associated bias circuitry.
The feedback resistors U102C and switches U101C select non-inverting
amplifier gains of x1, x10, and x100 for the dc input amplifier circuit.
Amplifier output ADIN drives the dc input to the a-to-d converter for all
measuring functions.
[1] The output of the input amplifier will continue to cycle from a 0 V (MZ) level
to the MC amplified input level during autozero operation. Autozero can be
disabled from the remote interface or suspended using the TRIGGER
SINGLE configuration from the front panel.
DCV Range U102A Divider U101 Input Amplifier Gain ADC Input
100 mV
1 V
10 V
100 V
1000 V
1/100
1/100
Pin 5
Pin 5
Pin 5
Pin 8
Pin 8
x100
x10
x1
x10
x1
10 V
10 V
10 V
10 V
10 V
Chapter 5 Theory of Operation
DC Amplifier
96

In the DC current function, a current is applied between the Input I and
LO terminals. Ranging is accomplished by relay K102 and amplifier gain
switching in U101. Since a known resistor (the shunt resister) is connected
between these terminals, a voltage proportional to the unknown current
is generated. The voltage sensed at R121 is measured by the multimeter’s
dc circuitry. The table below illustrates the dc current measuring
function configurations.
Resistance measurements are made by applying a known current
through an unknown resistance. The resulting voltage drop across the
unknown resistance is then measured by the multimeter’s dc circuitry.
The 100 MΩ range is measured using the known internal 10 MΩ
resistance (U102A) in parallel with the unknown input resistance while
applying the 500 nA current source. The result is computed from the
measured data. The internal 10 MΩ resistance is determined whenever
a zero calibration is performed.
In the 2-wire ohms function, the voltage drop is measured across the
Input HI and Input LO terminals. In the 4-wire ohms function, the voltage
is measured across the HI Sense and LO Sense terminals. Lead resistances
in series with the current source (Input HI–LO) are not part of the final
measurement. However, they do reduce the available current source
compliance voltage for the resistor under test. The ohms current source
will become non-linear when the compliance voltage limit is exceeded.
The full scale voltage developed across the unknown resistor and the
dc amplifier gain for each resistance range are tabulated below.
DCI Range Shunt Resistor U101–10 Input Amplifier Gain ADC Input
3A
1A
100 mA
10 mA
0.1Ω
0.1Ω
5.1Ω
5.1Ω
300 mV
100 mV
510 mV
51 mV
x10
x100
x10
x100
3V
10V
5.1V
5.1V
Ohms Range Voltage Across R Amplifier Gain ADC Input
100 Ω
1 kΩ to 100 kΩ
1 MΩ
10 MΩ
100 MΩ
100 mV
1 V
5 V
5 V
4.5 V
x100
x10
x1
x1
x1
10 V
10 V
5 V
5 V
4.5 V
5
Chapter 5 Theory of Operation
DC Amplifier
97

Ohms Current Source
The ohms current source (schematic shown on page 9-10) flows from the
Input HI terminal to the Input LO terminal for both the 2-wire and 4-wire
ohms functions. Each current value is generated by forcing a stable,
precise voltage across a stable resistance. The value of the current
becomes part of the range gain constant stored during calibration.
The +7 V reference voltage is used to generate a stable reference current
with U201A. R201 and R202 are the resistance references for the current
sources as shown in the table below. The IREF current is used to
produce a precise voltage drop across the 28.57 kΩ resistor in U102D-4.
The IREF generated using R202 produces an approximate 5 V drop
across the 28.57 kΩ resistor. The IREF generated using R201 produces
an approximate 0.5 V drop. This voltage is used to force a reference
voltage across the selected current source range resistor (5 kΩ, 50 kΩ,
500 kΩ, 1 MΩ) by U201B. The resulting precision current flows through
JFET Q202 and protection circuit Q203 to Q211, and CR202 to relay K102
where it is switched to the Input HI terminal for ohms measurements.
The protection circuits are designed to protect the ohms current source
from inadvertently applied voltages in excess of ±1000 V. Protection
from large positive voltages is provided by the reverse breakdown
voltage of CR202. Protection from large negative voltages is provided by
the sum of the collector to base breakdown voltages of Q203, Q205, Q207,
and Q209. Bias for these transistors is provided by Q211 and R203 to
R206 while negative overvoltages are applied.
Ohms Range Current Open Circuit
Voltage Compliance
Limit Reference Isource R
U102D
100 Ω
1 kΩ
10 kΩ
100 kΩ
1 MΩ
10 MΩ
100 MΩ [1]
1 mA
1 mA
100 µA
10 µA
5 µA
500 nA
500 nA [1]
9 V
9 V
9 V
9 V
9 V
14 V
5 V
2.5 V
2.5 V
4 V
4 V
8 V
10 V
R202
R202
R202
R202
R202
R201
R201
5 kΩ
5 kΩ
50 kΩ
500 kΩ
1 MΩ
1 MΩ
1 MΩ
[1] Measured in parallel with the internal 10 MΩ resistor.
Chapter 5 Theory of Operation
Ohms Current Source
98

AC Circuit
Referring to the schematic shown on page 9-11, the multimeter uses
a true RMS ac-to-dc converter to measure ac voltages and currents.
The ac-to-dc converter changes the input ac voltage to a dc voltage.
All voltage ranging is performed in the ac circuit so that the input to
the multimeter’s dc circuitry (AC_OUT) is nominally 2 Vdc for a full scale
ac input. The dc amplifier is always configured for x1 gain in ac functions
(voltage, current, frequency, and period). Relay K104 connects the ac
circuit to either the Input HI terminal or to R121, the current function
voltage sense point. Note that the input to the ac circuit may contain a
dc bias from the applied ac signal.
Input coupling capacitor C301 blocks the dc portion of the input signal.
Only the ac component of the input signal is measured by the multimeter.
The ac circuit voltage ranging comprises two gain stages U301 and
U305/U312. The voltage gains for each stage are tabulated below.
The 1st stage is a compensated attenuator implementing a gain of x0.2
or x0.002 as selected by U304A and U304D. Each voltage range has a
unique 50 kHz frequency response correction produced by a
programmable variable capacitor connected across R304.
Function Range 1st Stage 2nd Stage ADC Input
ACV, Freq,
or Period
ACI
100 mV
1 V
10 V
100 V
700 V
3 A
1 A
x0.2
x0.2
x0.2
x0.002
x0.002
x0.2
x0.2
x100
x10
x1
x10
x1
x10
x100
2 Vdc
2 Vdc
2 Vdc
2 Vdc
1.4 Vdc
0.6 Vdc
2 Vdc
5
Chapter 5 Theory of Operation
AC Circuit
99

The programmable capacitance is implemented by varying the signal
level across a compensating capacitor. In the x0.2 configuration, low
frequency gain is set by R301, R302, and R304. The variable gain element
U302/U303 essentially varies the value of C306 from 0 to 1 times its value
in 256 steps. The exact gain constant is determined during the 50 kHz
ac voltage range calibration procedure. In the x0.002 configuration, low
frequency gain is set by R301, R302, and R303. The variable gain element
U302/U303 essentially varies the value of C305 plus C306 from 0 to 1 times
their value in 256 steps. The exact gain constant is determined during
the 50 kHz ac voltage range calibration procedure.
The second stage is made up of two amplifiers (U305 and U312) each
configured for a fixed gain of x10. Overall 2nd stage gains of x1, x10,
and x100 are produced by routing the 1st stage output either around,
or through one or both amplifiers as shown in the table below.
The output of the 2nd stage is connected to the rms-to-dc converter
stage. Any residual dc offset from the amplifier stages is blocked by
capacitor C316. Buffer U307 drives the input to the rms-to-dc converter
as well as the frequency comparator (U310A) input. The rms-to-dc
converter has two selectable averaging filters (C318 and C318 plus C321)
for the analog computer circuit of U308. The two analog averaging filters
together with digital filters running in the main CPU implement the
three selectable ac filters: slow, medium, and fast. The faster analog
filter (using C318) is used for all AC V, AC I, and frequency or period
autoranging. The slower analog filter is used only with the slow and
medium ac filter choices.
In frequency or period measurements, U310A generates a logic signal
(FREQIN) for every input zero crossing. The ac sections FREQRNG
dc output is measured directly by the main CPU’s 10-bit ADC during
frequency or period measurements. This lower resolution measurement
is sufficient to perform voltage ranging decisions for these functions.
The frequency comparator output is disabled during ac voltage and
current measurements by U310B forcing U310A’s input to –15 volts.
2nd Stage Gain U306A U306B U306C U306D U304C
x1
x10
x100
ON
OFF
OFF
OFF
ON
OFF
OFF
OFF
ON
OFF
ON
ON
OFF
OFF
ON
Chapter 5 Theory of Operation
AC Circuit
100

A-to-D Converter
The analog-to-digital converter (ADC) is used to change dc voltages into
digital information (schematic shown on page 9-12). The circuitry
consists of an integrator amplifier (U402 and U420), current steering
switch U411, resistor network U102E, voltage reference U403, ADC
controller U501, and residue ADC U500.
The ADC method used by the 34401A is called multislope III. It is based
on patented Agilent ADC technology. Multislope III is a charge
balancing continuously integrating analog-to-digital converter. The ADC
charge balancing algorithm is always running, even when the
multimeter is not triggered. The input voltage continuously forces
charge onto the integrator capacitors C400 and C401 through U102E–R16.
Switches U411A and U411B steer fixed positive or negative reference
currents onto the integrator capacitor to cancel, or balance, the
accumulated input charge. The level shifted (R403 and R406) output of
the integrator is checked every 2.66 µs by the U501 COMP input. Logic
state machines in U501 control the U411 current steering to continuously
seek an approximate 2.5 V level on the integrator amplifier output,
FLASH. If the ADC input voltage ADIN is between ±15 V, the integrator
output (FLASH) will remain within the 0 V to 5 V range of the U500 on
chip ADC. An input greater than +15 V may cause the integrator output
(U402–6) to saturate at about –18 V. An input less than –15 V may cause
U402 to saturate with an output of about +18 V. The U500 ADC input
(FLASH) is clamped to 0 V or 5 V by R405 and CR403 to protect U500.
The integrator amplifier is formed by U402 and U420. Resistors R420 and
R421 affect the amplifier stability. Amplifier oscillation may occur if
their values are incorrect. Amplifier U420 improves the offset voltage
characteristics of integrator amplifier U402.
5
Chapter 5 Theory of Operation
A-to-D Converter
101

Each analog-to-digital conversion begins when the multimeter is
triggered. The ADC starts by clearing the integrator slope count in U501.
At the end of the integration period, the slope count is latched.
The slope count provides the most significant bits of the input voltage
conversion. The least significant bits are converted by the on chip ADC
of CPU U500.
The instrument precision voltage reference is U403. Resistor R409
provides a stable bias current for the reference zener diode. R408 and
CR404 provide a bias to assure that the reference zener biases to +7 V
during power up. IC U400A amplifies the voltage reference to +10 V
while amplifier U401A inverts the +10 V reference to –10 V. The reference
voltages force precision slope currents for the integrating ADC through
U102E–R17, R18. Amplifier U401B provides a precise +5 V reference for
the U500 on chip ADC.
Chapter 5 Theory of Operation
A-to-D Converter
102

Floating Logic
Referring to the schematic shown on page 9-13, the floating common
logic controls operation of the entire instrument. All measurement
control and bus command interpretation is performed in the main CPU,
U500. The front panel and earth referenced processors operate as slaves
to U500. The floating common logic is comprised of the main CPU U500,
custom gate array U501, the program ROM U502, RAM U503, calibration
EERAM U505, and the 12 MHz clock oscillator U405. Power-on reset is
provided to the main CPU by voltage regulator U553.
The main CPU, U500, is a 16-bit micro controller incorporating such
features as receive and transmit serial ports, timer/counter ports, an
8-bit pulse width modulated DAC port, and selectable input 10-bit
successive approximation a-to-d converter ports. A conventional
address/data bus is used to transfer data between the CPU and external
ROM and RAM. When the address latch enable (ALE) signal goes high,
address data is present on the address/data bus. Custom gate array
U501 latches the address data and decodes the correct chip enable (low
true) for external ROM and RAM accesses and for read/write accesses to
the internal registers of U501. The system memory map is shown below.
Program ROM U502 contains four 64k x 8 banks of data. Banks are
selected by controlling the A16 and A17 ROM address bits directly from
CPU port bits.
Custom gate array U501 performs address latching and memory map
decoding functions as discussed above. In addition, U501 contains a
variety of internal read/write registers. The read (XRD) and write (XWR)
signals transfer data out of and in to U501 when it is addressed. There
are four internal registers in U501: an internal configuration register,
an 8 bit counter register, a serial transmit/receive register, and an
internal status register.
0000H – 1FF7H
1FF8H – 1FFFH
2000H – FFFFH
U503 8k x 8 RAM
U501 Gate Array
U502 Program ROM
5
Chapter 5 Theory of Operation
Floating Logic
103

The counter register is used to capture either ADC slope count at the
COMP input or frequency count at the FREQIN input. The COMP input
functions as both a clocked comparator and the slope counter input for
the ADC. In both cases the counter register captures the lower 8 bits of a
24-bit counter. The upper 16 bits of the count are captured by the SYNC
input to U500. The serial register is used to send and receive serial data
bytes from the main CPU to the 40 bit (5 x 8 bits) measurement
configuration register comprised of U309, U311, U150, and U101 or to
communicate with the front panel processor. The serial register is
multiplexed to these two circuits. The transmission rate is selected to
1.5 M bits/second for the measurement configuration registers and to
93.75 k bits/second for communication with the front panel processor.
The general serial interface is a 3-bit interface as shown below.
Serial data is received simultaneously as serial data is clocked out.
The measurement configuration readback data (SERRBK) is only
checked during self-test operation. Front panel data is exchanged in
both directions whenever a byte is sent from U501. The measurement
configuration register data is strobed to outputs by U500 signal SERSTB.
Interrupts from the front panel are detected by U501 and signaled to the
processor by CHINT. The processor line FPINT signals the front panel
processor that U501 has data to send.
The gate array (U501) internal status register reports a serial port busy
bit and 4 bits of time interpolation data. The time interpolation data is
used to extend the time counting resolution of processor U500 during
ADC conversions and frequency measurements.
The multimeter’s calibration correction data are stored in a 128 x 16 bit
non-volatile electrically erasable RAM, EERAM U505. The EERAM
read/write data is accessed by a 4-bit serial protocol controlled by U500.
U501 Internal Signal Measurement Configuration Signals Front Panel Signals
Serial Clock
Data OUT (send)
Data IN (receive)
SERCK
SERDAT0
SERRBK
XFPSK
FPDI
FPDO
Chapter 5 Theory of Operation
Floating Logic
104

The main processor has an on chip 10-bit successive approximation ADC
with two selectable inputs: FLASH and FREQRNG. The FLASH input is
used to sample the residual charge on the main integrating ADC output
of U402. The FREQRNG input is used to make voltage ranging decisions
concurrent with frequency or period measurements.
The main CPU’s pulse width modulated DAC outputs a 0 V to 5 V dc
level after filtering the 23 kHz output with R507 and C512. This level is
used to adjust the precharge amplifier offset voltage in U101. Port bits
are also configured to detect the front/rear input switch position (FXR0)
and to measure the input power line frequency (LSENSE). Frequencies
from 55 Hz to 66 Hz are measured as 60 Hz. All other input frequencies
are assumed to be 50 Hz.
The main CPU communicates with the earth referenced processor U700
through an optically isolated (U506 and U704) asynchronous serial link.
Data is sent in an 11-bit frame at a rate of 187.5 k bits/second. When the
RS-232 interface is selected, data is sent across the isolated link at
93.75 k bits/second. The 11-bit data frame is configured for one start bit,
eight data bits, one control bit, and one stop bit.
Earth-Referenced Logic
The earth referenced logic circuits (schematic shown on page 9-14)
provide all rear panel input/output capability. Microprocessor U700
handles GPIB (IEEE-488) control through bus interface chip U701 and
bus receiver/driver chips U702 and U703. The RS-232 interface is also
controlled through U700. RS-232 transceiver chip U706 provides the
required level shifting to approximate ±9 volt logic levels through
on-chip charge-pump power supplies using capacitors C708 and C709.
Communication between the earth referenced logic interface circuits
and the floating measurement logic is accomplished through an
optically-isolated bi-directional serial interface. Isolator U506 couples
data from U700 to microprocessor U501. Isolator U704 couples data from
U501 to microprocessor U700.
5
Chapter 5 Theory of Operation
Earth-Referenced Logic
105

Power Supplies
Referring to the schematic shown on page 9-15, the multimeter uses two
types of power supplies: floating supplies and earth referenced supplies.
The floating supply outputs are ±18 Vdc, +5 Vdc, and a 5 Vrms center
tapped filament supply for the vacuum fluorescent display. The earth
referenced circuits are powered from a single +5 Vdc supply.
The ac mains are connected by module P1. This module includes the
functions of mains connection, on/off switching, and line voltage
selection (100/120/220/240). The multimeter automatically configures
for the applied line frequency by counting the frequency of the output of
clamp circuit CR554, R555, C555 (LSENSE).
The 5 volt floating supply is produced by bridge rectifier CR552, filter
capacitor C556, and regulator U553. The reset output of U553 will change
to logic LO when the unregulated dc input to the regulator falls below
5.5 volts. XPONRST is the instrument master hardware reset signal.
This supply powers all floating logic. Relay drive circuits are also
powered from this supply.
The floating ±18 volt supplies are produced by bridge rectifier CR551,
filter capacitors C551 and C553, and regulators U551 and U552. These
supplies are used to power all measuring circuits. In addition, the
vacuum fluorescent display is driven from the ±18 volt supplies. A
separate winding of T1 provides a center tapped 5 Vrms filament supply
for the display. Bias circuit CR556, R556, and C559 generates the
required cathode dc bias for the display filament supply.
The 5 volt earth referenced supply is produced by rectifier CR751, C752,
and regulator U751. This supply is earth referenced by the screw which
mounts the PC board to the instrument chassis. The GPIB (IEEE-488)
and RS-232 interfaces along with other input/output circuits are powered
from this supply.
Chapter 5 Theory of Operation
Power Supplies
106

Front Panel
The front panel circuits (schematic shown on page 9-16) consist of
vacuum fluorescent display control, display high voltage drivers, and
keyboard scanning. Communication between the front panel and
floating logic circuits is accomplished through a 4-wire bidirectional
serial interface. The main CPU, U500, can cause a hardware reset to
processor U600 by signal IGFPRES. The front panel logic operates from
+13 volts (logic 0) and +18 volts (logic 1). The four serial communication
signals are level shifted by comparator U602 from the floating logic 0 V
to 5 V levels to the 13 V to 18 V levels present on the front panel
assembly. The front panel logic low supply (+13 volts) is produced by the
+18 volt supply and 4.7 V zener CR606. Level shift outputs for the front
panel receive data are clamped to the 13 volt supply VLB.
Display anode and grid voltages are +18 volts for an “on” segment and
–18 volts for an “off” segment. The –12 V cathode bias for the display is
provided by filament winding center tap bias circuit CR556, R556, and
C559 on the power supply schematic (see page 9-15). Keyboard scanning
is accomplished through a conventional scanned row-column key matrix.
Keys are scanned by outputing data to shift register U601 to poll each
key column for a key press. Row read-back data are parallel loaded into
shift register U601 and shifted back into processor U600 for decoding and
communication to the floating logic circuits.
5
Chapter 5 Theory of Operation
Front Panel
107

108

6
Service
6

Service
This chapter discusses the procedures involved for returning a failed
multimeter to Agilent for service or repair. Subjects covered include the
following:
•Operating Checklist 111
•Types of Service Available 112
•Repackaging for Shipment 113
•Electrostatic Discharge (ESD) Precautions 114
•Surface Mount Repair 114
•To Replace the Power-Line Fuse 114
•To Replace the Current Input Fuses 115
•To Connect the Pass/Fail Output Signals 115
•Troubleshooting Hints 117
•Self-Test Procedures 120
110

Operating Checklist
Before returning your multimeter to Agilent for service or repair, check
the following items:
Is the multimeter inoperative?
Verify that the ac power cord is connected to the multimeter.
Verify that the front-panel Power switch is depressed.
Verify that the power-line fuse is good.
Verify the power-line voltage setting.
See “To Prepare the Multimeter for Use” on page 29.
Does the multimeter fail self-test?
Verify that the correct power-line voltage is selected.
See “To Prepare the Multimeter for Use” on page 29.
Remove all measurement connections to the multimeter.
Ensure that all measurement terminal connections (both front
and rear terminals) are removed while the self-test is performed.
Errors may be induced by ac signals present on the multimeter
input terminals during self-test. Long test leads can act as an
antenna causing pick-up of ac signals.
Is the multimeter’s current input inoperative?
Verify that the rear panel 3 A, 250 V current fuse is functional.
Verify that the internal 7 A, 250 V high-interrupt fuse is functional.
See “To Replace the Current Input Fuses” on page 115.
6
Chapter 6 Service
Operating Checklist
111

Types of Service Available
If your multimeter fails within one year of original purchase, Agilent
will repair or replace it free of charge. If your unit fails after the one
year warranty expires, Agilent will repair or replace it at a very
competitive price. Agilent will make the decision locally whether to
repair or replace your unit.
Standard Repair Service (Worldwide)
Contact your nearest Agilent Service Center. They will arrange to have
your multimeter repaired or replaced.
Agilent Express Service (U.S. only)
You can receive a replacement 34401A via overnight shipment for short
downtime.
1 Call 1-877-444-7278 and ask for “Agilent Express.”
•You will be asked for your shipping address and a credit card number
to guarantee return of your failed multimeter.
•If you do not return your failed multimeter within 45 days, your
credit card will be billed for a new 34401A.
•If you choose not to supply a credit card number, you will be asked to
send your failed unit to a designated Agilent Service Center. After
the failed unit is received, Agilent will send your replacement unit.
2 Agilent will immediately send a replacement 34401A to you via
overnight shipment.
•The replacement unit will have a different serial number than your
failed unit.
•If you can not accept a new serial number for the replacement unit,
use the Standard Repair Service option described above.
Chapter 6 Service
Types of Service Available
112

•If your failed unit was “in-warranty,” your replacement unit will
continue the warranty time clock to the end of your one year standard
warranty. You will not be billed for the replacement unit as long as
the failed unit is received by Agilent.
•If your one year warranty has expired, Agilent will bill you for the
34401A exchange price — less than a new unit price.
Agilent warrants exchange units against defects for 90 days.
Repackaging for Shipment
For the Agilent Express Service described on the previous page, return
your failed 34401A to the designated Agilent Service Center using the
shipping carton of the exchange unit. A shipping label will be supplied.
Agilent will notify you when your failed unit has been received.
If the instrument is to be shipped to Agilent for service or repair, be
sure to:
•Attach a tag to the multimeter identifying the owner and indicating
the required service or repair. Include the instrument model number
and full serial number.
•Place the multimeter in its original container with appropriate
packaging material.
•Secure the container with strong tape or metal bands.
If the original shipping container is not available, place your unit in a
container which will ensure at least 4 inches of compressible packaging
material around all sides for the multimeter. Use static-free packaging
materials to avoid additional damage to your unit.
Agilent recommends that you always insure shipments.
6
Chapter 6 Service
Repackaging for Shipment
113

Electrostatic Discharge (ESD) Precautions
Almost all electrical components can be damaged by electrostatic
discharge (ESD) during handling. Component damage can occur at
electrostatic discharge voltages as low as 50 volts.
The following guidelines will help prevent ESD damage when servicing
the multimeter or any electronic device.
•Disassemble instruments only in a static-free work area.
•Use a conductive work area to dissipate static charge.
•Use a conductive wrist strap to dissipate static charge accumulation.
•Minimize handling.
•Keep replacement parts in original static-free packaging.
•Remove all plastic, styrofoam, vinyl, paper, and other
static-generating materials from the immediate work area.
•Use only anti-static solder suckers.
Surface Mount Repair
Surface mount components should only be removed using soldering
irons or desoldering stations expressly designed for surface mount
components. Use of conventional solder removal equipment will almost
always result in permanent damage to the printed circuit board and will
void your Agilent factory warranty.
To Replace the Power-Line Fuse
The power-line fuse is located within the multimeter’s fuse-holder
assembly on the rear panel (see page 31). Refer to the rear panel for the
proper fuse rating. The 250 mAT slow-blow fuse has Agilent part
number 2110-0817 and is used for all line voltages.
Chapter 6 Service
Electrostatic Discharge (ESD) Precautions
114

To Replace the Current Input Fuses
The front and rear current input terminals are protected by two series
fuses. The first fuse is a 3 A, 250 Vac, fast-blow fuse and is located on
the rear panel. To replace this fuse, order Agilent part number
2110-0780.
A second fuse is located inside the multimeter to provide an additional
level of current protection. This fuse is a 7 A, 250 Vac, high-interrupt
rated fuse (Agilent part number 2110-0614). To replace this fuse, you
must remove the multimeter’s case by loosening three screws (see the
mechanical disassembly drawing on page 9-3).
To Connect the Pass/Fail Output Signals
The RS-232 connector on the multimeter’s rear panel is a 9-pin connector
(DB-9, male connector). When the RS-232 interface is not selected
(IEEE-488 interface is selected), the internal pass and fail TTL output
signals (limit testing) may be connected to the RS-232 connector.
The pass and fail signals are low true and indicate the Math Pass/Fail
Limit Test result for the next reading to be output to the GPIB interface.
The signals are active low for approximately 2 ms for each reading taken.
Pin Number
1
2
3
4
5
6
9
Input/Output
Output
Input
Output
Output
–
Input
Output
Description
* Limit Test Pass
Receive Data (RxD)
Transmit Data (TxD)
Data Terminal Ready (DTR)
Signal Ground (SG)
Data Set Ready (DSR)
* Limit Test Fail
* TTL output is available only after installing two jumpers inside the multimeter.
RS-232 Connector
6
Chapter 6 Service
To Replace the Current Input Fuses
115

Pass/Fail Output
(continued) Installation Procedure
The assembly drawings and schematics are located in chapter 9,
“Schematics.”
1 Unscrew the two rear bezel captive screws (see the mechanical
disassembly drawing on page 9-3).
2Remove one screw from bottom cover (see the mechanical
disassembly drawing on page 9-3).
3Slide the metal cover off of the chassis (see the mechanical
disassembly drawing on page 9-3).
4Install JM710 and JM711 located adjacent to the power supply
connector, P751. A bare wire may be used if a 0 ohm surface
mount resistor is not available. (See the component locator
diagram for the 34401-66501 Main PC Board on page 9-5.)
5Reassemble the multimeter. Make sure to reinstall the bottom
cover screw.
Do not use the RS-232 interface if you have configured the multimeter
to output pass/fail signals on pins 1 and 9. Internal components on the
interface circuitry may be damaged.
Chapter 6 Service
To Connect the Pass/Fail Output Signals
116

Troubleshooting Hints
This section provides a brief check list of common failures. Before
troubleshooting or repairing the multimeter, make sure the failure is in
the instrument rather than any external connections. Also make sure
that the instrument is accurately calibrated. The multimeter’s circuits
allow troubleshooting and repair with basic equipment such as a
61⁄2-digit multimeter and a 100 MHz oscilloscope.
Caution This instrument contains CMOS integrated circuits which
are susceptible to failure due to electrostatic discharge. Refer to the
“Electrostatic Discharge (ESD) Precautions” section earlier in this
chapter for further handling precautions.
Unit is inoperative
Verify that the ac power cord is connected to the multimeter.
Verify that the front-panel Power switch is depressed.
Verify that the power-line fuse is good.
Verify the power-line voltage setting.
See “To Prepare the Multimeter for Use” on page 29.
Unit reports an error between 740 and 748
These errors may be produced if you accidentally turn off power to the
unit during a calibration or while changing a non-volatile state of the
instrument. Recalibration or resetting the state should clear the error.
If the error persists, a hardware failure of U505 may have occurred.
Unit fails self-test
Verify that the correct power-line voltage setting is selected. Also,
ensure that all measurement terminal connections (both front panel
and rear terminals) are removed while the self-test is performed. Errors
may be induced by ac signals present on the multimeter input terminals
during self-test. Long test leads can act as an antenna causing pick-up
of ac signals.
6
Chapter 6 Service
Troubleshooting Hints
117

Troubleshooting
Hints
(continued) Current input is inoperative
Verify that the rear panel 3 A, 250 V current fuse is functional.
Verify that the internal 7 A, 250 V high-interrupt fuse is functional.
Power supply problems
Check that the input to the supply voltage regulator is at least 1 V
greater than its output. Circuit failures can cause heavy supply loads
which may pull down the regulator output voltage.
Some circuits produce their own local power supplies from the main
supplies. Be sure to check that these local supplies are active.
In particular, the ADC (analog-to-digital converter), ac, and front panel
sections have local supplies. Always check that the power supplies are
free of ac oscillations using an oscilloscope.
Failure of the analog voltage reference U403 will cause many self-test
failures. Be certain that U403 is seated properly in its socket.
Check the main supply voltages as shown below.
Readings indicate OVERLOAD
An overload is caused when the gain and offset corrected reading result
is greater than the full scale value (or less than the full scale value) for
the present measuring function and range. This can be caused by
incorrect calibration, saturated (railed) dc input amplifier, or by failure
of the a-to-d converter. Overload can also be caused if the current source
value is too large in the ohms function. In ac functions, overload will
also be generated if the output of the rms-to-dc converter U308 is greater
than 2 Vdc for sinewave inputs > 20 Hz.
Power Supply Minimum Maximum
+5 Ground Ref.
+5 Floating
+18 Floating
-18 Floating
+7REF Floating
+5REF Floating
4.75 V
4.75 V
18.0 V
-17.0 V
6.45 V
4.75 V
5.25 V
5.25 V
20.0 V
-19.1 V
7.35 V
5.25 V
Chapter 6 Service
Troubleshooting Hints
118

Readings are inaccurate
Inaccurate readings are normally caused by either invalid calibration or
by non-linear measuring circuits. If recalibration does not correct the
inaccuracies, the amplifier or solid state switches may be causing
measurement non-linearities. Non-linear operation of the ohms current
source due to failure of Q202 to Q211 may cause reading inaccuracies in
the ohms function. If the input to the ADC is shown to be linear, check
the ±10 V reference voltages. Check switch U411, U420, and U402 for
proper operation.
Readings show excessive noise
Reading noise is usually caused by the dc input amplifier or the a-to-d
converter circuitry. Remember that it is normal for the most sensitive
measuring ranges to show more noise than the least sensitive ranges.
Verify that the multimeter fails to meet its zero input specifications.
Low frequency ac measurements will experience more noise than higher
frequency inputs. Verify that the multimeter fails to meet ac specifications.
Ensure that the correct ac filter is selected for the applied input signal
frequency.
If calibration constants become corrupted, it is possible for the
multimeter to generate noisy results without a hardware failure.
Perform a new zero offset calibration and gain calibration before
attempting to service the instrument.
Readings indicate zero with any input applied
A constant zero reading is normally caused when either the output of
the dc input amplifier is stuck at a fixed level (like 0 volts) or when the
a-to-d converter integrator amplifier U402 is stuck at a fixed level.
6
Chapter 6 Service
Troubleshooting Hints
119

Self-Test Procedures
Power-On Self-Test
Each time the multimeter is powered on, a small set of self-tests are
performed. These tests check that the minimum set of logic and
measurement hardware are functioning properly. The power-on
self-tests are listed below in the order they are executed. For a more
complete description of each test, see the description in the following
section, “Self-Test Descriptions” (see below).
•Test 701, checks that the calibration security disable jumper is removed.
•Self-test 624, determines the correct power-line frequency for the
measurement section.
•Copy secured calibration constants from calibration ram U505 to
working ram U503. Errors 740 through 748 may be reported during
this operation.
•Self-test 625, establishes communication with the I/O processor U700.
•Self-test 601, establishes communication with the front panel U600.
•Self-test 603, checks that the ADC logic is functioning U501.
•Self-test 604, checks that the ADC analog hardware is functioning.
•Self-test 626, checks that U700 passed its self-test.
Self-Test Descriptions
This section provides a brief description for each internal self-test
procedure including purpose, test setup, and failure criteria. Erroneous
self-test failures may occur when the power line voltage is improperly
set. Errors may also be produced by ac signals present on the
multimeter input terminals (front or rear) during self-test. Long test
leads can act as an antenna causing pick-up of ac signals.
Failing a self-test procedure indicates that parts of the multimeter are
not functioning properly and need to be serviced. Passing self-test gives
a better than 90% confidence that the Agilent 34401A hardware is
operational. However, passing self-test does not guarantee that the
multimeter will produce accurate results. Only performance verification
can ensure the accuracy of measurement results.
Chapter 6 Service
Self-Test Procedures
120

Self-test procedures are numbered in the order in which they are
executed. The order is designed to build confidence from a small kernel
towards progressively more complex internal configurations.
Many individual self-test procedures may be executed from the front
panel by selecting the desired test number from the parameter list of
the TEST command (in the SYS MENU).
Note K101 is always open during self-test so that signals present on the
input terminals are disconnected. However, ac signals may still feed
through K101 causing self-test failures as mentioned earlier in this section.
601 Front panel does not respond The main CPU U500 attempts to
establish serial communications with the front panel processor U600.
During this test, U600 turns on all display segments. Communication
must function in both directions for this test to pass.
602 RAM read/write failed This test writes and reads a 55H and AAH
checker board pattern to each address of ram U503. Any incorrect
readback will cause a test failure. This error is only readable from the
remote interface.
603 A/D sync stuck The main CPU issues an A/D sync pulse to U500-38
and to U501 where ADC slope counters are latched. A failure is detected
when a sync interrupt is not recognized and a subsequent time-out occurs.
604 A/D slope convergence failed The dc section is configured to the
measure zero state (MZ) in the 10 V range. This test checks whether the
ADC integrator produces nominally the same number of positive and
negative slope decisions (±10%) during a 20 ms interval.
605 Cannot calibrate rundown gain This test checks the nominal gain
between the integrating ADC and the U500 onchip ADC. This error is
reported if the procedure can not run to completion due to a hardware failure.
606 Rundown gain out of range This test checks the nominal gain
between the integrating ADC and the U500 onchip ADC. The nominal
gain is checked to ±10% tolerance.
6
Chapter 6 Service
Self-Test Procedures
121

607 Rundown too noisy This test checks the gain repeatability between
the integrating ADC and the U500 onchip ADC. The gain test (606), is
performed eight times. Gain noise must be less than ±64 lsb’s of the
U500 onchip ADC.
608 Serial configuration readback failed This test re-sends the last
5 byte serial configuration data for the measurement sections. The data
is then clocked back into U501 and compared against the original 5 bytes
sent. A failure occurs if the data do not match.
609 DC gain x1 failed This test configures for the 10 V dc range. The dc
amplifier gain is set to x1. The measure customer (MC) input is selected
to the internal TSENSE source which produces 0.6 volts. A 20 ms ADC
measurement is performed and checked against a limit of 0.6 V ± 0.3 V.
610 DC gain x10 failed This test configures for the 1 V dc range. The
dc amplifier gain is set to x10. The measure customer (MC) input is
selected to the internal TSENSE source which produces 0.6 volts. A 20 ms
ADC measurement is performed and checked against a limit of 0.6 V ± 0.3 V.
611 DC gain x100 failed This test configures for the 100 mV dc range. The
dc amplifier gain is set to x100. The measure customer (MC) input is
selected to the internal TSENSE source which produces 0.6 volts. A 20 ms
ADC measurement is performed and checked for a +overload response.
612 Ohms 500 nA source failed This test configures to the 10 V dc range
with the internal 10 M 100:1 divider U102A connected across the input.
The 500 nA ohms current source is connected to produce a nominal 5 V
signal. A 20 ms ADC measurement is performed and the result is
checked against a limit of 5 V ± 1 V.
613 Ohms 5 uA source failed This test configures to the 10 V dc range
with the internal 10 M 100:1 divider U102A connected across the input.
The 5 µA ohms current source is connected. The compliance limit of the
current source is measured. A 20 ms ADC measurement is performed
and the result is checked against a limit of 7.5 V ± 3 V.
614 DC 1000 V zero failed This test configures to the 1000 V dc range
with no input applied. A 20 ms ADC measurement is performed and the
result is checked against a limit of 0 V ± 5 mV.
Chapter 6 Service
Self-Test Procedures
122

615 Ohms 10 uA source failed This test configures to the 10 V dc range
with the internal 10 M 100:1 divider U102A connected across the input.
The 10 µA ohms current source is connected. The compliance limit of the
current source is measured. A 20 ms ADC measurement is performed
and the result is checked against a limit of 7.5 V ± 3 V.
616 DC current sense failed This test configures to the 3 A dc range.
A 20 ms ADC measurement is performed and the result is checked
against a limit of 0 A ± 5 A. This test confirms that the dc current sense
path is functional. The test limit is set wide because K101 does not open
the current input during self-test. This test should catch a dc current
sense failure without causing false failures when current inputs are
applied during self-test.
617 Ohms 100 uA source failed This test configures to the 10 V dc range
with the internal 10 M 100:1 divider U102A connected across the input.
The 100 µA ohms current source is connected. The compliance limit of
the current source is measured. A 20 ms ADC measurement is
performed and the result is checked against a limit of 7.5 V ± 3 V.
618 DC high voltage attenuator failed This test configures to the 1000
V dc range. The 500 nA ohms current source is connected to produce a
nominal 5 V signal. A 20 ms ADC measurement is performed and the
result is checked against a limit of 5 V ± 1 V.
619 Ohms 1 mA source failed This test configures to the 10 V dc range
with the internal 10 M 100:1 divider U102A connected across the input.
The 1 mA ohms current source is connected. The compliance limit of the
current source is measured. A 20 ms ADC measurement is performed
and the result is checked against a limit of 7 V ± 3.5 V.
620 AC rms zero failed This test configures for the 100 mV ac range with
the ac input grounded through K103. The internal residual noise of the
ac section is measured and checked against a limit of –10 mV to 70 mV
at the output of the rms-to-dc converter.
621 AC rms full scale failed This test configures for the 100 mV ac range.
The 1 mA ohms current source is switched on to charge the ac input
capacitor C301. This produces a pulse on the output of the rms-to-dc
converter which is sampled 100 ms after the current is applied. A 20 ms
A/D measurement is performed and checked against a limit of 10 V ± 8 V
into the ADC.
6
Chapter 6 Service
Self-Test Procedures
123

622 Frequency counter failed This test configures for the 100 mV ac
range. This test immediately follows test 621. With C301 holding a
charge from test 621 the ac input is now switched to ground with K103.
This produces a positive pulse on the input to the frequency comparator
U310A. While C301 discharges, the ENAB FREQ bit is toggled four times
to produce a frequency input to the counter logic in U501. A failure
occurs if the counter can not measure the frequency input.
623 Cannot calibrate precharge This test configures to the 100 V dc
range with no input applied. The ADC is configured for 200 ms
measurements. The U500 pulse width modulated (PWM) DAC output
(C512) is set to about 4 volts. A reading is taken in with U101 in the MC
state. A second reading is taken in the PRE state. The precharge
amplifier voltage offset is calculated. The U500 DAC output is set to
about 1.5 volts and the precharge offset is measured again. The gain of
the offset adjustment is calculated. This test assures a precharge
amplifier offset adjustment is achievable.
624 Unable to sense line frequency This test checks that the LSENSE
logic input to U500 is toggling. If no logic input is detected, the instrument
will assume 50 Hz line operation for all future measurements.
625 I/O processor does not respond This test checks that
communications can be established between U500 and U700 through the
optically isolated (U506 and U704) serial data link. Failure to establish
communication in either direction will generate an error.
626 I/O processor failed self-test This test causes the earth referenced
processor U700 to execute an internal, ram test. Failure will generate
an error.
Chapter 6 Service
Self-Test Procedures
124

7
Replaceable Parts
7

Replaceable Parts
This section contains information for ordering replacement parts for
your Agilent 34401A Multimeter. The parts lists are divided into the
following groups.
•34401-66501 Main PC Assembly (A1) page 127
•34401-66512 Front-Panel Display PC Assembly (A2) page 133
•Agilent 34401A Mainframe Replaceable Parts page 134
•Manufacturer’s List page 135
Parts are listed in the alphanumeric order according to their schematic
reference designators. The parts lists include a brief description of the
part with the applicable Agilent part number and manufacturer part
number.
To Order Replaceable Parts
You can order replaceable parts from Agilent using the Agilent part
number or directly from the manufacturer using the manufacturer’s
part number. Note that not all parts listed in this chapter are available
as field-replaceable parts. To order replaceable parts from Agilent, do
the following:
1Contact your nearest Agilent Sales Office or Service Center.
2Identify parts by their Agilent part number shown in the
replaceable parts lists.
3Provide the instrument model number and serial number.
Backdating and Part Changes
Always refer to chapter 8, “Backdating,” before attempting repair or
before ordering replacement parts. Parts changes are documented in the
backdating chapter.
126

34401-66501 – Main PC Assembly (A1)
Reference Agilent Part Mfr.
Designation Number Qty Part Description Code Mfr. Part Number
C100 0160-6839 1 Capacitor-Fxd 470 pF ±2% 630 V 28480 0160-6839
C101-C103 0160-6842 3 Capacitor-Fxd 220 pF ±2% 630 V 28480 0160-6842
C104 0160-6497 36 Capacitor-Fxd 0.1 uF ±10% 50 V 04222 12065C104KAT A
C105 0160-6731 3 Capacitor-Fxd 1000 pF ±10% 50 V 04222 12061C102KAT A
C106-C107 0160-5967 4 Capacitor-Fxd 100 pF ±5% 50 V 04222 08051A101JAT A
C108 0160-6736 7 Capacitor-Fxd 0.01 uF ±10% 50 V 04222 12061C103KAT A
C109 0160-8156 1 Capacitor-Fxd 0.01 uF ±20% 1 kV 56289 C023A102J103M
S38-CDH
C110 0160-6497 Capacitor-Fxd 0.1 uF ±10% 50 V 04222 12065C104KAT A
C111 0160-5967 Capacitor-Fxd 100 pF ±5% 50 V 04222 08051A101JAT A
C113 0160-6497 Capacitor-Fxd 0.1 uF ±10% 50 V 04222 12065C104KAT A
C120 0160-6497 Capacitor-Fxd 0.1 uF ±10% 50 V 04222 12065C104KAT A
C150 0160-6497 Capacitor-Fxd 0.1 uF ±10% 50 V 04222 12065C104KAT A
C151 0160-6736 Capacitor-Fxd 0.01 uF ±10% 50 V 04222 12061C103KAT A
C152 0160-6731 Capacitor-Fxd 1000 pF ±10% 50 V 04222 12061C102KAT A
C210 0160-5954 4 Capacitor-Fxd 220 pF ±5% 50 V 04222 08051A221JAT A
C212 0160-6497 Capacitor-Fxd 0.1 uF ±10% 50 V 04222 12065C104KAT A
C301 0160-6778 1 Capacitor-Fxd 0.22 uF ±10% 400 V 14752 210BE224K
C302 0160-7605 1 Capacitor-Fxd 1.8 pF ±13.89% 1.5 kV 04222 MA30SA1R8CAA
C303 0160-6098 1 Capacitor-Fxd 680 pF ±5% 50 V 04222 12061A681JAT A
C304 0160-5973 1 Capacitor-Fxd 6.8 pF ±7.35% 50 V 04222 08051A6R8DAT A
C305 0160-6096 1 Capacitor-Fxd 470 pF ±5% 50 V 04222 12061A471JAT A
C306 0160-5972 1 Capacitor-Fxd 5.6 pF ±8.93% 50 V 04222 08051A5R6DAT A
C307 0160-5967 Capacitor-Fxd 100 pF ±5% 50 V 04222 08051A101JAT A
C308-C310 0160-6497 Capacitor-Fxd 0.1 uF ±10% 50 V 04222 12065C104KAT A
C311-C312 0180-4116 6 Capacitor-Fxd 22 uF ±20% 20 V 28480 0180-4116
C313 0160-5955 1 Capacitor-Fxd 68 pF ±5% 50 V 04222 08051A680JAT A
C314-C315 0160-6497 Capacitor-Fxd 0.1 uF ±10% 50 V 04222 12065C104KAT A
C316 0160-5892 2 Capacitor-Fxd .22 uF ±10% 63 V 28480 0160-5847
C317 0160-6729 2 Capacitor-Fxd 3300 pF ±10% 50 V 04222 12061C332KAT A
C318 0160-5892 Capacitor-Fxd 0.22 uF ±10% 63 V 28480 0160-5847
C319-C320 0160-6497 Capacitor-Fxd 0.1 uF ±10% 50 V 04222 12065C104KAT A
C322-C323 0180-4116 Capacitor-Fxd 22 uF ±20% 20 V 28480 0180-4116
C324 0160-5959 2 Capacitor-Fxd 33 pF ±5% 50 V 04222 08051A330JAT A
C326 0160-6731 Capacitor-Fxd 1000 pF ±10% 50 V 04222 12061C102KAT A
C327 0160-5959 Capacitor-Fxd 33 pF ±5% 50 V 04222 08051A330JAT A
C400-C402 0160-5954 Capacitor-Fxd 220 pF ±5% 50 V 04222 08051A221JAT A
C403-C404 0160-6497 Capacitor-Fxd 0.1 uF ±10% 50 V 04222 12065C104KAT A
C407-C410 0160-6497 Capacitor-Fxd 0.1 uF ±10% 50 V 04222 12065C104KAT A
C411 0180-3744 1 Capacitor-Fxd 4.7 uF ±20% 10 V 28480 0180-3744
C441-C442 0160-6736 Capacitor-Fxd 0.01 uF ±10% 50 V 04222 12061C103KAT A
C449 0160-6736 Capacitor-Fxd 0.01 uF ±10% 50 V 04222 12061C103KAT A
C500-C503 0160-6497 Capacitor-Fxd 0.1 uF ±10% 50 V 04222 12065C104KAT A
C504-C505 0160-6736 Capacitor-Fxd 0.01 uF ±10% 50 V 04222 12061C103KAT A
7
Chapter 7 Replaceable Parts
34401-66501 – Main PC Assembly (A1)
127

Reference Agilent Part Mfr.
Designation Number Qty Part Description Code Mfr. Part Number
C506 0160-6497 Capacitor-Fxd 0.1 uF ±10% 50 V 04222 12065C104KAT A
C512 0180-4228 2 Capacitor-Fxd 47 uF ±20% 10 V 28480 0180-4228
C551 0180-4433 2 Capacitor-Fxd 1000 uF ±20% 50 V 28480 0180-4433
C552 0180-3751 3 Capacitor-Fxd 1 uF ±20% 35 V 28480 0180-3751
C553 0180-4433 Capacitor-Fxd 1000 uF ±20% 50 V 28480 0180-4433
C554 0180-3751 Capacitor-Fxd 1 uF ±20% 35 V 28480 0180-3751
C555 0160-6497 Capacitor-Fxd 0.1 uF ±10% 50 V 04222 12065C104KAT A
C556 0180-4435 1 Capacitor-Fxd 2200 uF ±20% 25 V 28480 0180-4435
C557 0180-4116 Capacitor-Fxd 22 uF ±20% 20 V 28480 0180-4116
C558 0160-6497 Capacitor-Fxd 0.1 uF ±10% 50 V 04222 12065C104KAT A
C559 0180-4116 Capacitor-Fxd 22 uF ±20% 20 V 28480 0180-4116
C700-C703 0160-6497 Capacitor-Fxd 0.1 uF ±10% 50 V 04222 12065C104KAT A
C704 0160-6729 Capacitor-Fxd 3300 pF ±10% 50 V 04222 12061C332KAT A
C705 0160-6096 Capacitor-Fxd 470 pF 50 V 04222 08051A221JAT A
C706 0180-4228 Capacitor-Fxd 47 uF ±20% 10 V 28480 0180-4228
C707-C711 0160-6497 Capacitor-Fxd 0.1 uF ±10% 50 V 04222 12065C104KAT A
C751 0160-6497 Capacitor-Fxd 0.1 uF ±10% 50 V 04222 12065C104KAT A
C752 0180-4434 1 Capacitor-Fxd 4700 uF ±20% 25 V 28480 0180-4434
C753 0180-3751 Capacitor-Fxd 1 uF ±20% 35 V 28480 0180-3751
CR100 1901-0638 1 Diode-Full-Wave Bridge 100V 4A 71744 KBU4B
CR103 1902-1565 3 Diode-Zener 4.7V 5% TO-236 28480 1902-1565
CR201 1902-1565 Diode-Zener 4.7V 5% TO-236 28480 1902-1565
CR202 1901-1378 1 Diode-HV Rectifier 1.6KV 500 mA 71744 GP10Y
CR203 1902-1592 Diode-Zener 5.1V 5% TO-236 28480 1902-1565
CR302-CR303 1906-0291 10 Diode-Dual 70V 100 mA TO-236AA 04713 MBAV99
CR304-CR307 1902-1541 6 Diode-Zener 3.3V 5% TO-236 04713 BZX84C3V3
CR401-CR402 1902-1541 Diode-Zener 3.3V 5% TO-236 04713 BZX84C3V3
CR403-CR404 1906-0291 Diode-Dual 70V 100 mA TO-236AA 04713 MBAV99
CR551-CR552 1906-0407 3 Diode-Full-Wave Bridge 400V 1A 71744 DF04S
CR553 1906-0291 Diode-Dual 70V 100 mA TO-236AA 04713 MBAV99
CR554 1902-1542 1 Diode-Zener 6.2V 5% TO-236 04713 BZX84C6V2
CR555-CR556 1902-1609 2 Diode-Zener 6.2V 5% PD=1.5W 04713 1SMB5920B
CR701-CR705 1906-0291 Diode-Dual 70V 100 mA TO-236AA 04713 MBAV99
CR751 1906-0407 Diode-Full-Wave Bridge 400V 1A 71744 DF04S
E100-E101 1970-0212 2 Tube Electron Surge Arrestor 1500V/10A 28480 1970-0212
E700 9164-0173 1 Alarm-Audible 25 V 28480 9164-0173
F101 2110-0780 1 Fuse (metric) 3A 250V FE UL 75915 235003
F102 2110-0614 1 Fuse (inch) 7A 250V NTD FE UL 75915 314007
FC101 2110-0869 1 Fuseholder-Horizontal PC Mnt 6.3A 250V 28480 2110-0869
FC102 2110-0565 1 Fuseholder Cap 12A Max For UL 28480 2110-0565
J701 1252-2161 1 Connector-Rect 24-CKT 24-Contact 00779 554923-2
J702-J703 1250-1884 2 Connector-RF BNC Fem 50-Ohm 00779 227161-6
Chapter 7 Replaceable Parts
34401-66501 – Main PC Assembly (A1)
128

Reference Agilent Part Mfr.
Designation Number Qty Part Description Code Mfr. Part Number
J704 1252-2266 1 Connector-Rect D-Submin 9-Ckt 9-Contact 00779 748959-1
JM501 0699-1503 5 Resistor-Fxd 0 CWM 91637 CRCW1206000J
JM551-JM553 0699-1503 Resistor-Fxd 0 CWM 91637 CRCW1206000J
JM751 0699-1503 Resistor-Fxd 0 CWM 91637 CRCW1206000J
K101 0490-1914 1 Relay-Reed 2A 500 Vdc 5 Vdc-Coil 71707 3200-0121
K102-K104 0490-1789 3 Relay 2C 5 Vdc-Coil 3A 220 Vdc 28480 0490-1789
L101 9140-1244 2 Inductor-Fixed 1 mH ±5% 3.4W 28480 9140-1244
L102-L104 9140-1238 5 Inductor-Fixed 10 uH ±5% 2.8W 24226 SM3-102J
L106 9140-1244 Inductor-Fixed 1 mH ±5% 3.4W 28480 9140-1244
L110-L111 9140-1238 Inductor-Fixed 10 uH ±5% 2.8W 24226 SM3-102J
L401-L403 9170-1431 4 Core-Shielding Bead 28480 9170-1431
L404 9170-1506 1 Core-Shielding Bead 28480 9170-1506
L501 9170-1431 Core-Shielding Bead 28480 9170-1431
P101-P102 34401-62101 2 Input Jack Assy 28480 34401-62101
P500 1252-4484 1 Connector Post Type 12-Contact 27264 52007-1210
P551 1252-4488 1 Connector Post Type 8-Contact 27264 26-64-4080
P751 1252-4487 1 Connector Post Type 3-Contact 27264 26-64-4030
PCB1 34401-26501 1 Printed Circuit Board-Blank 28480 34401-26501
Q104 1855-0752 2 Transistor J-FET N-Chan D-Mode 27014 MMBF4392
Q150-Q153 1854-1014 4 Transistor NPN SI PD=350 mW Ft=100 MHz 04713 MMBT6429
Q201 1855-0752 Transistor J-FET N-Chan D-Mode 27014 MMBF4392
Q202 1855-0863 1 Transistor J-FET P-Chan D-Mode 27014 MMBF5461SEL
Q203-Q210 1853-0727 8 Transistor PNP SI SOT-23 04713 MMBT6520L
Q211 1855-0865 1 Transistor J-FET N-Chan D-Mode 27014 MMBF4117A
Q301 1855-0800 1 Transistor MOSFET N-Chan E-Mode 04713 MTD3055EL
R101-R102 0699-1327 3 Resistor 1M ±1% .125W 28480 0699-1327
R103 0699-1380 5 Resistor 3.16K ±1% .125W 28480 0699-1380
R104-R111 0699-3409 8 Resistor 13K ±5% 1W 91637 CRCW2512-133J
R112-R113 0699-1330 5 Resistor 100K ±1% .125W 28480 0699-1330
R114-R117 0699-1423 17 Resistor 215 ±1% .125W 28480 0699-1423
R118 0699-1380 Resistor 3.16K ±1% .125W 28480 0699-1380
R119 0699-1423 Resistor 215 ±1% .125W 28480 0699-1423
R120 0699-1514 1 Resistor .1 ±1% 5W MFS 01686 LO-5-.1-1-RP
R121 0699-3413 1 Resistor 5 ±0.1% .125W 11502 CM60T13
5OHMS0.1
R122 0699-1329 4 Resistor 6.19K ±1% .125W 28480 0699-1329
R124 0699-1329 Resistor 6.19K ±1% .125W 28480 0699-1329
R126-R127 0699-1398 8 Resistor 21.5K ±1% .125W 28480 0699-1398
7
Chapter 7 Replaceable Parts
34401-66501 – Main PC Assembly (A1)
129

Reference Agilent Part Mfr.
Designation Number Qty Part Description Code Mfr. Part Number
R130 0699-1394 2 Resistor 14.7K ±1% .125W 28480 0699-1394
R131 0699-1398 Resistor 21.5K ±1% .125W 28480 0699-1398
R150 0699-1391 9 Resistor 10K ±1% .125W 28480 0699-1391
R151 0699-1427 2 Resistor 316 ±1% .125W 28480 0699-1427
R160-R161 0686-4715 2 Resistor 470 ±5% .5W CC 01121 EB4715
R170-R176 0699-3406 14 Resistor 24K ±5% 1W 91637 CRCW2512-243J
R180-R186 0699-3406 Resistor 24K ±5% 1W 91637 CRCW2512-243J
R196 0699-1391 Resistor 10K ±1% .125W 28480 0699-1391
R197 0699-1389 3 Resistor 8.25K ±1% .125W 28480 0699-1389
R201 0699-3404 1 Resistor 400K ±1% .125W 28480 0699-3404
R202 0699-4416 1 Resistor 40K ±1% Radial 28480 0699-4416
R203-R206 0699-1332 4 Resistor 196K ±1% .125W 28480 0699-1332
R207 0699-1377 5 Resistor 2.37K ±1% .125W 28480 0699-1377
R290 0699-1374 Resistor 1.78K ±1% .125W 28480 0699-1374
R301-R302 0699-2469 2 Resistor 500K ±0.25% .25W 28480 0699-2469
R303 0699-1307 1 Resistor 1.96K ±0.1% .1W 28480 0699-1307
R304 0699-0481 1 Resistor 200K ±1% .1W 28480 0699-0481
R305 0699-1374 Resistor 1.78K ±1% .125W 28480 0699-1374
R306 0699-1423 Resistor 215 ±1% .125W 28480 0699-1423
R307 0699-1374 Resistor 1.78K ±1% .125W 28480 0699-1374
R308 0699-1423 Resistor 215 ±1% .125W 28480 0699-1423
R309 0699-1329 Resistor 6.19K ±1% .125W 28480 0699-1329
R310 0699-1360 1 Resistor 46.4 ±1% .125W 28480 0699-1360
R311-R312 0699-1412 3 Resistor 75K ±1% .125W 28480 0699-1412
R313 0699-1329 Resistor 6.19K ±1% .125W 28480 0699-1329
R314 0699-1398 Resistor 21.5K ±1% .125W 28480 0699-1398
R315 0699-1327 Resistor 1M ±1% .125W 28480 0699-1327
R316 0699-1423 Resistor 215 ±1% .125W 28480 0699-1423
R317 0699-1406 2 Resistor 42.2K ±1% .125W 28480 0699-1406
R318 0699-1318 12 Resistor 1K ±1% .125W 28480 0699-1318
R319 0699-1398 Resistor 21.5K ±1% .125W 28480 0699-1398
R320 0699-1427 Resistor 316 ±1% .125W 28480 0699-1427
R321 0699-1382 1 Resistor 3.83K ±1% .125W 28480 0699-1382
R322 0699-1412 Resistor 75K ±1% .125W 28480 0699-1412
R323-R324 0699-1398 Resistor 21.5K ±1% .125W 28480 0699-1398
R325-R326 0699-1423 Resistor 215 ±1% .125W 28480 0699-1423
R327 0699-1389 Resistor 8.25K ±1% .125W 28480 0699-1389
R403 0699-1399 1 Resistor 8.25K ±1% .125W 28480 0699-1319
R405 0699-1380 Resistor 3.16K ±1% .125W 28480 0699-1380
R406 0699-1330 6 Resistor 100 ±1% .125W 28480 0699-1415
R407-R408 0699-1318 Resistor 1K ±1% .125W 28480 0699-1318
R409 0699-1372 1 Resistor 1.47K ±1% .125W 28480 0699-1372
R420 0699-1389 Resistor 8.25K ±1% .125W 28480 0699-1389
R421 0699-1318 Resistor 1K ±1% .125W 28480 0699-1318
R422 0699-1360 Resistor 46.4 ±1% .125W 28480 0699-1360
Chapter 7 Replaceable Parts
34401-66501 – Main PC Assembly (A1)
130

Reference Agilent Part Mfr.
Designation Number Qty Part Description Code Mfr. Part Number
R430 0699-1503 1 Resistor Zero Ohm 28480 0699-1503
R440 0699-1406 Resistor 42.2K ±1% .125W 28480 0699-1406
R441 0699-1394 Resistor 14.7K ±1% .125W 28480 0699-1394
R442 0699-2127 1 Resistor 36.5K ±1% .125W 28480 0699-2127
R449 0699-1415 1 Resistor 100 ±1% .125W 28480 0699-1415
R501 0699-1318 Resistor 1K ±1% .125W 28480 0699-1318
R502 0699-1330 Resistor 100K ±1% .125W 28480 0699-1330
R503 0699-1423 Resistor 215 ±1% .125W 28480 0699-1423
R504 0699-1391 Resistor 10K ±1% .125W 28480 0699-1391
R505-R506 0699-1386 2 Resistor 5.62K ±1% .125W 28480 0699-1386
R507 0699-1391 Resistor 10K ±1% .125W 28480 0699-1391
R508-R509 0699-1318 Resistor 1K ±1% .125W 28480 0699-1318
R510-R511 0699-1391 Resistor 10K ±1% .125W 28480 0699-1391
R512-R517 0699-1423 Resistor 215 ±1% .125W 28480 0699-1423
R518 0699-1391 Resistor 10K ±1% .125W 28480 0699-1391
R551 0699-1424 2 Resistor 237 ±1% .125W 28480 0699-1424
R552 0699-2431 1 Resistor 3.32K ±1% .125W 28480 0699-2431
R553 0699-1424 Resistor 237 ±1% .125W 28480 0699-1424
R554 0699-1380 Resistor 3.16K ±1% .125W 28480 0699-1380
R555 0699-1406 1 Resistor 42.2K ±1% .125W 28480 0699-1406
R556 0699-1391 Resistor 10K ±1% .125W 28480 0699-1391
R701 0699-3408 1 Resistor 1K ±5% 1W 91637 CRCW2512-102J
R702 0699-1398 Resistor 21.5K ±1% .125W 28480 0699-1398
R703 0699-1391 Resistor 10K ±1% .125W 28480 0699-1391
R704 0699-1330 Resistor 100K ±1% .125W 28480 0699-1330
R705 0699-1318 Resistor 1K ±1% .125W 28480 0699-1318
R706 0699-3407 1 Resistor 100 ±5% 1W 91637 CRCW2512-101J
R707-R708 0699-1318 Resistor 1K ±1% .125W 28480 0699-1318
R709 0699-1380 Resistor 3.16K ±1% .125W 28480 0699-1380
R720 0699-1374 Resistor 1.78K ±1% .125W 28480 0699-1374
R750-R751 0699-1318 Resistor 1K ±1% .125W 28480 0699-1318
RV100-RV102 0837-0382 3 Diode-Varistor 1.1KV 28480 0837-0382
S1 3101-3162 1 Switch-Pushbutton .4A 25 VAC/VDC 71468 603296
U101 1SK6-0001 1 Switch Chip 28480 1SK6-0001
U102 1NB4-5035 1 Resistor Network 28480 1NB4-5035
U103 1826-2420 5 IC-OP Amp LP Dual 8-Pin 24355 AD706JR
U104 1855-0864 1 Transistor-JFET Dual 27014 NPDSU406
U105 1826-2558 3 IC-OP Amp WB Sgl 8-Pin 04713 MC34081BD
U106 1826-1925 2 IC-OP Amp Low-Noise Sgl 8-Pin 06665 OP-27GS
U110 1826-2558 IC-OP Amp WB Sgl 8-Pin 04713 MC34081BD
U150 1820-8937 1 IC Gate-Array CMOS 27014 SCX6B04AKP
U153 1826-2420 IC-OP Amp LP Dual 8-Pin 24355 AD706JR
7
Chapter 7 Replaceable Parts
34401-66501 – Main PC Assembly (A1)
131

Reference Agilent Part Mfr.
Designation Number Qty Part Description Code Mfr. Part Number
U201 1826-2420 IC-Op Amp LP Dual 8-Pin 24355 AD706JR
U301 1826-2436 1 IC-Op Amp Wideband 8-pin 27014 LF356M
U302 1826-2339 1 IC-Converter D/A 8-Bit CMOS 24355 AD7524JR
U303 1826-2437 3 IC-Op Amp Wideband 8-Pin 27014 LF357M
U304 1826-1985 1 IC Analog Switch 4 SPST 16-P-SOIC 17856 DG411DY
U305 1826-2437 IC-Op Amp Wideband 8-Pin 27014 LF357M
U306 1826-1609 1 IC-Analog Switch 4 SPST 16-P-SOIC 17856 DG211DY
U307 1826-2558 IC-Op Amp WB Sgl 8-Pin 04713 MC34081BD
U308 1826-2445 1 IC-Converter RMS/DC 16-P-SOIC MISC 24355 AD637JR
U309 1820-5790 2 IC-Shf-Rgstr CMOS/74HC Synchro 18324 74HC4094D
U310 1826-1572 1 IC-Comparator PRCN Dual 8-Pin 18324 LM393D
U311 1820-5790 IC-Shf-Rgstr CMOS/74HC Synchro 18324 74HC4094D
U312 1826-2437 IC-Op Amp Wideband 8-Pin 27014 LF357M
U400-U401 1826-2420 IC-Op Amp LP Dual 8-Pin 24355 AD706JR
U402 1826-1991 1 IC-Op Amp HS Single 8-Pin 24355 AD711JR
U403 1826-1249 1 IC-V Rgltr-V-Ref-Fxd 6.8/7.1V 28480 1826-1249
U404 1820-5937 1 IC-FF CMOS/74AC D-Type Pos-Edge-Trig 27014 74AC74SC
U405 1813-0827 1 Clock-Oscillator-XTAL 12.0MHZ 0.01% 28480 1813-0827
U411 1820-4346 1 IC Muxr/Data-Sel CMOS/74HC 2-to-1-Line 18324 74HC4053D
U420 1826-1925 IC-Op Amp Low-Noise Sgl 8-Pin 06665 OP-27GS
U500 1820-1479 1 IC-MCU Embedded 80C196 PLCC68S 34649 N80C196KB
U501 1820-8907 1 IC Gate-Array CMOS 27014 SCX6206AK0
U502 34401-88806 1 Prog EPROM (1818-5680) 28480 34401-88806
(See above) 1818-5680 1 IC 2M-BIT OTP ROM 120-ns CMOS 04078 M27C2001-12C1E
U503 1818-4777 1 IC CMOS 262144 (256K) STAT RAM 70-ns 28480 1818-4777
U505 1818-5236 1 IC 4K EEPROM 500-ns CMOS2 7014N M93C66M8
U506 1990-1552 2 Opto-Isolator LED-IC Gate IF=10 mA-Max 28480 HCPL-2211-300
U551 1826-2465 1 IC V Rgltr-Adj-Pos 1.2/37V 27014 LM317T-LB01
U552 1826-2463 1 IC V Rgltr-Adj-Neg 1.2/37V 27014 LM337T-LB01
U553 1826-2461 1 IC V Rgltr-Fxd-Pos 4.75/5.25V 27014 LM2925T-LB01
U700 34401-88842 1 Micro Proc (1821-0015) 28480 34401-88842
(See above) 1821-0015 1 IC-8-Bit MCU w/8K EPROM & Prgmbl Cntr 34649 N87C51FA
U701 1822-0639 1 IC-GPIB Controller IEEE-488 1975/78 01295 TMS9914AFNL
U702 1820-6176 1 IC-Interface GPIB Octal Data XCVR 01295 SN75ALS160DW
U703 1820-6175 1 IC-Interface XCVR Bipolar Bus Octl 01295 SN75ALS162DW
U704 1990-1552 Opto-Isolator LED-IC Gate 28480 HCPL-2211-300
U705 1820-6470 1 IC-Schmitt-Trigger CMOS/74HCT 18324 74HCT14D
U706 1820-7662 1 IC-Interface Drvr/Rcvr Bipolar Dual 28480 1820-7662
U751 1826-2464 1 IC V Rgltr-Fxd-Pos 4.8/5.2V 27014 LM340T-5-LB01
US403 1200-1672 1 Socket-IC-DIP 4 Contact Dip-Sldr 06776 SBL-041-SP122-TG30
XF102 2110-0690 1 Fuseholder-Bipin-Socket 16A 250V UL 28480 2110-0690
Y701 0410-4009 1 Crystal-Quartz 12.0 MHz 28480 0410-4009
Chapter 7 Replaceable Parts
34401-66501 – Main PC Assembly (A1)
132

34401-66512 – Display Assembly (A2)
Reference Agilent Part Mfr.
Designation Number Qty Part Description Code Mfr. Part Number
C602 0160-5945 3 Capacitor-Fxd 0.01uF 50 V 04222 08055C103KAT A
C603-C605 0160-6497 10 Capacitor-Fxd 0.1uF 25 V 04222 12065C104KAT A
C606-C607 0160-5947 2 Capacitor-Fxd 1000pF 50 V 04222 08055C102KAT A
C608-C609 0160-5945 Capacitor-Fxd 0.01uF 50 V 04222 08055C103KAT A
C610-C615 0160-6497 Capacitor-Fxd 0.1uF 25 V 04222 12065C104KAT A
C616-C617 0180-3751 2 Capacitor-Fxd 1uF 35 V TA S0545 NRS105M35R8
C618 0160-6497 Capacitor-Fxd 0.1uF 25 V 04222 12065C104KAT A
CR601 1906-0291 1 Diode-70V 100MA 04713 BAV99LT1
CR603 1902-1542 1 Diode-Zener 6.2V 5% 04713 BZX84C6V2
L601 9170-1431 1 Core-Shielding Bead 6352 HF50ACB-453215
M600* 33120-00611 1 Shield-ESD 28480 33120-00611
PCB1 34401-26512 1 Printed Circuit Board - Blank 28480 34401-26512
Q601 1854-1037 1 Transistor NPN SI TO-236AA PD=350MW 04713 MMBT3904LT1
R601 0699-1391 6 Resistor 10K ±1% .125W TKF TC=0±100 2M627 MCR18-F-X-1002
R602 0699-1399 2 Resistor 23.7K 1% 2M627 MCR18-F-X-2372
R603-R604 0699-1391 Resistor 10K ±1% .125W TKF TC=0±100 2M627 MCR18-F-X-1002
R605-R608 0699-1423 4 Resistor 215 ±1% .125W TKF TC=0±100 2M627 MCR18-F-X-2150
R609-R610 0699-1391 Resistor 10K ±1% .125W TKF TC=0±100 2M627 MCR18-F-X-1002
R611-R612 0699-1330 2 Resistor 100K ±1% .125W TKF TC=0±100 2M627 MCR18-F-X-1003
R613 0699-1399 Resistor 23.7K 1% 2M627 MCR18-F-X-2372
R614-R617 0699-1344 4 Resistor 10 ±1% .125W TKF TC=0±100 2M627 MCR18-F-X-10R0
R618 0699-1378 1 Resistor 2.61K 1% 2M627 MCR18-F-X-2611
R619 0699-1391 Resistor 10K ±1% .125W TKF TC=0±100 2M627 MCR18-F-X-1002
U601 1826-2264 1 IC-Power Management 04713 MC34064D-5
U602 34401-88813 1 Programmed 1820-8905 8-Bit MCU 28480 34401-88813
U603 1820-5330 1 IC-75518 Interface Driver, Bipolar 01295 SN75518FN
U604 1820-5562 1 IC-MC74HC02AD 01295 SN74HC02D
U605 1820-4966 1 IC-MC74HC74AD 01295 SN74HC74D
U606 2090-0296 1 Display - Vacuum Fluorescent 11908 CP3033A
U607 1826-1528 1 IC 339 Comparator 27014 LM339M
U608 1820-6756 1 74HC299-Shift Register 8 Bit Parallel 04713 MC74HC299D
U609 1826-1402 1 IC-Voltage Regulator 4.8/5.2V 04713 MC78L05ACD
W601 34401-61602 1 Cable Assembly, 8.8L 28480 34401-61602
Y601 0410-4009 1 Crystal 12MHz +1-0.8% 00830 PBRC-12.0BRN07
* M600 is shipped as a single part which breaks apart into two shields; you will use only one half of the part.
7
Chapter 7 Replaceable Parts
34401-66512 – Display Assembly (A2)
133

Agilent 34401A Mainframe
Reference Agilent Part Mfr.
Designation Number Qty Part Description Code Mfr. Part Number
A1 34401-66501 1 Main PC Assembly 28480 34401-66501
A2 34401-66512 1 Front-Panel and Display PC Assembly 28480 34401-66512
CVR1 34401-84111 1 Instrument Cover 28480 34401-84111
FRM1 34401-80121 1 Chassis 28480 34401-80121
KIT1 34138-37904 1 Standard Test Lead Kit 28480 34138-37904
KIT2*34401-80010 1 Fuse Kit 28480 34401-80010
MNL1 34401-90100 1 English Manual Set (User’s & Service) 28480 34401-90100
MP1 34401-88304 1 Rear Panel 28480 34401-88304
MP2 34401-40231 1 Front Panel/Bezel Assembly 28480 34401-40231
MP3 34401-43731 1 Power-On Push Rod 28480 34401-43731
MP4 34401-43732 1 Front/Rear Terminal Push Rod 28480 34401-43732
MP5 34401-45021 1 Carrying Handle 28480 34401-45021
MP6-MP7 34401-45002 2 Terminal Latch 28480 34401-45002
MP8 34401-49311 1 Window-Front-Panel Display 28480 34401-49311
MP9 34401-81932 1 Flubber Keys-Front Panel 28480 34401-81932
MP10*34401-86201 1 Power Module/Fuse Drawer and Fuse 28480 34401-86201
MP11-MP12 34401-86020 2 Bumpers (Front/Rear) & Power Mod Cvr 28480 34401-86020
SCW1-SCW8 0515-0433 8 Screw-M4 X 0.7 8mm-Lg Pan-Hd 28480 0515-0433
SHD1 34401-00603 1 Shield-Top 28480 34401-00603
SHD2 34401-00602 1 Shield-Bottom 28480 34401-00602
T901 9100-4972 1 Transformer-Power 28480 9100-4972
Exchange Unit 34401-69211 1 Rebuilt 34401A Unit for Exchange 28480 34401-69211
* For serial numbers prior to 3146A31949, use a 3A, 250Vac fuse (p/n 2110-0780) for 220 or 240 Vac operation;
for all other serial numbers, use a 250 mAT fuse (p/n 2110-0817) for all line voltages.
NOTE: For serial numbers prior to and including MY45XXXXXX and SG45XXXXXX, use the following mainframe
part numbers instead of those listed in the above table.
Reference USE Agilent REPLACE
Designation Part Number Qty Agilent Part Number Part Description
FRM1 34401-80111 1 34401-80121 Chassis
MP2 34401-40211 1 34401-40231 Front Panel/Bezel Assembly
MP3 34401-43711 1 34401-43731 Power-On Push Rod
MP4 34401-43712 1 34401-43732 Front/Rear Terminal Push Rod
MP5 34401-45011 1 34401-45011 Carrying Handle
MP9 34401-81912 1 34401-81932 Flubber Keys-Front Panel
MP11-MP12 34401-86010 2 34401-86020 Bumpers (Front/Rear) & Power Mod Cvr
Chapter 7 Replaceable Parts
Agilent 34401A Mainframe
134

Manufacturer’s List
Mfr.
Code Manufacturer’s Name Manufacturer’s Address Zip Code
00779 AMP Inc Harrisburg, PA U.S.A. 17111
01121 Allen-Bradley Co Inc El Paso, TX U.S.A. 79935
01295 Texas Instruments Inc Dallas, TX U.S.A. 75265
01686 RCL Electronics Inc Northbrook, IL U.S.A. 60062
04222 AVX Corp Great Neck, NY U.S.A. 11021
04713 Motorola Inc Roselle, IL U.S.A. 60195
06352 TDK Corporation of America Skokie, IL U.S.A. 60076
06665 Precision Monolithics Inc Santa Clara, CA U.S.A. 95054
06776 Robinson Nugent Inc New Albany, IN U.S.A. 47150
09922 Burndy Corp Norwalk, CT U.S.A. 06856
11502 IRC Inc Boone, NC U.S.A. 28607
14752 Electro Cube Inc San Gabriel, CA U.S.A. 91776
16428 Cooper Industries Inc Houston, TX U.S.A. 77210
17856 Siliconix Inc Santa Clara, CA U.S.A. 95054
18324 Signetics Corp Sunnyvale, CA U.S.A. 94086
24226 Gowanda Electronics Corp Gowanda, NY U.S.A. 14070
24355 Analog Devices Inc Norwood, MA U.S.A. 02062
27014 National Semiconductor Corp Santa Clara, CA U.S.A. 95052
27264 Molex Inc Lisle, IL U.S.A. 60532
28480 Agilent Technologies, Inc. Palo Alto, CA U.S.A. 94304
34335 Advanced Micro Devices Inc Sunnyvale, CA U.S.A. 94086
34649 INTEL Corp Santa Clara, CA U.S.A. 95054
50088 SGS-Thomson Microelectronics Inc Phoenix, AZ U.S.A. 85022
56289 Sprague Electric Co Lexington, MA U.S.A. 02173
71468 ITT Corp New York, NY U.S.A. 10022
71707 COTO Wabash Providence, RI U.S.A. 02907
71744 General Instrument Corp Clifton, NJ U.S.A. 07012
75915 Littelfuse Inc Des Plaines, IL U.S.A. 60016
76381 3M Co St. Paul, MN U.S.A. 55144
85480 Brady W H Co Milwaukee, WI U.S.A. 53209
91637 Dale Electronics Inc Columbus, NE U.S.A. 68601
2M627 Rohm Corporation Kyoto 615, Japan
S0545 NEC Electronics Inc Moutain View, CA U.S.A. 94043 7
Chapter 7 Replaceable Parts
Manufacturer’s List
135

136

8
Backdating
8

Backdating
The table below lists all 34401A changes with prior serial numbers.
This information is provided for backdating purposes only.
Approx. Effected
Serial Numbers
From 3146A64641
and Below
From 3146A59641
and Below
(See Note 1)
From 3146A57986
and Below
From 3146A54259
to 3146A37782
From 3146A37781
to 3146A22602
From 3146A30500
and Below
From 3146A26599
and Below
From 3146A23999
and Below
(See Note 2)
[Rev A 34401-66501]
From 3146A22601
to 3146A06790
From 3146A06789
to 3146A03336
From 3146A03335
and Below
Delete or
Modify Part
Modify
Modify
Delete
Add
Modify
Modify
Modify
Modify
Modify
Modify
Modify
Modify
Modify
Delete
Modify
Modify
Delete
Delete
Delete
Modify
Delete
Modify
Modify
Modify
Modify
Modify
Modify
Reference
Designation
A1U700
A1U502
A2
A2
A1C109
A1U700
A1U502
A1U502
A1R207
A1CR203
A1Y701
A2JM600
A2JM601
A1C111
A1C316
A1C318
A1C402
A1JM501
A1R327
A1R403
A1R422
A1R430
A1U102
A1U500
A1U502
A1U502
A1U502
Agilent Part
Number
34401-88842
34401-88861
34401-66512
34401-66502
0150-0012
34401-88832
34401-88851
34401-88841
0699-1386
1902-1565
0410-2356
34401-00611
34401-00611
0160-5967
0160-5847
0160-5847
0160-5954
0699-1503
0699-1398
0699-1319
0699-1360
0699-1348
34401-67901
1820-6721
34401-88823
34401-88821
34401-8881
Part Description
IC-PRGMD
Programmed EPROM
Display PC Assembly
Display PC Assembly
Capacitor .01uF 1kV
IC-PRGMD
Programmed EPROM
Programmed EPROM
Resistor 5.62K ±1%
Diode-Zener 4.7V
Crystal-Quartz 12.0 MHz
Shield-ESD
Shield-ESD
Capacitor-Fxd 100 pF ±5%
Capacitor-Fxd 22 uF ±10%
Capacitor-Fxd 22 uF ±10%
Capacitor-Fxd 220 pF ±5% 50V
Resistor Zero Ohms
Resistor 21.5K ±1% .125W
Resistor 12.1K ±1%
Resistor 46.4K ±1% .125W
Resistor 14.7 ohm ±1%
Custom Resistor Network
IC - 16 bit MCU
Programmed EPROM
Programmed EPROM
Programmed EPROM
Effected
Schematic
None
None
Pg 9-5, 9-16
Pg 9-5, 9-16
None
None
None
None
None
None
None
None
None
None
None
None
None
None
Pg 9-12
None
Pg 9-12
None
None
None
None
None
None
Note 1:
Note 2:
The 34401-66502 parts list, component locator, and schematic are included on the following pages.
Remove C111 from pin 4 of U101B and ground on the schematic on page 9-9.
Remove R327 from the schematic on page 9-11 and reconnect net directly to pin 15 of U304D.
Remove C402 from pin 2 of U402 and ground on the schematic on page 9-12.
Remove R422 from the schematic on page 9-12.
Remove JM501 from the schematic on page 9-13 and connect pin 26 to pin 1 of U503.
138

34401-66522 Display Assembly Replaceable Parts List
Reference Agilent Part Mfr.
Designation Number Qty Part Description Code Mfr. Part Number
C600-C601 0160-6497 4 Capacitor-Fxd 0.1 uF ±10% 50 V 04222 12065C104KAT A
C602-C604 0180-3751 3 Capacitor-Fxd 1 uF ±20% 35 V 28480 0180-3751
C605 0160-6736 3 Capacitor-Fxd 0.01 uF ±10% 50 V 04222 12061C103KAT A
C608-C609 0160-6497 Capacitor-Fxd 0.1 uF ±10% 50 V 04222 12065C104KAT A
C620-C621 0160-6731 2 Capacitor-Fxd 1000 pF ±10% 50 V 04222 12061C102KAT A
C622-C623 0160-6736 Capacitor-Fxd 0.01 uF ±10% 50 V 04222 12061C103KAT A
CR600 1902-1544 1 Diode-Zener 10V 5% TO-236 Pd=.35W 04713 BZX84C10
CR601 1906-0291 2 Diode-Dual 70V 100 mA 04713 MBAV99
CR603 1906-0291 Diode-Dual 70V 100 mA 04713 MBAV99
CR604-CR605 1906-0337 4 Diode-Dual 60V 200 mA2 84801 906-0337
CR606 1902-1565 1 Diode-Zener 4.7V 5% 28480 1902-1565
CR608-CR609 1906-0337 Diode-Dual 60V 200 mA 28480 1906-0337
M600* 33120-00611 1 Shield-ESD 28480 33120-00611
PCB1 34401-26502 1 Printed Circuit Board - Blank 28480 34401-26502
R600 0699-1322 1 Resistor 68.1K ±1% .125W 28480 0699-1322
R602 0699-1378 1 Resistor 2.61K ±1% .125W 28480 0699-1378
R603 0699-1399 1 Resistor 23.7K ±1% .125W 28480 0699-1399
R604 0699-1398 1 Resistor 21.5K ±1% .125W 28480 0699-1398
R605-R606 0699-1330 6 Resistor 100K ±1% .125W 28480 0699-1330
R609-R611 0699-1396 3 Resistor 17.8K ±1% .125W 28480 0699-1396
R620-R623 0699-1423 4 Resistor 215 ±1% .125W 28480 0699-1423
R640-R641 0699-1330 Resistor 100K ±1% .125W 28480 0699-1330
R643-R644 0699-1330 Resistor 100K ±1% .125W 28480 0699-1330
RP601 1810-1360 1 Network-Res 16-SMD 10.0K Ohm x 8 91637 SOMC-1603-103G
U600 1820-8985 1 IC-MCU w/FIP Driver 28480 1820-8985
U601 1820-5805 1 IC-Shf-Rgtsr CMOS/74HC Bidir 01295 SN74HC194DW
U602 1826-1528 1 IC-Comparator LP Quad 27014 LM339M
U603 2090-0296 1 Display-Vacuum Fluorescent 28480 2090-0296
W601 34401-61602 1 Cable Assy 8.8"L 0.236/0.157" Strip 28480 34401-61602
* M600 is shipped as a single part which breaks apart into two shields; you will use only one half of the part.
8
Chapter 8 Backdating
Agilent 34401A Multimeter
139

34401-66522 Display Assembly Component Locator
Chapter 8 Backdating
Agilent 34401A Multimeter
140

34401-66502 Schematic
141

9
Schematics 9

Schematics
•Mechanical Disassembly 9-3
•Component Locator Diagram – Main Board (34401-66501) 9-5
•Component Locator Diagram – Front Panel (34401-66512) 9-6
•Agilent 34401A Block Diagram 9-7
•Front/Rear Selection Schematic 9-8
•Function Switching Schematic 9-9
•DC Amplifier and Ohms Schematic 9-10
•AC Circuit Schematic 9-11
•A/D Converter Schematic 9-12
•Floating Logic Schematic 9-13
•Earth-Referenced Logic Schematic 9-14
•Power Supplies Schematic 9-15
•Front-Panel Display and Keyboard Schematic 9-16
9-2

Mechanical Disassembly
9-3

Mechanical Disassembly
9-4

Component Locator Diagram
Main PC Board (34401-66501)
9-5

Component Locator Diagram
Front-Panel PC Board (34401-66512)
9-6

Agilent 34401A Block Diagram
9-7

34401-66501 (sheet 1 of 8)
Front/Rear Selection Schematic
9-8

34401-66501 (sheet 2 of 8)
Function Switching Schematic
9-9

34401-66501 (sheet 3 of 8)
DC Amplifier and Ohms Schematic
9-10

34401-66501 (sheet 4 of 8)
AC Circuit Schematic
9-11

34401-66501 (sheet 5 of 8)
A/D Converter Schematic
9-12

34401-66501 (sheet 6 of 8)
Floating Logic Schematic
9-13

34401-66501 (sheet 7 of 8)
Earth-Referenced Logic Schematic
9-14

34401-66501 (sheet 8 of 8)
Power Supplies Schematic
9-15

34401-66512 (sheet 1 of 1)
Display and Keyboard Schematic
9-16

This information is subject to change without notice.
© Keysight Technologies 1991 - 2014
Edition 9, August 2014
*34401-90013*
34401-90013
www.keysight.com