S800 I/O, Modules And Termination Units DP840 3BSE020924 CIO
User Manual: DP840
Open the PDF directly: View PDF
.
Page Count: 578 [warning: Documents this large are best viewed by clicking the View PDF Link!]
- Modules and Termination Units
- TABLE OF CONTENTS
- About This Book
- Section 1 Introduction
- 1.1 Product Overview
- 1.1.1 Module Termination Units and Terminal Units
- 1.1.1.1 TU805 Terminal Unit for 50 Volt Applications
- 1.1.1.2 TU810 Compact MTU for 50 Volt Applications
- 1.1.1.3 TU811 Compact MTU for 250 Volt Applications
- 1.1.1.4 TU812 Compact MTU for 50 Volt Applications and 25 pin D-sub for Process Connections
- 1.1.1.5 TU813 Compact MTU for 250 V Applications
- 1.1.1.6 TU814 Compact MTU for 50 Volt Applications
- 1.1.1.7 TU830 Extended MTU for 50 Volt Applications
- 1.1.1.8 TU831 Extended MTU for 250 Volt Applications
- 1.1.1.9 TU833 Extended MTU for 50 Volt Applications
- 1.1.1.10 TU835 Extended MTU, Individually Fused per Channel for 50 Volt Applications
- 1.1.1.11 TU836 Extended MTU, Individually Fused per Channel for 250 Volt Applications
- 1.1.1.12 TU837 Extended MTU, Individually Fused per Channel for 250 Volt Applications
- 1.1.1.13 TU838 Extended MTU, Individually Fused per Channel for 50 Volt Applications
- 1.1.1.14 TU842 Redundant Horizontal MTU for 50 V Applications
- 1.1.1.15 TU843 Redundant Vertical MTU for 50 V Applications
- 1.1.1.16 TU844 Redundant Horizontal MTU for 50 V Applications
- 1.1.1.17 TU845 Redundant Vertical MTU for 50 V Applications
- 1.1.1.18 TY801 Shunt Stick
- 1.1.1.19 TY804 Shunt Stick
- 1.1.2 S800 I/O Modules
- 1.1.2.1 AI810 Analog Input Module, 0...20 mA, 0...10 V
- 1.1.2.2 AI820 Differential Analog Input Module, +/- 20 mA, +/- 10 V, +/- 5 V
- 1.1.2.3 AI825 Galvanic Isolated Analog Input Module, -20...+20 mA, 0(4)...+20 mA, -10...+10 V, 0(...
- 1.1.2.4 AI830 RTD Input Module
- 1.1.2.5 AI835 Thermocouple/mV Input Module
- 1.1.2.6 AI843 Thermocouple/mV Input Module, for Single or Redundant Applications
- 1.1.2.7 AI845 Analog Input Module, for Single or Redundant Applications
- 1.1.2.8 AI880/AI880A High Integrity Analog Input Module for Single or Redundant Configuration
- 1.1.2.9 A0810 Analog Output Module, 0...20 mA
- 1.1.2.10 AO820 Bipolar Analog Output Module, -20 mA...+20 mA, -10 V...+10 V
- 1.1.2.11 AO845 Analog Output Module, for Single or Redundant Applications
- 1.1.2.12 DI810 Digital Input Module, 24 V, Current Sinking
- 1.1.2.13 DI811 Digital Input Module, 48 V, Current Sinking
- 1.1.2.14 DI814 Digital Input Module, 24 V, Current Sourcing
- 1.1.2.15 DI820 Digital Input Module, 120 V a.c./d.c.
- 1.1.2.16 DI821 Digital Input Module, 230 V a.c./d.c.
- 1.1.2.17 DI825 Digital Input Module, 125 V d.c. with SOE
- 1.1.2.18 DI830 Digital Input Module, 24 V d.c. with SOE, Current Sinking
- 1.1.2.19 DI831 Digital Input Module, 48 V d.c. with SOE, Current Sinking
- 1.1.2.20 DI840 Digital Input Module, for Single or Redundant Applications
- 1.1.2.21 DI880 High Integrity Digital Input Module, for Single or Redundant Configuration
- 1.1.2.22 DI885 Digital Input Module, 24 V/48 V d.c. with SOE, Current Sinking
- 1.1.2.23 DO810 Digital Output Module, 24 V, 0.5 A, Current Sourcing
- 1.1.2.24 DO814 Digital Output Module, 24 V, 0.5 A
- 1.1.2.25 DO815 Digital Output Module, 24 V, 2 A, Current Sourcing
- 1.1.2.26 DO820 Digital Output Module, Relay Normally Open
- 1.1.2.27 DO821 Digital Output Module, Relay Normally Closed
- 1.1.2.28 DO840 Digital Output Module, for Single or Redundant Applications
- 1.1.2.29 DO880 High Integrity Digital Output Module, for Single or Redundant Configuration
- 1.1.2.30 DP820 Incremental Pulse Counter Module
- 1.1.2.31 DP840 Incremental Pulse Counter Module, for Single or Redundant Applications
- 1.1.3 S800L I/O Modules
- 1.1.3.1 AI801 Analog Input Module, 0...20 mA
- 1.1.3.2 AO801 Analog Output Module, 0...20 mA
- 1.1.3.3 DI801 Digital Input Module, 24 V, Current Sinking
- 1.1.3.4 DI802 Digital Input Module, 120 V a.c./d.c., Current Sinking
- 1.1.3.5 DI803 Digital Input Module, 230 V a.c./d.c., Current Sinking
- 1.1.3.6 DO801 Digital Output Module, 24 V, 0.5 V, Current Sinking
- 1.1.3.7 DO802 Digital Output Module, 24-250 V, Relay Normally Open
- 1.1.1 Module Termination Units and Terminal Units
- 1.2 Prerequisites and Requirements
- 1.1 Product Overview
- Section 2 Configuration
- Section 3 Maintenance
- Appendix A Specifications
- A.1 AI801 Analog Input Module, 0(4)...20 mA
- A.2 AI810 Analog Input Module, 0(4)...20 mA, 0(2)...10 V
- A.3 AI820 Differential Analog Input Module, +/- 20 mA, +/- 10 V, +/- 5 V (4...20 mA, 2...10 V, 1....
- A.4 AI825 Galvanic Isolated Analog Input Module
- A.5 AI830 RTD Input Module
- A.6 AI835 Thermocouple/mV Input Module
- A.7 AI843 Thermocouple/mV Input Module
- A.8 AI845 Analog Input Module, single or redundant
- A.9 AI880/AI880A High Integrity Analog Input Module
- A.10 AO801 Analog Output Module, 0(4)...20 mA
- A.11 AO810 Analog Output Module, 0(4)...20 mA
- A.12 AO820 Galvanically Isolated Bipolar Analog Output Module
- A.13 AO845 Analog Output Module, single or redundant
- A.14 DI801 Digital Input Module, 24 V, Current Sinking
- A.15 DI802 Digital Input Module, 120 V a.c./d.c, Current Sinking
- A.16 DI803 Digital Input Module, 230 V a.c./d.c, Current Sinking
- A.17 DI810 Digital Input Module, 24 V, Current Sinking
- A.18 DI811 Digital Input Module, 48 V, Current Sinking
- A.19 DI814 Digital Input Module, 24 V, Current Sourcing
- A.20 DI820 Digital Input Module, 120 V a.c./d.c
- A.21 DI821 Digital Input Module, 230 V a.c./d.c.
- A.22 DI825 Digital Input Module, 125 V d.c with SOE
- A.23 DI830 Digital Input Module, 24 V d.c. with SOE, Current Sinking
- A.24 DI831 Digital Input Module, 48 V d.c. with SOE, Current Sinking
- A.25 DI840 Digital Input Module
- A.26 DI880 High Integrity Digital Input Module
- A.27 DI885 Digital Input Module, 24 V /48 V d.c. with SOE, Current Sinking
- A.28 DO801 Digital Output Module 24 V, 0.5 A, Current Sourcing
- A.29 DO802 Digital Output Module, 24-250 V, Relay Normally Open
- A.30 DO810 Digital Output Module 24 V, 0.5 A Current Sourcing
- A.31 DO814 Digital Output Module 24 V, 0.5 A, Current Sinking
- A.32 DO815 Digital Output Module 24 V, 2 A, Current Sourcing
- A.33 DO820 Digital Output Module, Relay Normally Open
- A.34 DO821 Digital Output Module, Relay Normally Closed
- A.35 DO840 Digital Output Module
- A.36 DO880 High Integrity Digital Output Module
- A.37 DP820 Incremental Pulse Counter Module
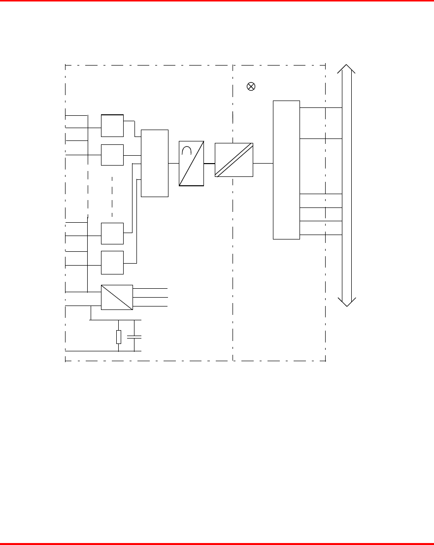
- A.37.0.1 Features
- A.37.0.2 Description
- A.37.0.3 Transducer Connection
- A.37.0.4 Pulse Encoding
- A.37.0.5 Pulse Count (Length/Position) Measurement
- A.37.0.6 Gated Count Mode
- A.37.0.7 Frequency (speed) Measurement.
- A.37.0.8 Digital Output
- A.37.0.9 OSP Function
- A.37.0.10 LED Indicators
- A.37.0.11 Technical Data
- A.37.0.12 Block Diagram DP820
- A.37.0.13 Process Connections
- A.38 DP840 Incremental Pulse Counter Module
- A.39 TU805 Terminal Unit
- A.40 TU810 Compact MTU
- A.41 TU811 Compact MTU
- A.42 TU812 Compact MTU
- A.43 TU813 Compact MTU
- A.44 TU814 Compact MTU
- A.45 TU830 Extended MTU
- A.46 TU831 Extended MTU
- A.47 TU833 Extended MTU
- A.48 TU835 Extended MTU
- A.49 TU836 Extended MTU
- A.50 TU837 Extended MTU
- A.51 TU838 Extended MTU
- A.52 TU842 Redundant Horizontal MTU
- A.53 TU843 Redundant Vertical MTU
- A.54 TU844 Redundant Horizontal MTU
- A.55 TU845 Redundant Vertical MTU
- A.56 TY801 Shunt Stick
- A.57 TY804 Shunt Stick
- INDEX

IndustrialIT
800xA - Control and I/O
S800 I/O
Version 4.1
Modules and Termination Units

IndustrialIT
800xA - Control and I/O
S800 I/O
Version 4.1
Modules and Termination Units

NOTICE
The information in this document is subject to change without notice and should not be
construed as a commitment by ABB. ABB assumes no responsibility for any errors that
may appear in this document.
In no event shall ABB be liable for direct, indirect, special, incidental or consequential
damages of any nature or kind arising from the use of this document, nor shall ABB be
liable for incidental or consequential damages arising from use of any software or hard-
ware described in this document.
This document and parts thereof must not be reproduced or copied without written per-
mission from ABB, and the contents thereof must not be imparted to a third party nor used
for any unauthorized purpose.
The software or hardware described in this document is furnished under a license and
may be used, copied, or disclosed only in accordance with the terms of such license.
This product meets the requirements specified in EMC Directive 89/336/EEC and in Low
Voltage Directive 72/23/EEC.
Copyright © 2003 - 2005 by ABB.
All rights reserved.
Release: June 2005
Document number: 3BSE 020 924R4101
TRADEMARKS
Registrations and trademarks used in this document include:
Windows Registered trademark of Microsoft Corporation.
Industrial IT Trademark of ABB.
Advant Registered trademark of ABB.
Advant Fieldbus Trademark of ABB.
PROFIBUS Registered trademark of Profibus International (P.I.)
PROFIBUS-DP Registered trademark of Profibus International (P.I.)
HART Registered trademark of HART Communication Foundation.

3BSE 020 924R4101 5
TABLE OF CONTENTS
About This Book
0.1 General ......................................................................................................................21
0.2 Use of Warning, Caution, Information, and Tip Icons ..............................................22
0.3 Terminology...............................................................................................................24
0.4 Applicable Specifications..........................................................................................25
0.5 Related Documentation .............................................................................................26
Section 1 - Introduction
1.1 Product Overview......................................................................................................28
1.1.1 Module Termination Units and Terminal Units ..........................................28
1.1.1.1 TU805 Terminal Unit for 50 Volt Applications ......................33
1.1.1.2 TU810 Compact MTU for 50 Volt Applications ....................34
1.1.1.3 TU811 Compact MTU for 250 Volt Applications...................34
1.1.1.4 TU812 Compact MTU for 50 Volt Applications and
25 pin D-sub for Process Connections .........................34
1.1.1.5 TU813 Compact MTU for 250 V Applications ......................34
1.1.1.6 TU814 Compact MTU for 50 Volt Applications ....................34
1.1.1.7 TU830 Extended MTU for 50 Volt Applications....................34
1.1.1.8 TU831 Extended MTU for 250 Volt Applications..................35
1.1.1.9 TU833 Extended MTU for 50 Volt Applications....................35
1.1.1.10 TU835 Extended MTU, Individually Fused per Channel
for 50 Volt Applications ...............................................35
1.1.1.11 TU836 Extended MTU, Individually Fused per Channel
for 250 Volt Applications .............................................35
1.1.1.12 TU837 Extended MTU, Individually Fused per Channel
for 250 Volt Applications .............................................36

Table of Contents
63BSE 020 924R4101
1.1.1.13 TU838 Extended MTU, Individually Fused per Channel
for 50 Volt Applications...............................................36
1.1.1.14 TU842 Redundant Horizontal MTU for 50 V Applications.36
1.1.1.15 TU843 Redundant Vertical MTU for 50 V Applications .....37
1.1.1.16 TU844 Redundant Horizontal MTU for 50 V Applications.37
1.1.1.17 TU845 Redundant Vertical MTU for 50 V Applications .....37
1.1.1.18 TY801 Shunt Stick................................................................37
1.1.1.19 TY804 Shunt Stick................................................................37
1.1.2 S800 I/O Modules.......................................................................................38
1.1.2.1 AI810 Analog Input Module, 0...20 mA, 0...10 V.................. 38
1.1.2.2 AI820 Differential Analog Input Module, +/- 20 mA,
+/- 10 V, +/- 5 V ........................................................... 38
1.1.2.3 AI825 Galvanic Isolated Analog Input Module, -20...+20 mA,
0(4)...+20 mA, -10...+10 V, 0(2)...+10 V .....................39
1.1.2.4 AI830 RTD Input Module.......................................................39
1.1.2.5 AI835 Thermocouple/mV Input Module................................ 39
1.1.2.6 AI843 Thermocouple/mV Input Module, for Single or
Redundant Applications...............................................39
1.1.2.7 AI845 Analog Input Module, for Single or
Redundant Applications...............................................39
1.1.2.8 AI880/AI880A High Integrity Analog Input Module for
Single or Redundant Configuration .............................40
1.1.2.9 A0810 Analog Output Module, 0...20 mA .............................40
1.1.2.10 AO820 Bipolar Analog Output Module, -20 mA...+20 mA,
-10 V...+10 V................................................................40
1.1.2.11 AO845 Analog Output Module, for Single or Redundant
Applications ................................................................. 40
1.1.2.12 DI810 Digital Input Module, 24 V, Current Sinking ............ 41
1.1.2.13 DI811 Digital Input Module, 48 V, Current Sinking ............ 41
1.1.2.14 DI814 Digital Input Module, 24 V, Current Sourcing .......... 41
1.1.2.15 DI820 Digital Input Module, 120 V a.c./d.c.........................41
1.1.2.16 DI821 Digital Input Module, 230 V a.c./d.c.........................42
1.1.2.17 DI825 Digital Input Module, 125 V d.c. with SOE.............. 42

Table of Contents
3BSE 020 924R4101 7
3BSE 020 924R4101 7
1.1.2.18 DI830 Digital Input Module, 24 V d.c. with SOE,
Current Sinking ............................................................42
1.1.2.19 DI831 Digital Input Module, 48 V d.c. with SOE,
Current Sinking ............................................................43
1.1.2.20 DI840 Digital Input Module, for Single or Redundant
Applications..................................................................43
1.1.2.21 DI880 High Integrity Digital Input Module, for Single or
Redundant Configuration .............................................43
1.1.2.22 DI885 Digital Input Module, 24 V/48 V d.c. with SOE,
Current Sinking ............................................................43
1.1.2.23 DO810 Digital Output Module, 24 V, 0.5 A,
Current Sourcing ..........................................................44
1.1.2.24 DO814 Digital Output Module, 24 V, 0.5 A .........................44
1.1.2.25 DO815 Digital Output Module, 24 V, 2 A,
Current Sourcing ..........................................................44
1.1.2.26 DO820 Digital Output Module, Relay Normally Open ........45
1.1.2.27 DO821 Digital Output Module, Relay Normally Closed......45
1.1.2.28 DO840 Digital Output Module, for Single or Redundant
Applications..................................................................45
1.1.2.29 DO880 High Integrity Digital Output Module, for Single or
Redundant Configuration .............................................45
1.1.2.30 DP820 Incremental Pulse Counter Module...........................46
1.1.2.31 DP840 Incremental Pulse Counter Module, for Single or
Redundant Applications ...............................................46
1.1.3 S800L I/O Modules.....................................................................................46
1.1.3.1 AI801 Analog Input Module, 0...20 mA.................................47
1.1.3.2 AO801 Analog Output Module, 0...20 mA.............................48
1.1.3.3 DI801 Digital Input Module, 24 V, Current Sinking...............48
1.1.3.4 DI802 Digital Input Module, 120 V a.c./d.c., Current Sinking48
1.1.3.5 DI803 Digital Input Module, 230 V a.c./d.c., Current Sinking48
1.1.3.6 DO801 Digital Output Module, 24 V, 0.5 V, Current Sinking 48
1.1.3.7 DO802 Digital Output Module, 24-250 V, Relay Normally
Open ............................................................................49
1.2 Prerequisites and Requirements ................................................................................49

Table of Contents
83BSE 020 924R4101
Section 2 - Configuration
2.1 Module Termination Units (MTU)............................................................................ 51
2.2 I/O Modules ..............................................................................................................53
2.2.1 S800 I/O Modules.......................................................................................53
2.2.2 S800L I/O Modules .................................................................................... 53
Section 3 - Maintenance
3.1 Preventive Maintenance............................................................................................ 55
3.2 Hardware Indicators.................................................................................................. 55
3.2.1 S800 I/O Module LEDs ..............................................................................55
3.2.2 S800L I/O Module LED .............................................................................58
3.3 Error Messages..........................................................................................................61
3.4 Fault Finding and User Repair .................................................................................. 61
3.4.1 S800 I/O Module Replacement...................................................................61
3.4.1.1 General....................................................................................61
3.4.1.2 Practical Execution .................................................................62
3.4.1.3 Additional Aspects on Individual S800 I/O Modules............. 63
3.4.2 S800L I/O Module Replacement ................................................................66
3.4.2.1 General....................................................................................66
3.4.2.2 Practical Execution .................................................................66
3.4.2.3 Additional Aspects on Individual S800L I/O Modules .......... 67
Appendix A - Specifications
A.1 AI801 Analog Input Module, 0(4)...20 mA ............................................................. 69
A.1.0.1 Features..................................................................................69
A.1.0.2 Description............................................................................. 70
A.1.0.3 Technical Data........................................................................71
A.1.0.4 Block Diagram AI801............................................................73
A.1.0.5 Process Connections .............................................................. 74
A.2 AI810 Analog Input Module, 0(4)...20 mA, 0(2)...10 V..........................................76
A.2.0.1 Features..................................................................................76
A.2.0.2 Description............................................................................. 76
A.2.0.3 Technical Data ....................................................................... 78

Table of Contents
3BSE 020 924R4101 9
3BSE 020 924R4101 9
A.2.0.4 Block Diagram AI810 ...........................................................80
A.2.0.5 Process Connections...............................................................81
A.3 AI820 Differential Analog Input Module,
+/- 20 mA, +/- 10 V, +/- 5 V (4...20 mA, 2...10 V, 1...5 V)..................................88
A.3.0.1 Features ..................................................................................88
A.3.0.2 Description .............................................................................88
A.3.0.3 Technical Data........................................................................90
A.3.0.4 Block Diagram AI820 ............................................................92
A.3.0.5 Process Connections...............................................................93
A.4 AI825 Galvanic Isolated Analog Input Module .......................................................98
A.4.0.1 Features ..................................................................................98
A.4.0.2 Description .............................................................................98
A.4.0.3 Technical Data......................................................................100
A.4.0.4 Block Diagram AI825 ..........................................................102
A.4.0.5 Process Connections.............................................................103
A.5 AI830 RTD Input Module ......................................................................................106
A.5.0.1 Features ................................................................................106
A.5.0.2 Description ...........................................................................106
A.5.0.3 Technical Data .....................................................................108
A.5.0.4 Block Diagram AI830 ..........................................................111
A.5.0.5 Process Connections.............................................................112
A.6 AI835 Thermocouple/mV Input Module................................................................117
A.6.0.1 Features ................................................................................117
A.6.0.2 Description ...........................................................................117
A.6.0.3 Technical Data......................................................................119
A.6.0.4 Block Diagram AI835 ..........................................................123
A.6.0.5 Process Connections.............................................................124
A.7 AI843 Thermocouple/mV Input Module................................................................130
A.7.0.1 Features ................................................................................130
A.7.0.2 Description ...........................................................................130
A.7.0.3 Technical Data......................................................................132
A.7.0.4 Block Diagram AI843 ..........................................................136

Table of Contents
10 3BSE 020 924R4101
A.7.0.5 Process Connections ............................................................137
A.8 AI845 Analog Input Module, single or redundant .................................................142
A.8.0.1 Features................................................................................142
A.8.0.2 Description...........................................................................142
A.8.0.3 Technical Data......................................................................144
A.8.0.4 Block Diagram AI845..........................................................147
A.8.0.5 Process Connections ............................................................148
A.9 AI880/AI880A High Integrity Analog Input Module ............................................156
A.9.0.1 Features................................................................................156
A.9.0.2 Description...........................................................................156
A.9.0.3 Technical Data......................................................................158
A.9.0.4 Block Diagram AI880/AI880A............................................160
A.9.0.5 Process Connections ............................................................161
A.10 AO801 Analog Output Module, 0(4)...20 mA .....................................................164
A.10.0.1 Features..............................................................................164
A.10.0.2 Description.........................................................................164
A.10.0.3 Technical Data ...................................................................166
A.10.0.4 Power Dissipation Calculation...........................................168
A.10.0.5 Block Diagram AO801 ......................................................169
A.10.0.6 Process Connections ..........................................................169
A.11 AO810 Analog Output Module, 0(4)...20 mA .....................................................172
A.11.0.1 Features ..............................................................................172
A.11.0.2 Description.........................................................................172
A.11.0.3 Technical Data ...................................................................174
A.11.0.4 Block Diagram AO810 ......................................................176
A.11.0.5 Process Connections...........................................................177
A.12 AO820 Galvanically Isolated Bipolar Analog Output Module............................182
A.12.0.1 Features..............................................................................182
A.12.0.2 Description.........................................................................182
A.12.0.3 Technical Data ...................................................................184
A.12.0.4 Block Diagram AO820 ......................................................186
A.12.0.5 Process Connections ..........................................................187

Table of Contents
3BSE 020 924R4101 11
3BSE 020 924R4101 11
A.13 AO845 Analog Output Module, single or redundant ...........................................192
A.13.0.1 Features ..............................................................................192
A.13.0.2 Description .........................................................................192
A.13.0.3 Technical Data....................................................................195
A.13.0.4 Block Diagram AO845.......................................................197
A.13.0.5 Process Connections...........................................................198
A.14 DI801 Digital Input Module, 24 V, Current Sinking ............................................204
A.14.0.1 Features ..............................................................................204
A.14.0.2 Description .........................................................................204
A.14.0.3 Technical Data....................................................................206
A.14.0.4 Block Diagram DI801 ........................................................208
A.14.0.5 Process Connections ..........................................................209
A.15 DI802 Digital Input Module, 120 V a.c./d.c, Current Sinking.............................211
A.15.0.1 Features ..............................................................................211
A.15.0.2 Description .........................................................................211
A.15.0.3 Technical Data....................................................................213
A.15.0.4 Block Diagram DI802 ........................................................215
A.15.0.5 Process Connections ..........................................................216
A.16 DI803 Digital Input Module, 230 V a.c./d.c, Current Sinking.............................218
A.16.0.1 Features ..............................................................................218
A.16.0.2 Description .........................................................................218
A.16.0.3 Technical Data....................................................................220
A.16.0.4 Block Diagram DI803 ........................................................222
A.16.0.5 Process Connections...........................................................223
A.17 DI810 Digital Input Module, 24 V, Current Sinking ............................................225
A.17.0.1 Features ..............................................................................225
A.17.0.2 Description .........................................................................225
A.17.0.3 Technical Data....................................................................227
A.17.0.4 Block Diagram DI810 ........................................................229
A.17.0.5 Process Connections ..........................................................230
A.18 DI811 Digital Input Module, 48 V, Current Sinking ............................................236
A.18.0.1 Features ..............................................................................236

Table of Contents
12 3BSE 020 924R4101
A.18.0.2 Description.........................................................................236
A.18.0.3 Technical Data ...................................................................238
A.18.0.4 Block Diagram DI811........................................................240
A.18.0.5 Process Connections ..........................................................241
A.19 DI814 Digital Input Module, 24 V, Current Sourcing..........................................247
A.19.0.1 Features..............................................................................247
A.19.0.2 Description.........................................................................247
A.19.0.3 Technical Data....................................................................249
A.19.0.4 Block Diagram DI814........................................................251
A.19.0.5 Process Connections ..........................................................252
A.20 DI820 Digital Input Module, 120 V a.c./d.c ........................................................258
A.20.0.1 Features..............................................................................258
A.20.0.2 Description.........................................................................258
A.20.0.3 Technical Data....................................................................260
A.20.0.4 Block Diagram DI820........................................................262
A.20.0.5 Process Connections ..........................................................263
A.21 DI821 Digital Input Module, 230 V a.c./d.c. .......................................................266
A.21.0.1 Features..............................................................................266
A.21.0.2 Description.........................................................................266
A.21.0.3 Technical Data....................................................................268
A.21.0.4 Block Diagram DI821........................................................270
A.21.0.5 Process Connections ..........................................................271
A.22 DI825 Digital Input Module, 125 V d.c with SOE ..............................................274
A.22.0.1 Features..............................................................................274
A.22.0.2 Description.........................................................................274
A.22.0.3 Event Recording.................................................................275
A.22.0.4 Simple Digital Input...........................................................275
A.22.0.5 Technical Data....................................................................276
A.22.0.6 Block Diagram DI825........................................................278
A.22.0.7 Process Connections ..........................................................279
A.23 DI830 Digital Input Module, 24 V d.c. with SOE,
Current Sinking..................................................................................................282

Table of Contents
3BSE 020 924R4101 13
3BSE 020 924R4101 13
A.23.0.1 Features ..............................................................................282
A.23.0.2 Description .........................................................................282
A.23.0.3 Event Recording.................................................................283
A.23.0.4 Simple Digital Input ...........................................................283
A.23.0.5 Technical Data....................................................................284
A.23.0.6 Block Diagram DI830 ........................................................286
A.23.0.7 Process Connections ..........................................................287
A.24 DI831 Digital Input Module, 48 V d.c. with SOE,
Current Sinking ..................................................................................................293
A.24.0.1 Features ..............................................................................293
A.24.0.2 Description .........................................................................293
A.24.0.3 Event Recording.................................................................294
A.24.0.4 Simple Digital Input ...........................................................294
A.24.0.5 Technical Data....................................................................295
A.24.0.6 Block Diagram DI831 ........................................................297
A.24.0.7 Process Connections ..........................................................298
A.25 DI840 Digital Input Module.................................................................................304
A.25.0.1 Features ..............................................................................304
A.25.0.2 Description .........................................................................304
A.25.0.3 Technical Data....................................................................306
A.25.0.4 Block Diagram DI840 ........................................................308
A.25.0.5 Process Connections...........................................................309
A.26 DI880 High Integrity Digital Input Module .........................................................316
A.26.0.1 Features ..............................................................................316
A.26.0.2 Description .........................................................................316
A.26.0.3 Technical Data....................................................................319
A.26.0.4 Block Diagram DI880 ........................................................321
A.26.0.5 Process Connections...........................................................322
A.27 DI885 Digital Input Module, 24 V /48 V d.c. with SOE,
Current Sinking ..................................................................................................329
A.27.0.1 Features ..............................................................................329
A.27.0.2 Description .........................................................................329
A.27.0.3 Event Recording.................................................................330

Table of Contents
14 3BSE 020 924R4101
A.27.0.4 Simple Digital Input...........................................................330
A.27.0.5 Channel Supervision ..........................................................331
A.27.0.6 Sensor Power Supply and Supervision ..............................331
A.27.0.7 Supported Sensor Types.....................................................331
A.27.0.8 Technical Data ...................................................................333
A.27.0.9 Block Diagram DI885........................................................335
A.27.0.10 Process Connections ........................................................336
A.28 DO801 Digital Output Module 24 V, 0.5 A, Current Sourcing............................340
A.28.0.1 Features..............................................................................340
A.28.0.2 Description.........................................................................340
A.28.0.3 Technical Data....................................................................342
A.28.0.4 Block Diagram DO801 ......................................................344
A.28.0.5 Process Connections ..........................................................345
A.29 DO802 Digital Output Module, 24-250 V, Relay Normally Open ......................347
A.29.0.1 Features..............................................................................347
A.29.0.2 Description.........................................................................347
A.29.0.3 Technical Data....................................................................349
A.29.0.4 Block Diagram DO802 ......................................................351
A.29.0.5 Process Connections ..........................................................352
A.30 DO810 Digital Output Module 24 V, 0.5 A Current Sourcing.............................354
A.30.0.1 Features..............................................................................354
A.30.0.2 Description.........................................................................354
A.30.0.3 Technical Data....................................................................356
A.30.0.4 Block Diagram DO810 ......................................................358
A.30.0.5 Process Connections ..........................................................359
A.31 DO814 Digital Output Module 24 V, 0.5 A, Current Sinking..............................364
A.31.0.1 Features..............................................................................364
A.31.0.2 Description.........................................................................364
A.31.0.3 Technical Data ...................................................................366
A.31.0.4 Block Diagram DO814 ......................................................368
A.31.0.5 Process Connections ..........................................................369
A.32 DO815 Digital Output Module 24 V, 2 A, Current Sourcing...............................375

Table of Contents
3BSE 020 924R4101 15
3BSE 020 924R4101 15
A.32.0.1 Features ..............................................................................375
A.32.0.2 Description .........................................................................375
A.32.0.3 Technical Data ...................................................................378
A.32.0.4 Block Diagram DO815.......................................................380
A.32.0.5 Process Connections...........................................................381
A.33 DO820 Digital Output Module, Relay Normally Open .......................................386
A.33.0.1 Features ..............................................................................386
A.33.0.2 Description .........................................................................386
A.33.0.3 Technical Data....................................................................388
A.33.0.4 Block Diagram DO820.......................................................390
A.33.0.5 Process Connections...........................................................391
A.34 DO821 Digital Output Module, Relay Normally Closed .....................................396
A.34.0.1 Features ..............................................................................396
A.34.0.2 Description .........................................................................396
A.34.0.3 Technical Data....................................................................398
A.34.0.4 Block Diagram DO821.......................................................400
A.34.0.5 Process Connections...........................................................401
A.35 DO840 Digital Output Module.............................................................................406
A.35.0.1 Features ..............................................................................406
A.35.0.2 Description .........................................................................406
A.35.0.3 Technical Data....................................................................409
A.35.0.4 Block Diagram DO840.......................................................411
A.35.0.5 Process Connections...........................................................412
A.36 DO880 High Integrity Digital Output Module.....................................................418
A.36.0.1 Features ..............................................................................418
A.36.0.2 Description .........................................................................419
A.36.0.3 Technical Data....................................................................421
A.36.0.4 Block Diagram DO880.......................................................424
A.36.0.5 Process Connections...........................................................425
A.37 DP820 Incremental Pulse Counter Module..........................................................431
A.37.0.1 Features ..............................................................................431
A.37.0.2 Description .........................................................................431

Table of Contents
16 3BSE 020 924R4101
A.37.0.3 Transducer Connection ......................................................431
A.37.0.4 Pulse Encoding...................................................................432
A.37.0.5 Pulse Count (Length/Position) Measurement ....................434
A.37.0.6 Gated Count Mode.............................................................435
A.37.0.7 Frequency (speed) Measurement. ......................................436
A.37.0.8 Digital Output ....................................................................437
A.37.0.9 OSP Function.....................................................................438
A.37.0.10 LED Indicators.................................................................439
A.37.0.11 Technical Data..................................................................440
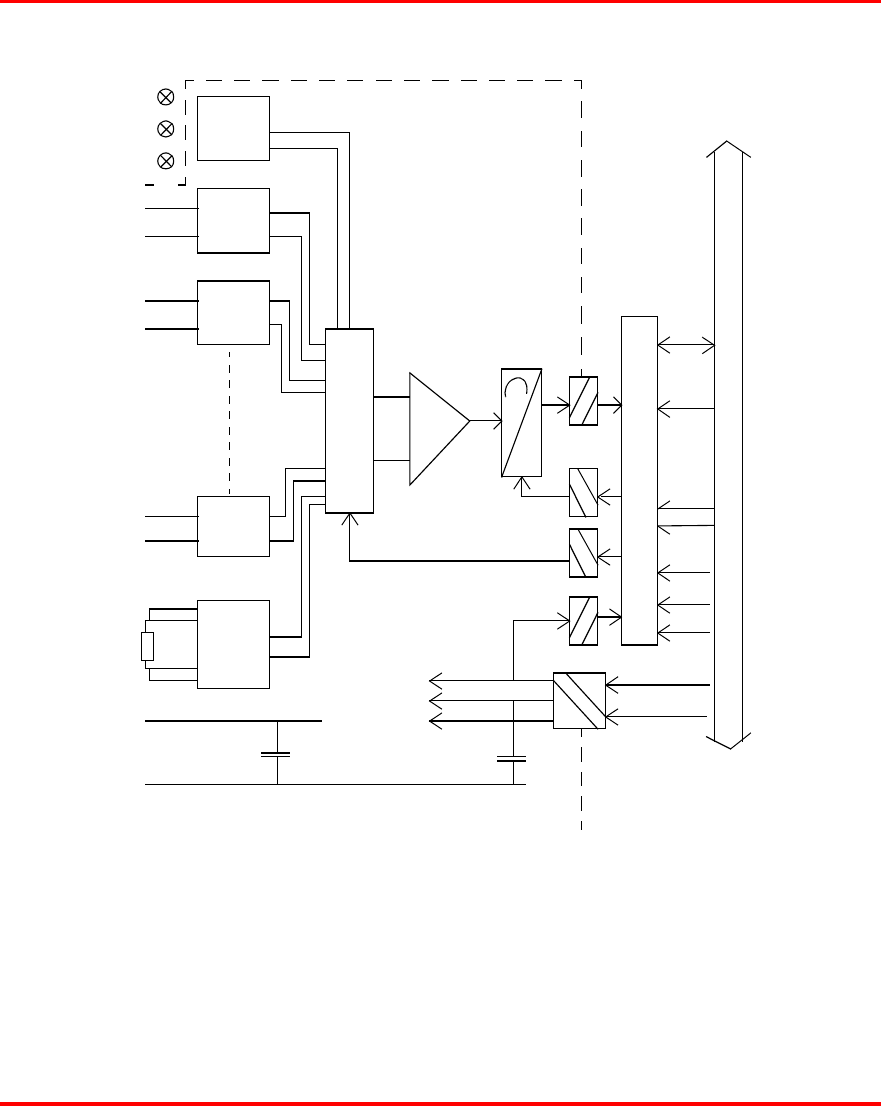
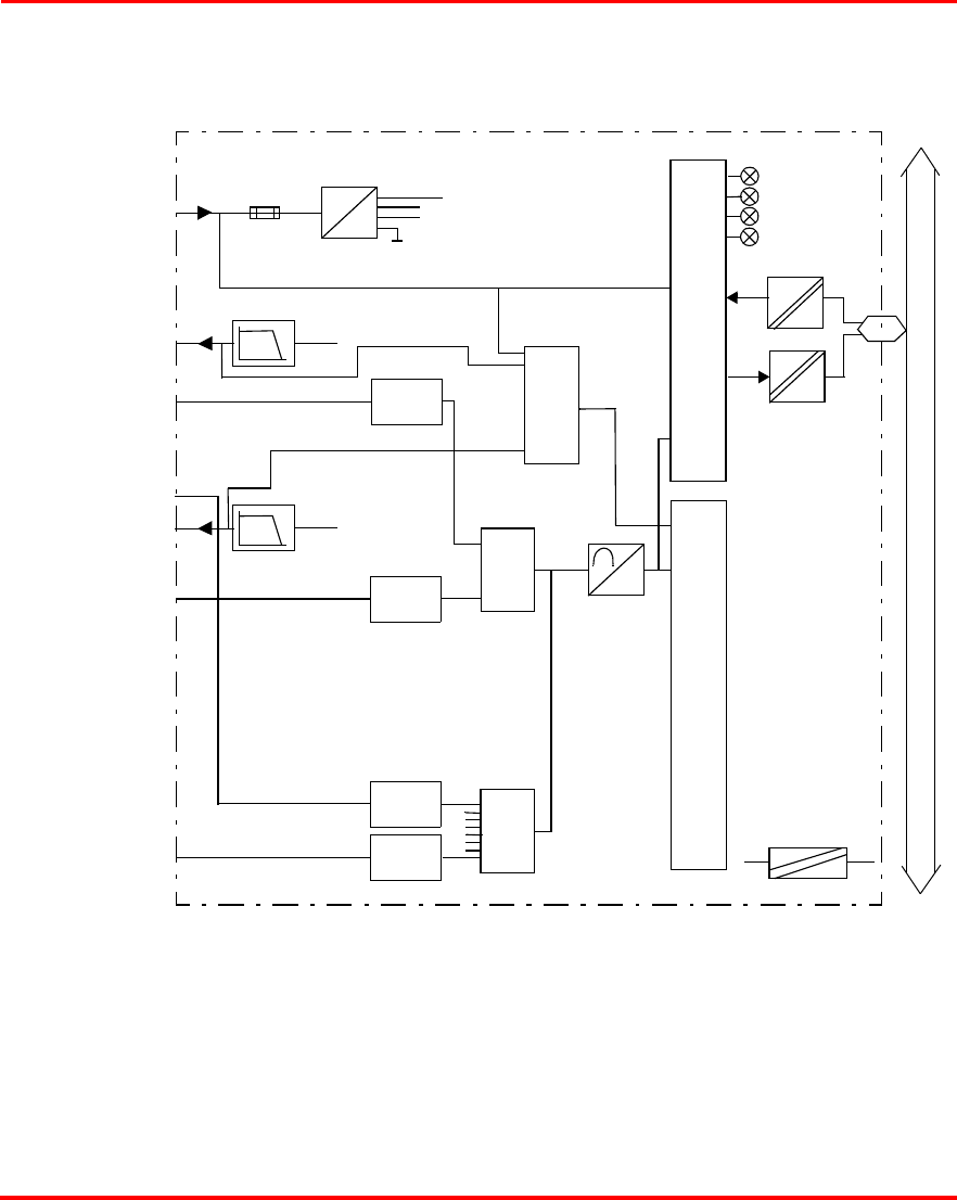
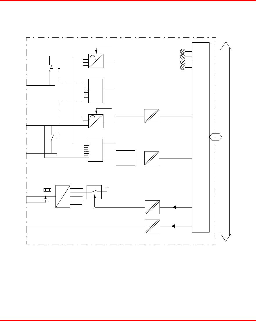
A.37.0.12 Block Diagram DP820.....................................................444
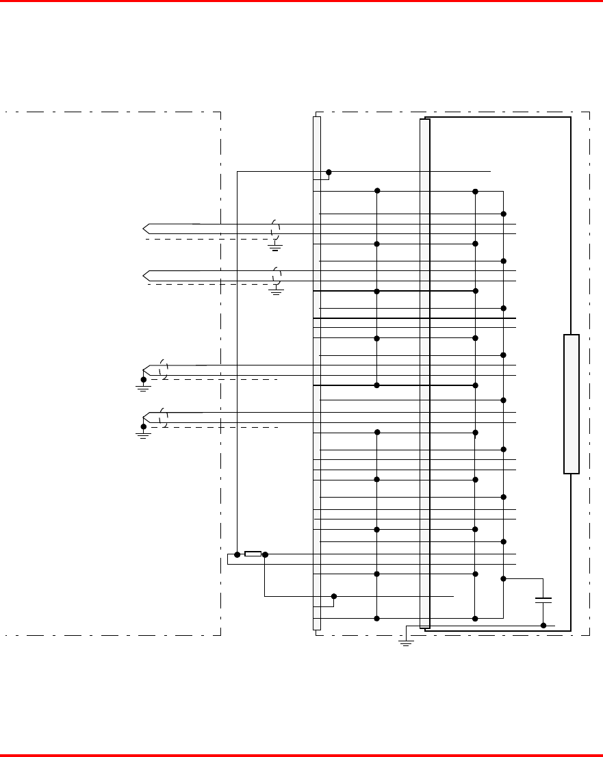
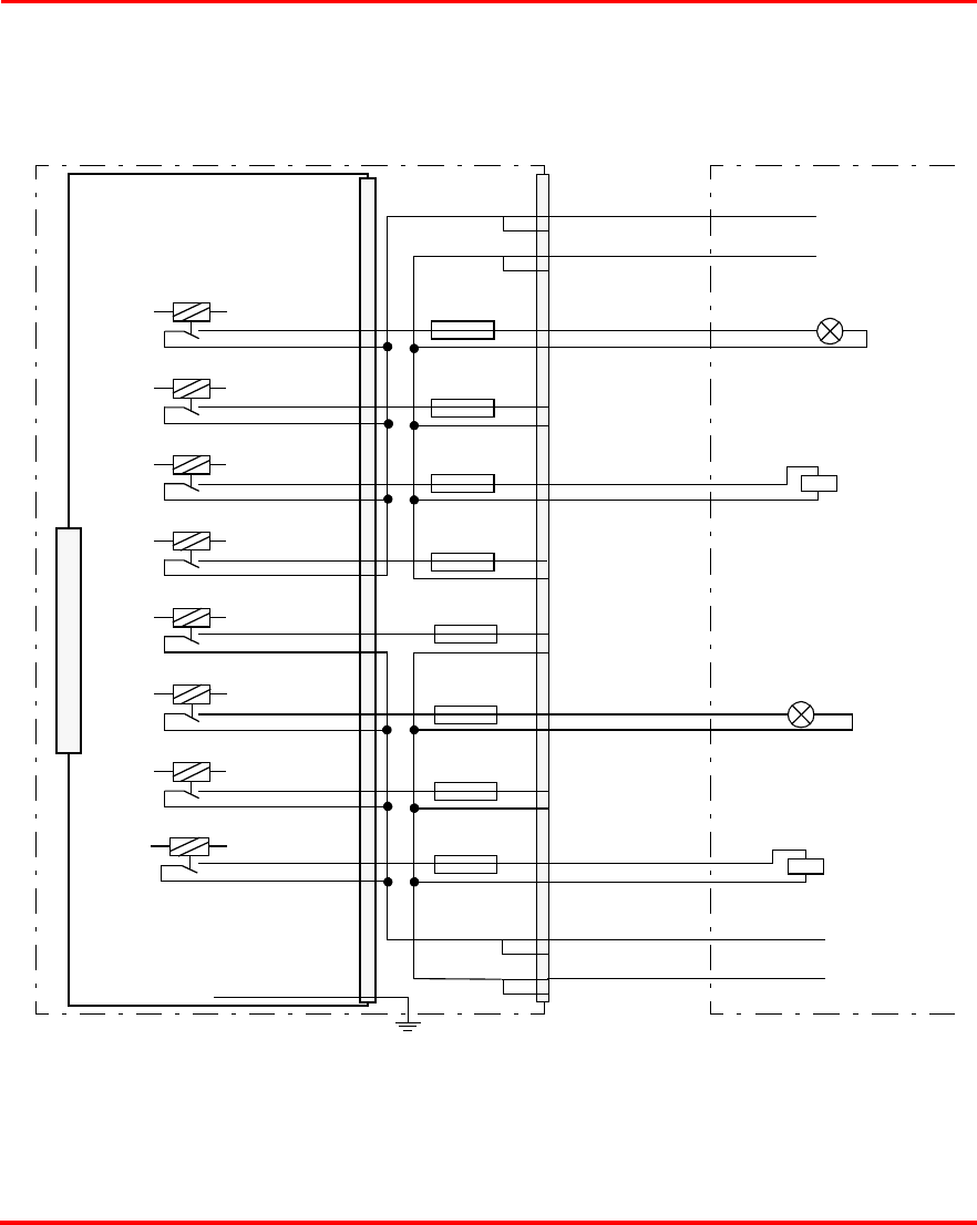
A.37.0.13 Process Connections ........................................................445
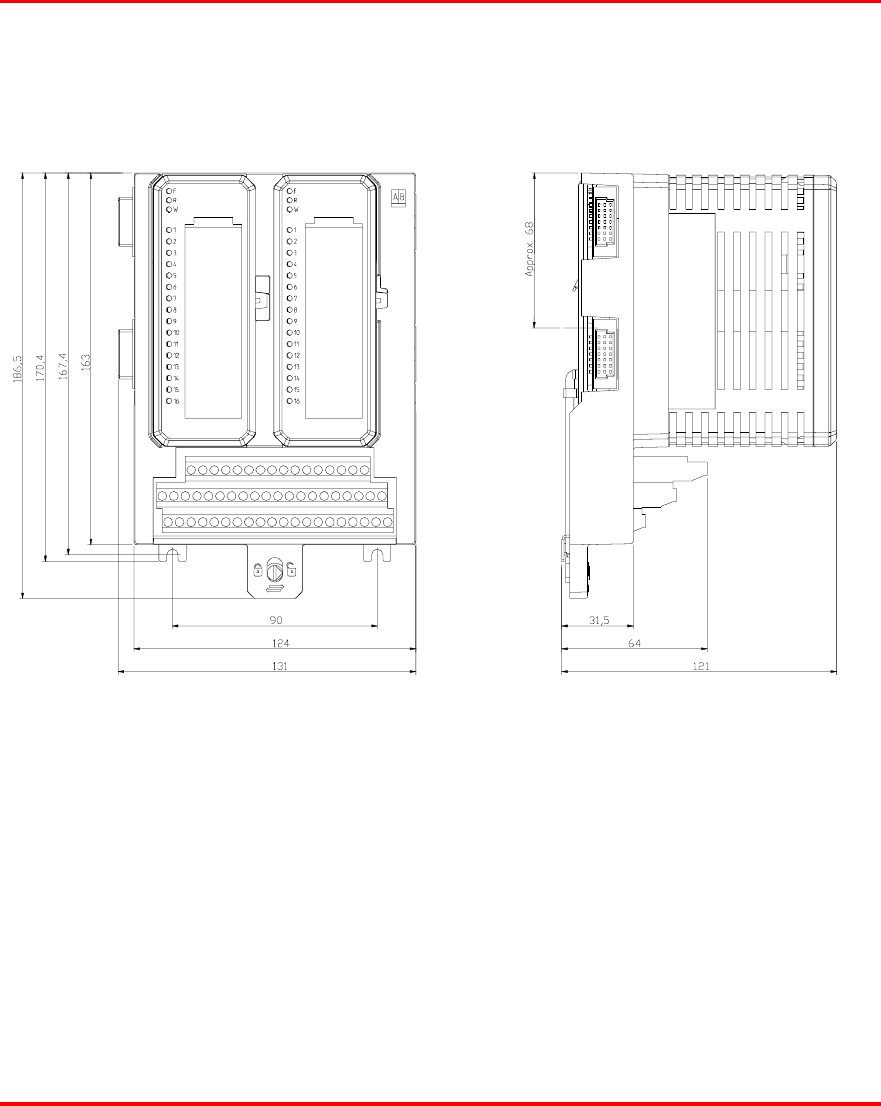
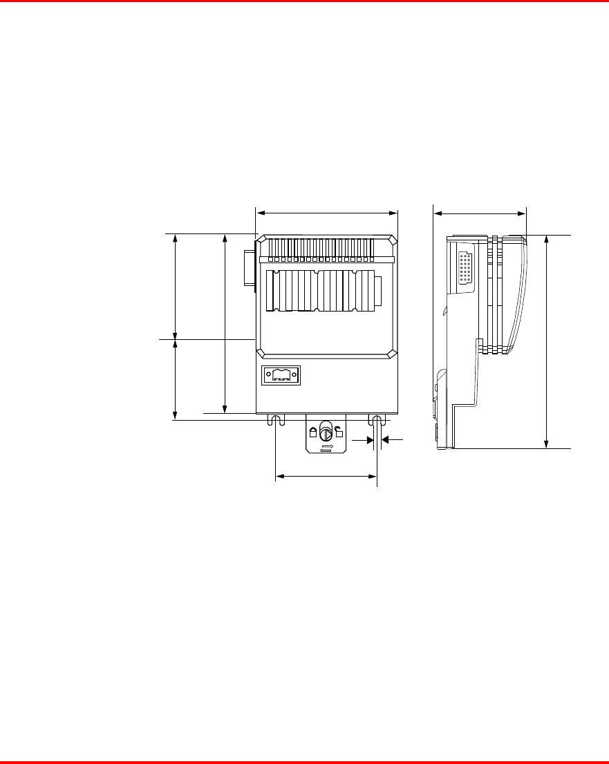
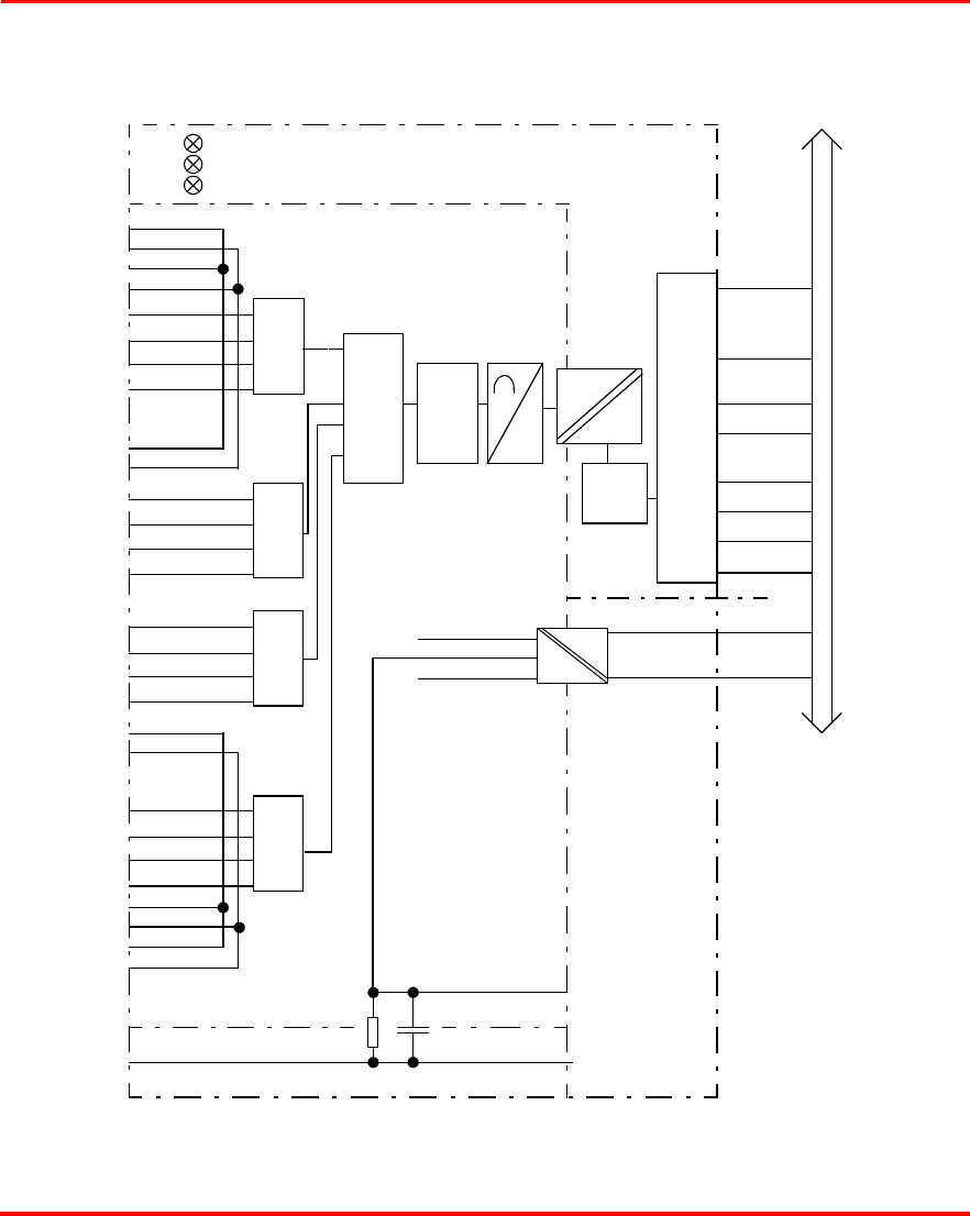
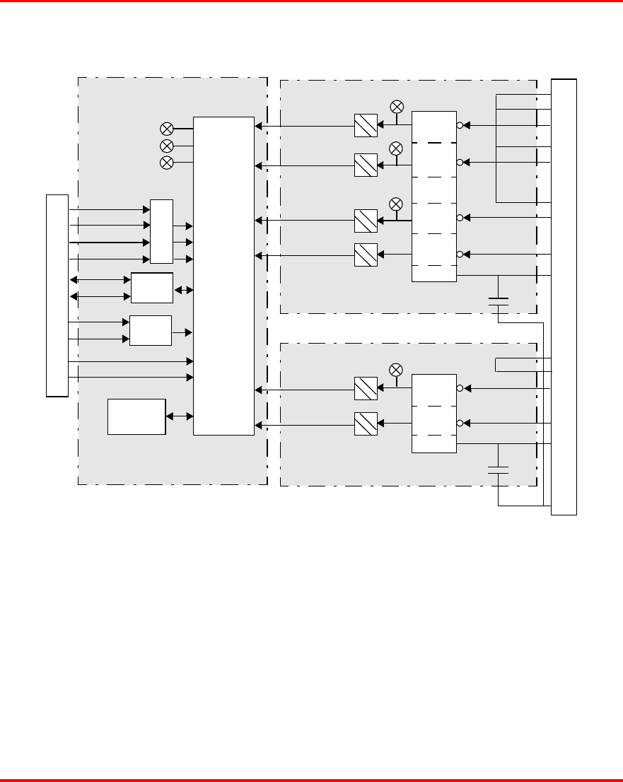
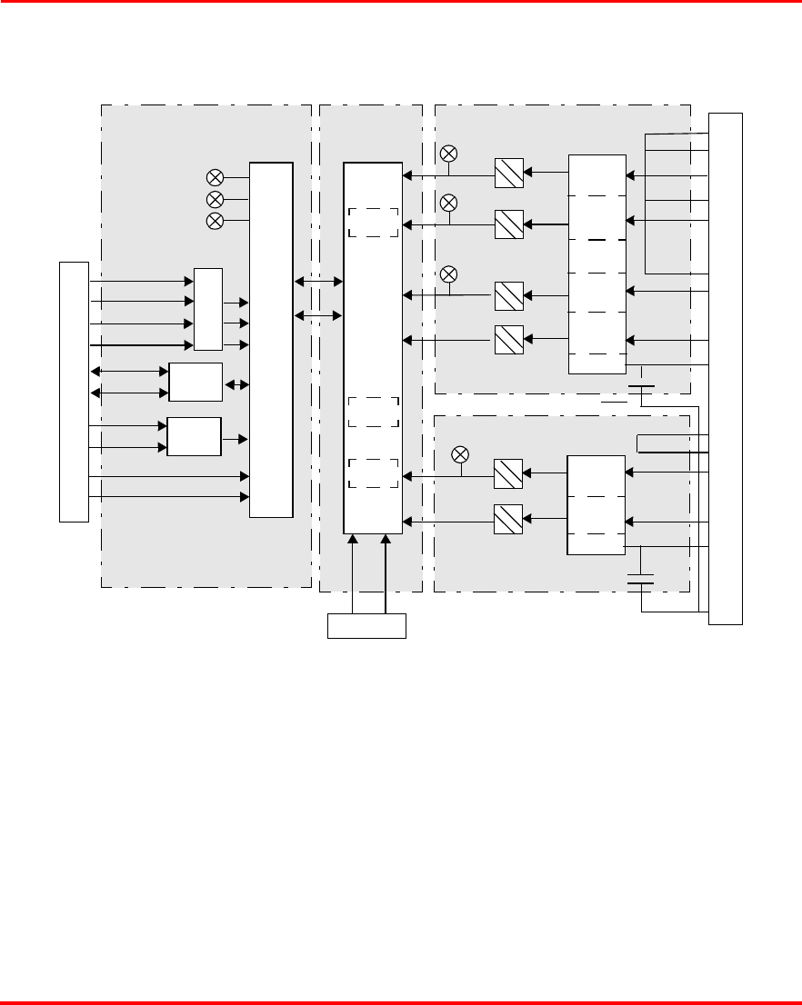
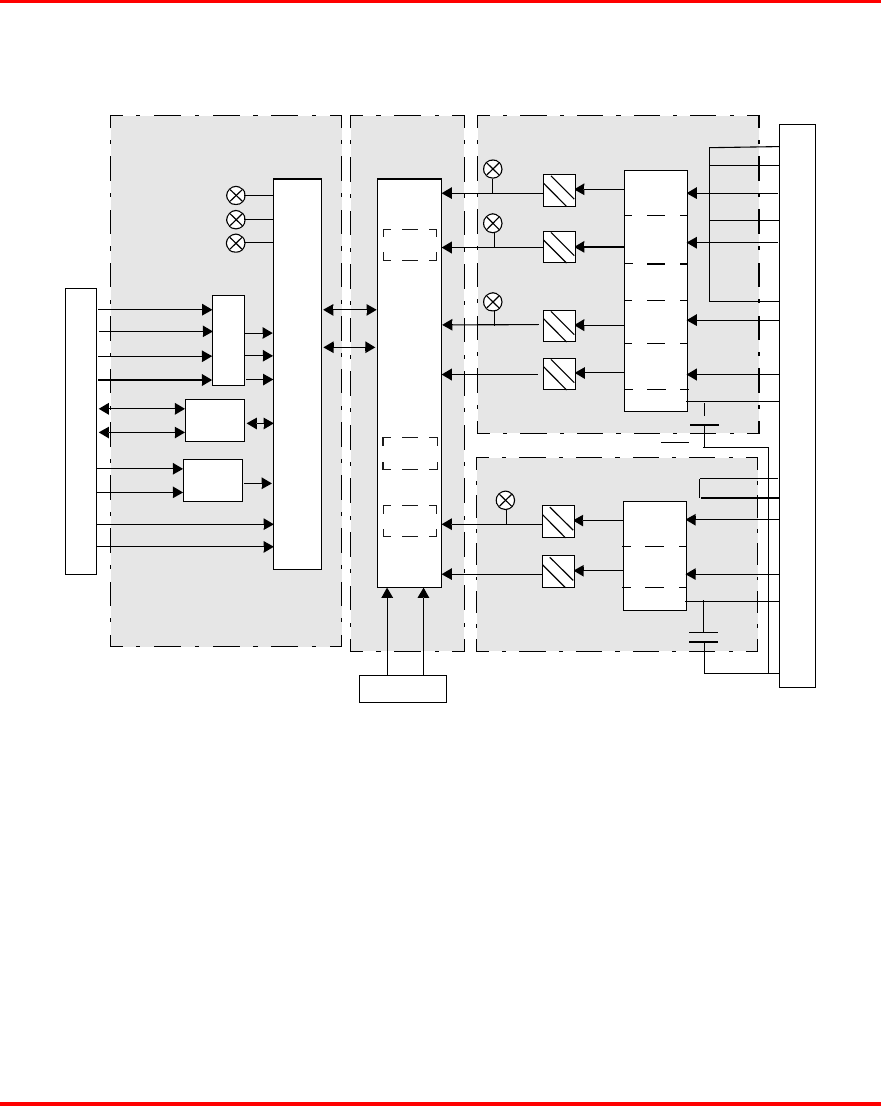
A.38 DP840 Incremental Pulse Counter Module..........................................................452
A.38.0.1 Features..............................................................................452
A.38.0.2 Description.........................................................................452
A.38.0.3 Transducer Connection ......................................................453
A.38.0.4 Pulse Count Measurement .................................................454
A.38.0.5 Frequency (speed) Measurement. ......................................454
A.38.0.6 Redundant Applications.....................................................455
A.38.0.7 Technical Data....................................................................456
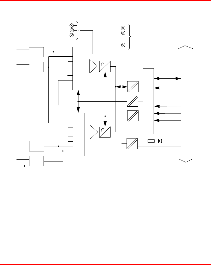
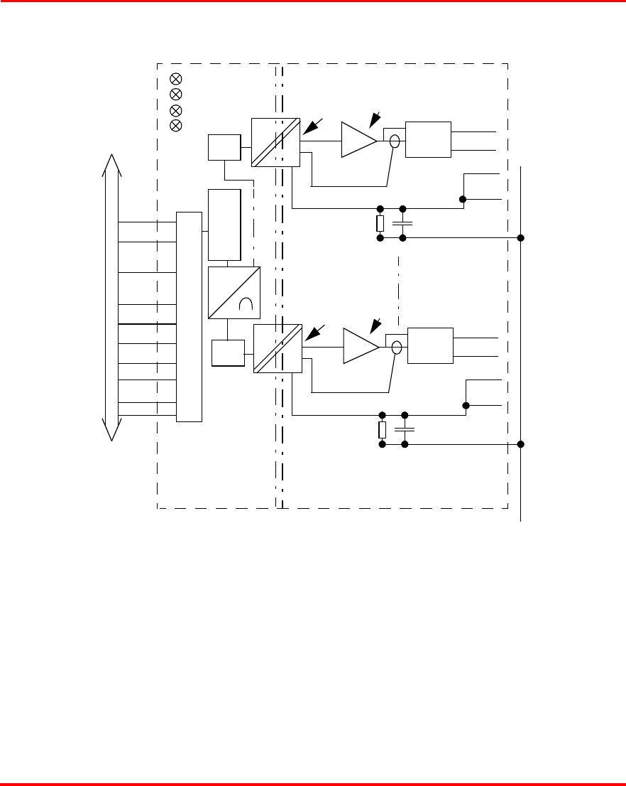
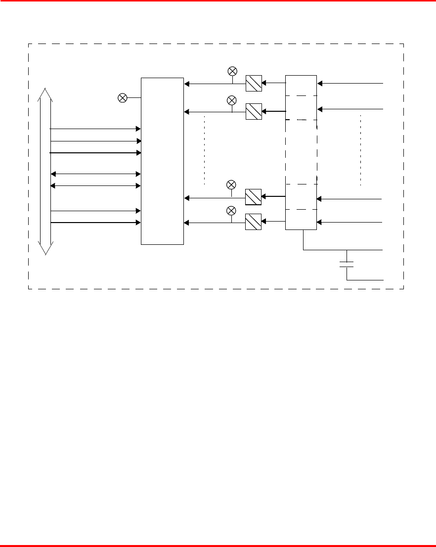
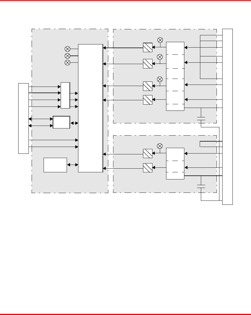
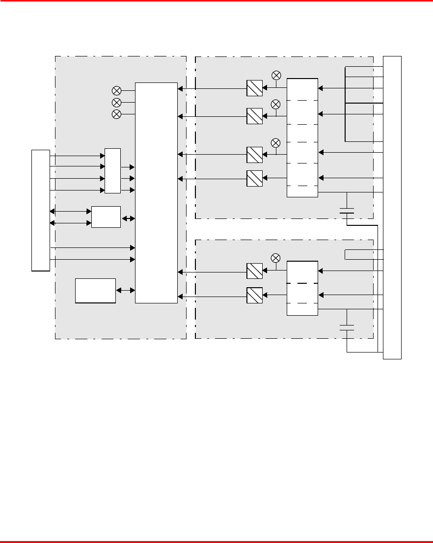
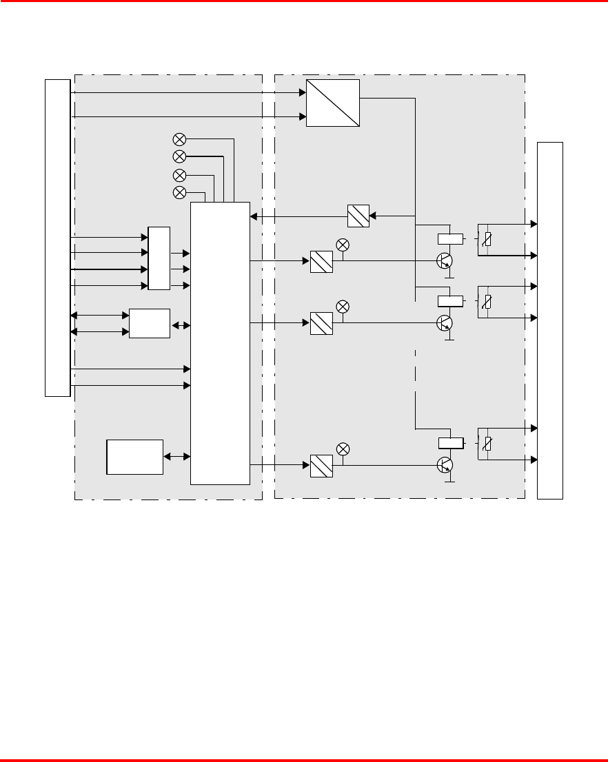
A.38.0.8 Block Diagram DP840.......................................................460
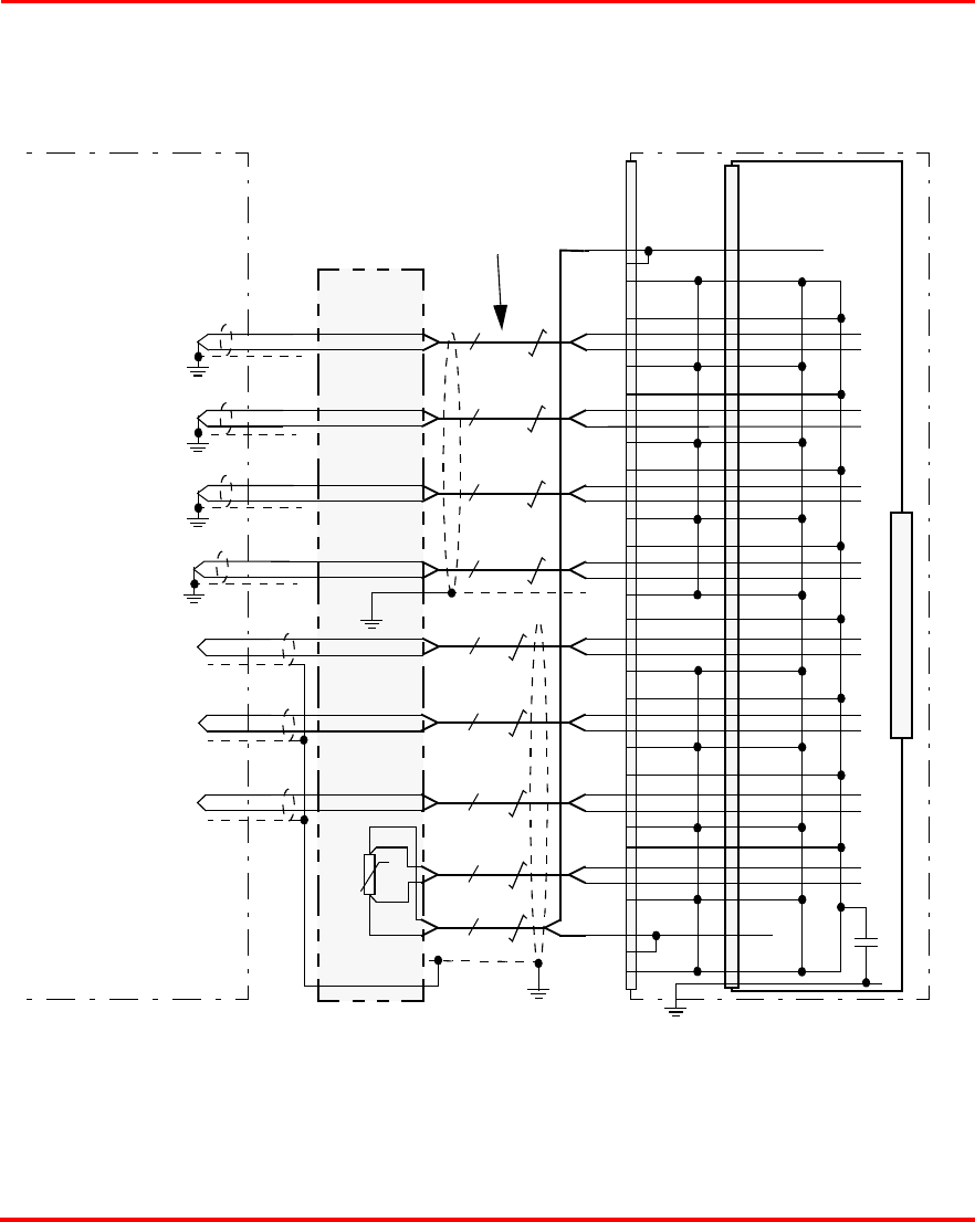
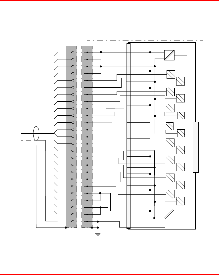
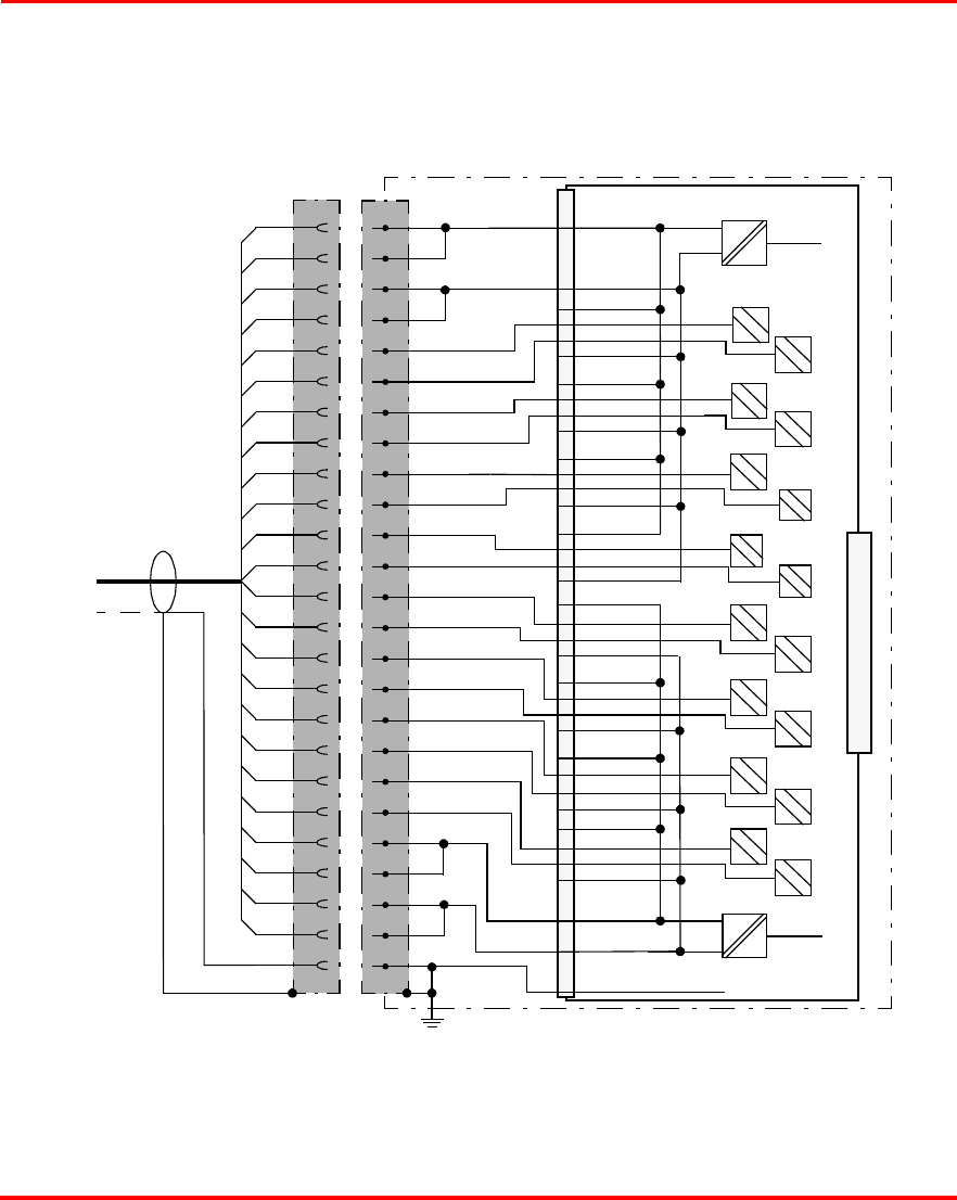
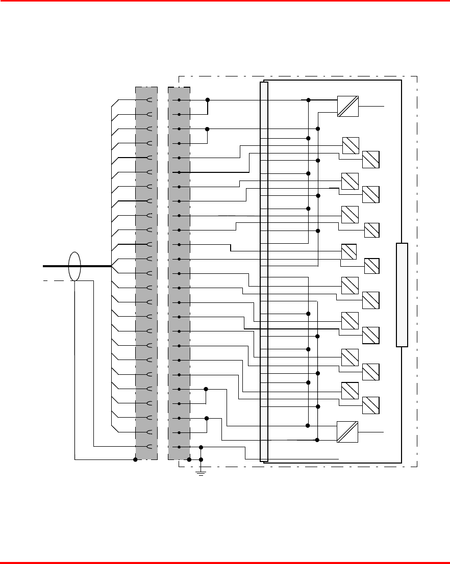
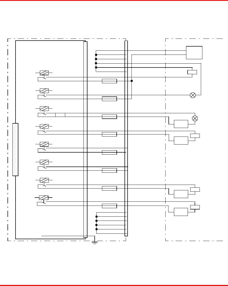
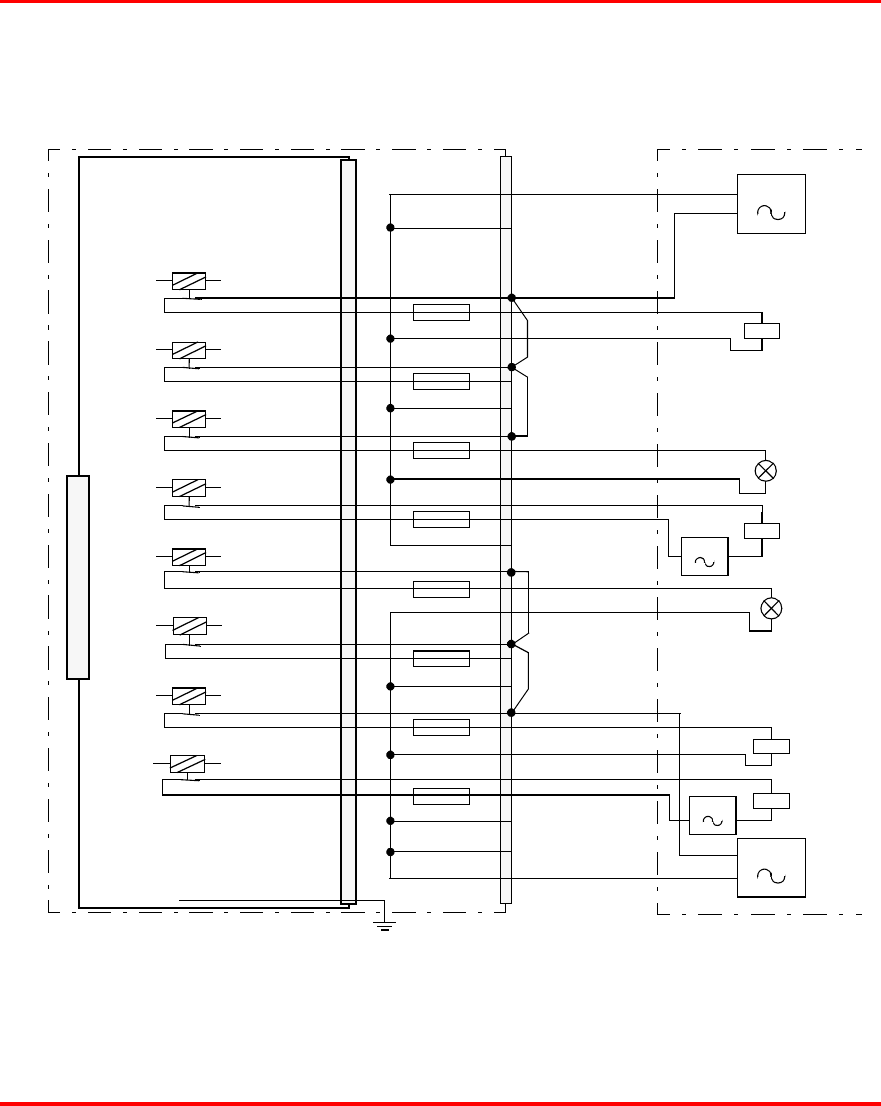
A.38.0.9 Process Connections ..........................................................461
A.39 TU805 Terminal Unit ...........................................................................................469
A.39.0.1 Features..............................................................................469
A.39.0.2 Description.........................................................................469
A.39.0.3 Technical Data....................................................................470
A.39.0.4 Block Diagram TU805.......................................................471
A.40 TU810 Compact MTU .........................................................................................472
A.40.0.1 Features..............................................................................472
A.40.0.2 Description.........................................................................472
A.40.0.3 Technical Data....................................................................474
A.40.0.4 Connections........................................................................476
A.40.0.5 Block Diagram TU810.......................................................477

Table of Contents
3BSE 020 924R4101 17
3BSE 020 924R4101 17
A.41 TU811 Compact MTU..........................................................................................478
A.41.0.1 Features ..............................................................................478
A.41.0.2 Description .........................................................................478
A.41.0.3 Technical Data....................................................................480
A.41.0.4 Connections........................................................................481
A.41.0.5 Block Diagram TU811 .......................................................482
A.42 TU812 Compact MTU..........................................................................................483
A.42.0.1 Features ..............................................................................483
A.42.0.2 Description .........................................................................483
A.42.0.3 Technical Data....................................................................485
A.42.0.4 Connections........................................................................486
A.42.0.5 Block Diagram TU812.......................................................488
A.43 TU813 Compact MTU..........................................................................................489
A.43.0.1 Features ..............................................................................489
A.43.0.2 Description .........................................................................489
A.43.0.3 Technical Data....................................................................491
A.43.0.4 Connections........................................................................493
A.43.0.5 Block Diagram TU813.......................................................494
A.44 TU814 Compact MTU..........................................................................................495
A.44.0.1 Features ..............................................................................495
A.44.0.2 Description .........................................................................495
A.44.0.3 Technical Data....................................................................497
A.44.0.4 Connections........................................................................499
A.44.0.5 Block Diagram TU814.......................................................500
A.45 TU830 Extended MTU.........................................................................................501
A.45.0.1 Features ..............................................................................501
A.45.0.2 Description .........................................................................502
A.45.0.3 Technical Data....................................................................503
A.45.0.4 Connections........................................................................505
A.45.0.5 Block Diagram TU830.......................................................506
A.46 TU831 Extended MTU.........................................................................................507
A.46.0.1 Features ..............................................................................507

Table of Contents
18 3BSE 020 924R4101
A.46.0.2 Description.........................................................................507
A.46.0.3 Technical Data....................................................................509
A.46.0.4 Connections........................................................................510
A.46.0.5 Block Diagram TU831....................................................... 511
A.47 TU833 Extended MTU.........................................................................................512
A.47.0.1 Features..............................................................................512
A.47.0.2 Description.........................................................................512
A.47.0.3 Technical Data....................................................................514
A.47.0.4 Connections........................................................................516
A.47.0.5 Block Diagram TU833.......................................................517
A.48 TU835 Extended MTU.........................................................................................518
A.48.0.1 Features..............................................................................518
A.48.0.2 Description.........................................................................518
A.48.0.3 Technical Data....................................................................520
A.48.0.4 Connections........................................................................521
A.48.0.5 Block Diagram TU835.......................................................523
A.49 TU836 Extended MTU.........................................................................................524
A.49.0.1 Features..............................................................................524
A.49.0.2 Description.........................................................................524
A.49.0.3 Technical Data....................................................................526
A.49.0.4 Block Diagram TU836.......................................................529
A.50 TU837 Extended MTU.........................................................................................530
A.50.0.1 Features..............................................................................530
A.50.0.2 Description.........................................................................530
A.50.0.3 Technical Data....................................................................532
A.50.0.4 Connections .......................................................................534
A.50.0.5 Block Diagram TU837.......................................................536
A.51 TU838 Extended MTU.........................................................................................537
A.51.0.1 Features..............................................................................537
A.51.0.2 Description.........................................................................538
A.51.0.3 Technical Data....................................................................539
A.51.0.4 Connections........................................................................541

Table of Contents
3BSE 020 924R4101 19
3BSE 020 924R4101 19
A.51.0.5 Block Diagram TU838.......................................................542
A.52 TU842 Redundant Horizontal MTU.....................................................................543
A.52.0.1 Features ..............................................................................543
A.52.0.2 Description .........................................................................543
A.52.0.3 Technical Data....................................................................545
A.52.0.4 Connections........................................................................546
A.52.0.5 Block Diagram TU842.......................................................548
A.53 TU843 Redundant Vertical MTU .........................................................................549
A.53.0.1 Features ..............................................................................549
A.53.0.2 Description .........................................................................549
A.53.0.3 Technical Data....................................................................551
A.53.0.4 Connections........................................................................552
A.53.0.5 Block Diagram TU843.......................................................554
A.54 TU844 Redundant Horizontal MTU.....................................................................555
A.54.0.1 Features ..............................................................................555
A.54.0.2 Description .........................................................................555
A.54.0.3 Technical Data....................................................................557
A.54.0.4 Connections........................................................................558
A.54.0.5 Block Diagram TU844.......................................................560
A.55 TU845 Redundant Vertical MTU .........................................................................561
A.55.0.1 Features ..............................................................................561
A.55.0.2 Description .........................................................................561
A.55.0.3 Technical Data....................................................................563
A.55.0.4 Connections........................................................................564
A.55.0.5 Block Diagram TU845.......................................................566
A.56 TY801 Shunt Stick ...............................................................................................567
A.56.0.1 Features ..............................................................................567
A.56.0.2 Description .........................................................................567
A.56.0.3 Technical Data....................................................................568
A.56.0.4 Block Diagram TY801.......................................................569
A.57 TY804 Shunt Stick ...............................................................................................570
A.57.0.1 Features ..............................................................................570

Table of Contents
20 3BSE 020 924R4101
A.57.0.2 Description.........................................................................570
A.57.0.3 Technical Data....................................................................571
A.57.0.4 Block Diagram TY804.......................................................572
INDEX........................................................................................................................573

3BSE 020 924R4101 21
About This Book
0.1 General
This book provides a description of S800 I/O modules and termination units.
It provides instructions for site planning and installation, start-up and shutdown
procedures, and information regarding capacity and performance. This book is not
intended to be the sole source of instruction for the S800 I/O system.
This section provides introductory and background information including
guidelines how to find information in the manual related documentation.
Section 1, Introduction provides a product and functional overview.
Section 2, Configuration will give you the information needed to obtain the desired
function. The main information is structured as follow:
• Design considerations and guidelines are given.
• Capacity and performance.
Section 3, Maintenance focus is on fault finding supported by built in diagnostics
and use of system status displays in operator station and LEDs on I/O modules.
In Appendix A, Specifications you will find data sheets of all components of
S800 I/O. They are listed in alphabetical order.

Use of Warning, Caution, Information, and Tip Icons About This Book
22 3BSE 020 924R4101
In general, the data sheet contains the following information:
•Features
• Description
• Front view
• Technical data
• Process connections.
Index will offer you an easy way of finding information.
0.2 Use of Warning, Caution, Information, and Tip Icons
This publication includes Warning, Caution, and Information where appropriate
to point out safety related or other important information. It also includes Tip to
point out useful hints to the reader. The corresponding symbols should be
interpreted as follows:
Those people involved in system engineering should attend the applicable system
engineering or maintenance courses offered by ABB Automation University.
Electrical warning icon indicates the presence of a hazard which could result in
electrical shock.
Warning icon indicates the presence of a hazard which could result in personal
injury.
Caution icon indicates important information or warning related to the concept
discussed in the text. It might indicate the presence of a hazard which could
result in corruption of software or damage to equipment/property.
Information icon alerts the reader to pertinent facts and conditions.
Tip icon indicates advice on, for example, how to design your project or how to
use a certain function

About This Book Use of Warning, Caution, Information, and Tip Icons
3BSE 020 924R4101 23
Although Warning hazards are related to personal injury, and Caution hazards are
associated with equipment or property damage, it should be understood that
operation of damaged equipment could, under certain operational conditions, result
in degraded process performance leading to personal injury or death. Therefore,
comply fully with all Warning and Caution notices.

Terminology About This Book
24 3BSE 020 924R4101
0.3 Terminology
The following is a list of terms associated with S800 I/O that you should be familiar
with. The list contains terms and abbreviations that are unique to ABB or have a
usage or definition that is different from standard industry usage.
Term Description
FCI The Fieldbus Communication Interface (FCI) device
contains the interface to the fieldbus (for example
PROFIBUS or AF100).
G3 compliant The module withstand more severe environmental
conditions according to ISA-S71.04.
I/O cluster An I/O cluster can have up to 12 I/O devices.
I/O device A complete I/O device consists of one MTU and one I/O
module.
I/O module Is an active, electronic and signal conditioning unit. Can
be a part of an I/O device or a S800L I/O module.
I/O station An I/O station consists of one or two FCI(s), 1-7 I/O
clusters and up to 24 I/O devices.
ModuleBus Is an incremental, electrical or optical, bus for
interconnection of I/O devices.
ModuleBus master ModuleBus master can be a controller (AC 800M) or a
FCI. A ModuleBus master contains a ModuleBus
interface and power regulators. The FCI module can
manage 24 I/O devices and the controller up to 96 I/O
modules (up to 12 directly and to the others in 1 to 7 I/O
clusters).
MTU The Module Termination Unit is a passive base unit
containing process terminals and a part of the
ModuleBus.
OSP Outputs Set as Predetermined. A user configurable
action on an output module when communications is lost
to the FCI or Controller

About This Book Applicable Specifications
3BSE 020 924R4101 25
0.4 Applicable Specifications
This product meets the requirements specified in EMC Directive 89/336/EEC and in
Low Voltage Directive 72/23/EEC.
RTD Resistance Temperature Detector
SOE Sequence of events. Time stamping of status changes
for digital inputs.
TC Thermocouple

Related Documentation About This Book
26 3BSE 020 924R4101
0.5 Related Documentation
The following is a listing of all documentation related to the S800 I/O system.
Title Description
S800 I/O General Information and
Installation Describes the general installation and
configuration information for the S800
I/O system
S800 I/O Modules and Termination Units
with Intrinsic Safety Interface Describes I/O modules and termination
units with I.S. interface in the S800 I/O
system
S800 I/O Fieldbus Communication
Interface for AF100
User’s Guide
Describes the AF100 FCI in the S800
I/O system
S800 I/O Fieldbus Communication
Interface for PROFIBUS-DP/DPV1 Describes the PROFIBUS-DP FCI in the
S800 I/O system
S800 I/O PROFIBUS-DP Fieldbus
Communication Interface
Reference Manual
Describes the memory mapping on
PROFIBUS for the S800 I/O system
Interference-free Electronics Describes the rule for the installation of
equipment to ensure the correct
operation of equipment in environments
where disturbance are present

3BSE 020 924R4101 27
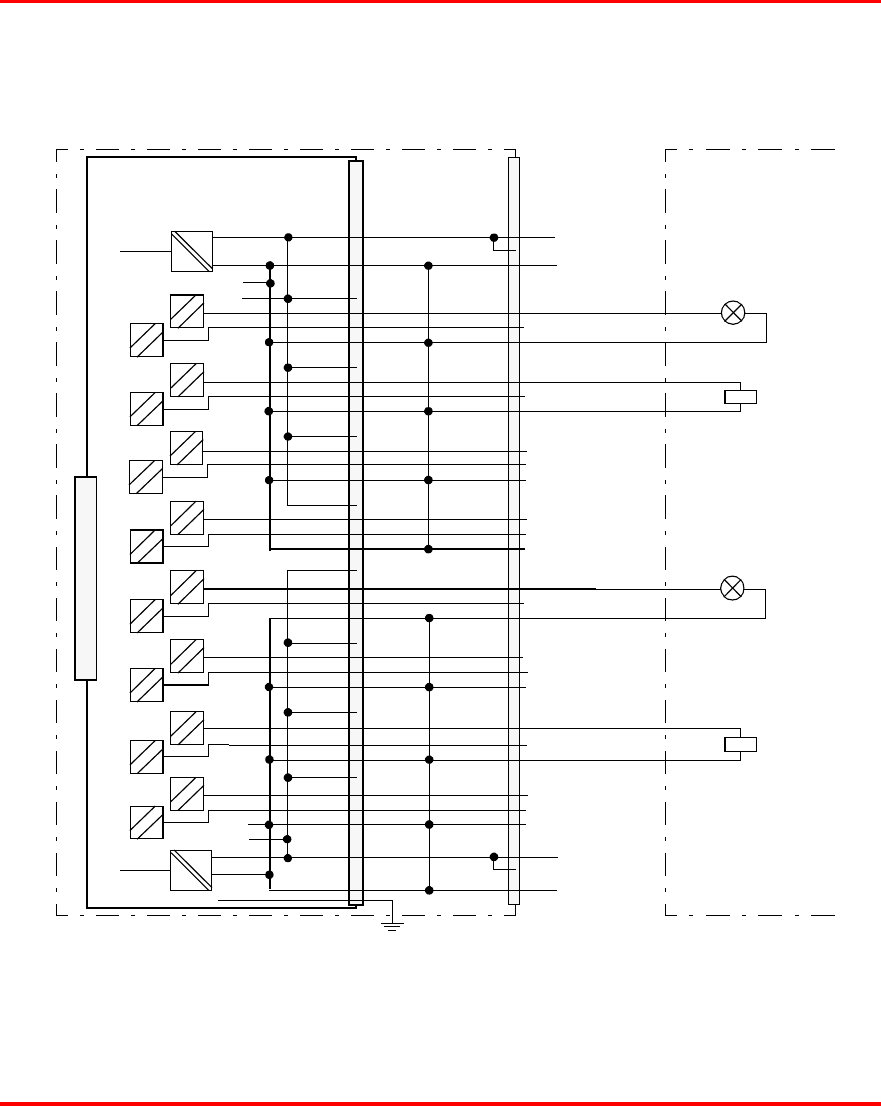
Section 1 Introduction
The S800 I/O is distributed modular I/O which communicates with numerous
controllers over a Advant Fieldbus 100 (AF100), PROFIBUS-DP or directly.
The S800 I/O provides easy installation of the I/O modules and process cabling.
It is highly modularized and flexible so that I/O modules can be combined to suit
many applications. The S800 I/O can be mounted in many configurations to fit most
requirements.
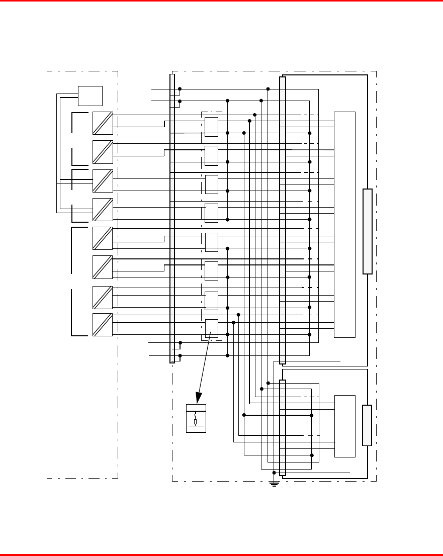
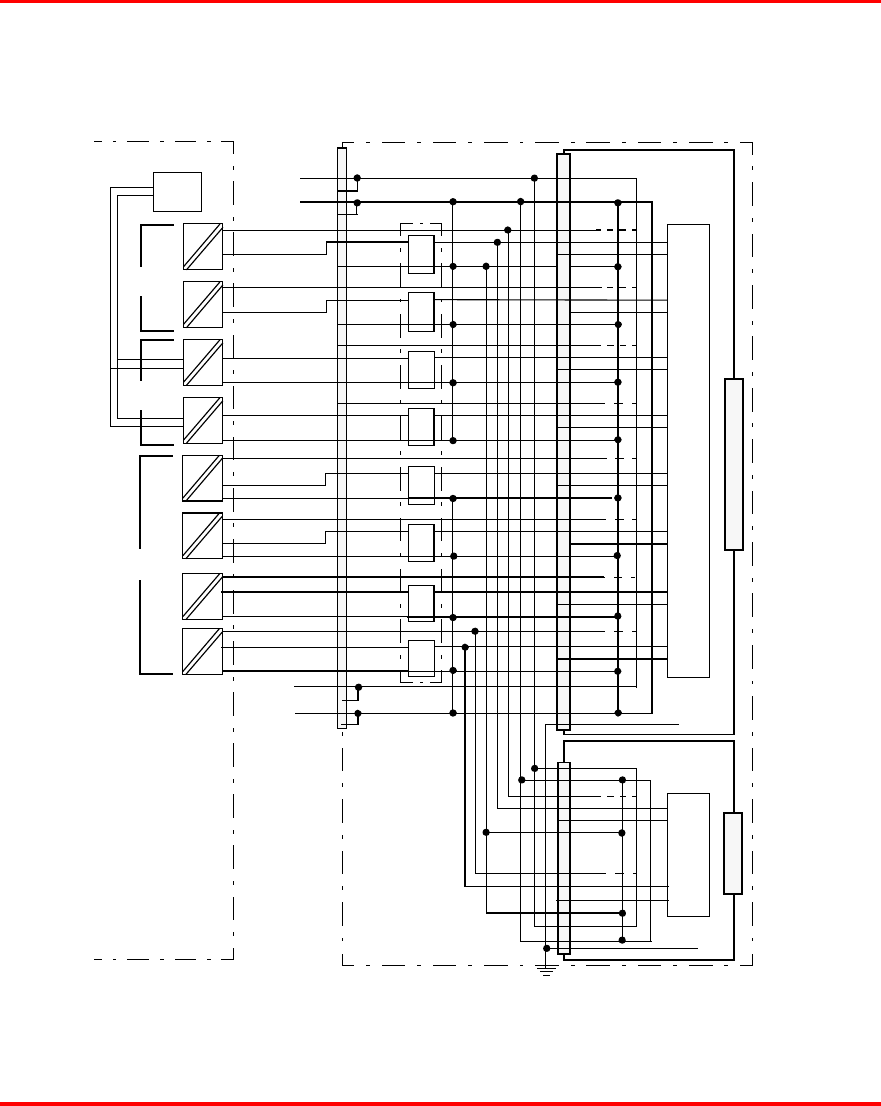
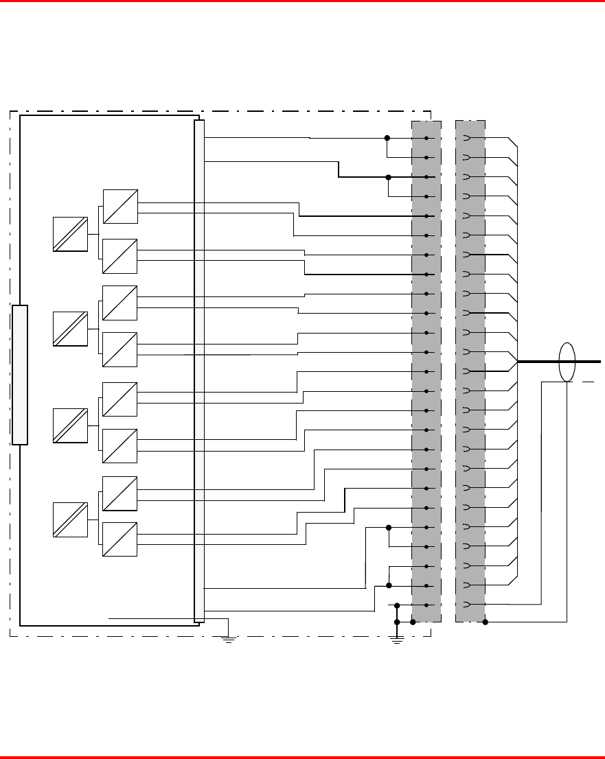
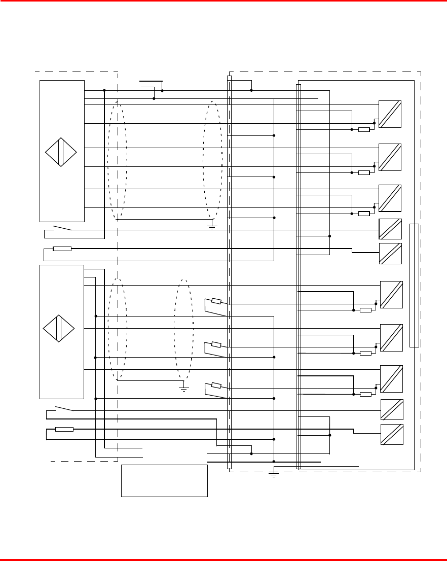
Figure 1-1 S800 I/O Fieldbus Communication Interface with an I/O Module on
Compact and Extended MTUs and an S800L Module

Product Overview Section 1 Introduction
28 3BSE 020 924R4101
1.1 Product Overview
The S800 I/O provides easy installation of the I/O modules and process cabling.
It is highly modularized and flexible so that the I/O modules can be combined to suit
many applications. The S800 I/O modules and a Fieldbus Communication Interface
(FCI) are combined to form an I/O Station. The S800 I/O can be used in both single
and redundant applications.
For more overview information please see S800 I/O General Information and
Installation.
Module Termination Units (MTU) and two types of I/O modules; S800 I/O and
S800L I/O modules.
S800 I/O modules are designed to be used together with a Module Termination
Unit.
S800L I/O modules are designed to be directly mounted on a standard DIN rail.
The module also contains terminals for connections.
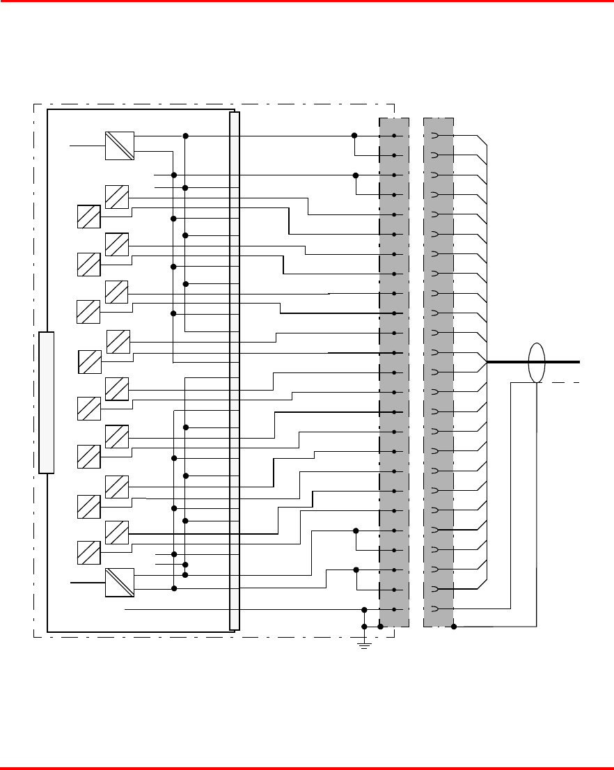
1.1.1 Module Termination Units and Terminal Units
The Module Termination Units (MTU) are passive base units used to house the I/O
modules. They contain the process wiring terminals and a section of the
ModuleBus.
The Module Termination Units (MTU) distributes the ModuleBus to the I/O module
and to the next MTU. It also generates the correct address to the I/O module by
shifting the outgoing position signals to the next MTU.
Two mechanical keys are used to configure the MTU for different types of I/O
modules. This is only a mechanical configuration and it does not affect the
functionality of the MTU or the I/O module. Each key has six positions, which gives
a total number of 36 different configurations. The configuration can be changed
with a screwdriver.
The MTU can be mounted on a standard DIN rail. It has a mechanical latch that
locks the MTU to the DIN rail. The latch can be released with a screwdriver.

Section 1 Introduction Module Termination Units and Terminal Units
3BSE 020 924R4101 29
The MTU has a mechanical locking mechanism that locks the module in its
position. This mechanism also gives the signal BLOCK to the I/O module that
keeps the module in its init state until it is locked in its position.
The top part of the MTU can be removed to replace the termination board even with
the system running. Such a need can be caused by a damaged terminal screw.
The MTUs are available in tree versions (Compact, Extended and Redundant).
The Compact MTU version typically provides for a compact installation of the I/O
modules using 1 wire connections.
The Extended MTU version provides for a more complete installation on the MTU,
including 3 wire connection, fuses and field circuit power distribution. See
Figure 1-3 and Figure 1-4 for an illustration of the MTUs together with the I/O
modules.
The Redundant MTUs are used in redundant I/O applications. There is space on the
MTU for two I/O modules on separate ModuleBuses. See Figure 1-5.

Module Termination Units and Terminal Units Section 1 Introduction
30 3BSE 020 924R4101
The Terminal Unit is a passive unit that enables 2- and 3-wire connections of
process signals. The Terminal Unit is mounted direct on an S800L I/O module. See
Figure 1-2, S800L I/O module with terminal unit TU805.
Figure 1-2 S800L Module with TU805
58.5

Section 1 Introduction Module Termination Units and Terminal Units
3BSE 020 924R4101 31
See Table 2-1 for information about the combination between MTU and I/O
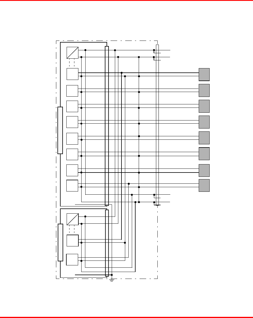
modules and to specifications in Appendix A, Specifications for more information.
Figure 1-3 Typical Compact MTU with I/O Module
A
B
C
D
E
F
A
B
C
D
E
F
6
7
8
9
10
11
12
13
14
15
16
F
R
W
1
2
3
4
5
24V
DI810
162 mm
58.5 mm
7 mm
7 mm
31.5 mm (1.24")
(.27”)
(6.37”)
(2.3”)
(.27”)
122 mm
67.5 mm
(2.66”)
99.5 mm
(3.92”)
(4.8”)
5 mm
(0.2”)
40 mm
(1.57”)

Module Termination Units and Terminal Units Section 1 Introduction
32 3BSE 020 924R4101
Figure 1-4 Typical Extended MTU with I/O Module
A
B
C
D
E
F
A
B
C
D
E
F
6
7
8
9
10
11
12
13
14
15
16
F
R
W
1
2
3
4
5
24V
DI810
109 mm
120.5 mm
122 mm
7 mm (.27”)
7 mm
31.5 mm (1.24")
45 mm
(4.74”)
(4.3”)
(4.8”)
(1.77”)
(.27”)
5 mm
(0.2”)
80 mm
(3.15”)
46.5 mm
(1.85”)
67.5 mm
(2.66”)

Section 1 Introduction Module Termination Units and Terminal Units
3BSE 020 924R4101 33
1.1.1.1 TU805 Terminal Unit for 50 Volt Applications
The TU805 is a 16 channel terminal unit. Used to enable 2- and 3-wire connections
on DI801 or DO801. The Terminal Unit is mounted direct on DI801 or DO801.
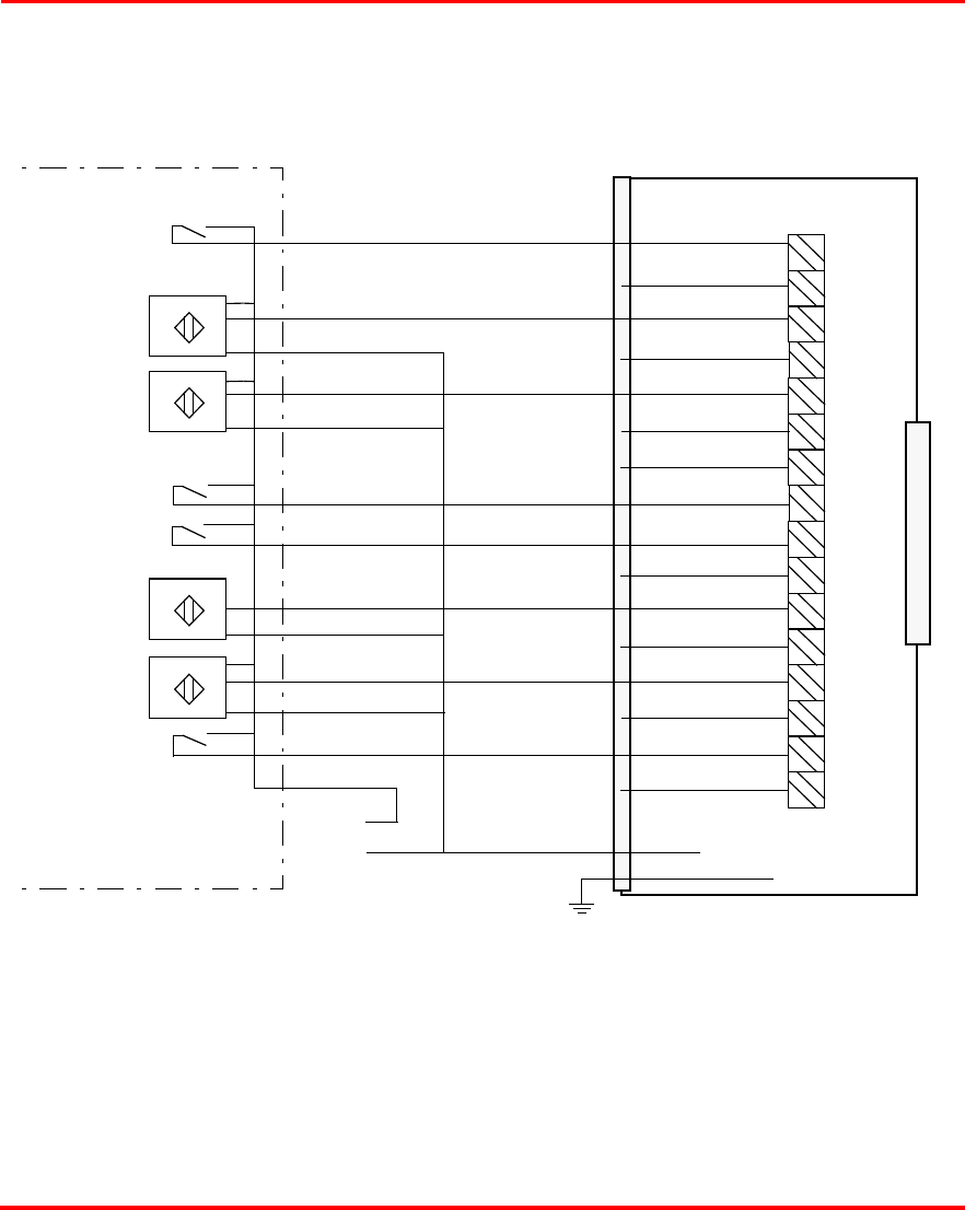
Figure 1-5 Typical Redundant MTU with I/O Module

Module Termination Units and Terminal Units Section 1 Introduction
34 3BSE 020 924R4101
1.1.1.2 TU810 Compact MTU for 50 Volt Applications
The TU810 is a 16 channel compact module termination unit. The TU810 has three
rows of terminals for field signals and process power connections.
The module is also available in a version that withstand more severe environmental
conditions according to ISA-S71.04. This is indicated with a “Z” in the type
designation.
1.1.1.3 TU811 Compact MTU for 250 Volt Applications
The TU811 is an 8 channel compact module termination unit. The TU811 has three
rows of terminals for field signals and process power connection.
The module is also available in a version that withstand more severe environmental
conditions according to ISA-S71.04. This is indicated with a “Z” in the type
designation.
1.1.1.4 TU812 Compact MTU for 50 Volt Applications and 25 pin D-sub for
Process Connections
The TU812 is a 16 channel compact module termination unit. The TU812 has a 25
pin D-Sub connector for signals and process power connections.
1.1.1.5 TU813 Compact MTU for 250 V Applications
The TU813 is a 8 channel compact module termination unit. The TU813 has three
rows of crimp snap-in connectors for field signals and process power connections.
1.1.1.6 TU814 Compact MTU for 50 Volt Applications
The TU814 is a 16 channel compact module termination unit. The TU814 has three
rows of crimp snap-in connectors for field signals and process power connections.
1.1.1.7 TU830 Extended MTU for 50 Volt Applications
The TU830 is a 16 channel extended module termination unit. The TU830 has three
rows of terminals for field signals and process power connection.

Section 1 Introduction Module Termination Units and Terminal Units
3BSE 020 924R4101 35
1.1.1.8 TU831 Extended MTU for 250 Volt Applications
The TU831 is an 8 channel extended module termination unit. TU831 has two rows
of terminals for field signals and process power connection.
1.1.1.9 TU833 Extended MTU for 50 Volt Applications
The TU833 is a 16 channel extended module termination unit. The TU833 has three
rows of spring-case terminals for field signals and process power connection.
1.1.1.10 TU835 Extended MTU, Individually Fused per Channel for 50 Volt
Applications
The TU835 is an 8 channel extended module termination unit. The TU835 has two
rows of terminals for process power connection and a single row of process signal
connections. Each channel has one fused (3 A max.) transmitter power terminal and
one signal connection. Process voltage can be connected to 2 individually isolated
groups.
1.1.1.11 TU836 Extended MTU, Individually Fused per Channel for 250 Volt
Applications
The TU836 is an 8 channel extended module termination unit. The TU836 has two
rows of terminals for field signals and process power connection. Each channel has
one fused (3 A max.) power outlet terminal and one signal return connection.
Process voltage can be connected to 2 individually isolated groups.
The standard fuse holder that comes with the TU836 can be changed to an
indicating fuse holder. This indicating fuse holder can be ordered from Phoenix
Contact:
15-30 VDC type, order 3118119
110-250 VAC type, order 3118106.

Module Termination Units and Terminal Units Section 1 Introduction
36 3BSE 020 924R4101
1.1.1.12 TU837 Extended MTU, Individually Fused per Channel for 250 Volt
Applications
The TU837 is an 8 channel extended module termination unit. The TU837 has two
rows of terminals for field signals and process power connection. Each channel has
one fused (3 A max.) power outlet terminal and one process power connection.
Process voltage return can be connected to 2 individually isolated groups.
1.1.1.13 TU838 Extended MTU, Individually Fused per Channel for 50 Volt
Applications
The TU838 is an 16 channel extended module termination unit. The TU838 has two
rows of terminals for process power connection. Each channel has one fused (3 A
max.) transmitter power terminal and one signal connection. Process voltage can be
connected to 2 individually isolated groups.
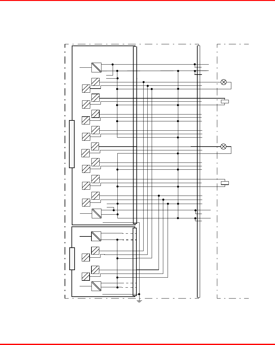
1.1.1.14 TU842 Redundant Horizontal MTU for 50 V Applications
The TU842 is a 16 channel, 50 V, redundant module termination unit. It is a passive
unit used for connection of the field wiring to the I/O modules and intended for
mounting on a horizontal DIN rail. The Redundant MTUs are used in redundant I/O
applications. There is space on the MTU for two I/O modules on separate
ModuleBuses.
Figure 1-6 Exchange of Standard Fuse Holder for Indication Type
Standard
fuse holder
Optional fuse holder with
fuse status indication for
15-30 VDC or 110-250 VAC

Section 1 Introduction Module Termination Units and Terminal Units
3BSE 020 924R4101 37
1.1.1.15 TU843 Redundant Vertical MTU for 50 V Applications
The TU843 is a 16 channel, 50 V, redundant module termination unit. It is a passive
unit used for connection of the field wiring to the I/O modules and intended for
mounting on a vertical DIN rail. The Redundant MTUs are used in redundant I/O
applications. There is space on the MTU for two I/O modules on separate
ModuleBuses.
1.1.1.16 TU844 Redundant Horizontal MTU for 50 V Applications
The TU844 is a 8 channel, 50 V, redundant module termination unit. It is a passive
unit used for connection of the field wiring to the I/O modules and intended for
mounting on a horizontal DIN rail. 8 shunt sticks are needed for configuration of
signal type. The Redundant MTUs are used in redundant I/O applications. There is
space on the MTU for two I/O modules on separate ModuleBuses.
1.1.1.17 TU845 Redundant Vertical MTU for 50 V Applications
The TU845 is a 8 channel, 50 V, redundant module termination unit. It is a passive
unit used for connection of the field wiring to the I/O modules and intended for
mounting on a vertical DIN rail. 8 shunt sticks are needed for configuration of
signal type. The Redundant MTUs are used in redundant I/O applications. There is
space on the MTU for two I/O modules on separate ModuleBuses.
1.1.1.18 TY801 Shunt Stick
The TY801 is a shunt stick for current or voltage signals together with AI845 or
AI880 and TU844 or TU845.
1.1.1.19 TY804 Shunt Stick
The TY804 is a shunt stick for NAMUR signals together with DP840 and TU844 or
TU845.

S800 I/O Modules Section 1 Introduction
38 3BSE 020 924R4101
1.1.2 S800 I/O Modules
The I/O modules have open ventilated plastic enclosures. On the front of all I/O
modules there are at least three LEDs (FAULT, RUN and WARNING) indicating
the module status. Additionally some modules have LEDs indicating OSP or
PRIMARY, see Table 3-1 and Table 3-2.
I/O modules may be replaced in a fully operational I/O station. Mechanical keying
on modules and MTUs protect I/O modules from being inserted in positions where
they could be damaged by excessive voltage or current. An electronic type
designation ID in each module keeps the I/O module from being taken into
operation by the ModuleBus master, if a module’s ID doesn’t match the configured
module type definition. There are modules for both single and redundant
applications.
Please refer to specifications in Appendix A, Specifications for more information.
1.1.2.1 AI810 Analog Input Module, 0...20 mA, 0...10 V
The AI810 Analog Input Module has 8 current and voltage inputs. The inputs are
independent for each channel, in that either voltage or current can be measured.
The current input is able to handle a short circuit to the transmitter supply without
damage. The input withstand HART communication.
Nominal input ranges are: 0(4)... +20 mA, 0(2)... +10 V.
1.1.2.2 AI820 Differential Analog Input Module, +/- 20 mA, +/- 10 V, +/- 5 V
The AI820 Differential Analog Input Module has 4 differential, bipolar
current/voltage inputs. This module is suitable for applications requiring high
common mode rejection ratings, and/or bipolar voltage or current inputs. Nominal
input ranges are: -20...+20 mA, 0(4)...+20 mA, -10...+10 V, 0(2)...+10 V,
-5...+5 V and 0(1)...+5 V.
The current input is able to handle a short circuit to the transmitter supply without
damage. The input withstand HART communication.

Section 1 Introduction S800 I/O Modules
3BSE 020 924R4101 39
1.1.2.3 AI825 Galvanic Isolated Analog Input Module, -20...+20 mA, 0(4)...+20
mA, -10...+10 V, 0(2)...+10 V
The AI825 Galvanic Isolated Analog Input Module has 4 individually galvanic
isolated channels. This module is suitable for applications requiring galvanic
isolated channels, and/or bipolar voltage or current inputs. Nominal input ranges
are: -20...+20 mA, 0(4)...+20 mA, -10...+10 V, 0(2)...+10 V.
The current input is able to handle a short circuit to the transmitter supply without
damage. The input withstand HART communication.
1.1.2.4 AI830 RTD Input Module
The AI830 Analog Input, RTD Module has 8 RTD (Pt100, Cu10, Ni100 and Ni120
and resistor) inputs. The inputs allow 3-wire connection to RTDs. Inputs are
monitored for open-circuit, short-circuit. Reference channel and internal supply are
also monitored.
1.1.2.5 AI835 Thermocouple/mV Input Module
The AI835 Analog Input, Thermocouple/mV Module has 8 differential inputs for
TC/mV measurements. One channel (channel 8) can be configured for “Cold
Junction” (ambient) temperature measurement, thus serving as the CJ-channel for
the other channels on the module. All 8 channels can be used if no CJ-temperature
measurement is needed. The inputs can be connected to a variety of thermocouples
with the following characteristics: B, C, E, J, K, N, R, S and T.
1.1.2.6 AI843 Thermocouple/mV Input Module, for Single or Redundant
Applications
The AI843 Analog Input, Thermocouple/mV Module has 8 differential inputs for
TC/mV measurements. A separate channel is used for Cold Junction (ambient)
temperature measurement. The input can be connected to a variety of
thermocouples with the following characteristics: B, C, E, J, K, L, N, R, S, T and U.
1.1.2.7 AI845 Analog Input Module, for Single or Redundant Applications
The AI845 Analog Input Module has 8 analog inputs. Each channel can be either a
voltage or current input. Nominal input range is 0...20 mA, 4...20 mA, 0...5 V,

S800 I/O Modules Section 1 Introduction
40 3BSE 020 924R4101
1...5 V. The module has advanced on-board diagnostics and HART pass-through
functionality. It can be used in both single and redundant application.
1.1.2.8 AI880/AI880A High Integrity Analog Input Module for Single or
Redundant Configuration
The AI880/AI880A High Integrity Analog Input Module is TÜV certified for
EN 61508-SIL3, DIN V 19250/DIN V VDE 0801- AK6 and EN954-1 Category 4.
The AI880/AI880A has 8 analog inputs. The channels are for current input.
Nominal input range is 0...20 mA, 4...20 mA. The module has advanced on-board
diagnostics. It can be used in both single and redundant configuration.
The AI880/AI880A complies with the NAMUR recommendation NE43, and
supports configurable over- and under range limits.
AI880A has support for HART pass-through communication.
1.1.2.9 A0810 Analog Output Module, 0...20 mA
The AO810 Analog Output Module has 8 current outputs. State of outputs can be
set to a predetermined (OSP) value if a communication error is detected. Nominal
output range is: 0(4)... 20 mA.
1.1.2.10 AO820 Bipolar Analog Output Module, -20 mA...+20 mA, -10 V...+10 V
The AO820 Bipolar Analog Output Module has 4 bipolar current or voltage outputs.
The choice of either current or voltage output is configurable per channel. Outputs
are individually galvanically isolated. State of outputs can be set to a predetermined
(OSP) value if a communication error is detected. Nominal output range are:
-20... +20 mA, 0(4)... +20 mA, -10... +10 V, 0(2)... +10 V.
1.1.2.11 AO845 Analog Output Module, for Single or Redundant Applications
The AO845 Analog Output Module has 8 analog outputs. Nominal output range is
4...20 mA. State of outputs can be set to a predetermined (OSP) value if a
communication error is detected. The module has advanced on-board diagnostics
and HART pass-through functionality. It can be used in both single and redundant
applications.

Section 1 Introduction S800 I/O Modules
3BSE 020 924R4101 41
1.1.2.12 DI810 Digital Input Module, 24 V, Current Sinking
The DI810 Digital Input Module has 16 channels for 24 volt d.c. digital inputs.
The inputs are divided into two isolated groups of eight channels with a voltage
supervision input for each group. Each input channel provides current limiting,
EMC protection, input state LED indicator and optical isolation from the
ModuleBus.
The module is also available in a version that withstand more severe environmental
conditions according to ISA-S71.04. This is indicated with a “Z” in the type
designation.
1.1.2.13 DI811 Digital Input Module, 48 V, Current Sinking
The DI811 Digital Input Module has 16 channels for 48 volt d.c. digital inputs.
The inputs are divided into two isolated groups of eight channels with a voltage
supervision input for each group. Each input channel provides current limiting,
EMC protection, input state LED indicator and optical isolation from the
ModuleBus.
1.1.2.14 DI814 Digital Input Module, 24 V, Current Sourcing
The DI814 Digital Input Module has 16 channels for 24 volt d.c. current source
digital inputs. The inputs are divided into two isolated groups of eight channels with
a voltage supervision input for each group. Each input channel provides current
limiting, EMC protection, input state LED indicator and optical isolation from the
ModuleBus.
1.1.2.15 DI820 Digital Input Module, 120 V a.c./d.c.
The DI820 Digital Input Module has 8 channels for 120 volt a.c./d.c. digital inputs.
The inputs are individually isolated. Channel 1 can be used as voltage supervisor for
channels 2 - 4, and channel 8 can be used for channels 5 - 7. If voltage supervision is
disabled, channels 1 and 8 can be used as normal inputs. Each input channel
provides current limiting, EMC protection, input state LED indicator, noise filter
and optical isolation from the ModuleBus.

S800 I/O Modules Section 1 Introduction
42 3BSE 020 924R4101
The module is also available in a version that withstand more severe environmental
conditions according to ISA-S71.04. This is indicated with a “Z” in the type
designation.
1.1.2.16 DI821 Digital Input Module, 230 V a.c./d.c.
The DI821 Digital Input Module has 8 channels for 230 volt a.c./d.c. digital inputs.
The inputs are individually isolated. Channel 1 can be used as voltage supervisor for
channels 2 - 4, and channel 8 can be used for channels 5 - 7. If voltage supervision is
disabled, channels 1 and 8 can be used as normal inputs. Each input channel
provides current limiting, EMC protection, input state LED indicator, noise filter
and optical isolation from the ModuleBus.
The module is also available in a version that withstand more severe environmental
conditions according to ISA-S71.04. This is indicated with a “Z” in the type
designation.
1.1.2.17 DI825 Digital Input Module, 125 V d.c. with SOE
The DI825 Digital Input Module had 8 channels for 125 V d.c. digital inputs and
sequence of events (SOE) handling capabilities. The sequence of events time stamp
has a resolution of 0.4 ms for each input channel. The inputs are individually
isolated. Channel 1 can be used as voltage supervisor for channels 2 - 4, and channel
8 can be used for channels 5 - 7. If voltage supervision is disabled, channels 1 and 8
can be used as normal inputs. Each input channel provides current limiting, EMC
protection, input state LED indicator, noise filter and optical isolation from the
ModuleBus.
1.1.2.18 DI830 Digital Input Module, 24 V d.c. with SOE, Current Sinking
The DI830 Digital Input Module has 16 channels for 24 volt d.c. digital inputs and
sequence of events (SOE) handling capabilities. The sequence of events time stamp
has a resolution of 0.4 ms for each input channel. The inputs are divided into two
isolated groups of eight channels with a voltage supervision input for each group.
Each input channel provides current limiting, EMC protection, input state LED
indicator and optical isolation from the ModuleBus.

Section 1 Introduction S800 I/O Modules
3BSE 020 924R4101 43
1.1.2.19 DI831 Digital Input Module, 48 V d.c. with SOE, Current Sinking
The DI831 Digital Input Module has 16 channels for 48 volt d.c. digital inputs and
sequence of events (SOE) handling capabilities. The sequence of events time stamp
has a resolution of 0.4 ms for each input channel. The inputs are divided into two
isolated groups of eight channels with a voltage supervision input for each group.
Each input channel provides current limiting, EMC protection, input state LED
indicator and optical isolation from the ModuleBus.
1.1.2.20 DI840 Digital Input Module, for Single or Redundant Applications
The DI840 Digital Input Module has 16 channels for 24 V d.c. digital inputs and
sequence of events (SOE) handling capabilities. The sequence of events time stamp
has a resolution of 1 ms for each input channel. Each input channel provides current
limiting, EMC protection, input state LED indicator and optical isolation from the
ModuleBus. The module has advanced on-board diagnostics. It can be used in both
single and redundant applications.
1.1.2.21 DI880 High Integrity Digital Input Module, for Single or Redundant
Configuration
The DI880 High Integrity Digital Input Module is TÜV certified for
EN 61508-SIL3, DIN V 19250/DIN V VDE 0801-AK6 and EN954-1 Category 4
for normally closed signal loops.
The DI880 has 16 channels for 24 V d.c. digital inputs and sequence of events
(SOE) handling capabilities. The sequence of events time stamp has a resolution of
1 ms for each input channel. Each input channel provides current limiting, EMC
protection, input state LED indicator and optical isolation from the ModuleBus.The
input voltage range is 18 to 30 V d.c. and the input current is 7 mA at 24 V d.c. The
module has advanced on-board diagnostics. It can be used in both single and
redundant configuration.
1.1.2.22 DI885 Digital Input Module, 24 V/48 V d.c. with SOE, Current Sinking
The DI885 Digital Input Module has 8 channels for 48 volt d.c. digital inputs with
or without open-circuit monitoring (wire break supervision), or 24 volt d.c.
electronic inputs without open-circuit monitoring; and sequence of events (SOE)

S800 I/O Modules Section 1 Introduction
44 3BSE 020 924R4101
handling capabilities. The sequence of events time stamp has a resolution of 1 ms
for each input channel. The inputs are arranged in one group of 8 channels.
Each input channel provides current limiting, EMC protection, input state LED
indicator and optical isolation from the ModuleBus. The DI885 also has the
capability to monitor an internal or external sensor power supply (60 V d.c. max.).
1.1.2.23 DO810 Digital Output Module, 24 V, 0.5 A, Current Sourcing
The DO810 Digital Output Module has 16 channels for 24 volt d.c., 0.5 A, digital
outputs. The outputs are divided into two isolated groups of eight channels with a
voltage supervision input for each group. Each output channel provides protection
against short circuits to ground, over-voltage, over-temperature, EMC protection,
output state LED indicator and optical isolation from the ModuleBus. State of
outputs can be set to a predetermined (OSP) value if a communications lost error is
detected.
The module is also available in a version that withstand more severe environmental
conditions according to ISA-S71.04. This is indicated with a “Z” in the type
designation.
1.1.2.24 DO814 Digital Output Module, 24 V, 0.5 A
The DO814 Digital Output Module has 16 channels for 24 volt d.c., 0.5 A, current
sinking digital outputs. The outputs are divided into two isolated groups of eight
channels with a voltage supervision input for each group. Each output channel
provides protection against short circuits to power supply, over-temperature, EMC
protection, output state LED indicator and optical isolation from the ModuleBus.
State of outputs can be set to a predetermined (OSP) value if a communications lost
error is detected.
1.1.2.25 DO815 Digital Output Module, 24 V, 2 A, Current Sourcing
The DO815 Digital Output Module has 8 channels, 24 volt d.c., 2 A, digital outputs.
The outputs are divided into two isolated groups of four channels with a voltage
supervision input for each group. Each output channel provides protection against
short circuits to ground, over-temperature, EMC protection, output state LED
indicator and optical isolation from the ModuleBus. State of outputs can be set to a
predetermined (OSP) value if a communications lost error is detected.

Section 1 Introduction S800 I/O Modules
3BSE 020 924R4101 45
The module is also available in a version that withstand more severe environmental
conditions according to ISA-S71.04. This is indicated with a “Z” in the type
designation.
1.1.2.26 DO820 Digital Output Module, Relay Normally Open
The DO820 Digital Output Module has 8 channels for 230 volt a.c./d.c. relay
outputs. The outputs are individually isolated. Each output channel provides a relay
contact (NO - Normal Open), EMC protection, output state LED indicator and
optical isolation from the ModuleBus. State of outputs can be set to a predetermined
(OSP) value if a communications lost error is detected. Internal voltage is
supervised.
The module is also available in a version that withstand more severe environmental
conditions according to ISA-S71.04. This is indicated with a “Z” in the type
designation.
1.1.2.27 DO821 Digital Output Module, Relay Normally Closed
The DO821 Digital Output Module has 8 channels for 230 volt a.c./d.c. relay
outputs. The outputs are individually isolated. Each output channel provides a relay
contact (NC - Normal Closed), EMC protection, output state LED indicator and
optical isolation from the ModuleBus. State of outputs can be set to a predetermined
(OSP) value if a communications lost error is detected. Internal voltage is
supervised.
1.1.2.28 DO840 Digital Output Module, for Single or Redundant Applications
The DO840 Digital Output Module has 16 channels for 24 V d.c. The maximum
continuos output current is 0.5 mA. The module has advanced on-board diagnostics.
It can be used in both single and redundant applications.
1.1.2.29 DO880 High Integrity Digital Output Module, for Single or Redundant
Configuration
The DO880 High Integrity Digital Output Module is TÜV certified for
EN 61508-SIL3, DIN V 19250/DIN V VDE 0801-AK6 and EN954-1 Category 4.

S800L I/O Modules Section 1 Introduction
46 3BSE 020 924R4101
The DO880 has 16 channels for 24 V d.c. The maximum continuous output current
is 0.5 A. The module has advanced on-board diagnostics. It can be used in both
single and redundant configuration.
The DO880 is suitable for both NE (Normally Energized) and ND (Normally
De-energized) outputs, in both high demand, low demand and Continuos Control
(CC) applications.
1.1.2.30 DP820 Incremental Pulse Counter Module
DP820 is an two-channel pulse counting module for incremental pulse transmitters
up to 1.5 MHz. Each channel contains counters and registers for position/length and
speed/frequency measurement. Each channel provides three balanced inputs for
connection of a pulse transmitter, one digital input and one digital output.
Pulse transmitters with RS422, +5 V, +12 V, +24 V and 13 mA interfaces can be
connected to DP820.
1.1.2.31 DP840 Incremental Pulse Counter Module, for Single or Redundant
Applications
DP840 has 8 channels and each channel can be configured for pulse count or
frequency measurement. The maximum frequency of input signals is 20 kHz. The
inputs can also be read as digital input signals.
Input signal range NAMUR, 12 V and 24 V.
The module is also available in a version that withstand more severe environmental
conditions according to ISA-S71.04. This is indicated with a “Z” in the type
designation.
1.1.3 S800L I/O Modules
The I/O modules have open ventilated plastic enclosures and a bottom of sheet
metal. On the front of each I/O module there is one LED (STATUS) indicating the
module status and digital I/O modules have one status LED for each channel. Refer
to Hardware Indicators on page 55 for the status indication of the LEDs.
An electronic type designation ID in each module keeps the I/O module from being
taken into operation by the ModuleBus master, if a module’s ID doesn’t match the
configured module type definition.

Section 1 Introduction S800L I/O Modules
3BSE 020 924R4101 47
Please refer to specifications in s for more information.
The module can be mounted on a standard DIN rail. The module is locked to the
DIN rail by using the locking screw.
The process connection is done via detachable connectors.
The I/O module distributes the ModuleBus to the next module. It also generate the
correct address to the next module by shifting the outgoing position signals.
1.1.3.1 AI801 Analog Input Module, 0...20 mA
The AI801 Analog Input Module has 8 current inputs.
The current input is able to handle a short circuit to the transmitter supply without
damage. The input withstand HART communication.
Nominal input ranges are: 0(4)... +20 mA.
Figure 1-7 Dimensions for S800L Modules
DO801
86.1 mm (3.4”) 58.45 mm (2.3”)
110 mm (4.3”)
136 mm
(5.35”)
67.5 mm
(2.66”)
46.5 mm
(1.83”)
Center of
DIN rail
5 mm
(0.2”)
57.2 mm
(2.25”)

S800L I/O Modules Section 1 Introduction
48 3BSE 020 924R4101
1.1.3.2 AO801 Analog Output Module, 0...20 mA
The AO801 Analog Output Module has 8 current outputs. State of outputs can be
set to a predetermined (OSP) value if a communications error is detected. Nominal
output range is: 0(4)... 20 mA.
1.1.3.3 DI801 Digital Input Module, 24 V, Current Sinking
The DI801 Digital Input Module has 16 channels for 24 volt d.c. digital inputs.
One input channel can be used for sensor voltage supervision. Each input channel
provides current limiting, EMC protection, input state LED indicator and optical
isolation from the ModuleBus.
1.1.3.4 DI802 Digital Input Module, 120 V a.c./d.c., Current Sinking
The DI802 Digital Input Module has 8 channels for 120 volt a.c./d.c. digital inputs.
Channel 8 can be used for sensor voltage supervision. Each input channel provides
current limiting, EMC protection, input state LED indicator and optical isolation
from the ModuleBus.
1.1.3.5 DI803 Digital Input Module, 230 V a.c./d.c., Current Sinking
The DI803 Digital Input Module has 8 channels for 230 volt a.c./d.c. digital inputs.
Channel 8 can be used for sensor voltage supervision. Each input channel provides
current limiting, EMC protection, input state LED indicator and optical isolation
from the ModuleBus.
1.1.3.6 DO801 Digital Output Module, 24 V, 0.5 V, Current Sinking
The DO801 Digital Output Module has 16 channels for 24 volt d.c., 0.5 A, digital
outputs. Each output channel provides protection against short circuits to ground,
over-voltage, over-temperature, EMC protection, output state LED indicator and
optical isolation from the ModuleBus. State of outputs can be set to a predetermined
(OSP) value if a communications lost error is detected.

Section 1 Introduction Prerequisites and Requirements
3BSE 020 924R4101 49
1.1.3.7 DO802 Digital Output Module, 24-250 V, Relay Normally Open
The DO802 Digital Output Module has 8 channels for 24-250 volt d.c., digital
outputs. Each output channel provides protection against short circuits to ground,
over-voltage, over-temperature, EMC protection, output state LED indicator and
optical isolation from the ModuleBus. State of outputs can be set to a predetermined
(OSP) value if a communications lost error is detected.
1.2 Prerequisites and Requirements
When the S800 I/O is used with controllers as part of their I/O system, the
controllers need to have an interface to the fieldbus network. The fieldbus network
will connect to a Fieldbus Communications Interface (FCI) with S800 I/O installed.

Prerequisites and Requirements Section 1 Introduction
50 3BSE 020 924R4101

3BSE 020 924R4101 51
Section 2 Configuration
2.1 Module Termination Units (MTU)
Each MTU is used with certain types of I/O Modules. Refer to Table 2-1 for a cross-
reference between MTU and I/O Modules. Each MTU has two mechanical keys that
have to be set for the type of I/O module that will be installed on it.
Table 2-1 MTU Usage and Key Settings
Module
Type
TU810
TU812
TU814
Compact
TU811
TU813
Compact
TU830
TU833
Extended
TU831
Extended
TU835
Extended
TU836
TU837
Extended
TU838
Extended
TU842
TU843
Redundant
TU844
TU845
Redundant
Mech. Key
Setting
Key 1 Key 2
AI810X-X-X-X--AE
AI820X-X------BB
AI825-X-X-----DA
AI830X-X------AF
AI835X-X------BA
AI843--X----X-BA
AI845X-X-X-X-XCC
AI880--------XFF
AO810X-X------AE
AO820X-X------BC
AO845X-X----X-CC
DI810X-X- - -X--AA

Module Termination Units (MTU) Section 2 Configuration
52 3BSE 020 924R4101
DI811X-X- - -X- -BD
DI814X-X- - -X- -BE
DI820-X-X-----AB
DI821-X-X-----AC
DI825-X-X-----AB
DI830X-X- - -X- -AA
DI831X-X- - -X- -BD
DI840 X - X - - - X X - C D
DI880 X - X - - - X X - F F
DI885X-X------BF
DO810X-X------AA
DO814X-X------BE
DO815 X (1) -X------AA
DO820-X-X-X- - -AD
DO821-X-X-X- - -CA
DO840X-X----X-CE
DO880X-X----X-FE
DP820X-X------CB
DP840X-X----XXCF
(1) TU812 not recommended due to the maximum rated current.
Table 2-1 MTU Usage and Key Settings (Continued)
Module
Type
TU810
TU812
TU814
Compact
TU811
TU813
Compact
TU830
TU833
Extended
TU831
Extended
TU835
Extended
TU836
TU837
Extended
TU838
Extended
TU842
TU843
Redundant
TU844
TU845
Redundant
Mech. Key
Setting
Key 1 Key 2

Section 2 Configuration I/O Modules
3BSE 020 924R4101 53
Connecting an MTU to the ModuleBus master, cluster modem or to another MTU
automatically sets-up the address selection of that MTU. There are no jumpers or
switches that need to be set before installing an I/O module.
MTUs are placed on the DIN rails and then connected to the preceding MTU,
ModuleBus master or cluster modem. Once connected, the MTU is locked in place
by the bottom latch which also bonds it to the chassis ground.
2.2 I/O Modules
2.2.1 S800 I/O Modules
Each I/O module is installed onto an MTU. See Table 2-1 for which MTU to use
with each I/O module type. I/O modules do not have any jumpers or switches that
need to be set before installing on an MTU. Refer to Appendix A, Specifications for
more information.
I/O modules are installed by aligning the connectors of the MTU and I/O module
and then pushing the units together. After connected to the MTU, the I/O module is
then locked in place by the I/O Module Lock/Switch which also activates a switch
to enable power to the I/O module.
2.2.2 S800L I/O Modules
The I/O modules are installed directly on the DIN rail and locked with the locking
screw. The process signal are connected to a pluggable connector on the module.
There are no jumpers or switches that need to be set.
The I/O module automatically set up the address for the next I/O module.
To enable 2- and 3-wire connection to 16 channels DI and DO modules, TU805 is
used. TU805 is mounted direct on the module.

S800L I/O Modules Section 2 Configuration
54 3BSE 020 924R4101

3BSE 020 924R4101 55
Section 3 Maintenance
3.1 Preventive Maintenance
Please see the S800 I/O General Information and Installation manual.
3.2 Hardware Indicators
3.2.1 S800 I/O Module LEDs
Figure 3-1 shows examples of front panels for different types of I/O modules.
On the front of all I/O modules there are at least three LEDs (FAULT, RUN and
WARNING) indicating the module status. Additionally some modules have LEDs
indicating OSP or PRIMARY, see description below and Table 3-1 and Table 3-2.
The FAULT LED shall indicate when the I/O module detect a fatal error or before
first access after power up. The RUN LED shall indicate when the I/O module is
operational. The WARNING LED shall indicate when a non-fatal error is detected
and the module continues to run. The OSP LED shall indicate when the I/O module
is in OSP state, that is, when the module is commanded to OSP or when
automatically set to OSP state due to communication error.
The PRIMARY LED shall indicate when the I/O module is primary (in a redundant
pair). In a redundant configuration, the primary module is scanned at the specified
cycle time to supply input values to the application, while the backup module is
scanned at a low cycle for diagnostic purpose. The input values from the backup
module is not used by the application.

S800 I/O Module LEDs Section 3 Maintenance
56 3BSE 020 924R4101
Each digital channel has one LED indicating current state (on/off).
Table 3-1 Standard LEDs on I/O Modules
Marking Color Description
F (Fault) Red Internal fault in the module affecting all
channels (1)
(1) Modules without self test function: The F-LED will switch on at power up or restart of the module
and switch off after the first successful access to the module.
Modules with self test function: The F-LED will switch on at power up, restart of the module or
when the module goes to Error state. If the module has not gone to Error state it will switch off
the F-LED after the first successful access to the module.
R (Run) Green Operational state
W (Warning) Yellow External fault or internal channel error
O (OSP) Yellow OSP state (Outputs Set as Predetermined)
P (Primary) Yellow LED indicating that the module is operating
as primary in a redundant pair.
Channel status Yellow (+red) This LED shows both value (Yellow
ON/OFF) and error (red)
Table 3-2 I/O Module LED Indications in Different States
Module
state Run Fault Warning OSP Primary Channel status
Init Off On Off Off Off DI On/Off (1),
DO Off
Not
Configured Flashing/
Off On/Off
(2) On/Off Off Off DI On/Off (1),
DO Off
Ready Flashing/
Off Off On/Off Off Off DI On/Off,
DO Off
Operational On Off On/Off Off On/Off On/Off

Section 3 Maintenance S800 I/O Module LEDs
3BSE 020 924R4101 57
Normally when an I/O module has been removed from the configuration, the
ModuleBus master will do a restart of the module. The module will end up in the
NOT CONFIGURED state.
OSP On Off On/Off On On/Off On/Off
Error Off On On/Off Off Off DI On/Off,
DO Off
(1) The DI signal status for module DI830, DI831, DI880, DI885, DP820 is only OFF.
(2) Will be switched off after the first successful access to the module.
Figure 3-1 Examples of S800 I/O Module LED Locations
Table 3-2 I/O Module LED Indications in Different States (Continued)
Module
state Run Fault Warning OSP Primary Channel status
6
7
8
9
10
11
12
13
14
15
16
F
R
W
O
1
2
3
4
56
7
8
9
10
11
12
13
14
15
16
F
R
W
1
2
3
4
5
DO810 DI810
F
R
W
O
F
R
W
AI810
AO810
PX1
UP1
ST1
DI1
SY1
DO1
TP1
UL1
PX2
UP2
ST2
DI2
SY2
DO2
TP2
UL2
F
R
W
O
DP820

S800L I/O Module LED Section 3 Maintenance
58 3BSE 020 924R4101
3.2.2 S800L I/O Module LED
Figure 3-2 shows examples of front panels for different types of I/O modules.
On the front of each I/O module there is one LED indicating the module status.
See Table 3-3 and Table 3-4 for information on the meaning and indications for
these modules. For modules with special LED indications see respectively module
in Appendix A, Specifications.
The LED shall indicate red when the I/O module detect a fatal error or before first
access after power up. The LED shall indicate green when the I/O module is
operational.
Each digital channel has one LED indicating current state (on/off).
Table 3-3 Standard LED on I/O Modules
Marking Color Description
S (Status) Red Fault in the module (1)
(1) Modules without self test function, for example, DI/DO modules: The S-LED will switch on to
red at power up or restart of the module and switch off after the first successful access to the
module.
Modules with self test function for example, AI/AO modules: The S-LED will switch on to red at
power up, restart of the module or when the module goes to Error state. If the module has not
gone to Error state it will switch off the S-LED after the first successful access to the module.
Green Operational state
Table 3-4 I/O Module LED Indications in Different States
Module state Status Channel status
Init Red Off
Not Configured Red/off (1) Off
Ready Off DI On/Off, DO Off
Operational Green On/Off

Section 3 Maintenance S800L I/O Module LED
3BSE 020 924R4101 59
Normally when an I/O module has been removed from the configuration, the
ModuleBus master will do a restart of the module. The module will end up in the
NOT CONFIGURED state.
OSP Green On/Off
Error Red DI On/Off, DO Off
(1) Will be switched off after the first successful access to the
module.
Table 3-4 I/O Module LED Indications in Different States (Continued)
Module state Status Channel status

S800L I/O Module LED Section 3 Maintenance
60 3BSE 020 924R4101
Figure 3-2 Examples of S800L I/O Module LED Locations
AI801
0(4)...20 mA
L+ L- 24 V
DO801
24 V 0.5 A
L+ L- 24 V
STATUS
STATUS
S1 2 14 161312 15111093456 78
1 2 14 161312 15111093456781 8765234
+ I + I + I + I + I + I + I + I
+ I
S

Section 3 Maintenance Error Messages
3BSE 020 924R4101 61
3.3 Error Messages
Please see the relevant controller manuals.
3.4 Fault Finding and User Repair
3.4.1 S800 I/O Module Replacement
3.4.1.1 General
All I/O modules can be exchanged on-line and with the process power supply
connected, except for relay outputs with normally closed contacts. This is possible
because the module deactivates when the I/O module lock switch is turned to
unlock.
It is important to understand the consequences of a module exchange on-line and
how it affects the process. Replacement of an S800 I/O module affects all channels
on the module. It also sometimes indirectly affects the outputs via some application
function, on another module.
The system software in the ModuleBus master checks automatically that all I/O
modules function correctly. In the event of module fault, and module exchange, the
module and associated signals are marked as faulty.
The system software checks that the module is inserted and correct. If this is the
case, the Fault-indicator (LED) extinguishes and RUN LED is activated and the
module resumes its normal function.
The following headings include general instructions for replacement of modules and
aspects on the handling of individual modules are presented in Table 3-5.

S800 I/O Module Replacement Section 3 Maintenance
62 3BSE 020 924R4101
3.4.1.2 Practical Execution
Replace faulty or suspect I/O modules in the following way:
1. Read S800 I/O General Information and Installation.
2. Special restrictions apply to each module type. See descriptions in Table 3-5
for useful information on individual module types.
3. Check that the new module can replace the old.
4. Provide access to the module by loosening the module locking.
5. Grip the module firmly and extract the module.
6. Insert the new module carefully.
7. Store extracted modules in envelopes.
8. Ensure that the module contacts mate properly with the contacts in the MTU
and activate the locking mechanism in place.
9. Modules initialized automatically by the system and the fault indicating LED
extinguishes and RUN LED is activated.
10. Perform a function test on the new module.

Section 3 Maintenance S800 I/O Module Replacement
3BSE 020 924R4101 63
3.4.1.3 Additional Aspects on Individual S800 I/O Modules
Table 3-5 lists S800 I/O modules. Descriptions of these types are referred
individually in the table below.
Table 3-5 Replacement Aspects of S800 I/O Modules
Module Type - Settings Comments
AI810, AI820,
AI825, AI830,
AI835, AI843,
AI845, AI880,
AI890, AI895
Analog Input
No settings Replacement with power applied is
possible.
Turning locking mechanism deactivates the
module.
AO810, AO820,
AO845, AO890,
AO895
Analog Output
No settings Replacement with power applied is
possible.
It may be necessary to set the process
device manually to a safe state before the
module is extracted.
Turning locking mechanism deactivates the
module.
DI810, DI811,
DI814, DI820,
DI821, DI890
Digital Input
No settings Replacement with power applied is
possible.
Turning locking mechanism deactivates the
module.
DI825, DI830,
DI831, DI840,
DI880, DI885
Digital Input with
SOE
No settings Replacement with power applied is
possible.
Turning locking mechanism deactivates the
module.

S800 I/O Module Replacement Section 3 Maintenance
64 3BSE 020 924R4101
DO810, DO814
DO815, DO840,
DO880, DO890
Digital Output
No settings Replacement with power applied is
possible.
It may be necessary to set the process
device manually to a safe state before the
module is extracted.
Turning locking mechanism deactivates the
module.
If DO880 is removed from the MTU, the
connected outputs is automatically turned
to safe state (de-energized).
DO820
Digital Output No settings Replacement with power applied is
possible.
It may be necessary to set the process
device manually to a safe state before the
module is extracted.
Turning locking mechanism deactivates the
module.
DO821
Digital Output No settings Replacement with system power applied is
possible.
Since the module has normally closed relay
contacts the field power must be removed
before replacement.
It may be necessary to set the process
device manually to a safe state before the
module is extracted.
Turning locking mechanism deactivates the
module, that is, relay contacts will close.
Table 3-5 Replacement Aspects of S800 I/O Modules (Continued)
Module Type - Settings Comments
Caution!

Section 3 Maintenance S800 I/O Module Replacement
3BSE 020 924R4101 65
DP820, DP840
Pulse Counter No settings Replacement with power applied is
possible.
It may be necessary to set the process
device manually to a safe state before the
module is extracted.
Turning locking mechanism deactivates the
module.
TU810, TU811,
TU812, TU813,
TU814, TU830,
TU831, TU833,
TU835, TU836,
TU837, TU838,
TU842, TU843,
TU844, TU845
MTUs
No settings Cannot be replaced or repaired with power
applied.
Disconnecting an MTU breaks the
ModuleBus communications bus and
removes power to the MTUs that follow.
MTUs mounted in the middle (between the
ModuleBus master, cluster modem and the
number 12 MTU) need to have the
preceding or following MTUs moved in
order to disconnect the ModuleBus
connector.
Table 3-5 Replacement Aspects of S800 I/O Modules (Continued)
Module Type - Settings Comments

S800L I/O Module Replacement Section 3 Maintenance
66 3BSE 020 924R4101
3.4.2 S800L I/O Module Replacement
3.4.2.1 General
I/O modules can not be exchanged on-line. The power must be switched off to the
I/O station and the module before exchanging the I/O module.
It is important to understand the consequences of a power switch off to an I/O
station and how it affects the process. A power switch off to an I/O station affects all
modules and channels in the station. It also sometimes indirectly affects outputs in
other I/O stations via some application functions.
The system software checks that the module is inserted and correct. If this is the
case, the Fault indication extinguishes and after configuration and enter operation
mode the Run indication is activated and the module resumes its normal function.
The following headings include general instructions for replacement of modules and
aspects on the handling of individual modules are presented in Table 3-6.
3.4.2.2 Practical Execution
Replace faulty or suspect I/O modules in the following way:
1. Read S800 I/O General Information and Installation.
2. Special restrictions apply to each module type. See descriptions in Table 3-6
for useful information on individual module types.
3. Check that the new module can replace the old.
4. Switch off the power to the I/O station.
5. Remove the power supply connector from the I/O module.
6. Remove the process connector from the I/O module.
7. Provide access to the module by loosening the module locking.
8. Slide the module to the right and extract the module.
9. Insert the new module.
10. Store extracted modules in envelopes.

Section 3 Maintenance S800L I/O Module Replacement
3BSE 020 924R4101 67
11. Ensure that the module contacts properly mate with the module to the left and
lock the module with the locking screw.
12. Switch on the power to the I/O station.
13. Connect the power supply to the I/O module.
14. Connect the process connector to the I/O module.
15. Modules are automatically initialized by the system and the status indicating
LED extinguishes from red to off and to green when the module is in normal
operation.
16. Perform a function test on the new module.
3.4.2.3 Additional Aspects on Individual S800L I/O Modules
Table 3-6 lists S800L I/O modules. Descriptions of these types are referred
individually in the table below.
Table 3-6 Replacement Aspects of S800L I/O Modules
Module Type - Settings Comments
AI801, DI801,
DI802, DI803 No settings Switch the power off before replacement.
AO801, DO801,
DO802 No settings Switch the power off before replacement.
It may be necessary to set the process
device manually to a safe state before the
the power switch off.
TU805 No settings Can be replaced with power applied. It may
be necessary to set the process device
manually to a safe state before replacing
the TU805.

S800L I/O Module Replacement Section 3 Maintenance
68 3BSE 020 924R4101

3BSE 020 924R4101 69
Appendix A Specifications
A.1 AI801 Analog Input Module, 0(4)...20 mA
A.1.0.1 Features
• 8 channels for 0...20 mA,
4...20 mA d.c., single ended
unipolar inputs
• 1 group of 8 channels isolated
from ground
• 12 Bit resolution
• Input shunt resistors protected
to 30 V by PTC resistor
• Analog inputs are short circuit
secured to ZP or +24 V
• EMC protection
• DIN rail mounting
• The input withstand HART
communication.
• Process and power
connections via detachable
connectors
AI801
0(4)...20mA
L+ L- 24V
STATUS
1 8765234
+ I + I + I + I + I+ I+ I + I
+ I
S

AI801 Analog Input Module, 0(4)...20 mA Appendix A Specifications
70 3BSE 020 924R4101
A.1.0.2 Description
The AI801 Analog Input Module has 8 channels for current input.
The current input is able to handle a short circuit to the transmitter supply at least 30
V d.c without damage. Current limiting is performed with a PTC resistor. The input
resistance of the current input is 250 ohm, PTC included.
The EMC protection is placed on the module.
The module distributes the external transmitter supply to each channel. This adds a
simple connection to distribute the supply to 2-wire transmitters. There are no
current limiting on the transmitter power terminals. All eight channels are isolated
from the ModuleBus in one group. Power to the input stages is converted from the
external 24 V.
One STATUS LED indicates module status. The STATUS LED can be Green, off or
Red. The STATUS LED Green indicates normal operation. The STATUS LED Red
indicates that the module is in Init state or Not configured state. In Not configured
state the STATUS LED is turned off after the first valid access to the module.
The reset circuitry gives a reset signal when the POWOK signal is active. The
POWOK comes from the ModuleBus master after power is applied.

Appendix A Specifications AI801 Analog Input Module, 0(4)...20 mA
3BSE 020 924R4101 71
A.1.0.3 Technical Data
Table A-1 AI801 Analog Input Module Specifications at 25°C
Feature AI801
Analog Input Module
Number of channels 8
Type of input Unipolar single ended
Measurement range 0...20 mA, 4... 20 mA(1)
Under/over range -0% / +15%
Input impedance (at current input)
(including PTC) ≥230 Ω, ≤270 Ω
Maximum field cable length 600 meters, (656 yd.)
Voltage input, maximum non-destructive 30 V d.c.
NMRR, 50 Hz, 60 Hz >40 dB
Error Max. 0.1%
Resolution 12 bit
Temperature drift Typ. 50 ppm/°C
Max. 80 ppm/°C
Update cycle time 1 ms
Current consumption 24 V external 30 mA
Current consumption 5 V 70 mA
Power dissipation 1.1 W
Maximum ambient temperature 55/40°C
(131/104°F)(2)
Input filter cut off frequency
Second order filter 3.5Hz
Input filter (rise time 0-90%) 140 ms

AI801 Analog Input Module, 0(4)...20 mA Appendix A Specifications
72 3BSE 020 924R4101
Isolation Groupwise isolated from ground
(RIV=50 V)
Equipment class Class I according to IEC 61140; (earth
protected)
Protection rating IP20 according to IEC 60529
Rated insulation voltage 50 V
Dielectric test voltage 500 V a.c.
Acceptable wire sizes Solid: 0.05-2.5mm2, 30-12 AWG
Stranded: 0.05-1.5mm2, 30-12 AWG
Recommended torque: 0.8 Nm
Stripping length: 6-7.5 mm, 0.24-0.30 in
Width 86.1 mm (3.4”)
Depth 58.5 mm (2.3”)
Height 110 mm (4.33”)
Weight 0.24 kg (0.53 lbs.)
(1) 4...20 mA handled by the FCI or controller
(2) 40° C (104 ° F) applies to compact MTUs with I/O modules or S800L modules mounted on
vertical DIN rail.
Table A-1 AI801 Analog Input Module Specifications at 25°C (Continued)
Feature AI801
Analog Input Module

Appendix A Specifications AI801 Analog Input Module, 0(4)...20 mA
3BSE 020 924R4101 73
A.1.0.4 Block Diagram AI801
1I
8I
5VS
5V
#
Mux
LP
STATUS
0V
Pos
LP
Power_ok
EM
1+
L-
8+
7I
LP
2I
LP
2+ Block
MBI
L+

AI801 Analog Input Module, 0(4)...20 mA Appendix A Specifications
74 3BSE 020 924R4101
A.1.0.5 Process Connections
Table A-2 AI801 Process Connections
Process Connection Process
Terminal
Ch1, L1+ 1+
Ch1, Current Input 1I
Ch 2, L1+ 2+
Ch 2, Current Input 2I
Ch 3, L1+ 3+
Ch 3, Current Input 3I
Ch 4, L1+ 4+
Ch 4, Current Input 4I
Ch 5, L2+ 5+
Ch 5, Current Input 5I
Ch 6, L2+ 6+
Ch 6, Current Input 6I
Ch 7, L2+ 7+
Ch 7, Current Input 7I
Ch 8, L2+ 8+
Ch 8, Current Input 8I

Appendix A Specifications AI801 Analog Input Module, 0(4)...20 mA
3BSE 020 924R4101 75
Figure A-1 shows the process connections for the AI801.
Figure A-1 AI801 Process Connections
AI801
2I
3I
4I
5I
6I
7I
8I
1I
EM
8+
7+
6+
5+
L+
L-
4+
3+
1+
2+
Ch8
Ch1
Ch2
L1+
Ch4
Ch5
Ch6
Process
0 - 20mA
0 - 20mA
0 - 20mA
0 - 20mA
0 - 20mA
0 - 20mA
0 - 20mA
0 - 20mA
Mux.
L2+
L2+
L2+
L1+
L1+
Chx I = Current Input
+24v
0v
Ch3
L1+
Ch7

AI810 Analog Input Module, 0(4)...20 mA, 0(2)...10 V Appendix A Specifications
76 3BSE 020 924R4101
A.2 AI810 Analog Input Module, 0(4)...20 mA, 0(2)...10 V
A.2.0.1 Features
• 8 channels for 0...20 mA, 4...20 mA, 0...10 V
or 2...10 V d.c., single ended unipolar inputs
• 1 group of 8 channels isolated from ground
• 12 Bit resolution
• Input shunt resistors protected to 30 V by PTC
resistor
• Analog inputs are short circuit secured to ZP or
+24 V
• EMC protection
• DIN rail mounting
• The input withstand HART communication.
A.2.0.2 Description
The AI810 Analog Input Module has 8 channels. Each
channel can be either a voltage or current input.
The current input is able to handle a short circuit to the
transmitter supply at least 30 V d.c without damage.
Current limiting is performed with a PTC resistor. The
input resistance of the current input is 250 ohm, PTC
included.
The voltage input is able to withstand an over or undervoltage of at least 30 V d.c.
Input resistance is 290 kohm. The EMC protection is placed on the module.
Transmitter supply can be connected to L1+, L1- and/or L2+, L2-.
The module distributes the external transmitter supply to each channel. This adds a
simple connection to distribute the supply to 2- or 3-wire transmitters. There are no
current limiting on the transmitter power terminals. Fused MTUs TU830, TU835
and TU838 provides groupwise and channelwise fusing.
F
R
W
AI810
0..20 mA, 0..10 V
1
2
3
4
5
6
7
8

Appendix A Specifications AI810 Analog Input Module, 0(4)...20 mA, 0(2)...10 V
3BSE 020 924R4101 77
All eight channels are isolated from the ModuleBus in one group. Power to the input
stages is converted from the 24 V on the ModuleBus.
Three LEDs indicate module status Fault (Red), Run (Green) and Warning
(Yellow). The RUN LED indicates normal operation and the WARNING LED
indicates if any error input is active. The FAULT LED indicates that the module is
in Init state or Not configured state. In Not configured state the FAULT LED is
turned off after the first valid access to the module.
The reset circuitry gives a reset signal when the module is inserted until the BLOCK
signal is inactive and the POWOK signal is active. The BLOCK signal is
deactivated when the module lock mechanism is in the locked position. The
POWOK comes from the ModuleBus master after power is applied.
Five different types of MTUs can be used. The TU830 Extended MTU enables three
wire connection to the devices without additional terminals. The TU810 (or TU814)
Compact MTU has terminals for 24 V process voltage inputs, but requires external
terminals for distribution of 24 V power supply to the field devices. The extended
MTU, TU835, and TU838 provides a fuse (3 A max.) per channel for process power
out. The TU812 Compact MTU has a D-Sub 25 pin (male) connector for connection
to the process.

AI810 Analog Input Module, 0(4)...20 mA, 0(2)...10 V Appendix A Specifications
78 3BSE 020 924R4101
A.2.0.3 Technical Data
Table A-3 AI810 Analog Input Module Specifications at 25°C
Feature AI810
Analog Input Module
Number of channels 8
Type of input Unipolar single ended
Measurement range 0...20 mA, 0...10 V,
4... 20 mA(1), 2... 10 V (1)
Under/over range -5% / +15%
Input impedance (at voltage input) 290K Ω
Input impedance (at current input)
(including PTC) ≥230 Ω, ≤275 Ω
Maximum field cable length 600 meters, (656 yd.)
Voltage input, maximum non-destructive 30 V d.c.
NMRR, 50 Hz, 60 Hz >40 dB
Error Max. 0.1%
Resolution 12 bit
Temperature drift Current Typ. 50 ppm/°C
Max. 80 ppm/°C
Temperature drift Voltage Typ. 70 ppm/°C
Max. 100 ppm/°C
Update cycle time 8 ms
Current consumption 24 V 40 mA
Current consumption 5 V 70 mA
Power dissipation 1.5 W
Maximum ambient temperature 55/40°C
(131/104°F)(2)

Appendix A Specifications AI810 Analog Input Module, 0(4)...20 mA, 0(2)...10 V
3BSE 020 924R4101 79
Voltage supervision Internal power supply
Fusing of transmitter supply on MTU (TU830 max 1 AT per group)
Sensor power distribution Max 1 A per connection
Input filter (rise time 0-90%) 140 ms
Isolation Groupwise isolated from ground
(RIV=50 V)
Module termination units TU810, TU812, TU814, TU830, TU835
or TU838
MTU keying code AE
Equipment class Class I according to IEC 61140; (earth
protected)
Protection rating IP20 according to IEC 60529
Rated insulation voltage 50 V
Dielectric test voltage 500 V a.c.
Width 45 mm (1.77”)
Depth 97 mm (3.8”), 106 mm (4.2”) including
connector
Height 119 mm (4.7”)
Weight 0.2 kg (0.44 lbs.)
(1) Handled by the FCI or controller.
(2) 40°C (104°F) applies to compact MTUs with I/O-modules or S800L-modules mounted on
vertical DIN rail.
Table A-3 AI810 Analog Input Module Specifications at 25°C (Continued)
Feature AI810
Analog Input Module

AI810 Analog Input Module, 0(4)...20 mA, 0(2)...10 V Appendix A Specifications
80 3BSE 020 924R4101
A.2.0.4 Block Diagram AI810
I1U
I1I
ZP
I8U
I8I
ZP
0 V 24 V
+24 V
5 VS
5 V
#
Mux
LP
RUN
FAULT
WARNING
0 V
+UPInt
ZP
-UPInt
Pos
LP
Power_ok
EM
L1+
L1+
ZP
L2+
ZP
L2+
I5U
I5I
ZP
LP
L2+
I4U
I4I
ZP
LP
L1+
Block
FCI

Appendix A Specifications AI810 Analog Input Module, 0(4)...20 mA, 0(2)...10 V
3BSE 020 924R4101 81
A.2.0.5 Process Connections
Table A-4 AI810 Process Connections
Process Connection TU810
(or TU814)
Terminal
TU812
D-Sub 25 male
Connector (1)
TU830/
TU833
Terminal
TU835
Terminal TU838
Terminal
+24 V d.c. L1+ (2) 1, 14 L1+ (2) L1+ (2) L1+ (2)
0 V d.c. (ZP) L1- 2, 15 L1- (2) L1- (2) L1- (2)
Ch1, L1+ - - B1, B2 11 (F1) A1 (F1)
Ch1, Voltage Input C1 3 C1 - B1
Ch1, Current Input B1 16 C2 12 B2
Ch1, Return (ZP) A1 - A1, A2 - A2
Ch 2, L1+ - - B3, B4 21 (F2) A3 (F2)
Ch 2, Voltage Input C2 4 C3 - B3
Ch 2, Current Input B2 17 C4 22 B4
Ch 2, Return (ZP) A2 - A3, A4 - A4
Ch 3, L1+ - - B5, B6 31 (F3) A5 (F3)
Ch 3, Voltage Input C3 5 C5 - B5
Ch 3, Current Input B3 18 C6 32 B6
Ch 3, Return (ZP) A3 - A5, A6 - A6
Ch 4, L1+ - - B7, B8 41 (F4) A7 (F4)
Ch 4, Voltage Input C4 6 C7 - B7
Ch 4, Current Input B4 19 C8 42 B8
Ch 4, Return (ZP) A4 - A7, A8 - A8
Ch 5, L2+ - - B9, B10 51 (F5) A9 (F5)
Ch 5, Voltage Input C5 7 C9 - B9

AI810 Analog Input Module, 0(4)...20 mA, 0(2)...10 V Appendix A Specifications
82 3BSE 020 924R4101
Ch 5, Current Input B5 20 C10 52 B10
Ch 5, Return (ZP) A5 - A9, A10 - A10
Ch 6, L2+ - - B11, B12 61 (F6) A11 (F6)
Ch 6, Voltage Input C6 8 C11 - B11
Ch 6, Current Input B6 21 C12 62 B12
Ch 6, Return (ZP) A6 - A11, A12 - A12
Ch 7, L2+ - - B13, B14 71 (F7) A13 (F7)
Ch 7, Voltage Input C7 9 C13 - B13
Ch 7, Current Input B7 22 C14 72 B14
Ch 7, Return (ZP) A7 - A13, A14 - A14
Ch 8, L2+ - - B15, B16 81 (F8) A15 (F8)
Ch 8, Voltage Input C8 10 C15 - B15
Ch 8, Current Input B8 23 C16 82 B16
Ch 8, Return (ZP) A8 - A15, A16 - A16
+24 V d.c. L2+ (2) 11, 24 L2+ (2) L2+ (2) L2+ (2)
0 V d.c. (ZP) L2- 12, 25 L2- (2) L2- (2) L2- (2)
(1) Pin 13 connected to connector body for EM.
Table A-4 AI810 Process Connections (Continued)
Process Connection TU810
(or TU814)
Terminal
TU812
D-Sub 25 male
Connector (1)
TU830/
TU833
Terminal
TU835
Terminal TU838
Terminal

Appendix A Specifications AI810 Analog Input Module, 0(4)...20 mA, 0(2)...10 V
3BSE 020 924R4101 83
Figure A-2 shows the process connections for the Analog Input Module AI810
when installed on a TU830 Extended MTU.
Figure A-2 AI810 with TU830 Extended MTU Process Connections
AI810
I1U
ZP
I2U
I2I
ZP
ZP
ZP
ZP
ZP
ZP
ZP
I3U
I4U
I5U
I6U
I7U
I8U
I3I
I4I
I5I
I6I
I7I
I8I
I1I
TU830/TU833
EM
L2+
L2+
L2+
L2+
L2+
L-
L1+
L1+
L1+
L1+
Ch8 V
Ch7 V
Ch1 I
Ch2 I
Ch3 V
Ch4 I
Ch5 I
Ch6 I
3 - Wire
Process
XMTRs
2 - Wire
XMTRs
4 - 20mA
0 - 20mA
0 - 10V
0 - 10V
0 - 20mA
0 - 10V
4 - 20mA
4 - 20mA
B1,B2
C1
C2
A1,A2
L1+
L1+
L1-
L1-
B3,B4
C3
C4
A3,A4
B7,B8
C7
C8
A7,A8
B9,B10
C9
C10
A9,A10
B11,B12
C11
C12
A11,A12
B13,B14
C13
C14
A13,A14
B15,B16
C15
C16
A15,A16
L2+
L2+
L2-
L2-
Mux.
4 - Wire
XMTRs
Pwr.
Source
ZP
ZP
ZP
ZP
ZP
ZP
L2+
L2+
L2+
L2+
L1+
L1+
L1+
L-
Fuse
6.3A
*
Fuse
6.3A
*
Chx V = Voltage Input
Chx I = Current Input
+24v
0v
+24v
0v
* Max 1 AT in combination with AI810
B5,B6
C5
C6
A5,A6

AI810 Analog Input Module, 0(4)...20 mA, 0(2)...10 V Appendix A Specifications
84 3BSE 020 924R4101
Figure A-3 shows the process connections for the AI810 when installed on a TU810
or TU814 Compact MTU.
Figure A-3 AI810 with TU810 or TU814 Compact MTU Process Connections
AI810
TU810
EM
24V 0V
+24V
0V
Ch8 V
Ch7 V
Ch1 I
Ch2 I
Ch3 V
Ch4 V
Ch5 I
Ch6 I
Process
4 - 20mA
0 - 20mA
0 - 10V
0 - 10V
0 - 10mA
0 - 10V
4 - 20mA
4 - 20mA C1
B1
A1
Pwr.
Sup.
Pwr.
Sup.
L1+
L1-
C2
B2
A2
C3
B3
A3
C4
B4
A4
C5
B5
A5
C6
B6
A6
C7
B7
A7
C8
B8
A8
L2+
L2-
Mux.
ZP
ZP
ZP
ZP
ZP
ZP
L1+
ZP
I1U
ZP
I2U
I2I
ZP
ZP
ZP
ZP
ZP
ZP
ZP
I3U
I4U
I5U
I6U
I7U
I8U
I3I
I4I
I5I
I6I
I7I
I8I
I1I
L2+
L2+
L2+
L2+
L1+
L1+
L1+
L1+
L2+
ZP
Chx V = Voltage Input
Chx I = Current Input
L2+
L1+
(or TU814)

Appendix A Specifications AI810 Analog Input Module, 0(4)...20 mA, 0(2)...10 V
3BSE 020 924R4101 85
Figure A-4 shows the process connections for the AI810 when installed on a TU835
Extended MTU.
Figure A-4 AI810 with TU835 Extended MTU Process Connections
AI810
I1U
ZP
I2U
I2I
ZP
ZP
ZP
ZP
ZP
ZP
ZP
I3U
I4U
I5U
I6U
I7U
I8U
I3I
I4I
I5I
I6I
I7I
I8I
I1I
TU835
EM
L2+
L2+
L2+
L2+
L2+
L-
L1+
L1+
L1+
L1+
Ch8 I
Ch1 I
Ch2 I
L1+
Ch4 I
Ch5 I
Ch6 I
Process
4 - 20mA
4 - 20mA
4 - 20mA
4 - 20mA
4 - 20mA
4 - 20mA
4 - 20mA
4 - 20mA
11
12
L1+
L1+
L1-
L1-
21
22
31
32
41
42
51
52
61
62
71
72
81
82
L2+
L2+
L2-
L2-
Mux.
L2+
L2+
L2+
L2+
L1+
L1+
L1+
L-
F1
Chx I = Current Input
+24v
0v
+24v
0v
F2
F3
F4
F5
F6
F7
F8
Ch3 I
L1+
Ch7 I
Fn=100mA
X11
X12
X13

AI810 Analog Input Module, 0(4)...20 mA, 0(2)...10 V Appendix A Specifications
86 3BSE 020 924R4101
Figure A-5 shows the process connections for the AI810 when installed on a TU838
Extended MTU.
Figure A-5 AI810 with TU838 Extended MTU Process Connections
AI810
I1U
ZP
I2U
I2I
ZP
ZP
ZP
ZP
ZP
ZP
ZP
I3U
I4U
I5U
I6U
I7U
I8U
I3I
I4I
I5I
I6I
I7I
I8I
I1I
TU838
EM
L2+
L2+
L2+
L2+
L2+
L-
L1+
L1+
L1+
L1+
Ch8 V
Ch7 V
Ch1 I
Ch2 I
Ch3 V
Ch4 I
Ch5 I
Ch6 I
3 - Wire
Process
XMTRs
2 - Wire
XMTRs
4 - 20mA
0 - 20mA
0 - 10V
0 - 10V
0 - 20mA
0 - 10V
4 - 20mA
4 - 20mA
A1
B1
B2
A2
L1+
L1+
L1-
L1-
A3
B3
B4
A4
A5
B5
B6
A6
A7
B7
B8
A8
A9
B9
B10
A10
A11
B11
B12
A12
A13
B13
B14
A14
A15
B15
B16
A16
L2+
L2+
L2-
L2-
Mux.
4 - Wire
XMTRs
Pwr.
Source
ZP
ZP
ZP
ZP
ZP
ZP
L2+
L2+
L2+
L2+
L1+
L1+
L1+
L-
F1
Chx V = Voltage Input
Chx I = Current Input
+24v
0v
+24v
0v
F2
F3
F4
F5
F6
F7
F8

Appendix A Specifications AI810 Analog Input Module, 0(4)...20 mA, 0(2)...10 V
3BSE 020 924R4101 87
Figure A-6 shows the process connections for the AI810 when installed on a TU812
Compact MTU.
Figure A-6 AI810 with TU812 Compact MTU Process Connections
AI810
I1U
ZP
I2U
I2I
ZP
ZP
ZP
ZP
ZP
ZP
ZP
I3U
I4U
I5U
I6U
I7U
I8U
I3I
I4I
I5I
I6I
I7I
I8I
I1I
TU812
EM
L2+
L2+
L2+
L2+
L2+
L-
L1+
L1+
L1+
L1+
Process
Mux.
L1+
L-
3
16
4
17
7
20
8
21
9
22
10
23
11
24
12
25
1
5
18
2
6
19
14
15
13 EM
Ch1 V
3
Ch1 I
16
Ch2 V
4
Ch2 I
17
Ch5 V
7
Ch5 I
20
Ch6 V
8
Ch6 I
21
Ch7 V
9
Ch7 I
22
Ch8 V
10
Ch8 I
23
+24V
11
24
0V
12
25
+24V
1
Ch3 V
5
Ch3 I
18
0V
2
Ch4 V
6
Ch4 I
19
14
15
13 EM
S1
S2
S3
S4
S9
S10
S11
S12
S13
S14
S15
S16
UP2
ZP2
UP1
S5
S6
ZP1
S7
S8
UP2
ZP2
UP1
ZP1
Chx V = Voltage Input
Chx I = Current Input
Connection

AI820 Differential Analog Input Module, +/- 20 mA, +/- 10 V, +/- 5 V (4...20 mA, 2...10 V, 1...5 V)
88 3BSE 020 924R4101
A.3 AI820 Differential Analog Input Module,
+/- 20 mA, +/- 10 V, +/- 5 V (4...20 mA, 2...10 V, 1...5 V)
A.3.0.1 Features
• 4 channels for -20...+20 mA, 0...20 mA, 4...20
mA, -10...+10 V, 0...10 V, 2...10 V, -5...+5 V,
0...5 V, 1...5 V d.c. bipolar differential inputs
• One group of 4 channels isolated from ground
• Configurable on a per channel basis
• 14 Bit resolution plus sign
• Input shunt resistors protected to 30 V d.c.
• EMC protection
• DIN rail mounting
• The input withstand HART communication.
A.3.0.2 Description
The AI820 Analog Input Module has 4 differential,
bipolar current/voltage inputs. Each channel can be
either a voltage or current input.
The current inputs can withstand an accidental
maximum normal mode 30 V d.c. connection. To
protect the current input circuit against dangerous
input levels, that is, by accidentally connecting a 24 V source, the resistor rating of
the 250Ω current sense resistors is about 5 Watts. This is intended only to
temporarily protect one channel at a time.
The module distributes the external transmitter supply to each channel. This adds a
simple connection (with extended MTUs) to distribute the supply to external 2 wire
transmitters. There is no current limiting on the transmitter power terminals.
All 4 channels are isolated from the ModuleBus in one group. Power to the input
stages is converted from the 24 V on the ModuleBus.
F
R
W
AI820
±20 mA, ±10 V Diff
1
2
3
4

Appendix A Specifications AI820 Differential Analog Input Module, +/- 20 mA, +/- 10 V, +/- 5 V
3BSE 020 924R4101 89
Three LEDs indicate module status Fault (Red), Run (Green) and Warning
(Yellow). The RUN LED indicates normal operation and the WARNING LED
indicates if any diagnostic condition is active. The FAULT LED indicates that the
module is in Init state or Not configured state. In Not Configured state the FAULT
LED is turned off after the first valid access to the module.
The reset circuitry gives a reset signal when the module is inserted until the BLOCK
signal is inactive and the POWOK signal is active. The BLOCK signal is
deactivated when the module lock mechanism is in the locked position. The
POWOK comes from the ModuleBus master after power is applied.
Four different types of MTUs can be used. The TU830 Extended MTU enables
three wire connection to the devices without additional terminals. The TU810 (or
TU814) Compact MTU has terminals for 24 V process voltage inputs, but requires
external terminals for distribution of 24 V power supply to the field devices. The
TU812 Compact MTU has a D-Sub 25 pin (male) connector for connection to the
process.

AI820 Differential Analog Input Module, +/- 20 mA, +/- 10 V, +/- 5 V (4...20 mA, 2...10 V, 1...5 V)
90 3BSE 020 924R4101
A.3.0.3 Technical Data
Table A-5 AI820 Differential Analog Input Module Specifications at 25°C
Feature AI820
Analog Input Module
Number of channels 4
Type of input Bipolar differential
Measurement ranges (nominal) -20...+20 mA, 0...20 mA,
4...20 mA (1), -10...+10 V, 0...10 V, 2...10
V (1), -5...+5 V, 0...5 V, 1...5 V (1) d.c.
Over/under range ± 15%
Input impedance (at voltage input) 200kΩ +/− 25% Common mode
800kΩ +/− 25% Normal mode
Input impedance (at current input) 250 Ω
Maximum field cable length 600 meters, (656 yd.)
Max. Differential d.c. input (Fault) 30 V
Common mode voltage input 50 V d.c.
CMRR, 50 Hz, 60 Hz 80 dB (>60 dB d.c.)
NMRR, 50 Hz, 60 Hz 33 dB
Error Max. 0,1%
Resolution 14 bit plus sign
Temperature drift, Current Max.50 ppm/°C
Temperature drift, Voltage Max.70 ppm/°C
Update cycle time (all four channels) <26 ms
Current consumption 24 V 70 mA
Current consumption 5 V 80 mA
Power dissipation 1.7W

Appendix A Specifications AI820 Differential Analog Input Module, +/- 20 mA, +/- 10 V, +/- 5 V
3BSE 020 924R4101 91
Maximum ambient temperature 55/40°C
(131/104°F)(2)
Voltage supervision Internal process supply
Input filter (rise time) 40 ms
Fusing of transmitter supply on Extended MTU
Isolation Groupwise isolated from ground
(RIV=50 V)
Module termination units TU810, TU812, TU814 or TU830
MTU keying code BB
Equipment class Class I according to IEC 61140; (earth
protected)
Protection rating IP20 according to IEC 60529
Rated insulation voltage 50 V
Dielectric test voltage 500 V a.c.
Width 45 mm (1.77”)
Depth 97 mm (3.8”), 106 mm (4.2”) including
connector
Height 119 mm (4.7”)
Weight 0.2 kg (0.44 lbs.)
(1) Handled by the FCI or controller.
(2) 40°C (104°F) applies to compact MTUs with I/O-modules or S800L-modules mounted on
vertical DIN rail.
Table A-5 AI820 Differential Analog Input Module Specifications at 25°C
(Continued)
Feature AI820
Analog Input Module

AI820 Differential Analog Input Module, +/- 20 mA, +/- 10 V, +/- 5 V (4...20 mA, 2...10 V, 1...5 V)
92 3BSE 020 924R4101
A.3.0.4 Block Diagram AI820
+0 V 24
+24 V
5 VS
5 V
#
Mux
AMP
FAULT
RUN
WARNING
0 V
+UPInt
ZP
-UPInt
Pos
Power_ok
EM
L1+
L1-
ZP
Block
MBI-2
ModuleBus
PGA
G=1/2
L1-
L1+
L2+
L2-
+
LPF
AMP
+
LPF
AMP
+
LPF
CPU
L1-
L1+
I1U+
I1I+
I1-
I1IB
I4U+
I4I+
I4-
I4IB
I2U+
I2I+
I2-
I2IB
CLK +/-
Data +/-
AMP
+
LPF
I3U+
I3I+
I3-
I3IB
L2+
L2-
L2+
L2-

Appendix A Specifications AI820 Differential Analog Input Module, +/- 20 mA, +/- 10 V, +/- 5 V
3BSE 020 924R4101 93
A.3.0.5 Process Connections
Table A-6 AI820 Process Connections
Process Connection TU810
(or TU814)
Terminal
TU812
D-Sub 25 male
Connector(1)
TU830/TU833
Terminal
+24 V d.c. L1+ 1, 14 L1+
0 V d.c. (ZP) L1- 2, 15 L1-
Ch1, L1+ - - B1, B2
Ch1V, Voltage Input + C1 3 C1
Ch1IB (2) B1 16 C2
Ch1, L1- A1 - A1, A2
Ch 1, L1+ - - B3, B4
Ch 1I, Current Input + C2 4 C3
Ch 1-, Return - (2) B2 17 C4
Ch 1, L1- A2 - A3, A4
Ch 2, L1+ - - B5, B6
Ch 2V, Voltage Input + C3 5 C5
Ch 2IB (2) B3 18 C6
Ch 2, L1- A3 - A5, A6
Ch 2, L1+ - - B7, B8
Ch 2I, Current Input + C4 6 C7
Ch 2-, Return - (2) B4 19 C8
Ch 2, L1- A4 - A7, A8
Ch 3, L2+ - - B9, B10
Ch 3V, Voltage Input + C5 7 C9

AI820 Differential Analog Input Module, +/- 20 mA, +/- 10 V, +/- 5 V (4...20 mA, 2...10 V, 1...5 V)
94 3BSE 020 924R4101
Ch 3IB (2) B5 20 C10
Ch 3, L2- A5 - A9, A10
Ch 3, L2+ - - B11, B12
Ch 3I, Current Input + C6 8 C11
Ch 3-, Return - (2) B6 21 C12
Ch 3, L2- A6 - A11, A12
Ch 4, L2+ - - B13, B14
Ch 4V, Voltage Input + C7 9 C13
Ch 4IB (2) B7 22 C14
Ch 4, L2- A7 - A13, A14
Ch 4, L2+ - - B15, B16
Ch 4I, Current Input + C8 10 C15
Ch 4-, Return - (2) B8 23 C16
Ch 4, L2- A8 - A15, A16
+24 V d.c. L2+ 11, 24 L2+
0 V d.c. (ZP) L2- 12, 25 L2-
(1) Pin 13 connected to connector body for EM.
(2) When connect current signal current bridge must be connected to the voltage Input. If 2-wire
transmitter also connect Return- to L1- or L2-.
Table A-6 AI820 Process Connections (Continued)
Process Connection TU810
(or TU814)
Terminal
TU812
D-Sub 25 male
Connector(1)
TU830/TU833
Terminal

Appendix A Specifications AI820 Differential Analog Input Module, +/- 20 mA, +/- 10 V, +/- 5 V
3BSE 020 924R4101 95
Figure A-7 shows the process connections for the Differential Analog Input Module
AI820 when installed on a TU830 Extended MTU.
Figure A-7 AI820 with TU830 Extended MTU Process Connections
AI820
TU830/TU833
EM
L2+
L2-
L1+
Process
B1,B2
C1
C2
A1,A2
L1+
L1+
L1-
L1-
B3,B4
C3
C4
A3,A4
B5,B6
C5
C6
A5,A6
B7,B8
C7
C8
A7,A8
B9,B10
C9
C10
A9,A10
B11,B12
C11
C12
A11,A12
B13,B14
C13
C14
A13,A14
B15,B16
C15
C16
A15,A16
L2+
L2+
L2-
L2-
Ch1 V
L1+
L1-
Fuse
6.3A
Chx V = Voltage Input
Chx I = Current Input
+24v
0v
+24v
0v
Diff.
Amp
+
LPF
Diff.
Amp
+
LPF
Diff.
Amp
+
LPF
Diff.
Amp
+
LPF
LPF = Low Pass Filter
I1I+
I1-
L1-
Compensation
L1+
I1U+
I1IB
L1-
Fuse
6.3A
L1+
I2I+
I2-
L1-
L1+
I2U+
I2IB
L1-
L2+
I3I+
I3-
L2-
L2+
I3U+
I3IB
L2-
L2+
I4I+
I4-
L2-
L2+
I4U+
I4IB
L2-
Compensation
Compensation
Compensation
4 - 20mA Ch1 -
0 - 10V
L1+
Ch2 I
0 - 20mA
Ch3 I
Ch3 -
0 - 10V
CH4 V
L2+
L2-
L1+
I2U+
I2IB
Pwr.
Source
4 Wire
XTMR
2 Wire
XTMR
Pwr.
Source
4 Wire
XTMR
3 Wire
XTMR
Ch2V
Ch2IB
Ch3V
Ch3IB
Ch2-
L1-
250W
250W
250W
250W
250W
250W 250W 250W

AI820 Differential Analog Input Module, +/- 20 mA, +/- 10 V, +/- 5 V (4...20 mA, 2...10 V, 1...5 V)
96 3BSE 020 924R4101
Figure A-8 shows the process connections for the AI820 when installed on a TU810
or TU814 Compact MTU.
Figure A-8 AI820 with TU810 or TU814 Compact MTU Process Connections
Pwr.
Source
4 Wire
XTMR
2 Wire
XTMR
Pwr.
Source
4 Wire
XTMR
3 Wire
XTMR
AI820
TU810
EM
Process
C1
B1
A1
L1+
L1-
C2
B2
A2
C3
B3
A3
C4
B4
A4
C5
B5
A5
C6
B6
A6
C7
B7
A7
C8
B8
A8
L2+
L2-
L1+
L1-
L2+
L2-
Chx V = Voltage Input
Chx I = Current Input
L2+
L1+
Diff.
Amp
+
LPF
Diff.
Amp
+
LPF
Diff.
Amp
+
LPF
Diff.
Amp
+
LPF
LPF = Low Pass Filter
Compensation
Compensation
Compensation
Compensation
L1+
I1I
+
I1-
L1-
L1+
I1U+
I1IB
L1-
L1+
I2I+
I2-
L1-
L2+
I3I+
I3-
L2-
L2+
I3U+
I3IB
L2-
L2+
I4I+
I4-
L2-
L2+
I4U+
I4IB
L2-
L1+
I2U+
I2IB
L1-
Ch1 V
Ch1 -
0 - 10V
Ch2 I
0 - 20mA
Ch3 I
Ch3 -
0 - 10V
CH4 V
Ch4 -
4 - 20mA
Ch2 -
L1-
Local
Gnd.
+24V 0V
+24v
0v
(or TU814)
Ch2IB
Ch3V
Ch3IB
Ch2V
250W
250W
250W
250W
250W
250W
250W
250W

Appendix A Specifications AI820 Differential Analog Input Module, +/- 20 mA, +/- 10 V, +/- 5 V
3BSE 020 924R4101 97
Figure A-9 shows the process connections for the AI820 when installed on a
TU812.
Figure A-9 AI820 with TU812 Compact MTU Process Connections
AI820
EM
L2+
L2-
L1+
L1+
L1-
Diff.
Amp
+
LPF
Diff.
Amp
+
LPF
Diff.
Amp
+
LPF
Diff.
Amp
+
LPF
LPF = Low Pass Filter
I1I+
I1-
L1-
Compensation
L1+
I1U+
I1IB
L1-
L1+
I2I+
I2-
L1-
L1+
I2U+
I2IB
L1-
L2+
I3I+
I3-
L2-
L2+
I3U+
I3IB
L2-
L2+
I4I+
I4-
L2-
L2+
I4U+
I4IB
L2-
Compensation
Compensation
Compensation
L1+
I2U+
I2IB
TU812
Process
3
16
4
17
7
20
8
21
9
22
10
23
11
24
12
25
1
5
18
2
6
19
14
15
13
Ch1 V
3
Ch1 IB
16
Ch1 I
4
Ch1 R
17
Ch3 V
7
Ch3 IB
20
Ch3 I
8
Ch3 R
21
Ch4 V
9
Ch4 IB
22
Ch4 I
10
Ch4 R
23
+24V
11
24
0V
12
25
+24V
1
Ch2 V
5
Ch2 IB
18
0V
2
Ch2 I
6
19
14
15
13 EM
S1
S2
S3
S4
S9
S10
S11
S12
S13
S14
S15
S16
UP2
ZP2
UP1
S5
S6
ZP1
S7
S8
UP2
ZP2
UP1
ZP1
Connection
Ch2 R
250W
250W
250W
250W
250W 250W 250W 250W

AI825 Galvanic Isolated Analog Input Module Appendix A Specifications
98 3BSE 020 924R4101
A.4 AI825 Galvanic Isolated Analog Input Module
A.4.0.1 Features
• 4 channels individually galvanic isolated inputs
for +20 mA, 0...20 mA, 4...20 mA, +10 V,
0...10 V, 2...10 V
• 14 Bit resolution plus sign
• Input shunt resistors protected to 30 V d.c.
• EMC protection
• DIN rail mounting
• The input withstand HART communication.
A.4.0.2 Description
The AI825 Analog Input Module has 4 individually
galvanic isolated, bipolar current/voltage inputs. Each
channel can be either a voltage or current input.
The module has a direct current input that withstand
up to 6.3 V and a over voltage protected current input
that withstand up to +30 V d.c. The current is limited
by a PTC resistor.
Power to the input stages is converted from the 24 V
on the ModuleBus.
Three LEDs indicate module status Fault (Red), Run (Green) and Warning
(Yellow). The RUN LED indicates normal operation and the WARNING LED
indicates if any diagnostic condition is active. The FAULT LED indicates that the
module is in Init state or Not configured state. In Not Configured state the FAULT
LED is turned off after the first valid access to the module.
The reset circuitry gives a reset signal when the module is inserted until the BLOCK
signal is inactive and the POWOK signal is active. The BLOCK signal is
deactivated when the module lock mechanism is in the locked position. The
POWOK comes from the ModuleBus master after power is applied.

Appendix A Specifications AI825 Galvanic Isolated Analog Input Module
3BSE 020 924R4101 99
Three different types of MTUs can be used; TU831 Extended MTU, TU811 or
TU813 Compact MTU. The TU813 Compact MTU has crimped snap-in connectors
for connection to the process.

AI825 Galvanic Isolated Analog Input Module Appendix A Specifications
100 3BSE 020 924R4101
A.4.0.3 Technical Data
Table A-7 AI825 Galvanic Isolated Input Module Specifications at 25°C
Feature AI825
Analog Input Module
Number of channels 4
Type of input Galvanic isolated
channel to channel
channel to ground
Measurement ranges (nominal) -20...+20 mA, 0...20 mA,
4...20 mA, -10...+10 V, 0...10 V,
2...10 V d.c.
Over/under range ± 15%
Input impedance at voltage input (I x U) 10 MΩ
Input impedance at current input (I x I) 50 Ω
Over voltage protected current input (I x IP) 50 Ω + 125 Ω
Maximum field cable length 600 meters, (656 yd.)
Max. Differential d.c. input (Fault)
Voltage input
Over voltage protected current input
Current input
30 V
30 V
6.3 V
CMRR, 50 Hz, 60 Hz 120 dB
NMRR >40 dB at 50 Hz, >55 dB at 60 Hz
Error Max. 0,1%
Resolution 14 bit plus sign
Temperature drift Max 57 ppm/°C (± 20 mA)
Max 34 ppm/°C (± 10 V)
Max 78 ppm/°C (0...20 mA)
Max 47 ppm/°C (0...10 V)
Update cycle time (all four channels) <10 ms

Appendix A Specifications AI825 Galvanic Isolated Analog Input Module
3BSE 020 924R4101 101
Current consumption 24 V Typ 90 mA, max 110 mA
Current consumption 5 V Typ 70 mA, max 100 mA
Power dissipation Typ 2.5 W, max 3.2 W
Maximum ambient temperature 55/40°C
(131/104°F)(1)
Voltage supervision Internal supplies
Input filter (0 to 90%) 130 ms at current input
115 ms at voltage input
Module termination units TU811, TU813 or TU831
MTU keying code DA
Equipment class Class I according to IEC 61140; (earth
protected)
Protection rating IP20 according to IEC 60529
Rated insulation voltage 250 V
Dielectric test voltage
between channels
channel to ground and MB24V
MB24V to ground
1900 V d.c.
3250 V d.c.
720 V d.c.
Width 45 mm (1.77”)
Depth 97 mm (3.8”), 106 mm (4.2”) including
connector
Height 119 mm (4.7”)
Weight 0.22 kg (0.48 lbs.)
(1) 40°C (104°F) applies to compact MTUs with I/O-modules mounted on vertical DIN rail.
Table A-7 AI825 Galvanic Isolated Input Module Specifications at 25°C
(Continued)
Feature AI825
Analog Input Module

AI825 Galvanic Isolated Analog Input Module Appendix A Specifications
102 3BSE 020 924R4101
A.4.0.4 Block Diagram AI825
+0 V 24
+24 V
5 VS
5 V
#
FAULT
RUN
WARNING
0 V
Pos
Power_ok
EM
Block
MBI-2
ModuleBus
CPU
I1U
I1I
ZP1
I1IP
CLK +/-
Data +/-
AMP
+
LPF
#
I2U
I2I
ZP2
I2IP AMP
+
LPF
#
I3U
I3I
ZP3
I3IP AMP
+
LPF
#
I4U
I4I
ZP4
I4IP AMP
+
LPF
Ch1
Ch2
Ch3
Ch4

Appendix A Specifications AI825 Galvanic Isolated Analog Input Module
3BSE 020 924R4101 103
A.4.0.5 Process Connections
Table A-8 AI825 Process Connections
Process Connection TU811
or TU813
Terminal
TU831
Terminal
Ch1V, Voltage Input + B1 B1
Ch1 IP, Current input+ protected C2 B2
Ch 1I, Current Input + A2 A2
Ch 1-, Return - (ZP1) A1 A1
Ch 2V, Voltage Input + B3 B3
Ch2 IP, Current input+ protected C4 B4
Ch 2I, Current Input + A4 A4
Ch 2-, Return - (ZP2) A3 A3
Ch 3V, Voltage Input + B5 B5
Ch3 IP, Current input+ protected C6 B6
Ch 3I, Current Input + A6 A6
Ch 3-, Return - (ZP3) A5 A5
Ch 4V, Voltage Input + B7 B7
Ch4 IP, Current input+ protected C8 B8
Ch 4I, Current Input + A8 A8
Ch 4-, Return - (ZP4) A7 A7

AI825 Galvanic Isolated Analog Input Module Appendix A Specifications
104 3BSE 020 924R4101
Figure A-7 shows the process connections for the Galvanic Isolated Analog Input
Module AI825 when installed on a TU811 or TU813 Compact MTU.
Figure A-10 AI825 with TU811 or TU813 Compact MTU Process Connections
AI825
TU811/TU813
EM
Process
I1U
I1IP
I1I
ZP1
B1
C2
A2
A1
Ch1 V
Ch1 ZP
+10 V
I2U
I2IP
I2I
ZP2
B3
C4
A4
A3
Ch2 IP
Ch2 ZP
+20 mA
I3U
I13IP
I3I
ZP3
B5
C6
A6
A5
Ch3 I
Ch3 ZP
+20 mA
I4U
I4IP
I4I
ZP4
B7
C8
A8
A7
Ch4 I
Ch4 ZP
4-20 mA
-+

Appendix A Specifications AI825 Galvanic Isolated Analog Input Module
3BSE 020 924R4101 105
Figure A-8 shows the process connections for the AI825 when installed on a TU831
Extended MTU.
Figure A-11 AI825 with TU831 Extended MTU Process Connections
AI825
TU831
EM
Process
I1U
I1IP
I1I
ZP1
B1
B2
A2
A1
Ch1 V
Ch1 ZP
+10 V
I2U
I2IP
I2I
ZP2
B3
B4
A4
A3
Ch2 IP
Ch2 ZP
+20 mA
I3U
I13IP
I3I
ZP3
B5
B6
A6
A5
Ch3 I
Ch3 ZP
+20 mA
I4U
I4IP
I4I
ZP4
B7
B8
A8
A7
Ch4 I
Ch4 ZP
4-20 mA
-+

AI830 RTD Input Module Appendix A Specifications
106 3BSE 020 924R4101
A.5 AI830 RTD Input Module
A.5.0.1 Features
• 8 channels for RTD (Pt100, Cu10, Ni100 and
Ni120 and resistor) inputs
• 3-wire connection to RTDs
• 14 Bit resolution
• Inputs are monitored for open-circuit, short-
circuit and has a input grounded sensor
• EMC protection
• DIN rail mounting.
A.5.0.2 Description
The AI830 RTD Input Module has 8 channels for
measurement of temperature with resistive elements
(RTDs). With 3-wire connections. All the RTDs must
be isolated from ground.
The AI830 can be used with Pt100, Cu10, Ni100,
Ni120 or resistive sensors. Linearization and
conversion of the temperature to Centigrade or
Fahrenheit is performed on the module. Every channel
can be individually configured.
The MainsFreq parameter is used to set mains frequency filter cycle time. This will
give a notch filter at the frequency specified (50 Hz or 60 Hz).
Three LEDs indicate module status Fault (Red), Run (Green) and Warning
(Yellow). The RUN LED indicates normal operation and the WARNING LED
indicates if any error input is active. The FAULT LED indicates that the module is
in Init state, Error state or Not configured state.
In Not configured state the FAULT LED is turned off after the first valid access to
the module.
F
R
W
AI830
RTD
1
2
3
4
5
6
7
8

Appendix A Specifications AI830 RTD Input Module
3BSE 020 924R4101 107
The reset circuitry gives a reset signal when the module is inserted until the BLOCK
signal is inactive and the POWOK signal is active. The BLOCK signal is
deactivated when the module lock mechanism is in the locked position. The
POWOK comes from the ModuleBus master after power is applied.
Four different types of MTUs can be used. The TU830 Extended MTU and the
TU810 (or TU814) Compact MTU enables three wire connection to the devices
without additional terminals. The TU812 Compact MTU has a D-Sub 25 pin (male)
connector for connection to the process.

AI830 RTD Input Module Appendix A Specifications
108 3BSE 020 924R4101
A.5.0.3 Technical Data
Table A-9 AI830 RTD Input Module Specifications at 25°C
Feature AI830
RTD Input Module
Number of channels 8
Type of input 3-wire RTD:
Pt100, Cu10, Ni100, Ni120 and resistive
potentiometer
Measurement range See Table A-10
Maximum field cable resistance 55 Ω
Error dependent of the field cable
resistance
Rerr =Error in ohm
R =Wire resistance
∆R =Difference in % between resistance
in field cables, see Figure A-12.
Rerr = R x (0.005 + ∆R/100)
Terr°C = Rerr / (R0 x TCR)
Terr°F = Terr°C x 1.8
CMRR, 50 Hz, 60 Hz >120 dB(1)
NMRR, 50 Hz, 60 Hz >60 dB
Error (IEC 51-1)(2) See Table A-10
Resolution See Table A-10
Temperature drift See Table A-10
Update cycle time 150 ms + n x 95 ms (3)
Current consumption 24 V 50 mA
Current consumption 5 V 70 mA
Power dissipation 1.6 W
Maximum ambient temperature 55/40°C
(131/104°F)(4)
Supervision Open-circuit, short-circuit(5),
reference channel, internal power supply

Appendix A Specifications AI830 RTD Input Module
3BSE 020 924R4101 109
Isolation Groupwise isolated from ground (RIV=50
V)
Mounting termination units TU810, TU812, TU814 or TU830
MTU keying code AF
Equipment class Class I according to IEC 61140; (earth
protected)
Protection rating IP20 according to IEC 60529
Rated insulation voltage 50 V
Dielectric test voltage 500 V a.c.
Width 45 mm (1.77”)
Depth 97 mm (3.8”), 106 mm (4.2”) including
connector
Height 119 mm (4.7”)
Weight 0.22 kg (0.49 lbs.)
(1) At 10 Ω load, e.g. Cu 10. CMMR is >80 dB at <400 Ω load and >110 dB at 100 Ω.
(2) Without error dependent of the field cable resistance
(3) n=Number of active channels
(4) 40°C (104°F) applies to compact MTUs with I/O-modules or S800L-modules mounted on
vertical DIN rail.
(5) For Cu10, not short circuit.
Figure A-12 Error dependency of the field cable resistance
Table A-9 AI830 RTD Input Module Specifications at 25°C (Continued)
Feature AI830
RTD Input Module
AI830
R1
R2
Pt100
∆R=Difference between
R1 and R2
R1, R2, Rzp=Field cable
Rzp
resistance

AI830 RTD Input Module Appendix A Specifications
110 3BSE 020 924R4101
Table A-10 AI830 Signal Range
Temperature
Range Sensor
Type
Max Error Resolution MaxTemp
Drift
50 Hz 60 Hz 50 Hz 60 Hz
-80...80°CPt100
(1)
(1) According to IEC 751, TCR = 0.003850
0.095°C0.11°C0.025°C0.030°C0.0017°C/°C
-112...176°FPt100
(1) 0.17°F0.19°F0.046°F0.055°F0.003°F/°F
-200...250°CPt100
(1) 0.14°C0.15°C0.026°C0.031°C0.0025°C/°C
-328...482°FPt100
(1) 0.25°F0.27°F0.046°F0.055°F0.0045°F/°F
-200...850°CPt100
(1) 0.22°C0.24°C0.056°C0.067°C0.005°C/°C
-328...1562°FPt100
(1) 0.39°F0.43°F0.10°F0.12°F0.009°F/°F
-60...180°CNi100
(2)
(2) According to DIN 43760, TCR = 0.00617
0.10°C0.12°C0.031°C0.037°C0.0021°C/°C
-76...356°F Ni100(2) 0.19°F0.21°F0.056°F0.067°F0.0038°F/°F
-80...260°CNi120
(3)
(3) According to MIL-T-24388C, TCR = 0. 00672
Ro = 120 Ω (MINCO)
0.27°C0.29°C0.022°C0.026°C0.0029°C/°C
-112...500°FNi120
(3) 0.49°F0.51°F0.039°F0.046°F0.0053°F/°F
-100...260°CCu10
(4)
(4) According to TCR = 0.00427, R25 = 10 Ω (MINCO)
0.60°C0.69°C0.26°C0.31°C0.024°C/°C
-148...500°FCu10
(4) 1.1°F1.3°F0.46°F0.56°F0.0043°F/°F
0...400 ΩResistor 0.083 Ω0.091 Ω0.020 Ω0.024 Ω0.0020 Ω/°C
0...400 ΩResistor 0.083 Ω0.091 Ω0.020 Ω0.024 Ω0.0036 Ω/°F

Appendix A Specifications AI830 RTD Input Module
3BSE 020 924R4101 111
A.5.0.4 Block Diagram AI830
I1+
I1-
ZP
I8+
I8-
ZP 0 V 24 V
+24 V
5 V S
5V
#
Mux
LP
FAULT
RUN
WARNING
0V
+12V
ZP
-12V
Pos
LP
Power_ok
EM
ZP
I5+
I5-
ZP
LP
I4+
I4-
ZP
LP
Block
MBI
ZP
CPU
Ref:s
ModuleBus

AI830 RTD Input Module Appendix A Specifications
112 3BSE 020 924R4101
A.5.0.5 Process Connections
Table A-11 AI830 Process Connections
Process
Connection
TU810
(or TU814)
Terminal
TU812
D-Sub 25 male
Connector (1)
TU830/TU833
Terminal
- L1+ (2) 1, 14 L1+ (2)
0 V d.c. (ZP) L1- 2, 15 L1- (2)
---B1, B2
Ch1, + Input C1 3 C1
Ch1, - Input B1 16 C2
Ch1, Return (ZP) A1 - A1, A2
---B3, B4
Ch 2, + Input C2 4 C3
Ch 2, - Input B2 17 C4
Ch 2, Return (ZP) A2 - A3, A4
---B5, B6
Ch 3, + Input C3 5 C5
Ch 3, - Input B3 18 C6
Ch 3, Return (ZP) A3 - A5, A6
---B7, B8
Ch 4, + Input C4 6 C7
Ch 4, - Input B4 19 C8
Ch 4, Return (ZP) A4 - A7, A8
---B9, B10
Ch 5, + Input C5 7 C9

Appendix A Specifications AI830 RTD Input Module
3BSE 020 924R4101 113
Ch 5, - Input B5 20 C10
Ch 5, Return (ZP) A5 - A9, A10
---B11, B12
Ch 6, + Input C6 8 C11
Ch 6, - Input B6 21 C12
Ch 6, Return (ZP) A6 - A11, A12
---B13, B14
Ch 7, + Input C7 9 C13
Ch 7, - Input B7 22 C14
Ch 7, Return (ZP) A7 - A13, A14
---B15, B16
Ch 8, + Input C8 10 C15
Ch 8, - Input B8 23 C16
Ch 8, Return (ZP) A8 - A15, A16
- L2+ (2) 11, 24 L2+ (2)
0 V dc (ZP) L2- 12, 25 L2- (2)
(1) Pin 13 connected to connector body for EM.
Table A-11 AI830 Process Connections (Continued)
Process
Connection
TU810
(or TU814)
Terminal
TU812
D-Sub 25 male
Connector (1)
TU830/TU833
Terminal

AI830 RTD Input Module Appendix A Specifications
114 3BSE 020 924R4101
Figure A-13 shows the process connections for the RTD Input Module AI830 when
installed on a TU830 Extended MTU.
Figure A-13 AI830 with TU830 Extended MTU Process Connections
AI830
I1+
ZP
I2+
I2-
ZP
ZP
ZP
ZP
ZP
ZP
ZP
I3+
I4+
I5+
I6+
I7+
I8+
I3-
I4-
I5-
I6-
I7-
I8+
I1-
TU830/TU833
EM
0V
0V
Ch8-
Ch8+
Ch7-
Ch7+
Ch1+
Ch1-
Ch2+
Ch2-
Ch3+
Ch3-
Ch4+
Ch4-
Ch5+
Ch5-
Ch6+
Ch6-
Process
L1+
L1+
L1-
L1-
L2+
L2+
L2-
L2-
T
T
T
T
T
T
T
T
ZP
ZP
ZP
ZP
ZP
ZP
ZP
ZP
ZP
ZP
B1,B2
C1
C2
A1,A2
B3,B4
C3
C4
A3,A4
B5,B6
C5
C6
A5,A6
B7,B8
C7
C8
A7,A8
B9,B10
C9
C10
A9,A10
B11,B12
C11
C12
A11,A12
B13,B14
C13
C14
A13,A14
B15,B16
C15
C16
A15,A16
Fuse
6.3A
Fuse
6.3A
Note: No external power supply should be connected

Appendix A Specifications AI830 RTD Input Module
3BSE 020 924R4101 115
Figure A-14 shows the process connections for the AI830 when installed on a
TU810 of TU814 Compact MTU.
Figure A-14 AI830 with TU810 or TU814 Compact MTU Process Connections
AI830
TU810
Process
C1
B1
A1
C2
B2
A2
C3
B3
A3
C4
B4
A4
C5
B5
A5
C6
B6
A6
C7
B7
A7
C8
B8
A8
L2- EM
0V
0V
Ch8-
Ch8+
Ch7-
Ch7+
Ch1+
Ch1-
Ch2+
Ch2-
Ch3+
Ch3-
Ch4+
Ch4-
Ch5+
Ch5-
Ch6+
Ch6-
T
T
T
T
T
T
T
T
ZP
ZP
ZP
ZP
ZP
ZP
ZP
ZP
I1+
ZP
I2+
I2-
ZP
ZP
ZP
ZP
ZP
ZP
ZP
I3+
I4+
I5+
I6+
I7+
I8+
I3-
I4-
I5-
I6-
I7-
I8+
I1-
ZP
ZP
L1+
L1-
L1+
L2+
L2+
(or TU814)
Note: No external power supply should be connected

AI830 RTD Input Module Appendix A Specifications
116 3BSE 020 924R4101
Figure A-15 shows the connections for the AI830 when installed on a TU812.
Figure A-15 AI830 with TU812 Compact MTU Process Connections
AI830
EM
I1+
ZP
I2+
I2-
ZP
ZP
ZP
ZP
ZP
ZP
ZP
I3+
I4+
I5+
I6+
I7+
I8+
I3-
I4-
I5-
I6-
I7-
I8-
I1-
ZP
ZP
TU812
Process
3
16
4
17
7
20
8
21
9
22
10
23
11
24
12
25
1
5
18
2
6
19
14
15
13
Ch1 +
3
Ch1 -
16
Ch2 +
4
Ch2 -
17
Ch5 +
7
Ch5 -
20
Ch6 +
8
Ch6 -
21
Ch7 +
9
Ch7 -
22
Ch8 +
10
Ch8 -
23
+24V
11
24
0V
12
25
+24V
1
Ch3 +
5
Ch3 -
18
0V
2
Ch4 +
6
19
14
15
13 EM
S1
S2
S3
S4
S9
S10
S11
S12
S13
S14
S15
S16
UP2
ZP2
UP1
S5
S6
ZP1
S7
S8
UP2
ZP2
UP1
ZP1
Connection
Ch4 -

Appendix A Specifications AI835 Thermocouple/mV Input Module
3BSE 020 924R4101 117
A.6 AI835 Thermocouple/mV Input Module
A.6.0.1 Features
• 8 differential input channels for
thermocouple/mV
• Channel 8 can be designated as the CJ-channel
(4-wire Pt100 RTD)
• Variety of thermocouples with the following
characteristics:
B, C, E, J, K, N, R, S and T
• 15 Bit resolution (A/D)
• Inputs are monitored for wire-break open-circuit
• EMC protection
• DIN rail mounting.
A.6.0.2 Description
The AI835 Thermocouple/mV Input Module is part of
the S800 I/O. It provides 8 differential input channels
for Thermocouple/mV measurements. Measurement
ranges configurable per channel are:
-30 mV to +75 mV linear, or TC Types B, C, E, J, K,
N, R, S and T.
One of the channels (Channel 8) may be configured for “Cold Junction” (ambient)
temperature measurements, thus serving as CJ-channel for Ch. 1...7. The junction
temperature may be measured locally on the MTUs screw terminals, or on a
connection unit distant form the device. Alternatively, a fix junction temperature for
the module may be set by the user (as parameter). Channel 8 may be used in the
same manner as Ch. 1...7 when no CJ-temperature measurement is needed.
Each input-channel can measure a mV type of signal source (Thermocouple or
linear), and may be grounded or ungrounded.
F
R
W
AI835
TC/mV
1
2
3
4
5
6
7
8

AI835 Thermocouple/mV Input Module Appendix A Specifications
118 3BSE 020 924R4101
Full self-calibration is obtained by means of 0V, 50 mV and 100 ohm references,
which are regularly updated.
Three LEDs indicate module status Fault (Red), Run (Green) and Warning
(Yellow). The RUN LED indicates normal operation and the WARNING LED
indicates if any error input is active. The FAULT LED indicates that the module is
in Init state, Error state or Not configured state.
In Not configured state the FAULT LED is turned off after the first valid access to
the module.
The reset circuitry gives a reset signal when the module is inserted until the BLOCK
signal is inactive and the POWOK signal is active. The BLOCK signal is
deactivated when the module lock mechanism is in the locked position. The
POWOK comes from the ModuleBus master after power is applied.
Four different types of MTUs can be used. The TU830 Extended MTU or the
TU810 (or TU814) Compact MTU enables three wire connection to the devices
without additional terminals. The TU812 Compact MTU has a D-Sub 25 pin (male)
connector for connection to the process.

Appendix A Specifications AI835 Thermocouple/mV Input Module
3BSE 020 924R4101 119
A.6.0.3 Technical Data
Table A-12 AI835 Thermocouple/mV Input Module Specifications at 25°C
Feature AI835
Thermocouple/mV Input Module
Number of channels 8 (Differential)
Type of input -30 mV to 75 mV linear, or TC types B,
C, E, J, K, N, R, S and T
Measurement range See Table A-13
Input impedance > 1 MΩ
CJ-temperature measurement reference 4-wire connected IEC-751/Pt100 RTD
Maximum field cable length 600 meters (656 yd.)
CMV between channels, max. 12 V d.c.
CMRR, 50 Hz, 60 Hz 120 dB
NMRR, 50 Hz, 60 Hz >60 dB(1)
Resolution (A/D) 15 bits
Error 0.1%
Temperature drift Typ. 15 ppm/°C
Max. 35 ppm/°C
Filter, analog (1st order Low-pass) 10 Hz
Filter (integration) 50 Hz or 60 Hz
Update cycle time, max. 280 ms + n x 80 ms at 50 Hz
250 ms + n x 70 ms at 60 Hz
(n = active channels)

AI835 Thermocouple/mV Input Module Appendix A Specifications
120 3BSE 020 924R4101
Supervision Module: reference channels, power
supply low
Channel TC: open-circuit
Linear: none
Pt100 (CH8): <-40°C (-40°F) and
>100°C (212°F)
Current consumption 24 V 50 mA
Current consumption 5 V 75 mA
Power dissipation 1.6 W
Maximum ambient temperature 55/40°C
(131/104°F)(2)
Isolation Groupwise isolated from ground
(RIV=50 V)
Module termination units TU810, TU812, TU814 or TU830
MTU keying code BA
Equipment class Class I according to IEC 61140; (earth
protected)
Protection rating IP20 according to IEC 60529
Rated insulation voltage 50 V
Dielectric test voltage 500 V a.c.
Width 45 mm (1.77”)
Depth 97 mm (3.8”), 106 mm (4.2”) including
connector
Table A-12 AI835 Thermocouple/mV Input Module Specifications at 25°C
(Continued)
Feature AI835
Thermocouple/mV Input Module

Appendix A Specifications AI835 Thermocouple/mV Input Module
3BSE 020 924R4101 121
Height 119 mm (4.7”)
Weight 0.22 kg (0.49 lbs.)
(1) >40 dB at 50 Hz and 60 Hz ±1%
(2) 40°C (104°F) applies to compact MTUs with I/O-modules or S800L-modules mounted on
vertical DIN rail.
Table A-12 AI835 Thermocouple/mV Input Module Specifications at 25°C
(Continued)
Feature AI835
Thermocouple/mV Input Module

AI835 Thermocouple/mV Input Module Appendix A Specifications
122 3BSE 020 924R4101
Table A-13 AI835 Range/Linearization
Input Type Temperature Range
TC type B (1)
(1) Linearization per IEC 584-1 1995, and following ITS 90 requirements.
44...1820oC, 111...3308oF
TC type C 0...2300oC, 32...4172oF
TC type E (1) -270...1000oC, -454...1832oF
TC type J (1) -210...1200oC, -346...2192oF
TC type K (1) -270...1372oC, -454...2501oF
TC type N (1) -270...1300oC, -454...2372oF
TC type R (1) -50...1768oC, -58...3214oF
TC type S (1) -50...1768oC, -58...3214oF
TC type T (1) -270...400oC, -454...752oF
Linear range -30...75 mV
Pt100 RTD (for CJC) (2)
(2) Sensor Type applies to Channel 8 only, for the measuring of the Cold
Junction Compensation temperature.
-40...100oC, -40...212oF
From the 11 Sensor Types above, one choice is to be selected by the user per
channel.

Appendix A Specifications AI835 Thermocouple/mV Input Module
3BSE 020 924R4101 123
A.6.0.4 Block Diagram AI835
EMC/
LP
EMC/
LP
EMC/
LP
EMC/
LP
-CH1
+CH1
+CH2
-CH2
+CH7
-CH7
-CH8
+PCJC
-PCJC
+CH8
ANA-
LOG
MUX #
Differential
Amplifier
A / D
FIC MB
REFs
ADR(SPI)
+24V
0V_24V
GNDA
-UPint
+UPint
(low)
CTRL
0V
+5V
pow_ok
Pos(6:0)
CLK
Data
²
²
²
²²
ZP
EM
(MTI)
Fault
Run
W
arning
MB = Modulebus
FIC = Full protocol module Interface Circuity
MTI = Main Timer Interface
SPI = Serial Peripheral Interface
P
t100

AI835 Thermocouple/mV Input Module Appendix A Specifications
124 3BSE 020 924R4101
A.6.0.5 Process Connections
Table A-14 AI835 Process Connections
Process
Connection
TU810
(or TU814)
Terminal
TU812
D-Sub 25 male
Connector (1)
TU830/TU833
Terminal
Pt100, PCJC- L1+ (2) 1, 14 L1+ (2)
- L1- 2, 15 L1- (2)
- --B1, B2
Ch1, + Input C1 3 C1
Ch1, - Input B1 16 C2
Ch1, Return (ZP) A1 - A1, A2
- --B3, B4
Ch 2, + Input C2 4 C3
Ch 2, - Input B2 17 C4
Ch 2, Return (ZP) A2 - A3, A4
- --B5, B6
Ch 3, + Input C3 5 C5
Ch 3, - Input B3 18 C6
Ch 3, Return (ZP) A3 - A5, A6
- --B7, B8
Ch 4, + Input C4 6 C7
Ch 4, - Input B4 19 C8
Ch 4, Return (ZP) A4 - A7, A8
- --B9, B10
Ch 5, + Input C5 7 C9

Appendix A Specifications AI835 Thermocouple/mV Input Module
3BSE 020 924R4101 125
Ch 5, - Input B5 20 C10
Ch 5, Return (ZP) A5 - A9, A10
- --B11, B12
Ch 6, + Input C6 8 C11
Ch 6, - Input B6 21 C12
Ch 6, Return (ZP) A6 - A11, A12
- --B13, B14
Ch 7, + Input C7 9 C13
Ch 7, - Input B7 22 C14
Ch 7, Return (ZP) A7 - A13, A14
- --B15, B16
Ch 8, + Input C8 10 C15
Ch 8, - Input B8 23 C16
Ch 8, Return (ZP) A8 - A15, A16
Pt100, PCJC+ L2+ (2) 11, 24 L2+ (2)
- L2- 12, 25 L2- (2)
(1) Pin 13 connected to connector body for EM.
Table A-14 AI835 Process Connections (Continued)
Process
Connection
TU810
(or TU814)
Terminal
TU812
D-Sub 25 male
Connector (1)
TU830/TU833
Terminal

AI835 Thermocouple/mV Input Module Appendix A Specifications
126 3BSE 020 924R4101
Figure A-16 shows the process connections for the TC/mV Input Module AI835
when installed on a TU830 Extended MTU.
Figure A-16 AI835 with TU830 Extended MTU Process Connections
AI835
I1+
ZP
I2+
I2-
ZP
ZP
ZP
ZP
ZP
ZP
ZP
I3+
I4+
I5+
I6+
I7+
I8+
I3-
I4-
I5-
I6-
I7-
I8+
I1-
TU830/TU833
EM
Ch8-
Ch8+
Ch7-
Ch7+
Ch1+
Ch1-
Ch2+
Ch2-
Ch3+
Ch3-
Ch4+
Ch4-
Ch5+
Ch5-
Ch6+
Ch6-
Process
Pt100
PCJC+
PCJC-
Fuse
6.3A
Fuse
6.3A
L1+
L1+
L1-
L1-
L2+
L2+
L2-
L2-
B1,B2
C1
C2
A1,A2
B3,B4
C3
C4
A3,A4
B5,B6
C5
C6
A5,A6
B7,B8
C7
C8
A7,A8
B9,B10
C9
C10
A9,A10
B11,B12
C11
C12
A11,A12
B13,B14
C13
C14
A13,A14
B15,B16
C15
C16
A15,A16
Thermocouple isolated
from ground
Thermocouple connected
to ground
Note: No external power supply should be connected

Appendix A Specifications AI835 Thermocouple/mV Input Module
3BSE 020 924R4101 127
Figure A-17 shows the process connections for the AI835 when installed on a
TU810 or TU814 Compact MTU.
Figure A-17 AI835 with TU810 or TU814 Compact MTU Process Connections
AI835
TU810
Process
C1
B1
A1
C2
B2
A2
C3
B3
A3
C4
B4
A4
C5
B5
A5
C6
B6
A6
C7
B7
A7
C8
B8
A8
L2+
L2-
I1+
ZP
I2+
I2-
ZP
ZP
ZP
ZP
ZP
ZP
ZP
I3+
I4+
I5+
I6+
I7+
I8+
I3-
I4-
I5-
I6-
I7-
I8+
I1-
EM
Ch8-
Ch8+
Ch7-
Ch7+
Ch1+
Ch1-
Ch2+
Ch2-
Ch3+
Ch3-
Ch4+
Ch4-
Ch5+
Ch5-
Ch6+
Ch6-
Pt100
PCJC+
PCJC-
L1+
L1-
L1+
L2+
Pt100
Thermocouple isolated
from ground
Thermocouple connected
to ground
(or TU814)
Note: No external power supply should be connected

AI835 Thermocouple/mV Input Module Appendix A Specifications
128 3BSE 020 924R4101
Figure A-18 shows the AI835 connections through a remote junction box.
Figure A-18 AI835 with TU810 or TU814 Compact MTU Process
Connections to Remote Junction Box
AI835
TU810
Process
C1
B1
A1
C2
B2
A2
C3
B3
A3
C4
B4
A4
C5
B5
A5
C6
B6
A6
C7
B7
A7
C8
B8
A8
L2+
L2-
I1+
ZP
I2+
I2-
ZP
ZP
ZP
ZP
ZP
ZP
ZP
I3+
I4+
I5+
I6+
I7+
I8+
I3-
I4-
I5-
I6-
I7-
I8+
I1-
EM
Ch8-
Ch8+
Ch7-
Ch7+
Ch1+
Ch1-
Ch2+
Ch2-
Ch3+
Ch3-
Ch4+
Ch4-
Ch5+
Ch5-
Ch6+
Ch6-
PCJC+
PCJC-
L1+
L1-
L1+
L2+
Thermocouple
Thermocouple
connected to
ground
isolated from
ground
Junction
Box
2
2
2
2
2
2
2
2
2
Multi-conductor (Cu)
shielded cables
(or TU814)
Note: No external power supply should be connected

Appendix A Specifications AI835 Thermocouple/mV Input Module
3BSE 020 924R4101 129
Figure A-19 shows the connections for the AI835 when installed on a TU812.
Figure A-19 AI835 with TU812 Compact MTU Process Connections
AI835
I1+
ZP
I2+
I2-
ZP
ZP
ZP
ZP
ZP
ZP
ZP
I3+
I4+
I5+
I6+
I7+
I8+
I3-
I4-
I5-
I6-
I7-
I8-
I1-
EM
PCJC+
PCJC-
TU812
Process
3
16
4
17
7
20
8
21
9
22
10
23
11
24
12
25
1
5
18
2
6
19
14
15
13 EM
Ch1 +
3
Ch1 -
16
Ch2 +
4
Ch2 -
17
Ch5 +7
Ch5 -
20
Ch6 +
8
Ch6 -
21
Ch7 +
9
Ch7 -
22
Ch8 +
10
Ch8 -
23
PCJC+
11
24
0V
12
25
PCJC-
1
Ch3 +
5
Ch3 -
18
0V
2
Ch4 +
6
Ch4 -
19
14
15
13 EM
S1
S2
S3
S4
S9
S10
S11
S12
S13
S14
S15
S16
ZP2
S5
S6
ZP1
S7
S8
ZP2
ZP1
Connection

AI843 Thermocouple/mV Input Module Appendix A Specifications
130 3BSE 020 924R4101
A.7 AI843 Thermocouple/mV Input Module
A.7.0.1 Features
• 8 differential input channels for
thermocouple/mV.
• The module can be used in both single and
redundant applications.
• A separate channel is used as CJ-channel
(4-wire Pt100 RTD)
• Variety of thermocouples with the following
characteristics: B, C, E, J, K, L, N, R, S, T and U
• 16 Bit resolution (A/D converter)
• Inputs are monitored for wire-break open-circuit
• EMC protection
• DIN rail mounting.
A.7.0.2 Description
The AI843 Thermocouple/mV Input Module is part of
the S800 I/O. It provides 8 differential input channels
for Thermocouple/mV measurements. Measurement
ranges configurable per channel are:
-30 mV to +75 mV linear, or TC Types B, C, E, J, K, L, N, R, S, T and U.
A separate channel is used for “Cold Junction” (ambient) temperature
measurements, thus serving as CJ-channel for Ch. 1...8. The junction temperature
may be measured locally on the MTUs screw terminals, or on a connection unit
distant form the device. Alternatively, a fix junction temperature for the module
may be set by the user (as parameter) or a junction temperature set by the
application.
Each input-channel can measure a mV type of signal source (Thermocouple or
linear), and may be grounded or ungrounded.

Appendix A Specifications AI843 Thermocouple/mV Input Module
3BSE 020 924R4101 131
Full self-calibration is obtained by means of 0V and 30 mV references, which are
regularly updated.
Three LEDs indicate module status Fault (Red), Run (Green) and Warning
(Yellow). The RUN LED indicates normal operation and the WARNING LED
indicates if any error input is active. The FAULT LED indicates that the module is
in Init state, Error state or Not configured state.
In Not configured state the FAULT LED is turned off after the first valid access to
the module.
On each channel there is a Fault (Red) LED that indicate channel error.
The reset circuitry gives a reset signal when the module is inserted until the BLOCK
signal is inactive and the POWOK signal is active. The BLOCK signal is
deactivated when the module lock mechanism is in the locked position. The
POWOK comes from the ModuleBus master or controller after power is applied.
Three different types of MTUs can be used. In single applications TU830 Extended
MTU enables three wire connection to the devices without additional terminals.
In redundant applications TU842 for horizontal mounting and TU843 for vertical
mounting.

AI843 Thermocouple/mV Input Module Appendix A Specifications
132 3BSE 020 924R4101
A.7.0.3 Technical Data
Table A-15 AI843 Thermocouple/mV Input Module Specifications at 25°C
Feature AI843
Thermocouple/mV Input Module
Number of channels 8 (Differential)
Type of input -30 mV to 75 mV linear, or TC types B,
C, E, J, K, L, N, R, S, T and U
Measurement range See Table A-16
Input impedance > 1 MΩ
CJ-temperature measurement reference 4-wire connected IEC-751/Pt100 RTD
Maximum field cable length 600 meters (656 yd.) or max. 500 Ω
CMV between channels, max. 5 V d.c.
CMRR, 50 Hz, 60 Hz 100 dB
NMRR, 50 Hz, 60 Hz >40 dB
Resolution (A/D converter) 16 bits
Error <0.1%
Temperature drift Typ. 10 ppm/°C
Max. 25 ppm/°C
Filter, analog (1st order Low-pass) 1.1 kHz
Filter (integration) 50 Hz or 60 Hz
Update cycle time, max. 320 ms + n x 80 ms at 50 Hz
267 ms + n x 67 ms at 60 Hz
(n = active channels)

Appendix A Specifications AI843 Thermocouple/mV Input Module
3BSE 020 924R4101 133
Supervision Module error if: reference channels
outside limits, power supply low
Channel error if: open-circuit, out of
range <-40°C (-40°F) and >100°C
(212°F) (only Cold Junction channel)
Linear: none
Current consumption 24 V 50 mA
Current consumption 5 V 60 mA
Power dissipation 1.5 W
Maximum ambient temperature 55/40°C
(131/104°F)(1)
Isolation Groupwise isolated from ground
(RIV=50 V)
Module termination units, single
applications TU830
Module termination unit, redundant
application TU842 and TU843
MTU keying code B, A
Equipment class Class I according to IEC 61140; (earth
protected)
Protection rating IP20 according to IEC 60529
Rated insulation voltage 50 V
Dielectric test voltage 500 V a.c.
Width 45 mm (1.77”)
Depth 97 mm (3.8”), 106 mm (4.2”) including
connector
Table A-15 AI843 Thermocouple/mV Input Module Specifications at 25°C
(Continued)
Feature AI843
Thermocouple/mV Input Module

AI843 Thermocouple/mV Input Module Appendix A Specifications
134 3BSE 020 924R4101
Height 119 mm (4.7”)
Weight 0.157 kg (0.35 lbs.)
(1) 40°C (104°F) applies to compact MTUs with I/O-modules or S800L-modules mounted on
vertical DIN rail.
Table A-15 AI843 Thermocouple/mV Input Module Specifications at 25°C
(Continued)
Feature AI843
Thermocouple/mV Input Module

Appendix A Specifications AI843 Thermocouple/mV Input Module
3BSE 020 924R4101 135
Table A-16 AI843 Range/Linearization
Input Type Temperature Range
TC type B (1)
(1) Linearization per IEC 584-1 1995, and following ITS 90 requirements.
44...1820oC, 111...3308oF
TC type C 0...2300oC, 32...4172oF
TC type D 0...2300oC, 32...4172oF
TC type E (1) -270...1000oC, -454...1832oF
TC type J (1) -210...1200oC, -346...2192oF
TC type K (1) -270...1372oC, -454...2501oF
TC type L -200...900oC, -328...1652oF
TC type N (1) -270...1300oC, -454...2372oF
TC type R (1) -50...1768oC, -58...3214oF
TC type S (1) -50...1768oC, -58...3214oF
TC type T (1) -270...400oC, -454...752oF
TC type U -200...600oC, -328...1112oF
Linear range -30...75 mV
Pt100 RTD (for CJC) (2)
(2) Sensor Type applies to Cold Junction channel only, for the measuring
of the Cold Junction Compensation temperature.
-40...100oC, -40...212oF
From the 11 Sensor Types above, one choice is to be selected by the user per
channel.

AI843 Thermocouple/mV Input Module Appendix A Specifications
136 3BSE 020 924R4101
A.7.0.4 Block Diagram AI843
EMC/LP
-CH1
+CH1
MUX
#
ASIC
0V
+5V
CLK
Data
ModuleBus
#
EMC/LP-CH2
+CH2
MUX
EMC/LP
-CH8
+CH8
EMC/LP
-
+CJC
MCU
24V
0V-24V
Ch 1 Fault (F1)
Ch 2 Fault (F2)
Ch 8 Fault (F8)
Fault (F)
Run (R)
Warning (W)
Pos (0...6)
S+
S-

Appendix A Specifications AI843 Thermocouple/mV Input Module
3BSE 020 924R4101 137
A.7.0.5 Process Connections
Table A-17 AI843 Process Connections
Process
Connection
TU830, TU833,
TU842, TU843
Terminal
-L1+ (2)
-L1- (2)
PCJC+ B1
Ch1, + Input C1
Ch1, - Input C2
Ch1, Return (ZP) A1, A2
ICJC+ B2
ICJC- B3
Pref B4
Ch 2, + Input C3
Ch 2, - Input C4
Ch 2, Return (ZP) A3, A4
PCJC- B5
-B6
Ch 3, + Input C5
Ch 3, - Input C6
Ch 3, Return (ZP) A5, A6
-B7, B8
Ch 4, + Input C7
Ch 4, - Input C8

AI843 Thermocouple/mV Input Module Appendix A Specifications
138 3BSE 020 924R4101
Ch 4, Return (ZP) A7, A8
-B9, B10
Ch 5, + Input C9
Ch 5, - Input C10
Ch 5, Return (ZP) A9, A10
-B11
PCJC+ B12
Ch 6, + Input C11
Ch 6, - Input C12
Ch 6, Return (ZP) A11, A12
ICJC+ B13
ICJC- B14
Ch 7, + Input C13
Ch 7, - Input C14
Ch 7, Return (ZP) A13, A14
Pref B15
PCJC- B16
Ch 8, + Input C15
Ch 8, - Input C16
Ch 8, Return (ZP) A15, A16
-L2+ (2)
-L2- (2)
Table A-17 AI843 Process Connections (Continued)
Process
Connection
TU830, TU833,
TU842, TU843
Terminal

Appendix A Specifications AI843 Thermocouple/mV Input Module
3BSE 020 924R4101 139
Figure A-20 shows the process connections for the TC/mV Input Module AI843
when installed on a TU830 Extended MTU.
Figure A-20 AI843 with TU830 Extended MTU Process Connections
AI843
I1+
ZP
I2+
I2-
ZP
ZP
ZP
ZP
ZP
ZP
ZP
I3+
I4+
I5+
I6+
I7+
I8+
I3-
I4-
I5-
I6-
I7-
I8+
I1-
TU830/TU833
EM
Ch8-
Ch8+
Ch7-
Ch7+
Ch1+
Ch1-
Ch2+
Ch2-
Ch3+
Ch3-
Ch4+
Ch4-
Ch5+
Ch5-
Ch6+
Ch6-
Process
Pt100
Fuse
6.3A
Fuse
6.3A
L1+
L1+
L1-
L1-
L2+
L2+
L2-
L2-
B2
C1
C2
A1,A2
B4
C3
C4
A3,A4
B6
C5
C6
A5,A6
B8
C7
C8
A7,A8
B10
C9
C10
A9,A10
B12
C11
C12
A11,A12
B14
C13
C14
A13,A14
B16
C15
C16
A15,A16
Thermocouple isolated
from ground
Thermocouple connected
to ground
Note: No external power supply
B1
B3
B13
B15
Ref100
B5
B7
B9
B11
ICJC+
PCJC+
Pref
ICJC-
PCJC-
PCJC+
ICJC+
ICJC-
Pref
PCJC-
should be connected

AI843 Thermocouple/mV Input Module Appendix A Specifications
140 3BSE 020 924R4101
Figure A-21 shows the process connections for the TC/mV Input Module AI843
when installed on a TU830 Extended MTU.
Figure A-21 AI843 with TU830 Extended MTU Process Connections to Remote
Junction Box
AI843
I1+
ZP
I2+
I2-
ZP
ZP
ZP
ZP
ZP
ZP
ZP
I3+
I4+
I5+
I6+
I7+
I8+
I3-
I4-
I5-
I6-
I7-
I8+
I1-
TU830/TU833
EM
Ch8-
Ch8+
Ch7-
Ch7+
Ch1+
Ch2+
Ch3+
Ch4+
Ch5+
Ch6+
Process
Fuse
6.3A
Fuse
6.3A
L1+
L1+
L1-
L1-
L2+
L2+
L2-
L2-
B2
C1
C2
A1,A2
B4
C3
C4
A3,A4
B6
C5
C6
A5,A6
B7
C7
C8
A7,A8
B10
C9
C10
A9,A10
B12
C11
C12
A11,A12
B14
C13
C14
A13,A14
B16
C15
C16
A15,A16
Note: No external power supply
B1
B3
B13
B15
Ch1-
Ch2-
Ch3-
Ch4-
Ch5-
Ch6-
Thermocouple
Thermocouple
connected to
ground
isolated from
ground
Junction
Box
2
2
2
2
2
2
2
Multi-conductor (Cu)
shielded cables
2
Ref100
Pt100
B5
B8
B9
B11
PCJC+
ICJC+
ICJC+
Pref
PCJC-
PCJC+
ICJC+
ICJC-
Pref
PCJC-
should be connected

Appendix A Specifications AI843 Thermocouple/mV Input Module
3BSE 020 924R4101 141
Figure A-22 shows the process connections for the Thermocouple/mV Input
Module AI843 when installed on a TU842 or TU843 Redundant MTU.
Figure A-22 AI843 with TU842 or TU843 Extended MTU Process Connections
AI843
I1+
ZP
I2+
I2-
ZP
ZP
ZP
ZP
ZP
ZP
ZP
I3+
I4+
I5+
I6+
I7+
I8+
I3-
I4-
I5-
I6-
I7-
I8+
I1-
TU842/TU843
EM
Ch8-
Ch8+
Ch7-
Ch7+
Ch1+
Ch1-
Ch2+
Ch2-
Ch3+
Ch3-
Ch4+
Ch4-
Ch5+
Ch5-
Ch6+
Ch6-
Process
Pt100
L1+
L1+
L1-
L1-
L2+
L2+
L2-
L2-
B2
C1
C2
A1,A2
B4
C3
C4
A3,A4
B6
C5
C6
A5,A6
B8
C7
C8
A7,A8
B10
C9
C10
A9,A10
B12
C11
C12
A11,A12
B14
C13
C14
A13,A14
B16
C15
C16
A15,A16
Thermocouple isolated
from ground
Thermocouple connected
to ground
Note: No external power supply
B1
B3
B13
B15
Ref100
B5
B7
B9
B11
ICJC+
PCJC+
Pref
ICJC-
PCJC-
PCJC+
ICJC+
ICJC-
Pref
PCJC-
AI843
I1+
ZP
ZP
I8+
I8+
I1-
EM
ICJC+
PCJC+
Pref
PCJC-
should be connected

AI845 Analog Input Module, single or redundant Appendix A Specifications
142 3BSE 020 924R4101
A.8 AI845 Analog Input Module, single or redundant
A.8.0.1 Features
• 8 channels for 0...20 mA, 4...20 mA, 0...5 V
or 1...5 V d.c., single ended unipolar inputs
• Single or redundant operation
• 1 group of 8 channels isolated from ground
• 12 Bit resolution
• Field power distribution
• Advanced on-board diagnostics
• EMC protection
• DIN rail mounting
• HART pass-through communication
A.8.0.2 Description
The AI845 Analog Input Module for single or
redundant applications. The module has 8 channels.
Each channel can be either a voltage or current input.
The voltage and current input is able to withstand an
over or undervoltage of at least 11 V d.c. Input
resistances are, for voltage > 10 M ohm and for current
250 ohm. The EMC protection is placed on the
module.
The module distributes the external transmitter supply to each channel. This adds a
simple connection to distribute the supply to 2- or 3-wire transmitters. The
transmitter power is supervised and current limited.
The module perform self-diagnostic cyclically. Module diagnostics include:
• External power supply, Transmitter power and External shunt error. Error in
these will be reported as External channel error.
AI845
0/4....20mA
HART
F
R
W
0...20mA, 0...5V

Appendix A Specifications AI845 Analog Input Module, single or redundant
3BSE 020 924R4101 143
• Low Pass Filter, Multiplexer and Test channels. Error in these will be reported
as Internal channel error.
• Analog Read Back, Reference Voltage, Internal Power Supply, Checksum,
Watchdog and Memory. Error in these will be reported as Module Error.
All eight channels are isolated from the ModuleBus in one group. Power to the input
stages is converted from the 24 V on the ModuleBus.
Three LEDs indicate module status Fault (Red), Run (Green) and Warning
(Yellow). The RUN LED indicates normal operation and the WARNING LED
indicates if any error input is active. The FAULT LED indicates that the module is
in Init state or Not configured state. In Not configured state the FAULT LED is
turned off after the first valid access to the module.
The module has HART pass-through functionality. Only point to point
communication is supported.
The reset circuitry gives a reset signal when the module is inserted until the BLOCK
signal is inactive and the POWOK signal is active. The BLOCK signal is
deactivated when the module lock mechanism is in the locked position. The
POWOK comes from the ModuleBus master after power is applied.
Five different types of MTUs can be used for single applications. The TU830
Extended MTU enables three wire connection to the devices without additional
terminals. The TU810 (or TU814) Compact MTU has terminals for 24 V process
voltage inputs, but requires external terminals for distribution of 24 V power supply
to the field devices. The extended MTU, TU835, and TU838 provides a fuse (3 A
max.) per channel for process power out. The TU812 Compact MTU has a D-Sub
25 pin (male) connector for connection to the process.
Two types of MTUs can be used for redundant applications, one for mounting on a
horizontal DIN rail and one for mounting on a vertical DIN rail.

AI845 Analog Input Module, single or redundant Appendix A Specifications
144 3BSE 020 924R4101
A.8.0.3 Technical Data
Table A-18 AI845 Analog Input Module Specifications at 25°C
Feature AI845
Analog Input Module
Number of channels 8
Type of input Unipolar single ended
Measurement range 0...20 mA, 0...5 V,
4... 20 mA, 1... 5V
Over range +15%
Input impedance (at voltage input) 10 MΩ
Input impedance (at current input)
(including PTC) 250 Ω
Maximum field cable length 600 meters, (656 yd.)
Voltage input, maximum non-destructive 11 V d.c.
NMRR, 50 Hz, 60 Hz >40 dB
Error Max. 0.1%
Resolution 12 bit
Temperature drift Max. 50 ppm/°C
Update cycle time 10 ms
Current consumption 24 V (ModuleBus) 50 mA
Current consumption 5 V (ModuleBus) 100 mA
Current consumption 24 V (external) 150 mA

Appendix A Specifications AI845 Analog Input Module, single or redundant
3BSE 020 924R4101 145
Power dissipation 3.5 W
Maximum ambient temperature 55/40°C
(131/104°F)(1)
Transmitter power:
voltage
current limit 24 V @ 23 mA
30 mA
Supervision Module error if: analog read back,
reference voltage, internal power supply,
checksum, watchdog and memory error
Internal channel error if: low pass filter,
multiplexer and test channels error
External channel error if: external power
supply low, transmitter power and
external shunt error
Input filter (rise time 0-90%) 290 ms
Isolation Groupwise isolated from ground (RIV=50
V)
Module termination units TU810, TU812, TU814, TU830, TU835,
TU838, TU844 or TU845
MTU keying code CC
Equipment class Class I according to IEC 61140; (earth
protected)
Protection rating IP20 according to IEC 60529
Rated insulation voltage 50 V
Dielectric test voltage 500 V a.c.
Table A-18 AI845 Analog Input Module Specifications at 25°C (Continued)
Feature AI845
Analog Input Module

AI845 Analog Input Module, single or redundant Appendix A Specifications
146 3BSE 020 924R4101
Width 45 mm (1.77”)
Depth 97 mm (3.8”), 106 mm (4.2”) including
connector
Height 119 mm (4.7”)
Weight 0.23 kg (0.51 lbs.)
(1) 40°C (104°F) applies to compact MTUs with I/O-modules mounted on vertical DIN rail.
Table A-18 AI845 Analog Input Module Specifications at 25°C (Continued)
Feature AI845
Analog Input Module

Appendix A Specifications AI845 Analog Input Module, single or redundant
3BSE 020 924R4101 147
A.8.0.4 Block Diagram AI845
#
UP1
U8
I8
Mux
Mux
HART
Modem
Mux
24 V
T
UP8
24 V
UP
U8 C
U1 C
R
W
F
T
ZP
ZP
CPU
MBI
I1
U1
ZP
24 V
LP
2 x 47ms
LP
2 x 47ms
LP
2 x 47ms
LP
2 x 47ms

AI845 Analog Input Module, single or redundant Appendix A Specifications
148 3BSE 020 924R4101
A.8.0.5 Process Connections
Table A-19 AI845 Process Connections
Process
Connection
TU810
(or TU814)
Terminal
TU812
D-Sub 25 male
Connector (1)
TU830/
TU833
Terminal
TU835
Terminal TU838
Terminal
TU844
TU845
Terminal
+24 V d.c. L1+ (2) 1, 14 L1+ (2) L1+ (2) L1+ (2) L1+
0 V d.c. (ZP) L1- 2, 15 L1- (2) L1- (2) L1- (2) L1-
U1 - - B1 11 (F1) A1 (F1) B1
Ch1, Voltage Input C1 3 C1 - B1 B2(2)
Ch1, Current Input B1 16 C2 12 B2 B2(2)
Ch1, Return (ZP) A1 - A1, A2 - A2 A1,A2
U2 - - B3 21 (F2) A3 (F2) B3
Ch 2, Voltage Input C2 4 C3 - B3 B4(2)
Ch 2, Current Input B2 17 C4 22 B4 B4(2)
Ch 2, Return (ZP) A2 - A3, A4 - A4 A3, A4
U3 - - B5 31 (F3) A5 (F3) B5
Ch 3, Voltage Input C3 5 C5 - B5 B6(2)
Ch 3, Current Input B3 18 C6 32 B6 B6(2)
Ch 3, Return (ZP) A3 - A5, A6 - A6 A5, A6
U4 - - B7 41 (F4) A7 (F4) B7
Ch 4, Voltage Input C4 6 C7 - B7 B8(2)
Ch 4, Current Input B4 19 C8 42 B8 B8(2)
Ch 4, Return (ZP) A4 - A7, A8 - A8 A7, A8
U5 - - B9 51 (F5) A9 (F5) B9
Ch 5, Voltage Input C5 7 C9 - B9 B10(2)

Appendix A Specifications AI845 Analog Input Module, single or redundant
3BSE 020 924R4101 149
Ch 5, Current Input B5 20 C10 52 B10 B10(2)
Ch 5, Return (ZP) A5 - A9, A10 - A10 A9, A10
U6 - - B11 61 (F6) A11 (F6) B11
Ch 6, Voltage Input C6 8 C11 - B11 B12(2)
Ch 6, Current Input B6 21 C12 62 B12 B12(2)
Ch 6, Return (ZP) A6 - A11, A12 - A12 A11, A12
U7 - - B13 71 (F7) A13 (F7) B13
Ch 7, Voltage Input C7 9 C13 - B13 B14(2)
Ch 7, Current Input B7 22 C14 72 B14 B14(2)
Ch 7, Return (ZP) A7 - A13, A14 - A14 A13, A14
U8 - - B15 81 (F8) A15 (F8) B15
Ch 8, Voltage Input C8 10 C15 - B15 B16(2)
Ch 8, Current Input B8 23 C16 82 B16 B16(2)
Ch 8, Return (ZP) A8 - A15, A16 - A16 A15, A16
+24 V d.c. L2+ (2) 11, 24 L2+ (2) L2+ (2) L2+ (2) L2+
0 V d.c. (ZP) L2- 12, 25 L2- (2) L2- (2) L2- (2) L2-
(1) Pin 13 connected to connector body for EM.
(2) Voltage or current input chosen by the shunt stick on TU844/TU845.
Table A-19 AI845 Process Connections (Continued)
Process
Connection
TU810
(or TU814)
Terminal
TU812
D-Sub 25 male
Connector (1)
TU830/
TU833
Terminal
TU835
Terminal TU838
Terminal
TU844
TU845
Terminal

AI845 Analog Input Module, single or redundant Appendix A Specifications
150 3BSE 020 924R4101
Figure A-23 shows the process connections for the Analog Input Module AI845
when installed on a TU830 Extended MTU.
Figure A-23 AI845 with TU830 Extended MTU Process Connections
AI845
I1U
ZP
I2U
I2I
ZP
ZP
ZP
ZP
ZP
ZP
ZP
I3U
I4U
I5U
I6U
I7U
I8U
I3I
I4I
I5I
I6I
I7I
I8I
I1I
TU830/TU833
EM
U8
U7
U6
U5
L2+
L-
U4
U3
U1
U2
Ch8 V
Ch7 V
Ch1 I
Ch2 I
Ch3 V
Ch4 I
Ch5 I
Ch6 I
3 - Wire
Process
XMTRs
2 - Wire
XMTRs
4 - 20mA
0 - 20mA
0 - 5V
0 - 5V
0 - 20mA
0 - 5V
4 - 20mA
4 - 20mA
B1
C1
C2
A1,A2
L1+
L1+
L1-
L1-
B3
C3
C4
A3,A4
B5
C5
C6
A5,A6
B7
C7
C8
A7,A8
B9
C9
C10
A9,A10
B11
C11
C12
A11,A12
B13
C13
C14
A13,A14
B15
C15
C16
A15,A16
L2+
L2+
L2-
L2-
Mux.
4 - Wire
XMTRs
Pwr.
Source
ZP
ZP
ZP
ZP
ZP
ZP
U8
U7
U6
U5
U1
U2
L1+
L-
Fuse
6.3A
Fuse
6.3A
Chx V = Voltage Input
Chx I = Current Input
+24v
0v
+24v
0v

Appendix A Specifications AI845 Analog Input Module, single or redundant
3BSE 020 924R4101 151
Figure A-24 shows the process connections for the Analog Input Module AI845
when installed on a TU835 Extended MTU.
Figure A-24 AI845 with TU835 Extended MTU Process Connections
AI845
I1U
ZP
I2U
I2I
ZP
ZP
ZP
ZP
ZP
ZP
ZP
I3U
I4U
I5U
I6U
I7U
I8U
I3I
I4I
I5I
I6I
I7I
I8I
I1I
TU835
EM
U8
U7
U6
U5
L2+
L-
U4
U3
U1
U2
Ch8 I
Ch1 I
Ch2 I
L1+
Ch4 I
Ch5 I
Ch6 I
Process
4 - 20mA
4 - 20mA
4 - 20mA
4 - 20mA
4 - 20mA
4 - 20mA
4 - 20mA
4 - 20mA
11
12
L1+
L1+
L1-
L1-
21
22
31
32
41
42
51
52
61
62
71
72
81
82
L2+
L2+
L2-
L2-
Mux.
L2+
L2+
L2+
L2+
L1+
L1+
L1+
L-
F1
Chx I = Current Input
+24V
*
0V
+24V
*
0V
F2
F3
F4
F5
F6
F7
F8
Ch3 I
L1+
Ch7 I
Fn=100mA
X11
X12
X13
*
Should be connected if use of
external power supply supervision.
Must meet the HART requirements
if HART communication is used.

AI845 Analog Input Module, single or redundant Appendix A Specifications
152 3BSE 020 924R4101
Figure A-25 shows the process connections for the Analog Input Module AI845
when installed on a TU838 Extended MTU.
Figure A-25 AI845 with TU838 Extended MTU Process Connections
AI845
I1U
ZP
I2U
I2I
ZP
ZP
ZP
ZP
ZP
ZP
ZP
I3U
I4U
I5U
I6U
I7U
I8U
I3I
I4I
I5I
I6I
I7I
I8I
I1I
TU838
EM
U8
U7
U6
U5
L2+
L-
U4
U3
U1
U2
Ch8 V
Ch7 V
Ch1 I
Ch2 I
Ch3 V
Ch5 I
Ch6 I
3 - Wire
Process
XMTRs
2 - Wire
XMTRs
4 - 20mA
0 - 20mA
0 - 5V
0 - 5V
0 - 20mA
0 - 5V
4 - 20mA
4 - 20mA
A1
B1
B2
A2
L1+
L1+
L1-
L1-
A3
B3
B4
A4
A5
B5
B6
A6
A7
B7
B8
A8
A9
B9
B10
A10
A11
B11
B12
A12
A13
B13
B14
A14
A15
B15
B16
A16
L2+
L2+
L2-
L2-
Mux.
4 - Wire
XMTRs
Pwr.
Source
ZP
ZP
ZP
ZP
ZP
ZP
L2+
L2+
L2+
L2+
L1+
L1+
L1+
L-
F1
Chx V = Voltage Input
Chx I = Current Input
+24V
*
0V
+24V
*
0V
F2
F3
F4
F5
F6
F7
F8
Ch4 I
*
Should be connected if use of
external power supply supervision.
Must meet the HART requirements
if HART communication is used.

Appendix A Specifications AI845 Analog Input Module, single or redundant
3BSE 020 924R4101 153
Figure A-26 shows the process connections for the Analog Input Module AI845
when installed on a TU810 or TU814 Compact MTU.
Figure A-26 AI845 with TU810 or TU814 Compact MTU Process Connections
AI845
TU810
EM
+24V
0V
Ch8 V
Ch7 V
Ch1 I
Ch2 I
Ch3 V
Ch4 V
Ch5 I
Ch6 I
Process
4 - 20mA
0 - 20mA
0 - 5V
0 - 5V
0 - 5V
0 - 5V
4 - 20mA
4 - 20mA C1
B1
A1
Pwr.
Sup.
L1+
L1-
C2
B2
A2
C3
B3
A3
C4
B4
A4
C5
B5
A5
C6
B6
A6
C7
B7
A7
C8
B8
A8
L2+
L2-
Mux.
ZP
ZP
ZP
ZP
ZP
ZP
L1+
ZP
I1U
ZP
I2U
I2I
ZP
ZP
ZP
ZP
ZP
ZP
ZP
I3U
I4U
I5U
I6U
I7U
I8U
I3I
I4I
I5I
I6I
I7I
I8I
I1I
U8
U7
U6
U5
U4
U3
U1
U2
L2+
ZP
Chx V = Voltage Input
Chx I = Current Input
L2+
L1+
(or TU814)
*
*
Should be connected
supply supervision.
if use of external power
Must meet the HART
requirements if HART
communication is used.

AI845 Analog Input Module, single or redundant Appendix A Specifications
154 3BSE 020 924R4101
Figure A-27 shows the process connections for the Analog Input Module AI845
when installed on a TU812 Compact MTU.
Figure A-27 AI845 with TU812 Compact MTU Process Connections
AI845
I1U
ZP
I2U
I2I
ZP
ZP
ZP
ZP
ZP
ZP
ZP
I3U
I4U
I5U
I6U
I7U
I8U
I3I
I4I
I5I
I6I
I7I
I8I
I1I
TU812
EM
U8
U7
U6
U5
L2+
L-
U4
U3
U1
U2
Process
Mux.
L1+
L-
3
16
4
17
7
20
8
21
9
22
10
23
11
24
12
25
1
5
18
2
6
19
14
15
13 EM
Ch1 V
3
Ch1 I
16
Ch2 V
4
Ch2 I
17
Ch5 V
7
Ch5 I
20
Ch6 V
8
Ch6 I
21
Ch7 V
9
Ch7 I
22
Ch8 V
10
Ch8 I
23
+24V
*
11
24
0V
12
25
+24V
*
1
Ch3 V
5
Ch3 I
18
0V
2
Ch4 V
6
Ch4 I
19
14
15
13 EM
S1
S2
S3
S4
S9
S10
S11
S12
S13
S14
S15
S16
UP2
ZP2
UP1
S5
S6
ZP1
S7
S8
UP2
ZP2
UP1
ZP1
Chx V = Voltage Input
Chx I = Current Input
Connection
*
Should be connected if use of
external power supply supervision.
Must meet the HART requirements
if HART communication is used.

Appendix A Specifications AI845 Analog Input Module, single or redundant
3BSE 020 924R4101 155
Figure A-28 shows the process connections for the Analog Input Module AI845
when installed on a TU844 or TU845 Redundant MTU.
Figure A-28 AI845 with TU844 or TU845 Redundant MTU Process Connections
AI845
I1U
ZP
I2U
I2I
ZP
ZP
ZP
ZP
ZP
ZP
ZP
I3U
I4U
I5U
I6U
I7U
I8U
I3I
I4I
I5I
I6I
I7I
I8I
I1I
TU844/TU845
U8
U7
U6
U5
L+
L-
U4
U3
U1
U2
Ch8
Ch7
Ch1
Ch2
Ch3
Ch4
Ch5
Ch6
3 - Wire
Process
XMTRs
2 - Wire
XMTRs
4 - 20mA
0 - 20mA
0 - 5V
0 - 5V
0 - 20mA
0 - 5V
4 - 20mA
4 - 20mA
B1
A1,A2
L1+
L1+
L1-
L1-
B3
B4
A3,A4
B5
B6
A5,A6
B7
B8
A7,A8
B9
B10
A9,A10
B11
B12
A11,A12
B13
B14
A13,A14
B15
B16
A15,A16
L2+
L2+
L2-
L2-
Mux.
4 - Wire
XMTRs
Pwr.
Source
ZP
ZP
ZP
ZP
ZP
ZP
U8
U7
U6
U5
U1
U2
L+
L-
+24V
0V
+24V
0V
B2
I1U
ZP
I1I
U1
L+
L-
EM
ZP
I8U
I8I
U8
L+
L- EM
AI845
Mux.
- - -
Shunt
sticks

AI880/AI880A High Integrity Analog Input Module Appendix A Specifications
156 3BSE 020 924R4101
A.9 AI880/AI880A High Integrity Analog Input Module
A.9.0.1 Features
• 8 channels for 0...20 mA, 4...20 mA, single ended
unipolar inputs.
• HART pass-through communication (AI880A)
• Single or redundant configuration.
• 1 group of 8 channels isolated from ground.
• 12 bit resolution.
• Configurable filter time per channel.
• Configurable alarm limit for field power outputs.
• Configurable over/under range for current inputs.
• Configurable safety accuracy 0,5 - 4%.
• Field power distribution, actively verified also in
a redundant pair.
• Advanced on-board diagnostics.
• EMC protection.
• DIN rail mounting.
• Certified for SIL3 according to EN 61508 (high
and low demand applications).
• Certified for AK6 according to DIN V 19250/DIN V VDE 0801-AK6.
• Certified for Category 4 according to EN 954-1.
• Complies with the NAMUR recommendation NE43, and supports configurable
over- and under range limits.
A.9.0.2 Description
The AI880/AI880A High Integrity Analog Input Module is designed for single and
redundant configuration. The module has 8 current input channels.

Appendix A Specifications AI880/AI880A High Integrity Analog Input Module
3BSE 020 924R4101 157
Input resistances is 250 ohm. The EMC protection is placed on the shunt-sticks.
The module distributes the external transmitter supply to each channel. This adds a
simple connection to distribute the supply to 2- or 3-wire transmitters. The
transmitter power is supervised and current limited.
All eight channels are isolated from the ModuleBus in one group. Power to the
Module is generated from the 24 V on the ModuleBus.
The AI880/AI880A complies with the NAMUR recommendation NE43, and
supports configurable over- and under range limits.
As AI880/AI880A needs external shunt sticks, the MTUs TU844 or TU845 is
required.
AI880A has HART pass-through functionality. Only point-to-point communication
is supported.
Self-diagnostic functions
• Errors in External power supply and External shunt error will be reported as
External channel error.
• Errors in Low Pass Filter, Multiplexer and Test channels will be reported as
Internal channel error.
• Errors in Analog to Digital converters, Analog references, Internal power
supplies, Errors in micro controller, FPGA and Memory will be reported as
Module Error.
Four LEDs indicate module status Fault (Red), Run (Green), Warning (Yellow) and
Primary (Yellow):
• The RUN LED starts flashing when the module is ready to be configured and is
steady lit when the module has reached operational state.
• The WARNING LED indicates external or internal channel errors.
• The FAULT LED indicates that there is Module errors present or that the
module is in Init state.
• The PRIMARY LED indicates that the module is primary (in a redundant pair).

AI880/AI880A High Integrity Analog Input Module Appendix A Specifications
158 3BSE 020 924R4101
A.9.0.3 Technical Data
Table A-20 AI880/AI880A High Integrity Analog Input Module Specifications
at 25°C
Feature AI880
High Integrity Analog Input Module
Number of channels 8
Type of input Unipolar single ended
Measurement range 0...20 mA
4... 20 mA
Over range +15%
Input impedance (at current input) 250 Ω
Maximum field cable length 600 meters, (656 yd.)
Voltage input, maximum non-destructive 11 V d.c.
NMRR, 50 Hz, 60 Hz >40 dB
Error <0.1%
Safety accuracy 1.5% (configurable 0.5-4%)
Resolution 12 bit
Temperature drift Max. 50 ppm/°C
Update cycle time 10 ms
Current consumption 24 V (ModuleBus) 50 mA (max)
Current consumption 5 V 10 mA
Power dissipation 2.4 W
Maximum ambient temperature 55/40°C (131/104°F)
Transmitter power:
voltage
current Field supply - max 4.5 V
30 mA

Appendix A Specifications AI880/AI880A High Integrity Analog Input Module
3BSE 020 924R4101 159
Voltage supervision Internal voltage, field power input, field
power output per channel
Input filter rise time (0-90%) 190 ms (HW filter)
Isolation 8 inputs isolated from ground in one
group
(RIV=50 V)
Module termination units TU844, TU845
MTU keying code FF (AI880), FD (AI880A)
Equipment class Class I according to IEC 61140; (earth
protected)
Protection rating IP20 according to IEC 60529
Rated insulation voltage 50 V
Dielectric test voltage 500 V a.c.
Width 45 mm (1.77”)
Depth 97 mm (3.8”), 106 mm (4.2”) including
connector
Height 119 mm (4.7”)
Weight 0.15 kg (0.33 lbs.)
Table A-20 AI880/AI880A High Integrity Analog Input Module Specifications
at 25°C (Continued)
Feature AI880
High Integrity Analog Input Module

AI880/AI880A High Integrity Analog Input Module Appendix A Specifications
160 3BSE 020 924R4101
A.9.0.4 Block Diagram AI880/AI880A
#
UP1
U8
Mux
Mux
24 V
T
UP8
24 V
UP
U8 C
U1 C
R
W
F
T
ZP
U1
24 V
P
MCU
3.3V 24V
FPGA
Mux
LP
2 x 47ms
LP
2 x 47ms
LP
2 x 47ms
LP
2 x 47ms

Appendix A Specifications AI880/AI880A High Integrity Analog Input Module
3BSE 020 924R4101 161
A.9.0.5 Process Connections
Table A-21 AI880/AI880A Process Connections
Process
Connection
TU844
TU845
Terminal
+24 V d.c. L1+
0 V d.c. (ZP) L1-
U1 B1
Ch1, Voltage Input B2
Ch1, Current Input -
Ch1, Return (ZP) A1,A2
U2 B3
Ch 2, Voltage Input B4
Ch 2, Current Input -
Ch 2, Return (ZP) A3, A4
U3 B5
Ch 3, Voltage Input B6
Ch 3, Current Input -
Ch 3, Return (ZP) A5, A6
U4 B7
Ch 4, Voltage Input B8
Ch 4, Current Input -
Ch 4, Return (ZP) A7, A8
U5 B9
Ch 5, Voltage Input B10

AI880/AI880A High Integrity Analog Input Module Appendix A Specifications
162 3BSE 020 924R4101
Ch 5, Current Input -
Ch 5, Return (ZP) A9, A10
U6 B11
Ch 6, Voltage Input B12
Ch 6, Current Input -
Ch 6, Return (ZP) A11, A12
U7 B13
Ch 7, Voltage Input B14
Ch 7, Current Input -
Ch 7, Return (ZP) A13, A14
U8 B15
Ch 8, Voltage Input B16
Ch 8, Current Input -
Ch 8, Return (ZP) A15, A16
+24 V d.c. L2+
0 V d.c. (ZP) L2-
Table A-21 AI880/AI880A Process Connections (Continued)
Process
Connection
TU844
TU845
Terminal

Appendix A Specifications AI880/AI880A High Integrity Analog Input Module
3BSE 020 924R4101 163
Figure A-29 shows the process connections for the High Integrity Analog Input
Module AI880/AI880A when installed on a TU844 or TU845 Redundant MTU.
Figure A-29 AI880/AI880A with TU844 or TU845 Redundant MTU Process Connections
AI880/AI880A
I1U
ZP
I2U
I2I
ZP
ZP
ZP
ZP
ZP
ZP
ZP
I3U
I4U
I5U
I6U
I7U
I8U
I3I
I4I
I5I
I6I
I7I
I8I
I1I
TU844/TU845
U8
U7
U6
U5
L+
L-
U4
U3
U1
U2
Ch8
Ch7
Ch1
Ch2
Ch3
Ch4
Ch5
Ch6
3 - Wire
Process
XMTRs
2 - Wire
XMTRs
4 - 20mA
0 - 20mA
0 - 5V
0 - 5V
0 - 20mA
0 - 5V
4 - 20mA
4 - 20mA
B1
A1,A2
L1+
L1+
L1-
L1-
B3
B4
A3,A4
B5
B6
A5,A6
B7
B8
A7,A8
B9
B10
A9,A10
B11
B12
A11,A12
B13
B14
A13,A14
B15
B16
A15,A16
L2+
L2+
L2-
L2-
Mux.
4 - Wire
XMTRs
Pwr.
Source
ZP
ZP
ZP
ZP
ZP
ZP
U8
U7
U6
U5
U1
U2
L+
L-
+24V
0V
+24V
0V
B2
I1U
ZP
I1I
U1
L+
L-
EM
ZP
I8U
I8I
U8
L+
L- EM
AI880
Mux.
- - -
Shunt
sticks

AO801 Analog Output Module, 0(4)...20 mA Appendix A Specifications
164 3BSE 020 924R4101
A.10 AO801 Analog Output Module, 0(4)...20 mA
A.10.0.1 Features
• 8 channels of 0...20 mA, 4...20
mA outputs
• OSP sets outputs to
predetermined state upon error
detection
• Analog Output is to be short
circuit secured to ZP or +24 V
• EMC protection
• DIN rail mounting.
• Process and power connection
via detachable connectors
A.10.0.2 Description
The AO801 Analog Output Module
has 8 unipolar analog output
channels.
One LED are used to indicate the
state of the module.The STATUS
LED green indicates that the device
is in operational state.
The STATUS LED red indicates
that the device is in error state.
In Not configured state the
STATUS LED is turned off after the first valid access to the module.
The module performs self-diagnostic cyclically. Module diagnostics include:
• Low internal power supply will set module in INIT state (no answer from the
module).
AO801
0(4)...20mA
L+ L- 24V
STATUS
1 8765234
O -O -O -O -O -O -O -O -
S

Appendix A Specifications AO801 Analog Output Module, 0(4)...20 mA
3BSE 020 924R4101 165
The outputs of the module will be set to a predetermined value if the OSP-watchdog
timer expires or if the SetOSPState command is received. The watchdog timer is set
by the controller (OSP timer) and is used for ModuleBus supervision. The watchdog
timer is re-triggered every time the correct module address has been decoded (or
broadcast). If the watchdog timer expires or if the SetOSPState command is
received, the module enters the OSP state and the active outputs (if any) are set to
their OSP values which can be configured as a predefined value or to use the last
good value sent.The output values will be kept as long as the module stays in the
OSP state. To change the outputs the module first has to leave this state. When
reentering Operational State, the outputs are still kept with their OSP value until
new valid values are written.
The reset circuitry gives a reset signal when the POWOK signal is active. The
POWOK comes from the ModuleBus master after power is applied.

AO801 Analog Output Module, 0(4)...20 mA Appendix A Specifications
166 3BSE 020 924R4101
A.10.0.3 Technical Data
Table A-22 AO801 Analog Output Module Specifications at 25°C
Feature AO801
Analog Output Module
Number of channels 8
Output rang 0... 20mA, 4...20mA(1)
Over range 15%
Output load Max 850 ohms (external 24 V > 24 V) (2)
(24 V external - 7) /0.02 (external 24 V <
24 V)
Maximum field cable length 600 meters (656 yd.)
Rise time 10µs
Cycle time 1 ms
Error Max. 0.1%
Resolution 12 bit
Output Set as Predetermined (OSP) timer 256, 512, 1024 ms
Temperature drift Typ. 30 ppm/°C
Max. 60 ppm/°C
Current consumption 24 V
(external supply), maximum 200 mA
Current consumption 5 V, maximum 70 mA
Power dissipation 3.8 W
Maximum ambient temperature 55/40°C
(131/104°F)(3)
Isolation Groupwise isolated from ground (RIV=50 V)
Equipment class Class I according to IEC 61140; (earth
protected)

Appendix A Specifications AO801 Analog Output Module, 0(4)...20 mA
3BSE 020 924R4101 167
Protection rating IP20 according to IEC 60529
Rated insulation voltage 50 V
Dielectric test voltage 500 V a.c.
Acceptable wire sizes Solid: 0.05-2.5mm2, 30-12 AWG
Stranded: 0.05-1.5mm2, 30-12 AWG
Recommended torque: 0.8 Nm
Stripping length: 6-7.5 mm, 0.24-0.30 in
Width 86.1 mm (3.4”)
Depth 58.5 mm (2.3”)
Height 110 mm (4.33”)
Weight 0.24 kg (0.53 lbs.)
(1) 4...20 mA handled by the FCI or controller
(2) See Power Dissipation Calculation below.
(3) 40°C (104°F) applies to compact MTUs with I/O-modules or S800L-modules mounted on vertical DIN
rail.
Table A-22 AO801 Analog Output Module Specifications at 25°C (Continued)
Feature AO801
Analog Output Module

AO801 Analog Output Module, 0(4)...20 mA Appendix A Specifications
168 3BSE 020 924R4101
A.10.0.4 Power Dissipation Calculation
If output load <250 ohms and high power supply can max. power dissipation be
exceeded.
The total power dissipated in the output stages should be <1.2 W. Can be calculated
according to:
UP <24 V
UP >24 V
UP = Power supply to the output stages
ICHi = Average output current per channel
RLi = Output load per channel
Temporary overload or short circuit does not cause any damage but long term
overload will decrease module MTBF.

Appendix A Specifications AO801 Analog Output Module, 0(4)...20 mA
3BSE 020 924R4101 169
A.10.0.5 Block Diagram AO801
A.10.0.6 Process Connections
Table A-23 A0801 Process Connections
Process
Connection Process
Terminal
Ch1, + Output 1O
Ch1 Return (ZP) 1-
--
Ch 2, + Output 2O
Ch2 Return (ZP) 2-
1O
1-
8O
8-
L-
CPU
5VS
5V
MBI
STATUS
Pos
ZD
EMC
prot
EMC
prot
Power_ok
#
#
EM
L+

AO801 Analog Output Module, 0(4)...20 mA Appendix A Specifications
170 3BSE 020 924R4101
--
Ch 3, + Output 3O
Ch3 Return (ZP) 3-
--
Ch 4, + Output 4O
Ch4 Return (ZP) 4-
--
Ch 5, + Output 5O
Ch5 Return (ZP) 5-
--
Ch 6, + Output 6O
Ch6 Return (ZP) 6-
--
Ch 7, + Output 7O
Ch7 Return (ZP) 7-
--
Ch 8, + Output 8O
Ch8 Return (ZP) 8-
Table A-23 A0801 Process Connections (Continued)
Process
Connection Process
Terminal

Appendix A Specifications AO801 Analog Output Module, 0(4)...20 mA
3BSE 020 924R4101 171
Figure A-30 shows the process connections for the AO801.
Figure A-30 AO801 Process Connections
AO801
1-
2O
2-
3-
4-
5-
6-
7-
8-
3O
4O
5O
6O
7O
8O
EM
+24V
0V
Process
0 - 20mA
0 - 20mA
0 - 20mA
0 - 20mA
0 - 20mA
0 - 20mA
0 - 20mA
0 - 20mA
D/A
D/A
D/A
D/A
D/A
D/A
D/A
1O
D/A
Device
L+
L-

AO810 Analog Output Module, 0(4)...20 mA Appendix A Specifications
172 3BSE 020 924R4101
A.11 AO810 Analog Output Module, 0(4)...20 mA
A.11.0.1 Features
• 8 channels of 0...20 mA, 4...20 mA outputs
• OSP sets outputs to predetermined state upon
error detection
• Analog Output is to be short circuit secured to ZP
or +24 V
• EMC protection
• DIN rail mounting.
A.11.0.2 Description
The AO810 Analog Output Module has 8 unipolar
analog output channels.
To supervise the communication to the D/A-converters
the serial data is read back and verified. The open-
circuit diagnostic is received during the readback.
Four LEDs are used to indicate the state of the device.
The RUN (green) LED indicates that the device is in
operational state. The FAULT (red) LED indicates that
the device is in error state.
In Not configured state the FAULT LED is turned off
after the first valid access to the module. The WARNING (yellow) LED indicates
that there is some kind of process error such as an open circuit, or power supply
fault. OSP (yellow) LED indicates that the output value is set to the OSP value.
The module performs self-diagnostic cyclically. Module diagnostics include:
• Process power supply supervision which is reported when supply voltage to
output circuitry is to low. The error is reported as a channel error.
F
R
W
O
AO810
0..20 mA
1
2
3
4
5
6
7
8

Appendix A Specifications AO810 Analog Output Module, 0(4)...20 mA
3BSE 020 924R4101 173
Channel diagnostic include:
• Fault detection of the channel. (Only reported on active channels). The error is
reported if the output current is less than the output set value and the output set
value > 1 mA.
The outputs of the module will be set to a predetermined value if the OSP-watchdog
timer expires or if the SetOSPState command is received. The watchdog timer is set
by the controller (OSP timer) and is used for ModuleBus supervision. The watchdog
timer is re-triggered every time the correct node address has been decoded (or
broadcast). If the watchdog timer expires or if the SetOSPState command is
received, the module enters the OSP state and the active outputs (if any) are set to
their OSP values which can be configured as a predefined value or to use the last
good value sent.
The output values will be kept as long as the module stays in the OSP state. To
change the outputs the module first has to leave this state. When reentering
Operational State, the outputs are still kept with their OSP value until new valid
values are written.
The reset circuitry gives a reset signal when the module is inserted until the BLOCK
signal is inactive and the POWOK signal is active. The BLOCK signal is
deactivated when the module lock mechanism is in the locked position. The
POWOK comes from the ModuleBus master after power is applied.
Four different types of MTUs can be used. The TU830 Extended MTU and the
TU810 (or TU814) Compact MTU enables wire connection to the devices without
additional terminals. The TU812 Compact MTU has a D-Sub 25 pin (male)
connector for connection to the process.

AO810 Analog Output Module, 0(4)...20 mA Appendix A Specifications
174 3BSE 020 924R4101
A.11.0.3 Technical Data
Table A-24 AO810 Analog Output Module Specifications at 25°C
Feature AO810
Analog Output Module
Number of channels 8
Output range 0... 20 mA, 4...20 mA (1)
Over range 15%
Output load ≤500 ohms(2),
250 - 850 ohms(3)
Maximum field cable length 600 meters (656 yd.)
Rise time 4 ms
Cycle time ≤2 ms
Propagation delay ≤6 ms
Error Max. 0.1% at 0 - 500 ohms
Resolution 14 bit
Output Set as Predetermined (OSP) timer 256, 512, 1024 ms
Temperature drift Typ. 30 ppm/°C
Max. 60 ppm/°C
Current consumption 24 V
(external supply), maximum 200 mA
Supervision Module: Output power low
Channel: Open-circuit
(for current > 1 mA)
Current consumption 5 V, maximum 70 mA
Power dissipation (4) 3 W
Maximum ambient temperature 55/40°C
(131/104°F)(5)

Appendix A Specifications AO810 Analog Output Module, 0(4)...20 mA
3BSE 020 924R4101 175
Isolation Groupwise isolated from ground
(RIV=50 V)
Mounting termination units TU810, TU812, TU814 and
TU830
MTU keying code AE
Equipment class Class I according to IEC 61140;
(earth protected)
Protection rating IP20 according to IEC 60529
Rated insulation voltage 50 V
Dielectric test voltage 500 V a.c.
Width 45 mm (1.77”)
Depth 97 mm (3.8”), 106 mm (4.2”)
including connector
Height 119 mm (4.7”)
Weight 0.18 kg (0.4 lbs.)
(1) Handled by the FCI or controller.
(2) With supply connected to L1+ only
(3) With supply connected to L2+ only.
Note: RL = 250...850 ohms (with power supply connected to L2+)
Power supply min.= U drop + I max. x RL = 7.7 V + 0.023 x RL(>19.2 V)
Power Supply max. = 30 V
(4) 250 ohm load, 70% of nominal current, all channels activated. Supply L+ connected.
(5) 40°C (104°F) applies to compact MTUs with I/O-modules or S800L-modules mounted on
vertical DIN rail.
Table A-24 AO810 Analog Output Module Specifications at 25°C (Continued)
Feature AO810
Analog Output Module

AO810 Analog Output Module, 0(4)...20 mA Appendix A Specifications
176 3BSE 020 924R4101
A.11.0.4 Block Diagram AO810
O1
ZP
O8
ZP
ZP
L1+
CPU
5VS
5V
MBI-2
FAULT
RUN
WARNING
Pos
ZD
EMC
prot
EMC
prot
Power_ok
#
#
EM
L2+
OSP

Appendix A Specifications AO810 Analog Output Module, 0(4)...20 mA
3BSE 020 924R4101 177
A.11.0.5 Process Connections
Table A-25 A0810 Process Connections
Process
Connection
TU810
(or TU814)
Terminal
TU812
DSub 25 male
connector (1)
TU830/TU833
Terminal
+24 V d.c. L1+ (2) 1, 14 L1+ (2)
0 V d.c. (ZP) L1- 2, 15 L1- (2)
- --B1, B2
Ch1, + Output C1 3 C1
Ch1 Return (ZP) A1 - A1, A2
- --B3, B4
Ch 2, + Output C2 4 C3
Ch2 Return (ZP) A2 - A3, A4
- --B5, B6
Ch 3, + Output C3 5 C5
Ch3 Return (ZP) A3 - A5, A6
- --B7, B8
Ch 4, + Output C4 6 C7
Ch4 Return (ZP) A4 - A7, A8
- --B9, B10
Ch 5, + Output C5 7 C9
Ch5 Return (ZP) A5 - A9, A10
- --B11, B12
Ch 6, + Output C6 8 C11
Ch6 Return (ZP) A6 - A11, A12

AO810 Analog Output Module, 0(4)...20 mA Appendix A Specifications
178 3BSE 020 924R4101
- --B13, B14
Ch 7, + Output C7 9 C13
Ch7 Return (ZP) A7 - A13, A14
- --B15, B16
Ch 8, + Output C8 10 C15
Ch8 Return (ZP) A8 - A15, A16
+24 V dc L2+ (2) 11, 24 L2+ (2)
0 V dc (ZP) L2- 12, 25 L2- (2)
(1) Pin 13 connected to connector body for EM.
Table A-25 A0810 Process Connections (Continued)
Process
Connection
TU810
(or TU814)
Terminal
TU812
DSub 25 male
connector (1)
TU830/TU833
Terminal

Appendix A Specifications AO810 Analog Output Module, 0(4)...20 mA
3BSE 020 924R4101 179
Figure A-31 shows the process connections for the Analog Output Module AO810
when installed on a TU830 Extended MTU.
Figure A-31 AO810 with TU830 Extended MTU Process Connections
AO810
ZP
O2
ZP
ZP
ZP
ZP
ZP
ZP
ZP
O3
O4
O5
O6
O7
O8
TU830/TU833
EM
+24V
0V
+24V
0V
Ch8 +
Ch7 +
Ch1 +
Ch2 +
Ch3 +
Ch4 +
Ch5 +
Ch6 +
Process
0 - 20mA
0 - 20mA
0 - 20mA
0 - 20mA
0 - 20mA
0 - 20mA
0 - 20mA
0 - 20mA
D/A
D/A
D/A
D/A
D/A
D/A
D/A
O1
D/A
Device
Ch8 -
Ch7 -
Ch1 -
Ch2 -
Ch3 -
Ch4 -
Ch5 -
Ch6 -
Fuse
6.3A
Fuse
6.3A
L1+
L1+
L1-
L1-
L2+
L2+
L2-
L2-
C1
A1
C3
A3
C5
A5
C7
A7
C9
A9
C11
A11
C13
A13
C15
A15
R
L
< 500 ohms
(with power suppl
y
connected to L1+,
Note: R
L
= 250...850 ohms (with power supply
connected to L2+)
See Note below)
Power supply min. = 7.7V+0.023 x R
L
Power Supply = 19.2 to 30V
B1
B3
B5
B7
B9
B11
B13
B15
R
L
min = 250 ohms (including all outputs
)

AO810 Analog Output Module, 0(4)...20 mA Appendix A Specifications
180 3BSE 020 924R4101
Figure A-32 shows the process connections for the AO810 when installed on a
TU810 or TU814 Compact MTU.
Figure A-32 AO810 with TU810 or TU814 Compact MTU Process Connections
AO810
ZP
O2
ZP
ZP
ZP
ZP
ZP
ZP
ZP
O3
O4
O5
O6
O7
O8
TU810
EM
+24V
0V
+24V
0V
Process
0 - 20mA
0 - 20mA
0 - 20mA
0 - 20mA
0 - 20mA
0 - 20mA
0 - 20mA
0 - 20mA
C1
A1
L1+
L1+
L1-
C2
A2
C3
A3
C4
A4
C5
A5
C6
A6
C7
A7
C8
A8
L2+
L2-
D/A
D/A
D/A
D/A
D/A
D/A
D/A
O1
D/A
Device
R
L
< 500 ohms
Ch8 +
Ch7 +
Ch1 +
Ch2 +
Ch3 +
Ch4 +
Ch5 +
Ch6 +
Ch8 -
Ch7 -
Ch1 -
Ch2 -
Ch3 -
Ch4 -
Ch5 -
Ch6 -
L2+
(with power supp
ly
connected to L1
+,
See Note below
)
Note: R
L
= 250...850 ohms (with power supp
ly
connected to L2+)
Power supply min. = 7.7V+0.023 x R
L
Power Supply = 19.2 to 30V
R
L
min = 250 ohms (including all output
s)
(or TU814)

Appendix A Specifications AO810 Analog Output Module, 0(4)...20 mA
3BSE 020 924R4101 181
Figure A-33 shows the process connections for the Analog Output Module AO810
when installed on a TU812 Compact MTU.
Figure A-33 AO810 with TU812 Compact MTU Process Connections
Ch1 +
Ch2 +
Ch5 +
Ch6 +
Ch7 +
Ch8 +
+24V
0V
+24V
Ch3 +
0V
Ch4 +
AO810
ZP
O2
ZP
ZP
ZP
ZP
ZP
ZP
ZP
O3
O4
O5
O6
O7
O8
TU812
EM
D/A
D/A
D/A
D/A
D/A
D/A
D/A
O1
D/A
3
16
4
17
7
20
8
21
9
22
10
23
11
24
12
25
1
5
18
2
6
19
14
15
13
3
16
4
17
7
20
8
21
9
22
10
23
11
24
12
25
1
5
18
2
6
19
14
15
13
EM
S1
S2
S3
S4
S9
S10
S11
S12
S13
S14
S15
S16
UP2
ZP2
UP1
S5
S6
ZP1
S7
S8
UP2
ZP2
UP1
ZP1
Process
Connection
Note: R
L
= 250...850 ohms (with power supply
connected to L2+)
Power supply min. = 7.7V+0.023 x R
L
Power Supply = 19.2 to 30V
R
L
min = 250 ohms (including all outputs
)
R
L
< 500 ohms
(with power supply
connected to L1+,
See Note below)

AO820 Galvanically Isolated Bipolar Analog Output Module Appendix A Specifications
182 3BSE 020 924R4101
A.12 AO820 Galvanically Isolated Bipolar Analog Output
Module
A.12.0.1 Features
• 4 channels of -20 mA...+20 mA, 0...20 mA, 4...20
mA or
-10 V...+10 V, 0...10 V, 2...10 V outputs
• Individually galvanically isolated channels
• OSP sets outputs to predetermined state upon
error detection
• EMC protection
• DIN rail mounting.
A.12.0.2 Description
The AO820 Analog Output Module has 4 bipolar
analog output channels. The choice of current or
voltage output is configurable for each channel. There
are separate sets of terminals for voltage and current
outputs, and it is up to the user to wire outputs
properly. The only differences between current or
voltage channel configuration is in software settings.
To supervise the communication to the A/D-
converters the output data is read back and verified.
The open-circuit diagnostics are read continuously as well.
Four LEDs are used to indicate the state of the device. The RUN (green) LED
indicates that the device is in operational state. The FAULT (red) LED indicates
that the device is in an error state, or a power fault has been detected. In Not
configured state the FAULT LED is turned off after the first valid access to the
module. The WARNING (yellow) LED indicates that there is some kind of process
error such as an open circuit. OSP (yellow) LED indicates that the output values are
set to the OSP value.
F
R
W
O
AO820
±20 mA, ±10V Isolated
1
2
3
4

Appendix A Specifications AO820 Galvanically Isolated Bipolar Analog Output Module
3BSE 020 924R4101 183
The process voltage supervision input give channel error signals if the voltage
disappears.The error signal can be read via the ModuleBus. Channel diagnostics
include:
• Fault detection of the channel. (Only reported on active channels). The error is
reported if the output current differ from the output set value (that is, open wire
condition).
The outputs of the module will be set to a predetermined value if the OSP-watchdog
timer expires or if the SetOSPState command is received. The watchdog timer is set
by the controller and is used for ModuleBus supervision. The watchdog timer is re-
triggered every time the correct node address has been decoded (or broadcast). If the
watchdog timer expires or if the SetOSPState command is received, the module
enters the OSP state and the active outputs (if any) are set to their OSP values which
can be configured as a predefined value or as the last good value sent.
The output values will be kept as long as the module stays in the OSP state. To
change the outputs the module first has to leave this state. When reentering
Operational State, the outputs are still kept with their OSP value until new valid
values are written.
The reset circuitry gives a reset signal when the module is inserted until the BLOCK
signal is inactive and the POWOK signal is active. The BLOCK signal is
deactivated when the module lock mechanism is in the locked position. The
POWOK comes from the ModuleBus master after power is applied.
Four different types of MTUs can be used. The TU830 Extended MTU and the
TU810 (or TU814) Compact MTU enables wire connection to the devices without
additional terminals. The TU812 Compact MTU has a D-Sub 25 pin (male)
connector for connection to the process.

AO820 Galvanically Isolated Bipolar Analog Output Module Appendix A Specifications
184 3BSE 020 924R4101
A.12.0.3 Technical Data
Table A-26 AO820 Analog Output Module Specifications at 25°C
Feature AO820
Analog Output Module
Number of channels 4
Output ranges (nominal) -20 mA...+20 mA, 0...20 mA, 4...20 mA
(1) or -10 V...+10 V, 0...10 V, 2...10 V(1)
Over range ± 15%
Output load, current outputs
Including wire resistance ≤550 ohms - Nominal ranges
≤510 ohms - Over-range
Output load, voltage outputs ≥5k ohms
Maximum field cable length 600 meters (656 yd.)
Rise time <0.7 ms
Cycle time for all channels ≤1.5 ms
Error, Voltage Max. 0.1%
Error, Current at 250 ohms Max. 0.1%
Resolution 12 bits plus sign
Output Set as Predetermined (OSP)
timer 256, 512, 1024 ms
Temperature drift Max. 90 ppm/°C
Current consumption 24 V, maximum 260 mA
Current consumption 5 V, maximum 100 mA
Power dissipation (2) 6 W
Maximum ambient temperature 55/40°C
(131/104°F)(3)

Appendix A Specifications AO820 Galvanically Isolated Bipolar Analog Output Module
3BSE 020 924R4101 185
Supervision Module: Output power low
Channel: Open circuit (for current >
1mA)
Isolation Individually isolated,
channel-to-channel and to circuit
common (RIV=50 V)
Module termination units TU810, TU812, TU814 or TU830
MTU keying code BC
Equipment class Class I according to IEC 61140; (earth
protected)
Protection rating IP20 according to IEC 60529
Rated insulation voltage 50 V
Dielectric test voltage 500 V a.c.
Width 45 mm (1.77”)
Depth 97 mm (3.8”), 106 mm (4.2”) including
connector
Height 119 mm (4.7”)
Weight 0.18 kg (0.4 lbs.)
(1) Handled by the controller or FCI.
(2) Power dissipation is calculated with 250 ohms load, 70 percent of nominal output current, all
channels activated.
(3) 40°C (104°F) applies to compact MTUs with I/O-modules or S800L-modules mounted on
vertical DIN rail.
Table A-26 AO820 Analog Output Module Specifications at 25°C (Continued)
Feature AO820
Analog Output Module

AO820 Galvanically Isolated Bipolar Analog Output Module Appendix A Specifications
186 3BSE 020 924R4101
A.12.0.4 Block Diagram AO820
O4U-
CPU
5VS
5V
MBI-2
RUN
FAULT
WARNING
Pos
0V EMC
protect
Power_ok
#
EM
OSP
Block
DAT+
DAT-
ModuleBus
Current sense
Iso Power
and Amp
CLK+
CLK-
+24V
+0V24
O4U+
O4I-
S/H
Amp
O1U-
EMC
protect
EM
Current sense
Iso Power
and Amp
O1U+
O1I+
U,I Amp
U,I Amp
O4I-
O1I-
ZP4
ZP1

Appendix A Specifications AO820 Galvanically Isolated Bipolar Analog Output Module
3BSE 020 924R4101 187
A.12.0.5 Process Connections
Table A-27 A0820 Process Connections
Process Connection TU810
(or TU814)
Terminal
TU812
D-Sub 25 male
Connector (1)
TU830/TU833
Terminal
Not used L1+ (2) 1, 14 L1+ (2)
Not used L1- 2, 15 L1- (2)
---B1, B2
Ch1, Current Output + C1 3 C1
Ch1, Current Output - B1 16 C2
-A1-A1, A2
---B3, B4
Ch1, Voltage Output + C2 4 C3
Ch1, Voltage Output - B2 17 C4
-A2-A3, A4
---B5, B6
Ch2, Current Output + C3 5 C5
Ch2, Current Output - B3 18 C6
-A3-A5, A6
---B7, B8
Ch2, Voltage Output + C4 6 C7
Ch2, Voltage Output - B4 19 C8
-A4-A7, A8
---B9, B10
Ch3, Current Output + C5 7 C9

AO820 Galvanically Isolated Bipolar Analog Output Module Appendix A Specifications
188 3BSE 020 924R4101
Ch3, Current Output - B5 20 C10
- A5 - A9, A10
- --B11, B12
Ch3, Voltage Output + C6 8 C11
Ch3, Voltage Output - B6 21 C12
- A6 - A11, A12
- --B13, B14
Ch4, Current Output + C7 9 C13
Ch4, Current Output - B7 22 C14
-A7-A13, A14
- --B15, B16
Ch4, Voltage Output + C8 10 C15
Ch4, Voltage Output - B8 23 C16
-A8-A15, A16
Not used L2+ (2) 11, 24 L2+ (2)
Not used L2- 12, 25 L2- (2)
(1) Pin 13 connected to connector body for EM.
Table A-27 A0820 Process Connections (Continued)
Process Connection TU810
(or TU814)
Terminal
TU812
D-Sub 25 male
Connector (1)
TU830/TU833
Terminal

Appendix A Specifications AO820 Galvanically Isolated Bipolar Analog Output Module
3BSE 020 924R4101 189
Figure A-34 shows the process connections for the Bipolar Analog Output Module
AO820 when installed on a TU830 Extended MTU.
Figure A-34 AO820 with TU830 Extended MTU Process Connections
AO820
ZP1
O1U
ZP1
ZP2
ZP2
ZP3
ZP3
ZP4
ZP4
O2I
O2U
O3I
O3U
O4I
O4U
TU830/TU833
EM
Ch4 V+
Ch4 I+
Ch1 I+
Ch1 V+
Ch2 I+
Ch2 V+
Ch3 I+
Ch3 V+
Process
±10V
0 - 10V
0 - 20mA
±20mA
O1I
Device
Ch4 -
Ch4 -
Ch1 -
Ch1 -
Ch2 -
Ch2 -
Ch3 -
Ch3 -
Fuse
6.3A
Fuse
6.3A
L1+
L1+
L1-
L1-
L2+
L2+
L2-
L2-
C1
C2
C3
C4
C5
C6
C7
C8
C9
C10
C11
C12
C13
C14
C15
C16
D/A
D/A
D/A
Use either the current or
voltage output terminals,
but not both per channel.
RL = <550W for
current outputs
RL = >2KW for
voltage outputs
D/A

AO820 Galvanically Isolated Bipolar Analog Output Module Appendix A Specifications
190 3BSE 020 924R4101
Figure A-35 shows the process connections for the AO820 when installed on a
TU810 or TU814 Compact MTU.
Figure A-35 AO820 with TU810 or TU814 Compact MTU Process Connections
AO820 TU810
EM
Process
C1
B1
L1+
L1+
L1-
C2
B2
C3
B3
C4
B4
C5
B5
C6
B6
C7
B7
C8
B8
L2+
L2-
Device
L2+
ZP1
O1U
ZP1
ZP2
ZP2
ZP3
ZP3
ZP4
ZP4
O2I
O2U
O3I
O3U
O4I
O4U
O1I
D/A
D/A
D/A
Ch4 V+
Ch4 I+
Ch1 I+
Ch1 V+
Ch2 I+
Ch2 V+
Ch3 I+
Ch3 V+ ±10V
0 - 10V
0 - 20mA
±20mA
Ch4 -
Ch4 -
Ch1 -
Ch1 -
Ch2 -
Ch2 -
Ch3 -
Ch3 -
RL = >2KW for
RL = <550W for
current outputs
Use either the current or
voltage output terminals,
but not both per channel.
voltage outputs
D/A
(or TU814)

Appendix A Specifications AO820 Galvanically Isolated Bipolar Analog Output Module
3BSE 020 924R4101 191
Figure A-36 shows the process connections for the AO820 when installed on a
TU812 Compact MTU
Figure A-36 AO820 with TU812
AO820
EM
C1
B1
L1+
L1-
C2
B2
C3
B3
C4
B4
C5
B5
C6
B6
C7
B7
C8
B8
L2+
L2-
L2+
ZP1
O1U
ZP1
ZP2
ZP2
ZP3
ZP3
ZP4
ZP4
O2I
O2U
O3I
O3U
O4I
O4U
O1I
D/A
D/A
D/A
Ch4 V+
Ch4 I+
Ch1 I+
Ch1 V+
Ch2 I+
Ch2 V+
Ch3 I+
Ch3 V+
Ch4 -
Ch4 -
Ch1 -
Ch1 -
Ch2 -
Ch2 -
Ch3 -
Ch3 -
D/A +24V
0V
+24V
0V
TU812
Process
3
16
4
17
7
20
8
21
9
22
10
23
11
24
12
25
1
5
18
2
6
19
14
15
13
3
16
4
17
7
20
8
21
9
22
10
23
11
24
12
25
1
5
18
2
6
19
14
15
13
EM
S1
S2
S3
S4
S9
S10
S11
S12
S13
S14
S15
S16
UP2
ZP2
UP1
S5
S6
ZP1
S7
S8
UP2
ZP2
UP1
ZP1
Connectio
n

AO845 Analog Output Module, single or redundant Appendix A Specifications
192 3BSE 020 924R4101
A.13 AO845 Analog Output Module, single or redundant
A.13.0.1 Features
• 8 channels of 4...20 mA outputs
• For single or redundant applications
• OSP sets outputs to predetermined state upon
error detection
• 1 group of 8 channels isolated from ground
• Analog Output is to be short circuit secured to ZP
or +24 V
• Advanced on-board diagnostics
• EMC protection
• 12 bit resolution
• DIN rail mounting
• HART pass-through communication
A.13.0.2 Description
The AO845 Analog Output Module for single or
redundant applications has 8 unipolar analog output
channels.
Four LEDs are used to indicate the state of the device. The RUN (green) LED
indicates that the device is in operational state. The FAULT (red) LED indicates
that the device is in error state.
In Not configured state the FAULT LED is turned off after the first valid access to
the module. The WARNING (yellow) LED indicates that there is some kind of
process error such as an open circuit, or power supply fault. OSP (yellow) LED
indicates that the output value is set to the OSP value.
AO845
4....20mA HART
F
R
W
O

Appendix A Specifications AO845 Analog Output Module, single or redundant
3BSE 020 924R4101 193
The module performs self-diagnostic cyclically. Module diagnostics include:
• External Channel Error is reported (only reported on active channels) if the
process power supply that supply voltage to output circuitry is too low, or the
output current is less than the output set value and the output set value > 1 mA
(open circuit).
• Internal Channel Error is reported if the output circuit can not give the right
current value. In a redundant pair the module will be commanded to error state
by the ModuleBus master.
• Module Error is reported in case of Output Transistor Error, Short Circuit,
Checksum Error, Internal Power Supply Error, Status Link Error, Watchdog or
Wrong OSP behavior.
The outputs of the module will be set to a predetermined value if the OSP-watchdog
timer expires or if the SetOSPState command is received. The watchdog timer is set
by the controller (OSP timer) and is used for ModuleBus supervision. The watchdog
timer is re-triggered every time the correct Read or Write access of dynamic data
has been decoded. If the watchdog timer expires or if the SetOSPState command is
received, the module enters the OSP state and the active outputs (if any) are set to
their OSP values which can be configured as a predefined value or to use the last
good value sent.
The output values will be kept as long as the module stays in the OSP state. To
change the outputs the module first has to leave this state. When reentering
Operational State, the outputs are still kept with their OSP value until new valid
values are written.
In redundant applications both modules must have the OSP-conditions fulfilled to
go to OSP.
The module has HART pass-through functionality. Only point to point
communication is supported. The output filter must be enabled on channels used for
HART communication.
The reset circuitry gives a reset signal when the module is inserted until the BLOCK
signal is inactive and the POWOK signal is active. The BLOCK signal is
deactivated when the module lock mechanism is in the locked position. The
POWOK comes from the ModuleBus master after power is applied.

AO845 Analog Output Module, single or redundant Appendix A Specifications
194 3BSE 020 924R4101
Four different types of MTUs can be used for single applications. The TU830
Extended MTU and the TU810 (or TU814) Compact MTU enables wire connection
to the devices without additional terminals. The TU812 Compact MTU has a D-Sub
25 pin (male) connector for connection to the process.
For redundant applications there are two types of MTUs, TU842 for mounting on a
horizontal DIN rail and TU843 for mounting on a vertical DIN rail.

Appendix A Specifications AO845 Analog Output Module, single or redundant
3BSE 020 924R4101 195
A.13.0.3 Technical Data
Table A-28 AO845 Analog Output Module Specifications at 25°C
Feature AO845
Analog Output Module
Number of channels 8
Output range 4...20 mA
Over range 15%
Output load Max 750 ohms
Maximum field cable length 600 meters (656 yd.)
Rise time output filter
- disable
- enable 23 ms (0-90%)
max 4 mA / 12.5 ms
Cycle time 10 ms
Error Max. 0.1%
Resolution 12 bit
Output Set as Predetermined (OSP) timer 256, 512, 1024 ms
Temperature drift Max. 50 ppm/°C
Current consumption 24 V
(external supply), maximum 165 mA
Current consumption 5 V, maximum 125 mA
Power dissipation (1) 3.5 W
Maximum ambient temperature 55/40°C
(131/104°F)(2)
Isolation Groupwise isolated from ground
(RIV=50 V)
Mounting termination units TU810, TU812, TU814, TU830,
TU842 and TU843

AO845 Analog Output Module, single or redundant Appendix A Specifications
196 3BSE 020 924R4101
MTU keying code CC
Equipment class Class I according to IEC 61140;
(earth protected)
Protection rating IP20 according to IEC 60529
Rated insulation voltage 50 V
Dielectric test voltage 500 V a.c.
Width 45 mm (1.77”)
Depth 97 mm (3.8”), 106 mm (4.2”)
including connector
Height 119 mm (4.7”)
Weight 0.21 kg (0.46 lbs.)
(1) 250 ohm load, 70% of nominal current, all channels activated.
(2) 40°C (104°F) applies to compact MTUs with I/O-modules or S800L-modules mounted on
vertical DIN rail.
Table A-28 AO845 Analog Output Module Specifications at 25°C (Continued)
Feature AO845
Analog Output Module

Appendix A Specifications AO845 Analog Output Module, single or redundant
3BSE 020 924R4101 197
A.13.0.4 Block Diagram AO845
#
Open
HART
Modem
Mux
UP
R
W
F
CPU
MBI
Wire
Cntr.
Reg.
8-bit
ZP
E
MS
O
#
ZP
O8
O1
ZP
HART
Main switch
RCL_out
UP21
UP21
UP21

AO845 Analog Output Module, single or redundant Appendix A Specifications
198 3BSE 020 924R4101
A.13.0.5 Process Connections
Table A-29 A0845 Process Connections
Process
Connection
TU810
(or TU814)
Terminal
TU812
DSub 25
male
connector(1)
TU830/TU833
Terminal TU842/TU843
Terminal
+24 V d.c. L1+ (2) 1, 14 L1+ (2) L1+
0 V d.c. (ZP) L1- 2, 15 L1- (2) L1-
---B1, B2-
Ch1, + Output C1 3 C1 C1, C2
Ch1 Return (ZP) A1 - A1, A2 A1, A2
---B3, B4-
Ch 2, + Output C2 4 C3 C3, C4
Ch2 Return (ZP) A2 - A3, A4 A3, A4
---B5, B6-
Ch 3, + Output C3 5 C5 C5, C6
Ch3 Return (ZP) A3 - A5, A6 A5, A6
---B7, B8-
Ch 4, + Output C4 6 C7 C7, C8
Ch4 Return (ZP) A4 - A7, A8 A7,A8
---B9, B10-
Ch 5, + Output C5 7 C9 C9, C10
Ch5 Return (ZP) A5 - A9, A10 A9, A10
---B11, B12-
Ch 6, + Output C6 8 C11 C11, C12
Ch6 Return (ZP) A6 - A11, A12 A11, A12

Appendix A Specifications AO845 Analog Output Module, single or redundant
3BSE 020 924R4101 199
- --B13, B14-
Ch 7, + Output C7 9 C13 C13, C14
Ch7 Return (ZP) A7 - A13, A14 A13, A14
- --B15, B16-
Ch 8, + Output C8 10 C15 C15, C16
Ch8 Return (ZP) A8 - A15, A16 A15, A16
+24 V dc L2+ (2) 11, 24 L2+ (2) L2+
0 V dc (ZP) L2- 12, 25 L2- (2) L2-
(1) Pin 13 connected to connector body for EM.
Table A-29 A0845 Process Connections (Continued)
Process
Connection
TU810
(or TU814)
Terminal
TU812
DSub 25
male
connector(1)
TU830/TU833
Terminal TU842/TU843
Terminal

AO845 Analog Output Module, single or redundant Appendix A Specifications
200 3BSE 020 924R4101
Figure A-37 shows the process connections for the AO845 when installed on a
TU830 Extended MTU.
Figure A-37 AO845 with TU830 Extended MTU Process Connections
AO845
ZP
O2
ZP
ZP
ZP
ZP
ZP
ZP
ZP
O3
O4
O5
O6
O7
O8
TU830/TU833
EM
UP1
UP1
UP1
UP1
+24V
0V
UP1
UP1
UP1
+24V
0V
Ch8 +
Ch7 +
Ch1 +
Ch2 +
Ch3 +
Ch4 +
Ch5 +
Ch6 +
Process
4 - 20mA
4 - 20mA
4 - 20mA
4 - 20mA
4 - 20mA
4 - 20mA
4 - 20mA
4 - 20mA
D/A
D/A
D/A
D/A
D/A
D/A
D/A
UP1
O1
D/A
Device
Ch8 -
Ch7 -
Ch1 -
Ch2 -
Ch3 -
Ch4 -
Ch5 -
Ch6 -
Fuse
6.3A
Fuse
6.3A
L1+
L1+
L1-
L1-
L2+
L2+
L2-
L2-
C1,C2
A1,A2
C3,C4
A3,A4
C5,C6
A5,A6
C7,C8
A7,A8
C9,C10
A9,A10
C11,C12
A11,A12
C13,C14
A13,A14
C15,C16
A15,A16
B1
B3
B5
B7
B9
B11
B13
B15

Appendix A Specifications AO845 Analog Output Module, single or redundant
3BSE 020 924R4101 201
Figure A-38 shows the process connections for the AO845 when installed on a
TU810 or TU814 Compact MTU.
Figure A-38 AO845 with TU810 or TU814 Compact MTU Process Connections
AO845
ZP
O2
ZP
ZP
ZP
ZP
ZP
ZP
ZP
O3
O4
O5
O6
O7
O8
TU810
EM
UP1
UP1
UP1
UP1
+24V
0V
UP1
UP1
UP1
+24V
0V
Process
4 - 20mA
4 - 20mA
4 - 20mA
4 - 20mA
4 - 20mA
4 - 20mA
4 - 20mA
4 - 20mA
B1,C1
A1
L1+
L1+
L1-
B2,C2
A2
B3,C3
A3
B4,C4
A4
B5,C5
A5
B6,C6
A6
B7,C7
A7
B8,C8
A8
L2+
L2-
D/A
D/A
D/A
D/A
D/A
D/A
D/A
UP1
O1
D/A
Device
Ch8 +
Ch7 +
Ch1 +
Ch2 +
Ch3 +
Ch4 +
Ch5 +
Ch6 +
Ch8 -
Ch7 -
Ch1 -
Ch2 -
Ch3 -
Ch4 -
Ch5 -
Ch6 -
L2+
(or TU814)

AO845 Analog Output Module, single or redundant Appendix A Specifications
202 3BSE 020 924R4101
Figure A-39 shows the process connections for the AO845 when installed on a
TU812 Compact MTU.
Figure A-39 AO845 with TU812 Compact MTU Process Connections
Ch1 +
Ch2 +
Ch5 +
Ch6 +
Ch7 +
Ch8 +
+24V
0V
+24V
Ch3 +
0V
Ch4 +
AO845
ZP
O2
ZP
ZP
ZP
ZP
ZP
ZP
ZP
O3
O4
O5
O6
O7
O8
TU812
EM
UP1
UP1
UP1
UP1
UP1
UP1
UP1
D/A
D/A
D/A
D/A
D/A
D/A
D/A
UP1
O1
D/A
3
16
4
17
7
20
8
21
9
22
10
23
11
24
12
25
1
5
18
2
6
19
14
15
13
3
16
4
17
7
20
8
21
9
22
10
23
11
24
12
25
1
5
18
2
6
19
14
15
13
EM
S1
S2
S3
S4
S9
S10
S11
S12
S13
S14
S15
S16
UP2
ZP2
UP1
S5
S6
ZP1
S7
S8
UP2
ZP2
UP1
ZP1
Process
Connection

Appendix A Specifications AO845 Analog Output Module, single or redundant
3BSE 020 924R4101 203
Figure A-40 shows the process connections for the AO845 when installed on a
TU842 or TU843 Redundant MTU.
Figure A-40 AO845 with TU842 or TU843 Redundant MTU Process Connections
AO845
ZP
O2
ZP
ZP
ZP
ZP
ZP
ZP
ZP
O3
O4
O5
O6
O7
O8
TU842/TU843
EM
+24V
0V
+24V
0V
Ch8 +
Ch7 +
Ch1 +
Ch2 +
Ch3 +
Ch4 +
Ch5 +
Ch6 +
Process
4 - 20mA
4 - 20mA
4 - 20mA
4 - 20mA
4 - 20mA
4 - 20mA
4 - 20mA
4 - 20mA
D/A
D/A
D/A
D/A
D/A
D/A
D/A
O1
D/A
Device
Ch8 -
Ch7 -
Ch1 -
Ch2 -
Ch3 -
Ch4 -
Ch5 -
Ch6 -
L1+
L1+
L1-
L1-
L2+
L2+
L2-
L2-
C1, C2
A1, A2
C3, C4
A3, A4
C5, C6
A5, A6
C7, C8
A7, A8
C9, C10
A9, A10
C11, C12
A11, A12
C13, C14
A13, A14
C15, C16
A15, A16
AO845
ZP
D/A O1
O8
EM
D/A ZP
- - -

DI801 Digital Input Module, 24 V, Current Sinking Appendix A Specifications
204 3BSE 020 924R4101
A.14 DI801 Digital Input Module, 24 V, Current Sinking
A.14.0.1 Features
• 16 channels for 24 V d.c.
inputs with current sinking
• 1 isolated groups of 16 with
voltage supervision
• Input status indicators
• EMC protection
• DIN rail mounting
• Process and power connection
via detachable connectors
A.14.0.2 Description
The DI801 is a 16 channel 24 V
digital input module for the S800
I/O. This module has 16 digital
inputs. The input voltage range is
18 to 30 volt d.c. and the input
current is 6 mA at 24 V. The inputs
are in one isolated group with
sixteen channels and channel
number sixteen can be used for
voltage supervision input in the
group.
Every input channel consists of current limiting components, EMC protection
components, input state indication LED and optical isolation barrier.
One STATUS LED red or green indicate module status. One LED (Yellow) per
channel (16) indicate input channel status (On = 1 and Off = 0). The STATUS LED
green indicates normal operation. The STATUS LED red indicates that the module
is in Init state or Not configured state. In Not Configured state the STATUS LED is
turned off after the first valid access to the module.
DI801
24V
L+ L- 24V
STATUS
S1 2 14 161312 15111093456 78
1 2 14 161312 1511109345678

Appendix A Specifications DI801 Digital Input Module, 24 V, Current Sinking
3BSE 020 924R4101 205
Channel 16 can be used as voltage supervision input for channels 1-15. If the
voltage connected to channel 16 disappears, the error inputs are activated. The error
signal can be read from the ModuleBus. This supervision can be enabled/disabled
with the “a” parameter. If the error inputs are disabled channel 16 can be used as
normal input channels.
The reset circuitry gives a reset signal when the POWOK signal is active. The
POWOK comes from the ModuleBus master after power is applied.
The input channels can be digitally filtered. The different filter times that can be
achieved are 2, 4, 8 and 16 ms. This means that noise pulses shorter than the filter
time will be filtered out and pulses longer than 3, 6, 12 and 24 ms will get through
the filter.

DI801 Digital Input Module, 24 V, Current Sinking Appendix A Specifications
206 3BSE 020 924R4101
A.14.0.3 Technical Data
Table A-30 DI801 Digital Input Module Specifications
Feature DI801
Digital Input Module
Number of channels 16 (1 x 16), current sinking
Rated voltage
(process power supply range) 24 V d.c.
(18 to 30 V d.c.)
Input voltage range, “1” 15 to 30 V
Input voltage range, “0” -30 to +5 V
Nominal input channel current 6.7 mA @ 24 V d.c.
Input Impedance 3.5 kΩ
Maximum field cable length 600 meters (656 yd.)
Filter times (digital, selectable) 2, 4, 8, 16 ms
Process voltage supervision channel 16
Current consumption +5 V 70 mA
Power dissipation (1) 2.2 W
Maximum ambient temperature 55/40°C
(131/104°F) (2)
Isolation Groupwise isolated from ground
(RIV=50 V)
Equipment class Class I according to IEC 61140; (earth
protected)
Protection rating IP20 according to IEC 60529
Rated insulation voltage 50 V
Dielectric test voltage 500 V a.c.

Appendix A Specifications DI801 Digital Input Module, 24 V, Current Sinking
3BSE 020 924R4101 207
Acceptable wire sizes Solid: 0.05-2.5mm2, 30-12 AWG
Stranded: 0.05-1.5mm2, 30-12 AWG
Recommended torque: 0.8 Nm
Stripping length: 6-7.5 mm, 0.24-0.30 in
Width 86.1 mm (3.4”)
Depth 58.5 mm (2.3”)
Height 110 mm (4.33”)
Weight 0.24 kg (0.53 lbs.)
(1) Power dissipation is calculated with 70 percent of the channels activated at nominal voltage of
24 Volts.
(2) 40°C (104°F) applies to compact MTUs with I/O-modules or S800L-modules mounted on
vertical DIN rail.
Table A-30 DI801 Digital Input Module Specifications (Continued)
Feature DI801
Digital Input Module

DI801 Digital Input Module, 24 V, Current Sinking Appendix A Specifications
208 3BSE 020 924R4101
A.14.0.4 Block Diagram DI801
+5V
POWER-OK
0V
DAT
DAT-N
POS0-9
CH 1
CH 2
STATUS
EMC-
BLOCK CH 16
I1
I2
BARRIER
CH 15
L-
EM
MBI
I16
.
I15
.

Appendix A Specifications DI801 Digital Input Module, 24 V, Current Sinking
3BSE 020 924R4101 209
A.14.0.5 Process Connections
Table A-31 DI801 Process Connections
Process
Connection Process
Terminal
Ch1 Input 1
Ch 2 Input 2
Ch 3 Input 3
Ch 4 Input 4
Ch 5 Input 5
Ch 6 Input 6
Ch 7 Input 7
Ch 8 Input 8
Ch 9 Input 9
Ch 10 Input 10
Ch 11 Input 11
Ch 12 Input 12
Ch 13 Input 13
Ch 14 Input 14
Ch 15 Input 15
Ch 16 Input 16

Appendix A Specifications DI802 Digital Input Module, 120 V a.c./d.c, Current Sinking
3BSE 020 924R4101 211
A.15 DI802 Digital Input Module, 120 V a.c./d.c, Current
Sinking
A.15.0.1 Features
• 8 channels for 120 V a.c./d.c.
inputs with current sinking
• Individually isolated channels
• Voltage supervision of field
input power
• Input status indicators
• Signal filtering
• EMC protection
• DIN rail mounting
• Process connection via
detachable connectors
A.15.0.2 Description
The DI802 is an 8 channel 120 V
a.c./d.c.digital input module for the
S800 I/O. This module has 8 digital
inputs. The a.c. input voltage range
is 77 - 130 volt and the input
current is 10 mA at 120 V a.c.
The d.c. input range is 75 - 145 V
and the input current is 2.8 mA at
110 V. The inputs are individually isolated.
Every input channel consists of current limiting components, EMC protection
components, input state indication LED and optical isolation barrier.
One STATUS LED red or green indicate module status. One LED (Yellow) per
channel (8) indicate input channel status (On = 1 and Off = 0). The STATUS LED
green indicates normal operation. The STATUS LED red indicates that the module
DI802
120V a.c./d.c.
STATUS
1 8765234
A BA BA BA BA BA BA BA B
S87123456

DI802 Digital Input Module, 120 V a.c./d.c, Current Sinking Appendix A Specifications
212 3BSE 020 924R4101
is in Init state or Not configured state. In Not Configured state the STATUS LED is
turned off after the first valid access to the module.
Channel 8 can be used as voltage supervision input for channels 1-7.
If the voltage connected to channel 8 disappears, the error inputs are activated. The
error signal can be read from the ModuleBus. This supervision can be
enabled/disabled with parameter “a”. If the error inputs are disabled, channel 8 can
be used as the normal input channel.
The reset circuitry gives a reset signal when the POWOK signal is active.
The input channels can be digitally filtered. The different filter times that can be
achieved are 2, 4, 8 and 16 ms. This means that noise pulses shorter than the filter
time will be filtered out and pulses longer than 3, 6, 12 and 24 ms will get through
the filter.

Appendix A Specifications DI802 Digital Input Module, 120 V a.c./d.c, Current Sinking
3BSE 020 924R4101 213
A.15.0.3 Technical Data
Table A-32 DI802 Digital Input Module Specifications
Feature DI802
Digital Input Module
Number of channels 8, current sinking
Rated voltage
(process power supply range) 120 V a.c.
(77 to 130 V a.c.)
110 V d.c.
(75 to 145 V d.c.)
Input voltage range, “1” 77 to 130 V a.c.
75 to 145 V d.c.
Input voltage range, “0” 0 to 30 V a.c.
0 to 20 V d.c.
Nominal input channel current 10 mA a.c. @ 120 V a.c.
2.8 mA d.c. @ 110 V d.c.
Input frequency range a.c. 47...63 Hz
Input Impedance 12 kΩ (a.c.)
39 kΩ (d.c.)
Maximum field cable length 200 meters (219 yd.)
100pF/m. for a.c.
600 meters (656 yd.) for d.c.
Filter times (digital, selectable) 2, 4, 8, 16 ms
Analog filter On/Off delay 5/18 ms
Process voltage supervision Channel 8
Current consumption +5 V 50 mA
Power dissipation (1) 2.8 W
Maximum ambient temperature 55/40°C
(131/104°F)(2)

DI802 Digital Input Module, 120 V a.c./d.c, Current Sinking Appendix A Specifications
214 3BSE 020 924R4101
Isolation Individually isolated channels (RIV=250
V)
Equipment class Class I according to IEC 61140; (earth
protected)
Protection rating IP20 according to IEC 60529
Rated insulation voltage 250 V
Dielectric test voltage 2000 V a.c.
Acceptable wire sizes Solid: 0.05-2.5mm2, 30-12 AWG
Stranded: 0.05-1.5mm2, 30-12 AWG
Recommended torque: 0.8 Nm
Stripping length: 6-7.5 mm, 0.24-0.30 in
Width 86.1 mm (3.4”)
Depth 58.5 mm (2.3”)
Height 110 mm (4.33”)
Weight 0.24 kg (0.53 lbs.)
(1) Power dissipation is calculated with 70 percent of the channels activated.
(2) 40°C (104°F) applies to compact MTUs with I/O-modules or S800L-modules mounted on
vertical DIN rail.
Table A-32 DI802 Digital Input Module Specifications (Continued)
Feature DI802
Digital Input Module

Appendix A Specifications DI802 Digital Input Module, 120 V a.c./d.c, Current Sinking
3BSE 020 924R4101 215
A.15.0.4 Block Diagram DI802
BIC
CH 1
CH 2
STATUS
Rectifiers and
Process Connector
MBI-1
ASIC
CH 3
CH 4
CH 5
CH 6
CH 7
CH 8
INPUT CHANNELS
filters
E1-7 1
+5VI
+5V
POWER-OK
0V
DAT+
DAT-
POS0-6
EEPROM
RS-485
RESET
X1
ModuleBus Connector
CLK+
CLK- RS-485
1A
2A
3A
4A
5A
6A
7A
8A
1B
2B
3B
4B
5B
6B
7B
8B

DI802 Digital Input Module, 120 V a.c./d.c, Current Sinking Appendix A Specifications
216 3BSE 020 924R4101
A.15.0.5 Process Connections
Table A-33 DI802 Process Connections
Process
Connection Process
Terminal
Ch1 Input 1A
1B
Ch 2 Input 2A
2B
Ch 3 Input 3A
3B
Ch 4 Input 4A
4B
Ch 5 Input 5A
5B
Ch 6 Input 6A
6B
Ch 7 Input 7A
7B
Ch 8 Input 8A
8B

DI803 Digital Input Module, 230 V a.c./d.c, Current Sinking Appendix A Specifications
218 3BSE 020 924R4101
A.16 DI803 Digital Input Module, 230 V a.c./d.c, Current
Sinking
A.16.0.1 Features
• 8 channels for 230 V a.c./d.c.
inputs with current sinking
• Individually isolated channels
• Voltage supervision of field
input power
• Input status indicators
• Signal filtering
• EMC protection
• DIN rail mounting
• Process connection via
detachable connectors
A.16.0.2 Description
The DI803 is an 8 channel 230 V
a.c./d.c.digital input module for the
S800 I/O. This module has 8 digital
inputs. The a.c. input voltage range
is 164 - 264 volt and the input
current is 7.6 mA at 230 V a.c.
The d.c. input range is 175 - 275 V
and the input current is 1.6 mA at
220 V. The inputs are individually isolated.
Every input channel consists of current limiting components, EMC protection
components, input state indication LED and optical isolation barrier.
One STATUS LED red or green indicate module status. One LED (Yellow) per
channel (8) indicate input channel status (On = 1 and Off = 0). The STATUS LED
green indicates normal operation. The STATUS LED red indicates that the module
DI803
230V a.c./d.c.
STATUS
1 8765234
A BA BA BA BA BA BA BA B
S87123456

Appendix A Specifications DI803 Digital Input Module, 230 V a.c./d.c, Current Sinking
3BSE 020 924R4101 219
is in Init state or Not configured state. In Not Configured state the STATUS LED is
turned off after the first valid access to the module.
Channel 8 can be used as voltage supervision input for channels 1-7.
If the voltage connected to channel 8 disappears, the error inputs are activated. The
error signal can be read from the ModuleBus. This supervision can be
enabled/disabled with the “a” parameter. If the error inputs are disabled channel 8
can be used as normal input channels.
The reset circuitry gives a reset signal when the POWOK signal is active.
The input channels can be digitally filtered. The different filter times that can be
achieved are 2, 4, 8 and 16 ms. This means that noise pulses shorter than the filter
time will be filtered out and pulses longer than 3, 6, 12 and 24 ms will get through
the filter.

DI803 Digital Input Module, 230 V a.c./d.c, Current Sinking Appendix A Specifications
220 3BSE 020 924R4101
A.16.0.3 Technical Data
Table A-34 DI803 Digital Input Module Specifications
Feature DI803
Digital Input Module
Number of channels 8, current sinking
Rated voltage
(process power supply range) 230 V a.c.
(164 to 264 V a.c.)
220 V d.c.
(175 to 275 V d.c.)
Input voltage range, “1” 164 to 264 V a.c.
175 to 275 V d.c.
Input voltage range, “0” 0 to 50 V a.c.
0 to 40 V d.c.
Nominal input channel current 7.6 mA @ 230 V a.c.
1.6mA @ 220 V d.c.
Input frequency range, a.c. 47…63 Hz
Input impedance 30 kΩ (a.c.)
134 kΩ (d.c.)
Maximum field cable length 200 meters (219 yd.)
100pF/m. for a.c.
600 meters (656 yd.) for d.c.
Filter times (digital, selectable) 2, 4, 8, 16 ms
Analog filter On/Off delay 5/28 ms
Process voltage supervision Channel 8
Current consumption +5 V 50 mA
Power dissipation (1) 2.8 W
Maximum ambient temperature 55/40°C
(131/104°F)(2)

Appendix A Specifications DI803 Digital Input Module, 230 V a.c./d.c, Current Sinking
3BSE 020 924R4101 221
Isolation Individually isolated channels (RIV=250
V)
Equipment class Class I according to IEC 61140; (earth
protected)
Protection rating IP20 according to IEC 60529
Rated insulation voltage 250 V
Dielectric test voltage 2000 V a.c.
Acceptable wire sizes Solid: 0.05-2.5mm2, 30-12 AWG
Stranded: 0.05-1.5mm2, 30-12 AWG
Recommended torque: 0.8 Nm
Stripping length: 6-7.5 mm, 0.24-0.30 in
Width 86.1 mm (3.4”)
Depth 58.5 mm (2.3”)
Height 110 mm (4.33”)
Weight 0.24 kg (0.53 lbs.)
(1) Power dissipation is calculated with 70 percent of the channels activated.
(2) 40°C (104°F) applies to compact MTUs with I/O-modules or S800L-modules mounted on
vertical DIN rail.
Table A-34 DI803 Digital Input Module Specifications (Continued)
Feature DI803
Digital Input Module

DI803 Digital Input Module, 230 V a.c./d.c, Current Sinking Appendix A Specifications
222 3BSE 020 924R4101
A.16.0.4 Block Diagram DI803
BIC
CH 1
CH 2
STATUS
Rectifiers and
Process Connector
MBI-1
ASIC
CH 3
CH 4
CH 5
CH 6
CH 7
CH 8
INPUT CHANNELS
filters
E1-7 1
+5VI
+5V
POWER-OK
0V
DAT+
DAT-
POS0-6
EEPROM
RS-485
RESET
X1
ModuleBus Connector
CLK+
CLK- RS-485
1A
2A
3A
4A
5A
6A
7A
8A
1B
2B
3B
4B
5B
6B
7B
8B

Appendix A Specifications DI803 Digital Input Module, 230 V a.c./d.c, Current Sinking
3BSE 020 924R4101 223
A.16.0.5 Process Connections
Table A-35 DI803 Process Connections
Process
Connection Process
Terminal
Ch1 Input 1A
1B
Ch 2 Input 2A
2B
Ch 3 Input 3A
3B
Ch 4 Input 4A
4B
Ch 5 Input 5A
5B
Ch 6 Input 6A
6B
Ch 7 Input 7A
7B
Ch 8 Input 8A
8B

Appendix A Specifications DI810 Digital Input Module, 24 V, Current Sinking
3BSE 020 924R4101 225
A.17 DI810 Digital Input Module, 24 V, Current Sinking
A.17.0.1 Features
• 16 channels for 24 V d.c. inputs with current
sinking
• 2 isolated groups of 8 with voltage supervision
• Input status indicators
• EMC protection
• DIN rail mounting.
• Also in a G3 compliant version
A.17.0.2 Description
The DI810 is a 16 channel 24 V digital input module
for the S800 I/O. This module has 16 digital inputs.
The input voltage range is 18 to
30 volt d.c. and the input current is 6 mA at 24 V. The
inputs are divided into two individually isolated
groups with eight channels and one voltage
supervision input in each group.
Every input channel consists of current limiting
components, EMC protection components, input state
indication LED and optical isolation barrier.
Three LEDs indicate module status Fault (Red), Run (Green) and Warning
(Yellow). One LED (Yellow) per channel (16) indicate input state (On = 1 and Off =
0). The RUN LED indicates normal operation and the WARNING LED indicates if
any error input is active. The FAULT LED indicates that the module is in Init state
or Not configured state. In Not Configured state the FAULT LED is turned off after
the first valid access to the module.
The process voltage supervision input give channel error signals if the voltage
disappears.The error signal can be read via the ModuleBus.
6
7
8
9
10
11
12
13
14
15
16
F
R
W
1
2
3
4
5
DI810
24V

DI810 Digital Input Module, 24 V, Current Sinking Appendix A Specifications
226 3BSE 020 924R4101
The reset circuitry gives a reset signal when the module is inserted until the BLOCK
signal is inactive and the POWOK signal is active. The BLOCK signal is
deactivated when the module lock mechanism is in the locked position. The
POWOK comes from the ModuleBus master after power is applied.
The input channels can be digitally filtered. The different filter times that can be
achieved are 2, 4, 8 and 16 ms. This means that noise pulses shorter than the filter
time will be filtered out and pulses longer than 3, 6, 12 and 24 ms will get through
the filter.
Five different types of MTUs can be used. The TU830 Extended MTU enables three
wire connection to the devices without additional terminals. The TU810 (or TU814)
Compact MTU has terminals for 24 V process voltage supervision inputs, but
requires external terminals for distribution of 24 V power supply to the devices. The
extended MTU, TU838, provides a fuse (3 A max.) per two channels for process
power out. The TU812 Compact MTU has a D-Sub 25 pin (male) connector for
connection to the process.

Appendix A Specifications DI810 Digital Input Module, 24 V, Current Sinking
3BSE 020 924R4101 227
A.17.0.3 Technical Data
Table A-36 DI810 Digital Input Module Specifications
Feature DI810
Digital Input Module
Number of channels 16 (2 x 8), current sinking
Rated voltage
(process power supply range) 24 V d.c.
(18 to 30 V d.c.)
Input voltage range, “1” 15 to 30 V
Input voltage range, “0” -30 to +5 V
Nominal input channel current 6 mA @ 24 V d.c.
Input Impedance 3.5 kΩ
Maximum field cable length 600 meters (656 yd.)
Filter times (digital, selectable) 2, 4, 8, 16 ms
Process voltage supervision 2 channels (1 per group)
Current consumption +5 V 50 mA
Power dissipation (1) 1.8 W
Maximum ambient temperature 55/40°C
(131/104°F)(2)
Isolation Groupwise isolated from ground
(RIV=50 V)
Module termination units TU810, TU812, TU814, TU830 or
TU838
MTU keying code AA
Equipment class Class I according to IEC 61140; (earth
protected)
Protection rating IP20 according to IEC 60529

DI810 Digital Input Module, 24 V, Current Sinking Appendix A Specifications
228 3BSE 020 924R4101
G3 compliant version According to ISA-S71.04. Marked with
“Z” in the type designation.
Rated insulation voltage 50 V
Dielectric test voltage 500 V a.c.
Width 45 mm (1.77”)
Depth 97 mm (3.8”), 106 mm (4.2”) including
connector
Height 119 mm (4.7”)
Weight 0.15 kg (0.33 lbs.)
(1) Power dissipation is calculated with 70 percent of the channels activated at nominal voltage of
24 Volts.
(2) 40°C (104°F) applies to compact MTUs with I/O-modules or S800L-modules mounted on
vertical DIN rail.
Table A-36 DI810 Digital Input Module Specifications (Continued)
Feature DI810
Digital Input Module

Appendix A Specifications DI810 Digital Input Module, 24 V, Current Sinking
3BSE 020 924R4101 229
A.17.0.4 Block Diagram DI810
+5VI
+5V
POWER-OK
0V
DAT
DAT-N
POS0-9
BIC
X2
CH 1
CH 2
RUN
WARNING
EMC-
BLOCK
ERROR 1-8
ERROR 9-16
CH 8
.
.
.
I 1
I 2
I 8
.
.
.
24V SUPER-
VISION
BARRIER
GROUP 1
GROUP 2
EMC-
24V SUPER-
VISION
BARRIER
CH 9-16 I 9-16
Process Connector
/
8
EEPROM
RS-485
RESET
/
8
L1-
L2-
EM
X1
ModuleBus Connector
U1
L1+
L1+
L1+
L2+
L2+
FAULT
ASIC
MBI-1

DI810 Digital Input Module, 24 V, Current Sinking Appendix A Specifications
230 3BSE 020 924R4101
A.17.0.5 Process Connections
Table A-37 DI810 Process Connections
Process
Connection
TU810
(or TU814)
Terminal
TU812
D-Sub 25
Male
Connector (1)
TU830/TU833
Terminal TU838
Terminal
+24 V d.c. L1+ (2) 1, 14 L1+ (2) L1+ (2)
0 V d.c. L1- 2, 15 L1- (2) L1- (2)
Ch1/Ch 2, L1+ - - B1, B2 A1 (F1)
Ch1 Input C1 3 C1 B1
Ch 2 Input B1 16 C2 B2
Ch1/Ch2, L1- A1 - A1, A2 A2
Ch 3/Ch 4, L1+ - - B3, B4 A3 (F2)
Ch 3 Input C2 4 C3 B3
Ch 4 Input B2 17 C4 B4
Ch 3/Ch 4, L1- A2 - A3, A4 A4
Ch 5/Ch 6, L1+ - - B5, B6 A5 (F3)
Ch 5 Input C3 5 C5 B5
Ch 6 Input B3 18 C6 B6
Ch 5/Ch 6, L1- A3 - A5, A6 A6
Ch 7/Ch 8, L1+ - - B7, B8 A7 (F4)
Ch 7 Input C4 6 C7 B7
Ch 8 Input B4 19 C8 B8
Ch 7/Ch8, L1- A4 - A7, A8 A8
Ch 9/Ch 10, L2+ - - B9, B10 A9 (F5)
Ch 9 Input C5 7 C9 B9

Appendix A Specifications DI810 Digital Input Module, 24 V, Current Sinking
3BSE 020 924R4101 231
Ch 10 Input B5 20 C10 B10
Ch 9/Ch 10, L2- A5 - A9, A10 A10
Ch 11/Ch 12, L2+ - - B11, B12 A11 (F6)
Ch 11 Input C6 8 C11 B11
Ch 12 Input B6 21 C12 B12
Ch 11/Ch 12, L2- A6 - A11, A12 A12
Ch 13/Ch 14, L2+ - - B13, B14 A13 (F7)
Ch 13 Input C7 9 C13 B13
Ch 14 Input B7 22 C14 B14
Ch 13/Ch 14, L2- A7 - A13, A14 A14
Ch 15/ Ch16, L2+ - - B15, B16 A15 (F8)
Ch 15 Input C8 10 C15 B15
Ch 16 Input B8 23 C16 B16
Ch 15/Ch16, L2- A8 - A15, A16 A16
+24 V d.c. L2+ (2) 11, 24 L2+ (2) L2+ (2)
0 V d.c. L2- 12, 25 L2- (2) L2- (2)
(1) Pin 13 connected to connector body for EM.
Table A-37 DI810 Process Connections (Continued)
Process
Connection
TU810
(or TU814)
Terminal
TU812
D-Sub 25
Male
Connector (1)
TU830/TU833
Terminal TU838
Terminal

DI810 Digital Input Module, 24 V, Current Sinking Appendix A Specifications
232 3BSE 020 924R4101
Figure A-44 shows the process connections for the Digital Input Module DI810
when installed on a TU830 Extended MTU.
Figure A-44 DI810 with TU830 Extended MTU Process Connections
DI810
I1
L1-
I3
I4
L1-
L1-
L1-
L2-
L2-
L2-
L2-
I5
I7
I9
I11
I13
I15
I6
I8
I10
I12
I14
I16
I2
TU830/TU833
EM
L2+
L2+
L2+
L2+
+24V
0V
L1+
L1+
L1+
L1+
+24V
0V
Ch16
Ch15
Ch14
Ch13
Ch1
Ch2
Ch3
Ch4
Ch5
Ch6
Ch7
Ch8
Ch9
Ch10
Ch11
Ch12
Process
6.3 A
Fuse
6.3 A
Fuse
+
-
+
-
+
-
+
-
L1-
L1-
L1-
L1-
L1+
L1+
L1+
L1+
L1+
L1+
L1-
L1-
L2+
L2+
L2-
L2-
B1,B2
C1
C2
A1,A2
B3,B4
C3
C4
A3,A4
B5,B6
C5
C6
A5,A6
B7,B8
C7
C8
A7,A8
B9,B10
C9
C10
A9,A10
B11,B12
C11
C12
A11,A12
B13,B14
C13
C14
A13,A14
B15,B16
C15
C16
A15,A16
L2-
L2-
L2-
L2-
L2+
L2+
L2+
L2+
Supervise
Supervise

Appendix A Specifications DI810 Digital Input Module, 24 V, Current Sinking
3BSE 020 924R4101 233
Figure A-45 shows the process connections for the Digital Input Module DI810
when installed on a TU838 Extended MTU.
Figure A-45 DI810 with TU838 Extended MTU Process Connections
F4
F3
F2
F1
F5
F6
DI810
I1
L1-
I3
I4
L1-
L1-
L1-
L2-
L2-
L2-
L2-
I5
I7
I9
I11
I13
I15
I6
I8
I10
I12
I14
I16
I2
TU838
EM
L2+
L2+
L2+
L2+
+24V
0V
L1+
L1+
L1+
L1+
+24V
0V
Ch16
Ch15
Ch14
Ch13
Ch1
Ch2
Ch3
Ch4
Ch5
Ch6
Ch7
Ch8
Ch9
Ch10
Ch11
Ch12
Process
F8
+
-
+
-
+
-
+
-
L1-
L1-
L1-
L1-
L1+
L1+
L1+
L1+
L1+
L1+
L1-
L1-
L2+
L2+
L2-
L2-
A1
B1
B2
A2
A3
B3
B4
A4
A5
B5
B6
A6
A7
B7
B8
A8
A9
B9
B10
A10
A11
B11
B12
A12
A13
B13
B14
A14
A15
B15
B16
A16
L2-
L2-
L2-
L2-
L2+
L2+
L2+
L2+
Supervise
Supervise
F7

DI810 Digital Input Module, 24 V, Current Sinking Appendix A Specifications
234 3BSE 020 924R4101
Figure A-46 shows the process connections for the DI810 when installed on a
TU810 or TU814 Compact MTU.
Figure A-46 DI810 with TU810 or TU814 Compact MTU Process Connections
DI810
TU810
EM
+24V
0V
+24V
0V
Ch16
Ch15
Ch14
Ch13
Ch1
Ch2
Ch3
Ch4
Ch5
Ch6
Ch7
Ch8
Ch9
Ch10
Ch11
Ch12
Process
C1
B1
A1
L1+
L1-
C2
B2
A2
C3
B3
A3
C4
B4
A4
C5
B5
A5
C6
B6
A6
C7
B7
A7
C8
B8
A8
L2+
L2-
+
-
+
-
+
-
+
-
I1
L1-
I3
I4
L1-
L1-
L1-
L2-
L2-
L2-
L2-
I5
I7
I9
I11
I13
I15
I6
I8
I10
I12
I14
I16
I2
L2+
L2+
L2+
L2+
L1+
L1+
L1+
L1+
L1-
L1-
L1-
L1-
L2-
L2-
L2-
L2-
L1+
L2+
(or TU814)
Supervise
Supervise

Appendix A Specifications DI810 Digital Input Module, 24 V, Current Sinking
3BSE 020 924R4101 235
Figure A-47 shows the process connections for the DI810 when installed on a
TU812 Compact MTU.
Figure A-47 DI810 with TU812 Compact MTU Process Connections
Ch1
Ch2
Ch3
Ch4
Ch9
Ch10
Ch11
Ch12
Ch13
Ch14
Ch15
Ch16
+24V
Ch5
Ch6
Ch7
Ch8
DI810
TU812
EM
I1
L1-
I3
I4
L1-
L1-
L1-
L2-
L2-
L2-
L2-
I5
I7
I9
I11
I13
I15
I6
I8
I10
I12
I14
I16
I2
L2+
L2+
L2+
L2+
L1+
L1+
L1+
L1+
0V
+24V
0V
Process
3
16
4
17
7
20
8
21
9
22
10
23
11
24
12
25
1
5
18
2
6
19
14
15
13
3
16
4
17
7
20
8
21
9
22
10
23
11
24
12
25
1
5
18
2
6
19
14
15
13EM
S1
S2
S3
S4
S9
S10
S11
S12
S13
S14
S15
S16
UP2
ZP2
UP1
S5
S6
ZP1
S7
S8
UP2
ZP2
UP1
ZP1
Connection
Supervise
Supervise

DI811 Digital Input Module, 48 V, Current Sinking Appendix A Specifications
236 3BSE 020 924R4101
A.18 DI811 Digital Input Module, 48 V, Current Sinking
A.18.0.1 Features
• 16 channels for 48 V d.c. inputs with current
sinking
• 2 isolated groups of 8 with voltage supervision
• Input status indicators
• EMC protection
• DIN rail mounting.
A.18.0.2 Description
The DI811 is a 16 channel 48 V digital input module
for the S800 I/O. This module has 16 digital inputs.
The input signal voltage range is 36 to 60 volt d.c. and
the input current is 4 mA at 48 V. The inputs are
divided into two individually isolated groups with
eight channels and one voltage supervision input in
each group.
Every input channel consists of current limiting
components, EMC protection components, input state
indication LED and optical isolation barrier.
Three LEDs indicate module status Fault (Red), Run
(Green) and Warning (Yellow). One LED (Yellow)
per channel (16) indicate input state (On = 1 and Off = 0). The RUN LED indicates
normal operation and the WARNING LED indicates if any error input is active.
The FAULT LED indicates that the module is in Init state or Not configured state.
In Not Configured state the FAULT LED is turned off after the first valid access to
the module.
The process voltage supervision input give channel error signals if the voltage
disappears.The error signal can be read via the ModuleBus.
6
7
8
9
10
11
12
13
14
15
16
F
R
W
1
2
3
4
5

Appendix A Specifications DI811 Digital Input Module, 48 V, Current Sinking
3BSE 020 924R4101 237
The process voltage supervision input give channel error signals if the voltage
disappears.The error signal can be read via the ModuleBus.
The reset circuitry gives a reset signal when the module is inserted until the BLOCK
signal is inactive and the POWOK signal is active. The BLOCK signal is
deactivated when the module lock mechanism is in the locked position. The
POWOK comes from the ModuleBus master after power is applied.
The input channels can be digitally filtered. The different filter times that can be
achieved are 2, 4, 8 and 16 ms. This means that noise pulses shorter than the filter
time will be filtered out and pulses longer than 3, 6, 12 and 24 ms will get through
the filter.
Five different types of MTUs can be used. The TU830 Extended MTU enables three
wire connection to the devices without additional terminals. The TU810 (or TU814)
Compact MTU has terminals for 48 V process voltage supervision inputs, but
requires external terminals for distribution of 48 V power supply to the devices. The
extended MTU, TU838, provide a fuse (3 A max.) per two channels for process
power out. The TU812 Compact MTU has a D-Sub 25 pin (male) connector for
connection to the process.

DI811 Digital Input Module, 48 V, Current Sinking Appendix A Specifications
238 3BSE 020 924R4101
A.18.0.3 Technical Data
Table A-38 DI811 Digital Input Module Specifications
Feature DI811
Digital Input Module
Number of channels 16 (2 x 8), current sinking
Rated voltage
(process power supply range) 48 V d.c.
(36 to 60 V d.c.)
Input signal voltage range, “1” 30 to 60 V
Input signal voltage range, “0” -60 to +10 V
Nominal input channel current 4 mA @ 48 V d.c.
Input Impedance 11 kΩ
Maximum field cable length 600 meters (656 yd.)
Filter times (digital, selectable) 2, 4, 8, 16 ms
Process voltage supervision 2 channels (1 per group)
Current consumption +5 V 50 mA
Power dissipation (1) 2.7 W
Maximum ambient temperature 55/40°C
(131/104°F)(2)
Isolation Groupwise isolated from ground
(RIV=50 V)
Module termination units TU810, TU812, TU814, TU830 or
TU838
MTU keying code BD
Equipment class Class I according to IEC 61140; (earth
protected)
Protection rating IP20 according to IEC 60529
Rated insulation voltage 50 V

Appendix A Specifications DI811 Digital Input Module, 48 V, Current Sinking
3BSE 020 924R4101 239
Dielectric test voltage 500 V a.c.
Width 45 mm (1.77”)
Depth 97 mm (3.8”), 106 mm (4.2”) including
connector
Height 119 mm (4.7”)
Weight 0.18 kg (0.4 lbs.)
(1) Power dissipation is calculated with 70 percent of the channels activated at nominal voltage of
48 Volts.
(2) 40°C (104°F) applies to compact MTUs with I/O-modules or S800L-modules mounted on
vertical DIN rail.
Table A-38 DI811 Digital Input Module Specifications (Continued)
Feature DI811
Digital Input Module

DI811 Digital Input Module, 48 V, Current Sinking Appendix A Specifications
240 3BSE 020 924R4101
A.18.0.4 Block Diagram DI811
+5VI
+5V
POWER-OK
0V
DAT
DAT-N
POS0-9
BIC X2
CH 1
CH 2
RUN
WARNING
EMC-
BLOCK
ERROR 1-8
ERROR 9-16
CH 8
.
.
.
I 1
I 2
I 8
.
.
.
48V SUPER-
VISION
BARRIER
GROUP 1
GROUP 2
EMC-
48V SUPER-
VISION
BARRIER
CH 9-16 I 9-16
Process Connector
/
8
EEPROM
RS-485
RESET
/
8
L1-
L2-
EM
X1
ModuleBus Connector
U1
L1+
L1+
L1+
L2+
L2+
FAULT
ASIC
MBI-1

Appendix A Specifications DI811 Digital Input Module, 48 V, Current Sinking
3BSE 020 924R4101 241
A.18.0.5 Process Connections
Table A-39 DI811 Process Connections
Process
Connection
TU810
(or TU814)
Terminal
TU812
D-Sub 25
male
Connector (1)
TU830/TU833
Terminal TU838
Terminal
+48 V d.c. L1+ (2) 1, 14 L1+ (2) L1+ (2)
0 V d.c. L1- 2, 15 L1- (2) L1- (2)
Ch1/Ch 2, L1+ - - B1, B2 A1 (F1)
Ch1 Input C1 3 C1 B1
Ch 2 Input B1 16 C2 B2
Ch1/Ch2, L1- A1 - A1, A2 A2
Ch 3/Ch 4, L1+ - - B3, B4 A3 (F2)
Ch 3 Input C2 4 C3 B3
Ch 4 Input B2 17 C4 B4
Ch 3/Ch 4, L1- A2 - A3, A4 A4
Ch 5/Ch 6, L1+ - - B5, B6 A5 (F3)
Ch 5 Input C3 5 C5 B5
Ch 6 Input B3 18 C6 B6
Ch 5/Ch 6, L1- A3 - A5, A6 A6
Ch 7/Ch 8, L1+ - - B7, B8 A7 (F4)
Ch 7 Input C4 6 C7 B7
Ch 8 Input B4 19 C8 B8
Ch 7/Ch8, L1- A4 - A7, A8 A8
Ch 9/Ch 10, L2+ - - B9, B10 A9 (F5)
Ch 9 Input C5 7 C9 B9

DI811 Digital Input Module, 48 V, Current Sinking Appendix A Specifications
242 3BSE 020 924R4101
Ch 10 Input B5 20 C10 B10
Ch 9/Ch 10, L2- A5 - A9, A10 A10
Ch 11/Ch 12, L2+ - - B11, B12 A11 (F6)
Ch 11 Input C6 8 C11 B11
Ch 12 Input B6 21 C12 B12
Ch 11/Ch 12, L2- A6 - A11, A12 A12
Ch 13/Ch 14, L2+ - - B13, B14 A13 (F7)
Ch 13 Input C7 9 C13 B13
Ch 14 Input B7 22 C14 B14
Ch 13/Ch 14, L2- A7 - A13, A14 A14
Ch 15/ Ch16, L2+ - - B15, B16 A15 (F8)
Ch 15 Input C8 10 C15 B15
Ch 16 Input B8 23 C16 B16
Ch 15/Ch16, L2- A8 - A15, A16 A16
+48 V d.c. L2+ (2) 11, 24 L2+ (2) L2+ (2)
0 V d.c. L2- 12, 25 L2- (2) L2- (2)
(1) Pin 13 connected to connector body for EM.
Table A-39 DI811 Process Connections (Continued)
Process
Connection
TU810
(or TU814)
Terminal
TU812
D-Sub 25
male
Connector (1)
TU830/TU833
Terminal TU838
Terminal

Appendix A Specifications DI811 Digital Input Module, 48 V, Current Sinking
3BSE 020 924R4101 243
Figure A-48 shows the process connections for the Digital Input Module DI811
when installed on a TU830 Extended MTU.
Figure A-48 DI811 with TU830 Extended MTU Process Connections
DI811
I1
L1-
I3
I4
L1-
L1-
L1-
L2-
L2-
L2-
L2-
I5
I7
I9
I11
I13
I15
I6
I8
I10
I12
I14
I16
I2
TU830/TU833
EM
L2+
L2+
L2+
L2+
+48V
0V
L1+
L1+
L1+
L1+
+48V
0V
Ch16
Ch15
Ch14
Ch13
Ch1
Ch2
Ch3
Ch4
Ch5
Ch6
Ch7
Ch8
Ch9
Ch10
Ch11
Ch12
Process
6.3 A
Fuse
6.3 A
Fuse
+
-
+
-
+
-
+
-
L1-
L1-
L1-
L1-
L1+
L1+
L1+
L1+
L1+
L1+
L1-
L1-
L2+
L2+
L2-
L2-
B1,B2
C1
C2
A1,A2
B3,B4
C3
C4
A3,A4
B5,B6
C5
C6
A5,A6
B7,B8
C7
C8
A7,A8
B9,B10
C9
C10
A9,A10
B11,B12
C11
C12
A11,A12
B13,B14
C13
C14
A13,A14
B15,B16
C15
C16
A15,A16
L2-
L2-
L2-
L2-
L2+
L2+
L2+
L2+
Supervise
Supervise

DI811 Digital Input Module, 48 V, Current Sinking Appendix A Specifications
244 3BSE 020 924R4101
Figure A-49 shows the process connections for the Digital Input Module DI811
when installed on a TU838 Extended MTU.
Figure A-49 DI811 with TU838 Extended MTU Process Connections
F4
F3
F2
F1
F5
F6
DI811
I1
L1-
I3
I4
L1-
L1-
L1-
L2-
L2-
L2-
L2-
I5
I7
I9
I11
I13
I15
I6
I8
I10
I12
I14
I16
I2
TU838
EM
L2+
L2+
L2+
L2+
+48V
0V
L1+
L1+
L1+
L1+
+48V
0V
Ch16
Ch15
Ch14
Ch13
Ch1
Ch2
Ch3
Ch4
Ch5
Ch6
Ch7
Ch8
Ch9
Ch10
Ch11
Ch12
Process
F8
+
-
+
-
+
-
+
-
L1-
L1-
L1-
L1-
L1+
L1+
L1+
L1+
L1+
L1+
L1-
L1-
L2+
L2+
L2-
L2-
A1
B1
B2
A2
A3
B3
B4
A4
A5
B5
B6
A6
A7
B7
B8
A8
A9
B9
B10
A10
A11
B11
B12
A12
A13
B13
B14
A14
A15
B15
B16
A16
L2-
L2-
L2-
L2-
L2+
L2+
L2+
L2+
Supervise
Supervise
F7

Appendix A Specifications DI811 Digital Input Module, 48 V, Current Sinking
3BSE 020 924R4101 245
Figure A-50 shows the process connections for the DI811 when installed on a
TU810 or TU814 Compact MTU.
Figure A-50 DI811 with TU810 or TU814 Compact MTU Process Connections
DI811
TU810
EM
+48V
0V
+48V
0V
Ch16
Ch15
Ch14
Ch13
Ch1
Ch2
Ch3
Ch4
Ch5
Ch6
Ch7
Ch8
Ch9
Ch10
Ch11
Ch12
Process
C1
B1
A1
L1+
L1-
C2
B2
A2
C3
B3
A3
C4
B4
A4
C5
B5
A5
C6
B6
A6
C7
B7
A7
C8
B8
A8
L2+
L2-
+
-
+
-
+
-
+
-
I1
L1-
I3
I4
L1-
L1-
L1-
L2-
L2-
L2-
L2-
I5
I7
I9
I11
I13
I15
I6
I8
I10
I12
I14
I16
I2
L2+
L2+
L2+
L2+
L1+
L1+
L1+
L1+
L1-
L1-
L1-
L1-
L2-
L2-
L2-
L2-
L1+
L2+
(or TU814)
Supervise
Supervise

DI811 Digital Input Module, 48 V, Current Sinking Appendix A Specifications
246 3BSE 020 924R4101
Figure A-51 shows the process connections for the DI811 when installed on a
TU812 Compact MTU
Figure A-51 DI811with TU812
Ch1
Ch2
Ch3
Ch4
Ch9
Ch10
Ch11
Ch12
Ch13
Ch14
Ch15
Ch16
+24V
Ch5
Ch6
Ch7
Ch8
DI811
TU812
EM
I1
L1-
I3
I4
L1-
L1-
L1-
L2-
L2-
L2-
L2-
I5
I7
I9
I11
I13
I15
I6
I8
I10
I12
I14
I16
I2
L2+
L2+
L2+
L2+
L1+
L1+
L1+
L1+
0V
+24V
0V
Process
3
16
4
17
7
20
8
21
9
22
10
23
11
24
12
25
1
5
18
2
6
19
14
15
13
3
16
4
17
7
20
8
21
9
22
10
23
11
24
12
25
1
5
18
2
6
19
14
15
13 EM
S1
S2
S3
S4
S9
S10
S11
S12
S13
S14
S15
S16
UP2
ZP2
UP1
S5
S6
ZP1
S7
S8
UP2
ZP2
UP1
ZP1
Connection
Supervise
Supervise

Appendix A Specifications DI814 Digital Input Module, 24 V, Current Sourcing
3BSE 020 924R4101 247
A.19 DI814 Digital Input Module, 24 V, Current Sourcing
A.19.0.1 Features
• 16 channels for 24 V d.c. inputs with current
sourcing
• 2 Isolated groups of 8 with voltage supervision
• Input status indicators
• EMC protection
• DIN rail mounting.
A.19.0.2 Description
The DI814 is a 16 channel 24 V digital input module
with current sourcing for the S800 I/O. The input
voltage range is 18 to 30 volt dc and the input current
source is 6 mA at 24 V. The inputs are divided into
two individually isolated groups with eight channels
and one voltage supervision input in each group.
Every input channel consists of current limiting
components, EMC protection components, input state
indication LED and optical isolation barrier.
Three LEDs indicate module status Fault (Red), Run
(Green) and Warning (Yellow). One LED (Yellow) per channel (16) indicate input
state (On = 1 and Off = 0). The RUN LED indicates normal operation and the
WARNING LED indicates if any error input is active. The FAULT LED indicates
that the module is in Init state or Not configured state. In Not Configured state the
FAULT LED is turned off after the first valid access to the module.
The process voltage supervision input give channel error signals if the voltage
disappears.The error signal can be read via the ModuleBus.
The reset circuitry gives a reset signal when the module is inserted until the BLOCK
signal is inactive and the POWOK signal is active. The BLOCK signal is
6
7
8
9
10
11
12
13
14
15
16
F
R
W
1
2
3
4
5

DI814 Digital Input Module, 24 V, Current Sourcing Appendix A Specifications
248 3BSE 020 924R4101
deactivated when the module lock mechanism is in the locked position. The
POWOK comes from the ModuleBus master after power is applied.
The input channels can be digitally filtered. The different filter times that can be
achieved are 2, 4, 8 and 16 ms. This means that noise pulses shorter than the filter
time will be filtered out and pulses longer than 3, 6, 12 and 24 ms will get through
the filter.
Five different types of MTUs can be used. The TU830 Extended MTU enables three
wire connection to the devices without additional terminals. The TU810 (or TU814)
Compact MTU has terminals for 24 V process voltage supervision inputs, but
requires external terminals for distribution of 24 V power supply to the devices. The
extended MTU, TU838, provide a fuse (3 A max.) per two channels for process
power out. The TU812 Compact MTU has a D-Sub 25 pin (male) connector for
connection to the process.

Appendix A Specifications DI814 Digital Input Module, 24 V, Current Sourcing
3BSE 020 924R4101 249
A.19.0.3 Technical Data
Table A-40 DI814 Digital Input Module Specifications
Feature DI814
Digital Input Module
Number of channels 16 (2 x 8), current sourcing
Rated voltage
(process power supply range) 24 V d.c.
(18 to 30 V d.c.)
Input voltage range, “1” 15 to 30 V
Input voltage range, “0” -30 to +5 V
Nominal input channel current 6 mA @ 24 V d.c.
Input Impedance 3.5 kΩ
Maximum Field Cable Length 600 meters (656 yd.)
Filter times (digital, selectable) 2, 4, 8, 16 ms
Process voltage supervision 2 channels (1 per group)
Current consumption +5 V 50 mA
Power dissipation(1) 1.8 W
Maximum ambient temperature 55/40°C
(131/104°F)(2)
Isolation Groupwise isolated from ground
(RIV=50 V)
Module termination units TU810, TU812, TU814, TU830 or
TU838
MTU keying code BE
Equipment class Class I according to IEC 61140; (earth
protected)
Protection rating IP20 according to IEC 60529
Rated insulation voltage 50 V

DI814 Digital Input Module, 24 V, Current Sourcing Appendix A Specifications
250 3BSE 020 924R4101
Dielectric test voltage 500 V a.c.
Width 45 mm (1.77”)
Depth 97 mm (3.8”), 106 mm (4.2”) including
connector
Height 119 mm (4.7”)
Weight 0.15 kg (0.33 lbs.)
(1) Power dissipation is calculated with 70 percent of the channels activated at nominal voltage of
24 Volts.
(2) 40°C (104°F) applies to compact MTUs with I/O-modules or S800L-modules mounted on
vertical DIN rail.
Table A-40 DI814 Digital Input Module Specifications (Continued)
Feature DI814
Digital Input Module

Appendix A Specifications DI814 Digital Input Module, 24 V, Current Sourcing
3BSE 020 924R4101 251
A.19.0.4 Block Diagram DI814
+5VI
+5V
POWER-OK
0V
DAT+
DAT-
POS0-6
BIC X2
CH 1
CH 2
RUN
WARNING
EMC-
BLOCK
ERROR 1-8
ERROR 9-16
CH 8
.
.
.
I 1
I 2
I 8
.
.
.
24V SUPER-
VISION
BARRIER
GROUP 1
GROUP 2
EMC-
24V SUPER-
VISION
BARRIER
CH 9-16 I 9-16
Process Connector
/
8
EEPROM
RS-485
RESET
/
8
ZP1
ZP2
EM
X1
Modulebus Connector
U1
U2
U18
UP1
UP2
U9-16
FAULT
ASIC
MBI-1
CLK+
CLK- RS-485

DI814 Digital Input Module, 24 V, Current Sourcing Appendix A Specifications
252 3BSE 020 924R4101
A.19.0.5 Process Connections
Table A-41 DI814 Process Connections
Process
Connection
TU810
(or TU814)
Terminal
TU812
D-Sub 25
male
Connector (1)
TU830/TU833
Terminal TU838
Terminal
+24 V d.c. L1+ (2) 1, 14 L1+ (2) L1+ (2)
0 V d.c. L1- 2, 15 L1- (2) L1- (2)
Ch1/Ch 2, L1+ - - B1, B2 A1 (F1)
Ch1 Input C1 3 C1 B1
Ch 2 Input B1 16 C2 B2
Ch1/Ch2, L1- A1 - A1, A2 A2
Ch 3/Ch 4, L1+ - - B3, B4 A3 (F2)
Ch 3 Input C2 4 C3 B3
Ch 4 Input B2 17 C4 B4
Ch 3/Ch 4, L1- A2 - A3, A4 A4
Ch 5/Ch 6, L1+ - - B5, B6 A5 (F3)
Ch 5 Input C3 5 C5 B5
Ch 6 Input B3 18 C6 B6
Ch 5/Ch 6, L1- A3 - A5, A6 A6
Ch 7/Ch 8, L1+ - - B7, B8 A7 (F4)
Ch 7 Input C4 6 C7 B7
Ch 8 Input B4 19 C8 B8
Ch 7/Ch8, L1- A4 - A7, A8 A8
Ch 9/Ch 10, L2+ - - B9, B10 A9 (F5)
Ch 9 Input C5 7 C9 B9

Appendix A Specifications DI814 Digital Input Module, 24 V, Current Sourcing
3BSE 020 924R4101 253
Ch 10 Input B5 20 C10 B10
Ch 9/Ch 10, L2- A5 - A9, A10 A10
Ch 11/Ch 12, L2+ - - B11, B12 A11 (F6)
Ch 11 Input C6 8 C11 B11
Ch 12 Input B6 21 C12 B12
Ch 11/Ch 12, L2- A6 - A11, A12 A12
Ch 13/Ch 14, L2+ - - B13, B14 A13 (F7)
Ch 13 Input C7 9 C13 B13
Ch 14 Input B7 22 C14 B14
Ch 13/Ch 14, L2- A7 - A13, A14 A14
Ch 15/ Ch16, L2+ - - B15, B16 A15 (F8)
Ch 15 Input C8 10 C15 B15
Ch 16 Input B8 23 C16 B16
Ch 15/Ch16, L2- A8 - A15, A16 A16
+24 V d.c. L2+ (2) 11, 24 L2+ (2) L2+ (2)
0 V d.c. L2- 12, 25 L2- (2) L2- (2)
(1) Pin 13 connected to connector body for EM.
Table A-41 DI814 Process Connections (Continued)
Process
Connection
TU810
(or TU814)
Terminal
TU812
D-Sub 25
male
Connector (1)
TU830/TU833
Terminal TU838
Terminal

DI814 Digital Input Module, 24 V, Current Sourcing Appendix A Specifications
254 3BSE 020 924R4101
Figure A-52 shows the process connections for the Digital Input Module DI814
(current sourcing) when installed on a TU830 Extended MTU.
Figure A-52 DI814 with TU830 Extended MTU Process Connections
DI814
I1
L1-
I3
I4
L1-
L1-
L1-
L2-
L2-
L2-
L2-
I5
I7
I9
I11
I13
I15
I6
I8
I10
I12
I14
I16
I2
TU830/TU833
EM
L2+
L2+
L2+
L2+
+24V
0V
L1+
L1+
L1+
L1+
+24V
0V
Ch16
Ch15
Ch14
Ch13
Ch1
Ch2
Ch3
Ch4
Ch5
Ch6
Ch7
Ch8
Ch9
Ch10
Ch11
Ch12
Process
6.3 A
Fuse
6.3 A
Fuse
+
-
+
-
+
-
+
-
L1-
L1-
L1-
L1-
L1+
L1+
L1+
L1+
L1+
L1+
L1-
L1-
L2+
L2+
L2-
L2-
B1,B2
C1
C2
A1,A2
B3,B4
C3
C4
A3,A4
B5,A6
C5
C6
A5,A6
B7,B8
C7
C8
A7,A8
B9,B10
C9
C10
A9,A10
B11,B12
C11
C12
A11,A12
B13,B14
C13
C14
A13,A14
B15,A16
C15
C16
A15,A16
L2-
L2-
L2-
L2-
L2+
L2+
L2+
L2+
Supervise
Supervise

Appendix A Specifications DI814 Digital Input Module, 24 V, Current Sourcing
3BSE 020 924R4101 255
Figure A-53 shows the process connections for the Digital Input Module DI814
(current sourcing) when installed on a TU838 Extended MTU.
Figure A-53 DI814 with TU838 Extended MTU Process Connections
F4
F3
F2
F1
F5
F6
DI814
I1
L1-
I3
I4
L1-
L1-
L1-
L2-
L2-
L2-
L2-
I5
I7
I9
I11
I13
I15
I6
I8
I10
I12
I14
I16
I2
TU838
EM
L2+
L2+
L2+
L2+
+24V
0V
L1+
L1+
L1+
L1+
+24V
0V
Ch16
Ch15
Ch14
Ch13
Ch1
Ch2
Ch3
Ch4
Ch5
Ch6
Ch7
Ch8
Ch9
Ch10
Ch11
Ch12
Process
F8
+
-
+
-
+
-
+
-
L1-
L1-
L1-
L1-
L1+
L1+
L1+
L1+
L1+
L1+
L1-
L1-
L2+
L2+
L2-
L2-
A1
B1
B2
A2
A3
B3
B4
A4
A5
B5
B6
A6
A7
B7
B8
A8
A9
B9
B10
A10
A11
B11
B12
A12
A13
B13
B14
A14
A15
B15
B16
A16
L2-
L2-
L2-
L2-
L2+
L2+
L2+
L2+
Supervise
Supervise
F7

DI814 Digital Input Module, 24 V, Current Sourcing Appendix A Specifications
256 3BSE 020 924R4101
Figure A-54 shows the process connections for the DI814 when installed on a
TU810 or TU814 Compact MTU.
Figure A-54 DI814 with TU810 or TU814 Compact MTU Process Connections
DI814
TU810
EM
+24V
0V
+24V
0V
Ch16
Ch15
Ch14
Ch13
Ch1
Ch2
Ch3
Ch4
Ch5
Ch6
Ch7
Ch8
Ch9
Ch10
Ch11
Ch12
Process
C1
B1
A1
L1+
L1-
C2
B2
A2
C3
B3
A3
C4
B4
A4
C5
B5
A5
C6
B6
A6
C7
B7
A7
C8
B8
A8
L2+
L2-
+
-
+
-
+
-
+
-
I1
L1-
I3
I4
L1-
L1-
L1-
L2-
L2-
L2-
L2-
I5
I7
I9
I11
I13
I15
I6
I8
I10
I12
I14
I16
I2
L2+
L2+
L2+
L2+
L1+
L1+
L1+
L1+
L1-
L1-
L1-
L1-
L2-
L2-
L2-
L2-
L1+
L2+
(or TU814)
Supervise
Supervise

Appendix A Specifications DI814 Digital Input Module, 24 V, Current Sourcing
3BSE 020 924R4101 257
Figure A-55 shows the process connections for the DI814 when installed on a
TU812 Compact MTU.
Figure A-55 DI814 with TU812 Compact MTU Process Connections
Ch1
Ch2
Ch3
Ch4
Ch9
Ch10
Ch11
Ch12
Ch13
Ch14
Ch15
Ch16
+24V
Ch5
Ch6
Ch7
Ch8
DI814
TU812
EM
I1
L1-
I3
I4
L1-
L1-
L1-
L2-
L2-
L2-
L2-
I5
I7
I9
I11
I13
I15
I6
I8
I10
I12
I14
I16
I2
L2+
L2+
L2+
L2+
L1+
L1+
L1+
L1+
0V
+24V
0V
Process
3
16
4
17
7
20
8
21
9
22
10
23
11
24
12
25
1
5
18
2
6
19
14
15
13
3
16
4
17
7
20
8
21
9
22
10
23
11
24
12
25
1
5
18
2
6
19
14
15
13 EM
S1
S2
S3
S4
S9
S10
S11
S12
S13
S14
S15
S16
UP2
ZP2
UP1
S5
S6
ZP1
S7
S8
UP2
ZP2
UP1
ZP1
Connection
Supervise
Supervise

DI820 Digital Input Module, 120 V a.c./d.c Appendix A Specifications
258 3BSE 020 924R4101
A.20 DI820 Digital Input Module, 120 V a.c./d.c
A.20.0.1 Features
• 8 channels for 120 V a.c./d.c. inputs
• Individually isolated channels
• Voltage supervision of field input power
• Input status indicators
• Signal filtering
• EMC protection
• DIN rail mounting.
• Also in a G3 compliant version
A.20.0.2 Description
The DI820 is an 8 channel 120 V a.c./d.c. digital input
module for the S800 I/O. This module has 8 digital
inputs. The a.c. input voltage range is 77 - 130 volt and
the input current is 10 mA at 120 V a.c. The d.c. input
range is 75 - 145 V and the input current is 2.8 mA at
110 V. The inputs are individually isolated.
Every input channel consists of current limiting
components, EMC protection components, input state
indication LED, optical isolation barrier and an analog
filter (6 ms).
Three LEDs indicate module status Fault (Red), Run (Green) and Warning
(Yellow). One LED (Yellow) per channel (8) indicate input state (On = 1 and Off =
0). The RUN LED indicates normal operation and the WARNING LED indicates if
any error input is active. The FAULT LED indicates that the module is in Init state
or Not configured state. In Not Configured state the FAULT LED is turned off after
the first valid access to the module.
Channel 1 can be used as voltage supervision input for channels 2 - 4, and channel 8
can be used as voltage supervision input for channels 5 - 7.
6
7
8
F
R
W
1
2
3
4
5
DI820
120V a.c.

Appendix A Specifications DI820 Digital Input Module, 120 V a.c./d.c
3BSE 020 924R4101 259
If the voltage connected to channel 1 or 8 disappears, the error inputs are activated
and the Warning LED turns on. The error signal can be read from the ModuleBus.
This supervision can be enabled/ disabled with a parameter. If the error inputs are
disabled channel 1 and 8 can be used as normal input channels.
The reset circuitry gives a reset signal when the module is inserted until the BLOCK
signal is inactive and the POWOK signal is active. The BLOCK signal is
deactivated when the module lock mechanism is in the locked position. The
POWOK comes from the ModuleBus master after power is applied.
The input channels can be digitally filtered. The different filter times that can be
achieved are 2, 4, 8 and 16 ms. This means that noise pulses shorter than the filter
time will be filtered out and pulses longer than 3, 6, 12 and 24 ms will get through
the filter.
Two different types of MTUs can be used, TU831 Extended MTU and TU811
Compact MTU both have two terminals per channel.

DI820 Digital Input Module, 120 V a.c./d.c Appendix A Specifications
260 3BSE 020 924R4101
A.20.0.3 Technical Data
Table A-42 DI820 Digital Input Module Specifications
Feature DI820
Digital Input Module
Number of channels 8
Rated voltage
(process power supply range) 120 V a.c.
(77 to 130 V a.c.)
110 V d.c.
(75 to 145 V d.c.)
Input voltage range, “1” 77 to 130 V
+75 to 145 V d.c.
Input voltage range, “0” 0 to 30 V a.c.
+0 to 20 V d.c.
Nominal input channel current 10 mA ac @ 120 V a.c.
2.8 mA dc @110 V d.c.
Input frequency range a.c. 47…65 Hz
Impedance 12 kΩ (a.c.)
39 KΩ (d.c.)
Maximum Field Cable Length 200 meters (219 yd.)
100pF/m. for a.c.
600 meters (656 yd.) for d.c.
Filter times (digital, selectable) 2, 4, 8, 16 ms
Analog filter On/Off delay 5/18 ms
Process voltage supervision 2 channels, 1 and 8
Current consumption +5 V 50 mA
Power dissipation(1) 2.8 W
Maximum ambient temperature 55/40°C
(131/104°F)(2)

Appendix A Specifications DI820 Digital Input Module, 120 V a.c./d.c
3BSE 020 924R4101 261
Isolation Individually isolated channels (RIV=250 V)
Module termination units TU811 or TU831
MTU keying code AB
Equipment class Class I according to IEC 61140; (earth
protected)
Protection rating IP20 according to IEC 60529
G3 compliant version According to ISA-S71.04. Marked with “Z”
in the type designation.
Rated insulation voltage 250 V
Dielectric test voltage 2000 V a.c.
Width 45 mm (1.77”)
Depth 97 mm (3.8”), 106 mm (4.2”) including
connector
Height 119 mm (4.7”)
Weight 0.18 kg (0.4 lbs.)
(1) Power dissipation is calculated with 70 percent of the channels activated.
(2) 40°C (104°F) applies to compact MTUs with I/O-modules or S800L-modules mounted on
vertical DIN rail.
Table A-42 DI820 Digital Input Module Specifications (Continued)
Feature DI820
Digital Input Module

DI820 Digital Input Module, 120 V a.c./d.c Appendix A Specifications
262 3BSE 020 924R4101
A.20.0.4 Block Diagram DI820
BIC X2
CH 1
CH 2
FAULT
WARNING I 1.1
I 2.1
Rectifiers and
Process Connector
MBI-1
ASIC
CH 3
CH 4
I 3.1
I 4.1
CH 5
CH 6
I 5.1
I 6.1
CH 7
CH 8
I 7.1
I 8.1
INPUT CHANNELS
I 1.2
I 2.2
I 3.2
I 4.2
I 5.2
I 6.2
I 7.2
I 8.2
RUN
E2-4
filters
1
E5-7 1
+5VI
+5V
POWER-OK
0V
DAT+
DAT-
POS0-6
BLOCK
EEPROM
RS-485
RESET
X1
ModuleBus Connector
CLK+
CLK- RS-485

Appendix A Specifications DI820 Digital Input Module, 120 V a.c./d.c
3BSE 020 924R4101 263
A.20.0.5 Process Connections
Table A-43 DI820 Process Connections
Process
Connection TU811
Terminal TU831
Terminal
Ch 1.1 Input B1 B1
Ch 1.2 Input A1 A1
Ch 2.1 Input C2 B2
Ch 2.2 Input A2 A2
Ch 3.1 Input B3 B3
Ch 3.2 Input A3 A3
Ch 4.1 Input C4 B4
Ch 4.2 Input A4 A4
Ch 5.1 Input B5 B5
Ch 5.2 Input A5 A5
Ch 6.1 Input C6 B6
Ch 6.2 Input A6 A6
Ch 7.1 Input B7 B7
Ch 7.2 Input A7 A7
Ch 8.1 Input C8 B8
Ch 8.2 Input A8 A8

DI820 Digital Input Module, 120 V a.c./d.c Appendix A Specifications
264 3BSE 020 924R4101
Figure A-56 shows the process connections for the Digital Input Module DI820
when installed on a TU831 Extended MTU.
Figure A-56 DI820 with TU831 Extended MTU Process Connections
DI820
I 1.2
I 2.2
I 3.2
I 4.2
I 5.2
I 6.2
I 7.2
I 8.2
TU831
EM
I 8.1
I 7.1
I 6.1
I 5.1
I 4.1
I 3.1
I 1.1
I 2.1
Ch8.2
Ch8.1
Ch7.2
Ch7.1
Ch1.1
Ch1.2
Ch2.1
Ch2.2
Ch3.1
Ch3.2
Ch4.1
Ch4.2
Ch5.1
Ch5.2
Ch6.1
Ch6.2
Process
B1
A1
B2
A2
B3
A3
B4
A4
B5
A5
B6
A6
B7
A7
B8
A8
120V a.c.
or 110V d.c.
120V a.c.
or 110V d.c.

Appendix A Specifications DI820 Digital Input Module, 120 V a.c./d.c
3BSE 020 924R4101 265
Figure A-57 shows the process connections for the DI820 when installed on a
TU811 or TU813 Compact MTU.
Figure A-57 DI820 with TU811 or TU813 Compact MTU Process Connections
DI820
I 1.2
I 2.2
I 3.2
I 4.2
I 5.2
I 6.2
I 7.2
I 8.2
TU811/TU813
EM
I 8.1
I 7.1
I 6.1
I 5.1
I 4.1
I 3.1
I 1.1
I 2.1
Ch8.2
Ch8.1
Ch7.2
Ch7.1
Ch1.1
Ch1.2
Ch2.1
Ch2.2
Ch3.1
Ch3.2
Ch4.1
Ch4.2
Ch5.1
Ch5.2
Ch6.1
Ch6.2
Process
B1
A1
C2
A2
B3
A3
C4
A4
B5
A5
C6
A6
B7
A7
C8
A8
120V a.c.
or 110V d.c.
120V a.c.
or 110V d.c.

DI821 Digital Input Module, 230 V a.c./d.c. Appendix A Specifications
266 3BSE 020 924R4101
A.21 DI821 Digital Input Module, 230 V a.c./d.c.
A.21.0.1 Features
• 8 channels for 230 V a.c./d.c. inputs
• Individually isolated points
• Voltage supervision of field input power
• Input status indicators
• Signal filtering
• EMC protection
• DIN rail mounting.
• Also in a G3 compliant version
A.21.0.2 Description
The DI821 is an 8 channel 230 V a.c./d.c. digital input
module for the S800 I/O. This module has 8 digital
inputs. The ac input voltage range is 164 to 264 volt
and the input current is 11 mA at 230 V a.c. The d.c.
input voltage range is 175 to 275 volt and the input
current is 1.6 mA at
220 V d.c. The inputs are individually isolated.
Every input channel consists of current limiting
components, EMC protection components, input state indication LED, optical
isolation barrier and an analog filter (6 ms).
Three LEDs indicate module status Fault (Red), Run (Green) and Warning
(Yellow). One LED (Yellow) per channel (8) indicate input state (On = 1 and Off =
0). The RUN LED indicates normal operation and the WARNING LED indicates if
any error input is active. The FAULT LED indicates that the module is in Init state
or Not configured state. In Not Configured state the FAULT LED is turned off after
the first valid access to the module.
Channel 1 can be used as voltage supervision input for channels 2 - 4, and channel 8
can be used as voltage supervision input for channels 5 - 7.
6
7
8
F
R
W
1
2
3
4
5
DI821
230V a.c.

Appendix A Specifications DI821 Digital Input Module, 230 V a.c./d.c.
3BSE 020 924R4101 267
If the voltage connected to channel 1 or 8 disappears, the error inputs are activated
and the Warning LED turns on. The error signal can be read from the ModuleBus.
This supervision can be enabled/disabled with the a parameter. If the error inputs
are disabled channel 1 and 8 can be used as normal input channels.
The reset circuitry gives a reset signal when the module is inserted until the BLOCK
signal is inactive and the POWOK signal is active. The BLOCK signal is
deactivated when the module lock mechanism is in the locked position. The
POWOK comes from the ModuleBus master after power is applied.
The input channels can be digitally filtered. The different filter times that can be
achieved are 2, 4, 8 and 16 ms. This means that noise pulses shorter than the filter
time will be filtered out and pulses longer than 3, 6, 12 and 24 ms will get through
the filter.
Two different types of MTUs can be used, TU831 Extended MTU and TU811
Compact MTU both have two terminals per channel.

DI821 Digital Input Module, 230 V a.c./d.c. Appendix A Specifications
268 3BSE 020 924R4101
A.21.0.3 Technical Data
Table A-44 DI821 Digital Input Module Specifications
Feature DI821
Digital Input Module
Number of channels 8
Rated voltage
(process power supply range) 230 V a.c.
(164 to 264 V a.c.)
220 V d.c.
(175 to 275 V d.c.)
Input voltage range, “1” 164 to 264 V a.c.
+175 to 275 V d.c.
Input voltage range, “0” 0 to 50 V a.c.
+0 to 40 V d.c.
Nominal input channel current 11 mA @ 230 V a.c.
1.6mA @ 220 V d.c.
Input frequency range, a.c. 47…63 Hz
Impedance 21 kΩ (a.c.)
134 KΩ (d.c.)
Maximum field cable length 200 meters (219 yd.) 100pF/m for a.c.
600 meters (656 yd.) for d.c.
Filter times (digital, selectable) 2, 4, 8, 16 ms
Analog filter On/Off delay 5/28 ms
Process voltage supervision 2 channels, 1 and 8
Current consumption +5 V 50 mA
Power dissipation(1) 2.8 W
Maximum ambient temperature 55/40°C
(131/104°F)(2)

Appendix A Specifications DI821 Digital Input Module, 230 V a.c./d.c.
3BSE 020 924R4101 269
Isolation Individually isolated channels (RIV=250
V)
Module termination units TU811 or TU831
MTU keying code AC
Equipment class Class I according to IEC 61140; (earth
protected)
Protection rating IP20 according to IEC 60529
G3 compliant version According to ISA-S71.04. Marked with
“Z” in the type designation.
Rated insulation voltage 250 V
Dielectric test voltage 2000 V a.c.
Width 45 mm (1.77”)
Depth 97 mm (3.8”), 106 mm (4.2”) including
connector
Height 119 mm (4.7”)
Weight 0.18 kg (0.4 lbs.)
(1) Power dissipation is calculated with 70 percent of the channels activated.
(2) 40°C (104°F) applies to compact MTUs with I/O-modules or S800L-modules mounted on
vertical DIN rail.
Table A-44 DI821 Digital Input Module Specifications (Continued)
Feature DI821
Digital Input Module

DI821 Digital Input Module, 230 V a.c./d.c. Appendix A Specifications
270 3BSE 020 924R4101
A.21.0.4 Block Diagram DI821
BIC X2
CH 1
CH 2
FAULT
WARNING I 1.1
I 2.1
Rectifiers and
Process Connector
MBI-1
ASIC
CH 3
CH 4
I 3.1
I 4.1
CH 5
CH 6
I 5.1
I 6.1
CH 7
CH 8
I 7.1
I 8.1
INPUT CHANNELS
I 1.2
I 2.2
I 3.2
I 4.2
I 5.2
I 6.2
I 7.2
I 8.2
RUN
E2-4
filters
1
E5-7 1
+5VI
+5V
POWER-OK
0V
DAT+
DAT-
POS0-6
BLOCK
EEPROM
RS-485
RESET
X1
ModuleBus Connector
CLK+
CLK- RS-485

Appendix A Specifications DI821 Digital Input Module, 230 V a.c./d.c.
3BSE 020 924R4101 271
A.21.0.5 Process Connections
Table A-45 DI821 Process Connections
Process
Connection TU811
Terminal TU831
Terminal
Ch 1.1 Input B1 B1
Ch 1.2 Input A1 A1
Ch 2.1 Input C2 B2
Ch 2.2 Input A2 A2
Ch 3.1 Input B3 B3
Ch 3.2 Input A3 A3
Ch 4.1 Input C4 B4
Ch 4.2 Input A4 A4
Ch 5.1 Input B5 B5
Ch 5.2 Input A5 A5
Ch 6.1 Input C6 B6
Ch 6.2 Input A6 A6
Ch 7.1 Input B7 B7
Ch 7.2 Input A7 A7
Ch 8.1 Input C8 B8
Ch 8.2 Input A8 A8

DI821 Digital Input Module, 230 V a.c./d.c. Appendix A Specifications
272 3BSE 020 924R4101
Figure A-58 shows the process connections for the Digital Input Module DI821
when installed on a TU831 Extended MTU.
Figure A-58 DI821 with TU831 Extended MTU Process Connections
DI821
I 1.2
I 2.2
I 3.2
I 4.2
I 5.2
I 6.2
I 7.2
I 8.2
TU831
EM
I 8.1
I 7.1
I 6.1
I 5.1
I 4.1
I 3.1
I 1.1
I 2.1
Ch8.2
Ch8.1
Ch7.2
Ch7.1
Ch1.1
Ch1.2
Ch2.1
Ch2.2
Ch3.1
Ch3.2
Ch4.1
Ch4.2
Ch5.1
Ch5.2
Ch6.1
Ch6.2
Process
B1
A1
B2
A2
B3
A3
B4
A4
B5
A5
B6
A6
B7
A7
B8
A8
230V a.c.
or 220V d.c.
230V a.c.
or 220V d.c.

Appendix A Specifications DI821 Digital Input Module, 230 V a.c./d.c.
3BSE 020 924R4101 273
Figure A-59 shows the process connections for the DI821 when installed on a
TU811 or TU813 Compact MTU.
Figure A-59 DI821 with TU811 or TU813 Compact MTU Process Connections
DI821
I 1.2
I 2.2
I 3.2
I 4.2
I 5.2
I 6.2
I 7.2
I 8.2
TU811/TU813
EM
I 8.1
I 7.1
I 6.1
I 5.1
I 4.1
I 3.1
I 1.1
I 2.1
Ch8.2
Ch8.1
Ch7.2
Ch7.1
Ch1.1
Ch1.2
Ch2.1
Ch2.2
Ch3.1
Ch3.2
Ch4.1
Ch4.2
Ch5.1
Ch5.2
Ch6.1
Ch6.2
Process
B1
A1
C2
A2
B3
A3
C4
A4
B5
A5
C6
A6
B7
A7
C8
A8
230V a.c.
or 220V d.c.
230V a.c.
or 220V d.c.

DI825 Digital Input Module, 125 V d.c with SOE Appendix A Specifications
274 3BSE 020 924R4101
A.22 DI825 Digital Input Module, 125 V d.c with SOE
A.22.0.1 Features
• 8 channels for 125 V d.c. inputs
• Individually isolated channels
• Input status indicators
• Sequence of event (SOE) functionality
• Signal filtering
• EMC protection
• DIN rail mounting.
A.22.0.2 Description
The DI825 is an 8 channel 125 V d.c. digital input
module for the S800 I/O. The input range is 75 - 145 V
and the input current is 3.9 mA at 125 V. The inputs are
individually isolated.
Every input channel consists of current limiting
components, EMC protection components, input state
indication LED, optical isolation barrier.
Three LEDs indicate module status Fault (Red), Run
(Green) and Warning (Yellow). One LED (Yellow) per
channel (8) indicate input state (On = 1 and Off = 0). The RUN LED indicates
normal operation and the WARNING LED indicates if any error input is active. The
FAULT LED indicates that the module is in Init state or Not configured state. In
Not Configured state the FAULT LED is turned off after the first valid access to the
module.
Channel 1 can be used as voltage supervision input for channels 2 - 4, and channel 8
can be used as voltage supervision input for channels 5 - 7.
If the voltage supervision is used and the voltage connected to channel 1 or 8
disappears, the channel error will be set for the channels and the Warning LED turns
on. The error signal can be read from the ModuleBus. This supervision can be

Appendix A Specifications DI825 Digital Input Module, 125 V d.c with SOE
3BSE 020 924R4101 275
enabled/ disabled with a parameter. If the supervision is disabled channel 1 and 8
can be used as normal input channels.
The reset circuitry gives a reset signal when the module is inserted until the BLOCK
signal is inactive and the POWOK signal is active. The BLOCK signal is
deactivated when the module lock mechanism is in the locked position. The
POWOK comes from the ModuleBus master after power is applied.
The input channels can be digitally filtered. The filter times can be set between 0 to
100 ms. This means that noise pulses shorter than the filter time will be filtered out
and pulses longer than will get through the filter.
Three different types of MTUs can be used; TU831 Extended MTU, TU811 or
TU813 Compact MTU. All three has two terminals per channel.
A.22.0.3 Event Recording
The DI825 Input Module can be used for event recording (SOE), that is, changing
signals at digital input channels can be announced together with a time stamp
indicating when it occurred. Events are generated on both positive and negative
going edges of the signals. The time stamp has a resolution of 0.4 millisecond, and
is compensated for the filter time.
The module has intermediate storage for 32 events.
The SOE functionality can be switched on and off per channel.
For all channels with enabled SOE capability, a shutter filter is implemented that
prevents intermediate storage for events from overflow. The shutter filter is closed
as soon as the number of events generated within the shutter period (0-255 seconds)
exceeds the shutter trigger number (0-255 changes). The shutter filter remains
closed as long as the recovery time (0-65535 seconds) has not expired.
A.22.0.4 Simple Digital Input
If no event recording is used, the DI825 acts like a simple digital input device.

DI825 Digital Input Module, 125 V d.c with SOE Appendix A Specifications
276 3BSE 020 924R4101
A.22.0.5 Technical Data
Table A-46 DI825 Digital Input Module Specifications
Feature DI825
Digital Input Module
Number of channels 8
Rated voltage 125 V d.c.
Input voltage range, “1” 71 to 156 V
Input voltage range, “0” 0 to 20 V
Nominal input channel current 3,9 mA @ 125 V
Input current “1” >1.8 mA
Input current “0” <1.0 mA
Nominal impedance 32 kΩ
Maximum Field Cable Length 600 meters (656 yd.)
Filter times (digital, selectable) 0 to 100 ms
Process voltage supervision 2 channels, 1 and 8
Shutter filter
Shutter period
Shutter trigger number
Recovery time
0 - 255 s
0 - 255 changes
0 - 65535 s
Intermediate storage 32 events
Event recording resolution 0.4 ms
Error time stamp -0.25 ms to 1 ms
Current consumption +5 V Max 90 mA
Max power dissipation 4.4 W(1)
Maximum ambient temperature 55/40°C
(131/104°F)(2)

Appendix A Specifications DI825 Digital Input Module, 125 V d.c with SOE
3BSE 020 924R4101 277
Isolation Individually isolated channels
(RIV=250 V)
Dielectric test voltage 2300 V a.c. Ch - EM
1350 V a.c. Ch - Ch
Module termination units TU811, TU813 or TU831
MTU keying code AB
Equipment class Class I according to IEC 61140; (earth
protected)
Protection rating IP20 according to IEC 60529
Rated insulation voltage 250 V
Width 45 mm (1.77”)
Depth 97 mm (3.8”), 106 mm (4.2”) including
connector
Height 119 mm (4.7”)
Weight 0.14 kg (0.31 lbs.)
(1) All inputs activated
(2) 40°C (104°F) applies to compact MTUs with I/O-modules mounted on vertical DIN rail.
Table A-46 DI825 Digital Input Module Specifications (Continued)
Feature DI825
Digital Input Module

DI825 Digital Input Module, 125 V d.c with SOE Appendix A Specifications
278 3BSE 020 924R4101
A.22.0.6 Block Diagram DI825
X2
CH 1
CH 2
I1+
I2+
Rectifiers and
Process Connector
CH 3
CH 4
I3+
I4+
CH 5
CH 6
I5+
I6+
CH 7
CH 8
I7+
I8+
INPUT CHANNELS
I1-
I2-
I3-
I4-
I5-
I6-
I7-
I8-
E2-4
filters
1
E5-7 1
CPU
68HC12
FPROM
RWM
+5VI
+5V
POWER-OK
0V
DAT+
DAT-
POS0-6
RUN
WARNING
BLOCK
RS-485
RESET
X1
Modulebus Connector
FAULT
ASIC
MBI-2
CLK+
CLK- RS-485
COMPUTERMODULEBUS INTERFACE
BDM
MODE
PROGR
/
3
X3
EEPROM
DATA
ADDRESS

Appendix A Specifications DI825 Digital Input Module, 125 V d.c with SOE
3BSE 020 924R4101 279
A.22.0.7 Process Connections
Table A-47 DI825 Process Connections
Process
Connection
TU811 or
TU813
Terminal
TU831
Terminal
Ch 1.1 Input B1 B1
Ch 1.2 Input A1 A1
Ch 2.1 Input C2 B2
Ch 2.2 Input A2 A2
Ch 3.1 Input B3 B3
Ch 3.2 Input A3 A3
Ch 4.1 Input C4 B4
Ch 4.2 Input A4 A4
Ch 5.1 Input B5 B5
Ch 5.2 Input A5 A5
Ch 6.1 Input C6 B6
Ch 6.2 Input A6 A6
Ch 7.1 Input B7 B7
Ch 7.2 Input A7 A7
Ch 8.1 Input C8 B8
Ch 8.2 Input A8 A8

DI825 Digital Input Module, 125 V d.c with SOE Appendix A Specifications
280 3BSE 020 924R4101
Figure A-56 shows the process connections for the Digital Input Module DI825
when installed on a TU811 or TU813 Compact MTU.
Figure A-60 DI825 with TU811 or TU813 Compact MTU Process Connections
DI825
I2-
I3-
I4-
I5-
I6-
I7-
I8-
TU811/TU813
EM
I8+
I7+
I6+
I5+
I4+
I3+
I1+
I2+
Ch8-
Ch8+
Ch7-
Ch7+
Ch1+
Ch1-
Ch2+
Ch2-
Ch3+
Ch3-
Ch4+
Ch4-
Ch5+
Ch5-
Ch6+
Ch6-
Process
B1
A1
C2
A2
B3
A3
C4
A4
B5
A5
C6
A6
B7
A7
C8
A8
125V d.c.
125V d.c.
I1-
-
+
-
+

Appendix A Specifications DI825 Digital Input Module, 125 V d.c with SOE
3BSE 020 924R4101 281
Figure A-57 shows the process connections for the DI825 when installed on a
TU831 Extended MTU.
Figure A-61 DI825 with TU831 Extended MTU Process Connections
DI825
I1-
I2-
I3-
I4-
I5-
I6-
I7-
I8-
TU831
EM
I8+
I7+
I6+
I5+
I4+
I3+
I1+
I2+
Ch8-
Ch8+
Ch7-
Ch7+
Ch1+
Ch1-
Ch2+
Ch2-
Ch3+
Ch3-
Ch4+
Ch4-
Ch5+
Ch5-
Ch6+
Ch6-
Process
B1
A1
B2
A2
B3
A3
B4
A4
B5
A5
B6
A6
B7
A7
B8
A8
125V d.c.
125V d.c.
+
-
+
-

DI830 Digital Input Module, 24 V d.c. with SOE, Current Sinking Appendix A Specifications
282 3BSE 020 924R4101
A.23 DI830 Digital Input Module, 24 V d.c. with SOE,
Current Sinking
A.23.0.1 Features
• 16 channels for 24 V d.c. inputs with current sinking
• 2 isolated groups of 8 channels with voltage
supervision
• Input status indicators
• Sequence of event (SOE) functionality
• Shutter filter
• EMC protection
• DIN rail mounting.
A.23.0.2 Description
The DI830 is a 16 channel 24 V d.c. digital input module
for the S800 I/O. The input voltage range is 18 to 30 V
d.c. and the input current is 6 mA at 24 V d.c.
Each input channel consists of current limiting
components, EMC protection components, input state
indication LED and optical isolation barrier.
Three LEDs indicate module status Fault (Red), Run (Green) and Warning
(Yellow). One LED (Yellow) per channel (16) indicate input state (On = 1 and Off =
0). The RUN LED indicates normal operation and the WARNING LED indicates if
any error input is active. The FAULT LED indicates that the module is in the Init
state, Error state or Not Configured state. In Not Configured state the FAULT LED
is turned off after the first valid master frame to the module.
The module cyclically performs self-diagnostics. Module diagnostics include:
• Process power supply supervision (causes a module failure if detected)
• Event queue full
6
7
8
9
10
11
12
13
14
15
16
F
R
W
1
2
3
4
5
DI830
24V, SOE

Appendix A Specifications DI830 Digital Input Module, 24 V d.c. with SOE, Current Sinking
3BSE 020 924R4101 283
• Time synchronization missing
The reset circuitry gives a reset signal when the module is inserted until the BLOCK
signal is inactive and the POWOK signal is active. The BLOCK signal is
deactivated when the module lock mechanism is in the locked position. The
POWOK comes from the ModuleBus master after power is applied.
The input signals can be digitally filtered. The filter is selectable from 0 to 100 ms.
This means that pulses shorter than the filter time will be filtered out and pulses
longer than specified will get through the filter.
Five different types of MTUs can be used. The Extended MTU (for example
TU830) enables three wire connection to the transducers without additional
terminals. The Compact MTU (for example TU810 or TU 814) has terminals for
process voltage supervision inputs, but requires external terminals for distribution
of process power supply to the transducers. The extended MTU, TU838, provide a
fuse (3 A max.) per two channels for process power out. The TU812 Compact MTU
has a D-Sub 25 pin (male) connector for connection to the process.
A.23.0.3 Event Recording
The DI830 Input Module can be used for event recording (SOE), that is, changing
signals at digital input channels can be announced together with a time stamp
indicating when it occurred. Events are generated on both positive and negative
going edges of the signal. The time stamp has a resolution of 0.4 millisecond, and is
compensated for the filter time.
The module has intermediate storage for 32 events.
The SOE functionality can be switched on and off per channel.
For all channels with enabled SOE capability, a shutter filter is implemented that
prevents intermediate storage for events from overflow. The shutter filter is closed
as soon as the number of events generated within the shutter period (0-255 seconds)
exceeds the shutter trigger number (0-255 changes). The shutter filter remains
closed as long as the recovery time (0-65535 seconds) has not expired.
A.23.0.4 Simple Digital Input
If no event recording is used, the DI830 acts like a simple digital input device.

DI830 Digital Input Module, 24 V d.c. with SOE, Current Sinking Appendix A Specifications
284 3BSE 020 924R4101
A.23.0.5 Technical Data
Table A-48 DI830 Digital Input Module Specifications
Feature DI830
Digital Input Module
Number of channels 16 (2 x 8), current sinking
Rated voltage
(Process power supply range) 24 V d.c.
(18 to 30 V d.c.)
Input voltage range, “1” 13 to 30 V
Input voltage range, “0” -30 to +5 V
Nominal input channel current 7.4 mA @ 24 V d.c.
Input impedance 3.2 kΩ
Maximum field cable length 600 m (656 yd.)
Filter times (digital, selectable) 0 to 100 ms
Shutter filter
Shutter period
Shutter trigger
Recovery time
0... 255 s
0... 255 changes
0... 65535 s
Event recording resolution 0.4 ms
Event recording accuracy -0.3 ms to +0.7 ms
Process voltage supervision 2 channels (1 per group)
Current consumption +5 V 120 mA (max.)
100 mA (typ.)
Power dissipation(1) 2.3 W
Maximum ambient temperature 55/40°C
(131/104°F)(2)
Isolation Yes, opto
Mounting termination units TU810, TU812, TU814, TU830 or
TU838

Appendix A Specifications DI830 Digital Input Module, 24 V d.c. with SOE, Current Sinking
3BSE 020 924R4101 285
MTU keying code AA
Equipment class Class I according to IEC 61140; (earth
protected)
Protection rating IP20 according to IEC 60529
Rated insulation voltage 50 V
Dielectric test voltage 500 V a.c.
Width 45 mm (1.77”)
Depth 97 mm (3.8”), 106 mm (4.2”) including
connector
Height 119 mm (4.7”)
Weight 0.22 kg (0.48 lbs.)
(1) Power dissipation is calculated with 70 percent of the channels activated at nominal voltage of
24 Volt.
(2) 40°C (104°F) applies to compact MTUs with I/O-modules or S800L-modules mounted on
vertical DIN rail.
Table A-48 DI830 Digital Input Module Specifications (Continued)
Feature DI830
Digital Input Module

DI830 Digital Input Module, 24 V d.c. with SOE, Current Sinking Appendix A Specifications
286 3BSE 020 924R4101
A.23.0.6 Block Diagram DI830
CPU
68HC12
FPROM
RWM
+5VI
+5V
POWER-OK
0V
DAT+
DAT-
POS0-6
X2
CH 1
CH 2
RUN
WARNING
EMC-
BLOCK
ERROR
ERROR
CH 8
.
.
.
I 1
I 2
I 8
.
.
.
BARRIER
GROUP 1
GROUP 2
EMC-
BARRIER
CH I 9-16
/
8
RS-485
RESET
/
8
ZP1
ZP2
EM
X1
Modulebus Connector
U1
U2
U8
UP1
UP2
U9-16
FAULT
ASIC
MBI-2
CLK+
CLK- RS-485
1-8
9-16
9-16
24V
SUPER-
VISION
24V
SUPER-
VISION
COMPUTERMODULEBUS INTERFACE
BDM
MODE
PROGR
/
3
X3
EEPROM
Process Connector
DATA
ADDRESS

Appendix A Specifications DI830 Digital Input Module, 24 V d.c. with SOE, Current Sinking
3BSE 020 924R4101 287
A.23.0.7 Process Connections
Table A-49 DI830 Process Connections
Process
Connection
TU810
(or TU814)
Terminal
TU812
D-Sub 25
Male
Connector (1)
TU830/TU833
Terminal TU838
Terminal
+24 V d.c. L1+ (2) 1, 14 L1+ (2) L1+ (2)
0 V d.c. L1- 2, 15 L1- (2) L1- (2)
Ch1/Ch 2, L1+ - - B1, B2 A1 (F1)
Ch1 Input C1 3 C1 B1
Ch 2 Input B1 16 C2 B2
Ch1/Ch2, L1- A1 - A1, A2 A2
Ch 3/Ch 4, L1+ - - B3, B4 A3 (F2)
Ch 3 Input C2 4 C3 B3
Ch 4 Input B2 17 C4 B4
Ch 3/Ch 4, L1- A2 - A3, A4 A4
Ch 5/Ch 6, L1+ - - B5, B6 A5 (F3)
Ch 5 Input C3 5 C5 B5
Ch 6 Input B3 18 C6 B6
Ch 5/Ch 6, L1- A3 - A5, A6 A6
Ch 7/Ch 8, L1+ - - B7, B8 A7 (F4)
Ch 7 Input C4 6 C7 B7
Ch 8 Input B4 19 C8 B8
Ch 7/Ch8, L1- A4 - A7, A8 A8
Ch 9/Ch 10, L2+ - - B9, B10 A9 (F5)
Ch 9 Input C5 7 C9 B9

DI830 Digital Input Module, 24 V d.c. with SOE, Current Sinking Appendix A Specifications
288 3BSE 020 924R4101
Ch 10 Input B5 20 C10 B10
Ch 9/Ch 10, L2- A5 - A9, A10 A10
Ch 11/Ch 12, L2+ - - B11, B12 A11 (F6)
Ch 11 Input C6 8 C11 B11
Ch 12 Input B6 21 C12 B12
Ch 11/Ch 12, L2- A6 - A11, A12 A12
Ch 13/Ch 14, L2+ - - B13, B14 A13 (F7)
Ch 13 Input C7 9 C13 B13
Ch 14 Input B7 22 C14 B14
Ch 13/Ch 14, L2- A7 - A13, A14 A14
Ch 15/ Ch16, L2+ - - B15, B16 A15 (F8)
Ch 15 Input C8 10 C15 B15
Ch 16 Input B8 23 C16 B16
Ch 15/Ch16, L2- A8 - A15, A16 A16
+24 V d.c. L2+ (2) 11, 24 L2+ (2) L2+ (2)
0 V d.c. L2- 12, 25 L2- (2) L2- (2)
(1) Pin 13 connected to connector body for EM.
Table A-49 DI830 Process Connections (Continued)
Process
Connection
TU810
(or TU814)
Terminal
TU812
D-Sub 25
Male
Connector (1)
TU830/TU833
Terminal TU838
Terminal

Appendix A Specifications DI830 Digital Input Module, 24 V d.c. with SOE, Current Sinking
3BSE 020 924R4101 289
Figure A-62 shows the process connections for the Digital Input Module DI830
when installed on a TU830 Extended MTU.
Figure A-62 DI830 with TU830 Extended MTU Process Connections
DI830
I1
L1-
I3
I4
L1-
L1-
L1-
L2-
L2-
L2-
L2-
I5
I7
I9
I11
I13
I15
I6
I8
I10
I12
I14
I16
I2
TU830/TU833
EM
L2+
L2+
L2+
L2+
+24V
0V
L1+
L1+
L1+
L1+
+24V
0V
Ch16
Ch15
Ch14
Ch13
Ch1
Ch2
Ch3
Ch4
Ch5
Ch6
Ch7
Ch8
Ch9
Ch10
Ch11
Ch12
Process
6.3 A
Fuse
6.3 A
Fuse
+
-
+
-
+
-
+
-
L1-
L1-
L1-
L1-
L1+
L1+
L1+
L1+
L1+
L1+
L1-
L1-
L2+
L2+
L2-
L2-
B1,B2
C1
C2
A1,A2
B3,B4
C3
C4
A3,A4
B5,B6
C5
C6
A5,A6
B7,B8
C7
C8
A7,A8
B9,B10
C9
C10
A9,A10
B11,B12
C11
C12
A11,A12
B13,B14
C13
C14
A13,A14
B15,B16
C15
C16
A15,A16
L2-
L2-
L2-
L2-
L2+
L2+
L2+
L2+
Supervise
Supervise

DI830 Digital Input Module, 24 V d.c. with SOE, Current Sinking Appendix A Specifications
290 3BSE 020 924R4101
Figure A-63 shows the process connections for the Digital Input Module DI830
when installed on a TU838 Extended MTU.
Figure A-63 DI830 with TU838 Extended MTU Process Connections
F4
F3
F2
F1
F5
F6
DI830
I1
L1-
I3
I4
L1-
L1-
L1-
L2-
L2-
L2-
L2-
I5
I7
I9
I11
I13
I15
I6
I8
I10
I12
I14
I16
I2
TU838
EM
L2+
L2+
L2+
L2+
+24V
0V
L1+
L1+
L1+
L1+
+24V
0V
Ch16
Ch15
Ch14
Ch13
Ch1
Ch2
Ch3
Ch4
Ch5
Ch6
Ch7
Ch8
Ch9
Ch10
Ch11
Ch12
Process
F8
+
-
+
-
+
-
+
-
L1-
L1-
L1-
L1-
L1+
L1+
L1+
L1+
L1+
L1+
L1-
L1-
L2+
L2+
L2-
L2-
A1
B1
B2
A2
A3
B3
B4
A4
A5
B5
B6
A6
A7
B7
B8
A8
A9
B9
B10
A10
A11
B11
B12
A12
A13
B13
B14
A14
A15
B15
B16
A16
L2-
L2-
L2-
L2-
L2+
L2+
L2+
L2+
Supervise
Supervise
F7

Appendix A Specifications DI830 Digital Input Module, 24 V d.c. with SOE, Current Sinking
3BSE 020 924R4101 291
Figure A-64 shows the process connections for the DI830 when installed on a
TU810 or TU814 Compact MTU.
Figure A-64 DI830 with TU810 or TU814 Compact MTU Process Connections
DI830
TU810
EM
+24V
0V
+24V
0V
Ch16
Ch15
Ch14
Ch13
Ch1
Ch2
Ch3
Ch4
Ch5
Ch6
Ch7
Ch8
Ch9
Ch10
Ch11
Ch12
Process
C1
B1
A1
L1+
L1-
C2
B2
A2
C3
B3
A3
C4
B4
A4
C5
B5
A5
C6
B6
A6
C7
B7
A7
C8
B8
A8
L2+
L2-
+
-
+
-
+
-
+
-
I1
L1-
I3
I4
L1-
L1-
L1-
L2-
L2-
L2-
L2-
I5
I7
I9
I11
I13
I15
I6
I8
I10
I12
I14
I16
I2
L2+
L2+
L2+
L2+
L1+
L1+
L1+
L1+
L1-
L1-
L1-
L1-
L2-
L2-
L2-
L2-
L1+
L2+
(or TU814)
Supervise
Supervise

DI830 Digital Input Module, 24 V d.c. with SOE, Current Sinking Appendix A Specifications
292 3BSE 020 924R4101
Figure A-65 shows the process connections for the DI830 when installed on a
TU812 Compact MTU.
Figure A-65 DI830 with TU812 Compact MTU Process Connections
Ch1
Ch2
Ch3
Ch4
Ch9
Ch10
Ch11
Ch12
Ch13
Ch14
Ch15
Ch16
+24V
Ch5
Ch6
Ch7
Ch8
DI830
TU812
EM
I1
L1-
I3
I4
L1-
L1-
L1-
L2-
L2-
L2-
L2-
I5
I7
I9
I11
I13
I15
I6
I8
I10
I12
I14
I16
I2
L2+
L2+
L2+
L2+
L1+
L1+
L1+
L1+
0V
+24V
0V
Process
3
16
4
17
7
20
8
21
9
22
10
23
11
24
12
25
1
5
18
2
6
19
14
15
13
3
16
4
17
7
20
8
21
9
22
10
23
11
24
12
25
1
5
18
2
6
19
14
15
13EM
S1
S2
S3
S4
S9
S10
S11
S12
S13
S14
S15
S16
UP2
ZP2
UP1
S5
S6
ZP1
S7
S8
UP2
ZP2
UP1
ZP1
Connection
Supervise
Supervise

Appendix A Specifications DI831 Digital Input Module, 48 V d.c. with SOE, Current Sinking
3BSE 020 924R4101 293
A.24 DI831 Digital Input Module, 48 V d.c. with SOE,
Current Sinking
A.24.0.1 Features
• 16 channels for 48 V d.c. inputs with current
sinking
• 2 isolated groups of 8 channels with voltage
supervision
• Input status indicators
• Sequence of event (SOE) functionality
• Shutter filter
• EMC protection
• DIN rail mounting.
A.24.0.2 Description
The DI831 is a 16 channel 48 V d.c. digital input
module for the S800 I/O. The input voltage range is 36
to 60 V d.c. and the input current is 4 mA at 48 V d.c.).
Each input channel consists of current limiting
components, EMC protection components, input state
indication LED and optical isolation barrier.
Three LEDs indicate module status Fault (Red), Run (Green) and Warning
(Yellow). One LED (Yellow) per channel (16) indicate input state (On = 1 and Off
= 0). The RUN LED indicates normal operation and the WARNING LED indicates
if any error input is active. The FAULT LED indicates that the module is in the Init
state, Error state or Not Configured state. In Not Configured state the FAULT LED
is turned off after the first valid master frame to the module.
The module cyclically performs self-diagnostics. Module diagnostics include:
• Process power supply supervision (causes a module failure if detected)
• Event queue full
6
7
8
9
10
11
12
13
14
15
16
F
R
W
1
2
3
4
5
DI831
48V, SOE

DI831 Digital Input Module, 48 V d.c. with SOE, Current Sinking Appendix A Specifications
294 3BSE 020 924R4101
• Time synchronization missing
The reset circuitry gives a reset signal when the module is inserted until the BLOCK
signal is inactive and the POWOK signal is active. The BLOCK signal is
deactivated when the module lock mechanism is in the locked position. The
POWOK comes from the ModuleBus master after power is applied.
The input signals can be digitally filtered. The filter is selectable from 0 to 100 ms.
This means that pulses shorter than the filter time will be filtered out and pulses
longer than specified will get through the filter.
Five different types of MTUs can be used. The Extended MTU (for example
TU830) enables three wire connection to the transducers without additional
terminals. The Compact MTU (for example TU810 or TU 814) has terminals for
process voltage supervision inputs, but requires external terminals for distribution
of process power supply to the transducers. The extended MTU, TU838, provide a
fuse (3 A max.) per two channels for process power out. The TU812 Compact MTU
has a D-Sub 25 pin (male) connector for connection to the process.
A.24.0.3 Event Recording
The DI831 Input Module can be used for event recording (SOE), that is, changing
signals at digital input channels can be announced together with a time stamp
indicating when it occurred. Events are generated on both positive and negative
going edges of the signals. The time stamp has a resolution of 0.4 millisecond, and
is compensated for the filter time.
The module has intermediate storage for 32 events.
The SOE functionality can be switched on and off per channel.
For all channels with enabled SOE capability, a shutter filter is implemented that
prevents intermediate storage for events from overflow. The shutter filter is closed
as soon as the number of events generated within the shutter period (0-255 seconds)
exceeds the shutter trigger number (0-255 changes). The shutter filter remains
closed as long as the recovery time (0-65535 seconds) has not expired.
A.24.0.4 Simple Digital Input
If no event recording is used, the DI831 acts like a simple digital input device.

Appendix A Specifications DI831 Digital Input Module, 48 V d.c. with SOE, Current Sinking
3BSE 020 924R4101 295
A.24.0.5 Technical Data
Table A-50 DI831 Digital Input Module Specifications
Feature DI831
Digital Input Module
Number of channels 16 (2 x 8), current sinking
Rated voltage
(Process power supply range) 48 V d.c.
(36 to 60 V d.c).
Input voltage range, “1” +30 to +60 V.
Input voltage range, “0” -60 to +10 V
Nominal input channel current 5 mA @ 48 V d.c.
Input impedance 9.6 kΩ
Maximum field cable length 600 meters, (656 yd.)
Bounce filter times (digital, selectable) 0 to 100 ms
Shutter filter
Shutter period
Shutter trigger
Recovery time
0... 255 s
0... 255 changes
0... 65535 s
Event recording resolution 0.4 ms
Event recording accuracy -0.3 ms to +0.7 ms
Process voltage supervision 2 channels (1 per group)
Current consumption +5 V 120 mA (max.)
100 mA (typ.)
Power dissipation (1) 3.2 W
Maximum ambient temperature 55/40°C
(131/104°F)(2)
Isolation Yes, opto
Module termination units TU810, TU812, TU814, TU830 TU838

DI831 Digital Input Module, 48 V d.c. with SOE, Current Sinking Appendix A Specifications
296 3BSE 020 924R4101
MTU keying code BD
Equipment class Class I according to IEC 61140; (earth
protected)
Protection rating IP20 according to IEC 60529
Rated insulation voltage 50 V
Dielectric test voltage 500 V a.c.
Width 45 mm (1.77”)
Depth 97 mm (3.8”), 106 mm (4.2”) including
connector
Height 119 mm (4.7”)
Weight 0.22 kg (0.48 lbs.)
(1) Power dissipation is calculated with 70 percent of the channels activated at nominal voltage of
48 Volt.
(2) 40°C (104°F) applies to compact MTUs with I/O-modules or S800L-modules mounted on
vertical DIN rail.
Table A-50 DI831 Digital Input Module Specifications (Continued)
Feature DI831
Digital Input Module

Appendix A Specifications DI831 Digital Input Module, 48 V d.c. with SOE, Current Sinking
3BSE 020 924R4101 297
A.24.0.6 Block Diagram DI831
CPU
68HC12
FPROM
RWM
+5VI
+5V
POWER-OK
0V
DAT+
DAT-
POS0-6
X2
CH 1
CH 2
RUN
WARNING
EMC-
BLOCK
ERROR
ERROR
CH 8
.
.
.
I 1
I 2
I 8
.
.
.
BARRIER
GROUP 1
GROUP 2
EMC-
BARRIER
CH I 9-16
/
8
RS-485
RESET
/
8
ZP1
ZP2
EM
X1
Modulebus Connector
U1
U2
U8
UP1
UP2
U9-16
FAULT
ASIC
MBI-2
CLK+
CLK- RS-485
1-8
9-16
9-16
24V
SUPER-
VISION
24V
SUPER-
VISION
COMPUTERMODULEBUS INTERFACE
BDM
MODE
PROGR
/
3
X3
EEPROM
Process Connector
DATA
ADDRESS

DI831 Digital Input Module, 48 V d.c. with SOE, Current Sinking Appendix A Specifications
298 3BSE 020 924R4101
A.24.0.7 Process Connections
Table A-51 DI831 Process Connections
Process
Connection
TU810
(or TU814)
Terminal
TU812
D-Sub 25
Male
Connector (1)
TU830/TU833
Terminal TU838
Terminal
+24 V d.c. L1+ (2) 1, 14 L1+ (2) L1+ (2)
0 V d.c. L1- 2, 15 L1- (2) L1- (2)
Ch1/Ch 2, L1+ - - B1, B2 A1 (F1)
Ch1 Input C1 3 C1 B1
Ch 2 Input B1 16 C2 B2
Ch1/Ch2, L1- A1 - A1, A2 A2
Ch 3/Ch 4, L1+ - - B3, B4 A3 (F2)
Ch 3 Input C2 4 C3 B3
Ch 4 Input B2 17 C4 B4
Ch 3/Ch 4, L1- A2 - A3, A4 A4
Ch 5/Ch 6, L1+ - - B5, B6 A5 (F3)
Ch 5 Input C3 5 C5 B5
Ch 6 Input B3 18 C6 B6
Ch 5/Ch 6, L1- A3 - A5, A6 A6
Ch 7/Ch 8, L1+ - - B7, B8 A7 (F4)
Ch 7 Input C4 6 C7 B7
Ch 8 Input B4 19 C8 B8
Ch 7/Ch8, L1- A4 - A7, A8 A8
Ch 9/Ch 10, L2+ - - B9, B10 A9 (F5)
Ch 9 Input C5 7 C9 B9

Appendix A Specifications DI831 Digital Input Module, 48 V d.c. with SOE, Current Sinking
3BSE 020 924R4101 299
Ch 10 Input B5 20 C10 B10
Ch 9/Ch 10, L2- A5 - A9, A10 A10
Ch 11/Ch 12, L2+ - - B11, B12 A11 (F6)
Ch 11 Input C6 8 C11 B11
Ch 12 Input B6 21 C12 B12
Ch 11/Ch 12, L2- A6 - A11, A12 A12
Ch 13/Ch 14, L2+ - - B13, B14 A13 (F7)
Ch 13 Input C7 9 C13 B13
Ch 14 Input B7 22 C14 B14
Ch 13/Ch 14, L2- A7 - A13, A14 A14
Ch 15/ Ch16, L2+ - - B15, B16 A15 (F8)
Ch 15 Input C8 10 C15 B15
Ch 16 Input B8 23 C16 B16
Ch 15/Ch16, L2- A8 - A15, A16 A16
+24 V d.c. L2+ (2) 11, 24 L2+ (2) L2+ (2)
0 V d.c. L2- 12, 25 L2- (2) L2- (2)
(1) Pin 13 connected to connector body for EM.
Table A-51 DI831 Process Connections (Continued)
Process
Connection
TU810
(or TU814)
Terminal
TU812
D-Sub 25
Male
Connector (1)
TU830/TU833
Terminal TU838
Terminal

DI831 Digital Input Module, 48 V d.c. with SOE, Current Sinking Appendix A Specifications
300 3BSE 020 924R4101
Figure A-66 shows the process connections for the Digital Input Module DI831
when installed on a TU830 Extended MTU.
Figure A-66 DI831 with TU830 Extended MTU Process Connections
DI831
I1
L1-
I3
I4
L1-
L1-
L1-
L2-
L2-
L2-
L2-
I5
I7
I9
I11
I13
I15
I6
I8
I10
I12
I14
I16
I2
TU830/TU833
EM
L2+
L2+
L2+
L2+
+48V
0V
L1+
L1+
L1+
L1+
+48V
0V
Ch16
Ch15
Ch14
Ch13
Ch1
Ch2
Ch3
Ch4
Ch5
Ch6
Ch7
Ch8
Ch9
Ch10
Ch11
Ch12
Process
6.3 A
Fuse
6.3 A
Fuse
+
-
+
-
+
-
+
-
L1-
L1-
L1-
L1-
L1+
L1+
L1+
L1+
L1+
L1+
L1-
L1-
L2+
L2+
L2-
L2-
B1,B2
C1
C2
A1,A2
B3,B4
C3
C4
A3,A4
B5,B6
C5
C6
A5,A6
B7,B8
C7
C8
A7,A8
B9,B10
C9
C10
A9,A10
B11,B12
C11
C12
A11,A12
B13,B14
C13
C14
A13,A14
B15,B16
C15
C16
A15,A16
L2-
L2-
L2-
L2-
L2+
L2+
L2+
L2+
Supervise
Supervise

Appendix A Specifications DI831 Digital Input Module, 48 V d.c. with SOE, Current Sinking
3BSE 020 924R4101 301
Figure A-67 shows the process connections for the Digital Input Module DI831
when installed on a TU838 Extended MTU.
Figure A-67 DI831 with TU838 Extended MTU Process Connections
F4
F3
F2
F1
F5
F6
DI831
I1
L1-
I3
I4
L1-
L1-
L1-
L2-
L2-
L2-
L2-
I5
I7
I9
I11
I13
I15
I6
I8
I10
I12
I14
I16
I2
TU838
EM
L2+
L2+
L2+
L2+
+48V
0V
L1+
L1+
L1+
L1+
+48V
0V
Ch16
Ch15
Ch14
Ch13
Ch1
Ch2
Ch3
Ch4
Ch5
Ch6
Ch7
Ch8
Ch9
Ch10
Ch11
Ch12
Process
F8
+
-
+
-
+
-
+
-
L1-
L1-
L1-
L1-
L1+
L1+
L1+
L1+
L1+
L1+
L1-
L1-
L2+
L2+
L2-
L2-
A1
B1
B2
A2
A3
B3
B4
A4
A5
B5
B6
A6
A7
B7
B8
A8
A9
B9
B10
A10
A11
B11
B12
A12
A13
B13
B14
A14
A15
B15
B16
A16
L2-
L2-
L2-
L2-
L2+
L2+
L2+
L2+
Supervise
Supervise
F7

DI831 Digital Input Module, 48 V d.c. with SOE, Current Sinking Appendix A Specifications
302 3BSE 020 924R4101
Figure A-68 shows the process connections for the DI831 when installed on a
TU810 or TU814 Compact MTU.
Figure A-68 DI831 with TU810 or TU814 Compact MTU Process Connections
DI831
TU810
EM
+48V
0V
+48V
0V
Ch16
Ch15
Ch14
Ch13
Ch1
Ch2
Ch3
Ch4
Ch5
Ch6
Ch7
Ch8
Ch9
Ch10
Ch11
Ch12
Process
C1
B1
A1
L1+
L1-
C2
B2
A2
C3
B3
A3
C4
B4
A4
C5
B5
A5
C6
B6
A6
C7
B7
A7
C8
B8
A8
L2+
L2-
+
-
+
-
+
-
+
-
I1
L1-
I3
I4
L1-
L1-
L1-
L2-
L2-
L2-
L2-
I5
I7
I9
I11
I13
I15
I6
I8
I10
I12
I14
I16
I2
L2+
L2+
L2+
L2+
L1+
L1+
L1+
L1+
L1-
L1-
L1-
L1-
L2-
L2-
L2-
L2-
L1+
L2+
(or TU814)
Supervise
Supervise

Appendix A Specifications DI831 Digital Input Module, 48 V d.c. with SOE, Current Sinking
3BSE 020 924R4101 303
Figure A-69 shows the process connections for the DI831 when installed on a
TU812 Compact MTU.
Figure A-69 DI831 with TU812 Compact MTU Process Connections
Ch1
Ch2
Ch3
Ch4
Ch9
Ch10
Ch11
Ch12
Ch13
Ch14
Ch15
Ch16
+24V
Ch5
Ch6
Ch7
Ch8
DI831
TU812
EM
I1
L1-
I3
I4
L1-
L1-
L1-
L2-
L2-
L2-
L2-
I5
I7
I9
I11
I13
I15
I6
I8
I10
I12
I14
I16
I2
L2+
L2+
L2+
L2+
L1+
L1+
L1+
L1+
0V
+24V
0V
Process
3
16
4
17
7
20
8
21
9
22
10
23
11
24
12
25
1
5
18
2
6
19
14
15
13
3
16
4
17
7
20
8
21
9
22
10
23
11
24
12
25
1
5
18
2
6
19
14
15
13EM
S1
S2
S3
S4
S9
S10
S11
S12
S13
S14
S15
S16
UP2
ZP2
UP1
S5
S6
ZP1
S7
S8
UP2
ZP2
UP1
ZP1
Connection
Supervise
Supervise

DI840 Digital Input Module Appendix A Specifications
304 3BSE 020 924R4101
A.25 DI840 Digital Input Module
A.25.0.1 Features
• 16 channels for 24 V d.c. inputs with current
sinking
• 1 group of 16 isolated from ground
• Input status indicators
• Advanced on-board diagnostics
• EMC protection
• Sequence of events
• DIN rail mounting
• Redundant or single applications
• Transducer power distribution
A.25.0.2 Description
The DI840 is a 16 channel 24 V d.c. digital input module
for single or redundant applications. The input voltage
range is 18 to 30 V d.c. and the input current is 7 mA at
24 V d.c.
Each input channel consists of current limiting
components, EMC protection components, input state
indication LED and optical isolation barrier.
Three LEDs indicate module status Fault (Red), Run (Green) and Warning
(Yellow). One LED (Yellow) per channel (16) indicate input state (On = 1 and Off
= 0). The RUN LED indicates normal operation and the WARNING LED indicates
if any error input is active. The FAULT LED indicates that the module is in the Init
state, Error state or Not Configured state. In Not Configured state the FAULT LED
is turned off after the first valid access to the module.
The transducer power is supervised and current limited. One output per two input
channels.
DI840
24V, SOE
F
R
W

Appendix A Specifications DI840 Digital Input Module
3BSE 020 924R4101 305
The Sequence of Event function (SOE) can collect events with a resolution of 1 ms.
The event queue can contain up to 257 events. The function include a Shutter filter
for repressing unwanted events.
The module cyclically performs self-diagnostics. Module diagnostics include:
• Process power supply supervision and transducer over current supervision are
reported as External Channel Error. Error detection time is < 500 ms.
• The internal channel circuitries are tested with test patterns. Error from those
tests will be reported as Internal Channel Error. The error detection time is
<100 ms.
• Error in the common parts of the test functions is reported as Module Error.
Error detection time is ca 12 ms.
The SOE function can report the following status in the event message: Channel
value, Queue full, Synchronization jitter, Uncertain time, Shutter filter active and
Channel error.
The reset circuitry gives a reset signal when the module is inserted until the BLOCK
signal is inactive and the POWOK signal is active. The BLOCK signal is
deactivated when the module lock mechanism is in the locked position. The
POWOK comes from the ModuleBus master after power is applied.
The input signals can be digitally filtered. The filter is selectable from 0 to 127 ms.
This means that pulses shorter than the filter time will be filtered out and pulses
longer than specified will get through the filter.
Five different types of MTUs can be used for single applications. The Extended
MTU (for example TU830) enables three wire connection to the transducers without
additional terminals. The Compact MTU (for example TU810 or TU 814) has
terminals for process voltage supervision inputs, but requires external terminals for
distribution of process power supply to the transducers. The extended MTU,
TU838, provide a fuse (3 A max.) per two channels for process power out. The
TU812 Compact MTU has a D-Sub 25 pin (male) connector for connection to the
process.
For redundant applications there are two types of MTUs, TU842 for mounting on a
horizontal DIN rail and TU843 for mounting on a vertical DIN rail.

DI840 Digital Input Module Appendix A Specifications
306 3BSE 020 924R4101
A.25.0.3 Technical Data
Table A-52 DI840 Digital Input Module Specifications
Feature DI840
Digital Input Module
Number of channels 16, current sinking
Rated voltage
(Process power supply range) 24 V d.c.
(19.2 to 30 V)
Input voltage range, “1” 11 to 30 V
Input voltage range, “0” -30 to +5 V
Nominal input channel current 7 mA @ 24 V d.c.
Input current, “1” > 3 mA
Input current, “0” < 1.5 mA
Input impedance 3.3 kΩ
Maximum field cable length 600 m (656 yd.)
Filter times (digital, selectable) 0 to 127 ms
Shutter filter
Shutter period
Shutter trigger
Recovery time
2... 170 s
4 changes
0... 682 s
Event recording resolution 1 ms
Event recording accuracy -0 ms / +1.3 ms
Transducer power, I max per channel
pair 40 mA
Current consumption +5 V 100 mA
Current consumption +24 V (external) 15 mA + transducer power
Power dissipation(1) 2.7 W

Appendix A Specifications DI840 Digital Input Module
3BSE 020 924R4101 307
Maximum ambient temperature 55/40°C
(131/104°F)(2)
Isolation Yes, opto
Mounting termination units TU810, TU812, TU814, TU830, TU838,
TU842 or TU843
MTU keying code CD
Equipment class Class I according to IEC 61140; (earth
protected)
Protection rating IP20 according to IEC 60529
Rated insulation voltage 50 V
Dielectric test voltage 500 V a.c.
Width 45 mm (1.77”)
Depth 97 mm (3.8”), 106 mm (4.2”) including
connector
Height 119 mm (4.7”)
Weight 0.15 kg (0.33 lbs.)
(1) Power dissipation is calculated with 70 percent of the channels activated at nominal voltage of
24 Volt.
(2) 40°C (104°F) applies to compact MTUs with I/O-modules or S800L-modules mounted on
vertical DIN rail.
Table A-52 DI840 Digital Input Module Specifications (Continued)
Feature DI840
Digital Input Module

DI840 Digital Input Module Appendix A Specifications
308 3BSE 020 924R4101
A.25.0.4 Block Diagram DI840
S1
S2
FAULT
RUN
WARNING
MBI
FPGA
LED1
LED16
Current
Limiter
U1
U2
UP
CH1
CH2
Current
Limiter
U15
U16
UP
CH15
CH16
S15
S16
UP
ZP
EM

Appendix A Specifications DI840 Digital Input Module
3BSE 020 924R4101 309
A.25.0.5 Process Connections
Table A-53 DI840 Process Connections
Process
Connection
TU810
(or TU814)
Terminal
TU812
D-Sub 25 Male
Connector (1)
TU830/
TU833
Terminal
TU838
Terminal
TU842
TU843
Terminal
+24 V d.c. L1+ (2) 1, 14 L1+ (2) L1+ (2) L1+
0 V d.c. L1- 2, 15 L1- (2) L1- (2) L1-
Ch1/Ch 2, L1+ - - B1, B2 A1 (F1) B1, B2
Ch1 Input C1 3 C1 B1 C1
Ch 2 Input B1 16 C2 B2 C2
Ch1/Ch2, L1- A1 - A1, A2 A2 A1, A2
Ch 3/Ch 4, L1+ - - B3, B4 A3 (F2) B3, B4
Ch 3 Input C2 4 C3 B3 C3
Ch 4 Input B2 17 C4 B4 C4
Ch 3/Ch 4, L1- A2 - A3, A4 A4 A3, A4
Ch 5/Ch 6, L1+ - - B5, B6 A5 (F3) B5, B6
Ch 5 Input C3 5 C5 B5 C5
Ch 6 Input B3 18 C6 B6 C6
Ch 5/Ch 6, L1- A3 - A5, A6 A6 A5, A6
Ch 7/Ch 8, L1+ - - B7, B8 A7 (F4) B7, B8
Ch 7 Input C4 6 C7 B7 C7
Ch 8 Input B4 19 C8 B8 C8
Ch 7/Ch8, L1- A4 - A7, A8 A8 A7, A8
Ch 9/Ch 10, L2+ - - B9, B10 A9 (F5) B9, B10
Ch 9 Input C5 7 C9 B9 C9

DI840 Digital Input Module Appendix A Specifications
310 3BSE 020 924R4101
Ch 10 Input B5 20 C10 B10 C10
Ch 9/Ch 10, L2- A5 - A9, A10 A10 A9, A10
Ch 11/Ch 12, L2+ - - B11, B12 A11 (F6) B11, B12
Ch 11 Input C6 8 C11 B11 C11
Ch 12 Input B6 21 C12 B12 C12
Ch 11/Ch 12, L2- A6 - A11, A12 A12 A11, A12
Ch 13/Ch 14, L2+ - - B13, B14 A13 (F7) B13, B14
Ch 13 Input C7 9 C13 B13 C13
Ch 14 Input B7 22 C14 B14 C14
Ch 13/Ch 14, L2- A7 - A13, A14 A14 A13, A14
Ch 15/ Ch16, L2+ - - B15, B16 A15 (F8) B15, B16
Ch 15 Input C8 10 C15 B15 C15
Ch 16 Input B8 23 C16 B16 C16
Ch 15/Ch16, L2- A8 - A15, A16 A16 A15, A16
+24 V d.c. L2+ (2) 11, 24 L2+ (2) L2+ (2) L2+
0 V d.c. L2- 12, 25 L2- (2) L2- (2) L2-
(1) Pin 13 connected to connector body for EM.
Table A-53 DI840 Process Connections (Continued)
Process
Connection
TU810
(or TU814)
Terminal
TU812
D-Sub 25 Male
Connector (1)
TU830/
TU833
Terminal
TU838
Terminal
TU842
TU843
Terminal

Appendix A Specifications DI840 Digital Input Module
3BSE 020 924R4101 311
Figure A-70 shows the process connections for the Digital Input Module DI840
when installed on a TU830 Extended MTU.
Figure A-70 DI840 with TU830 Extended MTU Process Connections
DI840
I1
ZP
I3
I4
ZP
ZP
ZP
ZP
ZP
ZP
ZP
I5
I7
I9
I11
I13
I15
I6
I8
I10
I12
I14
I16
I2
TU830/TU833
EM
U15, U16
U13, U14
U11, U12
U9, U10
+24V
0V
U7, U8
U5, U6
U1, U2
U3, U4
+24V
0V
Ch16
Ch15
Ch14
Ch13
Ch1
Ch2
Ch3
Ch4
Ch5
Ch6
Ch7
Ch8
Ch9
Ch10
Ch11
Ch12
Process
+
-
+
-
+
-
+
-
ZP
ZP
ZP
ZP
U7,U8
U5,U6
U1,U2
U3,U4
L1+
L1+
L1-
L1-
L2+
L2+
L2-
L2-
B1,B2
C1
C2
A1,A2
B3,B4
C3
C4
A3,A4
B5,B6
C5
C6
A5,A6
B7,B8
C7
C8
A7,A8
B9,B10
C9
C10
A9,A10
B11,B12
C11
C12
A11,A12
B13,B14
C13
C14
A13,A14
B15,B16
C15
C16
A15,A16
ZP
ZP
ZP
ZP
U13,U14
U11,U12
U9,U10
U15,U16
Supervise

DI840 Digital Input Module Appendix A Specifications
312 3BSE 020 924R4101
Figure A-71 shows the process connections for the Digital Input Module DI840
when installed on a TU838 Extended MTU.
Figure A-71 DI840 with TU838 Extended MTU Process Connections
F4
F3
F2
F1
F5
F6
DI840
I1
ZP
I3
I4
ZP
ZP
ZP
ZP
ZP
ZP
ZP
I5
I7
I9
I11
I13
I15
I6
I8
I10
I12
I14
I16
I2
TU838
EM
U15, U16
U13, U14
U11, U12
U9, U10
+24V
0V
U7, U8
U5, U6
U1, U2
U3, U4
+24V
0V
Ch16
Ch15
Ch14
Ch13
Ch1
Ch2
Ch3
Ch4
Ch5
Ch6
Ch7
Ch8
Ch9
Ch10
Ch11
Ch12
Process
F8
+
-
+
-
+
-
+
-
ZP
ZP
ZP
ZP
L1+
L1+
L1+
L1+
L1+
L1+
L1-
L1-
L2+
L2+
L2-
L2-
A1
B1
B2
A2
A3
B3
B4
A4
A5
B5
B6
A6
A7
B7
B8
A8
A9
B9
B10
A10
A11
B11
B12
A12
A13
B13
B14
A14
A15
B15
B16
A16
ZP
ZP
ZP
ZP
L2+
L2+
L2+
L2+
Supervise
F7

Appendix A Specifications DI840 Digital Input Module
3BSE 020 924R4101 313
Figure A-72 shows the process connections for the Digital Input Module DI840
when installed on a TU810 or TU814 Compact MTU.
Figure A-72 DI840 with TU810 or TU814 Compact MTU Process Connections
DI840
TU810
EM
+24V
0V
+24V
0V
Ch16
Ch15
Ch14
Ch13
Ch1
Ch2
Ch3
Ch4
Ch5
Ch6
Ch7
Ch8
Ch9
Ch10
Ch11
Ch12
Process
C1
B1
A1
L1+
L1-
C2
B2
A2
C3
B3
A3
C4
B4
A4
C5
B5
A5
C6
B6
A6
C7
B7
A7
C8
B8
A8
L2+
L2-
+
-
+
-
+
-
+
-
I1
ZP
I3
I4
ZP
ZP
ZP
ZP
ZP
ZP
ZP
I5
I7
I9
I11
I13
I15
I6
I8
I10
I12
I14
I16
I2
U15, U16
U13, U14
U11, U12
U9, U10
U7, U8
U5, U6
U1, U2
U3, U4
ZP
ZP
ZP
ZP
ZP
ZP
ZP
ZP
L1+
L2+
(or TU814)
Supervise

DI840 Digital Input Module Appendix A Specifications
314 3BSE 020 924R4101
Figure A-73 shows the process connections for the Digital Input Module DI840
when installed on a TU812 Compact MTU.
Figure A-73 DI840 with TU812 Compact MTU Process Connections
Ch1
Ch2
Ch3
Ch4
Ch9
Ch10
Ch11
Ch12
Ch13
Ch14
Ch15
Ch16
+24V
Ch5
Ch6
Ch7
Ch8
DI840
TU812
EM
I1
ZP
I3
I4
ZP
ZP
ZP
ZP
ZP
ZP
ZP
I5
I7
I9
I11
I13
I15
I6
I8
I10
I12
I14
I16
I2
U15, U16
U13, U14
U11, U12
U9, U10
U7, U8
U5, U6
U1, U2
U3, U4
0V
+24V
0V
Process
3
16
4
17
7
20
8
21
9
22
10
23
11
24
12
25
1
5
18
2
6
19
14
15
13
3
16
4
17
7
20
8
21
9
22
10
23
11
24
12
25
1
5
18
2
6
19
14
15
13EM
S1
S2
S3
S4
S9
S10
S11
S12
S13
S14
S15
S16
UP2
ZP2
UP1
S5
S6
ZP1
S7
S8
UP2
ZP2
UP1
ZP1
Connection
Supervise

Appendix A Specifications DI840 Digital Input Module
3BSE 020 924R4101 315
Figure A-74 shows the process connections for the Digital Input Module DI840
when installed on a TU842 or TU843 Redundant MTU.
Figure A-74 DI840 with TU842 or TU843 Redundant MTU Process Connections
DI840
I1
ZP
I3
I4
ZP
ZP
ZP
ZP
ZP
ZP
ZP
I5
I7
I9
I11
I13
I15
I6
I8
I10
I12
I14
I16
I2
TU842/TU843
EM
U15, U16
U13, U14
U11, U12
U9, U10
+24V
0V
U7, U8
U5, U6
U1, U2
U3, U4
+24V
0V
Ch16
Ch15
Ch14
Ch13
Ch1
Ch2
U4
Ch4
U6
Ch6
Ch7
Ch8
Ch9
Ch10
Ch11
Ch12
Process
+
-
+
-
+
-
+
-
ZP
ZP
ZP
ZP
U8
Ch5
U2
Ch3
L1+
L1+
L1-
L1-
L2+
L2+
L2-
L2-
B2
C1
C2
A1,A2
B4
C3
C4
A3,A4
B6
C5
C6
A5,A6
B8
C7
C8
A7,A8
B10
C9
C10
A9,A10
B12
C11
C12
A11,A12
B14
C13
C14
A13,A14
B16
C15
C16
A15,A16
ZP
ZP
ZP
ZP
U14
U12
U10
U16
Supervise
B1
B3
B5
B9
B7
B11
B13
B15
U1
Supervise
ZP
I16
DI840
ZP
I1
I2
I15
U15
U16
U2
- - -
EM

DI880 High Integrity Digital Input Module Appendix A Specifications
316 3BSE 020 924R4101
A.26 DI880 High Integrity Digital Input Module
A.26.0.1 Features
• 16 channels for 24 V d.c. inputs with current sinking.
• 1 group of 16 isolated from ground.
• Input status indicators.
• Advanced on-board diagnostics.
• EMC protection.
• Sequence of events.
• DIN rail mounting.
• Redundant or single configuration.
• Transducer power distribution.
• Certified for SIL3 according to EN 61508.
• Certified for AK6 according to DIN V 19250 /
DIN V VDE 0801-AK6.
• Certified for Category 4 according to EN 954-1.
A.26.0.2 Description
The DI880 is a 16 channel 24 V d.c. digital input module for single or redundant
configuration. The input voltage range is 18 to 30 V d.c. and the input current is
7 mA at 24 V d.c.
Each input channel consists of current limiting components, EMC protection
components, input state indication LED and optical isolation barrier.
There is one current limited transducer power output per input.
The Sequence of Event function (SOE) can collect events with a resolution of 1 ms.
The event queue can contain up to 32 x 16 events. The function include a Shutter
filter for suppression of unwanted events.

Appendix A Specifications DI880 High Integrity Digital Input Module
3BSE 020 924R4101 317
The SOE function can report the following status in the event message: Channel
value, Queue full, Synchronization jitter, Uncertain time, Shutter filter active and
Channel error.
The input signals can be digitally filtered. The filter is selectable from 0 to 127 ms.
This means that pulses shorter than the filter time will be filtered out and pulses
longer than specified will get through the filter.
Five different types of MTUs can be used for single applications. The Extended
MTU (for example TU830) enables three wire connection to the transducers without
additional terminals. The Compact MTU (for example TU810 or TU 814) has
terminals for process voltage supervision inputs, but requires external terminals for
distribution of process power supply to the transducers. The extended MTU,
TU838, provide a fuse (3 A max.) per two channels for process power out. The
TU812 Compact MTU has a D-Sub 25 pin (male) connector for connection to the
process.
For redundant applications there are two types of MTUs, TU842 for mounting on a
horizontal DIN rail and TU843 for mounting on a vertical DIN rail.
Self-diagnostic Functions
The module cyclically performs comprehensive self-diagnostic. Detected failures
are grouped and reported as described below:
• Errors in External power supply will be reported as External error.
• Errors in circuits only affecting specific channels on the module (short circuits,
open circuits, stuck-at faults) will be reported as Internal channel error.
• Errors in internal power supplies, Errors in micro controller, FPGA and
Memory will be reported as Module Error.

DI880 High Integrity Digital Input Module Appendix A Specifications
318 3BSE 020 924R4101
Four LEDs indicate module status Fault (Red), Run (Green), Warning (Yellow) and
Primary (Yellow):
• The RUN LED starts flashing when the module is ready to be configured and is
steady lit when the module has reached operational state.
• The WARNING LED indicates external errors or internal channel errors.
• The FAULT LED indicates that there is Module errors present or that the
module is in Init state.
• The PRIMARY LED indicates that the module is primary (in a redundant pair).

Appendix A Specifications DI880 High Integrity Digital Input Module
3BSE 020 924R4101 319
A.26.0.3 Technical Data
Table A-54 DI880 High Integrity Digital Input Module Specifications
Feature DI880
Digital Input Module
Number of channels 16, current sinking
Rated voltage
(Process power supply range) 24 V d.c.
(19.2 to 30 V)
Input voltage range, “1” 11 to 30 V
Input voltage range, “0” -30 to +5 V
Nominal input channel current 7 mA @ 24 V d.c.
Input current, “1” > 3 mA
Input current, “0” < 1.5 mA
Input impedance 3.1 kΩ
Maximum field cable length 600 m (656 yd.)
Filter times (digital, selectable) 0 to 127 ms
Shutter filter:
Shutter period
Shutter trigger
Recovery time
1 - 255 s (default 0, means deactivated
filter)
1...255 changes (default 4)
0 - 65535 s (default 0, means
deactivated filter)
Event recording resolution 1 ms
Transducer power (per input) 30 mA (max)
Current consumption +5 V 125 mA (max)
Current consumption +24 V (field
supply) 15 mA + transducer power
Power dissipation 2.4 W

DI880 High Integrity Digital Input Module Appendix A Specifications
320 3BSE 020 924R4101
Maximum ambient temperature 55/40°C
(131/104°F)
Isolation Yes, opto
Mounting termination units TU810, TU812, TU814, TU830, TU838,
TU842, TU843
MTU keying code FF
Event recording accuracy -0 ms / +1.3 ms
Equipment class Class I according to IEC 61140; (earth
protected)
Protection rating IP20 according to IEC 60529
Rated insulation voltage 50 V
Dielectric test voltage 500 V a.c.
Width 45 mm (1.77”)
Depth 97 mm (3.8”), 106 mm (4.2”) including
connector
Height 119 mm (4.7”)
Weight 0.15 kg (0.33 lbs.)
Table A-54 DI880 High Integrity Digital Input Module Specifications (Continued)
Feature DI880
Digital Input Module

Appendix A Specifications DI880 High Integrity Digital Input Module
3BSE 020 924R4101 321
A.26.0.4 Block Diagram DI880
S1
S2
F
R
W
MCU
FPGA
1
16
Current
Limiter
U1
U2
UP
CH1
Current
Limiter
U15
U16
UP
CH15
CH16
S15
S16
UP
ZP
EM
CH2
Current
Limiter
UP
P
Module Bus Module Bus
Current
Limiter
UP

DI880 High Integrity Digital Input Module Appendix A Specifications
322 3BSE 020 924R4101
A.26.0.5 Process Connections
Table A-55 DI880 Process Connections
Process
Connection
TU810
(or TU814)
Terminal
TU812
D-Sub 25 Male
Connector (1)
TU830/
TU833
Terminal
TU838
Terminal
TU842
TU843
Terminal
+24 V d.c. L1+ (2) 1, 14 L1+ (2) L1+ (2) L1+
0 V d.c. L1- 2, 15 L1- (2) L1- (2) L1-
Ch1/Ch 2, L1+ - - B1, B2 A1 (F1) B1, B2
Ch1 Input C1 3 C1 B1 C1
Ch 2 Input B1 16 C2 B2 C2
Ch1/Ch2, L1- A1 - A1, A2 A2 A1, A2
Ch 3/Ch 4, L1+ - - B3, B4 A3 (F2) B3, B4
Ch 3 Input C2 4 C3 B3 C3
Ch 4 Input B2 17 C4 B4 C4
Ch 3/Ch 4, L1- A2 - A3, A4 A4 A3, A4
Ch 5/Ch 6, L1+ - - B5, B6 A5 (F3) B5, B6
Ch 5 Input C3 5 C5 B5 C5
Ch 6 Input B3 18 C6 B6 C6
Ch 5/Ch 6, L1- A3 - A5, A6 A6 A5, A6
Ch 7/Ch 8, L1+ - - B7, B8 A7 (F4) B7, B8
Ch 7 Input C4 6 C7 B7 C7
Ch 8 Input B4 19 C8 B8 C8
Ch 7/Ch8, L1- A4 - A7, A8 A8 A7, A8
Ch 9/Ch 10, L2+ - - B9, B10 A9 (F5) B9, B10
Ch 9 Input C5 7 C9 B9 C9

Appendix A Specifications DI880 High Integrity Digital Input Module
3BSE 020 924R4101 323
Ch 10 Input B5 20 C10 B10 C10
Ch 9/Ch 10, L2- A5 - A9, A10 A10 A9, A10
Ch 11/Ch 12, L2+ - - B11, B12 A11 (F6) B11, B12
Ch 11 Input C6 8 C11 B11 C11
Ch 12 Input B6 21 C12 B12 C12
Ch 11/Ch 12, L2- A6 - A11, A12 A12 A11, A12
Ch 13/Ch 14, L2+ - - B13, B14 A13 (F7) B13, B14
Ch 13 Input C7 9 C13 B13 C13
Ch 14 Input B7 22 C14 B14 C14
Ch 13/Ch 14, L2- A7 - A13, A14 A14 A13, A14
Ch 15/ Ch16, L2+ - - B15, B16 A15 (F8) B15, B16
Ch 15 Input C8 10 C15 B15 C15
Ch 16 Input B8 23 C16 B16 C16
Ch 15/Ch16, L2- A8 - A15, A16 A16 A15, A16
+24 V d.c. L2+ (2) 11, 24 L2+ (2) L2+ (2) L2+
0 V d.c. L2- 12, 25 L2- (2) L2- (2) L2-
(1) Pin 13 connected to connector body for EM.
Table A-55 DI880 Process Connections (Continued)
Process
Connection
TU810
(or TU814)
Terminal
TU812
D-Sub 25 Male
Connector (1)
TU830/
TU833
Terminal
TU838
Terminal
TU842
TU843
Terminal

DI880 High Integrity Digital Input Module Appendix A Specifications
324 3BSE 020 924R4101
Figure A-75 shows the process connections for the High Integrity Digital Input
Module DI880 when installed on a TU830 Extended MTU.
Figure A-75 DI880 with TU830 Extended MTU Process Connections
DI880
I1
ZP
I3
I4
ZP
ZP
ZP
ZP
ZP
ZP
ZP
I5
I7
I9
I11
I13
I15
I6
I8
I10
I12
I14
I16
I2
TU830/TU833
EM
U15, U16
U13, U14
U11, U12
U9, U10
+24V
0V
U7, U8
U5, U6
U1, U2
U3, U4
+24V
0V
Ch16
Ch15
Ch14
Ch13
Ch1
Ch2
Ch3
Ch4
Ch5
Ch6
Ch7
Ch8
Ch9
Ch10
Ch11
Ch12
Process
+
-
+
-
+
-
+
-
L1-
L1-
L1-
L1-
L1+
L1+
L1+
L1+
L1+
L1+
L1-
L1-
L2+
L2+
L2-
L2-
B1,B2
C1
C2
A1,A2
B3,B4
C3
C4
A3,A4
B5,A6
C5
C6
A5,A6
B7,B8
C7
C8
A7,A8
B9,B10
C9
C10
A9,A10
B11,B12
C11
C12
A11,A12
B13,B14
C13
C14
A13,A14
B15,A16
C15
C16
A15,A16
L2-
L2-
L2-
L2-
L2+
L2+
L2+
L2+
Supervise

Appendix A Specifications DI880 High Integrity Digital Input Module
3BSE 020 924R4101 325
Figure A-76 shows the process connections for the High Integrity Digital Input
Module DI880 when installed on a TU838 Extended MTU.
Figure A-76 DI880 with TU838 Extended MTU Process Connections
F4
F3
F2
F1
F5
F6
DI880
I1
ZP
I3
I4
ZP
ZP
ZP
ZP
ZP
ZP
ZP
I5
I7
I9
I11
I13
I15
I6
I8
I10
I12
I14
I16
I2
TU838
EM
U15, U16
U13, U14
U11, U12
U9, U10
+24V
0V
U7, U8
U5, U6
U1, U2
U3, U4
+24V
0V
Ch16
Ch15
Ch14
Ch13
Ch1
Ch2
Ch3
Ch4
Ch5
Ch6
Ch7
Ch8
Ch9
Ch10
Ch11
Ch12
Process
F8
+
-
+
-
+
-
+
-
L1-
L1-
L1-
L1-
L1+
L1+
L1+
L1+
L1+
L1+
L1-
L1-
L2+
L2+
L2-
L2-
A1
B1
B2
A2
A3
B3
B4
A4
A5
B5
B6
A6
A7
B7
B8
A8
A9
B9
B10
A10
A11
B11
B12
A12
A13
B13
B14
A14
A15
B15
B16
A16
L2-
L2-
L2-
L2-
L2+
L2+
L2+
L2+
Supervise
F7

DI880 High Integrity Digital Input Module Appendix A Specifications
326 3BSE 020 924R4101
Figure A-77 shows the process connections for the High Integrity Digital Input
Module DI880 when installed on a TU810 or TU814 Compact MTU.
Figure A-77 DI880 with TU810 or TU814 Compact MTU Process Connections
DI880
TU810
EM
+24V
0V
+24V
0V
Ch16
Ch15
Ch14
Ch13
Ch1
Ch2
Ch3
Ch4
Ch5
Ch6
Ch7
Ch8
Ch9
Ch10
Ch11
Ch12
Process
C1
B1
A1
L1+
L1-
C2
B2
A2
C3
B3
A3
C4
B4
A4
C5
B5
A5
C6
B6
A6
C7
B7
A7
C8
B8
A8
L2+
L2-
+
-
+
-
+
-
+
-
I1
ZP
I3
I4
ZP
ZP
ZP
ZP
ZP
ZP
ZP
I5
I7
I9
I11
I13
I15
I6
I8
I10
I12
I14
I16
I2
U15, U16
U13, U14
U11, U12
U9, U10
U7, U8
U5, U6
U1, U2
U3, U4
L1-
L1-
L1-
L1-
L2-
L2-
L2-
L2-
L1+
L2+
(or TU814)
Supervise

Appendix A Specifications DI880 High Integrity Digital Input Module
3BSE 020 924R4101 327
Figure A-78 shows the process connections for the High Integrity Digital Input
Module DI880 when installed on a TU812 Compact MTU.
Figure A-78 DI880 with TU812 Compact MTU Process Connections
Ch1
Ch2
Ch3
Ch4
Ch9
Ch10
Ch11
Ch12
Ch13
Ch14
Ch15
Ch16
+24V
Ch5
Ch6
Ch7
Ch8
DI880
TU812
EM
I1
ZP
I3
I4
ZP
ZP
ZP
ZP
ZP
ZP
ZP
I5
I7
I9
I11
I13
I15
I6
I8
I10
I12
I14
I16
I2
U15, U16
U13, U14
U11, U12
U9, U10
U7, U8
U5, U6
U1, U2
U3, U4
0V
+24V
0V
Process
3
16
4
17
7
20
8
21
9
22
10
23
11
24
12
25
1
5
18
2
6
19
14
15
13
3
16
4
17
7
20
8
21
9
22
10
23
11
24
12
25
1
5
18
2
6
19
14
15
13EM
S1
S2
S3
S4
S9
S10
S11
S12
S13
S14
S15
S16
UP2
ZP2
UP1
S5
S6
ZP1
S7
S8
UP2
ZP2
UP1
ZP1
Connection
Supervise

DI880 High Integrity Digital Input Module Appendix A Specifications
328 3BSE 020 924R4101
Figure A-79 shows the process connections for the High Integrity Digital Input
Module DI880 when installed on a TU842 or TU843 Redundant MTU.
Figure A-79 DI880 with TU842 or TU843 Redundant MTU Process Connections
DI880
I1
ZP
I3
I4
ZP
ZP
ZP
ZP
ZP
ZP
ZP
I5
I7
I9
I11
I13
I15
I6
I8
I10
I12
I14
I16
I2
TU842/TU843
EM
U15, U16
U13, U14
U11, U12
U9, U10
+24V
0V
U7, U8
U5, U6
U1, U2
U3, U4
+24V
0V
Ch16
Ch15
Ch14
Ch13
Ch1
Ch2
L1+
Ch4
L1+
Ch6
Ch7
Ch8
Ch9
Ch10
Ch11
Ch12
Process
+
-
+
-
+
-
+
-
L1-
L1-
L1-
L1-
L1+
Ch5
L1+
Ch3
L1+
L1+
L1-
L1-
L2+
L2+
L2-
L2-
B2
C1
C2
A1,A2
B4
C3
C4
A3,A4
B6
C5
C6
A5,A6
B8
C7
C8
A7,A8
B10
C9
C10
A9,A10
B12
C11
C12
A11,A12
B14
C13
C14
A13,A14
B16
C15
C16
A15,A16
L2-
L2-
L2-
L2-
L2+
L2+
L2+
L2+
Supervise
B1
B3
B5
B9
B7
B11
B13
B15
U1
Supervise
ZP
I16
DI880
ZP
I1
I2
I15
U15
U16
U2
- - -
EM

Appendix A Specifications DI885 Digital Input Module, 24 V /48 V d.c. with SOE, Current Sinking
3BSE 020 924R4101 329
A.27 DI885 Digital Input Module, 24 V /48 V d.c. with SOE,
Current Sinking
A.27.0.1 Features
• 8 channels for 24/48 V d.c. inputs with current sinking
• Input status indicators
• Sequence of event (SOE) functionality
• External 24 or 48 V d.c. sensor power supply
• Internal 48 V d.c. sensor power supply
• Short circuit protection to ground and 48 Volt
• Channel supervision
• Sensor power supply supervision
• Shutter filter
• EMC protection
• DIN rail mounting.
A.27.0.2 Description
The DI885 is a 8 channel 24/48 V digital input module for the S800 I/O. This
module has 8 digital inputs. The input voltage range is 11.8 - 60 V d.c. and the input
current is 1.6 mA at 24 V d.c., (3.2 mA at 48 V d.c.).
Every input channel consists of current limiting components, EMC protection
components, input state indication LED and optical isolation barrier.
Three LEDs indicate module status Fault (Red), Run (Green) and Warning
(Yellow). One LED (Yellow) per channel (8) indicate input state (On = 1 and
Off = 0). The RUN LED indicates normal operation and the WARNING LED
indicates if any error input is active. The FAULT LED indicates that the module is
in the Init state, Error state or Not Configured state. In Not configured state the
FAULT LED is turned off after the first valid access to the module.
DI885
24V/48V
6
7
8
F
R
W
1
2
3
4
5

DI885 Digital Input Module, 24 V /48 V d.c. with SOE, Current Sinking Appendix A Specifications
330 3BSE 020 924R4101
The sensor power supply supervision gives an error signal if the voltage disappears,
and the Warning LED turns on. The error signal can be read via the Modulebus.
The reset circuitry gives a reset signal when the module is inserted until the BLOCK
signal is inactive and the POWOK signal is active. The BLOCK signal is
deactivated when the module lock mechanism is in the locked position. The
POWOK comes from the ModuleBus master after power is applied.
The input signals of the input module DI885 can be filtered to suppress any
electrical interference or contact bounce.The filter is selectable from 0 to 255 ms.
This means that noise pulses shorter than the filter time will be filtered out and
pulses longer than specified will get through the filter.
Four different types of MTUs can be used. TheTU830 Extended MTU and the
TU810 (or TU814) Compact MTU has terminals for process voltage inputs and
three terminals per channel. The TU812 Compact MTU has a D-Sub 25 pin (male)
connector for connection to the process.
A.27.0.3 Event Recording
The DI885 Input Module can be used for event recording (SOE), that is, changing
signals at digital input channels can be announced together with a time stamp
indicating when it occurred. The time stamp has a resolution of 1 millisecond, and is
compensated for the filter time.
The module has intermediate storage for 32 events.
The SOE functionality can be switched on and off per channel.
For all channels with enabled SOE capability, a shutter filter is implemented that
prevents intermediate storage for events from overflow. The shutter filter is closed
as soon as the number of events generated within the shutter period (0-255 seconds)
exceeds the shutter trigger number (0-255 changes). The shutter filter remains
closed as long as the recovery time (0-65535 seconds) has not expired.
A.27.0.4 Simple Digital Input
If no event recording is used, the DI885 acts like a simple digital input device.

Appendix A Specifications DI885 Digital Input Module, 24 V /48 V d.c. with SOE, Current Sinking
3BSE 020 924R4101 331
A.27.0.5 Channel Supervision
The DI885 is able to supervise the process channel regarding wire break of sensor
cable, missing sensor and short circuit of sensor voltage to module ground.
The supervision can be switched on and off per device. The channel supervision is
only possible when the contact is equipped with a parallel resistor of 47 kΩ ±20%,
and 48 V sensor power.
A.27.0.6 Sensor Power Supply and Supervision
The DI885 provides a 48 V d.c. sensor power supply per device.
The DC/DC - converter for 48 V d.c. supply can be powered from the internal 24 V
d.c. provided by the ModuleBus or from an external source.
The power supply is short-circuit proof and galvanically insulated.
It is also possible to supply the sensors with an external 48 V d.c. power supply. In
this case the internal voltage path is switched off.
A.27.0.7 Supported Sensor Types
The following sensor types are supported by the DI885.
Dry Contacts supervised: 48 V d.c./ 3,2 mA
The supervision is only possible for contacts with resistor connected in parallel.
Supervision is always available within internal sensor power supply. Supervision in
connection with external sensor power supply requires the same strict limits in the
tolerances of the external supply voltage as for internal supply voltage (48 V d.c.
±10%)
Dry Contacts not supervised with external Power Supply: >= 60 V d.c./
max. 4 mA
The maximum input voltage of 60 V DC must be kept strictly.

DI885 Digital Input Module, 24 V /48 V d.c. with SOE, Current Sinking Appendix A Specifications
332 3BSE 020 924R4101
Electronic Inputs not supervised: 24 V d.c./ 1.6 mA
Only in combination with external power supply.
Open Collector Drivers (Current sourcing) not supervised: 24 V DC / 1.6 mA
Only in combination with external power supply.

Appendix A Specifications DI885 Digital Input Module, 24 V /48 V d.c. with SOE, Current Sinking
3BSE 020 924R4101 333
A.27.0.8 Technical Data
Table A-56 DI885 Digital Input Module Specifications
Feature DI885
Digital Input Module
Number of channels 8, current sinking
Power supply:
Nominal voltage
Operating voltage range 24 V d.c.
19.2 to 30 V d.c.
Process Power supply: (UP)
Nominal voltage with internal supply
Voltage range with external supply 48 V d.c.+/- 10%
18 V d.c. - 60 V d.c.
Input voltage range, “1” >+ 11.2 V d.c.... <+ 60 V d.c.
Input voltage range, “0” -30 V d.c. ... <+5 V d.c.
Nominal input channel current, “1” 0.8 mA... <4 mA
Nominal input channel current, “0” <0.3 mA
Input impedance 15 kOhm
Maximum field cable length 600 meters, (656 yd.)
Bounce filter times (digital, selectable) 0 to 255 ms
Event recording resolution 1 ms
Event recording accuracy -0.5 ms to +1.3 ms
Shutter filter
Shutter period
Shutter trigger
Recovery time
0... 255 s
0.. 255 changes
0... 65535 s
Process voltage supervision per device

DI885 Digital Input Module, 24 V /48 V d.c. with SOE, Current Sinking Appendix A Specifications
334 3BSE 020 924R4101
Current consumption
5 V
24 V internal
24 V external
48 V external
160 mA
91 mA
91 mA
22 mA
Power dissipation (1) 3 W
Maximum ambient temperature 55/40°C
(131/104°F)(2)
Isolation Yes, opto
Module termination units TU810, TU812, TU814 or TU830
MTU keying code BF
Equipment class Class I according to IEC 61140; (earth
protected)
Protection rating IP20 according to IEC 60529
Rated insulation voltage 50 V
Dielectric test voltage 500 V a.c.
Width 45 mm (1.77”)
Depth 97 mm (3.8”), 106 mm (4.2”) including
connector
Height 119 mm (4.7”)
Weight 0.22 kg (0.48 lbs.)
(1) Power dissipation is calculated with 70 percent of the channels activated at nominal voltage of
24/48 Volts.
(2) 40°C (104°F) applies to compact MTUs with I/O-modules or S800L-modules mounted on
vertical DIN rail.
Table A-56 DI885 Digital Input Module Specifications (Continued)
Feature DI885
Digital Input Module

Appendix A Specifications DI885 Digital Input Module, 24 V /48 V d.c. with SOE, Current Sinking
3BSE 020 924R4101 335
A.27.0.9 Block Diagram DI885
+5VI
+5V
POWER-OK
0V
DAT
DAT-N
POS0-9
X2
CH 1
CH 2
RUN
WARNING
EMC-
BLOCK
ERROR 1-8
CH 8
I 1
I 2
I 8
.
24V SUPER-
VISION
BARRIER
Process Connector
EEPROM
RS-485
RESET
L1-
X1
Modulebus Connector
L1-
L1+
L1+
L1+
FAULT
ASIC
MBI-2
.
.
.
(CPU)
RAM
1
8
24V d.c.
.
.
.
.
.
EM
24V
24V
48V
L1+
48V d.c.
Power
Switch
L1-

DI885 Digital Input Module, 24 V /48 V d.c. with SOE, Current Sinking Appendix A Specifications
336 3BSE 020 924R4101
A.27.0.10 Process Connections
Table A-57 DI885 Process Connections
Process
Connection
TU810
(or TU814)
Terminal
TU812
D-Sub 25 male
Connector (1)
(1) Pin 13 connected to connector body for EM.
TU830/TU833
Terminal
+24 V d.c. ext. L1+ (2) 1, 14 L1+ (2)
0 V d.c. L1-, L2- 2, 15 L1- (2), L2- (2)
Ch1 +48 V B1 16 C2
Ch1 Input C1 3 C1
Ch 2 +48 V B2 17 C4
Ch 2 Input C2 4 C3
Ch 3 +48 V B3 18 C6
Ch 3 Input C3 5 C5
Ch 4 +48 V B4 19 C8
Ch 4 Input C4 6 C7
Ch 5 +48 V B5 20 C10
Ch 5 Input C5 7 C9
Ch 6 +48 V B6 21 C12
Ch 6 Input C6 8 C11
Ch 7 +48 V B7 22 C14
Ch 7 Input C7 9 C13
Ch 8 +48 V B8 23 C16
Ch8 Input C8 10 C15
+48 V ext. L2+ (2) 11, 24 L2+ (2)

Appendix A Specifications DI885 Digital Input Module, 24 V /48 V d.c. with SOE, Current Sinking
3BSE 020 924R4101 337
Figure A-80 shows the process connections for the Digital Input Module DI885
when installed on a TU830 Extended MTU.
Figure A-80 DI885 with TU830 Extended MTU Process Connections
DI885
I1
L-
I2
L+
L-
L-
L-
I3
I4
I5
I6
I7
I8
L+
L+
L+
L+
L+
L+
L+
TU830/TU833
EM
Process
6.3 A
Fuse
6.3 A
Fuse
L1+
L1+
L1-
L1-
L2+
L2+
L2-
L2-
C1
C2
A1,A2
C3
C4
A3,A4
C5
C6
A5,A6
C7
C8
A7,A8
C9
C10
A9,A10
C11
C12
A11,A12
C13
C14
A13,A14
C15
C16
A15,A16
+
_
24V +
_
48V
24V+
0V
Pwr.
Sup.
48V+
0V
Pwr.
Sup.
47K Ch1
48V
L1-
Ch2
48V
L1-
Ch3
48V
L1-
Ch4
48V
L1-
Ch5
48V
Ch6
48V
Ch7
48V
Ch8
48V
47K

DI885 Digital Input Module, 24 V /48 V d.c. with SOE, Current Sinking Appendix A Specifications
338 3BSE 020 924R4101
Figure A-81 shows the process connections for the DI885 when installed on a
TU810 or TU814 Compact MTU.
Figure A-81 DI885 with TU810 or TU814 Compact MTU Process Connections
DI885
I1
L-
I2
L+
L-
L-
L-
I3
I4
I5
I6
I7
I8
L+
L+
L+
L+
L+
L+
L+
EM
+
_
24V +
_
48V
TU810Process
C1
B1
A1
L1+
L1-
C2
B2
A2
C3
B3
A3
C4
B4
A4
C5
B5
A5
C6
B6
A6
C7
B7
A7
C8
B8
A8
L2+
L2-
L1+
L2+
24V+
0V
Pwr.
Sup.
48V+
0V
Pwr.
Sup.
Ch1
48V
L1-
Ch2
48V
L1-
Ch3
48V
L1-
Ch4
48V
L1-
Ch5
48V
Ch6
48V
Ch7
48V
Ch8
48V
47K
47K
(or TU814)

Appendix A Specifications DI885 Digital Input Module, 24 V /48 V d.c. with SOE, Current Sinking
3BSE 020 924R4101 339
Figure A-82 shows the connections for the DI885 when installed on a TU812.
Figure A-82 DI885 with TU812 Compact MTU Process Connections
DI885
I1
L-
I2
L+
L-
L-
L-
I3
I4
I5
I6
I7
I8
L+
L+
L+
L+
L+
L+
L+
EM
+
_
24V +
_
48V
TU812
Process
3
16
4
17
7
20
8
21
9
22
10
23
11
24
12
25
1
5
18
2
6
19
14
15
13 EM
Ch1 I
3
Ch1
16
Ch2 I
4
Ch2
17
Ch5 I
7
Ch5
20
Ch6 I
8
Ch6
21
Ch7 I
9
Ch7
22
Ch8 I
10
Ch8
23
+48 V
11
24
0V
12
25
+24V
1
Ch3 I
5
Ch3
18
0V
2
Ch4 I
6
Ch4
19
14
15
13 EM
S1
S2
S3
S4
S9
S10
S11
S12
S13
S14
S15
S16
UP2
ZP2
UP1
S5
S6
ZP1
S7
S8
UP2
ZP2
UP1
ZP1
Connection

DO801 Digital Output Module 24 V, 0.5 A, Current Sourcing Appendix A Specifications
340 3BSE 020 924R4101
A.28 DO801 Digital Output Module 24 V, 0.5 A, Current
Sourcing
A.28.0.1 Features
• 16 channels for 24 V d.c.
current sourcing outputs
• 1isolated groups of 16
channels
• Output status indicators
• OSP sets outputs to
predetermined state upon
communication error
• Short-circuit protection to
ground and 30 V
• Over-voltage and over-
temperature protection
• EMC protection
• DIN rail mounting
• Process and power
connection via detachable
connectors
A.28.0.2 Description
The DO801 is a 16 channel 24 V
digital output module for the
S800 I/O. The output voltage range is 10 to 30 volt and the maximum continuous
output current is 0.5 A. The outputs are protected against short circuits, over voltage
and over temperature. The outputs are in one isolated group.
Each output channel consists of a short circuit and over temperature protected high
side driver, EMC protection components, inductive load suppression, output state
indication LED and optical isolation barrier.
DO801
24V 0.5A
L+ L- 24V
STATUS
S1 2 14 161312 15111093456 78
1 2 14 161312 1511109345678

Appendix A Specifications DO801 Digital Output Module 24 V, 0.5 A, Current Sourcing
3BSE 020 924R4101 341
One STATUS LED indicate module status green/red. One LED (Yellow) per
channel (16) indicate output state (On = 1 and Off = 0). The Status LED green
indicates normal operation. The STATUS LED red indicates that the module is in
Init state or Not Configured state. In Not Configured state the STATUS LED is
turned off after the first valid access to the module.
The outputs of the module will be set to a predetermined value if the OSP-watchdog
timer expires or if the SetOSPState command is received. The watchdog timer is set
by the controller and is used for ModuleBus supervision. The watchdog timer is re-
triggered every time the correct module address has been decoded (or broadcast). If
the watchdog timer expires or if the SetOSPState command is received, the module
enters the OSP state and the active outputs (if any) are set to their OSP values which
can be configured as a predefined value or to use the last good value sent.
The output values will be kept as long as the module stays in the OSP state. To
change the outputs the module first has to leave this state. When reentering
Operational State, the outputs are still kept with their OSP value until new valid
values are written.
The reset circuitry gives a reset signal when the POWOK signal is active. The
POWOK comes from the ModuleBus master after power is applied.
The outputs are current limited and protected against over temperature. If the
outputs are overloaded the output current will be limited. This means that the power
dissipation in the output stage will increase and the output will shutdown if the
temperature in the output stage increases above 150 °C (302 °F). The output will
switch on again automatically as the component temperature has decreased to about
140 °C (284 °F). If any output is shutdown due to overload the indication LED on
that channel is not switched off. The output status of that channel can not be read
from the module.

DO801 Digital Output Module 24 V, 0.5 A, Current Sourcing Appendix A Specifications
342 3BSE 020 924R4101
A.28.0.3 Technical Data
Table A-58 DO801 Digital Output Module Specifications
Feature DO801
Digital Output Module
Number of channels 16 (1 x 16)
Type of output Transistor current source,
current limited
Voltage range 12 - 32 V d.c.
Load current, maximum 0.5 A
Short circuit current, maximum 2.4 A
Leakage current, maximum <10 µa
Signal delay <0.2 ms
Output impedance <0.4 ohm
Maximum Field Cable Length 600 meters (656 yd.)
Current consumption +5 V 80 mA
Power dissipation (1) 2.1 W
Maximum ambient temperature 55/40°C
(131/104°F)(2)
Output Set as Predetermined (OSP)
timer 256, 512, 1024 ms
Isolation Groupwise isolated from ground
(RIV=50 V)
Equipment class Class I according to IEC 61140; (earth
protected)
Protection rating IP20 according to IEC 60529
Rated insulation voltage 50 V
Dielectric test voltage 500 V a.c.

Appendix A Specifications DO801 Digital Output Module 24 V, 0.5 A, Current Sourcing
3BSE 020 924R4101 343
Acceptable wire sizes Solid: 0.05-2.5mm2, 30-12 AWG
Stranded: 0.05-1.5mm2, 30-12 AWG
Recommended torque: 0.8 Nm
Stripping length: 6-7.5 mm, 0.24-0.30 in
Width 86.1 mm (3.4”)
Depth 58.5 mm (2.3”)
Height 110 mm (4.33”)
Weight 0.24 kg (0.53 lbs.)
(1) Power dissipation is calculated with 70 percent of the channels activated.
(2) 40°C (104°F) applies to compact MTUs with I/O-modules or S800L-modules mounted on
vertical DIN rail.
Table A-58 DO801 Digital Output Module Specifications (Continued)
Feature DO801
Digital Output Module

DO801 Digital Output Module 24 V, 0.5 A, Current Sourcing Appendix A Specifications
344 3BSE 020 924R4101
A.28.0.4 Block Diagram DO801
+5V
POWER-OK
0V
DAT
DAT-N
POS0-9
CH1
CH2
STATUS
BLOCK
CH15
.
.
.
O1
O2
O9
.
O16
Process Connector
MBI
CH16
L+
L-
Power
connector
Output
drivers

Appendix A Specifications DO801 Digital Output Module 24 V, 0.5 A, Current Sourcing
3BSE 020 924R4101 345
A.28.0.5 Process Connections
Table A-59 DO801 Process Connections
Process
Connection Process
Terminal
Ch 1 Output 1
Ch 2 Output 2
Ch 3 Output 3
Ch 4 Output 4
Ch 5 Output 5
Ch 6 Output 6
Ch 7 Output 7
Ch 8 Output 8
Ch 9 Output 9
Ch 10 Output 10
Ch 11 Output 11
Ch 12 Output 12
Ch 13 Output 13
Ch 14 Output 14
Ch 15 Output 15
Ch 16 Output 16

Appendix A Specifications DO802 Digital Output Module, 24-250 V, Relay Normally Open
3BSE 020 924R4101 347
A.29 DO802 Digital Output Module, 24-250 V, Relay
Normally Open
A.29.0.1 Features
• 8 channels for 110 V
d.c./250 V a.c. relay
Normally Open (NO)
outputs
• 8 isolated channels
• Output status indicators
• OSP sets outputs to
predetermined state upon
error detection
• EMC protection
• DIN rail mounting
• Process connection via
detachable connectors
A.29.0.2 Description
The DO802 is an 8 channel 110 V
d.c./250 V a.c. relay (NO) output
module for the S800 I/O. The
maximum voltage range is 250
volt and the maximum continuous
output current is 2 A.
All outputs are individually
isolated.
Each output channel consists of optical isolation barrier, output state indication
LED, relay driver, relay and EMC protection components.
One STATUS LED indicate module status green/red. One LED (Yellow) per
channel (8) indicate output state (On = 1 and Off = 0). The Status LED green
DO802
Relay 24-250V
STATUS
1 8765234
A BA BA BA BA BA BA BA B
S87123456

DO802 Digital Output Module, 24-250 V, Relay Normally Open Appendix A Specifications
348 3BSE 020 924R4101
indicates normal operation. The STATUS LED red indicates that the module is in
Init state or Not Configured state. In Not Configured state the STATUS LED is
turned off after the first valid access to the module.
The relay supply voltage supervision, derived from the 24 V distributed on the
ModuleBus, gives a channel signal error and a module warning signal if the voltage
disappears. The error signal and warning signal can be read via the ModuleBus.
This supervision can be enabled/disabled with a parameter.
The outputs of the module will be set to a predetermined value if the OSP-watchdog
timer expires or if the SetOSPState command is received. The watchdog timer
which is set by the controller and is used for ModuleBus supervision. The watchdog
timer is re-triggered every time the correct node address has been decoded (or
broadcast). If the watchdog timer expires or if the SetOSPState command is
received, the module enters the OSP state and the active outputs (if any) are set to
their OSP values which can be configured as a predefined value or to use the last
good value sent.
The output values will be kept as long as the module stays in the OSP state. To
change the outputs the module first has to leave this state. When reentering
Operational State, the outputs are still kept with their OSP value until new valid
values are written.
The reset circuitry gives a reset signal when the POWOK signal is active.

Appendix A Specifications DO802 Digital Output Module, 24-250 V, Relay Normally Open
3BSE 020 924R4101 349
A.29.0.3 Technical Data
Table A-60 DO802 Digital Output Module Specifications
Feature DO802
Digital Output Module
Number of channels 8
Type of output Relay (NO)
Voltage range 24 - 110 V d.c./250 V a.c.
Load current, maximum 2 A
Load current, minimum 5 mA
Max break power a.c. 500 VA
d.c. 60W
Maximum field cable length (d.c., a.c.) 600 meters (656 yd.)
Pick-up time, maximum 10 ms
Release time, maximum 6 ms
Number of operations per hour,
maximum 1000
Number of operations per lifetime:
Mechanical
Electrical at 30 V d.c. / 250 V a.c.
>20 x 106
>0,16 x 106 (2 A resistive)
Current consumption +5 V 70 mA
Current consumption +24 V 80 mA
Power dissipation (1) 2.2 W
Maximum ambient temperature 55/40°C
(131/104°F)(2)
Output Set as Predetermined (OSP)
timer 256, 512, 1024 ms
Power supervision 24/12 V Relay power converter monitor

DO802 Digital Output Module, 24-250 V, Relay Normally Open Appendix A Specifications
350 3BSE 020 924R4101
Isolation Individually isolated from ground
(RIV=250 V)
Equipment class Class I according to IEC 61140; (earth
protected)
Protection rating IP20 according to IEC 60529
Rated insulation voltage 250 V
Dielectric test voltage 2000 V a.c.
Acceptable wire sizes Solid: 0.05-2.5mm2, 30-12 AWG
Stranded: 0.05-1.5mm2, 30-12 AWG
Recommended torque: 0.8 Nm
Stripping length: 6-7.5 mm, 0.24-0.30 in
Width 86.1 mm (3.4”)
Depth 58.5 mm (2.3”)
Height 110 mm (4.33”)
Weight 0.24 kg (0.53 lbs.)
(1) Power dissipation is calculated with 70 percent of the channels activated.
(2) 40°C (104°F) applies to compact MTUs with I/O-modules or S800L-modules mounted on
vertical DIN rail.
Table A-60 DO802 Digital Output Module Specifications (Continued)
Feature DO802
Digital Output Module

Appendix A Specifications DO802 Digital Output Module, 24-250 V, Relay Normally Open
3BSE 020 924R4101 351
A.29.0.4 Block Diagram DO802
X1
+5VI
+5V
POWER-OK
0V
DAT
DAT-N
POS0-9
BIC
X2
CH 1
STATUS
ERROR 1-8
.
.
.
1A
.
.
.
12V SUPER-
VISION
Process Connector
EEPROM
RS-485
RESET
MBI-1
ASIC
+24V
0V-24V 24V
12V
1B
OUTPUT CHANNELS
ModuleBus Connector
2A
2B
CH 2
CH 8
8A
8B

DO802 Digital Output Module, 24-250 V, Relay Normally Open Appendix A Specifications
352 3BSE 020 924R4101
A.29.0.5 Process Connections
Table A-61 DO802 Process Connections
Process
Connection Process
Terminal
Ch1 Input 1A
1B
Ch 2 Input 2A
2B
Ch 3 Input 3A
3B
Ch 4 Input 4A
4B
Ch 5 Input 5A
5B
Ch 6 Input 6A
6B
Ch 7 Input 7A
7B
Ch 8 Input 8A
8B

Appendix A Specifications DO802 Digital Output Module, 24-250 V, Relay Normally Open
3BSE 020 924R4101 353
Figure A-84 shows the process connections for the Digital Output Module DO802.
Figure A-84 DO802 Process Connections
DO802
1B
2B
3B
4B
5B
6B
7B
8B
EM
8A
7A
6A
5A
4A
3A
1A
2A
Process
110V d.c./250V a.c.
a.c/d.c.
110V d.c./250V a.c.
a.c/d.c.

DO810 Digital Output Module 24 V, 0.5 A Current Sourcing Appendix A Specifications
354 3BSE 020 924R4101
A.30 DO810 Digital Output Module 24 V, 0.5 A Current
Sourcing
A.30.0.1 Features
• 16 channels for 24 V d.c. current sourcing outputs
• 2 isolated groups of 8 channels with process
voltage supervision
• Output status indicators
• OSP sets outputs to predetermined state upon
error detection
• Short-circuit protection to ground and 30 V
• Over-voltage and over-temperature protection
• EMC protection
• DIN rail mounting.
• Also in a G3 compliant version.
A.30.0.2 Description
The DO810 is a 16 channel 24 V digital output module
for the S800 I/O. This module has 16 digital outputs.
The output voltage range is 10 to 30 volt and the
maximum continuous output current is 0.5 A.
The outputs are protected against short circuits, over
voltage and over temperature. The outputs are divided into two individually isolated
groups with eight output channels and one voltage supervision input in each group.
Each output channel consists of a short circuit and over temperature protected high
side driver, EMC protection components, inductive load suppression, output state
indication LED and optical isolation barrier.
Four LEDs indicate module status Fault (Red), Run (Green), Warning (Yellow) and
OSP (Yellow). One LED (Yellow) per channel (16) indicate output state (On = 1 and
Off = 0). The RUN LED indicates normal operation and the WARNING LED
6
7
8
9
10
11
12
13
14
15
16
F
R
W
O
1
2
3
4
5
24V 0.5A
DO810

Appendix A Specifications DO810 Digital Output Module 24 V, 0.5 A Current Sourcing
3BSE 020 924R4101 355
indicates if any error input is active. The FAULT LED indicates that the module is
in Init state or Not Configured state. In Not Configured state the FAULT LED is
turned off after the first valid access to the module. The OSP LED indicates that the
module is in the OSP state and that the outputs are set to their OSP values.
The process voltage supervision input give channel error signals if the voltage
disappears.The error signal can be read via the ModuleBus.
The outputs of the module will be set to a predetermined value if the OSP-watchdog
timer expires or if the SetOSPState command is received. The watchdog timer is set
by the controller and is used for ModuleBus supervision. The watchdog timer is re-
triggered every time the correct module address has been decoded (or broadcast). If
the watchdog timer expires or if the SetOSPState command is received, the module
enters the OSP state and the active outputs (if any) are set to their OSP values which
can be configured as a predefined value or to use the last good value sent.
The output values will be kept as long as the module stays in the OSP state. To
change the outputs the module first has to leave this state. When reentering
Operational State, the outputs are still kept with their OSP value until new valid
values are written.
The reset circuitry gives a reset signal when the module is inserted until the BLOCK
signal is inactive and the POWOK signal is active. The BLOCK signal is
deactivated when the module lock mechanism is in the locked position. The
POWOK comes from the ModuleBus master after power is applied.
The outputs are current limited and protected against over temperature. If the
outputs are overloaded the output current will be limited. This means that the power
dissipation in the output stage will increase and the output will shutdown if the
temperature in the output stage increases above 150 °C (302 °F). The output will
switch on again automatically as the component temperature has decreased to about
140 °C (284 °F). If any output is shutdown due to overload the indication LED on
that channel is also switched off. The output status of that channel can not be read
from the module.
Four different types of MTUs can be used. TU830 Extended MTU and TU810 (or
TU814) Compact MTU have terminals for 24 V output power connections and two
terminals per channels. The TU812 Compact MTU has a D-Sub 25 pin (male)
connector for connection to the process.

DO810 Digital Output Module 24 V, 0.5 A Current Sourcing Appendix A Specifications
356 3BSE 020 924R4101
A.30.0.3 Technical Data
Table A-62 DO810 Digital Output Module Specifications
Feature DO810
Digital Output Module
Number of channels 16 (2 x 8)
Type of output Transistor current sourcing, current
limited
Voltage range 12 - 32 V d.c.
Load current, maximum 0.5 A
Short circuit current, maximum 2.4 A
Leakage current, maximum <10 µa
Output impedance <0.4 ohm
Maximum Field Cable Length 600 meters (656 yd.)
Current consumption +5 V 80 mA
Power dissipation (1) 2.1 W
Maximum ambient temperature 55/40°C
(131/104°F)(2)
Output Set as Predetermined (OSP)
timer 256, 512, 1024 ms
Process voltage supervision 2 channels (1 per group)
Isolation Groupwise isolated from ground
(RIV=50 V)
Mounting termination units TU810, TU812, TU814 or TU830
MTU keying code AA
Equipment class Class I according to IEC 61140; (earth
protected)
Protection rating IP20 according to IEC 60529

Appendix A Specifications DO810 Digital Output Module 24 V, 0.5 A Current Sourcing
3BSE 020 924R4101 357
G3 compliant version According to ISA-S71.04. Marked with
“Z” in the type designation.
Rated insulation voltage 50 V
Dielectric test voltage 500 V a.c.
Width 45 mm (1.77”)
Depth 97 mm (3.8”), 106 mm (4.2”) including
connector
Height 119 mm (4.7”)
Weight 0.18 kg (0.4 lbs.)
(1) Power dissipation is calculated with 70 percent of the channels activated.
(2) 40°C (104°F) applies to compact MTUs with I/O-modules or S800L-modules mounted on
vertical DIN rail.
Table A-62 DO810 Digital Output Module Specifications (Continued)
Feature DO810
Digital Output Module

DO810 Digital Output Module 24 V, 0.5 A Current Sourcing Appendix A Specifications
358 3BSE 020 924R4101
A.30.0.4 Block Diagram DO810
X1 +5VI
+5V
POWER-OK
0V
DAT
DAT-N
POS0-9
BIC X2
CH 1
CH 2
RUN
WARNING
OUTPUT-
BLOCK
ERROR 1-8
ERROR 9-16
CH 8
.
.
.
O 1
O 2
O 8
.
.
.
24V SUPER-
VISION DRIVERS
GROUP 1
GROUP 2
24V SUPER-
VISION
CH 9-16 O 9-16
Process Connector
ModuleBus Connector
/
8
EEPROM
RS-485
RESET
/
8
MBI-1
ASIC
L1-
L2-
OUTPUT-
DRIVERS
L1+
L2+
FAULT
OSP
L1+
L1+
L1+
L2+

Appendix A Specifications DO810 Digital Output Module 24 V, 0.5 A Current Sourcing
3BSE 020 924R4101 359
A.30.0.5 Process Connections
Table A-63 DO810 Process Connections
Process
Connection
TU810
(or TU814)
Terminal
TU812
D-Sub 25 male
Connector (1)
TU830/TU833
Terminal
+24 V d.c. L1+ (2) 1, 14 L1+ (2)
0 V d.c. L1- 2, 15 L1- (2)
Ch 1/Ch 2, L1+ - - B1, B2
Ch 1 Output C1 3 C1
Ch 2 Output B1 16 C2
Ch 1/Ch 2, L1- A1 - A1, A2
Ch 3/Ch 4, L1+ - - B3, B4
Ch 3 Output C2 4 C3
Ch 4 Output B2 17 C4
Ch 3/Ch 4, L1- A2 - A3, A4
Ch 5/Ch 6, L1+ - - B5, B6
Ch 5 Output C3 5 C5
Ch 6 Output B3 18 C6
Ch 5/Ch 6, L1- A3 - A5, A6
Ch 7/Ch 8, L1+ - - B7, B8
Ch 7 Output C4 6 C7
Ch 8 Output B4 19 C8
Ch 7/Ch 8, L1- A4 - A7, A8
Ch 9/Ch 10, L2+ - - B9, B10
Ch 9 Output C5 7 C9

DO810 Digital Output Module 24 V, 0.5 A Current Sourcing Appendix A Specifications
360 3BSE 020 924R4101
Ch 10 Output B5 20 C10
Ch 9/Ch 10, L2- A5 - A9, A10
Ch 11/Ch 12, L2+ - - B11, B12
Ch 11 Output C6 8 C11
Ch 12 Output B6 21 C12
Ch 11/Ch 12, L2- A6 - A11, A12
Ch 13/Ch 14, L2+ - - B13, B14
Ch 13 Output C7 9 C13
Ch 14 Output B7 22 C14
Ch 13/Ch 14, L2- A7 - A13, A14
Ch 15/ Ch16, L2+ - - B15, B16
Ch 15 Output C8 10 C15
Ch 16 Output B8 23 C16
Ch 15/Ch16, L2- A8 - A15, A16
+24 V d.c. L2+ (2) 11, 24 L2+ (2)
0 V d.c. L2- 12, 25 L2- (2)
(1) Pin 13 connected to connector body for EM.
Table A-63 DO810 Process Connections (Continued)
Process
Connection
TU810
(or TU814)
Terminal
TU812
D-Sub 25 male
Connector (1)
TU830/TU833
Terminal

Appendix A Specifications DO810 Digital Output Module 24 V, 0.5 A Current Sourcing
3BSE 020 924R4101 361
Figure A-85 shows the process connections for the Digital Output Module DO810
when installed on a TU830/TU833 Extended MTU.
Figure A-85 DO810 with TU830/TU833 Extended MTU Process Connections
DO810
O 1
L1-
O 3
O 4
L1-
L1-
L1-
L2-
L2-
L2-
L2-
O 5
O 7
O 9
O 11
O 13
O 15
O 6
O 8
O 10
O 12
O 14
O 16
O 2
TU830/TU833
EM
L2+
L2+
L2+
L2+
+24V
0V
L1+
L1+
L1+
L1+
+24V
0V
Ch16
Ch15
Ch14
Ch13
Ch1
Ch2
Ch3
Ch4
Ch5
Ch6
Ch7
Ch8
Ch9
Ch10
Ch11
Ch12
Process
6.3 A
Fuse
6.3 A
Fuse
L1+
L1+
L1-
L1-
L2+
L2+
L2-
L2-
B1,B2
C1
C2
A1,A2
B3,B4
C3
C4
A3,A4
B5,A6
C5
C6
A5,A6
B7,B8
C7
C8
A7,A8
B9,B10
C9
C10
A9,A10
B11,B12
C11
C12
A11,A12
B13,B14
C13
C14
A13,A14
B15,A16
C15
C16
A15,A16
L2-
L2-
L2-
L2-
L2+
L2+
L2+
L2+
L1-
L1-
L1-
L1-
L1+
L1+
L1+
L1+
Supervise
Supervise

DO810 Digital Output Module 24 V, 0.5 A Current Sourcing Appendix A Specifications
362 3BSE 020 924R4101
Figure A-86 shows the process connections for the DO810 when installed on a
TU810 or TU814 Compact MTU.
Figure A-86 DO810 with TU810 or TU814 Compact MTU Process Connections
DO810 TU810
EM
+24V
0V
+24V
0V
Ch16
Ch15
Ch14
Ch13
Ch1
Ch2
Ch3
Ch4
Ch5
Ch6
Ch7
Ch8
Ch9
Ch10
Ch11
Ch12
Process
C1
B1
A1
L1+
L1-
C2
B2
A2
C3
B3
A3
C4
B4
A4
C5
B5
A5
C6
B6
A6
C7
B7
A7
C8
B8
A8
L2+
L2-
O 1
L1-
O 3
O 4
L1-
L1-
L1-
L2-
L2-
L2-
L2-
O 5
O 7
O 9
O 11
O 13
O 15
O 6
O 8
O 10
O 12
O 14
O 16
O 2
L2+
L2+
L2+
L2+
L1+
L1+
L1+
L1+
L2+
L1+
L1-
L1-
L1-
L1-
L2-
L2-
L2-
L2-
(or TU814)
Supervise
Supervise

Appendix A Specifications DO810 Digital Output Module 24 V, 0.5 A Current Sourcing
3BSE 020 924R4101 363
Figure A-87 shows the process connections for the Digital Output Module DO810
when installed on a TU812 Compact MTU.
Figure A-87 DO810 with TU812 Compact MTU Process Connections
DO810
O 1
L1-
O 3
O 4
L1-
L1-
L1-
L2-
L2-
L2-
L2-
O 5
O 7
O 9
O 11
O 13
O 15
O 6
O 8
O 10
O 12
O 14
O 16
O 2
EM
L2+
L2+
L2+
L2+
L1+
L1+
L1+
L1+
Ch1
Ch2
Ch3
Ch4
Ch9
Ch10
Ch11
Ch12
Ch13
Ch14
Ch15
Ch16
+24V
0V
+24V
Ch5
Ch6
0V
Ch7
Ch8
TU812
Process
3
16
4
17
7
20
8
21
9
22
10
23
11
24
12
25
1
5
18
2
6
19
14
15
13
3
16
4
17
7
20
8
21
9
22
10
23
11
24
12
25
1
5
18
2
6
19
14
15
13
EM
S1
S2
S3
S4
S9
S10
S11
S12
S13
S14
S15
S16
UP2
ZP2
UP1
S5
S6
ZP1
S7
S8
UP2
ZP2
UP1
ZP1
Connection
Supervise
Supervise

DO814 Digital Output Module 24 V, 0.5 A, Current Sinking Appendix A Specifications
364 3BSE 020 924R4101
A.31 DO814 Digital Output Module 24 V, 0.5 A, Current
Sinking
A.31.0.1 Features
• 16 channels for 24 V d.c. current sinking outputs
• 2 isolated groups of 8 channels with process
voltage supervision
• Output status indicators
• OSP sets outputs to predetermined state upon
error detection
• Short-circuit protection to ground and 30 V
• Over-voltage and over-temperature protection
• EMC protection
• DIN rail mounting.
A.31.0.2 Description
The DO814 is a 16 channel 24 V digital output module
with current sinking for the S800 I/O. The output
voltage range is 10 to 30 volt and the maximum
continuous current sinking is 0.5 A. The outputs are
protected against short circuits and over temperature.
The outputs are divided into two individually isolated
groups with eight output channels and one voltage
supervision input in each group.
Each output channel consists of a short circuit and over temperature protected low
side switch, EMC protection components, inductive load suppression, output state
indication LED and optical isolation barrier.
Four LEDs indicate module status Fault (Red), Run (Green), Warning (Yellow) and
OSP (Yellow). One LED (Yellow) per channel (16) indicate output state (On = 1 and
Off = 0). The RUN LED indicates normal operation and the WARNING LED
indicates if any error input is active. The FAULT LED indicates that the module is
6
7
8
9
10
11
12
13
14
15
16
F
R
W
O
1
2
3
4
5
DO814
24V, 0.5A

Appendix A Specifications DO814 Digital Output Module 24 V, 0.5 A, Current Sinking
3BSE 020 924R4101 365
in Init state or Not Configured state. In Not configured state the FAULT LED is
turned off after the first valid access to the module. The OSP LED indicates that the
module is in the OSP state and that the outputs are set to their OSP values.
The process voltage supervision input give channel error signals if the voltage
disappears.The error signal can be read via the ModuleBus.
The outputs of the module will be set to a predetermined value if the OSP-watchdog
timer expires or if the SetOSPState command is received. The watchdog timer is set
by the controller and is used for ModuleBus supervision. The watchdog timer is re-
triggered every time the correct module address has been decoded (or broadcast). If
the watchdog timer expires or if the SetOSPState command is received, the module
enters the OSP state and the active outputs (if any) are set to their OSP values which
can be configured as a predefined value or to use the last good value sent.
The output values will be kept as long as the module stays in the OSP state. To
change the outputs the module first has to leave this state. When reentering
Operational State, the outputs are still kept with their OSP value until new valid
values are written.
The reset circuitry gives a reset signal when the module is inserted until the BLOCK
is inactive and POWOK signals is active. The BLOCK signal is deactivated when
the module lock mechanism is in the locked position. The POWOK comes from the
ModuleBus master after power is applied.
The outputs are current limited and protected against over temperature. If the
outputs are overloaded the output current sinking will be limited. This means that
the power dissipation in the output stage will increase and the output will shutdown
if the temperature in the output stage increases above 150 °C (302 °F). The output
will switch on again automatically as the component temperature has decreased to
about 140 °C (284 °F).
Five different types of MTUs can be used. The TU830 Extended MTU enables three
wire connection to the devices without additional terminals. The TU810 (or TU814)
Compact MTU has terminals for 24 V output power connection, but requires
external terminals for distribution of 24 V power supply to the devices. The TU812
Compact MTU has a D-Sub 25 pin (male) connector for connection to the process.
TU838 provide a fuse (3 A max.) per two channels or process power output.

DO814 Digital Output Module 24 V, 0.5 A, Current Sinking Appendix A Specifications
366 3BSE 020 924R4101
A.31.0.3 Technical Data
Table A-64 DO814 Digital Output Module Specifications
Feature DO814
Digital Output Module
Number of channels 16 (2 x 8) current sinking
Type of output Transistor current sinking,
current limited
Voltage range 12 - 32 V d.c.
Load current, maximum 0.5 A
Short circuit current, maximum 2.4 A
Leakage current, maximum <10 µa
Output impedance <0.4 ohm
Maximum field cable length 600 meters (656 yd.)
Current consumption +5 V 80 mA
Power dissipation (1) 2.1 W
Maximum ambient temperature 55/40°C
(131/104°F)(2)
Output Set as Predetermined (OSP)
timer 256, 512, 1024 ms
Process voltage supervision 2 channels (1 per group)
Isolation Groupwise isolated from ground
(RIV=50 V)
Module termination units TU810, TU812, TU814, TU830 or
TU838
MTU keying code BE
Equipment class Class I according to IEC 61140; (earth
protected)

Appendix A Specifications DO814 Digital Output Module 24 V, 0.5 A, Current Sinking
3BSE 020 924R4101 367
Protection rating IP20 according to IEC 60529
Rated insulation voltage 50 V
Dielectric test voltage 500 V a.c.
Width 45 mm (1.77”)
Depth 97 mm (3.8”), 106 mm (4.2”) including
connector
Height 119 mm (4.7”)
Weight 0.18 kg (0.4 lbs.)
(1) Power dissipation is calculated with 70 percent of the channels activated.
(2) 40°C (104°F) applies to compact MTUs with I/O-modules or S800L-modules mounted on
vertical DIN rail.
Table A-64 DO814 Digital Output Module Specifications (Continued)
Feature DO814
Digital Output Module

DO814 Digital Output Module 24 V, 0.5 A, Current Sinking Appendix A Specifications
368 3BSE 020 924R4101
A.31.0.4 Block Diagram DO814
BIC X2
CH 1
CH 2
RUN
WARNING
ERROR 1-8
ERROR 9-16
CH 8
.
.
.
O 1
O 2
O 8
.
.
.
24V SUPER-
VISION DRIVERS
GROUP 1
GROUP 2
24V SUPER-
VISION
CH 9-16 O 9-16
Process Connector
/
8
/
8
ASIC
ZP1
ZP2
Current Sinking-
DRIVERS
UP1 24V
UP2 24V
FAULT
OSP
U1
U2
U8
U9-16
MBI-1
+5VI
+5V
POWER-OK
0V
DAT+
DAT-
POS0-6
BLOCK
EEPROM
RS-485
RESET
X1
Modulebus Connector
CLK+
CLK- RS-485 OUTPUT
Current Sinking-
OUTPUT

Appendix A Specifications DO814 Digital Output Module 24 V, 0.5 A, Current Sinking
3BSE 020 924R4101 369
A.31.0.5 Process Connections
Table A-65 DO814 Process Connection
Process
Connection
TU810
(or TU814)
Terminal
TU812
D-Sub 25
male
Connector (1)
TU830/TU833
Terminal TU838
Terminal
+24 V d.c. L1+ (2) 1, 14 L1+ (2) L1+ (2)
0 V d.c. L1- 2, 15 L1- (2) L1- (2)
Ch 1/Ch 2, L1+ - - B1, B2 A1 (F1)
Ch 1 Output C1 3 C1 B1
Ch 2 Output B1 16 C2 B2
Ch 1/Ch 2, L1- A1 - A1, A2 A2
Ch 3/Ch 4, L1+ - - B3, B4 A3 (F2)
Ch 3 Output C2 4 C3 B3
Ch 4 Output B2 17 C4 B4
Ch 3/Ch 4, L1- A2 - A3, A4 A4
Ch 5/Ch 6, L1+ - - B5, B6 A5 (F3)
Ch 5 Output C3 5 C5 B5
Ch 6 Output B3 18 C6 B6
Ch 5/Ch 6, L1- A3 - A5, A6 A6
Ch 7/Ch 8, L1+ - - B7, B8 A7 (F4)
Ch 7 Output C4 6 C7 B7
Ch 8 Output B4 19 C8 B8
Ch 7/Ch 8, L1- A4 - A7, A8 A8
Ch 9/Ch 10, L2+ - - B9, B10 A9 (F5)
Ch 9 Output C5 7 C9 B9

DO814 Digital Output Module 24 V, 0.5 A, Current Sinking Appendix A Specifications
370 3BSE 020 924R4101
Ch 10 Output B5 20 C10 B10
Ch 9/Ch 10, L2- A5 - A9, A10 A10
Ch 11/Ch 12, L2+ - - B11, B12 A11 (F6)
Ch 11 Output C6 8 C11 B11
Ch 12 Output B6 21 C12 B12
Ch 11/Ch 12, L2- A6 - A11, A12 A12
Ch 13/Ch 14, L2+ - - B13, B14 A13 (F7)
Ch 13 Output C7 9 C13 B13
Ch 14 Output B7 22 C14 B14
Ch 13/Ch 14, L2- A7 - A13, A14 A14
Ch 15/ Ch16, L2+ - - B15, B16 A15 (F8)
Ch 15 Output C8 10 C15 B15
Ch 16 Output B8 23 C16 B16
Ch 15/Ch16, L2- A8 - A15, A16 A16
+24 V d.c. L2+ (2) 11, 24 L2+ (2) L2+ (2)
0 V d.c. L2- 12, 25 L2- (2) L2- (2)
(1) Pin 13 connected to connector body for EM.
Table A-65 DO814 Process Connection (Continued)
Process
Connection
TU810
(or TU814)
Terminal
TU812
D-Sub 25
male
Connector (1)
TU830/TU833
Terminal TU838
Terminal

Appendix A Specifications DO814 Digital Output Module 24 V, 0.5 A, Current Sinking
3BSE 020 924R4101 371
Figure A-85 shows the process connections for the Digital Output Module DO814
when installed on a TU830/TU833 Extended MTU.
Figure A-88 DO814 with TU830/TU831 Extended MTU Process Connections
DO814
O 1
L1-
O 3
O 4
L1-
L1-
L1-
L2-
L2-
L2-
L2-
O 5
O 7
O 9
O 11
O 13
O 15
O 6
O 8
O 10
O 12
O 14
O 16
O 2
TU830/TU833
EM
L2+
L2+
L2+
L2+
+24V
0V
L1+
L1+
L1+
L1+
+24V
0V
Ch16
Ch15
Ch14
Ch13
Ch1
Ch2
Ch3
Ch4
Ch5
Ch6
Ch7
Ch8
Ch9
Ch10
Ch11
Ch12
Process
6.3 A
Fuse
6.3 A
Fuse
L1+
L1+
L1-
L1-
L2+
L2+
L2-
L2-
B1,B2
C1
C2
A1,A2
B3,B4
C3
C4
A3,A4
B5,A6
C5
C6
A5,A6
B7,B8
C7
C8
A7,A8
B9,B10
C9
C10
A9,A10
B11,B12
C11
C12
A11,A12
B13,B14
C13
C14
A13,A14
B15,A16
C15
C16
A15,A16
L2-
L2-
L2-
L2-
L2+
L2+
L2+
L2+
L1-
L1-
L1-
L1-
L1+
L1+
L1+
L1+
Supervise
Supervise

DO814 Digital Output Module 24 V, 0.5 A, Current Sinking Appendix A Specifications
372 3BSE 020 924R4101
Figure A-89 shows the process connections for the Digital Output Module DO814
(current sinking) when installed on a TU838 Extended MTU.
Figure A-89 DO814 with TU838 Extended MTU Process Connections
DO814
O 1
L1-
O 3
O 4
L1-
L1-
L1-
L2-
L2-
L2-
L2-
O 5
O 7
O 9
O 11
O 13
O 15
O 6
O 8
O 10
O 12
O 14
O 16
O 2
EM
L2+
L2+
L2+
L2+
L1+
L1+
L1+
L1+
Process
Supervise
Supervise
F4
F3
F2
F1
F5
F6
TU838
+24V
0V
+24V
0V
Ch16
Ch15
Ch14
Ch13
Ch1
Ch2
Ch3
Ch4
Ch5
Ch6
Ch7
Ch8
Ch9
Ch10
Ch11
Ch12
F8
L1-
L1-
L1-
L1-
L1+
L1+
L1+
L1+
L1+
L1+
L1-
L1-
L2+
L2+
L2-
L2-
A1
B1
B2
A2
A3
B3
B4
A4
A5
B5
B6
A6
A7
B7
B8
A8
A9
B9
B10
A10
A11
B11
B12
A12
A13
B13
B14
A14
A15
B15
B16
A16
L2-
L2-
L2-
L2-
L2+
L2+
L2+
L2+
F7

Appendix A Specifications DO814 Digital Output Module 24 V, 0.5 A, Current Sinking
3BSE 020 924R4101 373
Figure A-90 shows the process connections for the DO814 when installed on a
TU810 or TU814 Compact MTU.
Figure A-90 DO814 with TU810 or TU814 Compact MTU Process Connections
DO814 TU810
EM
+24V
0V
+24V
0V
Ch16
Ch15
Ch14
Ch13
Ch1
Ch2
Ch3
Ch4
Ch5
Ch6
Ch7
Ch8
Ch9
Ch10
Ch11
Ch12
Process
C1
B1
A1
L1+
L1-
C2
B2
A2
C3
B3
A3
C4
B4
A4
C5
B5
A5
C6
B6
A6
C7
B7
A7
C8
B8
A8
L2+
L2-
O 1
L1-
O 3
O 4
L1-
L1-
L1-
L2-
L2-
L2-
L2-
O 5
O 7
O 9
O 11
O 13
O 15
O 6
O 8
O 10
O 12
O 14
O 16
O 2
L2+
L2+
L2+
L2+
L1+
L1+
L1+
L1+
L2+
L1+
L1-
L1-
L1-
L1-
L2-
L2-
L2-
L2-
(or TU814)
24V Power Supply
24V Power
Supply
Supervise
Supervise

DO814 Digital Output Module 24 V, 0.5 A, Current Sinking Appendix A Specifications
374 3BSE 020 924R4101
Figure A-91 shows the process connections for the Digital Output Module DO814
when installed on a TU812 Compact MTU.
Figure A-91 DO814 with TU812 Compact MTU Process Connections
DO814
O 1
L1-
O 3
O 4
L1-
L1-
L1-
L2-
L2-
L2-
L2-
O 5
O 7
O 9
O 11
O 13
O 15
O 6
O 8
O 10
O 12
O 14
O 16
O 2
EM
L2+
L2+
L2+
L2+
L1+
L1+
L1+
L1+
Ch1
Ch2
Ch3
Ch4
Ch9
Ch10
Ch11
Ch12
Ch13
Ch14
Ch15
Ch16
+24V
0V
+24V
Ch5
Ch6
0V
Ch7
Ch8
TU812
Process
3
16
4
17
7
20
8
21
9
22
10
23
11
24
12
25
1
5
18
2
6
19
14
15
13
3
16
4
17
7
20
8
21
9
22
10
23
11
24
12
25
1
5
18
2
6
19
14
15
13
EM
S1
S2
S3
S4
S9
S10
S11
S12
S13
S14
S15
S16
UP2
ZP2
UP1
S5
S6
ZP1
S7
S8
UP2
ZP2
UP1
ZP1
Connection
Supervise
Supervise

Appendix A Specifications DO815 Digital Output Module 24 V, 2 A, Current Sourcing
3BSE 020 924R4101 375
A.32 DO815 Digital Output Module 24 V, 2 A, Current
Sourcing
A.32.0.1 Features
• 8 channels for 24 V d.c. current sourcing outputs
• 2 isolated groups of 4 channels with under
voltage detection
• OSP sets outputs to predetermined state upon
communication error
• Output status indicators and a channel wise error
flag
• Short-circuit protection to ground and positive
supply
• Over load protection
• Open load and short-circuit detection
• Two output fault operation modes:
Automatic reset mode and Fault latching mode
• Inductive load driving capability
• Filament lamp load up to 10W
• EMC protection
• DIN rail mounting.
• Also in a G3 compliant version.
A.32.0.2 Description
The DO815 is a 8 channel 24 V digital output module for the S800 I/O. The output
voltage range is 10 to 30 volt and the maximum continuous output current is
2 A @ 24 V. The outputs are protected against short circuits, and over load. The
outputs are divided into two individually isolated groups with four output channels
in each group.
6
7
8
F
R
W
O
1
2
3
4
5
DO815
24V, 2A
8F
7F
6F
5F
4F
3F
2F
1F

DO815 Digital Output Module 24 V, 2 A, Current Sourcing Appendix A Specifications
376 3BSE 020 924R4101
Each output channel consists of a short circuit and over load protected high side
driver with open load detection (on active signal), EMC protection components,
inductive load suppression, output status indication LEDs and optical isolation
barrier.
Four LEDs indicate module status; Fault (Red), Run (Green), Warning (Yellow)
and OSP (Yellow). One LED (Yellow) per channel (8) indicate output state (On = 1
and Off = 0). The output fault diagnostic function, that is, short circuit, over load,
under voltage and open load detection, activities a channel wise Error input and
Fault LED (1F - 8F) (Red). The error signal can be read via the ModuleBus. The
RUN LED indicates normal operation and the WARNING LED indicates if any
Error input is active.
The FAULT LED indicates that the module is in Init state or Not Configured state.
In Not Configured state the FAULT LED is turned off after the first valid access to
the module. The OSP LED indicates that the module is in the OSP state and that the
outputs are set to their OSP values.
The driver outputs provide a “free-wheel diode” to demagnetize inductive loads. No
external demagnetization arrangement is required up to loads of 1J.
DO815 outputs are able to drive filament lamp loads up to 10W, but only in
Automatic reset mode.
The outputs of the module will be set to a predetermined value if the OSP-watchdog
timer expires or if the SetOSPState command is received. The watchdog timer is set
by the controller and is used for ModuleBus supervision. The watchdog timer is re-
triggered every time the correct module address has been decoded (or broadcast). If
the watchdog timer expires or if the SetOSPState command is received, the module
enters the OSP state and the active outputs (if any) are set to their OSP values which
can be configured as a predefined value or to use the last good value sent.
The output values will be kept as long as the module stays in the OSP state. To
change the outputs the module first has to leave OSP state. When reentering
Operational State, the outputs are still kept with their OSP value until new valid
values are written.
The reset circuitry gives a reset signal when the module is inserted until the BLOCK
signal is inactive and the POWOK signal is active. The BLOCK signal is
deactivated when the module lock mechanism is in the locked position. The
POWOK comes from the ModuleBus master after power is applied.

Appendix A Specifications DO815 Digital Output Module 24 V, 2 A, Current Sourcing
3BSE 020 924R4101 377
DO815 provides two protection operation modes. Each channel can be configured
to operate in one of the two modes.
1. Automatic reset mode (Default mode): The fault condition will disappear, then
the fault disappears and the operation is resumed.
2. Fault latching mode (This mode in not applicable in all controllers): The output
is switched off by any of the faultconditions. The fault latch remains in fault
condition until reset by temporarily setting the automatic reset mode.
The output drivers are current limited and protected against over load. If an output
has a short circuit to ground the output current will be limited and the driver will
shutdown in order to minimize the power dissipation. In the automatic reset mode
the output will switch on again automatically after a defined time interval. If the
short circuit condition is still present, the output is turned of again, otherwise the
normal operation is resumed. In the fault latching mode the output remains off until
the fault condition is not valid and the reset of the fault latch is activated. If any
output is shutdown due to fault condition the indication LED (Yellow) on that
channel remains on if the channel is activated.The output status of the channel can
be read from the module.
Four different types of MTUs can be used, TU830 Extended MTU and TU810,
TU812 or TU814 Compact MTU have terminals for 24 V output power connection
and terminals for the output channels. With use of TU812 the current per group is
limited to 5 A.

DO815 Digital Output Module 24 V, 2 A, Current Sourcing Appendix A Specifications
378 3BSE 020 924R4101
A.32.0.3 Technical Data
Table A-66 DO815 Digital Output Module Specifications
Feature DO815
Digital Output Module
Number of channels 8 (2 x 4)
Type of output High side driver,
current limited
Process voltage (L+)
Normal
Range 24 V d.c.
10 - 32 V d.c.
On-state output voltage drop Max. 0.5 V
Load current, maximum 2 A @ 24 V,
2,5 A @ 30 V
Total permissible current of outputs per
group Max. 6 A
Short circuit current Max. 4 A
Open load detection current(1) < 6 mA
Leakage current, maximum Max. 500 µA
Output impedance <0.25 ohm
Filament lamp load
only in Automatic reset mode Max. 10W
Inductive load switch off energy Max. 1J
Output signal delay Max. 0.2 ms
Switching frequency resistive load Max. 200 Hz
Switching frequency inductive load Max. 2.5 Hz
Maximum Field Cable Length 600 meters (656 yd.)
Current consumption +5 V 120 mA, 150 mA max.

Appendix A Specifications DO815 Digital Output Module 24 V, 2 A, Current Sourcing
3BSE 020 924R4101 379
Power dissipation (2) 4 W @ 24 V
Maximum ambient temperature 55/40°C
(131/104°F)(3)
Output Set as Predetermined (OSP)
timer 256 (4), 512, 1024 ms
Isolation Groupwise isolated from ground
(RIV=50 V)
Module termination units TU810, TU812(5), TU814 or TU830
MTU keying code AA
Equipment class Class I according to IEC 61140; (earth
protected)
Protection rating IP20 according to IEC 60529
G3 compliant version According to ISA-S71.04. Marked with
“Z” in the type designation.
Rated insulation voltage 50 V
Dielectric test voltage 500 V a.c.
Width 45 mm (1.77”)
Depth 97 mm (3.8”), 106 mm (4.2”) including
connector
Height 119 mm (4.7”)
Weight 0.2 kg (0.44 lbs.)
(1) On active signal
(2) Power dissipation is calculated with 70 percent of the channels activated.
(3) 40°C (104°F) applies to compact MTUs with I/O-modules or S800L-modules mounted on
vertical DIN rail.
(4) 256 ms are used for Master. Set by the user for MOD.
(5) Current per group is limited to 5 A.
Table A-66 DO815 Digital Output Module Specifications (Continued)
Feature DO815
Digital Output Module

DO815 Digital Output Module 24 V, 2 A, Current Sourcing Appendix A Specifications
380 3BSE 020 924R4101
A.32.0.4 Block Diagram DO815
X1 +5VI
+5V
POWER-OK
0V
DAT
DAT-N
POS0-9
BIC X2
CH 1
CH 2
RUN
WARNING
OUTPUT-
BLOCK
ERR.
ERR.
1-4
O 1
O 2
O 4
.
.
DRIVERS
GROUP 1
GROUP 2
CH O 5-8
Process Connector
ModuleBus Connector
/
4
EEPROM
RS-485
RESET
/
4
MBI-1
ASIC
L1-
L2-
OUTPUT-
DRIVERS
L1+
L2+
FAULT
OSP
L1+
L1+
L1+
L2+
1-4
/
4
/
4
CH 4
CTR
.
.
CH 1-4 F 1-4
5-8
CH 5-8 F 5-8
CTR
5-8
5-8
Fault Mode
Contol Fault Mode Control
/
4
/
4

Appendix A Specifications DO815 Digital Output Module 24 V, 2 A, Current Sourcing
3BSE 020 924R4101 381
A.32.0.5 Process Connections
Table A-67 DO815 Process Connections
Process
Connection
TU810
(or TU814)
Terminal
TU812
Terminal TU830/TU833
Terminal
+24 V d.c. L1+ (2) 1, 14 L1+ (2)
0 V d.c. L1- 2, 15 L1- (2)
Ch 1/ L1+ - - B1, B2
Ch 1 Output C1, B1 3, 16 C1, C2
Ch 1/L1- A1 - A1, A2
Ch 2/L1+ - - B3, B4
Ch 2 Output C2, B2 4, 17 C3
Ch 2/, L1- A2 - A3, A4
Ch 3/ L1+ - - B5, B6
Ch 3Output C3, B3 5, 18 C5
Ch 3/ L1- A3 - A5, A6
Ch 4/ L1+ - - B7, B8
Ch 4 Output C4, B4 6, 19 C7
Ch 4/ L1- A4 - A7, A8
Ch 5/ L2+ - - B9, B10
Ch 5 Output C5, B5 7, 20 C9
Ch 5/ L2- A5 - A9, A10
Ch 6/ L2+ - - B11, B12
Ch 6 Output C6, B6 8, 21 C11
Ch 6/ L2- A6 - A11, A12

DO815 Digital Output Module 24 V, 2 A, Current Sourcing Appendix A Specifications
382 3BSE 020 924R4101
Ch 7/ L2+ - - B13, B14
Ch 7 Output C7, B7 9, 22 C13
Ch 7/ L2- A7 - A13, A14
Ch 8/ L2+ - - B15, B16
Ch 8 Output C8, B8 10, 23 C15
Ch 8/ L2- A8 - A15, A16
+24 V d.c. L2+ (2) 11, 24 L2+ (2)
0 V d.c. L2- 12, 25 L2- (2)
Table A-67 DO815 Process Connections (Continued)
Process
Connection
TU810
(or TU814)
Terminal
TU812
Terminal TU830/TU833
Terminal

Appendix A Specifications DO815 Digital Output Module 24 V, 2 A, Current Sourcing
3BSE 020 924R4101 383
Figure A-92 shows the process connections for the Digital Output Module DO815
when installed on a TU830/TU833 Extended MTU.
Figure A-92 DO815 with TU830/TU833 Extended MTU Process Connections
DO815
L1-
O 2
L1-
L1-
L1-
L2-
L2-
L2-
L2-
O 3
O 4
O 5
O 6
O 7
O 8
O 1
TU830/TU833
EM
L2+
L2+
L2+
L2+
+24V
0V
L1+
L1+
L1+
L1+
+24V
0V
Ch8
Ch7
Ch1
Ch2
Ch3
Ch4
Ch5
Ch6
Process
6.3 A
Fuse
6.3 A
Fuse
L1+
L1+
L1-
L1-
L2+
L2+
L2-
L2-
B1,B2
C1
C2
A1,A2
B3,B4
C3
C4
A3,A4
B5,A6
C5
C6
A5,A6
B7,B8
C7
C8
A7,A8
B9,B10
C9
C10
A9,A10
B11,B12
C11
C12
A11,A12
B13,B14
C13
C14
A13,A14
B15,A16
C15
C16
A15,A16
L2-
L2-
L2-
L2-
L2+
L2+
L2+
L2+
L1-
L1-
L1-
L1-
L1+
L1+
L1+
L1+

DO815 Digital Output Module 24 V, 2 A, Current Sourcing Appendix A Specifications
384 3BSE 020 924R4101
Figure A-93 shows the process connections for the Digital Output Module DO815
when installed on a TU812 Compact MTU.
Figure A-93 DO815 with TU812 Compact MTU Process Connections
DO815 TU812
EM
L1-
O 2
L1-
L1-
L1-
L2-
L2-
L2-
L2-
O 3
O 4
O 5
O 6
O 7
O 8
O 1
L2+
L2+
L2+
L2+
L1+
L1+
L1+
L1+
Ch1
Ch1
Ch2
Ch2
Ch5
Ch5
Ch6
Ch6
Ch7
Ch7
Ch8
Ch8
+24V
0V
+24V
Ch3
Ch3
0V
Ch4
Ch4
Process
3
16
4
17
7
20
8
21
9
22
10
23
11
24
12
25
1
5
18
2
6
19
14
15
13
3
16
4
17
7
20
8
21
9
22
10
23
11
24
12
25
1
5
18
2
6
19
14
15
13
EM
S1
S2
S3
S4
S9
S10
S11
S12
S13
S14
S15
S16
UP2
ZP2
UP1
S5
S6
ZP1
S7
S8
UP2
ZP2
UP1
ZP1
Connection

Appendix A Specifications DO815 Digital Output Module 24 V, 2 A, Current Sourcing
3BSE 020 924R4101 385
Figure A-94 shows the process connections for the DO815 when installed on a
TU810 or TU814 Compact MTU.
Figure A-94 DO815 with TU810 or TU814 Compact MTU Process Connections
DO815 TU810
EM
+24V
0V
+24V
0V
Ch8
Ch7
Ch1
Ch2
Ch3
Ch4
Ch5
Ch6
Process
C1
B1
A1
L1+
L1-
C2
B2
A2
C3
B3
A3
C4
B4
A4
C5
B5
A5
C6
B6
A6
C7
B7
A7
C8
B8
A8
L2+
L2-
L1-
O 2
L1-
L1-
L1-
L2-
L2-
L2-
L2-
O 3
O 4
O 5
O 6
O 7
O 8
O 1
L2+
L2+
L2+
L2+
L1+
L1+
L1+
L1+
L1-
L1-
L1-
L1-
L2-
L2-
L2-
(or TU814)

DO820 Digital Output Module, Relay Normally Open Appendix A Specifications
386 3BSE 020 924R4101
A.33 DO820 Digital Output Module, Relay Normally Open
A.33.0.1 Features
• 8 channels for 230 V a.c./d.c. relay Normal Open
(NO) outputs
• 8 isolated channels
• Output status indicators
• OSP sets outputs to predetermined state upon
error detection
• EMC protection
• DIN rail mounting.
• Also in a G3 compliant version.
A.33.0.2 Description
The DO820 is an 8 channel 230 V a.c./d.c. relay (NO)
output module for the S800 I/O. The maximum output
voltage is 250 V a.c./d.c. and the maximum continuous
output current is 3 A. All outputs are individually
isolated.
Each output channel consists of optical isolation
barrier, output state indication LED, relay driver, relay
and EMC protection components.
Four LEDs indicate module status Fault (Red), Run (Green), Warning (Yellow) and
OSP (Yellow). One LED (Yellow) per channel (8) indicate output state (On = 1 and
Off = 0). The RUN LED indicates normal operation and the WARNING LED
indicates if any error is active. The FAULT LED indicates that the module is in Init
state or Not Configured state. In Not Configured state the FAULT LED is turned off
after the first valid access to the module. The OSP LED indicates that the module is
in the OSP state and that the outputs are set to their OSP values.
The relay supply voltage supervision, derived from the 24 V distributed on the
ModuleBus, gives an error signal if the voltage disappears, and the Warning LED
6
7
8
F
R
W
O
1
2
3
4
5
DO820
NO 24 - 250V

Appendix A Specifications DO820 Digital Output Module, Relay Normally Open
3BSE 020 924R4101 387
turns on. The error signal can be read via the ModuleBus. This supervision can be
enabled/disabled with a parameter.
The outputs of the module will be set to a predetermined value if the OSP-watchdog
timer expires or if the SetOSPState command is received. The watchdog timer
which is set by the controller and is used for ModuleBus supervision. The watchdog
timer is re-triggered every time the correct node address has been decoded (or
broadcast). If the watchdog timer expires or if the SetOSPState command is
received, the module enters the OSP state and the active outputs (if any) are set to
their OSP values which can be configured as a predefined value or to use the last
good value sent.
The output values will be kept as long as the module stays in the OSP state. To
change the outputs the module first has to leave this state. When reentering
Operational State, the outputs are still kept with their OSP value until new valid
values are written.
The reset circuitry gives a reset signal when the module is inserted until the BLOCK
signal is inactive and the POWOK signal is active. The BLOCK signal is
deactivated when the module lock mechanism is in the locked position. The
POWOK comes from the ModuleBus master after power is applied.
Four different types of MTUs can be used. The TU831 Extended MTU and TU811
Compact MTU enables two wire connection to the devices without additional
terminals. The extended MTUs, TU836, provides an individual fuse (3 A max.) per
channel on the load outlet terminals. The extended MTUs, TU837, provides an
individual fuse (3 A max.) per channel. Outputs can be individually isolated or
grouped by bridging. Signal return terminals are provided in two groups of four
terminals.

DO820 Digital Output Module, Relay Normally Open Appendix A Specifications
388 3BSE 020 924R4101
A.33.0.3 Technical Data
Table A-68 DO820 Digital Output Module Specifications
Feature DO820
Digital Output Module
Number of channels 8
Type of output Relay (NO)
Voltage range 5 - 250 V a.c./d.c.
Load current, maximum 3 A
Load current, minimum 5 mA
Max. make current 30 A, 200ms, L/R >10 ms
Max break power a.c. 720 VA @ power factor > 0.4,
d.c.40 W L/R < 40 ms
Maximum field cable length (d.c., a.c.) 600 meters (656 yd.)
Pick-up time, maximum 9 ms
Release time, maximum 5 ms
Number of operations per hour,
maximum 2000
Number of operations per lifetime:
Mechanical
Electrical
>20 x 106
>1 x 106
Current consumption +5 V 60 mA
Current consumption +24 V 140 mA
Power dissipation (1) 2.9 W
Maximum ambient temperature 55/40°C
(131/104°F)(2)
Output Set as Predetermined (OSP)
timer 256 (3), 512, 1024 ms

Appendix A Specifications DO820 Digital Output Module, Relay Normally Open
3BSE 020 924R4101 389
Power supervision 24/12 V Relay power converter monitor
Isolation Individually isolated from ground
(RIV=250 V)
Module termination units TU811, TU831, TU836 or TU837
MTU keying code AD
Equipment class Class I according to IEC 61140; (earth
protected)
Protection rating IP20 according to IEC 60529
G3 compliant version According to ISA-S71.04. Marked with
“Z” in the type designation.
Rated insulation voltage 250 V
Dielectric test voltage 2000 V a.c.
Width 45 mm (1.77”)
Depth 97 mm (3.8”), 106 mm (4.2”) including
connector
Height 119 mm (4.7”)
Weight 0.23 kg (0.5 lbs.)
(1) Power dissipation is calculated with 70 percent of the channels activated.
(2) 40°C (104°F) applies to compact MTUs with I/O-modules or S800L-modules mounted on
vertical DIN rail.
(3) 256 ms are used for Master. Set by the user for MOD.
Table A-68 DO820 Digital Output Module Specifications (Continued)
Feature DO820
Digital Output Module

DO820 Digital Output Module, Relay Normally Open Appendix A Specifications
390 3BSE 020 924R4101
A.33.0.4 Block Diagram DO820
X1
+5VI
+5V
POWER-OK
0V
DAT
DAT-N
POS0-9
BIC
X2
CH 1
FAULT
WARNING
BLOCK
ERROR 1-8
.
.
.
O 1.1
.
.
.
12V SUPER-
VISION
Process Connector
EEPROM
RS-485
RESET
MBI-1
ASIC
+24V
0V-24V 24V
12V
O 1.2
OUTPUT CHANNELS
ModuleBus Connector
O 2.1
O 2.2
CH 2
CH 8
O 8.1
O 8.2
RUN
OSP

Appendix A Specifications DO820 Digital Output Module, Relay Normally Open
3BSE 020 924R4101 391
A.33.0.5 Process Connections
Table A-69 DO820 Process Connections
Process
Connection TU811
Terminal TU831
Terminal TU836
Terminal TU837
Terminal
Ch 1.1 Output B1 B1 11 (fused) B1
Ch 1.2 Output A1 A1 12 A1 (fused)
Ch 2.1 Output C2 B2 21 (fused) B2
Ch 2.2 Output A2 A2 22 A2 (fused)
Ch 3.1 Output B3 B3 31 (fused) B3
Ch 3.2 Output A3 A3 32 A3 (fused)
Ch 4.1 Output C4 B4 41 (fused) B4
Ch 4.2 Output A4 A4 42 A4 (fused)
Ch 5.1 Output B5 B5 51 (fused) B5
Ch 5.2 Output A5 A5 52 A5 (fused)
Ch 6.1 Output C6 B6 61 (fused) B6
Ch 6.2 Output A6 A6 62 A6 (fused)
Ch 7.1 Output B7 B7 71 (fused) B7
Ch 7.2 Output A7 A7 72 A7 (fused)
Ch 8.1 Output C8 B8 81 (fused) B8
Ch 8.2 Output A8 A8 82 A8 (fused)
Process Power
Source 1 - - L1, N1 N1, N1, 11,
12, 13, 14
Process Power
Source 2 - - L2, N2 N2, N2, 25,
26, 27, 28

DO820 Digital Output Module, Relay Normally Open Appendix A Specifications
392 3BSE 020 924R4101
Figure A-95 shows the process connections for the Digital Output Module DO820
when installed on a TU831 Extended MTU.
Figure A-95 DO820 with TU831 Extended MTU Process Connections
DO820
O 1.2
O 2.2
O 3.2
O 4.2
O 5.2
O 6.2
O 7.2
O 8.2
TU831
EM
O 8.1
O 7.1
O 6.1
O 5.1
O 4.1
O 3.1
O 1.1
O 2.1
Ch8.2
Ch8.1
Ch7.2
Ch7.1
Ch1.1
Ch1.2
Ch2.1
Ch2.2
Ch3.1
Ch3.2
Ch4.1
Ch4.2
Ch5.1
Ch5.2
Ch6.1
Ch6.2
Process
B1
A1
B2
A2
B3
A3
B4
A4
B5
A5
B6
A6
B7
A7
B8
A8
5 - 250V
a.c/d.c.
5 - 250V
a.c/d.c.

Appendix A Specifications DO820 Digital Output Module, Relay Normally Open
3BSE 020 924R4101 393
Figure A-96 shows the process connections for the DO820 when installed on a
TU811 or TU813 Compact MTU.
Figure A-96 DO820 with TU811 or TU813 Compact MTU Process Connections
DO820
O 1.2
O 2.2
O 3.2
O 4.2
O 5.2
O 6.2
O 7.2
O 8.2
TU811/TU813
EM
O 8.1
O 7.1
O 6.1
O 5.1
O 4.1
O 3.1
O 1.1
O 2.1
Ch8.2
Ch8.1
Ch7.2
Ch7.1
Ch1.1
Ch1.2
Ch2.1
Ch2.2
Ch3.1
Ch3.2
Ch4.1
Ch4.2
Ch5.1
Ch5.2
Ch6.1
Ch6.2
Process
B1
A1
C2
A2
B3
A3
C4
A4
B5
A5
C6
A6
B7
A7
C8
A8
5 - 250V
a.c/d.c.
5 - 250V
a.c/d.c.

DO820 Digital Output Module, Relay Normally Open Appendix A Specifications
394 3BSE 020 924R4101
Figure A-97 shows the process connections for the DO820 when installed on a
TU836 Extended MTU.
Figure A-97 DO820 with TU836 Extended MTU Process Connections
DO820
O 1.2
O 2.2
O 3.2
O 4.2
O 5.2
O 6.2
O 7.2
O 8.2
TU836
EM
O 8.1
O 7.1
O 6.1
O 5.1
O 4.1
O 3.1
O 1.1
O 2.1
Ch8.2
Ch8.1
Ch7.2
Ch7.1
Ch1.1
Ch1.2
Ch2.1
Ch2.2
Ch3.1
Ch3.2
Ch4.1
Ch4.2
Ch5.1
Ch5.2
Ch6.1
Ch6.2
Process
11
12
21
22
31
32
41
42
51
52
61
62
71
72
81
82
3.15A
L2
L2
N2
N2
3.15A
3.15A
3.15A
3.15A
3.15A
3.15A
3.15A
L1
L1
N1
N1
5 - 250V
a.c/d.c.
5 - 250V
a.c/d.c.

Appendix A Specifications DO820 Digital Output Module, Relay Normally Open
3BSE 020 924R4101 395
Figure A-98 shows the process connections for the DO820 when installed on a
TU837 Extended MTU.
Figure A-98 DO820 with TU837 Extended MTU Process Connections
DO820
O 1.2
O 2.2
O 3.2
O 4.2
O 5.2
O 6.2
O 7.2
O 8.2
TU837
EM
O 8.1
O 7.1
O 6.1
O 5.1
O 4.1
O 3.1
O 1.1
O 2.1
Ch8.2
Ch8.1
Ch7.2
Ch7.1
Ch1.1
Ch2.1
Ch3.1
Ch3.2
Ch4.1
Ch4.2
Process
B1
A1
B2
A2
B3
A3
B4
A4
B5
A5
B6
A6
B7
A7
B8
A8
3.15A
3.15A
3.15A
3.15A
3.15A
3.15A
3.15A
3.15A
N1
11
ZP1 0-250V
a.c./d.c.
0-250V
a.c./d.c.
12
13
14
N1
0-250V
a.c./d.c.
0-250V
a.c./d.c.
0-250V
a.c./d.c.
25
27
ZP2
28
N2
N2
26

DO821 Digital Output Module, Relay Normally Closed Appendix A Specifications
396 3BSE 020 924R4101
A.34 DO821 Digital Output Module, Relay Normally Closed
A.34.0.1 Features
• 8 channels for 230 V a.c./d.c. relay Normal
Closed (NC) outputs
• 8 isolated channels
• Output status indicators
• OSP sets outputs to predetermined state upon
error detection
• EMC protection
• DIN rail mounting.
A.34.0.2 Description
The DO821 is an 8 channel 230 V a.c./d.c. relay
(NC) output module for the S800 I/O. The
maximum output voltage is 250 V a.c. and the
maximum continuous output current is 3 A. All
outputs are individually isolated.
Each output channel consists of optical isolation
barrier, output state indication LED, relay driver,
relay and EMC protection components.
Four LEDs indicate module status Fault (Red), Run
(Green), Warning (Yellow) and OSP (Yellow). One
LED (Yellow) per channel (8) indicate output state
(On = 1 and Off = 0). The RUN LED indicates
normal operation and the WARNING LED indicates if any error is active. The
FAULT LED indicates that the module is in Init state or Not Configured state. In
Not Configured state the FAULT LED is turned off after the first valid access to the
module. The OSP LED indicates that the module is in the OSP state and that the
outputs are set to their OSP values.
6
7
8
F
R
W
O
1
2
3
4
5
DO821
NC 24 - 250V
Remove field power
before replacement
Caution
Since the module has normally closed
relay contacts the field power must be
removed before replacement.

Appendix A Specifications DO821 Digital Output Module, Relay Normally Closed
3BSE 020 924R4101 397
The relay supply voltage supervision, derived from the 24 V distributed on the
ModuleBus, gives an error signal if the voltage disappears, and the Warning LED
turns on. The error signal can be read via the ModuleBus. This supervision can be
enabled/disabled with a parameter.
The outputs of the module will be set to a predetermined value if the OSP-watchdog
timer expires or if the SetOSPState command is received. The watchdog timer
which is set by the controller and is used for ModuleBus supervision. The watchdog
timer is re-triggered every time the correct node address has been decoded (or
broadcast). If the watchdog timer expires or if the SetOSPState command is
received, the module enters the OSP state and the active outputs (if any) are set to
their OSP values which can be configured as a predefined value or to use the last
good value sent.
The output values will be kept as long as the module stays in the OSP state. To
change the outputs the module first has to leave this state. When reentering
Operational State, the outputs are still kept with their OSP value until new valid
values are written.
The reset circuitry gives a reset signal when the module is inserted until the BLOCK
signal is inactive and the POWOK signal is active. The BLOCK signal is
deactivated when the module lock mechanism is in the locked position. The
POWOK comes from the ModuleBus master after power is applied.
Four different types of MTUs can be used. The TU831 Extended MTU and TU811
Compact MTU enables two wire connection to the devices without additional
terminals. The extended MTU, TU836, provides an individual fuse (3 A max.) per
channel on the load outlet terminals. The extended MTU, TU837 provides an
individual fuse (3 A max.) per channel. Outputs can be individually isolated or
grouped by bridging. Signal return terminals are provided in two groups of four
terminals.

DO821 Digital Output Module, Relay Normally Closed Appendix A Specifications
398 3BSE 020 924R4101
A.34.0.3 Technical Data
Table A-70 DO821 Digital Output Module Specifications
Feature DO821
Digital Output Module
Number of channels 8
Type of output Relay (NC)
Voltage range 5 - 250 V a.c./d.c.
Load current, maximum 3 A
Load current, minimum 5 mA
Max. make current 30 A, 200ms, L/R >10 ms
Max break power a.c. 720 VA @ power factor > 0.4,
d.c. 40 W L/R < 40 ms
Maximum field cable length (d.c., a.c.) 600 meters (656 yd.)
Pick-up time, maximum 9 ms
Release time, maximum 5 ms
Number of operations per hour,
maximum 2000
Number of operations per lifetime:
Mechanical
Electrical
>20 x 106
>1 x 106
Current consumption +5 V 60 mA
Current consumption +24 V 140 mA
Power dissipation (1) 2.9 W
Maximum ambient temperature 55/40°C
(131/104°F)(2)
Output Set as Predetermined (OSP)
timer 256, 512, 1024 ms

Appendix A Specifications DO821 Digital Output Module, Relay Normally Closed
3BSE 020 924R4101 399
Power supervision 24/12 V Relay power converter monitor
Isolation Individually isolated from ground
(RIV=250 V)
Module termination units TU811, TU831, TU836 or TU837
MTU keying code CA
Equipment class Class I according to IEC 61140; (earth
protected)
Protection rating IP20 according to IEC 60529
Rated insulation voltage 250 V
Dielectric test voltage 2000 V a.c.
Width 45 mm (1.77”)
Depth 97 mm (3.8”), 106 mm (4.2”) including
connector
Height 119 mm (4.7”)
Weight 0.23 kg (0.5 lbs.)
(1) Power dissipation is calculated with 70 percent of the channels activated.
(2) 40°C (104°F) applies to compact MTUs with I/O-modules or S800L-modules mounted on
vertical DIN rail.
Table A-70 DO821 Digital Output Module Specifications (Continued)
Feature DO821
Digital Output Module

DO821 Digital Output Module, Relay Normally Closed Appendix A Specifications
400 3BSE 020 924R4101
A.34.0.4 Block Diagram DO821
X1
+5VI
+5V
POWER-OK
0V
DAT
DAT-N
POS0-9
BIC
X2
CH 1
FAULT
WARNING
BLOCK
ERROR 1-8
.
.
.
O 1.1
.
.
.
12V SUPER-
VISION
Process Connector
EEPROM
RS-485
RESET
MBI-1
ASIC
+24V
0V-24V 24V
12V
O 1.2
OUTPUT CHANNELS
ModuleBus Connector
O 2.1
O 2.2
CH 2
CH 8
O 8.1
O 8.2
RUN
OSP

Appendix A Specifications DO821 Digital Output Module, Relay Normally Closed
3BSE 020 924R4101 401
A.34.0.5 Process Connections
Table A-71 DO821 Process Connections
Process
Connection TU811
Terminal TU831
Terminal TU836
Terminal TU837
Terminal
Ch 1.1 Output B1 B1 11 (fused) B1
Ch 1.2 Output A1 A1 12 A1 (fused)
Ch 2.1 Output C2 B2 21 (fused) B2
Ch 2.2 Output A2 A2 22 A2 (fused)
Ch 3.1 Output B3 B3 31 (fused) B3
Ch 3.2 Output A3 A3 32 A3 (fused)
Ch 4.1 Output C4 B4 41 (fused) B4
Ch 4.2 Output A4 A4 42 A4 (fused)
Ch 5.1 Output B5 B5 51 (fused) B5
Ch 5.2 Output A5 A5 52 A5 (fused)
Ch 6.1 Output C6 B6 61 (fused) B6
Ch 6.2 Output A6 A6 62 A6 (fused)
Ch 7.1 Output B7 B7 71 (fused) B7
Ch 7.2 Output A7 A7 72 A7 (fused)
Ch 8.1 Output C8 B8 81 (fused) B8
Ch 8.2 Output A8 A8 82 A8 (fused)
Process Power
Source 1 - - L1, N1 N1, N1, 11, 12,
13, 14
Process Power
Source 2 - - L2, N2 N2, N2, 25, 26,
27, 28

DO821 Digital Output Module, Relay Normally Closed Appendix A Specifications
402 3BSE 020 924R4101
Figure A-99 shows the process connections for the Digital Output Module DO821
when installed on a TU831 Extended MTU.
Figure A-99 DO821 with TU831 Extended MTU Process Connections
DO821
O 1.2
O 2.2
O 3.2
O 4.2
O 5.2
O 6.2
O 7.2
O 8.2
TU831
EM
O 8.1
O 7.1
O 6.1
O 5.1
O 4.1
O 3.1
O 1.1
O 2.1
Ch8.2
Ch8.1
Ch7.2
Ch7.1
Ch1.1
Ch1.2
Ch2.1
Ch2.2
Ch3.1
Ch3.2
Ch4.1
Ch4.2
Ch5.1
Ch5.2
Ch6.1
Ch6.2
Process
B1
A1
B2
A2
B3
A3
B4
A4
B5
A5
B6
A6
B7
A7
B8
A8
5 - 250V
a.c/d.c.
5 - 250V
a.c/d.c.

Appendix A Specifications DO821 Digital Output Module, Relay Normally Closed
3BSE 020 924R4101 403
Figure A-100 shows the process connections for the DO821 when installed on a
TU811 or TU813 Compact MTU.
Figure A-100 DO821 with TU811 or TU813 Compact MTU Process Connections
DO821
O 1.2
O 2.2
O 3.2
O 4.2
O 5.2
O 6.2
O 7.2
O 8.2
TU811/TU813
EM
O 8.1
O 7.1
O 6.1
O 5.1
O 4.1
O 3.1
O 1.1
O 2.1
Ch8.2
Ch8.1
Ch7.2
Ch7.1
Ch1.1
Ch1.2
Ch2.1
Ch2.2
Ch3.1
Ch3.2
Ch4.1
Ch4.2
Ch5.1
Ch5.2
Ch6.1
Ch6.2
Process
B1
A1
C2
A2
B3
A3
C4
A4
B5
A5
C6
A6
B7
A7
C8
A8
5 - 250V
a.c/d.c.
5 - 250V
a.c/d.c.

DO821 Digital Output Module, Relay Normally Closed Appendix A Specifications
404 3BSE 020 924R4101
Figure A-101 shows the process connections for the DO821 when installed on a
TU836 Extended MTU.
Figure A-101 DO821 with TU836 Extended MTU Process Connections
DO821
O 1.2
O 2.2
O 3.2
O 4.2
O 5.2
O 6.2
O 7.2
O 8.2
TU836
EM
O 8.1
O 7.1
O 6.1
O 5.1
O 4.1
O 3.1
O 1.1
O 2.1
Ch8.2
Ch8.1
Ch7.2
Ch7.1
Ch1.1
Ch1.2
Ch2.1
Ch2.2
Ch3.1
Ch3.2
Ch4.1
Ch4.2
Ch5.1
Ch5.2
Ch6.1
Ch6.2
Process
11
12
21
22
31
32
41
42
51
52
61
62
71
72
81
82
3.15A
L2
L2
N2
N2
3.15A
3.15A
3.15A
3.15A
3.15A
3.15A
3.15A
L1
L1
N1
N1
5 - 250V
a.c/d.c.
5 - 250V
a.c/d.c.

Appendix A Specifications DO821 Digital Output Module, Relay Normally Closed
3BSE 020 924R4101 405
Figure A-102 shows the process connections for the DO821 when installed on a
TU837 Extended MTU.
Figure A-102 DO821 with TU837 Extended MTU Process Connections
DO821
O 1.2
O 2.2
O 3.2
O 4.2
O 5.2
O 6.2
O 7.2
O 8.2
TU837
EM
O 8.1
O 7.1
O 6.1
O 5.1
O 4.1
O 3.1
O 1.1
O 2.1
Ch8.2
Ch8.1
Ch7.2
Ch7.1
Ch1.1
Ch1.2
Ch2.1
Ch2.2
Ch3.1
Ch3.2
Ch4.1
Ch4.2
Ch5.1
Ch5.2
Ch6.1
Ch6.2
Process
B1
A1
B2
A2
B3
A3
B4
A4
B5
A5
B6
A6
B7
A7
B8
A8
3.15A
3.15A
3.15A
3.15A
3.15A
3.15A
3.15A
3.15A
N1
N1
N2
N2
28
27
26
25
11
12
13
14
ZP1
ZP2
230V
230V
Bridging
Bridging
230V
230V

DO840 Digital Output Module Appendix A Specifications
406 3BSE 020 924R4101
A.35 DO840 Digital Output Module
A.35.0.1 Features
• 16 channels for 24 V d.c. current sourcing outputs
• 2 isolated groups of 8 channels with process
voltage supervision
• Advanced on-board diagnostics
• Output status indicators
• OSP sets outputs to predetermined state upon
error detection
• Redundant or single applications
• Current limited and over-temperature protection
• EMC protection
• DIN rail mounting.
A.35.0.2 Description
The DO840 is a 16 channel 24 V digital output module
for single or redundant application. This module has
16 digital outputs. The maximum continuous output
current per channel is 0.5 A. The outputs are current
limited and protected against over temperature. The
outputs are divided into two groups with eight output
channels and one voltage supervision input in each group.
Each output channel consists of a current limited and over temperature protected
high side driver, EMC protection components, inductive load suppression, output
state indication LED and optical isolation barrier.
Four LEDs indicate module status Fault (Red), Run (Green), Warning (Yellow) and
OSP (Yellow). One LED (Yellow/Red) per channel (16) indicate output state
(On = 1 = Yellow, Off = 0 and Error = Red). The RUN LED indicates normal
operation and the WARNING LED indicates if there is error on active channels.
The FAULT LED indicates that the module is in Init state or Not Configured state.
DO840
24V, 0.5A
F
R
W
O

Appendix A Specifications DO840 Digital Output Module
3BSE 020 924R4101 407
In Not Configured state the FAULT LED is turned off after the first valid access to
the module. The OSP LED indicates that the module is in the OSP state and that the
outputs are set to their OSP values.
External channel error is reported if process power is low and channel has over load.
Internal channel error is reported if output driver or main power switch has failed.
Module error is reported if internal power has failed or if internal communication
link between the modules in redundant applications has failed.
The outputs of the module will be set to a predetermined value if the OSP-watchdog
timer expires or if the SetOSPState command is received. The watchdog timer is set
by the controller and is used for ModuleBus supervision. The watchdog timer is re-
triggered every time the correct module address has been decoded (or broadcast). If
the watchdog timer expires or if the SetOSPState command is received, the module
enters the OSP state and the active outputs (if any) are set to their OSP values which
can be configured as a predefined value or to use the last good value sent.
The output values will be kept as long as the module stays in the OSP state. To
change the outputs the module first has to leave this state. When reentering
Operational State, the outputs are still kept with their OSP value until new valid
values are written.
In redundant applications both modules must have the OSP-conditions fulfilled to
go to OSP.
The reset circuitry gives a reset signal when the module is inserted until the BLOCK
signal is inactive and the POWOK signal is active. The BLOCK signal is
deactivated when the module lock mechanism is in the locked position. The
POWOK comes from the ModuleBus master after power is applied.
The outputs can be set in two different modes for handling of over load, automatic
reset or latch on fault mode.
The outputs are current limited and protected against over temperature. If the
outputs are overloaded the output current will be limited. In automatic reset mode
the power dissipation in the output stage will increase and the output will shutdown
if the temperature in the output stage increases above 150 °C (302 °F). The output
The pulse tests inverts all outputs for the group for < 1ms in intervals of 100 ms.
That will give a short pulse < 1ms on the output. The pulse tests can be
enable/disable by parameter.

DO840 Digital Output Module Appendix A Specifications
408 3BSE 020 924R4101
will switch on again automatically as the component temperature has decreased to
about 140 °C (284 °F). In Latch on Fault mode the outputs will switch off and stay
so until the overload has disappeared and the fault is acknowledged. If any output is
shutdown due to overload the indication LED on that channel is also switched to
red.
Four different types of MTUs can be used for single applications. TU830 Extended
MTU and TU810 (or TU814). The TU812 Compact MTU has a D-Sub 25 pin
(male) connector for connection to the process.
For redundant applications there are two types of MTUs, TU842 for mounting on a
horizontal DIN rail and TU843 for mounting on a vertical DIN rail.

Appendix A Specifications DO840 Digital Output Module
3BSE 020 924R4101 409
A.35.0.3 Technical Data
Table A-72 DO840 Digital Output Module Specifications
Feature DO840
Digital Output Module
Number of channels 16 (2 x 8)
Type of output Transistor current sourcing, current
limited
Voltage range 19.2 - 32 V d.c.
Load current, maximum 0.5 A
Maximum continuos load current total
per module 4A @ <40°C
2A @ <55°C
Short circuit current, maximum 2.5 A
Leakage current, maximum <10 µa
On-state voltage drop <0.3 V
Maximum Field Cable Length 600 meters (656 yd.)
Current consumption +5 V 130 mA
Current consumption external 24 V (no
external load) 200 mA
Power dissipation (1) 4.3 W
Maximum ambient temperature 55/40°C
(131/104°F)(2)
Output Set as Predetermined (OSP)
timer 256, 512, 1024 ms
Process voltage supervision 2 channels (1 per group)
Isolation Groupwise isolated from ground
(RIV=50 V)
Mounting termination units TU810, TU812, TU814, TU830, TU842
or TU843

DO840 Digital Output Module Appendix A Specifications
410 3BSE 020 924R4101
MTU keying code CE
Equipment class Class I according to IEC 61140; (earth
protected)
Protection rating IP20 according to IEC 60529
Rated insulation voltage 50 V
Dielectric test voltage 500 V a.c.
Width 45 mm (1.77”)
Depth 97 mm (3.8”), 106 mm (4.2”) including
connector
Height 119 mm (4.7”)
Weight 0.15 kg (0.33 lbs.)
(1) Power dissipation is calculated with 24 V and 4 A total load.
(2) 40°C (104°F) applies to compact MTUs with I/O-modules or S800L-modules mounted on
vertical DIN rail.
Table A-72 DO840 Digital Output Module Specifications (Continued)
Feature DO840
Digital Output Module

Appendix A Specifications DO840 Digital Output Module
3BSE 020 924R4101 411
A.35.0.4 Block Diagram DO840
OUT1-8
OUT9-16
FAULT
RUN-N
WARN-N
MBI
FPGA
OSP
ZP
EM
MSL OUT
MSL IN
MSL_txd
MSL_rxd1
DO Circuits
DO Circuits
UP1 UP2
UP1 UP2
CH1-8
CH9-16

DO840 Digital Output Module Appendix A Specifications
412 3BSE 020 924R4101
A.35.0.5 Process Connections
Table A-73 DO840 Process Connections
Process
Connection
TU810
(or TU814)
Terminal
TU812
D-Sub 25
male
Connector(1)
TU830/TU833
Terminal
TU842
TU843
Terminal
+24 V d.c. L1+ (2) 1, 14 L1+ (2) L1+
0 V d.c. L1- 2, 15 L1- (2) L1-
Ch 1/Ch 2, L1+ - - B1, B2 -
Ch 1 Output C1 3 C1 C1
Ch 2 Output B1 16 C2 C2
Ch 1/Ch 2, L1- A1 - A1, A2 A1, A2
Ch 3/Ch 4, L1+ - - B3, B4 -
Ch 3 Output C2 4 C3 C3
Ch 4 Output B2 17 C4 C4
Ch 3/Ch 4, L1- A2 - A3, A4 A3, A3
Ch 5/Ch 6, L1+ - - B5, B6 -
Ch 5 Output C3 5 C5 C5
Ch 6 Output B3 18 C6 C6
Ch 5/Ch 6, L1- A3 - A5, A6 A5, A6
Ch 7/Ch 8, L1+ - - B7, B8 -
Ch 7 Output C4 6 C7 C7
Ch 8 Output B4 19 C8 C8
Ch 7/Ch 8, L1- A4 - A7, A8 A7, A8
Ch 9/Ch 10, L2+ - - B9, B10 -
Ch 9 Output C5 7 C9 C9

Appendix A Specifications DO840 Digital Output Module
3BSE 020 924R4101 413
Ch 10 Output B5 20 C10 C10
Ch 9/Ch 10, L2- A5 - A9, A10 A9, A10
Ch 11/Ch 12, L2+ - - B11, B12 -
Ch 11 Output C6 8 C11 C11
Ch 12 Output B6 21 C12 C12
Ch 11/Ch 12, L2- A6 - A11, A12 A11, A12
Ch 13/Ch 14, L2+ - - B13, B14 -
Ch 13 Output C7 9 C13 C13
Ch 14 Output B7 22 C14 C14
Ch 13/Ch 14, L2- A7 - A13, A14 A13, A14
Ch 15/ Ch16, L2+ - - B15, B16 -
Ch 15 Output C8 10 C15 C15
Ch 16 Output B8 23 C16 C16
Ch 15/Ch16, L2- A8 - A15, A16 A15, A16
+24 V d.c. L2+ (2) 11, 24 L2+ (2) L2+
0 V d.c. L2- 12, 25 L2- (2) L2-
(1) Pin 13 connected to connector body for EM.
Table A-73 DO840 Process Connections (Continued)
Process
Connection
TU810
(or TU814)
Terminal
TU812
D-Sub 25
male
Connector(1)
TU830/TU833
Terminal
TU842
TU843
Terminal

DO840 Digital Output Module Appendix A Specifications
414 3BSE 020 924R4101
Figure A-103 shows the process connections for the Digital Output Module DO840
when installed on a TU830/TU833 Extended MTU.
Figure A-103 DO840 with TU830/TU833 Extended MTU Process Connections
DO840
O 1
L1-
O 3
O 4
L1-
L1-
L1-
L2-
L2-
L2-
L2-
O 5
O 7
O 9
O 11
O 13
O 15
O 6
O 8
O 10
O 12
O 14
O 16
O 2
TU830/TU833
EM
L2+
L2+
L2+
L2+
+24V
0V
L1+
L1+
L1+
L1+
+24V
0V
Ch16
Ch15
Ch14
Ch13
Ch1
Ch2
Ch3
Ch4
Ch5
Ch6
Ch7
Ch8
Ch9
Ch10
Ch11
Ch12
Process
6.3 A
Fuse
6.3 A
Fuse
L1+
L1+
L1-
L1-
L2+
L2+
L2-
L2-
B1,B2
C1
C2
A1,A2
B3,B4
C3
C4
A3,A4
B5,A6
C5
C6
A5,A6
B7,B8
C7
C8
A7,A8
B9,B10
C9
C10
A9,A10
B11,B12
C11
C12
A11,A12
B13,B14
C13
C14
A13,A14
B15,A16
C15
C16
A15,A16
L2-
L2-
L2-
L2-
L2+
L2+
L2+
L2+
L1-
L1-
L1-
L1-
L1+
L1+
L1+
L1+
Supervise
Supervise

Appendix A Specifications DO840 Digital Output Module
3BSE 020 924R4101 415
Figure A-104 shows the process connections for the Digital Output Module DO840
when installed on a TU810 or TU814 Compact MTU.
Figure A-104 DO840 with TU810 or TU814 Compact MTU Process Connections
DO840 TU810
EM
+24V
0V
+24V
0V
Ch16
Ch15
Ch14
Ch13
Ch1
Ch2
Ch3
Ch4
Ch5
Ch6
Ch7
Ch8
Ch9
Ch10
Ch11
Ch12
Process
C1
B1
A1
L1+
L1-
C2
B2
A2
C3
B3
A3
C4
B4
A4
C5
B5
A5
C6
B6
A6
C7
B7
A7
C8
B8
A8
L2+
L2-
O 1
L1-
O 3
O 4
L1-
L1-
L1-
L2-
L2-
L2-
L2-
O 5
O 7
O 9
O 11
O 13
O 15
O 6
O 8
O 10
O 12
O 14
O 16
O 2
L2+
L2+
L2+
L2+
L1+
L1+
L1+
L1+
L2+
L1+
L1-
L1-
L1-
L1-
L2-
L2-
L2-
L2-
(or TU814)
Supervise
Supervise

DO840 Digital Output Module Appendix A Specifications
416 3BSE 020 924R4101
Figure A-105 shows the process connections for the Digital Output Module DO840
when installed on a TU812 Compact MTU.
Figure A-105 DO840 with TU812 Compact MTU Process Connections
DO840
O 1
L1-
O 3
O 4
L1-
L1-
L1-
L2-
L2-
L2-
L2-
O 5
O 7
O 9
O 11
O 13
O 15
O 6
O 8
O 10
O 12
O 14
O 16
O 2
EM
L2+
L2+
L2+
L2+
L1+
L1+
L1+
L1+
Ch1
Ch2
Ch3
Ch4
Ch9
Ch10
Ch11
Ch12
Ch13
Ch14
Ch15
Ch16
+24V
0V
+24V
Ch5
Ch6
0V
Ch7
Ch8
TU812
Process
3
16
4
17
7
20
8
21
9
22
10
23
11
24
12
25
1
5
18
2
6
19
14
15
13
3
16
4
17
7
20
8
21
9
22
10
23
11
24
12
25
1
5
18
2
6
19
14
15
13
EM
S1
S2
S3
S4
S9
S10
S11
S12
S13
S14
S15
S16
UP2
ZP2
UP1
S5
S6
ZP1
S7
S8
UP2
ZP2
UP1
ZP1
Connection
Supervise
Supervise

Appendix A Specifications DO840 Digital Output Module
3BSE 020 924R4101 417
Figure A-106 shows the process connections for the Digital Output Module DO840
when installed on a TU842 or TU843 Redundant MTU.
Figure A-106 DO840 with TU842 or TU843 Redundant MTU Process Connections
DO840
O 1
L1-
O 3
O 4
L1-
L1-
L1-
L2-
L2-
L2-
L2-
O 5
O 7
O 9
O 11
O 13
O 15
O 6
O 8
O 10
O 12
O 14
O 16
O 2
TU842/TU843
EM
+24V
+24V
0V
Ch16
Ch15
Ch14
Ch13
Ch1
Ch2
Ch3
Ch4
Ch5
Ch6
Ch7
Ch8
Ch9
Ch10
Ch11
Ch12
Process
L1+
L1+
L1-
L1-
L2+
L2+
L2-
L2-
C1
C2
A1,A2
C3
C4
A3,A4
C5
C6
A5,A6
C7
C8
A7,A8
C9
C10
A9,A10
C11
C12
A11,A12
C13
C14
A13,A14
C15
C16
A15,A16
L2-
L2-
L2-
L2-
L1-
L1-
L1-
L1-
Supervise
Supervise
DO840
O 16
L1-
Supervise
Supervise
- - -
O 15
L2-
EM
O 1
O 2
0V

DO880 High Integrity Digital Output Module Appendix A Specifications
418 3BSE 020 924R4101
A.36 DO880 High Integrity Digital Output Module
A.36.0.1 Features
• 16 channels for 24 V d.c. current sourcing outputs
in one isolated group.
• Process voltage supervision.
• Loop monitoring, supervision of short and open
load with configurable limits (see table Table A-74).
• Diagnostic of output switches without pulsing on
outputs.
• Advanced on-board diagnostics.
• Output status indicators (activated/error).
• Error detection.
• Redundant or single configuration.
• Current limitation at short and over-temperature
protection of switches.
• Fault tolerance of 1 (as defined in EN 61508) for
output drivers. For ND and CC systems, outputs can
still be controlled with error on output drivers.
• EMC protection.
• DIN rail mounting.
• Certified for SIL3 according to EN 61508.
– Normally Energized (NE) high demand and low demand
– Normally De-energized (ND), low demand
– Continuos Control (CC)
• Certified for AK6 according to DIN V 19250/DIN V VDE 0801-AK6.
• Certified for Category 4 according to EN954-1.

Appendix A Specifications DO880 High Integrity Digital Output Module
3BSE 020 924R4101 419
A.36.0.2 Description
The DO880 is a 16 channel 24 V digital output module for single or redundant
application. The maximum continuous output current per channel is 0.5 A. The
outputs are current limited and protected against over temperature.
Each output channel consists of a current limited and over temperature protected
high side driver, EMC protection components, inductive load suppression, output
state indication LED and an isolation barrier to the Modulebus.
The outputs can be set in two different modes for handling of over load, automatic
reset when overload/short is removed or manual reset by operator (forcing output
off and on).
The outputs are current protected and protected against over temperature. If load
increases above 0,6A, the output will be switched off and an external channel error
reported.
Four different types of MTUs can be used for single configuration. TU830 Extended
MTU and TU810 (or TU814). The TU812 Compact MTU has a D-Sub 25 pin
(male) connector for connection to the process.
For redundant configuration there are two types of MTUs, TU842 for mounting on a
horizontal DIN rail and TU843 for mounting on a vertical DIN rail.
Self-diagnostic Functions
The module cyclically performs comprehensive self-diagnostic. Detected failures
are grouped and reported as described below:
• Errors in External power supply and detected field loop fault will be reported
as External error.
• Errors in circuits only affecting specific channels on the module (short circuits,
open circuits, stuck-at faults) will be reported as Internal channel error.
• Errors in internal power supplies, Errors in micro controller, FPGA and
Memory will be reported as Module Error.
Three LEDs indicate module status Fault (Red), Run (Green) and Warning
(Yellow):

DO880 High Integrity Digital Output Module Appendix A Specifications
420 3BSE 020 924R4101
• The RUN LED starts flashing when the module is ready to be configured and is
steady lit when the module has reached operational state.
• The WARNING LED indicates external errors or internal channel errors.
• The FAULT LED indicates that there is Module errors present or that the
module is in Init state.

Appendix A Specifications DO880 High Integrity Digital Output Module
3BSE 020 924R4101 421
A.36.0.3 Technical Data
Table A-74 DO880 High Integrity Digital Output Module Specifications
Feature DO880
Digital Output Module
Number of channels 16
Type of output Transistor current sourcing, current
limited
Voltage range 19.2 - 32 V
Load current, maximum 0.5 A
Maximum continuos load current total
per module 8A @ <40°C
4A @ <60°C
Short circuit current, maximum See Figure A-107
Leakage current, maximum <100 µA
Loop monitoring Configurable for loop resistance from
50 Ω to 2 kΩ dependent of configuration
and mode of operation
De-energized safe voltage at fault <5 V
De-energized safe current at fault <35 mA
On-state voltage drop <0.8 V
Maximum field cable length 600 meters (656 yd.)
Current consumption +5 V 10 mA
Current consumption ModuleBus 24 V 55 mA (max)
Current consumption +24 V (field
supply) 10 mA + channel output current
Power dissipation 5.6 W (0,5 A x 16 channels)
Maximum ambient temperature 55/40°C (131/104°F)

DO880 High Integrity Digital Output Module Appendix A Specifications
422 3BSE 020 924R4101
Process voltage supervision 16 (1 per channel)
Isolation Yes
Mounting termination units TU810, TU812, TU814, TU830, TU842,
TU843
MTU keying code FE
Propagation delay Modulebus output 10 ms max
Equipment class Class I according to IEC 61140; (earth
protected)
Protection rating IP20 according to IEC 60529
Rated insulation voltage 50 V
Dielectric test voltage 500 V a.c.
Width 45 mm (1.77”)
Depth 97 mm (3.8”), 106 mm (4.2”) including
connector
Height 119 mm (4.7”)
Weight 0.20 kg (0.44 lbs.)
Table A-74 DO880 High Integrity Digital Output Module Specifications
(Continued)
Feature DO880
Digital Output Module

Appendix A Specifications DO880 High Integrity Digital Output Module
3BSE 020 924R4101 423
The short circuit current is dependent on the power supply and the cable resistance.
A configuration with a power supply with very low internal resistance and a very
low cable resistance represents the worst case.
Figure A-107 Short circuit current, worst case
1
0
5
1
5
2
0
2
5
30
35
40
0.1 0.2 0.3 0.4 0.5 0.6 0.7 0.8 1357 <20 m
s
A
Redundant
Singel

DO880 High Integrity Digital Output Module Appendix A Specifications
424 3BSE 020 924R4101
A.36.0.4 Block Diagram DO880
R
MCU
FPGA
W
F
CH1
CH16
MUX
MUX
FS
SHUNT
CH1
FS
SHUNT
CH16
3.3V 24V

Appendix A Specifications DO880 High Integrity Digital Output Module
3BSE 020 924R4101 425
A.36.0.5 Process Connections
Table A-75 DO880 Process Connections
Process
Connection
TU810
(or TU814)
Terminal
TU812
D-Sub 25
male
Connector(1)
TU830/TU833
Terminal
TU842
TU843
Terminal
+24 V d.c. L1+ (2) 1, 14 L1+ (2) L1+
0 V d.c. L1- 2, 15 L1- (2) L1-
Ch 1/Ch 2, L1+ - - B1, B2 -
Ch 1 Output C1 3 C1 C1
Ch 2 Output B1 16 C2 C2
Ch 1/Ch 2, L1- A1 - A1, A2 A1, A2
Ch 3/Ch 4, L1+ - - B3, B4 -
Ch 3 Output C2 4 C3 C3
Ch 4 Output B2 17 C4 C4
Ch 3/Ch 4, L1- A2 - A3, A4 A3, A3
Ch 5/Ch 6, L1+ - - B5, B6 -
Ch 5 Output C3 5 C5 C5
Ch 6 Output B3 18 C6 C6
Ch 5/Ch 6, L1- A3 - A5, A6 A5, A6
Ch 7/Ch 8, L1+ - - B7, B8 -
Ch 7 Output C4 6 C7 C7
Ch 8 Output B4 19 C8 C8
Ch 7/Ch 8, L1- A4 - A7, A8 A7, A8
Ch 9/Ch 10, L2+ - - B9, B10 -
Ch 9 Output C5 7 C9 C9

DO880 High Integrity Digital Output Module Appendix A Specifications
426 3BSE 020 924R4101
Ch 10 Output B5 20 C10 C10
Ch 9/Ch 10, L2- A5 - A9, A10 A9, A10
Ch 11/Ch 12, L2+ - - B11, B12 -
Ch 11 Output C6 8 C11 C11
Ch 12 Output B6 21 C12 C12
Ch 11/Ch 12, L2- A6 - A11, A12 A11, A12
Ch 13/Ch 14, L2+ - - B13, B14 -
Ch 13 Output C7 9 C13 C13
Ch 14 Output B7 22 C14 C14
Ch 13/Ch 14, L2- A7 - A13, A14 A13, A14
Ch 15/ Ch16, L2+ - - B15, B16 -
Ch 15 Output C8 10 C15 C15
Ch 16 Output B8 23 C16 C16
Ch 15/Ch16, L2- A8 - A15, A16 A15, A16
+24 V d.c. L2+ (2) 11, 24 L2+ (2) L2+
0 V d.c. L2- 12, 25 L2- (2) L2-
(1) Pin 13 connected to connector body for EM.
Table A-75 DO880 Process Connections (Continued)
Process
Connection
TU810
(or TU814)
Terminal
TU812
D-Sub 25
male
Connector(1)
TU830/TU833
Terminal
TU842
TU843
Terminal

Appendix A Specifications DO880 High Integrity Digital Output Module
3BSE 020 924R4101 427
Figure A-108 shows the process connections for the High Integrity Digital Output
Module DO880 when installed on a TU830/TU833 Extended MTU.
Figure A-108 DO880 with TU830/TU833 Extended MTU Process Connections
DO880
O 1
L1-
O 3
O 4
L1-
L1-
L1-
L2-
L2-
L2-
L2-
O 5
O 7
O 9
O 11
O 13
O 15
O 6
O 8
O 10
O 12
O 14
O 16
O 2
TU830/TU833
EM
L2+
L2+
L2+
L2+
+24V
0V
L1+
L1+
L1+
L1+
+24V
0V
Ch16
Ch15
Ch14
Ch13
Ch1
Ch2
Ch3
Ch4
Ch5
Ch6
Ch7
Ch8
Ch9
Ch10
Ch11
Ch12
Process
6.3 A
Fuse
6.3 A
Fuse
L1+
L1+
L1-
L1-
L2+
L2+
L2-
L2-
B1,B2
C1
C2
A1,A2
B3,B4
C3
C4
A3,A4
B5,A6
C5
C6
A5,A6
B7,B8
C7
C8
A7,A8
B9,B10
C9
C10
A9,A10
B11,B12
C11
C12
A11,A12
B13,B14
C13
C14
A13,A14
B15,A16
C15
C16
A15,A16
L2-
L2-
L2-
L2-
L2+
L2+
L2+
L2+
L1-
L1-
L1-
L1-
L1+
L1+
L1+
L1+
Supervise

DO880 High Integrity Digital Output Module Appendix A Specifications
428 3BSE 020 924R4101
Figure A-109 shows the process connections for the High Integrity Digital Output
Module DO880 when installed on a TU810 or TU814 Compact MTU.
Figure A-109 DO880 with TU810 or TU814 Compact MTU Process Connections
DO880 TU810
EM
+24V
0V
+24V
0V
Ch16
Ch15
Ch14
Ch13
Ch1
Ch2
Ch3
Ch4
Ch5
Ch6
Ch7
Ch8
Ch9
Ch10
Ch11
Ch12
Process
C1
B1
A1
L1+
L1-
C2
B2
A2
C3
B3
A3
C4
B4
A4
C5
B5
A5
C6
B6
A6
C7
B7
A7
C8
B8
A8
L2+
L2-
O 1
L1-
O 3
O 4
L1-
L1-
L1-
L2-
L2-
L2-
L2-
O 5
O 7
O 9
O 11
O 13
O 15
O 6
O 8
O 10
O 12
O 14
O 16
O 2
L2+
L2+
L2+
L2+
L1+
L1+
L1+
L1+
L2+
L1+
L1-
L1-
L1-
L1-
L2-
L2-
L2-
L2-
(or TU814)
Supervise

Appendix A Specifications DO880 High Integrity Digital Output Module
3BSE 020 924R4101 429
Figure A-110 shows the process connections for the High Integrity Digital Output
Module DO880 when installed on a TU812 Compact MTU.
Figure A-110 DO880 with TU812 Compact MTU Process Connections
DO880
O 1
L1-
O 3
O 4
L1-
L1-
L1-
L2-
L2-
L2-
L2-
O 5
O 7
O 9
O 11
O 13
O 15
O 6
O 8
O 10
O 12
O 14
O 16
O 2
EM
L2+
L2+
L2+
L2+
L1+
L1+
L1+
L1+
Ch1
Ch2
Ch3
Ch4
Ch9
Ch10
Ch11
Ch12
Ch13
Ch14
Ch15
Ch16
+24V
0V
+24V
Ch5
Ch6
0V
Ch7
Ch8
TU812
Process
3
16
4
17
7
20
8
21
9
22
10
23
11
24
12
25
1
5
18
2
6
19
14
15
13
3
16
4
17
7
20
8
21
9
22
10
23
11
24
12
25
1
5
18
2
6
19
14
15
13
EM
S1
S2
S3
S4
S9
S10
S11
S12
S13
S14
S15
S16
UP2
ZP2
UP1
S5
S6
ZP1
S7
S8
UP2
ZP2
UP1
ZP1
Connection
Supervise

DO880 High Integrity Digital Output Module Appendix A Specifications
430 3BSE 020 924R4101
Figure A-111 shows the process connections for the High Integrity Digital Output
Module DO880 when installed on a TU842 or TU843 Redundant MTU.
Figure A-111 DO880 with TU842 or TU843 Redundant MTU Process Connections
DO880
O 1
L1-
O 3
O 4
L1-
L1-
L1-
L2-
L2-
L2-
L2-
O 5
O 7
O 9
O 11
O 13
O 15
O 6
O 8
O 10
O 12
O 14
O 16
O 2
TU842/TU843
EM
+24V
+24V
0V
Ch16
Ch15
Ch14
Ch13
Ch1
Ch2
Ch3
Ch4
Ch5
Ch6
Ch7
Ch8
Ch9
Ch10
Ch11
Ch12
Process
L1+
L1+
L1-
L1-
L2+
L2+
L2-
L2-
C1
C2
A1,A2
C3
C4
A3,A4
C5
C6
A5,A6
C7
C8
A7,A8
C9
C10
A9,A10
C11
C12
A11,A12
C13
C14
A13,A14
C15
C16
A15,A16
L2-
L2-
L2-
L2-
L1-
L1-
L1-
L1-
Supervise
DO880
O 16
L1-
Supervise
- - -
O 15
L2-
EM
O 1
O 2
0V

Appendix A Specifications DP820 Incremental Pulse Counter Module
3BSE 020 924R4101 431
A.37 DP820 Incremental Pulse Counter Module
A.37.0.1 Features
• Two channels
• Interface for RS422, 5 V, 12 V, 24 V and 13 mA
transducer signal levels
• Simultaneous pulse count and frequency
measurement
• Pulse count (length/position) by accumulation in a
bidirectional 29 bit counter
• Frequency (speed) measurement 0.25 Hz - 1.5 MHz
• EMC protection
• DIN rail mounting.
A.37.0.2 Description
The DP820 module consists of two identical independent
channels. Each channel can be used for independent
pulse count (length/position) and frequency (speed)
measurement.
A.37.0.3 Transducer Connection
Each channel has four inputs (A, B, ST and DI) and one output (DO). The input
signals A and B are used as pulse inputs. The input signals ST and DI is used for
synchronizing, sampling and gated count purposes.
The balanced inputs A, B and ST can be connected to pulse transducers with RS422,
5 V, 12 V, 24 V and 13 mA signal levels if an extended MTU is used (TU830).
Adaption to different signal levels is made by using different terminals on the MTU
(see section about process connection).
Only pulse transducers with RS422, 5 V and 13 mA signal levels can be used if an
compact MTU is used (TU810, TU812 or TU814).
DP820
PX1
UP1
ST1
DI1
SY1
DO1
TP1
UL1
PX2
UP2
ST2
DI2
SY2
DO2
TP2
UL2
F
R
W
O

DP820 Incremental Pulse Counter Module Appendix A Specifications
432 3BSE 020 924R4101
The unipolar input (DI) is intended for 24 V unipolar signal level.
The DO output is a current limited digital output, current sourcing type,
24 V d.c., 0.5 A.
All signals are individually isolated.
All inputs have overvoltage protection. A maximum voltage of 30 V can be
connected without any damages.
Shielded twisted pair cables with characteristic impedance=100 (+/- 25%) ohm shall
be used for connection of transducers with RS422/5 V /13 mA signals.
The reset circuitry gives a reset signal when the module is inserted until the BLOCK
signal is inactive and the POWOK signal is active. The BLOCK signal is
deactivated when the module lock mechanism is in the locked position. The
POWOK comes from the ModuleBus master after power is applied.
Input Filter
Each DP820 input has a configurable input filter (see Technical Data). Notice the
following restrictions for selection of filters for inputs A or B:
The 1µs filter shall always be used when 12 V and 24 V inputs are used.
Unfiltered inputs can be used if RS422/+5 V /13 mA inputs are used, but cables
between transducers and the DP820 module must then be separated from other
cables to avoid that extra pulses occur due to EMI.
A.37.0.4 Pulse Encoding
The following different methods for pulse encoding are supported by DP820:
• Input A is used for counting up, input B is used for counting down, u/d.
• Input A is used for pulse counting, input B is used to determine count direction,
c/d, B=0: down, B=1: up.
• Input A and B is used for a quadrature encoded signals. Multiplication factors
x 1, x 2 and x 4 can be specified. Count direction is determined by A and B
phase shift:
: ...
00 10 11 01 00 10 ...
: ...
11 10 00 01 11 10 ...

Appendix A Specifications DP820 Incremental Pulse Counter Module
3BSE 020 924R4101 433
Figure A-112 Up/Down Pulse Mode
Figure A-113 Count/Direction Mode
Figure A-114 Quadrature Mode, #1 (Count on Pos. Edge Input A)
A
B
0-1 1
023432
PULSE
COUNT
A
B
0-1 1
02343
2
PULSE
COUNT
A
B
013
243210
PULSE
COUNT
UP DOWN

DP820 Incremental Pulse Counter Module Appendix A Specifications
434 3BSE 020 924R4101
A.37.0.5 Pulse Count (Length/Position) Measurement
Pulse count is done by pulse accumulation in a 29-bit (28bit + sign) bidirectional
pulse counter. The pulse counter value is normally continuously loaded into the
pulse register (see block diagram).
A pulse count sample condition can be specified by the user. When a sample
condition is fulfilled is the value in the pulse register “freezed”. The value in the
pulse register will remain “freezed” until a freeze disable command is received from
the controller. The pulse accumulation in the pulse counter continues during the
time when the pulse register is frozen.
Figure A-115 Quadrature Mode, #2 (Count on Pos. Edge and
Neg. Edge Input A)
Figure A-116 Quadrature Mode, #4 (Count on Pos. Edge and
Neg. Edge Input A and Input B)
A
B
013
2460-1
PULSE
COUNT
UP DOWN
56754321
A
B
013
24-1 -2
PULSE
COUNT
UP DOWN
56743210 -3
8910
11 121314 13121110 9 8 765

Appendix A Specifications DP820 Incremental Pulse Counter Module
3BSE 020 924R4101 435
The value of the pulse register (that is, actual pulse count value or “freezed” value)
is read by the CPU, and transferred to the controller.
The pulse counter is synchronized (that is, set to zero) if a user selectable
synchronization condition is fulfilled.
A comparator is used to compare the value of the pulse counter with the content of
the compare register. The value of the compare register is specified by the user. A
“coincidence” occur when a equal condition is detected by the comparator.
The coincidence function can be used to control the digital output signal (DO), as
pulse count sample condition, as synchronization condition and as frequency sample
condition (see below).
The pulse counter has overflow detection.
A.37.0.6 Gated Count Mode
In gated count mode the pulse counter only counts when the gate is active. The gate
is controlled by the DI input. The gate can be controlled in two different ways:
The DI input is level sensitive, that is, the counter only counts when DI = high.
The DI input is edge sensitive, that is, the counter starts count on a positive edge on
the DI input, stops on the next positive edge, continues on the next positive edge,
and so forth.
Figure A-117 Gated Count Mode in Two different Ways
A
012 345
012 345
DI
DI
Counter
Value
Counter
Value
Level sensitive
Edge sensitive

DP820 Incremental Pulse Counter Module Appendix A Specifications
436 3BSE 020 924R4101
Synchronization and sample conditions which uses the DI signal as part of the
condition can not be used in gated count mode.
A.37.0.7 Frequency (speed) Measurement.
The frequency measurement function consists of two counters, that is, the SX and
SR counters (see block diagram). The SX counter is used to count number of pulses
(Sx) from the unknown input frequency. The SR counter is used to count the
number of pulses (Sr) from a reference frequency source with frequency FREF. The
frequency value (Fx) is calculated as:
Fx = FREF x Sx / Sr
The SX counter is implemented by a 24 bit up/down counter (23 bit + sign). The SR
counter is implemented by a 24 bit up-counter.
The SX and SR counters accumulates pulses during a measurement period. The
measurement period can be determined in two different ways (user selectable):
By a measurement interval timer.
By the coincidence comparator function.
With the first method is a measurement interval for each channel defined by the user
in increments of 1 ms from 1 to 2.700 ms. By changing the measurement interval
the user can select a suitable filter time (integration time) with respect to the
application’s requirements.
With the second method is the measure interval controlled by the coincidence
function, that is, a measurement interval is started when a coincidence is detected.
Next coincidence terminates the measurement interval, and starts a new
measurement interval.
At the end of each measurement period are the SX and SR registers is updated with
the value of the SX and SR counters. The CPU reads the content in the SX and SR
registers and calculates a frequency value.
It is possible to synchronize frequency measurements between the two channels,
that is, the measurement period from one of the channels is then used by both
channels.
A frequency sample condition can be specified by the user. When a sample
condition is fulfilled is the value in the SX and SR registers “freezed”. The value in

Appendix A Specifications DP820 Incremental Pulse Counter Module
3BSE 020 924R4101 437
the SX and SR registers will remain “freezed” until a freeze disable command is
received from the controller. The pulse accumulation in the SX and SR counters
continues during the time when the SX and SR registers is frozen
The reference counter (SR) has a overflow detection function. The SR overflow will
be activated if no incoming pulses has been detected during 4.3 s. When the CPU
detects SR overflow, is the frequency value set to zero.
A.37.0.8 Digital Output
The digital output function can be configured in four different ways:
1. The digital output DO is activated when coincidence occur, and inactivated
after a configurable pulse-length (1ms - 65535 ms).
2. The digital output DO is activated when DOVALUE =1, and inactivated after a
configurable pulse-length (1ms - 65535 ms). The function is retriggable.
3. The digital output DO is activated when DOVALUE=1, and deactivated
DOVALUE=0.
4. The digital output DO is activated when coincidence occur and the DOVALUE
=1, and inactivated when DOVALUE=0.
Figure A-118 Configuration of Digital Output Function
COINC
DOTIME, 1ms - 65535 ms
DO
DOVALUE=1
DOTIME, 1ms - 65535 ms
DO
DO
COINC and DOVALUE=1
DO
DOVALUE=0DOVALUE=1
DOVALUE=0
1.
2.
3.
4.

DP820 Incremental Pulse Counter Module Appendix A Specifications
438 3BSE 020 924R4101
A.37.0.9 OSP Function
The digital outputs will be set to a predetermined value if the OSP-watchdog timer
expires or if the SetOSPState command is received. The watchdog timer is re-
triggered every time the correct module address has been decoded (or broadcast). If
the watchdog timer expires or if the SetOSPState command is received, the module
enters the OSP state.
The function in OSP state, and when reentering the operational state, will be
different depending on how the DO function is configured (see Digital Output 1 - 4
above):
1. Function in OSP state: No more pulses will be activated as long as the module
remains in OSP state. The DO pulse is always completed if the OSP-state is
entered during an active DO pulse (this is, the pulse width is always in
accordance with the DOTIME value).
Function when reentering operational state: The coincidence function has to be
enabled before normal DO function will start.
2. Function in OSP state: Same as in 1. above. Function when reentering
operational state: A new DO-pulse will be started as soon as a modulebus
frame with DOVALUE=1 is received.
3. Function in OSP state: The digital outputs are set to their OSP values which
can be configured as a predefined value or to use last good value sent.
Function when reentering operational state: The outputs keeps the OSP value
until a modulebus frame with a new DOVALUE value is received.
4. Same as 3.

Appendix A Specifications DP820 Incremental Pulse Counter Module
3BSE 020 924R4101 439
A.37.0.10 LED Indicators
For description about the LED-indicators with comments see Table A-76
Table A-76 Description of LED-Indicators
Name Name Color Comments
PX1 PX2 Yellow Activated on each pulse on A or B input
(>0.5s flash)
UP1 UP2 Yellow Activated when count direction = up
ST1 ST2 Yellow Activated on each pulse on ST input
(>0.5s flash)
DI1 DI2 Yellow Activated on each pulse on DI input
(>0.5s flash)
SY1 SY2 Yellow Activated on PSX counter sync. (>0.5s flash)
DO1 DO2 Yellow Activated when DO is activated (>0.5s flash)
TP1 TP2 Green Transducer power OK

DP820 Incremental Pulse Counter Module Appendix A Specifications
440 3BSE 020 924R4101
A.37.0.11 Technical Data
Table A-77 DP820 Incremental Pulse Counter Module Specifications
Feature DP820
Digital Pulse Counter
Number of channels 2
Power Supply voltage 24 V d.c.
(12 to 32 V d.c.)
Max non-destructive voltage on inputs
A, B, ST or DI 30 V d.c.
Maximum field cable length 200 m
Cable type
Characteristic impedance Shielded, twisted pair
100 (+/- 25%) ohm
Configurable input filters
Input A and B
Input ST
Input DI
Unfiltered or 1 µs
1 µs or 1 ms
1 ms or 5 ms
Max input frequency / Min pulse width,
input A and B
RS422/+5 V /13 mA - range
Filter = unfiltered
Pulse encoding = u/d or c/d
Pulse encoding = quadrature
Filter = 1 µs
Pulse encoding = u/d or c/d
Pulse encoding = quadrature
1.5 MHz / 333 ns
750 kHz / 667 ns
200 kHz / 2.5 µs
100 kHz / 5 µs
12 V - range (only TU830)
Filter = unfiltered
Filter = 1 µs
Pulse encoding = u/d or c/d
Pulse encoding = quadrature
Not allowed
200 kHz / 2.5 µs
100 kHz / 5 µs

Appendix A Specifications DP820 Incremental Pulse Counter Module
3BSE 020 924R4101 441
24 V - range (only TU830)
Filter = unfiltered
Filter = 1 µs
Pulse encoding = u/d or c/d
Pulse encoding = quadrature
Max. input frequency/Min. pulse width,
input ST
All voltage ranges
Filter = 1 µs
Filter = 1 ms
Not allowed
200 kHz / 2.5 µs
100 kHz / 5 µs
200 kHz / 2.5 µs
1 kHz / 500 µs
Max. input frequency/Min. pulse width,
input DI
Filter = 1 µs
Filter = 1 ms
1 kHz / 500 µs
0.1 kHz / 5 µs
Input impedance, A, B and ST -inputs
RS422/+5 V /13 mA - range
12 V - range (only TU830)
24 V - range (only TU830)
100 Ω(1) characteristic impedance
1 kΩ
2 kΩ
Input impedance, DI - input 2.5 kΩ
Table A-77 DP820 Incremental Pulse Counter Module Specifications (Continued)
Feature DP820
Digital Pulse Counter

DP820 Incremental Pulse Counter Module Appendix A Specifications
442 3BSE 020 924R4101
Input signal voltage range
Input A, B, ST
RS422/+5 V /13 mA - range
“1”
“0”
12 V - range (external resistance)(2)
“1”
“0”
24 V - range (only TU830)(3)
“1”
“0”
Input DI
“1”
“0”
2.5 V to 30 V
-30 V to 1.0 V
8 V to 30 V
-30 V to 2.0 V
15 V to 30 V
-30 V to 5.0 V
15 V to 30 V
-30 V to 5.0 V
Digital output, max. load current 0.5 A
Digital output, max. short circuit current 2.4 A
Digital output, max. leakage current 10 µA
Digital output, max. output impedance 0.4 Ω
Max. frequency measurement error
Relative error
Absolute error (Temperature drift
included)
[260/(MEASTIMEx in ms)] ppm
[(260/(MEASTIMEx in ms)) +100] ppm
DP820 current consumption, +5 V 120 mA
Power dissipation 2.5 W
Maximum ambient temperature 55/40°C
(131/104°F)(4)
Table A-77 DP820 Incremental Pulse Counter Module Specifications (Continued)
Feature DP820
Digital Pulse Counter

Appendix A Specifications DP820 Incremental Pulse Counter Module
3BSE 020 924R4101 443
Output Set as Predetermined (OSP)
timer 256, 512, 1024 ms
Process voltage supervision 2 channels (1 per group)
Isolation Individually isolated channels
Mounting termination units TU810, TU812, TU814, TU830 or
TU833
MTU keying code CB
Equipment class Class I according to IEC 61140; (earth
protected)
Protection rating IP20 according to IEC 60529
Rated insulation voltage 50 V
Dielectric test voltage 500 V a.c.
Width 45 mm (1.77”)
Depth 97 mm (3.8”), 106 mm (4.2”) including
connector
Height 119 mm (4.7”)
Weight 0.15 kg (0.33 lbs.)
(1) Load 20 mA at 5 V, 8 mA at 2.5 V
(2) With TU830 external resistor 1.8 kΩ, see Figure A-122.
With TU810, TU814 external resistor ca 920 Ω, see Figure A-119.
(3) With external resistor also TU810, TU814
External resistor 1.8 kΩ, see Figure A-119.
(4) 40°C (104°F) applies to compact MTUs with I/O-modules or S800L-modules mounted on
vertical DIN rail.
Table A-77 DP820 Incremental Pulse Counter Module Specifications (Continued)
Feature DP820
Digital Pulse Counter

DP820 Incremental Pulse Counter Module Appendix A Specifications
444 3BSE 020 924R4101
A.37.0.12 Block Diagram DP820
COUNTERREGISTER
COMPARE
REGISTER COINC
COMP
COINC
COUNTER
COUNTER
REGISTER
REGISTER
PULSE COUNT
FREQUENCY
DIR
DIR
PULSE
DECO-
CHANNEL1 (FPGA)
PULSE
COUNTER
REGISTER COINC
COMP
COINC
SX
COUNTER
SR
COUNTER
REGISTER
REGISTER
PULSE COUNT
FREQUENCY
DIR
DIR
CHANNEL2 (FPGA)
CPU
MBI2
Fref
Fref
POWER-OK
+5VI
+5V
0V
RESET
RS485
DAT+
DAT-
RS485
CLK+
CLK-
POS0-6
BLOCK
MODULEBUS CONNECTOR
X1
CA+_1
CA-_1
VA_11, VA_12
CB+_1
CB-_1
VB_11, VB_12
CST+_1
CST-_1
VST_11, VST_12
L1+
DI_1
DO_1
CA+_2
CA-_2
VA_21, VA_22
CB+_2
CB-_2
VB_21, VB_22
CST+_2
CST-_2
VST_21, VST_22
L2+
DI_2
DO_2
A2
B2
ST2
DI2
DO2
TP2
A1
B1
ST1
DI1
DO1
TP1
PROCESS CONNECTOR
X
2
RUN
WARNING
FAULT
OSP
PX1 PX2
UP1 UP2
ST1 ST2
DI1 DI2
SY1 SY2
DO1 DO2
TP1 TP2
UL1 UL2
DER
PULSE
DECO-
DER
COUNT
COUNT
COUNT
COUNT
SR
SX
PULSE
REGISTER
PULSE
PULSE
SX
SX
SR
SR
COMPARE
(FREQUENCY
CALC.)
(CONTROL
OF MODULE
BUS COMM.)
(MODULE
BUS
COMM.)

Appendix A Specifications DP820 Incremental Pulse Counter Module
3BSE 020 924R4101 445
A.37.0.13 Process Connections
Table A-78 DP820 Process Connections
Process
Connection
TU810
(or TU814)
Terminal
TU812
D-Sub 25 Male
Connector (1)
TU830/TU833
Terminal
+24 V d.c. L1+ (2) 1, 14 L1+ (2)
0 V d.c. (ZP) L1- 2, 15 L1- (2)
Ch1, CA+ C1 3 C1
Ch1, CA- B1 16 C2
Ch1, VA_1 - - B1
Ch1, VA_2 - - B2
Ch1, Zp A1 - A1, A2
Ch1, CB+ C2 4 C3
Ch1, CB- B2 17 C4
Ch1, VB_1 - - B3
Ch1, VB_2 - - B4
Ch1, Zp A2 - A3, A4
Ch1, CST+ C3 5 C5
Ch1, CST- B3 18 C6
Ch1, VST_1 - - B5
Ch1, VST_2 - - B6
Ch1, Zp A3 - A5, A6
Ch1, DI C4 6 C7
Ch1, DO B4 19 C8
Ch1, L1+ - - B7

DP820 Incremental Pulse Counter Module Appendix A Specifications
446 3BSE 020 924R4101
Ch1, L1+ - - B8
Ch1, Zp A4 - A7, A8
Ch2, CA+ C5 7 C9
Ch2, CA- B5 20 C10
Ch2, VA_1 - - B9
Ch2, VA_2 - - B10
Ch2, Zp A5 - A9, A10
Ch2, CB+ C6 8 C11
Ch2, CB- B6 21 C12
Ch2, VB_1 - - B11
Ch2, VB_2 - - B12
Ch2, Zp A6 - A11, A12
Ch2, CST+ C7 9 C13
Ch2, CST- B7 22 C14
Ch2, VST_1 - - B13
Ch2, VST_2 - - B14
Ch2, Zp A7 - A13, A14
Ch2, DI C8 10 C15
Ch2, DO B8 23 C16
Ch2, L2+ - - B15
Ch2, L2+ - - B16
Ch2, Zp A8 - A15, A16
Table A-78 DP820 Process Connections (Continued)
Process
Connection
TU810
(or TU814)
Terminal
TU812
D-Sub 25 Male
Connector (1)
TU830/TU833
Terminal

Appendix A Specifications DP820 Incremental Pulse Counter Module
3BSE 020 924R4101 447
+24 V d.c. L2+ (2) 11, 24 L2+ (2)
0 V d.c. (ZP) L2- 12, 25 L2- (2)
(1) Pin 13 connected to connector body for EM.
Table A-78 DP820 Process Connections (Continued)
Process
Connection
TU810
(or TU814)
Terminal
TU812
D-Sub 25 Male
Connector (1)
TU830/TU833
Terminal

DP820 Incremental Pulse Counter Module Appendix A Specifications
448 3BSE 020 924R4101
Figure A-119 shows the process connections for DP820 when installed on a TU810
or TU814 MTU.
Figure A-119 DP820 with TU810 or TU814 MTU Process Connections
+24V
0V
+24V
0V
V+
0V +24V
0V L2-
L2+
L1+
L1+
L1+
L1-
CA+_1
VA_11
CA-_1
VA_12
CB+_1
VB_11
CB-_1
VB_12
CST+_1
VST_11
CST-_1
VST_12
DI_1
DO_1
DP820
TU810 or
TU814
RS422
L1+
L1+
L1-
C1
B1
A1
C2
B2
A2
C3
B3
A3
C4
B4
A4
C5
B5
A5
C6
B6
A6
C7
B7
A7
C8
B8
A8
A
ST
A
+
-
B
+
-
ST
+
-
L2+
L2+
L2- EM
PROCESS
L2+
L2+
VA_21
CA-_2
VA_22
CB+_2
VB_21
CB-_2
VB_22
CST+_2
VST_21
CST-_2
VST_22
DI_2
DO_2
CA+_2
V+
0V
B
V+
0V
R
R
R
R = 0 Ω for 5 V
R = ca 920 Ω for 12 V
R = 1.8 kΩ for 24 V
**
*

Appendix A Specifications DP820 Incremental Pulse Counter Module
3BSE 020 924R4101 449
Figure A-120 shows the process connections for DP820 when installed on a TU812
MTU.
Figure A-120 DP820 with TU812 MTU Process Connections
L2-
L2+
L1+
L1+
L1+
L1-
CA+_1
VA_11
CA-_1
VA_12
CB+_1
VB_11
CB-_1
VB_12
CST+_1
VST_11
CST-_1
VST_12
DI_1
DO_1
DP820
TU812
1
14
2
3
16
4
17
5
18
6
19
7
20
8
21
9
22
10
23
11
24
12
EM
L2+
L2+
VA_21
CA-_2
VA_22
CB+_2
VB_21
CB-_2
VB_22
CST+_2
VST_21
CST-_2
VST_22
DI_2
DO_2
CA+_2
15
25
13
1
14
2
3
16
15
4
17
5
18
6
19
7
20
8
21
9
22
10
23
11
24
12
25
13
PROCESS
CONNECTION

DP820 Incremental Pulse Counter Module Appendix A Specifications
450 3BSE 020 924R4101
Figure A-121 shows the process connections for DP820 when installed on a TU830
MTU, and with RS422 transducer connected to channel 1 and +5 V transducer to
channel 2.
Figure A-121 DP820 with TU830 MTU Process Connections and with Transducer
Connections
+24V
0V
V+
0V +24V
0V L2-
L2+
L1+
L1+
L1+
L1-
CA+_1
VA_11
CA-_1
VA_12
CB+_1
VB_11
CB-_1
VB_12
CST+_1
VST_11
CST-_1
VST_12
DI_1
DO_1
DP820
TU830/TU833
RS422
L1+
L1+
L1-
C1
B1
A1
C2
B2
A2
C3
B3
A3
C4
B4
A4
C5
B5
A5
B6
C6
A6
C7
B7
A7
C8
B8
A8
A
+
-
B
+
-
ST
+
-
L2+
L2+
L2- EM
PROCESS
L2+
L2+
VA_21
CA-_2
VA_22
CB+_2
VB_21
CB-_2
VB_22
CST+_2
VST_21
CST-_2
VST_22
DI_2
DO_2
CA+_2
C9
B9
A9
C10
B10
A10
C11
B11
A11
C12
B12
A12
C13
B13
A13
B14
C14
A14
C15
B15
A15
C16
B16
A16
L2-
L1- 6.3A
Fuse
6.3A
Fuse
A
0V
B
ST
5V
V+

Appendix A Specifications DP820 Incremental Pulse Counter Module
3BSE 020 924R4101 451
Figure A-122 shows the process connections for DP820 when installed on a TU830
MTU, and with +24 V transducer connected to channel 1 and +12 V transducer to
channel 2
.
Figure A-122 DP820 with TU830 MTU Process Connections and Transducer
Connections
+24V
0V
+24V
0V L2-
L2+
L1+
L1+
L1+
L1-
CA+_1
VA_11
CA-_1
VA_12
CB+_1
VB_11
CB-_1
VB_12
CST+_1
VST_11
CST-_1
VST_12
DI_1
DO_1
DP820
TU830/TU833
L1+
L1+
L1-
C1
B1
A1
C2
B2
A2
C3
B3
A3
C4
B4
A4
C5
B5
A5
B6
C6
A6
C7
B7
A7
C8
B8
A8
A
B
ST
L2+
L2+
L2- EM
PROCESS
L2+
L2+
VA_21
CA-_2
VA_22
CB+_2
VB_21
CB-_2
VB_22
CST+_2
VST_21
CST-_2
VST_22
DI_2
DO_2
CA+_2
C9
B9
A9
C10
B10
A10
C11
B11
A11
C12
B12
A12
C13
B13
A13
B14
C14
A14
C15
B15
A15
C16
B16
A16
L2-
L1- 6.3A
Fuse
6.3A
Fuse
24V
A
0V
B
ST
12V
V+
1.8k
1.8k
1.8k

DP840 Incremental Pulse Counter Module Appendix A Specifications
452 3BSE 020 924R4101
A.38 DP840 Incremental Pulse Counter Module
A.38.0.1 Features
• 8 channels
• The modules can be used in both single and
redundant applications.
• Interface for NAMUR, 12 V and 24 V transducer
signal levels.
• Each channel can be configured for pulse count or
frequency measurement.
• The inputs can also be read as DI signals.
• Pulse count by accumulation in a 16 bit counter.
• Frequency (speed) measurement 0.5 Hz - 20 kHz.
• Advanced on-board diagnostics.
• EMC protection
• DIN rail mounting.
• Also in a G3 compliant version.
A.38.0.2 Description
The DP840 module consists of 8 identical independent
channels. Each channel can be used for pulse count or frequency (speed)
measurement. The inputs can also be read as DI signals.
Each channel has a configurable input filter.
The module perform self-diagnostics cyclically. Module diagnostics include among
other things:
• Transmitter power supply error, power supply error (process side), short circuit
and open wire. These errors will be reported as External Channel Error.
• Counter supervision. This will be reported as Internal Channel Error.
DP840
Pulse/Freq
F
R
W
1Px
1F
2Px
2F
4Px
4F
3Px
3F
5Px
5F
6Px
6F
8Px
8F
7Px
7F
P

Appendix A Specifications DP840 Incremental Pulse Counter Module
3BSE 020 924R4101 453
• Error in data/address bus supervision will be reported as Module Error.
• Synchronization error will be reported as Module Warning.
The reset circuitry gives a reset signal when the module is inserted until the BLOCK
signal is inactive and the POWOK signal is active. The BLOCK signal is
deactivated when the module lock mechanism is in the locked position. The
POWOK comes from the ModuleBus master or controller after power is applied.
Four LED indicate module status Fault (red), Run (green), Warning (yellow) and
Primary (yellow). Two LED per channel indicate input state (Px yellow) and
channel fault (F red). The Primary LED is on if the module is primary in a
redundant pair. The Px LED is on if pulse (high signal) on the input and F LED is on
if the channel is faulty.
A.38.0.3 Transducer Connection
Each channel has inputs for 12 V, 24 V and NAMUR input signals and a
configurable transducer power output. The configurable transducer power is set on
module (not channel vise) for all channels to either NAMUR, 12 V or 24V.
The module distribute the external transmitter supply to each channel. This adds a
simple connection to distribute the supply to 2 or 3-wire transmitters. The
transmitter power is supervised and current limited. The inputs can be supervised
for short circuit and open wire. The supervision can be enabled/disabled per module
(not channel vise).
The 2-wire transducers should be connected by shielded twisted pair cable.
The MTU have to be chosen with consideration to function and signal range, see
Table A-79. Type of sensor to be used is defined by parameters. The parameter set

DP840 Incremental Pulse Counter Module Appendix A Specifications
454 3BSE 020 924R4101
the sensor power output for NAMUR sensors to 8.2 V, for 12 V sensors to 12 V and
for 24 V sensors to 24 V.
The parameter for internal and external shunt shall only be set to External when
DP840 is used with TU844 or TU845.
A.38.0.4 Pulse Count Measurement
Pulse count is done by pulse accumulation in a 16 bit pulse counter. The pulse
counter value is continuously loaded into the pulse register.
The value of the pulse register (that is, actual pulse count value) is read by the CPU,
and transferred to the ModuleBus master.
A.38.0.5 Frequency (speed) Measurement.
The frequency measurement function consists of two counters, that is, the SX and
SR counters. The SX counter is used to count number of pulses (Sx) from the
unknown input frequency. The SR counter is used to count the number of pulses
(Sr) from a reference frequency source with frequency FREF. The frequency value
(Fx) is calculated as:
Fx = FREF x Sx / Sr
The SX counter is implemented by a 12 bit up-counter. The SR counter is
implemented by a 20 bit up-counter.
Table A-79 Function and Signal Range with Different MTUs
MTU type
Redundant configuration Single configuration
Namur
sensors 12 V
sensors 24 V
sensors Namur
sensors 12 V
sensors 24 V
sensors
TU810/TU812/TU814 X X
TU830 XXX
TU842/TU843 X X
TU844/TU845 X X X

Appendix A Specifications DP840 Incremental Pulse Counter Module
3BSE 020 924R4101 455
The SX and SR counters accumulates pulses during a measurement period.
The measurement interval for each channel defined by the user to 10 ms, 20 ms,
50 ms or 100 ms. By changing the measurement interval the user can select a
suitable filter time (integration time) with respect to the application’s requirements.
At the end of each measurement period are the SX and SR registers is updated with
the value of the SX and SR counters. The CPU reads the content in the SX and SR
registers and calculates a frequency value.
The reference counter (SR) has a overflow detection function. The SR overflow will
be activated if no incoming pulses has been detected during 3 s. When the CPU
detects SR overflow, is the frequency value set to zero.
A.38.0.6 Redundant Applications
In a redundant application one module is set to primary and one to backup. The
primary module synchronize the counter on the backup module every 10 seconds.
After start-up it will take about 30 s before the backup has been synchronized.

DP840 Incremental Pulse Counter Module Appendix A Specifications
456 3BSE 020 924R4101
A.38.0.7 Technical Data
Table A-80 DP840 Incremental Pulse Counter Module Specifications
Feature DP840
Digital Pulse Counter
Number of channels 8
Power Supply voltage 24 V d.c.
(19.2 to 30 V d.c.)
Max non-destructive voltage on inputs 30 V d.c.
Maximum field cable length 200 m
Cable type Twisted pair(1)
Frequency range 10 µs input filter: 0.5 Hz - 20 kHz
100 µs input filter(2): 0.5 Hz - 5 kHz
800 µs input filter(2): 0.5 Hz - 625 Hz
6400 µs input filter(2): 0.5 Hz - 78 Hz
Min pulse width (“1” or “0”) 10 µs input filter: 10 µs
100 µs input filter: 100 µs
800 µs input filter: 800 µs
6400 µs input filter: 6400 µs
Input thresholds, NAMUR Open wire: IIN< 0.1 mA
Contact open: 0.1 mA < IIN< 1.6 mA
Contact closed: 1.6 mA < IIN< 6.0 mA
Short circuit: IIN > 6.0 mA
Input thresholds, 12V / 24 V
With external resistor for cable
supervision
Open wire: VIN < 0.1 V
Contact open: 0.1 V < VIN < 1.6 V
Contact closed: 1.6 V < VIN < 6.0 V
Short circuit: VIN > 6.0 V
Input threshold, 12 V
No resistors for cable supervision
Contact open: VIN < 5.0 V
Contact closed: VIN > 5.0 V
Input threshold, 24 V
No resistors for cable supervision
Contact open: VIN < 8.3 V
Contact closed: VIN> 8.3 V

Appendix A Specifications DP840 Incremental Pulse Counter Module
3BSE 020 924R4101 457
Maximum pulse frequency 20 kHz(3)
Hysteresis (ION - IOFF) / Input threshold: >20%
or
(VON - VOFF) / Input threshold: >20%
Input impedance NAMUR: 1 kΩ, +/-10%
12 V range: 2.8 kΩ, +/-10%
24 V range: 4.0 kΩ, +/-10%
Sensor supply voltage level
(max. 20 mA/channel) NAMUR: 8.2 V, +/-10%
12 V range: 12 V +/-10%
24 V range: VL+ - (3.0 +/-1.0) V
Sensor supply current limit All ranges: <40 mA (single)
<80 mA (redundant)
Max. measurement error, frequency
measurement Max relative error(4):
PRIT = 10 ms: 300 ppm
PRIT = 20 ms: 150 ppm
PRIT = 50 ms: 60 ppm
PRIT = 100 ms: 30 ppm
Max error in crystal oscillator:
120 ppm + 5 ppm/year
Max absolute error = rel. error + oscillator
error (PRIT = 10 ms, age < 16 year): 500
ppm (= 0.05%)
Min. sampling interval when used in
pulse count mode fMAX - Maximum expected input
frequency: 216 x (1/fMAX)
fMAX = 20 kHz: 3.27 s
Synchronization accuracy +/-1 pulse
DP840 current consumption, +5 V 115 mA
Table A-80 DP840 Incremental Pulse Counter Module Specifications (Continued)
Feature DP840
Digital Pulse Counter

DP840 Incremental Pulse Counter Module Appendix A Specifications
458 3BSE 020 924R4101
External power supply consumption
(Internal load + external load) NAMUR = 56 + 0.5 x external load [mA]
12 V = 89 + 0.7 x external load [mA]
24 V = 97 + external load [mA]
External power supply 24 V d.c. (19.2 to 30 V d.c.)
Power dissipation 4 W
Maximum ambient temperature 55/40°C
(131/104°F)(5)
Process voltage supervision 1 channel
Module termination units, single
applications TU810, TU812, TU814, TU830, TU833
Module termination units, redundant
applications TU842/TU843 or TU844/TU845
MTU keying code CF
Equipment class Class I according to IEC 61140; (earth
protected)
Protection rating IP20 according to IEC 60529
G3 compliant version According to ISA-S71.04. Marked with “Z”
in the type designation.
Rated insulation voltage 50 V
Dielectric test voltage 500 V a.c.
Width 45 mm (1.77”)
Depth 97 mm (3.8”), 106 mm (4.2”) including
connector
Table A-80 DP840 Incremental Pulse Counter Module Specifications (Continued)
Feature DP840
Digital Pulse Counter

Appendix A Specifications DP840 Incremental Pulse Counter Module
3BSE 020 924R4101 459
Height 119 mm (4.7”)
Weight 0.15 kg (0.33 lbs)
(1) Shielded cables for 2-wire transmitters
(2) Symmetric input pulse (i.e. 50% duty cycle)
(3) Input channel pulse supervision does not work with pulse frequency <2 Hz
(4) Relative error - Max difference in frequency measurement between two channels on the same
module connected to the same source.
(5) 40°C (104°F) applies to compact MTUs with I/O-modules.
Table A-80 DP840 Incremental Pulse Counter Module Specifications (Continued)
Feature DP840
Digital Pulse Counter

DP840 Incremental Pulse Counter Module Appendix A Specifications
460 3BSE 020 924R4101
A.38.0.8 Block Diagram DP840
Sensor
24V
FPGA
Block
CLK
Data
ModuleBus
Ch 1
NAMUR
12V
MCU
Fault (F)
Run (R)
Warning (W)
Primary (P)
1Px
1F
8Px
8F
+5V
24V Ch 8
NAMUR
12V
Power
L+ 5VP
SYNC
SYNC DATA
Int Shunt
SP
OW
SC
det
SP

Appendix A Specifications DP840 Incremental Pulse Counter Module
3BSE 020 924R4101 461
A.38.0.9 Process Connections
Table A-81 DP840 Process Connections
Process
Connection
TU810 or
TU814
Terminal
TU812
D-Sub 25
Male
Connector(1)
TU830 or
TU833
Terminal
TU842 or
TU843
Terminal
TU844 or
TU845
Terminal
+24 V d.c. L1+ (2) 1, 14 L1+ (2) L1+ (2) L1+ (2)
0 V d.c. L1- 2, 15 L1- (2) L1- (2) L1- (2)
I1, NAMUR C1 3 C1 C1 B2
U1 - - B1 B1 B1
ZP - - A1 A1 A1
I1, 24 V B1 16 C2 C2 -
I1, 12 V - - B2 B2 -
ZP A1 - A2 A2 A2
I2, NAMUR C2 4 C3 C3 B4
U2 - - B3 B3 B3
ZP - - A3 A3 A3
I2, 24 V B2 17 C4 C4 -
I2, 12 V - - B4 B4 -
ZP A2 - A4 A4 A4
I3, NAMUR C3 5 C5 C5 B6
U3 - - B5 B5 B5
ZP - - A5 A5 A5
I3, 24 V B3 18 C6 C6 -
I3, 12 V - - B6 B6 -
ZP A3 - A6 A6 A6

DP840 Incremental Pulse Counter Module Appendix A Specifications
462 3BSE 020 924R4101
I4, NAMUR C4 6 C7 C7 B8
U4 - - B7 B7 B7
ZP - - A7 A7 A7
I4, 24 V B4 19 C8 C8 -
I4, 12 V - - B8 B8 -
ZP A4- A8A8A8
I5, NAMUR C5 7 C9 C9 B10
U5 - - B9 B9 B9
ZP - - A9 A9 A9
I5, 24 V B5 20 C10 C10 -
I5, 12 V - - B10 B10 -
ZP A5 - A10 A10 A10
I6, NAMUR C6 8 C11 C11 B12
U6 - - B11 B11 B11
ZP - - A11 A11 A11
I6, 24 V B6 21 C12 C12 -
I6, 12 V - - B12 B12 -
ZP A6 - A12 A12 A12
I7, NAMUR C7 9 C13 C13 B14
U7 - - B13 B13 B13
ZP - - A13 A13 A13
Table A-81 DP840 Process Connections (Continued)
Process
Connection
TU810 or
TU814
Terminal
TU812
D-Sub 25
Male
Connector(1)
TU830 or
TU833
Terminal
TU842 or
TU843
Terminal
TU844 or
TU845
Terminal

Appendix A Specifications DP840 Incremental Pulse Counter Module
3BSE 020 924R4101 463
I7, 24 V B7 22 C14 C14 -
I7, 12 V - - B14 B14 -
ZP A7 - A14 A14 A14
I8, NAMUR C8 10 C15 C15 B16
U8 - - B15 B15 B15
ZP - - A15 A15 A15
I8, 24 V B8 23 C16 C16 -
I8, 12 V - - B16 B16 -
ZP A8 - A16 A16 A16
L2+ (2) 11, 24 L2+ (2) L2+ (2) L2+ (2)
L2- 12, 25 L2- (2) L2- (2) L2- (2)
(1) Pin 13 connected to connector body for EM.
Table A-81 DP840 Process Connections (Continued)
Process
Connection
TU810 or
TU814
Terminal
TU812
D-Sub 25
Male
Connector(1)
TU830 or
TU833
Terminal
TU842 or
TU843
Terminal
TU844 or
TU845
Terminal

DP840 Incremental Pulse Counter Module Appendix A Specifications
464 3BSE 020 924R4101
Figure A-123 shows the process connections for DP840 when installed on a TU810
or TU814 MTU.
Figure A-123 DP840 with TU810 or TU814 MTU Process Connections
I1, NAMUR
DP840
TU810/TU814
L1+
L1+
L1-
C1
B1
A1
C2
B2
A2
C3
B3
A3
C4
B4
A4
PROCESS
U1
ZP
24 V
Supply
24 V
sensor
2-wire I1, 24 V
I1, 12 V
ZP
I2, NAMUR
U2
ZP
I2, 24 V
I2, 12 V
ZP
I3, NAMUR
U3
ZP
I3, 24 V
I3, 12 V
ZP
I4, NAMUR
U4
ZP
I4, 24 V
I4, 12 V
C5
I5, NAMUR
B5
A5
C6
B6
A6
C7
B7
A7
C8
B8
A8
L2+
L2+
L2-
ZP
U5
ZP
I5, 24 V
I5, 12 V
I6, NAMUR
ZP
U6
ZP
I6, 24 V
I6, 12 V
I7, NAMUR
ZP
U7
ZP
I7, 24 V
I7, 12 V
I8, NAMUR
ZP
U8
ZP
I8, 24 V
I8, 12 V
ZP
8.2 V
Supply
NAMUR
sensor
10 k
Ω
33 k
Ω
SC/OW
supervision
24 V
sensor
3-wire
EM
Channel supervision can be
enabled/disabled for the
module (not channel vice).

Appendix A Specifications DP840 Incremental Pulse Counter Module
3BSE 020 924R4101 465
Figure A-124 shows the process connections for DP840 when installed on a TU812
MTU.
Figure A-124 DP840 with TU812 MTU Process Connections
I1, NAMUR
DP840
TU812
1
14
2, 15
3
16
4
17
5
18
6
19
PROCESS
U1
ZP
24 V
Supply
24 V
sensor
2-wire I1, 24 V
I1, 12 V
ZP
I2, NAMUR
U2
ZP
I2, 24 V
I2, 12 V
ZP
I3, NAMUR
U3
ZP
I3, 24 V
I3, 12 V
ZP
I4, NAMUR
U4
ZP
I4, 24 V
I4, 12 V
7
I5, NAMUR
20
8
21
9
22
10
23
11
24
12, 25
ZP
U5
ZP
I5, 24 V
I5, 12 V
I6, NAMUR
ZP
U6
ZP
I6, 24 V
I6, 12 V
I7, NAMUR
ZP
U7
ZP
I7, 24 V
I7, 12 V
I8, NAMUR
ZP
U8
ZP
I8, 24 V
I8, 12 V
ZP
8.2 V
Supply
NAMUR
sensor
10 k
Ω
33 k
Ω
SC/OW
supervision
24 V
sensor
3-wire
EM
13
Channel supervision can be
enabled/disabled for the
module (not channel vice).

DP840 Incremental Pulse Counter Module Appendix A Specifications
466 3BSE 020 924R4101
Figure A-125 shows the process connections for DP840 when installed on a TU830
MTU.
Figure A-125 DP840 with TU830 MTU Process Connections
I1, NAMUR
DP840
TU830/TU833
L1+
L1+
L1-
C1
B1
A1
C2
B2
A2
C3
B3
A3
C4
B4
A4
C5
B5
A5
C6
B6
A6
C7
B7
A7
C8
B8
A8
PROCESS
L1-
U1
ZP
24 V
Supply
24 V
sensor
2-wire
24 V
sensor
3-wire
12 V
sensor
2-wire
NAMUR
sensor
4.7 k
Ω
15 k
Ω
SC/OW
supervision
I1, 24 V
I1, 12 V
ZP
I2, NAMUR
U2
ZP
I2, 24 V
I2, 12 V
ZP
I3, NAMUR
U3
ZP
I3, 24 V
I3, 12 V
ZP
I4, NAMUR
U4
ZP
I4, 24 V
I4, 12 V
C9
I5, NAMUR
B9
A9
C10
B10
A10
C11
B11
A11
C12
B12
A12
C13
B13
A13
C14
B14
A14
C15
B15
A15
C16
B16
A16
L2+
L2+
L2-
L2-
ZP
U5
ZP
I5, 24 V
I5, 12 V
I6, NAMUR
ZP
U6
ZP
I6, 24 V
I6, 12 V
I7, NAMUR
ZP
U7
ZP
I7, 24 V
I7, 12 V
I8, NAMUR
ZP
U8
ZP
I8, 24 V
I8, 12 V
ZP
10 k
Ω
33 k
Ω
SC/OW
supervision
The figure shows how to connect NAMUR, 12V,
24V sensors and voltage-free contact with, or
without, short circuit and open wire detection. But
notice that only one type of sensor power supply
can be distributed from the module at time. The
sensor power can be set to either NAMUR, 12 V
or 24 V.
1)
Notice that the NAMUR input connection always
must be used for 12V and 24V signal range when
external resistors are used to achieve short circuit/
open wire supervision.
2)
EM
1)
1)
1)
2)
2)
12 V
24 V
1)
Channel supervision can be enabled/disabled
for the module (not channel vice).

Appendix A Specifications DP840 Incremental Pulse Counter Module
3BSE 020 924R4101 467
Figure A-126 shows the process connections for DP840 when installed on a TU842 or
TU843 MTU
.
Figure A-126 DP840 with TU842 or TU843 MTU Process Connections
I1, NAMUR
DP840
TU842/TU843
L1+
L1+
L1-
C1
B1
A1,A2
C2
B2
C3
B3
A3,A4
C4
B4
C5
B5
C6
B6
C7
B7
A7,A8
C8
B8
PROCESS
L1-
U1
ZP
24 V
Supply
24 V
sensor
2-wire
24 V
sensor
3-wire
12 V
sensor
2-wire
I1, 24 V
I1, 12 V
I2, NAMUR
U2
ZP
I2, 24 V
I2, 12 V
I3, NAMUR
U3
I3, 24 V
I3, 12 V
I4, NAMUR
U4
ZP
I4, 24 V
I4, 12 V
C9
I5, NAMUR
B9
A9,A10
C10
B10
C11
B11
A11,A12
C12
B12
C13
B13
A13,A14
C14
B14
C15
B15
A15,A16
C16
B16
L2+
L2+
L2-
L2-
U5
ZP
I5, 24 V
I5, 12 V
I6, NAMUR
U6
ZP
I6, 24 V
I6, 12 V
I7, NAMUR
U7
ZP
I7, 24 V
I7, 12 V
I8, NAMUR
U8
ZP
I8, 24 V
I8, 12 V
The figure shows how to
connect NAMUR, 12V, 24V
sensors and voltage-free
contact. But notice that only
one type of sensor power
supply can be distributed from
the module at time. The sensor
power supply can be set to
either NAMUR, 12 V or 24 V.
1)
A5,A6
ZP
I1, NAMUR
DP840
U1
ZP
I1, 24 V
I1, 12 V
I8, NAMUR
U8
ZP
I8, 24 V
I8, 12 V
EM
EM
1)

DP840 Incremental Pulse Counter Module Appendix A Specifications
468 3BSE 020 924R4101
Figure A-127 shows the process connections for DP840 when installed on a TU844 or
TU845 MTU.
Figure A-127 DP840 with TU844 or TU845 MTU Process Connections
DP840
TU844 or TU845
L1+
L1+
L1-
B1
B2
A1,A2
B3
B4
A3,A4
B5
B6
A5,A6
B7
B8
A7,A8
PROCESS
L1-
U1
24 V
Supply
NAMUR
sensor
4.7 k
Ω
15 k
Ω
SC/OW
supervision
I1, NAMUR
ZP
U2
I2, NAMUR
ZP
U3
I3, NAMUR
ZP
U4
I4, NAMUR
B9
B10
A9,A10
B11
B12
A11,A12
B14
A13,A14
B15
B16
A15,A16
L2+
L2+
L2-
L2-
ZP
U6
I6, NAMUR
ZP
I7, NAMUR
ZP
U8
I8, NAMUR
ZP
10 k
Ω
33 k
Ω
SC/OW
supervision
The figure shows how to connect
NAMUR, voltage-free contact
with short circuit and open wire
detection. But notice that only one
type of sensor power supply can
be distributed from the module at
time. The sensor power supply
can be set to either NAMUR, 12 V
or 24 V.
Shunt
DP840
U1
I1, NAMUR
ZP
I8, NAMUR
ZP
U8
ZP
U5
I5, NAMUR
EM
EM
1)
1)
1)
sticks
B13
U7
12 V
24V
Channel supervision can be
enabled/disabled for the module
(not channel vice).

Appendix A Specifications TU805 Terminal Unit
3BSE 020 924R4101 469
A.39 TU805 Terminal Unit
A.39.0.1 Features
• Enables 2- and 3-wire
connections of process signals.
• Direct mounting on the I/O
module.
• Requires no extra space.
A.39.0.2 Description
The TU805 is a 16 channel 50 V terminal unit for the S800L I/O modules DI801
and DO801. The Terminal Unit is a passive unit for distribution of external process
power.
The module has 2 x 2 connections for external power and 2 x 16 connections for
distribution.

TU805 Terminal Unit Appendix A Specifications
470 3BSE 020 924R4101
A.39.0.3 Technical Data
Table A-82 TU805 Compact MTU Specifications
Item Value
Process Connections 18
2 x 2 Process power terminals
2 x 16 Process power distribution
terminals
Rated maximum continuous current per
terminal 1 A
Acceptable Wire Sizes Solid: 0.2 - 1.5 mm2
Stranded: 0.2 - 1.5 mm2,
24- 16 AWG
Recommended torque
0.3 Nm
Equipment class Class I according to IEC 61140; (earth
protected)
Protection rating IP20 according to IEC 60529
Rated insulation voltage 50 V
Dielectric test voltage 500 V a.c.
Width 85 mm (3.35”)
Depth 39 mm (1.54”) including connector,
30 mm (1.18”) installed
Height 31,5 mm (1.24”)
Weight 0.05 kg (0.11 lbs.)

Appendix A Specifications TU805 Terminal Unit
3BSE 020 924R4101 471
A.39.0.4 Block Diagram TU805
TU805
L
1
2
3
4
5
6
7
8
9
10
11
12
13
14
15
16
L
L
1
2
3
4
5
6
7
8
9
10
11
12
13
14
15
16
L
_+
L+
L-
24 V

TU810 Compact MTU Appendix A Specifications
472 3BSE 020 924R4101
A.40 TU810 Compact MTU
A.40.0.1 Features
• 50 Volt applications - use with AI810,
AI820, AI830, AI835, AI845, AO810,
AO820, AO845, DI810, DI811,
DI814, DI830, DI831, DI840, DI880,
DI885, DO810, DO814, DO815,
DO840, DO880, DP820 and DP840
I/O modules
• Compact installation of I/O modules
using one-wire connections
• Up to 16 channels of field signals and
process power connections
• Connections to ModuleBus and I/O
modules
• Mechanical keying prevents insertion
of the wrong I/O module
• Latching device to DIN rail for
grounding
• DIN rail mounting.
• Also in a G3 compliant version.
A.40.0.2 Description
The TU810 is a 16 channel 50 V compact
module termination unit (MTU) for the
S800 I/O. The MTU is a passive unit used
for connection of the field wiring to the I/O
modules. It also contains a part of the
ModuleBus.
A
B
C
D
E
F
A
B
C
D
E
F
C1234567C8
B1234567B8
A1234567A8
L1+ L2+
L2-L1-
L2+L1+
Row C
Row B
Row A

Appendix A Specifications TU810 Compact MTU
3BSE 020 924R4101 473
The TU810 MTU can have up to 16 I/O channels and two process voltage
connections. The maximum rated voltage is 50 V and maximum rated current is 2A
per channel. Two mechanical keys are used to configure the MTU for different
types of I/O modules.
The MTU distributes the ModuleBus to the I/O module and to the next MTU. It also
generates the correct address to the I/O module by shifting the outgoing position
signals to the next MTU.
Two mechanical keys are used to configure the MTU for different types of I/O
modules. This is only a mechanical configuration and it does not affect the
functionality of the MTU or the I/O module. Each key has six positions, which gives
a total number of 36 different configurations. The configuration can be changed
with a screwdriver.
The MTU can be mounted on a standard DIN rail. It has a mechanical latch that
locks the MTU to the DIN rail. The latch can be released with a screwdriver.
The MTU has a mechanical locking mechanism that locks the module in its
position. This mechanism also gives the signal BLOCK to the I/O module that
keeps the module in its init state until it is locked in its position.
The process signal terminals are divided into 2 equal and individually isolated
groups. Each group consists of 8 I/O connections, one process voltage connection
and 5 common L- connections.
The top part of the MTU can be removed to replace the termination board even with
an operational system. Such a need can be caused by a damaged terminal screw.

TU810 Compact MTU Appendix A Specifications
474 3BSE 020 924R4101
A.40.0.3 Technical Data
Table A-83 TU810 Compact MTU Specifications
Item Value
Process Connections 30
up to 16 I/O channels
2 x 2 Process power terminals
5 x 2 Process power 0 V
Rated maximum continuous current per
I/O channel 2 A
Rated maximum continuous current per
process voltage connection (L+) 5 A
ModuleBus:
Maximum 5 V current distribution
Maximum 24 V current distribution 1.5 A
1.5 A
Acceptable Wire Sizes Solid: 0.2 - 4 mm2
Stranded: 0.2 - 2.5 mm2,
24 - 12 AWG
Recommended torque
0.5 - 0.6 Nm
Mechanical Keys (2) 36 different combinations
I/O Module Lock Locks module and enables operation
Equipment class Class I according to IEC 61140; (earth
protected)
Protection rating IP20 according to IEC 60529
G3 compliant version According to ISA-S71.04. Marked with
“Z” in the type designation.
Rated insulation voltage 50 V
Dielectric test voltage 500 V a.c.
Width 64 mm (2.52”) including connector, 58.5
mm (2.3”) edge to edge installed

Appendix A Specifications TU810 Compact MTU
3BSE 020 924R4101 475
Depth 64 mm (2.52”) including terminals
Height 170 mm (6.7”) including latch
Weight 0.17 kg (0.37 lbs.)
Table A-83 TU810 Compact MTU Specifications (Continued)
Item Value

TU810 Compact MTU Appendix A Specifications
476 3BSE 020 924R4101
A.40.0.4 Connections
Table A-84 TU810 Process Connection Screw Terminals (X1)
Position Row A Row B Row C
1 L1- L1+ L1+
2 A1 (L1-) B1 C1
3 2 (L1-) 2 2
4 3 (L1-) 3 3
5 4 (L1-) 4 4
6 5 (L2-) 5 5
7 6 (L2-) 6 6
8 7 (L2-) 7 7
9 A8 (L2-) B8 C8
10 L2- L2+ L2+

Appendix A Specifications TU810 Compact MTU
3BSE 020 924R4101 477
A.40.0.5 Block Diagram TU810
I/O module
TU810
Module Process Connector
ModuleBus Connector
ModuleBus Connector Metral Female
POS 0 - 6 /
7
POWOK
DAT, DAT-N /2
+24V, 0V24 /2
+5V /3
0V /3
EM
BLOCK
ModuleBus Connector EM
UP1
I 1
UP1
ZP1
I 2
I 1
I 2
UP2
I16
ZP1
ZP2
UP2
ZP2
1
2
I 3 I3
I 4 I4
ZP1
ZP1
I 5 I5
I 6 I6
I 7 I7
I 8 I8
3
4
5
6
7
8
I 9 I9
1
2
3
4
5
6
7
8
1
2
3
4
5
6
7
8
ZP1
ZP1
ZP2
I 10 I 10 ZP2
ZP2
ZP2
I 12 I 12
I 14 I 14
I 16
I 11 I 11
I 13 I 13
I 15 I 15
CBA
I9
I 7
C/4 Male
R/4 Female

TU811 Compact MTU Appendix A Specifications
478 3BSE 020 924R4101
A.41 TU811 Compact MTU
A.41.0.1 Features
• 250 Volt applications - use with
DI820, DI821, DO820, and DO821
I/O modules
• Compact installation of I/O modules
• Up to 8 isolated channels of field
signals
• Connections to ModuleBus and I/O
modules
• Mechanical keying prevents insertion
of the wrong I/O module
• Latching device to DIN rail for
grounding
• DIN rail mounting.
• Also in a G3 compliant version.
A.41.0.2 Description
The TU811 is a 8 channel 250 V compact
module termination unit (MTU) for the
S800 I/O. The MTU is a passive unit used
for connection of the field wiring to the
I/O modules. It also contains a part of the
ModuleBus.
The TU811 MTU can have up to 8 I/O
channels. The maximum rated voltage is
250 V and maximum rated current is 3 A
per channel. Two mechanical keys are used to configure the MTU for different types
of I/O modules.
A
B
C
D
E
F
246C8
B1 3 5 7
A1234567A8
A
B
C
D
E
F
C
B
Row C
Row B
Row A

Appendix A Specifications TU811 Compact MTU
3BSE 020 924R4101 479
The MTU distributes the ModuleBus to the I/O module and to the next MTU. It also
generates the correct address to the I/O module by shifting the outgoing position
signals to the next MTU.
Two mechanical keys are used to configure the MTU for different types of I/O
modules. This is only a mechanical configuration and it does not affect the
functionality of the MTU or the I/O module. Each key has six positions, which gives
a total number of 36 different configurations. The configuration can be changed
with a screwdriver.
The MTU can be mounted on a standard DIN rail. It has a mechanical latch that
locks the MTU to the DIN rail. The latch can be released with a screwdriver.
The MTU has a mechanical locking mechanism that locks the module in its
position. This mechanism also gives the signal BLOCK to the I/O module that
keeps the module in its init state until it is locked in its position.
The process signal terminals has 8 individually isolated I/O channels. Each channel
has two connections.
The TU811 is primarily intended for modules with individually isolated channels.
The top part of the MTU can be removed to replace the termination board even with
an operational system. Such a need can be caused by a damaged terminal screw.

TU811 Compact MTU Appendix A Specifications
480 3BSE 020 924R4101
A.41.0.3 Technical Data
Table A-85 TU811 Compact MTU Specifications
Item Value
Process connections 16
up to 8 I/O channels
(2 terminals per channel)
Rated maximum continuous current per
I/O channel 3 A
ModuleBus:
Maximum 5 V current distribution
Maximum 24 V current distribution 1.5 A
1.5 A
Acceptable wire sizes Solid: 0.2 - 4 mm2
Stranded: 0.2 - 2.5 mm2, 24 - 12 AWG
Recommended torque 0.5 - 0.6 Nm
Mechanical keys (2) 36 different combinations
I/O Module lock Locks module and enables operation
Equipment class Class I according to IEC 61140; (earth
protected)
Protection rating IP20 according to IEC 60529
G3 compliant version According to ISA-S71.04. Marked with
“Z” in the type designation.
Rated insulation voltage 250 V
Dielectric test voltage 2000 V a.c.
Width 64 mm (2.52”) including connector, 58.5
mm (2.3”) edge to edge installed
Depth 64 mm (2.52”), including terminals
Height 170 mm (6.7”) including latch
Weight 0.17 kg (0.37 lbs.)

Appendix A Specifications TU811 Compact MTU
3BSE 020 924R4101 481
A.41.0.4 Connections
Table A-86 TU811 Process Connection Screw Terminals (X1)
Position (1)
(1) All positions marked NC are not mounted in the connector.
Row A Row B Row C
1NCNCNC
2A1B1NC
3 2 NC C2
433 NC
54NC4
655NC
76 NC6
87 7NC
9 A8 NC C8
10 NC NC NC

TU811 Compact MTU Appendix A Specifications
482 3BSE 020 924R4101
A.41.0.5 Block Diagram TU811
I/O module
TU811
Module Process Connector
ModuleBus Connector
ModuleBus Connector Metral Female
POS 0 - 6 /
7
POWOK
DAT, DAT-N /2
+24V, 0V24 /2
+5V /3
0V /3
EM
BLOCK
ModuleBus Connector
I 1.1 S1
EM
1
2
1
2
I 1.2 S2
I 2.1
I 2.2
S3
S4
I 3.1 S5
3
4
3
4
I 3.2 S6
I 4.1
I 4.2
S7
S8
I 5.1 S9
5
6
5
6
I 5.2 S10
I 6.1
I 6.2
S11
S12
I 7.1 S13
7
8
7
8
I 7.2 S14
I 8.1
I 8.2
S15
S16
BA
C
C/4 Male
R/4 Female

Appendix A Specifications TU812 Compact MTU
3BSE 020 924R4101 483
A.42 TU812 Compact MTU
A.42.0.1 Features
• 50 Volt applications - use with AI810,
AI820, AI830, AI835, AI845, AO810,
AO820, AO845, DI810, DI811, DI814,
DI830, DI831, DI840, DI880, DI885,
DO810, DO814, DO840, DO880,
DP820 and DP840 I/O modules
• Compact installation of I/O modules
using D-sub connector.
• Connections to ModuleBus and I/O
modules
• Mechanical keying prevents insertion
of the wrong I/O module
• Latching device to DIN rail for
grounding
• DIN rail mounting.
A.42.0.2 Description
The TU812 is a 50 V compact module
termination unit (MTU) for the S800 I/O
system with 16 signal connections. The
MTU is a passive unit used for connection of
the field wiring. It also contains a part of the
ModuleBus.
The TU812 MTU can have up to 16 I/O
signals. The maximum rated voltage is 50 V
and maximum rated current is 2A per
channel. The MTU distributes the ModuleBus to the I/O module and to the next
MTU. It also generates the correct address to the I/O module by shifting the
outgoing position signals to the next MTU.
A
B
C
D
E
F
A
B
C
D
E
F

TU812 Compact MTU Appendix A Specifications
484 3BSE 020 924R4101
Two mechanical keys are used to configure the MTU for different types of I/O
modules. This is only a mechanical configuration and it does not affect the
functionality of the MTU or the I/O module. Each key has six positions, which gives
a total number of 36 different configurations. The configuration can be changed
with a screwdriver.
The MTU can be mounted on a standard DIN rail. It has a mechanical latch that
locks the MTU to the DIN rail. The latch can be released with a screwdriver.
The MTU has a mechanical locking mechanism that locks the module in its
position. This mechanism also gives the signal BLOCK to the I/O module that
keeps the module in its init state until it is locked in its position.
The process signal connector is a D-Sub 25 pin (male).
The top part of the MTU can be removed to replace the termination board even with
an operational system. Such a need can be caused by a damaged terminal screw.

Appendix A Specifications TU812 Compact MTU
3BSE 020 924R4101 485
A.42.0.3 Technical Data
Table A-87 TU812 Compact MTU Specifications
Item Value
Process connections 25 pin (male) D-Sub connector
up to 16 I/O signals
Rated maximum continuous current per
I/O channel 2 A
ModuleBus:
Maximum 5 V current distribution
Maximum 24 V current distribution 1.5 A
1.5 A
Mechanical keys (2) 36 different combinations
I/O Module lock Locks module and enables operation
Equipment class Class I according to IEC 61140;
(earth protected)
Protection rating IP20 according to IEC 60529
Rated insulation voltage 50 V
Dielectric test voltage 500 V a.c.
Width 64 mm (2.52”) including connector, 58.5
mm (2.3”) edge to edge installed
Depth 64 mm (2.52”), including terminals
Height 170 mm (6.7”) including latch
Weight 0.17 kg (0.37 lbs.)
Rated max. continuos current per
process voltage connection Up/Zp. 5 A

TU812 Compact MTU Appendix A Specifications
486 3BSE 020 924R4101
A.42.0.4 Connections
Table A-88 TU812 Process Connection D-Sub Connector (X1)
Position Row A
1UP1
2ZP1
3S1
4S3
5S5
6S7
7S9
8S11
9S13
10 S15
11 UP2
12 ZP2
13 EM
14 UP1
15 ZP1
16 S2
17 S4
18 S6
19 S8
20 S10
21 S12
22 S14

Appendix A Specifications TU812 Compact MTU
3BSE 020 924R4101 487
23 S16
24 UP2
25 ZP2
Table A-88 TU812 Process Connection D-Sub Connector (X1) (Continued)
Position Row A

TU812 Compact MTU Appendix A Specifications
488 3BSE 020 924R4101
A.42.0.5 Block Diagram TU812
I/O module
TU812
Module Process Connector
ModuleBus Connector
ModuleBus Connector Metral Female
POS 0 - 6 /
7
POWOK
DAT, DAT-N /2
+24V, 0V24 /2
+5V /3
0V /3
EM
BLOCK
ModuleBus Connector
EM
Ch1
3
Ch2
16
Ch3
4
Ch4
17
Ch9
7
Ch10
20
Ch11
8
Ch12
21
Ch13
9
Ch14
22
Ch15
10
Ch16
23
UP2
11
24
ZP2
12
25
UP1
1
Ch5
5
Ch6
18
ZP1
2
Ch7
6
Ch8
19
14
15
13
EM
S1
S2
S3
S4
S9
S10
S11
S12
S13
S14
S15
S16
UP2
ZP2
UP1
S5
S6
ZP1
S7
S8
UP2
ZP2
UP1
ZP1
C/4 Male
R/4 Female

Appendix A Specifications TU813 Compact MTU
3BSE 020 924R4101 489
A.43 TU813 Compact MTU
A.43.0.1 Features
• 250 Volt applications - use with DI820,
DI821, DI825, DO820, DO821 and AI825
I/O modules
• Compact installation of I/O modules
• Up to 8 isolated channels of field signal
connections with crimped snap-in
connectors.
• Connections to ModuleBus and I/O
modules
• Mechanical keying prevents insertion of
the wrong I/O module
• Latching device to DIN rail for grounding
• DIN rail mounting.
A.43.0.2 Description
The TU813 is a 8 channel 250 V compact
module termination unit (MTU) for the S800
I/O. The TU813 has three rows of crimp snap-
in connectors for field signals and process
power connections. The MTU is a passive unit
used for connection of the field wiring to the
I/O modules. It also contains a part of the
ModuleBus.
The maximum rated voltage is 250 V and
maximum rated current is 3 A per channel. Two mechanical keys are used to
configure the MTU for different types of I/O modules.

TU813 Compact MTU Appendix A Specifications
490 3BSE 020 924R4101
The MTU distributes the ModuleBus to the I/O module and to the next MTU. It also
generates the correct address to the I/O module by shifting the outgoing position
signals to the next MTU.
Two mechanical keys are used to configure the MTU for different types of I/O
modules. This is only a mechanical configuration and it does not affect the
functionality of the MTU or the I/O module. Each key has six positions, which gives
a total number of 36 different configurations. The configuration can be changed
with a screwdriver.
The MTU can be mounted on a standard DIN rail. It has a mechanical latch that
locks the MTU to the DIN rail. The latch can be released with a screwdriver.
The MTU has a mechanical locking mechanism that locks the I/O module in its
position. This mechanism also gives the signal BLOCK to the I/O module that
keeps the I/O module in its init state until it is locked in its position.
The process signal terminals has 8 individually isolated I/O channels. Each channel
has two connections.
The TU813 is primarily intended for modules with individually isolated channels.
The top part of the MTU can be removed to replace the termination board even with
an operational system. Such a need can be caused by a damaged terminal.
Crimp terminals are provided for connection to field wiring and insertion into the 3
snap-on connectors. Once the contacts are correctly placed in the connectors, the
cable can be easily inserted and removed without future wiring errors. This
assembly function can be performed before the cables are delivered to the site.
Crimp snap in connectors are not included in TU813.
To provide protection of Hazardous Voltage all plugs must be connected.

Appendix A Specifications TU813 Compact MTU
3BSE 020 924R4101 491
A.43.0.3 Technical Data
Table A-89 TU813 Compact MTU Specifications
Item Value
Process connections 16
up to 8 I/O channels
(2 terminals per channel)
Rated maximum continuous current per
I/O channel 3 A
ModuleBus:
Maximum 5 V current distribution
Maximum 24 V current distribution 1.5 A
1.5 A
Acceptable wire sizes
attached to crimped snap-in connectors
(3) (1)
Stranded: 0.2 - 0.5 mm2, 24 - 20 AWG
0.5 - 1.0 mm2, 20 - 18 AWG
1.5 - 2.5 mm2, 16 - 14 AWG
Mechanical keys (2) 36 different combinations
I/O Module lock Locks module and enables operation
Equipment class Class I according to IEC 61140; (earth
protected)
Protection rating IP20 according to IEC 60529
Rated insulation voltage 250 V
Insulation test voltage
Channel to EM
Channel to Channel
24 V modulebus to EM
2300 V a.c.
1350 V a.c.
500 V a.c.
Width 64 mm (2.52”) including connector, 58.5
mm (2.3”) edge to edge installed
Depth 64 mm (2.52”), including terminals
Height 170 mm (6.7”) including latch
Weight 0.17 kg (0.37 lbs.)

TU813 Compact MTU Appendix A Specifications
492 3BSE 020 924R4101
(1) Supplied by Phoenix Contact:
Cable plug 1808890 MSTBC 2.5/8/STZF-5.08
Crimp snap in connector: 1879531 MSTBC-MT 0.2 -0.5 or
3190564 MSTBC-MT 0.5-1.0 or
3190551 MSTBC-MT 1.5-2.5
Crimping tool: 1204038 CRIMPFOX MT 2.5
Remove insulation tool: 1204384 QUICK WIREFOX 6

Appendix A Specifications TU813 Compact MTU
3BSE 020 924R4101 493
A.43.0.4 Connections
Table A-90 TU813 Process Connection Screw Terminals (X1)
Position (1)
(1) All positions marked NC are not mounted in the connector.
Row A Row B Row C
1NCNCNC
2A1B1NC
3 2 NC C2
433 NC
54NC4
655NC
76 NC6
87 7NC
9 A8 NC C8
10 NC NC NC
A
B
C
D
E
F
A
B
C
D
E
F
Connection is made with
removable contacts crimped
to the wires
Contact crimping tool
for installation is not supplied.
Phoenix part - CRIMPFOX MT2.5

TU813 Compact MTU Appendix A Specifications
494 3BSE 020 924R4101
A.43.0.5 Block Diagram TU813
I/O module
TU813
Module Process Connector
ModuleBus Connector
ModuleBus Connector Metral Female
POS 0 - 6 /
7
POWOK
DAT, DAT-N /2
+24V, 0V24 /2
+5V /3
0V /3
EM
BLOCK
ModuleBus Connector
I 1.1 S1
EM
1
2
1
2
I 1.2 S2
I 2.1
I 2.2
S3
S4
I 3.1 S5
3
4
3
4
I 3.2 S6
I 4.1
I 4.2
S7
S8
I 5.1 S9
5
6
5
6
I 5.2 S10
I 6.1
I 6.2
S11
S12
I 7.1 S13
7
8
7
8
I 7.2 S14
I 8.1
I 8.2
S15
S16
BA
C
C/4 Male
R/4 Female

Appendix A Specifications TU814 Compact MTU
3BSE 020 924R4101 495
A.44 TU814 Compact MTU
A.44.0.1 Features
• 50 Volt applications - use with AI810,
AI820, AI830, AI835, AI845, AO810,
AO820, AO845, DI810, DI811,
DI814, DI830, DI831, DI840, DI880,
DI885, DO810, DO814, DO815,
DO840, DO880, DP820 and DP840
I/O modules
• Compact installation of I/O modules
using one-wire connections
• Up to 16 channels of field signals and
process power connections with
crimped snap-in connectors
• Connections to ModuleBus and I/O
modules
• Mechanical keying prevents insertion
of the wrong I/O module
• Latching device to DIN rail for
grounding
• DIN rail mounting.
A.44.0.2 Description
The TU814 is a 16 channel 50 V compact
module termination unit (MTU) for the
S800 I/O. The TU814 has three rows of
crimp snap-in connectors for field signals
and process power connections. The MTU
is a passive unit used for connection of the
field wiring to the I/O modules. It also contains a part of the ModuleBus.
A
B
C
D
E
F
A
B
C
D
E
F
Row C
Row B
Row A
Snap-on connector positions

TU814 Compact MTU Appendix A Specifications
496 3BSE 020 924R4101
The TU814 MTU can have up to 16 I/O channels and two process voltage
connections. The maximum rated voltage is 50 V and maximum rated current is 2 A
per channel. Two mechanical keys are used to configure the MTU for different
types of I/O modules.
The MTU distributes the ModuleBus to the I/O module and to the next MTU. It also
generates the correct address to the I/O module by shifting the outgoing position
signals to the next MTU.
Two mechanical keys are used to configure the MTU for different types of I/O
modules. This is only a mechanical configuration and it does not affect the
functionality of the MTU or the I/O module. Each key has six positions, which gives
a total number of 36 different configurations. The configuration can be changed
with a screwdriver.
The MTU can be mounted on a standard DIN rail. It has a mechanical latch that
locks the MTU to the DIN rail. The latch can be released with a screwdriver.
The MTU has a mechanical locking mechanism that locks the module in its
position. This mechanism also gives the signal BLOCK to the I/O module that
keeps the module in its init state until it is locked in its position.
The process signal terminals are divided into 2 equal and individually isolated
groups. Each group consists of 8 I/O connections, 2 process voltage connection and
5 common L- connections.
The top part of the MTU can be removed to replace the termination board even with
an operational system. Such a need can be caused by a damaged terminal screw.
Crimp terminals are provided for connection to field wiring and insertion into the 3
snap-on connectors. Once the contacts are correctly placed in the connectors, the
cable can be easily inserted and removed without future wiring errors. This
assembly function can be performed before the cables are delivered to the site.
Cable plugs and crimp snap in connectors are not included in TU814.

Appendix A Specifications TU814 Compact MTU
3BSE 020 924R4101 497
A.44.0.3 Technical Data
Table A-91 TU814 Compact MTU Specifications
Item Value
Process connections 30
up to 16 I/O channels
2 x 2 process power terminals
2 x 5 process power 0 V
Rated maximum continuous current per
I/O channel 2 A
Rated maximum continuous current per
process voltage connection (L+) 5 A
ModuleBus:
Maximum 5 V current distribution:
Maximum 24V current distribution: 1.5 A
1.5 A
Acceptable wire sizes
attached to crimped snap-in connectors
(3) (1)
Stranded: 0.2 - 0.5 mm2, 24 - 20 AWG
0.5 - 1.0 mm2, 20 - 18 AWG
1.5 - 2.5 mm2, 16 - 14 AWG
Mechanical keys (2) 36 different combinations
I/O module lock Locks module and enables operation
Equipment class Class I according to IEC 61140; (earth
protected)
Protection rating IP20 according to IEC 60529
Rated insulation voltage 50 V
Dielectric test voltage 500 V a.c.
Width 64 mm (2.52”) including connector, 58.5
mm (2.3”) edge to edge installed
Depth 64 mm (2.52”), including terminals
Height 170 mm (6.7”) including latch
Weight 0.17 kg (0.37 lbs.)

TU814 Compact MTU Appendix A Specifications
498 3BSE 020 924R4101
(1) Supplied by Phoenix Contact:
Cable plug 1808890 MSTBC 2.5/10-ST-5.08
Crimp snap in connector: 1879531 MSTBC-MT 0.2-0.5 or
3190564 MSTBC-MT 0.5-1.0 or
3190551 MSTBC-MT 1.5-2.5
Crimping tool: 1204038 CRIMPFOX MT 2.5
Remove insulation tool: 1204384 QUICK WIREFOX 6

Appendix A Specifications TU814 Compact MTU
3BSE 020 924R4101 499
A.44.0.4 Connections
Table A-92 TU814 Process Connection Crimp Connector (X1)
Position Row A Row B Row C
1L1- L1+ L1+
2 A1 (L1-) B1 C1
3 2 (L1-) 2 2
4 3 (L1-) 3 3
5 4 (L1-) 4 4
6 5 (L2-) 5 5
7 6 (L2-) 6 6
8 7 (L2-) 7 7
9 A8 (L2-) B8 C8
10 L2- L2+ L2+
A
B
C
D
E
F
A
B
C
D
E
F
Connection is made with
removable contacts crimped
to the wires
Contact crimping tool
for installation is not supplied.
Phoenix part - CRIMPFOX MT2.5

TU814 Compact MTU Appendix A Specifications
500 3BSE 020 924R4101
A.44.0.5 Block Diagram TU814
I/O module
TU814
Module Process Connector
ModuleBus Connector
ModuleBus Connector Metral Female
POS 0 - 6 /
7
POWOK
DAT, DAT-N /2
+24V, 0V24 /2
+5V /3
0V /3
EM
BLOCK
ModuleBus Connector
UP1
I 1
UP1
ZP1
I 2
I 1
I 2
UP2
I 16
ZP1
ZP2
UP2
ZP2
1
2
I 3 I 3
I 4 I 4
ZP1
ZP1
I 5 I 5
I 6 I 6
I 7
I 8 I 8
3
4
5
7
8
I 9 I 9
1
2
3
4
5
6
7
8
1
2
3
4
5
6
7
8
ZP1
ZP1
ZP2
I 10 I 10 ZP2
ZP2
ZP2
I 12 I 12
I 14 I 14
I 16
I 11 I 11
I 13 I 13
I 15 I 15
CBA
I 7
EM
C/4 Male
R/4 Female

Appendix A Specifications TU830 Extended MTU
3BSE 020 924R4101 501
A.45 TU830 Extended MTU
A.45.0.1 Features
• 50 Volt applications - use
with AI810, AI820, AI830,
AI835, AI843, AI845,
AO810, AO820, AO845,
DI810, DI811, DI814,
DI830, DI831, DI840,
DI880, DI885, DO810,
DO814, DO815, DO840,
DO880, DP820 and DP840
I/O modules
• Complete installation of I/O
modules using 3-wire
connections, fuses and field
power distribution
• Up to 16 channels of field
signals and process power
connections
• Connections to ModuleBus
and I/O modules
• Mechanical keying prevents
insertion of the wrong I/O
module
• Latching device to DIN rail
for grounding
• DIN rail mounting.
C1 4 5 11 1323 678910 12 1415C16
19 20
145 11 13L1+L1+ 2 3 6 7 8 9 10 12 14 15 16 L2+L2+
A1 4 5 11 13L1-L1- 23 678910 12 141516L2-L2-
A
B
C
D
E
F
A
B
C
D
E
F
Fuse Holder
Row A
Row B
Row C

TU830 Extended MTU Appendix A Specifications
502 3BSE 020 924R4101
A.45.0.2 Description
The TU830 is a 16 channel 50 V extended module termination unit (MTU) for the
S800 I/O. The MTU is a passive unit used for connection of the field wiring to the
I/O modules. It also contains a part of the ModuleBus.
The TU830 MTU can have up to 16 I/O channels and two process voltage
connections. Each channel has two I/O connections and one ZP connection. The
process voltage can be connected to two individually isolated groups. Each group
has a 6.3 A fuse. The maximum rated voltage is 50 V and maximum rated current is
2 A per channel. It is recommended that the fuse rating be chosen to meet the
applications needs.
The MTU distributes the ModuleBus to the I/O module and to the next MTU. It also
generates the correct address to the I/O module by shifting the outgoing position
signals to the next MTU.
The MTU can be mounted on a standard DIN rail. It has a mechanical latch that
locks the MTU to the DIN rail. The latch can be released with a screwdriver.
Two mechanical keys are used to configure the MTU for different types of I/O
modules. This is only a mechanical configuration and it does not affect the
functionality of the MTU or the I/O module. Each key has six positions, which gives
a total number of 36 different configurations. The configuration can be changed
with a screwdriver.
The MTU has a mechanical locking mechanism that locks the module in its
position. This mechanism also gives the signal BLOCK to the I/O module that
keeps the module in its init state until it is locked in its position.
The process signal terminals are divided into 2 equal and individually isolated
groups. Each group consists of 8 I/O channels, process voltage connection and a
6.3 A fuse (as delivered). Each I/O channel has two I/O connections and one ZP
connection. For input modules, field power is provided by the B-row.

Appendix A Specifications TU830 Extended MTU
3BSE 020 924R4101 503
A.45.0.3 Technical Data
Table A-93 TU830 Extended MTU Specifications
Item Value
Process Connections 56
up to 16 I/O channels
4 Process terminals 6.3 A
10 x 2 Process power 0 V
Rated maximum continuous current per
I/O channel 2 A
Rated maximum continuous current per
process voltage connection (L+) 5 A
ModuleBus:
Maximum 5 V current distribution
Maximum 24 V current distribution 1.5 A
1.5 A
Fuse (2) 6.3 A (fast glass tube, 5x20 mm)
Acceptable wire sizes Solid: 0.2 - 4 mm2
Stranded: 0.2 - 2.5 mm2, 24 - 12 AWG
Recommended torque 0.5 - 0.6 Nm
Mechanical keys (2) 36 different combinations
I/O module lock Locks module and enables operation
Equipment class Class I according to IEC 61140; (earth
protected)
Protection rating IP20 according to IEC 60529
Rated insulation voltage 50 V
Dielectric test voltage 500 V a.c.
Width 126 mm (5”) including connector,
120.5 mm (4.74”) edge to edge installed
Depth 64 mm (2.52”) including terminals

TU830 Extended MTU Appendix A Specifications
504 3BSE 020 924R4101
Height 110 mm (4.3”)
Weight 0.28 kg (0.6 lbs.)
Table A-93 TU830 Extended MTU Specifications (Continued)
Item Value

Appendix A Specifications TU830 Extended MTU
3BSE 020 924R4101 505
A.45.0.4 Connections
Table A-94 TU830 Process Connection Screw Terminals (X1)
Position (1)
(1) All positions marked NC are not mounted in the connector.
Row A Row B Row C
1L1- L1+ NC
2L1- L1+ NC
3A1B1C1
42 2 2
53 3 3
64 4 4
75 5 5
86 6 6
97 7 7
10 8 8 8
11 9 9 9
12 10 10 10
13 11 11 11
14 12 12 12
15 13 13 13
16 14 14 14
17 15 15 15
18 A16 B16 C16
19 L2- L2+ NC
20 L2- L2+ NC

TU830 Extended MTU Appendix A Specifications
506 3BSE 020 924R4101
A.45.0.5 Block Diagram TU830
I/O module
TU830
Module Process Connector
ModuleBus Connector
ModuleBus Connector Metral Female
POS 0 - 6 /
7
POWOK
DAT, DAT-N
/
2
+24V, 0V24
/
2
+5V
/
3
0V
/
3
EM
BLOCK
ModuleBus Connector
UP1
I 1
UP1
ZP1
I 2
I 1
I 2
UP2
I16 I16
.
.
.
ZP1
ZP2
EM
UP2
ZP2
.
.
.
1
2
16
6.3A
6.3A
I 3 I3
I 4 I4 ZP1
U3
ZP1
U4
I 5 I5
I 6 I6 ZP1
U5
ZP1
U6
I 7 I7
I 8 I8 ZP1
U7
ZP1
U8
3
4
5
6
7
8
I 9 I9
ZP2
U9
9
1
2
16
3
4
5
6
7
8
9
1
2
16
3
4
5
6
7
8
9
U2
U1
ZP1
ZP1
ZP2
U16
UP1
ZP1
ZP2
UP2
U1
U3
U4
U5
U6
U7
U8
U2
U9
U16
C B A
C/4 Male
R/4 Female

Appendix A Specifications TU831 Extended MTU
3BSE 020 924R4101 507
A.46 TU831 Extended MTU
A.46.0.1 Features
• 250 Volt applications - use
with DI820, DI821, DO820,
and DO821 I/O modules
• Greater connection area for
larger wires
• Up to 8 isolated channels of
field signals
• Connections to ModuleBus
and I/O modules
• Mechanical keying prevents
insertion of the wrong I/O
module
• Latching device to DIN rail
for grounding
• DIN rail mounting.
A.46.0.2 Description
The TU831 is a 8 channel 250 V
extended module termination unit
(MTU) for the S800 I/O.
The MTU is a passive unit used
for connection of the field wiring
to the I/O modules. It also contains a part of the ModuleBus.
The TU831 MTU can have up to 8 I/O channels. The maximum rated voltage is
250 V and maximum rated current is 3 A per channel.
The MTU distributes the ModuleBus to the I/O module and to the next MTU. It also
generates the correct address to the I/O module by shifting the outgoing position
signals to the next MTU.
A
B
C
D
E
F
A
B
C
D
E
F
A1234567A8
B1234567B8
Row A
Row B

TU831 Extended MTU Appendix A Specifications
508 3BSE 020 924R4101
The MTU can be mounted on a standard DIN rail. It has a mechanical latch that
locks the MTU to the DIN rail. The latch can be released with a screwdriver.
Two mechanical keys are used to configure the MTU for different types of I/O
modules. This is only a mechanical configuration and it does not affect the
functionality of the MTU or the I/O module. Each key has six positions, which gives
a total number of 36 different configurations. The configuration can be changed
with a screwdriver.
The MTU has a mechanical locking mechanism that locks the module in its
position. This mechanism also gives the signal BLOCK to the I/O module that
keeps the module in its init state until it is locked in its position.
The process signal terminals has 8 individually isolated I/O channels. Each channel
has two connections.

Appendix A Specifications TU831 Extended MTU
3BSE 020 924R4101 509
A.46.0.3 Technical Data
Table A-95 TU831 Compact MTU Specifications
Item Value
Process connections 16
up to 8 I/O channels
(2 terminals per channel)
Rated maximum continuous current per
I/O channel 3 A
ModuleBus:
Maximum 5 V current distribution
Maximum 24 V current distribution 1.5 A
1.5 A
Acceptable wire sizes Solid: 0.2 - 6mm2
Stranded: 0.2 - 4 mm2, 24 - 10 AWG
Recommended torque 0.5 - 0.6 Nm
Mechanical keys (2) 36 different combinations
I/O Module lock Locks module and enables operation
Equipment class Class I according to IEC 61140; (earth
protected)
Protection rating IP20 according to IEC 60529
Rated insulation voltage 250 V
Dielectric test voltage 2000 V a.c.
Width 126 mm (5”) including connector, 120.5
mm (4.74”) edge to edge installed
Depth 64 mm (2.52”) including terminals
Height 110 mm (4.3”)
Weight 0.22 kg (0.48 lbs.)

TU831 Extended MTU Appendix A Specifications
510 3BSE 020 924R4101
A.46.0.4 Connections
Table A-96 TU831 Process Connection Screw Terminals (X1)
Position Row A Row B
1A1B1
222
333
444
555
666
777
8A8B8

Appendix A Specifications TU831 Extended MTU
3BSE 020 924R4101 511
A.46.0.5 Block Diagram TU831
I/O module
TU831
Module Process Connector
ModuleBus Connector
ModuleBus Connector Metral Female
POS 0 - 6 /
7
POWOK
DAT, DAT-N /2
+24V, 0V24 /2
+5V /3
0V /3
EM
BLOCK
ModuleBus Connector
EM
O 1.1 S1
1
2
1
2
O 1.2 S2
O 2.1
O 2.2
S3
S4
O 3.1 S5
3
4
3
4
O 3.2 S6
O 4.1
O 4.2
S7
S8
O 5.1 S9
5
6
5
6
O 5.2 S10
O 6.1
O 6.2
S11
S12
O 7.1 S13
7
8
7
8
O 7.2 S14
O 8.1
O 8.2
S15
S16
B
A
C/4 Male
R/4 Female

TU833 Extended MTU Appendix A Specifications
512 3BSE 020 924R4101
A.47 TU833 Extended MTU
A.47.0.1 Features
• 50 Volt applications - use
with AI810, AI820, AI830,
AI835, AI843, AI845,
AO810, AO820, AO845,
DI810, DI811, DI814,
DI830, DI831, DI840,
DI880, DI885, DO810,
DO814, DO815, DO840,
DO880, DP820 and DP840
I/O modules
• Complete installation of I/O
modules using 3-wire
connections, fuses and field
power distribution.
• Up to 16 channels of field
signals and process power
connections.
• Connections to ModuleBus and I/O modules.
• Mechanical keying prevents insertion of the wrong I/O module.
• Latching device to DIN rail for grounding.
• DIN rail mounting.
• Spring-case terminal
A.47.0.2 Description
The TU833 is a 16 channel 50 V extended module termination unit (MTU) for the
S800 I/O. The MTU is a passive unit used for connection of the field wiring to the
I/O modules. It also contains a part of the ModuleBus.

Appendix A Specifications TU833 Extended MTU
3BSE 020 924R4101 513
The TU833 MTU can have up to 16 I/O channels and two process voltage
connections. Each channel has two I/O connections and one ZP connection. The
process voltage can be connected to two individually isolated groups. Each group
has a 6.3 A fuse. The maximum rated voltage is 50 V and maximum rated current is
2 A per channel. It is recommended that the fuse rating be chosen to meet the
applications needs.
The MTU distributes the ModuleBus to the I/O module and to the next MTU. It also
generates the correct address to the I/O module by shifting the outgoing position
signals to the next MTU.
The MTU can be mounted on a standard DIN rail. It has a mechanical latch that
locks the MTU to the DIN rail. The latch can be released with a screwdriver.
Two mechanical keys are used to configure the MTU for different types of I/O
modules. This is only a mechanical configuration and it does not affect the
functionality of the MTU or the I/O module. Each key has six positions, which gives
a total number of 36 different configurations. The configuration can be changed
with a screwdriver.
The MTU has a mechanical locking mechanism that locks the module in its
position. This mechanism also gives the signal BLOCK to the I/O module that
keeps the module in its init state until it is locked in its position.
The process signal terminals are divided into 2 equal and individually isolated
groups. Each group consists of 8 I/O channels, process voltage connection and a
6.3 A fuse (as delivered). Each I/O channel has two I/O connections and one ZP
connection. For input modules, field power is provided by the B-row.
The process connection terminals are of spring-case type. Only one wire per
terminal is recommended.

TU833 Extended MTU Appendix A Specifications
514 3BSE 020 924R4101
A.47.0.3 Technical Data
Table A-97 TU833 Extended MTU Specifications
Item Value
Process Connections 56
up to 16 I/O channels
4 Process terminals 6.3 A
10 x 2 Process power 0 V
Rated maximum continuous current per
I/O channel 2 A
Rated maximum continuous current per
process voltage connection (L+) 5 A
ModuleBus:
Maximum 5 V current distribution
Maximum 24 V current distribution 1.5 A
1.5 A
Fuse (2) 6.3 A (fast glass tube, 5x20 mm)
Acceptable wire sizes Solid: 0.2 - 2.5 mm2, 24 -12 AWG
Stranded: 0.2 - 2.5 mm2, 24 - 12 AWG
Only one wire per terminal
Mechanical keys (2) 36 different combinations
I/O module lock Locks module and enables operation
Equipment class Class I according to IEC 61140; (earth
protected)
Protection rating IP20 according to IEC 60529
Rated insulation voltage 50 V
Dielectric test voltage 500 V a.c.
Width 126 mm (5”) including connector,
120.5 mm (4.74”) edge to edge installed
Depth 64 mm (2.52”) including terminals

Appendix A Specifications TU833 Extended MTU
3BSE 020 924R4101 515
Height 105 mm (4.1”)
Weight 0.28 kg (0.6 lbs.)
Table A-97 TU833 Extended MTU Specifications (Continued)
Item Value

TU833 Extended MTU Appendix A Specifications
516 3BSE 020 924R4101
A.47.0.4 Connections
Table A-98 TU833 Process Connection Screw Terminals (X1)
Position (1)
(1) All positions marked NC are not mounted in the connector.
Row A Row B Row C
1L1- L1+ NC
2L1- L1+ NC
3A1B1C1
4222
5333
6444
7555
8666
9777
10888
11999
12 10 10 10
13 11 11 11
14 12 12 12
15 13 13 13
16 14 14 14
17 15 15 15
18 A16 B16 C16
19 L2- L2+ NC
20 L2- L2+ NC

Appendix A Specifications TU833 Extended MTU
3BSE 020 924R4101 517
A.47.0.5 Block Diagram TU833
I/O module
TU833
Module Process Connector
ModuleBus Connector
ModuleBus Connector Metral Female
POS 0 - 6 /
7
POWOK
DAT, DAT-N
/
2
+24V, 0V24
/
2
+5V
/
3
0V
/
3
EM
BLOCK
ModuleBus Connector
UP1
I 1
UP1
ZP1
I 2
I 1
I 2
UP2
I16 I16
.
.
.
ZP1
ZP2
EM
UP2
ZP2
.
.
.
1
2
16
6.3A
6.3A
I 3 I3
I 4 I4 ZP1
U3
ZP1
U4
I 5 I5
I 6 I6 ZP1
U5
ZP1
U6
I 7 I7
I 8 I8 ZP1
U7
ZP1
U8
3
4
5
6
7
8
I 9 I9
ZP2
U9
9
1
2
16
3
4
5
6
7
8
9
1
2
16
3
4
5
6
7
8
9
U2
U1
ZP1
ZP1
ZP2
U16
UP1
ZP1
ZP2
UP2
U1
U3
U4
U5
U6
U7
U8
U2
U9
U16
C B A
C/4 Male
R/4 Female

TU835 Extended MTU Appendix A Specifications
518 3BSE 020 924R4101
A.48 TU835 Extended MTU
A.48.0.1 Features
• 50 Volt applications - use
with the AI810 and AI845
modules
• Up to 8 channels of field
signals and process power
connections
• Each channel has one
fused transducer power
terminal and one signal
connection
• Process voltage can be
connected to 2 individually
isolated groups
• Connections to
ModuleBus and I/O
modules
• Mechanical keying
prevents insertion of the
wrong I/O module
• Latching device to DIN
rail for grounding
• DIN rail mounting.
A.48.0.2 Description
The TU835 is a 8 channel 50 V extended module termination unit (MTU) for the
S800 I/O. The MTU is a passive unit used for connection of the field wiring to the
I/O modules. It also contains a part of the ModuleBus.
A
B
C
D
E
F
A
B
C
D
E
F
Row A
Row B
L1+L1+
L1-L1- L2- L2-
L2+L2+
11 12 21 22 31 32 41 42 5152 61 71 72 8182
X11
X12
X13
X11
62

Appendix A Specifications TU835 Extended MTU
3BSE 020 924R4101 519
The TU835 MTU can have up to 8 I/O channels. The maximum rated voltage is 50
V and maximum rated current is 2 A per channel.
The MTU distributes the ModuleBus to the I/O module and to the next MTU. It also
generates the correct address to the I/O module by shifting the outgoing position
signals to the next MTU.
The MTU can be mounted on a standard DIN rail. It has a mechanical latch that
locks the MTU to the DIN rail. The latch can be released with a screwdriver.
Two mechanical keys are used to configure the MTU for different types of I/O
modules. This is only a mechanical configuration and it does not affect the
functionality of the MTU or the I/O module. Each key has six positions, which gives
a total number of 36 different configurations. The configuration can be changed
with a screwdriver.
The MTU has a mechanical locking mechanism that locks the module in its
position. This mechanism also gives the signal BLOCK to the I/O module that
keeps the module in its init state until it is locked in its position.
The process signal terminals has 8 individually isolated I/O channels. Each channel
has two connections: one fused transducer power terminal and one signal
connection. Process voltage can be connected to two individually isolated groups.

TU835 Extended MTU Appendix A Specifications
520 3BSE 020 924R4101
A.48.0.3 Technical Data
Table A-99 TU835 Compact MTU Specifications
Item Value
Process connections 16
up to 8 I/O channels
(2 terminals per channel)
Rated maximum continuous current per
I/O channel 2 A
ModuleBus:
Maximum 5 current distribution
Maximum 24 V current distribution 1.5 A
1.5 A
Fuse (8) 100 mA (fast glass tube, 5x20 mm)
Acceptable wire sizes Solid: 0.2 - 4 mm2
Stranded: 0.2 - 2.5 mm2, 24 - 12 AWG
Recommended torque 0.5 - 0.6 Nm
Mechanical keys (2) 36 different combinations
I/O Module lock Locks module and enables operation
Equipment class Class I according to IEC 61140;
(earth protected)
Protection rating IP20 according to IEC 60529
Rated insulation voltage 50 V
Dielectric test voltage 500 V a.c.
Width 126 mm (5”) including connector, 120.5
mm (4.74”) edge to edge installed
Depth 64 mm (2.52”) including terminals
Height 110 mm (4.3”)

Appendix A Specifications TU835 Extended MTU
3BSE 020 924R4101 521
A.48.0.4 Connections
Weight 0.26 kg (0.57 lbs.)
Rated max. continuos current per
process voltage connection Up/Zp. 8 A
Table A-100 TU835 Process Power Source Connections (X11, X13)
Position Row A Row B
X11 - 1 L1- L1+
X11 - 2 L1- L1+
X13 - 1 L2- L2+
X13 - 2 L2- L2+
Table A-101 TU835 Process Connection Screw Terminals (X12)
Position Row A
1 11 (F1, L1+ power)
2 12 (signal)
3 21 (F2, L1+ power)
4 22 (signal)
5 31 (F3, L1+ power)
6 32 (signal)
7 41 (F4, L1+ power)
8 42 (signal)
Table A-99 TU835 Compact MTU Specifications (Continued)
Item Value

TU835 Extended MTU Appendix A Specifications
522 3BSE 020 924R4101
9 51 (F5, L2+ power)
10 52 (signal)
11 61 (F6, L2+ power)
12 62 (signal)
13 71 (F7, L2+ power)
14 72 (signal)
15 81 (F8, L2+ power)
16 82 (signal)
Table A-101 TU835 Process Connection Screw Terminals (X12) (Continued)
Position Row A

Appendix A Specifications TU835 Extended MTU
3BSE 020 924R4101 523
A.48.0.5 Block Diagram TU835
I/O module
TU835
Module Process Connector
ModuleBus Connector
ModuleBus Connector Metral Female
POS 0 - 6 /
7
POWOK
DAT, DAT-N /2
+24V, 0V24 /2
+5V /3
0V /3
EM
BLOCK
ModuleBus Connector EM
UP1
S1
S2
12
22
ZP1
EM
A
1
3
S3 32
S4 42
31
41
S5 52
S6 62
51
61
S7 72
S8 82
71
81
5
7
9
11
15
2
4
6
8
10
12
14
21
11
UP2
ZP2
13
B
F1
F2
F3
F4
F5
F6
F7
F8
16
AB
A
L1+
L1+
L1-
L1-
L2+
L2+
L2-
L2-
1
2
1
2
X11
X12
X13
U3
U4
U5
U6
U7
U8
U2
U1
1
2
1
2
C/4 Male
R/4 Female

TU836 Extended MTU Appendix A Specifications
524 3BSE 020 924R4101
A.49 TU836 Extended MTU
A.49.0.1 Features
• 250 Volt applications - use
with the DO820, and
DO821 modules
• Two groups with 4 channels
of field signals and process
power connections
• Each channel has one fused
load power terminal and
one signal return
connection
• Process voltage can be
connected to 2 individually
isolated groups
• Connections to ModuleBus
and I/O modules
• Mechanical keying prevents
insertion of the wrong I/O
module
• Latching device to DIN rail
for grounding
• DIN rail mounting.
A.49.0.2 Description
The TU836 is a 8 channel 250 V extended module termination unit (MTU) for the
S800 I/O. The MTU is a passive unit used for connection of the field wiring to the
I/O modules. It also contains a part of the ModuleBus.
The TU836 MTU can have up to 8 I/O channels. The maximum rated voltage is
250 V and maximum rated current is 3 A per channel.
A
B
C
D
E
F
A
B
C
D
E
F
Row A
Row B
L1 L1
N1 N1 N2
L2 L2
11 12 21 22 31 32 41 42 51 52 61 62 71 72 81 82
X12
X13
X11
N2

Appendix A Specifications TU836 Extended MTU
3BSE 020 924R4101 525
The MTU distributes the ModuleBus to the I/O module and to the next MTU. It also
generates the correct address to the I/O module by shifting the outgoing position
signals to the next MTU.
The MTU can be mounted on a standard DIN rail. It has a mechanical latch that
locks the MTU to the DIN rail. The latch can be released with a screwdriver.
Two mechanical keys are used to configure the MTU for different types of I/O
modules. This is only a mechanical configuration and it does not affect the
functionality of the MTU or the I/O module. Each key has six positions, which gives
a total number of 36 different configurations. The configuration can be changed
with a screwdriver.
The MTU has a mechanical locking mechanism that locks the module in its
position. This mechanism also gives the signal BLOCK to the I/O module that
keeps the module in its init state until it is locked in its position.
The process signal terminals are divided into 2 equal and individually isolated
groups. Each groups consists of 4 I/O connections and process voltage connection.
Each channel has two connections: one fused load outlet terminal and one signal
return connection.

TU836 Extended MTU Appendix A Specifications
526 3BSE 020 924R4101
A.49.0.3 Technical Data
Table A-102 TU836 Extended MTU Specifications
Item Value
Process connections 16
up to 8 I/O channels
(2 terminals per channel)
Rated maximum continuous current per
process voltage connection (L1, L2, N1, N2) 10 A
Rated maximum continuous current per I/O
channel 3 A
ModuleBus:
Maximum 5 V current distribution
Maximum 24 V current distribution 1.5 A
1.5 A
Fuse (8) 3.15 A (fast glass tube, 5x20 mm)
Acceptable wire sizes Solid: 0.2 - 4 mm2
Stranded: 0.2 - 2.5 mm2, 24 - 12 AWG
Recommended torque 0.5 - 0.6 Nm
Mechanical keys (2) 36 different combinations
I/O Module lock Locks module and enables operation
Equipment class Class I according to IEC 61140; (earth
protected)
Protection rating IP20 according to IEC 60529
Rated insulation voltage 250 V
Dielectric test voltage 2000 V a.c.
Width 126 mm (5”) including connector,
120.5 mm (4.74”) edge to edge installed
Depth 64 mm (2.52”) including terminals

Appendix A Specifications TU836 Extended MTU
3BSE 020 924R4101 527
Connections
Height 110 mm (4.3”)
Weight 0.26 kg (0.57 lbs.)
Table A-103 TU836 Process Power Source Connections (X11, X13)
Position Row A Row B
X11 - 1 N1 L1
X11 - 2 N1 L1
X13 - 1N2L2
X13 - 2N2L2
Table A-104 TU836 Process Connection Screw Terminals (X12)
Position Row A
1 11 (F1, L1 power)
2 12 (signal return)
3 21 (F2, L1 power)
4 22 (signal return)
5 31 (F3, L1 power)
6 32 (signal return)
7 41 (F4, L1 power)
8 42 (signal return)
Table A-102 TU836 Extended MTU Specifications (Continued)
Item Value

TU836 Extended MTU Appendix A Specifications
528 3BSE 020 924R4101
9 51 (F5, L2 power)
10 52 (signal return)
11 61 (F6, L2 power)
12 62 (signal return)
13 71 (F7, L2 power)
14 72 (signal return)
15 81 (F8, L2 power)
16 82 (signal return)
Table A-104 TU836 Process Connection Screw Terminals (X12) (Continued)
Position Row A

Appendix A Specifications TU836 Extended MTU
3BSE 020 924R4101 529
A.49.0.4 Block Diagram TU836
I/O module
TU836
Module Process Connector
ModuleBus Connector
ModuleBus Connector Metral Female
POS 0 - 6 /
7
POWOK
DAT, DAT-N /2
+24V, 0V24 /2
+5V /3
0V /3
EM
BLOCK
ModuleBus Connector
UP1
12
22
EM
A
1
3
32
S2
42
31
41
52
S3
62
51
61
72
S4
82
71
81
5
7
9
11
15
2
4
6
8
10
12
14
21
11
13
B
F1
F2
F3
F4
F5
F6
F7
F8
16
AB
A
L1
L1
N1
N1
L2
L2
N2
N2
1
2
1
2
X11
X12
X13
1
2
1
2
S1
S5
S6
S7
S8
S11
S21
S31
S41
S51
S61
S71
S81
ZP1
UP2
ZP2
C/4 Male
R/4 Female

TU837 Extended MTU Appendix A Specifications
530 3BSE 020 924R4101
A.50 TU837 Extended MTU
A.50.0.1 Features
• 250 Volt applications - use
with the DO820, and
DO821 modules
• Up to 8 individually
isolated channels of field
signals and process power
connections
• Each channel has two
terminals and one is fused
• Allows a mix of isolated
and grouped channels
• Process voltage return can
be connected to
2 individually isolated
groups
• Connections to ModuleBus
and I/O modules
• Mechanical keying prevents
insertion of the wrong I/O
module
• Latching device to DIN rail
for grounding
• DIN rail mounting
A.50.0.2 Description
The TU837 is a 8 channel 250 V extended module termination unit (MTU) for the
S800 I/O. The MTU is a passive unit used for connection of the field wiring to the
I/O modules. It also contains a part of the ModuleBus.
A
B
C
D
E
F
A
B
C
D
E
F
Row A
Row B
N1
N1
N2
N2
11
12
13 14
25 26
27 28
B1 2
3
45 67B8
A1 23456
7A8
X
12
X13
X11
Fuse
Holders

Appendix A Specifications TU837 Extended MTU
3BSE 020 924R4101 531
The TU837 MTU can have up to 8 I/O channels. The maximum rated voltage is
250 V and maximum rated current is 3 A per channel.
The MTU distributes the ModuleBus to the I/O module and to the next MTU. It also
generates the correct address to the I/O module by shifting the outgoing position
signals to the next MTU.
The MTU can be mounted on a standard DIN rail. It has a mechanical latch that
locks the MTU to the DIN rail. The latch can be released with a screwdriver.
Two mechanical keys are used to configure the MTU for different types of I/O
modules. This is only a mechanical configuration and it does not affect the
functionality of the MTU or the I/O module. Each key has six positions, which gives
a total number of 36 different configurations. The configuration can be changed
with a screwdriver.
The MTU has a mechanical locking mechanism that locks the module in its
position. This mechanism also gives the signal BLOCK to the I/O module that
keeps the module in its init state until it is locked in its position.
The process signal terminals has 8 individually isolated I/O channels. Each channel
has two connections, one is fused. There are 2 individually isolated groups for
signal return connections.

TU837 Extended MTU Appendix A Specifications
532 3BSE 020 924R4101
A.50.0.3 Technical Data
Table A-105 TU837 Extended MTU Specifications
Item Value
Process connections 28
up to 8 I/O channels
(2 terminals per channel)
2 x 6 power common terminals
Rated maximum continuous current per
signal return connection (N1, N2) 10 A
Rated maximum continuous current per
I/O channel 3 A
ModuleBus:
Maximum 5 V current distribution:
Maximum 24 V current distribution: 1.5 A
1.5 A
Fuse (8) 3.15 A (fast glass tube, 5x20 mm)
Acceptable wire sizes
Signal connection
Return connection
Solid: 0.2 - 6 mm
Stranded: 0.2 - 4 mm2, 24 - 10 AWG
Solid: 0.2 - 4 mm
Stranded: 0.2 - 2.5 mm2, 24 - 12 AWG
Recommended torque 0.5 - 0.6 Nm
Mechanical keys (2) 36 different combinations
I/O Module lock Locks module and enables operation
Equipment class Class I according to IEC 61140; (earth
protected)
Protection rating IP20 according to IEC 60529
Rated insulation voltage 250 V
Dielectric test voltage 2000 V a.c.
Width 126 mm (5”) including connector, 120.5
mm (4.74”) edge to edge installed

Appendix A Specifications TU837 Extended MTU
3BSE 020 924R4101 533
Depth 64 mm (2.52”) including terminals
Height 110 mm (4.3”)
Weight 0.26 kg (0.57 lbs.)
Table A-105 TU837 Extended MTU Specifications (Continued)
Item Value

TU837 Extended MTU Appendix A Specifications
534 3BSE 020 924R4101
A.50.0.4 Connections
Table A-106 TU837 Process Power Connection X11
Terminal Row A Row B
Signal Marking Signal Marking
1ZP1N1ZP1N1
2ZP113ZP111
3ZP114ZP112
Table A-107 TU 837 Process Power Connection X13
Terminal Row A Row B
Signal Marking Signal Marking
1ZP227ZP225
2ZP228ZP226
3ZP2N2ZP2N2
Table A-108 TU 837 Process Connection Terminals X12
Terminal Row A Row B
Signal Marking Signal Marking
1 S21 (F1) A1 S1 B1
2 S41 (F2) 2 S3 2
3 S61 (F3) 3 S5 3
4 S81 (F4) 4 S7 4
5S101 (F5)5S95
6 S121 (F6) 6 S11 6

Appendix A Specifications TU837 Extended MTU
3BSE 020 924R4101 535
7 S141 (F7) 7 S13 7
8 S161 (F8) A8 S15 B8
Table A-108 TU 837 Process Connection Terminals X12 (Continued)
Terminal Row A Row B
Signal Marking Signal Marking

TU837 Extended MTU Appendix A Specifications
536 3BSE 020 924R4101
A.50.0.5 Block Diagram TU837
I/O module
TU837
Module Process Connector
ModuleBus Connector C/4 Male
ModuleBus Connector Metral Female
POS 0 - 6 /
7
POWOK
DAT, DAT-N /2
+24V, 0V24 /2
+5V /3
0V /3
EM
BLOCK
ModuleBus Connector R/4 Female
B1
EM
1
2
1
2
A1
2
2
3
3
4
3
4
3
4
4
5
5
6
5
6
5
6
6
7
7
8
7
8
7
B8
A8
N1
N2
F1
F2
F3
F4
F5
F6
F7
F8
3
3
2
1
2
1
2
N2
N1
11
12
26
25
14
13
2
27
28
1
1
3
3
X11
X13
S161
S11
S141
S121
S101
S81
S61
S41
S21
ZP1
ZP2
BA
X12
BA
BA
S1
S2
S3
S4
S5
S6
S7
S8
S9
S10
S12
S13
S14
S15
S16

Appendix A Specifications TU838 Extended MTU
3BSE 020 924R4101 537
A.51 TU838 Extended MTU
A.51.0.1 Features
• 50 Volt applications - use
with the AI810, AI845,
DI810, DI811, DI814,
DI830, DI831, DI840 and
DI880 modules
• Complete installation of
I/O modules using
3-wire connections, fuses
and field power
distribution
• Up to 16 channels of field
signals and 8 process
power connections
• Two channels share one
fused transducer power
terminal
• Process voltage can be
connected to 2
individually isolated
groups, if the I/O module
supports it
• Connections to
ModuleBus and I/O
modules
• Mechanical keying
prevents insertion of the wrong I/O module
• Latching device to DIN rail for grounding
• DIN rail mounting.
A
B
C
D
E
F
A
B
C
D
E
F
Row A
Row B
Fuse
Holders
L1
-
L1
-
A
1 2 3 4 6 5 8 7 9 10 11 12 13 14 15 A
16 L2
- L2
-
14
L1
+ L1
+ B
1
2
3
4
5
6
7
8
9
10
11
12
13
15
B
16
L2
+
L2
+
Module
connector
Screw terminals

TU838 Extended MTU Appendix A Specifications
538 3BSE 020 924R4101
A.51.0.2 Description
The TU838 is a 16 channel 50 V extended module termination unit (MTU) for the
S800 I/O. The MTU is a passive unit used for connection of the field wiring to the
I/O modules. It also contains a part of the ModuleBus.
The TU838 MTU can have up to 16 I/O channels. The maximum rated voltage is
50 V and maximum rated current is 3 A per channel.
The MTU distributes the ModuleBus to the I/O module and to the next MTU. It also
generates the correct address to the I/O module by shifting the outgoing position
signals to the next MTU.
The MTU can be mounted on a standard DIN rail. It has a mechanical latch that
locks the MTU to the DIN rail. The latch can be released with a screwdriver.
Two mechanical keys are used to configure the MTU for different types of I/O
modules. This is only a mechanical configuration and it does not affect the
functionality of the MTU or the I/O module. Each key has six positions, which gives
a total number of 36 different configurations. The configuration can be changed
with a screwdriver.
The MTU has a mechanical locking mechanism that locks the module in its
position. This mechanism also gives the signal BLOCK to the I/O module that
keeps the module in its init state until it is locked in its position.
The process signal terminals are divided into two equal and individually isolated
groups. Each group consists of 8 I/O channels, 4 fused transducer power outlets,
4 return connections and process voltage connection. Process voltage can be
connected to two individually isolated groups, only valid if the I/O module supports
that.

Appendix A Specifications TU838 Extended MTU
3BSE 020 924R4101 539
A.51.0.3 Technical Data
Table A-109 TU838 Extended MTU Specifications
Item Value
Process connections 40
up to 16 I/O channels
8 fused field power distributions
4 process power
12 process power (0 V)
Rated maximum continuous current per
process voltage connection 10 A
ModuleBus:
Maximum 5 V current distribution
Maximum 24 V current distribution 1.5 A
1.5 A
Rated max. continuos current per
channel 3 A
Fuse (8) Only on delivery:100 mA (fast glass
tube, 5x20 mm)
Otherwise: Max. 3,5 A
Acceptable wire sizes Solid: 0.2 - 4 mm2
Stranded: 0.2 - 2.5 mm2, 24 - 12 AWG
Recommended torque 0.5 - 0.6 Nm
Mechanical keys (2) 36 different combinations
I/O Module lock Locks module and enables operation
Equipment class Class I according to IEC 61140; (earth
protected)
Protection rating IP20 according to IEC 60529
Rated insulation voltage 50 V
Dielectric test voltage 500 V a.c.

TU838 Extended MTU Appendix A Specifications
540 3BSE 020 924R4101
Width 126 mm (5”) including connector, 120.5
mm (4.74”) edge to edge installed
Depth 64 mm (2.52”) including terminals
Height 110 mm (4.3”)
Weight 0.26 kg (0.57 lbs.)
Table A-109 TU838 Extended MTU Specifications (Continued)
Item Value

Appendix A Specifications TU838 Extended MTU
3BSE 020 924R4101 541
A.51.0.4 Connections
Table A-110 TU838 Process Connection Screw Terminals (X1)
Row A Row B
L1- (L1- power) L1+ (L1+ power)
L1- (L1- power) L1+ (L1+ power)
A1 (F1, L1+) B1 (signal)
A2 (L1-) B2 (signal)
A3 (F2, L1+) B3 (signal)
A4 (L1-) B4 (signal)
A5 (F3, L1+) B5 (signal)
A6 (L1-) B6 (signal)
A7 (F4, L1+) B7 (signal)
A8 (L1-) B8 (signal)
A9 (F5, L2+) B9 (signal)
A10 (L2-) B10 (signal)
A11 (F6, L2+) B11 (signal)
A12 (L2-) B12 (signal)
A13 (F7, L2+) B13 (signal)
A14 (L2-) B14 (signal)
A15 (F8, L2+) B15 (signal)
A16 (L2-) B15 (signal)
L2- (L2- power) L2+ (L2+ power)
L2- (L2- power) L2+ (L2+ power)

TU838 Extended MTU Appendix A Specifications
542 3BSE 020 924R4101
A.51.0.5 Block Diagram TU838
TU838
Module Process Connector
ModuleBus Connector Metral Female
POS 0 - 6 /
7
POWOK
DAT, DAT-N /2
+24V, 0V24 /2
+5V /3
0V /3
EM
BLOCK
EM
UP1
S1
ZP1
A
3
A1
B
F1
L1+
L1+ L1-
L1-
U1
1
2
1
2
3
S2
4
B1
B2
A2
4
S3
5
A3
F2 U2
5
S4
6
B3
B4 A4
6
S5
7
A5
F3 U3
S6
8
B5
B6
A6
8
S7
9
A7
F4 U4
9
S8
10
B7
B8 A8
10
S9
11
A9
F5 U5
11
S10
12
B9
B10
A10
12
S11
13
A11
F6 U6
13
S12
14
B11
B12 A12
14
S13
15
A13
F7 U7
S14
16
B13
B14
A14
16
S15
17
A15
F8 U8
17
S16
18
B15
B16 A16
18
UP2
ZP2
L2+
L2+ L2-
L2-
19
20
19
20
7
15
ModuleBus Connector C/4 Male I/O module
ModuleBus Connector C/4 Male

Appendix A Specifications TU842 Redundant Horizontal MTU
3BSE 020 924R4101 543
A.52 TU842 Redundant Horizontal MTU
A.52.0.1 Features
• 50 Volt applications - use
with AI843, AO845, DI840,
DI880, DO840, DO880 and
DP840 I/O modules
• Complete installation of I/O
modules using
3-wire connections and field
power distribution
• Up to 16 channels of field
signals and process power
connections
• Connections to two
ModuleBuses and I/O
modules
• Mechanical keying prevents
insertion of the wrong I/O
module
• Latching device to DIN rail
for grounding
• DIN rail mounting.
A.52.0.2 Description
The TU842 is a 16 channel module termination unit (MTU) for redundant S800 I/O
modules and for mounting on a horizontal DIN rail. The MTU is a passive unit used
for connection of the field wiring to the I/O modules. It also contains a part of the
ModuleBus.
The TU842 MTU can have up to 16 I/O channels and 2+2 process voltage
connections. Each channel has two I/O connections and one ZP connection. The
maximum rated voltage is 50 V and maximum rated current is 3 A per channel.

TU842 Redundant Horizontal MTU Appendix A Specifications
544 3BSE 020 924R4101
The MTU distributes the two ModuleBuses to each I/O module and to the next
MTU. It also generates the correct address to the I/O modules by shifting the
outgoing position signals to the next MTU.
The MTU can be mounted on a standard DIN rail. It has a mechanical latch that
locks the MTU to the DIN rail. The latch can be released with a screwdriver.
Four mechanical keys, two for each I/O module, are used to configure the MTU for
different types of I/O modules. This is only a mechanical configuration and it does
not affect the functionality of the MTU or the I/O module. Each key has six
positions, which gives a total number of 36 different configurations.
The configuration can be changed with a screwdriver.
The MTU has a mechanical locking mechanism that locks the module in its
position. This mechanism also gives the signal BLOCK to the I/O module that
keeps the module in its init state until it is locked in its position.
Each I/O channel has two I/O connections and one ZP connection. For input
modules, field power is provided by the B-row.

Appendix A Specifications TU842 Redundant Horizontal MTU
3BSE 020 924R4101 545
A.52.0.3 Technical Data
Table A-111 TU842 Redundant Horizontal MTU Specifications
Item Value
Process Connections 56
up to 16 I/O channels
4 Process terminals
20 Process power 0 V
Rated maximum continuous current per
I/O channel 3 A
Rated maximum continuous current per
process voltage connection (L+) 10 A
ModuleBus:
Maximum 5 V current distribution
Maximum 24 V current distribution 1.5 A
1.5 A
Acceptable wire sizes Solid: 0.2 - 4 mm2
Stranded: 0.2 - 2.5 mm2, 24 - 12 AWG
Recommended torque 0.5 - 0.6 Nm
Mechanical keys (2+2) 36 different combinations
I/O module lock Locks module and enables operation
Equipment class Class I according to IEC 61140; (earth
protected)
Protection rating IP20 according to IEC 60529
Rated insulation voltage 50 V
Dielectric test voltage 500 V a.c.
Width 131 mm (5.16”) including connector,
124 mm (4.88”) edge to edge installed
Depth 64 mm (2.52”) including terminals

TU842 Redundant Horizontal MTU Appendix A Specifications
546 3BSE 020 924R4101
A.52.0.4 Connections
Height 186.5 mm (7.34”) including locking
device
Weight 0.6 kg (1.3 lbs.)
Table A-112 TU842 Process Connection Screw Terminals (X1)
Position Row A Row B Row C
1L1- L1+
2L1- L1+
3A1B1C1
4222
5333
6444
7555
8666
9777
10888
11999
12 10 10 10
13 11 11 11
14 12 12 12
15 13 13 13
16 14 14 14
Table A-111 TU842 Redundant Horizontal MTU Specifications (Continued)
Item Value

Appendix A Specifications TU842 Redundant Horizontal MTU
3BSE 020 924R4101 547
17 15 15 15
18 A16 B16 C16
19 L2- L2+
20 L2- L2+
Table A-112 TU842 Process Connection Screw Terminals (X1) (Continued)
Position Row A Row B Row C

TU842 Redundant Horizontal MTU Appendix A Specifications
548 3BSE 020 924R4101
A.52.0.5 Block Diagram TU842
TU842
BLOCK
MSL
S1
S2
UP1
S3
U1
C B A
U2
U3
S4
S5
S6
U4
U5
U6
S7
U7
S8
U8
S9
U9
S10
U10
S11
U11
S12
U12
S13
U13
S14
U14
S15
U15
S16
U16
UP2
B
11
2
2
3
3
44
55
66
77
88
9
9
10
11
12 12
13
13
14 14
15 15
16 16
L2+
ZP
10
11
1
2
3
4
5
6
7
8
9
10
11
12
13
14
16
L2+
L1+
L1+
MSL
UP1
- - - - - -
L1-
L1-
L2-
L2-
S1
ZP
U1
S16
U16
BLOCK
A
B
A
I/O Module A
I/O Module B
ModuleBus Connector
ModuleBus Process Connector
ModuleBus
Connector
ModuleBus
Connector
15
EM
UP2
EM

Appendix A Specifications TU843 Redundant Vertical MTU
3BSE 020 924R4101 549
A.53 TU843 Redundant Vertical MTU
A.53.0.1 Features
• 50 Volt applications - use
with AI843, AO845, DI840,
DI880, DO840, DO880 and
DP840 I/O modules
• Complete installation of I/O
modules using
3-wire connections and field
power distribution
• Up to 16 channels of field
signals and process power
connections
• Connections to two
ModuleBuses and I/O
modules
• Mechanical keying prevents
insertion of the wrong I/O
module
• Latching device to DIN rail
for grounding
• DIN rail mounting.
A.53.0.2 Description
The TU843 is a 16 channel module termination unit (MTU) for redundant S800 I/O
modules and for mounting on a vertical DIN rail. The MTU is a passive unit used
for connection of the field wiring to the I/O modules. It also contains a part of the
ModuleBus.
The TU843 MTU can have up to 16 I/O channels and 2+2 process voltage
connections. Each channel has two I/O connections and one ZP connection. The
maximum rated voltage is 50 V and maximum rated current is 3 A per channel.

TU843 Redundant Vertical MTU Appendix A Specifications
550 3BSE 020 924R4101
The MTU distributes the two ModuleBuses, one to each the I/O module and to the
next MTU. It also generates the correct address to the I/O modules by shifting the
outgoing position signals to the next MTU.
The MTU can be mounted on a standard DIN rail. It has a mechanical latch that
locks the MTU to the DIN rail. The latch can be released with a screwdriver.
Four mechanical keys, two for each module, are used to configure the MTU for
different types of I/O modules. This is only a mechanical configuration and it does
not affect the functionality of the MTU or the I/O module. Each key has six
positions, which gives a total number of 36 different configurations.
The configuration can be changed with a screwdriver.
The MTU has a mechanical locking mechanism that locks the module in its
position. This mechanism also gives the signal BLOCK to the I/O module that
keeps the module in its init state until it is locked in its position.
Each I/O channel has two I/O connections and one ZP connection. For input
modules, field power is provided by the B-row.

Appendix A Specifications TU843 Redundant Vertical MTU
3BSE 020 924R4101 551
A.53.0.3 Technical Data
Table A-113 TU843 Redundant Vertical MTU Specifications
Item Value
Process Connections 56
up to 16 I/O channels
4 Process terminals
20 Process power 0 V
Rated maximum continuous current per
I/O channel 3 A
Rated maximum continuous current per
process voltage connection (L+) 10 A
ModuleBus:
Maximum 5 V current distribution
Maximum 24 V current distribution 1.5 A
1.5 A
Acceptable wire sizes Solid: 0.2 - 4 mm2
Stranded: 0.2 - 2.5 mm2, 24 - 12 AWG
Recommended torque 0.5 - 0.6 Nm
Mechanical keys (2+2) 36 different combinations
I/O module lock Locks module and enables operation
Equipment class Class I according to IEC 61140; (earth
protected)
Protection rating IP20 according to IEC 60529
Rated insulation voltage 50 V
Dielectric test voltage 500 V a.c.
Width 131 mm (5.16”) including connector,
124 mm (4.88”) edge to edge installed
Depth 64 mm (2.52”) including terminals

TU843 Redundant Vertical MTU Appendix A Specifications
552 3BSE 020 924R4101
A.53.0.4 Connections
Height 186.5 mm (7.34”) including locking
device
Weight 0.6 kg (1.3 lbs.)
Table A-114 TU843 Process Connection Screw Terminals (X1)
Position Row A Row B Row C
1L1- L1+
2L1- L1+
3A1B1C1
4222
5333
6444
7555
8666
9777
10888
11999
12 10 10 10
13 11 11 11
14 12 12 12
15 13 13 13
16 14 14 14
Table A-113 TU843 Redundant Vertical MTU Specifications (Continued)
Item Value

Appendix A Specifications TU843 Redundant Vertical MTU
3BSE 020 924R4101 553
17 15 15 15
18 A16 B16 C16
19 L2- L2+
20 L2- L2+
Table A-114 TU843 Process Connection Screw Terminals (X1) (Continued)
Position Row A Row B Row C

TU843 Redundant Vertical MTU Appendix A Specifications
554 3BSE 020 924R4101
A.53.0.5 Block Diagram TU843
TU843
BLOCK
MSL
S1
S2
UP1
S3
U1
C B A
U2
U3
S4
S5
S6
U4
U5
U6
S7
U7
S8
U8
S9
U9
S10
U10
S11
U11
S12
U12
S13
U13
S14
U14
S15
U15
S16
U16
UP2
B
11
2
2
3
3
44
55
66
77
88
9
9
10
11
12 12
13
13
14 14
15 15
16 16
L2+
ZP
10
11
1
2
3
4
5
6
7
8
9
10
11
12
13
14
16
L2+
L1+
L1+
MSL
UP1
- - - - - -
L1-
L1-
L2-
L2-
S1
ZP
U1
S16
U16
BLOCK
A
B
A
I/O Module A
I/O Module B
ModuleBus Connector
ModuleBus Process Connector
ModuleBus
Connector
ModuleBus
Connector
15
EM
UP2
EM

Appendix A Specifications TU844 Redundant Horizontal MTU
3BSE 020 924R4101 555
A.54 TU844 Redundant Horizontal MTU
A.54.0.1 Features
• 50 Volt applications - use
with AI845, AI880 and
DP840 modules
• Complete installation of I/O
modules using
2-wire connections and field
power distribution
• Up to 8 channels of field
signals and process power
connections
• Connections to two
ModuleBuses and I/O
modules
• Mechanical keying prevents
insertion of the wrong I/O
module
• Latching device to DIN rail
for grounding
• DIN rail mounting
A.54.0.2 Description
The TU844 is a 8 channel module termination unit (MTU) for redundant S800 I/O
modules and for mounting on a horizontal DIN rail. The MTU is a passive unit used
for connection of the field wiring to the I/O modules. It also contains a part of the
ModuleBus.
The TU844 MTU can have up to 8 I/O channels and 2+2 process voltage
connections. Each channel has two I/O connections and one ZP connection. Input
signals are connected via individual shunt sticks, TY801. The shunt stick is used to

TU844 Redundant Horizontal MTU Appendix A Specifications
556 3BSE 020 924R4101
choose between voltage and current input. The maximum rated voltage is 50 V and
maximum rated current is 2 A per channel.
The MTU distributes the two ModuleBuses, one to each I/O module and to the next
MTU. It also generates the correct address to the I/O modules by shifting the
outgoing position signals to the next MTU.
The MTU can be mounted on a standard DIN rail. It has a mechanical latch that
locks the MTU to the DIN rail. The latch can be released with a screwdriver.
Four mechanical keys, two for each I/O module, are used to configure the MTU for
different types of I/O modules. This is only a mechanical configuration and it does
not affect the functionality of the MTU or the I/O module. Each key has six
positions, which gives a total number of 36 different configurations.
The configuration can be changed with a screwdriver.
The MTU has a mechanical locking mechanism that locks the module in its
position. This mechanism also gives the signal BLOCK to the I/O module that
keeps the module in its init state until it is locked in its position.

Appendix A Specifications TU844 Redundant Horizontal MTU
3BSE 020 924R4101 557
A.54.0.3 Technical Data
Table A-115 TU844 Redundant Horizontal MTU Specifications
Item Value
Process Connections 40
up to 8 I/O channels
4 Process terminals
20 Process power 0 V
Rated maximum continuous current per
I/O channel 2 A
Rated maximum continuous current per
process voltage connection (L+) 5 A
ModuleBus:
Maximum 5 V current distribution
Maximum 24 V current distribution 1.5 A
1.5 A
Acceptable wire sizes Solid: 0.2 - 4 mm2
Stranded: 0.2 - 2.5 mm2, 24 - 12 AWG
Recommended torque 0.5 - 0.6 Nm
Mechanical keys (2+2) 36 different combinations
I/O module lock Locks module and enables operation
Equipment class Class I according to IEC 61140; (earth
protected)
Protection rating IP20 according to IEC 60529
Rated insulation voltage 50 V
Dielectric test voltage 500 V a.c.
Width 131 mm (5.16”) including connector,
124 mm (4.88”) edge to edge installed
Depth 64 mm (2.52”) including terminals

TU844 Redundant Horizontal MTU Appendix A Specifications
558 3BSE 020 924R4101
A.54.0.4 Connections
Height 186.5 mm (7.34”) including locking
device
Weight 0.6 kg (1.3 lbs.)
Table A-116 TU844 Process Connection Screw Terminals (X1)
Position Row A Row B
1L1- L1+
2L1- L1+
3A1 B1
42 2
53 3
64 4
75 5
86 6
97 7
10 8 8
11 9 9
12 10 10
13 11 11
14 12 12
15 13 13
16 14 14
Table A-115 TU844 Redundant Horizontal MTU Specifications (Continued)
Item Value

Appendix A Specifications TU844 Redundant Horizontal MTU
3BSE 020 924R4101 559
17 15 15
18 A16 B16
19 L2- L2+
20 L2- L2+
Table A-116 TU844 Process Connection Screw Terminals (X1) (Continued)
Position Row A Row B

TU844 Redundant Horizontal MTU Appendix A Specifications
560 3BSE 020 924R4101
A.54.0.5 Block Diagram TU844
TU844
BLOCK
MSL
S1
U2
UP1
U3
U1
B A
S2
U4
S4
S5
S3
U5
U6
S6
U7
S7
U8
UP2
B
1
3
5
4
6
7
8
10
11
12
13
14
15
L2+
ZP
1
3
4
5
6
7
8
12
13
L2+
L1+
L1+
MSL
UP1
- - - - - -
L1-
L1-
L2-
L2-
U1
ZP
S1
U8
S8
BLOCK
A
B
A
I/O Module A
I/O Module B
ModuleBus Connector
ModuleBus Process Connector
ModuleBus
Connector
ModuleBus
Connector
EM
UP2
EM
2
Shunt stick
9
S8
16
2
9
10
11
14
15
16

Appendix A Specifications TU845 Redundant Vertical MTU
3BSE 020 924R4101 561
A.55 TU845 Redundant Vertical MTU
A.55.0.1 Features
• 50 Volt applications - use
with AI845, AI880 and
DP840 modules
• Complete installation of I/O
modules using
2-wire connections and field
power distribution
• Up to 8 channels of field
signals and process power
connections
• Connections to two
ModuleBuses and I/O
modules
• Mechanical keying prevents
insertion of the wrong I/O
module
• Latching device to DIN rail
for grounding
• DIN rail mounting.
• Include 8 individual shunt
sticks
A.55.0.2 Description
The TU845 is a 8 channel module termination unit (MTU) for redundant S800 I/O
modules and for mounting on a vertical DIN rail. The MTU is a passive unit used
for connection of the field wiring to the I/O modules. It also contains a part of the
ModuleBus.

TU845 Redundant Vertical MTU Appendix A Specifications
562 3BSE 020 924R4101
The TU845 MTU can have up to 8 I/O channels and 2+2 process voltage
connections. Each channel has two I/O connections and one ZP connection. Input
signals are connected via individual shunt sticks, TY801. The shunt stick is used to
choose between voltage and current input. The maximum rated voltage is 50 V and
maximum rated current is 2 A per channel.
The MTU distributes the two ModuleBuses, one to each I/O module and to the next
MTU. It also generates the correct address to the I/O modules by shifting the
outgoing position signals to the next MTU.
The MTU can be mounted on a standard DIN rail. It has a mechanical latch that
locks the MTU to the DIN rail. The latch can be released with a screwdriver.
Four mechanical keys, two for each I/O module, are used to configure the MTU for
different types of I/O modules. This is only a mechanical configuration and it does
not affect the functionality of the MTU or the I/O module. Each key has six
positions, which gives a total number of 36 different configurations.
The configuration can be changed with a screwdriver.
The MTU has a mechanical locking mechanism that locks the module in its
position. This mechanism also gives the signal BLOCK to the I/O module that
keeps the module in its init state until it is locked in its position.

Appendix A Specifications TU845 Redundant Vertical MTU
3BSE 020 924R4101 563
A.55.0.3 Technical Data
Table A-117 TU845 Redundant Vertical MTU Specifications
Item Value
Process Connections 40
up to 8 I/O channels
4 Process terminals
20 Process power 0 V
Rated maximum continuous current per
I/O channel 2 A
Rated maximum continuous current per
process voltage connection (L+) 5 A
ModuleBus:
Maximum 5 V current distribution
Maximum 24 V current distribution 1.5 A
1.5 A
Acceptable wire sizes Solid: 0.2 - 4 mm2
Stranded: 0.2 - 2.5 mm2, 24 - 12 AWG
Recommended torque 0.5 - 0.6 Nm
Mechanical keys (2+2) 36 different combinations
I/O module lock Locks module and enables operation
Equipment class Class I according to IEC 61140; (earth
protected)
Protection rating IP20 according to IEC 60529
Rated insulation voltage 50 V
Dielectric test voltage 500 V a.c.
Width 131 mm (5.16”) including connector,
124 mm (4.88”) edge to edge installed
Depth 64 mm (2.52”) including terminals

TU845 Redundant Vertical MTU Appendix A Specifications
564 3BSE 020 924R4101
A.55.0.4 Connections
Height 186.5 mm (7.34”) including locking
device
Weight 0.6 kg (1.3 lbs.)
Table A-118 TU845 Process Connection Screw Terminals (X1)
Position Row A Row B
1L1- L1+
2L1- L1+
3A1 B1
42 2
53 3
64 4
75 5
86 6
97 7
10 8 8
11 9 9
12 10 10
13 11 11
14 12 12
15 13 13
16 14 14
Table A-117 TU845 Redundant Vertical MTU Specifications (Continued)
Item Value

Appendix A Specifications TU845 Redundant Vertical MTU
3BSE 020 924R4101 565
17 15 15
18 A16 B16
19 L2- L2+
20 L2- L2+
Table A-118 TU845 Process Connection Screw Terminals (X1) (Continued)
Position Row A Row B

TU845 Redundant Vertical MTU Appendix A Specifications
566 3BSE 020 924R4101
A.55.0.5 Block Diagram TU845
TU845
BLOCK
MSL
S1
U2
UP1
U3
U1
B A
S2
U4
S4
S5
S3
U5
U6
S6
U7
S7
U8
UP2
B
1
3
5
4
6
7
8
10
11
12
13
14
15
L2+
ZP
1
3
4
5
6
7
8
12
13
L2+
L1+
L1+
MSL
UP1
- - - - - -
L1-
L1-
L2-
L2-
U1
ZP
S1
U8
S8
BLOCK
A
B
A
I/O Module A
I/O Module B
ModuleBus Connector
ModuleBus Process Connector
ModuleBus
Connector
ModuleBus
Connector
EM
UP2
EM
2
Shunt stick
9
S8
16
2
9
10
11
14
15
16

Appendix A Specifications TY801 Shunt Stick
3BSE 020 924R4101 567
A.56 TY801 Shunt Stick
A.56.0.1 Features
• Passive unit used for configuration of signal
type.
• Used with TU844 and TU845 together with
AI845.
A.56.0.2 Description
The TY801 Shunt Stick is used to
adjust the input for current or voltage signals.
In the upper corner of the shunt stick there is a part
of the circuit board that is visible. If the visible part
is to the left, the shunt stick is configured for
voltage and if it is to the right it is configured for
current.
Current/voltage
indicator

TY801 Shunt Stick Appendix A Specifications
568 3BSE 020 924R4101
A.56.0.3 Technical Data
Table A-119 TY801 Shunt Stick Specifications
Item Value
Module catch Attaches module MTU TU844/TU845
Internal resistance 2 x 125 Ω, 0.05%
Equipment class Class I according to IEC 61140; (earth
protected)
Protection Rating IP20 according to IEC 60529
Rated Insulation Voltage 50 V
Dielectric test voltage 500 V a.c.
Width 11 mm (0.43”)
Depth 15,5 mm (0.61”)
Height 62 mm (2.44”)
Weight 6 g (0.013 lbs.)

Appendix A Specifications TY801 Shunt Stick
3BSE 020 924R4101 569
A.56.0.4 Block Diagram TY801
125Ω
125Ω

TY804 Shunt Stick Appendix A Specifications
570 3BSE 020 924R4101
A.57 TY804 Shunt Stick
A.57.0.1 Features
• Passive unit used for configuration of signal
type.
• Used on TU844 and TU845 together with
DP840.
A.57.0.2 Description
The TY804 Shunt Stick is used to adjust the input
current to a voltage signal.
In the upper corner of the shunt stick there is a part
of the circuit board that is visible. The visible part
shall be turned to the right (current input) when the
shunt stick is mounted.
Visible part of
circuit board

Appendix A Specifications TY804 Shunt Stick
3BSE 020 924R4101 571
A.57.0.3 Technical Data
Table A-120 TY804 Shunt Stick Specifications
Item Value
Module catch Attaches module MTU TU844/TU845
Internal resistance 1.08 kΩ 1%
Equipment class Class I according to IEC 61140; (earth
protected)
Protection Rating IP20 according to IEC 60529
Rated Insulation Voltage 50 V
Dielectric test voltage 500 V a.c.
Width 11 mm (0.43”)
Depth 15,5 mm (0.61”)
Height 62 mm (2.44”)
Weight 6 g (0.013 lbs.)

TY804 Shunt Stick Appendix A Specifications
572 3BSE 020 924R4101
A.57.0.4 Block Diagram TY804
1 kΩ

3BSE 020 924R4101 573
A
AI801 47, 69
AI810 38, 76
AI820 38, 88
AI825 39, 98
AI830 39, 106
AI835 39, 117
AI843 39, 130
AI845 39, 142
AI880 40, 156
AI880A 40, 156
Analog input module
AI801 47, 69
AI810 38, 76
AI820 88
AI825 98
AI830 106
AI835 117
AI843 130
AI845 39, 142
AI880 40, 156
AI880A 40, 156
Analog output module
AO801 48, 164
AO810 40, 172
AO820 182
AO845 40, 192
AO801 48, 164
AO810 40, 172
AO820 40, 182
AO845 40, 192
B
Bipolar analog output module
AO820 40
C
Compact MTU 34, 483
TU810 34, 472
TU811 34, 478
TU812 34, 483
TU813 34, 489
TU814 34, 495
D
DI801 48, 204
DI802 48, 211
DI803 48, 218
DI810 41, 225
DI811 41, 236
DI814 41, 247
DI820 41, 258
DI821 42, 266
DI825 42, 274
DI830 42, 282
DI831 43, 293
DI840 43, 304
DI880 43, 316
DI885 43, 329
Differential analog input module
AI820 38
Digital input module
DI801 48, 204
DI802 48, 211
DI803 48, 218
DI810 41, 225
DI811 41, 236
DI814 41, 247
DI820 258
DI821 42, 266
DI825 42, 274
INDEX

Index
574 3BSE 020 924R4101
DI830 42, 282
DI831 43, 293
DI840 43, 304
DI880 43, 316
DI885 43, 329
Digital input module, SOE 275, 294, 330
Digital output module
DO801 48, 340
DO802 49, 347
DO810 44, 354
DO814 44, 364
DO815 44, 375
DO820 45, 386
DO821 45, 396
DO840 45, 406
DO880 45, 418
DO801 48, 340
DO802 49, 347
DO810 44, 354
DO814 44, 364
DO815 44, 375
DO820 45, 386
DO821 45, 396
DO840 45, 406
DO880 45, 418
DP820 46, 431
DP840 46, 452
E
Extended MTU
TU830 34, 501, 512
TU831 35, 507
TU833 35
TU835 35, 518
TU836 35, 524
TU837 36, 530
TU838 36, 537
F
FCI 24
Frequency measuring
DP820 46, 431
DP840 46, 452
I
I/O modules
S800 53
S800L 53
I/O station 24
Incremental pulse counter
DP820 46, 431
DP840 46, 452
L
LEDs
S800L I/O module 58
S800M I/O module 55
M
Module termination units 28
ModuleBus master 24
MTU
TU805 469
TU810 472
TU811 478
TU812 483
TU813 489
TU814 495
TU830 501, 512
TU831 507
TU835 518
TU836 524
TU837 530
TU838 537
TU842 36, 543
TU843 37, 549
TU844 37, 555
TU845 37, 561
MTUs 65

Index
3BSE 020 924R4101 575
O
OSP 45
P
Process connection terminals
TU837 534
Process connections
AI801 74
AI820 93, 103
AI830 112
AI835 124
AI843 137
AO801 169
AO810 177
AO820 187
AO845 198
DI801 209
DI802 216
DI803 223
DI810 230
DI811 241
DI814 252
DI820 263, 279
DI821 271
DI830 287
DI831 298
DI840 309
DI880 322
DI885 336
DO801 345
DO802 352
DO810 359
DO814 369
DO815 381
DO820 391
DO821 401
DO840 412
DO880 425
DP820 445
DP840 461
TU810 476
TU811 481, 493
TU812 486
TU814 499
TU830 505, 516
TU831 510
TU835 521
TU842 546
TU843 552
TU844 558
TU845 564
Process power connections
TU837 534
Process power source connections
TU835 521
TU836 527
R
RTD input module
AI830 39, 106
S
S800 I/O module replacement 61
S800 I/O modules 38
S800L I/O module replacement 66
S800L I/O modules 46
Sequence of event 282, 293, 329
Shunt stick
TY801 37, 567
TY804 37, 570
SOE 282, 293, 329
T
Terminal Unit
TU805 33, 469
Thermocouple/mV input module
AI835 39, 117
AI843 39, 130
TU805 33, 469
TU810 34, 472

Index
576 3BSE 020 924R4101
TU811 34, 478
TU812 34, 483
TU813 34, 489
TU814 34, 495
TU830 34, 501, 512
TU831 35, 507
TU833 35
TU835 35, 518
TU836 35, 524
TU837 36, 530
TU838 36, 537
TU842 36, 543
TU843 37, 549
TU844 37, 555
TU845 37, 561
TY801 37, 567
TY804 37, 570

3BSE 020 924R4101. Printed in Sweden June 2005
Copyright © 2005 by ABB. All Rights Reserved
® Registered Trademark of ABB.
™ Trademark of ABB.
Automation Technology Products
Mannheim, Germany
www.abb.de/processautomation
email: marketing.control-products@de.abb.com
Automation Technology Products
Västerås, Sweden
www.abb.com/processautomation
email: processautomation@se.abb.com
Automation Technology Products
Wickliffe, Ohio, USA
www.abb.com/processautomation
email: industrialitsolutions@us.abb.com
http://www.abb.com/control



