4200 DAI_ib_Rev0 DAI Ib Rev0
User Manual: 4200-DAI_ib_Rev0
Open the PDF directly: View PDF
.
Page Count: 21

DAI-4200 Instruction Book Revision 0
www.irtelectronics.com Page 1 of 21 4200-DAI_ib_Rev0.doc
IRT Eurocard
Type DAI-4200
3G/HD/SD-SDIDigital Audio Inserter
Designed and manufactured in Australia
IRT can be found on the Internet at:
http://www.irtelectronics.com
I R T Electronics Pty Ltd A.B.N. 35 000 832 575
26 Hotham Parade, ARTARMON N.S.W. 2064 AUSTRALIA
National: Phone: (02) 9439 3744 Fax: (02) 9439 7439
International: +61 2 9439 3744 +61 2 9439 7439
Email: sales@irtelectronics.com
Web: www.irtelectronics.com

DAI-4200 Instruction Book Revision 0
www.irtelectronics.com Page 2 of 21 4200-DAI_ib_Rev0.doc
IRT Eurocard
Type DAI-4200
3G/HD/SD-SDIDigital Audio Inserter
Revision History
Revision Date By Change Description Applicable to:
0 28/10/2009 AL Original Issue. S/N: ≥ 0910001

DAI-4200 Instruction Book Revision 0
www.irtelectronics.com Page 3 of 21 4200-DAI_ib_Rev0.doc
IRT Eurocard
Type DAI-4200
3G/HD/SD-SDIDigital Audio Inserter
Instruction Book
Table of Contents
Section Page
Revision History 2
Operational Safety 3
General Description 4
Technical Specifications 5
Configuration 6
DIP Switch Settings 6
Audio Test Generator 6
Video Generator 6
Link Settings 6
Location of DIP Switch and Links 7
Installation 8
Front and rear layouts 9
Operation 10
Top Layer Menu Structure 10
STATUS Menu Structure 11
Video Status 12
Embedded Audio Status 12
AES Audio Status 13
Enter To Go Back 13
CONFIG Menu Structure 14
Embed Mode 15
AES Group configuration 16
Enter To Go Back 16
Audio Test Generator 17
Video Generator 17
SNMP – What Is It? 18
DAI-4200 SNMP Functions 20
Maintenance & Storage 21
Warranty & Service 21
Equipment return 21
This instruction book applies to units later than S/N: 0910001.
Operational Safety:
WARNING
Operation of electronic equipment involves the use of voltages and currents that
may be dangerous to human life. Note that under certain conditions dangerous
potentials may exist in some circuits when power controls are in the OFF position.
Maintenance personnel should observe all safety regulations.
Do not make any adjustments inside equipment with power ON unless proper
precautions are observed. All internal adjustments should only be made by suitably
qualified personnel. All operational adjustments are available externally without
the need for removing covers or use of extender cards.

DAI-4200 Instruction Book Revision 0
www.irtelectronics.com Page 4 of 21 4200-DAI_ib_Rev0.doc
IRT Eurocard
Type DAI-4200
3G/HD/SD-SDIDigital Audio Inserter
General Description
The DAI-4200 is a high performance audio embedder for either 270 Mb/s SD-SDI, 1.485 Gb/s HD-SDI or 2.97 Gb/s
3G-SDI video signals.
Each DAI-4200 is capable of inserting up to two audio groups into an existing SDI video stream. An audio group
consists of two AES signals, thus four AES signals are capable of being inserted over two audio groups. AES 1&2
constitute one audio group, AES 3&4 constitute the second audio group.
Group position selection is made by the front panel local controls, or remotely via SNMP. Existing embedded data
packets may be either all removed or selectively replaced.
The DAI-4200 supports AES synchronous or asynchronous
1
48 kHz 24-bit audio data packets.
An audio presence indicator is provided for each input.
DIP switch settings allow optional colour bars or colour black to SDI output on loss of SDI input.
Two DAI-4200’s can be cascaded for insertion of audio into all four groups if required.
Simple Network Management Protocol (SNMP) monitoring and control is possible when mounted in an IRT frame
fitted with SNMP capability.
The DAI-4200 is fabricated in IRT's standard Eurocard format and may be housed in a variety of IRT Eurocard
frames alongside other standard modules.
Standard features:
•
270 Mb/s SD-SDI, 1.485 Gb/s HD-SDI or 2.97 Gb/s 3G-SDI input and output
•
Inserts up to 4 AES signals into 2 groups
•
75 Ω unbalanced AES inputs
•
AES resampling (or selectable non resampling mode on HD & 3G only)
•
24 bit audio supported
•
Z, C, U data preserved
•
Ability to replace existing embedded audio
•
Indicators for presence of input (SDI) & audio (AES)
•
Cascadable - SDI output for connection to additional units
•
Front panel Status and Configuration controls
•
Simple Network Management Protocol (SNMP) capable
1
Asynchronous mode possible for HD-SDI & 3G-SDI only.

DAI-4200 Instruction Book Revision 0
www.irtelectronics.com Page 5 of 21 4200-DAI_ib_Rev0.doc
Technical Specifications
IRT Eurocard module
Type DAI-4200
SDI input:
Number 1 (BNC).
Impedance 75 Ω terminated.
Equalisation Automatic, >100 metres at 1.485 Gb/s & 2.97 Gb/s,
> 250 metres at 270 Mb/s for Belden 8281 or equivalent cable.
Format 270 Mbit/s (SD-SDI) video with or without embedded audio serial data to
SMPTE 259M; or
1.485 Gbit/s (HD-SDI) video with or without embedded audio serial data
to SMPTE 292M; or
2.97 Gb/s (3G-SDI) video with or without embedded audio serial data to
SMPTE 424M.
SDI output:
Number 1 (BNC).
Type 75 Ω sourced.
Format Regenerated and re-clocked, as per input type.
AES/EBU inputs:
Number 4 x 48 kHz synchronous / asynchronous, 24-bit audio data packets.
Impedance 75 Ω unbalanced.
1
st
Audio group AES 1 & AES 2.
2
nd
Audio group AES 3 & AES 4.
Front Panel Indicators:
INPUT SDI input present (Green).
AES (1 – 4) AES audio present (Green).
Control Switch Indicator Blue SDI input type – 3G.
Control Switch Indicator Green SDI input type – HD.
Control Switch Indicator Orange SDI input type – SD.
Front Panel Controls:
Sample Rate Converter (SRC) ON/OFF (AES should always be resampled (ON) with SD-SDI, unless it has
already been externally synced).
Normal/Replace/R1 Group/No Embed Delete all audio groups / replace both selected audio groups /
Replace 1 Group (AES 1&2) only / Pass SDI signal as is (no embedding).
SYNC / ASYNC_HD Synchronous / Asynchronous (HD & 3G) audio insertion.
Group select AES 1&2, AES 3&4.
Other:
Power requirements 28 Vac CT (14-0-14) or ± 16 Vdc.
Power consumption <6 VA.
Temperature range 0 - 50° C ambient.
Mechanical Suitable for mounting in IRT 19" rack chassis with input output and
power connections on the rear panel.
Finish: Front panel Grey background, black lettering & red IRT logo.
Rear assembly Detachable silk-screened PCB with direct mount connectors to Eurocard
and external signals.
Dimensions 30 mm x 3 U x 220 mm IRT Eurocard.
Accessories supplied with module Rear connector assembly.
Related Modules DAX-4200 digital audio extractor.
Due to our policy of continuing development, these specifications are subject to change without notice.

DAI-4200 Instruction Book Revision 0
www.irtelectronics.com Page 6 of 21 4200-DAI_ib_Rev0.doc
Configuration
DIP Switch Settings:
SW1-1 ON Default DAI-4200 setting. Do not change.
SW1-2 OFF Audio Test Generator OFF (normal position - default).
ON Audio Test Generator ON.
SW1-3 SW1-4 Operation
OFF OFF Video Generator on loss of SDI input disabled.
ON OFF SD Video Generator on loss of SDI input enabled.
OFF ON HD Video Generator on loss of SDI input enabled.
ON ON 3G Video Generator on loss of SDI input enabled.
SW1-5 OFF Colour Bars when Video Generator enabled via SW1-3 and SW1-4 settings.
ON Colour Black when Video Generator enabled via SW1-3 and SW1-4 settings.
SW1-6 Not used (normal position OFF - default).
SW1-7 Not used (normal position OFF - default).
SW1-8 Not used (normal position OFF - default).
Audio Test Generator:
When SW1-1 is in the ON position, a 1 kHz tone is generated for insertion into the SDI input signal for testing of
audio channels within a system. This allows the wiring to be checked for correct connection at the far end.
The 1 kHz tone is sequentially switched between the left and right channels of the four AES channels in order via
the front panel menu button as selected by the operator. Audio insertion is as per the CONFIG menu settings as
described in the Operation section of this manual.
Note that the Audio Test Generator is for testing purposes only and overrides the inputted AES signals. When using
the DAI-4200 with external AES signals, leave the SW1-2 in the OFF position.
Video Generator:
To allow an output SDI video signal on loss of SDI input, SW1-3 and SW1-4 enable an SD-SDI, HD-SDI or 3G-SDI
signal, either colour bars or colour black as per the SW1-5 setting. This allows the AES inputs to still be embedded
within an SDI signal should the AES path be critical.
When setting, set to expected SDI input type (SD, HD or 3G) so that signal types match, else downstream
equipment may not function correctly.
The colour bars give a visual indication of loss of SDI input. The colour black may be preferential for live broadcast
applications. It is also possible to disable the video generator via the SW1-3 and SW1-4 settings for situations
where a redundant backup system automatically switches in independent of this card.
Link Settings:
LK1 B Factory use only. Default position. Do not change.
LK2 A Factory use only. Default position. Do not change.
LK3 OPEN Factory use only. Default position. Do not change.

DAI-4200 Instruction Book Revision 0
www.irtelectronics.com Page 7 of 21 4200-DAI_ib_Rev0.doc
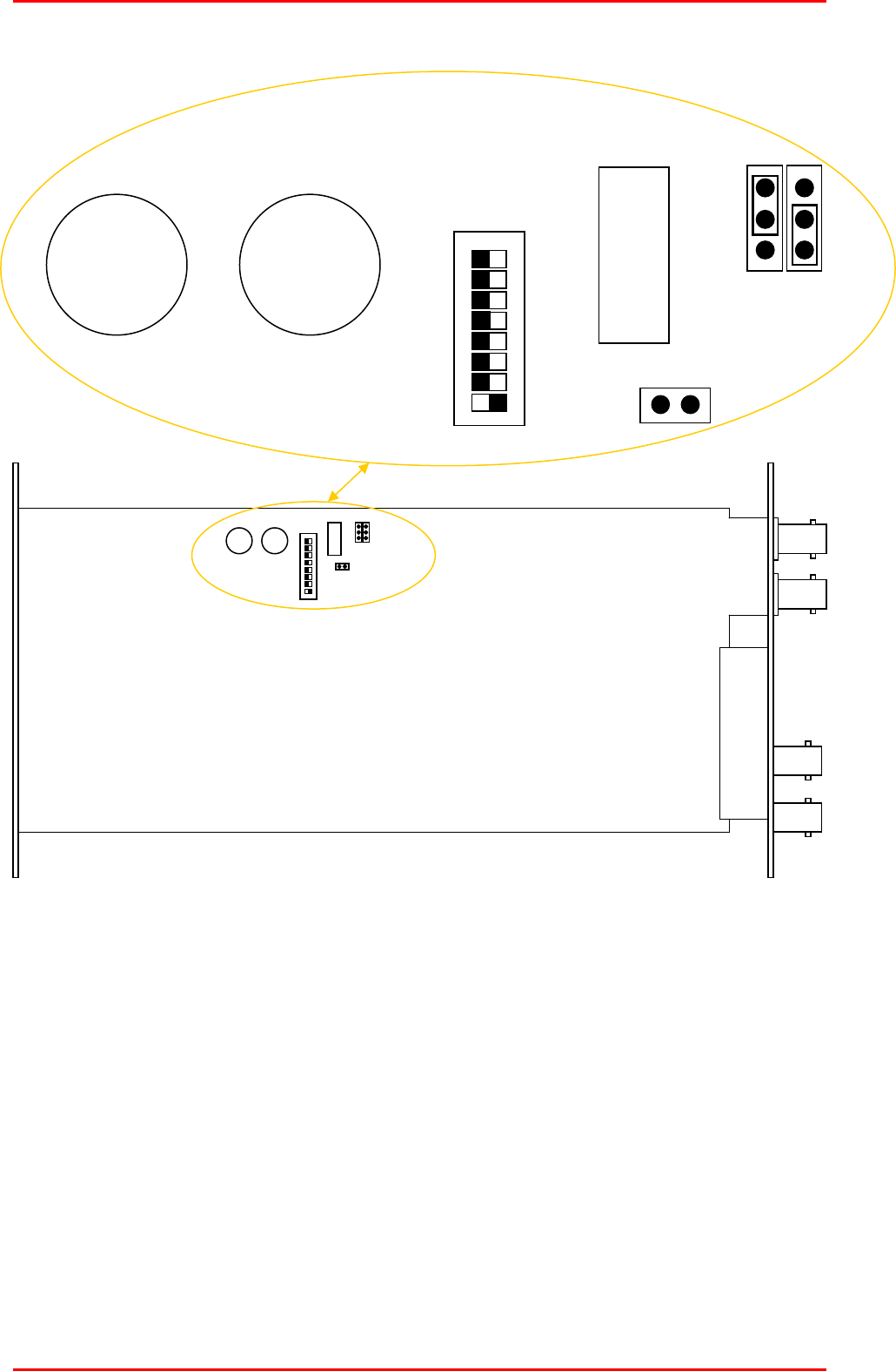
Location of DIP Switch and Links:
LK2 LK1
LK3
IC26
+ C217
+ C213
1 2
3 4 5
6 7 8
ON DIP
SW1
1
A
B

DAI-4200 Instruction Book Revision 0
www.irtelectronics.com Page 8 of 21 4200-DAI_ib_Rev0.doc
Installation
Pre-installation:
Handling:
This equipment may contain or be connected to static sensitive devices and proper static free handling precautions
should be observed.
Where individual circuit cards are stored, they should be placed in antistatic bags. Proper antistatic procedures
should be followed when inserting or removing cards from these bags.
Power:
AC mains supply: Ensure that operating voltage of unit and local supply voltage match and that correct rating
fuse is installed for local supply.
DC supply: Ensure that the correct polarity is observed and that DC supply voltage is maintained within
the operating range specified.
Earthing:
The earth path is dependent on the type of frame selected. In every case particular care should be taken to ensure
that the frame is connected to earth for safety reasons. See frame manual for details.
Signal earth: For safety reasons a connection is made between signal earth and chassis earth. No attempt should
be made to break this connection.
Installation in frame or chassis:
See details in separate manual for selected frame type.
Connections:
SDI Video:
Input:
The SDI input is a single BNC connector terminated in 75 Ohms.
The input equaliser compensates automatically for losses of up to 250 metres for SD-SDI, and up to 100 metres of
HD-SDI or 3G-SDI, of high quality 75 Ohm coaxial cable. Performance tests are made using Belden 8281 cable as a
reference. Actual results and bit error rates will depend on the quality of the cable and the noise environment as
well as the quality of the originating equipment.
Output:
One 75 Ohm impedance SDI output is provided matching the input type with the relevant embedded AES data.
This output should only be used with 75 Ohm coaxial cable and must be 75 Ohm terminated at the destination in
order to obtain correct levels and performance.
When more than two groups need to be embedded with AES data, this output cascades into the input of a second
DAI-4200 inserter card to allow all four groups of an SDI stream to be embedded.
AES Data:
Inputs:
The four AES data inputs, typically AES audio, are single BNC connectors terminated in 75 Ohms.
AES 1&2 form one audio/data grouping, AES 3&4 form the second audio/data grouping. Each audio/data grouping
can be inserted into a different one of the four possible audio/data group numbers within an SDI stream. It is not
possible to insert both audio/data groupings into the same SDI group number.
When using the replace single group number option in the configuration setting, only audio/data grouping AES
1&2 applies. AES 3&4 are ignored.

DAI-4200 Instruction Book Revision 0
www.irtelectronics.com Page 9 of 21 4200-DAI_ib_Rev0.doc
Front & rear panel connector diagrams
The following front panel and rear assembly drawings are not to scale and are intended to show connection order
and approximate layout only.
SDI IN
AES
PL1
PL2
SDI OUT
IN1
IN3
IN2
IN4
SK5
SK3
SK4
SK2
SK7
SK6
N140
DC
AES4AES3
AES2AES1
INPUT
DA I- 42 00
DOWN
UP
SWITCH
BACKGROUND
BLUE - 3G
GREEN - HD
ORANGE - SD
PRESS TO ENTER

DAI-4200 Instruction Book Revision 0
www.irtelectronics.com Page 10 of 21 4200-DAI_ib_Rev0.doc
Operation
The DAI-4200 will embed up to two groupings of AES audio or data (AES 1&2 and AES 3&4) within two separate SDI
group numbers. To embed into all four possible group numbers within an SDI stream two DAI-4200s can be
cascaded together.
The SDI input stream can be either 3G-SDI (2.97 Gb/s), HD-SDI (1.485 Gb/s) or SD-SDI (270 Mb/s). The output
stream matches that of the input stream with the configured embedded AES options.
The front panel comprises of an INPUT and four AES green LED indicators, and three pushbutton switches - a large
square pushbutton switch in the middle of the panel acting as the MENU SCREEN, and two smaller square
pushbuttons below marked with UP and DOWN arrows.
The INPUT LED illuminates when an SDI input signal is connected to the SDI IN connector on the rear assembly.
Likewise when unbalanced 75 Ohm AES signals are connected to any of the AES inputs on the rear assembly the
corresponding front panel AES LED will illuminate.
The MENU SCREEN pushbutton will illuminate to indicate the type of SDI input signal detected –
a blue background for a 3G-SDI signal;
a green background for an HD-SDI signal; and
an orange background for an SD-SDI signal.
STATUS of the input SDI signal and CONFIGURATION settings for the AES insertion are performed via the MENU
SCREEN pushbutton in conjunction with the two smaller UP / DOWN pushbuttons.
Top Layer Menu Structure:
There are three top layer menus on the MENU SCREEN pushbutton. The top default screen has the display
.
Scrolling down the menus by pressing the DOWN arrow pushbutton comes the STATUS menu followed by the
CONFIG menu, then back to the
menu again.
All the following examples have the background colour corresponding to an SD-SDI input signal.
To enter the STATUS or CONFIG menus, push the MENU SCREEN pushbutton when at the corresponding menu
screen to open the next sub-menu. Pressing the
menu does not do anything as there are no sub-menus
below this screen. After a period of time, if left in one of the other menu screens, the menu defaults back to the
screen.
Enter for
STATUS
Enter for
CONFIG

DAI-4200 Instruction Book Revision 0
www.irtelectronics.com Page 11 of 21 4200-DAI_ib_Rev0.doc
STATUS Menu Structure:
Pressing the STATUS menu option gives status information about the inputted signals such as the type of SDI signal
present (3G, HD or SD), whether the four Groups of the SDI signal contain AES data or not, and whether the four
AES inputs are present or not. It does not give status information about the configuration settings. The CONFIG
menu gives this information when setting.
The following menu structure shows the various status information screens. To scroll between the various sub-
menus under the STATUS menu press the UP / DOWN arrow pushbuttons on the front panel.
Enter for
STATUS
Enter for
CONFIG
Video Stat
SDI INPUT
SD-SDI
Enter for
EMBEDDED
AUDIO
Enter for
AES AUDIO
ENTER TO
GO BACK
Audio Stat
AES IN 1
Locked
Audio Stat
AES IN 2
Locked
Audio Stat
AES IN 3
Unlocked
Audio Stat
AES IN 4
Unlocked
Audio Stat
Group 1
Locked
Audio Stat
Group 2
Locked
Audio Stat
Group 3
Missing
Audio Stat
Group 4
Missing

DAI-4200 Instruction Book Revision 0
www.irtelectronics.com Page 12 of 21 4200-DAI_ib_Rev0.doc
1. Video Status:
The first menu under the STATUS menu is the Video Status screen.
This screen shows what type of input signal is present:
3G-SDI;
HD-SDI;
SD-SDI; or
Unlocked - for no input or invalid inputs (non SDI).
Pressing this switch when in this position switches back to the previous “Enter for STATUS” menu screen.
2. Embedded Audio Status:
The second menu under the STATUS menu is the EMBEDDED AUDIO status.
Pressing this switch when in this position switches to a sub-menu of Audio Status, which indicate the presence
(Locked) or absence (Missing) of AES data within the four individual audio groups of the SDI input stream.
The four audio groups are designated as Group 1, Group 2, Group 3, and Group 4.
To access information about each individual group, press the UP / DOWN arrow pushbuttons on the front panel
until the desired group number is shown. In the example below Groups 1 & 2 both contains AES data (Locked)
whilst Groups 3 & 4 both do not contain any AES data (Missing).
Pressing this switch when in any of these positions switches back to the previous “Enter for EMBEDDED AUDIO”
menu screen.
Video Stat
SDI INPUT
SD-SDI
Enter for
EMBEDDED
AUDIO
Audio Stat
Group 1
Locked
Audio Stat
Group 2
Locked
Audio Stat
Group 3
Missing
Audio Stat
Group 4
Missing

DAI-4200 Instruction Book Revision 0
www.irtelectronics.com Page 13 of 21 4200-DAI_ib_Rev0.doc
3. AES Audio Status:
The third menu under the STATUS menu is the AES AUDIO status.
Pressing this switch when in this position switches to a sub-menu of Audio Status, which indicate the presence
(Locked) or absence (Unlocked) of AES input signals on the rear assembly.
The four AES inputs are designated as AES 1, AES 2, AES 3, and AES 4.
To access information about each AES input, press the UP / DOWN arrow pushbuttons on the front panel until the
desired AES number is shown. In the example below AES 1 & 2 inputs both have AES data (Locked) connected
whilst AES 3 & 4 inputs both do not have AES data (Unlocked) connected.
Pressing this switch when in any of these positions switches back to the previous “Enter for EMBEDDED AUDIO”
menu screen.
4. Enter To Go Back:
The fourth menu under the STATUS menu is the ENTER TO GO BACK screen.
Pressing this switch when in this position switches back to the previous “Enter for STATUS” menu screen.
Enter for
AES AUDIO
Audio Stat
AES IN 1
Locked
Audio Stat
AES IN 2
Locked
Audio Stat
AES IN 3
Unlocked
Audio Stat
AES IN 4
Unlocked
ENTER TO
GO BACK

DAI-4200 Instruction Book Revision 0
www.irtelectronics.com Page 14 of 21 4200-DAI_ib_Rev0.doc
CONFIG Menu Structure:
Pressing the CONFIG menu option gives configuration settings for embedding the input AES data.
The following menu structure shows the various configuration settings. To scroll between the various sub-menus
under the CONFIG menu press the UP / DOWN arrow pushbuttons on the front panel.
Enter for
STATUS
Enter for
CONFIG
Embed Mode
SRC ON
Normal
SYNC
AES 1&2
Group 1
AES 3&4
Group 2
ENTER TO
GO BACK
SRC ON / SCR OFF
Normal / Replace / R1 Group / No Embed
SYNC / ASYNC_HD
AES 1&2 embedded into either
Group 1 / Group 2 / Group 3 / Group 4.
AES 3&4 embedded into either
Group 1 / Group 2 / Group 3 / Group 4.
(Note: AES 1&2 cannot be same group number as AES 3&4).
Switches back to ‘Enter for CONFIG’ window.

DAI-4200 Instruction Book Revision 0
www.irtelectronics.com Page 15 of 21 4200-DAI_ib_Rev0.doc
Embed Mode
SRC ON
Normal
SYNC
*
1. Embed Mode:
The first menu under the CONFIG menu is the Embed Mode screen.
There are three modes that can be set.
SRC ON / SRC OFF;
Normal / Replace / R1 Group / No Embed; and
SYNC / ASYNC_HD
SRC ON - Sample Rate Converter ON. Input AES audio streams are resampled to 48kHz. For SD-SDI, AES audio
signals should always have SRC ON, unless AES is externally synced to SDI input;
SRC OFF - Sample Rate Converter OFF. Input AES audio streams are not resampled. Not suitable for SD.
AES data signals (non audio), should always be externally synced to SDI input and have SRC OFF.
Normal - All four Groups are deleted of existing data before embedding new AES data;
Replace - Both Groups that are to be inserted with AES 1&2 and AES 3&4 deleted before insertion.
Other two Groups’ contents remain intact;
R1 Group - Only AES 1&2 inserted into chosen Group, deleting any existing data within that Group.
Other three Groups’ contents remain intact. AES 3&4 not inserted into any group;
No Embed - No AES insertion into any Group. Existing Group contents remain untouched.
SYNC - AES data inserted synchronously with video input. Default state for SD-SDI;
ASYN_HD - AES data inserted Asynchronously with video input. Valid for HD-SDI and 3G-SDI input signals only.
SD-SDI signals will still function in SYNC mode regardless.
Pressing this switch when in this position allows the various Embed Mode options to be changed. With an input SDI
signal present, background screen colour changes to red with a flashing asterisk (*) marker to the right of to the
SRC setting. Note that when no input SDI is signal present the background screen does not change to red, only the
flashing asterisk marker is present.
To change the Sample Rate Converter (SRC) between ON and OFF, press the UP / DOWN arrow pushbuttons on the
front panel to the desired setting and then press the menu button. The SRC setting is now set and the asterisk (*)
marker then moves down to the next Embed Mode option.
To change whether existing embedded data within the various four groups is deleted or not, press the UP / DOWN
arrow pushbuttons on the front panel to the desired setting (Normal, Replace, R1 Group or No Embed) and then
press the menu button. The asterisk (*) marker then moves down to the next Embed Mode option.
To change whether AES data is inserted synchronously (SYNC) or asynchronously (ASYNC_HD), press the
UP / DOWN arrow pushbuttons on the front panel to the desired setting and then press the menu button. The
asterisk then disappears and the background colour goes back to match the SDI input type. Note that with an
SD-SDI input signal the AES data is always inserted synchronously regardless of the SYNC / ASYNC_HD setting.
Embed Mode
SRC ON
Normal
SYNC
Embed Mode
SRC ON
Normal
SYNC
*
Embed Mode
SRC ON
Normal
SYNC
*

DAI-4200 Instruction Book Revision 0
www.irtelectronics.com Page 16 of 21 4200-DAI_ib_Rev0.doc
2. AES Group configuration:
The second menu under the CONFIG menu is the AES Group screen.
AES 1&2 form one audio/data group, AES 3&4 form a second audio/data group. An SDI signal contains positions for
four audio/data groups. Each audio/data group contains up to two AES streams.
Pressing this switch when in this position allows the inputted AES 1&2 and AES 3&4 signals to be inserted into two
of the four allowable Group numbers. Whether these are actually inserted into the SDI stream or not is dependent
upon the Embed Mode Normal/Replace/R1 Group/No Embed setting. When pressed, with an input SDI signal
present, the background screen colour changes to red with a flashing asterisk (*) marker to the right of to the
Group number corresponding to AES 1&2. Note that when no input SDI is signal present the background screen
does not change to red, only the flashing asterisk marker is present.
To change the Group number of the AES 1&2 audio/data group between the four possible Group numbers, scroll
either the UP or DOWN arrow pushbutton on the front panel to the desired setting and then press the menu
button. The Group number setting for AES 1&2 is now set and the asterisk (*) marker then moves down to the next
Group number of the AES 3&4 audio/data group.
It is possible to set the Group number for AES 1&2 to any of the possible four settings. If the selected Group
number matches that of what AES 3&4 are set for, the Group number of AES 3&4 automatically changes to the
next available number. For example, if AES 1&2 are set to Group 2, and AES 3&4 are already set to Group 2,
AES 3&4 will automatically change to Group 3. Once the Group number for AES 1&2 has been set, AES 3&4 can
only be set to one of the three remaining Group numbers.
To change the Group number of the AES 3&4 audio/data group between the three remaining possible Group
numbers, scroll either the UP or DOWN arrow pushbutton on the front panel to the desired setting and then press
the menu button. The asterisk then disappears and the background colour goes back to match the SDI input type.
3. Enter To Go Back:
The third menu under the CONFIG menu is the ENTER TO GO BACK screen.
Pressing this switch when in this position switches back to the previous “Enter for CONFIG” menu screen.
AES 1&2
Group 1
AES 3&4
Group 2
AES 1&2
Group 1
AES 3&4
Group 2
*
AES 1&2
Group 1
AES 3&4
Group 2
*
ENTER TO
GO BACK

DAI-4200 Instruction Book Revision 0
www.irtelectronics.com Page 17 of 21 4200-DAI_ib_Rev0.doc
Audio Test Generator:
With DIP Switch SW1-2 in the ON position, as per the Configuration section of this manual, a 1 kHz tone is
embedded, as per the CONFIG menu settings, and sequentially switched between the left and right channels of
each of the AES signals.
All four front panel LEDs illuminate and the front panel menu button changes to a new screen where the audio
tone is switched between the left and right channel of the AES signal. Pushing the front panel menu button
switches the tone sequentially with each press of the switch.
Press Enter:
Press Enter:
Etc.
Audio paths may be checked down stream of the embedded SDI signal for such things as correct wiring or for
correct SDI signal chosen.
Note that any actual AES inputs are ignored whilst the Audio Test Generator setting is enabled. Not for general use.
Disable when using for live circuits.
Note also that audio is only embedded into the two groups as per the AES Group configuration previously
explained on the previous page of this manual.
Video Generator:
Colour Bars or Colour Black Video Generator on loss of SDI input allow an active path for AES insertion
transmission. Once set there are no user operation controls. See Configuration section of this manual for DIP
switch settings.
When automatic changeover of signals is to take place on a loss of SDI signal, video generator should be disabled.
Audio Test
AES 1
L Active
Press Enter
Audio Test
AES 1
R Active
Press Enter
Audio Test
AES 2
L Active
Press Enter

DAI-4200 Instruction Book Revision 0
www.irtelectronics.com Page 18 of 21 4200-DAI_ib_Rev0.doc
SNMP
What Is It?
SNMP stands for Simple Network Management Protocol. It is an application layer protocol for managing IP
(Internet Protocol) based systems. SNMP enables system administrators to manage system performance, and to
find and solve system problems. SNMP runs over UDP (User Datagram Protocol), which in turn runs over IP.
Three types of SNMP exist: SNMP version 1 (SNMPv1), SNMP version 2 (SNMPv2) and SNMP version 3 (SNMPv3). It
is not the intention here to discuss the differences between various versions, only to bring attention to the fact
that IRT Electronics modules, fitted with SNMP capability, use SNMPv1.
An SNMP managed network consists of three key components: Network Management Systems (NMS), agents, and
managed devices.
An NMS is the console through which the network administrator performs network management functions, such
as monitoring status (e.g. alarm states) and remote controlling, of a set of managed devices. One or more NMSs
must exist on any managed network. Generally the NMS is a computer running third party SNMP control software.
There are a number of third party SNMP software applications currently available on the market.
An NMS polls, or communicates with, an agent. An agent is a network management software module that resides
in a managed device. An agent has local knowledge of management information and translates that information
into a form compatible with SNMP. The agent, therefore, acts as an interface between the NMS and the managed
devices. The NMS sends a request message, and control commands for the managed devices, to the agent, which
in turn sends a response message, containing information about the managed devices, back to the NMS.
A managed device contains an SNMP agent and resides on a managed network. Managed devices collect and store
management information and make this information available to NMSs using SNMP.
Managed device agent variables are organised in a tree structure known as a Management Information Base
(MIB). Within the MIB are parameters pertaining to the managed device. An Object Identifier (OID) number within
the MIB defines the managed device type. This is a unique number specific to the model of managed device. Other
information relating to the device is also stored, information such as alarm states, controllable settings, etc. The
MIB tree is organised in such a way that there will be no two MIB files with conflicting placements.
Normally an NMS polls an agent for information relating to the MIB in a managed device to be sent back to the
NMS. When certain conditions are met within the MIB, such as major alarm conditions, for example, the agent
automatically sends what is known as a trap to the NMS without any prompting from the NMS. This allows
automatic notification of a predetermined event.
NMS
NMS
IP
Network
MIB
SNMP Agent
Protocol Engine
SNMP Agent
MIB
SNMP Agent
Protocol Engine
SNMP Agent
MIB
SNMP Agent
Protocol Engine
SNMP Agent
SNMP Block Diagram

DAI-4200 Instruction Book Revision 0
www.irtelectronics.com Page 19 of 21 4200-DAI_ib_Rev0.doc
SNMP with IRT Products:
IRT Electronics currently employs SNMPv1 with its SNMP capable frames. The frame acts as an agent when fitted
with a CDM-xxxx module. This module has its own designated slot next to the power supply so as to not affect the
number of modules that the frame will take. Communication between the NMS, the frame and its loaded modules
are via this CDM-xxxx module. Note that the NMS software is third party and not supplied by IRT Electronics.
Ethernet connection for SNMP operation is via an RJ45 connector on the rear of the frame, below the mains inlet.
Ethernet rate runs at either 10 baseT or 100 baseT.
Frame parameters, such as Name, Address and Location, are set via an RS232 interface, a D9 connector on the rear
of the frame below the mains inlet. A software terminal emulator, such as Tera Term or HyperTerminal, is used for
setting and reading the parameters of the frame.
IRT modules that are SNMP compatible need a plug-in SMU-4000 module with a program relevant to the module
that it is plugged into. Depending on the module, besides the module identification, parameters such as alarm
states, inputs and controls etc. are communicated to the CDM-xxxx agent via a data bus on the rear of the frame.
Thus the CDM-xxxx collects information on what is loaded within the frame, what positions they occupy, and their
current status for communication to the NMS when the NMS sends a request for information.
In the event of a major alarm from any of the SNMP compatible modules, or power supplies, a trap is automatically
sent by the CDM-xxxx agent to the NMS without any prompting by the NMS. This alerts the operator to any fault
conditions that may exist that need immediate attention.
FRU-4000
FRAME
110/240 V 50/60 Hz
0.7 A (max.)
FUSES
110/120 Vac
1A S.B.
220/240 Vac
500 mA S.B.
AS3260 approval no.: CS6346N
Ass. no.: 804692
+
-
48Vdc
Alarm
RS232
Ether
net
IRT SNMP Connections
IRT modules fitted
with SMU-4000
PSU’s
CDM
-
xxxx
IRT SNMP Frame
IRT SNMP Frame
IRT modules fitted
with SMU-4000
PSU’s
CDM
-
xxxx
IP
Network
Ethernet Cable
Ethernet Cable
Ethernet Cable
NMS
IRT SNMP Setup

DAI-4200 Instruction Book Revision 0
www.irtelectronics.com Page 20 of 21 4200-DAI_ib_Rev0.doc
DAI-4200 SNMP Functions:
The DAI-4200 comes with SNMP capability built in as standard. When installed in an IRT frame with SNMP
capability, the DAI-4200 can be interrogated by an SNMP Network Management System (NMS).
The following SNMP functions are capable of being monitored and/or set by an NMS:
An indication that an input SDI signal is present and its type (notPresent (1), sd (2), hd (3) or sdi3g (4));
An indication of each of the existing Group numbers within the inputted SDI (notPresent (1), present (2));
An indication of the presence of each of the AES inputs (notPresent (1), present (2));
An indication and control
†
of the Group numbers assigned to AES 1&2 and AES 3&4;
An indication and control of the Embed Mode functions (normal (1), replace (2), r1Group (3), noEmbed (4));
An indication and control of the Asynchronous
‡
mode (disable (1), enable (2));
An indication and control of the Sample Rate Converter (SRC) setting (on (1), off (2));
An indication of the firmware version of the FPGA in the format x.y where x is the major revision number
and y is the minor revision number;
An indication of the software version of the FPGA in the format x.y where x is the major revision number
and y is the minor revision number;
Trap automatically sent, if enabled, on loss or insertion of SDI input (enabled (1), disabled (2)); and
Unit reset control - resets system up time counter. A set with a value of 2 sent to this OID will cause a
system reset to occur. When queried returns 1.
NOTE: † Group numbers for AES 1&2 and AES 3&4 must be set differently from each other. Although it is
possible to set the group numbers for AES 1&2 and AES 3&4 the same via SNMP and the corresponding
front panel setting will then say the same, the AES insertion will not function correctly.
‡ Asynchronous mode only valid for HD-SDI and 3G-SDI input signals only. With an SD-SDI input signal the
AES data is always inserted synchronously regardless if the asynchronous mode is enabled or not.

DAI-4200 Instruction Book Revision 0
www.irtelectronics.com Page 21 of 21 4200-DAI_ib_Rev0.doc
Maintenance & Storage
Maintenance:
No regular maintenance is required.
Care however should be taken to ensure that all connectors are kept clean and free from contamination of any
kind. This is especially important in fibre optic equipment where cleanliness of optical connections is critical to
performance.
Storage:
If the equipment is not to be used for an extended period, it is recommended the whole unit be placed in a sealed
plastic bag to prevent dust contamination. In areas of high humidity a suitably sized bag of silica gel should be
included to deter corrosion.
Where individual circuit cards are stored, they should be placed in antistatic bags. Proper antistatic procedures
should be followed when inserting or removing cards from these bags.
Warranty & Service
Equipment is covered by a limited warranty period of three years from date of first delivery unless contrary
conditions apply under a particular contract of supply. For situations when “No Fault Found” for repairs, a
minimum charge of 1 hour’s labour, at IRT’s current labour charge rate, will apply, whether the equipment is
within the warranty period or not.
Equipment warranty is limited to faults attributable to defects in original design or manufacture. Warranty on
components shall be extended by IRT only to the extent obtainable from the component supplier.
Equipment return:
Before arranging service, ensure that the fault is in the unit to be serviced and not in associated equipment. If
possible, confirm this by substitution.
Before returning equipment contact should be made with IRT or your local agent to determine whether the
equipment can be serviced in the field or should be returned for repair.
The equipment should be properly packed for return observing antistatic procedures.
The following information should accompany the unit to be returned:
1. A fault report should be included indicating the nature of the fault
2. The operating conditions under which the fault initially occurred.
3. Any additional information, which may be of assistance in fault location and remedy.
4. A contact name and telephone and fax numbers.
5. Details of payment method for items not covered by warranty.
6. Full return address.
7. For situations when “No Fault Found” for repairs, a minimum charge of 1 hour’s labour will apply,
whether the equipment is within the warranty period or not. Contact IRT for current hourly rate.
Please note that all freight charges are the responsibility of the customer.
The equipment should be returned to the agent who originally supplied the equipment or, where this is not
possible, to IRT direct as follows.
Equipment Service
IRT Electronics Pty Ltd
26 Hotham Parade
ARTARMON
N.S.W. 2064
AUSTRALIA
Phone: 61 2 9439 3744 Fax: 61 2 9439 7439
Email: service@irtelectronics.com