Product Manual For Pressure Washer 178121 45811
User Manual: 178121
Open the PDF directly: View PDF
.
Page Count: 58

Owner’s Manual
2.5 GPM, 3000 PSI Pressure Washer — EPA, CARB-Compliant
Instructions for Installation/Set-up, Operation, Maintenance, & Storage
This pressure washer produces cold water high pressure spray. Cleaning chemicals may be incorporated into the
spray if desired. The pressure pump for this equipment is powered by a gasoline internal combustion engine.
WARNING: SPECIAL HAZARDS
CO Poisoning: Exhaust from engine contains carbon monoxide, a poisonous gas that can cause carbon monoxide
poisoning and possible death if inhaled.
Injection Injury: High-pressure spray can pierce skin and underlying tissues, leading to serious injury and possible
amputation. Such an injection injury can result in blood poisoning and/or severe tissue damage.
Flying Debris: High-pressure spray can cause flying debris and possible surface damage.
Electric shock: Operating equipment in wet conditions or near water can cause electric shock.
Chemical Exposure: Cleaning chemical vapors or contact with skin may be hazardous.
Fire/Explosion: Engine sparking can ignite fuel or other flammable liquids or vapors in the vicinity. Hot exhaust from engine
can ignite combustible materials.
Burns: Pressure Washer pump and engine are hot surfaces that can cause burn injuries.
Detailed safety information about these hazards appears throughout this manual.
Equipment Protection Quick Facts
Inspect Upon Delivery: FIRST! Inspect for missing or damaged components. See “Initial Set-Up/Installation” section
for where to report missing or damaged parts.
Add Engine Oil: Engine is shipped without oil. See the “Engine Manual” section of this manual for instructions on
capacity and viscosity recommendations.
Replace Temporary Pump Oil Plug: Pump is shipped with oil but with temporary shipping plug. Check pump oil
level before starting and replace temporary shipping plug with permanent oil fill plug provided within plastic bag
containing this Owner’s Manual.
Water Flow Requirements: Make sure your supply water flow rate is 20% higher than the pressure washer's flow
rate (see "Operations", section for detail), and that your water is clean and particle free.
Chemical Spraying: Use only approved pressure washer chemicals designed for high-pressure use. Use soap
adjustment knob to regulate cleaning power (on select units).
Storage: Do not allow water to freeze in the pump, hose, or spray gun(s). See “Storage” for more information.
Maintenance Schedule: Engine and pump require periodic inspection and servicing to keep pressure washer
functioning efficiently. See “Maintenance Schedule Summary” for frequency of servicing.
Any Questions, Comments, Problems, or Parts Orders
Call Powerhorse Product Support 1-866-443-2576
ITEM NUMBER: 45811
SERIAL NUMBER: _____________
M45811F.1

2
Table of Contents
Equipment Protection Quick Facts ........................................................................................................................................ 1
TABLE OF CONTENTS ................................................................................................................................................ 2
ABOUT YOUR PRESSURE WASHER ......................................................................................................................... 4
SPECIFICATIONS ........................................................................................................................................................ 5
COMPONENT IDENTIFICATION .................................................................................................................................. 6
SAFETY ........................................................................................................................................................................ 7
Hazard Signal Word Definitions ............................................................................................................................................ 7
SAFETY LABELING ..................................................................................................................................................... 8
Safety Decal Locations ......................................................................................................................................................... 8
Safety Decals ........................................................................................................................................................................ 9
INITIAL SET-UP .......................................................................................................................................................... 10
Step 1. Inspect & Unpack ...................................................................................................................................................... 10
OPERATION ............................................................................................................................................................... 14
Safety Rules for Operation .................................................................................................................................................... 14
Preparing for Operation ........................................................................................................................................................ 15
Check/Add Oil to Pump ....................................................................................................................................................... 15
Check/Add Engine Oil ......................................................................................................................................................... 16
Inspect Fuel System/Check for Leaks ................................................................................................................................. 17
Connect Hoses, Water Supply, and Spray Nozzle .............................................................................................................. 17
............................................................................................................................................................................................ 18
Prime the Water Supply ......................................................................................................................................................... 19
Set Up for Chemical Spray (if desired)................................................................................................................................. 19
Start-Up Procedures .............................................................................................................................................................. 20
Start the Engine to Power the Pump. .................................................................................................................................. 20
Apply Cleaning Chemical (If Desired) ................................................................................................................................. 20
Begin High Pressure Spray ................................................................................................................................................. 21
Shutdown ............................................................................................................................................................................... 22
STORAGE ................................................................................................................................................................... 23
Between-Use Storage ............................................................................................................................................................ 23
Prepare Pressure Washer for Freezing Conditions ............................................................................................................ 23
Prepare Engine for Long Term Storage ............................................................................................................................... 24
Prepare Pressure Washer for Storage ................................................................................................................................. 24
MAINTENANCE & REPAIR ........................................................................................................................................ 25
MAINTENANCE SCHEDULE SUMMARY .................................................................................................................. 25
DETAILED INSTRUCTIONS – MAINTENANCE & REPAIR ...................................................................................... 25
Follow Safety Rules ............................................................................................................................................................ 25
Keep Pressure Washer Clean ............................................................................................................................................. 25
Inspect Spray System ......................................................................................................................................................... 26
Do not start pressure washer until all needed repairs have been completed. ..................................................................... 26
Change Pump Oil ................................................................................................................................................................ 27
TROUBLESHOOTING ................................................................................................................................................ 28
PARTS EXPLOSION- MODEL 45811- REV F ............................................................................................................ 29
3
PARTS LIST - MODEL 45811 - REV F ....................................................................................................................... 30
PUMP EXPLODED VIEW- REV F ............................................................................................................................... 31
PUMP PARTS LIST- REV F ....................................................................................................................................... 32
KIT PARTS LIST-REV F ............................................................................................................................................. 33
ENGINE EXPLODED VIEW (45811)-REV F ............................................................................................................... 34
ENGINE PARTS LIST (45811)-REV F ........................................................................................................................ 35
ENGINE KIT PARTS LIST (45811)-REV F ................................................................................................................. 36
ENGINE MANUAL ...................................................................................................................................................... 37
Safety ...................................................................................................................................................................................... 37
Safety Precautions................................................................................................................................................................. 38
Parts Descriptions ................................................................................................................................................................. 39
Pre-Operation Inspection ...................................................................................................................................................... 40
Pre-Operation Inspection (cont’d) ........................................................................................................................................ 41
Starting the Engine ................................................................................................................................................................ 42
Stopping the Engine .............................................................................................................................................................. 43
Exhaust Control System ....................................................................................................................................................... 43
Exhaust Control System (cont’d) ......................................................................................................................................... 44
Maintenance ........................................................................................................................................................................... 44
Maintenance (cont’d) ............................................................................................................................................................. 45
Maintenance (cont’d) ............................................................................................................................................................. 46
Maintenance (cont’d) ............................................................................................................................................................. 47
Transport, Storage, and Removal from Storage ................................................................................................................. 48
Transport, Storage, and Removal from Storage (cont’d) ................................................................................................... 49
Engine Specifications ............................................................................................................................................................ 49
Troubleshooting..................................................................................................................................................................... 50
Wiring Diagram ...................................................................................................................................................................... 51
LIMITED WARRANTY ................................................................................................................................................ 52

4
About Your Pressure Washer
Thank you for purchasing a Powerhorse Pressure
Washer! It is designed for long life, dependability, and
top performance.
Intended Use. Produce a high-pressure water spray.
Incorporate cleaning chemicals into a low-pressure
water spray.
Note: Do not use for other purposes, as unforeseen
hazards or equipment damage may result.
Power Source. The pressure washer is powered by a
gasoline engine.
Supplies Required. Normal operation will require you
to supply:
Pressure Washer pump oil
Gasoline
Engine oil
Personal Protection Equipment
See “Specifications” section of this manual for more
detail.
Site Location. Intended for outdoor use only.
Personal Protection. Wear safety apparel during
operation, including safety glasses with side and top
protection. Ear protection is also recommended if
working near any operating engine. Other safety apparel
includes waterproof insulated gloves, and non-slip
protective footwear. Cleaning chemicals may require the
use of respiration mask; refer to chemical label for
further instruction.
Adult control only. Only trained adults should set up
and operate the pressure washer. Do not let children
operate.
Under The Influence. Never operate, or let anyone else
operate, the pressure washer while fatigued or under
the influence of alcohol, drugs, or medication.
Keep this manual for reference and review.
ATTENTION: Rental Companies and Private
Owners who loan this equipment to others!
All persons to whom you rent/loan this pressure washer
to must have access to and read this manual. Keep this
owner’s manual with the pressure washer at all times
and advise all persons who will operate the machine to
read it. You must also provide personal instruction on
how to safely set-up and operate the pressure washer
and remain available to answer any questions a
renter/borrower might have. Owner’s Manuals are
available from Powerhorse at 1-866-443-2576

5
Specifications
Model #
45811
FLOW OUTPUT
PSI (bar)
3000 (207)
GPM (l/min)
2.5 (9.4)
Max Water Temp
140F (60C)
ENGINE
Engine
Powerhorse
Horsepower
208CC
DIMENSIONS / COMPONENTS
Length
22.3”
Width
25”
Height
38.6”
Weight
75lbs
Pump Oil Capacity
4 oz.
SUPPLIES REQUIRED (not included)
Engine Oil
Refer to the “Engine Manual”
section
Pump Oil
(shipped with oil, but refills required)
SAE 30 non-detergent pump oil

6
Component Identification
1. Pressure Washer Pump: Inspect for
loose/broken parts prior to each use.
2. Pump Oil Fill: Add pump oil here. Replace
shipping plug with vented dipstick.
3. Pump Oil Drain: Drain pump oil from here.
4. Pump (Water) Inlet: Attach garden hose here.
5. Pump (Water) Outlet. Connect high pressure
hose here.
6. Pressure Adjustment (Unloader): Valve that
regulates pressure and directs flow into bypass
when trigger is closed.
7. Chemical Injector: Push chemical hose onto
injector to route chemical from chemical bucket
into pump.
8. Thermal Protector: Valve that regulates water
temp in the pump
9. Engine: The air-cooled engine powers the pump.
10. Upper Gun Holder: Store gun here.
11. Lower Gun Holder: Store lance here.
12. Nozzles: Change nozzles for different spray
patterns.
13. Handle: Designed for easy cart movement.
14. Hose: Attach couplers to gun and water outlet.
15. Spray Gun: Source of pressurized water, use two
hands for safe operation.
16. Trigger: Pull to allow pressurized water to flow
out of spray gun.
17. Soap Tank: Store cleaning solution.
See “Parts Explosion” for more details

7
Safety
Hazard Signal Word Definitions
DANGER
WARNING
CAUTION
CAUTION
NOTICE
This is the safety alert symbol. It is used to alert you to
potential personal injury hazards. Obey all safety
messages that follow this symbol to avoid possible injury
or death.
DANGER (red) indicates a hazardous situation, which if
not avoided, will result in death or serious injury.
WARNING (orange) indicates a hazardous situation,
which if not avoided, could result in death or serious
injury.
CAUTION (yellow), used with the safety alert symbol,
indicates a hazardous situation, which if not avoided,
could result in minor or moderate injury.
CAUTION (yellow), without the safety alert symbol, is
used to address practices not related to personal injury.
NOTICE is used to address practices not related to
personal injury.

8
Safety Labeling
Safety Decal Locations
WARNING:
ALWAYS make sure safety labels are in place and in good condition. If a safety label is missing or not legible, order new labels
from Powerhorse Product Support at 1-866-443-2576
On-Product Warning Labels
Location
Part numbers
Description
1
788935
Fuel Fire Explosion
2
788936
Burn Hazard
3
788937
Poisonous Gas
4
178121-1002
Warnings

9
Safety Decals
To order replacement safety labels, call Powerhorse Product Support
at 1-866-443-2576

10
Initial Set-Up
Step 1. Inspect & Unpack
Upon receiving your item check for missing or damaged parts.
See “Component Identification” section of this manual for a diagram of the pressure washer and its components.
For missing or damaged components, please contact Product Support at 1-866-443-2576.
If complete, fill out product serial number information. See “Limited Warranty” section of this manual.
Axles

11
Step 2. Assembly
Note: Remove contents from pallet and assembly can
occur at this time.
Wheel to Base Assembly
1. Install wheels on the pressure washer base
using:
(2) Axles
(2) Hair Pins
Repeat the process as pictured to install the wheel on
opposite side.
Check that wheels turn freely.
Foot to Base Assembly
2. Attach foot to the pressure washer base
using:
(1) M8 lock nut
M8 lock nut
Foot
After completing this step the pressure washer cart
assembly may now be placed right side up, ensuring that
the wheels and leg are on a flat surface.
Handle to Base Assembly
3. Install handle to the pressure washer base
Handle
Gun Hook to Base Assembly
4. Attach upper gun hook on the pressure washer
base using:
(2) Plastic rivet
5. Attach lower gun hook on the pressure washer
base using:
(1) M6 screw & lock nut
Lower gun hook
Upper
gun hook
M6 screw
Plastic rivet

12
Accessory Hook to Base Assembly
6. Attach upper gun hook on the pressure washer
base using:
(2) Plastic rivet
Replace Shipping Plug with Dipstick
7. Remove shipping plug from the pump and
replace with the supplied dipstick.
Note: Discard Shipping Plug and 0-ring.
WARNING: High Pressure Fluid Injection
Hazard
High-pressure fluid discharge from leaks (even pin-sized) or
ruptured components can pierce skin and inject fluid into
the body. Injection injury can result in blood poisoning
and/or severe tissue damage leading to infection,
gangrene, and possibly amputation.
Never use a finger or skin to check for leaks.
Never operate machine with damaged
or missing hoses/parts.
Never attempt to repair a high-pressure hose
or component — Always replace it with a part
that is rated at or above the pressure rating of
this machine.
Step 3. Select Suitable Location
Moving and Handling
Moving your pressure washer around
Use the handles to manually move the pressure
washer.
Push the pressure washer in front of you has you
walk.
To turn, push down slightly on the handles and
pivot the pressure washer on its wheels.
Elevating or lowering your pressure washer
To reduce risk of injury, it is recommended that
two adults lift the pressure washer.
Only lift the pressure washer by the bumper and
handle. Do not use the pump or engine as a lifting
point.
WARNING: Lifting Hazard
The pressures washer is heavy. It can crush and cause
serious injury if it rolls out of control or tips over. Follow
the instructions below for safely moving the pressure
washer.
Outdoor Use Only
1. Never run the pressure washer in an enclosed
or partially enclosed location such as a building,
garage, barn, shed, or house. These spaces
can trap poisonous gases. Running a fan or
opening windows will not provide adequate
ventilation to prevent dangerous CO build-up.
2. Only use the pressure washer outdoors and far
away from open windows, doors, and building or
vehicle vents.
3. Place the pressure washer so that the exhaust
fumes will not be directed towards people or
building air intakes.
4. Do not locate and use the pressure washer in the
presence of flammable vapors, dust, gases, or
other potentially combustible materials.
5. Note that this pressure washer is NOT designed
or approved for use in vehicles or marine
applications. Never run the pressure washer
inside RVs or other vehicles, on boats, or on pick-
up truck beds.
Nozzle Cleaner

13
Exhaust fumes from the engine contain carbon monoxide
(CO), a poisonous gas you cannot see, smell, or taste.
The CO generated by the engine can rapidly accumulate,
even in areas that appear to be well ventilated, resulting
in dangerous and fatal concentrations within minutes.
NEVER run pressure washer inside any enclosed or
semi-enclosed spaces, including homes, garages,
basements, sheds, boxes, pick-up truck beds, RVs, or
boats. These spaces can trap poisonous gases, EVEN if
you run a fan or open windows. If you start to feel sick,
dizzy, or weak while using the pressure washer, shut off
the engine and get to fresh air RIGHT AWAY. See a
doctor. You may have carbon monoxide poisoning.
Never attempt to attach ductwork to the muffler system to allow
for installation inside an enclosure. This could cause heat
build-up and increased exhaust back-pressure, resulting in
possible exhaust leakage or damage to the pressure washer.
Positioning:
1. The pressure washer should be positioned
on a firm, level (less than 3 degree slope),
heat-resistant surface with good drainage
and a nearby water supply.
2. The pressure washer should be placed
within garden hose distance of a continuous
water supply. Ensure that the pressure
washer sits level and will not slide or shift
during operation. If applicable, block the
pressure washer's wheels to prevent
movement.
3. Situate so there is adequate pulling room for
starting the engine using the recoil starter.
Attempting to pull at an odd angle could rip off
grip cord and/or cause muscular injuries to the
operator.
Airflow:
1. Situate so there is adequate clearance around
pressure washer to allow for airflow at least 7
feet from any non-combustible wall or
obstruction.
2. Do not operate with a tarp, blanket, or cover
surrounding the machine.
3. Do not place any objects against or on top of
the unit.
4. The pressure washer needs adequate,
unobstructed flow of air to allow for proper
combustion and adequate cooling. Proper
combustion can only be obtained when there
is a sufficient supply of oxygen available for
the amount of fuel being burned. Cooling
ventilation is required to prevent overheating of
the pressure washer and possible fire.
Exhaust:
1. The exhaust gas from your pressure washer
is extremely hot and can cause combustible
materials to catch on fire.
2. Make sure the engine is at least 7 feet from
all combustible materials and
buildings/structures during operation.
3. Keep a fire extinguisher rated "ABC" nearby.
Keep it properly charged and be familiar with its
use.
4. Place the unit so that the exhaust fumes will not
be directed towards people or building air intakes.
DANGER: Carbon Monoxide Hazard
WARNING: Exhaust Modification Hazard

14
Operation
Safety Rules for Operation
After you have checked and fueled the equipment
and positioned it in a suitable worksite, it is time to
start your pressure washer. The following are the
procedures necessary for safe, successful operation
of your pressure washer.
WARNING
Failure to follow safety rules may result in serious injury
or death to the operator or bystanders.
Instruct operators. Owner must instruct all operators in
safe set-up and operation. Do not allow anyone to
operate the pressure washer who has not read the
Owner’s Manual and been instructed on safe use
practices.
Safety equipment/controls. Always operate with all
safety covers, guards, and barriers in place and in good
working order, and all controls properly adjusted for safe
operation.
Moving parts. Keep hands, feet, hair and apparel away
from moving parts. Air vents may cover moving parts
and should be avoided as well. Never remove any
guards while the unit is operating.
Ear Protection. Hearing can be damaged from
prolonged, close-range exposure to the type of noise
produced by this pressure washer. The use of ear plugs
or other hearing protection device is recommended for
persons working within 15-20 feet of the running
pressure washer for an extended period of time.
Eye Protection. Wear ANSI/OSHA required “Z87.1”
safety glasses when operating or servicing the pressure
washer. Pressurized spray from this unit can cause
severe injury to the eyes. Small objects can become
airborne as the spray contacts them.
NOTE!
Before starting the pressure washer, review the
following general safety rules for operation:
Conditions for Use
Know how to stop. Be thoroughly familiar with proper
use of the equipment and all controls and connections.
Know how to stop the pressure washer and
depressurize system quickly if needed.
Instruct all operators. The pressure washer's owner
must instruct all operators and potential renters in safe
set-up and operation. Do not allow anyone to operate
the pressure washer who has not read the Owner's
Manual and been instructed on its safe use.
Adult control only. Only trained adults should set up
and operate the pressure washer. Do not let children
operate. Pressure washers can generate forces greater
than children can control and require judgment beyond
what can be expected of children.
Under the influence. Never operate, or let anyone else
operate, the pressure washer while fatigued or under
the influence of alcohol, drugs, or medication.
Safety equipment / controls in place. Do not operate
the pressure washer unless all safety covers, guards,
and barriers are in place and in good working order, and
all controls are properly adjusted for safe operation.
Damaged. Do not operate the pressure washer with
damaged, missing, or broken parts. Never attempt to
repair a high pressure hose or component. Always
replace it with a part that is rated at or above the
pressure rating of the machine.
Modifications. Do not modify the pressure washer in
any way or deactivate any safety device. Do not change
or add to fuel tank, fuel lines, or exhaust system.
Modifications can result in hazards related to carbon
monoxide poisoning, fuel leaks, fire, explosion or other
serious safety hazards, and will also void the warranty.
During Use
Stay alert. Watch what you are doing at all times.
Clear work area. Clear the work area of all bystanders.
Keep children and pets away.
Keep spray away from electrical wiring. Spray
contact with electrical wiring will likely result in severe
electrical shock or electrocution.
Hot exhaust/parts. Stay clear of engine exhaust.
Never touch hot engine muffler, or other hot surfaces.
All are very hot and will burn you.

15
Never pull by hose. Do not move this machine by
pulling on the hose. Hose or connections could fail and
result in catastrophic high pressure release of fluid as
well as hose whipping.
Avoid sharp objects. Keep hose away from sharp
objects. Bursting hoses may cause injury.
No load bearing. Do not use the pump to support other
items of equipment that impose unacceptable loads on
the pump. Do not attempt to use this machine as a prop.
Lock trigger safety latch when not spraying. Spray
gun is equipped with a built-in trigger safety latch to
guard against accidental trigger release. Rotate safety
latch to the locked position when not spraying.
Leaving unattended. Always turn off the pressure
washer and relieve system pressure before leaving the
sprayer unattended.
Prompt Emergency Response
Seek medical aid for suspected injection injury. If
injured by high-pressure fluid, no matter how small the
wound is, see a doctor at once. A typical injection injury
may be a small puncture wound that does not look
serious. However, severe infection or reaction can
result if proper medical treatment is not administered
immediately by a doctor who is familiar with injection
injuries.
Seek medical aid for suspected carbon monoxide
poisoning. The running engine gives off carbon
monoxide, a poisonous gas that can kill you. If you start
to feel sick, dizzy, or weak while using the pressure
washer, shut off the engine and get to fresh air RIGHT
AWAY. See a doctor. You may have carbon monoxide
poisoning.
Put on Personal Protective Gear
WARNING: Personal Protective Gear
Use personal protective gear to prevent:
- Eye and skin injection injury from high pressure spray
- Eye injury from flying debris
1. Wear waterproof gloves, safety glasses with side and
top protection, face protection, and protective
clothing when operating the machine. If spraying
pressure washer specific chemicals, wear a
respirator mask to avoid inhalation of vapors if
directed on the chemical label.
2. Wear non-slip, protective footwear. Use of pressure
washer can create puddles and slippery surfaces.
Wear footwear capable of maintaining a good grip on
wet surfaces.
Preparing for Operation
Make sure that any regular maintenance has been
performed as prescribed in “Maintenance & Repair”
section.
Check/Add Oil to Pump
CAUTION
Never run the pump without sufficient lubrication!
1. Turn off engine, allow it to cool and disconnect
the spark plug wire.
2. Twist dipstick cap until the arrow on the cap
lines up with the arrow on the breather plug
tube. Remove the dipstick from the breather
plug tube. Then unthread the breather plug tube
from the pump housing.
3. Wipe the dipstick off with a clean dry cloth.
Insert the dipstick cap into the hole in the pump
housing and remove it. The oil level should be
at least to the lower “L” notch on the dipstick,
but not above the upper “H” notch. Add above
recommended oil as needed.
Breather
Plug
Tube
Dipstick Cap
Pump
Housing

16
4. Thread the breather plug tube back into the
pump housing.
5. Align the arrow on the dipstick cap with the
arrow on the breather plug tube, insert it, and
twist it to secure. Reconnect the spark plug.
6. If oil level is low, use the following:
Model
Oil Type
45811
SAE 30 non-detergent pump
oil (#4043)
1. Replace fill cap.
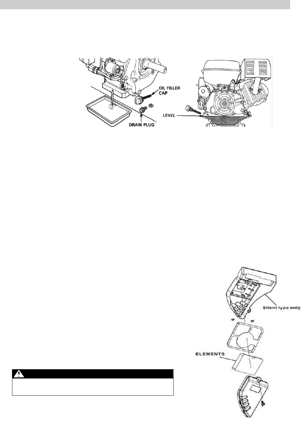
Check/Add Engine Oil
Use the recommended oil type for your engine and
expected ambient conditions. (See “Engine
Manual” Section of this Owner's Manual for oil type
and capacity, and more detailed oil check/fill
instructions.)
WARNING: Burn Hazard
Never open oil port while engine is running. Hot oil can
spray over face and body.
Notes:
Engine is shipped without oil. You must add oil
before first use.
Add Fuel
WARNING: Fuel Fire/Explosion Hazard
Gasoline is highly flammable and explosive. Heat,
sparks, and flames can ignite fuel vapors, which can
become widespread during fueling. A flash fire
and/or explosion could result and cause serious
injury or death. Always use extreme care when
handling fuels. Carefully follow all instructions to
avoid the following conditions which could result in
fuel ignition:
gas vapor collection inside enclosures
static electric sparks
sparks from electric wiring, batteries, or running
engines
sources of heat (such as a hot engine exhaust)
open flames, including pilot lights
Always follow these general safety rules when
fueling:
1) Turn pressure washer off and allow to cool for at
least two minutes before removing any fuel cap.
Note: A running or still-hot engine is hot enough to
ignite fuel.
2) Fill fuel tank OUTDOORS – never indoors. Fuel
vapors can ignite if they collect inside and
enclosure and explosion can result.
3) Stay away from all sources of heat, sparks, and
flames. Do not smoke.
4) Never pump fuel directly into the gas tank at a
gas station – it could cause a static electric
spark. Follow these steps to avoid static electric
sparking during fueling:
Use an approved portable container to
transfer fuel to the pressure washer's tank. (A
portable container made of metal or
conductive plastic is preferred because it
dissipates charge to ground more readily.)
Always place container on the ground to be
filled. Never fill the portable gas container
while it is sitting inside a vehicle, trailer, trunk,
or pick-up truck bed.
Dissipate static charge from your body before
beginning the fueling process by touching a
grounded metal object at a safe distance from
fuel sources.
Keep nozzle in contact with container while
filling. Do not use a nozzle lock-open device.
5) Clean up fuel spills/splashes immediately.
If possible, move the pressure washer away
from spilled fuel on the ground.
Wipe up spilled fuel and wait 5 minutes for
excess fuel to evaporate before starting
engine.
Fuel soaked rags are flammable and should
be disposed of properly.
If fuel is spilled on your skin or clothes,
change clothes and wash skin immediately.

17
Fill Engine Fuel Tank
Check the gasoline tank level. If needed, fill tank
with fresh unleaded gasoline from a portable
container:
1) Remove engine gas cap.
2) Add gasoline through the fill opening:
Use only a UL-approved portable gasoline
container to transfer the gasoline to engine's
tank.
Do NOT overfill the gasoline tank. Allow at
least 1/2" of empty space below the fill neck to
allow for fuel expansion.
3) Replace gas cap securely before starting
engine.
4) Store extra gasoline in a cool, dry place in a UL
approved tightly sealed container.
Inspect Fuel System/Check for Leaks
Inspect the engine fuel system and check for leaks
before each use.
Do not start pressure washer until all needed repairs
have been completed.
WARNING: Fuel Leak Hazard
Gasoline fuel is highly explosive and fuel leaks
can result in fire or explosions. You can be
burned and seriously injured if the fuel system is
not properly hooked up or there is a fuel leak
when you start the engine.
Inspect the entire fuel system. Look for:
signs of leaks or deterioration
chafed or spongy fuel hose
loose connections
loose or missing fuel hose clamps
damaged fuel tank or
defective gasoline shut-off valve
Inspect Spray System
Always inspect spray system for damage and leaks
before each use. Do not start pressure washer until all
needed repairs have been completed.
WARNING: High Pressure Fluid
Injection Hazard
High-pressure fluid discharge from leaks (even pin-
sized) or ruptured components can pierce skin and
inject fluid into the body. Injection injury can result in
blood poisoning and/or severe tissue damage leading
to infection, gangrene, and possibly amputation.
Never use a finger or skin to check for leaks.
Never operate machine with damaged or missing
hoses/parts.
Never attempt to repair a high-pressure hose or
component – Always replace it with a part that is
rated at or above the pressure rating of this
machine.
Perform Scheduled Maintenance, As needed
Make sure that any other regular maintenance has been
performed as prescribed in this manual in the
"Maintenance Schedule Summary" section.
Refer to the “Engine Manual” section of this manual for
engine maintenance instructions.
Connect Hoses, Water Supply, and Spray
Nozzle
Position pressure washer for use
For detailed instruction on positioning your pressure
washer for use, turn to the “Initial Set-Up” section of
this manual and reference “Step 3: Select Suitable
Location”.
Where no flammable vapors, dusts, and gases are
present.
Where there is adequate, unobstructed ventilation
airflow.
With adequate clearance from combustible
materials.
On a firm, level, heat-resistant surface with good
drainage and nearby access to a continuous water
supply.
Attach Garden Hose to Water Inlet
1.) Make sure the water supply is clean. Debris can
cause excess pump wear and reduce performance.
2.) An insufficient water supply will damage your
pump. Make sure the water supply is steady and is
20% over the rated flow of your pump. Use a
stopwatch to time how long it takes to fill a 5-gallon
bucket with your garden hose. The bucket must fill
faster than the times listed in the table below.
Model
Time to fill 5 gallon bucket
45811
100 seconds

18
3.) The water supply garden hose must have an inside
diameter of at least 5/8”. If the hose is more than
100 ft. long, the diameter must be at least 3/4”.
4.) Never use a reservoir tank as a water source.
Drawing water out of a tank may cause pump
cavitation and damage to your pump. This
pressure washer is designed for a pressurized
water source such as a city water faucet. However,
the water source pressure must not exceed 115 psi
(8 bar).
5.) Always use a flexible rubber hose for your water
supply. Do not use rigid piping.
Attach High Pressure Hose to Spray Gun
and Water Outlet
WARNING: High Pressure
NEVER operate this pump with components (such as
hose, connections, and spray gun) rated for lower
pressure and/or temperature limits than the machine's
maximum rated pressure and temperature, or
component could rupture and cause serious personal
injury from escaping high pressure fluids.
1) See "Component Identification" section of this
manual for location of the pressure washer's
water outlet.
2) To attach the pressure hose to the spray gun,
spin the pressure hose’s 22mm coupler onto the
spray gun’s inlet, hand tight.
Select Nozzle for Spray Gun
Your pressure washer is equipped with (1) high-
pressure nozzle and (1) low-pressure nozzle.
Generally, the wider the spray angle of the nozzle,
the lower the spray impact produced. Select the
appropriate nozzle for the job based on the
following table:
Color of Nozzle:
Spray
Angle
Used For:
*Red
0
Highest Impact
*Yellow
15
Tough Stains/Stripping
Green
25
General
*White
40
Light Cleaning
Black-Low pressure
65
Chemicals
*Please call Powerhorse Customer Service to order
additional nozzles.
NOTE: You must use the low pressure black nozzle
for spraying chemicals.
Attach Nozzle to Spray Gun
WARNING: Depressurize First
Any time you remove/install/change a nozzle, you
must depressurize hose line by squeezing the spray
gun trigger while the engine is off. Even if the
engine has been off for a long period of time, the
hose may remain dangerously pressurized.
1. Make sure the engine is off and the hose line is
depressurized.
2. To install the nozzle, pull the collar back and twist
the nozzle firmly into the coupler on the end of the
wand
3. Release the collar, making sure it springs back and
re-seats to its original (non-retracted) position.
Check the connection by pulling on the nozzle to
ensure a tight connection -- if correctly inserted,
nozzle will rotate but not pull out.
Nozzle
Collar
Coupler
Lance

19
Prime the Water Supply
Turn on water supply and squeeze the
trigger
CAUTION: Water Pressure
Never run the pump without the water supply
connected and turned on. Operating the pressure
washer without a sufficient incoming flow of water
will damage the pump.
Turn on the water supply. Make sure the water
supply is steady and flowing at a rate 20% over the
rated flow of your pump. (Reference the flow rate
table under the Connect Hoses, Water Supply, and
Nozzle" section).
Purge air from the water supply hose by squeezing
the trigger until a steady stream of water flows out of
the nozzle at low pressure. (Air in the hoses can
cause damage to the pump, so always make sure all
the air is out of the hoses before starting the
pressure washer engine.)
Make sure the water supply hose is not kinked. A
kinked hose will provide insufficient water supply to
the pump and reduce its life. Make sure the hose
remains unkinked after moving the pressure washer.
Set Up for Chemical Spray (if desired)
Using the proper cleaning chemical for the application
can speed up cleaning jobs tremendously.
Your pressure washer is equipped with a chemical
injection point on the downstream side of the pump for
introducing cleaning chemicals into the water stream. A
braided chemical hose is provided to connect at this
point. Suction pressure at this connection automatically
draws the chemical solution in through the hose, mixing
in 1 part chemical to 15 parts water. Adequate suction
pressure is created only when the low pressure (black)
spray nozzle is used.
The introduction of cleaning chemicals via the chemical
injection point affords the following advantages:
It protects the pump from damage because no
chemical passes through the pump.
CAUTION: Chemicals Containing
Muriatic Acid
Certain chemicals, such as bleach or those
containing muriatic acid, will cause pump damage if
introduced upstream through the pump's water
inlet.
It mixes the cleaning chemical into a low pressure
spray. Cleaning chemicals applied under low
pressure adhere better to the surface being cleaned,
allowing the formula time to react and remove dirt
more effectively.
Note: An external chemical injector pump is not
recommended for use with this pressure washer, and
if used would obviously alter the 15-to-1 dilution ratio.
WARNING: Chemical Spraying
Never spray acids, corrosives, or abrasive or
flammable liquids. Breathing hazards, surface
burns/corrosion, or fire/explosion could result.
Follow the chemical manufacturer's label
instructions for proper use and handling of the
chemical. Understand all safety hazards and first aid
for all chemicals being used. Always wear protective
gloves when handling and cleaning with chemicals,
and wear other protective gear as directed by chemical
manufacturer. Always dispose of hazardous fluids per
local, state, and national guidelines.
Acquire Cleaning Chemical
Use only approved pressure washer chemicals
designed for high-pressure use.
CAUTION: Non-approved Chemicals
Non-approved chemicals can damage pressure
washer components (seals, wand, hoses, pump, etc.)
and be harmful to the environment.
Prepare for Chemical Spray (If Planning to Use)
Prepare the pressure washer for chemical spraying
using the following steps:
1. Prepare (dilute) chemical cleaning solution as
required for the job.
(Note: the chemical solution will be automatically
mixed with the water at a ratio of 15 parts water to
1 part chemical solution.)
2. Press the braided chemical hose over the chemical
injector on the pump.

20
Start-Up Procedures
Start the Engine to Power the Pump.
1. Make sure water supply is connected and primed.
CAUTION: Warranty Void
Running the pump dry will cause damage and void
the warranty.
2. To prevent accidental spraying, engage the safety
latch on spray gun trigger by rotating it to the
locked position.
3. Follow the instructions in the “Engine Manual”
section of this manual for starting the engine.
- If the engine doesn't start on the first try,
pressure may build up in the pump. Relieve
pressure by squeezing the spray gun trigger
before attempting to start engine again. This
will make starting easier.
DANGER: Engine Exhaust
Do not inhale engine exhaust. It contains
dangerous carbon monoxide that can kill you.
Apply Cleaning Chemical (If Desired)
1. Make sure the chemical injector is properly set up
according to the instructions. Reference “Set Up for
Chemical Spray” on the previous page.
2. Make sure the low pressure BLACK nozzle is
attached before beginning to spray chemicals --
Only the low pressure black nozzle will allow
chemicals to be drawn through the chemical injector
into the water stream.
3. Apply chemicals by squeezing the spray gun trigger.
The chemical injector will draw the chemical into the
water stream.
4. Apply chemicals evenly to the cleaning surface.
Never use more chemical than is necessary to clean
the surface.
5. Allow the chemicals time to react with the dirt before
rinsing.
6. Prepare to rinse by changing to a high-pressure
nozzle. Changing the nozzle from the low-pressure
black nozzle to a high-pressure nozzle will stop the
flow of chemicals into the water stream.
Instructions for selecting a nozzle can be
referenced in the “Connect Hoses, Water Supply,
and Spray Nozzle” section, see the subsection
“Select Nozzle for Spray Gun”.
7. Rinse with high-pressure spray as instructed
below.
Thermal Protector

21
Begin High Pressure Spray
WARNING: High Pressure Spraying
Safety
Keep spray away from people. Never direct
discharge stream at or near any person. Do not
allow any part of the body to come in contact with
the fluid stream. High-pressure spray can cause
serious skin, eye, or falling injuries. Injection injury
will occur if high-pressure spray pierces the skin,
injecting liquid under the skin. Injection injury can
result in blood poisoning and/or severe tissue
damage leading to infection, gangrene and possibly
amputation. Seek medical attention.
Do not secure trigger open. To reduce risk of
injury, do not attempt to secure the spray gun open
by blocking or tying the spray gun in the open
position.
Prevent slips / loss of balance. High-pressure
spray could cause you to lose balance from
kickback forces, and wet surfaces can be slippery.
- Keep good footing and balance at all times. Do
not overreach.
- Do not stand on unstable support when spraying.
- If spraying from an elevated surface, use fall
protection because spray gun kickback can
propel you off the elevated surface. When
spraying from a ladder or scaffolding, ensure it is
firmly anchored from sway or tip-over.
- Be aware of puddles and slippery surfaces.
Ensure there is adequate drainage to prevent
pooling of water.
Prevent surface damage & flying debris –
Surfaces being sprayed must be strong enough to
withstand high-pressure spray or damage may
result. In addition, high-pressure spray will
dislodge unsecured objects as well as surface
chips and debris, resulting in hazardous flying
objects that can cause personal injury or property
damage. Do not spray brittle surfaces or
breakable, fragile, or unsecured objects such as:
o stucco or laminar flagstone
o some painted surfaces
o windows or glass doors (because they may
break)
o light fixtures, flowerbeds, mailboxes
o unsecured, lightweight objects
Procedure:
1. Put on the high-pressure spray nozzle (always
relieve system pressure first and follow
instructions for attaching a nozzle).
2. Clear the cleaning area of all persons. Keep
children and pets away.
3. Hold the spray gun firmly with two hands and a
sturdy stance -- Gun kicks back when triggered.
4. Wash from the bottom to the top, using side-to-
side motions. This washes away heavy dirt and
allows the detergent to soak as you work toward
the top.
5. Use the width of the spray pattern to wash a wide
path. Overlap spray paths for complete coverage.
6. The nozzle should be 12" to 24" from the work,
closer for tough areas.
7. Small parts should be washed in a basket so the
pressure does not push them away. Larger,
lightweight parts should be clamped down.
8. The pressure washer is set and locked to the
maximum rated pressure when it leaves the
factory. To reduce the pressure, turn the unloader
knob counterclockwise. To return to maximum
pressure turn unloader knob clockwise.
WARNING: High Pressure Fluid Hazard
Do not attempt to alter the unloader valve's
maximum pressure. Excess pressure could
cause serious injury from escaping high-
pressure fluids and/or pump damage. Any
alteration other than turning the adjustment
knob will void your warranty.
9. If temporarily interrupting spraying, rotate trigger
safety latch downward to the locked position to
guard against accidental trigger release.
Pressure Adjustment
(Unloader)

22
Spray Gun Safety Lock
When not spraying, use the spray gun safety lock
to prevent accidental high pressure discharge.
10. Always turn off the engine and activate spray gun
trigger to relieve system pressure when:
the sprayer is unattended
disconnecting hoses, installing/cleaning
nozzles, or servicing the pump.
WARNING: High Pressure Fluid Hazard
Always turn off the engine and relieve system
pressure when finished spraying or when
leaving sprayer unattended. Serious injury
could result from unintentional release of high-
pressure spray.
Shutdown
Stop the engine using the following steps:
WARNING: High Pressure Fluid Hazard
Never disconnect the high-pressure hose
from the pump or spray gun while the
system is pressurized. Relieve pressure by
squeezing the spray gun trigger after the
engine is turned OFF.
1. Turn engine OFF.
2. Turn water supply OFF.
3. Actuate spray gun trigger to relieve system pressure.
4. Remove garden hose.
5. Remove pressure hose.
6. Remove nozzle from spray gun.
7. Turn gasoline line valve to the OFF position.
8. If chemicals were used, remove chemical injector
tube from the pump.
9. Cool engine at least five minutes before storing, a hot
engine is a fire hazard.

23
Storage
When you are finished using the pressure washer, you
must prepare the sprayer for storage and store it in a
proper location.
Between-Use Storage
Perform periodic maintenance as directed in this
manual to keep the pressure washer in safe working
condition.
Choose a storage location that is:
Clean and dry.
Away from sources of heat, open flames, sparks,
or pilot lights, even if the pressure washer's
engine fuel tank is empty. Residual fuel fumes
from tank can ignite.
Away from extreme high or low temperatures. Do not
store the pressure washer in freezing conditions unless
it is prepared as directed below for those conditions.
Note:
If you will be storing the pressure washer in
freezing conditions, follow the instructions for
preparing the sprayer for storage in freezing
conditions.
If you will not be using the pressure washer
again for 30 days or more, follow the instructions
for preparing the engine for long-term storage.
WARNING: Flammable Materials
Fuel and its vapors can ignite and cause a
fire. Select a well-ventilated storage area
away from sources of heat, flame, or sparks.
A hot engine can ignite flammable
materials. Always let engine cool at least five
minutes before storing.
Prepare Pressure Washer for Freezing
Conditions
If you will be storing the pressure washer in freezing
temperatures, you must properly prepare the
pressure washer to prevent water from freezing in
the system.
WARNING: Freezing Conditions
Do not allow water to freeze in the pressure
washer, high pressure hose, or spray gun.
Freezing water can cause damage to the
equipment and cause the spray gun to fail in the
open position. A spray gun that has failed in the
open position can whip around and cause
personal injury when the pressure washer is
started.
1. Drain the water from the high pressure hose and
spray gun by depressing the trigger on the spray
gun until all water drains out.
2. Disconnect the plumbing that connects to the pump
outlet.
3. Obtain the materials you will need:
12" piece of garden hose or equivalent
funnel
approximately 6 oz. of RV antifreeze.
4. Attach the 12" garden hose piece with the funnel to
the pump inlet.
5. Pour RV antifreeze into the funnel, then pull the
recoil a few times until antifreeze comes out of the
pump outlet.
RV Antifreeze
Water Inlet
Hose
Funnel

24
Prepare Engine for Long Term Storage
First prepare the engine for long term storage if you
will not be using the pressure washer for more than
30 days.
Fuel can become stale when stored over 30 days. Stale
fuel causes acid and gum deposits to form in the fuel
system which can cause malfunction of the engine.
1. Prepare fuel system for storage:
Drain all gasoline from the tank and
carburetor. This is most easily accomplished by
running the pressure washer with the high
pressure hose until the engine stops from lack
of fuel.
OR
Add fuel stabilizer to the gasoline (following
manufacturer's instructions)
Fuel stabilizer steps:
a. Ensure gas tank is full.
b. Add fuel stabilizer to fuel tank.
c. Run pressure washer with high
pressure hose at least 5 minutes after
adding stabilizer to allow it to enter the
fuel system.
d. Shut off engine
2. Lubricate cylinder and piston:
a. Disconnect spark plug wire and remove spark
plug
b. Add one teaspoon oil through spark plug hole
c. Place rag over spark plug hole and slowly pull
the recoil a few times to lubricate the
combustion chamber.
Replace spark plug, but do not reconnect the spark
plug wire.
Prepare Pressure Washer for Storage
Prepare the pressure washer for storage.
1. Make sure the engine start switch is OFF.
2. Disconnect the engine spark plug wire if you haven't
already done so.
3. Disconnect the high-pressure hose, garden hose,
and spray gun.
Move Pressure Washer to Storage Location
Let engine cool for 5 minutes before moving the
pressure washer to its storage location.

25
Maintenance & Repair
WARNING: Maintenance Hazards
ALWAYS shut off water supply, bleed water pressure, turn off engine and disconnect the spark plug wire before cleaning,
adjusting, or servicing the pressure washer. After servicing, make sure all guards and cover shields are replaced before using.
Maintenance Schedule Summary
Item
Frequency
Remove dust/debris accumulation
As needed
Inspect fuel system
Each use
Inspect spray system
Each use
Clean inlet filter
Each use
Perform engine maintenance
As specified in the “Engine Manual” Section
Change pump oil
After first 50 hours of use
Every 3 months or 500 hours of use after that
See detailed instructions for each maintenance item below.
(Note: For end-of-the-season storage instructions, see the "Storage" section of this manual.)
See detailed instructions for each maintenance item below.
Detailed Instructions – Maintenance & Repair
No modifications. Never modify or alter the pressure
washer in any way. Modifications can create serious
safety hazards and will also void the warranty.
Follow Safety Rules
Read and follow these safety rules whenever you
will be servicing the pressure washer:
Turn off / relieve pressure first. Always turn off
pressure washer and relieve system pressure
before inspection or maintenance. Remove spark
plug or spark plug wire to prevent accidental
starting.
Fuel valve off. Turn fuel shut-off valve to OFF
position before transporting or servicing the pressure
washer.
Replace guards. Make sure all guards and cover
shields are replaced after servicing the pressure
washer.
Major repair. Major service, including the installation
or replacement of parts, should be performed only by a
qualified service technician. Obtain factory approved
parts from Powerhorse Product Support at 1-866-443-
2576.
Replacement parts. If a part needs replacement, only
use factory approved repair parts. Replacement parts
that do not meet specifications may result in a safety
hazard or poor operation of the pressure washer and
will void the warranty.
Keep Pressure Washer Clean
If dust or debris accumulates on the pressure washer,
clean the pressure washer with a damp cloth or soft
bristle brush. Do not allow air intakes to become
blocked.
CAUITION
Do not spray pressure washer with a garden hose
or pressure washer. Water may enter the
pressure washer and cause damage.
.

26
Bad
Bad
Bad
Exposed wire
mesh due to wear
Water dripping or
spraying, or localized
moisture
Good
Bad
Inspect Spray System
Inspect spray system for damage and leaks before
each use.
Do not start pressure washer until all needed repairs
have been completed.
WARNING: High Pressure Fluid
Injection Hazard
High pressure fluid discharge from leaks (even
pin-sized) or ruptured components can pierce
skin and inject fluid into the body. Injection injury
can result in blood poisoning and/or severe
tissue damage leading to infection, gangrene,
and possibly amputation.
Never use a finger or skin to check for
leaks.
Never operate machine with damaged or
missing hoses/parts.
Never attempt to repair a high-pressure
hose or component – Always replace it
with a part that is rated at or above the
pressure rating of this machine.
1) Check hoses, fittings, wand, trigger gun and
connections for signs of wear, cracks, looseness, or
leaks. Replace as required.
2) Check and clean the nozzle orifice.
Inspect Fuel System
Inspect the engine fuel system and check for leaks
before each use.
Do not start pressure washer until all needed repairs
have been completed.
WARNING: Filter Disposal
Gasoline fuel is highly explosive and fuel leaks
can result in fire or explosions. You can be
burned and seriously injured if the fuel system is
not properly hooked up or there is a fuel leak
when you start the engine.
Inspect the entire fuel system. Look for:
signs of leaks or deterioration,
chafed or spongy fuel hose,
loose connections,
loose or missing fuel hose clamps,
damaged fuel tank, or
defective gasoline shut-off valve.
Perform Engine Maintenance
-As specified in the “Engine Manual” Section.
Engine maintenance items include:
1. Changing oil and oil filter
2. Air filter check/replacement
3. Spark plug cleaning and replacement
4. Fuel filter check/replacement
Inspecting and cleaning muffler (and spark arrestor if
equipped)

27
Change Pump Oil
Change the pump oil after the first 50 hours of use,
and then after every 3 months or 500 hours of use after
that.
1. Remove drain plug from pump.
2. Drain pump oil into suitable container and dispose
of responsibly.
3. Reinstall oil drain plug.
4. Make sure unit is sitting level.
5. Reference the “Specifications” section of this
manual to determine the oil type and quantity
needed for your pump model.
6. Replace oil fill cap.
.
*Drain plug not visible in picture.
NOTE TO COMMERCIAL USERS:
All mechanical equipment, no matter how well designed,
will need maintenance and repairs. A Powerhorse
pressure washer is no exception. At times, a
Powerhorse pressure washer may become inoperable
because repairs are required. Powerhorse Product
Support will assist in these repairs as needed, but if an
inoperable pressure washer creates a major expense to
your business, then we strongly recommend the
following:
Have a staff person become familiar with the
mechanical operation of the pressure washer and
capable of making minor repairs and performing all
preventative maintenance procedures.
Keep a stock of recommended service parts for
maintenance and minor repairs.
IMPORTANT: Replacement Parts
If a part needs replacement, only use parts that
meet the manufacturer's part number specifications.
Replacement parts that do not meet specifications
may result in a safety hazard or poor operation of
the pressure washer.
Contact Powerhorse Product Support at
1-866-443-2576 for any
questions, problems, or parts orders.
Breather Plug Tube
with Dipstick
Oil Drain Plug

28
Troubleshooting
This section provides a list of the more frequently encountered pressure washer malfunctions, their causes and
corrective actions. Some corrective actions can be performed by the operator or maintenance personnel,
and others may require assistance of a qualified electrician or Service Center.
ENGINE WILL NOT START
Causes
Solutions
Low Oil Shutdown
Fill engine with the adequate amount of oil
Cold Engine
Choke engine to start
No Fuel
Add gas to fuel tank - Make sure fuel shutoff valve is
open
Engine not turned ON
Place ON/OFF switch in the ON position
Spark plug wire not attached
Attach spark plug wire to spark plug
LOW/SURGING PRESSURE
Causes
Solutions
Insufficient water supply
Increase water flow - Check for kinked or pinched hose
Plugged inlet screen
Pull out and clean screen carefully
Need to use high pressure nozzle
Change to the green nozzle
Plugged nozzle
Remove nozzle, check for blockage
Worn nozzle
Replace nozzle
Leak in high pressure line
Fix leaks
NO CHEMICAL INJECTION
Causes
Solutions
Need to use different nozzle
Change to the black nozzle
Back pressure from extra-long hose
Try shorter high pressure hose
Leak in clear chemical hose
Replace hose. Use hose clamps if necessary
Chemical strainer not submerged
Make sure strainer is completely submerged in solution

29
Parts Explosion- Model 45811- Rev F.1
21
*
*Generic engine model shown

30
Parts List - Model 45811 - Rev F.1
Ref#
Part#
Description
Qty
1
794444
Powerhorse 208cc Engine, Recoil
1
2
GBT16674-B6-40
Bolt M6 x 40mm
1
3
770021
Cap, Soap Tank
1
4
770032
Soap Tank
1
5
680042
Lower "A" Frame assembly
1
6
GB889-N-8
M8 Self-Lock Nut
1
7
770002
Rubber Feet
1
8
800000
Round Head Bolt
1
9
680000
Lower Gun Hook
1
10
GB889-N-6
M6 Self-Lock Nut
1
11
786777
Nut M8
8
12
770015
Engine Mount, Vibration Isolator
4
13
760011
Wheels
2
14
680043
Axle
2
15
680001
Hair Pin
2
16
DJ152F-11039-A
Tubing Clip
2
17
GBT16674-B6-16
Bolt M6 x 16mm
2
18
680014
Detent Spring
2
19
680002
Upper Gun Hook
1
20
770001
Plastic Rivet
8
21
770007
Nozzle Holder
6
22
620001-048
Handle
1
23
770000
Foam Grip
1
24
730004
Bungee Cord Knob
1
25
730003
Bungee Cord
1
26
710000
Panel
1
27
680003
Accessory Hook
1
28
730030
Siphon Tube
1
29
H12A31B00D
Water Pump
1
30
5/16-24-UNF-20
Bolt
4
31
DJ168F-12106-Q
Shaft Key
1
32
680018
Wand Assembly
1
33
680006
Spray Gun
1
34
680012
Nozzle Cleaner
1
35
730015
Holder, Nozzle Cleaner
1
36
730008
High Pressure Hose
1
37
680019
Red Nozzle 0°
1
38
680020
Yellow Nozzle 15°
1
39
680021
Green Nozzle 25°
1
40
680022
White Nozzle 40°
1
41
680011
Black Soap Nozzle
1

31
Pump Exploded View- Rev F.1

32
Pump Parts List- Rev F.1
Item
Description
Part #
Qty
Item
Description
Part #
Qty
1
Socket head screw
781361
1
32
O-ring 14.2X1.9
Kit #4
or
Kit #5
7
2
Pump basal flange
Kit #1
1
33
Hose barb seat
Kit #4
1
3
O-ring 80X2.4
Kit #1
1
34
Outlet nut M22×1.5-14
Kit #4
1
4
Radial shaft seal FB36-
50-7
Kit #1
1
35
Back up ring 9X6.2X1.2
Kit #5
1
5
Angular contact bearing
N/A
1
36
O-ring 6 X1.78
Kit #5
or
Kit #10
2
6
Wearable sheath
N/A
1
37
Back water valve core
Kit #5
1
7
Wobble plate
N/A
1
38
Pump head
N/A
1
8
Front bearing (51307B)
N/A
1
39
Inlet water seal
Kit #6
1
9
Spring disk
N/A
1
40
Inlet water body
Kit #6
1
10
Plunger
N/A
1
41
Thermal relief valve
781401
1
11
Plunger spring
N/A
1
42
Inlet swivel nut
Kit #7
1
12
Crankcase
N/A
1
43
Clip ring
Kit #7
1
13
O-ring 14.2X1.9
781373
2
44
Water filter
Kit #7
1
14
Outlet plug
Kit #5
4
45
Socket head screw M8X50
N/A
4
15
Oil seal
Kit #2
3
46
Adjusting screw
Kit #8
1
16
O-ring 15X2.2
Kit #2
3
47
Adjusting screw plug
Kit #8
1
17
Spacer
Kit #2
3
48
O-ring 15X2.5
Kit #8
1
18
O-ring 21.8X1.9
Kit #2
3
49
Back up ring 8.4X5.3X1.2
Kit #8
1
19
Water seal
Kit #2
3
50
O-ring 5.2X1.9
Kit #8
1
20
Compaction washer
Kit #2
3
51
Spring holder
Kit #8
1
21
Inlet plug
N/A
3
52
Big pressure spring
Kit #8
1
22
Washer
N/A
3
53
Small pressure spring
Kit #8
1
23
O-ring 9.8X1.9
781383
or
Kit #3
9
54
Ball holder
Kit #8
1
24
Valve
781384
or
Kit #3
6
55
Steel ball 8.7
Kit #8
1
25
Hose barb
Kit #4
1
56
Back water valve port
Kit #8
1
26
O-ring Ø3.68X1.78
Kit #4
1
57
O-ring 9.25X1.78
Kit #8
1
27
Steel ball
Kit #4
or
Kit #10
2
58
Breather Plug Tube
Kit #9
1
59
Dipstick
1
28
Small cone spring
Kit #4
1
61
Easy start
Kit #10
29
O-ring 5.3X2.65
Kit #4
1
62
Spring
1
30
Outlet cone valve
Kit #4
1
63
Drain plug
789480
1
31
Cone valve spring
Kit #4
1

33
Kit Parts List-Rev F.1
Kit #
Description
Item #
Items Included
Qty
Kit Part #
Kit Qty
Needed
1
Flange w/ Seal Kit
2
Pump basal flange
1
782837
1
3
O-ring 80X2.4
1
4
Radial shaft seal FB36-50-7
1
2
Seal Kit
15
Oil seal
1
782843
3
16
O-ring 15X2.2
1
17
Spacer
1
18
O-ring 21.8X1.9
1
19
Water seal
1
20
Compaction washer
1
3
Valve Kit
23
O-ring 9.8X1.9
1
781122
6
24
Valve
1
4
Outlet Kit w/ Injector
25
Hose barb
1
782838
1
26
O-ring Ø3.68X1.78
1
27
Steel ball
1
28
Small cone spring
1
29
O-ring 5.3X2.65
1
30
Outlet cone valve
1
31
Cone valve spring
1
32
O-ring 14.2X1.9
1
33
Hose barb seat
1
34
Outlet nut M22×1.5-14
1
5
Valve Cap Kit
14
Outlet plug
1
782839
4
32
O-ring 14.2X1.9
1
35
Back up ring 9X6.2X1.2
1
36
O-ring 6X1.78
1
37
Back water valve core
1
6
Inlet Flange Kit
39
Inlet water seal
1
782840
1
40
Inlet water body
1
7
Inlet Kit
42
Inlet swivel nut
1
782841
1
43
Clip ring
1
44
Water filter
1
8
Unloader Kit
46
Adjusting screw
1
782842
1
47
Adjusting screw plug
1
48
O-ring 15X2.5
1
49
Back up ring 8.4X5.3X1.2
1
50
O-ring 5.2X1.9
1
51
Spring holder
1
52
Big pressure spring
1
53
Small pressure spring
1
54
Ball holder
1
55
Steel ball 8.7
1
56
Back water valve port
1
57
O-ring 9.25X1.78
1
9
Breather Plug with
Dipstick Kit
58
Breather Plug Tube
1
791075
1
59
Dipstick
1
10
Easy Start Kit
27
Steel ball
1
789479
1
36
O-ring 6X1.78
1
61
Easy start
1
62
Spring
1

34
Engine Exploded View (45811)-Rev F.1

35
Engine Parts List (45811)-Rev F.1
Ref#
Part #
Description
Qty
1
N/A
CRANKCASE
1
2
N/A
BALL BEARING
2
3
N/A
OIL SEAL
2
4
N/A
GOVERNOR ASSEMBLY
1
5
N/A
SHAFT, GOVERNOR ARM
1
6
N/A
WASHER, GOVERNOR ARM
SHAFT
1
7
N/A
PIN, LOCK
1
8
Kit # 11
BOLT, DRAIN PLUG
2
9
WASHER,DRAIN PLUG
2
10
788901
SWITCH ASSEMBLY, OIL LEVEL
1
11
N/A
BOLT
2
12
N/A
DOWEL PIN,CASECOVER
2
13
Kit # 12
CLIP, FUEL LINE
1
14
N/A
PISTON
1
15
N/A
SCRAPER RING SET ,PISTON
1
16
N/A
ROD ASSEMBLY, CONNECTING
1
17
N/A
PIN, PISTON
1
18
N/A
CLIP, PISTON
2
19
N/A
COVER ASSEMBLY,
CRANKCASE
1
20
N/A
OIL PLUG
1
21
N/A
CYLINDER HEAD
1
22
N/A
VALVE, IN
1
23
N/A
VALVE EXHAUST
1
24
N/A
RETURNER,INTAKE VALVE
1
25
N/A
SPRING, VALVE
2
26
N/A
SEAT, VALVE SPRING,IN
1
27
N/A
SEAT, VALVE SPRING,EX
1
28
N/A
PLATE, PUSH ROD GUIDE
1
29
N/A
ROCKER FASTENYNG BOLT
2
30
N/A
ROCKER
2
31
N/A
ROTATOR
1
32
Kit # 7
BOLT, STUD
2
33
Kit # 6
BOLT, STUD
2
34
Kit # 7
CARBURETOR ASSEMBLY
1
35
Kit # 5
FUEL LINE
1
36
Kit # 5
CLIP, FUEL LINE
2
37
N/A
GOVERNOR ARM
1
38
N/A
BOLT, GOVERNOR ARM
1
39
Kit # 2
NUT
3
40
N/A
CRANKSHAFT ASSEMBLY
1
41
N/A
LIFTER,VALVE
2
42
N/A
PACKING, CASECOVER
1
43
N/A
CAMSHAFT ASSEMBLY
1
44
N/A
PIN, DOWEL
2
45
N/A
BOLT
6
46
N/A
GASKET, CYLINDER HEAD
1
47
N/A
BOLT
4
48
783127
SPARK PULG
1
49
N/A
ROD, PUSH
2
50
N/A
SHROUD
1
51
Kit # 1
Kit # 8,
Kit # 10
BOLT
13
Ref#
Part #
Description
Qty
52
Kit # 8
PACKING, HEADCOVER
1
53
COVER COMP, CYLINDER
HEAD
1
54
N/A
WIND SHIEL COMP.
1
55
N/A
BOLT
1
56
N/A
FLYWHEEL ASSEMBLY
1
57
Kit # 1
FAN, RECOIL STARTER
1
58
PULLEY, STARTER
1
59
NUT
1
60
Kit # 9
IGNITION COIL ASSY
1
61
Kit # 1
CLIP
2
62
Kit # 9
BOLT
2
63
Kit # 7
PACKING, INTAKE
1
64
INSULATOR, CARBURETOR
1
65
PACKING, CARBURETOR
1
66
SPACER, CARBURETOR
1
67
Kit # 13
ROD, GOVERNOR
1
68
Kit # 13
SPRING, THROTTLE RETURN
1
69
Kit # 1
RECOIL STARTER ASSEMBLY
1
70
SWITCH ASSEMBLY
1
71
N/A
SHROUD ASSY, UPPER
1
72
N/A
SPEED REGULATING HANDLE
1
73
Kit # 2
AIR CLEANER ASSEMBLY
1
74
TUBE, BREATHER
1
75
N/A
CLIP
1
76
Kit # 13
SPRING, GOVERNOR
1
77
Kit # 10
AMPLIFIER
1
78
Kit # 6
PACKING, EXHAUST
1
79
MUFFLER COMP
1
80
NUT
2
81
SPRING WASHER
2
82
783136
DIPSTICK
1
83
Kit # 5
FUEL TANK ASSEMBLY
1
83.1
Kit # 4,
Kit # 5
FUEL FILTER
1
84
789697
&
Kit # 5
FUEL COCK
1
85
Kit # 5
SPRING WASHER
3
86
Kit # 4,
Kit # 5
FUEL TANK CAP COMP
1
87
Kit # 5
TANK VENT FITTING
1
88
PACKING WASHER, ONE-WAY
VALVE
1
89
Kit # 3,
Kit # 5
CONNECTING PIPE
1
90
Kit # 3,
Kit # 5,
Kit # 12
CLIP, FUEL LINE
3
91
Kit # 12
CONNECTING PIPE
1
92
CARBON TANK COMP
1
93
Kit # 5
BOLT
3
94
Kit # 3,
Kit # 5
VENTILATION TUBE
PROTECTOR
1

36
Engine Kit Parts List (45811)-Rev F.1
Kit Ref #
Kit Part #
Description
Qty
1
791621
Recoil & Fan Kit
1
2
791622
Air Filter Kit
1
3
791623
Vent Hose Kit
1
4
789262
Fuel Cap Kit
1
5
791624
Tank Kit
1
6
789693
Muffler Kit
1
7
791625
Carburetor Kit
1
8
791626
Valve Cover Kit
1
9
789696
Ignition Coil Kit
1
10
791627
Oil Alert kit
1
11
783126
Drain Bolt Kit
2
12
791628
Carbon Canister Kit
1
13
791629
Governor & Spring Kit
1

37
Engine Manual
Safety
CAUTION
This engine is shipped without oil. If you start
the engine without oil, the engine will be
damaged beyond repair and will not be covered
under warranty.

38
Safety Precautions
WARNING
Before operating the engine, be sure to read and familiarize yourself with the manual, otherwise
personal injury or equipment damage may result.
Pay special attention to the following:
1.) To prevent fire hazards and to provide adequate ventilation, keep engine at least 7 feet
away from buildings and other equipment during operation. Do not place flammable
objects close to the engine.
2.) Children and pets must be kept away from the area of operation due to a possibility of
burns from hot engine components or injury from any equipment the engine may be used
to operate.
3.) Know how to stop the engine quickly, and understand the operation of all controls. Never
permit anyone to operate the engine without proper instructions.
4.) Gasoline is extremely flammable and is explosive under certain conditions.
5.) Refuel in a well-ventilated area with the engine stopped. Do not smoke or allow flames or
sparks in the refueling area or where gasoline is stored.
6.) Do not overfill the fuel tank. After refueling, make sure the tank cap is closed properly and
securely.
7.) Be careful not to spill fuel when refueling. Fuel vapor or spilled fuel may ignite. If any fuel
is spilled, make sure the area is dry before starting the engine.
8.) Never run the engine in an enclosed or confined area. Exhaust contains poisonous carbon
monoxide gas; exposure may cause loss of consciousness and may lead to death.
9.) The muffler becomes very hot during operation and remains hot for a while after stopping
the engine. Be careful not to touch the muffler while it is hot. To avoid severe burns or fire
hazards, let the engine cool before transporting or storing it indoors.
a

39
Parts Descriptions
(Not included on this model)
(Not included on this model)
(Not included on this model)
(Not included on this model)

40
Pre-Operation Inspection
1. Engine Oil
SAE-10W-30 is recommended for general, all temperature use. Other viscosities shown in the chart may be
used when the average temperature in your area is within the indicated range.
1.) Ensure that the engine is stopped and on level ground.
2.) Remove the oil filler cap and wipe the dipstick clean.
3.) Insert the dipstick into the oil filler neck but do not screw it in.
4.) If the level is low, fill to top of the oil filler neck with the recommended oil.
5.) Reinstall the dipstick.
2. Air Cleaner
Dismantle the air cleaner housing and check its filter element, make sure it is clean and intact, otherwise
clean or replace the filter.
CAUTION
Engine oil is a major factor affecting engine performance and service life. Non-detergent
oils and vegetable oils are NOT recommended. Be sure to check the engine oil level on a
level surface with the engine stopped.
CAUTION
Running the engine with insufficient oil can cause serious engine damage.
CAUTION
Never run the engine without the air cleaner. Rapid
engine wear will result from contaminates, such as
dust and dirt, being drawn through the carburetor and
into the engine.

41
Pre-Operation Inspection (cont’d)
3. Fuel and Fuel Tank
Fuel
Your engine is designed to use FRESH, UNLEADED GAS WITH AN OCTANE RATING OF 87 OR
HIGHER.
Unleaded gasoline is recommended because it produces fewer engine and spark plug deposits
and extends the life of exhaust system components.
Never use stale or contaminated gasoline or an oil/gasoline mixture. Avoid getting dirt, dust or
water in the fuel tank.
1.) Remove the fuel filler cap and check fuel level.
2.) If the fuel level is too low, refuel the tank.
3.) Do not overfill.
Gasoline Containing Alcohol
If you decide to use gasoline containing alcohol (gasohol), be sure its octane rating is at least as high as that
recommended by Powerhorse. There are two types of “gasohol”. One contains ethanol, the other contains
methanol.
DO NOT use gasohol that contains more than 10% ethanol.
Do not use gasoline containing methanol (Methyl or Wood Alcohol) that does not also
contain cosolvents and corrosion inhibitors for methanol.
Never use gasoline containing more than 5% methanol, even if it has cosolvents and
corrosion inhibitors.
If “spark knock” or “pinging” occurs at a steady engine speed under normal load, change brands of
gasoline. If spark knock or pinging persists, consult an authorized Powerhorse dealer. If this continues, it
could result in engine damage.
Fuel Tank Capacity: 208cc (3 Liters) (0.79 Gallons)
WARNING
Gasoline is extremely flammable and is explosive under certain conditions.
Refuel in a well-ventilated area with the engine stopped. Do not smoke or allow flames or
sprats in the area where the engine is refueled or where gasoline is stored.
Do not overfill the fuel tank (there should be no fuel in the filler neck). After refueling, make
sure the tank cap is closed properly and securely.
Be careful not to spill fuel when refueling. Spilled fuel or fuel vapor may ignite. If any fuel is
spilled, make sure the area is dry before starting the engine.
Avoid repeated or prolonged contact with skin or breaking of vapor.
KEEP OUT OF REACH OF CHILDREN.

42
Starting the Engine
1. Push the fuel valve to the “ON” position.
2. Move the Choke Lever to the “CLOSED” position.
Note: if the engine is hot, closing the choke is not necessary.
3. Move the throttle lever slightly to the left.
4. Start the engine.
Recoil Start
a. Turn engine switch to the “ON” position.
b. Pull the starter grip towards your shoulder, until you feel it catch, then pull briskly.
With Electric Start
a. Turn the engine switch to the “START” position and hold it until the engine starts.
b. Once engine starts, release the engine switch to “On”.
CAUTION
Releasing the handle suddenly
and allowing the starter grip to
hit the engine may cause
damage to the starter. Return it
gently to prevent damage.
CAUTION
Do not use the electric starter
for more than 5 seconds or
motor damage may occur. If the
engine fails to start, release the
switch and wait 10 seconds
before operating the starter
again.

43
Stopping the Engine
In emergency, push the engine switch to “OFF” to stall the engine; to stop it in normal, do so as follows:
1.) Push the throttle lever to the right.
2.) Turn the engine switch to the “OFF” position.
3.) Turn the fuel valve to the “OFF” position.
High Altitude Operation
At high altitude, the standard carburetor air-fuel mixture will be excessively rich. Performance will decrease,
and fuel consumption will increase.
High altitude performance can be improved by installing a smaller diameter main fuel jet in the carburetor
and re-adjusting the pilot screw. If you always operate the engine at altitudes high than 6,000 feet above
sea level, have your Powerhorse dealer perform these carburetor modifications.
Even with suitable carburetor jetting, engine horsepower will decrease approximately 3.5% for each 1,000
foot increase in altitude. The effect of altitude on horsepower will be greater than this if no carburetor
modifications are made.
Exhaust Control System
While the engine is running, carbon monoxide, oxide of nitrogen and hydrocarbon will produce, and in
certain conditions, oxide of nitrogen and hydrocarbon will react with each other chemically and create a
toxic carbon monoxide.
1. Maintenance
Maintain the engine periodically in accordance with the maintenance schedule. The maintenance
schedule has been created based on normal use and normal conditions. If using heavy load,
operating in dusty and wet conditions, or in extreme temperatures, service of the engine should be
done more frequent.
2. Replacement of Parts
It’s recommended that you should choose parts which are manufactured by Powerhorse. Using a
lower standards or an incompatible part may impair the exhaust control system.
CAUTION
Sudden stopping at high speed under heavy load is not recommended. Engine damage
may result.
CAUTION
Operation of the engine at an altitude lower than the carburetor is jetted for, may result in
reduced performance, overheating, and serious engine damage caused by excessively
lean air/fuel mixture.

44
Exhaust Control System (cont’d)
3. Modifying
Modifying the exhaust control system may affect the exhaust emissions to the point where it
exceeds legal limits.
Illegal modification such as:
a.) Dismantling or modification of air intake or exhaust system.
b.) Modification of takeoff speed-adjustment connection device or speed-adjustment device to
result in the engines running beyond pre-set parameters.
4. Problems Affecting Exhaust Emissions
a.) Difficult starting or difficult stopping.
b.) Unstable idling.
c.) Puffs of black smoke or excessive fuel consumption.
d.) Poor ignition sparks or sparks returned.
Should you experience any of the problems listed above, please contact your Powerhorse dealer.
Maintenance
MAINTENANCE SCHEDULE
Frequency Item
Each
Time
First
Month of
20 Hrs
Each
Season or
50 Hrs
Every 6
Months or
100 Hrs
Each
Year or
300 Hrs
Engine Oil
Oil level check
Replace
Air Cleaner
Check
Clean
*
Replace
**
Sediment Cup
Clean
Spark Plug
Clean, Adjust
Replace
Spark
Eliminator
Clean
Idling
Check, Adjust
Valve
Clearance
Check, Adjust
Fuel Tank &
Fuel Filter
Clean
Fuel Supply
Line
Check
Every two years (do a replacement if necessary)
* Only for inside-ventilated double core-carburetors.
** Only for paper core air cleaners. Every two years or 600 hours for dust collecting air cleaners.
Service engine more frequent if used in dusty conditions.
Should be done by your Powerhorse dealer, unless you are trained and equipped with the proper tools.
WARNING
Shut off the engine before performing any maintenance. If the engine must run, make sure the area is
well ventilated. The exhaust contains poisonous carbon monoxide gas.
CAUTION
Use replacement parts from a Powerhorse dealer or equivalent source; otherwise damage may result.

45
Maintenance (cont’d)
Change engine oil
While engine is still hot, drain all engine oil out from the crankcase.
1.) Remove the oil filler cap and drain plug to drain oil
2.) Install the drain plug and tighten it securely.
3.) Refill with the recommended oil and check the oil level.
4.) Install the oil filler cap.
Note: Please dispose of used motor oil in a manner that is compatible with the environment. Do not throw in
trash or pour on the ground.
Air Filter
A dirty air cleaner may block air flowing into the carburetor. To keep the carburetor in good working
condition, service the air filter periodically. If operating engine in a dusty environment, it should be cleaned
frequently.
1.) Remove the wing nut and the air cleaner cover. Remove the
element and separate them. Carefully check element for
holes or tears and replace if damaged.
2.) Clean element with household detergents and warm water,
rinse thoroughly. Allow element to dry completely.
3.) Soak element in clean engine oil and squeeze out the excess
oil. Engine will smoke during initial start- up if too much oil is
left on foam.
4.) Reinstall the filter element and air cleaner housing.
CAUTION
Never run the engine without an air cleaner. Dirt and
dust may enter the engine and cause it to ware.

46
Maintenance (cont’d)
Sediment Cup Cleaning
Turn the fuel valve to “OFF”. Remove the sediment cup and o-ring and wash them in nonflammable or high
flash point solvent. Dry them thoroughly and reinstall securely. Turn the fuel valve on and check for leaks.
Spark Plug
Recommended Spark Plug:
To ensure the proper engine operation, the spark plug must be properly gapped and free of deposits.
1. Remove the spark plug cap and use a spark plug wrench to remove the plug.
WARNING
Gasoline is extremely flammable and is explosive under certain conditions. Do not smoke or
allow flames or sparks in the area.
If any fuel is spilled, make sure the area is dry before testing the spark plug or starting the
engine. Fuel vapor or spilled fuel may ignite.
CAUTION
Never use a spark plug of incorrect heat range.
WARNING
If the engine has been running, the muffler will be very hot. Be careful not to touch the
muffler.

47
Maintenance (cont’d)
2. Visually inspect the spark plug. Discard if the insulator is cracked or chipped. Clean the spark plug
with a wire brush if it is to be reused.
3. Measure the plug gap with a feeler or gauge. The gap should be .07-.08mm (0.028-0.031 in).
Correct as necessary by bending the side electrode.
4. Check that the spark plug washer is in good condition and thread the spark plug in by hand to
prevent cross-threading. If spark plug is damaged, replace with a new one.
5. After the spark plug is seated, tighten with a spark plug wrench to compress the washer.
NOTE: When installing a new spark plug, tighten ½ turn after the spark plug seats to compress the
washer. When reinstalling a used spark plug, tighten 1/8-1/4 turn after the spark plug seats to
compress the washer.
Idling Adjustment
1. Start the engine and allow it to warm up to normal operating temperature.
2. With the engine idling, turn the pilot screw in or out to the setting that produces the highest idle
rpm. Standard idling will be 1500 ± 150 rpm.
CAUTION
The spark plug must be securely tightened. An improperly tightened spark plug can
become very hot and may damage the engine.

48
Transport, Storage, and Removal from Storage
Transport
Transport with the fuel vale turned to the “OFF” position. Only store the engine when it has cooled off to
avoid fires or burns.
Storage
Before Storing Engine
Before storing the unit for an extended period:
1. Be sure the storage area is free of excessive humidity and dust.
2. Drain the fuel.
a. With the fuel valve in the “OFF” position, remove and empty the sediment cup.
b. Turn the fuel valve to the “ON” position and drain the gasoline from the fuel tank into a
suitable container.
c. Replace the sediment cup and tighten securely.
d. Draing the carburetor by loosening the drain screw. Drain the gasoline into a suitable
container.
3. Change the engine oil.
4. Remove the spark plug and pour about a tablespoon of clean engine oil into the cylinder. Crank the
engine several revolutions to distribute the oil, then reinstall the spark plug.
5. Pull the starter rope slowly until resistance is felt. Continue pulling until the notch on the starter
pully aligns with the hole on the recoil starter. See illustration below. At this point, the intake and
exhaust valves are closed, and this will help to protect the engine from internal corrosion.
6. Electric starter type: Remove the battery and store it in a cool, dry place. Recharge it once a
month.
7. Cover the engine to keep out dust.
CAUTION
Do not tilt engine, keep engine at a level position to prevent fuel spillage. Fuel vapor or
spilled fuel may ignite.

49
Transport, Storage, and Removal from Storage (cont’d)
Removing From Storage
Before reusing, service the engine.
STORAGE TIME
SERVICE
1-2 Months
Drain out any old fuel in tank and refuel with fresh gasoline.
2 Months +
Drain out any old fuel in tank and refuel with fresh gasoline.
Drain fuel from carburetor.
Empty sediment cup.
Note: Please dispose of fuel in a manner that is compatible with the environment. Do not throw in trash or
pour on the ground.
Engine Specifications
Powerhorse 208cc
Engine Type
4-Stroke, OHV, Single Cyl.,
Forced Air Cooled
Bore x Stroke (mm)
70 x 54
Rated Power (kW/rpm)
4.2/3600
Max Torque
13.2
Displacement (ml)
208
Starting Type
Recoil
Ignition Type
Induction Ignition
Lubricating Type
Splashing
Dry Weight
35.3 lbs
Dimension (L x W x H)
16.54 x 14.96 x 15.75
WARNING
Fuel is extremely flammable and explosive under certain conditions. Keep cigarette,
open flames and sparks away from operating site.

50
Troubleshooting
Trouble
Cause
Remedy
Engine will not start using
recoil starter.
1. Is the engine switch in
the “ON” position?
2. Is the fuel valve “ON”?
3. Is there fuel in the fuel
tank?
4. Is gasoline reaching
the carburetor?
5. Is there spark at the
plug?
1. See “Starting Engine”
Section.
2. See “Starting Engine”
Section.
3. See “Pre-Operating
Instructions.”
4. To check, loosen the
drain screw with the
fuel valve on. See
“Storage” Section for
instructions.
5. Remove the spark
plug cap, clean, then
remove spark plug.
Install plug in cap, turn
engine switch to “ON”
position. Ground the
side electrode to any
engine ground, and
pull the recoil starter to
see if sparks jump
across the gap. If no
spark, replace plug. If
OK, reinstall spark
plug and try to start
engine again.
Engine will not start using
electric starter.
1. Are the battery cables
securely connected
and free of corrosion?
2. Is the battery fully
charged?
1. See “Battery
Connection” Section.
2. Charge battery.
Engine shut down while
running.
1. Engine out of fuel?
2. Is the carburetor
clogged?
3. Is the spark plug bad?
1. Refuel.
2. See “Maintenance”
Section.
3. See “Maintenance”
Section.
Abnormal Noise or Pinging
1. Does the fuel have an
octane rating of 87 or
higher?
1. Change brands of fuel.

51
Wiring Diagram
Note: The diagram for other types may be different with the exception of electric-start
type.

52
Limited Warranty
Dear Valued Customer:
The Powerhorse Product you just purchased is built with the finest material and craftsmanship. Use this product properly and enjoy the benefits
from its high performance. By purchasing a Powerhorse product, you show a desire for quality and durability. Like all mechanical equipment this
unit requires a due amount of care. Treat this unit like the high quality piece of machinery it is. Neglect and improper handling may impair its
performance. Please thoroughly read the instructions and understand the operation before using your product. Always contact Powerhorse
Product Support at 1-866-443-2576 prior to having any service or warranty work performed, as some services performed by parties other than
Powerhorse approved service centers may void this warranty. This warranty is in lieu of any other warranty expressed or implied and Powerhorse
assumes no other responsibility or liability outside that expressed within this warranty.
Limited Warranty
Powerhorse shall warranty any piece of equipment manufactured, or parts of equipment manufactured, to be free from defects in material or
workmanship for a period of:
Powerhorse Warranty
Item #
Consumer Warranty Period
Commercial Warranty Period
45811
2 years from date of purchase by user
90 days from date of purchase by user
“Consumer use” means personal residential household use by a consumer. “Commercial use” means all other uses, including use for commercial,
income producing or rental purposes or when purchased by a business.
This warranty applies to the original purchaser of the equipment (verification of purchase, in the form of a receipt, is the responsibility of the
buyer), is non-transferable, and covers parts and labor. Parts will be replaced or repaired at no charge, except when the equipment has failed due
to lack of proper maintenance. If a part is no longer available, the part may be replaced with a similar part of equal function. Any misuse, abuse,
alteration or improper installation or operations will void warranty. Determining whether a part is to be replaced or repaired is the sole decision of
Powerhorse. Powerhorse will not provide for replacement of complete products due to defective parts. Any costs incurred due to replacement or
repair of items outside of a Powerhorse approved facility is the responsibility of the buyer and not covered under warranty. Transportation costs to
and from service center is the responsibility of the customer.
In addition to the normal warranty, Powerhorse shall warrant any normal wear item from defects in material or workmanship for a period of 90
days from the date of purchase by user. Normal wear items include, but are not limited to, nozzles, quick connect fittings, valves, seals, hoses,
springs, O-rings, unloader valves and filter elements.
This warranty specifically excludes the following; failure of parts due to damage caused by accident, fire, flood, windstorm, acts of God,
applications not approved by Powerhorse in writing, corrosion caused by chemicals, use of replacement parts which do not conform to
manufacturer’s specifications, damage related to rodent and/or insect infestation and damage caused by vandalism. Additional exclusions: loss of
running time, inconvenience, loss of income, or loss of use, including any implied warranty of merchantability of fitness for a specific use. Also,
Outdoor Power Equipment needs periodic parts and service to perform well, and this warranty does not cover instances when normal use has
exhausted the life of a component or the engine.
This warranty does not cover any personal injury or damage to surrounding property caused by failure of any part. Repair or replacement of parts
does not extend the warranty period.
The engine warranty is covered under the same terms and conditions as outlined above. Normal engine maintenance such as spark plugs, air
filters, adjustments, fuel system cleaning and obstruction due to build up is not covered by this Powerhorse warranty.
Please fill in the following information and have it on hand when you call in on a warranty claim.
Customer Number: ______________________________________________________________
Date of Purchase: _______________________________________________________________
Powerhorse Serial Number: _______________________________________________________
Item Number: __________________________________________________________________

53
U.S EPA AND CALIFORNIA EMISSION CONTROL WARRANTY STATEMENT
YOUR WARRANTY RIGHTS AND OBLIGATIONS
The California Air Resources Board, The United States Environmental Protection
Agency (US EPA) and Northern Tool and Equipment Company Inc., are pleased to
explain the emission control system warranty on your 2015 and later model year
small off-road engine. In the United States and California new small off-road engines
must be designed built and equipped to meet the State’s stringent anti-smog
standards. Northern Tool and Equipment Company Inc. must warrant the emission
control system on your small off-road engine for the periods of time listed below
provided there has been no abuse neglect or improper maintenance of your small
off-road engine.
Your emission control system may include parts such as the carburetor or fuel injection
system,the ignition system,and catalytic converter. Also included may be hoses,
belts,connectors and other emission related assemblies.
Where a warrantable condition exists,Northern Tool and Equipment Company Inc. will
repair your small off-road engine at no cost to you including diagnosis, parts and
labor.
MANUFACTURER’S WARRANTY COVERAGE
As the small off-road engine owner,you are responsible for the performance of the
required maintenance listed in your owner’s manual. Northern Tool and Equipment
Company Inc. recommends that you retain all receipts covering maintenance on
your small off-road engine,but Northern Tool and Equipment Company Inc. cannot
deny warranty solely for the lack of receipts or for your failure to ensure the
performance of all scheduled maintenance.
As the small off-road engine owner,you should however be aware that Northern Tool
and Equipment Company Inc. may deny you warranty coverage if your small off-
road engine or a part has failed due to abuse,neglect,improper maintenance or
unapproved modifications.
You are responsible for presenting your small off-road engine to a Northern Tool and
Equipment Company Inc. distribution center as soon as a problem exists. The
warranty repairs should be completed in a reasonable amount of time, not to exceed
30 days.

54
If you have any questions regarding your warranty rights and responsibilities, contact
Northern Tool and Equipment Company Inc. authorized warranty service facility:
Tell: 1-866-443-2576
Website: www.northerntool.com
Brand: Power horse
Engine Family: FCDPS.1401GB, FCDPS.2081D J, FCDPS.1961DJ and
FCDPS.4572DJ
This telephone number is only for the engines which the company name Northern Tool
and Equipment Company Inc. on the emission label.
Defects warranty requirements:
(a) The warranty period begins on the date the engine or equipment is delivered to an
ultimate purchaser.
(b) General Emissions Warranty Coverage. Northern Tool and Equipment Company Inc.
warrants to the ultimate purchaser and each subsequent owner that the engine or
equipment is:
(1) Designed,built,and equipped so as to conform with all applicable regulations
adopted by US EPA & Air Resources Board; And
(2) Free from defects in materials and workmanship that causes the failure of a
warranted part for a period of two years.
(c) The warranty on emissions-related parts will be interpreted as below:
(1) Any warranted part that is not scheduled for replacement as required maintenance in
the written instructions required by subsection (d) must be warranted for the
warranty period defined in Subsection(b)(2). If any such part fails during the period
of warranty coverage ,it must be repaired or replaced by Northern Tool and
Equipment Company Inc. according to Subsection (4) below. Any such part repaired
or replaced under the warranty must be warranted for the remaining warranty period.
(2) Any warranted part that is scheduled only for regular inspection in the written
instructions required by subsection(d)must be warranted for the warranty period
defined in Subsection(b)(2).A statement in such written instructions to the effect of
“repair or replace as necessary” will not reduce the period of warranty coverage. Any
such part repaired or replaced under warranty must be warranted for the remaining
warranty period.
(3) Any warranted part that is scheduled for replacement as required maintenance in the
written instructions required by subsection (d) must be warranted for the period of

55
time prior to the first scheduled replacement point for that part. If the part fails prior
to the first scheduled replacement, the part must be repaired or replaced by
Northern Tool and Equipment Company Inc. according to Subsection (4) below. Any
such part repaired or replaced under warranty must be warranted for the remainder
of the period prior to the first scheduled replacement point for the part.
(4) Repair or replacement of any warranted part under the warranty must be performed
at no charge to the owner at a warranty station.
(5) Notwithstanding the provisions of Subsection (4) above, warranty services or repairs
must be provided at all Northern Tool and Equipment Company Inc. distribution
centers that are franchised to service the subject engines.
(6) The owner must not be charged for diagnostic labor that leads to the determination
that a warranted part is in fact defective provided that such diagnostic work is
performed at a warranty station.
(7) Northern Tool and Equipment Company Inc. is liable for damages to other engine
components proximately caused by a failure under warranty of any warranted part.
(8) Throughout the emissions warranty period defined in Subsection (b)(2), Northern
Tool and Equipment Company Inc. must maintain a supply of warranted parts
sufficient to meet the expected demand for such parts.
(9) Any replacement part may be used in the performance of any warranty maintenance
or repairs and must be provided without charge to the owner such use will not
reduce the warranty obligations of Northern Tool and Equipment Company Inc. (10)
Add-on or modified parts that are not exempted by the Air Resources Board may not
be used. The use of any non-exempted add-on or modified parts will be grounds for
disallowing a warranty claim. Northern Tool and Equipment Company Inc. will not be
liable to warrant failures of warranted parts caused by the use of a non-exempted
add-on or modified part.
(11) Northern Tool and Equipment Company Inc. issuing the warranty shall provide any
documents that describe that manufacturer’s warranty procedures or policies within
five working days of request by the US EPA &Air Resources Board.
Emission Warranty Parts List.
(1) Fuel Metering System
(i) Carburetor and internal parts (and/or pressure regulator or fuel injection system).
(ii) Air/fuel ratio feedback and control system.
(iii) Cold start enrichment system.
(iv) Fuel tank.
(2) Air induction system
(i) Controlled hot air intake system.
(ii) Intake manifolds.

56
(iii) Air filter.
(3) Ignition System
(i) Spark Plugs.
(ii) Magneto or electronic ignition system.
(iii) Spark advance/retard system.
(4) Exhaust Gas Recirculation (EGR) System
(i) EGR valve body,and carburetor spacer if applicable.
(ii) EGR rate feedback and control system.
(5) Air Injection System
(i) Air pump or pulse valve.
(ii) Valves affecting distribution of flow.
(iii) Distribution manifold.
(6) Catalyst or Thermal Reactor System
(i) Catalytic converter.
(ii) Thermal reactor.
(iii) Exhaust manifold.
(7) Particulate Controls
(i)Traps, filters, precipitators, and any other device used to capture particulate
emissions.
(8) Miscellaneous Items Used in Above Systems
(i) Electronic controls
(ii) Vacuum, temperature, and time sensitive valves and switches.
(iii) Hoses, belts, connectors, and assemblies.
Northern Tool and Equipment Company Inc. will furnish with each new engine written
instructions for the maintenance and use of the engine by the owner.
57
This page left intentionally blank

58
Assembled by
Northern Tool & Equipment Company, Inc.
Burnsville, MN 55306
NorthernTool.com