ENGINE Workshop Manual 4M4 (W E) 4M40
PWEE9409_4M40_ENGINE.. PWEE9409_4M40_ENGINE
User Manual: 4M40
Open the PDF directly: View PDF
.
Page Count: 130 [warning: Documents this large are best viewed by clicking the View PDF Link!]
- ENGINE <4M4> [11A]
- GENERAL INFORMATION
- 1. SPECIFICATIONS
- 2. SPECIAL TOOLS
- 3. GENERATOR ASSEMBLY
- 4. COOLING FAN, V-BELT AND WATER PUMP
- 5. THERMOSTAT
- 6. WATER HOSES AND PIPES
- 7. COOLANT TEMPERATURE SENSOR
- 8. GLOW PLUG
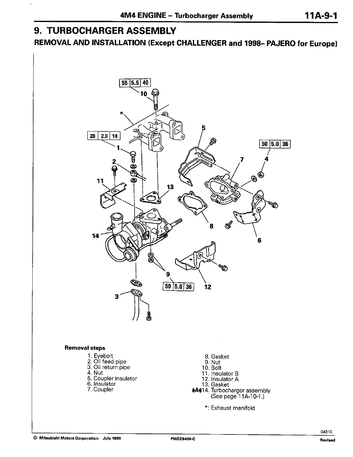
- 9. TURBOCHARGER ASSEMBLY
- 10. TURBOCHARGER
- 11. INTAKE MANIFOLD
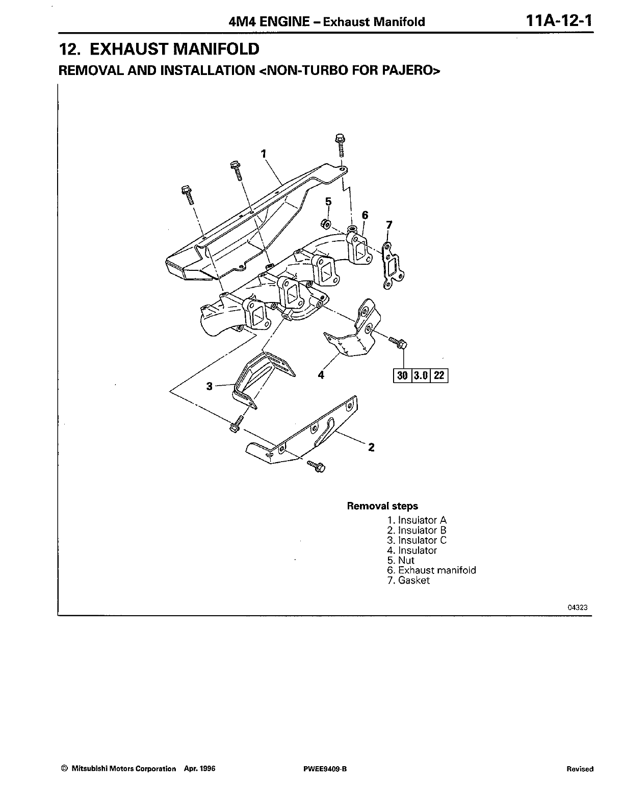
- 12. EXHAUST MANIFOLD
- 13. ROCKER COVER AND CYLINDER HEAD ASSEMBLY
- 14. CAMSHAFT AND VALVES
- 15. OIL COOLER AND OIL FILTER
- 16. OIL PAN, OIL STRAINER AND OIL JET
- 17. VACUUM PUMP
- 18. TIMING GEAR CASE
- 19. TIMING GEAR AND BALANCE SHAFT
- 20. OIL PUMP
- 21. FUEL INJECTION NOZZLE
- 22. FUEL INJECTION PUMP ASSEMBLY
- 23. FUEL INJECTION PUMP GEAR
- 24. PISTON AND CONNECTING ROD ASSEMBLY
- 25. PISTON AND PISTON PIN
- 26. FLYWHEEL
- 27. DRIVE PLATE
- 28. CRANKSHAFT AND CRANKCASE

































































































































