50TFQ008 012 50tfq C3pd
User Manual: 50TFQ008-012
Open the PDF directly: View PDF
.
Page Count: 40
- Features/Benefits
- Table of Contents
- Model Number Nomenclature
- Ratings Summary
- Physical Data (SI)
- Physical Data (English)
- Options and Accessories
- Base Unit Dimensions
- Accessory Dimensions
- Selection Procedure (With 50TFQ008 Example) - SI
- Selection Procedure (With 50TFQ008 Example) - English
- Performance Data
- Cooling Capacities (SI)
- Cooling Capacities (English)
- Instantaneous and Integrated Heating Ratings (SI)
- Instantaneous and Integrated Heating Ratings (English)
- Fan Performance (SI) - Vertical Discharge Units
- Fan Performance (SI) - Horizontal Discharge Units
- Fan Performance (English) - Vertical Discharge Units
- Fan Performance (English) - Horizontal Discharge Untis
- Accessory Static Pressure Drop (Pa)/(in. wg)
- Fan R/S at Motor Pulley Settings
- Fan RPM at Motor Pulley Settings
- Outdoor Sound Data
- Electric Heating Capacities
- Indoor-Fan Motor Efficiency
- Durablade Economizer Barometric Relief Damper Characteristics Chart
- Indoor-Fan Motor Performance
- Multiplication Factors
- Electrical Data
- Typical Piping and Wiring
- Controls
- Typical Wiring Schematic
- Application Data
- Guide Specifications

Copyright 2001 Carrier Corporation Form 50TFQ-C3PD
Single-package standard efficiency
rooftop heat pumps with:
• State-of-the-art defrost system
• Dependable 4-way valve operation
• Refrigerant filter strainer and
accumulator
• Field-installed electric heaters
available
• Advanced hermetic compressors
mounted on vibration isolators
• Factory-installed Apollo communi-
cating controls, non-fused discon-
nect switch available
Features/Benefits
The 50TFQ standard
efficiency rooftop product
line combines advanced
technology with
serviceability, performance,
and flexibility.
State-of-the-art defrost system
uses time and temperature to keep the
outdoor coil frost-free for economical,
dependable operation.
Dependable 4-way valve opera-
tion safely and efficiently accomplish-
es cycle reversals, defrost, and normal
operation.
Refrigerant filter strainer and ac-
cumulator ensure performance
dependability and circuit protection.
Field-installed electric heaters
available in a wide range of capaci-
ties. Single-point wiring kit makes
installation simple.
NOTE: Some electric heater applica-
tions not available for use with
factory-installed disconnect switch.
50TFQ008-012
Single-Package
Standard Efficiency
Rooftop Heat Pump Units
50 Hz
Nominal Capacities: 26.4 to 35.2 kW
(71/2to 10 Nominal Tons)
Product
Data
50TFQ008-012

2
Easy conversion from vertical to
horizontal discharge to make retro-
fit and add-on jobs easier. To convert
from vertical to horizontal discharge,
simply interchange 2 panels. The same
basic unit can be used for a variety of
applications and can be quickly modi-
fied at the jobsite. All units are factory
shipped in the vertical discharge con-
figuration for fit-up to standard roof
curbs. The contractor can order and in-
stall the roof curbs early in the con-
struction stage, before decisions on
exact size requirements have been
made.
Prepainted galvanized steel cabi-
net with baked enamel finish is
capable of withstanding U.S.A. Test
Method Standard No. 141 (Method
6061) 500-hour salt spray test. Paint
finish is non-chalking type. All internal
cabinet panels are primed, allowing the
entire unit to have a longer life and a
more attractive appearance.
Single continuous top panel elimi-
nates any possibility of leaking at the
seams or gaskets, which tend to deteri-
orate over time and shift during rigging
procedures.
Heavy gage roll-formed base rails
with forklift and rigging holes are
integral to the unit and provide easier
maneuvering and installation. Forklift
slots are on 3 sides of the unit. Stretch-
wrap packaging protects the unit dur-
ing shipment and storage.
Exclusive tool-less removal for
the filter access panel allows the
replacement of filters without the need
for any tools.
Fifty-one mm (2-in.) return-air fil-
ters are the standard throwaway type,
easily accessed and replaced through
the filter access panel located directly
above the air intake hood.
Thru-the-bottom electrical con-
nection capability allows power and
control wiring to be routed through the
unit basepan, thereby minimizing roof
penetrations.
Color-coded electrical wiring per-
mits easy tracing and diagnostics.
Advanced hermetic compressors
mounted on vibration isolators for
additional sound integrity and structur-
al support.
Enhanced copper tube, alumi-
num plate fin coils are thoroughly
leak and pressure tested at the factory.
Outdoor coils have louvered, aluminum
lanced fins to provide maximum heat
transfer for optimum efficiency and
easy cleaning.
Acutrol™ refrigerant metering
system precisely controls refrigerant
flow, preventing slugging and flood-
back, while maintaining optimum unit
performance.
Corrosion-resistant sloped con-
densate pan reduces possibility of
biological growth and is in conform-
ance of ASHRAE (American Society
of Heating, Refrigeration, and Air
Conditioning Engineers) Standard 62
to meet many Indoor-Air Quality (IAQ)
specifications. The condensate drain
pan offers both bottom and end drain
capability to minimize roof penetra-
tions. The bottom drain can be used in
conjunction with the thru-the-bottom
connections. An external trap must be
field supplied.
Commercial duty motors with
permanently lubricated bearings
provide additional dependability.
Standard low ambient cooling
operation to –4 C (25 F). Optional
head pressure control kit available for
outdoor ambient conditions to –17 C
(0° F).
Factory run test printout included
with each unit, providing certifica-
tion of the unit’s status at the time of
manufacture. Printout includes test
pressures, amperages, dates, and
inspectors. Every unit is thoroughly run
tested at the factory in each operating
mode and evacuated prior to final
charging. Every coil is then leak-tested
with helium. Automated run testing
allows accurate, undisputed tests and
measurements which are second to
none in the industry.
Ease of serviceability on all refriger-
ant access ports allow for quick and
accurate measurements to take place.
Single-side utility connections provide
easy access to perform necessary
service. Indoor motors are accessible
through a single access door to facili-
tate servicing and adjustments after
installation. Compressors are easily
accessible for troubleshooting and
system analysis.
Factory-installed Apollo commu-
nicating control (available as an
option), designed exclusively by
Carrier, actively monitors all modes of
operation as well as indoor fan status,
filter status, indoor-air quality, supply-
air temperature, and outdoor-air tem-
perature. The Apollo control board is
installed in the rooftop unit control box
and comes equipped with built-in diag-
nostic capabilities. Light-emitting
diodes (LEDs) simplify troubleshooting
by indicating thermostat commands for
both stages of heating and cooling,
indoor (evaporator) fan operation, and
economizer operation. The Apollo
communicating control is designed to
work specifically with Carrier TEMP
and VVT®thermostats.
Table of contents
Page
Features/Benefits. . . . . . . . . . . . . . . . . . . . . . . . . . . . . . . . . . . . . . . . . . .1,2
Model Number Nomenclature . . . . . . . . . . . . . . . . . . . . . . . . . . . . . . . . . . . 3
Ratings Summary. . . . . . . . . . . . . . . . . . . . . . . . . . . . . . . . . . . . . . . . . . . . 3
Physical Data. . . . . . . . . . . . . . . . . . . . . . . . . . . . . . . . . . . . . . . . . . . . . .4,5
Options and Accessories. . . . . . . . . . . . . . . . . . . . . . . . . . . . . . . . . . . . . .6-8
Base Unit Dimensions . . . . . . . . . . . . . . . . . . . . . . . . . . . . . . . . . . . . . . . . 9
Accessory Dimensions . . . . . . . . . . . . . . . . . . . . . . . . . . . . . . . . . . . . . . . 10
Selection Procedure . . . . . . . . . . . . . . . . . . . . . . . . . . . . . . . . . . . . . . .11,12
Performance Data . . . . . . . . . . . . . . . . . . . . . . . . . . . . . . . . . . . . . . . .13-29
Electrical Data . . . . . . . . . . . . . . . . . . . . . . . . . . . . . . . . . . . . . . . . . . . . . 30
Typical Piping and Wiring . . . . . . . . . . . . . . . . . . . . . . . . . . . . . . . . . . . . . 31
Controls . . . . . . . . . . . . . . . . . . . . . . . . . . . . . . . . . . . . . . . . . . . . . . .32,33
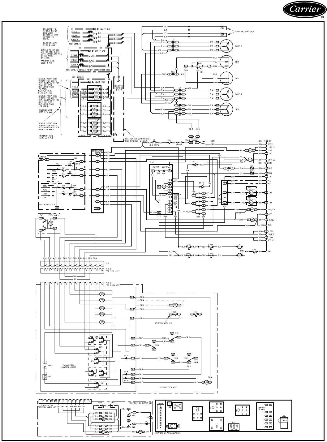
Typical Wiring Schematic . . . . . . . . . . . . . . . . . . . . . . . . . . . . . . . . . . .34,35
Application Data . . . . . . . . . . . . . . . . . . . . . . . . . . . . . . . . . . . . . . . . . . . 36
Guide Specifications . . . . . . . . . . . . . . . . . . . . . . . . . . . . . . . . . . . . . . .37-39

3
Ratings summary
LEGEND
NOTE: Ratings are net values adjusted for the effects of indoor-fan motor heat. Ratings are based on:
Cooling Standard: 27 C (80 F) db, 19 C (67 F) wb indoor entering-air temperature and 35 C
(95 F) db outdoor entering-air temperature.
High-Temp Heating Standard: 21 C (70 F) db indoor entering-air temperature and 8 C (47 F)
db, 6 C (43 F) wb outdoor entering-air temperature.
Low-Temp Heating Standard: 21 C (70 F) db indoor entering-air temperature and –8 C (17 F)
db, –9 C (15 F) wb outdoor entering-air temperature.
UNIT
50TFQ
NOMINAL
kW
NOMINAL
TONS
AIRFLOW QUANTITIES
(Nominal) NET CAPACITIES
L/s Cfm
Cooling Heating
kW MBtuh High Low
kW MBtuh kW MBtuh
008 26.4 7.5 1200 2600 21.3 73.0 19.3 66.0 8.7 30.0
009 29.9 8.5 1415 3000 23.4 80.0 21.6 74.0 10.8 37.0
012 35.2 10 1600 3400 26.9 92.0 24.3 83.0 12.8 44.0
db — dry bulb
MBtuh — Btuh x 1000
wb — wet bulb
Model number nomenclature
LEGEND
*Refer to 50TFQ Product Ordering Data or contact your local Carrier rep-
resentative for 50TFQ Factory-Installed Option code table.
Al — Aluminum
Cu — Copper
®
I
S
O
9
0
0
1
:
2
0
0
0
#
A
2
3
2
5
Quality Assurance

4
LEGEND
Al — Aluminum
*Indoor coil fin material/outdoor coil fin material.
†Weight of 356 mm roof curb.
NOTE: The 50TFQ units have a loss-of-charge/low-pressure switch
located in the liquid line.
UNIT SIZE 50TFQ 008 009 012
NOMINAL CAPACITY(kW) 26.4 29.9 35.2
OPERATINGWEIGHT (kg)
Unit
Al/Al*426 438 460
Durablade Economizer 20 20 20
Roof Curb† 65 65 65
COMPRESSOR Hermetic
Quantity 222
Oil (ml) 1331 ea 1597 ea 1597 ea
REFRIGERANT TYPE R-22
Operating Charge (kg)
Circuit 1 2.67 3.60 3.45
Circuit 2 2.72 3.70 3.45
OUTDOOR COIL Enhanced Copper Tubes, Aluminum Lanced Fins, Acutrol™ Metering Device
Rows...Fins/m 1...669 2...669 2...669
Total Face Area (sqm) 1.90 1.67 1.70
OUTDOOR FAN Propeller Type
Nominal L/s 2880 2880 2880
Quantity...Diameter (mm) 2...559 2...559 2...559
Motor BkW...r/s .19...15.5 .19...15.5 .19...15.5
Watts Input (Total) 500 500 500
INDOOR COIL Enhanced Copper Tubes, Aluminum Double-Wavy Fins, Acutrol Metering Device
Rows...Fins/m 3...590 3...590 3...590
Total Face Area (sqm) 0.74 0.74 1.03
INDOOR FAN Centrifugal Type
Quantity...Size (mm x mm) 1...381 x 381 1...381 x 381 1...381 x 381
Type Drive Belt Belt Belt
Nominal L/s 1200 1415 1600
Motor kW 1.12 1.12 1.50
Maximum Continuous BkW 1.79 1.79 2.16
Motor Frame Size 56 56 56
Fan r/s Range 10.33-14.67 10.33-14.67 11.50-15.00
Motor Bearing Type Ball Ball Ball
Maximum Allowable r/s 26.7 26.7 26.7
Motor Pulley Pitch Diameter Min/Max (mm) 61/86 61/86 86/112
Nominal Motor Shaft Diameter (mm) 16 16 16
Fan Pulley Pitch Diameter (mm) 140 140 178
Nominal Fan Shaft Diameter (mm) 25 25 25
Belt, Quantity...Type...Length (mm) 1...A...1219 1...A...1219 1...A...1295
Pulley Center Line Distance (mm) 406 406 495
Speed Change per Full Turn of
Moveable Pulley Flange (r/s) .83 .83 .67
Moveable Pulley Maximum Full Turns
From Closed Position 555
Factory Setting 555
Factory Speed Setting (r/s) 10.33 10.33 11.50
Fan Shaft Diameter at Pulley (mm) 25 25 25
HIGH-PRESSURE SWITCH (kPa)
Standard Compressor Internal Relief (Differential) 3103 ± 345
Cutout 2951
Reset (Auto.) 2206
LOSS-OF-CHARGE (LOW-PRESSURE) SWITCH (kPa)
Cutout 48 ± 21
Reset (Auto.) 152 ± 48
FREEZE PROTECTION THERMOSTAT (C)
Opens –1 ± 3
Closes 7±3
OUTDOOR-AIR INLET SCREENS Cleanable
Quantity...Size (mm) 1...508 x 635 x 25
1...406 x 635 x 25
RETURN-AIR FILTERS Throwaway
Quantity...Size (mm) 4...406 x 558 x 51 4...406 x 508 x 51 4...508 x 508 x 51
Physical data (SI)

5
LEGEND
*Indoor coil fin material/outdoor coil fin material.
†Weight of 14-in. roof curb.
NOTE: The 50TFQ units have a loss-of-charge/low-pressure switch
located in the liquid line.
UNIT SIZE 50TFQ 008 009 012
NOMINAL CAPACITY(tons) 71/281/210
OPERATINGWEIGHT (lb)
Unit
Al/Al*940 965 1015
Durablade Economizer 44 44 44
Roof Curb† 143 143 143
COMPRESSOR Hermetic
Quantity 222
Oil (oz) 45 ea 54 ea 54 ea
REFRIGERANT TYPE R-22
Operating Charge (lb-oz)
Circuit 1 5-14 7-6 7-10
Circuit 2 6- 0 8-3 7-10
OUTDOOR COIL Enhanced Copper Tubes, Aluminum Lanced Fins, Acutrol™ Metering Device
Rows...Fins/in. 1...17 2...17 2...17
Total Face Area (sqft) 20.50 18.00 18.30
OUTDOOR FAN Propeller Type
Nominal Cfm 6500 6500 6500
Quantity...Diameter (in.) 2...22 2...22 2...22
Motor Hp...Rpm 1/4...1100 1/4...1100 1/4...1100
Watts Input (Total) 500 500 500
INDOOR COIL Enhanced Copper Tubes, Aluminum Double-Wavy Fins, Acutrol Metering Device
Rows...Fins/in. 3...15 3...15 3...15
Total Face Area (sqft) 8.0 8.0 11.1
INDOOR FAN Centrifugal Type
Quantity...Size (in.) 1...15 x 15 1...15 x 15 1...15 x 15
Type Drive Belt Belt Belt
Nominal Cfm 2600 3000 3400
Motor Hp 11/211/22
Maximum Continuous Bhp 2.40 2.40 2.90
Motor Frame Size 56 56 56
Fan Rpm Range 620-880 620-880 690-900
Motor Bearing Type Ball Ball Ball
Maximum Allowable Rpm 1600 1600 1600
Motor Pulley Pitch Diameter Min/Max (in.) 2.4/3.4 2.4/3.4 3.4/4.4
Nominal Motor Shaft Diameter (in.) 5/85/85/8
Fan Pulley Pitch Diameter (in.) 5.5 5.5 7.0
Nominal Fan Shaft Diameter (in.) 1.0 1.0 1.0
Belt, Quantity...Type...Length (in.) 1...A...48 1...A...48 1...A...51
Pulley Center Line Distance (in.) 16 16 19.5
Speed Change per Full Turn of
Moveable Pulley Flange (rpm) 50 50 41
Moveable Pulley Maximum Full Turns
From Closed Position 555
Factory Setting 555
Factory Speed Setting (rpm) 620 620 690
Fan Shaft Diameter at Pulley (in.) 111
HIGH-PRESSURE SWITCH (psig)
Standard Compressor Internal Relief (Differential) 450 ± 50
Cutout 428
Reset (Auto.) 320
LOSS-OF-CHARGE (LOW-PRESSURE) SWITCH (psig)
Cutout 7±3
Reset (Auto.) 22 ± 5
FREEZE PROTECTION THERMOSTAT (F)
Opens 30 ± 5
Closes 45 ± 5
OUTDOOR-AIR INLET SCREENS Cleanable
Quantity...Size (in.) 1...20 x 25 x 1
1...16 x 25 x 1
RETURN-AIR FILTERS Throwaway
Quantity...Size (in.) 4...16 x 20 x 2 4...16 x 20 x 2 4...20 x 20 x 2
Al — Aluminum
Bhp — Brake Horsepower
Physical data (English)

6
*Factory installed.
†Field installed.
**Accessory single-point kit is required for size 008-012 units using electric heat.
ITEM OPTION*ACCESSORY†
Apollo Communicating Controls X
Non-Fused Disconnect Switch X
Durablade Integrated Economizer XX
Electric Heat** X
Manual Outdoor-Air Damper (25%Open) X
Manual Outdoor-Air Damper (50%Open) X
Outdoor Coil Grille X
25%Open Two-Position Damper X
100%Open Two-Position Damper X
Roof Curbs (Vertical and Horizontal Discharge) X
Thermostats and Subbases X
Emergency Heat Package X
Motormaster® II Head Pressure Control X
Logo Kit X
Time Guard® II Control Circuit X
Thru-the-Bottom Service Connections X
Electronic Programmable Thermostat X
Accusensor™ II Enthaply Control X
Accusensor III Enthalpy Sensor X
Outdoor Coil Hail Guard Assembly X
Fan/Filter Status X
Salt Spray Protection Grille X
Pre-Coated Aluminum Fin Coils X
Copper-Fin Coils X
Options and accessories
ELECTRONIC PROGRAMMABLE THERMOSTAT
Carrier’s electronic programmable thermostat pro-
vides efficient temperature control by allowing you to
program heating and cooling setbacks and set ups with
provisions for weekends and holidays. Accessory
remote sensing package is also available to provide
tamperproof control in high traffic spaces. Used in con-
junction with factory-installed Apollo control, this ther-
mostat provides a 5-minute recycle timer between
modes of operation for short-cycle protection.
EMERGENCY HEAT CONTROL PACKAGE
Emergency heat control package allows emergency operation
of electric heat and fans by bypassing compressor circuits and
outdoor thermostats.
MOTORMASTER II
TIME GUARD II CONTROL
Time Guard II Control automatically prevents com-
pressor from restarting for at least 5 minutes after a
shutdown. Accessory prevents short cycling of com-
pressor if thermostat is rapidly changed. Time Guard II
device mounts in the control compartment of unit.
HEAD PRESSURE CONTROL
The 50TFQ standard units are designed to operate in
cooling at outdoor temperatures down to –4 C (25 F).
With accessory Motormaster II control (outdoor-fan
speed), units can operate at outdoor temperatures
down to –17 C (0° F). The head pressure control,
which mounts in the outdoor section, cycles the
outdoor-fan motor to maintain correct condensing
temperature.
MOTORMASTER II

7
H
C
ELECTRIC HEATER
Electric heaters are available in a wide range
of capacities for field installation.
THERMOSTAT
Zone thermostat (24 v) provides one- or 2-stage
cooling for control of unit. Matching subbases are
available with or without tamperproof switches and
automatic changeover.
HAIL GUARD, OUTDOOR COIL
SALT SPRAY PROTECTION
Hail guard accessory protects coils against damage from hail
and other flying debris (field installed). Coil guard accessory
(field installed) protects coils from salt spray induced corrosion in
coastal areas. Utilizes a replaceable filter.
COIL GRILLE
Coil Grille protects coils against large objects and vandalism.
UNIT-MOUNTED DISCONNECT
Factory-installed, internally mounted, NEC (U.S.A. Standard) and UL
(Underwriters’ Laboratories) approved non-fused switch provides
unit power shutoff. May not be used with certain electric heat sizes.
FACTORY-INSTALLED APOLLO
COMMUNICATING CONTROLS
The Apollo direct digital controls are designed exclusively by
Carrier, and are used to actively monitor and control all modes of
operation as well as to monitor evaporator-fan status, filter status,
supply-air temperature, outdoor-air temperature, and indoor-air
quality. They are designed to work in conjunction with Carrier
TEMP and VVT®system thermostats.

8
Options and accessories (cont)
MINIMUM
POSITION
OPEN
3
1
T
P
P1
T1
4
2
5
S
S
O
D
C
TR
B
REV.B
198818A
%
H
U
M
I
D
I
T
Y
90
70
60
30
10
DCBA
60 65 70
75
55
50 85
80
DAMPER
DAMPER
CLOSED
OPEN
OUTDOOR TEMP.°F
REV
.
97-3672
CW–SETPOINTS–CCW
CONTACTSSHOWN IN HIGH ENTHALPY
RUSHAT24VAC
3mAMIN. A
T1
1 VDC
CONTACT RATINGS: 1.5A RUN, 3.5A IN
OR UNPOWERED STATE
1
2
3
TR
TR1
24VAC
ENTHALPY CONTROL
+
Accusensor economizer controls help provide efficient, economi-
cal economizer operation. The Accusensor I dry-bulb sensor mea-
sures outdoor temperature and is standard with the Durablade
economizer. The accessory Accusensor II solid-state enthalpy
control senses both dry and wet bulb of the outdoor air to provide
an accurate enthalpy reading. Accusensor II is available as a field-
installed accessory for the Durablade economizer. The accessory
Accusensor III differential enthalpy control compares outdoor tem-
perature and humidity to return-air temperature and humidity and
determines the most economical mixture of air. Accusensor III
is available as a field-installed accessory for the Durablade
economizer.
ACCUSENSOR™ II
ACCUSENSOR III
DURABLADE ECONOMIZER
Exclusive Durablade economizer damper design saves
energy while providing economical and reliable cooling. A
sliding plate on the face of the economizer controls the
amount of outdoor air entering the system. Closed, it pro-
vides a leakproof seal which prevents ambient air from seep-
ing in or conditioned air from seeping out. It can be easily
adjusted for 100% outdoor air or any proportions of mixed air.
Like the base unit, the economizer is easily converted for
horizontal discharge applications.

9
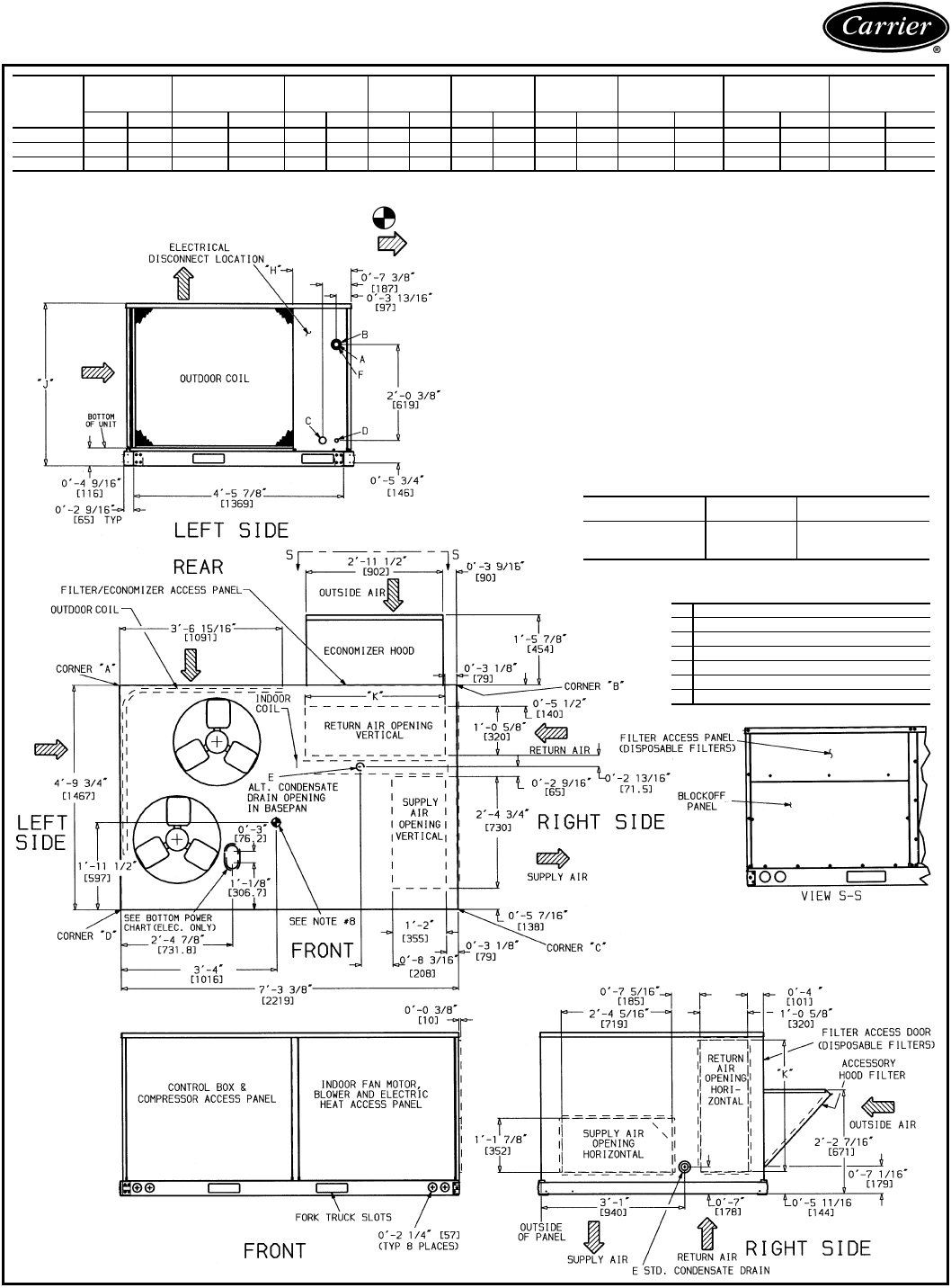
Base unit dimensions
UNIT
50TFQ
STANDARD
UNIT
WEIGHT
ECONOMIZER
WEIGHT
(DURABLADE)
CORNER
WEIGHT
(A)
CORNER
WEIGHT
(B)
CORNER
WEIGHT
(C)
CORNER
WEIGHT
(D)
“H” “J”“K”
Lb KgLb KgLbKgLbKgLbKgLbKg ft-in. mm ft-in. mm ft-in. mm
008 940 426 44 20 207 94 178 81 254 115 301 136 2- 07/8632 3-55/16 1050 2-911/16 856
009 965 438 44 20 212 96 183 83 261 119 309 140 2- 07/8632 3-55/16 1050 2-911/16 856
012 1015 460 44 20 223 101 193 88 274 124 325 147 2-107/8885 4-15/16 1253 3-03/8924
4. Ductwork to be attached to accessory roof curb only.
5. Minimum clearance (local codes or jurisdiction may prevail):
a. Bottom to combustible surfaces (when not using curb) 0 in. [0], on
horizontal discharge units with electric heat 1 in. [25] clearance to
ductwork for 1 ft. [.3 m]
b. Outdoor coil, for proper airflow, 36 in. [914] one side, 12 in. [305]
the other. The side getting the greater clearance is optional.
c. Overhead, 60 in. [1524] to assure proper outdoor fan operation.
d. Between units, control box side, 42 in. [1067] per NEC (National
Electrical Code).
e. Between unit and ungrounded surfaces, control box side, 36 in.
[914] per NEC.
f. Between unit and block or concrete walls and other grounded sur-
faces, control box side, 42 in. [1067] per NEC.
g. Horizontal supply and return end, 0 inches.
6. With the exception of the clearance for the outdoor coil and combusti-
bles as stated in Notes 5a, b, and c, a removable fence or barricade
requires no clearance.
7. Units may be installed on combustible floors made from wood or class
A, B, or C roof covering material.
8. The vertical center of gravity is 1′-71/2″[495] for 008 and 009, 2′-0″[610]
for 012 up from the bottom of the base rail.
CONNECTION SIZES
A13/8″Dia. [35] Field Power Supply Hole
B21/2″Dia. [64] Power Supply Knockout
C13/4″Dia. [44] Charging Port Hole
D7/8″Dia. [22] Field Control Wiring Hole
E3/4″— 14 NPT Condensate Drain
F2″Dia. [51] Power Supply Knockout
BOTTOM POWER CHART, THESE HOLES REQ’D FOR USE WITH
ACCESSORY PACKAGES — CRBTMPWR001A00 (1/2″,3/4″)OR
CRBTMPWR002A00 (1/2″,1
1/4″)
*Select either 3/4″or 11/4″for power, depending on wire size.
THREADED
CONDUIT SIZEWIRE USE REQ’DHOLE
SIZES (Max.)
1/2″24 V 7/8″[22.2]
3/4″Power* 11/8″[28.4]
11/4″Power* 13/4″[44.4]
NOTES:
1. Dimensions in [ ] are in millimeters.
2. Center of gravity.
3. Direction of airflow.

10
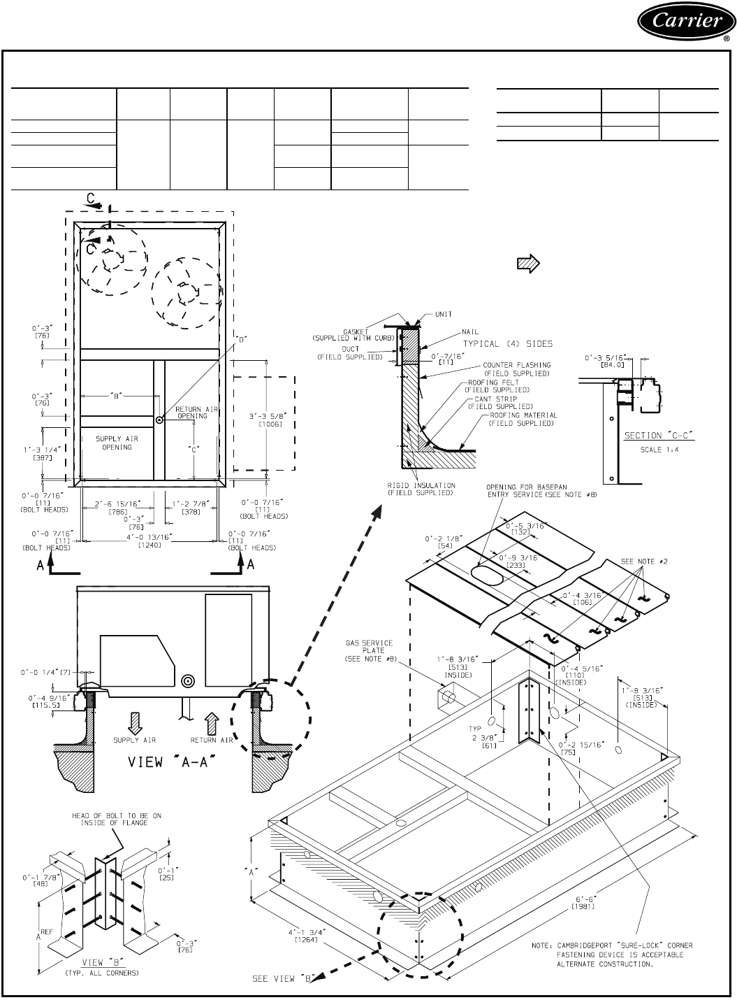
Accessory dimensions
CONNECTOR
PKG.ACCY.BC
DALT
DRAIN
HOLE
GAS POWER CONTROL
CRBTMPWR001A00
2′-87/16″
[827]
1′-1015/16″
[583]
13/4″
[44.5]
3/4″
[19] NPT
3/4″[19] NPT) 1/2″
[12.7]
CRBTMPWR002A00 11/4″[31.7]
CRBTMPWR003A00 1/2″
[12.7] NPT 3/4″[19] NPT 1/2″
[12.7]
CRBTMPWR004A00 3/4″
[19] NPT 11/4″[31.7]
NOTES:
1. Roof curb accessory is shipped disassembled.
2. Insulated panels: 25.4 mm (1-in.) thick polyure-
thane foam, 0.5 kg (13/4lb) density.
3. Dimensions in [ ] are in millimeters.
4. Roof curb: 16-gage steel.
5. Attach ductwork to curb (flanges of duct rest on
curb).
6. Service clearance 1219.2 mm (4 ft) on each
side.
7. Direction of airflow.
8. Connector packages CRBTMPWR001A00 and
2A00 are for thru-the-curb gas type. Packages
CRBTMPWR003A00 and 4A00 are for thru-
the-bottom type gas connections.
ROOF CURB
ACCESSORY“A” UNIT SIZE
50TFQ
CRRFCURB003A00 1′-2″[356] 008-012
CRRFCURB004A00 2′-0″[610]
ROOF CURB 50TFQ008-012

11
I Determine cooling and heating requirements
at design conditions.
Given:
Required Cooling Capacity (TC) . . . . . . . . . 23 kW
Sensible Heat Capacity (SHC) . . . . . . . . . . 14 kW
Required Heating Capacity . . . . . . . . . . . . 21 kW
Outdoor Entering-Air Temperature . . . . . . . . 32 C
Outdoor-Air Winter Design Temperature . . . –12 C
Indoor-Air Winter Design Temperature . . . . . 21 C
Indoor Entering-Air Temperature . . . . 26.7 C, edb
20 C, ewb
Indoor-Air Quantity . . . . . . . . . . . . . . . . 1200 L/s
External Static Pressure . . . . . . . . . . . . . . .185 Pa
Electrical Characteristics (V-Ph-Hz) . . . . . 380-3-50
II Select unit based on required cooling capacity.
Enter Cooling Capacities table at outdoor entering
temperature of 32 C, indoor air entering at
1200 L/s and 20 C ewb. The 50TFQ008 unit will
provide a total cooling capacity of 25.6 kW and a
sensible heat capacity of 15.7 kW.
For indoor-air temperature other than 26.7 C edb,
calculate sensible heat capacity correction, as
required, using the formula found in Note 3 follow-
ing the cooling capacities tables.
NOTE: Unit ratings are gross capacities and do not
include the effect of indoor-fan motor heat. To cal-
culate net capacities, see Step V.
III Select electric heat.
Enter the Instantaneous and Integrated Heating Rat-
ings table at 1200 L/s. At 21 C return indoor air
and –12 C air entering outdoor coil, the integrated
heating capacity is 9.5 kW. (Select integrated heat-
ing capacity value since deductions for outdoor-coil
frost and defrosting have already been made. No
correction is required.)
The required heating capacity is 21 kW. Therefore,
11.5 kW (21 – 9.5) additional electric heat is
required.
Enter the Electric Heating Capacities table for
50TFQ008 at 400-3-50, 3 phase. The 11.5 kW
heater at 400 v most closely satisfies the heating
required. To calculate kW at 380 v, use the Multipli-
cation Factors table.
11.5 kW x .902 = 10.4 kW
Total unit heating capacity is 19.9 kW (9.5 + 10.4).
IV Determine fan speed and power requirements
at design conditions.
Before entering Fan Performance tables, calculate
the total static pressure required based on unit com-
ponents. From the given and the Pressure Drop
tables on page 28, find:
Enter the Fan Performance table for 50TFQ008 ver-
tical discharge. Find fan R/s and BkW at 199 Pa and
1200 L/s. Note that the fan speed is 12.6 R/s and
power required is 1.05 BkW. The standard 1.12 kW
motor is satisfactory.
To determine the input power to the motor, use the
Indoor-Fan Motor Efficiency table on page 28.
V Determine net capacities.
Capacities are gross and do not include the effect of
indoor-fan motor (IFM) heat.
Determine net cooling capacity as follows:
Net capacity = Total capacity – IFM heat
= 25.6 kW – (1.9 kW)
= 23.7 kW
Net sensible capacity = 15.7 kW – 1.9 kW
= 14.1 kW
Determine net heating capacity as follows:
Net capacity = Total capacity + IFM heat
= 19.9 kW + 1.9 kW
= 21.8 kW
External static pressure 185 Pa
Economizer 6 Pa
Electric heat 8 Pa
Total static pressure 199 Pa
IFM Watts = 1.05
.80
=1.9 kW
Selection procedure
(with 50TFQ008 example) — SI

12
I Determine cooling and heating requirements
at design conditions.
Given:
Required Cooling Capacity (TC) . . . . .78,000 Btuh
Sensible Heat Capacity (SHC) . . . . . .51,000 Btuh
Required Heating Capacity . . . . . . . .72,000 Btuh
Outdoor Entering-Air Temperature . . . . . . . . .95 F
Outdoor-Air Winter Design Temperature . . . . .10 F
Indoor-Air Winter Design Temperature . . . . . .70 F
Indoor Entering-Air Temperature . . . . . . 80 F, edb
67 F, ewb
Indoor-Air Quantity . . . . . . . . . . . . . . . . 2600 cfm
External Static Pressure . . . . . . . . . . . . . 70 in. wg
Electrical Characteristics (V-Ph-Hz) . . . . . 380-3-50
II Select unit based on required cooling capacity.
Enter Cooling Capacities table at outdoor entering
temperature of 95 F, indoor air entering at
2600 cfm and 67 F ewb. The 50TFQ008 unit will
provide a total cooling capacity of 83,400 Btuh and
a sensible heat capacity of 56,200 Btuh.
For indoor-air temperature other than 80 F edb, cal-
culate sensible heat capacity correction, as required,
using the formula found in Note 3 following the
cooling capacities tables.
NOTE: Unit ratings are gross capacities and do not
include the effect of indoor-fan motor heat. To cal-
culate net capacities, see Step V.
III Select electric heat.
Enter the Instantaneous and Integrated Heating Rat-
ings table at 2600 cfm. At 70 F return indoor air
and 10 F air entering outdoor coil, the integrated
heating capacity is 32,200 Btuh. (Select integrated
heating capacity value since deductions for outdoor-
coil frost and defrosting have already been made.
No correction is required.)
The required heating capacity is 72,000 Btuh.
Therefore, 39,800 Btuh (72,000 – 32,200) addi-
tional electric heat is required.
Determine additional electric heat capacity in kW.
Enter the Electric Heating Capacities table for
50TFQ008 at 400-3-50. The 11.5 kW heater at
400 v most closely satisfies the heating required. To
calculate kW at 380 v, use the Multiplication Factors
table.
11.5 kW x .902 = 10.4 kW
11.5 kW x .902 x 3413 = 35,403 Btuh
Total unit heating capacity is 67,603 Btuh (32,200
+ 35,403).
IV Determine fan speed and power requirements
at design conditions.
Before entering Fan Performance tables, calculate
the total static pressure required based on unit com-
ponents. From the given and the Pressure Drop
tables on page 28, find:
Enter the Fan Performance table for 50TFQ008 ver-
tical discharge. Find fan R/s and BkW at 0.75 in. wg
and 2600 cfm. Note that the fan speed is 747 rpm
and power required is 1.40 Bhp (interpolation not
shown). The standard 1.5 hp motor is satisfactory.
NOTE: Convert bhp to Watts using the formula
found in the note following the Indoor-Fan Motor
Efficiency table found on page 28.
For this example:
Watts = 1306
V Determine net capacities.
Capacities are gross and do not include the effect of
indoor-fan motor (IFM) heat.
Determine net cooling capacity as follows:
Net capacity = Gross capacity – IFM heat
= 83,400 Btuh – (1306 watts
x 3.413 Btuh/Watts)
= 83,400 Btuh – 4457 Btuh
= 78,943 Btuh
Net sensible capacity = 56,200 Btuh – 4457 Btuh
= 51,743 Btuh
Determine net heating capacity as follows:
Net capacity = Gross capacity + IFM heat
= 67,603 Btuh + 4457 Btuh
= 72,060 Btuh
39,800 Btuh = 11.7 kW of heat required.
3413 Btuh/kW
External static pressure .70 in. wg
Economizer .02 in. wg
Electric heat .03 in. wg
Total static pressure .75 in. wg
Watts = 746 x Bhp
Motor Efficiency
Watts = 746 x 1.40
.80
Selection procedure
(with 50TFQ008 example) — English

13
COOLING CAPACITIES
LEGEND
NOTES:
1. Ratings are gross, and do not account for the effects of the indoor-
fan motor power and heat.
2. Direct interpolation is permissible. Do not extrapolate.
3. SHC is based on 26.7 C db temperature of air entering the unit. At
any other temperature, correct the SHC read from the table of cool-
ing capacities as follows:
Corrected SHCkW
= SHC + [1.23 x 10-3 x(1–BF)x(C
db – 26.7) x L/s]
Observe the rule of signs. Above 26.7 C, SHC correction will be pos-
itive; add it to SHC. Below 26.7 C, SHC correction will be negative;
subtract it from SHC.
4. Formulas:
Where hewb is enthalpy of air entering indoor coil (kJ/kg).
50TFQ008
Temp (C)
Outdoor
Entering Air
(Edb)
Indoor Air — L/s / BF
850/0.09 1150/0.231200/0.25
Indoor Air — Ewb (C)
141618 20 22 141618 20 22 141618 20 22
20
TC 22.2 23.6 25.2 26.8 28.2 24.6 25.4 26.6 28.2 29.8 25.0 25.6 26.8 28.4 30.0
SHC 20.2 18.4 16.3 14.0 11.6 22.4 21.4 18.9 15.9 12.9 22.8 21.8 19.3 16.2 13.2
kW 4.64 4.76 4.88 4.98 5.08 4.84 4.88 4.98 5.10 5.22 4.86 4.90 5.00 5.12 5.24
24
TC 21.6 22.8 24.2 26.0 27.8 24.0 24.4 25.8 27.6 29.0 24.2 24.8 26.0 27.6 29.2
SHC 19.5 17.9 15.8 13.7 11.4 21.8 21.0 18.7 15.8 12.7 22.2 21.4 19.1 16.1 13.0
kW 4.91 5.04 5.16 5.30 5.46 5.16 5.20 5.32 5.46 5.56 5.18 5.22 5.34 5.46 5.58
28
TC 20.8 21.8 23.4 25.0 26.3 23.2 23.6 24.8 26.6 28.2 23.4 23.8 25.0 26.8 28.4
SHC 18.9 17.5 15.6 13.4 11.2 21.2 20.4 18.4 15.6 12.6 21.4 21.0 18.1 15.9 12.8
kW 5.24 5.34 5.48 5.64 5.80 5.46 5.50 5.62 5.78 5.94 5.50 5.54 5.64 5.80 5.96
32
TC 20.2 21.0 22.4 24.2 25.8 22.4 22.6 23.8 25.6 27.2 22.6 22.8 24.0 25.6 27.4
SHC 18.3 17.1 15.3 13.1 10.9 20.4 20.0 18.0 15.3 12.3 20.8 20.4 18.4 15.7 12.6
kW 5.52 5.62 5.78 5.96 6.14 5.78 5.80 5.94 6.12 6.28 5.82 5.84 5.96 6.12 6.30
36
TC 19.3 20.0 21.4 23.2 24.8 21.6 21.6 22.8 24.4 26.2 21.8 22.0 23.0 24.6 26.4
SHC 17.6 16.7 14.5 12.8 10.6 19.6 19.5 17.7 15.0 12.0 19.9 19.8 18.0 15.3 12.3
kW 5.82 5.90 6.06 6.26 6.46 6.10 6.12 6.24 6.42 6.62 6.14 6.14 6.26 6.44 6.64
40
TC 18.6 19.1 20.4 22.0 23.8 20.6 20.6 21.8 23.2 25.0 21.0 21.0 22.0 23.4 25.2
SHC 16.9 16.2 14.6 12.5 10.3 18.9 18.8 17.2 14.7 11.8 19.1 19.1 17.6 15.0 12.1
kW 6.10 6.18 6.36 6.56 6.78 6.40 6.40 6.54 6.74 6.96 6.44 6.44 6.56 6.76 6.90
44
TC 17.7 18.1 19.2 21.0 22.6 19.7 19.7 20.6 22.0 23.8 20.0 20.0 20.8 22.2 24.0
SHC 16.2 15.7 14.2 12.1 10.0 18.0 18.0 16.6 14.3 11.5 18.3 18.3 17.0 14.7 11.8
kW 6.40 6.46 6.62 6.86 7.10 6.70 6.70 6.84 7.04 7.26 6.76 6.76 6.86 7.06 7.28
48
TC 16.8 17.0 18.1 19.7 21.4 18.8 18.8 19.5 20.8 22.6 19.0 19.0 19.7 21.0 22.8
SHC 15.4 15.2 13.8 11.8 9.7 17.2 17.2 16.0 14.0 11.2 17.4 17.4 16.3 14.3 11.5
kW 6.70 6.72 6.88 7.14 7.40 7.02 7.02 7.12 7.32 7.58 7.06 7.06 7.16 7.34 7.60
52
TC 15.9 15.9 16.9 18.5 20.2 17.8 17.8 18.3 19.5 21.2 18.0 18.0 18.5 19.6 21.4
SHC 14.6 14.6 13.3 11.4 9.3 16.3 16.3 15.4 13.6 10.9 16.5 16.5 15.7 14.0 11.1
kW 7.00 7.00 7.16 7.40 7.68 7.32 7.32 7.40 7.58 7.86 7.36 7.36 7.44 7.60 7.90
50TFQ008 (cont)
Temp (C)
Outdoor
Entering Air
(Edb)
Indoor Air — L/s / BF
1450/0.34
Indoor Air — Ewb (C)
141618 20 22
20 TC 26.4 26.6 27.6 29.2 39.6
SHC 24.0 23.6 21.2 17.7 14.1
kW 4.96 4.98 5.06 5.18 5.30
24
TC 25.8 25.8 26.8 28.4 30.2
SHC 23.4 23.4 21.2 17.7 14.1
kW 5.30 5.32 5.40 5.54 5.68
28
TC 25.0 25.0 26.0 27.4 29.2
SHC 22.8 22.6 20.8 17.5 13.9
kW 5.64 5.66 5.74 5.88 6.02
32
TC 24.0 24.0 25.0 26.4 28.0
SHC 22.0 22.0 20.2 17.3 13.6
kW 5.98 5.98 6.06 6.22 6.36
36
TC 23.2 23.2 24.0 25.2 27.0
SHC 21.2 21.2 19.6 17.0 13.4
kW 6.28 6.30 6.38 6.54 6.72
40
TC 22.2 22.2 22.8 24.0 25.8
SHC 20.4 20.4 19.0 16.7 13.2
kW 6.62 6.62 6.70 6.84 7.06
44
TC 21.2 21.2 21.8 22.8 24.6
SHC 19.4 19.4 18.4 16.4 12.9
kW 6.94 6.94 7.00 7.14 7.38
48
TC 20.2 20.2 20.6 21.4 23.2
SHC 18.5 18.5 17.8 16.8 12.6
kW 7.24 7.24 7.30 7.42 7.68
52
TC 19.1 19.1 19.4 20.2 22.0
SHC 17.5 17.5 17.1 15.6 12.4
kW 7.54 7.54 7.58 7.70 7.98
BF — Bypass Factor
Edb — Entering Dry-Bulb
Ewb — Entering Wet-Bulb Temperature (C)
kW — Compressor Input (kW)
SHC — Sensible Heat Capacity (kW)
TC — Total Capacity (kW)
Cldb =C
edb –SHCkW x 1000
1.23 x L/s
Leaving wet bulb = wet bulb temperature corresponding to enthalpy
of air leaving coil (hlwb).
hlwb =h
ewb –TCkW x 100
1.20 x L/s
Performance data

14
COOLING CAPACITIES (SI) (cont)
LEGEND
NOTES:
1. Ratings are gross, and do not account for the effects of the indoor-
fan motor power and heat.
2. Direct interpolation is permissible. Do not extrapolate.
3. SHC is based on 26.7 C db temperature of air entering the unit. At
any other temperature, correct the SHC read from the table of cool-
ing capacities as follows:
Corrected SHCkW
= SHC + [1.23 x 10-3 x(1–BF)x(C
db – 26.7) x L/s]
Observe the rule of signs. Above 26.7 C, SHC correction will be pos-
itive; add it to SHC. Below 26.7 C, SHC correction will be negative;
subtract it from SHC.
4. Formulas:
Where hewb is enthalpy of air entering indoor coil (kJ/kg).
50TFQ009
Temp (C)
Outdoor
Entering Air
(Edb)
Indoor Air — L/s / BF
950/0.10 1250/0.241400/0.30
Indoor Air — Ewb (C)
141618 20 22 141618 20 22 141618 20 22
20
TC 23.8 25.2 26.8 28.4 29.6 26.2 27.0 28.0 29.2 30.4 27.0 27.6 28.6 29.6 30.8
SHC 22.2 20.2 18.0 15.5 12.9 24.6 23.2 20.4 17.0 13.8 25.2 24.4 21.6 17.9 14.4
kW 5.16 5.28 5.42 5.54 5.64 5.38 5.42 5.50 5.60 5.70 5.44 5.48 5.56 5.64 5.76
24
TC 23.2 24.4 26.0 27.8 29.4 25.6 26.2 27.4 28.8 30.0 26.4 26.8 27.8 29.2 30.6
SHC 21.6 19.9 17.8 15.4 12.8 24.0 23.0 20.4 17.0 13.8 24.8 24.2 21.6 18.0 14.4
kW 5.52 5.62 5.76 5.92 6.06 5.74 5.80 5.88 6.00 6.10 5.82 5.86 5.94 6.04 6.18
28
TC 22.4 23.6 25.2 27.0 28.6 24.8 25.2 26.6 28.2 29.4 25.8 26.0 27.2 28.6 30.0
SHC 21.0 19.4 17.4 15.1 12.6 23.2 22.6 20.2 17.1 13.7 24.0 23.6 21.4 18.0 14.4
kW 5.84 5.96 6.12 6.28 6.44 6.10 6.14 6.26 6.42 6.52 6.18 6.22 6.32 6.46 6.58
32
TC 21.8 22.6 24.2 26.0 27.8 24.0 24.4 25.6 27.4 28.8 25.0 25.0 26.2 27.8 29.2
SHC 20.4 19.0 17.1 14.8 12.3 22.6 22.0 19.9 16.9 13.6 23.4 23.2 21.0 17.9 14.3
kW 6.18 6.30 6.46 6.66 6.82 6.46 6.50 6.64 6.80 6.96 6.56 6.58 6.70 6.86 7.00
36
TC 21.0 21.8 23.2 25.0 26.8 23.2 23.4 24.6 26.6 28.0 24.0 24.2 25.2 26.8 28.4
SHC 19.7 18.6 16.7 14.4 12.1 21.8 21.6 19.5 16.6 13.5 22.6 22.4 20.6 17.7 14.2
kW 6.52 6.62 6.82 7.04 7.22 6.84 6.86 7.00 7.18 7.38 6.94 6.96 7.06 7.24 7.42
40
TC 20.4 21.0 22.4 24.0 25.8 22.4 22.6 23.6 25.4 27.0 23.2 23.2 24.2 25.8 27.6
SHC 19.0 18.2 16.4 14.1 11.7 21.0 21.0 19.1 16.4 13.3 21.8 21.8 20.2 17.4 14.0
kW 6.86 6.96 7.16 7.40 7.60 7.20 7.22 7.36 7.58 7.78 7.32 7.32 7.44 7.62 7.84
44
TC 19.6 20.2 21.4 23.0 24.8 21.6 21.8 22.6 24.2 26.0 22.4 22.4 23.2 24.6 26.4
SHC 18.4 17.7 16.0 13.8 11.5 20.4 20.2 18.6 16.0 12.9 21.0 21.0 19.6 17.1 13.7
kW 7.24 7.30 7.50 7.76 8.00 7.58 7.58 7.74 7.94 8.16 7.70 7.70 7.82 8.00 8.22
48
TC 18.9 19.2 20.4 22.0 23.8 20.8 20.8 21.8 23.2 24.8 21.6 21.6 22.2 23.4 25.2
SHC 17.7 17.2 15.7 13.5 11.2 19.5 19.5 18.1 15.7 12.7 20.2 20.2 19.0 16.7 13.4
kW 7.60 7.66 7.86 8.14 8.40 7.96 7.96 8.10 8.32 8.56 8.08 8.08 8.20 8.38 8.60
52
TC 18.1 18.2 19.3 21.0 22.8 19.9 20.0 20.8 22.0 23.8 20.6 20.6 21.2 22.4 24.0
SHC 17.0 16.7 15.3 13.1 10.8 18.7 18.7 17.5 15.4 12.4 19.4 19.4 18.4 16.4 13.1
kW 7.98 8.02 8.22 8.50 8.78 8.34 8.34 8.43 8.70 8.98 8.48 8.48 8.58 8.76 9.02
50TFQ009 (cont)
Temp (C)
Outdoor
Entering Air
(Edb)
Indoor Air — L/s / BF
1600/0.36
Indoor Air — Ewb (C)
141618 20 22
20
TC 27.8 28.2 29.0 30.2 31.4
SHC 26.0 25.8 22.8 18.9 15.0
kW 5.50 5.54 5.62 5.70 5.82
24
TC 27.4 27.6 28.4 29.8 31.2
SHC 25.8 25.4 22.8 19.1 15.3
kW 5.90 5.92 6.00 6.12 6.26
28
TC 26.6 26.6 27.8 29.2 30.6
SHC 25.0 24.2 22.6 19.2 15.2
kW 6.28 6.28 6.38 6.54 6.66
32
TC 25.8 25.8 26.8 28.4 29.8
SHC 24.2 24.2 22.4 19.1 15.0
kW 5.98 6.68 6.68 6.92 7.06
36
TC 25.0 25.0 25.8 27.2 28.8
SHC 23.4 23.4 21.8 18.8 14.9
kW 7.06 7.06 7.14 7.30 7.48
40
TC 24.2 24.2 24.8 26.2 28.0
SHC 22.6 22.6 21.2 18.5 14.8
kW 7.44 7.44 7.52 7.66 7.90
44
TC 23.2 23.2 23.8 25.0 26.8
SHC 21.8 21.8 20.6 18.2 14.5
kW 7.84 7.84 7.92 8.06 8.28
48
TC 22.4 22.4 22.8 23.8 25.6
SHC 21.0 21.0 20.0 17.5 14.1
kW 8.22 8.22 8.30 8.44 8.66
52
TC 21.4 21.4 21.8 22.6 24.4
SHC 20.2 20.2 19.4 17.6 13.8
kW 8.62 8.62 8.68 8.82 9.04
BF — Bypass Factor
Edb — Entering Dry-Bulb
Ewb — Entering Wet-Bulb Temperature (C)
kW — Compressor Input (kW)
SHC — Sensible Heat Capacity (kW)
TC — Total Capacity (kW)
Cldb =C
edb –SHCkW x 1000
1.23 x L/s
Leaving wet bulb = wet bulb temperature corresponding to enthalpy
of air leaving coil (hlwb).
hlwb =h
ewb –TCkW x 100
1.20 x L/s
Performance data (cont)

15
COOLING CAPACITIES (SI) (cont)
LEGEND
NOTES:
1. Ratings are gross, and do not account for the effects of the indoor-
fan motor power and heat.
2. Direct interpolation is permissible. Do not extrapolate.
3. SHC is based on 26.7 C db temperature of air entering the unit. At
any other temperature, correct the SHC read from the table of cool-
ing capacities as follows:
Corrected SHCkW
= SHC + [1.23 x 10-3 x(1–BF)x(C
db – 26.7) x L/s]
Observe the rule of signs. Above 26.7 C, SHC correction will be pos-
itive; add it to SHC. Below 26.7 C, SHC correction will be negative;
subtract it from SHC.
4. Formulas:
Where hewb is enthalpy of air entering indoor coil (kJ/kg).
50TFQ012
Temp (C)
Outdoor
Entering Air
(Edb)
Indoor Air — L/s / BF
1100/0.15 1450/0.29 1600/0.34
Indoor Air — Ewb (C)
141618 20 22 141618 20 22 141618 20 22
20
TC 26.2 27.6 29.2 31.0 32.6 28.6 29.1 30.8 32.4 34.0 29.4 30.0 31.2 32.8 34.2
SHC 25.4 23.4 21.0 18.3 15.6 28.0 26.6 23.8 20.2 16.9 28.8 27.8 24.8 21.0 17.4
kW 5.80 5.90 6.02 6.16 6.28 5.98 6.04 6.14 6.26 6.40 6.04 6.10 6.18 6.30 6.42
24
TC 25.6 27.0 28.6 30.4 32.0 28.0 28.6 30.2 31.8 33.4 28.8 29.2 30.6 32.2 33.6
SHC 25.0 23.2 20.8 18.1 15.4 27.4 26.2 23.6 20.2 16.7 28.2 27.4 24.8 21.2 17.2
kW 6.24 6.38 6.50 6.64 6.76 6.44 6.50 6.62 6.76 6.88 6.50 6.54 6.66 6.80 6.92
28
TC 25.0 26.2 27.8 29.6 31.2 27.4 28.0 29.4 31.2 32.8 28.2 28.6 29.8 31.6 33.2
SHC 24.4 22.8 20.4 17.8 15.1 26.8 26.0 23.4 20.2 16.6 27.6 27.0 24.6 21.0 17.2
kW 6.76 6.88 7.00 7.14 7.28 7.00 7.04 7.16 7.30 7.44 7.06 7.10 7.20 7.36 7.48
32
TC 24.4 25.6 27.0 28.8 30.6 26.8 27.2 28.6 30.2 32.0 27.6 27.8 29.0 30.8 32.4
SHC 23.8 22.4 20.2 17.5 14.9 26.2 25.6 23.2 19.8 16.5 27.0 26.6 24.2 20.8 17.0
kW 7.30 7.40 7.56 7.70 7.86 7.56 7.60 7.70 7.86 8.02 7.62 7.64 7.76 7.90 8.06
36
TC 23.8 24.8 26.2 28.0 29.8 26.0 26.4 27.6 29.4 31.2 26.8 27.0 28.0 29.8 31.6
SHC 23.2 21.8 19.7 17.2 14.6 25.6 25.0 22.8 19.5 16.2 26.2 26.0 23.8 20.4 16.8
kW 7.86 7.88 8.12 8.30 8.48 8.14 8.16 8.28 8.44 8.62 8.20 8.22 8.32 8.48 8.66
40
TC 23.2 24.0 25.4 27.2 28.8 25.4 25.6 26.8 28.4 30.2 26.0 26.2 27.2 28.8 30.6
SHC 22.6 21.4 19.4 16.9 14.3 24.8 24.6 22.4 19.2 16.0 25.6 25.4 23.4 20.2 16.5
kW 8.43 8.58 8.74 8.94 9.08 8.76 8.78 8.88 9.56 9.26 8.84 8.86 8.94 9.10 9.30
44
TC 22.4 23.0 24.4 26.2 28.0 21.6 24.6 25.8 27.4 29.2 25.2 25.2 26.2 27.8 29.6
SHC 21.8 21.0 19.0 16.5 13.9 24.0 23.8 22.0 18.9 15.6 28.8 24.8 22.8 19.8 16.2
kW 9.12 9.20 9.38 9.60 9.76 9.42 9.42 9.56 9.74 9.94 9.52 9.52 9.62 9.78 9.98
48
TC 21.6 22.2 23.4 25.2 27.0 23.8 23.8 24.8 26.4 28.2 24.4 24.4 25.4 26.8 28.6
SHC 21.2 20.4 18.6 16.2 13.6 23.2 23.2 21.4 18.6 15.3 24.0 24.0 22.4 19.5 15.9
kW 9.80 9.86 10.06 10.28 10.48 10.10 10.10 10.24 10.44 10.62 10.20 10.20 10.32 10.48 10.68
52
TC 20.8 21.2 22.4 24.2 26.0 22.8 22.8 23.8 25.2 27.0 23.6 23.6 24.2 25.6 27.4
SHC 20.4 19.8 18.1 15.8 13.5 22.4 22.4 20.8 18.2 14.0 23.0 23.0 21.6 19.2 15.5
kW 10.50 10.56 10.71 10.96 11.22 10.82 10.82 10.96 11.14 11.34 10.92 10.92 11.02 11.20 11.38
50TFQ012 (cont)
Temp (C)
Outdoor
Entering Air
(Edb)
Indoor Air — L/s / BF
1800/0.40
Indoor Air — Ewb (C)
141618 20 22
20
TC 30.2 30.6 31.8 33.4 34.6
SHC 29.6 29.0 26.2 22.2 17.9
kW 6.10 6.14 6.24 6.36 6.41
24
TC 29.6 29.8 31.2 32.8 34.0
SHC 29.0 28.6 26.0 22.2 17.8
kW 6.56 6.60 6.72 6.86 6.94
28
TC 29.0 29.2 30.4 32.0 33.6
SHC 28.4 28.2 25.8 22.2 17.9
kW 7.12 7.14 7.34 7.40 7.52
32
TC 28.4 28.4 29.6 31.2 32.8
SHC 27.8 27.6 25.4 22.0 17.7
kW 7.68 7.68 7.80 7.96 8.10
36
TC 27.6 27.6 28.6 30.2 31.8
SHC 27.2 27.0 25.0 21.8 17.5
kW 8.28 8.28 8.38 8.54 8.68
40
TC 27.0 27.0 27.8 29.2 30.0
SHC 26.4 26.4 24.6 21.4 17.1
kW 8.94 8.94 9.02 9.14 9.28
44
TC 26.2 26.2 27.0 28.2 36.0
SHC 25.6 25.6 24.0 21.0 17.0
kW 9.68 9.64 9.70 9.82 10.02
48
TC 25.2 25.2 26.0 27.2 29.0
SHC 24.8 24.8 23.4 20.8 16.8
kW 10.34 10.34 10.40 10.52 10.74
52
TC 24.4 24.4 24.8 26.0 27.0
SHC 23.8 23.8 22.8 20.4 16.4
kW 11.06 11.06 11.12 11.26 11.41
BF — Bypass Factor
Edb — Entering Dry-Bulb
Ewb — Entering Wet-Bulb Temperature (C)
kW — Compressor Input (kW)
SHC — Sensible Heat Capacity (kW)
TC — Total Capacity (kW)
Cldb =C
edb –SHCkW x 1000
1.23 x L/s
Leaving wet bulb = wet bulb temperature corresponding to enthalpy
of air leaving coil (hlwb).
hlwb =h
ewb –TCkW x 100
1.20 x L/s

16
COOLING CAPACITIES (ENGLISH)
LEGEND
NOTES:
1. Ratings are gross, and do not account for the effects of the indoor-
fan motor power and heat.
2. Direct interpolation is permissible. Do not extrapolate.
3. SHC is based on 80 F db temperature of air entering the unit. At any
other temperature, correct the SHC read from the table of cooling
capacities as follows:
Corrected SHCBtuh
= SHC + [1.10 x (1 – BF) x (Fdb – 80) x cfm]
Observe the rule of signs. Above 80 F, SHC correction will be posi-
tive; add it to SHC. Below 80 F, SHC correction will be negative; sub-
tractitfromSHC.
4. Formulas:
Where hewb is enthalpy of air entering indoor coil (Btu/lb).
50TFQ008
Temp (F)
Outdoor
Entering Air
(Edb)
Indoor Air — Cfm/BF
1850/0.032450/0.05 2600/0.063050/0.10
Indoor Air — Ewb (F)
7267 627267 627267 627267 62
75
TC 95.4 87.2 79.0 99.4 92.6 84.2 100.6 93.4 85.4 103.6 95.6 88.4
SHC 38.4 49.0 59.6 42.4 57.0 70.4 43.6 58.8 73.0 46.8 64.0 79.6
kW 5.46 5.26 5.06 5.56 5.42 5.20 5.60 5.44 5.24 5.68 5.48 5.32
85
TC 90.8 82.8 74.6 96.0 87.8 79.6 96.8 88.8 80.8 98.6 91.0 84.0
SHC 37.0 47.8 58.0 41.6 55.8 68.8 42.8 57.8 71.0 45.8 63.2 76.6
kW 5.94 5.72 5.48 6.08 5.86 5.62 6.10 5.90 5.66 6.16 5.96 5.76
95
TC 86.4 78.0 70.2 90.8 82.6 74.8 91.6 83.4 76.2 93.4 85.6 79.8
SHC 35.8 46.2 56.2 40.4 54.2 66.8 41.6 56.2 68.6 44.6 61.8 72.8
kW 6.42 6.14 5.86 6.56 6.30 6.04 6.58 6.32 6.08 6.64 6.40 6.20
105
TC 8.12 73.0 65.4 85.6 77.2 70.2 86.4 78.0 71.6 88.4 79.8 75.4
SHC 34.2 44.6 54.4 39.2 52.8 64.0 40.4 54.8 65.4 43.8 60.4 69.0
kW 6.84 6.56 6.24 7.02 6.72 6.46 7.06 6.76 6.50 7.14 6.82 6.66
115
TC 75.8 67.6 60.2 80.0 71.6 65.8 80.6 72.2 67.2 82.2 73.8 70.8
SHC 32.8 43.0 52.4 37.8 51.0 60.2 39.0 53.2 61.4 42.4 58.8 64.6
kW 7.28 6.94 6.60 7.46 7.12 6.86 7.48 7.14 6.94 7.56 7.24 7.10
125
TC 70.0 61.8 54.8 73.6 65.2 61.0 74.2 65.8 62.4 76.0 67.6 65.8
SHC 31.2 41.2 50.0 36.2 49.2 55.8 37.6 51.4 57.0 41.2 56.8 60.2
kW 7.68 7.30 6.96 7.88 7.48 7.28 7.90 7.52 7.36 8.00 7.60 7.52
50TFQ009
Temp (F)
Outdoor
Entering Air
(Edb)
Indoor Air — Cfm/BF
2000/0.05 2700/0.073000/0.10 3350/0.13
Indoor Air — Ewb (F)
7267 627267 627267 627267 62
75
TC 100.6 93.6 85.0 102.8 97.0 90.4 105.0 98.6 92.4 107.4 100.4 94.2
SHC 43.0 55.0 66.0 46.2 61.4 77.6 48.4 65.0 82.2 50.8 68.8 86.6
kW 6.06 5.88 5.64 6.12 5.94 5.82 6.18 6.00 5.86 6.26 6.06 5.90
85
TC 92.0 89.2 80.6 100.2 94.4 85.8 102.0 96.2 88.0 103.8 97.6 90.2
SHC 41.8 53.4 64.4 45.6 61.8 75.8 47.8 65.8 80.2 50.2 69.6 84.2
kW 6.58 6.36 6.12 6.68 6.54 6.28 6.74 6.60 6.36 6.82 6.64 6.42
95
TC 93.2 84.6 76.2 97.4 89.4 81.0 98.8 91.0 83.4 99.8 92.6 86.0
SHC 40.6 52.0 62.6 45.4 60.4 74.0 47.6 64.4 77.4 49.6 68.4 80.6
kW 7.16 6.90 6.58 7.30 7.04 6.78 7.34 7.10 6.88 7.38 7.16 6.96
105
TC 88.2 79.8 71.8 92.8 84.2 76.6 94.2 85.8 79.2 95.8 87.0 81.8
SHC 39.2 50.4 61.0 44.2 59.0 71.2 46.6 62.8 74.2 49.2 66.6 76.8
kW 7.66 7.40 7.04 7.86 7.58 7.28 7.94 7.62 7.38 8.00 7.66 7.50
115
TC 83.6 75.2 67.6 87.2 79.0 72.8 88.6 80.4 75.2 89.8 81.6 77.8
SHC 37.8 48.8 59.2 42.6 57.4 68.0 45.0 61.4 70.6 47.4 65.4 73.0
kW 8.26 7.88 7.52 8.38 8.08 7.78 8.44 8.16 7.92 8.50 8.20 8.04
125
TC 78.6 70.2 62.8 82.2 73.8 68.6 83.2 75.0 71.0 84.0 76.2 73.4
SHC 36.4 47.2 57.0 41.6 55.8 64.4 43.8 59.8 66.8 46.0 63.8 69.0
kW 8.78 8.38 8.00 8.98 8.60 8.32 9.00 8.66 8.46 9.04 8.72 8.58
BF — Bypass Factor
Edb — Entering Dry-Bulb
Ewb — Entering Wet-Bulb Temperature (F)
kW — Compressor Input (kW)
SHC — Sensible Heat Capacity (kW)
TC — Total Capacity (1000 Btuh)
Cldb =C
edb –SHCBtuh
1.10 x cfm
Leaving wet bulb = wet bulb temperature corresponding to enthalpy
of air leaving coil (hlwb).
hlwb =h
ewb –TCBtuh
4.50 x cfm
Performance data (cont)

17
COOLING CAPACITIES (ENGLISH) (cont)
LEGEND
NOTES:
1. Ratings are gross, and do not account for the effects of the indoor-
fan motor power and heat.
2. Direct interpolation is permissible. Do not extrapolate.
3. SHC is based on 80 F db temperature of air entering the unit. At any
other temperature, correct the SHC read from the table of cooling
capacities as follows:
Corrected SHCBtuh
= SHC + [1.10 x (1 – BF) x (Fdb – 80) x cfm]
Observe the rule of signs. Above 80 F, SHC correction will be posi-
tive; add it to SHC. Below 80 F, SHC correction will be negative; sub-
tractitfromSHC.
4. Formulas:
Where hewb is enthalpy of air entering indoor coil (Btu/lb).
50TFQ012
Temp (F)
Outdoor
Entering Air
(Edb)
Indoor Air — Cfm/BF
2350/0.09 3100/0.14 3400/0.163900/0.20
Indoor Air — Ewb (F)
7267 627267 627267 627267 62
75
TC 110.4 102.4 94.0 114.6 107.6 99.0 115.4 109.0 100.4 116.8 111.0 102.4
SHC 52.0 64.8 77.6 56.2 73.2 89.2 57.4 76.0 92.4 59.6 80.8 98.0
kW 6.78 6.60 6.40 6.88 6.72 6.52 6.92 6.76 6.56 6.94 6.82 6.62
85
TC 106.6 98.6 90.4 112.0 104.0 95.4 113.2 105.2 96.8 114.6 107.2 99.0
SHC 50.6 63.2 75.8 55.8 72.4 88.2 57.4 75.2 91.2 60.0 80.2 96.0
kW 7.50 7.30 7.10 7.66 7.48 7.26 7.70 7.50 7.30 7.74 7.56 7.34
95
TC 103.4 95.0 86.6 108.0 99.6 91.2 109.0 100.8 92.8 110.4 102.8 95.4
SHC 49.6 62.0 74.2 54.8 70.8 85.8 56.2 73.8 88.8 58.8 79.2 93.2
kW 8.36 8.12 7.88 8.48 8.24 8.04 8.50 8.28 8.08 8.56 8.36 8.12
105
TC 99.0 91.0 82.4 103.8 95.2 87.2 104.6 96.2 89.0 105.2 98.0 92.2
SHC 48.0 60.6 72.4 53.6 69.0 83.8 55.0 72.0 86.4 56.8 77.4 90.2
kW 9.20 9.00 8.70 9.40 9.08 8.88 9.40 9.12 8.94 9.38 9.20 9.06
115
TC 94.6 86.4 78.8 99.0 90.6 83.0 100.0 91.6 84.8 101.8 93.0 88.2
SHC 46.4 59.0 70.4 52.0 68.2 80.8 53.8 71.0 83.2 57.0 75.6 86.4
kW 10.14 9.92 9.58 10.32 10.08 9.78 10.36 10.10 9.86 10.44 10.12 10.02
125
TC 89.8 81.2 73.2 93.4 85.2 78.6 94.4 86.0 80.6 96.0 87.4 83.6
SHC 44.8 57.0 68.0 50.0 66.2 77.0 52.0 69.2 79.0 55.2 74.4 82.2
kW 11.18 10.88 10.52 11.30 11.04 10.78 11.34 11.08 10.86 11.42 11.14 11.02
BF — Bypass Factor
Edb — Entering Dry-Bulb
Ewb — Entering Wet-Bulb Temperature (F)
kW — Compressor Input (kW)
SHC — Sensible Heat Capacity (kW)
TC — Total Capacity (1000 Btuh)
Cldb =C
edb –SHCBtuh
1.10 x cfm
Leaving wet bulb = wet bulb temperature corresponding to enthalpy
of air leaving coil (hlwb).
hlwb =h
ewb –TCBtuh
4.50 x cfm

18
INSTANTANEOUS AND INTEGRATED HEATING RATINGS (SI)
LEGEND
NOTES:
1. indicates integrated ratings.
2. Integrated capacity is maximum (instantaneous) capacity less the
effect of frost on the outdoor coil and the heat required to defrost it.
50TFQ008
Return
Air
(C db)
L/s
(Standard
Air)
Air Temperature Entering Outdoor Coil (C)
–20 –16–12 –8 –40481216
12
800 Cap. 8.1 6.9 9.5 8.1 11.0 10.1 12.4 11.3 14.1 12.5 15.8 14.3 17.5 17.3 19.2 19.2 21.2 21.2 23.2 23.2
kW 4.24 4.50 4.74 4.93 5.26 5.54 5.84 6.18 6.54 6.92
1050 Cap. 8.4 7.1 9.8 8.3 11.2 10.3 12.3 11.7 14.5 12.9 16.2 14.7 18.0 17.8 19.8 19.8 21.8 21.8 23.8 23.8
kW 4.22 4.42 4.64 4.36 5.12 5.36 5.62 5.92 6.20 6.43
1200 Cap. 8.4 7.2 9.9 8.4 11.3 10.4 13.0 11.8 14.7 13.0 16.4 14.8 18.2 18.0 20.0 20.0 21.8 21.8 23.4 23.4
kW 4.20 4.40 4.60 4.82 5.06 5.30 5.54 5.80 6.04 6.22
1300 Cap. 8.4 7.3 10.0 8.5 11.4 10.5 13.0 11.9 14.8 13.1 16.5 14.9 18.3 18.2 20.2 20.2 21.8 21.8 23.0 23.0
kW 4.20 4.38 4.58 4.80 5.02 5.24 5.48 5.74 5.94 6.08
15
800 Cap. 7.7 6.5 9.1 7.7 10.6 9.7 12.1 11.0 13.7 12.2 15.4 13.9 17.1 16.9 18.9 18.9 20.8 20.8 22.8 22.8
kW 4.30 4.56 4.82 5.06 5.36 5.66 5.96 6.32 6.70 7.10
1050 Cap. 7.9 6.7 9.4 8.0 10.9 10.0 12.4 11.3 14.2 12.6 15.9 14.4 17.6 17.5 19.5 19.5 21.4 21.4 23.4 23.4
kW 4.26 4.50 4.72 4.96 5.22 5.48 5.76 6.06 6.38 6.63
1200 Cap. 8.0 6.8 9.5 8.1 11.0 10.1 12.6 11.4 14.3 12.7 16.1 14.5 17.8 17.7 19.7 19.7 21.6 21.6 23.2 23.2
kW 4.26 4.48 4.70 4.92 5.16 5.42 5.68 6.96 6.22 6.46
1300 Cap. 8.1 6.9 9.6 8.2 11.1 10.1 12.7 11.5 14.4 12.8 16.2 14.6 17.9 17.8 19.8 19.9 21.6 21.6 23.2 23.2
kW 4.24 4.46 4.68 4.90 5.14 5.38 5.62 5.90 6.14 6.32
18
800 Cap. 7.2 6.1 8.7 7.4 10.2 9.3 11.7 10.6 13.4 11.9 15.0 13.6 16.7 16.6 18.5 18.5 20.4 20.4 22.4 22.4
kW 4.36 4.62 4.88 5.16 5.46 5.78 6.10 6.46 6.86 7.28
1050 Cap. 7.5 6.4 9.0 7.8 10.5 9.6 12.0 10.9 13.8 12.2 15.5 14.0 17.3 17.1 19.1 19.1 21.2 21.2 23.2 23.2
kW 4.32 4.56 4.82 5.06 5.34 5.62 5.90 6.22 6.56 6.88
1200 Cap. 7.6 6.5 9.1 7.8 10.6 9.8 12.2 11.1 13.9 12.4 15.7 14.2 17.5 17.3 19.3 19.3 21.4 21.4 23.2 23.2
kW 4.32 4.54 4.78 5.02 5.28 5.54 5.82 6.12 6.42 6.70
1300 Cap. 7.7 6.5 9.2 7.8 10.7 9.8 12.3 11.2 14.1 12.5 15.8 14.3 17.6 17.5 19.5 19.5 21.4 21.4 23.2 23.2
kW 4.30 4.54 4.76 5.00 5.24 5.50 5.76 6.06 6.34 6.58
21
800 Cap. 6.8 5.8 8.3 7.0 9.8 9.0 11.3 10.3 13.0 11.5 14.6 13.2 16.3 16.2 18.1 18.1 20.2 20.2 22.2 22.2
kW 4.40 4.68 4.96 5.26 5.58 5.88 6.22 6.60 7.02 7.48
1050 Cap. 7.1 6.0 8.6 7.3 10.2 9.3 11.6 10.6 13.4 11.9 15.2 13.7 16.9 16.8 18.8 18.8 20.8 20.8 22.8 22.8
kW 4.38 4.64 4.90 5.16 5.44 5.74 6.04 6.36 6.72 7.08
1200 Cap. 7.2 6.1 8.7 7.4 10.3 9.5 11.8 10.7 13.6 12.1 15.4 13.9 17.1 17.0 19.0 19.0 21.0 21.0 23.0 23.0
kW 4.36 4.62 4.88 5.12 5.40 5.68 5.96 6.28 6.60 6.92
1300 Cap. 7.2 6.1 8.8 7.5 10.4 9.5 11.9 10.8 13.7 12.2 15.5 14.0 17.3 17.1 19.1 19.1 21.2 21.2 23.2 23.2
kW 4.36 4.62 4.86 5.10 5.36 5.64 6.90 6.22 6.52 6.82
24
800 Cap. 6.3 5.3 7.8 6.6 9.3 8.6 10.9 9.9 12.5 11.1 14.2 12.8 15.9 15.7 17.7 17.7 19.7 19.7 21.8 21.8
kW 4.44 4.74 5.04 5.34 5.66 6.00 6.34 6.72 7.16 7.64
1050 Cap. 6.6 5.6 8.1 6.9 9.7 8.9 11.3 10.2 13.0 11.5 14.7 13.3 16.5 16.4 18.4 18.4 20.4 20.4 22.6 22.6
kW 4.42 4.70 4.98 5.26 5.54 5.86 6.16 6.50 6.90 7.28
1200 Cap. 6.7 6.7 8.3 7.0 9.9 9.0 11.4 10.4 13.2 11.7 14.9 13.5 16.7 16.6 18.6 18.6 20.6 20.6 22.8 22.8
kW 4.42 4.68 4.96 5.22 5.50 5.80 6.08 6.42 6.76 7.12
1300 Cap. 6.7 5.7 8.3 7.1 9.9 9.1 11.5 10.5 13.3 11.8 15.1 13.0 16.9 16.7 18.8 18.8 20.8 20.8 22.8 22.8
kW 4.42 4.68 4.94 5.20 5.48 5.76 6.04 6.36 6.70 7.02
Cap. — Heating Capacity (kW) (includes indoor-fan motor heat)
kW — Total Power Input (includes compressor motor power input,
outdoor-fan motor input and indoor-fan motor input)
Performance data (cont)

19
INSTANTANEOUS AND INTEGRATED HEATING RATINGS (SI) (cont)
LEGEND
NOTES:
1. indicates integrated ratings.
2. Integrated capacity is maximum (instantaneous) capacity less the
effect of frost on the outdoor coil and the heat required to defrost it.
50TFQ009
Return
Air
(C db)
L/s
(Standard
Air)
Air Temperature Entering Outdoor Coil (C)
–20 –16–12 –8 –40481216
12
900 Cap. 9.4 8.0 11.0 9.4 12.7 11.6 14.6 13.3 16.6 14.7 18.6 16.8 20.8 20.6 22.8 22.8 25.2 25.2 27.8 27.8
kW 4.94 5.20 5.46 5.78 6.10 6.44 6.80 7.18 7.64 8.12
1150 Cap. 9.7 8.2 11.3 9.6 13.0 11.9 14.9 13.6 17.0 15.1 19.1 17.2 21.2 21.0 23.4 23.4 26.0 26.0 28.6 28.6
kW 4.90 5.14 5.38 5.66 5.96 6.26 6.56 6.90 7.30 7.72
1400 Cap. 9.8 8.4 11.5 9.8 13.2 12.1 15.2 13.8 17.3 15.3 19.3 17.5 21.6 21.4 23.8 23.8 26.4 26.4 29.0 29.0
kW 4.86 5.08 5.32 5.58 5.86 6.12 6.42 6.72 7.08 7.46
1500 Cap. 9.9 8.4 11.5 9.8 13.2 12.1 15.3 13.9 17.3 15.3 19.4 17.5 21.6 21.4 23.8 23.8 26.4 26.4 29.0 29.0
kW 4.86 5.08 5.30 5.58 5.84 6.12 6.42 6.68 7.04 7.42
15
900 Cap. 8.9 7.6 10.6 9.0 12.3 11.2 14.1 12.8 16.1 14.3 18.2 16.5 20.2 20.0 22.4 22.4 24.8 24.8 27.4 27.4
kW 5.02 5.30 5.58 5.90 6.26 6.60 6.96 7.38 7.34 8.34
1150 Cap. 9.2 7.8 10.9 9.2 12.6 11.5 14.5 13.2 16.6 14.7 18.6 16.8 20.8 20.6 23.0 23.0 25.6 25.6 28.2 28.2
kW 4.93 5.24 5.50 5.78 6.10 6.42 6.74 7.10 7.52 7.94
1400 Cap. 9.3 7.9 11.1 9.4 12.8 11.7 14.8 13.4 16.8 15.0 18.9 17.1 21.2 21.0 23.4 23.4 26.0 26.0 28.6 28.6
kW 4.94 5.20 5.44 5.72 6.00 6.30 6.60 6.92 7.28 7.68
1500 Cap. 9.4 8.0 11.1 9.4 12.8 11.8 14.8 13.5 16.9 15.0 19.0 17.2 21.2 21.0 23.4 23.4 26.0 26.0 26.8 28.8
kW 4.94 5.18 5.42 5.70 5.93 6.28 6.56 6.88 7.26 7.64
18
900 Cap. 8.4 7.2 10.1 8.6 11.8 10.9 13.7 12.4 15.7 13.9 17.7 16.0 19.7 19.6 22.0 22.0 24.4 24.4 26.2 26.2
kW 5.10 5.40 5.70 6.02 6.40 6.76 7.14 7.56 8.06 8.56
1150 Cap. 8.7 7.4 10.4 8.8 12.2 11.2 14.1 12.8 16.1 14.3 18.2 16.5 20.4 20.2 22.6 22.6 25.0 25.0 27.6 27.6
kW 5.06 5.34 5.62 5.92 6.24 6.58 6.92 7.30 7.72 8.18
1400 Cap. 8.8 7.5 10.6 9.0 12.4 11.4 14.3 13.0 16.4 14.6 18.5 16.8 20.8 20.6 23.0 23.0 25.6 25.6 28.2 28.2
kW 5.04 5.30 5.56 5.84 6.16 6.46 6.78 7.10 7.30 7.92
1500 Cap. 8.9 7.5 10.6 9.0 12.4 11.4 14.4 13.1 16.5 14.6 18.6 16.3 20.8 20.6 23.0 23.0 25.6 25.6 28.2 28.2
kW 5.04 5.30 5.56 5.84 6.14 6.44 6.74 7.08 7.46 7.86
21
900 Cap. 7.9 6.7 9.7 8.2 11.4 10.5 13.2 12.0 15.2 13.5 17.3 15.6 19.2 19.1 21.6 21.6 24.0 24.0 26.4 26.4
kW 5.18 5.50 5.82 6.16 6.54 6.92 7.30 7.76 8.26 8.30
1150 Cap. 8.2 6.9 10.0 8.5 11.3 10.8 13.6 12.4 15.7 14.0 17.8 16.1 19.9 19.7 22.2 22.2 24.6 24.6 27.2 27.2
kW 5.14 5.44 5.74 6.06 6.40 6.74 7.10 7.48 7.94 8.40
1400 Cap. 8.3 7.1 10.2 8.6 12.0 11.0 13.9 12.6 15.0 14.2 18.1 16.4 20.4 20.2 22.6 22.6 25.2 25.2 27.8 27.8
kW 5.12 5.40 5.70 5.98 6.30 6.62 6.92 7.30 7.72 8.14
1500 Cap. 8.4 7.1 10.2 8.7 12.0 11.0 13.9 12.7 16.1 14.3 18.2 16.4 20.4 20.2 22.6 22.6 25.2 25.2 27.8 27.8
kW 5.12 5.40 5.68 5.98 6.28 6.60 6.92 7.28 7.68 8.10
24
900 Cap. 7.3 6.2 9.1 7.7 10.9 10.6 12.8 11.6 14.7 13.1 16.7 15.1 18.7 18.6 21.0 21.0 23.4 23.4 26.0 26.0
kW 5.24 5.58 5.94 6.30 6.68 7.08 7.48 7.94 8.43 9.02
1150 Cap. 7.6 6.4 9.4 8.0 11.3 10.3 13.2 12.0 15.2 13.5 17.3 15.6 19.4 19.2 21.8 21.8 24.2 24.2 26.8 26.8
kW 5.22 5.54 5.86 6.20 6.54 6.90 7.28 7.63 8.14 8.64
1400 Cap. 7.7 6.6 9.6 8.2 11.5 10.5 13.4 12.2 15.5 13.8 17.6 15.9 19.8 19.6 22.2 22.2 24.6 24.6 27.2 27.2
kW 5.20 5.50 5.80 6.12 6.46 6.78 7.12 7.50 7.94 8.38
1500 Cap. 7.8 6.6 9.6 8.2 11.5 10.6 13.5 12.3 15.6 13.8 17.7 16.0 19.8 19.7 22.2 22.2 24.8 24.8 27.4 27.4
kW 5.20 5.50 5.80 6.10 6.44 6.76 7.10 7.48 7.90 8.34
Cap. — Heating Capacity (kW) (includes indoor-fan motor heat)
kW — Total Power Input (includes compressor motor power input,
outdoor-fan motor input and indoor-fan motor input)

20
INSTANTANEOUS AND INTEGRATED HEATING RATINGS (SI) (cont)
LEGEND
NOTES:
1. indicates integrated ratings.
2. Integrated capacity is maximum (instantaneous) capacity less the
effect of frost on the outdoor coil and the heat required to defrost it.
50TFQ012
Return
Air
(C db)
L/s
(Standard
Air)
Air Temperature Entering Outdoor Coil (C)
–20 –16–12 –8 –40481216
12
1000 Cap. 11.5 9.8 13.2 11.2 14.9 13.7 16.8 15.3 18.9 16.8 21.0 19.0 23.2 23.0 25.4 25.4 28.0 28.0 30.6 30.6
kW 5.80 6.02 6.24 6.48 6.76 7.04 7.34 7.68 8.10 8.56
1300 Cap. 11.5 9.7 13.3 11.3 15.1 13.9 17.1 15.5 19.2 17.0 21.4 19.2 23.4 23.2 25.8 25.8 28.4 28.4 31.0 31.0
kW 5.64 5.82 6.00 6.20 6.44 6.66 6.92 7.22 7.56 7.94
1600 Cap. 11.5 9.8 13.4 11.4 15.3 14.0 17.2 15.6 19.3 17.2 21.4 19.4 23.6 23.4 25.3 25.3 28.6 28.6 31.2 31.2
kW 5.54 5.70 5.86 6.04 6.24 6.44 6.66 6.92 7.22 7.54
15
1000 Cap. 11.2 9.5 12.9 10.9 14.6 13.4 16.5 15.0 18.6 16.5 20.8 18.7 23.0 22.8 25.2 25.2 27.8 27.8 30.4 30.4
kW 6.06 6.28 6.52 6.78 7.06 7.36 7.68 8.04 8.48 8.96
1300 Cap. 11.2 9.6 13.0 11.1 14.8 13.6 16.8 15.3 18.9 16.8 21.0 19.0 23.2 23.0 25.4 25.4 28.0 28.0 30.8 30.8
kW 5.90 6.08 6.28 6.50 6.74 6.98 7.24 7.54 7.90 8.30
1600 Cap. 11.4 9.6 13.1 11.2 14.9 13.7 16.9 15.4 19.1 16.9 21.2 19.2 23.4 23.2 25.6 25.6 28.4 28.4 31.0 31.0
kW 5.80 5.96 6.12 6.32 6.52 6.74 6.96 7.22 7.54 7.88
18
1000 Cap. 10.8 9.2 12.6 10.7 14.3 13.1 16.2 14.7 18.3 16.3 20.4 18.5 22.6 22.4 24.8 24.8 27.4 27.4 30.2 30.2
kW 6.30 6.54 6.80 7.06 7.38 7.70 8.04 8.40 8.86 9.36
1300 Cap. 11.0 9.4 12.8 10.8 14.5 13.3 16.5 15.0 18.6 16.6 20.8 18.8 23.0 22.8 25.2 25.2 27.8 27.8 30.6 30.6
kW 6.16 6.34 6.54 6.78 7.04 7.30 7.56 7.88 8.26 8.66
1600 Cap. 11.2 9.5 12.9 10.9 14.6 13.4 16.7 15.2 18.8 16.7 21.0 19.0 23.2 23.0 25.4 25.4 28.2 28.2 30.8 30.8
kW 6.06 6.22 6.40 6.60 6.82 7.04 7.28 7.54 7.86 8.22
21
1000 Cap. 10.5 8.9 12.3 10.4 14.0 12.9 15.9 14.4 18.0 16.0 20.2 18.2 22.4 22.2 24.6 24.6 27.2 27.2 29.8 29.8
kW 6.56 6.32 7.08 7.36 7.68 8.02 8.38 8.76 9.24 9.74
1300 Cap. 10.8 9.2 12.5 10.6 14.2 13.0 16.2 14.8 18.4 16.3 20.6 18.6 22.8 22.6 25.0 25.0 27.6 27.6 30.4 30.4
kW 6.42 6.62 6.82 7.06 7.34 7.60 7.90 8.20 8.60 9.02
1600 Cap. 11.0 9.3 12.6 10.7 14.3 13.1 16.4 14.9 18.6 18.5 20.8 18.8 23.0 22.8 25.2 25.2 27.8 27.8 30.6 30.6
kW 6.30 6.48 6.66 6.88 7.10 7.34 7.58 7.86 8.20 8.56
24
1000 Cap. 10.1 8.6 11.9 10.1 13.7 12.6 15.5 14.1 17.6 15.7 19.8 17.9 22.0 21.8 24.2 24.2 26.8 26.8 29.6 29.6
kW 6.82 7.10 7.38 7.66 8.02 8.38 8.74 9.16 9.66 10.11
1300 Cap. 10.4 8.8 12.1 10.3 13.9 12.7 15.8 14.4 18.0 16.0 20.2 18.3 22.4 22.2 24.8 24.8 27.4 27.4 30.0 30.0
kW 6.66 6.90 7.12 7.36 7.66 7.96 8.26 8.58 8.98 9.42
1600 Cap. 10.5 9.0 12.3 10.4 14.0 12.9 16.0 14.6 18.3 16.2 20.6 18.5 22.8 22.6 25.0 25.0 27.6 27.6 30.4 30.4
kW 6.56 6.76 6.96 7.18 7.42 7.68 7.94 8.22 8.56 8.94
Cap. — Heating Capacity (kW) (includes indoor-fan motor heat)
kW — Total Power Input (includes compressor motor power input,
outdoor-fan motor input and indoor-fan motor input)
Performance data (cont)

21
INSTANTANEOUS AND INTEGRATED HEATING RATINGS (ENGLISH)
LEGEND
NOTES:
1. indicates integrated ratings.
2. Integrated capacity is maximum (instantaneous) capacity less the
effect of frost on the outdoor coil and the heat required to defrost it.
50TFQ008
Return
Air
(F db)
Cfm
(Standard
Air)
Air Temperature Entering Outdoor Coil (F)
01017304047 50 60
55
1650 Cap. 30.2 25.6 37.0 34.0 41.8 38.0 52.0 45.6 60.0 60.0 66.0 66.0 68.8 68.8 78.0 78.0
kW 4.40 4.74 4.98 5.48 5.90 6.24 6.40 6.92
2200 Cap. 31.0 26.4 37.8 34.8 43.0 39.2 53.6 47.0 61.8 61.8 68.0 68.0 70.8 70.8 79.8 79.8
kW 4.34 4.64 4.88 5.32 5.70 5.98 6.10 6.50
2600 Cap. 31.4 26.8 38.2 35.2 43.6 39.8 54.2 47.6 62.6 62.6 68.8 68.8 71.8 71.8 78.8 78.8
kW 4.32 4.60 4.82 5.24 5.58 5.84 5.98 6.22
2750 Cap. 31.6 26.8 38.4 35.2 43.8 40.0 54.4 47.8 62.8 62.8 69.2 69.2 72.2 72.2 78.4 78.4
kW 4.32 4.60 4.80 5.22 5.54 5.80 5.92 6.12
70
1650 Cap. 26.0 22.2 33.2 30.4 38.4 35.0 48.4 42.4 56.4 56.4 62.4 62.4 65.2 65.2 74.6 74.6
kW 4.56 4.96 5.24 5.80 6.26 6.64 6.80 7.42
2200 Cap. 27.2 23.0 34.4 31.6 39.4 35.8 50.2 44.0 58.6 58.6 64.6 64.6 67.4 67.4 77.0 77.0
kW 4.52 4.90 5.14 5.66 6.08 6.40 6.56 7.06
2600 Cap. 27.6 23.4 35.0 32.2 40.0 36.4 51.0 44.6 59.4 59.4 65.6 65.6 68.4 68.4 78.0 78.0
kW 4.50 4.86 5.10 5.58 5.98 6.28 6.42 6.86
2750 Cap. 27.8 23.6 35.2 32.4 40.2 36.6 51.2 44.8 59.8 59.8 66.0 66.0 68.8 68.8 78.4 78.4
kW 4.50 4.86 5.08 5.56 5.94 6.24 6.38 6.80
80
1650 Cap. 23.0 19.6 30.4 27.8 35.6 32.4 45.4 39.8 53.4 53.4 59.6 59.6 62.4 62.4 72.0 72.0
kW 4.66 5.08 5.38 6.00 6.48 6.88 7.06 7.72
2200 Cap. 24.0 20.4 31.6 29.0 37.0 33.8 47.4 41.4 55.8 55.8 62.2 62.2 65.0 65.0 75.0 75.0
kW 4.62 5.02 5.32 5.86 6.32 6.66 6.82 7.40
2600 Cap. 24.4 20.8 32.2 29.6 37.6 34.4 48.2 45.2 56.8 56.8 63.2 63.2 66.0 66.0 75.8 75.8
kW 4.62 5.00 5.28 5.80 6.22 6.56 6.72 7.22
2750 Cap. 24.6 21.0 32.4 29.8 37.8 34.6 48.6 42.6 57.2 57.2 63.6 63.6 66.4 66.4 76.2 76.2
kW 4.60 5.00 5.26 5.78 6.20 6.52 6.66 7.16
Cap. — Heating Capacity (1000 Btuh) (includes indoor-fan motor heat)
kW — Total Power Input (includes compressor motor power input,
outdoor-fan motor input and indoor-fan motor input)

22
INSTANTANEOUS AND INTEGRATED HEATING RATINGS (ENGLISH) (cont)
LEGEND
NOTES:
1. indicates integrated ratings.
2. Integrated capacity is maximum (instantaneous) capacity less the
effect of frost on the outdoor coil and the heat required to defrost it.
50TFQ009
Return
Air
(F db)
Cfm
(Standard
Air)
Air Temperature Entering Outdoor Coil (F)
01017304047 50 60
55
1850 Cap. 35.0 29.8 42.6 39.2 49.0 44.6 61.2 53.6 71.2 71.2 78.2 78.2 81.6 81.6 93.4 93.4
kW 5.12 5.48 5.78 6.38 6.88 7.26 7.44 8.12
2500 Cap. 35.8 30.4 43.6 40.0 50.0 45.6 62.8 55.0 72.8 72.8 80.2 80.2 83.6 83.6 96.0 96.0
kW 5.06 5.40 5.66 6.20 6.64 6.98 7.14 7.72
3000 Cap. 36.4 31.0 44.4 40.8 51.2 46.6 63.8 55.8 74.0 74.0 81.4 81.4 85.0 85.0 98.0 98.0
kW 5.00 5.32 5.60 6.08 6.48 6.78 6.94 7.46
3200 Cap. 36.6 31.0 44.6 40.8 51.2 46.8 64.0 56.0 74.2 74.2 81.6 81.6 85.2 85.2 98.2 98.2
kW 5.00 5.32 5.58 6.06 6.46 6.76 6.90 7.42
70
1850 Cap. 30.4 25.8 38.8 35.6 44.6 40.6 57.2 50.0 66.4 66.4 74.2 74.2 77.6 77.6 89.2 89.2
kW 5.36 5.82 6.12 6.82 7.36 7.80 8.00 8.74
2500 Cap. 31.4 26.6 39.8 36.6 46.0 42.0 58.8 51.6 68.8 68.8 76.2 76.2 79.6 79.6 91.8 91.8
kW 5.32 5.74 6.02 6.66 7.14 7.52 7.70 8.36
3000 Cap. 32.0 27.2 40.6 37.4 47.0 42.8 60.0 52.6 70.2 70.2 77.8 77.8 81.2 81.2 93.6 93.6
kW 5.28 5.68 5.96 6.54 6.98 7.34 7.50 8.10
3200 Cap. 32.2 27.2 40.8 37.4 42.0 42.8 60.2 52.6 70.4 70.4 77.8 77.8 81.4 81.4 93.8 93.8
kW 5.28 5.66 5.94 6.52 6.98 7.30 7.48 8.06
80
1850 Cap. 26.6 22.6 35.4 32.6 41.8 38.0 53.6 47.0 63.4 63.4 70.6 70.6 74.4 74.4 86.2 86.2
kW 5.50 6.00 6.38 7.10 7.68 8.14 8.40 9.16
2500 Cap. 27.6 23.6 36.6 33.6 43.2 39.4 55.4 48.6 65.4 65.4 73.2 73.2 76.8 76.8 88.8 88.8
kW 5.46 5.94 6.28 6.94 7.46 7.90 8.10 8.78
3000 Cap. 28.4 24.2 37.4 34.4 44.0 40.2 56.8 49.8 67.0 67.0 75.0 75.0 78.4 78.4 90.8 90.8
kW 5.44 5.88 6.22 6.82 7.32 7.70 7.88 8.52
3200 Cap. 28.4 24.2 37.6 34.4 44.2 40.2 57.0 49.8 67.2 67.2 75.2 75.2 78.6 78.6 91.0 91.0
kW 5.44 5.88 6.20 6.82 7.30 7.68 7.86 8.48
Cap. — Heating Capacity (1000 Btuh) (includes indoor-fan motor heat)
kW — Total Power Input (includes compressor motor power input,
outdoor-fan motor input and indoor-fan motor input)
Performance data (cont)

23
INSTANTANEOUS AND INTEGRATED HEATING RATINGS (ENGLISH) (cont)
LEGEND
NOTES:
1. indicates integrated ratings.
2. Integrated capacity is maximum (instantaneous) capacity less the
effect of frost on the outdoor coil and the heat required to defrost it.
50TFQ012
Return
Air
(F db)
Cfm
(Standard
Air)
Air Temperature Entering Outdoor Coil (F)
01017304047 50 60
55
2100 Cap. 42.2 36.0 50.4 46.2 56.8 51.8 69.6 61.0 79.8 79.8 87.2 87.2 90.6 90.6 103.2 103.2
kW 6.00 6.30 6.54 7.04 7.46 7.80 7.98 8.62
2800 Cap. 42.6 36.2 51.2 47.0 57.6 52.4 70.4 61.8 80.8 80.8 88.2 88.2 91.8 91.8 104.6 104.6
kW 5.80 6.06 6.26 6.68 7.04 7.32 7.46 7.98
3400 Cap. 42.8 36.4 51.6 47.4 58.0 52.8 71.0 62.2 81.4 81.4 88.8 88.8 92.4 92.4 105.4 105.4
kW 5.68 5.92 6.08 6.44 6.76 7.02 7.14 7.58
3600 Cap. 43.0 36.6 51.6 47.4 58.0 53.0 71.2 62.4 81.6 81.6 89.0 89.0 92.6 92.6 105.8 105.8
kW 5.66 5.88 6.04 6.40 6.70 6.94 7.06 7.50
70
2100 Cap. 39.2 33.4 47.6 43.6 53.6 48.8 66.8 58.6 77.0 77.0 84.6 84.6 88.0 88.0 100.8 100.8
kW 6.72 7.06 7.34 7.94 8.42 8.82 9.00 9.70
2800 Cap. 40.2 34.2 48.0 44.0 54.8 50.0 68.0 59.6 78.4 78.4 86.0 86.0 89.6 89.6 102.6 102.6
kW 6.54 6.82 7.06 7.54 7.94 8.26 8.40 9.00
3400 Cap. 40.6 34.6 48.6 44.6 55.6 50.6 68.8 60.4 79.2 79.2 86.8 86.8 90.6 90.6 103.4 103.4
kW 6.42 6.66 6.86 7.28 7.62 7.88 8.02 8.52
3600 Cap. 40.6 34.4 48.8 44.8 55.6 50.8 69.0 60.4 79.4 79.4 87.0 87.0 90.6 90.6 103.6 103.6
kW 6.38 6.62 6.82 7.22 7.54 7.80 7.94 8.42
80
2100 Cap. 36.6 31.2 45.4 41.8 51.0 46.4 64.6 56.6 74.8 74.8 82.4 82.4 86.2 86.2 98.6 98.6
kW 7.20 7.62 7.90 8.58 9.12 9.56 9.76 10.50
2800 Cap. 37.6 32.0 46.2 42.4 52.2 47.6 66.0 57.8 76.4 76.4 84.0 84.0 87.8 87.8 100.6 100.6
kW 7.04 7.38 7.62 8.18 8.60 8.96 9.12 9.72
3400 Cap. 38.2 32.6 46.8 43.0 53.2 48.4 67.0 58.8 77.4 77.4 85.2 85.2 88.8 88.8 101.8 101.8
kW 6.92 7.20 7.42 7.90 8.26 8.56 8.70 9.22
3600 Cap. 38.4 32.6 47.0 43.0 53.4 48.6 67.2 58.8 77.8 77.8 85.4 85.4 89.0 89.0 102.0 102.0
kW 6.88 7.16 7.38 7.84 8.20 8.48 8.60 9.12
Cap. — Heating Capacity (1000 Btuh) (includes indoor-fan motor heat)
kW — Total Power Input (includes compressor motor power input,
outdoor-fan motor input and indoor-fan motor input)

24
FAN PERFORMANCE (SI) — VERTICAL DISCHARGE UNITS
LEGEND
NOTES:
1. Boldface indicates field-supplied drive required.
2. indicates field-supplied motor and drive required.
3. Maximum usable output power (BkW) is 1.79 with standard
1.12 kW motor. Extensive motor and electrical testing on these units
ensures that the full brakepower range of the motor can be utilized
with confidence. Using your fan motors up to the brakepower ratings
shown will not result in nuisance tripping or premature motor failure.
4. Use of field-supplied motor may affect wire sizing. Contact Carrier
representative to verify.
5. Values include losses for filters, unit casing, and wet coils.
6. Motor drive range is 10.33 to 14.67 r/s. All other r/s’s will require a
field-supplied drive.
LEGEND
NOTES:
1. Boldface indicates field-supplied drive required.
2. indicates field-supplied motor and drive required.
3. Maximum usable output power (BkW) is 2.16 with standard
1.50 kW motor. Extensive motor and electrical testing on these units
ensures that the full brakepower range of the motor can be utilized
with confidence. Using your fan motors up to the brakepower ratings
shown will not result in nuisance tripping or premature motor failure.
4. Use of field-supplied motor may affect wire sizing. Contact Carrier
representative to verify.
5. Values include losses for filters, unit casing, and wet coils.
6. Motor drive range is 11.50 to 15.00 r/s. All other r/s’s will require a
field-supplied drive.
50TFQ008,009 (26.4AND29.9 kW)
Airflow
(L/s)
External Static Pressure (Pa)
50 100 150 200 250 300 350 400 450 500
R/s BkW R/s BkW R/s BkW R/s BkW R/s BkW R/s BkW R/s BkW R/s BkW R/s BkW R/s BkW
1100 8.70.42 10.1 0.59 11.1 0.75 12.2 0.93 13.1 1.12 14.0 1.30 14.8 1.51 15.71.77 16.4 2.02 17.2 2.35
1200 9.30.52 10.5 0.69 11.6 0.87 12.6 1.05 13.5 1.26 14.3 1.46 15.1 1.66 15.9 1.88 16.7 2.14 17.4 2.44
1300 9.8 0.5411.0 0.81 12.1 1.01 13.0 1.20 13.9 1.41 14.71.63 15.5 1.84 16.2 1.98 16.9 2.29 17.6 2.56
1400 10.4 0.77 11.5 0.94 12.6 1.16 13.5 1.37 14.3 1.58 15.1 1.80 15.9 2.04 16.6 2.27 17.3 2.51 — —
1500 11.0 0.92 12.0 1.10 13.0 1.33 13.9 1.56 14.71.7815.5 2.00 16.3 2.25 17.0 2.50 — — — —
1600 11.6 1.08 12.6 1.28 13.5 1.50 14.4 1.76 15.2 2.00 16.0 2.23 16.7 2.47 — — — — — —
1700 12.2 1.26 13.1 1.48 14.0 1.70 14.9 1.97 15.7 2.23 16.4 2.48————————
BkW — Motor Brake (Output) Power (kW)
R/s — Fan Wheel Speed, Revolutions per Second
50TFQ012 (35.2 kW)
Airflow
(L/s)
External Static Pressure (Pa)
50 100 150 200 250 300 350 400 450 500
R/s BkW R/s BkW R/s BkW R/s BkW R/s BkW R/s BkW R/s BkW R/s BkW R/s BkW R/s BkW
1300 8.40.37 9.60.51 10.8 0.6111.7 0.69 12.6 0.81 13.3 0.90 14.3 1.05 15.1 1.2715.9 1.4816.71.67
1400 8.8 0.46 10.0 0.59 11.1 0.7112.0 0.82 12.9 0.93 13.7 1.04 14.5 1.17 15.41.3516.2 1.5616.8 1.75
1500 9.2 0.55 10.40.6811.5 0.81 12.4 0.94 13.2 1.06 14.0 1.19 14.8 1.26 15.61.44 16.41.6217.1 1.83
1600 9.70.65 10.8 0.7911.8 0.93 12.8 1.07 13.6 1.19 14.4 1.33 15.1 1.46 15.8 1.59 16.5 1.7217.31.91
1700 10.2 0.75 11.2 0.91 12.2 1.06 13.1 1.20 13.9 1.34 14.7 1.48 15.41.63 16.1 1.76 16.71.89 17.42.04
1800 10.60.8711.7 1.05 12.6 1.20 13.5 1.35 14.3 1.51 15.0 1.65 15.71.80 16.41.95 17.1 2.10 17.7 2.24
1900 11.1 1.01 12.1 1.19 13.0 1.35 13.9 1.52 14.7 1.68 15.41.8416.1 1.99 16.8 2.1417.4 2.31 18.0 2.46
2000 11.6 1.16 12.5 1.35 13.4 1.52 14.3 1.69 15.0 1.86 15.8 2.0416.5 2.21 17.1 2.36 17.7 2.53 — —
2100 12.0 1.32 13.0 1.53 13.8 1.70 14.6 1.88 15.42.0716.1 2.25 16.8 2.43 — — — — — —
2200 12.5 1.50 13.4 1.71 14.3 1.91 15.1 2.09 15.8 2.29 16.5 2.48————————
2300 13.0 1.70 13.9 1.91 14.7 2.13 15.5 2.31 16.2 2.52——————————
BkW — Motor Brake (Output) Power (kW)
R/s — Fan Wheel Speed, Revolutions per Second
Performance data (cont)

25
FAN PERFORMANCE (SI) — HORIZONTAL DISCHARGE UNITS
LEGEND
NOTES:
1. Boldface indicates field-supplied drive required.
2. indicates field-supplied motor and drive required.
3. Maximum usable output power (BkW) is 1.79 with standard
1.12 kW motor. Extensive motor and electrical testing on these units
ensures that the full brakepower range of the motor can be utilized
with confidence. Using your fan motors up to the brakepower ratings
shown will not result in nuisance tripping or premature motor failure.
4. Use of field-supplied motor may affect wire sizing. Contact Carrier
representative to verify.
5. Values include losses for filters, unit casing, and wet coils.
6. Motor drive range is 10.33 to 14.67 r/s. All other r/s’s will require a
field-supplied drive.
LEGEND
NOTES:
1. Boldface indicates field-supplied drive required.
2. indicates field-supplied motor and drive required.
3. Maximum usable output power (BkW) is 2.16 with standard
1.50 kW motor. Extensive motor and electrical testing on these units
ensures that the full brakepower range of the motor can be utilized
with confidence. Using your fan motors up to the brakepower ratings
shown will not result in nuisance tripping or premature motor failure.
4. Use of field-supplied motor may affect wire sizing. Contact Carrier
representative to verify.
5. Values include losses for filters, unit casing, and wet coils.
6. Motor drive range is 11.50 to 15.00 r/s. All other r/s’s will require a
field-supplied drive.
50TFQ008,009 (26.4AND29.9 kW)
Airflow
(L/s)
External Static Pressure (Pa)
50 100 150 200 250 300 350 400 450 500
R/s BkW R/s BkW R/s BkW R/s BkW R/s BkW R/s BkW R/s BkW R/s BkW R/s BkW R/s BkW
1100 7.9 0.359.40.50 10.6 0.68 11.7 0.85 12.7 1.03 13.6 1.25 14.4 1.46 14.9 1.6915.1 1.92 15.0 2.15
1200 8.30.42 9.8 0.59 11.0 0.78 12.0 0.95 13.0 1.15 13.9 1.36 14.8 1.58 15.5 1.82 16.0 2.06 16.4 2.31
1300 8.8 0.51 10.2 0.6911.3 0.88 12.4 1.08 13.3 1.28 14.2 1.49 15.0 1.7215.8 1.96 16.5 2.21 17.1 2.47
1400 9.2 0.6010.6 0.80 11.7 0.99 12.7 1.22 13.7 1.42 14.5 1.63 15.3 1.87 16.1 2.12 16.9 2.38 — —
1500 9.70.7111.0 0.91 12.1 1.12 13.0 1.35 14.0 1.59 14.8 1.81 15.6 2.04 16.4 2.30 — — — —
1600 10.1 0.82 11.3 1.04 12.5 1.28 13.4 1.49 14.3 1.75 15.2 2.00 15.9 2.24 — — — — — —
1700 10.6 0.93 11.8 1.20 12.9 1.44 13.8 1.67 14.7 1.92 15.5 2.20 — — — — — — — —
BkW — Motor Brake (Output) Power (kW)
R/s — Fan Wheel Speed, Revolutions per Second
50TFQ012 (35.2 kW)
Airflow
(L/s)
External Static Pressure (Pa)
50 100 150 200 250 300 350 400 450 500
R/s BkW R/s BkW R/s BkW R/s BkW R/s BkW R/s BkW R/s BkW R/s BkW R/s BkW R/s BkW
1300 7.60.308.90.41 10.2 0.5611.1 0.64 12.1 0.77 13.1 0.92 13.9 0.93 14.0 0.52 15.0 1.13 15.61.32
1400 8.0 0.409.30.51 10.5 0.64 11.40.7512.4 0.88 13.3 1.01 14.1 1.11 14.6 0.96 15.41.3216.0 1.42
1500 8.40.489.60.60 10.70.7211.8 0.86 12.7 0.99 13.5 1.12 14.3 1.26 15.1 1.35 15.71.4916.41.54
1600 8.8 0.58 10.0 0.69 11.1 0.82 12.1 0.96 12.9 1.10 13.8 1.24 14.5 1.38 15.31.5416.0 1.64 16.71.72
1700 9.1 0.69 10.30.78 11.30.9312.3 1.07 13.2 1.22 14.0 1.37 14.8 1.52 15.5 1.66 16.31.8417.0 1.95
1800 9.5 0.81 10.70.90 11.7 1.05 12.6 1.20 13.5 1.36 14.3 1.52 15.0 1.67 15.8 1.8316.41.99 17.2 2.17
1900 9.9 0.95 11.0 1.02 12.0 1.18 12.9 1.34 13.8 1.50 14.6 1.68 15.31.8316.0 2.00 16.72.1617.3 2.33
2000 10.31.11 11.41.1712.3 1.32 13.2 1.48 14.1 1.66 14.9 1.83 15.62.01 16.3 2.18 17.0 2.36 17.6 2.53
2100 10.71.29 11.8 1.33 12.7 1.47 13.5 1.65 14.4 1.84 15.1 2.00 15.9 2.20 16.6 2.38 — — — —
2200 11.2 1.4812.1 1.51 13.1 1.64 13.9 1.83 14.6 2.01 15.4 2.20 16.2 2.38 — — — — — —
2300 11.6 1.70 12.5 1.71 13.4 1.83 14.2 2.01 15.0 2.20 15.7 2.41 — — — — — — — —
BkW — Motor Brake (Output) Power (kW)
R/s — Fan Wheel Speed, Revolutions per Second

26
FAN PERFORMANCE (ENGLISH) — VERTICAL DISCHARGE UNITS
LEGEND
NOTES:
1. Boldface indicates field-supplied drive required.
2. indicates field-supplied motor and drive required.
3. Maximum usable bhp is 2.40 with standard 1.5-hp motor. Extensive
motor and electrical testing on these units ensures that the full
horsepower range of the motor can be utilized with confidence.
Using your fan motors up to the brakepower ratings shown will not
result in nuisance tripping or premature motor failure.
4. Use of field-supplied motor may affect wire sizing. Contact Carrier
representative to verify.
5. Values include losses for filters, unit casing, and wet coils.
6. Motor drive range is 620 to 880 rpm. All other rpm’s will require a
field-supplied drive.
LEGEND
NOTES:
1. Boldface indicates field-supplied drive required.
2. indicates field-supplied motor and drive required.
3. Maximum usable bhp is 2.90 with standard 2.0-hp motor. Extensive
motor and electrical testing on these units ensures that the full
horsepower range of the motor can be utilized with confidence.
Using your fan motors up to the brakepower ratings shown will not
result in nuisance tripping or premature motor failure.
4. Use of field-supplied motor may affect wire sizing. Contact Carrier
representative to verify.
5. Values include losses for filters, unit casing, and wet coils.
6. Motor drive range is 690 to 900 rpm. All other rpm’s will require a
field-supplied drive.
50TFQ008,009 (71/2AND81/2TONS)
Airflow
(Cfm)
External Static Pressure (in. wg)
0.2 0.40.60.8 1.0 1.2 1.41.61.8 2.0
Rpm Bhp Rpm Bhp Rpm Bhp Rpm Bhp Rpm Bhp Rpm Bhp Rpm Bhp Rpm Bhp Rpm Bhp Rpm Bhp
2200 5030.50 585 0.71653 0.92 716 1.15 772 1.38 824 1.63 8841.95 934 2.30916 2.64 1019 3.09
2400 534 0.616130.84677 1.06 738 1.30 794 1.55 844 1.81 892 2.08 944 2.40987 2.76 1039 3.20
2600 5650.74 639 0.97 703 1.20 761 1.46 816 1.74 866 2.01 9132.29 957 2.58 1004 2.91 1050 3.31
2800 5970.89 665 1.12 731 1.40 786 1.66 839 1.93 889 2.23935 2.52 978 2.62 1019 3.13 1061 3.47
3000 629 1.06 694 1.29 759 1.59 812 1.88 862 2.15 911 2.46 957 2.78 1000 3.09 1040 3.41 — —
3200 662 1.25 724 1.50 785 1.80 840 2.11 887 2.41 934 2.71 980 3.04 1022 3.38 — — — —
3400 696 1.46 756 1.73 811 2.02 868 2.37 914 2.69 959 3.00 1003 3.32——————
3600 729 1.69 787 1.98 839 2.27 894 2.64 942 2.99 984 3.32————————
3800 763 1.95 819 2.27 869 2.56 920 2.92 970 3.31——————————
Bhp — Brake Horsepower
Rpm — Fan Wheel Speed, Revolutions per Minute
50TFQ012 (10 TONS)
Airflow
(Cfm)
External Static Pressure (in. wg)
0.2 0.40.60.8 1.0 1.2 1.41.61.8 2.0
Rpm Bhp Rpm Bhp Rpm Bhp Rpm Bhp Rpm Bhp Rpm Bhp Rpm Bhp Rpm Bhp Rpm Bhp Rpm Bhp
3000 5320.64 605 0.81 6700.97725 1.12 778 1.28 825 1.43 874 1.60 9261.82 974 2.11 1012 2.36
3200 5570.75628 0.93690 1.10 746 1.28 796 1.44 844 1.61 888 1.70 934 1.94988 2.18 1025 2.47
3400 5830.88 651 1.06711 1.25 767 1.44 815 1.61 863 1.79 9071.97947 2.14991 2.32 10382.57
3600 609 1.01 674 1.22 732 1.42 787 1.61 836 1.80 880 1.98 9262.18 966 2.36 10042.5410452.74
3800 5351.16698 1.39 755 1.59 808 1.80 857 2.01 901 2.20 943 2.39 985 2.60 10232.791059 2.98
4000 6621.33 722 1.57 778 1.78 829 2.01 878 2.22 922 2.44 9622.63 10032.841042 3.06 1078 3.26
4200 689 1.52 746 1.77 801 1.99 851 2.23 898 2.45 943 2.69983 2.91 1021 3.11 1060 3.34 — —
4400 715 1.72 772 1.99 825 2.22 873 2.46 919 2.71963 2.94 1004 3.19 1042 3.41————
4600 742 1.94 797 2.22 848 2.48 896 2.72 940 2.98 984 3.22 1025 3.48——————
4800 770 2.18 823 2.46 872 2.75 919 3.00 963 3.27——————————
5000 797 2.44 849 2.73 897 3.04 943 3.30————————————
Bhp — Brake Horsepower
Rpm — Fan Wheel Speed, Revolutions per Minute
Performance data (cont)

27
FAN PERFORMANCE (ENGLISH) — HORIZONTAL DISCHARGE UNITS
LEGEND
NOTES:
1. Boldface indicates field-supplied drive required.
2. indicates field-supplied motor and drive required.
3. Maximum usable bhp is 2.40 with standard 1.5-hp motor. Extensive
motor and electrical testing on these units ensures that the full
horsepower range of the motor can be utilized with confidence.
Using your fan motors up to the brakepower ratings shown will not
result in nuisance tripping or premature motor failure.
4. Use of field-supplied motor may affect wire sizing. Contact Carrier
representative to verify.
5. Values include losses for filters, unit casing, and wet coils.
6. Motor drive range is 620 to 880 rpm. All other rpm’s will require a
field-supplied drive.
LEGEND
NOTES:
1. Boldface indicates field-supplied drive required.
2. indicates field-supplied motor and drive required.
3. Maximum usable bhp is 2.90 with standard 2.0-hp motor. Extensive
motor and electrical testing on these units ensures that the full
horsepower range of the motor can be utilized with confidence.
Using your fan motors up to the brakepower ratings shown will not
result in nuisance tripping or premature motor failure.
4. Use of field-supplied motor may affect wire sizing. Contact Carrier
representative to verify.
5. Values include losses for filters, unit casing, and wet coils.
6. Motor drive range is 690 to 900 rpm. All other rpm’s will require a
field-supplied drive.
50TFQ008,009 (71/2AND81/2TONS)
AIRFLOW
(Cfm)
External Static Pressure (in. wg)
0.2 0.40.60.8 1.0 1.2 1.41.61.8 2.0
Rpm Bhp Rpm Bhp Rpm Bhp Rpm Bhp Rpm Bhp Rpm Bhp Rpm Bhp Rpm Bhp Rpm Bhp Rpm Bhp
2200 459 0.425490.62625 0.83 691 1.06 753 1.31 805 1.58 842 1.87 857 2.16 851 2.45 823 2.70
2400 482 0.50 5690.71645 0.95 708 1.18 768 1.40 824 1.72 872 2.01 909 2.32931 2.64 935 2.96
2600 5070.59 592 0.82 663 1.08 727 1.32 784 1.58 839 1.87 891 2.17936 2.49 973 2.82 999 3.16
2800 533 0.71615 0.95 683 1.20 747 1.49 802 1.75 855 2.04 9062.35954 2.67 997 3.01 1034 3.36
3000 559 0.83637 1.09 704 1.35 765 1.66 823 1.94 872 2.22 921 2.54 969 2.88 1014 3.22 — —
3200 585 0.96660 1.24 727 1.52 785 1.83 841 2.15 892 2.45 939 2.76 984 3.10 — — — —
3400 610 1.10 682 1.41 750 1.72 806 2.01 860 2.36 912 2.69 958 3.01 1002 3.34 — — — —
3600 636 1.25 707 1.60 772 1.93 828 2.23 880 2.57 930 2.95 978 3.29——————
3800 661 1.41 733 1.82 795 2.15 852 2.48 901 2.80 949 3.20————————
Bhp — Brake Horsepower
Rpm — Fan Wheel Speed, Revolutions per Minute
50TFQ012 (10 TONS)
Airflow
(Cfm)
External Static Pressure (in. wg)
0.2 0.40.60.8 1.0 1.2 1.41.61.8 2.0
Rpm Bhp Rpm Bhp Rpm Bhp Rpm Bhp Rpm Bhp Rpm Bhp Rpm Bhp Rpm Bhp Rpm Bhp Rpm Bhp
3000 4840.55 5600.706310.87690 1.03 747 1.20 800 1.38 850 1.52 879 1.38 925 1.81 964 1.92
3200 505 0.66 5790.81646 0.98 708 1.16 761 1.34 812 1.51 862 1.71 908 1.85 944 2.01 9842.09
3400 5270.78 599 0.93 664 1.11 724 1.30 775 1.48 827 1.67 873 1.85 920 2.07963 2.21 1001 2.31
3600 5480.92619 1.05 680 1.24738 1.43 794 1.64 840 1.83 888 2.04 9312.23976 2.47 10172.62
3800 5711.086391.19698 1.39 756 1.60 810 1.81 856 2.02 901 2.239452.44 9862.65 1029 2.89
4000 5931.25 659 1.35717 1.56 773 1.78 823 1.98 875 2.22 915 2.429602.65 1000 2.871039 3.10
4200 6161.45680 1.53737 1.74 789 1.95 841 2.18 889 2.41 934 2.659722.871015 3.12 1053 3.34
4400 6391.67 701 1.73 757 1.92 807 2.16 858 2.41 9032.62 951 2.89 990 3.12 1028 3.36 — —
4600 6621.91722 1.95 777 2.13 827 2.38 874 2.62 921 2.87965 3.11 1008 3.39 — — — —
4800 6862.17744 2.20 797 2.36 846 2.62 891 2.85 938 3.14 980 3.37——————
5000 710 2.45 766 2.47 816 2.61 866 2.86 910 3.12 934 3.39————————
Bhp — Brake Horsepower
Rpm — Fan Wheel Speed, Revolutions per Minute

28
ACCESSORY STATIC PRESSURE DROP (Pa)
50TFQ008-012
ACCESSORY STATIC PRESSURE DROP (in. wg)
50TFQ008-012
FAN R/S AT MOTOR PULLEY SETTINGS (SI)
FAN RPM AT MOTOR PULLEY SETTINGS (ENGLISH)
OUTDOOR SOUND DATA
(Total Unit)
ELECTRIC HEATING CAPACITIES
*Two heater packages are required to provide kW indicated.
INDOOR-FAN MOTOR EFFICIENCY
COMPONENT L/s
1100 1200 1300 1400 1500 1600 1700 1800 1900 2000 2100 2200 2300
1 Heater Module 6 8 10 12 14 16 18 19 21 23 25 27 29
2 Heater Modules 10 12 15 17 20 22 25 27 29 32 34 37 39
Economizer 567891011121314151617
COMPONENT CFM
2200 2500 3000 3500 4000 4500 5000 5500 6000
1 Heater Module .02 .03 .05 .07 .08 .10 .12 .14 .16
2 Heater Modules .03 .05 .07 .09 .12 .14 .16 .19 .21
Economizer .02 .02 .03 .04 .05 .06 .07 .08 .09
UNIT
50TFQ
MOTOR PULLEYTURNS OPEN
01/211
1/222
1/233
1/244
1/25
008,009 14.67 14.25 13.83 13.33 12.92 12.50 12.08 11.67 11.25 10.83 10.33
012 15.00 14.58 14.25 13.92 13.58 13.25 12.92 12.58 12.25 11.92 11.50
UNIT
50TFQ
MOTOR PULLEYTURNS OPEN
01/211
1/222
1/233
1/244
1/25
008,009 880 855 830 800 775 750 725 700 675 650 620
012 900 875 855 835 815 795 775 755 735 715 690
UNIT
50TFQ
SOUNDRATING
(Bels)
A-WEIGHTED
(dB)
SOUNDPOWER (dB)
OCTAVEBANDS
63 125 250 500 1000 2000 4000 8000
008 8.2 80.3 56.6 68.4 70.4 73.4 75.3 71.3 71.6 65.8
009 8.2 81.9 60.5 69.1 73.3 75.3 76.6 74.8 69.7 64.0
012 8.2 80.0 59.8 67.6 69.5 73.9 75.5 72.3 68.0 63.0
UNIT
50TFQ
ELECTRICAL
CHARACTERISTICS
ACCESSORY
kW
008,009 400-3-50
9.6
11.5
19.3
22.9
28.9*
012 400-3-50
11.5
19.3
22.9
28.9
34.7*
UNIT 50TFQ MOTOR EFFICIENCY
(%)
008-012 80
Performance data (cont)

29
INDOOR-FAN MOTOR PERFORMANCE
LEGEND
*Extensive motor and electrical testing on these units ensures that the full BkW (or brake horse-
power) range of the motors can be utilized with confidence. Using your fan motors up to the BkW
(or brake horsepower) ratings shown in this table will not result in nuisance tripping or premature
motor failure. Unit warranty will not be affected.
MULTIPLICATION FACTORS
UNIT
50TFQ
INDOOR-FAN
MOTOR
UNIT
VOLTAGE
MAXIMUM
ACCEPTABLE
CONTINUOUS
BkW*
MAXIMUM
ACCEPTABLE
CONTINUOUS
BHP*
MAXIMUM
ACCEPTABLE
OPERATING
WATTS
MAXIMUM
AMP
DRAW
008 Standard 400 1.79 2.40 2120 2.7
009 Standard 400 1.79 2.40 2120 2.7
012 Standard 400 2.16 2.90 2615 3.6
Bhp — Brake Horsepower
BkW — Fan Input Watts x Motor Efficiency
HEATER kW
RATING
(Nominal V)
VOLTAGE
DISTRIBUTION
V-3-50
MULTIPLICATION FACTOR
FOR CAPACITY
MULTIPLICATIO N FACTOR
FOR FULL LOADAMPS
400 380
415
0.902
1.076
0.949
1.037
DURABLADE ECONOMIZER BAROMETRIC
RELIEF DAMPER CHARACTERISTICS
50TFQ008-012

30
LEGEND
*Heaters are field installed only.
†Used to determine minimum disconnect per NEC (U.S.A. Standard).
**Heater capacity (kW) is based on heater voltage of 400 v. If power
distribution voltage to unit varies from rated heater voltage, heater kW
will vary accordingly.
††Fuse or HACR circuit breaker.
NOTES:
1. In compliance with NEC requirements for multimotor and combina-
tion load equipment (refer to NEC Articles 430 and 440), the over-
current protective device for the unit shall be fuse or HACR
breaker.
2. Unbalanced 3-Phase Supply Voltage
Never operate a motor where a phase imbalance in supply voltage
is greater than 2%.
Use the following formula to determine the per-
centage of voltage imbalance.
% Voltage Imbalance
Example: Supply voltage is 400-3-50.
AB = 393 v
BC = 403 v
AC = 396 v
= 397
Determine maximum deviation from average voltage.
(AB) 397 – 393 = 4 v
(BC) 403 – 397 = 6 v
(AC) 397 – 396 = 1 v
Maximum deviation is 6 v.
Determine percent of voltage imbalance.
=1.5%
This amount of phase imbalance is satisfactory as it is below the
maximum allowable 2%.
UNIT
50TFQ
NOMINAL
V-PH-Hz
IFM
TYPE
VOLTAGE
RANGE
COMPRESSOR
(each) OFM
FLA
IFM
FLA
ELECTRIC HEAT*POWER SUPPLYDISCONNECT
SIZE†
Min Max RLA LRA Nominal
kW** FLA MCA MOCP FLA LRA
008 400-3-50 STD 360 440 6.7 42.0 0.6 2.6
— — 18.9 20†† 20 108
9.6 13.9 36.3 40†† 36 122
11.5 16.6 39.6 40†† 39 125
19.3 27.9 53.8 60†† 52 136
22.9 33.1 60.3 70 58 141
28.9 41.7 71.0 80 68 150
009 400-3-50 STD 360 440 7.3 69.0 0.6 2.6
— — 20.2 25†† 21 162
9.6 13.9 37.6 40†† 37 176
11.5 16.6 41.0 45†† 40 179
19.3 27.9 55.1 60†† 53 190
22.9 33.1 61.6 70 59 195
28.9 41.7 72.4 80 69 204
012 400-3-50 STD 360 440 9.2 59.6 0.6 3.4
— — 25.3 30†† 26 152
11.5 16.6 46.1 50†† 46 169
19.3 27.9 60.2 70 59 180
22.9 33.1 66.7 70 65 186
28.9 41.7 77.4 80 74 194
34.7 50.1 87.9 90 84 203
FLA — Full Load Amps
HACR — Heating, Air Conditioning and Refrigeration
IFM — Indoor-Fan Motor
LRA — Locked Rotor Amps
MCA — Minimum Circuit Amps
MOCP — Maximum Overcurrent Protection
NEC — National Electrical Code (U.S.A. Standard)
OFM — Outdoor-Fan Motor
RLA — Rated Load Amps
= 100 x max voltage deviation from average voltage
average voltage
Average Voltage = 393 + 403 + 396
3
=1192
3
% Voltage Imbalance = 100
x
6
397
IMPORTANT: If the supply voltage phase imbalance is
more than 2%, contact your local electric utility company
immediately.
Electrical data

31
Typical piping and wiring
HORIZONTAL DISCHARGE DUCTING
VERTICAL DISCHARGE DUCTING
LEGEND
NEC — National Electrical Code (U.S.A.)

32
Operating sequence
Cooling, units without economizer — When the ther-
mostat calls for cooling, terminals G and Y1 are energized.
The indoor-fan contactor (IFC), RVS1 (reversing valve sole-
noid), compressor contactor no. 1 (C1), and outdoor-fan
contactor (OFC) are energized and the indoor-fan motor,
compressor no. 1, and outdoor fans start. The outdoor-fan
motors run continuously while unit is cooling. If the ther-
mostat calls for a second stage of cooling by energizing Y2,
compressor contactor no. 2 (C2) and RVS2 are energized
and compressor no. 2 starts.
Heating, units without economizer — Upon a request
for heating from the space thermostat, terminal W1 will be
energized with 24 v. The IFC, OFC, C1, and C2 will be
energized. The reversing valves switch position and the
indoor fan, outdoor fan, compressor no. 1, and compres-
sor no. 2 are energized.
If the space temperature continues to fall while W1 is
energized, W2 will be energized with 24 v, and the heater
contactor(s) (HC) will be energized, which will energize the
electric heater(s).
When the space thermostat is satisfied, W2 will be deen-
ergized first, and the electric heater(s) will be deenergized.
Upon a further rise in space temperature, W1 will be
deenergized, and the reversing valve solenoids (RVS1 and
RVS2) will be energized.
Cooling, units with Durablade economizer — When
the outdoor-air temperature is above the OAT setting and
the room thermostat calls for cooling, the compressor con-
tactor no. 1 is energized to start compressor no. 1 and
outdoor-fan motors. RVS1 (reversing valve solenoid) is
energized). The indoor-fan motor (IFM) is energized and
the economizer damper moves to the minimum position.
Upon a further call for cooling, compressor contactor
no. 2 will be energized, starting compressor no. 2. RVS2 is
energized. After the thermostat is satisfied and the IFM
is deenergized, the damper moves to the fully closed
position.
When the outdoor air temperature is below the OAT set-
ting and the thermostat calls for Y1 and G, the economizer
damper moves to the minimum position when the indoor
fan starts. The first stage of cooling is provided by the
economizer. If the supply-air temperature is above 14 C
(57 F), a switch on the supply-air thermostat is closed
between the T2 terminal and the 24 vac terminal. This
causes the damper to continue to modulate open until the
supply-air temperature falls below 13 C (55 F) or the
damper reaches the fully open position.
When the supply-air temperature is between 13 C (55 F)
and 11 C (52 F), the supply-air thermostat has open
switches between the T2 and 24 vac terminals and
between the T1 and 24 vac terminals. This causes the
economizer damper to remain in an intermediate open
position.
If the supply-air temperature falls below 11 C (52 F), a
switch on the supply-air thermostat is closed between the
T1 terminal and the 24 vac terminal. This causes the
damper to modulate closed until the supply-air temperature
rises above 13 C (55 F) or the damper reaches the mini-
mum position.
When the supply-air temperature is between 13 C (55 F)
and 14 C (57 F), the supply-air thermostat has open
switches between the T2 and 24 vac terminals. This causes
the economizer damper to remain in an intermediate open
position.
If the outdoor air alone cannot satisfy the cooling
requirements of the conditioned space, economizer cool-
ing is integrated with mechanical cooling, providing second
stage cooling. Compressor no. 1 and outdoor fans will be
energized, and the position of the economizer damper will
be determined by the supply-air temperature. Compressor
no. 2 is locked out.
When the second stage of cooling is satisfied, the com-
pressor, RVS2, and outdoor fan motors will be deener-
gized. The damper position will be determined by the
supply-air temperature.
When the first stage of cooling is satisfied, the damper
will move to fully closed position.
Cooling, units with EconoMi$er — When the OAT is
above the ECON SP set point and the room thermostat
calls for Stage 1 cooling (R to G + Y1), the indoor-fan
motor (IFM) is energized and the EconoMi$er damper
modulates to minimum position. The compressor contac-
tor and OFC are energized to start the compressor, out-
door-fan motors (OFM), and RVS1 (reversing valve
solenoid). After the thermostat is satisfied, the damper
modulates to the fully closed position when the IFM is
deenergized.
When the OAT is below the ECON SP setting and the
room thermostat calls for Stage 1 cooling (R to G + Y1),
the EconoMi$er modulates to the minimum position when
the IFM is energized. The EconoMi$er provides Stage 1 of
cooling by modulating the return and outdoor-air dampers
to maintain a 13 C (55 F) supply air set point. If the supply-
air temperature (SAT) is greater than 14 C (57 F), the
EconoMi$er modulates open, allowing a greater amount of
outdoor air to enter the unit. If the SAT drops below 12 C
(53 F), the outdoor air damper modulates closed to reduce
the amount of outdoor air. When the SAT is between 12 C
and 14 C (53 and 57 F), the EconoMi$er maintains its
position.
If outdoor air alone cannot satisfy the cooling require-
ments of the conditioned space, and the OAT is above the
MECH CLG LOCKOUT set point, the EconoMi$er inte-
grates free cooling with mechanical cooling. This is accom-
plished by the strategies below.
NOTE: Compressor has a two-minute Minimum On, Mini-
mum Off, and interstage delay timer.
If Y1 is energized, and the room thermostat calls for Y2
(2-stage thermostat), the compressor and OFC are ener-
gized. The position of the EconoMi$er damper is main-
tained at its current value.
If Y1 is energized for more than 20 minutes, and Y2 is
not energized (whether or not a 2-stage thermostat is
used), the compressor and OFCs are energized. The
position of the EconoMi$er damper is maintained at its
current value.
Controls

33
If Y1 is energized, and the compressor no. 1 is already
energized (see Step 2) and the room thermostat calls for
Y2, compressor no. 1 continues to operate. If Y2 remains
energized for more than 20 minutes, compressor no. 2 is
energized.
NOTE: Compressor no. 2 cannot be energized unless
there is a signal for Y2 from the space thermostat.
If compressor no. 2 is energized, and the Y2 signal from
the thermostat is satisfied, compressors 1 and 2 are deen-
ergized. Re-asserting Y2 will start compressor no. 1 and
(after a 20-minute interstage delay) compressor no. 2.
If compressor no. 1 is energized and the thermostat is
satisfied, the compressor no. 1, the OFMs, and IFM are
deenergized and the EconoMi$er modulates closed.
When the OAT is below the MECH CLG LOCKOUT set
point, the compressors remain off.
Heating, units with economizer — Upon a call for heat
through W1, the IFC energizes to start the evaporator fan
and the economizer damper blade opens to the minimum
position. If the accessory two-position damper is used, the
outdoor-air damper opens to the minimum position when-
ever the evaporator fan runs. If unit is equipped with
2 stages of heat, when additional heat is needed a call is
made through W2.
As space temperature approaches the heating tempera-
ture set point, heating stages cycle off. Economizer or two-
position damper returns to fully closed position.
Defrost — When the temperature of the outdoor coil
drops below –2 C (28 F) as sensed by the defrost thermo-
stat (DFT2) and the defrost timer is at the end of a timed
period (adjustable at 30, 50, or 90 minutes), reversing
valve solenoids (RVS1 and RVS2) are energized and the
OFC is deenergized. This switches the position of the
reversing valves and shuts off the outdoor fans. The electric
heaters (if installed) will be energized.
The unit continues to defrost until the coil temperature
as measured by the DFT2 reaches 18 C (65 F), or the dura-
tion of defrost cycle completes a 10-minute period.
During the Defrost mode, if circuit 1 defrosts first, RVS1
will oscillate between Heating and Cooling modes until the
Defrost mode is complete.
At the end of the defrost cycle, the electric heaters (if
installed) will be deenergized; the reversing valves switch
and the outdoor-fan motors will be energized. The unit will
now operate in the Heating mode.
If the space thermostat is satisfied during a defrost cycle,
the unit will continue in the Defrost mode until the time or
temperature constraints are satisfied.
High-pressure switch — The high-pressure switch con-
tains a Schrader core depressor, and is located on the com-
pressor hot gas line. This switch opens at 2951 kPa
(428 psig) and closes at 2206 kPa (320 psig). No adjust-
ments are necessary.
Loss-of-charge switch — The loss-of-charge switch con-
tains a Schrader core depressor, and is located on the com-
pressor liquid line. This switch opens at 48.26 kPa (7 psig)
and closes at 151 kPa (22 psig). No adjustments are
necessary.
Freeze-stat — The freeze-stat is a bimetal temperature-
sensing switch that is located on the “hair-pin” end of the
evaporator coil. The switch protects the evaporator coil
from freeze-up due to lack of airflow. The switch opens at
–1 C (30 F) and closes at 7 C (45 F). No adjustments are
necessary.

34
Typical wiring schematic

35
LEGEND AND NOTES FOR TYPICAL WIRING SCHEMATIC
AHA — Adjustable Heat Anticipator
AWG—American Wire Gage
C—Contactor, Compressor
CAP — Capacitor
CB — Circuit Breaker
CC — Cooling Capacitor
CLO — Compressor Lockout
COMP — Compressor Motor
D—Diode
DB—Defrost Board
DFT — Defrost Thermostat
EC — Enthalpy Control
ECON — Economizer
EPS — Emergency Power Supply
(Nine-Volt Battery)
EQUIP — Equipment
ER — Economizer Relay
FPT — Freeze-Up Protection Thermostat
FU — Fuse
GND—Ground
HC — Heater Contactor (Strip Heat)
HPS — High-Pressure Switch
HR — Heater Relay
IFC — Indoor-Fan Contactor
IFM — Indoor-Fan Motor
IFMOVL— Indoor-Fan Motor Overload
LPS — Low-Pressure Switch
LSM — Limit Switch (Manual Reset)
MCA — Minimum Circuit Amps
MTR — Motor
OAT — Outdoor-Air Thermostat
OFC — Outdoor-Fan Contactor
OFM — Outdoor-Fan Motor
P—Plug
PL — Plug Assembly
QT — Quadruple Terminal
R—Relay
RVS—Reversing Valve Solenoid
SAT — Supply-Air Thermostat
SW1 — Switch Fully Open
SW2 — Switch Fully Closed
SW3—Switch Min Vent Position
SW4—Switch Max Vent Position
TB — Terminal Block
TC — Thermostat-Cooling
TH — Thermostat-Heating
TRAN — Transformer
Field Splice
Marked Wire
Terminal (Marked)
Terminal (Unmarked)
Terminal Block
Splice
Splice (Marked)
Factory Wiring
Field Control Wiring
Field Power Wiring
Accessory or Optional Wiring
To indicate common potential only.
Not to represent wiring.
NOTES:
1. If any of the original wire furnished must be replaced, it must be replaced with type 90 C
wire or its equivalent.
2. Three-phase motors are protected under primary single-phasing conditions.
3. Thermostat:
HH07AT172 and P272-2783
Subbase:
HH93AZ176, 178 and P272-1882, 1883
4. Set heat anticipator at 0.8 amp for first stage and 0.3 amp for second stage.
5. Use copper conductors only.
6. Use copper, copper-clad aluminum or aluminum conductors.
7.
VOLTAGE
RATING
CB MUST TRIP
AMPS
Manufacturer’s Part No.
24V Potter &Brumfield 3.2
W28X-1024-3.2
LEGEND

36
Outdoor installation — Units approved for outdoor
installation only.
Ductwork — Secure vertical discharge ductwork to roof
curb. For horizontal discharge applications, either attach
ductwork to unit, or use field-supplied flanges attached to
the horizontal discharge openings and attach all ductwork
to flanges.
Horizontal discharge — To convert from vertical dis-
charge to horizontal discharge:
1. Remove economizer or two-position damper to gain
access to return duct opening.
2. Move the horizontal-discharge duct opening covers to
the vertical discharge openings.
3. Rotate economizer or two-position damper
90 degrees.
4. Rotate the barometric relief damper 90 degrees.
5. Install block-off plate over the opening on the access
panel.
Thru-the-bottom power connections — For applica-
tions requiring thru-the-bottom connections, Carrier acces-
sory thru-the-bottom package must be purchased to ensure
proper connections.
Thermostat — Use of 2-stage heating and cooling ther-
mostat is recommended for all units. A 2-stage cooling
thermostat is required on units with accessory economizer
to provide integrated cooling.
Heating-to-cooling changeover — All units are auto-
matic changeover from heating to cooling when automatic
changeover thermostat and subbase are used.
Airflow — Units are draw-thru on cooling and blow-thru
on heating.
Maximum airflow — To minimize the possibility of con-
densate blow-off from evaporator, airflow through units
should not exceed 236 L/s per kW (500 cfm/ton).
Minimum airflow — For cooling, minimum airflow is
142 L/s per kW (300 cfm/ton). For 50TFQ units with
electric heating, required minimum L/s is 1062 (cfm is
2250) for 50TFQ008; 1203 (2500) for 50TFQ009;
and 1416 (3000) for 50TFQ012, with the following
exceptions:
Minimum ambient cooling operating temperature
— The minimum temperature for standard units is –4 C
(25 F). With accessory Motormaster® control, units can
operate at outdoor temperatures down to –17 C (0° F).
Internal unit design — Due to Carrier’s internal unit
design (draw-thru over the motor), air path, and specially
designed motors, the full kW (maximum continuous BkW)
or the full horsepower (maximum continuous bhp) listed in
the Physical Data table and the notes following each Fan
Performance table can be utilized with confidence.
Using Carrier motors with the values listed in the Physi-
cal and Fan Performance Data tables will not result in nui-
sance tripping or premature motor failure. The unit
warranty will not be affected.
Apollo direct digital controls — The Apollo direct digi-
tal controls must be used with either a Carrier master or
monitor thermostat.
UNIT
50TFQ
UNIT
VOLTAGE
HEATER
kW
UNIT
CONFIGURATION
REQUIRED
MINIMUM
L/s (Cfm)
012 400 34.7
Horizontal
or
Ver t ic al
1510
(3200)
Application data

37
Packaged Rooftop Air-to-Air Heat Pump
with Electric Heat Option — Constant
Volume Application
HVAC Guide Specifications
Size Range: 26.4 to 35.2 kW (71/2 to 10 Tons),
Nominal Cooling
Carrier Model Number: 50TFQ
Part 1 — General
1.01 SYSTEM DESCRIPTION
Outdoor rooftop- or slab-mounted, electrically con-
trolled air-to-air heat pump utilizing a hermetic
compressor for heating and cooling duty. Unit shall
discharge supply air vertically or horizontally as
shown on contract drawings.
1.02 QUALITY ASSURANCE
A. Unit shall be rated in accordance with ARI
Standards 210/240 and 270 (U.S.A. Standard).
B. Unit shall be designed to conform to ASHRAE 15,
latest revision, and in accordance with UL 1995
(U.S.A. Standard).
C. Unit shall be UL tested and certified in accordance
with ANSI Z21.47 (U.S.A. Standard) and UL listed
and certified under Canadian Standards as a total
package for safety requirements.
D. Roof curb shall be designed to conform to NRCA
Standards (U.S.A. Standard).
E. Insulation and adhesive shall meet NFPA 90A
requirements for flame spread and smoke genera-
tion (U.S.A. Standard).
F. Unit casing shall be capable of withstanding U.S.A.
Test Method Standard No. 141 (Method 6061)
500-hour salt spray test.
1.03 DELIVERY, STORAGE, AND HANDLING
Unit(s) shall be stored and handled per manufac-
turer’s recommendations.
Part 2 — Products
2.01 EQUIPMENT (STANDARD)
A. General:
Factory-assembled, single-piece air-to-air heat
pump. Contained within the unit enclosure shall be
all factory wiring, piping, controls, refrigerant
charge (R-22), and special features required prior to
field start-up.
B. Unit Cabinet:
1. Unit cabinet shall be constructed of galvanized
steel, bonderized and coated with a baked
enamel finish on all externally exposed surfaces
with primer coated internal panels.
2. Indoor fan cabinet interior shall be insulated
with a minimum 13-mm (1/2-in.) thick flexible
fiberglass insulation coated on the air side.
3. Cabinet panels shall be easily removable for
servicing.
4. Holes shall be provided in the base rails for rig-
ging shackles to facilitate overhead rigging, and
forklift slots shall be provided to facilitate
maneuvering.
5. Unit shall have a factory-installed, sloped con-
densate drain pan made of a non-corrosive
material, providing a minimum 19-mm (3/4-in.)
connection with both vertical and horizontal
drains and shall comply with ASHRAE 62.
6. Unit shall have factory-installed filter access
panel to provide filter access with tool-less
removal.
7. Unit shall have standard thru-the-bottom power
connection capability.
C. Fans:
1. Indoor blower shall be belt-driven, double inlet,
forward-curved centrifugal type. Belt drive shall
include an adjustable-pitch motor pulley.
2. Indoor blower shall be made from steel with a
corrosion-resistant finish and shall be dynami-
cally balanced.
3. Bearings shall be of the sealed, permanently
lubricated, ball-bearing type for longer life and
lower maintenance.
4. Outdoor fan shall be of the direct-driven propel-
ler type and shall discharge air vertically.
5. Outdoor fan shall have aluminum blades riveted
to corrosion-resistant steel spiders and shall be
dynamically balanced.
D. Compressor(s):
1. Fully hermetic type, internally protected.
2. Factory rubber shock-mounted and internally
spring mounted for vibration isolation.
E. Coils:
1. Outdoor and indoor coils shall have aluminum
plate fins mechanically bonded to enhanced
copper tubes with all joints brazed.
2. Tube sheet openings shall be belled to prevent
tube wear.
3. Indoor coil shall be of the full face active design.
F. Refrigerant Components:
Refrigerant circuit components shall include:
1. Acutrol™ multiple independent circuit feed
system.
2. Filter strainer to eliminate any moisture or for-
eign matter.
3. Service gage connections on suction, discharge,
and liquid line to charge, evacuate, and contain
refrigerant.
4. Accumulator.
5. Reversing valve.
G. Filter Section:
1. Standard filter section shall consist of factory-
installed low-velocity, throwaway 51-mm (2-in.)
thick fiberglass filters of commercially available
sizes.
2. Filter face velocity shall not exceed 1.52 m/s
(300 fpm) at nominal airflows.
3. Filter section shall use only one size filter.
Guide specifications

38
4. Filters shall be accessible through an access
panel with ‘‘no-tool’’ removal.
H. Controls and Safeties:
1. Unit Controls:
a. Unit shall be complete with self-contained
low-voltage control circuit.
b. Unit shall incorporate an outdoor coil
defrost system to prevent excessive frost
accumulation during heating duty, and shall
be controlled as follows:
1) Defrost shall be initiated on the basis of
time and coil temperature.
2) A 30/50/90-minute timer shall activate
defrost cycle only if coil temperature is
low enough to indicate a heavy frost
condition.
3) Defrost cycle shall terminate when de-
defrost thermostat is satisfied and shall
have a positive termination time of
10 minutes.
2. Refrigerant Controls:
Unit shall contain high-pressure, loss-of-
charge/low-pressure, and freeze protection
switches.
3. Standard Safeties:
Unit shall incorporate compressor overtemper-
ature and overcurrent safety devices to shut off
compressor.
I. Operating Characteristics:
1. Unit shall be capable of starting and running in
cooling at 51 C (125 F) ambient outdoor tem-
perature, meeting maximum load criteria of
ARI Standard 210/240 at ±10% voltage.
2. Compressor with standard controls shall be
capable of cooling operation down to –4 C
(25 F) ambient outdoor temperature.
3. Compressor shall be capable of operation in
heating duty down to –23 C (–10 F) ambient
outdoor-air temperature.
4. Unit shall be capable of simultaneous heating
duty and defrost cycle operation when using
electric heaters indicated in Section L, Special
Features.
J. Electrical Requirements:
All unit power wiring shall enter unit cabinet at a sin-
gle factory-predrilled location.
K. Motors:
1. Compressor motors shall be cooled by refriger-
ant passing through motor windings and shall
have line break thermal and current overload
protection.
2. Indoor blower motor shall have permanently
lubricated bearings and inherent automatic-
reset thermal overload protection.
3. Totally enclosed outdoor-fan motor shall have
permanently lubricated bearings, and inherent
automatic-reset thermal overload protection.
L. Special Features:
Certain features are not applicable when the fea-
tures designated by * are specified. For assistance in
amending the specifications, your local Carrier Sales
Office should be contacted.
* 1. Direct Digital Controls:
a. Shall be available as a factory-installed
option.
b. Shall actively monitor all modes of opera-
tion, as well as indoor-fan status, filter status,
indoor-air quality, supply-air temperature,
and outdoor-air temperature.
c. Shall work with Carrier TEMP and VVT®
systems.
d. Shall have built-in diagnostics for thermostat
commands for both staged heating and cool-
ing, indoor-fan operation, and economizer
operation.
e. Shall be equipped with a 5-minute time
delay between modes of operation.
2. Roof Curbs:
a. Formed galvanized steel with wood nailer
strip and capable of supporting entire unit
weight.
b. Allows for installing and securing ductwork
to curb prior to mounting unit on the curb.
* 3. Integrated Economizers:
a. Integrated integral-modulating type capable
of simultaneous economizer and compressor
operation.
b. Includes all hardware and controls to provide
cooling with outdoor air.
c. Equipped with low-leakage dampers not to
exceed 3% leakage at 1.868 mm Hg (1 in.
wg) pressure differential.
d. Capable of introducing up to 100% outdoor
air in both minimum and fully open
positions.
e. Equipped with a gravity relief sliding plate
damper. Damper shall close upon unit shut-
off.
f. Economizer is equipped with 30% of return-
air relief.
g. Designed to close damper during loss-of-
power situations with emergency power
supply.
h. Dry bulb outdoor-air thermostat protection
shall be provided as standard.
i. Economizer is a guillotine-style damper
design.
* 4. 25% Manual Outdoor-Air Damper:
Manual damper package shall consist of
damper, birdscreen, and rainhood which can be
preset to admit up to 25% outdoor air for year-
round ventilation.
* 5. 50% Manual Outdoor-Air Damper:
Manual damper package shall consist of
damper birdscreen, and rainhood which can be
Guide specifications (cont)

39
preset to admit up to 50% outdoor air for year-
round ventilation.
* 6. 100% Two-Position Damper:
a. Two-position damper package shall include
single blade damper. Admits up to 100%
outdoor air.
b. Damper shall close upon indoor fan shutoff.
c. Designed to close damper during loss of
power situations.
d. Equipped with barometric relief damper.
* 7. 25% Two-Position Damper:
a. Two-position damper package shall include
single blade damper and motor. Admits up
to 25% outdoor air.
b. Damper shall close upon indoor fan shutoff.
c. Designed to close damper during loss of
power situations.
d. Equipped with barometric relief damper.
* 8. Solid-State Enthalpy Control:
a. For use with economizer only.
b. Capable of sensing outdoor-air enthalpy
content (temperature and humidity) and con-
trolling economizer cut-in point to have
minimum heat content air passing over the
indoor coil for most efficient system
operation.
* 9. Differential Enthalpy Sensor:
a. For use with economizer only.
b. Capable of comparing enthalpy content
(temperature and humidity) of outdoor and
indoor air and controlling economizer cut-in
point at the most economical level.
*10. Electric Resistance Heaters:
a. Open wire nichrome elements with all nec-
essary safety operating controls.
b. UL listed and indicated on basic unit infor-
mative plate.
c. Available in multiples to match heating
requirements.
d. Single point kits available for each heater
when required.
*11. Head Pressure Control Packages:
Consists of solid-state control and outdoor-coil
temperature sensor to maintain condensing
temperature between 32 C (90 F) and 43 C
(110 F) at outdoor ambient temperatures down
to –17 C (0° F) by outdoor fan cycling.
*12. Thermostat and Subbase:
Provides staged cooling and heating automatic
(or manual) changeover, fan control, and indica-
tor light.
13. Thru-The-Bottom Service Connections:
Kit shall provide connectors to permit electrical
connections to be brought to the unit through
the basepan.
*14. Electronic Programmable Thermostat:
Capable of using deluxe full-featured electronic
thermostat. Shall use built-in compressor cycle
delay control for both heating and cooling duty.
Capable of working with Carrier direct digital
controls.
15. Outdoor Coil Hail Guard Assembly:
Hail guard shall protect against damage from
hail and flying debris.
16. Outdoor Coil Grille:
The grille protects the outdoor coil from dam-
age by large objects without increasing unit
clearances.
17. Compressor Cycle Delay:
Unit shall be prevented from restarting for a
minimum of 5 min. after shutdown.
18. Salt Spray Protection Package:
Coil guard protects coil from corrosion in
coastal areas and in areas with high sulfur
emissions.
19. Fan/Filter Status Switch:
Provides status of evaporator fan (ON/OFF) or
filter (CLEAN/DIRTY). Status shall be displayed
over communication bus when used with direct
digital controls or with an indicator light at the
thermostat.
20. Unit Mounted Disconnect Switch:
Shall be factory-installed. Internally mounted,
NEC and UL approved non-fused switch pro-
vides unit power shutoff. Shall be accessible
from outside the unit.
21. Emergency Heat Package:
When mechanical heating is locked out, auxil-
iary heat shall be activated when necessary.
22. Logo Kit:
Shall be mounted on the outdoor coil grille.

Manufacturer reserves the right to discontinue, or change at any time, specifications or designs without notice and without incurring obligations.
New Pg 40 Catalog No. 015-005 Printed in U.S.A. Form 50TFQ-C3PD
Replaces: 50TFQ-C1PD
Book 1 4
Ta b 5 a 5 a
Carrier Corporation • Syracuse, New York 13221 204 1-01
Book 1
Ta b O P 3 b