58D03_Sec3_Cover 58D03_Section3_Power Dist_Controller 58D03 Section3 Power Dist Controller
58D03_Section3_Power Dist_Controller 58D03_Section3_Power Dist_Controller
User Manual: 58D03_Section3_Power Dist_Controller
Open the PDF directly: View PDF
.
Page Count: 30

Professional Radio
GP Series
Power Distribution and Controller
Service Information
Issue: November 2004

ii
Computer Software Copyrights
The Motorola products described in this manual may include copyrighted Motorola computer programs stored
in semiconductor memories or other media. Laws in the United States and other countries preserve for
Motorola certain exclusive rights for copyrighted computer programs, including the exclusive right to copy or
reproduce in any form, the copyrighted computer program. Accordingly, any copyrighted Motorola computer
programs contained in the Motorola products described in this manual may not be copied or reproduced in
any manner without the express written permission of Motorola. Furthermore, the purchase of Motorola
products shall not be deemed to grant, either directly or by implication, estoppel or otherwise, any license
under the copyrights, patents or patent applications of Motorola, except for the normal non-exclusive royalty-
free license to use that arises by operation of law in the sale of a product.

iii
Table of Contents
Chapter 1 THEORY OF OPERATION
1.0 Overview ..............................................................................................................1-1
2.0 Radio Power Distribution .....................................................................................1-1
3.0 Controller Circuits ................................................................................................1-2
3.1 Controller Architecture....................................................................................1-2
3.2 MCU Digital Architecture ................................................................................1-2
3.3 Real Time Clock .............................................................................................1-3
3.4 ModB/Vstby Supply ........................................................................................1-4
3.5 Audio/Signaling Architecture ..........................................................................1-4
Chapter 2 TROUBLESHOOTING CHARTS
1.0 UHF/ UHF2 Controller..........................................................................................2-1
1.1 All models except those with PCB 8486458Z03.............................................2-1
1.2 Models with PCB 8486458Z03 .......................................................................2-2
Chapter 3 CONTROLLER SCHEMATICS
1.0 Allocation of Schematics and Circuit Boards .......................................................3-1
2.0 Controller - Set 1 (PCB 8480450Z03, 8485641Z02, 8480587Z01,
8485677Z01, 8480641Z03) ......................................................3-3
3.0 Controller - Set 2 (PCB 8480450Z13/14, 8485641Z06).......................................3-9
4.0 Controller - Set 3 (PCB 8486458Z03, 8486686Z02)..........................................3-15

iv

Chapter 1
THEORY OF OPERATION
1.0 Overview
This Chapter provides a detailed theory of operation for the power distribution and controller circuits
in the radio. The components for these circuits are contained on the Main Board. Refer to the RF
sections of this manual for the component location details and the parts lists for these circuits.
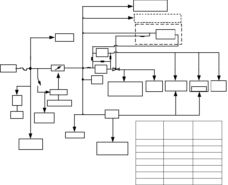
2.0 Radio Power Distribution
Figure 1-1 illustrates the DC distribution throughout the radio board. A 7.5V battery (BATT 7.5V)
supplies power directly to the electronic on/off control as UNSWB+. When the radio is turned on,
MECH_SWB+ (on/off/volume control) will trigger the electronic on/off control (momentary-on path),
then SWB+ is distributed as shown in Figure1-1. Vdda from 3.3V Vdda regulator will then supply the
microprocessor. Data is then sent to ASFIC_CMP to turn on GCB4(DAC). GCB4 will take over the
momentary-on path within 12ms. SWB+ will continue to support the whole board until the radio is
turned off.
Radio will be turned-off on two conditions;
1. MECH_SWB+ turned off
2. Low battery
When low battery level is detected by the microprocessor through both conditions above, it will store
the radio personality data to EEPROM before turning off.
Figure 1-1 DC Power Distribution Block Diagram
Control
On/Off Switch
SWB+
Fuse
Low Battery
Detect
Ant. SW
PCIC(ALC)
PA, Driver
LI Ion
3.5V
Reg.
7.5V
Audio PA
4.0V/3.3V
Vddd
Reg.
5V
ASFIC_CMP VCOBIC
FRACTN IF
LCD
Driver
5V
RF. AMP, IF AMP
Ext. RX.
MECH.
SWB+
UNSWB+
TX.
Vdda
Reg.
Int/Ext Vdd
R1
R5 R2 R3
Vdda
Accessories
20 pin Connector
Keypad/Option Board
Prime Expansion Board
Switching
Reg.
R4
Vddd
Battery
Reg.
MCU Micro P, ROM
& EEPROM
Buffer (NU)
Led
Jumpers
Dual Vdd
Regulator
Scheme
Single Vdd
Regulator
Scheme
R1 Y Y
R2 N N
R3 N Y
R4 N N
R5 Y N
Vdda Y N
SW. Reg. N N

1-2 THEORY OF OPERATION
3.0 Controller Circuits
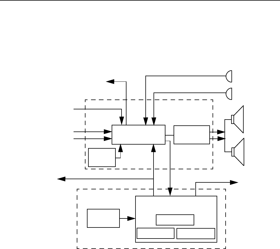
3.1 Controller Architecture
The controller board is the central interface between the various subsystems of the radio. It is
separated into MCU digital and audio/signalling architectures as shown in Figure 1-2.
Figure 1-2 Controller Block Diagram
3.2 MCU Digital Architecture
(
Refer to Figure 1-2, the Microprocessor and the Memory schematic diagrams
)
The digital architecture portion consists of a microcontroller and associated EEPROM, RAM, and
ROM memories. The architecture is commonly used for both low-tier and high-tier products and also
includes conventional and trunking portables. Combinations of different size RAM and ROM are
available to support various application software. RAM supports 8KB and 32KB sizes. ROM
supports 128KB, 256KB, and 512KB sizes. Table 1-1 shows the ROM, RAM and EEPROM
requirements for different applications.
External
Microphone
Internal
Microphone
External
Speaker
Internal
Speaker
SCI to Side
Connector
Audio/Signalling
Architecture
To Synthesizer
Mod
Out
16.8 MHz
Reference Clock
from Synthesizer
Recovered Audio
Squelch
To RF Board SPI
MCU Digital
µP Clock
3.3V
Regulator
(Vddd)
RAM
EEPROM
ROM
Microcontroller
ASFIC_CMP
3.3V
Regulator
(Vdda)
Architecture
Audio Power
Amplifier/Filter

Controller Circuits 1-3
3.3 Real Time Clock
(
Refer to Figure 1-3 and the Microprocessor schematic diagram
)
Radios with displays support a Real Time Clock (RTC) module for purposes of message time
stamping and time keeping. The RTC module resides in the microcontroller.The clock uses a back-
up Lithium Ion battery for operating power when the primary battery is removed.
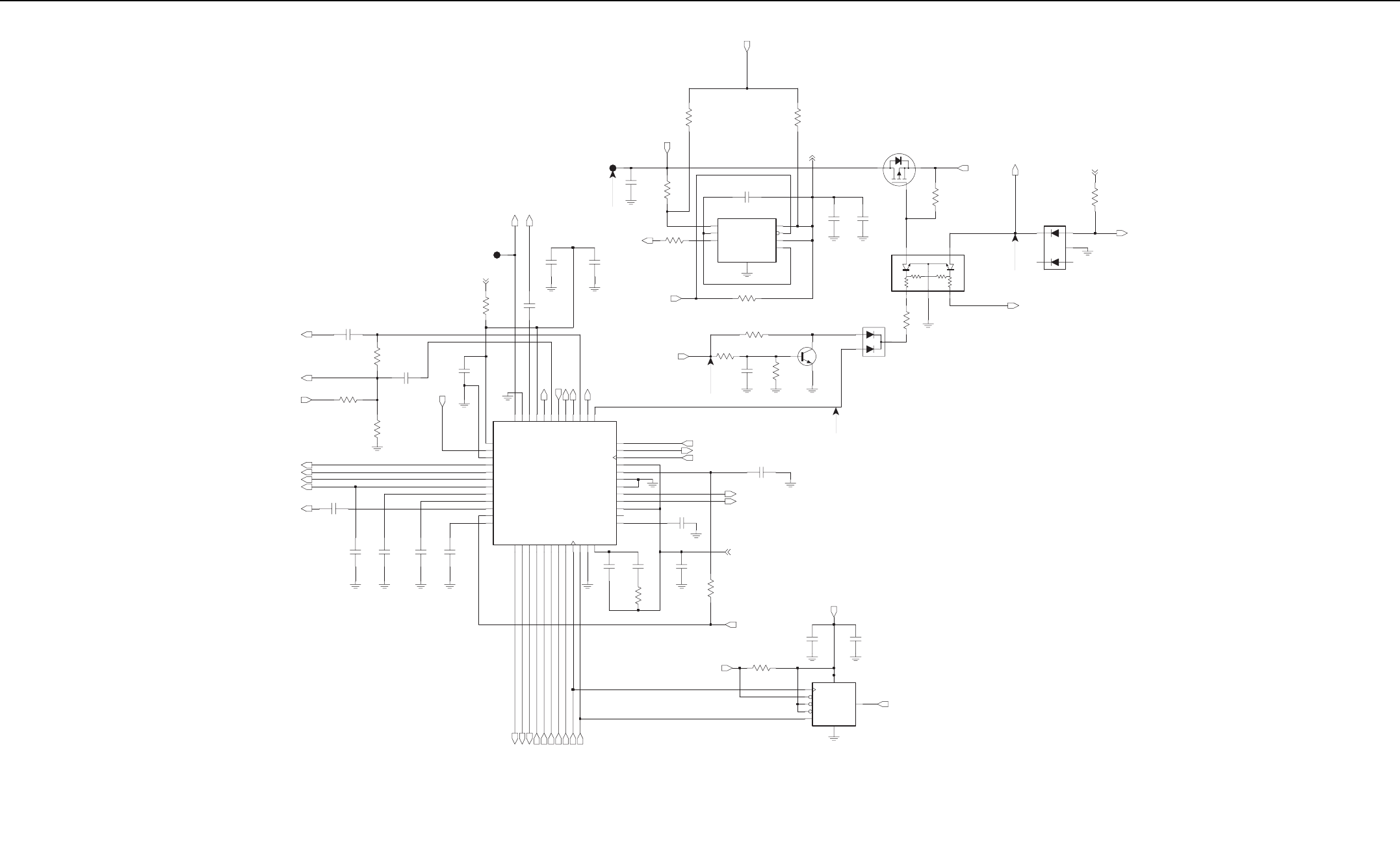
3.3.1 Circuit Description
The RTC module circuit, shown in Figure 1-3, is powered by the ModB/Vstby pin and PI6/PI7 from
the crystal oscillator circuit. A clock frequency of 38.4kHz from a crystal oscillator provides the
reference signal which is divided down to 1 Hz in the processor.
Figure 1-3 RTC Circuit
As the RTC module is powered separately from the processor Vdd, the RTC is kept active through
the ModB / Vstby pin which provides the Lithium battery back-up power when the radio is switched
off.
Table 1-1 Radio Memory Requirements
RADIO ROM (KB) EXT RAM
(KB)
EEPROM
(KB)
Conventional MDC GP140 128K -8K
Conventional 5 Tone GP320, GP340 512K 16K 16K
Conventional 5 Tone GP360, GP380 512K 16K 16K
Privacy Plus GP240, GP280 512K 16K 16K
SmartZone GP540, GP580 512K 16K 16K
MPT GP640, GP680 512K 16K 16K
MPT GP1280 512K 16K 16K
LI_ION
R462
R419
3
4
2
15
CR411
1
2
3
Q416
C434
U410 3.3V
3
2
1
VIN VOUT
VSS
UNSWB+
R460
C435
R461
Vddd
HC11FL0
MODA
MODB
R420
R426
FL401 C436
C437
PI6
PI7
OUT
IN
GND
38.4kHz
UNSWB+ SWB+
6
4
1
3
2
3
51
2
4
CR413
R463
300
Q417
TEST_POINT
TP405
1
BOOT_CTRL

1-4 THEORY OF OPERATION
A MOSFET Q416 switches in the LiO supply when Vdd is removed. Q416 also provides isolation
from BOOT_CTRL function in the event of radio program flashing. The 3.3V regulator charges the
Lithium battery.
3.4 ModB/Vstby Supply
The supply to the ModB/Vstby pin varies depending on the conditions listed in Table 1-2.
3.5 Audio/Signalling Architecture
(
Refer to Figure 1-2 and the ASFIC/ON_OFF and Audio Power Amplifier schematic diagrams
)
The audio/signalling/filter/companding IC (ASFIC_CMP) and the audio power amplifier, shown in
Figure 1-2, form the main components of the audio/signalling architecture section of the controller
board. Inputs include a 16.8 MHz clock from the synthesizer, recovered audio and squelch, MCU
control signals, and external or internal microphones. Outputs include a microprocessor clock (uP),
modulator output to the synthesizer, and amplified audio signals to an internal or external speaker.
Table 1-2 ModB/Vstby Supply Modes
Condition Circuit Operation
Radio On Vdd supply voltage via CR411
Radio Off • Vdd turned off
• Q416 gate pulled low by R462
• Q416 switched on
• U410 supplies 3.2V to ModB/Vstby
Primary battery removed • Vdd turned off
• Q416 gate pulled low by R462
• Q416 switched on
• Lithium battery provides 3.2V to ModB/Vstby
Flash Mode • Boot_Ctrl line pulled low
• ModA & ModB go low
• Processor in boot-strap mode

Chapter 2
TROUBLESHOOTING CHARTS
1.0 UHF/ UHF2/ 800MHz Controller
1.1 All models except those with PCB 8486458Z03
J403
Pin 9 low?
Pin 8
high?
MCU Check
Power Up
Alert Tone
OK?
Speaker
OK?
U409 EXTAL=
7.3728 MHz?
U201 Pin 19
16.8 MHz
5V at U247?
3.3V at U248?
U409
Reset
Pin 94
High?
MCU is OK
Not able to pro-
gram RF Board
ICs
Before replacing
MCU, check SPI
clock, SPI data,
and RF IC select
Replace
Speaker
Read Radio
OK?
Check
Setup
Reprogram the
correct data.
See FGU
Troubleshooting
7.5V at
Pin 3/5 U247?
4_3.3V at Pin 1
U248
Check
Q400
Replace
U247/U248
Check any short
to SWB+,
Vdda or Vddd
Press PTT. Red
LED does not
light up
PTT U409
Pin 53
low?
Press PTT
Q502-2
High?
Check
PB504
Check
Q502-2
voltage
LED
Q502,R501
OK?
Replace
Faulty
Component
Check
Accessories
J403
OPT_SEL_1 &
OPT_SEL_2
Pin 8 & 9
low?
Radio could
not PTT
externally
U409
Pin 52, 6
low?
See FGU
Troubleshooting
chart
LED should
light up
Check
MCU
PTT
NO
YES
YES
No
No
NO
YES YES
NO
YES
YES
NO
NO
YES
YES
NO
NO
YES
NO
YES
NO
YES
YES
NO
NO
YES
EXT
SPKR
EXT
PTT
INT
AUDIO
ASFIC U404
Pin 14 & 15
high?
Check
Accessories
Check
U404
Check
U420 Audio PA
NO
NO
YES
YES
J403 Audio
at Pin 2 &
Pin 3
Check Spk. Flex
Connection
Audio at
AudioPA
(U420)
input
(U447)
Audio from Pin 41
ASFIC, U404?
Check
ASFIC U404
Check
Audio PA
(U420)
Check
U301
LV ZIF
Audio at
Pin 2
U404?
NO
NO
NO
YES
YES
NO
YES

2-2 TROUBLESHOOTING CHARTS
1.2 Models with PCB 8486458Z03
MCU Check
Power Up
Alert Tone
OK?
Speaker
OK?
U409 EXTAL=
7.3728 MHz?
U201 Pin 19
16.8 MHz
5V at U247?
3.3V at U248?
U409 Reset Pin
94 High?
MCU is OK
Not able to pro-
gram RF Board
ICs
Before replacing
MCU, check SPI
clock, SPI data,
and RF IC select
Replace
Speaker
Read Radio
OK?
Check
Setup
Reprogram the
correct data.
See FGU
Troubleshooting
7.5V at
Pin 3/5 U247?
4/3.3V at Pin 1
U248
Check
Q400
Replace
U247/U248
Check any short
to SWB+,
Vdda or Vddd
Press PTT. Red
LED does not
light up
PTT U409
Pin 53
low?
Press PTT
Q502-2
High?
Check
PB504
Check
Q502-2
voltage
LED
Q502,R501
OK?
Replace
Faulty
Component
Check
Accessories
J403
OPT_SEL_1 &
OPT_SEL_2
Pin 8 & 9
low?
Radio could
not PTT
externally
U409
Pin 52, 6
low?
See FGU
Troubleshoot-
ing chart
LED should
light up
Check
MCU
PTT
NO
YES
YES
No
No
NO
YES YES
NO
YES
YES
NO
NO
YES
YES
NO
NO
YES
NO
YES
NO
YES
YES
NO
NO
YES
EXT
SPKR
EXT
PTT
INT
AUDIO
J403 Pin 9 low?
Pin 8 high?
ASFIC U404
Pin 14 & 15
high?
Check
Accessories
Check
U404
Check
U420 Audio PA
NO
NO
YES
YES
J403 Audio
at Pin 2 &
Pin 3
Check Spk. Flex
Connection
Audio at
AudioPA
(U420)
input
(U447)
Audio from Pin 41
ASFIC, U404?
Check
ASFIC U404
Check
Audio PA
(U420)
Check
U301
IF IC
Audio at
Pin 2
U404?
NO
NO
NO
YES
YES
NO
YES

Chapter 3
CONTROLLER SCHEMATICS
1.0 Allocation of Schematics and Circuit Boards
The Controller circuits are contained on the printed circuit board (PCB) containing the RF circuits.
This Chapter shows the schematics for the Controller circuits only, refer to the relevant RF section
for details of the related RF circuits, the PCB component layouts and the Parts Lists. The Controller
schematic diagrams and the related PCB and parts list are shown in the tables below:
Table 3-1 Schematics - Set 1
PCBs :
8480450Z03
8485641Z02
8480587Z01
8485677Z01
8480641Z03
UHF
UHF2
UHF GP1280
UHF2 GP1280
800 MHz
SCHEMATICS
Overall Controller Schematic
ASFIC/ ON_OFF
Microprocessor
Interface
Memory
Audio Power Amplifer
Page 3-3
Page 3-4
Page 3-5
Page 3-6
Page 3-6
Page 3-7
Table 3-2 Schematics - Set 2
PCBs :
8480450Z13/14
8485641Z06
UHF
UHF2
SCHEMATICS
Overall Controller Schematic
ASFIC ON_OFF
Microprocessor
Memory
Interface
Audio Power Amplifer
Page 3-9
Page 3-10
Page 3-10
Page 3-11
Page 3-12
Page 3-13

3-2 CONTROLLER SCHEMATICS
Table 3-3 Schematics - Set 3
PCBs :
8486458Z03
8486686Z02
UHF
UHF2
SCHEMATICS
Overall Controller Schematic
ASFIC ON_OFF
Microprocessor
Memory
Interface
Audio Power Amplifer
Page 3-15
Page 3-16
Page 3-17
Page 3-18
Page 3-18
Page 3-19

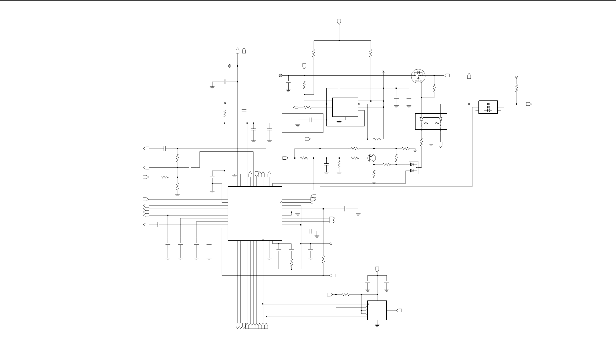
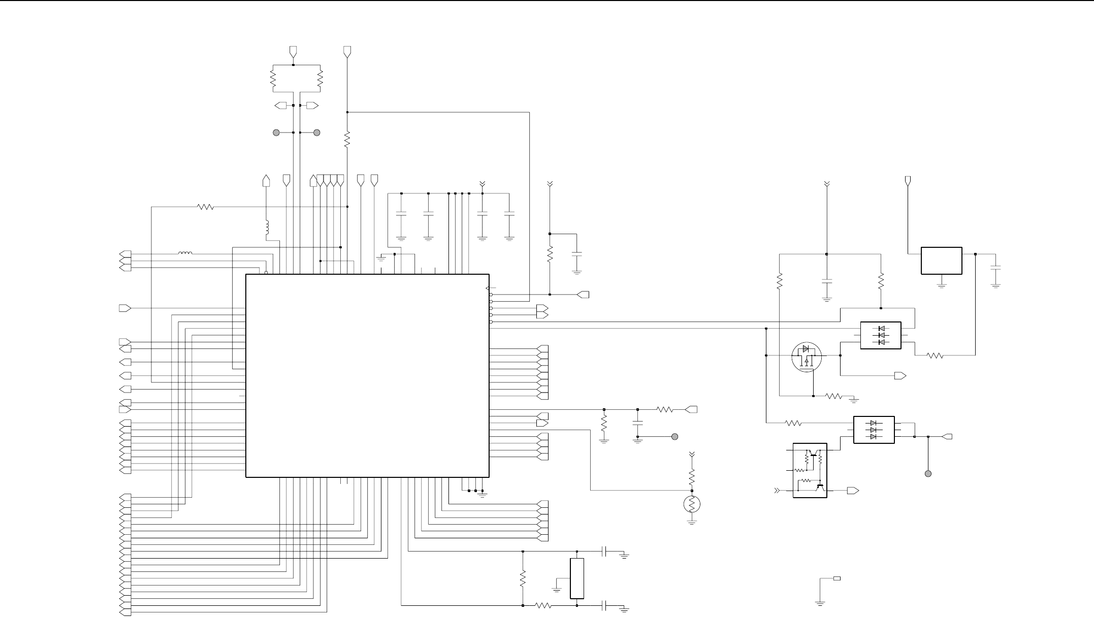
Controller - Set 1 (PCB 8480450Z03, 8485641Z02, 8480587Z01, 8485677Z01, 8480641Z03) 3-3
2.0 Controller - Set 1 (PCB 8480450Z03, 8485641Z02, 8480587Z01, 8485677Z01, 8480641Z03)
Y
ASFIC/AUDIO PA SHIELD
N
N
NP
MEMORY SHIELD
JUMPERS
Dual Vdd
ON/OFF SHIELD MICROPIC SHIELD
PrimeNon Prime
Y
Y
N
N
N
Single Vdd
N
Y
Regulator Scheme
Y
N
N
ModelModel
N
NN
Model
Y
Model
Y
Y
Non Prime
R405
TO/FROM RF
Prime
R401
R402
R403
R404
Y
Regulator Scheme
IF_UNSWB+_CTRL
IF_DACRX_CTRL
IF_SB1_CTRL
IF_DEMOD_CTRL
FLASH_OE
RAM_CS
R_W
Vddd
XA18
IF_RTA3_CTRL
A3
A4
A5
A6
A7
A8
A9
D0
D1
D2
D3
D4
D5
D6
D7
FLASH_EN
A0
A1
A10
A11
A12
A13
A14
A15
A16
A17
A2
IF_CLK_CTRL
IF_RTA2_CTRL
SHIELD
SH403
SCI_RX
SCI_TX
SQ_DET
SWB+
SYN
UNSWB+
VOL
VOX
VS_CS
VS_INT
VS_RAC
Vddd
XA18
OPT_ENA
OPT_SEL1
OPT_SEL2
PTT
RAM_CS
RDY
RESET
RSSI
RTA0
RTA1
RTA2
RTA3
R_W
SB1
SB2
SB3
EMER
F1200
FLASH_EN
FLASH_OE
HSIO
KEYPAD_COL
KEYPAD_ROW
KEY_INT
LCD_SEL
LI_ION
LOCK
LSIO
LVZIF_SEL
MECH_SWB+
MISO
OFF_BATT_DATA_OUT
A9
BATT_DATA_IN
BOOT_CTRL
CHACT
CLK
CSX
D0
D1
D2
D3
D4
D5
D6
D7
DATA
EE_CS
A1
A10
A11
A12
A13
A14
A15
A16
A17
A2
A3
A4
A5
A6
A7
A8
IF_RTA0_CTRL
A0
IF_RSSI_CTRL
IF_4V_3.3V_CTRL
IF_SB2_CTRL
IF_MODIN_CTRL
SHIELD
SH401
IF_PTT_CTRL
SWB+
UNSWB+
Vdda
IF_MECHSWB+_CTRL
5V
AUDIO
AUDIO_PA_ENA
BOOT_CTRL
EXT_MIC
EXT_SPKR_SEL
FLAT_RX_SND
INT_MIC
OPT_SEL1
OPT_SEL2
RSSI
SCI_RX
SCI_TX
IF_5V_CTRL
IF_DATA_CTRL
IF_RED_LED_CTRL
IF_BATT_CODE_CTRL
IF_RTA1_CTRL
IF_GREEN_LED_CTRL
IF_16.8MHz_CTRL
SHIELD
SH400
IF_SWB+_CTRL
IF_VOL_CTRL
0
R403
0.5pF
C432
Vddd
IF_SB3_CTRL
OFF_BATT_DATA_OUT
OPT_ENA
PTT
RDY
RESET
RX_AUD_RTN
R_W
SWB+
TX_AUD_RTN
TX_AUD_SND
URX_SND
VS_AUDSEL
VS_CS
VS_GAINSEL
VS_INT
VS_RAC
D2
D3
D4
D5
D6
D7
DATA
EXT_MIC
FLAT_RX_SND
FLAT_TX_RTN
INT_EXT_Vdd
KEYPAD_COL
KEYPAD_ROW
KEY_INT
LCD_SEL
LEDBL
MISO
IF_RESET_CTRL
A0
CLK
D0
D1
SHIELD
SH402
IF_CSX_CTRL
IF_EMER_CTRL
IF_LVZIF_SEL_CTRL
IF_Vdda_CTRL
VS_GAINSEL
Vdda
Vddd
IF_LOCK_CTRL
MECH_SWB+
MISO
MODIN
OFF_BATT_DATA_OUT
RED_LED
RESET
RX_AUD_RTN
SQ_DET
SWB+
SYN
TX_AUD_RTN
TX_AUD_SND
UNSWB+
URX_SND
VOX
VS_AUDSEL
CSX
DACRX
DATA
DEMOD
EE_CS
EXT_MIC
EXT_SPKR_SEL
F1200
FLAT_RX_SND
FLAT_TX_RTN
GREEN_LED
HSIO
INT_EXT_Vdd
INT_MIC
LEDBL
LSIO
16.8MHz
4V_3.3V
5V
AUDIO
AUDIO_PA_ENA
BATT_CODE
BATT_DATA_IN
CHACT
CLK
IF_LI_ION_CTRL
BATT_CODE
5V
4V_3.3V
ASFIC
AUDIO PA
MICRO P
MEMORY
INTERFACE
16.8MHz
Vddd
Vdda
VS_GAINSEL
VS_AUDSEL
URX_SND
UNSWB+
TX_AUD_SND
TX_AUD_RTN
SWB+
RX_AUD_RTN
RESET
RED_LED
OFF_BATT_DATA
MODIN
MISO
MECH_SWB+
LEDBL
INT_EXT_Vdd
GREEN_LED
FLAT_TX_RTN
FLAT_RX_SND
EXT_MIC
DEMOD
DATA
DACRX
CSX
CLK
RTA3
SB3
SB2
OFF_BATT_DATA_OUT
VOL
MECH_SWB+
VS_RAC
KEYPAD_COL
KEYPAD_ROW
KEY_INT
PTT
EMER
VS_INT
LOCK
Vddd
Vddd
FLAT_TX_RTN
FLASH_OE
RAM_CS
FLASH_EN
OPT_ENA
LVZIF_SEL
VS_CS
LCD_SEL
RDY
LI_ION
RTA1
RTA0
RTA2
SB1
VS_GAINSEL
DATA
OFF_BATT_DATA_OUT
MISO
VS_RAC
CLK
R_W
XA18
4V_3.3V
Vdda Vddd
RSSI
EXT_MIC
LCD_SEL
R_W
SWB+
VS_AUDSEL
VS_CS
FLAT_RX_SND
TX_AUD_SND
OPT_ENA
RX_AUD_RTN
TX_AUD_RTN
RDY
KEYPAD_ROW
URX_SND
INT_EXT_Vdd
KEYPAD_COL
KEY_INT
RESET
PTT
VS_INT
LEDBL
5V5V
VddaVdda
RESET RESET
BATT_CODEBATT_CODE
LI_ION LI_ION
LOCK LOCK
4V_3.3V
CSX CSX
MODIN MODIN
DATA DATA
CLK CLK
UNSWB+ UNSWB+
DEMOD DEMOD
RSSI RSSI
16.8MHz 16.8MHz
RTA2 RTA2
RTA3RTA3
MECH_SWB+ MECH_SWB+
VOL VOL
PTT PTT
LVZIF_SEL LVZIF_SEL
SWB+ SWB+
DACRx DACRx
RED_LED RED_LED
GREEN_LED GREEN_LED
SB1 SB1
SB2 SB2
SB3 SB3
EMEREMER
RTA0RTA0
RTA1 RTA1
FL0830275O
Overall Controller Schematic
FL0830275-O

3-4 Controller - Set 1 (PCB 8480450Z03, 8485641Z02, 8480587Z01, 8485677Z01, 8480641Z03)
0.1uF
C428
12
4
3
6
7
5
U407
X25320_2.7V
MISO
8
WP
CLK
CS
HOLD
SI
SO
VCC
VSS
100pF
C427
R429
10K
EE_CS
5V
R413
0
47K
R400
C422
0.1uF
0.1uF
C421
Vdda
.01uF
C420
SQDET
GNDSYN
HSIO
LCAP
LSIO
GCB0
GCB1
GCB2
CLK
CSX
DATA
CHACT
17
23
19
24
18
15
14
13
21
20
22
16
VOX
UIO
VDDA
VDDDAC
PLCAP
SQIN
GNDA
DACG
DACR
DACU
DISC
AGCCAP
7
10
1
11
8
9
3
6
5
4
2
12
U404
09Z41
VDDSYN
TXRTN
VDDCP
VDDD
NC
PLCAP2
SYN
GNDD
GNDD0
F1200
GCB3
CLK168
VDDRC
TXSND
URXOUT
MICINT
MOD
GNDRC
MICEXT
GCB4
GCB5
AUDIO
AUXRX
AUXTX
45
44
39
46
40
47
48
37
38
41
43
42
TX_AUD_SND
MODIN
AUDIO
FLAT_TX_RTN
LEDBL
270K
R448
220K
R446C480
10uF
R447
1.5MEG
MECH_SWB+
CR440
1
2
3
39K
R416
13
2
Q403
Q405
2
4
13
C402
0.1uF C403
10uF
3
1
2
Q400
75K
R406
UNSWB+
2.7K
R427
5
3
1
2
4
CR412
BATT_CODE Vddd
27
36
32
33
26
25
28
31
30
29
35
34
C416
0.1uF
SYN
F1200
TX_AUD_RTN
16.8MHz
RED_LED
C419
0.01uF
DATA
CLK
CSX
CHACT
SQ_DET
LSIO
HSIO
EXT_SPKR_SEL
AUDIO_PA_ENA
GREEN_LED
Vddd
BATT_DATA_IN
OFF_BATT_DATA_OUT
R476
24K
OUTPUT
SENSESHUTDOWN
VTAP
ERRORFEEDBACK
GND
INPUT
LP2951ACMM-3.3
U400
4
1
2
6
5
3
7
8
C400
.01uF
4V_3.3V
NU
R402
0
R405
SWB+
Vddd
INT_MIC
EXT_MIC
68K
R407
TP406 1
C401
0.1uF 0
R401
INT_EXT_Vdd
0.1uF
C410
TP410 1C408
100pF
0.1uF
C409
0
R475
Vdda
RESET
C411
0.1uF
DEMOD
24K
R449
C479
30K
0.1uF
R425
0.1uF
C407
R445
24K
Vdda
URX_SND
RX_AUD_RTN
VOX
VS_AUDSEL
VS_GAINSEL
DACRx
FLAT_RX_SND
C430
0.1uF
.01uF
C415
4.7uF
C452
0.1uF
C414 C451
.022uF
NOTE: C419 is used in VHF Controller
and not used in UHF Controller
ZWG0130109-A
3.28V
3.29V
7.45V
7.45V
Controller ASFIC / ON-OFF
ZWG0130109-A

Controller - Set 1 (PCB 8480450Z03, 8485641Z02, 8480587Z01, 8485677Z01, 8480641Z03) 3-5
VRL
VSS
VSSL
VSSR
XFC
XIRQ
XTAL
PJ6
PJ7
RESET
VDD
VDDL
VDDR
VDDSYN
VRH
PJ0_CSGP3
PJ1_CSGP4
PJ2
PJ3
PJ4
PJ5
PH5_CSGP1
PH6_CSGP2
PH7_CSPROG
PG5_XA18
PG6_AS
PG7_R_W
PH0_PW1
PH1_PW2
PH2_PW3
PH3_PW4
PH4_CSIO
PF6_ADDR6
PF7_ADDR7
PFO_ADDR0
PG0_XA13
PG1_XA14
PG2_XA15
PG3_XA16
PG4_XA17
PE6_AN6
PE7_AN7
PF1_ADDR1
PF2_ADDR2
PF3_ADDR3
PF4_ADDR4
PF5_ADDR5
PD4_SCK
PD5_SS
PD6_LVIN
PE0_AN0
PE1_AN1
PE2_AN2
PE3_AN3
PE4_AN4
PE5_AN5
PC4_DATA4
PC5_DATA5
PC6_DATA6
PC7_DATA7
PD0_RXD
PD1_TXD
PD2_MISO
PD3_MOSI
PB5_ADDR13
PB6_ADDR14
PB7_ADDR15
PBO_ADDR8
PC0_DATA0
PC1_DATA1
PC2_DATA2
PC3_DATA3
PA4_OC4_OC1
PA5_OC3_OC1
PA6_OC2_OC1
PA7_PA1_OC1
PB1_ADDR9
PB2_ADDR10
PB3_ADDR11
PB4_ADDR12
IRQ
LVOUT
MODA_LIR
MODB_VSTBY
PA0_IC3
PA1_IC2
PA2_IC1
PA3_IC4_OC5_OC1
AVDD
AVSS
ECLK
EXTAL
PI5
PI6
PI7
PI0
PI1
PI2
PI3
PI4
U409
MC68HC11FL0
77
78
71
72
73
74
75
76
62
61
60
67
66
65
64
63
48
94
4
58
57
89
96
68
93
91
12
39
88
92
69
2
3
97
98
99
100
1
84
85
86
95
79
80
81
82
83
59
90
41
38
5
47
46
45
44
43
42
6
16
20
19
17
18
35
36
37
30
31
32
33
34
13
40
87
50
49
56
55
54
53
52
51
22
29
28
27
26
25
24
23
8
7
14
10
11
9
21
15
70
10MEG
R420
R426
330K
1
OUT
3
XTAL
FL401
GND
2
IN
22pF
C436
C437
22pF
EMER
VS_RAC
VOL
RSSI
VOX
KEYPAD_COL
KEYPAD_ROW
OPT_SEL1
OPT_ENA
LOCK
VS_INT
PTT
SB2
SB3
OFF_BATT_DATA_OUT
RESET
RTA1
R_W
RTA0
RTA2
RTA3
SB1
Vddd
Mech_SWB+
R432
51K
33.0K
RT400
R414
180K
TP415
TEST_POINT
1
C433
.01uF
R415
91K
LOW BATT
VST
CSGP3
CSGP4
A3
A2
A1
A17
A16
A15
A14
A13
A12
A11
A10
A9
A8
A7
A6
A5
A4
A0
D1
D7
D2
D4
D0
D5
D3
D6
D5
D6
D7
PRIME_ID
D0
D1
D2
D3
D4
LCD_SEL
RAM_CS
FLASH_EN
LVZIF_SEL
VS_CS
XA18
BATT_DATA_IN
OPT_SEL2
CLK
CSX
EE_CS
L410
390nH
R437
L411
390nH
NU
HSIO
FLASH_OE
DATA
SYN
RDY
LSIO
SQ_DET
CHACT
MISO
100pF
C453
100pF
C431 C449
100pF
Vddd
C423
100pF
10K
R411 100pF
C456
Vddd
KEY_INT
F1200
Vddd
SCI_RXSCI_TX
10K
R409
0
R418
10K
R457
TP401
1
TEST_POINT TEST_POINT
TP402
1
UNSWB+
SWB+
6
4
1
3
Q417
2
10K
47K
47K
4.7K
300
R463
1
2
4
CR413
5
3
10K
R462
TP405
TEST_POINT
1
BOOT_CTRL
LI_ION
1
2
4
CR411
5
30
R419
3
1
2
Q416
180
R461
4.7K
R460
0.1uF
C435
0.1uF
C434
VIN
2VOUT 3
VSS
1
U410
ILC7062CM-33 3.3V
Vddd
UNSWB+
3.30V
3.28V 3.28V
1.90V
3.30V
3.29V
ZMY0130088-B
ZMY0130088-B
Controller MicroProcessor

3-6 Controller - Set 1 (PCB 8480450Z03, 8485641Z02, 8480587Z01, 8485677Z01, 8480641Z03)
C4020
1000pF
C4021
1000pF
MISO
VS_RAC
D7
D4
D5
D3
D6
D2
D1
D0
Vddd
R_W
RESET
LCD_SEL
LEDBL
KEY_INT
INT_EXT_Vdd
VS_INT
VS_AUDSEL
VS_GAINSEL
FLAT_RX_SND
RX_AUD_RTN
URX_SND
TX_AUD_SND
PTT
SWB+
KEYPAD_ROW
KEYPAD_COL
A0
OFF_BATT_DATA_OUT
OPT_ENA
DATA
RDY
FLAT_TX_RTN
TX_AUD_RTN
VS_CS
EXT_MIC
CLK
J400-23
J400-2
J400-5
J400-20
J400-14
J400-26
J400-17
J400-35
J400-34
J400-33
J400-32
J400-31
J400-13
J400-15
J400-4
J400-9
J400-18
J400-11
J400-40
J400-25
J400-39
J400-28
J400-21
J400-27
J400-37
J400-36
J400-30
J400-29
J400-22
J400-3
J400-19
J400-8
J400-12
J400-6
J400-24
J400-1
J400-38
J400-10
J400-16
J400-7
EXT_MIC
VS_CS
SW_B+
Vddd
VS_AUDSEL
Det_Aud_Snd
Rx_Aud_Rtn
Tx_Aud_Snd
Tx_Aud_Rtn
Flat_Tx_Rtn
Opt_Bd_En
Rdy/Req
Rx_Aud_Snd
ON
INT_EXT_Vdd
Key_Row
Key_Col
PTT
Key_Intrp
VS_INT
RST*
LED_EN
OFF_BATT_DATA_OUT
VS_GAINSEL
SrD_Rtn
SrD_Snd
R/W*
CS*
DB0
DB1
DB2
DB3
DB4
DB5
DB6
DB7
A0
SCK_Snd
VS_RAC
Gnd
E406
E405
E403
E402
E401
E404
E409
E408
E407
C463
100pF
0.1uF
C481
0.1uF
C482
0.1uF
C467
E400
R481
24K
100pF
100pF
C458
C466
100pF
C459
J400
40-PINS CONNECTOR
Note: C4020 and C4021not placed on PCBs 8480450Z03, 8485641Z02,
8480587Z01, 8485677Z01, 8486062B12, 8485726Z01.
FLASH ROM
RAM
XA18
NP
10uF
R428
2.2
C424
R478
10K
0
R492
7EN_WE
24
GND
9
NC
8
VCC
23
D2 25
D3 26
D4 27
D5 28
D6 29
D7
30 EN_CE
32 EN_OE
16 A4
15 A5
14 A6
13 A7
3A8
2A9
21
D0 22
D1
12 A12
4A13
5A14
11 A15
10 A16
6A17
18 A2
17 A3
U406
AT49BV020
20 A0
19 A1
31 A10
1A11
C425
0.1uF
C426
100pF
OE
22
VDD
28
VSS
14
WE
27
D1 11
D2 12
D3 13
D4 15
D5 16
D6 17
D7 18
D8 19
A3
7
A4
6
A5
5
A6
4
A7
3
A8
25
A9
24
CS
20
A0
10
A1
9
A10
21
A11
23
A12
2
A13
26
A14
1
A2
8
U405
SRM2B256
1MEG
R408
0.1uF
C429
100K
R410
A11
A10
A9
A8
A7
A6
A5
A4
A3
A2
A1
A0
A14
XA18
A0
A1
A2
A3
A4
A5
A6
A7
A8
A9
A10
A11
A12
A13
A14
A17
A16
A15
A13
A12
R_W
FLASH_OE
FLASH_EN
RAM_CS
D0
D1
D2
D3
D4
D5
D6
D7
D0
D1
D2
D3
D4
D5
D6
D7
Vddd
Vddd
FL0830279O
Controller Interface Controller Memory
ZWG0130360-A
FL0830279-O

Controller - Set 1 (PCB 8480450Z03, 8485641Z02, 8480587Z01, 8485677Z01, 8480641Z03) 3-7
1000pF
C477
1000pF
C478
10K
R498 J403-2
J403-1
J403-3
J403-12
J403-19
J403-16
J403-18
J403-13
J403-8
J403-9
J403-15
J403-14
J403-17
J403-20
J403-7
J403-5
J403-6
J403-4
J403-10
J403-11
GND
INT_SPK+
INT_SPK-
EXT_SPK+
EXT_SPK-
OPT_B+
EXT_MIC
OPT_SEL_2
OPT_SEL_1
GND
RX_DATA
TX_DATA
GND
RSSI
RX_AUDIO/TX_AUDIO
BOOT_CTRL
NC
MIC
GND
GND
C483
470pF
470pF
C484 VR447
10.0V 10.0V
VR448 VR449
10.0V
J403
20 PIN CONNECTOR
68
R450
C471
470pF
C472
470pF
C473
470pF
SWB+
OPT_SEL2 OPT_SEL1
VR434
6.8V
100pF
C493
470pF
C490
470pF
C492
470pF
C491
5.6V
VR433
C497
470pF
470pF
C496 C495
470pF C494
100pF
5.6V
VR432
FLAT_RX_SND
SCI_RX
SCI_TX
RSSI
BOOT_CTRL
C441
470pF
L400
390nH
R421
2K
INT_MIC
2K
R435
C444*
100pF
R436
0
C440
4.7uF
R477
1K
470pF
C445
390nH
L401
C443
0.1uF
EXT_MIC
C442
0.1uF
10
R473
10uF
C475
UNSWB+
AUDIO
0.1uF
C447
6.2K
R472
0.1uF
C448
36K
R424
R431
470K
VCC1 VCC2
OUT1NEG
OUT1POS
OUT2NEG
OUT2POS
SELECT
SVR
IN1NEG
IN1POS
IN2NEG
IN2POS
MODE
NC2
NC3
NC4
NC5
NC1
GND1
GND2
6
5
17
16
14
15
4
R423
82K
U420
TDA854720 11
7
9
12
19
18
3
13
8
2
1
10
10uF
C476
SWB+
R471
5.6K
Q410
46
132
AUDIO_PA_ENA EXT_SPKR_SEL
Vdda
R434
6.2K
5V
0.1uF
C450
VR450
10.0V
.01uF
C474
R499
10K
R472 R423 C474 C477 C478 C445 C441 C497C496C495C471 C472 C473 C483 C484 C490 C491 C492
VHF 6.2K 82K .01uF 1000pF 1000pF 470pF 470pF 470pF 470pF 470pF 470pF 470pF 470pF 470pF 470pF 470pF 470pF 470pF
36K 470K not
placed not
placed not
placed 100pF 100pF 100pF 470pF 470pF not
placed not
placed 100pF 100pF 100pF 100pF 100pF 100pF
VR445 VR446
not
placed not
placed
10.0V 10.0V
UHF B1 8480450Z03
UHF B2 8485641Z02
300R1 8485726Z04
GP1280
UHF B1 8480587Z01
UHF B2 8485677Z01
8486062B12
8486062B14
VHF
PCB
Band
6.2K 82K .01uF 1000pF 1000pF 470pF 470pF 470pF 470pF 470pF 470pF 470pF 470pF 470pF 470pF 470pF 470pF 470pF not
placed not
placed
R498 R499
10K 10K
not
placed not
placed
not
placed not
placed
8485726Z01
300R1 47K 100pF 100pF 100pF 100pF 100pF 100pF 100pF 100pF 100pF 100pF 100pF
3.6K not
placed not
placed not
placed not
placed not
placed 10.0V 10.0V not
placed not
placed
36K 470K not
placed not
placed not
placed 68pF 68pF 68pF 68pF 68pF 68pF
not
placed not
placed 68pF 68pF 68pF 68pF 68pF 10.0V 10.0V not
placed not
placed
8480641Z03
800 MHz
8480450Z13
8480450Z14
UHF B1 36K 470K not
placed not
placed not
placed 100pF 100pF 100pF 470pF 470pF not
placed not
placed 100pF 100pF 100pF 100pF 100pF 100pF 10.0V 10.0V 10K 10K
Controller Audio Power Amplifier
ZWG0130110-D

3-8 Controller - Set 1 (PCB 8480450Z03, 8485641Z02, 8480587Z01, 8485677Z01, 8480641Z03)
Intentionally left blank

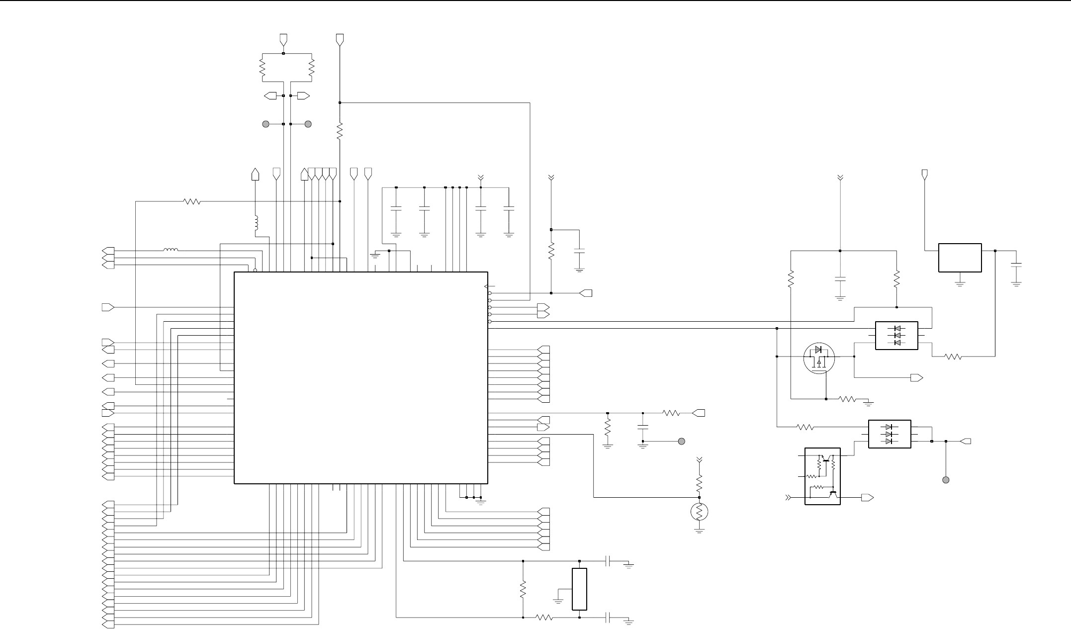
Controller - Set 2 (PCB 8480450Z13/14, 8485641Z06) 3-9
3.0 Controller - Set 2 (PCB 8480450Z13/14, 8485641Z06)
Vdda
RESET
BATT_CODE
LI_ION
LOCK
4V_3.3V
CLK
UNSWB+
DEMOD
RSSI
16.8MHz
LVZIF_SEL
SWB+
DACRx
CSX
MODIN
DATA
RTA0
RTA1
RTA2
RTA3
MECH_SWB+
VOL
PTT
RED_LED
GREEN_LED
SB1
SB2
SB3
EMER
5V
Vdda
RESET
BATT_CODE
LI_ION
LOCK
4V_3.3V
CLK
UNSWB+
DEMOD
RSSI
16.8MHz
5V
LVZIF_SEL
SWB+
DACRx
CSX
MODIN
DATA
RTA0
RTA1
RTA2
RTA3
MECH_SWB+
VOL
PTT
RED_LED
GREEN_LED
SB1
SB2
SB3
EMER
R403
Vdda Vdda
NU
TO/FROM RF
IF_UNSWB+_CTRL
IF_CLK_CTRL
IF_DEMOD_CTRL
IF_SB1_CTRL
IF_16.8MHz_CTRL
IF_GREEN_LED_CTRL
IF_RTA3_CTRL
IF_SWB+_CTRL
IF_SB2_CTRL
IF_RTA2_CTRL
IF_SB3_CTRL
IF_MODIN_CTRL
IF_MECHSWB+_CTRL
IF_PTT_CTRL
IF_CSX_CTRL
IF_EMER_CTRL
IF_DACRX_CTRL
IF_RTA1_CTRL
IF_RED_LED_CTRL
IF_RTA0_CTRL
IF_RSSI_CTRL
IF_LOCK_CTRL
IF_DATA_CTRL
IF_LVZIF_SEL_CTRL
IF_VOL_CTRL
IF_BATT_CODE_CTRL
IF_Vdda_CTRL
IF_LI_ION_CTRL
IF_RESET_CTRL
IF_5V_CTRL
IF_4V_3.3V_CTRL
C432
NU
URX_SND
VS_GAINSEL
VS_INT
VS_RAC
INT_EXT_Vdd
KEYPAD_COL
KEYPAD_ROW
KEY_INT
LCD_SEL
LEDBL
MISO
OFF_BATT_DATA_OUT
OPT_ENA
PTT
RDY
RESET
R_W
A0
CLK
D0
D1
D2
D3
D4
D5
D6
D7
DATA
ON
Vddd
FLAT_TX_RTN
VS_GAINSEL
DATA
OFF_BATT_DATA_OUT
MISO
EXT_MIC
LCD_SEL
R_W
SWB+
VS_AUDSEL
VS_CS
FLAT_RX_SND
TX_AUD_SND
OPT_ENA
RX_AUD_RTN
TX_AUD_RTN
RDY
KEYPAD_ROW
URX_SND
INT_EXT_Vdd
KEYPAD_COL
KEY_INT
RESET
PTT
VS_INT
LEDBL
TX_AUD_RTN
TX_AUD_SND
VS_AUDSEL
VS_CS
Vddd
FLAT_TX_RTN
RX_AUD_RTN
SWB+
EXT_MIC
FLAT_RX_SND
INTERFACE
VS_RAC
CLK
Vddd
FLASH_OE
RAM_CS
FLASH_EN
R_W
XA18
A4
A5
A6
A7
A8
A9
A0
A1
A10
A11
A12
A13
A14
A15
A16
A17
A2
A3
RAM_CS
R_W
Vddd
XA18
FLASH_EN
FLASH_OE
D0
D1
D2
D3
D4
D5
D6
D7
MEMORY
MICRO_P
AUDIO_PA
ASFIC
VS_INT
KEY_INT
LOCK
PTT
EMER
KEY_INT
PTT
EMER
VS_INT
LOCK
A14
A15
A16
A17
A2
A3
A4
A5
A6
A7
A8
A9
A0
A1
A10
A11
A12
A13
LVZIF_SEL
VS_CS
LCD_SEL
VS_CS
Vddd
XA18
R_W
LCD_SEL
LVZIF_SEL
RAM_CS
D0
D1
D2
D3
D4
D5
D6
D7
FLASH_EN
FLASH_OE
UNSWB+
VOX
RESET
SQ_DET
SWB+
SYN
LSIO
MISO
CSX
DATA
EE_CS
F1200
HSIO
BATT_DATA_IN
CHACT
CLK
RDY
RSSI
RTA0
RTA1
RTA2
RTA3
SB1
SB2
SB3
SCI_RX
SCI_TX
OFF_BATT_DATA_OUT
OPT_SEL1
OPT_SEL2
BOOT_CTRL
VOL
VS_RAC
KEYPAD_COL
KEYPAD_ROW
LI_ION
MECH_SWB+
OPT_ENA
RTA3
SB3
SB2
OFF_BATT_DATA_OUT
VOL
MECH_SWB+
VS_RAC
KEYPAD_COL
KEYPAD_ROW
OPT_ENA
LI_ION
RTA1
RTA0
RTA2
SB1
SHIELD
SH401
1
SHIELD
SH402
1
SH400
1
SHIELD SHIELD
SH403
1
ON/OFF SHIELD MICROPIC SHIELD ASFIC/AUDIO PA SHIELDMEMORY SHIELD
SWB+
RESET
UNSWB+
MISO
DATA
CSX
CLK
SCI_TX
BOOT_CTRL
OPT_SEL1
OPT_SEL2
RSSI
SCI_RX
SWB+
UNSWB+
Vdda
5V
AUDIO
AUDIO_PA_ENA
EXT_MIC
EXT_SPKR_SEL
FLAT_RX_SND
INT_MIC
RDY
RSSI
16.8MHz
RED_LED
RX_AUD_RTN
TX_AUD_RTN
TX_AUD_SND
URX_SND
OFF_BATT_DATA_OU
MODIN
MECH_SWB+
LEDBL
INT_EXT_Vdd
GREEN_LED
FLAT_TX_RTN
BATT_CODE
OFF_BATT_DATA_OUT
RED_LED
RX_AUD_RTN
TX_AUD_RTN
TX_AUD_SND
URX_SND
FLAT_TX_RTN
GREEN_LED
INT_EXT_Vdd
LEDBL
MECH_SWB+
MODIN
16.8MHz
BATT_CODE
VS_AUDSEL
VS_GAINSEL
Vddd
DEMOD
DACRX
4V_3.3V
Vddd
VS_AUDSEL
VS_GAINSEL
DEMOD
4V_3.3V
DACRX
RESET
SQ_DET
SWB+
SYN
UNSWB+
VOX
EE_CS
F1200
HSIO
LSIO
MISO
BATT_DATA_IN
CHACT
CLK
CSX
DATA
Vdda
EXT_MIC
EXT_SPKR_SEL
FLAT_RX_SND
INT_MIC
5V
AUDIO
AUDIO_PA_ENA
Vdda
FLAT_RX_SND
EXT_MIC
5V
Overall Controller Schematic
ZMY0130086-B

3-10 Controller - Set 2 (PCB 8480450Z13/14, 8485641Z06)
DEMOD
Vdda
FLAT_RX_SND
URX_SND
RX_AUD_RTN
VS_GAINSEL
DACRx
VOX
VS_AUDSEL
0.1uF
C407
R425
30K
0.1uF
C479
24K
R445
24K
R449
0.1uF
C411
0.1uF
C430
0.1uF
C414 C415
0.1uF .022uF
C451
4.7uF
C452
1
11
7
9
10
8
3
5
4
2
6
12
32
33
27
28
36
26
35
31
30
29
34
25
45
44
39
48
46
40
37
38
47
41
43
42
17
19
24
18
23
22
15
14
13
16
21
20
09Z41
U404
VDDRC
TXSND
URXOUT
MICEXT
MICINT
MOD
GCB4
GCB5
GNDRC
AUDIO
AUXRX
AUXTX
VDDA
VDDDAC
VOX
SQIN
UIO
PLCAP
GNDA
DACR
DACU
DISC
DACG
AGCCAP
VDDCP
VDDD
VDDSYN
SYN
TXRTN
NC
GCB3
GNDD
GNDD0
F1200
CLK168
SQDET
HSIO
LCAP
LSIO
GNDSYN
DATA
GCB0
GCB1
GCB2
CHACT
CLK
CSX
PLCAP2
C421
0.1uF
.01uF
C420 0.1uF
C422
R400
47K
R413
0
RED_LED
TX_AUD_RTN
16.8MHz
C416
0.1uF
Vdda
5V
F1200
SYN
EE_CS
Vddd
C428
0.1uF100pF
C427
10K
R429
U407
X25128-2.7
MISO
6
SCK
SI
5
SO 2
VCC
8
4
VSS
WP
3CS
1
HOLD
7
4Kx8 BIT
EEPROM
C419
NU
DATA
CLK
SQ_DET
LSIO
HSIO
CSX
CHACT
EXT_SPKR_SEL
AUDIO_PA_ENA
GREEN_LED
FROM_RF
EXT_MIC
INT_MIC
800 MHz only
C405
100pF
1
TP410
C410
0.1uF
0
R475
Vdda
C408
100pF C409
0.1uF
INT_EXT_Vdd
Used for Lowband Only
RESET
R447
100K
TX_AUD_SND
LEDBL
MODIN
AUDIO
FLAT_TX_RTN
MECH_SWB+
1
TP406
R401
0
0.1uF
C401
0
R405
SWB+
4V_3.3V
R402
NU
Vddd
.01uF
C400
R407
68K
0.1uF
C406
3
7
8
U400
LP2951ACMM-3.3
OUTPUT
1
SENSE
2
SHUTDOWN
VTAP
6
ERROR
5
FEEDBACK
GND
4
INPUT
10K
R448
24K
R476
C402
0.1uF 10uF
C403
3
1
2
Q400
BATT_CODE
UNSWB+
R406
75K
CR412
A1 4
A2 5
A3 6
K1
3
K2
2
K3
1
Vddd
2.7K
R427
2
Q405 4
13
R416
10K
OFF_BATT_DATA_OUT
15K
R451
R453
10uF
C480
NU
0
R456
R454
R452
100K Q403
13
2
NU
R455CR440
NU
23
1
BATT_DATA_IN
Controller ASFIC / ON-OFF
ZMY0130084-D

Controller - Set 2 (PCB 8480450Z13/14, 8485641Z06) 3-11
Controller Micro Processor
M400
UNSWB+
Vddd
C434
0.1uF
U410
ILC7062CM-33
VSS
1
3.3V
23
VIN VOUT
R461
180
C435
0.1uF R460
4.7K
R419
510
CR411
1
2
34
5
6
K1
K2
K3
A1
A2
A3
LI_ION
R462
10K
R463
300
K1
K2
K3
A1
A2
A3
4
5
61
2
3
CR413
Q417 BOOT_CTRL
TP405
TEST_POINT
1
SWB+
2
3
16
4
47K
4.7K
47K
10K
UNSWB+
RTA0
RTA1
RTA2
RTA3
SB1
SB2
SB3
OFF_BATT_DATA_OUT
LOW BATT
Mech_SWB+
Vddd
R414
180K
1Z
C433
0.1uF
1
R415
91K
1Z
RSS
VOX
KEYPAD_COL
VOL
VS_RAC
KEYPAD_ROW
LOCK
VS_INT
EMER
PTT
OPT_SEL 1
OPT_ENA
TP415
TEST_POINT
RT400
33.0K
22pF
R432
51K
C436
CSGP3
CSGP4
RTA2
C437
22pF
R420
10MEG
R426
330K
FL401
XTAL
GND
IN
OUT
3
2
1
RESET
R_W
KEY_INT
10K
R411 C456
100pF
VST
Vddd Vddd
C423
100pF
C453
100pF
C449
100pF
C431
100pF
L411
390nH
R437
NU
L410
390nH
R418
0
TP401
TEST_POINT
TP402
TEST_POINT
SCI_TX SCI_RX
1
1
DATA
MISO
FLASH_OE
LSIO
CHACT
SO_DET
HSIO
RDY
SYN
R457
10K R409
10K
Vddd F1200
CLK
CSX
EE_CS
OPT_SEL 2
XA18
BATT_DATA_IN
LVZIF_SEL
VS_CS
LCD_SEL
RAM_CS
FLASH_EN
D0
D1
D2
D3
D4
D5
D6
D7
A17
A16
A15
A14
A13
A12
A11
A10
A9
A8
A7
A6
A5
A4
A3
A2
A1
A0
U409
MC68HC11FLO
Q416
1
2
3
P06+LVIN
PD5_SS
PD4_SCK
PD3_MOSI
PD2_MISO
PD1_TXD
PD0_RXD
PA7_PA1_OC1
PA6_OC2_OC1
PA3_IC4_OC5_OC1
PA2_IC1
PA1_IC2
PA0_IC3
EXTAL
XTAL
PA5_OC3_OC1
PA4_OC4_OC1
VRL
VRH
VDDSYN
XFC
LVOUT
VDD
VDDR
VDDL
AVDD
3
2
1
100
99
98
97
86
85
84
83
82
81
80
90
91
68
69
92
93
79
95
12
88
39
59
ECLK
IRQ
XIRQ
RESET
PG7_R_W
MODA_LIR
PJ0_CSGP3
PJ1_CSGP4
PJ2
PJ3
PJ4
PJ5
PJ6
89
96
48
94
4
58
PJ7
57
71
72
73
74
75
76
77
78
67
66
65
64
63
62
61
60
PE0_AN0
PE1_AN1
PE2_AN2
PE3_AN3
PE4_AN4
PE5_AN5
PE6_AN6
PE7_AN7
22
23
24
25
26
27
28
29
7
8
15
21
9
11
10
14
49
50
51
52
53
54
55
56
PF7_ADDR7
PF6_ADDR6
PF5_ADDR5
PF4_ADDR4
PF3_ADDR3
PF2_ADDR2
PF1_ADDR1
PF0_ADDR0
PB7_ADDR15
PB6_ADDR14
PB5_ADDR13
PB4_ADDR12
PB3_ADDR11
PB2_ADDR10
PB1_ADDR9
PB0_ADDR8
P17
P16
P15
P14
P13
P12
P11
P10
VSS
VSSR
VSSL
AVSS
13
87
40
70
PG0_XA13
PG1_XA14
PG2_XA15
PG3_XA16
PG4_XA17
PG5_XA18
PGG_AS
6
16
20
19
17
18
5
PH0_PW1
PH1_PW2
PH2_PW3
PH3_PW4
PH4_CS10
PH5_CSGP1
PH6_CSGP2
PH7_CSPROG
47
46
45
44
43
42
41
38
PC0_DATA0
PC1_DATA1
PC2_DATA2
PC3_DATA3
PC4_DATA4
PC5_DATA5
PC6_DATA6
PC7_DATA7
30
31
32
33
34
35
36
37
ZMY0130088-D
ZMY0130088-D

3-12 Controller - Set 2 (PCB 8480450Z13/14, 8485641Z06)
D5
D3
D6
D2
D1
D0
Vddd
VS_AUDSEL
VS_GAINSEL
MISO
VS_RAC
D7
D4
LCD_SEL
LEDBL
KEY_INT
INT_EXT_Vdd
VS_INT
A0
R_W
RESET
X_AUD_SND
PTT
SWB+
KEYPAD_ROW
KEYPAD_COL
TX_AUD_RTN
VS_CS
EXT_MIC
CLK
FLAT_RX_SND
RX_AUD_RTN
URX_SND
OFF_BATT_DATA_OUT
OPT_ENA
DATA
RDY
FLAT_TX_RTN
C404
100pF
C527
100pF
C526
100pF
800 MHz only
C466
100pF
100pF
C458
C459
100pF
C481
0.1uF
0.1uF
C482
E400
0.1uF
C467
24K
R481
E406
E404
E405
E403
E408
E409
E407
E401
E402
100pF
C463
C529
C528
100pF
100pF
100pF
C524
C525
100pF
EXT_MIC
VS_CS
J400
40 - PIND CONNECTOR
J400-31
J400-30
J400-35
J400-36
J400-39
J400-40
J400-27
J400-38
J400-28
J400-37
J400-32
J400-29
J400-33
J400-34
J400-24
J400-15
J400-25
J400-16
J400-11
J400-12
J400-19
J400-18
J400-17
J400-21
J400-13
J400-20
J400-14
J400-22
J400-26
J400-23
J400-3
J400-4
J400-5
J400-7
J400-6
J400-8
J400-9
J400-10
J400-1
J400-2
OFF_BATT_DATA_OUT
VS_GAINSEL
SrD_Rtn
SrD_Snd
R/W*
DB0
DB1
DB2
DB3
DB4
DB5
DB6
DB7
SCK_Snd
VS_RAC
Gnd
Det_Aud_Snd
Rx_Aud_Rtn
Tx_Aud_Snd
Tx_Aud_Rtn
Flat_Tx_Rtn
Opt_Bd_En
Rdy/Req
Rx_Aud_Snd
ON
INT_EXT_Vdd
Key_Row
Key_Col
PTT
Key_Intrp
VS_INT
RST*
LED_EN
VS_AUDSEL
SW_B+
Vddd
CS*
A0
ZMY0130457-A
Vddd
C426
100pF
0.1uF
C425
VDD
14
VSS
27 WE
D2 13
D3 15
D4 16
D5 17
D6 18
D7 19
D8
22 OE
28
A4
5A5
4A6
3A7
25 A8
24 A9
20 CS
11
D1 12
A1
21 A10
23 A11
2A12
26 A13
1A14
8A2
7A3
6
SRM2B256
U405
10 A0
9
A7
A8
A9
A10
A11
A12
A13
A14
D0
D1
D2
D3
D4
D5
D6
D7
A0
A1
A2
A3
A4
A5
A6
RAM
RAM_CS
R_W
XA18
C429
0.1uF
R410
100K
FLASH_OE
R408
R492
0
FLASH_EN
NU
D2
D4
D5
D0
D1
D6
D7
D3
29
EN_CE
30
EN_OE
32
EN_WE
7
VCC
8
2
D0 21
D1 22
D2 23
D3 25
D4 26
D5 27
D6 28
D7
A2
18
A3
17
A4
16
A5
15
A6
14
A7
13
A8
3
A9
31
A11
1
AT49HLV010
U406
A0
20
A1
19
A10
FLASH ROM
A17
A16
A15
A14
A13
A12
A11
A10
A1
A0
A9
A8
A7
A6
A5
A4
A3
A2
GND
24
A18
A12
12
A13
4
A14
5
A15
11
A16
10
A17
6
9
XA18
C424
10uF
2.2
R428
Vddd
10K
R478
ZMY0130087-B
Controller Interface Controller Memory
ZMY0130087-B
ZMY0130089-B

Controller - Set 2 (PCB 8480450Z13/14, 8485641Z06) 3-13
AUDIO
C475
10uF
UNSWB+
470K
R431
C448
0.1uF
82K
R423
0.1uF
C447
36K
R424
6.2K
R472
10K
R499
6
5
14
15
4
17
16
1
10
R498
10K
TDA8547
U420
VCC2
20
VCC1
11
19
18
OUT1NEG
3
OUT1POS
13
OUT2NEG
8
OUT2POS
SELECT
SVR
IN1POS
IN2NEG
IN2POS
MODE
NC1
2
NC2
7
NC3
9
NC4
12
NC5
GND1
GND2
IN1NEG
C476
10uF
SWB+
5.6K
R471
C450
NU
3
Q410
2
1
4
6
EXT_SPKR_SEL
AUDIO_PA_ENA
R473
10
C442
0.1uF
100pF
C444
R435
2K
330
R434
0.1uF
5V
EXT_MIC
C443 L401
390nH
C445
100pF
R436
0
4.7uF
C440
R421
2K
Vdda
INT_MIC
C441
100pF
390nH
L400
BOOT_CTRL
FLAT_RX_SND
SCI_RX
SCI_TX
RSSI
VR432
5.6V
OPT_SEL2
OPT_SEL1 SWB+
68
R450
100pF
C495
C496
100pF
10.0V
VR450
100pF
100pF
C497
C494
VR433
5.6V
100pF
C490
C492
100pF C491
100pF
C493
100pF
M401
100pF
C471
100pF
C473
100pF
C472
R477
1K
10.0V
VR449
VR445
10.0V VR448
10.0V
10.0V
VR447
VR446
10.0V
J403
20 PIN CONNECTOR
J403-1
J403-7
J403-6
J403-4
J403-9
J403-8
J403-5
J403-3
J403-2
J403-17
J403-16
J403-19
J403-20
J403-15
J403-11
J403-18
J403-13
J403-12
J403-10
J403-14
GND
INT_SPK+
INT_SPK-
EXT_SPK+
EXT_SPK-
OPT_B+
EXT_MIC
OPT_SEL_2
OPT_SEL_1
GND
Rx_DATA
GND
Tx_DATA
RSSI
Rx_AUDIO/Tx_AUDIO
BOOT_CTRL
NC
MIC
GND
GND
6.8V
VR460
6.8V
VR434
Controller Audio Power Amplifier
ZMY0130079-D

3-14 Controller - Set 2 (PCB 8480450Z13/14, 8485641Z06)
Intentionally left blank

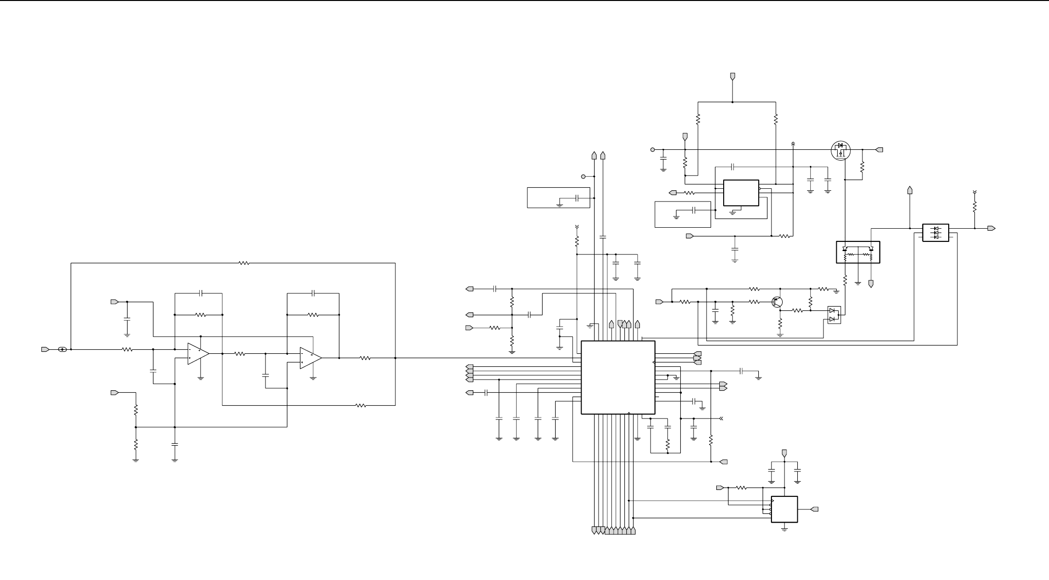
Controller - Set 3 (PCB 8486458Z03, 8486686Z02) 3-15
4.0 Controller - Set 3 (PCB 8486458Z03, 8486686Z02)
Vdda
RESET
BATT_CODE
LI_ION
LOCK
4V_3.3V
CLK
UNSWB+
DEMOD
RSSI
16.8MHz
LVZIF_SEL
SWB+
DACRx
CSX
MODIN
DATA
RTA0
RTA1
RTA2
RTA3
MECH_SWB+
VOL
PTT
RED_LED
GREEN_LED
SB1
SB2
SB3
EMER
5V
Vdda
RESET
BATT_CODE
LI_ION
LOCK
4V_3.3V
CLK
UNSWB+
DEMOD
RSSI
16.8MHz
5V
LVZIF_SEL
SWB+
DACRx
CSX
MODIN
DATA
RTA0
RTA1
RTA2
RTA3
MECH_SWB+
VOL
PTT
RED_LED
GREEN_LED
SB1
SB2
SB3
EMER
R403
Vdda Vdda
NU
TO/FROM RF
IF_UNSWB+_CTRL
IF_CLK_CTRL
IF_DEMOD_CTRL
IF_SB1_CTRL
IF_16.8MHz_CTRL
IF_GREEN_LED_CTRL
IF_RTA3_CTRL
IF_SWB+_CTRL
IF_SB2_CTRL
IF_RTA2_CTRL
IF_SB3_CTRL
IF_MODIN_CTRL
IF_MECHSWB+_CTRL
IF_PTT_CTRL
IF_CSX_CTRL
IF_EMER_CTRL
IF_DACRX_CTRL
IF_RTA1_CTRL
IF_RED_LED_CTRL
IF_RTA0_CTRL
IF_RSSI_CTRL
IF_LOCK_CTRL
IF_DATA_CTRL
IF_LVZIF_SEL_CTRL
IF_VOL_CTRL
IF_BATT_CODE_CTRL
IF_Vdda_CTRL
IF_LI_ION_CTRL
IF_RESET_CTRL
IF_5V_CTRL
IF_4V_3.3V_CTRL
C432
NU
URX_SND
VS_GAINSEL
VS_INT
VS_RAC
INT_EXT_Vdd
KEYPAD_COL
KEYPAD_ROW
KEY_INT
LCD_SEL
LEDBL
MISO
OFF_BATT_DATA_OUT
OPT_ENA
PTT
RDY
RESET
R_W
A0
CLK
D0
D1
D2
D3
D4
D5
D6
D7
DATA
ON
Vddd
FLAT_TX_RTN
VS_GAINSEL
DATA
OFF_BATT_DATA_OUT
MISO
EXT_MIC
LCD_SEL
R_W
SWB+
VS_AUDSEL
VS_CS
FLAT_RX_SND
TX_AUD_SND
OPT_ENA
RX_AUD_RTN
TX_AUD_RTN
RDY
KEYPAD_ROW
URX_SND
INT_EXT_Vdd
KEYPAD_COL
KEY_INT
RESET
PTT
VS_INT
LEDBL
TX_AUD_RTN
TX_AUD_SND
VS_AUDSEL
VS_CS
Vddd
FLAT_TX_RTN
RX_AUD_RTN
SWB+
EXT_MIC
FLAT_RX_SND
INTERFACE
VS_RAC
CLK
Vddd
FLASH_OE
RAM_CS
FLASH_EN
R_W
XA18
A4
A5
A6
A7
A8
A9
A0
A1
A10
A11
A12
A13
A14
A15
A16
A17
A2
A3
RAM_CS
R_W
Vddd
XA18
FLASH_EN
FLASH_OE
D0
D1
D2
D3
D4
D5
D6
D7
MEMORY
MICRO_P
AUDIO_PA
ASFIC
VS_INT
KEY_INT
LOCK
PTT
EMER
KEY_INT
PTT
EMER
VS_INT
LOCK
A14
A15
A16
A17
A2
A3
A4
A5
A6
A7
A8
A9
A0
A1
A10
A11
A12
A13
LVZIF_SEL
VS_CS
LCD_SEL
VS_CS
Vddd
XA18
R_W
LCD_SEL
LVZIF_SEL
RAM_CS
D0
D1
D2
D3
D4
D5
D6
D7
FLASH_EN
FLASH_OE
UNSWB+
VOX
RESET
SQ_DET
SWB+
SYN
LSIO
MISO
CSX
DATA
EE_CS
F1200
HSIO
BATT_DATA_IN
CHACT
CLK
RDY
RSSI
RTA0
RTA1
RTA2
RTA3
SB1
SB2
SB3
SCI_RX
SCI_TX
OFF_BATT_DATA_OUT
OPT_SEL1
OPT_SEL2
BOOT_CTRL
VOL
VS_RAC
KEYPAD_COL
KEYPAD_ROW
LI_ION
MECH_SWB+
OPT_ENA
RTA3
SB3
SB2
OFF_BATT_DATA_OUT
VOL
MECH_SWB+
VS_RAC
KEYPAD_COL
KEYPAD_ROW
OPT_ENA
LI_ION
RTA1
RTA0
RTA2
SB1
SHIELD
SH401
1
SHIELD
SH402
1
SH400
1
SHIELD SHIELD
SH403
1
ON/OFF SHIELD MICROPIC SHIELD ASFIC/AUDIO PA SHIELDMEMORY SHIELD
SWB+
RESET
UNSWB+
MISO
DATA
CSX
CLK
SCI_TX
BOOT_CTRL
OPT_SEL1
OPT_SEL2
RSSI
SCI_RX
SWB+
UNSWB+
Vdda
5V
AUDIO
AUDIO_PA_ENA
EXT_MIC
EXT_SPKR_SEL
FLAT_RX_SND
INT_MIC
RDY
RSSI
16.8MHz
RED_LED
RX_AUD_RTN
TX_AUD_RTN
TX_AUD_SND
URX_SND
OFF_BATT_DATA_OU
MODIN
MECH_SWB+
LEDBL
INT_EXT_Vdd
GREEN_LED
FLAT_TX_RTN
BATT_CODE
OFF_BATT_DATA_OUT
RED_LED
RX_AUD_RTN
TX_AUD_RTN
TX_AUD_SND
URX_SND
FLAT_TX_RTN
GREEN_LED
INT_EXT_Vdd
LEDBL
MECH_SWB+
MODIN
16.8MHz
BATT_CODE
VS_AUDSEL
VS_GAINSEL
Vddd
DEMOD
DACRX
4V_3.3V
Vddd
VS_AUDSEL
VS_GAINSEL
DEMOD
4V_3.3V
DACRX
RESET
SQ_DET
SWB+
SYN
UNSWB+
VOX
EE_CS
F1200
HSIO
LSIO
MISO
BATT_DATA_IN
CHACT
CLK
CSX
DATA
Vdda
EXT_MIC
EXT_SPKR_SEL
FLAT_RX_SND
INT_MIC
5V
AUDIO
AUDIO_PA_ENA
Vdda
FLAT_RX_SND
EXT_MIC
5V
Overall Controller Schematic
ZMY0130086-B

3-16 Controller - Set 3 (PCB 8486458Z03, 8486686Z02)
Controller ASFIC / ON-OFF
800 MHz only
100pF
C405
1
TP410
EXT_MIC
INT_MIC
R449
24K
C479
0.1uF
C407
0.1uF
24K
R445
R425
30K
Vdda
URX_SND
RX_AUD_RTN
C414
0.1uF
C430
0.1uF
C451
.022uF
C415
0.1uF
4.7uF
C452
FLAT_RX_SND
VS_GAINSEL
DACRx
VOX
VS_AUDSEL
DATA
CLK
SQ_DET
LSIO
HSIO
CSX
CHACT
EXT_SPKR_SEL
FROM_RF
AUDIO_PA_ENA
GREEN_LED
0.1uF
C411
BATT_CODE
A3 6
K1
3
K2
2
K3
1
CR412
A1 4
A2 5
R427
2.7K
BATT_DATA_IN
Vddd
10K
R416
231
4
R451
Q405
15K
OFF_BATT_DATA_OUT
C410
0.1uF
R475
0
Vdda
100pF
C408 C409
0.1uF
R447
100K
MECH_SWB+
IF_DISC_OUT
DISC_OUT
NU
NU
NU
NU
R378
C328
5V
R377
R371
Vdda
NU
NU
NU
NU
NU
NU
R373
R372
C383
U303-1
LM2904
2
31
8
4
C337
0
R370
C358
NU
NU
NU
NU
NU
NU
R376
R374
C390
R375
C359
LM2904
U303-2
6
57
8
4
NU
NU
R453 R456
0
10uF
C480
R454
10K
R448
100K
R452 Q403
13
2
NU
R455
1
23
CR440
TX_AUD_SND
LEDBL
MODIN
AUDIO
FLAT_TX_RTN
7
10
1
11
8
9
3
6
5
4
2
12
27
36
32
33
26
25
28
31
30
29
35
34
17
23
19
24
18
15
14
13
21
20
22
16 45
44
39
46
40
47
48
37
38
41
43
42
09Z41
U404
VDDRC
VDDSYN
VOX
TXRTN
TXSND
UIO
URXOUT
VDDA
VDDCP
VDDD
VDDDAC
MICINT
MOD
NC
PLCAP
PLCAP2
SQDET
SQIN SYN
GNDD
GNDD0
GNDRC
GNDSYN
HSIO
LCAP
LSIO
MICEXT
F1200
GCB0
GCB1
GCB2
GCB3
GCB4
GCB5
GNDA
CLK
CLK168
CSX
DACG
DACR
DACU
DATA
DISC
AGCCAP
AUDIO
AUXRX
AUXTX
CHACT
NU
0.1uF
C416
R413
0
C420
.01uF
0.1uF
C422
C419
C421
0.1uF
R400
47K
F1200
SYN
5V
RED_LED
TX_AUD_RTN
Vdda
16.8MHz
100pF
C427 0.1uF
C428
R429
75K
U407
Vddd
EE_CS
X25128-2.7
MISO
4Kx8 BIT
EEPROM
7
6SCK
SI
5
SO 2
VCC
8
4
VSS
WP
3CS
1
HOLD
5185130C53
1
TP406
0
R405
R401
0
0.1uF
C401
SWB+
NU
R402
4V_3.3V
C403
10uF
C402
3
1
2
Q400
R406
75K
Vddd UNSWB+
.01uF
C400
U400
LP2951ACMM-3.3
81
R407
SENSE 2
SHUTDOWN
3
VTAP 6
ERROR 5
FEEDBACK
7
GND
INPUT OUTPUT
INT_EXT_Vdd 68K
C406
0.1uF
C498
NU
4
Used for Lowband Only
0.1uF
RESET
R476
24K

Controller - Set 3 (PCB 8486458Z03, 8486686Z02) 3-17
Controller Microprocessor
M400
UNSWB+
Vddd
C434
0.1uF
U410
ILC7062CM-33
VSS
1
3.3V
23
VIN VOUT
R461
180
C435
0.1uF R460
4.7K
R419
510
CR411
1
2
34
5
6
K1
K2
K3
A1
A2
A3
LI_ION
R462
10K
R463
300
K1
K2
K3
A1
A2
A3
4
5
61
2
3
CR413
Q417 BOOT_CTRL
TP405
TEST_POINT
1
SWB+
2
3
16
4
47K
4.7K
47K
10K
UNSWB+
RTA0
RTA1
RTA2
RTA3
SB1
SB2
SB3
OFF_BATT_DATA_OUT
LOW BATT
Mech_SWB+
Vddd
R414
180K
1Z
C433
0.1uF
1
R415
91K
1Z
RSS
VOX
KEYPAD_COL
VOL
VS_RAC
KEYPAD_ROW
LOCK
VS_INT
EMER
PTT
OPT_SEL 1
OPT_ENA
TP415
TEST_POINT
RT400
33.0K
22pF
R432
51K
C436
CSGP3
CSGP4
RTA2
C437
22pF
R420
10MEG
R426
330K
FL401
XTAL
GND
IN
OUT
3
2
1
RESET
R_W
KEY_INT
10K
R411 C456
100pF
VST
Vddd Vddd
C423
100pF
C453
100pF
C449
100pF
C431
100pF
L411
390nH
R437
NU
L410
390nH
R418
0
TP401
TEST_POINT
TP402
TEST_POINT
SCI_TX SCI_RX
1
1
DATA
MISO
FLASH_OE
LSIO
CHACT
SO_DET
HSIO
RDY
SYN
R457
10K R409
10K
Vddd F1200
CLK
CSX
EE_CS
OPT_SEL 2
XA18
BATT_DATA_IN
LVZIF_SEL
VS_CS
LCD_SEL
RAM_CS
FLASH_EN
D0
D1
D2
D3
D4
D5
D6
D7
A17
A16
A15
A14
A13
A12
A11
A10
A9
A8
A7
A6
A5
A4
A3
A2
A1
A0
U409
MC68HC11FLO
Q416
1
2
3
P06+LVIN
PD5_SS
PD4_SCK
PD3_MOSI
PD2_MISO
PD1_TXD
PD0_RXD
PA7_PA1_OC1
PA6_OC2_OC1
PA3_IC4_OC5_OC1
PA2_IC1
PA1_IC2
PA0_IC3
EXTAL
XTAL
PA5_OC3_OC1
PA4_OC4_OC1
VRL
VRH
VDDSYN
XFC
LVOUT
VDD
VDDR
VDDL
AVDD
3
2
1
100
99
98
97
86
85
84
83
82
81
80
90
91
68
69
92
93
79
95
12
88
39
59
ECLK
IRQ
XIRQ
RESET
PG7_R_W
MODA_LIR
PJ0_CSGP3
PJ1_CSGP4
PJ2
PJ3
PJ4
PJ5
PJ6
89
96
48
94
4
58
PJ7
57
71
72
73
74
75
76
77
78
67
66
65
64
63
62
61
60
PE0_AN0
PE1_AN1
PE2_AN2
PE3_AN3
PE4_AN4
PE5_AN5
PE6_AN6
PE7_AN7
22
23
24
25
26
27
28
29
7
8
15
21
9
11
10
14
49
50
51
52
53
54
55
56
PF7_ADDR7
PF6_ADDR6
PF5_ADDR5
PF4_ADDR4
PF3_ADDR3
PF2_ADDR2
PF1_ADDR1
PF0_ADDR0
PB7_ADDR15
PB6_ADDR14
PB5_ADDR13
PB4_ADDR12
PB3_ADDR11
PB2_ADDR10
PB1_ADDR9
PB0_ADDR8
P17
P16
P15
P14
P13
P12
P11
P10
VSS
VSSR
VSSL
AVSS
13
87
40
70
PG0_XA13
PG1_XA14
PG2_XA15
PG3_XA16
PG4_XA17
PG5_XA18
PGG_AS
6
16
20
19
17
18
5
PH0_PW1
PH1_PW2
PH2_PW3
PH3_PW4
PH4_CS10
PH5_CSGP1
PH6_CSGP2
PH7_CSPROG
47
46
45
44
43
42
41
38
PC0_DATA0
PC1_DATA1
PC2_DATA2
PC3_DATA3
PC4_DATA4
PC5_DATA5
PC6_DATA6
PC7_DATA7
30
31
32
33
34
35
36
37
ZMY0130088-D

3-18 Controller - Set 3 (PCB 8486458Z03, 8486686Z02)
D5
D3
D6
D2
D1
D0
Vddd
VS_AUDSEL
VS_GAINSEL
MISO
VS_RAC
D7
D4
LCD_SEL
LEDBL
KEY_INT
INT_EXT_Vdd
VS_INT
A0
R_W
RESET
X_AUD_SND
PTT
SWB+
KEYPAD_ROW
KEYPAD_COL
TX_AUD_RTN
VS_CS
EXT_MIC
CLK
FLAT_RX_SND
RX_AUD_RTN
URX_SND
OFF_BATT_DATA_OUT
OPT_ENA
DATA
RDY
FLAT_TX_RTN
C404
100pF
C527
100pF
C526
100pF
800 MHz only
C466
100pF
100pF
C458
C459
100pF
C481
0.1uF
0.1uF
C482
E400
0.1uF
C467
24K
R481
E406
E404
E405
E403
E408
E409
E407
E401
E402
100pF
C463
C529
C528
100pF
100pF
100pF
C524
C525
100pF
EXT_MIC
VS_CS
J400
40 - PIND CONNECTOR
J400-31
J400-30
J400-35
J400-36
J400-39
J400-40
J400-27
J400-38
J400-28
J400-37
J400-32
J400-29
J400-33
J400-34
J400-24
J400-15
J400-25
J400-16
J400-11
J400-12
J400-19
J400-18
J400-17
J400-21
J400-13
J400-20
J400-14
J400-22
J400-26
J400-23
J400-3
J400-4
J400-5
J400-7
J400-6
J400-8
J400-9
J400-10
J400-1
J400-2
OFF_BATT_DATA_OUT
VS_GAINSEL
SrD_Rtn
SrD_Snd
R/W*
DB0
DB1
DB2
DB3
DB4
DB5
DB6
DB7
SCK_Snd
VS_RAC
Gnd
Det_Aud_Snd
Rx_Aud_Rtn
Tx_Aud_Snd
Tx_Aud_Rtn
Flat_Tx_Rtn
Opt_Bd_En
Rdy/Req
Rx_Aud_Snd
ON
INT_EXT_Vdd
Key_Row
Key_Col
PTT
Key_Intrp
VS_INT
RST*
LED_EN
VS_AUDSEL
SW_B+
Vddd
CS*
A0
ZMY0130457-A
Vddd
C426
100pF
0.1uF
C425
VDD
14
VSS
27 WE
D2 13
D3 15
D4 16
D5 17
D6 18
D7 19
D8
22 OE
28
A4
5A5
4A6
3A7
25 A8
24 A9
20 CS
11
D1 12
A1
21 A10
23 A11
2A12
26 A13
1A14
8A2
7A3
6
SRM2B256
U405
10 A0
9
A7
A8
A9
A10
A11
A12
A13
A14
D0
D1
D2
D3
D4
D5
D6
D7
A0
A1
A2
A3
A4
A5
A6
RAM
RAM_CS
R_W
XA18
C429
0.1uF
R410
100K
FLASH_OE
R408
R492
0
FLASH_EN
NU
D2
D4
D5
D0
D1
D6
D7
D3
29
EN_CE
30
EN_OE
32
EN_WE
7
VCC
8
2
D0 21
D1 22
D2 23
D3 25
D4 26
D5 27
D6 28
D7
A2
18
A3
17
A4
16
A5
15
A6
14
A7
13
A8
3
A9
31
A11
1
AT49HLV010
U406
A0
20
A1
19
A10
FLASH ROM
A17
A16
A15
A14
A13
A12
A11
A10
A1
A0
A9
A8
A7
A6
A5
A4
A3
A2
GND
24
A18
A12
12
A13
4
A14
5
A15
11
A16
10
A17
6
9
XA18
C424
10uF
2.2
R428
Vddd
10K
R478
ZMY0130087-B
Controller Interface Controller Memory
ZMY0130087-B
ZMY0130089-B

Controller - Set 3 (PCB 8486458Z03, 8486686Z02) 3-19
AUDIO
C475
10uF
UNSWB+
470K
R431
C448
0.1uF
82K
R423
0.1uF
C447
36K
R424
6.2K
R472
10K
R499
6
5
14
15
4
17
16
1
10
R498
10K
TDA8547
U420
VCC2
20
VCC1
11
19
18
OUT1NEG
3
OUT1POS
13
OUT2NEG
8
OUT2POS
SELECT
SVR
IN1POS
IN2NEG
IN2POS
MODE
NC1
2
NC2
7
NC3
9
NC4
12
NC5
GND1
GND2
IN1NEG
C476
10uF
SWB+
5.6K
R471
C450
NU
3
Q410
2
1
4
6
EXT_SPKR_SEL
AUDIO_PA_ENA
R473
10
C442
0.1uF
100pF
C444
R435
2K
330
R434
0.1uF
5V
EXT_MIC
C443 L401
390nH
C445
100pF
R436
0
4.7uF
C440
R421
2K
Vdda
INT_MIC
C441
100pF
390nH
L400
BOOT_CTRL
FLAT_RX_SND
SCI_RX
SCI_TX
RSSI
VR432
5.6V
OPT_SEL2
OPT_SEL1 SWB+
68
R450
100pF
C495
C496
100pF
10.0V
VR450
100pF
100pF
C497
C494
VR433
5.6V
100pF
C490
C492
100pF C491
100pF
C493
100pF
M401
100pF
C471
100pF
C473
100pF
C472
R477
1K
10.0V
VR449
VR445
10.0V VR448
10.0V
10.0V
VR447
VR446
10.0V
J403
20 PIN CONNECTOR
J403-1
J403-7
J403-6
J403-4
J403-9
J403-8
J403-5
J403-3
J403-2
J403-17
J403-16
J403-19
J403-20
J403-15
J403-11
J403-18
J403-13
J403-12
J403-10
J403-14
GND
INT_SPK+
INT_SPK-
EXT_SPK+
EXT_SPK-
OPT_B+
EXT_MIC
OPT_SEL_2
OPT_SEL_1
GND
Rx_DATA
GND
Tx_DATA
RSSI
Rx_AUDIO/Tx_AUDIO
BOOT_CTRL
NC
MIC
GND
GND
6.8V
VR460
6.8V
VR434
Controller Audio Power Amplifier
ZMY0130079-D

3-20 Controller - Set 3 (PCB 8486458Z03, 8486686Z02)
Intentionally left blank