64Triumph650cc Parts Manual[1]
User Manual: 64Triumph650ccPartsManual[1]
Open the PDF directly: View PDF
.
Page Count: 77
- Contents
- Illustrations
- Technical Data
- Crank & Connecting Rods
- Crankcase
- Oil Pump & Manifold
- Cylinder & Head
- Timing Cover & Points
- Gearbox & Selectors
- Shafts & Gears
- Gearbox Cover
- Clutch
- Chaincase & Chains
- Frame
- Swingarm & Shocks
- Engine Mounts & Footrests
- Exhausts
- Front Fork
- Headlight & Switches
- Front Wheel
- Rear Wheel
- Gas Tanks
- Oil Tank
- Battery & Air Filter
- Side Panels & Seat
- Fenders
- Handlebars & Controls
- Cables
- Toolkit, Lock, Footpegs
- Carbs
- Harness, Horn, Rectifier
- Tach & Speedo, Tail Light

REPLACEMENT
PARTS
CATALOGUE No. 2
UNIT CONSTRUCTION 650 c.c. TWINS
6T THUNDERBIRD
TR6 TROPHY
T120 BONNEVILLE 120
From engine No. DU 5825
TRIUMPH ENGINEERING COMPANY LIMITED
MERIDEN
WORKS • ALLESLEY • COVENTRY • ENGLAND
TELEPHONE MERIDEN 331 TELEGRAMS "TRUSTY COVENTRY"
COVENTRY 20221
PUBLICATION PART No. 99-0821
QO
BSz1
ClassicBike.biz
See Bookmarks

TRIUMPH GUARANTEE
1.
In this Guarantee the word "machine" refers to the motor cycle, scooter, motor cycle combination
or sidecar as the case may be, purchased by the Purchaser.
.
In order to obtain the benefit of this Guarantee, the Purchaser must have correctly completed the
registration form and returned it to us within fourteen days of the purchase.
3.
We will supply, free of charge, a new part in exchange for, or, if we consider repair sufficient, will
repair free of charge any part proved within six months of the date of purchase of any new machine,
(three months overseas) or within three months of its renewal or repair in the case of a part already
renewed or repaired, to be defective by reason of our faulty workmanship or materials. We do not
undertake to bear the cost of fitting such new or repaired part or accessory.
4.
Any part considered to be defective must be sent to our Works, carriage paid, accompanied by the
following information:
(a)
Name of purchaser and his address;
(b)
Date of purchase of machine;
(c)
Name of dealer from whom the purchase was made;
(d)
Engine number and model.
5.
This Guarantee shall not extend to defects or damage appearing after misuse, neglect, abnormal stress
or strain, or the incorporation or affixing of unsuitable attachments or parts and in particular:
(a)
Hiring out;
(b)
Racing and Competitions;
(c)
Adaptation or alteration of any part or parts after leaving our Works;
(d)
The attaching of a sidecar in a manner not approved by us or to an unsuitable
motor cycle.
This Guarantee shall not extend to machines whOse trade mark, name or manufacturing number has
been altered or removed, or in which has been used any part not supplied or approved by us, or to
tyres, saddles, chains, speedometers, revolution counters and electrical equipment or to parts supplied
to the order of the Purchaser and different from our standard specification.
6.
Our liability and
that
of our dealer who sells the machine, shall be limited to that set out in this guarantee,
and no other claims including claims for consequential damage or injury to person or property, shall
be admissible. All other conditions and warranties statutory or otherwise and whether express or
implied are hereby excluded and no guarantee other than that expressly herein contained applies to
the machine to which this Guarantee relates or any accessory or part thereof.
7.
We reserve the right to modify or deviate from the Published Specification without notice.
REPAIRS GUARANTEE
1.
Whilst the highest standard of workmanship and materials is aimed at, we cannot accept liability for
any defects appearing more than three months after the machine, assembly or component has left our
Works after being repaired.
2.
We will repair or replace at our option free of charge any defective work, materials or parts
relating
to the repairs carried out by us appearing within that time but shall not be under any further or other
liability for any other loss or damage whether direct or consequential and our liability shall be limited
to the cost of so making good. We do not undertake to bear the cost of fitting any replacement or
repaired part.
3.
We do not accept liability in respect of parts of proprietary manufacture, e.g. tyres, saddles, chains,
speedometers, revolution counters and electrical equipment which may be used by us in effecting a
repair. All other conditions and warranties statutory or otherwise express or implied are hereby excluded.
3
ClassicBike.biz

ILLUSTRATION INDEX
Fig. No.
Description Page No.
1
CRANKSHAFT AND CONNECTING RODS
... ... ... ... ... ...
12
2
CRANKCASE
... ...
... ... ...
... ... ... ...
...
...
14
3
OIL PUMP AND RELEASE VALVE AND MANIFOLD
...
...
...
...
...
16
4
CYLINDER BLOCK AND HEAD, 6T AND TR6
...
...
...
...
...
...
18
5
CYLINDER BLOCK AND HEAD, T120
...
... ... ...
...
...
...
20
6
TIMING COVER, CONTACT BREAKER AND COILS
... ...
...
... ...
22
7
GEARBOX INNER COVER AND SELECTORS ... ... ... ... ... ...
24
8
GEARBOX SHAFTS AND GEARS
...
...
... ... ... ... ... ...
26
9
GEARBOX OUTER COVER ... ... ... ... ... ...
...
...
...
28
10
CLUTCH
... ... ... ... ... ... ... ... ... ...
30
11
CHAINCASE AND CHAINS
...
...
... ...
... ...
... ... ...
32
12
FRAME
...
... ...
...
... ... ... ...
...
...
...
...
34
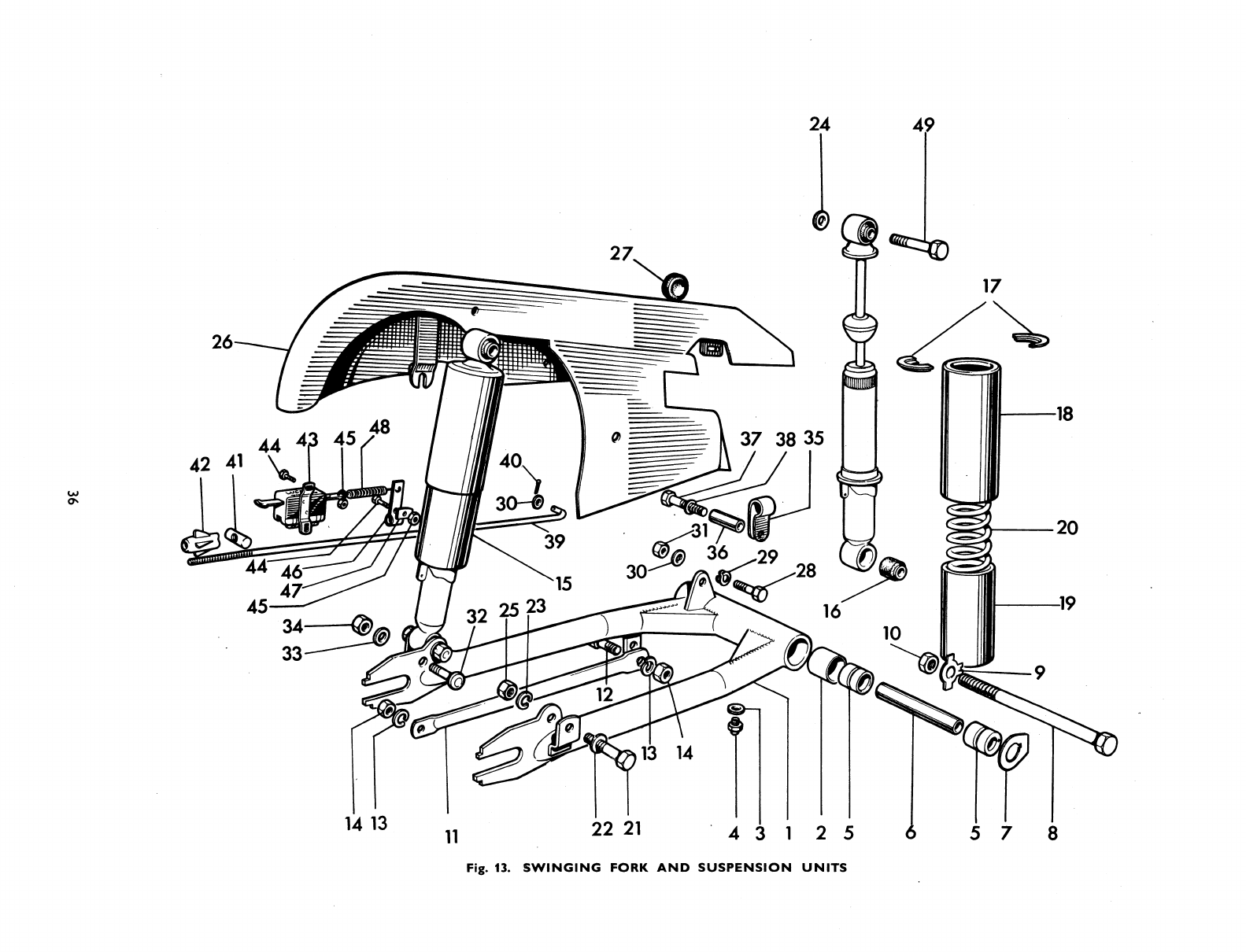
13
SWINGING FORK AND SUSPENSION UNITS
... ... ... ... ... ...
36
14
ENGINE UNIT FITTINGS AND FOOTRESTS
...
...
... ... ... ...
38
15
EXHAUST PIPES AND SILENCERS
...
...
... ...
...
...
...
...
40
16
TELESCOPIC FRONT FORKS, 6T ... ... ...
...
...
...
... ...
42
17
NACELLE HEADLAMP AND SWITCHES
... ... ... ... ...
.:.
...
44
18
TELESCOPIC FRONT FORK, TR6 AND T120
...
...
...
...
...
...
46
19
FRONT
WHEEL
... ... ...
...
...
...
... ...
...
...
...
48
20
REAR
WHEEL
...
...
...
...
...
...
... ...
...
... ...
50
21
QUICKLY DETACHABLE REAR WHEEL
...
... ... ... ...
...
...
52
22
PETROL
TANKS
... ... ...
...
...
...
...
...
...
...
...
54
23
OIL
TANK
...
...
...
... ... ... ...
...
...
... ...
56
24
BATTERY CARRIER AND AIR FILTER
...
... ...
...
...
...
...
58
25
PANELS AND TWINSEAT
...
...
... ... ...
...
... ... ...
60
26
MUDGUARDS
...
...
...
... ... ... ...
...
...
...
...
62
27
HANDLEBARS AND CONTROL LEVERS
...
...
...
...
...
...
...
64
28
CONTROL CABLES AND AMERICAN HANDLEBARS
...
...
... ...
...
66
29
TOOLKIT, FRAME LOCK, PILLION FOOTRESTS AND LICENCE
HOLDER
...
68
30
AMAL CARBURETTER, 6T
...
...
...
...
...
...
...
...
...
70
31
AMAL CARBURETTER, TR6 AND T120
...
...
...
...
... ...
...
72
32
HEADLAMP, WIRING HARNESS, HORN AND RECTIFIER
...
...
...
...
74
33
SPEEDOMETER, TACHOMETER AND TAIL LAMP
...
...
...
...
...
76
4
ClassicBike.biz

I
NDEX
Page
Page
AIR FILTER
59
MANIFOLD
...
17
ALTERNATOR
..
...
13,
33
MUDGUARDS ...
NACELLE
63
45
BATTERY CARRIER
...
59
OIL PUMP
17
CARBURETTER
CARTON PACKS
...
71,
73
9
OIL TANK
57
PETROL TANK
55
CENTRE STAND
35
PILLION FOOTRESTS
69
CHAINCASE
33
PISTONS
13
CHAINS
33
PROP STAND ...
35
CLUTCH
31
COIL
...
23
Q.D. REAR WHEEL
...
53
CONTACT BREAKER
23
CONTROL CABLES
67
REAR PANELS
61
CONTROL LEVERS
65
REAR WHEEL ...
51
CRANKCASE
15
RECTIFIER
...
75
CRANKSHAFT
...
...
13
CYLINDER HEAD
...
19,
21
SILENCERS
...
SPARK PLUGS
41
23
SPEEDOMETER
77
ENGINE PLATES
39
STEERING RACES
35
EXHAUST PIPES
41
SUSPENSION UNITS ...
...
37
FOOTRESTS
......
...
39
SWITCHES
...
37,
45,
75
FRONT FORKS
FRONT WHEEL
...
...
43,
47
49
TIMING GEARS
TOOLKIT
...
13
69
TWINSEAT
61
GASKET SETS
...
...
10
VALVES ...
...
19, 21
GEARBOX
25,
27, 29
WIRING HARNESS
...
...
45,
75
HANDLEBARS
..
65
HORN
... 45
ZENER DIODE
45
5
ClassicBike.biz

THUNDERBIRD (6T) TECHNICAL DATA
Boreand stroke
... ...
... ... ... ...
...
,
...
...
71 x82 mm.
2.
79x3
.
23 ins.
Capacity...
...
... ... ...
...
...
...
... ...
...
649 c.c. (40
Cu.
ins.)
Compressionratio
... ...
...
...
... ... ... ...
...
7.5 : 1
Sparkingplugs
...
...
...
...
... ... ...
...
...
...
Champion N4
Carburetter
...
... ...
...
...
...
...
...
... ...
Amal Monobloc 376
Mainjet
...
...
...
...
230
Needle jet
...
...
... ...
•106
Needle...
...
...
...
...
Type C
Throttle valve
...
...
... ...
376/4
Pilotjet
... ... ...
...
...
25
Gearboxsprocket
... ... ...
Solo
...
...
...
... ...
20 teeth
Sidecar...
...
...
...
...
18 teeth
Chains
... ... ... ... ...
Front
... ...
...
... ...
e" Duplexx84 links
Rear
...
...
...
Solo
...
1"xe"x103 links
Sidecar
...
1"x
*"x102 links
Capacities
... ... ...
...
Fuel Tank
...
...
...
...
4 galls. (18 litres)
Oil Tank
... ...
...
...
5 pints (2
.
8 litres)
Gearbox ...
...
... ...
8
pint (500 c.c.)
Primary Chaincase
...
... ...
8
pint (350 c.c.)
Front Forks (each leg)
... ...
3
pint (190 c.c.)
B
rakes ... ... ... ... ...
Front, diameter...
... ...
...
8" (20
.
32 cms.)
Rear, diameter
...
...
...
7" (17
.
78 cros.)
Tyresize ...
... ...
...
Front
...
...
...
...
...
3.25x18
Rear
...
•.,
...
...
3.50x18
6
ClassicBike.biz

TROPHY (TR6) TECHNICAL DATA
Boreand stroke
...
...
... ... ...
... ... ...
...
71 > 82 mm.
2
.
79;; 3
.
23 ins.
Ca
p
acity
...
...
...
...
... ...
... ... ... ...
... 649 c.c. (40
Cu.
ins.)
Com
p
ressionratio
...
... ...
...
... ... ... ... ...
8.5 : 1
S
p
arkin
gp
lu
g
s
...
...
... ... ...
... ...
... ...
...
Champion N4
Carburetter
...
...
... ... ...
Amal Monobloc 389
Mainjet
... ... ...
...
310
Needlejet
... ... ...
...
•106
Needle...
...
... ...
...
Type D
Throttle valve
... ... ...
...
389/3'-z
Pilotjet
... ... ... ...
...
25
Gearbox sprocket
...
...
...
...
...
...
...
Solo
...
19 teeth
Sidecar
...
17 teeth
Chains
... ... ...
...
...
Front
... ...
...
...
...
e" Duplexx84links
Rear
... ...
...
Solo
... 8"x 8"x
103 links
Sidecar ...
' .: a"x 102 links
Capacities
... ...
...
...
Fuel Tank
... ... ... ...
4 galls. (18 litres)
Oil Tank
... ...
...
...
5 pints (2
.
8 litres)
Gearbox
a pint (500 c.c.)
Primary Chaincase
...
...
...
I
pint (350 c.c.)
Front Forks (each leg)
...
... 3
pint (190 c.c.)
Brakes
... ...
...
...
...
Front, diameter...
... ...
...
8 in. (20
.
32 cm.)
Rear, diameter
...
...
...
7 in. (17
.
78
cm.)
Tyresize ...
...
... ...
...
Front
... ... ... ... ...
325x19
Rear
...
... ... ... ...
400x18
7
ClassicBike.biz

Tyre size ...
Brakes
8 in. (20
.
32 cm.)
7 in. (17
.
78 cm.)
3
.
25 x18
3
.
50 x 18
Front, diameter...
Rear, diameter
Front
Rear
BONNEVILLE 120 (T 1 2 0) TECHNICAL DATA
Bore and stroke
71 x82 mm.
2.
79x3
.
23 ins.
Capacity ...
649 c.c. (40 cu. ins.)
Compression ratio
8
.
5 : 1
Sparking plugs ...
Champion N4
Carburetters
...
2 Amal Monobloc 389
Main jet
260
Needle jet
.106
Needle ...
Type D
Throttle valve
389/3
Pilot jet ...
25
Gearbox sprocket
...
Solo
19 teeth
Sidecar ...
17 teeth
Chains
...
Front
i" Duplexx 84 links
Rear
...
Solo
1"x8"x103 links
Sidecar ...
8"x8"x102 links
Capacities
Fuel Tank
4 galls. (18 litres)
Oil Tank
5 pints (2
.
8 litres)
Gearbox
pint (500 c.c.)
Primary Chaincase
a pint (350 c.c.)
Front Forks (each leg)
3 pint (190 c.c.)
8
ClassicBike.biz

CARTON PACK LIST
The following sub-assemblies are supp€ied in carton packs under the C.P. part number stated. The
contents of these carton packs are preserved and will not deteriorate under adverse conditions.
Part No.
Contents
Brake Lining
C.P.38/A.M.2
...
...
2
...
... ...
NW243 ...
...
Brake lining
16
... ... ...
W129
... ... ...
Rivet
C.P.184 ...
...
...
2
...
...
...
W1414
...
...
...
Brake lining
16
...
... ...
W129
... ...
...
Rivet
Pistons
C.P.199
...
...
...
1
...
... ... E4899
... ... ...
Piston C.R. 7
.
5 : 1
2
...
...
...
E3049
...
...
...
Compression ring
1
...
...
...
E2898
...
...
...
Oil control ring
1
...
...
...
WE203E
...
...
Gudgeon pin
2
...
...
...
WE479
...
... ...
Circlip
C.P.199 is also available in 0
.
010 in., 0
.
020 in. and 0
.
040 in. oversizes.
C.P.200
...
...
...
1
... ... ... E5329
... ... ...
Piston C.R. 8
.
5 : 1
2
...
...
...
E3049
... ... ...
Compression ring
1
...
...
...
E2898
...
...
...
Oil control ring
1
...
...
...
WE203E
...
...
Gudgeon pin
2
...
...
...
WE479
...
... ...
Circlip
C.P. 200 is also available in 0
.
010 in.,
0
.
020 in. and 0
.
040 in. overseas.
C.P.201
... ... ...
1
... ... ... E5317
...
...
...
Piston C.R. 11
: 1 (Alcohol fuel)
2
...
...
...
E3049
...
... ...
Compression ring
1
... ... ...
E2898
... ... ...
Oil control ring
1
...
...
...
WE203E
...
...
Gudgeon pin
2
... ...
... WE479 ...
... ...
Circlip
Piston Rings
C.P.
99
...
...
...
4
... ... ...
E3049
... ... ...
Compression ring
2
... ... ...
E2898
...
...
...
Oil control ring
C.P. 99 is also available in 0
.
010 in., 0
.
020 in. and 0
.
040 in. oversizes.
Valve
springs
C.P.188
...
...
...
4
...
... ...
E4221
...
... ...
Inner spring (Red spot)
)
...
(
6T
...
...
4
... ... ...
E4222
... ... ...
Outer spring (Red spot)
C.P.102
... ...
4
... ... ...
E3001
......
... ...
Inner spring (White spot)
(TR6, T120)
...
...
4
...
...
...
E3002
...
...
...
Outer spring (White spot)
a
ClassicBike.biz

CARTON PACK
LIST—continued
Part
No.
Contents
Valves
C.P.173
2
...
E3310
...
Inlet valve
(6T, TR6)
2
...
E3927
...
Exhaust valve
Valve Guides
C.P.97
2
...
E2899
... Inlet guide
(6T, TR6)
2
E2900
...
Exhaust guide
De-coke Gasket Set
All models
D/GS1
HOW TO USE THIS PARTS CATALOGUE
First check that the engine number of your machine is subsequent to that quoted on the title page.
Next consult the index on Page 5 for the parts or group of parts which you wish to locate. When
you have located the parts make sure from the end columns that the part you have located does apply to
your machine.
List the quantities required as single units; do not ask for "2 pairs" or "3 dozen".
In case of painted items always state the colour required. Painted parts are available only in:the colours
or alternatives specified for that model of that particular year.
Colour
Suffix
Letter to
Part No.
BLACK
...
W
SILVER
V
ALASKAN WHITE/GOLD... ...
AW/G
HI-Fl SCARLET
...
HF
N.B. Hi-Fi Scarlet is a flamboyant finish applied over Gold Sheen.
Paint is available also in all colours in
pint or 1 gallon tins.
PLEASE NOTE
THROUGHOUT THIS LIST, ASSEMBLIES ARE PRINTED IN CAPITALS AND THE COMPONENTS
INCLUDED IN THAT ASSEMBLY ARE INDENTED IN THE DESCRIPTION COLUMN, REVERTING
TO THE ORIGINAL ALIGNMENT WHEN THE ASSEMBLY IS COMPLETE. TO ORDER THE COMPLETE
ASSEMBLY IT IS NECESSARY ONLY TO QUOTE THE ASSEMBLY NUMBER. ANY COMPONENT
PARTS LISTED MAY ALSO BE OBTAINED SEPARATELY IF REQUIRED.
SPECIAL WORKSHOP TOOLS
A COMPLETE LIST OF WORKSHOP TOOLS CAN BE MADE AVAILABLE BY EITHER CONTACTING
YOUR DEALER OR APPLYING DIRECT TO THE TRIUMPH SERVICE DEPARTMENT. IN MOST CASES
THESE TOOLS ARE VERY COSTLY AS THEY ARE MADE ENTIRELY FOR WORKSHOP USE, AND
THEREFORE, IT IS NOT RECOMMENDED THAT THE PRIVATE OWNER PURCHASES THE TOOLS IN
ORDER TO AID SERVICING THE MACHINE ONCE OR TWICE ONLY. IN THESE CIRCUMSTANCES
IT IS FAR MORE ECONOMICAL TO GET IN TOUCH WITH A RECOGNISED DEALER.
10
ClassicBike.biz

TRIUMPH SPARES
HOW TO ORDER.
Every part is indicated by a number, and this should be quoted together with
the description. In order to assist customers, dimensions have been given in many cases where parts
are similar. Parts where possible have been listed in order of assembly and a number of the illustrations
show the assembly order also. With these aids, there should be no difficulty in identifying the parts you
require.
ALWAYS HEAD YOUR ORDER WITH THE ENGINE NUMBER, STAMPED ON THE LEFT SIDE OF
THE ENGINE JUST BELOW THE CYLINDER, TOGETHER WITH THE PREFIX LETTERS.
WHERE TO OBTAIN.
Triumph Spare Parts can only be obtained from an authorised Triumph
Dealer, and we recommend our customers to place their orders with the Triumph Dealer in their district.
When parts not usually asked for are required, and for which the Dealer may have to write or obtain
specially, the postage or carriage incurred becomes payable.
TRIUMPH SPARES ARE NOT SUPPLIED TO PRIVATE OWNERS DIRECT FROM THE FACTORY.
A LIST OF AUTHORISED DEALERS WHO STOCK TRIUMPH SPARES IS AVAILABLE ON REQUEST.
IF DIFFICULTY IS EXPERIENCED IN OBTAINING THE REQUIRED PARTS, THE MATTER SHOULD
BE TAKEN UP DIRECTLY WITH THE TRIUMPH SPARES DEPARTMENT.
Customers are warned against the risk incurred by purchasing parts that are not of genuine Triumph
manufacture. This risk is eliminated if parts are ordered as instructed from recognised Dealers.
PATTERNS AND PARTS FOR REPAIR.
It is not necessary to send patterns if the part number
is quoted. The sending of patterns often delays the order as parcel post or rail takes longer than letter post.
Parts sent to Coventry for repair, replacement, or as patterns should bear the sender's Name and
Address and clear instructions should accompany the parts. In your own interest send a copy of the advice
note under separate cover. All parts must be forwarded carriage paid and care should be taken to ensure
that all remittances are sent separately and not enclosed with the parts. Fragile units such as cylinders,
etc., should always be boxed to avoid damage in transit. Complete machines should have all fitments such
as windscreens, driving mirrors, tools, etc., removed by the sender before despatch, as it is impossible for
us to accept responsibility in the event of loss in transit. We are always pleased to give estimates for over-
hauling and repairs, but should an estimate not be accepted, a charge will be made covering cost of dismantling
and re-assembling, if carried out.
Communications relating to Parts should be addressed to the SPARES DEPARTMENT and for repairs,
guarantee claims and technical advice to the SERVICE DEPARTMENT, Triumph Engineering Co. Ltd.,
Meriden Works, Allesley, Coventry. In order to facilitate quick reference, the quoting of any number,
invoice number or reference from previous communications is essential. Accessories not of our manu-
facture should be sent direct to the actual makers, whose Name and Addresses appear below.
PROPRIETARY GROUP
Ancillary equipment which is fitted to our motor cycles is of the highest quality and is guaranteed by
the manufacturers and not by ourselves.
Any repairs or claims should be directed to the actual makers
or their local agents who will always give owners every possible assistance. The following are the addresses
of the various manufacturers:—
CARBURETTERS.
Messrs. Amal Ltd.,
Holdford Road,
Witton,
Birmingham, 6.
CHAINS.
Renold Chains Ltd.,
Wythenshawe,
Manchester.
ELECTRICAL EQUIPMENT.
Messrs. J. Lucas Ltd.,
Gt. Hampton Street,
Birmingham, 18.
TYRES.
Dunlop Rubber Co. Ltd.,
Fort Dunlop,
Birmingham, 24.
The Avon India Rubber Co. Ltd.,
Melksham,
Wilts.
SPARKING PLUGS.
Champion Sparking Plug Co. Ltd.,
Feltham,
Middlesex.
SPEEDO METERS.
Messrs. Smiths Motor Accessories Ltd.,
Cricklewood Works,
London, N.W.2.
SUSPENSION UNITS.
Messrs. Girling Ltd.,
Kings Road,
Tyseley,
Birmingham, 11.
11
ClassicBike.biz

Ref. No.
Part No.
DESCRIPTION QUANTITY
1
2
3
4
5
6
7
8
8
9
10
11
12
13
13
14
15
16
17
18
19
20
21
22
23
24
25
26
27
28
29
30
31
32
33
34
35
35
36
36
37
38
39
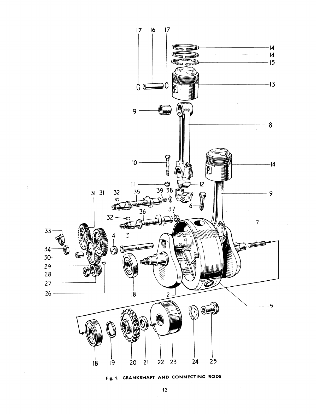
CRANKSHAFT AND CONNECTING RODS
6T
TR6
1120
E464271-2caoo CRANKSHAFT AND FLYWHEEL ASSEMBLY
...
...
...
1
1
1
E4643
CRANKSHAFT C/W. OIL TUBE ...
...
...
...
11
1
E3903
Oil tube
...
...
...
...
...
...
...
1
1
1
E3905
Screwed plug
...
...
...
...
...
...
1
1
1
E4479
-11
-Z4ZS
Flywheel
...
...
...
...
...
...
...
...
1
1
1
*E3907
Flywheel bolt
...
...
... ... ... ...
...
3
3
3
E3114
Crankshaft stud (1-&" O.A.)
... ...
...
...
...
11
1
E3606
,o-45ZSCONNECTING ROD
...
...
...
... ... ...
2
-
E3606P
CONNECTING ROD
...
...
...
...
...
...
-
2
2
E1511
Small end bush ...
...
...
...
...
...
...
2 2
2
E2490A
1D
o
/
001
Connecting rod bolt
...
...
4
4
4
E2922
Self
locking nut
...
...
...
...
...
...
...
4 4
4
E3586
Big end bearing
...
...
...
...
...
...
...
4
4
4
CP199
PISTON COMPLETE 7
•
5:1 C.R.
... ...
...
...
2
-
-
CP200,
D
-
94$$
PISTON COMPLETE 8
•
5:1 C.R.
... ... ... ...
-
2
2
E30491°-
G1
-
O`4
'
Taper compression ring ...
... ... ... ... ...
444
E2898
-7
o
-
V`iL5
Oil control ring
...
...
...
...
...
... ...
2
2
2
WE203El
o
-
.
$`
3
Gudgeon pin
... ...
...
...
...
...
...
22
2
WE4797o-VS(.`1
Circlip
...
...
...
...
...
...
...
...
4
44
E1591
Main bearing
...
...
...
...
...
...
... ...
2
2
2
E3876
Oil seal
...
...
... ...
...
...
... ...
.:.
1
1
1
E5446-
7
`
5
'^
5
° Engine sprocket, 29 teeth Duplex
...
...
1
1
1
E4573
Distance piece
...
...
...
...
...
..
...
...
1
1
1
E3974
Rotor key
...
...
...
...
...
...
...
...
11
1
5421 39015%z
ozr
R
o
tor
,
type RM19
...
...
...
...
...
...
...
1
1
1
E3975
Tab
washer
... ...
...
... ...
...
...
...
111
E3977
Nut
... ... ...
...
...
...
...
... ...
11
1
E1580
Key ... ...
...
...
...
...
...
... ...
11
1
E5447
Timing pinion
... ... ... ... ... ... ... ...
111
E4565
Nut
...
...
... ... ... ... ... ... ...
1
1
1
E4566
'
S`7
INTERMEDIATE WHEEL
...
...
...
...
... ...
1
11
E400
Intermediate wheel bush...
...
... ...
...
...
1
1
1
E4562
Camshaft wheel...
...
...
...
...
...
...
...
22
2
E1558
Camshaft key ... ... ... ... ... ... ... ...
2
2
2
E1463
Inlet camshaft nut
...
...
...
...
...
...
...
1
11
E4563
Exhaust camshaft nut
...
... ... ... ... ... ...
1
1
1
E4818
Inlet
camshaft
...
...
...
...
...
...
...
...
1
-
-
E4819
11-Q
° Inlet camshaft
...
E4848
Exhaust camshaft
...
...
.
..
...
...
...
...
1
--
E4855 EXHAUST CAMSHAFT
...
...
...
...
...
...
-
11
E4700
Tachometer dr°ve thimble
...
...
...
...
...
-
1
1
E5316
Rota
ry
breather valve ...
...
...
...
...
...
...
1
1
1
E2256
Breather valve sp
ri
ng
...
...
...
...
...
...
...
1
1
1
* Use D524 Loctite Sealant
13
ClassicBike.biz

14
ClassicBike.biz

Ref. No.
Part No.
DESCRIPTION
QUANTITY
1
2
3
4
5
6
7
8
9
10
11
12
13
13
14
15
16
17
18
19
20
21
22.
23
24
25
26
27
28
29
30
31
32
33
34
35
36
37
38
39
40
41
42
43
CRANKCASE
1O
_
r
q
-
^
53
E4533/4
1O
CRANKCASE ...
...
...
...
E3716
Hollow Dowel
...
...
...
E5232
Screw (32 in. U.H.)
...
...
E4542
Stud (4
..
O.A.)
...
...
S25-2
Plain washer
...
... ...
P0172A` ° °
`ko1
Nut
...
GS87
Breather disc
... ... ...
E2724
Breather pipe
... ... ...
E2260 '
►
Inlet camshaft bush
... ...
E1516 ^^" °^'
$1
Exhaust camshaft bush ...
...
El479
-
►
k
-
OZ
^^°
Camshaft bush
...
...
...
E4744
Chain oiler tube ...
... ...
E3885
Chain oiler jet
... ... ...
H689
Blanking screw
...
...
...
E4539
Oilway plug
... ... ...
GS439
Fibre washer
...
...
...
E4706
Tachometer drive plug ...
...
T1
257
Fibre washer
...
...
...
E4147
Chain tensioner abutment
...
E375,
Intermediate wheel spindle
...
E3717
Oil pipe stud (1'-
z
in. O.A.)
...
E672
Cylinder stud (18 in. O.A.)
...
E3523^
0
'
3
i
Z
4
Cylinder stud (18 in. O.A.)
...
E1534A^
o
-' $
mss
'
Hollow dowel
•..
... ...
E4541
Bolt (22 in. U.H.) ...
... ...
E4540
Bolt
(1
in. U.H.)
... ...
E4098
Bolt (18 in. U.H.)
...
...
E4856
Stud (5.
i6
in. O.A.)
... ...
E2888
Stud (3 in. O.A.)
... ...
S25-3 L•
c.
-'
WL41
Plain washer
•..
...
S1
-51 Z.t- ^
Nut
...
•
.
•
... ...
E5312
Crankcase filter...
... ... ...
E5315
1
'
I
'
-Copper washer
...
... ...
E5375
Breather extension pipe
... ...
T1112
Drain plug (with level tube) ...
...
T1257
Fibre washer
... ... ...
...
T361
Level plug
... ... ... ...
WE170bo`4 i.3Fibre washer ...
...
...
...
E4922
1
°'
v
*
5
'
-
Drain and adjuster plug
... ...
T1738
Fibre washer
...
... ... ...
E4579
Blanking plug
...
...
... ...
T1
921
Fibre washer
... ...
E732
S1
'
Z
'
1OV
Filler plug
...
NE507`to %A-Fibre washer
...
...
... ...
6T TR6 T120
... ... ... ...
1
•
1
1
...
...
...
...
11
1
... ...
...
...
2
2
2
... ...
...
...
2
2
2
... ... ...
...
2
2
2
... ... ... ...
2 2
2
... ... ... ...
11
1
... ... ... ...
1
1 1
... ...
...
...
11
1
...
... ... ...
1
1
1
...
... ...
...
2
2 2
1
1
1
11
... ...
... ...
AAA
... ... ... ...
1
11
... ... ... ...
111
... ...
...
...
1
1 1
...
...
... ...
1 1
1
... ... ...
...
1
11
... ... ... ...
1
1
1
... ... ... ...
1
1
1
...
... ... ...
6
6
6
... ... ... ...
2
2
2
2
2
2
11
1
...
...
...
...
11
1
... ... ...
...
1
1
1
111
... ... ... ...
333
...
...
... ...
11 11
11
... ... ... ...
8
8
8
...
... ...
...
1
1
1
...
... ... ...
1
1
1
... ...
... ...
1
1
1
...
...
... ...
1
1
1
...
... ... ...
11
1
... ... ... ...
1
1
1
... ...
...
...
1
1
1
...
...
... ...
11
1
... ... ... ...
1
1
1
... ...
... ...
1
11
...
... ... ...
1
1
1
... ...
.
... ...
2
2
2
... ... ... ...
2
2
2
15
ClassicBike.biz

Ref. No.
Part
No. DESCRIPTION
QUANTITY
1
2
3
4
5
6
7
8
9
10
11
12
13
14
15
16
17
18
19
20
21
22
23
24
25
26
27
28
29
30
31
32
33
34
35
OIL PUMP AND RELEASE
VALVE AND MANIFOLD
6T TR6
T1
E3878-ie"b"t"Lt
OIL
PUMP
... ... ... ... ... ... ...
1
1
1
1
E3731
Pump body...
...
... ...
... ...
... ...
1
11
GS153
Feed plunger
... ... ... ... ... ... ...
11
1
E1476
Scavenge plunger ...
... ... ... ... ... ...
1
1
1
E495
Drive block
...
... ... ... ... ... ...
1
1
1
570-7 tee-
x
-3'3
Valve ball
... ... ... ... ... ... ... ...
2
2
2
E403
Valve spring
... ... ... ...
...
... ...
22
2
E2360
Screwed plug
... ...
...
...
... ...
...
2 2
2
E3730"tt-%
'
Joint washer
...
... ...
... ... ...
...
...
1
1
1
E3718
Oil pump stud (
1
.
in. U.H.)
... ...
...
... ...
2
2
2
E3887
Serrated washer
... ... ... ... ... ...
...
22
2
E3732
Nut
...
...
...
...
...
...
...
...
...
2
2
2
E4191'
1e
-5$,
t
• OIL RELEASE VALVE AND
INDICATOR
... ... ...
1
1
1
E2794
Valve body
... ... ... ...
... ...
...
1
1
1
GS251^
e
-'4-1S -.
Piston
... ... ...
...
... ... ... ...
1 1
1
E4192
Cap
...
... ... ... ...
... ...
...
...
1
1
1
E4193
Sealing ring
... ... ... ...
...
... ...
1
1
1
E4194
Cup
... ... ... ...
...
... ...
...
1
1
1
GS254
c
5*
Fibre washer
... ... ...
...
1
1
1
E2788
Main spring
... ...
...
... ...
...
...
1
1
1
E2789
Auxiliary spring
... ... ... ...
...
... ...
1
1
1
E2791
Button and shaft
...
... ...
... ...
... ...
1
1
1
E2793
Sealing rubber
... ... ... ...
... ...
...
1 1
1
E2792
Shaft
nut
. .
.
...
...
...
...
...
..
1
1
1
E1670 4
0
-
3
3
55
Fibre washer
... ...
...
... ... ...
...
1
1 1
E2973
Stud
(14
-
i
6 in. O.A.)
...
... ... ... ...
...
...
4
4
-
E3334
Jo
i
n
t
washer
...
...
... ...
. .
.
...
...
.
..
2
2
-
E3304
Inlet manifold
... ...
... ...
... ... ... ...
1
1
-
S25
-
13
L
ab
-
Q
u
4
%
Plain washer
... ... ...
...
..
.
...
...
...
4
4
-
W103
Nut
...
... ... ... ... ... ...
...
...
4
4
-
E2962
Stud (1,'—
Z
in. O.A.)
... ... ...
... ...
....
2
2
-
NA43A
'%%-%'¼.. Joint washer
...
... ... ... ...
...
... ...
11
-
E2968-
►
o-
O
^^%
Insulating block
...
...
...
... ... ... ...
1
1
-
S25
-3b
o
-'l*-'k1 Plain washer
... ... ...
...
...
2
2
-
S1-51
L
'- °°°'/°
'
Nut
... ...
...
...
..
2
... ...
...
...
...
2
-
17
ClassicBike.biz

Ref. No.
Part No.
DESCRIPTION
QUANTITY
CYLINDER BLOCK AND HEAD, 6T AND
TR6
6T
TR6
1
E28941o^t.3o9 Cylinder base washer ...
...
... ... ...
...
...
...
1
1
2
E4546-1o'V3o4 Cylinder block ...
...
...
... ... ... ... ... ...
11
3
W76
Inner cylinder base nut
...
...
... ...
...
... ...
4
4
4
P0172A
-
°*7 Outer cylinder base nut
... ... ... ... ...
...
...
4
4
5
El 477
Tappet guide block
... ...
...
...
...
... ... ...
2
2
6
H200
Tappet block screw
...
...
...
... ... ... ... ...
2
2
7
E1612
Serrated washer
... ...
...
... ... ... ...
...
2
2
8
E3059
7/-70o?
Tappet...
... ... ...
...
... ... ...
..
.
.•.
4
4
9
E4552
CYLINDER HEAD
caw
GUIDES
... ... ...
...
...
...
1
1
10
E2899
Inlet valve guide
... ... ...
...
...
...
...
...
2
2
11
E29001
'-
Exhaust valve guide
...
... ...
...
... ...
...
2
2
12
E3583
Exhaust pipe adaptor
...
... ... ... ... ... ...
2
2
13
E3310
I
nlet valve
.
..
...
...
.
..
...
..
.
. .
.
. .
.
...
:
2
14
E3927
Exhaust valve ...
... ...
...
... ... ...
...
...
2
2
15
E5008
Bottom
cup
...
... ... ... ...
...
...
...
...
4
-
15
E1544
Bottom cup
... ...
...
... ... ... ... ... ...
-
4
16
E4221
Inner valve spring (red spot) ...
...
... ...
...
...
...
4
-
17
E4222-16'1140° Outer-valve spring (red spot)
...
•..
4
-
16
E3001
Inner valve spring (white spot)
...
...
...
...
...
...
-
4
17
E3002
Outer valve spring (white spot)
... ... ...
...
...
...
-
4
18 El 543
Top collar
... ... ... ...
...
... ... ... ...
4
4
19
WE259A 1t
44SpIit cotter
... ...
...
... ... ... ... ... ...
88
20
E327
Cylinder head bolt (38 in. U.H.)
...
...
...
...
...
...
4
4
21
F2184
Plain washer
...
... ... ... ...
...
...
...
...
8
8
22
E4771
Bolt (3
in.
U.H.)
... ...
...
... ... ...
•...
...
11
23
Plain
washer
...
...
...
...
... ...
...
... ...
11
24
E4547
Cylinder head gasket
...
... ... ... ...
...
...
...
1
1
25
E4550
Inlet rocker box
...
... ... ...
...
... ...
...
1
1
26
E4551
Exhaust rocker box
...
...
...
...
...
...
... ...
11
27
E4549b^-S' ''
b
Joint washer
...
...
...
...
...
... ... ...
...
2
2
28
E2980
Rocker box stud (-- . in. O.A.)
...
...
... ...
...
...
6
6
29
F879
Rocker box nut...
...
...
...
... ... ...
...
...
6
6
30 E3302
Plain washer ...
...
... ... ...
...
...
...
...
6
6
31
E2982
Rocker box bolt (23
2
in. U.H.)
...
...
...
... ... ...
4
4
32
S25-13
14
8
Plain washer ... ... ...
...
... ... ... ...
...
4
4
33
E1596
Cylinder head bolt (for torque stay)
... ...
...
...
...
44
34
E4610-it
44
Inspection cap ... ... ... ...
...
...
...
... ...
44
35
E3751
Joint washer
... ... ... ...
...
... ...
...
...
4
4
36
E4609
Locking spring
...
...
...
... ...
...
...
... ...
4
4
37
WE170LA0'^^''^Fibre washer
...
...
...
... ... ... ...
...
...
4
4
38
T1
553 Screw (e in. U.H.) ... ...
... ...
...
... ...
...
44
39
El 457
ROCKER (right exhaust, left inlet)
...
...
...
... ... ...
22
40
E1458
ROCKER (left exhaust, right inlet)
... ... ...
...
...
...
22
41
El 483
Rocker ball
pin
...
... ...
... ...
...
...
...
4
4
42
E1513
Rocker adjusting pin
... ... ...
...
...
...
...
...
4
4
43
E470
Adjuster lock nut
... ... ...
...
... ...
... ...
4
4
44
E1330
Thrust washer,
in.
... ...
... ...
...
...
...
...
2
2
45
El 575
Thrust washer, ! in.
... ... ... ...
... ...
...
6
4
6
4
46
El 574
Spring washer ...
... ... ... ...
...
...
2
2
47
E1512
Rocker
spindle
...
... ...
...
...
22
48
E3253loo7 +N8 Sealing rubber
... ... ...
...
... ...
4
4
49
...
E2620
Push rod
...
...
...
"'
...
...
50
Cover tube
..•
...
"'
E3646
"'
22
51
E1496
Bottom joint washer
... ... ...
...
...
2
2
52
To
omt washer
...
• • • • • •
• •
E3547
Top )
19
ClassicBike.biz

Ref No.
Part No.
DESCRIPT
ION
QUANTITY
1
2
3
4
5
6
7
8
9
10
11
12
13
14
15
16
17
18
19
10
21
22
23
24
25
26
27
28
29
30
31
32
33
34
35
36
37
38
39
40
41
42
43
44
45
46
47
48
49
50
51
52
53
54
55
56
57
CYLINDER BLOCK AND HEAD, T120
T120
E2894
7
'
Cylinder
Cylinder base washer ...
...
... ...
... ...
... ...
1
E4546
-
10
-Is304
Cylinder block ...
... ... ... ... ... ... ...
1
W76 Inner cylinder base nut
... ...
... ...
...
...
...
...
4
P0172A
Outer cylinder base nut
...
... ... ... ... ... ... ...
4
E1477
Tappet guide block
...
...
... ... ... ... ... ... ...
2
H200
Tappet block screw
... ...
... ... ... ...
...
...
...
2
E1612
Serrated washer
... ... ... ...
...
...
...
... ...
2
E3059
Tappet ...
... ... ...
...
... ...
...
... ...
4
E5348,-57.' CYLINDER HEAD c/w GUIDES
...
...
... ...
...
... ...
1
E38277
►
-
3
z
-
S
+
Inlet valve guide
... ...
2
E38287i-
3Z9S
Exhaust valve guide
... ... ...
... ... ... ... ...
2
E5349
70.5351
Carburetter adaptor, left
...
..
... ... ... ... ... ...
1
E5350
10
-535Z-
Carburetter adaptor, right
... ...
1
E4791
Connector ...
... ... ... ...
...
...
...
... ...
2
E4792
Balance pipe
...
... ...
... ... ... ... ... ...
1
E4608
Adaptor locking nut
... ...
... ... ... ...
...
...
2
E3583
Exhaust pipe adaptor
... ...
... ...
...
...
...
...
2
E4603
Inlet valve
...
... ... ... ... ... ... ... ... ...
2
E2904
Exhaust valve
... ... ... ...
... ...
...
... ... ...
2
E1544
Bottom cup
... ... ... ... ... ...
...
...
...
...
4
E3001
Inner valve spring
... ... ... ...
...
...
...
...
...
4
E3002
Outer valve spring
... ... ...
... ...
...
...
... ...
4
El543
Top collar
... ... ...
... ...
...
...
...
...
...
4
WE259A
-7L-3
7
41
Split cotter
...
... ... ...
...
...
... ... ...
...
8
E327
Cylinder head bolt (38 in. U.H.)
...
...
...
... ... ...
...
4
F2184
Plain washer
... ... ...
...
...
...
...
...
... ...
8
E4771
Bolt (3 in. U.H.)
...
...
... ...
...
... ...
...
...
I
S25-3 u
e,
-4
'
7
Plain washer
... ... ... ... ... ... ...
... ...
...
1
E4547
Cylinder head gasket
...
... ...
...
... ...
...
... ...
I
E4550
Inlet rocker box
... ...
...
...
... ... ... ...
...
1
E4551
Exhaust rocker box
... ... ...
••.
...
...
...
... ...
1
E4549'
10-93
4
%
Joint washer
...
...
E2980
Rocker box stud (16 i.i. O.A.)
...
...
...
6
F879
Nut
...
.••
... ... ... ... ... ...
...
6
E3302
Plain washer
...
...
... ... ... ...
...
...
...
...
6
E2982
Rocker box bolt (2,A in. U.H.)
...
...
...
...
... ...
4
S25-13ta
c
-
`{241
Plain washer
... ... ... ... ...
... ...
...
... ...
4
E1596
Cylinder head bolt (for torque stay)
...
... ... ... ... ...
4
E4610
7
-''
4
Inspection cap
...
...
...
... ... ...
...
...
...
...
4
E3751
Joint washer
...
... ...
... ...
...
... ... ...
...
4
E4609
Locking spring
...
...
....
... ... ... ...
...
...
...
4
WE170ia
o
-'f ..3Fibre washer
...
... ...
... ...
... ... ... ... ...
4
T1553
Screw (8 in. U.H.)
...
...
...
... ...
...
...
...
...
4
E1457
ROCKER (right exhaust, left inlet)
... ...
...
... ... ...
...
2
E1458
ROCKER (left exhaust, right inlet)
... ... ...
...
... ...
...
2
E1483
Rocker ball pin
... ... ... ... ... ... ... ...
...
4
E1513
Rocker adjusting pin
... ... ... ... ... ... ...
...
...
4
E470
Adjuster lock nut
... ... ... ... ... ...
...
... ...
4
E1330
Thrust washer, e in.
... ...
...
... ... ... ... ...
...
2
E1575
Thrust washer,. in.
... ... ... ... ... ... ... ... ...
6
E1574
Spring washer ...
... ...
...
...
... ... ... ... ...
4
E1512
Rocker spindle
... ... ...
...
... ... ... ...
...
2
E3253
0
35'4
B
Sealing rubber ...
...
... ...
...
... ... ... ...
...
2
E2620
Push rod
... ... ...
...
...
...
...
...
... ...
4
E3646
Cover
tube
... ... ...
...
... ... ...
...
... ...
2
2
E1496
Bottom joint washer
... ... ...
...
...
... ...
... ...
2
E3547
Top
joint washer
..•
...
...
... ...
21
ClassicBike.biz

Ref. No.
Part No.
DE
SCRIPTION
QUANTITY
1
2
3
4
5
6
7
8
9
10
11
12
13
14
15
16
17
18
19
20
21
22
23
24
25
26
27
28
29
29
30
31
32
33
34
35
36
37
38
39
40
41
42
43
44
45
46
46
TIMING COVER, CONTACT
BREAKER AND
COILS
6T
TR6
1120
E4567
Timing cover
... ... ...
...
...
...
... ...
11
1
E4016
Patent plate
... ... ...
... ...
...
...
...
11
1
D208-510
0
-4
1SS
Hammer-drive screw
... ...
...
...
...
...
...
33
3
E4568
Oil seal
... ... ... ... ...
...
...
...
...
22
2
E4569
Circlip
...
...
... ... ... ...
...
...
...
11
1
E2615
Timing cover plug
...
... ... ...
...
...
...
11
1
El335
Copper washer
... ... ... ...
...
...
...
11
1
T989
Hollow dowel
...
... ... ... ... ... ...
...
2
2
2
E3668
Screw (1
1
6
in. U.H.)
...
... ... ...
...
...
...
3
3
3
E3204
Screw (1
in. U.H.) ... ... ... ...
...
...
...
5
5
5
47605
N
.1
-•A
.
CONTACT BREAKER, type 4CA ...
...
1
1
1
425377
Condenser
... ... ... ... ... ...
...
2
2
2
54441729
Cam...
...
...
...
... ...
...
...
...
11
1
54415642
C:x
Spring set
...
... ... ...
... ...
...
...
1
1
1
425379
Weight
... ...
...
... ...
... ... ...
2
2
2
54415751'S
4
44tS,11
Sleeve and action plate
...
... ... ...
... ...
1
1
1
425370
Base plate
... ...
...
...
...
... ... ...
1
1
1
169194
Slotted nut...
...
...
... ... ...
...
...
44
4
54415803
Contact set
...
...
...
... ... ...
...
2
2
2
E5451
Bolt (2 in. U.H.)
...
...
...
...
... ... ...
1
1
1
S25-
43-,o
-%
LL.3
Plain washer
...
...
1
1
1
E4707
Rubber grommet
...
... ...
...
... ... ...
1
1
1
E4747
Pillar bolt
... ... ... ...
...
...
... ...
2
2
2
E2351
Plain washer ... ... ... ...
...
... ...
...
2
22
E4571'7
0
-
1
'
3
'
Cover
... ...
1
1
1
E50497
1
-
"''
02
'
Joint washer
...
...
... ... ... ...
...
...
1
1
1
GS299(ao
14
} -'
Serrated washer
...
...
22
2
F4715
Screw (32 in. U.H.)
2
2
2
45110
IGNITION COIL, type MAl2 ...
... ...
...
...
2
-
-
45152
IGNITION COIL, type MA6
... ...
...
... ...
-
22
54190108
Lucar terminal
... ... ... ...
...
...
...
4
4
4
131023
Plain washer (E2351)
... ...
...
...
...
...
44
4
188330
Serrated washer (GS299)
... ... ...
...
...
4
4 4
166043
Nut (F3799)
...
...
...
... ...
...
...
4
4
4
421554 S4RS3
r
•Z$
Rubber grommet ...
...
... ... ...
...
...
2
2
2
421863
Cable clip
...
...
... ... ... ...
...
...
22
2
100104
btsc.
Screw
...
...
...
...
...
22
2
169160
Square nut
...
...
... ... ...
...
...
22
2
422369 Dtk
"D" washer
...
... ... ... ... ...
...
44
4
5494207854
4
"
.1
s%Lucar
connector
...
...
... ...
...
... ...
4
4
4
54190042
Insulating cover...
... ... ...
... ... ...
...
4
4
4
F4744
Bolt
(1
in. U.H.)
... ... ...
...
...
... ...
2
2
2
F5466
Rubber grommet
... ... ...
... ...
... ...
2
22
F4366
Distance piece
...
... ... ...
...
...
... ...
4
4
4
E3290
Self locking nut
... ... ...
...
...
...
...
2
22
—
Sparking plug (Champion
N4)
...
...
... ...
...
222
D297
Plug cover and suppressor
...
...
...
...
...
2 2
2
D262
Plug cover
...
...
...
... ...
...
...
...
A
AA
23
ClassicBike.biz

Ref. No.
Part No. DESCRIPTION
QUANTITY
GEARBOX INNER COVER AND SELECTORS
6T
TR6 T120
1
E4535
Stud (3 in. 0.A.)
... ...
2
2
2
2
T989
Hollow dowel
... ...
4
4
4
3
T500 51-4
06
9
Gear selector camplate
111
4
T44
7-36‘0
Camplate index plunger
11
1
5
T373
Index plunger spring
...
111
6
T372
Index plunger holder
...
..
111
7
T260B's?
-
2
SS
lo
selector fork
...
1
11
8
T913 V-4
501
Layshaft selector fork ...
...
1
11
9
NT2611/-
L51
C
Selector fork roller
...
..
22
2
10 1291
Selector fork rod
1
1
1
11
T1606
Layshaft bearing
111
12
T1607
Thrust washer
... ...
22
2
13
11703
GEARBOX INNER COVER
111
14
T1614
Layshaft bearing
... ...
1 1 1
15
T412
Gearchange spindle bush...
111
16
T45
Kickstarter stop
... ...
1
1
1
17
T397
Camplate operating quadrant...
1
1
1
18
T1896
Quadrant spindle
1
1
1
1
64
in
'
x1
in.
Split pin ...
...
22
2
20 T1778
Bolt (1i in. U.H.)
111
21
E3446
Plain washer ...
1
1
1
22
E3204
Screw (1 in. U.H.)
.
1
11
23
T1779
Socket screw (11 in. U.H.)
...
1
1
1
24
E3728
Countersunk screw (*in. U.H.)
1
1
1
25
ClassicBike.biz

Ref. No.
Part
No.
DESCRIPTION
QUANTITY
GEARBOX SHAFTS AND
GEARS
1
1914 5
'
"
MAINSHAFT c/w LOW GEAR (16T)
...
1T
TR6
T120
2
PT108B"5^'
'
S$
Clutch rod bush
... ... ... ... ... ... ...
111
3
11914
MAINSHAFT HIGH GEAR (26T) ...
...
... ... ...
1
11
4
T1
370
High gear bush
...
...
... ... ... ... ...
1
11
5
T917T7-3SSS
Mainshaft third gear (24T)
...
...
1
1
1
6
T916 57-
3$5
'
7
Mainshaft second gear (20T) ... ... ... ... ... ...
1
1
1
7
T926
57
-
1 (-
LAYSHAFT LOW GEAR (30T)
...
8
T928
Low gear bush
... ... ... ... ... ... ...
1
11
9
T1065
Layshaft second gear (26T)
...
...
... ...
. . .
...
1
1
1
10
T930
Layshaft third gear (22T)
...
...
1
11
11
T1843
Layshaft c/w high gear (20T) ...
...
... ...
11
1
12
TI 744
Speedometer pinion, solo (10T)
... ...
...
...
...
111
12
T1747
Speedometer pinion, sidecar (9T)
... ... ...
...
...
A
AA
13
1925
Securing pin ...
... ...
...
...
...
...
...
1
11
14
T1 745
Speedometer gear, solo (15T)
... ...
...
...
...
111
14
TI 748
Speedometer gear, sidecar (1ST)
...
...
... ... ...
A
A
A
15
T825
Thrust washer
... ... ... ... ... ...
...
...
111
16
1933
Speedometer drive bush
... ...
...
...
... ...
1
1
1
17
T948
Rubber sealing ring
...
... ... ...
...
...
...
111
18
T448
High gear bearing
...
...
.:.
... ... ...
1
1
1
19
T489
°°%
Circlip
Circlip
... ... ...
...
111
20
T946
Oil
seal
...
... ... ... ... ...
... ...
...
1
1
1
21
T191957-X1"1!°" Gearbox sprocket (20 teeth) solo
... ...
1
21
T191857-t
" " Gearbox sprocket (19 teeth) solo
...
...
...
-
11
21
T1917
Sh"/
0
lSGearbox sprocket (18 teeth) side-car
...
A
21
T19161-1.1'%'^''^°
Gearbox sprocket (17 teeth) side-car
... ...
-
A
A
22
T440
Gearbox sprocket nut
... ...
...
... ... ...
1
1
1
23
S35-7Cob-3S52-Mainshaft
bearing ...
...
...
...
...
...
1
1
1
24
1280
Circlip
...
... ...
... ... ...
...
... ...
1
1
1
25
T1338
-3 Pinion sleeve
...
... ... ... ...
...
... ...
11
1
26
T1250
Pinion spring
... ... ...
...
... ...
...
...
1
1
1
27
1730
Kickstarter pinion
...
... ... ...
...
... ...
1
1 1
28
1731
Kickstarter ratchet
... ... ...
...
... ...
...
1
1
1
29
1732
Tab washer
...
...
...
... ... ... ... ...
11
1
30
NT29799 - 35 4
2 ut
... ... ... ... ... ... ...
...
1
31
11736
Clutch operating rod
... ... ... ... ... ...
...
11 1
27
ClassicBike.biz

Ref.
No.
Part
No.
DESCRIPTION QUANTITY
GEARBOX OUTER COVER
1
T1986
GEARBOX OUTER COVER
6T
1
TR6
1
1120
1
2
T57
Gearchange spindle bush...
1
1
1
3
T23
Kickstarter spindle bush
11
1
4
T47
Kickstarter spring anchor pin
11
1
5
T454
Guide plate stud (I in. O.A.)
44
4
6
T1956
Oil seal
...
11
1
7
T1955
Oil seal housing
...
11
1
8
T408/9
°
"t'earchange quadrant ...
1
1
1
9
E3309
-
353
°
Rubber
"0"
ring
...
1
1
1
10
T404
Quadrant return spring
2
2
2
11
T406
Gearchange quadrant plunger
2
2
2
12
T405
Plunger spring
...
2
2
2
13
1407
Guide plate
...
1
1
1
14
E1612
Serrated washer
44
4
15
F879
Nut
...
44
4
16
T25A
51
5
/°tIckstarter
quadrant
y
ji
7 ...
1
1
1
17
T31
Kickstarter return spring
1
1
1
18
T24AS
"
I
Kickstarter axle
57—
1
1
1
19
T1707
CLUTCH LEVER ASSEMBLY
1
1
1
20
11708
Clutch lever
111
21
T1710
Lever shaft
1
1
1
22
T1771
6°'Z3to4
Ball, I in. diam.
3
3
3
23
T1711 5
7
-
4
"
Thrust plate
•••
1
1
1
24
T1712
Return spring
1
1
1
25
GS127
Plain washer
111
26 5
•
64 in
•
•
in
40-Z10/
Split pin ...
1
1
1
27
T1713
Countersunk screw (I in. O.A.)
2
2
2
28
T1714
Spoke
...
11 1
29
T1937
Locknut
1
1
1
30
T1946
Connector
1
11
31
T1644
Abutment
I I I
32
T1645
Adaptor ...
11 1
33
T1646
Rubber cover
1
1
1
34
525-3u
e-q41
Plain washer
2
2
2
35
S1-51
1
/
051
Nut
...
1
1
1
36
E3802
Screw (21 in. U.H.)
2
2
2
37
E3668
Screw (1* in. U.H.)
2
2
2
38
E3204
Screw (1 in. U.H.)
• •
•
1
1
1
39
T1750 57-
7010
Gearchange pedal
•
• •
1
1
1
40
W932 /Y-
02
°
I
Bolt (1 in. U.H.)
• • •
1
1
1
41
T9
51
-
4
5
°
Pedal rubber
...
•
• •
1
1
1
42
T193857- 3‘
3
FOLDING
KICKSTARTER
5.7— 7Plr
1
1
1
43
T193951'
Kickstarter lever
1
1
1
44
T1272 5 7—
Kickstarter pedal ...
1
1
1
45
46
47
48
49
50
T1167
Pedal locating spring
S7
3
°,Zito
4
Steel ball,
a
in. diam.
T1273
Pedal bolt ...
F1814
51-
"
3
°
Pedal rubber
...
...
•••
T122251-q356Cotter
pin c/w nut and washer
H1531
Domed nut
... ...
1
1
1
1
1
1
1
1
1
1
1
1
1
1
1
1
1
1
29
ClassicBike.biz

Ref No.
Part No.
DESCRIPTION
QUANTITY
1
2
3
4
5
6
7
8
9
10
11
12
13
14
15
16
17
18
19
20
21
22
23
24
25
CLUTCH
6T
TR6
T120
T1928
CLUTCH
COMPLETE
...
...
...
...
...
...
11
1
T1734
Hub
...
...
...
... ...
...
...
...
11
1
T1735
Thrust washer
...
... ...
...
...
...
...
11
1
T394
Roller
...
...
... ... ...
...
...
...
20
20
20
TI 570
Sprocket and housing (58 teeth Duplex)
... ...
...
1
1
1
T1719
Centre
...
...
...
... ...
... ... ...
11 1
T1720
Inner plate
...
...
... ... ... ... ...
1
1
-
1
11040
Countersunk screw (0
.
417 in. U.H.)
...
...
...
...
66
6
11721
Shock absorber spider
...
... ...
...
... ...
111
T1722
Drive rubber (large)
... ...
... ... ... ...
3
3
3
11723
Rebound rubber (small)
... ...
...
... ...
3
3
3
T1724
Outer plate
...
... ... ...
... ...
...
11
1
T423A 'S-
7
-47
S
`
Screwed pin (1
2
in. U.H.)
...
... ...
... ...
3
33
1136257-4763
Driving plate (bonded)
... ...
... ...
...
...
6
6
6
T1363
Driven plate
... ... ... ... ... ... ...
6
6
6
T1929
L5
Pressure-plate ...
...
111
T1256
Adjuster pin
...
...
... ...
...
... ...
1
11
GS662(-
0
-
42d.
q-
Nut
...
...
...
...
... ... ... ...
1
11
T1931
Spring cup ...
... ... ...
...
... ...
...
33
3
T1830
Spring ...
... ...
... ...
...
... ...
333
T427
Brass nut
...
... ... ...
... ...
...
.•.
333
566-1 t
't
VS
3
Key ...
... ... ... ... ...
... ... ...
111
11045
Cupped washer
... ... ... ... ...
... ...
11
1
T1
046
Tab washer
... ... ... ...
...
... ...
11
1
T1047
Clutch securing nut
...
... ... ...
... ...
...
1
1
1
31
ClassicBike.biz

Ref. No.
Port No.
DESCRIPTION
QUANTITY
CHAINCASE AND CHAINS
6T
TR6 T120
1
E4704
Primary chain oiler tube
...
1
1
1
2
E4705
Clip
.
...
1
1
1
3
S2
2 6
6•
4
250
Spring washer
...
...
1
1
1
4
DS57
-
9611
Bolt (* in. U.H.)
...
...
...
2
2
2
5
D481
Rear chain, 1 in. x
i
in. x 103 links
...
1
1
1
6
E383211
4
L
9
Joint washer
...
1
11
7E4577
Cover plate
...
1
11
8
E4578
Oil seal
...
... ...
11
9E3821
Countersunk screw (A in. U.N.)
... ...
6
6
6
10
E4147
73087
Chain tensioner abutment
...
11
1
11
E4149
Chain tensicner blade
1
1
1
12
E4152
Tie rod
...
1
1
1
13
E4145
Trunnion
...
•.•
1
11
14
E4153,0'"°3
Adjuster sl2eve nut
...
•••
111
15
D477
Primary chain, 1 in. Duplex x 84 links
•••
11
1
16
E4536
Stator stud
...
•••
222
17
E4537
Stator stud
11
1
18
47162
4.j7x
Stator, RM 19 ...
1
-
-
18
47164
4
1111
Stator, RM 19
...
-
11
19
E4772
Sleeve nut
...
1
1
1
20
E4144
Rubber grommet
1
1
1
21
E5449
Plastic sleeve
...
111
22
S25-3
6
°'4
L
4
7
Plain washer
33
3
23
E5324
Self-locking nut
3
33
24
T1770ni-143
Joint washer
111
25
T1727
11-461
Chaincase
...
111
26
E2441
Copper washer
1
11
27
E4922n*-
4, Drain and adjuster plug
11
1
28
T1738
Fibre washer
1
11
29
E732
1-
1
6
6 Filler plug
111
30
NE5071b-S72
Fibre washer
...
1
1
1
31
E4805
Screw
(H
in. U.H.)
2
2
.2
32
E3204
Screw
(1
in. U.H.)
6
6
6
33
H1531
Domed nut
...
2
22
34
F1880
Copper washer ...
22 2
33
ClassicBike.biz

Ref. No.
Part No.
DESCRIPTION
QUANTITY
FRAME
6T
TR6
T120
1
F5448
Front frame
... ...
...
...
...
...
...
...
1 1
1
2
H111i -
t
-
41o3
Steering race cup
... ... ...
...
...
...
...
2
2
2
3
S70
-
3 °
o
'
-LS
-
%L
Steel ball (I in. diam.)
... ... ...
40 40 40
4 H1018
Top cone and dust cover
... ... ... ... ...
...
1
1
1
5
F5928
Centre stand (3
.
50 rear tyre)...
... ... ... ... ...
1
—
1
5
F5932
Centre stand (4
.
00 rear tyre)...
... ... ...
—
1
6
T449 5-
1
-
b
Pedal rubber
...
...
... ...
...
1
1 1
7
F5678
Pivot bolt
... ... ... ... ... ...
...
...
2
2 2
8
F5679
Plain washer ... ... ... ... ... ... ... ...
2
2
2
9
F2725
Nut
... ...
...
... ...
...
... ... ...
2
2 2
10
F4671
Return spring
...
... ...
... ... ... ...
...
1
11
11
F4388
'357 PROP STAND COMPLETE (3
.
50 rear tyre)
... ...
1
—
1
11
F4712
t'
73'3
PROP STAND COMPLETE (4
.
00 rear tyre)
...
...
...
—
1
12
F3097
Pivot bolt
...
...
... ...
...
... ... ...
1 1 1
13
F3096
Tab washer
... ... ... ... ... ...
...
1
1
1
14
F2610
Return spring
... ... ... ... ... ... ...
1
1 1
15
F54494sZ''443
Rear frame ...
...
... ... ...
...
...
...
1
1
1
16 F4510
Stud (e in. O.A.) (when panels are fitted)
... ... ...
1
—
16
F2842
Stud (3'— in. O.A.)
... ... ... ... ... ...
...
—
1 1
17
S26-1 L
0
'4
S5
Spring washer
... ... ... ... ...
...
...
...
2
2
2
18
S1-52(,O-^-P
i
Nut
...
...
...
...
...
...
... ...
2
2
2
19
F5411
Bolt (3 in.
U.H.)
... ...
...
...
...
...
...
2
2
2
20 S25-63
'
Plain washer
...
...
...
... ... ... ...
...
2
2
2
21
DS47 <j
b
'
`
'
2
'
(043
Nut
...
...
2
2
2
22
PCW73A
-SlSpring washer
... ... ...
...
...
...
... ...
2
2
2
23
F5605
Bolt (1 , 6 in. U.H.)
...
...
...
... ...
...
...
2
2
2
35
ClassicBike.biz

Ref. No.
Part No.
DESCRIPTION
QUANTITY
SWINGING FORK AND SUSPENSION
UNITS
6T TR6
T120
1
F5302
SWINGING FORK
1
1
1
2
F6042
Pivot bush ...
2
22
3
NW10004141
Grease nipple
11
4
WE170
4
0
-
Fibre washer
111
5
F5312 S 3-
SL
' Sleeve
...
2
2
2
6
F5313
Distance tube
111
7
F531121-
30
End plate
2
22
8
F6150
Bolt
(81
in. U.H.)
1
1
1
9
F5944
Tab washer
...
1
1
1
10
NT297
t.N
ut
11
1
11
F3774
Brake torque stay
1
1
1
12
F5315
Bolt (f} in. U.H.)
1
1
1
13
PCW73Aw-4WSpring washer ...
2 2
2
14
DS47
60-
41
Nut
...
222
15
164054506
SUSPENSION UNIT
2
2
15
t64054164
SUSPENSION UNIT
2
16
9054/316A Bonded bush ...
4
4
4
17
9054/171
Spring retainer
...
4
4
4
18
9054/151
Outer dirt shield ...
2
2
2
19
9054/47
Inner dirt shield
...
22
2
20
SA253/5
Spring, 145 lbs. Blue/Yellow
2
2
20
9054/280
Spring, 100 lbs. Green/Green
-
2
-
21
E2113
Unit fixing bolt (1* in. U.H.)
3
4
4
22
S25-2
Plain washer
...
2
2 2
23
521
4sn
Spring washer
2
2
2
24
GS3081°-1"°
Plain washer
-
22
25
P0172A4n-b°0
Nut
2
4
4
26
F5737 %-'61 Chainguard
1
1
1
27
F5536
Grommet
1
11
28
F4135
Pivot bolt
1
1
1
29
F2277
Spring washer
1 1 1
30
S25-13
-
% Plain washer
2
2
2
31
E5269
Self-locking nut
1
1
1
32
F4136
Stepped bolt
1
11
33
S25-360-
Plain washer
1
1
1
34
S1-51(.0-4
n
Nut
...
1
11
35
F3808
Clip
...
1
11
36
F5741
Distance piece
• • •
1
11
37
E3872
Bolt (11 in. U.H.)
1
11
38
S2
2
6o-45b
Spring washer ...
1 1
1
39
F3597%-t
S Brake operating rod
1 1
1
40
in. x I in.
Split pin ...
1
1
1
41
W11
Pivot pin...
1 1
1
42
F4585
Adjuster nut
1 1
1
43
31437
Sq031Z11
Stop lamp switch, type 22B
1 1
1
44
T1076
Screw
(f
in. U.H.)
3
3
3
45
F4717
Self locking nut
333
46
F5412
Switch lever
11 1
47
F5413
"D" washer
1
1 1
48 315738
Spring (F.3158)
1
1
1
49 F5729
Bolt
tSM/275
Sidecar suspension unit
1
-
as required
-
37
ClassicBike.biz

Ref No.
Part No.
DESCRIPTION
QUANTITY
ENGINE UNIT FITTINGS AND FOOTRESTS
1
2
3
4
5
6
7
8
9
10
11
12
13
14
15
16
17
18
19
20
20
21
21
22
23
24
25
26
27
28
29
30
31
32
33
34
35
36
37
38
39
6T
TR6 T120
F5469
Stud
(3
, in. O.A.)
... ... ... ... ...
...
...
11
1
PCW73A
(oo
'4
2SI
Spring washer ...
...
4
4
4
DS47 too • y sto-s Nut ... ...
44
4
F5259
Stud
(8{6 in. O.A.) ... ...
...
...
...
... ...
1
1
1
F5532
Distance piece ... ...
...
...
...
... ...
...
22
2
F5907
Left rear engine plate
...
...
...
... ... ...
1
1
1
F5908
Right rear engine plate
...
...
... ...
...
...
111
E4165
Bolt
(1* in. U.H.)
... ...
...
...
...
...
...
2
22
F5316
Bolt (1k in. U.H.)
...
... ...
...
...
...
...
2
2
2
S25
-
3(o44
Plain washer ... ... ...
...
...
...
...
...
4
4
4
S26-31ao-4
_
LDo
Spring washer
...
...
6
6
6
SI-51 W-000i/oS I Nut
...
...
6
6
6
F5909
Left footrest
...
... ... ... ...
...
...
...
111
F5910
Right
footrest
...
... ... ... ...
...
...
...
1
11
F5942
Stud (19 in. O.A.)
...
... ... ...
...
... ...
2
2
2
S25
-63
1
-OZ3
Plain washer
... ...
... ... ... ... ...
...
2
2
2
S4-13Z
1
-
0
oo
h
/01
3 Nut
... ...
2
22
F5943
Peg
...
... ... ... ...
...
... ... ...
4
4
4
NF704$Z iV7S Footrest rubber
... ... ...
...
...
... ...
2
22
F5351
Stud
(1
- in. O.A.)
.. .
... ...
...
... ... ...
2
-
-
E3114
Stud
(13 in. O.A.)
...
... ...
-
2
2
H211
Bolt (}e in. U.H.)
... ... ... ...
...
... ...
-
11
H426
Bolt
(4 In. U.H.)
... ...
...
... ...
2
11
F1760
Bolt
(1-µ in. U.H.)
... ... ... ...
... ...
...
2
2
2
S26-1C.
e
-4.
55
Spring washer
...
...
8
8
8
S1-
52°
''
Nut
...
...
... ... ... ...
...
... ...
77
7
P0172A^'
-c'0`x-'
Nut
...
...
... ... ... ...
...
...
...
22
2
E4778
Engine torque stay
...
...
...
4
4
4
F3805
Bolt
(1-r in. U.H.)
...
...
... ... ... ...
...
2
2
2
F3069 8 Z-Ro52- Distance piece
...
...
...
...
4
4
4
F5604
Brake pedal spindle ... ...
...
...
... ... ...
1
1 1
SCZ45
$z
'
$
2.
k
S
Spri ng washer
...
...
... ... ... ...
...
...
1
1
1
DS48
gZ-35S-7
Nut
...
...
... ...
...
...
...
...
...
1
1
1
F5242
Brake pedal
.
...
...
... ...
...
...
...
...
1
1
1
S26
-16L°3
5
4
Spring washer
...
...
... ... ... ...
...
...
1
1
1
S25
-2(
a
o
-4L46Plain washer
...
...
... ... ... ...
...
...
1
1
1
F5472
Crankcase undershield...
...
...
-
1
-
F5788
Hook
bolt ...
...
... ... ...
...
...
...
-
2
-
S25-1100-4
'4S
Plain washer
... ...
...
... ...
...
...
...
-
2
-
F879
Nut
...
... ...
... ...
... ... ...
...
-
2
-
F3771
Nut
...
...
...
...
... ...
... ...
...
222
39
ClassicBike.biz

Ref.
No.
Part No.
DESCR
IPTION
QUANTITY
EXHAUST PIPES AND SILENCERS
1
2
3
4
5
6
7
8
9
10
11
12
13
14
15
16
17
18
19
20
21
E4716'7o.54S7 Left exhaust pipe
E4718'70-
5S SS
Right exhaust pipe
E4501'7,
-0LI(.•
Finned clip
...
E410A7o-U(.o Hemispherical washer
E409
Bolt
(1-k
6
in.
U.H.)
•..
...
...
...
... ...
F4370 Plain
washer
...
...
... ... ... ...
...
PCW73Al
oo-
4
V
-'Spring
washer
...
...
...
... ...
...
...
DS47
L.
o
''4 -°
Nut
...
...
E2271
Clip
...
...
... ... ... ... ...
...
F3430
Bolt
(11 in.
U.H.)
...
...
... ...
E3768
"D"
washer
... ...
...
... ... ... ...
S26-3
b
o
-4w
o
Spring washer
...
E1310
Nut
...
... ... ...
...
...
...
...
E4949
Silencer
... ...
...
...
...
...
E4951
Bracket
... ...
...
...
...
...
...
...
S25-3 to
o
V4
Plain washer
...
...
F929
Bolt
(
in.
U.H.)
...
...
...
...
...
...
E4711
Pillion footrest support
... ... ... ... ...
F2335
Bolt
({-}
In.
U.H.)
... ...
... ...
...
...
SI-Si
V-000i/o5I
Nut
...
... ...
... ... ... ... ...
DS589-4- 3518
Bolt
(
- in.
U.H.)
...
... ...
...
... ...
6T
TR6
T120
1
1
1
111
2
2
2
2
2
2
22
2
1
11
2
2
2
2
2
2
2
2
2
2
2
2
4
4
4
8
8
8
2
2
2
2
22
2
22
4
44
4
4
4
2
2
2
22
2
6
6
6
2
2
2
41
ClassicBike.biz

ASSEMBLY REF. No.1
42
F4. 16. TELESCOPIC FRONT FORK, 6T
42
ClassicBike.biz

Ref. No.
Par
t
N
o.
D
ESCRIPTION
QUANTITY
TELESCOPIC FRONT FORK, 6T
6T
1
H1727 FORK
ASSEMBLY
...
...
...
... ... ...
... ...
1
2
H1577
Middle lug and stem
...
...
... ...
...
...
...
...
1
3
H439
Bottom cone
... ...
...
...
...
1
4
H941
Pinch
bolt
(2'+ in.
U.H.)
...
...
... ...
...
... ...
...
2
5
S25-21Qo-'
.'
►
t
.
Plain washer ... ...
...
...
...
...
...
...
...
2
6E24'12
Nut
...
...
...
...
... ...
...
... ...
...
2
7
H1141
Fork stem sleeve nut
...
♦..
...
1
8
.
.
.
.. .
...
H1528 q^-^s^'^ "" OP LUG ASSEMBLY ...
...
... ...
1
9
H1527
Bonded
bush
...
...
... ...
...
...
... ...
...
2
10
H1
523
Handlebar eyebolt
...
11
F1335
Plain
washer
...
...
... ... ...
...
... ...
...
2
12
H1340 Bolt
(11 in.
U.H.)
...
...
...
...
...
... ...
...
2
13 H1708
Plain
washer
...
...
...
... ... ... ... ...
...
2
14
H1529
Hemispherical washer
...
... ...
...
... ...
...
...
2
15
F3955
Self locking
nut
... ... ... ...
... ...
... ...
...
2
16
F1760
Pinch
bolt
(1
ib
in.
U.H.)
... ...
... ...
... ...
...
1
17
H379
Seated
nut
...
...
... ...
...
...
...
...
...
...
1
18
H1290
Left nacelle cover ... ... ...
... ...
...
... ...
1
19
H1
291
Right nacelle cover
... ...
...
...
...
1
20
H1756
Felt
washer
...
...
... ... ...
...
... ...
...
2
21
H1745
Plain
washer
...
...
...
...
... ...
... ...
2
22
H1661
`1^- t
q%
t-l
cP
43 Upper cover tube
... ...
...
...
.
...
•...
...
...
2
23
H1660
Solo main spring (Unpainted)
... ...
...
...
...
2
23
H1697
Sidecar main spring (Yellow; White)
...
...
...
...
...
...
2
24 H1656
Plain washer
...
...
...
...
...
2
25
H1654
DUST EXCLUDER SLEEVE NUT
...
...
... ...
...
...
2
26
H1500
Oil
seal
...
...
...
...
...
... ... ...
...
2
27
H431
Plain
washer ...
...
...
...
...
...
...
...
...
2
28
H441
Top
bearing
...
... ...
...
...
... ...
...
...
2
29
H1653
Damping sleeve
...
... ... ...
...
... ...
...
...
2
30
H16959-1
STANCHION
c/w
BEARING
...
...
...
... ...
2
31
H443
Lower
bearing
...
...
...
...
... ...
...
...
2
32
H1058
Bearing
nut
... ... ...
...
...
...
...
...
2
33
H1659
Cap nut
... ...
2
34
Oil filler plug (-& in.)
...
... ... ...
...
2
35
H1650
BOTTOM
MEMBER
c/w
CAP
...
... ... ... ...
2
36
H1651
S
'
'
/°
RIGHT BOTTOM MEMBER
c/w
CAP
...
...
1
37
H1053
Spindle
cap
...
...
...
...
...
... ...
...
...
2
38 S26-3
lo
p
-
Spring washer
...
...
... ...
- ...
...
...
...
1
39
H1070
Cap bolt (17 in.
U.H.)
...
...
...
... ...
...
...
4
40
H1071
Drain
plug
...
...
...
... ...
...
... ...
...
...
2
41
H430
Fibre
washer
...
...
...
...
...
... ...
...
...
4
42
H1499
Restrictor
...
...
... ... ...
...
... ...
...
...
2
43
H1063
Flanged
bolt (T in. U.H.)
...
...
...
... ...
...
...
2
44
H1062
Aluminium washer
... ... ...
...
... ...
...
...
2
45
...
... ...
..
H1142
^^'^^ r°
3
Steering damper rod caw knob...
... ...
1
46
H565
Plain
washer
... ...
...
...
...
...
...
... ...
1
47
H408
Adjuster sleeve
... ... ...
... ...
..
...
...
...
1
48
H1286
Locating pin
... ... ... ...
...
...
...
...
1
49
H95
Spring plate
...
... ...
...
1
50
H413
Anchor plate
...
...
...
...
1
51
H435
Friction disc
•••
.••
•••
... ...
...
I
52
141618
Rubber sleeve
... ... ...
"'
43
ClassicBike.biz

Fig. 17. NACELLE HEADLAMP AND SWITCHES
44
ClassicBike.biz

Ref. No.
Part No.
DESCRIPTION
QUANTITY
NACELLE HEADLAMP AND SWITCHES
1
H1781
97.1'7V/t
acelle top
6T
2
H961
t°i ioo-i.
...
Rubber grommet
...
3
H669
Rubber grommet
... ...
... ...
...
...
...
...
...
2
•4
H877
Left
motif
...
... ...
...
... ...
1
5
H878
Right motif
...
1
6
H689
Screw
(
g
'—
in.
U.H.)
... ...
...
...
... ...
...
...
...
4
7
H687
Screw
(8
in.
U.H.)
... ... ...
... ... ...
...
...
...
2
8
H688
Screw
(
ie
in.
U.H.)
...
...
...
...
... ... ...
... ...
2
9
E2880
Serrated
washer
...
...
...
...
...
...
....
... ...
4
10
H691
Nut
...
... ...
... ...
...
4
11
H690
Nut
... ... ...
..
...
...
...
...
...
... ...
2
12
59176
N.L.A.
HEADLAMP
...
...
... ...
... ...
1
13
553248
Rim
...
... ... ... ... ... ...
...
... ...
1
14 516812
s4s
.
Z)
Light
unit ...
...
... ... ...
...
... ... ... ...
1
15
504665
Fixing
wire...
... ...
...
...
... ...
... ... ...
6
16
553267
Fixing
ring
...
... ... ... ... ... ... ... ...
1
17
144921
Screw
...
... ...
... ...
... ... ... ...
...
1
18
534296
Plate
... ... ...
...
... ... ... ... ... ...
1
19
414
Bulb (50/40 W.
L.H. dipping.
Pre-focus)
... ... ... ... ...
1
20
55602
Adaptor
...
...
...
...
... ... ... ... ... ...
1
21
222
9141
Bulb
(4W.M.C.C.)
... ... ... ... ...
...
... ...
1
22 554710
Pilot
bulbholder
... ...
...
...
... ... ... ... ...
1
23
34427
IGNhTION SWITCH c;w KEY, type 83SA
... ...
1
24 54336176
Ignition
key
...
... ...
...
...
...
...
...
...
1
25
54336178
Ignition
switch
cover ...
...
...
... ... ... ... ... ...
1
26 34289
Lighting switch, type 88SA
...
...
... ... ... ... ... ...
1
27
54330934
Knob
c'w
screw
.,.
... ... ... ... ... ... ... ...
1
28
54330576
Switch
bezel
plate
... ...
... ... ...
...
... ... ...
2
29
54930007
Replacement harness socket (lighting)
... ... ... ... ... ...
A
30
54930008
Replacement harness socket (ignition)
...
...
... ...
...
...
A
31
36296
3t.4o3
Ammeter, type 2AR
...
...
...
...
... ... ... ... ...
1
32
H992
Horn
grille
...
... ...
...
... ... ... ...
...
...
1
33
H993
Screw
(0
.
540
in.
U.H.)
...
... ...
...
...
....
... ...
2
34
GS299L
5'
Serrated
washer
...
... ...
...
...
... ... ... ...
4
35
F3799
Nut
...
... ... ...
...
... ...
...
... ... ...
2
36
H1420
Horn
bracket
...
... ... ...
...
... ... ... ...
...
1
37
70164
Horn,
type
8H
...
...
...
... ... ...
... ...
...
...
1
38
F4771
Bolt
(Z
in.
U.H.)
... ... ...
...
... ... ... ... ...
2
39
54094523 bt c_
Wiring
harness
...
...
...
... ... ...
... ... ...
1
40
F5762
Mounting
plate
...
...
...
...
...
...
... ... ... ...
1
41
49345
Zener
diode ...
... ...
... ...
...
... ... ...
...
1
42
5494207854i.owrILucar
connector
... ... ...
...
...
...
...
... ...
2
43
54190042
Insulating
cover...
...
...
...
...
...
...
...
...
...
2
44
900269
Snap connector terminal
...
...
...
... ...
...
...
as required
45
900288
Single Snap connector
...
...
...
... ...
...
...
...
as required
46
850641
Double snap connector
... ...
...
... ...
...
...
as required
47
850844
Triple snap connector ...
...
...
...
...
...
...
...
as required
48
850832
Quintuple snap connector
...
...
...
...
...
... ...
as required
45
ClassicBike.biz

Fig„ 18. TELESCOPIC FRONT FORK, TR6 AND T120
15 14
46
ClassicBike.biz

Ref. No.
Part No.
DESCRIPTION QUANTIT
Y
1
2
3
4
5
6
7
8
9
10
11
12
13
14
15
16
17
18
19
20
21
22
22
23
24
25
26
27
28
29
30
31
32
33
34
35
36
37
38
39
40
41
42
43
44
45
46
47
48
49
50
51
52
TELESCOPIC FRONT FORK, TR6 AND T120
H1715
'-"FORK ASSEMBLY
... ...
TR6
1
T120
1
H1577 ` -
1
-
19
'
99
Middle lug and stem
... ...
11
H439
Bottom cone
... ...
...
...
...
...
... ...
1
1
H941
Pinch
bolt
(24 in.
U.H.)
... ... ...
... ... ... ...
2
2
S25-2
Plain washer ...
...
2 2
E2412
Nut
...
...
...
...
...
2
2
H405
Fork stem sleeve nut
...
...
...
...
...
...
...
1
1
H1528A
g
^-%S^.
%
[
0o%
TOP LUG ASSEMBLY
... ...
2
2
H1
527
Bonded
bush
...
... ... ...
...
...
...
...
2
2
H1523 °'
-'-"
Handlebar eyebolt
...
...
... ...
... ...
2
2
F1
335
Plain
washer ... ...
...
...
...
... ...
2
2
H1340
Bolt
(1'
-* in.
U.H.)
...
...
...
...
...
...
...
2
2
H1708
Plain
washer
...
... ... ... ...
...
...
...
2
2
H1529
Hemispherical washer
...
..
...
... ...
2
2
F3955
Self-locking
nut
... ... ...
...
... ...
...
...
2
2
F1760
Pinch
bolt
(1-f+
6
in.
U.H.)
...
...
... ...
...
...
1
1
H379
Seated nut ...
...
...
...
1
1
H1646
Left top cover
...
...
...
...
11
H1647
Right top cover
...
...
...
...
...
...
...
...
1 1
H1756
Felt washer
...
...
...
...
...
...
...
...
2
2
H1657
Spring abutment
... ... ...
...
...
... ...
2
2
H1660
Solo main spring (Unpainted)
...
...
...
...
...
...
2
2
H1697
Sidecar main spring (Yellow/White)
...
...
2
2
H1656
Plain
washer
... ... ... ... ...
...
...
...
2
2
H1645
Telescopic gaiter
... ... ... ... ... ...
2
2
D340
Gaiter clip ...
... ... ... ...
...
...
4
4
H1654
DUST EXCLUDER SLEEVE NUT
...
...
...
...
...
2
2
H1500
Oil
seal
... ... ... ...
... ...
...
...
2
2
H431
Plain
washer ... ... ...
.
.
.
...
.
.
.
. .
2
2
H441
Top bearing
... ...
...
... ...
...
...
...
2
2
H1653
Damping sleeve
... ... ... ... ... ...
...
...
2
2
H1649
STANCHION
c/w
BEARING
... ... ...
...
...
...
2
2
H443
Lower bearing
...
...
...
...
...
...
...
2
2
H1058
Bearing nut
...
...
... ...
...
... ...
...
2
2
H1658
Cap
nut
... ... ... ... ... ... ... ...
...
2
2
H1650 °
►
'-'^VsO/o
'
l3 LEFT BOTTOM MEMBER
c/w
CAP
... ... ... ...
...
1
1
H1651 `t'
b*3 RIGHT BOTTOM MEMBER
c/w
CAP
...
...
1
1
H1053
Spindle cap ...
...
...
...
...
...
...
...
2
2
S26-
3
Spring washer
...
...
...
...
... ...
...
4
4
H1070
Cap bolt (1
.
in.
U.H.)
...
...
...
...
...
...
4
4
H1071
Drain
plug
...
...
...
...
...
...
...
...
...
2
2
H430
Fibre washer
...
...
...
...
...
...
...
...
2
2
H1499 Restrictor
...
...
...
...
...
...
...
...
...
2
2
H1063
Flanged bolt (;
in. U.H.)
...
...
...
...
... ...
2
2
H1062
Aluminium washer
2
2
H1142
11
-'
-I° 3 Steering damper rod
c/w
knob ...
...
...
1
1
H565
Plain washer
... ...
...
... ...
...
...
...
1 1
H408
Adjuster sleeve
... ...
...
... ... ...
...
...
1
1
H1286
Locati
n
g pin
... ...
...
...
...
... ...
...
1
H95
Spring plate
...
...
...
... ... ... ...
...
1
1
H413
Anchor plate
...
...
...
...
...
...
...
.
.
1
H435
Friction disc
...
...
...
...
... ... ...
..
1
1
1
H1618
Rubber sleeve
...
...
...
... ...
1
1
47
ClassicBike.biz

48
ClassicBike.biz

Ref. No.
Part No.
DESCRIPTION
QUANTITY
1
2
2
3
3
4
4
5
6
7
8
9
10
11
12
13
14
15
16
17
18
19
20
21
22
23
24
25
26
27
28
29
30
31
32
FRONT WHEEL
6T
TR6 T120
W1399
FRONT WHEEL COMPLETE
...
...
...
... ...
1
-
1
W1323
FRONT WHEEL COMPLETE
... ... ... ... ...
-
1
-
W1371$-1-
1
'
1Z1
RIM, SPOKES AND HUB ASSEMBLY
... ...
1
-
1
W1324'
"
RIM, SPOKES AND HUB ASSEMBLY
... ... ...
-
1
-
W1374
Front wheel rim (WM2-18)
...
... ... ...
1
-
1
W1230
Front wheel rim (WM2-19)
...
...
... ...
-
1
-
W1
275
Spoke (8/10G x 5,
!
6
in. straight) c/w nipple
...
...
40
-
40
W1
328
Spoke (8/10G x 58 in. straight) c/w nipple
...
...
-
40
-
S79-2
Spoke nipple ...
...
...
40
40
40
W1325
Hub and brake drum
•..
... ...
...
...
11
1
W1239
Wheel
spindle
... ... ...
...
... ... ...
1
1
1
W653
Bearing
...
... ...
...
...
... ... ...
2
2
2
W1
237
Dust
cover
...
...
... ... ...
...
...
1
11
T280
Circlip
... ... ... ... ...
...
... ...
111
W1481
Grease
retainer
...
...
...
... ...
...
...
1
1
1
W1474
Grease retainer (brake side)
... ...
... ...
...
1
11
W1238
Backing
ring
... ... ...
... ...
... ...
1
1
1
W582
Retaining
ring
... ... ... ... ... ... ...
111
W1
332
Cover
plate ...
...
...
... ... ...
...
1
1
1
W1197
Balance weight,
'-
z
oz.
...
... ... ... ...
...
as required
W1198
Balance weight, I
oz.
... ... ... ...
...
...
as required
W1
330
Brake anchor plate
... ... ... ...
...
...
111
W1
302
Fulcrum
pin ...
...
... ... ... ... ...
11
1
S25-2
t
%
h
am'
Plain
washer
... ...
...
... ... ... ...
1
11
S1
-52 loO
Nut
...
... ... ... ... ... ...
...
2
22
W1410
LEADING
BRAKE SHOE c/w LINING
...
...
...
11
1
W1411
TRAILING
BRAKE SHOE c/w LINING
...
...
...
1
1
1
W1414
,/.LA.
Brake
lining
...
... ... ... ... ...
22
2
W129
Br
a
s
s
rivet
...
... ...
...
...
...
...
16
16 16
W1415
3
'" '
o
"
Pivot
pad
...
...
... ...
...
...
...
2
2
2
W135
Shoe return spring
...
... ... ...
22
2
W1
243
Brake
cam
... ... ...
...
... ... ...
1
11
W1331X'"
t33
'
1
°
rake cam lever
...
...
...
...
...
...
...
111
S25-6
V%
"
^
.
0
^'
,
Plain
washer
...
...
...
... ... ... ...
11
1
W592
Lever return spring
...
...
...
...
... ...
11
1
W1246
Anchor plate
nut
... ...
...
... ...
...
11
1
49
ClassicBike.biz

M
M
M
O
w
LL
M
A
0
M
50
ClassicBike.biz

Ref
No.
Part No.
DESCRIPTION
QUANTITY
REAR WHEEL
6T
TR6
1120
1
W1469
REAR WHEEL COMPLETE ...
...
...
... ... ...
1
-
1
1
W149131•
i"Izl
REAR WHEEL COMPLETE ... ... ...
... ...
...
-
1
_
2
W1470
RIM, SPOKES AND HUB ASSEMBLY
...
1
-
1
2
W14863''-
'°
RIM, SPOKES AND HUB ASSEMBLY
...
3
W1471
Rear wheel rim (WM2-18)
...
... ... ...
1
-
1
3
W1007
Rear wheel rim (WM3-18)
... ...
...
...
-
1
_
4
W1107
Spoke (8/1OG x7-9- in. 90°) c/w nipple
...
...
...
20
20
20
5
W1108
Spoke (8/10G x 7
in. 90°) c/w nipple
... ...
...
20
20
20
6
S79-2
3
7-4Z
'
O
°
Spoke nipple ...
... ...
...
...
...
...
40
40 40
7
W1472 Hub
...
...
...
...
... ... ...
...
11
1
8
W951
Sprocket and brake drum (46T)
...
... ...
...
11
1
9
W62
3-7-
1VSO
Sprocket to hub bolt (-
6
' in. U.H.)
... ... ... ...
8
88
10
W1495
Self-locking nut
... ...
...
...
...
... ...
8
88
11
W1281
31-35455
Wheel spindle
...
...
... ...
...
... ...
1
1
1
12
W1022
Backing ring
...
...
...
... ...
... ...
1
1
1
13
W1474
Grease retainer
...
...
...
... ... ... ...
111
14
W653
Bearing
...
... ... ...
...
... ... ...
22
2
15
W1021
gai
-
OOs
-
7
RETAINER RING
...
...
111
16
W1079
Locking screw
(,6 in. U.H.)
... ...
... ...
111
17
W1278
Distance tube
...
... ...
...
... ...
1
1
1
18
W583 S
-1
t
V
s
'
Grease retainer
...
...
1
1
1
19
W1475
Dust cover
...
...
...
...
...
...
...
11
1
20
W1478
Nut
... ... ... ... ... ...
...
...
1
1
1
21
W1024
Distance piece ...
...
...
... ...
... ...
1
1
1
22
W1112
Brake anchor plate
...
...
...
...
...
...
1
1
1
23
F1747
Nut
... ... ...
...
...
...
...
...
1
1
1
24
W1406
LEADING BRAKE SHOE c/w LINING
...
...
...
1
1
1
25
W1407
TRAILING BRAKE SHOE c/w LINING
...
...
...
1
1
1
26
NW24301c%-0°
'
Brake lining
...
...
22
2
27
W129
Brass rivet
...
... ... ...
...
... ...
16 16 16
28
W1415
4D(
Pivot pad
...
...
2
2
2
29
W135
Shoe return spring
...
...
...
...
...
...
2
2
2
30
W1 083
Brake cam
...
1
1 1
31
W1487
Brake cam lever
... ...
...
...
...
...
...
1
1
1
32
S1-52
Nut
...
...
1
1
1
33
W1488
Lever return spring
...
... ...
...
...
...
1
1
1
34
W1134'b1
$SChain adjuster
... ... ... ...
...
... ...
.... 2
2
2
35
W1015
Adjuster end plate
... ...
...
... ... ...
...
2
2
2
36
W1058-1--'I
31
Self locking nut
...
...
...
...
... ...
...
222
37
F1747
Spindle nut
... ...
...
...
...
...
...
...
2
22
38
D106 U
3
3
Tyre security bolt
...
...
...
...
...
...
...
2
-
2
38
WM3
t-34/a%
Tyre security bolt
...
... ...
...
... ...
...
-
2
-
51
ClassicBike.biz

\
4
40/
-
i
T
A
,O\
fe
r
*.:.1'
-„
I
52
ClassicBike.biz

Ref No.
Part No.
DESCRIPTION
QUANTITY
1
2
3
4
5
6
7
8
9
10
11
12
13
14
15
16
17
18
19
20
21
22
23
24
25
26
27
28
29
30
31
32
33
34
35
36
37
38
39
40
41
42
43
QUICKLY DETACHABLE REAR
WHEEL
6T TR6
1120
W1310
3-I6
0Q
Q.D.
REAR WHEEL COMPLETE ...
...
... ... ...
1
1
1
W1099
RIM, SPOKES AND HUB ASSEMBLY
... ... ...
1
11
W1007
Rear wheel rim (WM3-18)...
...
...
...
...
111
W1107 Spoke (8/10G x 7
6
in. 90°) c/w nipple
...
...
20 20
20
W1108 Spoke (8/1OG x 7
7
in. 90°) c/w nipple
... ...
...
20
20
20
S79-2
Spoke nipple ...
... ... ...
... ... ...
40
40
40
W1100
Hub
...
... ...
... ... ...
...
...
1
1
1
W1033 Backing ring
... ...
... ... ... ...
...
2
2 2
W1 034
Taper roller bearing complete
...
... ... ...
...
2 2
2
W1480
Grease retainer
...
...
...
...
... ... ...
2
2 2
W1035
Dust cap
...
...
...
... ... ... ...
...
1
1
1
W1036
Felt washer
...
... ... ... ... ...
...
1
1
1
W1037
Distance piece
...
...
... ...
... ...
...
1
1
1
W1038
Dust cap ... ... ...
...
...
... ...
...
1
1
1
W1039
Bearing sleeve
...
...
...
...
... ... ...
1
1
1
E398
Bearing adjuster nut
... ...
...
... ...
...
2
2
2
W1091
Rubber sealing ring
... ...
... ...
...
...
1
1
1
W1 040
Sprocket and brake drum (46T)
... ...
...
...
1
1
1
W1143
Grease retainer
... ... ...
...
...
...
...
1
1
1
W1041
Bearing
... ...
... ...
... ...
...
...
11
1
W1042
F
e
lt
washer
...
...
... ... ...
...
...
1
1
1
W1043
Bearing and felt retainer
...
... ...
...
,..
11
1
W1044
Circli
p
... ... ...
...
...
...
...
...
11
1
W1045
Bearing sleeve
... ...
...
...
...
... ...
1
1
1
W1121
Brake anchor plate
... ...
...
... ...
...
1
1
1
W1406
LEADING BRAKE SHOE c/w LINING
... ... ...
11
1
W1407
TRAILING BRAKE SHOE c/w LINING
...
...
...
1
1
1
NW243g`t-
000\
Brake lining
... ...
...
...
...
...
22
2
W129
Brass
rivet
... ...
...
... ...
...
...
16 16 16
W1415
'b-I-Uo' '
Pivot pad
... ...
... ...
...
... ...
2
2
2
W135
Shoe return spring
...
.•
••• •••
2
22
W1083''+'
►
''yS
'
Brake cam
...
...
...
...
...
...
...
1
11
W1487
Brake
cam lever
... ...
...
...
...
... ...
1
1
1
S1-52
l• °-'¼-4'
Nut
...
...
... ...
... ... ...
...
1
1
1
W1488
Lever return spring
...
... ...
... ... ...
111
W1052
Nut
... ... ... ...
...
...
... ...
11
1
1
1
W1053
Inner distance piece
... ... ... ...
...
...
1
W1170
Outer distance piece
...
...
...
... ... ...
111
W1055 Spindle
...
...
...
...
... ... ... ...
1
2
1
2
1
2
W1135
C
hain
adjuster
...
...
... ... ...
...
... ...
2
22
W1015
Adjuster end plate
...
...
... ...
..•
2
2
W1058Zo-8
►
3
-
LSelf
locking nut
... ...
...
...
..•
2
WM3 37_3q`g
Tyre
security bolt
...
... ... ...
... ... ...
2
22
53
ClassicBike.biz

Fig. 22. PETROL TANKS
\
T
AAAAAAAA\
‘",
ThANN\
54
ClassicBike.biz

Ref. No.
Part No.
DESCRIPTION
QUANTITY
1
2
3
4
5
6
7
8
9
10
11
12
13
14
15
16
17
18
19
20
21
22
23
24
25
26
27
28
29
30
31
32
33
34
35
36
37
38
39
40
PETROL TANKS
6T
TR6
1120
F5260
Petrol tank (4 gallons)
... ...
...
...
...
...
1
1 1
F4148
Styling strip (left, front)
... ... ... ...
...
...
111
F4766
g
L-^I
11hI
4o4 Styling unit (left)
...
...
...
...
... ... ...
11
1
F4129
Styling unit screw (0
.
435 in. U.H.)
... ... ...
...
...
4
4
4
F4151
Styling strip (right front)
...
... ... ...
...
...
1 1
1
F4767$z-4
-1
6
1
1
0
9Styling unit (right)
...
...
... ...
...
... ...
11
1
F5401
Left
knee grip
...
... ... ... ... ... ...
...
1
1
1
F5402
Right
knee grip
...
...
...
...
...
...
1
1 1
F5398
Centre styling strip
...
...
...
...
...
... ...
1 1
1
F4019
Serrated
washer ...
•..
...
•.
.
.
.
..
...
. . .
111
H919
Nut
•
.
.
•
. .
•
.
. . .
.
... ...
.. . . . .
.
..
1
1 1
F5416
Petrol tank (3 gallons)
...
..
... ...
... ...
—
AA
F4235
Styling strip (left, front)
...
...
...
...
... ...
—
AA
F4127
Styling
unit
(left)
... ... ...
...
...
...
...
—
AA
F4236
Styling strip (left, rear)
...
... ...
...
... ...
—
A
A
F3915
Knee grip plate (left)
... ... ...
...
...
... ...
—
AA
S25-131o
o
-4
1A.
l
1
Plain
washer
... ... ... ...
... ... ... ...
—
A A
T361
Knee grip plate bolt (I in. U.H.)
...
...
...
... ...
—
AA
F1
606
Knee grip
(left)
... ... ...
...
...
... ...
—
AA
F4237
Styling strip (right, front)
...
... ...
...
... ...
—
AA
F4128
Styling
unit
(right)
...
... ...
...
...
... ...
—
A
A
F4238
Styling strip (right,
rear)
...
...
... ...
...
..
—
A
A
F3916
Knee grip plate (right)
...
...
...
...
... ...
—
AA
F1
605
Knee grip
(right)
... ... ...
...
...
...
—
A
A
F5564
Centre
styling strip
...
—
A
A
F322093
'
FILLER
CAP
... ... ... ...
...
...
...
...
1
1
1
F4048
Joint
washer
...
...
...
... ...
... ...
11
1
F4971 $
3
Petrol
tap (left)...
...
1
1
1
F4972'
3
10
°
Petrol tap with reserve tube ...
...
....
...
...
...
111
F1511
Fibre
washer
...
...
...
... ...
...
... ...
2
2
2
F5228
Rubbe
r
washer ...
...
... ...
...
...
... ...
2
2
2
F5229
Spigo
t
rubber
...
... ...
...
...
...
... ...
2
2
2
F3814
Cup
... ... ... ...
...
... ... ...
...
3
3
3
F1808
Bolt
(1
.
in.
U.H.)
...
...
...
... ... ...
2
22
F5336
Double spigot rubber
...
...
...
...
... ...
111
F967
Rubber
washer ...
. . . .. .
...
. . .
.
. .
...
.
..
1
11
F5337
Bol
t
(132 in. U.H.)
...
...
...
...
... ...
...
1
1
1
F3917
Parce
l
grid
... ... ...
...
...
...
... ...
1
1
1
F2936
Stre
w
... ... ...
... ...
...
... ... ...
111
F4384
Rubber blanking plug
... ... ...
... ... ...
...
AAA
55
ClassicBike.biz

Fig.
U. OIL TANK
18
2
32
17
34 33
33
28 27 22
31
56
ClassicBike.biz

Ref. No.
Pa
rt
No.
DESCRIPTION
QUANTITY
1
2
3
4
5
6
7
8
9
10
11
12
13
14
15
16
17
18
19
20
21
20
21
22
23
24
25
26
27
28
29
30
31
32
33
34
35
OIL
TANK
6T
TR6
T120
F6308
Oil
tank ...
... ...
...
... ... ...
...
...
1
1
1
F321682
-^%SS
FILLER CAP
...
...
... ... ... ...
...
...
1
1 1
F4047
Joint
washer
...
...
... ... ...
...
...
1
1
1
F5343
Drain
plug
...
...
...
...
... ... ... ...
1
1
1
PT104Bs1
-
%%Fibre washer
...
...
... ... ... ... ... ...
1
1
1
F3179
Oil
tank filter
... ...
... ... ...
...
...
...
1 1
1
F1713
Fibre
washer
...
... ... ...
...
...
...
...
1
11
F3655
Upper feed pipe
...
... ...
... ...
...
...
1
11
F3182
Union
nut
...
...
... ... ...
...
...
...
1
1
1
E4594
Flexible connector
...
...
...
...
... ...
...
2
2
2
E5473
10
-
o%
l
k% Clip
...
...
... ...
...
...
...
...
...
4
4
4
E4590^o-to°
►
3OOil pipes and junction block
.
7/
7
/.76
...
...
...
...
1
1
1
E3763
-i
)
Joint washer
...
...
...
... ... ... ...
...
1
11
E3446
Plain
washer
... ...
...
...
...
...
...
...
1
11
E1310
Nut
...
... ... ...
... ...
... ... ...
1
11
E5374
Vent
pipe
... ... ...
...
...
... ...
...
1
1
1
E5370
"T"
piece
...
...
...
...
...
...
...
...
1
11
E5376
Extension pipe ...
...
...
...
...
...
...
...
1
11
F3098
Clip
...
...
...
...
...
...
...
... ...
2
2
2
F5949
Front
strap
...
...
...
...
...
...
...
...
1
-
-
F5358
Rear
Strap ...
...
...
...
...
...
...
...
1
-
-
F5328
Front
strap
...
... ... ...
...
...
... ...
-
11
F5329
Rear
strap ...
...
...
...
...
... ... ...
-
1
1
F5247
Spigot rubber
... ... ...
...
...
... ... ...
66
6
F5248
Rubber washer ...
...
...
... ... ... ... ...
22
2
F5330
Bolt
(
2
,-'^ in. U.H.)
...
... ...
... ... ...
...
24
4
F5331
Bolt
(-
in. U.H.)
... ...
...
...
...
... ...
2
-
-
S25-2 Vo'd'
ka
Plain washer (
in.)
... ...
... ...
...
...
...
4
4
4
S25-3 i.
D
-4-'41 Plain washer (
i
6 in.) ... ...
...
...
...
...
44
4
T224
Nut
... ... ...
... ...
... ... ... ...
4
44
F6039
Grommet
...
... ...
...
... ... ... ...
1
1
1
F929
Bolt (z in. U.H.)
... ... ...
... ...
...
...
1
1
1
E3383
Rubber connector
... ...
... ... ...
...
...
1
1
1
E4159'
0
-'
S
'
I
4 Rocker oil feed pipe
... ...
... ... ...
...
...
1
1
1
El335
Copper washer
...
...
...
...
...
... ...
444
E1435
Domed nut
... ... ... ...
...
...
... ...
2
22
F6147
Bracket
... ...
... ... ...
...
...
... ...
1
1
1
57
ClassicBike.biz

Fig. 24. BATTERY CARRIER AND AIR FILTER
4
18
17
19
20
21
12
6
58
ClassicBike.biz

Ref.
No.
Part No.
DESCRIPTION
QUANTITY
BATTERY CARRIER AND AIR FILTER
1
2
3
4
5
6
7
8
9
10
11
12
13
14
15
16
17
18
19
20
21
22
23
24
21
22
23
24
25
F5948
Battery
carrier
...
...
...
...
...
...
F6129
Retainer
strap
... ...
...
... ...
...
...
F1369
Bolt
(-
in.
U.H.)
...
...
...
...
F3470
Rubber
pad
...
...
...
...
... ...
...
MKZ9Eb c
Battery ...
... ...
...
... ... ...
...
MLZ9E
Dc.-
Battery
caw
li
d
...
...
•.. •..
.•.
...
...
F4814
Plastic
vent
pipe ...
...
... ... ...
...
F5333
Battery carrier
... ...
...
...
...
F4661
Top
strap
...
...
...
... ...
...
...
F4662
Packing
rubber
... ...
... ...
... ...
...
E3200
Screw
(
LI in.
U.H.)
...
... ...
...
...
E3728
Screw
(
32
in.
U.H.)
...
...
...
... ...
...
DS57%Z `
0%*
*
Bolt (,'-
6
in. U.H.)
...
S25-
1lno
-''
.
A
Plain washer
...
...
...
...
...
...
...
F879
Nut
...
...
...
... ...
...
...
...
S25-134c
-A
4%
Plain washer
...
•..
...
...
...
F4283
Rectifier bracket
...
...
...
...
...
F5665
Tool
tray
...
... ...
...
...
...
...
F5414
Inflator
bracket
... ...
...
... ...
...
F1369
Bolt
(8
in.
U.H.)
...
... ...
...
...
...
F4576
Adaptor
sleeve ...
...
...
...
...
... ...
F5625
4
0
-b-Wl
Clip
...
...
...
...
... ...
...
.. .
F5334%
61
0
1
AIR
FILTER
...
...
...
...
...
...
...
F4811 `b --
kp$t&k
'
Filter element (felt)
...
...
...
... ...
F5958
Adaptor
sleeve ...
... ...
...
...
... ...
F6074
Clip
...
...
...
...
...
... ...
.. .
F5956
0L
AIR FILTER
...
F5764$2-'
6
'
RL9
+
Filter element (coarse felt)
... ...
F4964
Water deflector
...
...
...
...
...
...
6T
TR6
1120
1
-
1
-
1
-
3
--
2
- -
1
1
2
11
-
1
1
-
1
1
-
1
1
-
1
1
2
1
1
3
3
3
2
1
1
65
5
3
2
2
1
1
1
1
1
1
111
11
1
-
1
-
-
1
-
59
ClassicBike.biz

Fig. B. PANELS AND TWINSEAT
60
ClassicBike.biz

Ref. No.
Part No.
DESCRIPTION
QUANTITY
PANELS AND TWINSEAT
1
2
3
4
5
6
7
8
9
10
11
12
13
14
15
16
17
18
19
20
21
22
23
24
25
26
27
28
29
30
31
32
33
34
35
36
37
38
39
40
41
42
6T
1
1
1
1
1
1
2
4
2
2
2
2
2
3
4
4
1
1
2
2
4
4
1
1
1
1
1
1
1
4
F5319
Left
panel
...
...
...
...
... ...
F5320
Right
panel
...
...
... ... ... ...
F6104
Left
beading
... ... ... ... ...
.
F6105
Right
beading
... ... ... ... ...
...
F5323
Left
valance
... ...
...
... ... ...
F5324
Right
valance
... ... ...
...
...
...
F619582.-1OWo
Motif "Thunderbird" ...
... ... ... ...
F4317
Spire
nut
...
...
...
...
... ...
F5538
Rubber
pad
...
...
...
... ...
...
S25-2
Plain washer
...
S1-
52
1
-
-
u.
Nut
... ... ... ...
...
...
...
F4715
Screw (32
in. U.H.)
...
...
...
... ...
F4717
Self locking nut
... ... ... ... ...
F2694
Distance
piece
...
...
...
...
... ...
GS308'
%b
-V
1
-
10
Plain washer
...
...
...
E4329-10-% 135 Domed nut
... ...
...
...
F5394
Switch
panel
...
... ...
...
... ...
F1
369
Bolt
(8
in.
U.H.)
...
...
... ... ...
F5939
Fixing
bracket
...
... ...
... ... ...
F5923
Link
... ...
... ...
...
... ...
F1756
Bolt
(4
in.
U.H.)
... ... ... ...
...
S26-21.o-^l.S
D
Spring washer
... ...
F879
Nut
... ... ...
...
... ... ...
525
-43zo-S%
L
3
Washer
...
... ...
...
...
...
...
F5466
Grommet
... ...
...
...
... ...
E3290
Self locking
nut
...
...
...
...
...
F5366
TWINS EAT
...
...
...
...
F5418
Twinseat cover c/w clips
...
...
...
F4475
Clip
...
...
... ...
...
...
F4898
Rubber
buffer
... ...
...
... ...
...
F4222
Hinge
... ... ...
...
... ... ...
DS57
$1=
go
"
%
Bolt (-r in. U.H.)
...
...
...
S26
-2
1
►
0
-
4
"-
So
Spring washer
...
...
...
... ... ...
D374
Check
wire
...
...
...
...
...
...
F4483
Self tapping screw
...
...
...
... ...
F4226
Seat catch plunger
... ... ...
...
...
F4228
Spring
... ... ... ... ... ... ...
E1719A1L
.
V
'
S
Plain
washer ... ... ... ... ... ...
T
y
in. x f in.
Split pin
.
60-Z.7LO...
...
... ...
...
F4227
A
b
'5Vo
Knob
...
... ...
...
... ... ...
F43611
^'
Safety strap ...
F4365
Self tapping screw ... ...
...
... ...
TR6
T120
11
1
1
1
1
1
1
1
1
2
2
2
2
1
1
2
2
1
1
1
1
1
1
as required
2
2
2
2
4 4
4
4
1
1
1
1
1
1
1
1
1
1
1
1
1
1
as required
4
4
61
ClassicBike.biz

ClassicBike.biz

Ref.
No.
Part No.
DES
CRIPTION
QUANTITY
1
2
3
4
5
6
7
8
9
10
11
12
13
14
15
16
17
18
19
20
21
22
23
24
25
26
27
28
29
30
31
32
33
33
34
35
36
37
38
39
40
41
42
43
MUDGUARDS
6T TR6
1120
H1689
Front mudguard
...
... ...
...
...
...
...
1
- -
F929
Bolt (-
z
'
in.
U.H.)
...
...
...
...
...
...
...
4
4
4
F4299
Plain washer
...
...
...
...
...
... ...
...
4
5
5
H1100
Bottom stay
...
...
...
...
...
...
... ...
1
-
-
W62
3%-\todo
Bolt (
in. U.H.)
... ...
...
...
... ... ...
2
-
-
S25-2
\&O
'
..1'. Plain washer
...
...
...
...
...
...
... ...
2
-
-
NS362S9-3S
1
!\
Spigot nut
...
...
... ...
...
...
... ...
111
H1675
Mudguard blade
...
... ...
...
...
... ...
-
11
H1540
Bracket
...
...
... ...
...
...
...
...
...
2
-
-
H1538
Mudguard bridge
...
...
...
...
...
... ...
2
- -
F5001
'10-
a'
Bolt
(6 in. U.H.)
...
... ...
...
...
...
...
5
--
H1681
Front stay
...
... ...
... ... ...
... ...
-
1
1
H1685
Bracket
... ... ...
... ...
...
...
...
-
2
2
H1683
Mudguard bridge
...
...
...
... ...
...
-
11
WE170%ab_
l
t.¼.3Fibre washer
... ...
...
...
...
...
... ...
-
22
DS57%1
-gD
Bolt (
1
6
in. U.H.)
... ...
...
...
...
... ...
10
10
10
S25-1 too
.
4Plain washer
... ...
...
...
...
...
... ...
6
5
5
F879
Nut
...
...
... ...
...
...
...
... ...
17
10
10
T224
Nut
...
...
...
...
... ...
...
...
...
-
2
2
DS55'
O
-351
L.
Bolt
(16
in. U.H.)
... ...
...
...
... ...
-
2
2
H1482
Bottom stay
...
... ...
... ...
...
•..
...
11
H424
Bolt
(64
in. U.H.)
...
...
...
...
... ... ...
-
2
2
S25-
71'U-oo.S
/00%Plain washer
...
...
...
... ...
... ...
...
-
2
2
S1-51Z.t-
oea/os
'Nut
...
...
...
...
... ...
3
4
4
F2698
Number plate
...
... ... ... ... ...
... ...
1
- -
H251
Plastic beading
...
... ...
... ...
... ... ...
1
-
-
F4332
Packing piece
...
... ... ... ...
...
...
...
1
-
-
S26-2 tao-i4t.SO Spring washer
... ... ...
...
... ... ...
10
4
4
F2996
Number plate
...
...
... ...
...
...
...
...
-
1
1
H741
Clip assembly
... ... ...
... ...
...
...
...
-
2
2
H687
Screw (8 in. U.H,)
...
... ...
...
...
...
...
-
2
2
H745
Nut
...
... ... ...
... ...
...
...
...
-
2
2
F5953
Mudguard blade
... ...
... ...
...
...
...
1
-
-
F5984
Mudguard blade
... ...
...
... ... ...
...
-
1
1
F4860
Mudguard bridge
...
... ... ...
...
... ...
1
1
1
F4299
Plain washer
...
... ... ... ...
... ... ...
22
2
F5424
Lifting handle
...
... ... ... ... ... ...
...
11
1
F5994
Clip
... ... ... ...
...
...
...
...
...
1
1
1
F6031
Backing plate
... ... ... ... ... ... ...
...
1 1
1
S26-3 (.o".V (.O Spring washer
... ...
...
...
...
7
5
5
F5369
Bracket
... ...
... ...
...
... ... ...
...
1
11
F5415
Inflator bracket
...
...
... ...
...
... ...
1
1 1
H590
Bolt (-r in. U.H.)
...
...
...
...
... ... ...
333
F5924
Number plate
... ...
...
... ... ... ... ...
11
1
63
ClassicBike.biz

Fig. 27. HANDLEBARS AND CONTROL LEVERS
64
ClassicBike.biz

Ref No.
Part No.
DESCRIP
TION
QUANTITY
HANDLEBARS AND CONTROL LEVERS
6T
TR6
1120
1
H1 484
9-1-
4
55Z
HandIebar
...
...
... ...
... ... ...
1
1
1
2
H1425
Packing
piece
... ... ... ...
...
...
...
...
4
4
4
3
16/417
TWISTGRIP
...
...
...
...
...
... ...
...
1
1
1
4
16/328
Body top half
...
...
...
...
... ... ...
1
11
5
16/329
Body bottom half ...
... ...
...
...
... ...
11
1
6
16/091
Rotor
... ... ...
...
...
... ... ...
1
11
7
16/008
Friction
spring
...
...
... ...
...
...
...
1
1
1
8
16/009
Friction spring screw
...
...
... ...
... ...
11
1
9
16/010
Locknut
... ...
...
... ...
...
...
...
11
1
10
11/013
Screw
..
...
... ...
...
... ...
...
22
2
11
16/070
Grip
..
... ...
...
...
...
...
...
1
11
12
16/011
Cable
stop
... ... ...
...
...
...
... ...
1
1
1
13
18/995
FRONT BRAKE LEVER ASSEMBLY
...
...
... ...
1
—
1
14
18/535
Brake
lever
... ...
...
...
... ... ...
1
—
1
15
18/912
Brake lever bracket
...
...
...
... ...
...
1
1
1
16
12/040
Clamp
...
...
...
... ...
...
... ...
1
1
1
17
11/014
Screw
...
...
... ...
...
... ...
...
2
2
2
18
18/087
Fulcrum screw
...
... ... ...
... ...
...
1
1
1
19
18/053
Self locking
nut
...
...
...
... ... ...
...
1
1
1
20
18/838
Cable adjuster
...
•..
... ...
... ...
...
1
1
1
21
18/839
Thumb nut
...
... ... ...
... ...
...
1
1 1
22
18/880 Barrel
nipple
...
... ... ...
... ...
...
1
1
1
23
18/996 CLUTCH
LEVER ASSEMBLY
... ...
...
...
...
1
—
1
24
18/528
Clutch lever
... ... ...
...
...
...
...
1
—
1
25
18/913
Clutch lever bracket
... ... ...
...
...
...
1
1
1
26
18/910
Clamp (H668A)
...
... ...
...
...
... ...
1
1
1
27
61/004
Screw
... ...
...
...
...
...
... ...
2
2
2
28
18/087
Fulcrum screw
...
...
...
...
... ...
...
1
1
1
29
18/053
Self locking
nut
...
...
...
... ... ... ...
1
11
30
18/838
Cable adjuster
...
...
... ... ... ... ...
1
1
1
31
18/839
Thumb
nut
...
...
... ...
...
... ...
1
1
1
32
18/880
Barrel
nipple
...
...
...
...
... ... ...
1
11
33
31563
Horn push and dip switch
...
... ... ... ...
...
1
1
1
34
H689
Screw (4 in. U.H.)
...
...
... ... ... ... ...
2
2
2
35
18/935
FRONT BRAKE LEVER ASSEMBLY (Ball-end)
...
...
—
1
36
18/754
Brake lever (Ball-end) ... ...
...
...
...
...
—
1
37
18/993
CLUTCH
LEVER ASSEMBLY
(Ball-end) ...
... ... ...
—
1
38
18/752
Clutch lever (Ball-end)
... ... ... ... ... ...
—
1
39
16/069
Handlebar grip
...
...
...
...
... ... ... ...
1
1
1
40
12/608
AIR LEVER
... ... ...
...
... ...
... ...
1
1
41
12/556 Lever
...
...
...
1
1
—
42
12/607
Bolt
... ...
...
... ... ...
...
...
1
1
43
12/606 Cap
...
... ...
...
...
...
...
...
...
1
1
44
12/033
Spring washer
... ...
...
... ...
...
...
1
1
45
12040
Clamp
...
...
... ...
...
...
... ...
1
1
46
11/014 Screw
...
...
... ...
... ...
...
...
2
2
—
65
ClassicBike.biz

Fig. 28. CONTROL CABLES AND AMERICAN HANDLEBARS
29
28
30
66
ClassicBike.biz

Ref. No.
Part No.
D
ESCRIPTION
QUANTITY
CONTROL CABLES AND AMERICAN HANDLEBARS
1
2
3
4
5
6
7
8
9
10
11
12
13
14
15
15
16
17
18
19
20
21
22
23
24
24
25
25
5
16
26
27
28
29
30
31
6T
TR6
T120
D466
CLUTCH
CABLE
... ...
...
...
...
...
...
1
1
1
D103
Ferrule
•
. .
... ...
.
. . .
.
.. .
.
... ...
2
22
D368
Nipple
... ... ...
...
...
...
... ...
1
1
1
DS73 S
i
t- 35'
Nipple
...
...
1
11
D416
OD
'
4
-
FRONT
FRONT BRAKE CABLE
... ... ...
...
...
...
1
1
1
D103
Ferrule ... ... ...
... ...
...
...
...
2
22
D368
Nipple
... ... ...
... ...
...
...
...
11
1
W593
Fork end ... ...
... ... ...
...
...
...
11
1
WF32
1'-SZ-Pivot pin...
...
...
111
,
!
6
in.
xe
in.
Split
pin
...
...
...
...
...
...
...
... ...
1
11
H1171
Clip
...
... ...
...
... ...
...
1
—
F4715
Screw
(
32 in. U.H.)
•..
...
.
.
.. .
.
.
..
...
. . .
1
—
GS299Io
o•
^4
ZSb
Serrated washer
...
...
1
H745
Nut
...
... ...
...
... ...
...
... ...
1
—
D495
THROTTLE
CABLE
...
...
...
...
...
... ...
1
—
D519
THROTTLE CABLE
...
... ... ...
...
...
—
1
D499
THROTTLE
CABLE
...
... ...
...
...
...
— —
1
D500
Twistgrip cable
...
... ...
...
...
...
— —
1
244/104
Junction block
...
...
...
...
...
...
— —
1
D423
Carburetter cable
... ...
...
... ...
—
—
2
D101
Ferrule ...
...
... ... ...
...
... ...
3
3
10
D83
Nipple
...
...
... ...
...
... ...
...
1
1
1
NS191
Nipple
...
...
...
._.
...
...
... ...
1
1
5
D104
Adjuster
...
... ...
...
... ...
..
...
1
1
3
D435
Air control cable
...
...
...
...
... ...
...
1
—
-
D507
Air
control cable
...
...
... ... ... ... ...
—
1
H1694
American handlebar
...
...
...
...
... ... ...
1
—
—
H1511
gam_
_5
-
-American handlebar
...
...
...
...
...
—
1
1
D417 loo
n
-01414 Front brake cable
...
... ... ... ... ... ...
1
1
1
D515
Throttle cable
...
...
... ...
...
—
—
1
313/6
Twin rotor twistgrip
...
...
... ... ...
——
1
D528
Throttle cable
...
...
...
...
...
...
...
—
—
2
H1580
Steady rubber
...
...
...
... ... ... ... ...
22
2
H1581
Distance piece ...
...
...
...
...
...
... ...
2
2 2
F3814
Cup
...
...
...
...
...
...
...
...
...
22
2
H1616
Solid bush (for handlebar-mounted windscreen)
... ...
...
4
4 4
67
ClassicBike.biz

26 25
28
23
Fig. 29. TOOLKIT, FRAME LOCK, PILLION FOOTRESTS AND LICENCE HOLDER
68
ClassicBike.biz

Ref: No.
Port No.
DESCRIPTION
QUANTITY
1
2
3
4
5
6
7
8
9
10
11
12
13
14
15
16
17
18
19
20
21
22
23
24
25
26
27
28
29
30
31
32
TOOLKIT, FRAME LOCK, PILLION
FOOTRESTS AND
LICENCE HOLDER
6T
TR6
T120
D365 to
o
'
o
Zto
g
TOOLKIT COMPLETE
... ... ...
...
...
...
1
11
WAS8
L
-OLR
I
Tool roll
...
...
... ... ... ...
...
...
1
1 1
D360
Open spanner, 1x
1
in. Whit. ...
...
...
...
...
11
1
D361
Open spanner, ,
x-
L
in.
Whit.
...
...
...
...
1
1
1
NA55 °+
9
-3
5
3
9
Open spanner, +x- • in.
Whit.
...
1
1
1
DA16
q
-
3
5
'
1
Open spanner, ix- in.
Whit.
1
1
1
PA57
°1
-
354
Ring spanner, Z x ,9 in. Whit.
...
... ...
...
1
1
1
D311
Ring spanner, ix-f-
in. Whit.
... ...
...
...
11 1
D362
"C" spanner and tappet key
•
...
...
. .
.
1
1
1
D87
`tii
"
i3
Plug spanner
...
...
1
11
D363
moo
'
^'
Tyre lever and screwdriver
... ... ...
...
...
1
1
1
D364
Tyre lever and clutch key
...
... ...
...
...
1
1
1
D336
Phillips No. 3 screwdriver
... ...
...
... ...
1
1
1
400935 Screwdriver
...
...
...
...
...
...
1
1
1
D496
Screwdriver for chain tensioner
...
... ... ...
1
1
1
DA50/1 (,
o
-
0v
lutch hub extractor
...
... ... ...
... ...
...
AA
A
D296
Tyre inflator
...
...
...
...
... ...
... ...
1
1
1
D220
Fork spanner (for cap nut)
...
... ... ...
...
...
AAA
D402/3
FRAME LOCK c/w KEYS
...
...
...
...
...
...
11
1
D403
Key (state number)
... ...
... ...
...
...
1
1
1
F5552
Vz
434
9
PILLION
FOOTREST ...
... ... ... ... ...
...
2
22
F1694
Ped
al
...
...
...
...
...
... ...
...
2
2
2
F2268
Ha
n
g
er
...
... ... ...
...
...
...
...
2
2
2
F5535
Bolt
(
1• in. U.H.)
... ... ...
... ...
...
2
2
2
F2271
Pivot
bolt
... ...
...
...
...
... ...
...
2
2
2
F2277
Thackeray (spring) washer
...
...
... ...
...
22
2
S1
-51 Z
►
- 000 '°s' Nut
... ... ...
...
...
...
... ...
22
2
F1695
Pedal rubber
... ...
.••
•..
•••
22
2
D261
L
a
o
-
2.555
Licence holder
...
... ...
...
... ...
...
...
1
1
1
E1612
Serrated washer
...
...
. • •
... ...
1
-
-
F879
Nut
... ... ... ...
...
...
...
...
1
A
-
A
-
A
D527
Fork spanner (for sleeve nut)...
...
...
...
...
...
69
ClassicBike.biz

Fig. 30. AMAL CARBURETTER, 6T
5 6 12
2
70
ClassicBike.biz

Ref. No.
Part No.
DESCRIPTION
QUANTITY
1
376/303
2
376/003
3
244/1048
4
376/065
5
29/307
6
4/241
7
376/107
8
376/062
9
4/046
10
6/047
11
6/132A
12
4/035
13
376/060
14
376/061
15
376/068
16
376/069
17
376/070
18
376/057
19
376/067
20
376/073
21
376/074
22
376/100
23
376/075
24
376/072
25
376/063
26
4/230
27
376/076
28
116/017
29
376/095
30
332/017
31
4/148
32
376/085
33
376/083
34
376/094
35
376/078
36
376/077
37
376/079
38
376/088
39
376/089
40
376/093
41
376/091
42
376/092
43
376/086
44
376/087
45
343/011
46
F5339
AMAL CARBURETTER 6T
CARBURETTER
... ... ... ... ... ...
...
...
Mixing chamber, 1-
in. choke
... ... ... ... ...
"0'' ring seal
... ... ... ...
...
... ...
.. .
Mixin
g
chamber
cap
...
...
...
...
...
Spring
...
...
...
Screw
...
...
Mixingchamber top
...
...
...
...
...
... ...
Airvalve
... ... ... ... ... ... ...
...
...
Spring
...
...
...
Airvalve guide
...
...
...
...
...
...
...
...
Throttle cable ferrule
... ...
...
...
...
Aircable adaptor ...
...
...
...
...
...
...
Throttle valve (state cutaway) ...
... ...
... ... ...
Throttlereturn spring
...
...
... ... ... ... ...
Throttlestop screw
...
...
...
...
...
...
...
Stopscrew spring
...
...
...
...
...
...
...
Pegscrew ...
...
... ...
Jetblock
(1-k
in. choke) ... ...
...
...
...
Jointwasher
...
...
...
...
...
...
Jetholder ...
...
...
...
...
...
Fibrewasher
...
...
...
...
...
...
...
...
Mainjet (state size)
...
...
... ...
...
...
...
Covernut ...
...
...
...
...
...
...
Needlejet (0.106)...
... ... ...
...
... ...
...
Needle(Type C) ...
...
...
...
...
... ... ...
Needleclip
...
...
...
...
...
...
Pilotjet (state size)
... ... ...
...
... ...
...
Fibrewasher
... ... ... ... ... ... ... ...
Covernut ...
... ... ... ... ... ... ...
...
Airadjusting screw
...
...
...
...
... ... ...
Spring
... ... ... ... ... ...
Floatspindle
...
...
...
...
... ...
...
...
Float
...
...
...
...
...
...
...
Bush
...
...
...
...
...
...
Jointwasher
...
...
...
...
...
...
Cover
.
...
...
...
.•.
...
...
...
Screw
...
...
...
...
...
...
Needleseating
...
...
...
...
...
...
...
...
Needle ...
...
...
...
...
...
Filter
...
...
...
...
...
...
Bolt
...
...
...
...
...
...
...
Fibrewasher
...
...
...
...
...
...
...
...
Tickler
...
...
...
...
...
...
...
Ticklerspring
... ...
...
... ... ...
...
...
Ticklerbody
... ...
...
... ... ... ... ...
Petrolpipe
... ... ... ... ... ... ... ...
...
6T
1
1
1
1
1
1
1
1
1
1
1
1
1
1
1
1
1
1
1
1
1
1
1
1
1
1
1
1
1
1
1
1
1
1
1
1
3
1
1
1
1
1
1
1
1
1
71
ClassicBike.biz

Fig. 31. AMAL CARBURE
TT
ER, TR6 AND T120
5 6 13 7
72
ClassicBike.biz

Ref. No.
Pa
rt
No.
DESCRIPTION
QUANTITY
AMAL CARBURETTER, TR6 & T120
TR6
T120
1
389/97
CARBURETTER
... ... ... ... ... ... ... ...
1
-
1
389/203
CARBURETTER ... ... ... ... ...
...
... ...
—
2
2
389/002
Mixing chamber (18 in. choke)
...
... ...
... ...
...
1
2
3
244/1048
"0"
ring seal
... ... ... ...
... ...
...
...
1
2
4
389/065
Mixing chamber cap
... ... ...
....
...
...
...
1
2
5
29/307
Spring
... ... ... ... ... ... ...
...
...
1
2
6
4/241
Screw
... ... ...
...
...
...
...
...
...
1
2
7
4/137A
Plug
screw
...
... ... ... ... ...
...
...
—
2
8
389/107
Mixing chamber top
... ... ... ...
...
... ...
1
2
9
389/062
Air
valve
...
... ...
...
...
...
... ... ...
1
10
4/046
Spring
...
... ...
...
...
...
...
...
...
1
11
29/057
Air valve guide
... ... ...
...
... ...
...
...
1
12
6/132A
Throttle cable ferrule
... ...
...
...
... ...
...
1
2
13
4/035
Air cable adjuster
... ... ...
... ...
...
...
1
14
389/060
Throttle valve (state cutaway) ...
...
...
... ... ...
1
2
15
389/061
Throttle return spring
...
...
...
...
...
... ...
1
2
16
376/068
Throttle stop screw
...
...
...
... ... ... ...
1
2
17
376/069
Stop screw spring
...
...
...
...
...
... ...
1
2
18
376/070
Peg
screw
...
... ...
...
...
...
...
...
...
1
2
19
389/056
Jet block (1'—
g
in. choke)
...
...
...
... ... ...
...
1
2
20
376/067
Joint
washer ...
...
... ... ... ...
... ...
1
2
21
376/073
Jet
holder
... ... ...
...
...
...
... ...
...
1
2
22
376/074
Fibre washer
...
... ... ... ... ... ...
...
1
2
23
376/100
Main jet
(state size)
...
...
...
...
... ...
...
1
2
24
376/075
Cover
nut
...
...
...
...
...
... ...
...
...
1
2
25
376/072
Needle jet
(0.106)...
...
...
...
...
...
...
...
1
2
26
389/063
Needle
(Type D)
...
...
...
...
...
...
...
...
1
2
27
4/230
Needle clip
... ...
...
...
...
...
...
...
1
2
28
376/076
Pilot jet
(state size)
...
...
...
:..
...
...
...
1
2
29
116/162
Fibre washer
... ...
...
...
...
...
...
...
1
2
30
376/095
Cover
nut
... ... ...
.
..
.
..
...
.
. .
•
.
.
1
2
31
332/017
Air adjusting screw
...
...
...
...
...
...
...
1
2
32
4/148
Spring ...
...
...
...
...
... ...
...
...
1
2
33
376/085
Float
spindle
...
... ... ... ...
... ...
...
1
2
34
376/083
Float
...
...
... ... ...
... ...
...
...
1
2
35
376/094
Bush
... ... ...
...
...
...
...
...
...
1
2
36
376/078
Joint washer
...
... ...
...
...
...
... ...
1
2
37
376/077
Cover
...
...
...
...
...
... ...
... ...
1
2
38
376/079
Screw
...
...
... ...
...
...
...
...
...
3
38
376/151
Screw
...
...
.. •
.. •
...
—
1
6
2
39
376/088
Needle seating
...
...
...
...
...
...
...
40
376/089
Needle ... ... ...
...
...
...
...
...
1
2
41
376/093
Filter
... ... ...
...
...
...
...
...
...
1
2
42
376/091
Bolt
... ... ... ...
...
...
... ...
...
1
2
43 376/092
Fibre
washer ...
... ... ...
...
...
... ...
1
2
44
376/086
Tickler
...
...
...
...
...
...
...
...
1
2
45
376/087
Tickler
spring
...
...
...
...
... ... ... ...
1
2
2
46
343/011
Tickler body
..•
••• •••
•••
1
—
2
47
E2968 `104111
Insulating
block
•••
...
...
...
2
48
NA43A,l.I4R
Joint washer
..
—
2
49
F2603
Bolt (16 in. U.H.)
..•
••.
...
...
4
50
S25-31.O-4
41 Plain washer
... ...
..•
51
T224
...
...
...
...
..,
1
52 F5339
Petrol
pipe
... ...
P^P
...
"'
...
•'^
53
F5462
Petrol pipe
...
... ...
73
ClassicBike.biz

15
26
30
38
37
31
29
Fig. 32. HEADLAMP, WIRING HARNESS, HORN AND RECTIFIER
74
ClassicBike.biz

Ref No.
Part No.
DESCRIPTION
QUANTITY
HEADLAMP, WIRING HARNESS, HORN AND RECTIFIER
6T
TR6
1120
1
58934
S9S7g
HEADLAMP COMPLETE
... ...
... ...
...
...
—
1
1
2
553248
Rim
...
...
...
...
...
...
...
...
—
1
1
3
516798
Light unit
...
...
...
...
...
...
...
...
—
1
1
4
504665
Fixing wire...
...
...
...
... ... ...
...
—
6
6
5
144921
Screw
...
...
...
...
...
... ...
...
—
1
1
6
534296
Plate
...
...
...
...
...
... ...
...
—
11
7
312
Bulb (30/24 W. Vert dip. Pre-focus)
...
...
...
...
—
1
1
8
554602
Main bulbholder
... ... ... ... ...
...
—
1
1
9
988
`I
V
I
Bulb (3W. M.C.C.)
...
...
... ... ...
...
—
11
10
554710
Pilot bulbholder
...
...
...
...
...
...
...
—
1 1
11
36296
34403
Ammeter, type 2AR
...
...
...
...
...
...
—
11
12 862217
Grommet
...
...
...
...
...
...
...
...
—
11
13
112201
Bolt
...
...
...
...
...
...
...
...
—
2
2
14 137499
Dc..
Plain washer ...
...
...
...
...
...
...
—
2
2
15
54933182
Wiring harness
... ... ... ...
...
...
...
—
1
1
16
34427
IGNITION SWITCH COMPLETE WITH
KEY, type 88SA
...
—
1
1
17 54336176
Ignition key
... ...
...
...
...
...
...
—
1
1
18
54336178
Ignition switch cover
... ...
...
...
...
...
...
—
1
1
19
34289
Lighting switch, type 88SA ...
... ...
... ...
...
—
1
1
20 54330934
Knob caw screw
... ... ... ...
... ...
...
—
1
1
21
F5983
Bracket
...
...
...
...
...
...
...
...
...
—
2
2
22
F5988
Rubber band
... ... ...
...
... ...
...
...
—
2
2
23
54330576
Switch bezel plate ...
...
... ... ...
... ...
—
2
2
24
54930007
Replacement harness socket (Lighting) ...
... ...
...
—
1
1
25
54930008
Replacement harness socket (ignition)
...
...
... ...
—
1
1
26
70163
Horn, type 8H
...
...
... ... ...
...
... ...
—
1
1
27
F5086
Bracket
...
...
...
...
...
...
...
...
...
—
1
1
28
T1076
Screw(
in. U.H.)
...
... ... ...
...
...
...
—
2
2
29
F3799
Nut
...
...
...
... ... ...
... ...
—
2
2
30
connector
...
...
...
...
...
...
...
5
5
5
31
54190042
Insulating cover... ...
... ... ...
...
...
...
5
5
5
32
900269
Snap connector terminal
... ... ...
...
...
...
as required
33
900288
Single snap connector ...
... ...
...
... ...
...
as required
34
850641
Double snap connector
... ...
...
... ... ...
as required
35
850844
Triple snap connector ...
... ...
...
...
...
...
as required
36
850832
Quintuple snap connector
... ... ... ... ... ...
as
required
37
49072
Rectifier, type 2DS 506
... ... ...
...
... ...
111
38
F5338
Nut (156 596)
...
... ... ... ... ... ... ...
1
1
1
75
ClassicBike.biz

Fig. 33. SPEEDOMETER TACHOMETER AND TAIL LAMP
76
ClassicBike.biz

Ref. No.
Part No.
DESCRIPTION
QUANTITY
SPEEDOMETER, TACHOMETER AND TAIL LAMP
6T
TR6 T120
1
SSM5002/00
Speedometer head MPH
...
...
...
...
...
...
I
-
-
1
SSM5002/01
Speedometer head KPH
... ...
...
...
...
...
A
- -
1
SSM5001/00
Speedometer head MPH
... ...
...
...
-
1
1
SSM5001 /01
Speedometer head KPH
...
...
...
...
...
...
-
AA
2
554734
Bulb holder
...
... ... ...
...
...
...
...
1
1
1
3
987
Bulb, 3.W. M.E.S.
...
... ...
...
...
...
...
1
-
-
3
990
Bulb, 3.W. M.E.S.
...
...
...
...
...
...
...
-
1
1
4
41-118-127-72
Trip control
...
...
...
...
...
...
...
...
1
-
-
5
31-753-778
Rubber ring
... ... ... ...
...
...
...
...
1
- -
6
31-674-188-01
Fixing strap
...
... ...
...
...
...
...
...
1
-
-
7
30-283-014-11
Washer
...
... ...
...
...
... ...
...
...
2
--
8
30-277-023-11
Nut
...
...
...
...
...
...
... ... ...
2
- -
9
41-148-203-10
Trip control
...
... ...
...
...
... ...
-
1
1
10
H1702
Distance piece ... ...
...
...
...
...
...
...
-
22
11
H1701
Sleeve nut
...
... ...
...
...
... ... ...
-
2
2
12
H1668
Bracket
... ...
...
... ...
...
... ...
...
-
1
1
13
DS57S2-9o141
Bolt (
i
'-
6
in. U.H.) ...
... ...
...
... ... ...
-
22
14
S26-
2(so-4.150
Spring washer
...
...
...
...
...
...
...
...
-
22
15
D542bc
g
I
oV
/oi
8
Speedometer cable (44 ins. long)
...
...
... ... ...
1
-
-
15
D543bP'VOW084
Speedometer cable (40'-
z
ins. long)
...
...
...
...
...
-
11
16 H1698
Cable bracket
...
...
...
...
...
... ... ...
1
- -
17 F3098
Clip
...
...
...
...
...
... ... ... ...
1
11
18
F1718
Bolt (1-h in. U.H.)
...
...
...
...
...
...
....
1
1
1
19
S1-51 2I-o000/oSI N ut
... ...
... ...
... ... ...
...
...
1
1
1
20
53454
STOP AND TAIL LAMP (type 564)
... ...
...
...
1
-
-
20
53432
S3's
1
STOP AND TAIL LAMP (type 564)
... ... ...
-
1
1
21
573839
54s't000l
Lens... ...
...
...
... ... ... ... ...
1
11
22 575200
btsc
Window
...
...
...
... ...
•.. •..
...
1
11
23
575208
b;sc.
Lens seating gasket ...
...
...
... ... ...
1
11
24
575219
Sleeve nut ...
...
...
...
...
...
... ...
2
2
2
25
576002
Disc
Base assembly
...
...
...
...
...
... ...
111
26
575209
blsc
Bulb holder
...
... ...
...
...
...
...
1
1
1
27
575207
Grommet
...
...
... ...
...
...
... ...
111
28
573828
Contact assembly ...
...
... ...
...
... ...
11
1
29
573825
Grommet
...
...
...
... ...
...
... ...
1
1
1
30
380
Bulb (6/21W. Offset pin)
... ...
...
... ...
1
--
30
384
Bulb (6/18W. Offset pin)
... ...
...
... ...
-
1
1
31
838604
Stop and tail lamp lead
... ... ...
...
... ...
1
1
1
32
E4699'70-5L.(
7 Adaptor ...
...
...
...
... ...
...
...
..
-
1
1
33
11257
Fibre washer
...
...
... ...
...
...
... ...
-
1
1
34
D493 99 -oiI3
Spade
...
... ... ... ... ... ... ...
...
-
11
35
D494
Circlip
... ...
... ...
...
...
...
... ...
-
11
36
E4803
"0" ring
... ...
... ... ... ...
...
...
-
11
37
D529
Tachometer cable (34'-
z
in. long)
... ...
...
...
...
-
11
38
RSM 3001/02
Tachometer
... ...
...
... ...
...
...
...
-
11
39
H1596 `$'7-t54LMOUNTING BRACKET
...
...
... ...
...
••.
-
11
40
H1087
Metalastik bush
...
..•
..
...
...
•••
-
-
2
4
2
4
41
30-282-014-11
Washer
... ... ...
... ...
...
...
-
44
42
30-276-037-11
Nut
...
...
...
...
43
H1086
Bolt (1
in. U.H.)
77
ClassicBike.biz

Printed
in England by
WARWICK PRINTING COMPANY LIMITED
WARWICK
ClassicBike.biz













