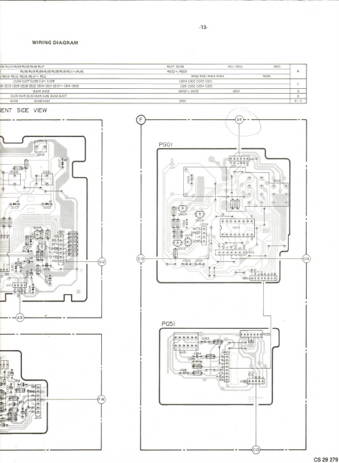
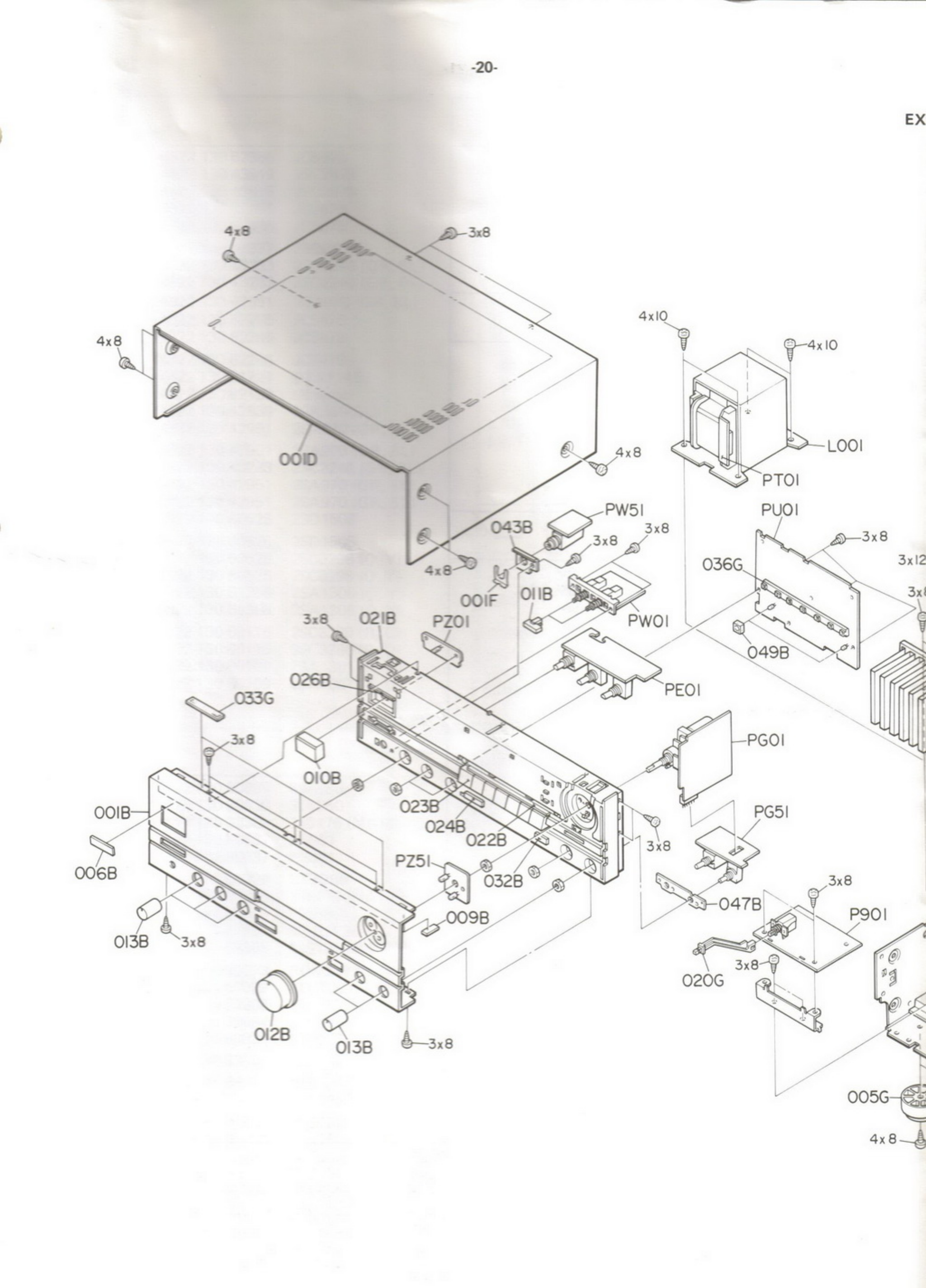
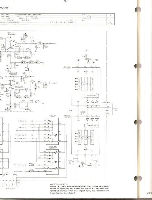
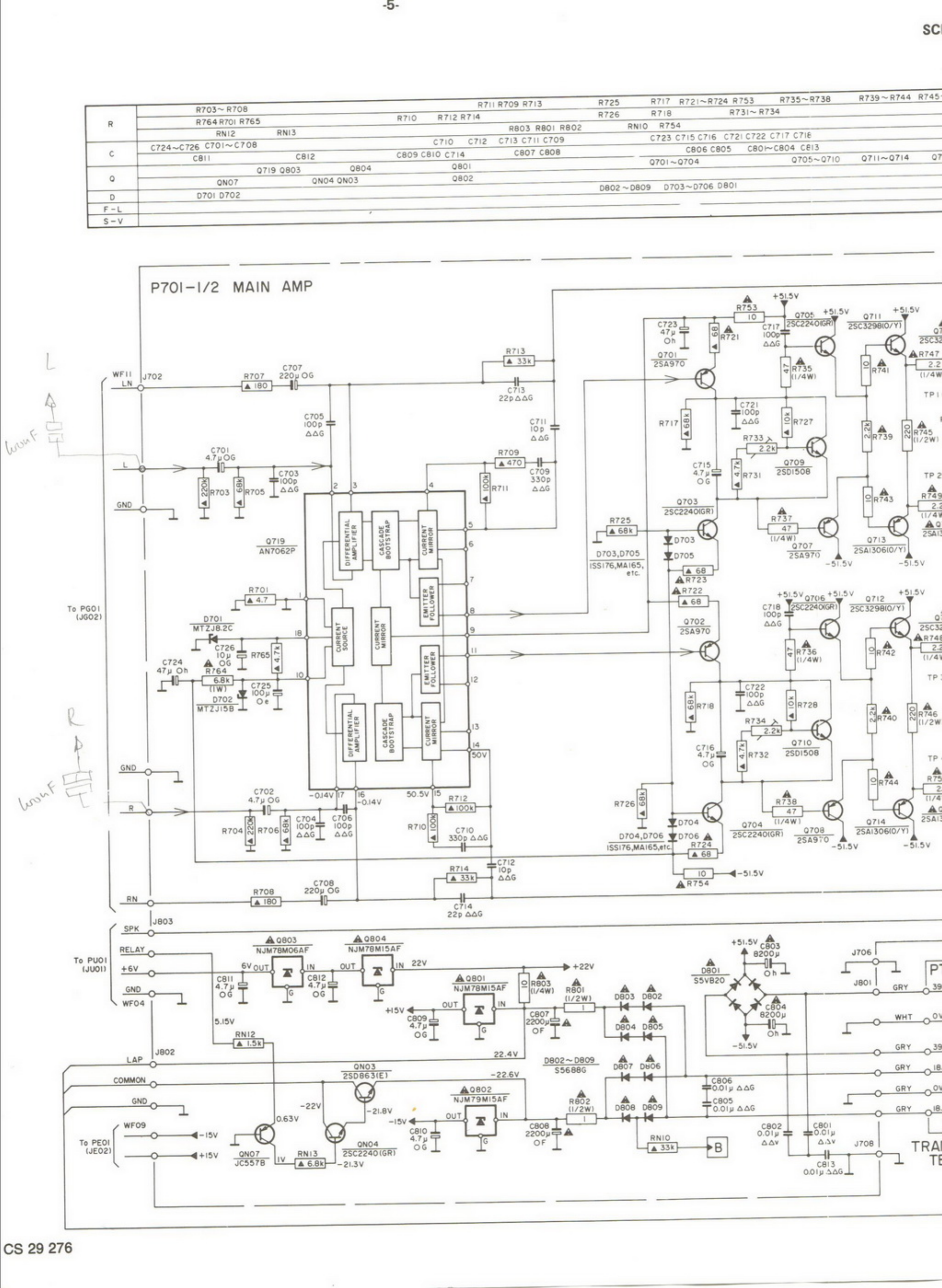
Philips FA890 Servicemanual 70FA890

User Manual: 70FA890

Open the PDF directly: View PDF PDF.
Page Count: 25

Navigation menu