DM74LS04 Hex Inverting Gates 74ls04
User Manual: 74ls04
Open the PDF directly: View PDF .
Page Count: 5

© 2000 Fairchild Semiconductor Corporation DS006345 www.fairchildsemi.com
August 1986
Revised March 2000
DM74LS04 Hex Inverting Gates
DM74LS04
Hex Inverting Gates
General Description
This device contains six independent gates each of which
performs the logic INVERT function.
Ordering Code:
Devices also available in Tape and Reel. Specify by appending the suffix letter “X” to the ordering code.
Connection Diagram Function Table
Y = A
H = HIGH Logic Level
L = LOW Logic Level
Order Number Package Number Package Description
DM74LS04M M14A 14-Lead Small Outline Integrated Circuit (SOIC), JEDEC MS-120, 0.150 Narrow
DM74LS04SJ M14D 14-Lead Small Outline Package (SOP), EIAJ TYPE II, 5.3mm Wide
DM74LS04N N14A 14-Lead Plastic Dual-In-Line Package (PDIP), JEDEC MS-001, 0.300 Wide
Input Output
AY
LH
HL

www.fairchildsemi.com 2
DM74LS04
Absolute Maximum Ratings(Note 1)
Note 1: The “Absolute Maximum Ratings” are those values beyond which
the safety of the device cannot be guaranteed. The device should not be
operated at these limits. The parametric values defined in the Electrical
Characteristics tables are not guaranteed at the absolute maximum ratings.
The “Recommended Operating Conditions” table will define the conditions
for actual device operation.
Recommended Operating Conditions
Electrical Characteristics
over recommended operating free air temperature range (unless otherwise noted)
Note 2: All typicals are at VCC = 5V, TA = 25°C.
Note 3: Not more than one output should be shorted at a time, and the duration should not exceed one second.
Switching Characteristics
at VCC = 5V and TA = 25°C
Supply Voltage 7V
Input Voltage 7V
Operating Free Air Temperature Range 0°C to +70°C
Storage Temperature Range −65°C to +150°C
Symbol Parameter Min Nom Max Units
VCC Supply Voltage 4.75 5 5.25 V
VIH HIGH Level Input Voltage 2 V
VIL LOW Level Input Voltage 0.8 V
IOH HIGH Level Output Current −0.4 mA
IOL LOW Level Output Current 8 mA
TAFree Air Operating Temperature 0 70 °C
Symbol Parameter Conditions Min Typ Max Units
(Note 2)
VIInput Clamp Voltage VCC = Min, II = −18 mA −1.5 V
VOH HIGH Level VCC = Min, IOH = Max, 2.7 3.4 V
Output Voltage VIL = Max
VOL LOW Level VCC = Min, IOL = Max, 0.35 0.5
Output Voltage VIH = Min V
IOL = 4 mA, VCC = Min 0.25 0.4
IIInput Current @ Max VCC = Max, VI = 7V 0.1 mA
Input Voltage
IIH HIGH Level Input Current VCC = Max, VI = 2.7V 20 µA
IIL LOW Level Input Current VCC = Max, VI = 0.4V −0.36 mA
IOS Short Circuit Output Current VCC = Max (Note 3) −20 −100 mA
ICCH Supply Current with Outputs HIGH VCC = Max 1.2 2.4 mA
ICCL Supply Current with Outputs LOW VCC = Max 3.6 6.6 mA
RL = 2 kΩ
Symbol Parameter CL = 15 pF CL = 50 pF Units
Min Max Min Max
tPLH Propagation Delay Time 310415ns
LOW-to-HIGH Level Output
tPHL Propagation Delay Time 310415ns
HIGH-to-LOW Level Output

3 www.fairchildsemi.com
DM74LS04
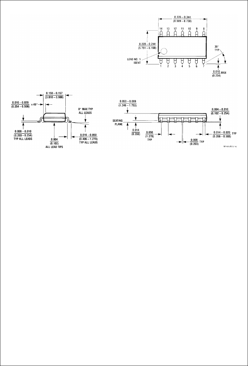
Physical Dimensions inches (millimeters) unless otherwise noted
14-Lead Small Outline Integrated Circuit (SOIC), JEDEC MS-120, 0.150 Narrow
Package Number M14A

www.fairchildsemi.com 4
DM74LS04
Physical Dimensions inches (millimeters) unless otherwise noted (Continued)
14-Lead Small Outline Package (SOP), EIAJ TYPE II, 5.3mm Wide
Package Number M14D

5 www.fairchildsemi.com
DM74LS04 Hex Inverting Gates
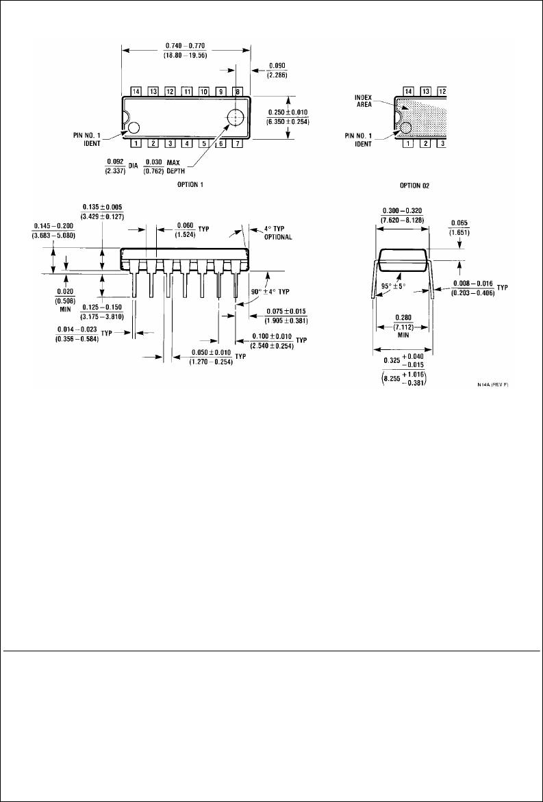
Physical Dimensions inches (millimeters) unless otherwise noted (Continued)
14-Lead Plastic Dual-In-Line Package (PDIP), JEDEC MS-001, 0.300 Wide
Package Number N14A
Fairchild does not assume any responsibility for use of any circuitry described, no circuit patent licenses are implied and
Fairchild reserves the right at any time without notice to change said circuitry and specifications.
LIFE SUPPORT POLICY
FAIRCHILD’S PRODUCTS ARE NOT AUTHORIZED FOR USE AS CRITICAL COMPONENTS IN LIFE SUPPORT
DEVICES OR SYSTEMS WITHOUT THE EXPRESS WRITTEN APPROVAL OF THE PRESIDENT OF FAIRCHILD
SEMICONDUCTOR CORPORATION. As used herein:
1. Life support devices or systems are devices or systems
which, (a) are intended for surgical implant into the
body, or (b) support or sustain life, and (c) whose failure
to perform when properly used in accordance with
instructions for use provided in the labeling, can be rea-
sonably expected to result in a significant injury to the
user.
2. A critical component in any component of a life support
device or system whose failure to perform can be rea-
sonably expected to cause the failure of the life support
device or system, or to affect its safety or effectiveness.
www.fairchildsemi.com