7.Schematics
User Manual:
Open the PDF directly: View PDF
.
Page Count: 38

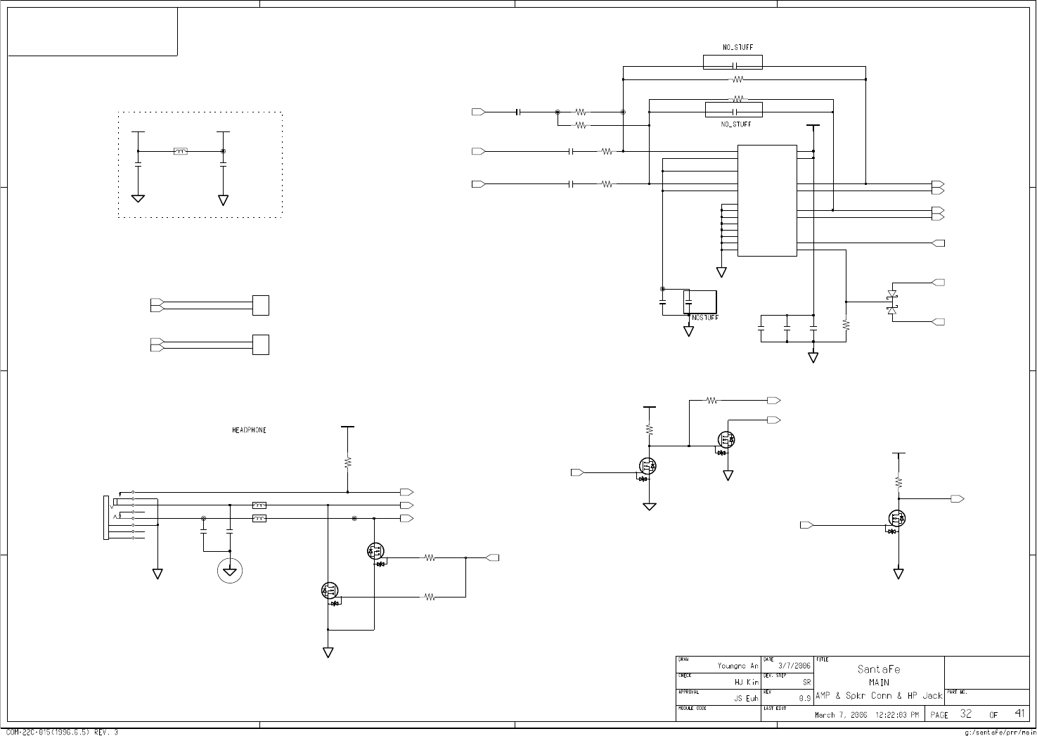
AMP & HP & SPEAKER
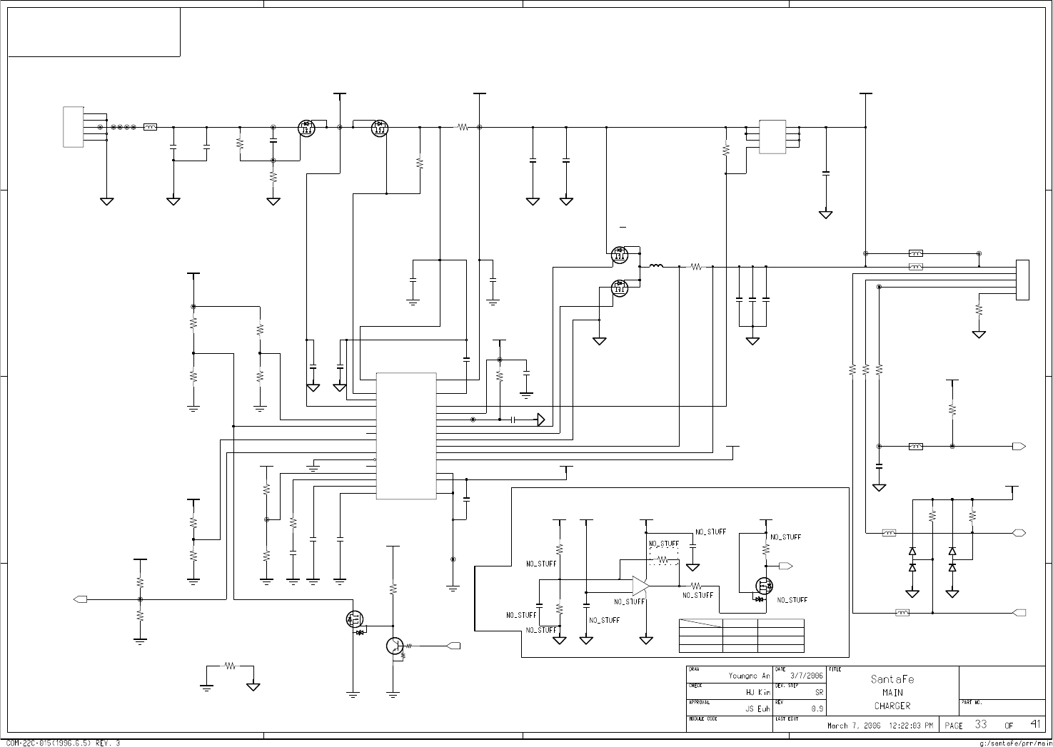
CHARGER
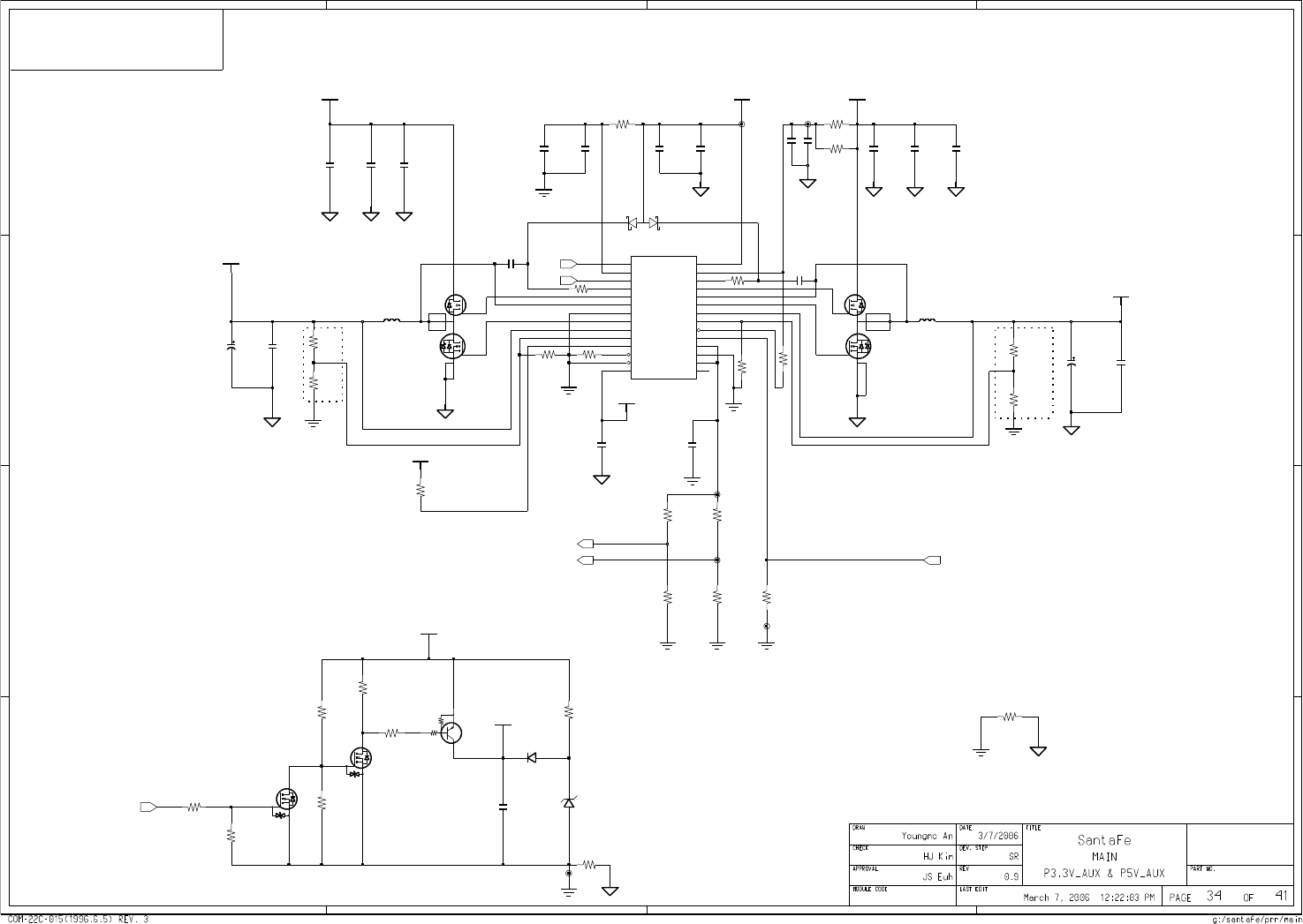
P3.3V_AUX & P5V_AUX
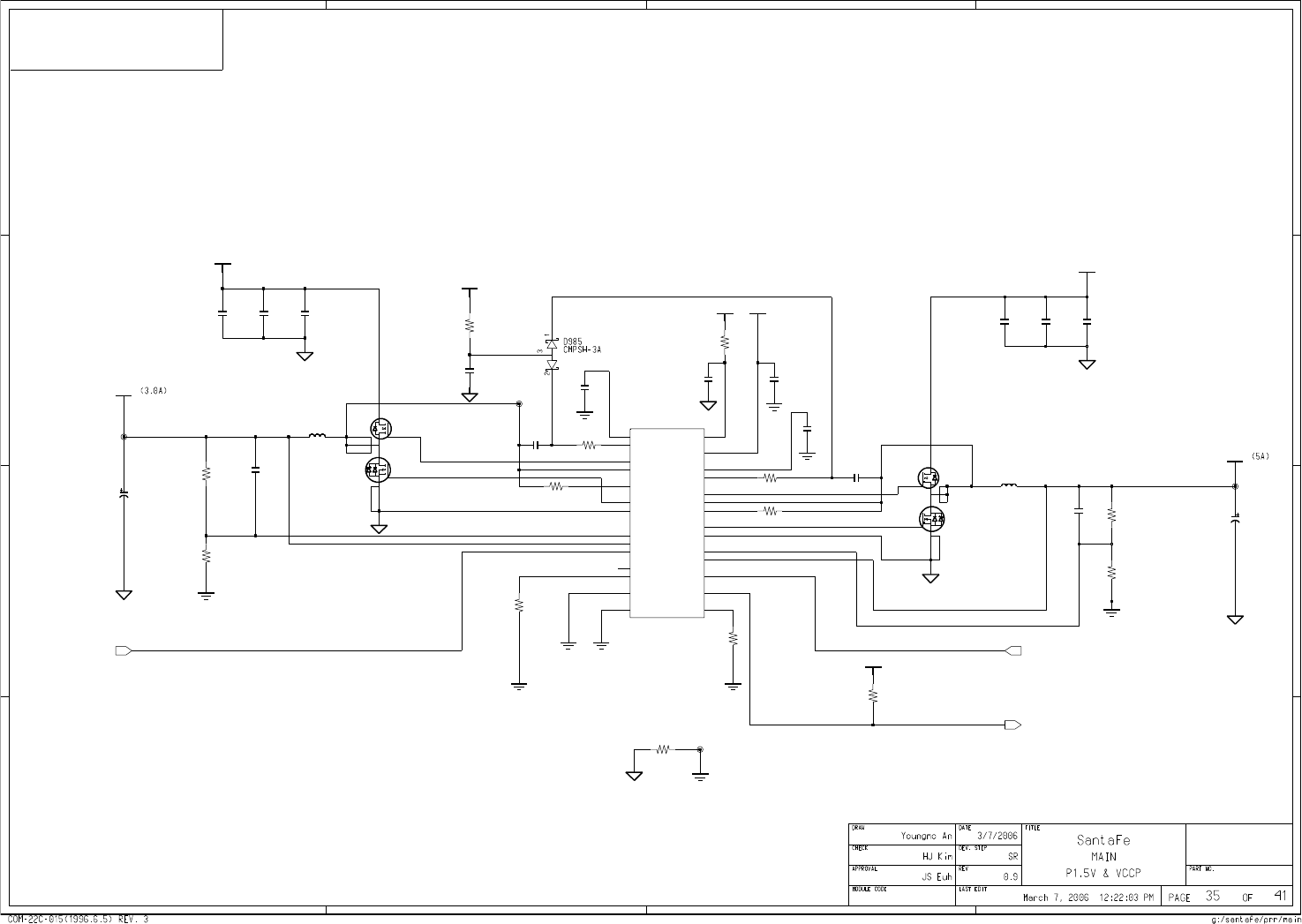
P1.5V & VCCP
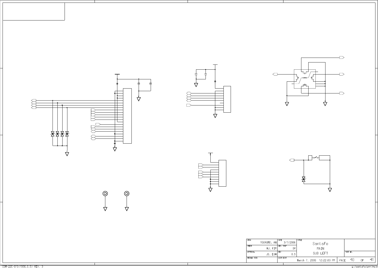
SUB BOARD LEFT
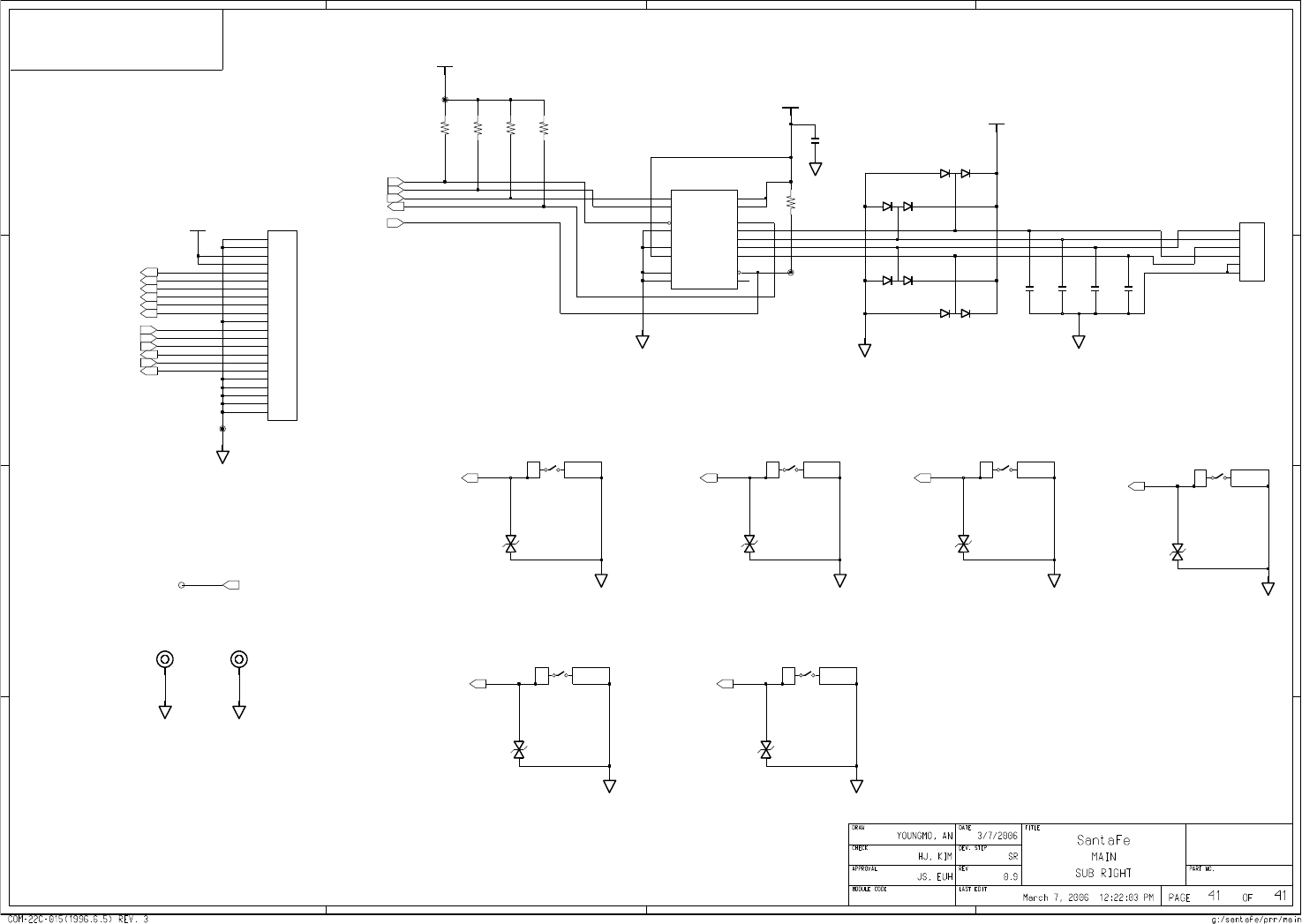
41Page. SUB BOARD RIGHT
SAMSUNG PROPRIETARY
A
3
CPU :
PBA Name :
Cover
Operation Block diagram
Power Sequence
Clock distribution
3
Remarks :
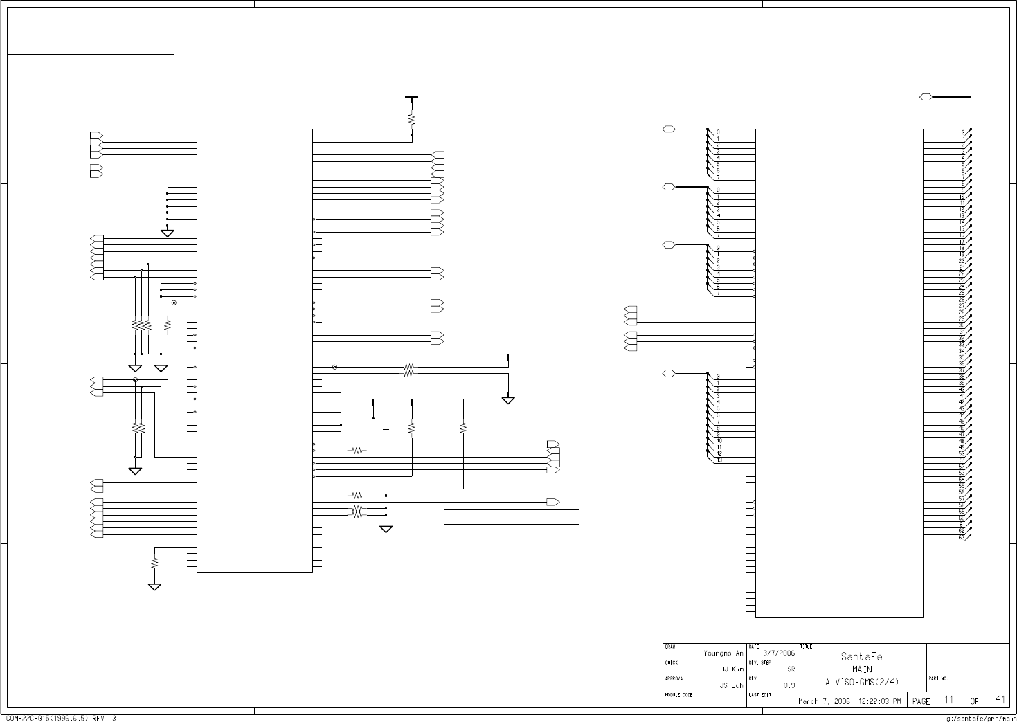
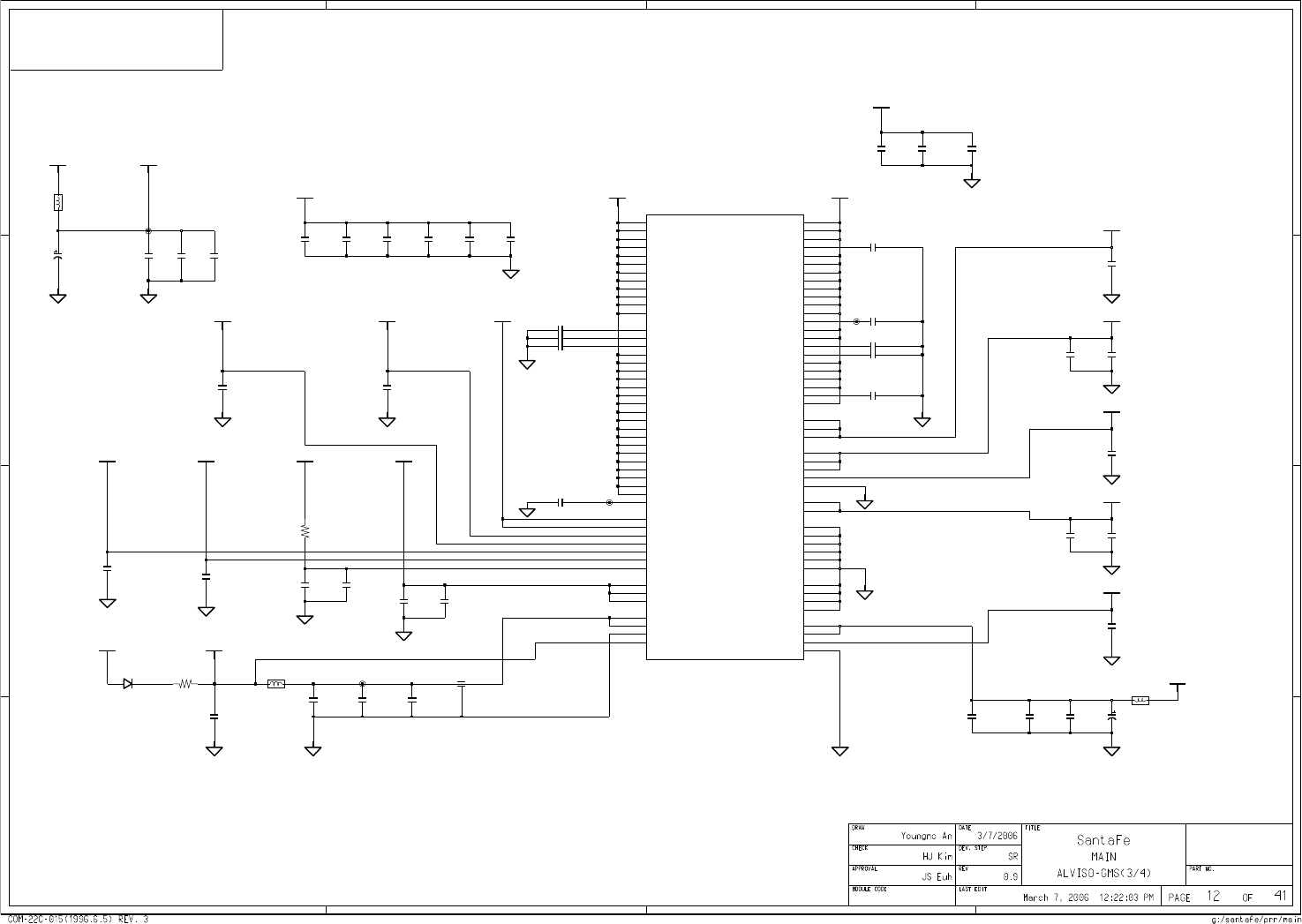
ALVISO-GMS
SODIMM
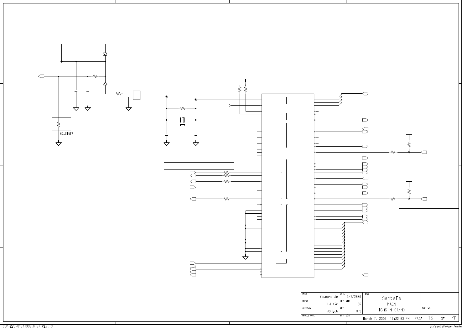
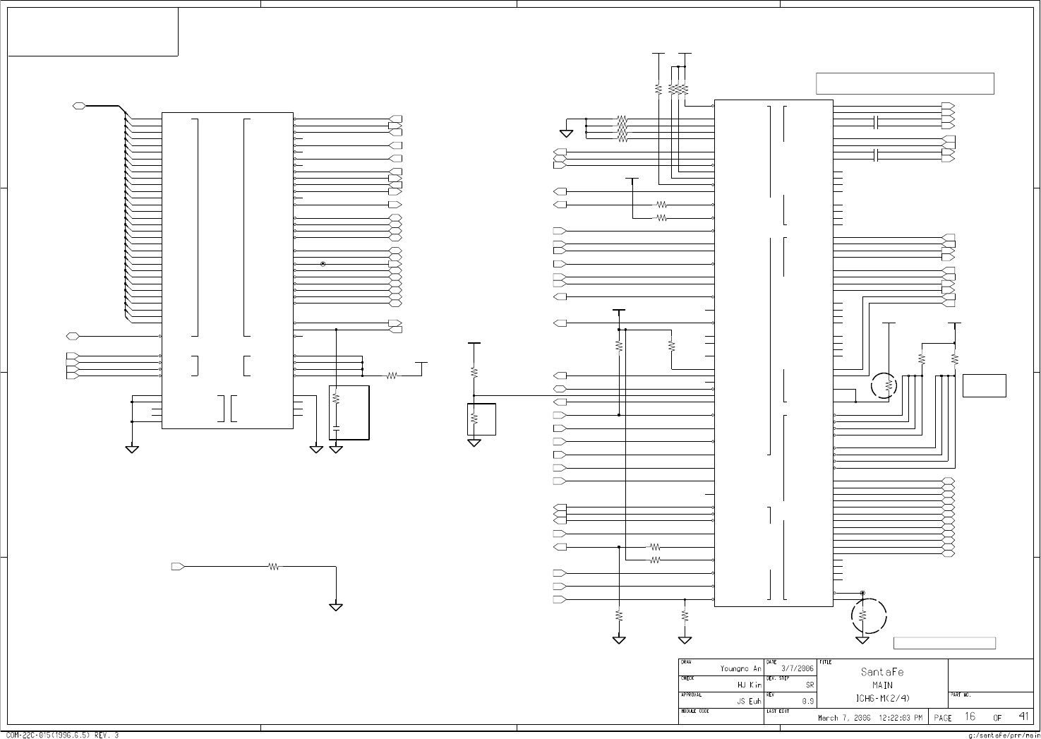
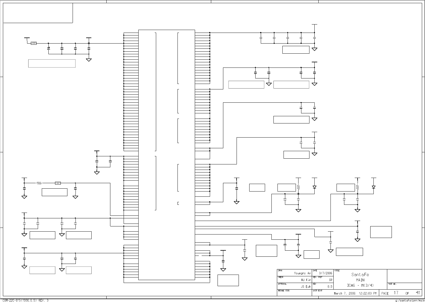
ICH-6M
FWH & 80PORT C
Revision :
Dev. Step :
3
HDD CONNECTOR
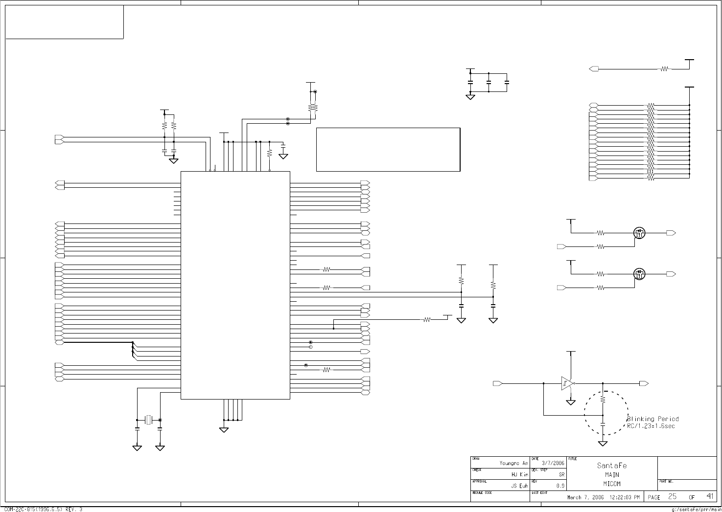
MICOM
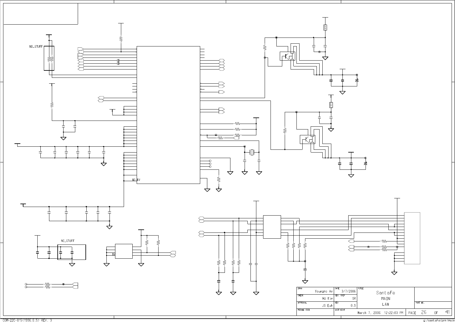
LAN CONTROLLER & JACK
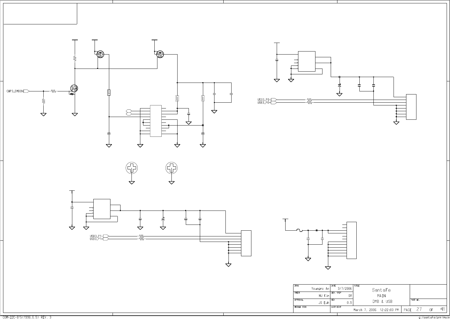
DMB CONN. & USB
DO NOT DISCLOSE TO OR DUPLICATE FOR OTHERS
2
D
2
Page.
Page.
Page.
Page.
4
B
PROPRIETARY INFORMATION THAT IS
4
CHECK
SAMSUNG
3
INTEL 915GMS
SAMSUNG PROPRIETARY
0.9
THIS DOCUMENT CONTAINS CONFIDENTIAL
4
33
35
36
37
T.R. Date :
A
1
Page.
Page.
Page.
Page.
1
C
DRAW
Page.
Page.
Page.
Page.
SAMSUNG ELECTRONICS CO’S PROPERTY.
SantaFe
Page.
Page.
Page.
Page.
Chip Set :
EXCEPT AS AUTHORIZED BY SAMSUNG.
4
1
3
4
5
2
CPT LCD
1
6
7~8
9
10~13
B
EXCEPT AS AUTHORIZED BY SAMSUNG.
SAMSUNG ELECTRONICS CO’S PROPERTY.
Model Name :
14
15~18
19
20
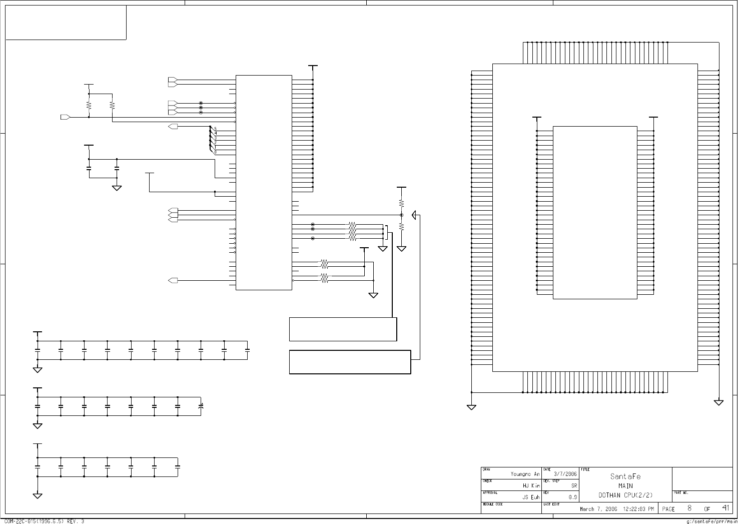
DOTHAN-ULV
HJ Kim
2
25
26
27
28
APPROVAL
Table of Contents
PROPRIETARY INFORMATION THAT IS
THIS DOCUMENT CONTAINS CONFIDENTIAL
21
22
23
24
D
JS Euh
ELECTRONICS
29
30
31
32
SantaFe
SR
38
39
40
2
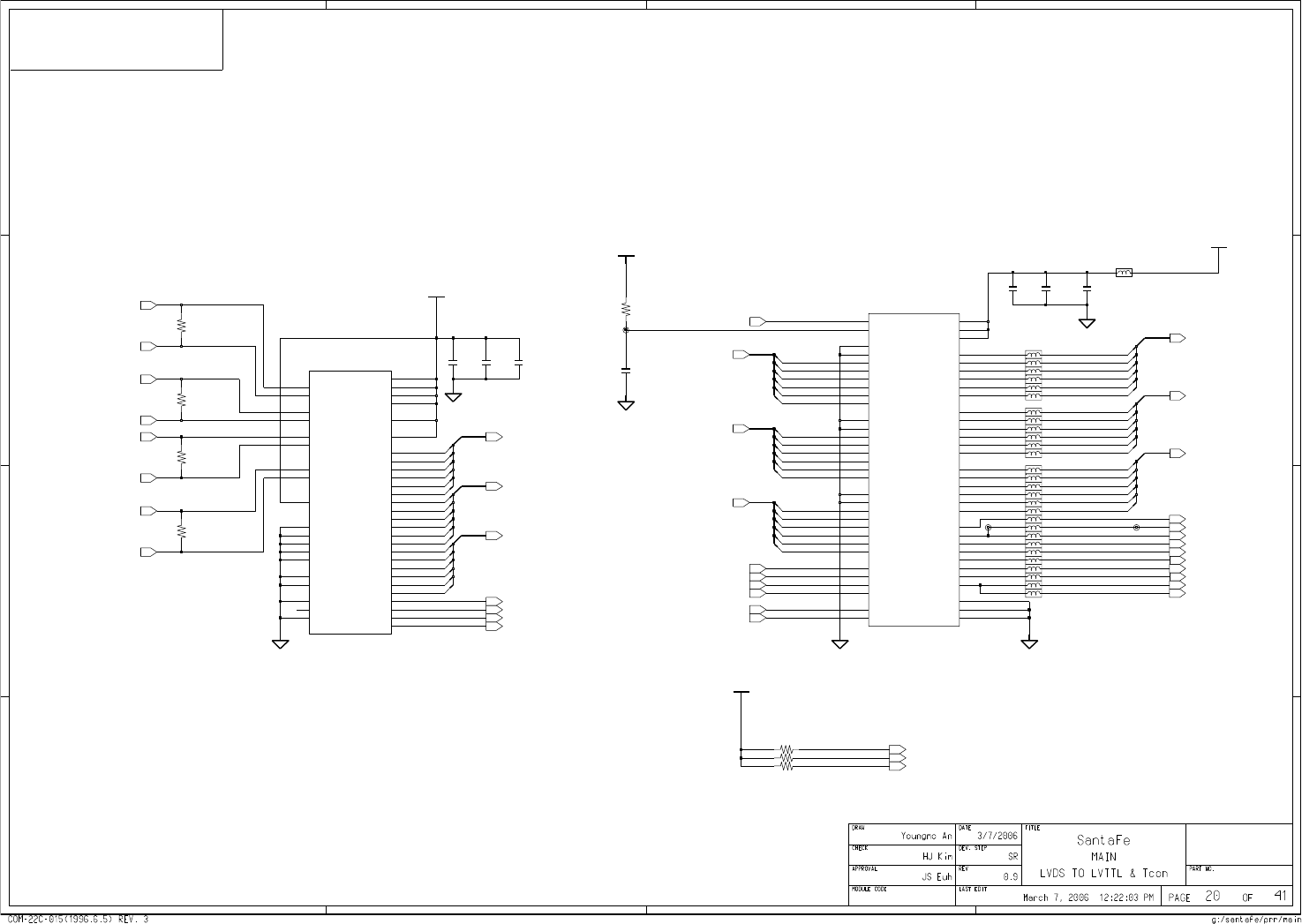
LVDS to LVTTL & Tcon
LCD ANALOG POWER
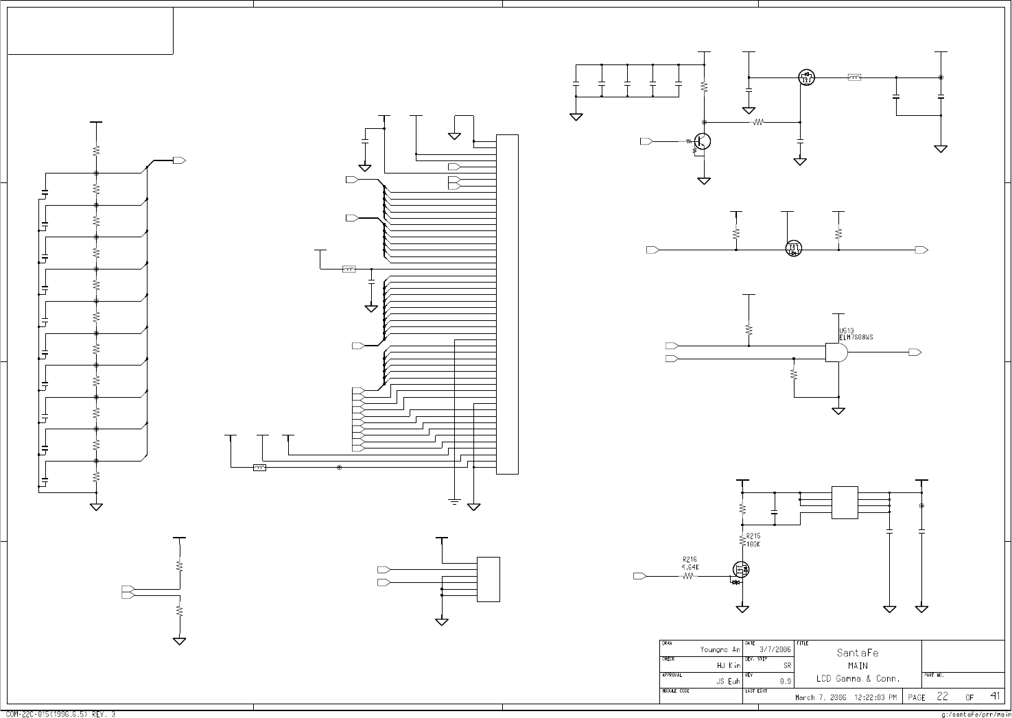
LCD GAMMA & CONNECTOR & INVERTER POWER
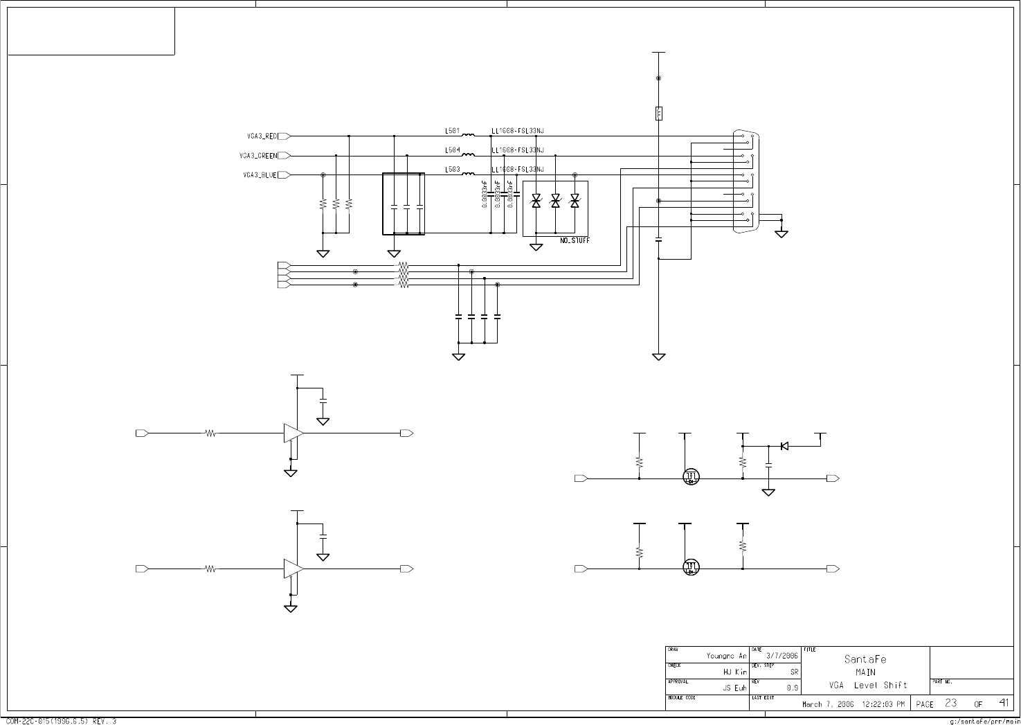
VGA CONNECTOR & LEVEL SHIFT
Page.
Page.
Page.
Page.
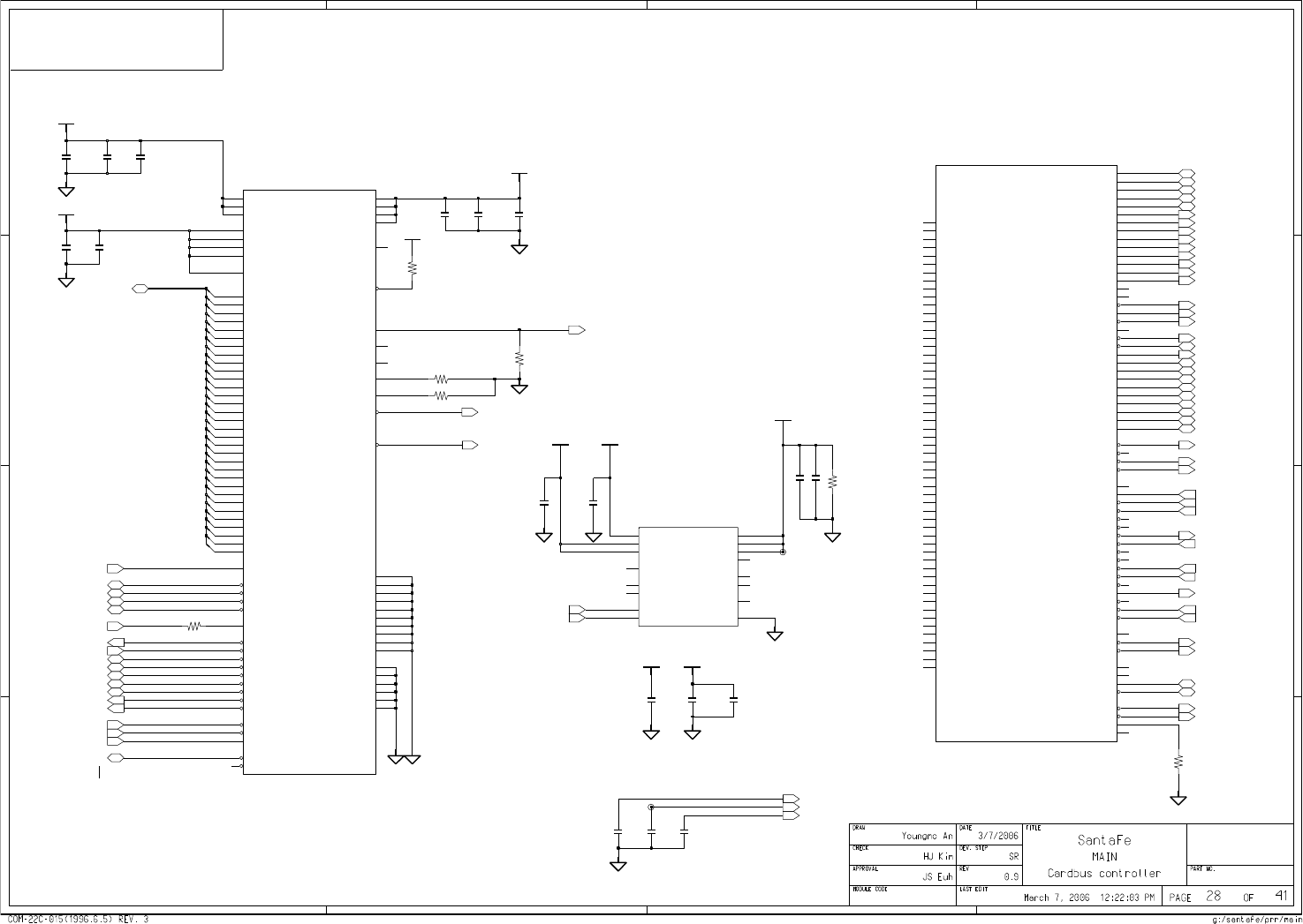
CARDBUS CONTROLLER
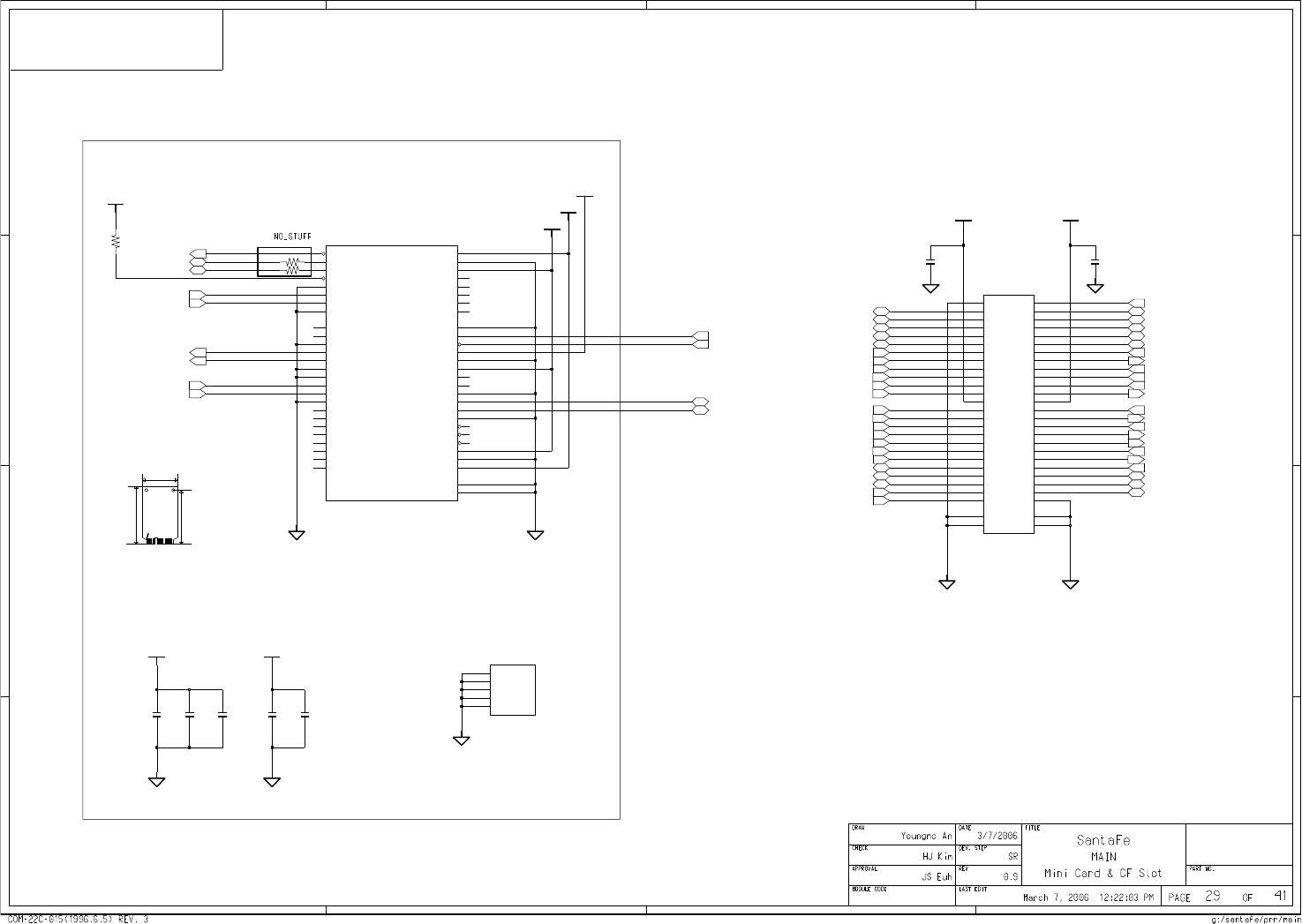
MINI CARD & CF SLOT
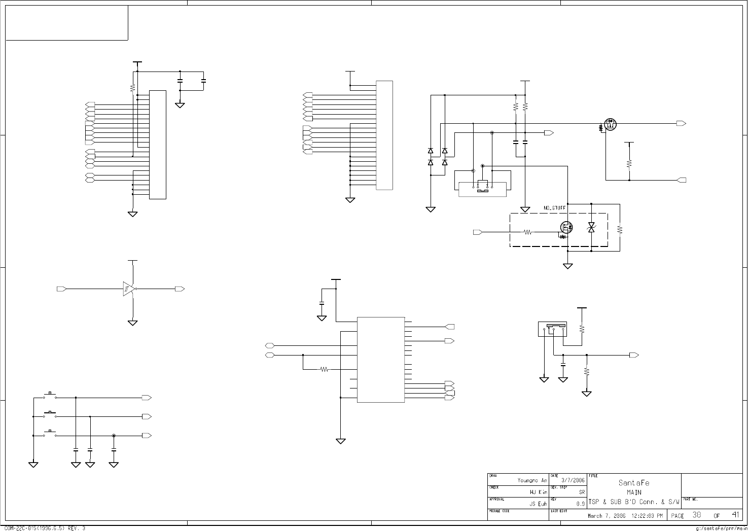
TSP CONTROLLER & SUB B’D CONN. & SWITCH
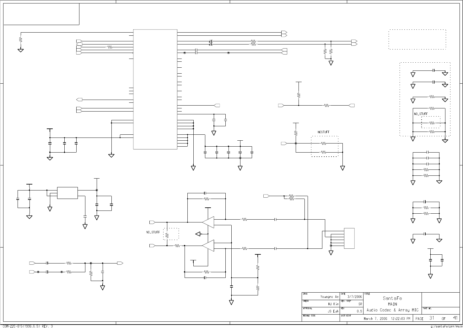
AUDIO CODEC & ARRAY MIC
Page.
Page.
Page.
Page.
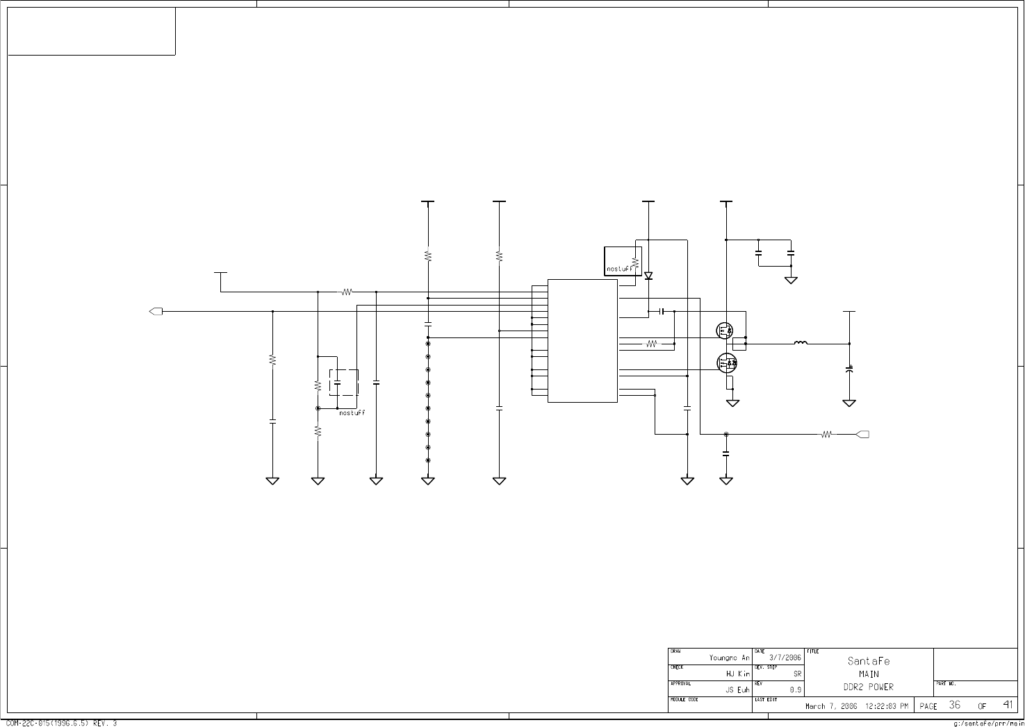
DDR2 POWER
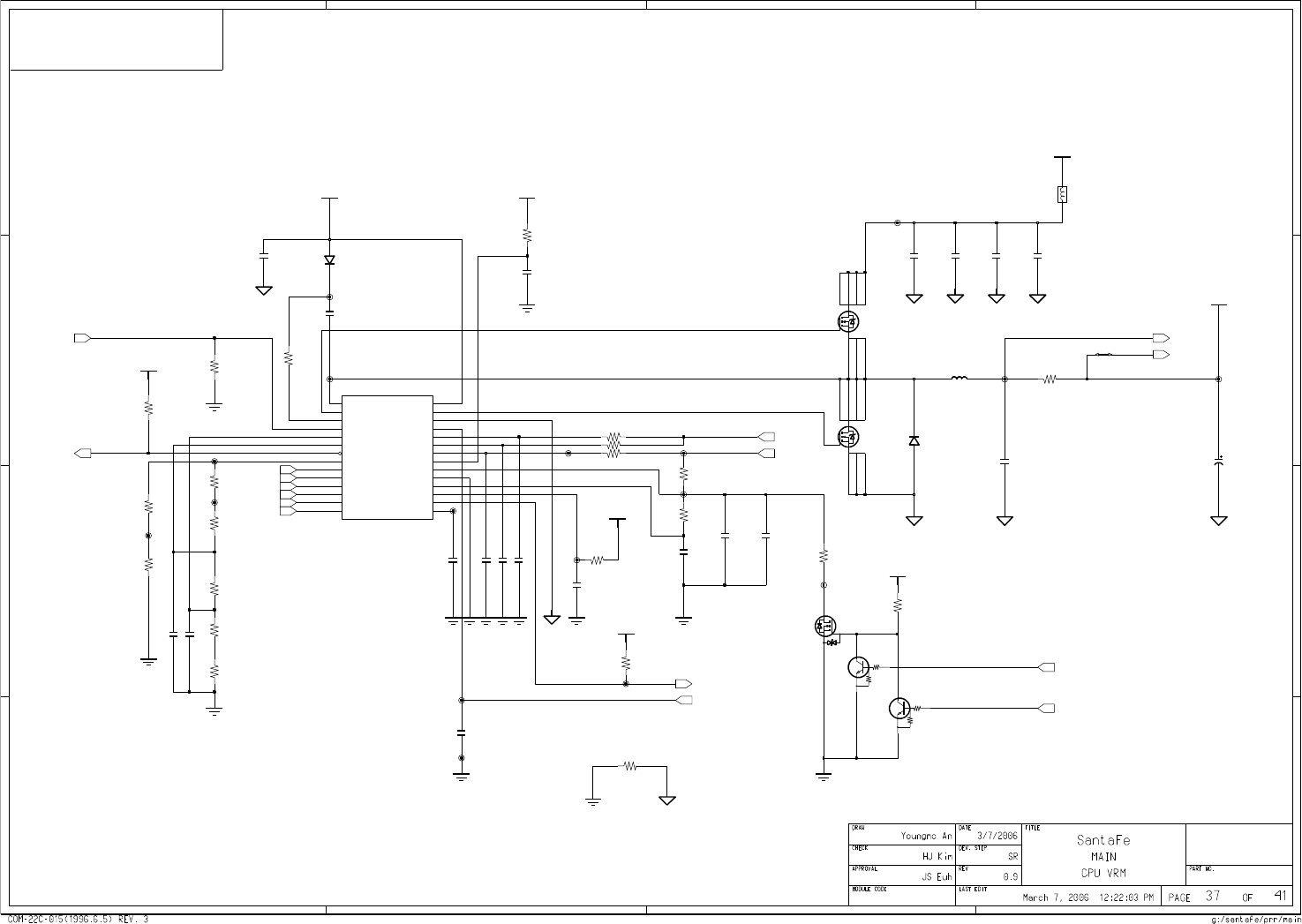
CPU VRM
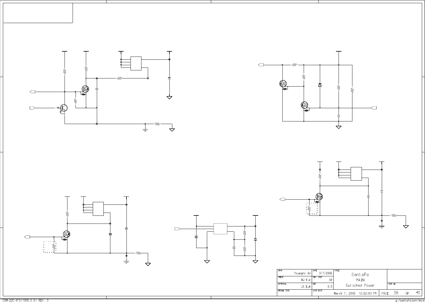
SWTICHED POWER
MOUNT HOLE & RHE PEM & EMI FINGER & TP
Page.
Page.
Page.
Page.
2005.xx.xx
1
DO NOT DISCLOSE TO OR DUPLICATE FOR OTHERS
YM An
Page.
Page.
Page.
Page.
34Page.
Board Information
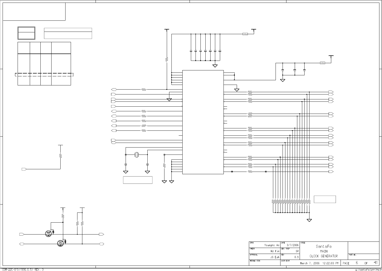
Clock Generator
CPU
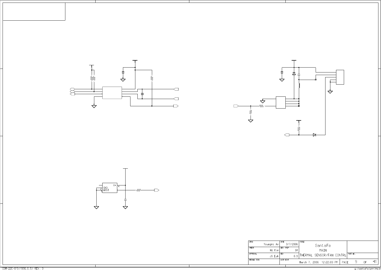
THERMAL SENSOR & FAN

0
0
1
5V (Audio AMP)
3.3V switched power rail (off in S3-S5)
0
DO NOT DISCLOSE TO OR DUPLICATE FOR OTHERS
0
1
1
ELECTRONICS
1
1
1
0
1
0.892 V
D
1
PROPRIETARY INFORMATION THAT IS
1 0.764 V
0
0
0
1
0
1
1
0
0.716 V
CLOCK(6) Thermal sensor(9) SODIMM(14) ICH6-M(17) FWH(19) 80PORT(19) HDD(24)
1
3
P3.3V
1
0
C
1
1.324 V
2
0
0
1.356 V
0
D
1
P1.8V
3.3V(BLUETOOTH)
0
0
1
1
MICOM_P3V
0
0
0
P3.3V_AUX
1
1
1 0
1
THIS DOCUMENT CONTAINS CONFIDENTIAL
1
11
1
0.972 V
A
1.100 V
1
1
CK-410M (Clock Generator) 1101 001x
-
A
MAX1999(34)
0
P2.5V
0
P3.3V
1
0
1
0
1
1
0
P1.5V_DMI
0
0
1
PRTC_BAT
0
1
0
1
1
1
1
1.132 V0
1.116 V
1
1
0
1
0
1
1
0
0
0
VID4
SCHEMATIC ANNOTATIONS AND BOARD INFORMATION
VID3 VID1
0
1
0
0
1
VID1
0
1
0
0.812 V
1.068 V
1
1.036 V
0.988 V
1
0
0 0
1
1.020 V
1
-
1
BLT_P3.3V
0
915GMS(11) ICH6-M(17) LCD(22) CRT(23) LAN(26)
0
1
1
1
1
0
1
0
0
1
1
1
1
0
1
1
1
1
1
1
0
1
0
1
1
1
0
0
1
1
0
0
Voltage Rails
0
VID2
0
0
CPU Core Voltage Table
1
VID4
1
VID3 VID2
0
1
0
0
1.084 V
1
1.052 V
1
1
0
0
0
1
1
0
1
1
0
0
0
-
0
0
0
1.596 V
0
1
1
0
1
1
1
0
0
1
1
01
1
0
0
1
0
0
0
1
1.500 V
1
1
1
1.468 V
0
0
0
0
0
VID0
0
0
1
0
1
0
0
0
VID0
0
BOARD INFORMATION
0
0
0
1.148 V
1
1
1
1
0
0
VID5
1
0
1
0
1
0
0
1.660 V
1
0.796 V
1
1.580 V
0
1.564 V
1
1.548 V
1
11
1
1
1.004 V
0
VID5
1
LM26CIM5X-TPA(9) ICH6-M(17) MICOM(25) LAN(26) LB LED(25) MiniCARD(29)
0
2.5V switched power rail (off in S3-S5)
0
0
0
1
1
1
0
0
0
1
Voltage
1
P1.5V
1
0
0
0
Voltage
1
FAN(9) ICH6M(15) 80PORT(19) MICOM(25) DMB(27) USB(27) CARDBUS POWER(28)
1
1Refer to page43
1
0
0
Power Rail
P5V
Devices (Page Number) 0.940 V
0.876 V
0
0
1.708 V
1
0
0
1.676 V
1
1.516 V
1
1
VCC_CORE
LDO(31) AUDIO AMP(32)
Core voltage for DOTHAN CPU (0.74~1.30V)
MEM1_VREF
0
0
1
0
1.260 V
1
1
0
0
1
B
1.212 V
1
1
0
0.860 V
5.0V switched power rail (off in S3-S5)
0
1
0
0
0.924 V
0
10
1.5V switched power rail (off in S3-S5)
1
CPU (8)
CPU(8) 915GMS(12) ICH6-M(17) MiniCARD(29)
0
MICOM(25) DMB(27) CARDBUS Controller(28) MiniCARD(29) SUB Left(30) CPU VRM(37) -
CARDBUS Controller(28)
0
A
1
P1.8V_AUX
1
3.3V power rail (off in S4-S5)
Power Rail
1
1
0
DOTHAN-ULV
SMBUS Master
DOTHAN-ULV
PORT 6
Descriptions
0
0.844 V
0
0
AVDD
0
1
-
P5V_AUX
DOTHAN-ULV
0
SAMSUNG
MICOM
0
1.05V power ralil. GMCH core, CPU/GMCH FSB Termination.
0
AMP_VDD
1
1
0
1
1.340 V
SAMSUNG ELECTRONICS CO’S PROPERTY.
1
1.244 V
AD29(internal)
1
INV_VDC
1.372 V
USB
1
0
0
1
1.692 V
1
0
0
1
AD30(internal)
P1.5V
1
PORT 2
0
A2h
1
1
1
3.3V always on power rail for MICOM
0
x100 1100
0
0.732 V
1
1
EXCEPT AS AUTHORIZED BY SAMSUNG.
Bus 1.5V (Direct Media Interface Compensation)
0
DC power (Inverter)
IDSEL#
3.3V (LCD)
LPC Bridge/IDE/AC97/SMBUS
1
CB3_A_VCC
1
0
1
0
HIGH FREQUENCY MODE
0
4
AD24(internal)
Master
1
BATTERY
USB PORT Assign
CARDBUS
P5V_AUX
System Power States
Programable
ICH6M
1
RIGHT SIDE USB PORT
1.308 V
0
Internal MAC
PCI Devices
1
4.75V (AD1986)
VCC_CORE
1
1 0
1
P3.3V_AUX
1
0
1
VCC_CRT
P5V
1
1
-
PORT 1
0
CLOCK(6) CPU(8) 915GMS(10) ICH6-M(17) MICOM(25)
1
SODIMM0
EMPTY
1.180 V
GMCH/DDR II Power Source(off in S4-S5)
-4Ch
0
I C / SMB Address
SAMSUNG PROPRIETARY
DMB
PORT 4 1
2
1
Devices
0
Hub to PCI
0
1
0
0
0.9V DDR2 Reference(off in S4-S5)
B
Address
915GMS(11) SODIMM(17) DDR2 POWER(36)
5V (CRT)
AD31(internal)
0
1
1010 001X
1.388 V
0001 011h
0
VCCP
2
0
0
LCD_VDD3V
1.436 V
1
1
0
1
1
1
1
1
1
BLUETOOTH
3.3V (CF card)
0
AD25
1
-
0
THERMAL MORNITOR
Master
Primary DC system power supply (9 to 19V)
0.780 V
Hex
1
0
1
1
LEFT SIDE USB PORT
0.748 V
3.3V (can drop to 2.0V min. in G3 state) supply for the RTC well.
0.828 V
1
0
4
C
P2.5V
1
0
1
0
1.404 V
1
1
1
0
Devices
MINI CARD
0
0
0
1
5.0V power rail (off in S4-S5)
0
1
1.484 V
1
1.612 V
1.196 V
PORT 5,7
0
1
1
1.164 V
0
VDC
1.452 V
0
1.292 V
1.628 V
0
Interrupts
0
1
0
0
1
0
1
LOW FREQUENCY MODE
16h
1
0
0
PORT 0
D2h
1
TSP CONTROLLER
PORT 3
0
3
VCCP
Clock, Unused Clock Output Disable
0.908 V
1.532 V
1.420 V
0
REQ/GNT#
1.228 V
1
0.956 V
ICH6M(17) ISL6227(35) DDR2 POWER(36) DEEPER SLEEP MODE
1.276 V
1.644 V
0
0
1
1
0
0.700 V
P1.8V_AUX

1
PROPRIETARY INFORMATION THAT IS
1
close to CK-410M
CPU
ICS954201
133 MHz
3
3
Place 14.318MHz within
0
1
0
CY28411ZC
1
SMBUS Address "D2h"
BSEL0
0
0 0
1
0
Trace Width *2
THIS DOCUMENT CONTAINS CONFIDENTIAL
CK-410M
CK-410M
0
C
100 MHz
DO NOT DISCLOSE TO OR DUPLICATE FOR OTHERS
1
ELECTRONICS
333 MHz
C
400 MHz1
1
166 MHz
FSB
1
SAMSUNG PROPRIETARY
Bus Selection for CK-410M (100MHz)
00
2
SAMSUNG
0
FSA
2
1
RSVD
4
4
FSA : P3.3V PU
B
FSC
Cypress: 1205-002574
1
EXCEPT AS AUTHORIZED BY SAMSUNG.
1
A
FSB/FSC : by CPU/ MCH BSEL(Page 6)
B
1
0
0
266 MHz
BSEL2
500mils of CK-410M
Place Termination
ICS: 1205-002705
HOST CLK
D
BSEL1
1
D
A
200 MHz
SAMSUNG ELECTRONICS CO’S PROPERTY.
16-D218-B2
33R540 1%
100nFC547
100nFC530
25-B4
10-B3
10-B3
C149 100nF
475R605 1%
1%
R597
26-D4
1%
11-D4
33
11-D4
R552 33
49.9
R594 1%
B504
1%
R560 33
33
R559
MMZ1608S121AT
R599
1%
33
R609
33 1%
33 1%
1%
R602 49.9
11-D4
P3.3V
R606
R556 49.9
1%
29-D4
1%
0.033nF
C551
5%
1%
29-D4
33R569
R568 33
R543 33
19-B4
1%
1%
1%
33R563
1%
1%
R564 33
1%
R544 12.1
R557 49.9
P3.3V
R561 33
11-D4
1%
VDD_SRC2
13 VSS_48
38
VSS_A
45 VSS_CPU
2VSS_PCI0
6VSS_PCI1
51 VSS_REF
29 VSS_SRC
10 VTT_PWRGD*_PD
50 XTAL_IN
49 XTAL_OUT
33
SRC6 32
SRC6*
11
VDD_48
37
VDD_A
42 VDD_CPU
1VDD_PCI0
7VDD_PCI1
48
VDD_REF
21 VDD_SRC0
28 VDD_SRC1
34
SRC0* 18
19
SRC1 20
SRC1*
22
SRC2 23
SRC2*
24
SRC3 25
SRC3*
26
SRC4 27
SRC4*
31
SRC5 30
SRC5*
PCI2
3PCI3
4PCI4
5PCI5
8PCIF0_ITPEN
9PCIF1
55 PCI_STOP*
52
REF
46 SCLK
47 SDATA
17
SRC0
40
CPU1*
35
CPU2*_ITP_SRC7*
36
CPU2_ITP_SRC7
54 CPU_STOP*
DOT96 14
15
DOT96*
12 FSA_USB48
16 FSB_TESTMODE
53 FSC_TESTSEL
39 IREF
56
CY28411/ICS954201
U507
44
CPU0 43
CPU0*
41
CPU1
33R562
19-C4
1%
R608 49.9
1%
8-D4
28-A4
VCCP
R574 10K
8-B4 11-B26-C3
1%
1%
R573 49.9
49.9
R572
1%
6-B314-C4
49.9
R607
49.9
R555 1%
R80
10K
6.3V
4700nF
C150
C548
100nF
10KR551
10KR575
1%
R565 33
0.033nF
C552
5%
49.9
R596 1%
Q510
RHU002N06
3
D
1
G
S
2
16-B2
1%
B6
MMZ1608S121AT
P3.3V
49.9
R570
6.3V
11-D4
RHU002N06
D
3
G1
2
S
C148
100nF
10K
R577
Q509
49.9
16-C3
C550
16-C2
1%
R553
16-C1
100nF
C570 100nF
6-B4 11-B28-B4
R603
1%
R601
1%
33
14.31818MHz
Y500
12
6-B314-C4
33
14-C46-A3
16-B2
TP14326
37-C4
TP14324
TP14325
1%
TP14323
8-D4
33R598
100nFC549
49.9
R600 1%
1%
37-A116-C2
6-A3 14-C4
18-B216-D2
26-D4
49.9
R554
P5V
11-D4
R558 33 1%
R566 33 1%
P3.3V
1%
R567 33
1%
R595 49.9
16-C1
2200nF
1%
R571 49.9
C571
CLK0_HOST_CPU*
CLK0_HOST_CPU
CLK0_HOST_GMCH*
CLK0_HOST_GMCH
CLK3_PWRGD*
CLK3_DBGLPC
CLK1_PCIEICH
CLK1_PCIELAN*
CLK1_PCIELAN
CLK1_DREFCLK*
CLK1_DREFCLK
CLK1_MCH3GPLL*
CLK1_MCH3GPLL
CLK1_DREFSSCLK*
CLK1_DREFSSCLK
CLK1_PCIEICH*
CLK1_MINIPCIE*
CLK1_MINIPCIE
CLK3_BSEL0
CLK3_PCLKCB
CLK3_BSEL0
CLK3_PCLKICH6M
SMB3_CLK CLK3_SMBCLK
SMB3_DATA CLK3_SMBDATA
CLK3_PCLKFWH
CHP3_CPUSTP*
CHP3_PCISTP*
CLK3_ICH14
CLK3_PCLKMICOM
CLK3_USB48
CLK3_SMBCLK
CLK3_SMBDATA

ADDR GROUP 0
ADDR GROUP 1
LEGENCY CPU
1 / 4
2 / 4
DATA GRP 0DATA GRP 1
DATA GRP 2
DATA GRP 3
DO NOT DISCLOSE TO OR DUPLICATE FOR OTHERS
SAMSUNG ELECTRONICS CO’S PROPERTY.
A
3
THIS DOCUMENT CONTAINS CONFIDENTIAL
PROPRIETARY INFORMATION THAT IS
ELECTRONICS
2
SAMSUNG PROPRIETARY
3 2
B B
C
D D
C
4
A
4
EXCEPT AS AUTHORIZED BY SAMSUNG.
1
1
SAMSUNG
T2 REQ3*
P1 REQ4*
T1
RESET* B11
RS0* H1
RS1* K1
RS2* L2
SMI* B4
STPCLK* C6
TRDY* M3
15-C1
N4
DBR* A7
DBSY* M2
DEFER* L4
DRDY* H2
FERR* D3
HIT* K3
HITM* K4
IERR* A4
IGNNE* A3
INIT* B5
LINT0 D1
LINT1 D4
LOCK* J2
REQ0*
R2 REQ1*
P3 REQ2*
AD6 A29*
AF3
A3*
P4
A30*
AE1 A31*
AF1
A4*
U4 A5*
V3 A6*
R3 A7*
V2 A8*
W1 A9*
T4
N2
ADS*
ADSTB0*
U3
ADSTB1*
AE5
BNR* L1
BPRI* J3
BR0*
U1 A14*
AA3 A15*
Y3 A16*
AA2
A17*
AF4 A18*
AC4 A19*
AC7 A20*
AC3
C2
A20M*
A21*
AD3 A22*
AE4 A23*
AD2 A24*
AB4 A25*
AC6 A26*
AD5 A27*
AE2 A28*
U502-1
A10*
W2 A11*
Y4 A12*
Y1 A13*
10-D4
10-D4
10-B3
10-A4
15-B1
10-B3
15-B1
TP14342
10-B3
10-A3
10-A4
15-C1
10-B3
15-B1
10-B3
10-B3
10-B3
10-A4
TP14244
TP14246
15-B1
TP14245
DSTBN2* W25
DSTBN3* AE24
DSTBP0*
C22
DSTBP1*
L24
DSTBP2* W24
DSTBP3* AE25
10-D4
D58* AF20
D59* AE21
D6*
A21
D60* AD21
D61* AF25
D62* AF22
D63* AF26
D7*
B20 D8*
C20 D9*
B24
DINV0*
D25
DINV1*
J26
DINV2* T24
DINV3* AD20
DSTBN0*
C23
DSTBN1*
K24
D43* U25
D44* V26
D45* Y23
D46* AA26
D47* Y25
D48* AB25
D49* AC23
D5*
B26
D50* AB24
D51* AC20
D52* AC22
D53* AC25
D54* AD23
D55* AE22
D56* AF23
D57* AD24
D29*
H26
D3*
B21
D30*
N25 D31*
K25
D32* Y26
D33* AA24
D34* T25
D35* U23
D36* V23
D37* R24
D38* R26
D39* R23
D4*
A24
D40* AA23
D41* U26
D42* V24
D14*
E23 D15*
C25
D16*
H23 D17*
G25 D18*
L23 D19*
M26
D2*
A22
D20*
H24 D21*
F25 D22*
G24 D23*
J23 D24*
M23 D25*
J25 D26*
L26 D27*
N24 D28*
M25
U502-2
D0*
A19 D1*
A25
D10*
D24 D11*
E24 D12*
C26 D13*
B23
10-D3
10-D3
10-B3
10-B3
10-C3
15-B1
56
R518
10-B3
10-B3
10-B3
10-D4
10-C3
15-C1
10-B3
10-B3
11-B2
10-C3
10-B3
10-B3
VCCP
10-A3
10-B3
10-B3
10-A3
10-B3
10-A3
CPU1_DSTBP3*
CPU1_D*(63:48)
CPU1_D*(47:32)
CPU1_NMI
CPU1_INTR
CPU1_IGNNE*
CPU1_A20M*
CPU1_FERR*
CPU1_STPCLK*
CPU1_SMI*
CPU1_DBI2*
CPU1_DBI3*
CPU1_DSTBN2*
CPU1_DSTBN3*
CPU1_DSTBP2*
CPU1_DBI0*
CPU1_D*(15:0)
CPU1_ADSTB0*
CPU1_ADSTB1*
CPU1_ADS*
CPU1_RS2*
CPU1_RS1*
CPU1_RS0*
CPU1_D*(31:16)
CPU1_REQ*(4:0)
CPU1_A*(16:3)
CPU1_HITM*
CPU1_HIT*
CPU1_BNR*
CPU1_BREQ*
CPU1_LOCK*
CPU1_TRDY*
CPU1_DRDY*
CPU1_DBSY*
CPU1_A*(31:17)
CPU1_DSTBP1*
CPU1_DSTBN1*
CPU1_DSTBP0*
CPU1_DBI1*
CPU1_DSTBN0*
CPU1_INIT*
CPU1_CPURST*
CPU1_DEFER*
CPU1_BPRI*

3 / 4
4 / 4
3
C
3
BSEL[0]
THIS DOCUMENT CONTAINS CONFIDENTIAL
PROPRIETARY INFORMATION THAT IS
GTLREF : Keep the Voltage divider within 0.5"
each of the four VCCA pins.
4
Max Length : 0.5"
BSEL[1]
1/2 " to their respective Banias Pins
EXCEPT AS AUTHORIZED BY SAMSUNG.
SAMSUNG
PSI*
C
2
A
B
SAMSUNG PROPRIETARY
of the First GTLREF0 with Z0= 55 ohm trace
SAMSUNG ELECTRONICS CO’S PROPERTY.
DO NOT DISCLOSE TO OR DUPLICATE FOR OTHERS
D
COMP 0 , 2 <(COMP 1,3) should be connected
Z0=27.4 ohm (55 ohm) trace shorter than
D
4
Placed as close as possible to
A
B
Minimize coupling of any switching signals to this net
2 1
ELECTRONICS
1
1%
R530 27.4
1%
R519
221
6.3V
10000nF
C61
1%
R79
56
9-C3
VCCP
VCC_CORE
VCC_CORE
6.3V
10000nF
C120
P1.5V
6.3V
10000nF
C85
10nF
C132
11-B2 15-B1
37-B4
VCC_CORE
6.3V
10000nF
C121
680
R529
39.2
R58 1%
100nF
C86
TP14345
6.3V
C69
100nF
6.3V
TP14343 R78 1%
15-C1
C123
100nF
6.3V
VCCP
54.9
VID1
F3 VID2
G3 VID3
G4 VID4
H4 VID5
AF6 VSSSENSE
6-C1
VCCP21 R21
VCCP22 T6
VCCP23 T22
VCCP24 U21
VCCP25
D14
VCCP3 D16
VCCP4 E11
VCCP5 E13
VCCP6 E15
VCCP7 F10
VCCP8 F12
VCCP9
P23 VCCQ0
W4 VCCQ1
AE7 VCCSENSE
E2 VID0
F2
VCCA1
N1 VCCA2
AC26 VCCA3
D10
VCCP1
F14
VCCP10 F16
VCCP11 K6
VCCP12 L5
VCCP13 L21
VCCP14 M6
VCCP15 M22
VCCP16 N5
VCCP17 N21
VCCP18 P6
VCCP19
D12
VCCP2
P22
VCCP20 R5
RSVD3
C3 RSVD4
C16 RSVD5
E1 RSVD6
A6 SLP*
A13
TCK C12
TDI A12
TDO
C5
TEST1 F23
TEST2
B18 THERMDA
A18 THERMDC
C17 THERMTRIP*
C11
TMS B13
TRST*
F26 VCCA0
B1
COMP2
AB1
COMP3
B7 DPSLP*
C19 DPWR*
AD26
GTLREF0
E26
GTLREF1
G1
GTLREF2
AC1
GTLREF3
A16 ITP_CLK0
A15 ITP_CLK1
A10 PRDY*
B10 PREQ*
B17 PROCHOT*
E4 PWRGOOD
B2 RSVD1
AF7 RSVD2
C14
U502-3
BCLK0
B15
BCLK1
B14
BPM0*
C8 BPM1*
B8 BPM2*
A9 BPM3*
C9 P25
COMP0
P26
COMP1
AB2
1%
1K
R76
6.3V
100nF
C114
6-C1
10-A3
C113
10000nF
6.3V
TP14408
15-C1
C83
10000nF
6.3V
C84
10000nF
6.3V
C118
100nF
6.3V
6.3V
10000nF
C111 C110
10000nF
6.3V
VCC_CORE
330uF
EC2
AL
TP14248
2V
1%
R509 54.9
TP14247
1%
1%
R510 27.4
150
R59
C81
VCCP
1%
2K
R90
6.3V
10000nF
11-B26-C36-B4
R77 27.4 1%
6.3V
100nF
C122
9-C3
TP14249
C117
10000nF
6.3V
6.3V
10000nF
C62
100nF
C65
10-A3
VCCP
VCCP
6.3V
6.3V
10000nF
C112
TP14344
VSS9
N3
VSS90 N6
VSS91 N22
VSS92 N23
VSS93 N26
VSS94 P2
VSS95 P5
VSS96 P21
VSS97 P24
VSS98 R1
VSS99
6.3V
C529
10000nF
VSS75 K2
VSS76 K5
VSS77 K21
VSS78 K23
VSS79
A23 VSS8
K26
VSS80 L3
VSS81 L6
VSS82 L22
VSS83 L25
VSS84 M1
VSS85 M4
VSS86 M5
VSS87 M21
VSS88 M24
VSS89
A26
VSS60
F24 VSS61
G2 VSS62
G6 VSS63
G22 VSS64
G23
VSS65 G26
VSS66 H3
VSS67 H5
VSS68 H21
VSS69
A20 VSS7
H25
VSS70 J1
VSS71 J4
VSS72 J6
VSS73 J22
VSS74 J24
VSS46
E20 VSS47
E22 VSS48
E25 VSS49
A14 VSS5
F1 VSS50
F4 VSS51
F5 VSS52
F7 VSS53
F9 VSS54
F11 VSS55
F13 VSS56
F15 VSS57
F17 VSS58
F19 VSS59
A17 VSS6
F21
VSS31
D13 VSS32
D15 VSS33
D17 VSS34
D19 VSS35
D21 VSS36
D23 VSS37
D26 VSS38
E3 VSS39
A11 VSS4
E6 VSS40
E8 VSS41
E10 VSS42
E12 VSS43
E14 VSS44
E16 VSS45
E18
VSS190 AF21
VSS191 AF24
VSS192
A5 VSS2
C7 VSS20
C10 VSS21
C13 VSS22
C15 VSS23
C18 VSS24
C21 VSS25
C24 VSS26
D2 VSS27
D5 VSS28
D7 VSS29
A8 VSS3
D9 VSS30
D11
VSS176 AE14
VSS177 AE16
VSS178 AE18
VSS179
C1 VSS18
AE20
VSS180 AE23
VSS181 AE26
VSS182 AF2
VSS183 AF5
VSS184 AF9
VSS185 AF11
VSS186 AF13
VSS187 AF15
VSS188 AF17
VSS189
C4 VSS19
AF19
VSS161 AD4
VSS162 AD7
VSS163 AD9
VSS164 AD11
VSS165 AD13
VSS166 AD15
VSS167 AD17
VSS168 AD19
VSS169
B25 VSS17
AD22
VSS170 AD25
VSS171 AE3
VSS172 AE6
VSS173 AE8
VSS174 AE10
VSS175 AE12
VSS147
AB21 VSS148
AB23 VSS149
B19 VSS15
AB26 VSS150
AC2 VSS151
AC5 VSS152
AC8 VSS153
AC10 VSS154
AC12 VSS155
AC14 VSS156
AC16 VSS157
AC18 VSS158
AC21 VSS159
B22 VSS16
AC24 VSS160
AD1
VSS132
AA14 VSS133
AA16 VSS134
AA18 VSS135
AA20 VSS136
AA22 VSS137
AA25 VSS138
AB3 VSS139
B16 VSS14
AB5 VSS140
AB7 VSS141
AB9 VSS142
AB11 VSS143
AB13 VSS144
AB15 VSS145
AB17 VSS146
AB19
VSS118 W6
VSS119
B9 VSS12
W22
VSS120 W23
VSS121 W26
VSS122 Y2
VSS123 Y5
VSS124 Y21
VSS125 Y24
VSS126 AA1
VSS127 AA4
VSS128
AA6 VSS129
B12 VSS13
AA8 VSS130
AA10 VSS131
AA12
VSS103 T3
VSS104 T5
VSS105 T21
VSS106 T23
VSS107 T26
VSS108 U2
VSS109
B6 VSS11
U6
VSS110 U22
VSS111 U24
VSS112 V1
VSS113 V4
VSS114 V5
VSS115 V21
VSS116 V25
VSS117 W3
AE17
AE19
VCC66 AF8
VCC67 AF10
VCC68 AF12
VCC69
E7 VCC7
AF14
VCC70 AF16
VCC71 AF18
VCC72
E9 VCC8
E17 VCC9
A2 VSS1
B3 VSS10
R4
VSS100 R6
VSS101 R22
VSS102 R25
VCC50 AC13
VCC51 AC15
VCC52 AC17
VCC53 AC19
VCC54 AD8
VCC55 AD10
VCC56 AD12
VCC57 AD14
VCC58 AD16
VCC59
E5 VCC6
AD18
VCC60 AE9
VCC61 AE11
VCC62 AE13
VCC63 AE15
VCC64
VCC65
VCC36
AA17
VCC37 AA19
VCC38 AA21
VCC39
D20 VCC4 AB6
VCC40 AB8
VCC41 AB10
VCC42 AB12
VCC43 AB14
VCC44 AB16
VCC45 AB18
VCC46 AB20
VCC47 AB22
VCC48 AC9
VCC49
D22 VCC5
AC11
VCC21
J21 VCC22
K22 VCC23
U5 VCC24
V6 VCC25
V22 VCC26
W5 VCC27
W21 VCC28
Y6 VCC29
D18 VCC3
Y22 VCC30
AA5 VCC31
AA7 VCC32
VCC33
AA9
AA11 VCC34
AA13 VCC35
AA15
VCC1
D6
E19 VCC10
E21 VCC11
F6 VCC12
F8 VCC13
F18 VCC14
F20 VCC15
F22 VCC16
G5 VCC17
G21 VCC18
H6 VCC19
D8 VCC2
H22 VCC20
J5
6.3V
VCCP
U502-4
6.3V
C119
10000nF
10000nF
C70C82
10000nF
6.3V 6.3V
CPU1_DPSLP*
CPU1_SLP*
CPU1_DPWR*
CPU1_THRMTRIP*
C116
10000nF
CPU1_VID(5:0)
CPU2_THERMDA
CPU2_THERMDC
CPU1_PWRGDCPU
CLK3_BSEL0
CLK0_HOST_CPU
CLK0_HOST_CPU*

DO NOT DISCLOSE TO OR DUPLICATE FOR OTHERS
FAN Control Logic
SAMSUNG PROPRIETARY
SAMSUNG ELECTRONICS CO’S PROPERTY.
B
4
Put this sensor between CPU and MCH
CPU Thermal Sensor
SMBUS Addr"4Ch"(x100 1100)
EXCEPT AS AUTHORIZED BY SAMSUNG.
Line Width = 20 mil
D
A
C
3
B
2
1
D
1
A
ELECTRONICS
THIS DOCUMENT CONTAINS CONFIDENTIAL
SAMSUNG
PROPRIETARY INFORMATION THAT IS
2
C
4
3
6.3V
C533
P3.3V
TP14327
25-C3
100nF
C1076
100nF
25V
25-C3
0
10uH
L500
R1067
R541
10K
R532
2.4K 1%
16-C218-B2
1%
R579
100K
OS* 5
3VTEMP
MMBD4148
D506
1 3
LM26CIM5X-TPA
U504
1%
R578
P3.3V
1 3
100
25-B3
BAT54
D505
8-C4
6ALERT*
D+ 2
D- 3
GND
5
SCLK
8
7SDA
4
THERM*
1
VDD
25-B3
1%
2.4K
R533
38-C1
ADM1032ARM
U503
8-C4
P5V
25-C3
MICOM_P3V
P3.3V
2.2nF
C532
D3
D4 63 G
S
4
100nF
C531
25V
MNT1
MNT2
5
FDC653N
QF500
D1 1
2
D2 5
J6
HDR-3P-SMD
1
2
3
4
10K
R545
10000NF
C151
10V
KBC3_FANCTRL
KBC3_THERM_SMCLK
CPU2_THERMDC
CPU2_THERMDA
KBC3_THERM_SMDATA
CHP3_OVERT*
SMB3_ALERT*
FAN3_FDBACK*
SHDN_THER*
TP14328

1 / 5
Place 100nF
near HVREF pin
Layout Note
within 100mils
0.327V
0.327V
0.7V
SAMSUNG
ELECTRONICS
SAMSUNG PROPRIETARY
1
1
A
D
2
2
SAMSUNG ELECTRONICS CO’S PROPERTY.
DO NOT DISCLOSE TO OR DUPLICATE FOR OTHERS
B
4
4
3
3
B
C C
D
THIS DOCUMENT CONTAINS CONFIDENTIAL
PROPRIETARY INFORMATION THAT IS
EXCEPT AS AUTHORIZED BY SAMSUNG.
A
HSLPCPU* - GMCH : Enhanced mode (def.)
HSLPCPU* - ICH : Legacy mode
VCCP
100nF
C144
10-B3
6.3V
1%
10-A4
7-B1
200
R108
1%
R112
100
VCCP
7-B1
1%
HYRCOMP
K2 HYSCOMP
L3 HYSWING
7-B2
221
R100
C3
HLOCK* C4
A8
HREQ0* B7
HREQ1* A9
HREQ2* A7
HREQ3* J12
HREQ4*
HRS0*
A5
HRS1*
B5
HRS2*
C7 HSLPCPU* C5
HTRDY* E9
J11
HVREF
K1 HXRCOMP
E6 HXSCOMP
J13 HXSWING
L1
E5
J6
HDINV0* L7
HDINV1* R7
HDINV2* W5
HDINV3*
HDPWR* G1
HDRDY* A4
G5
HDSTBN0* K8
HDSTBN1* U1
HDSTBN2* AA4
HDSTBN3* G4
HDSTBP0* L9
HDSTBP1* U2
HDSTBP2* AA5
HDSTBP3*
HHIT* B2
HHITM*
HD53*
Y5 HD54*
AA9 HD55*
AA8 HD56*
AA1 HD57*
V7 HD58*
AA6 HD59*
F4 HD6*
Y6 HD60*
Y8 HD61*
W9 HD62*
Y7 HD63*
E3 HD7*
J9 HD8*
F6 HD9*
HDBSY* F8
HDEFER*
HD39*
F3 HD4*
W3 HD40*
R4 HD41*
R3 HD42*
R5 HD43*
U6 HD44*
U5 HD45*
V5 HD46*
V6 HD47*
W7 HD48*
W8 HD49*
G3 HD5*
W1 HD50*
V2 HD51*
W4 HD52*
Y2
HD24*
K7 HD25*
U9 HD26*
V9 HD27*
R1 HD28*
K6 HD29*
J5 HD3*
U3 HD30*
R9 HD31*
V3 HD32*
V4 HD33*
R6 HD34*
P5 HD35*
P3 HD36*
R8 HD37*
P7 HD38*
P9
HD1*
J7 HD10*
J8 HD11*
J1 HD12*
F1 HD13*
K9 HD14*
G7 HD15*
K3 HD16*
K4 HD17*
P1 HD18*
R2 HD19*
E2 HD2*
K5 HD20*
J3 HD21*
J2 HD22*
L5 HD23*
U8
HA31*
G11
HA4* E12
HA5* B8
HA6* C11
HA7* B11
HA8* C9
HA9*
HADS* G9
HADSTB0* F11
HADSTB1* H15
HBNR* E8
HBPRI* B3
HBREQ0* F9
AA3
HCLKN Y3
HCLKP
F5 HD0*
F2
HA16* G14
HA17* J14
HA18* G13
HA19* H14
HA20* B13
HA21* A14
HA22* C13
HA23* J15
HA24* H12
HA25* E13
HA26* C14
HA27* F14
HA28* E14
HA29*
C6
HA3*
D13
HA30* B14
U506-1
915M-GMS
A11
HA10* D12
HA11* F13
HA12* E11
HA13* A13
HA14* C12
HA15* G12
10-D1
7-B1 7-B2
7-C1 7-C2
7-B2
7-B47-C4
TP14409
C143
100nF
6.3V
7-C3
7-C3
8-D4
7-C3
7-C1
7-C2
6-C1
R102 54.9
C131
1%
100nF
6.3V
7-C1
10-B1
7-B1
7-B2
7-B3
R109
100
7-C3
7-C4
7-C4
1%
R101 54.9
7-C1
7-C2
7-C2
1%
8-D4
10-B4
7-B3
7-C3
VCCP
7-C3
100
R98
1%
R113
221
10-C1
7-B3
1%
1%
R99 24.9
6-C1
TP14329
7-C3
7-B3
24.9R97 1%
7-B3
7-B4
7-C3
CLK0_HOST_GMCH*
CLK0_HOST_GMCH
CPU1_ADS*
CPU1_BNR*
CPU1_BPRI*
CPU1_BREQ*
CPU1_DBSY*
CPU1_DEFER*
CPU1_DRDY*
CPU1_LOCK*
CPU1_RS0*
CPU1_RS1*
CPU1_RS2*
CPU1_TRDY*
CPU1_DPWR*
CPU1_SLP*
CPU1_HIT*
CPU1_HITM*
VCCP
7-C3
GMCH1_HYSWING
CPU1_DSTBP0*
CPU1_DSTBN0*
CPU1_DBI0*
CPU1_DSTBP1*
CPU1_DSTBN1*
CPU1_DBI1*
CPU1_DSTBP2*
CPU1_DSTBN2*
CPU1_DBI2*
CPU1_DSTBP3*
CPU1_DSTBN3*
CPU1_DBI3*
CPU1_ADSTB0*
CPU1_ADSTB1*
GMCH1_HXSWING
GMCH1_HVREF
GMCH1_HXSWING
GMCH1_HYSWING
GMCH1_HVREF
CPU1_D*(63:0) CPU1_A*(31:3)
CPU1_REQ*(4:0)

2 / 5 3 / 5
12
C
A
3
C
SAMSUNG PROPRIETARY
B B
DO NOT DISCLOSE TO OR DUPLICATE FOR OTHERS
PROPRIETARY INFORMATION THAT IS
2
SAMSUNG
D
CFG[2:0] = BSEL[0:2] = "101"
A
SAMSUNG ELECTRONICS CO’S PROPERTY.
EXCEPT AS AUTHORIZED BY SAMSUNG.
3
4
4
D
THIS DOCUMENT CONTAINS CONFIDENTIAL
1
ELECTRONICS
80.6R107
P2.5V
1%
14-C4
23-D3
R110
10K
1%
R651
1.5K
14-C4
P1.5V
14-C4
14-C4
14-C4
TP14322
14-D3
16-C1
1%
100KR134
14-C4
16-C1
23-B4
P1.8V_AUX
20-C4
23-A4
R130
VCCP
100nF
C611
1%
2.4K
1%
23-D3
80.6R106
16-C1
14-D4
22-D2
25-C337-B2
23-A2
1%
100KR137
20-C4
20-B4
16-C1
R131 255 1%
1%
150R135
16-C1
6-C1
14-C4
14-C4
6-B1
23-B2
MEM1_VREF
6-B1
14-B4
7-B3
14-C4
1%2.4K
R111
20-B4
23-D3
G23 VSYNC
6-B1
6-B1
22-C2
AD11
SM_CS0* AG13
SM_CS1* AL14
SM_CS2* AH12
SM_CS3*
AF12
SM_ODT0 AG12
SM_ODT1 AK13
SM_ODT2 AJ12
SM_ODT3
J18
THRMTRIP*
A17 TVDAC_A
TVDAC_B
C18
TVDAC_C
A19
B17 TV_IRTNA
B18 TV_IRTNB
B19 TV_IRTNC
J19 TV_REFSET
SMXSLEWIN Y24
SMXSLEWOUT AA25
SMYSLEWIN AC10
SMYSLEWOUT AD10
AE31
SM_CK0 AF31
SM_CK0* AF5
SM_CK1 AE5
SM_CK1* AJ29
SM_CK3 AJ28
SM_CK3* AH5
SM_CK4 AJ5
SM_CK4*
AC23
SM_CKE0
SM_CKE1 AC25
AH21
SM_CKE2 AJ21
SM_CKE3
N28 SDVOB_INT
M30 SDVOB_RED*
G27 SDVOCTRL_CLK
SDVOCTRL_DATA
H27
R28 SDVO_FLDSTALL
U28 SDVO_FLDSTALL*
P28 SDVO_INT*
L30 SDVO_RED
L28 SDVO_TVCLKIN
M28 SDVO_TVCLKIN*
SMOCDCOMP0 AB27
SMOCDCOMP1 AE9
SMRCOMPN AD7
AE7
SMRCOMPP
Y30
SMVREF0
SMVREF1 AE1
H29 LVREFL
PWROK W27
F21 RED
F22 RED*
J21 REFSET
W25
RSTIN*
RSVD W2
RSVD23 H19
RSVD24 F29
RSVD25 E27
U30 SDVOB_BLKN
SDVOB_BLKP
R30
N30 SDVOB_BLUE
P30 SDVOB_BLUE*
M26 SDVOB_GREEN
N26 SDVOB_GREEN*
F31 LADATAN0
D31 LADATAN1
LADATAN2
D29
E31 LADATAP0
D30 LADATAP1
C29 LADATAP2
LBKLT_CRTL
G26
LBKLT_EN
F26
D26 LCTLA_CLK
C26 LCTLB_DATA
E25
LDDC_CLK F25
LDDC_DATA
F30 LIBG
G30 LVBG
H25 LVDD_EN
J29 LVREFH
V31
DMI_TXP1
A22 DREF_CLKN
A21 DREF_CLKP
H31 DREF_SSCLKN
J31 DREF_SSCLKP
P26
EXP_COMPI L26
EXP_ICOMPO
J27
EXT_TS0*
GCLKN
V23
W23 GCLKP
E22 GREEN
D22 GREEN*
F7
HCPURST*
H22 HSYNC
D27 LACLKN
C27 LACLKP
C23 BLUE*
J26
BM_BUSY*
D15
CFG0 E17
CFG1 F15
CFG2 G17
CFG5 H17
CFG6
J23 DDCCLK
DDCDATA
J25
V24
DMI_RXN0
DMI_RXN1 W29
U24
DMI_RXP0 V29
DMI_RXP1 V26
DMI_TXN0 W31
DMI_TXN1 U26
DMI_TXP0
915M-GMS
U506-2
D23 BLUE
19-B419-C4 16-A229-C2 26-D425-B4 24-D2 16-C3
14-C4
150R138 1%
20-C4
20-C4
14-C4
10K
R650
14-C4
20-C4
15-B1 8-C4
TP14410
20-B4
6-B1
AH20 SB_MA9
AH14 SB_RAS*
AK14 SB_WE*
R133 2.4K
1%
AG14 SB_BS1
AL21 SB_BS2
AJ13 SB_CAS*
AC12 SB_MA0
AE14 SB_MA1
AF14 SB_MA10
AL20 SB_MA11
AG20 SB_MA12
AL13 SB_MA13
AC15 SB_MA2
AD14 SB_MA3
AG19 SB_MA4
AJ19 SB_MA5
AJ20 SB_MA6
SB_MA7
AK20
AL19 SB_MA8
AB23 SA_MA11
AB24 SA_MA12
AF13 SA_MA13
AC19 SA_MA2
AD20 SA_MA3
AE19 SA_MA4
AE20 SA_MA5
AF20 SA_MA6
AF21 SA_MA7
AE21 SA_MA8
AA24 SA_MA9
AG15 SA_RAS*
AC27 SA_RCVENIN*
AB26 SA_RCVENOUT*
SA_WE*
AJ15
AJ14 SB_BS0
AK28 SA_DQS1*
AF25 SA_DQS2
AF26 SA_DQS2*
AJ23 SA_DQS3
AJ24 SA_DQS3*
AK10 SA_DQS4
AL10 SA_DQS4*
AG9 SA_DQS5
AF9 SA_DQS5*
AH3 SA_DQS6
AG5 SA_DQS6*
AE2 SA_DQS7
AF2 SA_DQS7*
AC21 SA_MA0
SA_MA1
AC20
AC11 SA_MA10
AH2
SA_DQ55 AH1
SA_DQ56 AG1
SA_DQ57 AC6
SA_DQ58 AC7
SA_DQ59
AB31
SA_DQ6
AF3
SA_DQ60 AE3
SA_DQ61 AD3
SA_DQ62 AC2
SA_DQ63
AC30
SA_DQ7 AG29
SA_DQ8 AG28
SA_DQ9
AB29 SA_DQS0
SA_DQS0*
AA30
AL28 SA_DQS1
AG10
SA_DQ40 AF10
SA_DQ41 AH7
SA_DQ42 AF6
SA_DQ43 AH11
SA_DQ44 AG11
SA_DQ45 AG6
SA_DQ46 AE6
SA_DQ47 AL7
SA_DQ48 AK7
SA_DQ49
AA29
SA_DQ5
AK2
SA_DQ50 AJ2
SA_DQ51 AK6
SA_DQ52
SA_DQ53 AJ6
AK3
SA_DQ54
AG27
SA_DQ26 AG26
SA_DQ27 AK25
SA_DQ28 AL24
SA_DQ29
AE29
SA_DQ3
AG23
SA_DQ30 AG24
SA_DQ31 AK11
SA_DQ32 AL11
SA_DQ33 AJ7
SA_DQ34 AL9
SA_DQ35 AL12
SA_DQ36 AJ11
SA_DQ37 AH9
SA_DQ38
SA_DQ39 AJ9
AA28
SA_DQ4
AL26
SA_DQ11 AG30
SA_DQ12 AG31
SA_DQ13 AL27
SA_DQ14 AK27
SA_DQ15 AF29
SA_DQ16 AE28
SA_DQ17 AE25
SA_DQ18 AE24
SA_DQ19
AC29
SA_DQ2
AE27
SA_DQ20 AF27
SA_DQ21 AE23
SA_DQ22 AC26
SA_DQ23
SA_DQ24 AL25
AJ25
SA_DQ25
U506-3
AE15 SA_BS0
AD13 SA_BS1
AB25 SA_BS2
AE12 SA_CAS*
AA31 SA_DM0
AJ30 SA_DM1
AF24 SA_DM2
AK24 SA_DM3
AJ10 SA_DM4
AG7 SA_DM5
AL5 SA_DM6
AD6 SA_DM7
Y27
SA_DQ0
SA_DQ1 Y28
AJ26
SA_DQ10
915M-GMS
6-C3 6-B48-B4
14-B4
16-C2
14-C4
14-C4
14-C4
14-C4
TP14411
R136 150 1%
16-C1
16-C1
1%
100R123
1%
R139
24.9
14-C4
16-C1
22-C2
MEM1_CKE1
MEM1_ODT1
MEM1_AMA(13:0)
PLT3_RST*
CPU1_THRMTRIP*
LCD1_A1-
LCD1_A1+
LCD1_A2-
LCD1_A2+
LCD2_PWMBIA
MCH2_BMBUSY*
CPU1_CPURST*
CLK3_BSEL0
VGA3_RED
VGA3_BLUE
VGA3_GREEN
LCD2_VDDEN
LCD2_BKLTON
IMVP4_PWRGD
LCD1_CLK-
LCD1_CLK+
LCD1_A0-
LCD1_A0+
MEM1_CKE0
MEM1_CS0*
MEM1_CS1*
MEM1_ODT0
VGA2_DDCC
VGA2_DDCD
VGA2_HSYNC
VGA2_VSYNC
DMI1_RXN0
DMI1_RXN1
DMI1_RXP0
DMI1_RXP1
CLK1_DREFCLK*
CLK1_DREFCLK
CLK1_DREFSSCLK*
CLK1_DREFSSCLK
CLK1_MCH3GPLL*
CLK1_MCH3GPLL
CLK1_MCLK0
CLK1_MCLK0*
CLK1_MCLK1
CLK1_MCLK1*
DMI1_TXN0
DMI1_TXN1
DMI1_TXP0
DMI1_TXP1
MEM1_ADQS(7:0)
MEM1_ADQS*(7:0)
MEM1_ADM(7:0)
MEM1_ABS0*
MEM1_ABS1*
MEM1_ABS2*
MEM1_ACAS*
MEM1_ARAS*
MEM1_AWE*
MEM1_ADQ(63:0)

4 / 5
DO NOT DISCLOSE TO OR DUPLICATE FOR OTHERS
A
SAMSUNG PROPRIETARY
DD
1
SAMSUNG
3
1
4
EXCEPT AS AUTHORIZED BY SAMSUNG.
SAMSUNG ELECTRONICS CO’S PROPERTY.
C
ELECTRONICS
3
2
4
THIS DOCUMENT CONTAINS CONFIDENTIAL
A
BB
PROPRIETARY INFORMATION THAT IS
2
C
C612
10000nF
100nF
C188
6.3V
TP14286
C607 470nF 16V
6.3V
C170
100nF
C126
100nF
6.3V
C528 470nF 16V
10000nF
C142
6.3V
VCCP
100nF
C189 6.3V
C141
10000nF
C566 470nF 16V
6.3V
C620
6.3V
10000nF
P1.5V_MCH
P1.5V
C525
10000nF
N6 VTT_18
N7 VTT_19
A12 VTT_2
N8 VTT_20
N9 VTT_21
Y1 VTT_22
E1 VTT_3
M1 VTT_4
M2 VTT_5
M3 VTT_6
M4 VTT_7
VTT_8
M5
M6 VTT_9
P2.5V
R17 VCC_8
T15 VCC_9
H21 VCC_SYNC
VSSA_3GBG L31
VSSA_CRTDAC
D20
VSSA_LVDS B30
E20
VSSA_TVBG
A6 VTT_1
M7 VTT_10
M8 VTT_11
M9 VTT_12
VTT_13
N1
N2 VTT_14
N3 VTT_15
N4 VTT_16
N5 VTT_17
AF18
VCCSM_6 AH17
VCCSM_7 AH18
VCCSM_8 AJ17
VCCSM_9
A26
VCCTX_LVDS_1 B26
VCCTX_LVDS_2
L23 VCC_1
T16 VCC_10
VCC_11
T17
U16 VCC_12
L24 VCC_2
M24 VCC_3
N23 VCC_4
N24 VCC_5
P24 VCC_6
R15 VCC_7
AK18
VCCSM_12 AK30
VCCSM_13 AL17
VCCSM_14 AL18
VCCSM_15 AL23
VCCSM_16 AL6
VCCSM_17 AG17
VCCSM_18 AG18
VCCSM_19
VCCSM_2 AE17
AC17
VCCSM_20 AC18
VCCSM_21 AC31
VCCSM_22 AD17
VCCSM_23
AE18
VCCSM_3 AF1
VCCSM_4 AF17
VCCSM_5
G19
VCCA_TVDACB_2 F20
VCCA_TVDACC_1 G20
VCCA_TVDACC_2
D17
VCCDQ_TVDAC
AC3 VCCD_HMPLL1
AC5 VCCD_HMPLL2
A23
VCCD_LVDS_1 B23
VCCD_LVDS_2 B25
VCCD_LVDS_3
VCCD_TVDAC E18B20 VCCHV_1
C21 VCCHV_2
C22 VCCHV_3
AD18
VCCSM_1
AJ18
VCCSM_10 AK17
VCCSM_11
AC13
VCCASM_1 AC14
VCCASM_2 AL15
VCCASM_3
VCCA_3GBG M31
R23 VCCA_3GPLL
C20 VCCA_CRTDAC_1
D21 VCCA_CRTDAC_2
B21 VCCA_DPLLA
J30 VCCA_DPLLB
AD1 VCCA_HPLL
VCCA_LVDS B29
AC1 VCCA_MPLL
E19
VCCA_TVBG
F18
VCCA_TVDACA_1 G18
VCCA_TVDACA_2 F19
VCCA_TVDACB_1
U506-4
915M-GMS
P31
VCC3G_1 R31
VCC3G_2
C567
100nF
6.3V
P1.5V
R648
1%
1
P1.5V
6.3V
C619
100nF
10000nF
C161
6.3V
AD 2.5V
330uF
EC505
P2.5V
10000nF
C615
6.3V
16V
470nF
C546
470nFC145
BLM18PG181SN1
B507
16V
TP46
6.3V
100nF
C165
P1.5V
C610 470nF 16V
P2.5V
P1.5V_MCH
C172
100nF
6.3V
VCCP P1.8V_AUX
100nF
C616
6.3V
220nFC527 10V
C609
100nF
100nF
C617
6.3V
6.3V
C618
10000nF
P1.5V_MCH
D509
BAT54
1 3
6.3V
C565
10000nF
25V
C569
22nF
C526 470nF 16V
C140
100nF
6.3V6.3V
C168
100nF
P1.5V_MCH
BLM18PG181SN1
B503
VCCP
P1.5V
C614
100nF
C129
100nF
6.3V
P2.5V
AD 2.5V
330uF
EC507
C986
P2.5V
6.3V
10000nF
P1.5V_MCH
1%
10R653
100nF
P1.5V_MCH
B508
BLM18PG181SN1
10000nF
C613
6.3V
C169
6.3V
100nF
C139
100nF
C171
6.3V
6.3V
TP14347
100nF
C622
TP14346
6.3V
C568
6.3V
100nF
10000nF
C130
6.3V
6.3V
C621
4700nF
FILT500
EMI-FILTER-1608-3P
2
13
10V
C115 220nF
P1.8V_AUX

5 / 5
SAMSUNG ELECTRONICS CO’S PROPERTY.
A
4
THIS DOCUMENT CONTAINS CONFIDENTIAL
4
2
4
For EXT_TS1
3
EXCEPT AS AUTHORIZED BY SAMSUNG.
1
B
2
SAMSUNG ELECTRONICS CO’S PROPERTY.
PROPRIETARY INFORMATION THAT IS
C
THIS DOCUMENT CONTAINS CONFIDENTIAL
EXCEPT AS AUTHORIZED BY SAMSUNG.
B
2
A
CC
SAMSUNG PROPRIETARY
PROPRIETARY INFORMATION THAT IS
1
DO NOT DISCLOSE TO OR DUPLICATE FOR OTHERS
B
2
B
14 1
DO NOT DISCLOSE TO OR DUPLICATE FOR OTHERS
D D
ELECTRONICS
SAMSUNG PROPRIETARY
D
33
SAMSUNG
C
A
D
A
3
R132
10K
1/20W
P2.5V
VSS_88
G22 VSS_89 AA27
VSS_9
G25 VSS_90
G29 VSS_91
G31 VSS_92
G6 VSS_93
G8 VSS_94
H11 VSS_95
H13 VSS_96
H18 VSS_97
H20 VSS_98
H23 VSS_99
VSS_73 E15
VSS_74 E21
VSS_75 E23
VSS_76 E26
VSS_77 E29
VSS_78 E30
VSS_79
AA26
VSS_8
E4
VSS_80
E7 VSS_81
F12 VSS_82
F17 VSS_83
F23 VSS_84
F27 VSS_85
G15 VSS_86
G2 VSS_87
G21
VSS_59
AA2
VSS_6
B6
VSS_60 B9
VSS_61 C15
VSS_62 C17
VSS_63 C19
VSS_64 C2
VSS_65 C25
VSS_66 C30
VSS_67 C8
VSS_68 D11
VSS_69
AA23
VSS_7
D14
VSS_70 D18
VSS_71 D19
VSS_72 D25
VSS_44 AJ3
VSS_45 AK12
VSS_46 AK15
VSS_47 AK19
VSS_48 AK21
VSS_49
A27
VSS_5
AK23
VSS_50 AK26
VSS_51 AK29
VSS_52 AK5
VSS_53 AK9
VSS_54 B12
VSS_55 B15
VSS_56 B22
VSS_57 B27
VSS_58 B4
VSS_3
AF19
VSS_30 AF23
VSS_31 AF28
VSS_32 AF30
VSS_33 AF7
VSS_34 AG2
VSS_35 AG21
VSS_36 AG25
VSS_37 AG3
VSS_38 AH10
VSS_39
A25
VSS_4
AH13
VSS_40 AH15
VSS_41 AH19
VSS_42 AH6
VSS_43 AJ27
VSS_160
Y9 VSS_161
AD15
VSS_17 AD19
VSS_18 AD2
VSS_19
A18
VSS_2
AD21
VSS_20 AD5
VSS_21 AD9
VSS_22 AE10
VSS_23 AE11
VSS_24 AE13
VSS_25 AE26
VSS_26 AE30
VSS_27 AF11
VSS_28 AF15
VSS_29
A20
VSS_146
V28 VSS_147
V30 VSS_148
V8 VSS_149
AC9
VSS_15
W24 VSS_150
W26 VSS_151
W28 VSS_152
W30 VSS_153
W6 VSS_154
Y23 VSS_155
Y25 VSS_156
Y26 VSS_157
Y29 VSS_158
Y31 VSS_159
AD12
VSS_16
Y4
VSS_131
R26 VSS_132
R27 VSS_133
R29 VSS_134
U15 VSS_135
U17 VSS_136
U23 VSS_137
U25 VSS_138
U27 VSS_139
AC28
VSS_14
U29 VSS_140
U31 VSS_141
U4 VSS_142
U7 VSS_143
V1 VSS_144
V25 VSS_145
V27
VSS_117
N27 VSS_118
N29 VSS_119
AB30
VSS_12
N31 VSS_120
P2 VSS_121
P23 VSS_122
P25 VSS_123
P27 VSS_124
P29 VSS_125
P4 VSS_126
P6 VSS_127
P8 VSS_128
R16 VSS_129
AC24
VSS_13
R24 VSS_130
R25
VSS_102
J20 VSS_103
J22 VSS_104
J4 VSS_105
L2 VSS_106
L25 VSS_107
L27 VSS_108
L29 VSS_109
AB28
VSS_11
L4 VSS_110
L6 VSS_111
L8 VSS_112
M23 VSS_113
M25 VSS_114
M27 VSS_115
M29 VSS_116
N25
NC_89
AA12
NC_9
L15 NC_90
L16 NC_91
L17 NC_92
L18 NC_93
L19 NC_94
L20 NC_95
L21 NC_96
L22 NC_97
M10 NC_98
M11 NC_99
A15
VSS_1
AA7
VSS_10
H26 VSS_100
H30 VSS_101
J17
NC_74
K20 NC_75
K21 NC_76
K22 NC_77
K23 NC_78
K25 NC_79
AA11
NC_8
K26 NC_80
K27 NC_81
K29 NC_82
K30 NC_83
K31 NC_84
L10 NC_85
L11 NC_86
L12 NC_87
L13 NC_88
L14
NC_6
C10
NC_60
C31 NC_61
E10 NC_62
F10 NC_63
G10 NC_64
J10 NC_65
K10 NC_66
K11 NC_67
K12 NC_68
K13 NC_69
AA10
NC_7
K14 NC_70
K15 NC_71
K17 NC_72
K18 NC_73
K19
NC_45 AK1
NC_46 AK22
NC_47 AK31
NC_48 AL1
NC_49
A30
NC_5
AL2
NC_50 AL22
NC_51 AL29
NC_52 AL3
NC_53 AL30
NC_54 AL31
NC_55 B1
NC_56 B10
NC_57 B31
NC_58 C1
NC_59
A31
NC_30 AB20
NC_31 AB21
NC_32 AB22
NC_33 AB3
NC_34 AB5
NC_35 AB6
NC_36 AB7
NC_37 AB9
NC_38 AC22
NC_39
A3
NC_4
AE22
NC_40 AF22
NC_41 AG22
NC_42 AJ1
NC_43 AJ22
NC_44 AJ31
NC_2
AB1
NC_20
Y19
NC_200 Y20
NC_201 Y21
NC_202 Y22
NC_203
AB10
NC_21 AB11
NC_22 AB12
NC_23 AB13
NC_24 AB14
NC_25 AB15
NC_26 AB17
NC_27 AB18
NC_28 AB19
NC_29
A29
NC_3
AB2
NC_185 W18
NC_186 W19
NC_187 W20
NC_188 W21
NC_189
AA22
NC_19
W22
NC_190 Y10
NC_191 Y11
NC_192 Y12
NC_193 Y13
NC_194 Y14
NC_195 Y15
NC_196 Y16
NC_197 Y17
NC_198 Y18
NC_199
A2
NC_170 V16
NC_171 V17
NC_172 V18
NC_173 V19
NC_174 V20
NC_175 V21
NC_176 V22
NC_177 W10
NC_178 W11
NC_179
AA21
NC_18
W12
NC_180 W13
NC_181 W14
NC_182 W15
NC_183 W16
NC_184 W17
NC_156
U12 NC_157
U13 NC_158
U14 NC_159
AA19
NC_16
U18 NC_160
U19 NC_161
U20 NC_162
U21 NC_163
U22
NC_164 V10
NC_165 V11
NC_166 V12
NC_167 V13
NC_168 V14
NC_169
AA20
NC_17
V15
NC_141
R18 NC_142
R19 NC_143
R20 NC_144
R21 NC_145
R22 NC_146
T11 NC_147
T12 NC_148
T13 NC_149
AA18
NC_15
T14 NC_150
T18 NC_151
T19 NC_152
T20 NC_153
T21 NC_154
U10 NC_155
U11
NC_127
P14 NC_128
P15 NC_129
AA16
NC_13
P16 NC_130
P17 NC_131
P18 NC_132
P19 NC_133
P20 NC_134
P21 NC_135
P22 NC_136
R10 NC_137
R11 NC_138
R12 NC_139
AA17
NC_14
R13 NC_140
R14
NC_112
N12 NC_113
N13 NC_114
N14 NC_115
N15 NC_116
N16 NC_117
N17 NC_118
N18 NC_119
AA15
NC_12
N19 NC_120
N20 NC_121
N21 NC_122
N22 NC_123
P10 NC_124
P11 NC_125
P12 NC_126
P13
A10
NC_1
AA13
NC_10
M12 NC_100
M13 NC_101
M14 NC_102
M15 NC_103
M16 NC_104
M17 NC_105
M18 NC_106
M19 NC_107
M20 NC_108
M21 NC_109
AA14
NC_11
M22 NC_110
N10 NC_111
N11
U506-5
915M-GMS

2/2
1/2
SAMSUNG
A
SMBUS ADDR "A2h"
ELECTRONICS
A
B B
4
CC
D D
2
4
3
32
1
1
DO NOT DISCLOSE TO OR DUPLICATE FOR OTHERS
EXCEPT AS AUTHORIZED BY SAMSUNG.
SAMSUNG PROPRIETARY
THIS DOCUMENT CONTAINS CONFIDENTIAL
PROPRIETARY INFORMATION THAT IS
SAMSUNG ELECTRONICS CO’S PROPERTY.
23
3
22
49
5
2
4
8
1
54
4
R528 10K
45
55
35
10
12
42
2
10V
C542
2200nF
7
11-C3
58
46
4
11-D1
VSS48 27
VSS49
12 VSS5
39
VSS50 149
VSS51 161
VSS52 28
VSS53 40
VSS54 138
VSS55 150
VSS56 162
VSS57
48 VSS6
184 VSS7
78 VSS8
71 VSS9
VSS33 187
VSS34 178
VSS35 190
VSS36 9
VSS37 21
VSS38 33
VSS39
77 VSS4
155
VSS40 34
VSS41 132
VSS42 144
VSS43 156
VSS44 168
VSS45 2
VSS46 3
VSS47 15
VSS19
133 VSS2
42
VSS20 54
VSS21 59
VSS22 65
VSS23 60
VSS24 66
VSS25 127
VSS26 139
VSS27 128
VSS28 145
VSS29
183 VSS3
165
VSS30 171
VSS31 172
VSS32 177
VDD6
81 VDD7
82 VDD8
87 VDD9
199 VDDSPD
1VREF
47 VSS1
72 VSS10
121 VSS11
122 VSS12
196 VSS13
193 VSS14
8VSS15
18
VSS16 24
VSS17 41
VSS18 53
201 GND0
202 GND1
83 NC1
120 NC2
50 NC3
69 NC4
163 NCTEST
112 VDD1
103 VDD10
88 VDD11
104 VDD12
111 VDD2
117 VDD3
96 VDD4
95 VDD5
118
27
11-C3
DDR1-2
DDR2-SODIMM-200P-STD
11-C2
9
11-C3
26
53
31
1
17
TP14412
44
52
11-C3
10
13
10V
C519
2200nF
3
37
3
0
60
11-C3
11-C3
C543
2200nF
5
62
16
11-C3
11-C3
10V
2200nF
C563
10V
18
6-A3 6-B3
34
59
30
6
11-C2
63
5
P1.8V_AUX
11-C3
C540
50
7
11-C2
11-D2
1
6.3V
100nF
6
4
41
32
57
11-C2
R527 10K
47
11
13
33
11-C2
25
43
39
24
2
P1.8V_AUX
0
29
7
C544
9
MEM1_VREF
4
36
14
TP14320
51
3
6.3V
100nF
11-C2
2200nF
C212
10V
DQS4
148 DQS5
169 DQS6
188 DQS7
114 ODT0
119 ODT1
108 RAS*
110 S0*
115 S1*
198 SA0
200 SA1
197 SCL
195 SDA
109 WE*
15
11-C3
DQ63
16
DQ7 23
DQ8 25
DQ9
11 DQS*0
29 DQS*1
49 DQS*2
68 DQS*3
129 DQS*4
146 DQS*5
167 DQS*6
186 DQS*7
13 DQS0
31 DQS1
51 DQS2
70 DQS3
131
DQ49
6
DQ5
173
DQ50 175
DQ51 158
DQ52 160
DQ53 174
DQ54 176
DQ55 179
DQ56 181
DQ57 189
DQ58 191
DQ59
14
DQ6
180
DQ60 182
DQ61 192
DQ62 194
DQ34 137
DQ35 124
DQ36 126
DQ37 134
DQ38 136
DQ39
4
DQ4
141
DQ40 143
DQ41 151
DQ42 153
DQ43 140
DQ44 142
DQ45 152
DQ46 154
DQ47 157
DQ48 159
DQ2
44
DQ20 46
DQ21 56
DQ22 58
DQ23 61
DQ24 63
DQ25 73
DQ26 75
DQ27 62
DQ28 64
DQ29
19
DQ3
74
DQ30 76
DQ31 123
DQ32 125
DQ33 135
DM4
147 DM5
170 DM6
185 DM7
5
DQ0 7
DQ1
35
DQ10 37
DQ11 20
DQ12 22
DQ13 36
DQ14 38
DQ15 43
DQ16 45
DQ17 55
DQ18 57
DQ19
17
A7
93 A8
91 A9
107 BA0
106 BA1
113 CAS*
30 CK0
32 CK0*
164 CK1
166 CK1*
79 CKE0
80 CKE1
10 DM0
26 DM1
52 DM2
67 DM3
130
102 A0
101 A1
105 A10_AP
90 A11
89 A12
116 A13
86 A14
84 A15
85 A16_BA2
100 A2
99 A3
98 A4
97 A5
94 A6
92
28
6
7
2
DDR1-1
DDR2-SODIMM-200P-STD
0
0
7
1
21
6-A3 6-B3
6.3V
56
40
5
3
0
C545
100nF
8
C541
100nF
6.3V
5 48
19
6
1
2
61
11-C2
12
11-C2
38
11-B2
11
P3.3V
MEM1_ABS2*
6
20
MEM1_ADQS(7:0)
MEM1_CKE0
MEM1_CKE1
CLK1_MCLK0
CLK1_MCLK0*
CLK1_MCLK1
CLK1_MCLK1*
MEM1_ADM(7:0)
MEM1_ABS0*
MEM1_ABS1*
MEM1_AWE*
MEM1_ACAS*
MEM1_ARAS*
CLK3_SMBCLK
CLK3_SMBDATA
MEM1_ADQ(63:0)MEM1_AMA(13:0)
MEM1_ADQS*(7:0)
MEM1_ODT0
MEM1_ODT1
MEM1_CS0*
MEM1_CS1*

SATA
LPCCPUIDE
RTC
1 / 5
LANAZALIA
CMOS Reset
Place PU resistor within 2" of ICH6-M
Place resistor near to receiver (Codec, MDC Conn.)
RTC Battery
C
SAMSUNG
ELECTRONICS
D
3
3
D
4
4
C
2
PROPRIETARY INFORMATION THAT IS
1
2
SAMSUNG PROPRIETARY
THIS DOCUMENT CONTAINS CONFIDENTIAL
EXCEPT AS AUTHORIZED BY SAMSUNG.
B
1
A
SAMSUNG ELECTRONICS CO’S PROPERTY.
DO NOT DISCLOSE TO OR DUPLICATE FOR OTHERS
B
Place 56 ohm resistor within 2" of ICH6-M
A
12
31-D4
MICOM_P3V
24-B2
1
19-C3
3
7
14
3
1%
56
R248
31-D4
0
8
24-C2
3
5
R249
75
1%
31-D4
BAT54
D14
1
C207
0.007nF
6
24-C2
R152 33 1%
15-C3
7-B3
VCCP
9
24-B2
24-B2
SATA2TXN
AG6 SATA2TXP
AC19 SATALED*
AF11 SATARBIAS
AG11 SATARBIAS*
AC2 SATA_CLKN
AC1 SATA_CLKP
AG27
SMI*
AE26
STPCLK*
AE23
THRMTRIP*
AD23
RCIN*
AA2 RTCRST*
Y1 RTCX1
Y2 RTCX2
AE3 SATA0RXN
AD3 SATA0RXP
AG2 SATA0TXN
AF2 SATA0TXP
AD7 SATA2RXN
AC7 SATA2RXP
AF6
E11 LANRXD1
C13 LANRXD2
C12 LANTXD0
C11 LANTXD1
E13 LANTXD2
F12 LAN_CLK
B11 LAN_RSTSYNC
N6
LDRQ0* P4
LDRQ1*_GPI41
P3
LFRAME*_FWH4
AF25
NMI
INIT*
AE22
INIT3_3V*
AG24
INTR
AA3 INTRUDER*
AA5 INTVRMEN
AF16 IORDY
P2
LAD0_FWH0 N3
LAD1_FWH1 N5
LAD2_FWH2 N4
LAD3_FWH3
E12 LANRXD0
AC14 DIOW*
AE24
DPRSLP*_TP4 AD27
DPSLP*_TP2
D12 EE_CS
F13 EE_DIN
D11 EE_DOUT
B12 EE_SHCLK
AF24
FERR*
AB16 IDEIRQ
AG26
IGNNE*
AF27
AF14
DD2 AD12
DD3 AE14
DD4 AC11
DD5 AD11
DD6 AB11
DD7 AE13
DD8 AF13
DD9
AB15 DDACK*
AB14
DDREQ
AE16 DIOR*
DA2
AD16
DCS1* AE17
DCS3*
AD14
DD0 AF15
DD1
AB12
DD10 AB13
DD11 AC13
DD12 AE15
DD13 AG15
DD14 AD13
DD15
A10 ACZ_RST*
F11 ACZ_SDIN0
F10 ACZ_SDIN1
B10 ACZ_SDIN2
C9 ACZ_SDO
B9 ACZ_SYNC
AG25
CPUPWRGD_GPO49
AE27
CPUSLP*
AC16
DA0 AB17
DA1 AC17
82801FBM
U10-1
AF22
A20GATE AF23
A20M*
C10 ACZ_BIT_CLK
1%
1M
R732
1%
R250 56 1%
20K
R731
7-B3
D13
BAT54
1 3
R231 10M
14
23
24-C3
2
31-D4
32.768KHz
Y2
VCCP
8-D4
7-B3
1
31-D4
6.3V
1000nF
C699
1%
33R1064
10K
R729
0
25-B3
1
2
24-C2
PRTC_BAT
24-B2
HDR-2P-SMD
J508
19-D3 25-B4
19-B4
11
24-B4
7-B3
15-D4
7-B3
7-C3
R150 33 1%
1%
56R218
7-B3
15
TP14282
33 1%
R730
1M
R151
1000nF
C222
24-B2
1%
R230 1K
0.007nF
C219
10
8-D4
4
11-B2 8-C4
13
PRTC_BAT
18-C2 24-B2
25-C3
7-B3
19-D325-B4 19-B4
24-B2
TP14350
TP14351
18-C2
TP14349
CPU1_THRMTRIP*
CHP3_AZ_AUD_SYNC
CHP3_AZ_AUD_BCLK
2
TP14348
HDD3_D(15:0)
HDD3_CS1*
HDD3_CS3*
HDD3_A0
HDD3_A1
HDD3_A2
CPU1_DPSLP*
KBC3_CPURST*
CPU1_STPCLK*
CPU1_PWRGDCPU
CPU1_FERR*
KBC3_A20G
HDD3_IDEIRQ
HDD3_DREQ
HDD3_DACK*
HDD3_IOW*
HDD3_IORDY
LPC3_LAD(3:0)
LPC3_LFRAME*
CPU1_A20M*
CPU1_IGNNE*
CPU1_INIT*
CPU1_INTR
CPU1_NMI
CPU1_SMI*
CHP3_RTCRST*
FWH3_INIT*
CHP3_RTCRST*
CHP3_AZ_AUD_SDO
CHP3_AZ_AUD_RST*
CHP3_AZ_SDI0
HDD3_IOR*

PCI
2 / 5
INTERRUPT I/F
RESERVED
3 / 5
GPIO
PCI-EXPRESS
CLOCKSPOWER MGT
DIRECT MEDIA INTERFACEUSB
C
3
Port0: Right USB JACK
DO NOT DISCLOSE TO OR DUPLICATE FOR OTHERS
Crisis
Port2: Touch Sensor Panel
1
D
Port1: Left USB JACK
4
A
B B
A
PROPRIETARY INFORMATION THAT IS
Resistor for Test : Place Stuffing Option to minimize stubs
of ICH6-M
Place 24.9ohm
ELECTRONICS
Port3: DMB
Port4: Bluetooth
Port5: Mini-PCIE
SAMSUNG ELECTRONICS CO’S PROPERTY.
SAMSUNG
EXCEPT AS AUTHORIZED BY SAMSUNG.
AC caps : PCIE need to be within 250mils of the driver
1
3
2
THIS DOCUMENT CONTAINS CONFIDENTIAL
Place within 500 mils of ICH6-M
2
D
4
C
wthin 500 mils
SAMSUNG PROPRIETARY
18-C2
3
28-B4
19-D4
6-A4 18-B2
1%100K
R701
28-B4
17
26-D4
25-D125-B3
10K
R612
6-C1
26-D4
28
6-C3 37-A1
20
6-C1
18-C2 28-C325-B4
18-C2
18-D228-A4
18-C2
18-D228-A4
10K
R610
P3.3V
25-C3
18-C2
30
C623 100nF
6-C3
1%
R657 24.9
28-C4
27-C3
18-D228-B4
30-C4
16-A219-B419-C4 11-B2
24-D225-B426-D4
29-C2
P3.3V_AUX
22-C2
28-B4
10KR220
P3.3V
C644
1%
10
12
25 30-C4
NO_STUFF
33
J1
STOP* J2
TRDY*
11-C3
25-C3
27-B4
REQ6*_GPI0
AC5 RSVD1_SATA1RXN
AD5 RSVD2_SATA1RXP
AF4 RSVD3_SATA1TXN
AG4 RSVD4_SATA1TXP
AC9 RSVD5_SATA3RXN
AD9
RSVD6_SATA3RXP AF8
RSVD7_SATA3TXN AG8
RSVD8_SATA3TXP U3
RSVD9_TP3
G5
SERR*
M3
PIRQH*_GPI5
C5
PLOCK*
R5
PLTRST*
P6
PME*
L5
REQ0*
B5
REQ1*
M5
REQ2*
B8
REQ3*
F7
REQ4*_GPI40
E8
REQ5*_GPI1
B7
E1
PAR
G6
PCICLK
R2
PCIRST*
E3
PERR*
N2 PIRQA*
L2 PIRQB*
M1 PIRQC*
L3 PIRQD*
D9
PIRQE*_GPI2 C7
PIRQF*_GPI3 C6
PIRQG*_GPI4
C_BE3*
C3
DEVSEL*
J3 FRAME*
C1
GNT0*
B6
GNT1*
F1
GNT2*
C8
GNT3*
E7
GNT4*_GPO48
F6
GNT5*_GPO17
D8
GNT6*_GPO16
A3
IRDY*
K4 AD31
F3 AD4
E9 AD5
F2 AD6
D6 AD7
E6 AD8
D3 AD9
J6
C_BE0* H6
C_BE1* G4
C_BE2* G2
H4 AD21
H2 AD22
H5 AD23
B3 AD24
M6 AD25
B2 AD26
K6 AD27
K3 AD28
A5 AD29
F5 AD3
L1 AD30
AD11
D5 AD12
H3 AD13
B4 AD14
J5 AD15
K2 AD16
K5 AD17
D4 AD18
L6 AD19
C2 AD2
G3 AD20
U10-2
82801FBM
E2 AD0
E5 AD1
A2 AD10
D2 18-C2
18-D2
6-C3
18-D228-B4
16-A4 28-A425-C4
6
27-C2
6-B1
16
25-B3
R205
100K
1%
13
28-B4
TP14413
100nFC624
27-C2
29
11-D3
31-A4
25-B3
5
22
31
22-A2
1%
100K
R229
29-D4
10K
R200
P3.3V_AUX
11-D3
29-C4
25-B3
23
19-D4
1K
R204
1%
26-D4
22.6
1%
R977
10KR208
P1.5V_DMI
9-C4 18-B2
15
6-C3
18-D228-B4
11
26-D4
29-C4
28-B4 18-C2
P3.3V_AUX
25-A3
10K
R197
28-A4
21
11-C3
25-C4
1%
R227 100
R219
0
R221
47K
NO_STUFF
18-B26-A4
29-C4
18-D228-B4
USBP5N A16
USBP5P C15
USBP6N D15
USBP6P A14
USBP7N B14
USBP7P
B22
USBRBIAS
A22
USBRBIAS*
VRMPWRGD
AF21
WAKE*
U5
19
C21
USBP0N D21
USBP0P A20
USBP1N B20
USBP1P D19
USBP2N C19
USBP2P A18
USBP3N B18
USBP3P E17
USBP4N D17
USBP4P B16
Y4 SMBCLK
W5 SMBDATA
W4 SMLINK0
U6 SMLINK1
F8 SPKR
AD22 STP_CPU*_GPO20
AC21 STP_PCI*_GPO18
V6 SUSCLK
W3 SUS_STAT*_LPCPD*
U2 SYS_RESET*
AC20 THRM*
RI*
Y3 RSMRST*
AF17 SATA0GP_GPI26
AE18 SATA1GP_GPI29
AF18 SATA2GP_GPI30
AG18 SATA3GP_GPI31
AB20 SERIRQ
T4 SLP_S3*
T5 SLP_S4*
T6 SLP_S5*
W6 SMBALERT*_GPI11
G27
PETN1
J27
PETN2
L27
PETN3
N27
PETN4
G26
PETP1
J26
PETP2
L26
PETP3
N26
PETP4
U1 PWRBTN*
AA1 PWROK
T2
D23
OC5*_GPI10 C25
OC6*_GPI14 C24
OC7*_GPI15
H25
PERN1
K25
PERN2
M25
PERN3
P24
PERN4
H24
PERP1
K24
PERP2
M24
PERP3
P23
PERP4
GPO19
AD20 GPO21
AD21 GPO23
V5 LAN_RST*
Y5 LINKALERT*
AG21 MCH_SYNC*
C27
OC0* B27
OC1* B26
OC2* C26
OC3*
C23
OC4*_GPI9
M2 GPI12
R6 GPI13
AE19 GPI7
R1 GPI8
V3 GPIO24
P5 GPIO25
R3 GPIO27
T3 GPIO28
AF20 GPIO33
AC18 GPIO34
AB21
W27
DMI2TXN W26
DMI2TXP
AB24
DMI3RXN AB23
DMI3RXP AA27
DMI3TXN AA26
DMI3TXP
AD25
DMI_CLKN AC25
DMI_CLKP
F23
DMI_IRCOMP
F24
DMI_ZCOMP
AE20 DPRSLPVR_TP1
CLKRUN*_GPIO32
T25
DMI0RXN T24
DMI0RXP R27
DMI0TXN R26
DMI0TXP
V25
DMI1RXN V24
DMI1RXP U27
DMI1TXN U26
DMI1TXP
Y25
DMI2RXN Y24
DMI2RXP
U10-3
82801FBM
V2 BATLOW*_TP0
AD19 BMBUSY*_GPI6
E10 CLK14
A27 CLK48
AF19
C626
18-B2
25-B3 30-B3
100nF 6.3V
29-C4
11-C3
29-C2
24
1%
100R226
R198 10K
18-D228-B4
18
7
10K
R154
14
1%
100R228
R224 100 1%
11-D3
R225 100 1%
18-D2
11-B2 19-C419-B416-C3 24-D2 25-B4 26-D4 29-C2
37-C437-B1
4
R209 10K
28-A425-B3
28-B418-D2
25-C418-C2
6.3V
C625 100nF
NO_STUFF
C645
0.027nF
1
9
18-C2
28-B4
TP14251
11-D3
2
27
0
27-B4
30-B3
R203 10K
28-C318-C2
25-B3
27-C3
8
18-C2
11-D3
P3.3V_AUX
18-C2
11-B2
26
28-B4
27-C4
P3.3V
16-B2 25-C4 28-A4
10KR206
30-C4
BLT_DETECT*
CHP3_DMBON
29-C2
25-B3
PEX1_MINRXP1
PEX1_LANRXP1
PEX1_LANRXN1
PEX1_LANTXN1
PEX1_LANTXP1
CHP3_SUSSTAT*
KBC3_PWRGD
USB3_P4-
USB3_P4+
USB3_P5-
USB3_P5+
PEX1_MINTXP1
PEX1_MINTXN1
PEX1_WAKE*
PCI3_GNT0*
DMI1_RXP0
DMI1_RXN1
DMI1_RXP1
DMI1_TXN0
DMI1_TXP0
DMI1_TXN1
DMI1_TXP1
CLK1_PCIEICH*
CLK1_PCIEICH
MCH2_BMBUSY*
CHP3_IVTPWRON
CHP3_BIOSWP*
CHP3_SLPS4*
PCI3_REQ4*
PCI3_INTA*
USB3_P2-
USB3_P2+
USB3_P3-
USB3_P3+
PEX1_MINRXN1
DMI1_RXN0
CHP3_SLPS5*
KBC3_ICHTHRM*
KBC3_IMVP4_PWRGD
CHP3_CPUSTP*
CHP3_PCISTP*
KBC3_EXTSMI*
KBC3_RUNSCI*
KBC3_WAKESCI*
PLT3_RST*
USB3_P0-
USB3_P0+
USB3_P1-
USB3_P1+
PCI3_REQ0*
PCI3_REQ1*
PCI3_REQ2*
PCI3_REQ3*
CLK3_PCLKICH6M
PLT3_RST*
PCI3_INTB*
PCI3_INTC*
PCI3_INTD*
SMB3_DATA
CHP3_SPKR
SMB3_ALERT*
CLK3_ICH14
CLK3_USB48
CHP3_SLPS3*
PCI3_STOP*
PCI3_TRDY*
PCI3_REQ5*
CHP3_BIOSTBL*
PCI3_RST*
PCI3_PERR*
CHP3_BKLTON
PCI3_FRAME*
PCI3_CBE0*
PCI3_CBE1*
PCI3_CBE2*
PCI3_CBE3*
PCI3_AD(31:0)
PCI3_DEVSEL*
PCI3_IRDY*
PCI3_PAR
PCI3_PLOCK*
PCI3_SERR*
PCI3_CLKRUN*
CHP3_DPRSLPVR
SMB3_LINKALERT*
KBC3_PWRBTN*
KBC3_PWRGD
KBC3_RSMRST*
CHP3_SERIRQ
SMB3_CLK

PCIESATA
COREIDEPCIUSB COREPCI/IDE REF USB
4 / 5
4
Distribute in PCI section
near pin U7, R7, G19
A
Place 100nF
SAMSUNG PROPRIETARY
1
Place 10nF
100mils pin AG10
of the ICH6-M
A
pin AB18 B
THIS DOCUMENT CONTAINS CONFIDENTIAL
1
SAMSUNG ELECTRONICS CO’S PROPERTY.
near pin A2-A6, near D1-H1
100mils pin A17
of ICH6-M (Pin A24)
3
Place 100nF within 100 mils
near pin AG23
ELECTRONICS
2
SAMSUNG
EXCEPT AS AUTHORIZED BY SAMSUNG.
near pin F21
DO NOT DISCLOSE TO OR DUPLICATE FOR OTHERS
within 100 mils
Place 100nF within
Place both
Place 100nF
Place 100nF within
B
C
Place 10nF within
pin AB3
Place near pin AA19
Place 100nF within
within 100 mils
Place 100nF within
near pin AG13, AG16
near pin A8
D
of ICH6-M
Place 100nF within 100 mils
100mils pin V7
near F27, P27, AB27
4
Place within 100 mils
100mils pin A13
Place near
2
PROPRIETARY INFORMATION THAT IS
Place 100nF within
near pin G10
100mils pin AC27
D
3
Place both
C
100mils pin D27
within 100 mils
Place near
Place caps within 100mils of ICH6-M
6.3V
100nF
C627
6.3V
C581
100nF
6.3V
VCCP
C635
100nF
C218
100nF
6.3V
D7
BAT54
1
3
P3.3V_AUX
C629
100nF
6.3V
P1.5V
D8
BAT54
1
3
P1.5V
6.3V
100nF
C641
6.3V
100nF
C987
100nF
C217
P3.3V
MMZ1608S121AT
B37
6.3V
6.3V
P1.5V
P1.5V
P1.5V_DMI
P3.3V_AUX
C631
100nF
AD 2.5V
330uF
EC506
6.3V
P5V
TP14622
1
R196
C221
100nF
6.3V
C572
C220
100nF
P1.5V
25V
10nF
6.3V
100nF
C669
6.3V
100nF
C694
C628
100nF
6.3V
P3.3V_AUX
C643
100nF
6.3V
C580
6.3V
100nF
6.3V
6.3V
C216
C639
100nF
100nF
C634
100nF
100nF
C697
25V
6.3V
TP14330
B509
BLM18PG181SN1
25V
C215
10nF
C577
100nF
6.3V
100nF
C695
6.3V
6.3V
100nF
C575
C698
100nF
100nF
C637
6.3V
100nF
C633
6.3V
100nF
C208
6.3V
25V25V
6.3V
C578
100nF
100nF
C206
C640
100nF
100nF
C638
6.3V
R149
10
P3.3V
6.3V
VCCSUS3_3_8
C17 VCCSUS3_3_9
A25
VCCUSBPLL
AB22
V_CPU_IO_1
AD26
V_CPU_IO_2
AG23
V_CPU_IO_3
C667
100nF
25V
F16
VCCSUS3_3_17
G15
VCCSUS3_3_18
G16
VCCSUS3_3_19
U4 VCCSUS3_3_2
A24
VCCSUS3_3_20
V1 VCCSUS3_3_3
V7 VCCSUS3_3_4
W2 VCCSUS3_3_5
Y7 VCCSUS3_3_6
VCCSUS3_3_7
A17
B17
G19
VCCSUS1_5_1
R7
VCCSUS1_5_2
U7
VCCSUS1_5_3
A11 VCCSUS3_3_1
VCCSUS3_3_10
F18
G17 VCCSUS3_3_11
G18 VCCSUS3_3_12 C16
VCCSUS3_3_13
D16
VCCSUS3_3_14
E16
VCCSUS3_3_15
F15
VCCSUS3_3_16
VCC3_3_8
L7
VCC3_3_9
AC27 VCCDMIPLL
G10
VCCLAN1_5_VCCSUS1_5_1
G11
VCCLAN1_5_VCCSUS1_5_2
A13 VCCLAN3_3_VCCSUS3_3_1
F14 VCCLAN3_3_VCCSUS3_3_2
G13 VCCLAN3_3_VCCSUS3_3_3
G14 VCCLAN3_3_VCCSUS3_3_4
AB3
VCCRTC
AE1 VCCSATAPLL
AG16
VCC3_3_19
A6
VCC3_3_2
AG19
VCC3_3_20
AA10
VCC3_3_21
AG10 VCC3_3_22
B1
VCC3_3_3
E4
VCC3_3_4
H1
VCC3_3_5
H7
VCC3_3_6
VCC3_3_7 J7
L4
AB18
VCC2_5_4
E26 VCC3_3_1
M7
VCC3_3_10
P1
VCC3_3_11
VCC3_3_12 AA12
AA14
VCC3_3_13
AA15
VCC3_3_14
AA17
VCC3_3_15
AC15
VCC3_3_16
AD17
VCC3_3_17
AG13
VCC3_3_18
VCC1_5_9 P17
VCC1_5_90
T11
VCC1_5_91
T17
VCC1_5_92
U11
VCC1_5_93
U12
VCC1_5_94
U14
VCC1_5_95
U16
VCC1_5_96
U17
VCC1_5_97
F9
VCC1_5_98
P7
VCC2_5_2
AA20
VCC1_5_80
AA21
VCC1_5_81
L11
VCC1_5_82
L12
VCC1_5_83
L14
VCC1_5_84
L16
VCC1_5_85
L17
VCC1_5_86
M11
VCC1_5_87
M17
VCC1_5_88
VCC1_5_89 P11
F26
D26
VCC1_5_70
D27
VCC1_5_71
E20
VCC1_5_72
E21
VCC1_5_73
VCC1_5_74 E22
E23
VCC1_5_75
E24
VCC1_5_76
F20
VCC1_5_77
G20
VCC1_5_78
AA19
VCC1_5_79
F25 VCC1_5_8
VCC1_5_6
AC8 VCC1_5_60
AD8 VCC1_5_61
AE8 VCC1_5_62
AE9 VCC1_5_63
AF9 VCC1_5_64
AG9 VCC1_5_65
G8
VCC1_5_67
D24
VCC1_5_68
D25
VCC1_5_69
AB27 VCC1_5_7
AC4 VCC1_5_50
AD4 VCC1_5_51
AE4 VCC1_5_52
AE5 VCC1_5_53
AF5 VCC1_5_54
AG5 VCC1_5_55
AA7 VCC1_5_56
AA8 VCC1_5_57
AA9 VCC1_5_58
VCC1_5_59
AB8
AB26
V21 VCC1_5_40
V22 VCC1_5_41
W21 VCC1_5_42
W22 VCC1_5_43
VCC1_5_44
Y21
Y22 VCC1_5_45
AA6 VCC1_5_46
AB4 VCC1_5_47
AB5 VCC1_5_48
AB6 VCC1_5_49
AB25 VCC1_5_5
VCC1_5_30
P25 VCC1_5_31
P26 VCC1_5_32
P27 VCC1_5_33
R21 VCC1_5_34
R22 VCC1_5_35
T21 VCC1_5_36
T22 VCC1_5_37
U21 VCC1_5_38
U22 VCC1_5_39
AA25 VCC1_5_4
L21 VCC1_5_21
L22 VCC1_5_22
M21 VCC1_5_23
M22 VCC1_5_24
N21 VCC1_5_25
N22 VCC1_5_26
N23 VCC1_5_27
N24 VCC1_5_28
N25 VCC1_5_29
VCC1_5_3
AA24
P21
G22 VCC1_5_11
G23 VCC1_5_12
G24 VCC1_5_13
G25 VCC1_5_14
VCC1_5_15
H21
H22 VCC1_5_16
J21 VCC1_5_17
J22 VCC1_5_18
K21 VCC1_5_19
AA23 VCC1_5_2
K22 VCC1_5_20
82801FBMU10-4
A8
V5REF_1
AA18
V5REF_2
F21
V5REF_SUS
AA22 VCC1_5_1
F27 VCC1_5_10
10V
10000NF
C205
P2.5V P5V_AUX
P1.5V
100nF
C668
PRTC_BAT
P1.5V
6.3V
6.3V
P3.3V
10
R158
100nF
C573
C646
100nF
6.3V

5 / 5
3 1
4 3
DO NOT DISCLOSE TO OR DUPLICATE FOR OTHERS
B
SAMSUNG
4
C
PROPRIETARY INFORMATION THAT IS
C
A
SAMSUNG ELECTRONICS CO’S PROPERTY.
B
A
2
2
D
SAMSUNG PROPRIETARY
THIS DOCUMENT CONTAINS CONFIDENTIAL
D
ELECTRONICS
EXCEPT AS AUTHORIZED BY SAMSUNG.
1
R156 10K 1/20W
28-C3 16-C4
16-D2 6-A4
16-D2
16-C328-B4
28-A4 25-B3
1/20W
10KR155
16-C328-B4
16-B2
1/20W
10KR700
16-C4
16-C3
R728 10K 1/20W
R222 10K 1/20W
16-C428-B4
1/20W
R207 10K
R223 10K 1/20W
1/20W
10KR202
16-C328-B4
TP14331
TP14332
R663 10K 1/20W
16-C328-A4
1/20W
10KR727
16-C225-C4
25-C3 15-B1
R199 10K 1/20W 16-C4
1/20W
10KR664
1/20W
10KR662
R16 VSS_94
R17 VSS_95
R23 VSS_96
R24 VSS_97
R25 VSS_98
T1 VSS_99
T7
VSS_84 P15
VSS_85 P16
VSS_86 P22
VSS_87
R4 VSS_88
R11 VSS_89
R12
VSS_9 A23
VSS_90
R13 VSS_91
R14 VSS_92
R15 VSS_93
VSS_74 N11
VSS_75 N12
VSS_76 N13
VSS_77 N14
VSS_78 N15
VSS_79 N16
VSS_8 A21
VSS_80 N17
VSS_81 P12
VSS_82 P13
VSS_83 P14
M12
VSS_65 M13
VSS_66 M14
VSS_67 M15
VSS_68 M16
VSS_69 M23
VSS_7 A19
VSS_70 M26
VSS_71 M27
VSS_72 N1
VSS_73 N7
VSS_55 K23
VSS_56 K26
VSS_57 K27
VSS_58 L13
VSS_59 L15
VSS_6 A15
VSS_60 L23
VSS_61 L24
VSS_62 L25
VSS_63 M4
VSS_64
VSS_45 G21
VSS_46 H23
VSS_47 H26
VSS_48 H27
VSS_49 J4
VSS_5 A12
VSS_50 J23
VSS_51 J24
VSS_52 J25
VSS_53 K1
VSS_54 K7
E25
VSS_36 E27
VSS_37 F4
VSS_38 F17
VSS_39 F19
VSS_4 A9
VSS_40 F22
VSS_41 G1
VSS_42 G7
VSS_43 G9
VSS_44 G12
VSS_26 D13
VSS_27 D14
VSS_28 D18
VSS_29 D20
VSS_3 A7
VSS_30 D22
VSS_31 E14
VSS_32 E15
VSS_33 E18
VSS_34 E19
VSS_35
VSS_171
AG20 VSS_172
AG22
VSS_18 C4
VSS_19 C14
VSS_2 A4
VSS_20 C18
VSS_21 C20
VSS_22 C22
VSS_23 D1
VSS_24 D7
VSS_25 D10
AF7 VSS_162
AF10 VSS_163
AF12 VSS_164
AF26 VSS_165
AG1 VSS_166
AG3 VSS_167
AG7 VSS_168
AG12 VSS_169
AG14
VSS_17 B25
VSS_170
AG17
VSS_152
AE6 VSS_153
AE7 VSS_154
AE10 VSS_155
AE11 VSS_156
AE12 VSS_157
AE21 VSS_158
AE25 VSS_159
AF1
VSS_16 B24
VSS_160
AF3 VSS_161
VSS_142
AC24 VSS_143
AC26 VSS_144
AD1 VSS_145
AD2 VSS_146
AD6 VSS_147
AD10 VSS_148
AD15 VSS_149
AD18
VSS_15 B23
VSS_150
AD24 VSS_151
AE2
AB7 VSS_133
AB9 VSS_134
AB10 VSS_135
AB19 VSS_136
AC3 VSS_137
AC6 VSS_138
AC10 VSS_139
AC12
VSS_14 B21
VSS_140
AC22 VSS_141
AC23
VSS_123
Y23 VSS_124
Y26 VSS_125
Y27 VSS_126
AA4 VSS_127
AA11 VSS_128
AA13 VSS_129
AA16
VSS_13 B19
VSS_130
AB1 VSS_131
AB2 VSS_132
VSS_113
V4 VSS_114
V23 VSS_115
V26 VSS_116
V27 VSS_117
W1 VSS_118
W7 VSS_119
W23
VSS_12 B15
VSS_120
W24 VSS_121
W25 VSS_122
Y6
T15 VSS_104
T16 VSS_105
T23 VSS_106
T26 VSS_107
T27 VSS_108
U13 VSS_109
U15
VSS_11 B13
VSS_110
U23 VSS_111
U24 VSS_112
U25
U10-5
82801FBM
VSS_1 A1
VSS_10 A26
VSS_100
T12 VSS_101
T13 VSS_102
T14 VSS_103
1/20W
10KR660
R157 10K 1/20W
P3.3V_AUX
P3.3V
16-D3
1%
24-B2 15-A3
16-D328-B4
2.4KR211
25-B428-C3 16-B2
1/20W
10KR159
16-D2
16-D3
16-D3
9-C416-C2
10KR210 1/20W
6-A4
R576 2.4K
16-C328-B4
16-C328-A4
1%
R659 10K 1/20W
16-B4
16-C328-B4
16-D3
1/20W
10KR661
1/20W
10KR615
16-D3
R658 10K 1/20W
R173 10K 1/20W
R201 10K 1/20W
1/20W
10KR174
1/20W
10KR175
1/20W
10KR153
SMB3_DATA
SMB3_CLK
SMB3_ALERT*
SMB3_LINKALERT*
CHP3_SERIRQ
HDD3_IDEIRQ
PCI3_REQ5*
PCI3_REQ4*
PCI3_INTA*
KBC3_RUNSCI*
KBC3_CPURST*
PCI3_STOP*
PCI3_SERR*
PCI3_IRDY*
PCI3_TRDY*
PCI3_INTB*
PCI3_INTC*
PCI3_INTD*
PCI3_PERR*
PCI3_PLOCK*
PCI3_REQ0*
PCI3_REQ1*
PCI3_REQ2*
PCI3_REQ3*
PCI3_FRAME*
PCI3_DEVSEL*
PCI3_PAR
PCI3_CLKRUN*

D
4
PROPRIETARY INFORMATION THAT IS
A
D
1
C
2
SAMSUNG ELECTRONICS CO’S PROPERTY.
EXCEPT AS AUTHORIZED BY SAMSUNG.
4 3
A
2
1
SAMSUNG
THIS DOCUMENT CONTAINS CONFIDENTIAL
VENDOR: SST, ATMEL
ELECTRONICS
B
80 Port
DO NOT DISCLOSE TO OR DUPLICATE FOR OTHERS
3
C
B
SAMSUNG PROPRIETARY
15-C119-B425-B4
100nF
C163C128
100nF
19-C416-C316-A211-B2 24-D2 25-B4 26-D4 29-C2
P5V
15-C119-B4 25-B4
15-C119-D3 25-B4
25-B419-D315-C1
15-C119-D3 25-B4
6-C3
25-B419-D315-C1
TP14352 16-C3
15-C119-D3 25-B4
R94
100
R92 1%
100nF
C127
R96 1%
NC8 14
32
RFU_IO4
RFU_IO5 33
RFU_IO6 34
35
RFU_IO7
36
RFU_RY_BY*
12 RST*
TBL*_A4
20
10
VCC1
VCC2 31
39
VCCA
VPP 11
19 WP*_A5
15-B1
30 GND1
GND2
29
GNDA
40
ICV
2
24 ID0_A0
23 ID1_A1
ID2_A2
22
21 ID3_A3
INIT*_OE*
37
1
NC1
NC2 3
4
NC3
NC4 5
NC5 6
8
NC6 13
NC7
CLK_R_C*
9
FGPI0_A6
18
FGPI1_A7
17
16 FGPI2_A8
15 FGPI3_A9
7FGPI4_A10
FWH0_IO0 25
FWH1_IO1 26
27
FWH2_IO2
FWH3_IO3 28
38
FWH4_WE*
R88 10K
SST49LF008A-33-4C-EI
U7
1%
0.01nF
C125
R93 100
R91
10
C162
100nF
16-C3
16-A2
16-C319-B4
11-B2
29-C2
26-D4
25-B4
24-D2
6-C3
1
10
2
3
4
5
6
7
8
9
MNT1
11
12 MNT2
P3.3V
R95
J12
HDR-10P-1R-SMD
R124 10K
1%
100
R89
CHP3_BIOSTBL*
CHP3_BIOSWP*
CLK3_PCLKFWH
PLT3_RST*
FWH3_INIT*
LPC3_LFRAME*
LPC3_LAD(0:3)
PLT3_RST*
CLK3_DBGLPC
LPC3_LFRAME*
LPC3_LAD(3)
LPC3_LAD(2)
LPC3_LAD(1)
LPC3_LAD(0)
1%

SAMSUNG PROPRIETARY
SAMSUNG
23
DO NOT DISCLOSE TO OR DUPLICATE FOR OTHERS
ELECTRONICS
13
PROPRIETARY INFORMATION THAT IS
2
1
B
D
LVDS to LVTTL LCD Timing Controller
4
B
C
A
THIS DOCUMENT CONTAINS CONFIDENTIAL
4
C
EXCEPT AS AUTHORIZED BY SAMSUNG.
SAMSUNG ELECTRONICS CO’S PROPERTY.
A
D
0
5
18
LVDSVCC 12
19 PLLGND_1
21 PLLGND_2
20
PLLVCC
22 SHTDN*
VCC_1 28
36
VCC_2
VCC_3 42
VCC_4 48
1
LCD_VDD3V
20-C3
27
5
D20
29
D3 30
D4
D5 31
33
D6 34
D7
D8 35
37
D9GND_1
3
25 GND_2
32 GND_3
GND_4
38
44 GND_5
LVDSGND_1
7
13 LVDSGND_2
LVDSGND_3
A2P
16 CLKNM
CLKNP
17
23
CLKOUT
24
D0
D1 26
D10 39
40
D11 41
D12
D13 43
45
D14 46
D15
D16 47
D17 1
2
D18
D19 4
D2
U509
SN75LVDS86ADGG
A0M
8
9A0P
10 A1M
A1P
11
A2M
14
15
2
3
BLM15AG121SN1DB513
5
B32 BLM15AG121SN1D
B13 BLM15AG121SN1D
0
20-B2
20-C2
1
22-B3
4
22-D3
0
4
22-B3
0
22-B3
0
C673
100nF
BLM15AG121SN1D
B506 BLM18PG181SN1
1%
R626 1K
B33
20-C2
1
11-B4
B30 BLM15AG121SN1D
TP14336 TP14337
B25 BLM15AG121SN1D
0
1
1%
100
R584
20-A2
22-B3
20-B3
BLM15AG121SN1DB34
B11 BLM15AG121SN1D
22-B3
20-B3
20-A2
22-C3
3
B12 BLM15AG121SN1D
20-B2
3
3
3
B23 BLM15AG121SN1D
22-B3
BLM15AG121SN1D
B14 BLM15AG121SN1D
2
R589
100
1%
B22
20-B3
11-B4
B19 BLM15AG121SN1D
TP14335
22-B3
100nF
C592
2
1
6.3V
2
11-B4
0
5
C590 1000nF
22-D3
B15 BLM15AG121SN1D
R586
100
1%
BLM15AG121SN1D
2
20-B2
5
BLM15AG121SN1D
4
2
B18
B10
5
100nF
C589
3
4
10K
R629
B31 BLM15AG121SN1D
20-B2
2
5
20-B2
2
1
B26 BLM15AG121SN1D
20-B3
3
4
LCD_VDD3V
20-B3
4
BLM15AG121SN1DB36
5
BLM15AG121SN1DB24
0
B29 BLM15AG121SN1D
LCD_VDD3V
0
5
B16 BLM15AG121SN1D
3
10K
R628
1
22-B3
BLM15AG121SN1D
B27 BLM15AG121SN1D
3
11-B4
B21
4
BLM15AG121SN1DB35
1
20-C2
11-B4
20-A2
1%
100
R588
5
1
20-B3
22-B3
100nF
C591
4
20-B2
4
BLM15AG121SN1D
2
C593
100nF
VCLK 19
16
VDD_1
VDD_2 44
63
VDD_3
VSS_1 17
45
VSS_2
VSS_3 64
11 VSYNC
B20
14 REVEN
RI0
47
48 RI1
49 RI2
RI3
50
51 RI4
RI5
52
RI6
53
54 RI7
RO0 41
40
RO1
RO2 39
38
RO3
RO4 37
36
RO5
18
STV
61 GI6
GI7
62
35
GO0
GO1 34
33
GO2
GO3 32
31
GO4
GO5 30
42
HCLK
10 HSYNC
LD 23
MODE
12
20
OEV
POL 21
RESETB
15
22
REV
BO0 29
28
BO1
BO2 27
26
BO3
BO4 25
24
BO5
46 DCLK
DE
9
DIO 43
DITHERB
13
55 GI0
GI1
56
GI2
57
58 GI3
GI4
59
60 GI5
BI0
1
2BI1
3BI2
BI3
4
5BI4
BI5
6
BI6
7
8BI7
11-B4
U515
CS5845
11-B4
10K
R627
22-D3
LCD_VDD3V
B512 BLM15AG121SN1D
C160
100nF
20-B2
11-B4
TCON3_B_IN(0:5)
B17 BLM15AG121SN1D
TCON3_DITHERB
TCON3_B(0:5)
TCON3_R_IN(0:5)
TCON3_G_IN(0:5)
TCON3_R_IN(0:5)
TCON3_G_IN(0:5)
TCON3_B_IN(0:5)
TCON3_DIO1
TCON3_REVEN
TCON3_MODE
TCON3_R(0:5)
TCON3_G(0:5)
TCON3_HCLK
TCON3_OEV
TCON3_LD
TCON3_DITHERB
TCON3_MODE
TCON3_REVEN
TCON3_REV
TCON3_STVU
TCON3_DIO2
TCON3_VCLK
TCON3_STVD
TCON3_POL
LCD1_CLK+
LCD1_A1+
LCD1_CLK-
LCD1_A2-
LCD1_A0-
LCD1_A2+
LCD1_A0+
LCD1_A1-
TCON3_HSYNC
TCON3_VSYNC
TCON3_DE_IN
TCON3_MCLK_IN
TCON3_MCLK_IN
TCON3_HSYNC
TCON3_VSYNC
TCON3_DE_IN

10K
10K
2
A
C
PROPRIETARY INFORMATION THAT IS
THIS DOCUMENT CONTAINS CONFIDENTIAL
D
(9.6V / 60mA)
B
4
DO NOT DISCLOSE TO OR DUPLICATE FOR OTHERS
1
D
ELECTRONICS
SAMSUNG ELECTRONICS CO’S PROPERTY.
(-6V / 200uA)
SAMSUNG
3
(15V / 200uA)
(4.2V)
3216/25V 3216/25V
3216
B
EXCEPT AS AUTHORIZED BY SAMSUNG.
C
4
A
1
3 2
SAMSUNG PROPRIETARY
C701
100nF
C705
100nF
VDDA
1%
100K
R705
3.24K
R245
1%
8
IN
3
INTG
2
14 LDOOUT
22
LX
PGND
21
RDY*
24
9REF
12 SHDN*
6
SUPBSUPL
13
17
SUPN
SUPP 19
23
TGND
4
BUF+
BUF- 5
7
BUFOUT
DRVN
18 20
DRVP
1
FB
15 FBL
FBN
11 FBP 10
FLTSET
16
GND
U12
MAX1778EUG+T
C1075
100nF
AGND_L 100nF
C700
1000nF
C702
1
3
2
4.7uH
L508
1
3
2
D516
BAV99LT1
Q525
KSR1102
AGND_L
C228
0.047nF
AGND_L
2200nF
C670
16V
R704
100K
1%
LCD_VDD3V
R213 INSTPAR
C224
100nF
AGND_L
22000nF
C704
AGND_L
C707
22000nF
20%
6.3V 6.3V
20%
TP14303
25V
C671
220nF
D515
BAV99LT1
1
3
2
TP14302
100K
R214
1%33.2K
R244
1%
1%
22K
R236
7.5K
R235
AGND_L
AGND_L
LCD_VDD3V
1%
C227
470pF
AGND_L
150K
R247
1%
C674
10000nF
1 2
C703
220nF
D514
B140
AGND_L
C225
100nF
36K
R241
120K
R237
R735
10
VDDG0
1%
1%
100nF
C226
1%
11.3K
R242
1%
Q526
SI2307DS
3
D
G
1S2
11.3K
R239
1%
VCCM
TP14357
7.5K
R246
VEEG
100K
R234
1%
C210
1000nF
BAV99LT1
D517
1
3
2
1%
AGND_L
100nF
C211
AGND_L
AGND_L
10K
R734
15K
R733
1%
100nF
C706
C672
10000nF
BAV99LT1
D12
1
3
2
TP14353
20K
R243
1%
TP14341
1%
TP14358
TP14354
43.2K
R240
5.11K
R238
10
R233 1%
1%
TP14305
TP14306
TP14304

10K
10K
4
Inverter Conn.
C
PROPRIETARY INFORMATION THAT IS
SAMSUNG ELECTRONICS CO’S PROPERTY.
2
B
LCD Connector
ELECTRONICS
0.21V
THIS DOCUMENT CONTAINS CONFIDENTIAL
1
13
C
2.59V
2.06V
5.82V
9.21V
7.91V
A
D
SAMSUNG PROPRIETARY
2
4
4.02V
3.02V
EXCEPT AS AUTHORIZED BY SAMSUNG.
A
7.27V
6.83V
D
SAMSUNG
DO NOT DISCLOSE TO OR DUPLICATE FOR OTHERS
3
B
1
2
3
4
MNT1
5
6MNT2
1
3
011-B4
1
HDR-4P-SMD
J16
20-B1
C183
100nF
P3.3V
8
22-B3
20-B1
1%
R180
374
P2.5V
LCD_VDD3V
10nF
C214
25V
R624
VCCM
100K
1%
10K
R217
1
4
16-D3
C204
1000nF
25V
+
5
3
-
2
6
5
5
9
4
INV_VDC
R625
200K
1%
5
D4
4G
1S1
S2
2
S3
3
274
R176
1%
SI4435DY
U11
8
D1
D2 7
D3 6
1%
R708
80.6
1%
0
3
P3.3V
3
VDC
P3.3V
20K
R604
4
100nF
C198
C195
100nF
22-C3
5
22-C3
1%
TP14360
7
11-B4
11-B4
210
R177
1%
16-B2
22-A4
VDDG0
P2.5V
45.3
R161
SI2315DS
Q511
D
3
1
G
2
S
C588
100nF
C194
100nF
8
1%
R162
383
20-C1
10
AGND_L
7
B8 BLM18PG181SN1
TP14425
100nF
C182
TP14423
TP14424
100nF
C203
20-C1
22-C1
22-C1
3
TP14285
4
22-A4
3
20-B1
100nF
C184
5
88.7
R178
1%
10K
R118
2
22-D4
1
3
2
2
5
20-B1
VDDA
KSR1102
Q514
10V
10000NF
C556
VDDA
2
C1084
100nF 100nF
C1082C1083
100nF
C1081
100nF
1%
R179
210
47
48
49
5
50
6
7
8
9
MNT1
51
52 MNT2
32
33
34
35
36
37
38
39
4
40
41
42
43
44
45
46
18
19
2
20
21
22
23
24
25
26
27
28
29
3
30
31
1
10
11
12
13
14
15
16
17
2
1
9
20-B1
CONN-50P-FPC
J13
Q517
BSS138
3
D
G
1
S
2.4K
R654
100nF
C1072
2
MMZ1608S121AT
B522
4
1%
LCD_VDD3V
22-A3
130
R182
INV_VDC
20-B1
C197
100nF
100nF
C1074
P3.3V
TP14421
1%
P3.3V
20-B1
93.1
R181 22-A3
47K
R611
TP14420
BLM18PG181SN1B514
TP14419
TP14417
TP14418
TP14415
TP14416
100nF
C1085
6
1
10
LCD_VDD3V
1%
R160
110
20-C1
4
1
20-B1
20-B1
Q16
RHU002N06
3
D
G
1
S2
10K
R706
100nF
C1071
VEEG
100nF
C1070
100nF
C196
2
20-B1
0
TP14422
C200
100nF
R652
2.4K
100nF
C199
LCD_VDD3V
TP14284
CHP3_IVTPWRON
LCD2_VDDEN
LCD3_BKLTON
LCD2_BKLTON
CHP3_BKLTON
LCD3_BKLTON
LCD3_PWMBIA
LCD2_PWMBIA LCD3_PWMBIA
TCON3_DIO1
TCON3_LD
TCON3_REV
TCON3_POL
TCON3_DIO2
TCON3_OEV
TCON3_UD
TCON3_VCLK
TCON3_STVU
TCON3_STVD
TCON3_HCLK
TCON3_SHL
TCON3_V(1:10)
TCON3_B(0:5)
TCON3_R(0:5)
TCON3_G(0:5)
TCON3_V(1:10)
TCON3_SHL
TCON3_UD

SAMSUNG
ELECTRONICS
A
B
C
B
A
D D
3
4
C
4
3
2 1
THIS DOCUMENT CONTAINS CONFIDENTIAL
SAMSUNG PROPRIETARY
1
PROPRIETARY INFORMATION THAT IS
2
SAMSUNG ELECTRONICS CO’S PROPERTY.
DO NOT DISCLOSE TO OR DUPLICATE FOR OTHERS
EXCEPT AS AUTHORIZED BY SAMSUNG.
1%
R581 150
VCC_CRT
150
R582 1%
220pF
C586
C587 220pF
C584 0.1nF
0.1nF
C585
D510
MMBD4148
13
P5V
P2.5V
11-C4
TP14307
1%
R618
R665
1%
2.4K 1%
R666
2.4K
2.4K
23-C3
TP14426
11-C4
23-C3
TP14362
TP14363
NO_STUFF
0.0033nF
C554
TP14361
PGB1010603NR D6
2 1
C534 0.0033nF
NO_STUFF
2 1
5
+
-
3
2 4
1
OE*
D5
PGB1010603NR
MMZ1608S121AT
B9
11-C4
SN74AHCT1G125DCKR
U512
14
15
16
17
2
3
4
5
6
7
8
9
DSUB-15P-VGA
J505
1
10
11
12
13
100nF
C555 0.0033nF
NO_STUFF
C647
Q513
3D
G
1
S
2
P2.5V
P2.5VP2.5V
PGB1010603NR D4
2 1
BSS138
R623 10
23-B1
23-B3
23-A3
C153
100nF
23-A1
VCC_CRT
11-C4
G
2S
150
R546 1%
BSS138
Q518
D
3
1
C155
C156
C154
1%
11-C4
R621 40.2 1%
40.2R620
10R622
100nF
C583
VCC_CRT
R617 40.2
U513
SN74AHCT1G125DCKR
+
5
-
3
2 4
OE*
1
1%
33nH
11-C4
33nH
33nH
23-C3 11-C4
100nF
VCC_CRT
23-C3
1%
VCC_CRT
C582
R619
2.4K
1%
40.2
R616
TP14366
VGA5_VSYNC
TP14364TP14365
VGA2_DDCD
VGA2_DDCC
VGA5_DDCD
VGA5_DDCC
VGA5_HSYNCVGA2_HSYNC
VGA5_VSYNCVGA2_VSYNC
VGA5_HSYNC
VGA5_DDCD
VGA5_DDCC

1
SAMSUNG ELECTRONICS CO’S PROPERTY.
SAMSUNG
ELECTRONICS
A A
DO NOT DISCLOSE TO OR DUPLICATE FOR OTHERS
EXCEPT AS AUTHORIZED BY SAMSUNG.
C
D
21
B
C
4
4 2
THIS DOCUMENT CONTAINS CONFIDENTIAL
SAMSUNG PROPRIETARY
3
D
3
B
PROPRIETARY INFORMATION THAT IS
10V
10000NF
C603
100nF
C599
P3.3V
11-B219-B4 16-C3 16-A229-C2 26-D4 25-B4 19-C4
15-B1
15-B1
15-A3
15-B1
15-B1
30-D4
15-A3
15-A3
15-A3 18-C2
15-B1
13
14
15
15-A1
15-A3
8
9
10
11
12
TP14428
15-B1
TP14427
10K
R85
R86 10K
42
43
44
45
46
47
48
49
5
50
6
7
8
9
MNT1
51
52 MNT2
28
29
3
30
31
32
33
34
35
36
37
38
39
4
40
41
13
14
15
16
17
18
19
2
20
21
22
23
24
25
26
27
CONN-50P-FPC
J10
1
10
11
12
100nF
C600
P3.3V
P3.3V
R590
10K
100nF
C594
P3.3V
R87 33
HDD3_D(0:15)
HDD3_DREQ
HDD3_IOW*
HDD3_IOR*
HDD3_IORDY
HDD3_DACK*
HDD3_IDEIRQ
HDD3_A1
HDD3_A0
HDD3_CS1*
KBC3_HDDLED*
HDD3_CS3*
HDD3_A2
PLT3_RST*

C
MICOM Crisis Update
3
MD0=MD1=Low(0V)
4
A
POWER_ON / LB LED
Serial Port: P84 & P85
1
DO NOT DISCLOSE TO OR DUPLICATE FOR OTHERS
B
SAMSUNG
D
3
C
ADAPTERIN/CHARGING LED
THIS DOCUMENT CONTAINS CONFIDENTIAL
PROPRIETARY INFORMATION THAT IS
2
SAMSUNG PROPRIETARY
B
4
SAMSUNG ELECTRONICS CO’S PROPERTY.
ELECTRONICS
A
2
1
Condition: P90=P91=P92=High(MICOM_P3V)
EXCEPT AS AUTHORIZED BY SAMSUNG.
Optional External Thermal Sensor
D
R167
2
33-B1 25-D1
25-B4 30-A4
10K
R170 10K
TP649
10KR165
25-B4
25-C4
C608
100nF
30-D325-C1
30-C1
P3.3V_AUX
30-D3
C185
25-A3 33-B1
R168
25-C1 30-B4
100nF
33-A125-C3
25-B4 30-D3 10K
R166 10K
9-C3
10KR164
R127
10K 10K
R719
7SZ14
U519
+
5
3
-
2 4
10K
R172
25-B3 30-C3
30-D1
C657
1000nF
16-B2 25-B3
2
15-C1
16-A2
C187
100nF
10MHz
Y501
L
1
L
16-B2
30-D325-B4
TP652
10K R184
C659
330nF
9-C4
38-A3
10K
10K
R192
R952 10K
R189
10K
R187
30-C425-C1
10K
MICOM_P3V
30-D4
30-D2
R681
25-C1 30-D3
25-C1
19-D315-C1 19-B4
R714 10K
16-C2
10K
R188
25-C1 30-D3
2M
R720
RESO* 100
8
STBY*
4
VCCB
VCC_1 36
37
VCC_2
VCC_3 59
VCL 9
15 VSS_1
VSS_2
46
70 VSS_3
VSS_4
71
92 VSS_5
XTAL
2
PA1
47
PA2
31
30 PA3
PA4
21
20 PA5
11 PA6
PA7
10
PB0
91
90 PB1
81 PB2
PB3
80
69 PB4
PB5
68
PB6
58
57 PB7
1
RES*
P80 93
94
P81 95
P82
P83 96
97
P84
P85 98
P86 99
P90 25
24
P91 23
P92
P93 22
19
P94
P95 18
P96 17
16
P97
48 PA0
P60 26
27
P61 28
P62
P63 29
32
P64
P65 33
P66 34
35
P67
38
P70
P71 39
P72 40
41
P73
P74 42
43
P75 44
P76
P77 45
P33
85
86 P34
P35
87
P36
88
89 P37
49
P40
P41 50
P42 51
52
P43
P44 53
54
P45 55
P46
P47 56
P50 14
P51 13
12
P52
P13
76
75 P14
P15
74
P16
73
72 P17
67 P20
P21
66
P22
65
64 P23
P24
63
62 P25
61 P26
P27
60
P30
82
83 P31
84 P32
H8S-2110B
U9
3EXTAL
6
MD0
MD1 5
NMI 7
P10
79
78 P11
77 P12
30-C4
34-A4 33-A4
100nF
C1005
C186
100nF
30-D3
30-C4
150
R718
25-C1
3
D
G
1S2
R185
10K
16-B2
35-B1
Q528
BSS84
C660
0.02nF
25-C1 30-A4
MICOM_P3V
30-A425-C1
25-C4
25-C1 30-D3
MICOM_P3V
30-B1 30-C2
25-C130-B2
26-D4
TP14308
6-C3
R647
10K
30-B4 29-C2
TP650
25-B4 30-D4
16-C2
26-C2
25-B1
1
16-B218-D228-A4
33-A3
16-B2
25-D1 30-D4
34-B236-B1
TP651
10K
1000nF
C201
16-B2
3
R193
R163 1K
25-D1
R191 10K
16-B225-D1
1K
R122
30-D4
TP14367
25-B2
16-B2 18-C2 28-C3
33-A2
16-A2
11-B2 16-A2 16-C3 19-B4 29-C226-D424-D219-C4
25-B4 30-D4
30-D425-B4
25-B4
C661
0.02nF
38-C4
0
25-C3 30-B2
30-B4
R716 210
35-B4
25-D1 30-D4
9-C2
15-B118-C2
30-C425-B4
38-D2
33-B1
30-D425-B4
30-D325-C1
16-C2 18-C2
30-D325-B4
9-C4
16-B229-D4
1%
MICOM_P3V
30-D425-D1
9-C1
37-B2 11-B2
475K
R183
P3.3V_AUX
MICOM_P3V
R649 49.9
10K
R1066
P3.3V
R186 10K
2
S
10K
R171
MICOM_P3V
16-C2
BSS84
Q530
D3
1
G
30-A425-B4
10K
R974
TP648
30-D325-B4
25-C4
P3.3V
15-C1 19-B4 19-D3
32-A3 32-C1
25-D133-A1
P3.3V
16-A4 16-B2 28-A4
C164
100nF
MICOM_P3V
R682 100K
5%
30-D1
30-C3 25-C4
LED_GREEN
LED3_CHARGE
LED3_LLBAT
BTN_L_AUTOSC*
BTN_L_AUTOSC*
POWERBANK_IN
SW3_HOLD*
KBC3_HOLD*
KBC3_LOM_DISABLE*
25-B4 30-D3
10K
R679
BTN_R4*
BTN_R3*
BTN_R2*
BTN_R1*
BTN_L_R*
BTN_L_L*
BTN_L_D*
CHP3_SERIRQ
CLK3_PCLKMICOM
BTN_L_U*
BTN_L_D*
BTN_L_L*
BTN_L_R*
BTN_R1*
BTN_R2*
BTN_R3*
BTN_R4*
BTN_R_ENTER*
BTN_R_MENU*
CAD*
VOL_UP*
VOL_DWN*
KBC3_HOLD*
KBC3_RST*
LED3_LLBAT
KBC3_EZ_BTN0*
KBC3_LBLED* KBC3_LBLED
LED_AMBER
CHP3_SUSSTAT*
LAN_WAKE*
KBC3_THERM_SMCLK
KBC3_ICHTHRM*
CHP3_OVERT*
KBC3_WAKESCI*
KBC3_BLCKPWRSW*
KBC3_PWRBTN*
FAN3_FDBACK*
IMVP4_PWRGD
KBC3_IMVP4_PWRGD
KBC3_SMCLK
KBC3_RFOFF*
KBC3_CPURST*
KBC3_RSMRST*
KBC3_EXTSMI*
PCI3_CLKRUN*
KBC3_A20G
KBC3_SMDATA
KBC3_SMCLK
VOL_DWN*
VOL_UP*
BTN_L_U*
CAD*
BTN_R_MENU*
BTN_R_ENTER*
LPC3_LAD(0:3)
BAT3_TEMPA
ADAPTER_IN
CHP3_SLPS3*
KBC3_ICHTHRM*
KBC3_PWRON
KBC3_PWRGD
KBC3_LBLED*
KBC3_RUNSCI*
PEX1_WAKE*
KBC3_SPK_MUTE
KBC3_SUSPWR
KBC3_VRON
KBC3_PWRSW*
KBC3_THERM_SMDATA
KBC3_PWRON_D
PLT3_RST*
LPC3_LFRAME*
LED3_CHARGE
KBC3_CHGEN
KBC3_FANCTRL
KBC3_PWRSW*
KBC3_SMDATA
CHP3_SLPS4*
CHP3_SLPS5*

EXCEPT AS AUTHORIZED BY SAMSUNG.
C
(Recommend 1 inch)
88E8036
LAN controller places minimum 1 inch from PCB border.
SAMSUNG
A
C
A
PROPRIETARY INFORMATION THAT IS
THIS DOCUMENT CONTAINS CONFIDENTIAL
3 1
D
and transformer is designed to extend less than two inches.
Crystal placed under 0.75 inches
ELECTRONICS
2
B
4
2
SAMSUNG ELECTRONICS CO’S PROPERTY.
4
B
3 1
DO NOT DISCLOSE TO OR DUPLICATE FOR OTHERS
The distance between LAN controller
from LAN chip. (Because of EMI)
SAMSUNG PROPRIETARY
D
26-C3
0
R3
100nFC90
C91 100nF
C5
0.027nF
100nF
C4
Q538
QST5TR
12
3
4 5 6
C9
100nF
Y1
1
2
26-A4
R50 75
TP645
25MHz
0
R30
TP14429
R5 4.64K 1%
C12
6.3V
10000nF
R516
4.64K
C39
100nF
R36 0
1%
TP14431
26-A3
TP14430
26-C4
100nF
C43
TP643
R66 49.9
R65 49.9
10K
R32
26-B1
C1
100nF
P3.3V_AUX
TP647
BLM21A601F
B4
221
R522
C53 100nF
R7 4.64K 1%
TP644
16-D1
100nF
C51
100nF
P3.3V_AUX
C13
TP14369
1%
R6
2K
26-A1
26-B3
TP14368
100nF
C56
10V
C11
10000NF
R1071 025-C4
C3
26-C3
P2.5V_LAN
R2 0
0.027nF
TP14371
100nF
C45
TP14370
C55
P3.3V_AUX
100nF
100nF
C49
TP14293
C89
100nF
1%4.64K
R35
C14
6.3V
4700nF
26-A4
100nFC52
C10
100nF
1RD+
RD-
2
3RDCT
16
RX+
RX- 15
14
RXCT
7TD+
TD-
8TDCT
6
10
TX+
TX- 9
TXCT 11
16-D1
25-B3
26-C3
H0022
LT500
100nF
C46
AD
6.3V
47uF
EC513
6-B1
26-B3
P3.3V_AUX
1%
R8
26-B3
16-D1
4.64K
B3
BLM21A601F
6.3V
C2
10000nF
R51 75
P2.5V_LAN
R521 221
221
R520
100nF
C48
100nF
P3.3V_AUX
TP14373
C507
TP14372
P2.5V_LAN
75
R52
26-B3
R64 49.9
3KV
C71
1nF
10000NF
C44
10V
1A0
2A1
3A2
GND
4
6
SCL
SDA 5
VCC 8
7
WP
P3.3V_AUX
C6
100nF
26-A3
AT24C08AN-10SU-2.7
U501
Q539
QST5TR
12
3
4 5 6
10V
C8
10000NF
EC512
47uF
6.3V
AD
RD-
6
1TD+
TD-
2
TERM1
4
5TERM2
7TERM3
TERM4
8
11 YELLOW+
YELLOW-
12
26-D3
J500
JACK-LAN-8P-LED
GREEN+
9
10 GREEN-
13 MNT1
MNT2
14
15 MNT3
MNT4
16
3RD+
26-D3
16-D1
26-C3
P3.3V_AUX
TP646
26-D3
P3.3V_AUX
25-B4
29-C2
11-B2
19-B4
16-C3
16-A2
19-C4
24-D2
100nF
C50
26-C3
100nF
C92
TP14292
P3.3V_AUX
R4 0
P1.2V_LAN
26-D3
6-B1
26-A1
75
R49
4.64K
R27
1%
TP14374
6.3V
C40
4700nF
VDDO_TTL_MAIN_VDDO_TTL
48 VDD_1
44 VDD_2
39 VDD_3
33 VDD_4
VDD_5
13
7VDD_6
VDD_7
2
VDD_8
58
VMAIN_AVLBL 47
VPD_CLK
38
41 VPD_DATA
6WAKE*
15
XTALI
XTALO 14
SPI_CS*_NC
SPI_DI_NC
35
SPI_DO_NC
34
9
SWITCH_VAUX
SWITCH_VCC 11
46
TESTMODE
65
THERMAL
TSTPT 29
49 TX+_PCIE_TXP
TX-_PCIE_TXN
50
12
VAUX_AVLBL
VDD25
64
VDDO_TTL_1
45
40 VDDO_TTL_2
VDDO_TTL_3
1
VDDO_TTL_4
61
8
MDI+1_TXP
MDI+2_NC 26
30
MDI+3_NC
18
MDI-0_RXN
MDI-1_TXN 21
MDI-2_NC 27
31
MDI-3_NC
PERST*
5
55 REFCLK+
REFCLK-
56
RSET 16
RX+_PCIE_RXP
54
53 RX-_PCIE_RXN
42 SMCLK_PU_VDDO_TTL
SMDATA_PU_VDDO_TTL
43
37 SPI_CLK_NC
36
28
AVDDL_3
22
AVDDL_4
19
AVDDL_5
57
52 AVDDL_6
51 AVDDL_7
CTRL12 3
CTRL25 4
24
HSDAC+_HSDDACP
HSDAC-_HSDACN 25
LED_ACTIVE* 59
LED_LINK* 63
LED_LINK1000*_NC 62
60
LED_LINK10_100*_LED_SPEED*
LOM_DISABLE_DISABLE* 10
17
MDI+0_RXP
20
88E8036
U1
23 AVDD
32 AVDDL_1
AVDDL_2
P1.2V_LAN
49.9
R63
100nF
C7
P3.3V_AUX
4.64K
R506
1%
26-C4
LAN3_VPDCLK
LAN3_VPDDATA
LAN_WAKE*
RXP
TXN
RXN
KBC3_LOM_DISABLE*
TXP
TXN
RXN
RXP
LED3_ACTIVE*
LED3_LINK*
LED3_LINK10_100*
LED3_ACTIVE*
LED3_LINK*
LED3_LINK10_100*
TXP
PLT3_RST*
CLK1_PCIELAN
CLK1_PCIELAN*
PEX1_LANTXP1
PEX1_LANTXN1
LAN3_SWVAUX
LAN3_SWVCC
LAN3_VPDCLK
LAN3_VPDDATA
PEX1_LANRXP1
PEX1_LANRXN1
LAN3_SWVCC
LAN3_SWVAUX

THIS DOCUMENT CONTAINS CONFIDENTIAL
4
1
SAMSUNG ELECTRONICS CO’S PROPERTY.
SAMSUNG PROPRIETARY
BA81-00730A
1
Left USB Jack & ODD Power Jack
3
3711-005979
PROPRIETARY INFORMATION THAT IS
Right USB Jack
EXCEPT AS AUTHORIZED BY SAMSUNG.
A
DMB Connector & Pem(5mm Height)
SAMSUNG
B
4
C
ELECTRONICS
B
DD
3
A
C
2
2
DO NOT DISCLOSE TO OR DUPLICATE FOR OTHERS
16-B2
0.033nF
C1078
R702 0
EN1*
3
4EN2* GND 1
2IN
8OC1*
OC2*
5
7
OUT1
OUT2 6
TP14375
TPS2062
U522
R61 0
TP14432
0
R62
6.3V
C1003
1000nF
100K
R1070
1%
1000nF
C152
6.3V
C209
100nF
B520
16-B1
100nF
C88
P3.3V
HU-1M2012-121JT
MT1
DIA
HEAD
LENGTH
1M
R1068
1%
AL
6V
150uF
EC500
6.3V
C181
1000nF
B519
HU-1M2012-121JT
Q541-2
SI6933DQ
8
D
G
5S1
6 7
S2
EC6
150uF
6V
AL
Q541-1
SI6933DQ
1
D
G
4S1
2 3
S2
0
R703
16-B1
100nF
C1080
3EN1*
EN2*
4 1
GND
IN
2
OC1*
8
5OC2*
OUT1 7
6
OUT2
P5V
U523
TPS2062
5MNT1
6MNT2
MNT3
7
8MNT4
C515
100nF
J502
JACK-USB-4P
1
2
3
4
10K
R1069
B505
HU-1M2012-121JT
6.3V
C1067
4700nF
P5V
16-B1
P5V
VDC
C1004
100nF
32V-3A
16-B1
P5V
3
4
MNT1
5
6MNT2
MNT3
7
8MNT4
16-B1
F500
DIA
HEAD
LENGTH
JACK-USB-4P
J506
1
2
16-B1
MT2
2
C1077
0.033nF
8
9
Q542
RHU002N06
3
D
G
1
S
11
12
13
14
15
16
17
18
19
2
20
3
4
5
6
7
100nF
C516
J8
HDR-20P-2R-SMD
1
10
6.3V
C180
10000nF
8
9MNT1
MNT2
10
11 MNT3
MNT4
12
TP14310
J501
JACK-USB-MINI-8P
1
2
3
4
5
6
7
C1079
100nF
USB3_P3+
USB3_P3-

2 / 2
1 / 2
SAMSUNG
ELECTRONICS
A
4 3
D D
B
PROPRIETARY INFORMATION THAT IS
THIS DOCUMENT CONTAINS CONFIDENTIAL
2
SAMSUNG ELECTRONICS CO’S PROPERTY.
2
A
C
SAMSUNG PROPRIETARY
DO NOT DISCLOSE TO OR DUPLICATE FOR OTHERS
EXCEPT AS AUTHORIZED BY SAMSUNG.
THIS PCICLK NEEDS SHIELD WITH GROUND
4 3 1
1
C
B
29-C1
7
29-C1
29-B1
19
29-C1
29-C1
25-B318-D216-B2
29-B1
P5V
29-C1
16-C3
29-C1
P3.3V
29-C1 28-B1
29-C1
29-D1
29-C1
28-B129-B2
28-A229-C1
25V
C101
10nF
29-C1
28-B1
29-C1
29-C1
29-C1
29-C1
28-B3
28-A229-D1
29-C2
29-B2 28-A2
10000NF
C105
10V
16-A4 16-B2 25-C4
16-C318-D2
18-D216-C3
P5V
20
100
R34
100nF
C79
16-D3
18
100K
R29
1%
16-C318-D2
9
270pF
C97
P3.3V
1%
100K
R74
14
2
C106
270pF
10000NF
C54
10V
E12
F1 NC_9
VCC3EN* T13
VCC5EN* R13
VPPEN_0 V13
VPPEN_1 W13
18-C2 16-C4
28-B3
A7
NC_43
E6
NC_44
D6
NC_45
B6
NC_46
A6
NC_47
D5
NC_48
B5
NC_49
A5
NC_5
D2
NC_50
B4
NC_51
B3
NC_52
A3
NC_53
A2
NC_54
B1
NC_6
E2
NC_7
E4
NC_8
D10
NC_29
A11
NC_3
E1
NC_30
B11
NC_31
A10
NC_32
B10
NC_33
A16
NC_34
B16
NC_35
E8
NC_36
D8
NC_37
B8
NC_38
A8
NC_39
E7
NC_4
C2
NC_40
D7
NC_41
B7
NC_42
V14
NC_14
W14
NC_15
E10
NC_16
E11
NC_17
A17
NC_18
B17
NC_19
D11
NC_2
D1
NC_20
A14
NC_21
B14
NC_22
D13
NC_23
D12
NC_24
A13
NC_25
B13
NC_26
A12
NC_27
B12
NC_28
M18
CIRDY*_CADR_15 K15
CPAR_CADR13 N15
CPERR*_CADR_14 N18
CREQ*_INPACK* G19
CSERR*_WAIT* G16
CSTOP*_CADR_20 M16
CSTSCHG_BVD_1 E18
CTRDY*_CADR_22_CPUSB* L16
CVS_1_VS_1*_CVS_1 R16
CVS_2_VS_2*_CVS_2 H16
L2 NC_0
NC_1
C1
K4 NC_10
K2 NC_11
F4 NC_12
NC_13
V17
CAD_7_CDATA_7 W17
CAD_8_CDATA_15 U18
CAD_9_CADR_10 U19
CAUDIO_BVD_2 F19
CCD_1*_CD_1*_CCD_1* T14
CCD_2*_CD_2*_CCD_2* D15
CC_BE_0*_CE_1* V19
CC_BE_1*_CADR_8 P15
CC_BE_2*_CADR_12 K18
CC_BE_3*_REG* F16
CDATA_14 W18
CDATA_2_PERST* C19
CDEVSEL*_CADR_21 L18
CFRAME*_CADR_23 K16
CGNT*_WE* M15
CINT*_RDY_IREQ*
H15
CAD_21_CADR_5 H18
CAD_22_CADR_4 G15
CAD_23_CADR_3 G18
CAD_24_CADR_2 F15
CAD_25_CADR_1 F18
CAD_26_CADR_0 E16
CAD_27_CDATA_0 E19
CAD_28_CDATA_8 D18
CAD_29_CDATA_1 D19
CAD_2_CDATA_11 V15
CAD_30_CDATA_9 C18
CAD_31_CDATA_10 B19
CAD_3_CDATA_5 W15
CAD_4_CDATA_12 V16
CAD_5_CDATA_6 W16
CAD_6_CDATA_13
L19
A_CRST*_RESET H19
CADR_18 N16
CADR_19 N19
CAD_0_CDATA_3 R14
CAD_10_CE_2* T18
CAD_11_OE* T19
CAD_12_CADR_11 R18
CAD_13_IORD*_USBD+ P18
CAD_14_CADR_9 R19
CAD_15_IOWR*_USBD- P19
CAD_16_CADR_17 P16
CAD_17_CADR_24 J15
CAD_18_CADR_7 J16
CAD_19_CADR_25 J18
CAD_1_CDATA_4 T15
CAD_20_CADR_6
U5-2
R5C801-208CSP
A_CCLKRUN*_WP_IOIS16* A18
A_CCLK_CADR_16
1
29-C116-C3
3
29-C1
TP14283
29-C1
29-C1
29-C1
29-C2
29-C2
29-B2
29-B2
29-C2
29-C2
29-C2
29-C2
29-C2
29-C2
29-C2
29-C2
29-C2
29-C2
29-C2
29-C2
29-C2
29-C2
29-C2
29-C2
16-C318-D2
18-D216-C3
29-C2
100K
R31 1%
P1.8V
1%
R33 100K
15
5
21
28-A1
13
R28
10K
P3.3V
16-C318-D2
P3.3V
6.3V
C107 4700nF
100nF
C80
P3.3V
CB3_A_VCC
100nF
C75
18-D216-C3
14
12
VCCOUT_2 9
VCCOUT_3
VPPOUT 8
16-B218-C225-B4
10nF
C104
EN0
3
4EN1
5
FLG
GND 16
6NC1
NC2 10
7
NC3
11 VCC3IN
2VCC3_EN
VCC5IN_1
13
15 VCC5IN_2
VCC5_EN
1
VCCOUT_1
100nF
U6
R5531V002
23
C109 25V
28
10
26
C77
100nF
TP14434
8
24
16-D428-C4
29-C1
30
6-C3
0
16-C3
28-A1
C42
10nF
27
29
6
31-A4
1000nF
6.3V
C108
C47
100nF 10nF
C78
10nF
16-D318-C2
11
C76
6.3V
1000nF
C41
18-D2
22
16
100K
R75
R7 VCC_ROUT_2
28-B416-D4
25
31
17
16-C4
H2
UDIO_2
H4
UDIO_3
H5
UDIO_4
G1
UDIO_5
F5
VCC_3V_0 G5
VCC_3V_1 J19
VCC_3V_2 K19
VCC_3V_3
A4
VCC_MD3V
W3 VCC_PCI3V_0
R11 VCC_PCI3V_1
R12 VCC_PCI3V_2
R6 VCC_RIN_0
E13 VCC_RIN_1
L1 VCC_ROUT_0
E14 VCC_ROUT_1
M5 GNT*
HWSPND*_SPRKROUT F2
P1 IDSEL
J2
INTA*
V4 IRDY*
V6 PAR
K1 PCICLK
L4 PCIRST*
W5 PERR*
M4 REQ*
G4 RI_OUT*_PME*
T6 SERR*
V5 STOP*
W4 TRDY*
J4
UDIO_0_SRIRQ*
H1
UDIO_1
W6 C_BE_1*
W2 C_BE_2*
P2 C_BE_3*
T5 DEVSEL*
V3 FRAME*
G2 GBRST*
J1
GND_0 J5
GND_1 K5
GND_2 E9
GND_3 R10
GND_4 T10
GND_5 V10
GND_6 W10
GND_7 L15
GND_8 M19
GND_9
M1 AD_30
M2 AD_31
V11 AD_4
T11 AD_5
W9 AD_6
V9 AD_7
R9 AD_8
W8 AD_9
A9
AGND_0 B9
AGND_1 D9
AGND_2 D14
AGND_3 A15
AGND_4 B15
AGND_5
L5 CLKRUN*
T9 C_BE_0*
V1 AD_16
U1 AD_17
U2 AD_18
T1 AD_19
T12 AD_2
T2 AD_20
R1 AD_21
R2 AD_22
R4 AD_23
P4 AD_24
P5 AD_25
N1 AD_26
N2 AD_27
N4 AD_28
N5 AD_29
W11 AD_3
R5C801-208CSP
W12 AD_0
V12 AD_1
V8 AD_10
T8 AD_11
R8 AD_12
W7 AD_13
V7 AD_14
T7 AD_15
12
16-C3
4
U5-1
CF_A_D12
CF_A_D5
CF_A_D11
CF_A_D4
CF_A_D3
CF_A_REG*
CF_A_A8
CF_A_CE1*
CF_A_BVD2
CF_A_CD1*
CF_A_CD2*
CF_A_WE*
CF_A_READY
CF_A_INPACK*
CF_A_WAIT*
CF_A_BVD1
CF_A_VS1*
CF_A_VS2*
CF_A_IOIS16*
CF_A_RESET
CF_A_D14
CF_A_D2
CBS3_VCC5EN*
CBS3_VCC3EN*
16-C3
CF_A_D10
CF_A_D9
CF_A_D1
CF_A_D8
CF_A_D0
CF_A_A0
CF_A_A1
CF_A_A2
CF_A_A3
CF_A_A4
CF_A_A5
CF_A_A6
CF_A_CSEL*
CF_A_A7
CF_A_IOWR*
CF_A_A9
CF_A_IORD*
CF_A_OE*
CF_A_CE2*
CF_A_A10
CF_A_D15
CF_A_D7
CF_A_D13
CF_A_D6
CBS3_VCC3EN*
PCI3_AD(31:0)
PCI3_AD(25)
PCI3_CBE3*
PCI3_CBE2*
PCI3_CBE1*
PCI3_CBE0*
PCI3_FRAME*
PCI3_TRDY*
PCI3_IRDY*
PCI3_STOP*
PCI3_DEVSEL*
PCI3_PERR*
PCI3_SERR*
PCI3_REQ0*
PCI3_GNT0*
CLK3_PCLKCB
PCI3_RST*
PCI3_CLKRUN*
PCI3_PAR
CBS3_VCC5EN*
CHP3_SERIRQ
PCI3_INTA*
CBS3_SPKR
KBC3_PWRGD
CF_A_RESET
CF_A_CD1*
CF_A_CD2*

PROPRIETARY INFORMATION THAT IS
CF SLOT
48.05 mm
D
C
4mm Height
Top
Odd Pins : Top side
THIS DOCUMENT CONTAINS CONFIDENTIAL
A
3
B
DO NOT DISCLOSE TO OR DUPLICATE FOR OTHERS
4
Even Pins : Bottom Side
1
4mm Height
Mini PCI Express
A
C
D
2
SAMSUNG
EXCEPT AS AUTHORIZED BY SAMSUNG.
2
Pin 1
1
PCI Express Mini Card ElectroMechanical Spec. 1.0
SAMSUNG ELECTRONICS CO’S PROPERTY.
4
ELECTRONICS
Mini PCI Express Card
B
3
30.00 mm
SAMSUNG PROPRIETARY
50.95 mm
C103
100nF
MNT1
MNT2
52 MNT3 53
54
MNT4
28-C1 40
41
42
43
44
45
46
47
48
49
5
50
6
7
8
9
51
26
27
28
29
3
30
31
32
33
34
35
36
37
38
39
4
11
12
13
14
15
16
17
18
19
2
20
21
22
23
24
25
J503
CF-50P-1R-SMD
1
10
R69
10K
28-B1
28-C1
28-C1
28-C1
28-D1
28-C1
P3.3V
28-B1
16-D1
28-B1
100nF
C28
MNT1
MNT2
2
MNT3
3
MNT4
4
MNT5
5
6.3V
C25
10000nF
J5
MINIPCI-52P-LATCH
1
28-C1
28-C1
28-D1
28-C1
100nF
C521
28-C1
28-B1
16-D1
C27
100nF
28-C1
28-C1
28-C1
30-C4
28-C1
P3.3V
28-C1
28-B1
30-B4 25-C3
30-C4
28-D1
16-B1
28-D1
CB3_A_VCC
28-C1
6-C1
28-D1
P1.5V
28-C1
16-D1
28-B1 28-A2
28-C1
28-C1
28-B1
6.3V
C522
10000nF
28-C1
28-B1
P3.3V_AUX
0
R67
28-C1
28-C1
16-D1
R68 0
28-B1
6-C1
28-C1
P3.3V
28-D1
28-B1
28-B1
100nF
C102
1WAKE*
20
W_DISABLE*
16-B1
28-D1
28-A228-B1
45 RSVD_15
47 RSVD_16
49 RSVD_17
51 RSVD_18
5RSVD_2
SIM_CLK_C3 12
SIM_DATAIO_C7 10
SIM_RESET_C2 14
SIM_RSVD_C4
19 SIM_RSVD_C8
17
SIM_VCC_C1 8
SIM_VPP_C6 16
30
SMB_CLK 32
SMB_DATA
38
USB_D+
36
USB_D-
P1.5V_3 48
2
P3.3V_1
52
P3.3V_2
24
P3.3V_AUX
23 PERN0
PERP0
25
22
PERST*
31 PETN0
33 PETP0
13 REFCLK+
11 REFCLK-
3RSVD_1
37 RSVD_11
39 RSVD_12
41 RSVD_13
43 RSVD_14
GND_12 50
9GND_2
15 GND_3
GND_4 18
21 GND_5
26
GND_6
27 GND_7
29 GND_8
34
GND_9
44
LED_WLAN* 46
LED_WPAN*
42
LED_WWAN*
MNT1 53
54
MNT2
6
P1.5V_1
28
P1.5V_2
J4
EDGE-MINIPCI-E-52P
7CLKREQ*
4
GND_1
GND_10
35
40
GND_11
CB3_A_VCC
28-B1
25-B316-B2
24-D2 19-C4 11-B216-A216-C319-B4
28-C1
28-B128-A2
P3.3V
28-B1
COEX2
COEX1
CLK1_MINIPCIE*
CLK1_MINIPCIE
PEX1_MINTXP1
PEX1_MINTXN1
PEX1_MINRXP1
PEX1_MINRXN1
PEX1_WAKE*
PLT3_RST*
USB3_P5+
USB3_P5-
KBC3_RFOFF*
28-D1
26-D4 25-B4
CF_A_READY
CF_A_WE*
CF_A_IOWR*
CF_A_IORD*
CF_A_CE2*
CF_A_D15
CF_A_D14
CF_A_D13
CF_A_D12
CF_A_D11
CF_A_CD1*
CF_A_VS1*
CF_A_VS2*
CF_A_INPACK*
CF_A_CSEL*
CF_A_D6
CF_A_D7
CF_A_D3
CF_A_CE1*
CF_A_A10
CF_A_OE*
CF_A_A9
CF_A_A8
CF_A_A7
CF_A_A6
CF_A_A5
CF_A_A4
CF_A_A3
CF_A_A2
CF_A_A1
CF_A_A0
CF_A_D0
CF_A_D1
CF_A_D2
CF_A_IOIS16*
CF_A_CD2*
CF_A_D4
CF_A_D5
CF_A_D10
CF_A_D9
CF_A_D8
CF_A_BVD1
CF_A_BVD2
CF_A_REG*
CF_A_WAIT*
CF_A_RESET

A
SAMSUNG PROPRIETARY
4
B
4
DO NOT DISCLOSE TO OR DUPLICATE FOR OTHERS
1
B
Ctrl+Alt_Del
SAMSUNG ELECTRONICS CO’S PROPERTY.
Vomume +/-
C
2
Main to Subboard(Left)
3
SAMSUNG
D
A
ELECTRONICS
D
2
C
EXCEPT AS AUTHORIZED BY SAMSUNG.
HOLD S/W
3
THIS DOCUMENT CONTAINS CONFIDENTIAL
PROPRIETARY INFORMATION THAT IS
Main to Subboard(Right)
TSP
1
POWER & MIO S/W
25-B4
30-C2
10K
R507
SKRELBE010
1 2
25-B4 25-D1
25-C1
MICOM_P3V
SW502
D3
1
G
2
S
25-C430-C3 25-B3
1.5K
R580 1%
30-B2
RHU002N06
Q12
R508
0
3
D
G
1
S2
TP14376
MICOM_P3V
Q500
RHU002N06
25-B3
29-C225-C3
10K
R125
C508
1nF
25-B1
C675
100nF
C158
1nF
1nF
C190
9
MNT1
21
22 MNT2
30-D3
25-C125-B4
12
13
14
15
16
17
18
19
2
20
3
4
5
6
7
8
21
J15
CONN-20P-FPC
1
10
11
R126
D501
PGB1010603NR
7
8
9
21 MNT1
MNT2
22
10K
10
11
12
13
14
15
16
17
18
19
2
20
3
4
5
6
1 2
J9
CONN-20P-FPC
1
29-D4
SW503
SKRELBE010
1nF
C167
25-C125-C3
7SZ14
U518
+
5
3
-
2 4
30-C3
30-D4
P3.3V
1 2
25-C125-B4
P3.3V
29-D4
VSS
12 XTALIN_P2.1
XTALOUT
13
25-C1 25-B4
SKRELBE010
SW500
P0.3
P0.4 24
23
P0.5 22
P0.6
P0.7 21
P1.0 5
20
P1.1 6
P1.2
P1.3 19
7
P1.4
P1.5 18
P1.6 8
17
P1.7
14 VCC
VPP
10
VREG_P2.0
11
9
CY7C63743-QXC
U508
D+_SCLK
16
15 D-_SDATA
1
P0.0
P0.1 2
P0.2 3
4
30-C3
16-B1
MICOM_P3V
25-D1
10K
R212
100nF
C553
25-B4
D9
DA204K-T147
1
3
2
C677
100nF
25-B1
25-B4 25-C1
30-B2
16-B1
30-D3
30-C3
R169 10K
P5V
16-B1
25-D125-B4
25-B425-C1
25-D125-B4
25-B4 25-C1
TP14289
25-C4 30-D125-B3
1nF
C223
DA204K-T147
D508
1
3
2
TP14288
25-C125-B4
R667 10K
TP14287
25-B425-C1
R232
100K
1%
SSSS7C0201
SW501
1 32
MNT1
4 5
MNT2
30-B4
P5V
25-B4 25-C1
25-B3
16-C2
30-B2
30-B2
SW504
SW-SLIDE-3P
123
25-C125-B4
30-B1
25-B4
1nF
C157
30-B2
16-B1
TSP5_CS*
TSP5_DCLK
TSP5_DIN
TSP5_INT*
KBC3_PWRSW*
KBC3_BLCKPWRSW*
BLT_DETECT*
USB3_P2+
USB3_P2-
TSP5_CS*
TSP5_DCLK
TSP5_DIN
TSP5_DOUT
TSP5_INT*
KBC3_HOLD*
BTN_L_AUTOSC* KBC3_PWRSW*
24-B2
USB3_P4-
BTN_L_L*
COEX1
VOL_UP*
VOL_DWN*
CAD*
SW3_HOLD*
KBC3_HDDLED*
KBC3_LBLED
BTN_L_U*
KBC3_EZ_BTN0*
SW3_HOLD*
BTN_R4*
BTN_R3*
BTN_R2*
BTN_R1*
TSP5_DOUT
BTN_R_ENTER*
BTN_R_MENU*
USB3_P4+
COEX2
LED_AMBER
BTN_L_D*
BTN_L_R*
RF3_ON_LED*
LED_GREEN
RF3_ON_LED*KBC3_RFOFF*

EXCEPT AS AUTHORIZED BY SAMSUNG.
PC BEEP
1
Internal mic port G
1.AGND_AUD IS AUDIO GROUND
LINE OUT
A
3.AGND_MIC IS MIC GROUND
SAMSUNG PROPRIETARY
SAMSUNG
DO NOT DISCLOSE TO OR DUPLICATE FOR OTHERS
D
1
Right Angle type 4 Pin
B
H/P
3711-005854
A
C
B
LINE OUT
2
Near to Codec
4
C
PROPRIETARY INFORMATION THAT IS
THIS DOCUMENT CONTAINS CONFIDENTIAL
3
D
ALL TYPE IS 1608
3
ELECTRONICS
2. GND IS DIGITAL GROUND
4 2
LDO
SAMSUNG ELECTRONICS CO’S PROPERTY.
ARRAY MIC
16-C2
C524
P5V
1%
20K
R83
10nF
0
R583
TP14377
AGND_AUD
C539 2.2nF
10nF
AVDD
AGND_AUD
6.3V
C558
1000nF
32-D3
C557
C30
10000NF
AVDD
TP14379
10V
AL
100uFEC503 6.3V
R53 10K
R104
20K
1%
100nF
C38 R547 4.64K 1%
R587
15K
1%
28-C3
AGND_AUD
31-C2
10V
0
R25
15-B3
C31 330nF
MGND_AUD
31-C2
C538 10nF
3.3K
R20
1%
C99
100nF
TP14436
15-B3
1K
R103
22R84
32-D3
AGND_AUD
R73
3.3K
C26
100nF
AVDD
TP14619
31-B3
5.11K
R54
TP14296
32-B2
AGND_AUD
31-C3
TP14295
1000nF
C98
6.3V
31-C4
TP14378
1%
2.49K
R56
1%
R55
2.49K
31-C4
100nF
25V
C36
AGND_AUD
AGND_AUD MGND_AUD
10000NF
C34
10V
MGND_AUD
C72
100nF
10V
330nF
C32
25V22nF
C95
AVDD
31-D2
100nF
C136
1%
R121 1K
0
R72
R120 0
U3
MIC5252-4.75BM5
4
BYPASSEN
3
2GND
1IN 5
OUT
C73
100nF100nF
C93
R22 47K
SURR_L
36
SURR_R
SYNC
10
VREF 27
33
VREF_OUT_CL 29
VREF_OUT_LI 28
VREF_OUT_MIC
23
LINE_IN_R 24
LINE_OUT_L 43
LINE_OUT_R 45
MIC1 21
MIC2 22
MONO_OUT 37
12 PCBEEP
PHONE_IN 13
RESET*
11
SDATA_IN
8
5SDATA_OUT
16 SENSE_A
17 SENSE_B
48 SPDIF-OUT
2SSID
35
44
AVSS4 30
6BIT_CLK
19 CD-GND
18 CD-L
20 CD-R
31
CENTER_OUT
DVDD1
1
DVDD2
9
DVSS1
4
DVSS2
7
EAPD
47
3GPO
HP_OUT_L 39
HP_OUT_R 41
32
LFE_OUT
LINE_IN_L
AD1986AAJSTZ_R0.2
U4
AUX_L 14
AUX_R 15
AVDD1 25
AVDD2 38
AVDD3 42
AVDD4 46
34
AVDD5
AVSS1 26
AVSS2 40
AVSS3
R70 0
MGND_AUD
MGND_AUD
31-B3
AGND_AUD
3.3K R71
0
AVDD
C94 22nF 25V
R548
LMV358M
U505-2
5
+
-6
G
4
7OUT
8
V
31-D2
10000NF
C537
10V
MGND_AUD
AGND_AUD
1%
1K
R23
31-B2
C100 10nF
AVDD
TP14437
0
R24
C536 10nF
32-B3
P3.3V
47K
R21 C29
4.7nF
25V
32-B3
10nF
C502
AGND_AUD
100nF
C33
40.2K
R57
C35
1000nF
AGND_AUD
AGND_AUD
AVDD
1%
100nF
C74
R969 0
32-D3
AL
15-B3
AGND_AUD
15-B3 EC501 100uF 6.3V
1%4.64K
R550
R549 0
J7
HDR-4P-SMD
1
2
3
4
MNT1
5
6MNT2
1%
20K
R585
AGND_AUD
R105 22
U505-1
LMV358M
+3
2
-
4
G
OUT
1V
8
C96
6.3V
C520 10nF
100nF
1%
32-B1
R26 33
R1 0
C37
100nF
TP14435
AGND_AUD
AVDD
2.2nF
C535
15-B3
1000nF
C138 6.3V
6.3V
C159 1000nF
VREF_OUT_CL
ARRAY_MIC2
ARRAY_MIC1
ARRAY_MIC2
LINE_OUT_R
CHP3_AZ_AUD_BCLK
ARRAY_MIC1
AUD3_EAPD*
VREF_OUT_CL
JCK_SENS_B
JCK_SENS_HPJCK_SENS_A
CHP3_AZ_AUD_SDO
CHP3_AZ_SDI0
CHP3_AZ_AUD_SYNC
CHP3_AZ_AUD_RST*
LINE_OUT_L
JCK_SENS_A
JCK_SENS_B
HP_OUT_L
HP_OUT_R
CHP3_SPKR
CBS3_SPKR
PCBEEP

L
R
THIS DOCUMENT CONTAINS CONFIDENTIAL
ELECTRONICS
0801-002143
4
DO NOT DISCLOSE TO OR DUPLICATE FOR OTHERS
3
SAMSUNG ELECTRONICS CO’S PROPERTY.
SAMSUNG PROPRIETARY
C
A
2
D
EXCEPT AS AUTHORIZED BY SAMSUNG.
2
DEFAULTL: HIGH
JACK INSERT : LOW
AMP_VDD
Make sure that the traces led to Audio Jacks have the width over 10 mil.
PROPRIETARY INFORMATION THAT IS
1
3722-002416
AUDIO CHSS GND Connect to Mount-hole.
B B
INTERNAL STEREO SPEAKERS
3711-005752
SAMSUNG
3
D
4
A
1
C
INB-
15
OUTA+ 3
5
OUTA-
18
OUTB+
OUTB- 16
1
SHUTDOWN
VDD1 4
17
VDD2
32-B2
14 BYPASS
2GND1
GND2
7
9GND3
10 GND4
GND5
11
GND6
12
19 GND7
GND8
21 HP_IN 20
8INA+
INA-
6
13 INB+
32-B1
AMP_VDD
LM4863MTEX
U500
RHU002N06
Q501
D3
1
G
2
S
31-D1
TP14294
P5V
AGND_AUD
10V
C506
10000NF
32-C1
31-D2
AGND_AUD
C501 100nF
100nF
C514C504
100nF
47K
R514
3
4
5
6
G1
G2
32-C1
AGND_AUD
31-C4
P5V
J504
JACK-PHONE-6P-LIME
1
2
TP14381
32-C1 25-C4
1/20W
10K
R500
R82
10K
1%
32-B3
R504
32-C4
TP14439
47K
BLM15AG121SN1DB5
TP14438
TP14338
TP14380
B7 BLM15AG121SN1D
R968 47K
31-A4
B500
CIS10J270NC
330nF
C500
10V
P5V
R503
30K
32-B2
R515
1M
1%
HDR-2P-SMD
J2
1
2 6.3V
1000nF
C511
100nF
C510
Q536
RHU002N06
3D
G
1
S
2
30K
R513
32-C4
0.047nF
C505
P5V
31-D1
32-D1
C509
100nF
0.1nF
C124
Q9
RHU002N06
3
D
G
1
S2
32-C1
AGND_AUD
1000nF
C512
HDR-2P-SMD
J1
1
2
6.3V
RHU002N06
Q10
D3
1
G
2
S
AGND_AUD
R502 47K
AGND_AUD
31-D2
AGND_AUD
31-C1
C503 1000nF
6.3V
47K
R967
32-C4
R1072 0
32-C1
32-C4
32-A3
25-C4
32-C1
12
3
R81
10K
RHU002N06
Q537
D
3
1
G
2S
D500
BAT54C
C513 0.047nF
R505 47K
AMP_VDD
AUD5_SPK_L-
AUD3_EAPD*
AUD3_EAPD_A
HP_OUT_R
HP_OUT_L
JCK_SENS
JCK_SENS_HP
JCK_SENS
KBC3_SPK_MUTE
KBC3_SPK_MUTE
HP_DETECT
AUD3_EAPD_A
HP_DETECT
AGND_AUD
C137
0.1nF
AUD5_SPK_R-
PCBEEP
LINE_OUT_R
LINE_OUT_L
AUD5_SPK_L-
AUD5_SPK_L+
AUD5_SPK_R+
AUD5_SPK_R-
AUD5_SPK_L+
AUD5_SPK_R+

10K
10K
(4.2235V)
C
POWER BANK
B
3216
SAMSUNG ELECTRONICS CO’S PROPERTY.
24
ELECTRONICS
A
3216
3
--> 3.1A MAX
ADAPTER_IN POWERBANK_IN
1
(0 ~ 3.6V)
3216
T
(ACTIVE HIGH)
fs = 400KHz
(1.787V)
0
AD_DC to 15V@2.068V
2
1
0
ICP=3.17A
19V
SAMSUNG PROPRIETARY
C
ADAPTER
(2.048V)
D
-
-
D
4
+
B
PreCHG = 0.3A , Cell<3.1V
PROPRIETARY INFORMATION THAT IS
SAMSUNG
--
3
C
CHARGER & POWER MANAGEMENT
(60.29W)
3.5Arms @ 250KHz
EXCEPT AS AUTHORIZED BY SAMSUNG.
VCHG=12.94V
(1.303V)
[2600mA_CELL]
1
(4.32V*4)
D
A
(4.2235V)
THIS DOCUMENT CONTAINS CONFIDENTIAL
DO NOT DISCLOSE TO OR DUPLICATE FOR OTHERS
(to MICOM 60pin)
BATTERY
P/B & EXT BATT 0 1
3722-002191
+
1
--
(2.66V)
(Don’t Care)
(3.37V)
AD_DC to 11.5V@3.407V
(0.9 ~ 3.6V)
ICHG=1.809A FOR 1P3S
475K
R1055
1%
AD_DC
AGND
AGND
BATT_DC
50V
C683
470nF
AGND
R633
10K
1%
FDS4935A_NL
Q532-1
D1
78
D2
2
G
1
S
25V
C654
1000nF
1%
1%
39K
R673
AGND
AGND
AGND
R669
51.1K
1%
R724
475K
MICOM_P3V
R676 100
4
REF
24 SRC
THERM 29
11 VCTL
TP14620
DLO
21
DLOV
15
GND
10 ICTL
8IINP
2
LDO
7MODE
28
PDL
27 PDS
19
PGND
5PKPRES*
14 CCS
13 CCV
9CLS
17
CSIN
CSIP 18
25
CSSN
26 CSSP
1DCIN
23
DHI
22
DHIV
20
MAX1909ETI+T
U516
3ACIN
6ACOK 16
BATT
12 CCI
R675 100
R1060
0
TP14317
LDO_P5.4V
AD_DC
TP14316
C653
10nF
1%
B516
MMZ1608S121AT
AGND
10K
R711
TP14388
1000nF
C682
25V
C658
AGND
25-A325-D1
10000nF
B517 HU-1M2012-121JT
1000nF
C601
6.3V
3
2
100nF
C679
25V
DA204K-T147
D512
1
AGND
1%
R725
100K
17.4K
R668
1%
TP14623
R637
30K
5%
TP14459
25-C4
MICOM_P3V MICOM_P3V
AGND
TP14390
R717 100
J507
BATT-CONN-5P
1
2
3
4
5
1%
R640
43.2K
D2
8D3 5 6
D4
G1
2 4
G2
S11 3
S2
Q521
FDS8958A
7
D1
10nF
C652
P5V_ALW
1%
22K
R632
25V
4.7nF
C1068
FDS4935A_NL
Q532-2
D1 5 6
D2
4
G
3
S
AD_DC
B510
MMZ1608S121AT
2
1%
R683
0.015
D511
DA204K-T147
1
3
CHG_REF
1000nF
C604
25V
INSTPAR
R674
TP14389
TP14382
MICOM_P3V
AGND
25-C325-D1
1%
475K
R951
100nF
C685
25V
TP14318
TP14386
TP14387
1nF
C1066
TP14319
10nF
25V
C649
1%
R641
270K
MNT2
475K
R721
1%
JACK-DC-POWER-3P
J509
2
3
4
MNT1
1
3
2
TP14313
25-B4
AGND
KSR1102
Q516
AGND
1%
R1065
475K
AGND
R1063
0
R643
1%
33
10000nF
C680
25V
25-B3 34-A4
CHG_REF
TP14339
BATT_DC
AGND
B511 HU-1M2012-121JT
R672
10K
1%
5
+
-
2
IN+
1
3IN-
4
TP14460
B515
TA75S01F(TE85LF)
U521
IHLP2525CZ-01
MMZ1608S121AT
BLM41P600S
B518
10uH
L505
100nF
C655
25V
AGND
4.7nF
C1069
25V
TP14385
0.1nF
C678
50V
TP14314
6
D3
D4 5
G
4
S1
1
2S2
3S3
1%
R680
475K
Q531
SI4435DY
D1 8
7
D2
10000nF
C681
25V
100nF
C656
25V
R670
30K
1%
30K
R671
25-B3
VDC
1%
100nF
25V
R634
20K
1%
C648
10nF
25V
C650
10K
R712
1%
R677
0.01
1%
200K
R1059
1%
CHG_REF
LDO_P5.4V
1000nF
C651
25V
TP14383
25V
C602
1000nF
TP14448
R1056 2M
RHU002N06
Q515
D
3
G
1
2S
C684
10nF
RHU002N06
Q540
D3
1
G
2
S
LDO_P5.4V
BAT3_TEMPA
POWERBANK_IN
KBC3_CHGEN
KBC3_SMDATA
KBC3_SMCLK
ADAPTER_IN

B
23
Q1 : 14.5m ohm @ Vgs = 4.5V Id = 6.1A
MICOM_P3V are always turned on in case of adapter presence
3216
(3A)
90mV / 14mohm = 6.42A
If ON5 Active with ON3=REF
A
SAMSUNG PROPRIETARY
1
PROPRIETARY INFORMATION THAT IS
18 mohm
4
B
IRF7904
18 mohm
1
--> 10m ohm X 1.4 @120DEG
If SHDN* = V+ , LDO5/LDO3/REF turned on
5V / 3.3V : 400KHz / 500KHz
SAMSUNG
3216
P3.3V will be turned on after 5V power-on
DO NOT DISCLOSE TO OR DUPLICATE FOR OTHERS
10m ohm @ 4.5Vgs
(3A)
D
SAMSUNG ELECTRONICS CO’S PROPERTY.
C
3.6Arms @ 500KHz
C
P3.3V_AUX & P5V_AUX & MICOM_P3V
VALLEY CURRENT
Q2 : 10m ohm @ Vgs = 4.5V Id = 8.8A
3
3.5Arms @ 400KHz
Vton = GND
A
THIS DOCUMENT CONTAINS CONFIDENTIAL
3216
2
ELECTRONICS
(2.00V)
(0.9V)
(Y5V)
(0.9V)
EXCEPT AS AUTHORIZED BY SAMSUNG.
--> 14m ohm (MAX)
D
4
13
V+ 2017 VCC
5%
1/4W
10
R656
NC 1
ON3 3
ON5 4
OUT3
22
OUT5 21
PGOOD
2
PRO*
10 REF 8
6
SHDN*
SKIP*
12
TON
DL3
24
DL5 19
FB3
7
FB5 9
GND 23
ILIM3
5
ILIM5
11
LDO3
25
LDO5 18
LX3
27 LX5 15
MAX8734AEEI+T
U517
BST3
28 BST5 14
DH3
26 DH5 16
ZD500
BZX84C12L
1 3
100nF
C642
6.3V
3
21
36-B1 25-C3
A_AGND
GND_A
1%
CMPSH-3A
D513
R685
100K
D3
1
G
2
S
100nF
C693
25V
EC509
330uF
6.3V
AL
RHU002N06
Q508
25V
1%
C523
10000nF
0
R690
121K
R687
33-A4
25-B3
TP14268
3
D
G
1
S2
1%
R688
121K
25V
Q507
RHU002N06
10 5%
1/4W
C663
4700nF
R726
49.9
R655
1
3
2
A_AGND
DTA114YUA
Q506
6.3V
C665
4700nF
3
1%
475K
R539
Q533
IRF7904
D1 8
5
6
7
G1
1
4
G2
2
10000nF
C690
25V
R534
1M
NO_STUFF
1%
1%
1%
R531
15K
R691
200K
50V
C630
6.8nF
3.3R697
475K
R536
P5V_AUX
0
R722
1000nF
C689
6.3V
R535
475K
1%
25V
C636
10000nF
3.3
R723
3.3uH
L506
IHLP2525CZ-01
1%
100nF
C664
25V
TP14394
R692
475K
R696
475K
1%
A_AGND
C696
25V
P12V_ALW
MICOM_P3V
100nF
A_AGND
VDC
25V
100nF
C666
1%
VDC
6.3V
C692
4700nF
100K
R686
34-C3
A_AGND
A_AGND
1%
R694
300K
MICOM_P3V
34-B3
6.3V
C687
1000nF 50V
C691
6.8nF
A_AGND
A_AGND
25V
C632
100nF
13
R689
0
INSTPAR
R526
D504
MMBD4148
1000nF
C662
6.3V
25V
C688
100nF
P5V_ALW
R538
475K
1%
VDC
1%
NO_STUFF
300K
R693
4.7uH
L507
IHLP-2525CZ-01
4
23
1%
10K
R537
IRF7904
Q524
8D1
5
6
7
1
G1
G2
A_AGND
A_AGND
EC508
330uF
6.3V
AL
100nF
C686
25V
200K
R695
TP14393
R698
10K
1%
34-C3
1%
TP14269
TP14270
P3.3V_AUX
TP14392
R699
INSTPAR
KBC3_SUSPWR
ILIM5
ILIM3 34-B3
ADAPTER_IN
ILIM3
ILIM5

P1.5V & VCCP (1.05V)
4
A
Rds on (max) 14mohm
OCP 11.1A peak
Rds on (max) 14mohm
ELECTRONICS
4
(6.0*3.2*2.5)
SAMSUNG ELECTRONICS CO’S PROPERTY.
3216
15m ohm
OCP LIMIT : 14.43A
2
B
OCP 11.8A peak
1
D
3
B
SAMSUNG
EXCEPT AS AUTHORIZED BY SAMSUNG.
3
PROPRIETARY INFORMATION THAT IS
1
THIS DOCUMENT CONTAINS CONFIDENTIAL
C
OCP LIMIT : 13.15A
D
SAMSUNG PROPRIETARY
DO NOT DISCLOSE TO OR DUPLICATE FOR OTHERS
A
C
3216
P5V_AUX
2
15m ohm
(6.0*3.2*2.5)
R959
2.2
5%
D_AGND
P1.5V
R966
10
1%
D_AGND
25V
C994
10000nF
VCCP
D1
8
5
6
7
G1
1
4
G2
23
38-C425-C4
100nF
D_AGND
IRF7904
Q534
R960
5.11K
1%
C999
25V
R955
30.1K
1%
TP14291
6.3V
C1002
4700nF
D_AGND
TP14621
TP14398
AD
2.5V
330uF
EC510
D1 8
5
6
7
1
G1
G2
4
2 3
R962 3.3
100nF
C990
IRF7904
Q535
10000nF
25V
C995
25V
1%2K
R957
0.1nF
C988
50V
37-A2
D_AGND
P3.3V
1%
30.1K
R956
100K
R965
1%
1%
43.2K
R961
C989
D_AGND
VDC
25V
C998
4.7nF
25V
C996
4.7nF
25V
100nF
25-C3
PGND1
26
PGND2
4PHASE1
25
PHASE2
12 SOFT1
17
SOFT2
5UGATE1
24
UGATE2
28
VCC
14
VIN
9VOUT1
20
VOUT2
10 VSEN1
19
VSEN2
TP14290
6BOOT1
23
BOOT2
13 DDR
8EN1
21
EN2
1GND
7ISEN1
22
ISEN2
2LGATE1
27
LGATE2
11 OCSET1
18
OCSET2
15 PG1
16
PG2_REF
3
R958
VDC
ISL6227CAZ-T
U520
6.8nF
C992
1%1.5K
25V
C991
100nF
P5V_AUX
50V
R964
120K
5%
25V
4.7nF
C997
25V
R953
INSTPAR
C1001
100nF
D_AGND
50V
C993
6.8nF
AD
2.5V
330uF
EC511
3.3uH
L510
IHLP2525CZ-01
3.3
R963
R954
10K
L509
3.3uH
IHLP2525CZ-01
1%
D_AGND
D_AGND
VDC
100nF
C1000
25V
KBC3_VRONKBC3_PWRON
VTTPWRGD
D_AGND

2
DO NOT DISCLOSE TO OR DUPLICATE FOR OTHERS
I_LIM = 6.36A
(4.0A)
(354 ~ 366KHz)
(6.0*3.2*2.5)
3
C
4
B
A
1
4
SAMSUNG
A
D
THIS DOCUMENT CONTAINS CONFIDENTIAL
SAMSUNG PROPRIETARY
DDR2 Power
2
ELECTRONICS
EXCEPT AS AUTHORIZED BY SAMSUNG.
15m ohm
3
D
C
B
SAMSUNG ELECTRONICS CO’S PROPERTY.
PROPRIETARY INFORMATION THAT IS
1
25V
100nF
C559
2 3
EC502
330uF
2.5V
AD
IRF7904
D1 8
5
6
7
G1
1
4
G2
TP14333
TP14334
Q512
P1.8V_AUX
25V
C562
100nF
R631 10
1000nF
C605
R642
10
50V
R636
1%
0.01nF
C598
1000nF
C596
24.3K
R635
4.64K
1%
VDC
715K
1%
R591
P5V_AUX
1000nF
C564
10
R630
1000nF
C595
MBR0540
D507
21
R593
7.5K
1%
P5V_AUX
3.3uH
IHLP2525CZ-01
L502
VCCA
5
20
VDDP
3VDDQS
VSSA
4
11 VTTEN
VTTIN_1
13
VTTIN_2
12
10 VTTS
15 VTT_1
14 VTT_2
VDC
P1.8V_AUX
24
BSTCOMP
9
DH 23
DL 19
EN_PSV 1
6FB
21
ILIM
LX 22
7
PGD
18
PGND_1PGND_2
17
PGND_3
16
REF
8
THERM 25
2TON
NoConnect
SC486IMLTRT
U514 475K
R638
1%
34-B2 25-C3
1K R592
1%
TP14457
TP14458
TP14455
TP14456
TP14454
TP14453
TP14451
TP14452
TP14449
TP14450
C561
2.2nF
1nF
C597
KBC3_SUSPWR
MEM1_VREF
10000nF
C560

10K
10K
10K
10K
WOULD BE USED INCLUDING
ELECTRONICS
2402-001258
1
C
SAMSUNG
3
0.726V
1.21V
2
CPU VRM
DO NOT DISCLOSE TO OR DUPLICATE FOR OTHERS
D
V_deeper_sleep = 0.726V
(1.7V)
4
3
1 POSCAP ON THE CPU SIDE
Dothan C0 Step
2
SAMSUNG ELECTRONICS CO’S PROPERTY.
I peak 9.731A
I clim = 115% * Ipeak
= 11.1A
(7A)
4
1
THIS DOCUMENT CONTAINS CONFIDENTIAL
(43K / (43K + 510)) = 0.988
3216
A
EXCEPT AS AUTHORIZED BY SAMSUNG.
A
TOTALLY
2 POSCAP
SAMSUNG PROPRIETARY
PROPRIETARY INFORMATION THAT IS
B
7m ohm
3216
C
B
D
TP14401
TP14399
TP14400
6.3V
INSTPAR
R45
C87
4700nF
1%
43.2K
R18
50V
C19
1nF
C67 220pF
25V
10000nF
C1006
37-C2
KSR1102
Q7
1
3
2
100nF
C22
25V
TP14272
1.91K
R13
1%
SameArea
6-C316-C2
25V
C23
10000nF
P5V
3.3
R42
5%
37-C1
100K
R43
1%
5%
R39
0
8-D4
1%
12.1K
R40
AL
2V
330uF
EC3
0.33nF
P5V
VDC
50V
C17
37-B116-B2
15K
R10
1%
R11
20K
1%
HU-1M2012-121JT
B521
S3
3
VCC_CORE
0.82uH
L1
IHLP2525-CZ-0.82uH
IRF7821TR-PBF
Q3
D1
5 6
D2 D3
7 8
D4
G
4
S1
1 2
S2
37-C4 16-B2
C24
25V
P3.3V
P5V
100nF
TP14404
C64
0.1nF
50V
220pF
C68
TP14403
R60
0.002
TP14402
1 2
1/2W
1%
8-D4
8-D4
D2
B140
TP14271
TP14447
6-C3
8-D4
TP14624
TP14446
TP14445
TP14444
C16
15nF
470nF
C60
TP14442
TP14443
MBR0540
D1
21
16V
12 VID2
VID3
11
10 VID4
VID5
9
TP14440
TP14441
18
DAC
4DPRSL
1DRN
25
ENPAD
19
GND
8HYS
16
IMVP4_PWRGD
6PBOOT
PGND 26
15
SS
2TG
28
V5-8
21
VCCA
5VDPR
VID0
14
13 VID1
SC451ITSTRT
U2
27
BG
3BST
24
CL
7CLK_ENABLE* 22
CLRF
23
CMP
20
CMPRF
17
CORE
25-C3 11-B2
C21
0.33nF
50V
C59
1nF
R46 665 1%
R15
VCC_CORE
39K
R41
1%
332 1%
1nF
C15
10
R16
1%
8
D4
G
4
S1
1
S2
2
S3
3
1%
715R47
IRF7832TR-PBF
Q8
D1
5 6
D2 D3
7
1%
475K
R9
Q6
KSR1102
1
3
2
1000nF
C18
6.3V
2.4K
R48 715 1%
50V
R17
1%
3D
G
1
S
2
C20
0.33nF
6.3V
8-D4
Q2
RHU002N06
C63
1000nF
SameArea
R19
10K
1%
R14
511
1%
35-A1
1%
P3.3V
R44
33.2K
220pF
C66
R12
10K
8-D4
S1+
CHP3_DPRSLPVR
CHP3_CPUSTP*
CLK3_PWRGD*
CHP3_DPRSLPVR
VTTPWRGD
IMVP4_PWRGD
CPU1_VID(0)
CPU1_VID(1)
CPU1_VID(2)
CPU1_VID(3)
CPU1_VID(4)
CPU1_VID(5)
S1+
S1-
S1-

10K
10K
4
A
B
DO NOT DISCLOSE TO OR DUPLICATE FOR OTHERS
SAMSUNG
ELECTRONICS
4
A
Switched Power On (P1.8V)
B
Switched Power On (P3.3V)
D
1
EXCEPT AS AUTHORIZED BY SAMSUNG.
PROPRIETARY INFORMATION THAT IS
C
13
C
1%
PWR_ON --> PWRON_D
THIS DOCUMENT CONTAINS CONFIDENTIAL
3
3mS Delay
MICOM RESET
2
2
Switched Power On (P2.5V)
SAMSUNG PROPRIETARY
SAMSUNG ELECTRONICS CO’S PROPERTY.
D
Switched Power On (P5V)
P1.8V
GND_D
6.3V
C57
4700nF
4700nF
C213
6.3V
P5V
38-C438-A4
P3.3V_AUX
P2.5V
150K
R613
1%
RHU002N06
Q503 D3
1
G
2
S
P5V_AUX
TP14279
6.3V
C574
4700nF
TP14406
TP14278
D986
MMBD301
1 3
9-B3
TP14274
R38 INSTPAR
TP14273
1%
GND_C
2.2nF
C202
50V
NO_STUFF
1M
R195
50V
10000NF
C579
10V
C576
1nF
1
G
2
S
P3.3V_AUX
25-C4 35-B4
INSTPAR
R194
5
OUT
GND_B
RHU002N06
Q502 D3
ADJ 4
EN
3
2GND
1IN
TP627
P12V_ALW
P12V_ALW
U511
MIC5219B
38-B238-A4
Q519
RHU002N06
3D
G
1
S
2
INSTPAR
R525
100K
R646
C606
100nF
25-C3
P12V_ALW
1
3
2
3
D
G
1
S2
Q505
KSR1102
25-C4
Q14
RHU002N06
R512
475K
1%
TP14281
1D1
D2
2
D3
5
6D4 G 3
4
S
P12V_ALW
Q5
FDC653N
NO_STUFF
1M
R517
1%
5%
25V
C58
4.7nF
R523
0
25V
C518
10nF
R37
475K
1%
38-B2 38-C4
1%
475K
R190
100K
R645
1% R644
1M
1%
TP14280
30.1K
R678
1%
TP14277
TP14340
TP14275
TP14276
P1.8V_AUX
TP14405
G3
4
S
1%
R614
150K
Q15
FDC653N
1D1
D2
2
D3
5
6D4
P3.3V MICOM_P3V
Q520
D
3
1
G
2S
6.3V
C517
4700nF
Q504
FDC653N
1D1
D2
2
D3
5
6D4 G 3
4
S
RHU002N06
1%
475K
R511
1%
KBC3_PWRON_D
PWRON*
KBC3_PWRON
PWRON*
KBC3_RST*
PWRON*
SHDN_THER*
1M
R524

10 1-2-3
REVISION STEP
N.C.
1-2
2-3
3-1
2-3
NO CONNECTION
5
DATE(YY/MM/DD)
4
3
2
1
6
7
8
9
N.C.
1-2
PCB REVISION CONTROL ( ICT )
3-1
1-2-3
501 ~ 900 Side
1 ~ 499 Side
EXCEPT AS AUTHORIZED BY SAMSUNG.
SAMSUNG ELECTRONICS CO’S PROPERTY.
4
1
THIS DOCUMENT CONTAINS CONFIDENTIAL
1
B
D
EMI FINGER : 005299021
3
2
D
DO NOT DISCLOSE TO OR DUPLICATE FOR OTHERS
SAMSUNG
SAMSUNG PROPRIETARY
RHE PEM(2mm): BA61-00955A
PROPRIETARY INFORMATION THAT IS
A
C
A
B
4
ELECTRONICS
3
2
C
TP14474
MT12
RMNT-2.5-5.0-1P
R998
15K
TP14542
1% 1%
R1007
10K
TP14484
TP14584
TP14547
22nF
C1034
25V
C1048
1nF
C1014
100nF
C1047
0.33nF
TP14581
0
R1048
C1059
0.027nF
C1032
270pF
TP14549
C1051
220pF
1%
R1016
1K
TP14592
TP14501
TP14595
R992
20K
TP14550
100nF
C1026
1% 1%
R1046
2K
TP14585 TP14588TP14582 TP14611
EMI7
260118-1
TP14586
1%
R1045
2K
EMI
TP14504
100nF
C1062
TP14562
1/20W
10K
R1003
C1043
2.2nF
TP14472
C1037
0.1nF
1%
R1006
10K 1/20W
10K
R1002
1%
R997
15K
TP14500 TP14524
TP14487
1%
4.64K
R1053
TP14555
TP14478
MT11
RMNT-2.5-5.0-1P
1%
R1017
1K0
R1049
RMNT-2.5-5.0-1P
MT18
C1035
10nF
C1007
0.033nF
TP14503
C1027
0.02nF
260118-1
EMI1
EMI
TP14463
TP14538
1%
R1009
100K
TP14596
TP14556
MT10
TP14467
C1010
0.007nF
50V
0.5pF
RMNT-2.5-5.0-1P
TP14505
RMNT-2.5-5.0-1P
TP14580
1%
4.64K
R1054
MT6
DIA
HEAD
LENGTH
TP14473
RMNT-2.5-5.0-1P
MT500
TP14579
TP14508
MT13
C1044
2.2nF
TP14496
TP14583
MT502
DIA
HEAD
LENGTH
TP14576
100nF
C1025
TP14512
TP14479
TP14589
TP14618
TP14605
100nF
C1061
22nF
C1033
25V
1%
R1010
100K
TP14601
4.7nF
C1065
25V
C1036
10nF
TP14461
C1054
0.0033nF
RMNT-2.5-5.0-1P
MT9
TP14591
C1019
470pF
MT14
260118-1
EMI3
EMI
RMNT-2.5-5.0-1P
MT503
DIA
HEAD
LENGTH
TP14518TP14515
1%
R991
20K
C1024
0.047nF
C1050
220pF
R1030
1.5K
RMNT-2.5-5.0-1P
MT3
1%
C1049
1nF
C1038
0.1nF
TP14499
260118-1
EMI8
EMI
MT501
DIA
HEAD
LENGTH REV500
1
2 3
C1013
100nF

SAMSUNG PROPRIETARY
THIS DOCUMENT CONTAINS CONFIDENTIAL
PROPRIETARY INFORMATION THAT IS
SAMSUNG ELECTRONICS CO’S PROPERTY.
DO NOT DISCLOSE TO OR DUPLICATE FOR OTHERS
EXCEPT AS AUTHORIZED BY SAMSUNG.
Main to Subboard(Left)
Bluetooth Interface
4 way slide
SAMSUNG
ELECTRONICS
A A
B B
C C
D D
LED FPC Conn
4
4
3
3
2
2
1
1
GND_L
40-C4
GND_L
40-C4
GND_L
GND_L
GND_L
GND_L
40-B4
P3.3V_SUB
100nF
C980
GND_L
5
6
7
8
9
MNT1
21
22 MNT2
TP14299
1
10
11
12
13
14
15
16
17
18
19
2
20
3
4
P3.3V_SUB
TP14300
J472
CONN-20P-FPC
100nF
C982
40-C4
40-C4
40-B4
GND_L
40-C4
40-B2
40-B2
40-B2
40-C4
40-C4
40-C4
11
MNT1
MNT2 12
100nF
C981
GND_L
TWK7016
SW980
1
10
2
3
45
6
7
8
9
MT23
RMNT-2.5-5.0-1P
GND_L GND_L
40-C1
40-C2
RMNT-2.5-5.0-1P
MT22
40-C2
40-C2
40-D1
P3.3V_SUB
40-C4
40-C2
40-C2
3
4
5
6
7
8
9MNT1
MNT2
10
TP14301
40-C1
HDR-8P-1R-SMD
J471
1
2
40-C4
40-C4
40-C2
J470
FPC-8S-SMD
1
2
3
4
5
6
7
8
MNT1
9
10 MNT2
40-C4
D980 PGB1010603NR21
40-B2
21
PGB1010603NRD982 21
PGB1010603NRD983 21
D981 PGB1010603NR
100nF
C470
D984
PGB1010603NR
21
40-B2
SW981
SKQGAB
1
2
3
4
40-C3
LED_AMBER_SUB
KBC3_LBLED_SUB
BLT_DETECT*_SUB
BLT_DETECT*_SUB
BTN_L_R*_SUB
BTN_L_D*_SUB
BTN_L_U*_SUB
BTN_L_L*_SUB
BTN_L_AUTOSC*_SUB
BTN_L_AUTOSC*_SUB
COEX2_SUB
40-B1
LED_GREEN_SUB
BTN_L_D*_SUB
BTN_L_L*_SUB
LED_AMBER_SUB
BTN_L_R*_SUB
BTN_L_U*_SUB
USB3_P4-_SUB
USB3_P4+_SUB
COEX1_SUB
HDD3_LED*_SUB
RF3_ON_LED*_SUB
COEX2_SUB
KBC3_LBLED_SUB
USB3_P4+_SUB
USB3_P4-_SUB
COEX1_SUB
RF3_ON_LED*_SUB
HDD3_LED*_SUB
LED_GREEN_SUB

SAMSUNG
ELECTRONICS
A A
For FCT Jig
B B
C C
D D
4
4
3
3
2
2
1
1
SAMSUNG PROPRIETARY
THIS DOCUMENT CONTAINS CONFIDENTIAL
PROPRIETARY INFORMATION THAT IS
SAMSUNG ELECTRONICS CO’S PROPERTY.
DO NOT DISCLOSE TO OR DUPLICATE FOR OTHERS
EXCEPT AS AUTHORIZED BY SAMSUNG.
Top contact
Main to Subboard(Right) DA204K-T147
D957
1
3
2
1
3
2
41-B3
P5V_SUB
5MNT1
MNT2
6
41-C4
D955
DA204K-T147
P5V_SUB
J451
CONN-4P-FPC
1
2
3
4
R972
4.64K
1%1%
4.64K
R973
41-C4
1
41-C4
41-C4
41-B4
41-C4
D952
PGB1010603NR
2
41-C4 41-C4
41-C4
SKQGAB
SW953
1
2
3
4
41-B3
PGB1010603NR
D959
21
SW954
SKQGAB
1
2
3
4
41-D3
TP14297
TP14298
DA204K-T147
D958
1
3
2
SKQGAB
SW955
1
2
3
4
P5V_SUB
GND_R
C954
100nF
1%
R950
2K
41-C4
41-C4
17 THERM
VBAT
11
VCC_1 5
VCC_2 14
VREF
13
X+ 6
X- 8
Y+ 7
Y- 9
ADS7846IRGVR
U450
AUX
12
BUSY 1
CS*
3
DCLK
4DIN
2
DOUT 16
GND
10 PENIRQ* 15
41-C4
GND_R
GND_R
41-B2
10nF
C950
41-D3
10nF
C952 C953
10nF
SW952
SKQGAB
1
2
3
4
TP14407
41-D3
D956
DA204K-T147
1
3
2
PGB1010603NR
D953
21
D954
PGB1010603NR
21
D951
PGB1010603NR
21
21 MNT1
MNT2
22
PGB1010603NR
D950
21
13
14
15
16
17
18
19
2
20
3
4
5
6
7
8
9
J450
CONN-20P-FPC
1
10
11
12
R970
4.64K
1% 1%
4.64K
R971
TP14267
SW951
SKQGAB
1
2
3
4
RMNT-2.5-5.0-1P
MT20
GND_R
GND_R
41-D3
P5V_SUB
GND_R
41-B1
GND_R
41-B2
C951
10nF
41-B2
4
41-C4
RMNT-2.5-5.0-1P
MT19
GND_R
GND_R
GND_R
GND_R
SKQGAB
SW950
1
2
3
TSP5_DIN_SUB
TSP5_DOUT_SUB
TSP5_CS*_SUB
KBC3_PWRSW*_SUB
41-D3
GND_R
GND_R
BTN_R_MENU*_SUB
BTN_R_ENTER*_SUB
TSP5_CS*_SUB
TSP5_DCLK_SUB
TSP5_DIN_SUB
TSP5_DOUT_SUB
BTN_R1*_SUB
BTN_R2*_SUB
BTN_R3*_SUB
BTN_R4*_SUB
TSP5_INT*_SUB
BTN_R4*_SUB
BTN_R_MENU*_SUB
BTN_R3*_SUB
BTN_R_ENTER*_SUB
BTN_R1*_SUB BTN_R2*_SUB
TSP5_INT*_SUB
KBC3_PWRSW*_SUB
TSP5_DCLK_SUB