802 VLZ3 8 Channel Premium Mic/Line Mixer Owner's Manual Mackie 802vlz3 Om
Mackie 802-VLZ3 Owner's Manual 802vlz3_om Mackie - 802-VLZ3 - Owner's Manual
User Manual: Mackie 802-VLZ3 Owner's Manual Mackie - 802-VLZ3 - Owner's Manual
Open the PDF directly: View PDF
.
Page Count: 28
- Important Safety Instructions
- Read This Page!
- Introduction
- Hookup Diagrams
- Patchbay Description
- 1. MIC INPUTS (Channels 1–3)
- 2. LINE INPUTS (Channels 1–2)
- 3. STEREO LINE INPUTS (Channels 3–4, 5–6, and 7–8)
- 4. CHANNEL INSERT (Channels 1–2)
- 5. LOW CUT (Channels 1–3)
- 6. INSTRUMENT SWITCH (Channels 1–2)
- 7. GAIN (Channels 1–3)
- 8. STEREO RETURN
- 9. ALT 3–4 OUTPUT
- 10. CONTROL ROOM OUTPUTS
- 11. PHONES
- 12. PHANTOM SWITCH and LED
- 13. TAPE INPUT
- 14. TAPE OUTPUT
- 15. AUX SEND
- 16. 1⁄4" MAIN OUTS
- 17. XLR MAIN OUTS
- 18. XLR MAIN OUTPUT LEVEL SWITCH
- 19. POWER CONNECTION
- 20. POWER SWITCH
- Channel Strip Description
- Output Section
- Appendix A: Service Information
- Appendix B: Connections
- Appendix C: Technical Information
- 802-VLZ3 Limited Warranty

802-VLZ3
OWNER’S MANUAL
8-Channel Premium Mic/Line Mixer
LINE IN 7-8
HI
12kHz
MID
2.5kHz
LOW
80Hz
EQ
1
PAN
LEVEL
POWER
RUDE
SOLO
LEVEL
SET
CONTROL
ROOM
SOURCE
ALT 3-4
TAPE
MAIN MIX
LEFT RIGHT
0dB=0dBu
ASSIGN
TO MAIN MIX
MAIN MIX
+12dB
OO
+10dB
OO
SEND
OO
+10
802
+12dB
OO
CTL ROOM/SUBMIX
PHONES
AUX
3
4
0
2
15
20
10
6
30
10
7
20
1
MUTE
ALT 3-4
PRE FADER
SOLO
LINE IN 5-6
MONO
BAL
OR
UNBAL
L
R
BAL
OR
UNBAL
MONO
BAL
OR
UNBAL
L
R
MONO
BAL
OR
UNBAL
L
R
LR
ST RETURN
BAL/UNBAL
L3
ALT OUTPUT
R4
BAL/UNBAL
L
R
BAL/UNBAL
L
R
PRE
POST
+4
MIC
AUX
MASTER
OO
+20
STEREO
RETURN
LOW CUT
100 Hz
18dB/OCT
GAIN
+15dB - 45dB
INSERT
LINE IN 1LINE IN 3
LINE IN 4
MIC 1
BAL
OR
UNBAL
GAIN
+15dB - 45dB
GAIN
INSERT
LINE IN 2
MIC 2MIC 3
X
D
R
2
M
I
C
P
R
E
X
D
R
2
M
I
C
P
R
E
X
D
R
2
M
I
C
P
R
E
MAIN
OUTPUT
LEVEL
PHANTOM
POWER
CR OUTPUT
TAPE IN TAPE OUT
L
R
L
R
PHONES
MAIN OUT BALANCED
L
R
AUX SEND
BAL/UNBAL
MAIN OUT
HI
12kHz
MID
2.5kHz
LOW
80Hz
EQ
PAN
LEVEL
+12dB
OO
AUX
MUTE
ALT 3-4
PRE FADER
SOLO
HI
12kHz
MID
2.5kHz
LOW
80Hz
EQ
PAN
LEVEL
+12dB
OO
AUX
3-4
MUTE
ALT 3-4
PRE FADER
SOLO
HI
12kHz
MID
2.5kHz
LOW
80Hz
EQ
PAN
LEVEL
+12dB+12dB
OO
AUX
MUTE
ALT 3-4
PRE FADER
SOLO
HI
12kHz
MID
2.5kHz
LOW
80Hz
EQ
PAN
LEVEL
OO
AUX
MUTE
ALT 3-4
PRE FADER
SOLO
5-6 7-8
OO
MAX
+15-15
+15-15
+15
-15
LR
U
U
U
OO
+15
U
+15-15
+15-15
+15
-15
LR
U
U
U
OO
+15
U
+15-15
+15-15
+15
-15
LR
U
U
U
OO
+15
U
+15-15
+15-15
+15
-15
LR
U
U
U
OO
+15
U
+15-15
+15-15
+15
-15
LR
U
U
U
OO
+15
UU U
UUUUU UU
-
1
0
d
B
V
M
I
C
G
A
I
N
0
U
60
-
1
0
d
B
V
M
I
C
G
A
I
N
0
U
60
M
I
C
G
A
I
N
060
2
POWER
ON
POWER
802

802-VLZ3
2
802-VLZ3
Important Safety Instructions
1. Read these instructions.
2. Keep these instructions.
3. Heed all warnings.
4. Follow all instructions.
5. Do not use this apparatus near water.
6. Clean only with a dry cloth.
7. Do not block any ventilation openings. Install in accordance with the
manufacturer’s instructions.
8. Do not install near any heat sources such as radiators, heat registers,
stoves, or other apparatus (including amplifiers) that produce heat.
9. Do not defeat the safety purpose of the polarized or grounding-type
plug. A polarized plug has two blades with one wider than the other. A
grounding-type plug has two blades and a third grounding prong. The
wide blade or the third prong are provided for your safety. If the provided
plug does not fit into your outlet, consult an electrician for replacement
of the obsolete outlet.
10.
Do not overload wall outlets and extension cords as this can result in a
risk of fire or electric shock.
11.
Protect the power cord from being walked on or pinched particularly at
plugs, convenience receptacles, and the point where they exit from the
apparatus.
12.
Only use attachments/accessories specified by the manufacturer.
13.
Use only with a cart, stand, tripod, bracket, or table
specified by the manufacturer, or sold with the appa-
ratus. When a cart is used, use caution when moving
the cart/apparatus combination to avoid injury from
tip-over.
14.
Unplug this apparatus during lightning storms or
when unused for long periods of time.
15.
Refer all servicing to qualified service personnel. Servicing is required
when the apparatus has been damaged in any way, such as power-sup-
ply cord or plug is damaged, liquid has been spilled or objects have fallen
into the apparatus, the apparatus has been exposed to rain or moisture,
does not operate normally, or has been dropped.
16.
This apparatus shall not be exposed to dripping or splashing, and no
object filled with liquids, such as vases or beer glasses, shall be placed
on the apparatus.
17.
This apparatus has been equipped with a rocker-style AC mains power
switch. This switch is located on the rear panel and should remain readily
accessible to the user.
18.
The MAINS plug or an appliance coupler is used as the disconnect device,
so the disconnect device shall remain readily operable.
19. NOTE: This equipment has been tested and found to comply with
the limits for a Class B digital device, pursuant to part 15 of the FCC
Rules. These limits are designed to provide reasonable protection
against harmful interference in a residential installation. This equip-
ment generates, uses, and can radiate radio frequency energy and, if
not installed and used in accordance with the instructions, may cause
harmful interference to radio communications. However, there is no
guarantee that interference will not occur in a particular installation. If
this equipment does cause harmful interference to radio or television
reception, which can be determined by turning the equipment off and
on, the user is encouraged to try to correct the interference by one or
more of the following measures:
• Reorientorrelocatethereceivingantenna.
• Increasetheseparationbetweentheequipmentandthe
receiver.
• Connecttheequipmentintoanoutletonacircuitdifferentfrom
that to which the receiver is connected.
• Consultthedealeroranexperiencedradio/TVtechnicianfor
help.
CAUTION: Changes or modifications to this device not expressly
approved by LOUD Technologies Inc. could void the user's authority to
operate the equipment under FCC rules.
20.
This apparatus does not exceed the Class A/Class B (whichever is
applicable)
limits for radio noise emissions from digital apparatus as
set out in the radio interference regulations of the Canadian Department
of Communications.
ATTENTION — Le présent appareil numérique n’émet pas de bruits
radioélectriques dépassant las limites applicables aux appareils
numériques de class A/de class B (selon le cas) prescrites dans le
réglement sur le brouillage radioélectrique édicté par les ministere des
communications du Canada.
21.
Exposure to extremely high noise levels may cause permanent hearing
loss. Individuals vary considerably in susceptibility to noise-induced
hearing loss, but nearly everyone will lose some hearing if exposed to
sufficiently intense noise for a period of time. The U.S. Government’s
Occupational Safety and Health Administration (OSHA) has specified
the permissible noise level exposures shown in the following chart.
According to OSHA, any exposure in excess of these permissible limits
could result in some hearing loss. To ensure against potentially danger-
ous exposure to high sound pressure levels, it is recommended that all
persons exposed to equipment capable of producing high sound pres-
sure levels use hearing protectors while the equipment is in operation.
Ear plugs or protectors in the ear canals or over the ears must be worn
when operating the equipment in order to prevent permanent hearing
loss if exposure is in excess of the limits set forth here:
PORTABLE CART
WARNING
CAUTION AVIS
RISK OF ELECTRIC SHOCK. DO NOT OPEN
RISQUE DE CHOC ELECTRIQUE. NE PAS OUVRIR
CAUTION: TO REDUCE THE RISK OF ELECTRIC SHOCK DO NOT REMOVE COVER (OR BACK)
NO USER-SERVICEABLE PARTS INSIDE. REFER SERVICING TO QUALIFIED PERSONNEL
ATTENTION: POUR EVITER LES RISQUES DE CHOC ELECTRIQUE, NE PAS ENLEVER LE COUVERCLE.
AUCUN ENTRETIEN DE PIECES INTERIEURES PAR L'USAGER.
CONFIER L'ENTRETIEN AU PERSONNEL QUALIFIE.
AVIS: POUR EVITER LES RISQUES D'INCENDIE OU D'ELECTROCUTION, N'EXPOSEZ PA S CET ARTICLE
A LA PLUIE OU A L'HUMIDITE
The lightning flash with arrowhead symbol within an equilateral triangle is
intended to alert the user to the presence of uninsulated "dangerous
voltage" within the product's enclosure, that may be of sufficient magnitude
to constitute a risk of electric shock to persons.
Le symbole éclair avec point de flèche à l'intérieur d'un triangle équilatéral
est utilisé pour alerter l'utilisateur de la présence à l'intérieur du coffret de
"voltage dangereux" non isolé d'ampleur suffisante pour constituer un risque
d'éléctrocution.
The exclamation point within an equilateral triangle is intended to alert the
user of the presence of important operating and maintenance (servicing)
instructions in the literature accompanying the appliance.
Le point d'exclamation à l'intérieur d'un triangle équilatéral est employé
pour alerter les utilisateurs de la présence d'instructions importantes pour le
fonctionnement et l'entretien (service) dans le livret d'instruction
accompagnant l'appareil.
Duration,
per day in
hours
Sound Level
dBA, Slow
Response
Typical Example
8 90 Duo in small club
6 92
4 95 Subway Train
3 97
2 100 Veryloudclassicalmusic
1.5 102
1 105 Dave screaming at Steve about
deadlines
0.5 110
0.25 or less 115 Loudest parts at a rock concert

Owner’s Manual
3
Owner’s Manual
Part No. SW0635 Rev. D 08/12
©2007-2012 LOUD Technologies Inc. All Rights Reserved.
(Based on a true story.)
Instant Mixing
Here’s how to get going right away, assuming you
have a microphone and a keyboard:
1. Plug your microphone into channel 1’s
mic input.
2. Turn on the 802-VLZ3.
3. Perform the level-setting procedure.
4. Connect cords from the main outs (XLR, 1⁄4"
or RCA, your choice) to your amplifier.
5. Hook up speakers to the amp and turn it on.
6. Turn up the 802-VLZ3’s channel 1 level knob to
the center, and the main mix knob one quarter
of the way up.
7. Sing like a canary!
8. Plug your keyboard into stereo channel 5-6.
9. Turn that channel’s level knob to the center.
10. Play like a madman and sing like a canary!
It’s your first mix!
Other Notes
For optimum sonic performance, the channel level
knobs and the main mix knob should be set near the
“U” (unity gain) markings.
Always turn the main mix, control room/submix, and
phones level controls down before making connections
to and from your 802-VLZ3.
If you shut down your equipment, turn off your
amplifier or powered speakers first. When powering
up, turn them on last.
Save the shipping box! You may need it someday.
Read This Page!
We realize that you can hardly resist the
impulse to try out your new 802-VLZ3. All
we ask is that you read this page NOW,
and the rest can wait until you’re good
and ready. But do read it — you’ll be glad you did.
Level-Setting Procedure
Message to seasoned pros: do not set levels using
the old “Turn the gain up until the clip light comes on,
then back off a hair” trick. When a Mackie mixer clip
light comes on, you really are about to clip. We worked
and slaved to come up with a better system, one that
provides low noise and high headroom.
Adjusting input levels (Chs. 1–3 only)
On the first three channels, it’s not even necessary
to hear what you’re doing to set the optimal levels. But
if you’d like to: Plug headphones into the phones jack,
then set the phones knob about one-quarter of the way
up.
The following steps must be performed one channel at
a time:
1. Turn the gain, level and aux send knobs fully
down (counterclockwise).
2. Set the EQ knobs at the center detent.
3. Connect the signal source to the input.
4. Engage (push in) the solo switch.
5. Play something into the selected input. This
could be an instrument, a singing or speaking
voice, or a line input such as a CD player or
tape recorder output. Be sure that the volume
of the input is the same as it would be during
normal use. If it isn’t, then you might have to
readjust these levels during the middle of the
set.
6. Adjust the channel’s gain control so that the
meter display stays around “0” and never goes
higher than “+6.”
7. If you’d like to apply some EQ, do so now and
return to step 6.
8. Disengage that channel’s solo switch.
9. Repeat for each of channels 1 through 3. Note
that channel 3's gain control only affects the
mic input, not the line inputs.
Please write your serial number here for future
reference (i.e., insurance claims, tech support,
return authorization, make dad proud, etc.)
Purchased at:
Date of purchase:

802-VLZ3
4
802-VLZ3
How To Use This Manual
Since many of you folks will want to hook up your
802-VLZ3 immediately, the first pages you will encounter
after the table of contents are the ever-popular hookup
diagrams. These show typical mixer setups for various
applications.
After this section is a detailed tour of the entire
mixer, where you will find illustrations with each
feature numbered. If you’re curious about a feature,
simply locate it on the appropriate illustration, notice
the number attached to it, and find that number in the
nearby paragraphs.
This icon marks infor mation that is critically
important or unique to the 802-VLZ3.
We recommended that you read these
important notes.
This icon will lead you to in-depth
explanations of features and some practical
tips. It is possible these may even be helpful.
Appendix A is a section on troubleshooting and service
information.
Appendix B is a section on connectors.
Appendix C shows the technical specifications,
and a handy block diagram.
Introduction
Thank you for choosing a Mackie professional
compact mixer. The 802-VLZ3 is equipped with three
of our precision-engineered XDR2TM Extended Dynamic
Range premium studio-grade microphone preamplifiers.
The small size of this mixer and the quality of its
design make it an ideal choice for recording, sound
reinforcement, multimedia use, or post-production
work.
The Mackie VLZ3 series of mixers consist of the 402,
802, 1202, 1402, 1642, and 1604-VLZ3. The 802-VLZ3
mixer has more channels than a four channel mixer,
but not as many as a 12 channel mixer. Some of the
features of the 802-VLZ3 include:
• Ultra-compact8-channelmixer
• 3studio-gradeXDR2™ExtendedDynamic
Range mic preamps
• 8high-headroomlineinputs
• 2monomic/linechannels
• 1mono-mic/stereo-linehybridchannel
• 2stereoline-levelchannels
• TapeinputandoutputwithRCAconnectors
• XLRmainoutputwithswitchablemic-level
output for direct connection to stage snake
• 1/4"TRSmainoutputs
• 3-bandactiveEQoneachchannel
• Auxsendperchannel,withmasterpre/post
switch and dedicated stereo aux return
• Instrumentinputswitchesonchannels1
and 2 – no DI box is needed
• Insertsonchannels1and2
• Pancontroloneachchannel
• Low-cutlteronmicinputchannels
• Phantompowerforstudiocondensermics
• Separatemain,controlroom,andphones
outputs with independent volume controls
• Controlroom/phonessourcematrixallows
monitoring of any combination of main mix
and tape input
• Pre-Fadersolooneachchannel
• ALT3/4stereobusforaddedversatility
• High-resolution12-segmentstereometers
• Sealedrotarycontrolstoresistdust,grime
and anchovies
• Sleek,ruggedsteelchassis
• Optionalmicstandadapter(seep.24)

Owner’s Manual
5
Owner’s Manual
Contents
IMPORTANT SAFETY INSTRUCTIONS ........................ 2
READ THIS PAGE! .................................................... 3
INTRODUCTION ...................................................... 4
HOOKUP DIAGRAMS............................................... 6
PATCHBAY DESCRIPTION ....................................... 11
1. MIC INPUTS (CHANNELS 1–3) ................. 11
2. LINE INPUTS (CHANNELS 1–2) ................ 12
3. STEREO LINE INPUTS .............................. 12
4. CHANNEL INSERT (CHANNELS 1–2) ......... 12
5. LOW CUT (CHANNELS 1–3) ..................... 13
6. INSTRUMENT SWITCH (CHANNELS 1–2) .. 13
7. GAIN (CHANNELS 1–3) .......................... 13
8. STEREO RETURN .................................... 13
9. ALT 3–4 OUTPUT ................................... 13
10. CONTROL ROOM OUTPUTS ..................... 14
11. PHONES ................................................ 14
12. PHANTOM SWITCH AND LED .................. 14
13. TAPE INPUT ........................................... 14
14. TAPE OUTPUT ........................................ 15
15. AUX SEND ............................................. 15
16. 1⁄4" MAIN OUTS ..................................... 15
17. XLR MAIN OUTS ................................... 15
18. XLR MAIN OUTPUT LEVEL SWITCH .......... 15
19. POWER CONNECTION ............................. 15
20. POWER SWITCH ..................................... 15
CHANNEL STRIP DESCRIPTION ............................... 16
21. LEVEL .................................................... 16
22. PRE-FADER SOLO ................................... 16
23. MUTE/ALT 3–4 ...................................... 16
24. PAN ....................................................... 17
25. LOW EQ ................................................. 17
26. MID EQ .................................................. 17
27. HI EQ ..................................................... 17
28. AUX ...................................................... 18
OUTPUT SECTION .................................................. 19
29. MAIN MIX ............................................. 19
30. CONTROL ROOM SOURCE MATRIX .......... 19
31. PHONES ............................................... 19
32. CONTROL ROOM/SUBMIX ..................... 19
33. ASSIGN TO MAIN MIX ............................ 20
34. RUDE SOLO ............................................ 20
35. METERS ................................................. 20
36. PRE OR POST (AUX) .............................. 21
37. AUX MASTER SEND ................................ 21
38. STEREO RETURN .................................... 21
39. POWER LED ........................................... 21
APPENDIX A: SERVICE INFORMATION .................... 22
APPENDIX B: CONNECTIONS.................................. 23
APPENDIX C: TECHNICAL INFORMATION ................ 25
802-VLZ3 LIMITED WARRANTY ............................. 27

802-VLZ3
6
802-VLZ3
Hookup Diagrams
Live Band PA System
LINE IN 7-8
HI
12kHz
MID
2.5kHz
LOW
80Hz
EQ
1
PAN
LEVEL
POWER
RUDE
SOLO
LEVEL
SET
CONTROL
ROOM
SOURCE
ALT 3-4
TAPE
MAIN MIX
LEFT RIGHT
0dB=0dBu
ASSIGN
TO MAIN MIX
MAIN MIX
+12dB
OO
+10dB
OO
SEND
OO
+10
802
+12dB
OO
CTL ROOM/SUBMIX
PHONES
AUX
3
4
0
2
15
20
10
6
30
10
7
20
1
MUTE
ALT 3-4
PRE FADER
SOLO
LINE IN 5-6
MONO
BAL
OR
UNBAL
L
R
BAL
OR
UNBAL
MONO
BAL
OR
UNBAL
L
R
MONO
BAL
OR
UNBAL
L
R
LR
ST RETURN
BAL/UNBAL
L3
ALT OUTPUT
R4
BAL/UNBAL
L
R
BAL/UNBAL
L
R
PRE
POST
+4
MIC
AUX
MASTER
OO
+20
STEREO
RETURN
LOW CUT
100 Hz
18dB/OCT
GAIN
+15dB - 45dB
INSERT
LINE IN 1 LINE IN 3
LINE IN 4
MIC 1
BAL
OR
UNBAL
GAIN
+15dB - 45dB
GAIN
INSERT
LINE IN 2
MIC 2MIC 3
MAIN
OUTPUT
LEVEL
PHANTOM
POWER
CR OUTPUT
TAPE IN TAPE OUT
L
R
L
R
PHONES
MAIN OUT BALANCED
L
R
AUX SEND
BAL/UNBAL
MAIN OUT
HI
12kHz
MID
2.5kHz
LOW
80Hz
EQ
PAN
LEVEL
+12dB
OO
AUX
MUTE
ALT 3-4
PRE FADER
SOLO
HI
12kHz
MID
2.5kHz
LOW
80Hz
EQ
PAN
LEVEL
+12dB
OO
AUX
3-4
MUTE
ALT 3-4
PRE FADER
SOLO
HI
12kHz
MID
2.5kHz
LOW
80Hz
EQ
PAN
LEVEL
+12dB +12dB
OO
AUX
MUTE
ALT 3-4
PRE FADER
SOLO
HI
12kHz
MID
2.5kHz
LOW
80Hz
EQ
PAN
LEVEL
OO
AUX
MUTE
ALT 3-4
PRE FADER
SOLO
5-6 7-8
OO
MAX
+15-15
+15-15
+15
-15
LR
U
U
U
OO
+15
U
+15-15
+15-15
+15
-15
LR
U
U
U
OO
+15
U
+15-15
+15-15
+15
-15
LR
U
U
U
OO
+15
U
+15-15
+15-15
+15
-15
LR
U
U
U
OO
+15
U
+15-15
+15-15
+15
-15
LR
U
U
U
OO
+15
UU U
UUUUU UU
-
1
0
d
B
V
M
I
C
G
A
I
N
0
U
60
-
1
0
d
B
V
M
I
C
G
A
I
N
0
U
60
M
I
C
G
A
I
N
060
2
iPodTM
Docking Station
Microphone
Acoustic
Guitar
Bass
Guitar
Vocal Compressor
(connected to Insert)
Compressor
(connected to Insert)
Send
Return
Send
Return
Keyboards
SA1530z Po wered Speakers
Effects Processor
(connected to aux send)
Return
Amplifier
modeler DI Box
Electric
Guitar
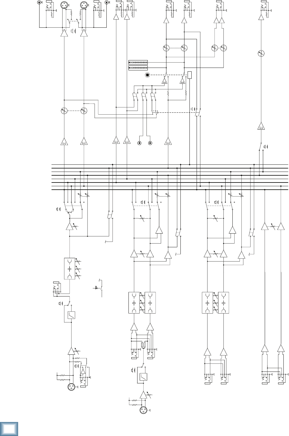
This diagram shows a microphone connected to the mic input of channel 1, and a vocal compressor
connected to the insert jack. A guitar is attached to the instrument input of channel 2, with the instrument
switch pressed in, and a compressor on the insert. A bass guitar is connected to channel 3's mic input via
a DI box, and another guitar plays through an amplifier modeler into channels 5 and 6. Keyboards are
connected to the line inputs of channels 7 and 8.
An effects processor is connected to the aux send, with the aux send set to post-level. Effects are added
to the main mix via the stereo return inputs, and adjusted with the stereo return level control.
To use the aux send for stage monitors instead of an effects processor, set the aux to pre-level so the
monitor volume level can be adjusted independently from the main loudspeakers.
An iPodTM docking station is connected to the tape RCA inputs, so you can play pre-recorded music
during the breaks.
The main mix output connects to a pair of SA1530z powered loudspeakers to please your audience.

Owner’s Manual
7
Owner’s Manual
Home Studio
LINE IN 7-8
HI
12kHz
MID
2.5kHz
LOW
80Hz
EQ
1
PAN
LEVEL
POWER
RUDE
SOLO
LEVEL
SET
CONTROL
ROOM
SOURCE
ALT 3-4
TAPE
MAIN MIX
LEFT RIGHT
0dB=0dBu
ASSIGN
TO MAIN MIX
MAIN MIX
+12dB
OO
+10dB
OO
SEND
OO
+10
802
+12dB
OO
CTL ROOM/SUBMIX
PHONES
AUX
3
4
0
2
15
20
10
6
30
10
7
20
1
MUTE
ALT 3-4
PRE FADER
SOLO
LINE IN 5-6
MONO
BAL
OR
UNBAL
L
R
BAL
OR
UNBAL
MONO
BAL
OR
UNBAL
L
R
MONO
BAL
OR
UNBAL
L
R
LR
ST RETURN
BAL/UNBAL
L3
ALT OUTPUT
R4
BAL/UNBAL
L
R
BAL/UNBAL
L
R
PRE
POST
+4
MIC
AUX
MASTER
OO
+20
STEREO
RETURN
LOW CUT
100 Hz
18dB/OCT
GAIN
+15dB - 45dB
INSERT
LINE IN 1 LINE IN 3
LINE IN 4
MIC 1
BAL
OR
UNBAL
GAIN
+15dB - 45dB
GAIN
INSERT
LINE IN 2
MIC 2MIC 3
MAIN
OUTPUT
LEVEL
PHANTOM
POWER
CR OUTPUT
TAPE IN TAPE OUT
L
R
L
R
PHONES
MAIN OUT BALANCED
L
R
AUX SEND
BAL/UNBAL
MAIN OUT
HI
12kHz
MID
2.5kHz
LOW
80Hz
EQ
PAN
LEVEL
+12dB
OO
AUX
MUTE
ALT 3-4
PRE FADER
SOLO
HI
12kHz
MID
2.5kHz
LOW
80Hz
EQ
PAN
LEVEL
+12dB
OO
AUX
3-4
MUTE
ALT 3-4
PRE FADER
SOLO
HI
12kHz
MID
2.5kHz
LOW
80Hz
EQ
PAN
LEVEL
+12dB +12dB
OO
AUX
MUTE
ALT 3-4
PRE FADER
SOLO
HI
12kHz
MID
2.5kHz
LOW
80Hz
EQ
PAN
LEVEL
OO
AUX
MUTE
ALT 3-4
PRE FADER
SOLO
5-6 7-8
OO
MAX
+15-15
+15-15
+15-15
LR
U
U
U
OO
+15
U
+15-15
+15-15
+15-15
LR
U
U
U
OO
+15
U
+15-15
+15-15
+15-15
LR
U
U
U
OO
+15
U
+15-15
+15-15
+15-15
LR
U
U
U
OO
+15
U
+15-15
+15-15
+15-15
LR
U
U
U
OO
+15
UU U
UUUUU UU
-
1
0
d
B
V
M
I
C
G
A
I
N
0
U
60
-
1
0
d
B
V
M
I
C
G
A
I
N
0
U
60
M
I
C
G
A
I
N
060
2
Condenser
microphone
Acoustic
Guitar
Amplifier
modeler
Electric
Guitar
HR624mkII
studio monitors
Synth
Headphones
Headphone amp
Laptop
Electronic Drum Kit
This diagram shows a condenser microphone connected to the mic input of channel 1, with phantom
power engaged. A guitar is attached to the instrument input of channel 2, with the instrument switch
pressed in. Another guitar plays through an amplifier modeler into channels 3 and 4. A stereo synth is
connected to the line inputs of channels 5 and 6, and an electronic drum kit feeds channels 7 and 8.
The audio outputs from a laptop computer are connected to the RCA tape inputs. This allows you to
playback your recordings made using the DAW of your choice. The Alt 3-4 outputs are used to feed the
inputs to your computer's sound card. By pressing a mute/alt 3-4 switch, it is easy to set up a channel to
record onto your computer.
A headphone amplifier is connected to the headphones output, and feeds four pairs of headphones.
A pair of HR624mkII powered studio monitors are connected to the control room outputs.
You can use this setup to record overdub style:
1. For the track being recorded, route it to the alt 3-4 output, which feeds the computer input.
2. Monitor just the previously-recorded tracks through the tape input, which will feed the control
room/phones.
3. Since only the currently-recorded track is feeding the computer (through alt 3-4), you will hear the
previous tracks you are overdubbing to, but they will not be recorded to each new track.
4. The control room/phones is fed by a mixture of alt 3-4 (currently recorded track) and tape in
(output of your DAW playing back previously-recorded tracks).

802-VLZ3
8
802-VLZ3
Keyboard Submixer
LINE IN 7-8
HI
12kHz
MID
2.5kHz
LOW
80Hz
EQ
1
PAN
LEVEL
POWER
RUDE
SOLO
LEVEL
SET
CONTROL
ROOM
SOURCE
ALT 3-4
TAPE
MAIN MIX
LEFT RIGHT
0dB=0dBu
ASSIGN
TO MAIN MIX
MAIN MIX
+12dB
OO
+10dB
OO
SEND
OO
+10
802
+12dB
OO
CTL ROOM/SUBMIX
PHONES
AUX
3
4
0
2
15
20
10
6
30
10
7
20
1
MUTE
ALT 3-4
PRE FADER
SOLO
LINE IN 5-6
MONO
BAL
OR
UNBAL
L
R
BAL
OR
UNBAL
MONO
BAL
OR
UNBAL
L
R
MONO
BAL
OR
UNBAL
L
R
LR
ST RETURN
BAL/UNBAL
L3
ALT OUTPUT
R4
BAL/UNBAL
L
R
BAL/UNBAL
L
R
PRE
POST
+4
MIC
AUX
MASTER
OO
+20
STEREO
RETURN
LOW CUT
100 Hz
18dB/OCT
GAIN
+15dB - 45dB
INSERT
LINE IN 1LINE IN 3
LINE IN 4
MIC 1
BAL
OR
UNBAL
GAIN
+15dB - 45dB
GAIN
INSERT
LINE IN 2
MIC 2MIC 3
MAIN
OUTPUT
LEVEL
PHANTOM
POWER
CR OUTPUT
TAPE IN TAPE OUT
L
R
L
R
PHONES
MAIN OUT BALANCED
L
R
AUX SEND
BAL/UNBAL
MAIN OUT
HI
12kHz
MID
2.5kHz
LOW
80Hz
EQ
PAN
LEVEL
+12dB
OO
AUX
MUTE
ALT 3-4
PRE FADER
SOLO
HI
12kHz
MID
2.5kHz
LOW
80Hz
EQ
PAN
LEVEL
+12dB
OO
AUX
3-4
MUTE
ALT 3-4
PRE FADER
SOLO
HI
12kHz
MID
2.5kHz
LOW
80Hz
EQ
PAN
LEVEL
+12dB +12dB
OO
AUX
MUTE
ALT 3-4
PRE FADER
SOLO
HI
12kHz
MID
2.5kHz
LOW
80Hz
EQ
PAN
LEVEL
OO
AUX
MUTE
ALT 3-4
PRE FADER
SOLO
5-6 7-8
OO
MAX
+15-15
+15-15
+15
-15
LR
U
U
U
OO
+15
U
+15-15
+15-15
+15
-15
LR
U
U
U
OO
+15
U
+15-15
+15-15
+15
-15
LR
U
U
U
OO
+15
U
+15-15
+15-15
+15
-15
LR
U
U
U
OO
+15
U
+15-15
+15-15
+15
-15
LR
U
U
U
OO
+15
UU U
UUUUU UU
-
1
0
d
B
V
M
I
C
G
A
I
N
0
U
60
-
1
0
d
B
V
M
I
C
G
A
I
N
0
U
60
M
I
C
G
A
I
N
060
2
Headphones
Keyboard submix to
front-of-house
mixer
Mono synth 1
Stage monitor mix from FOH mixer
Main mix to FOH mixer
Mono synth 2
Synth 4
Synth 3
Stage Snake
SRM150 powered
personal monitor
This diagram shows mono synths connected to the mono line inputs of channel 1 and 2, and stereo
synths connected to the stereo line inputs of channels 5/6, and 7/8.
The XLR main mix outputs are connected to two channels of a stage snake. The main output level switch
next to the main outputs is set to mic, and these balanced outputs are then suitable for sending over long
cable runs from the snake to the front of house mixer. Here, the keyboard submix is added to main mix
with the other instruments and vocals of your legendary all-star band.
The snake returns a stage monitor feed from the FOH mixer into channel 3's line input. Leave the
channel 3 level down, so this feed is not sent to the main mix of the 802-VLZ3. Adjust the channel 3
aux control to add the stage monitor mix from the front of house mixer. Adjust the other channel's aux
controls until you are happy with the overall monitor mix of your keyboards and the band's guitars/
drums/vocals etc. Set the aux post/pre switch to pre-level to run the SRM150 as a powered stage
monitor. With this arrangement, you have more control over what you hear in the monitor. You can
add "more me" and "less them," and generally adjust the monitor mix to your liking.
A pair of headphone is connected to the headphones output.

Owner’s Manual
9
Owner’s Manual
Video Editing/Production Bay
LINE IN 7-8
HI
12kHz
MID
2.5kHz
LOW
80Hz
EQ
1
PAN
LEVEL
POWER
RUDE
SOLO
LEVEL
SET
CONTROL
ROOM
SOURCE
ALT 3-4
TAPE
MAIN MIX
LEFT RIGHT
0dB=0dBu
ASSIGN
TO MAIN MIX
MAIN MIX
+12dB
OO
+10dB
OO
SEND
OO
+10
802
+12dB
OO
CTL ROOM/SUBMIX
PHONES
AUX
3
4
0
2
15
20
10
6
30
10
7
20
1
MUTE
ALT 3-4
PRE FADER
SOLO
LINE IN 5-6
MONO
BAL
OR
UNBAL
L
R
BAL
OR
UNBAL
MONO
BAL
OR
UNBAL
L
R
MONO
BAL
OR
UNBAL
L
R
LR
ST RETURN
BAL/UNBAL
L3
ALT OUTPUT
R4
BAL/UNBAL
L
R
BAL/UNBAL
L
R
PRE
POST
+4
MIC
AUX
MASTER
OO
+20
STEREO
RETURN
LOW CUT
100 Hz
18dB/OCT
GAIN
+15dB - 45dB
INSERT
LINE IN 1 LINE IN 3
LINE IN 4
MIC 1
BAL
OR
UNBAL
GAIN
+15dB - 45dB
GAIN
INSERT
LINE IN 2
MIC 2MIC 3
MAIN
OUTPUT
LEVEL
PHANTOM
POWER
CR OUTPUT
TAPE IN TAPE OUT
L
R
L
R
PHONES
MAIN OUT BALANCED
L
R
AUX SEND
BAL/UNBAL
MAIN OUT
HI
12kHz
MID
2.5kHz
LOW
80Hz
EQ
PAN
LEVEL
+12dB
OO
AUX
MUTE
ALT 3-4
PRE FADER
SOLO
HI
12kHz
MID
2.5kHz
LOW
80Hz
EQ
PAN
LEVEL
+12dB
OO
AUX
3-4
MUTE
ALT 3-4
PRE FADER
SOLO
HI
12kHz
MID
2.5kHz
LOW
80Hz
EQ
PAN
LEVEL
+12dB +12dB
OO
AUX
MUTE
ALT 3-4
PRE FADER
SOLO
HI
12kHz
MID
2.5kHz
LOW
80Hz
EQ
PAN
LEVEL
OO
AUX
MUTE
ALT 3-4
PRE FADER
SOLO
5-6 7-8
OO
MAX
+15-15
+15-15
+15
-15
LR
U
U
U
OO
+15
U
+15-15
+15-15
+15
-15
LR
U
U
U
OO
+15
U
+15-15
+15-15
+15
-15
LR
U
U
U
OO
+15
U
+15-15
+15-15
+15
-15
LR
U
U
U
OO
+15
U
+15-15
+15-15
+15
-15
LR
U
U
U
OO
+15
UU U
UUUUU UU
-
1
0
d
B
V
M
I
C
G
A
I
N
0
U
60
-
1
0
d
B
V
M
I
C
G
A
I
N
0
U
60
M
I
C
G
A
I
N
060
2
Desktop computer running Final CutTM
Video out
Video Monitor
DV Player 1DV Player 2
Stereo sound effects
hard disk player
HR624mkII
Studio Monitors
Broadcast
Microphones
This diagram shows two voice-over microphones connected to the mic inputs of channels 1 and 2.
The stereo line-level outputs from two digital video players connect to the line inputs of channels 3/4,
and 5/6.
A stereo sound effects hard disk player is connected to the line inputs of channels 7 and 8.
The tape outputs connect to the line-level audio inputs of a desktop computer running Final CutTM
software. You will probably need a dual RCA to 1/8" adapter, or cable to connect to your computer's
audio input.
The control room outputs feed a pair of HR624mkII powered studio reference monitors. The main
mix outputs are feeding the balanced audio inputs of a video recorder.

802-VLZ3
10
802-VLZ3
Combined Home Studio and Home Theater
LINE IN 7-8
HI
12kHz
MID
2.5kHz
LOW
80Hz
EQ
1
PAN
LEVEL
POWER
RUDE
SOLO
LEVEL
SET
CONTROL
ROOM
SOURCE
ALT 3-4
TAPE
MAIN MIX
LEFT RIGHT
0dB=0dBu
ASSIGN
TO MAIN MIX
MAIN MIX
+12dB
OO
+10dB
OO
SEND
OO
+10
802
+12dB
OO
CTL ROOM/SUBMIX
PHONES
AUX
3
4
0
2
15
20
10
6
30
10
7
20
1
MUTE
ALT 3-4
PRE FADER
SOLO
LINE IN 5-6
MONO
BAL
OR
UNBAL
L
R
BAL
OR
UNBAL
MONO
BAL
OR
UNBAL
L
R
MONO
BAL
OR
UNBAL
L
R
LR
ST RETURN
BAL/UNBAL
L3
ALT OUTPUT
R4
BAL/UNBAL
L
R
BAL/UNBAL
L
R
PRE
POST
+4
MIC
AUX
MASTER
OO
+20
STEREO
RETURN
LOW CUT
100 Hz
18dB/OCT
GAIN
+15dB - 45dB
INSERT
LINE IN 1 LINE IN 3
LINE IN 4
MIC 1
BAL
OR
UNBAL
GAIN
+15dB - 45dB
GAIN
INSERT
LINE IN 2
MIC 2MIC 3
MAIN
OUTPUT
LEVEL
PHANTOM
POWER
CR OUTPUT
TAPE IN TAPE OUT
L
R
L
R
PHONES
MAIN OUT BALANCED
L
R
AUX SEND
BAL/UNBAL
MAIN OUT
HI
12kHz
MID
2.5kHz
LOW
80Hz
EQ
PAN
LEVEL
+12dB
OO
AUX
MUTE
ALT 3-4
PRE FADER
SOLO
HI
12kHz
MID
2.5kHz
LOW
80Hz
EQ
PAN
LEVEL
+12dB
OO
AUX
3-4
MUTE
ALT 3-4
PRE FADER
SOLO
HI
12kHz
MID
2.5kHz
LOW
80Hz
EQ
PAN
LEVEL
+12dB +12dB
OO
AUX
MUTE
ALT 3-4
PRE FADER
SOLO
HI
12kHz
MID
2.5kHz
LOW
80Hz
EQ
PAN
LEVEL
OO
AUX
MUTE
ALT 3-4
PRE FADER
SOLO
5-6 7-8
OO
MAX
+15-15
+15-15
+15
-15
LR
U
U
U
OO
+15
U
+15-15
+15-15
+15
-15
LR
U
U
U
OO
+15
U
+15-15
+15-15
+15
-15
LR
U
U
U
OO
+15
U
+15-15
+15-15
+15
-15
LR
U
U
U
OO
+15
U
+15-15
+15-15
+15
-15
LR
U
U
U
OO
+15
UU U
UUUUU UU
-
1
0
d
B
V
M
I
C
G
A
I
N
0
U
60
-
1
0
d
B
V
M
I
C
G
A
I
N
0
U
60
M
I
C
G
A
I
N
060
2
Condenser
microphone Amplifier
modeler Electric
Guitar
HR624mkII
studio monitors
Synth
Headphones
Laptop
TV Set
DVD Player
video 1
video 2
Cable box
Effect
Processor
This system is useful if you are short on space, or you are in love with a really nice pair of loudspeakers
and want to share them in a home theater and home studio.
A condenser microphone is connected to the mic input of channel 1, with phantom power engaged.
The line-level output from a guitar amplifier modeler feeds the line input of channel 2. A stereo synth is
connected to channels 3 and 4. A laptop computer running the DAW of your choice is connected to the
tape output, so you can record channels 1, 2, 3, and 4.
The stereo line-level audio output from a DVD player is connected to channels 5 and 6, and a cable
box's audio output is connected to channels 7 and 8. The video output from the cable box and DVD
player connect directly to the TV monitor.
An external effects processor is connected to the aux send (in post mode) and its output connects
to the 802-VLZ3 stereo return inputs.
A pair of HR624mkII powered studio monitors is connected to the control room outputs. A pair of
headphones is connected to the headphones output.
To use the home studio, sing and play your guitar, and record using the DAW of your choice, or listen
through the nice speakers and headphones. Turn down channel 5-6 and 7-8 levels if you are not using
the home theater.
To use the home theater, turn down channel 1-4's level knobs. Select a program using the cable
box, and set the channel 7-8 level knob to unity. Use the control room knob to adjust the level in your
loudspeakers. If you play a DVD, turn up the channel 5-6 level control to unity. Use the TV to select
which video source you want to see.

Owner’s Manual
11
Owner’s Manual
Patchbay Description
This is where you plug everything in: microphones,
line-level instruments and effects, headphones, and
the ultimate destination for your sound: a recorder, PA
system, etc.
Appendix B has details and drawings of the
connectors you can use with the 802-VLZ3. Also see
the channel strip description on page 16 for details
of the signal routing from the XLR and line inputs.
1. MIC INPUTS (Channels 1–3)
We use phantom-powered, balanced microphone
inputs just like the big studio mega-consoles, for
exactly the same reason: This kind of circuit is
excellent at rejecting hum and noise. You can plug
in almost any kind of mic that has a standard XLR
male mic connector.
Professional ribbon, dynamic, and condenser mics
will all sound excellent through these inputs. The
802-VLZ3’s mic inputs will handle any kind of mic level
you can toss at them, without overloading. Be sure to
perform the level-setting procedure on page 3.
Channel 3-4 is a hybrid design, with a mono mic input
in a stereo channel. The mono mic input is fed to both
sides of the stereo field.
Not every instrument is made to connect
directly to a mixer. Guitars commonly need a
Direct Injection (DI) box to connect to the
mixer's mic inputs. Channels 1 and 2 have an
instrument switch [6] so you do not need a DI box, and
can plug your guitar directly into the line inputs [2].
PHANTOM POWER
Most modern professional condenser mics are
equipped for phantom power, which lets the mixer
send low-current DC voltage to the mic’s electronics
through the same wires that carry audio. (Semi-pro
condenser mics often have batteries to accomplish the
same thing.) “Phantom” owes its name to an ability to
be “unseen” by dynamic mics (Shure SM57/SM58, for
instance), which don’t need external power and aren’t
affected by it anyway.
The 802-VLZ3’s phantom power is globally controlled
by the phantom power [12] switch. (This means the
phantom power for the mic inputs of channels 1-3 is
turned on and off together.)
Never plug single-ended (unbalanced)
micro phones or instruments into the mic [1]
input jacks if the phantom power is on.
Do not plug instrument outputs into the mic
input jacks with phantom power on, unless
you know for certain it is safe to do so.
Do not use phantom power with ribbon
microphones.
LINE IN 7-8
HI
12kHz
MID
2.5kHz
LOW
80Hz
EQ
1
PAN
LEVEL
POWER
RUDE
SOLO
LEVEL
SET
CONTROL
ROOM
SOURCE
ALT 3-4
TAPE
MAIN MIX
LEFT RIGHT
0dB=0dBu
ASSIGN
TO MAIN MIX
MAIN MIX
+12dB
OO
+10dB
OO
SEND
OO
+10
802
+12dB
OO
CTL ROOM/SUBMIX
PHONES
AUX
3
4
0
2
15
20
10
6
30
10
7
20
1
MUTE
ALT 3-4
PRE FADER
SOLO
LINE IN 5-6
MONO
BAL
OR
UNBAL
L
R
BAL
OR
UNBAL
MONO
BAL
OR
UNBAL
L
R
MONO
BAL
OR
UNBAL
L
R
LR
ST RETURN
BAL/UNBAL
L3
ALT OUTPUT
R4
BAL/UNBAL
L
R
BAL/UNBAL
L
R
PRE
POST
+4
MIC
AUX
MASTER
OO
+20
STEREO
RETURN
LOW CUT
100 Hz
18dB/OCT
GAIN
+15dB - 45dB
INSERT
LINE IN 1LINE IN 3
LINE IN 4
MIC 1
BAL
OR
UNBAL
GAIN
+15dB - 45dB
GAIN
INSERT
LINE IN 2
MIC 2MIC 3
X
D
R
2
M
I
C
P
R
E
X
D
R
2
M
I
C
P
R
E
X
D
R
2
M
I
C
P
R
E
MAIN
OUTPUT
LEVEL
PHANTOM
POWER
CR OUTPUT
TAPE IN TAPE OUT
L
R
L
R
PHONES
MAIN OUT BALANCED
L
R
AUX SEND
BAL/UNBAL
MAIN OUT
HI
12kHz
MID
2.5kHz
LOW
80Hz
EQ
PAN
LEVEL
+12dB
OO
AUX
MUTE
ALT 3-4
PRE FADER
SOLO
HI
12kHz
MID
2.5kHz
LOW
80Hz
EQ
PAN
LEVEL
+12dB
OO
AUX
3-4
MUTE
ALT 3-4
PRE FADER
SOLO
HI
12kHz
MID
2.5kHz
LOW
80Hz
EQ
PAN
LEVEL
+12dB+12dB
OO
AUX
MUTE
ALT 3-4
PRE FADER
SOLO
HI
12kHz
MID
2.5kHz
LOW
80Hz
EQ
PAN
LEVEL
OO
AUX
MUTE
ALT 3-4
PRE FADER
SOLO
5-6 7-8
OO
MAX
+15-15
+15-15
+15
-15
LR
U
U
U
OO
+15
U
+15-15
+15-15
+15
-15
LR
U
U
U
OO
+15
U
+15-15
+15-15
+15
-15
LR
U
U
U
OO
+15
U
+15-15
+15-15
+15
-15
LR
U
U
U
OO
+15
U
+15-15
+15-15
+15
-15
LR
U
U
U
OO
+15
UU U
UUUUU UU
-
1
0
d
B
V
M
I
C
G
A
I
N
0
U
60
-
1
0
d
B
V
M
I
C
G
A
I
N
0
U
60
M
I
C
G
A
I
N
060
2
POWER
ON
POWER
802
1
2
4
5
7
1
2
4
56
7
1
3
5
7
6
3 3 8 9
13 14
17 16
15
18
10
12
11

802-VLZ3
12
802-VLZ3
plug nothing into the right input (jacks 4, 6, or 8)— this
way the signal will appear on both sides. This trick is
called “jack normalling.”
4. CHANNEL INSERT (Channels 1–2)
These jacks are where you connect serial effects
such as compressors, equalizers, de-essers, or filters.
Since most people don’t have more than a few of these
gadgets, we’ve included inserts for just the first two
channels. If you want to use this kind of processing on
channels 3 through 8, simply patch your source through
your processor before you plug into the 802-VLZ3.
The channel insert points are after the gain [7]
and low cut [5] controls, but before the channel’s EQ
[25-27] and level [21] controls. The send (tip) is low-
impedance (120 ohms), capable of driving any line-level
device. The return (ring) is high-impedance (over 2.5 k
ohms) and can be driven by almost any device.
See Appendix B for details and drawings about Insert
cables, and a diagram showing three ways to use the
jacks.
Besides being used for inserting external devices,
these jacks can also be used as channel direct outputs;
post-gain, post-low cut, and pre EQ. In fact, Mackie
mic preamps have become so famous, that people buy
the mixers just to have some of these preamps in their
arsenal.
2. LINE INPUTS (Channels 1–2)
These inputs share circuitry (but not phantom power)
with the mic preamps, and can be driven by balanced
or unbalanced sources at almost any level. You can use
these inputs for virtually any signal you’ll come across,
from instrument levels as low as –40 dB to operating
levels of –10 dBV to +4 dBu, since there is more gain
available than on line inputs 3–8.
To connect balanced lines to these inputs, use a 1⁄4"
Tip-Ring-Sleeve (TRS) plug, the type found on stereo
headphones.
To connect unbalanced lines to these inputs, use a
1⁄4" mono (TS) phone plug or standard instrument
cable.
The line inputs 1–2 are a good place to connect older
instruments that need more gain. You can correct weak
levels by adjusting the corresponding channel’s gain
control.
3. STEREO LINE INPUTS
(Channels 3–4, 5–6, and 7–8)
These fully-balanced inputs are designed for stereo or
mono, balanced or unbalanced signals. They can be used
with just about any professional or semi-pro instrument,
effect or tape player.
In the stereo audio world, an odd-numbered
channel usually receives the “left signal.” For example,
you would feed the 802-VLZ3’s line inputs 5-6 a stereo
signal by inserting the device’s left output plug into
the channel 5 jack, and its right output plug into the
channel 6 jack.
When connecting a mono device (just one cord),
always use the left (mono) input (jacks 3, 5, or 7) and
LINE IN 7-8
HI
12kHz
MID
2.5kHz
LOW
80Hz
EQ
1
PAN
LEVEL
POWER
RUDE
SOLO
LEVEL
SET
CONTROL
ROOM
SOURCE
ALT 3-4
TAPE
MAIN MIX
LEFT RIGHT
0dB=0dBu
ASSIGN
TO MAIN MIX
MAIN MIX
+12dB
OO
+10dB
OO
SEND
OO
+10
802
+12dB
OO
CTL ROOM/SUBMIX
PHONES
AUX
3
4
0
2
15
20
10
6
30
10
7
20
1
MUTE
ALT 3-4
PRE FADER
SOLO
LINE IN 5-6
MONO
BAL
OR
UNBAL
L
R
BAL
OR
UNBAL
MONO
BAL
OR
UNBAL
L
R
MONO
BAL
OR
UNBAL
L
R
LR
ST RETURN
BAL/UNBAL
L3
ALT OUTPUT
R4
BAL/UNBAL
L
R
BAL/UNBAL
L
R
PRE
POST
+4
MIC
AUX
MASTER
OO
+20
STEREO
RETURN
LOW CUT
100 Hz
18dB/OCT
GAIN
+15dB - 45dB
INSERT
LINE IN 1LINE IN 3
LINE IN 4
MIC 1
BAL
OR
UNBAL
GAIN
+15dB - 45dB
GAIN
INSERT
LINE IN 2
MIC 2MIC 3
X
D
R
2
M
I
C
P
R
E
X
D
R
2
M
I
C
P
R
E
X
D
R
2
M
I
C
P
R
E
MAIN
OUTPUT
LEVEL
PHANTOM
POWER
CR OUTPUT
TAPE IN TAPE OUT
L
R
L
R
PHONES
MAIN OUT BALANCED
L
R
AUX SEND
BAL/UNBAL
MAIN OUT
HI
12kHz
MID
2.5kHz
LOW
80Hz
EQ
PAN
LEVEL
+12dB
OO
AUX
MUTE
ALT 3-4
PRE FADER
SOLO
HI
12kHz
MID
2.5kHz
LOW
80Hz
EQ
PAN
LEVEL
+12dB
OO
AUX
3-4
MUTE
ALT 3-4
PRE FADER
SOLO
HI
12kHz
MID
2.5kHz
LOW
80Hz
EQ
PAN
LEVEL
+12dB+12dB
OO
AUX
MUTE
ALT 3-4
PRE FADER
SOLO
HI
12kHz
MID
2.5kHz
LOW
80Hz
EQ
PAN
LEVEL
OO
AUX
MUTE
ALT 3-4
PRE FADER
SOLO
5-6 7-8
OO
MAX
+15-15
+15-15
+15
-15
LR
U
U
U
OO
+15
U
+15-15
+15-15
+15
-15
LR
U
U
U
OO
+15
U
+15-15
+15-15
+15
-15
LR
U
U
U
OO
+15
U
+15-15
+15-15
+15
-15
LR
U
U
U
OO
+15
U
+15-15
+15-15
+15
-15
LR
U
U
U
OO
+15
UU U
UUUUU UU
-
1
0
d
B
V
M
I
C
G
A
I
N
0
U
60
-
1
0
d
B
V
M
I
C
G
A
I
N
0
U
60
M
I
C
G
A
I
N
060
2
POWER
ON
POWER
802
“tip”
This plug connects to one of the
mixer’s Channel Insert jacks. “ring”
tip ring
sleeve
SEND to processor
RETURN from processor
(TRS plug)
1
2
4
5
7
1
2
4
56
7
1
3
5
7
6
3 3 8 9
13 14
17 16
15
18
10
12
11

Owner’s Manual
13
Owner’s Manual
5. LOW CUT (Channels 1–3)
Each low-cut switch, often referred to as a high-pass
filter (all depends on how you look at it), cuts bass
frequencies below 100 Hz at a rate of 18 dB per octave.
We recommend that you use low-cut on every
microphone application except kick drum, bass guitar,
or bassy synth patches. These aside, there isn’t much
down there that you want to hear, and filtering it out
makes the low stuff you do want much more crisp and
tasty. Not only that, but low-cut can help reduce the
possibility of feedback in live situations, and it helps to
conserve amplifier power.
Another way to consider low-cut’s function is that it
actually adds flexibility during live performances.
With the addition of low-cut, you can safely use low
equalization on vocals. Many times, bass shelving EQ
can really benefit voices. Trouble is, adding low EQ also
boosts stage rumble, mic handling clunks and breath
pops. Applying low-cut removes all those problems, so
you can add low EQ without losing a woofer.
6. INSTRUMENT SWITCH (Channels 1–2)
Press these in if you want to connect a guitar or other
instrument-level source directly to the line inputs of
channels 1 and 2. You will not need a DI box, and your
guitar will perform flawlessly (well, as long as your
playing is that way).
7. GAIN (Channels 1–3)
If you haven’t already, please read the
level-setting procedure on page 3.
The gain knobs for channels 1 and 2
adjust the input sensitivity of the mic
and line inputs. This allows signals
from the outside world to be adjusted to
optimal internal operating levels. The gain control for
channel 3 just affects the channel 3 mic input only.
If the signal originates through the XLR jack, there
will be 0 dB of gain with the knob fully down, ramping to
60 dB of gain fully up.
Through the 1⁄4" input (ch 1 and 2 only), there is
15 dB of attenuation fully down and 45 dB of gain fully
up, with a “U” (unity gain) mark at 10:00. This 15 dB of
attenuation can be very handy when you are inserting
a very hot signal, or when you want to add a lot of EQ
gain, or both. Without this “virtual pad,” this scenario
might lead to channel clipping.
EFFECTS: SERIAL OR PARALLEL?
The next sections toss the terms “serial” and “parallel”
around like hacky sacks. Here’s what we mean by them:
“Serial” means that the entire signal is routed through
the effects device. Examples: compressor/limiters,
graphic equalizers. Line-level sources can be patched
through a serial effects device before or after the mixer,
or preferably through the insert jacks [4].
“Parallel” means that a portion of the signal in
the mixer is tapped off to the device (aux send),
processed and returned to the mixer (stereo return)
to be mixed with the original “dry” signal. This way,
multiple channels can all make use of the same effects
device. Examples: reverb, digital delay.
8. STEREO RETURN
This is where you connect the outputs of your parallel
effects devices. They can also be used as an extra pair of
stereo line inputs if you have a lot of synths for example.
These balanced inputs are similar to the stereo line in
[3] inputs (only without EQ, aux sends, pan, mute, and
solo). The circuits will handle stereo or mono, balanced
or unbalanced signals. They can be used with just about
any pro or semipro effects device on the market. The
signals coming into these inputs can be adjusted using
the stereo return [38] knob before passing onto the
main mix bus (see page 21 for more details).
If you have an effects device with a mono output
(one cord), plug that into stereo return, left/mono,
and leave stereo return, right, unplugged. This way
the signal will be sent to both sides, magically
appearing in the center as a mono signal.
9. ALT 3–4 OUTPUT
These 1⁄4" outputs are the sum of any channels that
have the mute/alt 3-4 [23] switch pressed in (see page
16 for the tender details). The outputs are TRS 1/4"
and can be connected to balanced or unbalanced lines.
For example, you can use these to feed a recorder,
and just record individual channels by pressing their
mute/alt 3-4 switches one at a time.
Dry Signal Processed
Signal
Insert
Send
Insert
Return
Dry Signal(s) Dry Signal(s)
Aux
Send Aux
Return
Wet Signal
Channel Path
Mix
Stage
Output
Section
Processed
Signal
Signal Processor
(e.g., Compressor)
Signal Processor
(e.g., Reverb)
Dry Signal Processed
Signal
Insert
Send Insert
Return
Dry Signal(s) Dry Signal(s)
Aux
Send Aux
Return
Wet Signal
Channel Path
Mix
Stage
Output
Section
Processed
Signal
Signal Processor
(e.g., Compressor)
Signal Processor
(e.g., Reverb)
GAIN
+15dB - 45dB
-
1
0
d
B
V
M
I
C
G
A
I
N
0
U
60

802-VLZ3
14
802-VLZ3
12. PHANTOM SWITCH and LED
This global switch controls the phantom power supply
for condenser microphones plugged into the mic [1]
inputs. See the phantom power details on page 11
before using this switch.
Press the switch in to engage phantom power to the
three mic inputs. Press the switch out to turn it off.
The LED will come on when phantom power is engaged.
Phantom power is supplied to all three mic
inputs at once, therefore, do not use a
ribbon microphone in any of these inputs
when phantom power is engaged.
13. TAPE INPUT
Connect your computer audio outputs, or tape
recorder’s outputs here, using standard hi-fi (RCA)
cables.
Use these jacks for convenient tape playback of your
mixes. You’ll be able to review a mix and then rewind
and try another pass without repatching or disturbing
the mixer levels. You can also use these jacks with a
portable tape or CD player to feed music to a PA system
between sets.
WARNING: engaging both the tape and assign
to main mix buttons in the control room
source [30] matrix can create a feedback
path between tape input and tape output. Make sure
your tape deck is not in record, record-pause, or input
monitor mode, when you engage these switches, or
make sure the control room / submix [32] level knob
is fully counterclockwise (off).
10. CONTROL ROOM OUTPUTS
These TRS 1⁄4" balanced/unbalanced outputs
allow you to listen to something other than the main
mix. These outputs are often used to run a nice pair of
powered studio monitors in a control room. The source
is selected using the source matrix [30] switches
(see page 19). You can choose to listen to the main mix,
the alt 3-4 stereo bus (see mute/alt 3-4 on page 16),
soloed channels, or the tape input. The volume is
adjustable with the control room/submix [32] knob.
11. PHONES
This stereo jack will drive any standard headphone to
very loud levels. "iPod"-type and computer headphones
can also be used here, with a 1/4" male to 1/8" female
stereo adapter.
To learn how signals are routed to these outputs, see
source matrix [30] on page 19. The level is adjusted
with the phones knob [31], and the source is whatever
the control room output is playing, such as the main
mix, the alt 3-4 stereo bus, soloed channels, or the tape
input. If you’re wiring your own cable for the phones
output, follow standard conventions:
Tip = Left channel
Ring = Right channel
Sleeve = Common ground
WARNING: The headphone amp is loud, and
can cause permanent ear damage. Even
intermediate levels may be painfully loud with
some earphones. BE CAREFUL! Always turn the phones
[31] knob all the way down before connecting
headphones. Keep it down until you’ve put the phones
on. Then turn it up slowly.
LINE IN 7-8
HI
12kHz
MID
2.5kHz
LOW
80Hz
EQ
1
PAN
LEVEL
POWER
RUDE
SOLO
LEVEL
SET
CONTROL
ROOM
SOURCE
ALT 3-4
TAPE
MAIN MIX
LEFT RIGHT
0dB=0dBu
ASSIGN
TO MAIN MIX
MAIN MIX
+12dB
OO
+10dB
OO
SEND
OO
+10
802
+12dB
OO
CTL ROOM/SUBMIX
PHONES
AUX
3
4
0
2
15
20
10
6
30
10
7
20
1
MUTE
ALT 3-4
PRE FADER
SOLO
LINE IN 5-6
MONO
BAL
OR
UNBAL
L
R
BAL
OR
UNBAL
MONO
BAL
OR
UNBAL
L
R
MONO
BAL
OR
UNBAL
L
R
LR
ST RETURN
BAL/UNBAL
L3
ALT OUTPUT
R4
BAL/UNBAL
L
R
BAL/UNBAL
L
R
PRE
POST
+4
MIC
AUX
MASTER
OO
+20
STEREO
RETURN
LOW CUT
100 Hz
18dB/OCT
GAIN
+15dB - 45dB
INSERT
LINE IN 1LINE IN 3
LINE IN 4
MIC 1
BAL
OR
UNBAL
GAIN
+15dB - 45dB
GAIN
INSERT
LINE IN 2
MIC 2MIC 3
X
D
R
2
M
I
C
P
R
E
X
D
R
2
M
I
C
P
R
E
X
D
R
2
M
I
C
P
R
E
MAIN
OUTPUT
LEVEL
PHANTOM
POWER
CR OUTPUT
TAPE IN TAPE OUT
L
R
L
R
PHONES
MAIN OUT BALANCED
L
R
AUX SEND
BAL/UNBAL
MAIN OUT
HI
12kHz
MID
2.5kHz
LOW
80Hz
EQ
PAN
LEVEL
+12dB
OO
AUX
MUTE
ALT 3-4
PRE FADER
SOLO
HI
12kHz
MID
2.5kHz
LOW
80Hz
EQ
PAN
LEVEL
+12dB
OO
AUX
3-4
MUTE
ALT 3-4
PRE FADER
SOLO
HI
12kHz
MID
2.5kHz
LOW
80Hz
EQ
PAN
LEVEL
+12dB+12dB
OO
AUX
MUTE
ALT 3-4
PRE FADER
SOLO
HI
12kHz
MID
2.5kHz
LOW
80Hz
EQ
PAN
LEVEL
OO
AUX
MUTE
ALT 3-4
PRE FADER
SOLO
5-6 7-8
OO
MAX
+15-15
+15-15
+15
-15
LR
U
U
U
OO
+15
U
+15-15
+15-15
+15
-15
LR
U
U
U
OO
+15
U
+15-15
+15-15
+15
-15
LR
U
U
U
OO
+15
U
+15-15
+15-15
+15
-15
LR
U
U
U
OO
+15
U
+15-15
+15-15
+15
-15
LR
U
U
U
OO
+15
UU U
UUUUU UU
-
1
0
d
B
V
M
I
C
G
A
I
N
0
U
60
-
1
0
d
B
V
M
I
C
G
A
I
N
0
U
60
M
I
C
G
A
I
N
060
2
POWER
ON
POWER
802
1
2
4
5
7
1
2
4
56
7
1
3
5
7
6
3 3 8 9
13 14
17 16
15
18
10
12
11

Owner’s Manual
15
Owner’s Manual
14. TAPE OUTPUT
These unbalanced RCA connections tap the main
mix output to make simultaneous recording and PA
work more convenient. Connect these to your recorder’s
inputs. (See also main mix [29] on page 19.)
Mono Out: If you want to feed a mono signal to your
tape deck or other device, simply use an RCA Y-cord to
combine these outputs. Do not attempt this with any
other outputs on the 802-VLZ3.
15. AUX SEND
This is a TRS 1⁄4" balanced/unbalanced output,
commonly used to feed stage monitors (with aux set
to pre) or an external effects processor (with aux set
to post).
The aux send [28] knobs tap a portion of each
channel's signal to provide an output here, allowing
you to set up a nice stage monitor mix, or to set up an
external effect from different channels. See the aux
send details on page 18.
16. 1⁄4" MAIN OUTS
These 1⁄4" TRS balanced/unbalanced outputs feed the
main mix out into the waiting world. You can feed your
amplifiers or powered speakers this way, or through the
XLR main outs [17].
To use these outputs to drive balanced inputs,
connect 1⁄4" TRS (Tip–Ring–Sleeve) phone plugs like
this:
Tip = + (hot)
Ring = –(cold)
Sleeve = Ground
For most music recording and PA applications,
unbalanced lines are fine. To drive unbalanced inputs,
connect 1⁄4" TS (Tip–Sleeve) phone plugs like this:
Tip = + (hot)
Sleeve = Ground
17. XLR MAIN OUTS
Use these to send the main mix out into the line-level
balanced inputs of your amplifier or powered speakers.
These low-impedance outputs are fully balanced,
and this output is 6 dB hotter than other outputs.
18. XLR MAIN OUTPUT LEVEL SWITCH
Engaging this switch reduces the level of the balanced
XLR main outputs, so you can feed the microphone
input of, say, another mixer. (You can safely connect the
XLR outputs into an input that provides 48V phantom
power.)
19. POWER CONNECTION
This is where you plug in the connector from the
AC adapter supplied with your mixer.
Only use the AC adapter that came with your
mixer, or a factory-authorized power supply.
20. POWER SWITCH
Press the top of this rocker switch inwards to turn on
the mixer. The power LED [39] on the top surface of
the mixer will glow with happiness, or at least it will if
you have the AC adapter plugged in to a suitable live AC
mains supply.
Press the bottom of this switch to put the mixer into
standby mode. It will not function, but the circuits are still
live. To remove power, either turn off the mains supply,
or unplug the power cord from the mixer and the mains
supply.
As a general guide, you should turn on your mixer
first, before the power amplifier or powered speakers,
and turn it off last. This will reduce the possibilities
of any turn-on, or turn-off thumps in your speakers.
LINE IN 7-8
HI
12kHz
MID
2.5kHz
LOW
80Hz
EQ
1
PAN
LEVEL
POWER
RUDE
SOLO
LEVEL
SET
CONTROL
ROOM
SOURCE
ALT 3-4
TAPE
MAIN MIX
LEFT RIGHT
0dB=0dBu
ASSIGN
TO MAIN MIX
MAIN MIX
+12dB
OO
+10dB
OO
SEND
OO
+10
802
+12dB
OO
CTL ROOM/SUBMIX
PHONES
AUX
3
4
0
2
15
20
10
6
30
10
7
20
1
MUTE
ALT 3-4
PRE FADER
SOLO
LINE IN 5-6
MONO
BAL
OR
UNBAL
L
R
BAL
OR
UNBAL
MONO
BAL
OR
UNBAL
L
R
MONO
BAL
OR
UNBAL
L
R
LR
ST RETURN
BAL/UNBAL
L3
ALT OUTPUT
R4
BAL/UNBAL
L
R
BAL/UNBAL
L
R
PRE
POST
+4
MIC
AUX
MASTER
OO
+20
STEREO
RETURN
LOW CUT
100 Hz
18dB/OCT
GAIN
+15dB - 45dB
INSERT
LINE IN 1LINE IN 3
LINE IN 4
MIC 1
BAL
OR
UNBAL
GAIN
+15dB - 45dB
GAIN
INSERT
LINE IN 2
MIC 2MIC 3
X
D
R
2
M
I
C
P
R
E
X
D
R
2
M
I
C
P
R
E
X
D
R
2
M
I
C
P
R
E
MAIN
OUTPUT
LEVEL
PHANTOM
POWER
CR OUTPUT
TAPE IN TAPE OUT
L
R
L
R
PHONES
MAIN OUT BALANCED
L
R
AUX SEND
BAL/UNBAL
MAIN OUT
HI
12kHz
MID
2.5kHz
LOW
80Hz
EQ
PAN
LEVEL
+12dB
OO
AUX
MUTE
ALT 3-4
PRE FADER
SOLO
HI
12kHz
MID
2.5kHz
LOW
80Hz
EQ
PAN
LEVEL
+12dB
OO
AUX
3-4
MUTE
ALT 3-4
PRE FADER
SOLO
HI
12kHz
MID
2.5kHz
LOW
80Hz
EQ
PAN
LEVEL
+12dB+12dB
OO
AUX
MUTE
ALT 3-4
PRE FADER
SOLO
HI
12kHz
MID
2.5kHz
LOW
80Hz
EQ
PAN
LEVEL
OO
AUX
MUTE
ALT 3-4
PRE FADER
SOLO
5-6 7-8
OO
MAX
+15-15
+15-15
+15
-15
LR
U
U
U
OO
+15
U
+15-15
+15-15
+15
-15
LR
U
U
U
OO
+15
U
+15-15
+15-15
+15
-15
LR
U
U
U
OO
+15
U
+15-15
+15-15
+15
-15
LR
U
U
U
OO
+15
U
+15-15
+15-15
+15
-15
LR
U
U
U
OO
+15
UU U
UUUUU UU
-
1
0
d
B
V
M
I
C
G
A
I
N
0
U
60
-
1
0
d
B
V
M
I
C
G
A
I
N
0
U
60
M
I
C
G
A
I
N
060
2
POWER
ON
POWER
802
20 19

802-VLZ3
16
802-VLZ3
Channel Strip Description
route them to the main mix or alt 3-4 mix. You don’t
even have to have the channel’s level [21] knob turned
up. Folks use solo in live work to preview channels be-
fore they are let into the mix, or to just check out what
a particular channel is up to anytime during a session.
You can solo as many channels at a time as you like.
Solo is also the key player in the Level- Setting
Procedure on page 3.
Soloed channels are sent to the source mix, which
ultimately feeds your control room, phones and meter
display. Whenever solo is engaged, all source selections
(main mix, alt 3-4 and tape) are defeated, to allow the
soloed signal to do just that — solo!
WARNING: Pre-fader solo taps the channel
signal before the level knob. If you have a
channel’s level knob set below “U” (unity
gain), solo won’t know that and will send a unity gain
signal to the control room, phones and meter display.
That may result in a startling level boost at these
outputs.
23. MUTE/ALT 3–4
The dual-purpose mute/alt 3–4 bus is a Mackie
signature. When Greg was designing our first product,
he had to include a mute switch for each channel. Mute
switches do just what they sound like they do. They
turn off the signal by “routing” it into oblivion. “Gee,
what a waste,” Greg reasoned. “Why not have the mute
button route the signal somewhere else useful… like a
separate stereo bus?” So mute/alt 3–4 really serves two
functions — muting (often used during a mixdown or
live show), and signal routing (for multitrack and live
work) where it acts as an extra stereo bus.
To use this as a mute switch, all you have to do is not
use the alt 3–4 [9] outputs. Then, whenever you press
this switch, you will assign a channel to these unused
outputs, disconnecting it from the main mix, and
effectively muting the channel.
To use this as an alt 3–4 switch, all you have to do
is connect the alt 3–4 outputs to whatever destination
you desire. Here are two popular examples:
When doing multitrack recording, use the alt 3–4
outputs to feed your multitrack. With most decks, you
can "mult" the alt 3–4 [9] outputs, using Y-cords or
mults, to feed multiple tracks. So, take alt output L and
send it to tracks 1, 3, 5 and 7, and alt output R and send
it to tracks 2, 4, 6 and 8. Now, tracks that are in record
or input modes will hear the alt 3–4 signals, and tracks
in playback or safe modes will ignore them.
The five channel strips look alike, and function
identically. The first two are for individual mics or mono
instruments, and have more gain available. The next
strip controls mic or stereo line-level sources, and the
last two are for either stereo or mono line-level sources.
(Each of the stereo channel strips is actually two
complete circuits. The controls are linked together to
preserve stereo.) We’ll start at the bottom and work
our way up:
“U” LIKE UNITY GAIN
Mackie mixers have a “U” symbol on almost every
level control. This “U” stands for “unity gain,” meaning
no change in signal level. Once you have adjusted the
input signal to line-level, you can set every control at
“U” and your signals will travel through the mixer at
optimal levels. What’s more, all the labels on our level
controls are measured in decibels (dB), so you’ll know
what you’re doing level-wise if you choose to change a
control’s settings.
21. LEVEL
This adjusts the channel’s level, from off, to unity gain
at the center, on up to 12 dB of additional gain.
The knob is the equivalent of a channel fader, so
sometimes we lapse and say the word fader.
22. PRE-FADER SOLO
This lovable switch allows you to hear signals through
your headphones or control room without having to
LINE IN 7-8
HI
12kHz
MID
2.5kHz
LOW
80Hz
EQ
1
PAN
LEVEL
POWER
RUDE
SOLO
LEVEL
SET
CONTROL
ROOM
SOURCE
ALT 3-4
TAPE
MAIN MIX
LEFT RIGHT
0dB=0dBu
ASSIGN
TO MAIN MIX
MAIN MIX
+12dB
OO
+10dB
OO
SEND
OO
+10
802
+12dB
OO
CTL ROOM/SUBMIX
PHONES
AUX
3
4
0
2
15
20
10
6
30
10
7
20
1
MUTE
ALT 3-4
PRE FADER
SOLO
LINE IN 5-6
MONO
BAL
OR
UNBAL
L
R
BAL
OR
UNBAL
MONO
BAL
OR
UNBAL
L
R
MONO
BAL
OR
UNBAL
L
R
LR
ST RETURN
BAL/UNBAL
L3
ALT OUTPUT
R4
BAL/UNBAL
L
R
BAL/UNBAL
L
R
PRE
POST
+4
MIC
AUX
MASTER
OO
+20
STEREO
RETURN
LOW CUT
100 Hz
18dB/OCT
GAIN
+15dB - 45dB
INSERT
LINE IN 1LINE IN 3
LINE IN 4
MIC 1
BAL
OR
UNBAL
GAIN
+15dB - 45dB
GAIN
INSERT
LINE IN 2
MIC 2MIC 3
X
D
R
2
M
I
C
P
R
E
X
D
R
2
M
I
C
P
R
E
X
D
R
2
M
I
C
P
R
E
MAIN
OUTPUT
LEVEL
PHANTOM
POWER
CR OUTPUT
TAPE IN TAPE OUT
L
R
L
R
PHONES
MAIN OUT BALANCED
L
R
AUX SEND
BAL/UNBAL
MAIN OUT
HI
12kHz
MID
2.5kHz
LOW
80Hz
EQ
PAN
LEVEL
+12dB
OO
AUX
MUTE
ALT 3-4
PRE FADER
SOLO
HI
12kHz
MID
2.5kHz
LOW
80Hz
EQ
PAN
LEVEL
+12dB
OO
AUX
3-4
MUTE
ALT 3-4
PRE FADER
SOLO
HI
12kHz
MID
2.5kHz
LOW
80Hz
EQ
PAN
LEVEL
+12d
B+
12dB
OO
AUX
MUTE
ALT 3-4
PRE FADER
SOLO
HI
12kHz
MID
2.5kHz
LOW
80Hz
EQ
PAN
LEVEL
OO
AUX
MUTE
ALT 3-4
PRE FADER
SOLO
5-6 7-8
OO
MAX
+15-15
+15-15
+15
-15
LR
U
U
U
OO
+15
U
+15-15
+15-15
+15
-15
LR
U
U
U
OO
+15
U
+15-15
+15-15
+15
-15
LR
U
U
U
OO
+15
U
+15-15
+15-15
+15
-15
LR
U
U
U
OO
+15
U
+15-15
+15-15
+15
-15
LR
U
U
U
OO
+15
UU U
U
UUUU UU
-
1
0
d
B
V
M
I
C
G
A
I
N
0
U
60
-
1
0
d
B
V
M
I
C
G
A
I
N
0
U
60
M
I
C
G
A
I
N
060
2
POWER
ON
POWER
802
28
27
26
25
24
23
22
21

Owner’s Manual
17
Owner’s Manual
When doing live sound or mixdown, it’s often handy
to control the level of several channels with one knob.
That’s called subgrouping. Simply assign these channels
to the alt 3–4 mix, engage alt 3–4 in the source [30]
matrix, and the signals will appear at the control room
[10] and phones [11] output s. If you want the alt 3–4
signals to go back into the main mix, engage the assign
to main mix [33] switch, and the control room/submix
[32] level control becomes the one knob to control the
levels of all the channels assigned to alt 3–4.
Another way to do the same thing is assign the
channels to the alt 3–4 mix, then patch out of the
alt 3–4 output [9] back into an unused stereo channel
line input [3]. If that’s your choice, don’t ever engage
the mute/alt 3–4 switch on that stereo channel, or you’ll
have every dog in the neighborhood howling at your
feedback loop.
Another benefit of the alt 3–4 feature is that it can
act as a “sip” (solo-in-place): just engage a channel's
mute/alt 3–4 switch and the alt 3–4 switch in the source
matrix and you’ll get that channel, all by itself, in the
control room and phones.
Mute/alt 3–4 is one of those controls that can
bewilder newcomers, so take your time and play
around with it. Once you’ve got it down, you’ll
probably think of a hundred uses for it!
24. PAN
Pan adjusts the amount of channel signal sent to the
left versus the right outputs. On mono channels (ch. 1–3
or 3–8, with connections to the left input only) these
controls act as pan pots. On stereo channels (3–8) with
stereo connections to left and right inputs, the pan knob
works like the balance control on your home stereo.
Pan determines the fate of the main mix and alt 3–4
mix. With the pan knob hard left, the signal will feed
either main out left or alt output left, depending on the
position of the alt 3–4 switch [23]. With the knob hard
right, the signal feeds main out right or alt output right.
CONSTANT LOUDNESS ! ! !
The 802-VLZ3’s pan controls employ a design called
“Constant Loudness.” It has nothing to do with living
next to an all-night disco. As you turn the pan [24] knob
from left to right (thereby causing the sound to move
from the left to the center to the right), the sound will
appear to remain at the same volume (or loudness).
If you have a channel panned hard left (or right) and
reading 0 dB, it must dip down about 4 dB on the left
(or right) when panned center. To do otherwise (the
way brand X compact mixers do) would make the sound
appear much louder when panned center.
3-BAND EQ
The 802-VLZ3 has 3-band equalization at carefully
selected points — low shelving at 80 Hz, mid peaking at
2.5 kHz, and high shelving at 12 kHz. “Shelving” means
that the circuitry boosts or cuts all frequencies before
or past the specified frequency. For example, rotating
the low EQ knob 15 dB to the right will boost the bass
at 80 Hz and lower, down to the lowest note you never
heard. “Peaking” means that certain frequencies form
a “hill” around the center frequency — 2.5 kHz in the
case of the mid EQ.
25. LOW EQ
This control gives you
up to 15 dB boost or cut
below 80 Hz. The circuit
is flat (no boost or cut) at
the center detent position.
This frequency represents
the punch in bass drums,
bass guitar, fat synth
patches, and some really
serious male singers.
Used in conjunction with
the low cut [5] switch,
you can boost the low EQ
without injecting a ton of
subsonic debris into the
mix.
26. MID EQ
Short for “midrange,”
this knob provides 15 dB
of boost or cut, centered
at 2.5 kHz, also flat at the
center detent. Midrange EQ
is often thought of as the
most dynamic, because the
frequencies that define any
particular sound are almost always found in this range.
You can create many interesting and useful EQ changes
by turning this knob down as well as up.
27. HI EQ
This control gives you up
to 15 dB boost or cut above
12 kHz, and it is also flat
at the detent. Use it to add
sizzle to cymbals, and an
overall sense of transpar-
ency, or edge to keyboards,
vocals, guitar and bacon
frying. Turn it down a little
to reduce sibilance, or to hide tape hiss.
20
Hz
100
Hz
1k
Hz
10k
Hz
20k
Hz
–15
–10
–5
0
+5
+10
+15
Mid EQ
20Hz 100Hz 1kHz 10kHz 20kHz
–15
–10
–5
0
+5
+10
+15
20
Hz
100
Hz
1k
Hz
10k
Hz
20k
Hz
–15
–10
–5
0
+5
+10
+15
Low EQ with Low Cut
Low EQ
20
Hz
100
Hz
1k
Hz
10k
Hz
20k
Hz
–15
–10
–5
0
+5
+10
+15
High EQ

802-VLZ3
18
802-VLZ3
MODERATION DURING EQ
With EQ, you can also upset things royally. We’ve
designed a lot of boost and cut into each equalizer
circuit, because we know everyone will occasionally
need that. But if you max the EQs on every channel,
you’ll get mix mush. Equalize subtly and use the left
sides of the knobs (cut), as well as the right (boost).
Very few gold-record-album engineers ever use more
than about 3 dB of EQ. If you need more than that,
there’s usually a better way to get it, such as placing
a mic differently (or using a different kind of mic or
singer entirely).
28. AUX
These knobs allow you to tap a portion of each
channel signal out to another source for parallel effects
processing or stage monitoring. Aux send levels are
controlled by these knobs and by the aux master [37].
These are more than just effects and monitor sends.
They can be used to generate separate mixes for
recording or “mix-minuses” for broadcast. By using
aux in the pre mode, these mix levels can be obtained
independently of the channel’s level control.
Aux in post mode is post-low cut, post-EQ and
post-level. That is, the aux send obeys the settings
of these controls. Aux in pre mode follows the EQ
and low cut settings only. Pan and level have no effect
on the pre send.
The aux send level ranges from off through unity (the
center position) on up to 15 dB of extra gain (when
turned fully clockwise). Chances are you’ll never need
this extra gain, but it’s nice to know it’s there if you do.
The channel 3–8 aux knobs control the mono sum
of the channel’s stereo signals for each aux send.
For instance, channel 5 (L) and 6 (R) mix together
to feed that channel’s aux send knob.
Still with us? Good for you. Here come the tricky
parts, the output or master section where the mixing
is really done.
LINE IN 7-8
HI
12kHz
MID
2.5kHz
LOW
80Hz
EQ
1
PAN
LEVEL
POWER
RUDE
SOLO
LEVEL
SET
CONTROL
ROOM
SOURCE
ALT 3-4
TAPE
MAIN MIX
LEFT RIGHT
0dB=0dBu
ASSIGN
TO MAIN MIX
MAIN MIX
+12dB
OO
+10dB
OO
SEND
OO
+10
802
+12dB
OO
CTL ROOM/SUBMIX
PHONES
AUX
3
4
0
2
15
20
10
6
30
10
7
20
1
MUTE
ALT 3-4
PRE FADER
SOLO
LINE IN 5-6
MONO
BAL
OR
UNBAL
L
R
BAL
OR
UNBAL
MONO
BAL
OR
UNBAL
L
R
MONO
BAL
OR
UNBAL
L
R
LR
ST RETURN
BAL/UNBAL
L3
ALT OUTPUT
R4
BAL/UNBAL
L
R
BAL/UNBAL
L
R
PRE
POST
+4
MIC
AUX
MASTER
OO
+20
STEREO
RETURN
LOW CUT
100 Hz
18dB/OCT
GAIN
+15dB - 45dB
INSERT
LINE IN 1LINE IN 3
LINE IN 4
MIC 1
BAL
OR
UNBAL
GAIN
+15dB - 45dB
GAIN
INSERT
LINE IN 2
MIC 2MIC 3
X
D
R
2
M
I
C
P
R
E
X
D
R
2
M
I
C
P
R
E
X
D
R
2
M
I
C
P
R
E
MAIN
OUTPUT
LEVEL
PHANTOM
POWER
CR OUTPUT
TAPE IN TAPE OUT
L
R
L
R
PHONES
MAIN OUT BALANCED
L
R
AUX SEND
BAL/UNBAL
MAIN OUT
HI
12kHz
MID
2.5kHz
LOW
80Hz
EQ
PAN
LEVEL
+12dB
OO
AUX
MUTE
ALT 3-4
PRE FADER
SOLO
HI
12kHz
MID
2.5kHz
LOW
80Hz
EQ
PAN
LEVEL
+12dB
OO
AUX
3-4
MUTE
ALT 3-4
PRE FADER
SOLO
HI
12kHz
MID
2.5kHz
LOW
80Hz
EQ
PAN
LEVEL
+12d
B+
12dB
OO
AUX
MUTE
ALT 3-4
PRE FADER
SOLO
HI
12kHz
MID
2.5kHz
LOW
80Hz
EQ
PAN
LEVEL
OO
AUX
MUTE
ALT 3-4
PRE FADER
SOLO
5-6 7-8
OO
MAX
+15-15
+15-15
+15
-15
LR
U
U
U
OO
+15
U
+15-15
+15-15
+15
-15
LR
U
U
U
OO
+15
U
+15-15
+15-15
+15
-15
LR
U
U
U
OO
+15
U
+15-15
+15-15
+15
-15
LR
U
U
U
OO
+15
U
+15-15
+15-15
+15
-15
LR
U
U
U
OO
+15
UU U
U
UUUU UU
-
1
0
d
B
V
M
I
C
G
A
I
N
0
U
60
-
1
0
d
B
V
M
I
C
G
A
I
N
0
U
60
M
I
C
G
A
I
N
060
2
POWER
ON
POWER
802
28
27
26
25
24
23
22

Owner’s Manual
19
Owner’s Manual
Output Section that additional stereo mix bus. Tape is the stereo signal
coming in from the tape input [13] jacks.
Selections made in the source matrix deliver stereo
signals to the control room, phones and meter display.
With no switches engaged, there will be no signal at
these outputs and no meter indication.
The exception is the solo function. Regardless of the
source selection, engaging a channel’s solo [22] switch
will replace that selection with the solo signal, also sent
to the control room, phones and meters. This is what
makes the level-setting procedure so easy to do.
Warning: engaging both the tape and assign to
main mix [33] button can create a feedback
path between tape input [13] and tape output
[14]. Make sure your tape deck is not in record, record-
pause, or input-monitor mode when you engage these
switches, or make sure the control room / submix [32]
level knob is fully counterclockwise (off).
Now you know how to select the signals to send to
the engineer’s control room or phones.
31. PHONES
This knob controls the level going to your stereo
headphones. Make sure this is fully down whenever you
are making connections in your system, or putting on
the headphones. Bring up the level slowly and carefully
to protect your hearing.
This dedicated phones level knob makes it is easy to
turn down the studio monitors and listen just with the
headphones, when overdubbing, or when in a room full
of sleeping and hungry leopards.
32. CONTROL ROOM/SUBMIX
This knob controls the level of the stereo control room
outputs [10]. The control range is from off through
unity gain at the center, with 10 dB of extra gain when
turned fully clockwise.
When main mix is your control room source selection,
those signals will now pass through three level controls
on the way to your control room amp and phones : the
main mix [29] knob, this control room / submix knob,
and the phones knob [31]. This way, you can send a
nice healthy level to the main output (main mix knob
at “U”), and a quiet level to the control room or phones
(control room / submix knob and phones knob where
you like).
When alt 3-4 or tape is selected, or a channel solo
[22] is engaged, the control room / submix knob and
phones knob will be the only ones controlling these
levels (channel controls not withstanding).
29. MAIN MIX
This knob controls the levels of signals sent to the
main outputs: XLR [17] and 1⁄4" [16] and RCA tape
output [14]. All channels and stereo returns [8] that
are not muted or turned fully down will wind up in the
main mix.
Fully counterclockwise is off, the center is unity gain,
and fully clockwise provides 12 dB of additional gain.
This additional gain will typically never be needed, but
once again, it’s nice to know it’s there. This is the knob
to turn down at the end of the song when you want
"The Great Fade-Out."
30. CONTROL ROOM SOURCE MATRIX
Typically, the engineer sends the main mix to an
audience (if live) or a mixdown deck (if recording).
But what if the engineer in the control room needs to
hear something other than the main mix? With the 802-
VLZ3, the engineer has several choices of what to listen
to. This is one of those tricky parts, so brace yourself.
With these source switches, you can choose to listen
to any combination of main mix, alt 3-4 and tape. By
now, you probably know what the main mix is. Alt 3-4 is
LINE IN 7-8
HI
12kHz
MID
2.5kHz
LOW
80Hz
EQ
1
PAN
LEVEL
POWER
RUDE
SOLO
LEVEL
SET
CONTROL
ROOM
SOURCE
ALT 3-4
TAPE
MAIN MIX
LEFT RIGHT
0dB=0dBu
ASSIGN
TO MAIN MIX
MAIN MIX
+12dB
OO
+10dB
OO
SEND
OO
+10
802
+12dB
OO
CTL ROOM/SUBMIX
PHONES
AUX
3
4
0
2
15
20
10
6
30
10
7
20
1
MUTE
ALT 3-4
PRE FADER
SOLO
LINE IN 5-6
MONO
BAL
OR
UNBAL
L
R
BAL
OR
UNBAL
MONO
BAL
OR
UNBAL
L
R
MONO
BAL
OR
UNBAL
L
R
LR
ST RETURN
BAL/UNBAL
L3
ALT OUTPUT
R4
BAL/UNBAL
L
R
BAL/UNBAL
L
R
PRE
POST
+4
MIC
AUX
MASTER
OO
+20
STEREO
RETURN
LOW CUT
100 Hz
18dB/OCT
GAIN
+15dB - 45dB
INSERT
LINE IN 1LINE IN 3
LINE IN 4
MIC 1
BAL
OR
UNBAL
GAIN
+15dB - 45dB
GAIN
INSERT
LINE IN 2
MIC 2MIC 3
X
D
R
2
M
I
C
P
R
E
X
D
R
2
M
I
C
P
R
E
X
D
R
2
M
I
C
P
R
E
MAIN
OUTPUT
LEVEL
PHANTOM
POWER
CR OUTPUT
TAPE IN TAPE OUT
L
R
L
R
PHONES
MAIN OUT BALANCED
L
R
AUX SEND
BAL/UNBAL
MAIN OUT
HI
12kHz
MID
2.5kHz
LOW
80Hz
EQ
PAN
LEVEL
+12dB
OO
AUX
MUTE
ALT 3-4
PRE FADER
SOLO
HI
12kHz
MID
2.5kHz
LOW
80Hz
EQ
PAN
LEVEL
+12dB
OO
AUX
3-4
MUTE
ALT 3-4
PRE FADER
SOLO
HI
12kHz
MID
2.5kHz
LOW
80Hz
EQ
PAN
LEVEL
+12dB+12dB
OO
AUX
MUTE
ALT 3-4
PRE FADER
SOLO
HI
12kHz
MID
2.5kHz
LOW
80Hz
EQ
PAN
LEVEL
OO
AUX
MUTE
ALT 3-4
PRE FADER
SOLO
5-6 7-8
OO
MAX
+15-15
+15-15
+15
-15
LR
U
U
U
OO
+15
U
+15-15
+15-15
+15
-15
LR
U
U
U
OO
+15
U
+15-15
+15-15
+15
-15
LR
U
U
U
OO
+15
U
+15-15
+15-15
+15
-15
LR
U
U
U
OO
+15
U
+15-15
+15-15
+15
-15
LR
U
U
U
OO
+15
UU
U
UUUUU
UU
-
1
0
d
B
V
M
I
C
G
A
I
N
0
U
60
-
1
0
d
B
V
M
I
C
G
A
I
N
0
U
60
M
I
C
G
A
I
N
060
2
POWER
ON
POWER
802
2932
31
33
30
39
36
37 38
35
34

802-VLZ3
20
802-VLZ3
Whatever your selection, you can also use the control
room [10] outputs for other applications. Its sound
quality is just as impeccable as the main outs [16 and
17]. It can be used as additional main mix output, which
may sound silly since there are already three, but this
one has its own level control. However, should you do
something like this, be sure that you do not engage a
solo switch, as that will interrupt your source selection.
A WORD ABOUT PRE-FADER SOLO (PFL)
Engaging a channel’s solo [22] switch will cause
this dramatic turn of events: any existing control room
source selections will be replaced by the solo signal,
appearing in the control room, headphones, and in the
meter. The audible solo levels are then controlled by
the control room / submix [32] knob and phones [31]
knob. The solo levels appearing on the meter display are
not controlled by anything — you wouldn’t want that.
You want to see the actual channel level on the meter
regardless of how loud you’re listening.
“Pre-fader” solo means that the channel signal is
being tapped before the channel’s level [21] knob .
It does, however, obey gain [7], low cut [5] and EQ
[25–27] settings, making it the perfect tool for quick
inspections of suspect channels. The channel’s pan [24]
and mute/alt 3-4 [23] settings have no effect on the solo
signal.
Note: for stereo channels 3-8, the solo signal is
the mono sum of the left (odd-numbered) and right
(even-numbered) signals for that channel strip.
Warning: pre-fader solo [22] taps the
channel signal before the level knob. If you
have a channel’s level knob set below "U" solo
won’t know that, and will send a unity gain signal to the
control room, phones and meter display, that may result
in a startling level boost at these outputs.
33. ASSIGN TO MAIN MIX
Let’s say you’re doing a live show. Intermission is
nearing and you’ll want to play a soothing CD for the
crowd to prevent them from eating the furniture. Then
you think, “But I have the CD player plugged into the
tape inputs, and that never gets to the main outs!”
Oh, but it does. Simply engage this switch and your
control room source selection, after going through the
control room / submix [32] knob, will feed into the
main mix, just as if it were another stereo channel.
Another handy use for this switch is to enable the
alt 3-4 mix to become a submix of the main mix, using
the control room/submix knob as its level control.
Side effects: (1) engaging this switch will also feed
any soloed channels into the main mix, which may be
the last thing you want. (2) If you have the main mix
as your control room source selection and then engage
assign to main mix, the main mix lines to the control
room will be interrupted to prevent feedback. Then
again, why would anyone want to assign the main mix
to the main mix?
34. RUDE SOLO
If you happen to forget you’re in solo, you can easily be
tricked into thinking that something is wrong with your
mixer. Hence the flashing rude solo light. This will come
on whenever a channel solo switch [22] is engaged.
It’s especially handy at about 3 a.m. when no sound
is coming out of your monitors but your multitrack is
playing back like mad.
35. METERS
The 802-VLZ3’s peak metering system is made up
of two columns of twelve LEDs. Deceptively simple,
considering the multitude of signals that can be
monitored by it.
If nothing is selected in the source matrix and no
channels are in solo, the meters will just sit there and
do nothing. To put them to work, you must make a
selection in the source matrix [30], or engage a solo
switch [22]. Why? You want the meter display to reflect
what the engineer is listening to, and as we’ve covered,
LINE IN 7-8
HI
12kHz
MID
2.5kHz
LOW
80Hz
EQ
1
PAN
LEVEL
POWER
RUDE
SOLO
LEVEL
SET
CONTROL
ROOM
SOURCE
ALT 3-4
TAPE
MAIN MIX
LEFT RIGHT
0dB=0dBu
ASSIGN
TO MAIN MIX
MAIN MIX
+12dB
OO
+10dB
OO
SEND
OO
+10
802
+12dB
OO
CTL ROOM/SUBMIX
PHONES
AUX
3
4
0
2
15
20
10
6
30
10
7
20
1
MUTE
ALT 3-4
PRE FADER
SOLO
LINE IN 5-6
MONO
BAL
OR
UNBAL
L
R
BAL
OR
UNBAL
MONO
BAL
OR
UNBAL
L
R
MONO
BAL
OR
UNBAL
L
R
LR
ST RETURN
BAL/UNBAL
L3
ALT OUTPUT
R4
BAL/UNBAL
L
R
BAL/UNBAL
L
R
PRE
POST
+4
MIC
AUX
MASTER
OO
+20
STEREO
RETURN
LOW CUT
100 Hz
18dB/OCT
GAIN
+15dB - 45dB
INSERT
LINE IN 1LINE IN 3
LINE IN 4
MIC 1
BAL
OR
UNBAL
GAIN
+15dB - 45dB
GAIN
INSERT
LINE IN 2
MIC 2MIC 3
X
D
R
2
M
I
C
P
R
E
X
D
R
2
M
I
C
P
R
E
X
D
R
2
M
I
C
P
R
E
MAIN
OUTPUT
LEVEL
PHANTOM
POWER
CR OUTPUT
TAPE IN TAPE OUT
L
R
L
R
PHONES
MAIN OUT BALANCED
L
R
AUX SEND
BAL/UNBAL
MAIN OUT
HI
12kHz
MID
2.5kHz
LOW
80Hz
EQ
PAN
LEVEL
+12dB
OO
AUX
MUTE
ALT 3-4
PRE FADER
SOLO
HI
12kHz
MID
2.5kHz
LOW
80Hz
EQ
PAN
LEVEL
+12dB
OO
AUX
3-4
MUTE
ALT 3-4
PRE FADER
SOLO
HI
12kHz
MID
2.5kHz
LOW
80Hz
EQ
PAN
LEVEL
+12dB+12dB
OO
AUX
MUTE
ALT 3-4
PRE FADER
SOLO
HI
12kHz
MID
2.5kHz
LOW
80Hz
EQ
PAN
LEVEL
OO
AUX
MUTE
ALT 3-4
PRE FADER
SOLO
5-6 7-8
OO
MAX
+15-15
+15-15
+15
-15
LR
U
U
U
OO
+15
U
+15-15
+15-15
+15
-15
LR
U
U
U
OO
+15
U
+15-15
+15-15
+15
-15
LR
U
U
U
OO
+15
U
+15-15
+15-15
+15
-15
LR
U
U
U
OO
+15
U
+15-15
+15-15
+15
-15
LR
U
U
U
OO
+15
UU
U
UUUUU
UU
-
1
0
d
B
V
M
I
C
G
A
I
N
0
U
60
-
1
0
d
B
V
M
I
C
G
A
I
N
0
U
60
M
I
C
G
A
I
N
060
2
POWER
ON
POWER
802
2932
31
33
30
39
36
37 38
35
34

Owner’s Manual
21
Owner’s Manual
the engineer is listening either to the control room [10]
outputs or the phones [11] outputs. The only difference
is that while the listening levels are controlled by the
control room / submix [32] knob, the meters read the
source mix before that control, giving you the real facts
at all times, even if you’re not listening at all.
Thanks to the 802-VLZ3’s wide dynamic range, you can
get a good mix with peaks flashing anywhere between
–20 and +10 dB on the meters. Most amplifiers clip at
about +10 dB, and some recorders aren’t so forgiving
either. For best real-world results, try to keep your
peaks between “0” and “+6”.
Remember, audio meters are just tools to help assure
you that your levels are “in the ballpark.” You don’t have
to stare at them (unless you want to).
A word about Aux
Sends are outputs, and returns are inputs. The
channel aux [28] knobs taps the signal off each
channel. The sum of the aux signals is sent to the aux
master [37] knob before going to the aux send [15]
output.
This output can be fed to the inputs of a reverb or
other device. From there, the outputs of this external
device are fed back to the mixer’s stereo return [8]
jacks, through the stereo return [38] level control,
and finally delivered to the main mix.
So, the original “dry” signals go from the channels
to the main mix, and the affected “wet” signals go from
the stereo return [8] to the main mix. Once mixed
together, the dry and wet signals combine to create
a glorious sound. So, armed with this knowledge,
let’s visit the auxiliary world:
36. PRE or POST (AUX)
Besides being used to work effects into your mix, aux
sends serve another critical role — that of delivering
cue mixes to stage monitors, so musicians can hear
what they’re doing. On the 802-VLZ3, aux send can play
either role, depending on the position of this switch.
With this switch out (disengaged), aux send will tap a
channel pre-fader and pre-mute/alt 3-4, meaning that no
matter how you manipulate those controls as they feed
the main mix, the aux send will continue to belt out that
channel’s signal. This is the preferred method for setting
up stage monitor feeds, as its level is not affected by
changes to the channel's level controls. EQ settings will
affect all aux sends. It's a bit like setting up two PAs,
one at a nice level to keep your band happy, and one at
a nice level to play to your audience. The levels of each
are independent of each other.
With the switch in, the aux send becomes an ordinary
effects send — post-fader (level) and post-mute/alt
3-4. This is a must for effects sends, since you want the
levels of your “wet” signals to follow the level of the
“dry," keeping them at the same ratio. For example, you
do not want a returned echo to stay at one level, when
you turn a channel down; you want it to go down as well.
Post mute/alt 3-4 means that when a channel is muted,
its aux send to an external processor is also muted.
37. AUX MASTER SEND
This knob provides overall level control of aux send,
just before it’s delivered to the aux send [15] output.
This knob goes from off (turned fully down), to unity
gain at the center, with 10 dB of extra gain (turned fully
up). You may never need the additional gain, but here it
is anyway.
This is the knob to turn up when the lead singer
glares at you, points at his stage monitor, and sticks
his thumb up in the air. (If he stuck his thumb down,
you’d turn the knob down, but that never happens.)
38. STEREO RETURN
This control sets the overall level of effects received
from the stereo return [8] inputs. This could be the
affected (wet) processed signal returning from an
effects processor, or the stereo signals from another
synth or source. This control is designed to handle a
wide range of signal levels, from off, to unity gain at the
center, with 20 dB gain fully clockwise, to compensate
for low-level effects or sources.
Normally, set this knob at the center, and set the
effects device or source's output control to whatever
they call unity gain (check their manual). If that turns
out to be too loud or too quiet, adjust the effects device
or source's outputs, not the mixer. That way, the mixer’s
knobs are easy to relocate at the center.
Signals passing through this control proceed directly
to main mix. The stereo returns do not have mute/alt 3-4
switches, so if you want these signals to get to the
alt 3-4 mix, you’ll have to patch the effects device’s
outputs into one of the stereo channels instead of the
stereo return, and mute/alt those channels.
39. POWER LED
This LED will light when the mixer is connected to
a live power supply, and the power switch is turned on.
This lets you know that the mixer's internal circuits
are turned on, and all ready for action.
Turning off the power switch will turn off the mixer
and this LED will go out.
Congratulations! You’ve just read about all the
features of your 802-VLZ3. You’re probably ready for
a cold one. Go ahead. The rest of the manual can wait.

802-VLZ3
22
802-VLZ3
Appendix A: Service Information
Power
• Checkthatthesuppliedpowersupplyis
connected to a live AC outlet. The power LED
on the mixer should come on when the power
switch is on.
Repair
For warranty service, please refer to the warranty
information on page 27.
Non-warranty service for Mackie products is avail-
able at a factory-authorized service center. To locate
your nearest service center, visit www.mackie.com, click
“Support” and select “Locate a Service Center.” Service
for Mackie products living outside the United States can
be obtained through local dealers or distributors.
If you do not have access to our website, you can
call our Tech Support department at 1-800-898-3211,
Monday-Friday, during normal business hours, Pacific
Time, to explain the problem. Tech Support will tell you
where the nearest factory-authorized service center is
located in your area.
Need help with your new mixer?
• Visit www.mackie.com and click Support
to find: FAQs, manuals, addendums, and
user forums.
• Email us at: techmail@mackie.com.
• Telephone 1-800-898-3211 to speak with
one of our splendid technical support
representatives (Monday through Friday,
normal business hours, Pacific Time).
If you think your 802-VLZ3 has a problem, please
check out the following troubleshooting tips and do your
best to confirm the problem. Visit the support section of
our website (www.mackie.com) where you will find lots
of useful information such as FAQs, documentation and
user forums. You may find the answer to the problem
without having to send your mixer away.
Troubleshooting
Bad Channel
• Isthegainsetcorrectly?
• Isthelevelknobturnedup?
• Istheinstrumentswitchsetcorrectly?
(Channels 1–2 only).
• Trythesamesourcesignalinanotherchannel,
set up exactly like the suspect channel.
• Checkthatthepanknobissetcorrectly.
• ChecktheEQandthelow-cutswitch.
Bad Output
• Istheassociatedlevelknob(ifany)turnedup?
• Ifit’soneofthemainouts,tryunpluggingall
the others. For example, if it’s the 1⁄4" left main
out, unplug the RCA and XLR left outputs.
If the problem goes away, its not the mixer.
• Ifaleftspeakerispresumeddead,switchthe
left and right cords, at the mixer's main outs.
If the left speaker is still not working, it’s not
the mixer.
Noise
• Turnthechannellevelandauxreturnknobs
down, one by one. If the sound disappears,
it’s either that channel or whatever is plugged
into it, so unplug whatever that is. If the noise
disappears, it’s from your whatever.
Correct disposal of this product. This symbol indicates that this product should not be disposed of with your household waste, according to the WEEE Directive (2002/96/EC) and your national law. This product
should be handed over to an authorized collection site for recycling waste electrical and electronic equipment (EEE). Improper handling of this type of waste could have a possible negative impact on the environment and
human health due to potentially hazardous substances that are generally associated with EEE. At the same time, your cooperation in the correct disposal of this product will contribute to the effective usage of natural
resources. For more information about where you can drop off your waste equipment for recycling, please contact your local city office, waste authority, or your household waste disposal service.

Owner’s Manual
23
Owner’s Manual
XLR Connectors
Mackie mixers use 3-pin female XLR connectors on
all microphone inputs, with pin 1 wired to the grounded
(earthed) shield, pin 2 wired to the “high” (”hot” or
positive polarity) side of the audio signal and pin 3
wired to the “low” (“cold” or negative polarity) side of
the signal. See Figure A. This is all totally aboveboard
and in full accord with the hallowed standards dictated
by the AES (Audio Engineering Society).
Use a male XLR-type connector, usually found on the
nether end of what is called a “mic cable,” to connect to
a female XLR jack.
1⁄4" TRS Phone Plugs and Jacks
“TRS” stands for Tip-Ring-Sleeve, the three
connections available on a “stereo” 1⁄4" or “balanced”
phone jack or plug. See Figure B.
TRS jacks and plugs are used in several different ap-
plications:
• Balancedmonocircuits.Whenwiredasabal-
anced connector, a 1⁄4" TRS jack or plug is con-
nected tip to signal high (hot), ring to signal
low (cold), and sleeve to ground (earth).
• StereoHeadphones,andrarely,stereomicro-
phones and stereo line connections.
When wired for stereo, a 1⁄4" TRS jack or plug
is connected tip to left, ring to right and sleeve
to ground (earth). Mackie mixers do not
Appendix B: Connections
directly accept 1-plug-type stereo micro phones.
They must be separated into a left cord and a
right cord, which are plugged into the two mic
preamps.
You can cook up your own adapter for a stereo
microphone. “Y” two cables out of a female 1⁄4"
TRS jack to two male XLR plugs, one for the
Right signal and one for the Left.
• UnbalancedSend/Returncircuits.Whenwired
as a send/return “Y” connector, a 1⁄4" TRS jack
or plug is connected tip to signal send (output
from mixer), ring to signal return (input back
into mixer), and sleeve to ground (earth).
1⁄4" TS Phone Plugs and Jacks
“TS” stands for Tip-Sleeve, the two connections avail-
able on a “mono” 1⁄4" phone jack or plug. See Figure C.
TS jacks and plugs are used in many different
applications, always unbalanced. The tip is connected to
the audio signal and the sleeve to ground (earth). Some
examples:
• Unbalancedmicrophones
• Electricguitarsandelectronicinstruments
• Unbalancedline-levelconnections
RCA Plugs and Jacks
RCA-type plugs (also known as phono plugs) and
jacks are often used in home stereo and video equip-
ment and in many other applications (Figure D). They
are unbalanced and electrically identical to a 1⁄4" TS
phone plug or jack (figure C). Connect the signal to the
center post and the ground (earth) or shield to the sur-
rounding “basket.”
SLEEVE
TIP
TIPSLEEVE
TIP
SLEEVE
SLEEVE
TIPSLEEVE
TIP
RING
RING
TIP
SLEEVERING
Figure C: TS Plug
2
2
31
1
SHIELD
COLD
HOT
SHIELD
COLD
HOT
3
SHIELD
COLD
HOT
3
2
1
Figure A: XLR Connectors
SLEEVE
TIP
TIPSLEEVE
TIP
SLEEVE
SLEEVE
TIPSLEEVE
TIP
RING
RING
TIP
SLEEVERING
Figure B: 1⁄4" TRS Plugs
TIPSLEEVETIPSLEEVE
Figure D: RCA Plug

802-VLZ3
24
802-VLZ3
Mackie Stereo Inputs and Returns: Mono,
Stereo, Whatever
Stereo line inputs and stereo returns are a fine
example of the Mackie philosophy (which we just made
up) of Maximum Flexibility with Minimum Headache.
The inputs and returns will automatically be mono or
stereo, depending upon how you use the jacks.
Here’s how it works:
A mono signal should be patched into the input or
return jack labeled left (mono). The signal will be
routed to both the left and right sides of the return
circuit, and will show up in the center of the stereo
pair of buses it’s assigned to, or it can be panned
with the pan [24] control.
A stereo signal, having two plugs, should be patched
into the left (mono) and the right input or return jacks.
A jack switch in the right jack will disable the mono
function, and the signals will show up in stereo.
A mono signal connected to the right jack will show
up in the right bus only. You probably will only want to
use this sophisticated effect for special occasions.
Microphone Stand
The bottom panel
of the 802-VLZ3 has
three non-threaded
holes that allow it
to be fitted with an
optional microphone
stand adapter.
This allows you to
support the mixer
on a standard mic
stand, and adjust its
height and level to
whatever suits your
strangely-complex
set of preferences.
1. Order the Atlas AD-11B mic stand adapter
available from many a fine music store.
(It is made and distributed by Atlas Sound.)
2. Use three self-tapping machine screws
6-32 x 1/4" long to secure the adapter to
the bottom of the 802-VLZ3.
Do not use screws that are longer then 1/4" as
these could damage the circuit boards. Do not
use any shorter screws, or the adapter will not
be securely fixed to the mixer.
TRS Send/Receive Insert Jacks
Mackie’s single-jack inserts are the three- conductor,
TRS-type 1⁄4" phone. They are unbalanced, but have
both the mixer output (send) and the mixer input
(return) signals in one connector. See Figure E.
The sleeve is the common ground (earth) for both
signals. The send from the mixer to the external unit is
carried on the tip, and the return from the unit to the
mixer is on the ring.
Using the Send Only on an Insert Jack
If you insert a TS (mono) 1⁄4" plug only partially (to
the first click) into a Mackie insert jack, the plug will
not activate the jack switch and will not open the insert
loop in the circuit (thereby allowing the channel signal
to continue on its merry way through the mixer).
This allows you to tap out the channel or bus signal
without interrupting normal operation.
If you push the 1⁄4" TS plug in to the second click, you
will open the jack switch and create a direct out, which
does interrupt the signal in that channel. See Figure F.
NOTE: Do not overload or short-circuit the signal you
are tapping from the mixer. That will affect the internal
signal.
“tip”
This plug connects to one of the
mixer’s Channel Insert jacks. “ring”
tip ring
sleeve
SEND to processor
RETURN from processor
(TRS plug)
Figure E
Direct out with no signal interruption to master.
Insert only to first “click.”
Channel Insert jack
Channel Insert jack
Channel Insert jack
Direct out with signal interruption to master.
Insert all the way in to the second “click.”
For use as an effects loop.
(TIP = SEND to effect, RING = RETURN from effect.)
MONO PLUG
MONO PLUG
STEREO
PLUG
Figure F
1.8 in/
47 mm
holes for
mic stand
adapter
bottom panel
10.7 in/
273 mm
8.9 in/227 mm
WEIGHT
4.5 lb/
2.0 kg

Owner’s Manual
25
Owner’s Manual
1.8 in/
47 mm
holes for
mic stand
adapter
bottom panel
10.7 in/
273 mm
8.9 in/227 mm
WEIGHT
4.5 lb/
2.0 kg
Appendix C: Technical Information
Specifications
Main Mix Noise
(20 Hz–20 kHz bandwidth, channels 1–3 gain @ unity gain,
channel EQ flat, all channels assigned to main mix,
channel 1 panned left, 2 panned right, 3–8 centered.)
Main mix knob down, channel level knobs down:
XLR: –95 dBu
TRS: –101 dBu
Main mix knob unity, channel level knobs down:
XLR: –90 dBu
TRS: –96 dBu
Main mix knob @ unity, channel level knobs @ unity:
XLR: –84 dBu
TRS: –90 dBu
Total Harmonic Distortion (THD)
(1 kHz @ 35 dB gain, 20 Hz–20 kHz bandwidth)
Mic pre @ insert: 0.001%
Attenuation (Crosstalk)
(1 kHz relative to 0 dBu, 20 Hz–20 kHz bandwidth,
line in, 1⁄4" main out, gain @ unity.)
Main mix knob down: –75 dBu
Channel Alt / Mute switch engaged: –100 dBu
Channel level knob down: –100 dBu
Frequency Response
(30 Hz to 30 kHz, mic input to any output, @ 60 dB gain.)
+0 dB/–1 dB
(10 Hz to 100 kHz, mic input to any output, @ unity gain.)
+0 dB/–3 dB
Equivalent Input Noise (EIN)
(20 Hz–20 kHz, mic input to insert send out, max gain.)
150 ohm termination: –129.5 dBu
Common Mode Rejection Ratio (CMRR)
(Mic in to insert send out, max gain.)
1 kHz: better than –60 dB
Maximum Levels
Mic in: +21 dBu
Tape in: +22 dBu
All other inputs: +22 dBu
Main mix XLR out: +28 dBu
All other outputs: +22 dBu
Impedances
Mic in: 3.4 kilohms
Channel insert return: 5 kilohms
All other inputs: 20 kilohms or greater
Tape out: 1 kilohms
Phones out: 60 ohms
All other outputs: 120 ohms
EQ
High Shelving ±15 dB @ 12 kHz
Mid Peaking ±15 dB @ 2.5 kHz
Low Shelving ±15 dB @ 80 Hz
Power Consumption
13 watts
Dimensions (H x W x D)
10.7" x 8.9" x 1.8" (273 mm x 227 mm x 47 mm)
Weight
With power supply 5.5 lb (2.5 kg)
Without power supply 4.5 lb (2.0 kg)
LOUD Technologies Inc. is always striving to improve our prod-
ucts by incorporating new and improved materials, components,
and manufacturing methods. Therefore, we reserve the right to
change these specifications at any time without notice.
“Mackie,” and the “Running Man” are registered trademarks of
LOUD Technologies Inc. All other brand names mentioned are
trademarks or registered trademarks of their respective hold-
ers, and are hereby acknowledged.
©2012 LOUD Technologies Inc. All Rights Reserved.

802-VLZ3
26
802-VLZ3
Block Diagram
L
R
aux 1 (post)
solo(pfl)
logic
Main
solo logic
L
R
solo (pfl)
logic
Main
Control
Room
level
Main level
L
R
Insert (Ch1-2 only)
HPF
solo
Level
Pan
solo
Level
Aux sends
Pan
Level
Tape
Left
Right
Left/3
Right/4
Aux 1 out
Aux 1 level
Phones
Control Room out
Left
Right
L sum
R sum
Alt L/3
sum
Alt R/4 sum
Aux 1 sum
solo sum
Stereo Return
L/3
R/4Alt
aux 1 (pre)
aux 1 (post)
L/3
R/4
Alt
aux 1 (pre)
Aux 1
Tape
Meter
CD/Tape in
L
R
RUDE
SOLO
LED
Line
Line
Bal
Bal
Alt3/4
CD/Tape
Main
C/R Source
3-BandEQ
Alt 3/4
Main L/R
Alt 3/4
Main L/R
post
pre
C/R to Main
off
Low Cut
bypass
NOTE: Switches are shown in the default (out) position.
Mic level
+4dBu
C/R L
C/R
R
Alt out
Main
out
48V
Mono Channels
Mic
Line Gain
+
-Mic: 0 ~ +60dB
Line: -15 ~ +45dB
Hi-Z
L
R
3-BandEQ
LO
80 2.5K 12K
HIMID
LO
80 2.5K 12K
HIMID
LO
80 2.5K 12K
HIMID
+
-
Hybrid
channel 3/4
Ch 1/2
Global phantom
power
phantom
phantom
solo
LevelPan Alt 3/4
Main L/R
Stereo channels
5/6 and 7/8
L
R
3-BandEQ
LO
80 2.5K 12K
HIMID
LO
80 2.5K 12K
HIMID
Phones
level
HPF
Low Cut
bypass
Mic: 0 ~ +60dB
phantom
Aux sends
Aux sends

Owner’s Manual
27
Owner’s Manual
Mackie Limited Warranty
Please keep your sales receipt in a safe place.
This Limited Product Warranty (“Product Warranty”) is provided by LOUD Technologies Inc. (“LOUD”)
and is applicable to products purchased in the United States or Canada through a LOUD-authorized
reseller or dealer. The Product Warranty will not extend to anyone other than the original purchaser of
the product (hereinafter, “Customer,” “you” or “your”).
For products purchased outside the U.S. or Canada, please visit www.mackie.com/warranty to find
contact information for your local distributor, and information on any warranty coverage provided by the
distributor in your local market.
LOUD warrants to Customer that the product will be free from defects in materials and workmanship
under normal use during the Warranty Period. If the product fails to conform to the warranty then LOUD
or its authorized service representative will at its option, either repair or replace any such nonconforming
product, provided that Customer gives notice of the noncompliance within the Warranty Period to the
Company at: www.mackie.com/support or by calling LOUD technical support at 1.800.898.3211 (toll-
free in the U.S. and Canada) during normal business hours Pacific Time, excluding weekends or LOUD
holidays. Please retain the original dated sales receipt as evidence of the date of purchase. You will need it
to obtain any warranty service.
For full terms and conditions, as well as the specific duration of the Warranty for this product, please visit
www.mackie.com/warranty.
The Product Warranty, together with your invoice or receipt, and the terms and conditions located
at www.mackie.com/warranty constitutes the entire agreement, and supersedes any and all prior
agreements between LOUD and Customer related to the subject matter hereof. No amendment,
modification or waiver of any of the provisions of this Product Warranty will be valid unless set forth in a
written instrument signed by the party to be bound thereby.
