Washer Extractor Parts Manual HF900 9001759
User Manual: HF900
Open the PDF directly: View PDF
.
Page Count: 102 [warning: Documents this large are best viewed by clicking the View PDF Link!]
- Cover
- Model Identification
- Table of Contents
- Parts Ordering Information
- Serial Plate Location
- Cabinet Freestanding Washer-Extractor Product Overview - *X Models
- Cabinet Freestanding Washer-Extractor Product Overview - *HF Models
- Frame
- Shock and Spring Assembly
- Shell and Front Panel - *X165 Design 6 Models
- Shell and Front Panel - All Models Except *X165 Design 6 Models
- Bearing Assembly (Drawing 1 of 3) - Models Through 1/30/2011
- Bearing Assembly (Drawing 2 of 3) - Models Through 1/30/2011
- Bearing Assembly (Drawing 3 of 3) - Models Through 1/30/2011
- Bearing Assembly - Models Starting 1/31/2011
- Basket, Pulley and Belt - Models Through 1/30/2011
- Basket, Pulley and Belt - Models Starting 1/31/2011
- Motor
- Drain Assembly
- Drain Valve - Normally Open
- Drain Valve - Normally Closed
- Door Lock
- Door - *X165 Design 6 Models
- Door - All Models Except *X165 Design 6 Models
- Control Panel - *X Models
- Control Panel - PS40F
- Control Panel - Cygnus Professional
- Control Panel - PRO
- Control Panel - Cygnus Premium and Cygnus Ultra
- Control Module
- Top, Left Side and Front Panels
- Back and Right Side Panels
- Upper Back Panel (Drawing 1 of 5)
- Upper Back Panel (Drawing 2 of 5)
- Upper Back Panel (Drawing 3 of 5)
- Upper Back Panel (Drawing 4 of 5)
- Upper Back Panel (Drawing 5 of 5)
- Supply Dispenser - Models Through 4/30/2009
- Supply Dispenser - Models Starting 5/1/2009
- Plumbing (Drawing 1 of 3)
- Plumbing (Drawing 2 of 3)
- Plumbing (Drawing 3 of 3)
- Balance Switch
- Soap Pumps
- Spray Pump
- Electric Heating Option
- Steam Heating Option - *HF165, *HF730 and *X165 Models
- Steam Heating Option - *HF900 and *X200 Models
- Parts Index

Parts
www.alliancelaundry.com
Washer-Extractor
Cabinet Freestanding
Refer to Page 5 for Model Numbers
CFD18C_9001759
Part No. 9001759R21
January 2017

9001759 1
© Copyright, Alliance Laundry Systems LLC – DO NOT COPY or TRANSMIT
© Copyright 2017, Alliance Laundry Systems LLC
All rights reserved. No part of the contents of this book may be reproduced or transmitted in any form or by any
means without the expressed written consent of the publisher.
Table of Contents
Title Page
Parts Ordering Information........................................................................................................................................ 3
Serial Plate Location ................................................................................................................................................. 3
Model Identification ................................................................................................................................................... 5
Cabinet Freestanding Washer-Extractor Product Overview - *X Models.................................................................. 6
Cabinet Freestanding Washer-Extractor Product Overview - *HF Models ............................................................... 8
Frame...................................................................................................................................................................... 10
Shock and Spring Assembly ................................................................................................................................... 12
Shell and Front Panel - *X165 Design 6 Models..................................................................................................... 14
Shell and Front Panel - All Models Except *X165 Design 6 Models ....................................................................... 16
Bearing Assembly (Drawing 1 of 3) - Models Through 1/30/2011 .......................................................................... 18
Bearing Assembly (Drawing 2 of 3) - Models Through 1/30/2011 .......................................................................... 20
Bearing Assembly (Drawing 3 of 3) - Models Through 1/30/2011 .......................................................................... 22
Bearing Assembly - Models Starting 1/31/2011 ...................................................................................................... 24
Basket, Pulley and Belt - Models Through 1/30/2011 ............................................................................................. 26
Basket, Pulley and Belt - Models Starting 1/31/2011 .............................................................................................. 28
Motor....................................................................................................................................................................... 30
Drain Assembly ....................................................................................................................................................... 32
Drain Valve - Normally Open .................................................................................................................................. 34
Drain Valve - Normally Closed ................................................................................................................................ 36
Door Lock................................................................................................................................................................ 38
Door - *X165 Design 6 Models ............................................................................................................................... 40
Door - All Models Except *X165 Design 6 Models .................................................................................................. 42
Control Panel - *X Models....................................................................................................................................... 44
Control Panel - PS40F ............................................................................................................................................ 46
Control Panel - Cygnus Professional ...................................................................................................................... 48
Control Panel - PRO ............................................................................................................................................... 50
Control Panel - Cygnus Premium and Cygnus Ultra............................................................................................... 52
Control Module........................................................................................................................................................ 54
Top, Left Side and Front Panels ............................................................................................................................. 56
Back and Right Side Panels ................................................................................................................................... 58
Upper Back Panel (Drawing 1 of 5) ........................................................................................................................ 60
Upper Back Panel (Drawing 2 of 5) ........................................................................................................................ 62
Upper Back Panel (Drawing 3 of 5) ........................................................................................................................ 64
Upper Back Panel (Drawing 4 of 5) ........................................................................................................................ 66
Upper Back Panel (Drawing 5 of 5) ........................................................................................................................ 68
Supply Dispenser - Models Through 4/30/2009...................................................................................................... 70
Supply Dispenser - Models Starting 5/1/2009......................................................................................................... 72
Plumbing (Drawing 1 of 3) ...................................................................................................................................... 74
Plumbing (Drawing 2 of 3) ...................................................................................................................................... 76
Plumbing (Drawing 3 of 3) ...................................................................................................................................... 78
Balance Switch ....................................................................................................................................................... 80
29001759
© Copyright, Alliance Laundry Systems LLC – DO NOT COPY or TRANSMIT
Soap Pumps ........................................................................................................................................................... 82
Spray Pump ............................................................................................................................................................ 84
Electric Heating Option ........................................................................................................................................... 86
Steam Heating Option - *HF165, *HF730 and *X165 Models................................................................................. 88
Steam Heating Option - *HF900 and *X200 Models ............................................................................................... 90
Parts Index .............................................................................................................................................................. 93
9001759 3
© Copyright, Alliance Laundry Systems LLC – DO NOT COPY or TRANSMIT
Parts Ordering Information
If literature or replacement parts are required, con-
tact the source from whom the machine was pur-
chased or contact Alliance Laundry Systems at
(920) 748-3950 for the name and address of the
nearest authorized parts distributor.
For technical assistance, call either of the num-
bers listed below:
(920) 748-3121 Ripon, Wisconsin
Serial Plate Location
When calling or writing about your product, be
sure to mention model and serial numbers. Model
and serial numbers are located on serial plate(s).

Notes
49001759
© Copyright, Alliance Laundry Systems LLC – DO NOT COPY or TRANSMIT
9001759 5
© Copyright, Alliance Laundry Systems LLC – DO NOT COPY or TRANSMIT
Model Identification
Information in this manual is applicable to these washer-extractor models:
CHF165ANH
CHF730U
CS165_CYGNUS-ULTRA
HF730_CYGNUS-PREM_OPL
HF730_CYGNUS-PRO
HF730_PS40F
HF900_CYGNUS-PREM_OPL
HF900_CYGNUS-PRO
HF900_PS40F
HX165PVNU6
HX165PVNU7
HX165PVPU7
HX165PVQU6
HX165PVQU7
HX165_WE-8
HX200PVNU7
HX200PVPU7
HX200PVQU7
HX200_WE-8
IHF165ANH
IHF165ZNH
IHF730ANH
IHF730U
IHF730ZNH
IHF900ANH
IHF900ZNH
SX165PVNU6
SX165PVNU7
SX165PVPU7
SX165PVQU6
SX165PVQU7
SX165Z
SX165_WE-8
SX200PVNU7
SX200PVPU7
SX200PVQU7
SX200Z
SX200_WE-8
UX165PVNU6
UX165PVNU7
UX165PVPU6
UX165PVPU7
UX165PVQU6
UX165PVQU7
UX165Z
UX165_WE-8
UX200PVNU7
UX200PVPU7
UX200PVQU7
UX200Z
UX200_WE-8

69001759
© Copyright, Alliance Laundry Systems LLC – DO NOT COPY or TRANSMIT
Cabinet Freestanding Washer-Extractor Product Overview -
*X Models
CFD266P_9001759
WASH
ADD
BLEACH
RINSE
SPIN
DOOR
NORMAL
NORMAL
QUICK AS QUICK WASH
HEAVY SOIL
DELICATE
RM RESS
PERM PRESS
HOT
WARM
HOT
HOT
WARM
COLD
WARM
COLD
START
PE P
WH
B Computer (Domestic)
60C 60C
40C 40C
95C 95C
<
<
30C
B Computer (International)
WE-8 Micro
X55PVXM60001
12
55 25
50 60
15
2/3+PE 1/3
1000
*

9001759 7
© Copyright, Alliance Laundry Systems LLC – DO NOT COPY or TRANSMIT
Cabinet Freestanding Washer-Extractor Product Overview -
*X Models
REF PART NO. DESCRIPTION COMMENTS
1-Product Family HX
NX
SX
UX
2- Capacity (Pounds) 18
25
30
35
55
75
100
135
165
200
3- Control B (B Computer)
P (WE-8 Micro)
Z (PRO)
4- Speed V (Variable)
5- Voltage N (440-480/50-60/3/3)
P (380-415/50-60/3/3)
Q (200-240/50-60/3/3)
X (200-240/50-60/1/3)
6- OEM A
F
M
U
7- Design 6 and 7

89001759
© Copyright, Alliance Laundry Systems LLC – DO NOT COPY or TRANSMIT
Cabinet Freestanding Washer-Extractor Product Overview -
*HF Models
CFD620P_9001759
Cygnus Professional
CYGNUS
PROFESSIONAL
Normal wash 40º-40ºC
Warm wash 40º-60ºC
Hot wash 40º-90ºC
Delicate 1 90ºC
Synthetic 1
1000
40ºC
1h03
Micro 20
Micro20 Controlled
1
2
3
4
5
6
7
8
9
SELECT
START
ECO.
P
I
E
Sigma
Sigma Controlled
SELECT
AB
D
C
START
ECO.
P
I
E
1
2
3
4
5
6
7
8
9
PS40
1 2 3
PS40
4 5 6O
7 8 9NO
PROG
+ 0 _
Cygnus Premium
CYG NU S
PREMIUM
°
°
60
°
40
°
30
°
40
°
90
°
40
°
60
°
40
°
40
°
°
30
°
30
1
2
2
5
6
7
8
F
ECO
9
10
3
4
1
2
5
3
4
3 4
min
C
Cygnus Ultra
Label 1
Alliance International BVBA
Nieuwstraat 146
8560 Wevelgem
Belgium
Tel: +32 56 41 20 54
Fax: +32 56 41 86 74
www.ipso.be
HF575P
3 ~ 380V 50Hz
7.5 kW 20 A
36 kW 60 A
43.50 kW
23257N/M
2007
Type:
Voltage:
Motor:
Heating:
Total:
Kinetic energy:
Manufactured in:
sfc 741295
Water Pressure: min. 2.07 max. 5.86 Kg/cm²
min. 20.7 max. 58.6 N/cm² IPX4
07110580147
1787 kg
575 L
57 kg
980 mm
800 rpm
Nr:
Weight:
Capacity:
Dry Load:
Drum:
Speed:
Label 2
Alliance International BVBA
Made in Belgium
TEL 1-920-748-3121
www.comlaundry.com
100740
CONFORMS TO ANSI/UL
STD 2157
CERTIFIED TO CAN/CSA
STD C22.2 NO.169
IPX4
Model No: IHF165MNHX10U01
Volts Hertz:
Phase:
Amps:
Recommended
Circuit Breaker:
Interrupt Current:
Motor:
Elec Heat:
Steam
heat:
Serial No: 0710740113
208-240 50/60
3
20 amps
25 amps
10 kA
15 hp
11 kW
N/A kW
N/A psi
N/A bar
Type:
Capacity:
Water
Pressure:
Max Speed:
Net
Weight:
HF730P
165/73 lbs/kg
30-85 psi
2.07-5.86 bar
750 rpm
3520 lbs
5070 kg

9001759 9
© Copyright, Alliance Laundry Systems LLC – DO NOT COPY or TRANSMIT
Cabinet Freestanding Washer-Extractor Product Overview -
*HF Models
REF PART NO. DESCRIPTION COMMENTS
1- Product Family CHF
HF
IHF
2- Capacity (Pounds) 165
730
900
3- Control A (PS40F)
CAM-Timer
Cygnus-Prem
Cygnus-Ultra
M (Micro-20)
Micro-9
PC30
PS40
Sigma
U (Cygnus-Ultra)
Z (Cygnus-Pro)
4- Actuation N (Non-Coin)
5- Speed H (High Speed)
6- Voltage N (440-480/50-60/3/3)
P (380-415/50-60/3/3)
Q (208-240/50-60/3/3)
X (200-240/50-60/1/3)
7-Design 1

10 9001759
© Copyright, Alliance Laundry Systems LLC – DO NOT COPY or TRANSMIT
Frame
CFD264P_9001759

9001759 11
© Copyright, Alliance Laundry Systems LLC – DO NOT COPY or TRANSMIT
Frame
REF PART NO. DESCRIPTION COMMENTS
1253/10503/00 Upper Support *HF165, *HF730 and *X165 models
1290/10503/00 Upper Support *HF900 and *X200 models
2253/10502/00 Lower Support *HF165, *HF730 and *X165 models
2290/10502/00 Lower Support *HF900 and *X200 models
3253/10501/00 Frame *HF165, *HF730 and *X165 models
3290/10501/00 Frame *HF900 and *X200 models
4173/00015/00 Shipping Bracket Front
5173/00054/00 Shipping Bracket Rear

12 9001759
© Copyright, Alliance Laundry Systems LLC – DO NOT COPY or TRANSMIT
Shock and Spring Assembly
CFD58P_9001759

9001759 13
© Copyright, Alliance Laundry Systems LLC – DO NOT COPY or TRANSMIT
Shock and Spring Assembly
REF PART NO. DESCRIPTION COMMENTS
1206/00071/00 Bolt
2204/00012/00 Nut
3B12522101 Washer
4247/00008/00 Shock Absorber
4211/00137/10 Shock Absorber Bushing
5204/00113/00 Nut
6B12440101 Suspension Spring
7204/00016/00 Nut
8224/00046/00 Bolt

14 9001759
© Copyright, Alliance Laundry Systems LLC – DO NOT COPY or TRANSMIT
Shell and Front Panel - *X165 Design 6 Models
CFD347P_9001759

9001759 15
© Copyright, Alliance Laundry Systems LLC – DO NOT COPY or TRANSMIT
Shell and Front Panel - *X165 Design 6 Models
REF PART NO. DESCRIPTION COMMENTS
1253/10505/00 Bearing Housing
2173/00020/10 Tub Back Plate Standard and steam heat
2173/00019/10 Tub Back Plate Electric and steam heat
3206/00099/00 Bolt
4255/00001/00 Tub Gasket
5173/00020/00 Tub Standard and steam heat
5173/00019/00 Tub Electric and steam heat
6206/00122/00 Bolt
7201/00001/00 Washer
8204/00113/00 Nut
9253/10504/00 Counterweight
10 173/00025/00 Front Panel
11 205/00102/00 Bolt
12 202/00105/00 Washer
13 205/00105/00 Bolt
14 B12300701 Washer
15 B12300601 Washer
16 252/00006/00 Leveling Leg
17 173/00025/00 Front Panel

16 9001759
© Copyright, Alliance Laundry Systems LLC – DO NOT COPY or TRANSMIT
Shell and Front Panel - All Models Except *X165 Design 6 Models
CFD348P_9001759

9001759 17
© Copyright, Alliance Laundry Systems LLC – DO NOT COPY or TRANSMIT
Shell and Front Panel - All Models Except *X165 Design 6 Models
REF PART NO. DESCRIPTION COMMENTS
1253/10505/00 Bearing Housing
2173/00020/10 Tub Back Plate Standard and steam heat
2173/00019/10 Tub Back Plate Electric and steam heat
3206/00099/00 Bolt
4255/00001/00 Tub Gasket
5190/00020/00 Tub *HF900 and *X200 models; Standard and steam heat
5173/00020/00 Tub All other models; Standard and steam heat
5190/00019/00 Tub *HF900 and *X200 models; Electric and steam heat
5173/00019/00 Tub All other models; Electric and steam heat
6206/00122/00 Bolt
7201/00001/00 Washer
8204/00113/00 Nut
9253/10504/00 Counterweight
10 173/00010/00 Tub Front
11 205/00102/00 Bolt
12 202/00105/00 Washer
13 205/00105/00 Bolt
14 B12300701 Washer
15 B12300601 Washer
16 252/00006/00 Leveling Leg
17 173/00022/00 Tub Front

18 9001759
© Copyright, Alliance Laundry Systems LLC – DO NOT COPY or TRANSMIT
Bearing Assembly (Drawing 1 of 3) - Models Through 1/30/2011
CFD95P_9001759

9001759 19
© Copyright, Alliance Laundry Systems LLC – DO NOT COPY or TRANSMIT
Bearing Assembly (Drawing 1 of 3) - Models Through 1/30/2011
REF PART NO. DESCRIPTION COMMENTS
NA 245/00059/00 Bearing Tool Kit
NA 895P3 Bearing Replacement Kit Includes items 5, 8 and 10 and 253/00151/00 V-Ring
Seal (VL220), 253/00153/00 V-Ring Seal (VL170),
253/10516/00 V-Ring Seal (VL250), 253/10515/00
V-Ring Seal (VA110) and 253/10506/00 Bearing
Sleeve
1205/00102/00 Bolt
2201/00204/00 Washer
3253/10523/00 Bearing Retainer
4212/00043/00 Retaining Ring
5253/00164/00 Bearing
6B12360809 Bearing Spacer
7253/10505/00 Bearing Housing
7B12626001 Bearing Housing Includes items 4-6 and 9-11
8212/00022/00 Lubricator
9253/10513/00 Bearing Spacer
10 253/00165/00 Bearing
11 253/00157/00 Retaining Ring
12 253/10507/00 Bearing Retainer
13 203/00002/00 Washer
14 153/00041/02 Speed Sensor Bracket *X165 models; Models through 10/29/2006
14 153/00041/11 Speed Sensor Bracket *X165 models; Models starting 10/30/2006
14 153/10028/00 Speed Sensor Bracket All other models
15 209/00400/00 Speed Detector

20 9001759
© Copyright, Alliance Laundry Systems LLC – DO NOT COPY or TRANSMIT
Bearing Assembly (Drawing 2 of 3) - Models Through 1/30/2011
CFD135P_9001759

9001759 21
© Copyright, Alliance Laundry Systems LLC – DO NOT COPY or TRANSMIT
Bearing Assembly (Drawing 2 of 3) - Models Through 1/30/2011
REF PART NO. DESCRIPTION COMMENTS
1205/00102/00 Bolt
2201/00202/00 Washer
3212/00043/00 Retaining Ring
4253/00164/00 Bearing
5253/10505/00 Bearing Housing
6253/00157/00 Retaining Ring
7253/10507/00 Bearing Retainer
8253/00165/00 Bearing
9253/10513/00 Bearing Spacer
10 B12360809 Bearing Spacer
11 253/10523/00 Bearing Retainer

22 9001759
© Copyright, Alliance Laundry Systems LLC – DO NOT COPY or TRANSMIT
Bearing Assembly (Drawing 3 of 3) - Models Through 1/30/2011
CFD135PA_9001759

9001759 23
© Copyright, Alliance Laundry Systems LLC – DO NOT COPY or TRANSMIT
Bearing Assembly (Drawing 3 of 3) - Models Through 1/30/2011
REF PART NO. DESCRIPTION COMMENTS
1253/10516/00 V-Ring Seal Loctite 480 required for installation
2253/10506/00 Bearing Sleeve
3253/10515/00 V-Ring Seal Loctite 480 required for installation
4253/10518/00 V-Ring Seal Ring
5253/10517/00 Pulley and Hub Assembly
6B12402701 Cylinder and Shaft Assembly
7253/00164/00 Bearing
8253/00153/00 V-Ring Seal Loctite 480 required for installation
9253/00151/00 V-Ring Seal Loctite 480 required for installation

24 9001759
© Copyright, Alliance Laundry Systems LLC – DO NOT COPY or TRANSMIT
Bearing Assembly - Models Starting 1/31/2011
CFD780K_9001759

9001759 25
© Copyright, Alliance Laundry Systems LLC – DO NOT COPY or TRANSMIT
Bearing Assembly - Models Starting 1/31/2011
REF PART NO. DESCRIPTION COMMENTS
NA 245/00059/00 Bearing Tool Kit
NA 3886P Bearing Kit Includes items 3, 5-7, 9, 16, 253/10506/00 Bearing
Sleeve, 253/10515/00 V-Ring Seal, B12379001 Seal,
B12379101 Seal and 204/00113/00 Nut
1205/00102/00 Bolt
2201/00204/00 Washer
3B12418301 Seal Wear Plate
4212/00043/00 Retaining Ring
5B12418101 Grease Ring Holder
6B12379301 Lip Seal
7253/00164/00 Bearing
8B12360809 Bearing Spacer
9212/00022/00 Lubricator
10 253/10505/00 Bearing Housing
10 B12625801 Bearing Housing Includes items 4, 7, 8 and 15-17
11 209/00400/00 Speed Detector
12 153/00041/11 Speed Sensor Bracket *X165 models; Models starting 10/30/2006
12 153/10028/00 Speed Sensor Bracket All other models
13 203/00002/00 Washer
14 253/10507/00 Bearing Retainer
15 253/00157/00 Retaining Ring
16 253/00165/00 Bearing
17 253/10513/00 Bearing Spacer

26 9001759
© Copyright, Alliance Laundry Systems LLC – DO NOT COPY or TRANSMIT
Basket, Pulley and Belt - Models Through 1/30/2011
CFD94P_9001759

9001759 27
© Copyright, Alliance Laundry Systems LLC – DO NOT COPY or TRANSMIT
Basket, Pulley and Belt - Models Through 1/30/2011
REF PART NO. DESCRIPTION COMMENTS
1N/A Cylinder and Shaft Assembly *HF900 and *X200 models; No longer available; Order
B12464301P Basket Kit
1B12543601 Cylinder and Shaft Assembly *HF900 and *X200 models; For replacement of basket
used before 1/30/11; Includes B12464301 Basket and
3886P Bearing Kit
1N/A Cylinder and Shaft Assembly All other models; No longer available; Order
B12464201P Basket Kit
1B12543501 Basket Kit All other models; For replacement of B12402701
Cylinder and Shaft Assembly; Includes B12464201
Basket and 3886P Bearing Kit
2253/00033/00 Key
3253/10516/00 V-Ring Seal Loctite 480 required for installation
4253/00151/00 V-Ring Seal Loctite 480 required for installation
5253/00153/00 V-Ring Seal Loctite 480 required for installation
6253/00164/00 Bearing
7253/10506/00 Bearing Sleeve
8253/10518/00 V-Ring Seal Ring
9253/10515/00 V-Ring Seal Loctite 480 required for installation
10 253/10517/00 Pulley and Hub Assembly
11 206/00053/00 Screw
12 206/00147/00 Bolt
13 201/00025/00 Washer
14 253/00163/00 Belt

28 9001759
© Copyright, Alliance Laundry Systems LLC – DO NOT COPY or TRANSMIT
Basket, Pulley and Belt - Models Starting 1/31/2011
CFD836P_9001759

9001759 29
© Copyright, Alliance Laundry Systems LLC – DO NOT COPY or TRANSMIT
Basket, Pulley and Belt - Models Starting 1/31/2011
REF PART NO. DESCRIPTION COMMENTS
1B12379101 Seal VR-L10 EPDM 250
2B12379001 Seal VR-L10 EPDM 220
3253/10506/00 Bearing Sleeve
4253/10518/00 V-Ring Seal Ring
5253/10515/00 V-Ring Seal
6253/10517/00 Pulley and Hub Assembly
7206/00053/00 Screw
8206/00147/00 Bolt
9201/00025/00 Washer
10 253/00163/00 Belt
11 253/00033/00 Key
12 B12464301 Cylinder and Shaft Assembly *HF900 and *X200 models
12 B12464201 Basket All other models

30 9001759
© Copyright, Alliance Laundry Systems LLC – DO NOT COPY or TRANSMIT
Motor
CFD56P_9001759

9001759 31
© Copyright, Alliance Laundry Systems LLC – DO NOT COPY or TRANSMIT
Motor
REF PART NO. DESCRIPTION COMMENTS
1206/00004/00 Bolt
2203/00001/00 Washer
3201/00011/00 Washer
4206/00031/00 Screw
5253/10519/00 Motor Pulley
6227/00246/00 Motor 15 kW; *HF900 and *X200 models made before Serial
No. 0902900007; Used when replacing 11 kW motor with
15 kW motor; When replacing either the 11 kW motor or
inverter drive with a 15 kW motor or inverter drive, both
the 11 kW motor and inverter drive must be replaced with
a 15 kW motor and inverter drive
6B12511301 Motor 15 kW; *HF900 and *X200 models starting Serial No.
0902900007
6B12511001 Motor 11 kW; For *HF900 and *X200 models made before
Serial No. 0902900007, contact customer service for
replacement information; *HF730 and *X165 models
7207/00003/00 Screw
8201/00008/00 Washer
9203/00006/00 Washer
10 204/00007/00 Nut
11 204/00114/00 Nut
12 209/00287/00 Cooling Fan
13 248/00114/00 Bolt
14 201/00001/00 Washer
15 204/00113/00 Nut
16 206/00003/00 Bolt
17 201/00004/00 Washer
18 204/00111/00 Nut
19 B12369701 Motor Plate *HF730 and *X165 models
19 190/00054/00 Motor Plate *HF900 and *X200 models
20 204/00012/00 Nut
21 206/00125/00 Screw

32 9001759
© Copyright, Alliance Laundry Systems LLC – DO NOT COPY or TRANSMIT
Drain Assembly
CFD93P_9001759

9001759 33
© Copyright, Alliance Laundry Systems LLC – DO NOT COPY or TRANSMIT
Drain Assembly
REF PART NO. DESCRIPTION COMMENTS
NA 210/01575/18 Drain Valve Harness
NA 210/01575/17 Wire Harness Connects drain 1 to drain 2
1223/00184/00 Overflow Hose
2223/00013/00 Hose Clamp
3223/00106/00 Drain Pipe
4223/00071/00 Hose Clamp
5223/00141/00 Drain Valve to Drain Pipe Hose
6206/00009/00 Bolt
7202/00002/00 Washer
8203/00003/00 Washer
9204/00004/00 Nut
10 223/00086/00 Drain Valve Overflow Plug
11 223/00012/00 Hose Clamp
12 223/00133/00 Drain Tub to Drain Valve Hose
13 B12630701 Drain Valve Kit
14 114/00010/00 Drain Valve Plate Assembly
15 223/00223/00 Hose Clamp
16 223/00013/00 Hose Clamp

34 9001759
© Copyright, Alliance Laundry Systems LLC – DO NOT COPY or TRANSMIT
Drain Valve - Normally Open
CFD98P_9001759

9001759 35
© Copyright, Alliance Laundry Systems LLC – DO NOT COPY or TRANSMIT
Drain Valve - Normally Open
REF PART NO. DESCRIPTION COMMENTS
NA 210/01575/18 Drain Valve Harness
NA 210/01575/17 Wire Harness Connects drain 1 to drain 2
1B12630701 Drain Valve Kit
2209/00025/10 Drain Valve Shaft Seal
3209/00025/08 Screw
4209/00170/05 Screw
5209/00203/21 Coil 24 Volt
5209/00052/21 Coil 115 Volt
5209/00051/21 Coil 220 Volt
6209/00203/11 Drain Valve Motor 24 Volt
6209/00052/11 Drain Valve Motor 110 Volt
6209/00051/11 Drain Valve Motor 220 Volt
7209/00170/07 Screw
8209/00025/07 Drain Valve Motor Mounting Plate
9209/00025/13 Drain Valve Spring
10 209/00170/10 Drain Valve Shaft
11 209/00025/12 Washer

36 9001759
© Copyright, Alliance Laundry Systems LLC – DO NOT COPY or TRANSMIT
Drain Valve - Normally Closed
CFD99P_9001759

9001759 37
© Copyright, Alliance Laundry Systems LLC – DO NOT COPY or TRANSMIT
Drain Valve - Normally Closed
REF PART NO. DESCRIPTION COMMENTS
1209/00075/05 Drain Valve
2209/00025/10 Drain Valve Shaft Seal
3209/00025/08 Screw
4209/00115/11 Drain Valve Handle
5209/00170/05 Screw
6209/00212/11 Coil 24 Volt
6209/00052/21 Coil 115 Volt
6209/00051/21 Coil 220 Volt
7209/00203/12 Drain Valve Motor 24 Volt
7209/00052/12 Drain Valve Motor 110 Volt
7209/00170/06 Drain Valve Motor Assembly 220 Volt
8209/00170/07 Screw
9209/00115/04 Drain Valve Motor Mounting Plate
10 209/00170/02 Drain Valve Spring
11 209/00170/10 Drain Valve Shaft
12 209/00025/12 Washer

38 9001759
© Copyright, Alliance Laundry Systems LLC – DO NOT COPY or TRANSMIT
Door Lock
CFD498P_9001759

9001759 39
© Copyright, Alliance Laundry Systems LLC – DO NOT COPY or TRANSMIT
Door Lock
REF PART NO. DESCRIPTION COMMENTS
NA C000867P Door Lock Harness Models starting 7/15/2011
NA C001036M Door Lock Kit Includes C001036 Door Lock Assembly, F8390801
Magnet, C002994 Door Magnet Mounting Bracket
and F431223 Pop Rivet
1253/00158/614 Screw
2C000684 Door Lock Plate
3253/00158/567 Screw
4253/00158/571 Washer
5205/00123/00 Bolt
6253/00158/612 Screw
7253/00158/276 Door Lock Spring
8253/00159/1036 Door Latch Assembly
9C000185 Door Lock Catch
10 253/00158/687 Door Lock Spring Cover
11 C000430 Bolt
12 201/00007/00 Washer
13 253/00158/686 Door Lock Solenoid Bracket
14 C000688 Door Lock Cover
15 253/00158/1047 Screw
16 C000694 Door Release Decal
17 209/00274/00 Door Lock Solenoid
18 B12322501 Screw
19 C003000 Reed Switch Assembly Models starting 7/15/2011
20 F8245101 Blind Rivet Models starting 7/15/2011
21 C000278 Door Lock Microswitch
22 253/00158/578 Nut
23 C001244 Door Latch
24 C000431 Spring
25 C000271 Door Lock Switch Slide
26 211/00072/00 Lock Spring Leaf *165 and *730 models starting Serial No.
10090740022; *200 and *900 models starting Serial
No. 10090900017
27 B12336401 Rivet *165 and *730 models starting Serial No.
10090740022; *200 and *900 models starting Serial
No. 10090900017

40 9001759
© Copyright, Alliance Laundry Systems LLC – DO NOT COPY or TRANSMIT
Door - *X165 Design 6 Models
CFD65P_9001759

9001759 41
© Copyright, Alliance Laundry Systems LLC – DO NOT COPY or TRANSMIT
Door - *X165 Design 6 Models
REF PART NO. DESCRIPTION COMMENTS
1253/00162/02 Door Seal
2173/00028/00 Door
3C000177 Washer
4C000175 Hinge Block
5F8549301 Bolt
6223/00244/00 O-Ring
7205/00122/00 Bolt
8253/00158/560 Nut
9C000561 Bolt
10 253/00158/558 Nut
11 253/00515/752 Door Hinge
12 253/00515/28 Door Handle
13 253/00158/562 Nut
14 253/00515/751 Door Glass Seal Retaining Ring
15 C000750 Door Glass Gasket
16 253/00515/749 Door Glass
17 C001785 Bolt
18 C000192 Door Handle Spring Bushing
19 C001786 Door Handle Torsion Spring
20 C000181 Door Handle Bushing
21 C000180 Bolt
22 C000470 Door Handle Hinge Weldment

42 9001759
© Copyright, Alliance Laundry Systems LLC – DO NOT COPY or TRANSMIT
Door - All Models Except *X165 Design 6 Models
CFD3431P_9001759

9001759 43
© Copyright, Alliance Laundry Systems LLC – DO NOT COPY or TRANSMIT
Door - All Models Except *X165 Design 6 Models
REF PART NO. DESCRIPTION COMMENTS
1253/00162/02 Door Seal
2173/00040/00 Door
3C000177 Washer
4C000175 Hinge Block
5F8549301 Bolt
6223/00244/00 O-Ring
7205/00122/00 Bolt
8C000176 Door Hinge Bushing
9204/00127/00 Nut
10 208/00132/00 Bolt
11 253/00158/558 Nut
12 253/00515/752 Door Hinge
13 253/00515/28 Door Handle
14 253/00158/562 Nut
15 173/00041/00 Door Glass Seal Retaining Ring
16 F8499903 Door Glass Gasket
17 253/00515/754 Door Glass
18 C001785 Bolt
19 C000192 Door Handle Spring Bushing
20 C001786 Door Handle Torsion Spring
21 C000470 Door Handle Hinge Weldment
22 253/00158/560 Nut
23 C000181 Door Handle Bushing
24 C000180 Bolt
25 F431223 Pop Rivet Models starting 7/15/2011
26 F8390801 Magnet Models starting 7/15/2011
27 B12509001 Door Magnet Mounting Bracket Models starting 7/15/2011

44 9001759
© Copyright, Alliance Laundry Systems LLC – DO NOT COPY or TRANSMIT
Control Panel - *X Models
CFD191P_9001759
1
4
7
Stop
2
5
8
0
3
6
9
Start

9001759 45
© Copyright, Alliance Laundry Systems LLC – DO NOT COPY or TRANSMIT
Control Panel - *X Models
REF PART NO. DESCRIPTION COMMENTS
1209/00580/00-00 Main Control Models with 3 compartment supply dispenser
1B12565801 Main Control Models with 4 compartment supply dispenser
2229/00262/50 Circuit Board Cover
3209/00372/01 Fuse
4204/00116/00 Nut
5223/00123/00 Washer
6211/00107/00 Spacer
7229/00255/00 Insulating Sticker
8173/00027/10 Upper Front Panel
9225/00391/00 Overlay UX models
9225/00392/00 Overlay SX models
99001890 Overlay HX models
10 44018901 Contact Block
11 209/00099/25 Switch Base
12 209/00099/29 Switch Knob Steam and electric heat
13 44018701 Contact Block
14 44018801 Pushbutton
15 209/00326/21 Programming Key Key code 455
16 209/00326/20 Programming Key Contact Switch Includes item 15
17 F9001561 Overlay
18 211/00140/00 Spacer
19 209/00580/03 Display
20 B12388302 Ribbon Assembly
21 B12388305 Ribbon Assembly
22 204/00008/00 Nut
23 203/00007/00 Washer

46 9001759
© Copyright, Alliance Laundry Systems LLC – DO NOT COPY or TRANSMIT
Control Panel - PS40F
Models CHF165ANH, HF730_PS40F, HF900_PS40F, IHF165ANH, IHF730ANH and IHF900ANH
BE000567P_9001759
1
4
7
+
2
5
8
0
3
6
9
I
0
NO
PS40
PROG

9001759 47
© Copyright, Alliance Laundry Systems LLC – DO NOT COPY or TRANSMIT
Control Panel - PS40F
REF PART NO. DESCRIPTION COMMENTS
1229/00262/00 Circuit Board Cover
2204/00116/00 Nut
3223/00123/00 Washer
4223/00008/01 Handle Grommet
5204/00008/00 Nut
6203/00007/00 Washer
7207/00025/00 Screw
8211/00122/00 Standoff
9210/00902/00 Infrared Cable
10 206/00099/00 Bolt
11 173/00002/00 Upper Front Panel
12 209/00099/26 Contact Switch
13 209/00248/20 Mushroom Pushbutton
14 209/00520/00 Telem Sticker
15 209/00099/29 Switch Knob
16 209/00099/25 Switch Base
17 209/00326/20 Programming Key Contact Switch
18 225/00365/00 Overlay
19 207/00113/00 Screw
20 202/00004/00 Washer
21 209/00372/01 Fuse
22 209/00552/01 Keypad
23 173/00012/00 Mounting Plate
24 229/00255/00 Insulating Sticker
25 B12351701 Main Board

48 9001759
© Copyright, Alliance Laundry Systems LLC – DO NOT COPY or TRANSMIT
Control Panel - Cygnus Professional
Models HF730_CYGNUS-PRO, HF900_CYGNUS-PRO, IHF165ZNH, IHF730ZNH and IHF900ZNH
BE000890P_9001759

9001759 49
© Copyright, Alliance Laundry Systems LLC – DO NOT COPY or TRANSMIT
Control Panel - Cygnus Professional
REF PART NO. DESCRIPTION COMMENTS
1204/00116/00 Nut
2B12305201 Memory Card PC-Board Models made prior to 4/5/2011 require a firmware
upgrade
3206/00099/00 Bolt
4173/00042/00 Front Panel
5209/00099/26 Contact Switch
6209/00099/20 Emergency Switch Pushbutton
7209/00520/00 Telem Sticker
8209/00248/20 Mushroom Pushbutton
9210/00902/00 Infrared Cable
10 223/00348/00 Datacard Cover
11 207/00113/00 Screw
12 202/00004/00 Washer
13 209/02022/00 Datacard
14 225/10313/00 Operating Sticker
15 225/00321/00 Plexi Frame
16 229/00268/00 Insulating Sticker
17 223/00123/00 Washer
18 209/02010/00 Door Lock PC-Board
19 223/00374/00 Mounting Plate
20 229/00289/00 Circuit Board Cover
21 209/02002/Z02 Display and Printboard
22 211/00128/00 Printboard Separator
23 211/00122/00 Standoff
24 211/00145/00 Standoff
25 111/01893/00 Printboard Support Card
26 173/00013/20 Printboard Display Plate Assembly

50 9001759
© Copyright, Alliance Laundry Systems LLC – DO NOT COPY or TRANSMIT
Control Panel - PRO
Models SX165Z, SX200Z, UX165Z and UX200Z
BE000890P_9001759

9001759 51
© Copyright, Alliance Laundry Systems LLC – DO NOT COPY or TRANSMIT
Control Panel - PRO
REF PART NO. DESCRIPTION COMMENTS
1204/00116/00 Nut
2B12305201 Memory Card PC-Board Models made prior to 4/5/2011 require a firmware
upgrade
3206/00099/00 Bolt
4173/00042/00 Front Panel
5209/00099/26 Contact Switch
6209/00099/20 Emergency Switch Pushbutton
7209/00520/00 Telem Sticker
8209/00248/20 Mushroom Pushbutton
9210/00902/00 Infrared Cable
10 223/00348/00 Datacard Cover
11 207/00113/00 Screw
12 202/00004/00 Washer
13 209/02022/00 Datacard
14 B12568801 Overlay
14 B12568901 Overlay
15 225/00321/00 Plexi Frame
16 229/00268/00 Insulating Sticker
17 223/00123/00 Washer
18 209/02010/00 Door Lock PC-Board
19 223/00374/00 Mounting Plate
20 229/00289/00 Circuit Board Cover
21 209/02002/Z02 Display and Printboard
22 211/00128/00 Printboard Separator
23 211/00122/00 Standoff
24 211/00145/00 Standoff
25 111/01893/00 Printboard Support Card
26 173/00013/20 Printboard Display Plate Assembly

52 9001759
© Copyright, Alliance Laundry Systems LLC – DO NOT COPY or TRANSMIT
Control Panel - Cygnus Premium and Cygnus Ultra
Models CHF730U, CS165_CYGNUS-ULTRA, HF730_CYGNUS-PREM_OPL, HF900_CYGNUS-PREM_OPL and IHF730U
BE000891P_9001759
CYGNUS
PREMIUM
°
°
60
°
40
°
30
°
40
°
90
°
40
°
60
°
40
°
40
°
30
°
30
1
2
5
6
7
8
ECO
9
10
3
4
1
2
5
3
4
6
7

9001759 53
© Copyright, Alliance Laundry Systems LLC – DO NOT COPY or TRANSMIT
Control Panel - Cygnus Premium and Cygnus Ultra
REF PART NO. DESCRIPTION COMMENTS
1204/00116/00 Nut
2B12305201 Memory Card PC-Board
3206/00099/00 Bolt
4173/00042/00 Front Panel
5209/00099/26 Contact Switch
6209/00099/20 Emergency Switch Pushbutton
7209/00520/00 Telem Sticker
8209/00248/20 Mushroom Pushbutton
9210/00902/00 Infrared Cable
10 223/00348/00 Datacard Cover
12 207/00113/00 Screw
13 202/00004/00 Washer
11 209/02022/00 Datacard
14 225/10427/00 Operating Sticker Models HF730_CYGNUS-PREM_OPL and
HF900_CYGNUS-PREM_OPL; Models without
datacard opening
14 255/10404/00 Operating Sticker Models HF730_CYGNUS-PREM_OPL and
HF900_CYGNUS-PREM_OPL; Models with datacard
opening
14 B12456701 Operating Sticker Models CHF730U, CS165_CYGNUS-ULTRA and
IHF730U
15 225/00323/00 Plexi Frame
16 229/00268/00 Insulating Sticker
17 223/00123/00 Washer
18 209/02010/00 Door Lock PC-Board
19 223/00374/00 Mounting Plate
20 229/00289/00 Circuit Board Cover
21 209/02015/02 Printboard
22 211/00128/00 Printboard Separator
23 211/00122/00 Standoff
24 211/00145/00 Standoff
25 111/01893/00 Printboard Support Card
26 173/00013/30 Printboard Display Plate Assembly

54 9001759
© Copyright, Alliance Laundry Systems LLC – DO NOT COPY or TRANSMIT
Control Module
CFD101P_9001759

9001759 55
© Copyright, Alliance Laundry Systems LLC – DO NOT COPY or TRANSMIT
Control Module
REF PART NO. DESCRIPTION COMMENTS
1206/00099/00 Bolt
2229/00262/20 Electrical Components Plate
3223/00173/10 Pressure Switch Hose Tee
4223/00223/00 Hose Clamp
5223/00210/00 Pressure Switch Elbow
6223/00016/00 Hose Barb
7B12700018 Pressure Hose
8209/00041/04 Contactor
9209/00356/00 Noise Suppressor
10 225/10004/00 Thermostat Grommet
11 210/01064/16 Thermostat Cygnus and PRO control models
11 210/01304/16 Thermostat All other models
12 209/00007/50 Pressure Switch Models through 7/8/2008
12 B12548601 Water Level Switch Models starting 7/8/2008
13 209/00148/02 Contactor
14 203/00006/00 Washer
15 207/00008/00 Screw
16 204/00007/00 Nut
17 209/00005/00 Terminal Block

56 9001759
© Copyright, Alliance Laundry Systems LLC – DO NOT COPY or TRANSMIT
Top, Left Side and Front Panels
CFD66P_9001759

9001759 57
© Copyright, Alliance Laundry Systems LLC – DO NOT COPY or TRANSMIT
Top, Left Side and Front Panels
REF PART NO. DESCRIPTION COMMENTS
1173/00001/01 Rear Cabinet Top *HF165, *HF730 and *X165 models
1190/00001/01 Rear Cabinet Top All other models
2173/00001/02 Front Cabinet Top *HF165, *HF730 and *X165 models
2190/00001/02 Front Cabinet Top All other models
3207/00123/00 Screw
4208/00009/00 Washer
5206/00099/00 Bolt
6202/00106/00 Washer
7204/00106/00 Nut
8246/00149/00 Gasket
9208/00009/00 Washer *X models
9202/00110/00 Washer *HF models
10 208/00121/00 Screw
11 208/00125/00 Screw
12 173/00003/10 Front Right Panel
13 208/00124/00 Screw *X models
13 207/00123/00 Screw *HF models
14 173/00004/00 Lower Front Panel
15 206/00042/00 Bolt
16 204/00109/00 Nut
17 173/00003/20 Front Left Panel
18 173/00005/00 Side Panel *HF165, *HF730 and *X165 models; Left front
18 190/00005/00 Side Panel All other models; Left front
19 173/00006/00 Side Panel *HF165, *HF730 and *X165 models; Left rear
19 190/00006/00 Side Panel All other models; Left rear

58 9001759
© Copyright, Alliance Laundry Systems LLC – DO NOT COPY or TRANSMIT
Back and Right Side Panels
CFD89P_9001759

9001759 59
© Copyright, Alliance Laundry Systems LLC – DO NOT COPY or TRANSMIT
Back and Right Side Panels
REF PART NO. DESCRIPTION COMMENTS
1206/00099/00 Bolt
2173/00007/02 Lower Rear Panel
3173/00008/00 Upper Rear Panel
4153/00103/01 Side Panel Support Assembly
5205/00104/00 Bolt
6203/00004/00 Washer
7202/00110/00 Washer
8204/00106/00 Nut
9173/00006/00 Side Panel *HF165, *HF730 and *X165 models; Right front
9190/00006/00 Side Panel All other models; Right front
10 205/00105/00 Bolt
11 204/00009/00 Nut
12 173/00005/00 Side Panel *HF165, *HF730 and *X165 models; Right rear
12 190/00005/00 Side Panel All other models; Right rear
13 246/00079/00 Side Panel Gasket
14 173/00007/01 Lower Rear Panel

60 9001759
© Copyright, Alliance Laundry Systems LLC – DO NOT COPY or TRANSMIT
Upper Back Panel (Drawing 1 of 5)
CFD155P_9001759

9001759 61
© Copyright, Alliance Laundry Systems LLC – DO NOT COPY or TRANSMIT
Upper Back Panel (Drawing 1 of 5)
REF PART NO. DESCRIPTION COMMENTS
1202/00102/00 Washer
2207/00110/00 Screw
3229/00068/02 Electrical Connection Sticker
4140/00010/01 Electrical Connection Cover
5204/00007/00 Nut
6202/00004/00 Washer
7203/00006/00 Washer
8206/00027/00 Bolt
9223/00102/07 Hose Vent
10 803615 Washer Filter
11 F200185 Water Hose
12 20290 Washer
13 223/00050/01 Water Valve Adapter Converts valve from metric to standard thread
14 223/00255/00 Coupling Sleeve
15 202/00121/00 Washer
16 173/00008/00 Upper Rear Panel
17 223/00272/00 Washer
18 253/10521/00 Inlet Valve Metric thread
18 253/10526/00 Inlet Valve Standard thread; F380997P Water Valve Repair Kit
19 223/00254/00 Nipple
20 223/00010/00 Hose Clamp No. 10
21 223/00044/00 Water Hose
22 209/00277/00 3-Way Inlet Valve Metric thread; Item 13 is required to convert from metric
to standard thread
23 223/00014/00 Hose Clamp
24 223/00211/00 Vent Hose
25 204/00105/00 Nut
26 205/00116/00 Bolt
27 202/00101/00 Washer
28 203/00004/00 Washer
29 205/00104/00 Bolt
30 209/00526/00 Main Switch
31 153/00027/22 Switch Bracket
32 209/00528/00 Terminal Block Ground
33 209/00527/00 Terminal Block Neutral

62 9001759
© Copyright, Alliance Laundry Systems LLC – DO NOT COPY or TRANSMIT
Upper Back Panel (Drawing 2 of 5)
CFD156P_9001759

9001759 63
© Copyright, Alliance Laundry Systems LLC – DO NOT COPY or TRANSMIT
Upper Back Panel (Drawing 2 of 5)
REF PART NO. DESCRIPTION COMMENTS
1202/00004/00 Washer
2203/00006/00 Washer
3206/00027/00 Bolt
4223/00102/07 Hose Vent
5223/00050/01 Water Valve Adapter Converts valve from metric to standard thread
6223/00255/00 Coupling Sleeve
7202/00121/00 Washer
8173/00008/00 Upper Rear Panel
9223/00272/00 Washer
10 253/10521/00 Inlet Valve Metric thread
10 253/10526/00 Inlet Valve Standard thread
11 223/00254/00 Nipple
12 223/00010/00 Hose Clamp No. 10
13 223/00044/00 Water Hose
14 209/00277/00 3-Way Inlet Valve Metric thread; Item 5 is required to convert from metric to
standard thread
15 223/00014/00 Hose Clamp
16 223/00211/00 Vent Hose
17 206/00099/00 Bolt
18 209/00532/00 Main Switch
19 173/00017/00 Main Switch Box
20 211/00172/00 Nut
21 211/00169/00 Strain Relief
22 205/00116/00 Bolt
23 204/00105/00 Nut
24 209/00533/00 Terminal Block Ground
25 202/00139/00 Washer
26 207/00110/00 Screw
27 229/00068/02 Electrical Connection Sticker
28 140/00010/01 Electrical Connection Cover
29 204/00007/00 Nut

64 9001759
© Copyright, Alliance Laundry Systems LLC – DO NOT COPY or TRANSMIT
Upper Back Panel (Drawing 3 of 5)
CFD126P_9001759

9001759 65
© Copyright, Alliance Laundry Systems LLC – DO NOT COPY or TRANSMIT
Upper Back Panel (Drawing 3 of 5)
REF PART NO. DESCRIPTION COMMENTS
1206/00088/00 Bolt
2203/00006/00 Washer
3209/00006/01 Ground Terminal
4223/00179/10 Pressure Hose
5B12347501 Screw
6211/00091/00 Plug M20
6211/00087/00 Plug 30 mm
7173/00008/00 Upper Rear Panel
8223/00249/00 Liquid Soap Manifold
9211/00172/00 Nut
10 211/00169/00 Strain Relief
11 211/00167/00 Cordlock
12 211/00170/00 Nut
13 209/00218/13 Soap Injection PCB with Fuse Includes item 14
14 209/00996/00 Connector
15 209/00468/00 Fuse
16 209/00202/00 Fuse Holder
17 211/00120/00 Standoff
18 204/00007/00 Nut
19 223/00198/00 Grommet

66 9001759
© Copyright, Alliance Laundry Systems LLC – DO NOT COPY or TRANSMIT
Upper Back Panel (Drawing 4 of 5)
CFD422P_9001759

9001759 67
© Copyright, Alliance Laundry Systems LLC – DO NOT COPY or TRANSMIT
Upper Back Panel (Drawing 4 of 5)
REF PART NO. DESCRIPTION COMMENTS
NA 227/00171/00 Parameter Unit Assembly
NA 227/00171/10 Parameter Unit Program
Cable
1207/00031/00 Screw
2202/00004/00 Washer
3204/00114/00 Nut
4206/00099/00 Bolt
5173/00008/00 Upper Rear Panel
6210/30570/20 Inverter to Motor Harness
7209/00406/00 Transformer 480 to 240 Volt
7209/00311/00 Transformer 380 or 440 Volt to 220 Volt
8173/00009/00 Inverter Box
9223/00174/00 Grommet
10 223/00198/00 Grommet
11 205/00108/00 Bolt
12 203/00005/00 Washer
13 204/00107/00 Nut
14 227/00176/00 Inverter Drive Filter 380-480 Volt; Models CHF165ANH, CHF730U,
CS165_CYGNUS-ULTRA, HF730_CYGNUS-PREM_OPL,
HF730_CYGNUS-PRO, HF730_PS40F,
HF900_CYGNUS-PREM_OPL, HF900_CYGNUS-PRO,
HF900_PS40F, HX165PVNU6, HX165PVNU7, HX165PVPU7,
HX165_WE-8, HX200PVNU7, HX200PVPU7, HX200_WE-8,
IHF165ANH, IHF165ZNH, IHF730ANH, IHF730U, IHF730ZNH,
IHF900ANH, IHF900ZNH, SX165PVNU6, SX165PVNU7,
SX165PVPU7, SX165Z, SX165_WE-8, SX200PVNU7,
SX200PVPU7, SX200Z, SX200_WE-8, UX165PVNU6,
UX165PVNU7, UX165PVPU6, UX165PVPU7, UX165Z,
UX165_WE-8, UX200PVNU7, UX200PVPU7, UX200Z and
UX200_WE-8
14 227/00182/00 Inverter Drive Filter 200-240 Volt; Models CHF165ANH, CHF730U,
CS165_CYGNUS-ULTRA, HF730_CYGNUS-PREM_OPL,
HF730_CYGNUS-PRO, HF730_PS40F,
HF900_CYGNUS-PREM_OPL, HF900_CYGNUS-PRO,
HF900_PS40F, HX165PVQU6, HX165PVQU7, HX165_WE-8,
HX200PVQU7, HX200_WE-8, IHF165ANH, IHF165ZNH,
IHF730ANH, IHF730U, IHF730ZNH, IHF900ANH, IHF900ZNH,
SX165PVQU6, SX165PVQU7, SX165Z, SX165_WE-8,
SX200PVQU7, SX200Z, SX200_WE-8, UX165PVQU6,
UX165PVQU7, UX165Z, UX165_WE-8, UX200PVQU7, UX200Z
and UX200_WE-8
15 223/00213/00 Grommet
16 B12371101 Micro to Connector Harness From the main control to the inverter drive; 200 Volt; Requires that
the inverter jumper be in the ‘sink’ position
16 210/01304/15 Micro to Connector Harness From the main control to the inverter drive; 400 Volt; Requires that
the inverter jumper be in the ‘source’ position
17 210/01064/14 Connector to Inverter
Harness
From the main control to the inverter drive
18 209/00287/00 Cooling Fan
19 173/00009/04 Inverter Box Top
20 209/00465/01 Fan Grill Models through 10/5/2008
20 209/00287/11 AC Drive Filter Models starting 10/6/2008
21 B12355001 Voltage Discharge Decal

68 9001759
© Copyright, Alliance Laundry Systems LLC – DO NOT COPY or TRANSMIT
Upper Back Panel (Drawing 5 of 5)
CFD422PA_9001759

9001759 69
© Copyright, Alliance Laundry Systems LLC – DO NOT COPY or TRANSMIT
Upper Back Panel (Drawing 5 of 5)
REF PART NO. DESCRIPTION COMMENTS
1227/00219/00 Inverter 15 kW; 200 Volt; A700-series; Models HF900_CYGNUS-PREM_OPL,
HF900_CYGNUS-PRO, IHF900ZNH, SX200Z and UX200Z; When replacing
either the 11 kW motor or inverter drive with a 15 kW motor or inverter drive,
both the 11 kW motor and inverter drive must be replaced with a 15 kW motor
and inverter drive
1227/00213/00 Inverter 15 kW; 400 Volt; A700-series; Models HF900_CYGNUS-PREM_OPL,
HF900_CYGNUS-PRO, IHF900ZNH, SX200Z and UX200Z; When replacing
either the 11 kW motor or inverter drive with a 15 kW motor or inverter drive,
both the 11 kW motor and inverter drive must be replaced with a 15 kW motor
and inverter drive
1227/00207/00 Inverter 11 kW; 240 Volt; A700-series; Models CHF730U,
HF730_CYGNUS-PREM_OPL, HF730_CYGNUS-PRO, IHF165ZNH,
IHF730U, IHF730ZNH, SX165Z and UX165Z; For *X200 and *HF900 models
made before Serial No. 0902900007 contact customer service for
replacement information
1227/00208/00 Inverter 11 kW; 400 Volt; A700-series; Models HF730_CYGNUS-PRO,
HF730_PS40F, IHF165ZNH, IHF730ZNH, SX200Z and UX200Z; For *X200
and *HF900 models made before Serial No. 0902900007 contact customer
service for replacement information
1F8421021 Inverter Drive Kit Used to convert from 500 to 700-series inverter drive; *165 and *730 models;
200 Volt/3 phase; 11 kW motor
1F8421121 Drive 700-series; *165 and *730 models; 200 Volt/3 phase; 11 kW motor
1F8421022 Inverter Drive Kit Used to convert from 500 to 700-series inverter drive; *165 and *730 models;
400 Volt/3 phase; 11 kW motor
1F8421122 Drive 700-series; *165 and *730 models; 400 Volt/3 phase; 11 kW motor
1F8421023 Inverter Drive Kit Used to convert from 500 to 700-series inverter drive; *200 and *900 models;
200 Volt/3 phase; 15 kW motor
1F8421123 Drive 700-series; *200 and *900 models; 200 Volt/3 phase; Used with11 kW motor
1F8421125 Drive 700-series; *200 and *900 models; 200 Volt/3 phase; Used with 15 kW motor
1F8421024 Inverter Drive Kit Used to convert from 500 to 700-series inverter drive; *200 and *900 models;
400 Volt/3 phase; 15 kW motor
1F8421124 Drive 700-series; *200 and *900 models; 400 Volt/3 phase; Used with 11 kW motor
1F8421126 Drive 700-series; *200 and *900 models; 400 Volt/3 phase; Used with 15 kW motor

70 9001759
© Copyright, Alliance Laundry Systems LLC – DO NOT COPY or TRANSMIT
Supply Dispenser - Models Through 4/30/2009
CFD61P_9001759

9001759 71
© Copyright, Alliance Laundry Systems LLC – DO NOT COPY or TRANSMIT
Supply Dispenser - Models Through 4/30/2009
REF PART NO. DESCRIPTION COMMENTS
1153/00072/00 Soap Dispenser
2153/00071/00 Soap Dispenser Cover Plate
3206/00101/00 Nut
4202/00101/00 Washer
5205/00105/00 Bolt
6153/00070/00 Soap Dispenser Cover
7204/00009/00 Nut
8223/00008/05 Soap Dispenser Cover Handle
9202/00102/00 Washer
10 207/00110/00 Screw
11 223/00008/01 Handle Grommet
12 207/00126/00 Screw
13 204/00301/00 Bushing
14 253/00012/02 Soap Dispenser Cup
15 223/00001/04 Prewash and Mainwash Nozzle
16 223/00001/07 Washer
17 201/00002/00 Washer
18 204/00201/00 Nut
19 223/00010/00 Hose Clamp No. 10
20 223/00044/00 Water Hose

72 9001759
© Copyright, Alliance Laundry Systems LLC – DO NOT COPY or TRANSMIT
Supply Dispenser - Models Starting 5/1/2009
BE000920P_9001759

9001759 73
© Copyright, Alliance Laundry Systems LLC – DO NOT COPY or TRANSMIT
Supply Dispenser - Models Starting 5/1/2009
REF PART NO. DESCRIPTION COMMENTS
1206/00101/00 Nut
2202/00101/00 Washer
3205/00104/00 Bolt
4223/00392/00 Supply Dispenser Handle
5153/00089/00 Supply Dispenser Cover
6223/00001/04 Prewash and Mainwash Nozzle
7204/00009/00 Nut
8204/00301/00 Bushing
9223/00001/07 Washer
10 201/00002/00 Washer
11 204/00201/00 Nut
12 223/00010/00 Hose Clamp
13 223/00044/00 Water Hose
14 223/00345/01 Supply Dispenser Box

74 9001759
© Copyright, Alliance Laundry Systems LLC – DO NOT COPY or TRANSMIT
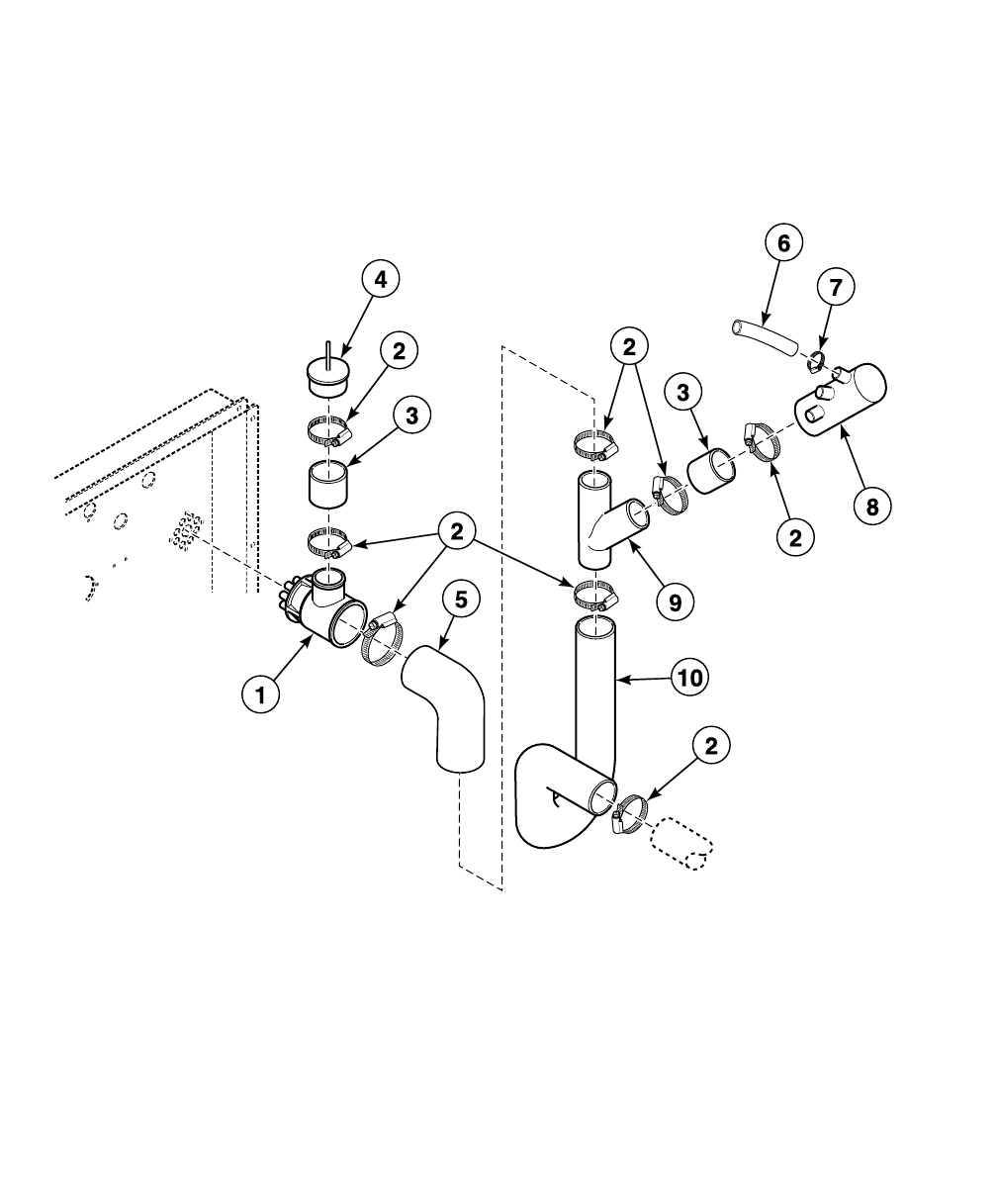
Plumbing (Drawing 1 of 3)
BE000572CP_9001759

9001759 75
© Copyright, Alliance Laundry Systems LLC – DO NOT COPY or TRANSMIT
Plumbing (Drawing 1 of 3)
REF PART NO. DESCRIPTION COMMENTS
1223/00269/00 Water Hose
2223/00223/00 Hose Clamp
3153/00116/00 Manifold
4253/00021/00 Reducing Tee
5223/00071/00 Hose Clamp
6223/00141/00 Drain Valve to Drain Pipe Hose
7253/00019/00 Clamp
8203/00004/00 Washer
9205/00105/00 Bolt
10 202/00110/00 Washer
11 204/00106/00 Nut
12 223/00107/02 Vent Hose
13 223/00187/00 Soap Dispenser to Tub Hose
14 223/00302/00 Elbow
15 223/00249/00 Liquid Soap Manifold
16 253/00030/00 Y Pipe
17 253/00035/00 Y Pipe

76 9001759
© Copyright, Alliance Laundry Systems LLC – DO NOT COPY or TRANSMIT
Plumbing (Drawing 2 of 3)
BE000571CP_9001759

9001759 77
© Copyright, Alliance Laundry Systems LLC – DO NOT COPY or TRANSMIT
Plumbing (Drawing 2 of 3)
REF PART NO. DESCRIPTION COMMENTS
1223/00249/00 Liquid Soap Manifold
2223/00071/00 Hose Clamp
3223/00141/00 Drain Valve to Drain Pipe Hose
4253/00035/00 Y Pipe
5223/00302/00 Elbow
6223/00269/00 Water Hose
7223/00223/00 Hose Clamp
8173/00035/00 Manifold
9253/00017/00 Y Pipe
10 223/00187/00 Soap Dispenser to Tub Hose

78 9001759
© Copyright, Alliance Laundry Systems LLC – DO NOT COPY or TRANSMIT
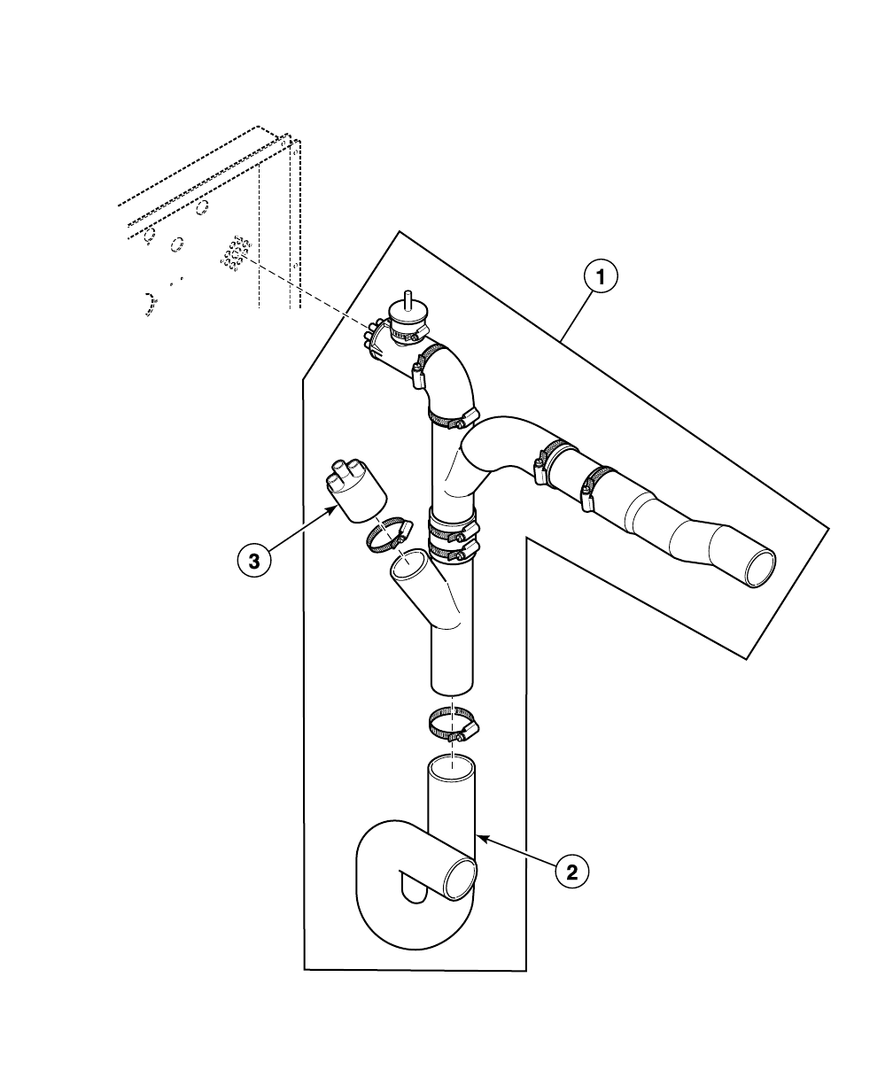
Plumbing (Drawing 3 of 3)
*HF165, *HF730 and *X165 Models Starting Serial No. 11010740003
*HF900 and *X200 Models Starting Serial No. 11010900006
CFD423P_9001759

9001759 79
© Copyright, Alliance Laundry Systems LLC – DO NOT COPY or TRANSMIT
Plumbing (Drawing 3 of 3)
REF PART NO. DESCRIPTION COMMENTS
1B12374201 Plumbing Assembly *HF165, *HF730 and *X165 models
1B12374301 Plumbing Assembly *HF900 and *X200 models
2223/00187/00 Soap Dispenser to Tub Hose
3173/00056/00 Liquid Soap Manifold

80 9001759
© Copyright, Alliance Laundry Systems LLC – DO NOT COPY or TRANSMIT
Balance Switch
CFD64P_9001759

9001759 81
© Copyright, Alliance Laundry Systems LLC – DO NOT COPY or TRANSMIT
Balance Switch
REF PART NO. DESCRIPTION COMMENTS
1153/00046/00 Out-of-Balance Detector Plate
2223/00246/00 Out-of-Balance Switch Boot
3207/00018/00 Screw
4203/00006/00 Washer
5209/00255/00 Out-of-Balance Switch
6111/00107/00 Tilt Switch Bracket
7206/00099/00 Bolt
8206/00101/00 Nut
9153/00045/00 Out-of-Balance Switch Plate
10 204/00007/00 Nut
11 205/00107/00 Bolt
12 202/00101/00 Washer
13 204/00009/00 Nut

82 9001759
© Copyright, Alliance Laundry Systems LLC – DO NOT COPY or TRANSMIT
Soap Pumps
BE000499AP_9001759

9001759 83
© Copyright, Alliance Laundry Systems LLC – DO NOT COPY or TRANSMIT
Soap Pumps
REF PART NO. DESCRIPTION COMMENTS
1209/00555/01 Soap Pump Assembly Feeding and 1 pump
1209/00555/02 Soap Pump Assembly Feeding and 2 pumps
1209/00555/03 Soap Pump Assembly Feeding and 3 pumps
1209/00555/04 Soap Pump Assembly Feeding and 4 pumps
1209/00555/05 Soap Pump Assembly Feeding and 5 pumps
1209/00555/06 Soap Pump Assembly Feeding and 6 pumps
1209/00554/51 Feeding Liquid Soap Dosing Pump
2209/00554/52 Liquid Soap Dosing Pump O-Ring
3209/00554/53 Liquid Soap Dosing Pump Connection Piece
4209/00555/50 Liquid Soap Dosing Pump
5209/00555/98 Dosing Pump Hose
6209/00555/99 Dosing Pump Hose Connector

84 9001759
© Copyright, Alliance Laundry Systems LLC – DO NOT COPY or TRANSMIT
Spray Pump
CFD163P_9001759

9001759 85
© Copyright, Alliance Laundry Systems LLC – DO NOT COPY or TRANSMIT
Spray Pump
REF PART NO. DESCRIPTION COMMENTS
1111/10179/00 Spray Pump Mounting Plate
2204/00009/00 Nut
3201/00007/00 Washer
4205/00107/00 Bolt
5223/00178/00 Soap Injector Orifice
6223/00177/00 O-Ring
7211/00126/00 Soap Injector Orifice Nipple
8211/00127/00 Soap Injector Connector
9223/00176/00 O-Ring
10 211/10106/00 Nut
11 223/00182/00 Soap Injector Coupling
12 223/00180/00 Soap Injector Hose
13 223/00179/10 Pressure Hose
14 F140605 Cable Tie
15 209/00369/00 Liquid Soap Spray Pump
16 223/00181/00 Soap Injector Elbow Coupling
17 205/00103/00 Bolt
18 203/00004/00 Washer
19 204/00106/00 Nut
20 202/00101/00 Washer

86 9001759
© Copyright, Alliance Laundry Systems LLC – DO NOT COPY or TRANSMIT
Electric Heating Option
CFD84P_9001759

88 9001759
© Copyright, Alliance Laundry Systems LLC – DO NOT COPY or TRANSMIT
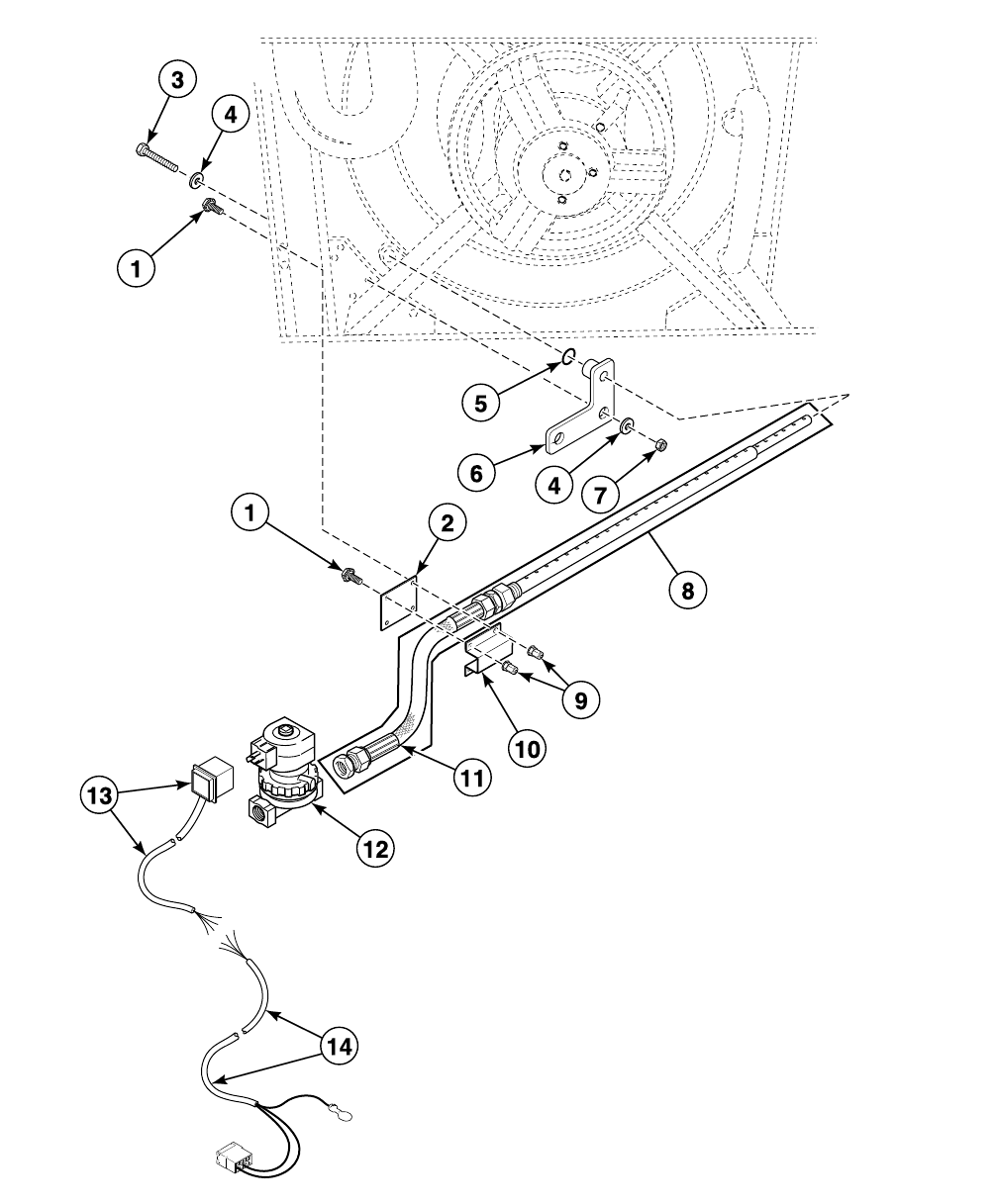
Steam Heating Option - *HF165, *HF730 and *X165 Models
CFD208P_9001759

9001759 89
© Copyright, Alliance Laundry Systems LLC – DO NOT COPY or TRANSMIT
Steam Heating Option - *HF165, *HF730 and *X165 Models
REF PART NO. DESCRIPTION COMMENTS
NA 861P3 Steam Heat Kit Includes items 1, 2 and 8-13
1206/00099/00 Bolt
2173/00018/10 Steam Injector Pipe Clamp Plate
3206/00091/00 Screw Models starting 1/26/2006
4201/00027/00 Washer Models starting 1/26/2006
5223/00350/00 O-Ring Models starting 1/26/2006
6173/00032/00 Steam Injector Bracket Models starting 1/26/2006
7204/00118/00 Nut Models starting 1/26/2006
8119/00086/00 Steam Injector Includes item 11
9206/00101/00 Nut
10 173/00018/00 Steam Injector Pipe Clamp
11 217/00033/00 Steam Hose
12 253/10520/00 Steam Valve
13 F605220 Steam Valve Harness
14 210/01304/03 Main Control Heat Harness

90 9001759
© Copyright, Alliance Laundry Systems LLC – DO NOT COPY or TRANSMIT
Steam Heating Option - *HF900 and *X200 Models
CFD353P_9001759

9001759 91
© Copyright, Alliance Laundry Systems LLC – DO NOT COPY or TRANSMIT
Steam Heating Option - *HF900 and *X200 Models
REF PART NO. DESCRIPTION COMMENTS
NA 861P3 Steam Heat Kit Includes items 1, 2 and 8-13
1206/00099/00 Bolt
2173/00018/10 Steam Injector Pipe Clamp Plate
3206/00091/00 Screw Models starting 1/26/2006
4201/00027/00 Washer Models starting 1/26/2006
5223/00350/00 O-Ring Models starting 1/26/2006
6190/00032/00 Steam Injector Bracket Models starting 1/26/2006
7204/00118/00 Nut Models starting 1/26/2006
8119/00086/00 Steam Injector Incudes item 11
9206/00101/00 Nut
10 173/00018/00 Steam Injector Pipe Clamp
11 217/00033/00 Steam Hose
12 253/10520/00 Steam Valve
13 F605220 Steam Valve Harness
14 210/01304/03 Main Control Heat Harness

Notes
92 9001759
© Copyright, Alliance Laundry Systems LLC – DO NOT COPY or TRANSMIT

9001759 93
© Copyright, Alliance Laundry Systems LLC – DO NOT COPY or TRANSMIT
N/A items do not appear in index.
Parts Index
A
AC Drive Filter
209/00287/11 .......................................................... 67
B
Basket
B12464201.............................................................. 29
Basket Kit
B12543501.............................................................. 27
Bearing
253/00164/00 .................................. 19, 21, 23, 25, 27
253/00165/00 .............................................. 19, 21, 25
Bearing Housing
B12625801.............................................................. 25
B12626001.............................................................. 19
253/10505/00 .................................. 15, 17, 19, 21, 25
Bearing Kit
3886P...................................................................... 25
Bearing Replacement Kit
895P3...................................................................... 19
Bearing Retainer
253/10507/00 .............................................. 19, 21, 25
253/10523/00 .................................................... 19, 21
Bearing Sleeve
253/10506/00 .............................................. 23, 27, 29
Bearing Spacer
B12360809.................................................. 19, 21, 25
253/10513/00 .............................................. 19, 21, 25
Bearing Tool Kit
245/00059/00 .................................................... 19, 25
Belt
253/00163/00 .................................................... 27, 29
Blind Rivet
F8245101 ................................................................ 39
Bolt
C000180 ........................................................... 41, 43
C000430 ................................................................. 39
C000561 ................................................................. 41
C001785 ........................................................... 41, 43
F8549301 .......................................................... 41, 43
205/00102/00 .................................. 15, 17, 19, 21, 25
205/00103/00 .......................................................... 85
205/00104/00 .............................................. 59, 61, 73
205/00105/00 .................................. 15, 17, 59, 71, 75
205/00107/00 .................................................... 81, 85
205/00108/00 .......................................................... 67
205/00116/00 .................................................... 61, 63
205/00122/00 .................................................... 41, 43
205/00123/00 .......................................................... 39
206/00003/00 .......................................................... 31
206/00004/00 .......................................................... 31
206/00009/00 .......................................................... 33
206/00027/00 .................................................... 61, 63
206/00042/00 .......................................................... 57
206/00071/00 .......................................................... 13
206/00088/00 .......................................................... 65
206/00099/00 ..................... 15, 17, 47, 49, 51, 53, 55,
57, 59, 63, 67, 81, 89, 91
206/00122/00 .................................................... 15, 17
206/00147/00 ....................................................27, 29
208/00132/00 ..........................................................43
224/00046/00 ..........................................................13
248/00114/00...........................................................31
Bushing
204/00301/00 ....................................................71, 73
C
Cable Tie
F140605 ..................................................................85
Circuit Board Cover
229/00262/00 ..........................................................47
229/00262/50 ..........................................................45
229/00289/00 ..............................................49, 51, 53
Clamp
253/00019/00 ..........................................................75
Coil
209/00051/21 ....................................................35, 37
209/00052/21 ....................................................35, 37
209/00203/21 ..........................................................35
209/00212/11...........................................................37
Connector
209/00996/00 ..........................................................65
Connector to Inverter Harness
210/01064/14 ..........................................................67
Contact Block
44018701 ................................................................45
44018901 ................................................................45
Contact Switch
209/00099/26 ........................................47, 49, 51, 53
Contactor
209/00041/04 ..........................................................55
209/00148/02 ..........................................................55
Cooling Fan
209/00287/00 ....................................................31, 67
Cordlock
211/00167/00...........................................................65
Counterweight
253/10504/00 ....................................................15, 17
Coupling Sleeve
223/00255/00 ....................................................61, 63
Cylinder and Shaft Assembly
B12402701 ..............................................................23
B12464301 ..............................................................29
B12543601 ..............................................................27
D
Datacard
209/02022/00 ..............................................49, 51, 53
Datacard Cover
223/00348/00 ..............................................49, 51, 53
Display
209/00580/03 ..........................................................45
Display and Printboard
209/02002/Z02 ..................................................49, 51
Door
173/00028/00 ..........................................................41

94 9001759
© Copyright, Alliance Laundry Systems LLC – DO NOT COPY or TRANSMIT
N/A items do not appear in index.
173/00040/00 .......................................................... 43
Door Glass
253/00515/749 ........................................................ 41
253/00515/754 ........................................................ 43
Door Glass Gasket
C000750 ................................................................. 41
F8499903 ................................................................ 43
Door Glass Seal Retaining Ring
173/00041/00 .......................................................... 43
253/00515/751 ........................................................ 41
Door Handle
253/00515/28 .................................................... 41, 43
Door Handle Bushing
C000181 ........................................................... 41, 43
Door Handle Hinge Weldment
C000470 ........................................................... 41, 43
Door Handle Spring Bushing
C000192 ........................................................... 41, 43
Door Handle Torsion Spring
C001786 ........................................................... 41, 43
Door Hinge
253/00515/752 .................................................. 41, 43
Door Hinge Bushing
C000176 ................................................................. 43
Door Latch
C001244 ................................................................. 39
Door Latch Assembly
253/00159/1036 ...................................................... 39
Door Lock Catch
C000185 ................................................................. 39
Door Lock Cover
C000688 ................................................................. 39
Door Lock Harness
C000867P ............................................................... 39
Door Lock Kit
C001036M .............................................................. 39
Door Lock Microswitch
C000278 ................................................................. 39
Door Lock PC-Board
209/02010/00 .............................................. 49, 51, 53
Door Lock Plate
C000684 ................................................................. 39
Door Lock Solenoid
209/00274/00 .......................................................... 39
Door Lock Solenoid Bracket
253/00158/686 ........................................................ 39
Door Lock Spring
253/00158/276 ........................................................ 39
Door Lock Spring Cover
253/00158/687 ........................................................ 39
Door Lock Switch Slide
C000271 ................................................................. 39
Door Magnet Mounting Bracket
B12509001.............................................................. 43
Door Release Decal
C000694 ................................................................. 39
Door Seal
253/00162/02 .................................................... 41, 43
Dosing Pump Hose
209/00555/98 .......................................................... 83
Dosing Pump Hose Connector
209/00555/99 .......................................................... 83
Drain Pipe
223/00106/00 ..........................................................33
Drain Tub to Drain Valve Hose
223/00133/00 ..........................................................33
Drain Valve
209/00075/05 ..........................................................37
Drain Valve Handle
209/00115/11 ...........................................................37
Drain Valve Harness
210/01575/18 ....................................................33, 35
Drain Valve Kit
B12630701 ........................................................33, 35
Drain Valve Motor
209/00051/11...........................................................35
209/00052/11...........................................................35
209/00052/12 ..........................................................37
209/00203/11...........................................................35
209/00203/12 ..........................................................37
Drain Valve Motor Assembly
209/00170/06 ..........................................................37
Drain Valve Motor Mounting Plate
209/00025/07 ..........................................................35
209/00115/04...........................................................37
Drain Valve Overflow Plug
223/00086/00 ..........................................................33
Drain Valve Plate Assembly
114/00010/00...........................................................33
Drain Valve Shaft
209/00170/10 ....................................................35, 37
Drain Valve Shaft Seal
209/00025/10 ....................................................35, 37
Drain Valve Spring
209/00025/13 ..........................................................35
209/00170/02 ..........................................................37
Drain Valve to Drain Pipe Hose
223/00141/00 ..............................................33, 75, 77
Drive
F8421121.................................................................69
F8421122.................................................................69
F8421123.................................................................69
F8421124.................................................................69
F8421125.................................................................69
F8421126.................................................................69
E
Elbow
223/00302/00 ....................................................75, 77
Electrical Components Plate
229/00262/20 ..........................................................55
Electrical Connection Cover
140/00010/01 ....................................................61, 63
Electrical Connection Sticker
229/00068/02 ....................................................61, 63
Emergency Switch Pushbutton
209/00099/20 ..............................................49, 51, 53
F
Fan Grill
209/00465/01 ..........................................................67

9001759 95
© Copyright, Alliance Laundry Systems LLC – DO NOT COPY or TRANSMIT
N/A items do not appear in index.
Feeding Liquid Soap Dosing Pump
209/00554/51 .......................................................... 83
Frame
253/10501/00 .......................................................... 11
290/10501/00 .......................................................... 11
Front Cabinet Top
173/00001/02 .......................................................... 57
190/00001/02 .......................................................... 57
Front Left Panel
173/00003/20 .......................................................... 57
Front Panel
173/00025/00 .......................................................... 15
173/00042/00 .............................................. 49, 51, 53
Front Right Panel
173/00003/10 .......................................................... 57
Fuse
209/00372/01 .................................................... 45, 47
209/00468/00 .......................................................... 65
Fuse Holder
209/00202/00 .......................................................... 65
G
Gasket
246/00149/00 .......................................................... 57
Grease Ring Holder
B12418101.............................................................. 25
Grommet
223/00174/00 .......................................................... 67
223/00198/00 .................................................... 65, 67
223/00213/00 .......................................................... 67
Ground Terminal
209/00006/01 .......................................................... 65
H
Handle Grommet
223/00008/01 .................................................... 47, 71
Heating Element
209/00562/20 .......................................................... 87
209/00581/10 .......................................................... 87
Heating Element Plug
F360202.................................................................. 87
Hinge Block
C000175 ........................................................... 41, 43
Hose Barb
223/00016/00 .......................................................... 55
Hose Clamp
223/00010/00 ........................................ 61, 63, 71, 73
223/00012/00 .......................................................... 33
223/00013/00 .......................................................... 33
223/00014/00 .................................................... 61, 63
223/00071/00 .............................................. 33, 75, 77
223/00223/00 ........................................ 33, 55, 75, 77
Hose Vent
223/00102/07 .................................................... 61, 63
I
Infrared Cable
210/00902/00 ........................................ 47, 49, 51, 53
Inlet Valve
253/10521/00 ....................................................61, 63
253/10526/00 ....................................................61, 63
Inlet Valve, 3-Way
209/00277/00 ....................................................61, 63
Insulating Sticker
229/00255/00 ....................................................45, 47
229/00268/00 ..............................................49, 51, 53
Inverter
227/00207/00 ..........................................................69
227/00208/00 ..........................................................69
227/00213/00 ..........................................................69
227/00219/00 ..........................................................69
Inverter Box
173/00009/00 ..........................................................67
Inverter Box Top
173/00009/04 ..........................................................67
Inverter Drive Filter
227/00176/00 ..........................................................67
227/00182/00 ..........................................................67
Inverter Drive Kit
F8421021 ................................................................69
F8421022 ................................................................69
F8421023 ................................................................69
F8421024 ................................................................69
Inverter to Motor Harness
210/30570/20 ..........................................................67
K
Key
253/00033/00 ....................................................27, 29
Keypad
209/00552/01 ..........................................................47
L
Leveling Leg
252/00006/00 ....................................................15, 17
Lip Seal
B12379301 ..............................................................25
Liquid Soap Dosing Pump
209/00555/50 ..........................................................83
Liquid Soap Dosing Pump Connection Piece
209/00554/53 ..........................................................83
Liquid Soap Dosing Pump O-Ring
209/00554/52 ..........................................................83
Liquid Soap Manifold
173/00056/00 ..........................................................79
223/00249/00 ..............................................65, 75, 77
Liquid Soap Spray Pump
209/00369/00 ..........................................................85
Lock Spring Leaf
211/00072/00...........................................................39
Lower Front Panel
173/00004/00 ..........................................................57
Lower Rear Panel
173/00007/01 ..........................................................59
173/00007/02 ..........................................................59
Lower Support
253/10502/00 ..........................................................11
290/10502/00 ..........................................................11

96 9001759
© Copyright, Alliance Laundry Systems LLC – DO NOT COPY or TRANSMIT
N/A items do not appear in index.
Lubricator
212/00022/00 .................................................... 19, 25
M
Magnet
F8390801 ................................................................ 43
Main Board
B12351701.............................................................. 47
Main Control
B12565801.............................................................. 45
209/00580/00-00..................................................... 45
Main Control Heat Harness
210/01304/03 .................................................... 89, 91
Main Switch
209/00526/00 .......................................................... 61
209/00532/00 .......................................................... 63
Main Switch Box
173/00017/00 .......................................................... 63
Manifold
153/00116/00 .......................................................... 75
173/00035/00 .......................................................... 77
Memory Card PC-Board
B12305201.................................................. 49, 51, 53
Micro to Connector Harness
B12371101 .............................................................. 67
210/01304/15 .......................................................... 67
Motor
B12511001 .............................................................. 31
B12511301 .............................................................. 31
227/00246/00 .......................................................... 31
Motor Plate
B12369701.............................................................. 31
190/00054/00 .......................................................... 31
Motor Pulley
253/10519/00 .......................................................... 31
Mounting Plate
173/00012/00 .......................................................... 47
223/00374/00 .............................................. 49, 51, 53
Mushroom Pushbutton
209/00248/20 ........................................ 47, 49, 51, 53
N
Nipple
223/00254/00 .................................................... 61, 63
Noise Suppressor
209/00356/00 .......................................................... 55
Nut
204/00004/00 .......................................................... 33
204/00007/00 ............................ 31, 55, 61, 63, 65, 81
204/00008/00 .................................................... 45, 47
204/00009/00 .................................. 59, 71, 73, 81, 85
204/00012/00 .................................................... 13, 31
204/00016/00 .......................................................... 13
204/00105/00 .................................................... 61, 63
204/00106/00 ........................................ 57, 59, 75, 85
204/00107/00 .......................................................... 67
204/00109/00 .......................................................... 57
204/00111/00........................................................... 31
204/00113/00 ........................................ 13, 15, 17, 31
204/00114/00 .................................................... 31, 67
204/00116/00 .................................. 45, 47, 49, 51, 53
204/00118/00.....................................................89, 91
204/00127/00 ..........................................................43
204/00201/00 ....................................................71, 73
206/00101/00 ..................................71, 73, 81, 89, 91
211/00170/00...........................................................65
211/00172/00.....................................................63, 65
211/10106/00...........................................................85
253/00158/558 ..................................................41, 43
253/00158/560 ..................................................41, 43
253/00158/562 ..................................................41, 43
253/00158/578 ........................................................39
O
Operating Sticker
B12456701 ..............................................................53
225/10313/00 ..........................................................49
225/10427/00 ..........................................................53
255/10404/00 ..........................................................53
O-Ring
223/00176/00 ..........................................................85
223/00177/00 ..........................................................85
223/00244/00 ....................................................41, 43
223/00350/00 ....................................................89, 91
Out-of-Balance Detector Plate
153/00046/00 ..........................................................81
Out-of-Balance Switch
209/00255/00 ..........................................................81
Out-of-Balance Switch Boot
223/00246/00 ..........................................................81
Out-of-Balance Switch Plate
153/00045/00 ..........................................................81
Overflow Hose
223/00184/00 ..........................................................33
Overlay
B12568801 ..............................................................51
B12568901 ..............................................................51
F9001561 ................................................................45
225/00365/00 ..........................................................47
225/00391/00 ..........................................................45
225/00392/00 ..........................................................45
9001890 ..................................................................45
P
Parameter Unit Assembly
227/00171/00 ..........................................................67
Parameter Unit Program Cable
227/00171/10 ..........................................................67
Plexi Frame
225/00321/00 ....................................................49, 51
225/00323/00 ..........................................................53
Plug
211/00087/00...........................................................65
211/00091/00...........................................................65
Plumbing Assembly
B12374201 ..............................................................79
B12374301 ..............................................................79
Pop Rivet
F431223 ..................................................................43
Pressure Hose
B12700018 ..............................................................55
223/00179/10 ....................................................65, 85

9001759 97
© Copyright, Alliance Laundry Systems LLC – DO NOT COPY or TRANSMIT
N/A items do not appear in index.
Pressure Switch
209/00007/50 .......................................................... 55
Pressure Switch Elbow
223/00210/00 .......................................................... 55
Pressure Switch Hose Tee
223/00173/10 .......................................................... 55
Prewash and Mainwash Nozzle
223/00001/04 .................................................... 71, 73
Printboard
209/02015/02 .......................................................... 53
Printboard Display Plate Assembly
173/00013/20 .................................................... 49, 51
173/00013/30 .......................................................... 53
Printboard Separator
211/00128/00 .............................................. 49, 51, 53
Printboard Support Card
111/01893/00............................................... 49, 51, 53
Programming Key
209/00326/21 .......................................................... 45
Programming Key Contact Switch
209/00326/20 .................................................... 45, 47
Pulley and Hub Assembly
253/10517/00 .............................................. 23, 27, 29
Pushbutton
44018801 ................................................................ 45
R
Rear Cabinet Top
173/00001/01 .......................................................... 57
190/00001/01 .......................................................... 57
Reducing Tee
253/00021/00 .......................................................... 75
Reed Switch Assembly
C003000 ................................................................. 39
Retaining Ring
212/00043/00 .............................................. 19, 21, 25
253/00157/00 .............................................. 19, 21, 25
Ribbon Assembly
B12388302.............................................................. 45
B12388305.............................................................. 45
Rivet
B12336401.............................................................. 39
S
Screw
B12322501.............................................................. 39
B12347501.............................................................. 65
206/00031/00 .......................................................... 31
206/00053/00 .................................................... 27, 29
206/00091/00 .................................................... 89, 91
206/00125/00 .......................................................... 31
207/00003/00 .......................................................... 31
207/00008/00 .......................................................... 55
207/00018/00 .......................................................... 81
207/00025/00 .......................................................... 47
207/00031/00 .......................................................... 67
207/00110/00 .............................................. 61, 63, 71
207/00113/00 ........................................ 47, 49, 51, 53
207/00123/00 .......................................................... 57
207/00126/00 .......................................................... 71
208/00121/00 .......................................................... 57
208/00124/00 ..........................................................57
208/00125/00 ..........................................................57
209/00025/08 ....................................................35, 37
209/00170/05 ....................................................35, 37
209/00170/07 ....................................................35, 37
253/00158/1047 ......................................................39
253/00158/567 ........................................................39
253/00158/612 ........................................................39
253/00158/614 ........................................................39
Seal
B12379001 ..............................................................29
B12379101 ..............................................................29
Seal Wear Plate
B12418301 ..............................................................25
Shipping Bracket
173/00015/00 ..........................................................11
173/00054/00 ..........................................................11
Shock Absorber
247/00008/00 ..........................................................13
Shock Absorber Bushing
211/00137/10...........................................................13
Side Panel
173/00005/00 ....................................................57, 59
173/00006/00 ....................................................57, 59
190/00005/00 ....................................................57, 59
190/00006/00 ....................................................57, 59
Side Panel Gasket
246/00079/00 ..........................................................59
Side Panel Support Assembly
153/00103/01 ..........................................................59
Soap Dispenser
153/00072/00 ..........................................................71
Soap Dispenser Cover
153/00070/00 ..........................................................71
Soap Dispenser Cover Handle
223/00008/05 ..........................................................71
Soap Dispenser Cover Plate
153/00071/00 ..........................................................71
Soap Dispenser Cup
253/00012/02 ..........................................................71
Soap Dispenser to Tub Hose
223/00187/00 ..............................................75, 77, 79
Soap Injection PCB with Fuse
209/00218/13 ..........................................................65
Soap Injector Connector
211/00127/00...........................................................85
Soap Injector Coupling
223/00182/00 ..........................................................85
Soap Injector Elbow Coupling
223/00181/00 ..........................................................85
Soap Injector Hose
223/00180/00 ..........................................................85
Soap Injector Orifice
223/00178/00 ..........................................................85
Soap Injector Orifice Nipple
211/00126/00...........................................................85
Soap Pump Assembly
209/00555/01 ..........................................................83
209/00555/02 ..........................................................83
209/00555/03 ..........................................................83
209/00555/04 ..........................................................83
209/00555/05 ..........................................................83
209/00555/06 ..........................................................83
Spacer
211/00107/00...........................................................45

98 9001759
© Copyright, Alliance Laundry Systems LLC – DO NOT COPY or TRANSMIT
N/A items do not appear in index.
211/00140/00 .......................................................... 45
Speed Detector
209/00400/00 .................................................... 19, 25
Speed Sensor Bracket
153/00041/02 .......................................................... 19
153/00041/11 .................................................... 19, 25
153/10028/00 .................................................... 19, 25
Spray Pump Mounting Plate
111/10179/00........................................................... 85
Spring
C000431 ................................................................. 39
Standoff
211/00120/00 .......................................................... 65
211/00122/00 ........................................ 47, 49, 51, 53
211/00145/00 .............................................. 49, 51, 53
Steam Heat Kit
861P3................................................................ 89, 91
Steam Hose
217/00033/00 .................................................... 89, 91
Steam Injector
119/00086/00 .................................................... 89, 91
Steam Injector Bracket
173/00032/00 .......................................................... 89
190/00032/00 .......................................................... 91
Steam Injector Pipe Clamp
173/00018/00 .................................................... 89, 91
Steam Injector Pipe Clamp Plate
173/00018/10 .................................................... 89, 91
Steam Valve
253/10520/00 .................................................... 89, 91
Steam Valve Harness
F605220............................................................ 89, 91
Strain Relief
211/00169/00 .................................................... 63, 65
Supply Dispenser Box
223/00345/01 .......................................................... 73
Supply Dispenser Cover
153/00089/00 .......................................................... 73
Supply Dispenser Handle
223/00392/00 .......................................................... 73
Suspension Spring
B12440101.............................................................. 13
Switch Base
209/00099/25 .................................................... 45, 47
Switch Bracket
153/00027/22 .......................................................... 61
Switch Knob
209/00099/29 .................................................... 45, 47
T
Telem Sticker
209/00520/00 ........................................ 47, 49, 51, 53
Terminal Block
209/00005/00 .......................................................... 55
209/00527/00 .......................................................... 61
209/00528/00 .......................................................... 61
209/00533/00 .......................................................... 63
Thermostat
210/01064/16 .......................................................... 55
210/01304/16 .......................................................... 55
Thermostat Grommet
225/10004/00 .......................................................... 55
Tilt Switch Bracket
111/00107/00 ...........................................................81
Transformer
209/00311/00...........................................................67
209/00406/00 ..........................................................67
Tub
173/00019/00 ....................................................15, 17
173/00020/00 ....................................................15, 17
190/00019/00 ..........................................................17
190/00020/00 ..........................................................17
Tub Back Plate
173/00019/10 ....................................................15, 17
173/00020/10 ....................................................15, 17
Tub Front
173/00010/00 ..........................................................17
173/00022/00 ..........................................................17
Tub Gasket
255/00001/00 ....................................................15, 17
U
Upper Front Panel
173/00002/00 ..........................................................47
173/00027/10 ..........................................................45
Upper Rear Panel
173/00008/00 ..................................59, 61, 63, 65, 67
Upper Support
253/10503/00 ..........................................................11
290/10503/00 ..........................................................11
V
Vent Hose
223/00107/02 ..........................................................75
223/00211/00.....................................................61, 63
Voltage Discharge Decal
B12355001 ..............................................................67
V-Ring Seal
253/00151/00 ....................................................23, 27
253/00153/00 ....................................................23, 27
253/10515/00 ..............................................23, 27, 29
253/10516/00 ....................................................23, 27
V-Ring Seal Ring
253/10518/00 ..............................................23, 27, 29
W
Washer
B12300601 ........................................................15, 17
B12300701 ........................................................15, 17
B12522101 ..............................................................13
C000177 ............................................................41, 43
201/00001/00 ..............................................15, 17, 31
201/00002/00 ....................................................71, 73
201/00004/00 ..........................................................31
201/00007/00 ....................................................39, 85
201/00008/00 ..........................................................31
201/00011/00...........................................................31
201/00025/00 ....................................................27, 29
201/00027/00 ....................................................89, 91
201/00202/00 ..........................................................21
201/00204/00 ....................................................19, 25

9001759 99
© Copyright, Alliance Laundry Systems LLC – DO NOT COPY or TRANSMIT
N/A items do not appear in index.
20290 ...................................................................... 61
202/00002/00 .......................................................... 33
202/00004/00 ...................... 47, 49, 51, 53, 61, 63, 67
202/00101/00 .................................. 61, 71, 73, 81, 85
202/00102/00 .................................................... 61, 71
202/00105/00 .................................................... 15, 17
202/00106/00 .......................................................... 57
202/00110/00 .............................................. 57, 59, 75
202/00121/00 .................................................... 61, 63
202/00139/00 .......................................................... 63
203/00001/00 .......................................................... 31
203/00002/00 .................................................... 19, 25
203/00003/00 .......................................................... 33
203/00004/00 ........................................ 59, 61, 75, 85
203/00005/00 .......................................................... 67
203/00006/00 ............................ 31, 55, 61, 63, 65, 81
203/00007/00 .................................................... 45, 47
208/00009/00 .......................................................... 57
209/00025/12 .................................................... 35, 37
223/00001/07 .................................................... 71, 73
223/00123/00 .................................. 45, 47, 49, 51, 53
223/00272/00 .................................................... 61, 63
253/00158/571 ........................................................ 39
803615 .................................................................... 61
Water Hose
F200185.................................................................. 61
223/00044/00 ........................................ 61, 63, 71, 73
223/00269/00 .................................................... 75, 77
Water Level Switch
B12548601.............................................................. 55
Water Valve Adapter
223/00050/01 .................................................... 61, 63
Wire Harness
210/01575/17 .................................................... 33, 35
Y
Y Pipe
253/00017/00 .......................................................... 77
253/00030/00 .......................................................... 75
253/00035/00 .................................................... 75, 77

Notes
100 9001759
© Copyright, Alliance Laundry Systems LLC – DO NOT COPY or TRANSMIT
