She8144.tmp 928 0220 Onan EK EM (asst'd Specs) Parts Manual (09 1993)
User Manual: 928-0220 Onan EK EM (asst'd specs) Parts manual (09-1993)
Open the PDF directly: View PDF
.
Page Count: 139 [warning: Documents this large are best viewed by clicking the View PDF Link!]

Parts Catalog
EK
EM
GENERATOR SET
Printed in U.S.A. 928-0220 (Spec A-C 30/35 kW EK 50/60 Hz) 9-93
(Spec C-V 25/30 kW EK 50/60 Hz)
(Spec M-V 37,5 kW EM 50 Hz)
(Spec C-V 45.0 kW EM 60 Hz)
Replaces Spec C-T 25/30 kW EK 50/60 Hz 12-91
Spec A30/35 kW EK 50/6il Hz
Spec C-T EM
Redistribution or publication of this document
by any means, is strictly prohibited.

i
Supplement 9282002
Date: 04-15-02
Insert with
Title: EK/EM Parts Manual
Number (Date): 9280220 (0993)
PURPOSE
This supplement adds replacement part numbers for
30EK Spec D, 37.5EM Spec W and 45EM Spec W
generator sets.
SUPPLEMENT USE
The following pages have been updated to cover the latest Spec changes. Insert this supplement behind the
front cover of your manual. Refer to the corresponding pages of your manual and write “IMPORTANT: REFER
TO SUPPLEMENT”. Certain Models may not incorporate all of the revised pages.
Cover Shows New Specs
Page 1 Air Cleaner
Pages 4–7 Engine Accessory Parts
Pages 13–27 Fuel System, Gasoline
Fuel System, Natural Gas
Fuel System, LP Vapor
Fuel System, LPG Liquid
Dual Fuel System, Natural Gas/LPG Vapor Auto Conversion
Dual Fuel System, Natural Gas/LP Liquid Auto Conversion
Carburetor Assembly for Natural Gas/LPG Vapor Auto Conversion
Carburetor Assembly for Natural Gas/LP Liquid Auto Conversion
Gas Converter Assembly
Pages 10–11 Governor
Pages 34–35 Radiator
Pages 61–62 Muffler
Pages 63–65 Wiring Harness, Engine to Control
Page 49 Coolant Heater
Page 76 Control Heater
Page 48 Low Coolant Level Switch
New Page Alarm Boards
New Page Audible Alarm
New Page Over/Under Voltage
Please keep this supplement with Parts Catalog 928–0220.
Redistribution or publication of this document
by any means, is strictly prohibited.

2
Air Cleaner
12, 3 4
5
6
7
REF PART QTY PART REF PART QTY PART
NO. NO. USED DESCRIPTION NO. NO. USED DESCRIPTION
1 140–3058–02 1 Cleaner, Air
2 821–0008 2 Screw, Lock (1/4”–20)
3 870–0212 2 Nut, Lock (1/4”–20)
4 140–2664 1 Inlet, Air Cleaner
5 501–0596 1 Hose, Air
6 503–1816 1 Clamp
7 503–0354 1 Clamp, Hose
Redistribution or publication of this document
by any means, is strictly prohibited.

2
Engine Accessory Parts
1
23
456
8
9
10
7
11
12 13 14
15
16
18
19
20
17
Redistribution or publication of this document
by any means, is strictly prohibited.

4
Engine Accessory Parts
REF PART QTY PART REF PART QTY PART
NO. NO. USED DESCRIPTION NO. NO. USED DESCRIPTION
1 193–0318 1 Sender, Water Temperature
(E2)
505–0060 1 Tee, Pipe
505–0101 1 Nipple, Close (3/8”)
502–0943 1 Connector, Hose
2 516–0167 1 Pin, Alignment
3 104–0719 1 Flywheel (Includes Ring
Gear)
4 104–0723 1 Gear, Ring
5 309–0561–01 1 Switch, Oil Pressure –
Pre–Alarm (Normally
Closed)
6 309–0561–05 1 Switch, Oil Pressure
(Shut–down)
7 505–0098 2 Nipple, Pipe – Close
8 505–0059 1 Tee, Pipe (1/8 NPT)
9 193–0448 1 Sender, Oil Pressure (E1)
10 Cable, Battery
416–1018 1 Positive (30–1/2”)
416–0613 1 Negative (10”)
11 102–1463 1 Adapter, Pipe – Hex
12 504–0176 1 Valve, Shut–off (3/8 NPT)
13 503–0131 1 Clamp, Hose
14 503–1657 1 Hose, Rubber
15 166–0727 1 Harness, Wiring
16 155–1993 1 Tube, Exhaust
800–0315 2 Screw, Hex Head Cap
(7/16–14 x 1–3/4”)
526–0356 2 Washer, Flat (7/16”)
850–0055 2 Washer, Lock (7/16”)
17 309–0312 1 Switch, Thermostatic – Water
S7 (Pre–Alarm)
18 191–0773 1 Cover, Starter
19 812–0077 1 Screw, Machine Round Head
(#8–32 x 3/8”)
20 850–0025 1 Washer, Lock Spring (#8)
Redistribution or publication of this document
by any means, is strictly prohibited.

5
Gasoline Fuel System
C162
2
3
4
5
6
11
15, 16 9, 10 7, 8
12, 13, 14
1
REF PART QTY PART REF PART QTY PART
NO. NO. USED DESCRIPTION NO. NO. USED DESCRIPTION
1 146–0706 1 Carburetor
2 502–0002 1 Elbow, Invt. Male
3 141–0372 1 Knob, Choke Shaft
4 150–0638 1 Joint, Ball
5 868–0001 1 Nut, Hex Jam(1/4”–28)
6 149–2304 1 Pump, Fuel
7 501–0134 1 Line, Flex Fuel
8 503–0865 1 Clamp, Hose
9 502–0354 1 Adapter, Fuel Line
10 502–0002 1 Elbow, Invt. Male
11 149–1052 1 Line, Fuel
12 141–0971 1 Gasket, Carburetor
13 854–0020 2 Washer, Lock (3/8”)
14 867–0031 2 Nut, Hex (3/8”–24)
15 850–0045 2 Washer, Lock (5/16”)
16 800–0030 2 Screw, Hex Head Cap
(5/16–18 x 1–1/4”)
Redistribution or publication of this document
by any means, is strictly prohibited.

6
Fuel System
Natural Gas
1
5
5
6
7
23 4
8, 9, 10
C099
REF PART QTY PART REF PART QTY PART
NO. NO. USED DESCRIPTION NO. NO. USED DESCRIPTION
1 148–1066 Carburetor
150–0638 1 Joint, Ball
850–0040 1 Washer, Lock (1/4”)
868–0001 1 Nut, Hex Jam (1/4”–28)
2 505–0100 1 Nipple, Pipe
3 505–0021 1 Bushing, Reducer
4 148–0597 1 Regulator, Natural Gas
5 505–0102 2 Nipple, Pipe
6 505–0132 1 Elbow, Pipe
7 307–0312–01 1 Valve, Solenoid (12V)
8 141–0971 1 Gasket, Carburetor
9 854–0020 2 Washer, ET Lock (3/8”)
10 867–0031 2 Nut, Hex (3/8”–24)
Redistribution or publication of this document
by any means, is strictly prohibited.

7
Fuel System
LP Vapor
1
5
5
6
7
23 4
8, 9, 10
C099
REF PART QTY PART REF PART QTY PART
NO. NO. USED DESCRIPTION NO. NO. USED DESCRIPTION
1 148–1066 Carburetor
150–0638 1 Joint, Ball
850–0040 1 Washer, Lock (1/4”)
868–0001 1 Nut, Hex Jam (1/4”–28)
2 505–0100 1 Nipple, Pipe
3 505–0021 1 Bushing, Reducer
4 148–0637 1 Regulator, LP Vapor
5 505–0102 2 Nipple, Pipe
6 505–0132 1 Elbow, Pipe
7 307–0312–01 1 Valve, Solenoid (12V)
8 141–0971 1 Gasket, Carburetor
9 854–0020 2 Washer, ET Lock (3/8”)
10 867–0031 2 Nut, Hex (3/8”–24)
Redistribution or publication of this document
by any means, is strictly prohibited.

8
Fuel System
LPG Liquid
1
C053
2
7
3, 4
9
5, 613
8
10, 11, 12
REF PART QTY PART REF PART QTY PART
NO. NO. USED DESCRIPTION NO. NO. USED DESCRIPTION
1 148–1066 1 Carburetor
150–0638 1 Joint, Ball
850–0040 1 Washer, Lock (1/4”)
868–0001 1 Nut, Hex Jam (1/4”–28)
2 179–2728 1 Converter Assembly (See
Separate Page for Part
Numbers)
3 850–0055 2 Washer, Lock (7/16”)
4 800–0069 2 Screw, Hex Head Cap
(7/16–14 x 3/4”)
5 505–0022 1 Bushing, Reducer
6 502–1030 1 Connector, Hose
7 503–1565 1 Hose, LPG
8 503–0180 2 Clamp, Hose
9 502–1031 1 Connector, Hose
10 141–0971 1 Gasket, Carburetor
11 854–0020 2 Washer, ET Lock (3/8”)
12 867–0031 2 Nut, Hex (3/8”–24)
13 332–3438 1 Clamp, Loop
Redistribution or publication of this document
by any means, is strictly prohibited.

9
Dual Fuel System
Natural Gas/LPG Vapor Auto Conversion
1
C065
2, 3, 4
5
6, 7
REF PART QTY PART REF PART QTY PART
NO. NO. USED DESCRIPTION NO. NO. USED DESCRIPTION
1 1 Carburetor (See Separate
Page for Part Numbers)
2 141–0971 1 Gasket, Carburetor
3 854–0020 2 Washer, ET Lock (3/8”)
4 867–0031 2 Nut, Hex (3/8”–24)
5 331–0027 1 Connector, Romex
6 800–0007 2 Screw, Hex Head Cap
(1/4–20 x 1”)
7 870–0212 2 Nut, Lock Flange (1/4”–20)
Redistribution or publication of this document
by any means, is strictly prohibited.

10
Dual Fuel System
Natural Gas/LP Liquid Auto Conversion
1
C090
2
3
12
5, 6
13
4
7, 8, 9
14, 15
10, 11
REF PART QTY PART REF PART QTY PART
NO. NO. USED DESCRIPTION NO. NO. USED DESCRIPTION
1 1 Carburetor (See Separate
Page for Part Numbers)
2 179–2728 1 Converter Assembly (See
Separate Page for Part
Numbers)
3 505–0022 1 Bushing, Reducer
4 502–1030 1 Connector, Hose
5 850–0055 2 Washer, Lock (7/16”)
6 800–0069 2 Screw, Hex Head Cap
(7/16–14 x 3/4”)
7 141–0971 1 Gasket, Carburetor
8 854–0020 2 Washer, ET Lock (3/8”)
9 868–0003 2 Nut, Hex (3/8”–24)
10 503–1565 1 Hose, LPG
11 503–0398 2 Clamp, Hose
12 331–0027 1 Connector, Romex
13 332–3438 1 Clamp, Loop
14 800–0007 2 Screw, Hex Head Cap
(1/4–20 x 1”)
15 870–0212 2 Nut, Lock Flange (1/4”–20)
Redistribution or publication of this document
by any means, is strictly prohibited.

11
Carburetor Assembly for Dual Fuel System
Natural Gas/LPG Vapor Auto Conversion
1
23
4
5
6
5
5
5
5
5
11
18
17
13
4
14
12
10
9
8
16
11
7
15
19
C065
13
REF PART QTY PART REF PART QTY PART
NO. NO. USED DESCRIPTION NO. NO. USED DESCRIPTION
1 148–1066 1 Carburetor
150–0638 1 Joint, Ball
850–0040 1 Washer, Lock (1/4”)
868–0001 1 Nut, Hex Jam (1/4”–28)
2 505–0100 1 Nipple, Pipe
3 505–0021 1 Bushing, Reducer
(3/4NPT x 1/2”NPT)
4 505–0166 2 Tee, (3/4”NPT)
5 505–0102 8 Nipple, Close
(3/4NPT x 1–3/8”)
6 148–0597 1 Regulator, Natural Gas
7 505–0129 1 Bushing, Reducer
(1”NPT x 3/4”NPT)
8 148–0626 1 Valve, Load Adjusting
9 505–0004 1 Nipple, Pipe
10 505–0356 1 Elbow, Reducer – 90°
11 505–0132 3 Elbow, Pipe
12 148–0637 1 Regulator, LP Vapor
13 307–0312–01 2 Valve, Solenoid
14 505–0020 1 Bushing, Reducer
15 505–0099 1 Nipple, Pipe
16 148–0627 1 Switch, Pressure
17 155–1015 1 Clamp, Muffler
18 148–0994 1 Brace, Fuel System
19 505–0085 1 Nipple, Pipe
Redistribution or publication of this document
by any means, is strictly prohibited.

12
Carburetor Assembly for Dual Fuel System
Natural Gas/LP Liquid Auto Conversion
1
23
4
5
6
5
5
5
5
5
511
18
17
13
4
14
12
10 9
8
16
11
7
15
11
C090
REF PART QTY PART REF PART QTY PART
NO. NO. USED DESCRIPTION NO. NO. USED DESCRIPTION
1 148–1066 1 Carburetor
150–0638 1 Joint, Ball
850–0040 1 Washer, Lock (1/4”)
868–0001 1 Nut, Hex Jam (1/4”–28)
2 505–0100 1 Nipple, Pipe
3 505–0021 1 Bushing, Reducer
(3/4NPT x 1/2”NPT)
4 505–0166 2 Tee, (3/4”NPT)
5 505–0102 7 Nipple, Close
(3/4NPT x 1–3/8”)
6 148–0597 1 Regulator, Natural Gas
7 505–0129 1 Bushing, Reducer
(1”NPT x 3/4”NPT)
8 148–0626 1 Valve, Load Adjusting
9 505–0107 1 Nipple, Pipe
10 505–0356 1 Elbow, Reducer – 90°
11 505–0132 3 Elbow, Pipe
12 502–1236 1 Connector, Hose
13 307–0312–01 1 Valve, Solenoid
14 505–0020 1 Bushing, Reducer
15 505–0099 1 Nipple, Pipe
16 148–0627 1 Switch, Pressure
17 155–1015 1 Clamp, Muffler
18 148–0994 1 Brace, Fuel System
Redistribution or publication of this document
by any means, is strictly prohibited.

13
Gas Converter Assembly
142
3
12
14
13
9
11
5
7
6
15
10
8
11
11
11
REF PART QTY PART REF PART QTY PART
NO. NO. USED DESCRIPTION NO. NO. USED DESCRIPTION
1 148–1053 1 Bracket, Converter – Mounting
2 148–0604 1 Support, Converter Mounting
3 800–0025 1 Screw, Hex Head Cap
(5/16–18 x 5/8”)
4 821–0014 1 Nut, Whizlock (5/16–18 x 1/2”)
5 148–0625 1 Converter Assembly, Gas
6 800–0009 2 Screw, Hex Head Cap
(1/4–20 x 1–1/2”)
7 850–0040 2 Washer, Lock (1/4”)
8 862–0001 2 Nut, Hex (1/4”–20)
9 502–0942 1 Elbow, 90
10 503–1988 1 Hose, Engine Coolant
(5/8 ID x 15–1/2” Long)
11 503–0183 4 Clamp, Hose
12 502–0943 1 Connector, Hose (3/8”NPT)
13 505–0099 1 Nipple, Pipe (1/4”NPT)
14 307–0268–01 1 Valve, Solenoid
15 503–1988 1 Hose, Engine Coolant
(5/8 ID x 21–1/2” Long)
Redistribution or publication of this document
by any means, is strictly prohibited.

14
Governor
NO TAG
13
17
16
18
1
2
4
5
6
13
8
15
11, 9, 10
14
10
12
7, 6
9
13
REF PART QTY PART REF PART QTY PART
NO. NO. USED DESCRIPTION NO. NO. USED DESCRIPTION
1 150–2644 1 Bracket, Governor
2 Rod, Governor
150–2616 1 14.5”
150–2615 1 15.5”
3 150–0638 1 Joint, Ball
4 800–0051 2 Screw, Hex Head Cap
(3/8–16 x 1–3/4”)
5 850–0051 2 Washer, Lock (3/8”)
6 870–0212 2 Nut, Self–Lock (1/4”–20)
7 800–0005 2 Screw, Hex Head Cap
(1/4–20 x 3/4”)
8 Governor
150–2692–01 1 MPU Type
150–2692–02 1 Ignition Type
9 850–0040 4 Washer, Lock (1/4”)
10 526–0018 4 Washer, Flat (1/4”)
11 800–0602 4 Screw, Hex Head Cap
(1/4–28 x 3/4”)
12 800–0008 1 Screw, Hex Head Cap
(1/4–20 x 1–1/4”)
13 868–0001 3 Nut, Tappet (1/4”–28)
14 150–2614 1 Bracket, Governor
15 332–1554 1 Clamp, Loop
16 231–0148 1 Adaptor, Generator
17 150–2651 1 Pick–up, Magnetic
18 150–2620 1 Lever, Governor
Redistribution or publication of this document
by any means, is strictly prohibited.

15
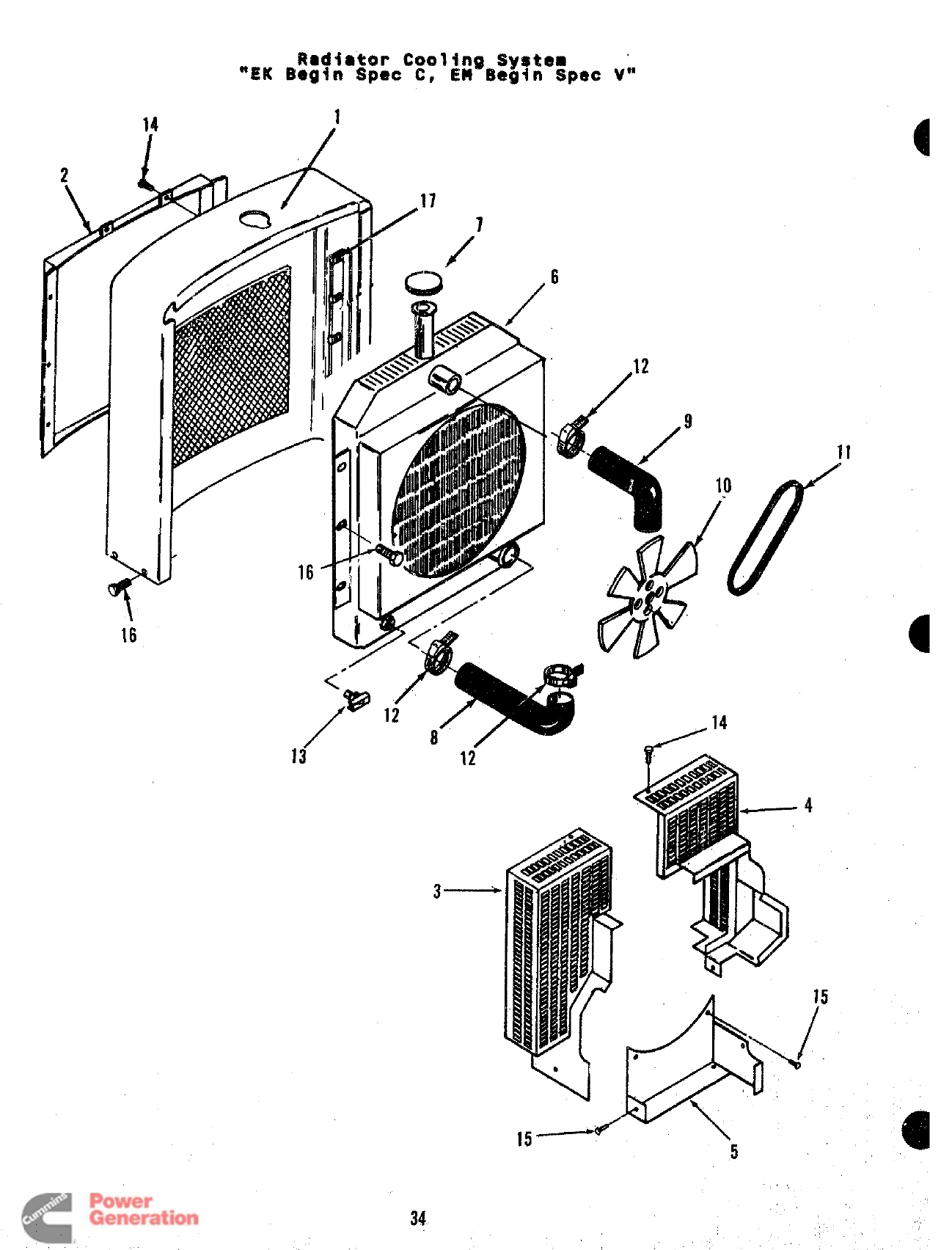
Radiator
1
2
17
7
6
12
9
10 11
14
4
15
5
15
3
12
12 813
16
16
14
18
REF PART QTY PART REF PART QTY PART
NO. NO. USED DESCRIPTION NO. NO. USED DESCRIPTION
1 405–3176 1 Panel, Front
2 405–1054 1 Flange, Air Duct
3 130–4246 1 Guard, Belt – Right Side
4 130–4245 1 Guard, Belt – Left Side
5 130–4252 1 Guard, Belt – Lower
6 130–4361 1 Radiator (Includes Cap)
7 130–3929 1 Cap, Radiator
8 503–0490 1 Hose, Radiator – Lower
9 503–0491 1 Hose, Radiator – Upper
10 130–1236 1 Fan
11 511–0075 1 Belt, Drive
12 503–0365 4 Clamp, Hose
13 504–0003 1 Cock, Drain
14 821–5000–05 18 Screw, Cap Hex Head
(#10–32 x 1/2”)
15 821–5002–03 4 Screw, Lockhead
(1/4–20 x 1/2”)
16 821–5003–01 14 Screw, Lockhead
(5/16–18 x 1/2”)
17 870–0114 6 Nut, Retainer (5/16”–18)
18 517–0245 1 Plug
Redistribution or publication of this document
by any means, is strictly prohibited.

16
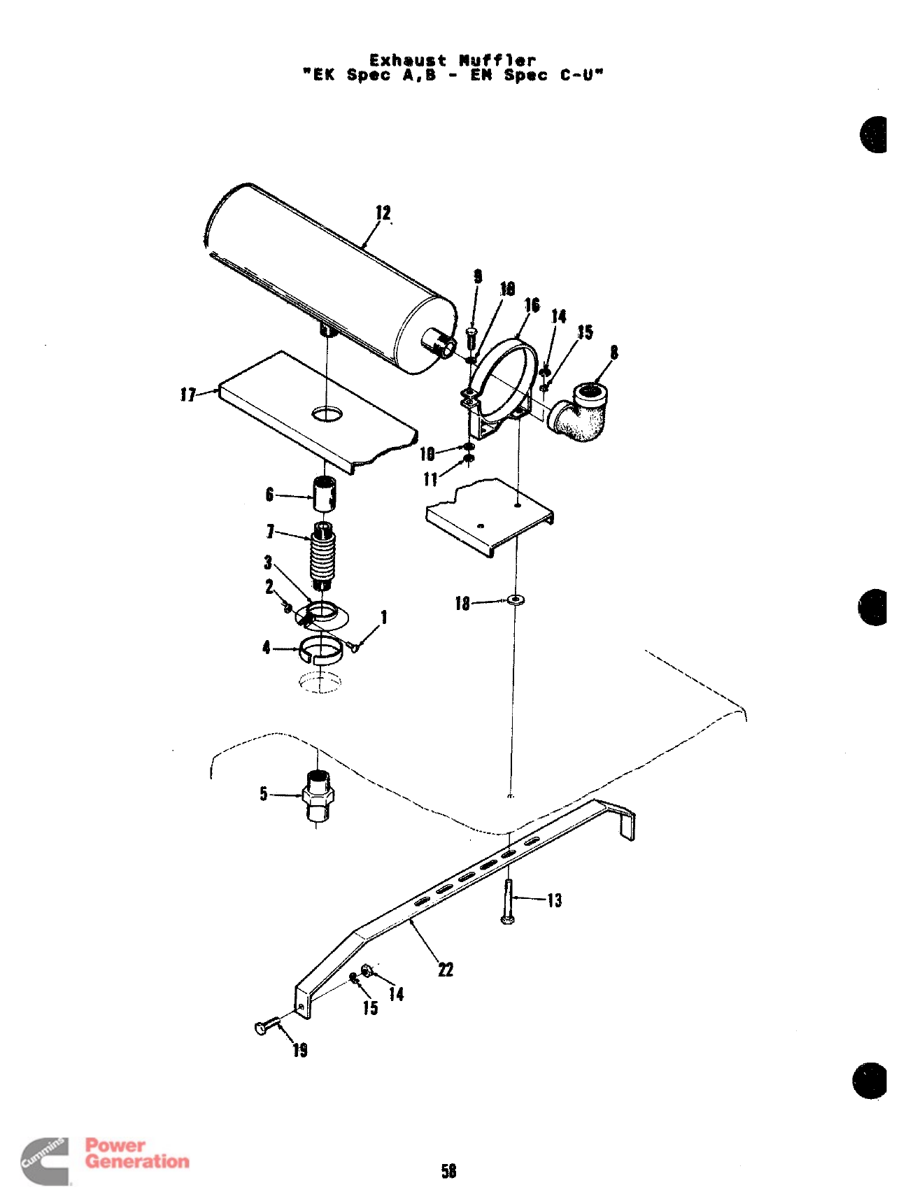
Muffler
1
2
34, 56
7
8
9
14
12, 13
11, 12
10
REF PART QTY PART REF PART QTY PART
NO. NO. USED DESCRIPTION NO. NO. USED DESCRIPTION
1 155–0978 1 Shield, Heat
2 155–0988–01 1 Muffler
3 140–0649 2 Band Assembly
4 813–0105 2 Screw, Round Head Machine
(10–32 x 1”)
5 870–0188 2 Nut, Lock (10–32)
6 155–1420 1 Shield, Rain
7 505–0203 1 Coupling (2”)
8 155–1593 1 Tube Assembly, Exhaust
9 505–0454 1 Union (2”)
10 155–1430 4 Spacer, Muffler
11 800–0037 4 Screw, Hex Head Cap
(5/16–18 x 3”)
12 870–0048 10 Nut, Lock (5/16–18)
13 800–0026 6 Screw, Hex Head Cap
(5/16–18 x 3/4”)
14 155–3000 2 Support, Muffler
Redistribution or publication of this document
by any means, is strictly prohibited.

17
Wiring Harness
Engine to Control
2
5
3
6
4
1
7
8
9
19
20
21
22
10
11
12
13
16
15
14
17
18
REF PART QTY PART REF PART QTY PART
NO. NO. USED DESCRIPTION NO. NO. USED DESCRIPTION
1 338–3322 1 Harness, Wiring – Engine to
Control
2 323–1304 1 Housing, Connector (6 Place)
(J2)
3 323–1306 1 Housing, Connector (8 Place)
(J1)
4 357–0030 2 Rectifier, Silicon (CR1)
5 323–1200 A/R Socket, Contact
6 332–3276–01 1 Bracket, Mounting – Terminal
(Includes Parts Marked *)
7 332–0604 2 *Block, Terminal (5 Place)
8 332–1043 8 *Jumper
9 *Bracket, Mounting
319–2006–01 1 Marked “26” (T26)
319–2006–02 1 Marked “GND” (GND–ENG)
10 815–0538 4 *Screw, Machine Round Head
W/IT (#8–32 x 1/2”)
11 309–0641–03 1 Switch, Oil Pressure (Closes at
14 lbs. Descending) (S1)
12 309–0641–07 1 Switch, Oil Pressure (Closes at
20 lbs. Descending)
(S5–Pre–Alarm)
13 193–0448 1 Sender, Oil Pressure (E1)
(Includes Parts Marked #)
14 323–1549 1 #Connector, Receptacle – 4
Place
15 323–1548 1 #Wedge, Receptacle
16 323–1492 4 #Socket, Contact
17 120–1312–02 1 Manifold, Oil Pressure
18 166–0853 1 Harness, Ignition
19 323–1492 A/R Socket, Contact
20 323–1546 1 Plug, Connector – 4 Place
21 323–1591 1 Plug, Seal
22 323–1548 1 Wedge, Plug (4 Pin)
Redistribution or publication of this document
by any means, is strictly prohibited.

18
Coolant Heater
10
11
12
14, 15, 16
1, 2, 3 46
5
4 5
6 9 676138
REF PART QTY PART REF PART QTY PART
NO. NO. USED DESCRIPTION NO. NO. USED DESCRIPTION
1 505–0099 1 Nipple, Close (1/4 x 7/8”)
2 505–0018 1 Bushing, Reducer (1/2 x 1/4”)
3 502–1256 1 Elbow, Connector
4 130–4281 2 Tube, Heater
5 503–1988 A/R Hose, Coolant – High Temp.
6 503–0183 4 Clamp, Hose
7 148–1038 1 Bracket, Coolant Heater
8 821–0010 2 Screw, Hex Head
(1/4–20 x 1/2”)
9 821–0014 2 Screw, Hex Head
(5/16–18 x 1/2”)
10 319–2407 1 Box, Extension
11 319–2408 1 Cover, Extension
12 815–0652 2 Screw, Hex Head Slot
(10–32 x 1/2”)
13 333–0568–01 1 Heater, Engine Coolant 120V
14 505–0101 1 Nipple, Close (3/4”)
15 505–0060 1 Tee, Pipe (3/8”)
16 502–1215 1 Connector, Male
Redistribution or publication of this document
by any means, is strictly prohibited.

19
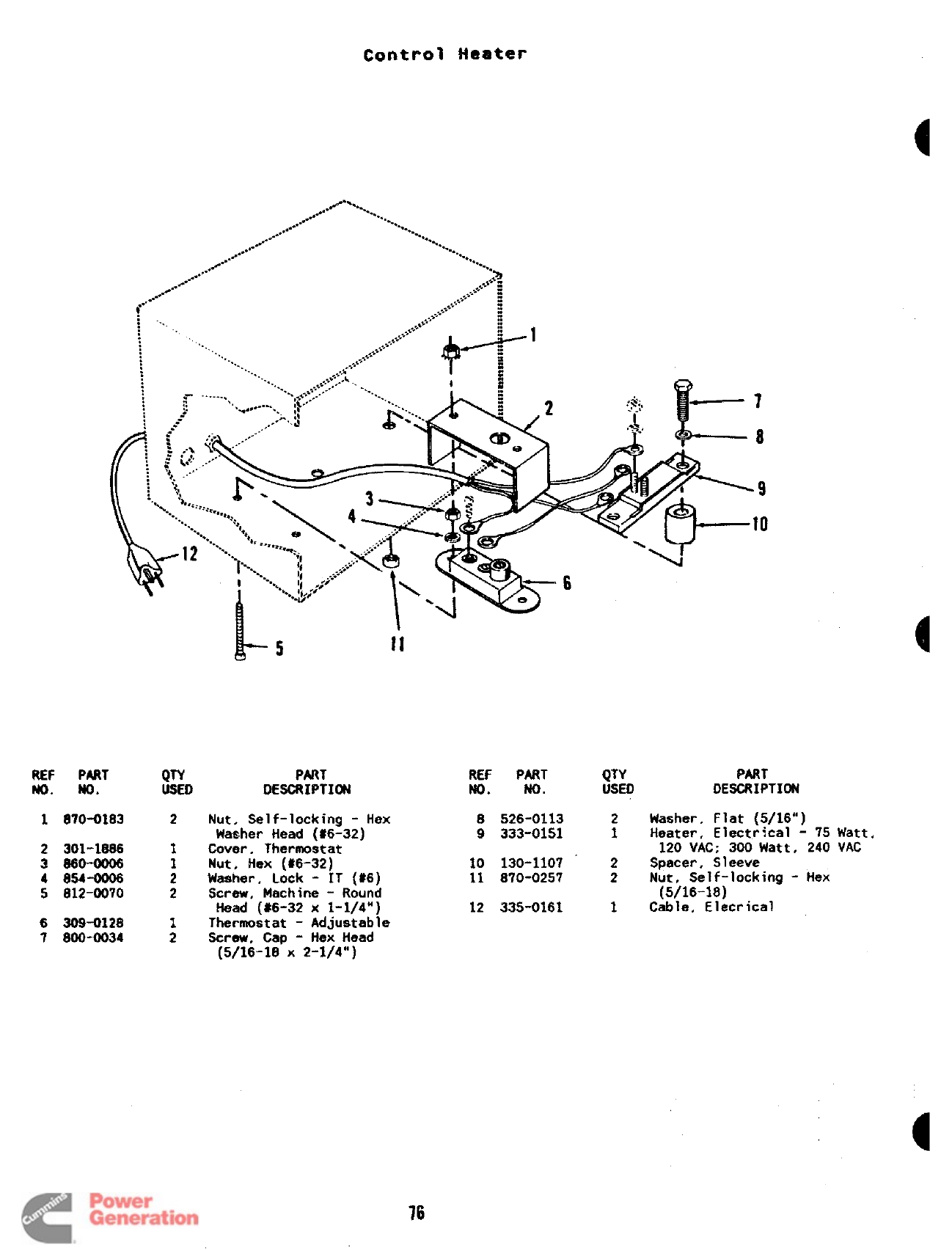
Control Heater
Inside Floor Installation
Outside Floor Installation
2
2
3
3
4
46, 7, 8 1, 5 1, 5
1, 5
5
5
REF PART QTY PART REF PART QTY PART
NO. NO. USED DESCRIPTION NO. NO. USED DESCRIPTION
1 332–2420 2 Mount, Cable Tie
2 098–6195 1 Label, Caution
3 300–4515–01 1 Heater Assembly, Control
(120V)
4 335–0173 1 Cable Assembly, Control
Heater
5 332–0942 3 Tie, Cable
6 800–0024 1 Screw, Hex Head Cap
(5/16–18 x 3/4”)
7 870–0257 1 Nut, Hex (5/16–18)
8 856–0008 2 Washer, EIT (5/16”)
Redistribution or publication of this document
by any means, is strictly prohibited.

20
Low Coolant Level Switch
1
14
2
8
5
3
4
7
15 16
9
12 11
10
15, 161917, 13, 18
16
15
6
6
REF PART QTY PART REF PART QTY PART
NO. NO. USED DESCRIPTION NO. NO. USED DESCRIPTION
1 405–4659 1 Plate, Low Level Switch
2 502–0801 1 Connector, Hose – Male 1/4”
3 193–0329 1 Switch. Coolant Level
4 870–0212 2 Nut, Lock Head (1/4”–20)
5 502–0802 1 Bushing, Reducer (1/2 x 1/4”)
6 503–0685 4 Clamp, Hose
7 503–1418 1 Hose, 1/4” ID, 18” Long
8 093–0065 2 Tubing, Copper 2” Long
9 503–1418 1 Hose, 1/4” ID, 25” Long
10 821–0016 2 Screw, Lock Head
(5/16–18 x 3/4”)
11 338–3615 1 Harness, Low Coolant Level
(Includes Diode)
12 357–0030 1 Diode (Included in Harness)
13 502–0156 1 Elbow, Street Pipe
14 526–0110 1 Washer, Copper
15 502–0029 3 Bushing, Reducer
16 502–0395 3 Connector, Hose
(1/8 NPT x 3/8” Hose)
17 505–0017 1 Bushing, Reducer
18 502–0164 1 Tee, Street
19 504–0003 1 Valve, Drain
Redistribution or publication of this document
by any means, is strictly prohibited.

21
Alarm Boards
1
2
3
4
5
Alarm Relay Board
Harness Alarm Board
REF PART QTY PART REF PART QTY PART
NO. NO. USED DESCRIPTION NO. NO. USED DESCRIPTION
1 Alarm Relay PCB, 12V
300–4111–01 1 Without Form C
300–4111–03 1 With Form C
2 815–0937 6 Screw, Pan Head
(#6–32 x 1/2”)
3 870–0517–01 4 Stand–Off, Alarm Board
(!–1/4” Long)
4 338–2875 1 Harness, Form C Board
5 870–0517–02 2 Stand–Off, Alarm Board
(!–5/16” Long)
Redistribution or publication of this document
by any means, is strictly prohibited.

22
Audible Alarm
1
4
3
2
KL39
REF PART QTY PART REF PART QTY PART
NO. NO. USED DESCRIPTION NO. NO. USED DESCRIPTION
1 333–0133 1 Signal, Audible
2 319–0898 1 Plate, Audible Signal
3 815–0385 2 Screw, Machine – Round
Head (#6–32 x 1/2)
4 870–0183 2 Nut, Hex W/ET (#6–32)
Redistribution or publication of this document
by any means, is strictly prohibited.

23
Over/Under Voltage
2
1
3
5
4
REF PART QTY PART REF PART QTY PART
NO. NO. USED DESCRIPTION NO. NO. USED DESCRIPTION
1 307–2868 1 Relay, Over/Under Voltage
2 338–3366 1 Harness, Over/Under Voltage
3 815–0937 4 Screw, Pan Head – Crossed
Recessed Thread Forming
(6–32 x 1/2)
4 332–1445 A/R Tie, Cable
5 322–0431–03 1 Lamp, Indicating
Redistribution or publication of this document
by any means, is strictly prohibited.

Zi?traduction
This Pnrt@ Manuai applies to the Standard Sets [isted below. The illustrations are
arranged in groups of related items, and each part or assembly is identified by a
Reference Number. All parts illustrated are typical. and unless otherwise ment ioned
in the description nolumn of the -=-+= lists er page heading, the parts are
v-, .-
in:erchangeab’le between models.
These typical illustrations are subject to change and reflect only the latest replacw
ment parts arrangement. The Right and Left sides of the Set are determined by FACING
the engine end (FRONT) of thn Set,
MOREL IDENTIFICATION
25.OEK -*/ #@
30.OEK -*/ #@
35.OEK -*/ #@
37.5EM -*/#@
45.OEM -- */ #@
n-. ‘-’- Table3-X Uaxa
—,. ,“
RATING
—.,——.
75,000 WAT”rS
JI0,000 WATTS
35,000 WATTS
.37,500 WAITS
45,000 WATTS
,-
RPM RATING BATTERY VOLTAGE
1500 RPM 24 Voc
1800 RPM ~~ VDC
1800 RPM :!4Voc
1500 RPM 24 VDC
1800 RPM 24 Voc
.—
Electrical Data Table
—.
*VOLTAGE COOES VOLTS HERTZ WIRE PHASE NOTES
B(3) 120/24.0 60 3 1
E(60) 240/480 60 4 3
F(7) 220/300 60 4 3
H(9X) 347/600 60 :,
L(15) 120/240 60 1; ;+
L(1S) 120/208 60 12 3 +
1~~0/240
127/220
139/240
240/416
254/440
227/480
N(53) 120/240 50 3 1
P(53C) 120/240 1
z(515) 110/220 u1; 1+
115/230
z(5”15) 110/190 50 12 3+
110/220
115/200
115/230
120/208
127/220
220/380
230/400
240/41.6
254/440
*-Voltage codes follow model letters designations.
#“ Specification Number: Number 1is Standard, all others indicate variations.
e- Specification Letter: Letter advances (Ato B, Bto C, etc) with
major manufacturing changes.
+- The Stators are Reconnectable. .
Engine Replacement Parts
All engine replacement parts must be ordered from the engine manufacturer, except
)
those modified or added by Onan. When ordering engine parts, refer to the manqfac- ,,
turer’s nameplate and supply the Model, Spec, Serial Numbers and other available .,
information. Refer to the engine manufacturer’s manuals far your nearest authorized
distributor or parts center: or contact the Onan distributor from whom you purchased
this set for assistance in ordering replacement parts.
i,,
Redistribution or publication of this document
by any means, is strictly prohibited.

Actuetor, Governor II
Actuator, Switch 18
Adapter, Breather 7
Adapter, Carburetor 13, 15,1?,21,23,25,
27,31,3?,41,43
Adapter ,Engine to Generator 5
Adapter, Hose 37,39,41,43
$dapter, Pipe to Hose 48,51,83
Adapter, Tube 48
Alternator 2,3
Anti-Oieseling System 13,1S,17,18,19,20
Arm, Anti-Oieseling System 18,19,20
Band, Mount ing -Exhaust Muffler 59
Bar, Locking 71
Nearing, Ball -Generator 85,87,89
Bell, En(j 85
Belt, Qrive 33
Belt, Drive -~]~er,va~Gr
block, Terminal 6S,67,69, ;i:73,81,83,M
Doard, Delay -Time 63
Board, Monitor -Engine 63,65
Uoard, Relay 63
Board, Sensor -Magnetic 63
Board, Terminal 5
Box, Control 67,69,71,73
ElOx, Switch -Dual Phase 79
Oox, Switch -Thermostatic 49,53
Brace, Bracket -Lifting
!!Pace, Mounting Bracket -Converter 23,27
Eracket and Nipple Assembly 39,41,43,47
[]racket, Mounting -Capacitor 82
Bracket, Mounting -Circuit Breaker 97,99
Oracket, Mounting -Converter 23,27
~~a~ket M~~!,n~i~g -
-- ,. -_,Current Transformer 75
Bracket, Mounting -Day Tank 29
Bracket, Mount ina -Electronic Governor 11
Bracket; Mountin~ -Mechanical Gauges 83
Bracket, Mounting -Radiator 33
Bracket, Mounting -Rheostat 69,71,73
Bracket, Mounting -Solenoid 18,19,20
Bracket, Mounting -Toggle Switch 15617
Bracket, Mounting -Vernier Throttle 28
Bracket, Mounting -Watt Transducer 81
Bracket, Support 25,43,57
Breaker, Circuit 67,69,71,73,97,99
Brush, Generator 85
Bushing, Cable 77
Bushing, Box -Output 95
Cable, Battery 5
Cable, Coil to Distributor 9
Cable, Electrical 7,76,94
Cable, Spark Plug 9
Cam, Switch 18
Cap, Radiator 33,45
Cap and Indicator, Fuel 31
~apacit{~r 2,9,65,82,93
Carburetor, Vapor -Gas 21,23,25,27
Carburetor, Gasoline 13,15,17
Chassis 55,91
+;lamp, Cable 28,51,91
Clamp, Door 57
Clamp, Hose 37,39,41.43,45,47,48,53
Clamp, Loop 7,43,63,65,67,69,71,73,93 ,92
Clamp. Mounting -Capacitor 82
Cleaner. Air 1
Clip, Fastener 67,69,71
Clip, Relay 67
ii
cock, Drain 7,17.23,27,33,37,39,41, 43,
&5,4’1,51,53
Coii, Ignition 9
Contact Assembly 87.89
Contractor, Electrical 511
Control, Engine 63,65
Control ,Generator 67,69
Control, Generator -Switching
Regulator 71
Controller, Governor 11
Converter, Gas -Liquid 17,23,27
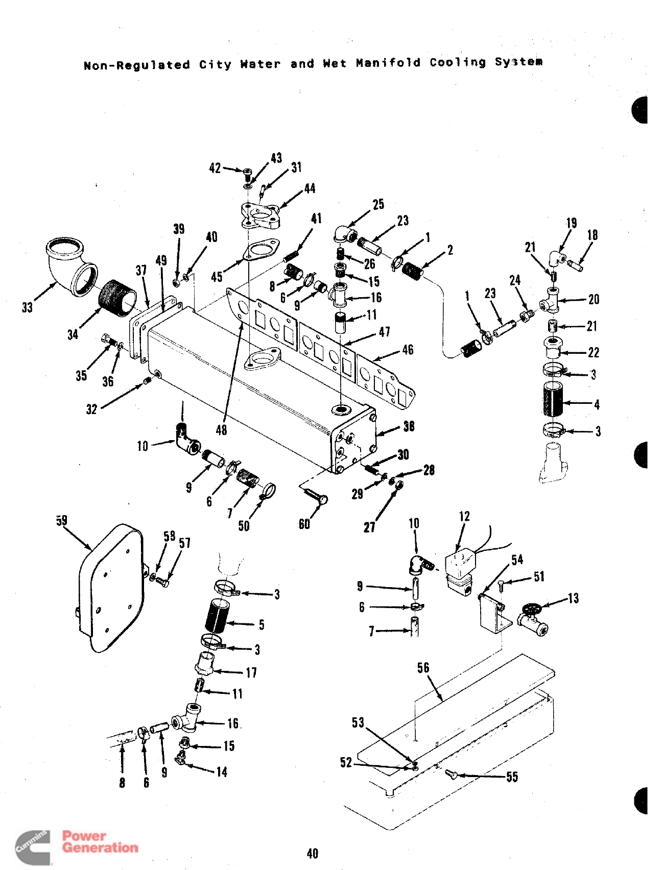
Cooling System, Non-Regulated City Water
and Wet Manifold 41
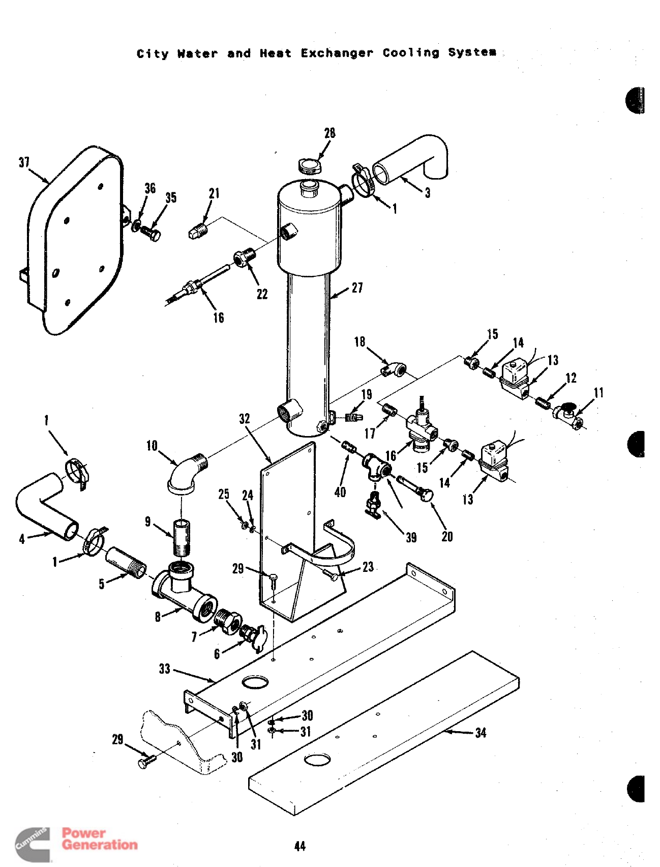
Cooling System, City Water and Heat
Exchanger 45
Cooling System, City Water and
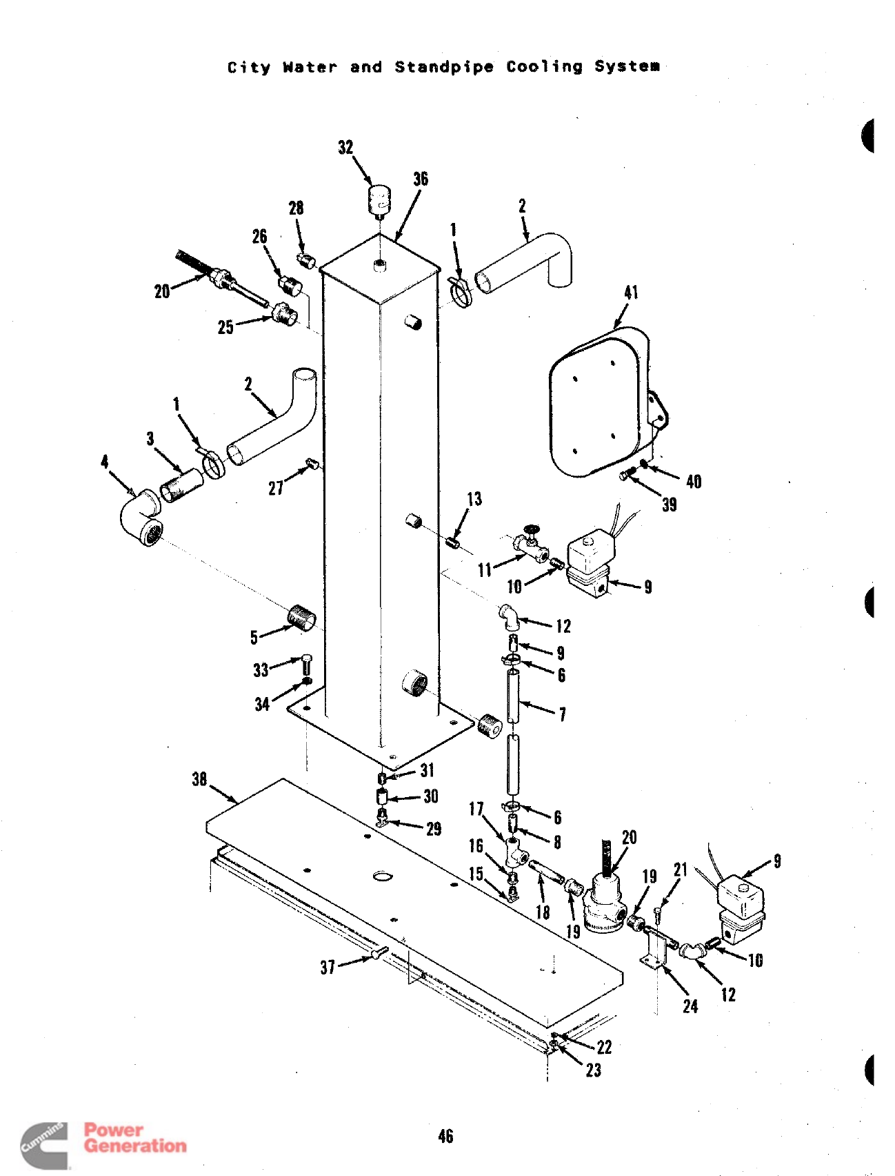
Standpipe 47
Cooling System, Radiator 33
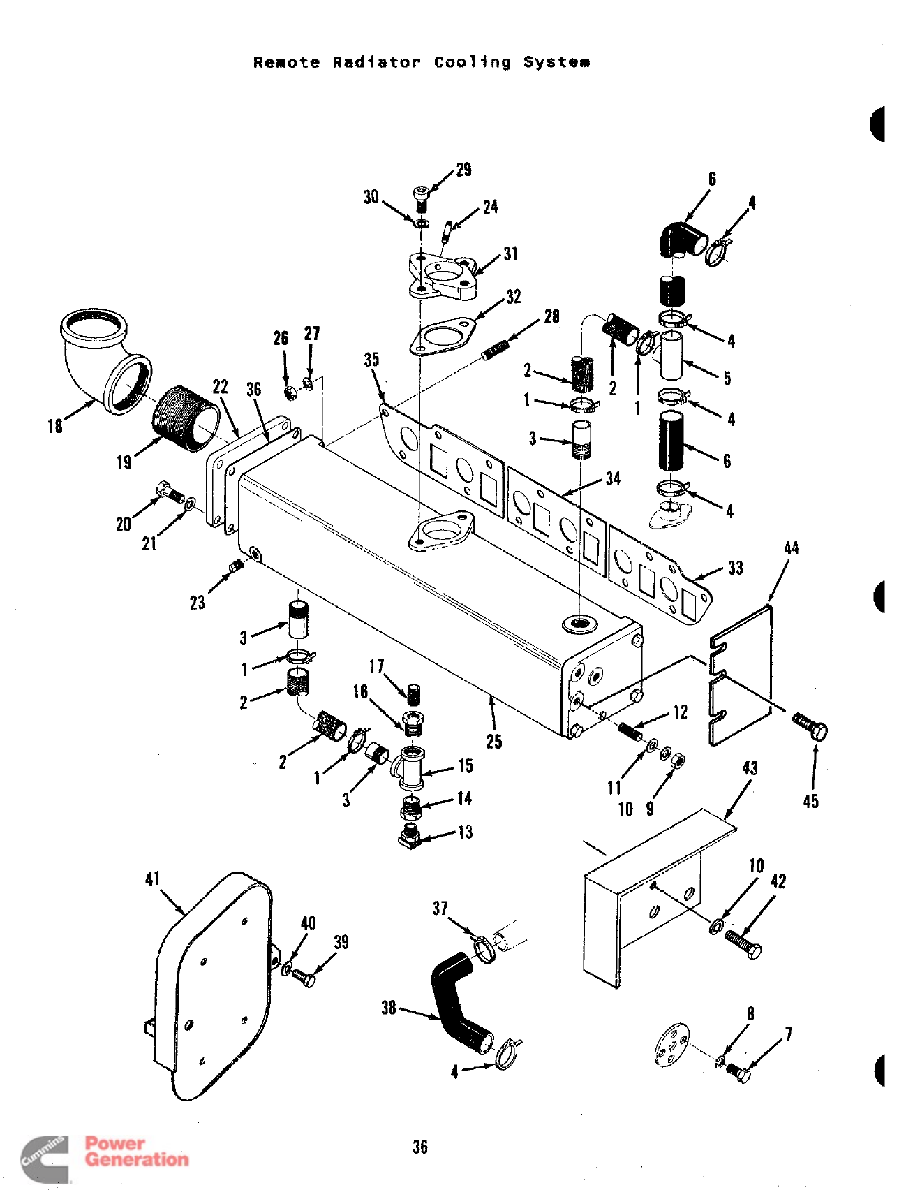
Cooling System, Radiator -Remote 37
Cooling System, Regulated City Water and
Wet Manifold 43
Cooling System, Water -City 39
Cover, Box -Watt Transducer 83
Cover ,Box -Circuit Breaker 9’7,99
Cover, Box -Thermostatic Switch 49
Cover, End Bell 85
Cover, Hole -Fuel Pump 21,23,25,27
Cover, Housing -Choke 13,15,17
Cover, Starter Hole 7
Cover, Thermostat 76
Cross, Pipe 51
Dampener, Vibration 69,71,73
Dial,. Meter -Watt $1
Diode 48
Disk, Drive -Generator 85,87,89
Door, Access 57
Door, Control 63,67 4
Duct, Heater 12
Elbow, Pipe -90” 13,15,17,21,23,25,27
29,37,39,41,43,45,47,51 ,59
Element, Air Cleaner 1
Engine Parts, Left Side 7
Engine Parts, Right Side 5
Exchanger, Heat 45
Exciter, Generator 87,89
Extension, Plunger 18,20
Fan, Alternator 3
Fan, Cool ing -Generator 85,87,89
Fan. Radiator 33
Fill, Oil 7
Filter, Oil 8
Filter, Regulator -Voltage 93
Flange, Duct -Air 33
Flange, Exhaust -Manifold 37,41,43
Flasher 65
Frame, Holddown -Battery 55
Fuel System, Automatic Changeover or
Liquid Gas and Natural Gas 25
Fuel System, Gasoline 13
Fuel System, Gasoline and Liquid Gas
Vapor or Natural Gas 15
Fuel System, Gasoline and Liquid Gas 17
Fuel System, Liquid Gas 23
Fuel System, Liquid Gas Vapor or !iatural
Gas 21
Fuse 69 a
Redistribution or publication of this document
by any means, is strictly prohibited.

Index
Gasket. Ada~ter -Carburetor 13.15.17.
B21,23;25,27
Gasket ,Carburetor 13,15,17.27
Gasket, Manifold -Liquid Cooled 3’?4AI,A3
Gasket ,Mounting Bracket -
Solenoid 18,19,20
Gasket, Mounting Hole -Fuel Pump 21.23,
25,2’)
Gasket, Tube -Exhaust 7
GauGe, Oil Pressure 63,65,83
Gauge, Temperature -Oil 63,6s
Gauge, Temperature -Water 63,65,83
Gauges, Mechanical -Engine Control 83
Gear, Ring S
Governor, Electronic 11
Governor, Mechanical 10
Grille, Housing -Control 77
Grommet 49,53.67,69,71,73,81,91 ,92
Guard, Belt %6 Qa Al 43,4$,47
** ,-v ,-- ,
Guard, Belt -Alternator 2,3
Guard, Belt -Remote Radiator 37
Guard, Fan 33,35
Hanger, Pipe 25
Harness, Wiring 7
Harness, Wiring -Electronic Governor 11
Harneas, Wiring -Engine to Control 63,65
Harness. Wirina -Generator to Control 67
Harness; Wirin~ -Magnetic Pickup “11
Heater, Air 12
Heater, Control 76
Heater, Electrical 49,53,7R,94
Heater, Generator 94
Heater, Water 49,51,53
Hose 37:39:41,43,47,83,87, 8$)
HoBe, Air -Flexible 12
Hose, Preformed 45,47
Hose, Rubbar 5.7
Hose, Rubber -Bulk 27,51,53
Housing 77
Housing, Control 77
Housing, Set 57
Insulator, Filter -Voltage Negulator
Insulator, Regulator -Volta{]e 91
Joint, Ball 10
Jumper, Terminal Board 65,911
Key, Woodruff 2,3
Kit, Repair -Carburetor 13,15,17
Knob, Pointer 69,73
Knob, Rheostat 69,71,73
Knob, Shaft -Choke 13,15,1’7
Knob, Switch -Rotary 67
Knob, Switch -Selector 73
Lamp ,Incandescent 63
Latch, Hasp 33
Light, Indicator 65,67,69,71,73
93
Light, Panel 61
Line, Fuel -Flexible 13,15,17,29,31,51
Line, Fuel -Metal Tubing 13,15,17,29
Line, Water 17,23,2?
Link, Anti-Dieseling System 18,19,20
Lock, Handle 69,71,73
Manifold, Cooled -Liquid 37,41,43
Meter, Ampere
Meter, 63,67,69,71,’?3
Frequency 67,69,71.73
*de*@r
.- .-. ,Time Total izing 63,67,69,71,?7
M~ter, Voltage 67,69,71,73
Meter, Watt 67,81
Mixer, Vapor -Gas 15, 17
Module, Indicator -Fault 63
Mo9nt, Vibration 57,67,81
Muffler, Exhaust 61
Package, Mounting -Electronic Governor 11
Panel ,Access -Control Housing 7’?
Panel ,Control 65,69,71,73
Panel ,Control -Mechanical Gauges 83
Panel ,Housing -Radiator Front 33
Pencil, Zinc 45
Pin, Alignment 5
Pin, Roll 18,20
Plate, Mounting -Toggle Switch 15
Plate, Mounting -Water Lever Switch 48
Plate, Restricting -Carburetor
Adapter 13,15,17,21,23,25,27
Plenum, Heater 12
Plug, Distributor -Vacuum Advance 9
Plug, Pipe -Square Head 29,31,41,43,45,47
Plug, Plastic 69,71,73
Potentiometer 63
Pulley 10
Pulley, Alternator 2,3
Pump, Fuel 5
Radiator 35
Reactor 69,71,91
Receptacle, Fastener 67,69,71,73
Rectifier 91,92
Rectifier, Bridge 69
Regulator, Pressure 15,21,25,27
Regulator, Voltage 2,67,69,71,73,85,87,
89,90
Relay 65,67,69,71,73
Relay, Disconnect -Start 65
Relay, Ignition 65
Relay, Protection -Start 65
Resistor 18,69,71,73,93
Rheostat 67,69,71,73
Ring, Collector 85
Rotor, Exciter 92
Rotor, Generator 85.87,89
Saddle, Mounting -Control 77
Screen, Air -Generator 85
Seal ,“O” Ring 85
Sender, Oil Pressure 5
Sender, Temperature -Engine 5
Sender, Temperature -Oil 5
Sensor, Speed -Mageetic 11
Shield, Heat 2,3,11
Shield, Heat -Exhaust Muffler 59
Shield, Rain 59
Shim, Transformer -Current
Sink, Heat 91,92
Socket ,Relay 67,69,71,73
Solenoid, 12 VDC 18,19,20
Solenoid, Start 5
Spacer, Shield -Heat 59
75
...
Ill
Redistribution or publication of this document
by any means, is strictly prohibited.

Index
Spacer, Sleeve -Alternator 2,3
Spacer, Sleeve -Electrical Heater 76
Spacer. Sleeve -End Bell 85,fiT,89
Spacer. Sleeve -Voltage Regulator 87,89
Spacer, stopped -Exciter Rotor 92
Spring, Brush 85
Spring, Relay 6S,6$,71,73
Standpipe 47
Stator, Generator %5,87,89
stop %8.19,20
strap, Ground -Electrical !55,67,69,71,73
Strap, Hasp 33
Strap, Mounting -Fuel Tank 31
Strap, Retaining 45
Strip, Asbestos 59
Strip, Foam 12
WQ, Marker 65,67,6
10,11,13,’15,17.1
41,43, 49,s3,55,85,87,
Stud, Fastener 67,69,
1,71,73,81,83
:,19,20,21,23,27,
9
.
1
Suppressor, Ignition 9
Switch, Control -Vacuum 15.17.25.27
Switch,
Switch,
Switch,
Switch,
Switch,
Switch,
Switch,
Switch,
Switch,
Switch,
Switch,
Switch,
$wi-vel ,
Engine Temperature 5
Level -Water 48
Micro 18
Oil PressuPe 5
Phase -L)ual 75
Pressure 25,51
Push 83
Rotary 87
Selector 6Q;71,73
Thermostat -Water 7
Thermostatic 51,s3
Tog$le 5,1S,61,79
ARti-Oie*eling System
. .
18,20
iv
Tachometer 63
Tank, Day 29
Tank, Fuel 29,31
Tee, Pipe 17,,23,25,39,41,43,45,47, 51 (
Terminal, Ring 51
Terminal, Transformer -Current 7S
Thermostat, Adjustable 76
Throttle, Vernier 28
Tie, Cable 93
Transducer, Watt 91
Transformer, Current 67,69,71,73,75
Transformer, Voltage 69,71
Tray, Battery 55
Tube, Exhaust 7
Tube, Exhaust -Flexible 59
Tubing, Fiberglass -Bulk 51
Valve 5
Valve, Breather 7
Valve, Control 25,2’?,31
Valve, Fuel 15
Valve, Globe 39,41,45,4”?
Valve, Regulating -Temperature 43,45,47
Valve, Relief -Vacuum 47
Valve, Shut-Off -Fuel 17
Valve, Solenoid 15,17,21,23,25,27,29,31,
39,41,43,45,47
Wheel ,Fly 5
Wrapper, Generator 77
Redistribution or publication of this document
by any means, is strictly prohibited.

–1
3
REF PART
NO. NO.
1140-1083
2140-1583
QTY PART REF
USED DESCRIPTION No.
Q
w
4’— I
-
--ii ).
—.
....—
5I
~“
PART QTY
NO. USED
1Cleaner, Air (Includes 3140-1089 1
Element) 4140-0261 1
1Cleaner, Air with Breather 5140-0379 i
Snorkel (Includes Element)
PART
DESCRIPTION
Element
Cleaner, Air -Oil Bath
Cleaner, Air -Oil Bath with
Breather Snorkel
Redistribution or publication of this document
by any means, is strictly prohibited.

REP PART
ND. ND.
Altsrnaitor
EK,E#l -spec cthru P
4
1511-0074
2800-0027
3850-0045
4!526-0030
5191-0725
6191-0941
7850-0070
8191-0623
951s-oc~93
10 191-1390
11 312-0201
12 #191-1388
13 $00-0084
QTY PART
Usm DESCRIPTION
1
1
i
1
:
1
1
1
1
1
1
1
Belt, Drive
Screw, Ca~ -- Hex Head
(5/16-18 X7/8”)
Washer, Lock -Spring
Washer. Flat (3/8”)
Guard, Belt
Nut, Hex (3/8-18)
ilasher, Lock -SPring
Pul lev
Key, Woodruff (#5)
ftegulator, Voltacje
Gmacitor
‘Alternator -12 VDC
Screw, Ca~ -Hex Head
(7/16-14 X4-1/2”)
{5/16”)
(5/8”)
2
*,
REF PART QTY PART
m. No. USED DESCRIPTION
14 850-0055 1Washer. Lock -Swinq (7/16”)
15 862-0004 1Nut, Hex (7/16-141
16 526-O1OD 1Washer, Flat (1/2”)
17 191-05”$1 1Soacer, Sleeve (i-i3/16’’LG)
18 191-0716 1Soacer. Sleeve (2-3/4’’LGl
19 191-0578 1Shield, Heat
#-No lcmaer ab’ai!ab]e. For replacement, order
kit 191-1873.
*.. For replacement part~, contact the Distribution
Division of Prestolite Electric, Inc.. Ariinqton
Heiahts, IL 60005; and provide the model number
of alternator.
Redistribution or publication of this document
by any means, is strictly prohibited.

Alternator’
Elgu -$qjin Spec f?
-Begin Spec A
71
R~~ PART
NO. NO.
1511-ocn4
511-0175
2?18-1037
718-1040
718-1039
3850-2008
4526-2106
5191-0725
6191-0941
870-2161
7850-0070
851-0039
8
191-0623
191-2032
191-2035
3515-0093
10 191-1411
11 860-2008
12
QTY
USED
1
2
1
1
1
2
1
1
1
1
1
1
:
1
1
3
1
191-1983-01 1
191-18?2 1
13 800-0084
800-2101 :
-.. ..
8’
PART
DESCRIPTION
Belt, Drive
S~ecs R,S
Begin Spec T’, Begin Spec A
Screw, Cap -Hex Head
Spec R
Spec S
Begin Spec T, Begin Spec A
Washer, Lock -Spring (M8)
Washer, Flat (ME)
Guard, Belt
Nut, Hex
S~ecs R(5/8’’-18)
Begin Spec”S, Begin Spec A
(M16)
Washer, Losk
Specs R(5/8”)
B&Jg:)SpeC S,” Begin Spec A
Pul~ey, -Alternator
Single Groove -Spec R
Single Groove -Spec S
Double Groove -Beg in
Spec T, Begin Spec A
Key, woodruff (#5)
Bolt, Hex Lock
(3/8-16 x.75”)
Nut, Hex (M8) Begin
Spec S, Begin Spec A
Alternator -12 VDC
#Begin $pec S,Begin Spec A
Does Not Include Fan)
*spee R
Screw, Cap -Hex Head
Spec R
Begin Spec S, Begin Spec A
REF
NO.
14
15
16
17
18
19
20
21
22
23
*-
#-
3
PART
NO.
850-0055
f162-0004
8170-2056
526-0100
191-0571
191-2034
191-0716
191-0578
1.91-1981
191-1410
191-2061
860-2006
850-2005
526-2106
QTY
USED
1
1
1
1
:
;
1
:
2
2
1
DESCRIPTION
Washer, Lock -Spring
(7/16”)
Nut, Lock (M1O)
S~ec R
Begin Spec S, Begin Spec A
Washer, Flat (1/2”)
Spacer, Sleeve
Spec f?
Begin Spec S, Begin Spec A
S~acer, Sleeve [2-3/4’’LG)
Shield; Heat ‘“
Fan (Begin Spec S, Begin
Spec A
8racket, Mounting -
Alternator
Spec R
Begin Spec S, Begin Spec A
Nut, Hex (M5) (Begin
Spec S, Begin Spec A
Washer
Lock -Begin Spec S, Begin
Spec A(M5)
Flat -Begin Spec T(g8)
For replacement parts, contact the Distribution
Division of Prestolite Electric, Inc., Arlington
Heights, IL 60005; and provide the model number
of alternator.
For replacement parts, cantsct Bti$ch. The
Alternator is aBosch O!.20 488 205.
Redistribution or publication of this document
by any means, is strictly prohibited.

\
a/,
KJ
—8
4
a
.
Redistribution or publication of this document
by any means, is strictly prohibited.

REF PART
No. NO.
2
1!33-0353
193-0249
193-0188
4309-0269
800-0051
850-0050
526-CII029
5
193-0318
193-0104
6309-0561-01
7
193-0244
193-0108
8505-00!39
9505-0098
10 505”0007
11 800-0026
)12 856-0008
13 332-1292
14 809-0036
15 508-0015
16 870-0196
17 332-1281
18 104-9745
19 104-0719 .
20 104-0723
Hiseellamous
PART
DESCRIPTIffl
Engine Parts -Right Side
smKkN-
●Temperature -
Oil E4
Begin Spec P
Spec JThru R
Spec CThru H
Switch: Temperature -
Engine S5
Screw, Cap -Hex Head
(3/8-16 x1-1./4”)
Washer, Lock -Spring
(3/8”)
Washer, Flat (3/8”)
Sender. Temperature -
Water E2
Spec JThru R-Begin
Spec T
Spec C“[hru H
Switch, Pressure -Oil
(Shut-down) 1Terminal -
Normally Closed
Sender, Pressure -Oil
El
8egin Spec J
Spec CThru H
Tee, Pipe (1/8 NPT)
Nipple, Pipe -Close
(1/8 NPT)
Bushing, Reducer -Hex
(1/4 NPT X1/8 NPT)
Sc,vew, cap -Hex Head
(5/16-18 X3/4”)
Washer, Lock -EIT (5/16”)
8oar’d, Terminal (Includes
Parts Marked *)
*Screw, Round Head
(#8 X7/8”)
*Washer, Insulating (#8)
*Nut, Insulating (#8)
*Plate, Mounting -Terminal
8olt, &aP -Hex Head
Flywheel (Includes Ring
Gear )
Gear, Ring
REF PART
w. No.
349-2304
102-1330
21 800-0071
800-0073
22 850-0055
23 231-0148
24 516-0167
25 503-0131
26 503-0891
27 505-0135
28 504-0030
29 505-0101
30 505-0039
31 102-0652
32 102-0664
33 416-0021
34 416-0613
800-0069
850-0055
856-0012
35 307-1166
307-1031
800-0005
850-0040
862-0001
36 309-0561-05
37 505-0059
38 505-0057
QTY
USED
1
1
6
2
6
:
1
1
1
1
1
1
1
1
1
1
1
1
1
1
1
2
2
2
1
1
1
PART
OESCWPTI.DN
Pump, Fuel (Ford Part Number
D2TE-9350-RA) (Not
Illustrated]
Pan, Oil -Begin Spec R
(Not Illustrated)
Screw, Cap -Hex Head
7/16-14 X1“
7/16-14 x1-1/2” -Begin
Spec T
Washer, Lock -Spring
(7/16”]
Adapter, Generator
Pin, Alignment
Ciamp, Hose
Hose, Rubber
Nipple, Pipe -Half
(3/8 NPT X1-1/2’’LG)
Valve (3/8 NPT)
Nipple, Pipe -Close
(3/8 NPTx l“LG)
Elbow, Pipe -90 DEG
(3/8 NPT)
Adapter, Pipe -Hex
Gasket, Oil Drain
Cable, Battery -Positive
(20-1 /2’’LG)
Cable, 8attery -Negative
(10’’LG)
Screw, Cap -Hex Head
(7/16-14 X3/4”)
Washer, Lc)ck -Spring
{7/16”)
~ash~rr Lock -EIT
(7/16”)
Solenoid, Start -12 VDC K6
Begin Spec P
Spec Cthru N
Screw, Cap -Hex Head
(1/4-20 X3/4”)
Washer, Lock -Spring
(1/4”)
Nut, Hex (1/4-20)
Switch, Pressure -Oil
(Pre-LOP)
Cross, Pipe (1/8 NPT)
Plug, Pipe (1/8” NPT)
*-parts included in Terminal Board.
5
Redistribution or publication of this document
by any means, is strictly prohibited.

Miscellaneous Engine Parts -Left
/’ 19
\25
26
Redistribution or publication of this document
by any means, is strictly prohibited.

$liscellaneous Engine Parts -Left Side
PART QTY
No. USEO
PART
DESCRIPTION
PART
OESCRIPTICMJ
REF
No.
18
19
20
21
22
25
26
;:
31
REF
No.
PART
w“
QTY
USED
1
1
1
1
2
2
1
1
2
1
2
1
1
1
1
1
1
i
1
1
Cable, Electrical
Screw, Cap -Hex Head
(1/4-20 X3/4”)
Washer, Lock -Spring
(1/4”)
Washer, Flat (1/4”)
Clamp, Cable -Battery
Switch, Thermostatic -
Water S2 (Shutdown)
Begin Spec J
Spec CThru H
Switch, Thermostatic -
Water S7 (Pre-Alarm)
Cock, Drain
Starter
Bolt and Washer [3/8 x1-3/8”)
Screw, Machine -Round
Head (#8-32 x3/8”)
Washer. Lock -Spring (#8)
Cover, Starter
Tube, Exhaust Spec C
Thru M
Nut, Hex (7/16-20)
St,,d (7/16-20 x7/16-14
xl-11/16’’LG)
336-3064
800-0004 1
1
1
1
3
1
1
1
i
1
2
2
2
2
812-0077
2
3
4
850-0025
191-0773
155-1107 850-0040
526-0214
416-0096
!370-0203
520-0404
309-0312
309-0179
309-0178
155-0923
155-1993 Gasket Spec CThru M
Tube, Exhaust -Begin
Spec N
Clamp, Hose
Hose, Rubber
Nipple, Pipe -Half
(1/4 NPT Xl-1/2’’LG)
Adapter, Breather
Elbow, Pipe -Street,
90 DEG (1/4 NPT)
Valve -Breather
Elbow, Pipe -90 DEG
(1/4 NPT)
503-0614
503-0890
505-0302 504-0003
191-2117
191-1407
12
13 123-1044
505-0011
Stud, Steel
Washer, Lock -EIT (3/8”)
Nut, Hex (3/8-24)
123-0910
505-0038
14
15 520-0311
854-0020
16 505-0071 Nipple, Pipe (1/4 NPT x
2“LG) 104-0091
17 Harness, Wiring
Engine to DC Control with
5Fault Lights
SDec CThru N
338-0533
338-0628
338-1962
338-2675
Spec P
Begin Spec S(Use with
Bosch Alternator)
Spec R
7
Redistribution or publication of this document
by any means, is strictly prohibited.

Redistribution or publication of this document
by any means, is strictly prohibited.

Ignition System -s~f?c CThrough N
10
6
i?EF PART
No. No. QW PART
USED DESCRIPTION
REF PART
NO. NO.
1
&517-0090
167-1525
‘;67-1526
167-i527
:67-1529
167-1530
:67-1531
4160-0558
5314-0006
B
i.
i
i
L
.
?luq, Distrioiitor Vacuum
Aavance
Cabie. Coii to Dist.ribut.or
Set, Cabie -StmrK ?iua
~lncjuae~ As FOi]OWsl
Cviinder #l
Cylinder #2
Cviinder #3
Cvlinaer #4
Cylinaer #5
Cv?inder #6
R{tmie, Cmie
Sr.irmressor-, Ignition
6815--0504
73:2-0058
8i66-0286
9:66-0268
i66-027S
:0 800-0026
11 850-0045
12 160-1045
9
OTY PART
USED DESCRIPTION
Screw, Tmo-ing ~~ncx ti~sn(>i
Head f#6 x3/8:”)
Caoac itor
Screw. Soeciai -Coil
,3racket
Coil, Tanitiori
Six Volt
Tweive Voit
Screw, Car3 -hex i-leao
(5/i7-18 X3/4’:)
Wasner, LOCK -SK)rinq (5/i6”)
Brac~ct, Mountlnq
Redistribution or publication of this document
by any means, is strictly prohibited.

REF PART
NO. NO.
QTY PART
USED DESCRIPTION
1511-0077
511-0164
511-0078
511-0179
511-0174
2115-0025
115-0025
3850-0040
850-0040
4150-0638
5520-0214
520-0515
6801-0050
Belt, Drive
Dry Manifold Set -.38”
Width (Used Thru
October 1987)
Dry Manifold -3/8” Width
-28.5 “Long (Used
Begin November 1987)
Wet Manifold Set -
13/32” Width
V-Belt -1/2” Width
V-Belt (Begin Spec T)
Nut, Hex (1/4-28)
Dry Manifold Set
Wet Manifold Set
Washer, Lock -Spring (1/4”)
Dry Manifold Set
Wet Manifold Set
Joint, Ball
Stud
Dry Manifold Set
Wet Manifold Set
&aww, .Gap -Hex Head
(3/8-24 x1“)
REF PART
No. No.
7850-0050
8526-0030
9512-0051
130-3930
10 151-0312
150-2495
11 151-0579
12 850-0010
13 850-0045
14 526-0115
15 150-2249
150-2496
16 526-0029
17 130-4271
QTY
USED
w- /71
3
3
:
1
1
1
1
1
1
1
1
1
1
I
.9
‘PART
DESCRIPTIDN
Washer, Lock -Spring (3/8”)
Washer, Flat (3/8”)
Pulley, Water Pump
Governor Orive -Spec C-R
Water Pump -3-Groove Begin
Spec S
Governor (Includes Pulley)
Spec C-R
Begin Spec T-35EK-Spec
Spring, Governor (50 Hertz
Sets Only )
Screw, CaD -Hex Head
A
(5/16-24’x 1-1/4”)
Washer, Lock -Spring (5/16”)
Washer, Flat (5/16”)
8racket, Mounting
Used Prior To Spec T
Begin Spec T
Washer, Flat (3/8”)
Wet Manifold Set -Spec T
Guard, Belt -Begin Spec C-
EK,8agin SpecY -EM
9
Redistribution or publication of this document
by any means, is strictly prohibited.

17
1151-0596
151”0707
151-0710
2150-0939
150-0638
3870-0131
115-0025
4150-1923
520-0214
5151-0566
151-0625
800-0031
850-0045
870-0048
Electronic Governor
151-0619
150-2551
150-2$83
QTY PART
USED W3GRIPT”KON
Package, Mounting -Govt,rnor
1Spec C-R (Barber Coleman
Part No. DYNK10163)
1BeJin Spwc S{Barber Coleman
Part No. DYNK10163-1)
1Begin Spat T{Barber Coleman
Part No. DYNK10163-2)
Joint, Ball
Spec C-R
:Spec S,T 35EK-Sp6c A
(10-32)
Nut, Hex with E“f Lock Washer
4Spf)c C-R (#10-32)
4Spec S,T 35EK-Spec A
(Tappet, 1/4-28 Hard)
Stud
1Spmc C-R
1Spec s
Actut~tor, Governor (12 VDC)
1Begin Spec R,S
1Begin Spec T-35EK-Spec A
4Screw, Cap -Hex Head
(5/16-18x 1-1/2”) (Mounts
Gov. Mtg. Pkg. to Actuator)
(Not Illustrated)
4Washer, Lock -Spring
(5/16”) (Not Illustrated)
4Nut, Hex (5/16-18) (Not
Illustrated)
1*Bracket, Mounting (Wet
Manifold)
Spec C-S
:Begin Spec T
1Begin Spec T(Dry Manifold)
4
REF PART QTY
NO. NO. USED
7151-0605 1
151-0624 1
813-0102 4
870-0131 4
813-0102 4
8151-0411 1
151-0433
9338-1765-01 :
10 231-0157
11 155-1984 :
12 152-0329 1
152-0341 1
13 151-0629 1
14 1S0-2497 1
PART
DESCRIPTION
Controller, Governor (12 VDC)
Begin Spec R-35EK-Spec A
Begin Spec T-35EK-Spec A
Screw, Machine -Round Head
(#10-32 x5/8”) (Not
Illustrated)
Nut, Hex with ET Lock Washer
(#10-32) (No+t Illustrated)
Screw, Machine -Round Head
(#?.O-32 X.625”) (Not
Illustrated)
Pickup, Magnetic
4“ Thread Length
2-1/2” Thread Length
Harness, Wiring
Adapter, Generator
Shield, Heat (Used with Dry
Manifold Only)
Rod, Throttle -Begin Spec T-
35EK-Spec A(Dry Manifold)
Wet Manifold
Cable, Magnetic Pickup -Begin
Spec T-35EK-Spec A
8racket. Governor
15 150-21.45 1Lever, ‘Governor Actuator
16 800-0008 4Screw, Lock Head (1/4-20 x1.25”)
17 870-0212 4Nut, Lock Head (1/4-20)
18 800-0051 2Screw, Cap -Hex Head
(3/8-16 X1.25”}
19 850-0051 2Washer, Lock (3/8”)
20 800-0052 4Screw, Cap -Hex Head
(3/8- 16x 1.5”)
*Use on Wet Manifold Installation only; for Bracket
usiwd on Dry Manifold, contact Barber-Coleman Co. -
order part number DYNK-102.
11
Redistribution or publication of this document
by any means, is strictly prohibited.

Air Heater
M). RD.
133:0204
1503-0365
2503-024S
3133-0202
4895”0098
1
2
1
1
2
\
PAW
DESCRIPTION
Heater, Air (Kit)
Clamp, Hose
Hose, Air -Flexible
Retainer
Strip, Foam (Bulk)
2FT Required
12
REF PART QTY
NO. w. USED
5812-0077 6
6850-0025 6
7406-0105 3
8133-0201
9133-0203 :
10 505-0217 1
DE&%TION
Screw, Tapping -Round Head
(*8-32 X318”)
Washer, Lock -Spring (#8)
Fastener
Duct, Heater
Plenum, Heater
Nipple, Pipe
(1/4 NPT X4-1/2’’LG)
Redistribution or publication of this document
by any means, is strictly prohibited.

Gasoline Fuel System
)
16
17
.
REF
No.
1
2
3
:
6
7
8
9
10
11
12
13
14
PART
503-0685
501-0134
149-1052
502-0002
502-0354
104-0091
854-00.20
520-0311
141-0372
141--0869
i41”-0911
145-0120
l’$
814-0200
148-07’14
148-0593
16 148-07’?S
154-2801
17 145-0494
145-0467
141-0563
526-0015
800-0053
QTY
USEO
i
1
2
1
2
2
2
1
1
1
2
2
:
2
2
1
1
1
1
2
PART
OESOIUPTXOH
Clamp, Hose
Line, Fuel -Fle..:~lo
Line, Fuei -Mstai ‘iubi,,~
Elbow, Pioe -- 90 OEG, Brass
Adapter, Tube to Pipe
Nut, Hex (318-24)
Washer, Lock -IT (3/8”)
stud
Knob -Choke Shaft
Carburetor. Gaso”lino
Cover, Choke with Heater
Gasket
Anti-Oieseling System (See
Separate Page for Compozants\
Screw. Machine -Flat Head
[3/8-16 X1-1/4”)
Adapter, Carburetor
Begin Spec H
Spec CThru G
Gasket
8eg{n Spec H
Spec CThru G-8egin Spec R
Plate, Restricting (EKClttly)
SPec HThru L
Spec CThru C
Kit, Repair -Carburetor’
Washer, Flat (1/4”)
Screw, Cap -Hex Head -8egin
Spec T(3/8-M3 x1-3/4”)
Redistribution or publication of this document
by any means, is strictly prohibited.

Gasoline and Liquid t?as Vapor or Natural Gas Fuel System
I\/;:/
.,<~,
y
1“--’
~/“”
L’
4
41
37
14
Redistribution or publication of this document
by any means, is strictly prohibited.

$asolitw and Liquid Gas Vapor or Natural Gas
REF PABT
bm. ND>
1307-0312
2W5-O1O2
31.48-0637
4505-0102
5505-0132
6505-0021
7505”0100
85~3-~99f)
9503-0542
10 148-0891
11 800-0025
13 850-0045
15 813-0098
16
17
18
19
20
21
22
23
~:
850-0036
870-0053
308-0005
308-0150
306-0K5
503-0685
501-0134
149-1052
m9 -nlu%~
-. —.
QIY
1
1
1
1
1
1
1
2
:
1
1
2
2
2
1.
1
1
1
1
1
~
PART
DESCRIPTI~
Valve, Solenoid -12 VDC
(3/4 NPT)
Nipple, Pipe -Close
(3/4 NPT xl-3/8”LG)
Regulator, Pressure -Liq*~id
Gas Vapor (3/4 NPT’)
Nipple, Pipe -Close
(3/4 NH xl-3/8”LG)
Elbow, Pipe -90 DEG
{3/4 NPT)
Bushing, Redwer -8ex
(3/4NPT xl/2NPT)
Nipple. Pipe -Close
(1/2NPTx l-1/8’’LG)
r.T--
Ufmp, TBolt
Hose
Mixer -Gas Vapor
Screw, Cap -Hex Head
(5/16-18 X5/8”)
Washer, Lock -Spring (5/16n)
Screw, Machine -Round Head
(#10-32 X3/8”)
Washer, Lock -Spring (#10)
Nut, Hex (#10-32)
Switch, Toggle
Plate, Mounting
Bracket, Nounting
Clamp, Hose
Line, Fuel -Flexible
Line, Fuel -Natal Tubing
Elbow, Pipe -90 DEG. 8rass
REF PART
No. NO.
25
26
2’1
28
~)
:
32
33
34
35
36
502-0354
504-0007
104-00$1
854-002s9
520-0311
141-0372
141-0869
141-0911
145-0120
814-0200
148-0774
148-0593
37 148-0775
154-2801
3a
39
40
41
42
43
44
145-0494
145-0467
14$-0597
141-0563
148-0367
505-0098
505-0D07
503-1142
QTV
USEI)
1
1
2
2
2
:1
2
2
1
1
2
z.
1
1
1
1
1
1
1
2
Fuel System
PART
DESCRIPTI@4
Adapter, Tube to Pips
Valve -Fuel
Nut, tbX (3/8-24)
Washer, Lock -IT {3/8”)
stud
Knob -Choke Shaft
Carburetor, Gasoline
Cover, Choke with Heater
Gasket
Anti-Dieseling System
(See Separate Page for
Components)
Screw, Machine -Flat Head
{3/S-i6 xI-i/g”)
Adapter, Carburetor
Begin Spec H
Spec CThru G
Gasket
Begin Spes H
Spec CThru G
Plate, Restricting (EKDnly)
Spec HThru L
Spec CThru G
Regulator, Pressure -Nat Gas
(3/4 NPT)
Kit, Repair -Carburetor
Switch, Control -Vacuum
(12 VDc)
Nipple, Pipe -Close
Bushing, Reducer -Hex
Clanp, Hose
9
15
Redistribution or publication of this document
by any means, is strictly prohibited.

Gasoline and Liquid Gas Fuel System
3
“Ai5y-36
39 40
16
%
/
72 I
71 1
70
Redistribution or publication of this document
by any means, is strictly prohibited.

System
PART’
DESCRIPTION
Plate, Restricting (EK Only)
Spec HThru L
Spec CThru G
Kit, Repair -Carburetor
Bushing, Reducer -Hex
(1 NPT X1/2 NPT)
Connector, Hose (90”)(1/2x3/4)
Cock, Drain (1/8 NPT)
Clamp, Hose
Hose, Rubber -12”
Nipple, Pipe -Half
(3/8 NPT Xl-1/2’’LG)
Elbow, Pipe -Street, 90 DEG
(3/8 NPT)
Nipple, Pipe (3/8 NPT x6“LG)
Elbow, Pipe -Street, 90 OEG
(3/8 NPT)
Cock, Drain (3/8 NPT)
Tee, Pipe (3/8 NPT)
Bushing, Reducer -Hex
(3/8 NPT X1/4 NPT)
Nipple, Pipe -Clc@e
(1/4 NPT X7/8 “LG)
Clamp, Hose
Vaporizer
Line, W+ter
Adapter, Tube to Pipe
Nipple, Half
Nipple, Close (3/!3”)
Elbow, Pipe -Street, 45 DFG
(3/8NpT)
Screw. Cap -Hex Head
(~/4-p9 ~~-~)~!l )
Washer, Lock -Spring (1/4”)
Nut, Hex (1/4-20)
Converter -Liquid Gas
Screw. Cap -Hex Head
(7/16-14 X3/4”)
Screw, Cap -Hex Head
(7/16- 14 X1“ )
Washer, Lock -Spring (7/16”)
Bracket, Mounting
Brace, Mounting
Switch, Control -Vacuum
(12VDC)
Nipple, Pipe -Close
Bushing. Reducer -Hex
REF PART
No. NO. QTY
W&o
2
2
1
1
:
2
1
1
1
1
2
2
2
1
:
1
:
1
1
1
2
2
2
1
1
1
2
2
.11
2
2
PART REF PART
DESCRIPTION No. NO.
Clamp, Hose 39
Spec C-S (Min 5/16” -Max #16) 145”.0494
1503-1137
503-0398 (%gir? Spe& T{M-in ~3/16° -
Max 1-3/4”]
Hose
22.5” Long x1“ ID -- 45Ern -
Begin Spec S
34” x3/4” ID
Connector, Hose
Valve, Solenoid -12 Vi3C
145-0467
40
41 141-0563
505-00222503-1103 502-1030
504-0005
503-0183
503-0832
505-0135
42
43
44
45
46
503-1691
3502-1030
4307-0312
(3/4 NPT)
Clamp, TBolt
Hose
Mixer -- Gas Vapor
Screw, Cap -Hex Head
(5/16-18 X5/8”)
Washer, Lock -Spring
Screw, Machine -Round
(R1O-32 X3/8”)
Washer, Lock -Spring
Nut, Hex (#10-32)
Switch, Toggle
Plate, Mounting
Bracket, Mounting
Clamp, Hose
Line, Fuel -Flexible
9503-0999
10 503-0542
11 148-”0691
~~ 80&O()~5
47 505-0039
48
49 505-0101
505-0039
5/16”)
Head
14 850-0045
16 813-0098 50
51
52
504-0028
505-0060
505-001717 850-0030
18 870-0053
19 308-0005
20 308-0150
21 306-0155
2? 503-0685
23 501-0134
24 149-1052
2S 502-0002
26 502-0354
?7 504”-0007
28 104-0091
----
29 m4-mXzQ
30 520-0311
31 141-0372
32 141-0869
33 141-0911
34 145-0120
35
#lo)
53 505-0099
54
55
56
57
58
59
60
503--0183
148-0826
130--0678
502-”0103
505-0185
505-0101
50!.&ol19
Line, Fuel -Metal Tubing
Elbow, Pipe -90 DEG, Brass
Adapter, Tube to Pipe
Valve, Shutoff -Fuel
N!Jt, Hex (3/8-24)
Washer, Lock -IT (3/8”)
Stud
Knob -Choke Shaft
Carburetor, Gasoline
Cover, Choke with Heater
Gasket
Anti-Dieseling System (See
Separate Page for
Components)
Screw, Machine -Flat Head
(3/B-16 x1-1/4”)
Adapter, Carburetor
Begin Spec H
Spec CThru G
Gasket
Begin Spec H
Spec CThru G
800-0009
61
62
63
64
65
850-0040
862-0001
148-0625
80C1-0069
66 800-0071
67
68
69
70
850-0055
148-0603
148-0604
14$-0367
505-0098
505-0007
36 814-0200
37 148-0774
148-0593
38 148-0775
154-2801
71
72
Redistribution or publication of this document
by any means, is strictly prohibited.

5
REF PART
No. No.
1870-0053
2150-0096
3145-0158
4815-0104
5$03-0002
6145-0165
7145-0166
8815-0134
9870-005S
10 853-0003
11 526-0048
12 145-0163
13 516-0059
14 526-0006
15 152-0155
16 516-0086
PART
DESCRIPTION
Nut, Iiex (#10-32)
stud
.!krinq
Screw, Machine -Fill ister
Head {#8-32 x5/16”)
Screw, Set -Socket Drive
(#8-32 X3/16”)
stoD
Link
REF PART
NO. NO.
17 145-0164
18 309-0132
19 309-0155
20 309-0133
21 860-0008
22 S50-0025
23 856-0002
24 812-0079
Screw, Machine -Fillister 25 309-0131
Head (#8-36 x3/4”) 26 307-0259
Nut, Hex (#8-3f))
Washer, Lock -ET (#f.))
Washer, Flat (#8)
Arm
Pin, Roll
Washer, Flat (#12)
Swivel
Pin, Roll
27 145-0182
28 154-2801
29 870-0053
30 850-0030
31 813-0118
32 304-0015
33 304-0045
QTY
USED
1
1
1
1
4
4
1
4
1
1
1
2
1
1
1
2
1.
PART
DESCRIPTION
Extension -Plunmr
Cam -Switch -
Switch, Micro
Actuator, Switch
Nut, Hex [#8-32)
Washer, Lock -SDr”inq (#S’)
Washer, Lock -Eli (#8)
Screw, Machine -R~und tieati
(#8-32 x1/2”)
Bracket, Mounting
Solenoid -12 VDC
Bracket, Mounting
Gasket
Nut, Hex (#10-321
Washer, Lock -S~ring (#IO)
Screw, Machine -Round Head
(#10-32 X4-1/2”)
Washer, Centering
Resistor
Redistribution or publication of this document
by any means, is strictly prohibited.

Anti-l)ieseling System -Spec Oand E
I/16
I
i
REF PART QTY PART
No. m.
5145”016!5 2
6:45-0166 i
7815-0134 i
Nut. iieX {#10-32)
stud
Sor ing
Screw. Set -Socket Drive
(#8-32 X3/16”)
Ston
Link
Screw. Machine -Fillister
iieaci f#8-36 X3/4”)
*8)
8870-0055 1$hJt. tit?X (#8-36)
9853-0005 iHastier. LOCK -ET
)
REF PART
No. m.
iO 526--0048
11 14%0163
i2 860-0008
13 850-0025
14 856-0002
15 812-0079
16 307-i093
~~ ;:~-0422
18 154-2801
QTY
WED
1
1
4
4
1
4
1
.
;
PART
OESCRIPTIOW
Washer, Flat (#8)
Arm
Nut, Hex (U8-321
Washer. Lock -Srx-ina (#8)’
Washer, Lock -FIT (#8)
Screw. Machine -itouna ~ieac
t#8-32 X1/2:’)
Solenoid -22 VDC
Bracket. !@unting
Gasket
Redistribution or publication of this document
by any means, is strictly prohibited.

Anti-llieseling Systea -Begin spee F
19
REF PART
ND. No.
1870-0053
2150-0096
3145-0158
4815-0104
S803-0002
6145-0165
7145-0421
8815-0134
9870-0055
10 853-0005
11 526-0048
12 145-0163
13 516-0059
14 526-0006
15 152-0155
QTY PART
USED DESCRIPTION
Nut, Hex (#10-32)
stud
Srring
Screw, Machine -Fill ister
Head (#8-32 x5/16”)
Screw, Set -Socket Drive
[#t3-32 X3/16”)
Stml
Link
Screw. Machine -Fill ister
Head (#8-36 X3/4”)
Nut, Hex (#8-36)
Washer, Lock -ET (#8)
Washer, Flat (#8)
Arm
Pin, Cotter
Washer, Flat (#12)
Swivel
REF PART QTY
NO. NO. USED
16 115-0025 2
17 850-0040 2
18 307-1330 1
19 860-0008 4
20 850-0025 4
21 856-0002 1
22 812-0079 4
23 862-0001 ~
24 850-0040 2
25 800-0003 2
26 307-1356 1
27 307-1323 1
28 307-1327 1
29 145-0422 1
30 154-2801 2
20
PART
DESCRIPTION
Nut, Ht?x (1/4-28)
Washer. LOCK -Stx-inu (1/4:’1
Extension, Plunger “
Nut, Hex (#8-32)
Washer, Lock -Soring (#G)
Washer. Lock -EIT f#8)
Screw, Machine -Round Heaa
(#8-32 X1/2”]
Nut, Hex (1/4-20)
Washer, lock -Spring (1/4”)
Screw, Cap -Hex Head
(1/4-20 X1/2”)
Solenoid -12 VDC
Bracket, Mountina
Shield, Solenoid
Bracket, Mounting
Gasket, carburetor
Redistribution or publication of this document
by any means, is strictly prohibited.

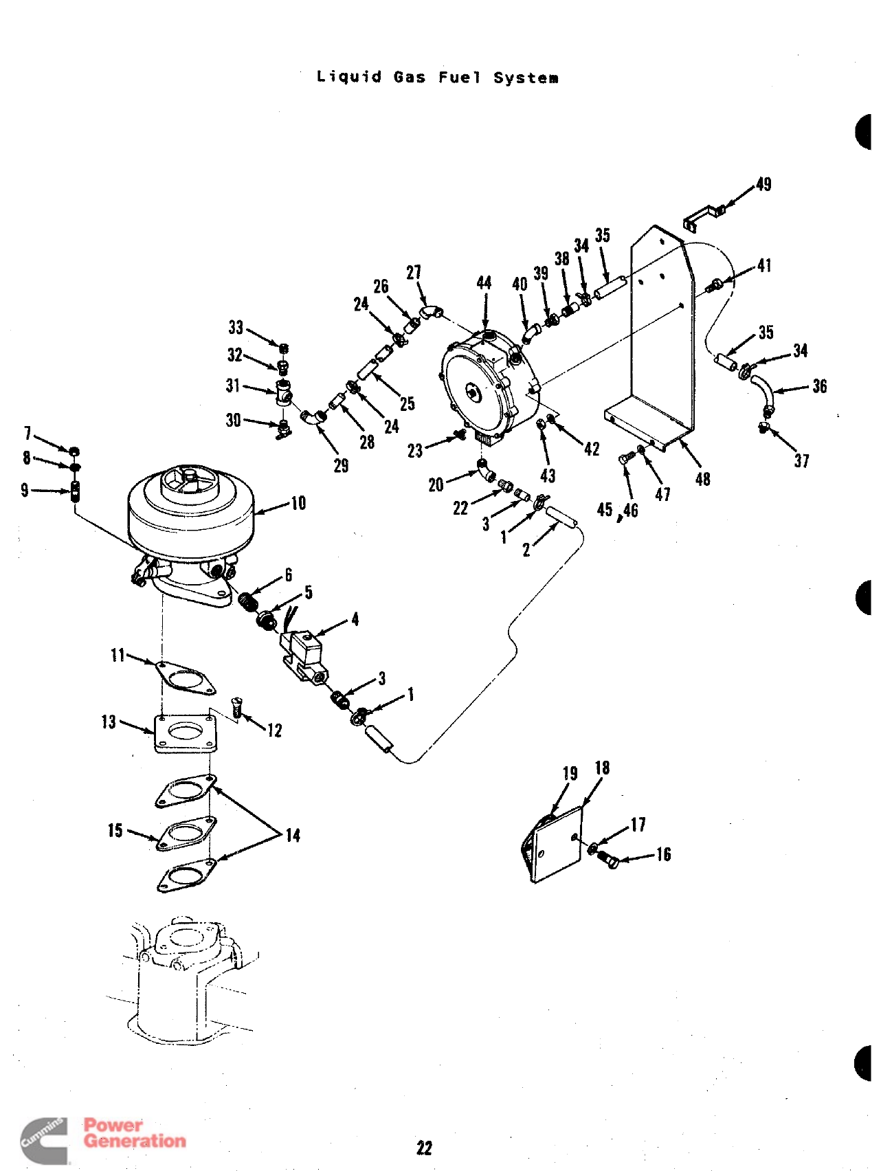
L$quid Gas Vapor or Natural Gas Fuel SysteaI
. .
. . ..
1-
REF PART
No. NO.
2505-0132
3505-0102
4148-0637
5505-0021
6505-0100
7104-0091
8854-0020
9520-0311
10 148-0643
ii 145-0120
12 814-0200
Bi3 i48-0774
148-0593
%.
“-t=T--
12
13 e
00
—.
I
PART
DESCRIPTION
Valve, Solenoid -12 VDC
(3/4 NPT’)
~lb~w, PiDe -90 i)EG
(3/4 NPT)
Nirmle. Pi~e -Close
(3/’4 NPT Xl-3/8’’LG)
Regulator, Pressure -iicauia
Gas Va~or (3/4 NPTI
Bushing. Reducer -Hex
(3/4 NPT X1/2 NPTI
Nipple, Pioo -Close
(1/2 NPT Xl-1/8’’LG)
Nut, Hex (3/8-24)
Washer. Lock -Swing {3/8”)
stud
Carburetor, Gas Va~or
Gasket
Screw, Machine -F?at }iead
[3/8-16 Xl-i/4”)
Ada~ter, Carbureto:-
13egin Soec H
$pec CThru G
20
REF PART
No. No.
14 148-0775
i54-2801
i5 :45-0494
145-0467
16 800-0025
17 850-0045
18 149-0638
i9 149-0736
20 148-0597
21 150-0638
22 115-0025
23 850-0040
21
QTV PART
USED DESCRIPTION
Gasket
2Begin Sloec h
2Soec Clhru G
Plate, Restricting (EK Onlyj
iSDec HTbru L
iSpec CThru G
2Screw, Cap -Hex dead
(5/16--18 Xs/8”)
2Washer, Lock -Swing (5/16”)
1Cover -fuel PumD
Mounting iiole
1GasKet
iRegulator, Pressure -hJatw-ai
Gas (3/4 NPTI
1Joint, 8ali
1Nut, Hex {1/4’’-28)
1Washer. Lock fl/4”]
Redistribution or publication of this document
by any means, is strictly prohibited.

?\
1
13
314
Liquid Qas Fuel System
4
/49
42
\29
22’*/
.,
>
41
I
I
/
(’ 35
634
Y36
19 18
6“
17
,0 G16
‘%
37
Redistribution or publication of this document
by any means, is strictly prohibited.

FtEF PART
)No. MO.
m3-039&
;503- lio3
.3 862-00i5
4307-0312
5505-0021
6505-OiOO
7 1040091
8854-0020
9520-.0311
io 148.0643
11 145-0i20
i2 814-0200
:.3 148-0774
i48-0593
i4 i48-0775
154-2801
:5 :45-C494
145-ti467
;6 800-0025
;7 850-0045
i8 1.49-0638
i9 i49-0736
20 505-0356
B21 148-0604
22 502-0971
PART
DESCRIPTIW
clam. hose
iiose (i”IO x22.5” Long)
Nut. ii~X {5/16-18)
Va!ve. C-:---<A -12 VDCau,criu Iti
{3/4 N?’i)
Fuel System
REF PART
ND. No.
23 504-0005
24 503-01S3
25 503-0833
26 505--0135
B&hinq. Reaucer -- hex 27 505-0039
(3/~ NPT x1/2 hiP_l)
Nio~\e, pine -C]ose
(’1/2 NPT X1-1/8’’LG)
Nut, Hex {3/8-24)
Washer. LOCK -Sorinq
Stud
Carburetor, Gas VaDor
Gasket
Straw. Mschine -Flat
(3/8-16 X1-1/4”)
Adaoter, Carburetor
Begin .s~ec h
Sgec CThru G
Gasket
Begin S~ec H
Soec CThru G
(3/8” )
Head
Plate, Restricting (EK Only!
Soec dTnru L
Soec Ci%ru G
Screw. Car) -tiex Iiead
28
29
30
31
32
33
34
35
36
37
38
39
40
41
42
43
505–0125
505-0004
504-0028
505-0060
505-00i7
505-0099
505-0101
503-0833
130-0678
502-0103
505-0028
502-0943
148-0603
800-0009
850-0040
862-0001
(5/16-18 X5/8”) 44 148-0625
Washer, Lock -Snring (5/16”) 45 800-0069
cove? -Fuel PumrI
Mounting Fioie 46 800-0071
Gasket, Fuei PumD
Elbow. Pioe -90 DEG (3/4 xl“) 47 850-0055
Brace. Mountina 48 505-0287
Connector. Iiose (l”ID Hose)
PART
Cock, Orain [1/8 NPT)
CISmD, tiOSt3
tlose (5/8”ID x22”)
Nicmle, Pioe -iii~lf
(3/8 NPT xi-1/2’’LG)
Elbow, Pine -90 Degrees
(3/8 N?-i)
Nirmle (3/8 NPi x6“)
Nipple, Close (1” NPT)
Cock, Drain (3/8 NPT)
Tee, Pi~e (3/8 NPT)
Bushinq. Reducer -hex
(3/8 NPT X1/4 NPT)
Nipele, Pi~O -Ciose
(1/4 !+P? x7/8 “LG)
Nipple, Close {3/8 NPT)
Hose (5/8”ID x24”’)
Line. Water
Adaoter. Tube to ?iDe
Coupling, Pipe (3/8 NF’T)
Connector, i-iose [5/8”1D Hose)
EWacket, klcmnt~na
Screw, CaD -iiex Heat
{1/4-20 X1-1/2”)
Washer, LOCK -Snrina [i/C’ !
Nut, ti(?X (1/4-20)
Converter, Liauiti Gas
Screw, ~a~ -Hex Iicau
(7/16-14 X3/4”)
Screw, Ca~ -Hex Head
(7/16-14 X1“1
Washer, Lock -- Srr~na [7/16”:1
Eibow, Street -- 45” {3/4”)
D
23
Redistribution or publication of this document
by any means, is strictly prohibited.

and Natural
Changeover LiqlMid Gas a
d.
\
$~ 31
32
24\
26\
6
%
40
39
38
24
Redistribution or publication of this document
by any means, is strictly prohibited.

REF PART
No. No.
1148-0627
2505-0099
3505-0020
505-0102
505-0102
6
505-0132
505-0132
730’1-Q312
8148-0637
9148-0597
19 5Q2-0971
11 508-0008
12 5Q5-G3%5
13 505-0004
14 148-0826
15 505-0129
19 505-0100
20 104-QO91
21 854-0020
22 520-0311
QTv’
t.lSEO
1
1
1
1
9
8
3
2
~
1
1
2
1
~
1
1
1
2
1
1
2
2
2
Autoaatie Changeover L$quid Gas and Natural Gas Fuel System
PART
DESCRIPTION
Carburetor, Gas Vapor
Gasket
Screw, Machine -Flat Head
{3/8-16 X1-1/4”)
Adapter, Carburetor
8egin Spec H
Spec CThru G
Gasket
Begin Spec H
Spec CThru G
Plate. Restricting (EK Only)
Spec HThru L
Spec CThru G
Screw, Cap -Hex Head
(1/4-20 X1“ )
Washer, Lock -Spring (1/4”)
Nut, Hex (1/4-20)
Hanger, Pipe (Use With
t4echanical Governor)
Bracket, Support (Use With
Mechanical Governor)
Screw, Cap -Hex Head
(5/16-18 X5/8”)
Washer, -Lock -Spring (5/16”)
Cover -Fuel Puinp
Mounting Hole
Gasket
Switch, Control -Vacuum.
(12 VQC)
Nipple, Pipe -Close
Coupling, Pipe (3/4 NPT)
Begin Spec R
Grofmnet, Rubber
Brace (Use With Electronic
Governor)
clamp. Muffler (Use With
Electronic Governor)
PART
DESCRIPTION
Switch, Pressure -12 VOC
Nipple, Pipe -Close
(1/4 NPT X7/8’’LG)
flushing, Reducer -Hex
(3/4 NPT X1/4 NPT)
Bushing, Reducer -Hex
Nipple, Pipe -Close
(3/4 NPT Xl-3/i3’’LG)
Use with Electronic Governor
Use with Mechanical Governor
Elbow, Pipe -90 !3EG
(3/4 NPT)
Use with Electronic Governor
Use with Mechanical Governor
~=1”= Solenoid -12 VOC.._..T“ ,
(3/4 NPT)
Regulator, Pressure -Liquid
Gas Vapor (3/4 NPT)
Regulator, Pressure -Natural
Gas (3/4 NP1)
Connector, Hose -Begin Spec R
Grommet, Rubber
Elbow, Pipe -Reducing,
90 DEG (1 NPT X3/4 NPT]
Nipple, Pipe -Close
(1 NPT Xl-1/? ’’LG)
Valve. Control
(lNil)
Bushing, Reducer -Rex
(1 NPT X3/4 NPT)
Tee, Pipe (3/4 NPT)
Bushing, Reducer -Hex
(3/4 NPT X1/2 NPT)
Nipple, Pipe -Close
(1/2NP’rx l-1/8’’LG)
Nut, Hex (3/8-24)
Washer, Lock -Spring
Stud
REF PhRT ;TYo
m. No.
23 148-0643 1
24 145-0120 2
25 814-0200 2
26
148-0774
148-0593 :
27
148-0775 2
154-2801 2
28 145-0494 1
145-0467 :
29 800-0007 2
30 850-0040 2
31 862-0001 2
32 331-0101 1
34 800-0025 2
35 850-0045 2
36 149-0638 1
37 149-0736 1
38 148-0367 1
39 505-0098 1
40 505-0029 1
41 50il-QQ08 1
42 148-Q994 1
43 155-1015 1
Redistribution or publication of this document
by any means, is strictly prohibited.

14A
Vw
I
I
4
3~/
!!
.
29/
Redistribution or publication of this document
by any means, is strictly prohibited.

REF PART
?40. m.
503-1163
503-1201
!)03- 0895
3505-0087
4!30s-0?.29
6148-0597
7307-0312
8505-0102
9505-0356
10 505-0004
11 504-0083
12 505-0022
13 505-0100
14 104-0091
15 854-0020
16 520-0311
17 148-0643
18 145-0120
19 814-0200
20 148-0774
D148-0593
?1 148-0775
154-2801
2? 145-0494
145-0467
23 800-0025
24 850-0045
25 149-0638
26 149-0736
27 505-0041
28 505-0004
QTY
WED
2
1
1
1
1
1
1
1
2
2
1
1
1
1
2
2
1
1
2
2
1
1
2
2
1
1
3
3
1
1
1
1
PART
DESCRIPTION
clamp, Hose
Hose
24” Lena
12” Lor
!5” Long
Nipple, Pipe -Half
(l” NPT x3“LG)
8utihing, Reducer -Hex
[1 NP1 x3/4 NPT)
Regulator, Pressure -Natural
Gas (3/4 NPT)
Valve, Solenoid -12 VDC
(’3/4 NPT)
Nipple, Pipe -Close
[3/4 NPT Xl-3/8’’LG)
Elbow, Pipe -90 DEG(l’’x3/4”)
Nipple, Pipe -Close (1’’x1.5”)
(1 NPYx 3/4NPT)
Valve, Control -Three Way
(1 NPT)
tlushing, Reducer -Hex
(1 NPTx l/2Nf~T)
Nipple, Pipe -Close
(1/2 NPT X1-1/8’’LG)
Nut, Hex (3/8-24)
Washer, Lock -Spring (3/8”)
Stud
Carburetor, Gas Vapor
Gasket
Screw, Machine -Flat Head
(3/8-16 X1-1/4”)
Adapter, Carburetor
Begin Spec H
Spec CThru G
Gasket
Begin Spec H
Spr?c CThru G
Plate, Restricting (EKChlY)
Spec HThru L
Spec CThru G
Screw, Cap -Hex Head
(5/16-18 X5/8”)
Washer, Lock -Spring (5/16”)
Cover -Fuel Pump
Mounting Hole
Gasket
Elbow, Pipe -90DEG (1 NPT)
(3/4 NPT X1/2 K’JPT)
Nipple, Pipe -Close
(~ NPT X1-1/2’’LG)
2?
f?EF PART
No. NO.
29
30
31
32
33
34
35
36
37
38
39
40
41
42
43
44
45
46
47
48
49
50
51
52
::
55
56
57
58
!59
60
61
62
63
148-0626
50S-0086
505-0003
504-0005
503-0183
503-0833
505-0135
505-0119
505-0125
505-0119
504-0028
505-0060
505-0017
505-0099
503-0032
503-0386
130-0678
502-0103
505-0010
505-0017
505-0119
800-0009
850-0040
862-0001
148-0625
800-0069
800-0071
850-0055
148-0603
148-0604
148-0367
505-0098
505-0007
862-0015
502-0943
QTY
Usm
3
2
1
;
1
1
1
1
~
1
1
1
1
2
1
:
1
1
1
2
2
2
1
1
2
1
1
1
1
:
2
PART
OESCRIPTIGN
Valve. Control
(lNPT)
Nipple, Pipe (1 NPT x2.S’’I.G}
Elbow, Pipe -Street, 90 DEG
(1 NPT)
Cock, Drain (1/8 NPT)
Clanp, Hose
Hose, Rubber -22” Long
Nipple, Pipe -Half
(3/8 NPT X1-1/2’’LG)
Elbow, Pipe -Street, 45 OEG
[3/8 NPT)
Nipple, Pipe (3/8 NPT x6“LG)
Flhnw p~p~ -
-.,,,-- ,Street, 45 DEG
(~/S #PT)
Cock, Drain (3/8 NPT)
Tee, Pipe (3/8 NPT)
8ushing. Reducer -Hex
(3}8 NPT X1/4 NPT)
Nipple, Pipe -Close
(1/4 NPT X7/8 “LG)
Clamp, Hose
Hose, Rubber
Line, Water
Adapter, Tube to Pipe
Nipple, Pipe -Half
(1/’4 NPT XI“LG)
Bushing, Reducer -Hex
(3/8 NPT X1/4 NPT)
Elbow, Pipe -Street, 45 K)EG
(3/8 NPT)
Screw, Cap -Hex Head
(1/4-20 X1-1/2”)
Washer, Lock -Spring {1/4”)
Nut, Hex (1/4-20)
Canverter, Liquid Gas
Screw, Cap -Hex Head
(7/’16-14 X3/4”)
Screw, Cap -Hex Head
(7/16-14 Xl“)
Washer, Lock -Spring (7/16”)
Bracket, Mounting
Brace, Mounting
Switch, Control -Vacuum
(12 Voc)
Nipple, Pipe -~lose
Bushing, Reducer -Hex
Nut, flex (5/16-18)
Connector, Hose -Barbed
Redistribution or publication of this document
by any means, is strictly prohibited.

REF PART $& PART
tm. NO. OESCRIPTMN
1!312-0075 1Screw, Machine -Round Head
(#8-32 x1/2”)
2152-0158 Swivel
3WO-0005 :Screw, (@ -Hex Head
(1/4-20 X3/4”)
REF PART
No. No.
4850-0040
5152-0036
6152-0120
7151-0230
28
QTY
USEI.) PRRT
DESCRIPTION
3Washer, Lock -Spring (1/4”)
1ClamP. Cable
1Throttle, Vernier
1Bracket, Mounting
Redistribution or publication of this document
by any means, is strictly prohibited.

17
11
12
REF PART QTY PART REF PART QTY
Noa No. USEDDESCRIPTION w. No. USED
PART
DESCRIPTION
1159-0859 1Line, Fuel -Metal Tubing
2
3
4
!5
6
159-0860 1Line, Fuel -Metal Tubing
502-0003 1Adapter, Line to Pipe
Line, Fuel -Flexible
501-0009 159” LG
501-0010 142”LG
!502”0002 2Elbow, Pipe -90 DEG, Brass
159-0705 1Bushing, Reducer -Hex,,
Restricting (3/8 NPT x
1/8 NPT)
307-0555 Valve, Solenoid -12 VDC
502-00!32 :Nipple, Pipe -Hex (1/8 NPT)
505-0057 2Plug, Pipe -Square Head
(1/8 NPT)
B
10 800-0035 2
11 862-0001 2
12 850-0040 2
13 159-0680 1
159-0875 1
14
159-0294 1
159-0746 1
15 800-0071 2
16 850-0055 2
17 159-0861
159-0876 :
Screw, Cap -Hex Head
(1/4-20 X3/4”)
Nut, Hex (1/4-’20]
Washer, Lock -Spring (1/4)
clamp
For One Quart Tank Mounting
For Two Quart T’ank Mounting
Tank, Fuel
One Quart
TWO Quart
Screw, Cap -Hex Head
(Y/16-14x l“)
Washer, Lock -sp~i~g (7/16”)
Bracket, Mounting
Far One Quart Tank Mounting
For Two Quart Tank Mounting
~29
Redistribution or publication of this document
by any means, is strictly prohibited.

/
/
//
/“”
\
12
Redistribution or publication of this document
by any means, is strictly prohibited.

1)IWF PART
No. No.
1501-0009
501-0010
2SQ4-OW?
504-0013
350%0067
4502-0002
530’?-0867
6502-0082
‘? 502”0020
8505-0274
B
D
----
t-m 1
OESCRIPTIGN
Line, Fuel -Flexible
,.,m~~
429LG
Valve, Control (1/8NPT)
Withciut Semen
With Screen
Plwg, Pipe -Square Head
(“1/8 NPT)
Elbuw. Pipe -Street, 90
(1/4” Tubs X1!8NPT)
Va’9ve, Solenoid -12 VDC
---
mr PART
NO. No.
9504-0004
10 159-0512
11 159-0751
12 812-0158
13 850-0040
DEG 14
159-0490
Nipple, Pipe -Hex (1/8 NPT] 159-1025
Elbow, Pipe -Street, 90 DEG 15 821-0010
(~./~ NPT]
Plug, Pipe -Socket
Drive (1/8 NPT) 16 159-0489
Qn
1
1
1
2
2
1
:
1
PART
DESCRIPTION
Valve, Control -Three Way
(1/8 NPT)
Cap and Indicator, Fuel
(Includes Gasket)
Gasket
Screw, Machine -Round Head
(1/4-2ox 2“)
Washer, lock -Spring (1/4”)
Tank, Fuel -20 GAL (Excludes
cap)
Two Fuel Ports
Three Fuel Ports
Screw, Seif-locking -Hex
Washer Head (1/4-20 x1/2”)
Strap, Mounting
Redistribution or publication of this document
by any means, is strictly prohibited.

Radiator Cooling System
lIK Spsc C-U
EK $fMBC A,B
EM Spec C-U
{/
23 w
21
/
w> \
,....-.-...\
~.,,
,
/
/4(’ ‘6
,1
I
8“
●
32
/
$
Redistribution or publication of this document
by any means, is strictly prohibited.

Radiator cooljta$ ~YSt@R!
EK Spec C-U
EK Spec A,tl
EM Spec C-U
BftEF PART
No. No.
PART
DMCRIPTIU4
QTY PART
USED DESCRIPTION REF PART
.- .?40. QTY
USED
Nut, Retainer (5/16-1!3)
Radiator {Includes Cap)
8Screw, Cap -Hex Head,
Threacl Cutting, with
ET Lock Washer
(#lo-32 x1/2”)
Guard, Fan -Right Side
Guard, Fan -Left Side
Screw, Cep -Hex Head
(5/16-24 X1/2”)
Washer, Lock -Spring (5/16”)
Fan
Begin Spec K
$pec CThru J
Clamp, Hose
u-,,.
-U<ae -Preformed
Lower
Upper
Cock, Orain (3/8 NPT]
Screw, Self-locking -Hex
Washer Head (5/16-18 x1/2”)
12 870-0114
13 130-0604
14 130-0449
16 405-1054
18 405-181.1
19 130-2217
20 511”0075
21 814-0079
12
1
1
1
1
2
1
7
Cap, Radiator
Flange, Air Duct
Panel, Housing -Front
8racket, Mounting
Belt, Drive
Screw. Machine -Flat Head
(#8-32 X1/2”)
Nut, Hex With External Tooth
Lock Washer (#8-32)
Strap, Hasp
Latch, Hasp
Screw, Lock Head
(1/4-20 X1/2”)
Guard, 8elt
~
3
4
130-0352
130-0351
801-0024
850-0045 422 870-0221 7
130-1236
130-0355
S03-036S
1
1
423 406-0469
24 406-0471
25 821-0010
II
9
503-”0490
503-0491
504-0028
821-0014
1
1
1;
26 191-2058 1
B
33
Redistribution or publication of this document
by any means, is strictly prohibited.

5=
12
/’
4
/-’4
Redistribution or publication of this document
by any means, is strictly prohibited.

MF PART
NO. ?40.
1405-1811
2405”1054
3130-4246
4130-424!5
5130-4252
6130-4267
7130-’0449
8503-0490
9503”’0491
10 130-1236
PART
DESCRIPTION
Panel, Front
Flange, Air Duct
Guard, Belt -Right Side
Guard, < -Left Side
Guard, Belt -Lower
Radiator (Includes Cap)
(lap, Radiator
Hose, Radiator -Lower
Hose, Radiator -Upper
Fan
REF
ND.
11
12
13
14
15
16
17
PART
.NO.
511-0075
503-0365
504-0028
815-0181
821-0010
821-0014
870-0114
QTY
USED
1
4
1
18
PART
DESCRIPTION
Belt, Drive
Clamp, Hose
Cock, Drain
Screw, Cap -Hex Head, Thread
Cutting, with ET LockWasher
(#10-32 X1/2”)
Screw, Lockhead (1/4-20 x1/2”)
Screw, Lockhead (5/16-18 x1/2”)
Nut, Retainer (5/16-18)
Redistribution or publication of this document
by any means, is strictly prohibited.

Remote Radiator Cooling Systea
3“
r“29
30\; 24
‘r
$ia!Y
31
0
0/32
6
dk
4
Redistribution or publication of this document
by any means, is strictly prohibited.

REF PART
No. NO.
)15(!3-0189
2503-’1194
3503-1194
4503-0311
5503”0517
6503-0491
7801-0027
8850-0045
9104”-0091
10 850-0050
11 526-0030
12 520-0238
13 504-0003
14 505-0015
15 505-0108
16 505-0019
17 505-0101
18 505-0175
19 505-0172
20 800-0051
21 526-0066
22 154-1335
23 505-0057
QTY
USED
1
1
3
2
1
1
4
4
3
3
3
2
1
1
1
1
1
1
1
4
4
1
1
PART
DESCRIPTICMJ
Clamp, Hose
Hose, 1Foot Long
Connector, Hose
(1/2 NPT x2“ Long)
Clamp, Hase
Adapter, Hose
Hose, Pr~~formed -Upper
Screw, Cap -Hex Head
(5/16-24 x7/8”j
Washer, Lock -Spring (5/16”)
Nut, Hex (3/8-24)
Washer, Lock -Spring (3/8”)
Wa:w, Flat (3/8”)
Cock, Drain (1/4 NPT)
Bush’ing, Reducer -Hex
(1/2NPT X1/4NPT)
Tee, Pipe (1/2 NPT)
Bushing, Reducer -Hex
(1/2 NPT X3/8 NPT]
Nipple, Pipe -Close
(3/8NPT xl“LG)
Elbow, Pipe -90” (2 NPT)
Nipple. Pipe -Close
(2 NPT X2“LG)
Screw, Cap -Hex Head
(3/8-16 X1-1/4”)
Washer, Flat (3/8”)
Flange, Manifold -Exhaust
Plug, Pipe -Square Head
(1/8 NPT)
Cooling System
REF
No.
24
25
26
27
28
29
30
31
32
33
34
35
36
37
38
39
40
41
42
43
44
45
46
PAW
No.
505-0271
154-2345
862-0003
850-0050
520-0564
802-0072
850-0050
145-0120
154-1296
154-1297
154-1298
154-1299
503-0365
503-0490
800-0069
850-0055
130-4099
800-0046
130-2937
130-4264
800-0052
895-0296-01
QTY PART
0E8CRIPTI(N
1
1
13
13
13
2
2
1
:
;
1
4
1
2
2
1
3
1
1
1
1
Nipple, Pipe (1/4 NPT x
3-1/2’’LG)
Manifold, Liquid Cooled
(Includes Parts Marked *)
*Nut. Hex (3/8-24)
%fasher, Lock -Spring (3/8”)
*stud
*Screw, Cap -Socket Head
(3/8-16x 1“)
Washer, Lock -Spring (3/8”)
*Adapter, Carburetor Mounting
*Gasket, carburetor
*Gaeket, Rear Manifold
*Gasket, Center Manifold
*Gasket, Front Manifold
*Gasket, Manifold End
Cl~. Hose
Hose, Preformed -Lower
Screw, Cap -Hex Head
(7/’16-14 X3/4”)
Washer, Lock -Spring (7/16”)
Guard, Belt
Screw, Cap -Hex Head
(3/8-16 X1/2”)
Guard. 8elt
Guard, 8elt
Screw, Cap -Hex Head
(3/8-16 X1-1/2”)
Tubing, Glass Fiber(Not Shown)
D
D
Redistribution or publication of this document
by any means, is strictly prohibited.

31
(
19
&18’
29\
f9-
—22
Redistribution or publication of this document
by any means, is strictly prohibited.

ci*y water Conliolg system
QIV PART
USEO DESCRIPTION
REF PART QTY
No, No. WED PART
DESCRIPTION
Valve, Globe (1/2 NPT)
Nipple, Pipe -Half
(3/4 NPT X2“LG]
REF PART
)No. No.
1503-0365 1? 5!34-0019 1
18 505-0324 1
4Clamp, Hose
2Hose
2Clamp, Hose
1Hose
3Nipple, Pipe -Half
(1/2 NPT x2“ Long)
2Clamp, Hose
1Hose
2Nipple, Pipe -Half
(1/2NPTx l-1/2’’LG)
1Bushing, Reducer -Hex
(3/4 NPTx l/4 NPT)
1Cock, Drain (1/4 NPT)
1Bushing, Reducer -Hex
.(1/2 NPT X1/4 NPT)
2~ee, Pipe (1/2 NPT)
2Nipple, Pipe -Close
(1/2 NPT X1-1/8’’LG)
1Adapter, Hose -Hex
1Elbow, Street -90 DEG
~J~~; N~~~enoid
1-12 Vllc
(1/2 ‘NPT)
2503-0826
3503-0189
4S03-0461
5502’”1031 19 505-0132 1Elb~w, Pipe -90’DEG
(3/4 NPT)
Nipple, Pipe -Close
(3/4 NPT Xl-3/8’’LG)
Tee, Pipe (3/4 NPT)
Adapter, Hose -Hex
Screw, Cap -Hex Head
(1/4-20 X1“)
Washer, Lock -S@Ping
(1/4”)
Nut, Hex (1/4-20)
Bracket and Nipple Assembly
Screw, Self-locking -Hex
Washer Head (5/16-18 x5/8”)
20 505-0102 2
6503-0032
7503-0586
850!5-0010 21 505-0166
22 110-1543 ;
23 800-0007 2
24 850-0040 2
9505-0020
10 504-0003
11 505-0018 25 862-0001 2
26 110-0526 1
27 821-0014 6
12 50!3-0018
13 505-0100 28 130-0499 1
29 800-0069 2Plate, Mounting
14 110-0576
15 50s-0050
Screw, Cap -Hex H@nd
(7/16-14 X3/4”)
30 850-0055 2Washer, Lock -Spring
G~::6”Je ,t
16 307-0833 31 130-4099 1
Redistribution or publication of this document
by any means, is strictly prohibited.

anti Wet Manifold Cmling Sy%t.wm
xi
‘%*
\“~izrl=’38
%.3+==17
fL- 11
12
*-.
1-o
,.....?
L;,.....J
56
53
\
40
a
Redistribution or publication of this document
by any means, is strictly prohibited.

PART
DESCRIPTION
C/n Piliu
USED 0NCRXPTN3N
REF
No.
PART
No.
REF PART
NO.
QTY
USED
2
1
4
1
1
4
:
4
2
2
1
1
i
2
1
1
1
1
2
1
2
1
1
1
:
3
2
1
NO.
D1
2Pipe -Square Head
NPT)
,Pipe -90 DEG
1
1
1
4
4
1
1
13
13
13
2
2
:
1
:
1
1
2
2
2
1
6
1
2
2
1
1
Plug,
(1/2
E1bow
clamp, Hose
Hose
Clamp, Hose
Hose
Hose
Clamp, Hose
Hose, 5Feet Long
Hose -3Feet Long
Nipple. Pipe -Half
(1/2 NPT x2“ Long)
Elbow, Street -90 DEG
(1/2 NPT)
Nipple, Pipe -Close
(1/2 NPT Xl-1/8’’LG)
Valve, Solenoid -12 VOC
(~~~ NpT)
Valve, Globe (1/2 NPT)
Cock, Orain (1/4 NPT)
Bushing, Reducer -Hex
(1/2 NPT x1/4 NPT)
Tee, Pipe (1/2 NPT)
Adapter, Hose -Hex
Nipple, Pipe -Half
(3/4 rdPT x2“LG)
Elbow, Pipe -90 DEG
(3/4 NPT)
Tee, Pipe (3/4 NPT)
Nipple, Pipe -Close
(3/4 NPT X1-3/8’’LG)
Adapter, Hose -Hex
Nipple, Pipe -Half
(1/4 NPTx l“LG)
Bushina, Reducer -Hex
32 505--0056
503-0032
S03-0084
!503”’0365
S03-0826
503-0826
503-0183
503-1196
503-0200
502-1031
505-0175
3
:
6
?
B
9
33 (2 NPT)
Nipple, Pipe -Close
(2 NPT X2“LG)
Screw, Cap -Hex Head
(3/8-16 X1-1/4”)
~a~;, Flat (3/8”)
,Exhaust -Manifold
Manifold, Liquid Cooled
(Includes Parts Marked *)
*Nut, Hex (3/8-24)
Washer, Lock -Spring (3/8”)
*stud
34 505”0172
35 800-0051
36
37
38
526-0066
154-1335
154-234510 505-0050
862-0003
850-0050
520-0564
802-0072
505-0100 39
40
41
42
30’?-0833 *Screw, Cap -Socket Head
(3/8-16 X~“)
*Washer, Lock -Spring (3/8”)
*Adapter, Carburetor Mounting
*Ga~ket, carburetor
*Gasket, Rear Manifold
*Gasket, Center Manifold
*Gasket, Front Manifold
*Gasket, Manifold End
Bracket
Screw, Cap -Hex, Head
(1/4-20 X1“)
Washer, Lock -Spring
(1/4”)
Nut, Hex (1/4-20)
Bracket and Nipple Assembly
Screw, Self-1ocking -Hex
Washer Head (5/16-18 x5/8”]
Plate. Mounting
Screw, Cap -Hex Head
(7/16-14 X3/4”)
Washer, Lock -Spring
(7/16”)
Guard, Belt
Screw, Cap -Hex Head
(3/8-16 X1-1/2”)
13
14
15
504-0019
504-0003
505-0018 850-005043
44
45
46
47
48
49
!50
51
145-0120
154-1296
154-1297
154-1298
154-1299
148-0274
800-0007
16
17
18
505-0108
110-0576
505-0324
19 505-0132
20
21 505-0166
505-0102 52 850-0040
110-1543
505-0010 53
54
5!5
862-0001
110-0526
821-0014
22
23
505-0020 130-0499
800-0069
(3/4 fiPT x1/4 NPT)
Elbow, Pipe -90 OEG
(1/4 NPT)
Nipple, Pipe -Close
(1/4 NPT X7/8’’LG)
Nut, Hex (3/8-24)
Washer, Lock -Spring
Washer, Flat (3/8”)
Stud
Nipple, Pipe (1/4 NPT
3-1/2’’LG)
56
57
505-0038
58 850-0055
26 505-0099
104-0091
850-0050
526-0030
520-0238
505-0271
130-4099
800-9052
(3/8” ]
x*-Parts Included with Manifold.
Redistribution or publication of this document
by any means, is strictly prohibited.

e
-..13
I8
/
65
9
’17
.. ‘
“’....... ,
~.
\. /’
‘-...,,/’
-. (
42
Redistribution or publication of this document
by any means, is strictly prohibited.

QTV PART
USED DEWRZP?IW
PART
DE!XRIPTION
t?EF PhRT
P
No. w.
15030365
iQTY
4
2
4
i
1
4
2
4
1
1
~
1
1
1
2
)
1
1
1
2
1
1
:
1
1
1
1
.1
3
3
“3
2
1
REF
m.
PART
No.
Plug, PiRe -Square Head
(lff2 NP1-)
Elbow. Pipe -90 DEG
(2 NPT)
Nipple, Pipe -Close
(2 NPTX 2“LG)
Screw, Cap -Hex Head
(3/8-Kix 1--1/4”)
Washer, Flat (3/8”)
Flange, Exhaust -Manifold
Manifold, Liquid Cooled
(Includes Parts Marked ‘)
‘Nut, Hex (3/8-24)
‘Washer, Lock -- Spring (3/8”)
“hStud
*Screw, Cap -Socket Head
(3/8-16 x1“}
*Washer, Lock -Spring (3/8”)
*Adapter, Carburetor Mounting
~Ga~ket, carburetor
*Gasket, Rear Manifold
*Gasket, Center Manifold
*Gasket, Front Manifold
*Gasket, Manifold End
Bracket
Screw, Cap -Hex Head
(1/4-20 Xl“j
Washer, Lock -Spring
Clafnp. Hose
tioae
clamp. Hose
Host+, 5Feet Long
Hose. 1Foot Long
Ninple, Pipe -Half
(1/2 NPT x2“ Long)
Elbow. Pipe -900EG
{112 NPT]
PdipQle, Pipe -- Close
(3/2 NPT X1-1/8’’LG)
Elbow, Pi- -4S BEG
(1/’2 NPT)
Cock, Drain (1/4 NPT)
Bushing, Reducer -iiex
(i/2 kiFT x1/4 NPT]
Tee, Pipe (1/2 NPT)
Aaapter, Hose -Hex
Valve. Sciiemid -12 VDC
(1/2 NPT)
Bushing, Reducer -Hex
(3/4 NPT X1/2 NPT)
Valve, Regulating -
Temperature
Nipple, Pipe -Half
(3/4NPTx2’’LG)
Elbow, Pipe -90 I)EG
(3/4 NPT)
Nipple. Pipe -Close
(3/4 NPT X1-3/8’’LG)
Bushing, Reducer -- Hex
(1-1/2NPTx3/4NPT)
Screw, Cap -Hex Head
(1/4-20 x3t4”)
Washer, Lock -Spring (1/4”)
Nut, tk?X (1/4-20]
Bracket. Support -- Pipe
Cl~, Loop
coupling, Pipe (1-1/2 NpT)
Nimle, Pim (1-1/2 NPT x
2503-0826
3 5030183
4503-1196
5503-.1194
6 5021031
36 !I05-017S
37 505-0172
800-005138
7505-0040 39
40
41
526-0066
154-1335
154-2345
850S-0100
9505-0190 42
43
44
4s
862-0003
850-0050
520-0564
802-0072
10 504-0003
11 505-0018
12 50!5-0108
13 11O-”O57G
14 307-0833 46 850-0050
47
48
49
50
51
52
53
145-0120
154-1296
154-1297
154-1298
154-1299
148--0274
800-0007
15 50S.0021
16 309-0241
17 505-0324
18 505-0051 54 850-0040 (1/4”)
Nut, Hex (1/4-20)
Bracket and Nipple Assembly
Screw, Self-locking -Hex
!4ssher Head f~~l~-18 x5/8”]
\-f --
19 505-0102 55
56
57
862-0001
110-0526
821-0014
20 505-0289
b21
22
800-0005 58
59 130-0499
800-0069 Plate, Mounting
Screw, Cap -- Hex Head
(’7/16-14 X3/4”)
Washer, Lock -Spr<ng
(7/16”)
Guard, Belt
Screw. Machine -Round Head
850-0040
862-0001
1300’757
130-0522
505-0032
505-0642
23
24
25
26
27
60 850-0055
61
62 130-4099
812-0079 (#8-32 X1/2”)
Washer, Lock -Spring (#8)
Nut, Hex (#8-32)
Clamp, LooP
Screw. Cap -Hex Head
(3/8-16 X1-1/2”]
uded with Manifold.
2:1/2%G). -
Taa, Pipe (1-1/2 NPT)
Nipple. Pips -Half
(1-1/2 WPT X2=LG)
Nut. ki@X (3/8-24)
Washer. Lock -Spring
Washer. Flat (3/8”)
stud
Nipple. Pipe (1/4 NPT
3-1/2”LG)
50s-0317
505-0385
63
64
65
66
850-0025
860-0008
332-0050
800-0052
28
29
30
31
32
30
34
104-0091
850-0050
526-0030
520-0238
505-0271
(3/8” )
x
*-Parts Inc’
43
Redistribution or publication of this document
by any means, is strictly prohibited.

all
16
o
18 )5 ,4
‘K’ \‘“
I&l \ \
--=-v k’ -
Y
//
‘1 9
-’b-
Redistribution or publication of this document
by any means, is strictly prohibited.

REF PJw
No. m.
1503-0365
3503’ 0491
4503-0490
5505’ 0444
6504’0003
7 5050426
8S05-0317
9505-0642
10 505-0462
11 S04-0019
12 505-0100
13 307-0833
14 505”0100
15 505-0021
16 3b9-ti241
1? 505-0102
18 505-0891
19 505-0130
P
QTV
WED
4
1
1
1
1
1
1
1
1
:
1
1
1
1
1
1
1
PART
DESCRIPTION
REF PART
No. No.
*a&.. w.&a.
Urcy wuKu9- ..A
U?RW Heat Exchanger Coaling System
PART
DESCRIPTION
Clemp, Hose
Hose -Preformed
Hose -Preformed
Nipple, Pipe -Half
(1-1/2 NPT X2-1/4’’LG)
Cock, Drain (1/4 NPT)
Bushing, Reducer -Hex
(1-1/2NPTx l/4NPT)
Tee, Pipe {1-1/2 NPT)
Nipple, Pipe -Half
(1-1/2 NPT x4’’LG)
Elbow, Pipe -Street, 90 OEG
(1-1/2 NPT)
Valve, Globe (1/2 NPT)
Nipple, Pipe -Close
(1/2 NPT Xl-1/8’’LG)
Valve, Solenoid -12 VDC
(1/2 NPT)
Nipple, Pipe -Close
(1/2 NPT X1-1/8’’LG)
Bushing, Reducer -Hex
(3/4 NPT X1/2 NPT)
Valve, Regulating -
Temperature
Nipple, Pipe -Close
(3/4 NPT Xl-3/8’’LG)
Elbow, Pipe -Street, 45 DEG
(3/4 NPT)
Plug. Pipe -Square Head
(3/4 NPT)
20
21
22
23
24
25
26
27
28
29
30
31
32
33
34
35
36
37
38
39
40
41
42
45
130-1340
S05-0140
505-0129
800-0004
850-0040
862-0001
130-0802
130-0796 ‘
130-0661
800-0026
850-0045
862-001S
130-0819
130-0828
130-0805
800-0069
850-0055
130-4099
504-0005
504-0028
505-0098
505-0184
895-0296-01
QTY
USED
1
1
1
4
4
1
2
:
9
9
9
1
1
1
2
2
:
1
:
1
Pencil, Zinc
Plug, Pipe -Square Head
{1 NPT)
Bushing; Reducer -Hex
(1 NPT X3/4 NPT)
Screw, Cap -He>c Head
(1/4-20 X5/8”)
Washer, Lock -Spring (1/4”)
Nut, Hex (1/4-20)
Strap, Retaining
Exchanger, Heat (Includes Cap)
Cap, Radiator
Screw, Cap -Hex head
(5/16-18 X3/4”)
Washer, Lock -Spring (5/16”)
Nut, Hex (5/16-’i8)
Bracket. Mounting
Plate, Mounting -Housed Set
Plate, htounting -Unhoused
Set
Screw, Cap -Hex Head
(7/16-14 X3/4”)
Washer, Lock -Spring (7/1.6”)
Guard, 8elt
Cock, Orain (1/8 NPT) Begin
Spec R(Not Illustrated)
Cock, Drain (1/4 NPT)
Nipple, Close (1/4 NpT)
Tee, Pipe (1/4 NPT)
Tubing, Glass Fiber(Not Shown)
Redistribution or publication of this document
by any means, is strictly prohibited.

City bJat@r and $$tandpipe Cooling $ystwn
2.,_
1
3>8
\‘
4
b.. ~
27
P
..\
/..
.. “..
\
334
X
...
r:. 2
40
Redistribution or publication of this document
by any means, is strictly prohibited.

PART
0E8C8XPTXM REP PART
?40. m.
20 309-0241
21 800-0027
22 850-0045
23 862-0015
PART
0E80RIPTMX4
Valve, Regulating -.
Temperature
Screw, CarJ -Hex Head
(5/16-18 X?/8”)
Washer, LOCK -Swing {S/16”)
Nut., tk?x (5/16-18)
Bracket and Ni~ple Assambly
131J9hirlg. Reducer -Hex
(1 NPT x3/4 PIIPT)
Plug, Pipe -Square Head
(1 NPT)
Plug, Pipe -8quare Head
&2 NPT)
.,”g. Pipo -Square Head
(3/4 MPT]
Cock, Drain (3/8 NPT)
Cou~ling, Pips (3/8 NPT)
Nipple, Pipe -- Close
(3/8 NPTx I“LG)
Valve, Relief -Vacuum
Screw, Cap -Hex Head
(3/8-16 X3/4”)
Washer, Lock -Spring (3/8”)
Standpipe
Screw, Self- 1ocking -- Hex
Washer Head (1/4-20 x5/8”)
Plate, F40unting
REF PnR’r QTY
mm
1
2
2
2
1
1
1
1
~
1
1
1
1
4
4
1
6
1
2
2
1
@
tu.J. w.
1503-0365
?
clamp. Hose
Hose -Preformed
Lower
Upper
Nipple. Pipe -Half
(1-1/2 iUPT X2“LG)
503’”0490
503’-0491
3505-0385
4505-0183 Ejbow. Pine -90 OkG. Reducinu 24 110-0526
(1-1/2 N$T X1/1/4 NPT] -25 505-0129
Niop?e, Pipe (1-114 PdPTx3:’LG) 26 S05-0140
505-0258
503-”0189
503””0437
502-1031
Clamp, Iiose
Hose
Nipple, Pipe -Half
{1/2NPT x2“ Long)
Valve, Solenoid -12 VDC
(1/2 NPT)
Nipple, PiBe -Close
[1/2 NPT X1-1/8”LG)
Valve, Globe (1/2 NPT)
Elbow, Pipe -90DECi
(1/2 NPT)
Nipple. Pipe -Close
(1/2NPTx l-1/8’’LG)
Plug, Pipe -Socket. Head
(1-1/4 NPT)
Cock. Drain (3/8 NPT)
Bushing. Reducer -Hex
[1/2NPTx3/8NPT )
Tee, Pipe (1/2 NPT]
Nipple, Pipe (1/2 NPT x3“LG)
lhmhing. Reducer -Hex
(3/4NPT X1/2 NPT)
27 505-0056
28 50!5-0130
29 504-0028
30 505-0028
31 505-0101
32 S04-0062
33 800-0048
34 850-0050
36 130-0659
37 821-0018
38 130-0636
39 800-0069
3a7-0833
504-0019
S05-0040
505-0100
505-0949
15
16 504-0028
505-0019
Screw, Cap -Hex Head
(7/16-14 X3/4”)
Washer, Lock -Spring (7/16”)
Guard. &“lt
17 505-0108
18 505-0002
19 50$-0021 40 850-0055
41 130-4099
.
47
Redistribution or publication of this document
by any means, is strictly prohibited.

\’:’\~ ii’’”\
27*’”
f\‘“
,.
P
\
0
,.-
[--”
124J \
‘1
\
PART
DESCRIPTION
PART REF PART QTY
No. No. USED
10 357-0030 2
11 821-0015 1
REF PART QTY
No. No. USED DESCRIPTION
Clamp, Hose
Hose, l/4’’xlO”
Hose, l/4’’xl8°
Tube (1/4”00 x2“LG)(Copper)
1503-0685
2503-1418
3503-1418
4130-2053
6502-0801
7505-0802
502-0029-04
8870-0212
4Diode
Screw, Self-locking -Hex
Washer Head (1/4-20 x3/4”)
Nut, Self-1ocking -Hex
Washer Head (1/4-20)
Washer, Flat (1/4”)
Screw, Self-locking -Hex
Washer Head (5/16-18 x1/2”)
Nut, Retainer (5/16-18)
Plate, Mounting
1
112 870-0212 1
13 526-0018 2
14 821-0014 2
15 870-0113 2
16 405-4659 1
2
2Connector, Hose
Bushing, Reducer -Hex
1“ NPT X1/4” NPT -
Specs C-P
1/2” NPT X1/4” NpT -
Begin Spec R
Nut, Self-1ocking -Hex
Washer Head (1/4-20)
Switch, level -Water
specs c-P
Begin Spec R
1
1
2
9193-0329
193-0292
Redistribution or publication of this document
by any means, is strictly prohibited.

bhter Heater
DREF PART
ND. No.
1812-0076
2850-0025
3
333-0013
333-0056
4870-0053
5850-0030
6309-0106
309-0256
II
QTV
USED
2
2
1
:
2
1
1
PART
DESCMPTICM
Screw, Machine -Round Head
(#8-32 x5/16”)
Washer, Lock -Spring (#8)
Cover, 5ox
For 120 Volt Application
For 240 Volt Application
Nut, Hex (S10-32)
Washer, Lock -Spring (#IO)
Switch, Thermostatic
120 Volt, 25AmP. SPST
120/240 volt. 25-40 !Wlf3,
DPST
REF PART
No. No.
520-0446
520-0672
508-0008
333-0012
333-0057
332-0014
323-0957
333-0118
49
QTV PART
USED DESCRIPTION
Stud
2“#10-32 X3/4”
For 120 Volt Application
2#10-32 X1“
For 240 Volt Application
2Gromnet
Box
1For 120 Volt Application
1For 240 Volt Application
2Terminal
Nut, Wire
iHeater, Electrical [Includes
Plug-in Cable)
Redistribution or publication of this document
by any means, is strictly prohibited.

@
%1
b
1!
36
35
t!!P--4
?,,
Redistribution or publication of this document
by any means, is strictly prohibited.

REF PART
?
No. No.
1501-0199
2!502-0193
3505-0763
4505-0098
5505-000’7
6503-0183
7503-0710
8503-0113
9505-0135
10 505-0060
11 502-0613
12 502-0942
13 505-0101
14 505-0455
15 331-0027
16 332-0014
17 332-0149
332-0807
18 323-0957
19 309-0304
20 505-0004
21 800-0007
~~ fM9-fM’inl
v-. . . . .
B
23 850-0040
24 309-0307
25 505-0099
26 333-0142
QTY
mEo
1
2
1
1
1
4
1
1
2
1
1
~
1
2
2
2
~
:
1
1
4
4
4
1
1
1
Mater
PART
DESCftIPTIUi
Line, Fuel -Flexible
Connector, Tube to Pipe
Cross, Pipe (1/8 NPT)
Nipple, Pipe -Close
(1/8 NPT X3/4”LG)
Bushing, Redcer -Hex
(1/4 NPT X1/6 NPT]
Clamp, Hose
Hose, Riibber !5/8” x22”LG
Hose, Heater 5/8” x16”LG
Nipple, Pipe -Half
(3/8NPT Xl-1/2”LG]
Tee, Pipe (3/8 NPT)
Adapter. Pipe to Hose
(1/4 NPT)
E]W, Pipe -90 DEG
(3/8 NPT) Beaded
Nipple, Pipe -Close
(3/8NPT Xl“LG)
Bushing, Reducer -Hex
(1 NPT X3/8 NPT)
Connector, Cable
Terminal, Ring (#10)
Terminal, Ring (S8]
Terminal, Ring (Not Shown)
Nut, Wire -
Switch, Thermostatic
Nipple, Pipe -Close
(1 NPT X1-1/4’’LG)
Screw, Cap -Hex Head
(1/4-20x 1“)
Nut, Hex (1/4-20)
Washer, Lock -Spring
Switch, Pressure
Nipple. Pipe -Close
(1/4NPT X7/8’’LG)
1970 thru 1982
Support with Tee
1970 Thru 1982
(1/4”)
Heater
REF PART
NC). No.
27
307-1460
307-1164
28 821-0016
2S 870-0257
30 130-1192
31 504-0003
32
333-0093
333-0177
333-0162
333-0168
333-0171
333-0178
333-0173
33 505-0007
34 502-0054
35 812-0079
36 850-0025
37 333-0224
38 505-0038
39 505-0099
40 895-0295-01
QTY
USED
:
4
4
2
1
:
1
1
1
:
1
1
4
4
1
1
1
AR
PART
DESCRIPTION
Contactor, Electrical
230 VAC, 3pole
460 VAC, 3Pole
Screw. Self-Locking -Hex
Washer Head (5/16-18 x3/4”)
Nut, Self-Locking -Hex
Washer Head (5/16-18)
Bracket, t40unting
Cock, Drain (1/4 NPT)
Heater, Electrical -1500 Watt
1Phase
115 VAC
208 VAC
240 VAC
480 VAC
3Phase
208 VAC
380 VAC
480 VAC
Bushing, Reducer -Hex
(1/4 NPT X1/8 NPT)
8egin 1983
Elbow, Pipe -Street, 90 DEG
Brass (1/4 NPT)
8egin 1983
Screw, Machine -Round Head
(#8-32 X1/2”)
8egin 1983
Washer, Lock -ET (#8)
8egin 1983
Bracket, Support
8egin 1983
Elbow. PiDe -90 DEG
Nipple, Pipe -Close 1/4 NPT
Tubing, Fiberglass -2Foot
Lengths
D
51
Redistribution or publication of this document
by any means, is strictly prohibited.

Water Heater
16
15 \
v?
11-0
+
0-’-
I
L/“
/“
10
52
Redistribution or publication of this document
by any means, is strictly prohibited.

REF PART
b
No. w.
i812-0076
2850-002S
3333-0013
333-0056
48-/50053
58s0-0030
6309-0106
309-0256
7
520-0446
520-0672
8508-”0008
9
333-0012
333-’005?
10 503-0189
11 503-0833
12 502-1031
9
D
Water
PART
i)E8CRIPTION
Screw, Machine -Rouna tied
(88-32 x5/16”]
Washer. Lock -SDrlna (#8)
Cover, Box
For 120 Volt AoDllcation
For 240 Volt Ac?Dlication
Nut. Hex (#10-32)
Washer, Lock -.%minq (#10)
Switcti. Thermostatic
120 VAC, 25AMP, SPST
120/250 VAC, 40-25 AMP,
DPST
Stud
#10-32 X3/4”
#10-32 X1“
A————..
urcmmx
80X, Thermostat
For 120 Volt Atwlicatlon
For 240 Volt Iwwlication
Clam. Hose
Hose?. Rubber -24” Long
Nimle, Pipe -Half
(1/2 NPT X2“ Long)
Heater
REF PART
NO. NO.
~~ 5Q3–03~~
14 503-0517
15 505-0190
16 505-0106
17 505-0021
18 333-0093
333-0177
333-0171
333-0162
19 800-0007
20 862-0001
21 850-0040
22 821-0018
23 8’iO-0257
24 130-1192
25 504-0003
OTY
U8E0
2
1
1
1
2
i
1
1
:
4
4
4
4
2
1
PART
0E8CRIPTNN
Cianlo. time
Aaauter. Hose
Elbow. Pioe -- 4S OEG
(1/2 NPT)
Nimle. Pi~c -. Close
(1/2 NPT X1-1/2”)
Bushina, Reducer -Hex
(3/4&PT X1/2NpT)
Heater, Electrical
1500 Watt, 120 VAC, 1Phase
1500 Watt, 208 VAC, 1Phase
1500 Watt. 208 VAC, 3Phase
1500 Watt, 240 VAC ii%ase
Screw, Cao -tiex Heaa
(1/4-20 X1“)
Nut, Hex (1/4-20)
Washer. Lock -Swing [1/4”)
Straw. Selt-Lockina -hex
Washer iiead (5/16-18 x3/4”)
Nut, Self-Lockinq -hex
Washer. Head (5/i6-18)
Bracket. Mounting
Cock, Drain (1/4 NPT)
53
Redistribution or publication of this document
by any means, is strictly prohibited.

Chassis
25
28
27
8
30
54
Redistribution or publication of this document
by any means, is strictly prohibited.

chassis
OR& PART
No. m.
1402-0336
2870-0060
3402-0337
4402-0010
5402?-0012
6402-0011
74(X3+333
8526-0141
9801-0080
10 800-0071
~~ 85&~55
12 862-W:
13 800-0520
14 402-0030
15 800-0029
16 866-0008
17 850-0045
tint, Vibration
(Includes Parts Marked ‘)
*Mut, Sal f-lxking -Hex
(7/16-20)
*Spacer
%ount
*Cup, Metai
tint
*Spacer
%saher, Flat (7/16”)
*Straw, Cap -Hex Head
(7/16-20 x3-1/2”)
Screw, Cap -Hex Head
(7/16-14 X~“)
Washer, Lock -Spring (7/16”)
?&t, Hax (?/16-14)
Screw, Cap -Hex Head
(314-1OX 1“)
tint, Vibration
Screw, Cap -Hex Head
(5/16-18x 1“)
Washer, Lock -ET/IT (5/16”)
Washer, Lock -Spring (5/16=)
REP PART’
m. lm.
~~ -9*15
19 si-1473
20 800-0091
21 850-0060
22 856-0013
23 862+018
24 337-0090
25 865-0007
26 860-0045
27 526-0115
28 520-0663
29 416-0612
416-0972
30 821-0029
31 870-0281
32 416-0687
33 403-0902
(JTV
1
1
1
1
2
2
2
2
3
PAR-T
QE=IPTICM
Nut, *X {5/16-18)
Lug
Scrw, Cap -!im Nead
(1/2-13x l-1/4”LG)
Washer, Lock -Spring (1/2”)
Washer, Lock -ET/IT (1/2”)
Nut, Hex (1/2-13)
Strap, Electrical -Ground
Nut, Wing (5/16-18)
Washer, Lock -Spring (5/16”)
Washer, Flat (5/16”)
Stud
Frma, Holddown -Battery
used Thru 4-90
lJse Beginning 5-90
Screw, Self-locking -Hax
Washer Head (3/8-16 x3/4”)
Nut, self-locking -Hex
Washer Head (3/8-16)
Tray -Battery
Chass ie
*-Parts Included with Vibration Mount.
55
Redistribution or publication of this document
by any means, is strictly prohibited.

Set mousing
,,.,:,.
;.:,....
....’
...,:,...
,,.,:
,.:::
56
y..,
.,,,,,..,
..
20
25
Redistribution or publication of this document
by any means, is strictly prohibited.

2 850 0030
3870-0053
4406-0105
540S-1808
6 8210014
7405” 1814
8821-0014
10 870-0113
11 405..1809
405- i835
1,2 8120i49
13 8?0-0232
1.4 406-0157
is 406-0089
i6 809-0059
QTV
16
i6
16
8
4
8
2
12
4
12
i
1
2
2
1
1
3
PART
DE6GMP’TIC!M
Screw. Machine -Round Head
(#10-32 x3/8”1
~~+ai- ~~w~ -~=p+~q [~~o)
“.“. ,
Nut. Hex (#10-32)
Clam. i)oor
Door. Access (Less Latches)
Screw. Self-locking -Hex
Washer Head (5/16-18 x1/2”)
Sumort, Housing -Center
Screw, Self-1ocking -Hex
Washer Head (5/16-18 x1!2”)
Screw, SeIf-iocking -iiex
Washer Head (5/16--18 x3/4”)
Nut, Clinch (5/16-18)
Panel, Housing -TOD
Dry Exhaust Manifold Set
Wet Exhaust Manifoid Set
Screw, Machine -Round Head
(1/4-20 X9/16”)
Nut, Self-locking -Hex
with ET Lock Washer (1/4-20)
i+andle, Latch (Includes Keys)
Catch. Latch
Screw, Tatjoinq -Round Head
[1/4 xi/2”)
REF PART
MO. No.
~~ ~~~.o~~
18 405-1777
19 813-0098
20 850-0030
21 405-1780
22 821-0014
23 405-1812
405-2084
24 821-0010
25 403-0895
26 800-0048
27 850-0050
28 403-0894
29 814-0079
30 850-0025
31 660-0008
32 406-0249
33 406-0565
PART
DE8cRmTmN
Nut, Speed (1/4”?
Door, Access -Rear
Screw. Machine -Round Head
(#10-32 X3/8”)
Washer, lock -Soring (*1O]
Panel. Access -Rear
Screw. %lf”-iocking Hex
Washer Head (5/16-18 x1/2”)
Panel. Housing -Rear
Soec c-P
Begin Soec R
Screw. Self-lockina -Hex
Washer Head (1/4--20 x1/2”)
Cover
Screw, Cap -Hex Head
(3/8--16 X3/4”1
Washer. lock -Sorinq (3/8”)
Chassis -Rear
Screw. Machine -Flat. Heau
(S8-32 Xl/2”~
Washer, Lock -Soring [S8)
Nut. Hex (#8--32l
Set. iiaso
Kev
51
Redistribution or publication of this document
by any means, is strictly prohibited.

E%natast Muffler
“EK @@lC A,B -EN $p@c c-u”
.—...,
[“’”””-””‘‘\\ 1.,/
4/0“
,#-
,/’
5 – ““.\ -...
\ ,0
---------
5$
Redistribution or publication of this document
by any means, is strictly prohibited.

PREF PART
No. No.
1813-0105
2870-0188
31!55-1420
4895-0157
s505-0454
6505-0203
7155-1593
8505-0453
9800-0035
10 526-0113
11 870-0257
12 155-0988
155-1512
QTY
2
2
1
1
1
1
1
1
3
6
3
1
1
ewhmg~~ g@l#ffl@~
-nwww
‘“EK Spec A,fl -EM Spec C-U”
PART
rM=-19T11M
--—-... .---
Screw. Machine -Round llesd
(810-32 Xl“)
Nut, se?$-?ak%g -Hax
Washer Head (#10-32)
Shield, Rain
Strip. Asbestos
Union, Pipa (2 NPT)
Coupling, Pipe (2NPT)
‘i_UbS, Exhaust -Flexible (12”)
Elbow, Pipe -90 OEG (3NPT)
Screw, Cap -Hex Head
(5/16-18 x2-1/2 )
.. -*.
Washer, Flat (5/16”)
Nut, Self-locking -Hex
Washer Head {5/16-18)
Muffler, Exhaust
Painted with Black Silicon
Paint
Stainless Steel
REF PART
MO. No.
13 WO-00i?8
800-0037
14 870-0048
15 850-0045
16 140-0649
140-1588
17 155-0978
155-1644
18 155-1430
19 800-0028
20 155-1634
21 813-0307
22 155-0789
23 870-0054
QTV
lKiE13
4
4
4
4
2
2
1
1
4
4
1
2
2
2
PART
OESCRN$TION
Screw, Cap -Hex Head
5/16-18 X1“
5/1618 x3“ -Begin Spec S
Nut, %slf-locking -Hex
(5/1618)
Washer, Leek -Spring (5/16”)
Band, Mounting
Steel Band
Stainless Steel
Shield, Heat
Painted Aluminum Silicon
Stainless Steel
Spacer
Screw. Cap -Hex Head
(5/16-18 Xl“)
Shield, Rain -Begin Spec S
Screw, RHM (10-32 x1“)
Bracket, Support
Nut, Lock (10-32)
59
Redistribution or publication of this document
by any means, is strictly prohibited.

‘Ii
Redistribution or publication of this document
by any means, is strictly prohibited.

oREF PART
MO. m.
1505-0111
2505-0i03
315s-0899
4155-0898
5155”0’?75
6800-0135
7862-0007
QTY
1
1
3
:
4
4
Ruffler
(EK Begin Spec C-HI Begin $pec V)
PART REF PART QTY
GE8GRIF7Mtt m. No. Usm
Coupling, Reducer (2.00x2.50) 8505-0203 1
Nippler Pipe 950s-0111
Fiange, Companion 10 155-0776-01 ;
Gasket, Flange -Companion 11 505-3044 1
Tube Assembly 12
screw, cap -Hex Heed 155-2341-08 1
(5/8-11 X2.25”] 155-2340-08 1
Nu~, Hex (5/8-11) 155-2342-08 1
PART
OEWUPTION
Coupling, Pipe
*Coupling. Reducer (2.00x2.50
*Tube Assembly
*Elbow, Pipe -90” (2-1/2’’NPT’
Muffler
Residential
Industrial
Critical
*For end inlet applications -Use other for side
inlet applications.
61
Redistribution or publication of this document
by any means, is strictly prohibited.

@
/
\
14
28—
Engine Control -Begin Spec P
129
Redistribution or publication of this document
by any means, is strictly prohibited.

REF PART
b
two. NO.
I815-0544
2300-2897
3
300-2901
300-2902
4300-2905
5300-2855
6300-2862
7
300-2807
300-2809
300-2811
321-0270
321-0231
321-0094
8301-8851
821-0004
9
D322-03S8-01
322-0359-01
322-0360-01
815-0385
870-0183
10 322-0369-01
)
QTV
Us&i)
24
1
1
1
1
1
1
1
1
1
2
1
2
1
4
1
1
:
2
1
PART
DESXWPTXN
-Mgin Spee P, Begin Spec A
Screw, Machine -Round iiemi
With IT Lock Washer
(#6-32 x1/2=)
%oard -Time Oelay,
Start/Stop -12 VDCA15
8om-d -Magnetic Sensor,
Start Disconnect/Over Speed
Sensor A16
Standard
Precision
Board -Over-Under Voltage
Sensor -12 %-D Ai?
8oard -5Relay
12 VDC A13
Board -“1 Relay
12 VDC Ai4
Board -Engine Monitor
12 VDC All
2Light
7Light
12 Light
Fuse. Cartridge -
20Amp F1. F2
Fuse, Cartridge -
15 Amp F3
Fuse, Cartridge -
5Amp F4, F5
8racket, Mounting
Screw, Self-locking -Hex
Washer Head (#10-32 x
5/16”)
Module, Indicator -Fault
12 VDC A12
2Light
7Light (Spec S)
12 Light
Screw, Machine -
Round Head, Black
[*6-32 X1/2”)
Nut, Self-locking -Hex
with ET Lock Washer
(#6-32)
Lamp, Incen$escent -
l/3watt, 1.4 VDc
REF PART
NO. ND.
ii 32HXXM
12 322-0361
13 517-0131
14 151-0402
308-0785
308-0892
16 308-0784
17
19
20
21
22
23
24
25
26
27
812-0063
301-6257
193-0388
193-0352
193-0351
302-1790
302-1723
302-1641
302-0885
193-0435
302-1873-01
517-0221
332-0052
8’70-0131
28 301-9055-01
301-9055-02
29
338-1817
338-2277
338-1835
338-1836
30 308-0853
63
QTV
WED
1
1
;
1
1
1
8
1
1
1
1
1
2
:
1
1
1
1
1
1
1
1
1
;
1
PART
DESORIPTXDN
Lamp, Incandescent -
14 Voc L9sll
Holder, Lamp
Plug, Button
Potentiometer -Speed
Control Rll
Switch, Push -Reset/Panel
Lamp S11
Through Spec R
Spec S
Switch, Push -Run/Stop/
Remote S12
Screw, Round Head -Begin
Spec :&6:hx 1/2”)
Cover
Mounting Hole
Sender, Oil Temperature
Gauge, Pressure -Oil Mll
Gauge, Temperature -Water
M12
Meter
Ampere -DC M13
Ampere -Begin Spec R
Volt -M13 (8-18V) (Spec S)
Meter, Totalizing -Time M1.4
Gauge, Temperature -Oil M15
Tachometer, M16
Plug, Button
Clamp, Loop
Nut, Self-locking -Hex
with ET Lock Washer
(#10-32)
Door, Control
With 5Gauge Holes
With 3Gauge Holes
Harness, Wiring
DC Door Assembly to Engine
Monitor Board
Spec P-R
Begin Spec S
Alarm Relay
8Wire
5Wire
Switch, Emergency Stop -
Begin Spec R
Redistribution or publication of this document
by any means, is strictly prohibited.

Redistribution or publication of this document
by any means, is strictly prohibited.

REF PART
oNo. No.
,AZ? W04
?J?? -0;49
3)0-’ 9733
300 -07A4
;0
AW-0679
300-0’730
.200-0681
. .
. ., W:! ;276
-,)
.-
8710010
850-00.3C
526-0062
853-0008
056 0003
815-0203
193-0243
;93- 0107
14
B193-0245
~93- 0106
i5 302-1362
!93-0248
193-0i8’i
;7 302-0749
18 3220107
322-0108
322.-0109
322-Oi10
322-0111
322-0L28
322-0283
322-.0136
Engifie cGfitPcil -Spec CThrough N
PART
0E80RIPTiON 8
.amn -12 VDC DSli
Light. Pane!
boriny de 1av
Reiav -ignition hi’z
wiav -Start Oiscmnect Kli
Reiav -Run Alarm K15
!m’iav -Start Protection <14
Fastener. Snap-in
3oara, Control -Cranker
12 VDC Ai2
5tandarri
C&c 1e
Board. Monitor -E~gine
i2 VDC Ali
Stanaara {1 Light)
Penn State (i Light)
Standard (5 L<ght)
Piuq, Kevirrq
7ermina i
(includes Parts Marked ‘)
‘\ut. tiex -i3rass (#10-32)
‘Washer, LOCK -Spring (#iO]
‘Washer. Fiat (#IO)
‘Washer. Lock -ET (#10)
‘Washer, Lock -EIT (#10)
*Screw, Machine -iiounci
Head, Brass (,#10-32 x7/8”)
Gauge, Pressure -Oi i
12 Vi)C Mll
Begin 1977
Through 1916
Gauge. Temperature –Water
1? VDC Ml?
Begin 1977
Through 1976
Meter. Ampere MI:>
Gauge, Tcmtterature --- Oil
12 VDC M14
Begin 1977
Through 1976
,Veter. i“ach h’114
Light. Indicator -14 VDC
Red -OVERCRANK ilS12
Red -LO OIL PRESS 0S14
Red -HI ENG TEMP DS15
Red -LO ENG TEMP DS16
iled -OVERSPEEO i)S13
Red -FAULT 0S12
Red -SW17Cii OFF DS17
Red -Blank (No Legend)
REF PART
No. No.
i9 308-oi38
308-0327
20 333-0i94-Oi
8i3-0i05
2: 201–6053
22 308-0002
23 8i5-0026
’24 870-0053
25 850-0036
26 856-0003
27 30i-3253
28
29 356-0072
312-0061
853-0003
860-0006
33 356-0070
812-0063
853-0003
31 870-0053
32 850-0030
33 332-0051
34
35
36
37
38
39
40
41
42
43
44
332- i043
332iO05
332-0795 t
QTY PART
DESCRIPTION
332-1559
332-1271
332-0537
332-:239
332-0699
332-1240
323-0765
332-1280 11
323-0764 %
.332-1280 i
815-0392 i
332-127i 1
332-1269 22
awitcn. ;Ocxl:c SF2iectol- Si.z
Standard” “
i>cnn State
$iashw- -i? V3C S;3
Screw. Machine -iioum hcau
(#10-32 X:“!
3rackct. Mounting
Switch, Toqgle -SPS7 5::
Screw. Machine -- Truss :ieiui
(;10-32 X3/8”)
Nut, !iex (#10-32)
Washer, Lock -- Sorinq (#101
Washer. Lock -H(#IO)
Bracket. Mounting
#Parre !~~~~~~ ~
(Selection Required CCJ::?;K.:
Onan Dist.r<butor)
CaRacitor
Scrtxif. !jachinc -~o~n~ flc:~~
(#6-32 X3/8”]
Wasncr. Lock -Z: (#ti)
Nut, Hex (U6-32!
C!amp, Capticitor
Screw. Machine Rouna iwac
(#6-32 X1/2”)
Washer, Lock -ci (#6!
Nut, Hex (#10-32 )
Washer: Lock -Sprlrrg (Ui6)
Ciam. Low)
*iiarness. Wirinq
(Selection Rcqu>rcci.
Contact Onan ElistriOtitor~
Jumper. ierminai
Block, Terminal Ti3il
20 Place
16 Place
StriD. Marker
20 Place
16 Place
Block, Terminal -4Place Ti3.
StriD. &larkor -4Place
B~ockj Termina
Strip. Marker
Socket, Reiay
Terminai
Socket, Relav
Terminai
Piuq, Kcyina
-6P,acc
6PaCC
Less iernlna:s~
LC$SS
Housing, T&m~nai
Terminai
Termin.i:sl
k-Five Fault Light 338-0535.
#-With “i%rea Gauge holes and Five Fault Liqkt
301--3267.
65
Redistribution or publication of this document
by any means, is strictly prohibited.

@
\.,
:,
.7
_&a
./
.“ ,.
\-22
-9
4
.0
[+
—5
; ,L@
... 0“ i—6
\\
Redistribution or publication of this document
by any means, is strictly prohibited.

Generator Cumtt-01 -Begin Spec P
REF
w.
5
6
9
10
ii
i?
)13
14
PART
N().
338 1818
338--2278
338-1853
8i2-0065
302-0607
332-2723
J22 0363
302-1148
302-1147
302-1583
.;02- 1684
302i695
302- i724
302-1725
302-1726
302-1727
~~~.~~~fj
303-0032
320-1121
303-026i
308-0284
lnfl-m9
..- —.
332-0052
870-0131
406--0334
PAftT
DfWXIPTI(N
Harness. Wirlna -
ikcludes ierm!nal Block!
Controi with Meters
Control with Meters -Bealn
(Sc)cu s)
Controi without Meters
Screw, Machine -Round
Head fi16-32 X518”~
Biock. Tcrminai TB1
Stri~. Marker
Llant, Indicator -
Dual 0s21. 0s22
Meter. Vo!t M21
Meter, Ampere M22
O-75’150 AmP -Beain %ec S
-EK
G- ~()~~200 ~-main
Spec S-EM
0-150/300 AmP
0-200/400 AmKI
0-250/500 Am
0-375/750 Amp
0-400/800 Am
o-5oo/looo Am
Meter, Freauencv M23
Meter, Watt M24 [See
Seoarate page tor Comonentsl
Knoo
Breaker. Circuit CB21
Rheostat R21
Switch, Rotary S21
Beain %ec P
Beqin .%ec S
Ciamr3. LOOP
Nut, Self-locking -Hex with
ET Lack Washer (#10-32)
Cli~ -Fastener
REF PMRT
No. NO.
i5 406-0333
16
301” 9054-01
301-9054-02
301-9054-03
821-0004
17 307-1987
18 307-1058
19 323-0804
815-0544
20 406-0332
21 300-2880
als-0544
22 337-0049
800-0026
856-0006
23 508-0051
24 402-0527
800-0045
850-0045
25 301-8065
26 821-0010
27
28 319-0447
29 815-0388
on
2
1
1
1
3
2
1
1
2
2
:
1
1
i
1
2
4
4
1
2
1
1
2
Stud -Fastener
Ooor. Control
With 4Meter itoles
With 3Water Holes
With No Meter Hoies
&rew. Self-iockina ‘iieh
Washet- iii= !!?IQ-32 x5/16”)
Clip -Relav
Relav -12 WC K21
Socket. Reiav
Screw. Machine -Rouna tkmd
IT Lockwshr [S6-32 xL/2’”)
Rece~tacle. Fastener
Reoulator. Voltaoe VR2i
Before %ec S
Screw. Machine -Round Hcao
IT Lockwehr {46-32 x1/2”)
Stra~. Electrical
Screw. Cao -- tiex Head
(5/16-18 X1/2”1
Washer. Lock -EIT (5/16”)
Grommet
Mount. Vibration
Screw. Cao -riex Head
(5/16-18 X2/8””1
Washer. Lack -Smina [5116”)
Box, Contro;
Screw, Self-iocKlna -hex
Washer Heao [1/4-20 x1/2”)
Current Transformer
[See Set3arate ?eqe for
Components]
Bracket. Relay Mountina “-
Begin SW R
Screw. Pan Head xRec
(86-32 X1/2’j
67
Redistribution or publication of this document
by any means, is strictly prohibited.

Generator Control -Spec CThrough N
38 ‘i ‘-
22\ LPiao. q-”–
..
2
40
.
.
w
63
Redistribution or publication of this document
by any means, is strictly prohibited.

Control -Spec CThrough N
i?
REF
No.
1307-1157
307-1061
302-0405
302-0406
302-0408
302-0410
302-0411
302-0412
302-0413
302-0605
302-0719
302-0720
302-0721
302-0722
302-0723
302-0724
4302-0421
302-0422
302-0612
302-07’?9
302-0718
5
302-0213
302-0221
302-0234
302-0256
6
-. . . .
m4rvuuY
302-0810
302-0811
302-0466
302-0469
8
9
322-0130
322-0131
322-0178
320-0307
815-0203
$s4-0010
871-0010
10 320-0431
320-0439
812-0061
850-0020
406-0334
406-0333
517-0131
303-0076
308-0284
303-0032
303-0170
350-0556
PART
DESC3WTIOM
Spring -Relay
Relay K21
water. Ampm”e M21
0-50 Amp
o-75 Amp
0“100 Amp
0-150 ~
0-200 *
0-250 Amp
0-300 Amp
0-400 Alp
0-75, o_~~ ~
o-1oo, 0-200 Amp
0-150, 0-300 Amp
0-200. O-4W *
0-250. O-5W Amp
o-375, 0-7s0 Amp
Meter, Volt M22
0-300 VAC
0-600 VAC
0-500 VAC
0-750 VAC
0-300, O-6W VAC
Meter, Frequency -Read
M23
115 VAC, 60 Hertz
230 VAC, 60 Hertz
115 VAC, 50 Hertz
230 VAC, 50 Hertz
Meter, Frequency -Pointer
M23
120 VAC, 60 Hertz
208 VAC, 60 Hertz
240 VAC, 60 Hertz
Meter, Totalizinfl -Time M24
60 Hertz
50 Hertz
Light, Indicator -125 VAC
Red -UPPER WALE 0S21
Red -LOWER WiLE 0S22
Red -Blank (No Lagend)
Lock, Handle
screw. Machine -Round Haad
(#10-32 X7/8”)
Washer, Lock -ET (*1O)
Nut, Hex (#10-32)
Breaker. Circuit (C821)
2Amp
2Amp with AUX 6ontacts
Screw. Machine -Round Head
(S6-32 X3/8”)
Washer, Lock -Spring (S8)
Clip -Fastener
Stud -Fastener
Plug, Plastic
Knob, Pointer
Switch, Selector S21
Knob
Rheostat R21
Resistor R22
REF PART
m. No.
-.- -“
IS a~s-w65
812-0061
853-0003
860-OOOS
332-1280
20 301-3244
21 870-0053
22 8.s0-0030
23 332-0051
24 332-0607
332-0795
812-0066
853-0003
850-0020
25 332-1242
332-1248
26 321-0204
27 812-0065
28 853-0003
29 332-1264
332-1268
332-1956
30 315-0342
315-0431
812-0061
853-0003
31 305-0675
812-0070
B50-0020
32 315-0384
812-W61
853-0003
33 508-0001
34 406-0332
35 8W-0045
36 850-0045
37 402-0078
38 337-W49
39 81!+0026
40
41 301-3158
42 821-0010
43
g
1
2
2
1:
1
1
1
1
1
1
2
2
2
1
1
2
4
4
:
1
1“
1
2
2
1
.2
2
1
2
2
1
2
4
4
4
1
3
1
2
PART
~SCRIPTI13N
Socket. Relay (Less Terminals)
Screw. Machine -Round Head
(38-32 X3/8*)
Washer, Lock -ET (#6)
Nuttil~ (S6-32)
8racket, Moun&ing
Nut, Hex (*1O-32)
Washer. Lock -Spring (*1O)
Clanp, Loop
Block, Terminal TB21
12 Place
16 Place
Screw, Machine -Round Head
w~U6;2 X3(4”) -ET (#6)
Washer: Lock -Spring (#6)
Strip. Marker
16 Place
12 Place
Fuse, Cartridge -1/4 Amp
Screw, Machine -Round Head
(86-32 X5/8”)
Washer. Lock -ET (#6)
Regulator, Voltage VR21
Spec COnly
Spec Dthrough K(Requires
120 VAC Input Signal)
Begin Spec J(Requires
240 VAC Input Signal]
Transformer. Voltage T21
120 VAC
-an %Iafi
C*U v-
Screw, Machine -Round
Head (#6-32 x3/8”)
Washer, lock -ET (#6)
Rectifier. 8ridge CR21
Screw, Machine -Round
Head (#6-32 x1-1/4”)
Washer. Lock -Spring (*6)
Reactor L21
Screw. Machine -Round Head
(S6-32 X3/8”)
Washer. Lock -ET (#6)
Gronmnat
Receptacle. Fastener
screw, Cap -Hex Head
(5/16-18 X3/8”)
Washer. Lock -Spring (5/16”)
Lkmpener, Vibration
Strap, Electrical -Ground
Screw, Machine -Truss Head
(#10-32 X3/8”)
Panel, Control
(Selection Required,
Contact Onan Distributor)
Box, Control
Screw, Self-locking -Hex
Washer Head (1/4-20 x1/2”)
Current Transformer
(sea Separate Page for
Components)
69
Redistribution or publication of this document
by any means, is strictly prohibited.

Qenerator Control -Switching Regulator
w–
b-—~
,,. , ,-*
/
●.c*n---
4 .’3!s3
I
40
Redistribution or publication of this document
by any means, is strictly prohibited.

D,fiEF PART
NO. NO.
$07 ;i.j’?
302-0213
302--0221
302-0234
302 0256
6
B
3&2 -0808
30?-0810
302-0811
‘1
302-0466
302-0469
8322-0130
322-0131
322-0178
9320-0307
815-0203
854-0010
871-0010
10 320-0455
812-0061
850-0020
i,l 406-0334
12 406-0333
13 5i7”o131
14 303-0076
i5 308-0284
16 303-0032
17 303-0170
B
QTY
.
1
,
i
i
1
,
,
i
i
i
i
1
i
~
i
i
1
;
1
1
1
1
1
1
1
:
1
1
1
1
~
i
;
4
4
2
2
i
1
1
1
1
Generator Control -
G.or inq -RL?li.3V
Re:av K21
~~ter .Amoorti M2;
O50 Amo
0-75 Amo
0-1’30 Amo
O-i50 Am
J-200 AmQ
0-250 Amo
0-300 AmJ
0-400 Amo
0-75. 0-150 AinKI
0-,100. 0-200 Amn
0-150, 0-300 AMP
0-200. 0-400 Am
0-250, 0-500 Anm
0-375, 0-750 Aim
Meter. Volt t422
0-300 VAC
0-600 VAC
0-500 VAC
0--750 VAC
O-333, 0=-600 VAC
Meter. Frcauencv -Reed
t423
115 VAC, 60 Hertz
230 VAC. 60 Hertz
115 VAC, 50 Hertz
230 VAC. 50 Hertz
Meter. Freauency -Pointer
M23
120 VAC, 60 hertz
208 VAC, 60 Hertz
240 VAC, 60 Hertz
Meter, Total izinq -Time M24
60 Hertz
50 Hertz
Light, Indicator -125 VAC
Red -- UPPER SCALE DS21
Ret! -L@fER SCALE DS22
Red -Blank (No Legend)
Lock. Handle
Screw, Machine -Round Heati
(#10-32 X7/8”)
Washer, Lock -ET (#IO)
Nut, Hex (#10-32)
Breaker, Circuit CB21
Screw, Machine -Round Head
(#6-32 X3/8”)
Washer, Lock -Sminq (#6)
Clio -Fastener
Stud -Fastener
Plug, Plastic
Knob, Pointer
Switch. Selector S21
Knob
Rheostat R21
Switching Regulator
REF PART
.H
w. No.
18 350-0356
19 323 0765
3i2-006i
853-0003
860-0005
332-1280
20 30i-3244
~i 870-0053
22 850-0030
23 332-0051
24 332-060?
332-0795
8i2-0066
853-4NIQ3
850-0020
25 332-1242
332-1248
26
27 812-0065
28 853--0003
29 300-29’71
300-2971
300”-2971
30 315-0431
812--OO6i
853-0003
31 320-0202
32 315-0384
812-0061
853-0003
33 508-0001
34 4Q6-0332
35 800-0045
36 850-0045
37 402-80?8
38 337-0049
39 815-0026
40
41 301-3158
42 821-0010
“71
PART
OESCRIPTICN
ilesistor R22
Socket, Rclav (Less ?ei-minais;
Screw. Ma~hin~ -- Rounti ::cati
i#632 X3/8”)
Washer, LOCK -ET [tlb~
Nut Hex [#6-32!
Terminal
&~CK(N, Mounring
Nut, tk?X (UIO-32!
Washer, Lock -.hrinc [#iO)
Clamo. LOOD
Block: Terminal TE2i
i2 ?lace
1S D:men
~~r~w;b~ach{ne -4ounci iieaa
(#6-32 X3/4’:)
Masher, Lock -ET [#ti)
Wisher. Lock -SDrinq (#6t
Strin. Marker
16 Place
12 ?iace
Current Transformer
(See So~arate ?aqe for
Conmonents)
Screw. Machine ~Rouna Head
[#6-32 X5/8”]
Washer, Lock -ET (#6)
Regulator. Voltaqe VR2i
Semi-frecluencv Sensit.ivc
Voltaap Sensitive
Frequehcv Sensitive
Transformer, Voltaae -240 VAC
T21
Screw. Machine -- Round Head
(#6-32 X3/8”)
Washer, lock -ET (#6)
Bar. Locking
Reactor L21, L22
Screw. Machine -Round Heari
(#6-32 X3/8”)
Washer, Lock -ET (#6)
Gromnet
Receptacle, Fastener
Screw. Cao -Hex Head
(5/16-18 X3/8”)
Washer, Lock -Swing (5/i.6”]
&moener, Vibration
Stra~, Electrical -Ground
Screw, Machine -Truss Heaa
(#10-32 X3/8”)
Panel. Control
(Selection Reouireu.
Contact Onan Distributor]
Box, Control
Screw, Self- ?ocking -
Washer Head (i/4-20
iic)c
xL/2”)
Redistribution or publication of this document
by any means, is strictly prohibited.

72
Redistribution or publication of this document
by any means, is strictly prohibited.

llenarator Control -Torque Matched Regulator
REF PART
NO. NO.
;30’? ”1157
2307-1061
,.
.,
302-0405
302 0406
JO? Ofloa
302-0410
30’2-041i
J02-.O4I2
.302-04i3
302-0605
302-07i9
302-0720
302-0721
3020722
302-0723
302--0724
~
302-0421
302-0422
30?-0612
302-0779
302 0718
5
302-0213
302-0221
302-0234
302--0256
6
302-0809
302-0810
302-0811
7302-0466
302--0469
83?2-0130
322-0131
322-0178
9320-0307
815-0203
854-0010
871-0010
iO 320-0431
812-0061
850-0020
11 406-0334
12 406-0333
13 517-0131
14 303-0076
i5 308-0284
Sorinq -fioiav
Rciav K21
14et.or. Anwcre fi~ ~
o50 Am
0-75 AKW
o-1oo Mm
O-:SO AmD
0-200 Am
0-250 Am~
0-300 Am~
0-400 Am~
0-75. 0-150 Amo
0-100. 0-200 Am
0-150, 0-300 Am~
0-200, 0-400 Am~
0-250, 0-500 Am
O-375, 0-750 Am~
Meter, Volt M22
0-309 VAC
0-600 VAC
0-500 VAC
0-750 VAC
0--300. 0-,6(30 VAC
Meter. Freauencv -Reed
M23
115 VAC, 60 Hertz
230 VAC, 60 Hertz
115 VA:, 50 Hertz
230 VAC, 50 Hertz
Mater, Freauency -Pointer
M23
120 VAC, 60 Hertz
208 VAC, 60 Hertz
240 VAC, 60 Hertz
Meter, Totaiizing -Time M24
60 Hertz
50 Hertz
Light, Indicator -125 VAC
Red -UPPER SCALE DS21
Red -LOWER SCALE i3S22
Red -Blank (No Legend)
Lock, Handle
Screw, Machine -Round
Head (#10-32 x7/8”)
Washer, Lock -ET (#IO)
Nut, Hex (#10-32)
Breaker, Circuit
Screw, Machine
Head (#6-32 x
Washer, Lock -
cliD -Fastener
Stud -Fastener
Plug, Plastic
Knob, Pointer
Switch, Selector
CB21
-Round
3/8” )
Soring (#6)
S21
REF PART
NO. NO.
16 303-0032
17 303-0261
18 350-0556
19 323-0765
812-006;
853-0003
860-0005
332-i280
20 301-3244
2i 870-0053
22 850-0030
23 332-0051
’24 332-0607
332-0795
812-0066
853-0003
850-0020
25
332-1242
332-1248
26 815-0544
2’? 300-2880
28 812-0065
29 853-0003
30 301-9315
31 821-0010
32
33 508--0001
34 406-0332
35 800--0045
36 850-3045
37 402-C1O78
38 337-0049
39 815-0026
40
41 301-3158
WY PART
isED 0E8CR:
1
i
1
i
2
2
~,;
i
1
Y
.
1
1
1
~
2
2
1
1
6
i
4
4
1
2
1
2
4
4
4
1
3
1
Knob
Rheostat R21
Resistor R22
Socket. Relav
Terminais)
Screw, Mach
PTIUU
(Less
ne -ROIMWJ
Head (#6-32 x3/8”}
Washer, Lock -ET (#6)
!dUt, iiCX (#S-32]
Terminai
Bracket. Mounting
Nut, tiex (#10-32)
%asher, Lock -Sc)ritlg (#IO)
~i ~,ac ~ooo
Block, Terminai
12 Place
16 Place
Screw, Machine
iioad (#6-32 x
Washer, Lock -
Washer, Lock -
Stri~, Marker
16 Place
12 Place
Screw, Machine ~~
?-B21
-Rouna
3/4”)
Ei” (#6)
%rinq (#6)
Round t{cad
with IT Lock Wash~i-
(#6-32 X1/2”)
Regulator, Voltage VR21
Screw. Machine -Rouna
Head (#6-32 x5/8”,1
Washer, Lock -ET [U6)
Bracket. Mountina
Screw, Self-lockina -Hex
Washer Head (1/4-20 x1/2”)
Current Transformer
(See Secxirate Paqe for
Components)
Grommet
Rece~tac’ie, Fastener
Screw, Cap -Hex ijead
(5/16-18 X3/8”1
Washer. Lock -Spring (5/16”)
Dampener, Vibration
Strap. Electrical -Ground
Screw. Machine -Trues Head
(#10-32 X3/8”)
Panel, Control
(Selection Required, Contact
Onan Distributor]
Box. Control
D
73
Redistribution or publication of this document
by any means, is strictly prohibited.

Current Transformer
5
6\
74
Redistribution or publication of this document
by any means, is strictly prohibited.

Current Transformer
). REF PART
No. NO.
,
871-0010
8S6. 0003
854-0010
S26-0049
2813-01:0
.3 354-0010
4302-0235
‘> &j2--O236
k302-02S3
‘?
302- i365
302-0078
.302- 0079
3020106
8302-0729
qTY
USED
1
3
1
2
2
6
6
3
3
6
3
3
3
3
i
PART
DESCRIPTION
Terminai
$icr=ew. Machine -Round
dead. 3rass (#iO-32 x
7/8” )
Nut. Hex -Brass (#10-32)
Washer. LOCK -EIT (#10)
Washer. LOCK -IT [#IO)
Washer. Flat -Brass (*IO)
Screw. ?4am{ne -Round Head
(*1o-32 X2“1
Washer. LOCK -11 (#IO)
Clanlo -Ulx?er
Clamo -Lowr
Shim
transformer. Current
Ratio {14eter Scale)
75/5 (O-75A) Before S~ec S
iOO/5 (0-iOOA) Before S~ec S
150/5 (0-150A) Before Soec S
200/5 (0-200AI Before S~ec S
Bracket. Mountinq
REF PART QTY
w. m. USED
Q~~&o~o~ 6
LO 526-0008 6
11 856-0003 6
:2 870”0053 6
13 302-0764 i
14
302-0864 ~
302-0865 3
302-1868-03 3
302-i868-04 3
302-1868-05 3
15 98-2263 i
PART
0E8CXIPTIOU
Screw. Machine -ilound
[#10-32 X1/2”) tic?au
Washer. Flat (#10)
Washer. LOCK -- E[T (#iO)
Nut. Hex (#10-32)
Bracket. Mountirw -
Transformer. Current with
Mountinq Feet
Rat io (Meter Scaie)
150/5 (0-75/O-i50A )
-Before Soec S
200/5 (0-100/O-200A)
-8efore Soec S
75/5: 150/5 Rakio (EKi -
Llegin Soec S
100/5; 200/5 Ratio (EM) --
3egin Svec S
150/5; 0-150/0-300 -Begin
5Dec s
Silk.rcreen. Transformer
75
Redistribution or publication of this document
by any means, is strictly prohibited.

REF PART
No. No.
1870-0183
2301-1886
3860-0006
4a54-ooo6
5812-0070
6309-0128
7800-0034
QTY
USED
2
1
2
PART
DESCRIPTION
Nut, Self-locking -Hex
Washer Head (#6-32)
Cover, Thermostat
Nut, HeX (#6-32)
Washer, Lock -IT (#6)
Screw, Machine -Round
Haad (#6-32 x1-1/4”)
Thermostat -Adjustable
Straw, Cap -Hex Head
(5/16-18 X2-1/4”)
REF PART
ND. No.
8526-0113
9333-01s1
10 130-1107
11 870-0257
12 .335-0161
QTY PART
USED DESCRIPTION
2Washer, Flat (5/16”)
sHeater, Electrical -75 Watt.
120 VAC; 300 Watt, 240 VAC
2Spacer, Sleeve
2Nut, Self-locking -Hex
(5/16-18)
1Cable, Elecrical
Redistribution or publication of this document
by any means, is strictly prohibited.

Control Housing
J---==’
-.
3
6L-
/-f- 1
2s!4 n---+
+9
2
I
k/“..
B
QTY
USED
8
1
18
3
4
i
6
‘f
5
6
PMT
1
PART
DESCRIPTIUd
REF PART
No. No.
REF PART QTY
No. m. USED
DE80RIPTIW
18~1-0010 Screw. Self-locking –Hex
Washer Head (1/4-20 x1/2”)
Grille
Screw, Taming -Hex Washer
Heaa [#10-32 x3/8”)
Panel. Access
Screw. Self-locking -Hex
Washer Head (1/4-20x 1/2”)
Wramer -Generator
Screw. Self-lockina -Hex
Waeher Head (1/4-20 x5/8”)
8856-0006 1
9526-0018 5
10 870-0212 6
11 301-3155 1
12 508-0203 1
13 821-0010 1
Washer. Lock -EIT (1/4”)
Washer, Flat (1/4’:)
2234--0370
3815-0350
Nut, Hex (1/4-20)
tiousina
8ushini, Cable
Screw. Self-locking -Hex
Washer Head (1/4-20 xi/2°
Screw, Self-~ockina -hex
Washer Head {5/16-18 x1/2’
Sadd 1e
4301-3i56
5821-0010 14 821-001.4 8
6234-0361 15 301-3i54 1
D7821-0018
77
Redistribution or publication of this document
by any means, is strictly prohibited.

/ \
/
[35.’”.
-y
es
Q/
8
1A’
/““ -
Q
I’o
A
27
T)
“q
:.
r.,
11
17
I
28
29
23
78
Redistribution or publication of this document
by any means, is strictly prohibited.

REF PART
b. No. ?40.
1812-0153
6
7
8
9
10
12
16
17
850-0040
526-0052
526-0054
308-0152
800-0028
526-0002
850-0045
862-0015
821-0014
301-3292
813-0097
850-0030
301-3284
813-0097
850-0030
301-3.263
Qn’
Usm
4
4
:
1
5
10
5
5
2
1
4
“4
1
4
4
<
L
Duai Phase Switch
PART
OESCRIPTI(M
Screw, Machine -Round Head
(1/4-20 X1“]
Washer, Loch -Spring (1/4”)
Washer, Flat (1/4”)
Washer, Flat (5/16”)
Switch. Rotary (Includes
Knob)
Screw, Cap -Hex Head
{!5/16-18 x1“)
Washer, Flat (#6)
Washer, Lock -Spring (5/16”]
Nut, Hex (5/t6-~8]
Screw, Self-locking -Hex
Washer Head (5/16-18 x1/2”)
Panel, Mounting
[U~heu~ed Sets)
Screw, Machine -Round Head
(#10-32 x5/16”)
Washer, Lock -Spring (#IO)
Cover, 80X (Housed Sets)
Screw, Machine -Round Head
(#10-32 X5/16”)
Washer, Lock -Spring (#IO)
Box, Switch (Housed Sets)
REF PART
No. ND.
18 .508-0009
19 508-0115
20 821-0014
21 813-0098
2? 850-0030
23
405-1840
405-2160
24 812-0061
25 853-0003
26 860-0006
27 307-1157
28 307-1143
29 323-0764
332-1280
815-0392
QTY PART
USED DESCRIPTION
1
2
2
6
6
1
1
2
2
2
:
1
8
1
Grommet (Housed Sets)
Grommet {Housed Sets)
Screw, Self-locking -Hex
Washer Head (5/16-18 x1/2”)
Screw. Machine -Round Head
(#10-32 X3/8”]
Washer, Lock -Spring (#IO)
Panel, Access -Rear
(Housed Sets)
10-1/4”H X22”W
14--l/2”H X22”W
Screw, Machine -Round Head
(#6-32 x3/8”)
Washer, Lock -ET (*6)
Nut, Hex (#6-32)
Spring -Relay
*Re 1ay 12 VDC
Socket, Relay (Less
Terminals)
Terminal
Plug, Keying
*-Relay Located Within Engine Control.
79
Redistribution or publication of this document
by any means, is strictly prohibited.

*93
Redistribution or publication of this document
by any means, is strictly prohibited.

REF PART
mNo. w.
1815’’0026
2053”0008
3301-34’?6
4
5
6
7
8
9
10
508’”0001
860”-0008
853-0005
S26-0003
402-0354
3(I2-1082
302”1083
302”1113
302-’1134
821-0014
402-0078
301-”347’7
13 al!5-03fio
14 812”0063
15 3W-CJO03
16 860-00045
1’? 332-0609
m’
1,
,’
QTY
WE-o
2
2
1
2
8
8
8
4
1
1
:
8
4
1
6
4
:
1
W%ttmeter’
PART
DESCRIPTION
Screw, Machine -Truss Head
(#10-32 X3/8”)
Washer, Lock -ET (#lo)
Gover, Box
(External Installation)
Grommet
Nut,, Hex (#8-32)
Washer, Lock -ET (ittl]
Washer, Flat (S8)
Mount, Vibration
Transducer, Watt
3Phase, 60 Hertz
3Phase. 50 lls~tz
1Phase. 60 Hertz
1Phase, 50 Hertz
Screw, Self-leeking -$%x
washer Head (5/16-18 x1/2”)
Mount, Vibration
f30x (External
Installation}
Screw, Tapping -Hex
Washer Head (#10-32 x3/8=)
Screw, Machine -Round Head
{#6-32 x1/2”)
Washer, Lock -ET (#6}
Nut, Hex (#6-32)
Block, Terminal
itEF PART
Ho. w.
18 332-0810
19 302-1722
20 302-1721-01
302-1721-02
302-1721-03
302-1721-04
302-1721-05
302-1721-06
302-1721-0?
302-1721-08
302-1721-09
302-1721-10
302-1721-11
302-1721-12
302-1721-13
302-1721-14
302-1’?21-15
302-1.721-16
302-1721-17
21 821-0017
22 $62-0014
23 $50-0045
24 301-6987
Strip, Marker
Watunerer (Less Dial)
Dial
Scale 0-35 kW
Scale 0-S0 kW
Scale 0-70 kw
Seak! 0-90 kw
SCa:e 0-115 W
Scale 0-160 kW
Scale 0-180 kW
Scale 0-200 kW
Scale 0-250 kw
scale O-300’$W
Scale 0-350 RW
Scale 0-400 kW
Scale 0-500 kW
Scale 0-600 kW
Scale 0-700 kW
Scale 0-800 kW
Scale 0-1200 kW
Screw, Self-locking -Hex
Washer Head (5/16-18 x1/2”)
idut, Hex (5/16--18]
Washer, Lock -Spring (5/16”)
Bracket, Mounting
(Internal Installation)
Redistribution or publication of this document
by any means, is strictly prohibited.

‘\.
/.
/“ \.
.’ -..
f“\ -.
\
f
,“\ ,/’
‘“ I
i
I
1I)
/7’” “i
,
.‘\ 1/
:/’ ,4
IREF PAW fZEF PART
NO. NO. QTY
USEII PART
DEWRIPTION
)TY
Em PART
No. No.
,.1tllz-0D78
DESCRIPTION
Screw, Mach ine -Round Head
(#8-32 X7/16”)
Washer, Lock -Spring (#8)
Nut, Square (#8-32)
Gapaci?or
$crew,:!4achine -Round Head
(#8-32 x3/8”)
82
356-0102 2Clsmp. Mounting
821-0009 4Screw, Self-1ocking -Hex
Washer Head (1/4-20 x3/8”
1, Erackat, Mounting
,, ,,
,,,,, ;!
!,!
,,,,,,
,,
‘,,,
2
2
$
6
)
2B50-0025
3$61-0007
e
8356-01(?4
43q6-oa9Q
5~12@078
Redistribution or publication of this document
by any means, is strictly prohibited.

D
REF PART
NO. P&3.
1503-1077
2502-0444
i502-0445
4502-0583
5?502-’0051
6193-0232
;93- 0233
.;
193-0234
193-0235
193-0236
193-0305
$NFS
9302-0061
iO 308-008E
o
11 308-0297
12 308-0155
~~ 8~~-(J~@
‘8
($-Y PART
USED LX%GRIPTION
.Hose
AdaDter,Pi~e to Hose -Male
AdaDtcr,Picm to Hose -Fema]e
Elbow, PiDe -45 DEG
(1/8 NPT X7/16-20 )
C@mling, Pi~e (1/8 NPTI
Gauge, Pressure -Oil
o-75 PSI
O-- 150 PSI
Gauge, Temperature -
(Includes Reaucer\
72” Caoillarv Tube
84” CaDillarv Tube
96” Caniilary Tube
144” (2millary :ube
Reducer, Hex (Part of Gauge)
:5/8--18 x1/2 NPT)
Metera Anmera
Switch. Toqgle (DPST)
Switch, Push
Switch< TcqJ?e [sPST)
~Screw, M%cbins -Round Head
;.%-32 xv~”)
-31
F26
\.
REF PART
NO. NO.
14 853-0003
15 332-0795
16 332-1241
17 871-0010
18 850-0030
19 526-0062
20 853-0008
21 856-0003
22 815-0203
Water 23 !370-0053
24 850-0030
25 332--0051
26 815-0026
83
27 870-0053
28 850-0030
29 856-0003
30 301-4009
31 30L-3253
6? :“
9.
I
..
PART
DESCRIPTION
Washer, Lack -ET (#6)
Block, Terminai -20 Place
Strio, Marker
Nut, Hex -8ra.ss (#10-32)
Washer, Lock -S~ring (#IO)
Washer, Flat -Brass (*1OI
Washer, Lwck -ET [#IO)
Washer, Lock -- EKT {#IO)
Screw. Machine -Round
Head, Brass (#10-32 x7/8”1
!tUt, Hex (#10-32)
Wasner, Lock -Sorirq (#IO)
ClamK), Locm
Screw, Mac:hine -Truss Head
(#10-32 X3/$”)
Nut. Hex {#10-32]
Masher, imck -Spring (#IO)
Washer, Lack -EIT (#IO)
Panel. Control
Bracicet. Mounting
Redistribution or publication of this document
by any means, is strictly prohibited.

24
(
Redistribution or publication of this document
by any means, is strictly prohibited.

862-0011
3s0- Cmo
520-07’21
520-G723
OCG-(MI1
114-C023
ii 85Q-W4Q
i? 526-0108
13 .212-1225
i4 525-0018
15 212--O4i3
21 850-’0040
22 862-000:
23 234-0368
24 ~2f3-~552
220-1451
220-1454
220-1554
220-1454
220-1456
$irfw. CiN> ‘- hex heaa
(114-20 x1/2”)
screw. C{H> #.2X t{ead
(1/4-20 x1--112”)
b+kNihf3F. LcIck -ET fl/4”)
Spacer, Sleeve
Requlator, VOlt.age (See
Seoaf-ate Page br
Comclorw%ts)
Nut, Hex -- Grade 8(3/816)
wash{~p, L{>~k -S~rinq (3/8”)
stud
3/iJ-16 LJNCx16-1.1/32L’LG
3/$-16 WC X17-15/16’’LG”l
%s.e
;crew, Ca~ -i+nx Head,
Hardened [1/4-20 x1-1/4”)
Washer. Lock -Sorinq (1./4”)
Washer, Flat (~/~”)
Spacer, Sleeve
Washer, Fiat (1/4”)
Riq, Brush (Includes Brushes
aild Soringsj
Brush, Gerlerator
Screw. ?tachine -Ftouna
Head with ET Lockwashe~,
Brass (#10-32 x7/8”)
Washer, Lock -ET (#lCl)
h’asner, Flat (#IO)
Nu~, hex -Brass (#10--32)
Soring, Brusi?
Seal, O-Ring
i3eli. End
Screw. Ca~ -i+ex Head
(1/4-20 x1-”1//4”)
@4i~sh~r, Lock -Swing (1/4”)
Nut., Hex [1/4-’20)
Screen, Air
Stator Asaemo?v, (%nerator
25.0 kW. Code 53
25.0 kW. Code 515
25.0 kW,. Code 5i5 Extended
Stack
30.0 KW, Code 3
30.0 kW, Code 15
30.0 kW, Code 15 I:xtentea
Stack
37.5 kW, Code 53
37.5 kW, Code 515
37.5 kVi, Code 515 Extended
Stack
REF PAR’:
No. NO.
220-’ 1s4
220”-1454
220--id56
2.5 800-0048
26 856-0010
27 150-0717
28
201-1643
201-1640
201-i643
201-1643
~0~--l64O
201-1643
201-1645
20i–1643
201-1645
201–iC45
201-IL43
20i-lG45
29 800-0513
30 850-0079
q.,
,.,j .526-0238
32 510-0:01
33 204-0083
34
205-0033
805-0035
35 526-0259
36
805-0018
805–0Qi9
37 205-0089
38 232-2078
39 800--0008
40 $50-0040
41 862-000~
42 234-0369
PAR-l
DE=IP’’~I~
45.0 W. Code 3
45.0 kw. code 15
45.0 kW, Code X5 ~X~WKtCti
Stack
Screw. Cao -ilcx Hei:d
[3/8-i6 x3/4”)
Washer, Lock -.EIT (3/8”]
Switch
Rotor Assomblv, Generator
(Includes Fan. DisK.
Bearinq, Gollcctor’1
25.0 kbl, Coae 53
25.0 kkl, Code 515
25.0 kW, Code 515 Extemmxl
stack
30.0 kW. Code 3
30.0 kW, Code 1.5
30.0 tiW, Coae 15 Extencieti
St acK
37.5 kW, Code 53
37.5 kW, Codt? S15
37.5 kW, Code S15 Exteaaeo
Stack
45.0 kW. Code 3
45.0 kW. ~Od~ 15
45.0 kW. Code 15 ExtenaeL
Stack
Screw, Cap -Hex iieati,
$lodified With Tarmed Hole
Washer, Lock -%rimq (3/4”)
Washer, Flat -$tee] (3/4”)
iiesring, Ball
Ring, Collector
8olt, Place -Hex iieaa,
Graae 8
3,{8-~i xl“
5/’8--11 x1-1/2”
Washer, Fiat -Narchned (5/s”;
Bolt, Place –Hex Head,
Grade 8
3/8--16 x1“
3/8-16 X1-1/41’
Fan, ~oo[ i~q
Oisk, Drive
Screw. CaD -HWi Heaa
(1/4-20 x1-1/4”)
Washer, Lc]ck -- Wring (1/4”)
Nut, Hex (1/4-20)
Cover
(Used On Housed Sets Oniv)
Redistribution or publication of this document
by any means, is strictly prohibited.

3
41 i2
42 49
a
Redistribution or publication of this document
by any means, is strictly prohibited.

m= PAR-T QTY
No. No. UsEf)
4862-0001
5853-0013
6150-0723
7870-0250
8150””1356
9862-0011
lo 850-0050
11 5~@Q721
520-0723
12 503-0611
13 800-0009
14 850-0040
15
220-1528
220-2353
220-1774
2
4
4
4
4
4
16 509-0125 1
17 211-0185 1
1$ 114-0023 2
19 850-0040 2
20 862-0001 2
21 234-0368 1
22 ~20-~552
220-184S :
220-1994 1
220-1997 1
220-1552
220-1845 .:
220-1783 1
220-1786 1
23 800-0048 1
screw. Cd* -hex Heau
(lk4-2fJ x1/2”!
.Screw, (2BP -Hex Head
(114-20. X1-1/2”1
Gontact Assembly
i[ncludes Contact.
and Mounting Bracket)
8eq4n 1976, %3ec F
MUt. Hex [1/4-20)
Washer, Lock -ET (1/4”)
Contact, Electrical
Nut. Insulated
Bracket, Mounting
Nut, Hex -Grade 8(3/8-16]
Washer, Lock -%ring (3/8”)
Stud
3/8-16 UNC X16-11/32”
3/8-16 UNC Xl’lL5/i6°
Hose
Screw. Gap -Hex Head
(114-20 X1-112”)
Washer, Lack -Spring (1/4”]
Stator. Excitcr-
Standard Spec CThrough E
Standard Begin Spec F
Environmental Protected
Begin SPec F
seal, O-$ling
Bell, End
Screw, Cap Hex Head
[1/4--20 x1-1/4”
Washer. Lock -Spring [1/4”)
Nut, Hex (1/4-20)
Screen, Air
Stator Assembly, Generator
2!3.0 kW, Code 53
25.0 kW, Code 53 Enviro--
nwntal Protected
25.0 kW, Code 515
25.0 kW. Code 515 Extended
Stack
30.0 kW. Code 3
30.0 kki, Code 3Enviro-
nmental Protected
30.0 kW, Code 6D
30.0 M,, Code 7
30.0 k~, Code 9X
30.0 kW, Code 15
30.0 kkl, Code 15 Extended
Stack
30.0 kid, Code 15 Enviro-
nmental Protected
.30.0 kW, Code 15 Extended
Stack And Environmental
Protemed
Screw, @iD -llt%X Head
(3/8-16 X3/4”)
washer, Lock -EIT {3/8”)
Switch
REF PART
No. No.
201-2669
201-2687
201-2666
201-2669
201-2669
201-2687
201-2666
201-2668
201-2669
201-2684
201-2687
27 800-0513
28 850-0079
29 526-0238
30 510-0101
31 232-2102
32
201-1T39
201-1845
33 515-0145
34
805-0033
805-0035
35 526--0259
36
805-0018
805-0019
37 205-0089
38 232-2078
39 800-0008
40 850-0040
41 862-0001
42 234-0369
43 800-0003
44 WO+O09
45 853-0013
46 305-0481
47 305-0491
Rotor Assembly. Si?nerator
(Includes Fan. Oisk,
Bearing. Exciter)
25.0 kW Code 53
25.CJ kW Code 53 Enviro-
nmental Protcated
25.0 kW Code W5
25.0 kW Code .5i5 Extended
Stack
30.0 kW Code :!
30.0 kW Code OEnviro-
mantal Protected
30,0 kWCode &D. 9X, 15
30.0 kW ‘ode 7
30.0 kW Gode 15 Extended
.$tac~
30.0 kW Code 15 Enviro-
nmental Protected
30.0 kW Code 15 Extended
Stack And Environmental
Protected
Screw, WD -- Hex Head,
Modified With Tapped Holc
Washer, Lock -Sorinq (3/4”)
Washer, Flat -Steel Alloy
(3/4”)
Bearinq, Ball
Spacer, Sleeve
Rotor, Assembly -Exciter
(See Separate Page for
Components)
Standard
Environmental Protected
Kev, blachine (l\4° x1/4” x
7/8”)
Bolt, Place -Hex Head,
Grade 8
5/8-11 X1“
5/8-11 X1-1/2”
Washer, Flat -Hardened (5/8”1
Bolt, Place -Hex Head,
Graclt~ 8
3/8-16 X1“
3/8--16 X1-1/4”
Fan, Coolinu
Disk, Drive
Screw, cap -Hex Head
(1/4-20 X1-1/4”)
Washer, Lock -Soring {1/4”)
Nut, Hex [1/4-20]
Cover
(Housed Sets Only)
Screw, Cap -Hex Head
(1/4-20 X1/2”)
Screw, Cap -Hex Head
(1/4-20 X1-1/2”]
Washer, Lock -ET (:1/4”)
Spacer, Sleeve
i?eaulator. Voitaae (See
S~parate Page for Coawonent)
1971 Thru 1975, Svec 0&E
,,
Redistribution or publication of this document
by any means, is strictly prohibited.

Generator -Begin Spec r)
EM SET 0NL%
/1
/
31
22
II
42-
47
Redistribution or publication of this document
by any means, is strictly prohibited.

REF PARI’
No. NO.
31.50-1456
4$62-0001
5853-0013
6150-0?23
‘1 870-0250
8150-1356
9862-oo21
10 8509050
11 520-0721
520-0’723
12 503-0611
13 800-0(009
14 8!50-0040
i.5 220-1528
220-2353
~~o-1’f74
J.6 509-0125
17 ‘211-0185
18 114-0023
19 8s0-0040
20 862-0001
21 234-0368
22 220-1554
2201847
220-1997
220-1999
220-1S54
220-184’?
220-2624
220-2462
220-1602
220-1454
220-1456
220-1786
220-1788
23 800-0048
24 856-0010
25 150-0717
PART
QEscRIP-TmN
Screw, CaD -Hex Head
(1./4””2o x1/2”1
%rew, Cap -Hex Head
(1/4-20 X1-1/2”1
Contact Assembly
[Includes Contact
and Mounting Br-acket)
Begin 1976, Snec F
Nut, tiex !’1/4-20)
Washer, Lock -ET (1/4”}
Contact, Electrical
Nut ,insulated
Bracket, Mounting
Nut, Hex -Grade 8[3/8-161
‘washer, Lock -S~rinq [3/8”)
Stud
3/8-16 UNC x16-ll~32°
3/8-16 UIW2 x1’?-15/16”
Hose
.Screw, Cap -Hex Head
{1/4-20 x1-1/2”)
Washer, t.ock -Spring (1/4”)
Stator, Exciter
Standard Soec CThrough E
Standard Begin Smec F
Enviramental Protected
Begin Spec F
Seal, O-Ring
Bell, End
Screw, Cap -Hex Head
{1/4-20 X1-2/4”
Masher, Lock -Spring (1/4”)
Nut, Hex [1/4-20)
Screen, Air
Stator Assembly, Generator
37.5 kW, Code 53
37.5 kW, Code 53 Enviro-
nmental Protected
37.5 kW, Code 515
37.5 kw, @de 515 EXtended
Stack
45.0 kW, Code 3
45.O~W, Code 3Enviro-
nmental Protected
45.0 kW, Code 6D
45.0 kW, Code 7
45.0 kW, Code 9X
45.0 kW, Code 15
45.0 kW, Code 15 Extended
Stack
45.0 kW, Code 1!5 Enviro-
nmental Protected
45,0 kW. Code 15 Extended
Stnck And Environmental
Protected
Screw, Cap -Hex Head
(3/8-16 X3/4”)
Washer, Lock -EIT {3/8”]
Switch
REF PART
NO. m.
26
201-2671
201-2689
201-2669
201-2671
201-2671
201-2689
201-2669
201-2671
201-2687
201-2689
27 800-0513
28 850-0079
29 526-0238
38 510-0101
31 232-2102
32
201-1739
201-1845
33 515-0145
34
805-0033
805-0035
35 526-0259
36
8ti5-0018
805-0019
37 205-0089
38 232-2078
39 800-0008
40 850-0040
41 862-0001
42 234-0369
43 800-0003
44 800-0009
45 853-0013
46 305-0481
47 305”-0491
PART
i?&SGRIPTI@i
Rotor Assembly. Generator
(Includes Fan. Ois~,
Bearing, Exciter]
37.5 kW Code 53
37.S kW Code 53 Enviro-
nmental Protected
37.5 kbl Code 515
37,5 kW Code 515 Extended
Stack
45.0 kW Code 3
45.0 kW Code 3Enviro-
nmental Protected
45.0 kWCode 6D, 7, 9X, 15
45.0 kW Code 15 Extended
Stack
45.0 kW Code 15 Enviro-
nmental Protected
45.0 kW Code 15 Extended
Stack And Enviromenta}
Protected
Screw, Cap -Hex Head,
Modified With Tapped Hole
Washer, Lock -Spring (3/4”)
Washer. Flat -Steel (3/4”)
Bearing, Ball
Spacer, Sleeve
Rotor. Assembly -Exciter
(See Separate Page for
Components}
Standard
Envimnental Protected
v. [.).,, ~~/4*fl x
~ey, Kaichiee !A{V
7/8”)
Bolt, Place -Hex Head,
Grade 8
5/8-11 X~“
5/8-11 Xl-1/2°
Washer, Flat -Hardened {5/8”1
Bolt, Place -Hex Head,
Grade 8
3/8-16 Xl“
3/8--16 X1-1/4”
Fan, Cooling
Oisk, Drive
Screw, Cap -Hex Head
(1/4-20 X1-1/4”)
Washer, Lock -Soring (1/4”)
Nut, Hex (1/4-20]
Cover
(Housed Set~ Only)
Screw, Caa -Hex Head
(1/4-20 X1/2”]
Screw. Cao -Hex Head
(1/4-20 X1-1/2”)
Washer, Lock -ET (1/4”)
S~acer4 Sleeve
Regulator, Voltage (See
Separato Page for C@nponent)
1971 Thru 1975, SDes D & E
Redistribution or publication of this document
by any means, is strictly prohibited.

16
5
(
2’
--?0
W
Redistribution or publication of this document
by any means, is strictly prohibited.

)
B
R?EF PART
No. MO.
30!5-0489
305”0489
30S-0483
30.5--0491
131-5-0339
315-0341
813-0100
853-0008
2862-OGOI
38!53-0013
&870-0250
5150-0723
6332-~043
7332-1266
812-0081
853-0005
860-0008
8508-0002
9NFS
812-0079
853-0005
526-0048
--- ..A-
trfl-w.lwr
Qri PART
US%D 0&SC3?IPTION
Regulator, Voltage
8FW3h Generators
25 kid Throtigh 40
c~~ ~, ~~
25 kW Through 55
Code 15, 515
60 kM Through 90
Code 15, 515
kw,
kw ,
kw,
Brushless Generators.
All Codes
Reactor L)
Part of 305-0483 Regulator
i%rt of 305-0469 Regulator
Screw, Machine -Round
Head (*IO-32 x1/2”)
Washer, l-~ik -ET (#IO)
Nut, Hex {1/’~-2O)
Washer, Lock -ET (1/4”)
Nut, Insulating (1/4”]
Contact, Electrical
Jumper, Terminal
Block, Terminal
Screw, Machine -Round
Head {#8-32 x5~8”)
Washer, Lock -ET (#8)
Nut, Hex (#8-32)
Gromniet
Lead, Electrical
Screw, Machine -Round
Head (#8-32 x1/2”)
Washer, Lock -ET (#8)
Washer, Flat -Brass (#8)
Hut, Hex -Brass (#8-32)
REF PART
NO. NO.
10 332-1415
11 358-0029
871-0010
850-0030
526-0009
12 364-0012
364-0012
364-0014
871-0018
850-0040
526-0018
13 358-0031
358-0031
358-0035
871-0018
850-3040
526-0018
14 363-0048
812-0077
853-0005
15 332-1265
16 305-0482
17 315-0343
812-0077
853-0005
860-0008
(JTY
USED
1
1
1
1
1
2
2
2
2
2
2
2
2
2
2
2
2
1:
12
6
1
1
2
2
2
PART’
DESCRIPTION
Clamp, Cable
Rectifier CR3
Nut. Hex -Brass (#10-32)
Washer, Lock -Spring (#IO)
Washer, Flat (#10 and #12)
Rectifier Q4, Q5
Part of 305-0483 Regulator
Part of 305-0489 Regulator
Part of 305-0491 Regulator
Nut, Hex -Brass (1/4-20)
Washer, Lock -Spring (1/4”)
Washer, Flat (1/4”]
Rectifier CR1, CR2
Part of 305-0483 Regulator
Part of 305-04?39 Regulator
Part of 305-0491 Regulator
Nut, Hex -Brass (1/4-20)
Washer, Lock -Spring (1/4”)
Washer, Flat (1/4”)
Sink, Heat
Screw, Machine -Round Head
(#8-32 X3/8”]
Washer, Lock -ET (#8)
Insulator
Chassis
Reactor L1
Part of 305-0491 Regulator
Screw, Machine -Round Head
(#8-32 X3/8”)
Washer, Lock -ET (#El)
Nut, ?k3X (#8-32)
Redistribution or publication of this document
by any means, is strictly prohibited.

?w PART QTY
m. No. USED
1813-0100 2
2870-0053 2
3850-0030 2
4526-0008 2
5813-0110 4
6870-00s3 4
‘7 850”0030 4
8526-0009
9508”-018? !
10 332-0050
11 508-0093 ;
PART
DESCRIPTION
i’
Screw, Machine -Round Head
(#10-32 X1/2”1
Nut, Hex (#10-32)
Washer. Lock -Spring (#10)
Washer, Flat (#IO)
Screw, Machine -Round Head
(#lo-32 x2“1
Nut, Hex (*IO-32)
Washer, Lock -Spring (#IO)
Washer, Flat (#10 and #12)
Spacer, Stemed
clamp, LOOD
Grommet
REF MRT
No. No.
12 8’70-0053
13 850-0030
14
358-0097
3!58-0044
15
358-0086
35S-0043
16 363-005.4
17 363-0055
.
Nut, Hex (#10-32]
Washer. Lock -Spring (#IO)
Rectifier -Positive
CR1. CR2, CR3
Standard
Environmental Protected
Rectifier -Neqative
CR4, CR5. CR6
Standard
Environmental Protected
Sink, Heat
Sink. Heat
Redistribution or publication of this document
by any means, is strictly prohibited.

●
REF P&RT
#o. MO.
i332-0941
2800-0003
38s9”0040
4332-0529
332-1279
5812-0165
6862-0001
785’0-0040
Voltage Regwlator Filter
()’TY
Usa)
5
2
2
/
K
4
PhRT REF PART
DESCRIPTION MO. No.
Tie, Cable 8304-0427
Screw, CaR -Hex Head 9304-0292
[1/4-20x 1/2”) 10 354-0025
Washer-, Lock -Swinq (1/4”] 11 813-0098
Terminal
Bare (14-18 NW]
Insulated (14-18 AWG)
Screw. Machine -Round
(1/4-20 x4-1/2”)
Nut, Hox (1/4-20)
W3sher. Lock -%ring
12 870-0053
13 850-0030
Head 14 312-018s
i5 312-918$
i6 232-2218
1/4’” 17 52’5-0018
QTY
WED
4
2
2
2
2
2
1
1
i
15
PART
DESC%1PTUX4
Washer, Centering
Insulator
Resistor
Screw, Machine -Round Head
(#10-32 X3/8”)
Nut, Hex (#lo-32)
Washer, Lock -%wing (#IQ)
Bracket. Mounting
Caoacitor
Bracket. Mounting
Washer, Fiat (1/4”)
Redistribution or publication of this document
by any means, is strictly prohibited.

..-”>~
/***”X
.W...= ....= ...............=.m..
..
●.
*.” ‘\
---------------------..S-.m.--.x
●.* --
.-”
.*+ .- .. \
~“-\\\-’-”=---.......... N‘\
1
5
P&ftT
t?E8CRIPTMlN
REF PART m
ND. ND. USED PART
DE8CRIPTMIN
Cable, Electrical (Includes
Thermostat and {2) Gronunets)
120 VAC
240 VAC
Screw, CaD -Hex Head
(1/4-20x 5/8”)
REF PART
NO. NO. w
USED
1Washer, Lock -Swing
1Washer, Flat (1/4”)
Heater, Electrical
1125 Watt, 120 VAC
1 200 Watt, 240 VAC
(1/4”)
13850-0038
4526-0158
5333-0059
333-0192
335-0146 1
335-0147
2800-0004 ;
94
Redistribution or publication of this document
by any means, is strictly prohibited.

B
1
2
.
1
REF PART QTY
No. Ho. U*O
1821-0005 12
2301-3156 2
3815-0030 2
4301-3195 1
5821-0014 2
PmT REF PART
OESUUPTKN Ho.
Screw. Self-1ocking -Hex 6
Washer Head (#10-32 x1/2”)
Panel, Access 7
Screw, Tapping -Hex Head, 8
Slotted (#10-32 X3/8”) ,9
Plate. Access -Bottom
Screw, self-locking -Hex
Washer Head (5/16-18 x1/2”)
821-0010
301-3196
508-0203
301-3191
QTY PART
USED DESCRIPTI~
2Screw, Self-locking -Hex
Washer Head (1/4-20 x1/2”)
1Bracket. Support
2Bushing
~Box, output
Redistribution or publication of this document
by any means, is strictly prohibited.

Circuit Breaker -Spec CThrough P
,.,
#
/
,.~/---- ,.’
-.* . . ..”
..
●.” ~=--=% -Js. .?....=.--+,..**
*..’ ,,’
,. ,,
,,
,,
,f ___ ------------ --------- ___-:,
t
h●
----- --..--.-—_=
—i I
I
I
I
I
:
I
I
I
i
I
I
!
t
I
I
:
I
:
I
&
:
1
/
——---- ------ 1
1:
Q
,.
I/
/
96
Redistribution or publication of this document
by any means, is strictly prohibited.

REF PART
No. NC).
,8:50350
i.Wi’ 3192
3800-0028
4 5260022
5 850 0045
6862”-0015
7~l? 0094
8650-0025
9800-0003
iil &X)-oo40
ii 30i.3197
Circuit Breaker -Spec CThrough P
PART
DESCRIPTION
Screw, Taooinu -- iiex i+asmx
Head [#10-32”x 3/8”)
Gover
Screw. CaD -Hex Head
(5/16-i8 xi“!
Washer, Flat (5/16”)
Wasner, LOCK S.or-ina
Nut, iiex (5/16-i8)
Screw. i’4actiine -- Round
(#832 X3-5/8”)
Washer. Lock -Stx”’inq
screw, C,3D -Hex !+e’ad
(1/4--20 X1/?”)
Wasner, Lock -Sorinq
8racket, Mounting
5/16” )
head
US)
1/4” !
REF PART
No. NO.
-“
320-0415
320-0413
320-0384
320-0384
320-0411
320-0412
320-0344
320-0416
320-0414
320-0379
320-0379
320-0346
320-0346
320-0359
QTY
USED
PART
DESCRIPTION
Circuit Breaker
(Voltage afwlicatlo!i in
Darcns )
EKGEN SET
40AmD (347/600V, 3Phase)
50AmD (277/480V, 3Phaoe)
60Amo (220/380V. 3?hase)
60Amn [200/3fi6V, 3Phase)
90Amp (i20/240V, 3Phase)
100Am (i20/208V, 3Phase)
i75AmcI (120/240V, iPhase)
EMGEN SET
60AmD (347/600V 3Phase)
70AmD [277/480V 3Phase)
90AlllD [220/380V 3i%ase)
90AmD (200/346V 3Pnasc)
1501kllD [120/240V 3PhIWel
150Amo [120/208V 3Phase)
225AmD (120/240V 1Phase)
Redistribution or publication of this document
by any means, is strictly prohibited.

1
Circuit Breaker -Begin Spec R
cL
Redistribution or publication of this document
by any means, is strictly prohibited.

REF PART
DNo. No.
1821-0010
2301-9892
301-9682
3800-0028
4526-0022
5850-0045
6862-0015
7812-0165
812-0094
813-0118
812-0!5’7
8850-0040
850-0025
9526-0108
526-0028
526-0008
526-0048
10 301-9669
11 301-9668
QTY
22
1
1
5
5
5
5
4
4
4
4
4
4
4
4
4
4
2
1
B
PART
DESCRIPTION
Screw, Self-1ocking -Hex
Washer Head (1/4-20 x1/2”)
Cover
For Brt+deP i%rked *
For Breaker Marked @
Screw, Cap -Hex Head
(5/16-18 x1“)
Washer, Flat (5/16”)
Washer, Lock -Spring (5/16”)
Nut, kklX (5/16-18)
Screw, Machine -Round Head
1/4-20 x4-1/2” For Breaker
Marked *
#8-32 x3-5/8” For Breaker
Marked @
10-32 x4-1/2” For Breaker
Marked *-Begin Spec T
1/4-20 x1-3/4” For Breaker
Marked *-Begin Spec T
Washer, Lock -Spring
1/4” For Breaker Marked *
#8 For Breaker Marked @
Washer, Flat
1/4” For Breaker Marked *
#8 For Breaker Marked @
#10 For Breaker Marked *
#8’ For Breaker Marked @
Panel, Box
REF PART
No. ND.
12
320-1458-28
320-14!58-23
320-1458-24
320-1458-24
320-1458-13
320-1458-29
320-1512-08
320-1518-08
320-1458-41
320-1458-25
320-1458-27
320-1458-27
320-1458-31
320-1459-08
320-1512-10
320-1555-11
320-1555-07
320-1555-08
320-1555-09
320-1557-51
320-1466-25
PART
DESCRIPTION
Breaker, Circuit (Voltage
Application in Parens)
EK SET ONLY
@40 Amp (347/600V, 3Phase)
@50 Amp (27’1/480V, 3Phase)
@60 Amp (220[380V, 3Phase)
@60 Amp (20G/346V, 3Phase)
@90 Amp (120/240V, 3Phase)
@110 Amp (120/208V. 3Phase)
*175 Amp (120/240V, 1Phase
*175 Amp (277/480V, 3Phase 1
EM SET ONLY
@60 Amp (347/600V, 3Phase)
Q70 Amp (277~480V, 3Phase)
@90 Amp (220/380V, 3Phase)
@90 Amp (200/346V, 3Phase)
@150 Amp (120/240V, 3Phase)
*175 Amp (120/208V, 3Phase)
*225 Amp (120/240V, 1Phase)
*250 Amp (120/240V, 1Phase)
*150 &sp (120/240V, 3Phase)
*175 Amp (120/208V, 3Phase
\
*200 Amp (120/240V, 3Phase,
*250 Amp (120/240V, 3Phase)
@70 Amp (270/480V, 3Phase)
*-Parts used with Breaker Marked *.
@-Parts used with Breaker Marked Q.
Redistribution or publication of this document
by any means, is strictly prohibited.

REF PART
No. w.
98-S262
980983
98-2235
98-1875
98-1638
98-2184
98-5393
98-0961
98--3384
98-1003
98--5219
98-.5220
L*b@ls, Paint,
PART
DESCRIPTION
Silkscreen -OMAN
Silkscreen, Cil Orain
Silkscreen. Ground
Silkscreen,, Ratinq (Gas Fuel)
Silkscreen, Warnlnq
Decal, Governor
Label, Warning
Silkscreen, Water Level
Silkscreen. Cwt~9n
Silkscreen. Water Drain
Silkscreen, Panel Front -
Vertical
Silkscreen, Panel Rear -
Vertical
Thread Sealant
MY PART
W. NO.
98--5299
98-5387
98-2304
98.5662
98-3232
98-5663
525-0305
518-0601
QTV PART
WED DESOMPTION
1Silkscreen, Panel Front -4
Vertical
1Silkscreen, Panel Rear -
Vertical
2Label, Danqer
1Silkscreen, Circuit Breaker
1Silkscreen. Emer?ency Ston
1Silkscreen, Warning
1Silkscreen, Caution
1Paint, Enamel -Green -
Non Metallic
13 02. Pressurized Can
1Sealant, Thread (6 ml)
Redistribution or publication of this document
by any means, is strictly prohibited.

X3-C?065
98-0961
9$-0983
98-1003
98-1638
90-1875
98-2184
98-2235
98-2263
98-2304
98-3232
98-3384
98-5219
9$-5220
98-5262
98-5298
98--5299
98-5387
98-5393
98-5662
98-5663
102-0652
102-0664
s102-1333
104-0091
104-0091
104-0091
104-0091
104-OO9V
104-0091
104-0091
104-0091
104-0091
104-CIO91
104-0091
104-0719
104-0723
104-0745
110-0526
110-0526
110-0526
110-0526
110-0576
110-0576
110-0576
110-1543
110-1543
114-0023
114-0023
s
114-0023
Page
48
100
100
100
100
100
100
100
75
100
100
---
1(KJ
100
100
100
100
100
100
100
100
100
5
5
5
7
13
15
17
21
23
25
27
37
41
43
5
5
5
39
41
43
47
39
41
43
39
41
85
85
87
Part Mo.
114-0023
115-0025
115-0025
115-0025
115-0025
115-0025
123-0910
123-1044
130-0351
130-0352
130-0355
130-0449
130-0449
130-04W
130-0499
130-0499
130-0522
130-0604
130-0636
130-0659
130-0661
130-0678
130-0678
130-0678
130-0757
130-0796
130-0802
130-0805
130-0819
130-0828
130-1107
130-1192
130-1192
130-1236
130-1236
130-1340
130-2217
130-2937
130-3930
130-4099
130-4099
130-4099
130-4099
130-4099
130-4099
130-4245
130-4246
130-4252
130-4264
130-4267
Page
89
10
10
11
20
21
7
7
33
33
33
33
35
3!3
41
43
43
33
47
47
45
17
23
27
43
45
45
45
45
45
76
51
53
33
35
45
33
37
10
37
39
41
43
45
47
35
35
35
37
35
Part No.
130-4271
133-0201
133-0202
133-0203
133-0204
140-0261
140-0379
140-0649
140-1083
140-1089
140-1583
140-1588
141-0372
141-0372
141-03’?2
141-0563
141-0563
141-0563
141-0869
141-0869
141-0869
141-0911
141-0911
141-0911
145-0120
145-0120
145-0120
145-0120
145-0120
145-0120
145-0120
145-0120
145-0120
145-0120
145-0158
145-0158
145-0158
145-0163
14!5-0163
145-0163
145-0164
145-0165
145-0165
145-0165
145-0166
145-0166
145-0182
145-0421
145-0422
145-0422
101
Page
10
12
12
12
12
1
1
59
1
f
1
59
13
15
17
13
15
17
13
15
17
13
1!5
17
13
15
17
21
23
25
27
37
47
43
18
19
20
18
19
20
18
18
19
20
18
19
18
20
39
20
Part No. !%@
145-0467 13
145-0467 15
145-0467 17
145-0467 21
145-0467 23
145-0467 25
145-0467 27
145-0494 13
145-0494 15
145-0494 17
145-0494 21
145-0494 23
145-0494 25
145-0494 27
148-0274 41
148-0274 43
148-0367 15
148-0367 17
148-0367 25
148-0367 27
148-0593 13
148-0593 15
148-0593 17
148-0593 21
----
148-0593 23
148-0593 25
148-0593 27
148-0597 15
148-0597 21
148-0597 25
148-0597 27
148-0603 17
148-0603 23
148-0603 27
148-0604 17
148-0604 23
148-0604 27
148-0625 17
148-0625 23
148-0625 27
148-0626 25
148-0626 27
148-0627 25
148-0637 15
148-0637 2“1
148-0637 25
148-0643 21
148-0643 23
148-0643 25
148-0643 27
Redistribution or publication of this document
by any means, is strictly prohibited.

Part No.
148-0673
148-0691
148-0691
148-0’??4
148-0774
148-0774
148-0774
148-07’14
148-0774
148-0774
148-07’?5
14a-0775
140-0775
148-0775
148-0775
148-0775
148-07’?5
148-04326
148-0994
149-0638
149-0638
149-0638
149-0638
149-0736
149-0736
149-0736
149-0736
149-1052
149-1052
149-1052
149-2304
150-0096
150-0096
150-0096
150-0214
150-0638
150-0638
150-0638
150-0717
150-0717
150-0717
150-0723
150-07’23
150-0723
150-0939
150-1356
150-1356
150-1456
150-1456
150-1923
Pa@
25
15
17
13
1!5
17
21
23
25
27
13
15
17
21
23
25
27
1?
25
21
23
25
27
21
23
25
27
13
15
17
5
18
19
20
11
10
11
21
85
87
89
87
89
91
11
87
89
87
89
11
Part No.
150-2145
150-2249
.e* A.*.
13U-L4Y3
150-2496
150-2497
150-2551
150-25!33
151-0230
151-0312
151-0402
151-0411
151-0433
151-0566
151-0579
151-0596
151-0605
151-0619
151-0624
151-0625
151-0629
151-0707
151-0710
152-0036
152-0120
152-0155
152-0155
152-0138
152-0329
152-0341
154-1296
154-1296
154-1296
154-1297
154-1297
154-1297
154-1298
154-1298
154-1298
154-1299
154-1299
154-1299
154-1335
154-1335
154-1335
154-2345
154-2345
154-2345
154-2801
154-2801
154-2801
Paga
?q
10
10
10
11
11
11
28
10
63
11
11
11
10
11
11
11
11
11
11
11
11
28
28
18
20
28
11
11
37
41
43
37
41
43
37
41
43
37
41
43
37
41
43
37
41
43
13
15
17
Part No. Paga
~~~-~~fj~
154-2801
154-2801
154-2801
154-2801
154-2801
154-2801
155-0775
155-0776-01
155-0789
155-0898
155-0899
155-0923
155-0978
155-0988
155-1015
155-1107
155-1420
155-1430
155-1512
155-”1593
155-1634
155-1644
155-1984
155-1993
155-2340
155-2341
155-2342
159-0294
159-0489
159-0490
159-0512
159-0680
159-0705
159-0746
159-0751
159-0859
159-0860
159-0861
159-0875
159-0876
159-1025
160-0558
160-1045
166-0268
166-0278
166-0286
166-0727
167-1525
167-1526
102
18
19
20
21
23
25
27
61
61
59
61
61
7
59
59
25
7
59
59
59
59
59
59
11
7
61
61
61
29
31
31
31
29
29
29
31
29
29
29
29
29
31
9
9
9
9
9
7
9
9
Part No.
167-1527
167-1528
167-1529
167--1530
167-1531
167-1532
191-0571
191-0571
191-0578
191-0578
191-0623
191-0623
191-0716
191-0716
191-0725
191-0725
191-0773
191-0941
191-0941
191-1388
191-1390
191-1407
191-1410
191-1411
191-1872
191-1981
191-1983-01
191-2032
191-2034
191-2035
191-2058
191-2061
191-2117
193-0104
193-0106
193-0106
193-0107
193-0107
193-0108
193-0187
193-0187
193-0188
193-0232
193-0233
193-0234
193-0235
193-0236
193-0243
193-0243
193-0244
P-
9(
9
9
9
9
9
2
3
2
3
2
3
2
3
2
3
7
2
3
2
2
7
3
3
3
3(
3
3
3
3
33
3
7
5
65
69
65
69
5
65
69
5
83
83
83
83
83
65
69
5
4
Redistribution or publication of this document
by any means, is strictly prohibited.

Part !40.
93-0245
93-0248
193-0248
193-0249
193-0292
193-0305
193-0318
193-0329
193-0351
193-0352
193-0353
193-03~g
193-0392
193-0435
201-1640
201-1640
201-1643
201-1!543
201-1643
201-1643
201-1643
201-1643
201-1645
~Q~-lGA?i
.-T-
201-1645
B201-1645
201-1739
201-1739
201-1845
201-1845
201-2666
201-2666
201-2668
201-2669
201-2669
201-2669
201-2669
201-2669
201-2669
201-2671
201-2671
201-2671
201-2671
201-2684
201-2687
201-2687
201-2687
201-2687
201-2689
201-2689
Page
6!3
65
69
5
48
83
5
48
63’
63
5
$3
5
63
85
85
85
85
85
85
85
85
85
85
85
85
87
89
87
89
87
87
87
87
87
87
87
89
89
89
89
89
89
87
87
87
87
89
89
8?3
Part No.
201-2689
204-0083
205-0089
205-0089
205-0089
211-0185
211-0185
211-0185
212-04!3
212-1105
212-1225
214-0046
220-1451
220-1451
220-1451
220-1454
220-1454
220-1454
220-1454
220-1454
220-1454
220-1456
220-1456
220-1456
220-1528
220-1528
220-1552
220-1552
220-1552
220-1552
220-1554
220-1554
220-1554
220-1554
220-1599
220-1602
220-1774
220-1774
220-1783
220-1786
220-1786
220-1788
220-1845
220-1845
220-1847
220”1847
220-1994
220-1997
220-1997
220-1999
Hiiiiwrical Index
Page
89
85
85
87
89
85
87
89
85
85
85
85
85
85
87
85
85
85
85
87
89
85
85
89
87
89
85
85
87
87
85
85
89
89
87
89
87
89
87
$7
89
89
87
87
89
89
87
87
89
89
Part No.
UC-2353
220-2353
220--2459
220-2462
220-2621
220-2624
231-0148
231-0157
232-2078
232-2078
232-2078
232-2102
232-2102
232-2218
234-0361
234-0368
234-0368
234-0368
234-0369
234-0369
234-0369
234-0370
300-0679
300--0679
300-0681
300-0681
300-0714
300-0714
300--0730
300”-0730
300-0733
300-0733
300-2807
300-”2809
300-2811
300-2855
300-2862
300-2880
300-2880
300-2897
300-2901
300-2902
300-2905
300-2971
300-2971
300-2971
301-1886
301-3154
301-3155
30%-3156
183
Page
87
89
87
89
87
89
5
11
85
87
85
87
89
93
77
85
87
89
85
87
89
77
65
69
65
69
65
69
65
69
65
69
63
63
63
63
63
67
73
63
63
63
63
71
71
71
76
77
77
77
Part No. Page
301-3156 95
301-3158 71
301-3158 73
301-3191 95
301-3192 9?
301-3195 95
301-3196 95
301-3197 97
301-3244 71
301-3244 73
X)1-3253 65
301-3253 69
301-3253 83
301-3283 79
301-3284 79
301-3292 79
.301-3476 81
301-3477 81
301-4009 83
301-6053 65
301-6053 69
301-6257 63
301-6987 81
301-8065 67
*A. **..
.3Ui-uuol 63
301-9054-01 67
301-9054-02 67
301-9054-03 67
301-9055-01 63
301-9055-02 63
301-9315 73
301-9668 99
301-9669 99
301-9682 99
301-9892 99
302-0061 83
302-0078 75
302-0079 75
302-0106 75
302-0213 71
302-0213 73
302-0221 71
302-0221 73
302-0234 71
302-0234 73
302-0235 75
302-0236 75
302-0253 75
302-0256 71
302-0256 73
Redistribution or publication of this document
by any means, is strictly prohibited.

Part W.
302-0410
302-I341O
302-0411
302-0411
302-0412
302-0412
302-0413
302-0413
302-0421
302-0421
302-0422
302-0422
302-0466
302-0466
302-0469
302-0469
302-0605
302-0605
302-0607
302-0612
302-0612
302-0718
302-0718
9ne nm.in
CJ&l&-I,#r13
302-0719
302-0720
302-0720
302-0721
302-0721
302-0722
302-0722
302-0723
302-0723
302-0724
302-0724
302-0729
302-0749
302-0749
302-0764
302-0779
302-0779
302-0809
302-0809
302-0810
302-0810
302-0811
302-0811
302-0864
302-0865
302-0$85
Page
71
73
71
73
71
73
71
73
71
73
71
73
71
73
71
73
71
73
67
71
73
71
73
71
73
71
73
71
73
71
73
71
73
71
73
75
65
69
75
71
73
71
73
71
73
71
?3
75
75
63
Part tie
302-1082
302-1083
302-1113
302-1114
302-1147
302-1148
302-1362
302-1362
302-1365
302-1641
302-1683
3C2-1684
302-1685
302-1720
302-1721-01
302-1721-02
302-1721-03
302-1721-04
302-1721-05
302-1721-06
302-1721-07
302-1721-08
302-1721-09
302-1721-10
302-1721-11
302-1721-12
302-1721-13
302-1721-14
302-1721-15
302-1721-16
302-1721-17
302-1722
302-1723
302-1724
302-1725
302-1726
302-1727
302-1790
302-1868-03
302-1868-04
302-1868-05
302-1873-01
303-0032
303-0032
303-0032
303-0076
303-0076
303-0170
303-0261
303-0261
Page
81
81
81
81
67
67
65
69
75
63
67
67
67
67
81
81
81
81
81
81
81
81
81
81
81
81
81
81
81
81
81
81
63
67
67
67
67
63
75
75
75
63
67
71
73
71
73
71
67
73
Pat-t No.
304-0015
304-0045
304-0292
304-0427
304-1143
305-0481
305-0481
305-0481
305-0482
305-0483
305-0489
305-0489
305-0489
305-0491
305-0491
305-0491
306-0155
306-0155
307-0259
307-0312
307-0312
307-0312
307-0312
307-0312
307-0312
307-0565
307-0833
307-0833
307-0833
307-0833
307-0833
307-0867
307-1031
307-1058
307-1058
307-1058
307-1058
307-1058
307-1058
307-1058
307-1061
307-1061
307-1061
307-1061
307-1093
307-1157
307-1157
307-1157
307-1157
307-1157
104
Paga
18
18
93
93
79
85
87
89
91
91
85
91
91
87
89
91
15
17
18
15
17
21
23
25
27
29
39
41
43
45
47
31
5
65
65
65
67
69
69
69
65
69
71
73
19
65
69
71
73
79
Part ?JQ. Page
307-1164 51 9
307-1166 5
307-1323 20
307-1327 20
307-1330 20
307-1356 20
307-1460 51
307-1987 67
308-0002 65
308-0002 69
.-A **A.
duu-uuua 15
308-0005 17
308-0088 83
308-0138 65
308-0138 69
308-0150 15
308-0150 17
308-0152 79
308-0155 83
308-0284 67
308-0284 71
308-0284 73
308-0297 83
308-0327 65
308-0327 69
308-0784 63 e
308-0785 63
308-0853 63
308-0882 67
308-0892 “63
309-0064 5
309-0106 49
309-0106 53
309-0128 76
309-0131 18
309-0132 18
309-0133 18
309-0155 18
309-0178 7
309-0178 7
309-0179 7
309-0241 43 *
309-0241 45
309-0241 47
309-0256 *
49
309-0256 53
309-0269 5
309-0304 51
309-0307 53
309-0312 7
9
Redistribution or publication of this document
by any means, is strictly prohibited.

Numerical Index
Part No.
9312-0201
314-0006
315-0339
315-0341
315-0343
31!5-0384
315-043<1
319-0447
320-0202
320-9307
320-0307
320-0344
320-0346
320-0346
320-0359
320-0379
320-0379
320-0384
320-0384
320-0411
320-0412
320-0413
320-0414
320-0415
320-0416
320-0431
320-0455
320-1121
2
!3
91
91
91
71
71
67
71
71
73
97
97
97
97
97
97
97
97
97
97
97
97
97
97
73
71
67
a~o-ldse-la
320-1458-23
320-1458-24
320-1458-24
320-1458-25
320-1458-27
320-1458-27
320-1458-28
320-1458-29
320-1458-31
320-1458-41
320-1359-08
320-1466-25
320-1512-08
320-1512-10
320-1518-08
320-1555-07
320-1555-08
320-1555-09
320-1555-11
320-1557-51
B32~-0094
99
99
99
99
!)9
99
99
m
99
99
99
99
99
99
99
99
99
99
99
99
99
63
Part No.
321-0231
321-0270
~~~-(joo~”
322-0004
322-0004
322-0107
~z~-()~o~
322-0108
322-0108
322-0109
322-0109
322-0110
322-0110
322-0111
322-0111
322-0128
322-0128
322-0130
.322-0130
322-0131
322-0131
322-0136
322-0136
322-0149
322-0149
322-0178
322-0178
322-0283
322-0283
322-0358-01
322-0359-01
322-0360-01
322-0361
322-0363
322-0369-01
323-0764
323-0764
323-0764
323-0765
323-0765
323-0765
323-0765
323-0804
323-0957
323-0957
323-1280
331-0027
331-0101
332-0014
332-0014
Page
63
63
63
65
69
65
69
65
69
65
69
65
69
65
69
65
69
71
73
71
73
65
69
65
69
71
73
65
69
63
63
63
63
67
63
65
69
79
65
69
71
73
67
49
51
79
51
25
49
51
Part !40.
332-0050
332-0050
332-0051
332-0051
332-0051
332-0051
332-0051
332-0052
332-0052
332-0149
332-0529
332-0537
332-0537
332-0607
332-0607
332-0609
332-0610
332-0699
332-0699
332-0795
332-0795
332-0795
332-0795
332-0795
332-0807
332-0941
332-1005
332-1005
332-1043
332-1043
332-1043
332-1239
332-1239
332-1240
332-1240
332-1241
332-1242
332-1242
332-1248
332-1248
332-1265
332-1266
332-1269
332-1269
332-1271
332-1271
332-1271
332-1271
332-1276
332-1276
Page
43
92
65
69
71
73
83
63
67
51
93
65
69
71
73
81
81
65
69
65
69
71
73
83
51
93
65
69
65
69
91
65
69
65
69
83
71
73
71
73
91
91
65
69
65
65
69
69
65
69
Part h. Page
332-1279 93
332-1280 65
332-1280 65
332-1280 69
332-1280 69
332-1280 71
332-1280 73
332-1281 5
332-1292 5
332-1415 91
332-1473 55
332-1559 65
332-1559 69
332-2723 67
333-0012 49
333-0012 53
333-0013 49
333-0013 53
333-0056 49
333-0056 53
333-0057 49
333-0057 53
333-0059 94
333-0093 51
333-0093 53
333-0118 49
333-0142 51
333-0151 76
333-0162 51
333-0162 53
333-0168 51
333-0171 51
333-0171 53
333-0173 51
333-0177 51
333-0177 53
333-0178 51
333-0192 94
333-0194-01 65
333-0194-0! 69
3p~-0224 51
335-0146 94
335-0147 94
335-0161 76
336-3064 7
337-0049 67
337-0049 71
337-0049 73
337-0090 55
338-0533 7
Redistribution or publication of this document
by any means, is strictly prohibited.

Part No.
338-0628
338-1765-01
338-181?
338-1818
338-183!3
338-1836
338-1853
338-1962
338-2277
338-22’?8
338-267!5
350-05s6
350-05!56
354-0025
356-0070
356-0070
356-0072
356-0072
356-0090
356-0102
356-0104
357-0030
358-0029
~&Tj.~~~f
358-0031
358-0035
358-0043
358-0044
358-0096
358-0097
363-0048
363-0054
363-0055
364-0012
364-0012
364-0014
402-0010
402-0011
402-0012
402-0030
402-0078
402-0078
402-0078
402-0337
402-0338
402-0354
402-0527
403-0633
403-0894
403-0895
Pefp
7
11
63
67
63
63
67
7
63
67
7
W*
;;
53
65
69
65
69
82
82
82
48
91
91
91
91
92
92
92
92
91
92
92
91
91
91
55
55
55
5(s
71
73
81
55
55
81
67
55
57
57
Part No,
403-0902
405-1054
405-1054
405”1777
405-1780
405-1808
405-1809
405-1811
4~5=~~f3
405-1812
405-1814
405-1835
405-1840
405-2084
405-2160
405-4659
406-0089
426-0105
406-0105
406-0157
406-0249
406-0332
406-0332
406-0332
406-0333
406-0333
406-0333
406-0334
406-0334
406-0334
406-0469
406-0471
406-0565
416-0021
416-0096
416-0612
416-0613
416-0687
416-0972
50’1-ooo9
501-0009
501-0010
501-0010
501-0134
501-0134
501-0134
501-0199
502-0002
502-0002
502-0002
Paga
.-
%
35
57
5’?
57
57
33
35
57
57
57
79
57
79
48
57
12
57
57
57
67
71
73
67
71
73
67
71
73
33
33
57
5
7
55
5
55
55
29
31
29
31
13
15
17
51
13
15
17
Part No. Pa$e
502-0002 29
502-0002 31
502-0003 29
502-0020 31
502-0029-04 48
502-0051
502-0054
502-0082
502-0082
502-0103
502-0103
502-0103
502-0193
502-0354
502-0354
502-0354
54)2-0444
502-0445
502-0583
502-0613
502-0801
502-0942
502-0943
502-0943
502-0971
502-0971
502-1030
502-1030
502-1031
502-1031
502-1031
502-1031
502-1031
503-0032
503-0032
503-0032
503-0084
503-0087
503-0113
503-0131
503-0183
503-0183
503-0183
503-0183
503-0183
503-0183
503-0183
503-0189
503-0189
!503-0189
106
83
51
29
31
17
23
27
51
13
15
17
83
83
83
51
48
51
23
27
23
25
17
17
39
41
43
47
53
27
39
41
41
27
51
5
17
17
23
27
41
43
51
27
37
39
Part No. Page
503-0189 47 4
503-0189
503-0200
503-0245
503-0311
503-0311
503-0365
503-0365
503-0365
503-0365
503-0365
503-0365
503-0365
503-0365
503-0365
503-0386
503-0398
503-0398
503-0437
503-0461
503-0490
503-0490
503-0490
503-0490
-m- ----
MJ3-U4YU
503-0491
503-0491
503-0491
503-0491
503-0491
503-0517
503-0517
503-0542
503-0542
503-0586
503-0611
!503-0611
503-0611
503-0614
!503-0685
503-0685
503-0685
503-0685
503-0710
503-0826
503-0826
503-0826
503-0826
503-0$32
53
41
12
37
53
12
33
35
37
39
41
43
45
47
27
17
23
47
39
33
35
37
45
~~
33 4
35
37
45
47
37
53
15
17
39
85
87
89
7
13
15
17
48
51
39
41
41
43
17
503-0833 23
a
Redistribution or publication of this document
by any means, is strictly prohibited.

)Part No.
503-0999
B
503-0999
503-1077
503-1103
503-1103
503-1137
503-1142
503-1163
503-1194
503-1194
503-1194
503-1196
503-1196
503-1201
503-1418
503-1418
503-1691
504-0003
504-0003
504-0003
504-0003
504-0003
504-0003
504-0003
504-0003
504-0004
504-0005
!504-0005
504-0005
504-0005
504-0007
504-0007
504-0007
504-0013
504-0019
504-0019
504-0019
504-0019
504-0028
504-0028
504-0028
504-0028
504-0028
504-0028
504-0028
504-0028
504-0030
504-0062
504-0083
)505-0002
Page
15
17
83
17
23
17
15
27
37
37
43
41
43
27
48
48
17
7
37
39
41
43
45
51
53
31
17
23
27
45
15
17
31
31
39
41
45
47
17
23
27
33
35
45
47
47
5
47
27
47
Part NQ=
505-0003
KflK-nnllA
..?UG WUU9
505-0004
505-0004
505-0004
~fjsdmnd
w“”-
505-0007
505-0007
505-0007
505-0007
505-0007
505-0007
505-0007
505-0010
505-0010
505-0010
505-0011
505-0017
505-0017
505-0017
505-0017
505-0018
!505-0018
505-0018
505-0018
505-0018
505-0019
505-0019
505-0020
505-0020
505-0020
505-0021
505-0021
505-0021
505-0021
505-0021
505-0021
505-0021
505-0021
505-0022
505-0022
505-0028
505-0028
505-0029
505-0032
505-0038
505-0038
505-0038
505-0039
505-0039
Numerical Index
page
27
23
25
2?
27
51
5
15
17
25
27
51
51
27
39
41
7
17
23
27
27
37
39
39
41
43
37
47
25
39
41
15
21
23
25
43
45
47
53
17
27
23
47
25
43
7
41
51
5
17
505-0039
505-0039
505-0040
505-0040
505-0041
505-0044
505-0050
505-0050
505-0051
505-0056
505-0056
505-0056
505-0057
505-0057
505-0057
505-0057
505-0059
505-0059
505-0060
505-0060
505-0060
505-0060
505-0071
505-0086
505-0098
505-0098
505-0098
505-0098
505-0098
505-0098
505-0098
505-0099
505-0099
505-0099
505-0099
505-0099
505-0099
505-0099
505-0100
505-0100
505-0100
505-0100
505-0100
505-0100
505-0100
505-0100
505-0100
505-0100
505-0100
505-0100
107
Page
17
23
43
47
27
61
39
41
43
41
43
47
5
29
31
37
5
5
17
23
27
51
7
27
5
15
17
25
27
45
51
17
23
25
27
41
51
51
15
21
23
25
27
39
41
43
45
45
47
47
Part No.
505-0101
505-0101
505-0101
505-0101
505-0101
505-0101
505-0101
‘505-0102
505-0102
505-0102
505-0102
505-0102
505-0102
505-0102
505-0102
505-0102
505-0102
505-0103
505-0106
505-0108
505-0108
505-0108
505-0108
505-0111
505-0111
505-0119
505-0119
505-0119
505-0119
505-0125
505-0125
505-0129
505-0129
505-0129
505-0129
505-0130
505-0130
505-0132
505-0132
505-0132
505-0132
505-0132
505-0132
505-0135
505-0135
505-0135
505-0135
505”0135
505-0140
505-0140
Page
5
17
17
23
37
47
51
15
15
21
25
25
27
39
41
43
45
61
53
37
41
43
47
61
61
17
27
27
27
23
27
25
27
45
47
45
47
15
21
25
25
39
41
5
17
23
27
51
45
47
Redistribution or publication of this document
by any means, is strictly prohibited.

Part ?40.
505”0175
505-0175
!505-0175
505-0183
505-0184
505-0185
505-0190
505”0190
505-0203
505-0203
505-0217
505-02S8
505-0271
505-0271
505-0271
505-0274
505-0287
505-0289
505-0302
505”0317
505-0317
505-0324
505-0324
~~-Q~~A
5C5-0356
505-0356
505-0356
50!+0385
505-0385
505-0426
505-0444
505-0453
505-0454
505-0455
505-0462
505-0642
505-0642
50!5-0691
505-0763
505-08.02
505-0949
508-0001
508-0001
508-(NIO1
508-0002
508-0008
508-0008
508”0008
508-0008
508-0099
Faga
3?
41
43
47
45
17
43
53
59
61
12
~?
37
41
A3
31
23
43
7
43
45
39
41
As
23
25
27
43
47
45
45
59
59
51
45
43
45
45
51
48
47
71
73
81
91
25
25
49
53
79
Part No.
508-0015
508-0051
-——-
508-0093
508-0115
508-0187
508-0203
508-0203
509-0125
509-0125
50S-0125
51(2-0101
~~~-~~ol
510-0101
511-0074
511-0074
511-0075
511-0075
511”0077
511-0078
511-0164
511-0174
511-0175
511-0179
512-0051
515-0093
515-0093
515-0145
515-0145
516-0059
516-0059
516-0086
516-0167
517-0090
517-0131
517-0131
517-0131
517-0221
518-0374
518-0374
518-0601
520-0214
520-0238
520-0238
520-0238
520-0311
520-0311
520-0311
520-0311
520-0311
520-0311
Page
5
67
92
79
92
77
95
85
87
89
85
87
89
2
3
33
35
10
10
10
10
3
10
10
2
3
87
89
18
20
18
5
9
63
71
73
63
65
69
100
10
37
41
43
7
13
15
17
27
23
Part ?40.
gJ~Q=(yJ~ ~
520-0311
520-0404
520-0446
520-0446
520-0515
520-0564
520-0564
520-0564
520-0663
520-0672
520-0672
520-0721
520-0721
520-0721
520-0723
520-0723
520-0723
525-0305
526-0002
526-0003
526-0006
526-0006
526-0008
526-0008
526-0008
526-0009
526-0009
526-0015
526-0018
526-0018
526-0018
526-0018
526-0018
526-0018
526-0022
526-0022
526-0028
526-0029
526-0029
526-0030
526-0030
526-0030
526-0030
526-0030
526-0035
526-0048
526-0048
526-0048
108
Page
25
27
7
49
53
10
37
41
43
55
49
53
85
87
89
85
87
89
100
79
81
18
20
75
92
99
91
92
13
48
77
85
91
91
93
97
99
99
5
10
2
10
37
41
43
7
18
19
20
Part NO. Page
526-0048 91
526-0048 99
526-0049 75
526-0049 85
526-0052 79
526-0054 ?9
526-0062 65
526-0062 69
526-0062 83
526-0066 37
G9R-nnRG
--- ---- 41
526-0066 43
526-0100 2
526-0100 3
526-0108 85
526-0108 99
.526-0113 59
526-0113 76
526-0115 10
526-0115 55
526-0141 55
526-0158 94
526-0214 7
526-0238 85
5~~=~~3~ e’1
526-0238 89
526-0259 85
526-0259 87
526-0259 89
526-2106 3
526-2106 3
718-1037 3
718-1039 3
718-1040 3
800-0003 20
800-0003 85
800-0003 87
800-0003 87
800-0003 89
800-0003 89
800-0003 93
800-0003 97
800-0004 7
800-0004 45
800-0004 94
800-0005 5
800-0005 28
800-0005 43
800-0007 25
800-0007 39
Redistribution or publication of this document
by any means, is strictly prohibited.

Part Mo.
800-0008
800-0008
800-0008
800-0009
800-0009
800-0009
800-0009
800-0009
800-0009
800-0009
800-0009
800-0009
800-0009
800-0024
800-0025
800-0025
800-0025
800-0!225
800-0025
800-0025
800-0026
800-0026
800-0026
800-002’J’
800-0027
800-0028
800-0028
800-0028
800-0028
800-0028
800-0029
800-0031
800-0034
800-0035
800-0035
800-0037
800-0045
800-0045
800-0045
800-0046
800-0048
800-0048
800-0048
800-0048
800-0048
800-0051
800-0051
800”0051
800-0051
800-0051
Paga
85
87
89
17
23
27
85
87
87
87
89
g~
89
67
15
17
21
23
25
27
5
9
45
2
47
59
59
79
97
99
55
11
76
29
59
59
67
71
73
37
47
57
85
87
89
5
11
37
41
43
Part b.
800-0052
800-0052
800-0052
800-0052
800-0053
800-0069
800-0069
800-0069
800-00f59
800-0069
800-0069
800-0069
800-0069
800-0069
800-0069
800-0071
800-0071
800-0071
800-0071
800-0071
800-0071
800-0073
800-0084
800-0084
800-0091
800-0135
800-0513
800-0513
800-0513
800-0520
800-2101
801-0024
801-0027
801-0050
801-0080
802-0072
802-0072
802-0072
803-0002
803-0002
803-0002
805-0018
805-0018
805-0018
805-0019
805-0019
805-0019
805-0033
805-0033
805-0033
!WMBrical Xndex
Page
**
i;
41
43
13
5
17
23
27
37
39
41
43
45
47
5
17
23
Z,i
29
55
5
2
3
55
61
85
87
89
55
3
33
37
10
55
37
41
43
18
19
20
85
87
89
85
87
89
85
87
89
Part NO.
805-0035
805-0035
805-0035
809-0036
809-0059
812-0061
812-0061
812-0061
812-0061
812-0061
812-0061
812-0061
812-0061
812-0061
812-0063
812-0063
812-0063
812-0063
812-0065
812-0065
812-0065
812-0066
812-0066
812-0066
812-0070
812-0075
812-0076
812-0076
812-0077
812-0077
812-0077
812-0077
812-0078
812-0078
812-0079
812-0079
812-0079
812-0079
812-0079
812-0079
812-0081
812-0094
812-0094
812-0149
812-0153
812-0157
812-0158
812-0165
812-0165
813-0097
109
Pa$e
85
87
89
5
57
65
69
71
71
71
71
73
73
79
63
65
69
81
67
71
73
71
73
83
76
28
49
53
7
12
91
91
82
82
18
19
20
43
51
91
91
97
99
57
7~
99
31
93
99
79
Part M. Page
813-0097 79
813-0098 15
813-0098 17
813-0098 57
813-0098 57
813-0098 79
813-0098 93
813-0100 75
813-0100 91
813-0100 92
~~~+loz 11
813-0102 11
813-0105 59
813-O1O5 65
813-0105 69
813-0110 75
813-O11O 92
813-0118 18
813-10118 99
813-0307 59
814-0079 33
814-0079 57
814-0200 13
814-0200 15
e-la n-nn
ot4-ueuu 17
814-0200 21
814-0200 23
814-0200 25
814-0200 27
815-0026 65
815-0026 69
815-0026 71
815-0026 73
815-0026 81
815-0026 83
81~5-o(J30 95
815-0104 18
815-0104 20
815-0134 18
815-0134 19
815-0134 20
815-0181 33
815-0181 35
815-0203 65
815-0203 69
Redistribution or publication of this document
by any means, is strictly prohibited.

815-0392
815-0392
8!5-0392
815-0604
815-0544
81!3-0544
815-0544
815-0544
821-0004
821-0004
821-0005
821-0009
82?-0010
821-0010
821-0010
821-0010
821-0010
$21-()!2?0
821-0010
821-0010
821-0010
821-0010
821-0010
821-(M?l(I
821-0014
821-0014
821-0014
821-0014
821-0014
821-0014
821-0014
821-0014
821-0014
821-0014
821-0014
821-0014
821-0014
821-0014
821-0015
821-0016
821-0016
821-00!’?
821-0018
821-00!8
821-0018
821-0029
850-0010
850-0020
850-0020
850”0020
Page
65
69
79
9
63
67
67
73
63
67
95
~~
31
33
35
!57
67
y?
73
77
77
77
95
99
33
35
39
41
43
48
57
!57
57
77
79
79
81
95
48
51
5?
81
47
53
77
55
10
71
??
73
Par% &o.
850-0020
850-0025
--.— ——-
850-QW25
850-0025
8!50-0025-
8!50-0025
850-0025
850-0025
850-0025
850-0025
850-0025
g5fj-oo25
850-0025
850-0025
850-0030
850-0030
850-0030
850-0030
850-0030
850-0030
850-0030
850-0030
850-0030
850-0030
850-0030
850-0030
850-0030
850-0030
850-0030
850-0030
850-0030
850-0030
850-0030
850-0030
850-0030
850-0030
850-0030
850-0030
850-0030
850-0030
850-0038
850-0040
850-0040
850-0040
850-0040
850-0040
850-0040
850-0040
850-0040
$50-0040
I%@
9*
IQ
7
12
18
19
20
43
49
51
53
57
82
97
99
15
17
18
49
53
57
57
65
65
65
69
69
69
71
73
79
79
79
83
83
83
91
92
92
92
93
94
5
7
10
10
17
20
20
21
23
Part NO*
g)~(j=~ogo
850-0040
850-0040
850-0040
850-0040
850-0040
850-0040
850-0040
850-0040
850-0040
850-0040
850-0040
850-0040
850-0040
850-0040
850-0040
850-0040
850-0040
850-0040
850-0040
850-0040
850-0040
850-0040
850-0040
850-0040
850-0040
850-0040
850-0040
850-0045
850-0045
850-0045
850-0045
850--0045
850-0045
850-0045
850-0045
850-0045
850-0045
850-0045
850-0045
850-0045
850-0045
850-0045
850-0045
$50-0045
850-0045
850-0045
850-0045
850-0045
8!50-0045
IUI
25
27
28
29
31
39
41
43
43
45
51
53
79
85
85
85
87
87
87
89
89
89
91
91
93
93
97
99
2
9
10
11
15
17
21
23
25
27
33
37
45
47
55
55
59
67
71
73
79
81
Part NOe
850-0045
850-0045
850-0050
850-0050
850-0050
850-0050
850-0050
850-0050
850-0050
850-0050
~gy.!jf)~o
850-0050
850-0050
850-0050
850-0050
850-0050
850-0050
850-0050
850-0051
850-0055
850-0055
850-0055
850-0055
850-0055
mm-nnKK
U*U WWWS4
850-0055
850-0055
850-0055
850-0055
850-0055
850-0055
850-0055
850-0055
850-0055
850-0055
850-0060
850-0070
850-0070
850-0079
850-0079
850-0079
850-2005
850-2008
851-0039
853-0003
853-0003
853-0003
853-0003
853-0003
853-0003
Pag@
97 9
99
5
10
37
37
37
41
41
41
43
43
43
47
57
85
87
89
11
2
3
5
5
7
17
23 4
27
29
37
39
41
43
45
47
55
55
2
3
85
87
89
3
3
3
65
65
69
69
71
71
4
Redistribution or publication of this document
by any means, is strictly prohibited.

Numerical Index
853-0003
8s3-0003
853-0003
853-0003
853-0003
853-0003
853-0003
853-0003
853-0003
853-0005
853-0005
853-0005
853-0005
853-0005
$53-0005
853-0005
853-0005
853-0008
853-0008
853-0008
853-0008
853-0008
853-0008
B853-0013
853-0013
853-0013
853-0013
853-0013
853-0013
854-0006
854-0010
854-0010
854-0010
854-0010
854-0020
854-0020
854-0020
854-0020
854-0020
854-0020
854-0020
854-0020
856-0002
856--0002
856-0002
856-0003
856-0003
856-0003
D
856-0003
856-0003
Page
71
71
71
73
73
73
79
81
83
18
19
20
81
91
91
91
91
65
69
81
83
85
91
85
87
87
89
89
91
76
71
73
75
75
7
13
15
17
21
23
25
27
18
19
20
65
65
69
69
75
Per* W.
856-0003
~f.J~+yJ~~
856-0003
856-0006
856-0008
856-0008
856-0008
856-0010
856-0010
856-0010
856-0012
856-0013
860-0005
860-0005
860-0006
860-0006
860-0006
860-0006
860-0006
860-0008
860-0008
860-0008
860-0008
860-0008
860-0008
860-0008
860-0008
860-2006
860-2008
861-0007
862-0001
862-0001
862-0001
862-0001
862-0001
862-0001
862-0001
862-0001
862-0001
862-0001
862-0001
862-0001
862-0001
862-0001
862-0001
862-0001
862-0001
862-0001
862-0001
862-0001
p~~
75
83
83
7?
5
55
67
85
87
89
5
55
71
73
65
69
76
79
81
18
19
20
43
57
81
91
91
3
3
82
5
17
20
23
25
27
29
39
41
43
43
45
51
53
85
85
87
87
87
89
Pg#pt #J().
862-0001
862-0001
862-0001
862-0001
862-0003
862-0003
862-0003
862-0004
862-0004
862-0004
862-0007
862-0011
862-0011
862-0011
862-0014
862-0015
862-0015
862-0015
862-0015
862-0015
862-0015
862-0015
862-0015
862-0018
865-0007
870-0048
870-0048
870-0053
870-0053
870-0053
870-0053
870-0053
870-0053
870-0053
870-0053
870-0053
870-0053
870-0053
870-0053
870-0053
870-0053
870-0053
870-0053
870-0053
870-0053
870-0053
870-0053
870-0053
870-0053
870-0054
~11
Page
89
89
91
93
37
41
43
2
3
55
61
85
87
89
81
23
27
45
47
55
79
97
99
55
55
11
59
15
17
18
18
19
20
49
53
57
65
65
69
69
71
73
75
83
83
92
92
92
93
59
Part !40.
870-0055
870-0055
870-0055
870-0068
8’/0-0106
870-0113
870-0113
870-0114
870-0114
870-0131
870-0131
870-0131
870-0131
870-0183
870-0183
870-0188
870-0196
870-0203
870-0212
870-0212
870-0212
870-0212
870-0221
870-0232
870-0250
870-0250
870-0250
870-0257
870-0257
870-0257
870-0257
870-0281
870-2056
870-2161
871-0007
871-0010
871-0010
871-0010
871-0010
871-0010
871-0010
87’1-0010
87’1-0010
871-0018
87?-0018
895-0098
895-0157
Page
18
19
20
55
57
48
57
33
35
11
11
63
67
63
76
59
5
7
11
48
48
77
33
57
87
89
91
51
53
59
76
55
3
3
91
65
69
71
73
75
83
85
91
91
91
12
59
895-0295-0? 51
895-0296-01 37
895-0296-01 45
Redistribution or publication of this document
by any means, is strictly prohibited.