94X004_Hallicrafters_SX 28 A_Super_Skyrider_Receiver_Instruction_Book_Apr1944 94X004 Hallicrafters SX A Super Skyrider Receiver Instruction Book Apr1944
User Manual: 94X004_Hallicrafters_SX-28-A_Super_Skyrider_Receiver_Instruction_Book_Apr1944
Open the PDF directly: View PDF .
Page Count: 33

INSTRUCTION
BOOK
for
MODEL SX-28-A
-
SUPER SKYRIDER RECEIVER
FREQUENCY
RANGE-.55
to
43. MEGACYCLES
co.
CHICAGO,
Ill.,
u.
s.
A.

April
10,
1944

INSTRUCTION BOOK
for
MODEL SX-28-A
SUPER SKYRIDER RECEIVER
FREQUENCY
RANGE-.))
to
43. MEGACYCLES
the co.
CHICAGO,
ILL.
, U. S. A.

Subject
TITIE
PAGE
TABLE
OF
CONTENTS
Page
1
TABLE
OF
CONTENTS
................................................................
2
A.
Installation
..
-.
. . . . . . . . . . . . . . . . . . . . . . . . . . . . . . . . . . . . . . . . . . . . . . . . . . . . . . . . . . . . . . . . . . . .
..
4
l.
Speaker
.......................................................................
4
2.
Antenna
.................
'.
. . . . . . . . . . . . . . . . . . . . . . . . . . . . . . . . . . . . . . . . . . . . . . . . . . .
..
4
3.
Phono jack
....................................................................
4
4.
DC
power socket
......
_.
. . . . . . . . . . . . . . . . . . . . . . . . . . . . . . . . . . . . . . . . . . . . . . . . . . . . . . .
..
4
5.
"S"
meter zero set
...
"
.......................................
'.
. . . . . . . . . . . . . . . . .
..
5
B.
Operation
.........................
:................................................
5
l.
Bandswitch
.........................................
_ . . . . . . . . . . . . . . . . . . . . . . . .
..
5
2.' Bandspread
..............
_ . . . . . . . . . . . . . . . . . . . . . . . . . . . . . . . . . . . . . . . . . . . . . . . . . . .
..
5
3. Tone control
...................................................................
5
4. Send-Receive switch _
.................................
_ . . . . . . . . . . . . . . . . . . . . . . . .
..
5
5.
R.F. Gain control
.....
__
.........................
_ . . . . . . . . . . . . . . . . . . . . . . . . . . . . .
..
5
6. Antenna trimmer
.......
_
......................................................
, 5
7.
A.
F.
gain controL
...
, . . . . . . . . . . . . . . . . . . . . . . . . . . . . . . . . . . . . . . . . . . . . . . . . . . . . . . . .
..
5
8. Selectivity control
...............................................................
6
9.
Crystal Phasing
control....
. . . . . . . . . . . . . . . . . . . . . . . . . . . . . . . . . . . . . . . . . . . . . . . . . . . . .
..
6
10.
Automatic noise limiter. . . . . . . . . . . . . . . . . . . . . . . . . . . . . . . . . . . . . . . . . . . . . . . . . . . . . . . . .
..
6
11. "A VC-BFO" switch
.............................................................
6
12. Bass "IN-OUT" switch . .'. . . . . . . . . . . . . . . . . . . . . . . . . . . . . . . . . . . . . . . . . . . . . . . . . . . . . . .
..
7
13. Head phone
jack.....
.
...
..
....
...
.
..
.
..
. . . .
..
.
..
.
.. ..
. .
..
..
. . .
..
.
..
. . . .
..
.
..
...
7
C.
Summary
of
related
circuits..
. . . . . . . . . . . . . . . . . . . . . . . . . . . . . . . . . . . . . . . . . . . . . . . . . . . . . . . .
..
7
1.
The 2 stage preselector. . . . . .
....
. . . . . . . . . . . . . . . . . . . . . . . . . . . . . . . . . . . . . . . . . . . . . . . .
..
7
2.
The oscillator and
converter......................................................
7
3.
The I F amplifier. . . . . . . . . . . . . . . . . . . . . . . . . . . . . . . . . . . . . . . . . . . . . . . . . . . . . . . . . . . . . .
..
7
4.
Variable selectivity
................................
'...............................
7
5.
Crystal filter circuit
............................................................
" 8
5a. Single signal adjustment
.....
-.
. . . . . . . . . . . . . . . . . . . . . . . . . . . . . . . . . . . . . . . . . . . . . . . . . .
..
8
5b.Crystal
.............................
_
......
_...................................
8
6.
Noise limiter
..................................................................
9
7.
A VC action
...................................................................
11
8.
"s"
or signal intensity meter
............................
_ . . . . . . . . . . . . . . . . . . . . . .
..
11
9.
The second detector
.........................................
, . . . . . . . . . . . . . . . . . .
..
11
10.
The beat frequency oscillator. . . . . . . . . . . . . . . . . . . . . . . . . . . . . . . . . . . . . . . . . . . . . . . . . . . .
..
11
11.
The audio amplifier
......
,
................
, . . . . . . . . . . . . . . . . . . . . . . . . . . . . . . . . . . . .
..
11
12.
The power
supply.......................................
. . . . . . . . . . . . . . . . . . . . . .
..
11
13.
Specifications
.................................
_ . . . . . . . . . . . . . . . . . . . . . . . . . . . . . . .
..
11
D.
Receiver Alignment
.............
0
•••••••••
0
••••
0 • 0 0 0 • 0
••
0
•••••
0 0
••••
0 • 0
•••••
0 •
o.
0
••
0
12
l.
I.
F.
Alignment.
.......
0
••••
00
•••••••
0 • 0
•••
0 •
00
•••••
0
••
0 o
......
0 • 0 0 • • • • • • • • • • •
••
12
2.
BFO adjustment
.......
0
••••••
0 • 0 0 :
••••
0
••••••
0
••
0 • 0 0
.0
0 0 • 0
••••••••••••••
0
••
0 •
o.
12
3.
Noise limiter and AVC amplifier adjustment 0
•••
0
••••
0 0
•••
0 • 0
••
0
••••••
0 • 0
••••
o
....
0
••
12
4.
RoF.
and
OSC.
alignment
....
0
••••••••••••••••
0
••••
0 • 0
••••
o
.......
0
•••
0 0
•••••
0
•••
o.
Ii
:...
2 -

Subject
Page
E.
Table of
tube
socket
voltages
.........................................
16
F.
Guarantee
...........................................................................
16
G: List of replaceable parts. . . . . .
..
. . . . . . . . . . . . . . . . . . . . . . . . . . . . . . . . . . . . . . . . . . . . . . . . . . . . . .
..
17
H. Index to parts manufacturers. . . . . . . . . . . . . . . . . . . . . . . . . . . . . . . . . . . . . . . . . . . . . . . . . . . . . . . . .
..
30
I.
Drawings illustrations
Fig.
I-IF.
Selectivity. . . . . . . . . . . . . . . . . . . . . . . . . . . . . . . . . . . . . . . . . . . . . . . . . . . . . . . . . . . .
..
6
Fig.
2-Crystal
filter schematic
....
' . . . . . . . . . .
..
. . . . . . . . . . . . . . . . . . . . . . . . . . . . . . . . . . . . .
..
8
Fig.
3-Single
signal operation
.............................
, . . . . . . . . . . . . . . . . . . . . . . .
..
8
Fig.
4-Crystal
selectivity . . . . . . . . . . . . . . . . . . . . . . . . . . . . . . . . . . . . . . . . . . . . . . . . . . . . . . . . .
..
8
Fig.
5-Noise
limiter
schematic......................................................
9
Fig.
6-Noise
limiter action
..............................................
'.
. . . . . . . .
..
10
Fig.
7-AVC
curve.
:
..............................................................
10
. Fig.
8-SX28-A
Top view
.........................................................
13
Fig.
9-SX28-A
Rear view . . . . . . . . . . . . . . . . . . . .
..
. . . . . . . . . .
..
. . . . . . . . . . . . . . . . . . . . .
..
13
Fig.
la-Audio
fidelity
curve.
. . . . . . . . . . . . . . . . . . . . . . . . . . . . . . . . . .
..
. . . . . . . . . . . . . . . . . .
..
14
Fig.ll-Audio
filter curve
...........................................................
14
Fig.
12-RF
and Oscillator adjustment location and alignment procedure
.....................
15
Fig.
13-SX28-A
Schematic
.........................................................
31
- 3 -

INSTRUCTION
BOOK
FOR
MODEL
SX-28-A
SUPER SKYRIDER
A INSTALLATION
It
is
recommended that, upon receipt, the carton and
then the receiver
be
carefully examined for
any
damage
which might have occurred in transit. Should
any
sign
of damage
be
apparent immediately
file
claim with the
carrier stating the extent of the damage.
IMPORTANT: Unless otherwise marked, the receiver
is
to
be
operated from 110-125 volts of
50/60
cycle
alternating
current. A universal 110-220 volt model
is
obtainable on
order. This model
can
be
operated at either of those two
voltages with
50/60
cycle
current. If· the voltages are
higher than indicated
an
external stepdown transformer
must
be
used. A switch, mounted on the top of the uni-
versal transformer
case,
will allow convenient 110-220
voltage change.
The standard model SX-28-A receiver
comes
equipped
with a cabinet for table mounting. The standard
8%"
x
19" panel dimension with holes suitably spaced
make
it
possible for the chassis to
be
mounted in a standard
relay
rack.
Maximum overall
chassis
length
is
17%" and depth
13¥2". When the model SX-28-A
is
so
mounted the table
cabinet
is
replaced with a dust cover. The maximum
over-all length of the receiver will then allow it to
be
mounted in a
rack
with upright channel clearance of 17%".
(1)
.
TERMINALS
AND
CONNECTIONS
ON
REAR
OF
RECEIVER
SPEAKER
On
the rear apron
of
the
receiver's chassis appear
two
terminal strips for connecting
either
a
500
or
5000
ohm
speaker
to
the
receiver. Should a matching HALL!-
CRAFfERSBass-Reflex
speaker be used
with
the re-
ceiver,
it
should be connected
to
the
5000
ohm
terminals.
The
500
ohm
terminals can be connected
to
a speaker
or
other
load
of
that
impedance value.
(2)
ANTENNA
To the terminals marked AI-A2 and G should
be
con-
nected the antenna
you
have chosen to
use
with the model
SX-28-A receiver. '
Very satisfactory results throughout the tuning range
of the SX-28-A will
be
obtained with a conventional in-
verted ','L" Marconi type of antenna
75
to 100 feet long
including lead-in. This antenna should
be
erected
as
high
as
possible and removed from surrounding
objects'.
Be
sure that the antenna
is
insulated from the ground at all
points. When this type of antenna
is
used it
is
connected
to
terminaL
A-I. The Jumper between
A-2
and G should
remain connected.
In the event a doublet antenna
is
used with the model
SX-28-A
SUPER.
SKYRIDER receiver, the two wires of the
doublet lead-in shoula
be
connected to terminals
Al
and
A2. The Jumper between
A2
and G can remain' connected
or removed, depending upon its effect on favorable
re-
ception.
A ground can be used
if
desired and should be con-
nected
to
the
G terminal. Connecting the receiver
to
a
good ground (cold
water
pipe
or
6 foot rod driven in
moist
soil)
might
improve reception and reduce noise.
Under normal conditions
no
noticeable difference
will
exist so a ground
is
suggested
only
if
it
aids reception.
Should you
wish
to
hav~
a separate antenna for some
one
short
wave
frequency
or
band, a half-wave antenna
cut
to
the
proper
length
for
the
desired frequency
will
prove very effective. The following formula
will
give the
length
of
the
% wavelength antenna depending on the
desired frequency.
463
Length
in feet =
--r----;-.----,---
frequency
10
megacycles.
or, for example, a
half
wave
40
meter antenna
woulcJ.
463
be-
T=
66.14 feet long.
The
antenn'a should preferably be
of
solid soft
drawn'
enameled copper wire for ease
in
handling.
The
center
of
the
wire
is
cut
and an insulator inserted
at
that
point.
The
twisted
pair,
or
open wire transmission line, is then
soldered
to
each
33
foot
length,
after
the
enamel has
been scraped off, directly on
either
side
of
this
center
insulator.
The
other
end
of
the
transmission line should
be connected
to
Al
and A2
on
the
receiver.
It
should
be
remembered
that
such an antenna has directional prop-
erties broadside
to
its
length
and should be
so
oriented
if
maximum pickup from
'l
certain direction is
to
be
expected.
In designing transmission line systems for a more accu-
rate match
of
the line
to
the antenna
input
circuit,
it
will
be
helpful to know
that
the
approximate antenna
input impedance
of
the receiver is
400
ohms.
(3)
PHONO-)ACK
The
Phono-Jack enables you
to
use
the
high
fidelity·
audio amplifier
of
the
receiver for
phonograph
record
or
transcription play-back purposes. A
high
impedance crys-
tal
or magnetic pick-up arm should be used for
this
pur-
pose and connected
to
a standard headphone plug.
This'
plug is then inserted
in
the
PHONO-JACK
when
record
playing is desired. The receiyer is inoperative
to
radio
signals,
when
the
plug is in
the
phono-jack.
-The volume
of
the audio amplifier
is
varied
by
rotating
the
AF
Gain
control until
the
proper level
is
obtained.
Removal
of
the
plug from
the
Phono-Jack once more
places
the
RF and
IF
portions
of
the
r~ceiver
in operation.
(4)
DC
POWER SOCKET
The
octal socket on the rear
of
the chassis
is
used when
it
is
necessary to furnish power to the receiver, from
a·
direct current source. For conventional AC operation, the
shorting plug must remain
in
the
DC
OPERATION
SOCKET.
The
shorting plug is removed for battery or
vibrapack operation. A similar
plug
to the shorting plug'
is
then wired,
as
shown in Fig. 13; and inserted
in
the
octal socket.
A
"B"
supply capable
of
delivering 270 volts at 150
milliamperes is necessary for successful operation. Refer
to the section on receiver specifications
for
the
total bat-
tery drain for
DC
operation.
In
addition to its function
as
connector
for
_ a
DC
supply, this socket also serves as an outlet
for
a remote
- 4 -

stand-by switch.
If
the remote stand-by switch or relay
is
connected between pins # 1 and # 5 on the shorting
plug and the SEND-RECEIVE switch on the front panel
of
the receiver
is
set at SEND, the remote switch or relay
will control the operation
of
the receiver in the same
manner
as
the SEND-RECEIVE switch.
(5)
"s"
METER ZERO
SET
"S"
METER CONTROL
is
obtained by varying the
knurled
~nob
appearing on
the
left hand chassis apron
edge.
ThIS
control enables you to properly set the .
'S"
Meter to zero. In order to make
the
adjustment correctly,
the
RF
GAIN
CONTROL must
be
advanced clockwise
as far as
it
will
go. In addition, the
switch
directly below
the
bandspread hand-wheel must be in the A
VC-ON
P~sition.
When these conditions have been complied
wIth,
remove the antenna from the Receiver and then
adjust the S meter control until
the
S meter reads zero.
Reconnecting
the
antenna to
the
receiver will then make
the
meter indicate the relative carrier strength of each
incoming signal
as
various signals are tuned in.
B OPERATION
Each
control of the Model SX-28-A
SUPER
SKYRIDER
receiver performs a definite function that contributes to
the outstanding reception capabilities of the unit. Full
appreciation of the receiver
is
to
be
expected only after
you
have
become
familiar with
each
of the controls and
the
effect
their operation
has
on the receiver's perform-
ance.
The large calibrated main dial shows
the
frequencies
covered
throughout
the
6 band, 550 kc
to
43
mc fre-
quency range
of
the
reciever. They
are
as
follows:
Band
1-550
to 1,600 kilocycles
Band
2-
1.6
to
3.0 megacycles
Band
3-
3.0
to
5.8 megacycles
Band
4-
5.8
to
11.0 megacycles
Band
5-
11.0
to
21.0 megacycles
Band
6--
21.
to
43. megacycles
. (1
)The
BAND SWITCH, directly below
the
main dial,
will
place
the
proper set
of
coils in
the
circuit to cover
the
desired frequency. The main dial is turned by the large
handwheel
which
is
equipped
with
a micrometer scale
for maximum accuracy
in
resetting
or
logging puq_)ses.
Of
particular interest is.the locking clutch
which
will
be
found directly below
the
handwheel. This feature
will
aHow you
to
lock the main dial after a desired signal
has been tuned in. Subsequent movement
of
the
hand-
wheel
will
not
detune
the
receiver because
the
control is
provided
with
a clutch
which
disengages
the
handwheel
once
the
dial lock has been set.
The International Shortwave broadcast bands are indi-
cated on.
the
main dial by heavier lines
showing
the
frequencies on
which
these transmissions will be
heard.
The Amateur band setting positions
of
the
main
dial
are indicated by a
'>mall
0 appearing over
the
red numbers
which
identify each amateur band. The hairline
on
the
main dial
window
should be set so
that
it
intersects this
small circle
when
the main dial is placed in position for
the desired amateur band.
(2)The
BANDSPREAD dial
is
calibrated for
the
10-20-40
and
80
meter amateur bands. When tuning on
the
160
meter band
the
main dial should be used.
Note:
The
calibration on
the
main dial will be accurate
on~y
if
the
bandspread condenser is set
at
minimum capac-
ity
which
is
indicated by a setting
of
100
on
the
band-
spread logging scale.
It
should be recognized
that
if
the
bandspread condenser is left
at
any
other
setting
but
100,
that
small amount
of
bandspread condenser capacity,
added
to
the
main tuning condenser capacity,
would
throw
off
the
main tuning dial calibration because
the
receiver
is
calibrated
with
the
Bandspread condenser set
at
minimum capacity.
The
portions
of
the
amateur bands
on
which
type A3,
or
telephone, transmissions
will
be
heard are underscored
with
another
dark
line.
The numbered outer edge
of
the
bandspread dial
will
prove
to
be
of
grea(help
for logging
or
pre-setting pur-
poses
when
the bandspread tuning control
is
used for
easier
tuning
on frequencies
other
than
those covered bv
the amateur bands.
When
"bandspreading"
any frequency
throughout
the
tuning range
of
the receiver remember
the
main dial must
then
be
set to a
slightly
higher
frequency
than
the
de-
sired signal. The difference depends on
the
amount
of
bandspread condenser capacity used and
the
frequency
of
the received signal. .
When switching from one range to another, an indi-
cator moves vertically behind
both
the
main and band-
spread dials. Tuning fatigue is thereby greatly minimized
by focusing attention
on
only the frequencies covered
hy
that
particular setting
of
the
bandswitch.
The translucent, indirectly
lighted
dials are easily read
and so arranged
that
parallax is reduced
to
an absolute
minimum.
To operate
the
,receiver adjust
the
following controls
in
the
order in
which
they are mentioned:
(3)
The
TONE
CONTROL turns
the
receiver
on
and off
and in addition emphasizes either
the
base
or
treble fre-
quencies to the extent required by various receiving con-
ditions. The effect
the
Tone Control has on
the
fidelity
of reproduction
is
shown in Fig.
10.
(
4)
Place the SEND-RECEIVE
switch
in
the
RECEIVE
position-have
the
ANL
control off (turned
to
the
left
until
the
switch
operates).
Place
the
bandswitch in
position.
55
to
1.65 mc,
which
will then enable you
to
tune in stations on
the
standard
Broadcast Band .
(5)
Rotate the RF
GAIN
control
to
the
right
until
#9
on
the
skirt
of the control appears under
the
panel marker.
(The
RF
Gain
must be full
ON
as above indicated before
the S meter will indicate correctly.)
So
that
the
S meter
will be properly connected in
the
circuit,
the
AVC-BFO
switch appearing to
the
lower
right
of
the
bandspread
handwheel, must
be
in
the
AVC
ON
position.
( 6 )
Note:
The A ntenna Trimmer control
is
operated on all
Bands. Proper adjustment of this control
is
indicated
by
the maximum signal.
(7)Afrer
complying
with
the
above conditions,
the
AF
GAIN
control should
be
advanced to
the
right
until
the
desired volume
is
obtained. Tuning
the
receiver
by
oper-
ating
the
main dial handwheel will
now
allow
you
to
pick up stations
throughout
the
.55
to
i.65
me
tuning
range
of
the
Broadcast band. Maximum deflection
of
the
S Meter
will
indicate
when
each
station
is accurately
tuned in.
When covering
the
short-wave
or
higher
frequency
bands
the
above procedure should be
foHowed-except
that
greater care should be used because
it
is so easy to
completely pass over a station. . .
The other controls on the model SX-28-A SUPER
SKY-
RIDER receiver will enable.
you
to obtain the best results
- 5 -

from
the
.r~ceiver
once:
you
have
become used
to
their
effects
on
the
reception
of
various types
of
signals. .
(8)The
SELECTIVITY control acts as a
shutter
or
gate
and
varies
the
width
of
the
path
on
which
signals reach
the
second detector
of
the
receiver. Six different selectiv-
ity
steps are provided so
that
you can successfully cope
with different degrees of interference. Reference to Fig. 1
and Fig. 4 will show, graphically, how the control trims
the width of the signal
so
that what interference might
b~
present in the signal's skirts or sidebands
is
effectively
clIpped
off.
Should an interfering signal lap over into the
desired signal, adjustment
of
the SELECTIVITY control
will reduce that interference. '
10,000
1000
o
I-
«
0::
I-
::>
a.
z
100
UJ
(!)
«
~
o
>
10
FIG.
1-1.
F.
SELECTIVITY
~
\ \ . 8'
\ \ \ I
J~
\ \ \ ,
'4..
, \ \
/...:
~\\
,/~II
-
0
\
I.LJ
I
~
\
4,.1
I
\
....;/
/
\
I'
,
~
a.
0:
ct
:r
(J)
II
La.:
-
,
1
U
I
\1
J
-30
-20
-10
455.
+10
+20
+30
KILOCYCLES
OFF
RESONANCE
Once more refer to Fig. 1 and Fig. 4 and recognize the
fact that with the control set in the BROAD IF position,
the signal proper and all its parts, which are combined in
the side bands, or skirts, will
be
passed to the 2nd detector,
audio amplifier, and then Speaker. As the selectivity of the
receiver
is
increased from BROAD·IF to XTALSHARP,
the gate, or admittance path,
is
so
narrowed that only the
main
~rtion
of the signal
is
allowed to pass through. This
fact and its effect on the quality of reproduction
is
readily
appreciated
'by
listening to a signal and noting the reduction
in higher frequency response in the more. selective settings
of the switch. (See Fig. 10 and Fig. 11)
At
this
point,
it
is
suggested
that
the
CRYSTAL
SHARP
setting
be used
only
in
cases
of
extreme inter-
ference-the
receiver
must
then
be tuned exactly
to
the
signal.
Only
then
will
~hesignal
be
intelligible because
you have
dipped
off
its
sidebands in
which
the
sibilants
and overtones are embodied.
The CRYSTAL SHARP position
of
the
selectivity
switch
is
to
be used principally for
the
reception
of
code,
or
CW, signals. By proper associated operation
of
the
CRYSTAL PHASING control true single signal opera-
tion
and
the
maximum
in
selectivity can be obtained
(crystal circuit discussed
in
detail in
the
summary
of
related circuits).
See
Fig.
3.
.
(9) CRYSTAL
PHASING
CONTROL
The Phasing Control is
in
the
circuit on three positions
of
the
selectivity control
namely-XTAL
Sharp,
XTAL
Medium
andXTAL
Broad.
The control is used
to
remove heterodyne interference
as well as
to
minimize
other
forms
of
interference
having
a predominance
of
high
frequency
components-such
as
static and interference from electrically operated devices.
(lO)The
A.N.L.,
or
Automatic Noise Limiter, materially con-
I tributes
to
the
satisfactory operation
of
the
receiver by
limiting
objectionable interference caused by
ignition
systems
or
other
man made causes
of
electrical disturb-
ances.
With
the
A;N.L. control retarded
to
the
left
as
far as
it
will
go,
or
until
the
A.N.L.
switch
is heard
to
operate-the
noise
limiter
circuit
is
not
functioning.
Turning
the
control
to
the
right
closes the
switch
which
is mounted on
the
control.
The
noise limiter
is
now
op-
erating. Progressively
turning
the
control clockwise
varies
the
threshold
at
which
the
noise limiter
starts
to
take
hold.
The
setting
at
which
the
control will be left
depends entirely
on
the
type and amount
of
interference
present as well as
the
signal strength. The noise limiter
should be judiciously adjusted because
through
its
opera-
tion
'the
desired signal
can
even be eliminated
or
badly
distorted
which
destroys its usefulness. Only after you
have become familiar
with
the
operation
of
this control
by
actual practice can
you
determine
how
far
it
shoukl
be advanced before
the
best compromise between noise
and
sig~
is
obtained. (See Fig. 6.)
( 11)
The
A VC-BFO
OFF-ON
switch
performs a dual func-
tion.
The
A'VC
circuit should be operating for
the
recep-
tion
of
telepl.tone,
or
modulated, signals
in
order
to
reduce fading
toa
minimum. As previously mentioned,
'the
functioning
of
the
S
Meter
is dependent upon A VC
action so
the
switch
must
be in
the
AVC
ON
position
when
the, S meter is used
to
measure
relative'
carrier
intensity.
Inasmuch
as
the AVC circuit levels ail signals
toa
predetermined value (See Fig.
7)
no
one signal
can
overload the receiver and
cause
distortion. At times, in
searching for distant or
weak
signals, it might
be
desirous to
use
the full sensitivity of the Model SX-28-A.
In that
case
place the AVCswitch in the A
VC
OFF
posi-
tion. Remember that with the
receiver
operating with
no A
VC
action, strong signals will overload the input
circuit with resultant distortion. Under
such
a condition
of operation the sensitivity of the set. must
be
then
con-
trolled, manually,
by
properly retarding the
RF
Gain
control until
you
have reached the point below which
overloading takes
place.
The
other
function
of
this
switch
is
to
turn
on
the
Beat Frequency oscillator. When receiving code signals,
a beat 'note is absolutely essential.
\\
ith
the
BFO
switch
in
the
ON
position, each signal tuned in
will
be accom-
panied
with
a'
peat note
or
whistle.
For
proper adjust-
- 6 -

ment of the
BFa
control
which
appears directly under
the TONE CONTROL the following procedure is sug-
gested. Set the
BFa
control
to
zero,
now
tune in a signal
either voice
or
code.
If
a code signal is received, only
the carrier
or
thump
of
the
signal
will
be audible because
no beat note is present.
Be
sure
that
you have
the
signal
accurately resonated.
Now,
without
retuning
the
re-
ceiver,
rotate
the
BFa
control
until
a beat note of the
desired
pitch
is obtained. You
now
have introduced a
beat note
which
differs from
the
IF
frequency
of
the
receiver, namely
455
kc, by the frequency
of
the audible
signal. Variation
of
the
BFa
control
will
allow you
to
change the pitch,
or
frequency,
of
the
oscillator
which
~ill
prove
to
be
of
hdp
under various conditions
of
tnterference.
( 12) Directly under the fiFO control will be seen
the
BASS
IN-OUT Switch.
With
this
switch in the
BASS
IN
posi-
tion you
will
have normal audio fidelity. Placing
the
switch in
the
BASS
OUT
position, the audio filter
C~
is
inserted.
The
effect
of
this
filter on
the
band
of
fre-
quencies passed
is
shown Fig.
11.
This filter will contribute
greatly
to
the intelligibility of the received signal when
the receiver
is
operated in the advanced positions of
selectivity.
(13 ) The Head Phone
Jack
is connected
to
a
tap
on
the
out-
put transformer.
The
signal in the headphones is
of
the
proper volume for satisfactory communications recep-
tion. Since no direct current is present
in
the
headphone
circuit crystal type phones can be used.
C
SUMMARY
OF
RELATED
CIRCUITS
(1)
THE
2-ST AGE PRESELECTOR
The RF AMPLIFIER, or pre-selector, of the Model
SX-28-A SUPER SKYRIDER
has
1-6AB7;
1-6SK7
tubes in
cascade
on Bands
3,
4,
5,
and
6.
On
Bands
1 and 2 more
than one stage
is
unnecessaty to obtain the required
image ratio and reduction of spurious interference. With
two RF stages using three pre-selection circuits, the band
width would
be
narrowed to
such
an
extent that
even
expanding the
IF
Amplifier
to
its utmost would still not
provide high-fidelity reception. The modern communi-
cations receiver requires
two
stages of preselection
on
the
higher frequencies to accomplish only one primary object
-satisfactory image rejection. . .
The Model SX-28-A
has
an
image ration of
20
to 1 at
28
mc-350
to 1
at
14
me
and a proportionately increasing
ratio
as
the frequency
is
lowered. While the two RF
stages are principally needed
to
obtain
such
image ratios
they
also
perform two other
us\!ful
functions-more
fav-
orable signal to noise ratio and slightly increased
selec-
tivity.
Examining the coil assembly
will
immediately
show
how
rigidly
it
is constructed and
what
care has been
taken
to
completely shield each section from the other.
The
manner
in
which
the
RF and antenna coils are tuned
on
bands 3, 4, 5, and 6
will
be interesting.
Rather
than
push turns
to
compensate for variations in inductance,
each coil is permeability tuned. This results in exact
adjustment
of
inductance
with
improved tracking and
gain
as
the
result.
On
Bands 1 and 2
the
inductance
of
the
antenna coils is sufficiently large so
that
lead
length
differences do
not
cause any noticeable inductance change.
(2)
THE
OSCILLATOR
AND
CONVERTER
'A
separate
6SA7
tube
is
used
as
the High Frequency
Oscillator in the Model SX-28-A
SUPER
SKYRIDER.
This tube proves desirable in this function
because
of its
very high value
of
transconductance which enables the
oscillator to operate with
very
little coupling
to
the
coil.
This feature
reduces
the unfavorable
effects
of tube vari-
ations and voltage fluctuations
on
the tuned circuit. The
HF Oscillator
is
coupled
to
the
6SA
7 converter tube at
the Cathode
Tap--a
point where variations of operating
parameters of the converter tube will least
affect
the
6SA7
Oscillator. A
6SA7
tube
is
used in the Mixer Circuit
because
tests indicated that changes
in
operating voltages
caused
less
reflection in the injector grid loading than
would occur in
Q:lost
converter tubes. Another feature in
favor of the
6SA
7 tube
is
that a negative loading
is
- 7 -
applied
to
the
tuned circuit feeding its control grid.
This
characteristic improves the. gain and selectivity of
the
tuned circuit
which
in turn improves
the
image and sig-
nal
to
noise ratio.
(3)
THE
IF AMPLIFIER
The IF Amplifier of the Model SX-28-A
was
designed
with a view towards permanency of adjustment under
conditions
oDf
extreme changes in temperature and humid-
ity
as
well
as
unusual mechanical vibration.
The
Lirst
two
IF
Transformers arc perineability tUllcd.
In comparing this type
of
transformer
with
one
having
compression mica tuning condensers,
it
must
be
remem-
bered
that
it
takes many more turns
of
the
adjusting
screw
to
cause
the
equivalent change
in
tuning
of
the
permeability tuned type. Hence a
slight
change in
the
position
of
the screw
will
have negligible effect upon
the
tuning.
The
adjusting screw is under spring tension
thereby making
it
impossible
to
turn
under vibration.
The
diode transformer is air-tuned
with
two
variable'
condensers each
with
a
lump
capacity
of
50
mmf
and
variable
of
50 mmf. These
air
trimmers are also under
spring tension so
that
they
can
withstand
considerable
vibration. Being
of
the
air tuned type,
their
capacity
change is negligible
wit~
w,ide changes in
humidity.
Reference
to
the
Schemattc
wlll
show
that
the
IF
trans-
formers are expanded
in
two
steps-thereby
enabling
medium
or
full reproduction
of
tIie
higher
frequencies
to
be obtained.
(4
) VARIABLE SELECTIVITY
Six
ranges of selectivity
are
provided
in
the model
SX-28-A receiver. They are:
I-Broad
IF-Cfor
high
fidelity reception)
2-Medium
IF-(more
selectivity-less
highS)
3-Sharp
IF-(reduces
annoying
interference-far
less
highs)
. .
4-Crystal
Broad-(Similar
to Sharp
IF
but
cleaner
cutting
of
side bands)
5-Crystal
Medium-(nextse!ectivity
step
to
#4-
gready
increased sideband
cutting-more
pro-
no.unced crystal
"Slot"
for
interference-very
li
ttle
highs
present) .
6--Crystal
Sharrlposition
of
extreme
selectivity-
practically
no
sideband
content-very
pro-
nounced crystal
"slot")
The
graphic effects
of
the
different steps
of
selectivity
on a signal are shown in
Fig.
1 and Fig.
4.

FIG.
2-CRYSTAL
FILTER
SCHEMATIC
SELECTIVITY SWITCH'
POSITIONS
(Sa),
SINGLE SIGNAL
ADJUSTMENT
It
is extremely simple
to
attain, single
sig!lal
reception
with.
the
SX-28-A.
First,
turn
on
the
BFO
to
the
desired
Beat
Note
and
turn
the
selectivity switch
to
the
XTAL
SHARP
position. Pick a
good
solid
CW
signal,
preferably
a commercial
station
because a commercial is likely
to
stay
on
long
enough
for
you
to
complete
the
phas-
ing
adjustment
for
single signal
reception.
6SK1
(5)
CRYSTAL FILTER
CIRCU~T
In
positions 1, 2, 3 the crystal is short circuited. In positioi14 the short
across the crystal is opened and the iron core in the secondary of
the:
transformer is
ad
jus
ted for Broad Crystal Action and
at
this point is
accurately tuned
to
the crystal frequency.·.Due to the.
dose
coupling
0'£
the secondary
to
the crystal, the sharply rising resonance curve of
the crystal causes, in contrast, a sharply. falling resonance curve in
the
secondary. The combined action of these
two
characteristics results in
a relati vel y broad resonance curve for the
CR
YST
AL BROAD selectivity
settin~.
In the MEDIUM CRYSTAL
No.5
position, C
••
is
adjusted for
selectlvitv midwaY between the BROAD and CRYSTAL SHARP
settings. (See Fig. 2 and Fig.
4)
In
poSItIOn
0,
or
CRYSTAL SHARP, the trimmer C
30
is adjusted for
the Sharpes£, crystal action. Under this condition, the Secondaty is
slightly
Cletuned
from the resonant crystal frequency sufficientlr so
that
its resonance curve is
not
greatly affected by the crystal but still
coupled tightly enough so
that
it
can transfer energy
to
the cryst'al
circuit. When this point is reached
it
is indicated by a rise in the output.
Two such points of increased
output
will normally
occur-one
for each
adjustment of the secondary on either side of
t.he
resonant frequency
of the crys tal.
FIG. 3-'-SINGLE SIGNAL OPERATION
You
will find on'
tuning
across this signal
that
it
has
two
amplitudes.
Tune
first
to
the
weaker
of
these
two
amplitQdes.
Now,
turn
the
PHASING
control
until
this
weaker
of
the
two
amplitudes is
reduced
to
a minimum.
(If
the
weaker
amplitude
ap~ears
on
the
right
the
above
procedure
still
holds.)
Then
tune
to
stronger
of
the
With Selective Switch in XTAL
two
amplitudes
and
adjust
the
BFO
can-
Sharp
position
identify
the
trol
to
a
tone
most pleasing
to
you.
This
weaker
amplitude-Tune
Re-
adjustment
for
single signal selectivity will ceiver
to
the
weaker.
-
..
djust phasing control carefully
until tliis weaker amplitude is
reduced
to
a minimum.
Retune
Receiver
to
the
stronger amplitude
and
then
ad
just
pitCI1
control until
you get note most 'pleasing
to
copy.
hold
with
no
further
adjustment
unless
you
change
the
phasing
control.
(See
Fig.
3.)
FIG.
4-CRYST
AL
SELECTIVITY
..
..
XTAL XTAL
XTAL
..
r-
f-
r-
BIIOAD
MEDIUM
SHARP
ti.
~
..
III
-
..
! •
\
.L
•
..
/
/
"
I'--'
V
1\
" \
~V
• ,
lJ
• I\.
- -
-4
I
1-1"+1+1+'+4+1+'
.........
t'-
r\
-a
-4
-I -I
-I
411'"
+2
+1
+4
...
"
II
-5
-2
-I
455
+I
+1
.,
+4
KILOCYCLES OFF RESONANCE
8.
-
,(5b)
CRYSTAL '
The
CR YST AL
FILTER
and
holder are wired directly into
the
receiver
and do not plug in as heretofore. In this
manner exceptional crystal filter action is
obtained because of
the
elimination of
the
capacity and losses
of
a
sock~t.
So
.mount-
ing
the
crystal prevents possible change in
polarity which would occur
if
the crystal
were improperly inserted in
the
circuit.
The size of
the
crystal has been
clU"efully
determined
to
allow the BROAD
CR
YS-
TAL position
to
tune
as
broadly
as
pos-
sible. The capacity
of
the crystal holder
has been reduced
to.
a minimum through
the
use
of a specially,Jesigned polystyrene
hoider.

(6)
NOISE
LIMITER
The principle
of
operation of
the
limiter
is
very similar
to
that
of
the
Lamb limiter
which
has been described in
detail in past issue
of
QST.
The
carrier
of
the
received
signal
is
first converted over
to
the
intermediate fre-
quency and then fed
into
the
6L7 amplifier and 6B8 A VC
amplifier and 6AB7 noise amplifier. A broadly tuned
IF
transformer
is
used in
the
plate
of
the
6B8
with
its
primary and secondary closely coupled.
The
secondary
feeds
into
the
6B8 diode where rectification
of
the
carrier
furnishes A
VC voltage for
the
RF
and mixer tube
as
well
as
for
the
6AB7 noise amplifier. A broadly tuned
IF
transformer
is
used in
the
plate
of
the
6AB7,
the
secon-
dary feeding
into
the
6H6 noise rectifier. A
455
kc wave
trap
(CH4 and CSS) is used
which
allows
the
passage
of
the
higher
audio frequencies
without
attenuation. In
the
form
of
further
explanation
of
our apploach
toward
noise elimination,
it
must be remembered
that
noise in
general
is
composed
of
a random mixture
of
high
and
low frequencies.
Of
this
mixture the predominating
higher frequencies are
the
most objectionable.
It
is
to
our advantage
to
retain
the
high
frequency compo\1ents.
Thus, these transients
will
be allowed
to
rise
to
a
point
far above
the
carrier level
with
the
result
that
they
will
be applied
to
the
injector grid
of
the
6L7 tube
without
being reduced in value. Transients, such as ignition inter-
ference having a steep wave front, consist largely
of
high
frequency components.
The
voltage applied
to
the
gri(1
of
the
6L7 tube has a negative polarity because
of
the
6H6 noise rectifier.
By
varying
the
ANL
control,
we
raise
or
lower the negative voltage applied
to
the
6L7
tube until
it
is barely sufficient
to
overcome
the
noise
impulses applied
to
the
grid
of
this
tube
without
allow-
ing
the
modulation peaks
of
the
carrier
to
become badly
distorted.
FIG.
5-NOISE
LIMITER
SCHEMATIC
6L7
688
C.
,
...
".,
"
..
••
"",
- 9 -

FIG.
6-NOISE
LIMITER
ACTION
COnstant tone signal no inter-
ference ANL OFF. Same Signal ANL OFF.
(Note
transient, peaks extend well be·
yond range
of
screen. Signal not
readahle. )
Same signal. Same noise.
-ANL-
ON adjusted for most favorable
signal to noise ratio.
If
the
noise
limiter
adjustment permits
too
great a
value
of
transient voltage
to
be
applied
to
the
6L7 injec-
tor
grid, detection
will
take
place and rectified compo-
nents
of
this
modulated carrier
will
appear
in
the
6L7 .
plate circuit.
This
effect will appear as distortion in
the
output
of
the
receiver. If, on
the
other
hand,
not
enough
noise voltage is applied, then
the
momentary decrease in
sensitivity
will
not
be great enough
to
stop
the
noise
from getti.ng
through
and some
of
it
will appear
in
the
plate circuit
of
the
6L7 tube and consequently
in
the
out-
put
of
the
receiver. As a result
the
noise limiter must
be
carefully adjusted
to
the particular carrier and noise
level being received. (See Fig.
6)
U)
&j
m
0
'"
0
+8
+4
0
-4
/
-8
/
-12
10
/ V
100
FIG.
7-A.V.C.
CURVE-AT
3 MC.
,,---
/
1000
10,000
100,000
1,000,000
MICROVOLTS INPUT
-
10
-

(7)
AVC
ACTION
A double A VC system
is
used. The
RF
and mixer tubes
are operated by the broadly tuned carrier coming
through
only three tuned
IF
circui:s. The final signal however
passes
through
six-tuned
IF
circuits.
As
a result,
when
the signal is
slightly
detuned, the receiver
output
has
dropped considerably
while
the AVC action has dropped
but very
little.
This results in a reduction
of
between-
station
noise and a more sharply defined aural tuning
action.
(8)
"S"
OR
SIGNAL
INTENSITY
METER
The apprpximate DB per S unit equivalent
is
6 DB's.
As
is
known,
a DB,
or
decibel,
is
a
unit
of
change in
signal level and
is
defined
as
being
the
least detectable
change the average ear can appreciate
when
listening to
a single pitched tone. 3DB
is
the
least change
the
ear
detects when listening to sounds varying in
both
ampli-
tude and pitch.
By
comparison, a variation
of
one S unit
on the meter
will
indicate a change
of
two
detectable
steps
in
signal level. Quanti tati
vel
y, a
DB
gain
or
los~
is
equal
to
20
log
,,(~:)
where
El
= input voltage and
E~
=
output
voltage.
(9)
THE
SECOND
DETECTOR
As
will
be
noted, a diode
type
of
second detector
is
used in the Model SX-28-A. Its
choice
was
prompted
by
the fact that such a detector
is
capable of handling large
percentages of modulation with
very
little distortion.
This
is
due to the output of the diode being easily filtered
(IF Removed). In addition, the rectified output contains
a DC component which
can
be
used for A
VC
purposes.
(10)
THE
BEAT FREQUENCY
OSCILLATOR
The
BFa
is turned on
with
the
switch
below
the
band-
spread handwheel and adjusted by
the
skirted knob
directlv below the tone control. The
BFa
circuit,
as
will
~e
.seen
by
referring to Fig. ·13,
is
the well known
Hartley oscillator.
It
will be noticed
that
a plate drop-
ping resistor is used to compensate for plate voltage
variations. An increase in receiver voltage causes an
'increase in
the
plate current
of
the
oscillator.
This
in- .
crease in
turn
causes the voltage drop across
the
resistor
to
increase, thus maintaining a more constant voltage
at
the
plate
of
the
beat oscillator tube. A favorable
ratio
of
capacity
to
inductance is used. The fixed
tank
capacity
has been artifically aged by alternately exposing it
to
very
high
and then low temperatures. In this manner
any residual strains
of
the component parts are removed
and
the
capacity
of
the
condenser remains constant.
The
BFa
coil
is
permeability tuned
which
further re-
moves the possibility
of
drift
which
would
occur should
a compression variable
be
used to resonate the circuit.
Proper location
of
the
Beat
Oscillator
tube and its
associated components plus excellent shielding and me-
chanical rigidity
do
much
to
keep
stray
fields from being
established.
Little
BFa
leakage
is
to be expected in
the
Model SX-28-A
so
"tweets" or BFO
harmOnICS
will not
prove to
be
bothersome.-
(11)
THE
AUDIO
AMPLIFIER
The second or output stage of the audio amplifier in
the Model SX-28-A receiver
uses
two 6V6GT tubes connec-
ted in push-pull. These tubes
ar~
driven
by
the
6SC7
double triode. One
of
the triode sections of the
6SC7
tube
is
used
as
the 'inverter to the 6V6GT tubes. A por-
tion
of
the signal from the plate circuit of the first
6SC7
,
triode
is
fed to the grid
of
the othet·
6SC7
triode
Section,
thereby giving
two
output
voltages' in opposite phase
suitable for exciting
the
push-pull 6V6GT
output
am-
plifier.
(12)
THE
POWER
SUPPLY
The power supply in the Model SX-28-A
is
quite normal
except that it supplies voltage for the 6V6GT output
tubes directly from the rectifier or before the filter
system.
Voltage fluctuations in the receiver are greatly
reduced-
increasing the audio output of the receiver and stabiliZing
the operation
of
all circuits.
The filter circuit consisting
of
a total
of
60 mfds
of
capacity plus an additional filter in the
6SC7
plate supply
and a 12 henry
choke
keep the hum level
of
the
receiver
in excess
of
60 DB below maximum
output.
The
power
transformer
is
built
to
withstand
continuous operation
at
2S0
degrees F
but
has been designed to run
at
approxi-
matelv
160
degrees F under normal conditions.
(13
)
Tubes:
SPECIFICATIONS
1~6AB7
1st RF Amplifier
1---6SK7 2nd RF Ampl ilier
16SA7
Mixer
1 _
..
6SA
7
HF
Oscillator
1 -6L 7 1st IF Amplifier Noise
Li
mi
ter
1-6SK7
2nd
IF
Amplifier
1-6B8
2nd Detector and S meter tll he
1--6B8 A
VC
Amplifier
1-6AB7
Noise Amplifier
1-,-6H6 Noise Rectifier
1-6JS
Beat Oscillator
1-6SC7
1st Audio Amplifier
2-6V6GT
Push-Pull
Output
Amplifiers
1-SZ3
Rectifier
Power
Consumption-at
117
volts-60
cycles-138
watts
Power
Consumption-DC
operation-18
amp.
at
6 volts
or
108
watts
Power
Output
-8
watts
undistorted
SensitivitY-Cfor
500
milliwatts
output)
varies between
the
limits
of
6
to
20
microvolts over
the
entire
frequency
range
of
the
receiver. 2 x 1000 x-
Selectivity-IF
broad
(high
fidelity) 12 kc
36
kc
IF
Sharp 4.1 kc
22
kc
Frequency Range
RF-Note:
These are
the
actual fre-
quencies covered corresponding to nominal figures in-
dicated on the front panel.
')')0
to
1,620 kilocycles
I.S
to
3.1 megacycles
2.9
to
S.9 megacycles
S.7S
to
11.S megacycles
10.3
to
21.S megacycles
20.4 to
43
megacycles
Frequency response AF (audio filter
out-broad
IF-tone
control high)-70 to 3000
cycles
±
2~
DB
Speaker
Output
Impedances-SOOO and
SOO
ohms
Intermediate
Frequency-4SS
kc
Table cabinet dimensions-20Y2" long x
10"
high
x 143
;"
deep .
Relay Rack
dust
cover
dimensions-14:l("
deep x
17
3;;"
long x 8%"
high
Panel
dimensions-19"
x 8%"
Chassis
dimen~ions-17%"
x
13Y2"
Weight-(unpacked)-~7)
lhs. packed
11,7
lhs.
-11 -

D RECEIVER ALIGNMENT
Equipment
Needed
for
Aligning:
I-Art
all wave signal generator which will provide
an accurately calibrated signal
at
the test frequencies
indicated.
2-output
indicating meter connected
to
5000
ohm
output
terminals.
3-Non-metallic
screw driver.
4-Dummy
antenna
of
200
mmf and also 400 ohm
carbon resistor.
Setting
of
controls
p~ior
to
alignment-IF
and RF.
Tone control
at
maximum
high
frequency position
(#9)-BFO
at
o-Bass
switch
at
Bass
IN-AF
Gain
at
#9--RF
Gain
at
#9--Band
switch-IF
alignment posi-
tion ,55
to
1.6
band-RF
alignment depending on band
aligned.
Selectivity control
at
sharp
IF-~nd-Receive
switch
in
Receive---Crystal phasing
at
#3
on left
side-ANL--
OFF
at
o-A
VC OFF.
Important:
Have bandspread control so logging scale
reaas 100.
Antenna trimmer adjusted for Maximum gain
at
each.
RF alignment point on. all bands.
(1)
455
KC-IF
Alignment:
Tune main dial to 1400 kc on
.55
to
l.(5.mcband. Connect
the
hot
lead from
the
signal
genera
tot
to
6SA
7 mixer terminal
IS-Ground
to
chassis.
Roughly
adjust
the
aligning screws of
Tl,
the
lower
screw
of
which
is accessible
through
hole in
right
mount-
ing
bracket, for maximum gain.
Now
adjust lower screw
on T2
(do
not
adjust upper screw). Also adjust
C31
and
the air trimmer condensers at the top of
T3
for maximum
gain. (See
Fig.
8 for location of IF adjustments)
Switch
to
Crystal Broad
Position-Turn
on BFO and
adjust
to
a tone
of
about 1000 cycles. Vary
the
frequency
of
the
signal generator
while
adjusting the
top
screw on
1'2 until
the
4)utput goes
through
a maximum, dips down
and starts going
up
again. Adjust
th!!
phasing control
for maximum selectivity and then back off
the
top
screw
on
T2 until
the
output
reaches a minimum value between
the
tWo
maximum values first noted. The frequency
of
the
signal generator should be varied over a small range
while
adjusting
the
top
screw
of
T2. A swishing note,
in.
contrast
to
the usual sharp crystal tone will be ap-
parent when the correct adjustment has
be~n
reached.
Switch
to
"Xtal
Sharp"
and adjust C-
30
for maximum
output
while varying signal generator frequency.
Two
points
of
maximum
output
will
be noted corresponding
to
two
adjustments
0(C-
30
.
Either
one
of
these points
may be used
at
which
to
leaveC-
3o
• a sharply peaked
tone will result
at
the correct adjustment.
Switch to
"Xtal
Medium"
and adjust
(:-Z9
till .the
output
is midway between
the
outputs reache4
while
aligning the
"Xtal
Sharp" and
"Xtal
Broad" positions.
The apparent sharpness of tone should be.midway be-
tween the
"Sharp"
and
"Broad"
positions.
Switch again
to
"Xtal
Sharp"
and set the signal gen-
erator
to
exact crystal frequency. Set
BFa
front panel
control
to
a
tone.
of
approximately 1000 cycles. Switch
again
to
"Sharp
IF"
and carefully realign
the
IF
trans-
formers
as
earlier described in
the
6rst paragraph
of
these
instructions.
(2)
BFa
Adjustment: Set front panel control
to
zero-BFa
switch
ON-Signal
Generator tuned
to
crystal frequency
-selectivity
switch in
IF
Sharp
position-now,
adjust
screw on
top
of T4, after loosening lock nut,
to
zero best.
(See
Fig.
8)
(3)
Noise
Limiter
and
A VC
A~plifier
Adjustment: Have
the Controls .set
as
before except
that
the
A
VC
switch is
now
in
the
ON
position. Connect a
high
resistance type
.voltmeter across R49
which
is connected between termi-
nal
#5
of the
6L7
tube and
cru;,ssis.
Connect a 50,000
(P
ohm
resistor across primary
ofTS
(Rec1and 'Blue leads). .
Set generator
at
455
~c
as
for
IF
alignment. Connect gen-
erat,?r to grid of 6AB7 tube
(pin
#4).
RotateANL control
all
the
way
to
the
right,
or
position
#9.
Adjust screws
on top-of T5 for maximum indication on DC meter coq-
n~ctea
across R47. Reconnect generator, as for
IF
align-
ment,
to
mixer grid
of
6SA
7·
tube .. RemQve 50,000
ohm
~sistor
which
was inserted across primary
of
T5
during
alignment. Remove grid clip off
top
of
6L7 tube.
With
generator set
at
455
kc and
ANL
control
at
extreme
right
adjust wave trap
trimmerC55
for
mi~imum
signal
~s
indicated on output meter. (See Fig. 8 and
Fig.
1:4
for
location of adjustments).
With
generator connected
to
6SA7
mixer grid
as
above,
replace 6L7 grid and turn
ANL
control
to
extreme left
until switch clicks. Connect
high
resistance DC meter
across
6BS
diode filter condenser C64. Adjust, screw
0.1'1
top
of
T6 for maximum indication on
DC
meter across
C64.
(4)
For RF and oscillator adjustment location and align-
ment procedure
see
Fig.,
12.
-
12
-

FIG.
8-SX28-A-
TOP
VIEW
6AB7(tJs\
)
9-SX28-A-REAR
VIEW
-
13
-

+10
o
(/)-10
..J
'"
~
-20
(,)
'"
0-
30
-40
-50
+15
+[0
+5
(/)
..J
0
'"
m
6
-5
'"
o
-10
-15
':'20
fP--
,
'~.
,
~
i--
30
I--
/
30
FIG.
10-AUDIO
FIDELITY
CURVE
,,"
BASS
IN"
-r--:. -
r...
1--0
~"""'--~
'"
'.
~.
"'"
....
"
,~
r\..
~~'
"
1\
~
.,\
I\.
"\
" I\.
\,
I\.
(I)
I.F.
BROAD-TONE
'CONTROL
ou,r
",-'
1\
(2)
I.F.SHARP-TONE
CONTROL
OUT
(3)
I.F.
SHARP-TONE
CONTROL
IN
100
1000
10,000
CYCLES
PER
SECOND
FIG.
ll-AUDIO
FILTERG:URVE
I 1
i""'1'-0
FREQUENCY
RESPONSE
WITH'
"-
BASS
SWITCH
IN
a
OUT-
""-6
SELECTIVITy-"CRYSTAL
SHARP"
, ,
~.r
14;
"
'"
.....
BASS
OUT
f'.. "
....
'\.
L,
,
~
\
1'
....
\
"'\
~
r---
I--
1\
'\
\
-\
100
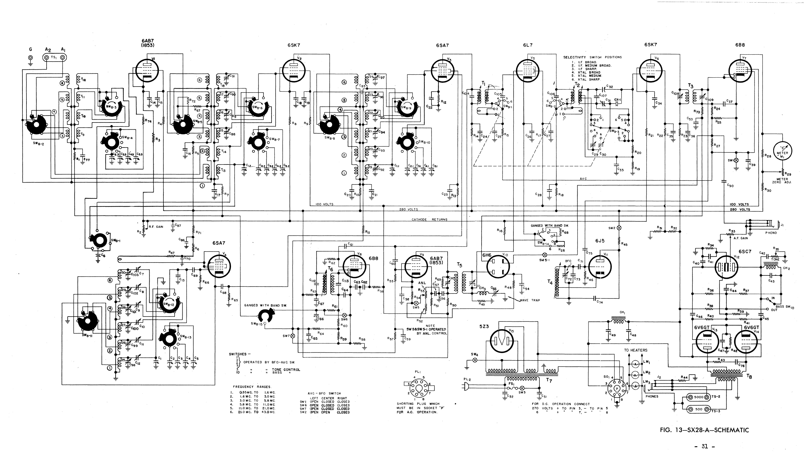
1000
IOPOO
CYCLES
PER
SECOND
.;.
14
-

FIG
.
12-RF
AND OSC ADJUSTMENT LOCATION AND ALIGNMENT
PROCEDURE
R-F
AMP.
R-FAMP
C
aa
C
a9
C
90
C
91
57
5
10
5
,3
16
1ST oET.
'ST
OET.
C
94
C
95
C
9G
C
91
C
93
C
92
S6
S9
S'2
S'5
S4
S2
OSC.
05C.
CIOOC'OI
CI02
C103C99C98
'
S5
Sa
S"
SI
FP FP
FP
RF & osc. ALIGr\'MENT PROCEDURE
Connect
hot
lead
of
signal
generator
to
AI
-
through
dummy
antenna
shown
;n
table,
Leave
jumper
connected
between
A2
and
G ,
Ground
of
Generator
to
Chassis,
"FP"
indicates fixed
pad-do
not adjfJst.
Band
I
I
2
2
3
3
4
4
Rec
Dial
Setting
Sig
,
Gen,
Freq
,
Dummy
Antenna
HIGH
FREQTJENCY
E
;{
J
LOW
FREQUENCY
END
Adjust
Osc.
Adjust
Trimme-rs
Adjust
Osc
I
Permeability
With
for
Max.
Gain
With
Tuned
By _
1.
'65
me , 1.5 me 200 mmE C
9H
C92 •. • • • • I
. .6 200
mm
f .
..
. . . . . .
..
. . .
SI
I
S2
I 3.0 400
ohms
; C
99
Cn . . . . I
1.8
400
ohms
. . . . .
.. ..
. .
..
. S3 I 54
3.0
1.8
I 5.4 400
ohms
..
- C
I00
C
94
C
ss
. . . . I ........ '
..
. 3.0 400
ohms
....
.
r.
.
.......
I>
5 5 I
S6
5 7
5.4
3.0
10.0
7
.0
,
.
10.0
400
ohms
C
I01
C9
:\
C
89
. . . . I
7.0
400
ohms
.....
....
..
....
5 8 I 5 9
S10
====1======~=======I=~~~=II===~==
~==~==~==
j~====~======~
1
___
5
__
r-~20~'70_~_720~'70
___
I
_~40~O_o~h_m_s_
'
II
___
C~I
~02~
-+
____
C~96~
__
C
.
_9~.0
__
~1
__
~
.
~
..
_._~I~
..
~.~
..
~.~.~
..
~.~,
5 12.0
12.0
400
ohms
....
...
.......
S11
I S
12
S
13
6 36.0 36.0 400
ohms
C1
03
C
97
C91 . . • . I .
..
...... .
~
-
_
-
_6=
__
~
1
~_2_
4
._0
__
~
___
24
_.
_0
____
~~4~
00
~o~h~m~
s
~~
__
~
..
~
.
~
.
__
~
___
..
_._._. _
,,
_,_,
_,
__
~
___
S~14~
__
~
I
__
S~1
5
__
~
_
__
S~16~

E
The
following measurements made
with
a 20,000 ohms per volt meter and taken from the socket terminal indicated
to
ground
or
r!!ceiver chassis. Antenna and ground were disconnected from the receiver
when
these measurements
were
taken
and
the
RF
and AF gain controls set
at
maximum.
"DL"
means Dead Lug but will indicate
~lOltage
when used
as
a tie" Normal tolerance allows a variation
of
±
10%
from the indicated values.
TUBE FUNCTION SOCKET TERMINALS
1 2 3 4 5 6 7 8 Cap.
---
Vr6AB7 RF Amp.
(1)
. , . .. . .
..
0.1 4.15 170 6.3
227
. . . . . . .
V2-6SK7
RF
Amp.
(2)
. , . . .. 4.35 0.1 4.35 105 6.3
279
.......
I
~--
---
--------_.
V3-6SA7 Mixer
..
.
250
100 0.12 4.1 6.3
..
.
.......
---
V4
-6SA7
HFOsc.
..
.
..
. 116 116 0.3 _
..
6.3 116
.......
---
---
Va
-6L7
IF
Amp.
(1)
,-.075
Noise Limi ter
..
.
..
.
245
102
...
.
..
6.3 4
Va-6SK7
IF
Amp. 2
..
.
..
. 4 . , . 4 107.5 6.3
235
.......
V7
-6B8
2nd Det.
S Meter Tube
..
.
..
. 17.2
~.255
-.255
108 6.3
...
-.17
---
Vg
-6B8
AVC Amp. . , . .
..
225.5 0.2 0.2 107 6.3 2
.......
-
Vg-6AB7 Noise Amp. . , . .
..
...
.07 1.1 150 6.3 225 .
......
-
---
---
V
1o
-6H6 Noise Rectifier
..
. .
..
..
.
.1
..
.
17.6DL
6.3
-.1
.......
Vn-6J5 Beat Osc. . , .
..
.
140
..
.
-7.4
..
. 6.3
...
BFO
ON
ONLY
FOR TEST
V
12
-6SC7
1st Audio Amp.
..
. 140
..
.
...
137 0 1.4 6.3
..
.
.......
---
V
1s
-6V6GT P.P. Audio Amp. .. . .
..
310 290
..
. 198
DL
6.3
17
.......
V
14
-6V6GT P.P. Audio Amp. .. .
..
.
310
290
..
.
..
.
6_3
17
........
Rectifier * 320
340
AC
340
AC
320
V
Il
:,-5Z3
..
. .
..
..
.
..
.
.......
* 5
V.
AC
between Terminals 1 & 4
F GUARANTEE
This
receiver is guaranteed
to
be free from any defect
in
workmanship
and material
that
may
develop
within
a period
of
ninety (90)
dfys
from date
of
purchase, under
the
terms
of
the
standard guarantee, as designa.ted by the
Radio Manufacturers Association. Any part or parts
that
prove
d~fectivewithin
this period
will
be replaced
with-
out
charge
when
subjected
to
examination at
our
factory,
providing such defect, in
our
opinion, is due
to
faulty
material
or
workmanship, and
not
caused by tampering,
abuse
or
normal wear. All such adjustments
to
be made
FOB
the
factory.
Should
this
receiver reqriire any adjustments, your
dealer
or
distributor
has complete technical service in-
formation, or
the
factory
will
be
glad
to
assist you in
any problem direct.
Should
it
be necessary
to
return any
part
or
parts
to
the factory, a
"Return
Material
Permit"
must be ob-
tained in advance by first
wrijng
the
Adjustment De-
partmertt,
who
will
issue due authorization under
the
terms
of
the
guarantee.
The Hallicrafters Company. reserve the right
to
make
changes in design
or
add improvements
to
instruments
manufactured by them,
without
incurring any obliga-
tion
to
install
the
same in any instrument previously
purchased.
All Hallicrafters receivers are
built
under patents
of
Radio Corporation
of
America and Hazel tine Corporation
-
16
-

REF.
SYMBOL
Rl
R2
R3
R4
R5
R6
&,
RS
R9
RIO
Rll
R12
R13
R14
R
15
I-}-
R16
',~
R17
R
IS
R19
R20
R21
R22
R23
R24
R25
R26
R27
H
2S
R29
R30
~l}
R32
G.
LIST
OF
REPLACEABLE
PARTS
MODEL
SX-28-A
NAME
OF
PART
AND
DESCRIPTION
Resistor,
100,000
ohm
:t
10'fb;
i
watt,
carbon
Resistor,
variable,
10,000
ohm:t
2o;'c;
carbon,
type
Resistor,
330
ohm
±
10%,
i
watt,
carbon
Resistor,
27,000
ohm
±
10%,
1
watt,
carbon
Resistor,
1000
ohm
±
iO%,
i
watt,
carbon
Resistor,
6,SOO
ohm
:t
10%,
2
watt,
carbon,
Same
as
Rl
Same
as
H3
Same
as
%
Resistor,
2700
ohm,
±
10%,
i
watt,
carbon
Same
as
RI
Resistor,
390
ohm
±
10%,
i
watt,
carbon
Same
as
%
Same
as
RIO
Same
as
Rl
.
Resistor,
270
ohm
±
10%,
i
watt,
carbon
Same
as
R5
Same
as
RIO
Same
as
Rl
rvfI 1 .
Resiston,
470,000
ohm
.:t
lv/o,
"2
watt,
carbon
Resistor,
270
ohm:t
10%,
i
watt,
carbon
Same
as
R5
Same
as
RIO
Same
as
Rl
Same
as
%0
Resistor,
1,SOO
ohm
:t
10%,
i
watt,
carbon
Same
as
R20
Resistor,
100 ohm:t
10%"
i
watt,
carbon
35
Resistor,
variable,
500
ohm
:t
20%,
carbon,
type
25
Resistor,
27,000
ohm
:t
10%,
2
watt,
carbon
Resistor,
two
sect
ions;
sect
ion
#1
(R
3
;J.)
,
11,000
ohm
:t
10%,
Ii
watts;
section,2
(R
32)
4,000
ohm
±
10%,
7
watts;
met
al
clad,
wire
wound
FUNCTION
A-V-C
decoupling
for
tube
VI
R.
F. Gain c
ont
rol
Cathode
bias
for
tube
VI
Voltage
drop
for
screen
of
tube
VI
Plate
decoupling
for
tube
VI
Plate
decoupling
for
tube
V4
A-V-C
decoupling
for
tube
V2
Cathode
bias
for
tube
V
2
Vol
tage
drop
for
screen
of
tube
V2
Plate
decoupling
for
tube
V2
A-V-C
decoupling
for
tube
V3
Cathode
bias
for
tube
V3
Voltage
drop
for
screen
of
tube
V·
3
Plate
decoupling
for
tube
V3
A-V-C
decoupling
for
tube
V5
Cathode
bias
for
tube
V5
on
bands
1,2
and 6
Voltage
drop
for
screen
of
tube
V5
Plate
decoupling
for
tube
V5
Grid
return
for
tube
V 6
Grid
return
for
tube
V6
Cathode
bias
for
tube
V6
Vol
tage
drop
for
screen
0 f
tube
V6
Plate
decoupling
for
tube
V6
Diode
load
for
tube
V7
Diode
load
for
tube
V
7
Cathode
bias
for
tube
V5
for
bands
3 and 5
A-V-C
decoupling
for
tube
V5
and
grid
isolation
for
tube
V
7
Carrier
level
meter
shunt
Carrier
level
meter,
zero
adjustment
Voltage
drop
for
plate
of
tube
V
7
Voltage
divider
for
screen
grids
of
tubes
V
2' V3' V
5' V
6' V
7 and
Vs
MFR. CONI'R'S.
CODE
PARI'
NO.
ASA
RC2IAEI04K
CT
25C066
ASA
RC2lAE33lK
ASA
RC31AE273K
ASA
RC2IAEI02K
ASA
RC41AE6S2K
ASA
RC2lAE272K
ASA
RC2IAE391K
ASA
RC21.AE27lK
ASA
RC21.AE474K
ASA
RC21.AE271K
liSA
RC2iAEI82K
liSA
RC2lAEI0lK
CT
25C022
ASA
RC41.AE273K
CS
24A046

REF.
SYMBOL
R33
R34
R35
R36
R37
R3a
R39
R
40
R41
R42
R43
R44
R45
R46
R47
R
4a
R
49
R50
%1
%2
R53
R54
R55
R56
R57
R5a
R
59
R60
R61
R62
R63
G.
LIST
OF
REPLACEABLE
PARTS
(Cont'd.)
NAME
OF
PART
AND
DESCRIPI'ION
Resistor,
variable,
500,000
ohm
±
20%,
carbon
Same
as
R5
Resistor,
variable,
500,000
ohm
±
20%,
carbon
type
AE-.35-500M
Same
as
Rl
Same
as·R
l
Resistor,
47,000
ohm
±
10%,
i
watt,
carbon
Resistor,
lao,OOO
ohm
±
10%,
i
watt,
carbon
Resistor,
270,000
ohm
±
10%,
i
watt,
carbon
Same
as
R
40
Resi
st
or,
220
ohm
±
10%,
2
watt,
wire
wound,
type
BW2
Resistor,
20,000
ohm
±
5%,
2
watt,
carbon
Resistor,
5,000
ohm
±
20%,
10
watt,
wire
wound,
viterous
enamel,
type
CC
Same
as
R43
Same
as
R38
Resistor,
10
ohm
±
10%,
i
watt,
carbon
Same
as
Rl
Resistor,
I
megohm
± 10%, i
watt
carbon,
Resistor,
560
ohm
±
10%,
~
watt,
carbon
Resistor,
'20,000
ohm
±
5%,
1
watt,
carbon
Same
as
R38
Resistor,
variable,
50,000
ohm
±
20%,
carbon
with
DPST
switch,
type
WR-35
Resistor,
33
ohm
±
10%,
i
watt,
carbon
Same
as
R20
Same
as
R5
Same
as
Rl
Resistor,
180
ohm
±
10%,
i
watt,
carbon
Same
as
Rl
Same
as
R
40
Same
as
H
20
Same
as
R
20
•
Part
of
transformer
TI.
Shown
for
reference
only.
Same
as
RIO
FUNCTION
A.F.
gain
control
Cathode
bias
for
tube
V
12
TONE
control
Plate
load
for
tube
V12
Plate
load
for
tube
V12
Plate
decoupling
for
tube
V 12
Grid
return
for
tubes
V1
2'
V1
3 and
V
14
Grid
return
for
tube
V13
Grid
return
for
tube
V
14
Cathode
bias
for
tubes
V
13 and V
14 .
Load
for
primary
winding
of
trans-
former
Ta
.
'toad
for
secondary
of
transformer
Ta
during
headset
operation.
Plate
load
for
tube
Vn
Grid
return
for
tube
VII
Parasitic
suppressor
for
tube
V
4
Cathode
bias
for
tube
V
IO
Diode
load
for
A-N-L
tube
VIO
Plate
decoupling
for
tube
Vg
Screen
decoupling
for
tube
Vg
A-N-L
bias
voltage
divider
A-N-L
Control
Cathode
bias
for
tube
Vg
Grid
return
for
tube
Vg
Voltage
drop
for
screen
of
tube
Va
A-V-C
decoupling
for
tube
Vg
Cathode
bias
for
tube
Va
Diode
load
for
tube
Va
Diode
load
for
tube
Va
A-V-C
decoupling
for
r-f
stages
Grid
return
for
tube
Va
Plate
decoupling
fpr
tube
VA
MFR.
CODE
CONTR'S.
PARI'
NO.
CT
25C065
CT
25C064
ASA
RC2lAE473K
ASA
RC2lAE184K
ASA
RC2lAEl274K
IRC
24BV221E
ASA
RC4lAE203J
U.
24BG502F
ASA
R02lAEIOOK
ABA
RC21AEI05K
ASA
RC2lAE56lK
ASA
RC3lAE203J
CT
25C067
ASA
RC2lAE330K
ASA
RC21AEla
IK

REF.
SYMBOL
R64
R65
R66
R67
R68
R69
R,o
~l
&'2
R73
~4
Cl
Cl.
1
......
C1.
2
fD
C
z
C2•1
C
Zo2
C
Z•3
~
C
3•1
C
3•2
C
3•3
C
4
C
4•1
G.
LIST
OF
REPLACEABLE
PARTS
-(Cont'd.}
NAME
OF
PART
AND
DESCRIPTION
SaIne
as
R20
'Same
as
R38
Same
as
R38
Same
as
R50
Resistor,
1,200
ohm
±
10%,
t
watt,
carbon
Same
as
Rl
Same
as
R49
Resistor,
4700
ohm
±
10%,
1
watt,
carbon
Same
as
R50
Not
used
Same
as
R47
Capacitor,
variable,
4
unit
gang
f
each
unit
con-
sists
of
2
sections,
except
unit
4
at
rear
which
contains
only
one
section
(section
#2),
air
di-
electric,
special;
Section
#I-min.
cap.
16.3
mmfd., max.
cap.
187.5
mmfd.
(C
l, C
1
l'
C1•2
);
Section
#2-min.
cap.
21. 5 mmfd., max:
cap.
250.0
mmfd.
(C
2, C2•l, C
2•2, C
2•3
).
Capacitor,
variable,
4
unit
gang,
each
unit
con-
sists
of
3
sections,
air
dielectric,
special;
Section
#I-min.
cap.
6 mmfd., max.
cap.
16
mmfd.
(C
3, C
3•1, C
3•2, C
3•3
);
Section
#2-min.
cap.
6.5
mmfd~,
max.
~ap.
2.5
mmfd.
(C
4, C
4•1, C
4•2, C
4
,3);
Sect
lon
#3-mmo
cap.
6.5
mmfd.,
max.
cap.
27
mmfd.
(C
5, C
5•1, C
5•2, C
5•3)
FUNCTION
A-V-C
decoupling
for
r-f
stages
Injector
grid
return
for
tube
V3
Grid
return
for
tube
V
4
Plate
load
for
tube
VI on Band I
Cathode
bias
for
tube
V5
on
Band 4
Primary
load
for
transformer
T5
A-N-L
circuit
balance
Plate
decoupling
for
tube
V
4
Plate
load
for
tube
VI on Band 1
Parasitic
suppressor
for
tube
VI
Oscillator
stage
tuning
for
Band 1
only
Converter
stage
tuning
for
Band 1
only
Antenna
stage
tuning
for
Band 1
only
Oscillator
stage
tuning
for
Bands
3,
4,
5 and 6
Converter
stage
tuning
for
Bands
3,
4,
5 and 6
R-F
amplifier
stage
tuning
for
Bands
3,
4, 5 and 6
Antenna
stage
tuning
for
Bands
3,
4,
5 and 6
Oscillator
stage
bandspread
tuning
for
80
and 20
meter
bands
Converter
stage
bandspread
tuning
for
80
and '20
meter
bands
R-F
amplifier
stage
bandspread
tuning
for
80 and 20
meter
bands
Antenna
stage
bandspread
tuning
for
80
and 20
meter
bands
Oscillator
stage
bandspread
tuning
for
80
and 40
meter
b~ds
Converter
stage
bandspread
tuning
for
80 and 40
meter
bands
MFR.
CODE
CONTR'S.
PART
NO.
ASA
RC2lAE1'22K
ASA
RC3l.AE472K
RC
48B050
RC
48B051

N
o
REF.
SYMBOL
C
4•2
C
4•3
C
5
C5•1
C6
C
7
C
8
C
9
C
IO
Cll
C
12
C
13
C
14
C
15
C
16
C
17
C18
C
l9
C
20
C
21
G.
LIST
OF
REPLACEABLE
PARTS
-(Cont'd.)
NAME
OF
PART
AND
DESCRIPTION
.
Capacitor,
variable,
4
unit
gang,
each
unit
con-
sists
of
3
sect
ions,
air
dielectric,
special;
Section
#l-min;
cap.
mrofd., max.
cap.
16
mrnfd.
(C
3' C
3
.1'
C3•2' C
3•3
);
Section
#2-min.
cap.
6.5
mmfd.,
max.
cap.
2.5mmfd.
(C
4' C
4•1, C4•2, C
4•3
)j
Section
#3-min.
cap.
6.5
mmfd.,
max.
cap.
27
mmfd.
(C
5' C
5•1' C
5•2, C
5
.-
3)
Capacitor,
variabie,
min.
cap.
.5
mmfd., max.
cap.
50
mmfd.,
air
dielectric,
ceramic
insula-
tion,
type
22
Capacitor,
2980
mmfd.
adjustable
±
5%,
mica
di-
electric,
steel
mtg.
frame,
special
Capacitor,
2400 mmfd.
adj
ustable
:!:
5%,
mica
di-
electric,
steel
mtg.
frame,
special
Capacitor,
2240
mmfd.
adjustable
:!:
5%,
mica
di-
electric,
steel
mtg.
frame,
special
Capacitor,
1700
mmfd.
adjustable
±
5%,
mica
di-
electric,
steel
mtg.
frame,
special
Capaci
tor,
8'22 mmfd.
adjustable
±
5%,
mica
di-
electric,
steel
mtg.
frame,
special
Capacitor,
541
mmfd.
adjust
able
:!:
5%,
mica
di-
electric,
steel
mtg.
frame,
special
Capacitor,
adjustable,
5 mmfd. ±
0.2
mmfd.
at
25
0
C.,
capacity
change
-0.02
mmfd.
per
0
C.,
type
8-2739
Capacitor,
0.02
mfd.
-10
+ 40%,
400
V.D-C
work-
ing,
paper
dielectric
Same
as
C
14
Capacitor,
fixed,
0.02
mfd.
-
10
+ 40%,
600
v.
D-C
working,
paper
dielectric
Capacitor,
fixed,
0.05
mfd.
-
10
+ 40%,
200
V.
D-C
working,
paper
dielectric
Same
as
C14
Same
as
C
14
Same
as
C
16
Same
as
C17
FUNCTION
R-F
amplifier
stage
bandspread
tun-
ing
for
80
and
40
meter
bands
Antenna
stage
bandspread
tuning
for
80
and
40
meter
bands
Oscillator
stage
bandspread
tuning
for
80
and
20
meter
bands
COnverter
stage
bandspread
tuning
for
80
and
20
meter
bands
ANT.
TRIMMER
control
Oscillator
padding
for
Band 6
Oscillator
padding
for
Band 5
Osc
illator
padding
for
Band 4
Os~illator
padding
for
Band
3
Oscillator
padding
for
Band
2
Oscillator
padding
for
Band
1
Temperature
compensating
capacity
for
oscillator
Cathode
by-pass
for
tube
VI
Screen
by-pass
for
tube
VI
Plate
return
by-:-pass
for
tube
VI
A-V-C
by-pass
for
tube
VI
Cathode
by-pass
for
tube
V2
Screen
by-pass
for
tube
V2
Plate
return
by-pass
for
tube
V2
A-V-C
by-pass
for
tube
V3
MFR.
CODE
RC
RC
UE
UE
UE
UE
UE
UE
SP
SP
SP
CONTR'S.
PARI'
NO.
48B051
48A053
44BIIO
44BI09
44BI08
44BI07
44BI06
44BI05
44A06'2
46AW203J
46AY.203J
46AU503J

REF.
SYMBOL
C
22
C23
C
24
C25
C26
C
27
C28
C29
C
30
C
3l
N C
32
I-'
C
33
C
34
C
35
C
36
C
37
C
38
C
39
C
40
C'4l
C
42
C
43
C
44
G.
LIST
OF
REPLACEABLE
PARTS
-
(Cont'd~)
NAME
OF
PART
AND
DESCRIPI'ION
Same
as
C
14
Same
as
C
14
Same
as
C
16
Capacitor,
fixed,
2200
mmfd.
±
10%,
500
v.
D-C
working,
mica
dielectric
Same
as
C
17
Same
as
Cu
Same
as
C16
Capacitor,
variable,
min.
cap.
2 mmfd., max.
cap.
6 mmfd.,
ceramic
dielectric,
.special
mtg.
bracket,
type
B-820-202
Capacitor,
variable,
min.
cap.
4 mmfd., max.
cap.
20 mmfd.,
ceramic
dielectric,
special
mtg.
bracket,
type
B-820-304
Same
as
C
30
Capacitor,
variable,
min.
cap.
3.0
mmfd., max.
cap.
25 mmfd.,
air
dielectric,
ceramic
insula-
t
ion,
type
22-7
Same
as
C
14
Same
as
C
17
Same
as
C14
Same
as
C
16
Capacitor,
fixed,
47
mmfd.
±
10%,
500
v.
D-C
working,
mica
dielectric
Not
used
Same
as
C
14
Capacitor,
fixed,
470
mmfd.
±
10%,
500
V.
D-C
working,
mica
dielectric
Capacitor,
fixed,
one
unit
of
dual
unit,
40
mfd.
-
10
+
40%,
25
v.
D-C
working,
electrolytic
(See C44 )
Same
as
C
16
Capacitor,
fixed,
5100
mmfd.
±
5%,
300
v.
D-C
working,
mica
dielectric
Capacitor,
fixed,
one
unit
of
dual
unit,
10
mfd.
-
10
+
40%,
300
v.
D-C
working,
electrolytic
(See C
4l
)
FUNCTION
Cathode
by-pass
for
tube
V3
Screen
by-pass
for
tube
V3
Plate
return
by-pass
for
tube
V3
MFR.
CODE
CONTR
'
S.
PART
NO.
A-V-C
by-pass
for
tube
V5
ASA
CM30A222K
Cathode
by-pass
for
tube
V5
Screen
by-pass
for
tu~e
V5
Plate
return
by-pass
for
tube
V5
MED.
XTAL
crystal
filter
adjustment
CRL
44A079
SHARP
XTAL
crystal
filter
adjustment
CRL
44A078
SHARP
I.F.
crystal
filter
adjustment
RC
48A039
CRYSTAL
PHASING
control
Grid
return
by-pass
for
tube
V6
Cathode
by-pass
for
tube
V6
Screen
by-pass
for
tube
V6
Plate
return
by-pass
for
tube
V6
Diode
load
by-pass
for
tube
V
7
ASA
a~40A470K
R-F
by-pass
on
grid
of
tube
V
7
Parasitic
suppressor
in
plate
of
tube
ASA
CM20A471K
V
12
Cathode
by-pass
for
tube
VJ:2
SP 42A032
Tone
control,
high
frequency
audio
shunt
Resonating
capacitor
for
bass
boost
ASA
CM35A5l2J
Plate
decoupling
for
tube
V12

REF.
SYMBOL
C
48
C
49
C
50
C
51
C
52
C
53
C
54
C
55
C
56
C
57
C
58
C59
C
60
C
61
C
62
C
63
C
64
C
65
C
66
C
67
G
68
G.
liST
OF
REPLACEABLE
PARTS
-(Cont'd.)
NAME
OF
PART
AND
DESCRIPTION
Capacitor,
fixed,
0.05
mfd.
-
10
+
40%,
400
v.
D-C
working,
paper
dielectric
Same
as
C
45
Capacitor,
fixed,
one
unit
of
dual
unit,
40
mfd.
-
10
+
40%,
5
V.
D-Cworking,
electrolytic
(See
C
4S
)
Capacitor,
fixed,
one
unit
of
dual
unit,
30
mfd.
-
10
+
40%,
400
V.
D-C
working,
electrolyt
ic
in
same
container
with
C
47
Capacitor,
fixed,
30
mfd. -
10
+ 40%,
450
v.
D-C
working,
electrolyt
ic,
type
D8290
Same
as
C
14
Capacitor,
fixed,
0.01
mfd.
-
10
+
40%,
600
V.
D-C
working,
paper
dielectric
Same.
as
C
51
Same
as
C17
Same
as
C
45
Capacitor,
variable,
compression
type,
50
mmfd.
(nominal),
mica
dielectric,
type
SW-1530
Same
as
C16
Same
as
C
14
Same
as
C
17
·Same
as
C
17
Same
as
C
37
Capacitor,
fixed,
250
mmfd. ± 20%,
500
v.
D-C
working,
mica
dielectric,
type
146S.
Part
of
transformer
Tl• Shown
for
reference
only.
Same
as
C
14
Same
as
C
17
Capacitor,
fixed,
100
mmfd. ± 10%,
500
v.
D-C
working,
mica
dielectric
Same
as
C
14
Same
as
C17
Same
as
C16
Same
as
C
37
FUNCTION
MFR.
CODE
Coupling
between
tubes
V12
and
V
14
SP
Coupling
between
tubes
V1
2
and
V1
3
Cathode
by-pass
for
tubes
V
13
and
SP
V
14
Plate
power
supply
output
filter
capacitor
Plate
power
supply
input
filter
cap-
. SP
acitor
Audio
coupling
between
diode
of
tube
V7
and
grid
of
tube
V
12
A-C
line
by-pass
capacitor
SP
A-C
line
by-pass
capacitor
A-N-L
by-pass
Cathode
by-pass
for
tube
VIO
Resonating
trimmer
for
inductor
CH
3
SWI
Plate
return
by-pass
for
tube
Vg
Screen
by-pass
for
tube
V 9
Cathode
by-pass
for
tube
V 9
A-V-C
by-pass
for
tube
V 9
Coupling
between
tube
V3
and
tube
Vg
Coupling
between
tube
V.3
and
tube
Vs
Screen
by-pass
for
tube
Vs
Cathode
by-pass
for
tube
V8
A-V-C
diode
load
by-pass
at
tube
V8
ASA
A-V-C
by-pass
for
Bands
2,3,4,5
and
6
A-V-C
by-pass
for
Band
1
Plate
return
by-pass
for
tube
V8
Coupling
between
oscillator
tube
V
4
and
converter
tubeV
3
CONTRt
S.
PART
NO.
46AW503J
42A031
42A030
46AYI03J
53A012
CM20AIOlK

REF.
SYMBOL
C
74
C~5
C
76
C77
C
7S
C
79
C
SO
CSI
C
S2
C
S3
C
S4
C
S5
C
S6
C
S7
C
S8
G.
LIST
OF
REPLACEABLE
PARTS
-(Cont'd.)
NAME
OF
PARI'
AND
DESCRIPTION
Same
as
C
37
Same
as
C
25
Same
as
C
64
Capacitor,
variable,
min.
cap.
5 mmfd.,
max.
cap.
25 mmfd.,
air
dielectric,
special
Capacitor,
-fixed,
500
mmfd.
:!:
5%,
500
V.
D-C
working,
silver
mica,
type
1469,
Part
of
trans-
former
T4•
Shown
for
reference
only.
Capacitor,
fixed,
0.01
mfd.
-10
:!:
40%,
600
v.
D-C
working,
paper
dielectric,
braided
leads,
type
AB
Capacitor,
2 mmfd.,
twisted
leads
Same
as
C25
Same
as
C17
Not
used
Not
used
Not
used
Not
used
Not
used
Capacitor,
fixed,
2.5
mmfd.
:!:
20%
500
V.
D-C
working,
bakelite
dielectric
Not
used
Not
used
Same
as
C
40
Capacitor,
fixed,
0.25
mfd. -
10
+
40%,
200
V.
D-C
working,
paper
dielectric
Capacitor,
variable,
min.
cap.
4 mmfd., max.
cap.
20 mmfd.,
ceramic
insulation,
temp.
coeff.
-
0.005
mmfd
/ mmfd/ 0
C.,
type
82Q-B
Same
as
C
8S
Same
as
C
S8
Same
as
C
S8
Same
as
C
S8
Same
as
C
S8
Same
as
C
SS
Same
as
C
88'
Same
as
C
S8
FUNCTION
Grid
coupling
for
tube
V4
Plate
return
by-pass
for
tube
V
4
Grid
coupling
for
Tube V
Il
B.
F.
O.
control
Shunt
capacitor
across
C
72
Plate
by-pass
for
tube
V
ll
Coupling
between
tubes
V
7 and
VII
"mpedance
equalizer
for
transformer
TS
A-V-C
by-pass
for
tube
VI
Coupling
between
tubes
V
2 and
V3
on
Band 5
Plate
decoupling
for
tube
V4
Cathode
return
by-pass
Trimmer
for
transformer
T15
Trimmer
for
transformer
TI6
Trimmer
for
transformer
TI7
Trimmer
for
transformer
T18
Trimmer
for
transformer
TI9
Trimmer
for
transformer
T20
Trimmer
for
transformer
T21
Trimmer
for
transformer
122
Trimmer
for
transformer
T23
MFR.
CODE
CONTR'S.
PART
NO.
RC
4SA06'4
A 47BT50lD
SP 46A021
-49AOOI
SP
-46AT254.T
CRL
44Al02

REF.
STIffiOL
G
.•
LIST
OF
REPLACEABLE
PARTS
-
(Cont'd.)
NAME
OF
PART
AND
DESCRIPTION
Same
as
C
SS
Same
as
C
SS
Same
as
C
SS
Sa:rne
as
C
SS
Same
as
C
SS
Sa:rne
as
C
SS
Same
as
C
SS
Capcitor,
fixed,
275 mmfd.,
silver
mica.
Part
of
transfOrnler
Tl'
Shown
for
reference
only.
Capacitor,
fixed,
125 mmfd.,
silver
mica.
,Part
of
transfornler
T'2'
Shown
for
reference
only.
Capacitor,
fixed,
85
mmfd.,
silver
mica.
Part
of
transformer
T2,
Shown
for
reference
only.
Capacitor
assembly;
fixed
capacitor,
25
mmfd.
±
5%,
silver
mica;
variable
capacitor,
min.
cap.
70 mmfd., max.
cap.
90 mmfd.,-
ceramic
dielec-
tric;
both
capacitors
connected
in
parallel
to
form
assembly.
Part
of
transformer
T3,
Shown
for.refere~ce
only.
YVNCTION
Trimmer
for
transformer
T24
Trimmer
for
transformer
T25
Trimmer
for
transformer
T
26
Trimmer
for
transformer
T27
Trimmer
for
transformer
T28
Trimmer
for
transformer
T29
Trimmer
for
transformer
T30
{
Primary
capacitor
of
Transformer
Tl
Secondary
capacitor
of
transformer
Tl
Primary
capacitor
of
transformer
T2
Secondary
capacitor
of
transformer
T2
[
Primary
trimmer
of
transformer
T.3
Secondary
trimmer
of
transformer
T3
MFR.
CODE
Capacitor,
variable,
compression
type,
(nominal),
mica
dielectric.
Part
of
T5•
Shown
for
reference
only.
~~a:~~~er
ffrimary
trimm~r
of
transformer
T5
t~econdary
trimmer
for
transformer
T5
Capacitor,
fixed,
100
mmfd.
±
10%,
500
v.
D-C
working,
mica.
Part
of
transformer
T6,
Shown
for
reference
only
Capacitor,
fixed,
25
mmfd.
±
10%,
500
v.
D-C
working,
mica.
Part
of
transformer
T6,
Shown
for
reference
only
Transformer,
I-F,
455KC,
primary
and
secondary
tuned
by
adjustable
iron
core,
secondary
has
expander
winding,
special.
Transformer,
I-F,
55KC;
primary
and
secondary
tuned
by
adjust
able
iron
core,
secondary
tapped
for
crystal
filter
and
variable
band
width,
primary
has
expander
winding,
special
Primary
capacitor
of
transformer
T6
Secondary
capacitor
of
transformer
T6
Coupling
between
converter
V3
and
1st
SI
i-f
amplifier
V5
Coupling
and
filter
between
i-f
amp-
SI
lifier
tubes
Vo
and
V6
CONTR'S.
PART
NO.
50B082
50BOSI

REF.
SYMBOL
T
IO
Tll
T12
T
13
T14
T
15
T16
G.
LIST
OF
REPLACEABLE
PARTS
-(Cont'd.)
N.MrE
OF
PART
AND
DESCRIPTION
Transformer,
I-F,
455KC,
primary
and
secondary
tuned
by
variable
capacitor,
iron
core
coils,
type
3365
Transformer,
455KC,
tuned
by
adjustable
iron
core,
special
Transformer,
I-F,
55KC,
primary
and
secondary
tuned
by
variable
capacitor,
iron
core
coils
special
Transformer,
I-F,
455KC,
primary
tuned
by
ad-
justable
iron
core,
secondary
untuned
air
core,
special
Transformer,
power,
standard;
primary,
117
V.
A-C,
single
phase,
50/60
cycles;
secondary,
580
V.
A-C
@ 185 rna.,
center
t appedj
6.3
V.
A-C
@
5.5
amperes, 5
V.
A-C
@ 3 amperes,
type
6K53
Transformer,
power,
universal;
primary,
117/230
V.
A-C,
single
phase,
50/60
cycles;
secondary-same
as
standard
transformer,
type
9G62
Transformer,
A-Fj
primary,
10,000
ohm
winding
cen-
t
er
t appedj
secondary,
5000
ohm
winding
tapped
at
500 and 100 ohms,
iron
core,type
3A347
Transformer,
R-F,
range
3.0-5.8
megacycles,
air
core,
special
Transformer,
R-F,
range
5.8-11.5
megacycles,
air
core,
special
Transformer,
R-F,
range
10.5-21
megacycles,
air
core,
special
Transformer,
R-F,
range
21-43
megacycles,
air
core,
special
Transformer,
R-F,
range.
55-1.
6
megacycles,.
air
core,
special
Transformer,
R-F,
range,
1.6-3.0
megacycles,
air
core,
special
Transformer,
R-F,
range,
3.0-5.S
megacycles,
ad-
justable
iron
core,
special
Transformer,
R-F,
range
5.8-11.5
megacycles,
ad-
justable
iron
core,
special
FUNCTION
Coupling
between
i-f
amplifier
tube
V6
and
diode
of
2nd
detector
tube
V.,
Beat
frequency
oscillator
inductance
Coupling
between
~N-L
tubes
Vg
and
VlO
Coupling
for
A-V-C
amplifier
tube
Vs
Filament
and
plate
power
tra~sformer
Couples
a-f
amplifier
to
load.
Coupling
between
antenna
and
tube
VI
for
Band 3
Coupling
between
antenna
and
tube
Vl
for
Band
-4
Coupling
between
antenna
and
tube
VI
for
Band 5
Coupling
between
antenna
and
tube
VI
for
Band 6
Coupling
between
antenna
and
tube
V
z
for
Band 1
Coupling
between
antenna
and
tube
Vz
for
Band 2
Coupling
between
tube
VI and
tube
Vz
for
Band 3
Coupling
between
tube
VI and
tube
V
2
for
Band 4
MFR.
CODE
CONTR'S.
PART
NO.
SWl
50B083
8WI 54B014
8WI
50B097
8WI 50B080
GT
52B03-3
GT
5'2B034
GT
55B009
SWI
5lB568
8WI
5lB569
8WI 51B570
SWI
5lB571
,
8WL 5lB566
8m
5lB567
8WI 51B572
SWl
5lB573

ro
m
REF.
SYMBOL
T17
T18
T19
T
20
T2l
T22
T23
T24
T25
T26
T27
T28
T29
T30
G.
LIST
OF
REPLACEABLE
PARTS
-(Cont'd.)
NAME
OF
PART
AND
DESCRIPTION
Transformer,
R-F,
range
10.5-21
megacycles,
ad-
justable
iron
core,
special
Transformer,
R-F,
range
21-42
megacycles,
ad-
justable
iron
core,
special
Transfprmer,
R-F,
range
.55-1.6
megacycles,
ad-
justable
iron
core,
special
Transformer,
R-F,
range
1.6-3.0
megacycles,
ad-
justable
iron
core,
special
Transformer,
R-F,
range
3.0-5.8
megacYQles,
ad-
justableiron
core,
special
Transformer,
R-F,
range
5.8-11.5
megacycles
ad-
justable
iron
core,
special
Transformer,
R-F,
range
10.5-21
megacycles,
ad-
justable
iron
core,
special
Transformer,
R-F,
range
21-4'2
megacycles,
ad-
j
ustable
iron
core,
special
Transformer,
R-F,
range,.55-l.6
megacycles,
ad-
justable
iron
core,
special
Transformer,
R-F,
range
1.6-3.0
megacycles,
ad-
justable
iron
core,
special
Transformer,
R-F,
range
3-5.8
megacycles,
ad-
justable
iron
core,
special
Transformer,
R-F,
range
5.8~11.5
megacycles,
ad-
justable
iron
core,
special
Transformer,
R-F,
range
10.5-21
megacycles,
ad-
justable
iron
core,
special
Transformer,
R-F,
range
21-42
megacycles,
ad-
justable
iron
core,
special
Inductor,
13
henries
±
10%,
@
100
milliamperes
D-C,
d-c
resistance
300
ohms
±
10%,
iron
core,
type
lD25
Inductor,
4
henries
±
10%
d-c
reslstance
220
ohms
±
10%,
iron
core,
type
lOC5
.
Inductor,
universal
winding,
iron
core,
designed
to
resonate
at
455KC
with
47
rnrnfd.
±
7%
across
the
coil,
type
774
FUNCTION
MFR.
CODE
CONI'R'S.
PART
NO.
Coupling
between
tube
VI
and
tube
V2
SWI
5lB574
for
Band 5
Coupling
.between
tube
VI and
tube
V
2
SWI
5lB575
for
Band 6
Coupling
between
tube
V2
and
tube
V3
SWI
5lB576
for
Band 1
Coupling
between
tube
V2 and
tube
V3
SWI
5lB577
for
Band 2
Coupling
between
tube
V
2
and
tube
V3
SWI
5lB578
for
Band 3
Coupling
between
tube
V2 and
tube
V3
sm
5J.B579
for
Band 4
ing
between
tube
V2
and
tube
V3
SWI
5lB580
for
Band 5
Coupling
between
tube
V
2 and
tube
V3
SWI
5lB581
for
Band 6
Oscillator
coil
for
Band 1
swr
51B582
Oscillator
coil
for
Band 2
swr
5lB583
Oscillator
coil
for
Band 3
swr
5lB584
Oscillator
coil
for
Band 4 SliI 5lB585
Oscillator
coil
for
Band 5
swr
518586
Oscillator
coil
for
Band 6
SWI
51B587
Plate
supply
filter
choke
GT
56B008
Bass
boost
choke
ST
55AOIO
A-N-L wave
trap
coil
swr
53B012

REF.
SYMBOL
G.
LIST
OF
REPLACEABLE
PARTS
-(Cont'd.)
NAME
OF
PART
AND
DESCRIPTION
Jack,
single
circuit,
switching
type,
single
pole
double
throw,
1
pair
contacts
normally
closed,
bushing
3/8-32
x
5/16"
long,
type
503C
Jack,
switching
type,
single
pole
double
throw,
1
pair
contacts
normally
closed,
bushing
3/8-32
x
3/8"
long,
type
ST-627A
Fuse,
1.5
amperes @ '250 V"
4AG,
glass
enclosed,
type
1041
Plug,
octol,
male,
bakelite
body,
jumpers
connect
terminals
6
and
7, and
terminals
3
and
4,
type
CP-8
Plug
and
line
cord
assemble,
2
conductor
rubber
covered
#18
copper
stranded
wire
moulded
rubber
plug
at
one end,
length
6
feet
Socket,
octal,
female,
low
loss
mica-filled
bake-
lite
insulation,
type
MIPST
Terminal
strip,
black
bakelite,
marked
"A2"
"AI",
special
Terminal
strip,
black
bakelite,
marked
"5000",
special
Terminal
strip,
black
bakelHe,
marked
"500",
special
Meter
0,5
milliamperes,
S.S
ohms
internal
re-
sistance,
pointer
swing 90
degrees,
special
mtg.
bracket,
special
Crystal,
frequency
455KC
±
5KC,
type
CF6
Switch,
rotary
selector,
single
section,
3
posi-
tion,
shorting
type
rotar
contacts,
bakelite
wafer,
shaft
2-1/16"
long
x
1/4"
dia.
bushing
1/4"
deep,
type
H
FUNCTION
Phonograph
pickup
connection
Headphone
connect
ion
A-C
line
overload
protection
Shorting
plug
for
a-c
operation
Line
cord
Connection
for
D-C
power
supply
Connection
for
antenna
Audio
output
connection
for
5,000
ohm
load
Audio
output
connection
for
500
ohm
load
Carrier
level
indicator
Cryst
al
filter
{
Carrier
level
meter
SWitCh}
B-F-O
switch
MFG.
CODE
u
u
LF
AP
E
AP
H
H
H
BE
BL
OM
CONTH'S.
PART
NO.
36B003
36B011
39A320
35A003
87A078
6A042
SA039
BA040
BA041
82A070
19A1t23
60B052

G.
LIST
OF
REPLACEABLE
PARTS
-(Cont'd.)
REF.
SYMBOL
SW
4
NJlli1E
OF
PART
AND
DESCRIPTION
Switch,
SPST,
toggle
action
t
located
on
rear
of
resistor
R35
Swit
ch,
SPST,
bat
handle
toggle,
rated
3
amperes
@
250
V.,
type
21350GA
SW
1
Switch,
DPST,
toggle
act
ion,
locat
ed
on
the
rear
SW~_l
J
of
resistor
R53
SW
6 }
SW
7 Same
as
SW
I
SWS-l 1
SW
S-2 SWit.Ch,
rot
ary
selector,
3
sect
ion,
6
posit
ion,
SWS-
3
bakelite
wafers,
sections
are
assembled
to
SW
S_4 J
strut
s,
type
H
SW
S-5 1
Switch,
rotary
selector,
2
section;
6
position,
SW
S_6 r
bakeli
te
.~afe~s
,~~c~
ions
are
assembled
to
SW
S_7 J
struts,
vype
.LSgGe HZ
'SW
sw~=~
1·
Sa'7le
as
SW
S-5'
SW
8-6
and
SWS-7
SWS-
10J
SW
S-
11
l
Switch,
rotary
selector,
2
section,
6
position,
S~8-12~
~~:~lite
w~fers,
sections
are
assembled
to
SW
S-
13
[ c
~ ~
ut
s t
yp
to:
H
Jo.., . + h
"-
" • 1 t .
~
.'
SW
_ 1
u'I'[1
vCll,
ro
~ary
se.tector,
slng
e
sec
lon,
0
POSl-
e
w8
-H}
tion,
shorting
type
rotor
contacts,
bakelite
u 8
,~
.
-~v
wafer,
type
235S6-H
SW9_1
ISwitch,
rotary
selector,
3
section,
6
position,
SW
9_2
~
short
ing
tyn.",e
rotor,
cont
acts,
bakelite
wafers,
.SWg...3
I
shaft
'2-3/8
VI
long
x
1/4"
dia.
bushing
1/4"
deep,
,)
type
22659-H3
1M2
L'Vl3
Switch,
SPDT,
bat
handle
toggle,
rated
1
ampere
@
250
V.
and
3
amperes
@
125V.,
type'20994KF
Lamp
6.3
V. @
250
milliamperes,
bayonet
base
type
44
S&'1le
as
LMI
Lamp,
6.3
V. @
150
milliamperes,
bayon~t
base
type
47
FUNCTION
Power
switch
SEND-RECEIVE
switch
A-N-L
switch
A-
V~C-
switch
A-V-C-
switch
Band
switch,
antenna
stage
Band
switch,
r-f
amplifier
stage
Band
switch,
converter
stage
Band
switch,
oscillator
st
age
A-V-C
switch
(gauged
with
band
switch)
SELECTIVITY
switch
BASS
switch
Illumination
for
band
spread
dial
Illumination
for
main
tuning
dial
Illumination
for
meter
scale
MFR.
CODE
CONTR'S.
PART
NO.
HH
60Al03
CM
62B025
OM
62B013
OM.
6213015
OM
62B023
OM·
60B048
HH
60.Al02
GE
39A003
GE
39.A004

REF.
SYMBOL
VI
V2
V3
V4
V5
V6
V7
Ve
Vg
V
IO
VII
V
l2
V
13
V
14
VIS
G.
LIST
OF
REPLACEABLE
PARTS
-(Cont'd.)
NAME
OF
PART
AND
DESCRIPTION
Tube,
pentode
type
6AB7
Tube,
-triple-grid
super-control
amplifier,
type
6SK7
Tube,
multi-electrode
pentagrid
converter,
type
6SM
Same
as
V3
Tube,
multi-electrode
pentagrid
mixer
amplifier,
type
6L7
Same
as
Y.2
Tube,
duplex-diode
pentode,
type
6Be
Same
as
V
7
Same
as
VI
Tube,
twin
diode,
type
6H6
Tube,
triode,
type
6J5
Tube,
twin
triode,
type
6SC7
Tube, beam power
amplifier,
type
6V6GT
Same
as
V
13
Tube,
full
wave
high
vacuum
rect
ifier;
type
!5Z3
R-F
amplifier
R-F
amplifier
Converter
R-F
oscillator
I-F
amplifier
I-F
amplifier
FUNCTION
Detector
and
meter
amplifier
A-V-C
rectifier
and
amplifier
A-N-L
noise
amplifier
Noise
rectifier
and
noise
peak
limiter
B-F-O
Audio
amplifier
and
phase
inverter
Audio power
amplifier
Audio power
amplifier
Reet
ifier
MFR.
CODE
RCA
RCA
RCA
CONTR'S.
PART
NO.
90X6AB7
90X6SK7
90X6SM
RCA
90X6L7
RCA
90X6Be
RCA
90X6H6
RCA
90X6J5
RCA
90X6SC7
RCA
90X6V6GT
RCA
90X5Z3

H.
INDEX
TO
PARTS
MANUFACTURERS
SYMBOL
A
ASA
BE
BL
CM
MANUFACTURER
Aerovox Corp.
New
Bedfora,
Mass.
American
Phenolic
Corp.
Cicero.
Illinois
Any
manufacturer
me~ting
the
applicable
American
St
andard
Assoc
ia-
tion
specification
Beede
Electrical
Inst.
Co.
Penacook,
N.
H.
Bliley
Electric
Co.
Erie,
Pa.
Chicago Molding
Co.
Chicago,
Illinois
CRL
Centralab
CS
CT.
E
GE
GT
Milwaukee, Wis.
Clarostat
Mfg.
Co:.
Brooklyn,
N.
Y.
Chicago
Telephone
Supply
Co.
Elkhart,
Ind.
Essex
Wire
Co.
Chicago,
Illinois
General
Electric
Co.
Schenectady,
N.Y.
General
Transformer
Corp.
Chicago,
Illinois
-
30
-
SYMBOL
H
HH
IRC
LF
OM
RC
RCA
SI
SP
ST
SWI
U
UE
MANUFACTURER
The
Hallicrafters
Co.
Chicago,
Illinois
Hart
& Hegeman
Elec.
Co.
Hartford,
Conn.
International
Resistance
Co.
Philadelphia,
Pa.
Littlefuse
Inc.
Chicago,
Illinois
Oak
Mfg.
Co.
Chicago,
Illinois
Radio Condenser
Camden,
N.
J.
R.
C.
A.
Mfg.
Co.
Harrison,
N.
J.
F.W.
Sickles
Co.
Springfield,
Mass.
Sprague
Specialties
Co.
North
Adams,
Mass.
Standard
Transformer
Corp.
Chicago,
Illinois
S.
W.
Inductor
Chicago,
Illinois
Utah
Radio
Products
00.
Chicago,
Illinois
Underwood
Elec.
Co.
Chicago,
Illinois

G
6AB7
(1853)
6SA7
6SK7
GANGED
WITH
BAND
SW.
SW7
SWIT
V7,
CHES -
OPERATED
BY
BFO-AVC.
sw
" TONE
CONTROL
10
BASS
FREQUENCY RANGES.
I.
0.55MC.
TO
1.6
MC.
2. 1.6 MC.
TO
3.0MG.
3.
3.0
MC.
TO
5.8
MG.
SWI
4.
5.B MC.
TO
II.OMG
SW6
5.
II.OMG.
TO
21.0MG.
SW7
6.
21.0
MG.
TO
43.0
MG.
SW2
AVG
-BFO
SWITCH
LEFT CENTER
RIGHT
OPEN
GLOSED
GLOSED
OPEN
CLOSED
GLOSED
JJPEN
CLOSED CLOSED
l)PEN OPEN CLOSED
6SA7
~59
PL,
8
SHORTING PLUG
WHICH
MUST BE
IN
SOCKET
"p"
FOR
A.C. OPERATION.
6L7
~C51
SELECTIVITY
SWITCF POSITIONS
I.
I.F. BROAD.
2.
I.F.
MEDIUM
BROAD.
3.
I.F
SHARP.
4.
XTAL BROAD
5.
XTAL
MEDIUM.
6.
XTAL SHARP.
~49
FOR
D.C. OPERATION CONNECT
270
VOLTS +
TO
PIN
3,
-
TO
6
+"
7,
- "
6SK7
TO
HEATERS
688
FIG.
13-SX28-A-,-SCHEMATIC
-
31
-
METER
ZERO ADJ.