BGE/BGEL Emerald Series Parts Manual 965 0231 (BGE Spec F P) (BGEL E) Onan BGE (spec BGEL (01 1998)
User Manual: 965-0231 Onan BGE (spec F-P) BGEL (spec E) Emerald series Parts Manual (01-1998)
Open the PDF directly: View PDF
.
Page Count: 59
- Cover Page
- Model Identification & Safety Precautions
- Introduction
- INDEX
- Cylinder Block
- Camshaft
- Crankshaft and Flywheel
- Oil Base & Mounting Hardware
- Oil Filter
- Gearcase
- Fuel System
- Governor
- Carburetor Components
- Ignition System
- Starter
- LP Vapor Fuel System
- Air Housing
- Exhaust System
- Housing
- Remote Start Control
- Generator
- Control
- Breather Tube Bypass (Cold Weather Use Only)
- Harness
- Wiring Harness - Begin Spec J
- 25 Labels, Paint, Thread Sealant, Gasket Kits, & Carburetor Kits
- Numerical Index

The following symbols are used in Onan manuals
to alert users to the potentially dangerous condi-
tions
relating to maintenance of equipment and re
-
placement of parts. Please read and observe.
This symbol warns of immedi-
ate hazards which will result in
severe
personal injury or death.
This symbol refers to a hazard
or
unsafe practice which can re
-
sult
in severe personal injury or
death.
This symbol refers to a hazard
or
unsafe practice which can re
-
sult
in severe personal injury or
product
or property damage.
To avoid errors or delay in filling your parts order,
always
give the MODEL, SPEC NO. and SERIAL
NO. from the Onan nameplate.
For handy reference, insert your nameplate in-
formation in the spaces below.
MODEL AND SPEC NO.
SERIAL NO.
DIGITAL CONTROL SOFTW
ARE VERSION
AND DA
TE (IF APPLICABLE)
Contact
with USED ENGINE OILS has been identified by a United States federal agency and some USA
state
agencies as causing CANCER or REPRODUCTIVE T
OXICITY
. When checking or changing engine
oils take all necessary precautions not to ingest, breathe the fumes or contact the used oil.
Contact with ASBESTOS has been identified by a United States federal agency and some USA state
agencies as causing CANCER or REPRODUCTIVE TOXICITY. When handling engine gaskets take all
necessary
precautions not to ingest, breathe or contact the dust from the gaskets! Use adequate
ven
-
tilation and wear protective gloves, masks and clothing!
Contact with BENZINE and LEAD, found in gasoline, fuel additives and solvents has been identified
by
a United States federal agency and some USA state agencies as causing CANCER or REPRODUC
-
TIVE
T
OXICITY
. When checking, draining
or adding gasoline and fuel additives or using solvents take
all
necessary precautions not to ingest,
breathe the fumes or contact the liquids. Use adequate ventila
-
tion and wear protective gloves, masks and protective clothing!
PSP-1
Service
and repair of Onan equipment must be performed by trained, experienced personnel only
. Im
-
proper
service or
repair may result in property damage, severe personal injury or death. Do not use this
catalog as a guide to servicing your equipment. Read and follow the IMPORT
ANT SAFETY INSTRUC
-
TIONS in the Service Manual appropriate for the equipment you are working on.
http://stores.ebay.com/UserFriendlyCDs
1
INTRODUCTION
This catalog applies to the standard BGE/BGEL Recreational Vehicle Generator Sets as listed in the Generator
Set
Data T
able. Parts are arranged in groups of related items and
each illustrated part isidentified by a reference
-
number
corresponding to the same reference
number in the parts list. Unless otherwise mentioned in the descrip
-
tion,
parts are interchangeable between models.
Parts illustrations are typical. Using the model and specification
number
from your generator set nameplate, select parts that apply to your set.
Right and Left sides are determined
by
Facing
the engine (front) of the set. Generator Set Data T
able
MOUNTING
MODEL NUMBER
LOCA
TION VOL
TS HER
TZ WIRE FUEL
3.5BGEL–53CR/31813
Above Floor 120/240 50 4 LP Liquid
3.5BGEL–53CR/31814E
Below Floor 120/240 50 4 LP Liquid
4.0BGEL–1R/26110E
Above Floor 120 60 2 LP Liquid
4.0BGEL–1R/26111E
Below Floor 120 60 2 LP Liquid
3.5BGE–53CR/29236F
Above Floor 120/240 50 4 Gasoline
3.5BGE–53CR/29237F
Below Floor 120/240 50 4 Gasoline
3.5BGE–FN/31813
Above Floor 1
15/230 50 3 LP Liquid
3.5BGE–FN/31814
Below Floor 1
15/230 50 3 LP Liquid
4.0BGE–1R/26100
Above Floor 120 60 2 Gasoline
4.0BGE–1R/26101 Below Floor 120 60 2 Gasoline
4.0BGE–FR/26103 Above Floor 100 60 2 Gasoline
4.0BGE–FR/26104 Below Floor 100 60 2 Gasoline
4.0BGE–1R/26109
Below Floor 120 60 2 NHE Drip Pan – Gasoline
4.0BGE–FA/261
10
Above Floor 120 60 2 LP Liquid
4.0BGE–FA/2611
1
Below Floor 120 60 2 LP Liquid
4.0BGE–FN/29236
Above Floor 1
15/230 50 3 Gasoline
4.0BGE–FN/29237 Below Floor 1
15/230 50 3 Gasoline
4.0BGE–FN/37593 Below Floor 115/230 50 3 NHE Drip Pan – Gasoline
4.0BGE–F
A/55215 Above Floor 120 60 2 Gasoline
5.0BGE–F
A/26100 Above Floor 120 60 2 Gasoline
5.0BGE–F
A/26101
Below Floor 120 60 2 Gasoline
* – The diagonal line (/) in the model and specification number separates generator set characteristics from the
specification number and letters. The specification number denotes customer requested options or deviations
from
a standard (1A, 1B, etc.) model. The spec
ification letter advances (A, to B, to C, etc.) with major manufac
-
turing changes.
http://stores.ebay.com/UserFriendlyCDs
Index
2
Adapter
, Carburetor
,
30
Adapter
, Cleaner – Air
,
17
,
21
Adapter, Exhaust, 35
Adapter
, Filter – Oil,
14
Adapter
, Generator
,
45
Adapter
, Hose – Fuel,
17
Adapter
, Preheater
,
17
Adapter
, Reducer
,
21
Arm, Governor
,
15
Backplate, Scroll,
33
Baf
fle, V
alve – Breather
,
7
Ball, Bearing,
15
Ball, Governor
,
10
Base, Box – Breaker
,
27
Base, Oil,
13
Bearing, Camshaft,
7
Bearing, Crankshaft,
7
Bearing, Needle,
15
Bearing, Ring – Collector
,
45
Bimetal, Choke,
17
Block, Brush, 45
Block, Cylinder
,
7
Board, Circuit – Printed,
47
Bowl, Fuel,
24
Box Assy, Breaker
,
27
Brace, Rear
,
38
,
39
,
40
,
41
Brace, Side,
38
,
39
,
40
Bracket, 40
Bracket, Cable – Governor Adjust,
22
Bracket, Coil – Ignition,
25
Bracket, Control – Ignition,
25
Bracket, Exhaust, 35
Bracket, Gas Regulator
,
31
Bracket, Governor
,
22
Bracket, Holder – Fuse,
47
Bracket, Housing, 38
,
39
,
41
Bracket, Lifing,
33
Bracket, Line – Fuel,
21
Bracket, Manifold – Exhaust,
35
,
37
Bracket, Mounting – Diaphragm,
17
Bracket, Mounting – Filter
,
21
Bracket, Mounting – Housing,
17
,
21
Bracket, Regulator – Gas,
30
Breaker
, Circuit,
47
Bridge, Rectifier
,
45
Brush, Block, 45
Bushing, Governor
,
10
Bushing, Reducer
,
21
Cable, Adjust – Governor
,
22
Cable, Plug – Spark,
25
,
26
Camshaft,
10
Cap, Drive, 29
Cap, End,
29
Cap, End – Drive,
29
Cap, Fill – Oil,
13
Cap, V
alve,
7
Cap, V
inyl,
17
Carburetor
,
17
,
21
Carburetor (Gasoline),
23
Carburetor (LP),
24
Carburetor Kits,
52
,
53
Carburetor, LPG (Emissions), 31
Coil, Ignition,
25
,
26
Condenser
, Ignition,
26
,
27
Connector
,
25
Connector
, Conduit,
45
Connector, Hose, 30
Connector
, Receptacle,
45
Connector
, T
ab,
45
Control,
47
Control, Ignition,
25
Control, Start – Remote,
43
Conversion Kits, 52
,
53
Cover, Block – Brush, 45
Cover, Box – Breaker
,
27
Cover
, Choke,
17
Cover
, Control,
47
Cover
, Housing – Choke,
17
Cover
, Inlet – Air
,
17
Cover, Switch – Rocker
,
47
Cover
, V
alve – RH,
7
Crankshaft, 11
Cup, Governor
,
10
Cup, Intake – Oil Pump,
13
Diode,
43
Drain, Filter – Oil,
14
Elbow
,
21
,
48
Elbow
, Inlet,
17
Elbow
, Inverted,
19
Elbow
, Male,
21
Elbow
, Male – Inverted,
17
Elbow
, Reducing,
21
Elbow
, Street,
21
,
30
Element, Choke,
17
Element, Cleaner – Air
,
17
,
21
Element, Filter – Fuel,
21
Exhaust System, 35
,
37
Fan, Armature,
45
Filter
, Fuel,
17
Filter
, Oil,
14
Filter
, T
ube – Breather
,
9
Fitting, V
acuum – Intake,
17
Flange, Exhaust Manifold,
35
Flywheel,
11
Fuel System (Gasoline),
17
,
19
Fuel System (LP Liquid),
21
Fuel System (LPG) Field Conversion,
30
,
31
Fuse,
47
,
51
Gasket Kits, 52
,
53
Gasket, Adapter – Air Intake,
30
Gasket, Adapter – Oil Filter
,
14
Gasket, Airhorn, 31
Gasket, Base – Oil, 13
Gasket, Bowl, 24
Gasket, Box – Breaker
,
27
Gasket, Carburetor
,
31
Gasket, Exhaust, 35
,
37
Gasket, Filter – Oil,
13
,
14
Gasket, Head – Cylinder
,
7
Gasket, Horn – Air
,
17
,
21
Gasket, Manifold – Exhaust,
35
,
37
Gasket, Manifold – Intake,
17
,
21
Gasket, Mounting – Carburetor
,
17
,
21
Gasket, Mounting – Gearcase,
15
Gasket, Plate,
25
Gear
, Armature,
45
Gear
, Camshaft,
10
Gear, Crankshaft, 11
http://stores.ebay.com/UserFriendlyCDs
Index
3
Gearcase, 15
Generator
,
45
Governor
,
22
Grommet, Rubber
,
38
,
39
,
40
,
41
Guard, Breaker – Circuit,
47
Guard, Scroll,
33
Guide, Valve,
7
Hanger, Exhaust, 35
Hanger
, Pipe – Exhaust,
37
Harness, Charger – Battery
,
45
Harness, Wiring,
14
,
49
,
51
Harness, Wiring – AC Outlet,
47
Harness, Wiring – Fuel Pump,
17
Harness, Wiring – Ignition Relay
,
21
Harness, Wiring – PCB #1,
47
Harness, Wiring – PCB #3,
49
Harness, Wiring – Remote,
43
,
50
Harness, Wiring – V
oltage Regulator
,
47
Head, Cylinder
,
7
Holder
, Fuse,
47
,
51
Hose, Fuel,
17
,
21
,
30
,
31
Hose, Oil (V
ent),
30
,
31
Hose, Preheater
,
17
Housing – Below Floor
, (Specs 26109, 37593),
40
Housing – Below Floor Models
Housing, Air
,
33
Housing, Breather
,
7
Housing, Choke,
17
Housing, Cleaner – Air
,
17
,
21
Housing, Cyilnder – Air
,
33
Housing, Cylinder – Air
,
33
Housing, Stator
,
45
Hub, Cup – Governor
,
10
Ignition System,
26
Ignition, Electronic,
25
Insert, Seat – Valve,
7
Insert, V
alve Seat,
7
Insulator
, Board – PC,
47
Insulator
, Fuse,
47
Insulator
, T
erminal – Start,
47
Isolator
, V
ibration – Engine End,
13
Isolator
, V
ibration – Generator End,
13
Jet, Idle,
23
Jet, Power
,
23
Joint, Ball,
22
Key
, Gear – Crankshaft,
11
Key
, W
oodruf
f,
10
Kit Assembly, Drive, 29
Kit, Choke Bimetal,
23
Kit, Choke Pullof
f Breaker
,
23
Kit, Choke Shaft,
23
Kit, Control – Deluxe Remote,
43
Kit, Control – Standard,
43
Kit, Conversion,
31
Kit, Conversion – LP
,
30
Kit, Damper – Governor
,
22
Kit, Drive – Starter
,
29
Kit, Float – Carburetor
,
23
Kit, Gasket – Engine,
7
Kit, Gasket – Oil Pump,
7
Kit, Key – Blower Wheel,
11
Kit, LP Accessory
,
31
Kit, Repair – Carburetor
,
23
Kit, Ring – Piston,
9
Kit, V
acuum Sustain V
alve,
23
Kit, V
acuum V
alve Hose, 23
Label, Kit Number
,
31
Label, Caution,
40
Label, LP Kit,
31
Label, Preheat,
17
Label, W
arning,
38
,
39
,
40
,
41
Labels,
52
,
53
Lead, Box – Breaker
,
27
Lead, Bracket – Filter Mounting,
21
Lead, Resistor
,
45
Lead, Starter
,
28
Lever
, Shaft – Throttle,
24
Line, Fuel,
17
,
21
Link, Spring – Governor
,
15
Linkage, Choke,
17
Linkage, Choke – Pull–of
f,
17
Lock, Spring – V
alve,
7
Manifold, Exhaust,
21
,
35
,
37
Manifold, Intake,
17
,
21
Meter
, Condition – Battery
,
43
Meter
, T
otalizing – T
ime,
43
Muffler
, Arrester – Spark,
35
Muffler
, Arrestor – Spark,
37
Needle, Adjust – Idle,
24
Nipple, Close,
21
Nipple, Pipe,
30
O’Ring, Cap – Oil Fill,
13
O’Ring, Housing – Stator
,
45
Paint,
52
,
53
Pan, Drip,
13
,
38
,
39
,
40
,
41
Panel Rear
,
40
Panel, Control,
43
Panel, Housing,
38
,
39
,
41
Panel, Left Hand,
40
Panel, Right Hand,
40
Pin, Alignment – Gear Cover
,
7
Pin, Center – Camshaft,
10
Pin, Dowel – Governor Cup Stop,
15
Pin, Drive – Bearing Stop,
7
Pin, Hinge,
38
,
39
,
40
,
41
Pin, Piston,
7
Piston,
7
Plate, Bearing – Rear
,
7
Plate, Cover – Ignition Plunger
,
25
Plate, Hinge,
38
,
39
,
40
Plate, Throttle,
24
Plug, Bowl,
24
Plug, Button – Dot,
33
Plug, Cap,
48
Plug, Drain – Oil,
13
Plug, Head – Square,
30
Plug, Hole,
47
Plug, Hole – Core,
7
Plug, Pipe – Hex,
19
,
21
http://stores.ebay.com/UserFriendlyCDs
Index
4
Plug, Spark,
25
,
26
Plug, W
elch – Camshaft,
7
Plunger
, Point – Breaker
,
27
Plunger
, V
alve – Bypass, 7
Points, Breaker
,
27
Potentiometer
,
47
Pull–of
f, Choke,
17
Pump, Fuel – Electric,
17
Pump, Oil,
7
Rectifier
,
21
,
49
Reed, V
alve – Breather
,
7
Regulator, Gas, 30
,
31
Regulator
, LP
,
21
Regulator
, V
oltage,
47
Relay (K4), 51
Relay
, Ignition,
21
Resistor
, Charger – Battery
,
45
Resistor
, Pump – Fuel,
45
Resonator, Exhaust, 35
Retainer – Push–on,
22
Ring, Collector – Armature,
45
Ring, Retainer – Choke Housing,
17
Ring, Retaining – Camshaft,
10
Ring, Retaining – Crankshaft,
11
Ring, Retaining – Piston,
7
Ring, T
olerance,
45
Rod, Arm – Governor
,
22
Rod, Connecting,
9
Rod, Inlet – Air
,
17
Rod, Throttle,
22
Rotor Assembly
, Ignition,
25
Rotor
, Generator
,
45
Scroll,
33
Seal, Dust,
24
Seal, Dust – Rubber
,
24
Seal, Oil – Crankshaft Front,
15
Seal, Oil – Crankshaft Rear
,
7
Seal, Oil – Governor Shaft,
15
Seal, V
alve – Intake,
7
Shaft, Governor
,
15
Shield, Noise,
33
Snubber
, Isolator
,
13
Solenoid, Liquid – LP
,
21
Solenoid, Start,
47
Solenoid, V
apor – LP
,
30
Spacer
, Brace,
41
Spacer
, Mounting – Pump,
17
Spacer
, Muf
fler
,
35
Spring, Brush – Generator
,
45
Spring, By–pass, 17
Spring, Compression,
22
Spring, Governor
,
22
Spring, Needle – Idle,
15
,
24
Spring, Screw – Main Jet,
24
Spring, Stop – Throttle,
24
Spring, V
alve,
7
Spring, Valve – Breather
,
7
Spring, V
alve – Bypass, 7
Starter
,
28
Starter Components,
29
Stator
, Generator
,
45
Strap, Ground,
13
Strap, Muf
fler
,
35
Stud, Adjustment – Speed,
22
Stud, Grounding,
45
Stud, Long Extended Shaft,
45
Support,
40
Support, Hinge,
38
,
39
,
40
,
41
Support, Housing,
38
,
39
,
41
Switch, Pressure – Low Oil, 14
Switch, Rocker
,
43
,
47
T
appet, V
alve,
7
Thread Sealant,
52
,
53
T
ie, Cable,
28
,
45
,
47
T
ube, Breather
,
17
,
21
,
48
T
ube, Bypass – Breather
,
48
T
ube, Exhaust,
35
,
37
T
ube, Housing – Choke,
17
T
ube, Idle,
24
T
ube, Oil – Cylinder Block,
7
V
alve, Exhaust,
7
V
alve, Fuel Shutof
f,
31
V
alve, Intake,
7
V
alve, Shut–of
f – Fuel,
21
V
alve, Shut–of
f – Oil Base,
13
Wheel, Blower
,
11
Yoke, Governor
,
15
http://stores.ebay.com/UserFriendlyCDs
7
Cylinder Block
REF PART QTY PART REF PART QTY PART
NO. NO. USED DESCRIPTION NO. NO. USED DESCRIPTION
1 Block,
Cylinder (See Short
Block Catalog #932–0109)
2 517–0048–01 1
Plug, W
elch – Camshaft
3 Screw
, Cap
800–0575 5
Spec F–H, Flanged Head
(3/8–16 x 1–1/8”)
800–0051 5
Begin Spec J, Hex Head
(3/8–16 x 1–1/4”)
4 104–0776 1
Shim, End Play – Crankshaft
5
Bearing, Crankshaft – Rear
(Includes Thrust Washer)
101–0804 1 Standard
101–0804–02 1
.002” Undersize
101–0804–10 1
.010” Undersize
101–0804–20 1
.020” Undersize
101–0804–30 1
.030” Undersize
6 104–0575 2 Washer
, Thrust
7 101–0809 1
Gasket, Plate – Bearing
8 101–0439–01 1
Plate, Bearing – Rear
9 101–0405 2
Bearing, Camshaft
10 509–0041 1
Seal, Oil – Crankshaft Rear
11 516–0072 4
Pin, Drive – Bearing Stop
12 120–1320 1 T
ube, Oil – Cylinder Block
13
Insert, V
alve Seat – Exhaust
110–1824 2 Standard
110–1824–02 2 .002” Oversize
110–1824–05 2 .005” Oversize
110–1824–10 2 .010” Oversize
110–1824–25 2 .025” Oversize
14
Insert, V
alve Seat – Intake
110–0197 2 Standard
110–0197–10 2 .010” Oversize
15
Bearing, Crankshaft – Front
101–0805 1 Standard
101–0805–02 1
.002” Undersize
101–0805–10 1
.010” Undersize
101–0805–20 1
.020” Undersize
101–0805–30 1
.030” Undersize
16
Guide, V
alve
110–3527 2 Exhaust
110–3526 2 Intake
17 114–0392 4
Bolt, Rod – Connecting
18 870–0533 4
Nut, Self–Locking (5/16–24)
19 Washer
850–0050 5 Spec F–H, Lock (3/8”)
526–0402 5
Begin Spec J, Flat (3/8”)
20 516–0141 2
Pin, Alignment – Gear Cover
21 123–1175 1
Reed, V
alve – Breather
22 123–1173 1 Baf
fle, V
alve – Breather
23 123–1174 1
Spring, Valve – Breather
24 110–1879–01 1 Cover
, V
alve – Right Hand
25 123–1649 1
Housing, Breather
26 110–3709 3 Gasket, Cover – Valve
27 T
appet, V
alve
115–0006 4 Standard
115–0006–02 4 .002” Oversize
115–0006–05 4 .005” Oversize
28 110–3479 2 V
alve, Intake
29 Valve, Exhaust
110–3480 2 Stellite
110–3515 2 Standard
30 800–0010 2 Screw
, Cap – Hex Head
(1/4–20 x 1–3/4”)
31 110–3485 4
Spring, V
alve
32 110–3511 8
Lock, Spring – V
alve
33 509–0289 2
Seal, V
alve – Intake
34 803–0071 2 Screw
, Set – Socket
(3/8–16 x 5/8”)
35 110–3181 2
Gasket, Head – Cylinder
36
Head, Cylinder
110–3509 1
Right Side
110–3508 1
Left Side
37 110–3487 4 Washer
, Retaining – V
alve
Spring
38 526–0018 1 Washer
, Flat (1/4”)
39 526–0122 18 Washer
, Flat (5/16”)
40 800–0571 18 Screw
, Cap – Hex Head
(5/16–18 x 2–1/4”)
41 526–0063 2 Washer
, Flat – Copper (1/4”)
42 517–0067 1
Plug, Hole – Core
43 110–3510 4
Cap, V
alve
44 Kit, Gasket
168–0189 1
Carbon Removal/V
alve Grind
168–0192 1
Engine, Complete
45 120–0491 1
Pump, Oil
46 120–0161 1
Kit, Gasket – Oil Pump
47 740–1004 2 Washer
, Flat (M6)
48 800–0007 2 Screw
, Cap – Hex Head
(1/4–20 x 1”)
49 801–0049 1 Screw
, Cap – Hex Head
(3/8–24 x 7/8”)
50 526–0066 1 Washer
, Flat – Copper (3/8”)
51 120–0140 1
Spring, V
alve – Bypass
52 120–0398 1 Plunger
, V
alve – Bypass
53
Piston (Includes Pin and
Retaining Rings)
112–0264 2 Standard
112–0264–05 2 .005” Oversize
112–0264–01 2 .010” Oversize
112–0264–02 2 .020” Oversize
112–0264–03 2 .030” Oversize
54 112–0229 2
Pin, Piston
55 518–0311 4
Ring, Retaining
http://stores.ebay.com/UserFriendlyCDs
9
Cylinder Block
REF PART QTY PART REF PART QTY PART
NO. NO. USED DESCRIPTION NO. NO. USED DESCRIPTION
56 Kit,
Ring – Piston
Specs E–H
113–0314 2 Standard
113–0314–05 2 .005” Oversize
113–0314–10 2 .010” Oversize
113–0314–20 2 .020” Oversize
113–0314–30 2 .030” Oversize
Begin Spec J
113–0310 2 Standard
113–0310–05 2 .005” Oversize
113–0310–01 2 .010” Oversize
113–0310–02 2 .020” Oversize
113–0310–03 2 .030” Oversize
57
Rod, Connecting
(Includes Bolt and Nut)
114–0397 2 Standard
114–0397–10 2
.010” Undersize
114–0397–20 2
.020” Undersize
114–0397–30 2
.030” Undersize
58 123–1871 1 Filter
, T
ube – Breather
http://stores.ebay.com/UserFriendlyCDs

10
Camshaft
12
34
5
6
7
8
9
REF PART QTY PART REF PART QTY PART
NO. NO. USED DESCRIPTION NO. NO. USED DESCRIPTION
1 150–0078 1
Ring, Retaining
2 150–1519 1
Hub, Cup – Governor
3 150–1520 1
Cup and Bushing, Governor
4 510–0015 10
Ball, Governor
5 515–0001 1 Key
, W
oodruff
6 105–0637 1 Camshaft
(Includes Center Pin)
7 105–0700 1 Gear,
Camshaft (Includes Gear
,
Spacer
and Plate)
8 105–0541 1 Washer
, Thrust
9 150–0075 1
Pin, Center – Camshaft
http://stores.ebay.com/UserFriendlyCDs

11
Crankshaft and Flywheel
1
2
3
4
56
7
89
10
REF PART QTY PART REF PART QTY PART
NO. NO. USED DESCRIPTION NO. NO. USED DESCRIPTION
1 104–0170 1 Screw,
Cap – Hex Head
2 526–0356 1 Washer
, Flat (7/16”)
3 526–0017 1 Washer
, Flat (7/16”)
4 134–4342 1
Wheel, Blower
5 518–0014 1
Ring, Retaining
6 104–0043 1 Washer
, Gear
7 104–0032 1 Gear, Crankshaft
8 515–0263 1
Kit, Key – Blower Wheel
9 515–0001 1 Key
, Gear – Crankshaft
10 104–1735 1 Crankshaft (Includes Keys)
http://stores.ebay.com/UserFriendlyCDs
13
Oil Base and Mounting Hardware
REF PART QTY PART REF PART QTY PART
NO. NO. USED DESCRIPTION NO. NO. USED DESCRIPTION
1 Base,
Oil
102–1286 1
Spec F–M
102–1458 1
Begin Spec N
2 102–1387 1 Gasket, Base – Oil
3
Pan, Drip
403–2557–02 1
Above Floor Models
–
1
Below Floor Models (See
Below Floor Housing
Pages)
403–2218–01 1
Begin Spec J
4 402–0597 2 Isolator
, V
ibration – Generator
End
5 821–0010 4 Screw, Hex W
asher Head –
Self–Locking (1/4–20 x 1/2”)
6 526–0325 2 Washer
, Flat (3/8”)
7 815–0657 2 Screw
, Hex Head – Thread
Form
(3/8–16 x 2–3/4”)
8 402–0549 1 Isolator
, V
ibration – Engine
End
9 821–0016 2 Screw,
Hex W
asher
Head – Self
Locking
(5/16–18 x 3/4”)
10 821–0031 2 Screw,
Hex W
asher
Head – Self
Locking
(3/8–16 x 3/4”)
11 526–0324 1 Washer
, Flat (5/16”)
12 526–0240 1 Washer
, Flat (3/8”)
13 337–2311 1
Strap, Ground
14 821–0014 1 Screw,
Hex W
asher
Head – Self
Locking
(5/16–18 x 1/2”)
15 856–0008 2 Washer
, Lock – EIT (5/16”)
16 123–1616 1
Cup, Intake – Oil Pump
(Includes Pipe And Cup)
17 504–0150 1 V
alve, Drain – Oil
18 800–0058 4 Screw
, Cap – Hex Head
(3/8–16 x 3”)
19 526–0251 4 Washer
, Flat (3/8”)
20 123–1961 1
Cap, Fill – Oil
21 509–0096 1
O’Ring, Cap – Oil Fill
22 505–0266 1
Plug, Drain – Oil (3/8”)
23 102–0743 1 Gasket, Drain – Oil
24
402–0547
2 Snubber
, Isolator
http://stores.ebay.com/UserFriendlyCDs

14
Oil Filter
1
2
3
4
5
6
7
8
9
10
REF PART QTY PART REF PART QTY PART
NO. NO. USED DESCRIPTION NO. NO. USED DESCRIPTION
1 122–0814 1 Adapter,
Filter – Oil (Includes
Screws)
2 526–0065 2 Washer
, Flat – Copper
(5/16”)
3 800–0028 2 Screw
, Cap – Hex Head
(5/16–18 x 1”)
4 122–0360–50 1
Drain, Filter – Oil
5 815–0340 2 Screw,
Cap – Hex W
asher Head
–
Thread Forming
(#10–32 x 3/8”)
6 122–0771 1
Gasket, Adapter – Oil Filter
7 122–0645 1 Filter
, Oil
8 309–0322 1 Switch, Pressure – Low Oil
9 122–0502 1
Gasket, Filter – Oil
10
Harness, Wiring (See Separate
Page for Components)
Gasoline
338–2041 1 Spec F–G
338–2634 1
Begin Spec H
LP
338–2086 1 Spec F–G
338–2635 1
Begin Spec H
http://stores.ebay.com/UserFriendlyCDs

15
Gearcase
1
2
3
4
5
6
7
8
9
10
11
12
13
14
15
16
17
18
REF PART QTY PART REF PART QTY PART
NO. NO. USED DESCRIPTION NO. NO. USED DESCRIPTION
1 103–0772 1 Gearcase Assy (Includes Parts
Marked*)
2 150–2002–04 1 *
Arm and Shaft, Governor
3 509–0008 1 *
Seal, Oil – Governor Shaft
4 510–0013 1 *
Bearing, Needle
5 510–0014 1 *
Ball, Bearing
6 516–0130 1 *
Pin, Stop – Governor Cup
7 150–1187 1 *Yoke, Governor
8 815–0046 2 *Screw
, Machine – Pan Head
(#8–32 x 3/8”)
9 509–0040 1 *
Seal, Oil – Crankshaft Front
10 103–0810 1 Gasket, Gearcase
11 526–0065 5 Washer
, Flat – Copper
(5/16”)
12 Screw
, Cap – Hex Head
114–0022 4
1–3/4” Long
800–0545 1
2–3/4” Long
13 150–1998 1 *
Link, Spring – Governor
14 870–0328 1 *
Nut, Self–Lock (#10–32)
15 141–0710 1 *
Spring, Needle – Idle
16 820–1077 1 *Screw
, Pan Head
(#10–32 x 2–1/2”)
17 851–0031 1 *Washer
, Spring – Conical Disc
(#10)
18 870–0257 1
Nut, Hex – Self–Locking
(5/16–18)
* – Parts Included In Gearcase Assy.
http://stores.ebay.com/UserFriendlyCDs
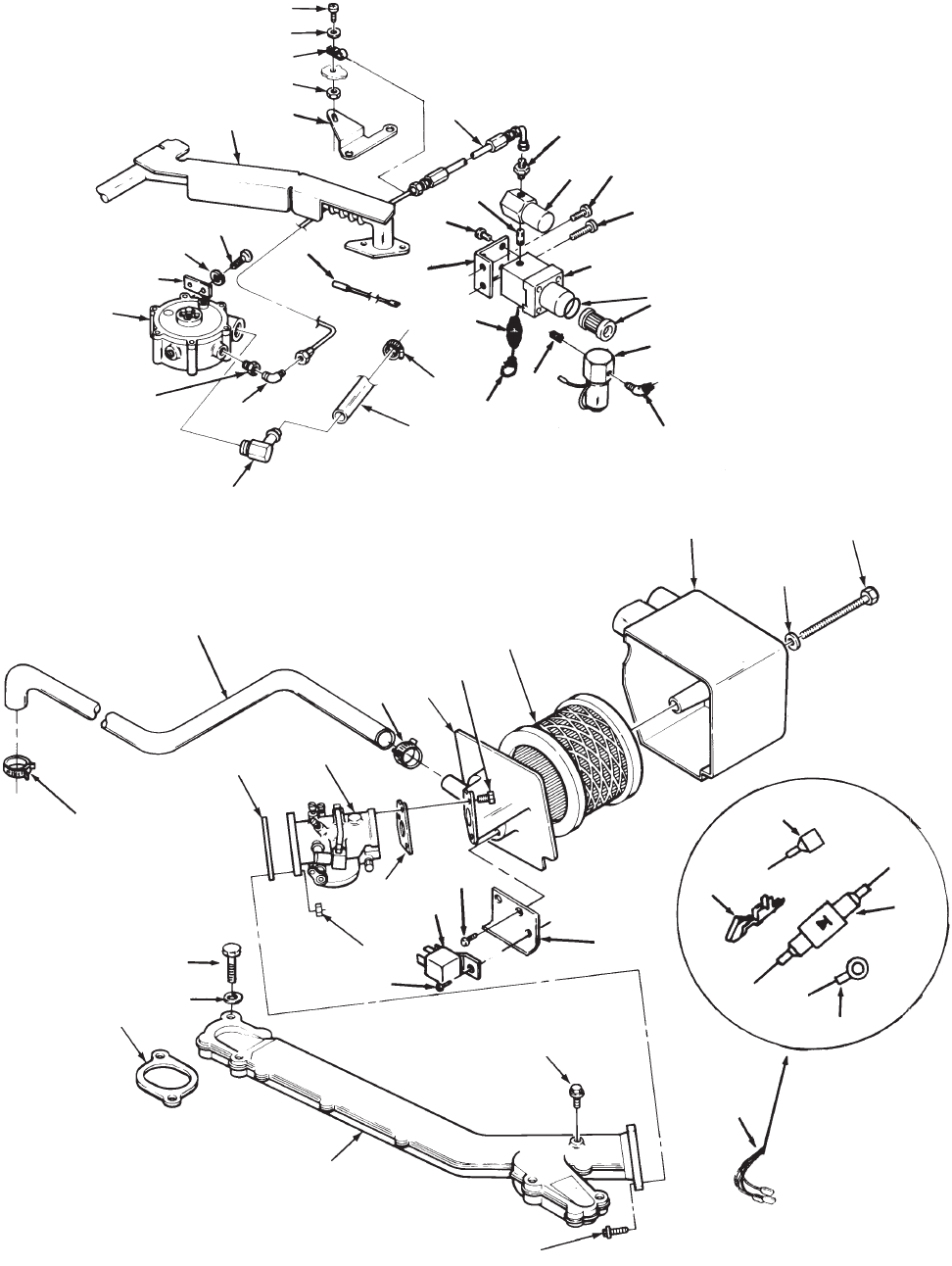
17
Fuel System
(Gasoline)
REF PART QTY PART REF PART QTY PART
NO. NO. USED DESCRIPTION NO. NO. USED DESCRIPTION
1 154–2447 1 Manifold,
Intake
2 815–0587 2 Screw, Hex W
asher Head
3
Gasket, Mounting – Carburetor
141–0950 1 Spec F–J
141–0958 1
Begin Spec K
4 862–0015 1
Nut, Hex (5/16–18)
5
Carburetor (Includes Mounting
Gasket) (See Separate Page
for Components)
146–0455 1 Spec F–J
146–0577
Begin Spec K
146–0630 1
Begin Spec L & Up
6 Elbow
, Male – Inverted 90
°
502–0002 1 Spec F
502–1108 1
Begin Spec G
7 153–0555 1
Element and Cover
, Choke
(Spec F–J)
8 140–2308 1 Gasket, Horn – Air
9 815–0590 3 Screw
, Cap – Hex Head
(#10–32 x 1/2”)
10 153–0556 1
Housing, Choke (Includes
Choke Shaft) (Spec F–J)
518–0387 1 Ring,
Retainer– Choke Housing
(Not
Shown)
11 815–0592 2 Screw
, Head – Hex W
asher
(#8–32 x 1–3/8”) (Spec F–J)
12 153–0561 1 Bracket,
Mounting –
Diaphragm
(Spec F–J)
13 518–0450 1 Clip, U (Spec F–J)
14
Pump, Fuel – Electric (Includes
Mounting Bracket)
149–2140 1 Spec F,G
149–2269 1 Spec H
149–2331 1
Begin Spec J
149–2331–02 1
Begin Spec K
15 153–0554 1
Bimetal, Choke (Spec F–J)
16 153–0557 1
Bracket, Mounting – Housing
(Spec F–J)
17 815–0591 2 Screw
, Head – Hex W
asher
(1/4–10 x 3/4”) (Spec F–J)
18 800–0017 1 Screw
, Cap – Hex Head
(1/4–20 x 3–1/2”)
19 526–0021 1 Washer
, Flat (1/4”)
20 140–2379 1
Element, Cleaner – Air
21
Housing, Cleaner – Air
140–1894 1 Spec F–K
140–2962 1
Spec L
22 153–0558 1
Linkage, Choke (Spec F–J)
23 Adapter
, Cleaner – Air
140–2782 1 Spec F–K
140–3093 1
Spec L
24 153–0577 1
Linkage, Pull–of
f – Choke
(Spec F–J)
25 153–0576 1 Pull–off, Choke (Spec F–J)
26 503–1252 1 Hose, Vacuum (Spec F–J)
(3/16” ID x 3” Long)
27 502–1105 1
Fitting, V
acuum – Intake 90
°
28 502–0313 1 Elbow
, 90
°
29 815–0664 1 Screw
, Thread Form
T
orx (1/4–20 x 3/8”)
30
Line, Fuel (Includes 2 Inverted
Nuts)
149–2080 1 Spec F
149–2293 1 Spec G
149–2319 1 Spec H
149–2334 1
Begin Spec J
31 98–6105–01 1
Label, Preheat
32 Screw
815–0692–01 1
Hex, Machine – 60 Hz
(1/4–20 x 1/2”)
815–0692–02 1
Pan Head – 50 Hz
(1/4–20 x 1”)
Gasket, Manifold – Intake
33 154–2495 2 Spec F–H
34 800–0033 4 Screw
, Cap – Hex Head
(5/16–18 x 2”)
35 740–1006 4 Washer
, Flat (M8)
36 503–0813 2
Clamp, Hose
37 140–1919–50 1 Adapter
, Preheater
38 123–1615 1 T
ube, Breather
39 149–2226 2 Washer
, Pump – Fuel
40 503–1133 1
Clamp, Hose – Breather T
ube
41 503–0183 1
Clamp, Hose – Breather T
ube
42 338–2285 1
Harness, Wiring – Fuel Pump
(Includes Rectifier)
43 153–0578 1 T
ube, Housing – Choke
(Spec F–J)
44 517–0223 1
Cap, V
inyl
45 526–0002 1 Washer
, Flat (#6 Screw)
46 120–0140 1 Spring, By–pass
Rod, Inlet – Air
47 145–0667 1 Spec F–J
145–0704 1 Used on Spec K
48 145–0561 1 Cover
, Inlet – Air
49 503–1351 1
Hose, Preheater
50 153–0579 1 Cover
, Housing – Choke
(Spec F–J)
51 870–0421 1
Nut, Cap (#6–32) (Spec F–J)
52 518–0466 1
Clip, Housing – Choke
(Spec F–J)
53 518–0459 1
Clip, Hose – Preheater
(Spec F–J)
54 815–0290 2 Screw
, T
orx – Thread Form
(1/4–20 x .62”)
55 853–0013 1 Washer
, ET (1/4”) 50 Hz
56 1 Filter
, Fuel
149–2279 1 Spec F–G
149–2333 1
Begin Spec J
57 149–1353 1 Filter
, Fuel (Spec H)
58 370–4052 2 Spacer
, Mounting – Pump
(Begin Spec H)
59 503–1313 1
Hose, Fuel (Begin Spec H)
60 502–1164 1 Adapter
, Hose – Fuel
(Begin Spec H)
http://stores.ebay.com/UserFriendlyCDs
19
Fuel System
(Gasoline)
REF PART QTY PART REF PART QTY PART
NO. NO. USED DESCRIPTION NO. NO. USED DESCRIPTION
61 518–0515 2 Clip,
Wire (Begin Spec H)
62 503–0170 2
Clamp, Hose (Begin Spec H)
63 815–0782 1 Screw
, Pan Head – T
orx (Begin
Spec J)
64 502–0028 1
Plug, Pipe – Hex Head (Begin
Spec K)
65 502–0065 1 Elbow
, Inverted – 45
°
(Begin
Spec J)
66 740–1006 4 Washer
, Flat (M8)
67 800–0033 4 Screw
, Hex Head Cap
http://stores.ebay.com/UserFriendlyCDs
21
Fuel System
(LP Liquid)
REF PART QTY PART REF PART QTY PART
NO. NO. USED DESCRIPTION NO. NO. USED DESCRIPTION
1 Manifold,
Intake
154–2447 1 Spec F–K
154–3026 1
Begin Spec L
2 815–0587 2 Screw
, Head – Hex W
asher
(5/16–18 x 1”)
3 141–0281 1
Gasket, Mounting – Carburetor
4 862–0015 2
Nut, Hex (5/16–18)
5 Carburetor
(See Separate
Page
For
Components)
141–0932 1 Spec F–K
146–0723 1
Spec L & Up (LPG Liquid)
6 505–1426 1
Plug, Pipe (1/8”) (Spec F–K)
7 307–1886 1 Relay
, Ignition
8 140–2308 1 Gasket, Horn – Air
9 815–0590 3 Screw
, Cap – Hex Head
(#10–32 x 1/2”)
10 815–0261 2 Screw
, Head –Hex W
asher
(1/4–20 x 1/2”)
11 821–0005 1 Screw
, Cap – Hex W
asher
(#10–32 x 1/2”)
12 503–0183 2
Clamp, Hose
(9/16 to1–1/16”)
13
Hose, Fuel
503–1365 1
Spec F–K (8” Long)
503–0633 1
Spec L & Up (7–1/4” Long)
14 Regulator
148–0893 1 Spec F–K
148–1020 1 Spec L & Up (LPG Vapor)
541–0532 1
Spec L & Up (LPG Liquid)
15 502–0927–01 1
Bushing, Reducer (3/8 x 1/4”)
16 307–2559–01 1 Bracket,
Mounting – Zinc Plated
17 815–0591 2 Screw,
Head – Hex W
asher
(1/4–10 x 3/4”)
18 800–0017 1 Screw
, Cap – Hex Head
(1/4–20 x 3–1/2”)
19 526–0021 1 Washer
, Flat (1/4”)
20 140–2379 1
Element, Cleaner – Air
21 140–1894 1
Housing, Cleaner – Air
22 502–0838 1 Elbow
, Reducing – 90
°
23 140–2782 1 Adapter
, Cleaner – Air
24 815–0647 2 Screw, Hex W
asher Head
(1/4–20 x 5/8”)
25 850–0040 2 Washer, Lock (1/4”)
26 502–0935 1 Elbow
, 90‘
27
Bracket, Mounting – Filter
148–0896 1
Bottom Outlet Exhaust
148–0903 1
Front Outlet Exhaust
28 148–0890 1 Filter,
LPG (Includes Element
and O–Rings)
29 148–0898 1
Element, Filter – Fuel
30 815–0692–01 1 Screw
, Head – Pan
(1/4–20 x 1/2”))
31 502–0932–01 1 Elbow
, Street – 45
°(Front
Outlet, Exhaust Manifold)
32 Elbow
, Male – 90
°
502–0933–01 1
Front Outlet, Exhaust
Manifold – LP Liquid
502–0054 1
Bottom Outlet, Exhaust
Manifold
33 307–2478 1
Solenoid, Lock – Fuel (Front
Outlet – Exhaust Manifold) –
LP Liquid
34 154–2495 2
Gasket, Manifold – Intake
35 502–0928–01 1 Adapter
, Reducer (Front
Outlet – Exhaust Manifold)
36 501–0525 1
Line, Fuel
37 336–9679 1 Lead
38 815–0664 1 Screw
, T
orx – Thread Form
(1/4–20 x 3/8”)
39 1 Manifold,
Exhaust (See Exhaust
System Pages)
40 502–0965–01 1 Elbow
, Reducing – 45
°
(Bottom
Outlet,
Exhaust Manifold) – LP
Gas
41 502–0929–01 1 Nipple,
Close (Bottom Outlet,
Exhaust Manifold)
42 307–2501 1 V
alve, Fuel Shut–of
f – LP Gas
(Bottom Outlet, Exhaust
Manifold)
43 815–0176 1 Screw
, Machine – Hex Head
(#8–32 x 1/2”)
44 870–0221 1
Nut, Hex (#8–32)
45 503–1190 1
Clamp, Hose
46 526–0003 1 Washer
, Flat (#8)
47 800–0033 4 Screw
, Cap – Hex Head
(5/16–18 x 2”)
48 740–1006 4 Washer
, Flat (M8)
49 123–1615 1 T
ube, Breather
50 503–0183 1
Clamp, Hose – Breather
T
ube (9/16 to 1–1/16”)
51 503–1133 1
Clamp, Hose – Breather
T
ube (Fits Hose O.D. .875”)
52 148–0897 1 Washer
, Mounting – Regulator
53 149–2032–01 1 Bracket,
Fuel Line – Zinc Plated
54 Harness,
Wiring – Ignition
Relay
BGE
338–2317 1 Spec
F–G (Includes Parts
Marked *)
338–2644 1
Begin Spec H (Includes
Parts Marked +)
338–2317 1 BGEL (Includes Parts
Marked *)
55 357–0067 1 *+Rectifier
, Silicon
56
Pin, Contact
323–1440 1 *
Brass, Gold Plated
323–1486 1 +
13 Ampere
57 T
erminal, Ring
332–0147 1 *
#10 – Red
332–0806 1 +
#8 – Blue
58 T
erminal, Receptacle
332–1992 2 * Red
332–1993 2 + Blue
* – Parts Included in Wiring Harness.
+ – Parts Included in Wiring Harness.
http://stores.ebay.com/UserFriendlyCDs

22
Governor
1
2
3
4
5
6
7
8
910
11
12
13 14
15
1
REF PART QTY PART REF PART QTY PART
NO. NO. USED DESCRIPTION NO. NO. USED DESCRIPTION
1 870–0131 2
Nut, Hex – Self–Locking
(#10–32)
2 150–0096 1
Stud, Adjustment – Speed
3 150–1612 1
Spring, Governor
4 Bracket,
Governor
– Zinc Plated
150–1958–02 1 Gasoline
150–2298–01 1 LP
Liquid
5 518–0006 1 Clip,
Retaining – BGE (Spec H)
6 Rod, Governor
BGE
150–1957 1 Gasoline
150–2079 1 LP
150–2493 1 BGEL
7 150–0939 1
Joint, Ball
8 150–2294 1
Cable, Adjust – Governor
(Begin Spec H)
9 150–2295 1 Bracket, Cable – Governor
Adjust
10 518–0582 1
Retainer – Push On
11 150–2421 1 °*
Spring, Compression (Begin
Spec H)
12
Rod, Throttle
150–2428 1 * Gasoline
150–2468 1 °
LP Liquid/V
apor
13 150–2589 3 °*Washer
, Friction (Begin
Spec H)
14 518–0606 1 °*
Clip, Linkage (Begin Spec H)
15
Kit, Damper
150–2454 1
Gasoline (Includes Parts
Marked *)
150–2493 1 LP
(Includes Parts Marked
°)
*
– Included in Gasoline Damper Kit.
°
– Included in LP Damper Kit.
http://stores.ebay.com/UserFriendlyCDs

23
Carburetor Components
(Gasoline)
1
2
3
45
6
7
8
9
REF PART QTY PART REF PART QTY PART
NO. NO. USED DESCRIPTION NO. NO. USED DESCRIPTION
Carburetor,
Complete
(Includes Mounting Gaskets)
146–0455 1 Spec F–J
146–0577 1
Begin Spec K
146–0630 1
Begin Spec L & Up
1 146–0449 1
Jet, Idle
2 146–0450 1 Jet, Power
3 146–0453 1
Kit, Float (Includes Float,
Pin and V
alve and Set Screw
4 146–0457 1 Kit, Repair (Includes Gasket
Package, Float V
alve, Idle
Adjust Needle and Spring,
Mounting Gaskets, Adjust
Limit Caps, Throttle Stop
Screw and Spring)
Begin Spec K
5 146–0588 1
Kit, Choke Bimetal (Includes
Holder
, Thermostat Cover
,
Set Plate and Case Set
Screw)
6 146–0589 1
Kit, Choke Breaker (Includes
Piston Rod, Link Washer
,
Snap Pin and Breaker)
7 146–0590 1
Kit, V
acuum Sustain Valve
8 146–0591 1
Kit, V
acuum Valve Hose
(Includes Valve and Hoses)
9 146–0592 1
Kit, Choke Shaft (Includes
Choke Shaft, Collar
, Arm
Return Spring, V
alve, Set
Screw and Lever)
http://stores.ebay.com/UserFriendlyCDs

24
Carburetor Components
(LP)
1
2
3
4
5
6
7
8
9
10
11
12
13
14
15
16
REF PART QTY PART REF PART QTY PART
NO. NO. USED DESCRIPTION NO. NO. USED DESCRIPTION
Carburetor,
Complete
141–0932 1 Spec F–K
146–0723 1
Spec L & Up (LPG Liquid)
146–0727 1 Spec L & Up (LPG Vapor)
1 141–0708 1
Bowl, Fuel
2 141–0906 2 Screw
, Head – Round W
asher
3 141–0919 1
Plate, Throttle
4 141–0940 1
Seal, Dust
5 141–0935 1
Spring, Needle – Idle
6T
ube, Idle – Rubber
141–0938 1 Spec F–K
141–0978 1
Begin Spec L
7 141–0701 1 Gasket, Bowl
8 141–0700 1 Screw
, Stop – Throttle
9 141–0711 1
Spring, Stop – Throttle
10 141–0736 1
Plug, Bowl
11 141–0077 1 Washer
, Plug – Bowl
12 141–0934 1 Screw
, Adjust – Main Jet
13 141–0936 1 Lever
, Shaft – Throttle
14 141–0939 1
Spring, Screw – Main Jet
15 141–0937 1
Needle, Adjust – Idle
16 141–0924 1
Seal, Rubber – Dust
http://stores.ebay.com/UserFriendlyCDs

25
Electronic Ignition
Begin Spec G
1
2
3
4
5
6
7
89
10
11 12
13
14
15
16
18
17
REF PART QTY PART REF PART QTY PART
NO. NO. USED DESCRIPTION NO. NO. USED DESCRIPTION
1 160–1368 1 Gasket,
Plate
2 160–1345–01 1
Plate, Cover – Ignition Plunger
– Zinc Plated
3
Coil, Ignition (Includes Nuts)
166–0761 1
Through S/N G923938483
During Spec J
166–0820 1
Begin S/N G923938484
During Spec J
4 815–0290 2 Screw
, Head – Hex W
asher
Thread Form (1/4–20 x 5/8”)
5 166–0842 1 Rotor Assembly
, Ignition
(Includes Rotor and Magnet)
6 167–0263–01 2
Plug, Spark
7
Cable, Plug – Spark
167–1615–01 1
9” Long
167–1602 1
23” Long
8 740–1004 2 Washer
, Flat (M6)
9 166–0770 1
Nut, Flange – Hex (M4)
(Positive Terminal)
10 166–0793 1
Bracket, Control – Ignition
11 800–0004 2 Screw
, Cap – Hex Head
(1/4–20 x 5/8”)
12 166–0771 1
Nut, Flange – Hex (M5)
(Negative T
erminal)
13
Control, Ignition
166–0821 1
15.0” Lead
166–0821–01 1
28.5” Lead
14 815–0650 2 Screw
, Head – Hex W
asher
(1/4–20 x 1”)
15 870–0328 2
Nut, Self–Lock (10–32)
16
Bracket, Coil – Ignition
166–0789–01 1
Through S/N G923938483
During Spec J
166–0747 1
Begin S/N G923938484
During Spec J
17 815–0770 2 Screw
, Head – Hex W
asher
Thread Form
18 332–3198 1 Connector
http://stores.ebay.com/UserFriendlyCDs

26
Ignition System
Spec E, F
1
2
3
4
5
6
7
8
9
10
11
12
3
REF PART QTY PART REF PART QTY PART
NO. NO. USED DESCRIPTION NO. NO. USED DESCRIPTION
1 166–0772 1 Coil,
Ignition
(Includes Nuts and
Washers)
2 166–0747 1 Clamp,
Coil
31
Cable, Plug – Spark
167–1602 1
9” Long
167–1602 1
26” Long
4 815–0261 1 Screw
, Head – Hex W
asher
Thread
Cutting (1/4–20 x 1/2”)
5 312–0249 1 Condenser,
Ignition
6 850–2005 2 Washer, Lock (M8)
7 160–1325 1
Box, Breaker (See Separate
Page For Components)
(Includes Mounting Gasket)
8 160–1368 1
Gasket, Mounting – Breaker
Box
9 167–0272 2
Plug, Spark
10 802–0034 2 Screw
, Cap – Socket Head
(1/4–20 x 3/4”)
11 850–0038 2 Washer
, Lock – Spring (1/4”)
12 166–0554 2
Nut, Hex (8 MM)
http://stores.ebay.com/UserFriendlyCDs

27
Breaker Box
Spec E, F
1
2
3
4
5
6
7
89
10
11
REF PART QTY PART REF PART QTY PART
NO. NO. USED DESCRIPTION NO. NO. USED DESCRIPTION
160–1325 1 Box Assy
, Breaker (Includes
Parts Marked *)
1 160–1317 1 *Clip, Cover – Breaker Box
2 160–1316 1 *Cover, Box – Breaker
3 Condenser
, Ignition
312–0246 1
Units Built Prior to 9/87 –
Mounts Inside Breaker Box
312–0256 1
Units Built Beginning 9/87 –
Mounts
Remote Attached
to
Generator
Adapter
4 160–1151 1 Plunger
, Points – Breaker
5 802–0034 2 *Screw
, Cap – Socket Head
(1/4–20 x 3/4”)
6 850–0038 2 *Washer
, Lock – Spring (1/4”)
7 160–1183 1 *
Points, Breaker
8 160–1314 1 *Base, Box – Breaker
9 160–1368 1 *Gasket, Box – Breaker
10 336–2378 1
Lead, Box – Breaker
11 *Screw
, Hex Head – Slotted
Thread Form (#8–32 x 5/16”)
815–0358 1
Use Prior to 9/87
815–0340 1
Begin 9/87
* – Parts Included In Breaker Box.
http://stores.ebay.com/UserFriendlyCDs

28
Starter
1
2
3
4
5
67
8
7
REF PART QTY PART REF PART QTY PART
NO. NO. USED DESCRIPTION NO. NO. USED DESCRIPTION
1 191–1667 1 Starter
, 12 Volt (See Separate
Page For Components)
2 226–3457 1
Lead, Starter (Includes T
ube)
3 800–0052 2 Screw
, Hex Head – Cap
(3/8–16 x 1–1/2”)
4 850–0050 2 Washer, Lock (3/8”)
5 332–0942 1 T
ie, Cable
6 850–0040 1 Washer, Lock (1/4”)
7 862–0001 2
Nut, Hex (1/4–20)
8 862–0003 2
Nut, Hex (3/8–16)
http://stores.ebay.com/UserFriendlyCDs

29
Starter Components
1
2
3
4
5
,
,
REF PART QTY PART
NO. NO. USED DESCRIPTION
191–1667 1 Starter,
12 V
olt (Spec F–K Thru S/N
1933079632 During Spec K) (Includes
Parts Marked*)
191–2158 1 Starter
, 12 V
olt (Begin S/N 1933079633
During Spec K) (Includes Parts
Marked #)
1 191–1781 1 *Cap, End (Includes Brushes)
2 191–1776 1 *
Cap, End – Drive
3 191–2129 1 *
Kit, Drive – Starter (Includes
Spring Cover
, Clutch Retainer
,
Clutch, Spline, Gear
, Roll Pin
and Hardware)
4 191–2186 1 #Cap, Drive
5 191–2187 1 #Kit Assembly, Drive (Includes Washers,
Retainers, Spring, Cover
, Roll Pin, Pinion
Gear
, and Drive Clutch)
* – Parts Included in Starter Units Thru S/N 1933079632 During Spec K.
# – Parts Included in Starter Units That Begin S/N 1933079633 During Spec K.
http://stores.ebay.com/UserFriendlyCDs

30
LP
V
apor Fuel System
Field Conversion Kit 148–0913 (Spec F–L)
1
2
3
4
5
6
7
8
9
10
11
12
13
14
15 16
17
18
19
20
21
22
23
7
6
11
19
REF PART QTY PART REF PART QTY PART
NO. NO. USED DESCRIPTION NO. NO. USED DESCRIPTION
1 148–0913 1 Kit,
LP Conversion (Spec F–L)
(Includes all Parts on this
Page)
2 148–0843 1
Bracket, Regulator – Gas
3 148–0311 1 Regulator, Gas
4 518–0350 1
Clamp, Insulated (1/4” OD)
5 503–1016 1 Hose, Oil (V
ent ) – 12” Long
6 503–1048 1
Hose, Fuel – 30” Long
7 503–0183 2
Clamp, Hose (#4)
8 502–0238 1 Connector, Hose
9 862–0001 2
Nut, Hex (1/4–20)
10 502–0395 1 Connector, Hose
11 505–0051 2 Elbow
, Street – 90
°
12 505–0332 1
Nipple, Pipe (3/4 x 3.00 Lg)
13 307–1881 1
Solenoid and T
erminal
14 505–0057 1
Plug, Head – Square
15 854–0010 3 Washer
, Lock – IT (#10)
16 813–0117 3 Screw
, Machine – Round Head
(#10–32 x 1–5/8”)
17 140–2308 2
Gasket, Adapter – Air Intake
18 850–0040 2 Washer, Lock (1/4”)
19 526–0018 2 Washer
, Flat (1/4”)
20 114–0023 2 Screw
, Cap – Hex Head
(1/4–20 x 1–1/4”)
21 800–0028 2 Screw
, Cap – Hex Head
(5/16–18 x 1”)
22 870–0257 2
Nut, Hex – Self Locking
(5/16–18)
23 148–0912 1 Adapter
, Carburetor
http://stores.ebay.com/UserFriendlyCDs

31
LP
V
apor Fuel System
Field Conversion Kit 148–1057–01 & 148–1108–01 (Begin Spec M)
1
3
4
7
9
11
12
15
16
17
18
19
20
21
22
23
24
25
26
27
28
29
30
,
23
23
24
22
23
21
27
16
17
29
REF PART QTY PART REF PART QTY PART
NO. NO. USED DESCRIPTION NO. NO. USED DESCRIPTION
1 Kit, Conversion
148–1057–01 1 LPG V
apor (Begin Spec M)
(Includes Parts Marked #)
148–1108–01 1 LPG V
apor (Begin Spec M)
(Includes Parts Marked <)
2 G–267 1 #<
Instruction Sheet (Not Shown)
3 98–7315–08 1 #<
Label, Kit Number (Emissions)
4 140–2308 2 #<Gasket, Airhorn
5 141–0958 1 #<Gasket, Carburetor
(Not Shown)
6 146–0727 1 #<Carburetor, LPG (Emissions)
(Not Shown)
7 148–1107 1 #< Kit, LP Accessory (Includes
Parts Marked *)
8 G–328 1 *
Instruction Sheet (Not Shown)
9 98–6455 1 *
Label, LP Kit
10 505–0120 1 *Elbow,
Street (3/8”) (Not Shown)
11 800–0028 2 *Screw, Hex Head Cap
(5/16–18 x 1”)
12 870–0257 2 *Nut, Self Locking Hex
(5/16–18)
13 853–0013 1 *Washer, ET Lock (1/4”)
(Not Shown)
14 821–0009 1 *Screw, Self Locking Hex Head
(1/4–20 x 3/8”) (Not Shown)
15 518–0350 1 *
Clamp, Insulated
16 503–1016 1 *Hose, Oil (V
ent) – 12” Long
17 502–0395 1 *Connector, Hose
18 505–0101 1 *
Nipple, Close (3/8”)
19 505–0131 1 *Bushing, Reducer
20 307–2880 1 *V
alve, Fuel Shutof
f
21 505–0057 1 *
Plug, Square Head
22 503–1048 1 *Hose, Fuel
23 503–0183 2 *Clamp, Hose
24 502–0238 1 *Connector, Hose
25 862–0001 2 *Nut, Hex (1/4–20)
26 850–0040 2 *Washer, Lock (1/4”)
27 526–0018 2 *Washer
, Flat (1/4”)
28 800–0008 2 *Screw, Hex Head Cap
(1/4–20 x 1–1/4”)
29 148–0843 1 *Bracket, Gas Regulator
30 148–1020 1 *Regulator, Gas
#
– Parts
Included in 148–1057–01 LPG V
apor Conversion Kit.
< – Parts Included
in
148–1
108–01 LPG V
apor Conversion Kit.
*
– Parts Included in 148–1
107 LP Accessory Kit.
http://stores.ebay.com/UserFriendlyCDs
33
Air Housing
REF PART QTY PART REF PART QTY PART
NO. NO. USED DESCRIPTION NO. NO. USED DESCRIPTION
1 821–0010 2 Screw,
Head – Hex W
asher
Self–locking (1/4–20 x 1/2”)
2 134–4463 1
Scroll (Includes Baf
fle)
3 815–0759 2 Screw
, Hex Head – Flanged
Self–Locking (5/16–18 x 1”)
4 134–4354 1
Backplate, Scroll
5 815–0261 4 Screw
, Hex Head –
Self–T
apping (1/4–20 x 1/2”)
6 134–4353 1
Housing, Air – Cylinder (Lt)
7 134–4352 1
Housing, Air – Cylinder (Rt)
8 134–4348 1
Guard, Scroll
9 Shield, Noise (BGE Sets Only)
155–2579 1 Spec F–G
155–2555–51 1
Begin Spec H
10 856–0010 3 Washer
, Lock – EIT (3/8”)
11 517–0283 1
Plug, Button – Dot
12 800–0048 1 Screw
, Cap – Hex Head
(3/8–16 x 3/4”)
13 403–1523–01 2
Bracket, Lifting
14 870–0415 6
Nut, Self–T
apping (1/8”)
821–0009 11 Screw
, Head – Hex W
asher
Self–Locking (1/4–20 x 3/8”)
Not Shown
http://stores.ebay.com/UserFriendlyCDs
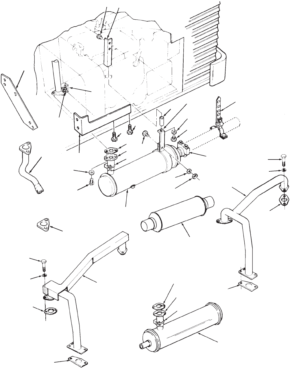
35
Exhaust System
Above Floor Models
REF PART QTY PART REF PART QTY PART
NO. NO. USED DESCRIPTION NO. NO. USED DESCRIPTION
1 154–2551 1 Manifold,
Exhaust – Gasoline
2 154–2627 1
Manifold, Exhaust – LP
(Includes Fuel Line and Heat
Shield)
3 740–1006 7 Washer
, Lock (5/16”)
4
Bracket, Exhaust
155–2049 1 Spec F–J
155–2049–02 1
Begin Spec K
5 154–2542 1 Gasket, Exhaust
6 Adapter
, Exhaust (Flange
Type)
154–2540 1
4–1/4” Long
154–2683 1
6–1/4” Long
154–2718 1
8” Long
7 155–2025–02 1
Strap, Muf
fler (5.77” Long)
8 800–0730 2 Screw
, Cap – Hex Head
(5/16–18 x 1”)
9 800–0007 1 Screw
, Cap – Hex Head
(1/4–20 x 1”)
10 Screw
, Cap – Hex Head
800–0026 1
Use without Spacer
(5/16–18 x 3/4”)
800–0036 1 Use with Spacer
(5/16–18 x 2–3/4”)
11 870–0212 1
Nut, Self–Lock (1/4–20)
12 740–1004 1 Washer
, Flat (M6)
13 155–1258 1 Muffler, Arrester – Spark
(Inlet/Outlet
on Opposite Ends)
14 155–1485 1 Muffler, Arrester – Spark
(Inlet/Outlet on Same End)
15 155–1239 1
Clamp, Muf
fler (1–5/8”)
16 155–2174 1 Hanger, Exhaust
17 155–1015 1
Clamp, Muf
fler (1–1/2”)
18 Screw
, Head – Hex W
asher
Thread Form
815–0261 2
Spec E–F(1/4–20 x 1/2”)
815–0290 2 Begin
Spec G (1/4–20 x 5/8”)
19 155–2026–02 1 Strap,
Muf
fler
20 154–2746 2
Gasket, Manifold – Exhaust
21 800–0026 4 Screw
, Cap – Hex Head
(5/16–18x3/4”)
22
Bracket, Manifold – Exhaust
155–2036 1
BGEL (1.97” Long)
154–2538 1 BGE
(2.31” Long)
23 800–0005 1 Screw
, Cap – Hex Head
(1/4–20 x 3/4”)
24 526–0018 1 Washer
, Flat (1/4”)
25 821–0029 2 Screw, Hex W
asher Head –
Self–Locking (3/8–16 x 3/4”)
26 154–2662 1 T
ube, Exhaust – 1
1” Long
27 154–2663 1 Bracket, Exhaust
28 370–4027 1 Spacer
, Muffler– 2” Long
(Used Only On RVs With
6–1/4” Long Exhaust Adapter)
29 155–2449 1 Resonator
, Exhaust – Gasoline
Units Only
30 154–2537 1
Flange, Exhaust Manifold
http://stores.ebay.com/UserFriendlyCDs
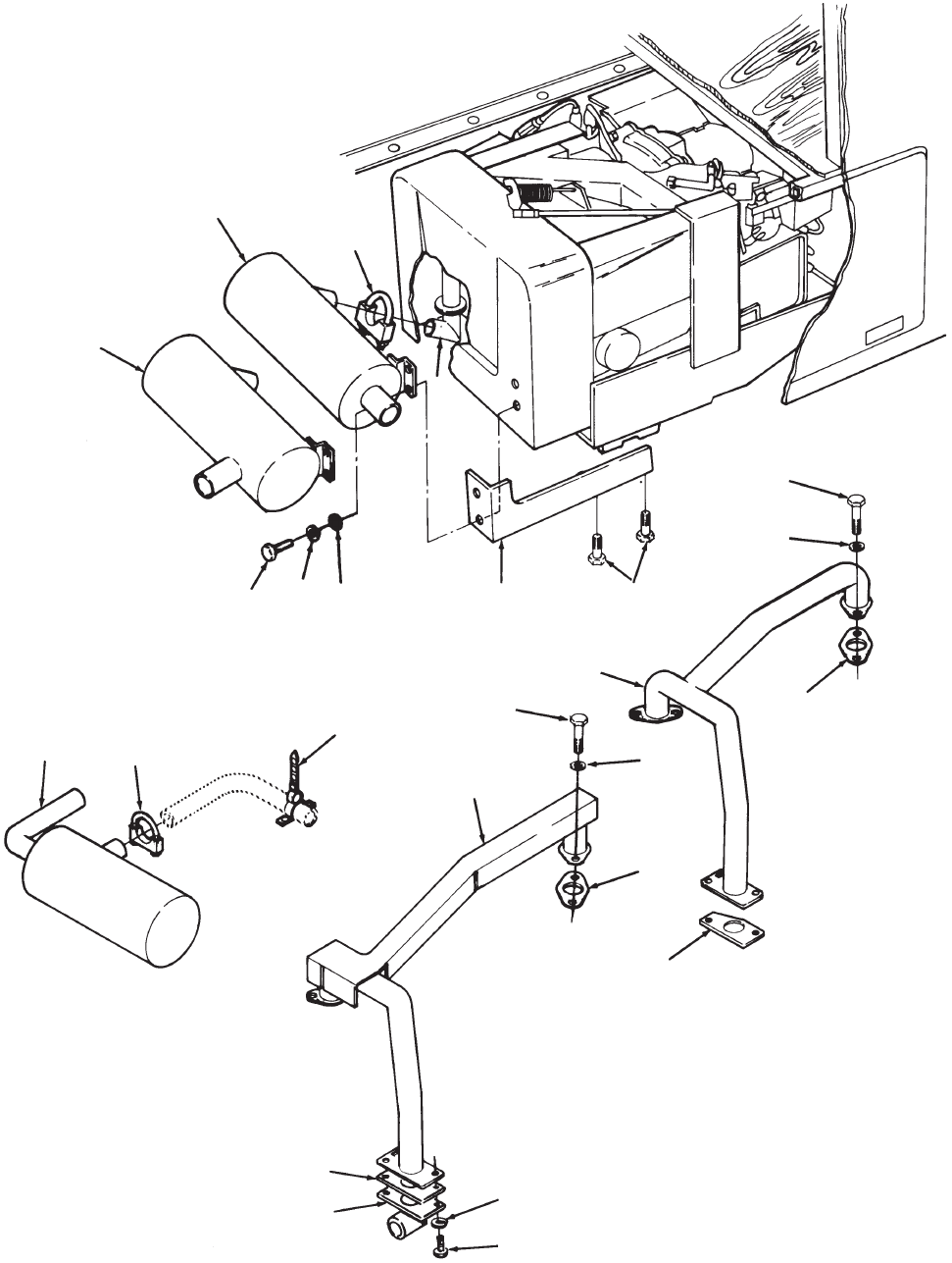
37
Exhaust System
Below Floor Models
REF PART QTY PART REF PART QTY PART
NO. NO. USED DESCRIPTION NO. NO. USED DESCRIPTION
1 154–2551 1 Manifold,
Exhaust – Gasoline
2
154–2627
1
Manifold, Exhaust – LP
(Includes Fuel Line and Heat
Shield)
3 155–2086 1 Muffler, Arrestor – Spark
(Inlet/Outlet
on Opposite Ends)
4 155–2085 1 Muffler, Arrestor – Spark
(Inlet/Outlet
on Opposite Ends)
5
155–2164 1 Muffler, Arrestor – Spark
(Inlet/Outlet on Same End)
6 800–0004 2 Screw
, Cap – Hex Head
(1/4–20 x 5/8”)
7 155–2049 1
Bracket, Manifold – Exhaust
8 155–1256 1
Clamp, Muf
fler (1–1/4”)
9 850–0040 2 Washer, Lock (1/4”)
10 800–0730 2 Screw
, Cap – Hex Head
(5/16–18 x 1”)
11 800–0026 4 Screw
, Cap – Hex Head
(5/16–18 x 3/4”)
12 850–0045 6 Washer
, Lock (5/16”)
13 154–2539 1 T
ube, Exhaust
14 155–1015 1
Clamp, Muf
fler (1–1/2”)
15 155–2174 1 Hanger
, Pipe – Exhaust
16 154–2746 2
Gasket, Manifold – Exhaust
17 821–0029 2 Screw,
Hex W
asher
Head – Self
Lock
(3/8–16 x 3/4”)
18 526–0130 2 Washer
, Flat (1/4”)
19 154–2542 1 Gasket, Exhaust
http://stores.ebay.com/UserFriendlyCDs

38
Housing – Below Floor Models
(1985–1992)
(Specs 26101, 26104, 26111, 29237, 31814)
1
2
3
4
5
6
7
8
9
10
11
12 13
14
15
16
17
18
19
20
21
22
23
24
25
26
27 28
29
7
21
22
24
16
19
23
6
89
10
25
26
28
17
REF PART QTY PART REF PART QTY PART
NO. NO. USED DESCRIPTION NO. NO. USED DESCRIPTION
1 405–3332 1
Panel, Right Hand
2 405–3333 1
Panel, Left Hand
3 405–3334 1
Panel, Rear
4 405–3401 1
Support, Housing
5 508–0071 3
Grommet, Rubber (.62 ID)
6 508–0008 2
Grommet, Rubber (.50 ID)
7 821–0014 2 Screw
, Self–Locking
(5/16–18 x 1/2”)
8 800–0002 2 Screw
, Cap – Hex Head
(1/4–20 x 3/8”)
9 526–0130 2 Washer
, Flat (1/4”)
10 850–0040 2 Washer, Lock (1/4)
11 403–2280 1
Pan, Drip
12 406–0566 2
Pin, Hinge
13 406–0567 2
Plate, Hinge
14 406–0568 2
Support, Hinge
15 800–0005 6 Screw
, Cap – Hex Head
(1/4–20 x 3/4”)
16 800–0048 4 Screw
, Cap – Hex Head
(3/8–16 x 3/4”)
17 526–1518 4 Washer
, Flat (7/16”)
18 405–3405 1 Bracket, Housing
19 405–3611 2
Brace, Side (22.2” Long)
20 405–3612 1
Brace, Rear (27.35” Long)
21 821–0033 2 Screw, Lock – Hex Head
(7/16–14 x 3/4”)
22 870–0437 2
Nut, Hex (7/16–14)
23 870–0257 2
Nut, Hex (5/16–18)
24 526–0174 4 Washer
, Flat (3/8”)
25 526–0382 6 Washer
, Flat (1/4”)
26 526–0122 4 Washer
, Flat (5/16”)
27 98–6402–01 1
Label, W
arning
28 800–0026 4 Screw
, Cap – Hex Head
(5/16–18 x 3/4”)
29 508–0051 1
Grommet, Rubber (1.75”ID)
http://stores.ebay.com/UserFriendlyCDs

39
Housing – Below Floor Models
(Begin 1992)
(Specs 26101, 26104, 26111, 29237, 31814)
1
23
456
7
89
10
11
12
13
14
15
16
17
18
19
20
21
22
23
8
9
10
11
14
13
15
1
4
12
12
4
4
REF PART QTY PART REF PART QTY PART
NO. NO. USED DESCRIPTION NO. NO. USED DESCRIPTION
1 405–4763–02 2 Brace,
Side
2 405–4762–02 1 Brace, Rear
3 508–0071 3
Grommet, Rubber (.62 ID)
4 526–0382 8 Washer
, Flat (1/4”)
5 406–0568 2
Support, Hinge
6 406–0567 2
Plate, Hinge
7 406–0566 2
Pin, Hinge
8 526–0174 4 Washer
, Flat (3/8”)
9 800–0048 4 Screw
, Cap – Hex Head
(3/8–16 x 3/4”)
10 870–0257 2
Nut, Lock (5/16–18)
11 526–0017 2 Washer
, Flat (7/16”)
12 800–0533 8 Screw
, Cap – Hex Head
(1/4–20 x 3/4”)
13 526–0122 4 Washer
, Flat (5/16”)
14 800–0026 4 Screw
, Cap – Hex Head
(5/16–18 x 3/4”)
15 821–0014 2 Screw, Lock Head
(5/16–18 x 1/2”)
16 508–0051 1
Grommet, Rubber (1–3/4 ID)
17 405–3405 1 Bracket, Housing
18 405–3401 1
Support, Housing
19 405–3334 1
Panel, Rear
20 405–3333 1
Panel, Left Hand
21 405–3332 1
Panel, Right Hand
22 98–6402–01 1
Label, W
arning
23 403–2280 1
Pan, Drip
http://stores.ebay.com/UserFriendlyCDs

40
Housing – Below Floor Sets
(Specs 26109, 37593)
1
2
3
4
5
6
7
8
9
10
11
12 13
14
15
16
17
18
19
20
21
22
23
24
25
26
27
28
29
30
31
6
7
89
10
19
22
24
25 26
26
26
28
28
16
17
32
21
23
REF PART QTY PART REF PART QTY PART
NO. NO. USED DESCRIPTION NO. NO. USED DESCRIPTION
1 405–3397 1 Panel,
Right Hand
2 405–3400 1
Panel, Left Hand
3 405–3394 1
Panel, Rear
4 405–3401 1 Support
5 508–0071 3
Grommet, Rubber (.62 ID)
6 508–0008 2
Grommet, Rubber (.50 ID)
7 821–0014 2 Screw
, Self–Locking
(5/16–18 x 1/2”)
8 800–0002 2 Screw
, Cap – Hex Head
(1/4–20 x 3/8”)
9 526–0130 2 Washer
, Flat (1/4”)
10 850–0040 2 Washer, Lock (1/4”)
11 403–2557–03 1
Pan, Drip
12 406–0566 2
Pin, Hinge
13 406–0567 2
Plate, Hinge
14 406–0568 2
Support, Hinge
15 800–0005 6 Screw
, Cap – Hex Head
(1/4–20 x 3/4”)
16 800–0048 4 Screw
, Cap – Hex Head
(3/8–16 x 3/4”)
17 526–1518 4 Washer
, Flat (7/16”)
18 405–3406 1 Bracket
19 405–3607 2
Brace, Side (25–1/4” Long)
20 405–3608 1
Brace, Rear (29–1/4” Long)
21 821–0033 2 Screw, Lock – Hex Head
(7/16–14 x 3/4”)
22 870–0437 2
Nut, Hex (7/16–14)
23 870–0257 2
Nut, Hex (5/16–18)
24 526–0174 4 Washer
, Flat (3/8”)
25 526–0382 6 Washer
, Flat (1/4”)
26 526–0122 6 Washer
, Flat (5/16”)
27 098–6402–01 1
Label, W
arning
28 800–0026 6 Screw
, Cap – Hex Head
(5/16–18 x 3/4”)
29 405–3597 1 Bracket
30 405–3596 1 Support
31 098–5543 1
Label, Caution
32 508–0051 1
Grommet, Rubber (1.75”ID)
http://stores.ebay.com/UserFriendlyCDs

41
Housing – Below Floor Models
(Commercial Applications)
1
2
3
4
5
6
7
8
9
10
11
12
13
14
15
16 17
18
19
20
611
11
11 17
18
19
19
19
17
17
18
17
REF PART QTY PART REF PART QTY PART
NO. NO. USED DESCRIPTION NO. NO. USED DESCRIPTION
1 405–3993 1 Panel,
Right Hand
2 405–3988 1
Panel, Left Hand
3 405–3986 1
Panel, Rear
4 405–3974 1
Support (Includes W
arning
Label)
5 508–0071 3
Grommet, Rubber
6 405–3996 2 Spacer, Brace
7 405–3955–S0 1
Support, Housing (Includes
Caution Label)
8 403–2727 1
Pan, Drip
9 406–0655 2
Pin, Hinge
10 406–0657 2
Support, Hinge
11 526–0122 8 Washer
, Flat (5/16”)
12 405–4037 1 Bracket, Housing
13 405–3999 1 Bracket, Housing
14 800–0589 4 Screw
, Cap – Hex Head
(3/8–16 x 1–1/2”)
15 405–4000 1
Brace, Rear (27.22” Long)
16 800–0029 2 Screw
, Cap – Hex Head
(5/16–18 x 1.12”)
17 526–0174 23 Washer
, Flat (3/8”)
18 800–0026 6 Screw
, Cap – Hex Head
(5/16–18 x 3/4”)
19 800–0517 6 Screw
, Cap – Hex Head
(3/8–16 x 1”)
20 98–5334–01 1
Label, W
arning
http://stores.ebay.com/UserFriendlyCDs

43
Remote Start Control
1
2
3
4
5
6
7
8
9
4
REF PART QTY PART REF PART QTY PART
NO. NO. USED DESCRIPTION NO. NO. USED DESCRIPTION
300–2313 1 Kit,
Control – Standard
Remote Starting (Includes
Parts Marked*)
300–2314 1
Kit, Control – Deluxe Remote
Starting (Includes Parts
Marked +)
1 815–0385 2 +Screw
, Machine – Round Head
(#6–32 x 1/2”)
2 860–0006 2 +
Nut, Hex Head (#6–32)
3 301–3566 1 *
Panel, Control
4 308–0341 1 *+Switch, Rocker
5 301–3606 1 +
Panel, Control
6 302–0885 1 +Meter
, T
otalizing – T
ime
7 302–0888 1 +Meter
, Condition – Battery
8 359–0034 1 +Diode
9
Harness, Wiring – Remote
(Includes Housing and Pins)
338–1082 1
6” Long
338–1080 1
10 Feet Long
338–1081 1
30 Feet Long
323–0400 1
Housing, Connector
323–0500 5
Pin, Contact
* – Parts Included In Standard Control.
+ – Parts Included In Deluxe Control.
http://stores.ebay.com/UserFriendlyCDs
45
Generator
REF PART QTY PART REF PART QTY PART
NO. NO. USED DESCRIPTION NO. NO. USED DESCRIPTION
1 201–3388–03 Rotor,
Generator (Includes Fan,
Ball
Bearing and Collector
Ring)
2
Housing, Stator
220–4133 1 Spec F–K
220–4532–01 1
Begin Spec L
3 Adapter
, Generator
231–0288–01 1 Spec F–K
231–0381–01 1
Begin Spec L
4 Stator
, Generator
60 Hz
220–4135–04 1 Spec F–G
Begin Spec H
220–4135–04 1
120 V
olts
220–4135–05 1
100 V
olts
220–4135–03 50 Hz
5 510–0099 1
Bearing, Ball
6 212–1285 1 Block, Brush – Genertor
(Includes
Spring, Block,
Brush)
7 815–0788 2 Screw,
Head – Pan
(#10–32 x 7/8”)
8 509–0196 1
O’Ring, Housing – Stator
9 232–2955–02 3
Clamp, Stator
10 214–0103 2 Brush, Block
11 226–3492–01 1
Lead, Resistor
12 204–0134 1
Ring, Collector – Rotor
13 815–0691–01 1 Screw
, Pan Head
(#10–32 x 23/64”)
14 212–1284 1 Cover, Block – Brush
15 802–1038 1 Screw
, Socket – Rotor
Through (7/16–14 x 10–1/4”)
16 Screw
, Hex – Flange Head
800–0575 4
Spec F–K (3/8–16 x 1–1/8”)
815–0908 4 Begin
Spec L (3/8–16 x
1–1/2)
17 850–0050 4 Washer,
Lock – Spring (3/8”)
(Spec F–K Only)
18 862–0003 4
Nut, Hex (3/8–16)
(Spec F–K Only)
19 815–0646 3 Screw,
Cap – Hex W
asher Head
(1/4–20 x 3/4”)
20 212–1276–03 2
Spring, Brush – Generator
21 212–1286 1 Block, with Terminal
22 205–0165 1 +
Fan and Gear
, Rotor
23 508–0272 2
Grommet, Nylon (.68” ID)
24 Resistor
, Charger – Battery
(25 W
atts)
304–0794 1 Spec F–J
304–0797 1
Begin Spec K
25 Washer
, Center – Resistor
304–0796 4 Gasoline
304–0796 2 LP Gas
26 815–0660 1 Screw
, Head – Hex
(#10–32 x 2–1/2”)
27 332–0941 1 T
ie, Cable – 50 Hz
28 304–0798 1 Resistor
, Pump – Fuel
(Gasoline)
29 815–0712 1 Screw
, Head – Pan
(#10–32 x 1/2”)
30 323–1298 2 Connector
, T
ab
31 Connector
, Receptacle
332–0819 2 60 Hz
332–0819 3 50 Hz
32 518–0460 1
Ring, T
olerance
33 518–0533 1
Clip – Below floor Models
34 853–0013 1 Washer
, ET (#10–32)
35 815–0661 1 Screw
, Pan Head – Thread
Form (#10–32 x 1/2”)
36 305–0718 1
Bridge, Rectifier (Begin
Spec K) (CR10)
37 338–3010 1 Harness, Charger – Battery
(Begin Spec K)
38 815–0788 1 Screw
, Pan Head
(#10–32
x 7/8”) (Begin Spec
K)
39 332–3328 1 Stud,
Grounding
40 520–0961–02 1
Stud – 13.125” Long
Extended Shaft
41 526–0032 1 Washer
, Flat (7/16”)
42 850–0055 1 Washer
, Lock (7/16”)
43 870–0203 1
Nut, Hex (7/16–20)
44 331–0536 1 Connector
, Conduit
http://stores.ebay.com/UserFriendlyCDs
47
Control
REF PART QTY PART REF PART QTY PART
NO. NO. USED DESCRIPTION NO. NO. USED DESCRIPTION
1 Cover,
Control
60 Hz
4.0
319–1238–03 1 V
olt Code 1R,F
A
319–1237–09 1 V
olt Code FR
319–1238–07 1 5.0
319–1238–19 2
30 Amp Breakers
319–1237–02 1 50 Hz
2
Board, Circuit – Printed
300–3950 1 Spec E–G
300–3763–01 1 Spec H–M
300–4901–01 1
Begin Spec N
3 815–0791 4 Screw
, Pan Head – Cross
Recessed (#6–32 x 3/8”)
4 308–0995 1 Switch, Rocker
5 321–0298 3
Fuse, 5 Amps – Slo–Blow
6 321–0295 1 Holder
, Fuse (Holds Spare
Fuses)
7
Harness, Wiring – PCB#1
BGE
338–2040 1 Spec F,G
Spec H
338–2636–01 1 Gas
338–2636–02 2 LP
Spec J
338–2768–01 1 Gas
338–2768–02 1 LP
338–2895 1
Begin Spec K
338–3479 1
Begin Spec M & Up
338–2040 1 BGEL
8 323–1486 12 Socket, Contact (Spec H,J,K)
9 323–1200 1 Socket, Contact
10 323–1487–03 1
Housing, Connector (Spec
H,J,K)
11 323–1312 2 Housing,
Connector (BGE
Spec
F,G,
and BGEL)
12 323–1440 5 Pin, Contact (BGE Spec F,G,
and BGEL)
13 815–0661 4 Screw
, Pan Head – Thread
Forming (#10–32 x 1/2”)
14 307–2570 1
Solenoid, Start (Includes
Nuts and W
ashers)
15 320–1561–02 1 Guard, Breaker – Circuit (Use
with Single Pole Breakers
Only)
16 Breaker, Circuit
60 Hz
4.0
320–1323 1
30 Amp V
olt Code 1R,F
A
320–1683 2
20 Amp V
olt Code FR
5.0
320–1323 1
30 Amp (CB1)
320–1683 1
20 Amp (CB2)
320–1548–02 1 50 Hz
17 Screw
, Slotted Head – IT
815–0550 2
Use with Single CB
(#6–32 x 3/8”)
815–0550–01 4
Use with Double CB
(#6–32 x 5/16”)
18 332–0941 2 T
ie, Cable
19 Regulator
, V
oltage
305–0809–01 1 60 Hz
305–0809–03 1 50 Hz
20 821–0003 1 Screw,
Hex Head (#10–32 x 1”)
21 870–0131 1 Nut,
Hex – W/ET (#10–32)
22 232–3265 1
Clamp, Conduit
23
Harness, Wiring – V
oltage
Regulator
338–2076 1 60 Hz – V
olt Code 1R,F
A
338–2083 1 60 Hz – V
olt Code FR
338–2083–01 1
50 Hz, 120/240 V
olt,
Single Phase
24 323–1314 1
Housing (12 Pin)
25 323–1200 6 Socket, Contact – 60 Hz
26 323–1371 1
Header (12 Pin)
27 323–1199 12
Pin, Contact
28 Block, Terminal
332–2859–02 1 60 Hz
332–2859–01 1 50 Hz
29
Harness, Wiring – AC Outlet
60 Hz
338–2045 1 4.0
338–2058 1 5.0
338–2058 1 50 Hz
30 815–0692–02 1 Screw
, T
orx – Pan Head
(1/4–20 x 1)
31 332–3075 1 Insulator
,Board – PC (.005”
Thick)
32 308–0949 1 Cover, Switch – Rocker
33 321–0287 1 Insulator
, Fuse
34 815–0691–01 1 Screw
, Head – Pan
(#10–32 x 23/64”)
35 815–0385 1 Screw
, Machine – Round Head
(#6–32 x 1/2”) – 50 Hz
36 517–0133 1
Plug, Hole – 50 Hz
37 303–0276 1
Potentiometer – 50 Hz
38 870–0183 1
Nut, Hex – W/ET (#6) –
50 Hz
39 332–2112 1 Insulator
, T
erminal – Start
40 321–0323–02 1
Bracket, Holder – Fuse (Begin
Spec K)
http://stores.ebay.com/UserFriendlyCDs

49
Wiring Harness
PCB #3
1
2
3
4
REF PART QTY PART REF PART QTY PART
NO. NO. USED DESCRIPTION NO. NO. USED DESCRIPTION
Harness,
Wiring
338–2041 1
6 Pin Housing – 5 Wire –
Gasoline – V
olt Code F
A
338–2635 1
LP Liquid – Begin Spec H –
V
olt. Code F
A,FN
338–2634 1
Gasoline – Begin Spec H
338–2086 1
6 Pin Housing – BGEL
1
Pin, Contact
323–1302 6
Use With 6 Pin Housing –
Gasoline Units
323–1440 8
Use With 8 Pin Housing –
LP Liquid/V
apor
2 Housing
323–1329 1
6 Pin
323–1312 1
8 Pin
323–1487–03 1
12 Pin
3 357–0067 1
Rectifier – BGEL
4 323–1486 1 Socket, Contact
http://stores.ebay.com/UserFriendlyCDs

50
Remote Wiring Harness
1
2
3
4
5
6
7
8
5
2
3
1
7
7
9
10
11
REF PART QTY PART REF PART QTY PART
NO. NO. USED DESCRIPTION NO. NO. USED DESCRIPTION
Harness,
Wiring – Remote
338–1082 1
Without Socket – 6” Long
(Includes
5 Connector Pins)
338–2137 1 With
Socket – 6” Long
338–2046 1
Without Socket (Includes
5 Contact Pins)
1 323–1304 1
Housing, Connector
2
Pin, Connector – Male
323–0500 6 Use with 6 Pin Harness
323–0500 5 Use with 5 Pin Harness
3 323–0440 1
Housing, Socket Pin
4 323–1303 1 Connector
, 6 Pin
5 323–0400 1
Housing, Connector Pin
6 323–0488 1
Socke,t Connector – Female
7 332–0942 1 T
ie, Cable
8 323–1199 5
Pin, Contact
9 338–3572 1
Harness, Adapter (Includes
Parts Marked *) (Use With
Gasoline and LP Kits
300–4936, 300–4937, &
300–2938)
10 323–1342 1 *
Housing, T
erminal
11 323–1200 5 *Socket, Contact
* – Parts Included in Adapter Harness.
http://stores.ebay.com/UserFriendlyCDs

51
Wiring Harness
Begin Spec J
1
34
5
2
REF PART QTY PART REF PART QTY PART
NO. NO. USED DESCRIPTION NO. NO. USED DESCRIPTION
1 Harness,
Wiring – Engine
Spec J
338–2766 1
Gasoline Engines
338–2767 1
LP Liquid Engines
338–3054 Begin
Spec
K (Includes Parts
Marked *)
2 321–0322–01 1 *Holder
, Fuse
3 321–0321–06 1 *
Fuse (F2) (Mounts Between
K1 and K4)
4 307–1886 1 *Relay (K4)
5 815–0181 1 *Screw
, Thread Cutting –
Hex Head (w/ET)
(10–32 x 1/2”)
* – Parts Included in 338–3054 Wiring Harness.
http://stores.ebay.com/UserFriendlyCDs
52
25Labels, Paint, Thread Sealant, Gasket Kits, and Carburetor Kits
REF PART QTY PART REF PART QTY PART
NO. NO. USED DESCRIPTION NO. NO. USED DESCRIPTION
98–5313 1 Label,
W
arning (Battery
Cables)
98–5142 1 Label, W
arning (Fire Hazard)
98–5626 1
Decal (Emerald I) – 60 Hz
98–5852 1
Decal (Emerald I) – 50 Hz
98–6164–01 3
Label, Performer – 18 Horse
power
98–5755 1
Label, W
arning (Hazardous
Voltage)
98–5958 1
Label, LP Kit
98–5777–01 1
Label, W
arning (Improper
Operation)
98–5815 1 Service Instructions – BGE
98–6074–02 1
Label, W
arning (Operation,
Maintenance and Service)
(2.38” Size)
98–6285–02 1
Decal (Onan 4000 Gen Set)
(Begin Spec H)
98–6276 1
Label, W
arning – R
V Units
98–6618–01 1
Label, Oil Fill
98–6041 1
Label, W
arning (V
oltage–Gas)
98–6388–02 1
Label, Phone Information
98–6285–03 1
Silkscreen, Model Identification
(4000)
98–5821 1
Label, Listed – R
V – 60 Hz
98–6284 1
Silkscreen, Model Identification
(Emerald One)
98–6661 1
Decal, Model Ident (Onan 5000
GenSet
518–0452 1
Sealant, Thread (50cc. Bottle)
518–0602 1
Loctite, Bottle (250cc)
525–0305 1
Paint, Enamel T
ouch–Up
Green (Non–Metallic) 13 oz.
Pressurized Can
168–0189 1
Kit, Gasket – Carbon Removal
(Includes Parts Marked *)
110–3709 3 *Gasket, Valve Box
110–3181 2 *Gasket, Cylinder Head
154–2542 1 *
Gasket, Exhaust Manifold
154–2800 1 *+
Gasket, Exhaust Manifold
110–3604 2 *+
Seal, Intake V
alve
154–2746 2 *
Gasket, Exhaust Manifold
509–0289 2 *
Seal, V
alve Stem
154–2495 2 *
Gasket, Intake Manifold (BGE)
146–0616 1
Kit, Auto–Choke Carburetor
(Includes Parts Marked #)
G–0194 1
#
Instruction Sheet
98–6566 1 #
Label, Fuse
98–6587–03 1 #
Label, Kit Number
98–6618–01 1 #
Label, Oil Fill
123–1961 1 #
Cap, Oil Fill
140–2308 1 #Gasket, Airhorn SubAssembly
140–2725 1 #Adapter Assembly
141–0958 1 #Gasket, Carburetor
145–0667 1 #
Rod, Air Inlet
146–0577 1 #Carburetor
, Auto Choke
150–2421 1 #
Spring, Compression
150–2589 2 #Washer
, Friction
167–0272 2 #
Plug, Spark
226–4599 1 #
Lead Assembly
, Engine
304–0797 1 #Resistor
305–0718 1 #
Bridge, Rectifier
321–0357–02 1 #Bracket, Fuse Holder
332–1445 5 #T
ie, Cable
338–2895 1 #Harness, PCB #1
338–3010 1 #
Harness, Battery Charging
338–3054 1 #
Harness, Engine
502–0028 1 #
Plug, Hex Head Pipe
509–0096 1 #
Seal, O–Ring
509–0313 1 #O–Ring
518–0606 1 #
Clip, Linkage
815–0181
1
#Screw
, Hex Head Thread
Cutting With ET
815–0590 3 #Screw
, Special
815–0788 1 #Screw
, Pan Head T
orx
862–0015 1 #Nut, Hex
146–0663 1
Kit, Emissions Auto–Choke
Carburetor (Includes Parts
Marked ~)
146–0630 1 ~Carburetor,
Emissions and Auto
Choke
141–0958 1 ~Gasket,
Carburetor
140–2308 1 ~Gasket, Air Horn
* – Parts Included in 168–0189 Gasket Kit.
+ – Parts Included in 168–0187 Gasket Kit.
# – Parts Included in Auto–Choke Carburetor Kit.
~
– Parts Included in Emissions Auto–Choke Carburetor Kit.
http://stores.ebay.com/UserFriendlyCDs

Numerical Index
Part No. Page
Part No. Page Part No. Page Part No. Page
53
098–5142,
52
098–5313,
52
098–5334–01,
41
098–5543,
40
098–5626,
52
098–5755,
52
098–5777–01,
52
098–5815,
52
098–5821,
52
098–5852,
52
098–5958,
52
098–6041,
52
098–6074–02,
52
098–6105–01,
17
098–6164–01,
52
098–6276,
52
098–6284,
52
098–6285–02,
52
098–6285–03,
52
098–6388–02,
52
098–6402–01,
38
,
39
,
40
098–6455,
31
098–6566,
52
098–6587–03,
52
098–6618–01,
52
098–6661,
52
098–7315–01,
31
101–0405,
7
101–0439–01,
7
101–0804,
7
101–0804–02,
7
101–0804–10,
7
101–0804–20,
7
101–0804–30,
7
101–0805,
7
101–0805–02,
7
101–0805–10,
7
101–0805–20,
7
101–0805–30,
7
101–0809,
7
102–0743,
13
102–1286,
13
102–1387,
13
102–1458,
13
103–0772,
15
103–0810,
15
104–0032,
11
104–0043,
11
104–0170,
11
104–0575,
7
104–0776,
7
104–1735,
11
105–0541,
10
105–0637,
10
105–0700,
10
1
10–0197,
7
1
10–0197–10,
7
1
10–1824,
7
1
10–1824–02,
7
1
10–1824–05,
7
1
10–1824–10,
7
1
10–1824–25,
7
1
10–1879–01,
7
1
10–3181,
7
,
52
1
10–3479,
7
1
10–3480,
7
1
10–3485,
7
1
10–3487,
7
1
10–3508,
7
1
10–3509,
7
1
10–3510,
7
110–351
1,
7
1
10–3515,
7
1
10–3526,
7
1
10–3527,
7
1
10–3604,
52
1
10–3709,
7
,
52
1
12–0229,
7
1
12–0264,
7
1
12–0264–01,
7
1
12–0264–02,
7
1
12–0264–03,
7
1
12–0264–05,
7
1
13–0310,
9
1
13–0310–01,
9
1
13–0310–02,
9
1
13–0310–03,
9
1
13–0310–05,
9
1
13–0314,
9
1
13–0314–05,
9
1
13–0314–10,
9
1
13–0314–20,
9
1
13–0314–30,
9
1
14–0022,
15
1
14–0023,
30
1
14–0392,
7
1
14–0397,
9
1
14–0397–10,
9
1
14–0397–20,
9
1
14–0397–30,
9
1
15–0006,
7
1
15–0006–02,
7
1
15–0006–05,
7
120–0140,
7
,
17
120–0161,
7
120–0398,
7
120–0491,
7
120–1320,
7
122–0360–50,
14
122–0502,
14
122–0645,
14
122–0771,
14
122–0814,
14
123–1
173,
7
123–1
174,
7
123–1
175,
7
123–1615,
17
,
21
123–1616,
13
123–1649,
7
123–1871,
9
123–1961,
13
,
52
134–4342,
11
134–4348,
33
134–4352,
33
134–4353,
33
134–4354,
33
134–4463,
33
140–1894,
17
,
21
140–1919–70,
17
140–2308,
17
,
21
,
30
,
31,
52
140–2379,
17
,
21
140–2725,
52
140–2782,
17
,
21
140–2962,
17
140–3093,
17
141–0077,
24
141–0281,
21
141–0700,
24
141–0701,
24
141–0708,
24
141–0710,
15
141–071
1,
24
141–0736,
24
141–0906,
24
141–0919,
24
141–0924,
24
141–0932,
21
,
24
141–0934,
24
141–0935,
24
141–0936,
24
141–0937,
24
http://stores.ebay.com/UserFriendlyCDs

Numerical Index
Part No. Page
Part No. Page Part No. Page Part No. Page
54
141–0938,
24
141–0939,
24
141–0940,
24
141–0950,
17
141–0958,
17
,
31
,
52
141–0978,
24
145–0561,
17
145–0667,
17
,
52
145–0704,
17
146–0449,
23
146–0450,
23
146–0453,
23
146–0455,
17
,
23
146–0457,
23
146–0577,
17
,
23
,
52
146–0588,
23
146–0589,
23
146–0590,
23
146–0591,
23
146–0592,
23
146–0616,
52
146–0630,
17
,
23
,
52
146–0663,
52
146–0723,
21
,
24
146–0727,
24
,
31
148–031
1,
30
148–0843,
30
,
31
148–0890,
21
148–0893,
21
148–0896,
21
148–0897,
21
148–0898,
21
148–0903,
21
148–0912,
30
148–0913,
30
148–1020,
21
,
31
148–1057–01,
31
148–1
107,
31
148–1
108–01,
31
149–1353,
17
149–2032–01,
21
149–2080,
17
149–2140,
17
149–2226,
17
149–2269,
17
149–2279,
17
149–2293,
17
149–2319,
17
149–2331,
17
149–2333,
17
149–2334,
17
150–0075,
10
150–0078,
10
150–0096,
22
150–0939,
22
150–1
187,
15
150–1519,
10
150–1520,
10
150–1612,
22
150–1957,
22
150–1958–02,
22
150–1998,
15
150–2002–04,
15
150–2079,
22
150–2294,
22
150–2295,
22
150–2298–01,
22
150–2421,
22
,
52
150–2428,
22
150–2454,
22
150–2468,
22
150–2493,
22
150–2589,
22
,
52
153–0554,
17
153–0555,
17
153–0556,
17
153–0557,
17
153–0558,
17
153–0561,
17
153–0576,
17
153–0577,
17
153–0578,
17
153–0579,
17
154–2447,
17
,
21
154–2495,
17
,
21
,
52
154–2537,
35
154–2538,
35
154–2539,
37
154–2540,
35
154–2542,
35
,
37
,
52
154–2551,
35
,
37
154–2627,
35
,
37
154–2662,
35
154–2663,
35
154–2683,
35
154–2718,
35
154–2746,
35
,
37
,
52
154–2800,
52
154–3026,
21
155–1015,
35
,
37
155–1239,
35
155–1256,
37
155–1258,
35
155–1485,
35
155–2025–02,
35
155–2026–02,
35
155–2036,
35
155–2049,
35
,
37
155–2049–02,
35
155–2085,
37
155–2086,
37
155–2164,
37
155–2174,
35
,
37
155–2449,
35
155–2555–51,
33
155–2579,
33
160–1
151,
27
160–1
183,
27
160–1314,
27
160–1316,
27
160–1317,
27
160–1325,
26
,
27
160–1345–01,
25
160–1368,
25
,
26
,
27
166–0554,
26
166–0747,
25
,
26
166–0761,
25
166–0770,
25
166–0771,
25
166–0772,
26
166–0789–01,
25
166–0793,
25
166–0820,
25
166–0821,
25
166–0821–01,
25
166–0842,
25
167–0263–01,
25
167–0272,
26
,
52
167–1602,
25
,
26
167–1615–01,
25
,
26
168–0189,
7
,
52
168–0192,
7
191–1667,
28
,
29
191–1776,
29
191–1781,
29
191–2129,
29
191–2158,
29
191–2186,
29
191–2187,
29
201–3388–03,
45
204–0134,
45
205–0165,
45
http://stores.ebay.com/UserFriendlyCDs

Numerical Index
Part No. Page
Part No. Page Part No. Page Part No. Page
55
212–1276–03,
45
212–1284,
45
212–1285,
45
212–1286,
45
214–0103,
45
220–4133,
45
220–4135–01,
45
220–4135–03,
45
220–4135–04,
45
220–4135–05,
45
220–4532–01,
45
226–3457,
28
226–3492–01,
45
226–4599,
52
231–0288–01,
45
231–0381–01,
45
232–2955–02,
45
232–3265,
47
300–2313,
43
300–2314,
43
300–3763–01,
47
300–3950,
47
300–4901–01,
47
301–3566,
43
301–3606,
43
302–0885,
43
302–0888,
43
303–0276,
47
304–0794,
45
304–0796,
45
304–0797,
45
,
52
304–0798,
45
305–0718,
45
,
52
305–0809–01,
47
305–0809–03,
47
307–1881,
30
307–1886,
21
,
51
307–2478,
21
307–2501,
21
307–2559–01,
21
307–2570,
47
307–2880,
31
308–0341,
43
308–0949,
47
308–0995,
47
309–0322,
14
312–0246,
27
312–0249,
26
312–0256,
27
319–1237–02,
47
319–1237–09,
47
319–1238–03,
47
319–1238–07,
47
319–1238–19,
47
320–1323,
47
320–1548–02,
47
320–1561–02,
47
320–1683,
47
321–0287,
47
321–0295,
47
321–0298,
47
321–0321–06,
51
321–0322–01,
51
321–0323–02,
47
321–0357–02,
52
323–0400,
43
,
50
323–0440,
50
323–0488,
50
323–0500,
43
,
50
323–1
199,
47
,
50
323–1200,
47
323–1298,
45
323–1302,
49
323–1303,
50
323–1304,
50
323–1312,
47
,
49
323–1314,
47
323–1329,
49
323–1371,
47
323–1440,
21
,
47
,
49
323–1486,
21
,
47
,
49
323–1487–03,
47
,
49
331–0536,
45
332–0147,
21
332–0806,
21
332–0819,
45
332–0941,
45
,
47
332–0942,
28
,
50
332–1445,
52
332–1992,
21
332–1993,
21
332–21
12,
47
332–2859–01,
47
332–2859–02,
47
332–3075,
47
332–3198,
25
332–3328,
45
336–2378,
27
336–9679,
21
337–231
1,
13
338–1080,
43
338–1081,
43
338–1082,
43
,
50
338–2040,
47
338–2041,
14
,
49
338–2045,
47
338–2058,
47
338–2076,
47
338–2083,
47
338–2083–01,
47
338–2086,
14
,
49
338–2137,
50
338–2285,
17
338–2317,
21
338–2634,
14
,
49
338–2635,
14
,
49
338–2636–01,
47
338–2636–02,
47
338–2644,
21
338–2766,
51
338–2767,
51
338–2768–01,
47
338–2768–02,
47
338–2895,
47
,
52
338–3010,
45
,
52
338–3054,
51
,
52
338–3479,
47
338–3572,
50
357–0067,
21
,
49
359–0034,
43
370–4027,
35
370–4052,
17
402–0547,
13
402–0549,
13
402–0597,
13
403–1523–01,
33
403–2218–01,
13
403–2280,
38
,
39
403–2557–02,
13
403–2557–03,
40
403–2727,
41
405–3332,
38
,
39
405–3333,
38
,
39
405–3334,
38
,
39
405–3394,
40
405–3397,
40
405–3400,
40
405–3401,
38
,
39
,
40
405–3405,
38
,
39
405–3406,
40
405–3596,
40
405–3597,
40
http://stores.ebay.com/UserFriendlyCDs

Numerical Index
Part No. Page
Part No. Page Part No. Page Part No. Page
56
405–3607,
40
405–3608,
40
405–361
1,
38
405–3612,
38
405–3955–S0,
41
405–3974,
41
405–3986,
41
405–3988,
41
405–3993,
41
405–3996,
41
405–3999,
41
405–4000,
41
405–4037,
41
405–4762–02,
39
405–4763–02,
39
406–0566,
38
,
39
,
40
406–0567,
38
,
39
,
40
406–0568,
38
,
39
,
40
406–0655,
41
406–0657,
41
501–0525,
21
502–0002,
17
502–0028,
19
,
52
502–0054,
21
502–0065,
19
502–0238,
30
502–0313,
17
502–0395,
30
,
31
502–0838,
21
502–0927–01,
21
502–0928–01,
21
502–0929–01,
21
502–0932–01,
21
502–0933–01,
21
502–0935,
21
502–0965–01,
21
502–1026,
48
502–1
105,
17
502–1
108,
17
502–1
164,
17
503–0170,
19
503–0183,
17
,
21
,
30
,
31
503–0633,
21
503–0813,
17
503–1016,
30
,
31
503–1048,
30
,
31
503–1
133,
17
,
21
503–1
190,
21
503–1252,
17
503–1313,
17
503–1351,
17
503–1365,
21
503–1551,
48
504–0150,
13
505–0051,
30
505–0057,
30
,
31
505–0101,
31
505–0120,
31
505–0131,
31
505–0266,
13
505–0332,
30
505–1426,
21
508–0008,
38
,
40
508–0051,
38
,
39
,
40
508–0071,
38
,
39
,
40
,
41
508–0272,
45
509–0008,
15
509–0040,
15
509–0041,
7
509–0096,
13
,
52
509–0196,
45
509–0289,
7
,
52
509–0313,
52
510–0013,
15
510–0014,
15
510–0015,
10
510–0099,
45
515–0001,
10
,
11
515–0263,
11
516–0072,
7
516–0130,
15
516–0141,
7
517–0048–01,
7
517–0067,
7
517–0133,
47
517–0223,
17
517–0260,
48
517–0283,
33
518–0006,
22
518–0014,
11
518–031
1,
7
518–0350,
30
,
31
518–0387,
17
518–0450,
17
518–0452,
52
518–0459,
17
518–0460,
45
518–0466,
17
518–0515,
19
518–0533,
45
518–0582,
22
518–0602,
52
518–0606,
22
,
52
520–0961–02,
45
525–0305,
52
526–0002,
17
526–0003,
21
526–0017,
11
,
39
526–0018,
7
,
30
,
31
,
35
526–0021,
17
,
21
526–0032,
45
526–0063,
7
526–0065,
14
,
15
526–0066,
7
526–0122,
7
,
38
,
39
,
40,
41
526–0130,
37
,
38
,
40
526–0174,
38
,
39
,
40
,
41
526–0240,
13
526–0251,
13
526–0324,
13
526–0325,
13
526–0356,
11
526–0382,
38
,
39
,
40
526–0402,
7
526–1518,
38
,
40
541–0532,
21
740–1004,
7
,
25
,
35
740–1006,
17
,
19
,
21
,
35
800–0002,
38
,
40
800–0004,
25
,
37
800–0005,
35
,
38
,
40
800–0007,
7
,
35
800–0008,
31
800–0010,
7
800–0017,
17
,
21
800–0026,
35
,
37
,
38
,
39,
40
,
41
800–0028,
14
,
30
,
31
800–0029,
41
800–0033,
17
,
19
,
21
800–0036,
35
800–0048,
33
,
38
,
39
,
40
800–0051,
7
800–0052,
28
800–0058,
13
800–0517,
41
800–0533,
39
800–0545,
15
800–0571,
7
800–0575,
7
,
45
800–0589,
41
http://stores.ebay.com/UserFriendlyCDs

Numerical Index
Part No. Page
Part No. Page Part No. Page Part No. Page
57
800–0730,
35
,
37
801–0049,
7
802–0034,
26
,
27
802–1038,
45
803–0071,
7
813–01
17,
30
815–0046,
15
815–0176,
21
815–0181,
51
,
52
815–0261,
21
,
26
,
33
,
35
815–0290,
17
,
25
,
35
815–0340,
14
815–0358,
27
815–0385,
43
,
47
815–0550,
47
815–0550–01,
47
815–0587,
17
,
21
815–0590,
17
,
21
,
52
815–0591,
17
,
21
815–0592,
17
815–0646,
45
815–0647,
21
815–0650,
25
815–0657,
13
815–0660,
45
815–0661,
45
,
47
815–0664,
17
,
21
815–0691–01,
45
,
47
815–0692–01,
17
,
21
815–0692–02,
17
,
47
815–0712,
45
815–0759,
33
815–0770,
25
815–0782,
19
815–0788,
45
,
52
815–0791,
47
815–0908,
45
820–1077,
15
821–0003,
47
821–0005,
21
821–0009,
31
,
33
821–0010,
13
,
33
821–0014,
13
,
38
,
39
,
40
821–0016,
13
821–0029,
35
,
37
821–0031,
13
821–0033,
38
,
40
850–0038,
26
,
27
850–0040,
21
,
28
,
30
,
31,
37
,
38
,
40
850–0045,
37
850–0050,
7
,
28
,
45
850–0055,
45
850–2005,
26
851–0031,
15
853–0013,
17
,
31
,
45
854–0010,
30
856–0008,
13
856–0010,
33
860–0006,
43
862–0001,
28
,
30
,
31
862–0003,
28
,
45
862–0015,
17
,
21
,
52
870–0131,
22
,
47
870–0183,
47
870–0203,
45
870–0212,
35
870–0221,
21
870–0257,
15
,
30
,
31
,
38,
39
,
40
870–0328,
15
,
25
870–0415,
33
870–0421,
17
870–0437,
38
,
40
870–0533,
7
http://stores.ebay.com/UserFriendlyCDs












