VA 9070 Series Electric Rotary Actuators For Two Position And Modulating Service Product Bulletin 977319
User Manual: VA-9070
Open the PDF directly: View PDF
.
Page Count: 9

VA-9070 Series Electric Rotary Actuators for Two-Position and Modulating Service Product
Bulletin 1
The VA-9070 Series Electric Rotary Actuators for
Two-Position and Modulating Service are designed for
direct mounting on VF Series Butterfly Valves.
The VA-9070 is available in seven different sizes, for
two-position and modulating service on VF Series
Standard-Pressure, Standard-Temperature Butterfly
Valves and VF Series High-Pressure,
High-Temperature Butterfly Valves.
For more detailed information on VA-9070 Series
Electric Rotary Actuators, refer to the VA-9070 Series
Electric Rotary Actuators for Two-Position and
Modulating Service Technical Bulletin (LIT-977325).
Figure 1: VA-9070 Series Electric Rotary Actuator
Mounted on a VF Series Butterfly Valve
Table 1: Features and Benefits
Features Benefits
Low Profile and Lightweight Design Reduces space requirements and provides ease of installation.
Built-in Motor Overload Protection for 120 VAC
Motors Prevents thermal overload of motor.
Pre-wired Actuator Switches to Terminal Block;
Field-Configurable Power and Input Signals Provide ease of wiring without interference from other components;
enable field modification of input signal.
Patented Travel Limit Switch Cam Design Allows simple adjustment of travel limit cams without interference.
External Manual Handwheel Override Ensures positive and fast manual operation without the need for extra
tools or levers.
Rugged, Die-Cast Aluminum NEMA 4, 4X, IP65
Type Enclosure with Captive Housing Screws Provide waterproofing and exceptional corrosion, wear, impact, and
Ultraviolet (UV) light resistance; prevents time-consuming problems
due to lost or misplaced bolts.
Valve Status Display Provides clear and convenient indication of valve position throughout
full range of travel.
Heater/Thermostat Prevents condensation build-up and freeze-ups.
VA-9070 Series Electric Rotary Actuators for Two-Position
and Modulating Service
Product Bulletin Code No. LIT-977319
Issued September 26, 2014

VA-9070 Series Electric Rotary Actuators for Two-Position and Modulating Service Product Bulletin2
Selection Table
Table 2: Code Numbers and Cross-Reference Data
Johnson Controls®
Actuator Only Code Number Johnson Controls VF
Series Butterfly Valve
Assembly Actuator
Sub-code
Bray® Series Number
Electric Two-Position Models
VA-9072-02 -722 S70-006 On-Off
VA-9075-02 -725 S70-020 On-Off
VA-9076-02 -726 S70-030 On-Off
VA-9077-02 -727 S70-050 On-Off
VA-9078-02 -728 S70-065 On-Off
VA-9072-12 -722D4 S70-006 On-Off, AC 24V
VA-9075-12 -725D4 S70-020 On-Off, AC 24V
VA-9077-12 -727D4 S70-050 On-Off, AC 24V
VA-907A-02 -927 S70-130 On-Off
VA-907B-02 -928 S70-180 On-Off
Electric Modulating Models
VA-9072-01 -702 S70-006 Modulating
VA-9075-01 -705 S70-020 Modulating
VA-9076-01 -706 S70-030 Modulating
VA-9077-01 -707 S70-050 Modulating
VA-9078-01 -708 S70-065 Modulating
VA-9072-11 -702N4 S70-006 Modulating, AC 24V
VA-9075-11 -705N4 S70-020 Modulating, AC 24V
VA-9077-11 -707N4 S70-050 Modulating, AC 24V
VA-907A-01 -907 S70-130 Modulating
VA-907B-01 -908 S70-180 Modulating

VA-9070 Series Electric Rotary Actuators for Two-Position and Modulating Service Product Bulletin 3
Applications
Figure 2 and Figure 3 show typical wiring diagrams for
their respective applications.
Figure 2: Typical Wiring Diagram of VA-9070 Series Two-Position Electric Rotary Actuator
RED
RED
BLUE
BLUE
A
B
C
D
CLOSE N.O.
(VOLTAGE FREE)
OPEN N.O.
(VOLTAGE FREE)
COM
COM
COM
N.O.
N.O.
N.O.
N.O.
N.O.
N.C.
N.C.
N.C.
N.C.
N.C.
AUX OPEN
OPEN
GREEN
CAM
RED
CAM
COM
CLOSE
AUX CLOSE
OVERRIDE SW
COM
1
2
3
4
5
6
7
8
9
YELLOW
BLUE
BLUE
BLUE
RED
RED
RED
YELLOW
HEATER
Ground
Ground
Open
Close
For Heater
Only
Close
Open
Neutral
120 VAC
Blue
Red
Yellow or
Black
OC
N
Motor
FIG:977319_Fig2

VA-9070 Series Electric Rotary Actuators for Two-Position and Modulating Service Product Bulletin4
Figure 3: Typical Wiring Diagram of VA-9070 Series Modulating Electric Rotary Actuator
Calibrate Status
Input (-)
Input (+)
+5 VOLTS
Output (-)
Output (+)
Motor Close
Motor Open
Neutral
Line Neutral
Line Power
Com
+5
Common
CB OPEN
CB CLOSE
Common
Handwheel
Common
OP Torque
CL Torque
Common
Close Limit
Open Limit
HTR
+5 VDC at 50 mA
(If Required)
-
-
+
+
Neutral
120 VAC
Ground
Outgoing
Feedback
Signal
1,2
Single
Phase
Supply
Heater
Incoming
Command
Signal
1
FIG:fldwrng
FUSE
Open Speed
Close Speed
Deadband
ON
12345678910
A
B
C
D
WHT
BLK
WHT -
ORN
GRY +
Feedback
Potentiometer
Green
Cam
Red
Cam
N.O.
N.O.
Com
Com
Com
Com
Com
N.O.
N.O.
N.O.
N.C.
N.C.
N.C.
Manual Override Switch
Torqu e
Switch
CLOSE
OPEN
BLU
RED
YLW
or BLK
OC
N
Motor
YLW
YLW
BLU
BLU N.C.
N.C.
RED
RED
4-20 mA 4-20 mA
0-5 V 0-5 V
0-10 V 0-10 V
2-10 V
ON ON
ON
ON
ON
ON ON
ON
ON
ON
ON ON
ON
ONOFF OFF
OFF OFF
OFF
OFF
OFF OFF
OFF
OFF OFF
OFF
OFF OFF
OFF
Switch Switch
Switch Switch
Switch
Switch
COMMAND INPUT COMMAND OUTPUT
14
25
36
REVERSE
ACTING
FORWARD
ACTING
FAIL
DISABLE FAIL
ENABLE
FAIL
CLOSE FAIL
OPEN
TORQUE SW
ENABLE TORQUE S
W
DISABLE
9
10
7
8
1 - Isolate the command signal and the feedback signal from each other and any other circuits.
2 - The servo powers the feedback loop. Do not supply external power.
ORN
ORN
PRP
PRP

VA-9070 Series Electric Rotary Actuators for Two-Position and Modulating Service Product Bulletin 5
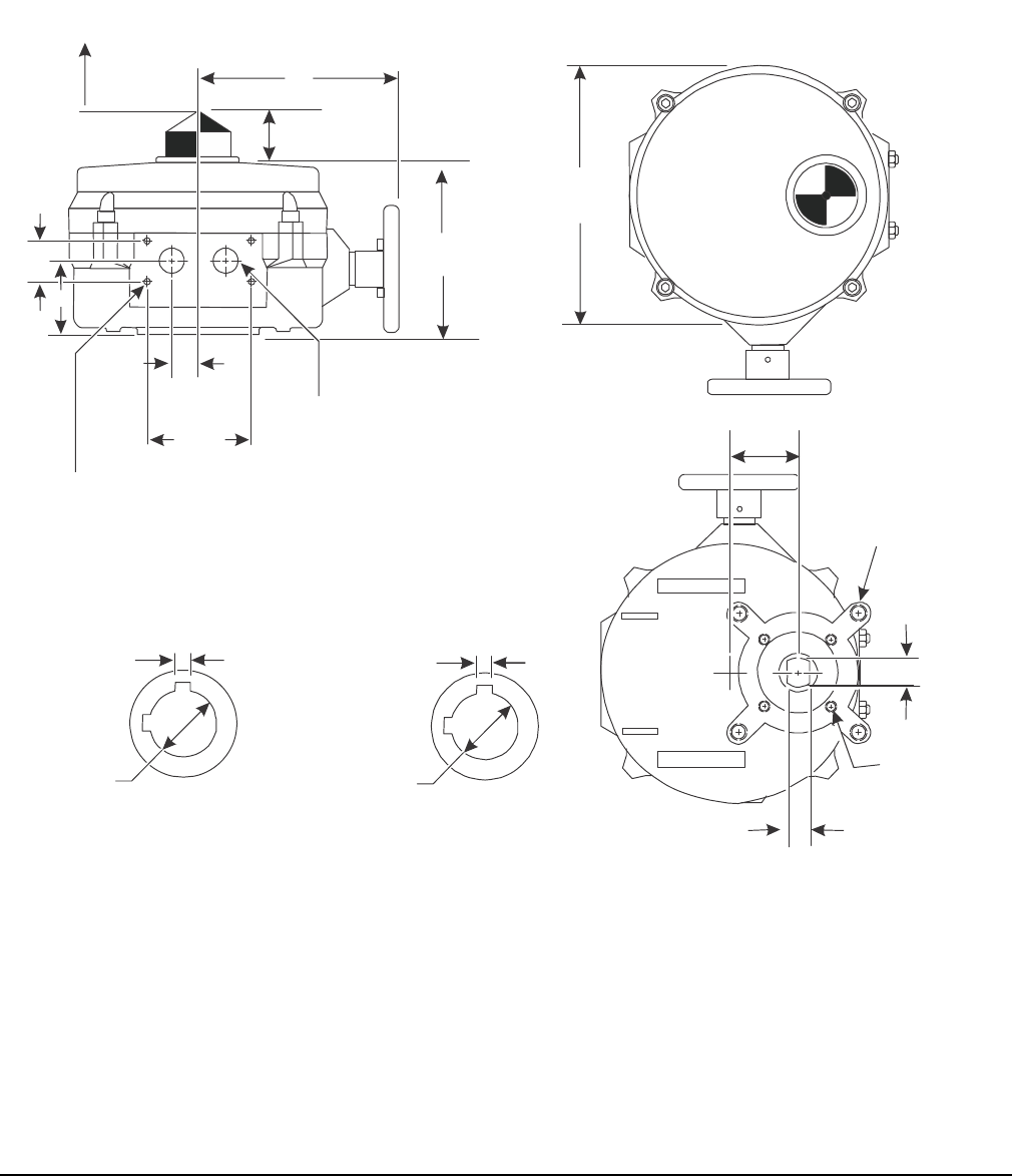
Dimensions
Figure 4 and Table 3 provide dimensions for VA-9070
Series actuators. Table 4 and Table 5 provide further
technical data.
Repair Information
Table 6 provides information about how to order
accessories. For non-standard accessories and repair
parts, contact your local Johnson Controls
representative.
Figure 4: VA-9070 Series Electric Rotary Actuator Dimensions, in. (mm) (See Table 3.)
D
Typically in
Four Locations
H
J x L Deep
G
Typically in
Four Locations
K
Detail A Detail B
15/32 (12)
15/32 (12)
1-31/32 (50) x
Deep 2 (51)
1-31/32 (50) x
2-19/32 (66) Deep
VA-9076-0x, VA-9077-0x,
and VA-9078-0x Series Only VA-907A and VA-907B
Series Only
Allow 3-3/8 (86)
for Cover Removal
B
C
1-1/4
(32)
F
E
3
(76)
Typically
25/32
(20)
0.17 diameter x 0.43 deep
(4 diameter x 10.9 deep)
in Four Locations
NPT Conduit Entry (Two Locations)
M20 for Models
M25 for Models
VA-9072 (S70-006)
VA-9075 (S70-020),
VA-9076 (S70-030), VA-9077 (S70-050),
VA-9078 (S70-065), VA-907A (S70-130),
VA-907B (S70-180)
1-5/8 (41)
A
FIG:977319_Fig4

VA-9070 Series Electric Rotary Actuators for Two-Position and Modulating Service Product Bulletin6
Table 3: VA-9070 Series Electric Rotary Actuator Dimensions, in. (mm)
Dimension Actuator Series: Johnson Controls Code Number (Bray Series Number)
VA-9072 (S70-006) VA-9075 (S70-020) VA-9076 (S70-030)
VA-9077 (S70-050)
VA-9078 (S70-065)
VA-907A (S70-130)
VA-907B (S70-180)
A5-19/32 (142) 7-13/16 (198) 9-1/2 (241) 9-1/2 (241)
B5-3/32 (129) 6-1/2 (165) 7-3/16 (183) 12-1/2 (317)
C7-1/2 (191) 10-3/32 (256) 12-3/32 (307) 12-3/32 (307)
D1-15/16 (49) 2-11/16 (68) 3-3/16 (81) 9-3/32 (234)
E1/2 NPTF 3/4 NPTF 3/4 NPTF 3/4 NPTF
F2 (51) 2-19/32 (66) 3-3/32 (79) 8-1/3 (211)
G (UNC) 5/16-18 x 2-3/4, F07 5/16-18 x 2-3/4, F07 1/2-13 x 4-15/16, F12 1/2-13 (F12)
H (UNC) --- 1/2-13 x 4-29/32, F12 3/4-10 x 6-1/2, F16 3/4-10 (F16)
J3/4 (19) 1-3/16 (30) See Detail A in Figure 4. See Detail B in Figure 4.
K1/2 (13) 7/8 (22)
L1-3/4 (44) 2-3/16 (56)
Table 4: VA-9070 Series Electric Rotary Actuators Motor Ratings and Operating Speeds
Actuator Series:
Johnson Controls
Code Number
50/60 Hz Single Phase Motors:
Current Rating in Amperes
at All Speeds
Two-Position and Modulating
Speeds for 90° Operation in
Seconds1
(Bray Series
Number) VAC Amperes (Total Gear Ratio)
VA-9072 (S70-006) 120 1.0 30 seconds (11,151:1)
24 1.8 at 60 Seconds
VA-9075 (S70-020) 120 1.0 30 seconds (3,340:1)
24 2.0
VA-9076 (S70-030) 120 1.2
VA-9077 (S70-050) 120 1.6
24 3.0
VA-9078 (S70-065) 120 2.3
VA-907A (S70-130) 120 2.3 110 seconds (10,000:1)
VA-907B (S70-180) 120 2.5
1. The duty cycle for two-position and modulating operation is 100% at a maximum ambient temperature of 104°F (40°C).
Table 5: VA-9070 Series Electric Rotary Actuators Output Torque Values, Rim Pull, and Mounting Data
(Part 1 of 2)
Actuator Series:
Johnson Controls Code Number
(BraySeriesNumber)
Output Torque lb·in (N·m) Rim Pull lb (kg) Net Weight
lb (kg)
VA-9072 (S70-006) 600 (68) 22.8 (10.3) 12.0 (5.4)
VA-9075 (S70-020) 2,000 (226) 33.0 (15.0) 28.0 (12.7)

VA-9070 Series Electric Rotary Actuators for Two-Position and Modulating Service Product Bulletin 7
VA-9076 (S70-030) 3,000 (339) 33.0 (15.0) 48.0 (21.8)
VA-9077 (S70-050) 5,000 (565) 55.0 (25.0)
VA-9078 (S70-065) 6,500 (734) 72.0 (32.7)
VA-907A (S70-130) 13,000 (1,470) 80.0 (36.2) 118.0 (53.5)
VA-907B (S70-180) 18,000 (2,030)
Table 6: Accessories (Part 1 of 2)
Description Code Number
Servo Kit For All Models of VA-9070 Series Modulating Electric Actuators VA-907x-630
Thermostat/Heater Kit For All Models of VA-9070 Series Two-Position and Modulating Electric
Actuators VA-907x-609
Mounting and Adaptor Kits
for Standard-Pressure,
Standard-Temperature
Two-Way VF Series
Butterfly Valves
Mounts VA-9072 Series Two-Position and
Modulating Electric Actuators on 2 through 3 in. Valves VA-9072-300
Mounts VA-9072 Series Two-Position and
Modulating Electric Actuators on 4 in. Valves VA-9072-400
Mounts VA-9072 Series Two-Position and
Modulating Electric Actuators on 5 and 6 in. Valves VA-9072-600
Mounts VA-9075 Series Two-Position and Modulating Electric Actuators
on 4 in. Valves VA-9075-400
Mounts VA-9075 Series Two-Position and Modulating Electric Actuators
on 5 and 6 in. Valves VA-9075-600
Mounts VA-9075 Series Two-Position and Modulating Electric Actuators
on 8 in. Valves VA-9075-800
Mounts VA-9075 Series Two-Position and Modulating Electric Actuators
on 10 and 12 in. Valves VA-9075-1200
Mounts VA-9076, VA-9077, and VA-9078 Series Two-Position and
Modulating Electric Actuators on 8 in. Valves VA-9078-800
Mounts VA-9076, VA-9077, and VA-9078 Series Two-Position and
Modulating Electric Actuators on 10 and 12 in. Valves VA-9078-1200
Mounts VA-9076, VA-9077, and VA-9078 Series Two-Position and
Modulating Electric Actuators on 14 and 16 in. Valves
Mounts VA-907A Series Two-Position and Modulating Electric Actuators
on 16 in. Valves
VA-9078-1600
Mounts VA-9076, VA-9077, and VA-9078 Series Two-Position and
Modulating Electric Actuators on 18 and 20 in. Valves
Mounts VA-907A Series Two-Position and Modulating Electric Actuators
on 18 in. Valves
Mounts VA-907B Series Two-Position and Modulating Electric Actuators
on 20 in. Valves
VA-9078-2000
Table 5: VA-9070 Series Electric Rotary Actuators Output Torque Values, Rim Pull, and Mounting Data
(Part 2 of 2)
Actuator Series:
Johnson Controls Code Number
(BraySeriesNumber)
Output Torque lb·in (N·m) Rim Pull lb (kg) Net Weight
lb (kg)

VA-9070 Series Electric Rotary Actuators for Two-Position and Modulating Service Product Bulletin8
Mounting and Adaptor Kits
for Class 150
High-Pressure,
High-Temperature
Two-Way VF Series
Butterfly Valves
Mounts VA-9072 Series Electric Actuators on 2-1/2 through 4 in. Valves VA-9072-410
Mounts VA-9075 Series Electric Actuators on 5 in. and on 6 in. Valves VA-9075-610
Mounts VA-9076 Series Electric Actuators on 8 in. Valves VA-9078-810
Mounts VA-9077 Series Electric Actuators on 10 in. and VA-9078 Series
Electric Actuators on 12 in. Valves VA-9078-1210
Mounts VA-907A Series Electric Actuators on 14 in. Valves VA-9078-1600
Mounts VA-907A Series Electric Actuators on 16 in. Valves VA-9078-2000
Mounting and Adaptor Kits
for Class 300
High-Pressure,
High-Temperature
Two-Way VF Series
Butterfly Valves
Mounts VA-9075 Series Electric Actuators on 2-1/2 through 4 in. Valves VA-9075-430
Mounts VA-9075 Series Electric Actuators on 5 in. Valves VA-9075-530
Mounts VA-9076 Series Electric Actuators on 6 in. Valves VA-9075-630
Mounts VA-9077 Series Electric Actuators on 8 in. Valves VA-9075-830
Mounts VA-907A Series Electric Actuators on 12 in. Valves VA-9078-1600
Mounts VA-907B Series Electric Actuators on 14 in. Valves VA-9078-2000
Local Control Station For All Models of VA-9070 Series Modulating Electric Actuators; Kit
Includes Local and Remote Control Switch, Open-Stop-Close Switch,
and Two LEDs for Position Indication (Green for Open and Red for
Closed)
VA-907X-620
Auxiliary Switch Kits Single Auxiliary Switch for VA-9075 Series Modulating Electric Actuators VA-907X-601
Single Auxiliary Switch for VA-9076, VA-9077, and VA-9078 Series
Modulating Electric Actuators VA-907X-602
Single Auxiliary Switch for VA-9075 Series Two-Position Electric
Actuators VA-907X-603
Single Auxiliary Switch for VA-9076, VA-9077, and VA-9078 Series
Two-Position Electric Actuators VA-907X-604
Two Auxiliary Switches for VA-9075 Series Two-Position Electric
Actuators VA-907X-605
Two Auxiliary Switches for VA-9076, VA-9077, and VA-9078 Series
Two-Position Electric Actuators VA-907X-606
Feedback Potentiometer
Kits Feedback Potentiometer Kit, 5,000 Ohm, Gear Driven for
VA-907x Series Proportional Non-Spring Return Electric Actuators VA-907X-615
Table 6: Accessories (Part 2 of 2)
Description Code Number

Published in U.S.A. www.johnsoncontrols.com
VA-9070 Series Electric Rotary Actuators for Two-Position and Modulating Service Product Bulletin9
Metasys® and Johnson Controls® are registered trademarks of Johnson Controls, Inc.
All other marks herein are the marks of their respective owners. © 2014 Johnson Controls, Inc.
Building Efficiency
507 E. Michigan Street, Milwaukee, WI 53202
Technical Specifications
VA-9070 Series Electric Rotary Actuators
Code Numbers and
Cross-Reference Data Two-Position: VA-907x-02 Series (See Table 2.)
Modulating: VA-907x-01 Series (See Table 2.)
Dimensions See Table 3.
Motor Ratings and
Operating Speeds See Table 4.
Output Torque Values, Rim
Pull, and Mounting Data See Table 5.
Supply Voltage 120 VAC, 50/60 Hz or
24 VAC 50/60 Hz
Limit Switches Two SPDT (Single-Pole, Double-Throw) switches rated for 10 amperes (75 to 80% power
factor), 1/2 hp 125 VAC and 3/4 hp 250 VAC
Control Signal,
Proportional Models 4 to 20 mA, 0 to 5 VDC, 0 to 10 VDC, or 2 to 10 VDC, field-selectable
Ambient Temperature
Limits -40 to 150°F (-40 to 66°C); Heater/Thermostat Kit Required below 32°F (0°C)
Agency Listings Models for 120 VAC Voltage (VA-907x-0x):
UL File number E200414; CSA reference LR 78858
All VA-9070 actuators are CSA approved under Class 3211 07 Industrial Control
Equipment - Miscellaneous Apparatus. The CSA certificate number is LR78858-4 issued July
1996 to Bray Controls for the Series 70 actuators, NEMA 4, and NEMA 4X.
Accessories and Repair
Parts See Table 6.
The performance specifications are nominal and conform to acceptable industry standard. For application at conditions beyond these
specifications, consult the local Johnson Controls office. Johnson Controls, Inc. shall not be liable for damages resulting from misapplication or
misuse of its products.