981_0518E 981 0518E Onan KV (spec C) KVC KVD A) RV Genset Service Manual (11 2004)
User Manual: 981-0518E Onan KV (spec C) KVC KVD (spec A) RV Genset Service Manual (11-2004)
Open the PDF directly: View PDF .
Page Count: 137 [warning: Documents this large are best viewed by clicking the View PDF Link!]

KV
981-0518EPrinted in U.S.A. 11-04
Service Manual
Begin Spec C Model KV, Spec A, Models KVC & KVD
KVC
KVD
Redistribution or publication of this document,
by any means, is strictly prohibited.

2
The engine exhaust from this product
contains chemicals known to the State
of California to cause cancer, birth
defects or other reproductive harm.
!!
gasoline warnings
Redistribution or publication of this document,
by any means, is strictly prohibited.

i
Table of Contents
SECTION PAGE
SAFETY PRECAUTIONS iii . . . . . . . . . . . . . . . . . . . . . . . . . . . . . . . . . . . . . . . . . . . . . . . . . . . . .
1. INTRODUCTION 1-1 . . . . . . . . . . . . . . . . . . . . . . . . . . . . . . . . . . . . . . . . . . . . . . . . . . . . . . . . . .
2. SPECIFICATIONS 2-1 . . . . . . . . . . . . . . . . . . . . . . . . . . . . . . . . . . . . . . . . . . . . . . . . . . . . . . . . .
3. CLEARANCES AND DIMENSIONS 3-1 . . . . . . . . . . . . . . . . . . . . . . . . . . . . . . . . . . . . . . . . . .
4. TORQUE SPECIFICATIONS 4-1 . . . . . . . . . . . . . . . . . . . . . . . . . . . . . . . . . . . . . . . . . . . . . . . .
5. PREPARING FOR SERVICE 5-1 . . . . . . . . . . . . . . . . . . . . . . . . . . . . . . . . . . . . . . . . . . . . . . .
Troubleshooting 5-1 . . . . . . . . . . . . . . . . . . . . . . . . . . . . . . . . . . . . . . . . . . . . . . . . . . . . . . .
Special Tools 5-1 . . . . . . . . . . . . . . . . . . . . . . . . . . . . . . . . . . . . . . . . . . . . . . . . . . . . . . . . .
Safety Considerations 5-2 . . . . . . . . . . . . . . . . . . . . . . . . . . . . . . . . . . . . . . . . . . . . . . . . .
Removing the Genset 5-3 . . . . . . . . . . . . . . . . . . . . . . . . . . . . . . . . . . . . . . . . . . . . . . . . .
Reinstalling the Genset 5-8 . . . . . . . . . . . . . . . . . . . . . . . . . . . . . . . . . . . . . . . . . . . . . . . .
6. TROUBLESHOOTING 6-1 . . . . . . . . . . . . . . . . . . . . . . . . . . . . . . . . . . . . . . . . . . . . . . . . . . . . .
Troubleshooting Control 6-3 . . . . . . . . . . . . . . . . . . . . . . . . . . . . . . . . . . . . . . . . . . . . . . . .
Troubleshooting Generator 6-15 . . . . . . . . . . . . . . . . . . . . . . . . . . . . . . . . . . . . . . . . . . . . .
Troubleshooting Engine Primary Systems 6-18 . . . . . . . . . . . . . . . . . . . . . . . . . . . . . . . .
7. CONTROL 7-1 . . . . . . . . . . . . . . . . . . . . . . . . . . . . . . . . . . . . . . . . . . . . . . . . . . . . . . . . . . . . . . .
Control Description 7-1 . . . . . . . . . . . . . . . . . . . . . . . . . . . . . . . . . . . . . . . . . . . . . . . . . . . .
Control Operation 7-4 . . . . . . . . . . . . . . . . . . . . . . . . . . . . . . . . . . . . . . . . . . . . . . . . . . . . .
Control Component Tests 7-5 . . . . . . . . . . . . . . . . . . . . . . . . . . . . . . . . . . . . . . . . . . . . . .
8. ENGINE PRIMARY SYSTEMS 8-1 . . . . . . . . . . . . . . . . . . . . . . . . . . . . . . . . . . . . . . . . . . . . . .
Exhaust System 8-1 . . . . . . . . . . . . . . . . . . . . . . . . . . . . . . . . . . . . . . . . . . . . . . . . . . . . . .
Cooling System 8-6 . . . . . . . . . . . . . . . . . . . . . . . . . . . . . . . . . . . . . . . . . . . . . . . . . . . . . . .
Ignition System 8-8 . . . . . . . . . . . . . . . . . . . . . . . . . . . . . . . . . . . . . . . . . . . . . . . . . . . . . . .
Crankcase Ventilation 8-10 . . . . . . . . . . . . . . . . . . . . . . . . . . . . . . . . . . . . . . . . . . . . . . . . .
Governor 8-11 . . . . . . . . . . . . . . . . . . . . . . . . . . . . . . . . . . . . . . . . . . . . . . . . . . . . . . . . . . . . .
Gasoline Fuel System 8-13 . . . . . . . . . . . . . . . . . . . . . . . . . . . . . . . . . . . . . . . . . . . . . . . . .
LPG Fuel System 8-21 . . . . . . . . . . . . . . . . . . . . . . . . . . . . . . . . . . . . . . . . . . . . . . . . . . . . .
Electric Starter 8-26 . . . . . . . . . . . . . . . . . . . . . . . . . . . . . . . . . . . . . . . . . . . . . . . . . . . . . . . .
Redistribution or publication of this document,
by any means, is strictly prohibited.
ii
SECTION PAGE
9. GENERATOR 9-1 . . . . . . . . . . . . . . . . . . . . . . . . . . . . . . . . . . . . . . . . . . . . . . . . . . . . . . . . . . . . .
Generator Description 9-1 . . . . . . . . . . . . . . . . . . . . . . . . . . . . . . . . . . . . . . . . . . . . . . . . .
Generator Operation 9-2 . . . . . . . . . . . . . . . . . . . . . . . . . . . . . . . . . . . . . . . . . . . . . . . . . .
Voltage Regulator Tests 9-3 . . . . . . . . . . . . . . . . . . . . . . . . . . . . . . . . . . . . . . . . . . . . . . . .
Field Voltage Tests 9-4 . . . . . . . . . . . . . . . . . . . . . . . . . . . . . . . . . . . . . . . . . . . . . . . . . . . .
Generator Tests 9-4 . . . . . . . . . . . . . . . . . . . . . . . . . . . . . . . . . . . . . . . . . . . . . . . . . . . . . . .
Generator Service 9-8 . . . . . . . . . . . . . . . . . . . . . . . . . . . . . . . . . . . . . . . . . . . . . . . . . . . . .
Brushes and Slip Rings 9-12 . . . . . . . . . . . . . . . . . . . . . . . . . . . . . . . . . . . . . . . . . . . . . . . .
Rotor Bearing Replacement 9-13 . . . . . . . . . . . . . . . . . . . . . . . . . . . . . . . . . . . . . . . . . . . .
10. ENGINE BLOCK ASSEMBLY 10-1 . . . . . . . . . . . . . . . . . . . . . . . . . . . . . . . . . . . . . . . . . . . . . .
Introduction 10-1 . . . . . . . . . . . . . . . . . . . . . . . . . . . . . . . . . . . . . . . . . . . . . . . . . . . . . . . . . .
Leak Down Test 10-1 . . . . . . . . . . . . . . . . . . . . . . . . . . . . . . . . . . . . . . . . . . . . . . . . . . . . . . .
Oil Pan and Oil Level Switch 10-2 . . . . . . . . . . . . . . . . . . . . . . . . . . . . . . . . . . . . . . . . . . . .
Head Cover 10-3 . . . . . . . . . . . . . . . . . . . . . . . . . . . . . . . . . . . . . . . . . . . . . . . . . . . . . . . . . .
Cylinder Head 10-3 . . . . . . . . . . . . . . . . . . . . . . . . . . . . . . . . . . . . . . . . . . . . . . . . . . . . . . . .
Valve System 10-4 . . . . . . . . . . . . . . . . . . . . . . . . . . . . . . . . . . . . . . . . . . . . . . . . . . . . . . . . .
Crankcase Cover 10-7 . . . . . . . . . . . . . . . . . . . . . . . . . . . . . . . . . . . . . . . . . . . . . . . . . . . . .
Camshaft and Tappet Removal 10-7 . . . . . . . . . . . . . . . . . . . . . . . . . . . . . . . . . . . . . . . . .
Governor 10-8 . . . . . . . . . . . . . . . . . . . . . . . . . . . . . . . . . . . . . . . . . . . . . . . . . . . . . . . . . . . . .
Piston Assembly Removal and Service 10-8 . . . . . . . . . . . . . . . . . . . . . . . . . . . . . . . . . .
Crankshaft 10-13 . . . . . . . . . . . . . . . . . . . . . . . . . . . . . . . . . . . . . . . . . . . . . . . . . . . . . . . . . . .
Cylinder Block 10-14 . . . . . . . . . . . . . . . . . . . . . . . . . . . . . . . . . . . . . . . . . . . . . . . . . . . . . . . .
Timing Gears 10-16 . . . . . . . . . . . . . . . . . . . . . . . . . . . . . . . . . . . . . . . . . . . . . . . . . . . . . . . . .
Bearings 10-16 . . . . . . . . . . . . . . . . . . . . . . . . . . . . . . . . . . . . . . . . . . . . . . . . . . . . . . . . . . . . .
Oil Seal 10-16 . . . . . . . . . . . . . . . . . . . . . . . . . . . . . . . . . . . . . . . . . . . . . . . . . . . . . . . . . . . . . .
Compression Release System 10-17 . . . . . . . . . . . . . . . . . . . . . . . . . . . . . . . . . . . . . . . . . .
11. SERVICE CHECK LIST 11-1 . . . . . . . . . . . . . . . . . . . . . . . . . . . . . . . . . . . . . . . . . . . . . . . . . . .
12. WIRING DIAGRAMS 12-1 . . . . . . . . . . . . . . . . . . . . . . . . . . . . . . . . . . . . . . . . . . . . . . . . . . . . .
Redistribution or publication of this document,
by any means, is strictly prohibited.

iii
SAFETY PRECAUTIONS
Thoroughly read the OPERATOR’S MANUAL
before operating the genset. Safe operation and
top performance can be obtained only when
equipment is operated and maintained properly.
The following symbols in this manual alert you to po-
tential hazards to the operator, service person and
equipment.
DANGER alerts you to an immediate hazard
which will result in severe personal injury or
death.
WARNING alerts you to a hazard or unsafe
practice which can result in severe personal in-
jury or death.
CAUTION alerts you to a hazard or unsafe
practice which can result in personal injury or
equipment damage.
Electricity, fuel, exhaust, moving parts and batteries
present hazards which can result in severe personal
injury or death.
GENERAL PRECAUTIONS
SKeep children away from the genset.
SDo not use evaporative starting fluids. They are
highly explosive.
STo prevent accidental or remote starting while
working on the genset, disconnect the nega-
tive (−) battery cable at the battery.
SKeep the genset and its compartment clean.
Excess oil and oily rags can catch fire. Dirt and
gear stowed in the compartment can restrict
cooling air.
SMake sure all fasteners are secure and torqued
properly.
SDo not work on the genset when mentally or
physically fatigued or after consuming alcohol
or drugs.
SYou must be trained and experienced to make
adjustments while the genset is running—hot,
moving or electrically live parts can cause se-
vere personal injury or death.
SUsed engine oil has been identified by some
state and federal agencies as causing cancer
or reproductive toxicity. Do not ingest, inhale, or
contact used oil or its vapors.
SBenzene and lead in some gasolines have
been identified by some state and federal
agencies as causing cancer or reproductive
toxicity. Do not to ingest, inhale or contact gaso-
line or its vapors.
SKeep multi-class ABC fire extinguishers handy.
Class A fires involve ordinary combustible ma-
terials such as wood and cloth; Class B fires,
combustible and flammable liquid fuels and
gaseous fuels; Class C fires, live electrical
equipment. (ref. NFPA No. 10)
SGenset installation and operation must comply
with all applicable local, state and federal codes
and regulations.
GENERATOR VOLTAGE IS DEADLY!
SDisable the automatic genset starting feature of
an inverter-charger or other automatic starting
device before servicing the genset.
SGenerator electrical output connections must
be made by a trained and experienced electri-
cian in accordance with applicable codes.
SThe genset must not be connected to shore
power or to any other source of electrical pow-
er. Back-feed to shore power can cause electric
shock resulting in severe personal injury or
death and damage to equipment. An approved
switching device must be used to prevent inter-
connections.
SUse caution when working on live electrical
equipment. Remove jewelry, make sure cloth-
ing and shoes are dry, stand on a dry wooden
platform or rubber insulating mat and use tools
with insulated handles.
Redistribution or publication of this document,
by any means, is strictly prohibited.
iv
ENGINE EXHAUST IS DEADLY!
SInspect for exhaust leaks at every startup and
after every eight hours of running.
SLearn the symptoms of carbon monoxide poi-
soning in this manual.
SNever sleep in the vehicle while the genset is
running unless the vehicle is equipped with a
working carbon monoxide detector.
SMake sure there is ample fresh air when operat-
ing the genset in a confined area.
SDisable the automatic genset starting feature of
an inverter-charger or other automatic starting
device before storing the vehicle or parking it in
a garage or other confined space.
SThe exhaust system must be installed in accor-
dance with the genset Installation Manual.
SEngine cooling air must not be used for heating
the working or living space or compartment.
FUEL IS FLAMMABLE AND EXPLOSIVE
SDo not smoke or turn electrical switches ON or
OFF where fuel fumes are present or in areas
sharing ventilation with fuel tanks or equip-
ment. Keep flame, sparks, pilot lights, arc-pro-
ducing equipment and switches and all other
sources of ignition well away.
SFuel lines must be secured, free of leaks and
separated or shielded from electrical wiring.
SLeaks can lead to explosive accumulations of
gas. Natural gas rises when released and can
accumulate under hoods and inside housings
and buildings. LPG sinks when released and
can accumulate inside housings and base-
ments and other below-grade spaces. Prevent
leaks and the accumulation of gas.
BATTERY GAS IS EXPLOSIVE
SWear safety glasses.
SDo not smoke.
STo reduce arcing when disconnecting or recon-
necting battery cables, always disconnect the
negative (−) battery cable first and reconnect it
last.
MOVING PARTS CAN CAUSE SEVERE
PERSONAL INJURY OR DEATH
SDisable the automatic genset starting feature of
an inverter-charger or other automatic starting
device before servicing the genset.
SDo not wear loose clothing or jewelry near mov-
ing parts such as PTO shafts, fans, belts and
pulleys.
SKeep hands away from moving parts.
SKeep guards in place over fans, belts, pulleys,
and other moving parts.
MOBILE 7
Redistribution or publication of this document,
by any means, is strictly prohibited.

1-1
1. Introduction
This is the service manual for the KV, KVC, KVD se-
ries of generator sets (gensets). Read and carefully
observe all of the instructions and safety precau-
tions in this manual.
WARNING Improper service or parts replace-
ment can lead to severe personal injury or death
and to damage to equipment and property. Ser-
vice personnel must be qualified to perform
electrical and mechanical service.
WARNING Unauthorized modifications or re-
placement of fuel, exhaust, air intake or speed
control system components that affect engine
emissions are prohibited by law in the State of
California.
WARNING LPG (liquified petroleum gas) is
flammable and explosive and can cause as-
phyxiation. NFPA 58, Section 1.6 requires all
persons handling LPG to be trained in proper
handling and operating procedures.
See the Operator’s Manual for instructions concern-
ing operation, maintenance and storage and for rec-
ommendations concerning engine lubricating oil
and fuel.
See the Installation Manual for important recom-
mendations concerning the installation and for a list
of the installation codes and standards for safety
which may be applicable.
See the Parts Manual for parts identification num-
bers and required quantities and for exploded views
of the genset subassemblies. Genuine Onan re-
placement parts are recommended for best results.
When contacting Onan for parts or product informa-
tion, be ready to provide the model and serial num-
bers on the genset nameplate. Figure 1-1 illustrates
the nameplate and its location. Every character in
these numbers is significant. (The last character of
the model number is the specification letter, which is
important for obtaining the right parts.)
MODEL KVC
MODEL KV / KVD
[The engine family designation, engine displacement, state-
ment of compliance with the applicable EPA and / or California
emissions regulations, including the compliance period or
category, appear in this block on the actual nameplate on the
genset.]
FIGURE 1-1. TYPICAL NAMEPLATE
Redistribution or publication of this document,
by any means, is strictly prohibited.
Redistribution or publication of this document,
by any means, is strictly prohibited.

2-1
2. Specifications
KV MODELS
GASOLINE LPG
2.8 KV 2.0 KV 2.3 KV 2.5 KV 2.0 KV
GENERATOR: 2-Pole Revolving Field, Self-Excited, Electronically Regulated, 1-Phase
Power 2800 watts 2000 watts 2300 watts 2500 watts 2000 watts
Frequency 60 Hertz* 50 Hertz 50 Hertz 60 Hertz* 50 Hertz
Voltage 120 volts 220 volts 230 volts 120 volts 220/230 volts
Current 23.3 amperes 9.1 amperes 10 amperes 20.8 amperes 9.1/8.7 amperes
Speed 3600 rpm 3000 rpm 3000 rpm 3600 rpm 3000 rpm
FUEL CONSUMPTION:
No load
Half load
Full load
0.16 gph (0.6 l/h)
0.28 gph (1.1 l/h)
0.46 gph (1.7 l/h)
0.16 gph (0.6 l/h)
0.23 gph (0.9 l/h)
0.32 gph (1.2 l/h)
0.16 gph (0.6 l/h)
0.23 gph (0.9 l/h)
0.32 gph (1.2 l/h)
1.0 lbs/h (0.44 kg/h)
1.5 lbs/h (0.68 kg/h)
2.5 lbs/h (1.1 kg/h)
0.9 lbs/h (0.40 kg/h)
1.3 lbs/h (0.59 kg/h)
2.1 lbs/h (0.92 kg/h)
ENGINE: 1-Cylinder, 4-Cycle, Spark-Ignited, OHV, Air Cooled
Bore 2.64 inch (67 mm) 2.64 inch (67 mm)
Stroke 2.2 inch (56 mm) 2.2 inch (56 mm)
Displacement 12 inch3 (197 cc) 12 inch3 (197 cc)
Compression
Ratio 8.5 : 1 8.5 : 1
Oil Capacity** 1 quart (0.95 l) 1 quart (0.95 l)
Intake Valve
Clearance (Cold) 0.002 inch (0.05 mm) 0.002 inch (0.05 mm)
Exhaust Valve
Clearance (Cold) 0.002 inch (0.05 mm) 0.002 inch (0.05 mm)
Spark Plug Gap 0.025 inch (0.64 mm) 0.020 inch (0.51 mm)
Spark Plug
Torque 13 lbs-ft (17 N-m) 13 lbs-ft (17 N-m)
Ignition Timing
(magneto type
ignition)
25° BTDC, non-adjustable 25° BTDC, non-adjustable
LPG Vapor Sup-
ply Pressure −9 to 13 inch (229 to 330 mm)
W.C. (water column)
DC SYSTEM:
Nominal Battery
Voltage 12 volts 12 volts
Min. Battery Cold
Cranking Capac-
ity
360 amperes 360 amperes
Control Fuse 5 amperes 5 amperes
* − 60 Hertz models are Listed by CSA and the U.S. Testing Company.
** −See Periodic Maintenance in the Operator’s Manual for oil filling instructions.
Redistribution or publication of this document,
by any means, is strictly prohibited.

2-2
KVC MODELS
GENERATOR: 2-Pole Revolving Field, Self-Excited, 1-Phase, Electronically Regulated
Power 2800 watts 2800 watts
Frequency 60 Hertz* 60 Hertz
Voltage 120 volts 100 volts
Current 23.3 amperes 28 amperes
Speed 3600 rpm 3600 rpm
FUEL CONSUMPTION (GASOLINE): Gasoline Gasoline
No load
Half load
Full load
0.16 gph (0.6 l/h)
0.28 gph (1.1 l/h)
0.46 gph (1.7 l/h)
0.16 gph (0.6 l/h)
0.28 gph (1.1 l/h)
0.46 gph (1.7 l/h)
ENGINE: 1-Cylinder, 4-Stroke Cycle, Spark-Ignited, OHV, Air Cooled, Mechanically Governed
Bore 2.64 inch (67 mm) 2.64 inch (67 mm)
Stroke 2.2 inch (56 mm) 2.2 inch (56 mm)
Displacement 12 inch3 (197 cc) 12 inch3 (197 cc)
Compression Ratio 8.5 : 1 8.5 : 1
Oil Capacity 1 quart (0.95 l) 1 quart (0.95 l)
Intake Valve Lash (Cold) 0.002 inch (0.05 mm) 0.002 inch (0.05 mm)
Exhaust Valve Lash (Cold) 0.002 inch (0.05 mm) 0.002 inch (0.05 mm)
Spark Plug Gap 0.025 inch (0.64 mm) 0.025 inch (0.64 mm)
Spark Plug Tightening Torque 13 lbs-ft (17 N-m) 13 lbs-ft (17 N-m)
Ignition Timing (magneto type ignition) 25° BTDC, non-adjustable 25° BTDC, non-adjustable
DC SYSTEM:
Nominal Battery Voltage 12 volts 12 volts
Min. Battery Rating: Cold Cranking Amps (CCA)
@ 0° F (−18° C)
360/450
above/below 32° F (0° C)
360/450
above/below 32° F (0° C)
Control Fuse 5 amperes 5 amperes
INSTALLATION:
Weight of Genset (with engine oil) 100 lbs (45 kg)
Minimum Compartment Size
(H x D x W)**
15.5 inch x 17.5 inch x 20.2 inch
(394 mm x 445 mm x 512 mm)
Minimum Free Air Inlet Area 40 inch2 (258 cm2)
Muffler Outlet Collar O. D. 1.13 inch
Fuel Connection 1/4 inch barb fitting for gasoline hose
* Listed by CSA and the U. S. Testing Company.
** See the Installation Manual for additional considerations when sizing the genset compartment.
Redistribution or publication of this document,
by any means, is strictly prohibited.

2-3
KVD MODELS
GASOLINE LPG
GENERATOR: 2-Pole Revolving Field, Self-Excited, 1-Phase, Electronically Regulated
Power 2800 watts 2500 watts
Frequency 60 Hertz 60 Hertz
Voltage 120 volts 120 volts
Current 23.3 amps 20.8 amps
Speed 3600 rpm 3600 rpm
FUEL CONSUMPTION: Gasoline LPG
No load
Half load
Full load
0.20 gph (0.76 l/h)
0.30 gph (1.14 l/h)
0.43 gph (1.63 l/h)
0.85 lbs/h (0.39 kg/h)
1.45 lbs/h (0.66 kg/h)
2.35 lbs/h (1.07 kg/h)
ENGINE: 1-Cylinder, 4-Stroke Cycle, Spark-Ignited, OHV, Air Cooled, Mechanically Governed
Bore 2.64 in (67 mm) 2.64 in (67 mm)
Stroke 2.2 in (56 mm) 2.2 in (56 mm)
Displacement 12 in3 (197 cc) 12 in3 (197 cc)
Compression Ratio 8.5 : 1 8.5 : 1
Oil Capacity 1 quart (0.95 liter) 1 quart (0.95 liter)
Intake Valve Lash (Cold) 0.002 in (0.05 mm) 0.002 in (0.05 mm)
Exhaust Valve Lash (Cold) 0.002 in (0.05 mm) 0.002 in (0.05 mm)
Spark Plug Gap 0.025 in (0.64 mm) 0.020 inch (0.51 mm)
Spark Plug Tightening Torque 13 lbs-ft (17 N-m) 13 lbs-ft (17 N-m)
Ignition Timing (magneto type ignition) 25° BTDC, non-adjustable 25° BTDC, non-adjustable
DC SYSTEM:
Nominal Battery Voltage 12 volts
Min CCA Rating − SAE @ 32°F (0°C) 360/450 above/below 32° F (0° C)
Control Fuse 5 amp
INSTALLATION:
Noise 71 dB(A)*
Weight of Genset (with muffler) 111.6 lbs (50.6 kg)
Weight of Genset (without muffler) 107.2 lbs (48.6 kg)
Minimum Compartment Size (H x D x W)** 12.52 in x 18.20 in x 20.46 in (317.9 mm x 462.2 mm x 519.8 mm)
Minimum Free Air Inlet Area 24 in2 (155 cm2)
Muffler Outlet Collar O. D. 1.13 in (28.3 mm)
Maximum Exhaust Back Pressure 20 in WC
Gasoline Fuel Connection 1/4 in Hose Barb
Maximum Gasoline Fuel Pump Lift 3 ft (1 m)
LPG Vapor Fuel Connection 1/4 in NPTF
LPG Vapor Connection Pressure 9-13 in (228-330 mm) WC
* In a typical RV installation at half load and distance of 10 ft (3 m).
** See the Installation Manual for additional considerations when sizing the genset compartment.
Redistribution or publication of this document,
by any means, is strictly prohibited.
Redistribution or publication of this document,
by any means, is strictly prohibited.

3-1
3. Clearances and Dimensions
ITEM INCHES MILLIMETERS
CYLINDER HEAD
Cylinder Head Deformation Limit 0.00394/3.39370 0.100/100.0
Torque (18-24 ft•lb) (25-33 N•m)
VALVE
Valve Face Angle Intake 44.5°-45°
Exhaust 44.5°-45°
Valve Stem Diameter Intake 0.2153-0.2157 5.468-5.480
Exhaust 0.2142-0.2150 5.440-5.460
Valve Guide Inside Diameter 0.2165-0.2170 5.500-5.512
Clearance Between
Valve and Guide Stem
Reference Valve Intake 0.00079-0.00173 0.020-0.044
Exhaust 0.00157-0.00283 0.040-0.072
Allowable Limit 0.0039 0.10
Valve Clearance (Lash) Intake 0.00079-0.0031 0.02-0.080
Exhaust 0.00079-0.0031 0.02-0.080
Intake
Opening 78° (58° -70° before top dead center)
Valve Opening Closing 118° (98° -110° after bottom dead center)
Closing Timing
(when cool) Exhaust
Opening 118° (98° -110° after bottom dead center)
Closing 78° (58° -70° before top dead center)
Valve Spring
Reference Value 1.299-1.319 33.0-33.5
Free Height
Allowable Limit 1.287 32.7
Load and Height Reference Value 12.94 lb/0.8858 in 5.87 kgf/22.5 m
Allowable Limit 11.64 lb/0.8858 in 5.28 kgf/22.5 m
Allowable Squareness Limit 0.0591 1.5
Valve Seat
Valve Seat Angle Intake 45°
Exhaust 45°
Reference Valve 0.0394-0.0512 1.0-1.3
Valve Seat Width
Allowable Limit 0.0591 1.5
Redistribution or publication of this document,
by any means, is strictly prohibited.

3-2
ITEM INCHES MILLIMETERS
Valve Lifter
Outer Diameter 0.31 8
Reference Value 0.0014-0.0030 0.035-0.075
Clearance Between
Valve Lifter Allowable Limit 0.0039 0.1
and Guide
Camshaft
Standard Journal Diameter 0.5892-0.5899 14.966-14.984
Clearance Between Camshaft
Journal Bearing (Flywheel Side) 0.0006-0.0020 0.016-0.052
Intake 0.9705 24.65
Reference Value Exhaust 0.9705 24.65
Cam Height
Allowable Limit Intake 0.9665 24.55
Exhaust 0.9665 24.55
Allowable Side Clearance Limit 0.0079 0.20
Bending Limit 0.0020 0.05
Timing Gear Reference Value 0.0036-0.0056 0.092-0.141
Backlash Allowable Limit 0.0079 0.20
Cylinder
Reference Value 2.6378-2.6386 67.00-67.02
Inner Diameter Allowable Limit 0.0039 0.10
Minimum Clearance
Between Cylinder and Piston 0.0016 0.04
Piston
Outer Diameter (Skirt Diameter) 2.6354-2.6362 66.94-66.96
Piston Ring
Gap Reference Value 0.0079-0.0157 0.20-0.40
Allowable Limit 0.0354 0.90
Clearance Between Ring
and Ring Groove Reference Limit 0.0008-0.0024 0.02-0.06
Allowable Limit 0.0039 0.10
Redistribution or publication of this document,
by any means, is strictly prohibited.

3-3
ITEM INCHES MILLIMETERS
Piston Pin Outer Diameter 0.5906-0.5907 15.000-15.005
Connecting Rod (Small End)
Inner Diameter Reference Value 0.5911-0.5915 15.015-15.025
Clearance Between Reference Value 0.004-0.0010 0.010-0.025
Small end & Piston
Pin Allowable Limit 0.0039 0.10
Connecting Rod
Bending Limit 0.0016 0.04
Torsion Limit 0.0016 0.04
Bolt Tightening Torque (10.1-14.5 ft•lb) 10.1-14.5 ft•lb (13.7-19.6 N•m)
Crankshaft
Pin Diameter Reference Value 1.1798-1.1804 29.967-29.982
Wear Limit 1.1780 29.92
Reference Value 0.0007-0.0021 0.018-0.054
Crank Pin Oil
Clearance Allowable Limit 0.0039 0.10
Reference Value 0.9835-0.9840 24.980-24.993
Journal Dia Wear Limit 0.9803 24.9
Reference Value 0.0008-0.0039 0.02-0.10
Side Clearance Allowable Limit 0.0079 0.20
Bending Limit 0.0008 0.02
Reference Value 0-0.0039 0-0.10
Axial Play Allowable Limit 0.0079 0.20
Ignition Plug Standard Gap 0.0236-0.0276 0.6-0.7
Redistribution or publication of this document,
by any means, is strictly prohibited.
Redistribution or publication of this document,
by any means, is strictly prohibited.

4-1
4. Torque Specifications
Mounting screws and nuts must be tightened to the specified torque settings. All threads must be clean and
lubricated with new engine oil. The cylinder head mounting bolts must be tightened in the proper sequence,
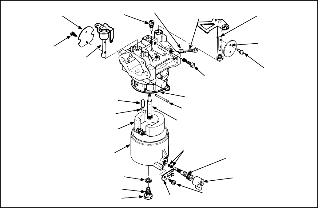
refer to Section 10. Engine Block Assembly.
TABLE 4-1. TORQUE SPECIFICATIONS
TORQUE FOOT-POUNDS NEWTON-METERS
SPECIFICATIONS
Connecting Rod 10 - 14 14 - 20
Head Cover 3.3 - 6 4.4 - 8
Cylinder Head (Cold) 18 - 24 25 - 33
Endbell to Stator
Housing Mounting Screws 6 - 9 8 - 12
Engine Cooling Shrouds 6 - 9 8 - 12
Fan Mounting Screws 6 - 9 8 - 12
Gearcase Cover 11 - 14 14 - 19
Generator Housing to
Engine Mounting Nuts 6 - 7 8 - 9
Intake Manifold 6 - 8 7 - 11
Carburetor Mounting Nut 8 - 15 11 - 20
Muffler Bkt to Engine 10 - 14 14 - 20
Muffler Flange to Engine 5 - 9 7 - 12
Oil Base and Generator
Housing to Mounting Stud 22 - 27 30 - 37
Oil Base to Engine 6 - 9 8 - 12
Oil Drain Plug 18 - 24 25 - 33
Oil Watch Bolt 6 - 9 8 - 12
Rotor Through-bolt 40 - 50 54 - 68
Spark Plug 8 - 18 10 - 24
Starter Bkt. to Engine 6 - 9 8 - 13
Starter Bkt to Starter 2.5 - 3.3 3.4 - 4.5
Starter Flange to
Endbell Mounting Screws 16 - 24 22 - 33
Governor Lever Nut 6 - 8 7 - 11
Speed Adjust Lever Nut 8 - 15 11 - 20
Vibration Isolators 4 - 6 5.5 - 8.0
Redistribution or publication of this document,
by any means, is strictly prohibited.

4-2
When engine torques are not specified in Table 4-1, tighten the screws and nuts according to Tables 4-2 and
4-3. The grade numbers are indicated on top of the screw or bolt head.
TABLE 4-2. METRIC BOLT TORQUE SPECIFICATIONS - NO GRADE OR 8.8 GRADE
SIZE FOOT - POUNDS NEWTON - METERS
M6 6 - 7 8 - 9
M8 13 - 15 18 - 21
M10 29 - 33 39 - 45
M12 46 - 54 63 - 73
TABLE 4-3. METRIC BOLT TORQUE SPECIFICATIONS - 10.9 GRADE
SIZE FOOT - POUNDS NEWTON - METERS
M6 7 - 8 10 - 11
M8 17 - 20 24 - 27
M10 35 - 41 48 - 56
M12 57 - 67 77 - 90
Redistribution or publication of this document,
by any means, is strictly prohibited.

5-1
5. Preparing for Service
TROUBLESHOOTING
Before starting to service the genset, follow the trou-
bleshooting procedures in Section 6. Troubleshoot-
ing. The troubleshooting section has been divided
into the following sections:
SControl (Page 6-3)
SGenerator (Page 6-15)
SEngine Primary Systems (Page 6-18)
Each troubleshooting section lists typical problems
along with possible causes and corrective actions.
Note that some problems might have several pos-
sible causes. It may be necessary to investigate
several possible causes in order to isolate the actual
source of the problem.
SPECIAL TOOLS
The following special tools are required to service
the genset. Some of these tools may be purchased
from Onan distributors (see Onan Tool Catalog
900-0019) or from other suppliers.
Engine Tools
Torque wrench (0 - 100 Ft-Lbs or 0 - 130 N•m)
Feeler gauge
Leak down tester
Pressure gauge
Spark plug gap gauge
Flywheel puller
Gear separator
Cylinder ridge reamer
Piston ring compressor
Piston ring spreader
Cylinder hone
Valve seat cutter
Wire brush
Piston groove cleaner
Outside micrometer set (0 to 4 in.)
Telescoping gauge set (1/2 in. to 6 in.)
Hole gauge (0.300 in. to 0.400 in.)
Generator and Control Tools
Lead or dead-blow hammer
Battery hydrometer
VOM multi-tester
Frequency Meter
Armature growler
Load test panel
Jumper wires
Fan hub assembly holding tool
Redistribution or publication of this document,
by any means, is strictly prohibited.

5-2
SAFETY CONSIDERATIONS
Always consider the safety aspects of any service
procedure. Servicing gensets presents several haz-
ards that the service technician must be aware of to
safely complete the job. Study SAFETY PRECAU-
TIONS (p. iii) and familiarize yourself with the haz-
ards listed in Table 5-1. Approach the job in a safety-
conscious manner. Being safety conscious is the
most effective way to avoid injury to yourself and to
others. Reduce the risk of an accident by adopting
the following safeguards.
Safeguards to Avoid Hazards
Use personal protection: Protect your body by
wearing the appropriate safety equipment such as:
SSafety shoes
SGloves
SSafety glasses
SHard hats
SEar plugs
Do not wear rings, jewelry or loose clothing: these
can get caught on equipment or conduct electricity.
Reduce the hazard: A safe, orderly work area and
well-maintained equipment reduce the risk of haz-
ard. Leave all guards and shields in place on ma-
chinery, and maintain equipment in top condition.
Store flammable liquids in approved containers,
away from fire, flame, spark, pilot light, arc-produc-
ing equipment and other ignition sources. Keep the
work area clean, well-lighted, and well-ventilated.
Keep fire extinguishers and safety equipment
nearby, and be prepared for any emergency.
Develop safe work habits: Unsafe practices are
the cause of most accidents involving tools or ma-
chinery. Be familiar with your tools and machines
and learn how to use them safely. Use the right tool
for the job, and check its condition before starting.
Follow all warnings and cautions in this manual, and
take extra precautions when working around electri-
cal equipment. Avoid working alone, and do not take
risks. Do not work when tired or after consuming any
alcohol or drug that makes the operation of equip-
ment unsafe.
Be prepared for a potential accident: The Red
Cross and public safety departments offer courses
in first aid, CPR, and fire control. Use this informa-
tion to be ready for an accident. Be safety-con-
scious, and make safety procedures part of the work
routine.
TABLE 5-1. HAZARDS AND THEIR SOURCES
•Fire and explosions
Leaking or spilled fuel
Hydrogen gas from charging battery
Oily rags improperly stored
Flammable liquids improperly stored
Any fire, flame, spark, pilot light, arc-
producing equipment or other ignition
sources
•Burns
Hot exhaust pipes
Hot engine and generator surfaces
Hot engine oil
Electrical short in DC wiring system
•Poisonous gases
Carbon monoxide from faulty exhaust
Operating genset where exhaust
gases can accumulate
•Electrical shock (AC)
Improper genset load connections
Faulty RV wiring
Faulty electrical appliance
Faulty genset wiring
Working in damp conditions
Jewelry touching electrical components
•Rotating Machinery
Jewelry or loose clothing catching in
moving parts
•Slippery Surfaces
Leaking or spilled oil
•Heavy Objects
Removing genset from vehicle
Removing heavy components
Redistribution or publication of this document,
by any means, is strictly prohibited.

5-3
REMOVING THE GENSET
Some service procedures will require removing the
genset from the coach. While there are many varia-
tions, Model KV and KVD genset installations are
generally either compartment mount or under-the-
floor mount. (Model KVD gensets have an external
muffler mounted below the genset which must be
removed before the genset is removed.)
In a compartment mount installation, a special
compartment (see Figure 5-1) is built into the coach
to house the genset. The compartment is
constructed with a vapor-tight barrier that seals off
the genset from the coach interior. The genset is
usually fastened to the floor of the compartment
which must be able to support the weight of the gen-
set. Access to the compartment is through a door lo-
cated in the exterior of the coach.
With the under-floor mount installation (see Figure
5-2), special brackets are used to suspend the gen-
set under the floor of the vehicle. The mounting
brackets bolt to special support members that are
built into the vehicle framework. The genset is
mounted near the exterior of the vehicle. Access is
provided through a door located in the exterior of the
vehicle.
Figure 5-3 illustrates the Model KVC genset instal-
lation.
Because of the wide variety of genset installations, it
is not possible to specify the exact removal proce-
dures for each genset. If, after examining the instal-
lation, a satisfactory method for removing the gen-
set cannot be determined, contact the RV coach
manufacturer to obtain their recommendations.
MOUNTING
HOLES
FUEL AND ELECTRICAL
CONNECTIONS (LEFT SIDE)
BARRIER
DOOR
M1723−2s
COMPARTMENT
FLOOR
FIGURE 5-1. TYPICAL MODEL KV AND KVD COMPARTMENT INSTALLATION
Redistribution or publication of this document,
by any means, is strictly prohibited.

5-4
DOOR
BARRIER
FLOOR OF COACH
MOUNTING
BRACKETS
M1724−2s
FIGURE 5-2. TYPICAL MODEL KV AND KVD UNDER-FLOOR INSTALLATION
Redistribution or publication of this document,
by any means, is strictly prohibited.

5-5
COOLING
AIR HOT AIR
DISCHARGE
MUFFLER/TAILPIPE
ASSEMBLY
STEEL ENCLOSURE AND COOLING AIR PLENUM THAT SEALS TIGHT
AROUND SIDES, TOP AND FRONT TO PREVENT AIR RECIRCULATION. FRONT
ACCESS COVER MUST ALSO SEAL TIGHT (COACH MANUFACTURER)
AIR SEAL PANEL
THE DOTS REPRESENT
LOCATIONS REQUIRING AC-
CESS FOR OPERATION AND
PERIODIC MAINTENANCE
VEHICLE FRAME, GENSET OUTRIGGERS
AND 2 OF 4 MOUNTING BOLTS
UNCLAMP THE FLEXIBLE EX-
HAUST TUBE AT THE ENGINE
AND LOOSEN THE TWO MUF-
FLER HANGERS TO REMOVE
THE ENTIRE MUFFLER/TAILPIPE
ASSEMBLY
FIGURE 5-3. MODEL KVC INSTALLATION
Redistribution or publication of this document,
by any means, is strictly prohibited.

5-6
Disconnecting Set from RV Systems
Disconnect the following items from the genset. Re-
fer to Figures 5-1, 5-2 or 5-3 for component loca-
tions in typical genset installations.
Some installations may require partial removal of
the genset to gain access to the battery cable, fuel
line and other connections. Read this section before
starting genset removal.
1. Disconnect the vehicle and genset negative (−)
battery cables at the battery.
WARNING Sparks and high current could
cause fire and other damage to the battery,
battery cables and vehicle if the loose ends
of cables connected to the battery touch.
Always disconnect the negative (−) battery
cable from the battery before disconnecting
the battery cables from the genset.
2. Disconnect the genset positive (+) battery
cable from the wire harness.
3. Disconnect the remote control wire plug from
the genset housing.
4. Disconnect the generator load wires at the RV
electrical system junction box. Tag the RV cir-
cuit wires for positive identification when recon-
necting.
5. Loosen the conduit connector and pull the load
wires and flexible conduit free of the junction
box.
6. For Model KV, disconnect the tail pipe.
7. For Model KVD, disconnect the tail pipe and
remove the muffler.
8. For Model KVC, unclamp the flexible exhaust
tube from the engine and loosen the two muffler
hangers to remove the entire muffler/tail pipe
assembly (Figure 5-3). Take care not to dam-
age the flexible exhaust tube.
9. Disconnect the fuel line from the genset. Follow
the applicable instructions depending on the
fuel.
WARNING Gasoline and LPG (liquified pe-
troleum gas) are flammable and explosive
can cause severe personal injury or death.
Do not smoke. Keep flames, sparks, pilot
lights, arc-producing and switching equip-
ment, and all other sources of ignition away
from fuel tank and system, and areas shar-
ing ventilation. Have an ABC fire extin-
guisher handy.
For Gasoline-fueled Gensets, disconnect the
fuel line from the genset and securely plug the
end of the fuel line to prevent leakage or an ac-
cumulation of explosive gasoline vapor.
WARNING LPG is flammable and explo-
sive and can cause asphyxiation. NFPA 58,
Section 1.6 requires all persons handling
LPG to be trained in proper handling and
operating procedures.
LPG “sinks” and can accumulate in explo-
sive concentrations. Before disconnecting
the LPG fuel line, close the fuel shutoff
valve(s) at the LPG container(s) and move
the vehicle outside and away from pits,
basements and other below-grade spaces
where LPG could accumulate.
For LPG-fueled Gensets, close the fuel shut-
off valve(s) at the LPG container(s) and move
the vehicle outside and away from below-grade
spaces where LPG could accumulate. To purge
most of the LPG from the fuel line and genset,
run the genset (if it starts) until it runs out of fuel
(LPG container valve closed). To purge some
of the remaining LPG, press the regulator prim-
er plunger (Figure 8-23 on Page 8-19 and Fig-
ure 8-26 on Page 8-24) while cranking the en-
gine for 10 seconds. Disconnect the fuel line
from the genset and plug the end of the hose to
prevent fuel from escaping if someone inadver-
tently opens the shutoff valve(s) at the LPG
container(s).
Redistribution or publication of this document,
by any means, is strictly prohibited.

5-7
WARNING The genset is heavy and can result
in severe personal injury if dropped during re-
moval. Use the recommended removal tech-
niques and keep hands and feet clear while re-
moving mounting bolts.
Removing Model KVC from RV
Remove the air seal panel (Figure 5-3) and make
sure to support the genset while removing the four
mounting bolts. Then lower the genset until it clears
the skirt of the vehicle. (It may be necessary to tip
the genset and pull it forward slightly to free the back
edge from resting on top of the vehicle frame.)
Removing Compartment Mounted Set from RV
When the genset has been disconnected from the
electrical, exhaust, and fuel systems, examine the
genset mounting and support system. Locate all
mounting bolts and support members for the gen-
set. In most installations, the genset housing will be
bolted to the coach framework. Depending on the
installation, the genset may be removable from the
side, back, or bottom.
Verify that the genset is adequately supported be-
fore loosening any of the mounting bolts or support
members. The most satisfactory way to lift or move
the genset is to use a forklift truck.
Removing Under-floor Mounted Set from RV
When the genset has been disconnected from the
electrical, exhaust, and fuel systems, the genset
may be removed for major service work. The genset
is mounted on support brackets that are bolted to
the underside of the floor on the vehicle or trailer and
to the genset housing.
The genset is completely suspended underneath
the floor of the RV by the support brackets. To avoid
dropping the genset during removal, follow the rec-
ommended genset removal procedures.
WARNING The genset is heavy and can cause
severe personal injury if dropped during remov-
al. Use the recommended removal techniques
and keep hands and feet clear while removing
mounting bolts.
Park the recreational vehicle on as level a surface
as possible. Then follow these steps very carefully.
1. Put the vehicle in its park position, lock the
brakes, and remove the keys (if applicable).
Make sure no one moves the vehicle while per-
forming this procedure.
WARNING Dropping the genset can result
in severe personal injury or death. Make
sure no one moves the vehicle during this
procedure and that the procedure is per-
formed very carefully and only as
instructed.
Redistribution or publication of this document,
by any means, is strictly prohibited.

5-8
2. Use a forklift truck to support the weight of the
genset at the points shown in Figure 5-4.
3. Raise the forklift just so it makes contact with
the bottom of the genset housing, then put a
little upward pressure under the genset. Verify
that the weight of the genset is supported by the
forks before proceeding.
4. Remove the bolts that secure the genset to the
side mounting brackets and rear mounting
braces.
5. Slowly lower the genset until it clears all ob-
structions and can be safely moved out from
under the vehicle.
6. When reinstalling the genset, be sure that all
bolts, brackets, and electrical, exhaust, and
fuel system components are connected exactly
as they were before removal.
REINSTALLING THE GENSET
Generally, reinstallation is the reverse of removal.
Contact the RV coach manufacturer to obtain their
recommendations if installation is not obvious. See
Section 11. Service Checklist.
Make sure the vapor and fire shields between the
genset and interior of the vehicle are secure. Reseal
any holes through the barriers where wiring or fuel
lines were pulled through or bolts loosened.
WARNING EXHAUST GAS IS DEADLY! Seal all
openings into the vehicle interior to keep out ex-
haust gas.
FORKLIFT
FIGURE 5-4. COMPLETE SET REMOVAL (MODEL KV)
Redistribution or publication of this document,
by any means, is strictly prohibited.

6-1
6. Troubleshooting
This troubleshooting guide is divided into three sec-
tions: Control (Page 6-3), Generator (Page 6-15),
and Engine Primary Systems (Page 6-18). Com-
mon problems are listed with their possible causes.
Refer to the Corrective Action column for the ap-
propriate test or adjustment procedure. The section
and page number in the right column lists the loca-
tion of the test or adjustment procedure in this
manual.
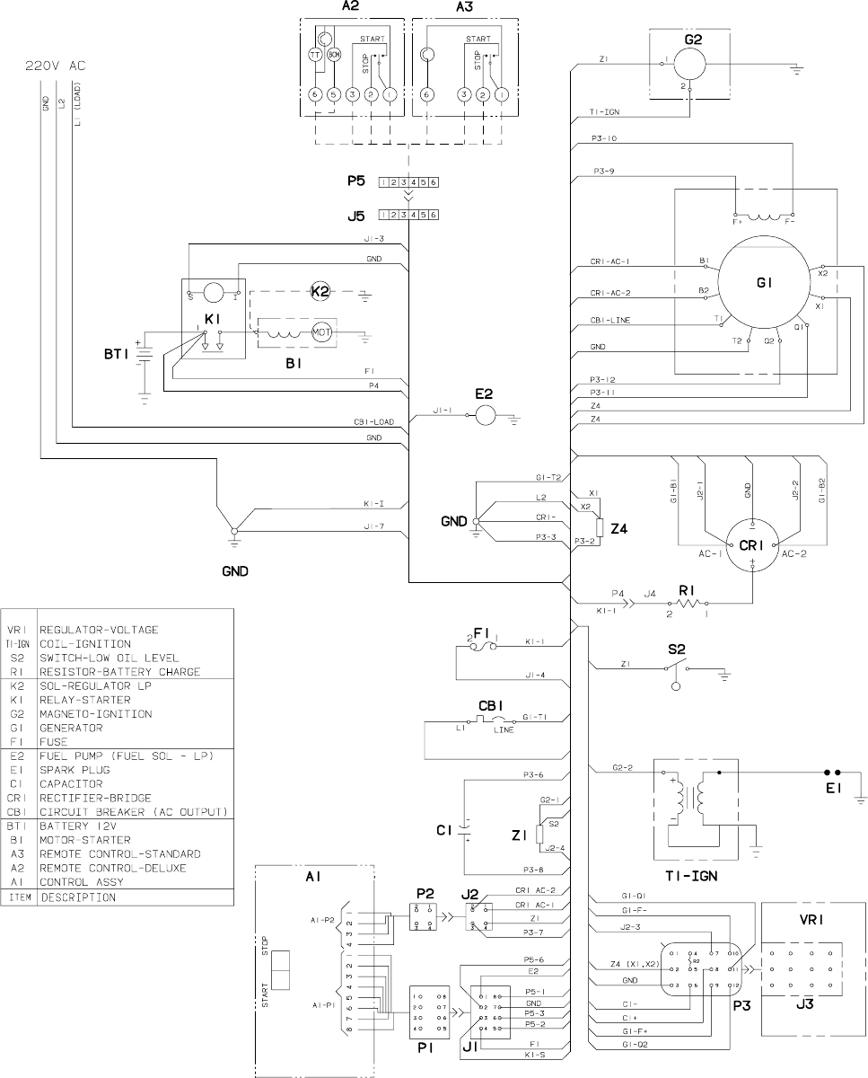
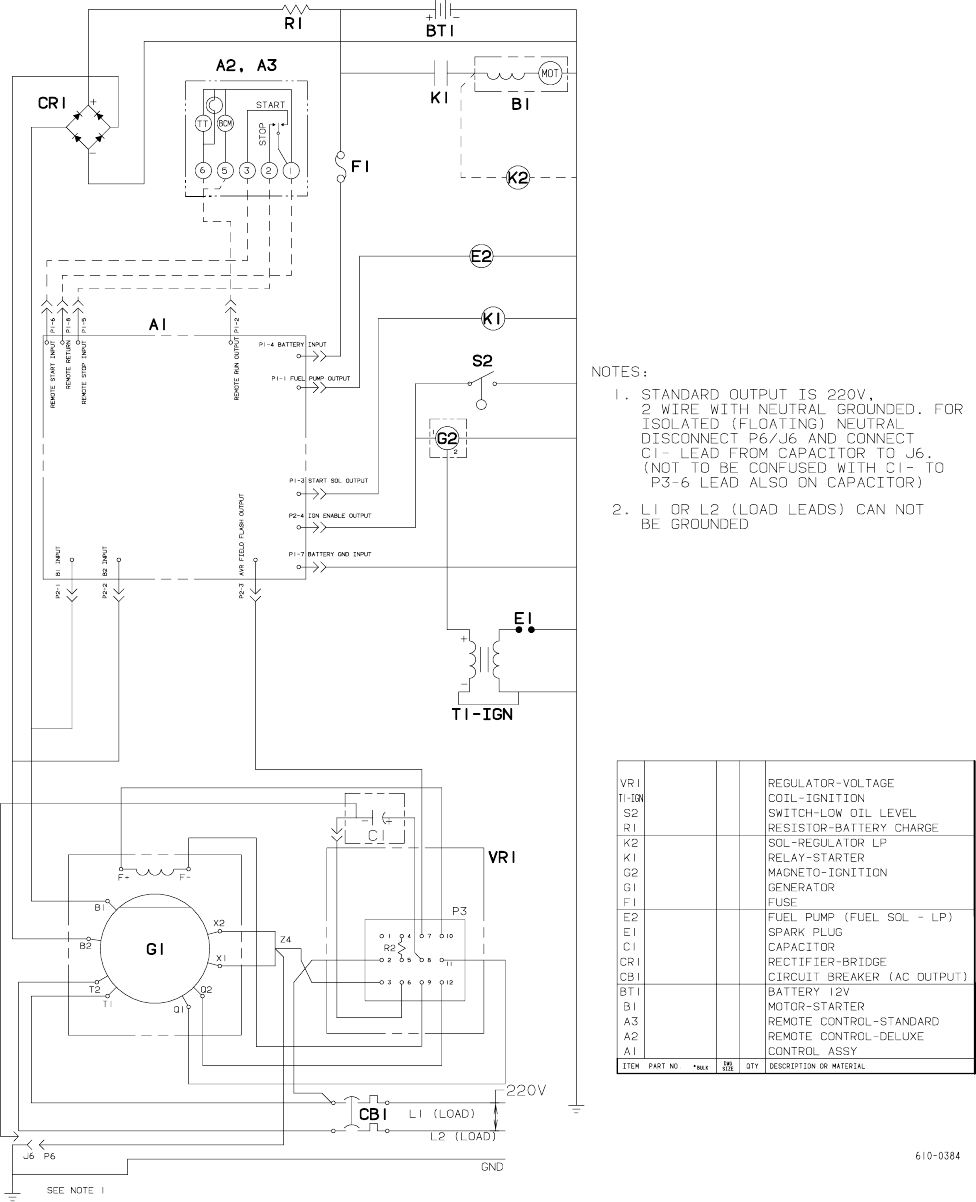
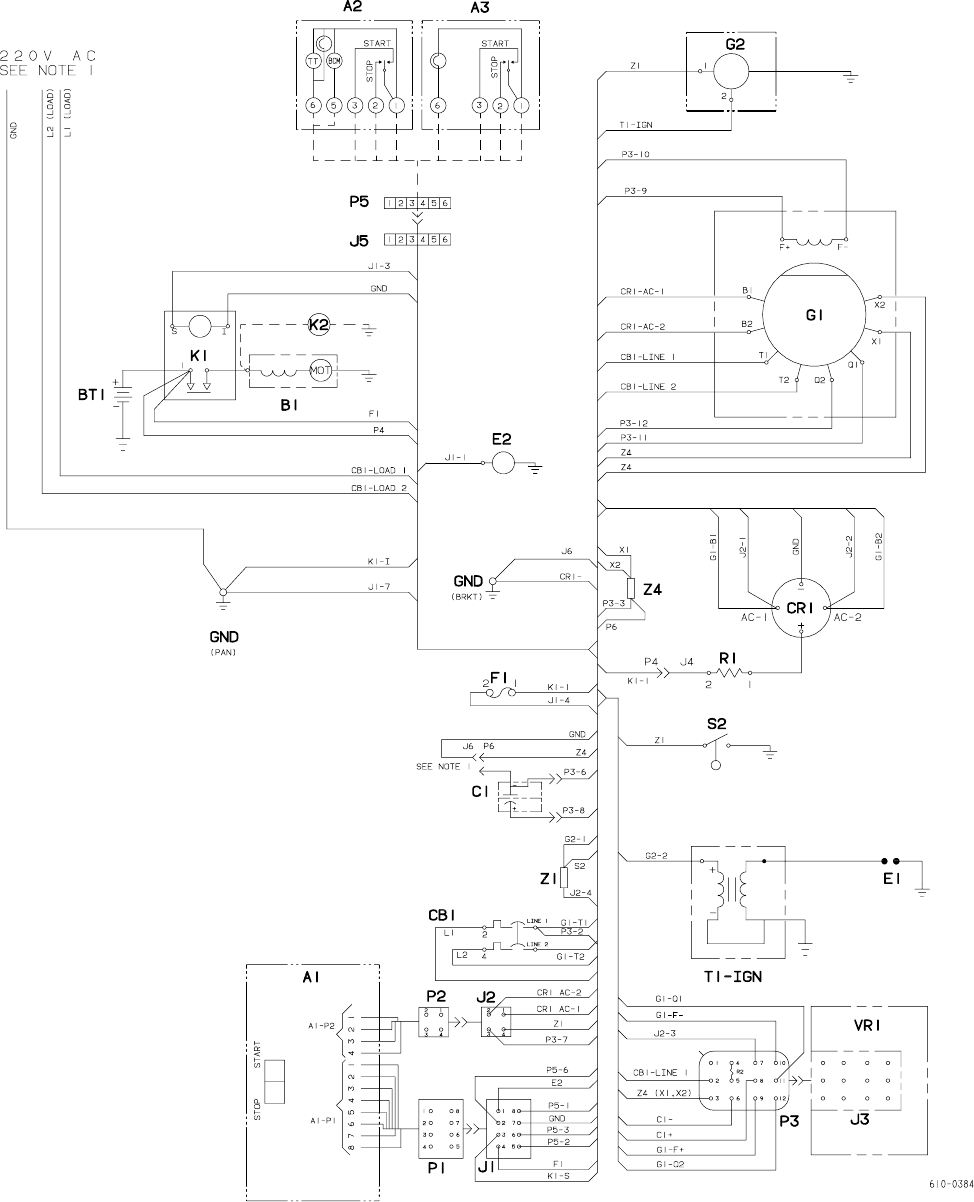
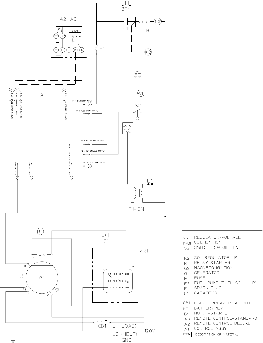
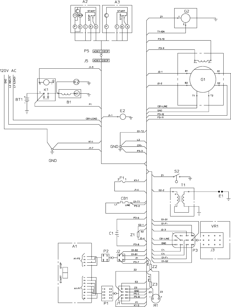
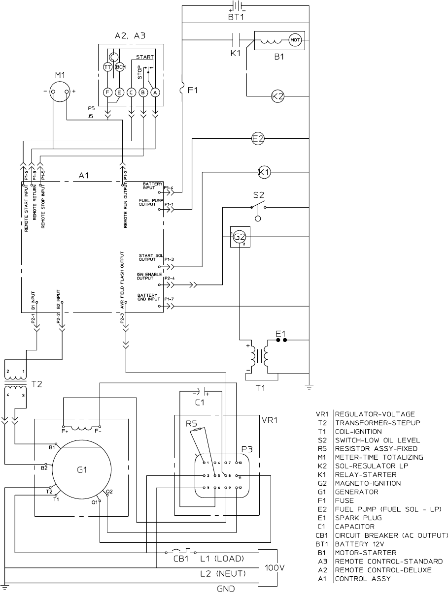
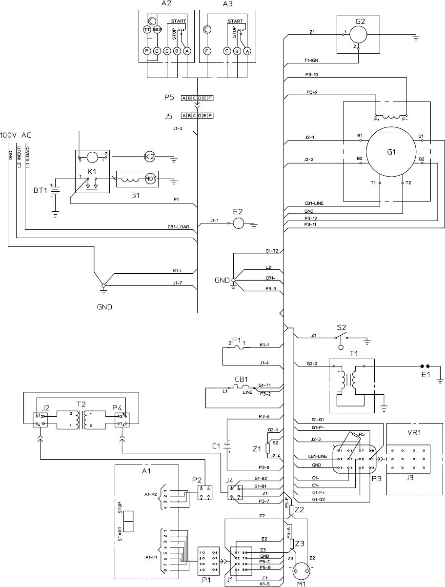
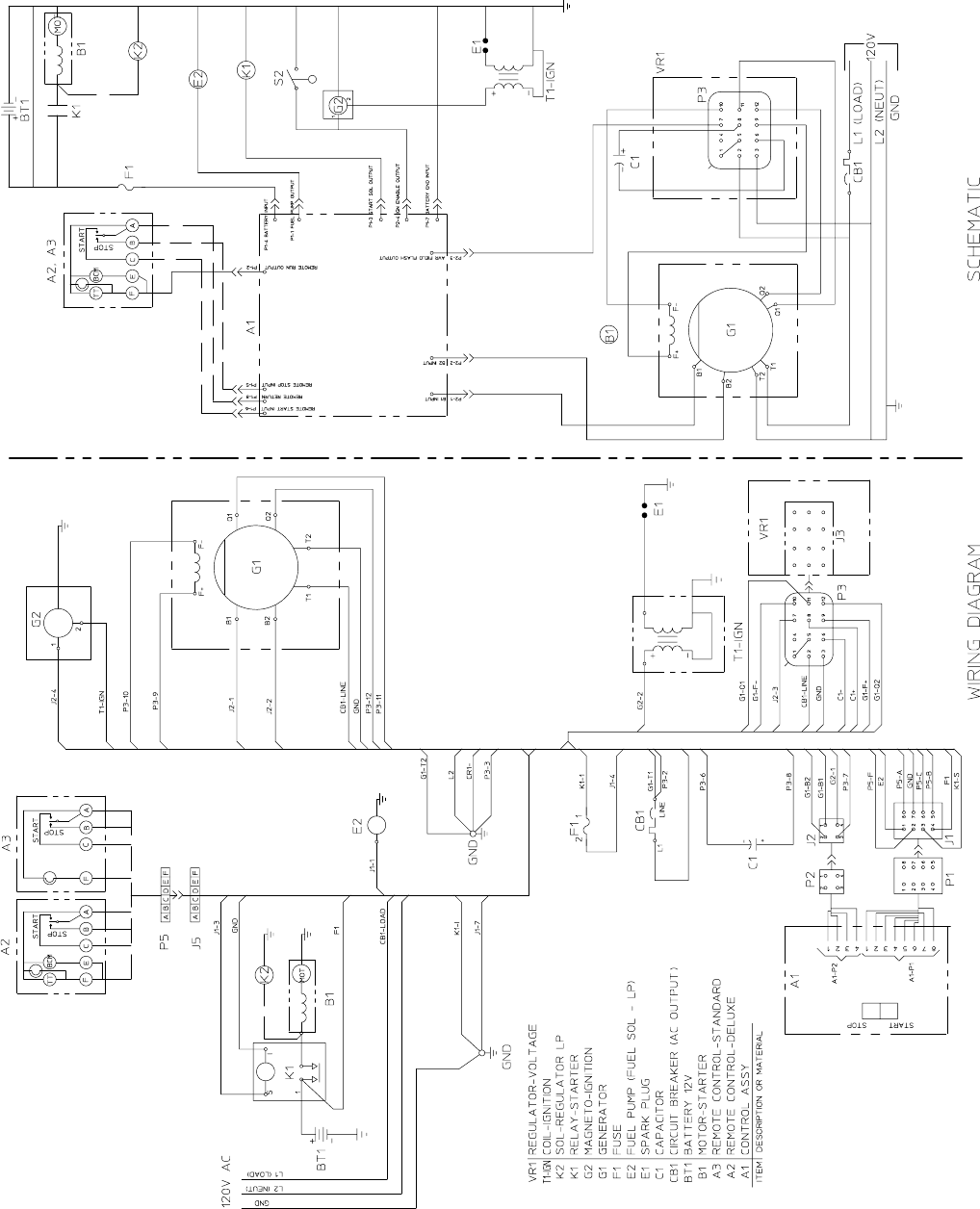
Conditional schematics are used to highlight the cir-
cuitry that is energized during the sequence of
events. These conditional schematics are for a typi-
cal gasoline fueled genset. Always refer to the wir-
ing schematic and diagram in Section 12. Wiring
Diagrams that corresponds to the model and spec
number of the genset when troubleshooting.
Make a thorough inspection of the genset wiring to
make sure that good wire harness and ground con-
nections are made. Correct wiring problems before
performing tests or replacing any components.
STARTER
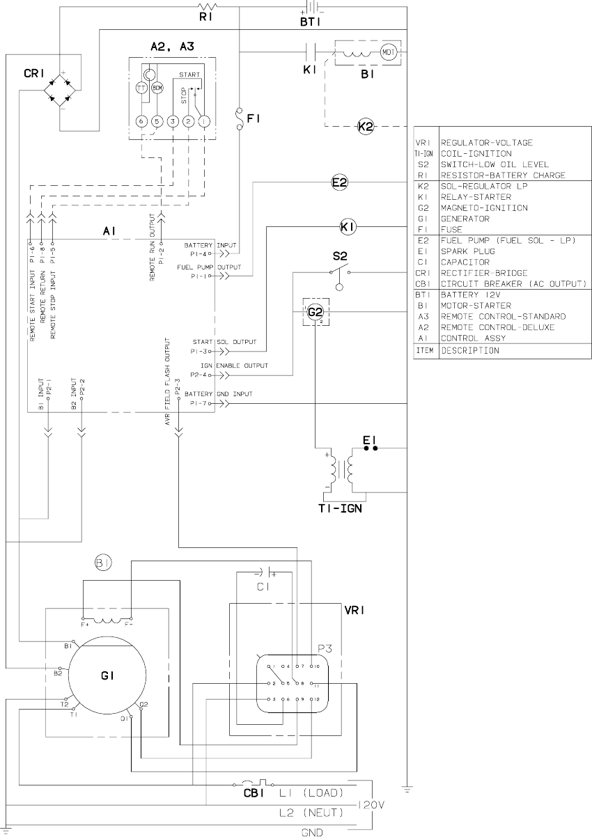
MOTOR B1
IGNITION
COIL T1
BATTERY CHARGE
RESISTOR R1
(SPEC C-E)
BRIDGE
RECTIFIER CR1
(SPEC C-E)
START/STOP
SWITCH S1
FUSE F1
CONTROL
ASSEMBLY A1
SPARK
PLUG E1
CIRCUIT
BREAKER CB1
MAGNETO
IGNITION G2
BRUSH BLOCK
FUEL
PUMP E2
START
RELAY K1
MODEL KV VOLTAGE
REGULATOR VR1
CAPACITOR C1
MODEL KVD VOLTAGE
REGULATOR VR1
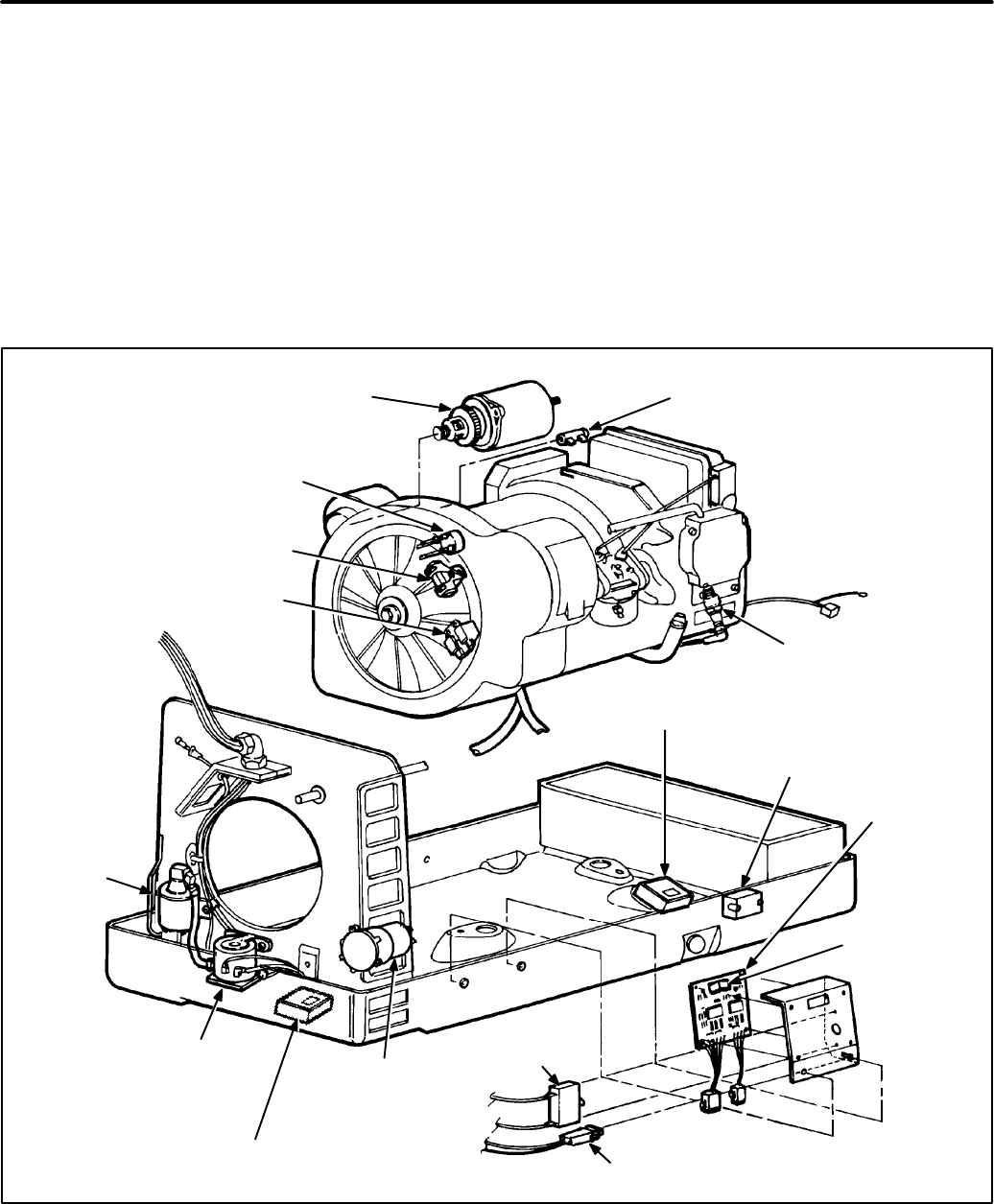
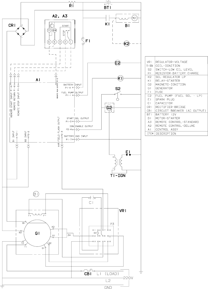
FIGURE 6-1. COMPONENT LOCATIONS (MODELS KV AND KVD)
Redistribution or publication of this document,
by any means, is strictly prohibited.

6-2
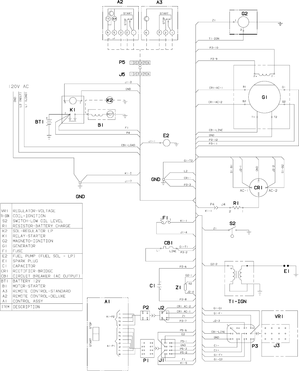
ENGINE-GENERATOR-STARTER-MAGNETO-BRUSH BLOCK-SPARK
PLUG ASSEMBLY SAME AS MODEL KV (FIGURE 6-1)
IGNITION
COIL T1
CONTROL BOX
COVER
CONTROL BOXVIEW FROM BOTTOM, COVER REMOVED
FUEL
PUMP E2
START
RELAY K1
VOLTAGE
REGULATOR VR1
CAPACITOR
C1
CIRCUIT
BREAKER CB1
FUSE F1 IS
BUNDLED IN
WIRE HARNESS
(NOT SHOWN)
START/STOP
SWITCH S1
CONTROL
ASSEMBLY A1
HOUR
METER M1
FIGURE 6-2. COMPONENT LOCATIONS (MODEL KVC)
Redistribution or publication of this document,
by any means, is strictly prohibited.

6-3
TROUBLESHOOTING CONTROL
Use the following troubleshooting guide to help lo-
cate problems related to the control.
Figure 6-1 or 6-2 shows the location of the generator
components. Refer to the wiring diagram in Section
12. Wiring Diagrams for wiring connections.
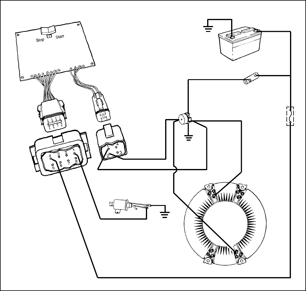
Start - Cranking Mode
Battery positive (B+) is supplied to the control assembly (A1) through control fuse (F1). Holding the Start/Stop
switch (S1) in the Start position activates control assembly (A1) by closing the start signal input circuit. While the
Start/Stop switch is held, the control assembly supplies the following outputs:
•Battery positive (B+) is supplied to the start relay coil (K1). This energizes the start relay. The start relay con-
tacts close supplying battery positive (B+) to the starter motor B1. The starter begins to crank the engine to
initiate starting.
STARTER MOTOR B1
BATTERY BT1
FUSE
F1
START
RELAY K1
CONTROL
ASSEMBLY
A1
J1
J2
START/STOP
SWITCH S1
P1
P2
s
INTERNALLY
GROUNDED
ON KVC
FIGURE 6-3. START − CRANKING MODE
Redistribution or publication of this document,
by any means, is strictly prohibited.

6-4
WARNING Many troubleshooting procedures present hazards that can result in severe personal inju-
ry or death. Only trained and experienced personnel with knowledge of fuels, electricity, and machin-
ery hazards should perform service procedures. Review SAFETY PRECAUTIONS, p. iii.
TABLE 6-1. CONTROL TROUBLESHOOTING − CRANKING MODE
Trouble Possible Cause Corrective Action Section/
Page
Engine Does 1. Open control fuse F1. 1. Check fuse. If open, locate and correct
Not Crank cause of overload. Replace fuse.
2. Insufficient cranking voltage due to: 2a. Check condition of battery and
(Also see Low Bat. Voltage pg. 6-6.) recharge or replace.
a. Battery not charged. 2b. Clean and tighten all connections at
b. Battery connections loose or dirty. battery, K1 start solenoid, and starter
c. Battery cable size too small. motor.
2c. Increase starting battery cable size.
3. Start solenoid (K1) not energized 3a. Check wiring continuity to the start
due to: solenoid (K1) coil from control assy.
a. Open circuit to start solenoid coil. (A1) and from ground to start solenoid.
b. Defective start solenoid coil. 3b. Test start solenoid (K1). 7-6
c. Defective Start/Stop switch. 3c. Test Start/Stop switch (S1). 7-5
d. Defective control assembly (A1). 3d. Measure voltage between start solenoid
terminal I and ground with switch (S1)
held in the Start position. If voltage is
not present and continuity and battery
check OK, Cont. assy. (A1) is defective. 7-5
4. Starter (B1) not energized due to: 4a. Check continuity between starter lead on
a. Open circuit to starter (B1). start solenoid (S) and gnd. ( 4 ±1 ohm).
b. Open circuit between battery (B+) 4b. Check wiring continuity between battery
and the start solenoid contact (BAT). (B+) and the start solenoid (BAT).
c. Defective start solenoid (K1) . 4c. Measure voltage between starter terminal 7-5
d. Defective starter (B1). and ground with switch (S1) held in the
Start position. If voltage is not present
and continuity checks OK, start solenoid
(K1) is defective.
4d. If voltage is present in step 4c, starter 8-26
is defective.
5. If engine cranks from set but not from 5a. Check wiring continuity between
remote control panel, fault is due to: control assembly (A1) and remote
a. Open circuit between control assy. Start/Stop switch.
(A1) and remote Start/Stop switch.
b. Remote Start/Stop switch faulty. 5b. Test remote Start/Stop switch.
Redistribution or publication of this document,
by any means, is strictly prohibited.

6-5
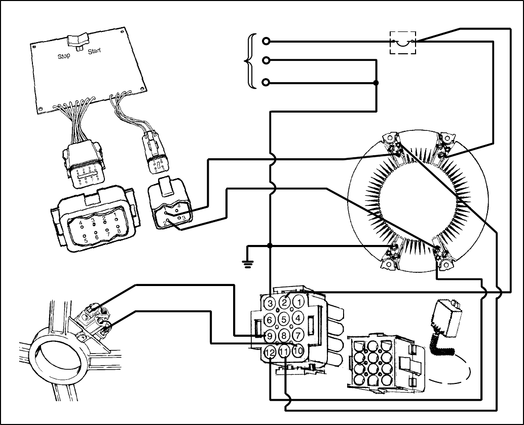
Start - Ignition Mode
Holding the Start/Stop switch (S1) in the Start position activates the following ignition circuit:
•Control assembly (A1) enables the ignition circuit, this opens a ground path through the control assembly to
the magneto assembly (G2) so that output from the magneto will energize the ignition coil (T1).
•With the engine cranking, a permanent magnet in the flywheel rotates, at the proper time, past the magneto to
induce a voltage that flows to the ignition coil (T1) that fires the spark plug (E1) for ignition.
•Battery positive (B+) is supplied to the fuel pump (E2) or fuel shutoff solenoid (E2) and regulator(K2) on LPG
models. (Schematic for gasoline fueled model shown).
STARTER MOTOR B1
BATTERY BT1
FUSE
F1
START
RELAY K1
SPARK
PLUG E1
IGNITION
COIL T1
MAGNETO
IGNITION G2
FUEL PUMP E2
(FUEL SHUTOFF SOLENOID
ON LPG MODEL)
CONTROL
ASSEMBLY
A1
J1
J2
START/STOP
SWITCH S1
P1
P2 OIL LEVEL
SWITCH S2
Z1
INTERNALLY
GROUNDED
ON KVC
FIGURE 6-4. START − IGNITION MODE
Redistribution or publication of this document,
by any means, is strictly prohibited.

6-6
WARNING Many troubleshooting procedures present hazards that can result in severe personal inju-
ry or death. Only trained and experienced personnel with knowledge of fuels, electricity, and machin-
ery hazards should perform service procedures. Review SAFETY PRECAUTIONS, p. iii.
TABLE 6-2. CONTROL TROUBLESHOOTING − IGNITION MODE
Trouble Possible Cause Corrective Action Section/
Page
Engine Cranks 1. Restricted fuel supply due to: 1a. Add fuel if tank is low.
But Does Not a. Fuel level below pickup tube in tank. 1b. Open fuel supply valve (if equipped).
Start b. Fuel line supply valve closed. 1c. Replace clogged fuel filter and check 8-20
c. Fuel filter clogged. fuel supply for contamination.
2. Faulty ignition due to worn or fouled 2. Refer to Ignition System for test 8-8
spark plug, faulty plug wire, faulty and service procedures.
ignition coil or magneto. Regap LPG sparkplug to 0.020 inch.
3. Sticking choke or carburetor mixture 3. Refer to Fuel System for adjustments. 8-16
screws incorrectly adjusted.
4. Fuel pump (E2) not working due to: 4a. Measure voltage between fuel pump 8-20
a. Fuel pump defective. connector and ground with the engine
b. Open circuit between fuel pump and cranking. If B+ voltage is not present,
control assembly (A1) or control proceed to 4b. If voltage is present,
assembly is defective. (min. 6 VDC) fuel pump is defective.
4b. Check continuity between control
assembly and fuel pump. If connections
are good and voltage was not measured
in 4b, replace control assembly (A1).
5. Faulty fuel solenoid, priming solenoid, 5. Refer to LPG Fuel System, Section 8
or regulator on LPG models. for service procedures.
6. Governor linkage stuck or binding. 6. Check governor arm movement. 8-11
See Governor section.
7. Oil level switch (S2) closed due to: 7a. Check oil level and add oil if low.
a. Low oil level. 7b. Check low oil level switch. 10-2
b. Defective low oil level switch.
Redistribution or publication of this document,
by any means, is strictly prohibited.

6-7
Start - Field Flash Mode
Holding the Start/Stop switch (S1) in the Start position activates the following field flash circuit:
•Battery positive (B+) is supplied through the control assembly (A1) to the voltage regulator (VR1) at pin 7. From
pins 9 and 10 of the voltage regulator, excitation voltage flows through the brushes to the rotor field winding.
•The excitation voltage flashes the generator field winding to ensure that there is adequate magnetism to induce
generator voltage buildup.
BATTERY BT1
VOLTAGE
REGULATOR VR1
BRUSH
BLOCK
FUSE
F1
CONTROL
ASSEMBLY
A1
J1
J2
START/STOP
SWITCH S1
P1
P2
P3
F+
F
−
FIGURE 6-5. START − FIELD FLASH MODE
Redistribution or publication of this document,
by any means, is strictly prohibited.

6-8
WARNING Many troubleshooting procedures present hazards that can result in severe personal inju-
ry or death. Only trained and experienced personnel with knowledge of fuels, electricity, and machin-
ery hazards should perform service procedures. Review SAFETY PRECAUTIONS, p. iii.
TABLE 6-3. CONTROL TROUBLESHOOTING − FIELD FLASH MODE
Trouble Possible Cause Corrective Action Section/
Page
Engine Starts 1. Low oil level. 1a. Check oil level and add oil if low.
But Stops 2. Defective low oil level switch. 2. Disconnect low oil level switch and 10-2
When Start check set operation. Replace if defective.
Switch Is 3. No field flash voltage due to: 3a. Check wiring continuity to the brush
Released a. Open circuit in wiring. block F1-F2, voltage regulator VR1,
b. Brushes not making good contact. control assembly A1 and generator
with slip rings. B1-B2 and Q1-Q2 windings. Check
c. Slip ring surface is rough or pitted. connections of P5 and P6 connectors
on the generator housing.
3b. Check brushes for wear and for contact 9-12
with the slip rings.
3c. Check slip rings
4. Defective generator, control assembly 4. Perform field voltage test. 9-4
A1, or voltage regulator VR1.
Redistribution or publication of this document,
by any means, is strictly prohibited.

6-9
Run Mode
When the engine starts, release the Start/Stop switch and it will return to the center Run position. The following events
occur:
•Control assembly (A1) opens the circuit to the start solenoid (K1), which opens the circuit to the starter motor
(M1) to stop cranking. Control assembly (A1) also opens the field flash circuit to AVR pin 7.
•Voltage from the battery, used to power the control assembly (A1) and the fuel pump (E2), is replaced with output
voltage from the generator charge winding B1-B2. (Refer to Battery Charge Mode following this section.) The
control assembly senses this output for the start disconnect function.
•Remote run output is energized through the control assembly (A1) to power the time meter, battery condition
meter and run lamp in the optional remote control.
•Voltage from the generator Q1-Q2 windings provide power to the voltage regulator VR1 to use for supplying field
current to the generator. (Refer to Generator AC Output Mode in the Generator Troubleshooting section.)
BATTERY BT1
FUSE
F1
SPARK
PLUG E1
IGNITION
COIL T1
MAGNETO
IGNITION G2
FUEL PUMP E2
(FUEL SHUTOFF SOLENOID
ON LPG MODEL)
CONTROL
ASSEMBLY
A1
J1
J2
START/STOP
SWITCH S1
P1
P2
Z1
FIGURE 6-6. RUN MODE
Redistribution or publication of this document,
by any means, is strictly prohibited.

6-10
WARNING Many troubleshooting procedures present hazards that can result in severe personal inju-
ry or death. Only trained and experienced personnel with knowledge of fuels, electricity, and machin-
ery hazards should perform service procedures. Review SAFETY PRECAUTIONS, p. iii.
TABLE 6-4. CONTROL TROUBLESHOOTING − RUN MODE
Trouble Possible Cause Corrective Action Section/
Page
Engine Starts 1. Fuel level is below genset set fuel 1. Check fuel and oil level and refill if low.
and Runs, pickup tube or oil level is low. 2. Refer to choke section for adjustments. 8-19
Then Stops. 2. Faulty choke operation. 3. Remove any objects or debris that may
Set Restarts 3. Vapor lock from high ambient restrict airflow. Make sure fuel system
Immediately temperature. is installed correctly.
or After Cool 4. Contaminated or incorrect fuel. 4. Refill tank with fresh fuel.
Down.
Remote 1. Open circuit in remote control wiring. 1. Check continuity between remote
Control control and control assembly (A1).
Run Lamp, 2. If battery condition meter and run lamp 2. Replace time meter.
Time Meter, work but time meter does not,
or Battery time meter is defective.
Condition
Meter 3. If time meter works but battery condition 3a. Connect a voltmeter between the
Inoperative meter does not operate: positive terminal on battery charge
a. Defective battery condition meter. meter and ground. Use the following to
b. Defective zener diode inside remote determine fault:
control. If reading equals battery voltage
minus 10 volts, battery condition
meter is defective.
3b. If reading does not equal battery
voltage minus 10 volts, zener diode
is defective.
4. Meters and switch function properly but 4. Replace remote Start/Stop switch (S2).
run lamp does not illuminate. Lamp
(internal to switch) is burned out.
5. If remote switch functions properly for 5. Check remote running output voltage
starting and stopping genset but (approximately 12 VDC) during run
meters and run lamp do not operate, condition from control assembly J1-2
and step 1 checks OK, control assy. to ground and from P5-6 to ground.
(A1) defective. If voltage is not present, replace control
assembly (A1).
If voltage is present, check continuity
6. Too much DC load (over 2-amps) of remote control wiring.
connected to the remote output. 6. Turn off the genset, disconnect the
remote control, and check for shorts
or too many remote accessories.
Redistribution or publication of this document,
by any means, is strictly prohibited.

6-11
Battery Charge Mode (Spec C − E)
With the genset running, AC voltage is produced in the B1-B2 windings for the battery charge circuit.
•The AC output voltage from the B1-B2 winding is converted to DC voltage when it passes through the full-wave
rectifier bridge (CR1). The voltage is then supplied through battery charge resistor (R1). The 12-volt DC output
(one-ampere maximum) is used to power the control assembly (A1), fuel pump (E2), the remote control, and to
prevent discharge of the genset starting battery during genset operation. This output is not sufficient to charge a
low or dead battery.
BRIDGE
RECTIFIER
CR1
BATTERY CHARGE
RESISTOR R1
STATOR
BATTERY BT1
FUSE
F1
FUEL PUMP E2
(FUEL SHUTOFF SOLENOID
ON LPG MODEL)
CONTROL
ASSEMBLY
A1
J1
J2
START/STOP
SWITCH S1
P1
P2
B1
B2
AC1
AC2
+
−
FIGURE 6-7. BATTERY CHARGE MODE (SPEC C − E)
Redistribution or publication of this document,
by any means, is strictly prohibited.

6-12
WARNING Many troubleshooting procedures present hazards that can result in severe personal inju-
ry or death. Only trained and experienced personnel with knowledge of fuels, electricity, and machin-
ery hazards should perform service procedures. Review SAFETY PRECAUTIONS, p. iii.
TABLE 6-5. CONTROL TROUBLESHOOTING − BATTERY CHARGE MODE
Trouble Possible Cause Corrective Action Section/
Page
Low Battery 1. Weak or discharged battery due to: 1a. Replenish electrolyte and recharge
Voltage a. Low electrolyte level in battery. battery.
b. Long periods of non-use. 1b. Connect a separate battery charger to
c. Improperly wired battery. bring battery up to full charge.
d. Load connected to battery while set 1c. Reconnect and check battery connec-
is turned off. tion.
e. Too much DC load on genset 1d. Disconnect load and recharge
starting battery. battery.
1e. Remove other DC loads from genset
starting battery.
2. Genset charging circuit not 2a. Check all wiring connections between
functioning due to: the generator B1-B2 windings and the
a. Open in circuit between generator Battery B+ connection, including all
B1-B2 winding and battery (B+). connections to the diode bridge (CR1)
b. Open charging resistor (R 1). and battery charge resistor (R1).
c. Diode bridge (CR1) defective. 2b. Remove wires from the charge resistor 7-7
d. Generator B1-B2 defective. (R1) and measure its resistance.
A normal reading is 4 to 6 ohms.
2c. Refer to diode bridge (CR1) test 7-7
2d. Refer to generator test section. 9-4
NOTE: The battery charging circuit is designed to maintain the genset starting battery. The charging cir-
cuit will not charge a low or bad battery. A low battery should be fully charged with a battery charger.
Redistribution or publication of this document,
by any means, is strictly prohibited.

6-13
Stop Mode
Momentarily pushing the Start/Stop switch (S1) to the Stop position begins the stop mode with the following results:
•Control assembly (A1) de-energizes the ignition enable circuit, grounding the magneto (G2) ignition circuit to
stop the engine.
•Control assembly (A1) also opens the circuit to the fuel pump (E2) and to the remote control.
SPARK
PLUG E1
IGNITION
COIL T1
MAGNETO
IGNITION G2
CONTROL
ASSEMBLY
A1
J1
J2
START/STOP
SWITCH S1
P1
P2
Z1
STATOR
B1
B2
FIGURE 6-8. STOP MODE
Redistribution or publication of this document,
by any means, is strictly prohibited.

6-14
WARNING Many troubleshooting procedures present hazards that can result in severe personal inju-
ry or death. Only trained and experienced personnel with knowledge of fuels, electricity, and machin-
ery hazards should perform service procedures. Review SAFETY PRECAUTIONS, p. iii.
TABLE 6-6. CONTROL TROUBLESHOOTING − STOP MODE
Trouble Possible Cause Corrective Action Section/
Page
Genset 1.If set can be stopped from set control 1a. Check wiring continuity between
Does Not Stop but not from remote control panel, control assembly (A1) and remote
When Switch fault is due to: Start/Stop switch.
Is Pushed To a. Open circuit between control assy. 1b. Check remote Start/Stop switch.
Stop (A1) and remote Start/Stop switch.
b. Remote Start/Stop switch faulty.
Always remove
the load a few 2. If set can be stopped from remote 2a. Check Start/Stop switch (S1). 7-5
minutes before control but not from set, fault due to
stopping the Start/Stop (S1) switch on control
set to allow assembly (A1).
cool down.
Redistribution or publication of this document,
by any means, is strictly prohibited.

6-15
TROUBLESHOOTING GENERATOR
Use the following troubleshooting guide to help lo-
cate problems related to the generator.
Figure 6-1 or 6-2shows the location of the generator
components. Refer to the wiring diagram in Section
12. Wiring Diagram for wiring connections.
WARNING Many troubleshooting procedures present hazards that can result in severe personal inju-
ry or death. Only trained and experienced personnel with knowledge of fuels, electricity, and machin-
ery hazards should perform service procedures. Review SAFETY PRECAUTIONS, p. iii.
TABLE 6-7. GENERATOR TROUBLESHOOTING
Trouble Possible Cause Corrective Action Section/
Page
No AC Output 1. Open circuit breaker. 1. Locate cause of overload and correct
Voltage as required. Reset breaker.
Note: 2. Open circuit between voltage 2. Check for good wiring connections
this condition regulator and brush block. and continuity and correct as required.
may cause the
genset 3. Open circuit between stator connec- 3. Check for good wiring connections
to stop when tions Q1 or Q2 and voltage regulator. and continuity and correct as required.
start switch S1 (This condition will produce approx.
is released. 15 to 30 VAC output.)
4. Open circuit between battery Pos. (+) 4. Check for continuity between control
and voltage regulator pin 7 for connector J2-3 and voltage regulator
field flash. connector P3-7.
If connections are good and 12 VDC is not
present at voltage regulator pin 7 during
start, control assembly A1 is defective.
5. Brushes not making good contact 5. Check brushes for wear and for contact. 9-12
with slip rings.
6. Slip ring surface is rough or pitted. 6. Check slip rings.
7. Capacitor C1 shorted. 7. Check capacitor and replace if defective.
8. Defective generator, control assembly 8. Perform field voltage test. 9-4
A1, or voltage regulator VR1.
AC Output 1. Engine governor out of adjustment. 1. Refer to governor adjustments 8-11
Voltage Too
Low
2. Brushes worn or not making good 2. Check length of brushes and replace 9-12
contact with slip rings. if worn excessively. Check slip rings.
3. Poor wiring connections to 3. Check for good wiring connections
voltage regulator. between the voltage regulator and the
brush block and between stator connec-
tions Q1and Q2. Correct if required.
4. If generator frequency is within 4. Replace electronic voltage regulator.
specified limits but voltage is incorrect,
voltage regulator is defective.
Redistribution or publication of this document,
by any means, is strictly prohibited.

6-16
Generator AC Output Mode
When the engine starts and begins to come up to speed, AC voltage is produced in the battery charge winding B1-B2,
the quadrature winding Q1-Q2 and in the AC windings T1-T2. These outputs perform the following functions:
•The battery charge winding B1-B2 is used to power the control assembly (A1), fuel pump (E2), the remote con-
trol, and to prevent discharge of the genset starting battery during genset operation. This output is not sufficient
to charge a low or dead battery. The control assembly A1 monitors this voltage as part of the start disconnect
function.
•The quadrature winding Q1-Q2 output voltage is fed to the voltage regulator VR1 where it is rectified into DC
voltage and fed back to the rotor through the brushes to cause further voltage buildup. Voltage buildup is con-
trolled by the voltage regulator that senses the AC output voltage. The regulator continually measures the output
voltage and compares it to an internal reference voltage. When the output voltage exceeds the reference, the
regulator causes the current in the rotor to decrease until the proper voltage is obtained.
•The AC windings T1-T2 provide the 120 VAC output voltage through the circuit breaker CB1.
CIRCUIT
BREAKER CB1
GND
L1 (LOAD)
L2 (NEUT)
120 VAC
BRUSH
BLOCK
F+
F
−
STATOR
B1
B2
CONTROL
ASSEMBLY
A1
J1
J2
START/STOP
SWITCH S1
P1
P2
VOLTAGE
REGULATOR VR1
P3
T1
Q1
Q2
T2
FIGURE 6-9. GENERATOR OUTPUT MODE
Redistribution or publication of this document,
by any means, is strictly prohibited.

6-17
WARNING Many troubleshooting procedures present hazards that can result in severe personal inju-
ry or death. Only trained and experienced personnel with knowledge of fuels, electricity, and machin-
ery hazards should perform service procedures. Review SAFETY PRECAUTIONS, p. iii.
TABLE 6-8. GENERATOR TROUBLESHOOTING
Trouble Possible Cause Corrective Action Section/
Page
AC Output 1. Engine governor out of adjustment. 1. Refer to governor adjustments 8-11
Voltage Too
High 2. If generator frequency is within 2. Replace electronic voltage regulator.
specified limits but voltage is incorrect,
electronic voltage regulator is defective.
Noisy 1. Loose brush holder. 1. Tighten brush holder.
Generator 2. Worn rotor bearing. 2. Replace rotor bearing. 9-13
3. Rotor and stator rubbing together 3a. Check for varnish lumps between
due to: rotor and stator, remove as required.
a. Varnish lumps. 3b. Follow specified assembly procedures 9-10
b. Rotor misaligned with crankshaft. to correct rotor to crankshaft
alignment.
Generator 1. Generator overloaded due to 1. Replace circuit breaker. Do not
Overheats defective circuit breaker. exceed specified load when
operating set.
2. Airflow restricted due to dirt or 2. Clear away all dirt or debris as required.
debris covering vent openings in
stator housing.
3. Stator windings covered with oil 3. Clean stator windings.
or dirt.
4. Defective rotor or stator windings. 4. Test each component for open, 9-6
grounded, or shorted windings and
replace if defective.
5. Loose or missing service access cover 5. Check for proper fit of service access
or improper seal around the endbell cover and check seal around endbell.
assembly.
6. Improper installation due to:
a. Insufficient air inlet size. 6a. Make sure air inlet is not blocked and
b. Air inlet location allowing that it is properly sized (refer to
recirculation. Installation Manual).
6b. Make sure that air outlet is not blocked
and check for recirculation of outlet air.
Redistribution or publication of this document,
by any means, is strictly prohibited.

6-18
TROUBLESHOOTING ENGINE PRIMARY
SYSTEMS
Use the following troubleshooting guide to locate
problems with the engine primary systems. Many of
the primary systems can be serviced without remov-
ing the genset from the vehicle.
Poor engine performance is often caused by a dirty
carburetor. Make certain that the carburetor is clean
before troubleshooting for performance problems.
WARNING Many troubleshooting procedures present hazards that can result in severe personal inju-
ry or death. Only trained and experienced personnel with knowledge of fuels, electricity, and machin-
ery hazards should perform service procedures. Review SAFETY PRECAUTIONS, p. iii.
TABLE 6-9. TROUBLESHOOTING ENGINE PRIMARY SYSTEMS
Trouble Possible Cause Corrective Action Section/
Page
Engine Runs 1. Dirty air or fuel filter. 1. Check and replace if necessary.
Rough:
2. Contaminated fuel. 2. Drain fuel tank, clean the fuel system
and refill with fresh fuel.
3. Lean fuel mixture due to:
a. Incorrectly adjusted 3a. Adjust carburetor main 8-16
fuel mixture screws. and idle adjustment screws.
b. Incorrect float level (gasoline sets). 3b. Adjust carburetor float level. 8-17
c. Dirt in the carburetor. 3c. Disassemble carburetor and clean 8-17
d. Vacuum leak. all internal passages. Replace filter.
3d. Locate and correct leak.
e. Gasket failure. 3e. Replace gasket.
4. Faulty ignition due to:
a. Worn or fouled spark plug. 4a. Replace spark plug.
b. Poor magneto or coil connections. 4b. Check magneto and coil connections. 8-8
c. Faulty ignition components. 4c. Perform Ignition Spark Check.
d. Faulty plug wire. 4d. Check spark plug wire and boot.
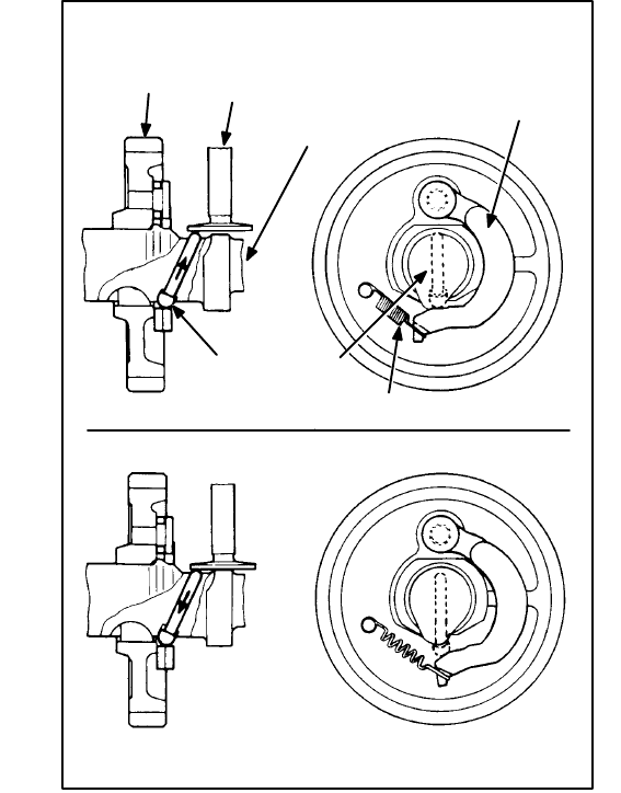
e. Incorrect ignition timing. 4e. Rotor or fan hub improperly installed. 9-10
5. Carburetor icing. 5. In cold weather, place air preheater in
the winter position.
Engine 1. Lean fuel mixture due to: 1a. Adjust carburetor main and idle 8-16
Backfires a. Incorrectly adjusted fuel mixture screws.
Through mixture screws. 1b. Disassemble carburetor and clean 8-17
Carburetor b. Dirt in carburetor. all internal passages.
c. Incorrect float level (gasoline sets). 1c. Adjust carburetor float level. 8-17
d. Vacuum leak. 1d. Locate and correct leak.
2. Mechanical engine defect 2. Perform Leak Down Test. 10-1
(intake valve defect).
3. Faulty ignition due to 3. Reset spark plug gap.
incorrect spark plug gap.
Redistribution or publication of this document,
by any means, is strictly prohibited.

6-19
WARNING Many troubleshooting procedures present hazards that can result in severe personal inju-
ry or death. Only trained and experienced personnel with knowledge of fuels, electricity, and machin-
ery hazards should perform service procedures. Review SAFETY PRECAUTIONS, p. iii.
TABLE 6-10. TROUBLESHOOTING ENGINE PRIMARY SYSTEMS
Trouble Possible Cause Corrective Action Section/
Page
Engine 1. Rich fuel mixture due to: 1a. Adjust carburetor main and idle 8-16
Backfires a. Incorrectly adjusted fuel mixture screws.
Through mixture screws. 1b. Check choke assembly. 8-19
Muffler When b. Choke sticking or out of adjustment.
Running
2. Mechanical engine defect 2. Perform Leak Down Test. 10-1
(exhaust valve defect).
3. Faulty ignition due to 3. Reset spark plug gap.
incorrect spark plug gap.
Engine Lacks 1. Dirty air filter. 1. Replace air filter.
Power
2. Restricted fuel flow due to:
a. Plugged fuel filter or 2a. Replace fuel filter. 8-20
b. faulty fuel pump. 2b. Test fuel pump and replace if faulty. 8-20
c. LPG - regulator or fuel solenoid 2c. Refer to LPG Fuel System. 8-21
dirty or defective.
3. Exhaust system blocked or restricted. 3. Locate and remove blockage, clean
spark arrester screen.
4.Carburetor air preheater set incorrectly. 4. In cold weather, place air preheater in
the winter position.
5. No load speed set too low. 5 . Adjust governor setting. 8-11
6. Incorrect fuel mixture due to:
a. Incorrectly adjusted fuel 6a. Adjust carburetor main and idle 8-16
mixture screws. adjustment screws.
b. Dirt or varnish in carburetor. 6b. Disassemble carburetor and clean 8-17
all internal passages.
c. Incorrect float level (gasoline sets). 6c. Adjust carburetor float level. 8-17
7. Incorrect valve lifter clearance or 7. Adjust valve clearance, if problem 10-6
defective valve. continues inspect valves.
8. Excessive engine wear. 8. Perform Leak Down Test. 10-1
Redistribution or publication of this document,
by any means, is strictly prohibited.

6-20
WARNING Many troubleshooting procedures present hazards that can result in severe personal inju-
ry or death. Only trained and experienced personnel with knowledge of fuels, electricity, and machin-
ery hazards should perform service procedures. Review SAFETY PRECAUTIONS, p. iii.
TABLE 6-11. TROUBLESHOOTING ENGINE PRIMARY SYSTEMS
Trouble Possible Cause Corrective Action Section/
Page
Engine 1. Restricted airflow due to dirt, debris 1. Clean air inlet and outlet areas. Do not
Overheats or insulation blocking air inlet or outlet. store anything in compartment area.
2. Dirt or oil on engine cooling fins. 2. Clean all dirt and oil from engine
cooling fins.
3. Cooling fan plugged or broken. 3. Inspect cooling fan, clean or replace
as needed,
4. Lean fuel mixture due to:
a. Incorrectly adjusted fuel 4a. Adjust carburetor main and idle 8-16
mixture screws. adjustment screws.
b. Dirt or varnish in carburetor. 4b. Disassemble carburetor and clean 8-17
all internal passages.
c. Incorrect float level (gasoline sets). 4c. Adjust carburetor float level. 8-17
5. Loose or missing service access cover 5. Check for proper fit of service access
or improper seal around the endbell cover and check seal around endbell.
assembly.
6. Improper installation due to:
a. Insufficient air inlet size. 6a. Make sure air inlet is not blocked and
b. Air inlet location allowing that it is properly sized (refer to
recirculation. Installation Manual).
6b. Make sure that air outlet is not blocked
and check for recirculation of outlet air.
Black Exhaust 1. Rich fuel mixture due to: 1a. Replace air filter.
Smoke a. Dirty air filter. 1b. Clean choke and choke linkage.
b. Choke sticking (gasoline sets). 1c. Adjust carburetor idle and main 8-17
c. Incorrectly adjusted fuel mixture adjustment screws.
screws. 1d. Disassemble carburetor and clean all 8-17
d. Dirt or varnish in carburetor. internal passages.
White or Blue 1. Oil level too high. 1. Lower oil level.
Exhaust
Smoke 2. Contaminated fuel. 2. Drain and refill fuel tank.
3. Excessive engine wear. 3. Perform Leak Down Test. 10-1
Redistribution or publication of this document,
by any means, is strictly prohibited.

6-21
WARNING Many troubleshooting procedures present hazards that can result in severe personal inju-
ry or death. Only trained and experienced personnel with knowledge of fuels, electricity, and machin-
ery hazards should perform service procedures. Review SAFETY PRECAUTIONS, p. iii.
TABLE 6-12. TROUBLESHOOTING ENGINE PRIMARY SYSTEMS
Trouble Possible Cause Corrective Action Section/
Page
Engine Hunts 1. Fuel supply problem caused by: 1a. Check fuel pump and replace 8-20
or Surges a. Faulty fuel pump (gasoline sets). if defective.
b. Contaminated fuel supply. 1b. Drain and refill fuel supply.
c. Vapor locking. 1c. Let genset cool down. Check for
blockage air inlet or outlet or improper
fuel system installation.
d. Plugged fuel filter. 1d. Replace fuel filter. 8-20
e. Carburetor passages plugged. 1e. Clean passages or replace pilot jet. 8-17
2. Incorrect fuel mixture due to: 2a. Adjust carburetor main and 8-16
a. Incorrectly adjusted idle adjustment screws.
fuel mixture screws or 2b. Disassemble carburetor and 8-17
b. dirt or varnish in carburetor. clean all internal passages.
c. Incorrect float level (gasoline sets). 2c. Adjust carburetor float level. 8-17
3. Governor problem due to: 3a. Check linkage alignment. Make sure 8-11
a. Sticking or binding governor linkage. it does not touch other parts. Clean
b. Incorrect governor adjustment. and lubricate linkage.
c. Faulty governor spring. 3b. Adjust speed and sensitivity settings. 8-11
d. Governor mechanism worn 3c. Replace governor spring.
excessively. 3d. See Governor in Engine Block 10-8
Assembly section.
4. Carburetor icing. 4. In cold weather, place air preheater in
the winter position.
High Oil 1. Oil viscosity too light or oil is diluted. 1. Drain oil and refill with correct
Consumption viscosity oil.
(Note: New 2. Crankcase breather valve is 2. Clean crankcase breather 8-10
engines can dirty, faulty or improperly installed. and replace if defective.
have high
oil consump- 3. Oil leaks. 3. Locate source of leak and
tion during repair as required.
break-in)
4. Excessive engine wear. 4. See Section 10. Engine Block Assembly
5. Light loading. 5. Do not run genset at no-load for long
periods of time.
6. Intake valve seal worn or defective. 6. Replace intake valve seal. 10-6
Redistribution or publication of this document,
by any means, is strictly prohibited.

6-22
WARNING Many troubleshooting procedures present hazards that can result in severe personal inju-
ry or death. Only trained and experienced personnel with knowledge of fuels, electricity, and machin-
ery hazards should perform service procedures. Review SAFETY PRECAUTIONS, p. iii.
TABLE 6-13. TROUBLESHOOTING ENGINE PRIMARY SYSTEMS
Trouble Possible Cause Corrective Action Section/
Page
Engine Shuts 1. Low oil level. 1. Add oil as required.
Down and Will
Not Restart 2. Low oil level switch is defective. 2. Check low oil level switch.
(Also see 3. Worn spark plug. 3. Clean or replace spark plug.
Control
Trouble- 4. Faulty fuel system - flooded. 4. Refer to Fuel System section. 8-13
shooting
table 6-4) 5. Choke not opening. 5. Check choke operation. 8-19
6. Faulty ignition system. 6. Check for spark. 8-8
Engine Runs 1. Fouled spark plug. 1. Clean or replace spark plug.
On After 2. Engine carbon build-up. 2. Remove carbon from engine.
Shutdown
Redistribution or publication of this document,
by any means, is strictly prohibited.

7-1
7. Control
This section covers control operation, component
locations, basic troubleshooting and test proce-
dures. The control consists of the circuitry used for
starting, monitoring fault conditions, instrumenta-
tion, battery charging, and stopping.
Review Control Description and Operation in this
section and become familiar with the component
locations shown in Figure 7-1.
CONTROL DESCRIPTION
The control circuitry consists of the following com-
ponents:
SStart/Stop Switch S1
SStart Relay K1
SControl Fuse F1
SCircuit Breaker CB1
SControl Assembly A1
SOptional Remote Start/Stop Control A2, A3
SBattery Charge Resistor R1
SRectifier Bridge CR1
SWiring Harness
SHour Meter M1 (Model KVC)
CONTROL
ASSEMBLY A1
START RELAY K1
BATTERY CHARGE
RESISTOR R1
(SPEC C-E)
BRIDGE
RECTIFIER CR1
(SPEC C-E)
CONTROL PANEL
M1899−4s
START/STOP
SWITCH S1
FIGURE 7-1. CONTROL COMPONENT LOCATIONS (MODELS KV AND KVD)
Redistribution or publication of this document,
by any means, is strictly prohibited.

7-2
SPARK PLUG
IGNITION
COIL T1
CONTROL BOX
COVER
CONTROL BOXVIEW FROM BOTTOM, COVER REMOVED
FUEL
PUMP E2
START
RELAY K1
VOLTAGE
REGULATOR VR1
CAPACITOR
C1
CIRCUIT
BREAKER CB1
FUSE F1 IS
BUNDLED IN
WIRE HARNESS
(NOT SHOWN)
START/STOP
SWITCH S1
CONTROL
ASSEMBLY A1
HOUR
METER M1
FIGURE 7-2. CONTROL COMPONENT LOCATIONS (MODEL KVC)
Redistribution or publication of this document,
by any means, is strictly prohibited.
7-3
Start/Stop Switch (S1)
The Start/Stop switch (S1) is a single-pole double-
throw (SPDT) rocker type switch that is mounted on
the Control Assembly (A1) circuit board. Holding the
switch in the Start position will initiate engine crank-
ing. Pushing the switch to the Stop position will initi-
ate the stop function. The switch will automatically
return to the center (Run) position when released.
Start Solenoid (K1)
The start solenoid (K1) is used for closing and open-
ing the circuit between the battery and the starter
motor. The start solenoid has heavy duty contacts
that handle the high current draw of the starter dur-
ing cranking.
Control Fuse (F1)
A 5-amp fuse provides protection for the control wir-
ing and remote wiring from a short circuit. The con-
trol fuse is mounted on the side of the control panel.
Circuit Breaker (CB1)
The standard 25-amp circuit breaker protects the
generator AC windings from a short circuit or over-
load. The circuit breaker is located on the control
panel. If an overload occurs, the breaker can be re-
set after all loads are removed from the genset.
Control Assembly (A1)
The control assembly consists of a printed circuit
board with the Start/Stop switch (S1) and other
components and relays mounted on the board. The
control assembly is mounted behind the service ac-
cess panel or inside the control box (Figure 7-1
or 7-2).
The control provides the following functions:
SLocal starting and stopping
SStarter solenoid output
SFuel pump output
SAVR field flash output
SRemote running output
SIgnition enable
Rectifier Bridge (CR1) (Spec C-E, Model KV)
The rectifier bridge consists of four diodes con-
nected in a bridge circuit to form a full-wave voltage
rectifier. The bridge circuit rectifies the AC voltage
from the generator battery winding (B1-B2) to sup-
ply DC voltage for battery charging.
Battery Charge Resistor (R1) (Spec C-E,
Model KV)
The battery charge resistor limits the battery charge
rate to a maximum of one ampere.
Optional Remote Control (A2, A3)
The remote control is an optional accessory that al-
lows the genset to be started, monitored, and
stopped from a remote location. The deluxe control
(A3) includes a running time meter and a battery
condition meter. Remote control panels are
mounted inside the vehicle.
Redistribution or publication of this document,
by any means, is strictly prohibited.
7-4
CONTROL OPERATION
The schematic diagram in Figure 12-1 on Page 12-2
can be used to help follow the circuit description. Al-
ways refer to the specific wiring diagram that corre-
sponds to the model and spec number of the genset
when troubleshooting.
Start Mode
Holding the Start/Stop switch (S1) in the Start posi-
tion activates the control assembly (A1) by closing
the start signal input circuit. While the Start/Stop
switch is held, the control assembly supplies the fol-
lowing outputs and results:
SEnergizes the start solenoid (K1) causing the
start solenoid contacts to close, energizing the
starter. The starter begins to crank the engine
to initiate starting.
SEnergizes the fuel pump (E2), the fuel pump
begins pumping fuel to the carburetor for en-
gine operation.
SFlashes the generator field winding to ensure
that there is adequate magnetism to induce
generator voltage buildup.
SEnable the ignition circuit, this opens a ground
path through the control assembly to the mag-
neto assembly (G2) so output from the magne-
to will energize the ignition coil (T1). The igni-
tion coil energizes the spark plug (E1) for igni-
tion.
Run Mode
When the engine starts, release the Start/Stop
switch and it will return to the center Run position.
The following control assembly functions occur:
SVoltage from the battery is replaced by output
voltage from the generator (when the engine
comes up to speed) so the control remains en-
ergized.
SStart solenoid (K1) is de-energized, opening
the circuit to the starter motor (M1) to stop
cranking. (The start disconnect is activated at
approximately 2000 rpm.)
SFuel pump (E2) remains energized during the
run condition.
SField flash is no longer required and is turned
off.
SIgnition enable remains on. Output from the
magneto assembly (G2) energizes the ignition
coil (T1) to provide spark.
SRemote run output energizes the running time
meter and the battery condition meter in the op-
tional deluxe remote control (A2).
A low oil level will cause the low oil level switch (S2)
to close. This closes a ground path to the magneto
assembly (G2) eliminating ignition spark and pre-
venting the engine from operating. If the oil level
goes below the low oil level during operation, the
genset will shut down.
Charging Circuit (Spec C-E, Model KV)
A 12-volt DC output (one-ampere maximum) from
the generator is used to prevent discharge of the
genset starting battery during genset operation.
This output is not sufficient to charge a low or dead
battery.
Stopping
Pressing the Start/Stop switch (S1) to the Stop posi-
tion de-energizes the ignition enable circuit and
grounds the magneto assembly (G2) output. This
causes the engine to stop running. The Stop posi-
tion also activates the remote stop latch feature pre-
venting restart. At the same time the fuel pump is
de-energized.
Redistribution or publication of this document,
by any means, is strictly prohibited.

7-5
CONTROL COMPONENT TESTS
The following control component checks can be
made to verify if components are defective. Discon-
nect the starting battery cables, negative (−) cable
first, before performing these tests.
WARNING Accidental starting or electrical
shock can cause severe personal injury or
death. Disconnect both genset starting battery
cables before performing maintenance. Re-
move the negative (−) battery cable first and
connect it last to reduce the risk of arcing.
Control Assembly (A1)
The Control Assembly consists of a printed circuit
board with components, relays and the Start/Stop
switch (S1) soldered to the board. It is difficult to iso-
late individual components on the control assembly
for testing. Use Section 6. Troubleshooting to identi-
fy possible problems in the control circuit. If a prob-
lem with the Control Assembly is suspected, use the
control circuit board tester if available, or check the
control outputs with a voltmeter.
Start/Stop Switch (S1)
If the genset can be started and stopped from the re-
mote control, but not from the genset control panel,
check the Start/Start switch on the circuit board.
Disconnect the J1 harness connector from P1 the
Control Assembly connector. Continuity should be
measured between pin P1-6 and P1-7 when the
switch is held in the Start position. Continuity should
be measured between pin P1-5 and P1-7 when the
switch is held in the Stop position. An open circuit
should be measured between each of pins P1-5,
P1-6, and P1-7 when the switch is in the center Run
position (Figure 7-3).
If the switch tests bad replace the control assembly
A1. If the switch checks good, connect the P1 con-
nector back to the harness connector J1 and check
continuity through each connector pin to make sure
good contact is made. Repair any poor or intermit-
tent connections.
START/STOP
SWITCH S1
P1
P2
J1
J2
ES2096s
FIGURE 7-3. CONTROL ASSEMBLY (A1) −
START/STOP SWITCH TEST
Redistribution or publication of this document,
by any means, is strictly prohibited.

7-6
Control Assembly (A1) Output Checks
Figure 7-3 shows the control assembly (A1) and the
harness connector connectors J1 and J2. Voltages
can be checked using a voltmeter with long test
prods. Table 7-1 lists the control outputs at the J1
and J2 connector plugs for each control mode.
WARNING Electrical shock can cause severe
personal injury or death. Do not touch the volt-
meter or any wiring when the genset is operat-
ing. Attach and remove meter leads only when
the genset is stopped.
Measure the control output voltages between the
connector pins shown in Table 7-1 and ground. Bat-
tery B+ voltage must be present at the J1-4/P1-4
connection at all times. If battery voltage is present
at the J1-4/P1-4 connection and the control outputs
are not present, check continuity between the J1/P1
and J2/P2 connections. If the connections and
Start/Stop switch (S1) check good, replace the con-
trol assembly with a new control assembly and re-
check genset operation.
TABLE 7-1. CONTROL OUTPUTS
CONTROL OUTPUT CONTROL MODE
(CONNECTOR PIN) CRANK RUN STOP
STARTER SOLENOID ≥9 VDC 0 VDC 0 VDC
(J1-3/P1-3)
FUEL PUMP ≥9 VDC ≥9 VDC 0 VDC
(J1-1/P1-1)
AVR FIELD FLASH ≥9 VDC 0 VDC 0 VDC
(J2-3/P2-3)
REMOTE RUN 0 VDC ≥9 VDC 0 VDC
(J1-2, P1-2)
Start Relay (K1)
Replace the start relay if coil winding resistance is
not 3 to 5 ohms. On Model KV, remove the attached
leads and measure resistance between terminals I
and S (Figure 7-4). On Model KVC, measure resist-
ance between terminal S and ground (internally
grounded).
If the coil checks good and a problem with the relay
is still suspected, remove the leads from the side
terminal posts. An open circuit should be measured
between the side terminal posts with the coil de-en-
ergized. With 12 VDC applied across the coil (termi-
nals I and S on Model KV, and terminal S and
ground on Model KVC) the solenoid should be ener-
gized and continuity should be measured between
the side posts.
TERMINAL
POSTS
I
S
FIGURE 7-4. START RELAY CHECK
Redistribution or publication of this document,
by any means, is strictly prohibited.

7-7
Diode Bridge (CR1) (Spec C-E, Model KV)
The diode bridge consists of four diodes connected
in a bridge circuit (Figure 7-5). The diode bridge can
be checked with a diode checker. Remove all of the
leads from the diode bridge and check each diode
individually. Continuity should be indicated in the
forward bias direction and an open circuit should be
indicated in the reverse bias direction (refer to your
meter instruction manual). If any of the diodes check
bad, replace the diode bridge.
With the leads removed, also check between each
terminal and ground to make sure a diode is not
shorted to ground. If shorted and not replaced, this
could damage the B1 - B2 windings, and cause the
Running Time meter to operate when the genset is
off.
Resistor (R1) (Spec C-E, Model KV)
The battery charge resistor can be checked with an
ohmmeter. Disconnect the leads from the resistor
and measure the resistance between terminals on
one end to the resistor and the terminals on the oth-
er end (Figure 7-1). The resistor should measure
between 4 and 6 ohms. If an abnormal reading is
measured, replace the resistor.
BRIDGE RECTIFIER SCHEMATIC
BRIDGE RECTIFIER CR1
ES2015s
FIGURE 7-5. DIODE BRIDGE CR1 CHECK
Redistribution or publication of this document,
by any means, is strictly prohibited.
Redistribution or publication of this document,
by any means, is strictly prohibited.

8-1
8. Engine Primary Systems
The engine primary systems include the following:
SExhaust System
SCooling System
SIgnition System
SCrankcase Ventilation
SGovernor
SGasoline Fuel System or
SLPG Fuel System
SElectric Starter
The engine primary systems can often be serviced
without removing the genset from the recreational
vehicle and without major genset disassembly. Use
Section 6. Troubleshooting to help locate problems
related to the engine primary systems.
EXHAUST SYSTEM
The exhaust system consists of the muffler and muf-
fler support brackets, tail pipe, clamps, and hangers
needed for installation of the tail pipe. Figures 8-1,
8-2 and 8-3 show typical exhaust systems.
WARNING EXHAUST GAS IS DEADLY! Keep
exhaust gases from entering the vehicle — Do
not terminate the exhaust tail pipe underneath
the vehicle or closer than 6 inches (153 mm) to
openings into the vehicle — Route the exhaust
system such that it is protected from damage —
Use approved materials only.
The genset exhaust system must be gas-tight and
prevent entry of exhaust gases into the vehicle. A
muffler must have a USDA (Forest Service) spark
arrestor and meet RVIA EGS-1 requirements for
construction (aluminized steel or equivalent and
welded or crimped joints). A genset without a prop-
erly installed and maintained spark arresting ex-
haust system can cause a brush fire or forest fire
and is illegal on federal lands.
Liability for damage, injury and warranty expense
due to modification of the exhaust system or to use
of unapproved parts is the responsibility of the per-
son performing the modification or installing the un-
approved parts.
CAUTION Unauthorized modifications or re-
placement of fuel, exhaust, air intake or speed
control system components that affect engine
emissions are prohibited by law in the State of
California.
Always replace worn components with new original
equipment replacement parts. Do not attempt to re-
pair a broken exhaust pipe or manifold by welding
and do not replace worn out components with parts
that do not meet factory specifications. Contact an
Onan distributor for approved replacement exhaust
parts.
Redistribution or publication of this document,
by any means, is strictly prohibited.

8-2
Model KVC Disassembly
First allow the exhaust system to cool down. Then
unclamp the flexible exhaust tube from the engine
exhaust tube and loosen the two muffler hangers to
remove the entire muffler/tailpipe assembly (Fig-
ure 8-1). Take care not to damage the flexible ex-
haust tube.
Model KVC Assembly
1. If the genset has been removed, first install the
genset in the vehicle.
2. Assemble the flexible exhaust tube to the muf-
fler with a new flange gasket, if they have been
disassembled.
3. Lift the muffler assembly up to the engine ex-
haust tube, making sure the split collar on the
flexible tube overlaps the engine exhaust tube
approximately 1 inch (25 mm).
4. Secure the two muffler hangers, one on each
end, so that the flexible tube hangs straight.
5. Secure the clamp at the engine exhaust tube.
6. See Tail Pipe for important consideration re-
garding routing and termination.
7. Run the genset for five minutes and look and
listen for exhaust system leaks and excessive
noise. Shut down the genset immediately and
correct any problems.
ENGINE EXHAUST
TUBE
MUFFLER CLAMP
HERE
MUFFLER HANGARS
HERE
MUFFLER/TAILPIPE
ASSEMBLY
FIGURE 8-1. MODEL KVC EXHAUST SYSTEM
Redistribution or publication of this document,
by any means, is strictly prohibited.

8-3
Model KV Disassembly
1. Allow the exhaust system to cool down before
servicing.
2. Loosen the clamp securing the tail pipe to the
muffler and pull the tail pipe away (Figure 8-2).
3. If muffler service is required, remove the genset
from the vehicle and remove the outer housing.
(See Genset Removal, p. 5-3.)
4. Remove the nuts securing the muffler flange to
the engine.
5. Remove the bolts securing the mounting brack-
ets to the muffler.
Model KV Assembly
WARNING EXHAUST GAS IS DEADLY! To
prevent exhaust leaks, install gaskets,
clamps, straps, and hardware as specified.
Inspect all components even if not replaced
or worked on.
1. Install a new exhaust gasket, making sure to re-
move and discard the old one. Mount the muf-
fler flange to the engine and torque the nuts to
specifications.
2. Install muffler support bracket mounting bolts
and secure to the specified torque.
3. Install the genset housing and reinstall the gen-
set.
4. See Tail Pipe if replacing the tailpipe.
5. Run the genset for five minutes and look and
listen for exhaust system leaks and excessive
noise. Shut down the genset immediately and
correct any problems.
TYPICAL SIDE
EXHAUST
TYPICAL REAR
EXHAUST
TAIL PIPE NOT
FURNISHED BY
ONAN
TAIL PIPE NOT
FURNISHED BY
ONAN
FIGURE 8-2. MODEL KV EXHAUST TAILPIPE
Redistribution or publication of this document,
by any means, is strictly prohibited.

8-4
Model KVD Disassembly
1. Allow the exhaust system to cool down before
servicing.
2. Loosen the clamp securing the tail pipe to the
muffler and pull the tail pipe away (Figure 8-3).
3. While supporting the muffler, loosen the muffler
clamp and remove the mounting bracket screw
and then pull the muffler down and away.
Model KVD Assembly
1. If the genset has been removed, first install the
genset in the vehicle.
2. If the flanged exhaust tailpiece has been re-
moved, secure it to the genset exhaust outlet
flange with a new gasket. Torque the two (2)
flange nuts to 7 lb-ft (10 N-m).
3. Put the U-bolt muffler clamp on over the muffler
inlet collar and snug the nuts. Push the muffler
inlet collar on over the tailpiece.
4. Holding the muffler level, secure the muffler
mounting bracket to the engine with the screw
and washer. Torque the screw to 13 lb-ft
(18 N-m).
5. See that the muffler is level and tighten the muf-
fler clamp nuts.
6. Secure the tail pipe to the muffler outlet collar
with a suitable muffler clamp. See Tail Pipe if re-
placing the tail pipe.
7. Run the genset for five minutes and look and
listen for exhaust system leaks and excessive
noise. Shut down the genset immediately and
correct any problems.
MUFFLER
MUFFLER
U-BOLT
CLAMP
EXHAUST OUTLET
FLANGE STUDS
SECURE
MUFFLER
MOUNTING
BRACKET TO
ENGINE
FLANGED
EXHAUST
TAILPIECE
SECURE TAIL
PIPE TO MUFFLER
OUTLET
SCREW TO
HOLD SPARK
SCREEN
FIGURE 8-3. MODEL KVD MUFFLER
Redistribution or publication of this document,
by any means, is strictly prohibited.

8-5
Tail Pipe
1. For the tail pipe, use 18-gauge, 1-1/8 inch I. D.
aluminized steel tubing or material of equiva-
lent heat and corrosion resistance. Do not use
flexible tubing, which is neither gas tight nor du-
rable.
2. Use U-bolt muffler clamps (available from
Onan) for tail pipe connections. Overlapping
pipe should be slotted (Figure 8-4).
3. Support the tail pipe near its end and at inter-
vals of 3 feet (0.9 m) or less. Use automotive-
type tail pipe hangers (available from Onan).
Tail pipe hangers must hang straight down.
Otherwise, the hanger will pull the tail pipe to
side, front or back causing noise and/or dam-
age to the muffler and tail pipe.
4. Do not route the tail pipe near fuel lines and fuel
tanks or closer than 3 inches (76 mm) to com-
bustible material (wood, felt, cotton, organic fi-
bers, etc.) unless it is insulated or shielded. The
temperature rise (above ambient) on adjacent
combustible material must not exceed 117°F
(65°C).
5. To prevent damage to the tail pipe while the ve-
hicle is moving, keep it out of the approach and
departure angles and above the axle clearance
line (Figure 8-5).
6. Do not terminate the tailpipe underneath the
vehicle. Extend it a minimum of 1 inch (25 mm)
beyond the perimeter of the vehicle (Fig-
ure 8-6). Support the end of the tail pipe such
that it cannot be pushed in and up under the
skirt of the vehicle.
7. Do not terminate the tail pipe such that it is clos-
er than 6 inches (153 mm) to any opening, such
as a door, window, vent or unsealed compart-
ment, into the vehicle interior (Figure 8-7)
8. Make sure a tail pipe deflector will not cause ex-
cessive back pressure (Section 2. Specifica-
tions) or interfere with removing a spark arrest-
ing screen, if so equipped.
CAUTION Excessive back pressure may
void emissions certifications and cause en-
gine damage.
3/4 INCH (19 MM) SLOT
(BOTH SIDES)
FIGURE 8-4. TAIL PIPE CONNECTIONS
DEPARTURE
ANGLE
APPROACH
ANGLE
AXLE CLEARANCE
LINE
FIGURE 8-5. APPROACH AND DEPARTURE
ANGLES AND AXLE CLEARANCE
1 INCH (25 mm)
MINIMUM
LAST TAILPIPE HANGER AS
CLOSE TO END AS PRACTICAL
FIGURE 8-6. TERMINATING THE TAIL PIPE
NO OPENING INTO THE VEHICLE INTERIOR MAY
BE CLOSER THAN 6 INCHES (153 mm) TO THE
END OF THE TAIL PIPE (WITHIN SHADED AREA)
6 in
153 mm
TAILPIPE
FIGURE 8-7. MINIMUM DISTANCES TO OPENINGS
Redistribution or publication of this document,
by any means, is strictly prohibited.

8-6
COOLING SYSTEM
A constant airflow is critical for engine and genera-
tor cooling to prevent excessive heat build-up. A
centrifugal fan on the generator end of the genset
provides the required airflow. The fan draws cooling
air in through the air inlet, into the generator and
across the engine cooling fins, then discharges the
heated air through the air outlet. See Figure 8-8, 8-9
or 8-10.
WARNING Cooling air can contain poisonous
exhaust gases that can result in severe personal
injury or death. Never use discharged cooling
air to heat the vehicle interior.
The generator housing air inlet is sized to allow the
required flow rate of cooling air. The air inlet opening
must be kept free of any obstructions to avoid re-
stricting airflow. Dirt, dust, or other debris that may
clog the air duct openings should be removed dur-
ing periodic maintenance. Dirt might also become
lodged between the cooling fins on the engine block
and cylinder head. If this happens, heat transfer is
greatly reduced and overheating can occur if the
fins are not cleaned.
The cooling system consists of the genset housing
and base assembly enclosure, insulation duct,
scroll assembly, fan hub assembly, air duct, and air
guide. The following section covers service proce-
dures for the cooling system.
Inspection
Remove the spark plug boot and inspect the engine
cooling fins by viewing the area around the spark
plug. If the engine is clean in this area and the air in-
let area is clean, disassembly for cleaning the en-
gine will not be necessary. If debris is visible in the
area of the spark plug or at the air inlet area, pro-
ceed to the Disassembly section, following.
FIGURE 8-8. MODEL KV COOLING AIRFLOW
AIR SEAL
PANEL
FIGURE 8-9. MODEL KVC COOLING AIRFLOW
FIGURE 8-10. MODEL KVD COOLING AIRFLOW
Redistribution or publication of this document,
by any means, is strictly prohibited.

8-7
Disassembly
Remove the genset as described in Removing the
Genset p. 5-3.
1. Follow the Generator Disassembly procedure
on Page 9-8 through the scroll assembly re-
moval.
2. Inspect and clean the fan hub assembly using
a brush or low pressure (less than 30 psi) com-
pressed air. If the cooling fins are damaged, re-
move the fan hub assembly as described in
section 8 and replace the fan.
3. Remove the top and bottom air guide housings
(cowling) for access to the engine cooling fins
for cleaning.
4. Use a brush or low pressure compressed air to
remove any dirt or debris that may be lodged on
the engine cooling fins.
Assembly
Cooling system assembly is in reverse order of dis-
assembly. Follow the Generator Assembly proce-
dure on Page 9-10 installing the fan hub assembly, if
removed for cleaning or replacement.
On Model KVC gensets make sure all air sealing
strips (Figure 8-11) and the air seal panel (Fig-
ure 8-9) are in place to prevent recirculation of cool-
ing air.
CAUTION Overheating can result in engine
damage. To avoid overheating, never operate
the genset with the access cover or any of the
cooling system parts removed.
SEALING
STRIPS
SEALING
STRIPS
FIGURE 8-11. AIR SEALING STRIPS (MODEL KVC)
Redistribution or publication of this document,
by any means, is strictly prohibited.

8-8
IGNITION SYSTEM
The ignition system consists of the magneto assem-
bly, ignition coil, spark plug and ignition wiring. If a
problem with the ignition system is suspected, the
spark plug can be inspected and an ignition spark
check can be made without removing the genset
from the vehicle. Perform the spark plug, ignition
coil and ignition wiring checks before proceeding to
the Magneto Assembly section on Page 8-10.
WARNING Electrical shock can cause severe
personal injury or death. Do not touch electrical
wiring or components during testing. Discon-
nect electrical power by removing the starting
battery negative (-) cable before handling elec-
trical wiring or components. Do not connect me-
ters while circuit is energized. Use rubber insu-
lative mats placed on dry wood platforms over
floors that are metal or concrete when testing
electrical equipment. Do not wear jewelry or
damp clothing (particularly wet shoes) or allow
skin surfaces to be damp when handling electri-
cal equipment.
Spark Plug (E2)
Remove the spark plug and inspect the electrode. If
the spark plug has carbon deposits, use a wire
brush to clean it. If the spark plug is badly fouled or
deformed, replace it. Measure and reset the spark
plug gap as shown in Figure 8-12. See Sec-
tion 2. Specifications. An examination of the spark
plug can often diagnose an engine problem. Refer
to the following spark plug conditions:
SCarbon fouled − Check for a poor high tension
lead connection, faulty choke operation, rich
fuel mixture or dirty air filter.
SOil fouled − Check for low compression.
SBurned or overheated − Check for leaking in-
take manifold gasket, lean fuel mixture or incor-
rect spark plug type.
SSplash fouled − Check for accumulated com-
bustion chamber deposits (p. 10-3).
SLight tan or gray deposits − Normal plug color.
If the spark plug is in good condition, proceed to the
Ignition Coil section.
Ignition Coil (T1)
The ignition coil is a transformer that steps up the
magneto output voltage to about 20,000 volts for
spark plug firing. The coil consists of a primary and a
secondary winding. Perform the following checks:
Ignition Spark Check:
WARNING Gasoline vapor is extremely
flammable, and can result in severe person-
al injury or death if ignited. Make certain
that no gasoline or other flammable fumes
are present. Park the vehicle in a well-venti-
lated area, and leave the genset compart-
ment door open for several minutes before
performing this test.
1. Make sure the engine oil is adequate and that
the genset is level.
2. Remove the spark plug, reconnect the spark
plug lead and ground the plug side electrode to
bare metal on the engine.
3. Do not touch the plug or plug wire during test-
ing. Crank the engine and observe the plug. A
good spark should be observed. If no spark is
observed, proceed to the coil winding check.
ES-1462
SPARK PLUG GAP (SEE
SPECIFICATIONS)
FIGURE 8-12. MEASURING PLUG GAP
Redistribution or publication of this document,
by any means, is strictly prohibited.

8-9
Coil Winding Check: The ignition coil is located be-
low the lower right corner of the access cover. Dis-
connect the coil ground lead, primary lead and
spark plug lead from the spark plug. The coil can be
removed from the genset for testing. See Figure
8-13.
1. Inspect the terminal and leads for signs of cor-
rosion or looseness and look for cracks, dents
or other damage. Look for evidence of electri-
cal leakage around the high tension connection
(indicated by carbon tracking). Replace a coil
with any defects.
2. Measure the primary winding resistance. Con-
nect one ohmmeter lead to the primary terminal
and the other lead to the ground lead ring termi-
nal. The resistance should be approximately
0.5 ohms at 75° F (24° C). Replace the coil if a
high or low reading is measured.
3. Measure the secondary winding resistance.
Connect one ohmmeter lead to the spark plug
connector, inside the boot, and the other lead
to the ground lead ring terminal. The resistance
should be approximately 1,100 ohms at 75° F
(24° C). Replace the coil if a high or low reading
is measured.
If no spark is seen and the coil windings check good,
proceed to the Ignition Wiring check.
Ignition Wiring
The ignition wiring consists of the following:
SOne ground wire connected to the ignition coil
(T1-IGN) and one ground wire connected to the
magneto assembly.
SOne wire from the magneto (G2) to the ignition
coil primary.
SOne ignition enable wire from the control as-
sembly (A1) to the magneto (G2).
SOne wire from the low oil level switch (S2) to the
control assembly (A1).
SOne high tension lead from the ignition coil sec-
ondary to the spark plug (E1).
Do not disassemble the genset to check the magne-
to wiring at this time.
Thoroughly inspect the ignition wiring for loose con-
nections and cuts or breaks in the insulation. Test
suspect leads for continuity with an ohmmeter. Use
a megger to check for breaks in the spark plug lead.
Also check control wiring for loose or grounded con-
nections. If any problems are found, correct them
and repeat the ignition spark check. If no problems
are found proceed to the Magneto Assembly sec-
tion, following.
SPARK PLUG BOOT
(SECONDARY)
ES-1767
GROUND
LEAD TERMINAL
(PRIMARY)
FIGURE 8-13. IGNITION COIL
Redistribution or publication of this document,
by any means, is strictly prohibited.

8-10
Magneto Assembly (G2)
The magneto assembly is a noncontact capacitive
discharge (breakerless) type that is mounted to the
generator endbell. As the engine cranks, two per-
manent magnets on the fan hub assembly pass very
close to the magneto inducing a voltage in two coils
in the magneto. One coil charges a capacitor that
discharges a voltage to the coil when triggered. The
other coil powers the circuit that triggers the charge
circuit. The discharge voltage from the magneto
(approximately 16 to 60 VAC when measured with a
digital voltmeter) is supplied to the primary of the
ignition coil.
If no spark was seen in the Ignition Spark Check and
all accessible ignition wiring checks good, perform
the Magneto Assembly Check.
Magneto Assembly Check: Use a known good
(new) ignition coil.
1. Make sure the cranking circuit and battery are
in good condition.
2. Disconnect the J2 harness connector from the
control assembly (A1). Measure the resistance
between J2 pin 4 and ground. If the resistance
is 100 ohms or more proceed to Step 3. If zero
resistance is measured, the low oil level switch
is grounding the magneto output due to a low
oil level or a defective low oil level switch (S2).
Correct this problem before proceeding to
Step 3. The oil level switch is covered in the Oil
Pan and Oil Level Switch section on Page 10-2.
3. Remove the spark plug, reconnect the spark
plug lead and ground the plug side electrode to
bare metal on the engine.
4. Do not touch the plug or plug wire during test-
ing. Crank the engine and observe the plug. A
good spark should be observed. If no spark is
observed, the magneto or wires connected to
the magneto are the most likely cause. Refer to
the Generator Disassembly section on Page
9-8 for generator disassembly to access the
magneto assembly.
CRANKCASE VENTILATION
The crankcase breather prevents pressure build-up
in the crankcase. It also prevents oil contamination
by removing moisture or gasoline vapors and other
harmful blow-by materials from the crankcase.
These vapors are routed to the air inlet where they
are mixed with incoming air and burned in the com-
bustion chamber. A sticky breather valve can cause
oil leaks, high oil consumption, rough idle, reduced
engine power, and a rapid formation of sludge and
varnish within the engine.
Crankcase Breather Service
If the crankcase becomes pressurized, as evi-
denced by oil leaks at the seals, use the following
procedures to service.
Remove the head cover and the gasket (see the
Head Cover section on Page 10-3) then remove the
breather assembly from the cylinder head and in-
spect it. The reed valve must be flat with no sign of
creases or other damage. If the breather is defec-
tive, replace it. If the breather is dirty, clean it in parts
cleaning solvent.
WARNING Most parts cleaning solvents are
flammable and can result in severe personal in-
jury if used improperly. Follow the manufactur-
er’s recommendations when cleaning parts.
Check breather tube and air passages for clogging
and clean as required.
Redistribution or publication of this document,
by any means, is strictly prohibited.

8-11
GOVERNOR
The governor controls engine speed which directly
affects the generator voltage output and frequency.
An increase in engine speed will cause a corre-
sponding increase in voltage and frequency. A de-
crease in engine speed will cause a corresponding
decrease in voltage and frequency. The governor
maintains a constant engine speed under changing
load conditions so output voltage and frequency will
not vary.
WARNING Contact with moving parts can
cause severe personal injury. Keep clothing,
hair, jewelry, hands, and fingers clear while ad-
justing the governor.
WARNING A hot genset can cause severe
burns. Always allow the genset to cool before
touching any components or removing any
parts.
CAUTION Voltage/frequency-sensitive
equipment such as VCRs, televisions, comput-
ers, etc. may be damaged by power line frequen-
cy variations. Some solid-state devices are
powered whenever connected to an AC outlet
even if the device is not in actual operation. For
this reason, disconnect all devices which are
voltage or frequency-sensitive before attempt-
ing any carburetor/governor adjustments. If dis-
connecting the devices is not possible, open
the circuit breaker(s) at the distribution panel or
at the genset, if so equipped.
If the governor arm has been removed for service,
or if the there has been a loss of governed power,
reset the governor arm to governor shaft position
before proceeding to the governor adjustments.
Governor Arm to Governor Shaft
Adjustment
1. Loosen the bolt that secures the governor arm
to the governor shaft (Figure 8-14).
2. Turn the governor shaft back and forth several
times. Also move the governor arm from closed
to wide open throttle to verify free movement.
3. Turn the governor shaft to the fully clockwise
position and apply 2 to 5 in. lbs. (0.23 to
0.56 N•m) of torque. Tighten the governor arm
attachment bolt to 60 to 70 in. lbs. (6.8 to
7.9 N•m).
4. Release the governor shaft and check for a gap
between the stop on the throttle shaft and the
carburetor body of approximately 0.003 to
0.006 in. (0.076 to 0.152 mm). If a gap is not
present, repeat steps one thru three and in-
crease the torque on the governor shaft before
securing the governor arm.
Before making governor adjustments, run the unit
about 15 minutes under 50 percent load to reach
normal operating temperature. If the governor is
completely out of adjustment, make a preliminary
adjustment at no load to first attain a safe voltage
and speed operating range.
An accurate voltmeter and frequency meter should
be connected to the generator in order to correctly
adjust the governor (accuracy of 0.3% on frequency
and 0.5% on voltage). A small speed drop not no-
ticeable without instruments will cause an objection-
able voltage drop.
A binding in the governor shaft, governor linkage, or
carburetor throttle will cause erratic governor action
or alternate increase and decrease in the engine
speed (hunting). A rich or lean carburetor adjust-
ment can cause hunting and a fouled spark plug can
cause missing and hunting. Springs tend to lose
their calibrated tension through fatigue and after
long usage and may require replacement.
If the governor action is erratic after adjustments are
made, replace the spring. If this does not improve
operation, the problem may be within the governor
mechanism (see the Governor section on Page
10-8).
Governor Adjustments
Adjustments to the governor should be made in the
following sequence.
1. The carburetor fuel mixture screws must be
correctly adjusted before governor adjust-
ments are made. If the carburetor needs ad-
justing, refer to Carburetor Mixture Screw Ad-
justments on Page 8-16 before making any ad-
justments to the governor.
2. Set the carburetor throttle stop screw as speci-
fied in Carburetor Mixture Screw Adjustments
on Page 8-16.
Redistribution or publication of this document,
by any means, is strictly prohibited.

8-12
3. Check the governor linkage for binding or ex-
cessive looseness. Check the motion spring for
bending or damage and straighten or replace
as needed.
4. With unit operating at no-load, adjust the speed
adjustment screw (see Figure 8-14) on the gov-
ernor linkage to obtain 62.5 + 0.5 Hz, at be-
tween 120 and 126 volts on 60 hertz units. Set
50 hertz units to obtain 52.0 + 0.5 Hz at be-
tween 220 and 231 volts for 220 volt units and
240 to 252 volts for 240 units.
5. Check the frequency and voltage first with a
load applied and then with no load applied. The
frequency and voltage should stay within the
limits shown in Table 8-1.
TABLE 8-1. CHECKING VOLTAGE AND
SPEED/FREQUENCY
60 Hz 50 Hz 50 Hz
(1∅, 2-Wire) (1∅, 2-Wire) (1∅, 2-Wire)
120 V 220 V 240 V
Voltage
Maximum No-Load 130 235 256
(Typical No-Load) (125) (228) (248)
Minimum Full-Load 108 205 224
(Typical Full-Load) (118) (215) (236)
Speed/Frequency
Maximum No-Load
Speed (r/min) 3780 3150 3150
Frequency (Hz) 63 52.5 52.5
(Typical-Freq.) (62.5) (52) (52)
Minimum Full-Load
Speed (r/min) 3570 2940 2940
Frequency (Hz) 59.5 49 49
(Typical Freq.) (59.5-60.5) (49.5-50.5) (49.5-50.5)
6. Adjust the governor sensitivity screw to give the
closest regulation (least speed and voltage dif-
ference between no load and full load) without
causing a hunting condition. To increase the
sensitivity, turn the adjustment screw counter-
clockwise one to two turns only. To decrease
sensitivity, turn the adjustment screw clock-
wise.
7. Recheck the speed setting made in Step 4 and
readjust if necessary.
SENSITIVITY
ADJUSTMENT
SCREW
SPEED
ADJUSTMENT
SCREW
50 HERTZ SPRING
LOCATION
60 HERTZ SPRING
LOCATION
SPEED
ADJUSTMENT
SCREW
GASOLINE
MODEL
LPG MODEL
SENSITIVITY
ADJUSTMEN
T SCREW
GOVERNOR
SHAFT
GOVERNOR
SHAFT
THROTTLE
STOP
THROTTLE
STOP
M1877−1s
M1877s
FIGURE 8-14. GOVERNOR ADJUSTMENTS
Redistribution or publication of this document,
by any means, is strictly prohibited.

8-13
GASOLINE FUEL SYSTEM
The fuel system must be in good condition and be
properly adjusted for efficient genset operation. The
main components of the fuel system are the air filter
assembly, carburetor, choke, intake manifold, fuel
filter, fuel pump, and air preheater.
WARNING Fuel presents the hazard of fire or
explosion that can cause severe personal injury
or death. Eliminate all possible ignition sources
such as open flame, sparks, cigarettes, pilot
lights, and arc-producing equipment and elec-
trical switches from the work area and rooms
with common ventilation. Keep a type ABC fire
extinguisher nearby.
Air Filter and Preheater Assembly
The air filter and preheater assembly consists of the
air filter cover, air filter, scroll assembly, preheat
door, and preheat linkage. See Figure 8-15.
If a problem exists with operation of the preheat
door, remove the genset (see Removing the Genset
p. 5-3) and remove the enclosure assembly (Model
KV). Check preheater linkage and adjust as re-
quired. If the problem is within the scroll assembly,
follow the Generator Disassembly procedures on
Page 9-8 through the scroll removal step and repair
or replace as required.
AIR FILTER
RETAINER
COVER
PRE-HEATER
CONTROL LEVER
FIGURE 8-15. AIR FILTER AND PREHEATER
ASSEMBLY (TYPICAL ALSO OF MODEL KVC)
Redistribution or publication of this document,
by any means, is strictly prohibited.

8-14
Carburetor and Intake Manifold
The carburetor and intake manifold assembly con-
sists of the intake manifold, carburetor, choke pulloff
and governor control linkages. See Figure 8-16.
Removal: To remove and disassemble the carbure-
tor and intake manifold assembly:
1. Remove the genset from the vehicle (see Re-
moving the Genset p. 5-3) and remove the gen-
set enclosure.
2. Remove the choke assembly mounting bolts
and disconnect the choke linkage from the car-
buretor. Remove the vacuum hose from the in-
take manifold.
3. Remove the governor control linkage and
spring attached to the carburetor.
4. Disconnect the fuel line and plug to prevent fuel
leakage.
5. Remove the two bottom intake manifold mount-
ing bolts that connect the intake manifold to the
cylinder head.
6. Remove the carburetor and intake manifold as
an assembly.
7. Remove the intake manifold gaskets and plug
the intake port to prevent loose parts from acci-
dentally entering the engine.
8. Remove the two screws that secure the carbu-
retor to the intake manifold and carefully sepa-
rate the carburetor from the intake manifold.
Assembly: Assembly is the reverse of disassem-
bly. Use new gaskets between the intake manifold
and engine and between the carburetor and the in-
take manifold. Torque the mounting screws to speci-
fications.
INTAKE
ELBOW
MOUNTING
BOLTS
CARBURETOR
ASSEMBLY
FIGURE 8-16. CARBURETOR AND INTAKE MANIFOLD ASSEMBLY
Redistribution or publication of this document,
by any means, is strictly prohibited.

8-15
Carburetor (Begin Spec E, Model KV; All
Model KVC)
Other than turning the altitude adjust knob shown in
Figure 8-17 (which changes the main fuel mixture
within a limited range), fuel mixture adjustments
should not be attempted. Nor should the carburetor
be overhauled. Instead, a malfunctioning carbure-
tor should be replaced. Before replacing a carbure-
tor, however, make certain 1) that all other neces-
sary engine and generator adjustments and repairs
have been performed and 2) that the carburetor is
actually malfunctioning, by carefully following the
troubleshooting procedures in Section 6. Trouble-
shooting.
See the instructions on how to remove and replace
the carburetor under the subheadings Air Filter And
Preheater Assembly and Carburetor And Intake
Manifold Assembly in this section.
A throttle stop screw is provided for adjusting the
“closed” position of the throttle plate to obtain proper
governor response when loads are being discon-
nected. (See Governor Adjustments on Page 8-11.)
To adjust the throttle stop screw:
1. Connect a frequency meter and start and run
the genset until it has warmed up to normal op-
erating temperature.
2. Disconnect all loads. Pull the governor linkage
toward the front of the genset so that the tang
on the throttle lever bears against the throttle
stop screw. Adjust the stop screw to obtain a
frequency of 44 to 46 Hz on 60 Hz gensets
(36 to 38 Hz on 50 Hz gensets).
ALTITUDE
SCALE
THROTTLE
STOP SCREW
ALTITUDE
ADJUST
KNOB
THROTTLE
LEVER
TAMPER-RESISTANT
PLUG OVER IDLE
MIXTURE NEEDLE
CHOKE
LEVER
FIGURE 8-17. CARBURETOR ADJUSTMENTS
(BEGIN SPEC E, MODEL KV; ALL MODEL KVC)
Redistribution or publication of this document,
by any means, is strictly prohibited.

8-16
Carburetor Mixture Screw Adjustments
(Prior to Spec E, Model KV Only)
The most common cause of poor carburetion is un-
satisfactory adjustment of the idle or main mixture
adjustment screws. Significant variation from the
correct settings may result in serious engine
trouble. An overly rich mixture not only wastes fuel,
but can increase engine wear by washing the lubri-
cant from the cylinder walls and diluting the crank-
case oil. An overly lean mixture results in a loss of
power, flat spots in acceleration, and a greater ten-
dency to burn valves and spark plugs.
Mixture screw adjustment should be checked with
every engine tune-up and whenever a carburetion
problem is suspected. Before adjusting, be sure the
ignition system is working properly and the governor
is correctly set. The limiter cap on the main mixture
screw should not be removed unless the carburetor
is totally out of adjustment or has been overhauled.
With the limiter cap removed, use the mixture set-
tings in Table 8-2 for preliminary adjustments. Turn
the mixture screws in until lightly seated, then turn
out the specified number of turns.
TABLE 8-2 CARBURETOR ADJUSTMENT
SPECIFICATIONS
MIXTURE SETTING FLOAT
IDLE MAIN LEVEL
1-1/2 + 1/4 1-3/4 + 1/4 9/16 + 1/16 In.
(14 + 2 mm)
CAUTION Forcing the mixture adjustment
screws tight will damage the needle and seat.
Turn in only until light tension can be felt.
Start the engine and allow it to run for about 10 min-
utes. The location of the adjustment screws is
shown in Figure 8-18. Use the following procedure:
1. Stop the genset and connect a voltmeter, fre-
quency meter, and load bank to the generator
output leads.
2. Start the genset and apply a full load. Verify that
the frequency is within 60.5 ±1 Hz (50.0 ±1 Hz
on 50 Hz gensets) and adjust the governor
speed adjustment screw (Figure 8-14) if neces-
sary to obtain required frequency.
3. Turn the main adjustment screw inward until
voltage or frequency drop again. Locate the
point where the voltage and frequency are
highest. From this setting turn the main adjust-
ment screw out an additional 1/4 turn.
4. Remove the load and verify that frequency is
within 62.5 ±0.5 Hz (52.0 ±0.5 Hz on 50 Hz gen-
sets). Adjust governor speed adjustment screw
if necessary to obtain required frequency.
5. Turn the governor speed adjustment screw
counterclockwise until the speed is ≤50 Hz, so
that the throttle lever on the carburetor is rest-
ing against the throttle stop screw (Figure
8-18). Adjust the stop screw to obtain a fre-
quency of 44 to 46 Hz on 60 Hz gensets (36 to
38 Hz on 50 Hz gensets).
6. Turn the idle adjustment screw inward until volt-
age and frequency drop and engine begins to
run rough or starts hunting. Back out idle ad-
justment screw as required for smoothest op-
eration without hunting. Recheck setting in
Step 5.
7. Readjust the governor speed screw (Step 4)
and observe the stability of the genset. Set the
voltage and frequency and adjust the sensitiv-
ity of the governor as specified in Governor on
Page 8-11. Add and remove a full load several
times to make certain the genset does not bog
down or hunt.
IDLE
ADJUSTMENT
SCREW
MAIN
ADJUSTMENT
SCREW
THROTTLE STOP
SCREW
FIGURE 8-18. MIXTURE SCREW ADJUSTMENT
(PRIOR TO SPEC E, MODEL KV ONLY)
Redistribution or publication of this document,
by any means, is strictly prohibited.

8-17
Carburetor Overhaul (Prior to Spec E,
Model KV Only)
Carburetor problems not corrected by mixture or
float adjustments usually result from gummed-up
fuel passages or worn internal parts. Either replace
the carburetor or overhaul it using the gaskets and
replacement parts in the kits that are available. See
Figure 8-19.
Removal and Disassembly: Remove the carbure-
tor and intake manifold assembly as instructed in
Carburetor and Intake Manifold Assembly. Remove
the carburetor from the intake manifold and disas-
semble as follows:
1. Remove the main and idle mixture screw as-
semblies.
2. Separate the lower section of the carburetor.
Remove the float chamber by removing the bolt
from the bottom of the carburetor.
3. Carefully note position of the float assembly
parts, then slide out retaining pin and remove
the float and needle valve.
4. Unscrew and remove the main nozzle.
Do not remove the choke or throttle plates, shafts,
arms or governor link bushing unless damaged.
Clean and Repair: When the carburetor is com-
pletely disassembled, clean and repair as follows:
1. Soak all metal components not replaced by re-
pair kit in carburetor cleaner. Do not soak non-
metal floats or other non-metal parts. Follow
the cleaner manufacturer’s recommendations.
2. Clean all carbon from the carburetor bore, es-
pecially where the throttle and choke plates
seat. Be careful not to plug the fuel ports.
3. Blow out all passages with compressed air. Do
not use wire or other objects for cleaning. They
can increase the size of critical passages.
SCREW
CHOKE
SHAFT
NEEDLE
VALVE
CLIP
FLOAT
FUEL
BOWL
WASHER
O-RING
FUEL BOWL
GASKET
THROTTLE
STOP SCREW
SCREW
THROTTLE
PLATE
BOLT SPRING PLATE
SCREW
CAP
MAIN ADJUSTMENT
SCREW
O-RINGS
MAIN
NOZZLE
PIN
THROTTLE
SHAFT
IDLE ADJUSTMENT
SCREW
SPRINGPILOT JET
SCREW
CHOKE
PLATE
FIGURE 8-19. CARBURETOR OVERHAUL (PRIOR TO SPEC E, MODEL KV ONLY)
Redistribution or publication of this document,
by any means, is strictly prohibited.

8-18
4. Check the condition of any needle valve and re-
place if damaged (Figure 8-20). Replace float
if loaded with fuel or damaged.
5. Check the choke and throttle shafts for exces-
sive play in their bore and replace if necessary.
6. Replace old components with new parts in-
cluded in repair kit.
Reassembly and Installation: When carburetor
parts are clean and dry reassemble as follows:
1. If removed during overhaul, slide in the throttle
shaft and install the throttle plate using new
screws, if necessary. Before tightening the
screws, the throttle plate must be centered in
the bore. To do so, remove the throttle stop
screw and completely close the throttle lever.
Seat the plate, then tighten screws. Install the
choke shaft and plate in the same manor.
2. Install idle mixture screw assembly. Turn in
screw until lightly seated and then out the num-
ber of turns specified in Table 8-2 (Page 8-16).
CAUTION Forcing the mixture adjustment
screws tight will damage the needle and
seat. Turn in only until light tension is felt.
3. Install needle valve and seat, fuel bowl gasket
and float assembly. Make sure all clips and
springs are properly placed and the float moves
freely without binding (see Figure 8-21).
4. Invert the float and needle valve assembly and
check float level by measuring between the
float and carburetor at the point shown in Figure
8-22. The full weight of the float should be rest-
ing on the needle valve and spring. The correct
distance is specified in Table 8-2. If the setting
is incorrect, remove float and bend tab to ad-
just. Bend the float only at the point indicated.
CAUTION Attempting adjustments with
the float assembly installed can damage the
inlet needle and seat. Remove float assem-
bly before making adjustments.
DAMAGE AND WEAR
OCCUR HERE
FIGURE 8-20. MIXTURE NEEDLE INSPECTION
(PRIOR TO SPEC E, MODEL KV ONLY)
POSITION
HOOK UNDER
TAB ON FLOAT
FLOAT
NEEDLE
VALVE
PIN
FIGURE 8-21. FLOAT INSTALLATION (PRIOR TO
SPEC E, MODEL KV ONLY)
BEND TAB
TO ADJUST MEASURE THIS
DISTANCE
FIGURE 8-22. FLOAT LEVEL (PRIOR TO SPEC E,
MODEL KV ONLY)
Redistribution or publication of this document,
by any means, is strictly prohibited.

8-19
5. Install float bowl and main mixture screw as-
sembly. Turn screw in until lightly seated and
then turn out the number of turns specified in
Table 8-2.
CAUTION Forcing the mixture adjustment
screws tight will damage the needle and
seat. Turn in only until light tension can be
felt.
6. When carburetor is installed on genset, make
final adjustments to mixture screws as de-
scribed in Carburetor Mixture Screw Adjust-
ments (Page 8-16).
Choke Assembly
The genset has an automatic choke assembly that
consists of a bimetal choke coil, coil housing
(mounted on the exhaust tube) and choke linkage.
The choke linkage connects to the choke shaft lever
on the carburetor.
When the engine is cold, the choke coil position
causes the linkage to hold the choke nearly closed.
When the engine starts, hot air from the exhaust
manifold enters the coil housing. The choke coil ex-
pands pulling the linkage to partially open the
choke. As the engine warms up, the coil continues
to expand and gradually opens the choke and holds
it open while the engine is operating. This action
varies the fuel/air mixture as the engine warms up to
provide smooth engine operation.
If the engine starts but runs rough and exhausts
black smoke after a minute or two of operation, the
choke setting is too rich. If the engine starts but sput-
ters or stops before it warms up, the choke setting is
too lean.
WARNING The choke housing becomes very
hot during operation and can cause severe
burns if touched. Allow the genset to cool down
before handling the choke assembly.
Choke Adjustment: See Figure 8-23. Check the
choke linkage to make sure it is not bent or rubbing.
Rotate the choke lever on the carburetor. The choke
shaft should move freely and it should return to its
original position when released. To readjust the
choke:
1. Let the genset cool down (overnight) in an am-
bient of 60-80°F (15-27°C).
2. Loosen the two choke adjustment plate lock
screws.
CHOKE
ADJUSTMENT
PLATE
CHOKE COIL
HOUSING
CHOKE
LINKAGE
LOCK
SCREWS
TOP VIEW OF CARBURETOR
THE CHOKE
LEVER MUST BE
PARALLEL TO THE
CARBURETOR
FLANGE AT
70° F (21° C)
FIGURE 8-23. CHOKE ASSEMBLY (TYPICAL ALSO
OF MODEL KVC)
Redistribution or publication of this document,
by any means, is strictly prohibited.

8-20
3. Rotate the choke adjustment plate until the
choke lever on the carburetor is parallel to the
carburetor flange. This is the position the choke
lever should be in when the ambient tempera-
ture is 70°F (21°C). If the ambient is cooler, the
choke adjustment plate may be rotated slightly
in the counterclockwise direction; and if warm-
er, clockwise. Tighten the lock screws.
4. Move the choke lever back and forth to check
that it does not bind or stick. Start the genset
and observe choke and engine operation.
CAUTION Proper engine cooling requires
that the access cover be secured during op-
eration. Do not run the genset for more than
two minutes with the access cover off or
when it is already at operating temperature.
Bimetal Coil Replacement: If the choke does not
open properly, replace the bimetal coil in the choke
housing as follows:
1. Remove the adjustment screw and washer
from the choke coil housing.
2. Remove the housing. Straighten the tab from
the adjustment plate to release the bimetal coil.
3. Remove choke linkage from the bimetal coil
and install the linkage on the new coil.
4. Assemble the new coil to the adjustment plate
and bend the tab on the adjustment plate to the
secure coil.
5. Install the choke coil housing and secure it with
screw and washer.
6. Perform the choke adjustment procedure.
Gasoline Fuel Filter
The fuel filter is located below the carburetor. Shut
off the fuel supply valve (if equipped) and let the
genset run until it is out of fuel. Allow the genset to
cool down before replacing the fuel filter.
WARNING Fuel presents the hazard of fire or
explosion that can cause severe personal injury
or death. Do not permit any flame, spark, arcing
switch or equipment, pilot light, lit cigarette, or
other ignition source near the fuel system. Keep
a type ABC fire extinguisher nearby.
Fuel Pump
An electric fuel pump is used to supply fuel to the
carburetor. If the pump malfunctions or insufficient
fuel delivery is suspected, use the following proce-
dures to test the fuel pump.
WARNING Do not substitute automotive type
electric fuel pumps for standard Onan supplied
electric fuel pumps. The output pressure is
much higher and can cause carburetor flooding
or fuel leakage, creating a fire hazard.
Fuel Pump Test: Test the fuel pump by checking
the pump outlet pressure as follows:
1. Remove fuel line from carburetor inlet and
install a pressure gauge.
2. Press start switch and hold it for several sec-
onds, until pressure reading is constant.
3. Beginning Spec F, the pressure for a good
pump will be 2.5 to 4.0 psi (17 to 27 kPa). Prior
to Spec F, the pressure for a good pump will be
3 to 5 psi (20.7 to 34.5 kPa), unless the pump
has been replaced with a later, Spec F, pump.
The pressure should stay constant or drop off
very slowly.
SIf the pressure is below 2.5 psi (17 kPa),
replace the fuel pump.
SIf pressure reading is at zero, stop engine
cranking and check electrical connections.
Press the Start switch and recheck pres-
sure reading.
SThere are no serviceable components in
the fuel pump. Replace complete fuel
pump assembly if defective. Replacement
pumps are lower pressure, 2.5 to 4.0 psi
(17 to 27 kPa), pumps.
Redistribution or publication of this document,
by any means, is strictly prohibited.

8-21
LPG FUEL SYSTEM
WARNING LPG is flammable and explosive
and can cause asphyxiation. NFPA 58, Section
1.6 requires all persons handling LPG to be
trained in proper handling and operating proce-
dures.
Do not smoke if you smell gas or are near LPG
containers or LPG-burning equipment or are in
an area sharing ventilation with such equip-
ment. Keep flames, sparks, pilot lights, electri-
cal arcs and arc-producing equipment and
switches and all other sources of ignition well
away. Have an ABC fire extinguisher handy.
LPG models are designed for a low-pressure vapor-
withdrawal type of LPG supply system. LPG supply
pressure at the inlet to the demand regulator must
be 9 to 13 inches water column (WC) when the gen-
set is running under full load.
The components of the genset LPG system include:
SA fuel-shutoff solenoid valve
SA demand regulator with a built-in automatic
priming solenoid which allows fuel to pass
through during cranking
SAn LPG carburetor and air filter
Before servicing the LPG fuel system, check to see
that the LPG container(s) is at least half full. The
problem may be that there is not enough LPG to pro-
vide the rate of vaporization necessary to meet gen-
set demand, especially on cold days and/or when
the genset is under full load.
Carefully follow the instructions on Page 5-4 for dis-
connecting the LPG fuel line from the genset.
WARNING LPG “sinks” when it escapes into
the air and can accumulate in explosive con-
centrations. Before disconnecting the LPG fuel
line, close the fuel shutoff valve(s) at the LPG
container(s) and move the vehicle outside and
away from pits or basements or other below-
grade spaces where LPG could accumulate.
See the instructions on how to remove and replace
the carburetor in Air Filter And Preheater Assembly
on Page 8-13 and Carburetor And Intake Manifold
Assembly on Page 8-14. References to preheaters
and chokes are not applicable to LPG carburetors.
Isolating Fuel System Problem
To isolate the problem to the genset or to the fuel
supply system, perform the following test:
1. Close the vehicle gas supply tank valve and
disconnect the gas hose at the carburetor (fuel-
air mixer).
2. Connect a shop tank (at least 30 lb) through a
primary regulator and demand regulator ad-
justed for 11 inches WC.
3. If the genset can be started and runs properly,
the problem is in the gas supply system up to
the connection at the carburetor.
4. If the genset cannot be started or does not run
properly, the problem is in the genset, starting
at the connection to the carburetor.
Redistribution or publication of this document,
by any means, is strictly prohibited.

8-22
Demand Regulator
The demand regulator assembly supplies fuel to the
carburetor. It is usually not the cause of fuel system
problems. All other possible causes should be
checked out before adjusting or replacing the de-
mand regulator assembly. Figure 8-24 illustrates
the regulator with priming solenoid used prior to
Spec L on Model KV or Spec B on Model KVD. The
demand regulator on later models does not have a
priming solenoid.
For Specs E through K on Model KV, if a fuel system
problem is suspected, first remove and inspect the
pressure balance hose which is connected between
the regulator and the fitting on the air filter end of the
carburetor (Figure 8-27). Replace the hose if it is
plugged or kinked or not 23 to 25 inches (584 to 635
mm) long.
CAUTION For Specs E through K on Model
KV, the pressure balance hose must be 23 to 25
inches (584 to 635 mm) long for proper engine
performance. Do not cut the hose to make it “fit”
better. Replace a hose that has been cut short.
Checking and Adjusting Regulator Lock-off
Pressure: Lock-off pressure is determined as fol-
lows by pressurizing the back (vent) side of the reg-
ulator diaphragm to simulate carburetor venturi vac-
uum:
1. Connect the regulator inlet (Figure 8-24) to a
source of air pressure regulated to 11 inches
WC.
2. Disconnect from the carburetor the LPG supply
hose and the pressure balance hose, both of
which come from the regulator.
3. “T” in two hoses to the end of the pressure bal-
ance hose (1/4 inch I. D. if Spec E and 3/8 inch
I. D. if earlier Spec). Use one hose to measure
pressure by connecting it to an inclined ma-
nometer that reads 0 to 2 inches WC and the
other to provide the test pressure.
BALANCE
HOSE
FITTING
LOCK-OFF ADJUSTMENT SCREW
(Beginning Spec E, this screw is neither
visible nor accessible for adjustment)
INLET HOSE
FITTING
OUTLET HOSE
FITTING
AUTOMATIC PRIMING
SOLENOID
FIGURE 8-24. DEMAND REGULATOR WITH
AUTOMATIC PRIMING SOLENOID
Redistribution or publication of this document,
by any means, is strictly prohibited.

8-23
4. Attach a soap bubble to the end of the LPG sup-
ply hose which was disconnected from the car-
buretor. While reading the pressure indicated
by the manometer and watching the soap
bubble, blow lightly into the hose being used to
pressurize the regulator. Regulator lock-off
pressure is the minimum pressure that will
cause air to flow through the regulator, as indi-
cated by the expanding soap bubble. (At first
the soap bubble may expand due to diaphragm
movement but will stop expanding if air is not
flowing through the regulator.)
CAUTION If this is a bench test of the regu-
lator, make sure the diaphragm is in a verti-
cal plane (as in the genset), otherwise the
weight of the diaphragm will cause erro-
neous readings of lock-off pressure.
Beginning Spec L on Model KY and Spec B
on Model KVD − Replace the demand regula-
tor assembly if the lock-off pressure does not
fall between 0.05 and 0.42 inches WC.
For Specs E through K on Model KV and
Spec A on Model KVD − Replace the demand
regulator assembly if the lock-off pressure does
not fall between 0.10 and 0.30 inches WC.
For Gensets Prior to Spec E: Adjust lock-off
pressure as follows:
SIf the lock-off pressure is greater than 0.30
inches WC, loosen the lock nut on the lock-
off adjusting screw and back out the screw
(counterclockwise) until the lock-off pres-
sure falls between 0.10 and 0.30 inches
WC. Set the adjusting screw locknut and
test lock-off pressure again. Repeat the
procedure if necessary.
SIf the lock-off pressure is less than 0.10
inches WC, loosen the lock nut on the lock-
off adjusting screw and turn in the screw
(clockwise) until the lock-off pressure falls
between 0.10 and 0.30 inches WC. Set the
adjusting screw locknut and test lock-off
pressure again. Repeat the procedure if
necessary.
SReplace the demand regulator if it contin-
ues to leak after lock-off pressure adjust-
ments have been attempted.
Priming Solenoid (Prior to Spec L on
Model KV or Spec B on Model KVD)
Priming Solenoid Test: Upon completing the lock-
off pressure test, energize the priming solenoid by
connecting battery positive (+) to the orange lead
and battery negative (-) to the green lead. Replace
the regulator assembly if the priming solenoid does
not cause the regulator to open.
Priming Solenoid Adjustment: See Figure 8-25. If
the genset does not start when it is hot, rotate the
dial 1/4 turn counterclockwise—the fuel mixture
could be too rich. If the genset does not start when it
is at ambient temperature, rotate the dial 1/4 turn
clockwise—the fuel mixture could be too lean.
METAL
DISK
RED
PLASTIC
DIAL
Adjust the primer solenoid by holding on to the metal disk and
rotating the red dial. For recommended setting, turn the dial all the
way in (cw), and then out (ccw) 1-1/2 turns.
DO NOT CONTINUE TO ROTATE DIAL ONCE RESISTANCE IS
FELT OR THE DIAL COULD BE DAMAGED
FIGURE 8-25. AUTOMATIC PRIMING SOLENOID
Redistribution or publication of this document,
by any means, is strictly prohibited.

8-24
Fuel-Shutoff Solenoid Valve
Leak Test: See Figure 8-26. If there is a smell of gas
when the genset is not running, or any other reason
to suspect that the valve is leaking, connect the inlet
of the valve to a source of air pressure regulated to
not more than 14 inches WC and disconnect the
outlet hose. Replace the solenoid if it leaks, as
checked by a soap bubble.
Operation Test: If the genset cranks, but does not
start (first see Section 6. Troubleshooting), deter-
mine whether or not the valve is opening. With the
source of air still connected, energize the valve by
connecting battery positive (+) to the top terminal
and battery negative (-) to the grounded terminal.
Replace the solenoid valve if it does not open when
it is energized.
LPG Carburetor (Begin Spec E, Model KV
and Spec A, Model KVD)
See Figure 8-27. An LPG carburetor is not likely to
cause problems and should be replaced only after
all other causes have been eliminated (see Section
6. Troubleshooting). It is not necessary to adjust fuel
mixture. These carburetors are calibrated at the fac-
tory and the adjustments are sealed.
A throttle stop screw is provided for adjusting the
“closed” position of the throttle plate to obtain proper
governor response when loads are being discon-
nected. (See Governor on Page 8-11) To adjust the
throttle stop screw:
1. Connect a frequency meter and start and run
the genset until it has warmed up to normal op-
erating temperature.
2. Disconnect all loads. Turn the governor speed
adjustment screw counterclockwise until the
speed is ≤50 Hz, so that the throttle lever on the
carburetor is resting against the throttle stop
screw (Figure 8-18). Adjust the stop screw to
obtain a setting of 55 ±1 Hz (45 ±1 Hz on 50 Hz
units).
3. Readjust the governor speed screw so that the
frequency is within 62.5 ±0.5 hertz (52.0 ±0.5
hz on 50 hertz units). Adjust governor speed
adjustment screw if necessary to obtain re-
quired frequency.
FIGURE 8-26. FUEL−SHUTOFF SOLENOID VALVE
GAS HOSE
FITTING
PRESSURE
BALANCE
HOSE FITTING
THROTTLE
STOP SCREW
THROTTLE
LEVER
FIGURE 8-27. LPG CARBURETOR (BEGIN SPEC E,
MODEL KV)
Redistribution or publication of this document,
by any means, is strictly prohibited.

8-25
LPG Carburetor (Prior to Spec E,
Model KV)
See Figure 8-28. LPG carburetors prior to Spec E
have three adjustment screws that must be properly
set for satisfactory operation. The throttle stop
screw controls how much the throttle plate remains
open when the throttle is pulled back to the closed
position. The idle adjustment screw controls the fuel
mixture when the genset is operating at no load. The
main adjustment screw controls the fuel mixture
when the genset is operating at full load. No other
adjustments are required with an LP-gas carburetor
since there are no float or choke adjustments.
Mixture Screw Adjustments: Mixture screws
should not be adjusted until the ignition system,
governor, and other fuel system components have
been checked for correct operation. If the carburetor
is totally out of adjustment, turn the mixture screws
in until lightly seated. For a preliminary adjustment
turn the main adjustment screw out 4 to 5 turns and
the idle adjustment screw out 2 to 3 turns.
CAUTION Forcing the mixture adjustment
screws tight will damage the needle and seat.
Turn in only until light tension can be felt.
Start the engine and allow it to run for about 15 min-
utes at half load. Figure 8-28 shows the location of
the adjustment screws. Use the following procedure
to adjust:
1. Stop the genset and connect a voltmeter, fre-
quency meter, and load bank to the generator
output leads.
2. Start the genset and apply a full load. Verify that
the frequency is within 60 ±0.5 Hz (50 ±1 on 50
Hz units) and adjust the governor speed adjust-
ment nut if necessary to obtain required fre-
quency.
3. Turn the main adjustment screw inward until
voltage or frequency drops and then outward
(counterclockwise) 0.5 turns from the frequen-
cy drop. If a CO meter is available, follow the
manufacturer’s instructions for use and adjust
the main adjustment screw to obtain 1 to 2 per-
cent CO.
4. Remove the load and verify that frequency is
within 62.5 ±0.5 Hz (52 ±0.5 on 50 Hz units).
Adjust governor speed adjustment nut if neces-
sary to obtain required frequency.
5. Turn the idle adjustment screw inward until volt-
age and frequency drops and engine begins to
run rough or starts hunting. Back out idle ad-
justment screw until engine runs smoothly with-
out hunting. If a CO meter is available, follow
the manufacturer’s instructions for use and ad-
just the idle mixture screw to obtain 4 to 6 per-
cent CO.
6. Turn the governor speed adjustment screw
counterclockwise until the speed is ≤50 Hz, so
that the throttle lever on the carburetor is rest-
ing against the throttle stop screw. Adjust the
stop screw to obtain a setting of 55 ±1 Hz (45
±1 Hz on 50 Hz units).
7. Readjust the governor speed screw so that the
frequency is within 62.5 ±0.5 hertz (52.0 ±0.5
hz on 50 hertz units). Adjust the sensitivity of
the governor as specified in Governor on Page
8-11. Add and remove a half load several times
to make certain the genset does not bog down
or hunt.
M-1878
MAIN
ADJUSTMENT
SCREW
IDLE ADJUSTMENT
SCREW
THROTTLE
STOP SCREW
FIGURE 8-28. LPG CARBURETOR ADJUSTMENTS
(PRIOR TO SPEC E, MODEL KV)
Redistribution or publication of this document,
by any means, is strictly prohibited.

8-26
Carburetor problems not corrected by mixture ad-
justments may be caused by dirt in fuel passages or
worn internal parts. Under normal conditions, the
carburetor should seldom require cleaning since
LP-gas vaporizes completely before reaching the
carburetor and leaves no residue. However, a bad
fuel supply may allow dirt or oil to collect in the car-
buretor. This may require that the carburetor be
cleaned to restore satisfactory operation.
Cleaning the carburetor includes complete disas-
sembly, thoroughly cleaning, and replacement of
parts and gaskets.
ELECTRIC STARTER
A 12-volt electric starter with negative ground is
used for cranking the genset. When the starter is en-
ergized, an inertial engagement system causes the
starter pinion gear to engage the ring gear on the fan
hub assembly. As the starter spins, the starter pin-
ion gear drives the ring gear causing the genset to
crank. Because the starter is an integral part of the
genset control system, check the complete control
before servicing the starter. Use the following proce-
dures to disassemble, inspect, and assemble the
starter.
It is necessary to remove the genset from the ve-
hicle before the starter can be serviced (see Re-
moving the Genset, p. 5-3).
Disassembly
1. Verify that the genset starting battery has been
disconnected, negative (-) cable first, before
proceeding. Remove the genset outer housing
and disconnect the positive (+) cable from the
starter lug.
SPRING
RETAINER
STARTER
POSITIVE (+)
TERMINAL
STARTER
THROUGH BOLTS
ROLL PIN
STARTER
SUPPORT PLASTIC RETAINER WITH
A VISE OR OTHER SOLID SURFACE
USE CARE NOT TO HAVE SPRING
RETURN “LEG” BETWEEN THE
PLASTIC RETAINER & SUPPORT
WHEN DRIVING OUT ROLL PIN.
SOLID
SUPPORT
5/32“ TO 1/8“ NAIL SET
FIGURE 8-29. DRIVING ROLL PIN OUT
Redistribution or publication of this document,
by any means, is strictly prohibited.

8-27
2. Remove the starter mounting bolts. Remove
the rear support mounting nut and loosen the
rear starter support bracket mounting bolt.
3. Carefully disengage the starter from the end
bell.
4. Use a 1/8 to 5/32 inch nail set to remove the roll
pin from the armature shaft. Remove the return
spring, gear and clutch assembly as required.
When reassembling always use a new roll pin.
See Figure 8-29.
5. Remove the starter through bolts and carefully
separate the brush end cap housing and arma-
ture assembly.
Electrical Tests
Testing Armature for Grounds: Touch one ohm-
meter lead to a commutator bar and then touch the
other lead to armature shaft and core laminations. A
low resistance reading indicates a grounded arma-
ture. Replace grounded armature with a new part.
See Figure 8-30.
Testing for Shorts: Use a growler (Figure 8-31) for
locating shorts in the armature. Place armature in
growler and hold a thin steel blade (e.g. hacksaw
blade) parallel to the core and just above the arma-
ture while slowly rotating armature in growler. A
shorted armature will cause the blade to vibrate and
be attracted to the core. Replace a shorted arma-
ture with a new part.
Testing for Opens: Touch one ohmmeter lead to a
commutator bar and then systematically touch the
other lead to each of the remaining commutator
bars. A high resistance reading indicates an open
circuit between the commutator bars and armature
windings. Replace an open armature with a new
part.
Brush Inspection: Measure brushes (Figure 8-32)
and replace if worn less than 0.425 (11 mm).
COMMUTATOR
BARS
FIGURE 8-30. TESTING ARMATURE FOR
GROUNDS
GROWLER
HACK SAW
BLADE
FIGURE 8-31. TESTING ARMATURE FOR SHORTS
NEW 0.472
INCH (12 mm)
0.315 INCH (8 mm)
WEAR LIMIT
FIGURE 8-32. BRUSH INSPECTION
Redistribution or publication of this document,
by any means, is strictly prohibited.

8-28
Assembly
1. Wipe off all dirt and oil from starter components
using a clean cloth or blow off dirt with filtered,
low pressure compressed air.
WARNING Oil on armature will damage
starter. Do not immerse bearings in clean-
ing fluid. Use a brush dipped in clean en-
gine oil for removing dirt from bearings.
Avoid getting oil on brushes or commuta-
tor.
2. Push negative brush terminals over through-
bolt holes on brush endcap. See Figure 8-33.
3. Insert positive brush stud into hole and torque
to 25-30 in-lb (2.8 - 3.4 N•m).
4. Place brush springs into brush holders. Insert
brush tabs into spring ends and slide brushes
into brush holders in endcap. Be sure all brush
wires are facing up.
5. Place washer on commutator end of shaft and
put armature into brush endcap. Push the four
brushes toward commutator, making sure
springs are properly positioned on brushes.
Replacement brushes are supplied preas-
sembled in the endcap. Remove brush retainers
after installing armatures.
6. Make sure all brush wires are clear of commu-
tator and that uninsulated portions of insulated
wires do not touch inside diameter of housing.
Uninsulated portions of wires must also not
touch adjacent brush boxes.
7. Place magnetic housing over armature. Use a
nut driver over the end of shaft to hold down ar-
mature and endcap.
POSITIVE
BRUSH STUD
NEGATIVE
BRUSH
TERMINAL
TORQUE TO 25-30 IN-LBS (2.8 - 3.4 N•m)
IMPORTANT! THIS INSULATED SHUNT MUST BE ROUTED
THRU UNINSULATED SHUNT AS SHOWN TO PREVENT
CONTACT WITH COMMUTATOR IN FINAL ASSEMBLY.
TORQUE TO 5-10 IN-LBS (.57 - 1.13 N•m)
NEGATIVE
BRUSH
TERMINAL
ES-1612-2
FIGURE 8-33. BRUSH ENDCAP
Redistribution or publication of this document,
by any means, is strictly prohibited.

8-29
8. Place spring washer and flat washer on shaft as
shown in Figure 8-34.
9. Place mounting bracket on motor with through-
bolt “lead-ins” to the inside of motor. The “flat”
near one mounting hole should line up with the
positive stud on endcap so through-bolt will line
up.
10. Insert the through-bolts and torque to 35-45 in-
lb (3.4-5N•m).
11. Wipe dust from helix and gear and apply a light
coat of GE Versilube 322-L on outside diameter
of helix inside diameter of gear and uncham-
fered end of gear. Place clutch and helix as-
sembly on motor shaft with flats engaged in
clutch hole.
12. If Return Spring is Unassembled:
A. Place 1-1/16 inch O.D. washer over end of
shaft. See Figure 8-34.
B. With chamfered side of shaft hole up,
place plastic retainer on shaft and line up
hole with hole in shaft.
C. Support the plastic retainer with a vise or
other solid surface. Using a 5/32 to 1/8 inch
nail set and hammer, drive in a new roll pin.
The pin should be driven in about 1/10th of
an inch (2.5 mm) from the edge of the plas-
tic retainer or so it is evenly spaced from
each side.
D. Place spring cover over top of plastic re-
tainer, then the return spring on top of the
retainer.
E. With washer placed over point of plastic re-
tainer, push metal retainer into hole of
plastic retainer as far as it will go.
13. Carefully mount the starter on the end bell and
tighten the mounting bolts and rear support
bracket mounting bolt and nut to the specified
torque.
14. Connect the positive (+) cable to the starter lug
terminal.
15. Mount outer housing on the genset and install
genset into vehicle.
16. Reconnect genset starting battery, negative (−)
cable last.
METAL
SPRING
RETAINER &
WASHER
ROLL PIN CLUTCH &
SPLINE
ASSEMBLY
FLAT
WASHER SPRING
WASHER
WASHER
ARMATURE
MOUNTING
BRACKET
SPRING
RETURN
COVER
RETURN
SPRING
1-1/16 INCH
WASHER
GEAR
BRUSH
ENDCAP
THROUGH
BOLT
MAGNETIC
HOUSING
FIGURE 8-34. STARTER ASSEMBLY
Redistribution or publication of this document,
by any means, is strictly prohibited.
Redistribution or publication of this document,
by any means, is strictly prohibited.

9-1
9. Generator
These gensets use a 2-pole revolving field genera-
tor design and an electronic voltage regulator. All
AC load connections are made through generator
lead wires that connect directly to a customer sup-
plied junction box. A circuit breaker provides over-
current protection for the generator and also func-
tions as an on/off switch in the load circuit.
GENERATOR DESCRIPTION
The generator circuit consists of the following major
components:
SStator
SRotor
SElectronic voltage regulator
SBrushes
SWiring harness
Stator
The stator consists of a number of steel laminations
stacked together, with three separate winding
groups wound onto it in a toroidal fashion. Winding
group T1-T2 is the main power winding that pro-
vides the voltage and current to operate the con-
nected loads. Winding group B1-B2 is for battery
charging and internal low voltage loads. Winding
group Q1-Q2 is an excitation winding that provides
power to the voltage regulator.
Rotor
The rotor consists of a stack of laminations wrapped
in a field winding, a shaft through the laminations,
molded slip rings on the shaft and a bearing pressed
on the shaft. The entire assembly is connected di-
rectly to the tapered engine crankshaft by means of
a throughbolt. The rotor is supported on the other
end by the endbell, which is placed over the bearing
and secured to the stator housing (Figure 9-1).
The rotor field winding provides the rotating mag-
netic field which in turn generates the voltage and
current in the stator windings to power the con-
nected loads. The magnetic field is established by a
DC current flowing from the brushes through the slip
rings and the field winding.
Generator Cooling
Cooling airflow for the generator is provided by a
centrifugal fan mounted on the shaft behind the
bearing. A portion of the airflow from the fan is di-
rected into the generator. Part of this air flows down
the rotor cooling the rotor winding, and the rest flows
over the stator windings cooling them.
Electronic Voltage Regulator
The electronic voltage regulator controls the output
of the generator so that the voltage remains
constant under any load condition. The electronic
voltage regulator takes power from the excitation
winding, rectifies it, and feeds it into the field winding
through the brushes and slip rings. The regulator
senses the output of the power winding and its cir-
cuitry decides how much current should be fed into
the field winding to maintain the proper output at
various load levels.
Brushes and Brush Block
The brush block is a one piece molded part that
mounts inside the endbell. There are two carbon
brushes in the brush block which ride on the slip
rings and provide the means by which the controlled
DC current from the regulator is conducted into and
out of the rotor. Each brush is kept in contact with its
slip ring by a spring mounted inside the brush block
behind the brush. The spring exerts just the right
amount of pressure to provide good contact and
long brush life.
Wiring Harness
A separate wiring harness is provided for connect-
ing the genset to the RV electrical system. All lead
wires are stranded copper wire to withstand vibra-
tion. The lead wires must be protected with flexible
conduit which must be provided by the RV manufac-
turer or genset installer. A 1/2-inch conduit elbow is
provided to facilitate installation. The load wire con-
ductor is black, the neutral conductor is white, and
the ground conductor is green.
Redistribution or publication of this document,
by any means, is strictly prohibited.

9-2
GENERATOR OPERATION
When the Start/Stop switch is pushed to the Start
position, the rotor begins to rotate and is momentari-
ly connected to the battery. This provides a current
in the rotor field winding which induces a voltage in
the stator windings, in particular the excitation wind-
ing Q1-Q2. The regulator takes this voltage and rec-
tifies it and feeds it back into the rotor which causes
the voltage to increase further. This process contin-
ues as the engine speeds up. The voltage increase
is controlled by the regulator.
The regulator is connected to the power output
leads (L1-L2) and constantly measures the output
voltage, comparing it to an internal reference volt-
age. When the output voltage exceeds the refer-
ence, the regulator causes the current in the rotor to
decrease until the proper voltage is obtained.
During genset operation, the regulator constantly
monitors the output voltage. When additional load is
applied to the generator, the output voltage starts to
decrease. The regulator senses this decrease and it
increases the field current until the reference volt-
age and the output voltage match. Similarly, when
the load is decreased the output voltage begins to
increase and is again sensed by the regulator. In
this case, the regulator decreases the amount of
current to the field until the output voltage again
matches the reference voltage. In this manner the
electronic voltage regulator keeps the voltage of the
generator constant with varying load conditions.
BEARING
SLIP
RINGS
ROTOR
STATOR
STATOR
HOUSING
ALIGNMENT
TABS
BRUSH
BLOCK
ASSEMBLY
END BELL
ASSEMBLY
MAGNETO
ASSEMBLY
SCROLL
HOUSING
ALIGNMENT
KEY
WASHER
ROTOR THRU
BOLT
G1211s
FAN ASSEMBLY
FIGURE 9-1. GENERATOR
Redistribution or publication of this document,
by any means, is strictly prohibited.

9-3
VOLTAGE REGULATOR TESTS
Confirm that voltage regulator VR1 is faulty before
replacing it. Use a meter with a diode checking func-
tion (Fluke Model 73, or equivalent Multimeter) to
perform the following tests.
1. Disengage the wiring connector and remove
the voltage regulator (Figure 9-2).
2. With the meter on Diode Check, test between
connector terminal pairs 5-9, 7-9, 10-9, 11-9,
12-9, 10-5, 5-11, 5-12 and 5-3. (Figure 9-2). It
is important that the positive lead of the meter
be connected to the first terminal of each pair.
3. Replace the voltage regulator if any reading in-
dicates a short or open, except for pair 10-5,
which should indicate an open.
Short is indicated by zero or a number very near-
ly zero. Meters of different make indicate open
differently. Read the meter instructions. If in
doubt, compare with readings of a regulator of
the same part number known to be good.
4. If the regulator checks good, there is a small
chance that it may still be bad. Recheck it on a
genset. Also check that the connector pins are
secure in both connector ends. Also check ca-
pacitor C1 located behind the control panel with
a capacitor checker. Refer to the capacitor
housing for the capacitance value.
CONNECTOR P3
VOLTAGE
REGULATOR VR1
KV
KVC
(BOTTOM VIEW)
KVD
FIGURE 9-2. VOLTAGE REGULATOR LOCATION AND CONNECTOR P3
Redistribution or publication of this document,
by any means, is strictly prohibited.

9-4
FIELD VOLTAGE TESTS
A voltage check can be made to determine if voltage
is being supplied to the brushes from the voltage
regulator for voltage buildup.
Connect a DC voltmeter positive (+) test lead into
the voltage regulator plug (P1) at pin 9 and connect
the negative (−) test lead into the voltage regulator
plug at pin 10. The voltage regulator plug remains
connected to the voltage regulator and test prods
should be secured so that they are not being held
during testing. See Figure 9-2.
WARNING Contact with rotating machinery
can result in severe personal injury. Keep
hands, hair, clothing, jewelry and fingers clear
while servicing slip rings.
WARNING Electrical shock can cause severe
personal injury or death. Use extreme caution
when working on electrical circuitry. Attach and
remove meter leads only when genset is not op-
erating. Do not touch meter or meter leads dur-
ing testing.
Start the genset and allow it to stabilize. Measure
the field voltage with no load applied and then with
full load applied. Both readings should fall within a
range of 18 to 60 volts DC.
If the genset cranks but will not run, check to see that
battery voltage is supplied to the voltage regulator
pin 7 (positive lead) and ground (negative lead) dur-
ing start up. If battery voltage (approximately 12
volts) is supplied to the voltage regulator at pin 7,
there should also be battery voltage between pin 9
and ground. If no voltage at pin 9, replace the volt-
age regulator and retest.
If battery voltage is not supplied to the voltage regu-
lator during starting, refer to Control section (7) for
control assembly test procedure.
GENERATOR TESTS
The quickest way to check out most generator prob-
lems, and to determine whether the fault is in the
generator or in the voltage regulator, is to discon-
nect harness connector P3 from the voltage regula-
tor and to use the connector as a test point in the fol-
lowing procedure. See Figure 9-3.
1. Disconnect all loads by turning off line circuit
breaker CB1.
2. Disconnect harness connector P3 from the
voltage regulator.
3. Conduct the Rotor Tests (Page 9-6) using
pins P3−9 (F+) and P3−10 (F−) as the test
points. Service as necessary if the circuit is
open, or has a resistance of less than 16 ohms,
or is grounded.
4. Check for open stator windings across pins
P3−2 and P3−3 (line) and pins P3−11 and
P3−12 (quadrature) using the lowest scale on
an ohmmeter. Service as necessary if either cir-
cuit has a resistance greater than 1 ohm. (Sta-
tor Tests, Page 9-7).
5. Assemble a fused 24 VDC power supply as
shown (Figure 9-3). The fuse must be in the
positive (+) side of the circuit and be rated not
more than 3 amps.
6. Connect pin P3−9 to the positive (+) side of the
24 VDC power supply and pin P3−10 to the
negative (−) side.
7. Ground the negative (−) side of the 24 VDC
power source to the engine block. If the fuse
blows, either the rotor has a ground short
through the bearings or a loose field lead is
grounded. Service as necessary.
8. Start the genset. If the fuse blows, the rotor
has a “flying” ground short caused by centrifu-
gal force. Replace the rotor.
Redistribution or publication of this document,
by any means, is strictly prohibited.

9-5
9. If the genset continues to run, measure sta-
tor winding voltages. If winding voltages are as
specified in Table 9-1, the generator windings,
brush block and slip rings are probably okay.
See Voltage Regulator Tests and Field Voltage
Tests in this section for further tests.
10. Service as necessary if there is no output from
a winding.
11. If the genset starts but stops, disconnect the
power supply and connect an ohmmeter
across pins P3−9 and P3−10. The resistance
should be approximately 18 ohms. Push and
hold the start switch down and watch the ohm-
meter as the engine runs up to speed. If the ro-
tor winding opens (goes to infinite resistance)
as the engine runs up to speed, the rotor has a
“flying” open caused by centrifugal force. Re-
place the rotor.
WARNING Hold the start switch down just
long enough to check whether the winding
is open at operating speed. Prolonged op-
eration with the starter engaged can dam-
age the starter overrunning clutch.
TABLE 9-1. OUTPUTS AT 24 VDC EXCITATION
P3 PINS WINDING VOLTAGE
2−3 T1−T2 126 VAC
11−12 Q1−Q2 96 VAC
24 VOLT
12 VOLT
12 VOLT
BRUSH BLOCK 3 AMP
FUSE
−
STATOR
T1Q1
Q2T2
F+
F−
CONNECTOR P3
+
L1
GND
L2
CB1
GOOD GROUND
ON ENGINE
VOLTMETER /
OHMMETER
PINS 11−12: 96 VAC
PINS 2−3: 126 VAC
PINS 9-10: 18 OHMS
GENSET LEADS
TEST LEADS
FIGURE 9-3. GENERATOR TEST SETUP AT HARNESS CONNECTOR P3
Redistribution or publication of this document,
by any means, is strictly prohibited.

9-6
Rotor Tests
Use an ohmmeter for rotor winding tests. A megger
or insulation resistance meter is preferable for
grounded winding tests. Begin by disconnecting the
voltage regulator and checking resistance between
pins 9 and 10 of the harness plug. Less than
16 ohms indicates a shorted winding. High resist-
ance indicates poor brush / slip ring contact or an
open winding. Then check resistance between ei-
ther pin and a good ground on the engine or genera-
tor (use the highest ohmmeter scale if not using a
megger). A resistance of less than 1 megohm indi-
cates a grounded winding.
If any of the preliminary tests indicate a rotor prob-
lem, remove the fan (see Generator Disassembly,
p. 9-8) to gain access to the slip rings and continue
by conducting the following tests.
Test for Grounded Windings: Use the highest
ohmmeter scale if not using a megger. Touch one
test prod to the rotor shaft and hold it there. Touch
the other test prod to one of the slip rings as shown
in Figure 9-4. A resistance of less than 1 megohm
indicates a grounded winding. Replace a grounded
rotor with a new rotor.
Test for Open Windings: To test for open windings,
set the ohmmeter on the highest resistance scale.
Place test prods on the slip rings as shown in Figure
9-5. The ohmmeter should indicate continuity be-
tween the slip rings. A high resistance reading indi-
cates a poor connection or an open winding. Check
the connection between the slip rings and rotor lead
wires. Replace rotor if rotor winding is open.
Test for Shorted Windings: To test for shorted
winding, set the ohmmeter on the lowest scale.
Place the test prods on the slip rings as shown in
Figure 9-5. A reading of less than 16 ohms at 77° F
(25° C) indicates shorted windings. Replace rotor if
winding is shorted.
Note: Even though winding resistance is acceptable,
replace the Rotor if winding-to-ground resistance
(winding insulation resistance) is less than 1 meg-
ohm. (An ohmmeter must indicate an open circuit or
infinite resistance between the winding and ground.)
FIGURE 9-4. GROUNDED ROTOR TEST
FIGURE 9-5. OPEN OR SHORTED ROTOR TEST
Redistribution or publication of this document,
by any means, is strictly prohibited.

9-7
Stator Tests
Use an ohmmeter for stator winding tests. A megger
or insulation resistance meter is preferable for
grounded winding tests. The stator (Figure 9-6) can
be tested without removing it from the generator.
Remove the fan (see Generator Disassembly,
p. 9-8) to gain access to the stator. To perform sta-
tor tests, carefully remove all four connector plugs
from the stator.
CAUTION Do not bend or flex stator wire ter-
minals or breakage can occur.
Tests for Ground Windings: Use the highest ohm-
meter scale if not using a megger. Touch one test
prod to the generator housing or stack, if removed.
Touch the other test prod (see Figure 9-6) to the ter-
minals specified in Table 9-2. A resistance of less
than 1 megohm indicates a grounded winding. Re-
place a grounded stator with a new stator.
Tests for Open Windings: To test for open wind-
ings, set the ohmmeter for the highest resistance
scale and then connect the test prods (see Figure
9-6) to the terminals specified in Table 9-3. The
ohmmeter should indicate continuity between ter-
minals. A high resistance reading indicates an open
winding. If an open circuit is measured replace the
stator.
Tests for Shorted Windings: To test for shorted
windings, use a digital type ohmmeter that reads to
within 0.01 ohms. Connect the test prods to the ter-
minals specified in Table 9-3. A reading of less than
the value shown in Table 9-3 at 77° F (25°C) indi-
cates a shorted winding. If stator tests indicate a
shorted winding, replace the stator.
If stator tests good, check jumper leads X1-X2,
X3-X4, and X5-X6 for continuity, and for good elec-
trical connection with the stator terminals. Also
check remaining stator wire connections for conti-
nuity and good electrical contact with stator.
TABLE 9-2. STATOR GROUND TESTS
TEST LEAD LOCATION
OHMMETER
READING
T1 to Ground
T2 to Ground
B1 to Ground
B2 to Ground
Q1 to Ground
Q2 to Ground
T1 or T2 to B1 or B2
B1 or B2 to Q1 or Q2
T1 or T2 to Q1 or Q2
Infinity
Infinity
Infinity
Infinity
Infinity
Infinity
Infinity
Infinity
Infinity
TABLE 9-3. STATOR WINDING RESISTANCES
RESISTANCE (OHMS)
TEST LEAD LOCATION AT 77° F (25° C)
60 HERTZ STATOR
T1-X1 0.191 TO 0.233
T2-X2 0.191 TO 0.233
B1-X3 0.024 TO 0.030
B2-X4 0.024 TO 0.030
Q1-X5 0.615 TO 0.751
Q2-X6 0.615 TO 0.751
50 HERTZ STATOR
T1-X1 1.013 TO 1.238
T2-X2 1.013 TO 1.238
B1-X3 0.073 TO 0.089
B2-X4 0.073 TO 0.089
Q1-X5 0.738 TO 0.902
Q2-X6 0.738 TO 0.902
Q1
X2
B1
X3 X5
T1
B2
X1
Q2
X4
X6
T2
FIGURE 9-6. STATOR ASSEMBLY
Redistribution or publication of this document,
by any means, is strictly prohibited.

9-8
GENERATOR SERVICE
This section covers generator disassembly and as-
sembly procedures. Refer to Figure 9-1 to identify
the various generator components described in
each sub-section.
Generator Disassembly
Use the following procedure to disassemble the
generator:
1. Drain the engine oil while the genset is still
mounted in the vehicle.
WARNING Hot oil can cause severe burns
if spilled or splashed on skin. Keep hands
clear when removing oil drain plug and
wear protective clothing.
2. Remove the genset from the vehicle and place
it on a sturdy workbench. (See Removing the
Genset , p. 5-3.)
WARNING The genset is heavy and can re-
sult in severe personal injury if dropped
during removal. Use the recommended re-
moval techniques and keep hands and feet
clear while removing mounting bolts.
3. Remove side mounting screws from the enclo-
sure cover and lift cover off genset (Model KV
only).
4. Disconnect the fuel line from the fuel pump.
Plug fuel lines to keep fuel from escaping (Mod-
el KV only).
WARNING Fuel presents the hazard of fire
or explosion which can cause severe per-
sonal injury or death. Do not permit any
flame, spark, arcing switch or equipment,
pilot light, cigarette, or other ignition
source near the genset. Keep a type ABC
fire extinguisher nearby.
5. Disconnect the B+ lead from the start solenoid.
6. Remove the control panel mounting screws
and loosen the control panel (Model KV only).
7. Remove the two bottom mounting nuts secur-
ing the inlet baffle assembly. Lift the inlet baffle
up and move it to the side.
8. Remove the air filter cover, retainer, and filter
(Figure 8-15 on Page 8-13). Remove the scroll
housing from the endbell (Figure 9-1).
9. Secure the fan hub assembly and remove the
rotor through-bolt and washer (Figure 9-1). Re-
move the alignment key from the end of the ro-
tor shaft and save for reassembly.
Redistribution or publication of this document,
by any means, is strictly prohibited.

9-9
10. Remove fan hub assembly with a wheel puller
(Figure 9-7) Attach the wheel puller to the fan
hub assembly with three 5/16-inch thread tap-
ping cap screws (or tap fan hub with 3/8-16 inch
tap and use 3/8-16 inch cap screw).
11. Prepare the brushes for endbell removal. Dis-
connect wire harness leads from brush block
and pull each brush outward from the holder
and at the same time insert a piece of wire into
the small hole in the endbell at bottom of brush
block. See Figure 9-8. Carefully guide the wire
through the brush block and then release each
brush. Verify that each brush is held off the slip
rings by the wire.
CAUTION The brushes will be damaged
during disassembly if not held off the slip
rings. Make certain wire is in place before
removing the generator endbell.
12. Remove the two starter mounting bolts that se-
cure the starter to the endbell. Remove the
choke assembly from the generator endbell
and disconnect the leads attached to the resis-
tor at the top of the endbell. Remove endbell
mounting screws and remove the endbell. Se-
cure springs for reinstallation.
WARNING Sharp edges can cause severe
personal injury. Wear gloves when handling
components with sharp edges.
CAUTION Careless handling of rotor or
stator can damage the insulation on the
windings. Do not allow windings to be
brushed or scraped during removal
PULLER
FIGURE 9-7. PULLING THE FAN HUB ASSEMBLY
BRUSH BLOCK
WIRE
END BELL
FIGURE 9-8. BRUSH BLOCK
Redistribution or publication of this document,
by any means, is strictly prohibited.

9-10
13. Remove each of the wire connectors from the
stator assembly. Wear gloves when handling
the stator for protection from sharp edges. In-
sert two 6-inch screw drivers into the holes on
opposite sides of the stator laminations next to
the alignment tabs (Figure 9-1). Squeeze
screw driver handles together and carefully pull
the stator straight out of the endbell. If the stator
will not slide out, tap on the generator housing
while pulling on the stator to remove. Do not
bend or flex stator wire terminals or damage
can occur.
CAUTION Take care not to bend, flex or
break the stator terminals when handling
the stator or disconnecting wires.
14. Place a wooden shim between the bottom of
the stator housing and the base assembly to
prevent movement between the generator and
the base. Carefully tap on the rotor shaft with a
lead hammer to free tapered rotor shaft from
the crankshaft. Be careful to avoid striking the
collector rings. Pull the rotor straight out. Notice
the alignment pin in the rotor shaft used to align
the rotor shaft with the crankshaft.
CAUTION Take care not to hit and damage
the collector rings when removing rotor.
Generator Assembly
Use the following procedure to assemble the gener-
ator:
1. Prepare the genset for stator and rotor installa-
tion. The stator and rotor must be installed
while the genset is standing vertically on the en-
gine end for correct alignment of the rotor shaft
to the crankshaft. Raise the generator end of
the genset and allow it to rest on the engine
end. Place a wooden block under the muffler to
hold the genset level. Support the genset to
prevent it from falling during service.
WARNING The genset is heavy and can re-
sult in severe personal injury if dropped
during service. Support the genset during
service to prevent it from falling.
2. Check the generator housing for burrs in the
aluminum slots that the stator slides into. Re-
move burrs and clean housing if required.
3. Position the stator so the output connector ter-
minals face outward from generator housing
and orient stator lamination alignment tabs with
mounting grooves in housing, as shown in Fig-
ure 9-1. Carefully lower stator into generator
housing. If necessary the stator can be lightly
tapped on the lamination mounting tabs until
the stator seats into the housing.
CAUTION Careless handling of the stator
can damage the insulation on the stator
windings. Be careful not to brush windings
against the housing or strike windings dur-
ing installation.
4. Align pin in the rotor shaft with the slot in the
crankshaft and lower rotor onto crankshaft.
Make sure that the rotor is seated.
CAUTION Misalignment of the rotor shaft
and the crankshaft can cause damage to the
rotor and stator assembly. Use care when
installing the rotor shaft to align the pin on
the rotor shaft with the slot in the crank-
shaft.
5. Attach the stator wire harness connectors to
the stator. Be careful not to bend connector ter-
minals or damage may occur. Refer to Section
12. Wiring Diagrams for wiring locations. Use
wire ties to secure stator leads away from rotor
and fan hub to prevent rubbing.
Redistribution or publication of this document,
by any means, is strictly prohibited.

9-11
6. Prepare endbell for installation. Place springs
on studs and lubricate O-ring. Verify that
brushes are held in holder with piece of wire.
See Figure 9-8. Install endbell onto rotor bear-
ing and secure with endbell mounting screws.
CAUTION The brushes will be damaged
during assembly if not held off the slip
rings. Make certain wire is in place before
installing the generator endbell.
7. Remove the piece of wire holding the brushes
off the slip rings. Connect the F- lead wire to the
outboard brush terminal and the F+ lead wire to
the inboard brush terminal.
8. Install fan hub onto rotor shaft and align key slot
on fan hub with key slot in end of rotor shaft.
Install alignment key. Insert washer on rotor
through-bolt and install into rotor shaft. Verify
alignment of rotor shaft and fan hub. Secure the
fan hub assembly and tighten the rotor through-
bolt to the specified torque.
9. Lower the generator end of the genset and al-
low it to rest on base.
10. Install two starter mounting bolts through end-
bell and attach starter at specified torque. At-
tach connectors to resistor on endbell.
11. Attach fan to fan hub with three bolts and install
scroll housing. Install air filter, retainer, and filter
cover.
12. Install air inlet baffle assembly and tighten
mounting nuts to specified torque.
13. Connect fuel line to fuel pump and inspect the
fuel supply line for cuts, cracks and abrasions
(Model KV only). Make sure fuel supply line
does not rub against anything that could cause
breakage.
WARNING Leaking fuel will create a fire
hazard which can result in severe personal
injury or death. If leaks are detected correct
immediately. Replace worn fuel line compo-
nents before leaks occur.
14. Connect the B+ lead to the start solenoid.
15. Install the control panel. Inspect assembly,
check all electrical and mechanical connec-
tions for correct fit and location. Place enclo-
sure cover on genset and secure with side
mounting screws.
16. Install the genset in the vehicle and securely
fasten all mounting screws and hardware. Con-
nect the fuel line, exhaust system and electrical
systems in reverse order of disassembly. See
Removing the Genset, p. 5-3.
17. Fill the crankcase with oil of the correct classifi-
cation and viscosity (refer to the operator’s
manual).
Redistribution or publication of this document,
by any means, is strictly prohibited.

9-12
BRUSHES AND SLIP RINGS
Brushes
Remove the fan (see Generator Disassembly,
p. 9-8). Inspect the brushes and brush block for
burn marks or other damage. If the brushes appear
to be in good condition, use a piece of wire (modified
as shown in Figure 9-10) to check for excessive
brush wear. Insert the painted end of the wire
through the hole above each brush. Make sure the
wire is resting on the brush and not on the spring. If
the painted part of the wire is not visible, the brush is
excessively worn and must be replaced. Always re-
place the brush springs when installing new
brushes to maintain proper tension on the brushes.
Clean carbon deposits from brushes and slip rings
(see Slip Ring Service on Page 9-13). Use the fol-
lowing procedure to replace the brushes:
1. Remove the brush block mounting screws and
lift out the brush block.
2. Remove brushes and springs from holder and
replace with new parts (see Figure 9-9).
3. Pull each brush outward from brush holder and
insert a stiff wire through the small hole in the
base of the holder. See Figure 9-8. The wire
holds the brushes off the slip rings during as-
sembly.
Inspect slip rings before installing brush block.
See Slip Ring Service (this page).
4. Install brush block in endbell but do not tighten
mounting screws.
5. Remove the wire holding the brushes off the
slip rings. Adjust the brush block so that the
brushes are centered on the slip rings, then
tighten mounting screws.
6. Follow the Generator Assembly procedure on
Page 9-10 to reinstall fan hub and remaining
generator components.
BRUSH
SPRING
FIGURE 9-9. BRUSH REPLACEMENT
1 IN. (25 mm)
M-1729
FIGURE 9-10. BRUSH WEAR CHECK
Redistribution or publication of this document,
by any means, is strictly prohibited.

9-13
Slip Rings
Remove the fan (see Generator Disassembly,
p. 9-8). Inspect the slip rings for grooves, pits, or
other damage. A Scotch Brite pad can be used to re-
move light wear and for surface finishing. If the slip
rings are in bad condition and there is no power
build-up, refinish using a fine sandpaper. Use the
following procedure to service:
1. Follow Generator Disassembly (this section) to
remove generator endbell and rotor.
2. Place rotor in machine lathe and center. Turn
rotor and use fine sandpaper against rotating
slip rings to clean and true slip rings. Turn rotor
until all grooves or roughness are smoothed
out.
WARNING Contact with rotating machin-
ery can result in severe personal injury.
Keep hands, hair, clothing, jewelry and fin-
gers clear while servicing slip rings.
CAUTION Careless handling of rotor can
damage the insulation on the windings.
3. Clean rotor and prepare for reinstallation. Fol-
low the Generator Assembly procedure on
Page 9-10 to reinstall rotor and remaining gen-
erator components.
ROTOR BEARING REPLACEMENT
The rotor bearing is pressed onto the rotor shaft.
This bearing must be replaced very carefully to
avoid damaging the collector ring assembly and the
rotor shaft. Use the following procedure to replace
the rotor bearing.
1. Measure and record the distance between the
bearing and the collector ring assembly, (refer-
enced later for reassembling). See Fig-
ure 9-11.
MEASURE SPACE BETWEEN
BEARING AND COLLECTOR
RING ASSEMBLY
COLLECTOR RING ASSEMBLY
ROTOR
BEARING
FIGURE 9-11. ROTOR BEARING SPACING
Redistribution or publication of this document,
by any means, is strictly prohibited.

9-14
2. If available, use a small puller with grips that will
fit between the bearing and the collector ring
assembly. Cover the end of the rotor shaft with
a steel plate to prevent deformation of the shaft
during removal.
WARNING The bearing casing is made of
hardened steel. When struck, it will shatter
into small pieces and can cause severe per-
sonal injury. Use protective eye wear and
clothing when replacing the rotor bearing.
CAUTION Heating the rotor bearing for re-
moval or installation can cause damage to
the bearing and the collector ring housing.
Do not heat the rotor bearing.
3. If a suitable puller is not available, wrap the col-
lector ring with a cloth for protection and cut off
the outer race of the bearing using a small hand
grinder with a cutting wheel. Be careful to avoid
cutting the collector ring assembly. Remove the
bearings and make two cuts approximately
halfway through the inner race 180°apart. See
Figure 9-12. Place rotor with one cut face down
on a hard surface and center a cold chisel on
the other cut and strike to split apart. Be careful
not to damage the rotor shaft. The bearing cas-
ing is made of hardened steel that can shatter
into small pieces. Use protective eye wear and
clothing to protect yourself from injury when
striking the bearing casing.
Inspect the rotor shaft for dirt or corrosion. If
necessary, clean with emery cloth before instal-
ling new bearing.
4. Place the rotor shaft, engine end down, onto a
1-1/16 inch (27 mm) O.D. steel shaft or use a
plug mated to the engine end of the rotor shaft
to protect the shaft taper from damage when
pressing bearing into place.
5. Refer to measurement taken in Step 1. Press
bearing onto rotor shaft (press on inner race
only) until it rests at the same distance from the
collector ring assembly as the original bearing.
Do not place bearing closer than 0.14 inches
(3.5 mm) to the collector ring or arcing can re-
sult. Check bearing seal for damage after
installation.
CUT
COLD CHISEL
BEARING RACE
ROTOR
SHAFT
FIGURE 9-12. ROTOR BEARING REMOVAL
Redistribution or publication of this document,
by any means, is strictly prohibited.

10-1
10. Engine Block Assembly
INTRODUCTION
This section covers service procedures for the en-
gine block assembly. A leak down test can be per-
formed to determine the condition of the engine.
Use the procedures in the following section to per-
form the leak down test.
Performing any major service will require genset re-
moval from the vehicle ( See Removing the Genset,
p. 5-3.). To gain access to the engine block assem-
bly, the generator and primary engine systems must
be removed. Refer to the previous sections for the
disassembly procedures.
A suggested order of disassembly for the engine
block assembly follows:
1. Oil pan and oil level switch
2. Head cover, breather and cowling
3. Rocker arms and push rods
4. Cylinder head, valve springs and valves
5. Crankcase cover and camshaft
6. Connecting rod and piston
7. Crankshaft and governor lever shaft
LEAK DOWN TEST
Perform the leak down test if performance problems
or high oil consumption occur and poor compres-
sion is suspected. Follow each of these steps and
refer to the test equipment manufacturer’s instruc-
tions.
1. Start the engine and allow it to warm up for ten
minutes. If the engine will not start, continue to
the next step.
2. Disconnect the battery negative (−) cable to
prevent accidental starting and remove the
spark plug.
3. Manually rotate the the engine in the direction
of normal operation by turning the fan hub as-
sembly. Stop turning the engine when it reach-
es top dead center (T.D.C.) on the compression
stroke. T.D.C. can be determined by:
A. Removing the head cover and observing
the valve overlap on the compression
stroke.
B. Feeling compression air escaping the
spark plug hole.
C. Using a tester with a T.D.C. indicator fea-
ture.
4. Connect the leak down tester to shop air and
set calibration (see Figure 10-1). Perform the
leak down test according to the manufacturer’s
instructions. Secure the fan wheel to prevent
the piston from moving during this test.
5. Screw air fitting into spark plug hole. Attach
plug fitting to tester.
6. The tester needle indicates the percentage of
cylinder leakdown. The following describes the
general condition of the engine:
S0-10 Percent leak down − Excellent condition
S10-20 Percent leak down − Normal condition
S20-30 Percent leak down − Near service limit
7. If leakage is greater than 30 percent, the engine
could need major service work. With the tester
still connected, listen for air leakage at the
points listed in Table 10-1 and note probable
cause of engine problem.
AIR LEAKAGE
GAUGE
REGULATOR
M1907s
FIGURE 10-1. TYPICAL LEAK DOWN TESTER
Redistribution or publication of this document,
by any means, is strictly prohibited.

10-2
TABLE 10-1. LEAK DOWN CHECK POINTS
AIR LEAKAGE AT: PROBABLE CAUSE
1. Dipstick hole or 1a. Broken ring
Breather valve 1b. Worn cylinder
bore/rings
2. Carburetor throat 2a. Intake valve stuck
2b. Broken intake valve
2c. Damaged intake valve
seat
3. Muffler/Exhaust 3a. Exhaust valve stuck
pipe outlet open
3b. Damaged exhaust valve
3c. Damaged exhaust valve
seat
OIL PAN AND OIL LEVEL SWITCH
Remove the oil plug and drain the crankcase oil (if
not previously drained).
Remove the oil pan mounting bolts and remove pan
(see Figure 10-2).
Remove oil level switch mounting bolts and remove
switch.
Clean oil pan and use new gasket when reinstalling.
Torque all mounting bolts to the specified mounting
torque (see Section 4. Torque Specifications).
LS-1172s
OIL LEVEL
SWITCH
OIL PLUG
GASKET
OIL
PAN
FIGURE 10-2. OIL PAN REMOVAL
Redistribution or publication of this document,
by any means, is strictly prohibited.

10-3
HEAD COVER
Remove the head cover to gain access to the cylin-
der head and valve system. Use the following pro-
cedure to service.
1. Use a 10 mm socket wrench to remove head
cover mounting bolts and pull off head cover.
See Figure 10-3.
2. Clean head cover. Be careful not to damage
outer sealing edge where gasket fits.
3. Clean cylinder head cover and cylinder head
thoroughly where gasket rests. Use new gas-
ket when reinstalling and make sure breather
assembly is correctly installed in cylinder head
cavity.
4. Place head cover in position and torque until all
bolts are tightened to the specified torque.
HEAD
COVER
LS-1173
BREATHER ASSEMBLY
GASKET
FIGURE 10-3. HEAD COVER REMOVAL
CYLINDER HEAD
Remove the cylinder head for cleaning when poor
engine performance is noticed or to inspect the
valves. Use the following procedures to service.
1. Lift breather out of cavity in cylinder head.
2. Remove lock nut and adjusting bolts from rock-
er arms and push rods.
3. Remove cowling mounting bolts and lift off
cowling.
4. Use a 12 mm socket wrench to remove the cyl-
inder head mounting bolts and lift off the head.
CAUTION Warping can occur if the head is
removed while hot. Wait until the engine has
cooled before removing cylinder head.
5. Clean out all carbon deposits. Be careful not to
damage outer sealing edge where gasket fits.
The head is made of aluminum and can be
damaged by careless handling.
6. Use new head gasket and clean both cylinder
head and cylinder block thoroughly where gas-
ket rests.
7. Place head in position and follow head torque
tightening sequence shown in Figure 10-4.
Start out tightening all bolts to 11 ft-lb (15•m),
then tighten to the specified torque (see Torque
Specification section).
VT-1036s
1
23
4
FIGURE 10-4. CYLINDER HEAD TIGHTENING
SEQUENCE
Redistribution or publication of this document,
by any means, is strictly prohibited.

10-4
VALVE SYSTEM
The engine uses an overhead valve design as
shown in Figure 10-5. A properly functioning valve
system is essential for good engine performance.
Access to the valve system can be gained by re-
moving the head cover and the cylinder head. Use
the following procedures to inspect and service the
valve system.
VT-1037s
CYLINDER
HEAD
RETAINERS
KEEPERS
VALVE
SPRINGS
EXHAUST
VALVE
INTAKE
VALVE INTAKE VALVE
SEAL
FIGURE 10-5. OVERHEAD VALVE SYSTEM
Valve Removal
The valves can be removed from the cylinder head
without the use of special tools. Depress the valve
spring retainer using a 9/16 inch crows foot on a 6
inch extension and remove keeper. See Figure
10-6. Remove spring retainer and spring, then re-
move valve.
WARNING Always wear safety glasses with
side shields when removing springs to prevent
severe eye damage.
9/16 INCH
CROWS
FOOT
VT-1038s
KEEPER
RETAINER
FIGURE 10-6. VALVE REMOVAL
Inspection
Valve Face: Check the valve face for evidence of
burning, warping, out-of-round, and carbon depos-
its (see Figure 10-7).
Burning and pitting are caused by the valve failing to
seat tightly. This condition is often caused by hard
carbon particles on the seat. It may also be due to
weak valve springs, insufficient tappet clearance,
warping, and misalignment.
Warping occurs mainly due to exposure to intense
heat. Out-of-round wear follows when the seat is
pounded by a valve whose head is not in line with
the stem and guide. If a valve face is burned or
warped, or the stem worn, install a new one.
Too much clearance in the intake guide admits air
and oil into the combustion chamber, affecting car-
buretion, increasing oil consumption, and making
heavy carbon deposits. Clean metal is a good heat
conductor but carbon insulates and retrains the
heat. This increases combustion chamber tempera-
ture which causes warping and burning.
Redistribution or publication of this document,
by any means, is strictly prohibited.

10-5
Unburned carbon residue gums valve stems and
causes them to stick in the guide. Deposits of hard
carbon with sharp points projecting become white
hot and cause pre-ignition and pinging.
Stems and Guides: Always check stems and
guides for wear as shown in Figure 10-7. Use a hole
gauge to measure the valve guide. When clearance
with stem exceeds original clearance by 0.002 inch
(0.05 mm), replace the valve or cylinder head, which
includes the valve guide, or both.
Springs: Check valve springs for cracks, worn
ends, and distortion. If spring ends are worn, check
valve retainer for wear. Check for spring distortion
by placing spring on a flat surface next to a square.
Measure height of spring and rotate it against a
square to measure distortion, see Figure 10-8. Re-
place any valve spring that is weak, cracked, worn,
or distorted.
VALVE FACE
VALVE STEM
VALVE GUIDE
FIGURE 10-7. VALVE FACE, VALVE STEM AND
VALVE GUIDE INSPECTION
VT1039s
FIGURE 10-8. VALVE SPRING CHECKS
Reconditioning Valves and Valve Seats
Valves should not be hand lapped because the
sharp contact made between the valve face and
valve seat will be destroyed. Valve faces must be
finished in a machine at 44.5 to 45 degrees. Each
valve must have a minimum of 1/16 inch (1.6 mm)
margin, Figure 10-9. If the valve has less margin
than this it will heat up during the compression
stroke and pre-ignite the mixture, causing loss of
power and economy. This valve is also susceptible
to warping and breakage.
Not all valves can be reconditioned. A badly warped
valve must be replaced because the excessive
grinding require to make it seat correctly removes
the margin. To make a valve gas-tight, every trace of
pitting must be removed from the valve face and
seat. Deeply pitted or cut valves must be replaced.
VT1040s
REFER TO SPECIFICATIONS FOR
CORRECT DIAMETER
1/16 INCH (1.6mm) MINIMUM
CHECK FOR BENT STEM
44.5° − 45°
FIGURE 10-9. VALVE MARGIN
Redistribution or publication of this document,
by any means, is strictly prohibited.

10-6
Valve seats should be ground with a 45° degree
stone to the specified width. Grind only enough to
provide proper seating. See Figure 10-10.
WARNING Always wear safety glasses with
side shields when grinding to prevent severe
eye damage.
Place each valve in its proper location. Check each
valve for a tight seat. Make several marks at regular
intervals across the valve face using machinists’
bluing. Observe if the marks rub off uniformly when
the valve is dropped against the seat. The valve
seat should contact the valve face evenly at all
points. The line of contact should be at the center of
the valve face.
VT1041s
45°
FIGURE 10-10. VALVE SEAT
Intake Valve Seal Replacement
A worn or cracked valve seal can cause high oil con-
sumption and spark plug fouling. Replace a defec-
tive intake valve seal as follows:
1. Pull the old valve seal out carefully to avoid
damaging the valve guide.
2. Coat the intake valve stem with engine oil and
insert it into the valve guide.
3. Press valve seal into valve guide by hand.
4. After insertion, use a special tool made for
installing the seal (Figure 10-11) to press the
seal into the valve guide until the shoulder of
the seal rests against the cylinder head.
VT1043s
VALVE SEAL
INSTALLATION TOOL
VALVE GUIDE
INTAKE VALVE
VALVE SEAL
FIGURE 10-11. VALVE SEAL INSTALLATION
Valve Seat and Valve Guide Replacement
Worn valve stem guides or valve seats that are
loose, cracked, or severely pitted should be re-
placed by replacing the cylinder head assembly.
Both the valve stem guides and the valve seats are
available only as part of the cylinder head assembly.
Valve Lash Adjustment
The engine is equipped with adjustable valve tap-
pets. Adjust the valve clearance when the engine is
at ambient temperature. Proceed as follows:
1. Follow head cover removal instructions (this
section). Inspect valve stems for proper align-
ment with tappets.
2. Advance the engine until both the valves are
closed and there is no pressure on the valve lift-
ers (piston at top dead center).
Redistribution or publication of this document,
by any means, is strictly prohibited.

10-7
3. Clearances are shown in the Specifications
section. For each valve, the gauge should just
pass between the top of the valve stem and the
rocker arm. (see Figure 10-12).
4. Check the cylinder head mounting bolt torque
(see Cylinder Head, this section) before per-
forming valve lash adjustment.
5. To correct the valve clearance, place a 14 mm
wrench on the adjusting nut and a 10 mm
wrench on the outer locking nut. Loosen the
outer locking nut and turn the adjusting nut as
needed to obtain the correct clearance. Tighten
locking nut after adjustment is made.
6. Recheck the valve clearance after adjustment
has been made and also check the rocker arm
bolts to see that they have not loosened as a re-
sult of adjusting the valve lash.
7. Reinstall the head cover and torque head cover
bolts to specified torque.
VT1057s
FIGURE 10-12. VALVE LASH ADJUSTMENT
CRANKCASE COVER
Remove the crankcase cover mounting bolts and
lightly tap cover with plastic faced hammer to loos-
en. See Figure 10-13. Be careful not to lose crank-
shaft and camshaft shims. When installing the cover
make sure the governor shaft is properly positioned.
Use a new gasket and clean the crankcase cover
and the engine block where the gasket rests. Place
crankcase cover in position and torque until all bolts
are tightened to the specified torque (see Section 4.
Torque Specifications).
CRANKCASE
COVER
C-1113s
GASKET
FIGURE 10-13. CRANKCASE COVER
CAMSHAFT AND TAPPET REMOVAL
The camshaft gear is pressed onto the camshaft
and should be removed from the engine as a set.
Check for matching mark with crankshaft before re-
moving camshaft. The tappets can be removed af-
ter camshaft removal. See Figure 10-14.
C1-114s
TAPPETS CAMSHAFT
CAMSHAFT
GEAR
FIGURE 10-14. CAMSHAFT AND TAPPETS
Redistribution or publication of this document,
by any means, is strictly prohibited.

10-8
GOVERNOR
With the crankcase cover removed, the governor
can be inspected or disassembled for service. The
governor assembly must spin freely on the center
pin without excessive looseness or wobble. Sleeve
tip wear is the most common cause of governor fail-
ure. If governor sleeve, gear, or flyweights are worn
or otherwise damaged, replace them. To disas-
semble, remove the snap ring from the governor
center pin and slide governor gear assembly off
mounting shaft being careful not to lose outer wash-
er. See Figure 10-15. To install governor, assemble
in reverse order of removal (see inset drawing, Fig-
ure 10-15, for position of flyweight and sleeve).
To remove the governor shaft, remove the retainer
clip outside the block, then lower the governor shaft
into the crankcase.
GEAR
SNAP RING (RUBBER
WASHER BEGIN
SPEC E)
SLEEVE
FLYWEIGHTS
42.7-43.3 MM
(1.68-1.70
INCH)
FIGURE 10-15. GOVERNOR
PISTON ASSEMBLY REMOVAL AND
SERVICE
The piston assembly consists of the piston, piston
pin, and connecting rod assembly. After piston re-
moval, all parts must be carefully inspected for dam-
age and wear before replacing. Remove the carbon
from the top of the cylinder bore and check for a
ridge. Remove ridge with a ridge reamer (see Figure
10-16) before attempting piston removal. Remove
the piston as follows:
CAUTION Improper use of a ridge reamer can
damage the cylinder bore. Follow tool manufac-
turer’s instructions and be careful when using a
ridge reamer.
CT-1090s
FIGURE 10-16. REMOVING WEAR RIDGE
1. Remove two bolts from connecting rod. Mark
direction of assembly for connecting rod, cap,
and splasher.
2. Lift the rod cap from the rod and push the piston
assembly out of the top of the cylinder with the
handle of a hammer. Be careful not to scratch
the crankpin or the cylinder wall when remov-
ing.
Redistribution or publication of this document,
by any means, is strictly prohibited.

10-9
The piston is fitted with two compression rings and
one oil control ring. Remove these rings from the
piston using a piston ring expander as shown in Fig-
ure 10-17.
Remove the piston pin retainer from each side and
push the piston pin out. Remove dirt and deposits
from the piston surfaces with an approved cleaning
solvent. Clean the piston ring grooves with a groove
cleaner (Figure 10-18) or the end of a piston ring
filed to a sharp point. Care must be taken not to re-
move metal from the groove sides.
CAUTION Using caustic cleaning solvent or
wire brush for cleaning pistons will damage pis-
ton. Use only parts cleaning solvent. When
cleaning the connecting rod in solvent, include
the rod bore. Blow out all passages with low
pressure compressed air.
CT−1059−1s
FIGURE 10-17. REMOVING PISTON RINGS
WARNING Most parts cleaning solvents are
flammable and can result in severe personal in-
jury if used improperly. Follow the manufactur-
er’s recommendations when cleaning parts.
CT-1060s
FIGURE 10-18. CLEANING RING GROOVES
Inspection
The following covers inspection procedures for pis-
ton and connecting rod.
Piston Inspection: Inspect the piston for fractures
at the ring lands, skirt, and pin bosses. Check for
wear at the ring lands using a new ring and feeler
gauge as shown in Figure 10-19. Replace the piston
when the side clearance of the top compression ring
reaches 0.0039 inch (0.1 mm).
Redistribution or publication of this document,
by any means, is strictly prohibited.

10-10
CT-1061s
FIGURE 10-19. CHECKING RING LAND
IMPROPER
RING CONTACT
CT-1062s
PISTON
RING
CYLINDER
WALL
PISTON
FIGURE 10-20. NEW RING IN WORN RING GROOVE
Improper width rings or excessive ring side clear-
ance can result in ring breakage. New rings in worn
ring grooves do not have good cylinder wall contact
(Figure 10-20).
Replace piston showing signs of scuffing, scoring,
worn ring lands, fractures or damage from pre-igni-
tion.
Connecting Rod Inspection: Replace connecting
rod bolts and nuts with damaged threads. Replace
connecting rod with deep nicks, signs of fractures,
scored bores or bores out of round more than 0.002
inch (0.05 mm).
Use a new piston pin to check connecting rod for
wear. A push fit clearance is required and varies
from engine to engine. If a new piston pin falls
through a dry rod pin bore as a result of its own
weight, replace the rod or bushing as required.
Piston Pin Inspection: Replace piston pin that is
cracked, scored, or out of round more than 0.002
inch (0.05 mm).
Piston Clearance
Proper piston tolerances must be maintained for
satisfactory operation. Use a micrometer to mea-
sure the piston diameter at the point shown in Figure
10-21. When the cylinder bore is measured (see
Cylinder Block section on Page 10-14), subtract the
piston diameter from the cylinder bore diameter to
obtain the piston pin to cylinder wall clearance. Re-
fer to Section 3. Dimensions and Clearances for the
recommended piston clearance.
CT-1063s
FIGURE 10-21. PISTON CLEARANCE
MEASUREMENT
Redistribution or publication of this document,
by any means, is strictly prohibited.

10-11
Fitting Piston Rings
Before installing new rings on the piston, check the
ring gap by placing each ring squarely in the cylin-
der, at a position corresponding to the bottom of its
travel (Figure 10-22). The gap between the ends of
the ring is given in Section 3. Dimensions and Clear-
ances.
The practice of filing ring ends to increase the end
gap is not recommended. If the ring end gap does
not meet specifications, check for the correctness of
ring and bore sizes.
Rings of the tapered type are usually marked TOP
on one side, or identified in some other manner.
Install these rings with the identification mark to-
ward the closed end of the piston.
CT1125s
FIGURE 10-22. CHECKING RING GAP
Piston Assembly Installation
Lubricate all parts with clean engine oil. Position the
piston on the connecting rod. Install the piston pin.
The piston pin is a full-floating type and must be kept
in place (in the piston) with two lock rings, one at
each side. Install the lock rings and see that they are
properly in place before installing the piston and
connecting rod in the engine.
Install the rings on the piston beginning with the oil
control ring. Use a piston ring spreader to prevent
twisting or excessive expansion of the ring. Com-
pression rings are marked with the word top or a
mark on one side of the ring to indicate which side
faces the top of the piston. The top ring has a band of
red paint and the bottom ring a band of white paint.
Follow the instructions, if any, for the ring set.
Stagger ring gaps 120 degrees apart. Do not posi-
tion ring gaps on thrust face of cylinder.
CT-1091s
CONNECTING
ROD MARK
CAP
MARK
FIGURE 10-23. ROD CAP ASSEMBLY
Redistribution or publication of this document,
by any means, is strictly prohibited.

10-12
Installing Piston in Cylinder: When installing the
piston assembly, observe markings on the connect-
ing rod, cap, and splasher and assemble in correct
position. See Figure 10-23.
1. Turn crankshaft to position crankpin at bottom
of its stroke.
2. Lubricate piston assembly and inside of cylin-
der. Compression rings with a ring compressor
as shown in Figure 10-24.
3. Tap piston down into bore with handle end of
hammer until connecting rod is seated on
crankpin. Check crankpin clearance before
proceeding to Step 4. (see Crankpin Clearance
on this page).
4. Lubricate the rod crankpin and install the con-
necting rod cap. Tighten connecting rod bolts to
specified torque.
The bearing cap must be tapped several times
to properly align it with the connecting rod.
Clearance varies on the crankpin if this is not
done. Crank the engine by hand to see that the
crankshaft turns freely without binding.
CT-1066-2s
FIGURE 10-24. INSTALLING PISTON
Crankpin Clearance
1. Mark parts so they can be installed in their origi-
nal positions, and wipe all parts clean of any oil
or grease.
2. Place a piece of the correct size Plasti-gage
across the full width of the rod cap about 1/4
inch (6 mm) off center.
3. Install the rod cap and tighten to the specified
torque. Do not rotate the crankshaft after the
cap is in place.
4. Remove the rod cap and leave the flattened
Plasti-gage on the part to which it adheres.
Compare the widest point of the flattened Plas-
ti-gage with the graduations on the envelope
(see Figure 10-25) to determine the crankpin
clearance.
Redistribution or publication of this document,
by any means, is strictly prohibited.

10-13
CT-1092s
PLASTI-GAGE
ENVELOPE
GRADUATION
SCALE
FIGURE 10-25. MEASURING CRANKPIN CLEARANCE
CRANKSHAFT
Remove the crankshaft after the connecting rod and
piston have been removed, carefully pull the crank-
shaft out of the oil seal and bearing.
Inspection
Check the crankpin O.D. and finish. If it is worn or
scored and cannot be smoothed out by polishing or
if it exceeds the allowable size limit, the crankshaft
should be replaced.
Installation
Lubricate the bearings with engine oil. Slide the
crankshaft into the bearing. Install the crankcase
cover and check to see that the crankshaft turns
freely.
Checking Endplay
With the crankcase cover installed, check the crank-
shaft endplay at the point shown in Figure 10-26.
Refer to the Dimensions and Clearances section for
the recommended crankshaft endplay. If necessary
add or remove shims as required and recheck end-
play. Verify that the crankshaft turns freely without
binding.
CT1124s
FIGURE 10-26. CHECKING ENDPLAY
Redistribution or publication of this document,
by any means, is strictly prohibited.
10-14
CYLINDER BLOCK
Cleaning
After removing the piston, crankshaft, cylinder
head, etc., inspect the block for cracks and extreme
wear. If the block is still serviceable, prepare it for
cleaning as follows:
1. Scrape all old gasket material from block.
2. Remove grease and scale from cylinder block
by agitating in a bath of commercial cleaning
solution or hot soapy washing solution.
3. Rinse block in clean hot water to remove clean-
ing solution.
Inspecting Block
When rebuilding the engine, thoroughly inspect
block for any condition that would make it unfit for
further use. This inspection must be made after all
parts have been removed and block has been thor-
oughly cleaned and dried.
1. Make a thorough check for cracks using any
standard method of crank detection. One meth-
od of crank detection follows: Minute cracks
may be detected by coating the suspected area
with a mixture of 25 percent kerosene and 75
percent light motor oil. Wipe the part dry and im-
mediately apply a coating of zinc oxide (white
lead) dissolved in wood alcohol. If cracks are
present, the white coating will become discol-
ored at the defective area. Always replace a
cracked cylinder block. Clean the block and
proceed.
2. Inspect all machined surfaces and threaded
holes. Carefully remove any nicks or burrs from
machined surfaces. Clean out tapped holes
and clean up any damaged threads.
3. Check cylinder head mounting area for flatness
with a straight edge and a feeler gauge.
Inspecting Cylinder Bore
Inspect cylinder bore for scuffing, scratches, wear,
and scoring. If cylinder bore is scuffed, scratched,
scored, or worn, the block must be replaced.
When the appearance of the cylinder bore is good
and there are no scuff marks, check cylinder bore
for wear or out-of-round as follows:
1. Check cylinder bore for taper, out-of-round,
and wear with a dial bore gauge, telescope
gauge, or inside micrometer. These measure-
ments should be taken at four places, top and
bottom of piston ring travel and parallel and per-
pendicular to axis of crankshaft.
2. Record measurements taken at top and bottom
of piston travel as follows (see Figure 10-27).
A. Measure and record as “A” the cylinder
bore diameter (parallel to crankshaft) near
the top of cylinder bore where greatest
amount of wear occurs.
B. Also measure and record as “B” cylinder
bore diameter (parallel to crankshaft) at
the bottom of piston travel.
C. Measure and record as “C” cylinder bore
diameter (perpendicular to crankshaft)
near the top of cylinder bore where great-
est amount of wear occurs.
D. Also measure and record as “D” cylinder
bore diameter (perpendicular to crank-
shaft) at the bottom of piston travel.
E. Reading “A” subtracted from reading “B”
and reading “C” subtracted from reading
“D” indicates cylinder taper.
F. Reading “A” compared to reading “C” and
reading “B” compared to reading “D” indi-
cates whether or not cylinder is out-of-
round.
G. If out-of-round exceeds 0.0039 inch (0.10
mm) the cylinder block must be replaced.
Redistribution or publication of this document,
by any means, is strictly prohibited.

10-15
C1090s
TOP OF CYLINDER
BOTTOM OF RING TRAVEL
RING
WEAR
AREA
FIGURE 10-27. METHODS OF MEASURING THE
DIAMETER OF A CYLINDER BORE
Deglazing Cylinder Bores
Deglaze the cylinder bores, if there are no scuff
marks and no wear or out of round beyond specifi-
cations, before installing new rings. Deglazing gives
a fine finish but does not enlarge cylinder diameter,
so the original pistons with new rings may still be
used.
The reason for deglazing a cylinder is to provide
cavities to hold oil during piston ring break-in.
1. Wipe cylinder bores with a clean cloth which
has been dipped in clean, light engine oil.
2. Use a brush type deglazing tool with coated
bristle tips to produce a crosshatch pattern in
the cylinder bore.
3. The deglazing tool should be driven by a slow
speed drill. Move deglazing tool up and down
in cylinder rapidly enough to obtain a cross-
hatch pattern as shown in Figure 10-28.
CAUTION Never use gasoline or commer-
cial cleaners to clean cylinder bores after
deglazing or honing. These solvents will
not remove abrasives from the walls. Abra-
sives not removed from engine will rapidly
wear rings, cylinder walls, and bearing sur-
faces of all lubricated parts.
4. Clean cylinder bore thoroughly with soap, wa-
ter, and clean rags. Continue cleaning until a
clean white rag shows no discoloring when
wiped through cylinder bore.
C-1091s
PRODUCE CROSS
HATCH SCRATCHES
FOR FAST RING
SEATING
AVOID THIS
FINISH
FIGURE 10-28. CROSSHATCHING
Redistribution or publication of this document,
by any means, is strictly prohibited.

10-16
TIMING GEARS
If replacement of either the crankshaft gear or the
camshaft gear becomes necessary, it is recom-
mended that both gears be replaced. Each of these
gears are pressed on. The crankshaft gear requires
a gear separator and puller to remove and the cam-
shaft gear requires a press to remove. Both gears
can be installed using a press. These gears use a
Woodruff key to provide correct positioning on the
shaft.
Each timing gear is stamped with an “O” near the
edge. The gear teeth must mesh so that these
marks exactly coincide when the gears are installed
in the engine. See Figure 10-29.
VT1042s
FIGURE 10-29. TIMING GEAR ALIGNMENT
BEARINGS
One bearing is pressed into the engine block and
the other bearing is pressed into the crankcase cov-
er. The bearing in the engine block can be pressed
out after the oil seal is removed (following section).
The bearing in the crankcase cover can be pulled
out using a puller. Clean the bearing mounting sur-
faces and press new bearings back in.
OIL SEAL
Use an oil seal remover to pry the oil seal out of the
engine block. Clean the oil seal resting surface and
lubricate surface before installing new oil seal.
Press new oil seal into the engine block until oil seal
is flush with cylinder block boss (see Figure 10-30).
Lubricate the lips of the oil seal with a light coating of
grease. This provides initial lubrication until engine
oil reaches the seal.
CT-1093s
OIL SEAL
FIGURE 10-30. OIL SEAL
Redistribution or publication of this document,
by any means, is strictly prohibited.

10-17
COMPRESSION RELEASE SYSTEM
This engine has a compression release system that
decreases the amount of effort required to start the
engine and reduces engine run-on when stopping.
The system works as follows:
1. As the engine is started (Figure 10-31), a spring
holds in the flyweight which in turn pushes a de-
compression pin upward.
2. The decompression pin pushes up on the ex-
haust tappet and opens the exhaust valve mo-
mentarily to release compression and make
starting easier.
3. As the engine speeds up, the flyweight is forced
outward by centrifugal force and the decom-
pression pin moves down so that it no longer
opens the exhaust valve.
4. When the engine is stopped, engine speed
drops and the flyweight pulls in and the decom-
pression pin moves up. The pin opens the ex-
haust valve again releasing compression.
The most common cause of problems with this sys-
tem is a faulty spring, the spring may be too long or it
may not be connected. A spring that is too long will
reduce the decompression cutoff speed. Make sure
that the spring is properly attached, if a problem with
the cutoff speed is still suspected replace the spring.
CT−1121s
CAMSHAFT
ENGINE START POSITION
ENGINE RUNNING POSITION
DECOMPRESSION
PIN
TAPPET FLYWEIGHT
SPRING
CAM GEAR
FIGURE 10-31. COMPRESSION RELEASE SYSTEM
Redistribution or publication of this document,
by any means, is strictly prohibited.
Redistribution or publication of this document,
by any means, is strictly prohibited.

11-1
11. Service Check List
WARNING
EXHAUST GAS IS DEADLY!
Exhaust gases contain carbon monoxide, an odorless and colorless gas.
Carbon monoxide is poisonous and can cause unconsciousness and death.
Symptoms of carbon monoxide poisoning can include:
•Dizziness •Throbbing in Temples
• Nausea •Muscular Twitching
• Headache •Vomiting
•Weakness and Sleepiness •Inability to Think Coherently
IF YOU OR ANYONE ELSE EXPERIENCE ANY OF THESE SYMPTOMS, GET
OUT INTO THE FRESH AIR IMMEDIATELY. If symptoms persist, seek medi-
cal attention. Shut down the unit and do not operate until it has been in-
spected and repaired.
Never sleep in the vehicle with the genset running unless the vehicle interior
is equipped with an operating carbon monoxide detector. Protection against
carbon monoxide inhalation also includes proper exhaust system installa-
tion and visual and audible inspection of the complete exhaust system at the
start of each genset operation.
GENERAL
After the genset has been serviced and reinstalled
in the vehicle, inspect the installation and test the
set to confirm that the genset will operate properly
and produce its full rated load capacity. Check each
of the following areas before putting the set into ser-
vice.
MOUNTING
Examine all mounting bolts and supporting mem-
bers to verify that the genset is properly mounted.
All fasteners should be tightened securely, to pre-
vent them from working loose when subjected to
vibration.
LUBRICATION
If the engine oil was drained, fill the crankcase with
oil of the recommended classification and viscosity.
Refer to the appropriate operator’s manual for the
specific recommendations and procedures.
WIRING
Verify that all wiring connections are tight and
installed properly. Make certain that wires do not run
over hot, sharp or rough surfaces and are not kinked
or worn. Check each of these connections:
SLoad wires
SControl wires
SGround strap
SBattery cables
INITIAL START ADJUSTMENTS
CAUTION Voltage/frequency-sensitive
equipment such as VCRs, televisions, comput-
ers, etc. can be damaged by power line frequen-
cy variations. Some solid-state devices are
powered whenever connected to an AC outlet
even if the device is not in actual operation. For
this reason, disconnect all devices that are volt-
age- or frequency-sensitive before attempting
any carburetor/governor adjustments. If dis-
connecting the devices is not possible, open
the circuit breaker(s) at the distribution panel or
at the genset.
If the fuel system was worked on, check that the idle
and main adjustment screws are adjusted as de-
scribed in the Fuel System section before starting
the set. Reinstall adjustment screw limiter caps.
Redistribution or publication of this document,
by any means, is strictly prohibited.

11-2
Start the set, then immediately adjust the governor
speed for a safe no-load operating speed. With no
load applied, listen for unusual sounds or vibrations.
Warm up the genset for at least 15 minutes at 50%
to 75% of rated load and check that the choke is
completely open. Adjust the carburetor and gover-
nor as specified in the Fuel System and Governor
sections.
EXHAUST SYSTEM
With the genset operating, inspect the entire ex-
haust system including the muffler and exhaust
pipe. Make certain that the exhaust pipe terminates
beyond the perimeter of the coach. Visually and au-
dibly check for leaks at all connections, welds, gas-
kets, and joints. Also make sure that exhaust pipes
do not heat surrounding areas excessively. If leaks
are detected, correct immediately.
WARNING Inhalation of exhaust gases can re-
sult in severe personal injury or death. Inspect
exhaust system audibly and visually for leaks.
Shut off the engine and repair leaks immediate-
ly.
FUEL SYSTEM
With the genset operating, inspect the fuel supply
line and fittings for leaks. Check flexible section for
cuts, cracks and abrasions and make sure it is not
rubbing against anything that could cause damage.
WARNING Leaking fuel creates a fire hazard
which can result in severe personal injury or
death if ignited by flame, spark, pilot light, ciga-
rette, arc-producing equipment, electrical
switch, or other ignition source. If fuel leaks are
detected, shut off the genset and correct leak
immediately.
OUTPUT CHECK
Apply a full load to make sure the set can produce its
full rated output. Use a load test panel to apply a pro-
gressively greater load until full load is reached.
CONTROL
Stop and start the genset several times at the set
control and remote control (if equipped) to verify that
it functions properly.
MECHANICAL
Stop the genset and inspect it for leaking gaskets,
loose fasteners, damaged components, or interfer-
ence problems. Repair as required. Inspect the gen-
set compartment and verify that there are no breaks
or openings in the vapor-proof wall that separates
the compartment from the vehicle interior. Seal
openings as required. Make sure that all sound-
proofing material is in place.
Redistribution or publication of this document,
by any means, is strictly prohibited.

12-1
12. Wiring Diagrams
DRAWING NO. DESCRIPTION PAGE
610-0382 Model KV Wiring Schematic, 60 Hertz, SPEC C−E 12-2. . . . . . . . . . . . . . . . . . . . . . . . . . . . . . .
610-0382 Model KV Wiring Diagram, 60 Hertz, SPEC C−E 12-3. . . . . . . . . . . . . . . . . . . . . . . . . . . . . . . . .
610-0383 Model KV Wiring Schematic, 50 Hertz, SPEC C−E 12-4. . . . . . . . . . . . . . . . . . . . . . . . . . . . . . .
610-0383 Model KV Wiring Diagram, 50 Hertz, SPEC C−E 12-5. . . . . . . . . . . . . . . . . . . . . . . . . . . . . . . . .
610-0384 Model KV Wiring Schematic, 50 Hertz, Isolated Ground, SPEC C−E 12-6. . . . . . . . . . . . . . .
610-0384 Model KV Wiring Diagram, 50 Hertz, Isolated Ground, SPEC C−E) 12-7. . . . . . . . . . . . . . . .
610-0388 Model KV Wiring Schematic, 60 Hertz, Begin Spec F 12-8. . . . . . . . . . . . . . . . . . . . . . . . . . . . .
610-0388 Model KV Wiring Diagram, 60 Hertz, Begin Spec F 12-9. . . . . . . . . . . . . . . . . . . . . . . . . . . . . .
610-0389 Model KV Wiring Schematic, 50 Hertz, Begin Spec F 12-10. . . . . . . . . . . . . . . . . . . . . . . . . . . . .
610-0389 Model KV Wiring Diagram, 50 Hertz, Begin Spec F 12-11. . . . . . . . . . . . . . . . . . . . . . . . . . . . . .
610-0395 Model KVC Wiring Schematic, 60 Hertz 12-12. . . . . . . . . . . . . . . . . . . . . . . . . . . . . . . . . . . . . . . .
610-0395 Model KVC Wiring Diagram, 60 Hertz 12-13. . . . . . . . . . . . . . . . . . . . . . . . . . . . . . . . . . . . . . . . . .
610-0396 Model KVC Wiring Schematic, 50 Hertz 12-14. . . . . . . . . . . . . . . . . . . . . . . . . . . . . . . . . . . . . . . .
610-0396 Model KVC Wiring Diagram, 50 Hertz 12-15. . . . . . . . . . . . . . . . . . . . . . . . . . . . . . . . . . . . . . . . . .
625-4345 Model KVD Wiring Diagram and Schematic 12-16. . . . . . . . . . . . . . . . . . . . . . . . . . . . . . . . . . . . .
Redistribution or publication of this document,
by any means, is strictly prohibited.

12-2
FIGURE 12-1. WIRING SCHEMATIC 610-0382
Redistribution or publication of this document,
by any means, is strictly prohibited.

12-3
FIGURE 12-2. WIRING DIAGRAM 610-0382
Redistribution or publication of this document,
by any means, is strictly prohibited.

12-4
FIGURE 12-3. WIRING SCHEMATIC 610-0383
Redistribution or publication of this document,
by any means, is strictly prohibited.

12-5
FIGURE 12-4. WIRING DIAGRAM 610-0383
Redistribution or publication of this document,
by any means, is strictly prohibited.

12-6
FIGURE 12-5. WIRING SCHEMATIC 610-0384
Redistribution or publication of this document,
by any means, is strictly prohibited.

12-7
FIGURE 12-6. WIRING DIAGRAM 610-0384
Redistribution or publication of this document,
by any means, is strictly prohibited.

12-8
FIGURE 12-7. WIRING SCHEMATIC 610-0388 (60 HZ) (BEGIN SPEC F)
Redistribution or publication of this document,
by any means, is strictly prohibited.

12-9
FIGURE 12-8. WIRING DIAGRAM 610-0388 (60 HZ) (BEGIN SPEC F)
Redistribution or publication of this document,
by any means, is strictly prohibited.

12-10
FIGURE 12-9. WIRING SCHEMATIC 610-0389 (50 HZ) (BEGIN SPEC F)
Redistribution or publication of this document,
by any means, is strictly prohibited.

12-11
FIGURE 12-10. WIRING DIAGRAM 610-0389 (50 HZ) (BEGIN SPEC F)
Redistribution or publication of this document,
by any means, is strictly prohibited.

12-12
FIGURE 12-11. WIRING SCHEMATIC 610-0395 (60 HZ) (KVC)
Redistribution or publication of this document,
by any means, is strictly prohibited.

12-13
FIGURE 12-12. WIRING DIAGRAM 610-0395 (60 HZ) (KVC)
Redistribution or publication of this document,
by any means, is strictly prohibited.

12-14
FIGURE 12-13. WIRING SCHEMATIC 610-0396 (50 HZ) (KVC)
Redistribution or publication of this document,
by any means, is strictly prohibited.

12-15
FIGURE 12-14. WIRING DIAGRAM 610-0396 (50 HZ) (KVC)
Redistribution or publication of this document,
by any means, is strictly prohibited.

12-16
625-4345
FIGURE 12-15. WIRING DIAGRAM AND SCHEMATIC 625-4345 (MODEL KVD)
Redistribution or publication of this document,
by any means, is strictly prohibited.

Cummins Power Generation
1400 73rd Avenue N.E.
Minneapolis, MN 55432
763-574-5000
Fax: 763-528-7229
Cummins and Onan are registered trademarks of Cummins Inc.
Redistribution or publication of this document,
by any means, is strictly prohibited.