PDF A1200 R2
User Manual: A1200
Open the PDF directly: View PDF .
Page Count: 16

Amiga
A1200_R2
Rev.1.38 (06.09.2012)

LEFT/RIGHT Left Right Audio (Audio)
R624
R625 SMT 9
Keyboard/System Reset
SMT Keyboard MPU Clock 9
06/29/92 GRRAdvance Engineering Release
1
AProduction Release
CN14
CN13 SIL-4 8
Internal Floppy Power
MEM-30 Keyboard Membrane 9
9Keyboard Membrane
MEM-30 Keyboard Status LED's 9
SIL-4
CN13
CN14
** Credit Card and IDE Stuff? **
104Mbit FLASH Memory
28F400 Sony Video Encoder 4
CXA1145
U10-11
U12 9Amiga Keyboard MPU
6570-36 Reset Timer 9
NE555
U13
U14
Y621
Y451 XTAL 9
3MHz Ceramic Resonator
XTAL 4.433619MHz PAL Burst 4
4NTSC Video Modulator
VA3424
No manual changes may be made to this document
C.A.D. Generated
c
Commodore is strictly prohibited.
without the prior written permission of
reproduction or disclosure of this information
Commodore Business Machines, Inc. Any use,
confidential and trade secret property of
Information contained herein is the unpublished,
1992 Commodore Business Machines
REV
Commodore
SIZE
SCALE SHEET OF
NEXT ASSYUSED ON
DESIGN BY:
LAST:
DATE
CHKD:
DRAW:
APPR:
Revision History
/project/a300/channel_z.rev2 sheet1
PATH:
365133
365132
C/A1200
01/11/93
BAF
DIRECTORIES AND REVISION HISTORY
G. Robbins
C/A1200 Main Board
C A
13
1
03/13/92
"Channel Z"
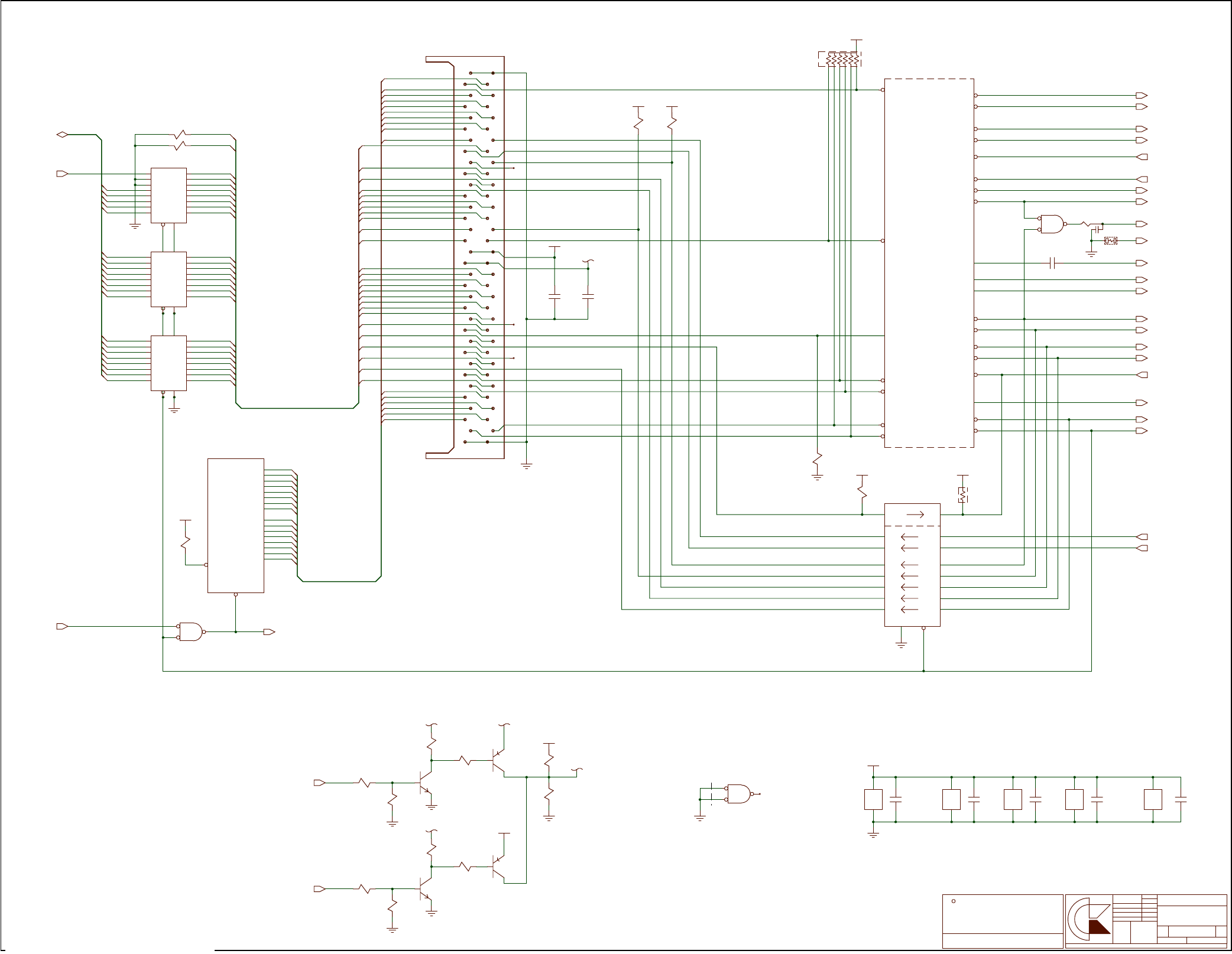
Key Components
Jumpers and Stuff Connectors
Signal Glossary
Schematic A1200 R2
A1200 Rev 2 PCB
GRR 03/13/92
R202
R246 SMT 4
PAL Color Burst
SMT NTSC Color Burst 4
REF TYPE DESCRIPTION PAGE
U15 TL084 alt
BiCMOS Op-Amp
LF347 BiMOS Op-Amp 5
U18-19
U16-17 Asst 3
DRAM 512Kx8, optional
Asst DRAM 512Kx8, 80nS 3
P9 EDGE-80 Memory Bus Expansion 12
CN15 PCMCIA PC"Memory Card" 11
8Internal Floppy Signal
DIL-34 Internal Floppy Power 8
SIL-4
CN11
CN12
6Video Output
DB23P Composite Video 4
RCA-J
CN9
CN10
CN8
CN7 SQ DIN 13
Power Supply Connector
DB25S Parallel Printer Port 7
8External Floppy
DB23S RS232 Serial Port 7
DB25P
CN5
CN6
CN4
CN3 RCA-J 5
Left Audio Output
RCA-J Right Audio Output 5
5Mouse/Joystick 1
DB9P Mouse/Joystick 2 5
DB9P
CN1
CN2
PAGEDESCRIPTION
TYPEREF
X2 UD3626 4
PAL Video Modulator
X1 OSC alt
TTL 28.37512 MHz PAL
OSC TTL 28.63636 MHz NTSC 2
U30
U29 BT101 4
Triple 8-bit Video DAC
1489 EIA Line Receiver 7
U28
U20 1488 7
EIA Line Driver
391??? Bridgette (NCR ASIC) 2
U7-8
U6A-B 8520 7
Amiga VIA, 1 MHz
asst ROM 512Kx16, 150 nS 10
U5 f0022x 2,8,11
AA Gayle (CBM ASIC)
U4
U3 4203 4
Lisa (AA Denise)
8364 Paula 5
U2
U1 8374 2
Alice (AA Agnus)
68EC020 68EC020 uP/16MHz 2
REF CHIP DESCRIPTION PAGE
0Engineering Prototype GRR03/13/92
MANAGERDATE APRVL
DESCRIPTIONREV
Upper / Lower Data Strobes (68000)LDS/UDS
LED Power On LED / Audio Filter Disable
Keyboard Reset (Keyboard)KBRESET
KBDATA Keyboard Data (Keyboard)
Interrupt Priority Level (68000)IPL[2:0]
KBCLOCK Keyboard Clock (Keyboard)
I/O ResetIORESET
INT[2,3,6] Interrupt Request (Chips)
Index Pulse (Floppy)INDEX
HSYNC Horizontal Sync (Video)
Fire Button 0/1 (Joysticks)FIRE0/1
HLT Processor Halt (68000)
Function Code (68000)FC[2:0]
EXTICK Expansion Present / RTC Tick
Data Terminal Ready (RS232 Port)DTR
E Peripheral Enable Clock (68000)
Data Set Ready (RS232 Port)DSR
DTACK Data Transfer Acknowledge (68000)
DRAM Data Bus (DRAM)DRD[15:0]
DRA[8:0] DRAM Address Bus (DRAM)
Disk Write Enable (Floppy)DKWE
DMAL Chip DMA Request Line (Chips)
Disk Write Data (Floppy)DKWD
DKRD Disk Read Data (Floppy)
Step Direction (Floppy)DIR
D[15:0] Processor Data Bus (68000)
Composite Sync (Video)CSYNC
CTS Clear to Send (RS232 Port)
Monochrome Composite Video (Video)COMP
CLKRD/WR Read-Time Clock Read / Write (RTC)
7.15909 MHz Quadrature Clock (Chips)CDAC
CHNG Media Change (Floppy)
Column Address Strobe (DRAM)CASL/U
CCK/CCKQ Color Clock / Quadrature (Chips)
Device Busy (Parallel Port)BUSY
BR Bus Request (68000)
Blitter Slowdown (Chips)BLISS
BLIT Chip Memory Access (Chips)
Bus Grant Acknowledge (68000)BGACK
BG Bus Grant (68000)
Audio Output (RS232 Jack)AUDOUT
BEER Bus Error (68000)
Address Strobe (68000)AS
AUDIN Audio Input (RS232 Port)
Processor Address Bus (68000)A[23:1]
ACK Data Acknowledge (Parallel Port)
28.63636 MHz Master Clock28MHZ
7MHZ 7.15909 MHz Processor Clock
PAGESDESCRIPTION (AREA)SIGNAL
XRDY External Data Ready
External Genlock Clock (Video)XCLK
XCLKEN External Clock Enable (Video)
Write Protect Sense (Floppy)WPROT
WE Write Enable (DRAM)
Valid Peripheral Address (68000)VPA
VSYNC Vertical Sync (Video)
Transmit Data (RS232 Port)TXD
VMA Valid Memory Address (68000)
Track Zero Sense (Floppy)TRK0
STEP Step In/Out Command (Floppy)
Drive Select (Floppy)SEL[3:0]
SIDE Side Select (Floppy)
Select (Parallel Port)SEL
RW Processor Read/Write (68000)
Receive Data (RS232 Port)RXD
RST Processor Reset (68000)
ROM Enable (ROM)ROMEN
RTS Request to Send (RS232 Port)
Ring Indicate (RS232 Port)RI
R/G/B Red / Green / Blue (Video)
General ResetRESET
RGA[8:1] Register Address Bus (Chips)
Row Address Strobe (DRAM)RAS0/1
RDY Drive Ready (Floppy)
Chip Register Enable (Chips)REGEN
RAMEN RAM Enable (Chips)
Paper Out (Parallel Port)POUT
PPD[7:0] Parallel Port Data (Parallel Port)
Pot Lines 1 X/Y (Joysticks)POT1X/1Y
POT0X/0Y Pot Lines 0 X/Y (Joysticks)
Genlock Pixel Switch (Video)PIXELSW
OVR Override System Decoding
Mouse 1 Quadrature V/H (Joysticks)M1V/M1H
OVL Overlay ROM over RAM
Mouse 0 Quadrature V/H (Joysticks)M0V/M0H
MTR0 Motor On - Drive 0 (Floppy)
Light Pen Trigger (Joysticks)LPEN
MTR Motor On (Floppy)
SIGNAL DESCRIPTION (AREA) PAGES
© rebuild for www.amigawiki.org · for private use only
Rev.1.38 (06.09.2012)

CCKQ_A
_VSYNC
_EVEN_CIA
_HSYNC
14MHz
_ODD_CIA
E
ICCK
D(31:0)
_DWE
_FIRE1
_DSACK_0
_RAS
_OEB
A(23:0)
_INT3
CPUCLK
_RTC_CS
CCKQ
_CDAC
_NTSC
_DBR
_DSACK_1
SIZE_0
SIZE_1
_ZORRO
R_W
_CAS
_CSYNC
RGA(8:1)
DMAL
CCK_A
FC(2:0)
SCLK
_HLT
_NET_CS
_SPARE_CS
CCK
_FPU_CS
_RST
_DS
_AS
_FPU_CS
_FPU_SENSE
7MHz
_FPU_SENSE
_KB_RESET
DRD(31:0)
DRA(10:0)
_BOSS
CPUCLK
_CDIS
_BR
_BG
_IPL(2:0)
_AVEC
_BEER
_RMC
_RAMEN
_REGEN
_BLS
_OVR
XRDY
27 22pF
E129
MC68EC020
U1
4145f023a
AA_GAYLE
U5
CONTROL FUNCTIONS
E125
22pF
27
E123
22pF*
27
8374
U2
ALICE
VCC
27 R117
R116
27
E128
22pF
27
E126
22pF
27
1K
R591
0R594
470 R118
VCC
68 R115
R114
27
68 22pF
E112
U0
MC68881
E127 FB 22pF
100
470
XR358
68 R113
68 22pF
E114
No manual changes may be made to this document
C.A.D. Generated
c
Commodore is strictly prohibited.
without the prior written permission of
reproduction or disclosure of this information
Commodore Business Machines, Inc. Any use,
confidential and trade secret property of
Information contained herein is the unpublished,
1991 Commodore Business Machines
365133
365132
C/A1200
2/23/93
BAF
PROCESSOR AND OTHER USEFUL COMPONENTS
G. Robbins
C/A1200 Main Board
C A
13
2
APPR:
DRAW:
CHKD:
DATE
LAST:
DESIGN BY:
ONUSED ASSYNEXT
OFSHEETSCALE
SIZE
Commodore
REV
03/13/92
"Channel Z"
PATH: /project/a300/channel_z.rev2 sheet2
Schematic A1200 R2
A1200 Rev 2 PCB
GRR 03/13/92
and may be loaded with funny things...
Note: Various components are for EMI Control
04/19/92
Channel Z
VCC
VCC
74LS86
U26
24
_BG 38
FC0
70
A14
43
_BEER
82
_OEB 28
R_W
36
_DSACK1
35
_DSACK0
37
CCK 23
_HLT
39
_RST40
XRDY 25
_OVR 26
A22
52
A21
51
A20
50
A18
48
A17
47
A23
53
_AS
33
_RAMEN 32
_REGEN 31
_BLS 30
C14M 22
2 1
2
A19
49
_DS
34
_DBR 29
A16
46
A13
42
A15
44
A12
41
E10
D11
58
7MHz 38
A20
35
A19
59
SCLK 34
1
2
3
4
5
6
7
8
9
10
11
12
13
14
15
16
17
18
19
20
21
22
23
2
1
1
2
1 2
1
A1
60 A2
61 A3
62 A4
63 A5
64 A6
65 A7
66 A8
67 A9
68 A10
69 A11
70 A12
71 A13
72 A14
73 A15
74 A16
75 A17
76 A18
77
_NTSC 41
_RAS 57
_CAS 54
_WE 21
_LPEN 78
_CDAC 37
_CSYNC 80
1 2
_VSYNC 79
25
26
_HSYNC 81
DRA0 43
DRA1 44
DRA2 45
DRA3 46
DRA4 47
DRA5 48
DRA6 49
DRA7 50
DRA8 51
DMAL 18
_INTR 17
CCK 40
14MHz 36
DRA9 56
CCKQ 39
_REGEN
23
_RAMEN
25
_BLS
19
_DBR
20
DRD15 83
DRD14 84
DRD13 1
DRD12 2
DRD11 3
DRD10 4
DRD9 5
DRD8 6
DRD7 7
DRD6 8
D15
54
DRD5 9
DRD4DRD4 10
DRD3 11
DRD2 12
DRD1 13
DRD0 14
R_W
22
_RESET
16
RGA8 26
RGA7 27
9
RGA6 28
RGA5 29
2
RGA4 30
D9
60 D10
59
D12
57 D13
56 D14
55
_NET_CS 16
_RTC_CS 17
_SPARE_CS 15
_ODD_CIA 73
_EVEN_CIA 74
D8
61
_SENSE 64
_KBRESET 63
RGA3 31
RGA2 32
RGA1 33
31
1
16
15
27
12
13
28
29
30
31
1
_SENSE
4
R_W
28
_DS
20
8
7
6
5
4
3
2
1
16
8
7
6
5
4
3
2
1
0
17
18
19
20
21
22
23
24
25
26
27
28
29
30
FC1
69
0
1
2
_FPU_CS 65
1 2
2
21
1 2
1 2
21
_RESET6
_HALT22
_BEER19
_DSACK017
21
_AVEC16
_DSACK118
_AS23
1
2
3
4
5
6
7
8
9
10
11
12
13
14
15
16
17
18
R_W25
20
17
18
19
20
21
22
23
_DS24
SIZE013
SIZE114
_RMC9
D0 64
D1 63
D2 62
D3 61
D4 60
D5 56
D6 55
D7 54
D8 53
D9 51
D10 50
2
1
D11 49
D12 48
D13 47
D14 46
D15 45
_IPL267 _IPL166 _IPL065
_BR1
_BG2
FC2 12
FC1 11
FC0 10
CLK5
A23 97
A22 96
A21 95
2
1
1
2 1
2
A20 94
12
A19 93
A18 92
A17 91
A16 88
A15 87
A14 86
A13 85
A12 84
A11 8383
A10 82
A9 81
A8 80
A7 78
A6 77
A5 76
A4 75
A3 74
A2 73
A1 98
1
A0 99
D31 27
D30 28
14
D29 29
D28 30
D27 31
D26 32
D25 33
D24 34
D23 35
D22 36
D21 37
D20 38
D19 39
D18 40
D17 41
D16 42
_CDIS15
1 2
2
21
16
17
18
19
20
21
22
23
24
25
26
27
28
29
30
31
0
19
0
1
2
_AS
21
_CS
29
_SIZE
18
_DSACK1
32
_DSACK0
31
CLK
11
_RESET
13
A4 22
A3 23
A2 24
A1 25
A0 26
D31 33
D30 34
D29 35
D28 36
D27 37
D26 38
D25 39
D24 4040
D23 42
D22 44
D21 45
D20 46
D19 47
D18 48
D17 49
D16 50
D15 54
D14 55
21
D13 56
D12 57
D11 58
D10 59
D9 60
15
14
13
12
11
10
D8 62
D7 64
9
8
7
6
5
4
3
2
1
0
D6 65
D5 66
D4 67
D3 68
D2 1
D1 2
D0 30
1
2
3
4
5
6
7
8
9
10
11
12
13
14
15
16
17
18
19
20
21
22
23
24
25
26
27
28
29
30
31
1
2
3
4
810
9
0
1
1
2
2
1
© rebuild for www.amigawiki.org · for private use only
Rev.1.38 (06.09.2012)

DRD(31:0)
DRA(9:0)
_OEB
BDRA(9:0)
_BCAS_LM
_BCAS_UM
_BCAS_UU
_BCAS_LL
_ROE
_LDS
_RAS
_CAS
_DWE
_DBR
SIZE_1
SIZE_0
R_W
_BWE
_BRAS(1)
_BRAS(0)
A(1)
A(0)
_DS
_RST
D(31:0)
_UDS
_BCAS_XX
U20
BRIDGE/DRAM PART
391425
BUDGIE
68
R152A
R152B
68
R165
68
68
R152F
R151
68
R161
470
27
R162
R152E
68
R163
27
27
R164
R152G
68
C152
22pF
68
R152C
R152D
68
C162
22pF
C165
*
A1200 Rev 2 PCB
Schematic A1200 R2
/project/a300/channel_z.rev2 sheet3
PATH:
"Channel Z"
03/13/92
REV
Commodore
SIZE
SCALE SHEET OF
NEXT ASSYUSED ON
DESIGN BY:
LAST:
DATE
CHKD:
DRAW:
APPR:
313
A
C
C/A1200 Main Board
G. Robbins
MEMORY AND...WELL, I USED TO REMEMBER
BAF 01/11/93
C/A1200 365132 365133
GRR 03/13/92
U16
512Kx8
No manual changes may be made to this document
C.A.D. Generated
c
Commodore is strictly prohibited.
without the prior written permission of
reproduction or disclosure of this information
Commodore Business Machines, Inc. Any use,
confidential and trade secret property of
Information contained herein is the unpublished,
1991 Commodore Business Machines
512Kx8
U17
512Kx8
U18 U19
512Kx8
DRAM
C16A
0.22uF
VCC
U16
DRAM DECOUPLING
C16B
0.22uF
C17A
0.22uF U17
C17B
0.22uF
C18A
0.22uF U18
C18B
0.22uF
C19A
0.22uF U19
C19B
0.22uF
CAS_XX_ 19
9
SIZE_0
17
21
0
2
SIZE_1
16
LDS_ 12
2
OEB_
101
1
DS_
13
A(1)
14
A(0)
15
R_W
18
D(0)
9D(1)
8D(2)
7D(3)
6D(4)
5D(5)
4D(6)
3D(7)
2D(8)
127 D(9)
126 D(10)
125 D(11)
124 D(12)
123 D(13)
122 D(14)
121 D(15)
120
RESET_
93
DRA(0)
29
DBR_
34
1
RAS_
28
CAS_
24
WE_
31
D(31)
102
D(30)
103
D(29)
104
D(28)
105
D(27)
106
D(26)
108
D(25)
109
D(24)
110
9
8
7
6
5
4
0
3
2
2
1
0
_OE
22
_CAS
23
nc
21 A9
9
_RAS
8
_WE
7
A5
17
A0
10
A7
19
A2
12
A4
16
8
7
6
5
4
3
2
1
A6
18
A1
11
IO1 2
IO2 3
IO3 4
IO4 5
IO5 24
IO6 25
IO7 26
IO8 27
IOP 6
A8
20
A3
13
NC
31
30
29
28
27
26
25
24
_OE
22
_CAS
23
nc
21 A9
9
_RAS
8
_WE
7
1
A5
17
A0
10
A7
19
A2
12
A4
16
A6
18
A1
11
IO1 2
IO2 3
IO3 4
2
IO4 5
D(23)
111
1
21
IO5 24
IO6 25
IO7 26
IO8 27
IOP 6
A8
20
A3
13
NC
23
22
21
20
19
18
21
D(22)
112
D(21)
113
17
D(20)
114
16
D(19)
115
2
_OE
22
_CAS
23
3
D(18)
116
nc
21 A9
9
_RAS
8
_WE
7
A5
17
A0
10
A7
19
7
6
5
4
3
2
1
0
A2
12
A4
16
A6
18
A1
11
IO1 2
IO2 3
IO3 44
IO4 5
IO5 24
IO6 25
IO7 26
IO8 27
IOP 6
A8
20
A3
13
NC
15
14
13
12
1
2
2
11
10
9
8
1
4
5
1
2
_OE
22
_CAS
23
1
nc
21 A9
9
_RAS
8
_WE
7
A5
17
21
12
6
D(17)
117
1
D(16)
118
2
DRD(0) 37
DRD(1) 38
DRD(2) 39
DRD(3) 40
DRD(4) 41
7
8
9
10
A0
10
A7
19
DRD(5) 42
DRD(6) 43
DRD(7) 44
DRD(15) 53
DRD(14) 52
DRD(13) 51
DRD(12) 50
DRD(11) 49
DRD(10) 48
DRD(9) 47
8
DRD(8) 46
DRD(24) 63
DRD(25) 64
DRD(26) 66
A2
12
A4
16
A6
18
A1
11
IO1 2
IO2 3
IO3 4
IO4 5
IO5 24
IO6 25
IO7 26
IO8 27
IOP 6
A8
20
A3
13
NC
7
6
5
4
3
2
1
0
1 2
Gnd1
28
Gnd2
15
Vcc1 14
Vcc2 1
1 2
1 2
Gnd1
28
Gnd2
15
Vcc1 14
Vcc2 1
1 2
1 2
Gnd1
28
Gnd2
15
Vcc1 14
Vcc2 1
1 2
1 2
Gnd1
28
Gnd2
15
Vcc1 14
Vcc2 1
1 2
DRD(27) 67
DRD(28) 68
DRD(29) 69
DRD(30) 70
DRD(31) 71
DRD(23) 62
DRD(22) 61
DRD(21) 60
DRD(20) 59
DRD(19) 58
DRD(18) 57
DRD(17) 56
DRD(16) 55
BWE_ 30
CAS_UU_ 23
CAS_UM_ 22
CAS_LM_ 21
CAS_LL_ 20
RAS_1_ 27
RAS_0_ 26
UDS_ 11
12
11 12
12
4
6
8
10
3
5
7
9
13
11
14
12
14
16
18
20
13
15
17
19
9
7
5
3
10
8
6
4
21
11
12
13
14
15
16
17
18
19
20
21
22
23
24
25
26
27
28
29
30
31
0
1
2
3
4
5
6
7
8
9
10
11
12
13
14
15
16
17
18
19
20
21
22
23
24
25
26
27
28
29
30
31
09
© rebuild for www.amigawiki.org · for private use only
Rev.1.38 (06.09.2012)

BUDGIE BLUES...
M/N-PAL ONLY
G/I-PAL ONLY
C217 added Rev 2a
_NTSC
MDAT
_MLD
MONO
PIXELSW
CCKQ_A
AB
_RESET
AR
DG
DB
DRD(31:0)
DI
CCK
CCK_B
_RST
DR
RGA(8:1)
_BCAS_XX
_CSYNC_B
SCLK
14MHz
_CSYNC
AG
CPUCLK
CPUCLK_A
7MHz
28MHz
_XCLKEN
CC@4
_CDAC
ICCK
XCLK
VIDEO
4203
U4
LISA
R265
68
68
R264
R263
68
68
R262
R233
470
74F139
U23
74LS74A
XU33
VCC
VCC
74LS74A
XU33
VCC
VCC
XU33
VIDEO
0.047uF
XC33
74F139
U23
U30
BT101
VIDEO DAC
VIDEO DAC
74HCT244
U32
VIDEO
*
C215
R217
470
1.2V
D215 LM385
+VID
1K
R215
D215A
VCC
R371
47
VIDEO
391425
CLOCK PART
U20
BUDGIE
+VID
R202
1K
0/* R203
R209
10K
10uF
C214C214
Q201
2N3904
C211C
0.22uF
0.22uF
C211B
C211A
0.22uF
VIDEO
+VID
C245
56pF
4.7K
R204
1N914
D231B
D231A
1N914
U12
CXA1145
ENCODER
COMPOSITE
1K/820
R221
VIDEO
D232B
1N914
1N914
D232A
+VID
VIDEO
47pF*
C247
VIDEO
0.1uF
C221
*R205
R222
1K
33pF*
C248
1N914
D233B
D233A
1N914
Y452
3.575611MHz*
68 22pF
E124
Z222
DELAY LINE
Z221
BPF
VIDEO
VIDEO
R247 15K*
VIDEO
R231
49.9
VIDEO
787/620
R223
VIDEO
22uF
C459
24.9
R232A
VIDEO
68
R261
VVref
R225
*
68
E132
22pF
APPR:
DRAW:
CHKD:
DATE
LAST:
DESIGN BY:
ONUSED ASSYNEXT
OFSHEETSCALE
SIZE
Commodore
REV
A1200 Rev 2 PCB
Schematic A1200 R2
"Channel Z"
03/13/92
413
A
C
C/A1200 Main Board
G. Robbins
DENISE IS PRETTY MUCH INTO VIDEO...
BAF 2/23/93
C/A1200 365132 365133
PATH: /project/a300/channel_z.rev2 sheet4
GRR 03/13/92
Note: Components designated as Exxx may be loaded
with EMI fliters, ferrite beads or resistors! with EMI fliters, ferrite beads or resistors!
0.1uF
C222
R232B
24.9
24.9
R232C
VVref
R459
27K
820
R224
68*
XR33
E375
22pf 68
*
C460
27 22pF
E202
74F32
U37 1000pF
C461
+VID
**
E201
0.01uF
C246
VIDEO
R237
100
E232
0.01uF
4.7
C236
100uF
470uF
C237
VIDEO
0.22uF
C217
VIDEO
No manual changes may be made to this document
C.A.D. Generated
c
Commodore is strictly prohibited.
without the prior written permission of
reproduction or disclosure of this information
Commodore Business Machines, Inc. Any use,
confidential and trade secret property of
Information contained herein is the unpublished,
1991 Commodore Business Machines
C216
0.01uF
+VID
*
R238
C235
100uF
360
R235
VIDEO
2722pf
E376
E377
22pf 27
100uF
C239
R234D
75
VIDEO
R216
15
CLOCKS
28.63636MHz
OSCILLATOR
X1
Note: PAL uses 28.37516 MHz
68 */10pf
E131
360/120 R236
VCC
E122
*/10pf
27
27 */10pf
E121
E133
*/10pf
68
470
R100
X2B
E231
FB
100pF
100
MODULATOR
MODULATOR
X2
HI/LO
TUNE
RF OUT
R232E 75
RCA JACK
CN10
COLOR
56pF
C241
+VID
4.7K
R241
15pF
C242 Y451
4.33619MHz
VIDEO
C243
1000pF
VIDEO
1.2uH
L241
C244
0.01uF
VIDEO
6.8K
R242
10K
R243
2N3904
Q461
VIDEO
+VID
R244
1K
*/2.7K
R245
R246
2.7K/*
1
2
2
1 2
1 2
9
7
5
3
10
0
1
2
3
4
5
6
7
8
9
10
11
12
13
14
15
16
17
18
19
2
8
6
4
21
20
21
22
23
24
25
26
27
28
29
30
31
1211
1413
1615
9
7
5
3
10
8
6
4
21
1211
1413
1615
5
4
9
7
5
R7 57
R6 55
R5 54
R4 52
R3 51
R2 50
R1 49
3
10
8
6
4
2
R0 48
1
1211
1
2
3
4
5
6
7
8
1413
_1 5
_3 7
_2 6
_0 4
_EN
1
A0
2
A1
3
11
_1
12
_0
15 _EN
13 A1
14 A0
9
_3
10
_2
NC
NC
NC
NC
ISYNC 24
REF_WHITE 16
_BLANK
30
_MLD
21
5
Q
6
_Q
2D
3CLK
1
_C
4_S
_S
10
CLK
11
D
12
_Q 8
MDAT
20
C28O 43
_SYNC
29
B7
39
SOG 26
SCLK
22
B6
40
B5
41
B4
42
B3
6
B2
5
B1
4
B0
3
G0
12 G1
13 G2
14 G3
15 G4
34 G5
33 G6
32 G7
31
_C 13
Q9
R0
8
2
1
R1
9R2
10 R3
11 R4
38 R5
37 R6
36 R7
35
CLOCK
7
IOR 26
IOG 25
14
Vcc1
7Gnd1
IOB 27
FS_ADJUST 19
COMP 17
VREF 18
2A2
13
2A4
17
_2G
19
1A3
6
1A1
2
21
1A2
4
1A4
8
2A3
15
2A1
11
1Y2 16
1Y1 18
2Y2 7
2Y3 5
XCLKEN_
98
OSC
94
2Y4 3
1Y4 12
2Y1 9
1Y3 14
_1G
1
1
C28MHz 95
XCLK
97
C7MHz
92
CCK
36
CDAC_
91
2
1 2
4 8 21
32 1
1 2
12
1 2
21
CPUCLK 90
CCK_4 35
+
1
-
2
3
1
12
2
1 2
1 2
1 2
2 1
C14O
23
RGA8
12
1 3
RGA7
13
RGA6
14
RGA5
15
RGA4
16
31
7
NTSC_PAL
6
XO_IN
5
XO_OUT
10 CS_IN
9
AUDIO_OUT
4B_IN
2R_IN
20
CV_OUT
3G_IN
17
CHROMA_IN
18
LUMA_IN
16
LUMA_OUT
15
CHROMA_OUT
13 Iref
14 Vref
11
CS_OUT
23
R_OUT
22
G_OUT
21
B_OUT
8AUDIO_IN
RGA3
17
RGA2
18
RGA1
19
D0
8D1
7D2
6D3
5
21
D7
84
D6
2
1 3 31
D5
3
D4
4
D12
78 D13
77 D14
76 D15
75
D11
79
D10
80
D9
81
D8
82
D24
66 D25
65 D26
64 D27
63
D31
59
D30
60
D29
61
D28
62
D20
70 D21
69 D22
68 D23
67
D19
71
D18
72
D17
73
D16
74
B7 38
B6 37
B5 36
B4 35
B3 34
2
B2 32
B1 31
B0 29
G0 39
G1 40
G2 41
1
1 2
21 21
G3 42
G4 44
G5 45
G6 46
G7 47
BLANK 27
_ZD 28
_BURST 58
_CAS
9
CCK
10
C28M 25
_RST
24
WIDE
11
1 2
1 3 31
21
151494 8
NC 1051
1
2 1
2
1
11 182 76 13
12 17
16
3
2 13
54 6
NC
NC
2 1 NC
NC 4
3
NC
NC
12
1
+
2
-
NC
21
21
NC
1 2
1 2
2
12
1 2
21
2 1
1
21
NC
NC
OUT 3
1
21
2
NC
1615
3
21
2
12 12
1
2
1 2
1
+
2
-
1
6
4
5
1
2 1
2
12
1
2
21
2
2
1
1
2
1 2
1
2
1
1
2
21
12
1 2
1
1
2
2
-
2
+
1
2
-
1
+
21
-
2
+
1
1 2
2
-
1
+
21
1 2
6
5
4
3
2
1
1
21
2
7
6
5
AUDIO
1
GND
4
+5
3
VIDEO
2
21
SIGNAL
2
SHIELD
3
SHORTBAR
1
1
12
21 21
3
2 1
2 1
1 2
12
21
3
1
2
2 1
21
21
12
21
© rebuild for www.amigawiki.org · for private use only
Rev.1.38 (06.09.2012)

_INT2
iLEFT
_LED
NOISE
_INT3
_TxD
iRIGHT RIGHT
_INT6
_RxD
LEFT
DMAL
CCKQ
AUDOUT
POT1X
POT0Y
CCK
POT1Y
_RST
POT0X
_RESET
RGA(8:1)
_IPL(2:0)
AUDIN
MONO
_MLD
CCK_A
_DKRD
DRD(31:0)
_DKWD
DKWE
_FIRE1
_FIRE0
MDAT
8364
U3
PAULA
VCC
1K
R319
68
6800pF E355
VCC
E351
470pF
68
0.22uF
C352
MOUSE/JOYSTICK PORTS
74LS166
U34
0.047uF
C311
4.7K
R370
1488
U28
R346
10K
+AV
C312
0.047uF
VCC
VCC
2.7K
R347
C314
0.047uF 0.047uF
C313
Q341
2N3906
+AV
E353
470pF
68
68 470pF
E354
-AV
R348
4.7K
AUDIO
E361
470pF
68
C362
0.22uF
E363
470pF
68
33K
R349
10K
R339
R329
10K
0.01uF
C349
AVref
68 470pF
E364
AVref
LF347
U15
/TL084
AUDIO FILTERS
U15
LF347
/TL084
R321
680
C321
6800pF
680
R331
6800pF
C331
10K
R322
R332
10K
R326
470K
470K
R336
E356
6800pF 68
MPF102
Q321
Q331 MPF102
C322
6800pF
6800pF
C332
R323
10K
10K
R333
AUDIO
3900pF
C323
AUDIO
C333
3900pF
68
6800pF E357
E358
6800pF 68
68
6800pF E365
E366
6800pF 68
U15
LF347
/TL084
LF347
U15
/TL084
R327
10K
10K
R337
C324 22uF-NP
AUDIO
680
R345
22uF-NP
C334
1K
R324
R334
1K
AUDIO
68
6800pF E367
E368
6800pF 68
AUDIO
360
R325
R335
360
APPR:
DRAW:
CHKD:
DATE
LAST:
DESIGN BY:
ONUSED ASSYNEXT
OFSHEETSCALE
SIZE
Commodore
REV
03/13/92
GRR
/project/a300/channel_z.rev2 sheet5
PATH:
"Channel Z"
03/13/92
513
A
C
C/A1200 Main Board
G. Robbins
PAULA PREFERS THE TRADITIONAL MODES
BAF 01/11/93
C/A1200 365132 365133
Schematic A1200 R2
A1200 Rev 2 PCB
Note: LED off, Filters bypassed
E321 6800pF
0
1991 Commodore Business Machines
Information contained herein is the unpublished,
confidential and trade secret property of
Commodore Business Machines, Inc. Any use,
reproduction or disclosure of this information
without the prior written permission of
Commodore is strictly prohibited.
c
C.A.D. Generated
No manual changes may be made to this document
E331
0
6800pF
68 470pF
E374
CN4
RCA JACK
LEFT
RCA JACK
CN3
RIGHT
R362
4.7
4.7
R352
47
R372
AUDIO
CN1A
RIGHT JOY
DB9P
CN2
LEFT JOY
CN1
DB9P
1
2
3
4
5
6
7
8
16
17
18
19
20
21
22
23
24
25
26
27
28
29
30
31
0
1
2_IPL2
15
_IPL1
14
_IPL0
13
LEFT 34
RIGHT 33
DMAL
12
_DKWD 41
CCKQ
32
CCK
31
DRD8
1DRD9
52 DRD10
51 DRD11
50 DRD12
49 DRD13
48 DRD14
46 DRD15
45
DRD0
10 DRD1
9
DRD3
6
DRD2
7
DRD4
5DRD5
4DRD6
3DRD7
2
RGA8
22
RGA7
23
RGA6
24
RGA5
25
RGA4
26
RGA3
27
RGA2
28
RGA1
29
_RESET
11
DKWE 42
_DKRD 40
P0Y 36
P0X 35
P1X 38
P1Y 39
_RxD 44
_TXD 43
_INT6 21
_INT3 20
_INT2 19
1
1 2
CLK 7
2
1
S_L 15
QH 13
21
A
2
B
3
32 1 2
21
C
4
D
5
E
10
F
11
21
G
12
H
14 CK_I 6
2 1
2
21
2 1
211
3
1
21
CLR
9
SI 1
2
12
1 2
1 2
1 2
12
12
1 2
2 1
12 +
13 -
14
10 +8
9-
1 2
1 2
21
4
3
5
6
9
7
8
2
21
1
21
21
21
21
3
G
2
S
1
D
2
S
3
G
1
D
1 2 1 2
21
21
1 2 1 2
3+1
2-
5+7
6-
12
2
1
1
2
10
NC
-
2
+
1
12
-
2
+
1
1 2
1 2
2 1 2
9
8
1
1
2
2
1
2
12
1
1SHORTBAR
3SHIELD
2SIGNAL
SIGNAL
2
SHIELD
3
SHORTBAR
1
1 2
12
6
4
2
1
2
7
5
3
21
2 1
12
1 2
1
21
2 1
12
1 2
2 1
21
1 2
12
2 1
21
1 2
12
2 1
21
1 2
12
2 1
21
22
88
99
11
77
55
66
44
33
88
33
55
22
99
11
77
66
44
2
© rebuild for www.amigawiki.org · for private use only
Rev.1.38 (06.09.2012)

Note: Common Ground at DAC
Note: Common Ground near Jacks
AR
DG
AG
DB
_VSYNC
AB
DI
PIXELSW
R
HSYNC
_HSYNC
CCK_B
_CCK
G
DG
XCLK
XCLK
+12
CSYNC
_CSYNC_B
B
DB
PIXLSW
_XCLKEN
_XCLKEN
-5v
DR
DR
+5
VSYNC
GND
GND
DGND
DI
+VID
VIDEO
VCC
GROUND
0.22uF
C4A
VCC
U34 0.047uF
C34
VCC
C4B
0.22uF U23 0.47uF
C30C
C23
0.047uF C30D
0.47uF
4.7K
R251
TANTALUM
10uF
C407
AUDIO POWER
PAULA
POWER
U3
4.7K
R252
GENERAL DECOUPLING
U2
U1
POWER
E301
FB
R253
4.7K
U4
POWER
0.22uF
C2A
VIDEO DECOUPLING
POWER
U30
0.22uF
C1A
68
*
E262
E261
100pF 68
E260 FB 47pF
200
200 47pF
FB
E259
E258 FB 47pF
200
E257
100pF
68
47 100pF
E256
E255
100pF
47
47 100pF
E254 47 100pF
E253
E252
100pF
68
68 100pF
E251
U32
C1C
0.22uF
C32
0.22uF
C1B
0.047uF
0.22uF
C12A
DB23P
VIDEO OUT
CN9
U12
POWER
0.22uF
C5A
VIDEO
U5
E267
100pF 68
68
100pF
E266
200
0.01uF FB E265
E264
FB
0.01uF 200
200
0.01uF FB E263
+VID
C5B
0.22uF0.047uF
C1D
VCC
-12V
+12V
C12B
0.047uF
U0
POWER
100uF
C409
1000uF
C408
0.047uF
C30B
U20
POWER
C30A
0.047uF
470uF
C307
VCC
1
R309
AUDIO DECOUPLING
U15
-12V
+12V
10
R302
R301 10
0.22uF
C3
C302
0.22uF
0.22uF
C301
VCC
R250
4.7K
C304
22uF
22uF
C303
-AV
AUDIO
+AV
0.22uF
C20A
AUDIO
C20B
0.047uF
1.02K
R304
R303 1.02K
REV
Commodore
SIZE
SCALE SHEET OF
NEXT ASSYUSED ON
DESIGN BY:
LAST:
DATE
CHKD:
DRAW:
APPR: "Channel Z"
03/13/92
GRR
A1200 Rev 2 PCBA1200 Rev 2 PCB
Schematic A1200 R2
365133
365132
C/A1200
01/11/93
BAF
PARTY OUT OF BOUNDS, WHAT A MESS...
G. Robbins
C/A1200 Main Board
CA
13
6
03/13/92
PATH: /project/a300/channel_z.rev2 sheet6
FB
FB992
0.22uF
C305
C20C
0.22uF
C306
10uF
AVref
1991 Commodore Business Machines
Information contained herein is the unpublished,
confidential and trade secret property of
Commodore Business Machines, Inc. Any use,
reproduction or disclosure of this information
without the prior written permission of
Commodore is strictly prohibited.
c
C.A.D. Generated
No manual changes may be made to this document
0.047uF
C20D C2X
0.33uF
X1
FB
FB402A
C0A
0.22uF 0.047uF
C0B
0.22uF
C0C C0D
0.047uF C2B
0.22uF
VIDEO VIDEO
0.22uF
C199
FB402B
FB
FB
FB402C
FB402D
FB
FB
FB401B
FB401A
FB
2 1
12
NC
NC
Vcc1 16
Gnd1
8
2
2 1
Vcc1 16
Gnd1
8
2 1
21
IVcc1 128
IVss1
33
12
-
2
+
1
2 1
nc2 24
nc1 53
Vcc2 52
Vbb 55
Vcc4 89
Vss7
96
2 1
Vdd0 30
Vdd1 56
21
Vdd2 83
Vss2
53
12
2
2
1
1
2
2
1
1
2
2
1
1
2
2
1
1
2
2
1
1
2
2
1
1
2
2
1
1
2
2
1
1
2
1 2
1
2
1 2
1
2
1 2
1
2
2
1
1
Gnd1
10 Vcc1 20
Vcc3 70
Vcc4 71
GND2
3
GND4
21 Vcc2 8
Vcc1 7
GND3
20
GND1
4
2 1
21
2 1
66
2020
1919
1818
1717
1616
1313
1212
2323
22
1414
99
2121
55
77
11
1010
2222
44
1515
88
1111
33
Gnd2
Gnd1 Vcc1
Vcc2
nc4 47
nc3 18
21
Gnd4
66
Gnd1
3
Gnd2
24
Gnd3
45 Vcc1 20
Vcc2 62
2
2
1
1
2
2
1
1
2
2
1
1
2
12
1
2
2
1
1
nc2 17
Gnd3
58
21
Vss8
107
Vss4
452 1
Vss6
77 Vss5
54
Vss1
119
Vss3
32
-
2
+
1
-
2
+
1
2 1
Vcc2 25
GND5
68
Vcc3 65
Vcc1 1
+
1
-
2 1 2
V+ 4
V-
1121 1 2
21
1 2 21
GND6
69
GND9
100 GND8
89 GND7
72
GND13
59
-
2
+
1
+
1
-
2
GND12
58
GND10
26
12
GND11
43
12
2
1 2 21
1
nc1 16
1 2
Vcc 30
Gnd
8
1
NC
-
2
+
1
Vss1
33
Vss0
1
Vcc5 90
Vcc6 44
Vcc7 57
21
A_Gnd
37
NC
NC
nc2 79
nc1 52
12
21
Vss2
10
VCC2 17
VCC1 16
VCC0 10
GND1
1
GND5
28 GND4
21
GND2
2
Vaa4 44
Vaa2 23
Vaa3 43
GND3
20
Vaa1 22
2 1
NC
NC
GND10
51
Gnd1
2
Gnd2
1Vcc1 4
2 1
GND11
63
1 2
1 2
VCC7 61
GND9
41 GND8
30 GND7
19 GND6
14 GND5
12
VCC3 27
VCC4 43
VCC5 52
VCC6 53
GND0
5
GND1
6
GND2
7
GND3
8
1 2
1 2
GND4
9
NC 15
NC
NC
Gnd2
42
Vcc1 15
Gnd1
82
21
21
21
21
21
21
12
21
12
21
1 2
© rebuild for www.amigawiki.org · for private use only
Rev.1.38 (06.09.2012)

OPTIONAL
_EVEN_CIA
_SEL1
_RDY
_TxD
_SEL2
_TRK0
_STEP
_RxD
AUDIN
_SEL3
R_W
_WPROT
DIR
_INDEX
_RST
_ODD_CIA
_MTR
_CHNG
_SIDE
E
_VSYNC
_FIRE1
_INT2
_RESET
_LED
AUDOUT
_SEL0
_INT6
_FIRE0
_HSYNC
D(31:0)
_KB_CLOCK
A(23:0)
_KB_DATA
PPD(7:0)
_xTxD
_xRxD
10K
R511B
U8
8520
VIA
U7
8520
VIA
2N3904
Q571
VCC
R511D
10K
VCC
APPR:
DRAW:
CHKD:
DATE
LAST:
DESIGN BY:
ONUSED ASSYNEXT
OFSHEETSCALE
SIZE
Commodore
REV
03/13/92
GRR
/project/a300/channel_z.rev2 sheet7
PATH:
"Channel Z"
03/13/92
713
A
C
C/A1200 Main Board
G. Robbins
SERIAL AND PARALLEL PORTS
BAF 01/11/93
C/A1200 365132 365133
Schematic A1200 R2
A1200 Rev 2 PCB
R511A
10K
D571
1N914
R512
1K
U29 1489
U29 1489
U29 1489
U29 1489
VCC
U28
1488
U28
1488
U28
1488
E511
100pF
68
68 100pF
E512
VCC
E513
100pF
68
1N4001
D573
1991 Commodore Business Machines
Information contained herein is the unpublished,
confidential and trade secret property of
Commodore Business Machines, Inc. Any use,
reproduction or disclosure of this information
without the prior written permission of
Commodore is strictly prohibited.
c
C.A.D. Generated
No manual changes may be made to this document
68 100pF
E514
E515
100pF
68
68 100pF
E516
E517
100pF
68
68 100pF
E518
E519
100pF
68
68
100pF
E520
E521
100pF 68
68
100pF
E522
E523
100pF 68
68
100pF
E525
E524
0.01uF
47
E552
100pF 68
-12V
+12V
R572
10K
68
470pF
E556
E561
0.01uF 47
68 470pF
E553
68
470pF
E554
68 100pF
E551
E555
470pF 68
E558
100pF 68
47 0.01uF
E557
D574
1N4001
CN7 DB25S
PARALLEL PORT
R571
2.7K
RS232 DB25P
CN6
47
0.01uF
E562
VCC
10K
R511F R511C
10K
D572
1N4001
VCC
VCC
C552
0.22uF
C551
0.22uF0.22uF
10K
R511E
VCC
12
8
9
10
11
8
9
10
11
24
25
26
27
28
29
30
31
16
17
18
19
20
21
22
23
C44
S43
_PC 20
PB3 15
PB2 14
PB1 13
PB5 17
PB4 16
PB6 18
PB7 19
PA7 11
PA6 10
PA4 8
PA5 9
_INT
23
_CS
25
_W
24
E
27
PA1 3
PA0 2
PA2 4
PA3 7
_F 26
_RESET
37
TICK
21
D0
36 D1
35
D3
33
D2
34
D4
32 D5
31 D6
30 D7
29
RS3
38
RS2
39
RS1
41
RS0
42
PB0 12
C44
S43
_PC 20
PB3 15
PB2 14
PB1 13
PB5 17
PB4 16
PB6 18
PB7 19
PA7 11
PA6 10
PA4 8
PA5 9
_INT
23
_CS
25
_W
24
E
27
PA1 3
PA0 2
PA2 4
PA3 7
_F 26
_RESET
37
TICK
21
D0
36 D1
35
D3
33
D2
34
D4
32 D5
31 D6
30 D7
29
RS3
38
RS2
39
RS1
41
RS0
42
PB0 12
1
0
1
2
3
4
5
6
7
2 1
3
2
910
8
54
6
12 13
11
21
3
7
6
5
4
3
2
1
0
6
5
4
8
9
10
11
13
12
12
1 2
2
1 3
21
2 1
12
1 2
21
2 1
12
1 2
21
2 1
12
1 2
21
2 1
12
1 2
2 1
21
1 2
1
2 1
2 1
21
1 2
12
1 2
12
21
2 1
2 1
21
21
2 1
1 2
2 1
13SEL
15 _ERR
7D5
2D0
8D6
3D1
9D7
4D2
14 _AUTO
12POUT
5D3
11BUSY
25
24
23
22
21
20
19
18
17 SELI
6D4
16 _INIT
1_STROBE
10_ACK
12
1
FG
14 sTxD
15 TxC
16 sRxD
12
sCD
13
sCTS
17 RxC
21 SQD
23 SS
24 CLK
25 BZ
19 sRTS
18 AI
2
TxD
22 RI
11
AO
5
CTS
20 DTR
10
-V
8
CD
4
RTS
7
SG
9
+V
6
DSR
3
RxD
2
2 1
21
2 1
2 1
12
1 2
12
122 1
21
21
2 1
21
1 2
12
2 1
21
21
2 1
2 1
21
1
2 1
NC
NC
NCNCNC NC
NC
NC
NC
NC
NC
NC
NC
NC
NC
NC
NC
NC
NC
2 1
© rebuild for www.amigawiki.org · for private use only
Rev.1.38 (06.09.2012)

_DKWDB
_SEL1
_RESET
_CHNG
_RDY
_DKWEB
_TRK0
_MTR0
_SEL3
_WPROT
DIR
_INDEX
_MTRX
_DKRD
_STEP
_SEL0
_SEL2
_SIDE
_MTR
_SEL0
_MTR0
_DKWEB
_DKWDB
_MTRX
DKWE
_DKWD
E585
100pF27
E584
100pF27
E583
100pF27
E594
100pF
27
E581
100pF68
E587
100pF
27
E582
68 100pF
E588
68 100pF
E589
100pF
68
E590
27 100pF
E591
100pF
27
E592
27 100pF
E593
100pF
27
E599
100pF
27
E595
100pF
27
E580
27 100pF
E596
68 100pF
E586
68 100pF
+12V
VCC
E597 FB 0.01uF
200
E598
200 0.01uF
FB
EXTERNAL FLOPPY
DB23S
CN5
4145f023a
AA_GAYLE
FLOPPY LOGIC
U5
FLOPPY FUNCTIONS
CN11
INTERNAL FLOPPY
POWER
U7
DECOUPLING
POWER
U8
+12V
VCC
FLOPPY POWER
4-PIN SIL
CN12
Note: Some drives are +5 only...
VCC
0.22uF
C7
03/13/92
GRR
A1200 Rev 2 PCB
Schematic A1200 R2
/project/a300/channel_z.rev2 sheet8
PATH:
"Channel Z"
03/13/92
REV
Commodore
SIZE
SCALE SHEET OF
NEXT ASSYUSED ON
DESIGN BY:
LAST:
DATE
CHKD:
DRAW:
APPR:
813
A
C
C/A1200 Main Board
G. Robbins
THE REST OF THE FLOPPY STUFF
BAF 01/11/93
C/A1200 365132 365133
1991 Commodore Business Machines
Information contained herein is the unpublished,
confidential and trade secret property of
Commodore Business Machines, Inc. Any use,
reproduction or disclosure of this information
without the prior written permission of
Commodore is strictly prohibited.
c
C.A.D. Generated
No manual changes may be made to this document
C8
0.22uF U26 0.047uF
C26
+12V
U28
-12V
C28A
0.047uF 0.047uF
C28B
U29
D575
1N4001
C592
0.01uF0.01uF
C591
C29
0.047uF
1N4001
D576
U26
74LS86
U26
74LS86
U26
74LS86
VCC
1
1
2
2
1
21
2
1
21
2
1
21
2
1
1
2
2
1
21
2
1
1
2
2
1
21
2
1
1
2
2
1
1
2
2
1
2 1
2
1
21
2
1
21
2
1
21
2
1
1
2
2
1
21
2
1
21
2
1
1
2
2
2 1
21
1
1
2
2
20 _SEL3
14 _WPROT
19 _DIR
21 _SEL1
10
_RESET
22 _INDEX
8
_MTRX
12
11
_CHNG
1
_RDY
7
6
5
4
3
16 _WE
18 _STEP
2
_RD
9
_SEL2
23
13 SIDE
15 _TRK0
17 _WD
NC
NC
3
4
16
28
18
12
8
2
34
24
20
30
10
33
31
29
27
25
23
21
19
17
15
13
11
9
7
5
1
32
26
22
6
14
NC
_MTRON 67
_SEL
72
_MTR
71
4
1
3
2
nc4 40
NC
nc1 5
nc2 6NC
1 2
Gnd1
7Vcc1 14
nc3 28
Gnd
1Vcc 22
nc4 40
nc1 5
nc2 6
nc3 28
Gnd
1Vcc 22
NC
NC
21
2 1
21
NC
NC
NC
Vcc2 1
21
NC
1 2
Vcc1 14
Gnd1
7
21
21
1 2
Gnd1
7Vcc1 14
1 2
1
4
12
13
3
6
11
2
5
© rebuild for www.amigawiki.org · for private use only
Rev.1.38 (06.09.2012)

OPTIONAL
ENABLE JUMPER
N.P. EMULATION
_IDE_LED
_MTR0
_LED
_KB_DATA
_KB_CLOCK
_KB_RESET
_CC_ENA
VCC
VCC
VCC
R635
10K
10K
R633
R631
10K
R636
4.7K
4.7K
R634
R632
4.7K
2N3906
Q633
Q632
2N3906
2N3906
Q631
VCC
VCC
VCC
100
R639
365133
365132
C/A1200
01/11/93
BAF
THE NEW HOME OF THE KEYBOARD VIRUS
G. Robbins
C/A1200 Main Board
CA
13
9
APPR:
DRAW:
CHKD:
DATE
LAST:
DESIGN BY:
ONUSED ASSYNEXT
OFSHEETSCALE
SIZE
Commodore
REV
03/13/92
"Channel Z"
PATH: /project/a300/channel_z.rev2 sheet9
Schematic A1200 R2
A1200 Rev 2 PCB
GRR 03/13/92
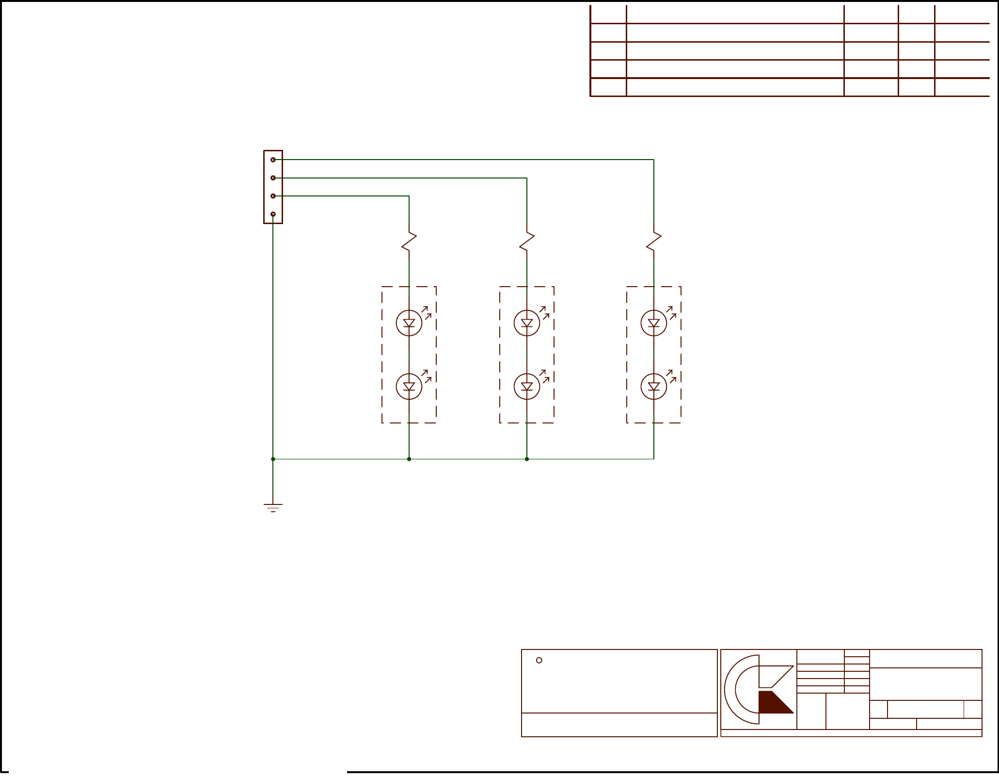
CN14
5-PIN SIL
KB LEDS
No manual changes may be made to this document
C.A.D. Generated
c
Commodore is strictly prohibited.
without the prior written permission of
reproduction or disclosure of this information
Commodore Business Machines, Inc. Any use,
confidential and trade secret property of
Information contained herein is the unpublished,
1991 Commodore Business Machines
CN13
MEMBRANE-31
KEYBOARD TAIL
68HC05C
U13
KEYBOARD MPU
KEYBOARD
MICRO
R621
*
VCC
100
R622
VCC R621
4.7K
U13
POWER
10K
R623
VCC
VCC
VCC
RH5VA43A
U49 POWER OK
R629
10K
4.7K
R624
22pF
C622
C621
22pF
VCC
VCC
VCC
C13
0.22uF
3MHz
Y621 R628
1M
R626
*
VCC
0.33uF
C629
VCC
R620 4.7K
R625
*
KB TEST
7-PIN SIL CN17
VCC
R637
*
R638
*
*
Q634
2 1 2 1 2 1
21
21
21
1
3
2
1
3
2
1
3
2
2 1
_RESET
1
_IRQ
2
OSC1
43
OSC2
42
5
4
31
TCAP 41
PB0 13
PB2 15
PB6 20
PB4 17
PA4 8
PA6 6
PA2 10
PA0 12
TCMP 38
PD4 36
PD0 32
PD2 34
PC2 29
PC0 31
PC4 27
PC6 25
PA1 11
PA3 9
PA7 5
PA5 7
PB5 19
PB7 21
PB3 16
PB1 14
PC7 24
PC5 26
PC1 30
PC3 28
PD3 35
PD1 33
PD5 37
PD7 39
2 1
2 1
28
30
8
10
12
14
16
18
20
22
24
26
6
4
2
1
3
5
25
23
21
19
17
15
13
11
9
7
29
NC1 3
1 2
12
4
3
5
6
9
7
9
NC2 18
NC3 23
1
6
12
-
3
+
2
NC
NC
2 1
27
2 1
2 1
21
1
1
2 1
2
5
3
4
2 1
NC
NC
NC4 40
Vpp 4
3
2
1
2
2 1
12
5
4
3
2
1
6
7
NC
12
Vdd 44
Vss
22
21
1
3
2
© rebuild for www.amigawiki.org · for private use only
Rev.1.38 (06.09.2012)

16 AND 32-BIT SOCKETS MAY OVERLAP! OPTIONAL FLASH MEMORY
OPTIONAL REAL-TIME CLOCK/CALENDAR BUGGERY
Problems Addressed:
1) 32-BIT Termination for ROM
2) Inhibit _DSACK for INTACK
3) Generate fast ROM OE
4) Optional ROM Wait State
5) Gate _CC_ENA with _AS
to be fixed by Gayle rev and U37
SHORT PCB TRIX
This section define an additional DB9/
header pair on a breakaway part of the
so that a shorter PCB can be used.
if flash="yes"
if rtc="yes"
if rom16="yes" if rom32="yes"
if bugs="yes" if short="yes"
_ROMOE
_RTC_CS
_RTC_DS
_IOWR
A(23:0)
_IORD
A(23:0)
D(31:0)
_WIDE
_ROMOE
_ROMEN
_ROMCS_ROMCS
_ROMOE _OE
_WE
_FLASH
_ROMEN
D(31:0)
A(23:0)
D(31:0)D(31:0)
A(23:0)
_ROMCS
_ROMEN
_OE
FC(1)
_CC_ENA
_DSACK_0
_DSACK_1
_ROMEN
XRDY
FC(0)
CPUCLK
_CB_ENA
A(16)
_AS
MORE JOY
XCN1
DB9P XCN1A
XCN1
HOLES &c.
MT9
U9
RS5C01A
U9
1N914
D903 1N914
D904
REAL TIME POWER
BT9
3/V32RT
30mAH
A1200 Rev 2 PCB
Schematic A1200 R2
365133
365132
C/A1200
2/23/93
BAF
ROM - PLAIN AND FANCY - DODADS TOO!
G. Robbins
C/A1200 Main Board
CA
13
10
APPR:
DRAW:
CHKD:
DATE
LAST:
DESIGN BY:
ONUSED ASSYNEXT
OFSHEETSCALE
SIZE
Commodore
REV
03/13/92
"Channel Z"
PATH: /project/a300/channel_z.rev2 sheet10
GRR 03/13/92
U6
Mbyte ROM
62408
16-BIT ROM
VCC
No manual changes may be made to this document
C.A.D. Generated
c
Commodore is strictly prohibited.Commodore is strictly prohibited.
without the prior written permission of
reproduction or disclosure of this information
Commodore Business Machines, Inc. Any use,
confidential and trade secret property of
Information contained herein is the unpublished,
1991 Commodore Business Machines
16R4 XU1
R593
470
10K
R919
VCC
VCC
Y9
32768Hz
VCC
R917 1K
R912 10K
22pF
C911
TC9
6.8-45pF
TP9
+12V
470
R901
470
R900
10UF
C901
1N914
D902
1N914
D901
VCC
0.1uF
C9
10K
R914
U11U10
Vpp R585 10K
C10A
0.22uF
C11B
0.22uF0.22uF
C11A
DECOUPLING
U6
VCC
0.22uF
C6
C10B
0.22uF
Mbyte ROM
U6A
62408
32-BIT ROM
VCC
U6B
Mbyte ROM
62408
VCC
U6A
DECOUPLING
C6A
0.22uF
U6B
0.22uF
C6B
VCC
R582
*
R581
0
28F400
U10
4 M-bit FLASH 28F400
4 M-bit FLASH
U11
R586 10K
27
R589
R588
*VCCVCC
VCC
XU1
VCC
0.22uF
XC1
VCC
4-PIN SIL
CN19
27
R599
R598
*
XJ1 0
VCC
1K
XR1
R597
*
R596 *
10
9
8
6
4
277
11
88
33
22
99
55
66
44
NC
7
5
3
1
10
2
3
4
5
6
7
8
9
10
11
12
13
14
15
16
17
18
19
20
11
ADJ 3
OSCOUT 19 3
Ni-Cd
3.6V
5
1 3
3 1
4
_BYTE 32
A0
10 A1
9A2
8A3
7A4
6A5
5A6
4A7
3
A15
34
A14
35
A13
36
A12
37
A11
38
A10
39
A9
40
A8
41
A16
33 A17
2D15 30
D14 28
D13 26
D12 24
D11 21
D10 19
D9 17
D8 15
D7 29
D6 27
D5 25
D4 23
D3 20
D2 18
D1 16
D0 14
_CS
11
_OE
13
A18*
1A19*
42 21
Vcc1 23
16
17
18
19
20
21
22
23
24
25
26
27
28
29
30
31
2
3
4
5
6
7
8
9
10
11
12
13
14
15
16
17
18
19
20
_BYTE 32
A0
10 A1
9A2
8A3
7
16
17
18
19
1
2
3
4
5
12
3
4
5
6
9
7
8
1 2
2
_CS
1
A38
A26
A15
A04
D012
D113
D214
D315
_RD
9
_WR
11
CS
2
_ALARM 16
OSCIN 18
nc2 17
nc1 7
21
21 21
3
12
2 1
1
Gnd1
10 Vcc1 20
12
12
1
+
2
-
13
1 3
NC
NC
12
12
3
4
5
Gnd2
32
Gnd1
13
2 1
19
_ROMOE
17
NC1
18
_OEO
16
NC0
15
Q1
14
Q0
13
_CB_ENA
12
_DSACK_0
1CLK
2_AS
3_ROMEN
4FC(1)
5FC(0)
6_CC_ENA
7A(16)
8_DSACK_1
9OPTION
11 _OE
Vpp 1
_PWD 44
2
3
4
5
6
7
8
9
10
11
Gnd1
12
Gnd2
31 Vcc1 22
12
13
14
12
15
16
17
18
19
A4
6
_OE
14
_CE
12
A5
5
1
1
2 1
2
21
21
DU
2
D1 17
Vcc1 23
Gnd2
32
Gnd1
13
Vpp 1
A6
4A7
3
A15
34
A14
35
A13
36
A12
37
_PWD 44
A11
38
A10
39
A9
40
A8
41
A16
33 A17
2D15 30
D14 28
D13 26
D12 24
D11 21
D10 19
D9 17
D8 15
D7 29
D6 27
D5 25
D4 23
D3 20
D2 18
D1 16
D0 14
_CS
11
_OE
13
A18*
1A19*
42
16
17
18
19
20
21
22
23
24
25
26
27
28
29
30
31
21
2
3
4
5
6
7
8
9
10
11
12
13
14
15
16
17
18
19
20
_BYTE 32
A0
10 A1
9A2
8A3
7A4
6A5
5A6
4A7
3
A15
34
A14
35
A13
36
A12
37
A11
38
A10
39
A9
40
A8
41
A16
33 A17
2D15 30
D14 28
D13 26
D12 24
D11 21
D10 19
D9 17
D8 15
D7 29
D6 27
D5 25
D4 23
D3 20
D2 18
D1 16
D0 14
_CS
11
_OE
13
A18*
1A19*
42
0
1
2
3
4
5
6
7
8
9
10
11
12
13
14
15
Gnd1
12
Gnd2
31 Vcc1 22
12
Gnd1
12
Gnd2
31 Vcc1 22
12
2 1
1
2
3
4
1 2
21
NC
NC
NC
NCNC
_OE
14
1
2
_CE
12
DU
2
D1 17
1
1 2
D2 19
D3 21
D4 24
D5 26
D6 28
D7 30
D8 16
D9 18
D10 20
D11 22
D12 25
D13 27
D14 29
D15 31
A17
3
D2 19
D3 21
D4 24
D5 26
D6 28
A16
34
A8
42 A9
41 A10
40 A11
39 A12
38
D7 30
D8 16
D9 18
D10 20
D11 22
D12 25
D13 27
D14 29
D15 31
A17
3
A16
34
A8
42 A9
41 A10
40 A11
39 A12
38 A13
37 A14
36 A15
35
A7
4
A6
5
A5
6
A4
7
A3
8
A2
9
A1
10
A0
11
_BYTE 33
_WE
43
D0 15
A13
37 A14
36
16
17
18
19
Vcc1 20
Gnd1
10
21
20
21
22
23
24
25
26
27
28
29
30
31
2
3
4
5
6
7
8
9
10
11
12
13
14
15
16
1
1 2
21
17
18
19
A15
35
A7
4
A6
5
A5
6
A4
7
A3
8
A2
9
A1
10
A0
11
_BYTE 33
_WE
43
D0 15
21
1 2
1 2
21
0
1
2
3
4
5
6
7
8
9
10
11
12
13
14
15
© rebuild for www.amigawiki.org · for private use only
Rev.1.38 (06.09.2012)

Warning:
Byte Swapped
NOISE
_CC_BUSY_IREQ
_CC_BVD(1)
_UDS
CC_RESET
CC_A0
_CC_WAIT
_CC_CEU
_CC_CEU
_IORD
_INT2
_IDE_IRQ
_CC_IORD
_CC_IORD
_IOWR
_IDE_CS(1)
_WE
PE12
_INT6
_CC_WP
PE5
_WAIT
_CC_IOWR
_CC_IOWR
_IDE_CS(2)
_OE
_CC_OE
_CC_OE
PE5
_CC_CD(2)
_CC_WE_PGM
_CC_WE_PGM
_CC_BVD(2)
_LDS
_CC_WAIT
_CC_CEL
_CC_CEL
_REG
_CC_REG
_CC_REG
_CC_CD(1)
_CC_ENA
PE12
_CB_ENA
_AS
_WIDE
_FLASH
_ROMEN
_ROMCS
_ROMOE
CC_A0
CC_D(15:0)
CC_A(25:0)
A(23:1)
CN15
MEMORY CARD
391425
U20
BUS PART
BUDGIE
VCC
0.22uF
C701
4145f023a
U5
AA_GAYLE
CARD FUNCTIONS
VCC
VCC
10K
R717
U43
74LS245
VCC
C702
0.22uF
Vpp
VCC
R718
10K
10K
R713
R715
10K
120
R714A
R714B
120
U47 74LS245
U46 74LS245
U45 74LS245
U46 0.22uF
C46 U47 0.22uF
C47
R701
10K
VCC
VCC
C711
0.22uF
R595 27
R715G
10K
E113
*/68 22pF
R655
4.7K
4.7K
R651
U43
DECOUPLING
C43
0.22uF
VCC
10K
R716
R656
10K
10K
R652
2N39042N3904
Q653
Q651
2N3904
PROGRAMMING VOLTAGE
+12V
+12V
10K
R657
R653
10K
470
R660
R659
470
Q654
2N3906
2N3906
Q652
VCC
+12V
VCC
1K
R654
R658 *Vpp
74F32
U37
74F32
U37
74F32 U37
SPARE
U37
U45
0.047uF
C37
0.22uF
C45
/project/a300/channel_z.rev2 sheet11
PATH:
"Channel Z"
03/13/92
REV
Commodore
SIZE
SCALE SHEET OF
NEXT ASSYUSED ON
DESIGN BY:
LAST:
DATEDATE
CHKD:
DRAW:
APPR:
11 13
A
C
C/A1200 Main Board
G. Robbins
THE KISSY FACE CREDIT CARD MONSTER
BAF 01/11/93
C/A1200 365132 365133
Schematic A1200 R2
A1200 Rev 2 PCB
GRR 03/13/92
No manual changes may be made to this document
C.A.D. Generated
c
Commodore is strictly prohibited.
without the prior written permission of
reproduction or disclosure of this information
Commodore Business Machines, Inc. Any use,
confidential and trade secret property of
Information contained herein is the unpublished,
1991 Commodore Business Machines
NC
NC
NC
2 1
1
_ROMEN 21
XEN_
100
2
A7 9
A6
8
2 1
XD(10) 78
XD(11) 76
XD(2) 86
XD(5) 83
XD(0) 88
XD(4) 84
XD(1) 87
XD(3) 85
XD(6) 82
XD(7) 81
XD(9) 79
XD(8) 80
1 2
1 2
7
6
5
4
3
2
XD(13) 74
XD(12) 75
XD(15) 72
XD(14) 73
1
1 2
A5
7
A4
6
A3
5
A2
4
21
20
19
18
17
16
15
14
A1
3
13
12
11
10
9
8
7
6
5
4
3
2
1
0
25
24
A0
2
B7
11
B6 12
B5 13
B4 14
B3 15
B2 16
B1 17
B0 18
_OE
19
0
1
2
3
4
5
6
7
8
9
10
11
12
13
14
15
DIR
1
_BGACK
99
_FLASH 11
_WIDE 68
1
2
3
4
5
6
7
8
9
10
11
12
13
14
15
16
17
18
19
20
23
CC_A0 27
2 D3
21
1 2
A8 9
A7 8
A6 7
A5 6
A4 5
A3 4
A2 3
A1 2
B1
18
B2
17
B3
16
B4
15
B5
14
B6
13
B7
12
B8
11
_G_EN
19 DIR
1
A8 9
A7 8
A6 7
A5 6
A4 5
A3 4
A2 3
A1 2
B1
18
B2
17
B3
16
B4
15
B5
14
B6
13
B7
12
B8
11
_G_EN
19 DIR
1
A8 9
A7 8
A6 7
A5 6
A4 5
A3 4
A2 3
A1 2
B1
18
B2
17
B3
16
B4
15
0
1
2
3
4
5
6
7
8
9
10
11
12
13
14
15
16
17
18
19
20
21
22
23
24
25
23
22
1
_IOWR 18
_IORD 19
_REG 7
NOISE 4
_ID_CS(2) 14
_IDE_CS(1) 13
_WE 8
_CC_ENA 6
CC_RESET
5
_OE 9
_INT6 83
_INT2 84
_WAIT 81
_CC_BUSY80
_CC_WP79
21
_CC_BVD(2)78
_CC_BVD(1)77
_CC_CD(1)
75
_CC_CD(2)
76
1
2
3
4
12
6
7
8
9
10
11
5
13
14
15
0
36CD1-
4 D538D12
6 D740D14
8 A1042CE2-
10 A1144IORD-
12 A846A17
14 A1448A19
16 BUSY-/IREQ-50A21
18 Vpp152Vpp2
20 A1554A23
22 A756A25
1 GND
3 D4
13 A13
11 A9
9 OE-
7 CE1-
5 D6
23 A6
21 A12
19 A16
17 Vcc
15 WE-/PGM-
33 WP/IOCS16-
32 D2
31 D1
30 D0
29 A0
28 A1
27 A2
26 A3
25 A4
24 A5
34 GND68GND
58RFU
59WAIT-
60IOACK-
61REG
62BVD2/DA
63BVD1
64D8
65D9
66D10
67CD2
49A20
51Vcc
53A22
55A24
57RFU
39D13
41D15
43RFSH
45IOWR-
47A18
37D11
35GND
21
21
2
2
_IDE_IRQ 12
PE5 2
1
2
Vcc1 20
Gnd1
10
21
21
1 2 1
2
1
3
1
3
2
2 1 2 1
21
21
1
2
3
1
2
3
12
Gnd1
10
2 1
PE12 1
1
8
9
10
2
212
13 111
7Gnd1 14
Vcc1
1 2
3
Vcc1 20
1 2
1
2
B5
14
B6
13
B7
12
B8
11
_G_EN
19 DIR
1
NC
Gnd1
10 Vcc1 20
1 2
Gnd1
10 Vcc1 20
1 2
© rebuild for www.amigawiki.org · for private use only
Rev.1.38 (06.09.2012)

Warning:
Byte Swapped
ONLY PINS 19-40 LOADED FOR 2 M-BYTE CONFIGUATION
_RESET
_RTC_DS
_RESET
_IDE_CS(1)
_RTC_CS
_BRAS(1)
_IOWR
_IDE_IRQ
_BRAS(0)
_BCAS_LM
_BCAS_LL
_IORD
_SPARE_CS
_INT6
_ROE
_BWE
_IOWR
_IORD
_BCAS_UM
_BCAS_UU
_IDE_LED
A(23:0)
CCK_A
D(31:0)
BDRA(8:0)
DRD(31:0)
A(23:0)
_IDE_CS(2)
D(31:0)
_WAIT
VCC
VCC
APPR:
DRAW:
CHKD:
DATE
LAST:
DESIGN BY:
ONUSED ASSYNEXT
OFSHEETSCALE
SIZE
Commodore
REV
03/13/92
GRR
365133
365132
C/A1200
01/11/93
BAF
MEMORY EXPANSION AND THE IDE DRIVE
G. Robbins
C/A1200 Main Board
CA
13
12
03/13/92
"Channel Z"
PATH: /project/a300/channel_z.rev2 sheet12
Schematic A1200 R2
A1200 Rev 2 PCB
1991 Commodore Business Machines
Information contained herein is the unpublished,
confidential and trade secret property of
Commodore Business Machines, Inc. Any use,
reproduction or disclosure of this information
without the prior written permission of
Commodore is strictly prohibited.
c
C.A.D. Generated
No manual changes may be made to this document
4.7K
R971
MEMORY EXPANSION
DIL_40
P9A VCC
+12V
IDE DRIVE
DIL_44 CN16
P9B
DIL_40
VCC
R712 4.7K
5
4
6
3
7
2
8
1
0
24
23
25
22
26
21
27
20
NC
1 2
NC
28
19
NC
NC
NC
29
NC
18
30
17
31
16
23 24
2625
27 28
21 22
13 14
15 16
17 18
11
30
31
34
38
35
32
36
37
33
29
5
7
9
6
10
3 4
8
2
20
1
39
19
23
2424
22
25
21
26
20
27
19
28
18
29
17
30
4
2
3
16
31
12
40
16
17
18
19
20
21
22
23
2
3
4
5
29
32
34
28
21
20
4443
1
17
37
7
23
31
18
13
41 42
8
3
3635
14
9
25
4
15
39
10
65
2
19
22
24
26
30
40
33
38
16
1211
27
8
7
9
6
10
5
11
4
12
3
13
2
14
1
15
0
22
19
1
39
20
2
1211
3029
2827
38
36
34
32
6
10
16
17
13
7
3 4
8
14
18
15
9
5
37
35
33
31
26
40
21
25
2423
21
© rebuild for www.amigawiki.org · for private use only
Rev.1.38 (06.09.2012)

System Configuration Bits
SYSTEM 1 0 CPU/CPUCLK
0 0 EC020/14MHz
0 1 020/14MHz
1 0 030/14MHz
1 1 030/>14MHz
== == ============
_IPL(2:0)
FC(2:0)
_HLT
_RST
SIZE_0
SIZE_1
R_W
_AS
_DS
_DSACK_0
_DSACK_1
_BEER
_AVEC
_CDIS
_BR
_INT6
_INT2
_OVR
XRDY
_ZORRO
_WIDE
GROUND
_RST
_ECS
SIZE_1
_AS
R_W
_STERM
_DSACK_1
CPUCLK_A
_CBREQ
RGA(8:1)
CPUCLK
_AS
_DS
R_W
_DSACK_0
_DSACK_1
_ROMEN
_CDIS
_KB_RESET
CCK
CCKQ
_BR
_BGACK
_FPU_CS
CCK_A
_NET_CS
_RTC_CS
_REG
_WAIT
_IORD
_OE
_OVR
_ZORRO
_INT2
_xRxD
LEFT
SYSTEM_1
_CONFIG_OUT
_IPL(2:0)
_CIIN
_IPEND
_HLT
_OCS
SIZE_0
_DS
_BEER
_AVEC
_DSACK_0
E
_RMC
_CIOUT
_CBACK
_BG
_BOSS
_FPU_SENSE
_RESET
_SPARE_CS
_FLASH
_CC_ENA
_KB_RESET
_IOWR
_WE
XRDY
_WIDE
_INT6
_xTxD
RIGHT
A(31:0)
FC(2:0)
_RAMEN
_REGEN
_BLS
_OEB
_RAS
SYSTEM_0
_CAS
_DWE
_DBR
D(31:0)
VCC
03/13/92
GRR
A1200 Rev 2 PCB
Schematic A1200 R2
365133
365132
C/A1200
01/11/93
BAF
POWER DISTRIBUTION AND DECOUPLING
G. Robbins
C/A1200 Main Board
CA
1313
APPR:
DRAW:
CHKD:
DATE
LAST:
DESIGN BY:
ONUSED ASSYNEXT
OFSHEETSCALE
SIZE
Commodore
REV
03/13/92
"Channel Z"
PATH: /project/a300/channel_z.rev2 sheet13
1991 Commodore Business Machines
Information contained herein is the unpublished,
confidential and trade secret property of
Commodore Business Machines, Inc. Any use,
reproduction or disclosure of this information
without the prior written permission of
Commodore is strictly prohibited.
c
C.A.D. Generated
No manual changes may be made to this document
POWER INPUT FILTER
5-PIn SQ
CN8
SINGLE POINT CONNECTION
NOTE: HEAVY LINES INDICATE A
C800
0.22uF
R951A
4.7K
LINE FILTER
LF1
LF1D
FB
LF1C
FB
LF1B
FB
LF1A
FB
4.7K
R951B
C803
0.047uF
0.047uF
C802
R951C
4.7K
47uF
C822
C821
47uF
1000uF
C811
-12V
+12V
10-PIN SIL
TP3
TP2
10-PIN SIL
10-PIN SIL
TP1
TEST ACCESS
V8
V7
V6
V5
V4
V3
V2
V1
CN15
CN9
CN7
CN6
CN5
CN2
CN1
+12V
EDGE_150
P1
EXPANSION
CONNECTOR
AUDIO
VCC
-12V
0.01uF
C801 C805
0.01uF
R104
1K
R102
1K
R103
470
R101
470
470
R952B
HOLES &c.
R952A
470
R951G
4.7K
4.7K
R951F
R951E
4.7K
4.7K
R951D
R952C
470
470
R952D
470
R953A
R592
TERMINATION
1K
1K
R954C
R953B
470
470
R953C
1K
R954B
V15
V14
V13
R954A
1K
R953F
470
V12
470
R953E
R953D
470
V11
V10
V9
MT8
C807
0.047uF
0.047uF
C806
C804
0.22uF
MT7
MT6
MT5
MT4
MT3
MT2
MT1
VCC
NC
NC
NC
NC
21
21
NC
0
4
GND
2
SH
SH3
+12V
1
+5V
5
-12V
1
2
0
1
6
7
2
0
1
2
3
4
5
6
7
8
21
9
10
11
21
21
12
13
14
15
16
17
1 8
7
6
54
2
3
18
19
20
21
22
23
24
25
26
27
28
29
30
31
1
2
0
1
2
3
21
21 21
4
5
6
7
8
9
10
11
12
13
21
14
15
16
17
+
1
-
2
+
1
-
2
18
19
20
21
22
+
1
-
2
23
24
25
26
27
28
29
30
31
145
141 142
147 148
146
144
143
150
149
137 138
114
112
132
130
134
111
3
4
5
6
7
8
131
129
133
100
99
93 94
82
81
78
2
3
4
5
6
7
136
116
76
66
56
46
36
26
16
6
98
38
42
44
68
58
48
72
62
52
74
64
54
33
34
12
5
15
25
35
45
55
65
75
115
135
97
128
122
124
126
125
123
121
127
107
109
103
105 106
104
110
108
118
117
77
63
61
73
71
67
47
51
53
27
29
39
49
59
69
119
139
19
9
101
79
31
37
41
43
7
11
13
17
21
23 24
22
18
14
12
10
20
30
40
50
60
70
80
102
120
140
8
34
32
28
57
87
8
89
9
1
10
8
10
1
9
3
6
2
7
4
5
8
10
1
9
91
7
2
83
85 86
6
3
5
84
4
92
90
88
69
24
26
26
24
10
10
70
25
27
27
25
95
96
113
NC
NC
NC
11
NC
2
1
0
2
1
0
21
21
21
21
21
2
11
1
21
21
21
21
21
21
21
1 2
21
21
21
21
21
21
21
21
21
12
12
1 2 21
1 2
© rebuild for www.amigawiki.org · for private use only
Rev.1.38 (06.09.2012)

Note: BT9B/D901 for Lithium Battery
BT9A for NiCD Battery
IF EXTRTC="YES"
IF KBTEST="YES"
_XKB_RESET
_XIOWR
_XIORD
_XKB_CLOCK
_XKB_DATA
_XRESET
_XSPARE_CS
_XRTC_CS
_XKB_RESET
_XKB_CLOCK
_XIORD
_XRTC_CS
_XPWR_BAD
_XIOWR
XA(23:0)
XD(31:0)
XA(23:0)
XD(31:0)
_XRTC_DS
_XINT6
_XKB_DATA
XC641
0.22uF
VCC
FB
XFB641
XCN13
6-Pin Mini-DIN
KEYBOARD
XJ9
DIL_40
MAINBOARD CONNECTOR
XE642
470pF
68
XE641
68
470pF
VCC
VCC
XR801B
1K
1K
XR801A
LM339
XU8
0.1uF
XC815
XC813
22uF
VCC
10K
XR802
VCC
XU8
LM339
RH5VA43A
XU7
22uF
XC814
VCC
XR805 47K
1K
XR801C
XD802
1N4148
XR919
10K
XR801D
1K
LM339
XU8
XR914
10K
VCC
VCC
VCC
XR801E
1K
XU9
RF5C01A
REAL TIME CLOCK
XU8
LM339
POWER FAIL / RESET
XU8
VCC
XC8
0.1uF
XY9
32768Hz
VCC
XR917 1K
XR912 10K
22pF
XC911
XTC9
6.8-45pF
XTP9
VCC
XR904 10K
XR903 10K
1991 Commodore Business Machines
Information contained herein is the unpublished,
confidential and trade secret property of
Commodore Business Machines, Inc. Any use,
reproduction or disclosure of this information
without the prior written permission of
Commodore is strictly prohibited.
c
C.A.D. Generated
No manual changes may be made to this document
XQ902
2N3904
XQ901
2N3906
XR902 4.7K
KB TEST
7-PIN SIL XCN17
VCC
XU9
1N914
XD904
3/V30R
XBT9
REAL TIME POWER
30mAH
03/13/92
GRR
A1200 Rev 2 PCB
Schematic A1200 R2
364717
364718
C/A1200
06/29/92
GRR
BREAKAWAY PCB RTC OPTION
G. Robbins
C/A1200 Main Board
C2
1314
APPR:
DRAW:
CHKD:
DATE
LAST:
DESIGN BY:
ONUSED ASSYNEXT
OFSHEETSCALE
SIZE
Commodore
REV
03/13/92
"Channel Z"
PATH: /project/a300/channel_z.rev2 sheet13/project/a300/channel_z.rev2 sheet13
XR901
560
XC901
10UF
TANTALUM
XMT4
XMT3
XMT2
MOUNTING TABS
XMT1
XC9
0.1uF
XD903
1N914
NC
16
17
18
19
20
21
22
23
1 2
12
2
3
4
5
NC
NC
6 5
3
7
4
2 1
9
8
2
1817
1615
1413
1211
109
87
65
43
22
1
21
2019
2
1 2
1
1 2
12
NC
NC
12 2 1
1
7+
6-
2 1
1
+
2
-
21
2
-
4
+
5
1
+
2
-
3
1
+
2
-
2 1
16
17
18
19
5 6
1 3
2
3
4
5
1
9
5
8
2
6
4
7
3
87
10 -13
11 +
1
4
5
3
2
109
ADJ 3
OSCOUT 19
_CS
1
A38
A26
A15
A04
D012
D113
D214
D315
_RD
9
_WR
11
CS
2
_ALARM 16
OSCIN 18
+
9
-
8
14
Gnd1
12 Vcc1 3
2 1
1 2
21 1 2
3
2 1
12
1
1 2 21
3
2
1
3
1
2
NC
1 2
6
5
3
2
1
4
7
nc2 17
nc1 7
3
3.6V
Ni-Cd
3 1
54
1
12
+
1
-
2
Gnd1
10 Vcc1 20
1
1
1
1
NC
NC
12
1 3
2
© rebuild for www.amigawiki.org · for private use only
Rev.1.38 (06.09.2012)

LED2
FLOPPY
YELLOW
LED1
POWER
GREEN
33
R3
1991 Commodore Business Machines
Information contained herein is the unpublished,
confidential and trade secret property of
Commodore Business Machines, Inc. Any use,
reproduction or disclosure of this information
without the prior written permission of
Commodore is strictly prohibited.
c
C.A.D. Generated
No manual changes may be made to this document
7/21/92
BAF
A1200 LED PCB ASSEMBLY REV1 SCHEMATIC
/user/fenimore/AA600/led_assy sheet1
PATH:
7/21/92
REV
Commodore
SIZE
SCALE SHEET OF
NEXT ASSYUSED ON
DESIGN BY:
LAST:
DATE
CHKD:
DRAW:
APPR:
11
1
A
A1200 LED ASSY
B. FENIMORE
SHINE ON, SHINE ON
BAF 7/21/92
A1200 364963 364966
33
R2
33
R1
4-PIN SIL
CN1
LED3
HDD
YELLOW
1ADVANCE ENGINEERING RELEASE
DESCRIPTION
REV
REVISIONS
APRVLDATE MANAGER
1
3
2
4 4
2
3
1
2
3
4
1
4
2
3
1
© rebuild for www.amigawiki.org · for private use only
Rev.1.38 (06.09.2012)
Powered by TCPDF (www.tcpdf.org)