Contents AISC 360 05 Example 002
User Manual: AISC 360-05 Example 002
Open the PDF directly: View PDF
.
Page Count: 6

Software Verification
PROGRAM NAME:
ETABS
REVISION NO.:
0
AISC 360-05 Example 002
BUILT UP WIDE FLANGE MEMBER UNDER COMPRESSION
EXAMPLE DESCRIPTION
A demand capacity ratio is calculated for the built-up, ASTM A572 grade 50,
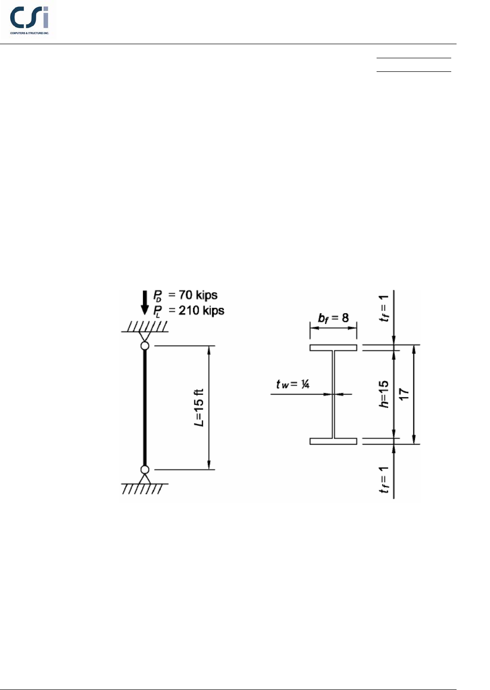
column shown below. An axial load of 70 kips (D) and 210 kips (L) is applied to
a simply supported column with a height of 15 ft.
GEOMETRY, PROPERTIES AND LOADING
TECHNICAL FEATURES TESTED
Section compactness check (compression)
Warping constant calculation, Cw
Member compression capacity with slenderness reduction
AISC 360-05 Example 002 - 1

Software Verification
PROGRAM NAME:
ETABS
REVISION NO.:
0
RESULTS COMPARISON
Independent results are hand calculated and compared with the results from
Example E.2 AISC Design Examples, Volume 13.0 on the application of the 2005
AISC Specification for Structural Steel Buildings (ANSI/AISC 360-05).
Output Parameter ETABS Independent Percent
Difference
Compactness Slender Slender 0.00%
φcPn (kips) 506.1 506.1 0.00 %
COMPUTER FILE: AISC 360-05 EX002
CONCLUSION
The results show an exact comparison with the independent results.
AISC 360-05 Example 002 - 2

Software Verification
PROGRAM NAME:
ETABS
REVISION NO.:
0
HAND CALCULATION
Properties:
Material: ASTM A572 Grade 50
E = 29,000 ksi, Fy = 50 ksi
Section: Built-Up Wide Flange
d = 17.0 in, bf = 8.00 in, tf = 1.00 in, h = 15.0 in, tw = 0.250 in.
Ignoring fillet welds:
A = 2(8.00)(1.00) + (15.0)(0.250) = 19.75 in2
33
3
2(1.0)(8.0) (15.0)(0.25) 85.35 in
12 12
=+=
y
I
85.4 2.08 in.
19.8
= = =
y
y
I
rA
∑ ∑
+= xx IAdI2
33
24
(0.250)(15.0) 2(8.0)(1.0)
2(8.0)(8.0) 1095.65 in
12 12
=+ +=
x
I
12 11
' 17 16 in
22
++
=− =−=
tt
dd
22
4
' (85.35)(16.0) 5462.583 in
44
•
= = =
y
w
Id
C
33 3
4
2(8.0)(1.0) (15.0)(0.250) 5.41 in
33
+
= = =
∑bt
J
Member:
K = 1.0 for a pinned-pinned condition
L = 15 ft
Loadings:
Pu = 1.2(70.0) + 1.6(210) = 420 kips
AISC 360-05 Example 002 - 3

Software Verification
PROGRAM NAME:
ETABS
REVISION NO.:
0
Section Compactness:
Check for slender elements using Specification Section E7
Localized Buckling for Flange:
4.0 4.0
1.0
b
t
λ
= = =
29000
0.38 0.38 9.152
50
p
y
E
F
λ
= = =
p
λ
λ
<
, No localized flange buckling
Flange is Compact.
Localized Buckling for Web:
15.0 60.0
0.250
h
t
λ
= = =
,
29000
1.49 1.49 35.9
50
r
y
E
F
λ
= = =
r
λλ
>
, Localized web buckling
Web is Slender.
Section is Slender
Member Compression Capacity:
Elastic Flexural Buckling Stress
Since the unbraced length is the same for both axes, the y-y axis will govern by
inspection.
( )
6.86
08.2
12150
.1 =
•
=
y
y
r
KL
()
2
2
2
2
6.86
29000•
=
=
ππ
r
KL
E
F
e
= 38.18 ksi
AISC 360-05 Example 002 - 4

Software Verification
PROGRAM NAME:
ETABS
REVISION NO.:
0
Elastic Critical Torsional Buckling Stress
Note: Torsional buckling will not govern if KLy > KLz, however, the check is included
here to illustrate the calculation.
()
yx
z
w
e
II
GJ
L
K
EC
F+
+= 1
2
2
π
( )
2
2
29000 5462.4 1
11200 5.41 1100 85.4
180
e
F
π
••
= +•
+
= 91.8 ksi > 38.18 ksi
Therefore, the flexural buckling limit state controls.
Fe = 38.18 ksi
Section Reduction Factors
Since the flange is not slender,
Qs = 1.0
Since the web is slender,
For equation E7-17, take f as Fcr with Q = 1.0
( )
29000
4.71 4.71 113 86.6
1.0 50
y
yy
KL
E
QF r
= =>=
So
( )
1.0 50
38.2
0.658 1.0 0.658 50 28.9ksi
= = = •=
y
e
QF
F
cr y
fF Q F
( )
0.34
1.92 1 , where
= −≤=
e
EE
b t b bh
f bt f
( ) ( )
29000 0.34 29000
1.92 0.250 1 15.0in
28.9 15.0 0.250 28.9
=−≤
e
b
12.5in 15.0in= ≤
e
b
AISC 360-05 Example 002 - 5

Software Verification
PROGRAM NAME:
ETABS
REVISION NO.:
0
therefore compute Aeff with reduced effective web width.
( )( ) ()( )
2
2 12.5 0.250 2 8.0 1.0 19.1 in
=+= + =
eff e w f f
A bt bt
where Aeff is effective area based on the reduced effective width of the web, be.
19.1 0.968
19.75
eff
a
A
QA
= = =
( )()
1.00 0.968 0.968
sa
Q QQ
= = =
Critical Buckling Stress
Determine whether Specification Equation E7-2 or E7-3 applies
( )
29000
4.71 4.71 115.4 86.6
0.966 50
y
yy
KL
E
QF r
= = >=
Therefore, Specification Equation E7-2 applies.
When
4.71
y
E KL
QF r
≥
( )
1.0 50
38.18
0.658 0.966 0.658 50 28.47ksi
= = •=
y
e
QF
F
cr y
FQ F
Nominal Compressive Strength
28.5 19.75 562.3kips
= =•=
n cr g
P FA
0.90φ=
c
( )
0.90 562.3 506.1kipsφ= = =
c n cr g
P FA
> 420 kips
506.1kipsφ=
cn
P
AISC 360-05 Example 002 - 6