Single Chip Data Acquisition System Simplifies Analog To Digital Conversion AN 0193
User Manual: AN-0193
Open the PDF directly: View PDF
.
Page Count: 4

TL/H/7207
Single Chip Data Acquisition System Simplifies Analog-to-Digital Conversion AN-193
National Semiconductor
Application Note 193
July 1977
Single Chip Data
Acquisition System
Simplifies Analog-to-Digital
Conversion
Until recently, building an analog data acquisition system
required a hardy cross-breed of both analog design and digi-
tal design. Now National Semiconductor has simplified the
design problem of a data acquisition system with the intro-
duction of the ADC0816 (MM74C948). This CMOS device
incorporates many of the standard features of a data acqui-
sition system onto a single chip. Included on-chip is an 8-bit
analog-to-digital converter with bus oriented outputs, a 16-
channel expandable multiplexer, provisions for external sig-
nal conditioning, and logic control for systems interface.
This chip marks the advent of a new generation in A/D con-
verters, bringing versatility, performance, and economy us-
ing a technology ideally suited to data acquisition systems.
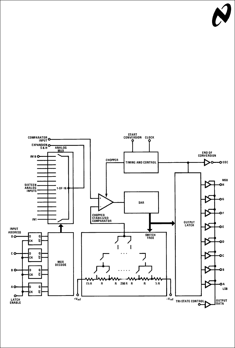
Figure 1
shows a block diagram of the functions provided
within a single package. The chip duplicates the classical
structure of a data acquisition system while relieving the
user from multichip interface and compatibility problems. A
wide range of functional options allows extremely versatile
operation of the device in a wide range of applications.
The ADC0816 uses National’s low voltage, metal gate tech-
nology. The device operates from a single a5V supply and
features a 16-channel multiplexer with address input latch-
es, latched TRI-STATEÉoutputs and a true eight-bit-accu-
rate analog-to-digital converter. It consumes only 20 mW of
power. Total conversion time of an analog signal is 100 ms.
By using a patented A/D conversion technique the convert-
er is guaranteed to have no missing codes and to be mono-
tonic. The internal chopper stabilized comparator is the key
element in minimizing both long term drift and temperature
coefficients of other error terms.
TL/H/7207–1
FIGURE 1. ADC0816/MM74C948 Block Diagram
TRI-STATEÉis a registered trademark of National Semiconductor Corporation
C1995 National Semiconductor Corporation RRD-B30M115/Printed in U. S. A.

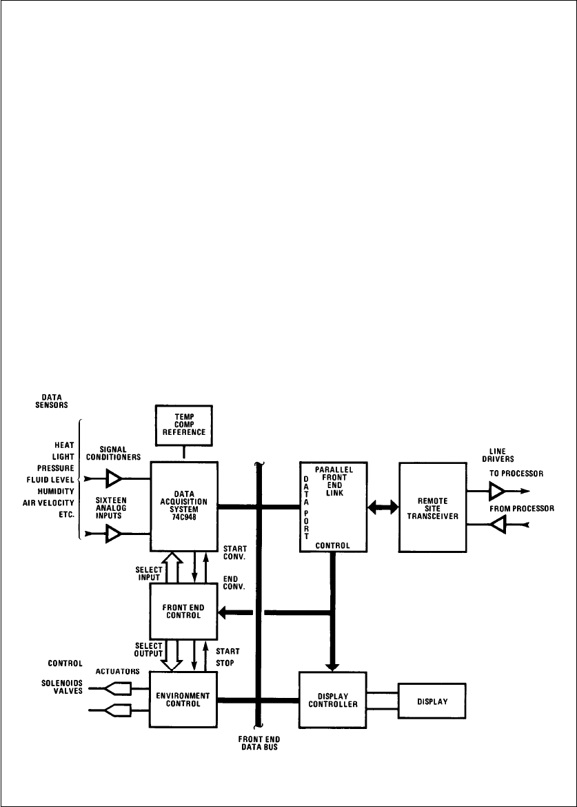
Figure 2
shows a typical application employing the
ADC0816 for use in a microprocessor-based environmental
control system. In this system the microprocessor can se-
lect a channel, monitor a particular sensor reading, convert
that signal to a digital word, and make a system decision
based upon that input. Many other areas of process control,
machine control, or multi-input analog system can utilize this
basic configuration.
THE CONVERTER
The heart of this single-chip data acquisition system is its
8-bit analog-to-digital converter. The converter is designed
to give fast, accurate, and repeatable conversions over a
wide range of temperatures. The converter is partitioned
into three major sections: the 256R ladder network, the suc-
cessive approximation register, and the comparator.
The 256R ladder network approach was chosen over the
conventional R/2R ladder because of its inherent monoto-
nicity. Monotonicity is particularly important in closed-loop
feedback control systems. A non-monotonic relationship
can cause oscillations that could be catastrophic. Addition-
ally, the 256R network does not cause load variations on
the reference voltage.
Figure 3
shows a comparison of the output characteristic for
the two approaches with a variation in the ladder resistance.
In the 256R approach with unequal or shorted resistors the
slope of the output transfer function cannot be different
from the slope of the analog input. For the R/2R ladder
network, mismatches in the resistor values can cause the
slope of the output digital code to be different from the ana-
log input signal.
The bottom resistor and the top resistor of the ladder net-
work in
Figure 4
are not the same value as the remainder of
the network. The difference in these resistors causes the
output characteristic to be symmetrical with the zero and
full-scale points of the transfer curve. The first output tran-
sition occurs when the analog signal has reached a1/2
LSB and succeeding output transitions occur every 1 LSB
later up to full-scale.
The successive approximation register (SAR) performs
eight iterations to approximate the input voltage. For any
SAR-type converter, n iterations are required for an n-bit
converter.
Figure 4
shows a typical example of a 3-bit con-
verter with an input voltage of 1/4 full-scale. Since the initial
approximation at 7/16 of full-scale is too high, a zero is
posted for the most significant bit (MSB). The second ap-
proximation is too low, therefore a one is posted for the
second bit. The final approximation is determined to be too
high, so a zero is posted for the least significant bit (LSB). In
the ADC0816/MM74C948 the approximation technique is
extended to eight bits using the 256R network.
The most important section of the A/D converter is the
comparator. It is this section which is responsible for the
ultimate accuracy of the entire converter. It is also the com-
parator drift which has the greatest influence on the re-
spectability of the device. A chopper stabilized comparator
provides the most effective method of satisfying all the con-
verter requirements.
TL/H/7207–2
FIGURE 2. Remote Environmental Control System
2

The chopper stabilized comparator converts the DC input
signal into an AC signal. This signal is then fed through a
high gain AC amplifier and has the DC level restored. This
technique limits the drift component of the amplifier since
the drift is a DC component which is not passed by the AC
amplifier. This makes the entire A/D converter extremely
insensitive to temperature, long-term drift, and input offset
errors.
The design of this A/D converter has been optimized by
incorporating the most desirable aspects of several conver-
sion techniques. The ADC0816 offers high speed, high ac-
curacy, low temperature dependence, excellent long-term
accuracy and repeatability, and consumes minimal power.
These features make this device ideally suited to applica-
tions such as process control, industrial control, and ma-
chine control.
TL/H/7207–3
FIGURE 3. 2nR and R2R Ladder Transfer Curves. In a 2nR ladder the most unequal resistors can do is cause a
nonuniform voltage step. Since a single voltage is across the ladder it must be monotonic. In a R2R ladder unequal
resistors may cause a sign change in the transfer curve, causing it to be nonmonotonic.
TL/H/7207–4
FIGURE 4. Offset-Adjusted 8R Ladder gives g(/2 LSB quantizing error of 3 bits with
three comparisons. The output code is derived by posting a one when upward arrows
are followed and a zero when downward arrows are followed to the input voltage.
3

AN-193 Single Chip Data Acquisition System Simplifies Analog-to-Digital Conversion
LIFE SUPPORT POLICY
NATIONAL’S PRODUCTS ARE NOT AUTHORIZED FOR USE AS CRITICAL COMPONENTS IN LIFE SUPPORT
DEVICES OR SYSTEMS WITHOUT THE EXPRESS WRITTEN APPROVAL OF THE PRESIDENT OF NATIONAL
SEMICONDUCTOR CORPORATION. As used herein:
1. Life support devices or systems are devices or 2. A critical component is any component of a life
systems which, (a) are intended for surgical implant support device or system whose failure to perform can
into the body, or (b) support or sustain life, and whose be reasonably expected to cause the failure of the life
failure to perform, when properly used in accordance support device or system, or to affect its safety or
with instructions for use provided in the labeling, can effectiveness.
be reasonably expected to result in a significant injury
to the user.
National Semiconductor National Semiconductor National Semiconductor National Semiconductor
Corporation Europe Hong Kong Ltd. Japan Ltd.
1111 West Bardin Road Fax: (
a
49) 0-180-530 85 86 13th Floor, Straight Block, Tel: 81-043-299-2309
Arlington, TX 76017 Email: cnjwge
@
tevm2.nsc.com Ocean Centre, 5 Canton Rd. Fax: 81-043-299-2408
Tel: 1(800) 272-9959 Deutsch Tel: (
a
49) 0-180-530 85 85 Tsimshatsui, Kowloon
Fax: 1(800) 737-7018 English Tel: (
a
49) 0-180-532 78 32 Hong Kong
Fran3ais Tel: (
a
49) 0-180-532 93 58 Tel: (852) 2737-1600
Italiano Tel: (
a
49) 0-180-534 16 80 Fax: (852) 2736-9960
National does not assume any responsibility for use of any circuitry described, no circuit patent licenses are implied and National reserves the right at any time without notice to change said circuitry and specifications.