Application Note 292 Applications Of The LM3524 Pulse Width Modulator AN 0292
User Manual: AN-0292
Open the PDF directly: View PDF
.
Page Count: 6

Applications of the LM3524
Pulse-Width-Modulator
The LM3524 Regulating Pulse-Width-Modulator is com-
monly used as the control element in switching regulator
power supplies. This is in keeping with its intended purpose.
Engineers closely associate this part with switching power
supplies. Nevertheless, the flexible combination of elements
(see box) within the LM3524 also allows it to be used in a
number of other applications outside the power supply area.
Because the device is inexpensive and operates off a
single-sided supply, it can considerably reduce component
count and circuit complexity in almost any application. The
constant light intensity servo of
Figure 1
furnishes a good ex-
ample.
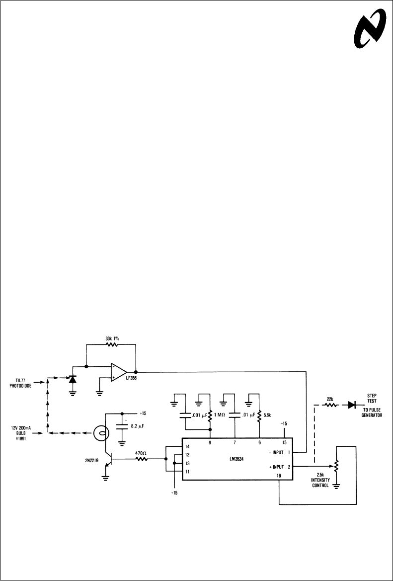
CONSTANT LIGHT INTENSITY SERVO
The circuit of
Figure 1
uses a photodiode’s output to control
the intensity of a small light bulb. The constant intensity out-
put of the light bulb is useful in a number of areas, including
opto-electronic component evaluation and quality control of
photographic film during manufacture. In this circuit, the pho-
todiode pulls a current out of the LF356 summing junction,
which is directly related to the amount of light that falls on the
photodiode’s surface. The LF356 output swings positive to
maintain the summing junction at zero and represents the
photodiode current in amplified voltage form. This potential is
compared at the LM3524 to the voltage coming from the 2.5k
“intensity” potentiometer wiper. A stable voltage for the “in-
tensity” control is taken from the LM3524’s internal five-volt
regulator. The difference between the LF356 output and the
“intensity” potentiometer output is amplified at a gain of
about 70 dB, which is set by the 1 MΩvalue at pin 9. The
LM3524 output transistors are paralleled and provide drive
to the 2N2219 switch transistor. The 5.6k and .01 µF values
set the switching frequency at about 30 kHz. Because the
LM3524 forms a switched mode feedback loop around the
light bulb and photodiode, the average power delivered to
the light bulb will be controlled by the photodiode output,
which is directly proportional to the lamp’s output. Frequency
compensation for this feedback loop is provided by the .001
µF capacitor, which rolls off the loop gain ata1mstime con-
stant.
Figure 2
shows the wave forms in the circuit. Trace A
is the 2N2219 collector and trace B is the AC-coupled LF356
output. Each time the 2N2219 collector goes low, power is
driven into the lamp. This is reflected in the positive going
ramp at the LF356’s output. When the 2N2219 goes off, the
lamp cools. This is shown in the negative going relatively
slow ramp in trace B. It is interesting to note that this indi-
cates the bulb is willing to accept energy more quickly than it
will give it up.
Figure 3
elaborates on this. Here, trace A is the
output of a pulse generator applied to the “step test” input
and trace B is the AC-coupled LF356 output. When the pulse
generator is high, the diode blocks its output, but when it
goes low, current is drawn away from the “intensity” control
wiper through the 22k resistor. This forces the servo to con-
trol bulb intensity at a lower value. This photo shows that the
bulb servos to a higher output almost three times as fast as
it takes to go to the lower output state, because the bulb
more readily accepts energy than it gives it up. Surprisingly,
at high intensity levels, the situation reverses because the in-
creased incandescent state of the bulb makes it a relatively
efficient radiator (
Figure 4
).
AN006890-1
FIGURE 1.
National Semiconductor
Application Note 292
April 1998
Applications of the LM3524 Pulse-Width-Modulator AN-292
© 1998 National Semiconductor Corporation AN006890 www.national.com

TEMPERATURE-TO-PULSE-WIDTH CONVERTER
The circuit in
Figure 5
uses the LM3524 to convert the output
of an LM135 temperature transducer into a pulse width
which can be measured by a digital system, such as a
microprocessor-controlled data acquisition system. Although
this example uses the temperature transducer as the input,
the circuit will convert any 0.1 to 5V input applied to the 100
kΩresistor into a 0–500 ms output pulse width with 0.1%lin-
earity. In this circuit, the LM135’s temperature-dependent
output (10 mV/˚K) is divided down and applied to A1’s posi-
tive input. This moves A1’s output high, driving the input to
the LM3524’s pulse-width modulation circuitry. The LM3524
pulse-width output is clipped by the LM185 reference and in-
tegrated by the 1 MΩ-0.1 µF combination. The DC level
across the 0.1 µF capacitor is fed back to A1’s negative in-
put. This feedback path forces the LM3524’s output pulse
width to vary in a highly linear fashion according to the po-
tential at A1’s positive input. The overall
temperature-to-pulse width scale factor is adjusted with the
“gain trim” potentiometer. The 1000 pF capacitor provides
stable loop compensation. A1, an LM358, allows voltages
very close to ground to be sensed. This provides greater in-
put range than the LM3524’s input amplifier, which has a
common mode range of 1.8–3.4V. The oscillator output
pulse at pin 3 may be used to reset counters or other digital
circuitry because it occurs just before the output pulse width
begins.
AN006890-2
FIGURE 2.
AN006890-3
FIGURE 3.
AN006890-4
FIGURE 4.
AN006890-5
*Metal Film Resistor
FIGURE 5.
www.national.com 2

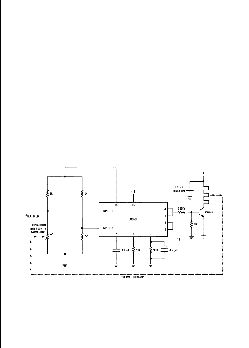
RTD TEMPERATURE CONTROLLER
Figure 6
is another temperature circuit which uses the
LM3524 to control the temperature of a small oven. Here, a
platinum RTD is used as a sensor in a bridge circuit made up
of the 2 kΩresistors. When power is applied, the positive
temperature coefficient platinum sensor is at a low value and
the LM3524’s positive input is at a higher potential than its
negative input. This forces the output to go high, turning on
the 2N3507 and driving the heater. When the servo point is
reached, the duty cycle of the heater is reduced from 90%
(full on) to whatever value is required to keep the oven at
temperature. The 330k-4.7 µF combination at the internal in-
put amplifier’s output sets the servo gain at about 55 dB at
1 Hz, more than adequate for most thermal-control applica-
tions. The 0.02 µF-2.7k combination sets the pulse fre-
quency at about 15 kHz, far above the 1 Hz pole of the servo
gain. If the sensor is maintained in close thermal contact with
the heater, this circuit will easily control to .1˚C stability over
widely varying ambients.
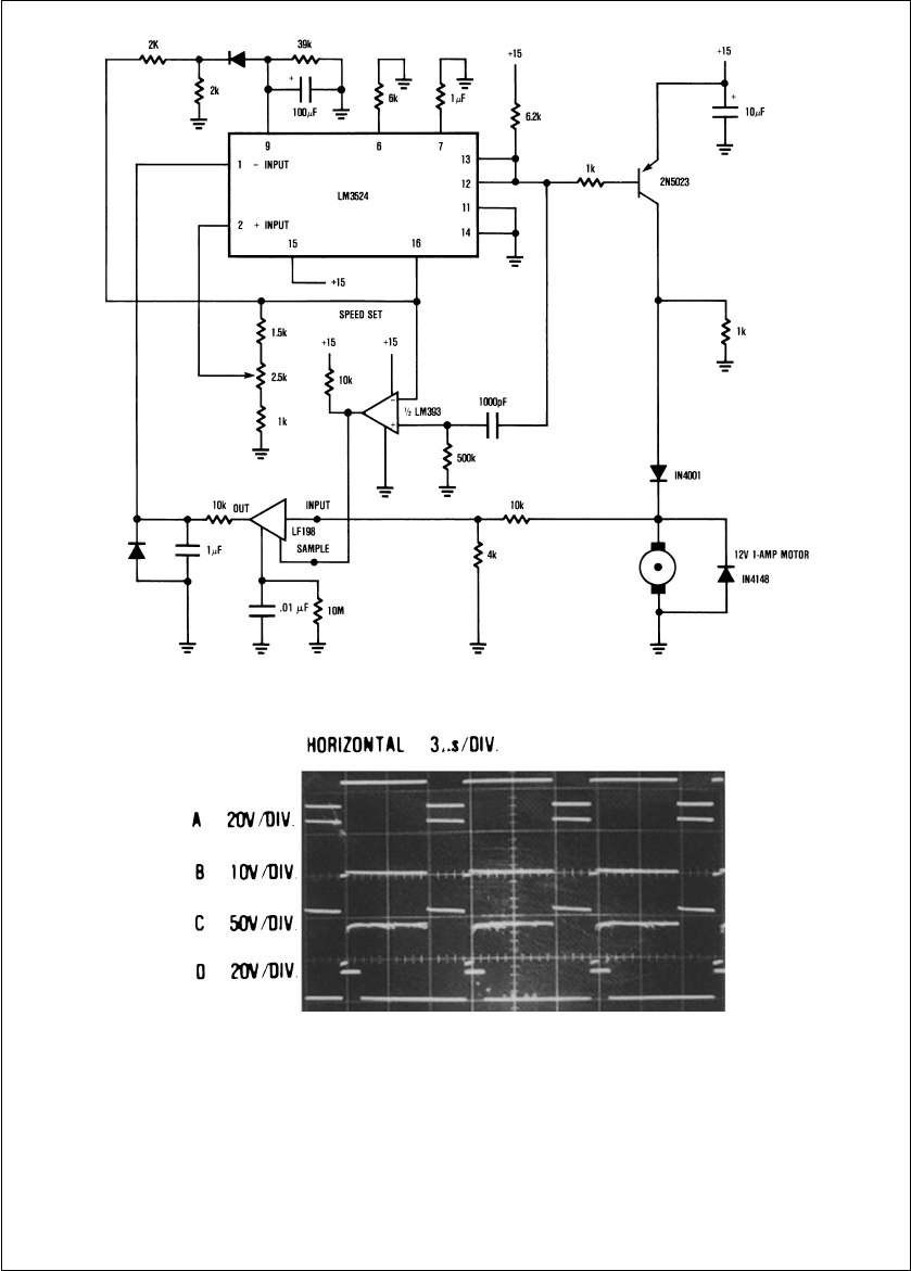
“SENSORLESS” MOTOR SPEED CONTROL
Figure 7
shows the LM3524 in an arrangement which con-
trols the speed of a motor without requiring the usual ta-
chometer or other speed pick-off. This circuit uses the back
EMF of the motor to bias a feedback loop, which controls
motor speed. When power is applied, the positive input of
the LM3524 is at a higher potential than the negative input.
Under these conditions, the output of the LM3524 is biased
full on (90%duty cycle). The output transistors, paralleled in
the common emitter configuration, drive the 2N5023 and the
motor turns. (LM3524 output is waveform A,
Figure 8
; wave-
form B is the 2N5023 collector.) The LM3524 output pulse is
also used to drive a 1000 pF-500 kΩdifferentiator network
whose output is compared to the LM3524’s internal 5V refer-
ence. The result is a delayed pulse (
Figure 8
, waveform D),
which is used to trigger an LF398 sample-hold IC. As the
waveforms show, the sample-hold is gated high (ON) just as
the 2N5023 collector stops supplying current to the motor. At
this instant, the motor coils produce a flyback pulse, which is
damped by the shunt diode. (Motor waveform is
Figure 8
,
trace C). After the flyback pulse decays, the back EMF of the
motor remains. This voltage is “remembered” by the
sample-hold IC when the sample trigger pulse ceases and is
used to complete the speed control loop back at the LM3524
input. The 10k-4k divider at the motor output insures the
LF398’s output will always be within the common range of
the LM3524’s input. The 10k-1 µF combination provides fil-
tering during the time the LF398 is sampling. The diode as-
sociated with this time constant prevents any possible LF398
negative output from damaging the LM3524. The 10 MΩre-
sistor paralleling the 0.01 µF sampling capacitor prevents
the servo from “hanging up” if this capacitor somehow man-
ages to charge above the motor’s back EMF value. The
39k-100 µF pair sets the loop frequency response. The
maximum pulse-width-modulator duty cycle is clamped by
the 2k-2k divider and diode at 80%, thus avoiding overshoot
and aiding transient response at turn-on and during large
positive step changes. The 60k-0.1 µF values at pins 6 and
7 set the pulse modulation frequency at 300 Hz.
AN006890-6
*TRW Type MAR-60 .1%
FIGURE 6.
3 www.national.com

AN006890-7
FIGURE 7.
AN006890-8
FIGURE 8.
www.national.com 4

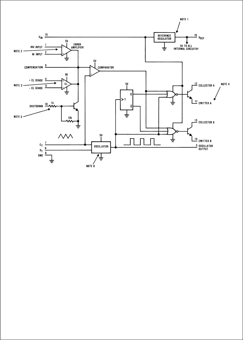
The LM3524 at a Glance
AN006890-9
Note 1: 5V 50 mA regulator available to user.
Note 2: Transconductance diff. input amplifier. Gains from 40–80 dB available by resistor loading of output. 1.8–3.4V common mode input range.
Note 3: Over current sense comparator −0.7 to 1V common mode input range.
Note 4: Output transistors switch out of phase and may be paralleled. Up to 100 mA maximum output current.
Note 5: Transistor may be used to strobe LM3524 into an off state at its outputs.
Note 6: Oscillator typically frequency programmable for up to 100 kHz.
5 www.national.com

LIFE SUPPORT POLICY
NATIONAL’S PRODUCTS ARE NOT AUTHORIZED FOR USE AS CRITICAL COMPONENTS IN LIFE SUPPORT DE-
VICES OR SYSTEMS WITHOUT THE EXPRESS WRITTEN APPROVAL OF THE PRESIDENT OF NATIONAL SEMI-
CONDUCTOR CORPORATION. As used herein:
1. Life support devices or systems are devices or sys-
tems which, (a) are intended for surgical implant into
the body, or (b) support or sustain life, and whose fail-
ure to perform when properly used in accordance
with instructions for use provided in the labeling, can
be reasonably expected to result in a significant injury
to the user.
2. A critical component in any component of a life support
device or system whose failure to perform can be rea-
sonably expected to cause the failure of the life support
device or system, or to affect its safety or effectiveness.
National Semiconductor
Corporation
Americas
Tel: 1-800-272-9959
Fax: 1-800-737-7018
Email: support@nsc.com
www.national.com
National Semiconductor
Europe Fax: +49 (0) 1 80-530 85 86
Email: europe.support@nsc.com
Deutsch Tel: +49 (0) 1 80-530 85 85
English Tel: +49 (0) 1 80-532 78 32
Français Tel: +49 (0) 1 80-532 93 58
Italiano Tel: +49 (0) 1 80-534 16 80
National Semiconductor
Asia Pacific Customer
Response Group
Tel: 65-2544466
Fax: 65-2504466
Email: sea.support@nsc.com
National Semiconductor
Japan Ltd.
Tel: 81-3-5620-6175
Fax: 81-3-5620-6179
AN-292 Applications of the LM3524 Pulse-Width-Modulator
National does not assume any responsibility for use of any circuitry described, no circuit patent licenses are implied and National reserves the right at any time without notice to change said circuitry and specifications.