NS 8050U MICROWIRE PLUS Interface AN 0358
User Manual: AN-0358
Open the PDF directly: View PDF
.
Page Count: 6

TL/DD/6103
NS8050U MICROWIRE PLUS Interface AN-358
National Semiconductor
Application Note 358
Rao Gobburu
James Murashige
April 1984
NS8050U MICROWIRE
PLUSTM Interface
INTRODUCTION
MICROWIRETM is a serial communications interface from
National Semiconductor. Originally devised to allow the
COPSTM Microcontrollers to effectively communicate with
peripheral devices, it has now been extended to the 8-bit
8048 microcontroller family. This extension is known as
MICROWIRE PLUS.
The NS8050 from National Semiconductor, slated shortly
for release, incorporates MICROWIRE PLUS. Its existence
is entirely transparent to normal 8050 operation and is only
activated upon execution of a new MICROWIRE PLUS in-
struction. This application note describes the features of the
extension and presents programming examples to illustrate
how to use MICROWIRE PLUS.
MICROWIRE PLUS
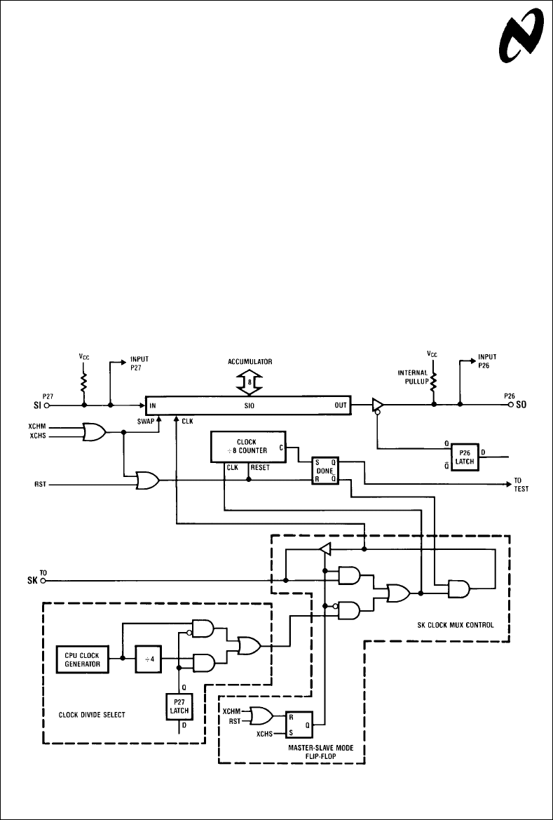
The MICROWIRE PLUS protocol utilizes a 3-wire interface
working in conjunction with a clocked eight bit input/output
shift register,
Figure 1
. The shift register is referred to as the
Serial Input/Output (SIO) register. The three interface sig-
nals are Serial Output (SO), Serial Input (SI), and Serial
Clock (SK). The contents of the accumulator may be ex-
changed with the SIO register thus providing us a means of
performing the parallel to serial data conversion. Data wait-
ing to be transmitted in the SIO register is clocked out on
the SO pin on the falling SK clock edge. Serial data is re-
ceived on the SI pin and clocked into the SIO register on the
rising SK clock edge.
On reset the NS8050 comes up in the normal mode of oper-
ation. The MICROWIRE mode of operation may be invoked
by executing one of two new instructions, XCHM or XCHS.
Both instructions cause the Accumulator and SIO register to
exchange data, with the differences being in the SK clock
generation. In Master mode, set by XCHM, the SK clock is
generated internally and output to other devices. In Slave
mode, set by XCHS, the SK clock is input into the chip from
a master source. Once the MICROWIRE mode has been
selected it remains in effect until a system reset restores the
normal mode of operation. The only practical difference
TL/DD/6103–1
FIGURE 1. Microwire Mode Functional Configuration
TRI-STATEÉis a registered trademark of National Semiconductor Corp.
COPSTM, MICROWIRETM and MICROWIRE PLUSTM are trademarks of National Semiconductor Corp.
C1995 National Semiconductor Corporation RRD-B30M105/Printed in U. S. A.

between the 2 operating modes are the dedication of 3 I/O
pins to MICROWIRE operation. However, once in MICRO-
WIRE mode, the chip may switch between Master and
Slave operation at will.
TL/DD/6103–2
The 2 new instructions and their associated operations are
as follows:
Mnenomic Opcode Operation
XCHM C0 A kelSIO. Reset DONE
flip-flop, Clock counter. SK
designated as an output.
MICROWIRE mode selected.
XCHS C1 A kelSIO. Reset DONE
flip-flop, Clock counter. SK
designated as an input.
MICROWIRE mode selected.
For MICROWIRE PLUS applications, one NS8050 must be
designated as the Master. The Master supplies the SK clock
for the system and initiates all data transfers between itself
and one of the Slave devices. A Slave may be any of the
standard MICROWIRE peripheral chips or another MICRO-
WIRE PLUS NS8050 operating in Slave mode. In a typical
system the Serial Clock (SK) is tied together on all the
chips. The Serial Out (SO) from the Master is tied to the
Serial In (SI) on all the Slaves. Similiarly, the Serial in (SI) pin
on the Master is tied to the Serial Out (SO) on all the Slaves.
General purpose outputs on the Master are used to chip
select various Slave devices onto the MICROWIRE PLUS
bus.
Among the various standard MICROWIRE peripherals avail-
able are display drivers (LCD, VF, LED), memories (RAM,
EEROM), A/D converters, and frequency generators/tim-
ers.
NS8050 HARDWARE MODIFICATIONS
Three of the general purpose I/O pins on the NS8050 be-
come dedicated signals when operating in MICROWIRE
mode as follows:
NS8050 Pin Function Under
MICROWIRE PLUS
T0 Serial Clock Input or Output (SK)
P26 Serial Data Output (SO)
P27 Serial Data Input (SI)
In addition, upon entering MICROWIRE mode the port latch-
es associated with P26 and P27 are disconnected from the
port and used instead as configuration registers. They are
still loaded by using the NS8050 port instructions with the
following MICROWIRE PLUS functions selectable:
#P36 latch is used to Enable/Disable the TRI-STATE SO
output.
1eDisabled
0eEnabled
#P27 latch is used to select the SK output frequency.
1eInstruction cycle clock divided by 4
(crystal freq/60)
0eInstruction cycle clock divided by 1
(crystal freq/15)
As in other chips in the 8048 family, RESET causes the
latches associated with Ports 1 and 2 to set to a ‘‘1’’. Con-
sequently if the P26 and P27 latches are not otherwise ini-
tialized, upon entering MICROWIRE mode the SO output
will be disabled and divide by 4 selected for SK generation.
However P26 and P27 may be modified at any time, even
when in MICROWIRE mode.
When in MICROWIRE mode, port pins P26 and P27 may
still be read in using the IN A, P2 instruction and will reflect
the state of the SO and SI pins respectively. Note however
that these pins also have internal pullup devices connected
to them as shown.
To facilitate data transfers a DONE flip-flop has been includ-
ed in the MICROWIRE circuitry. It and the clock counter are
Reset upon every exchange between the Accumulator and
the SIO register. When the clock counter reaches a count of
8, indicating that the SIO has completely shifted out, DONE
is set. The DONE F/F is connected internally to the T0
sense line upon entering the MICROWIRE mode, thus al-
lowing it to be tested by the JT0 and JNT0 instructions.
Because of this any of the other T0 functions such as clock
generation are precluded from operation while in MICRO-
WIRE mode. It should be noted that the SK clock may only
be shut down by the DONE F/F which in turn is driven by
the Clock Counter. The Clock Counter may only be preset
by 0 by an XCHM or XCHS instruction after which it will
immediately start counting clock pulses.
APPLICATION NOTES
MICROWIRE PLUS may be effectively used for Local Area
Networks (LANs) and Small Area Networks (SANs). Possi-
ble applications range from setting up a communications
network within an automobile to home security systems.
With the ability to switch between a MICROWIRE Master
and Slave device at will, a multi-master NS8050 bus net-
work may be implemented.
In NS8050 only systems MICROWIRE data may be trans-
ferred at the instruction cycle time of 1.36 ms (733 kHz).
When using standard MICROWIRE peripherals data trans-
fers must generally be restricted to 4 ms (250 kHz) as shown
in
Figure 2a.
Also shown are typical MICROWIRE setup and
hold times on the data lines relative to the SK clock.
Figure
2b
illustrates SIO bit shifting relative to instruction execu-
tion. When counting out instructions the XCH should be
placed so that the last bit will be shifted in and out while the
instruction is being read in as shown in
Figure 2b.
For both divide by 1 and divide by 4 clock generation modes
the rising SK clock edge is approximately coincident with
the rising ALE edge as shown in
Figure 3.
For divide by 1 SK
clock generation the duty cycle is 40% while for divide by 4
it is 50% (the ALE duty cycle is approximately 23%).
Since the same drive circuits are used for both normal and
MICROWIRE modes of operation, the DC electrical charac-
teristics are the same for the 3 I/O pins in either mode.
ON THE MICROWIRE 8050 THE CRYSTAL OSCILLATOR
PINS ARE REVERSED FROM ORDINARY 8050s.
To facilitate 8050 MICROWIRE usage with standard COPS
peripherals, a macro based I/O Driver Software Package is
available. Written in 8048 assembly, it may be used directly
or studied as an example of 8050 MICROWIRE peripheral
interfacing.
2

TL/DD/6103–3
Parameter Typical Units
tSETUP 200 ns
tHOLD 200 ns
tVALID 50 ns
tC4ns
FIGURE 2a. Microwire Interface Timing
TL/DD/6103–4
FIGURE 2b. 8050 Microwire Serial Sequence
3

TL/DD/6103–5
FIGURE 3. NS8050 MIcrowire Clock Generation
4

MASTER-SLAVE PROTOCOL EXAMPLE
A number of handshake protocols are possible between a
Master and Slave NS8050 in a MICROWIRE PLUS system.
The following example illustrates one possible method and
discusses the timing holds and restrictions on each device.
The hardware configuration for our example is shown in
Fig-
ure 4
and described as follows:
#Slave SO connected to Master SI
#Slave SI connected to Master SO
#Slave SK connected to Master SK
#Master pin P24 used to chip select slave, connected to
Slave interrupt input
#Slave pin 25 connected to Master pin P25, used by slave
as a BUSY output indicator
#Master and Slave have the same crystal frequencies to
simplify things
Before starting our example we will also assume the follow-
ing initial conditions:
#Master DONE flip-flop set causing SK clock generation
to be shut down
#Master Clock divide by 4 selected (P27 latch set), SO
enabled (P26 latch reset)
#Master P24 (Slave chip select) is high (inactive)
#Slave BUSY output (P25) is high (active)
#Slave DONE flip-flop is indeterminate
TL/DD/6103–6
FIGURE 4. Example Master-Slave
Hardware Configuration
In our example of
Figure 5
the Master is performing a 2-byte
write and read from the Slave. The following is a step by
step description of the key steps in code execution.
1. Master wishes to send and/or receive data from Slave.
He starts by activating the Slave chip select.
2. Slave chip select causes an interrupt service call where
Slave loads his first data byte into the SIO, enables SO
and resets BUSY. The SIO load also clears out the clock
counter and DONE flip-flop.
3. All this time the Master was checking and waiting for
BUSY to go away, thus signifying that the Slave has rec-
TL/DD/6103–7
FIGURE 5. Master-Slave Handshake Execution
organized the chip select interrupt. The chip select is
turned off and the Master loads his first data byte into the
SIO thus commencing transmission.
4. Both Master and Slave now wait for 8 data bits to be
transmitted as indicated by the DONE flip-flop.
5. Upon seeing that DONE is set, the Slave immediately
turns BUSY back on. The Slave then saves the just re-
ceived data byte, disables SO and returns from interrupt
service.
6. After seeing that DONE is set, Master delays enough to
ensure that the Slave has turned BUSY back on. Master
delay might also want to be put in to allow the Slave time
to return from subroutine and utilize the just received data
byte or update pointers in preparation for the next inter-
rupt service. Alternatively the Slave could disable inter-
rupts until housekeeping had been performed.
7. The Master wants to send another data byte so he acti-
vates the Slave chip select once again. The sequence for
the Slave is the same as before. In the Master the XCHM
to load the second Master data byte into the SIO also
brings in the first Slave data byte. It is stored and after the
current transmission is through the second Slave data
byte may be brought in. The first Slave data byte could
have been brought in after the first Master WAIT se-
quence with an XCHM, but that would have initiated an-
other 8 SK Clock sequence which we would have had to
wait out since SK must be shut down before initiating
another transfer.
8. Rather than use straight line code, memory pointers and
loop counters could easily be incorporated if the hand-
shake restrictions described above are accounted for.
5

AN-358 NS8050U MICROWIRE PLUS Interface
LIFE SUPPORT POLICY
NATIONAL’S PRODUCTS ARE NOT AUTHORIZED FOR USE AS CRITICAL COMPONENTS IN LIFE SUPPORT
DEVICES OR SYSTEMS WITHOUT THE EXPRESS WRITTEN APPROVAL OF THE PRESIDENT OF NATIONAL
SEMICONDUCTOR CORPORATION. As used herein:
1. Life support devices or systems are devices or 2. A critical component is any component of a life
systems which, (a) are intended for surgical implant support device or system whose failure to perform can
into the body, or (b) support or sustain life, and whose be reasonably expected to cause the failure of the life
failure to perform, when properly used in accordance support device or system, or to affect its safety or
with instructions for use provided in the labeling, can effectiveness.
be reasonably expected to result in a significant injury
to the user.
National Semiconductor National Semiconductor National Semiconductor National Semiconductor
Corporation Europe Hong Kong Ltd. Japan Ltd.
1111 West Bardin Road Fax: (
a
49) 0-180-530 85 86 13th Floor, Straight Block, Tel: 81-043-299-2309
Arlington, TX 76017 Email: cnjwge
@
tevm2.nsc.com Ocean Centre, 5 Canton Rd. Fax: 81-043-299-2408
Tel: 1(800) 272-9959 Deutsch Tel: (
a
49) 0-180-530 85 85 Tsimshatsui, Kowloon
Fax: 1(800) 737-7018 English Tel: (
a
49) 0-180-532 78 32 Hong Kong
Fran3ais Tel: (
a
49) 0-180-532 93 58 Tel: (852) 2737-1600
Italiano Tel: (
a
49) 0-180-534 16 80 Fax: (852) 2736-9960
National does not assume any responsibility for use of any circuitry described, no circuit patent licenses are implied and National reserves the right at any time without notice to change said circuitry and specifications.