DS8911 AM/FM/TV Sound Up Conversion Frequency Synthesizer AN 0512
User Manual: AN-0512
Open the PDF directly: View PDF .
Page Count: 12

TL/F/9449
DS8911 AM/FM/TV Sound Up-Conversion Frequency Synthesizer AN-512
National Semiconductor
Application Note 512
June 1988
DS8911 AM/FM/TV Sound
Up-Conversion Frequency
Synthesizer
INTRODUCTION
This application note describes an AM/FM radio implement-
ed using the DS8911 Up-Conversion Frequency Synthesiz-
er. This synthesizer was designed to utilize up-conversion
techniques to reduce the manufacturing costs and labor re-
quirements associated with alignment of an AM radio front
end.
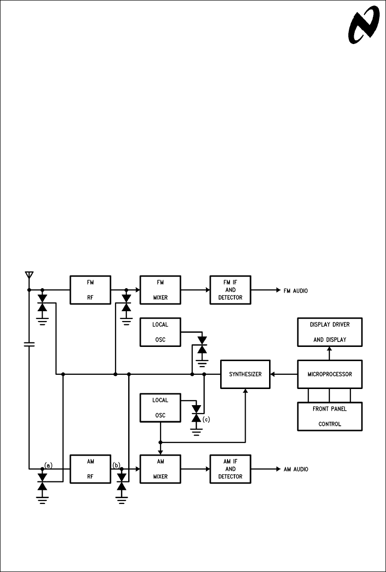
The conventional high performance AM radio requires at
least three tuned circuits for AM reception (see
Figure 1
).
These tuned circuits include 3 varactor diodes which must
be matched to ensure tracking over a wide Local Oscillator
(LO) operating range. The cost of these matched varactors
and labor associated with alignment of the three stages is
significant.
The three circuits are:
a. RF antenna input
b. RF amplifier output
c. Local oscillator
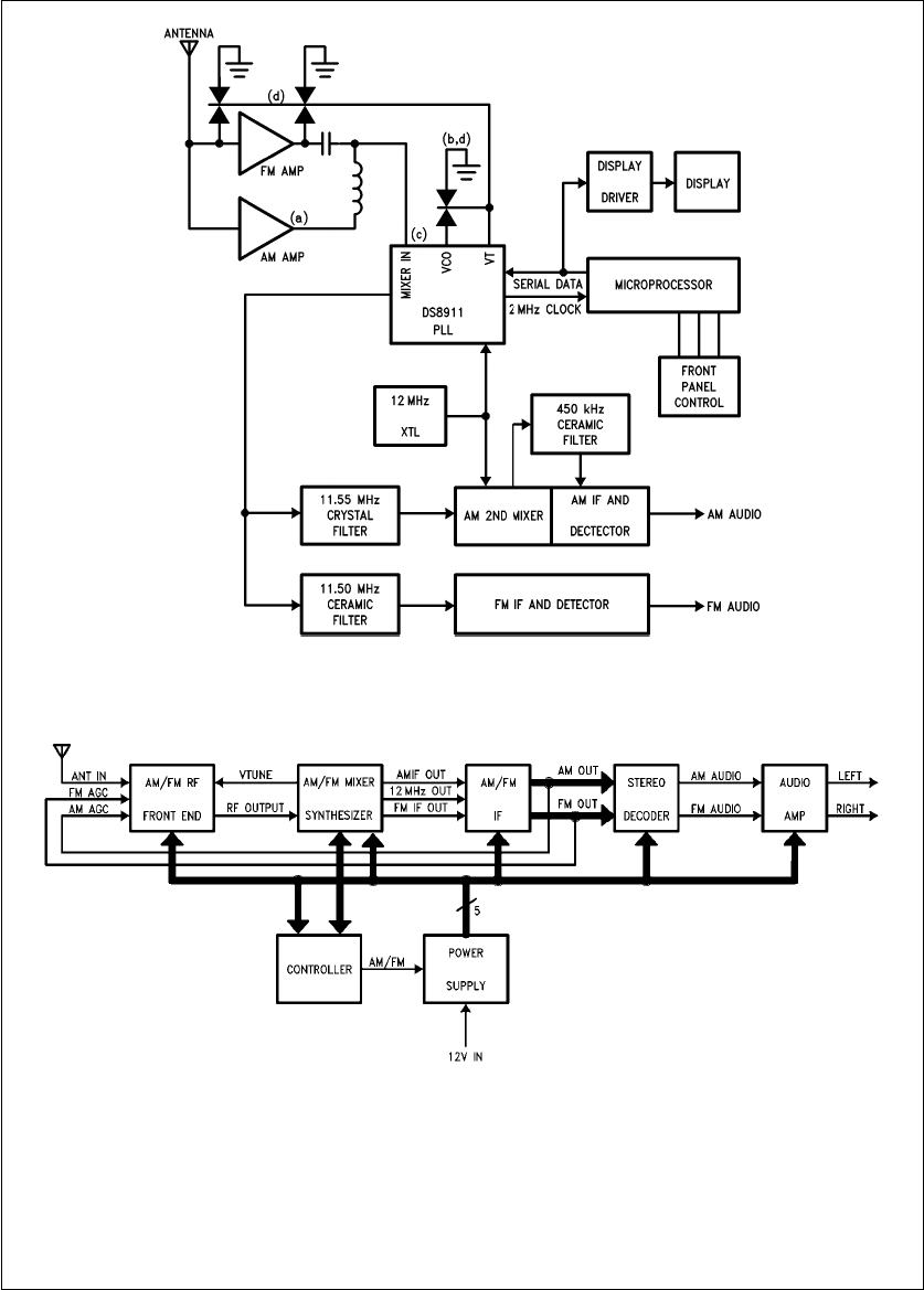
THE UP-CONVERSION AM RADIO USING THE DS8911
In an up-conversion AM radio the local oscillator and first IF
frequency are chosen to be much higher in frequency than
the received signal. This totally eliminates image problems
since the image is far above the band of interest. In this
application an IF of 11.55 MHz was chosen. This enables
the RF front end to be untuned. A simple low pass filter is
included to roll off frequencies above 2 MHz. The first mixer
in an up-conversion design is subjected to the entire AM
band and thus a very high dynamic range mixer (provided as
part of the DS8911) is essential to prevent overload due to
strong signals.
Figure 2
shows the block diagram of the ra-
dio using an up-conversion scheme. Notice the three AM
tuned stages mentioned in the conventional down-conver-
sion scheme have been eliminated.
Note the dramatic simplification summarized below:
a. Untuned AM RF amplifier
b. One VCO internally generates the LO for both AM and
FM modes
c. A common AM/FM mixer
d. Reduced number of tuning and tracking adjustments
TL/F/9449–1
FIGURE 1. Conventional Electronically Tuned Radio
C1995 National Semiconductor Corporation RRD-B30M105/Printed in U. S. A.

TL/F/9449–2
FIGURE 2. Up-Conversion Electronically Tuned Radio
THE DS8911 IN AN ACTUAL RECEIVER APPLICATION
Shown below is a block diagram of the DS8911 demonstration radio.
TL/F/9449–3
FIGURE 3. Block Diagram of DS8911 Up-Conversion Radio
2

THE AM AND FM FRONT ENDS
The AM RF amplifier, shown in
Figure 4,
is an untuned JFET
input cascode RF amplifier. With the exception of there be-
ing no tuned circuits, this is a standard configuration. The
output of the cascode amplifier, Q1 and Q2, is further ampli-
fied by Q3, which in turn drives a low impedance (&50X)
wide band transformer, T1. Transformer T1 providesa2to
1 impedance step down to drive the differential inputs of the
DS8911. Note that C7 and L2 perform a low pass function
to limit the response of the RF amp to about 2 MHz. Q10 is
connected directly across the antenna input and is activated
by the AGC circuit to limit very large received signals.
The typical gain of the AM RF block is 20 dB (antenna to Q3
collector). Most of this gain is lost in the low pass filter and
wide-band transformer, T1. The net gain from antenna to
the input of the DS8911 is about 8 dB.
TL/F/9449–4
FIGURE 4. DS8911 Untuned AM RF Front End
The FM RF amplifier is shown in
Figure 5.
It is of conven-
tional design, using two varactor diodes, D1 and D2, for
tuning. These diodes and the LO varactor, D1, are driven
directly by the DS8911 Mixer/Synthesizer’s tuning voltage
output (OPAMP OUT).
Note that the wide-band transformer, T1, shown in
Figure 6,
serves as both the AM and FM differential input for the
DS8911 mixer. C11 and L2
(Figure 4),
are used as isolating
devices between the AM and FM front ends.
AGC for the FM RF is applied to the second gate of the dual
gate mosfet, Q7
(Figure 5)
. To insure pinch off action during
AGC, R68 biases the source of Q7 so that the source can-
not drop below about 650 mV. Note that R49 is used in the
drain of Q7. This is designed to limit gain and add circuit
stability. The approximate gain of the FM RF amplifier is
10 dB.
TL/F/9449–5
FIGURE 5. FM RF Front End
3

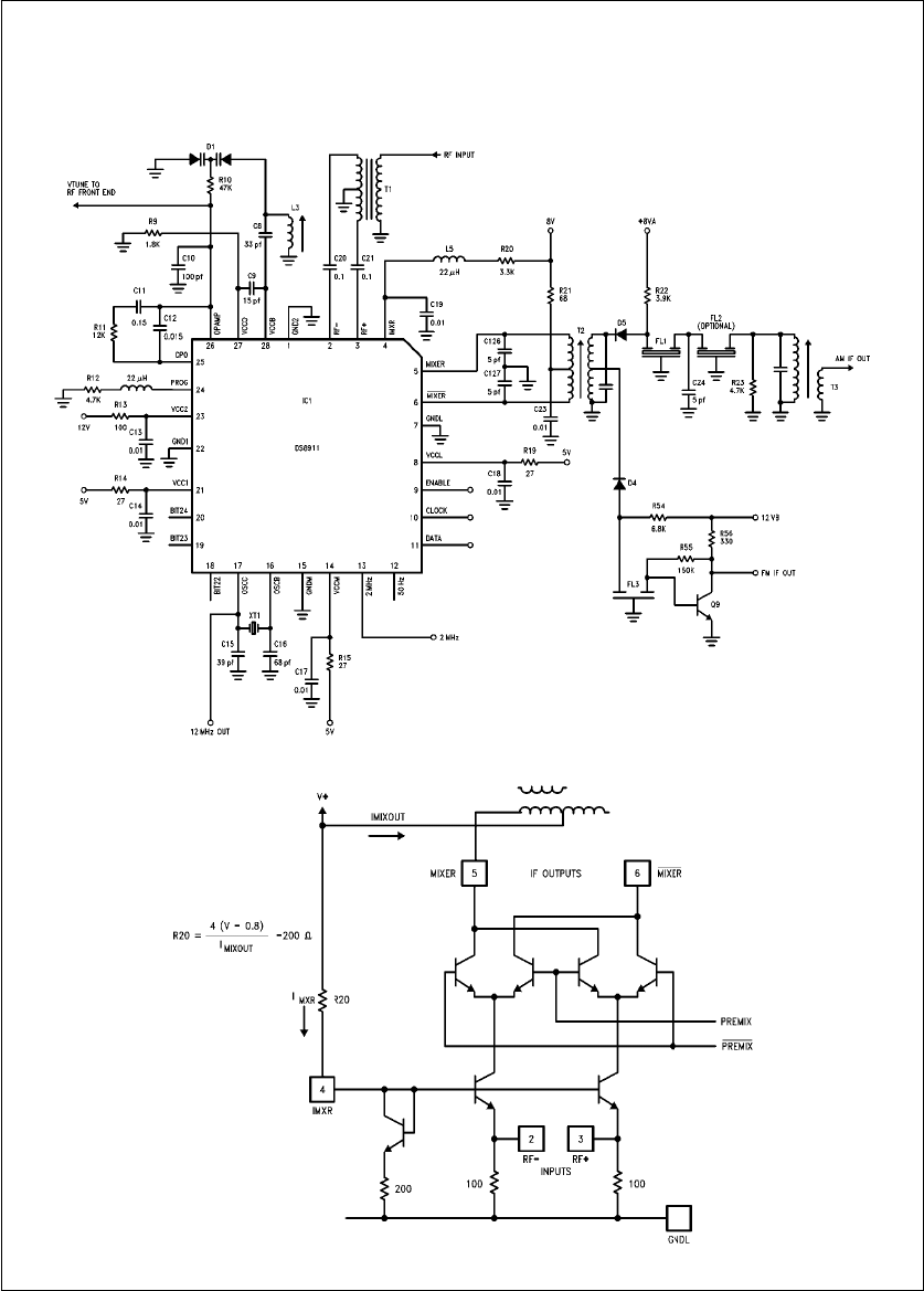
THE DS8911 MIXER AND IF FILTER SECTION
A mixer is provided on the DS8911 IC for both the FM con-
version to 11.50 MHz and the AM first conversion to 11.55
MHz. The 2nd AM conversion to 450 kHz is provided by the
mixer within the AM IF IC. If other partitioning constraints
require that the first mixer be external to the DS8911, the
RF inputs of the mixer can be de-biased which results in
passing the internally generated LO signal to the mixer out-
put pins.
The DS9811 Mixer/Synthesizer section is shown in
Figure
6.
TL/F/9449–6
FIGURE 6. DS8911 Mixer/Synthesizer Section
TL/F/9449–7
FIGURE 7. Mixer Bias Circuitry
4

The DS8911 double balanced mixer is differentially driven
by center-tapped T1 into the RFaand RFbinputs. These
are emitter inputs with an approximate impedance of 25X.
Current through the double balanced mixer is set by R20,
shown in
Figure 7.
The total bias current through the sum of
the mixer transistors whose collectors are at IMIXER (pin 5)
and IMIXER (pin 6), is four times the current set by R20.
(IMIXER aIMIXER)e4cIMXR
A simple equation for calculating the value of R20 is shown
in
Figure 7.
The mixer current in this evaluation board is set
at 8 mA.
The local oscillator signals used for AM and FM tuning are
derived from a single VCO within the DS8911. This VCO’s
range is from 98 to 120 MHz. In the AM mode this VCO is
divided by ten to become the first LO input for the DS8911
mixer. The VCO frequency is set by the external inductor L3
and varactor D1 (see
Figure 6
). Inputs VCOE and VCOB
form a Colpitts oscillator with the external components men-
tioned above. The VCO is capable of operating within the
range of 40 to 225 MHz. However, most varactors operate
in an approximately 2.5 to 1 capacitance range. At best, this
translates to a 1.58 to 1 frequency range (f e(/2q0LC). At
FM frequencies using MV104 varactor diodes, it is possible
to tune over a 25 MHz band. When the DS8911 is switched
into the AM mode, the same VCO is used, except it is inter-
nally divided by ten. This then gives us a 2.5 MHz tuning
range which is sufficient to cover the AM band including LW
for European applications. It should be noted that when di-
viding the VCO by ten we increase the tuning resolution by
ten. For example, when the VCO is tuned with a 10 kHz
resolution, the divided by ten AM LO signal hasa1kHz
tuning resolution.
The DS8911 incorporates a zero deadband charge pump
circuit in the phase detector portion of the internal PLL. This
results in a VCO that is very stable, and has very low phase
noise. This is particularly advantageous when considering
AM stereo reception.
DS8911 IF FILTERS
Referring to
Figure 6,
the output of the DS8911 mixer is a
differential output, MIXER, MIXER; pins 5 and 6 respective-
ly. This output is applied to the center-tapped primary of T2,
the mixer output transformer, which is tuned to 11.55 MHz.
The AM IF frequency was chosen to be 11.55 MHz so that it
would mix directly with the 12 MHz clock to produce a sec-
ond IF frequency of 450 kHz. The FM IF frequency was
chosen to be 11.50 MHz to enable the use of a common
tuned 1st IF transformer (T2) for both AM and FM.
A low impedance tap on the secondary of T2 is used to
drive FL3 and subsequent buffer circuitry which is fed to the
FM IF section. Both FL3 and FL4 are 11.50 MHz ceramic
resonators. The higher impedance portion of T2’s second-
ary drives FL1 in series with optional FL2 which form the
primary AM filtering. These are 11.55 MHz crystal filters with
a 6 dB bandwidth of 7.5 kHz. Using FL1 alone is quite satis-
factory, however steeper selectivity skirts are possible if FL2
is included. When both FL1 and FL2 are used, they must be
a matched set. The AM IF filter section is interfaced to the
AM IF section by transformer T3, shown in
Figure 6.
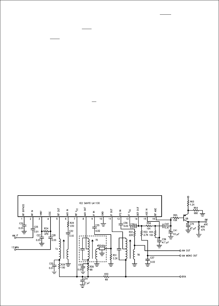
THE AM IF SECTION
The AM IF section of the DS8911 evaluation board is imple-
mented using a conventional fully integrated AM radio chip,
the SANYO LA1130. See
Figure 8
for schematic of the AM
IF section. This device is used in this configuration to re-
ceive the modulated AM carrier signal at 11.55 MHz, down-
convert it to 450 kHz, and decode the AM modulation. The
LO input signal for the LA1130 is provided from the
DS8911’s 12 MHz crystal oscillator. This LO signal is inject-
ed into the OSC pin (pin 4). The low level 11.55 MHz IF
signal from the crystal filter is injected into the RF INPUT
(pin 2). The RF OUTPUT (pin 5) is tuned to 11.55 MHz with
T4 and applied to the second MIXER INPUT (pin 6). Trans-
formers T5 and T6 are tuned to 450 kHz.
It should be noted that T4 could be replaced by a ceramic
resonator centered around 11.50 to 11.55 MHz with a band-
width of several hundred kHz. Transformer T5 could be
eliminated and T6 replaced with a 450 kHz resonator to
produce a minimum tuned circuit design.
TL/F/9449–8
FIGURE 8. AM IF Circuitry
5

Detected audio is available at pin 14 (Mono AM out test
point). AGC is generated internal to the LA1130, buffered by
Q8 and applied to Q10, located in the AM front end.
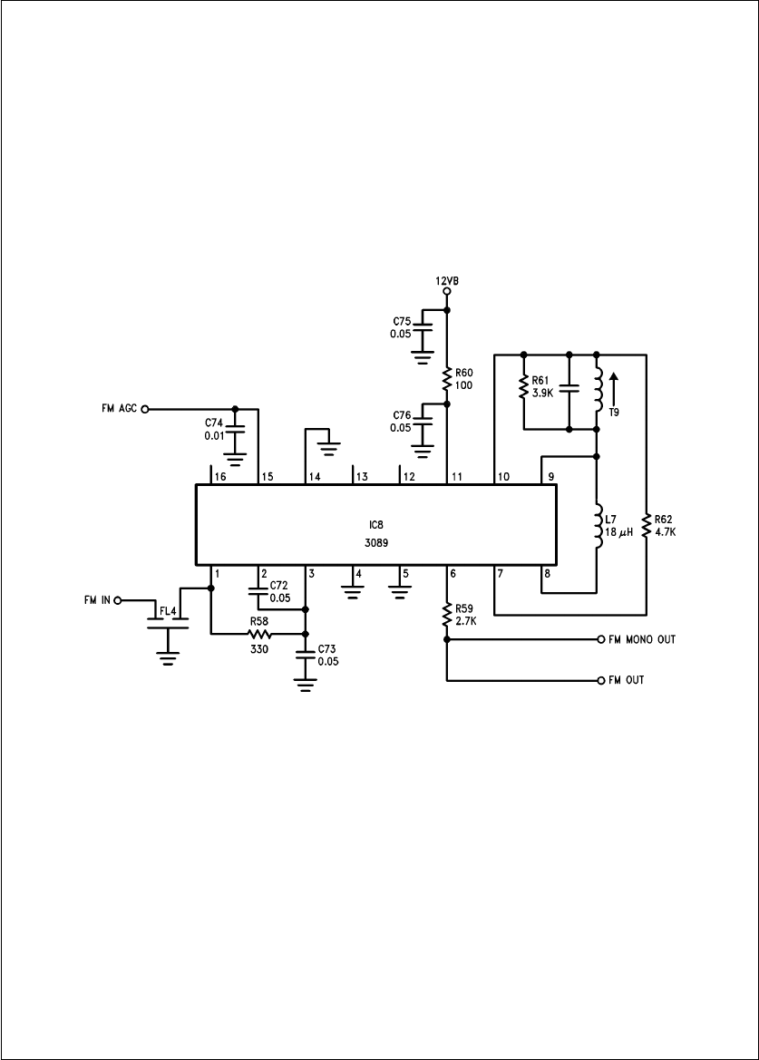
THE FM IF SECTION
The FM IF filtering is done by FL3
(Figure 6)
and FL4
(Figure
9)
which precede the IF amplifier chip IC6, an LM3089. FM
quadrature detection is done on chip. External inductor T9 is
adjusted for correct FM demodulation. Audio output is made
available on pin 6 (FM mono out test point). This is fed to
the stereo decoder IC8.
(Figure 11)
THE STEREO DECODER SECTION
The stereo decoders are a standard configuration with their
outputs resistively summed into the dual volume control po-
tentiometer, Rvol.
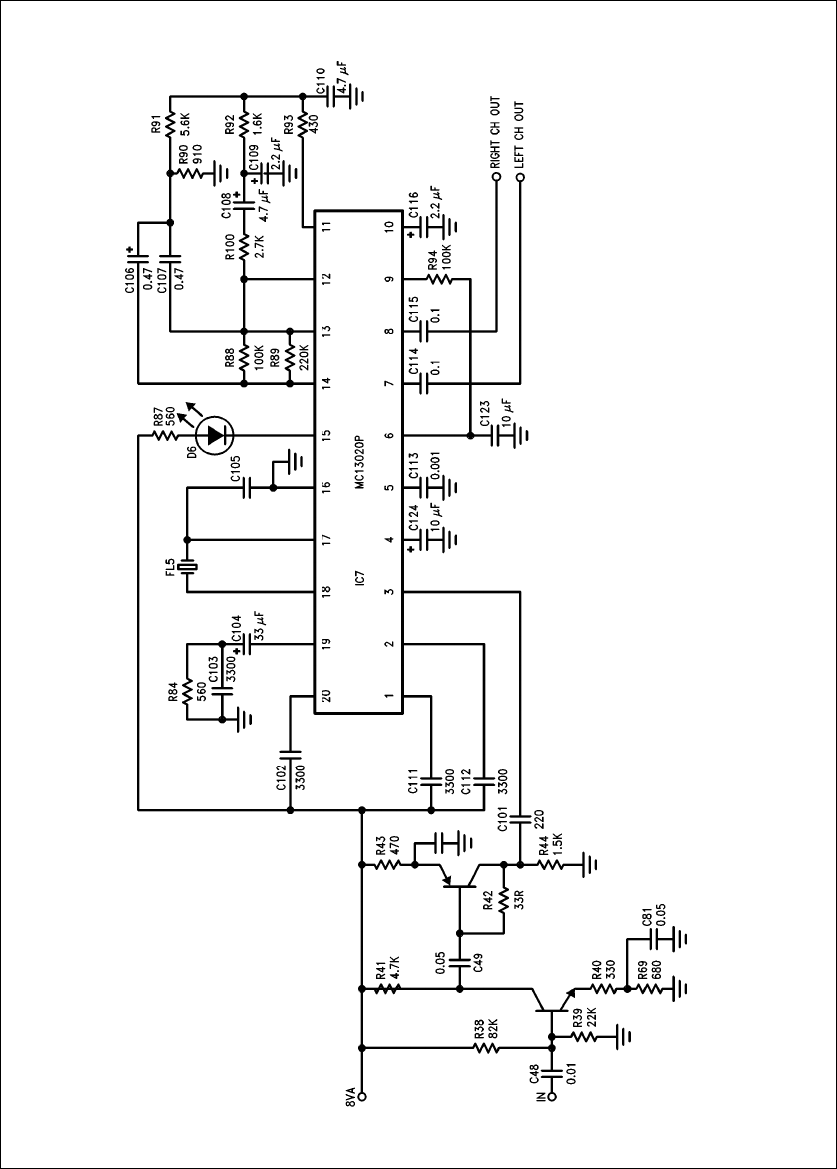
Device IC7, shown in
Figure 10,
is a Motorola MC13020P,
an AM stereo decoder designed to decode the C-Quam AM
stereo format. Because this chip needs a relatively high lev-
el 450 kHz IF signal to operate, transistors Q4 and Q5 boost
the IF signal from T6 and apply it to pin 3 of IC7.
The FM stereo decoder, shown in
Figure 11,
is IC8, an
LM1800. This device performs the FM stereo multiplex de-
coding. This circuit is standard and used in numerous con-
sumer applications, therefore is mentioned only briefly.
The audio output section, shown in
Figure 12,
consists of
two LM386 devices, IC3 and IC11. These are used simply to
drive a pair of monitor loud speakers. No special de-empha-
sis of the audio has been done in this evaluation board. This
should be taken into account if performance measurements
are done on this board.
TL/F/9449–9
FIGURE 9. FM IF Circuitry
6

TL/F/9449–10
FIGURE 10. AM Stereo Decoder
7

TL/F/9449–11
FIGURE 11. FM Stereo Decoder
TL/F/9449–12
TL/F/9449–13
FIGURE 12. DS8911 Audio Output Circuitry
8

POWER SUPPLIES
The evaluation board is designed for 12 VdC nominal opera-
tion. The power to various sections is controlled by the mi-
crocontroller via Q11, Q12, Q13, and Q14 shown in
Figure
13.
On board regulation is provided by IC4, and 8V regulator
(used for the signal circuits), and IC5, a 5V regulator (used
for the logic circuits). The 12V power is used to operate the
rest of the circuitry. No provisions have been made on the
board for automobile load dump protection.
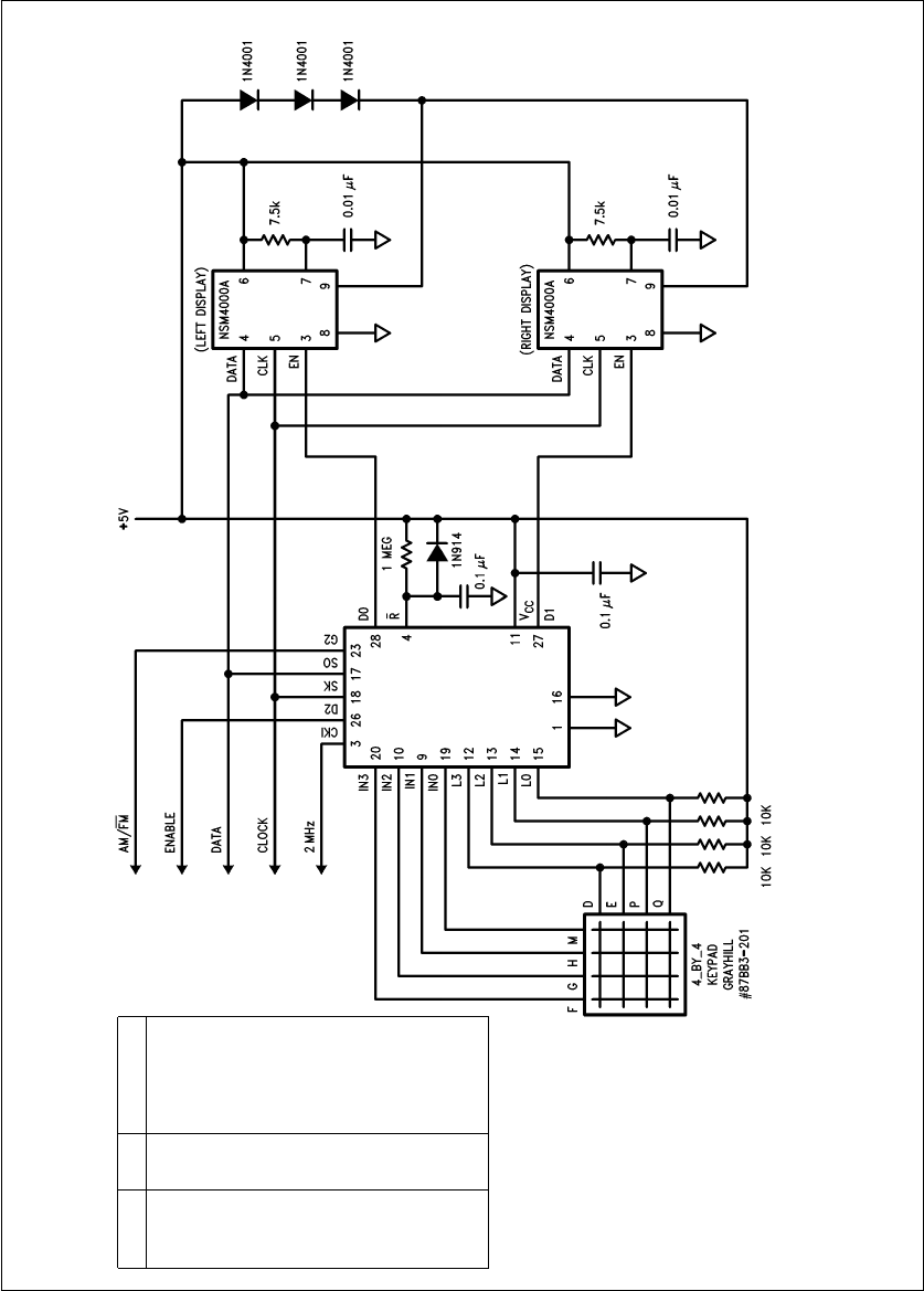
APPENDIX
Operating instructions for the DS8911
Application Board
The DS8911 AM/FM radio application board contains a
built-in COPS controller which is programmed to send a 24-
bit serial data stream to the DS8911 each time a key is
pressed on the 4 by 4 keypad. Additionally, new data is sent
to the display.
Power up.
Upon power up the radio will tune 98.5 MHz in the FM band.
The store keys are preset to tune this frequency in the FM
band and 810 kHz in the AM band.
Key Functions.
AM/FM: This key switches between the AM and FM bands.
If the key is pressed while in FM, the station is first stored
internally and then the band is changed to AM, recalling the
last station played.
Note: An ‘‘A’’ will appear in the left digit location on the display while in the
AM band, and no letter will appear for the FM band.
Tune up (
u
), tune down (
v
): Steps the tuned frequency by
one reference increment at each key stroke.
Fast tune up (
uu
), tune down (
vv
): Holding this key
down steps the frequency up or down repetitively for speedy
tuning. There are upper and lower tuning limits which vary
according to what reference frequency the DS8911 is using.
STO 1/2/3: A station may be stored by pressing the STO
key and then the desired store location 1, 2 or3.An‘‘S’’
will show up in the left digit space prompting the user for a
store location.
A station may be recalled by directly pressing the store 1, 2
or 3 location. FM stations will be recalled while in the FM
band and AM stations will be recalled while in the AM band.
TL/F/9449–14
FIGURE 13. Power Supply Circuitry
9

Column Row Function
M D ST0
ND 1
GD 3
FD 3
M E AMFM
NE LO
G E T/M
F E REF
MP –-
N P B22
G P B23
F P B24
M Q STEP UP
N Q SCAN UP
G Q SCAN DOWN
F Q STEP DOWN
TL/F/9449–18
FIGURE 14. Microprocessor Control and Display Section
10

LO: The LO key will display the local oscillator frequency
that corresponds to the present tuned frequency. The LO
frequency displays for a few seconds and then the tuned
frequency returns.
TEST MODE: This key allows the user to choose between
mode 0, 1, 2 or 3. Each time the key is pressed the test
mode will rotate and display the new mode for a few sec-
onds before the tuned frequency reappears. A keypress will
not be recognized until the tuned frequency reappears. The
system powers up in test mode 0.
REF: This key allows the user to change the reference fre-
quency used by the DS8911. Each keypress rotates the ref-
erence frequency from 100 kHz to 10 kHz, 10 kHz to
12.5 kHz, 12.5 kHz to 25 kHz or 25 kHz to 100 kHz depend-
ing where it started. The tuned frequency will be recalculat-
ed using the new reference frequency and displayed. If the
tuned frequency is too high or low, a multiple or a non-inte-
ger of the new reference frequency, the program will auto-
matically rotate to the next legal reference frequency, dis-
play it for a few seconds, and then return to displaying the
tuned frequency. The system powers up in the 100 kHz
mode.
BIT 22, 23, 24: Each of these keys changes the high or low
state of bit 22, 23 and 24 in the serial data stream to the
DS8911. The bits power up low and may be changed high
independently by pressing the appropriate key. The display
will then show the status of all three bits in the right three
digit spots.
Example: Bit 23 high, bit 22 and 24 low. eÀ0À1À0À
ALIGNMENT
1. In FM mode tune to 98.5 MHz. Adjust L3 while monitoring
DC voltage on OP AMP, pin 26 of IC1. Adjust L3 for a
reading of 3.4 Vdc.
2. Switch to AM mode. Set generator for 810 kHz, 30%
modulation, 400 Hz. RF level: 100 mV. Use 40 pF dummy
antenna.
3. Adjust T2, T3, T4, T5, T6 for maximum sensitivity as mea-
sured at speaker output using suitable AC voltmeter.
Note: As signal strength increases with alignment, appropriately reduce the
RF output of signal generator.
4. Switch to FM mode and tune to 98.5 MHz. Set FM gener-
ator to 98.5 MHz. Set RF output to 100 mV, modulation
400 Hz, deviation 22.5 kHz. Use 50Xtermination on an-
tenna input.
5. Adjust T9 for maximum recovered audio and mininum dis-
tortion.
6. Adjust T7 and T8 for maximum sensitivity. Reduce RF
level of generator as needed.
7. Tune to stereo FM station. Adjust R70 for D5 ‘‘0n.’’
100 mV, modulation 400 Hz, deviation 22.5 kHz. Use 50X
termination on antenna input.
5. Adjust T9 for maximum recovered audio and minimum
distortion.
6. Adjust T7 and T8 for maximum sensitivity. Reduce RF
level of generator as needed.
7. Tune to stereo FM station. Adjust R70 for D5 ‘‘0n’’.
TYPICAL SPECIFICATIONS
AM SIGNAL-TO-NOISE
RF Level S/N
12 mV14dB
45 mV27dB
1000 mV49dB
AM RADIO SENSITIVITY
540– 1000 kHz 6.7 mV
1000– 1600 kHz 8.9 mV
AM RADIO SELECTIVITY
Input level e2cRadio AM selectivity level
6 dB audio level Bandwidth 8.0 kHz
Input level e200 cRadio AM selectivity level
6 dB audio level Bandwidth 24 kHz
AM STRONG SIGNAL DISTORTION
RF Level % Distortion
80 mV 1
800 mV 1
1500 mV 3
AGC figure of merit e54.9
11

AN-512 DS8911 AM/FM/TV Sound Up-Conversion Frequency Synthesizer
AM SPURIOUS RESPONSE
Freq. kHz dB
700 b15
850 b9.5
913 b12
1051 b8
1074 b11
1198 b16
AM CROSS MODULATION
Ref. Gen. Level e200 mV (Radio tuned to Ref. Gen.)
Frequency e1.01 MHz
Gen Ý2 Level e10,000 mV
Gen Ý2 signal appears 30 dB down*
Frequencye1.05 MHz
AM Signal to Noise
TL/F/9449–15
FM Signal to Noise
TL/F/9449–16
AM Percent Harmonic Distortion
TL/F/9449–17
LIFE SUPPORT POLICY
NATIONAL’S PRODUCTS ARE NOT AUTHORIZED FOR USE AS CRITICAL COMPONENTS IN LIFE SUPPORT
DEVICES OR SYSTEMS WITHOUT THE EXPRESS WRITTEN APPROVAL OF THE PRESIDENT OF NATIONAL
SEMICONDUCTOR CORPORATION. As used herein:
1. Life support devices or systems are devices or 2. A critical component is any component of a life
systems which, (a) are intended for surgical implant support device or system whose failure to perform can
into the body, or (b) support or sustain life, and whose be reasonably expected to cause the failure of the life
failure to perform, when properly used in accordance support device or system, or to affect its safety or
with instructions for use provided in the labeling, can effectiveness.
be reasonably expected to result in a significant injury
to the user.
National Semiconductor National Semiconductor National Semiconductor National Semiconductor
Corporation Europe Hong Kong Ltd. Japan Ltd.
1111 West Bardin Road Fax: (
a
49) 0-180-530 85 86 13th Floor, Straight Block, Tel: 81-043-299-2309
Arlington, TX 76017 Email: cnjwge
@
tevm2.nsc.com Ocean Centre, 5 Canton Rd. Fax: 81-043-299-2408
Tel: 1(800) 272-9959 Deutsch Tel: (
a
49) 0-180-530 85 85 Tsimshatsui, Kowloon
Fax: 1(800) 737-7018 English Tel: (
a
49) 0-180-532 78 32 Hong Kong
Fran3ais Tel: (
a
49) 0-180-532 93 58 Tel: (852) 2737-1600
Italiano Tel: (
a
49) 0-180-534 16 80 Fax: (852) 2736-9960
National does not assume any responsibility for use of any circuitry described, no circuit patent licenses are implied and National reserves the right at any time without notice to change said circuitry and specifications.