Loopback Diagnostics Using The DP8390/901/902/905 AN 0937
User Manual: AN-0937
Open the PDF directly: View PDF
.
Page Count: 12

TL/F/12034
Loopback Diagnostics Using the DP8390/901/902/905 AN-937
National Semiconductor
Application Note 937
Bonnie Wilson
July 1994
Loopback Diagnostics
Using the DP8390/
901/902/905
1.0 OVERVIEW
Loopback capabilities are provided on the DP8390/901/
902/905 to perform certain tests in order to validate opera-
tion of the device prior to transmission and reception of
packets on a live network. Typically these tests may be per-
formed during power up and initialization of a node.
This document describes the different loopback modes and
their operation in the DP8390/901/902/905. There are sev-
eral restrictions during loopback that are also discussed.
Detailed instructions on how to generate different loopback
tests are given, as well as the actual code that generates
the tests (Appendix A). This document also discusses varia-
tions in loopback results caused by several common config-
uration errors.
Throughout this document, the term NIC refers to the con-
troller, SNI refers to the ENDEC, CTI refers to the Coaxial
Transceiver Interface, and TPI refers to the Twisted Pair
Interface. These devices comprise the NIC chip set. The
NIC family consists of the DP8390, DP83901, DP83902, and
DP83905.
The loopback diagnostics verify:
1. The integrity of the data path through each block; re-
ceived data is checked against transmitted data.
2. The CRC logic’s capability to generate good CRC on
transmit.
3. The CRC checking capability of the NIC on receive.
4. The address recognition logic’s ability to accept packets
that have a matching address and reject packets that fail
to match an address.
TL/F/12034–1
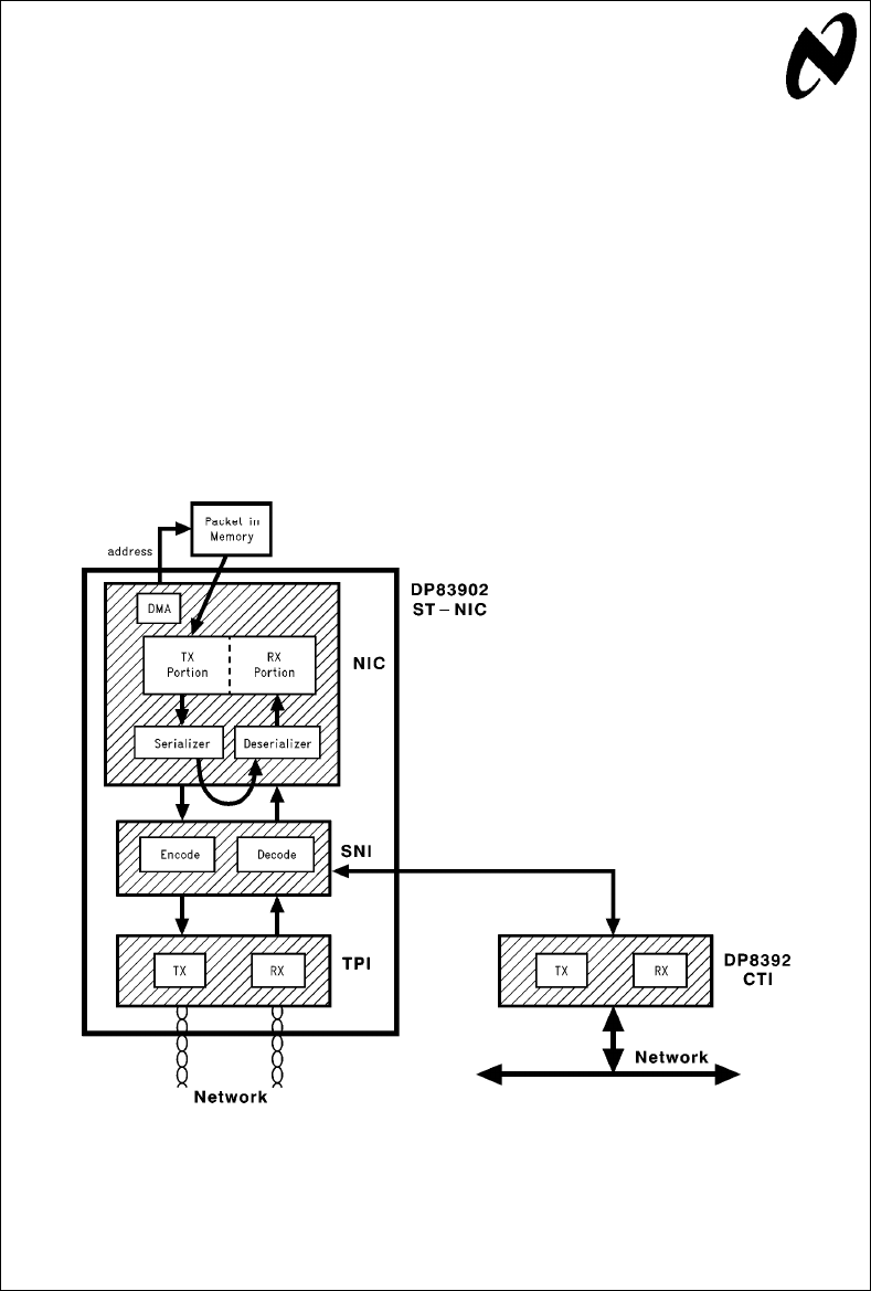
FIGURE 1. Loopback Mode 1: Through the Controller Module
C1995 National Semiconductor Corporation RRD-B30M75/Printed in U. S. A.

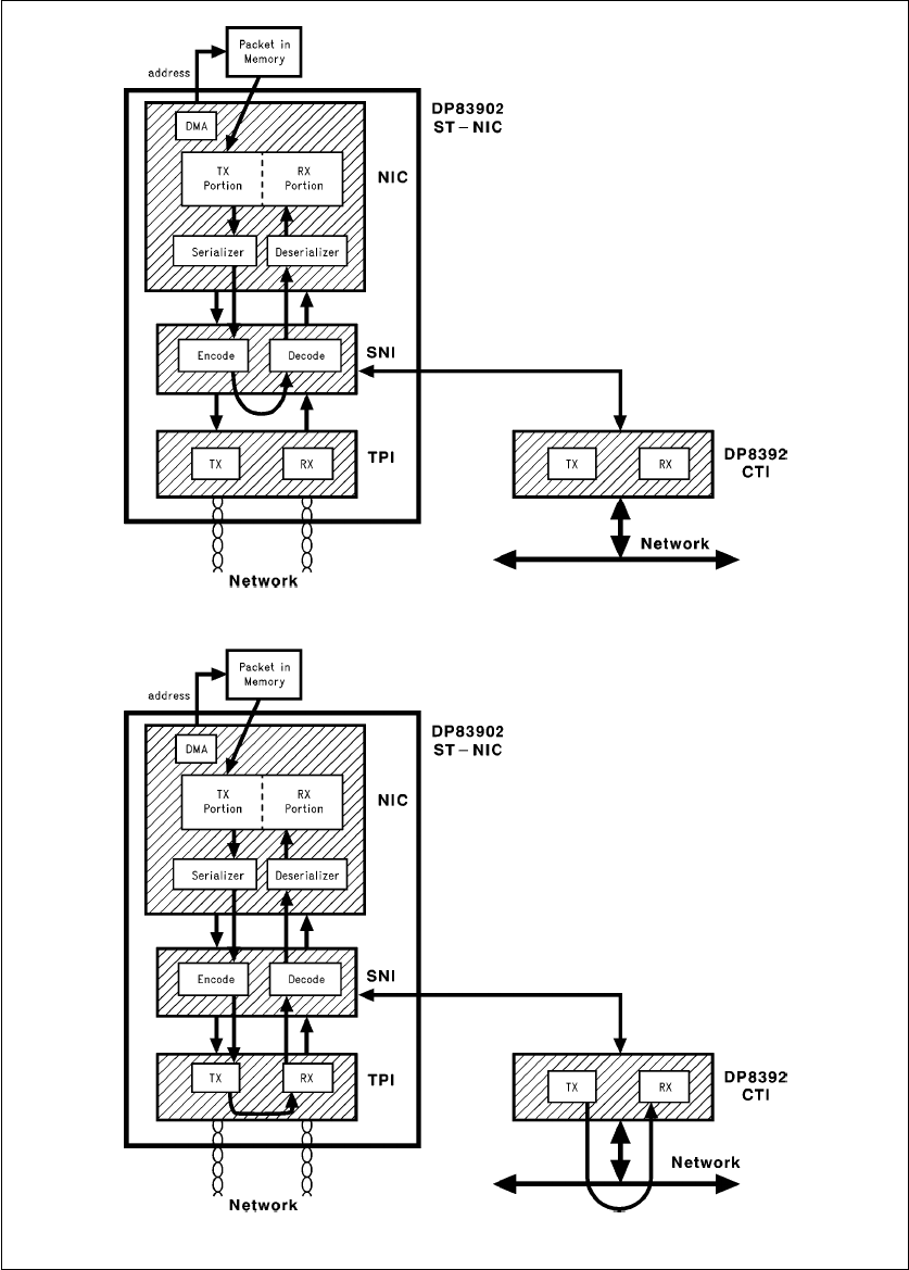
TL/F/12034–2
FIGURE 2. Loopback Mode 2: Through the Encoder/Decoder
TL/F/12034–3
FIGURE 3. Loopback Mode 3: Through the TPI or CTI
2

2.0 LOOPBACK MODES
Loopback modes are selected by programming bits LB0
and LB1 in the Transmit Configuration Register.
Figures 1,
2,
and
3
illustrate the loopback paths using the DP83902 as
an example. The NIC family supports three modes of loop-
back:
MODE 1 (LB1 e0, LB2 e1): Internal loopback through
the Controller Module only
(Figure 1 )
. The Controller Mod-
ule’s serializer is connected to the deserializer.
MODE 2 (LB1 e1, LB2 e0): Internal loopback through
the ENDEC Module
(Figure 2 )
. The NIC provides a control
(LPBK) that forces the ENDEC module or the DP8391 SNI
to loop back all signals.
MODE 3 (LB1 e1, LB2 e1): External loopback through
the TPI or DP8392 CTI
(Figure 3 )
. For coaxial cable, pack-
ets are transmitted to the cable to check all of the transmit
and receive paths and the cable itself. For twisted pair ca-
ble, packets are looped internal to the TPI.
3.0 LOOPBACK OPERATION IN THE NIC
To initiate a loopback test, a packet must first be assembled
and transferred into the NIC buffer memory. Next, the
Transmit Page Start Register, Transmit Byte Count Regis-
ters, Transmit Configuration Register, and Data Configura-
tion Register must be programmed. Finally, the transmit
command is issued to the Command Register, causing the
following operations to occur:
3.1 Transmitter Actions
1. Data is transferred from memory by local DMA until the
FIFO is filled. Subsequent burst transfers to refill the
FIFO are initiated when the number of bytes in the FIFO
drops below the programmed threshold. During the trans-
fers the Transmit Byte Count Registers (TBCR0 and
TBCR1) are decremented.
2. The NIC generates 56 bits of preamble followed by an
8-bit Start of Frame Delimiter.
3. Data is transferred from the FIFO to the serializer.
4. If the Inhibit CRC bit is set in the Transmit Configuration
Register, no CRC is calculated by the NIC. In this case, a
software CRC can be appended after the data field in
buffer memory. If the Inhibit CRC bit is not set, the NIC
calculates and appends four bytes of CRC to the end of
the data field.
5. At the end of transmission, the Packet Transmitted bit is
set in the Interrupt Status Register.
3.2 Receiver Actions
1. After the preamble and Start of Frame Delimiter have
been decoded, the incoming packet starts filling the
FIFO. See Section 5.0 for a description of the packet
storage in the FIFO. The packet is not stored in buffer
memory.
2. The receive byte count is incremented for each incoming
byte.
3. If the Inhibit CRC bit is set in the Transmit Configuration
Register, the receiver checks the incoming packet for
CRC errors. If the Inhibit CRC bit is not set in the Transmit
Configuration Register, the receiver does not check for
CRC errors and the CRC error bit is set in the Receive
Status Register.
4. At the end of receive, the receive byte count is written
into the FIFO and the Receive Status Register is updated.
The Packet Received Intact bit is typically set in the Re-
ceive Status Register even if the address does not
match. If CRC errors are forced, the packet’s destination
address must match the address filters in order for the
CRC error bit in the Receive Status Register to be set.
RAM
TL/F/12034–4
DCR Bits WTS e‘‘1’’ and BOS e‘‘0’’
RAM
TL/F/12034–5
DCR Bits WTS e‘‘1’’ and BOS e‘‘1’’
FIGURE 4. Packet Assembly for Loopback Word Wide Transfers
3

4.0 RESTRICTIONS USING LOOPBACK
Since the NIC is a half-duplex device, several compromises
were required for the implementation of loopback diagnos-
tics. The restrictions placed on the use of loopback diagnos-
tics are as follows:
1. The FIFO is split into two halves to allow some buffering
of incoming data. The NIC transmits through one half of
the FIFO and receives through the second half. Only the
last five bytes of a packet can be examined in the FIFO
(see Section 5) since the DMA does not store the loop-
back packet in memory. Thus loopback can be consid-
ered a modified form of transmission.
2. Splitting of the FIFO has some bus latency implications.
The FIFO depth is halved, thus reducing the amount of
allowed bus latency. The Loopback Select bit (D3) in the
Data Configuration Register should be set to allow all lo-
cal DMA transfers to continue until the FIFO is filled. In
cases where the latency constraints cannot be accom-
modated, small 7 byte packets can be transmitted. In ad-
dition, the FIFO must only be read (by successfully read-
ing port 06h) during loopback mode; reading the FIFO in
other modes will result in the NIC’s failing to issue the
ACK signal properly.
3. The receiver and the transmitter share the CRC logic,
thus the NIC cannot generate and check the CRC simul-
taneously. That is, if the Inhibit CRC bit is not set in the
Transmit Configuration Register, the NIC will generate
and append the CRC. Software must then be used to
verify the CRC by comparing the CRC from the FIFO with
a previously calculated CRC. On the other hand, if the
Inhibit CRC bit is set in the Transmit Configuration Regis-
ter, the NIC receiver will verify the CRC appended by soft-
ware.
4. Address recognition logic must be checked indirectly
through a small series of tests (for further explanation see
Group III Loopback Tests: Address Recognition).
5. Between consecutive transmissions in loopback mode,
the NIC must be reset to guarantee alignment of the FIFO
pointers when data is read from the FIFO. The following
series of steps must be taken to reset the NIC and realign
the FIFO pointers:
a) Set the Transmit Configuration Register to 00h.
b) Reset the Command Register to 21h, followed by a
wait state of at least 1.5 ms for the NIC to reset.
c) Program the desired loopback mode into the Transmit
Configuration Register.
6. Loopback only operates with byte wide transfers, thus
special considerations must be made with word wide
transfers. Since the FIFO is split, only half of each word is
transferred into the transmit portion of the FIFO. The Byte
Order Select bit in the Data Configuration Register can be
used to select which half of the word is written into the
FIFO (see
Figure 4
). Although a word is transferred to
the NIC, only a byte is transmitted in the loopback packet.
To properly transfer all the bytes in the loopback packet,
the byte count must be 2 times the actual number of
bytes assembled in the loopback packet.
7. During heavily loaded network conditions, external loop-
back through the TPI or CTI could fail due to interference
from the network.
5.0 ALIGNMENT OF DATA IN THE FIFO
During loopback, eight bytes of the FIFO are used for trans-
mission and eight bytes are used for reception. Reception of
the packet begins at location zero, and after the pointer
reaches the last location in the receive portion of the FIFO,
the pointer wraps back to location zero, overwriting the pre-
viously received data (see
Figure 5
). The pointer continues
to circulate through the FIFO until the last byte is received.
The NIC then appends the lower receive byte count and two
copies of the upper receive byte count into the next three
locations in the FIFO. Thus, only the last five bytes of the
received packet may be retrieved.
Note: Although the size limit of a loopback packet is 64 Kbytes, the byte
counter rolls over at 2048 bytes.
TL/F/12034–6
FIGURE 5. Continuously Circulating FIFO
Write Pointer during Loopback
To achieve the packet alignment shown in
Figure 6
below,
the packet length should be (N*8)a5 bytes (i.e. 13, 21,
etc.). If the CRC is appended, the second through fifth byte
will be the CRC appended by the NIC. This allows the CRC
to be extracted from the NIC and compared to a previously
calculated value for verification.
FIFO FIFO
LOCATION CONTENTS
0 Byte (N*8)a1 First Byte Read
1 Byte (N*8)a2 (CRC 1) Second Byte Read
2 Byte (N*8)a3 (CRC 2) #
3 Byte (N*8)a4 (CRC 3) #
4 Byte (N*8)a5 (CRC 4) #
5 Lower Byte Count #
6 Upper Byte Count #
7 Upper Byte Count Last Byte Read
FIGURE 6. Alignment of Packet in
FIFO Following Loopback
4

6.0 LOOPBACK TESTS
Three types of loopback tests may be performed to verify
the data path through the DP8390/901/902/905. The tests
are as follows:
1. Group I tests verify the CRC generation capability of the
NIC. In this case, the NIC generates and appends a CRC
to the loopback packet, and software is used to verify a
matching CRC.
2. Group II tests verify the CRC recognition capability of the
NIC. Here, the NIC verifies a software generated CRC.
3. Group III tests verify the address recognition logic of the
NIC.
The loopback tests which follow were performed on the
DP83902EB-AT PC-AT Compatible DP83902 ST-NIC Ether-
net Evaluation Board. During each of the loopback tests, the
Data Configuration Register was programmed to 41h, which
selects loopback mode and word transfers. Refer to Appen-
dix A for the actual source code necessary to perform
Group I loopback.
6.1 Group I Loopback Tests: CRC Generation
The basic steps necessary to perform the Group I loopback
tests (in which the CRC is appended by the NIC) are as
follows:
1. Set Command Register to 21h (page 0).
2. Initialize Data Configuration Register to 41h (loopback
mode and word transfers).
3. Initialize Receive Configuration Register to 1Fh (promis-
cuous mode).
4. Initialize Transmit Byte Count Registers and Transmit
Page Start Register.
5. Set Command Register to 22h (start mode).
6. Create loopback packet and transfer into NIC buffer
memory.
7. Transmit dummy packet to check for unterminated or un-
connected cable by performing the following steps:
a) Set Transmit Configuration Register to 00h (normal op-
eration).
b) Write FFh to Interrupt Status Register to reset.
c) Set Command Register to 26h (transmit). Note that the
Command Register must first be in start mode (22h)
before transmitting (26h).
d) Loop until the Packet Transmitted bit is set in the Inter-
rupt Status Register. If the time-out loop completes
and this bit is not set, the transmit has timed out, and
the cable may not be connected.
e) Check Interrupt Status Register for 08h (Transmit Er-
ror). If the Transmit Error bit is set, excessive collisions
have occurred, and the cable may not be terminated.
8. Start loopback mode 1 test (TCRe02h) by performing
the following steps:
a) Reset Transmit Configuration Register to 00h.
b) Reset Command Register to 21h. If the NIC is currently
receiving a packet, it will wait for the reception of the
current packet to complete before it will reset. Thus, a
wait state of at least 1.5 ms is necessary to insure that
the NIC will completely reset.
c) Program the Transmit Configuration Register to the ap-
propriate loopback mode, in this case mode 1 loop-
back (TCR e02h).
d) Write FFh to Interrupt Status Register to reset.
e) Set Command Register to 22h (start mode).
f) Set Command Register to 26h (transmit).
g) Wait for transmit to complete (Command Register e
22h).
h) Check Interrupt Status Register for 06h (good trans-
mission).
i) Read FIFO and compare CRC with previously calculat-
ed CRC.
9. Start loopback mode 2 test (TCRe04h): See step 8.
10. Transmit a dummy packet to change the contents of the
FIFO. This step must be taken to ensure that the cable
is connected. If the cable is not connected, the NIC
does not receive anything into its FIFO during external
loopback; therefore if the contents of the FIFO have not
been changed, the disconnected cable is not detected.
See step 7.
11. Start loopback mode 3 test (TCRe06h): See step 8.
12. If mode 3 loopback fails, transmission may have been
aborted due to excessive collisions (check the Transmit
Status Register). In this case network traffic has inter-
fered, but the CTI or TPI may still be operational.
GROUP I RESULTS
The following examples show what results can be expected
from a properly operating NIC during Group I loopback oper-
ations. The restrictions and results of each loopback mode
are listed for reference.
Internal Loopback through the NIC
Loopback Path TCR RCR TSR RSR ISR
Mode 1 (NIC) 02H 1FH 51H 02H 06H
TSR: Before transmission of the loopback packet, Carrier
Sense and Collision inputs are monitored (as re-
quired by CSMA/CD protocol). Once the NIC gains
access to the network for transmission, the Carrier
Sense and Collision Detect inputs are ignored.
Thus, the Carrier Sense Lost and CD Heartbeat bits
are always set in the Transmit Status Register.
RSR: CRC errors are always indicated by the receiver if
the CRC is appended by the transmitter.
ISR: Only the Packet Transmitted and Receive Error bits
in the Interrupt Status Register are set; the Packet
Received bit is set only if status is written to memo-
ry. In loopback this action does not occur, hence
the Packet Received bit remains 0 for all loopback
modes.
Internal Loopback through the SNI
Loopback Path TCR RCR TSR RSR ISR
Mode 2 (SNI) 04H 1FH 41H 02H 06H
5

TSR: CD Heartbeat is set in the Transmit Status Register;
Carrier Sense Lost is not set since it is generated by
the external encoder/decoder.
External Loopback through the TPI or CTI
Loopback Path TCR RCR TSR RSR ISR
Mode 3 (TPI or CTI) 06H 1FH 01H 02H 06H
TSR: CD Heartbeat and Carrier Sense Lost should not be
set. The Transmit Status Register could, however,
also contain 01h, 03h, 07h, or a variety of other
values depending on whether collisions were en-
countered or the packet was deferred.
ISR: The Interrupt Status Register will contain 08H if the
packet is not transmittable.
General. During external loopback the NIC is now exposed
to network traffic. It is therefore possible for the contents of
both the receive portion of the FIFO and the Receive Status
Register to be corrupted by any other packet on the net-
work. Thus, in a live network, the contents of the FIFO and
Receive Status Register should not be depended upon. The
NIC will still abide by the standard CSMA/CD protocol in
external loopback mode (the network will not be disturbed
by the loopback packet).
6.2 GROUP II LOOPBACK TESTS : CRC RECOGNITION
The basic steps necessary to perform the Group II loopback
tests (in which a software CRC is appended to the packet)
are similar to those outlined previously for the Group I tests,
with the following exceptions:
1. The loopback packet created must have a software ap-
pended CRC.
2. When programming the Transmit Configuration Register
to the desired loopback mode, the Inhibit CRC bit must
be set.
3. After the loopback packet has been transmitted, check
the Interrupt Status Register and/or the Receive Status
Register for CRC errors. If a CRC error has occurred, the
loopback test has failed.
GROUP II RESULTS
The following examples show what results can be expected
from a properly operating NIC during Group II loopback op-
erations. The restrictions and results of each loopback
mode are listed for reference.
Internal Loopback through the NIC
Loopback Path TCR RCR TSR RSR ISR
Mode 1 (NIC) 03H 1FH 51H 01H 02H
TSR: Before transmission of the loopback packet, Carrier
Sense and Collision inputs are monitored (as re-
quired by CSMA/CD protocol). Once the NIC gains
access to the network for transmission, the Carrier
Sense and Collision Detect inputs are ignored.
Thus, the Carrier Sense Lost and CD Heartbeat bits
are always set in the Transmit Status Register.
ISR: Only the Packet Transmitted bit in the Interrupt
Status Register is set. The packet received bit is set
only if status is written to memory. In loopback this
action does not occur, hence the Packet Received
bit remains 0 for all loopback modes.
Internal Loopback through the SNI
Loopback Path TCR RCR TSR RSR ISR
Mode 2 (SNI) 05H 1FH 41H 01H 02H
TSR: CD Heartbeat is set in the Transmit Status register;
Carrier Sense Lost is not set since it is generated by
the external encoder/decoder.
External Loopback through the CTI
Loopback Path TCR RCR TSR RSR ISR
Mode 3 (TPI or CTI) 07H 1FH 01H 01H 02H
TSR: CD Heartbeat and Carrier Sense Lost should not be
set. The Transmit Status Register could, however,
also contain 01h, 03h, 07h, or a variety of other
values depending on whether collisions were en-
countered or the packet was deferred.
ISR: The Interrupt Status Register will contain 08H if the
packet is not transmittable.
General. During external loopback the NIC is now exposed
to network traffic. It is therefore possible for the contents of
both the receive portion of the FIFO and the Receive Status
Register to be corrupted by any other packet on the net-
work. Thus, in a live network, the contents of the FIFO and
Receive Status Register should not be depended upon. The
NIC will still abide by the standard CSMA/CD protocol in
external loopback mode (the network will not be disturbed
by the loopback packet).
6.3 Group III Loopback Tests: Address Recognition
The address recognition logic cannot be directly tested.
However, the CRC Error and Frame Alignment Error bits in
the Receive Status Register are set only if the address of
the packet matches the address filters. Thus, if errors are
expected to be set and they are not set, the packet has
been rejected on the basis of an address mismatch.
One method of testing the address recognition logic is to
transmit two loopback packets, one with a matching physi-
cal address, and one with a non-matching address and
compare the results. The basic steps necessary to perform
the Group III loopback tests are similar to those outlined
previously for the Group I tests, with the following excep-
tions:
1. RCR must be programmed to 00H. (The physical address
of the node must match the station address programmed
in PAR0-PAR5.)
2. Two loopback packets must be setup, one with a non-
matching physical address and one with a matching phys-
ical address.
3. Both packets must have a CRC appended by the NIC.
GROUP III RESULTS
The following examples show what results can be expected
from a properly operating NIC during Group III loopback op-
erations. The restrictions and results of matching and non-
matching addresses are listed for reference.
6

Internal Loopback through the NIC: Matching Physical
Address
Loopback Path TCR RCR TSR RSR ISR
Mode 1 (NIC) 02H 00H 51H 02H 06H
TSR: Before transmission of the loopback packet, Carrier
Sense and Collision inputs are monitored (as re-
quired by CSMA/CD protocol). Once the NIC gains
access to the network for transmission, the Carrier
Sense and Collision Detect inputs are ignored.
Thus, the Carrier Sense Lost and CD Heartbeat bits
are always set in the Transmit Status Register.
RSR: CRC errors should be seen in both the Receive
Status Register and the Interrupt Status Register for
an address matching packet.
ISR: Only the Packet Transmitted and Receive Error bits
in the Interrupt Status Register are set; the Packet
Received bit is set only if status is written to memo-
ry. In loopback this action does not occur, hence
the Packet Received bit remains 0 for all loopback
modes.
Internal Loopback through the NIC : Non-Matching
Physical Address
Loopback Path TCR RCR TSR RSR ISR
Mode 1 (NIC) 02H 00H 51H 01H 02H
TSR: Before transmission of the loopback packet, Carrier
Sense and Collision inputs are monitored (as re-
quired by CSMA/CD protocol). Once the NIC gains
access to the network for transmission, the Carrier
Sense and Collision Detect inputs are ignored.
Thus, the Carrier Sense Lost and CD Heartbeat bits
are always set in the Transmit Status Register.
RSR: CRC errors should not be detected for a non-
matching physical address.
ISR: Only the Packet Transmitted bit in the Interrupt
Status Register is set. The packet received bit is set
only if status is written to memory. In loopback this
action does not occur, hence the Packet Received
bit remains 0 for all loopback modes.
7.0 COMMON LOOPBACK CONDITIONS AND
CORRESPONDING RESULTS
This section identifies some common variations in the loop-
back results from Section 6.0 which occur when the loop-
back tests or hardware are not configured properly.
7.1 Group I Loopback
If the coax cable is not terminated, the results will differ from
those listed in Section 6.1 as follows:
Loopback Path TCR RCR TSR RSR ISR
Mode 3 (CTI) 06H 1FH 0CH 02H 08H
If the coax cable is disconnected, the results will differ from
those listed in Section 6.1 as follows:
Loopback Path TCR RCR TSR RSR ISR
Mode 1 (NIC) 02H 1FH 40H 02H 00H
Mode 2 (SNI) 04H 1FH 40H 02H 00H
Mode 3 (CTI) 06H 1FH 00H 82H 00H
If the twisted pair cable is not connected and good link is
enabled, the results will differ from those listed in Section
6.1 as follows:
Loopback Path TCR RCR TSR RSR ISR
Mode 2 (SNI) 04H 1FH 51H 02H 02H
Mode 3 (TPI) 06H 1FH 51H 02H 02H
If the twisted pair cable is not connected, and good link is
disabled, the results do not differ from those listed in Sec-
tion 6.1.
If the packet has a non-matching physical address and pro-
miscuous physical mode is not chosen in the Receive Con-
figuration Register, the results will differ from those listed in
6.1 as follows:
Loopback Path TCR RCR TSR RSR ISR
Mode 1 (NIC) 02H 00H 51H 01H 02H
Mode 2 (SNI) 04H 00H 41H 01H 02H
Mode 3 (TPI or CTI) 06H 00H 01H 01H 02H
7.2 Group II Loopback
If the coax cable is not terminated, the results will differ from
those listed in Section 6.2 as follows:
Loopback Path TCR RCR TSR RSR ISR
Mode 3 (CTI) 07H 1FH 0CH 01H 08H
If the coax cable is disconnected, the results will differ from
those listed in Section 6.2 as follows:
Loopback Path TCR RCR TSR RSR ISR
Mode 1 (NIC) 03H 1FH 40H 01H 00H
Mode 2 (SNI) 05H 1FH 40H 01H 00H
Mode 3 (CTI) 07H 1FH 00H 81H 00H
If the twisted pair cable is not connected and good link is
enabled, the results will differ from those listed in Section
6.2 as follows:
Loopback Path TCR RCR TSR RSR ISR
Mode 2 (SNI) 05H 1FH 51H 01H 02H
Mode 3 (TPI) 07H 1FH 51H 01H 02H
If the twisted pair cable is not connected, and good link is
disabled, the results do not differ from those listed in Sec-
tion 6.2.
7.3 Group III Loopback
If the coax cable is not terminated, the results do not differ
from those listed in Section 6.3.
If the coax cable is disconnected, the results will differ from
those listed in Section 6.3 as follows:
Packet Contents TCR RCR TSR RSR ISR
Matching Physical 02H 00H 40H 01H 00H
Address
Non-Matching 02H 00H 40H 01H 00H
Physical Address
If the twisted pair cable is not connected, regardless of
good link pin’s state, the results do not differ from those
listed in Section 6.3.
7

APPENDIX A: LOOPBACK CODE
The code below will execute the Group I loopback tests, following the description in Section 6.1. When executed, the FIFO and
register contents are printed to an output file (output.txt unless specified differently). Refer to AN-874, Writing Drivers for the
DP8390 NIC Family of Ethernet Controllers, for a description of the PCtoNIC routine used in this program.
TL/F/12034–7
8

TL/F/12034–8
9

TL/F/12034–9
10

TL/F/12034–10
11

AN-937 Loopback Diagnostics Using the DP8390/901/902/905
LIFE SUPPORT POLICY
NATIONAL’S PRODUCTS ARE NOT AUTHORIZED FOR USE AS CRITICAL COMPONENTS IN LIFE SUPPORT
DEVICES OR SYSTEMS WITHOUT THE EXPRESS WRITTEN APPROVAL OF THE PRESIDENT OF NATIONAL
SEMICONDUCTOR CORPORATION. As used herein:
1. Life support devices or systems are devices or 2. A critical component is any component of a life
systems which, (a) are intended for surgical implant support device or system whose failure to perform can
into the body, or (b) support or sustain life, and whose be reasonably expected to cause the failure of the life
failure to perform, when properly used in accordance support device or system, or to affect its safety or
with instructions for use provided in the labeling, can effectiveness.
be reasonably expected to result in a significant injury
to the user.
National Semiconductor National Semiconductor National Semiconductor National Semiconductor National Semiconductores National Semiconductor
Corporation GmbH Japan Ltd. Hong Kong Ltd. Do Brazil Ltda. (Australia) Pty, Ltd.
2900 Semiconductor Drive Livry-Gargan-Str. 10 Sumitomo Chemical 13th Floor, Straight Block, Rue Deputado Lacorda Franco Building 16
P.O. Box 58090 D-82256 F4urstenfeldbruck Engineering Center Ocean Centre, 5 Canton Rd. 120-3A Business Park Drive
Santa Clara, CA 95052-8090 Germany Bldg. 7F Tsimshatsui, Kowloon Sao Paulo-SP Monash Business Park
Tel: 1(800) 272-9959 Tel: (81-41) 35-0 1-7-1, Nakase, Mihama-Ku Hong Kong Brazil 05418-000 Nottinghill, Melbourne
TWX: (910) 339-9240 Telex: 527649 Chiba-City, Tel: (852) 2737-1600 Tel: (55-11) 212-5066 Victoria 3168 Australia
Fax: (81-41) 35-1 Ciba Prefecture 261 Fax: (852) 2736-9960 Telex: 391-1131931 NSBR BR Tel: (3) 558-9999
Tel: (043) 299-2300 Fax: (55-11) 212-1181 Fax: (3) 558-9998
Fax: (043) 299-2500
National does not assume any responsibility for use of any circuitry described, no circuit patent licenses are implied and National reserves the right at any time without notice to change said circuitry and specifications.