User Guide For LibMPSSE – I2C AN 177 Lib MPSSE
AN_177_User_Guide_For_LibMPSSE-I2C
AN_177_User_Guide_For_LibMPSSE-I2C
User Manual:
Open the PDF directly: View PDF
.
Page Count: 26

Use of FTDI devices in life support and/or safety applications is entirely at the user’s risk, and the
user agrees to defend, indemnify and hold harmless FTDI from any and all damages, claims, suits
or expense resulting from such use.
Future Technology Devices International Limited (FTDI)
Unit 1, 2 Seaward Place, Glasgow G41 1HH, United Kingdom
Tel.: +44 (0) 141 429 2777 Fax: + 44 (0) 141 429 2758
Web Site: http://ftdichip.com
Copyright © 2011 Future Technology Devices International Limited
Application Note
AN_177
User Guide For libMPSSE – I2C
Document Reference No.: FT_000466
Version 1.4
Issue Date: 2012-02-13
This application note is a guide to using the libMPSSE-I2C – a library which
simplifies the design of firmware for interfacing to the FTDI MPSSE configured
as an I2C interface. The library is available for Windows and for Linux

Application Note
AN_177 User Guide For libMPSSE – I2C
Version 1.4
Document Reference No.: FT_000466 Clearance No.: FTDI# 210
1
Copyright © 2011 Future Technology Devices International Limited
Table of Contents
1 Introduction .................................................................................................................................... 2
2 System Overview............................................................................................................................. 4
3 Application Programming Interface (API) ....................................................................................... 5
3.1 Functions ................................................................................................................................. 5
3.1.1 I2C_GetNumChannels ..................................................................................................... 5
3.1.2 I2C_GetChannelInfo ........................................................................................................ 5
3.1.3 I2C_OpenChannel ........................................................................................................... 6
3.1.4 I2C_InitChannel ............................................................................................................... 7
3.1.5 I2C_CloseChannel ........................................................................................................... 7
3.1.6 I2C_DeviceRead .............................................................................................................. 8
3.1.7 I2C_DeviceWrite ........................................................................................................... 10
3.2 GPIO functions ...................................................................................................................... 12
3.2.1 FT_WriteGPIO ............................................................................................................... 12
3.2.2 FT_ReadGPIO ................................................................................................................ 13
3.3 Library Infrastructure Functions ........................................................................................... 13
3.3.1 Init_libMPSSE ................................................................................................................ 13
3.3.2 Cleanup_libMPSSE ........................................................................................................ 14
3.4 Data types ............................................................................................................................. 14
3.4.1 ChannelConfig ............................................................................................................... 14
3.4.2 I2C_CLOCKRATE ............................................................................................................ 15
3.4.3 Typedefs ........................................................................................................................ 15
4 Example Circuit ............................................................................................................................. 16
5 Example Program .......................................................................................................................... 17
6 Contact Information ...................................................................................................................... 23
Appendix A – References ...................................................................................................................... 24
Document References ....................................................................................................................... 24
Acronyms and Abbreviations ............................................................................................................ 24
Appendix C – Revision History .............................................................................................................. 25

Application Note
AN_177 User Guide For libMPSSE – I2C
Version 1.4
Document Reference No.: FT_000466 Clearance No.: FTDI# 210
2
Copyright © 2011 Future Technology Devices International Limited
1 Introduction
The Multi Protocol Synchronous Serial Engine (MPSSE) is a generic hardware found in
several FTDI chips that allows these chips to communicate with a synchronous serial
device such an I2C device, a SPI device or a JTAG device. The MPSSE is currently
available on the FT2232D, FT2232H, FT4232H and FT232H chips, which communicate
with a PC (or an application processor) over the USB interface. Applications on a PC or
on an embedded system communicate with the MPSSE in these chips using the D2XX
USB drivers.
The MPSSE takes different commands to send out data from the chips in the different
formats, namely I2C, SPI and JTAG. libMPSSE is a library that provides a user friendly
API to enable users to write applications to communicate with the I2C/SPI/JTAG devices
without needing to understand the MPSSE and its commands. However, if the user
wishes then he/she may try to understand the working of the MPSSE and use it from
their applications directly by calling D2XX functions.
Figure 1: The software and hardware stack through which legacy protocol data
flows
User Application
libMPSSE
(SPI/I2C/JTAG Library)
D2XX API
USB Bus driver
FTDI USB-to-Legacy
bridge chips
Legacy protocol slave
device

Application Note
AN_177 User Guide For libMPSSE – I2C
Version 1.4
Document Reference No.: FT_000466 Clearance No.: FTDI# 210
3
Copyright © 2011 Future Technology Devices International Limited
As shown in the above figure, libMPSSE has three different APIs, one each for I2C, SPI
and JTAG. This application note only describes the I2C section.
The libMPSSE library (Linux or Windows versions), sample code, release notes and all
necessary files can be downloaded from the FTDI website at:
http://www.ftdichip.com/Support/SoftwareExamples/MPSSE.htm
The sample source code contained in this application note is provided as an example and
is neither guaranteed nor supported by FTDI.

Application Note
AN_177 User Guide For libMPSSE – I2C
Version 1.4
Document Reference No.: FT_000466 Clearance No.: FTDI# 210
4
Copyright © 2011 Future Technology Devices International Limited
2 System Overview
Figure 2: System organisation
The above figure shows how the components of the system are typically organised. The
PC/Host may be desktop/laptop machine or an embedded system. The FTDI chip and the
I2C device would usually be on the same PCB. Though only one I2C device is shown in
the diagram above, many devices can actually be connected to the bus if each device
has a different I2C address. I2C devices that support configurable addresses will have
pins which can be hardwired to give a device an appropriate address; this information
may be found in the datasheet of the I2C device chip.

Application Note
AN_177 User Guide For libMPSSE – I2C
Version 1.4
Document Reference No.: FT_000466 Clearance No.: FTDI# 210
5
Copyright © 2011 Future Technology Devices International Limited
3 Application Programming Interface (API)
The libMPSSE-I2C APIs can be divided into two broad sets. The first set consists of five
control APIs and the second set consists of two data transferring APIs. All the APIs return
an FT_STATUS. This is the same FT_STATUS that is defined in the D2XX driver.
3.1 I2C Functions
3.1.1 I2C_GetNumChannels
FT_STATUS I2C_GetNumChannels (uint32 *numChannels)
This function gets the number of I2C channels that are connected to the host
system. The number of ports available in each of these chips is different.
Parameters:
out
*numChannels
The number of channels connected to the host
Returns:
Returns status code of type FT_STATUS
Note:
FTDI’s USB-to-legacy bridge chips may have multiple channels in them but not all
these channels can be configured to work as I2C masters. This function returns
the total number of channels connected to the host system that has a MPSSE
attached to it so that they may be configured as I2C masters.
For example, if an FT2232D (1 MPSSE port), a FT232H (1 MPSSE port), a
FT2232H (2 MPSSE port) and a FT4232H (2 MPSSE ports) are connected to a PC,
then a call to I2C_GetNumChannels would return 6 in numChannels.
Warning:
This function should not be called from two applications or from two threads at
the same time.
3.1.2 I2C_GetChannelInfo
FT_STATUS I2C_GetChannelInfo (uint32 index,FT_DEVICE_LIST_INFO_NODE
*chanInfo)
This function takes a channel index (valid values are from 0 to the value returned by
I2C_GetNumChannels – 1) and provides information about the channel in the form of
a populated FT_DEVICE_LIST_INFO_NODE structure.
Parameters:
in
index
Index of the channel
out
*chanInfo
Pointer to FT_DEVICE_LIST_INFO_NODE structure
Returns:
Returns status code of type FT_STATUS

Application Note
AN_177 User Guide For libMPSSE – I2C
Version 1.4
Document Reference No.: FT_000466 Clearance No.: FTDI# 210
6
Copyright © 2011 Future Technology Devices International Limited
Note:
This API could be called only after calling I2C_GetNumChannels.
See also:
Structure definition of FT_DEVICE_LIST_INFO_NODE is in the D2XX
Programmer’s Guide.
Warning:
This function should not be called from two applications or from two threads at
the same time.
3.1.3 I2C_OpenChannel
FT_STATUS I2C_OpenChannel (uint32 index, FT_HANDLE *handle)
This function opens the indexed channel and provides a handle to it. Valid values for
the index of channel can be from 0 to the value obtained using I2C_GetNumChannels
– 1).
Parameters:
in
index
Index of the channel
out
handle
Pointer to the handle of type FT_HANDLE
Returns:
Returns status code of type FT_STATUS
Note:
Trying to open an already open channel returns an error code.

Application Note
AN_177 User Guide For libMPSSE – I2C
Version 1.4
Document Reference No.: FT_000466 Clearance No.: FTDI# 210
7
Copyright © 2011 Future Technology Devices International Limited
3.1.4 I2C_InitChannel
FT_STATUS I2C_InitChannel (FT_HANDLE handle, ChannelConfig *config)
This function initializes the channel and the communication parameters associated
with it.
Parameters:
in
handle
Handle of the channel
in
config
Pointer to ChannelConfig structure. Members of
ChannelConfig structure contains the values for I2C
master clock, latency timer and Options
out
none
Returns:
Returns status code of type FT_STATUS
See also:
Structure definition of ChannelConfig
Note:
This function internally performs what is required to get the channel operational such
as resetting and enabling the MPSSE.
3.1.5 I2C_CloseChannel
FT_STATUS I2C_CloseChannel (FT_HANDLE handle)
Closes a channel and frees all resources that were used by it
Parameters:
in
handle
Handle of the channel
out
none
Returns:
Returns status code of type FT_STATUS

Application Note
AN_177 User Guide For libMPSSE – I2C
Version 1.4
Document Reference No.: FT_000466 Clearance No.: FTDI# 210
8
Copyright © 2011 Future Technology Devices International Limited
3.1.6 I2C_DeviceRead
FT_STATUS I2C_DeviceRead(FT_HANDLE handle, uint32 deviceAddress, uint32
sizeToTransfer, uint8 *buffer, uint32 *sizeTransferred, uint32 options)
This function reads the specified number of bytes from an addressed I2C slave
Parameters:
in
handle
Handle of the channel
in
deviceAddress
Address of the I2C slave. This is a 7bit value and it
should not contain the data direction bit, i.e. the
decimal value passed should be always less than 128
In
sizeToTransfer
Number of bytes to be read
out
buffer
Pointer to the buffer where data is to be read
out
sizeTransferred
Pointer to variable containing the number of bytes
read
in
options
This parameter specifies data transfer options. The
bit positions defined for each of these options are:
BIT0: if set then a start condition is generated in the
I2C bus before the transfer begins. A bit mask is
defined for this options in file ftdi_i2c.h as
I2C_TRANSFER_OPTIONS_START_BIT
BIT1: if set then a stop condition is generated in the
I2C bus after the transfer ends. A bit mask is defined
for this options in file ftdi_i2c.h as
I2C_TRANSFER_OPTIONS_STOP_BIT
BIT2: reserved (only used in I2C_DeviceWrite)
BIT3: some I2C slaves require the I2C master to
generate a NAK for the last data byte read. Setting
this bit enables working with such I2C slaves. The bit
mask defined for this bit is
I2C_TRANSFER_OPTIONS_NACK_LAST_BYTE
BIT4: setting this bit will invoke a multi byte I2C
transfer without having delays between the START,
ADDRESS, DATA and STOP phases. Size of the
transfer in parameters sizeToTransfer and
sizeTransferred are in bytes. The bit mask defined
for this bit is
I2C_TRANSFER_OPTIONS_FAST_TRANSFER_BYTES*
BIT5: setting this bit would invoke a multi bit
transfer without having delays between the START,
ADDRESS, DATA and STOP phases. Size of the
transfer in parameters sizeToTransfer and
sizeTransferred are in bytes. The bit mask defined
for this bit is
I2C_TRANSFER_OPTIONS_FAST_TRANSFER_BITS*
BIT6: the deviceAddress parameter is ignored if this

Application Note
AN_177 User Guide For libMPSSE – I2C
Version 1.4
Document Reference No.: FT_000466 Clearance No.: FTDI# 210
9
Copyright © 2011 Future Technology Devices International Limited
bit is set. This feature may be useful in generating a
special I2C bus conditions that do not require any
address to be passed. Setting this bit is effective only
when either
I2C_TRANSFER_OPTIONS_FAST_TRANSFER_BYTES
or I2C_TRANSFER_OPTIONS_FAST_TRANSFER_BITS
is set. The bit mask defined for this bit is
I2C_TRANSFER_OPTIONS_NO_ADDRESS*
BIT7 – BIT31: reserved
*The I2C_DeviceRead and I2C_DeviceWrite functions send commands to the
MPSSE, reads the response and based on the response sends further commands.
Delays between START, ADDRESS, DATA and STOP conditions are seen on the
I2C bus as a result of waiting for command responses, and also because these
commands are sent over different USB transfers.
I2C_TRANSFER_OPTIONS_FAST_TRANSFER_BYTES is introduced to minimize
these delays by sending multiple MPSSE commands and I2C data over fewer(or
possibly just one) USB transfers, without waiting for I2C ack bits to be read into
the PC/host. Also, sometimes some I2C devices may require a special non-I2C
frame to be sent to it over the I2C bus which may have not have an address
phase and may have either more or less than 8 bits in the frame.
I2C_TRANSFER_OPTIONS_FAST_TRANSFER_BITS and
I2C_TRANSFER_OPTIONS_NO_ADDRESS options are introduced to address such
needs. For example, some I2C EEPROM chips need a 9bit frame without address
to be sent to it to perform a software reset. These bits may be set to implement
such features.
I2C_TRANSFER_OPTIONS_START_BIT and I2C_TRANSFER_OPTIONS_STOP_BIT
have their usual meanings when used with
I2C_TRANSFER_OPTIONS_FAST_TRANSFER_BYTES or
I2C_TRANSFER_OPTIONS_FAST_TRANSFER_BITS, however
I2C_TRANSFER_OPTIONS_BREAK_ON_NACK and
I2C_TRANSFER_OPTIONS_NACK_LAST_BYTE are not meant to be used with
them.
Returns:
Returns status code of type FT_STATUS
Following are the special meanings of the FT_STATUS code when returned from this
function:
Return code FT_DEVICE_NOT_FOUND would mean that the I2C slave didn’t
respond when it was addressed and so the function returned before even
beginning any data transfer. Typically this would mean that the address passed to
the function was incorrect, or the address of the I2C slave has been configured
incorrectly(i.e. if the slave allows it), or the I2C master and the I2C slave isn’t
connected properly.
Return code FT_INVALID_PARAMETER would mean that the deviceAddress that is
greater than 127.
Return code FT_IO_ERROR would mean that the transfer failed while actually
transferring data
Note:
This function internally performs the following operations:
Write START bit (if BIT0 of options flag is set)

Application Note
AN_177 User Guide For libMPSSE – I2C
Version 1.4
Document Reference No.: FT_000466 Clearance No.: FTDI# 210
10
Copyright © 2011 Future Technology Devices International Limited
Write device address
Get ACK from device
LOOP until sizeToTransfer
o Read byte to buffer
o Give ACK
Write STOP bit(if BIT1 of options flag is set)
Warning:
This is a blocking function and will not return until either the specified amount of
data is read or an error is encountered.
3.1.7 I2C_DeviceWrite
FT_STATUS I2C_DeviceWrite(FT_HANDLE handle, uint32 deviceAddress, uint32
sizeToTransfer, uint8 *buffer, uint32 *sizeTransferred, uint32 options)
This function writes the specified number of bytes to an addressed I2C slave.
Parameters:
in
handle
Handle of the channel
in
deviceAddress
Address of the I2C slave. This is a 7bit value and it
should not contain the data direction bit, i.e. the
decimal value passed should be always less than 128
in
sizeToTransfer
Number of bytes to be written
out
buffer
Pointer to the buffer from where data is to be written
out
sizeTransferred
Pointer to variable containing the number of bytes
written
in
transferOptions
This parameter specifies data transfer options. The bit
positions defined for each of these options are:
BIT0: if set then a start condition is generated in the
I2C bus before the transfer begins. A bit mask is
defined for this options in file ftdi_i2c.h as
I2C_TRANSFER_OPTIONS_START_BIT
BIT1: if set then a stop condition is generated in the
I2C bus after the transfer ends. A bit mask is defined
for this options in file ftdi_i2c.h as
I2C_TRANSFER_OPTIONS_STOP_BIT
BIT2: if set then the function will return when a device
nAcks after a byte has been transferred. If not set
then the function will continue transferring the stream
of bytes even if the device nAcks. A bit mask is
defined for this options in file ftdi_i2c.h as
I2C_TRANSFER_OPTIONS_BREAK_ON_NACK
BIT3: reserved (only used in I2C_DeviceRead)
BIT4: setting this bit will invoke a multi byte I2C

Application Note
AN_177 User Guide For libMPSSE – I2C
Version 1.4
Document Reference No.: FT_000466 Clearance No.: FTDI# 210
11
Copyright © 2011 Future Technology Devices International Limited
transfer without having delays between the START,
ADDRESS, DATA and STOP phases. Size of the
transfer in parameters sizeToTransfer and
sizeTransfered are in bytes. The bit mask defined for
this bit is
I2C_TRANSFER_OPTIONS_FAST_TRANSFER_BYTES*
BIT5: setting this bit would invoke a multi bit transfer
without having delays between the START, ADDRESS,
DATA and STOP phases. Size of the transfer in
parameters sizeToTransfer and sizeTransfered are in
bytes. The bit mask defined for this bit is
I2C_TRANSFER_OPTIONS_FAST_TRANSFER_BITS*
BIT6: the deviceAddress parameter is ignored if this
bit is set. This feature may be useful in generating a
special I2C bus conditions that do not require any
address to be passed.Setting this bit is effective only
when either
I2C_TRANSFER_OPTIONS_FAST_TRANSFER_BYTES or
I2C_TRANSFER_OPTIONS_FAST_TRANSFER_BITS is
set. The bit mask defined for this bit is
I2C_TRANSFER_OPTIONS_NO_ADDRESS*
BIT7 – BIT31: reserved
*The I2C_DeviceRead and I2C_DeviceWrite functions send commands to the
MPSSE, reads the response and based on the response sends further commands.
Delays between START, ADDRESS, DATA and STOP conditions are seen on the
I2C bus as a result of waiting for command responses, and also because these
commands are sent over different USB transfers.
I2C_TRANSFER_OPTIONS_FAST_TRANSFER_BYTES is introduced to minimize
these dalays by sending multiple MPSSE commands and I2C data over fewer(or
possibly just one) USB transfers, without waiting for I2C ack bits to be read into
the PC/host. Also, sometimes some I2C devices may require a special non-I2C
frame to be sent to it over the I2C bus which may have not have an address
phase and may have either more or less than 8 bits in the frame.
I2C_TRANSFER_OPTIONS_FAST_TRANSFER_BITS and
I2C_TRANSFER_OPTIONS_NO_ADDRESS options are introduced to address such
needs. For example, some I2C EEPROM chips need a 9bit frame without address
to be sent to it to perform a software reset. These bits may be set to implement
such features.
I2C_TRANSFER_OPTIONS_START_BIT and I2C_TRANSFER_OPTIONS_STOP_BIT
have their usual meanings when used with
I2C_TRANSFER_OPTIONS_FAST_TRANSFER_BYTES or
I2C_TRANSFER_OPTIONS_FAST_TRANSFER_BITS, however
I2C_TRANSFER_OPTIONS_BREAK_ON_NACK and
I2C_TRANSFER_OPTIONS_NACK_LAST_BYTE are not meant to be used with
them.
Returns:
Returns status code of type FT_STATUS
Following are the special meanings of the FT_STATUS code returned in the context of I2C:
Return code FT_DEVICE_NOT_FOUND would mean that the I2C slave didn’t
respond when it was addressed and so the function returned before beginning

Application Note
AN_177 User Guide For libMPSSE – I2C
Version 1.4
Document Reference No.: FT_000466 Clearance No.: FTDI# 210
12
Copyright © 2011 Future Technology Devices International Limited
data transfer. Typically this would mean that the address passed to the function
was incorrect, or the device of the I2C slave has been configured incorrectly (i.e.
if the slave allows it), or the I2C master and the I2C slave isn’t connected
properly.
Return code FT_INVALID_PARAMETER would mean that the deviceAddress that is
greater than 127.
Return code FT_IO_ERROR would mean that the transfer failed while transferring
data
Return code FT_FAILED_TO_WRITE_DEVICE would either mean that the I2C slave NAKed
Note:
This function internally performs the following operations:
Write START bit (if BIT0 of options flag is set)
Write device address
Get ACK
LOOP until sizeToTransfer (or until device NAK, if BIT2 in options is set)
o Write byte from buffer
o Get ACK
Write STOP bit(if BIT1 of options flag is set)
Warning:
This is a blocking function and will not return until either the specified amount of
data are read or an error is encountered.
3.2 GPIO functions
Each MPSSE channel in the FTDI chips are provided with a general purpose I/O port
having 8 lines in addition to the port that is used for synchronous serial communication.
For example, the FT223H has only one MPSSE channel with two 8-bit busses, ADBUS
and ACBUS. Out of these, ADBUS is used for synchronous serial communications
(I2C/SPI/JTAG) and ACBUS is free to be used as GPIO. The two functions described
below have been provided to access these GPIO lines(also called the higher byte lines of
MPSSE) that are available in various FTDI chips with MPSSEs.
3.2.1 FT_WriteGPIO
FT_STATUS FT_WriteGPIO(FT_HANDLE handle, uint8 dir, uint8 value)
This function writes to the 8 GPIO lines associated with the high byte of the MPSSE
channel
Parameters:
in
handle
Handle of the channel
in
dir
Each bit of this byte represents the direction of the 8
respective GPIO lines. 0 for in and 1 for out
in
value
If the direction of a GPIO line is set to output, then
each bit of this byte represent the output logic state
of the 8 respective GPIO lines. 0 for logic low and 1
for logic high

Application Note
AN_177 User Guide For libMPSSE – I2C
Version 1.4
Document Reference No.: FT_000466 Clearance No.: FTDI# 210
13
Copyright © 2011 Future Technology Devices International Limited
Returns:
Returns status code of type FT_STATUS
3.2.2 FT_ReadGPIO
FT_STATUS FT_ReadGPIO(FT_HANDLE handle,uint8 *value)
This function reads from the 8 GPIO lines associated with the high byte of the MPSSE
channel
Parameters:
in
handle
Handle of the channel
out
*value
If the direction of a GPIO line is set to input, then
each bit of this byte represent the input logic state of
the 8 respective GPIO lines. 0 for logic low and 1 for
logic high
Returns:
Returns status code of type FT_STATUS
Note:
The direction of the GPIO line must first be set using FT_WriteGPIO function before this
function is used.
3.3 Library Infrastructure Functions
The two functions described in this section typically do not need to be called from
the user applications as they are automatically called during entry/exit time.
However, these functions are not called automatically when linking the library
statically using Microsoft Visual C++. It is then that they need to be called
explicitly from the user applications. The static linking sample provided with this
manual uses a macro which checks if the code is compiled using Microsoft
toolchain, if so then it automatically calls these functions.
3.3.1 Init_libMPSSE
void Init_libMPSSE(void)
Initializes the library
Parameters:
in
none
out
none
Returns:
void

Application Note
AN_177 User Guide For libMPSSE – I2C
Version 1.4
Document Reference No.: FT_000466 Clearance No.: FTDI# 210
14
Copyright © 2011 Future Technology Devices International Limited
3.3.2 Cleanup_libMPSSE
void Cleanup_libMPSSE(void)
Cleans up resources used by the library
Parameters:
in
none
out
none
Returns:
void
3.4 Data types
3.4.1 ChannelConfig
ChannelConfig is a structure that holds the parameters used for initializing a channel. The
following are members of the structure:
I2C_CLOCKRATE ClockRate
Valid range for clock divisor is from 0 to 3400000
The user can pass either I2C_CLOCK_STANDARD_MODE, I2C_CLOCK_FAST_MODE,
I2C_CLOCK_FAST_MODE_PLUS or I2C_CLOCK_HIGH_SPEED_MODE for the standard
clock rates; alternatively a value for a non standard clock rate may be passed
directly.
uint8 LatencyTimer
Required value, in milliseconds, of latency timer. Valid range is 0 – 255. However,
FTDI recommend the following ranges of values for the latency timer:
Full speed devices (FT2232D) Range 2 – 255
Hi-speed devices (FT232H, FT2232H, FT4232H) Range 1 - 255
uint32 Options
Bits of this member are used in the way described below:
Bit
number
Description
Value
Meaning of value
Defined macro(if any)
BIT0
These bit
specify if 3-
phase-
clocking is
enabled or
disabled
0
3-phase-clocking
enabled*
1
3-phase-clocking
is disabled*
I2C_DISABLE_3PHASE_CLOCKING
BIT1
Setting this
bit will
enable
Drive-Only-
Zero feature
0
Enable Drive-
Only-Zero**
1
Disable Drive-
Only-Zero**
I2C_ENABLE_DRIVE_ONLY_ZERO

Application Note
AN_177 User Guide For libMPSSE – I2C
Version 1.4
Document Reference No.: FT_000466 Clearance No.: FTDI# 210
15
Copyright © 2011 Future Technology Devices International Limited
BIT2 –
BIT31
Reserved
*Please note that 3-phase-clocking is available only on the hi-speed devices and not on the
FT2232D.
**Enabling Drive-Only-Zero ensures that the SDA line is driven by the I2C master only when it
is supposed to be driven LOW, and tristates it when it is supposed to be driven HIGH. This
feature is available only in FT232H chip. Trying to enable this feature using function I2C_Init
will have no effect on chips other than FT232H.
3.4.2 I2C_CLOCKRATE
I2C_CLOCKRATE is an enumerated data type that is defined as follows
enum I2C_ClockRate_t { I2C_CLOCK_STANDARD_MODE = 100000,
I2C_CLOCK_FAST_MODE = 400000,
I2C_CLOCK_FAST_MODE_PLUS = 1000000,
I2C_CLOCK_HIGH_SPEED_MODE = 3400000 }
3.4.3 Typedefs
Following are the typedefs that have been defined keeping cross platform portability in
view:
typedef unsigned char uint8
typedef unsigned short uint16
typedef unsigned long uint32
typedef signed char int8
typedef signed short int16
typedef signed long int32
typedef unsigned char bool

Application Note
AN_177 User Guide For libMPSSE – I2C
Version 1.4
Document Reference No.: FT_000466 Clearance No.: FTDI# 210
16
Copyright © 2011 Future Technology Devices International Limited
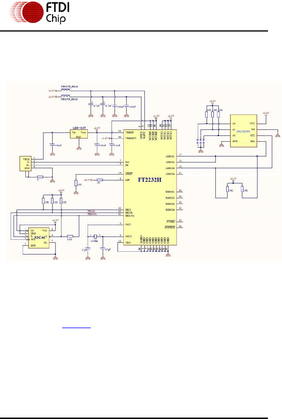
4 Example Circuit
This example demonstrates how to connect a MPSSE chip (FT2232H) to an I2C device (24LC024H
– EEPROM) and how to program it using libMPSSE-I2C library.
Figure 3: Schematic for connecting FT2232H to I2C EEPROM device (24LC024H)
The above schematic shows how to connect a FT2232H chip to an I2C EEPROM. Please
note that the FT2232 chip is also available as a module which contains all the
components shown in the above schematic (except the 24LC024H and its address line
pull-up resistors). This module is called FT2232H Mini Module and details about it can be
found in the device datasheet. The FT2232H chip acts as the I2C master here and is
connected to a PC using USB interface. For the example we connected lines A0, A1 and
A2 of 24LC024H chip to logic HIGH (using the 10K pull-up resistors), this gave the chip
an I2C device address of 0x57.

Application Note
AN_177 User Guide For libMPSSE – I2C
Version 1.4
Document Reference No.: FT_000466 Clearance No.: FTDI# 210
17
Copyright © 2011 Future Technology Devices International Limited
5 Example Program
The required D2XX driver should be installed into the system depending on the OS that is
already installed in the PC/host. If a linux PC is used then the default drivers usbserial
and ftdi_sio must be removed (using rmmod command).
Once the hardware shown above is connected to a PC and the drivers are installed, the
user can place the following code (sample-win32-static.c), D2XX.h, libMPSSE_i2c.h and
libMPSSE.a into one folder, compile the sample and run it.
/*!
* \file sample-static.c
*
* \author FTDI
* \date 20110512
*
* Copyright © 2011 Future Technology Devices International Limited
* Company Confidential
*
* Project: libMPSSE
* Module: I2C Sample Application - Interfacing 24LC024H I2C EEPROM
*
* Rivision History:
* 0.1 - 20110513 - initial version
* 0.2 - 20110801 - Changed LatencyTimer to 255
* Attempt to open channel only if available
* Added & modified macros
* Change I2C_GetChannelInfo & OpenChannel to start indexing from 0
* 0.3 - 20111212 - Added comments
*/
/******************************************************************************/
/* Include files
*/
/******************************************************************************/
/* Standard C libraries */
#include<stdio.h>
#include<stdlib.h>
/* OS specific libraries */
#ifdef _WIN32
#include<windows.h>
#endif
/* Include D2XX header*/
#include "ftd2xx.h"
/* Include libMPSSE header */
#include "libMPSSE_i2c.h"
/******************************************************************************/
/* Macro and type defines
*/
/******************************************************************************/
/* Helper macros */
#define APP_CHECK_STATUS(exp) {if(exp!=FT_OK){printf("%s:%d:%s(): status(0x%x) \
!= FT_OK\n",__FILE__, __LINE__, __FUNCTION__,exp);exit(1);}else{;}};
#define CHECK_NULL(exp){if(exp==NULL){printf("%s:%d:%s(): NULL expression \
encountered \n",__FILE__, __LINE__, __FUNCTION__);exit(1);}else{;}};
/* Application specific macro definations */
#define I2C_DEVICE_ADDRESS_EEPROM 0x57
#define I2C_DEVICE_BUFFER_SIZE 256
#define I2C_WRITE_COMPLETION_RETRY 10

Application Note
AN_177 User Guide For libMPSSE – I2C
Version 1.4
Document Reference No.: FT_000466 Clearance No.: FTDI# 210
18
Copyright © 2011 Future Technology Devices International Limited
#define START_ADDRESS_EEPROM 0x00 /*read/write start address inside the EEPROM*/
#define END_ADDRESS_EEPROM 0x10
#define RETRY_COUNT_EEPROM 10 /* number of retries if read/write fails */
#define CHANNEL_TO_OPEN 1 /*0 for first available channel, 1 for next... */
#define DATA_OFFSET 1
/******************************************************************************/
/* Global variables
*/
/******************************************************************************/
uint32 channels;
FT_HANDLE ftHandle;
ChannelConfig channelConf;
FT_STATUS status;
uint8 buffer[I2C_DEVICE_BUFFER_SIZE];
/******************************************************************************/
/* Public function definitions
*/
/******************************************************************************/
/*!
* \brief Writes to EEPROM
*
* This function writes a byte to a specified address within the 24LC024H EEPROM
*
* \param[in] slaveAddress Address of the I2C slave (EEPROM)
* \param[in] registerAddress Address of the memory location inside the slave to where the byte
* is to be written
* \param[in] data The byte that is to be written
* \return Returns status code of type FT_STATUS(see D2XX Programmer's Guide)
* \sa Datasheet of 24LC024H http://ww1.microchip.com/downloads/en/devicedoc/22102a.pdf
* \note
* \warning
*/
FT_STATUS write_byte(uint8 slaveAddress, uint8 registerAddress, uint8 data)
{
uint32 bytesToTransfer = 0;
uint32 bytesTransfered;
bool writeComplete=0;
uint32 retry=0;
bytesToTransfer=0;
bytesTransfered=0;
buffer[bytesToTransfer++]=registerAddress; /* Byte addressed inside EEPROM */
buffer[bytesToTransfer++]=data;
status = I2C_DeviceWrite(ftHandle, slaveAddress, bytesToTransfer, buffer, \
&bytesTransfered, I2C_TRANSFER_OPTIONS_START_BIT|I2C_TRANSFER_OPTIONS_STOP_BIT);
/* poll to check completition */
while((writeComplete==0) && (retry<I2C_WRITE_COMPLETION_RETRY))
{
bytesToTransfer=0;
bytesTransfered=0;
buffer[bytesToTransfer++]=registerAddress; /* Addressed inside EEPROM */
status = I2C_DeviceWrite(ftHandle, slaveAddress, bytesToTransfer,\
buffer, &bytesTransfered, \
I2C_TRANSFER_OPTIONS_START_BIT|I2C_TRANSFER_OPTIONS_BREAK_ON_NACK);
if((FT_OK == status) && (bytesToTransfer == bytesTransfered))
{
writeComplete=1;
printf(" ... Write done\n");
}
retry++;

Application Note
AN_177 User Guide For libMPSSE – I2C
Version 1.4
Document Reference No.: FT_000466 Clearance No.: FTDI# 210
19
Copyright © 2011 Future Technology Devices International Limited
}
return status;
}
/*!
* \brief Reads from EEPROM
*
* This function reads a byte from a specified address within the 24LC024H EEPROM
*
* \param[in] slaveAddress Address of the I2C slave (EEPROM)
* \param[in] registerAddress Address of the memory location inside the slave from where the
* byte is to be read
* \param[in] *data Address to where the byte is to be read
* \return Returns status code of type FT_STATUS(see D2XX Programmer's Guide)
* \sa Datasheet of 24LC024H http://ww1.microchip.com/downloads/en/devicedoc/22102a.pdf
* \note
* \warning
*/
FT_STATUS read_byte(uint8 slaveAddress, uint8 registerAddress, uint8 *data)
{
FT_STATUS status;
uint32 bytesToTransfer = 0;
uint32 bytesTransfered;
bytesToTransfer=0;
bytesTransfered=0;
buffer[bytesToTransfer++]=registerAddress; /*Byte addressed inside EEPROM */
status = I2C_DeviceWrite(ftHandle, slaveAddress, bytesToTransfer, buffer, \
&bytesTransfered, I2C_TRANSFER_OPTIONS_START_BIT);
APP_CHECK_STATUS(status);
bytesToTransfer=1;
bytesTransfered=0;
status |= I2C_DeviceRead(ftHandle, slaveAddress, bytesToTransfer, buffer, \
&bytesTransfered, I2C_TRANSFER_OPTIONS_START_BIT);
APP_CHECK_STATUS(status);
*data = buffer[0];
return status;
}
/*!
* \brief Main function / Entry point to the sample application
*
* This function is the entry point to the sample application. It opens the channel, writes to the
* EEPROM and reads back.
*
* \param[in] none
* \return Returns 0 for success
* \sa
* \note
* \warning
*/
int main()
{
FT_STATUS status;
FT_DEVICE_LIST_INFO_NODE devList;
uint8 address;
uint8 data;
int i,j;
#ifdef _MSC_VER
Init_libMPSSE();
#endif
channelConf.ClockRate = I2C_CLOCK_FAST_MODE;/*i.e. 400000 KHz*/
channelConf.LatencyTimer= 255;
//channelConf.Options = I2C_DISABLE_3PHASE_CLOCKING;
//channelConf.Options = I2C_ENABLE_DRIVE_ONLY_ZERO;
status = I2C_GetNumChannels(&channels);

Application Note
AN_177 User Guide For libMPSSE – I2C
Version 1.4
Document Reference No.: FT_000466 Clearance No.: FTDI# 210
20
Copyright © 2011 Future Technology Devices International Limited
APP_CHECK_STATUS(status);
printf("Number of available I2C channels = %d\n",channels);
if(channels>0)
{
for(i=0;i<channels;i++)
{
status = I2C_GetChannelInfo(i,&devList);
APP_CHECK_STATUS(status);
printf("Information on channel number %d:\n",i);
/*print the dev info*/
printf(" Flags=0x%x\n",devList.Flags);
printf(" Type=0x%x\n",devList.Type);
printf(" ID=0x%x\n",devList.ID);
printf(" LocId=0x%x\n",devList.LocId);
printf(" SerialNumber=%s\n",devList.SerialNumber);
printf(" Description=%s\n",devList.Description);
printf(" ftHandle=0x%x\n",devList.ftHandle);/*is 0 unless open*/
}
/* Open the first available channel */
status = I2C_OpenChannel(CHANNEL_TO_OPEN,&ftHandle);
APP_CHECK_STATUS(status);
printf("\nhandle=0x%x status=%d\n",ftHandle,status);
status = I2C_InitChannel(ftHandle,&channelConf);
APP_CHECK_STATUS(status);
for(address=START_ADDRESS_EEPROM;address<END_ADDRESS_EEPROM;address++)
{
printf("writing address = %d data = %d", address, \
address+DATA_OFFSET);
status = write_byte(I2C_DEVICE_ADDRESS_EEPROM, address, \
address+DATA_OFFSET);
for(j=0; ((j<RETRY_COUNT_EEPROM) && (FT_OK !=status)); j++)
{
printf("---- writing again to address = %d, data =%d\n", \
address, address+DATA_OFFSET);
status = write_byte(I2C_DEVICE_ADDRESS_EEPROM, address, \
address+DATA_OFFSET);
}
APP_CHECK_STATUS(status);
}
printf("\n");
for(address=START_ADDRESS_EEPROM; address<END_ADDRESS_EEPROM; address++)
{
status = read_byte(I2C_DEVICE_ADDRESS_EEPROM,address, &data);
for(j=0; ((j<RETRY_COUNT_EEPROM) && (FT_OK !=status)); j++)
{
printf("read error... retrying \n");
status = read_byte(I2C_DEVICE_ADDRESS_EEPROM,address, &data);
}
printf("reading address %d data read=%d\n",address,data);
}
status = I2C_CloseChannel(ftHandle);
}
#ifdef _MSC_VER
Cleanup_libMPSSE();
#endif
return 0;
}
The sample program shown above writes to address 0 through 15 in the EEPROM chip.
The value that is written is address+1, i.e. if the address is 5 then a value 6 is written to
that address. When this sample program is compiled and run, we should see an output
like the one shown below:

Application Note
AN_177 User Guide For libMPSSE – I2C
Version 1.4
Document Reference No.: FT_000466 Clearance No.: FTDI# 210
21
Copyright © 2011 Future Technology Devices International Limited
Figure 4: Sample output on windows

Application Note
AN_177 User Guide For libMPSSE – I2C
Version 1.4
Document Reference No.: FT_000466 Clearance No.: FTDI# 210
22
Copyright © 2011 Future Technology Devices International Limited
Figure 5: Sample output on linux

Application Note
AN_177 User Guide For libMPSSE – I2C
Version 1.4
Document Reference No.: FT_000466 Clearance No.: FTDI# 210
23
Copyright © 2011 Future Technology Devices International Limited
6 Contact Information
Head Office – Glasgow, UK
Future Technology Devices International Limited
Unit 1, 2 Seaward Place, Centurion Business Park
Glasgow G41 1HH
United Kingdom
Tel: +44 (0) 141 429 2777
Fax: +44 (0) 141 429 2758
E-mail (Sales)
sales1@ftdichip.com
E-mail (Support)
support1@ftdichip.com
E-mail (General Enquiries)
admin1@ftdichip.com
Branch Office – Taipei, Taiwan
Future Technology Devices International Limited
(Taiwan)
2F, No. 516, Sec. 1, NeiHu Road
Taipei 114
Taiwan , R.O.C.
Tel: +886 (0) 2 8791 3570
Fax: +886 (0) 2 8791 3576
E-mail (Sales)
tw.sales1@ftdichip.com
E-mail (Support)
tw.support1@ftdichip.com
E-mail (General Enquiries)
tw.admin1@ftdichip.com
Branch Office – Hillsboro, Oregon, USA
Future Technology Devices International Limited
(USA)
7235 NW Evergreen Parkway, Suite 600
Hillsboro, OR 97123-5803
USA
Tel: +1 (503) 547 0988
Fax: +1 (503) 547 0987
E-Mail (Sales)
us.sales@ftdichip.com
E-Mail (Support)
us.support@ftdichip.com
E-Mail (General Enquiries)
us.admin@ftdichip.com
Branch Office – Shanghai, China
Future Technology Devices International Limited
(China)
Room 408, 317 Xianxia Road,
Shanghai, 200051
China
Tel: +86 21 62351596
Fax: +86 21 62351595
E-mail (Sales)
cn.sales@ftdichip.com
E-mail (Support)
cn.support@ftdichip.com
E-mail (General Enquiries)
cn.admin@ftdichip.com
Web Site
http://ftdichip.com
System and equipment manufacturers and designers are responsible to ensure that their systems, and any Future Technology
Devices International Ltd (FTDI) devices incorporated in their systems, meet all applicable safety, regulatory and system-level
performance requirements. All application-related information in this document (including application descriptions, suggested
FTDI devices and other materials) is provided for reference only. While FTDI has taken care to assure it is accurate, this
information is subject to customer confirmation, and FTDI disclaims all liability for system designs and for any applications
assistance provided by FTDI. Use of FTDI devices in life support and/or safety applications is entirely at the user’s risk, and the
user agrees to defend, indemnify and hold harmless FTDI from any and all damages, claims, suits or expense resulting from
such use. This document is subject to change without notice. No freedom to use patents or other intellectual property rights is
implied by the publication of this document. Neither the whole nor any part of the information contained in, or the product
described in this document, may be adapted or reproduced in any material or electronic form without the prior written consent
of the copyright holder. Future Technology Devices International Ltd, Unit 1, 2 Seaward Place, Centurion Business Park,
Glasgow G41 1HH, United Kingdom. Scotland Registered Company Number: SC136640

Application Note
AN_177 User Guide For libMPSSE – I2C
Version 1.4
Document Reference No.: FT_000466 Clearance No.: FTDI# 210
24
Copyright © 2011 Future Technology Devices International Limited
Appendix A – References
Document References
MPSSE Basics
Command Processor For MPSSE and MCU Host Bus Emulation Modes
D2XX Programmers Guide
D2XX Drivers
FT2232 – Dual Channel MPSSE IC
MPSSE cables
Acronyms and Abbreviations
Terms
Description
GPIO
General Purpose Input/Output
MPSSE
Multi Protocol Synchronous Serial Engine
SPI
Serial Peripheral Interconnect
USB
Universal Serial Bus

Application Note
AN_177 User Guide For libMPSSE – I2C
Version 1.4
Document Reference No.: FT_000466 Clearance No.: FTDI# 210
25
Copyright © 2011 Future Technology Devices International Limited
Appendix C – Revision History
Document Title: AN_177 Programming Guide for libMPSSE - I2C
Document Reference No.: FT_000466
Clearance No.: FTDI# 210
Product Page: http://www.ftdichip.com/FTProducts.htm
Document Feedback: Send Feedback
Revision
Changes
Date
1.0
Initial Release
2011-05-23
1.1
Corrected section 3.1.2 : I2C_GetNumChannels -1
Corrected section 3.2.3 : wrong typedef uintT32
Corrected heading on sections 3.1.3 to 3.1.7 which had wrong
text
Corrected TOC
2011-05-25
1.2
Added section “Library Infrastructure Functions”
Updated sample application
Added linux specific guidelines and download files
2011-06-22
1.3
Added GPIO functions.
Added option to disable 3-phase-clocking.
Renamed I2C_Device_Read / I2C_Device_Write to
I2C_DeviceRead / I2C_DeviceWrite
Added note on latency timer value
Updated sample application
2011-08-01
1.4
Features added:
1) I2C_TRANSFER_OPTIONS_NACK_LAST_BYTE
2) I2C_TRANSFER_OPTIONS_BREAK_ON_NACK
3) I2C_TRANSFER_OPTIONS_FAST_TRANSFER_BYTES
4) I2C_TRANSFER_OPTIONS_FAST_TRANSFER_BITS
5) I2C_TRANSFER_OPTIONS_NO_ADDRESS
6) I2C_ENABLE_DRIVE_ONLY_ZERO
Address provided should be less than 128
Returns FT_DEVICE_NOT_FOUND ff no slave respond when
addressed
2011-12-12