AP 7_Disk_Controller_Design_Uses_New_Bipolar_Microcomputer_LSI_Components_Jan75 7 Disk Controller Design Uses New Bipolar Microcomputer LSI Components Jan75

User Manual: AP-7_Disk_Controller_Design_Uses_New_Bipolar_Microcomputer_LSI_Components_Jan75

Open the PDF directly: View PDF PDF.
Page Count: 12

inter
© Intel Corporation,
19
75
APPLICATION
NOTE AP-7
98
-
031A
Figure 1. Bipolar Microprogrammed Disk
Controller
Disk Controller Designed With Series
3000
Computing Elements
With the introduction
of
the first micropro-
cessor, digital designers began a massive switch
to
programmable LSI technology, away from hard-
wired random logic. Designers found
that
with
these new LSI components and the availability
of
low cost
ROMs
they could easily implement struc-
tured designs which were
both
cost effective and
flexible. However,
not
all digital designs were
amenable
to
the microcomputer approach. One
of
the basic limitations was the speed at which a par-
ticular critical program sequence could be executed
by a microprocessor. The early P-channel
MOS
microprocessors, such
as
Intel's 4004 anp 8008,
were able to solve a broad class
of
logic problems
where speed was
not
essential. With the introduc-
tion
of
the more powerful n-channel
MOS
micro-
processors, such
as
the
Intel 8080, the range
of
applications
was
significantly broadened,
but
there
still existed a class
of
applications
that
even these
newer devices were
not
fast enough
to
handle.
Recently, two new Schottky bipolar LSI com-
puting elements, members
of
the
Intel Bipolar
Microcomputer Set, were introduced which expand
the range
of
microcomputer applications
to
include
high speed peripheral controllers and communica-
tion equipment. The new elements are the 3001
Microprogram Control Unit (MCU) and
the
3002
Central Processing Element (CPE). These two com-
ponents facilitate the design
of
specialized, high
speed microprocessors
th~J
together with a mini-
mum
of
external logic perform the intricate pro-
gram sequences required
by
high speed peripheral
controllers.
A multi-chip bipolar microprocessor differs from
the single chip
MOS
microprocessor in that the
bipolar microprocessor
is
programmed at
the
micro-
instruction level rather than
at
the
macroinstruc-
tion level. This means that instead
of
specifying
the action via a macro program using a fixed in-
struction set, a designer can specify the detailed
action occurring inside the microprocessor hard-
ware via a microprogram using
his
own customized
microinstructions.
In general, microinstructions are wider than
macroinstructions (e.g. 24
to
32 bits)
and
have a
number
of
independent fields
that
specify simulta-
neous operations. In a single microcycle, an arith-
metic operation can be executed while a constant
is
stored into external logic and a conditional
jump
is
being performed.
A bipolar LSI microprocessor design
is
similar
to
a general MSIjSSI microprocessor design where
the intricacies
of
the application are imbedded in
the program patterns in
ROM.
However,
the
large
amount
of
logic necessary
to
access the microcode
has been replaced
by
the LSI
MCU
chip. Also,
the
MSI
logic required
to
provide
the
arithmetic
and register capabilities has been replaced
by
the
functionally denser LSI CPE slices. Because
of
these new LSI chips, microprogramming with all
its advantages can now be applied
to
designs which
previously were unable
to
justify microprogramming
overhead.
The effectiveness
of
these new LSI components
in a high speed peripheral controller design has
been demonstrated
by
the Applications Research
group at Intel with
the
design
of
a
2310/5440
moving head disk controller (BMDC). The
BMDC
has a
total
of
67
IC
chips and
is
packaged
on
a
printed circuit board measuring
8"
x
15",
as
shown
in Figure
1.
Disk controllers
of
equivalent com-
plexity realized with conventional components
typically require between 150 and
250
I.e.
'so
The
BMDC
performs all
the
operations required
to
interface up
to
four "daisy chained" moving head
disk drives, with a combined storage capacity
of
400
megabits,
to
a typical minicomputer.
It
is
fast
enough
to
keep up with the drive's 2.5 MHz bit
serial data stream while performing the requisite
data channel functions
of
incrementing an address
register, decrementing a word
count
register, and
terminating
upon
completion
of
a block transfer.
The
BMDC
interacts with the minicomputer's
disk operating system (DOS) via
I/O
commands,
interrupts and direct memory access (DMA) cycles.
The I/O commands recognized
by
the
BMDC's
microprogram are:
Conditions In
Seek Cylinder
Write Data
Read Data
Verify Data
Format
Data
The
BMDC
sends an interrupt
to
the
minicom-
puter
when either a command
is
successfully exe-
cuted, a command
is
aborted,
or
a drive has finished
seeking. The DOS
then
interrogates
the
BMDC
with a Conditions In command. The following
flags specify
the
conditions which
the
BMDC can
detect:
Done flag
Malfunction flag
Not
Ready flag
Change In Seek Status flag
Program Error flag
Address Error flag
Data
Error
flag
Data Overrun flag
Data transfers between
the
minicomputer and
the
disk
BMDC
occur during
DMA
cycles.
DMA
cycles are also used for ·passing command informa-
tion from the minicomputer
to
the
BMDC.
2
The bipolar LSI microcomputer in
the
BMDC
performs the necessary command decoding, ad-
dress checking, sector counting, overlap seeking,
direct memory accessing, write protection, pass-
word protection, overrun detection, drive
and
read
selection,
and
formatting. External hardware assists
the microprocessor in updating the sector counter,
performing parallel-to-serial and serial-ta-parallel
conversion, and generating the CRC
data
checking
information. The
BMDC
uses a special purpose
microprocessor, configured with the components
listed in Table A. The LSI microprocessor uses an
MCV, an 8:1 multiplexer, eight 3601 PROMs, a
command latch, a data buffer, and an array
of
eight CPE slices (Fig. 2). The characteristics
of
this design, only one
of
many possible with
the
3000 family, are
as
follows:
400
nsec system clock
l6-bit
wide
CP
array
Ripple carry CPE configuration
Non-pipelined architecture
One level subroutining
230 32-bit microinstructions
Word
to
4-bit nibble serialization
The
MCV
controls the sequence in which micro-
instructions are executed.
It
has a set
of
uncondi-
tional and conditional
jump
instructions which is
based on a 2-dimensional array for
the
micropro-
gram address spece called the
MCV
Jump
Map.
(1)
PART
# DESCRIPTION
QUANTITY
3001 MCU 1
3002
CPE
8
3212 8
bit
I/O
Port
6
3205 1
of
8 Decoder 2
3601
1K
PROM 8
3404
6
bit
Latch
74173
4
bit
Gated D
F/F
74174
6
bit
D
F/F
74175
4
bit
D
F/F
74151 8: 1
Multiplexer
1
8233
Dual 4: 1
Multiplexer
2
9300
4
bit
Shift
Register
9316
4
bit
Binary
Counter
8503
CRC Generator 1
7474 Dual D
F/F
5
7473
Dual J-K
F/F
2
7451
And-Or-Invert
Gate 1
7404
Hex Inverter 6
7400
Quad 2
Input
Nand Gate 9
74H08
Quad 2
Input
And
Gate
7403
Quad 2
Input
Nand O.C. Gate 2
7438 Quad O.C. Drivers 4
74H103
Dual J-K
F/F
2
-
Total
67
I.C. Packages
Table A. I.C. Component List for Disk Controller
MICROPROGRAM MEMORY
8-36015 OUTPUT PORTS
I I I
8 7 I I
.....
....
.
.....
"1
3 2 7 2 8
61
I-
8,1
MUX
I I
L-{
J
8
PORT
A PORT B PORTC
MAO-6
IIHH
HI ! ! J
MCU ACO-6 I
7 1 INPUT PORT
3001
FC
Y
0-1-DATA!
SX
PX
FI
FO
MUX
~
i8
FO-6 K NIBBLE OUT
--
CI
RO
CP
ARRAY
4
8 - 3002',
EXTERNAL
LOGIC
CO
LI
A OUTPUTS DOUTPUTS M I 4
4 NIBBLE IN
{9
16
16 16 8
27
COMMAND
.1
LATCH 1
DATA
BUFFER
4
16 / 16 / 35
DISK
DRIVE
MAB MDB SIGNALS
Figure 2. Disk Controller -The various elements
of
a specialized microprogrammed processor
is
shown with
the
external logic
which together
is
the
entire disk controller.
In addition, the
MCU
is
connected in such a man-
ner
as
to
perform command decoding, external
input
testing, and one level subroutining.
Command decoding
is
achieved
by
connecting
the command latch to
the
Primary Instruction (PX)
bus inputs and using
the
JPX instruction (Fig. 3).
The testing
of
external
input
signals
is
performed
by
routing
the
least significant bit (LSB)
of
the
seven
bit
jump
code through
an
eight-to-one multi-
plexer (Fig. 2). The multiplexer
is
controlled
by
a
3-bit
Input
Select Code which selects either
the
LSB
of
the
jump
code
or
one
of
7 external
input
signals to be routed
to
the
MCU.
This technique
has the effect
of
conditionally modifying an un-
conditional
jump
code so
that
the
next
address will
either be an odd
or
even location (Fig, 3). A one
instruction wait for external signal
loop
can be
simply implemented in this fashion.
One level subroutining
is
achieved
by
feeding
the
four least significant bits
of
the
address micropro-
gram outputs back
into
the secondary instruction
(SX) inputs. Enough program status information
can then be saved in the internal
PR
latch when a
subroutine
is
called with a JPX instruction so
that
3
upon
exiting, a subroutine with a
JPR
instruction,
control
can be returned
to
the procedure which
called
it
(Fig. 4). This technique saves a significant
amount
of
microcode in the
BMDC
because some
long sequences do
not
have
to
be repeated.
The microprogram control store
is
an array
of
eight 3601 PROMs organized
to
give 256 words x
32
bits (230 words were required for the BMDC).
The 32-bit wide word is divided
into
the
following
sub control fields:
1.
Jump
Code field
2. Flag Control field
3. CPE Function field
4.
Input
Select field
5.
Output
Select field
6.
Mask
or
Data field
7.
Mask Control field
TOTAL
7 bits
2 bits
7 bits
3 bits
3 bits
8 bits
2 bits
32
bits
The command latch and data buffer retain com-
mand information from the
computer
so
that
the
memory
bus will
not
be held
up
if
the
BMDC
should be busy performing an updating task. The
data
buffer also retains the
next
data word during
a Write Data
to
disk operation.
The
CP
array
is
connected in a ripple carry con-
figuration
as
shown in Figure
5.
The eight
CPE
slices provide the
BMDC
with a 16-bit arithmetic,
logic and register section. Word to nibble serial-
ization is made possible by connecting the Shift
Right Outputs eRa)
of
the
first, third, fifth, and
seventh CPE to the Nibble Out bus.
By
using only
four shift right operations a word in a register can
be converted
into
four 4-bit nibbles. The final
serialization
of
these nibbles
is
done
in
the external
COLUMN
o 1 2 3 4 5 6 7 8 9
10 11
12 13 14 15
~R
I-
WAIT
FOR
EXTERNAL INPUT)
4
SEEK
"AITE
READ
VEAIFYFOflMAT
DATA
DATA
DATA DATA DATA
\l
'l'l
\J..'
~
~
JPX
ROW
(INSTRUCTION DECODING)
JCC
10
cdNDlflONll
BRANCH ON
ExtERNAL
INPUTS
USING JUMP CURRENT COLUMN (JCC) ANO
JUMP CURRENT
ROW
(JCR) INSTRUCTION
11
12
JCR
13
14
15 255
Figure 3.
MCU
Jump
Map
for instruction decoding and
conditional branching on external inputs
BBlE NI
o
UT
4
NI
BBlE 4
IN
CA
o
~~y-
2
2
A 0
r-
CO
CII-
3002
_LI
RO
I----
M I K
2
2
,. 2 2 ,. 2
2 2
--
--
3002 3002 3002
--
--
2
,.
2
2 2 2
2
2
--
-
-
--
logic. Similarly, the Shift Right Inputs eLI)
of
the
second, fourth, sixth, and eighth CPE are connected
to
the Nibble In bus so
that
with only four shift
right operations, a word can be assembled from
four nibbles.
COLUMN
o 1 2 3 4 5 6 7 8 9 10
11
12 13 14 15
-
_.
0
6
./
V
CAll
~UBROUTINE
A
CAll
io-"'"
~
CAl
V
-~
!-
,.
~
B
CAL~
ROW
RET
10
~
......
~
.......
r-..
r-
r-
....
DESIGNATED A+1
RETURN
ROW
11
B+1
C+1
0+1
12
13
14
15
Figure 4.
MCU
Jump Map for one
level
subroutine
call
and
return. A subroutine
is
called from four different
places
in
the program each with a unique column
number. Upon returning from the subroutine,
control
will
be
transferred back
to
the portion
of
program which called it. A subroutine may
be
called from a maximum of 16 different places.
,. 2 2
,.
2 ,. 2
2 2 2
A
l-
I-
f-
--CO
3002 3002 3002
3002
I----
r-
'--
I----
II
M I
~
L>
~
,t2
1 1
1
2 2 2 2
2 2
-1
O·'-DATA
MUX
2
MASK
CONTROL
DATA
FIELD
FIELD
16
16
2
0
CII-
-
RO
f-
K
,.
8 C
16
2
I
ADDRESS
BUS
DATA
OUTPUT
BUS
CARRY
IN
DISK
DRIVE
ONDITIONS
DATA
INPUT
BUS
Figure 5.
CPE
Array - A 16·bit arithmetic, logic and register section
is
built up with 8
CPE
slices connected
in
a ripple carry
configuration. The
K,
I,
and M bus
is
used for loading information into the
CPE
slices. The
II
inputs and
RO
outputs
are connected
to
make up the Nibble In and Nibble Out buses.
4
An eight bit mask bus
is
connected to
the
mask
inputs
of
the least significant half
of
the array. The
mask inputs
of
the most significant half
of
the
CP
array are all tied
to
the eighth mask bit. A constant
with a value between +127 and
-128
can therefore
be loaded into the array from the microprogram.
The mask bus comes from
the
data field
of
the
microprogram via a
0-1
data multiplexer.
When
the
CP
array requires either an all one or all zero mask,
the data field
is
freed
to
provide data to external
logic.
The 3002
CPE
is
an extremely flexible compo-
nent which makes it particularly attractive for
controller designs. The Memory Address Register
makes an ideal
DMA
address register.
(1)
The
ac-
cumulator (AC) register, which also has its own
output
bus can be used
as
a data word buffer
during a write
DMA
cycle. Concurrently, another
word can be assembled in
the
T register using the
shift right operation. The three separate
input
buses
provide a multiplexing capability for routing dif-
ferent data into the CPE.
In
the
BMDC,
the I-bus
is
used for loading disk drive conditions,
the
K-bus
for loading mask or constant information, and the
M-bus for reading an external data buffer. The
arithmetic logic section performs zero detection
and
bit
testing with
the
result delivered to the
MCU
chip via
the
carry out line. Finally,
the
eleven
scratchpad registers allow the controller
to
retain
data and status for the processor.
The
CP
array in the microprocessor performs the
following for the
BMDC
with its registers and
arithmetic functions.
1.
Sector counting
2.
Word
to
nibble serialization
3. Drive seek status monitoring
4. Header checking
5.
DMA
address incrementing
6.
Word counting
7. Multi-sector length counting
8. Automatic resynchronization
of
sector
counter
9. Accessing
of
additional information from
memory
10. Time delays
The organization
of
the microprocessor
was
chosen
to
maximize the use
of
the
MCU
and
CPE
in performing the various tasks required for disk
control. However, there are some specialized tasks
which are more economically performed by
ex-"
ternal logic. The microprocessor controls this ex-
ternallogic by
output
ports
which'-
are selected by
the
output
select field in the microinstruction. The
BUS
CONTROL &
EXT
BUS
RO
BUS
ENABLE I
MEM REO
DATA
OVERRUN ACKL
DETECT
I-R-E-A""D/""W"'-RI-TE---'
r-_1/6~
____
~
______________
-4~
__________
~16~
____
~
MEMADDBUS
r--,';-c--------------------~----_.____,~----_I
MEM
DATA
BUS
16
16 BUS INTERFACE
BIPOLAR
LSI
MICROPROCESSOR
3
NIBBLE OUT
~---t'---,
4
NIBBLE IN
t-;,t-t-----'
4 2 9 - - - - + DISK DRIVE INTERFACE
DISK
CABLE
DRIVER
9 CYLINDER ADD
PLATTER-
HEAD SELECT
UNIT
SELECT
WR
GATE
3
RDGATE
I
SET
CYLINDER
I
I
I
I
I
OF
DATA
OUTPUT1>ORTS
FOR
CONTROLLING
EXTERNAL
LOGIC
DISK
DATA
~
~
TOP
INDEX
PULSE
INPUT PORT
FOR
TESTING
~
BOTTOM
INDEX
-.-J PULSE
OR SYNCHRONIZING
TO
EXTERNAL
LOGIC
~~----.J
TOP
SECTOR PULSE
j
L....::..:--1~
BOTTOM SECTOR
IL
______________
D_RI_V_EC_O_N_D_IT_IO_N_ST/~---------~I
PULSE
-
/8
Figure 6. External Logic -Microprocessor monitors and controls external logic
via
input-output port
to
perform specialized
disk controller functions.
5
data
to
these ports
is
delivered from the shared data
field.
The external logic section
of
the
BMDC
(Fig.
6)
has a double buffered 4-bit shift register which
is
used for initial packing and the final serialization
of
data.
It
is
controlled
by
a modulo-4
counter
circuit. During a write operation, serial data from
the shift register
is
encoded
by
the clock controlled
double frequency encoder and sent
to
the drive.
As
data
is
being transferred
to
a cyclic redundancy code
(CRC)
is
generated and then appended
to
the end
of
the data stream
to
be recorded on the disk. The ex-
ternal logic also contains addressing latches and
flag flip-flops
to
capture sector and index pulses.
It
also contains main memory bus control circuitry
for performing bus protocol, bus acquisition, and
data overrun detection.
The microprogram for the
BMDC
microprocessor
directly implements the six I/O commands. The
program contrqls the sequential action
of
the vari-
ous elements
of
the microprocessor and
of
the
external logic needed
to
decode and execute the
commands. In Figure 7, the flow chart
of
the Read
command shows the actions required
to
read a file
off
the disc. The
BMDC
first selects
the
drive speci-
fied
by
the
command and checks its ready status.
It
then uses a memory pointer passed
to
it
by
the
command
to
access four more words from
the
main
memory using
DMA
cycles. The first word
is
the
Header, which contains the track address and sector
address information. The second word
is
the
Start-
ing Address specifying the first location in memory
where the data
is
to be stored. The third word
is
the
Block Length
of
the file
to
be retrieved.
All
of
the
address information and the Block Length are
stored in several CPE registers for further process-
ing. The fourth word
is
the Password which
is
com-
pared against a microprogram word
to
insure
that
the command from the
computer
is
a valid one and
not
a program error. The password can prevent an
erroneous command, due
to
a user programming
error, from destroying important files on
the
disc.
After the password check, the
BMDC
resyn-
chronizes
the
sector counter
if
necessary and waits
for the desired sector
by
monitoring the sector
pulse flag. When the desired sector arrives,
the
BMDC
synchronizes itself
to
a start nibble and
reads the header which
it
compares
to
the
desired
header
to
insure
that
the head is' positioned
properly.
It
then reads and stores 128 words
of
data at sequential locations in memory. A cyclic
redundancy code
is
compiled during
the
read oper-
6
>--_
SET
NOT
REAOY
FLAG
&
ABORT
GET
FROM
MEMORY
THE
HEADER,
STARTING
ADDRESS,
BLOCK
LENGTH,
& PASSWORD
>--
__
SET
PROGRAM
ERROR
FLAG
&
ABORT
NO
SET
ADDRESS
ERROR
FLAG
&
ABORT
PACK
NIBBLES
TO
FORM
WORDS
INCREMENT
MEM
ADD
COUNT
DECREMENT
WORD
COUNT
INITIALIZE
CHANNEL
OPERATION
NO
CRITICAL
TIMING
LOOP
SET
DATA
ERROR
FLAG
&
ABORT
YES SET DONE
FLAG
Figure 7. Read Command Flowchart -This flowchart
is
coded in
the
microprogram which when executed
performs
the
disk Read operation.
IDLE
LOOP
SEEK WRITE
&
FORMAT
SET CHANGE IN
SEEK STATUS
FLAG
IN
COMMAND?
COMMAND
PROCESSING
Figure 8. BMDC
Flowchart
-The BMDC runs in
the
idle
loop
when
it
is
not
busy doing command pro-
cessing.
7
ation and compared against the CRC word read in
after the data.
At
the end
of
each sector the block
length
is
decremented
to
see
if
it
is
the last sector.
If
it
is
not, the sector address
is
incremented and
another
sector
is
read.
In addition to the command routines, the micro-
program has an idle loop routine (Fig.
8)
which the
BMDC
executes when
it
is
not
busy with a com-
mand. While in
the
loop,
the
BMDC
updates the
sector count, monitors the drives seeks status lines
and decodes any disc commands from the disc
operating system in the minicomputer.
The design process for the
BMDC
began with an
evaluation
of
what disc controller operations could
effectively be handled
by
the
microprocessor. This
also determined what had
to
be performed
by
external logic. A microprocessor configuration was
then established and certain critical sequences were
programmed
to
verify
that
the configuration
was
fast enough. A flow chart was produced and the
microprogram coded directly from it. All attempts
were made to use the MCU and CPE slices effec-
tively and keep the microprogram within 256
words. The assignment
of
MCU
addresses which
initially appeared difficult, was, with a little ex-
perience, quite straight forward and less restrictive
than a state counter design. After the coding,
the
microprogram was assembled and loaded
into
the
microprocessor's control memory.
The
BMDC
design demonstrates how a special-
ized high speed microprocessor can be designed
using standard bipolar LSI devices and micropro-
grammed
to
perform disc control functions with
the addition
of
a small
amount
of
external logic.
The flexibility
of
Series 3000 allows a designer
to optimize the configuration for his application.
For
extremely high speed applications, the designer
can add fast carry logic
and
microinstruction pipe-
lining
to
his microprocessor
to
achieve a 150 nsec
l6-bit
microprocessor.
At
Intel,
our
design experience with
the
BMDC
design exercise has shown
that
the use
of
the
MCU
and CPE results in a clean, well structured design.
The complexity
of
the design resides primarily in
the microprogram leaving the external logic rela-
tively simple. During debugging, most
of
the prob-
lems encountered were restricted
to
the micropro-'
gram which was easily modified and debugged
using qipolar RAM for the control memory.
References
1.
J. Rattner, J. Cornet,
M.
E.
Hoff, Jr., "Bipolar
LSI Computing Elements Usher In New Era
of
Digital Design," ELECTRONICS, September 5,
1974, pp
89-96.
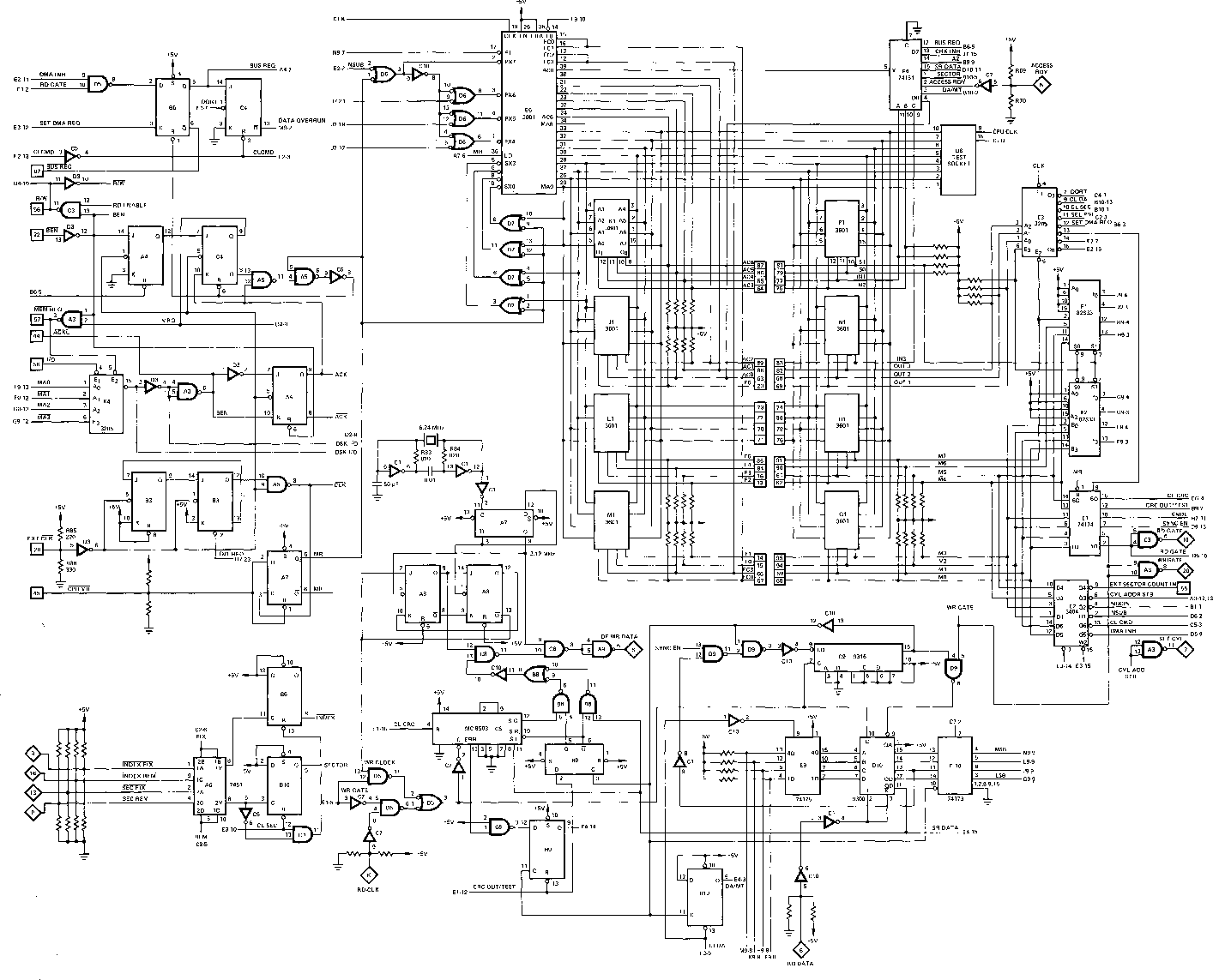
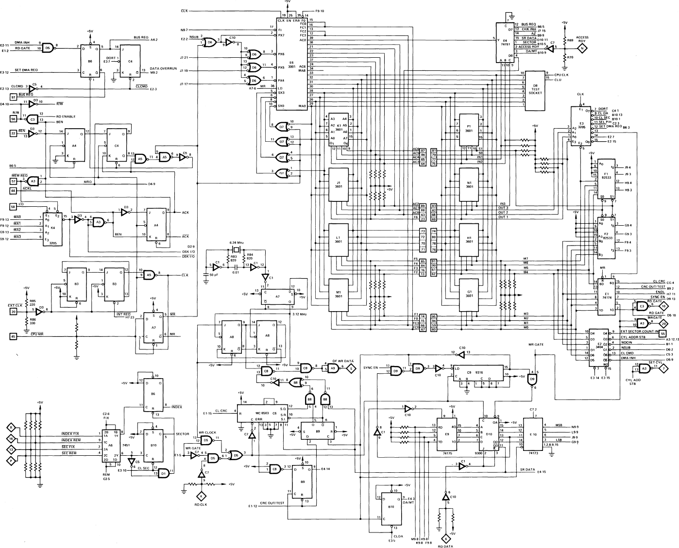
APPENDIX-DISK CONTROLLER SCHEMATICS
'Intel
Corporation
assumes
no
responsibility
for
the
use
of
any
circuitry
other
than
circuitry
embodied
in
an
Intel
product.
No
other
circuit
patent
licenses
are
implied.
·W
on1>
or",
"
on"
32
"
"
..,.
"
DiD "
Ml"lll "
"
.6-3.13
N912~~21
N9.'3~
19
"50
M9.12~
11
OW
~
M9.'J~
"
""
pd¥trn
1 C2
L9.'2~
3212 " . CK-INH
E413
~::~~
;;;:=t
J7 , "
..
,
u,'
,
W
C3
26U
J,......-...!.::/,/H
6
R C
fJ
11
lU43
5"
:::~~c~
:::
DOl 4 " "
"52
'"
51
:82113
~+5V
I
" " c
~
052 INT 23 COMM
AND
MR
14 4 6 8
~
A7-5
M1i
CLA
OSt
~
03-9
Al-5
---.!]
DOl
2
22
l~rENDlEl10
.
~
90S 12
3212
5 ,
on
0"1
1011
H7~
"
LOW~R
HO"
4 0 GH ,
0"
0"
,
,
C2
""
""
"'
E6-17
El0·14
3579
618
22
-=
TICJ3
usa
"
14
84
5 8
11
R C
OD>
DD8
, .
~
" A " " "
AlcoD
18
18
12
MA7
rv
om
"
~:
C~~!!
" "
"
~
"
~
~
~
or
N9
" " 20
'-~
""
3002
,.
" " "
-*
'"
22 22 3002
¥.--
MI 26
26
"
22
MD
FD
25
"
22
"
-.!.
1<1
IT .
C'l1l'l
~
r
v
..
"
12
c;...'3
3D81L-
Fl_4_
J1
, ,
-
~
,:...LL-
FI·3
!!AU
....
lJ~'12
9
"
Mill
MA4 ,
....
"
'I
CV2
"
I2!J-
"
= -
J~!04
4
-
M9
H9
....
5 " 6
cvt
,
3002 3002
rn
, --
11"':7
'0
"
3
..
10
C:-'
11 11
eva
, 2
....
" " ,
""'f
~
F1·12-
5~'06
'-
.
Fl"3~
3
19
CV8 8 " "
12A~13
V , "
~
°
~
I
"""
,....L::L
~
Kr
MA3~
"
Iffil!
MA2
:
" --K4·3
"
G.
, -
300'
3002 -
,
""
3
A9
,
10A~11
""'f
t!
f2-3-
CV4
, 9
F2·4-
,
AO
'0
8A1~9
""'f
Kr
9
MAg
MA1~
MA'
MAO
26
"
~
--
KL
.ll.
CV)
11
" A9 "
2A~,
" "
""'f
-
300'
3002
t=
,
'5V
F2-12-
ll...,.~
A
=rvr
F2_13J
[r'-
"
4 5
--J7-1
J.~'
I~
00:"
"'~'I~®'-
0-
+5VDC
. ,
~02.'
100'
DD8'
~
+5V
0211
02
D4
321281
3 3212
G7
8-
rs
""
,
11
0
MD
Oil
018
+5V
011
018
01-6
@-
9"
3 " 6
~235791618222
3 5 7 9
r4'8F122
MlH
z "
1
02
~
,.
':"
10,
02
36
1213
5 4
~;;
"
"
2 ,
40
~CMl5
i~
"
0
All
0 1 2 3 "
R,.
R7W1~
~3
WA
CHECI!;
00.
I~
x
~
i~
,.
..
':"
(v
7 2
toll
MRa
010
9
e~
!e
iLl
:g
;r
~
COMMAND
·A3·2
C3-11
03-4
03·10
J123
::!
:: 0 "
<0:::
...
~
"
2~~::2~~"'<O
" -" .
~
BUSREQ A4_2
I'·
Q~r-
C2-6
'"
~,
,
E1
CRe
OUT/TEST
I
-----yu
,--
"
'w,
~
,
,--
"
'w,
T-r-n
January 1975,
INTEL
CORPORATION,
3065 Bowers Avenue, Santa Clara, California 95051 (408) 246-7501
Pri nted in U.S.
A.
MCS-398-0175/
27.5K
Page 1 of 12 - AP-7_Disk_Controller_Design_Uses_New_Bipolar_Microcomputer_LSI_Components_Jan75 AP-7 Disk Controller Design Uses New Bipolar Microcomputer LSI Components Jan75
Page 2 of 12 - AP-7_Disk_Controller_Design_Uses_New_Bipolar_Microcomputer_LSI_Components_Jan75 AP-7 Disk Controller Design Uses New Bipolar Microcomputer LSI Components Jan75
Page 3 of 12 - AP-7_Disk_Controller_Design_Uses_New_Bipolar_Microcomputer_LSI_Components_Jan75 AP-7 Disk Controller Design Uses New Bipolar Microcomputer LSI Components Jan75
Page 4 of 12 - AP-7_Disk_Controller_Design_Uses_New_Bipolar_Microcomputer_LSI_Components_Jan75 AP-7 Disk Controller Design Uses New Bipolar Microcomputer LSI Components Jan75
Page 5 of 12 - AP-7_Disk_Controller_Design_Uses_New_Bipolar_Microcomputer_LSI_Components_Jan75 AP-7 Disk Controller Design Uses New Bipolar Microcomputer LSI Components Jan75
Page 6 of 12 - AP-7_Disk_Controller_Design_Uses_New_Bipolar_Microcomputer_LSI_Components_Jan75 AP-7 Disk Controller Design Uses New Bipolar Microcomputer LSI Components Jan75
Page 7 of 12 - AP-7_Disk_Controller_Design_Uses_New_Bipolar_Microcomputer_LSI_Components_Jan75 AP-7 Disk Controller Design Uses New Bipolar Microcomputer LSI Components Jan75
Page 8 of 12 - AP-7_Disk_Controller_Design_Uses_New_Bipolar_Microcomputer_LSI_Components_Jan75 AP-7 Disk Controller Design Uses New Bipolar Microcomputer LSI Components Jan75
Page 9 of 12 - AP-7_Disk_Controller_Design_Uses_New_Bipolar_Microcomputer_LSI_Components_Jan75 AP-7 Disk Controller Design Uses New Bipolar Microcomputer LSI Components Jan75
Page 10 of 12 - AP-7_Disk_Controller_Design_Uses_New_Bipolar_Microcomputer_LSI_Components_Jan75 AP-7 Disk Controller Design Uses New Bipolar Microcomputer LSI Components Jan75
Page 11 of 12 - AP-7_Disk_Controller_Design_Uses_New_Bipolar_Microcomputer_LSI_Components_Jan75 AP-7 Disk Controller Design Uses New Bipolar Microcomputer LSI Components Jan75
Page 12 of 12 - AP-7_Disk_Controller_Design_Uses_New_Bipolar_Microcomputer_LSI_Components_Jan75 AP-7 Disk Controller Design Uses New Bipolar Microcomputer LSI Components Jan75

Navigation menu