ASTRO XTS 5000 VHF/UHF R1/700 800 MHz Digital Portable Radio Detailed Service Manual APX Series/APX3000 68012007045C APX3000
User Manual: -APX Series/APX3000 Detailed Service Manual 68012007045C
Open the PDF directly: View PDF
.
Page Count: 474 [warning: Documents this large are best viewed by clicking the View PDF Link!]
- Foreword
- Document History
- Table of Contents
- Foreword ii
- Document History v
- List of Tables xi
- List of Figures xiii
- Commercial Warranty xix
- Chapter 1 Introduction 1-1
- Chapter 2 Radio Power 2-1
- Chapter 3 Theory of Operation 3-1
- Chapter 4 Troubleshooting Procedures 4-1
- Chapter 5 Troubleshooting Charts 5-1
- Chapter 6 Troubleshooting Waveforms 6-1
- Chapter 7 Troubleshooting Tables 7-1
- Chapter 8 Schematics, Boards Overlays, and Parts Lists 8-1
- Chapter 9 Debugging Fixture 9-1
- Appendix A Replacement Parts Ordering A-1
- Glossary Glossary-1
- Index Index-1
- List of Tables
- List of Figures
- Commercial Warranty
- Chapter 1 Introduction
- Chapter 2 Radio Power
- Chapter 3 Theory of Operation
- 3.1 Main Board
- 3.2 Controller
- 3.3 Global Positioning System (GPS)
- 3.4 Accelerometer
- 3.5 Bluetooth
- Chapter 4 Troubleshooting Procedures
- Chapter 5 Troubleshooting Charts
- 5.1 List of Troubleshooting Charts
- 5.2 Main Troubleshooting Flowchart
- 5.3 Power-Up Failure
- 5.4 DC Supply Failure
- 5.5 Side Button Error
- 5.6 RX Audio Error
- 5.7 TX Audio Error
- 5.8 Keyload Failure
- 5.9 Secure Hardware Failure
- 5.10 RX RF Failure
- 5.11 FGU Failure
- 5.12 VCO Failure
- 5.13 GPS Failure
- 5.14 Bluetooth Failure – Pairing Issue
- 5.15 PA Failure
- Chapter 6 Troubleshooting Waveforms
- 6.1 List of Waveforms
- 6.2 Clocks
- 6.3 Audio SSI
- 6.4 RX SSI
- 6.5 TX SSI
- 6.6 SPI
- 6.7 I2C BUS
- 6.8 One Wire
- 6.9 GCAI
- 6.10 USB
- 6.11 SDRAM
- 6.12 FLASH CONTROL
- 6.13 Receive Baseband Signals
- 6.14 GPS
- 6.15 Bluetooth Troubleshooting Waveforms
- Bluetooth Command to TX 2.402 GHz CW
- Bluetooth Command to RX 2.402 GHz
- Low Frequency (LF) Command to TX 125 kHz CW
- Low Frequency (LF) Command to RX 125 kHz
- 6.15.1 Summary of Bluetooth Power Up Sequence
- 6.15.2 Bluetooth Startup: Vmax of TP16
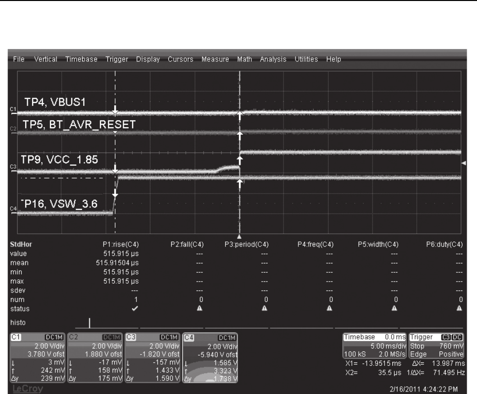
- 6.15.3 Bluetooth Startup: Timing Difference of TP9 to TP16
- 6.15.4 Bluetooth Startup: Timing Difference of TP5 to TP16 and Voltage Statistics
- 6.15.5 Bluetooth Startup: Timing Difference of TP4 to TP16 and Time Statistics
- 6.15.6 Bluetooth Startup: Timing Difference of TP4 to TP5 and Time Statistics
- 6.15.7 Bluetooth Startup: Vmax of TP5 and Time Statistics
- 6.15.8 Bluetooth Startup: Vmax of TP4 and Time Statistics
- 6.15.9 Bluetooth Startup: Vmax of TP5 and Voltage Statistics
- 6.15.10 Bluetooth Startup: Vmax of TP9 and Voltage Statistics
- 6.15.11 Bluetooth Startup: Vmax of TP10 and Time Statistics
- 6.15.12 Bluetooth Startup: Vmax of TP16 and Voltage Statistics
- 6.15.13 Bluetooth Startup: Vmax of TP13 and Voltage Statistics
- 6.15.14 Bluetooth Startup: Vmax of TP11 and Voltage Statistics
- 6.15.15 Bluetooth Startup: Timing Difference of TP13 to TP16 and Time Statistics
- 6.15.16 Bluetooth Startup: Timing Difference of TP10 to TP13 and Time Statistics
- 6.15.17 Bluetooth Startup: Timing Difference of TP11 to TP13 and Time Statistics
- 6.15.18 Bluetooth CW on Spectrum Analyzer
- 6.16 Bluetooth Steady-State
- 6.17 LF CW on Spectrum Analyzer
- Chapter 7 Troubleshooting Tables
- Chapter 8 Schematics, Boards Overlays, and Parts Lists
- Chapter 9 Debugging Fixture
- 9.1 Covert Board Debugging Fixture (Front)
- 9.2 Covert Board Debugging Fixture (Back)
- 9.3 Covert Board Debugging Fixture with Flexes, Housing and Display (Front)
- 9.4 Covert Board Debugging Fixture with Flexes, Housing and Display (Back)
- 9.5 Debugging Fixture Set up
- 9.6 Board Assembly on Debugging Fixture
- 9.7 Powering up Covert Board
- Appendix A Replacement Parts Ordering
- Glossary
- Index

APXTM TWO-WAY RADIOS
APX 3000
DETAILED SERVICE
MANUAL

Foreword
The information contained in this manual relates to all ASTRO® APXTM 3000 digital portable radios, unless otherwise
specified. This manual provides sufficient information to enable qualified service shop technicians to troubleshoot and
repair an ASTRO APX 3000 digital portable radio to the component level.
For details on the operation of the radio or level 1 or 2 maintenance procedures, refer to the applicable manuals, which are
available separately. A list of related publications is provided in the section Related Publications.
Product Safety and RF Exposure Compliance
For a list of Motorola-approved antennas, batteries, and other accessories, visit the following web site
which lists approved accessories: www.motorolasolutions.com/APX
Manual Revisions
Changes which occur after this manual is printed are described in FMRs (Florida Manual Revisions). These FMRs provide
complete replacement pages for all added, changed, and deleted items, including pertinent parts list data, schematics, and
component layout diagrams. To obtain FMRs, contact the Customer Care and Services Division (refer to “Appendix A
Replacement Parts Ordering”).
Computer Software Copyrights
The Motorola products described in this manual may include copyrighted Motorola computer programs stored in
semiconductor memories or other media. Laws in the United States and other countries preserve for Motorola certain
exclusive rights for copyrighted computer programs, including, but not limited to, the exclusive right to copy or reproduce in
any form the copyrighted computer program. Accordingly, any copyrighted Motorola computer programs contained in the
Motorola products described in this manual may not be copied, reproduced, modified, reverse-engineered, or distributed in
any manner without the express written permission of Motorola. Furthermore, the purchase of Motorola products shall not
be deemed to grant either directly or by implication, estoppel, or otherwise, any license under the copyrights, patents or
patent applications of Motorola, except for the normal non-exclusive license to use that arises by operation of law in the
sale of a product.
Document Copyrights
No duplication or distribution of this document or any portion thereof shall take place without the express written permission
of Motorola. No part of this manual may be reproduced, distributed, or transmitted in any form or by any means, electronic
or mechanical, for any purpose without the express written permission of Motorola.
Disclaimer
The information in this document is carefully examined, and is believed to be entirely reliable. However, no responsibility is
assumed for inaccuracies. Furthermore, Motorola reserves the right to make changes to any products herein to improve
readability, function, or design. Motorola does not assume any liability arising out of the applications or use of any product
or circuit described herein; nor does it cover any license under its patent rights nor the rights of others.
Trademarks
MOTOROLA, MOTO, MOTOROLA SOLUTIONS and the Stylized M logo are trademarks or registered trademarks of
Motorola Trademark Holdings, LLC and are used under license. All other trademarks are the property of their respective
owners. ©2013 Motorola Solutions, Inc. All rights reserved.
ATTENTION! Before using this radio, read the guide enclosed with your
radio which contains important operating instructions for
safe usage and RF energy awareness and control for
compliance with applicable standards and regulations.
Notes

Document History v
Document History
The following major changes have been implemented in this manual since the previous edition:
Edition Description Date
68012007045-A Initial edition Nov. 2012
68012007045-B Updated schematics, PCB, Part list table for UHF1
and updated RX troubleshooting chart, pg 5.
Feb.2013
68012007045-C Added in new bands: VHF & UHF2 Jun. 2013

vi Document History
Notes

Table of Contents vii
Table of Contents
Foreword.........................................................................................................ii
Product Safety and RF Exposure Compliance ............................................................................................ii
Manual Revisions ........................................................................................................................................ii
Computer Software Copyrights ...................................................................................................................ii
Document Copyrights ..................................................................................................................................ii
Disclaimer....................................................................................................................................................ii
Trademarks .................................................................................................................................................ii
Document History ..........................................................................................v
List of Tables .................................................................................................xi
List of Figures .............................................................................................xiii
Commercial Warranty .................................................................................xix
Limited Warranty ...................................................................................................................................... xix
Chapter 1 Introduction ......................................................................... 1-1
1.1 General .......................................................................................................................................... 1-1
1.2 Notations Used in This Manual...................................................................................................... 1-2
Chapter 2 Radio Power ........................................................................ 2-1
2.1 General .......................................................................................................................................... 2-1
2.2 DC Power Routing ......................................................................................................................... 2-2
Chapter 3 Theory of Operation............................................................ 3-1
3.1 Main Board .................................................................................................................................... 3-3
3.2 Controller ..................................................................................................................................... 3-21
3.3 Global Positioning System (GPS)................................................................................................ 3-44
3.4 Accelerometer.............................................................................................................................. 3-46
3.5 Bluetooth...................................................................................................................................... 3-48
Chapter 4 Troubleshooting Procedures ............................................. 4-1
4.1 Handling Precautions..................................................................................................................... 4-1
4.2 Recommended Service Tools........................................................................................................ 4-2
4.3 Standard Bias Table ...................................................................................................................... 4-3
4.4 Power-Up Self-Check Errors ......................................................................................................... 4-4

viii Table of Contents
4.5 Power-Up Self-Check Diagnostics and Repair (Not for Field Use)................................................ 4-5
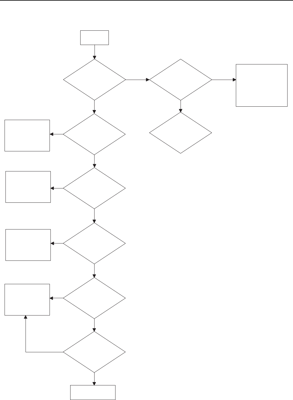
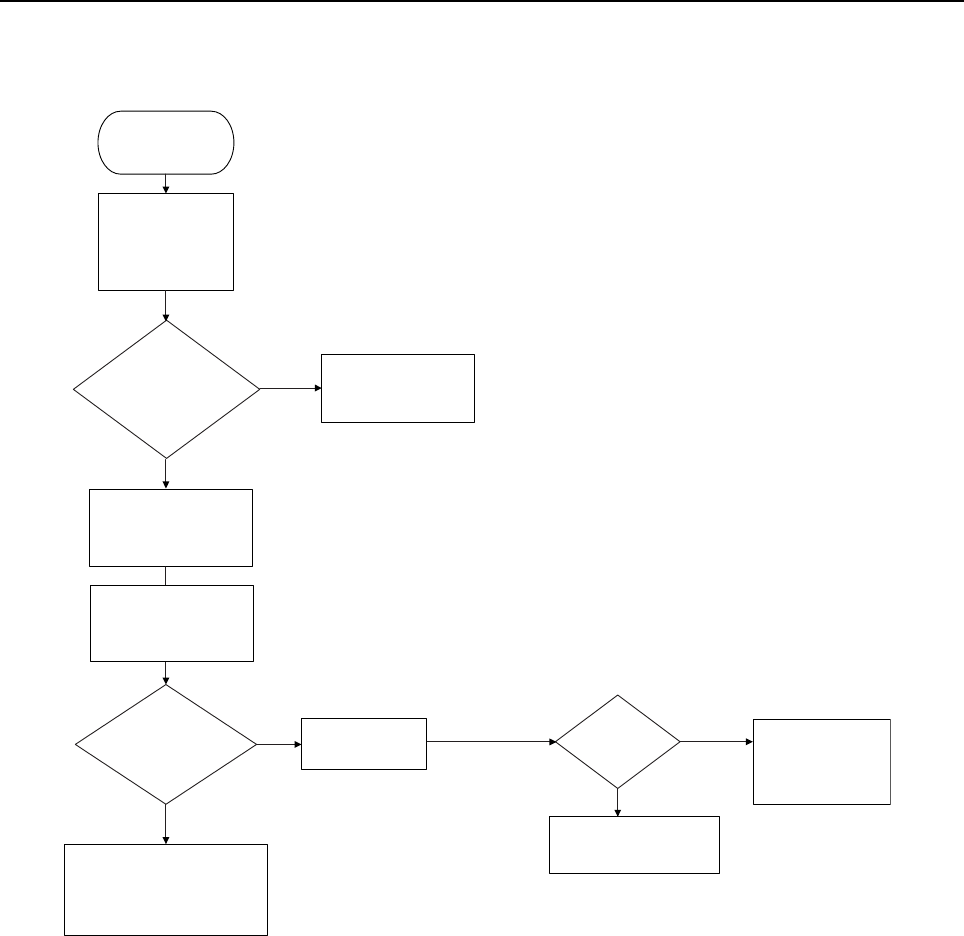
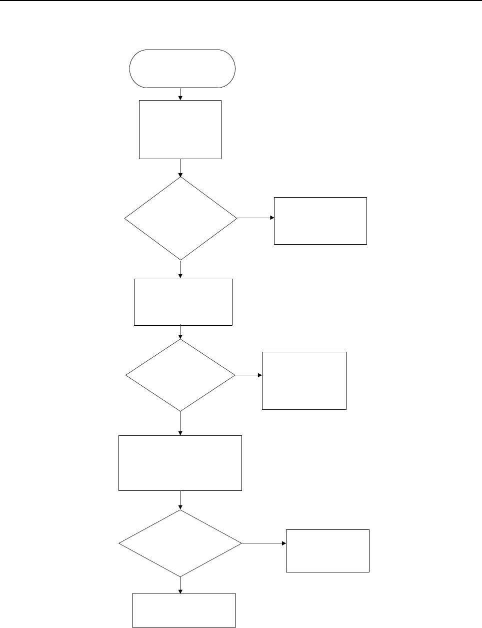
Chapter 5 Troubleshooting Charts ..................................................... 5-1
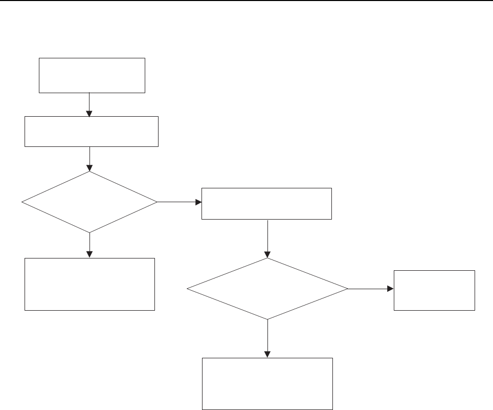
5.1 List of Troubleshooting Charts ....................................................................................................... 5-1
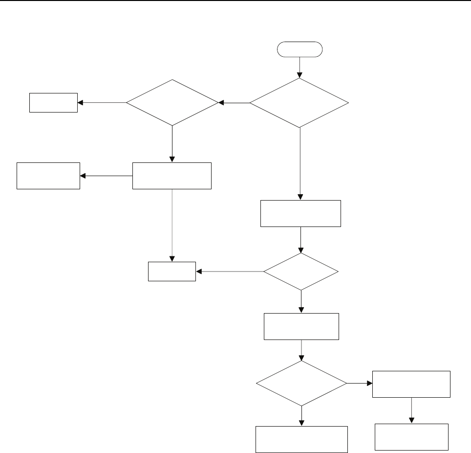
5.2 Main Troubleshooting Flowchart.................................................................................................... 5-3
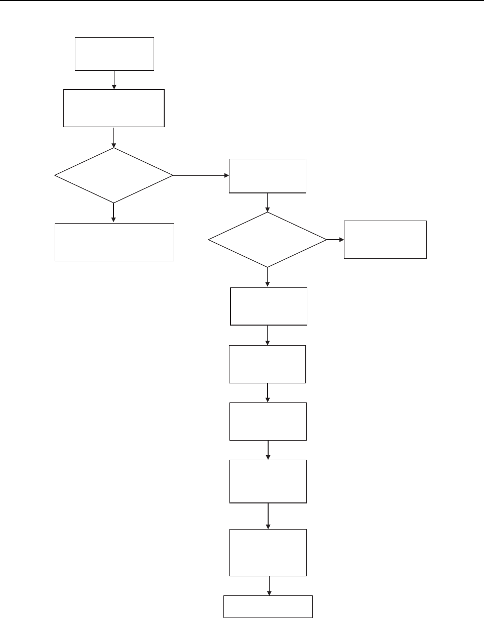
5.3 Power-Up Failure ........................................................................................................................... 5-4
5.4 DC Supply Failure........................................................................................................................ 5-15
5.5 Side Button Error ......................................................................................................................... 5-22
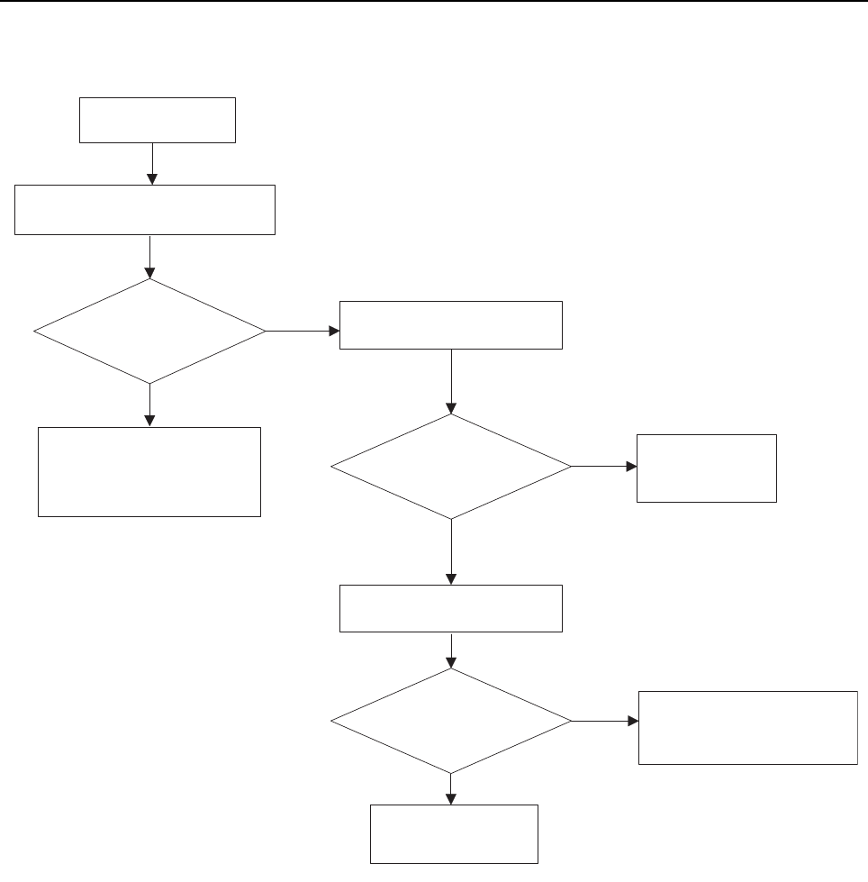
5.6 RX Audio Error............................................................................................................................. 5-23
5.7 TX Audio Error ............................................................................................................................. 5-24
5.8 Keyload Failure ............................................................................................................................ 5-25
5.9 Secure Hardware Failure ............................................................................................................. 5-26
5.10 RX RF Failure .............................................................................................................................. 5-27
5.11 FGU Failure ................................................................................................................................. 5-37
5.12 VCO Failure ................................................................................................................................. 5-38
5.13 GPS Failure ................................................................................................................................. 5-43
5.14 Bluetooth Failure – Pairing Issue ................................................................................................. 5-44
5.15 PA Failure .................................................................................................................................... 5-50
Chapter 6 Troubleshooting Waveforms ............................................. 6-1
6.1 List of Waveforms .......................................................................................................................... 6-1
6.2 Clocks ............................................................................................................................................ 6-2
6.3 Audio SSI ....................................................................................................................................... 6-7
6.4 RX SSI ......................................................................................................................................... 6-11
6.5 TX SSI.......................................................................................................................................... 6-14
6.6 SPI ............................................................................................................................................... 6-17
6.7 I2C BUS ....................................................................................................................................... 6-19
6.8 One Wire...................................................................................................................................... 6-22
6.9 GCAI ............................................................................................................................................ 6-23
6.10 USB.............................................................................................................................................. 6-25
6.11 SDRAM ........................................................................................................................................ 6-27
6.12 FLASH CONTROL....................................................................................................................... 6-29
6.13 Receive Baseband Signals .......................................................................................................... 6-34
6.14 GPS ............................................................................................................................................. 6-35
6.15 Bluetooth Troubleshooting Waveforms........................................................................................ 6-38
6.16 Bluetooth Steady-State ................................................................................................................ 6-58
6.17 LF CW on Spectrum Analyzer ..................................................................................................... 6-63
Chapter 7 Troubleshooting Tables ..................................................... 7-1
7.1 List of Board and IC Signals .......................................................................................................... 7-1
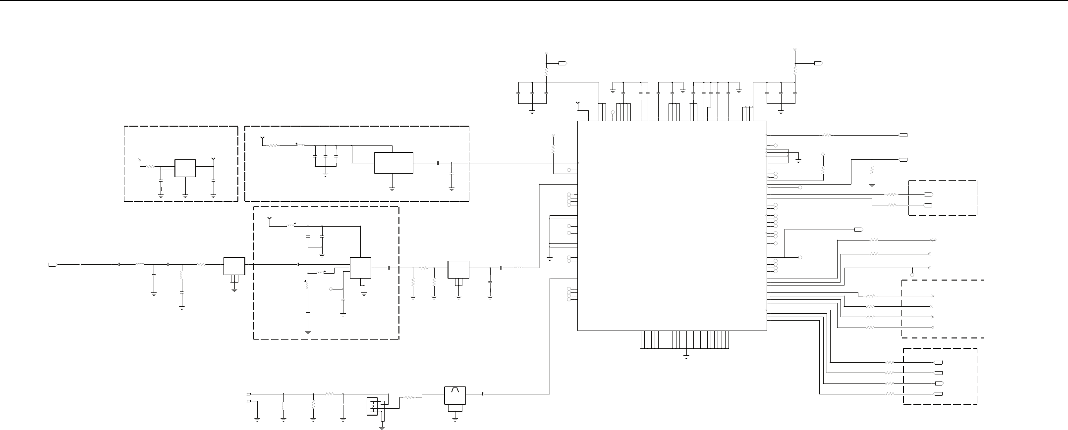
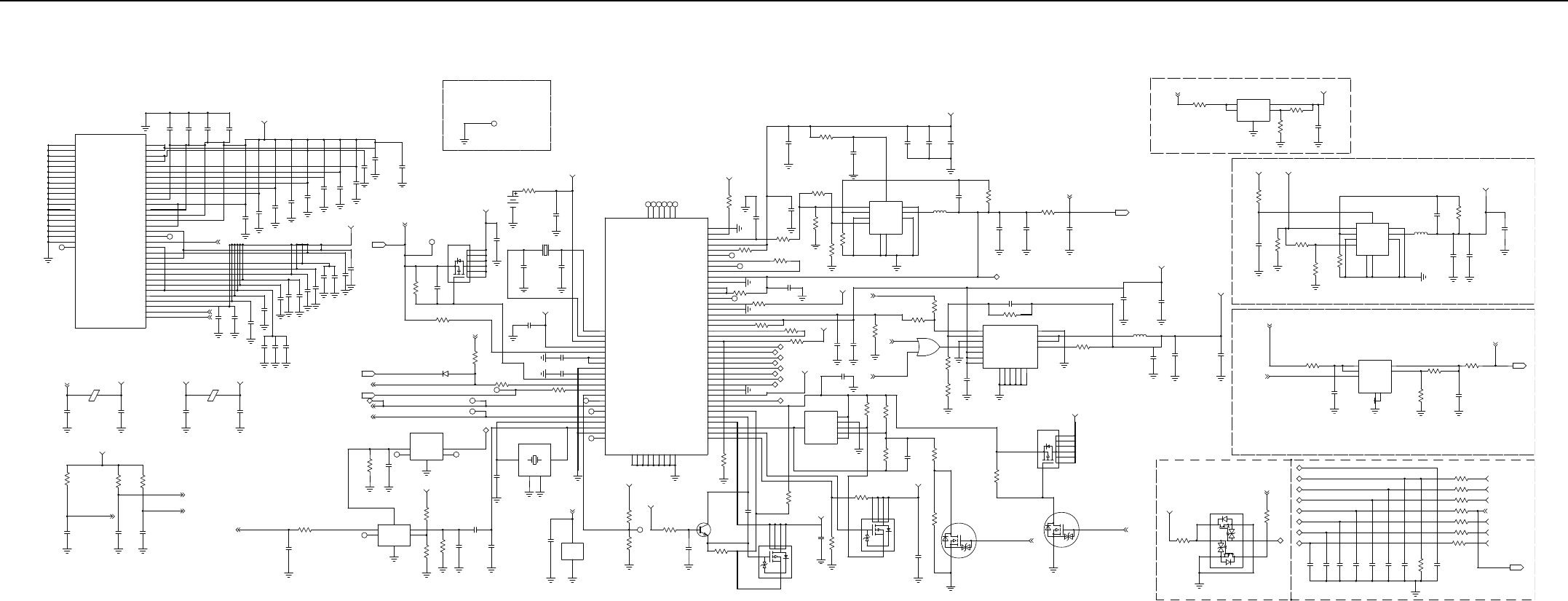
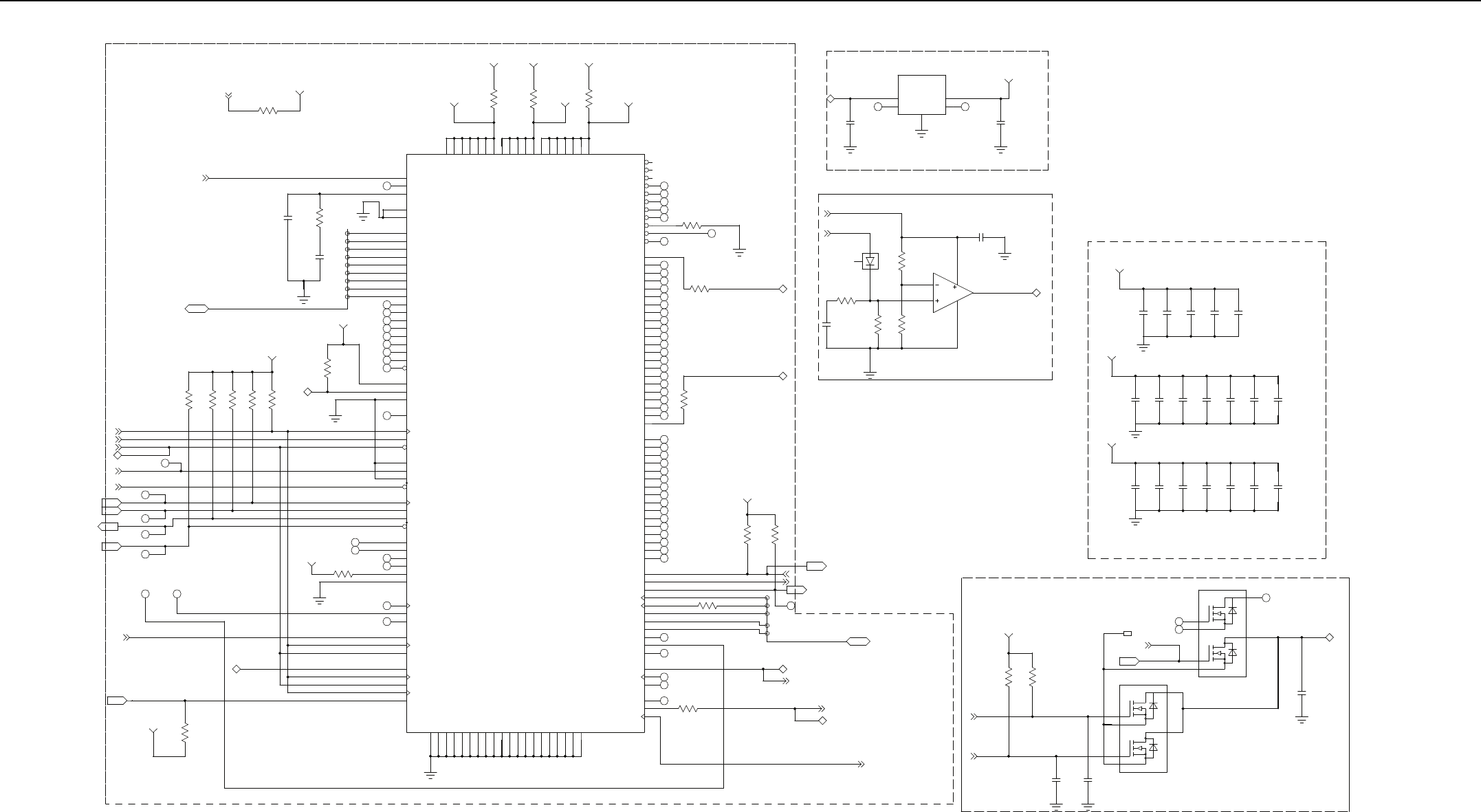
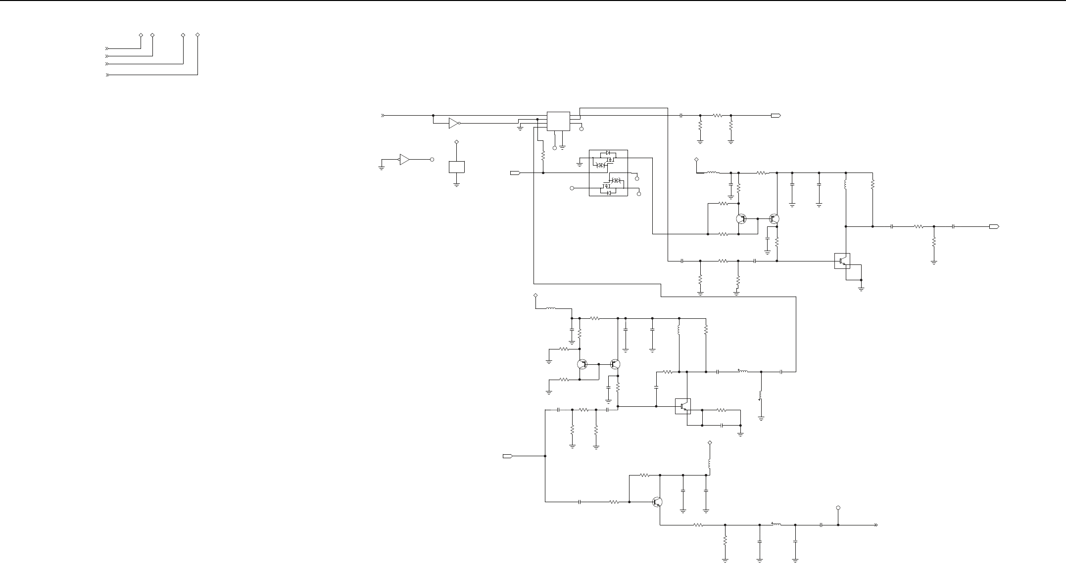
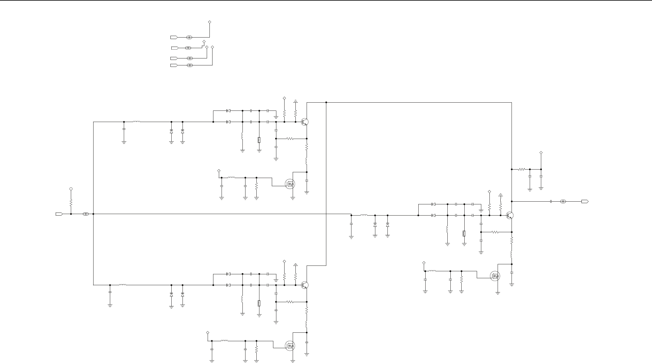
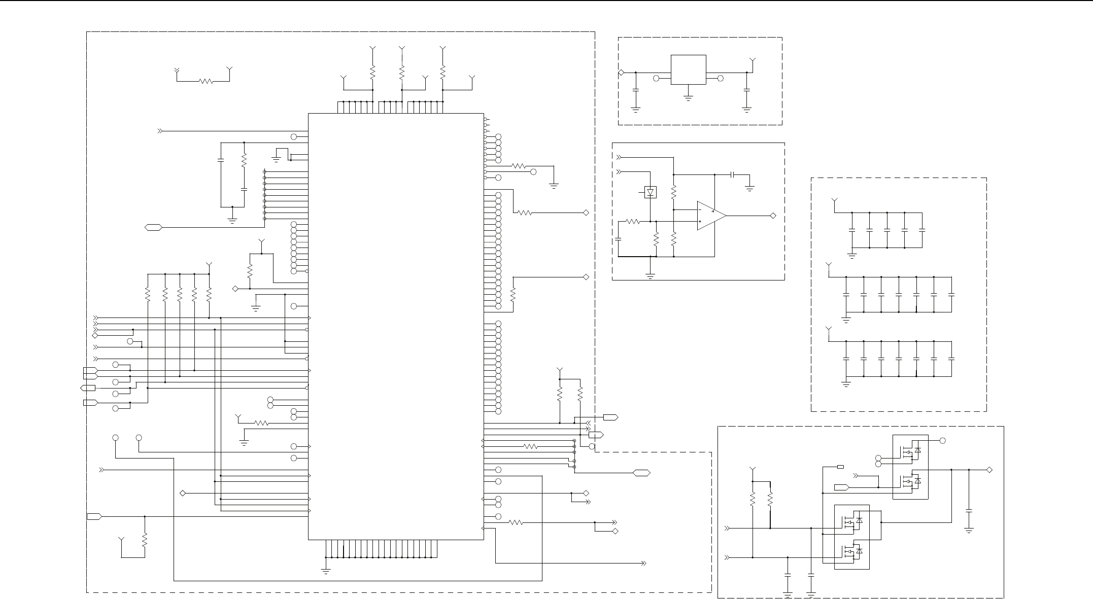
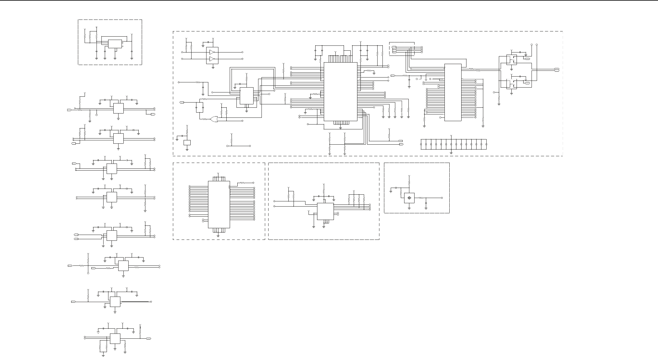
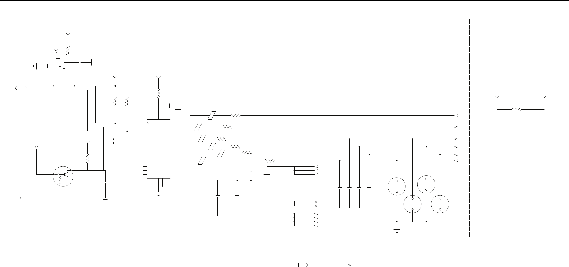
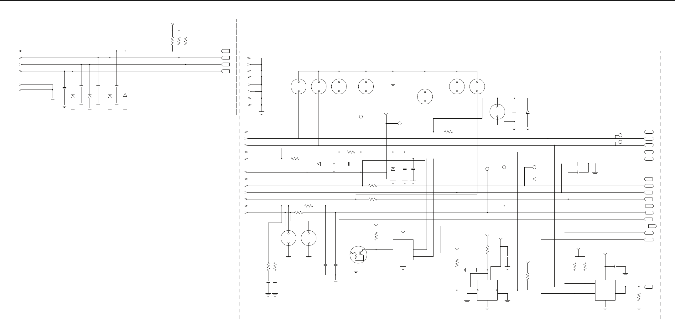
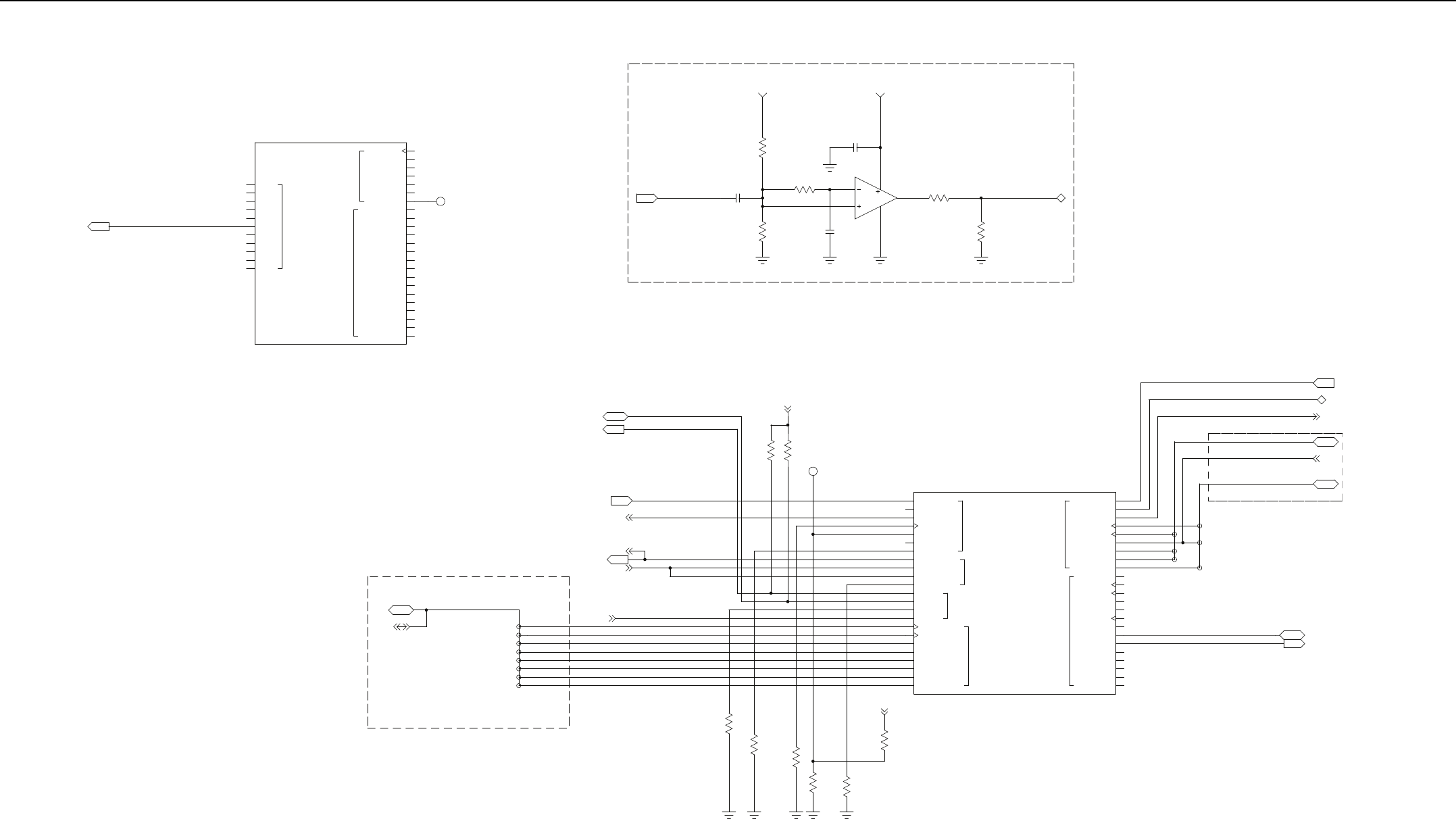
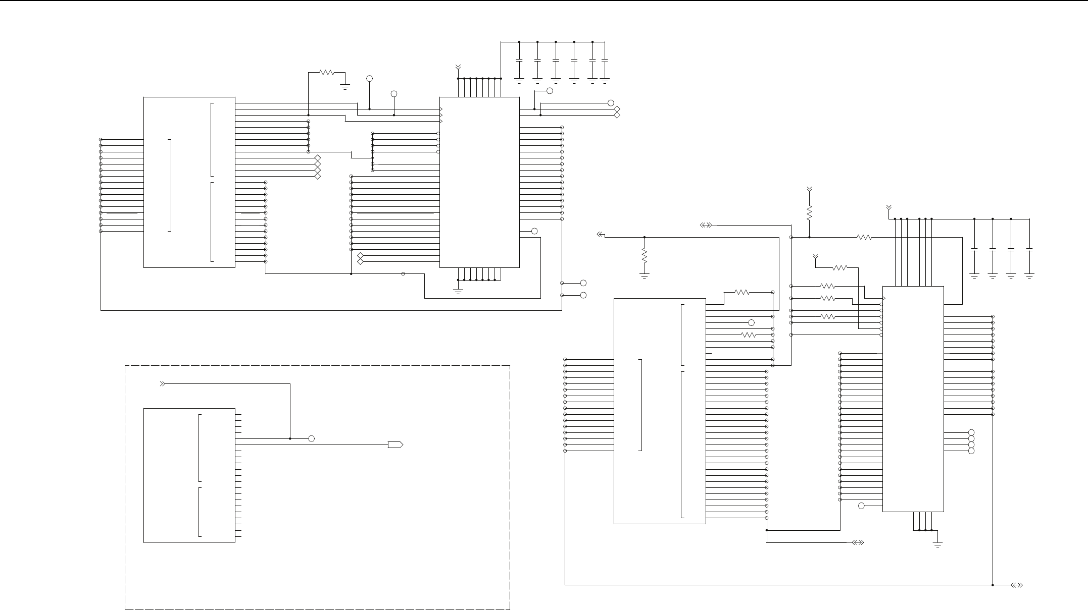
Chapter 8 Schematics, Boards Overlays, and Parts Lists................ 8-1
8.1 List of Transceiver Schematics and Board Overlays ..................................................................... 8-1
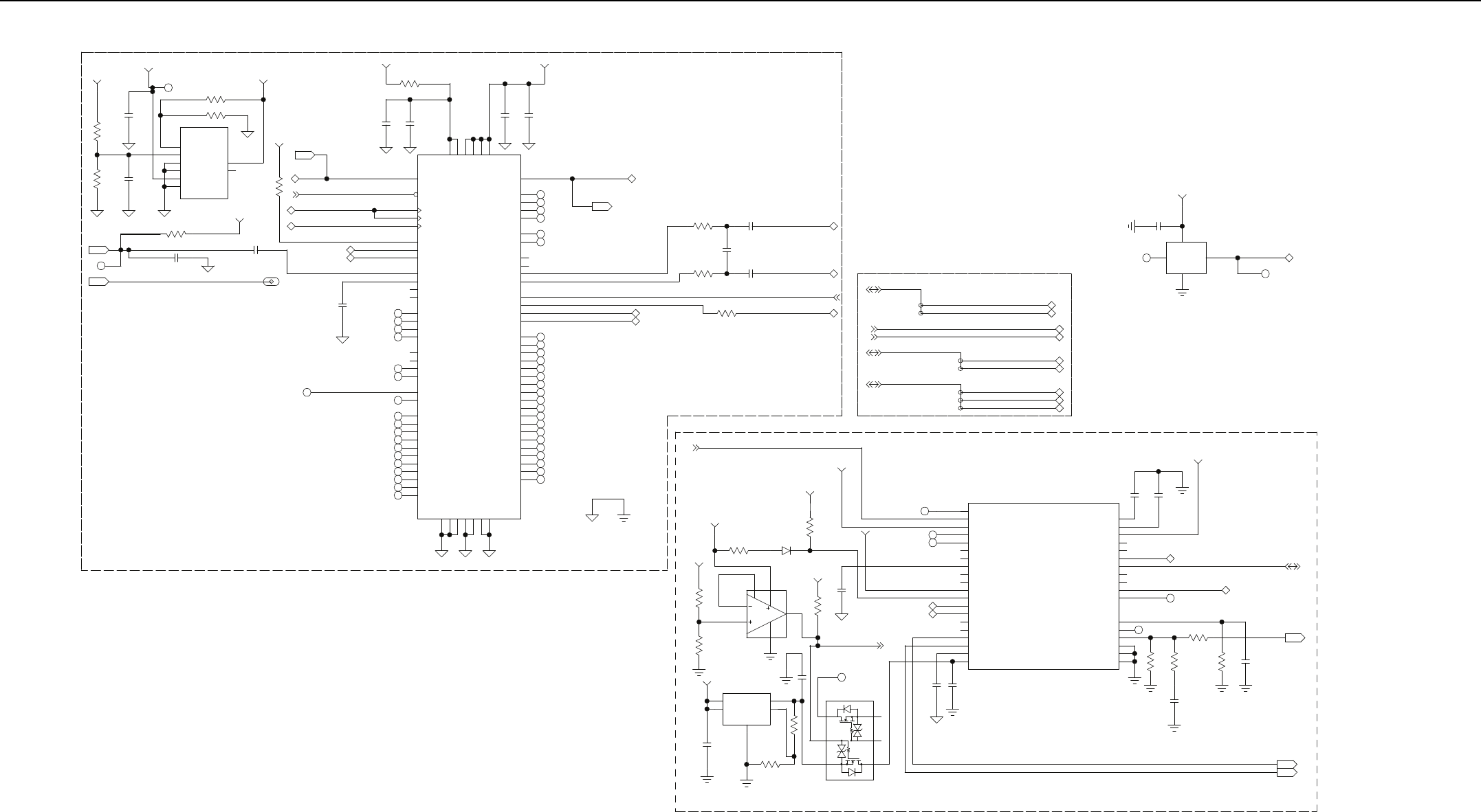
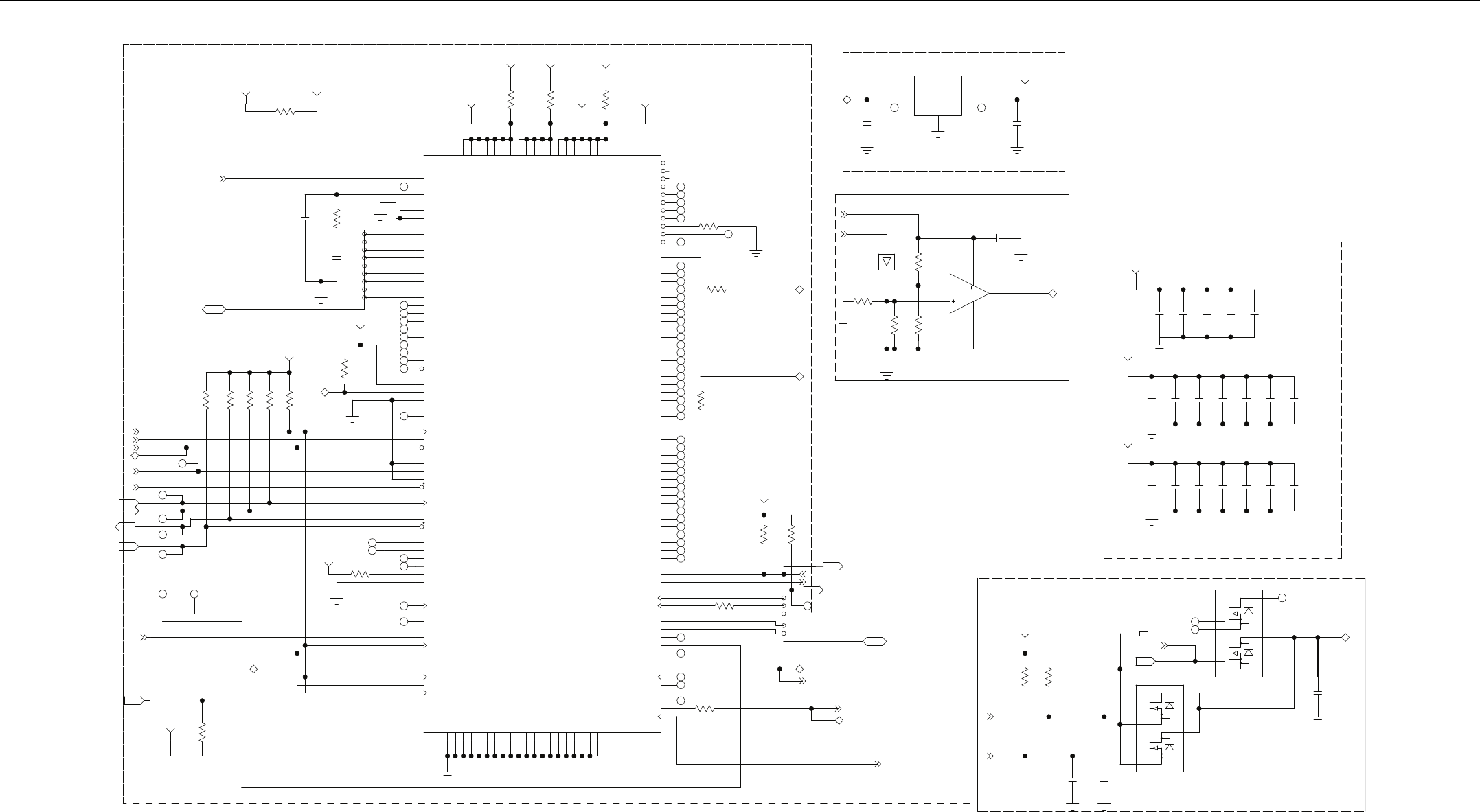
8.2 Main Board Block: UHF1 (84012513001_A).................................................................................. 8-3
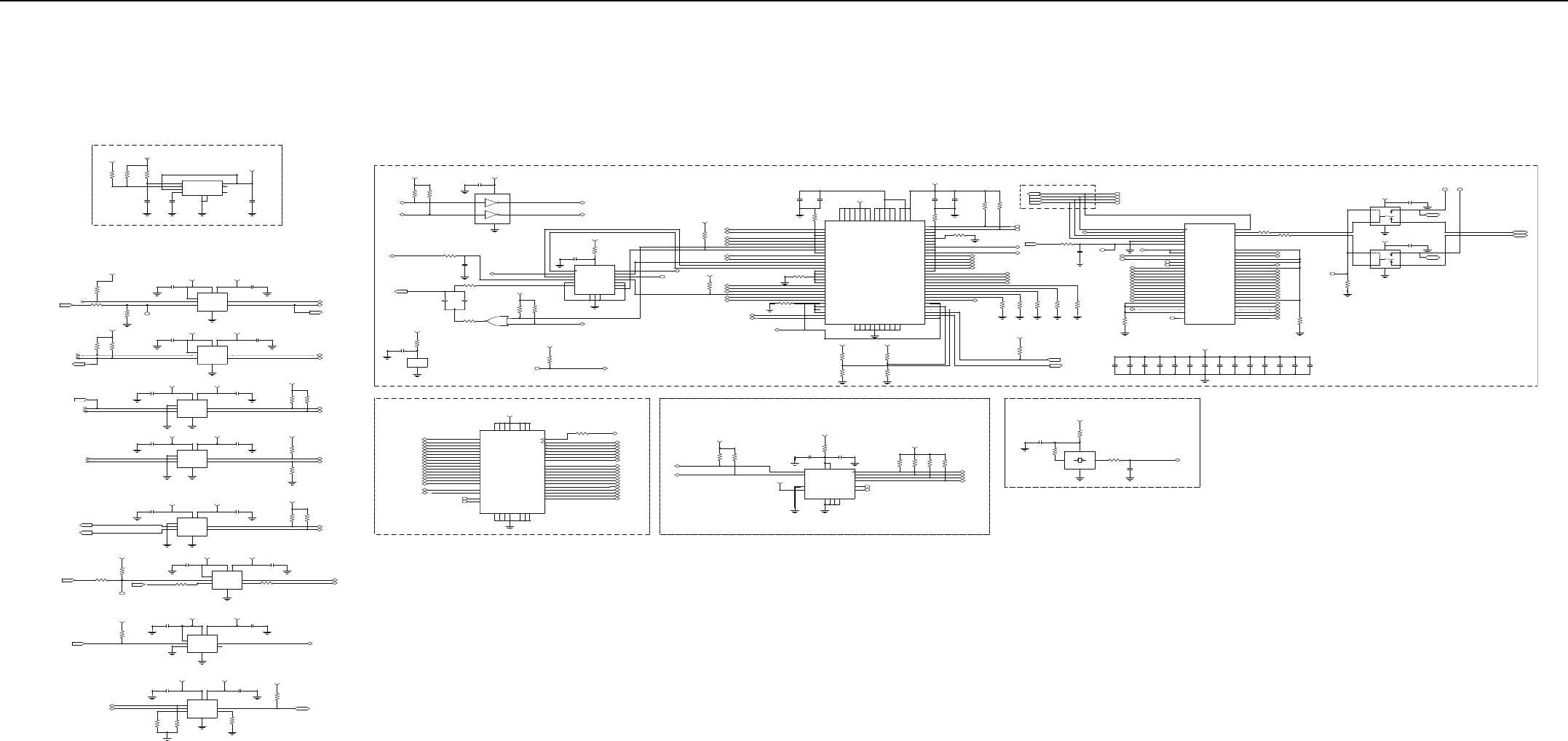
8.3 Main Board Block: 700–800 MHz (84012501002) ....................................................................... 8-61
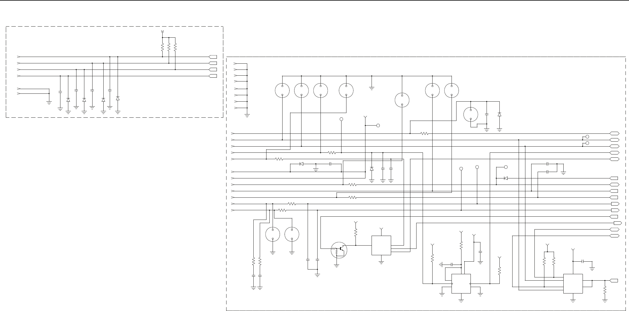
8.4 Main Board Block: VHF (84012512001_A)................................................................................ 8-117
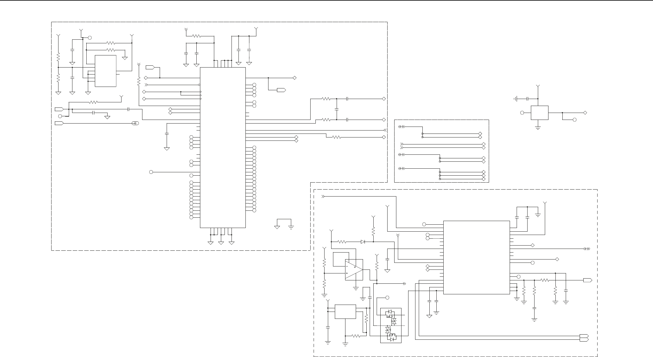
8.5 Main Board Block: UHF2 (84012616001) .................................................................................. 8-169

Table of Contents ix
Chapter 9 Debugging Fixture .............................................................. 9-1
9.1 Covert Board Debugging Fixture (Front) .......................................................................................9-1
9.2 Covert Board Debugging Fixture (Back)........................................................................................9-2
9.3 Covert Board Debugging Fixture with Flexes, Housing and Display (Front) ................................. 9-2
9.4 Covert Board Debugging Fixture with Flexes, Housing and Display (Back) .................................. 9-3
9.5 Debugging Fixture Set up .............................................................................................................. 9-3
9.6 Board Assembly on Debugging Fixture ......................................................................................... 9-6
9.7 Powering up Covert Board............................................................................................................. 9-7
Appendix A Replacement Parts Ordering..............................................A-1
A.1 Basic Ordering Information ............................................................................................................A-1
A.2 Transceiver Board, Controller Board and Expander Board Ordering Information .........................A-1
A.3 Motorola Online .............................................................................................................................A-1
A.4 Mail Orders ....................................................................................................................................A-1
A.5 Telephone Orders..........................................................................................................................A-1
A.6 Fax Orders.....................................................................................................................................A-2
A.7 Parts Identification .........................................................................................................................A-2
A.8 Product Customer Service.............................................................................................................A-2
Glossary......................................................................................... Glossary-1
Index..................................................................................................... Index-1

xTable of Contents
Notes

List of Tables xi
List of Tables
Table 2-1. IMPRES Batteries ................................................................................................................. 2-1
Table 3-1. Battery Connector J3 ............................................................................................................ 3-5
Table 3-2. DC Supplies and Sources for Controller ............................................................................. 3-25
Table 3-3. MAKO’s LDO and Supplies................................................................................................. 3-25
Table 3-4. Pulse Switching Combination ............................................................................................. 3-27
Table 3-5. Controller Clock Distribution ............................................................................................... 3-29
Table 3-6. P1 Pin Assignment ............................................................................................................. 3-40
Table 3-7. GCAI Connector Pin Assignment........................................................................................ 3-41
Table 3-8. Secure Board KIT Numbers................................................................................................ 3-43
Table 3-9. Power and I/O Pins for NL5500 .......................................................................................... 3-45
Table 3-10. SPI Interface ....................................................................................................................... 3-46
Table 3-11. Register Address Map ........................................................................................................ 3-47
Table 3-12. Bluetooth Host Processor UART I/O................................................................................... 3-54
Table 3-13. SPI I/O ................................................................................................................................ 3-55
Table 3-14. USB I/O............................................................................................................................... 3-56
Table 3-15. GPIO I/O ............................................................................................................................. 3-57
Table 4-1. Recommended Service Tools ............................................................................................... 4-2
Table 4-2. Standard Operating Bias – DC Voltages............................................................................... 4-3
Table 4-3. Standard Operating Bias – Clock Sources............................................................................ 4-3
Table 4-4. Power-Up Self-Check Error Codes .......................................................................................4-4
Table 4-5. Power-Up Self-Check Diagnostic Actions............................................................................. 4-5
Table 5-1. Troubleshooting Charts......................................................................................................... 5-1
Table 6-1. List of Waveforms ................................................................................................................. 6-1
Table 6-2. Bluetooth Command to TX ................................................................................................. 6-38
Table 6-3. Bluetooth Command to RX ................................................................................................. 6-39
Table 6-4. Low Frequency Command to TX ........................................................................................ 6-39
Table 6-5. Low Frequency Command to RX........................................................................................ 6-39
Table 6-6. Bluetooth Test Points .......................................................................................................... 6-40
Table 7-1. List of Tables of Board and IC Signals .................................................................................. 7-1
Table 7-2. Mainboard to main flex connector interface Pin-Out............................................................. 7-2
Table 7-3. Main Flex connector to main board connector interface Pin-Out.......................................... 7-3
Table 7-4. Side Button Flex connector Pin-Out...................................................................................... 7-4
Table 7-5. Top Control Flex connector Pin-Out...................................................................................... 7-4
Table 7-6. NFC Flex connector interface Pin-Out..................................................................................7-5
Table 7-7. Overall GPIO pin functions ................................................................................................... 7-5
Table 7-8. Primary IC Reference Designator .......................................................................................7-13
Table 8-1. List of Transceiver Schematics and Board Overlays ............................................................ 8-1
Related Publications
APX 3000 Digital Portable Radios Basic Service Manual ........................................................ 68012007044
APX 3000 Digital Portable User Guide..................................................................................... 68012007043

xii List of Tables
Notes

List of Figures xiii
List of Figures
Figure 2-1. DC Power Distribution........................................................................................................... 2-2
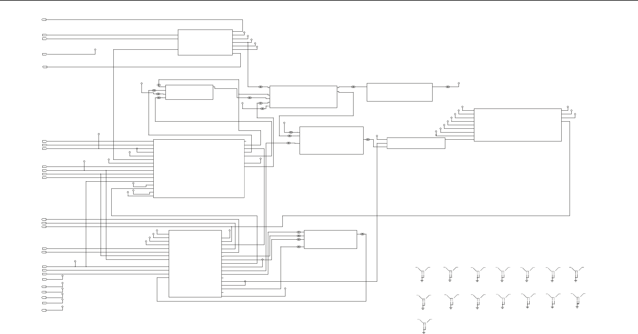
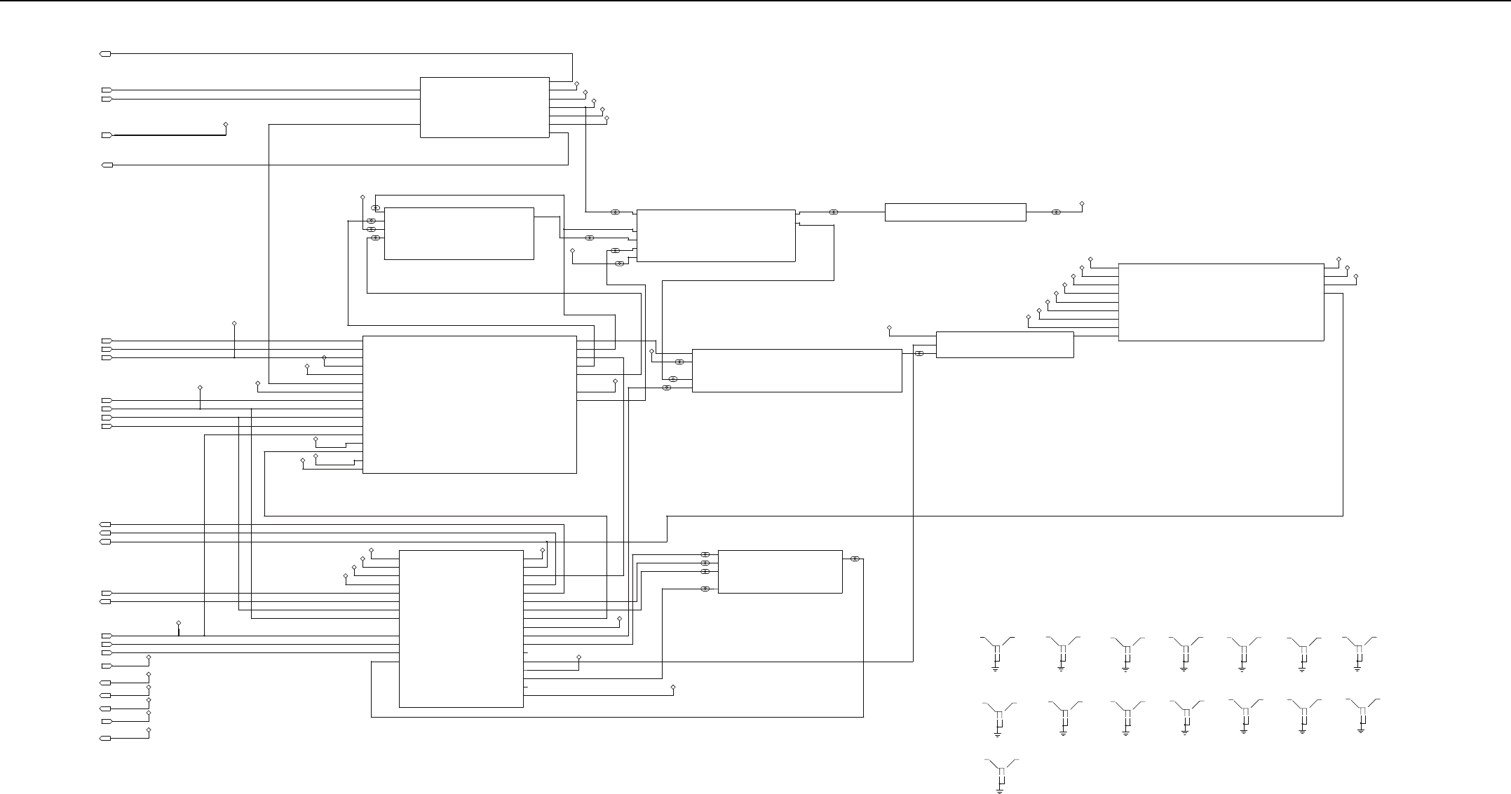
Figure 3-1. APX 3000 Overall Block Diagram ......................................................................................... 3-2
Figure 3-2. Transceiver (UHF1/ UHF2) Block Diagram (Power and Control Omitted) ............................ 3-3
Figure 3-3. Transceiver (VHF) Block Diagram (Power and Control Omitted) ......................................... 3-4
Figure 3-4. Transceiver (700/800 MHz) Block Diagram (Power and Control Omitted) ........................... 3-5
Figure 3-5. Receiver Block Diagram (UHF1)........................................................................................... 3-6
Figure 3-6. Receiver Block Diagram (UHF2)........................................................................................... 3-7
Figure 3-7. Receiver Block Diagram (VHF)............................................................................................. 3-7
Figure 3-8. Receiver Block Diagram (700/800 MHz)............................................................................... 3-7
Figure 3-9. Transmitter Block Diagram (UHF1/ UHF2) ........................................................................... 3-9
Figure 3-10. Transmitter Block Diagram (VHF)....................................................................................... 3-10
Figure 3-11. Transmitter Block Diagram (700/800 MHz)......................................................................... 3-10
Figure 3-12. Synthesizer Block Diagram (UHF1/ UHF2)......................................................................... 3-14
Figure 3-13. Synthesizer Block Diagram (VHF) ...................................................................................... 3-15
Figure 3-14. Synthesizer Block Diagram (700/800 MHz) ........................................................................ 3-15
Figure 3-15. Controller Interconnection Diagram .................................................................................... 3-21
Figure 3-16. Controller Electrical Overview............................................................................................. 3-23
Figure 3-17. Controller DC Block Diagram.............................................................................................. 3-24
Figure 3-18. V_SW_1.4 Switched Power Supply.................................................................................... 3-26
Figure 3-19. 5V Switched Power Supply................................................................................................. 3-27
Figure 3-20. Power-up Timing Regulators .............................................................................................. 3-28
Figure 3-21. Controller Clock Architecture .............................................................................................. 3-29
Figure 3-22. Overview of OMAP Interconnection with Controller Peripherals......................................... 3-30
Figure 3-23. OMAP Memory Interface .................................................................................................... 3-31
Figure 3-24. RX / TX SSI Configuration .................................................................................................. 3-32
Figure 3-25. Audio SSI Configuration...................................................................................................... 3-33
Figure 3-26. SPI and I2C Configuration .................................................................................................. 3-34
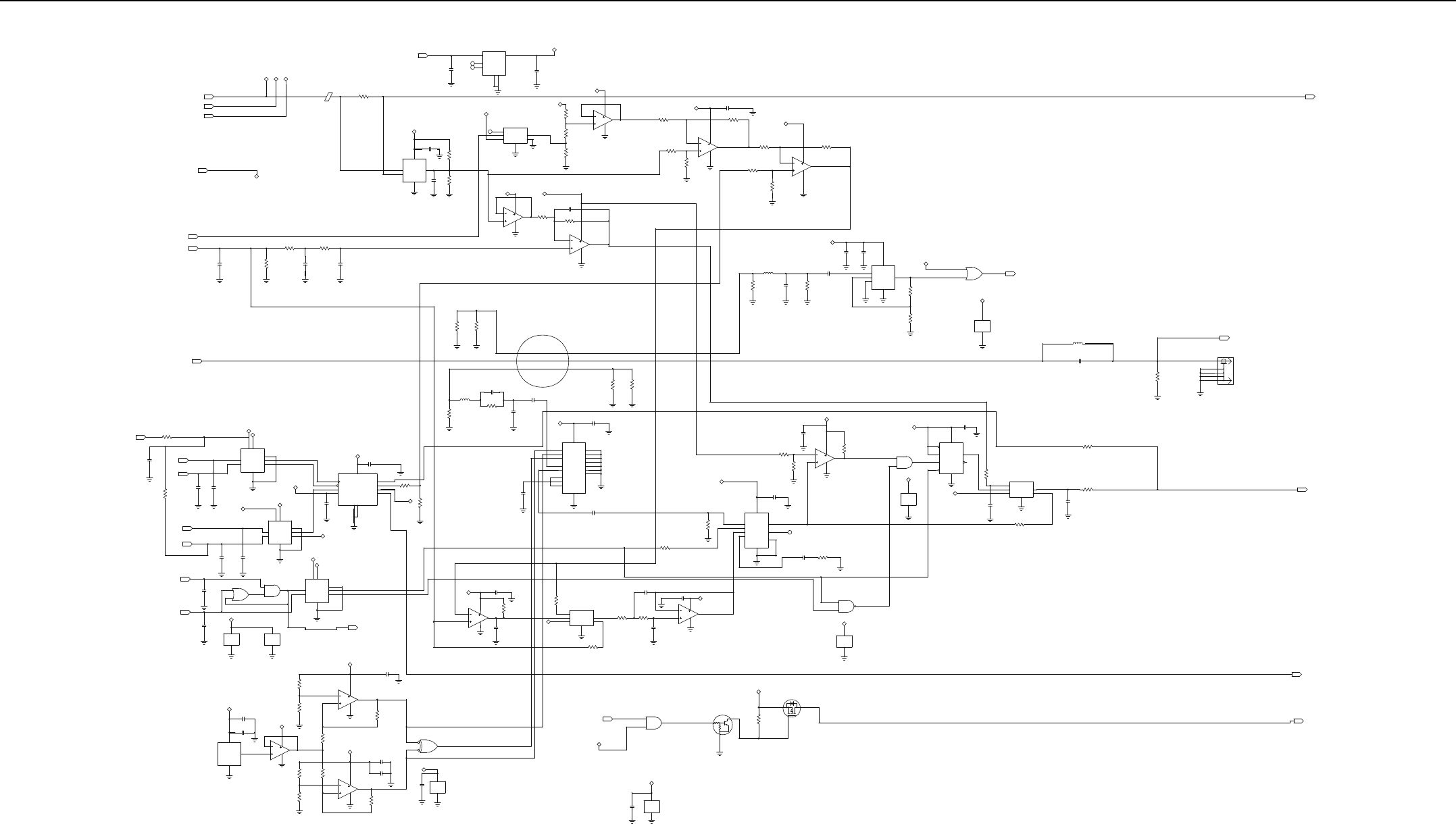
Figure 3-27. CPLD Block Diagram .......................................................................................................... 3-35
Figure 3-28. Audio TX Path Block Diagram ............................................................................................ 3-36
Figure 3-29. RX Audio Path Block Diagram ............................................................................................ 3-37
Figure 3-30. Control Top Block Diagram ................................................................................................. 3-38
Figure 3-31. GCAI Signal Configuration.................................................................................................. 3-39
Figure 3-32. GCAI Connector.................................................................................................................. 3-40
Figure 3-33. APX 3000 Encryption Architecture...................................................................................... 3-42
Figure 3-34. GPS Block Diagram ............................................................................................................ 3-45
Figure 3-35. Accelerometer Block Diagram ............................................................................................ 3-46
Figure 3-36. Relation of Bluetooth & LF Antenna Assembly to Main Board............................................ 3-48
Figure 3-37. Bluetooth Connection Flowchart ......................................................................................... 3-49
Figure 3-38. Bluetooth/Controller Interface with Clock Sources.............................................................. 3-50
Figure 3-39. Bluetooth Functional Block Diagram................................................................................... 3-50
Figure 3-40. Bluetooth Low-Frequency Circuit Block Diagram ............................................................... 3-51
Figure 3-41. Bluetooth Low-Frequency Pairing Data Path...................................................................... 3-51
Figure 3-42. Detailed Low-Frequency Transmit/Receive Paths.............................................................. 3-52
Figure 3-43. Chip Power-Up/Power-Down Sequence (Exernal Input/Output Shown) ............................ 3-52
Figure 3-44. Current Distribution Tree for Bluetooth Circuitry ................................................................. 3-53
Figure 3-45. Bluetooth LF UART Connection Block Diagram ................................................................. 3-55
Figure 3-46. Bluetooth USB Interface To Main Board ............................................................................. 3-56
Figure 6-1. 32 kHz Clock Waveform ....................................................................................................... 6-2
Figure 6-2. 4 MHz Clock Waveform ........................................................................................................ 6-3
Figure 6-3. 12 MHz Clock Waveform ...................................................................................................... 6-4

xiv List of Figures
Figure 6-4. 16.8 MHz Clock Waveform ................................................................................................... 6-5
Figure 6-5. 24 MHz Clock Waveform ...................................................................................................... 6-6
Figure 6-6. Audio SSI – Red Tx Waveform ............................................................................................. 6-7
Figure 6-7. Audio SSI – Red Rx Waveform............................................................................................. 6-8
Figure 6-8. Audio SSI – Sync. Waveform................................................................................................ 6-9
Figure 6-9. Audio SSI – BCLK. Waveform ............................................................................................ 6-10
Figure 6-10. RX SSI – CLK. Waveform ................................................................................................... 6-11
Figure 6-11. RX SSI – DA Waveform ...................................................................................................... 6-12
Figure 6-12. RX SSI – FSync. Waveform................................................................................................ 6-13
Figure 6-13. TX SSI – TX CLK. Waveform.............................................................................................. 6-14
Figure 6-14. TX SSI – DA Waveform ...................................................................................................... 6-15
Figure 6-15. TX SSI – FSync. Waveform ................................................................................................ 6-16
Figure 6-16. SPI – CLK Waveform .......................................................................................................... 6-17
Figure 6-17. CS Waveform...................................................................................................................... 6-18
Figure 6-18. I2C Bus – SCA Waveform................................................................................................... 6-19
Figure 6-19. I2C Bus – SCA 5V Waveform ............................................................................................. 6-20
Figure 6-20. I2C Bus – SDA Waveform................................................................................................... 6-21
Figure 6-21. 1-Wire Waveform ................................................................................................................ 6-22
Figure 6-22. GCAI – GPIO0 Waveform ................................................................................................... 6-23
Figure 6-23. GCAI – GPIO4 Waveform ................................................................................................... 6-24
Figure 6-24. USB – D- Waveform............................................................................................................ 6-25
Figure 6-25. USB – D+ Waveform........................................................................................................... 6-26
Figure 6-26. SDRAM – CLK Waveform................................................................................................... 6-27
Figure 6-27. SDRAM – CLKX Waveform ................................................................................................ 6-28
Figure 6-28. FLASH CONTROL – ADV Waveform ................................................................................. 6-29
Figure 6-29. FLASH CONTROL – CS3 Waveform.................................................................................. 6-30
Figure 6-30. FLASH CONTROL – OE Waveform ................................................................................... 6-31
Figure 6-31. FLASH CONTROL – RDY Waveform ................................................................................. 6-32
Figure 6-32. FLASH CONTROL – WE Waveform................................................................................... 6-33
Figure 6-33. Received Baseband Waveforms.........................................................................................6-34
Figure 6-34. GPS TCXO Waveforms ...................................................................................................... 6-35
Figure 6-35. GPS RTC Waveforms ......................................................................................................... 6-36
Figure 6-36. GPS UART DATA Waveforms.............................................................................................6-37
Figure 6-37. Summary of Bluetooth Power Up Sequence....................................................................... 6-40
Figure 6-38. Startup Waveforms – Vmax of TP16................................................................................... 6-41
Figure 6-39. Startup – Timing Difference of TP9 to TP16........................................................................ 6-42
Figure 6-40. Startup – Timing Difference of TP5 to TP16 and Voltage Statistics .................................... 6-43
Figure 6-41. Startup – Timing Difference of TP4 to TP16 and Time Statistics ........................................ 6-44
Figure 6-42. Startup – Timing Difference of TP4 to TP5 and Time Statistics .......................................... 6-45
Figure 6-43. Startup – Vmax of TP5 and Time Statistics......................................................................... 6-46
Figure 6-44. Startup – Vmax of TP4 and Time Statistics......................................................................... 6-47
Figure 6-45. Startup – Vmax of TP5 and Voltage Statistics..................................................................... 6-48
Figure 6-46. Startup – Vmax of TP9 and Voltage Statistics..................................................................... 6-49
Figure 6-47. Startup – Vmax of TP10 and Time Statistics ....................................................................... 6-50
Figure 6-48. Startup – Vmax of TP16 and Voltage Statistics................................................................... 6-51
Figure 6-49. Startup – Vmax of TP13 and Voltage Statistics................................................................... 6-52
Figure 6-50. Startup – Vmax of TP11 and Voltage Statistics ................................................................... 6-53
Figure 6-51. Startup – Timing Difference of TP13 to TP16 and Time Statistics ...................................... 6-54
Figure 6-52. Startup – Timing Difference of TP10 to TP13 and Time Statistics ...................................... 6-55
Figure 6-53. Startup – Timing Difference of TP11 to TP13 and Time Statistics....................................... 6-56
Figure 6-54. Bluetooth CW on Spectrum Analyzer.................................................................................. 6-57
Figure 6-55. USB D+ Vmax and Packet Timing with Statistics................................................................ 6-58
Figure 6-56. USB D- Vmax and Packet Timing with Statistics ................................................................ 6-59
Figure 6-57. V_SW_3.6 Voltage Statistics............................................................................................... 6-60

List of Figures xv
Figure 6-58. 32 kHz clock Vmax with Statistics....................................................................................... 6-61
Figure 6-59. LF Coil when TX and RX .................................................................................................... 6-62
Figure 6-60. LF CW on Spectrum Analyzer ............................................................................................ 6-63
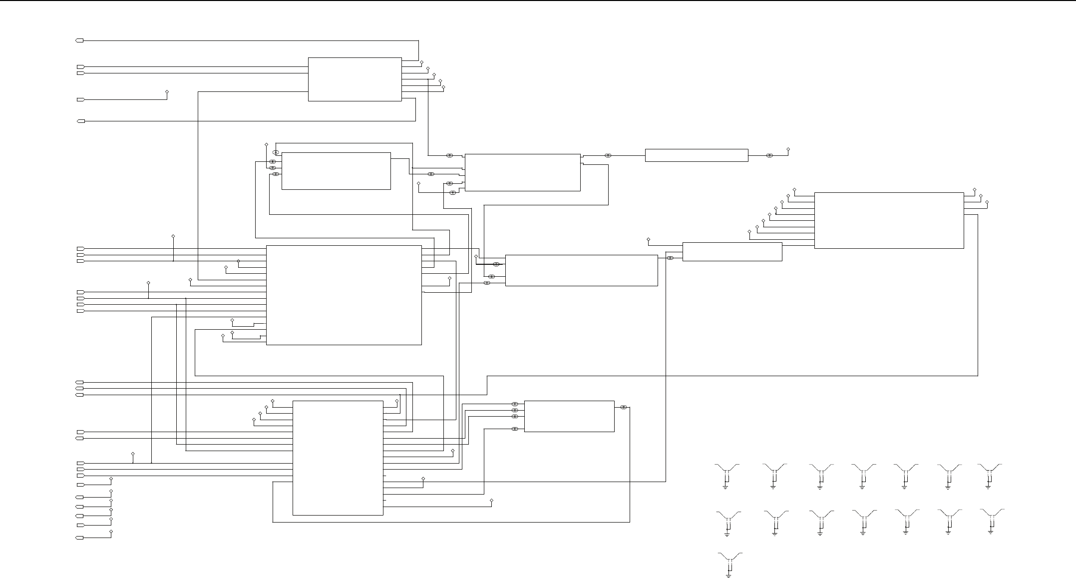
Figure 8-1. Main Board Block.................................................................................................................. 8-3
Figure 8-2. Transceiver (RF) Board Overall Schematic Blocks............................................................... 8-4
Figure 8-3. Antenna Switch Circuit.......................................................................................................... 8-5
Figure 8-4. Transmitter HF Circuit........................................................................................................... 8-6
Figure 8-5. Power Amplifier Circuit.......................................................................................................... 8-7
Figure 8-6. Automatic Level Control Circuit............................................................................................. 8-8
Figure 8-7. Receiver Front End Circuit.................................................................................................... 8-9
Figure 8-8. Receiver Back End Mixer.................................................................................................... 8-10
Figure 8-9. Receiver Back End ............................................................................................................. 8-11
Figure 8-10. Receiver VCO Circuit.......................................................................................................... 8-12
Figure 8-11. Transmitter VCO Circuit...................................................................................................... 8-13
Figure 8-12. Frequency Generation Unit Circuit – 1 of 2......................................................................... 8-14
Figure 8-13. Frequency Generation Unit Circuit – 2 of 2......................................................................... 8-15
Figure 8-14. DC Circuit ........................................................................................................................... 8-16
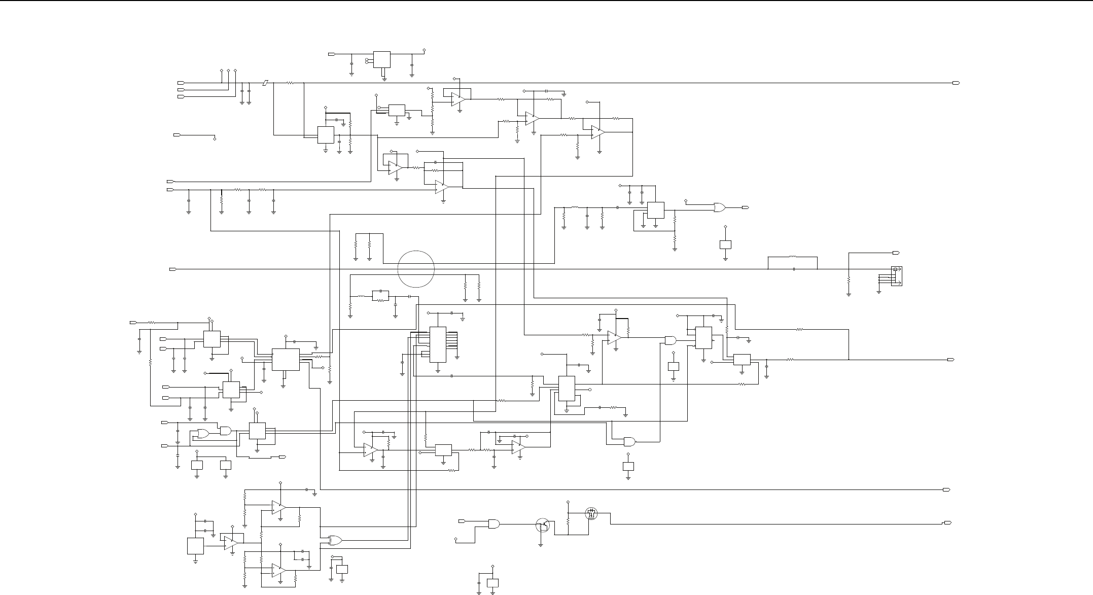
Figure 8-15. Controller Overall Schematic Blocks................................................................................... 8-17
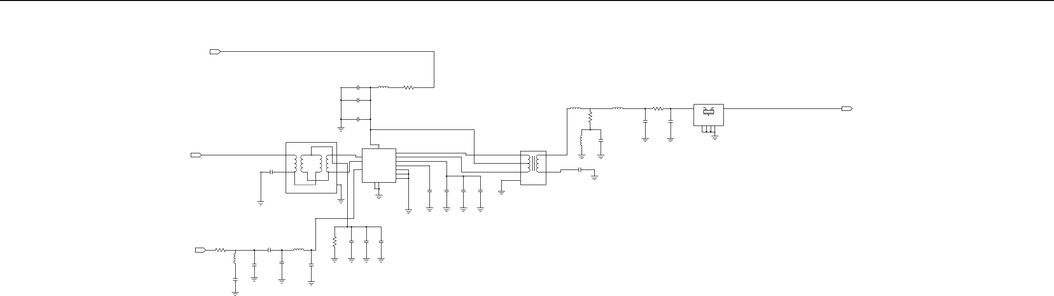
Figure 8-16. GPS Bluetooth Circuit – 1 of 2 ............................................................................................ 8-18
Figure 8-17. GPS Bluetooth Circuit – 2 of 2 ............................................................................................ 8-19
Figure 8-18. Top Control and JTAG Circuit............................................................................................. 8-20
Figure 8-19. Lighting Control Circuit........................................................................................................ 8-21
Figure 8-20. GCAI and side control......................................................................................................... 8-22
Figure 8-21. Debugging and Display Connector .....................................................................................8-23
Figure 8-22. Connectors ......................................................................................................................... 8-24
Figure 8-23. CPLD Circuit ....................................................................................................................... 8-25
Figure 8-24. OMAP User Interface Circuit............................................................................................... 8-26
Figure 8-25. Memory Interface ................................................................................................................ 8-27
Figure 8-26. Audio Circuit ....................................................................................................................... 8-28
Figure 8-27. MAKO/DC Distribution Circuit ............................................................................................. 8-29
Figure 8-28. Serial Interface Circuit......................................................................................................... 8-30
Figure 8-29. Secure Circuit ..................................................................................................................... 8-31
Figure 8-30. Transceiver (RF) Board Layout – Top Side ........................................................................ 8-32
Figure 8-31. Transceiver (RF) Board Layout – Bottom Side ................................................................... 8-33
Figure 8-32. Main Board Block................................................................................................................ 8-61
Figure 8-33. Transceiver (RF) Board Overall Schematic ........................................................................ 8-62
Figure 8-34. Receiver Back End ............................................................................................................. 8-63
Figure 8-35. Frequency Generation Unit Circuit – 1 of 2......................................................................... 8-64
Figure 8-36. Frequency Generation Unit Circuit – 2 of 2......................................................................... 8-65
Figure 8-37. Automatic Level Control Circuit........................................................................................... 8-66
Figure 8-38. VCO Circuit......................................................................................................................... 8-67
Figure 8-39. Receiver Front End Circuit.................................................................................................. 8-68
Figure 8-40. Receiver Back End Mixer.................................................................................................... 8-69
Figure 8-41. Power Amplifier Circuit........................................................................................................ 8-70
Figure 8-42. DC Circuit ........................................................................................................................... 8-71
Figure 8-43. Antenna Switch Circuit........................................................................................................ 8-72
Figure 8-44. Transmitter HF Circuit......................................................................................................... 8-73
Figure 8-45. Controller Overall Schematic Blocks................................................................................... 8-74
Figure 8-46. GPS Bluetooth Circuit – 1 of 2 ............................................................................................ 8-75
Figure 8-47. GPS Bluetooth Circuit – 2 of 2 ............................................................................................ 8-76
Figure 8-48. Top Control and JTAG Circuit............................................................................................. 8-77
Figure 8-49. Lighting Control Circuit........................................................................................................ 8-78
Figure 8-50. GCAI and side control......................................................................................................... 8-79
Figure 8-51. Debugging and Display Connector .....................................................................................8-80

xvi List of Figures
Figure 8-52. Connectors.......................................................................................................................... 8-81
Figure 8-53. CPLD Circuit ....................................................................................................................... 8-82
Figure 8-54. OMAP User Interface Circuit............................................................................................... 8-83
Figure 8-55. Memory Interface ................................................................................................................ 8-84
Figure 8-56. Audio Circuit........................................................................................................................ 8-85
Figure 8-57. MAKO/DC Distribution Circuit ............................................................................................. 8-86
Figure 8-58. Serial Interface Circuit......................................................................................................... 8-87
Figure 8-59. Secure Circuit ..................................................................................................................... 8-88
Figure 8-60. Transceiver (RF) Board Layout – Top Side ........................................................................ 8-89
Figure 8-61. Transceiver (RF) Board Layout – Bottom Side ................................................................... 8-90
Figure 8-62. Main Board Block .............................................................................................................. 8-117
Figure 8-63. Transceiver (RF) Board Overall Schematic ...................................................................... 8-118
Figure 8-64. ANTSWI Circuit ................................................................................................................. 8-119
Figure 8-65. Transmitter HF Circuit....................................................................................................... 8-120
Figure 8-66. Power Amplifier Circuit...................................................................................................... 8-121
Figure 8-67. Automatic Level Control Circuit......................................................................................... 8-122
Figure 8-68. Receiver Front End Circuit................................................................................................ 8-123
Figure 8-69. Receiver Back End Mixer.................................................................................................. 8-124
Figure 8-70. Receiver Back End ........................................................................................................... 8-125
Figure 8-71. Receiver VCO Circuit ........................................................................................................ 8-126
Figure 8-72. Transmitter VCO Circuit .................................................................................................... 8-127
Figure 8-73. Frequency Generation Unit Circuit - 1 of 2 ....................................................................... 8-128
Figure 8-74. Frequency Generation Unit Circuit - 2 of 2 ....................................................................... 8-129
Figure 8-75. DC Circuit.......................................................................................................................... 8-130
Figure 8-76. Controller Overall Schematic Blocks.................................................................................8-131
Figure 8-77. GPS Bluetooth Circuit – 1 of 2 .......................................................................................... 8-132
Figure 8-78. GPS Bluetooth Circuit - 2 of 2 ........................................................................................... 8-133
Figure 8-79. Top Control and JTAG Circuit ........................................................................................... 8-134
Figure 8-80. Lighting Control Circuit...................................................................................................... 8-135
Figure 8-81. GCAI and side control....................................................................................................... 8-136
Figure 8-82. Debugging and Display Connector ................................................................................... 8-137
Figure 8-83. Connectors........................................................................................................................ 8-138
Figure 8-84. CPLD Circuit ..................................................................................................................... 8-139
Figure 8-85. OMAP User Interface Circuit............................................................................................. 8-140
Figure 8-86. Memory Interface .............................................................................................................. 8-141
Figure 8-87. Audio Circuit...................................................................................................................... 8-142
Figure 8-88. MAKO/DC Distribution Circuit ........................................................................................... 8-143
Figure 8-89. Serial Interface Circuit....................................................................................................... 8-144
Figure 8-90. Secure Circuit ................................................................................................................... 8-145
Figure 8-91. Transceiver (RF) Board Layout – Top Side ...................................................................... 8-146
Figure 8-92. Transceiver (RF) Board Layout – Bottom Side ................................................................. 8-147
Figure 8-93. Main Board Block .............................................................................................................. 8-169
Figure 8-94. Transceiver (RF) Board Overall Schematic ...................................................................... 8-170
Figure 8-95. ANTSWI Circuit ................................................................................................................. 8-171
Figure 8-96. Transmitter HF Circuit....................................................................................................... 8-172
Figure 8-97. Power Amplifier Circuit...................................................................................................... 8-173
Figure 8-98. Automatic Level Control Circuit......................................................................................... 8-174
Figure 8-99. Receiver Front End Circuit................................................................................................ 8-175
Figure 8-100.Receiver Back End Mixer................................................................................................. 8-176
Figure 8-101.Receiver Back End........................................................................................................... 8-177
Figure 8-102.Receiver VCO Circuit ....................................................................................................... 8-178
Figure 8-103.Transmitter VCO Circuit................................................................................................... 8-179
Figure 8-104.Frequency Generation Unit Circuit - 1 of 2....................................................................... 8-180
Figure 8-105.Frequency Generation Unit Circuit - 2 of 2....................................................................... 8-181

List of Figures xvii
Figure 8-106.DC Circuit......................................................................................................................... 8-182
Figure 8-107.Controller Overall Schematic Blocks................................................................................ 8-183
Figure 8-108.GPS Bluetooth Circuit – 1 of 2 ......................................................................................... 8-184
Figure 8-109.GPS Bluetooth Circuit - 2 of 2.......................................................................................... 8-185
Figure 8-110.Top Control and JTAG Circuit.......................................................................................... 8-186
Figure 8-111.Lighting Control Circuit..................................................................................................... 8-187
Figure 8-112.GCAI and side control...................................................................................................... 8-188
Figure 8-113.Debugging and Display Connector .................................................................................. 8-189
Figure 8-114.Connectors....................................................................................................................... 8-190
Figure 8-115.CPLD Circuit .................................................................................................................... 8-191
Figure 8-116.OMAP User Interface Circuit............................................................................................ 8-192
Figure 8-117.Memory Interface ............................................................................................................. 8-193
Figure 8-118.Audio Circuit..................................................................................................................... 8-194
Figure 8-119.MAKO/DC Distribution Circuit .......................................................................................... 8-195
Figure 8-120.Serial Interface Circuit...................................................................................................... 8-196
Figure 8-121.Secure Circuit .................................................................................................................. 8-197
Figure 8-122.Transceiver (RF) Board Layout – Top Side ..................................................................... 8-198
Figure 8-123.Transceiver (RF) Board Layout – Bottom Side ................................................................ 8-199
Figure 9-1. Covert Board Debugging Fixture (Front)...............................................................................9-1
Figure 9-2. Covert Board Debugging Fixture (Back) ............................................................................... 9-2
Figure 9-3. Covert Board Debugging Fixtures with Flexes, Housing and Display (Front)....................... 9-2
Figure 9-4. Covert Board Debugging Fixture with Flexes, Housing and Display (Back) ......................... 9-3
Figure 9-5. Remove the Housing Clamp ................................................................................................. 9-3
Figure 9-6. Remove the Display Clamp .................................................................................................. 9-4
Figure 9-7. Remove transparent cover (1) .............................................................................................. 9-4
Figure 9-8. Remove transparent cover (2) .............................................................................................. 9-5
Figure 9-9. Assemble NFC Flex.............................................................................................................. 9-5
Figure 9-10. Board assembly .................................................................................................................... 9-6
Figure 9-11. Power up Covert board ......................................................................................................... 9-7

xviii List of Figures
Notes

Commercial Warranty xix
Commercial Warranty
Limited Warranty
MOTOROLA COMMUNICATION PRODUCTS
I. What This Warranty Covers And For How Long
MOTOROLA SOLUTIONS INC. (MOTOROLA”) warrants the MOTOROLA manufactured
Communication Products listed below (Product”) against defects in material and workmanship under
normal use and service for a period of time from the date of purchase as scheduled below:
Motorola, at its option, will at no charge either repair the Product (with new or reconditioned parts),
replace it (with a new or reconditioned Product), or refund the purchase price of the Product during
the warranty period provided it is returned in accordance with the terms of this warranty. Replaced
parts or boards are warranted for the balance of the original applicable warranty period. All replaced
parts of Product shall become the property of MOTOROLA.
This express limited warranty is extended by MOTOROLA to the original end user purchaser only
and is not assignable or transferable to any other party. This is the complete warranty for the Product
manufactured by MOTOROLA. MOTOROLA assumes no obligations or liability for additions or
modifications to this warranty unless made in writing and signed by an officer of MOTOROLA.
Unless made in a separate agreement between MOTOROLA and the original end user purchaser,
MOTOROLA does not warrant the installation, maintenance or service of the Product.
MOTOROLA cannot be responsible in any way for any ancillary equipment not furnished by
MOTOROLA which is attached to or used in connection with the Product, or for operation of the
Product with any ancillary equipment, and all such equipment is expressly excluded from this
warranty. Because each system which may use the Product is unique, MOTOROLA disclaims
liability for range, coverage, or operation of the system as a whole under this warranty.
II. General Provisions
This warranty sets forth the full extent of MOTOROLA’s responsibilities regarding the Product.
Repair, replacement or refund of the purchase price, at MOTOROLA’s option, is the exclusive
remedy. THIS WARRANTY IS GIVEN IN LIEU OF ALL OTHER EXPRESS WARRANTIES. IMPLIED
WARRANTIES, INCLUDING WITHOUT LIMITATION, IMPLIED WARRANTIES OF
MERCHANTABILITY AND FITNESS FOR A PARTICULAR PURPOSE, ARE LIMITED TO THE
DURATION OF THIS LIMITED WARRANTY. IN NO EVENT SHALL MOTOROLA BE LIABLE FOR
DAMAGES IN EXCESS OF THE PURCHASE PRICE OF THE PRODUCT, FOR ANY LOSS OF
USE, LOSS OF TIME, INCONVENIENCE, COMMERCIAL LOSS, LOST PROFITS OR SAVINGS
OR OTHER INCIDENTAL, SPECIAL OR CONSEQUENTIAL DAMAGES ARISING OUT OF THE
USE OR INABILITY TO USE SUCH PRODUCT, TO THE FULL EXTENT SUCH MAY BE
DISCLAIMED BY LAW.
ASTRO APX 3000 Digital Portable Units One (1) Year
Product Accessories One (1) Year

xx Commercial Warranty
III. State Law Rights
SOME STATES DO NOT ALLOW THE EXCLUSION OR LIMITATION OF INCIDENTAL OR
CONSEQUENTIAL DAMAGES OR LIMITATION ON HOW LONG AN IMPLIED WARRANTY
LASTS, SO THE ABOVE LIMITATION OR EXCLUSIONS MAY NOT APPLY.
This warranty gives specific legal rights, and there may be other rights which may vary from state to
state.
IV. How To Get Warranty Service
You must provide proof of purchase (bearing the date of purchase and Product item serial number)
in order to receive warranty service and, also, deliver or send the Product item, transportation and
insurance prepaid, to an authorized warranty service location. Warranty service will be provided by
Motorola through one of its authorized warranty service locations. If you first contact the company
which sold you the Product, it can facilitate your obtaining warranty service. You can also call
Motorola at 1-888-567-7347 US/Canada.
V. What This Warranty Does Not Cover
A. Defects or damage resulting from use of the Product in other than its normal and customary
manner.
B. Defects or damage from misuse, accident, water, or neglect.
C. Defects or damage from improper testing, operation, maintenance, installation, alteration,
modification, or adjustment.
D. Breakage or damage to antennas unless caused directly by defects in material workmanship.
E. A Product subjected to unauthorized Product modifications, disassemblies or repairs
(including, without limitation, the addition to the Product of non-Motorola supplied equipment)
which adversely affect performance of the Product or interfere with Motorola's normal
warranty inspection and testing of the Product to verify any warranty claim.
F. Product which has had the serial number removed or made illegible.
G. Rechargeable batteries if:
• any of the seals on the battery enclosure of cells are broken or show evidence of
tampering.
• the damage or defect is caused by charging or using the battery in equipment or service
other than the Product for which it is specified.
H. Freight costs to the repair depot.
I. A Product which, due to illegal or unauthorized alteration of the software/firmware in the
Product, does not function in accordance with MOTOROLA’s published specifications or the
FCC certification labeling in effect for the Product at the time the Product was initially
distributed from MOTOROLA.
J. Scratches or other cosmetic damage to Product surfaces that does not affect the operation of
the Product.
K. Normal and customary wear and tear.

Commercial Warranty xxi
VI. Patent And Software Provisions
MOTOROLA will defend, at its own expense, any suit brought against the end user purchaser to the
extent that it is based on a claim that the Product or parts infringe a United States patent, and
MOTOROLA will pay those costs and damages finally awarded against the end user purchaser in
any such suit which are attributable to any such claim, but such defense and payments are
conditioned on the following:
A. that MOTOROLA will be notified promptly in writing by such purchaser of any notice of such
claim;
B. that MOTOROLA will have sole control of the defense of such suit and all negotiations for its
settlement or compromise; and
C. should the Product or parts become, or in MOTOROLA’s opinion be likely to become, the
subject of a claim of infringement of a United States patent, that such purchaser will permit
MOTOROLA, at its option and expense, either to procure for such purchaser the right to
continue using the Product or parts or to replace or modify the same so that it becomes non
infringing or to grant such purchaser a credit for the Product or parts as depreciated and
accept its return. The depreciation will be an equal amount per year over the lifetime of the
Product or parts as established by MOTOROLA.
MOTOROLA will have no liability with respect to any claim of patent infringement which is based
upon the combination of the Product or parts furnished hereunder with software, apparatus or
devices not furnished by MOTOROLA, nor will MOTOROLA have any liability for the use of ancillary
equipment or software not furnished by MOTOROLA which is attached to or used in connection with
the Product. The foregoing states the entire liability of MOTOROLA with respect to infringement of
patents by the Product or any parts thereof.
Laws in the United States and other countries preserve for MOTOROLA certain exclusive rights for
copyrighted MOTOROLA software such as the exclusive rights to reproduce in copies and distribute
copies of such Motorola software. MOTOROLA software may be used in only the Product in which
the software was originally embodied and such software in such Product may not be replaced,
copied, distributed, modified in any way, or used to produce any derivative thereof. No other use
including, without limitation, alteration, modification, reproduction, distribution, or reverse
engineering of such MOTOROLA software or exercise of rights in such MOTOROLA software is
permitted. No license is granted by implication, estoppel or otherwise under MOTOROLA patent
rights or copyrights.
VII. Governing Law
This Warranty is governed by the laws of the State of Illinois, USA.

xxii Commercial Warranty
Notes

Chapter 1 Introduction
1.1 General
This manual includes all the information needed to maintain peak product performance and
maximum working time for the ASTRO APX 3000 radio. This detailed level of service (component
level) is typical of the service performed by some service centers, self-maintained customers, and
distributors.
Use this manual in conjunction with the APX 3000 764–870 MHz, UHF1 (380–470 MHz), UHF2
(450–520 MHz) and VHF (136–174 MHz) Digital Portable Radios Basic Service Manual , which can
help in troubleshooting a problem to a particular printed circuit (PC) board.
Conduct the basic performance checks outlined in the basic service manual first to verify the need to
analyze the radio and to help pinpoint the functional problem area. In addition, you will become
familiar with the radio test mode of operation, which is a helpful tool. If any basic receive or transmit
parameters fail to be met, the radio should be aligned according to the radio alignment procedure.
Included in other areas of this manual are functional block diagrams, detailed theory of operation,
troubleshooting charts and waveforms, schematics, and parts lists. You should become familiar with
these sections to aid in determining circuit problems. Also included are component location diagrams
to aid in locating individual circuit components and some IC diagrams, which identify some
convenient probe points.
Theory of Operation, contains detailed descriptions of the operations of many circuits. Once you
locate the problem area, review the troubleshooting flowchart for that circuit to fix the problem.

1-2 Introduction: Notations Used in This Manual
1.2 Notations Used in This Manual
Throughout the text in this publication, you will notice the use of warnings, cautions, and notes.
These notations are used to emphasize that safety hazards exist, and care must be taken and
observed.
NOTE: An operational procedure, practice, or condition that is essential to emphasize.
CAUTION indicates a potentially hazardous situation which, if
not avoided, might result in equipment damage.
WARNING indicates a potentially hazardous situation
which, if not avoided, could result in death or injury.
DANGER indicates an imminently hazardous
situation which, if not avoided, will result in death or
injury.

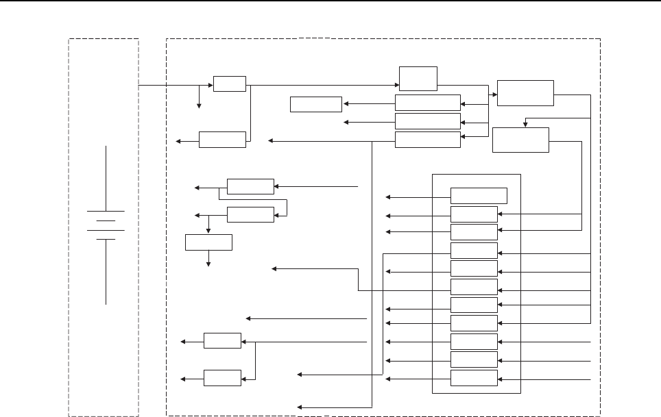
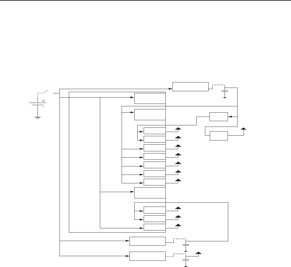
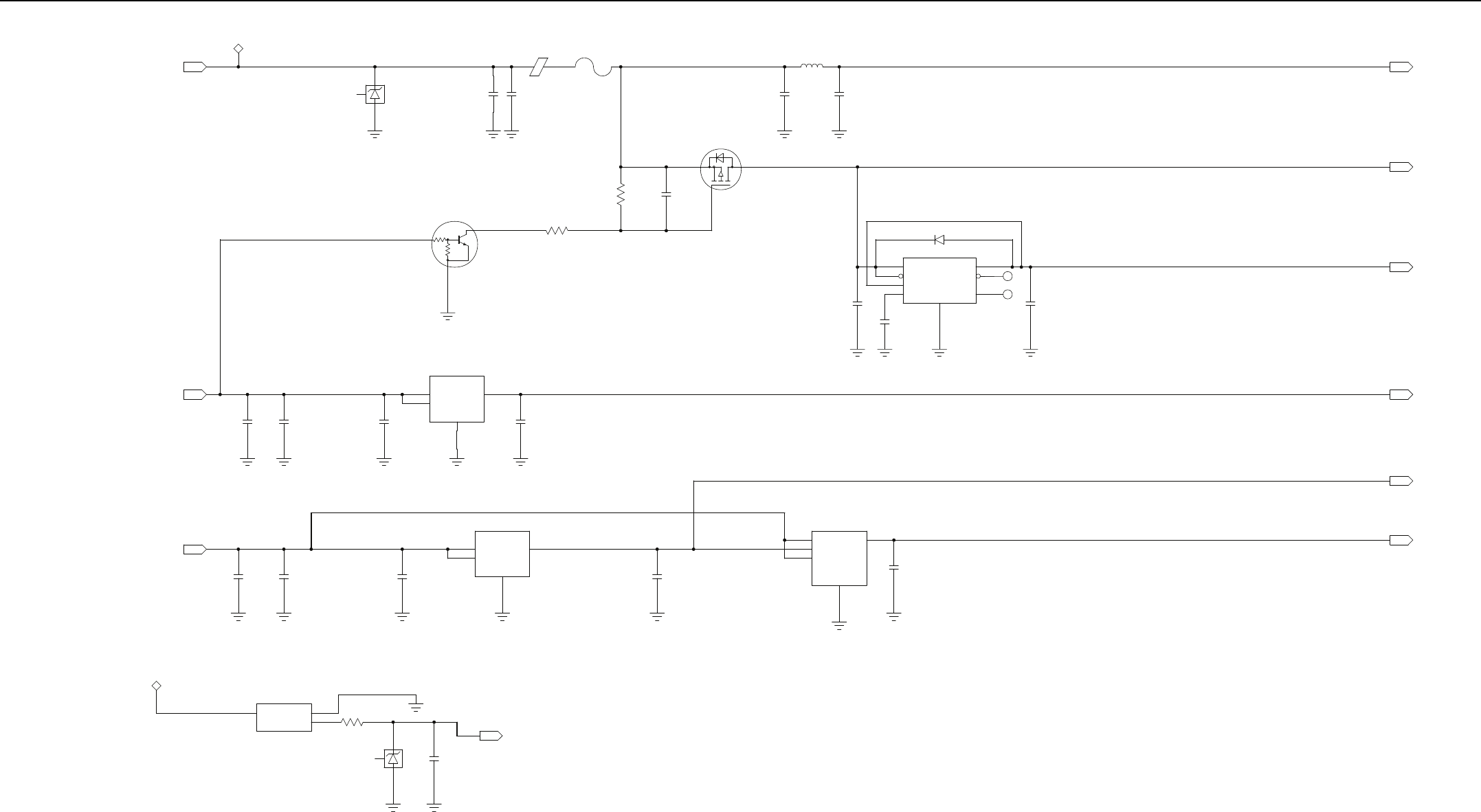
Chapter 2 Radio Power
This chapter provides a detailed circuit description of the power distribution of an ASTRO APX 3000
radio.
2.1 General
In the ASTRO APX 3000 radio, power (B+) is distributed to the main board.
Power for the radio is provided through a battery supplying a nominal 7.5 Vdc directly to the
transceiver. The following battery types and capacities are available:
Table 2-1. IMPRES Batteries
Part Number Description
NNTN8305_ IMPRES Li-Ion Ultra-Slim Battery (1250mAHr)
NNTN8128_ IMPRES Li-Ion Slim Battery (1900mAHr)
NNTN8129_ IMPRES Li-Ion High Capacity Battery (FM, 2300mAHr)
PMNN4424_ IMPRES Li-Ion High Capacity Battery (2300mAHr)

2-2 Radio Power: DC Power Routing
Figure 2-1. DC Power Distribution
B+ from the battery is electrically switched to most of the radio, rather than routed through the On/
Off/ switch. The electrical switching of B+ supports a keep-alive mode. Under software control, even
when the On/Off switch has been turned to the Off position, power remains on until the MCU
completes its power-down, at which time the radio is physically powered down.
2.2 DC Power Routing
NOTE: Refer to List of Transceiver Schematics and Board Overlays for a listing of schematics
showing the transceiver board DC power routing components.
Connector M101, the B-plus assembly, connects the battery to the main board. Component E201
forms a power-line filter for signal DC_ RAW_B+, which supplies battery voltage to the transmitter
section. Fuse F200 and filter C202, L200, C203 supply fused B plus to the controller section.
In turn, the controller supplies VSW1 regulated 3.6 Vdc, 2.78 Vdc, and 1.85 Vdc. The
3.6 Vdc supplies regulator U201 and controls switch Q201 which supplies fuse B+ to regulator U200.
Regulator U201 supplies regulator U202. The 2.775 Vdc supplies regulator U202, Trident IC U702,
and 16.8 MHz crystal circuit. The 1.85 sets the logic level for the SPI and SSI data.
In addition, the main board also has four regulators 5 Vdc (U200), 3 Vdc (U201), 1.8 Vdc (U202) and
1.5 Vdc (U203). The 5 volt regulator supplies the FGU section, transmitter ALC and receiver back
end. The 3 volt regulator supplies dc for the receiver front ends, mixer, receiver back end and GPS.
The 1.8 volt regulator supplies dc for the receiver front end and mixer. The 1.5 volt regulator supplies
dc for the buffers in the FGU section.
Fuse
5Vdc
3Vdc
Battery
7.5 Volts
(Nominal)
Main Board
1.8Vdc
1.5Vdc
BATT
M101
RAW B+
3Vdc
1.8 Volts
1.5Volts
FB+
3.6Vdc
1.85Vdc
PMOS
Switch SW_B+
MAKO
SW2
LD02
LDO3
LD04
LD06
LD07
LD09
LDO10
VBUS1
VBUS2
LD08
External SW
External SW
External LDO
1.875Vdc
1.55Vdc
2.775Vdc
2.775Vdc
2.8Vdc
2.8Vdc
3.0Vdc
3.3Vdc
5Vdc
5Vdc
5.4Vdc
1.4Vdc
1.85Vdc External
LDO
3.6Vdc
2.23Vdc
5.4Vdc
5.4Vdc
SW_B+
2.23Vdc
5Vdc
FB+
3.6Vdc
3.6Vdc
3.6Vdc
2.23Vdc
3.6Vdc
External
SW
3.6Vdc
1.85Vdc
3.6Vdc
5.4Vdc
5.4Vdc
2.775Vdc
3.3Vdc
2.8Vdc
3.3Vdc
2.8Vdc 5Vdc
Audio PA

Chapter 3 Theory of Operation
This chapter provides a detailed circuit description of the ASTRO APX 3000 mainboard. When
reading the theory of operation, refer to the appropriate schematic and component location diagrams
located in the back of this manual. This detailed theory of operation can help isolate the problem to a
particular component.
The ASTRO APX 3000 radio, which is a single-band synthesized radio, is available in the
UHF1 (380–470 MHz), UHF2 (450–520 MHz), VHF (136–174 MHz) and 700/800 MHz (764 to 870
MHz) frequency bands. All ASTRO APX 3000 radios are capable of both analog operation (12.5 kHz
or 25 kHz bandwidths), ASTRO mode operation (12.5 kHz digital only), and X2-TDMA mode (12.5
kHz only).
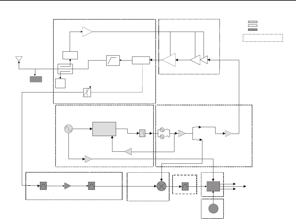
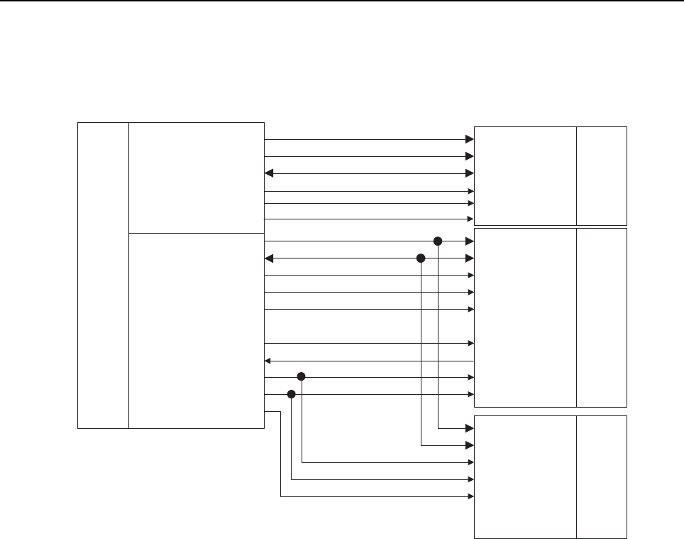
The ASTRO APX 3000 radio (Figure 3-1) consists of the following:
•Main Board – contains all transmit, receive, and frequency generation circuitry, including the
digital receiver back-end IC and the reference oscillator. The mainboard also contains a dual
core processor, which includes both the micro controller unit (MCU) and a digital signal
processor (DSP) core, the processor’s memory devices, an audio and power supply support
integrated circuit (IC), a digital support IC, external power amplifier, as well as combination
Global Positioning System (GPS) and Bluetooth 2.1 IC and front-end circuitry. The main board
also contains a Bluetooth Controller (ACVR) IC and supporting circuitry, a 3-axes digital
accelerometer and a Tye III Secure IC (MACE).
•Top Control– Contains an ON/OFF switch button and a programmable top button.
•Back Kit–Consist of one TX/RX LED that is solid amber upon receive and red on PTT. Bottom
LED represents the Bluetooth LED that will emit Blue color LED at programmable flashing rate.

3-2 Theory of Operation:
Figure 3-1. APX 3000 Overall Block Diagram
Bluetooth
Antenna
External Accessory
Connector
Side Control
Control Top
Main
Board
RF and GPS
A
ntenna

Theory of Operation: Main Board 3-3
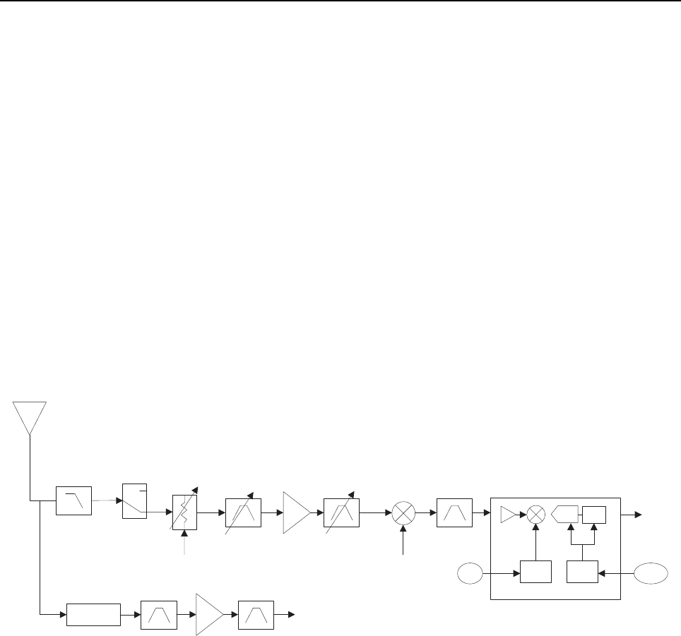
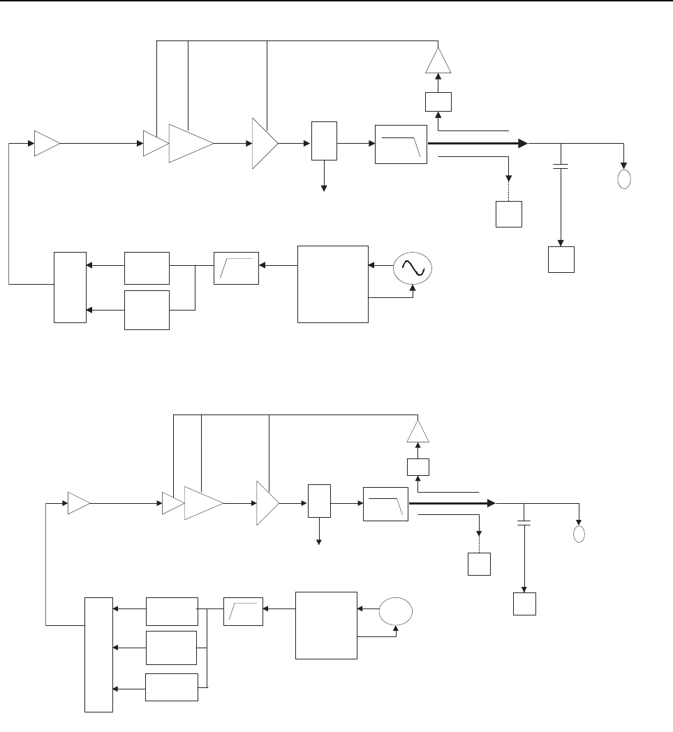
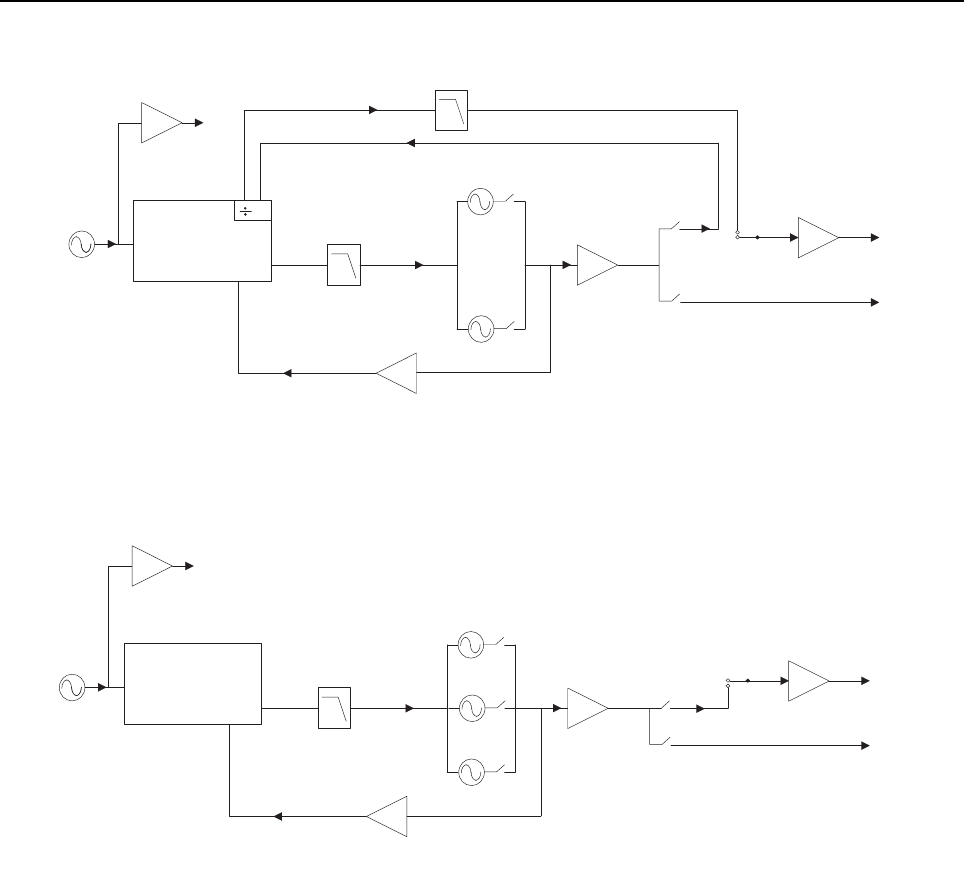
3.1 Main Board
The main board performs the transmitter and receiver functions necessary to translate between
voice and data to modulated radio-frequency (RF) carrier at the antenna. The main board contains
all the radio’s RF circuits for the following major components:
• Receiver
• Transmitter
• Frequency Generation Unit (FGU)
• Controller
Figure 3-2, Figure 3-3 and Figure 3-4 illustrates the UHF1, UHF2, VHF and 700/800 MHz transceiver
block diagrams.
Figure 3-2. Transceiver (UHF1/ UHF2) Block Diagram (Power and Control Omitted)
FGU
Transmitter
Receiver
2nd
LO
Digital
RF Atten
Antenna Switch
coupler
Rev
Power
Detector
Log
Amp
FET
TRIDENT IC
LOOP
FILTER
PRESCALAR
BUFFER
RX SSI Data
16.8MHz
BUFFER
PRE
BUFFER
TX LO
TX
BUFFER
TX
RX
*
16.8MHz
RX SSI Clock
RX SSI Frame Sync
Indicates Sub-shield
Harmonic
Filter
Driver
Amplifier
*
Abacus
IF Filter
15dB Step Attn
RX VCO
TX VCO
UHF1/ UHF2
LNA
UHF1/ UHF2
Mixer
GPS

3-4 Theory of Operation: Main Board
Figure 3-3. Transceiver (VHF) Block Diagram (Power and Control Omitted)
FGU
Transmitter
Receiver
2nd
LO
Digital
RF Atten
Antenna Switch
coupler
Rev
Power
Detector
Log
Amp
FET
TRIDENT IC
LOOP
FILTER
PRESCALAR
BUFFER
RX SSI Data
16.8MHz
BUFFER
PRE
BUFFER
TX LO
TX
BUFFER
TX
RX
*
16.8MHz
RX SSI Clock
RX SSI Frame Sync
Indicates Sub-shield
Harmonic
Filter
Driver
Amplifier
*
Abacus
IF Filter
15dB Step Attn
RX VCO
TX VCO
VHF
LNA
VHF Mixer
GPS

Theory of Operation: Main Board 3-5
Figure 3-4. Transceiver (700/800 MHz) Block Diagram (Power and Control Omitted)
3.1.1 Interconnections
This section describes the various interconnections for the main board.
3.1.1.1 Battery Connector M101
Battery connector M101 solders to the transceiver printed circuit board. The connector has 5 gold
plated contacts that mate with the battery, two contacts for positive, two for negative and one for the
Dig_Battery_Data. Signal descriptions are in Table 3-1.
Table 3-1. Battery Connector J3
Pin No. Signal Description
1 DC_BATT Battery positive terminal, nominally 7.5 Vdc
2 Dig_Battery_Data Battery status, from battery to controller
3 Ground Battery negative terminal, tied to PCB ground
FGU
Transmitter
Receiver
2nd
LO
Digital
RF Atten
Antenna Switch
coupler
Rev
Power
Detector
Log
Amp
FET
TRIDENT IC
LOOP
FILTER
PRESCALAR
BUFFER
RX SSI Data
BUFFER
PRE
BUFFER
TX LO
RX LO
TX
BUFFER
TX
RX
*
16.8MHz
RX SSI Clock
RX SSI Frame Sync
Indicates Sub-shield
Harmonic
Filter
Driver
Amplifier
*
Abacus
IF Filter
15dB Step Attn
VCO 1 (740-776 MHz)
VCO 2 (794-824 MHz)
VCO 3 (851-885 MHz)
800 800
700 700
LNA LNA
HPF
Mixer
GPS

3-6 Theory of Operation: Main Board
3.1.1.2 Power Conditioning Components
DC power-conditioning components include zener diodes, capacitors, ferrite beads, a power
inductor, and the fuse. Diodes VR200 and VR101 provide over-voltage protection. Ferrite beads
(designated E, etc.) and capacitors suppress electromagnetic interference from the main board.
The power-line filter consisting of L200, C202, and C203 suppresses digital noise from the controller
board switching power supplies that could degrade the transmitter spectral purity.
Ground clips M103, M104 and M105 make contact between the main board ground and the radio
chassis. The chassis connection is a necessary electrical reference point to complete the antenna
circuit path. Shields SH1 through SH17 appear on the schematic to show their connection to ground.
3.1.2 Receiver
The RF signal is received at the antenna and is routed through the Harmonic Filter, followed by the
Antenna Switch and the 15dB Step Attenuator IC. The latter contains a switchable attenuator that is
enabled at predetermined RF power thresholds present at the antenna port. The output of the
attenuator leads to the receiver front end section.
• UHF1/ UHF2 band (See Figure 3-5./ See Figure 3-6.)
• VHF band (See Figure 3-7.)
• 700/800 MHz band (See Figure 3-8.)
Figure 3-5. Receiver Block Diagram (UHF1)
Antenna
Switch 15 dB Step
Attenuator
UHF UHF
IF Filter
DIG_CTRL_ATTH Rx LO
To GPS
Diplexer
SSI
18Mhz
CLK
Abacus III
ABACUS III
Dec.
Filter
ΣΔ ADC
2nd
LO LO CLK
Harmonic
Filter

Theory of Operation: Main Board 3-7
Figure 3-6. Receiver Block Diagram (UHF2)
Figure 3-7. Receiver Block Diagram (VHF)
Figure 3-8. Receiver Block Diagram (700/800 MHz)
Antenna
Switch 15 dB Step
Attenuator
UHF2 UHF2
IF Filter
DIG_CTRL_ATTH Rx LO
To GPS
Diplexer
SSI
18Mhz
CLK
Abacus III
ABACUS III
Dec.
Filter
ΣΔ ADC
2nd
LO LO CLK
Antenna
Switch
Harmonic
Filter
15 dB Step
Attenuator
VHF VHF
IF Filter
DIG_CTRL_ATTH Rx LO
To GPS
Diplexer
SSI
18Mhz
CLK
Abacus III
ABACUS III
Dec.
Filter
ΣΔ ADC
2nd
LO LO CLK
15 dB Step
Attenuator
Antenna
Switch
SW
DIG_CTRL_ATTH 700
800
700
800
Rx LO
IF Filter
To GPS
Diplexer
SW SW SW SSI
18Mhz
CLK
Abacus III
ABACUS III
Dec.
Filter
ΣΔ ADC
2nd
LO LO CLK
Harmonic
Filter

3-8 Theory of Operation: Main Board
3.1.2.1 UHF1 Front-End
From the 15 dB Step Attenuator (U2602), a UHF signal is routed to the first pre-selector filter
followed by a Low Noise Amplifier (LNA) and a second pre-selector filter. Both filters are discrete and
tunable designs and are used to band limit the incoming energy and suppress known spurious
responses such as Image and the ½ IF spur. The LNA active device is an NPN transistor (U1932)
with active bias provided by transistor pair (Q1922).
The output of the second pre-selector filter is applied to the RF port of the Mixer IC (U507) via a
balun transformer (T506). The Mixer IC is driven by a Local Oscillator (LO) signal at the LO port to
down-convert the RF signal to a 109.65 MHz intermediate frequency (IF). The down converted IF
signal is passed through a crystal filter (FL502) which drives the input of the Abacus 3 Analog to
Digital Converter IC (AD9864) (U601).
3.1.2.2 UHF2 Front-End
From the 15 dB Step Attenuator, a UHF2 signal is routed to the first pre-selector filter followed by an
LNA and a second pre-selector filter. Both filters are discrete and tunable designs and are used to
band limit the incoming energy and suppress known spurious responses such as Image and the ½ IF
spur. The output of the second pre-selector filter is applied to the RF port of the Mixer IC. The Mixer
IC is also excited by a Local Oscillator (LO) signal at the LO port to down-convert the RF signal to a
109.65 MHz intermediate frequency (IF). The down converted IF signal is passed through a crystal
filter which drives the input of the Abacus 3 Analog to Digital Converter IC (AD9864).
3.1.2.3 VHF Front-End
From the 15 dB Step Attenuator (U2702), a VHF signal is routed to the first pre-selector filter
followed by a Low Noise Amplifier (LNA) and a second pre-selector filter. Both filters are discrete
designs and are used to band limit the incoming energy and suppress known spurious responses
such as Image and the ½ IF spur. The LNA active device is an NPN transistor (U304) with active bias
provided by transistor pair (Q303). The output of the second pre-selector filter is applied to the RF
port of the Mixer IC (U507) via a balun transformer (T506). The Mixer IC is driven by a Local
Oscillator (LO) signal at the LO port to down-convert the RF signal to a 109.65 MHz intermediate
frequency (IF). The down converted IF signal is passed through a crystal filter (FL502) which drives
the input of the Abacus 3 Analog to Digital Converter IC (AD9864) (U601).
3.1.2.4 700/800 MHz Front-End
From the 15 dB Step Attenuator (U2302), a 700 MHz or 800 MHz band signal is routed to an SPST
band select switch (U402) which selects the 700 or the 800 band signal and routes it to the
appropriate first pre-selector filter (FL401). A second band select switch (U404) selects the output of
the appropriate filter and applies it to an LNA followed by a similar pre-selector filter/ band-select
switch circuit. The signal is then routed to a second LNA (U407) whose output is applied to a discrete
image filter. Both preselector filters are Surface Acoustic Wave designs used to band limit the
received energy and suppress known spurious responses such as Image and the ½ IF spur.
The output of the discrete image filter is applied to the RF port of the Mixer IC (U507) via a balun
transformer (T506). The Mixer IC is driven by a Local Oscillator (LO) signal at the LO port to down-
convert the RF signal to a 109.65 MHz intermediate frequency (IF). The down converted IF signal is
passed through a crystal filter (FL502) which drives the input of the Abacus 3 Analog to Digital
Converter IC (AD9864)(U601).

Theory of Operation: Main Board 3-9
3.1.2.5 Analog To Digital Converter
The ADC IC's front end down converts the first IF to a second IF, a 2.25 MHz signal, by mixing a
107.4MHz LO signal generated by an integrated synthesizer and external VCO with active device
U602 and resonator L604. The second IF is sampled at 18 MHz, a signal generated by an integrated
clock synthesizer and VCO device with external resonator L605.
The sampled signal is decimated by a factor of 900 to 20 kHz and converted to SSI format at the
ADC's output. The Serial Synchronous Interface (SSI) serial data waveform is composed of a 16 bit
in-phase word (I) followed by a 16 bit Quadrature word (Q). A 20 kHz Frame Synch and a 1.2 MHz
clock waveform are used to synchronize the SSI IQ data transfer to the Digital Signal Processor IC
(OMAP) for post-processing and demodulation.
3.1.3 Transmitter
The transmitter takes modulated RF from the FGU and amplifies it to the rated output power to
produce the modulated carrier at the antenna.
NOTE: Refer to List of Transceiver Schematics and Board Overlays for a listing of transmitter-related
schematics that will aid in the following discussion.
The transmitter (Figure 3-9 and Figure 3-10) for the UHF1/UHF2/VHF radio consists of one
MOSFET high power transistor for the UHF1/UHF2/VHF band. The same topology applied for the
700/800 MHz radio (Figure 3-11) where one MOSFET high power transistor is used for the 700/800
MHz band. The high power transistor is driven by an RF driver IC that receives its input signal from
the voltage controlled oscillator. Transmitter power is controlled by a discrete power control circuit
that senses the output of a directional coupler and adjusts PA control voltage to maintain the correct
power level. The TX signals pass through the antenna switch that will provide switching mechanism
from transmit to receive path. The signal then route through each respective harmonic filters, an
embedded directional coupler and finally to the antenna.
Figure 3-9. Transmitter Block Diagram (UHF1/ UHF2)
Trident IC
Synthesizer
Loop Filter
TX VCO
RX
VCO
RF Switch Matrix
TX Buffer Amp
TX Driver Amplifier Transmitter Final
FET UHF1/UHF2
Harmonic
LP Filter
Ref. Oscillator
Antenna Connecto
r
Directional
Coupler
Antenna
Switch
TO RX
GPS
Reverse Power
Detection
Log Amp Power Detector
Digital RF Attenuator

3-10 Theory of Operation: Main Board
Figure 3-10. Transmitter Block Diagram (VHF)
Figure 3-11. Transmitter Block Diagram (700/800 MHz)
3.1.3.1 Driver Amplifier
The driver amplifier IC (UHF1/ UHF2 – U1602, VHF– U902 and 700/800 MHz– U1002) contains one
LDMOS FET amplifier stages and an internal resistor bias networks. Pin 16 is the RF input.
Modulated RF from the FGU, at a level of +3 dBm ±2 dB, is coupled through a blocking capacitor to
the gate of FET-1. An LC inter-stage matching network connects the first stage output VD1 to the
second stage input G2. The RF output from the drain of FET-2 is pin 6 (RFOUT1). Gain control is
provided by a voltage applied to pin 1 (VCNTRL). Typical output power is about +27 dBm (500 mW)
with VCNTRL at 5.5 V.
Trident IC
Synthesizer
Loop Filter
TX VCO
RX
VCO
RF Switch Matrix
TX Buffer Amp
TX Driver Amplifier Transmitter Final
FET VHF
Harmonic
LP Filter
Ref. Oscillator
Antenna Connector
Directional
Coupler
Antenna
Switch
TO RX
GPS
Reverse Power
Detection
Log Amp Power Detector
Digital RF Attenuator
S
Trident IC
Synthesizer
Loop Filter
700 MHz
VCO
7/800 MHz
VCO
RF Switch Matrix
TX Buffer Amp
TX Driver Amplifier Transmitter Final
FET 7/800 MHz
Harmonic
LP Filter
Ref. Oscillator
Antenna Connector
Directional
Coupler
Antenna
Switch
TO RX
GPS
Reverse Power
Detection
Log Amp Power Detector
Digital RF Attenuator
800 MHz
VCO

Theory of Operation: Main Board 3-11
UHF1/ UHF2: L1601 and C1604 is the inter-stage matching network of the driver amplifier IC,
C1607, C1610, L1604, C1613, C1614, L1605 and C1616 serves as matching circuit of the driver IC
to the final device of Q1601. Capacitor C1607 also works as DC block to the circuit.
VHF: C927, L907 C920, C921, L908, C922, L909, C924, L910, C923, C928 and C925 are
theelements of the output matching network apart from a transmission-line structure. The Gate
biasing is applied through a biasing network consist of R903, R904, R905, C915 and C917.
700–800 MHz: L1002, C1002 and C1004 are the inter-stage matching network. Components C1013
and C1023 match the output impedance to the input of the final device (Q1001); capacitor C1013
also serves as the DC block.
3.1.3.2 Power Amplifier Transistor
The power amplifier transistors, (UHF1/UHF2 – Q1601, VHF – Q901 and 700/800 MHz – Q1001)
are Silicon N-channel MOSFETs housed in a high-power, surface-mount, PMM package. To prevent
thermal damage, it is essential that the heat sink of the power module be held in place against the
radio chassis using the RF board screw. All FETs are matched using a lowpass topology. Drain bias
is applied through L1606 for UHF1/ UHF2, L906 for VHF and L1007 for the 700/800 MHz. Gain is
dynamically controlled by adjusting the gate bias. The gate is insulated from the drain and source so
that gate bias current is essentially zero
UHF1/ UHF2: C1620, C1621, C1622, L1609, C1624, L1610, C1623, C1628 and C1625 are the
elements of the output matching network apart from a transmission-line structure. The Gate biasing
is applied through a biasing network consist of R1603, R1604, R1605, C1615 and C1617.
VHF: C927, L907 C920, C921, L908, C922, L909, C924, L910, C923, C928 and C925 are
theelements of the output matching network apart from a transmission-line structure. The Gate
biasing is applied through a biasing network consist of R903, R904, R905, C915 and C917.
700–800 MHz: The input impedance-matching network is C1013 and C1023. A transmission-line
structure and C1019, C1020, L009 and C1021 form the output-matching network. Gate bias applied
through R1003, R1004, C1015 and R1005.
3.1.3.3 Directional Coupler
A directional coupler senses the transmitter forward and reverse power as control signals in the
transmitter's automatic level control (ALC) loop. Isolated ports are terminated with external resistors.
UHF1/ UHF2/ VHF/ 700–800 MHz: The directional coupler consists of three embedded transmission
lines.
3.1.3.4 Harmonic Filter
The harmonic filter is a high-power, low-loss, low-pass filter. Its purpose is to suppress transmitter
harmonics. The filter also improves receiver out-of-band rejection. Shield SH8 must be in place to
achieve the required stop band rejection.
UHF1: The harmonic filter apply discrete components as the circuit line up. The pass band is up to
520 MHz while the stop band is above 1200 MHz.
UHF2: The harmonic filter apply discrete components as the circuit line up. The pass band is
from450–520 MHz while the stop band is above 900 MHz.
VHF: The harmonic filter apply discrete components as the circuit line up. The pass band is up to174
MHz while the stop band is above 550 MHz.
700–800 MHz: The harmonic filter uses both discrete components and transmission lines. The pass
band is up to 870 MHz, and the stop band is above 1500 MHz.

3-12 Theory of Operation: Main Board
3.1.3.5 Antenna Switch
The antenna switch consists of discrete components which comprise three ports, transmit, receive
and output path. During transmit mode, the antenna switch will be turned ON via Filter_Raw B+ and
input logic gate from Ant_Swi. When the conditions are fulfilled, the antenna switch will be turned ON
and the signal will route to the output port as it will notice high impedance on the receive path. The
same concept is applied during the receive mode where the switch is in OFF state, which provides
high RF impedance on the transmit mode.
3.1.3.6 Reverse Power Protection
The radio, while in receive mode is constantly monitoring the input power from the antenna. This
power is sensed by the directional coupler and channeled into an RF detector U1106. The matching
network between the coupler and the detector consists of R1107, L1102, C1105 and C1107. Once
the input RF level exceeds a certain limit, the detector trips a logic circuit which enables attenuation
to protect the RF front end. This is to protect the front end from receiving large signal damage.
3.1.3.7 Transmitter Power Control
In TX mode, the transmitter Automatic Level Control (ALC) section enables the transmitter and
controls the TX power in all modes. Power control is based on a unique dual control loop approach
which utilizes voltage control in one loop and current control in the other. The voltage control loop is
normally used in all transmit modes. The only time the current control loop controls TX power is
during the end of a TX slot in TDMA (F2) mode in the event transmitter saturation is detected.
Several other functions included in the TX ALC section of the radio are RX/TX switching, thermal
cutback of power, current cutback of power, and reverse power detection with means to disable the
receiver in the event of high reverse power at the antenna port.
3.1.3.7.1 Voltage Control Mode
The heart of the voltage control loop is a logarithmic amplifier based power control IC, U1105. Quad
DAC, U1125, receives the power tuning values via the SPI bus and converts them into a voltage at
VOUTB.” Resistors, R1121 and R1122, form a voltage divider to set the full-scale value of the DAC,
in this case approximately 1.4V. This power set voltage is then fed to the power control IC through
the current cutback op amp, U1130, and then into a lesser-of-two voltage decision circuit, consisting
of U1126 and U1127. This circuit, used exclusively in voltage control mode, provides the important
function of combining the MAKO ramp output with the DAC power set voltage to permit power
leveling since the MAKO DAC max amplitude cannot be controlled during TDMA mode. In all other
TX modes, the MAKO output is a fixed voltage, approximately 1.5V, which is always higher than the
DAC control voltage. The lesser-of-two circuit will then select the smaller input, the set voltage from
U1125, resulting in immediate TX turn on in analog or ASTRO mode. IN TDMA mode, the MAKO line
is a piecewise linear ramp whose timing is in accordance with F2 requirements. At t = 0, the ramp
line is smaller than the TX set voltage so the MAKO ramp will control the TX power level, resulting in
a slower ramping up of the TX power. This continues until the MAKO ramp output reaches the level
of the power tuning DAC (which is always lower than the MAKO ramp maximum) which causes
control of TX power to be turned over to the power tuning DAC. The output of the selector circuit
passes through a 2nd order low pass filter (U1142) and then to the log amp, U1105. The low pass
filter performs the dual function of improving transient ACPR by transforming a linear ramp with
corners into a smooth second order waveform and by acting as a reconstruction filter for the DAC.
The log amp converts RF power fed back from the TX PA into a current which is summed with the
current from the conversion of the setpoint voltage from DAC U1125. Any imbalance between the RF
input level and the level corresponding to the setpoint voltage is corrected at the VAPC output of the
log amp which in turn drives the control voltage input of the RFPA. The setpoint voltage effectively
nulls the error in the loop caused by changes in the RF level fed back to the log amp. RF from the
RFPA is coupled through a directional coupler embedded in the PC board and passed through a LC
equalizer and then to digital attenuator, U1112, which is used to implement thermal cutback in the

Theory of Operation: Main Board 3-13
event of an over-temperature condition. Current protection and limiting in voltage control mode is
provided by cascaded difference amplifiers, U1129 and U1130. A fixed threshold is provided by
voltage divider, R1169 and R1170. SPDT switch, U1144, changes the current limit threshold based
on the type of battery present. This threshold is based on the conversion characteristic of the current
shunt monitor circuit of U1101. The output of the current shunt monitor is fed to the first stage of the
difference amplifier. The setpoint voltage for the log amp is fed through the second stage of the
difference amplifier. When the current shunt monitor voltage exceeds the fixed threshold, the first
stage produces an output greater than 0V. Once the output of the first stage (U1129) is greater than
zero, this value is subtracted from the setpoint voltage to the log amp in the second stage (U1130),
resulting in a progressive cutback of power in the event PA current continues to climb above the
threshold.
3.1.3.7.2 Thermal Cutback
Thermal cutback works only in voltage control mode, which is the primary mode of TX power control.
Temperature is sensed by IC U1103 and is located next to RFPA finals. Comparators, U1113 and
U1114, establish two temperature trip points. The combined logic of the comparators and logic gate,
U1121, together with the truth table of the digital attenuator IC, U1112, determine the amount of
attenuation of the RF feedback to the log amp. Rated TX power is achieved with the attenuator at its
maximum attenuation of 7 dB. The first temperature threshold will subtract 3 dB of TX power and the
next (highest) trip point an additional 3 dB for 6 dB total.
3.1.3.7.3 Current Control Mode
In TDMA mode, excessive transient adjacent channel splatter caused by the RFPA, when it is under
a greater degree of compression than is expected at nominal supply voltage, is mitigated through a
system of saturation detection and switching of the TX power control mode from the voltage control
loop to the current control loop. Comparator U1131 compares the log amp output in voltage control
mode to a threshold voltage from DAC C”, which sets the threshold for handover to current control
mode and establishes the upper supply rail for the output of current loop integrator, U1104. This
threshold is tuned in the factory to correspond to transmitter rated power which means that the
threshold for handover occurs at a level corresponding to rated power minus 6% which is set by
divider R1162 and R1163. When PA saturation exceeds this threshold and the MAKO T/R control
signal (DIG_GPIO49) and DIG_DMCS combine logically to signal the end of the data portion of the
TX slot, D-flip flop U1132 latches which in turn switches (via U1133 SPDT switch) the output of the
current loop integrator, U1104, which sends the control voltage to either the UHF1, UHF2, VHF or
700/800 MHz band PA.
Integrator, U1104, acts as a PI (Proportional Integral) controller in current mode. Current feedback
from the PA is obtained through current shunt resistor R1103 and sent to the current shunt monitor/
current to voltage converter, U1101. U1101 has a known gain characteristic for the current-to-voltage
conversion. The MAKO ramp is passed through a RC low pass filter for smoothing and on to the
current control integrator where it is proportioned with the voltage output of the current shunt monitor.
The integrator supply voltage comes from DAC C” of the Quad DAC, U1125. By way of tuning the
DAC C” value to match TX rated (tuned) power, this approach fixes the upper limit of the control
voltage in current control mode to correspond to the tuned power level, further reducing excess
adjacent channel splatter.
3.1.3.7.4 PA Offset, Control Voltage Gain Scaling
An offset voltage is applied to the control voltage at a summing junction made up of R1174 and
R1154 as a means of further improving transient adjacent channel splatter in the freq band by pre-
biasing the PA. The output of SPDT switch, U1145, is sent to a non-inverting, gain-scaling amplifier,
U1601 (UHF1/ UHF2), U901 (VHF) or U1001 (700/800 MHz) and then to the PA driver and final.

3-14 Theory of Operation: Main Board
3.1.4 Frequency Generation Unit (FGU)
The frequency-generation function is performed by several ICs; multiple voltage-controlled
oscillators (VCOs); and associated circuitry. The reference oscillator provides a frequency standard
to the Trident IC, which controls the VCOs. There are also buffers that amplify the VCO signal to the
correct level for the next stage. Figure 3-12 and Figure 3-14 below shows a block diagram of the
FGU Section.
UHF1/ UHF2: Two VCOs are employed: one to generate the first RX LO and the other to generate
the transmit injection signals.
VHF: Two VCOs are employed: one to generate the first RX LO and the other to generate the
transmit injection signals.
700–800 MHz: Three VCOs are used to cover the entire 700/800 MHz band.
• VCO1 covers the RX 800 MHz band and the TX 700 MHz (764–776 MHz) band
• VCO2 covers the TX 700/800 MHz (794–824 MHz) band
• VCO3 covers the TX 800 MHz (851–870 MHz) band and the RX 700 MHz band
NOTE: Refer to List of Transceiver Schematics and Board Overlays for a listing of FGU-related
schematics that will aid in the following discussion.
Figure 3-12. Synthesizer Block Diagram (UHF1/ UHF2)
TRIDENT IC
LOOP
FILTER
PRESCALAR
BUFFER
16.8MHz
16.8MHz
BUFFER
PRE
BUFFER
TX LO
RX LO
TX
BUFFER
UHF1/ UHF2 RX
TX VCO
RX VCO
16.8MHz REFERENCE CLOCK (To Controller and Abacus IC)
UHF1/ UHF2 TX

Theory of Operation: Main Board 3-15
Figure 3-13. Synthesizer Block Diagram (VHF)
Figure 3-14. Synthesizer Block Diagram (700/800 MHz)
3.1.4.1 Reference Oscillator Y701
The radio's frequency stability and accuracy is derived from the Voltage-Controlled Temperature-
Compensated Crystal Oscillator (VCTCXO), Y701. This 16.8 MHz oscillator is controlled by the
voltage from the AUX_DAC pin of the Trident IC, U702, that can be programmed through a serial
peripheral interface (SPI). The oscillator output at pin 3 is coupled through capacitor C736 to the
Trident IC reference oscillator input. This reference is then passed through an internal buffer and is
then coupled to the external BJT buffer (comprised of U746 and supporting circuitry) via C739.
These buffers provide isolation for the 16.8 MHz output to the controller circuitry and ABACUS IC.
Components L753 and C754 form a low-pass filter to reduce the harmonics of the 16.8 MHz.
TRIDENT IC
LOOP
FILTER
PRESCALAR
BUFFER
16.8MHz
16.8MHz
BUFFER
PRE
BUFFER
2
TX LO
RX LO
TX
BUFFER
VHF DIVIDE-BY-2
2
ND
HARMONIC FILTER
VHF TX
VHF RX
TRIDENT IC
LOOP
FILTER
PRESCALAR
BUFFER
16.8MHz
16.8MHz
BUFFER
PRE
BUFFER
TX LO
RX LO
TX
BUFFER
7/800 RX
VCO 1
VCO 2
VCO 3
16.8MHz REFERENCE CLOCK (To Controller and Abacus IC)
7/800 TX

3-16 Theory of Operation: Main Board
3.1.4.2 Trident IC U702
The Trident IC, U702, is a multiple protocol, multiple band transceiver Motorola-proprietary, CMOS
IC, with built-in dual-port modulation. The Trident IC incorporates frequency division and comparison
circuitry to keep the VCO signals stable. The Trident IC is controlled by the MCU through a serial
bus. All of the synthesizer circuitry is enclosed in rigid metal cans on the transceiver board to reduce
interference effects. Separate power supply inputs are used for the various functional blocks on the
IC. Inductors L727, L733, L735, L738 and L741 provide isolation between the IC and the different
power supplies. Host control is through a four-wire, smart SPI interface (pins D8, D9, D10 and C11).
Some of the Trident IC functions include frequency synthesis, reference clock generation,
modulation control, voltage multiplication and filtering, near-integer spurious reduction, RF divide-by-
two and auxiliary SPI.
3.1.4.3 Synthesizer
Frequency synthesis functions include a low band and high band mode prescaler, a phase detector,
a programmable loop divider and its control logic, a charge pump, and a lock detector output.
Fractional-N synthesizer principles of operation are covered in detail in the manufacturers' literature.
No similar discussion will be attempted here.
3.1.4.4 Clocks
U702, pin K5 (REF_IN), is the 16.8 MHz reference oscillator input from the VCTCXO (Y701).
3.1.4.5 Modulation
To support many voice, data, and signaling protocols, APX 3000 radios must modulate the
transmitter carrier frequency over a wide audio frequency range, from less than 10 Hz up to more
than 6 kHz. The Trident IC supports audio frequencies down to zero Hz by using dual-port
modulation. The digital audio signal at pin F11 (TXD) is transferred to the Trident baseband circuitry
via the TX Serial Synchronous Interface (SSI) bus. The data is then internally divided into high and
low-frequency components, which modify both the synthesizer dividers and the external VCOs
through a signal on HP_MOD_OUT (pin L9). The DSP scaling is adjusted to achieve a flat
modulation frequency response during the transmitter modulation balance calibration.
3.1.4.6 Voltage Multiplier and Superfilter
Pins H10 (VMULT2) and H11 (VMULT1) together with diode arrays D722 and D723 and their
associated capacitors form the voltage multiplier. The voltage multiplier generates 10.625 Vdc to
supply the phase detector and charge-pump output stage at pin F1 (MN_CP_VCC). The superfilter is
an active filter that provides a low-noise supply for the VCOs. The input is a regulated 5 Vdc from
DC_LIN_5V at pin K4 (SF_SPLY). The output is a superfiltered voltage at pin J5 (SF_OUT).
3.1.4.7 Loop Filter
The components connected to pins G3 (MN_CP) and G2 (MN_ADAPT_CP) form a 4th-order, RC
low-pass filter. Current from the charge-pump output, MN_CP, is transformed to voltage
VCO_VCTRL, which modulates the VCOs. Extra current is supplied by MN_ADAPT_CP for rapid
phase-lock acquisition during frequency changes. The lock detector output pin B4
(TEST1_LCKDET) goes to a logic ‘1’ to indicate when the phase-lock loop is in lock.

Theory of Operation: Main Board 3-17
3.1.4.8 Buffers and VCOs
Q731 and surrounding circuitry is the prescalar buffer that takes the output of the VCOs and feeds
the prescalar input to the Trident IC, pin G1 (M_PRSC).
Q756 and surrounding circuitry is a buffer that provides the correct drive level to the receiver section
(via the transmission line RX_LO) and to the input to the TX buffer (Q774 and surrounding circuitry).
Q745 and surrounding circuitry provide the bias to the buffer. The buffer formed by Q756 and its
associated circuitry is called a pre-buffer” at this stage.
R703, R704 and R707 help provide some extra isolation to the receiver.
Q774 and surrounding circuitry is the transmit injection buffer. The transmit injection buffer provide
the correct drive level to the transmitter section (via the transmission line TX_INJ). Q767 and
surrounding circuitry provide the bias to the transmit injection buffer.
UHF1: The voltage-controlled oscillators are varactor tuned. The voltage (0.3V – 10.6V) varies as it
is being applied to varactors D3102 to D3105 and D3135 to D3138 of their respective Voltage-
Controlled Oscillator (VCO). The capacitance of the varactors also varies, thereby changing the
output frequency of the VCOs. Both the VCOs are used to cover the entire 90MHz bandwidth of the
UHF range 1, 380MHz to 470MHz band.
• TX VCO covers the transmit frequencies from 380MHz to 470MHz
• RX VCO covers the receive Local Oscillator (LO) frequencies from 489.65MHz to 579.65MHz
The TX VCO and the RX VCO are selected using GPO1 and GPO2 respectively.
To select the UHF RX VCO, pin E5 (GPO1_TEST1) must be at a high logic level and pin D5
(GPO2_TEST2) must be at a low logic level. The output of the RX VCO is then fed to pin 5 (RF2) of
switch U3001. The output of U3001 is then split into two signals. One to the Prescaler buffer input
and the other to the prebuffer. The output of the prebuffer is then fed to pin 1 (RFC) of U738. The
output of U738, pin 5 (RF2) then goes to the attenuator (comprised of R703, R704 and R707) and
then fed to the receiver section via the RX_LO transmission line.
To select the UHF TX VCO, pin D5 (GPO2_TEST2) must be at a high logic level and pin E5
(GPO1_TEST1) must be at a low logic level. The output of the TX VCO is then fed to pin 4 (RF1) of
switch U3001. The output of U3001 is then split into two signals. One to the Prescaler buffer input
and the other to the prebuffer. The output of the prebuffer is then fed to pin 1 (RFC) of U738. The
output of U738, pin 4 (RF1) then goes to the transmit injection buffer (comprised of Q774 and
surrounding circuitry). The output of the transmit buffer, then goes to the transmit section via the
TX_INJ transmission line.
UHF2: The voltage-controlled oscillators are varactor tuned. The voltage (0.3V – 10.6V) varies as it
is being applied to varactors D3102 to D3105 and D3135 to D3138 of their respective Voltage-
Controlled Oscillator (VCO). The capacitance of the varactors also varies, thereby changing the
output frequency of the VCOs. Both the VCOs are used to cover the entire 90MHz bandwidth of the
UHF range 2, 450MHz to 520MHz band.
•TX VCO covers the transmit frequencies from 450MHz to 520MHz
•RX VCO covers the receive Local Oscillator (LO) frequencies from 559.65MHz to 629.65MHz
The TX VCO and the RX VCO are selected using GPO1 and GPO2 respectively.
To select the UHF2 RX VCO, pin E5 (GPO1_TEST1) must be at a high logic level and pin D5
(GPO2_TEST2) must be at a low logic level. The output of the RX VCO is then fed to pin 5 (RF2) of
switch U3001. The output of U3001 is then split into two signals, one to the Prescaler buffer input
and the other to the prebuffer. The output of the prebuffer is then fed to pin 1 (RFC) of U738. The
output of U738, pin 5 (RF2) then goes to the attenuator (comprised of R703, R704 and R707) and
then fed to the receiver section via the RX_LO transmission line.

3-18 Theory of Operation: Main Board
To select the UHF2 TX VCO, pin D5 (GPO2_TEST2) must be at a high logic level and pin E5
(GPO1_TEST1) must be at a low logic level. The output of the TX VCO is then fed to pin 4 (RF1) of
switch U3001. The output of U3001 is then split into two signals, one to the Prescaler buffer input
and the other to the prebuffer. The output of the prebuffer is then fed to pin 1 (RFC) of U738. The
output of U738, pin 4 (RF1) then goes to the transmit injection buffer (comprised of Q774 and
surrounding circuitry). The output of the transmit buffer, then goes to the transmit section via the
TX_INJ transmission line.
VHF: The voltage-controlled oscillators are varactor tuned. The voltage (0.3V–10.6V) varies as it is
being applied to varactors D3206 to D3209 and D3246 to D3249 of their respective Voltage-
Controlled Oscillator (VCO). The capacitance of the varactors also varies, thereby changing
theoutput frequency of the VCOs. Both the VCOs are used to cover the entire 38 MHz bandwidth of
the VHF, 136 MHz to 174 MHz band.
• TX VCO covers the transmit frequencies from 136 MHz to 174 MHz
• RX VCO covers the receive Local Oscillator (LO) frequencies from 245.65 MHz to 283.65 MHz
The TX VCO and the RX VCO are selected using GPO1 and GPO2 respectively.To select the VHF
RX VCO, pin E5 (GPO1_TEST1) must be at a high logic level and pin D5(GPO2_TEST2) must be at
a low logic level. The output of the RX VCO is then fed to pin 5 (RF2) of switch U3238. The output of
U3238 is then split into two signals. One to the Prescaler buffer input and the other to the prebuffer.
The output of the prebuffer is then fed to pin 1 (RFC) of U738. The output of U738, pin 5 (RF2) then
goes to the attenuator (comprised of R703, R704 and R707) and then fed to the receiver section via
the RX_LO transmission line.
To select the VHF TX VCO, pin D5 (GPO2_TEST2) must be at a high logic level and pin E5
(GPO1_TEST1) must be at a low logic level. The output of the TX VCO is then fed to pin 4 (RF1) of
switch U3238. The output of U3238 is then split into two signals. One to the Prescaler buffer input
and the other to the prebuffer. The output of the prebuffer is then fed to pin 1 (RFC) of U738. The
output of U738, pin 4 (RF1) then goes to the transmit injection buffer (comprised of Q774 and
surrounding circuitry). The output of the transmit buffer, then goes to the transmit section via the
TX_INJ transmission line.
700–800 MHz: The voltage-controlled oscillators are varactor tuned. The voltage (0.3V – 10.6V)
varies as it is being applied to varactors (VR3010M22, VR3003M22, VR3012M22 and VR3013M22
for 700MHz), (VR3011M22, VR3004M22, VR3014M22 and VR3015M22 for 700/800MHz) and
(VR3048M22, VR3017M22, VR3020M22 and VR3021M22 for 800MHz) of their respective Voltage-
Controlled Oscillator (VCO). The capacitance of the varactors also varies, thereby changing the
output frequency of the VCOs. Three VCOs are used to cover the entire 700/800 MHz band.
• VCO1 covers the RX 800 MHz band and the TX 700 MHz (764 - 776 MHz) band
• VCO2 covers the TX 700/800 MHz (794 - 824 MHz) band
• VCO3 covers the TX 800 MHz (850 - 870 MHz) band and the RX 700 MHz band
Three VCOs are selected using GPO1, GPO2 and GPO8 respectively.
To select the 700 RX VCO, pin D6 (GPO8) must be at a high logic level and pin E5 (GPO1) and pin
D5 (GPO2) must be at a low logic level. The output of the 700 RX VCO is then split into two signals.
One to the Prescaler buffer input and the other to the prebuffer input. The output of the prebuffer is
then fed to pin 1 (RFC) of U738. The output of U738, pin 5 (RF2) then goes to the pi attenuator
(comprised of R703, R704 and R707) and then fed to the receiver section via the RX_LO
transmission line.

Theory of Operation: Main Board 3-19
To select the 800 RX VCO, pin E5 (GPO1) must be at a high logic level and pin D5 (GPO2) and pin
D6 (GPO8) must be at a low logic level. The output of the 800 RX VCO is then split into two signals.
One to the Prescaler buffer input and the other to the prebuffer input. The output of the prebuffer is
then fed to pin 1 (RFC) of U738. The output of U738, pin 5 (RF2) then goes to the pi attenuator
(comprised of R703, R704 and R707) and then fed to the receiver section via the RX_LO
transmission line.
To select the 700 TX VCO, pin E5 (GPO1) must be at a high logic level and pin D5 (GPO2) and pin
D6 (GPO8) must be at a low logic level. The output of the 700 TX VCO is then split into two signals.
One to the Prescaler buffer input and the other to the prebuffer input. The output of the prebuffer is
then fed to pin 1 (RFC) of U738. The output of U738, pin 4 (RF1) then goes to the transmit injection
buffer (comprised of Q774 and surrounding circuitry). The output of the transmit buffer, then goes to
the transmit section via the TX_INJ transmission line.
To select the 700/800 MHz TX VCO, pin D5 (GPO2) must be at a high logic level and pin E5 (GPO1)
and pin D6 (GPO8) must be at a low logic level. The output of the 700/800 MHz TX VCO is then split
into two signals. One to the Prescaler buffer input and the other to the prebuffer input. The output of
the prebuffer is then fed to pin 1 (RFC) of U738. The output of U738, pin 4 (RF1) then goes to the
transmit injection buffer (comprised of Q774 and surrounding circuitry). The output of the transmit
buffer, then goes to the transmit section via the TX_INJ transmission line.
To select the 800 TX VCO, pin D6 (GPO8) must be at a high logic level and pin E5 (GPO1) and pin
D5 (GPO2) must be at a low logic level. The output of the 800 TX VCO is then split into two signals.
One to the Prescaler buffer input and the other to the prebuffer input. The output of the prebuffer is
then fed to pin 1 (RFC) of U738. The output of U738, pin 4 (RF1) then goes to the transmit injection
buffer (comprised of Q774 and surrounding circuitry). The output of the transmit buffer, then goes to
the transmit section via the TX_INJ transmission line.

3-20 Theory of Operation: Main Board
Notes

Theory of Operation: Controller 3-21
3.2 Controller
3.2.1 Controller Overview
This section provides a detailed circuit description of the APX 3000 controller design. The controller
design consists of the following board and flexes:
Printed Circuit Boards
• Main Board
Flexes
• Main Flex
• Side Controls
•Top Control
• NFC with LED
The controller interconnection diagram (Figure 3-12) shows the various physical components of the
design, along with how they are all connected. It also shows the key distinguishes between a flex
connection and a board-to-board connection. A brief description of each of the components is
provided below.
Figure 3-15. Controller Interconnection Diagram
3.2.1.1 Main Controller Components and Connections
3.2.1.1.1 Main Board Controller section
The controller section contains the OMAP1710 dual-core processor, FLASH and SDRAM memory,
Audio circuitry (MAKO and CODEC IC's), a Complex Programmable Logic Device (CPLD), AVR
controller IC for Bluetooth 2.1 and support circuitry, a 3-axes digital accelerometer, a Type III
encryption IC and interfaces to the other components in the controller design.
Main Flex
Side Control
Top Control Main board
NFC with
LED

3-22 Theory of Operation: Controller
Connectors
• Main Flex – J1
• NFC with LED – J2
• Debugging – J2401
3.2.1.1.2 Main Flex
The front cover kit contains a main flex integrated with connectors to main board, side control flex,
top control flex.
3.2.1.2 NFC Flex with LED
The Flex contains a NFC Coil antenna used for Bluetooth secure pairing. There are 2 LEDs on the
flex. The Tx/Rx LED is solid amber upon receive, red on PTT and blinking amber on receiver. The
Bluetooth LED shows fast blinking blue upon waiting to pair and slow blinking blue after paired. The
solid blue indicates a Bluetooth fatal error.
3.2.1.2.1 Top Control Flex
The top control consist of an ON/OFF switch and a programmable button. The flex connect to the
main flex through a 12-pin connector.
3.2.1.2.2 Side Controls Flex
The side controls flex contains the Top Side Button, Middle Side Button, Up Arrow Button and Down
Arrow Button.The flex connects to the main flex through a 10-pin connector.

Theory of Operation: Controller 3-23
3.2.1.3 Controller Electrical Architecture
An overview of the Controller electrical architecture is shown in Figure 3-16 below. The major
components and electrical interfaces are shown.
Figure 3-16. Controller Electrical Overview
The functional blocks of the controller are:
• DC Distribution
• Clock Sources
• Processor / Memory
•CPLD
• Audio – External
• MAKO
• User Interfaces
GPS/ BT Chipset
(TINL5500)
FLASH
64MB
SDRAM
32MB
EMIFF
EMIFS
UART 2
12C
Lighting
Controller
CPLD
EMIFS 32 kHz Clk
SSI MACE
Secure
IC
Side
Conn -
GCAI
Radio
Battery Accessory
Audio
MAKO IC
SPI
Side Conn-
GCAI
Codec
Accessory
Audio
Main Board
UI
GCAI
GPS/BT Module
(TINL5500 &
ATMEL AVR32)
RF Section
GPIOSPISSI
SPI
USB / UART
Audio SSI 1
OMAP 1710
Processor
+
-
4.096 MHz Clk

3-24 Theory of Operation: Controller
3.2.2 DC Distribution
SW_B+ supply comes from a pass FET (Q6501) that is powered by UNSW_B+ (battery voltage).
The FET is activated once the power switch is in its on position. SW_B+ supplies the power for the
entire controller. SW_B+ supplies MAKO and the external regulators. MAKO and the external
regulators then regulate the voltage to the desired level. (See Figure 3-17.)
OMAP's core is supplied by V_SW_1.4 (U6507). 1.85 LDO supplies OMAP's IO, FLASH, CPLD,
DDR, and MACE. See Table 3-2 for DC supplies and sources.
Figure 3-17. Controller DC Block Diagram
LDO2
LDO3
SW2
LDO4
LDO6
LDO7
LDO9
LDO10
SW5
VBUS1
VBUS2
External SW
TPS62050
MAKO
SW_B+
SW_B+
SW_B+
V_SW_3.6
SW1_3.6V
SW5_5.4V
1.55V
1.875V
V_EXT_1.85
2.23V
2.775V
2.775V
2.775V
3.0V
3.3V
LDO8
SW_B+ 5.0V
5.0V
5.0V
EXSW_1.4V
800mA Max
400mA Max
120mA Max
150mA Max
100mA Max
50mA Max
100mA Max
50mA Max
70mA Max
1.5A Max
500mA Max
500mA Max
25mA Max
800mA Max
Ext SW
TPS62050
Ext LDO
TPS73601
Ext LDO
LP38693
SW1 3.6V
External SW
TPS62110 External Switcher Replaced
Switcher MAKO’s Switchr 5

Theory of Operation: Controller 3-25
3.2.2.1 DC Distribution Major Components
The controller's DC section is made up of MAKO and external regulators. This section will give an
overview of the schematics and circuitry that makes up the major supplies of the DC architecture.
3.2.2.1.1 MAKO
MAKO (U6501) is a custom power management IC manufactured by Atmel. MAKO controls almost
all of the LDO supplies to the controller. Table 3-3 illustrates all of MAKO's LDO and the supplies that
feed them. Figure 3-17 shows all of MAKO's LDOs their voltage level and components that can be
accessed to verify operation. Figure 3-17 also shows where the battery supply and on off switch can
be accessed. MAKO is also responsible for the timing sequence for the enabling of the regulators
which is discussed further in section 3.1.3.7.1 and section 3.1.3.7.3 on pages 3-12 and 3-13.
Table 3-2. DC Supplies and Sources for Controller
V_SW_3.60
V_SW_1.4
V_EXT_1.85
V_SW_5
VBUS1
VBUS2
V_1.875
V_2.75D
V_2.775
V_3.0A
SW_B+
OMAP CORE X
OMAP IO X
DDR X
FLASH X
CPLD X
MACE X
CODEC X X
GPS X
MAKO X X X
USB SPLY X
16.8 SQR X
Table 3-3. MAKO’s LDO and Supplies
Name Ref Description Level
ON_OFF_SWITCH TP6210 ON/OFF Switch. Radio on when GND GND
UNSW_B+ F_UNSW_B+ Radio Battery Voltage 6 – 9V
SW_B+ C6593 Radio Supply Voltage 6 – 9 V
V_SAVE C6538 LDO Output Present When Battery is Attached 2.5 V
V_1.875 C6581 LDO Output 1.875 V
V_1.55 R6561 LDO Output 1.55 V
V_2.775D R6563 LDO Output 2.775 V

3-26 Theory of Operation: Controller
3.2.2.1.2 External Regulators: V_SW_1.4, V_SW_3.60
The controller board contains two TPS62050 regulators in order to regulate voltages of 1.4V and
3.6V. The TPS62050 is a synchronous step-down adjustable regulator. The switching regulator is
capable of sourcing 800mA. Its output can be adjusted by using a voltage divider tied to the
feedback pin. The regulators are powered from SW_B+. Figure 3-18. is the schematic for the
V_SW_1.4 regulator. Figure 3-18. illustrates the supporting circuitry for the TPS62050.
Figure 3-18. V_SW_1.4 Switched Power Supply
V_2.775_EXP R6562 LDO Output 2.775 V
V_2.8_RF R6564 LDO Output 2.8 V
V_5.0A R6565 LDO Output 5.0 V
V_3.3 R6566 LDO Output 3.3 V
V_3.0A R6567 LDO Output 3.0 V
Table 3-3. MAKO’s LDO and Supplies (Continued)
Name Ref Description Level
V_1.55
10UF 4.7UF
C6586M6C6584M6
330PF
C6570M6
R6568M6
V_SW_1.4
301K
C6582M6
L6505M6
6.8PF
10UH
SW1V4_FB
U6507M6
TPS62050
SW_B+
VCC_SW1.4_VIN
R6548M6
R6554M6
R6558M6
R6552M6
R6547M6
C6569M6
DNP
0
10UF
0
0
165K
100K
EN PG
VIN
FB
GND
LBI
SYNC
PGND
SW
LBO
1
7
9
10
4
26
3
5
8

Theory of Operation: Controller 3-27
3.2.2.1.3 External Switcher 5
The controller board uses an external TI regulator (TPS62110, U6505) to regulate to 5.4V. The
TPS62110 is a 1.5A capable synchronous step down converter. The output is adjusted using a
voltage divider to the feedback pin. The regulator is powered from SW_B+. Figure 3-19.illustrates
the SW5 circuitry. The SW5 circuit also includes or-gate logic that facilitates implementation of
current saving PFM mode when the radio is in standby mode.
Figure 3-19. 5V Switched Power Supply
APX 3000 has Pulse Switching option.
Mode 1: Pulse Frequency Modulation (PFM). A relatively noisy but highly efficient pulsing mode for
Switched power supplies.
Mode 2: Pulse Width Modulation (PWM). Pulsing mode that is cleaner than PFM, used when risk of
RF interference is present which includes both transmit and receive radio modes.
Table 3-4. Pulse Switching Combination
PA_SHTDN 5V_PWM_EN SYN MODE
000PFM
011PWM
101PWM
111PWM
L6504
C6566 C6567
V_SW_5
VIN U6505
TPS62110
VOUT
EN
SYNC
C6565
SW_B+
BGAP_COMP
PA_SHTDN
5V_PWM_EN
C6549

3-28 Theory of Operation: Controller
3.2.2.1.4 Power-up Timing
The powering up of the radio starts with the MAKO. Once the radio switch is pushed to 'ON' and
battery voltage is supplied, a pass FET is activated to deliver battery voltage to MAKO and external
regulators. The external 3.6 V is first turned on then MAKO activates its 24.576 MHz clock, and the
remaining regulators begin to turn on. Once all the regulators have turned on, MAKO releases its
reset. The CPLD is then powered on from the 1.875 V external regulator and takes MAKO 24.576
MHz clock and divides it to 32.768 kHz in order to provide for OMAP. OMAP starts to power up upon
receiving voltages 1.4 V, 1.85 V, and the 32.768 kHz clock. OMAP then activates its 12 MHz clock
and releases its reset. It then starts to run the boot loader stored in flash. A more detailed timing view
of the regulators is shown in Figure 3-20.
Figure 3-20. Power-up Timing Regulators
fet_en
20ms
1ms
210us
1ms
252us
210us
210us
210us
1ms
2ms
1ms
1ms
1ms
1ms
14ms
1ms
4ms
41.6us(1024clk24)
rcosc
sw1_enldo
sw1_en
sw1_boost_slimit
clk24_cnten
clk24_val
clk24
sw1_clk
sw2_clk
sw2_ondc
sw2_softstart[0]
sw2_softstart[1]
sw2_softstart[2]
v9_on
v4_on
v3_on
v8_on
v2_on
v6_on
v7_on
v10_on
sys_rstx
rcosc_en

Theory of Operation: Controller 3-29
3.2.3 Clock Sources
The main board contains multiple crystal clock sources. These sources are active upon power-up.
The controller receives a 16.8 MHz sine wave from the RF section, which is shaped into square
wave and fed to the OMAP timer input. Screen shots and test points for these clock signals are
shown in Chapter 6.
Figure 3-21. Controller Clock Architecture
Table 3-5. Controller Clock Distribution
Clock
Source
Frequency Type Description Clock Recipient Suggested Probe
Points
Y6501 24.576 MHz Crystal
Oscillator
MAKO 24 MHz & tapped into
CPLD
U6501, U6101 R6574
Y6502 32.768 kHz Crystal
Oscillator
MAKO RTC U6501 C6541
Y6601 12 MHz Crystal
Oscillator
OMAP CPU Clock U6302 C6601
U6302 96 MHz OMAP GPIO DDR Clocks
(Complementary signals)
U6301 TP6307 & TP6308
U6101 4.096 MHz CPLD GPIO MACE Clock U2510 R6113
U6101 32.768 kHz CPLD GPIO OMAP Boot-Up clock & GPS/
Bluetooth digital clock
U6302 & U2401 R6114 (GPS/BT) &
R6115 (OMAP)
Y701 16.8 MHz Crystal
Oscillator
RF Frequency Synthesizer
IC (Trident) TCXO
U6302 R6218
GPS
26 MHz
OMAP
MAKO
CPLD
DDR
SQUARING
TRIDENT
24.576 MHz
32.768 kHz
12 MHz
4.096 MHz
32.768 kHz
16.8 MHz
96 MHz
MACE
Main Board

3-30 Theory of Operation: Controller
3.2.4 OMAP Processor and Memory
3.2.4.1 OMAP Processor (U6302)
The OMAP1710 dual core processor lies at the center of the controller design. The processor
features utilized in the controller design include:
• ARM9 CPU core
• C55X DSP core
• 16KB shared internal RAM
• SSI Interfaces
• USB Interfaces
• Timers & Watchdog Timers
• Keyboard Matrix Interface
• 1-Wire Interface
• LCD Controller
• I2C Interface
• SPI interface
• External Memory Synchronous Interface
• External Memory Asynchronous Interface
•UARTs
•GPIOs
Figure 3-22. Overview of OMAP Interconnection with Controller Peripherals
OMAP 1710
Processor
FLASH
64 MB
Side
Conn -
GCAI
GPS/ BT Chipset
(TINL5500)
CPLD
SDRAM
32 MB
Audio SSI 1
MACE
Secure
IC
MAKO IC
4.096 MHz Clk
Lighting
Controller
USB / UART
SPI
I2C
SSI
32 kHz ClkEMIFS
UART 2
EMIFS
EMIFF
SPI GPIOSSI
Codec
Main Board
UI
GCAI
SPI
RF Section
GPS/BT Module
(TINL5500 &
ATMEL AVR32)

Theory of Operation: Controller 3-31
3.2.4.2 Memory
In addition to the internal RAM, the OMAP 1710 Processor (U6302) features three distinct external
memory interfaces. All memory devices are located on the main board, as elaborated in Figure 3-22.
The external memory interface is shown in Figure 3-23.
Figure 3-23. OMAP Memory Interface
3.2.4.3 Asynchronous External Memory Interface
The EMIFS is used for transferring data between the ARM or DSP cores and the 64 MB External
NOR Flash memory (U6304). The Flash memory is a non-volatile memory unit, primarily used to
store the radio's executable code, along with device configuration values, event logs, and
initialization codes. The flash memory is primarily accessed during the main board’s power up and
power down cycles.
3.2.4.4 Flash Memory (6304)
The Flash memory located in close proximity to the OMAP processor is a 64 MB Numonyx 65nm
StrataFlash. The flash interface uses 16 data bits and 25 address bits. The flash IC is enabled by
OMAP processor's CS3 line. The flash IC also features a WAIT line that is capable of halting data
flow between the processor and flash IC while operating in synchronous read mode.
3.2.4.5 CPLD Interface (U6101)
The CPLD (U6101) registers are also mapped to the Asynchronous External Memory Interface.
These registers control the CPLD GPIO pins and enable the OMAP to expand its GPIO capability via
memory mapped IO.
SDATA_15:0
SADD_13:0
DDR_CTRL_5:0
SDCLK
SDCLKX
FADD_25:1
FDATA_15:0
NF_ADV
NF_CS1
NF_CS3
NF_OE
NF_WE
FCLK
NF_RP
FRDY
EMIFF
EMIFS
OMAP
DDR
SDRAM
DDR_CTRL_5:0
A13:0
DQ15:0
CK
CK#
EN_CLKE
A25:1
DQ15:0
EN_CE
EN_RST
EN_WE
CLK
WAIT
ADV
EN_WE
ADDR_5:1
DATA_4:0
CPLD_ADV
CPLD_R/W
CPLD_CS
FLASH MEMORY CPLD
WAIT_SW_EN
SDCLK_EN

3-32 Theory of Operation: Controller
3.2.4.6 Synchronous External Memory Interface
This interfaces the OMAP to a 32 MB Double Data Rate (DDR) RAM IC (U6301). Upon boot-up
OMAP configures this interface to operate in synchronous mode at 96MHz. This volatile memory unit
is primarily accessed during code execution.
3.2.4.7 Double Data Rate (DDR) Memory (U6301)
The 32MB DDR Synchronous DRAM IC is interfaced to the OMAP using 13 address bits and a 16bit
data bus. The DDR IC is driven by a complementary clock signal originating from the OMAP IC. The
DDR clock is initialized to 96MHz by the OMAP boot code. Additional control signals are also
dedicated for the DRAM interface.
3.2.4.8 Peripheral Devices
The OMAP processor is equipped with multiple buses and interfaces that are configured for
peripheral interconnection.
3.2.4.8.1 Receive and Transmit SSI
These two interfaces are dedicated for communicating with the RF deck digital interface, carrying
receive and transmit base band signals. The OMAP processor generates the clock and FSYNC
signals for the receive SSI interface. The RF deck generates these signals for the transmit SSI
interface.
Figure 3-24. RX / TX SSI Configuration
RF SECTION
TRIDENT
ABACUS
RX_FSYNC
RX_CLK
RX_DA
TX_FSYNC
TX_CLK
TX_DA
CONTROLLER SECTION
OMAP 1710
MAKO
TI
CODEC
MACE
McBSP 2
McBSP 1
RX SSI
TX SSI
3
3
VC_FSYNC
VC_DCLK
SYNC
BCLK
MACE/CODEC
FSYNC
MACE/
CODEC_CLK
McBSP 2
CPLD
MCLK
WCLK

Theory of Operation: Controller 3-33
3.2.4.8.2 Audio SSI
OMAP's McBSP1 interface is configured as a SSI interface dedicated to carry transmit and receive
audio data to peripheral devices. The peripherals connected to this bus include MAKO, Audio
CODEC, MACE and CPLD. MAKO generates the clock and frame sync signals for this bus.
Figure 3-25. Audio SSI Configuration
3.2.4.8.3 ARM SPI
This SPI interface is controlled by OMAP's ARM core. Devices connected to this bus include MAKO,
display controllers and the audio CODEC.
3.2.4.8.4 DSP SPI
This SPI interface is controlled by the DSP core of the OMAP processor. This bus is used to
configure and control devices on the RF deck.
OMAP
MACE
MCBSP1
SSC 0
(Black)
SSC 1
( Red )
BLACK or
RED RX
RED RX
RED TX
CODECs
CPLD
BLACK or
RED TX
0
0
1
1
Mux A
PA 28 (GPIO)
Hi_Sec */Normal
SSC 2
(Sniffer)
RD 2
RD 0
TD 0
RD 1
TD 1
TD 3
Mux B
Main Board

3-34 Theory of Operation: Controller
Figure 3-26. SPI and I2C Configuration
3.2.4.8.5 1-Wire
The OMAP's 1-wire line is available on the Main Board Connector J1 pin 9. The signal is routed
through Main flex.
3.2.4.8.6 USB
The OMAP CPU's USB port is routed to the side connector via J1. The USB signals on the side
connector are illustrated in Figure 3-22.
3.2.4.8.7 UARTs
Two of OMAP's UARTs are configured for peripheral interfacing.
The four-wire UART1, which is capable of hardware flow control, is available on the side connector
for accessory devices. The signals are level translated via MAKO and routed to the side connector
via J1.
OMAP's UART2, which is a two wire interface, capable of software flow control only, is connected to
the GPS receiver IC on the Main board.
OMAP 1710
McBSP3 SPIF
DSP SPI
MAKO
TI CODEC
ARM SPI
I2C LIGHTING
CONTROLLERS
3
SPI_CLK
SPI_MOSI
SPI_MISO
MAKO_CS
I2C_SCL
I2C_SDA
SPI_DSP_CLK
SPI_DSP_MOSI
SPI_DSP_MISO
DAC_CS
EEPROM_CS
ABACUS_CS
ABACUS_CS
DSP SPI
TRIDENT
ABACUS
EEPROM
DAC
RF SECTION CONTROLLER SECTION
CODEC_CS
I2C

Theory of Operation: Controller 3-35
3.2.4.8.8 CPLD (U6101)
The CoolRunner IC is a complex programmable logic device (CPLD) programmed specifically for the
APX product line. The CoolRunner IC is flash based and comes pre-programmed. It is contained in
an 8x8mm, 132 BGA package with 0.5mm ball spacing. The primary functions of the CPLD are clock
generation, GPIO expansion, SSI clock and frame sync direction control, F2 multiplexing, secure
data control, main display off-loading, and clock inversion.
An external linear regulator, U6508, supplies the CPLD's 1.875 V core voltage. The 1.875 V core
voltage is used for the CPLD’s internal logic and I/O buffers. MAKO's 24.576 MHz clock source is
used by the CPLD to generate a 32.768 kHz clock for OMAP booting, real time clock/timer, and for
GPS. It is also used to generate 4.096 MHz for the MACE IC.
The CPLD is controlled through OMAP's EMIFS interface. It supports 31 configurable GPIOs. It also
supports 20 input only pins that are accessible through an EMIFS read operation. Some of the
GPIOs supported by the CPLD include GCAI_GPIO_0, F2_PARAMP_MON, and USB_CURR_LIM.
Some examples of the inputs the CPLD is programmed to support are some of the top and side
controls buttons (MON, SIDE_1 and SIDE_2) and board ID.
Figure 3-27 below shows the basic CPLD interfaces.
Figure 3-27. CPLD Block Diagram
EMIFS
24MHz
F2 Timer
F2 Select
GCAI GPIO0
KEYLD_MISSING
KL_SWITCH
CPLD
MAKO
OMAP 1710
Processor
32kHz to OMAP
32kHz to GPS
4.096MHz to MACE
GPIOs
GPIs

3-36 Theory of Operation: Controller
3.2.5 Audio
The audio section of the Controller design consists of:
• TI AIC33 voice CODEC
• MAKO audio sub-block
3.2.5.1 TX Audio path
The TX audio paths begin with accessory microphone. There is one external microphone path going
to the main flex connector.
Figure 3-28. Audio TX Path Block Diagram
The external microphone path will be supported by the TI AIC33 CODEC, using the LINE1LP pin on
the IC. The LINE1LP is multiplexed with the MIC3R within the CODEC, and selected as the input
when the external microphone path is chosen as the TX audio source. The TI CODEC amplifies and
samples the external microphone signal. The digital data is sent to the OMAP1710's DSP through
the McBSP1 port using the audio SSI bus.
OMAP DSP
MAKO
Audio Stereo Codec (TI AIC33)
SSI
SSI
MCBSP1
VC_DCLK
VC_FSYNC
VC_TX
VC_RX
SSI
LEFT
ADC
RIGHT
ADC
DSP SPI SPI
MIC BIAS
Reset Out Reset
External/
Accessory
Microphone
I2C I2C
Line 1L
Mic 3R
Mic 3L
4
1

Theory of Operation: Controller 3-37
3.2.5.2 RX Audio path
The RX audio path supports one external speaker.
Figure 3-29. RX Audio Path Block Diagram
For the external speaker path, the digital audio data is sent from the OMAP1710's McBSP1 port to
the TI AIC33 CODEC for digital to analog conversion and volume control. The external speaker path
uses the MAKO IC's class-AB audio power amplifier to drive 16 Ohm to 28 Ohm external speakers.
The input to MAKO IC's audio power amplifier is fully differential and comes from the TI CODEC's
RIGHT_LOP and RIGHT_LOM. The output of the MAKO IC's audio amplifier is also fully differential
and available on pins EXT_SPKR_P and EXT_SPKR_M.
MAKO
OMAP DSP
SSI
MCBSP1
Switch
Low - Pass Filter
20kHz Corner
ARM SPI SPI
SPI
AB AMP
AB AMP
External/
Accessory Speake
r
~ 16-20 Ohms
SSI
I2C
I2C
RIGHT LINE
OUT
LEFT LINE
OUT
TI CODEC
DSP
SPI
SSI

3-38 Theory of Operation: Controller
3.2.6 User Interface
3.2.6.1 Top Control
The Top Control contains an ON/OFF switch and a programmable push button. The Top Control
also includes a TX/RX LED that is solid amber upon receive, red on PTT, and blinks amber on
secure RX and Bluetooth LED. The Top Control components are mounted on flex which connects to
the Main board connector J1 and J2.
When the On/Off switch is pushed to ON (green), the switch is grounded and Mech_Sw is pulled low.
Mech_Sw is an input to MAKO (U6501). The logic low input enables an external FET (Q6501) gate
voltage, FET_ENX, which switches UN_SW_B+ to SW_B+ and turns the radio on.
The programmable Top Button is by default used for Bluetooth on/off. It is also biased to
1.875 V (R6507) and is an input (EMERG_BTN_X) to the CPLD and MAKO. A button press is
detected when EMERG_BTN_X is pulled low.
Figure 3-30. Control Top Block Diagram
CPLD
Programmable
Top Switch
ON/OFF Switch
MAKO
TX/RX LED
BT LED
Intelligent
Lighting
TOP CONTROL Main Board

Theory of Operation: Controller 3-39
3.2.6.2 Side Controls
The side controls include four programmable, buttons (Side Top Button,Side Middle Button, Up
arrow and Down arrow). These components interface to the main flex via a connector through side
control flex. The main flex routes the side controls signals to main board through connector J1. See
Chapter 7 for pin out names and numbers.
Up Arrow Button (R4006), Down Arrow Button (R4007) and the top side button (R6101) are inputs to
the CPLD and are biased to 1.875V. A button press is detected when the OMAP reads a 'LO' state
from the CPLD EMIFS interface. Middle side button (R4005) is connected directly to OMAP and a
button press is detected when a LO state is read.
3.2.6.3 GCAI
The GCAI (Global Communications Accessory Interface) connector is a 15 pin interface located on
the side of the radio. The connector interfaces the radio with accessories and is used for
programming. When the OMAP (U6501) detects that an accessory has been attached through a
logic low on GPIO0, it will identify the device by reading the GCAI_ONE_WIRE line. Once the device
type is identified, the appropriate signals are multiplexed through MAKO to the main flex connector
for the particular device. Figure 3-31 is a block diagram of the GCAI interface.
Mounted to the side connector is a flex that houses ESD protection circuitry. The universal side
connector interfaces with the main flex via the J2 connector of the main board. The figures below
show the connections and signal assignments from the universal connector to the controller board.
Figure 3-31. GCAI Signal Configuration
2
6
7
8
9
10
11
12
D+
D-
Vbus
One-Wire ONE_WIRE
GPIO_4
GPIO_3
Preamp
USB
XCVR
1
3
4
5
One-Wire
GPIO_0
Ext Mic
GCAI
CONNECTOR
UART1_TX
UART1_RX
UART1_TX
UART1_RX
OPT_GPIO_3
OPT_GPIO_2
OPT_GPIO_0GPIO
MAKO
OMAP1710
EXT
PA
KF Switch
CPLD
GPO
ONE_WIRE_GCAI
BATT_STATUS
VBUS
D+
D-
SPKR+
SPKR-
GND
MIC+
MIC-
OPTA_SEL_2
OPTA_SEL_1
OPTA_SEL_0
KEYFAIL CONTROL
KEYFAIL
MACE
TXEN
DAT
SE0
USB
PORT 0
GPIO
GPIO

3-40 Theory of Operation: Controller
Figure 3-32. GCAI Connector
Table 3-6. P1 Pin Assignment
P1 PIN
ASSIGNMENT
SIGNAL
1GND
7 GCAI_USB_P_GPIO1
5 GCAI_USB_N_GPIO2
3 GCAI_RTS_GPIO_3
11 GCAI_CTS_GPIO_4
17 GCAI_MIC_N
19 GCAI_MIC_P
25 GCAI_SPKR_N
23 GCAI_SPKR_P
9 FCAI_ONE_WIRE
13 GCAI_GPIO0
28 GCAI_VBUS_5V
26 GCAI_VBUS_5V
Front View Side View
1
3
5
7
9
11
2
4
6
8
10
12
10
11 20
P1
1

Theory of Operation: Controller 3-41
Table 3-7. GCAI Connector Pin Assignment
PIN
ASSIGNMENT
SIGNAL
1 GCAI_GPIO0 / PwrOn
2 GCAI_ONE_WIRE
3 GCAI_VBUS_5V
4 GCAI_USB_P_GPIO1 / TxDc / FillReq
5 GCAI_USB_N_GPIO2 / RxDc / FillData
6GND
7 GCAI_SPKR_P / LineOut+
8 GCAI_SPKR_N / LineOut-
9 GCAI_RTS_GPIO_3 / OTG-ID / FillSen
10 GCAI_MIC_P
11 GCAI_MIC_N
12 GCAI_CTS_GPIO_4 / KeyFail / FillClk

3-42 Theory of Operation: Controller
3.2.7 Encryption
The encryption circuitry is placed on the main board. The encryption circuitry is designed to digitally
encrypt and decrypt voice and ASTRO data in the APX 3000 radio. The Motorola Advanced Crypto
Engine (MACE) IC is the main component in the encryption design, and has some discrete support
circuitry along with the interfaces to the main board IC's (CPLD, OMAP, and Audio CODEC).
NOTE: The MACE IC is NOT serviceable. The information contained in this section is only intended
to help determine whether a problem is due to the MACE IC or the radio itself.
Figure 3-33 below shows the Encryption architecture for the APX 3000 radio.
Figure 3-33. APX 3000 Encryption Architecture
As shown in Figure 3-33 above, the encryption design consists of 5 blocks:
• MACE IC
• Key Loading
• Key Retention
•Tamper
• Key Zeroize.
MACE
(Secure IC)
OMAP
AUDIO
CODEC
SSI SSI
Key
Zeroize
Tamper
Key
Fail
CPLD
CLK SSI GPIO
Key
Retention

Theory of Operation: Controller 3-43
3.2.7.1 MACE IC
The encryption module uses the MACE IC and an encryption key variable to perform its encode/
decode function. The encryption key variable is loaded into the MACE IC, via the GCAI (side)
connector, from a hand-held, key variable loader (KVL). The MACE IC contains the particular
encryption algorithm purchased.
Once the MACE IC has its encryption keys and algorithm, it communicates with the radio' s host
processor (OMAP) through the Synchronous Serial Interface (SSI) bus. Both commands and audio
(clear and encrypted) are sent through the SSI bus. A communication failure between the host
processor and the secure module will be indicated as an ERROR 09/10 message on the display
when the radio is connected to DRSM.
Figure 3-8 below lists the corresponding kit numbers.
The MACE IC relies on a 4 MHz clock source provided by the CPLD, the clock is connected to
MACE's XIN pin (U2510-P5).
3.2.7.2 Key Loading / Fail
Key variables are loaded into the MACE IC through the keyfail line. The signal originates from the
GCAI connector (pin 11 of J2 on the main board). The signal is then selected by a multiplexer
(U4003) controlled by CPLD output, KEYFAIL_CTRL, and the signal is routed to the MACE's KYLD
pin (U2510-B10).
3.2.7.3 Key Retention
The key variables are retained within the MACE IC's memory (SRAM or FLASH). The keys can be
infinite key retention or 30-seconds key retention, depending on how the codeplug is set up. When
set to infinite key retention, the keys are stored in the FLASH memory inside the MACE IC. When set
to 30-second retention, the keys are stored in SRAM, and will be erased when the radio's battery is
removed (after the 30 second delay). The key retention delay circuit controls this time through a
comparator op-amp circuit (U2526). When the battery is removed, VSAVE (nominally 2.5 V) will
eventually drop to 0V after 30 seconds, which will result in a 0V output from U2526. This output is the
input to the CONT_1.875 regulator (U2525), which is nominally 3.3 V. When the regulator's output is
0 V, the keys in MACE's SRAM will be erased.
3.2.7.4 Tamper
The tamper function is intended to erase the encryption keys in a tampering situation. If the radio
chassis is opened during operation, the tamper signal, which is normally connected to ground
through spring contact M2533, will be disconnected from ground. This will be sensed by MACE
through its tamper pin TPR0 (U2510-M2). Once this condition is sensed, the encryption keys will be
erased.
Table 3-8. Secure Board KIT Numbers
KIT Number Description
MLE4858_ APX 3000 RF Board Kit, UHF1
MLE4912_ APX 3000 RF Board Kit, UHF2
MLD4565_ APX 3000 RF Board Kit, VHF
MLF4094_ APX 3000 RF Board Kit, 700/800 MHz

3-44 Theory of Operation: Global Positioning System (GPS)
3.2.7.5 Key Zeroize
The encryption keys can also be manually erased if infinite key retention is not turned on in
codeplug, by holding down the Side Top button and emergency buttons during radio power-up.
These two button inputs both connect to a dual transistor Q2537, which will release the
Key_ZEROIZE signal sensed by MACE's TPR0 (U2510-M2). Once this condition is sensed (floating
high), the encryption keys will be erased.
To troubleshoot the encryption circuitry, refer to the flowcharts in Chapter 5 “Troubleshooting Charts”.
3.3 Global Positioning System (GPS)
The APX 3000 GPS architecture employs the Texas Instruments NL5500 GPS IC (U1301) (located
on the Main Board) which decodes GPS signals at 1575.42 MHz (L1 band). It is capable of
producing a final position solution including full tracking and data decode capability. The GPS signal
is received by the main RF/GPS combination antenna. The GPS signal is then diplexed at the
antenna port via a series resonant network, C1315 and L1316 which provides a very low capacitive
load to the transceiver. Additional GPS diplexing components include L1117 and C1122 which
provide proper termination at the transceiver path output to minimize GPS signal leakage at the
antenna port tap point at C1314. The GPS signal will then go through a SAW filter (FL1301), LNA
(U1304), and a second SAW filter (FL1303), which then connects to the NL5500’s GPS RF input
(U1301 pin L2). The NL5500 IC is connected to the main OMAP processor via UART2. It is a two
wire UART interface (TX and RX with no handshaking).
The GPS receiver is setup in an autonomous continuous navigation mode where the current position
is updated once per second. The GPS receiver continuously tracks satellites for as long as the radio
is powered on to ensure the best possible accuracy. In the event the radio loses visibility of the
satellites due to terrain or environmental factors such as driving through a tunnel or entering a
building, the GPS will temporarily lose its position fix. If the signal outage is long enough, a power
savings algorithm will then cycle the GPS in and out of a sleep mode to save battery life until the
radio has moved back into an environment where the GPS signal is present.
The following table lists the power, clock, and I/O connections from the GPS IC to various
peripherals.

Theory of Operation: Global Positioning System (GPS) 3-45
.
Figure 3-34. GPS Block Diagram
Table 3-9. Power and I/O Pins for NL5500
Signal Name Type NL5500 ball(s) Source/Destination [ref] (board Description
VBAT Power A2, H1, D8 VSW_3.6 [U6504] (Main Board) Main NL5500 power supply
VDDS Power B3, G10, K5, E2 VCC_1.85 [U6508] (Main Board) I/O Power Supply
VDD_TCXO Power G1 VSW_3.6 [U6504] (Main Board) TCXO Power Supply
RTC_CLK Clock H9 CPLD IO74 [U6101] (Main
Board)
32kHz RTC
TCXO_CLK_LV Clock F1 TCXO [Y1304] (Main Board) 26MHz TCXO
GPS_nShutdown Input D5 CPLD IO91 [U6101] (Main
Board)
GPS Reset
GPS_UART_TX Output F5 OMAP pin R9 [U6302] (Main
Board)
GPS UART TX to OMAP UART RX
GPS_UART_RX Input E3 OMAP pin M18 [U6302] (Main
Board)
OMAP UART TX to GPS UART RX
LNA_ENABLE Output H6 LNA [U1304] (Main Board) GPS External LNA Enable
GPS_LNA_IN Input L2 GPS antenna/front-end GPS RF Input from antenna
GPS IC
TI NL5500
GPS_LNA_IN (L2)
GPS_EXT_LNA_EN (H6)
TCXO_CLK_LV (F1)
TCXO
26MHz,
<0.5ppm
GPS_UART_TX (F5)
GPS_UART_RX (E3)
UART2 Rx (R9)
UART2 Tx (M18)
[OMAP 1710]
GPS Tx
GPS Rx
GPS_NSHUTDOWN (D5)
RTC_CLK (H9) 32kHz RTC
[CPLD]
IO74 (E2)
IO91 (D12)
Reset
External Regulators
1.8V
(VCC_1.85)
2.8V
LNA Enable
LNA
Ant
Main Board
3.6V
(VSW_3.6)
SAW SAW
VDD_TCXO (G1)
VBAT VDDS

3-46 Theory of Operation: Accelerometer
3.4 Accelerometer
3.4.1 General Overview
Accelerometer capabilities are achieved by the 3-axes nano” accelerometer IC (LIS331DL) located
on the expansion board. The LIS331DL is a digital output linear accelerometer in a LGA package. It
is powered by the 3.3 LDO regulator placed in the expansion board. The complete device includes a
sensing element and an IC interface to provide the signal to the AVR IC. When acceleration is
applied to the sensor, an imbalance in capacitance is produced. This imbalance is measured and
converted to an analog voltage that is finally available to the user by an analog to digital converter.
The acceleration data is accessed through an SPI interface and presented to the AVR.
NOTE: Please refer to User Guide and CPS for further details.
Figure 3-35. Accelerometer Block Diagram
The registers embedded on the LIS331DL are accessed through SPI serial interface. The following
pins are responsible for the SPI communication.
CS is the serial port enable and it is controlled by the AVR (SPI Master). It goes low at the start of the
transmission and toggles high at the end. SPC is the serial port clock and it is also controlled by the
AVR. It is stopped high when the CS is high (no transmission). SDI and SDO are respectively the
serial data input and output. These lines are driven at the falling edge of SPC and should be capture
at the rising edge of SPC.
Table 3-10. SPI Interface
Pin Name Pin Description
CS SPI Enable
SPC SPI Serial Port Clock
SDI SPI Serial Data Input
SDO SPI Serial Data Output
3.3V LDO
Core
and
I/O
Voltage
Accelerometer
LIS331DLH
(Bus Slave)
SPI
Accelerometer
Data Bus AVR
AT32UC3A
(Bus Master)
Interrupts

Theory of Operation: Accelerometer 3-47
The following table provides a list of the registers and their respective addresses used for the
accelerometer IC (LIS331DL).
NOTE: Refer to the part data sheet for a detailed explanation of the registers.
Table 3-11. Register Address Map
Name Type Register Address Default Comment
Hex Binary
Reserved (do not modify) 00 – 0E Reserved
WHO_AM_I r 0F 000 1111 110010 Dummy register
CTRL_REG1 rw 20 010 0000 111
CTRL_REG2 rw 21 010 0001 0
CTRL_REG3 rw 22 010 0010 0
CTRL_REG4 rw 23 010 0011 0
CTRL_REG5 rw 24 010 0100 0
HP_FILTER_RESET r 25 010 0101 Dummy register
REFERENCE rw 26 010 0110 0
STATUS_REG r 27 010 0111 0
OUT_X_L r 28 010 1000 output
OUT_X_H r 29 010 1001 output
OUT_Y_L r 2A 010 1010 output
OUT_Y_H r 2B 010 1011 output
OUT_Z_L r 2C 010 1100 output
OUT_Z_H r 2D 010 1101 output
Reserved (do not modify) 2E – 2F Reserved
INT1_CFG rw 30 011 0000 0
INT1_SOURCE r 31 011 0001 0
INT1_THS rw 32 011 0010 0
INT1_DURATION rw 33 011 0011 0
INT2_CFG rw 34 011 0100 0
INT2_SOURCE r 35 011 0101 0
INT2_THS rw 36 011 0110 0
INT2_DURATION rw 37 011 0111 0
Reserved (do not modify) 38 – 3F Reserved

3-48 Theory of Operation: Bluetooth
3.5 Bluetooth
The Bluetooth feature allows the radio the ability to connect wirelessly to a Bluetooth accessory or
data terminal. This feature is implemented using a combination of Bluetooth/GPS integrated circuit
(IC, U1301), a low-frequency receiver (NFC, U2403), and a host controller (U2415) with external 128
MB SDRAM (U2413). The Bluetooth IC sends data to the host controller processor over an HCI
USART link. The host controller processor communicates to the OMAP processor on the RF board
through a dedicated USB port.
Each APX accessory that is capable of Bluetooth communication will have its own unique Bluetooth
address. An external audio accessory headset can establish a digital connection using a low-data
rate GFSK modulated signal hopping on 79 x 1 MHz wide Bluetooth channels from 2402 MHz to
2480 MHz in the ISM band. Bluetooth uses a frequency hopping spread spectrum (FHSS) technique
to spread the RF power across the spectrum to reduce the interference and spectral power density.
The frequency hopping allows the channel to change up to 1600 times a second (625 us time slot)
based on a pseudo random sequence. If a packet is not received on one channel, the packet will be
retransmitted on another channel.
The Bluetooth feature is accompanied by a Low-Frequency (LF) detection circuit. Once a radio has
the Bluetooth feature enabled, a user can tap their LF enabled Bluetooth audio accessory with the
radio at the pairing spot to establish a secure Bluetooth connection. The LF circuit provides the
ability of a secure pairing connection with a Bluetooth accessory by sending secure messages
including the BT address of the external accessory during pairing. The LF circuit uses a 125 kHz
signal to communicate the secure pairing information over a dedicated SPI bus between the
Bluetooth accessory and the AVR32 processor.
Low-frequency transmission is done by the host controller itself using a NOR gate. The LF antenna
is located on the radio’s back housing with a blue dot marking. The antenna is connected to the LF
receiver IC on the mainboard via a flex. The Bluetooth antenna is a stamped metal folded monopole
antenna mounted on the radio’s front housing:
Figure 3-36. Relation of Bluetooth & LF Antenna Assembly to Main Board
= Main Flex
= NFC Flex
KEY
Front
Housing
with
BT Antenna
Main Board
(NL5500)
LF
Antenna

Theory of Operation: Bluetooth 3-49
To connect a Bluetooth accessory, the blue pairing indicators on the accessory and the radio should
be brought close to each other with the Bluetooth feature enabled and on in the radio. The
LF/Bluetooth connection flow is shown in Figure 3-37.
Figure 3-37. Bluetooth Connection Flowchart
Radio and Accy Power Up
Able to pair
Initial NFC Pairing
Not able to
re-establish pairing If Link Breaks
a
appears solid
SW tries to re-establish
connection for 'x' mins.
Standby Icon (flashing)
Icon no longer Solid.
b
appears.
Module requires NFC re-pairing
With radio and accy. already on,
re-attempt pairing procedure.
Refer to Bluetooth pairing
flowchart and/or User Guide
a
appears solid
Connect
sound
Disconnect
sound
Disconnect After X min
search - BAD
Reconnect
Connected
Bad
sound
Connect sound
a
appears solid
Connect Sound

3-50 Theory of Operation: Bluetooth
Figure 3-38. Bluetooth/Controller Interface with Clock Sources
The Bluetooth IC transceiver is connected to a dedicated Bluetooth antenna. Between the IC and
antenna is a band-pass filter as shown in Figure 3-39.
Figure 3-39. Bluetooth Functional Block Diagram
APX 3000
Main Board
128 MB
SDRAM
12 MHz
32.768
KHz
26 MHz TCXO
NL5500
BT/GPS
SW_B+
SW_B+
UC3_RESET
VOLTAGE
TRANSLATION
1.8V - 3.3V
VOLTAGE
TRANSLATION
1.8V - 3.3V
BT_PTT
USB_BOOT
AVR_STATUS_1.8
RESET_N
PB17 (GPIO49)
PA20 (GPIO20)
PA21 (GPIO21)
PB07 (GPIO39)
PA29
ATMEL AVR32
AT32UC3A0512
PA30
BT_SPARE_DIR
D12
D11
E12
F1
C3
A2
B10
D10
J2
M8
VBUS
DP
DM
AUD_CLK
AUD_FSTNC
AUD_IN
AUD_OUT
AC_SPKR_UNMUTE_1.8
OPT_BD_DETECT
BT_SPARE_1.8
GROUND
OPT_BD_GPIO_0_OPT_RST
OPT_BD_GPIO_5(OMAP GPIO7)
OPT_BD_GPIO_2
OMAP P18
OMAP K15
OPT_BD_GPIO_4
OMAP K14
CPLD GPIO 29
OPT_USB_DP
OPT_USB_DM
SSI_CLK
SSI_FSYNC
SSI_BLACK_RX
SSI_RED_RX
SSI_BLACK_TX
SSI_RED_TX
Radio Host Controller
OMAP_GPIO7
USB1
BT_PTT
USB
GPIO
USART0 GPIO
SSI
BT_HCI
PCM_AUD
BT_WAKE BT_EN
BT_RF 2.45 GHz BPF
BT
Antenna
LF
Antenna
TI NL5500
Bluetooth/GPS
GPIO
TC1 OCA
ANTENNA
WAKEUP
TX_CLK
UART
SPI
NFC
BLOCK
USART1 TX
GPIO
TIMER1
ATMEL AVR32
AT32UC3A0512
USART1
SPI0
Main Board

Theory of Operation: Bluetooth 3-51
To verify the Bluetooth transmitter is operational, an RCMP command can be sent to transmit a
constant carrier waveform on a Bluetooth frequency. To verify the LF transmit feature is operational,
an RCMP command can be sent to transmit a constant carrier waveform at 125 kHz. There are
similar RCMP commands for verifying BT/LF RSSI when a CW BT/LF signal is applied near the
antennas of the BT/LF circuitry.
The Low-Frequency block diagram below shows the main connections:
Figure 3-40. Bluetooth Low-Frequency Circuit Block Diagram
Figure 3-41. Bluetooth Low-Frequency Pairing Data Path
LF TX
LF Coil
LF RX
ATMEL AVR32
AT32UC3A0512
SPI0_SCK SCL
SDI
SDO
CS
WAKE
LF1P
LFN
32768 Hz
Clock
DAT
CL_DAT
XIN
Low Frequency
Receiver
AS3930
SPI0_MOSI
SPI0_MISO
NFC_CS
NFC_INT
NFC_UART_RX
NFC_UART_MAN_CLK
NFC_UART_TX
TC1_OCA
SPI
UART
125 KHz Clock
Micro-
Processor
LF Device
UART_TX_Data
+
ANTENNA COIL
32 KHz
CLK_IN
ANT_IN
UART
SPI

3-52 Theory of Operation: Bluetooth
Figure 3-42. Detailed Low-Frequency Transmit/Receive Paths
3.5.1 Bluetooth Power
Our Bluetooth IC operates from a 3.6V (U6504, VBAT) switching regulator located on the Main board
to supply the Bluetooth IC core and a 1.85V (U6508, VDDS) supply for the I/O. It has a shutdown
(U2415 pin L3) that must be high for operation to work. The power-up/down sequence required for
operation is shown in Figure 3-43.
Figure 3-43. Chip Power-Up/Power-Down Sequence (Exernal Input/Output Shown)
32KHZ_3.3V
R2457
15K
C2475
1000PF
R2474
270K
NFC_ANTENNA
OUT
C2457
18PF
U2412
NL17SZ02
R2475M3
150
USART1_TX
R2477
100K
7
16 15 R2419
100
G1
R2476
100K
TC1_OCA
4
1
2
TX path
GPS_BT_3.3V
12 9
14
6
8
1
2
10
SCL DAT
SDO
XOUT
WAKE
NC1
NC2
NC3
VCC
CS
SDI
XIN
LFN
LF1P
VSS
GND
CTGND
C2465
1UF
GPS_BT_3.3V
U2403M3
AS3930A
51009735001
11
13
5
4
3
RX path
NFC_CS_INV
C2454
220PF
1%
APX 3000
Partial Current Tree 7.5V Batt
VDDS
VBAT
VDD1P8
RTC
Startup
CLK_REQ_POL
TCXO_CLK_REQ
VDD_TCXO
Hi Z - PD
Max 36.5 ms
5 ms
Analog PORz (~135 RTC cycles) +
Efuse shifting (~1000 RTC cycles)
Max time from clock request/
voltage to TCXO_CLK availability
Hi Z - PD
TCXO_CLK
REF_CLK_REQ
(OR of
nshutdown
pins)
<2.5ms
or

Theory of Operation: Bluetooth 3-53
The host processor operates from a 3.3V LDO regulator (U2402). The 1.85V regulator enables the
3.3V LDO regulator output. The LF receiver IC is powered from a 3.3V LDO regulator (U2402).
Figure 3-44 is a partial current tree showing the flow of current from the battery to the Bluetooth-
related major components sourced by the 3.6V switching regulator on the Main Board.
Figure 3-44. Current Distribution Tree for Bluetooth Circuitry
7.5V Batt
3.6V Switcher
800mA TPS 62050
2.23V LDO
TPS 73601
1.85V LDO
LP38693SD J1001 pin 37 VCP_IN
TI NL5500
BT/GPS
3.3V LDO
500mA LP2989
AS3930A
Low Freq.
ST LIS3331DL
Accelerometer
Logic & Level
8 x Level Shifters
1 x Inverter
Logic & Level
1 x NOR
12 MHz OSC
AT32UC3A
AVR32
128MB SDRAM
SW_B+
V_SW_3.60
GPS_BT_3.3V

3-54 Theory of Operation: Bluetooth
3.5.2 Bluetooth Clocks
The Bluetooth IC requires a 26 MHz TCXO (Y1304, TCXO_CLK) for the core and a 32.768 kHz
(U6101 pin E2 on Main Board, RTC_CLK) slow clock for the USART. This is the same clock used for
the GPS portion of the BT/GPS combination IC.
The host processor IC requires a 12 MHz crystal oscillator (Y2475) clock. The LF receiver IC
requires a 32.768 kHz (U6101 pin E2 on Main Board, RTC_CLK) clock.
3.5.3 Bluetooth I/Os.
The communication between the Bluetooth IC and the host controller is by a four-wire HCI USART0
bus (RX, TX, CTS, RTS). The Bluetooth IC receives a firmware update over the USART0 each time
it is powered on. The LF receiver IC transmits its data over the USART1. USART2 is used for
displaying debugging messages.
Table 3-12. Bluetooth Host Processor UART I/O
Signal Name Pad Name GPIO MUX
Function
Schematic Name I/O
USART0 – RXD PA00 0 A BT_UART_TX_3.3V I
USART0 – TXD PA01 1 A BT_UART_RX_3.3V O
USART0 – RTS PA03 3 A BT_UART_CTS_3.3V O
USART0 – CTS PA04 4 A BT_UART_RTS_3.3V I
USART1 – RXD PA05 5 A USART1_RX I
USART1 – TXD PA06 6 A USART1_TX O
USART1 – CLK PA07 7 A USART1_CLK I
USART2 – RXD PB29 61 A AVR_USART2_RX I
USART2 – TXD PB30 62 A AVR_USART2_TX O

Theory of Operation: Bluetooth 3-55
Figure 3-45. Bluetooth LF UART Connection Block Diagram
The Bluetooth IC shutdown (U2415 pin L3) and wakeup (U2415 pin K3) pins are also connected to
the host controller. A Bluetooth PTT pin on the host controller (U2415 pin J2) tells the OMAP (U6302
pin Y5) when the user pressed the PTT button on the Bluetooth accessory. As the BT IC I/O is 1.8V,
but the host controller I/O is 3.3V, level shifters are employed for interconnection between the two.
The host processor IC is connected to the LF receiver IC by a four-wire SPI bus. This SPI bus also
communicates with an on-board accelerometer. The LF transmitter circuit uses a 125 kHz signal
(U2415 pin M3) that is turned on and off (OOK) by the USART1_TX signal (U2415 pin L12).
Table 3-13. SPI I/O
Signal Name Pad Name GPIO MUX
Function
Schematic Name I/O
SPIP – NPCS[2] PA09 9 B SPIO_CS2 O
SPIP – NPCS[0] PA10 10 A NFC_CS O
SPIP – MISO PA11 11 A SPIO_MISO I
SPIP – MOSI PA12 12 A SPIO_MOSI O
SPIP – SCK PA13 13 A SPIO_CLK O
TI NL 5500
Bluetooth/GPS
ATMEL AVR32
AT32UC3A0512
Low Frequency
Receiver AS3930
DAT
CL_DAT
LF Transmit
(OR Gate)
HCI_TX
USART0
USART1
USART2
Debug RX
Debug TX
BT Debug
Flex
J2401 Connector
PB29
K6
Pin 33
Pin 34
Pin 25
Pin 26 K7 PB30
PA00
PA01
PA03
PA04
PA05
PA07
PA06
A4
B5
B4
B7
9
10
J6
H6
J7
J8
K11
J10
L12
HCI_RX
HCI_CTS
HCI_RTS

3-56 Theory of Operation: Bluetooth
The host processor is connected to the 3.3V SDRAM using a synchronous interface. The host
processor is connected to the OMAP on the Main Board by a full-speed USB (D11 & D12). VBus is a
sense line only.
Figure 3-46. Bluetooth USB Interface To Main Board
Table 3-14. USB I/O
Signal Name Pin Name Pad Name Schematic Name I/O
GPIO19 C12 PA19 USB_BOOT_3.3V I
GPIO20 D10 PA20 ATMEL_BOOT I
DP D11 – BT_AVR_USB_DP I/O
DM D12 – BT_AVR_USB_DM I/O
VBUS E12 – BT_AVR_VBUS I
TI NL 5500
Bluetooth/GPS
ATMEL AVR32
AT32UC3A0512
Low Frequency
Receiver AS3930
DAT
CL_DAT
LF Transmit
(OR Gate)
HCI_TX
USART0
USART1
USART2
Debug RX
Debug TX
BT Debug
Flex
J2401 Connector
PB29
K6
Pin 33
Pin 34
Pin 25
Pin 26 K7 PB30
PA00
PA01
PA03
PA04
PA05
PA07
PA06
A4
B5
B4
B7
9
10
J6
H6
J7
J8
K11
J10
L12
HCI_RX
HCI_CTS
HCI_RTS

Theory of Operation: Bluetooth 3-57
The ATMEL bootloader is being used as a first stage bootloader that will jump to the Motorola
bootloader, which is a stage two bootloader. GPIO20 is used by the ATMEL bootloader to trap in
Flash mode. GPIO19 will be used by the Motorola bootloader to trap in Flash mode. Both pins are
active low.
The Bluetooth audio is sent over a two-channel PCM/SSI interface to the audio codec (U6405) on
the Main board.
Table 3-15. GPIO I/O
Signal Name Pad Name GPIO Schematic Name I/O
GPIO41 PB09 41 BT_HOST_WAKEUP_3.3V I
GPIO49 PB17 49 BT_PTT_3.3V O
GPIO50 PB18 50 BT_SHUTDOWN_3.3V O
GPIO51 PB19 51 BT_WAKEUP_3.3V O

Chapter 4 Troubleshooting Procedures
The purpose of this chapter is to aid in troubleshooting problems with the ASTRO
APX 3000 radio. It is intended to be detailed enough to localize the malfunctioning circuit and isolate
the defective component. It also contains a listing of service tools recommended for PC board repair
at the component level.
4.1 Handling Precautions
Complementary metal-oxide semiconductor (CMOS) devices, and other high-technology devices,
are used in this family of radios. While the attributes of these devices are many, their characteristics
make them susceptible to damage by electrostatic discharge (ESD) or high-voltage charges.
Damage can be latent, resulting in failures occurring weeks or months later. Therefore, special
precautions must be taken to prevent device damage during disassembly, troubleshooting, and
repair. Handling precautions are mandatory for this radio, and are especially important in low-
humidity conditions. DO NOT attempt to disassemble the radio without observing the following
handling precautions.
1. Eliminate static generators (plastics, Styrofoam, etc.) in the work area.
2. Remove nylon or double-knit polyester jackets, roll up long sleeves, and remove or tie back
loose-hanging neckties.
3. Store and transport all static-sensitive devices in ESD-protective containers.
4. Disconnect all power from the unit before ESD-sensitive components are removed or inserted
unless otherwise noted.
5. Use a static-safeguarded workstation, which can be accomplished through the use of an
anti-static kit (Motorola part number 01-80386A82) or equivalent.This kit includes a wrist
strap, two ground cords, a static-control table mat and a static-control floor mat.
Most of the ICs are static sensitive devices. Do not attempt to
disassemble the radio or troubleshoot a board without first
referring to the following Handling Precautions section.

4-2 Troubleshooting Procedures: Recommended Service Tools
4.2 Recommended Service Tools
Table 4-1 lists recommended service tools that can be used for PC board repairs at the component
level. For listings of additional service tools, service aids, and test equipment that are recommended
for all levels of service, refer to the APX 3000 basic service manual (see Related Publications).
Table 4-1. Recommended Service Tools
Motorola
Part Number Description Application
PMLN6208_ Chassis Opener Used to disassemble chassis from housing
66012031001 Battery Adapter Used in place of battery to connect radio to an external
power supply.
66012075001 Vacuum Test Fixture To connect the vacuum/pressure hose to the radio.
NLN9839_ Vacuum Pump Kit Vacuum pump with gauge and vacuum hose. Requires
Vacuum Test Fixture (66012075001).
5880384G68 SMA to BNC Adapter Adapts radio’s antenna port to BNC cabling of test
equipment.
RVN5224_ Customer Programming Software
(CPS) and Tuner Software
CPS allows customer-specific programming of modes and
features. Tuner software required to perform alignment of
radio parameters.
PMKN4012_ Programming Cable Used to program the radio through Customer Programming
Software and Tuner Software.
PMKN4013_ Programming/Service Cable Used to program and service the radio through Customer
Programming Software and Tuner Software.
RLN4460_ Portable Test Set Used for radio performance checks. Connects to radio’s
universal connector and allows remote switching and signal
injection/outputs for test equipment measurements.
66012036001 APX 3000 Covert Board Debugging
Fixture
To be assembled with Flex, Debug (0104055J17), flex,
Extended Main (0104052J79), Assy, Flex, NFC
(0104052j74), front housing kit (0104052J79), and FSTN
Display with Bezel (72012008001).

Troubleshooting Procedures: Standard Bias Table 4-3
4.3 Standard Bias Table
Table 4-2 outlines some standard supply voltages and system clocks which should be present under
normal operation. These should be checked as a first step to any troubleshooting procedure.
Table 4-2. Standard Operating Bias – DC Voltages
Name Reference Description Level
ON_OFF_Switch TP6210 ON_OFF_Switch. Radio on when GND GND
UNSW_B+ F_UNSW_B+ Radio Battery Voltage 6–9V
SW_B+ C6593 Radio Supply Voltage 6–9V
V_SAVE C6538 LDO Output Present When Battery is Attached 2.5V
V_1.875 C6581 LDO Output 1.875V
V_1.55 R6561 LDO Output 1.55V
V_2.775D R6563 LDO Output 2.775V
V_2.775_EXP R6562 LDO Output 2.775V
V_2.8_RF R6564 LDO Output 2.8V
V_5.0A R6565 LDO Output 5.0V
V_3.3 R6566 LDO Output 3.3V
V_3.0A R6567 LDO Output 3.0V
V_EXT_1.85 R6570 LDO Output 1.85V
V_SW_1.4 C6570 Switcher Output 1.4V
V_SW_3.60 C6561 Switcher Output 3.6V
V_2.23 C6573 LDO Output 2.23V
Table 4-3. Standard Operating Bias – Clock Sources
Clock
Source Reference Description Frequency
Y6501 R6533 MAKO 24MHz & tapped into CPLD 24.576MHz
Y6502 C6541 MAKO RTC 32.768KHz
Y6601 C6601 OMAP CPU Clock 12MHz
U6302 TP6307 and
TP6308
DDR Clocks (Complementary signals) 96MHz
U6101 R6113 MACE Clock 4MHz
U6101 R6115 GPS RTC clock 32.768KHz
Y701
(RF board)
R6218 RF Freq synth IC (Abacus) TCXO 16.8MHz

4-4 Troubleshooting Procedures: Power-Up Self-Check Errors
4.4 Power-Up Self-Check Errors
Each time the radio is turned on, the MCU and DSP perform a series of internal diagnostics. These
diagnostics consist of checking such programmable devices as the FLASH ROMs, the EEPROM,
and SRAM devices.
Problems detected during the power-up self-check routines are presented as error codes on the
radio’s display. For non-display radios, the problem is presented at power up by a single, low-
frequency tone. Table 4-4 lists possible error codes, a description of each error code, and a
recommended corrective action.
Table 4-4. Power-Up Self-Check Error Codes
Error Code/ Error
Message Description Corrective Action
01/02 FLASH ROM Codeplug Checksum Non-Fatal Error Reprogram the codeplug
01/12 Security Partition Checksum Non-Fatal Error Send radio to depot
01/20 ABACUS Tune Failure Non-Fatal Error Turn the radio off, then on
01/22 Tuning Codeplug Checksum Non-Fatal Error Send radio to depot
01/81 Host ROM Checksum Fatal Error Send radio to depot
01/82 FLASH ROM Codeplug Checksum Fatal Error Reprogram the codeplug
01/88 External RAM Fatal Error – Note: Not a checksum failure Send radio to depot
01/90 General Hardware Failure Fatal Error Turn the radio off, then on
01/92 Security Partition Checksum Fatal Error Send radio to depot
01/93 FLASHport Authentication Code Failure Send radio to depot
01/98 Internal RAM Fail Fatal Error Send radio to depot
01/A2 Tuning Codeplug Checksum Fatal Error Send radio to depot
02/81 DSP ROM Checksum Fatal Error Send radio to depot
02/88 DSP RAM Fatal Error – Note: Not a checksum failure Turn the radio off, then on
02/90 General DSP Hardware Failure (DSP startup message not
received correctly)
Turn the radio off, then on
09/10 Secure Hardware Error Turn the radio off, then on
09/90 Secure Hardware Fatal Error Turn the radio off, then on
Note: If the corrective action does not fix the failure, send the radio to the depot.

Troubleshooting Procedures: Power-Up Self-Check Diagnostics and Repair (Not for Field Use) 4-5
4.5 Power-Up Self-Check Diagnostics and Repair (Not for Field Use)
Table 4-5 lists additional action items that can be used for the diagnosis and resolution of the error
codes listed in Table 4-4.
Table 4-5. Power-Up Self-Check Diagnostic Actions
Error Code/ Error
Message Diagnostic Actions
01/02 This non-fatal error will likely recover if the radio's power is cycled. In the event that this
does not resolve the issue, the radio should be reflashed. If the error remains, send the
radio to depot.
01/12 The radio should be sent to the depot for reflashing of the security codeplug.
01/20 Cycling radio power should resolve this issue.
01/22 The radio should be sent to the depot for reflash of the tuning codeplug followed by
retuning of the radio.
01/81 The radio should be sent to the depot for reflashing of the host code.
01/82 The radio should be sent to the depot for reflashing of the radio codeplug.
01/88 Reflashing of the radio should first be performed. If this fails to resolve the issue, send
the radio to depot.
01/90 Cycle power to radio. Continued failure indicates a likely IC failure In this event, radio
should be sent to the depot for isolation and repair of the problem IC.
01/92 The radio should be sent to the depot for reprogramming of the security codeplug.
01/93 The radio should be sent to the depot for reflashing of the host code.
01/98 Send radio to the depot.
01/A2 The radio should be sent to the depot for reflashing of the tuning codeplug followed by
re-tuning of the radio.
02/81 The radio should be sent to the depot for examination.
02/88 Cycle power to the radio. If this does not fix the problem, then the radio should be sent
to the depot for reflashing of the DSP code.
02/90 Cycle power to the radio. If this fails to fix the problem, then the radio should be sent to
the depot for reflashing of the DSP code.
09/10 Cycle power to the radio. If this fails then follow instructions in the secure hardware
failure troubleshooting flowchart.
09/90 Cycle power to the radio. If this fails then follow instructions in the secure hardware
failure troubleshooting flowchart.
Hardware board
failed
Bluetooth error. Send radio to depot for examination.
Hardware board
mismatch
Updating the firmware should resolve the error message.

4-6 Troubleshooting Procedures: Power-Up Self-Check Diagnostics and Repair (Not for Field Use)
Hardware board
mismatch
then
Man-Down HW error
Updating the firmware should resolve the error message.
Table 4-5. Power-Up Self-Check Diagnostic Actions (Continued)
Error Code/ Error
Message Diagnostic Actions

Chapter 5 Troubleshooting Charts
This section contains detailed troubleshooting flowcharts. These charts should be used as a guide in
determining the problem areas. They are not a substitute for knowledge of circuit operation and
astute troubleshooting techniques. It is advisable to refer to the related detailed circuit descriptions in
the theory of operation sections prior to troubleshooting a radio.
5.1 List of Troubleshooting Charts
Most troubleshooting charts (see Table 5-1) end up by pointing to an IC to replace. It is not always
noted, but it is good practice to verify supplies and grounds to the affected IC and to trace continuity
to the malfunctioning signal and related circuitry before replacing any IC. For instance, if a clock
signal is not available at a destination, continuity from the source IC should be checked before
replacing the source IC.
Table 5-1. Troubleshooting Charts
Troubleshooting Page
No.
Main Troubleshooting
Main Troubleshooting Flowchart 5-3
Power-Up Failure
Main Board 5-4
B+ Incorrect Voltage 5-5
Low LDO10 V_3.3 Voltage 5-6
Low LDO3 V_1.55 Voltage 5-7
Low LDO8 V_5.0A Voltage 5-8
Low VBUS2 Voltage 5-9
Low V_SW_1.4 Voltage 5-10
Low V_2.23 Voltage 5-11
Low V_SW_3.6 Voltage 5-12
Low V_SW_5 Voltage 5-13
Low V_EXT_1.85 Voltage 5-14
DC Supply
DC Supply 5 Volt Failure 5-15
DC Supply 3.6 Volt Failure 5-16
DC Supply 3 Volt Failure 5-17
DC Supply 1.85 Volt Failure 5-18
DC Supply 1.8 Volt Failure 5-19
DC Supply 1.5 Volt Failure 5-20
DC Supply 1.4 Volt Failure 5-21
Button
Side Button Error 5-22
Audio
External Audio 5-23
External Mic Failure 5-24
Keyload/ Secure Hardware/ Memory
Keyload Failure 5-25
Secure Hardware Failure 5-26
RX RF
RX RF Failure 5-27
FGU
FGU Failure 5-37
VCO
VCO Failure 5-38
GPS
GPS Failure 5-43
Table 5-1. Troubleshooting Charts (Continued)
Troubleshooting Page
No.

5-2 Troubleshooting Charts: List of Troubleshooting Charts
GPS Failure
Bluetooth Failure – Pairing Issue 5-44
Bluetooth Failure – LCD Indication 5-47
PA Failure
PA Failure 5-50
PA Failure – Page 1 (UHF1/UHF2) 5-51
PA Failure – Page 2 (700/800 MHz) 5-52
PA Failure – Page 3 (VHF PA) 5-53
PA Failure – Page 4(ALC) 5-54
Table 5-1. Troubleshooting Charts (Continued)
Troubleshooting Page
No.

Troubleshooting Charts: Main Troubleshooting Flowchart 5-3
5.2 Main Troubleshooting Flowchart
Start
Good
power up
self test
Any Error
Message?
See Table for
error codes
Table 4.5
No No
Yes
Go to either Display
Failure(5.19,5.20)
or controller power
up failure flowchart
Chart 5.3
Yes
Does the
Radio
transmit?
No
Go to TX RF
troubleshooting
Flowchart
(Chart 5.45)
Is there TX
deviation?
Go to controller
TX Audio error
(Chart 5.11)
Receive Audio
present?
Go to RX RF/
controller audio
flowchart
(Chart 5.29/5.11)
No
No
RX SINAD
GOOD?
Buttons
Functional?
No
End
See Button Test
Flowchart
(Chart 5.10)
Yes
Yes
Yes
Yes
No

5-4 Troubleshooting Charts: Power-Up Failure
5.3 Power-Up Failure – Main Board
Main Board Power Up
Problem
Measure Voltage
at C6593
6 < V < 9?
Proceed to
Incorrect B+
Voltage Flow
Chart
Measure Voltage
at R6542
3.3 < V < 3.9
Proceed to Low
V_SW_3.60
Flow Chart
Use Oscilloscope
to Measure R6533
Freq = 24MHz
1.6 < V < 1.9
Inspect Y6501 and
All supporting
Circuitry
Repair or Replace
Part/s
Replace Main
Board
Are Parts Solder
Connections and
Placement Correct
No Yes
Measure All Probe
Spots from Above
Table
Voltages =
Level
Proceed to
Specified Flow
Chart in Table
Measure Voltage
at R6203
1.6 < V < 1.9
Replace Main
Board
No
Yes
No
Yes
No
Yes
No Yes
No
Use Oscilloscope
to Measure R6115
Yes Freq = 32kHz
1.6 < V < 1.9
Replace Main
Board
Use Oscilloscope
and High
Impedance Probe
to Measure
C6602
Freq = 12MHz
1.3 < V < 1.9
Inspect Y6601
Circuit
Repair or Replace
Part/s
Are Parts Solder
Connections and
Placement Correct
No
Yes
No
Yes No
Measure Voltage
at OMAP_RESET_TP
Yes
1.6 < V < 1.9
OMAP is Out of
Reset, Proceed to
Memory Flow
Chart
Yes
Replace
Main Board
No
Name Ref Description Level V Flow Chart
V_1.55 R6561 LDO Output 1.55±10% Low LDO3 V_1.55 Voltage
V_2.775D R6562 LDO Output 2.775±10% Low LDO10 V_3.3 Voltage
V_2.775 R6563 LDO Output 2.775±10% Low LDO10 V_3.3 Voltage
V_2.8_RF R6564 LDO Output 2.8±10% Low LDO10 V_3.3 Voltage
V_5.0A R6565 LDO Output 5.0±10% Low LDO8 V_5.0A Voltage
V_3.3 R6566 LDO Output 3.3±10% Low LDO10 V_3.3 Voltage
V_3.0A R6567 LDO Output 3.0±10% Low LDO10 V_3.3 Voltage
V_SW_3.6 C6561 Switching Output 3.6±10% Low V_SW_3.6 Voltage
V_EXT_1.85 R6570 LDO Output 1.85±10% Low V_1.85 Voltage
V_SW_1.4 E6502 Switching Output 1.4±10% Low V_SW_1.4 Voltage

Troubleshooting Charts: Power-Up Failure 5-5
Power-Up Failure – B+ Incorrect Voltage
B+ Incorrect Voltage
Check Voltage at
Test Point
F_UNSW_B+
(Main Board)
6 < V < 9?
Check input and
output voltage at
F200
Check Voltage at
C6593 (Controller)
No
Yes
6 < V < 9?
Check Q6501
Circuit and
Replace any non
Functional Parts
Replace Main
Board
No
Yes
Replace
Connector
No
Check circuitry from
battery contact to fuse.
Replace any non-
function part.
Yes
6 < V < 9?

5-6 Troubleshooting Charts: Power-Up Failure
Power-Up Failure – Low LDO10 V_3.3 Voltage
Low
LDO10 V_3.3
Voltage
Measure Radio
Current
Inspect R6566
Connection
Measure SW1 at R6542
Likely MAKO Problem,
Replace Main Board
Is Standby Current
more than 15mA
above Average
3.3 < V < 3.9?
Is R6566 Soldered
Properly
Correct R6566
Soldering
Proceed to Low
V_SW_3.6 Voltage
Flow Chart
Board has a short,
Replace Main Board
Yes
Yes
Yes
No
No
No

Troubleshooting Charts: Power-Up Failure 5-7
Power-Up Failure – Low LDO3 V_1.55 Voltage
Low
LDO3 V_1.55
Voltage
Measure Radio
Current
Inspect R6561
Connection
Measure V_2.23
at R6513
Likely MAKO Problem,
Replace Main Board
Is Standby Current
more than 15mA
above Average
2.0 < V < 2.4?
Is R6561
Soldered
Properly
Correct R6561
Soldering
Proceed to Low
V_2.23 Voltage
Flow Chart
Board has a short,
Replace Main Board
Yes
Yes
Yes
No
No
No

5-8 Troubleshooting Charts: Power-Up Failure
Power-Up Failure – Low LDO8 V_5.0A Voltage
Low
LDO8 V_5.0A
Voltage
Measure Radio
Current
Inspect R6565
Connection
Measure Voltage
at C6593
Likely MAKO Problem,
Replace Main Board
Is Standby Current
more than 15mA
above Average
6.0 < V < 9.0?
Is R6565
Soldered
Properly
Correct R6565
Soldering
Proceed to
Incorrect B+
Voltage Flow
Chart
Board has a short,
Replace Main Board
Yes
Yes
Yes
No
No
No

Troubleshooting Charts: Power-Up Failure 5-9
Power-Up Failure – Low VBUS2 Voltage
Low
VBUS2 Voltage
Measure V_SW_5
at C6567.
Measure VBUS2
Supply Voltage
at R6536
Repair Incorrect Parts
Replace Part
Replace Board
5.1 < V < 5.6?
Is Part Placed
Correctly
Are Parts Solder
Connections and
Placement Correct
Check Placement
of Q6508
Proceed to Low
SW5 Voltage Flow
Chart
Yes
Yes
Yes
Yes
No
No
No
Inspect U6503 and
Supporting Circuitry

5-10 Troubleshooting Charts: Power-Up Failure
Power-Up Failure – Low V_SW_1.4 Voltage
Low V_SW_1.4 Voltage
Measure Radio
Current
Measure SW_B+
Voltage at C6593
Measure Voltage
at C6586
Inspect U6507 and
Supporting
Circuitry
Is Standby Current
more than 15mA
above Average
1.45 < V < 1.65?
6 < V < 9? Proceed to
Incorrect B+
Voltage
Proceed to Low
LD03 V_1.5V
Voltage Flow
Chart
Board has a short,
Replace Board
Yes
Yes
Yes
No
No
No
Are Parts Solder
Connections and
Placement Correct
Replace or Repair
Parts
Yes
No
Replace Main
Board

Troubleshooting Charts: Power-Up Failure 5-11
Power-Up Failure – Low V_2.23 Voltage
Low V_2.33 Voltage
Measure Radio
Current
Measure Voltage
at R6542
Inspect U6506 and
Supporting
Circuitry
Replace Board
Is Standby Current
more than 15mA
above Average
Are Parts Solder
Connections and
Placement Correct
3.3 < V < 3.9?
Proceed to Low
V_SW_3.6
Voltage Flow
Chart
Replace or Repair
Part/s
Board has a short,
Replace Board
Yes
Yes
Yes
No
No
No

5-12 Troubleshooting Charts: Power-Up Failure
Power-Up Failure – Low V_SW_3.6 Voltage
Low V_SW_3.6 Voltage
Measure Radio
Current
Measure the
Voltage at R6542
Inspect U6504 and
All Supporting
Circuitry
Replace Board
Is Standby Current
more than 15mA
above Average
Are Parts Solder
Connections and
Placement Correct
6 < V < 9? Proceed to
Incorrect B+
Voltage
Replace or Repair
Part/s
Board has a short,
Replace Board
Yes
Yes
Yes
No
No
No

Troubleshooting Charts: Power-Up Failure 5-13
Power-Up Failure – Low V_SW_5 Voltage
Low V_SW_5 Voltage
Measure Radio
Current
Is Standby
Current more
than 15mA above
Average
Board has a short,
Replace Board
Yes
Measure the
Voltage at C6593
6 < V < 9?
Proceed to
Incorrect B+
Voltage
Inspect U6505 and
All Supporting
Circuitry
Are Parts Solder
Connections and
Placement Correct
Replace or Repair
Part/s
Replace Main
Board
No
No
Yes
No
Yes

5-14 Troubleshooting Charts: Power-Up Failure
Power-Up Failure – Low V_EXT_1.85 Voltage
Low V_ENT_1.85 Voltage
Measure Radio
Current
Is standy
current > 15mA
above avg?
Board has a short,
replace board
Measure
V_SW_3.6
Voltage at R6510
No
Yes
Voltage =
V_SW_3.6
Proceed to
Incorrect
V_SW_3.6
Voltage
Measure Voltage
R6431 on V_5.0A
Side
No
Yes
4.8 < V < 5.2
Measure Voltage
at R6431 on
BGAP_COMP
side
Yes
Proceed to Low
LD08 V_5.0A
Voltage Flow
Chart
No
2.2 < V < 2.7?
Measure Voltage
at R6420
Inspect U6508 and
All Supporting
Circuitry
Yes
Yes
No
Inspect and repair
U6409 and
Replace Main
Board
No
Are Parts Solder
Connections &
Placement Correct
Replace or repair
Parts
Replace Main Board
No
2.2 < V < 2.7? Supporting
Circuitry

Troubleshooting Charts: DC Supply Failure 5-15
5.4 DC Supply Failure
5.4.1 DC Supply 5 Volt Failure
V_SW_5
Is fuse intact
(not blown)?
Replace Fuse
Verify UNSW_B+ at
test point: F_UNSW_B+
Verify if USB accessory is
shorting VBUS line.
Verify L200, C202
and C203 is good
Replace accessory
or cable
Verify SW_B+
at C6565
Check Q6502 and
Q6508 for damage
Is 6 < V < 9
Verify Q6501
Measure BGAP_COMP
voltage at R6543
Is 2.2 < V < 2.7 Check U6505 circuitry. If good,
change U6505
Check BGAP_COMP circuitry.
Replace defective part
Is radio current
>100mA
Yes Yes
Yes
Yes
Yes
No No
No
No
No No
No

5-16 Troubleshooting Charts: DC Supply Failure
5.4.2 DC Supply 3.6 Volt Failure
V_SW_5
Is fuse intact
(not blown)?
Replace Fuse
Verify UNSW_B+ at
test point: F_UNSW_B+
Verify L200, C202
and C203 is good
Verify SW_B+
at C6524
Is 6 < V < 9
Verify Q6501
Check U6504 circuitry.
Enable input
present? Check U6508 loading
V_SW_3.60
MAKO damaged. Replace
MAKO
Is radio current
>100mA
Check U201 is loading
V_SW_3.60
Yes
Yes
Yes
Yes
Yes
No
No
No
No
No

Troubleshooting Charts: DC Supply Failure 5-17
5.4.3 DC Supply 3 Volt Failure
Yes
Verify DC_LIN_3V at C208
Voltage = 3V?
Yes
No Check voltage at C207
Voltage
3.6V? Replace U201
No
Check for open in branch
to troubleshooting
section
Refer troubleshooting
guide 5.4.2 DC supply
3.6V
DC_LIN_3V

5-18 Troubleshooting Charts: DC Supply Failure
5.4.4 DC Supply 1.85 Volt Failure
Yes
No
Yes
Voltage 3.6V? Verify BGAP_COMP
is present.
2.2 < V < 2.7? Check BGAP_COMP
circuitry
Check for damage
to Q6507
Check if U6101,
U6405, U6301 and
U6304 is draining
high current.
Verify V_SW_3.60 is
present at R6510
Replace main board
Refer troubleshooting guide
5.4.2 DC supply 3.6V
V_EXT_1.85
No
Check U6508
circuitry
Check BGAP_COMP
circuitry
Check if U6302 is
drawing high
current thru E6501

Troubleshooting Charts: DC Supply Failure 5-19
5.4.5 DC Supply 1.8 Volt Failure
Yes
Verify DC_LIN_1_8V at C210
Voltage
= 1.8V?
Yes
No Check voltage at C209
Voltage
2.775V? Replace U202
No
Check for open in branch
to troubleshooting
section
Check voltage at R6564
Yes
Replace MAKO
Voltage
2.775V?
No
Check continuity between
R6564 and C209
DC_LIN_1_8V

5-20 Troubleshooting Charts: DC Supply Failure
5.4.6 DC Supply 1.5 Volt Failure
Yes
Verify DC_LIN_1_5V at C212
Voltage
= 1.5V?
Yes
No Check voltage at C210
Voltage
1.8V?
Refer troubleshooting
guide 5.4.5
No
Check for open in branch
to troubleshooting
section
Check voltage at C209
Yes
Replace U203
Voltage
2.775V?
No Refer troubleshooting
guide 5.4.5
DC_LIN_1_5V

Troubleshooting Charts: DC Supply Failure 5-21
5.4.7 DC Supply 1.4 Volt Failure
Yes
Verify Q6501
Voltage
= 1.5V?
Yes
Voltage
1.8V?
Refer troubleshooting
guide 5.4.5
No
Verify UNSW_B+
at test point:
F_UNSW_B+
Yes
Voltage
2.775V?
No
Check if U6302
draining high
current thru E6502
V_SW_1.4
Voltage
1.8V?
Yes
No
No
Verify L200, C202
and C203 is good.
No
Replace fuse
Check external
circuitry for U6507.
If good, change
U6507.
Yes

5-22 Troubleshooting Charts: Side Button Error
5.5 Side Button Error
SIDE BUTTON
TEST
Verify operation of buttons by using
Button Test” flowchart
Verify physical connection between the
main flex, side control flex and
Main Board. Re-run button test.
Use a voltmeter to measure voltage at the
following resistors on the Main board
(1.875V @ each point):
R4005 - PTT, R4006 - Side button 1,
R4007 - Side button 2, R6101 - Monitor
Replace main
chassis
Button check
OK?
Are the
voltages
present?
END
Follow troubleshooting
guide 5.4.4
Verify buttons
enabled in CPS
Yes
Yes
Yes
No
No
No
Button check
OK?
Monitor thr voltages at each resistor while
pressing the corresponding button. The
voltages 0V while the button is pressed.
Voltages = 0 while
button press? Re-run button test
Yes
No

Troubleshooting Charts: RX Audio Error 5-23
5.6 RX Audio Error – External Audio
No audio out of
external speaker
Measure speaker
lines on GCAI
Connector using
Oscilloscope
Probe PREAMP_NEG
C6419 and PREAMP_POS
C6418
Connectors
good?
Check connectors from
Main Board J2302 to
GCAI flex
Replace board or flex
with bad connector
No
View SSI signals at
R6606, R6108 with
scope
Audio Signal
Present?
Audio Signal
Present?
Replace External
Speaker
Probe Audio signal at
SPKR+ and SPKR- test
points on main board
Yes
No
No
Yes
Is data
present?
MAKO might be damaged.
Change MAKO
Is data
present?
No
No
Yes
Replace Main Board
Check CODEC
Verify ESD protection
diode is good by
measure voltage drop
of diode at GCAI SPKR+
and SPKR- test point
Yes
Voltage drop
=0.7V?
Replace Main Chassis
Yes
Yes
Replace GCAI flex
No

5-24 Troubleshooting Charts: TX Audio Error
5.7 TX Audio Error – External Mic Failure
TX Audio error
External MIC
Audio signal present?
Replace Backit Flex.
Measure MIC Bias at
R6404
Is Connector
Demaged or Soldered
improperly
Measure Audio at CODEC
C6404 Capacitor
Replace Connector
Check TX_DA thru R2817.
If no signal check CODEC
circuitry.
4.5 < V < 4.9
Inspect MIC Bias
circuit U6402 and
Supporting Circuitry
Parts Solder and
Placement Correct?
Is SSI Audio
Data Present
View SSI Signals at R2807
and R2808 using
Oscilloscope.
Check CODEC
or OMAP
Replace U6402
Replace parts
Yes
Yes
Yes
Yes
Yes
No
No
No
No
No

Troubleshooting Charts: Keyload Failure 5-25
5.8 Keyload Failure
KEYLOAD FAILURE Synopsis
This failure relates to only secure equipped radios
and indicates a failure to load key with the KVL
indicated by the message “KEYFAIL” and keyfail
tones.
Typical failures would be :
1) Open between the GCAI connector and the
microprocessor which prevents the keyloading.
2) Use of the wrong KVL or keyload cable.
3) Failure of the secure circuitry.
4) No secure personality in the radio codeplug.
With KVL attached to radio
and radio on, verify display
message “KEYLOADING”
Correct
Equipment?
Activity?
Keyloading
Message”
displayed?
With KVL attached to the radio
and radio on, initiate a keyload
from the KVL and look for activity
on keyload signal at the P1000_4
connector on the GCAI Flex.
Obtain correct KVL
and cable
Yes
Yes
No
Yes
Verify GCAI data path.
Check the following
signals: GPIO4, One Wire
Repair connector using
programming failure
flowchart for details.
No No
Inspect GCAI
flex to board
connections and
Replace GCAI
Flex if
necessary
With KVL attached to the radio
and radio on, initiate a keyload
from the keyloader and look
for activity on keyload signal at
P1000_21 on Front Kit Flex.
Activity? Replace Front Kit
Flex
Yes
Check signal at
R2358 on main board
Activity?
Inspect
U4003.
Measure
power pin5?
No
V = ~5.0V?
No Proceed to
DC Flow
chart
Inspect U4003
with keyloader
attached.
Measure mux
select pin6.
V = ~0V
Inspect Q4001 with
keyloader attached .
Measure BJT input pin2.
No
Yes
Replace U4003
V = ~1.8V
No
Yes
Replace main
Board
Replace Q4001
Yes
Initiate a keyload
and check for
activity at R2501 of
main board
Yes
Activity?
No
Check the signal
Validity
Replace U2510
Yes
No

5-26 Troubleshooting Charts: Secure Hardware Failure
5.9 Secure Hardware Failure
09/10 or 09/90
Secure Hardware Failure
Use an ohmmeter to electrically verify the following secure related
signals on the controller board and the Vdd levels:
Signal Probe Point Level
VDD_IOP R2509 1.875V
VDD_IOM R2511 1.875V
VDDC R2512 1.875V
Are voltage levels
correct?
Repair DC Voltage
Regulators
No
Yes
Synopsis
This failure relates only to secure
equipped radios and indicates a power
up self test failure for the secure
circuitry. More specifically this failure
indicates a failure in communications
between the DSP and the secure
circuitry. The secure circuitry is not
considered to be field repairable so
troubleshooting is limited to verifying a
problem with the secure circuitry and
replacing the controller if required.
Use an oscilloscope to verify clocks on main board:
Signal Probe Point Frequency
MACE CLOCK R6113 4 MHz
OPT_SSI_CLK R6170 1.5 MHz
OPT_SSI_FSYNC R2513 8 KHz
Are signals correct? No Check SSI clock
signals from CPLD
and repair circuitry
Yes
Make sure the radio is fully assembled. These
errors will occur if the Main boards are
not properly assembled. Also note a battery
removal and reattachment is needed after a
“Secure HW Upgrade” to clear errors.
Examine data validity
Are data signals
present?
Yes
Use an oscilloscope to verify activity on Main board :
Signal Probe Point
SSI_MACE_DIN R6118
No

Troubleshooting Charts: RX RF Failure 5-27
5.10 RX RF Failure – Page 1
Inject a carrier wave with - 47dBm
into antenna port. Remove shield,
SH11. Use a spectrum analyzer
and high-impedance RF probe to
measure the IF signal at the input
side of C601 going to the Abacus.
IF Frequency =
109.65 MHz?
Poor RX
sensitivity
or no RX
No No
Is the IF signal level at the
input side of C601 about:
700: -50 dBm?
800: -55 dBm?
UHF1/UHF2: -50dBm?
VHF: -50 dBm?
Yes
1
Yes
Remove shield, SH8 and SH10. Measure RF levels
at the input side of L1117 and the input side of :
C2305 (for 7800 radios) or
C2605 (for UHF1/UHF2 radios) ,
C2705 (for VHF radios) ,
Compute the Harmonics Filter and Antenna Switch
loss.
Loss < 1.5
dB?
Remove shield SH8 and SH10.
Visual inspect the Harmonics Filter
and Antenna Switch components and
replace parts if needed.
No
Measure RF levels at:
the input side of C2305 and pin 3 of U2302 (for
7800 radios) or
the input side of C2605 and pin 3 of U2602 (for
UHF1/UHF2 radios)
the input side of C2705 and pin 3 of U2702 (for
VHF radios)
Compute the 15dB step attenuator loss.
Note: The 15 dB step attenuator will be enabled.
Loss
<17dB?
No
Yes
Yes
Testing a
7/800
radio?
Testing a
700
No
Yes
3
4
No
Check digital logic to the 15 dB
Step Attenuator and replace:
U2302 (for 7800 radios) or
U2602 (for UHF1/UHF2 radios)
U2702 (for VHF radios).
if needed.
Remove SH2.
Measure the LO
power going into
the mixer, U507, at
the output side of
R525.
Is the LO power
around -3dBm?
Yes
Note: RF Test frequency used:
UHF1: 424.975MHz
UHF2: 485.075MHz
VHF: 154.275MHz
700: 769.0625MHz
800: 860.0625MHz
Measured with a High Frequency Probe for relative comparisons and troubleshooting
only. Actual S21 gain or loss may differ if the test point is not 50 ohms.
Check FGU
and replace
U507 if
needed.
Yes
Testing a
UHF1/UHF2/
VHF
No
Yes
2

5-28 Troubleshooting Charts: RX RF Failure
RX RF Failure – Page 2
1
Remove
shield, SH11.
Measure 2nd
LO at TP601
Signal
Present?
2nd LO: 107.4 MHz
LO Freq. OK?
700-800: 107.4MHz
UHF1/UHF2: 107.4MHz
Measure CLK_SSI_RX at
output side of R618
CLK_SSI_RX =
1.2 MHz?
DIG_DATA_SSI_RX_FS = 20
kHz sync pulse
DIG_DATA_SSI_RX_F
S OK?
DIG_DATA_SSI_RX_DOUTA = 16-
bit I, 16-bit Q.
DIG_DATA_SSI_RX_DOUT
A OK?
Go to Controller RX
AUDIO flowchart
Yes
11
10
No
9
No
Yes
10
No
Yes
Yes
10
No
Q601-3 =
5.0 Vdc?
Q601-2 =
3.8 Vdc?
Check Voltage
Regulator U200
Replace
Q601
Remove SH4.
Inspect 2nd LO
VCO
Replace
U602
Repair
Defects
Visual
examination
2nd LO DC bias
No No
Yes
No
No
Yes
Sampling Clock
present? Signal side
of C620, 18MHz.
Check
Controller
No
Yes
Yes
Yes
Measure
CLK_SSI_RX, output side of R618
DIG_DATA_SSI_RX_FS, output side of R616
DIG_DATA_SSI_RX_DOUTA, output side of R617
Observe 0 to 1.875
Vdc digital signals
Levels
OK?
Yes
No
Note: RF Test frequency used:
UHF1: 424.975MHz
UHF2: 485.075MHz
VHF: 154.275MHz
700: 769.0625MHz
800: 860.0625MHz
Measured with a High Frequency Probe for relative comparisons and troubleshooting
only. Actual S21 gain or loss may differ if the test point is not 50 ohms.

Troubleshooting Charts: RX RF Failure 5-29
RX RF Failure – Page 3
2
Remove shield, SH9.
Measure RF levels at first
preselector filter and
compute filter loss.
UHF1/UHF2: Input side of
C1935 & output side of C1939.
VHF: Input side of C330
& output side of C339.
Loss < 3 dB?
Check components
and replace
defective parts.
Autotune the radio.
No
Measure RF levels at LNA
and compute LNA gain.
UHF1/UHF2: Input side of
C1931 and output side of C1936.
VHF: Input side of C339 and
output side of C360.
Gain about
15 dB?
Check LNA:
Check DC bias voltages of
UHF1/UHF2: U1932 at the
base (pin 1) & collector (pin 3).
VHF: U304 at the base
(pin 1) & collector (pin 3).
No
Is base voltage =
0.787 V?
Collector voltage =
1.56 V?
Replace
UHF1/UHF2: U1932
VHF: U304
Is base voltage =
1.022 V? Collector
voltage = 0.787 V?
Emitter voltage =
1.561 V?
Replace
UHF1/UHF2: Q1922
VHF: Q303
Check DC input line
voltages and visually
inspect and replace
defective components if
needed.
No
Yes
No
Yes
Measure RF levels at second
preselector filter and compute
filter loss.
UHF1/UHF2: input side of
VHF: input side of C345 & output
side of C357.
C1959 & output side of C1961.
Loss < 4 dB?
Check components
and replace
defective parts.
Autotune the radio.
No
Yes
5
Yes
Yes
Check DC bias voltages of
UHF1/UHF2: Q1922 at the base
(pin 2 or 5), collector (pin 3)
& emitter (pin 4).
VHF: Q303 at the base
(pin 2 or 5), collector (pin 3)
& emitter (pin 4).
Note: RF Test frequency used:
UHF1: 424.975MHz
700: 769.0625MHz
UHF2: 485.075MHz
VHF: Input side of C330 & output side of C339.
800: 860.0625MHz
Measured with a High Frequency Probe for relative comparisons and troubleshooting only.
Actual S21 gain or loss may differ if the test point is not 50 ohms.

5-30 Troubleshooting Charts: RX RF Failure
RX RF Failure – Page 4
3
Remove shield, SH9.
Measure RF levels at the
RF switch, U402, and
compute switch loss.
700: o utput side of C402
& input side of R451.
Loss < 1 dB?
No
Measure RF levels at the SAW
f ilter, FL401, and compute filter
loss.
700: Output side of R451 and
outp ut sid e o f C413.
Loss < 3 dB? No Replace
FL401
Measure RF levels at the RF
switch, U404, and compute
switch loss.
700: o utput side of C413 &
outp ut sid e o f C487.
Loss < 1 dB?
No
Yes
Measure RF levels at LNA
and compute LNA g ain.
700: input sid e of C423
and outp ut sid e o f R406.
Gain about
10 dB?
Yes
No
Yes
Yes
Measure RF levels at the
RF switch, U403, and
compute switch loss.
700: o utput side of R406
& input side of R453.
Loss < 1 dB?
No
Measure RF levels at the SAW
f ilter, FL402, and compute filter
loss.
700: Output side of R453 and input
side of R455.
Loss < 6 dB? No
Measure RF levels at the RF
switch, U405, and compute
switch loss.
700: o utput side of R455 & input
side of C430.
Loss < 1 dB?
No
Yes
Measure RF levels at LNA
and compute LNA g ain.
700: input sid e of C430
and outp ut sid e o f R412.
Gain about
10 dB?
Yes
No
Yes
Yes
Replace
FL402
5
7
6
Check digital logic
to the RF switch
and replace U403
if needed.
Check digital logic
to the RF switch
and replace U405
if needed.
Check digital logic
to the RF switch
and replace U402
if needed.
Check digital logic
to the RF switch
and replace U404
if needed.
Note: RF Test f requency used:
UHF1: 424.975MHz
UHF2: 485.075MHz
VHF: 154.275MHz
700: 769.0625MHz
800: 860.0625MHz
Measured with a High Frequency Probe f o r relative co mparisons and troub leshooting
only. Actual S21 gain o r loss may dif f er if the test point is not 50 ohms.

Troubleshooting Charts: RX RF Failure 5-31
RX RF Failure – Page 5
4
Remove shield, SH9.
Measure RF levels at the
RF switch, U402, and
compute switch loss.
800: output side of C402
& input side of R450.
Loss < 2 dB?
No
Measure RF levels at the SAW
filter, FL401, and compute filter
loss.
800: output side of R450 and
output side of C412.
Loss < 2 dB?
No Replace
FL401
Measure RF levels at the RF
switch, U404, and compute
switch loss.
800: output side of C412 &
output side of C487.
Loss < 2 dB?
No
Yes
Measure RF levels at LNA
and compute LNA gain.
800: input side of C423
and output side of R406.
Gain about
8 dB?
Yes
No
Yes
Yes
Measure RF levels at the
RF switch, U403, and
compute switch loss.
800: output side of R406
& input side of R452.
Loss < 1 dB?
No
Measure RF levels at the SAW
filter, FL402, and compute filter
loss.
800: output side of R452 and input
side of R454.
Loss < 3 dB?
No
Measure RF levels at the RF
switch, U405, and compute
switch loss.
800: output side of R454 & input
side of C430.
Loss < 1 dB?
No
Yes
Measure RF levels at LNA
and compute LNA gain.
800: input side of C430
and output side of R412.
Gain about
8 dB?
Yes
No
Yes
Yes
Replace
FL402
5
6
7
Check digital logic
to the RF switch
and replace U402
if needed.
Check digital logic
to the RF switch
and replace U404
if needed.
Check digital logic
to the RF switch
and replace U403
if needed.
Check digital logic
to the RF switch
and replace U405
if needed.
Note: RF Test frequency used:
UHF1: 424.975MHz
UHF2: 485.075MHz
VHF: 154.275MHz
700: 769.0625MHz
800: 860.0625MHz
Measured with a High Frequency Probe for relative comparisons and troubleshooting
only. Actual S21 gain or loss may differ if the test point is not 50 ohms.

5-32 Troubleshooting Charts: RX RF Failure
RX RF Failure – Page 6
Check LNA:
Check DC bias voltages for U406
at the base (pin 1) & collector (pin
3).
Is base voltage =
0.778 V? and
collector voltage =
1.554 V?
Check DC bias voltages of Q402
at the base (pin 2 or 5) , collector
(pin 6) & emitter (pin 1).
Is base voltage = 1.024
V? Collector voltage =
0.777 V? Emitter voltage
= 1.554 V?
Check DC input line
voltages and visually
inspect and replace
defective components if
needed.
No
Yes
No
Yes
Replace
U406
Replace
Q402
Check LNA:
Check DC bias voltages for U407
at the base (pin 1) & collector (pin
3).
Is base voltage =
0.778 V? and
collector voltage =
1.552 V?
Check DC bias voltages of Q403
at the base (pin 2 or 5), collector
(pin 3) & emitter (pin 4).
Is base voltage = 1.025
V? Collector voltage =
0.778 V? Emitter
voltage = 1.552 V?
Check DC input line
voltages and visually
inspect and replace
defective components if
needed.
No
Yes
No
Yes
Replace
U407
Replace
Q403
67
Note: RF Test frequency used:
UHF1: 424.975MHz
UHF2: 485.075MHz
VHF: 154.275MHz
700: 769.0625MHz
800: 860.0625MHz
Measured with a High Frequency Probe for relative comparisons and troubleshooting
only. Actual S21 gain or loss may differ if the test point is not 50 ohms.

Troubleshooting Charts: RX RF Failure 5-33
RX RF Failure – Page 7
5
Remove SH2 and SH1.
Measure RF and IF level at mixer
and compute mixer conversion
gain.
For UHF1/UHF2 radios:
Non gnd of C1900 and output of L503
For 7800 radios:
Input of C488 and output of L503.
For VHF radios:
Input of R316 and output of L503.
Mixer gain about
0-3dB?
No
Yes
13
8
Note: RF Test frequency used:
UHF1: 424.975MHz
UHF2: 485.075MHz
VHF: 154.275MHz
700: 769.0625MHz
800: 860.0625MHz
Measured with a High Frequency Probe for relative comparisons and troubleshooting
only. Actual S21 gain or loss may differ if the test point is not 50 ohms.

5-34 Troubleshooting Charts: RX RF Failure
RX RF Failure – Page 8
9
Clock
Synthesizer
Measure tuning
voltage (Vt) at
R608
CLK_SSI_RX
< 1.2 MHz?
Vt = 3 Vdc? 10
Vt = 0 Vdc? 10
Remove SH11 , inspect
clock oscillator circuit at
U601-19,20
Visual
examination
Replace Varactor
VR601
Repair
Defects
No No
No
Yes
Yes
Yes
No
10
Remove SH11,
inspect
components
Visual
examination
OK?
Check level shifters, U603 and U604 by
checking signal amplitudes using an
oscilloscope at R616, R617, R618. R616
and R617 belong to U603 and R618
belongs to U604. Note: These resistors
are not placed. You will be probing the
pads.
Repair
defects
No
Yes
Yes
Is the input side
pad of R616,
R617 & R618 = 3
V?
Is the output side
pad of R616,
R617 & R618 =
1.875 V?
Replace
Abacus,
U601
Replace level
shifters, either
U603, U604 or
both.
Replace
Abacus,
U601
No
Yes
No
Yes
Note: RF Test frequency used:
UHF1: 424.975MHz
UHF2: 485.075MHz
VHF: 154.275MHz
700: 769.0625MHz
800: 860.0625MHz
Measured with a High Frequency Probe for relative comparisons and troubleshooting
only. Actual S21 gain or loss may differ if the test point is not 50 ohms.

Troubleshooting Charts: RX RF Failure 5-35
RX RF Failure – Page 9
11
Measure control
voltage at TP603
Fvco too low?
7/800/ UHF1
UHF2/ VHF:
<107.4 MHz
TP603 = 5 Vdc?
TP603= 0 Vdc? 10
10
Remove Abacus
2nd LO shield,
SH4, and inspect
second LO VCO.
Visual
examination Repair defects
Replace
Varactor
VR602
No No
Yes
No
Yes
Yes
No
Yes
12
Remove IF filter shield,
SH1. Check IF filter and
LC matching networks.
Visual
inspection
OK?
Repair
Defects
Replace IF
filter, FL502.
No
Yes
Note: RF Test frequency used:
UHF1: 424.975MHz
UHF2: 485.075MHz
VHF: 154.275MHz
700: 769.0625MHz
800: 860.0625MHz
Measured with a High Frequency Probe for relative comparisons and troubleshooting
only. Actual S21 gain or loss may differ if the test point is not 50 ohms.
TP603 (Vdc) TP601 (MHz) Fvco
0.00 102.70
1.33 107.40
3.89 111.90
5.00 112.75
(For reference only)

5-36 Troubleshooting Charts: RX RF Failure
RX RF Failure – Page 10
Check Mixer:
Remove shield, SH2. Check
the polarity of T506 and check
to see that all pins are
grounded. Visually inspect
windings.
Is the polarity
correct and all
pins are
gounded?
13
Remove shield, SH2.
Measure the LO power
going into the mixer,
U507, at the output side
of R525.
Is the LO power
around -3dBm?
Remove shield, SH1.
Check the polarity of T507
and check to see that all pins
are grounded. Visually
inspect windings.
Is the polarity
correct and all
pins are
gounded?
Replace
T506
Replace
T507
No
Yes
Yes
No
Remove shields, SH1 &
SH11. Measure IF level at
XTAL filter and compute
XTAL filter loss, non
ground side of C515 and
non ground side of C644.
Loss:
700: < 6dB?
800: < 6dB?
UHF1/UHF2/VHF:
<5dB?
No problem
found.
12
No
Yes
8
Yes
8
Check FGU
and replace
U507 if
needed.
No
Note: RF Test frequency used:
UHF1: 424.975MHz
UHF2: 485.075MHz
VHF: 154.275MHz
700: 769.0625MHz
800: 860.0625MHz
Measured with a High Frequency Probe for relative comparisons and troubleshooting
only. Actual S21 gain or loss may differ if the test point is not 50 ohms.

Troubleshooting Charts: FGU Failure 5-37
5.11 FGU Failure
FGU Failure
Remove VCO
shield (SH15)
< 0.5Vdc at
pin 3 of Q767
Check logic in PA Section
TX Injection
Rx LO low Power?
Check power at input of
U738 pin 1
No fault found
Tx? 1.5Vdc at
L759? Check 1.5Vdc supply
VCO Failure < 1.5Vdc at
pin 2 of Q785
< 0.5Vdc at
pin 6 of Q785
Check parts around Q767. If OK,
replace Q767.
Check parts around Q785. If
OK, replace Q785.
Is power at
C817 >
- 20dBm
2.5Vdc at
U738 logic pin?
Is Power
> -20 dBm?
1.5Vdc at L739
< 0.5 Vdc at
pin 3 of Q745
Check 1.5Vdc supply.
Is power at
C740 >
-20dBm
Check parts around
Q756. If OK, replace
Q756.
Check parts around Q774.
If OK, replace Q774.
Yes
No
No
Check parts around
Q745. If OK, replace
Q745
Yes
Yes
Yes
Check parts around U738.
If OK, replace U738.
Yes
Yes
Yes
Yes
Yes
Yes
Yes
Yes
No
No
No
No
No
2.5Vdc at
U738 logic pin? Remove FGU shield (SH6) Replace U702
No
No
No
No
No
No
No
Correct Tx/Rx
frequency?

5-38 Troubleshooting Charts: VCO Failure
5.12 VCO Failure – Page 1(VHF, UHF1, UHF2, 7/800MHz)
VCO Failure
Remove FGU
shield (SH6)
“Sniff” frequency near
VCO shield (SH15)
Check control voltage
at R705
Check if VCO is lock at desired
frequency using field probe.
Frequency Detected?
Check lock_det line
circuitry in controller section.
Check R2811 and R2812
for continuity
Check power on
prescaler buffer output.
C823 using field probe.
Remove VCO shield
(SH15)
< 0.3Vdc or
> 10.6Vdc or
voltage drifting?
Is power at
C823 >
- 15dBm?
VCO locked?
Check loop filter R701,
R705, C703, C707,
C713 for continuity fault.
Replace suspected components.
Check parts around U702. If OK,
replace U702.
Note: “Sniff”: Using an inductive field probe as
an antenna to measure frequency. Place
the probe approximately 1/2 inch away
from component to be sniffed.
No
No
No
No
No
Yes
Yes
Yes
Yes
Yes
UHF1
radio?
7/800 MHz
radio?
No fault found
No
No
Yes
Yes 1
2
UHF2
radio?
VHF
radio?
No
No
Yes
Yes 3
4

Troubleshooting Charts: VCO Failure 5-39
VCO Failure – Page 2 (UHF1)
Is power at
C3161
>-20dBm?
Take continuity
check of traces to
U702.
1
At Rx, is L701 high and
L702 low?
At Tx, is L701 low and
L702 high?
Is power at U3001 input
Tx: C3112
Rx: C3102
>-20dBm?
Check continuity at
L701 and L702.
Fault found?
Check parts around
U3001. If OK,
replace U3001.
Replace suspected
components.
Replace U702.
Control voltage
at R705
0.3< V dc<10.6?
Is Vdc = 4.55V at pin
3 of Q3123 during
Rx and at Q3156
during Tx?
Is V dc at C742 5V,
Vdc at C726, C734,
C737 2.775V?
Is Vdc at Y701
pin 4 2.775V?
16.8MHz at pin
3 of Y701 and
C736?
16.8MHz at
L753?
10.8Vdc at pin2
of D723?
2.775Vdc at pin
4 of D722?
Check and visual
inspect U746 circuitry.
Fault found?
Check 2.775V and
5V supply.
Check 2.775V
supply.
Replace Y701
and/or C736.
Replace the
suspected
components.
Replace U702.
Check D722, D723,
C716, C717, C718,
C719.
No
Yes
Yes
Yes
Yes
No
Yes
No
No
Yes
No
No
Yes
Yes
Yes
Yes
No
No
No
No
No
No
Yes
Yes
No
Yes
For Tx: Che ck and visual inspect D3135 -
D3138, C3140, C3141, C3143, C3147,
L3139, L3145.
For Rx: Check and visual inspect D3102 -
D3105, C3107, C3108, C3110, C3113,
L3106, L3112.

5-40 Troubleshooting Charts: VCO Failure
VCO Failure – Page 3 (7/800MHz)
2
Control
voltage at
At Tx 764-776MHz, Rx 851-870MHz, is
R3018 high?
or
At Tx 851-870MHz, Rx 764-776MHz, is
R3052 high?
or
At Tx 794-824MHz, is R3019 high?
Yes
No
At Tx 764-776MHz, Rx 851-870MHz, is
Vdc at Q3038 4.55V?
or
At Tx 851-870MHz, Rx 764-776MHz, is
Vdc at Q3062 4.55V?
or
At Tx 794-824MHz,
Yes
Yes
At Tx 764-776MHz, Rx 851-870MHz, check and
visual inspect VR3010, VR3003, VR3012,
VR3013, C3014, C3015, C3022, C3023, Y3020.
At Tx 851-870MHz, Rx 764-776MHz, check and
visual inspect VR3048, VR3017, VR3020,
VR3021, C3050, C3051, C3054, C3055, Y3053.
At Tx 794-824MHz, check and visual inspect
VR3011,VR3004, VR3014, VR3015, C3016,
C3017, C3024, C3025, Y3021
Replace U702
Is Vdc at C742 5V,
Vdc at C726,
C734, C737
Is Vdc at Y701
pin 4 2.775V?
16.8MHz at
pin 3 of Y701
16.8MHz at
L753?
Yes
Yes
Yes
Yes
2.775Vdc at
pin 4 of D722?
10.8Vdc at
pin 2 of D723?
No
Yes
Yes
Check D722,
D723, C716
Take continuity
check of traces to
No
No
No
No
No
Check 2.775V and
5V supply
Check 2.775V
supply
Replace Y701
and/or C736
Check and visual
inspect U746
circuitry. Fault
found?
No
Yes Replace the
suspected
No
No

Troubleshooting Charts: VCO Failure 5-41
VCO Failure – Page 4(UHF2)
Is power at
C3161
>-20dBm?
Take continuity
check of traces to
U702.
3
At Rx, is L701 high and
L702 low?
At Tx, is L701 low and
L702 high?
Is power at U3001 input
Tx: C3112
Rx: C3102
>-20dBm?
Check continuity at
L701 and L702.
Fault found?
Check parts around
U3001. If OK,
replace U3001.
Replace suspected
components.
Replace U702.
Control voltage
at R705
0.3< V dc<10.6?
Is Vdc = 4.55V at pin
3 of Q3123 during
Rx and at Q3156
during Tx?
Is Vdc at C742 5V,
Vdc at C726, C734,
C737 2.775V?
Is Vdc at Y701
pin 4 2.775V?
16.8MHz at pin
3 of Y701 and
C736?
16.8MHz at
L753?
10.8Vdc at pin2
of D723?
2.775Vdc at pin
4 of D722?
Check and visual
inspect U746 circuitry.
Fault found?
Check 2.775V and
5V supply.
Check 2.775V
supply.
Replace Y701
and/or C736.
Replace the
suspected
components.
Replace U702.
Check D722, D723,
C716, C717, C718,
C719.
No
Yes
Yes
Yes
Yes
No
Yes
No
No
Yes
No
No
Yes
Yes
Yes
Yes
No
No
No
No
No
No
Yes
Yes
No
Yes
For Tx: Check and visual inspect D3135 -
D3138, C3140, C3141, C3143, C3147,
L3139, L3145.
For Rx: Check and visual inspect D3102 -
D3105, C3107, C3108, C3110, C3113,
L3106, L3112.

5-42 Troubleshooting Charts: VCO Failure
VCO Failure – Page 5(VHF)
Is power at
C3240
>-20dBm?
Take continuity
check of traces to
U702.
4
Is power at U3238 input
Tx: C3208
Rx: C3202
>-20dBm?
Check parts around
U3238. If OK,
replace U3238.
Control voltage
at R705
0.3<Vdc<10.6?
Is Vdc at R3200 high at
Rx and low at Tx and
R3202 high at Tx and
low at Rx?
Is V dc = 4.55V at pin
3 of Q3227 during
Rx and at Q3267
during Tx?
For Tx: Check and visual inspect D3246-
D3249, L3250, C3251, C3252, C3254,
L3256, C3258.
For Rx: Check and visual inspect D3206-
D3209, L3210, C3211, C3212, C3214,
L3216, C3217.
.
Is Vdc at C742 5V,
Vdc at C726, C734,
C737 2.775V?
Is Vdc at Y701
pin 4 2.775V?
16.8MHz at pin
3 of Y701 and
C736?
16.8MHz at
L753?
10.8Vdc at pin2
of D723?
2.775Vdc at pin
4 of D722?
Check and visual
inspect U746 circuitry.
Fault found?
Check 2.775V and
5V supply.
Check 2.775V
supply.
Replace Y701
and/or C736.
Replace the
suspected
components.
Replace U702.
Check D722, D723,
C716, C717, C718,
C719.
No
Yes
Yes
Yes
Yes
No
Yes
No
No
No
Yes
Yes
Yes
Yes
No
No
No
No
No
No
Yes
Yes
No
Yes

Troubleshooting Charts: GPS Failure 5-43
5.13 GPS Failure
Verify the location feature is enabled,
replace antenna, and retry in a strong
signal environment (open sky)
The GPS receiver requires a working
antenna, and a direct view of the sky
in order to achieve a position fix
GPS lock?
Yes
No
Check U6101 (CPLD) pin E2 (IO74)
for 32 kHz output, and pin D12 (IO91)
for 1.8V on reset.
START
No GPS Lock
Check for 32 kHz clock at R1318, and
1.8V for GPS reset at R1308
32 kHz and
reset ok?
Yes
Yes
Verify communication with GPS IC by resetting radio while probing R1322 and
R1323 with an oscilloscope. Activity should be seen on both UART test points
for successful comm.
No
Comm.
successful?
Remove Main board shield and
check regulator U1305 for 2.8V
(measured at C1303)
No
Re-flash radio with the latest
released firmware
GPS lock?
Regulator
OK?
Remove Main board shield and check
VBAT voltage for 3.5V (measured at R1313),
and VDDS for 1.8V (measured at R1315)
Radio firmware
was corrupted
No
Yes
Regulators
OK?
No
Yes
Replace faulty
regulator
Check for 26 MHz at C1321
Is 26 MHz
present?
Yes
No
Replace Y1304
Replace GPS IC U1301
Check for 1.8V on LNA enable
measured at C1309
Replace faulty
regulator
No
Yes
1.8V?
Yes
Measure the GPS total front-end gain @ 1575.42 MHz while
GPS IC is active (measured from antenna port to C1324).
Total gain should be approximately 16dB.
Replace GPS IC U1301
No
~18 dB?
Yes
Debug front-end for faulty
component (LNA - U1304,
and SAW filters - FL1301
and FL1303)
No
Replace GPS IC U1301

5-44 Troubleshooting Charts: Bluetooth Failure – Pairing Issue
5.14 Bluetooth Failure – Pairing Issue
Was the BT Blue
LED present?
Reset the BT Accessory
Wireless POD by holding the
PTT button and Power-up
the Accessory and try to
re-pair with the radio.
1
Resolved
Pairing
Successful?
2
No
Yes
BT Button
Available ?
No
Enable the BT by
Toggle the ON
programmable button
Was the BT Blue
LED present?
Yes
In codeplug, ensure BT is enabled and
there is a button to turn on. If
Surveilance mode is use, the radio will
not have a BT blue LED or audio
(accessory spk) indication
Check the LCD status
through a debugging
fixture whether there
are any error message
been display?
No
Open the radio and check the NFC flex
connection with the mainboard. Recycle
the radio power.
No
Yes
4

Troubleshooting Charts: Bluetooth Failure – Pairing Issue 5-45
Bluetooth Failure – Pairing Issue (Page 2)
2
PAIRFAIL on the
debugging fixture
display?
Read codeplug. Write Radio
Wide > Bluetooth >
reconnect timer to
'immediate'. Reset Radio
and headset.
Resolved, radio
never released the
pairing key of a
previo us headset.
AUD DEV UNPAIRED
on the display in first
10 seconds?
3
No
PTT o n head set
produces lo w-to ne
from radio
No
Yes
Pairing
Successful?
No
Po wer Of f the POD headset, then
slightly turn and press f irmly o n the
earpiece connecto r to ensure it is
making good connection to the
POD. Power on the POD headset
and re-pair it with the APX radio.
Yes
LF TX Woring?
See Section 6.17
& Figure 6-58
LF RX Woring?
See Section 6.17
& Figure 6-58
Yes
Yes
No
No
Replace the NFC
Flex and re-pair.
Can the Pairing be
Successful ?
No
Yes
8
BT TX
Working?
See Section 6.15,
Table 6-2 &
Figure 6-53
Yes
No
BT RX
Working?
See Section 6.15 &
Table 6-3
Yes
Have you already
replaced f ront-
housing?
No
No
7
Yes
Replace f ront-housing in
case BT antenna is
defective

5-46 Troubleshooting Charts: Bluetooth Failure – Pairing Issue
Bluetooth Failure – Pairing Issue (Page 3)
Does the BT ICON
bold with a circle on
the debugging fixture
LCD ?
3
Pairing was successful. If
there were no audio tones
during pairing, they may
have been disabled in the
codeplug.
Resolved
Yes
No
Were any LCD error
messages displayed?
Yes
4
Check the Battery contact,
Flex connection.
Was audio heard
from headset?
6
No
Yes
No
8
7
Using Oscilloscope, verfiy
the Bluetooth signals are
within the expected
voltages and timings by
measuring the test points
from table 6-6 and using
the waveforms in section
6.17 and 6.15 to verify
the expected signals.
Were measrued
signals as expected?
Replace the components
that cause unexpected
signals.
Replace the Potential ICs
from OMAP > CPLD >
NL5500 > AVR if it causes
unexpected signals.
New issue, reflash the BT
SW using an SREC file and
flashzap. If issue still
persists, change the main
board
8
Check the SW
compatibility between
radio and Accessory.
Will reload compatible
SW or test with a
different headset will
successful pair with the
radio? Yes
Yes
Yes
No
Using Oscilloscope, verfiy
the NFC IC's Tx and Rx
signal on the mainboard
from Fig 3-37. Verify
whether there is a signal
coming out from the NFC
Flex's Coil. Verify the
power source is availale
to supply to the NFC IC.
No
Resolved
Were measured
signals as expected?
Yes
No
Replace the components
that cause unexpected
signals.
Replace the NFC IC U2403
if it causes unexpected
signals.
New issue, reflash the BT
SW using an SREC file and
flashzap. If issue still
persists, change the main
board

Troubleshooting Charts: Bluetooth Failure – Pairing Issue 5-47
Bluetooth Failure – LCD Indication(Page 1)
Indication just after
power-up?
Power off radio. Open radio
and check the Main flex
connection with the
mainboard. Power on radio.
4
7
Clear All Pairing
Failed?
Yes
No
New or unknown
indication. Contact SW
for detail
No
Press the BT On/Off
soft-key button to trigger
message, reload radio
SW and retry.
Clear All Pairing
Failed?
No
HW BRD
ABSENT?
Yes
Yes
HW BRD
ABSENT?
BT ON
FAILED?
No
Yes
No
Yes
Try to enable BT again. If no
button is programmed to
turn BT on, use CPS to
assign for BT On/Off.
Recycle radio and retry.
BT ON FAILED?
5
No
BT ON
FAILED?
Reload SW in APX
radio. Enable BT and
recycle radio power.
Yes
No
Yes

5-48 Troubleshooting Charts: Bluetooth Failure – Pairing Issue
Bluetooth Failure – LCD Indication (Page 2)
7
5
HW BRD
FAILED?
Reload SW in APX radio.
Enable BT and recycle
radio power.
HW BRD
FAILED?
Non-Bluetooth LCD
Indication: Issue may not
be Bluetooth/LF(NFC)
Yes
No Yes
No

Troubleshooting Charts: Bluetooth Failure – Pairing Issue 5-49
Bluetooth Failure – LCD Indication (Page 3)
Resolved
6
Connect radio to PC and
read the codeplug
BT Audio Reroute
programmed in the
code plug?
PTT on headset
produces low -tone
from radio
Connect an audio
accessory (e.g. DRSM)
on the radio side
connector to check
whether the audio had
been re-routed to
different path.
No
Yes
No
No
No
Audio heard through
side connector
accessory without
headset paired ?
No
Go to RX Audio flowchart
(5.6 or External Speaker
Audio Out Failure)
Yes
Yes
Yes Determine what button is
programmed for BT audio
re-route from the
codeplug and press it
Audio heard through
BT headset?
No
Power off the POD headset, then slightly
turn and press firmly on the earpiece
connector to ensure it is making good
connection to the POD. Power on the POD
headset and re-pair it with the APX radio.
Audio heard through
BT headset?
No
7

5-50 Troubleshooting Charts: PA Failure
5.15 PA Failure – Main
Measure Power at
several UHF1, UHF2, VHF and
7/800 test frequencies.
No or Low Power
23
VHF
1
UHF1/UHF2 7/800 MHz

Troubleshooting Charts: PA Failure 5-51
PA Failure – Page 1 (UHF1/UHF2)
Measure TX current
at UHF1 test
frequencies
Yes
No
1
Measure DC voltage
at pin 4 of U1601
Yes
Is current less
than 350mA?
Measure voltage at
pin 5 of U1601
Replace Q1601
Yes
No
Is current
approximately
500mA?
Yes
No
Is voltage
approximately 6V
at DAC=4095?
Is current greater
than or close to
2A?
Use a spectrum
analyzer and high-
impedance RF
probe. Measure
RF_IN_1 at C1601.
Yes
Yes
Is the frequency
correct?
No See FGU
troubleshooting
charts
Yes
Is the power
level about 3 dBm?
No See FGU
troubleshooting
charts
Measure power at
C1625
Yes
Is the power
approximately
37 dBm?
No Replace Q1601
Measure power at
C2604
Is the power
approximately
37 dBm?
No Check D2603
positive node
voltage
Measure power at
C1822
Is the power
approximately
37 dBm?
Check power out at
C1122 and any
process issue
Yes
Is the voltage
near 7.0V?
No
Replace D2603
Yes
Check pin 3 and
pin 2 of Q2601
Is pin 3 of
Q2601=Raw B+
and pin 2=3.0V
No
Replace Q2601
Yes
Check continuity of
R2605 and L2602
Measure voltage at
pin 3 of Q1101
Yes
No
Is voltage
approximately
7V?
Yes
No
Is voltage
approximately
0V?
Replace U1601
Replace Q1103
Measure voltage at
pin 1 of Q1101
Yes
No
Is voltage greater
than 1.5V?
Replace Q1101
4
Measure DC voltage
at pin 5 of U1601
Was voltage
near 7.5V?
Measure voltage at
pin 1 of Q1101
No
Yes
With the radio in RX
mode, measure the
DC voltage on both
pins of L1603
Was voltage
near 7.5V on
both sides?
No
Yes
Is there 7.5V
on C1608?
No Check E1101 for
solderability issues and
replace as necessary
Yes
Check L1603 for
solderability issues and
replace as necessary
Was voltage
near 3V?
No Measure the logic
inputs of TXH_1
from R1111 and
TX_INH from U1138
Yes
Trace voltages and check for solderability
issues on R1102, Q1101, and Q1103.
Replace parts as necessary.
With the radio in RX
mode, measure the
DC voltage on the
drain of Q1601
Was voltage
near 7.5V?
No Check L1606 under shield
SH1 for solderability
issues and replace as
necessary
With the radio in RX
mode, measure the
resistance on the
node shared by
C1616 and R1605
Yes
Is the resistance
near 9.4 kOhms?
No
Check resistors R1601,
R1602, R1603, R1604,
and R1605 for resistance
and solderability issues
and replace as necessary
In TX mode,
measure the voltage
on pin 4 of U1601
Yes
If resistance is very low, in the
100’s of ohms, and there are no
issues with the resistors then
there is a gate short on the PA.
Clear short or replace Q1601.
Is the voltage
near 6V?
Yes Is TX current just
above standby
current?
Yes
Is the TX current
between 300 and
900mA?
Yes
Is the TX current
above 900mA?
Yes
Is the voltage
below 4V?
Yes
The PA and Driver are
likely damaged. Replace
Q1601 and U1602.
The PA is likely
damaged. Replace
Q1601.
Lift shield SH1 and check
for solderability or part
issues on all 900 series
parts. Replace parts as
necessary.
If no issues found, lift shield
SH8 and check for solderability
or part issues on all 1200
series parts. Replace parts as
necessary.
4
If the voltage is between 4 and 5.5V then
the control loop should be working and
power should be available. Check D2603
positive node voltage.
No
Is the voltage
near 7.0V?
Yes
No Check pin 3 and
pin 2 of Q2601
Is pin 3 of
Q2601=Raw B+
and pin 2=3.0V
Yes
No Check continuity of
R2605 and L2602
Replace Q2601
Replace D2603

5-52 Troubleshooting Charts: PA Failure
PA Failure – Page 2 (700/800 MHz)
Measure TX current
at 700_800MHz test
frequencies
Yes
No
2
Measure DC voltage
at pin 4 of U1001
Yes
Is current less
than 350mA?
Measure voltage at
pin 5 of U1001
Replace Q1001
Yes
No
Is current
approximately
500mA?
Yes
No
Is voltage
approximately 6V
at DAC=4095?
Is current greater
than or close to
2A?
Use a spectrum
analyzer and high-
impedance RF
probe. Measure
RF_IN_1 at C1001.
Yes
Yes
Is the frequency
correct?
No See FGU
troubleshooting
charts
Yes
Is the power
level about 3 dBm?
No See FGU
troubleshooting
charts
Measure power at
C1022
Yes
Is the power
approximately
37 dBm?
No Replace Q1001
Measure power at
C2304
Is the power
approximately
37 dBm?
No Check D2303
positive node
voltage
Measure power at
C1411
Is the power
approximately
37 dBm?
Check power out at
C1122 and for any
process issue
Yes
Is the voltage
near 7.0V?
No
Replace D2303
Yes
Check pin 3 and
pin 2 of Q2301
Is pin 3 of
Q2301=Raw B+
and pin 2=3.0V
No
Replace Q2301
Yes
Check continuity of
R2305 and L2302
Measure voltage at
pin 3 of Q1101
Yes
No
Is voltage
approximately
7V?
Yes
No
Is voltage
approximately
0V?
Replace U1001
Replace Q1103
Measure voltage at
pin 1 of Q1101
Yes
No
Is voltage greater
than 1.5V?
Replace Q1101
4
Measure DC voltage
at pin 5 of U1001
Was voltage
near 7.5V?
Measure voltage at
pin 1 of Q1101
No
Yes
With the radio in RX
mode, measure the
DC voltage on both
pins of L1003
Was voltage
near 7.5V on
both sides?
No
Yes
Is there 7.5V
on C1008?
No Check E1101 for
solderability issues and
replace as necessary
Yes
Check L1003 for
solderability issues and
replace as necessary
Was voltage
near 3V?
No Measure the logic
inputs of TXH_1
from R1111 and
TX_INH from U1138
Yes
Trace voltages and check for solderability
issues on R1102, Q1101, and Q1103.
Replace parts as necessary.
With the radio in RX
mode, measure the
DC voltage on the
drain of Q1001
Was voltage
near 7.5V?
No Check L1007 under shield
SH1 for solderability
issues and replace as
necessary
With the radio in RX
mode, measure the
resistance on the
node shared by
R1006 and R1005
Yes
Is the resistance
near 9.4 kOhms?
No
Check resistors R1001,
R1002, R1003, R1004,
and R1005 for resistance
and solderability issues
and replace as necessary
In TX mode,
measure the voltage
on pin 4 of U1001
Yes
If resistance is very low, in the
100’s of ohms, and there are no
issues with the resistors then
there is a gate short on the PA.
Clear short or replace Q1001.
Is the voltage
near 6V?
Yes Is TX current just
above standby
current?
Yes
Is the TX current
between 300 and
900mA?
Yes
Is the TX current
above 900mA?
Yes
Is the voltage
below 4V?
Yes
The PA and Driver are
likely damaged. Replace
Q1001 and U1002.
The PA is likely
damaged. Replace
Q1001.
Lift shield SH1 and check
for solderability or part
issues on all 900 series
parts. Replace parts as
necessary.
If no issues found, lift shield
SH8 and check for solderability
or part issues on all 1200
series parts. Replace parts as
necessary.
4
If the voltage is between 4 and 5.5V then
the control loop should be working and
power should be available. Check D2303
positive node voltage.
No
Is the voltage
near 7.0V?
Yes
No Check pin 3 and
pin 2 of Q2301
Is pin 3 of
Q2601=Raw B+
and pin 2=3.0V
Yes
No Check continuity of
R2305 and L2302
Replace Q2301
Replace D2303
Yes

Troubleshooting Charts: PA Failure 5-53
PA Failure – Page 3 (VHF PA)
Measure TX current
at VHF test
frequencies
Yes
No
3
Measure DC voltage
at pin 4 of U901
Yes
Is current less
than 350mA?
Measure voltage at
pin 5 of U901
Replace Q901
Yes
No
Is current
approximately
500mA?
Yes
No
Is voltage
approximately 6V
at DAC=4095?
Is current greater
than or close to
2A?
Use a spectrum
analyzer and high-
impedance RF
probe. Measure
RF_IN_1 at C901.
Yes
Yes
Is the frequency
correct?
No See FGU
troubleshooting
charts
Yes
Is the power
level about 3 dBm?
No See FGU
troubleshooting
charts
Measure power at
C925
Yes
Is the power
approximately
37 dBm?
No Replace Q901
Measure power at
C2704
Is the power
approximately
37 dBm?
No Check D2703
positive node
voltage
Measure power at
C1222
Is the power
approximately
37 dBm?
Check power out at
C1122 and any
process issue
Yes
Is the voltage
near 7.0V?
No
Replace D2703
Yes
Check pin 3 and
pin 2 of Q2701
Is pin 3 of
Q2701=Raw B+
and pin 2=3.0V
No
Replace Q2701
Yes
Check continuity of
R2706 and L2702
Measure voltage at
pin 3 of Q1101
Yes
No
Is voltage
approximately
7V?
Yes
No
Is voltage
approximately
0V?
Replace U901
Replace Q1103
Measure voltage at
pin 1 of Q1101
Yes
No
Is voltage greater
than 1.5V?
Replace Q1101
4
Measure DC voltage
at pin 5 of U901
Was voltage
near 7.5V?
Measure voltage at
pin 1 of Q1101
No
Yes
With the radio in RX
mode, measure the
DC voltage on both
pins of L903
Was voltage
near 7.5V on
both sides?
No
Yes
Is there 7.5V
on L908?
No Check E1101 for
solderability issues and
replace as necessary
Yes
Check L903 for
solderability issues and
replace as necessary
Was voltage
near 3V?
No Measure the logic
inputs of TXH_1
from R1111 and
TX_INH from U1138
Yes
Trace voltages and check for solderability
issues on R1102, Q1101, and Q1103.
Replace parts as necessary.
With the radio in RX
mode, measure the
DC voltage on the
drain of Q901
Was voltage
near 7.5V?
No Check L906 under shield
SH1 for solderability
issues and replace as
necessary
With the radio in RX
mode, measure the
resistance on the
node shared by
C916 and R905
Yes
Is the resistance
near 9.4 kOhms?
No
Check resistors R901,
R902, R903, R904,
and R905 for resistance
and solderability issues
and replace as necessary
In TX mode,
measure the voltage
on pin 4 of U901
Yes
If resistance is very low, in the
100’s of ohms, and there are no
issues with the resistors then
there is a gate short on the PA.
Clear short or replace Q901.
Is the voltage
near 6V?
Yes Is TX current just
above standby
current?
Yes
Is the TX current
between 300 and
900mA?
Yes
Is the TX current
above 900mA?
Yes
Is the voltage
below 4V?
Yes
The PA and Driver are
likely damaged. Replace
Q901 and U902.
The PA is likely
damaged. Replace
Q901.
Lift shield SH1 and check
for solderability or part
issues on all 900 series
parts. Replace parts as
necessary.
If no issues found, lift shield
SH8 and check for solderability
or part issues on all 1200
series parts. Replace parts as
necessary.
4
If the voltage is between 4 and 5.5V then
the control loop should be working and
power should be available. Check D2703
positive node voltage.
No
Is the voltage
near 7.0V?
Yes
No Check pin 3 and
pin 2 of Q2701
Is pin 3 of
Q2701=Raw B+
and pin 2=3.0V
Yes
No Check continuity of
R2705 and L2702
Replace Q2701
Replace D2703

5-54 Troubleshooting Charts: PA Failure
PA Failure – Page 4(ALC)
Remove SH15 and measure
PA control voltage at
U1601 for UHF1 and
U1001 for 7800MH
pin 4
TX in Current control mode?
U1133 pin6
about 5V?
Yes
No
Replace U1132
No
TX is in current control mode, else PA is
saturated. Check SAT Reference tuning
per 12M to ensure tuning is not low.
4
VC_OFFSET low,
remove SH6
U1133 pin 3
4.1V +/- 0.6V?
No
PA_OFFSET low,
check U1125 pin 1
for approx. 1V, else
replace U1133
U1131, pin 4
is 5V?
Yes
Yes
R1180 close to 5V?
TP6107 1.8V?
Measure TP6107
No
Remove SH3 and
measure U1142 pin4
Yes
No
Replace U1139 or
associated logic
Check U6101 or VOCON
signal DIG_CTRL_1049
Yes
U1142 pin4
1.00V +/- 0.3V?
No
Yes Measure thermal cutback circuit
output at U1113, U1114 and U1121
Pin 4 of U1113,
U1114, and U1121
at 0V (logic low)?
No
Check temp. sensor
U1103, else U1148
Replace log amp, U1105
else U1112, else check
R1106 for 17 +/- 1 Ohm
Yes
Measure voltage divider
at power tuning DAC, top
of R1121
R1121 around
2.45V +/- 0.15V?
Power tuning is low, else
replace U1125, else U1137,
U1138
No
Yes
Yes
Yes
No
No
Replace U1142
Remove SH6 and measure
output pin 4 of U1130
U1130 pin 4
approximately
1.10 0.05V?
U1127 pin 4
approximately
1.10 0.05V?
Replace U1127,
else U1126
Yes
TP101
close to
1.5V?
Replace U1129, U1130
Transmitter PA overcurrent condition,
else check U1101, R1103
No

Chapter 6 Troubleshooting Waveforms
This chapter contains images of waveforms that might be useful in verifying operation of certain parts
of the circuitry. These waveforms are for reference only; the actual data depicted will vary depending
on operating conditions.
6.1 List of Waveforms
Table 6-1 lists each waveform and the page on which the waveform can be found.
Table 6-1. List of Waveforms
Waveform Page
No.
Clocks
32 kHz Clock 6-2
4 MHz Clock 6-3
12 MHz Clock 6-4
16.8 MHz Clock 6-5
24 MHz Clock 6-6
Audio SSI
Red Tx 6-7
Red Rx 6-8
SYNC. 6-9
BCLK 6-10
RX SSI
CLK. 6-11
DA 6-12
FSYNC. 6-13
TX SSI
CLK. 6-14
DA. 6-15
FSYNC. 6-16
SPI
CLK 6-17
CS 6-18
I2C BUS
SCL 6-19
SCL 5V 6-20
SDA 6-21
One Wire
1-Wire 6-22
GCAI
GPIO0 6-23
GPIO4 / Keyfail during Keyload 6-24
USB
D- 6-25
D+ 6-26
SDRAM
CLK 6-27
CLKX 6-28
FLASH CONTROL
ADV 6-29
CS3 6-30
OE 6-31
RDY 6-32
WE 6-33
Table 6-1. List of Waveforms (Continued)
Waveform Page
No.

6-2 Troubleshooting Waveforms: Clocks
6.2 Clocks
6.2.1 32 kHz Clock
Trace 1: Trace recorded at R6115.
Figure 6-1. 32 kHz Clock Waveform

Troubleshooting Waveforms: Clocks 6-3
6.2.2 4 MHz Clock
Trace 1: Trace recorded at R6113.
Figure 6-2. 4 MHz Clock Waveform

6-4 Troubleshooting Waveforms: Clocks
6.2.3 12 MHz Clock
Trace 1: Trace recorded at C6601.
Figure 6-3. 12 MHz Clock Waveform

Troubleshooting Waveforms: Clocks 6-5
6.2.4 16.8 MHz Clock
Trace 1: Trace recorded at R6217.
Figure 6-4. 16.8 MHz Clock Waveform

6-6 Troubleshooting Waveforms: Clocks
6.2.5 24 MHz Clock
Trace 1: Trace recorded at C6592.
Figure 6-5. 24 MHz Clock Waveform

Troubleshooting Waveforms: Audio SSI 6-7
6.3 Audio SSI
6.3.1 Red Tx
Trace 1: Trace recorded at R6618.
Figure 6-6. Audio SSI – Red Tx Waveform

6-8 Troubleshooting Waveforms: Audio SSI
6.3.2 Red Rx
Trace 1: Trace recorded at R1332.
Figure 6-7. Audio SSI – Red Rx Waveform

Troubleshooting Waveforms: Audio SSI 6-9
6.3.3 SYNC.
Trace 1: Trace recorded at Pin 30 of J2301.
Figure 6-8. Audio SSI – Sync. Waveform

6-10 Troubleshooting Waveforms: Audio SSI
6.3.4 BCLK
Trace 1: Trace recorded at R6107.
Figure 6-9. Audio SSI – BCLK. Waveform

Troubleshooting Waveforms: RX SSI 6-11
6.4 RX SSI
6.4.1 CLK.
Trace 1: Trace recorded at R2806.
Figure 6-10. RX SSI – CLK. Waveform

6-12 Troubleshooting Waveforms: RX SSI
6.4.2 DA
Trace 1: Trace recorded at R2805.
Figure 6-11. RX SSI – DA Waveform

Troubleshooting Waveforms: RX SSI 6-13
6.4.3 FSYNC.
Trace 1: Trace recorded at R2804.
Figure 6-12. RX SSI – FSync. Waveform

6-14 Troubleshooting Waveforms: TX SSI
6.5 TX SSI
6.5.1 CLK.
Trace 1: Trace recorded at R2808.
Figure 6-13. TX SSI – TX CLK. Waveform

Troubleshooting Waveforms: TX SSI 6-15
6.5.2 DA.
Trace 1: Trace recorded at R2817.
Figure 6-14. TX SSI – DA Waveform

6-16 Troubleshooting Waveforms: TX SSI
6.5.3 FSYNC.
Trace 1: Trace recorded at R2807.
Figure 6-15. TX SSI – FSync. Waveform

Troubleshooting Waveforms: SPI 6-17
6.6 SPI
6.6.1 CLK
Trace 1: Trace recorded at R2803.
Figure 6-16. SPI – CLK Waveform

6-18 Troubleshooting Waveforms: SPI
6.6.2 CS
Trace 1: Trace recorded at R6602.
Figure 6-17. CS Waveform

Troubleshooting Waveforms: I2C BUS 6-19
6.7 I2C BUS
6.7.1 SCL
Trace 1: Trace recorded at R6208.
Figure 6-18. I2C Bus – SCA Waveform

6-20 Troubleshooting Waveforms: I2C BUS
6.7.2 SCL 5V
Trace 1: Trace recorded at R2204.
Figure 6-19. I2C Bus – SCA 5V Waveform

Troubleshooting Waveforms: I2C BUS 6-21
6.7.3 SDA
Trace 1: Trace recorded at R6209.
Figure 6-20. I2C Bus – SDA Waveform

6-22 Troubleshooting Waveforms: One Wire
6.8 One Wire
6.8.1 1-Wire
Trace 1: Trace recorded at R4009.
Figure 6-21. 1-Wire Waveform

Troubleshooting Waveforms: GCAI 6-23
6.9 GCAI
6.9.1 GPIO0
Trace 1: Trace recorded at D4001 (test point GPIO0).
Figure 6-22. GCAI – GPIO0 Waveform

6-24 Troubleshooting Waveforms: GCAI
6.9.2 GPIO4 / Keyfail during Keyload
Trace 1: Trace recorded at P2001_21 or R2005 or C2006 (DNP).
Figure 6-23. GCAI – GPIO4 Waveform

Troubleshooting Waveforms: USB 6-25
6.10 USB
6.10.1 D-
Trace 1: Trace recorded at TP F_GCAI_USB-.
Figure 6-24. USB – D- Waveform

6-26 Troubleshooting Waveforms: USB
6.10.2 D+
Trace 1: Trace recorded at TP F_GCAI_USB+.
Figure 6-25. USB – D+ Waveform

Troubleshooting Waveforms: SDRAM 6-27
6.11 SDRAM
6.11.1 CLK
Trace 1: Trace recorded at TP6307.
Figure 6-26. SDRAM – CLK Waveform

6-28 Troubleshooting Waveforms: SDRAM
6.11.2 CLKX
Trace 1: Trace recorded at TP6308.
Figure 6-27. SDRAM – CLKX Waveform

Troubleshooting Waveforms: FLASH CONTROL 6-29
6.12 FLASH CONTROL
6.12.1 ADV
Trace 1: Trace recorded at R6314.
Figure 6-28. FLASH CONTROL – ADV Waveform

6-30 Troubleshooting Waveforms: FLASH CONTROL
6.12.2 CS3
Trace 1: Trace recorded at R6311.
Figure 6-29. FLASH CONTROL – CS3 Waveform

Troubleshooting Waveforms: FLASH CONTROL 6-31
6.12.3 OE
Trace 1: Trace recorded at R6312.
Figure 6-30. FLASH CONTROL – OE Waveform

6-32 Troubleshooting Waveforms: FLASH CONTROL
6.12.4 RDY
Trace 1: Trace recorded at R6316.
Figure 6-31. FLASH CONTROL – RDY Waveform

Troubleshooting Waveforms: FLASH CONTROL 6-33
6.12.5 WE
Trace 1: Trace recorded at R6313.
Figure 6-32. FLASH CONTROL – WE Waveform

6-34 Troubleshooting Waveforms: Receive Baseband Signals
6.13 Receive Baseband Signals
Trace 1: DIG_DATA_SSI_RX_FS at R616.
Trace 2: DIG_DATA_SSI_RX_DOUTA at R617.
Trace 3: CLK_SSI_RX at R618.
Figure 6-33. Received Baseband Waveforms

Troubleshooting Waveforms: GPS 6-35
6.14 GPS
6.14.1 GPS TCXO (26 MHz TCXO)
Trace 1: Trace recorded at C1321 at Main Board.
Figure 6-34. GPS TCXO Waveforms

6-36 Troubleshooting Waveforms: GPS
6.14.2 GPS RTC (GPS 32 kHz RTC)
Trace 1: Trace recorded at R1318 of Main Board.
Figure 6-35. GPS RTC Waveforms

Troubleshooting Waveforms: GPS 6-37
6.14.3 GPS UART (RX / TX) Data
Trace 1: Trace recorded at R1322 (TX) / R1323 (RX) of Main Board.
Figure 6-36. GPS UART DATA Waveforms

6-38 Troubleshooting Waveforms: Bluetooth Troubleshooting Waveforms
6.15 Bluetooth Troubleshooting Waveforms
A Bluetooth radiated or conducted signal at 2.402 GHz and a LF radiated signal at 125 kHz can be
used to verify the receiver and transmitter on the radio are operational. A spectrum analyzer (such as
an Aeroflex 3920 Digital Radio Test Set) can be used to verify the presence of BT signal at the BT
antenna contact pin (M1301), while the LF signal can be tapped at C2454 or C2457 on the main
board’s top plane. A signal generator can be be used to test the APX 3000 BT/LF receivers.
Radiated Bluetooth TX/RX testing should be performed before conducted testing is performed in the
fixture since the radio does not have to be opened for radiated testing. To test the presence of a
radiated Bluetooth TX signal, an external Bluetooth antenna should be connected to the input of the
sprectrum analyzer. To test the presence of a radiated Bluetooth RX signal, an external Bluetooth
antenna should be connected to the output of a signal generator set to TX CW 2.402 GHz. The radio
front housing (below the ON/OFF switch) should be brought near the antenna during testing. The
following is the procedure to activate the Bluetooth/LF transmitter or receiver using RCMP
commands:
To send an RCMP command, connect a RS-232 com port GCAI cable between the radio and PC.
Start HyperTerminal on com 1 (typical RS-232 port) using these settings: 9600 baud, 8-bit, non-
parity, stop bit = 1, HW flow control. Type, AT#DEBUG”, then type rcmpraw:000c”.
Bluetooth Command to TX 2.402 GHz CW
Probe the Bluetooth antenna contact pin (M1301) on Main board with a 6 dB attenuator in-line
connected to a spectrum analyzer. Set the spectrum analyzer to 2.402 GHz center, 10 MHz span,
RBW of 300 kHz, a VBW of 1 MHz, and a sweep time of 2.5 ms. There are two commands to verify
a spectrum analyzer can read a 2.402 GHz wave from the radio BT transmitter. Enter the
rcmpraw:00390207 command first, then enter rcmpraw:0039020100000F0006 (on SR 7.9 SW, use
this command:
rcmpraw:0039020100000F, but be aware that the TX signal may time out in less than 10 minutes).
Successful Example Entry:
Type:rcmpraw:000c
Response:800c00
Type:rcmpraw:00390207
Response:8039000207
Type:rcmpraw:0039020100000F0006
Response:8039000201
Table 6-2. Bluetooth Command to TX
TEST RCMPRAW CMD RESPONSE
Bluetooth TX at 2.402 GHz
CW Modulation
rcmpraw: 00390207 Success: 8039000207
Failure: 8039010207
rcmpraw: 0039020100000F0006 Success: 8039000201
Failure: 8039010201

Troubleshooting Waveforms: Bluetooth Troubleshooting Waveforms 6-39
Bluetooth Command to RX 2.402 GHz
The RSSI should increase significantly in the presence of a 2.402 GHz nearby signal. Using an
external signal generator source signal of 2.402 GHz connected to a an external Bluetooth antenna,
bring it close to the Bluetooth antenna contact pin (M1301) on Main board, send this command to
read the 2.402 GHz RSSI
If no signal is detected, the response will be 803900020d80.
If no test equipment is available, an APX radio with BT functional could be used to verify the test
radio. Hold the radios with the front housing face to face. One radio could be used to TX while the
other radio is used to RX.
Low Frequency (LF) Command to TX 125 kHz CW
Set the spectrum analyzer at 125 kHz center, 10 MHz span, RBW of 1 kHz, a VBW of 3 kHz, and a
sweep time of 25 ms. Use this command to verify the LF coil is emitting a 125 kHz pulse by probing
C2454 or C2457 with a spectrum analyzer:
Low Frequency (LF) Command to RX 125 kHz
Use this command to verify the LF coil is receiving a 125 kHz pulse generated by a signal generator
by tapping on C2454 or C2457. The result contains the LF RSSI. This command is not in the initial
SW release but is included in SR 7.11 SW:
If no signal is detected, the response will be 8039010305.
A fast verification that requires no additional test equipment can be done by sending the LF TX
command, then the LF RX command directly afterwards. If both the transmitter and receiver are
working, the response should be 803900030x, where x is typically between 4 and 6. Even if the
response passes, the LF coil may be physically damaged. It is best to open the radio and observe
the coil to ensure it is not damaged.
To test the LF RX using SR 7.9 SW, a POD accessory is required to verify communication.
Table 6-3. Bluetooth Command to RX
TEST RCMPRAW CMD RESPONSE
Bluetooth RX at 2.402 GHz rcmpraw:0039020D00 Success: 803900020dBB, where BB
is the RSSI in hex.
Failure: 803901
Table 6-4. Low Frequency Command to TX
TEST RCMPRAW CMD RESPONSE
Low Freq. 125 kHz TX rcmpraw: 00390303 Success: 8039000303*
Failure: 8039010303*
Note: * In SR 7.9 SW release, the response is 8039000302 for a success and 8039010302 for a failure.
Table 6-5. Low Frequency Command to RX
TEST RCMPRAW CMD RESPONSE
Low Freq. 125 kHz RX rcmpraw: 00390305 Success: 80390003BB, where BB is the RSSI in hex.
Failure: 803901

6-40 Troubleshooting Waveforms: Bluetooth Troubleshooting Waveforms
These are the Bluetooth-related conducted signals that can be measured from test points on the main board.:
6.15.1 Summary of Bluetooth Power Up Sequence
Figure 6-37. Summary of Bluetooth Power Up Sequence
Table 6-6. Bluetooth Test Points
TP TP Name Net Name Description Voltage Measured
4 TP2416 BT_AVR_VBUS USB VBUS 5 4.96
5 TP2413 BT_AVR_RESET BT AVR Reset 1.85 1.73
9 R6705 VCC_1.85 VCC 1.85 1.85 1.86
10 TP2417 USB_BOOT_1.8V USB Boot 1.8V 1.8 1.81
11 TP2466 ATMEL_BOOT Atmel Boot 3.3 3.04
12 M1 GND Ground 0 –
13 R6563 V_2.755D VCC 2.775 2.775 2.74
14 TP2414 BT_AVR_USB_DP USB+ 3.3 3.43
15 TP2415 BT_AVR_USB_DM USB- 3.3 3.47
16 R6542 V_SW_3.6 VSW 3.6 3.51 3.49
17 R1318, R2407 32KHZ 32 kHz clock 1.85 1.87
Voltage (V) Net Name
V_SW_3.6
3.51
2.775 Vcc_2.775D
USB_Boot_1.8V
1.8
1.85 Vcc_1.85
ATMEL_BOOT
3.3
1.85 BT_AVR_RESET
VBUS1
5
6.5495ms
13.7095ms
13.9875ms
14.08ms
818.85ms
1.684s
Measured (V)
3.48
2.74
1.81
1.86
3.04
1.73
4.96

Troubleshooting Waveforms: Bluetooth Troubleshooting Waveforms 6-41
6.15.2 Bluetooth Startup: Vmax of TP16
Figure 6-38. Startup Waveforms – Vmax of TP16

6-42 Troubleshooting Waveforms: Bluetooth Troubleshooting Waveforms
6.15.3 Bluetooth Startup: Timing Difference of TP9 to TP16
Figure 6-39. Startup – Timing Difference of TP9 to TP16

Troubleshooting Waveforms: Bluetooth Troubleshooting Waveforms 6-43
6.15.4 Bluetooth Startup: Timing Difference of TP5 to TP16 and Voltage Statistics
Figure 6-40. Startup – Timing Difference of TP5 to TP16 and Voltage Statistics

6-44 Troubleshooting Waveforms: Bluetooth Troubleshooting Waveforms
6.15.5 Bluetooth Startup: Timing Difference of TP4 to TP16 and Time Statistics
Figure 6-41. Startup – Timing Difference of TP4 to TP16 and Time Statistics

Troubleshooting Waveforms: Bluetooth Troubleshooting Waveforms 6-45
6.15.6 Bluetooth Startup: Timing Difference of TP4 to TP5 and Time Statistics
Figure 6-42. Startup – Timing Difference of TP4 to TP5 and Time Statistics

6-46 Troubleshooting Waveforms: Bluetooth Troubleshooting Waveforms
6.15.7 Bluetooth Startup: Vmax of TP5 and Time Statistics
Figure 6-43. Startup – Vmax of TP5 and Time Statistics

Troubleshooting Waveforms: Bluetooth Troubleshooting Waveforms 6-47
6.15.8 Bluetooth Startup: Vmax of TP4 and Time Statistics
Figure 6-44. Startup – Vmax of TP4 and Time Statistics

6-48 Troubleshooting Waveforms: Bluetooth Troubleshooting Waveforms
6.15.9 Bluetooth Startup: Vmax of TP5 and Voltage Statistics
Figure 6-45. Startup – Vmax of TP5 and Voltage Statistics

Troubleshooting Waveforms: Bluetooth Troubleshooting Waveforms 6-49
6.15.10Bluetooth Startup: Vmax of TP9 and Voltage Statistics
Figure 6-46. Startup – Vmax of TP9 and Voltage Statistics

6-50 Troubleshooting Waveforms: Bluetooth Troubleshooting Waveforms
6.15.11 Bluetooth Startup: Vmax of TP10 and Time Statistics
Figure 6-47. Startup – Vmax of TP10 and Time Statistics

Troubleshooting Waveforms: Bluetooth Troubleshooting Waveforms 6-51
6.15.12 Bluetooth Startup: Vmax of TP16 and Voltage Statistics
Figure 6-48. Startup – Vmax of TP16 and Voltage Statistics

6-52 Troubleshooting Waveforms: Bluetooth Troubleshooting Waveforms
6.15.13 Bluetooth Startup: Vmax of TP13 and Voltage Statistics
Figure 6-49. Startup – Vmax of TP13 and Voltage Statistics

Troubleshooting Waveforms: Bluetooth Troubleshooting Waveforms 6-53
6.15.14 Bluetooth Startup: Vmax of TP11 and Voltage Statistics
Figure 6-50. Startup – Vmax of TP11 and Voltage Statistics

6-54 Troubleshooting Waveforms: Bluetooth Troubleshooting Waveforms
6.15.15 Bluetooth Startup: Timing Difference of TP13 to TP16 and Time Statistics
Figure 6-51. Startup – Timing Difference of TP13 to TP16 and Time Statistics

Troubleshooting Waveforms: Bluetooth Troubleshooting Waveforms 6-55
6.15.16 Bluetooth Startup: Timing Difference of TP10 to TP13 and Time Statistics
Figure 6-52. Startup – Timing Difference of TP10 to TP13 and Time Statistics

6-56 Troubleshooting Waveforms: Bluetooth Troubleshooting Waveforms
6.15.17 Bluetooth Startup: Timing Difference of TP11 to TP13 and Time Statistics
Figure 6-53. Startup – Timing Difference of TP11 to TP13 and Time Statistics

Troubleshooting Waveforms: Bluetooth Troubleshooting Waveforms 6-57
6.15.18 Bluetooth CW on Spectrum Analyzer
Figure 6-54. Bluetooth CW on Spectrum Analyzer

6-58 Troubleshooting Waveforms: Bluetooth Steady-State
6.16 Bluetooth Steady-State
6.16.1 Waveforms – USB D+ Vmax and Packet Timing with Statistics
Figure 6-55. USB D+ Vmax and Packet Timing with Statistics

Troubleshooting Waveforms: Bluetooth Steady-State 6-59
6.16.2 Waveforms – USB D- Vmax and Packet Timing with Statistics
Figure 6-56. USB D- Vmax and Packet Timing with Statistics

6-60 Troubleshooting Waveforms: Bluetooth Steady-State
6.16.3 Waveforms – V_SW_3.6 Voltage Statistics
Figure 6-57. V_SW_3.6 Voltage Statistics

Troubleshooting Waveforms: Bluetooth Steady-State 6-61
6.16.4 Waveforms – 32 kHz clock Vmax with Statistics
Figure 6-58. 32 kHz clock Vmax with Statistics

6-62 Troubleshooting Waveforms: Bluetooth Steady-State
6.16.5 Waveforms – LF Coil with TX and RX
Figure 6-59. LF Coil when TX and RX
Data taken
from LF
inductor
contact at
C2454 or
C2457 while
pairing with
a headset
TX Voltage
can be
as high as 40V
OOK used

Troubleshooting Waveforms: LF CW on Spectrum Analyzer 6-63
6.17 LF CW on Spectrum Analyzer
Figure 6-60. LF CW on Spectrum Analyzer

6-64 Troubleshooting Waveforms: LF CW on Spectrum Analyzer
Notes

Chapter 7 Troubleshooting Tables
7.1 List of Board and IC Signals
Due to the nature of the schematic-generating program, signal names might be different when they
are not directly connected to the same point. The tables in this chapter provide a cross reference to
the various pinouts for these signals. Table 7-1 lists and provides links to each of the tables in this
chapter.
Table 7-1. List of Tables of Board and IC Signals
Table No. Table Name Page No.
7-2 Mainboard to main flex connector interface Pin-Out 7-2
7-3 Main Flex connector to main board connector interface Pin-Out 7-3
7-4 Side Button Flex connector Pin-Out 7-4
7-5 Top Control Flex connector Pin-Out 7-4
7-6 NFC Flex connector interface Pin-Out 7-5
7-7 Overall GPIO pin functions 7-5
7-8 Primary IC Reference Designator 7-13

7-2 Troubleshooting Tables: List of Board and IC Signals
Table 7-2. Mainboard to main flex connector interface Pin-Out
Test Place
Main Board
Signal Name Pin #
Chassis GND J1-1
Chassis GND J1-2
R2364 GPIO_3_RTS_FILLSENSE J1-3
R4005 MIDDLE_SIDE_BUTTON J1-4
F_GCAI_USB- GPIO_2_DM_RXDC_FILLDATA J1-5
R4006 UP_ARROW_BUTTON J1-6
F_GCAI_USB+ GPIO_1_DP_TXDC_FILLREQ J1-7
R4007 DOWN_ARROW_BUTTON J1-8
F_GCAI_1WIRE GCAI_1WIRE_5V J1-9
C2331 TOP_SIDE_BUTTON J1-10
R2358 GPIO_4_CTS_KEYFAIL_FILLCLK J1-11
TP6210 ON_OFF_SWITCH J1-12
F_Vbus2 VBUS2 J1-13
C2115 TOP_BUTTON J1-14
F_Vbus2 VBUS2 J1-15
Chassis GND J1-16
Gpio0 GPIO_0 J1-17
Chassis GND J1-18
None EXT_MIC_NEG_DP J1-19
SPKR- EXT_SPKR_NEG_DP J1-20
TP6102 EXT_MIC_POS_DP J1-21
SPKR+ EXT_SPKR_POS_DP J1-22
Chassis GND J1-23
Chassis GND J1-24

Troubleshooting Tables: List of Board and IC Signals 7-3
Table 7-3. Main Flex connector to main board connector interface Pin-Out
Test Place
Main Board
Signal Name Pin #
GND P1-1
GND P1-2
GCAI_RTS_GPIO3 P1-3
MIDDLE_SIDE_BUTTON P1-4
Gcai_USB_N_Gpio2 P1-5
UP_ARROW_BUTTON P1-6
Gcai_USB_P_Gpio1 P1-7
DOWN_ARROW_BUTTON P1-8
Gcai_one_wire P1-9
TOP_SIDE_BUTTON P1-10
Gcai_Gpio4_cts P1-11
ON_OFF_SWITCH P1-12
Gcai_Vbus_5V P1-13
Emerg_Btn P1-14
Gcai_Vbus_5V P1-15
GND P1-16
Gcai_GPIO0 P1-17
GND P1-18
EXT_MIC_NEG_DP P1-19
GCAI_EXT_SPKR_N P1-20
EXT_MIC_POS_DP P1-21
GCAI_EXT_SPKR_P P1-22
GND P1-23
GND P1-24

7-4 Troubleshooting Tables: List of Board and IC Signals
Table 7-4. Side Button Flex connector Pin-Out
Table 7-5. Top Control Flex connector Pin-Out
Test Place
Main Board
Signal Name Pin #
GND P1-1
Top_Arrow_Button P1-2
GND P1-3
Middle_Arrow_Button P1-4
GND P1-5
Up_Arrow_Button P1-6
GND P1-7
Down_Arrow_Button P1-8
GND P1-9
GND P1-10
Test Place
Main Board
Signal Name Pin #
GND P1-1
GND P1-2
On_Off_switch P1-3
Top_Button P1-4
GND P1-5
GND P1-6
GND P1-7
GND P1-8
GND P1-9
GND P1-10
GND P1-11
GND P1-12

Troubleshooting Tables: List of Board and IC Signals 7-5
Table 7-6. NFC Flex connector interface Pin-Out
Test Place
Main Board
Signal Name Pin #
GND P1-1
GND P1-2
TX_RX_LED_AMBER P1-3
V_Sw_5 P1-4
TX_RX_LED_RED P1-5
V_Sw_5 P1-6
TX_RX_LED P1-7
GND P1-8
BT_BLUE P1-9
GND P1-10
GREEN_LED P1-11
Red_LED P1-12
Table 7-7. Overall GPIO pin functions
Signal Name Description Pin or
Ball # Active State
SW Initialized HW Reset
Direction *PU State Direction
*PU or
PD
NC NC M8 Output 0 Output
codec_cs DSP SPI chip select
for TI dual CODEC
Y1 0 Output 1 Output
abacus_cs DSP SPI chipselect
for Abacus IC
L3 0 Output 0 Output
trident_cs DSP SPI chipselect
for Trident IC
V6 0 Output 0 Output
synthesizer_lock RF synthesizer lock
detect
V15 1=Lock Input None Input None
f2_timer_dmcs Timer output compare
for DMCS or SYNCB
M20 1 Output Input Pull-
down
mako_tx_rx Trigger for Mako DAC
ramp
L14 1=TX Output *Input None
T_Display_Toggle Radio display
detection
G19 0 Output 0 Output
dac_cs RF DAC chip select T19 0 Output Input Pull-
down

7-6 Troubleshooting Tables: List of Board and IC Signals
middle_side_butto
n
Middle side button
input
T20 0 Input None Input Pull-
down
mako_intx Mako main interrupt P15 0 Input None Input None
mako_usb_intx Mako USB interrupt AA9 0 Input None Input Pull-
down
mako_option_intx Mako Option interrupt Y12 0 Input None Input None
Unused and Unwired
OMAP Pin
M14 Input Pull-
down
Input Pull-
down
top_display_cs Top LCD SPI chip
select
P3 0 Output 1 Output
Unused and Unwired
OMAP Pin
V19 Output 0 Output
mako_cs Mako IC SPI chip
select
N15 1 Output Input Pull-
down
mortable Specifies Mobile or
Portable hardware
W13 0=Porta-
ble
Input None 0 Output
gcai_gpio3 GPIO3 AA15 Input None 0 Output
gcai_gpio4 GPIO4 R14 Input None Input Pull-
down
bluetooth_ptt PTT signal from Blue-
tooth AVR
Y5 0=Pressed Input Pullup Input Pull-
down
f2_timer_input_ca
pture
"Receives one of
three timing signals
mux'ed through CPLD
- Abacus Sync,
DMCS, Ramp DAC
Trigger.
"P20 Input Pull-
down
Input Pull-
down
bt_avr_status AVR status read by
OMAP
P18 Input Pullup Input Pull-
down
enc_wakeup MACE encryption
wakeup
A6 1 Output 1 Output
enc_reset MACE encryption
reset
B6 0 I/O Pullup 1 I/O Pullup
5V_pwm_en Forces SW5 to PWM P14 1 Output Pullup 0 Output Pullup
gcai_gpio2 GPIO2 C13 Input None Input None
gcai_gpio1 GPIO1 C11 Input None Input None
gcai_gpio0 GPIO0 M7 Input None Input None
Table 7-7. Overall GPIO pin functions (Continued)
Signal Name Description Pin or
Ball # Active State
SW Initialized HW Reset
Direction *PU State Direction
*PU or
PD

Troubleshooting Tables: List of Board and IC Signals 7-7
gcai_vbus_i_limit Current limit select for
GCAI VBUS
C6 1=500mA Output 0 Output
f2_paramp_mon Factory use to test F2
transmit timing. Allows
TX/RX signal to
appear on GCAI
GPIO3.
C5 1=Factory
Tes t
Output Pullup 0 Output Pullup
top_disp_data_ctr
l
Select for data or con-
trol on top display(Not
Used in WWP)
P12 1=data Output 0 Output
top_display_reset Reset for color front
display( Not Used in
WWP)
M12 0 Output 1 Output
Unused and Unwired
OMAP Pin
N13 Output 0 Output
Unused and Unwired
OMAP Pin
M14 Output 0 Output
Unused and Unwired
OMAP Pin
N14 Output 0 Output
gps_shutdown Shutdown to GPS D12 0 Output 0 Output
rf_reset Reset to RF board A8 0 Output 0 Output
Unused and Unwired
OMAP Pin
B7 Output 0 Output
Unused and Unwired
OMAP Pin
B8 Output 1 Output
C7 0 Output None 1 Output None
Unused and Unwired
OMAP Pin
J2 Input None Input None
Unused and Unwired
OMAP Pin
M8 Input None Input None
bt_usb_boot Bluetooth 'boot' signal P8 0 Output None Input None
bt_avr_reset Bluetooth AVR32
Reset signal
M13 0 Output None Input
key_fail_switch Enables keyload path
for MACE secure.
A12 1 Output 0 Output
NC Not Used M6 TBD Input Pullup Input None
NC Not Used N11 Input None Input 3
NC Not Used K14 Input None Input None
Table 7-7. Overall GPIO pin functions (Continued)
Signal Name Description Pin or
Ball # Active State
SW Initialized HW Reset
Direction *PU State Direction
*PU or
PD

7-8 Troubleshooting Tables: List of Board and IC Signals
NC Not Used J13 Input None Input None
NC Not Used K13 Input None Input None
emergency Emergency
pushbutton
N7 0=Pressed Input Pullup Input Pullup
NC NC N6 Input Pullup Input Pullup
NC NC N8 Input Pullup Input Pullup
sb2 Side button #2 N5 0=Pressed Input Pullup Input Pullup
sb1 Side button #1 M5 0=Pressed Input Pullup Input Pullup
monitor Monitor button P11 0=Pressed Input Pullup Input Pullup
cpld_ver4 CPLD version
identifier bit 4
(REG) Register Register
cpld_ver3 CPLD version
identifier bit 3
(REG) Register Register
cpld_ver2 CPLD version
identifier bit 2
(REG) Register Register
cpld_ver1 CPLD version
identifier bit 1
(REG) Register Register
cpld_ver0 CPLD version
identifier bit 0
(REG) Register Register
board_id8 Controller Board ID bit
8
H12 Input Pullup Input Pullup
board_id7 Controller Board ID bit
7
H13 Input Pullup Input Pullup
board_id6 Controller Board ID bit
6
G13 Input Pullup Input Pullup
board_id5 Controller Board ID bit
5
F13 Input Pullup Input Pullup
board_id4 Controller Board ID bit
4
D13 Input Pullup Input Pullup
board_id3 Controller Board ID bit
3
E13 Input Pullup Input Pullup
board_id2 Controller Board ID bit
2
C14 Input Pullup Input Pullup
board_id1 Controller Board ID bit
1
D14 Input Pullup Input Pullup
board_id0 Controller Board ID bit
0
F14 Input Pullup Input Pullup
Table 7-7. Overall GPIO pin functions (Continued)
Signal Name Description Pin or
Ball # Active State
SW Initialized HW Reset
Direction *PU State Direction
*PU or
PD

Troubleshooting Tables: List of Board and IC Signals 7-9
none OMAP GPIO1
determines default
state of some EMIFS
pins. Latched on rising
edge of
PWR_ON_RESET.
Pulled low on PCB
R19 Input Pull-
down
0 Input Pull-
down
none "Unused, defaults to
UART2.BCLK in reset
mode 0. Pulldown on
PCB
"Y4 Output None 0 Output None
omap_mpu_boot Pin pulled high on
PCB to select
external boot on
EMIFS CS3 (flash
memory)
J20 Input None 1 Input None
reset_mode Determines reset
mode of OMAP.
Latched on rising
edge of
PWR_ON_RESET.
Pulled low on PCB
(mode 0).
P12 Input None 0 Input None
mako_resetx "Master cold reset
input for entire 1710
chip, controlled by
Mako IC
"R12 0 Input None Input None
mako_resetx "MPU (ARM9) subsys-
tem reset input, tied to
PWRON_RESET
(R12) on PCB
"U20 0 Input None Input None
omap_reset "Reset output from
OMAP used for
CODEC, CPLD, Front
Display, Lighting
Controllers, MACE
Tamper ckt.
"AA20 0 Output None 0 Output None
NC NC R18 Input Pull-
down
Input Pull-
down
NC NC Y8 I/O Pullup Input Pull-
down
NC NC W8 I/O Pullup Input Pull-
down
NC NC V8 I/O Pullup Input Pull-
down
Table 7-7. Overall GPIO pin functions (Continued)
Signal Name Description Pin or
Ball # Active State
SW Initialized HW Reset
Direction *PU State Direction
*PU or
PD

7-10 Troubleshooting Tables: List of Board and IC Signals
NC NC W15 I/O Pullup Input Pull-
down
NC NC R10 I/O Pullup Input Pull-
down
uart1_tx UART1 Serial
Transmit Data
Y14 Output None 0 Output Pull-
down
uart1_rx UART1 Serial Receive
Data
V14 Input Pullup Input Pull-
down
uart1_rts UART1 Request To
Send (output)
AA15 Output None 0 Output Pull-
down
uart1_cts UART1 Clear To Send
(input)
R14 Input Pullup Input Pull-
down
uart3_tx UART3 Serial
Transmit Data
M18 Output None 0 Output Pull-
down
uart3_rx UART3 Serial Receive
Data
L14 Input Pullup Input Pull-
down
usb1_txen USB1 Transmit
Enable
W16 0 Output None Input None
usb1_data USB1 Bidirectional
Data
W14 I/O None 0 Output Pull-
down
usb1_se0 USB1 Bidirectional
Single Ended Zero
R13 I/O None U Output Pull-
down
usb0_txen USB0 Transmit
Enable
W4 0 Output None 1 Output Pull-
down
usb0_data USB0 Bidirectional
Data
P9 I/O None Input None
usb0_se0 USB0 Bidirectional
Single Ended Zero
R8 I/O None Input None
ssi_omap_clock SSI Clock into OMAP G21 Input None Input None
ssi_omap_sync SSI Sync into OMAP H15 Input None Input None
ssi_omap_txd SSI Serial Data from
CODEC
H20 Input None Input Pull-
down
ssi_omap_rxd SSI Serial Data to
CODEC
H18 Output None 0 Output Pull-
down
spi_arm_clk ARM SPI Clock from
OMAP
U19 I/O Pull-
down
Input None
spi_arm_mosi ARM SPI Data from
OMAP
W21 I/O Pull-
down
0 Output Pull-
down
Table 7-7. Overall GPIO pin functions (Continued)
Signal Name Description Pin or
Ball # Active State
SW Initialized HW Reset
Direction *PU State Direction
*PU or
PD

Troubleshooting Tables: List of Board and IC Signals 7-11
spi_arm_miso ARM SPI Data into
OMAP
U18 Input Pull-
down
Input Pull-
down
spi_dsp_clk DSP SPI Clock from
OMAP
N14 I/O Pull-
down
Input None
spi_dsp_mosi DSP SPI Data from
OMAP
P14 Output Pull-
down
Input Pull-
down
spi_dsp_miso DSP SPI Data into
OMAP
AA17 Input Pull-
down
Input Pull-
down
gps_uart_tx UART Data from
OMAP to GPS IC
M18 Output None 0 Output Pull-
down
gps_uart_rx UART Data from GPS
IC to OMAP
R9 Input Pullup Input Pull-
down
16.8_mhz_clk Timer Reference
Clock Input
N18 Input None Input Pull-
down
trident_ssi[0] Transmit SSI Clock
from RF Board
Y6 Input Pull-
down
Input Pull-
down
trident_ssi[1] Transmit SSI Frame
Sync from RF Board
W7 Input Pull-
down
Input Pull-
down
trident_ssi[2] Transmit SSI Data
from OMAP
AA5 Output Pull-
down
0 Output Pull-
down
abacus_ssi[0] Receive SSI Clock
from RF Board
V7 I/O Pull-
down
Input None
abacus_ssi[1] Receive SSI Frame
Sync from RF Board
W6 I/O Pull-
down
Input None
abacus_ssi[2] Receive SSI Data
from RF Board
P10 Input Pull-
down
Input Pull-
down
scl I2C Clock T18 I/O None Input None
sda I2C Data V20 I/O None Input None
rtck JTAG Clock from
Controller
Y17 I/O None U Unknown None
tck JTAG Clock from
JTAG box to
Controller
W18 Input None Input Pull-
down
ntrst JTAG Reset from
JTAG box
Y18 Input None Input
omap_tms JTAG Test Mode
Select from JTAG box
V17 Input Input Pull-
down
Table 7-7. Overall GPIO pin functions (Continued)
Signal Name Description Pin or
Ball # Active State
SW Initialized HW Reset
Direction *PU State Direction
*PU or
PD

7-12 Troubleshooting Tables: List of Board and IC Signals
Note:
* PU = Pull Up
* PD = Pull Down
omap_tdo JTAG Data out from
Controller
AA19 Output 0 Output None
tdi JTAD Data in from
JTAG box to
Controller
Y19 Input Input Pull-
down
nemu0 "Emulation pin 0, not
used, pulled high on
PCB
"V16 I/O Input Pullup
nemu1 "Emulation pin 1, not
used, pulled high on
PCB
"W17 I/O Input Pullup
Table 7-7. Overall GPIO pin functions (Continued)
Signal Name Description Pin or
Ball # Active State
SW Initialized HW Reset
Direction *PU State Direction
*PU or
PD

Troubleshooting Tables: List of Board and IC Signals 7-13
Table 7-8. Primary IC Reference Designator
Primary IC Reference
Designator Component Location
OMAP 1710 U6302 MAIN BOARD (top-side)
DDR memory U6301 MAIN BOARD (top-side)
FLASH IC U6304 MAIN BOARD (top-side)
CPLD U6101 MAIN BOARD (top-side)
Audio Codec U6405 MAIN BOARD (bottom-side)
MACE U2510 MAIN BOARD (bottom-side)
MAKO U6501 MAIN BOARD (bottom-side)
Top Lighting Controller U2205 MAIN BOARD (top-side)
BLUETOOTH & GPS Combination IC U1301 MAIN BOARD (bottom-side)
BlueTooth AVR processor U2415 MAIN BOARD (top-side)
SDRAM U2413 MAIN BOARD (top-side)
Accelerometer U2416 MAIN BOARD (bottom-side)
Battery contact springs M101 MAIN BOARD (bottom-side)
VCO (UHF1) Q3123 MAIN BOARD (bottom-side)
VCO (UHF1) Q3156 MAIN BOARD (bottom-side)
VCO (7800) Q3038 MAIN BOARD (bottom-side)
VCO (7800) Q3039 MAIN BOARD (bottom-side)
VCO (7800) Q3062 MAIN BOARD (bottom-side)
PA Final stage device Q1001 MAIN BOARD (bottom-side)
Mixer U507 MAIN BOARD (top-side)
Trident U702 MAIN BOARD (top-side)
Abacus III U601 MAIN BOARD (bottom-side)

7-14 Troubleshooting Tables: List of Board and IC Signals
Notes

Chapter 8 Schematics, Boards Overlays, and Parts Lists
This chapter contains the schematics, board overlays, and parts lists
for the APX 3000 radio. Use them in conjunction with the theory of
operation and the troubleshooting procedures, charts, and waveforms
to isolate a problem to the component level.
When schematics are viewed on line or as a PDF file, colors can be
seen that denote power and signal paths. The red color denotes
voltage paths, blue denotes the receive path, and green denotes the
transmit path.
The following tables list the pages where the schematics and board
overlays for the APX 3000 radio are found.
8.1 List of Transceiver Schematics and Board
Overlays
Table 8-1. List of Transceiver Schematics and Board Overlays
Transceiver Board Schematic/Board Layout Page No.
UHF1: (84012513001)
Main Board Block 8-3
Transceiver (RF) Board Overall Schematic Blocks. 8-4
Antenna Switch Circuit 8-5
Transmitter HF Circuit 8-6
Power Amplifier Circuit 8-7
Automatic Level Control Circuit 8-8
Receiver Front End Circuit 8-9
Receiver Back End Mixer 8-10
Receiver Back End 8-11
Receiver VCO Circuit 8-12
Transmitter VCO Circuit 8-13
Frequency Generation Unit Circuit – 1 of 2 8-14
Frequency Generation Unit Circuit – 2 of 2 8-15
DC Circuit 8-16
Controller Overall Schematic Blocks 8-17
GPS Bluetooth Circuit – 1 of 2 8-18
GPS Bluetooth Circuit – 2 of 2 8-19
Top Control and JTAG Circuit 8-20
Lighting Control Circuit 8-21
GCAI and side control 8-22
Debugging and Display Connector 8-23
Connectors 8-24
CPLD Circuit 8-25
OMAP User Interface Circuit 8-26
Memory Interface 8-27
Audio Circuit 8-28
MAKO/DC Distribution Circuit 8-29
Serial Interface Circuit 8-30
Secure Circuit 8-31
700/800 MHz: 84012501002
Main Board Block 8-61
Transceiver (RF) Board Overall Schematic 8-62
Receiver Back End 8-64
Frequency Generation Unit Circuit – 1 of 2 8-65
Frequency Generation Unit Circuit – 2 of 2 8-65
Automatic Level Control Circuit 8-66
VCO Circuit 8-67
Receiver Front End Circuit 8-68
Receiver Back End Mixer 8-69
Power Amplifier Circuit 8-70
DC Circuit 8-71
Antenna Switch Circuit 8-72
Transmitter HF Circuit 8-73
Controller Overall Schematic Blocks 8-74
Table 8-1. List of Transceiver Schematics and Board Overlays (Continued)
Transceiver Board Schematic/Board Layout Page No.
GPS Bluetooth Circuit – 1 of 2 8-75
GPS Bluetooth Circuit – 2 of 2 8-76
Top Control and JTAG Circuit 8-77
Lighting Control Circuit 8-78
GCAI and side control 8-79
Debugging and Display Connector 8-80
Connectors 8-81
CPLD Circuit 8-82
OMAP User Interface Circuit 8-83
Memory Interface 8-84
Audio Circuit 8-85
MAKO/DC Distribution Circuit 8-86
Serial Interface Circuit 8-87
Secure Circuit 8-88
Transceiver (RF) Board Layout – Top Side 8-89
Transceiver (RF) Board Layout – Bottom Side 8-90
VHF: (84012512001_A)
Main Board Block 8-117
Transceiver (RF) Board Overall Schematic 8-118
ANTSWI Circuit 8-119
Transmitter HF Circuit 8-120
Power Amplifier Circuit 8-121
Automatic Level Control Circuit 8-122
Receiver Front End Circuit 8-123
Receiver Back End Mixer 8-124
Receiver Back End 8-125
Receiver VCO Circuit 8-126
Transmitter VCO Circuit 8-127
Table 8-1. List of Transceiver Schematics and Board Overlays (Continued)
Transceiver Board Schematic/Board Layout Page No.

8-2 Schematics, Boards Overlays, and Parts Lists: List of Transceiver Schematics and Board Overlays
Frequency Generation Unit Circuit - 1 of 2 8-128
Frequency Generation Unit Circuit - 2 of 2 8-129
DC Circuit 8-130
Controller Overall Schematic Blocks 8-131
GPS Bluetooth Circuit – 1 of 2 8-132
GPS Bluetooth Circuit - 2 of 2 8-133
Top Control and JTAG Circuit 8-134
Lighting Control Circuit 8-135
GCAI and side control 8-136
Debugging and Display Connector 8-137
Connectors 8-138
CPLD Circuit 8-139
OMAP User Interface Circuit 8-140
Memory Interface 8-141
Audio Circuit 8-142
MAKO/DC Distribution Circuit 8-143
Serial Interface Circuit 8-144
Secure Circuit 8-145
Transceiver (RF) Board Layout – Top Side 8-146
Transceiver (RF) Board Layout – Bottom Side 8-147
UHF2: (84012616001)
Main Board Block 8-169
Transceiver (RF) Board Overall Schematic 8-170
ANTSWI Circuit 8-171
Transmitter HF Circuit 8-172
Power Amplifier Circuit 8-173
Automatic Level Control Circuit 8-174
Receiver Front End Circuit 8-175
Receiver Back End Mixer 8-176
Receiver Back End 8-177
Receiver VCO Circuit 8-178
Table 8-1. List of Transceiver Schematics and Board Overlays (Continued)
Transceiver Board Schematic/Board Layout Page No.
Transmitter VCO Circuit 8-179
Frequency Generation Unit Circuit - 1 of 2 8-180
Frequency Generation Unit Circuit - 2 of 2 8-181
DC Circuit 8-182
Controller Overall Schematic Blocks 8-183
GPS Bluetooth Circuit – 1 of 2 8-184
GPS Bluetooth Circuit - 2 of 2 8-185
Top Control and JTAG Circuit 8-186
Lighting Control Circuit 8-187
GCAI and side control 8-188
Debugging and Display Connector 8-189
Connectors 8-190
CPLD Circuit 8-191
OMAP User Interface Circuit 8-192
Memory Interface 8-193
Audio Circuit 8-194
MAKO/DC Distribution Circuit 8-195
Serial Interface Circuit 8-196
Secure Circuit 8-197
Transceiver (RF) Board Layout – Top Side 8-198
Transceiver (RF) Board Layout – Bottom Side 8-199
Table 8-1. List of Transceiver Schematics and Board Overlays (Continued)
Transceiver Board Schematic/Board Layout Page No.

Schematics, Boards Overlays, and Parts Lists: Main Board Block: UHF1 (84012513001_A) 8-3
8.2 Main Board Block: UHF1 (84012513001_A)
Figure 8-1. Main Board Block
RF SECTIONCONTROLLER SECTION
F2_PARAMP
F2_SYNCB
RF_ANT
RF_BRD_RSTB
RF_DAC_SPI_CS
SPI_DSP_CLK_A
SPI_DSP_MOSI
TRIDENT_SPI_CS
TX_DA_CONN
TX_INHIBIT
V_2.8_RF
V_EXT_1.85
V_SW_3.60
ISET
ABACUS_SPI_CS
16.8_MHZ_SINEWAVE
UNSW_B+
TX_FSYNC_CONN
TX_CLK_CONN
RX_DA_CONN
RX_FSYNC_CONN
SPI_DSP_MISO
F2_DMCS
BAT_STATUS
LOCK_DET_A
RX_CLK_CONN
SPI_DSP_MISO
ISET
RF_ANT
TX_INHIBIT
V_2.8_RF
V_EXT_1.85
V_SW_3.60
UNSW_B+
BAT_STATUS
16.8_MHZ_SINEWAVE
ABACUS_SPI_CS
F2_PARAMP
F2_SYNCB
RF_BRD_RSTB
RF_DAC_SPI_CS
TX_FSYNC
TX_CLK
RX_FSYNC
LOCK_DET
SPI_DSP_CLK
SPI_DSP_MOSI
TRIDENT_SPI_CS
TX_DA
F2_DMCS
RX_DA
RX_CLK
APX_COVERT_CONTROLLER APX_COVERT_RF

8-4 Schematics, Boards Overlays, and Parts Lists: Main Board Block: UHF1 (84012513001_A)
Figure 8-2. Transceiver (RF) Board Overall Schematic Blocks.
V_SW_3.60
V_2.8_RF
RF_ANT
UNSW_B+
BAT_STATUS
IN
IN
IN
OUT
OUT
V_EXT_1.85
SPI_DSP_MOSI
F2_PARAMP
TX_INHIBIT
RF_DAC_SPI_CS
F2_DMCS
ISET
IN
IN
IN
IN
IN
IN
IN
TX_CLK_CONN
SPI_DSP_MISO
TX_FSYNC_CONN
LOCK_DET_A
RF_BRD_RSTB
IN
OUT
OUT
OUT
OUT
16.8_MHZ_SINEWAVE
SPI_DSP_CLK_A
ABACUS_SPI_CS
F2_SYNCB
RX_CLK_CONN
RX_FSYNC_CONN
RX_DA_CONN
TX_DA_CONN
TRIDENT_SPI_CS
OUT
OUT
OUT
OUT
IN
IN
IN
IN
IN
DC_LIN_2_775V
DC_SWI_3_6V
RF_SW_B+
BAT_STATUS
DC_LIN_5V
DC_LIN_3V
DC_LIN_1_8V
DC_LIN_1_5V
DC_FUSED_B+
DC_BATT
SUBDESIGN_SUFFIX=12
DC_LIN_1_5V
DC_LIN_1_8V
DC_LIN_3V
DC_LIN_5V
RF_SW_B+
covert_dc
VC
TX_INJ
TX_7V
FILT_RAW_B+
IF
IF
SUBDESIGN_SUFFIX=16
IF
IF
IF2
IF3
IF4
IF5
TX_INJ
1
1
1
1
covert_uhf1_pa
PA_OUT
IF
IF
IF
IF
IF7
IF10
IF9
IF6
DIG_CTRL_ATTH
1
1
1
1
DIG_VRVS
ANT_SWI
FILT_RAW_B+
PA_OUT
DC_LIN_3V
SUBDESIGN_SUFFIX=13
covert_antswi_uhf1
RF_OUT
RX_IN
IF
IF22
1HF_OUTRF_OUT
IF
SUBDESIGN_SUFFIX=17
IF25
HF_OUT
1
covert_tx_hf_uhf1
ANA_RX_FE_FILT_VTUNE
FILT_RAW_B+
DIG_GPIO49
SW_B+
VCTRL
TX_7V_1
TXH
RF_OUT
DIG_CTRL_ATTH
TX_SWI
COUPLER
TXH_1
DIG_SPI_CLK
DIG_DMCS
DIG_DATA_SPI_MOSI
DIG_CTRL_TX_INH
DIG_CTRL_I_LIMIT
DC_RAW_B+
DC_LIN_5V
DC_LIN_3V
DC_LIN_1_85
ANA_CTRL_VSET
ANA_CTRL_ISET
SUBDESIGN_SUFFIX=11
RF_ANT
covert_alc_uhf1
RF_SW_B+
HF_OUT
DC_LIN_5V
DC_LIN_3V
DIG_CTRL_I_LIMIT
DIG_CTRL_ATTH
TL_RX_UHF1_FE_IN
ANA_RX_FE_TUNE
DIG_CTRL_RXU
DC_LIN_1_8V_A
IF
IF
IF
IF12
IF13
IF15
DC_LIN_1_8V
1
1
1
covert_rxfe_uhf1
SUBDESIGN_SUFFIX=20
RF_RX_UHF1_FE_OUT IF
IF24
DC_LIN_5V
1
DC_LIN_5V
TL_RX_LO
TL_RX_MIX_IN
SUBDESIGN_SUFFIX=21
covert_mixer
CLK_16_8_MHZ
DC_LIN_1_875V_D
DC_LIN_3V
DC_LIN_5V
DIG_CTRL_SPI_PC
DIG_CTRL_SPI_PE
DIG_DATA_SPI_PD
DIG_RX_SYNCB
TL_RX_IF
TL_RX_IF_OUT
ABACUS_SPI_CS
DC_LIN_3V
DC_LIN_5V
SPI_DSP_MOSI
F2_SYNCB
SPI_DSP_CLK_A
V_EXT_1.85
16.8_MHZ_SINEWAVE
CLK_SSI_RX
DIG_DATA_SSI_RX_DOUTA
DIG_DATA_SSI_RX_FS
DIG_RX_BE_DOUTB
SUBDESIGN_SUFFIX=19
WWP_RX_BE
RX_CLK_CONN
RX_DA_CONN
RX_FSYNC_CONN
DC_LIN_5V
V_2.8_RF
DC_LIN_1_5V
V_EXT_1.85 DC_LIN_1_875V_D
GPO7
GPO5
VCO_VCTRL
TX_INJ
RX_LO
GPO8
DC_SUPER_FILTER_5V
GPO6
GPO4
GPO3
GPO2
GPO1
DIG_TX_SSI_FS
DIG_TX_SSI_CLK
TXH
DIG_DATA_SPI_MISO
CLK_16_8_MHZ
DC_LIN_5V
DIG_CTRL_SSI_TRIGGER
DIG_CTRL_LOCK
DIG_CTRL_RSTB
DC_LIN_2_775V
DC_LIN_1_5V
DIG_DATA_SPI_MOSI
DIG_SPI_CLK
DIG_DATA_TX_SSI
DIG_CTRL_SPI_TRIDENT_PE
VCO_IN
SUBDESIGN_SUFFIX=7
16.8_MHZ_SINEWAVE
DIG_CTRL_I_LIMIT
DIG_CTRL_ATTH
TX_INJ
covert_fgu_7800
VCTRL
GPO2
GPO1
DC_SUPER_FILTER_5V
IF
IF
IF
IF
IF17
IF18
IF19
IF20
1
1
1
1
VCO_OUT 1
covert_vco_uhf1
SUBDESIGN_SUFFIX=22
IF
IF23
RF SHIELDS
IF 2ND_LO FGU ANT_SWITXFE ALC/DC
PAOP
SHIELD SHIELD SHIELD
SHIELD
SHIELD
SHIELD SHIELD
SH10 SH14
SH12
SH8
SH6
SH4
SH1
2
1
2
1
2
1
2
1
2
1
2
1
2
1
ALC1 ABACUS
DC RXFE VCO
GPS/BT
MIXER DRIVER/PA
SHIELD
SHIELD SHIELDSHIELD SHIELD SHIELD SHIELD
SHIELD
SH3
SH15
SH13SH11SH9SH7SH5
SH2
2
1
2
1
2
1
2
1
2
1
2
1
2
1
2
1

Schematics, Boards Overlays, and Parts Lists: Main Board Block: UHF1 (84012513001_A) 8-5
Figure 8-3. Antenna Switch Circuit
IF
IF2601M13
PA_OUT
1
IN
4.7K
47K
47K
10K
IF
UMC5NT2
IF
IF2605M13
IF2604M13
Q2601M13
FILT_RAW_B+
ANT_SWI 1
13
1
4
5
2
IN
IN
180NH
0
100PF
R2605M13
C2603M13
L2602M13
100PF
UPP9401E3
IF
IF2607M13
D2603M13
C2604M13
RF_OUT
1OUT
3.6PF
18.9NH
4.3PF
C2608M13
L2601M13
C2607M13
68PF
82
82
82
R2602M13
C2602M13
R2603M13
R2604M13
UPP9401E3
100PF
D2602M13
C2601M13
100PF
MMBD352
D2601M13
C2605M13
3
2
1
IF
IF2606M13
RX_IN 1OUT
0 DNP
R2601M13
RFIO1
RFIO2
GND
V1
V2
AT267
100PF
C2606M13
U2602M13
5
4
3
1
2
VCC
GND
.1UF
NC7WZ04
NC7WZ04
U2601M13
U2601M13
C2609M13
DC_LIN_3V
52
61
100K
R2606M13
IF
IF2602M13
DC_LIN_3V
1
IN
IF
IF2603M13
DIG_VRVS
1
IN

8-6 Schematics, Boards Overlays, and Parts Lists: Main Board Block: UHF1 (84012513001_A)
Figure 8-4. Transmitter HF Circuit
IF
IF1801M17
RF_OUT
1
IN
3.6PF
.5PF
13.7NH
C1803M17
C1804M17
L1803M17
4.7PF
13.7NH
3.3PF
C1807M17
L1809M17
C1820M17
2.2PF
13.7NH
7.5PF
L1811M17
C1821M17
C1826M17
1.8PF
100PF
C1827M17
C1822M17
IF
IF1802M17
HF_OUT
1OUT

Schematics, Boards Overlays, and Parts Lists: Main Board Block: UHF1 (84012513001_A) 8-7
Figure 8-5. Power Amplifier Circuit
IF
IF
IF1654M16
IF1653M16
TX_7V
FILT_RAW_B+
1
1
IN
IN
IF 18
300
300
R1653M16
R1652M16
R1651M16
IF1651M16
TX_INJ
1
IN
100PF .01UF 110NH
L1602M16
C1603M16
C1602M16
21
21
100PF
100PF
15NH
L1601M16
C1604M16
C1601M16
GND4
EP
G2
VD1
GND3
NC2
NC1
NC3
VCNTRL
NC4
GND1
GND2
RFOUT
NC5
RFIN
TPVG1
TPVG2
SRFIC7126
U1602M16
14
1
3
2
616
7
15
10
9
8
13
12
5
4
11
17
.01UF
100PF
100PF
110NH
C1607M16
L1603M16 C1611M16
C1608M16
21
3.9NH
5.6PF
33PF
L1604M16
C1613M16
C1610M16
3.9NH 39PF
47PF
68PF
DNP
L1605M16 C1616M16
C1614M16 C1633M16
D
G
S1
S2
RD07MUP2B
150
15PF
Q1601M16
R1606M16
C1619M16
4
2
1
3
21
23.75NH
L1606M16
21
.01UF
100PF
DNP
C1618M16
C1634M16
IF
IF1652M16
VC
1
IN
9.1K
R1601M16
LMV841
U1601M16
25
4
1
3
DNP
100PF
.01UF
C1612M16
C1605M16
10K
R1602M16
3300PF100PF 3300PF 100PF
C1609M16
C1606M16 C1630M16C1629M16
100PF
33K .01UF
DNP
91K
C1615M16
R1604M16
R1603M16 C1617M16
1K
R1605M16
21
18PF39PF 16PF
15PF 6.2PF
C1628M16C1622M16 C1624M16
C1621M16C1620M16
DNP
2.55NH 9NH
1.2PF
100PF
L1610M16 C1625M16
C1623M16
L1609M16
IF
IF1655M16
PA_OUT
1OUT

8-8 Schematics, Boards Overlays, and Parts Lists: Main Board Block: UHF1 (84012513001_A)
Figure 8-6. Automatic Level Control Circuit
FILT_RAW_B+ OUT
DC_LIN_3V
DC_LIN_5V
DC_RAW_B+
IN
IN
IN
.02
82PF
47PF
C1174M11
C1173M11
R1103M11
E1101M11
12
DIG_CTRL_ATTH
IN
ANA_CTRL_ISET
DIG_CTRL_I_LIMIT
IN
IN
.022UF
4.7K
.022UF
12K
0
100PF
C1169M11 C1138M11C1137M11
R1172M11
R1171M11
R1160M11
510K
INA138
68.1K
.01UF
C1103M11
U1101M11 R1141M11
R1108M11
DC_LIN_5V
4
3VINPOS
VINNEG
VPOS
GND
OUT
10PF
C1139M11
2
1
5
LPV321M7X
U1141M11
DC_LIN_5V DAC_C
3
14
5
2
.047UF
100K
10K
LPV321M7X
R1158M11
U1104M11
R1110M11
C1108M11
3
14
5
2
NC
NC
.1UF
C1160M11
SW_B+
3
5
4
IN VOUT
GND2
VIN
GND1
DNC1
DNC2
LT1790
U1150M11
1
2
6
1UF
C1161M11
DC_LIN_5VREF
IN
V_POS
NO
COM
GND
NC
TS5A3159
U1144M11
DC_LIN_5V
4
2
63
1
5NC
340K
0
LPV321M7X
80.6K
R1175M11
U1143M11
R1169M11
R1170M11
DC_LIN_5V
DC_LIN_5V
3
14
5
2
100K
100K
100K
LMV841
100PF
100K
C1162M11
R1140M11
R1138M11
R1139M11
R1142M11
U1129M11
DC_LIN_5V
3
14
52
100K
100K
100K
LMV841
100K
R1143M11
R1146M11
R1144M11
R1145M11
U1130M11
DC_LIN_5V
3
14
52
BAND
RFIN
VM
VOS
VCC
GND
VOUT
LTC5532
.01UF
100PF
100PF
C1110M11
C1107M11
C1113M11
U1106M11
DC_LIN_3V
2
1
4
35
DNP
51
R1112M11
6
10K
75K
R1116M11
R1117M11
TXH_1
A1
B1
74LVC1G32YZP
U1149M11
TX_SWI
C2 OUT
VCC
GND 74LVC1G32YZP
U1149M11
DC_LIN_3V
C1 A2
3PF
1.65NH
L1117M11
C1122M11
10K
R1198M11
RF_OUT CONN_P
J102M11
RF_OUT
5
1
2
3
4
OUT
6.8NH
68
5.6PF
L1102M11
R1107M11
C1105M11
100
100
R1104M11
R1105M11
COUPLER
RVS
FWD
8.2PF
100
33NH
5.6PF
DNP
1000PF
6.8
L1101M11 C1142M11
R1168M11
R1106M11
C1125M11
C1104M11
.01UF
HMC468LP3E
C1118M11
U1112M11
DC_LIN_5V
ACG3
ACG2
ACG1
GND
V1
VDD
V2
V3
RF1
NC1
NC2
NC4
NC3
RF2 NC5
NC6
NC7
3300PF
1000PF
C1126M11
C1117M11
5
6
7
17
1
3
4
8
9
10
12
2
11
13
14
15
16
100
100
R1114M11
R1115M11
75K
30.1K
R1122M11
R1121M11
DAC_C
CTGND
VOUTA
VDD
VOUTD
VOUTB
DIN
SCLK
GND
VOUTC
SYNC
VREFIN_VREFOUT
AD5624R
.1UF
.1UF
C1165M11
U1125M11
C1116M11
DC_LIN_5V
G1
8
3
7
6
9
1
2
4
5
10
ADDED FOR DEFAULT
HIGH
A1
A2
VCCA
VCCB
GND
B1
B2
DIR
SN74LVC2T45
0
100PF
100PF
10K
100PF
C1163M11
R1202M11
C1168M11
C1164M11
R1101M11
U1137M11
DC_LIN_1_85
DC_LIN_1_875V_D
DC_LIN_5V
DIG_SPI_CLK
ANA_CTRL_VSET
B1
C1
B2
C2
D2
D1 A1
A2
IN
IN
IN
SN74LVC2T45
U1138M11
DC_LIN_1_875V_D
DIG_DATA_SPI_MOSI
DC_LIN_5VREF
DC_LIN_5V
DIG_CTRL_TX_INH
A1
A2
VCCA
VCCB
GND
B1
B2
DIR TX_INH
B1
C1
B2
C2
D2
D1 A1
A2
VCC
GND
VCC
GND
74LVC1G08YZP
74LVC1G32YZP
U1147M11
U1146M11
DC_LIN_1_875V_D
C1 A2
C1 A2
74LVC1G32YZP 74LVC1G08YZP
100PF
100PF
100PF100PF
C1167M11
C1166M11
C1171M11C1170M11
U1147M11
U1146M11
DIG_DMCS
DIG_GPIO49
A1
B1 C2
A1
B1 C2
IN
IN
IN
A1
A2
VCCA
VCCB
GND
B1
B2
DIR
SN74LVC2T45
U1139M11
IO49
TXH_5V
DC_LIN_1_875V_D
DC_LIN_5V
B1
C1
B2
C2
D2
D1 A1
A2
TXH OUT
VCC
GND
M74VHC1GT86
100PF
C1158M11
U1121M11
DC_LIN_5V
5
LPV321M7X
100PF
10K
.01UF
200
200
C1157M11
R1166M11
R1165M11
R1167M11
C1120M11
U1114M11
DC_LIN_5V
3
14
5
2
POS
GND
VOUT
LPV321M7X
20K
10K
LM50
100PF
.01UF
47K
20K
C1106M11
U1103M11
C1156M11
U1148M11
R1127M11
R1128M11
R1125M11
R1126M11
DC_LIN_5V
DC_LIN_5V
31
2
3
14
5
2
10K
.01UF
LPV321M7X
R1164M11
C1119M11
U1113M11
DC_LIN_5V
3
14
5
2
4700PF
.01UF
LMV7275
10K
C1140M11
C1128M11
R1137M11
U1126M11
DC_LIN_5V
3
14
52
IN
NO COM
GND
10K
TS5A3159
10K
R1182M11
R1178M11
U1127M11
DC_LIN_5V
4
2
63
1
5NC
V_POS
LPV321M7X
.01UF
0
4700PF
.1UF
10K
U1142M11
C1127M11
C1123M11
C1124M11
R1136M11
R1135M11
DC_LIN_5V
3
1
4
52
51
0
R1180M11
R1124M11
DC_LIN_5V
RFIN
ENBL
VSET
FLTR
VPOS
COMM
NC
VAPC
GND
NC
AD8315
.1UF
C1111M11
U1105M11
5
2
4
9
6
17
8
3
BAND
BAND
SN74LVC1G00
6800PF
15K
U1128M11
R1151M11
C1112M11
A1
B1 C2
VCC
GND
SN74LVC1G00
U1128M11
DC_LIN_5V
C1 A2
22K
22K
74LVC1G08YZP
NTR1P02T1
MUN5212T
100K
R1102M11
Q1101M11
Q1103M11
U1119M11
FILT_RAW_B+
TXH_1
TX_INH
A1
B1 C2
3
1
2
13
2
IN
VCC
GND
74LVC1G08YZP
100PF
C1159M11
U1119M11
DC_LIN_3V
C1 A2
M74VHC1GT86
U1121M11
1
24
150K LMV7275
10K 10K
.01UF
R1162M11
R1163M11
C1129M11
R1152M11
U1131M11
DC_LIN_5V
3
14
52
PR
VCC
GND
Q*
D
CLR
CP
Q
IN
NO
COM
GND
VCC
GND
100PF DNP
0
74LVC1G08YZP
10K
NL17SZ74 10K
.01UF
TS5A3159
1K
.1UF
74LVC1G08YZP
C1172M11
C1141M11
R1176M11
R1177M11
R1174M11
U1136M11
U1136M11
R1154M11
U1133M11
C1130M11
U1132M11
DC_LIN_5V
VC
DC_LIN_5V
DC_LIN_5V
PA_OFFSET
6
1
2
4
7
5
3
8
4
2
63
1
5
C1 A2
A1
B1 C2
NC
V_POS
VCTRL OUT
ANA_RX_FE_FILT_VTUNE
TX_7V_1
OUT
OUT
IN
IN
3

Schematics, Boards Overlays, and Parts Lists: Main Board Block: UHF1 (84012513001_A) 8-9
Figure 8-7. Receiver Front End Circuit
BFR380F
10
9.1PF
1.5PF
100PF
1.2K
2.2NH
R1935M20
L1936M20
U1932M20
C1901M20
R1972M20
C1971M20
C1936M20
RF_RX_FE_UHF1_LNA_C_13A
RF_RX_FE_UHF1_LNA_E_13A
23
1
100PF
2.7
120K
4.7UF
33
347
BC858CD
BC858CD
75K
10K
C1924M20
C1923M20
R1924M20
R1923M20
Q1922M20
Q1922M20
E1921M20
R1921M20
R1922M20
R1925M20
DC_RX_UHF1_LNA_D_13A
CTRL_RX_FE_UHF1_LNA_B_13A
DC_RX_UHF1_LNA_A_13A
DC_RX_FE_UHF1_LNA_B_13A
DC_RX_UHF1_LNA_C_13A
43
5
16
2
CTRL_RX_UHF1_LNA_A = 3V (HIGH), LNA'S TURN ON
22K
22K
MUN5212T
IF
IF
INPORT
INPORT
Q1920M20
IF1903M20
IF1902M20
DC_LIN_1_8V_A
DIG_CTRL_RXU
1
1
2
3
1
IN
IN
INPORT
10K
440
63
100PF
337
0.1UF
9.1K
IF
R1906M20
C1926M20
C1925M20
R1910M20
IF1901M20
ANA_RX_FE_TUNE
1
IN
IF
INPORT
IF1900M20
TL_RX_UHF1_FE_IN
1
IN
10K
1SV305
10PF
18NH
5.6PF
3.6NH
L1908M20
R1907M20
C1953M20
C1952M20
VR1906M20
L1909M20
21
1SV305
18NH
2.7PF
7.2NH
3.3PF
10PF
5.6PF
VR1905M20
C1935M20
C1929M20
C1928M20
L1910M20
L1915M20
C1938M20
21
PREFILTER MODIFIED XTS5000
6.8PF
2.7PF
C1939M20
C1958M20
75PF
2.4PF
DNP
4.7UF
18NH
47NH
MMBD352
0
10
100PF
100PF
C1940M20
L1934M20
C1922M20
C1920M20
D1970M20
R1970M20
C1970M20
L1935M20
R1936M20
C1931M20
2
3
1
18NH
0
5.6PF
DNP
8.2PF
10PF
3.6NH
IF
1SV305 18NH 1SV305
OUTPORT
10PF
DNP
10NH
22PF
22PF DNP
DNP
3.9NH
4PF
VR1908M20
L1913M20
VR1907M20
C1964M20
C1963M20
L1914M20
L1912M20
C1957M20
R1900M20
C1900M20 L1900M20
IF1904M20
C1932M20
C1903M20
C1930M20 L1901M20
RF_RX_UHF1_FE_OUT
1
21
21
OUT
10K
INPORT
10K
100PF
0.1UF
9.1K
R1908M20
C1955M20
C1954M20
R1911M20
R1909M20
ANA_RX_FE_TUNE
IN
POSTFILTER MODIFIED XTS5000
2.7PF
5.6PF
7.5PF
6.8PF
2.7PF
3.6NH
C1961M20
C1960M20
C1959M20
C1956M20
C1942M20
L1917M20

8-10 Schematics, Boards Overlays, and Parts Lists: Main Board Block: UHF1 (84012513001_A)
Figure 8-8. Receiver Back End Mixer
100PF
C504M21
TL_RX_MIX_IN
6
1
IN
BDIV
IFP
BBP
NC1
NC3
BVDD
RFP
RFN
GND1
GND
LOIN
IFN
NC2
SC2072BP
U507M21
5
4
7
6
3
10
9
8
1
2
12
P1
S3
S1
NC
S2
P2
220NH 33.033UF
059248278
100PF
.033UF
R500M21L500M21
C502M21
C500M21
C501M21
T506M21
13
11
4
2
3
5
4.7UF
.033UF
.033UF
100PF
C512M21
C511M21
C510M21
C509M21
P1
P2
S1
S2
S3
NC
109638038
T507M21
3
2
4
1
6
5
GND1
OUT
GND3
GND2
GND4
IN
DNP
22NH
3.6PF
0
DNP
2PF
100NH
0
62PF
270NH TS3A9E01S
39PF
R526M21 FL502M21
C515M21
C514M21
L504M21
R512M21
L503M21
C533M21
L513M21
C532M21
41
6
5
3
2
TL_RX_IF_OUT
OUT
DC_LIN_5V
IN
18NH
0
3.3PF
DNP
33PF
100PF
33PF
DNP 47PF
15NH 30
4.7UF
.033UF
100PF
DNP
DNP
DNP
C516M21
R525M21
C551M21
L550M21
C508M21
C550M21
C507M21
C506M21
R502M21
C505M21
L501M21
C503M21
TL_RX_LO
IN

Schematics, Boards Overlays, and Parts Lists: Main Board Block: UHF1 (84012513001_A) 8-11
Figure 8-9. Receiver Back End
0
R698M19
DC_LIN_5V
IN
0.1UF
7.5K
.01UF
3300PF 2.4K
2.2K
R613M19
C640M19
C639M19
R612M19
R609M19
C638M19
RF_RX_BE_VCO_TUNE
RF_RX_BE_VCO_A
RF_RX_BE_VCO_F
2211
21
2121
21
33PF
BFR380F
10K
18PF
120NH
8PF
10K
1SV279
8PF
R605M19
VR602M19
L604M19
R606M19
C631M19
C625M19
C618M19
C646M19
U602M19
RF_RX_BE_VCO_L
RF_RX_BE_VCO_B
RF_RX_BE_VCO_D
23
1
21
21
21
21
21
0.1UF
1000PF
C630M19
C627M19
21
2
1
MMBTA13
0.1UF
33PF470PF
100K
470PF
0
C629M19
R607M19
C641M19
C642M19
C643M19
R699M19
Q601M19
DC_LIN_1_875V_D
DC_LIN_3_0V RF_RX_BE_SUPFLTR_C
DC_RX_BE_SUPFLTR_B
DC_LIN_5_0V
DC_LIN_3_0V
DC_LIN_3V
23
1
212
1
IN
IN
390
27PF
62PF
3PF
TEST_POINT
C609M19
C608M19
C619M19
R602M19
TP601M19
RF_RX_BE_VCO_E
RF_RX_BE_VCO_OUT2
RF_RX_BE_VCO_OUT
1
21
21
21
2
1
6.8PF
10UH
220NH
2.7PF
10UH
2.7PF
0.1UF
150PF
47
DNP
.01UF
270NH
0.1UF
R601M19
C601M19
C605M19
L601M19
C615M19
C621M19
C617M19
C645M19
L611M19
C644M19
L603M19L602M19
RF_RX_BE_IF_1 RF_RX_BE_IFIN
RF_RX_BE_MX
TL_RX_IF
DIG_RX_BE_CXVL
RF_RX_BE_CXIF
21
2121
21
21
21
IN
.01UF
.01UF
1000PF
C626M19
C628M19
C623M19
DC_RX_BE_VDDL
DIG_RX_BE_CXVM
RF_RX_BE_LON
2
1
21
21
0.1UF
C636M19
E607M19
E606M19
DC_LIN_3_0V
1
TEST_POINT
TP603M19
DC_LIN_5_0V
CLK_16_8_MHZ
1
IN
0
100K
DNP
R610M19
R624M19
DC_LIN_3_0V
0
0
DNP
R615M19
R614M19
E608M19
E609M19
DC_LIN_1_875V_D
DC_LIN_3_0V
DC_LIN_3_0V
DNP
0
R620M19
A1
A2
VCCA
VCCB
GND
B1
B2
DIR
NC
SN74LVC2T45
SN74LVC2T45
DNP0
R621M19
U606M19
U605M19
DC_LIN_3_0V
DC_LIN_3_0V
DC_LIN_1_875V_D
A2
A1 D1
D2
C2
B2
C1
B1
A1
A2
VCCA
VCCB
GND
B1
B2
DIR
DC_LIN_1_875V_D
DIG_CTRL_SPI_PE
DIG_DATA_SPI_PD
A2
A1 D1
D2
C2
B2
C1
B1
IN
IN
DNP0
R618M19
NC7WZ17
NC7WZ17
DNP
DNP
0
0
R619M19
R617M19
U604M19
U603M19
DIG_RX_CLK
DIG_RX_DATA
61
43
NC
NC7WZ17
U604M19
DIG_DATA_SSI_RX_DOUTA
CLK_SSI_RX
43
OUT
OUT
NC
Y
GND VCC
A
OE
NC7SZ125
0 DNP
U607M19
R623M19
DC_LIN_1_875V_D
DIG_DATA_SSI_RX_FS
4
6
1
5
3
2
0DNP
R616M19
DIG_RX_SYNCB
NC7WZ17
U603M19
61
IN
OUT
DIG_RX_BE_DOUTB
OUT
DIG_CTRL_SPI_PC
IN
.01UF
C603M19
E602M19
E601M19
DC_RX_BE_VDDI
DC_LIN_3_0V
DC_LIN_3_0V
21
2200PF
100PF
100PF
100PF
.01UF
.01UF
.01UF
C616M19
C604M19
C610M19
C607M19
C613M19
C612M19
E603M19
C602M19
DC_RX_BE_VDDF
DC_RX_BE_VREFN
DC_RX_BE_VREFP
DC_RX_BE_VDDA
DC_LIN_3_0V
2
1
2121
2
1
21
21
21
100PF
C611M19
RF_RX_BE_GCP
RF_RX_BE_MXON
RF_RX_BE_MXOP
RF_RX_BE_IF2N
RF_RX_BE_IF2P
21
11
12
6
9
1
2
5
4
3
10
7
8
14
17
13
24
23
15
21
16
22
18
G1
19
20
100K
R603M19
DC_RX_BE_VDDC
DIG_RX_BE_RREF
DC_RX_BE_VDDQ
2
1
.33UF
390
0.1UF
.33UF
C624M19
C622M19
R604M19
C620M19
RF_RX_BE_18T
21
21
21
21
1SV279
100PF
10K
C632M19
VR601M19
R608M19
CLK_RX_BE_CLKN
CLK_RX_BE_CLKP
RF_RX_BE_18D
21
21
RF_RX_BE_IOUT
.01UF
10K
3.9UH
R611M19
C635M19
L605M19
DC_LIN_3_0V
21
2
1
CXVL
LOP
LON
CXVM
VDDL
VDDP
IOUTL
GNDP
RREF
VDDQ
IOUTC
GNDQ
VDDC
GNDC
CLKP
CLKN
GNDS1
GNDD
PC
PD
GNDL
FREF
GNDS2
SYNCB
GNDH
FS
DOUTB
DOUTA
CLKOUT
VDDH
VDDD
PE
MXOP
MXON
GNDF
IF2N
IF2P
VDDF
GCP
GCN
VDDA
GNDA
VREFP
VREFN
VDDI
IFIN
CXIF
GNDI
GND3
39
40
48
43
42
38
47
37
45
41
44
46
AD9864
.01UF
C633M19
U601M19
DC_RX_BE_VDDP
CLK_RX_BE_FREF
DIG_RX_BE_SYNCB
2
27
26
33
25
34
36
32
31
35
30
29
28
1
DC_RX_BE_VDDH
DC_RX_BE_VDDD
0.1UF 0.1UF
C637M19
C634M19
21
21
.01UF
0.1UF
C606M19
C614M19
E605M19
E604M19
DC_LIN_3_0V
DC_LIN_3_0V
21
21
VCC
GND
VCC
GND
NC7WZ17NC7WZ17
U603M19U604M19
DC_LIN_1_875V_D
DC_LIN_1_875V_D
52
52
DIG_RX_FS

8-12 Schematics, Boards Overlays, and Parts Lists: Main Board Block: UHF1 (84012513001_A)
Figure 8-10. Receiver VCO Circuit
IF
IF
IF
IF3101M22
IF3102M22
IF3100M22 DC_SUPER_FILTER_5V
GPO2
GPO1
1
1
1
IN
IN
IN
DC_SUPER_FILTER_5V
GPO1
4.7K
47K
47K
10K
UMC5NT2
Q3128M22
3
1
4
5
2
390NH
0.1UF
820NH
27K
18K
68
100PF
100PF
0.1UF
C3158M22
R3159M22
L3125M22
C3122M22
R3118M22
C3109M22 C3111M22 R3114M22
L3119M22
DNP
5.4NH
3.6PF
15NH
6.8PF
100PF
1SV279
390NH
IF
1SV279
2.7PF
7.5PF
1SV279
1SV279
5.6PF
C3101M22
IF3103M22
L3106M22 L3112M22
C3113M22
C3110M22
C3107M22
C3108M22
D3105M22
D3103M22
D3104M22
D3102M22
L3101M22
C3100M22
VCTRL
1
21
21
21
2
1
IN
2.2PF
NE856
82
18
6.8PF
100PF
300
6.8PF
820NH
300
R3105M22
R3106M22
R3103M22
C3159M22
C3120M22
R3127M22
L3126M22
C3116M22
C3115M22
Q3123M22
1
2
3
100PF
DNP
0
10PF
C3102M22
C3104M22
L3100M22
V1
V2
V3
RFC
NC
RF1
RF2
RF3
CGND
NC
SKY13251
U3001M22
VCO_TX
7
6
3
1
8
5
4
2
G1
100PF
C3161M22
GPO2
GPO1
IF
IF3104M22
VCO_OUT
1
OUT
100PF
C3105M22

Schematics, Boards Overlays, and Parts Lists: Main Board Block: UHF1 (84012513001_A) 8-13
Figure 8-11. Transmitter VCO Circuit
GPO1
GPO2
DC_SUPER_FILTER_5V
IN
IN
IN
GPO2
DC_SUPER_FILTER_5V
4.7K
47K
47K
10K
UMC5NT2
Q3161M22
3
1
4
5
2
150
6.8K
0.1UF
100PF
390NH
C3157M22
R3158M22
R3149M22
C3155M22
L3158M22
0.1UF 100PF 8.2K
390NH
C3144M22C3142M22 R3146M22
L3150M22
4.3PF
4.7PF
2.7PF DNP
4.7PF
C3103M22
C3141M22
C3140M22
C3147M22
IF
100PF
C3133M22
IF3105M22
VCTRL
1
IN
1SV279
13NH
15NH
1SV279
3PF
1SV279
1SV279
390NH
D3137M22D3138M22
D3135M22
L3134M22
D3136M22
L3145M22
C3143M22
L3139M22
2121
2
121
5.6PF
270NH
51PF
8.2PF
100PF
150
C3151M22
C3106M22
R3160M22
C3152M22
L3159M22
C3154M22
NE856 150
150
36
4.7PF
R3109M22
R3107M22
R3108M22
C3160M22
Q3156M22
1
2
3
0
L3102M22
100PF
DNP
10PF
C3114M22
C3112M22
VCO_TX

8-14 Schematics, Boards Overlays, and Parts Lists: Main Board Block: UHF1 (84012513001_A)
Figure 8-12. Frequency Generation Unit Circuit – 1 of 2
K2
K3
A1
A2
A3
K1
K2
K3
A1
A2
A3
K1
.1UF
2.2UH
.1UF
.1UF
.1UF
IMN10
.1UF
IMN10
C718M7
C717M7
C716M7
L720M7
D723M7
D722M7
C715M7
C719M7
DC_LIN_2_775V
1
2
3
6
5
4
1
2
3
6
5
4
.1UF10UF
C725M7C724M7
DIG_DATA_AUX_SPI_MISO
GPO5
GPO6
NC
NC
NC
NC
NC
NC
NC
NC
NC
NC
NC
NC
NC
NC
NC
NC
NC
NC
NC
NC
NC
NC
NC
NC
L7
L8
J11
A10
F5
D2
D1
C2
C1
B6
A5
K7
G11
L6
K8
F8
J7
A3
A4
B5
J10
E2
E1
B1
B2
K6
D3
A6
C3
NC
NC
NC
NC
NC
15H28
U702M7
H7
G7
H6
G6
E7
C4
B4
E11
E10
J4
C8
C9
A9
B9
B11
C7
A2
D4
B3
E4
J6
F1
F2
G4
G5
G8
G9
H3
H4
J1
L2
J3
K3
H9
J9
A8
B8
NC
.1UF.1UF .1UF.1UF
2.2UH
2.2UH 2.2UH 2.2UH
C726M7
L727M7
C730M7
L733M7
C734M7
L735M7
C737M7
L738M7
DC_LIN_2_775V DC_LIN_1_875V_D DC_LIN_2_775V DC_LIN_2_775V
100PF
390NH
100PF 390NH
C722M7
C723M7
L702M7
L701M7
GPO2
GPO1 GPO4
GPO3
NC3
SF_BYP
REF_OSC_OUT
DEEPSLEEP
NC4
SDM_CLK_GEN_GND
VMULTI2
VMULTI1
SUB2
SF_OUT
CLK_EMIT
RSTB
SF_SPLY
EF_OUTP
EF_OUTM
NC5
GPO2_TEST2
SUB3
REF_IN
SUB1
NC6
ASPI_CLK
ACE2_GPO8
GPO4_TEST4
GPO1_TEST1
CLK_CP
CLK_BASE
SENS
NC1
ACE1_GPO7
NC2
GPO3_TEST3
ASPI_DATA
NC
NC
NC
NC
NC
NC
NC
NC
NC
NC
NC
NC
GPO7
GPO8
H10
H11
F4
F6
K9
K4
J5
L4
H5
B10
C10
L5
K5
F3
E3
L11
L1
A11
A1
C5
E6
D5
E5
J8
H8
G10
L10
K10
K11
A7
B7
D6
C6 ESC_CPBIAS
ESC_CP
TXQ
NTXI
PHCLK
LVCC1
RX_AGND2
SSI_GND
MAIN_GND
LGND1
DMCS
TXFS
TXCLK
TXD
ESC_IN
MN_CP
CLK_OUT
M_PRSC
RXD
ESC_TEST
BP_Q
BP_QX
BP_I
QCAP
INCR_DECR
REF_VCC
RX_EN_OUT
TM
AGC_DAC
FBQ
SDM_VREFP
SDM_VAG
NTXQ
TXI
HP_MOD_OUT
MN_CP_GND
SPI_CLK
RXQ
RXQX
SCAN_EN
ICAP
TEST1_LCKDET
CEX
SPI_DW
SPI_DR
RXACQ
RXCLK
RXFS
BP_IX
SCAN_IN
RX_AVCC2
ASPI_VCC
SDM_CLK_GEN_VCC
RX_AVCC1
SF_GND
SDM_REF_VCC
SSI_VCC
TCLK
MN_ADAPT_CP
M_PRSCX
AUX_DAC
ESC_CP_GND
MN_CP_VCC
MAIN_VCC
ESC_CP_VCC
TX_VCC
CLK_VCC
ESC_VCC
TX_DAC_VCC
SDM_REF_GND
RX_AGND1
CLK_GND
DC_CAL_GPO5
RFSTEPA_GPO6
ESC_INX
SDM_VREFM
ASPI_GND
TX_GND
ESC_GND
TX_DAC_GND
ESCD2_OUT
ESCD2_OUTX
RXIX
RXI
AGC_FLAG
AGC_REF
FBI
TEST2
NC
NC
NC
NC
NC
NC
NC
NC
F9
F11
F10
D10
D9
C11
E8
D11
E9
D7
G3
G2
H1
G1
L9
K2
K1
H2
J2
L3
F7
D8
.1UFC749M7
RF_PRESCALAR
10UF
4.7PF
47K
.1UF
BFQ67W
2.2UH
R743M7
C739M7
U746M7
C744M7
C742M7
L741M7 DC_LIN_2_775V_16_8_MHZ_IN
DC_LIN_5V
23
1
270
180PF
.1UF
0
560PF 56PF
22K
2.2UH
DNP DNP
L753M7
C752M7
R751M7
C750M7
R745M7
C711M7C710M7
R702M7
RF_HP_MOD_OUT
270PF
56PF
DNP
C754M7 C712M7
DC_LIN_1_875V_D
DC_LIN_1_5V
DC_LIN_5V
DC_LIN_2_775V
IN
IN
IN
IN
10K
R721M7
RF_PRESCALAR
DC_LIN_1_875V_D
DIG_CTRL_RSTB
IN
IN
390NH
L728M7
DC_LIN_2_775V DC_LIN_2_775V_16_8_MHZ_IN
GND
NC2
NC3
NC4
VCONT
VCC
OUTPUT
NC1 NC
NC
NC
NC
1XTV16800VDA
.1UF
39PF
22K
16.8MHZ
C732M7
R729M7
C731M7
Y701M7
1
4
3
8
7
6
5
2
.01UF
C736M7
GPO5
DC_LIN_1_5V
DC_LIN_2_775V
GPO7
GPO8
GPO4
GPO3
GPO1
GPO2
GPO6
OUT
OUT
OUT
OUT
OUT
OUT
OUT
OUT
TEST_POINT
TP701M7
DIG_SPI_CLK
DIG_DATA_SPI_MOSI
DIG_CTRL_LOCK
DIG_DATA_SPI_MISO
DIG_CTRL_SPI_TRIDENT_PE
DIG_TX_SSI_FS
DIG_DATA_TX_SSI
DIG_CTRL_SSI_TRIGGER
DIG_TX_SSI_CLK
1
IO
OUT
IN
IN
IN
OUT
OUT
IN
IN
ANA_CHARGE_PUMP
DC_SUPER_FILTER_5V
ANA_ADAPT_CHARGE_PUMP
RF_HP_MOD_OUT
OUT
.1UF
0
10UF
R706M7
C757M7C756M7
ANA_ADAPT_CHARGE_PUMP
ANA_CHARGE_PUMP
430
.039UF
820
.039UF6800PF
C713M7C707M7
R705M7
C703M7
R701M7
.1UF .1UF.1UF .1UF .1UF
68
C714M7C709M7
R708M7
C706M7C704M7C702M7
VCO_VCTRL OUT
1500PF
.22UF 820
1.8K
DNP R723M7
C720M7
R722M7
C721M7
CLK_16_8_MHZ OUT

Schematics, Boards Overlays, and Parts Lists: Main Board Block: UHF1 (84012513001_A) 8-15
Figure 8-13. Frequency Generation Unit Circuit – 2 of 2
DC_LIN_5V
DC_LIN_2_775V
DC_LIN_1_5V
DC_SUPER_FILTER_5V
GPO2
GPO1 V1
V2
V3
RFC
NC
RF1
RF2
RF3
CGND
DNP0
SKY13251
R709M7
U738M7
TXH
7
6
3
1
8
5
4
2
G1
IN
NC
NC
NC
NTZD3154N
Q785M7
4
1
52
3
6
NC
NC
220PF
560
10
560
C781M7
R707M7R703M7
R704M7
RX_LO OUT
18
6.2K
390NH
.22UF
R769M7
R766M7
L759M7
C764M7
DC_LIN_1_5V
BC858CD
100
220PF
220PF
100
56K
75
20K
BC858CD
220PF
100
R799M7
R785M7
C803M7
Q767M7
R771M7
C819M7
Q767M7
R762M7
R809M7
R763M7
C817M7
4
3
5
16
2
560390NH47PF1000PF
R776M7L775M7C773M7C772M7
47PF
220PF
DNP
C741M7
C780M7
TX_INJ OUT
220PF 18NH 10NH
10PF
4.3PF
C729M7
L730M7
L703M7
C701M7
C777M7
212
1
NE662M04
Q774M7
3
12
4
220PF
180 180
220PF 30
220PF
R823M7
R822M7
C824M7
C786M7
R746M7
C740M7
82
82K
22K
BC858CD BC858CD
Q745M7
R748M7
Q745M7
R741M7
R742M7
4
3
5
16
2
.22UF
39
5.6K
R747M7
R744M7
C743M7
390NH
L739M7
DC_LIN_1_5V
33PF
1000PF 390NH 270
R757M7
L755M7
C753M7C751M7
DNP
220PF
4.7PF
62PF
1PF
680
DNP
8.2
220PF
4.7PF
NE662M04
18NH
C745M7
C770M7
C768M7
L765M7
C760M7
R754M7
R761M7
C816M7
Q756M7
C813M7
DC_LIN_1_5V
3
12
4
VCO_IN
IN
3.6K
100PF 680
33
100PF
33
DNP DNP
R731M7
R711M7
R710M7
C728M7
R728M7
C727M7
NE68519
1.8K
390NH
1000PF
L758M7
C733M7
R730M7
Q731M7
13
2
0
100PF
33PF
C738M7
C735M7
R736M7
TEST_POINT
TP737M7
1
11PF
12NH
11PF
100PF
C708M7
L709M7
C705M7
C823M7
RF_PRESCALAR

8-16 Schematics, Boards Overlays, and Parts Lists: Main Board Block: UHF1 (84012513001_A)
Figure 8-14. DC Circuit
MMBZ5250B
20V
VR200M12
DC_BATT
13
2
IN
.01UF
2A
32V
1UF
C200M12 C201M12
F200M12
E201M12
DC_BATT_A
22K
22K
MUN5212T
Q202M12
2
3
1
4.7K
R202M12
NTR1P02T1
100K 1UF
C217M12
R201M12
Q201M12
2
1
3
1.5UH
1UF1UF
C202M12 C203M12
L200M12
DC_FUSE_A
NC
NC
INPUT
SHUTDOWN
SENSE
BYPASS
GND
OUTPUT
ERROR
NC
LP2989
MBR120LSFT1
C206M12
U200M12
D200M12
5
2
3
7
21
.01UF
4.7UF
C204M12
8
6
4
1
4.7UF
C205M12
DC_LIN_3V
DC_LIN_1_8V
DC_LIN_1_5V
DC_FUSED_B+
DC_LIN_5V
RF_SW_B+
OUT
OUT
OUT
OUT
OUT
OUT
BAND
33PF
330PF
C213M12
DC_SWI_3_6V
IN
C214M12
BAND
330PF
C216M12C215M12
DC_LIN_2_775V
IN
33PF
VEN
VIN
GND
VOUT
1UF
LP5900
1UF
C208M12C207M12
U201M12
B2
A2
A1
B1
VEN
VIN
GND
VOUT
LP5900
U202M12
B2
A2
A1
B1
1UF
C209M12
PIN1
PIN2
PIN3
CONTACT
M101M12
DC_BATT 3
2
1
BAND
200
330PF
MMBZ5250B
20V
R200M12
C101M12
VR101M12
BAT_STATUS
13
2
OUT
EN
VBATT
GND
VOUT
VIN
LP5952
4.7UF
U203M12
C212M12
A3
A1
C1
B2
C3
1UF
C210M12

Schematics, Boards Overlays, and Parts Lists: Main Board Block: UHF1 (84012513001_A) 8-17
Figure 8-15. Controller Overall Schematic Blocks
V_EXT_1.85
ON_OFF_SWITCH
GPIO_1_DP_TXDC_FILLREQ
GPIO_3_RTS_FILLSENSE
TOP_BUTTON
JTAG<11..0>
KEYFAIL
USB_BOOT_1.8V
T_DISP_TOGGLE
T_DISP_SPI_MOSI
T_DISP_SPI_CS
T_DISP_SPI_CLK
T_DISP_RESET
T_DISP_DATA_CMD
BT_HCI_TX
BT_HCI_RX
AVR_MACE_TDO
GPIO_2_DM_RXDC_FILLDATA
OPTB_SEL3_SWITCH_EN
NFC_COIL
GCAI_1_WIRE
KEYFAIL_CTRL
GPIO_0
KVL_DETACH
MACE_NTRST
MACE_TDI
MACE_TCK
MACE_TDO
I2C_DATA
ETM<1..14>
MACE_TMS
AVR_MACE_TDI
AVR_MACE_TMS
BT_TX_DBG
BT_AVR_USB_DM_TP
BT_AVR_RESET_3.3V
AVR_USART2_TX
AVR_USART2_RX
AVR_TCK
BT_AVR_USB_DP_TP
EXT_MIC_POS_DP
GCAI_GPIO_2_INPUT
GCAI_GPIO_1_INPUT
EXT_MIC_NEG_DP
UP_ARROW_BUTTON
MIDDLE_SIDE_BUTTON
EXT_SPKR_POS_DP
EXT_SPKR_NEG_DP
MAKO_OPTB_SEL2_GCAI12
I2C_CLK
DOWN_ARROW_BUTTON
TOP_SIDE_BUTTON
SUBDESIGN_SUFFIX=2
BACKLIGHT CONTROLS
SIDE_BUTTON
COVERT_USER_INTERFACE
GCAI
TOP CONTROLS
JTAG
TOP_BUTTON
JTAG<11..0>
ON_OFF_SWITCH
UP_ARROW_BUTTON
ETM<1..14>
I2C_CLK
KVL_DETACH
KEYFAIL_CTRL
ONE_WIRE_GCAI
MAKO_OPTB_SEL3_GCAI
TOP_SIDE_BUTTON
DOWN_ARROW_BUTTON
MIDDLE_SIDE_BUTTON
I2C_DATA
EXT_SPKR_POS_DP
GPIO_3_RTS_FILLSENSE
MAKO_USB2_NEG_DP
MAKO_USB2_POS_DM
MAKO_OPTB_SEL0_GCAI
EXT_MIC_POS_DP
RXDIN_5V
RTS_FILLSEN_5V
EXT_SPKR_NEG_DP
EXT_MIC_NEG_DP
MAKO_OPTB_SEL2_GCAI
T_DISP_TOGGLE
V_EXT_1.85
AVR_BOOT
AVR_USART2_RX_C
AVR_TDO
T_DISP_DATA_CMD
BT_AVR_USB_DP_TP
BT_AVR_RESET_3.3V
AVR_TMS
AVR_TDI
BT_UART_TX_1.8V
BT_UART_RX_1.8V
BT_AVR_USB_DM_TP
AVR_USART2_TX_C
T_DISP_SPI_MOSI
KEYFAIL
T_DISP_SPI_CS
T_DISP_SPI_CLK
T_DISP_RESET
NFC_COIL
AVR_TCK
SSI_RED_RX_MACE
SSI_BLACK_RX
OMAP_RESET
MAKO_OPTB_SEL3_GCAI
MAKO_OPTB_SEL2_GCAI
EXT_MIC_NEG_DP
EXT_SPKR_POS_DP
MIDDLE_SIDE_BUTTON
TOP_SIDE_BUTTON
DOWN_ARROW_BUTTON
UP_ARROW_BUTTON
I2C_CLK
I2C_DATA
ETM<1..14>
MACE_TDO
MACE_TCK
SSI_BLACK_RX
SSI_RED_RX_MACE
GPIO_3_RTS_FILLSENSE
EXT_MIC_POS_DP
EXT_SPKR_NEG_DP
RTS_FILLSEN_5V
MACE_NTRST
SEC_CLEAR
MACE_TDI
MACE_TMS
ON_OFF_SWITCH
JTAG<11..0>
OMAP_RESET
MAKO_USB2_POS_DP
MAKO_OPTB_SEL0_GCAI
ONE_WIRE_GCAI
KVL_DETACH
KEYFAIL_CTRL
RST_OUT
SPI_ARM_CLK
KEYFAIL
T_DISP_TOGGLE
SPI_ARM_MOSI
T_DISP_SPI_CS
T_DISP_RESET
T_DISP_DATA_CMD
TOP_BUTTON
RXDIN_5V
MAKO_USB2_NEG_DP
covert_core_controller
USER INTERFACE
INTERFACERF INTERFACE GPS BLUETOOTH
SPI_DSP<2..0>
TRIDENT_SSI<2..0>
16.8_MHZ_SINEWAVE
AVR_BOOT
BT_AVR_RESET
UART2_GPS_RX
GPS_SHUTDOWN
32KHZ_GPS_CLK
BT_PTT
SSI_OPT_FSYNC
SSI_RED_RX_CODEC
MAKO_USB1_POS_DP
BT_SPARE_1.8
V_SW_3.60
V_2.8_RF
UNSW_B+
ABACUS_SPI_CS
V_EXT_1.85
F2_PARAMP
BATT_STATUS
RF_BRD_RSTB
LOCK_DET
ISET
RF_DAC_SPI_CS
F2_DMCS
TRIDENT_SPI_CS
UART2_GPS_TX
ACC_SPKR_UNMUTE
TX_INHIBIT
SSI_OPT_CLK
MAKO_USB1_NEG_DP
AVR_STATUS_1.8V
SSI_RED_TX_CODEC
ABACUS_SSI<2..0>
SUBDESIGN_SUFFIX=6
VBUS1
DNP
TEST_POINT
0DNP
0
TP1
R2
R20
AVR_USART2_TX_C
AVR_USART2_RX_C
1
TEST_POINT
TP2
GPS_SHUTDOWN
CPLD_32KHZ_GPS_CLK
GPS_TX
GPS_RX
1
33
DNP
100K
R2813
R2803
TX_CLK
RX_CLK
TX_FSYNC
RX_DA
RX_FSYNC
SPI_DSP_MOSI
SPI_DSP_CLK
SPI_DSP_MISO
OUT
OUT
IN
IN
IN
OUT
OUT
OUT
100
0
200
2100
270
2
0
100
1
1
0
2
1
R2804
R2805
R2806
R2808
R2807
TX_SSI<2..0>
RX_SSI<2..0>
SPI_DSP<2..0>
DNP
.1PF
47
C2806
R2817
TX_DA
OUT
10K
4.7K
R2811
R2812
LOCK_DET OUT
OUT
OUT
OUT
OUT
OUT
OUT
OUT
IN
IN
OUT
OUT
OUT
OUT
OUT
OUT
10KR2810
TX_INHIBIT
V_EXT_1.85
TRIDENT_SPI_CS
F2_DMCS
RF_DAC_SPI_CS
ISET
RF_BRD_RSTB
BAT_STATUS
F2_PARAMP
ABACUS_SPI_CS
UNSW_B+
V_2.8_RF
V_SW_3.60
16.8_MHZ_SINEWAVE
F2_SYNCB
NC
UNDERFILM I SHAPE
PIN2PIN1
PIN2PIN1
CONTACT
CONTACT
M1
M2
21
2
1
CON/AVR
CONTROLLER SHIELDS
MACE/MAKO
SHIELD
SHIELD
SH17
SH16
2
1
2
1
V_SW_3.60
RF_ANT OUT
NC
V_EXT_1.85
AVR_TDI
AVR_USART2_RX
BT_AVR_USB_DP_TP
BT_UART_RX_1.8V
SSI_OPT_CLK
SSI_RED_TX_CODEC
AVR_USART2_TX
AVR_TDO
BT_UART_TX_1.8V
BT_AVR_USB_DM_TP
NFC_COIL
OMAP_SSI_FSYNC
SSI_RED_RX_CODEC
BT_AVR_RESET_3.3V
AVR_BOOT
AVR_TCK
AVR_TMS
V_SW_3.60
V_EXT_1.85
BT_UART_RX_1.8V
BT_UART_TX_1.8V
BT_AVR_USB_DM_TP
BT_AVR_USB_DP_TP
USB_BOOT_1.8V
BT_AVR_RESET
ACC_SPKR_UNMUTE_1.8
GPS_SHUTDOWN
ANT
AVR_TDO
BT_PTT
BT_AUD_OUT
BT_AUD_IN
AVR_USART2_RX
BT_AVR_VBUS
BT_TX_DBG
GPS_RX
AVR_USART2_TX
BT_AVR_RESET_3.3V
BT_AVR_USB_DM
BT_SPARE_1.8
AVR_STATUS_1.8V
BT_AUD_CLK
BT_AUD_FSYNC
AVR_TCK
AVR_TDI
AVR_TMS
NFC_COIL
32KHZ
BT_AVR_USB_DP
GPS_TX
SUBDESIGN_SUFFIX=3
covert_gps_bluetooth

8-18 Schematics, Boards Overlays, and Parts Lists: Main Board Block: UHF1 (84012513001_A)
Figure 8-16. GPS Bluetooth Circuit – 1 of 2
BLUETOOTH ANTENNA
(FROM CPLD)
VDDS = 1.8V
FLOATING = 2.87V
(REMOVE LATER)
(FROM OMAP)
GPS UART
(FROM OMAP)
(REMOVE LATER)
(FROM OMAP)
(FROM OMAP)
(FROM AVR)
(FROM AVR)
(FROM AVR)
(FROM AVR)
(FROM AVR)
(FROM OMAP)
(REMOVE LATER)
(REMOVE LATER)
BT HCI UART
BT AUDIO
(FROM AVR)
(FROM AVR)
(FROM OMAP UART TX)
(TO OMAP UART RX)
26MHZ TCXO
EXTERNAL LNA
VDD_TCXO VPROG STATE
2.8V LDO
NC
NC
NC
NC
NC
NC
NC
NC
NC
NC
NC
NC
NC
NC
NC
NC
NC
NC
NC
NC
NC
NC
NC
NC
NC
NC
NC
NC
GND1
GND2
OUT
GND3
IN AI
BIAS
PON
VCC
GND
DEG
AO
NC
VEN
VIN
GND
VOUT
OUT
GND1
IN
GND2
NC
G1
A
C
G2
ENABLE_DISABLE
GND VCC
OUTPUT
GND1
GND2
OUT
GND3
IN
VSS_TCXO_CLK
VSS_RF_FM
VSS_RF_BT
VSS_REF_CLK
VSS_PLL_GPS
VSS_PASYNTH_FM
VSS_MIX_GPS
VSS_LNA_GPS3
VSS_LNA_GPS2
VSS_LNA_GPS1
VSS_DPLL_BT
VSS_DIG6
VSS_DIG5
VSS_DIG4
VSS_DIG1
VSS_DCO_BT
VSS_ADCPLL_FM
VSENSE
VPP
VDD_TCXO
VDD_SRAM_LDO
VDD_SRAM2
VDD_SRAM1
VDD_RF_BT
VDD_PPAIF_BT
VDD_LDOIN_CLASS1P5_BT
VDD_IF_GPS
VDD_DIG_LDO
VDD_DIG4
VDD_DIG3
VDD_DIG2
VDD_DIG1
VDD_DCO_BT
VDD_CLASS1P5_BT
VDDS4
VDDS3
VDDS2
VDDS1
VDD1P8_GPS
VDD1P8_FM
VDD1P8_BT
VDD1P8V_2
VBAT1
TEST_EN
TCXO_LDO_VPROG
TCXO_LDO_IN
TCXO_CLK_REQ
TCXO_CLK_LV
RTC_CLK
REF_CLK_LV
REF_CLK_HV
PMTEST_1P8V
IFORCE
GPS_UART_TX
GPS_UART_RX
GPS_TP
GPS_TM
GPS_SENS_I2C_SDA
GPS_SENS_I2C_SCL
GPS_LNA_IN
FM_RFP_OUT
FM_RFP_IN
FM_RFN_IN
FM_IRQ
FM_I2S_OUT_BT_GPIO1
FM_I2S_IN
FM_I2S_FSYNCH
FM_I2S_CLK
FM_I2C_SDA
FM_I2C_SCL
FM_AUD_OUT_R
FM_AUD_OUT_L
FM_AUD_IN_R
FM_AUD_IN_L
FM_ABGAP_CAP
BT_WAKEUP
BT_TX_DBG_BT_GPIO6
BT_TESTP
BT_TESTM
BT_RF
BT_HCI_UART_TX
BT_HCI_UART_RX
BT_GPIO5
BTFM_NSHUTDOWN
BT_IRQ_BT_HOST_WAKEUP
BT_GPIO4
BT_GPIO3
BT_GPIO2
GPS_IRQ
CLK_REQPOL
REF_CLK_REQ
VDD_PLL_GPS
VDD1P8V_1
BT_AUD_IN
BT_AUD_OUT
BT_AUD_FSYNC
BT_AUD_CLK
BT_HCI_UART_CTS
BT_HCI_UART_RTS
GPS_I2C_UART_SEL
GPS_TIMESTAMP
GPS_PA_EN
GPS_PPS_OUT
GPS_NSHUTDOWN
GPS_EXT_LNA_EN
VSS_DIG2
VSS_DIG3
5.6PF
4.7NH
GPS_BT_2.8V
GPS_BT_2.8V
VDD_TCXO
VDD_TCXO
5187344N09
LP5900 1UF
0
10PF
0
1.8PF
.75PF
FARF6KA1G5754
12PF
0
.1UF.1UF.1UF.1UF.1UF
1UF1UF
.1UF.1UF
NL5500
.1UF.1UF
1UF
0
22PF
1PF
9102190J23
FARF6KA1G5754
0
110
DNP
22PF
9109674L58
110
DNP
26MHZ
KT2016A
.1UF 18PF
1UF
18NH
22PF
12PF
12PF
0
2PF
DNP
0
0
DNP
DNP
39NH
0
0
0
0
0
0
0
0
0
0
100K
0
0
0
TEST_POINT
2.2UF
1000PF
18NH
3.3NH
5105739X13
100NH
BGA615L7
12PF
LFB2H2G45CC1D005TEMP
CONN_J
.01UF
0
9102190J23
9NH
3.3PF
0
22PF 12NH
18PF
0
1UF
.1UF 18PF
U1301M3
FL1303M3
C1324M3
Y1304M3
M1302M3
R1320M3
R1323M3
R1322M3
R1304M3
R1302M3
R1307M3
R1306M3
R1308M3
J1301M3
M1301M3
L1308M3
R1332M3
R1331M3
R1330M3
R1329M3
R1326M3
R1325M3
R1318M3
TP1311M3
R1301M3
C1317M3
L1316M3
C1315M3C1314M3
R1340M3
C1339M3
R1337M3
R1338M3
C1376M3
C1322M3 C1325M3
C1323M3
TP1303M3
R1311M3
R1309M3
R1310M3
C1321M3
TP1304M3
R1305M3
R1313M3
C1311M3 C1312M3
C1331M3
C1335M3
C1334M3
C1333M3
C1332M3
C1328M3
R1315M3
FL1302M3
C1310M3
C1326M3
C1327M3
U1305M3
R1303M3
L1306M3
C1306M3
C1319M3
C1320M3
C1330M3
C1329M3
C1337M3C1336M3
C1313M3
L1301M3
L1303M3
C1307M3
C1308M3
U1304M3
C1309M3
L1304M3
C1305M3
L1302M3
C1304M3
FL1301M3
C1318M3
L1305M3
C1302M3
C1301M3 C1303M3
R1317M3
V_SW_3.60
V_SW_3.60
V_EXT_1.85
BT_RF_C
BT_HOST_WAKEUP_1.8V
BT_AUD_OUT
BT_AUD_FSYNC
BT_TX_DBG
BT_UART_CTS_1.8V
BT_UART_RTS_1.8V
GPS_TX
GPS_RX
GPS_SHUTDOWN
32KHZ
BT_AUD_IN
BT_AUD_CLK
ANT
LNA_ENABLE
BT_UART_TX_1.8V
BT_SHUTDOWN_1.8V
BT_WAKEUP_1.8V
LNA_ENABLE
BT_UART_RX_1.8V
V_EXT_1.85
1
4
3
1
2
1
1
1
1
31
4
2
B2
A2
A1
B1
21
21
5
4
7
3
26
1
21
21
41
5
3
2
G2
K8
B10
E9
J1
J10
K3
K2
L3
L1
A7
B6
C2
J5
E10
F3
G9
A9
J7
J4
L6
E2
K5
G10
B3
G1
C1
L5
F9
B9
D10
J2
D8
K4
B2
F10
K6
F2
E5
A8
D9
A3
B1
J3
J8
C8
A2
L10
E1
H1
D4
F1
H9
J6
E7
E8
A1
L4
F5
E3
H3
H2
C6
E4
F4
C4
G3
D5L2
G5
H4
H6
K9
L9
J9
G6
G7
G8
F7
F8
E6
F6
K7
L7
H8
H7
L8
G4
A6
H10
H5
B8
A10
C10 A5
A4
B5
B7
B4
D7
C5
D6
C7
C3
D3
D2
D1
41
5
3
2
4
3
2
1IN
IN
VSS_DIG3
VSS_DIG2
GPS_EXT_LNA_EN
GPS_NSHUTDOWN
GPS_PPS_OUT
GPS_PA_EN
GPS_TIMESTAMP
GPS_I2C_UART_SEL
BT_HCI_UART_RTS
BT_HCI_UART_CTS
BT_AUD_CLK
BT_AUD_FSYNC
BT_AUD_OUT
BT_AUD_IN
VDD1P8V_1
VDD_PLL_GPS
REF_CLK_REQ
CLK_REQPOL
GPS_IRQ
BT_GPIO2
BT_GPIO3
BT_GPIO4
BT_IRQ_BT_HOST_WAKEUP
BTFM_NSHUTDOWN
BT_GPIO5
BT_HCI_UART_RX
BT_HCI_UART_TX
BT_RF
BT_TESTM
BT_TESTP
BT_TX_DBG_BT_GPIO6
BT_WAKEUP
FM_ABGAP_CAP
FM_AUD_IN_L
FM_AUD_IN_R
FM_AUD_OUT_L
FM_AUD_OUT_R
FM_I2C_SCL
FM_I2C_SDA
FM_I2S_CLK
FM_I2S_FSYNCH
FM_I2S_IN
FM_I2S_OUT_BT_GPIO1
FM_IRQ
FM_RFN_IN
FM_RFP_IN
FM_RFP_OUT
GPS_LNA_IN
GPS_SENS_I2C_SCL
GPS_SENS_I2C_SDA
GPS_TM
GPS_TP
GPS_UART_RX
GPS_UART_TX
IFORCE
PMTEST_1P8V
REF_CLK_HV
REF_CLK_LV
RTC_CLK
TCXO_CLK_LV
TCXO_CLK_REQ
TCXO_LDO_IN
TCXO_LDO_VPROG
TEST_EN
VBAT1
VDD1P8V_2
VDD1P8_BT
VDD1P8_FM
VDD1P8_GPS
VDDS1
VDDS2
VDDS3
VDDS4
VDD_CLASS1P5_BT
VDD_DCO_BT
VDD_DIG1
VDD_DIG2
VDD_DIG3
VDD_DIG4
VDD_DIG_LDO
VDD_IF_GPS
VDD_LDOIN_CLASS1P5_BT
VDD_PPAIF_BT
VDD_RF_BT
VDD_SRAM1
VDD_SRAM2
VDD_SRAM_LDO
VDD_TCXO
VPP
VSENSE
VSS_ADCPLL_FM
VSS_DCO_BT
VSS_DIG1
VSS_DIG4
VSS_DIG5
VSS_DIG6
VSS_DPLL_BT
VSS_LNA_GPS1
VSS_LNA_GPS2
VSS_LNA_GPS3
VSS_MIX_GPS
VSS_PASYNTH_FM
VSS_PLL_GPS
VSS_REF_CLK
VSS_RF_BT
VSS_RF_FM
VSS_TCXO_CLK
IN
GND3
OUT
GND2
GND1
IN
OUT
OUTPUT
VCC
GND
ENABLE_DISABLE
OUT OUT
G2
C
A
G1
OUT
NC
GND2
IN
GND1
OUT
IN
IN
IN
OUT
VOUT
GND
VIN
VEN
IN
NC
AO
DEG
GND VCC
PON
BIAS
AI
IN
GND3
OUT
GND2
GND1
NC
NC
NC
NC
NC
NC
NC
NC
NC
NC
NC
NC
NC
NC
NC
NC
NC
NC
NC
NC
NC
NC
NC
NC
NC
NC
NC
NC

Schematics, Boards Overlays, and Parts Lists: Main Board Block: UHF1 (84012513001_A) 8-19
Figure 8-17. GPS Bluetooth Circuit – 2 of 2
ACCELEROMETER
1%
X
X
X
X
JTAG
X
X
X
128MB SDRAM
AVR + LF
12MHZ OSC
3.3V LDO
A1
A2
VCCA
VCCB
GND
B1
B2
DIR
A1
A2
VCCA
VCCB
GND
B1
B2
DIR
A1
A2
VCCA
VCCB
GND
B1
B2
DIR
NC
NC
VCC
GND
DAT
SDO
XOUT
WAKE
NC2
NC1
NC3
CTGND
VCC
SDI
CS
SCL
XIN
GND
VSS
LFN
LF1P
NC1
NC2
SDO_SA0INT_2
GND3
GND2
GND1
SCL_SPC
RSVD2
VDD_IO
VDD
RSVD1
GND4
SDA_SDI_SDO
CS
INT_1
GND2
GND1
BYPASS
SENSE
INPUT
NC
OUTPUT
SHUTDOWN ERROR
A1
A2
VCCGND
Y1
Y2
NC
NC
A1
A2
VCCA
VCCB
GND
B1
B2
DIR
PB00
PB02
PB01
PB03
PB04
PB05
PB08
PB07
PB06
PB09
PB10
PB13
PB12
PB11
PB14
PB15
VDDOUT
VDDIN
VDDANA
VDDPLL
VDDCORE4
VDDCORE2
VDDCORE3
PB16
PB17
PB19
PB20
PB21
PB23
PB25
PB26
PB28
PB27
PB29
PB30
PB31
GND8
GND9
GNDANA
GND6
GND7
VDDCORE1
VDDIO7
VDDIO6
VDDIO5
VDDIO4
VDDIO3
VDDIO2
VDDIO1
PA01
PA00
PA02
PA07
PA06
PA05
PA08
PA09
PA12
PA11
PA10
PA13
PA14
GND3
GND4
GND5
GND2
GND1
PA17
PA15
PA16
PA18
PA19
PA20
PA22
PA21
PA23
PA24
PA25
PA27
PA26
PA28
PA29
PA30
PB24
PB18
PB22
PA04
PA03
OE OUT
VDD
GND
TDO
PX17
PX18
PX19
PX20
PX21
PX22
PX23
PX24
PX27
PX26
PX25
PX28
PX29
PX30
PX31
PX32
PX33
PX34
PX35
PX37
PX36
PX38
PX39
TCK
RESET
TDI
DP
ADVREF
VBUS
DM
PC00
PC01
PC04
PC03
PC02
PC05
PX00
PX01
PX02
PX03
PX04
PX05
PX06
PX08
PX07
PX09
PX10
PX11
PX12
PX13
PX14
PX15
NC
PX16
TMS
NC
A1
A2
VCCA
VCCB
GND
B1
B2
DIR
NC
NC
CKE
CLK
CAS
CS
RAS
WE
A0
A1
A2
A3
A4
A5
A6
A7
A8
A9
A10
A11
BA0
BA1
DQ0
DQ1
DQ2
DQ3
DQ4
DQ5
DQ6
DQ7
DQ8
DQ9
DQ10
DQ11
DQ12
DQ13
DQ14
DQ15
DQMH
DQML
NC1
NC2
VDD1
VDD2
VDD3
VDDQ1
VDDQ2
VDDQ3
VDDQ4
VSS1
VSS2
VSS3
VSSQ1
VSSQ2
VSSQ3
VSSQ4
SB1
B0
VCCGND
A
SB1
B0
VCCGND
A
A1
A2
VCCA
VCCB
GND
B1
B2
DIR
A1
A2
VCCA
VCCB
GND
B1
B2
DIR
A1
A2
VCCA
VCCB
GND
B1
B2
DIR
100K
100K
1K
.1UF
.1UF
51009735001
.1UF
10K
1000PF
1K
AT32UC3A
10K
270K
0
100K
1000PF
AS3930A
100K
DNP
100K
180PF
100K
.1UF
100
.1UF
100K
DNP
100K
10K
FSA4157L6X
100K
100K
100K
FSA4157L6X
100K
.1UF
SN74LVC2T45
20
SN74LVC2T45
0
.1UF
100K
100K
100K
150
.1UF
.1UF
.1UF
1K
10K
10K
0
100K
1UF
MT48LC8M16A2
.1UF
.1UF
.1UF
.1UF
.1UF
.1UF
AT32UC3A
.1UF
.1UF
.1UF
.1UF
.1UF
10PF
150
0
0
.1UF
DS0211AR
40.2MHZ
100K
10UF
0
100K
4.7UF
LP2989
0
.1UF
100K
LIS331DL
100K
100K
100K
.1UF
100K
.1UF
100K100K
SN74LVC2T45
SN74LVC2T45
.1UF
SN74LVC2T45
100K
100K
.1UF
NL17SZ02
0
SN74LVC2T45
.1UF
.1UF
0
.1UF
.1UF
.1UF
100K
4.7K
0
100K
4.7UF
0
100K
27
10K
1UF
27
SN74LVC2T45
.1UF
15K
.1UF
.1UF
5.1PF
100K
47
SN74LVC2T45
4.7UF .01UF
10K
470PF
2.2UF
100K
.1UF
NLU2G04
100K
NL17SZ02
1K
GPS_BT_3.3V
GPS_BT_3.3V
GPS_BT_3.3V
GPS_BT_3.3V
VCC_1.85
GPS_BT_3.3V
GPS_BT_3.3V
VCC_1.85
GPS_BT_3.3V
GPS_BT_3.3V
VCC_1.85
VCC_1.85
GPS_BT_3.3V
VCC_1.85 GPS_BT_3.3V
GPS_BT_3.3V
VCC_1.85
VCC_1.85
GPS_BT_3.3V
GPS_BT_3.3V
GPS_BT_3.3V
GPS_BT_3.3V
GPS_BT_3.3V
VCC_1.85
VCC_1.85GPS_BT_3.3V
GPS_BT_3.3V
VCC_1.85
GPS_BT_3.3VVCC_1.85VCC_1.85
VCC_1.85
GPS_BT_3.3V
GPS_BT_3.3V
GPS_BT_3.3V
GPS_BT_3.3V
GPS_BT_3.3V
GPS_BT_3.3V
GPS_BT_3.3V
VCC_1.85 GPS_BT_3.3V
GPS_BT_3.3V
GPS_BT_3.3V
GPS_BT_3.3V
GPS_BT_3.3V
1K
1K
DNP
100K
GPS_BT_3.3V
GPS_BT_3.3V
GPS_BT_3.3V
1K
DNP
DNP
C2447M3
C2448M3
C2439M3
TP2413M3
R2453M3
R2458M3
C2469M3
C2440M3
R2459M3
R2454M3
U2408M3
U2409M3
C2441M3
C2442M3
C2477M3
R2407M3
U2478M3
R2450M3
R1333M3
TP1301M3
C1340M3
C1316M3
U1335M3
U1334M3
R1328M3R1327M3
R1324M3
R1319M3
TP2417M3
R1316M3
R1314M3
R1312M3
U2413M3
TP2415M3TP2414M3
R2485M3
C2483M3
R2484M3
TP2419M3
U2473M3
TP2450M3
TP2453M3
TP2452M3
TP2451M3
TP2436M3
TP2416M3
C2480M3
TP2437M3
R2496M3
R2495M3
C2417M3C2472M3
R2492M3
R2488M3
R2404M3
C2471M3
R2491M3
R2489M3
C2467M3
C2466M3
C2464M3
C2463M3
C2462M3
C2461M3
C2460M3
C2482M3
U2415M3
R2487M3
C2459M3
C2458M3
C2456M3
C2455M3
C2453M3
C2452M3
C2450M3
R2471M3
R2479M3
R2470M3
R2469M3
R2443M3
R2444M3
C2473M3
R2412M3
R2408M3
R2435M3
C2474M3
R2472M3
Y2475M3
R2442M3
U2415M3
R2497M3
R2466M3
U2410M3
R2452M3
R2449M3
C2478M3
R2493M3
C2470M3
R2486M3
R2480M3
TP2435M3
R2419M3
C2465M3
C2443M3
U2411M3
R2414M3
R2478M3
C2475M3
R2474M3
R2457M3
C2416M3
U2402M3
R2451M3
C2415M3C2414M3
R2406M3
R2405M3
C2444M3C2438M3
R2490M3
R2481M3
C2449M3
R2434M3
R2433M3
U2416M3
U2403M3
R2477M3
R2476M3
R2416M3
C2468M3
TP2466M3
C2457M3
U2412M3
R2475M3
C2454M3
R2441M3
U2412M3
R2467M3
R2436M3
C2479M3
R2418M3
C2451M3
R2460M3
R2455M3
C2445M3
U2406M3
U2407M3
U2414M3
C2446M3
R2465M3
R2456M3 R2461M3
R2473M3
R2437M3
AVR_USART2_RX
SDCKE
SDCK
UDQM
DATA00
DATA01
DATA02
AVR_USART2_TX
BOARD_REV3
TC1_OCA
BT_SHUTDOWN_3.3V
BT_PTT_3.3V
DATA10
SDA05
BT_AVR_USB_DM_TP
BT_AVR_USB_DP
BT_AVR_USB_DM
NFC_CS_INV
32KHZ_3.3V
VDDCORE
ACC_SPKR_UNMUTE_3.3
BT_HOST_WAKEUP_3.3V
SDRAM_CS
SDA03
SPI0_MISO
TEST_GPIO1
TEST_GPIO2
BT_WAKEUP_3.3V
BOARD_REV2
BOARD_REV1
SDA10
12M_CLK_IN
BA1
USART1_CLK
SPI0_CS2
NFC_DAT
BT_HOST_WAKEUP_3.3V
V_SW_3.60
USART1_TX
SPI0_MOSI
ATMEL_BOOT
TC1_OCA
NFC_COIL
SDCKE
SDWE
RAS
CAS
SDRAM_CS
NFC_WAKE
SDA02
USART1_RX
BT_HOST_WAKEUP_1.8V
SDA08
SDA06
DATA08
DATA10
DATA09
DATA07
DATA06
DATA05
DATA04
DATA03
BT_AVR_USB_DP_TP
BT_AVR_RESET
SDA07
OSC0_OUT
AVR_EXT_USBSDA09
AVR_TDO
AVR_TCK
AVR_TMS
AVR_TDI
DATA01
DATA02
BT_PTT_3.3V
BT_UART_RX_1.8V
BT_UART_CTS_3.3V
BT_UART_RX_3.3V
BT_UART_TX_1.8V
BT_SHUTDOWN_3.3V
BT_WAKEUP_3.3V
BT_UART_CTS_1.8V
SDA04
DATA13
BT_SPARE_3.3
PD
SDA00
BT_UART_RTS_3.3V
USART1_RX
CAS
SDCK
BA1
BA0
SDA00
SDA01
SDA05
SDA04
SDA02
SDA03
SDA06
SDA09
SDA10
SDA08
SDA07
DATA00
DATA04
DATA03
DATA06
DATA07
DATA08
DATA11
DATA12
DATA14
DATA13
DATA15
LDQM
UDQM
PD
SDWE
RAS
12M_CLK_IN
SPI0_MOSI
SPI0_MISO
MS_INT1
MS_INT1
AVR_STATUS_3.3V
ACC_SPKR_UNMUTE_3.3
BT_SPARE_DIR
BT_SPARE_3.3
ACC_SPKR_UNMUTE_1.8
BT_SPARE_1.8
SDA11
DATA09
BT_SHUTDOWN_1.8V
32KHZ
USB_BOOT_3.3V
SPI0_CLK
SPI0_CS2
AVR_STATUS_1.8V
BT_PTT
USB_BOOT_1.8V
MS_INT2
NFC_CS
BT_AVR_VBUS
BT_AVR_RESET_3.3V
BT_UART_CTS_3.3V
NFC_CS_INV
DATA05
SDA01
DATA11
LDQM
DATA15
DATA14
DATA12
SDA11
BA0
32KHZ_3.3V
NFC_DAT
BT_WAKEUP_1.8V
BT_UART_RTS_1.8V
NFC_CS
BT_UART_TX_3.3V
BT_UART_RTS_3.3V
BT_AVR_RESET_3.3V
BT_UART_RX_3.3V
BT_UART_TX_3.3V
MS_INT2
AVR_STATUS_3.3V
ATMEL_BOOT
SPI0_CLK
USB_BOOT_3.3V
BT_SPARE_DIR
BOARD_REV4
BOARD_REV0
1
2
1
5
6
43
2
1
5
6
43
F9
D7
C3
B7
A3
J1
E3
A1
D3
C7
B3
A7
J9
E7
A9
F8
G1
E2
E8
F1
A2
B1
B2
C1
C2
D1
D2
E1
E9
D8
D9
C8
C9
B8
B9
A8
G9
F2
F3
F7
G8
G7
G2
H9
G3
H1
H2
H3
J2
J3
J7
J8
H8
H7
1
1
1
1
1
1
1
1
1
1
E12
G1
H1
J1
F5
M8
H4
H3
G5
G3
G4
F3
C2
E3
E4
D4
D5
C5
E6
C6
D6
D7
E7
C7
C8
D8
C11
E9
E10
F8
F10
J9
J11
K12
H9
L10
M11
K9
M10
L9
M9
L6
M5
K5
J5
J4
K1
K2
G2
C4
B7
A7
G12
D11
D12
C9
4
31
2
B8
L5
M12
E11
H5
E5
E2
B5
A1
L8
H12
H11
H8
H2
E8
L7
K7
K6
M7
M6
M4
M3
L4
M2
M1
L1
K4
K3
L3
J2
F4
J3
F2
D2
D3
D1
E1
C1
B1
A2
B3
A3
B4
A5
A4
A6
B6
F1
C3
A8
B9
A9
A10
A11
A12
B12
B10
D10
C12
D9
F9
G8
F11
F12
G9
G10
G11
H7
J12
H10
J10
L12
K11
J8
J7
K8
H6
J6
C10
L11
K10
B11
L2
G7
G6
F7
F6
B2
1
4
6
52
3
1
8
6
5
2
4
9
3
7
1
1
14
7
6
4
15
10
3
2
9
11
16
13
12
5
8
6
58
7
15
14
13
12
10
2
14
3
16
9
G1
11
1
4
2
1
53
A2
A1D1
D2
C2
B2
C1
B1
A2
A1D1
D2
C2
B2
C1
B1
1
A2
A1D1
D2
C2
B2
C1
B1
A2
A1
D1
D2
C2
B2
C1
B1
A2
A1D1
D2
C2
B2
C1
B1
1
A2
A1D1
D2
C2
B2
C1
B1
A2
A1D1
D2
C2
B2
C1
B1
A2
A1D1
D2
C2
B2
C1
B1
IN
DIR
B2
B1
GND
VCCB
VCCA
A2
A1
DIR
B2
B1
GND
VCCB
VCCA
A2
A1
OUT
DIR
B2
B1
GND
VCCB
VCCA
A2
A1
OUT
IN
IO
IO
IN
A
GND VCC
B0
B1S
A
GND VCC
B0
B1S
OUT
VSSQ4
VSSQ3
VSSQ2
VSSQ1
VSS3
VSS2
VSS1
VDDQ4
VDDQ3
VDDQ2
VDDQ1
VDD3
VDD2
VDD1
NC2
NC1
DQML
DQMH
DQ15
DQ14
DQ13
DQ12
DQ11
DQ10
DQ9
DQ8
DQ7
DQ6
DQ5
DQ4
DQ3
DQ2
DQ1
DQ0
BA1
BA0
A11
A10
A9
A8
A7
A6
A5
A4
A3
A2
A1
A0
WE
RAS
CS
CAS
CLK
CKE
IO
IO
NC
NC
DIR
B2
B1
GND
VCCB
VCCA
A2
A1
OUT
IN
IN
IO
IN
IN
NC
TMS
PX16
NC
PX15
PX14
PX13
PX12
PX11
PX10
PX09
PX07
PX08
PX06
PX05
PX04
PX03
PX02
PX01
PX00
PC05
PC02
PC03
PC04
PC01
PC00
DM
VBUS
ADVREF
DP
TDI
RESET
TCK
PX39
PX38
PX36
PX37
PX35
PX34
PX33
PX32
PX31
PX30
PX29
PX28
PX25
PX26
PX27
PX24
PX23
PX22
PX21
PX20
PX19
PX18
PX17
TDO
IN
OUT
GND VDD
OUTOE
PA03
PA04
PB22
PB18
PB24
PA30
PA29
PA28
PA26
PA27
PA25
PA24
PA23
PA21
PA22
PA20
PA19
PA18
PA16
PA15
PA17
GND1
GND2
GND5
GND4
GND3
PA14
PA13
PA10
PA11
PA12
PA09
PA08
PA05
PA06
PA07
PA02
PA00
PA01
VDDIO1
VDDIO2
VDDIO3
VDDIO4
VDDIO5
VDDIO6
VDDIO7
VDDCORE1
GND7
GND6
GNDANA
GND9
GND8
PB31
PB30
PB29
PB27
PB28
PB26
PB25
PB23
PB21
PB20
PB19
PB17
PB16
VDDCORE3
VDDCORE2
VDDCORE4
VDDPLL
VDDANA
VDDIN
VDDOUT
PB15
PB14
PB11
PB12
PB13
PB10
PB09
PB06
PB07
PB08
PB05
PB04
PB03
PB01
PB02
PB00
DIR
B2
B1
GND
VCCB
VCCA
A2
A1
NC
NC
Y2
Y1
GND VCC
A2
A1
ERRORSHUTDOWN
OUTPUT
NC
INPUT
SENSE
BYPASS
GND1
GND2
IN
INT_1
CS
SDA_SDI_SDO
GND4
RSVD1
VDD
VDD_IO
RSVD2
SCL_SPC
GND1
GND2
GND3
INT_2 SDO_SA0
NC2
NC1
LF1P
LFN
VSS
GND
XIN
SCL
CS
SDI
VCC
CTGND
NC3
NC1
NC2
WAKE
XOUT
SDO
DAT
GND
VCC
NC
NC
OUT
OUT
IN
DIR
B2
B1
GND
VCCB
VCCA
A2
A1
DIR
B2
B1
GND
VCCB
VCCA
A2
A1
DIR
B2
B1
GND
VCCB
VCCA
A2
A1

8-20 Schematics, Boards Overlays, and Parts Lists: Main Board Block: UHF1 (84012513001_A)
Figure 8-18. Top Control and JTAG Circuit
J1M2
ON_OFF_SWITCH
12
TEST_POINT
DNP
4.7K
1
7
4
0
9
6
10
2
DNP
8
3
11
5
4.7K
R2106M2
R2105M2
R2104M2
F_VREF_1.875VM2
CPLD_TMS
CPLD_TDI_BUFFERED
V_EXT_1.85
NEMU1
NEMU0
TCK_CONN_BUFFERED_B
OMAP_TMS_BUFFERED
TDI_BUFFERED
OMAP_TDO
NTRST
CPLD_TCK
RTCK
CPLD_TDO
JTAG<11..0>
1
IO 10K 10K
10K
NC7WZ17
22
0
0
10
0
10K
R2199M2
R2198M2
R2197M2
U2101M2
R2110M2
R2116M2
R2117M2
R2109M2
R2120M2
V_EXT_1.85
OMAP_TDO_CON
RTCK_CON
CPLD_TDO_CON
43
NC7WZ17
10K
NC7WZ17
NC7WZ17
1K
U2101M2
U2102M2
R2118M2
U2102M2
R2107M2 V_EXT_1.85
TCK_CON
CPLD_TMS_CON
TDI_CON
TMS_CON
61
43
61
10
10
22
10
R2114M2
R2115M2
R2111M2
R2113M2
VCC
GND
VCC
GND
0.1UF
NC7WZ17 NC7WZ17
0.1UF
C2114M2
U2102M2
U2101M2
C2104M2
V_EXT_1.85
5
2
5
2
OUT
JTAG
FREQ KNOB
USER BUTTON AND SWITCHES
REMOVED U21000,U21001,C21002,C21003,C21005,C21004
EMERGENCY BUTTON
CHANGES:
REMOVED TP2112,TP2113,TP2114
REMOVED U21002,,U21003
REMOVED C21001,C21000,U2104,TP2111,R21001,TP2110,R21000,U2104,C2116
100PF
RSB6 C2115M2
D2101M2
J1M2
TOP_BUTTON 14
NEED TO ADD TOGGLE/FREQ SW
REMOVED SECURE SW
TOP_BUTTON
ON_OFF_SWITCH OUT
OUT

Schematics, Boards Overlays, and Parts Lists: Main Board Block: UHF1 (84012513001_A) 8-21
Figure 8-19. Lighting Control Circuit
RADIO TOP LIGHTING
CHANGES:
REMOVED E2242
REMOVED L2202,L2203,L2204,L2205,C2211,C2212,C2213,
LIGHTING CONTROLERS
NFC_CONNECTION
REMOVED C2221,C2222,C2214,C2215,C2216
SCL2
EN
VREF1
SDA1
SCL1
SDA2
10K
47K
SCL
RST
SDA
A0
A1
A2
NC1
NC2
NC3
NC4
NC5
NC6
NC7
NC8
VDDGND1
LED0
LED1
LED2
LED3
LED4
LED5
LED6
LED7
GND2
0.1UF
3.3K
V_LED_TOP
0.1UF
V_LED_TOP V_LED_TOP
100PF
V_LED_TOP
10K
3.3K
100PF
1K
510
V_LED_TOP
100PF
SPARK_GAP
SPARK_GAP
LP3944
PCA9306
V_SW_5
SPARK_GAP
0.1UF
DTC114YKAF
0
200K
0.1UF
100PF
SPARK_GAP
0
510
510
V_SW_5
2.2K
100PF
100PF
1K
C2203M2
R2207M2
R2201M2
R2256M2
R2255M2
R2257M2
E2206M2
E2207M2
E2205M2
E2204M2
E2203M2
E2202M2
C2225M2
C2224M2
C2229M2
C2228M2
C2227M2
C2226M2
J2M2
J2M2
J2M2
J2M2
J2M2
J2M2
J2M2
J2M2
J2M2
J2M2
J2M2
J2M2
J2M2
J2M2
J2M2
J2M2
E2201M2
U2205M2
R2254M2
C2223M2
Q2202M2
R2246M2
R2245M2
R2244M2
E2248M2
E2249M2
E2247M2
R2235M2
R2206M2R2204M2
C2201M2 C2202M2
U2202M2
V_EXT_1.85
V_EXT_1.85
IC2_TRANS_VREF2
TX_RX_RED_LED
NFC_COIL
TX_RX_AMBER_LED
SCL_5V
TX_RX_GREEN_LED
OMAP_RESET
SDA_5V
I2C_CLK
I2C_DATA
BT_BLUE_LED
BT_GREEN_LED
BT_RED_LED
2
1
21
21
21
G4
G3
G2
G1
8
12
11
10
9
7
6
5
4
3
2
1
21
20
19
18
17
16
15
14
13
12
11
10
8
7
6
5
4
3
2
1
25
9
24
23
22
1
3
2
7
2
54
63
1
8
IN
GND2
LED7
LED6
LED5
LED4
LED3
LED2
LED1
LED0
GND1 VDD
NC8
NC7
NC6
NC5
NC4
NC3
NC2
NC1
A2
A1
A0
SDA
RST
SCL
47K
10K
IN
IO SDA2
SCL1
SDA1
VREF1
VREF2
GND
EN
SCL2

8-22 Schematics, Boards Overlays, and Parts Lists: Main Board Block: UHF1 (84012513001_A)
Figure 8-20. GCAI and side control
SIDE CONTROLS
TEMP SENSOR ON MAINBOARD
DELETED 2.775
GCAI
MMC NOT REQUIRED
C1
C2
VCCGND
A1
B1
A2
B2
SCL2
EN
GND VREF2
VREF1
SDA1
SCL1
SDA2
10K
47K
SEL
B0
A
GND
B1
VCC
10K
10K
DNP
470PF
RSB6
SPARK_GAP
SPARK_GAP
SPARK_GAP
SN74LVC2G66
PCA9306
DNP
0.1UF
TEST_POINT
100PF
RSB6
V_5.0A
V_5.0A
V_5.0A
100PF
RSB6
TEST_POINT
100PF
100PF
RSB6
SPARK_GAP
V_2.775D
VBUS2
V_5.0A
V_5.0A
V_3.3
V_2.775D
SPARK_GAP
SPARK_GAP
0
3.3K
DNP DNP
100PF
0
DTC114YKAF
100PF
2.2
.1UF .1UF
200K
0.1UF
BAT54HT1G
10K
DNP
3.3K
22K22K
0.1UF
DNP
DNP
TEST_POINT
100PF
47K
0
100PF
SPARK_GAP
TEST_POINT
100
RSB6
TEST_POINT
470PF
2.2
510
RSB6
100
TEST_POINT
SPARK_GAP
SPARK_GAP
0.1UF
470PF
DNP
DNP
10K
DNP
150
NC7SB3157
RSB6
TEST_POINT
SPARK_GAP
R4008M2 U4003M2
Q4001M2
U4001M2
J1M2
J1M2
J1M2
J1M2
R2361M2
C2340M2
J1M2
J1M2
J1M2
J1M2
J1M2
J1M2
J1M2
J1M2
J1M2
J1M2
J1M2
J1M2
J1M2
J1M2
J1M2
J1M2
J1M2
J1M2
J1M2
J1M2
J1M2
J1M2
R2363M2
C2339M2
D2305M2
R2359M2
R2360M2
R2356M2
C2335M2
R2357M2
C2336M2
C2344M2
C2343M2
C2338M2
C2337M2
E2320M2
R2362M2
E2314M2
C2341M2
R2358M2
E2312M2
E2319M2
E2318M2
E2317M2
E2316M2
D2306M2
E2313M2
R2364M2
D2307M2
C2342M2
E2321M2
E2315M2
C2334M2
D2304M2
D3M2
C2333M2
C2332M2
D2M2
D1M2
C2331M2
GPIO0M2
F_GCAI_USB-M2
F_GCAI_USB+M2
C4007M2
R4013M2R4012M2
R4014M2
U4004M2
D4001M2
R4011M2
C4006M2
SPKR-M2
SPKR+M2
R4010M2
C4005M2
R4009M2
F_VBUS2M2
R4007M2
R4006M2
R4005M2
F_GCAI_1WIREM2
V_EXT_1.85
MAKO_OPTB_SEL2_GCAI12
TOP_SIDE_BUTTON
DOWN_ARROW_BUTTON
MIDDLE_SIDE_BUTTON
UP_ARROW_BUTTON
OPTB_SEL3_SWITCH_EN
GPIO_4_CTS_KEYFAIL_FILLCLK
EXT_SPKR_POS_DP
KEYFAIL_CTRL
GCAI_GPIO_1_INPUT
EXT_MIC_POS_DP
GPIO_1_DP_TXDC_FILLREQ
GCAI_GPIO_2_INPUT
GCAI_1_WIRE
GPIO_2_DM_RXDC_FILLDATA
GCAI_1WIRE_5V
KVL_DETACH
GPIO_0
EXT_MIC_NEG_DP
EXT_SPKR_NEG_DP
KEYFAIL
GPIO_3_RTS_FILLSENSE
G4
G3
G2
G1
1
24
23
22
21
20
19
18
17
16
15
13
11
10
9
8
7
6
5
4
3
2
21
21
21
2
1
2
1
2
1
21
2
1
21
2
1
1
1
1
A2D1
C1
B2
C2
B1
D2
A1
21
1
1
1
1
5
6
2
1
3
4
1
3
2
7
2
54
63
1
8
VCC
B1
GND
A
B0
SEL
47K
10K
SDA2
SCL1
SDA1
VREF1
VREF2GND
EN
SCL2
OUT
IO
IO
IO
IO
IO
IO
IN
IN
IN
OUT
OUT
IN
IO
IO
IN
B2
A2
B1
A1
GND VCC
C2
C1
IN
IN
IN
IN

Schematics, Boards Overlays, and Parts Lists: Main Board Block: UHF1 (84012513001_A) 8-23
Figure 8-21. Debugging and Display Connector
J2401M2
J2401M2
J2401M2
J2401M2
J2401M2
J2401M2
J2401M2
J2401M2
J2401M2
J2401M2
J2401M2
J2401M2
J2401M2
J2401M2
J2401M2
J2401M2
J2401M2
J2401M2
J2401M2
J2401M2
J2401M2
J2401M2
J2401M2
J2401M2
J2401M2
J2401M2
J2401M2
J2401M2
J2401M2
J2401M2
J2401M2
J2401M2
J2401M2
J2401M2
J2401M2
J2401M2
J2401M2
J2401M2
J2401M2
J2401M2
J2401M2
J2401M2
J2401M2
J2401M2
G4
G3
G1
39
40
G2
35
36
37
38
34
31
32
33
30
26
27
28
29
22
23
24
25
18
20
19
21
17
13
14
15
16
9
10
11
12
5
6
7
8
1
2
3
4
DEBUGGING AND DISPLAY CONNECTOR
10K
V_2.775D
R2401M2
V_EXT_1.85
IN
IN
IN
IN
IN
IN
AVR_USART2_TX
AVR_USART2_RX
BT_TX_DBG
BT_AVR_RESET_3.3V
BT_AVR_USB_DP_TP
VBUS1
USB_BOOT_1.8V
BT_HCI_TX
BT_HCI_RX
BT_AVR_USB_DM_TP
AVR_MACE_TDI
AVR_MACE_TMS
TCK_CON
NTRST
CPLD_TDO_CON
RTCK_CON
TDI_CON
T_DISP_DATA_CMD
T_DISP_SPI_CLK
TMS_CON
AVR_TCK
T_DISP_SPI_MOSI
T_DISP_RESET
T_DISP_SPI_CS
T_DISP_TOGGLE
AVR_MACE_TDO
CPLD_TMS_CON
OMAP_TDO_CON
IN
VBUS1
GPS_BT_3.3V
IN
IN
IN
IN
IN
IN
IN
IN
IN
IN
IN
IN

8-24 Schematics, Boards Overlays, and Parts Lists: Main Board Block: UHF1 (84012513001_A)
Figure 8-22. Connectors
CONNECTORS
0047K
R22M2
R21M2R1M2
2
1
5
4
3
6
7
10
9
8
12
11
15
14
13
17
16
20
19
18
21
22
23
24
25
26
27
28
29
30
31
33
32
34
MACE_TDO
MACE_TCK
MACE_TMS
MACE_NTRST
MACE_TDI
J3M2
J3M2
J3M2
J3M2
J3M2
J3M2
J3M2
J3M2
J3M2
J3M2
J3M2
J3M2
J3M2
J3M2
J3M2
J3M2
J3M2
J3M2
J3M2
J3M2
J3M2
J3M2
J3M2
J3M2
J3M2
J3M2
J3M2
J3M2
J3M2
J3M2
J3M2
J3M2
J3M2
J3M2
V_EXT_1.85
ETM<1..14>
OUT
OUT
OUT
OUT
OUT
OUT
13
1
11
2
14
3
5
4
6
7
8
12
9
10

Schematics, Boards Overlays, and Parts Lists: Main Board Block: UHF1 (84012513001_A) 8-25
Figure 8-23. CPLD Circuit
Y
NC
VCCGND
B
A
22K
NC7SP08
R6102M6
U6103M6
HIGH_SECURE_DATA_GATE
SSI_RED_TX_CODEC
V_EXT_1.85
SSI_RED_TX_CPLD
4
6
5
3
2
1
0.1UF
C6115M6
EMIFS_ADDR_4
EMIFS_ADDR_3
EMIFS_ADV
SSI_MAKO_CLK
JTAG<11..0>
EMIFS_ADDR_2
11
10
7
9
CPLD_TDO
CPLD_TMS
CPLD_TDI
CPLD_TCK
0
R6105M6
0.1UF 0.1UF0.1UF0.1UF
C6108M6
C6109M6 C6110M6
V_EXT_1.85
C6111M6
D3
N10
B9
M9
M10
P6
N7
M7
P8
N8
M8
H12
H13
J13
J12
K14
K13
L14
P9
P10
P11
N11
M11
P12
P14
L13
L12
M14
M13
M12
N14
N13
N6
M6
P5
N5
M5
N4
G2
G3
H1
H2
H3
J1
J2
M4
P3
N3
M3
P2
N2
M2
M1
K1
K3
L1
L2
L3
10KR6122M6
180R6107M6
EMIFS_ADDR_1
SSI_OPT_CLK
24_MHZ_CLK
EMIFS_ADDR_5
SSI_OPT_FSYNC
SSI_RED_RX_CODEC
OUT
OUT
UP_ARROW_BUTTON
DOWN_ARROW_BUTTON
SSI_MAKO_CLK
SEC_CLEAR
SSI_RED_TX_CPLD
SSI_OMAP_FSYNC
SSI_OMAP_CLK
T_DISP_RESET
BT_AVR_RESET
5V_PWM_EN
T_DISP_DATA_CMD
OUT
OUT
OUT
IN
IN
IN
10K
BAT54HT1G
D6101M6
R6101M6
V_EXT_1.85
TOP_SIDE_BUTTON
21
IN
IN
DNP
10K
R6104M6
V_EXT_1.85
AVR_BOOT
EMERG_BTN_X
SSI_MAKO_FSYNC
OPT_GPIO_0
OUT
B_ID 8
1K
R6106M6
VOCON_ID
KVL_DETACH
DNP
TEST_POINT
TP6101M6 1
10K
10K
10K
R6121M6
R6119M6
R6120M6
A7
C4
A14
P13
G14
P7
J3
A2
K12
P1
0.1UF
0.1UF
0.1UF
0.1UF
0.1UF
0.1UF
XC2C256
C6105M6
C6106M6
C6107M6
U6101M6
C6114M6
C6113M6
C6112M6
F2_PARAMP_MON
GND8
GND9
GND1
GND5
IO42
IO43
IO36
IO37
IO38
IO53
IO49
IO50
IO51
IO44
IO45
IO46
GND2
GND3
GND4
IO52
VCCIO1_A
VCCIO1_B
VCCIO1_C
VCC2
VCCIO2_A
VCCIO2_B
VCCIO2_C
GND7
VCCIO1_D
VCC1
VCC3
IO101
GND6
GND10
GND11
IO100
IO10
IO11
IO4_GCK0
IO5
IO6
IO23
IO16
IO17
IO18
IO19
IO12
IO13
IO14
IO31
IO24
IO25
IO26
IO27
IO20
IO21
IO22
IO39
IO32
IO33
IO34
IO35
IO28
IO29
IO30
IO47
IO40
IO41
VAUX
IO90
IO91
IO102
IO103
IO104
IO84
IO85
IO97
IO98
IO99
IO89
IO79
IO80
IO92
IO93
IO48
IO95
IO96
IO105
IO106
TDO
IO7_CDRST
TMS
IO1
IO2_GCK1
IO3
TCK
IO15
IO8_GCK2
IO9_DGE
IO54_GSR
IO56
IO60
IO78
IO58_GTS2
IO59_GTS3
IO70
IO71
IO72
IO61_GTS0
IO62_GTS1
IO65
IO66
IO67
IO57
IO55
IO94
IO74
IO75
IO86
IO87
IO88
IO68
IO81
IO82
IO83
IO73
IO63
IO64
IO76
IO77
B3
A9
B14
E14
H14
J14
N12
N9
P4
N1
K2
IO69
TDI
B_ID 6
G13
G12
F14
F13
F12
C8
B8
A8
C9
A10
B10
E13
E12
D14
D13
D12
C14
C13
B13
A13
C10
A11
B11
C11
A12
B12
C12
G1
F1
F2
F3
E1
E2
E3
B7
C7
A6
B6
C6
A5
B5
D1
D2
C1
C2
C3
B1
B2
A1
C5
A4
B4
A3
B_ID 5
BRD_ID_1
BRD_ID_4
BRD_ID_2
BRD_ID_0
BRD_ID_3
100
100
TEST_POINT
DNP
TP6105M6
R6115M6
R6114M6
1
EMIFS_DATA_2
SSI_BLACK_RX
OMAP_RESET
F2_PARAMP_MON
EMIFS_DATA_4
F2_DMCS
SSI_BLACK_TX
EMIFS_OE
MAKO_RESETX
MACE_WAKEUP
EMIFS_DATA_1
EMIFS_DATA_3
EMIFS_DATA_0
F2_PARAMP
F2_TIMER_DMCS
32K_CPLD_CLK
32KHZ_GPS_CLK
RX_FSYNC
EMIFS_CPLD_CS
USB_CRNT_LMT
MACE_RESET
SEL
B0
A
GND
B1
VCC
10K
47K
V_5.0A
V_5.0A
NC7SB3157
0.1UF
DTC114YKAF
10K
C6104M6
R6117M6
Q6101M6
U6102M6
GPIO_3_RTS_FILLSENSE
F2_PARAMP
MAKO_OPTB_SEL1_GCAI
1
3
2
5
6
2
1
3
4IO
TEST_POINT
DNP
TP6107M6
1
OUT
OUT
DNP
13PF
120
C6155M6
R6113M6
4MHZ_MACE_CLK
FLASH_DATA<15..0>
0
3
0
2
2
2
4
3
5
4
1
8
1
EMIFS_ADDR_3
EMIFS_DATA_0
EMIFS_DATA_2
SPI_DSP_CLK
EMIFS_DATA_3
EMIFS_DATA_4
EMIFS_DATA_1
EMIFS_ADDR_5
EMIFS_CPLD_CS
EMIFS_OE
EMIFS_ADV
EMIFS_ADDR_4
EMIFS_ADDR_2
EMIFS_ADDR_1
FLASH_CTRL<8..0>
FLASH_ADDR<25..1>
13PF
330
DNP
C6156M6
R6108M6
SSI_CODEC_CLK
OUT
OUT
OPT_GPIO2
GPS_SHUTDOWN
RF_BRD_RSTB
SECURE_HIGH_NORM
SSI_CODEC_FSYNC
SSI_RED_RX_MACE
F2_TIMER_PARAMP
SSI_BLACK_TX_MACE
OPT_GPIO1
KEYFAIL_CTRL
F2_TIMER_OUT
TEST_POINT
DNPTP6106M6
1
CHANGES MADE
DELETE FREQ_SEL(3..0>
BOARD ID 4 3 2 1 0
DNPDNP
1K 1K1K 1K1K1K
R6125M6 R6116M6R6109M6 R6112M6R6111M6R6110M6
V_EXT_1.85V_EXT_1.85 V_EXT_1.85
Y
NC
VCCGND
B
A
NC7SP08
U6104M6
V_EXT_1.85
4
6
52
122K
R6118M6
SSI_MACE_TX_DIN
SSI_RED_TX_CODEC
3
Y
NC
VCCGND
B
A
22K
NC7SP08 R6103M6
U6105M6
V_EXT_1.85
4
6
5
3
2
1SSI_BLACK_RX
OUT
SSI_SAP<3..0>
SPI_ARM<2..0>
0
1
2
0
2
1
3
SPI_ARM_MISO
SPI_ARM_CLK
SSI_BLACK_TX
SPI_ARM_MOSI
SSI_BLACK_RX
SSI_RED_RX_CODEC
SSI_RED_TX_CODEC
IN
OUT
OUT

8-26 Schematics, Boards Overlays, and Parts Lists: Main Board Block: UHF1 (84012513001_A)
Figure 8-24. OMAP User Interface Circuit
REMOVED R6202,R6201
CHANGES: 16MHZ SQUARER
CHANGES:
REMOVE R6203,R6214
REMOVE KEYPAD, DISPLAY LINES
JTAG
TX RX SSI
LCD_PIXEL_10
LCD_PIXEL_11
LCD_PIXEL_12
LCD_PIXEL_13
LCD_PIXEL_14
KBC_5
LCD_PIXEL_15
KBR_4
KBR_0
KBR_1
KBR_2
KBR_3
KBC_0
KBC_1
KBC_2
KBC_3
KBC_4
LCD_PCLK
LCD_AC
LCD_VSYNC
LCD_HSYNC
LCD_RED0
LCD_BLUE0
SOSSI_TE
LCD_PIXEL_0
LCD_PIXEL_1
LCD_PIXEL_2
LCD_PIXEL_3
LCD_PIXEL_4
LCD_PIXEL_5
LCD_PIXEL_6
LCD_PIXEL_7
LCD_PIXEL_8
LCD_PIXEL_9
MCSI1_SYNC
SYS_CLK_IN
MPU_BOOT
CONF
GPIO_1
CAM_RSTZ
CAM_EXCLK
CAM_LCLK
CAM_VS
CAM_HS
CAM_OUTCLK
CAM_D_0
CAM_D_1
CAM_D_2
CAM_D_3
CAM_D_4
CAM_D_5
CAM_D_6
CAM_D_7
GPIO_18
GPIO_12
GPIO_15
MCBSP2_CLKR
MCBSP2_CLKX
MCBSP2_RSYNC
MCBSP2_XSYNC
MCBSP2_DOUT
MCBSP2_DIN
NEMU1
RTCK_NSBCAN
TCK
NTRST
TMS
TDO
TDI
NEMU0
SCL
SDA
GPIO_55
GPIO_26
RST_OUT
PWRON_RESET
MPU_RST
RESET_MODE
GPIO_7
MPUIO_1
NC
10K
DNP
0
4.7K4.7K
TEST_POINT
OMAP1710
V_2.775D V_2.775D
100K
1
OMAP1710
2
DNP
4.7K
10K
6
2K
10K
10K LMV7219
100PF
1000PF
0
2
2
1
4
3
8
0
1
5
1K
0.1UF
10K
10K
100K
R6218M6
C6202M6
C6203M6
C6201M6
R6217M6
R6207M6
R6206M6
R6211M6 U6201M6
R6204M6
R6205M6
R6209M6R6208M6
U6302M6
F_MPU_BOOTM6
R6215M6
R6210M6
R6213M6
R6212M6
U6302M6
BT_SPARE_1.8
F2_TIMER_DMCS
16.8_MHZ_CLK
V_EXT_1.85
I2C_DATA
V_EXT_1.85
USB_INT_X
MAKO_RESETX
OMAP_RESET
OMAP_MPU_BOOT
OMAP_TMS
NTRST
TCK
RTCK
T_DISP_TOGGLE
SPI_DSP_MISO
BT_PTT
I2C_CLK
JTAG<11..0>
NEMU0
NEMU1
ACC_SPKR_UNMUTE
MORTABLE
TDI
OMAP_TDO
RX_FSYNC
UART2_GPS_RX
16.8_MHZ_CLK
TRIDENT_SSI<2..0>
ABACUS_SSI<2..0>
16.8_MHZ_SINEWAVE
25
1
3
4
1
V17
AA19
Y19
W18
Y4
V20
T18
Y17
AA20
P12
R12
Y18
W17
V16
V19
U20
J20
AA17
W7
W6
AA5
P10
Y6
V7
W13
AA9
R9
M20
N18
Y5
R19
V18
L18
M19
Y15
J15
L15
H19
J18
J19
J14
K18
K19
K15
K14
L19
G20
B18
N21
D15
C16
A17
G13
B17
C17
D16
D17
C18
B19
A20
H13
G14
C19
B21
D18
C15
C20
N19
B15
E19
E20
H14
F19
G18
G19
C21
E18
D19
D20
F18
OUT
IO
OUT
IN
OUT
IO
IN
NC
IO
JTAG
CAMERA
GPIO
RF BASEBAND &
MISC GPIO
RESET
I2C
MPUIO_1
GPIO_7
RESET_MODE
MPU_RST
PWRON_RESET
RST_OUT
GPIO_26
GPIO_55
SDA
SCL
NEMU0
TDI
TDO
TMS
NTRST
TCK
RTCK_NSBCAN
NEMU1
MCBSP2_DIN
MCBSP2_DOUT
MCBSP2_XSYNC
MCBSP2_RSYNC
MCBSP2_CLKX
MCBSP2_CLKR
GPIO_15
GPIO_12
GPIO_18
CAM_D_7
CAM_D_6
CAM_D_5
CAM_D_4
CAM_D_3
CAM_D_2
CAM_D_1
CAM_D_0
CAM_OUTCLK
CAM_HS
CAM_VS
CAM_LCLK
CAM_EXCLK
CAM_RSTZ
GPIO_1
CONF
MPU_BOOT
SYS_CLK_IN
MCSI1_SYNC
OUT
IN
IO
IO
LCD CONTROL
LCD DATA
KEYPAD
LCD_PIXEL_9
LCD_PIXEL_8
LCD_PIXEL_7
LCD_PIXEL_6
LCD_PIXEL_5
LCD_PIXEL_4
LCD_PIXEL_3
LCD_PIXEL_2
LCD_PIXEL_1
LCD_PIXEL_0
SOSSI_TE
LCD_BLUE0
LCD_RED0
LCD_HSYNC
LCD_VSYNC
LCD_AC
LCD_PCLK
KBC_4
KBC_3
KBC_2
KBC_1
KBC_0
KBR_3
KBR_2
KBR_1
KBR_0
KBR_4
LCD_PIXEL_15
KBC_5
LCD_PIXEL_14
LCD_PIXEL_13
LCD_PIXEL_12
LCD_PIXEL_11
LCD_PIXEL_10

Schematics, Boards Overlays, and Parts Lists: Main Board Block: UHF1 (84012513001_A) 8-27
Figure 8-25. Memory Interface
DDR INTERFACE
OMAP1710
U6302M6
SDATA_2
SDATA_1
SDATA_0
SDATA_15
SDATA_14
SDATA_13
SDATA_12
SDATA_11
SDATA_10
SDATA_9
SDATA_8
SDATA_7
SDATA_3
SDATA_4
SDATA_5
SDATA_6
13
12
14
7
8
9
10
11
2
3
4
5
6
1
0
15 C12
D12
D13
C11
C13
D11
D14
C10
D8
C4
C7
D5
D7
C5
C6
D6
DATA
SADD_3
SADD_4
SADD_5
SADD_6
SADD_7
SADD_8
SADD_9
SADD_10
SADD_11
SADD_12
SADD_13
SDCLKX
SDCLK
SDCLK_EN
NSWE
SBANK_0
SBANK_1
NSRAS
NSCAS
CS_SDRAM
NSDQMU
NSDQML
DSQ_H
DSQ_L
SADD_0
SADD_1
SADD_2
CONTROL
ADDRESS
D9
H12
C9
C3
B3
H11
H9
H10
B8
B12
G9
G11
G12
B9
G10
A1
B6
B2
A2
H8
H7
D10
C8
B4
D4
C14
G8
0
9
7
6
5
13
4
11
2
3
1
8
10
12
DDR_BANK1
DDR_BANK0
DDR_UDM
DDR_LDM
DDR_DQSH
DDR_DQSL
DDR_CAS
DDR_RAS
DDR_WE
DDR_CLKE
DDR_CLK_1
DDR_CS
DDR_CLKX_1
0
4
5
3
2
1
DDR_CRTL<6..0>
DDR_ADDR<13..0>
MMC INTERFACE
DDR_DATA<17..0>
U6302M6
F2_TIMER_OUT
DNP
TEST_POINT
TP6301M6 AVR_STATUS_1.8V
1
OUT
MMC1_CLK
MMC1_CLKIN
MMC1_CMD
MMC1_CMDDIR
MMC1_DATDIR0
MMC1_DATDIR1
MMC1_DATDIR2
MMC1_DATDIR3
MMC1_DAT0
MMC1_DAT1
MMC1_DAT2
MMC1_DAT3
MMC2_CLK
MMC2_CMD
MMC2_CMDDIR
MMC2_DATDIR0
MMC2_DATDIR1
MMC2_DAT0
MMC2_DAT1
MMC2_DAT2
MMC2_DAT3
OMAP1710
W19
V5
R10
W15
V8
W8
V9
Y8
Y10
R18
M14
P18
P20
W11
W10
V10
R11
P19
P11
M15
V11
OPTION CARD INTF
MEMORY CARD INTF
REMOVE R6305, R6307, R63050
CHANGES: REMOVE RSW_A, RSW_B, RSW_INT
0
2
5
1
3
4DDR_CAS
DDR_CS
DDR_BANK0
DDR_RAS
DDR_WE G7
F2
G9
F8
H7
G1
G3
G2
G8
H9
H8
H3
H2
J7
H1
J3
J2
J1
K3
K2
K8
K7
J9
J8
9
2
12
11
10
8
7
6
5
4
3
1
0
13
DDR_ADDR<2>
DDR_ADDR<3>
DDR_ADDR<12>
DDR_ADDR<10>
DDR_LDM
DDR_UDM
DDR_ADDR<8>
DDR_ADDR<4>
DDR_ADDR<5>
DDR_ADDR<6>
DDR_ADDR<7>
DDR_ADDR<9>
DDR_ADDR<11>
DNP
TEST_POINT
MT46H16M16LF
TEST_POINT
DNP
10K
TP6308M6
TP6307M6
U6301M6
R6301M6 V_EXT_1.85
1
1
E9
D1
C9
B1
A7
K9
F9
A9
UDQS
DQ0
DQ2
DQ3
DQ4
DQ5
DQ6
DQ7
DQ8
DQ9
DQ11
DQ10
DQ13
DQ12
DQ14
DQ15
NC2
NC1
VSSQ5
VSSQ3
VSSQ4
BA0
BA1
A0
A2
A1
A3
A4
A5
A6
A7
A8
A10_AP
A9
A11
VSSQ1
VSSQ2
VSS3
VSS2
VSS1
A12
UDM
LDM
DQ1
VDD1
VDD2
VDD3
VDDQ1
VDDQ2
VDDQ3
VDDQ4
VDDQ5
LDQS
CLK
CLK*
EN_CS
RAS
CAS
EN_CLKE
WE
NC
E1
D9
C1
B9
A3
K1
F1
A1
E2
F7
F3
E8
A2
B3
B2
C3
C2
D3
D2
E3
E7
D8
D7
C8
C7
B8
B7
A8
14
15
13
1
8
4
5
6
3
0
10
2
7
12
11
9
DDR_DATA<0>
DDR_DATA<14>
DDR_DATA<15>
DDR_DATA<10>
DDR_DATA<12>
DDR_DATA<13>
DDR_DATA<2>
DDR_DATA<1>
DDR_DATA<6>
DDR_DATA<5>
DDR_DATA<4>
DDR_DATA<3>
DDR_DATA<8>
DDR_DATA<7>
DDR_DATA<9>
DDR_DATA<11>
DNP
TEST_POINT
TEST_POINT
TP6304M6
TP6303M6
DDR_DQSL
DDR_DQSH
1
1
0.1UF
DNP
0.1UF
1UF
0.1UF
0.1UF
1UFC6306M6
C6305M6
C6304M6
C6303M6
C6302M6
C6301M6
TEST_POINT
0
8
DNP
DNP
TEST_POINT
TP6306M6
TP6305M6
1
1
FLASH INTERFACE
PA_SHTDN
1.8K
OMAP1710
R6492M6
U6302M6
PA_SHTDN
FLASH_CTRL<8..0>
0
7
10K
R6304M6
R6316M6
FLASH_RDY
V_EXT_1.85
V_EXT_1.85
10K
R6306M6
V_EXT_1.85
6
1
0
33
4
3
33
33
2
R6310M6
R6311M6
R6313M6
FLASH_OE_A
V4
W2
W1
U4
N8
M4
M3
M7
L4
V2
N3
E1
L7
K3
K4
L8
F2
J3
J4
J2
K7
H3
H4
K8
G2
G3
G4
F3
J7
E3
F4
D2
E4
C1
D3
J8
TEST_POINT
2
6
7
DNP
8
3
4
33
1
R6312M6
TP6302M6
1
33 0
R6314M6
FDATA_0
FDATA_1
FDATA_2
FDATA_3
FDATA_4
FDATA_5
FDATA_6
FDATA_7
FDATA_8
FDATA_9
FDATA_10
FDATA_11
FDATA_12
FDATA_13
FDATA_14
FDATA_15
15
14
13
12
11
10
9
8
7
5
6
2
3
1
0
4
V3
T4
U3
U1
P8
T3
T2
R4
R3
R2
P7
P4
P2
N7
N2
N4
DATA
CONTROL
ADDRESS
NFWP
FCLK
FRDY
FADD_1
FADD_2
FADD_3
FADD_4
FADD_5
FADD_6
FADD_7
FADD_8
FADD_9
FADD_10
FADD_11
FADD_12
FADD_13
FADD_14
FADD_15
FADD_16
FADD_17
FADD_18
FADD_19
FADD_20
FADD_21
FADD_22
FADD_23
FADD_24
FADD_25
NF_ADV
NFCS_0
NFCS_1
NFCS_2
NFCS_3
NFOE
NFRP
NFWE
1
2
8
6
22
23
24
17
18
14
16
15
12
13
9
7
5
11
25
19
20
21
4
3
10
8
3
22
21
25
4
6
7
9
10
11
15
16
17
19
20
23
24
18
13
12
5
2
1
14
C6
G8
D4
F8
E6
B4
F6
B8
B6
H8
G1
A8
C8
C7
B7
A7
D8
D7
C5
B5
A5
C4
D3
C3
B3
A3
C2
A2
D2
D1
C1
B1
A1
NC
ADDED PA_SHTDN TO PORT M7 & R6492
CHANGES MADE
FLASH_ADDR<25..1>
FLASH_DATA<15..0>
0.1UF0.1UF0.1UF 0.1UF
C6311M6C6310M6C6309M6C6308M6
V_FLASH
U6304M6
A4
G4
D6
D5
H3
A6
F7
H1
G2
F1
E8
E7
G7
H5
F5
F4
F3
E3
E1
H7
G6
G5
E5
E4
G3
E2
F2
6
0
2
3
4
5
7
9
12
13
14
11
15
8
10
1
NC
NC
NC
NC
H6
H4
H2
B2
A26_1G
A24
A23
A25_512M
A21
A22
A20
A19
A18
A17
A16
A15
A14
A13
A11
A12
A8
A10
A9
A7
A6
A3
A5
A4
A1
A2
RFU1
DQ8
WAIT
DQ0
VSS4
VCCQ2
RFU3
RFU2
DQ3
DQ5
DQ9
DQ10
DQ11
DQ1
DQ2
DQ4
DQ15
VSS2
VSS3
VCC2
DQ12
RFU4
DQ7
DQ6
VCC1
VPP
VSS1
DQ14
DQ13
VCCQ1
VCCQ3
CLK
CE
OE
WE
RST
WP
ADV

8-28 Schematics, Boards Overlays, and Parts Lists: Main Board Block: UHF1 (84012513001_A)
Figure 8-26. Audio Circuit
INNEGA
INPOSA
INNEGB
INPOSB OUTB
OUTA
VPOS
VNEG
LMC6035ITLX
R6406M6
R6405M6
U6402M6
B1
B3
A1
C1
A3
C3
A2
C2
AUDIO CODEC
1.2K
MIC_BIAS_FILT
10K
A
51K
0.1UF
MIC_BIAS
V_5.0A
TEST_POINT
MIC_BIASM6
R6401M6
C6403M6
1
A
1UF
200K C6402M6
R6402M6
AAA
2.2K
10K
MIC_BIAS_FILT
R6410M6
R6404M6
TEST_POINT
DNP
100PF
TP6102M6
C6428M6
EXT_MIC_NEG_DP
EXT_MIC_POS_DP
1
A
IN
IN
0.1UF
IF
IF6404M6
C6404M6
1
EXT_MIC_POS_DP_A
I2C_CLK
I2C_DATA
SSI_CODEC_FSYNC
V_EXT_1.85
SSI_RED_RX_CODEC
OMAP_RESET
SSI_CODEC_CLK
IN AA
0.1UF
0
0.1UF
C6411M6
R6411M6
C6410M6
V_EXT_1.85
V_CODEC_1.875
C9
H9
B1
H1
C1
J1
AA
0.1UF
TLV320AIC33IZQER
0.1UF
C6414M6C6413M6
U6405M6
V_3.0A
CHANGES:
REMOVED R6414,C6417,R6415
LEFT_LOP
NC17
AVDD_DAC
DRVDD2
DRVDD1
IOVDD
DVDD
NC29
NC28
NC27
NC26
NC25
NC24
NC23
NC22
NC21
NC20
NC19
NC18
NC16
NC15
NC14
NC13
NC12
NC11
MFP3
MFP2
RIGHT_LOM
RIGHT_LOP
LEFT_LOM
MONO_LOM
MONO_LOP
HPRCOM
HPROUT
HPLCOM
HPLOUT
DOUT
DRVDD3
MFP0
MFP1
NC
NC
NC
NC
NC
NC
NC
NC
NC
NC
NC
NC
NC
NC
NC
NC
NC
NC
NC
NC
NC
NC
NC
NC
NC
SPI_DSP_MOSI
SPI_DSP_MISO
SSI_RED_TX_CODEC
J6
J7
H7
H6
H5
H4
H3
G7
G6
G5
G4
G3
F7
F6
F5
F4
F3
E7
E6
E5
E4
J2
J3
A9
A8
B9
B8
J4
J5
G1
F1
D1
E1
F8
OUT
A
AVSS_DAC2
AVSS_ADC2
AVSS_ADC1
DRVSS2
DRVSS1
DVSS
AVSS_DAC1
D9
F2
E2
H2
G2
D2
C2
F9
E8
D8
C8
H8
E3
D7
D6
D5
D4
D3
C7
C6
C5
C4
A7
B2
A2
A1
B3
G8
B4
A3
A4
B5
B7
B6
A6
A5
J8
J9
E9
G9
RESET
NC0
NC10
NC8
NC7
NC6
NC5
NC4
NC3
NC2
GPIO2
GPIO1
MICDET
MICBIAS
MIC3L
MIC3R
LINE2RM
LINE2RP
LINE2LM
LINE2LP
LINE1RM
LINE1RP
LINE1LM
SDA
SELECT
DIN
NC9
NC1
LINE1LP
SCL
WCLK
BCLK
MCLK
NC
NC
NC
NC
NC
NC
NC
NC
NC
NC
NC
NC
NC
NC
NC
NC
NC
NC
DNP
0.1UF
TEST_POINT
CODEC_GPIO1M6
C6406M6
CODEC_GPIO1
1
A
CHANGES:
REMOVED AUDIO_MIC_NEG_DP,
REMOVED AUDIO_MIC_POS_DPC6408,C6412,C6407,C6403,R6407
REMOVED C6415
AAA
0.1UF
.022UF
0.1UF
330
33
330
C6418M6
C6419M6
C6416M6
R6416M6
R6417M6
R6419M6
PREAMP_NEG_DP
CODEC_SPI_CS
SPI_DSP_CLK
PREAMP_POS_DP
SERIAL
0
2
1
2
3
SPI_DSP_MISO
I2C_CLK
SPI_DSP_MOSI
I2C_DATA
SSI_RED_TX_CODEC
SSI_RED_RX_CODEC
SPI_DSP_CLK
1
0
I2C<1..0>
SERIAL INTERFACE
SPI_DSP<2..0>
SSI_CODEC_CLK
SSI_SAP<3..0>
SSI_CODEC_FSYNC
MAKO AUDIO
AT56H09
U6501M6
EN VOUT
GND
VIN ADJ
V_5.0A
47K
V_2.775_EXP
22K
TLV3011
LM4121
0.1UF
10K
120
C6405M6
R6430M6
R6429M6
U6409M6
R6422M6
R6421M6
U6408M6
6
2
5
13
4
5
4
2
3
1
2.2K
0.1UF
.022UF
V_5.0A
R6431M6
C6421M6
C6420M6
BGAP_COMP
A
D1
G2
S2
G1
D2
S1
SSM6N36FE
Q6401M6
4
1
52
3
6
NC
PA_BPLUS
PREAMP_NEG_DP
PREAMP_POS_DP
SW_B+
DNP
TEST_POINT
0
TEST_POINT
DNP
TEST_POINT
DNP
MAKO_AD_TRIGM6
MAKO_INT_MICMM6
MAKO_INT_MICPM6
R6423M6
UNSW_B+
MAKO_AD_TRIG
1
1
1
MIC_BIAS
BAT54HT1G
V_SAVE
47K
D6401M6
R6420M6
F2_PARAMP
21
PA_BPLUS
PA_IN_M
PA_IN_P
INT_SPKR_P
INT_SPKR_M
EXT_SPKR_P
AD_TRIG
TX_RX
MIC_BIAS
EXT_SPKR_M
VREF
VCM2
VCM1
EXT_MIC_M
EXT_MIC_P
INT_MIC_M
INT_MIC_P
BPLUS
VC_OUT_M
VC_OUT_P
A4
H4
J3
H3
H2
A11
G2
G3
E1
L2
F1
F2
K2
K1
H1
G1
J2
J1
E3
B11
0.1UF
.22UF
C6423M6
C6422M6
A
100K
.01UF
2K
680PF
100
C6427M6
R6428M6
R6426M6
R6425M6
C6426M6
EXT_SPKR_NEG_DP
EXT_SPKR_POS_DP
ISET OUT
ADC_VREF
ATOD_0
ATOD_1
ATOD_2
ATOD_3
ATOD_4
ATOD_5
ATOD_6
ATOD_7
ATOD_8
PWR_CTRL
FE_TUNE2
VMES
VFUSE
TEST
SCAN_EN
FE_TUNE1
L10
E8
A3
C4
N1
M2
L3
K13
K12
K11
L13
L12
M14
L11
M13
N14
M12
100PF
100PF
DNP
TEST_POINT
27K
C6425M6
C6424M6
TP_ATOD_8M6
R6427M6
BATT_STATUS
TEMP_DISP
TEMP_OMAP
TUNE
1
NC
V_2.775D
OUT
OUT
TEMP SENSORS
V_2.775D
0.1UF
C6409M6
NC
GND VCC
VOUT
STLM20
U6404M6
1
4
2
NC
OMAP_TEMP_TPM6
TEMP_OMAP
1
3

Schematics, Boards Overlays, and Parts Lists: Main Board Block: UHF1 (84012513001_A) 8-29
Figure 8-27. MAKO/DC Distribution Circuit
OMAP POWER
OMAP1710
0.1UF
V_1.85_IO
0.1UF
0.1UF
0.1UF
U6302M6
C6571M6
C6587M6
C6583M6
C6585M6
VDDSHV7
VDDSHV8
VDDSHV9
VSS_1
VSS_2
VSS_3
VSS_4
VSS_5
VSS_6
VSS_7
VSS_8
VSS_9
VSS_10
VSS_11
VSS_12
VSS_13
VSS_14
VSS_15
VSS_16
VSS_17
VSS_18
VSS_19
NC1
VDDSHV_RTC
VDD_RTC
VPP
VDD_DLL
VDD_1
VDD_2
VDD_3
VDD_4
VDD1_1
VDD2
VDD2_1
VDD2_2
VDD3_1
VDD3_2
VDD3_3
VDDSHV1_1
VDDSHV1_2
VDDSHV2
VDDSHV3
VDDSHV4_1
VDDSHV4_2
VDDSHV4_3
VDDSHV4_4
VDDSHV5_1
VDDSHV5_2
VDDSHV5_3
VDDSHV6
B1
G1
K2
N1
U2
AA1
Y3
AA7
Y13
AA21
W20
R21
K20
F20
A21
B16
A13
B7
B5
L1
V12
U21
L21
Y16
AA11
C2
H2
R1
B14
B10
A7
A5
Y7
AA2
E21
A19
W12
A11
M2
Y9
Y20
A15
J21
B20
B13
E2
A3
A9
AA3
E5
VDD SUPPLY GROUND
NC
VDD3_4
VDDA
VDD4
Y21
J1
R20
OMAP_VDD4
OMAP_VDDA
TEST_POINT
OMAP_VPPM6
OMAP_VDD_DLL
1
CHASIS GROUND CONTACT
TEST_POINT
F_GNDM6
1
EMIFF DECOUPLING
V_1.4_CORE
0.1UF
1UF
0.1UF
0.1UF
0.1UF
0.1UF
0.1UF
0.1UF
0.1UF
C6524M6
C6510M6
C6506M6
C6504M6
C6595M6
C6509M6
C6512M6
UNSW_B+
C6508M6
0.1UF
0.1UF
C6501M6
C6502M6
C6505M6
10
1UF 0.1UF
10
10
0.1UF
V_1.4_CORE
R6503M6
C6531M6
R6502M6
C6527M6
C6525M6
R6501M6
OMAP_VDDA
OMAP_VDD4
OMAP_VDD_DLL
1UF
330PF 330PF 1UF
V_SW_1.4
V_1.85_IO V_1.4_CORE
C6530M6
E6502M6
C6521M6
C6514M6
E6501M6
C6503M6
V_EXT_1.85
0.1UF
0.1UF
1UF
1UF
1UF
0.1UF
1UF
0.1UF
1UF
C6513M6
C6515M6
C6518M6
C6522M6
C6520M6
C6523M6
C6526M6
C6528M6
C6529M6
C6511M6
C6507M6
C6519M6
C6517M6
C6516M6
0.1UF
0.1UF
1UF
0.1UF
0.1UF
1UF
0.1UF
C6532M6
C6533M6
UNSW_B+
IN
5.6PF
DNP
22K
SW_B+
NTHS5441
VRTC
2.2UF
10UF 32.768KHZ
SOCKET
0.1UF
5.6PF
2K
TEST_POINT
C6541M6
Y6502M6
C6537M6
F_UNSW_B+M6 Q6501M6
C6534M6
R6504M6
M6502M6
C6593M6
R6505M6
C6590M6
V_COIN_CELL
MAKO_XTAL_32K_IN
MAKO_XTAL_32K_OUT
FET_ENX
1
2
1
2
1
5
4
8
7
6
3
2
1
BAT54HT1G
0
TEST_POINT
DNP
DNP
0
DNP
DNP
10K
R6507M6
R6506M6
D6501M6
TP6210M6
MAKO_INT_XM6
MAKO_RESET_XM6
R6525M6
EMERG_BTN_X
TOP_BUTTON
V_EXT_1.85
ON_OFF_SWITCH
MAKO_RESETX
MAKO_INT
1
1
1
21
IN
IN
V_SAVE
2.2UF
C6538M6
V_BAT_7V5
NC
1000PF
0
2.2UF
C6539M6
C6540M6
R6591M6
B1
C1
A12
A13
C2
D4
M1
B3
C5
D3
E4
D5
B4
G4
F5
E2
F4
B2
F3
D1
D2
NC
NC
IN
GND1
GND
OUT
24.576MHZ
TZ0281D
18PF
C6536M6
Y6501M6
V_EXT_1.85
MAKO_TCXO_24MHZ_OUT
MAKO_TCXO_24MHZ_IN
13
4
2
Y
NC
VCC
GND
B
A
NC7SP08 4.7K
22PF
DNP
0
4.7K
R6578M6
R6577M6
U6509M6
C6596M6
R6533M6
24_MHZ_CLK 4
6
5
3
2
1
NC
VIN
NC1
GND
VOUT
NC2
NC
MC78LC
10K
.33UF
V_2.775D
U6511M6
R6576M6
C6594M6
V9_3.0A
32
54
1
NC
2.2PF
56PF
100K
18PF
C6591M6
R6574M6
C6592M6
C6535M6
EXTERNAL SWITCHER 3.50V SWR1
0
10UH 6.8PF
10UF
330PF
10UF
475K
C6564M6
R6542M6
R6539M6
C6558M6
C6561M6
C6560M6
L6502M6
V_SW_3.60
V_SW_3.60
OUT
EN PG
VIN
FB
GND
LBI
SYNC
PGND
SW
LBO
TPS62050
U6504M6 1
7
9
10
4
2
6
3
5
8
100PF
330PF
330PF
10UF
0
2.2UF
C6553M6
R6524M6
C6547M6 C6589M6
C6556M6
C6588M6
NC
NC
NC
NC
NC
NC
V_SAVE
10K
AT56H09
R6579M6
U6501M6
B13
F11
C13
D12
E12
C14
H10
M6
J10
L9
L1
K4
K3
P6
P3
N5
P4
N4
E14
F12
F13
D13
E13
G11
J13
K14
J12
J14
L14
H11
J11
H12
G12
G13
G14
F14
H14
H13
A2
C3
B14
M5
P14
P1
A14
A1
PGLDO3
V10_I
V09_O
V07_O
V06_O
TCXO_IN
GND5
GND6
GND7
GND8
GND9
NC4
NC3
TCXO_SEL_16_24
NC2
XOUT
XIN
SW5_VDD
V04_O
V03_O
V02_O
GND2
GND3
GND4
NC5
SW1_DH
SW1_PHASE
SW1_VOUT
SW1_GND
SW1_VDDHV
SW1_VSEN_BUK
SW1_VSEN_BST
SW1_SUMCOMP_DL
PGLDO2
RESETX
GATED_32K_CLK
INT_X
HV_BG
FET_ENX
EMERG_PB
MECH_SW
SW_TYPE
IGN_X
VSAVE
SW2_GND
NC6
BAT_RTC
SW2_VOUT
SW2_LX
SW2_VCCS
SW2_VCC
SW5_VOUT
SW5_PHASE
SW5_SUMCOMP
SW5_VSENSE
SW5_VDDHV
SW1_VDD
NC1
BAT_7V5
BAT_3V6
REG_3V6
BAT_TYPE
XTAL32_OUT
XTAL32_IN
GND1
V10_O
VBUS1_CMD
VBUS1_SENS
VBUS1
VBUS2
VBUS2_CMD
VBUS2_SENS
V08_O
V08_I
V10_GND
VBUS_SUPPLY
10K
R6511M6
D9
H5
D14
L4
K9
G5
J4
M7
P5
10K
V_SW_5
V_SAVE
DNP
TEST_POINT
2SC5663
100K
0.1UF
47K
TP6599M6
C6542M6 R6509M6
U6502M6
R6508M6
1
23
1
R6599M6
VCC
GND
0.1UF 0
NL17SZ32 R6598M6
C6572M6
U6510M6
53
VBUS1
.2
SSM6J212FE
0.1UF
.1UF
R6521M6
Q6502M6
C6543M6
C6544M6
VBUS1_SUPPLY
4
3
6
5
2
1
VBUS2_CMD
DNP
10UF
NL17SZ32
121K
0
100K
0
8.2K
R6537M6
R6538M6
R6528M6
C6552M6
U6510M6
R6534M6
R6543M6
BGAP_COMP
PA_SHTDN
5V_PWM_EN
2
1
SWITCHER 5
EN
FB
LBI
SYNC
VIN1
VINA
GND1
GND2
PGND1
PGND2
AGND
LBO
SW1
PG
VIN2
CTGND
SW2
330PF
2.2UF
330PF
10UF
V_SW_5
100K
10UF
1UF
10UH
475K
10PF
TPS62110
SW_B+
C6567M6
C6566M6
C6565M6
R6545M6
C6562M6
R6540M6
U6505M6
C6559M6
C6549M6
L6504M6
C6551M6
SW1_VOUT
SW5_VOUT_UNFILT
8
3
2
5
15
14
16
1
13
6
7
12
11
10
4
17
9
V_SW_5
NTHS5441
Q6505M6
5
4
8
7
6
3
2
1
2SK3541
100K
2SK3541
R6541M6
Q6506M6
Q6504M6
VBUS_SUPPLY_ON
USB_CRNT_LMT
VSW5_ISO_FET_EN
2
1
3
2
1
3
VBUS2
4.7UF
10K
SSM6J212FE
91K
.1UF
10K
R6535M6
C6557M6
R6536M6
C6555M6
R6531M6
Q6508M6
VBUS2_SUPPLY
CRNTLMT_DIV_OPT
200
12K
R6583M6
R6584M6
4
3
6
5
2
1
ENABLE
V_NEG
V_POS
IN_NEG
200
0.1UF
OPA363IDBV
.2
C6554M6
R6530M6
R6529M6
U6503M6
VBUS2_ISENSE
CRNTLMT_FB
1
6
2
3
4
5
IN_POS
VOUT
V_SW_5
SW_B+
4.7K
.1UF
390
0
C6550M6
R6519M6
R6518M6
R6517M6
SW5_VOUT
V2_1.875
V4_2.775D
SW1_VOUT
V9_3.0A
V7_2.8
V6_2.775
V3_1.55
SW5_SUMPCOMP
V8_5.0A
V10_3.3
SW5_PHASE
NC
V_2.23
0.1UF
.1UF
1K
0
0
DNP
78.7K
22K
0
0
DNP
4.7K 0
1UF
R6514M6
R6527M6
R6523M6
C6546M6
R6520M6
R6516M6
C6545M6
C6548M6
R6515M6
R6513M6
R6526M6
R6532M6
SW1_VDD_1
NC
NC
MAKO POWER
SWITCHER 1
SW_B+
EXTERNAL 2.23 LDO
IN
EN
GND
OUT
NR_FB
V_2.23
39K 1UF
TPS73601
0
33K
C6573M6
R6551M6
R6550M6
U6506M6
R6546M6
V_SW_3.60
5
4
1
2
3
EXTERNAL SWITCHER 1.4V
SW_B+ V_1.55
10UF
100K
0
0
0
DNP
165K
R6558M6
R6552M6
R6547M6
C6569M6
R6544M6
R6548M6
VCC_SW1.4_VIN
EN PG
VIN
FB
GND
LBI
SYNC
PGND
SW
LBO
V_SW_1.4
4.7UF
301K
330PF
6.8PF
10UH
10UF
TPS62050
C6586M6
C6584M6
R6568M6
C6582M6
L6505M6
U6507M6
C6570M6
SW1V4_FB
1
7
9
10
4
2
6
3
5
8
LDO 1.85V
VEN
VIN2 ADJ
GND
CTGND
0
.1UF
LP38693SD
10K
U6508M6
R6512M6
R6510M6
C6563M6
BGAP_COMP
V_SW_3.60
V_SW_3.60
5
6
1
3
2
G1
4
VOUT
VIN1
0
2.2UF
4.75K
R6570M6
R6522M6
C6568M6
V_EXT_1.85
V_EXT_1.85
OUT
PLACE CLOSE TO MAKO
MAKO LDOS
1UF
1UF
1UF
1UF
4.7K
2.2UF
1UF
1UF
R6561M6
R6562M6
R6563M6
R6564M6
R6565M6
R6566M6
R6567M6
C6580M6
C6579M6
C6578M6
C6577M6
C6576M6
C6575M6
C6574M6
R6582M6
V6_2.775
V8_5.0A
V10_3.3
V2_1.875
V3_1.55
V4_2.775D
V7_2.8
V9_3.0A
V_2.775D
V_5.0A
V_2.775_EXP
V_3.3
V_3.0A
V_1.55
0
0
0
0
0
0
2.2UF
0
C6581M6
V_2.8_RF
V_2.8_RF OUT
1.875 DISCHARGE CKT
D1
G2
S2
G1
D2
S1
V_SAVE
47K
100
SSM6N36FE
Q6507M6
R6581M6
R6580M6
MAKO_RESETX
4
1
52
3
6
4

8-30 Schematics, Boards Overlays, and Parts Lists: Main Board Block: UHF1 (84012513001_A)
Figure 8-28. Serial Interface Circuit
12MHZ CLOCK
IN
GND1
GND
OUT
18PF 18PF
12MHZ
C6602M6
C6601M6
Y6601M6
12MHZ_OMAP_IN
12MHZ_OMAP_OUT
13
42
AA13
V13
W3
Y2
P14
P13
OMAP1710
U6302M6
10K
V_1.4_CORE
R6601M6
32K_CPLD_CLK
OMAP_OSK32K_IN_PU
TEST_POINT
TP6601M6
F2_TIMER_PARAMP
TRIDENT_SPI_CS
MIDDLE_SIDE_BUTTON
USB_INT_X
OPT_GPIO2
OPT_GPIO1
T_DISP_SPI_CS
CODEC_SPI_CS
ABACUS_SPI_CS
OPT_GPIO_0
UART2_GPS_TX
1
OUT
OUT
IN
OUT
OUT
GPIO_43
MCBSP1_BCLK
MCBSP1_SYNC
MCBSP1_DIN
MCBSP1_DOUT
USB0_TXEN
USB0_DAT
USB0_SE0
USB1_TXEN
USB1_DAT
USB1_SE0
USB2_TXEN
USB2_DAT
USB2_SE0
MPUIO_5
UART1_TX
UART1_RX
UART1_RTS
UART1_CTS
UART3_TX
UART3_RX
GPIO_11
GPIO_60
GPIO_16
GPIO_59
GPIO_5
GPIO_36
OSC1_IN
OSC1_OUT
CLK32K_IN
OSC32K_IN
OSC32K_OUT
SPI_DI
SPI_DO
SPI_CS3
SPI_CS2
SPI_CS1
SPI_CS0
GPIO_56
SPI_CLK
MCBSP1
SP1
OSCILLATOR
CRYSTAL
ONE WIRE
GCA/GPIO
GPIO
UART
USB
W9
W5
V6
W16
R13
W14
W4
R8
P9
M18
L14
Y14
V14
AA15
R14
W21
U18
P15
T19
N15
N14
U19
T20
H15
H18
H20
G21
M8
L3
V15
Y12
Y1
N20
P3
22
33
R6606M6
R6605M6
SPI_ARM_MISO
SPI_ARM_MOSI
MAKO_SPI_CS
SPI_ARM_CLK
OUT
USB1<2..0>
SSI_OMAP_FSYNC
SSI_BLACK_RX
SSI_BLACK_TX
RS232<4..0>
USB0<2..0>
0
2
2
1
1
0
V_EXT_1.85
4
TEST_POINT
3
DNP
2
0
MPU_IO_12M6
1
10K 100K
R6609M6R6608M6
OPTION_INTX
V_EXT_1.85
10K
R6619M6R6617M6
10K
M4
B7
A7
D7
E7
C10
C9
A9
B9
D8
B8
C8
N3
E9
A10
J5
K6
C6
B6
D6
E6
N8
N2
P2
M3
A8
B12
D11
G10
C11
F10
L7
A6
B10
D10
E11
C12
C7
B5
A5
L5
NC
NC
NC
NC
NC
NC
2K
R6616M6
10K
2
3
1
0
4
R6618M6
1
2
0
1
2
1
1
2
0
0
0
SSI_RED_RX_CODEC
NC
NC
NC
NC
NC
0
1
2
0
1
2
SPI_DSP_MOSI
SPI_DSP_MISO
SPI_DSP_CLK
120
13PF DNP
C6670M6
R6604M6
MAKO_INT
RF_DAC_SPI_CS
SPI_DSP<2..0>
SPI_ARM<2..0>
SSI_SAP<3..0>
SSI_MAKO_FSYNC
LOCK_DET
SSI_OMAP_FSYNC
SSI_OMAP_CLK
SSI_OMAP_CLK
SSI_MAKO_CLK
AT56H09
10K
U6501M6
R6602M6
OUT
OUT
IO
NC
NC
V_EXT_1.85
OUT
USB_CONNECT
USB2_DM
USB1_DP
OPTA_SEL0
TXDO_BDI_5V
RXDIN_5V
RTS_FILLSEN_5V
CTS_CABLE_DET_5V
OPTA_SEL1
SB96_BUS_BUSY
SB96_BDO_KF_5V
ONE_WIRE_1
ONE_WIRE_2
ONE_WIRE_BATT
USB2_DP
OPTA_SEL2
OPTA_SEL3
OPTB_SEL0
OPTB_SEL1
OPTB_SEL2
OPTB_SEL3
USB1_DM
CTS_X
UART2_RXD_OD
UART2_TXD
APCO
RS232_USB_X
BOOT_NORM_X
CABLE_DET_3V
BUSY_OUT
BUSY_IN
RTS_FILLSEN_3V
RXDIN_ENC_3V
TXDO_BDI_ENC_3V
USB1_OE
TXDO_BDI_UP_3V
RXDIN_3V
USB_INTX
BBP_SYNC
BBP_CLK
ONE_WIRE_UP
SB96D_BDO_KF_3V
OPT_GPIO0
OPT_GPIO3
OPT_GPIO2
OPT_GPIO1
USB1_DAT_TXD
USB1_SE0
USB2_OE_RCV_RTS
USB2_DAT_VP
USB2_SE0_VM_RXD
VC_DCLK
SPI_DI
SPI_CS
SPI_CLK
LOGIC_VDD
UCM_SS
VC_RX
VC_TX3V
VC_TX
OPTION_INTX
SPI_DO
VC_FSYNC
4.7K
V_5.0A
R6621M6
NC
NC
L6
N7
P8
N6
P7
M10
N13
N9
N12
M11
N11
P12
K8
P11
N10
M9
K7
P10
L8
M8
P9
P13
TEST_POINT
DNP
F_BOOT_TXM6
1
UART BOOT
Y
NC
VCCGND
B
A
NC7SP08
U6601M6
V_EXT_1.85
OMAP_BOOT_RX
4
6
5
3
2
1
TEST_POINT
DNP
10K
R6626M6
F_BOOT_RXM6
V_EXT_1.85
MAKO_OPTB_SEL1_GCAI
MAKO_OPTB_SEL2_GCAI
MAKO_OPTB_SEL3_GCAI
MAKO_OPTB_SEL0_GCAI
1
IO
IO
IO
IO
IO
IO
IO
MAKO_USB1_NEG_DP
MAKO_USB1_POS_DP
MAKO_USB2_POS_DP
MAKO_USB2_NEG_DP
BATT_STATUS
VBUS_SUPPLY_ON
RXDIN_5V
RTS_FILLSEN_5V
ONE_WIRE_GCAI
IO
IO
IO
IO
27
27
27
27
R6623M6
R6622M6
R6625M6
R6624M6
CHANGES MADE:
REMOVE PA_SHTDN FROM M8

Schematics, Boards Overlays, and Parts Lists: Main Board Block: UHF1 (84012513001_A) 8-31
Figure 8-29. Secure Circuit
MACE
VCC_1.85
0
R6705M6
V_EXT_1.85
P2
P6
N2
P5
L4
C11
D11
M3
M2
C8
B13
A13
D10
D8
D14
B14
P8
M7
D12
L6
P3
N8
L10
N12
P12
P13
N14
M14
M13
L13
L14
L12
K11
K14
K13
J14
J13
J12
H14
H13
H12
G14
G13
F13
E12
B9
H11
D9
B10
P14
B11
P7
A8
A9
A12
1000PF 1.2K
R2505M6
C2504M6
4MHZ_MACE_CLK
MACE_PLLRC
ETM(1:14)
IO
NC
NC
NC
NC
NC
NC
NC
NC
NC
NC
CONT_1.875
14
13
12
.01UF 11
10
9
8
7
6
C2506M6
VCC_1.85
10K
47K
DNP
1MEG
10K
47K
47K
R2507M6
R2503M6
R6701M6
R6702M6
R6703M6
R6704M6
KEY_ZEROIZE
SSI_OPT_CLK
SSI_MACE_TX_DIN
SSI_OPT_FSYNC
MACE_TDI
MACE_RESET
MACE_WAKEUP
MACE_NTRST
MACE_TMS
MACE_TCK
NC
NC
NC
NC
VCC_1.85
DNP
DNP
10K
ENC_JTAGSEL0M6
ENC_JTAGSEL1M6
R2508M6
1
1
SSI_BLACK_TX_MACE
DNP
TEST_POINT
DNP
TEST_POINT
ENC_UART_RXM6ENC_UART_TXM6
ENC_UART_TX
1
1
DNP
DNP
DNP
DNP
TP6702M6
TP6704M6
TP6703M6
TP6701M6
1
1
1
1
OUT
IN
IN
IN
DNP
TP2502M6 1
KEYFAIL
SSI_BLACK_RX
IN
VCC_1.85
100K
R2501M6
NC
N4
M8
M12
K12
G12
C12
B8
K3
F3
H4
C6
A1
N6
L9
A10
F14
A5
E4
E11
VCC_1.85VCC_1.85 VCC_1.85
VDD_IOM VDDC
VDD_IOP
00
0
R2512M6
R2511M6
R2509M6
NCS5
NCS6
PA29_NCS7
NCS4
NCS3
NCS2
NCS1
A17
A16
A15
A14
NRD
NWR1_NBS1
A18
A1
A2
A3
A4
A5
A6
A7
A8
A9
A10
A11
A12
A13
NCS0
A19
D0
D1
D2
D3
D4
D5
D6
D7
D8
D9
D10
D11
D12
D13
D14
D15
TDO
PA27_TWD
PA17_TD1_MISO
TPS0
TPS1
TPS2
ALARM
PB0_DTXD
PA22_IRQ2_NWR0_NWE
TXD0
RTS0
TD0
TF0
TD2
PA23_TD3_A0_NBS0
PA26_TF3_RF3_A21
PA24_RD3_A20
VDDIOM1
VDDIOM2
VDDIOM3
VDDIOM4
VDDIOM5
VDDOSC
VDDC1
VDDC2
VDDC3
VDDC4
VDDC5
VDDC6
VDDIOP7
VDDIOP6
VDDIOP5
VDDIOP4
VDDIOP1
VDDIOP2
VDD1OP3
AT8358890
U2510M6
GNDIO7
GNDIO6
GNDIO5
GNDIO4
GNDIO3
GNDIO2
GNDIO1
GNDC1
GNDIO12
GNDIO11
GNDIO10
GNDIO9
GNDIO8
GNDBU
GNDOSC
GNDC6
GNDC5
GNDC4
GNDC3
GNDC2
PA28_TWCK
TK0
P4
P1
N13
N5
M11
L7
J11
J1
E13
C7
B12
F4
B3
N9
M5
C10
D3
G11
B5
N3
TMS
XIN32
PA0_TSYNC_PCK1
PA1_TPK0
PA2_TPK1
PA3_TPK2
PA4_TPK3_DTR1
PA5_TPK4_DSR1
PA6_TPK5_DCD1
PA7_TPK6_RI1
PA8_TPK7_SCK1
PA9_TPK8_RTS1
PA10_TPK9_CTS1
PA11_TPK10_TXD1
PA12_TPK11_RXD1
PA13_TPK12
PA14_TPK13
PA15_TPK14_PCK0
TCK
VDDBU
TPR0
TPR1
FIQ
PA19_TK1_RK1_SPCK
PA18_RD1_MOSI
PA20_TF1_RF1_NPCS
NRST
IRQ1
IRQ0
TDI
NTRST
PLLRC
JTGSEL0
JTGSEL1
LCK0
XOUT
KYLD
XIN
LCK1
PA16_TPK15_PCK1
XOUT32
TST0
TST1
PB1_DRXD
SCK0
RXD0
CTS0
RD0
RK0
RF0
RD2
TK2_RK2
TF2_RF2
PA21_PCK0_NWAIT
PA25_TK3_RK3
PLLRC
RTCK
TCLK
C13
D13
E14
F12
M6
N7
A14
A11
L5
F11
C14
C9
L8
P9
M9
P10
N10
N11
P11
M10
L11
B6
D6
A6
D7
B7
A7
M1
L3
N1
D5
B4
A4
C5
A3
C4
A2
B2
B1
C3
D4
C1
C2
D2
D1
E1
M4
E2
E3
F1
F2
G1
G2
G4
G3
H1
H2
H3
J2
J4
J3
K1
K2
K4
L2
L1
NC
NC
NC
NC
NC
NC
DNP0
DNP
R2515M6
TP_MACE_NRDM6
1
0
R2516M6 HIGH_SECURE_DATA_GATE
NC
NC
NC
NC
NC
NC
NC
NC
NC
NC
NC
NC
NC
NC
NC
NC
NC
NC
NC
NC
2K
R2513M6
SSI_OPT_FSYNC
NC
NC
NC
NC
NC
NC
NC
NC
NC
NC
NC
NC
NC
NC
NC
NC
VCC_1.85
1K
DNP
10K
R2517M6
TP6705M6
R6706M6
OUT
OUT
1
2
0
3
5
4
R2560M6
TX_INHIBIT
SSI_RED_RX_MACE
MACE_TDO
ETM(1:14)
NC
NC
NC
NC
NC
0DNP
R2514M6
SECURE_HIGH_NORM
SSI_BLACK_TX_MACE
HIGH_SECURE_DATA_GATE
IO
1
CONT LDO
NC
VIN
NC1
GND
VOUT
NC2 NC
CONT_1.875
0.1UF
MC78LC
U2525M6
C2520M6
V_COMP 32
54
1
0.1UF
C2528M6
KEY RETENTION DELAY
LMC7215
0.1UF
2.2UF
1MEG
10
10MEG
10MEG
BAS116LT1 C2527M6
R2523M6
U2526M6
R2524M6
R2522M6
D2521M6
R2519M6
C2518M6
V_SAVE
VRTC
V_COMP
52
1
3
4
13
2BYPASS CAPS
VDD_IOP
VDD_IOM
VDDC
0.1UF
0.1UF
0.1UF 0.1UF
0.1UF 0.1UF 0.1UF 0.1UF
0.1UF 0.1UF 0.1UF 0.1UF
C2550M6C2546M6
C2553M6C2551M6C2548M6C2544M6
C2543M6C2540M6C2536M6
C2541M6C2538M6C2534M6
0.1UF0.1UF0.1UF 0.1UF 0.1UF0.1UF0.1UF
C2554M6C2552M6C2549M6C2545M6C2542M6C2539M6C2535M6
KEYZEROIZE CKT
TAMPER POGO PIN G2
S2
G1
S1
D2
D1
NC
NC 4
1
5
2
3
6
SI1024X_T1_E3
Q2547M6
M2533M6 KEY_ZEROIZE
RST_OUT
1
NC
IN
G2
S2
G1
S1
D2
D1
SI1024X_T1_E3
Q2537M6
4
1
5
2
3
6
200K
200K
R2530M6
R2529M6
TOP_SIDE_BUTTON
CONT_1.875
0.1UF0.1UF
C2532M6C2531M6
TOP_BUTTON
0.1UF
C2555M6

8-32 Schematics, Boards Overlays, and Parts Lists: Main Board Block: UHF1 (84012513001_A)
Figure 8-30. Transceiver (RF) Board Layout – Top Side
P14
A14
D2
D1
J1
A2
A2
4
6
10
97
6
12 4
3
3
34
4
6
3
12
A2
D2
D1
A2 D2
D2
D1
A2 D2
D1
6
2
3
4
6
3
3
6
4
5
M12
A12
A2 D2
D1
5
A2 C2
C1
43
6
43
5
43
5
18
P1
A9 J9
D1
54
6
7
8
A2 D2
D1
2
A2 D2
D1
A2 D2
D1 10
B1
C3
C1
A3
3
6
4
A2
4
5
8
3
3
4
6
3
4
85
4
4
2
3
3
4
6
H1
H8
4
5
6
6
3
64
1
A8
1
4
5
M1
A2 D2
D1
A2 D2
D1
6
5
36
4
6
2
2
23
L11
34
A11
3
4
5
G3
1
8
4
2
3
4
3
6
9
12
8
13
6
4
6
G1
G2
3
2
3
2
11
G4
12
2
AA1
4
6
3
4
43
5
4
16 5
4
34
L1
3
34
3
5
2
34
2
2
4
5
3
2
3
2
4
A21 AA21
3
G3
G4
24
23
G2
2G1
C1123M11
C212M12
C210M12
U203M12
SH14
IF1902M20
U1150M11
D200M12
U200M12
R1105M11
IF25
IF1802M17
R1106M11
L1101M11
SH8
TP6102M6
TP2413M3
F_BOOT_RXM6
TP2414M3
F_VREF_1.875VM2
C1316M3
R1333M3
C2104M2
R2111M2
R2117M2
U1334M3
U2202M2
R2106M2
R6103M6
U6105M6
C6670M6
C6111M6
C6310M6
R6606M6
R6604M6
R6122M6
R6114M6
R6115M6
TP6107M6
C6115M6
R6105M6
TP6105M6
C2459M3C2472M3
C2416M3
C2414M3
C2453M3
C2448M3
C2442M3
R2496M3
R2486M3
R2473M3
R1319M3
R2465M3
R2416M3
U2410M3
C1169M11
C1166M11
U1126M11
U1147M11
U1127M11
R1137M11
R1182M11
R1180M11
U1130M11
U1142M11
C1124M11
C1127M11
R1136M11
R1143M11
R1144M11
R1145M11
R1146M11
C205M12 C1622M16
SH12
L1609M16
C1110M11
C1113M11
R1104M11
IF1652M16
F_UNSW_B+M6
SPKR+M2
F_BOOT_TXM6
C2224M2
R2198M2
E2201M2
E2207M2
R2206M2
R2256M2
R2257M2 C2202M2
R2204M2
R2201M2
MAKO_INT_XM6
C2223M2
R2254M2
U2205M2
C6105M6
R6107M6
R6119M6
R6120M6
R6121M6
MAKO_RESET_XM6
C6155M6
C6107M6
C6113M6
R6113M6
TP6106M6
C2443M3
R2443M3
R1327M3
R1328M3
R1324M3
R1316M3
IF6404M6
C2470M3
C2463M3
C2461M3
C2471M3
R2480M3
C2480M3
R2484M3
C2464M3
R2485M3 R2481M3
R2487M3
TP1311M3
R2436M3
U2407M3
C2483M3
C2468M3
U2414M3
FL502M21
C1140M11
R1178M11
C503M21
L501M21
C508M21
T506M21
R1606M16
R1117M11
R1116M11
U1149M11
C1302M3
R1301M3
L1305M3
TP2416M3
SPKR-M2
TP6210M6
TP2466M3
C2225M2
C2203M2
E2247M2
E2248M2
E2206M2
R2244M2
R2246M2
R2255M2
R2207M2
R2235M2
C6109M6
C6110M6
R6106M6
TP6101M6
R6104M6
U6101M6
C6156M6
C6114M6
R6108M6
R6111M6
R6112M6
C2479M3
C2477M3
R2450M3
U2478M3
R2407M3
R1314M3
C2466M3
C2462M3
U2413M3
C2467M3
C2445M3
R2467M3
R2459M3
R2454M3
C2439M3
R2472M3
U2408M3
U2473M3
R512M21
L513M21
SH1
L503M21
C551M21
C516M21
R525M21
C504M21
IF1904M20
C506M21
C507M21
R502M21
IF24
C1903M20
C1930M20
C1900M20
R1900M20
C1620M16
C1621M16
C1619M16
C1105M11
C1107M11
R1112M11
U1106M11
C1318M3
C1315M3
C1317M3
R1114M11
R1115M11
L1316M3
C1314M3
E2249M2
R2245M2
C6572M6
U6510M6
D6101M6 R6101M6 C6106M6C6108M6
R6110M6
R6116M6
R6125M6
C6112M6
R6109M6
R2471M3
R2470M3
R2469M3
R2418M3
C2460M3
C2446M3
R2460M3
R2455M3
C2440M3
R2488M3
R2479M3
R2437M3
C2482M3
C2469M3
C515M21
C514M21
C533M21
R526M21
L504M21
T507M21 C550M21
C501M21
C510M21
C500M21
C502M21
C509M21
C511M21
L1900M20
U507M21
SH2
C1932M20
R500M21
L1901M20
IF2604M13
C1618M16
C1634M16
L1606M16
L1102M11
R1107M11
L1117M11
R1198M11
TP1
R20
TP2
R2 C532M21
C505M21
L550M21
C512M21 L500M21
IF1653M16
IF2
C1122M11
C6524M6
C6515M6
C6585M6
R6605M6
TP6301M6
C6513M6
C6587M6
C6507M6
R6209M6
R6208M6
R6213M6
R6212M6
R6205M6
U6404M6
C6527M6
R6419M6
R6502M6
C6409M6
C6201M6
R6218M6
R6217M6
C2339M2
C2344M2
R2363M2
R2362M2
D2305M2
C2341M2
C2340M2
C2343M2
R2358M2
D2307M2
D2306M2
C2342M2
R2364M2
R2361M2
C727M7
R710M7
C728M7
R731M7
R711M7
R736M7
Q731M7
C738M7
R730M7
C733M7
L758M7
C735M7
R701M7
C703M7
R708M7
C707M7
IF13
IF1900M20
R2601M13
U2602M13
C2605M13
C2606M13
M1302M3
R1337M3
R1338M3
M1301M3
C6530M6
C6521M6
C6303M6
E6502M6 C6517M6
C6519M6
C6301M6
C6516M6
TP6305M6
C6511M6
C6532M6
R2813
R6602M6
U6201M6
R2803
R2810
E2314M2
E2320M2
E2319M2
E2318M2
E2317M2
E2316M2
E2312M2
J1M2
E2321M2
E2315M2
E2313M2
C2334M2
D2304M2
C754M7
C712M7
C711M7
C710M7
L753M7
C744M7
R728M7
C749M7
TP737M7
L709M7
C708M7
C823M7
C705M7
R706M7
C721M7
C756M7
R722M7
R705M7
IF3103M22
IF20
R723M7
C713M7
IF1901M20
C2609M13
IF2606M13
IF2603M13
R2606M13
D2601M13
C2607M13
J1301M3
C1339M3
L1308M3
C6306M6
TP6304M6
C6305M6
C6304M6
C6509M6
C6510M6
C6529M6
C6583M6
C6520M6
R2105M2
R2104M2
R6616M6
R6601M6
R6204M6
C6203M6
C6202M6
R6206M6
R6211M6
C2336M2
C2338M2
R2359M2
R2357M2
D1M2
D2101M2
C2335M2
C2337M2
C2331M2
C2115M2
R2360M2
R2356M2
D3M2
D2M2
C2333M2
C2332M2
R4007M2
R4006M2
R4005M2
C750M7
R745M7
U746M7
C739M7
C752M7
R751M7
R743M7
C742M7
IF17
C737M7
C757M7
IF1903M20
C709M7
C720M7
IF10
R2602M13
C2602M13
U2601M13
IF7
IF2602M13
IF15
C2601M13
D2602M13
SH10
C2227M2
C2229M2
M6502M6
TP6306M6
R6301M6
U6301M6
C6302M6
C6523M6
C6531M6
R6503M6
U6302M6
C6504M6
C6501M6
C6602M6
R6215M6
Y6601M6
C2806
R2811
R2806
R2807
R2804
R2805
R2808
R6207M6
R2812
TP701M7
Y701M7
C732M7
C736M7
C734M7
R729M7
L741M7U702M7
SH6
IF3102M22
IF18
C726M7
L727M7
L738M7
IF3100M22
C706M7
C714M7
R2603M13
R2604M13
R2605M13
L2602M13
L2601M13
C2608M13
C2604M13
IF22
IF1801M17
C1803M17
C1804M17
L1803M17
E2203M2
E2204M2
E2202M2
E2205M2
J2M2
TP6307M6TP6308M6
C6503M6
TP6303M6
C6595M6
C6506M6
C6508M6
OMAP_VPPM6
C6505M6
C6528M6
R6312M6
R6313M6
C6512M6
C6526M6
R2817
R6118M6
U6104M6
C2474M3
R2441M3
R2477M3
R2476M3
R2408M3
U2412M3
C2451M3
C2473M3
R2478M3
R2435M3
U2411M3
C2454M3
C2457M3
R2474M3
R2475M3
U2403M3
C2465M3 R2419M3
C731M7
R702M7
IF23
C725M7
L728M7
L735M7
IF3104M22
C716M7
C717M7
C719M7
IF19IF3101M22
C715M7
C730M7
R721M7
L733M7
C704M7
IF12
IF2605M13
IF9
C2603M13
Q2601M13
IF1655M16
IF2601M13
D2603M13
IF1654M16
IF2607M13
C1807M17
C1821M17
C2226M2
C2228M2
F_GCAI_1WIREM2
F_MPU_BOOTM6
GPIO0M2
D4001M2
D6501M6
C6568M6
R6507M6
R6522M6
R6512M6
R6570M6
E6501M6
C6514M6
C6518M6
C6522M6
TP6601M6
C6502M6
C6533M6
C6571M6
TP6302M6
C6525M6
R6314M6
R6501M6
R6306M6
C6308M6
R6310M6
R6311M6
R6316M6
MPU_IO_12M6
C6588M6
R6210M6
C6556M6
Q6501M6
C2450M3
C6601M6
R6102M6
U6103M6
Y2475M3
R2412M3
R2414M3
TP2453M3
TP2452M3
TP2451M3TP2450M3
TP2419M3
C2475M3
R2457M3
R2404M3
TP2435M3
R2492M3
C2458M3
TP2436M3
R2489M3
R1312M3
R2495M3
R2444M3
C724M7
D723M7 C718M7 D722M7
L720M7
C702M7
IF4
IF6
C1625M16
C1820M17
L1809M17
IF1651M16
L1811M17
C1826M17
TP2417M3
F_GCAI_USB-M2
F_GCAI_USB+M2
R2114M2
R2120M2
R2197M2
R2199M2
C2114M2
R2109M2
R2113M2 U2101M2
R6510M6
U6508M6
M2
SH16
M1
C6593M6
C6311M6
C6309M6
C2415M3
C6589M6
R6304M6
R2406M3
R6504M6
C2452M3
R2442M3
C6534M6
R2405M3
C2456M3
C2455M3
C2444M3
C2438M3
R2458M3
R2453M3
U2406M3
L604M19
C627M19
C630M19
C631M19
C646M19
C625M19
R605M19
R606M19
C1163M11
C1164M11
C1168M11
C1170M11
C1171M11
U1137M11
R1202M11
C1116M11
U1125M11
C216M12
C215M12
R1122M11
R1121M11
C209M12
C1161M11
U202M12
C1160M11
C204M12
C206M12
C1628M16
C1623M16
L1610M16
C1624M16
C1822M17
C1827M17
C1104M11
C1125M11
C1142M11R1168M11
TP2415M3
F_GNDM6
TP1301M3
F_VBUS2M2
C1340M3
R2107M2
R2116M2
R2118M2
U1335M3
C2201M2
R2110M2
R2115M2
U2102M2
Q2202M2
C6563M6
U6304M6
R2451M3
C2417M3
U2402M3
R2491M3
U2415M3
C2447M3
C2441M3
R2461M3
R2456M3
TP2437M3
R2490M3
U2409M3
C638M19
C639M19
C640M19
R613M19
R609M19
U602M19
C608M19
C609M19
C618M19
R602M19
R612M19
VR602M19
SH4
C619M19
U1138M11
C1167M11
R1101M11
U1146M11
C1128M11
C1165M11
U1139M11
R1135M11
U1128M11

Schematics, Boards Overlays, and Parts Lists: Main Board Block: UHF1 (84012513001_A) 8-33
Figure 8-31. Transceiver (RF) Board Layout – Bottom Side
2
3
4
5
43
J1
43
5
5
43
3
3
5
5
2
6
2
3
4
6
4
5
4
A9
3
A1
24
43
6
43
4
5
43
6
5
3
4
5
3
3
2
3
J9
43
6
C1
C3
12
48
2
2
3
B1
A2
5
4
A2 C2
C1
8
3
4
2
P1
6
6
3
4
A3
D1
24
36
3
2
3
2
43
8
3
5
3
6
3
4
46
3
46
D1
A2 D2
3
3
4
6
3
2
3
3
5
13
9
12
8
4
33
34
4
6
34
2
6
43
3
D2
A2
4
4
6
6
8
16 5
4
D2
D1
P14
A14
2
3
2
2
6
43
64
3
2
3
916
5
9
13
A2
4
5
3
23
4
2
64
3
G1
G2
85
4
4
P14
P1
64
3
3
4
64
3
2
43
5
2
3
A2
A2
B1
2
10
8
5
5
6
13
16
12 9
6
43
34
2
3
3
34
5
C1
43
5
C2
L10
L1
2
3
4
2
5
34
5
43
5
A10
4
3
2
39 G3
G4
40
3
6
2
3
6
10
5
5
8
5
4
A14
4
3
4
3
5
2
3
C1118M11
U1112M11
C1117M11
R2493M3
R6621M6
R4012M2
R6619M6
C6425M6
R6546M6
C6554M6
R6530M6
Y6501M6
Q6504M6
C6536M6
R6423M6
R6535M6
R6581M6
U6601M6
C202M12
L200M12
Q2547M6
Q2537M6
C2555M6
C2531M6
U606M19
R611M19
R614M19
R615M19 R620M19
E608M19
E609M19
C634M19
C637M19
R618M19
C633M19
R610M19
R624M19
U603M19
U604M19
TP603M19
TP601M19
C641M19
C643M19
R698M19
VR200M12
C1610M16
C1613M16
L1603M16
IF3
C1607M16
C1606M16
C1609M16
C1629M16
C1630M16
C1605M16
L1604M16
C1126M11
R1124M11
C1112M11
R1151M11
R1162M11
J3M2
R6623M6
R6622M6
C6575M6
C6424M6
R6625M6
R6624M6
R6566M6
C6592M6
D6401M6
C6535M6
C6591M6
R6578M6
R6574M6
Q6507M6
U6409M6
R6580M6
R6420M6
R6626M6
C6402M6
U6402M6
C6403M6
MIC_BIASM6
C2551M6
R2529M6
C632M19
C635M19
C622M19
R621M19
L605M19
VR601M19
SH11
E606M19
C626M19
C628M19
E607M19
C644M19
C636M19
M101M12
E201M12
Q201M12
F200M12
C217M12
C1633M16
C208M12
C1614M16
C1616M16
L1605M16
U1601M16
R1604M16
R1602M16
SH13
IF5
C1615M16
R1601M16
R1603M16
C1129M11
C1111M11
U1105M11
R1163M11
U1131M11
R21M2
R22M2 C6580M6
C6579M6
C6577M6
R6582M6
R6564M6R6562M6
U6501M6
R6618M6
R6617M6
R6577M6
R6533M6
U6509M6
Q6401M6
C6405M6
R6431M6
R6429M6
R6430M6
C6411M6
C6428M6
R6402M6
R6401M6
R6410M6
R6404M6
C6406M6
C6404M6
R6405M6
R6406M6
C6413M6
E604M19
E605M19
C642M19
C614M19
C606M19
C620M19
R604M19
R608M19
R699M19
E603M19
R603M19
E602M19
C616M19
C602M19
C604M19
U601M19
E601M19
C603M19
C623M19
C617M19
C621M19
C601M19
L611M19
C200M12
C201M12
Q202M12
C214M12
C213M12
R202M12
R201M12
C207M12
U201M12
R1605M16C1617M16
U1133M11
C1172M11
R1176M11
R1152M11
R1177M11
U1136M11
U1132M11
SH5
R1M2
C6578M6
C6581M6
C6576M6
R6565M6
R6563M6
R6561M6
C6574M6
C6427M6
C6422M6
R6428M6
MAKO_INT_MICPM6
MAKO_INT_MICMM6
C6421M6
C6539M6
C6540M6
C6423M6
C6538M6
R6579M6
R6576M6
C6596M6
C6594M6
U6408M6
C6410M6
C6420M6
R6422M6
CODEC_GPIO1M6
R6411M6
U6405M6
C624M19
C607M19
C613M19
C612M19
L603M19
C611M19
C615M19
R601M19
C610M19
L602M19
C645M19
C605M19
L601M19
C1173M11
C1174M11
E1101M11
SH7
Q1601M16
C1141M11
R1160M11
R1154M11
R1174M11
R1171M11
C1130M11
C1108M11
R1172M11
R1158M11
U1144M11
R1175M11
J102M11
C6426M6
R6426M6
R6427M6
R6425M6
R6609M6
C6590M6
C6537M6
R6505M6
R6492M6
R6525M6
Y6502M6
TP6599M6
R6591M6
R6506M6
R6599M6
U6102M6
C6541M6
R6117M6
U6511M6
Q6101M6
C6419M6
R6417M6
R6421M6
C6418M6
C6414M6
R6416M6
R6567M6
M2533M6
VR101M12
R200M12
U1141M11
C1139M11
R1108M11
U1101M11
R1141M11
R1103M11
U1103M11
C1106M11
C1137M11
C1138M11
R1139M11
R1140M11
U1129M11
U1104M11
U1143M11
R1138M11
R1142M11
R1170M11
R1169M11
R6598M6
C6104M6
C6416M6
C101M12
C1103M11
R1110M11
C1156M11
C1158M11
IF3105M22
C6586M6
C6570M6
C2527M6
C2528M6
R2519M6
L3134M22
C3133M22
C3122M22
C3158M22
L3126M22
R3127M22
C3100M22
L3101M22
C1925M20
C1928M20
C1926M20
C1935M20
U1121M11
C1157M11
R1320M3
FL1302M3
TP1303M3
R1302M3
R1307M3
R1322M3
C1327M3
C1326M3
R1332M3
R1304M3
R1306M3
R1323M3
R4008M2
C6584M6
C6582M6
L6505M6
R6547M6
U2525M6
C2520M6
U2526M6
R6706M6
R2509M6
R2508M6
C2548M6
C2544M6
C2542M6
R2523M6
R2522M6
R2501M6
TP6705M6
TP6703M6
TP2502M6
ENC_JTAGSEL0M6
C2541M6
C2518M6
TP_MACE_NRDM6
TP6702M6
R2524M6
R6703M6
R6702M6
D2521M6
C2549M6
C2543M6
C2536M6
C3143M22
C3152M22
L3139M22
D3136M22
D3137M22
D3138M22
C3106M22
R3160M22
C3159M22
L3125M22
R3159M22
C3115M22
C3120M22
Q3123M22
C3105M22
D3104M22
D3102M22
D3103M22
D3105M22
R1910M20
C1929M20
R1906M20
R1907M20
VR1905M20
VR1906M20
C1938M20
L1915M20
L1910M20
R1127M11
R1128M11
R1167M11
C1162M11
C1120M11
R1126M11
R1125M11
C1323M3
C1332M3
C1333M3
C1312M3
R1308M3
R1325M3
R1331M3
R1340M3
C1306M3
C1310M3
R1313M3
R1326M3
R1329M3
R1330M3
Y1304M3
C1320M3
C1319M3
L1301M3
U4003M2
Q4001M2
C6561M6
C6560M6
C6547M6
R6552M6
R6548M6
R6544M6
U6507M6
R6558M6
C6569M6
C6566M6
Q6505M6
ENC_UART_TXM6
ENC_UART_RXM6
R2511M6
C2545M6 R2512M6
C3155M22
C3157M22
L3145M22
C3140M22
C3141M22
C3103M22
C3147M22
C3151M22
L3159M22
D3135M22
R3107M22
R3109M22
C3154M22
C3104M22
R3105M22
R3106M22
R3103M22L3100M22
C3111M22
C3109M22
R3118M22
R3114M22
L3119M22
C3101M22
C3107M22
C3116M22
C3113M22
C3108M22
C3110M22
L3106M22
L3112M22
C1953M20
C1952M20
L1909M20
Q1920M20
C1958M20
C1939M20
L1908M20
D1970M20
U1114M11
R1166M11
U1113M11
R1165M11
R1164M11
U1119M11
C1119M11
C1328M3
C1335M3
Q1101M11
C1334M3
C1313M3
C1376M3
C1321M3
C1311M3
U1301M3
C1330M3
TP1304M3
R1305M3
J2401M2
C6564M6
R6542M6
C6553M6
R6524M6
C6559M6
R6538M6
R6568M6
C6562M6
R6540M6
R6537M6
R6545M6
C6567M6
Q6506M6
R6541M6
R6521M6
C2539M6
TP6704M6TP6701M6
R6704M6
R6701M6
U2510M6
C2550M6
C2540M6
Q3161M22
C3144M22
C3142M22
R3158M22
R3146M22
R3149M22
L3150M22
L3158M22
Q3156M22
C3114M22
C3160M22
C3112M22
R3108M22
L3102M22
SH15
C3102M22
U3001M22
L702M7
Q3128M22
C1922M20
R1922M20
R1921M20
C1920M20
R1923M20
Q1922M20
C1931M20
C1970M20
R1925M20
R1970M20
L1934M20
U1148M11
C1159M11
C1602M16
C1603M16
C1337M3
L1602M16
L1601M16
C1336M3
R1652M16
R1315M3
C1331M3
R1311M3
R1317M3
R1318M3
SH3
C1325M3
C1329M3
C1303M3
C1324M3
C1301M3
R1303M3
L1306M3
FL1303M3
L1303M3
U1305M3
R2401M2
L6502M6
C4005M2
U6504M6
C6558M6
R6539M6
R6527M6
R6543M6
U6505M6
L6504M6
Q6502M6
C6543M6
C2554M6
C2553M6
C6551M6
C6544M6
R6509M6
R2560M6
C2534M6
C2546M6
R744M7
R2507M6
R741M7
C786M7
R742M7
C740M7
R822M7
R823M7
C760M7
C770M7
C745M7
L765M7
C3161M22
C722M7
R709M7
L701M7
C817M7
C819M7
C723M7
R769M7 C803M7
R785M7
R799M7
R809M7
Q774M7
C741M7
R1924M20
E1921M20
C1923M20
C1936M20
C1924M20
L1935M20
U1932M20
C1901M20
C1971M20
C1940M20
02M6391R02M5391R
L1936M20
SH9
Q1103M11
C1604M16
C1601M16
R1651M16
R1653M16
C1309M3
R1309M3
R1310M3
C1304M3
C1307M3
C1322M3
C1308M3
U1304M3
R2466M3
R2497M3
R2452M3
R2434M3
U4001M2
R4010M2
R6550M6
R6528M6
R6532M6
R6526M6
C6565M6
C6550M6
TP_ATOD_8M6
R6534M6
C6552M6
C6542M6
R6529M6
R6508M6
ENC_JTAGSEL1M6
R6705M6
R2503M6
R2513M6
R2516M6
R2515M6
R2514M6
C2552M6
C2538M6
C2535M6
C2504M6
C2506M6
R2505M6
C743M7
R2517M6
R748M7
Q745M7
L739M7
C816M7
C824M7
C813M7
R746M7
R747M7
Q756M7
C768M7
R761M7
R754M7
R757M7
L755M7
C753M7
C781M7
C751M7
R703M7
R707M7
R704M7
U738M7
C764M7
R771M7
R762M7
R763M7
Q785M7
R766M7
Q767M7
L759M7
C773M7
C772M7
L775M7
C780M7
C777M7
C701M7
C729M7
R776M7
L703M7
L730M7
C1942M20
C1957M20
C1959M20
C1961M20
C1960M20
L1912M20
L1917M20
VR1907M20
C1956M20
R1972M20
R1102M11
R1908M20
U1602M16
C1305M3
L1304M3
L1302M3
FL1301M3
C2478M3
C2449M3
R2449M3
U2416M3
R2433M3
C4007M2
C4006M2
R4014M2
R4009M2
U4004M2
R4013M2
U6506M6
R6551M6
OMAP_TEMP_TPM6
R4011M2
C6573M6
C6548M6
C6545M6
R6516M6
R6515M6
R6513M6
R6523M6
C6546M6
C6549M6
R6583M6
R6519M6
R6514M6
R6520M6
R6517M6
R6584M6
R6518M6
R6511M6
MAKO_AD_TRIGM6
U6503M6
R6608M6
U6502M6
C6557M6
R6531M6
SH17
Q6508M6
C6555M6
R6536M6
C203M12
R2530M6
C2532M6
U605M19
R619M19
R623M19
U607M19
R617M19
C629M19R607M19
R616M19
Q601M19
C1963M20
L1913M20
L1914M20
VR1908M20
C1964M20
C1954M20
R1911M20
R1909M20
C1955M20
C
1608M
16
C
1611M
16
C1612M16

8-34 Schematics, Boards Overlays, and Parts Lists: Main Board Block: UHF1 (84012513001_A)
UHF1 Transceiver (RF) Board Parts List –
84012513001_A
Ref. Des. Part Number Description
C101M12 2113944A46 CAP,CHIP,330PF,+5%,-
5%,50V-DC,0402,C0G,-
55DEG CMIN,125DEG
CMAX
C1103M11 2113945B02 CAP,CHIP,.01UF,+10%,-
10%,25V-DC,0402,X7R,-
55DEG CMIN,125DEG CMA
C1104M11 NOT
PLACED
CAP,CHIP,5.6PF,.5PF+/-
,50V-DC,0402,C0G,-55DEG
CMIN,125DEG CMAX
C1105M11 2113944A19 CAP,CHIP,5.6PF,.5PF+/-
,50V-DC,0402,C0G,-55DEG
CMIN,125DEG CMAX
C1106M11 2113945B02 CAP,CHIP,.01UF,+10%,-
10%,25V-DC,0402,X7R,-
55DEG CMIN,125DEG CMA
C1107M11 2113944A40 CAP,CHIP,100PF,+5%,-
5%,50V-DC,0402,C0G,-
55DEG CMIN,125DEG
CMAX
C1108M11 2113946B02 CAP,CHIP,.047UF,+10%,-
10%,10V-DC,0402,X5R,-
55DEG CMIN,85DEG CMA
C1110M11 2113944A40 CAP,CHIP,100PF,+5%,-
5%,50V-DC,0402,C0G,-
55DEG CMIN,125DEG
CMAX
C1111M11 2113945Y02 CAP,FXD,.1UF,+10%,-
10%,16V-DC,0402,X7R,-
55DEG CMIN,125DEG
CMAX
C1112M11 2113945B01 CAP,CHIP,6800PF,+10%,-
10%,25V-DC,0402,X7R,-
55DEG CMIN,125DEG CM
C1113M11 2113945B02 CAP,CHIP,.01UF,+10%,-
10%,25V-DC,0402,X7R,-
55DEG CMIN,125DEG CMA
C1116M11 2113945Y02 CAP,FXD,.1UF,+10%,-
10%,16V-DC,0402,X7R,-
55DEG CMIN,125DEG
CMAX
C1117M11 2113945A12 CAP,CHIP,3300PF,+10%,-
10%,50V-DC,0402,X7R,-
55DEG CMIN,125DEG CM
C1118M11 2113945B02 CAP,CHIP,.01UF,+10%,-
10%,25V-DC,0402,X7R,-
55DEG CMIN,125DEG CMA
C1119M11 2113945B02 CAP,CHIP,.01UF,+10%,-
10%,25V-DC,0402,X7R,-
55DEG CMIN,125DEG CMA
C1120M11 2113945B02 CAP,CHIP,.01UF,+10%,-
10%,25V-DC,0402,X7R,-
55DEG CMIN,125DEG CMA
C1122M11 2113944M05 CAP,FXD,3PF,.1PF+/-,50V-
DC,0603,C0G,-55DEG
CMIN,125DEG CMAX,PB
C1123M11 2113945B02 CAP,CHIP,.01UF,+10%,-
10%,25V-DC,0402,X7R,-
55DEG CMIN,125DEG CMA
C1124M11 2113945A13 CAP,CHIP,4700PF,+10%,-
10%,50V-DC,0402,X7R,-
55DEG CMIN,125DEG CM
C1125M11 2113944A23 CAP,CHIP,8.2PF,.5PF+/-
,50V-DC,0402,C0G,-55DEG
CMIN,125DEG CMAX
C1126M11 2113945A09 CAP,CHIP,1000PF,+10%,-
10%,50V-DC,0402,X7R,-
55DEG CMIN,125DEG CM
C1127M11 2113945Y02 CAP,FXD,.1UF,+10%,-
10%,16V-DC,0402,X7R,-
55DEG CMIN,125DEG
CMAX
C1128M11 2113945B02 CAP,CHIP,.01UF,+10%,-
10%,25V-DC,0402,X7R,-
55DEG CMIN,125DEG CMA
C1129M11 2113945B02 CAP,CHIP,.01UF,+10%,-
10%,25V-DC,0402,X7R,-
55DEG CMIN,125DEG CMA
C1130M11 2113945B02 CAP,CHIP,.01UF,+10%,-
10%,25V-DC,0402,X7R,-
55DEG CMIN,125DEG CMA
C1137M11 2113945B04 CAP,FXD,.022UF,+10%,-
10%,25V-DC,0402,X7R,-
55DEG CMIN,125DEG CMA
C1138M11 2113945B04 CAP,FXD,.022UF,+10%,-
10%,25V-DC,0402,X7R,-
55DEG CMIN,125DEG CMA
C1139M11 2113944A25 CAP,CHIP,10PF,.5PF+/-,50V-
DC,0402,C0G,-55DEG
CMIN,125DEG CMAX
Ref. Des. Part Number Description
C1140M11 2113945A13 CAP,CHIP,4700PF,+10%,-
10%,50V-DC,0402,X7R,-
55DEG CMIN,125DEG CM
C1141M11 2113945Y02 CAP,FXD,.1UF,+10%,-
10%,16V-DC,0402,X7R,-
55DEG CMIN,125DEG
CMAX
C1142M11 2113945A09 CAP,CHIP,1000PF,+10%,-
10%,50V-DC,0402,X7R,-
55DEG CMIN,125DEG CM
C1156M11 2113944A40 CAP,CHIP,100PF,+5%,-
5%,50V-DC,0402,C0G,-
55DEG CMIN,125DEG
CMAX
C1157M11 2113944A40 CAP,CHIP,100PF,+5%,-
5%,50V-DC,0402,C0G,-
55DEG CMIN,125DEG
CMAX
C1158M11 2113944A40 CAP,CHIP,100PF,+5%,-
5%,50V-DC,0402,C0G,-
55DEG CMIN,125DEG
CMAX
C1159M11 2113944A40 CAP,CHIP,100PF,+5%,-
5%,50V-DC,0402,C0G,-
55DEG CMIN,125DEG
CMAX
C1160M11 2113945C31 CAP,FXD,.1UF,+10%,-
10%,50V-DC,0603,X7R,-
55DEG CMIN,125DEG
CMAX
C1161M11 2113956B91 CAP,FXD,1UF,+10%,-
10%,16V-DC,0603,X5R,-
55DEG CMIN,85DEG
CMAX,PB
C1162M11 2113944A40 CAP,CHIP,100PF,+5%,-
5%,50V-DC,0402,C0G,-
55DEG CMIN,125DEG
CMAX
C1163M11 2113944A40 CAP,CHIP,100PF,+5%,-
5%,50V-DC,0402,C0G,-
55DEG CMIN,125DEG
CMAX
C1164M11 2113944A40 CAP,CHIP,100PF,+5%,-
5%,50V-DC,0402,C0G,-
55DEG CMIN,125DEG
CMAX
Ref. Des. Part Number Description
C1165M11 2113945Y02 CAP,FXD,.1UF,+10%,-
10%,16V-DC,0402,X7R,-
55DEG CMIN,125DEG
CMAX
C1166M11 2113944A40 CAP,CHIP,100PF,+5%,-
5%,50V-DC,0402,C0G,-
55DEG CMIN,125DEG
CMAX
C1167M11 2113944A40 CAP,CHIP,100PF,+5%,-
5%,50V-DC,0402,C0G,-
55DEG CMIN,125DEG
CMAX
C1168M11 2113944A40 CAP,CHIP,100PF,+5%,-
5%,50V-DC,0402,C0G,-
55DEG CMIN,125DEG
CMAX
C1169M11 2113944A40 CAP,CHIP,100PF,+5%,-
5%,50V-DC,0402,C0G,-
55DEG CMIN,125DEG
CMAX
C1170M11 2113944A40 CAP,CHIP,100PF,+5%,-
5%,50V-DC,0402,C0G,-
55DEG CMIN,125DEG
CMAX
C1171M11 2113944A40 CAP,CHIP,100PF,+5%,-
5%,50V-DC,0402,C0G,-
55DEG CMIN,125DEG
CMAX
C1172M11 NOT
PLACED
CAP,CHIP,100PF,+5%,-
5%,50V-DC,0402,C0G,-
55DEG CMIN,125DEG
CMAX
C1173M11 2115153H49 CAP,FXD,47PF,+1%,-
1%,50V-DC,0402,C0G
C1174M11 2115153H55 CAP,CER CHIP,82PF,50V-
DC,0402,C0G
C1301M3 21012119001 CAP,FXD,2.2UF,+20%,-
20%,6.3V-
DC,X5R,CAP,FXD,2.2UF,20
%,6.3V-D
C1302M3 2113944A19 CAP,CHIP,5.6PF,.5PF+/-
,50V-DC,0402,C0G,-55DEG
CMIN,125DEG CMAX
C1303M3 2113956A51 CAP,FXD,1UF,+10%,-
10%,6.3V-DC,0402,X5R,-
55DEG CMIN,85DEG
CMAX,P
Ref. Des. Part Number Description

Schematics, Boards Overlays, and Parts Lists: Main Board Block: UHF1 (84012513001_A) 8-35
C1304M3 2113944A26 CAP,CHIP,12PF,+5%,-
5%,50V-DC,0402,C0G,-
55DEG CMIN,125DEG
CMAX,P
C1305M3 2113945B02 CAP,CHIP,.01UF,+10%,-
10%,25V-DC,0402,X7R,-
55DEG CMIN,125DEG CMA
C1306M3 2187893N01 CAP,CER,1UF,20PF+/-
,+20%,-20%,6.3V-DC,0402,+/
-15%,-55DEG CMIN,85
C1307M3 2113944A26 CAP,CHIP,12PF,+5%,-
5%,50V-DC,0402,C0G,-
55DEG CMIN,125DEG
CMAX,P
C1308M3 2113945A09 CAP,CHIP,1000PF,+10%,-
10%,50V-DC,0402,X7R,-
55DEG CMIN,125DEG CM
C1309M3 2113944A26 CAP,CHIP,12PF,+5%,-
5%,50V-DC,0402,C0G,-
55DEG CMIN,125DEG
CMAX,P
C1310M3 2187893N01 CAP,CER,1UF,20PF+/-
,+20%,-20%,6.3V-DC,0402,+/
-15%,-55DEG CMIN,85
C1311M3 2113956A51 CAP,FXD,1UF,+10%,-
10%,6.3V-DC,0402,X5R,-
55DEG CMIN,85DEG
CMAX,P
C1312M3 2113956A51 CAP,FXD,1UF,+10%,-
10%,6.3V-DC,0402,X5R,-
55DEG CMIN,85DEG
CMAX,P
C1313M3 2187893N01 CAP,CER,1UF,20PF+/-
,+20%,-20%,6.3V-DC,0402,+/
-15%,-55DEG CMIN,85
C1314M3 2113944M20 CAP,FXD,12PF,+2%,-
2%,50V-DC,0603,C0G,-
55DEG CMIN,125DEG
CMAX,PB
C1315M3 2115153H02 CAP,CER CHIP,.75PF,.1PF+/
-,+.1%,-.1%,50V-
DC,C0G,CAP, CERAMIC
C1316M3 2113945Y02 CAP,FXD,.1UF,+10%,-
10%,16V-DC,0402,X7R,-
55DEG CMIN,125DEG
CMAX
Ref. Des. Part Number Description
C1317M3 2188881Y12 CAP,CER CHIP,1.8PF,.1PF+/
-,16V-DC,0402,NP0,-55DEG
CMIN,85DEG C
C1318M3 2115153H15 CAP,CER CHIP,3.3PF,.1PF+/
-,+.1%,-.1%,50V-
DC,0402,C0G,CAP, CERA
C1319M3 2113945Y02 CAP,FXD,.1UF,+10%,-
10%,16V-DC,0402,X7R,-
55DEG CMIN,125DEG
CMAX
C1320M3 2113944A28 CAP,CHIP,18PF,+5%,-
5%,50V-DC,0402,C0G,-
55DEG CMIN,125DEG
CMAX,P
C1321M3 2113944A29 CAP,CHIP,22PF,+5%,-
5%,50V-DC,0402,C0G,-
55DEG CMIN,125DEG
CMAX,P
C1322M3 2113944A29 CAP,CHIP,22PF,+5%,-
5%,50V-DC,0402,C0G,-
55DEG CMIN,125DEG
CMAX,P
C1323M3 2113944A29 CAP,CHIP,22PF,+5%,-
5%,50V-DC,0402,C0G,-
55DEG CMIN,125DEG
CMAX,P
C1324M3 2115153H03 CAP,CER CHIP,1PF,.1PF+/-
,+.1%,-.1%,50V-
DC,0402,C0G
C1325M3 2113944A29 CAP,CHIP,22PF,+5%,-
5%,50V-DC,0402,C0G,-
55DEG CMIN,125DEG
CMAX,P
C1326M3 2113945Y02 CAP,FXD,.1UF,+10%,-
10%,16V-DC,0402,X7R,-
55DEG CMIN,125DEG
CMAX
C1327M3 2113944A28 CAP,CHIP,18PF,+5%,-
5%,50V-DC,0402,C0G,-
55DEG CMIN,125DEG
CMAX,P
C1328M3 2113945Y02 CAP,FXD,.1UF,+10%,-
10%,16V-DC,0402,X7R,-
55DEG CMIN,125DEG
CMAX
Ref. Des. Part Number Description
C1329M3 2113945Y02 CAP,FXD,.1UF,+10%,-
10%,16V-DC,0402,X7R,-
55DEG CMIN,125DEG
CMAX
C1330M3 2113945Y02 CAP,FXD,.1UF,+10%,-
10%,16V-DC,0402,X7R,-
55DEG CMIN,125DEG
CMAX
C1331M3 2113945Y02 CAP,FXD,.1UF,+10%,-
10%,16V-DC,0402,X7R,-
55DEG CMIN,125DEG
CMAX
C1332M3 2113945Y02 CAP,FXD,.1UF,+10%,-
10%,16V-DC,0402,X7R,-
55DEG CMIN,125DEG
CMAX
C1333M3 2113945Y02 CAP,FXD,.1UF,+10%,-
10%,16V-DC,0402,X7R,-
55DEG CMIN,125DEG
CMAX
C1334M3 2113945Y02 CAP,FXD,.1UF,+10%,-
10%,16V-DC,0402,X7R,-
55DEG CMIN,125DEG
CMAX
C1335M3 2113945Y02 CAP,FXD,.1UF,+10%,-
10%,16V-DC,0402,X7R,-
55DEG CMIN,125DEG
CMAX
C1336M3 2113945Y02 CAP,FXD,.1UF,+10%,-
10%,16V-DC,0402,X7R,-
55DEG CMIN,125DEG
CMAX
C1337M3 2113944A28 CAP,CHIP,18PF,+5%,-
5%,50V-DC,0402,C0G,-
55DEG CMIN,125DEG
CMAX,P
C1339M3 NOT
PLACED
CAP,CHIP,2PF,.25PF+/-,50V-
DC,0402,C0G,-55DEG
CMIN,125DEG CMAX
C1340M3 2113945Y02 CAP,FXD,.1UF,+10%,-
10%,16V-DC,0402,X7R,-
55DEG CMIN,125DEG
CMAX
C1376M3 2113944A25 CAP,CHIP,10PF,.5PF+/-,50V-
DC,0402,C0G,-55DEG
CMIN,125DEG CMAX
Ref. Des. Part Number Description
C1601M16 2113944A40 CAP,CHIP,100PF,+5%,-
5%,50V-DC,0402,C0G,-
55DEG CMIN,125DEG
CMAX
C1602M16 2113944M42 CAP,FXD,100PF,+2%,-
2%,50V-DC,0603,C0G,-
55DEG CMIN,125DEG
CMAX,P
C1603M16 2113945L49 CAP,FXD,.01UF,+5%,-
5%,50V-DC,0603,X7R,-
55DEG CMIN,125DEG
CMAX,P
C1604M16 2113944A40 CAP,CHIP,100PF,+5%,-
5%,50V-DC,0402,C0G,-
55DEG CMIN,125DEG
CMAX
C1605M16 2113945B02 CAP,CHIP,.01UF,+10%,-
10%,25V-DC,0402,X7R,-
55DEG CMIN,125DEG CMA
C1606M16 2113944A40 CAP,CHIP,100PF,+5%,-
5%,50V-DC,0402,C0G,-
55DEG CMIN,125DEG
CMAX
C1607M16 2113944A40 CAP,CHIP,100PF,+5%,-
5%,50V-DC,0402,C0G,-
55DEG CMIN,125DEG
CMAX
C1608M16 2113944M42 CAP,FXD,100PF,+2%,-
2%,50V-DC,0603,C0G,-
55DEG CMIN,125DEG
CMAX,P
C1609M16 2113944A40 CAP,CHIP,100PF,+5%,-
5%,50V-DC,0402,C0G,-
55DEG CMIN,125DEG
CMAX
C1610M16 2113944A19 CAP,CHIP,5.6PF,.5PF+/-
,50V-DC,0402,C0G,-55DEG
CMIN,125DEG CMAX
C1611M16 2113945L49 CAP,FXD,.01UF,+5%,-
5%,50V-DC,0603,X7R,-
55DEG CMIN,125DEG
CMAX,P
C1612M16 NOT
PLACED
CAP,CHIP,100PF,+5%,-
5%,50V-DC,0603,C0G,-
55DEG CMIN,125DEG
CMAX
Ref. Des. Part Number Description

8-36 Schematics, Boards Overlays, and Parts Lists: Main Board Block: UHF1 (84012513001_A)
C1613M16 2113944A31 CAP,CHIP,33PF,+5%,-
5%,50V-DC,0402,C0G,-
55DEG CMIN,125DEG
CMAX,P
C1614M16 2113944A36 CAP,CHIP,68PF,+5%,-
5%,50V-DC,0402,C0G,-
55DEG CMIN,125DEG
CMAX,P
C1615M16 2113944A40 CAP,CHIP,100PF,+5%,-
5%,50V-DC,0402,C0G,-
55DEG CMIN,125DEG
CMAX
C1616M16 2113944A32 CAP,CHIP,39PF,+5%,-
5%,50V-DC,0402,C0G,-
55DEG CMIN,125DEG
CMAX,P
C1617M16 NOT
PLACED
CAP,CHIP,.01UF,+10%,-
10%,25V-DC,0402,X7R,-
55DEG CMIN,125DEG CMA
C1618M16 2113944M42 CAP,FXD,100PF,+2%,-
2%,50V-DC,0603,C0G,-
55DEG CMIN,125DEG
CMAX,P
C1619M16 2113944M22 CAP,FXD,15PF,+2%,-
2%,50V-DC,0603,C0G,-
55DEG CMIN,125DEG
CMAX,PB
C1620M16 2171741M06 CAP,CER CHIP,39PF,50V-
DC,HI Q CAP, 39 PF
C1621M16 2171741M07 CAP,CER CHIP,15PF,50V-
DC,HI Q CAP, 15 PF
C1622M16 2113944M24 CAP,FXD,18PF,+2%,-
2%,50V-DC,0603,C0G,-
55DEG CMIN,125DEG
CMAX,PB
C1623M16 NOT
PLACED
CAP,CHIP,1.2PF,.25PF+/-
,50V-DC,0603,C0G,-55DEG
CMIN,125DEG CMA
C1624M16 2113944M23 CAP,FXD,16PF,+2%,-
2%,50V-DC,0603,C0G,-
55DEG CMIN,125DEG
CMAX,PB
C1625M16 2113944M42 CAP,FXD,100PF,+2%,-
2%,50V-DC,0603,C0G,-
55DEG CMIN,125DEG
CMAX,P
Ref. Des. Part Number Description
C1628M16 2113944M13 CAP,FXD,6.2PF,.1PF+/-,50V-
DC,0603,C0G,-55DEG
CMIN,125DEG CMAX
C1629M16 2113945A12 CAP,CHIP,3300PF,+10%,-
10%,50V-DC,0402,X7R,-
55DEG CMIN,125DEG CM
C1630M16 2113945A12 CAP,CHIP,3300PF,+10%,-
10%,50V-DC,0402,X7R,-
55DEG CMIN,125DEG CM
C1633M16 NOT
PLACED
CAP,CHIP,47PF,+5%,-
5%,50V-DC,0402,C0G,-
55DEG CMIN,125DEG
CMAX,P
C1634M16 NOT
PLACED
CAP,FXD,.01UF,+5%,-
5%,50V-DC,0603,X7R,-
55DEG CMIN,125DEG
CMAX,P
C1803M17 2113944C19 CAP,CHIP,3.6PF,.25PF+/-
,50V-DC,0603,C0G,-55DEG
CMIN,125DEG CMA
C1804M17 2113951C05 CAP,FXD,.5PF,.05PF+/-
,250V-DC,0603,C0G,-55DEG
CMIN,125DEG CMAX
C1807M17 2113951C26 CAP,FXD,4.7PF,.05PF+/-
,250V-DC,0603,C0G,-55DEG
CMIN,125DEG CMA
C1820M17 2113944C18 CAP,CHIP,3.3PF,.25PF+/-
,50V-DC,0603,C0G,-55DEG
CMIN,125DEG CMA
C1821M17 2113944C27 CAP,CHIP,7.5PF,.5PF+/-
,50V-DC,0603,C0G,-55DEG
CMIN,125DEG CMAX
C1822M17 2113944C45 CAP,CHIP,100PF,+5%,-
5%,50V-DC,0603,C0G,-
55DEG CMIN,125DEG
CMAX
C1826M17 2113944C14 CAP,CHIP,2.2PF,.25PF+/-
,50V-DC,0603,C0G,-55DEG
CMIN,125DEG CMA
C1827M17 2113944C12 CAP,CHIP,1.8PF,.25PF+/-
,50V-DC,0603,C0G,-55DEG
CMIN,125DEG CMA
C1900M20 2115153H25 CAP,CERAMIC
CHIP,8.2PF,.1PF+/-,+.1%,-
.1%,50V-DC,0402,C0G,CAP,
Ref. Des. Part Number Description
C1901M20 2115153H57 CAP,CERAMIC
CHIP,100PF,+1%,-1%,50V-
DC,0402,C0G,CAP,
CERAMIC,
C1903M20 NOT
PLACED
CAP,CER CHIP,4PF,.1PF+/-
,+.1%,-.1%,50V-
DC,0402,C0G,CAP, CERAMI
C1920M20 2113946D07 CAP,CHIP,4.7UF,+10%,-
10%,6.3V-DC,0603,X5R,-
55DEG CMIN,85DEG CMA
C1922M20 2113944A40 CAP,CHIP,100PF,+5%,-
5%,50V-DC,0402,C0G,-
55DEG CMIN,125DEG
CMAX
C1923M20 2113944A40 CAP,CHIP,100PF,+5%,-
5%,50V-DC,0402,C0G,-
55DEG CMIN,125DEG
CMAX
C1924M20 2113946D07 CAP,CHIP,4.7UF,+10%,-
10%,6.3V-DC,0603,X5R,-
55DEG CMIN,85DEG CMA
C1925M20 2113944A40 CAP,CHIP,100PF,+5%,-
5%,50V-DC,0402,C0G,-
55DEG CMIN,125DEG
CMAX
C1926M20 2113946B04 CAP,CHIP,.1UF,+10%,-
10%,10V-DC,0402,X5R,-
55DEG CMIN,85DEG CMAX
C1928M20 2115153H21 CAP,FXD,5.6PF,.1PF+/-,50V-
DC,0402,C0G,CAP,
CERAMIC, COG
C1929M20 2115153H27 CAP,FXD,10PF,.1PF+/-
,+1%,-1%,50V-
DC,0402,C0G,CAP,
CERAMIC, COG
C1930M20 NOT
PLACED
CAP,FXD,22PF,+1%,-
1%,50V-DC,0402,C0G,CAP,
CERAMIC, COG
C1931M20 2115153H54 CAP,CER CHIP,75PF,50V-
DC,0402,C0G
C1932M20 NOT
PLACED
CAP,FXD,22PF,+1%,-
1%,50V-DC,0402,C0G,CAP,
CERAMIC, COG
Ref. Des. Part Number Description
C1935M20 2115153H13 CAP,FXD,2.7PF,.1PF+/-
,+3.7%,-3.7%,50V-
DC,0402,C0G,CAP,
CERAMIC
C1936M20 2115153H26 CAP,CER CHIP,9.1PF,.1PF+/
-,+.1%,-.1%,50V-
DC,0402,C0G,CAP, CERA
C1938M20 2115153H15 CAP,CER CHIP,3.3PF,.1PF+/
-,+.1%,-.1%,50V-
DC,0402,C0G,CAP, CERA
C1939M20 2115153H13 CAP,FXD,2.7PF,.1PF+/-
,+3.7%,-3.7%,50V-
DC,0402,C0G,CAP,
CERAMIC
C1940M20 2113944A40 CAP,CHIP,100PF,+5%,-
5%,50V-DC,0402,C0G,-
55DEG CMIN,125DEG
CMAX
C1942M20 2115153H23 CAP,CER CHIP,6.8PF,.1PF+/
-,+.1%,-.1%,50V-
DC,0402,C0G,CAP, CERA
C1952M20 2115153H27 CAP,FXD,10PF,.1PF+/-
,+1%,-1%,50V-
DC,0402,C0G,CAP,
CERAMIC, COG
C1953M20 2115153H21 CAP,FXD,5.6PF,.1PF+/-,50V-
DC,0402,C0G,CAP,
CERAMIC, COG
C1954M20 2113944A40 CAP,CHIP,100PF,+5%,-
5%,50V-DC,0402,C0G,-
55DEG CMIN,125DEG
CMAX
C1955M20 2113946B04 CAP,CHIP,.1UF,+10%,-
10%,10V-DC,0402,X5R,-
55DEG CMIN,85DEG CMAX
C1956M20 2115153H21 CAP,FXD,5.6PF,.1PF+/-,50V-
DC,0402,C0G,CAP,
CERAMIC, COG
C1957M20 2115153H27 CAP,FXD,10PF,.1PF+/-
,+1%,-1%,50V-
DC,0402,C0G,CAP,
CERAMIC, COG
C1958M20 2115153H23 CAP,CER CHIP,6.8PF,.1PF+/
-,+.1%,-.1%,50V-
DC,0402,C0G,CAP, CERA
Ref. Des. Part Number Description

Schematics, Boards Overlays, and Parts Lists: Main Board Block: UHF1 (84012513001_A) 8-37
C1959M20 2115153H13 CAP,FXD,2.7PF,.1PF+/-
,+3.7%,-3.7%,50V-
DC,0402,C0G,CAP,
CERAMIC
C1960M20 2115153H24 CAP,CER CHIP,7.5PF,.1PF+/
-,+.1%,-.1%,50V-
DC,0402,C0G,CAP, CERA
C1961M20 2115153H13 CAP,FXD,2.7PF,.1PF+/-
,+3.7%,-3.7%,50V-
DC,0402,C0G,CAP,
CERAMIC
C1963M20 2115153H27 CAP,FXD,10PF,.1PF+/-
,+1%,-1%,50V-
DC,0402,C0G,CAP,
CERAMIC, COG
C1964M20 2115153H21 CAP,FXD,5.6PF,.1PF+/-,50V-
DC,0402,C0G,CAP,
CERAMIC, COG
C1970M20 2115153H12 CAP,CERAMIC
CHIP,2.4PF,.1PF+/-,+.1%,-
.1%,50V-DC,0402,C0G,CAP,
C1971M20 2115153H07 CAP,FXD,1.5PF,.1PF+/-
,+6.67%,-6.67%,50V-
DC,0402,C0G
C200M12 2113945B02 CAP,CHIP,.01UF,+10%,-
10%,25V-DC,0402,X7R,-
55DEG CMIN,125DEG CMA
C201M12 21012118001 CAP,FXD,1UF,+10%,-
10%,25V-
DC,X7R,CAP,FXD,1UF,10%,
25V-DC,X7R
C202M12 21012118001 CAP,FXD,1UF,+10%,-
10%,25V-
DC,X7R,CAP,FXD,1UF,10%,
25V-DC,X7R
C203M12 21012118001 CAP,FXD,1UF,+10%,-
10%,25V-
DC,X7R,CAP,FXD,1UF,10%,
25V-DC,X7R
C204M12 2113955D35 CAP,FXD,4.7UF,+10%,-
10%,16V-DC,1206,X7R,-
55DEG CMIN,125DEG
CMAX
C205M12 2113955D35 CAP,FXD,4.7UF,+10%,-
10%,16V-DC,1206,X7R,-
55DEG CMIN,125DEG
CMAX
Ref. Des. Part Number Description
C206M12 2113945B02 CAP,CHIP,.01UF,+10%,-
10%,25V-DC,0402,X7R,-
55DEG CMIN,125DEG CMA
C207M12 2113956B91 CAP,FXD,1UF,+10%,-
10%,16V-DC,0603,X5R,-
55DEG CMIN,85DEG
CMAX,PB
C208M12 2113956B91 CAP,FXD,1UF,+10%,-
10%,16V-DC,0603,X5R,-
55DEG CMIN,85DEG
CMAX,PB
C209M12 2113956B91 CAP,FXD,1UF,+10%,-
10%,16V-DC,0603,X5R,-
55DEG CMIN,85DEG
CMAX,PB
C2104M2 2113946B04 CAP,CHIP,.1UF,+10%,-
10%,10V-DC,0402,X5R,-
55DEG CMIN,85DEG CMAX
C210M12 2113956B91 CAP,FXD,1UF,+10%,-
10%,16V-DC,0603,X5R,-
55DEG CMIN,85DEG
CMAX,PB
C2114M2 2113946B04 CAP,CHIP,.1UF,+10%,-
10%,10V-DC,0402,X5R,-
55DEG CMIN,85DEG CMAX
C2115M2 2113944A40 CAP,CHIP,100PF,+5%,-
5%,50V-DC,0402,C0G,-
55DEG CMIN,125DEG
CMAX
C212M12 2113946D07 CAP,CHIP,4.7UF,+10%,-
10%,6.3V-DC,0603,X5R,-
55DEG CMIN,85DEG CMA
C213M12 2113944A46 CAP,CHIP,330PF,+5%,-
5%,50V-DC,0402,C0G,-
55DEG CMIN,125DEG
CMAX
C214M12 2113944A31 CAP,CHIP,33PF,+5%,-
5%,50V-DC,0402,C0G,-
55DEG CMIN,125DEG
CMAX,P
C215M12 2113944A46 CAP,CHIP,330PF,+5%,-
5%,50V-DC,0402,C0G,-
55DEG CMIN,125DEG
CMAX
Ref. Des. Part Number Description
C216M12 2113944A31 CAP,CHIP,33PF,+5%,-
5%,50V-DC,0402,C0G,-
55DEG CMIN,125DEG
CMAX,P
C217M12 2113956B91 CAP,FXD,1UF,+10%,-
10%,16V-DC,0603,X5R,-
55DEG CMIN,85DEG
CMAX,PB
C2201M2 2113946B04 CAP,CHIP,.1UF,+10%,-
10%,10V-DC,0402,X5R,-
55DEG CMIN,85DEG CMAX
C2202M2 2113946B04 CAP,CHIP,.1UF,+10%,-
10%,10V-DC,0402,X5R,-
55DEG CMIN,85DEG CMAX
C2203M2 2113946B04 CAP,CHIP,.1UF,+10%,-
10%,10V-DC,0402,X5R,-
55DEG CMIN,85DEG CMAX
C2223M2 2113944A40 CAP,CHIP,100PF,+5%,-
5%,50V-DC,0402,C0G,-
55DEG CMIN,125DEG
CMAX
C2224M2 2113944A40 CAP,CHIP,100PF,+5%,-
5%,50V-DC,0402,C0G,-
55DEG CMIN,125DEG
CMAX
C2225M2 2113946B04 CAP,CHIP,.1UF,+10%,-
10%,10V-DC,0402,X5R,-
55DEG CMIN,85DEG CMAX
C2226M2 2113944A40 CAP,CHIP,100PF,+5%,-
5%,50V-DC,0402,C0G,-
55DEG CMIN,125DEG
CMAX
C2227M2 2113944A40 CAP,CHIP,100PF,+5%,-
5%,50V-DC,0402,C0G,-
55DEG CMIN,125DEG
CMAX
C2228M2 2113944A40 CAP,CHIP,100PF,+5%,-
5%,50V-DC,0402,C0G,-
55DEG CMIN,125DEG
CMAX
C2229M2 2113944A40 CAP,CHIP,100PF,+5%,-
5%,50V-DC,0402,C0G,-
55DEG CMIN,125DEG
CMAX
Ref. Des. Part Number Description
C2331M2 2113944A40 CAP,CHIP,100PF,+5%,-
5%,50V-DC,0402,C0G,-
55DEG CMIN,125DEG
CMAX
C2332M2 2113944A40 CAP,CHIP,100PF,+5%,-
5%,50V-DC,0402,C0G,-
55DEG CMIN,125DEG
CMAX
C2333M2 2113944A40 CAP,CHIP,100PF,+5%,-
5%,50V-DC,0402,C0G,-
55DEG CMIN,125DEG
CMAX
C2334M2 2113944A40 CAP,CHIP,100PF,+5%,-
5%,50V-DC,0402,C0G,-
55DEG CMIN,125DEG
CMAX
C2335M2 2113945Y02 CAP,FXD,.1UF,+10%,-
10%,16V-DC,0402,X7R,-
55DEG CMIN,125DEG
CMAX
C2336M2 2113945Y02 CAP,FXD,.1UF,+10%,-
10%,16V-DC,0402,X7R,-
55DEG CMIN,125DEG
CMAX
C2337M2 2113944A40 CAP,CHIP,100PF,+5%,-
5%,50V-DC,0402,C0G,-
55DEG CMIN,125DEG
CMAX
C2338M2 2113944A40 CAP,CHIP,100PF,+5%,-
5%,50V-DC,0402,C0G,-
55DEG CMIN,125DEG
CMAX
C2339M2 2113945A05 CAP,CHIP,470PF,+10%,-
10%,50V-DC,0402,X7R,-
55DEG CMIN,125DEG CMA
C2340M2 NOT
PLACED
CAP,CHIP,470PF,+10%,-
10%,50V-DC,0402,X7R,-
55DEG CMIN,125DEG CMA
C2341M2 NOT
PLACED
CAP,CHIP,.1UF,+10%,-
10%,10V-DC,0402,X5R,-
55DEG CMIN,85DEG CMAX
C2342M2 NOT
PLACED
CAP,CHIP,470PF,+10%,-
10%,50V-DC,0402,X7R,-
55DEG CMIN,125DEG CMA
Ref. Des. Part Number Description

8-38 Schematics, Boards Overlays, and Parts Lists: Main Board Block: UHF1 (84012513001_A)
C2343M2 2113944A40 CAP,CHIP,100PF,+5%,-
5%,50V-DC,0402,C0G,-
55DEG CMIN,125DEG
CMAX
C2344M2 2113944A40 CAP,CHIP,100PF,+5%,-
5%,50V-DC,0402,C0G,-
55DEG CMIN,125DEG
CMAX
C2414M3 2113946D07 CAP,CHIP,4.7UF,+10%,-
10%,6.3V-DC,0603,X5R,-
55DEG CMIN,85DEG CMA
C2415M3 2113945B02 CAP,CHIP,.01UF,+10%,-
10%,25V-DC,0402,X7R,-
55DEG CMIN,125DEG CMA
C2416M3 2113946D07 CAP,CHIP,4.7UF,+10%,-
10%,6.3V-DC,0603,X5R,-
55DEG CMIN,85DEG CMA
C2417M3 2171206F01 CAP,CER CHIP,4.7UF,+20%,-
20%,4V-
DC,0402,X5R,MONO,SMD,
W18
C2438M3 2113945Y02 CAP,FXD,.1UF,+10%,-
10%,16V-DC,0402,X7R,-
55DEG CMIN,125DEG
CMAX
C2439M3 2113945Y02 CAP,FXD,.1UF,+10%,-
10%,16V-DC,0402,X7R,-
55DEG CMIN,125DEG
CMAX
C2440M3 2113945Y02 CAP,FXD,.1UF,+10%,-
10%,16V-DC,0402,X7R,-
55DEG CMIN,125DEG
CMAX
C2441M3 2113945Y02 CAP,FXD,.1UF,+10%,-
10%,16V-DC,0402,X7R,-
55DEG CMIN,125DEG
CMAX
C2442M3 2113945Y02 CAP,FXD,.1UF,+10%,-
10%,16V-DC,0402,X7R,-
55DEG CMIN,125DEG
CMAX
C2443M3 2113945Y02 CAP,FXD,.1UF,+10%,-
10%,16V-DC,0402,X7R,-
55DEG CMIN,125DEG
CMAX
Ref. Des. Part Number Description
C2444M3 2113945Y02 CAP,FXD,.1UF,+10%,-
10%,16V-DC,0402,X7R,-
55DEG CMIN,125DEG
CMAX
C2445M3 2113945Y02 CAP,FXD,.1UF,+10%,-
10%,16V-DC,0402,X7R,-
55DEG CMIN,125DEG
CMAX
C2446M3 2113945Y02 CAP,FXD,.1UF,+10%,-
10%,16V-DC,0402,X7R,-
55DEG CMIN,125DEG
CMAX
C2447M3 2113945Y02 CAP,FXD,.1UF,+10%,-
10%,16V-DC,0402,X7R,-
55DEG CMIN,125DEG
CMAX
C2448M3 2113945Y02 CAP,FXD,.1UF,+10%,-
10%,16V-DC,0402,X7R,-
55DEG CMIN,125DEG
CMAX
C2449M3 2113945Y02 CAP,FXD,.1UF,+10%,-
10%,16V-DC,0402,X7R,-
55DEG CMIN,125DEG
CMAX
C2450M3 2113945Y02 CAP,FXD,.1UF,+10%,-
10%,16V-DC,0402,X7R,-
55DEG CMIN,125DEG
CMAX
C2451M3 2113945Y02 CAP,FXD,.1UF,+10%,-
10%,16V-DC,0402,X7R,-
55DEG CMIN,125DEG
CMAX
C2452M3 2113945Y02 CAP,FXD,.1UF,+10%,-
10%,16V-DC,0402,X7R,-
55DEG CMIN,125DEG
CMAX
C2453M3 2113945Y02 CAP,FXD,.1UF,+10%,-
10%,16V-DC,0402,X7R,-
55DEG CMIN,125DEG
CMAX
C2454M3 2171051Y05 CAP,CER CHIP,180PF,+1%,-
1%,50V-DC,0402,COG,-
55DEG CMIN,125DEG C
C2455M3 2113945Y02 CAP,FXD,.1UF,+10%,-
10%,16V-DC,0402,X7R,-
55DEG CMIN,125DEG
CMAX
Ref. Des. Part Number Description
C2456M3 2113945Y02 CAP,FXD,.1UF,+10%,-
10%,16V-DC,0402,X7R,-
55DEG CMIN,125DEG
CMAX
C2457M3 2115153H20 CAP,FXD,5.1PF,.1PF+/-
,+2%,-2%,50V-
DC,0402,C0G,CAP,
CERAMIC, CO
C2458M3 2113945Y02 CAP,FXD,.1UF,+10%,-
10%,16V-DC,0402,X7R,-
55DEG CMIN,125DEG
CMAX
C2459M3 2113945Y02 CAP,FXD,.1UF,+10%,-
10%,16V-DC,0402,X7R,-
55DEG CMIN,125DEG
CMAX
C2460M3 2113945Y02 CAP,FXD,.1UF,+10%,-
10%,16V-DC,0402,X7R,-
55DEG CMIN,125DEG
CMAX
C2461M3 2113945Y02 CAP,FXD,.1UF,+10%,-
10%,16V-DC,0402,X7R,-
55DEG CMIN,125DEG
CMAX
C2462M3 2113945Y02 CAP,FXD,.1UF,+10%,-
10%,16V-DC,0402,X7R,-
55DEG CMIN,125DEG
CMAX
C2463M3 2113945Y02 CAP,FXD,.1UF,+10%,-
10%,16V-DC,0402,X7R,-
55DEG CMIN,125DEG
CMAX
C2464M3 2113945Y02 CAP,FXD,.1UF,+10%,-
10%,16V-DC,0402,X7R,-
55DEG CMIN,125DEG
CMAX
C2465M3 2113956A51 CAP,FXD,1UF,+10%,-
10%,6.3V-DC,0402,X5R,-
55DEG CMIN,85DEG
CMAX,P
C2466M3 2113945Y02 CAP,FXD,.1UF,+10%,-
10%,16V-DC,0402,X7R,-
55DEG CMIN,125DEG
CMAX
C2467M3 2113945Y02 CAP,FXD,.1UF,+10%,-
10%,16V-DC,0402,X7R,-
55DEG CMIN,125DEG
CMAX
Ref. Des. Part Number Description
C2468M3 2113945Y02 CAP,FXD,.1UF,+10%,-
10%,16V-DC,0402,X7R,-
55DEG CMIN,125DEG
CMAX
C2469M3 2113945Y02 CAP,FXD,.1UF,+10%,-
10%,16V-DC,0402,X7R,-
55DEG CMIN,125DEG
CMAX
C2470M3 21012119001 CAP,FXD,2.2UF,+20%,-
20%,6.3V-
DC,X5R,CAP,FXD,2.2UF,20
%,6.3V-D
C2471M3 2113945A05 CAP,CHIP,470PF,+10%,-
10%,50V-DC,0402,X7R,-
55DEG CMIN,125DEG CMA
C2472M3 2113945A09 CAP,CHIP,1000PF,+10%,-
10%,50V-DC,0402,X7R,-
55DEG CMIN,125DEG CM
C2473M3 2113944A25 CAP,CHIP,10PF,.5PF+/-,50V-
DC,0402,C0G,-55DEG
CMIN,125DEG CMAX
C2474M3 2113945Y02 CAP,FXD,.1UF,+10%,-
10%,16V-DC,0402,X7R,-
55DEG CMIN,125DEG
CMAX
C2475M3 2113945A09 CAP,CHIP,1000PF,+10%,-
10%,50V-DC,0402,X7R,-
55DEG CMIN,125DEG CM
C2477M3 2113945Y02 CAP,FXD,.1UF,+10%,-
10%,16V-DC,0402,X7R,-
55DEG CMIN,125DEG
CMAX
C2478M3 2113956B54 CAP,FXD,10UF,+20%,-
20%,6.3V-DC,X5R,-55DEG
CMIN,85DEG CMAX
C2479M3 2113945Y02 CAP,FXD,.1UF,+10%,-
10%,16V-DC,0402,X7R,-
55DEG CMIN,125DEG
CMAX
C2480M3 2113956A51 CAP,FXD,1UF,+10%,-
10%,6.3V-DC,0402,X5R,-
55DEG CMIN,85DEG
CMAX,P
C2482M3 2113945Y02 CAP,FXD,.1UF,+10%,-
10%,16V-DC,0402,X7R,-
55DEG CMIN,125DEG
CMAX
Ref. Des. Part Number Description

Schematics, Boards Overlays, and Parts Lists: Main Board Block: UHF1 (84012513001_A) 8-39
C2483M3 2113945Y02 CAP,FXD,.1UF,+10%,-
10%,16V-DC,0402,X7R,-
55DEG CMIN,125DEG
CMAX
C2504M6 2113945A09 CAP,CHIP,1000PF,+10%,-
10%,50V-DC,0402,X7R,-
55DEG CMIN,125DEG CM
C2506M6 2113945B02 CAP,CHIP,.01UF,+10%,-
10%,25V-DC,0402,X7R,-
55DEG CMIN,125DEG CMA
C2518M6 2113956B33 CAP,FXD,2.2UF,+10%,-
10%,16V-DC,0603,X5R,-
55DEG CMIN,85DEG CMAX
C2520M6 2113946B04 CAP,CHIP,.1UF,+10%,-
10%,10V-DC,0402,X5R,-
55DEG CMIN,85DEG CMAX
C2527M6 2113946B04 CAP,CHIP,.1UF,+10%,-
10%,10V-DC,0402,X5R,-
55DEG CMIN,85DEG CMAX
C2528M6 2113946B04 CAP,CHIP,.1UF,+10%,-
10%,10V-DC,0402,X5R,-
55DEG CMIN,85DEG CMAX
C2531M6 2113946B04 CAP,CHIP,.1UF,+10%,-
10%,10V-DC,0402,X5R,-
55DEG CMIN,85DEG CMAX
C2532M6 2113946B04 CAP,CHIP,.1UF,+10%,-
10%,10V-DC,0402,X5R,-
55DEG CMIN,85DEG CMAX
C2534M6 2113946B04 CAP,CHIP,.1UF,+10%,-
10%,10V-DC,0402,X5R,-
55DEG CMIN,85DEG CMAX
C2535M6 2113946B04 CAP,CHIP,.1UF,+10%,-
10%,10V-DC,0402,X5R,-
55DEG CMIN,85DEG CMAX
C2536M6 2113946B04 CAP,CHIP,.1UF,+10%,-
10%,10V-DC,0402,X5R,-
55DEG CMIN,85DEG CMAX
C2538M6 2113946B04 CAP,CHIP,.1UF,+10%,-
10%,10V-DC,0402,X5R,-
55DEG CMIN,85DEG CMAX
C2539M6 2113946B04 CAP,CHIP,.1UF,+10%,-
10%,10V-DC,0402,X5R,-
55DEG CMIN,85DEG CMAX
C2540M6 2113946B04 CAP,CHIP,.1UF,+10%,-
10%,10V-DC,0402,X5R,-
55DEG CMIN,85DEG CMAX
Ref. Des. Part Number Description
C2541M6 2113946B04 CAP,CHIP,.1UF,+10%,-
10%,10V-DC,0402,X5R,-
55DEG CMIN,85DEG CMAX
C2542M6 2113946B04 CAP,CHIP,.1UF,+10%,-
10%,10V-DC,0402,X5R,-
55DEG CMIN,85DEG CMAX
C2543M6 2113946B04 CAP,CHIP,.1UF,+10%,-
10%,10V-DC,0402,X5R,-
55DEG CMIN,85DEG CMAX
C2544M6 2113946B04 CAP,CHIP,.1UF,+10%,-
10%,10V-DC,0402,X5R,-
55DEG CMIN,85DEG CMAX
C2545M6 2113946B04 CAP,CHIP,.1UF,+10%,-
10%,10V-DC,0402,X5R,-
55DEG CMIN,85DEG CMAX
C2546M6 2113946B04 CAP,CHIP,.1UF,+10%,-
10%,10V-DC,0402,X5R,-
55DEG CMIN,85DEG CMAX
C2548M6 2113946B04 CAP,CHIP,.1UF,+10%,-
10%,10V-DC,0402,X5R,-
55DEG CMIN,85DEG CMAX
C2549M6 2113946B04 CAP,CHIP,.1UF,+10%,-
10%,10V-DC,0402,X5R,-
55DEG CMIN,85DEG CMAX
C2550M6 2113946B04 CAP,CHIP,.1UF,+10%,-
10%,10V-DC,0402,X5R,-
55DEG CMIN,85DEG CMAX
C2551M6 2113946B04 CAP,CHIP,.1UF,+10%,-
10%,10V-DC,0402,X5R,-
55DEG CMIN,85DEG CMAX
C2552M6 2113946B04 CAP,CHIP,.1UF,+10%,-
10%,10V-DC,0402,X5R,-
55DEG CMIN,85DEG CMAX
C2553M6 2113946B04 CAP,CHIP,.1UF,+10%,-
10%,10V-DC,0402,X5R,-
55DEG CMIN,85DEG CMAX
C2554M6 2113946B04 CAP,CHIP,.1UF,+10%,-
10%,10V-DC,0402,X5R,-
55DEG CMIN,85DEG CMAX
C2555M6 2113946B04 CAP,CHIP,.1UF,+10%,-
10%,10V-DC,0402,X5R,-
55DEG CMIN,85DEG CMAX
C2601M13 2113944C45 CAP,CHIP,100PF,+5%,-
5%,50V-DC,0603,C0G,-
55DEG CMIN,125DEG
CMAX
Ref. Des. Part Number Description
C2602M13 2113944C41 CAP,CHIP,68PF,+5%,-
5%,50V-DC,0603,C0G,-
55DEG CMIN,125DEG
CMAX,P
C2603M13 2113944A40 CAP,CHIP,100PF,+5%,-
5%,50V-DC,0402,C0G,-
55DEG CMIN,125DEG
CMAX
C2604M13 2113944C45 CAP,CHIP,100PF,+5%,-
5%,50V-DC,0603,C0G,-
55DEG CMIN,125DEG
CMAX
C2605M13 2113944A40 CAP,CHIP,100PF,+5%,-
5%,50V-DC,0402,C0G,-
55DEG CMIN,125DEG
CMAX
C2606M13 2113944A40 CAP,CHIP,100PF,+5%,-
5%,50V-DC,0402,C0G,-
55DEG CMIN,125DEG
CMAX
C2607M13 2113944C19 CAP,CHIP,3.6PF,.25PF+/-
,50V-DC,0603,C0G,-55DEG
CMIN,125DEG CMA
C2608M13 2113944C21 CAP,CHIP,4.3PF,.25PF+/-
,50V-DC,0603,C0G,-55DEG
CMIN,125DEG CMA
C2609M13 2113946K02 CAP,CHIP,.1UF,+80%,-
20%,16V-DC,0402,Y5V,-
30DEG CMIN,85DEG CMAX
C2806 NOT
PLACED
CAP,FXD,.1PF,.03PF+/-,25V-
DC,C0G,-55DEG
CMIN,125DEG CMAX,PB-F
C3100M22 2113944A40 CAP,CHIP,100PF,+5%,-
5%,50V-DC,0402,C0G,-
55DEG CMIN,125DEG
CMAX
C3101M22 2115153H21 CAP,FXD,5.6PF,.1PF+/-,50V-
DC,0402,C0G,CAP,
CERAMIC, COG
C3102M22 2113944A40 CAP,CHIP,100PF,+5%,-
5%,50V-DC,0402,C0G,-
55DEG CMIN,125DEG
CMAX
C3103M22 NOT
PLACED
CAP,CHIP,2.7PF,.25PF+/-
,50V-DC,0402,C0G,-55DEG
CMIN,125DEG CMA
Ref. Des. Part Number Description
C3104M22 NOT
PLACED
CAP,FXD,10PF,.1PF+/-
,+1%,-1%,50V-
DC,0402,C0G,CAP,
CERAMIC, COG
C3105M22 2113944A40 CAP,CHIP,100PF,+5%,-
5%,50V-DC,0402,C0G,-
55DEG CMIN,125DEG
CMAX
C3106M22 2113944A40 CAP,CHIP,100PF,+5%,-
5%,50V-DC,0402,C0G,-
55DEG CMIN,125DEG
CMAX
C3107M22 2115153H23 CAP,CER CHIP,6.8PF,.1PF+/
-,+.1%,-.1%,50V-
DC,0402,C0G,CAP, CERA
C3108M22 NOT
PLACED
CAP,CHIP,2.7PF,.25PF+/-
,50V-DC,0402,C0G,-55DEG
CMIN,125DEG CMA
C3109M22 2113946B04 CAP,CHIP,.1UF,+10%,-
10%,10V-DC,0402,X5R,-
55DEG CMIN,85DEG CMAX
C3110M22 2115153H16 CAP,CERAMIC
CHIP,3.6PF,.1PF+/-,+.1%,-
.1%,50V-DC,0402,C0G,CAP,
C3111M22 2113944A40 CAP,CHIP,100PF,+5%,-
5%,50V-DC,0402,C0G,-
55DEG CMIN,125DEG
CMAX
C3112M22 2113944A40 CAP,CHIP,100PF,+5%,-
5%,50V-DC,0402,C0G,-
55DEG CMIN,125DEG
CMAX
C3113M22 2113944M15 CAP,FXD,7.5PF,.1PF+/-,50V-
DC,0603,C0G,-55DEG
CMIN,125DEG CMAX
C3114M22 NOT
PLACED
CAP,FXD,10PF,.1PF+/-
,+1%,-1%,50V-
DC,0402,C0G,CAP,
CERAMIC, COG
C3115M22 2113944M14 CAP,FXD,6.8PF,.1PF+/-,50V-
DC,0603,C0G,-55DEG
CMIN,125DEG CMAX
C3116M22 2113944M14 CAP,FXD,6.8PF,.1PF+/-,50V-
DC,0603,C0G,-55DEG
CMIN,125DEG CMAX
Ref. Des. Part Number Description

8-40 Schematics, Boards Overlays, and Parts Lists: Main Board Block: UHF1 (84012513001_A)
C3120M22 2113944M42 CAP,FXD,100PF,+2%,-
2%,50V-DC,0603,C0G,-
55DEG CMIN,125DEG
CMAX,P
C3122M22 2113944A40 CAP,CHIP,100PF,+5%,-
5%,50V-DC,0402,C0G,-
55DEG CMIN,125DEG
CMAX
C3133M22 2113944A40 CAP,CHIP,100PF,+5%,-
5%,50V-DC,0402,C0G,-
55DEG CMIN,125DEG
CMAX
C3140M22 2115153H19 CAP,FXD,4.7PF,.1PF+/-
,+.1%,-.1%,50V-
DC,0402,C0G
C3141M22 2115153H19 CAP,FXD,4.7PF,.1PF+/-
,+.1%,-.1%,50V-
DC,0402,C0G
C3142M22 2113946B04 CAP,CHIP,.1UF,+10%,-
10%,10V-DC,0402,X5R,-
55DEG CMIN,85DEG CMAX
C3143M22 2115153H14 CAP,CERAMIC
CHIP,3PF,.1PF+/-,+.1%,-
.1%,50V-DC,0402,C0G,CAP,
CE
C3144M22 2113944A40 CAP,CHIP,100PF,+5%,-
5%,50V-DC,0402,C0G,-
55DEG CMIN,125DEG
CMAX
C3147M22 2113944M09 CAP,FXD,4.3PF,.1PF+/-,50V-
DC,0603,C0G,-55DEG
CMIN,125DEG CMAX
C3151M22 2113944M16 CAP,FXD,8.2PF,.1PF+/-,50V-
DC,0603,C0G,-55DEG
CMIN,125DEG CMAX
C3152M22 2113944M12 CAP,FXD,5.6PF,.1PF+/-,50V-
DC,0603,C0G,-55DEG
CMIN,125DEG CMAX
C3154M22 2113944M35 CAP,FXD,51PF,+2%,-
2%,50V-DC,0603,C0G,-
55DEG CMIN,125DEG
CMAX,PB
C3155M22 2113944A40 CAP,CHIP,100PF,+5%,-
5%,50V-DC,0402,C0G,-
55DEG CMIN,125DEG
CMAX
Ref. Des. Part Number Description
C3157M22 2113946B04 CAP,CHIP,.1UF,+10%,-
10%,10V-DC,0402,X5R,-
55DEG CMIN,85DEG CMAX
C3158M22 2113946B04 CAP,CHIP,.1UF,+10%,-
10%,10V-DC,0402,X5R,-
55DEG CMIN,85DEG CMAX
C3159M22 2113944A09 CAP,CHIP,2.2PF,.25PF+/-
,50V-DC,0402,C0G,-55DEG
CMIN,125DEG CMA
C3160M22 2113944A17 CAP,CHIP,4.7PF,.25PF+/-
,50V-DC,0402,C0G,-55DEG
CMIN,125DEG CMA
C3161M22 2113944A40 CAP,CHIP,100PF,+5%,-
5%,50V-DC,0402,C0G,-
55DEG CMIN,125DEG
CMAX
C4005M2 2113946B04 CAP,CHIP,.1UF,+10%,-
10%,10V-DC,0402,X5R,-
55DEG CMIN,85DEG CMAX
C4006M2 2113946B04 CAP,CHIP,.1UF,+10%,-
10%,10V-DC,0402,X5R,-
55DEG CMIN,85DEG CMAX
C4007M2 2113946B04 CAP,CHIP,.1UF,+10%,-
10%,10V-DC,0402,X5R,-
55DEG CMIN,85DEG CMAX
C500M21 2113945B05 CAP,FXD,.033UF,+10%,-
10%,25V-DC,0402,X7R,-
55DEG CMIN,125DEG CMA
C501M21 2113944A40 CAP,CHIP,100PF,+5%,-
5%,50V-DC,0402,C0G,-
55DEG CMIN,125DEG
CMAX
C502M21 2113945B05 CAP,FXD,.033UF,+10%,-
10%,25V-DC,0402,X7R,-
55DEG CMIN,125DEG CMA
C503M21 NOT
PLACED
CAP,CER CHIP,3.3PF,.1PF+/
-,+.1%,-.1%,50V-
DC,0402,C0G,CAP, CERA
C504M21 2113944A40 CAP,CHIP,100PF,+5%,-
5%,50V-DC,0402,C0G,-
55DEG CMIN,125DEG
CMAX
C505M21 NOT
PLACED
CAP,CHIP,47PF,+5%,-
5%,50V-DC,0402,C0G,-
55DEG CMIN,125DEG
CMAX,P
Ref. Des. Part Number Description
C506M21 2113944A40 CAP,CHIP,100PF,+5%,-
5%,50V-DC,0402,C0G,-
55DEG CMIN,125DEG
CMAX
C507M21 2113945B05 CAP,FXD,.033UF,+10%,-
10%,25V-DC,0402,X7R,-
55DEG CMIN,125DEG CMA
C508M21 2113946D07 CAP,CHIP,4.7UF,+10%,-
10%,6.3V-DC,0603,X5R,-
55DEG CMIN,85DEG CMA
C509M21 2113945B05 CAP,FXD,.033UF,+10%,-
10%,25V-DC,0402,X7R,-
55DEG CMIN,125DEG CMA
C510M21 2113944A40 CAP,CHIP,100PF,+5%,-
5%,50V-DC,0402,C0G,-
55DEG CMIN,125DEG
CMAX
C511M21 2113945B05 CAP,FXD,.033UF,+10%,-
10%,25V-DC,0402,X7R,-
55DEG CMIN,125DEG CMA
C512M21 2113946D07 CAP,CHIP,4.7UF,+10%,-
10%,6.3V-DC,0603,X5R,-
55DEG CMIN,85DEG CMA
C514M21 NOT
PLACED
CAP,CHIP,2PF,.25PF+/-,50V-
DC,0402,C0G,-55DEG
CMIN,125DEG CMAX
C515M21 2113944A14 CAP,CHIP,3.6PF,.25PF+/-
,50V-DC,0402,C0G,-55DEG
CMIN,125DEG CMA
C516M21 2113944M42 CAP,FXD,100PF,+2%,-
2%,50V-DC,0603,C0G,-
55DEG CMIN,125DEG
CMAX,P
C532M21 2113944A32 CAP,CHIP,39PF,+5%,-
5%,50V-DC,0402,C0G,-
55DEG CMIN,125DEG
CMAX,P
C533M21 2115153H52 CAP,FXD,62PF,+1%,-
1%,50V-DC,0402,C0G
C550M21 NOT
PLACED
CAP,CHIP,33PF,+5%,-
5%,50V-DC,0402,C0G,-
55DEG CMIN,125DEG
CMAX,P
Ref. Des. Part Number Description
C551M21 NOT
PLACED
CAP,CHIP,33PF,+5%,-
5%,50V-DC,0402,C0G,-
55DEG CMIN,125DEG
CMAX,P
C601M19 2113945B02 CAP,CHIP,.01UF,+10%,-
10%,25V-DC,0402,X7R,-
55DEG CMIN,125DEG CMA
C602M19 2113945B02 CAP,CHIP,.01UF,+10%,-
10%,25V-DC,0402,X7R,-
55DEG CMIN,125DEG CMA
C603M19 2113945B02 CAP,CHIP,.01UF,+10%,-
10%,25V-DC,0402,X7R,-
55DEG CMIN,125DEG CMA
C604M19 2113945B02 CAP,CHIP,.01UF,+10%,-
10%,25V-DC,0402,X7R,-
55DEG CMIN,125DEG CMA
C605M19 2115153H23 CAP,CER CHIP,6.8PF,.1PF+/
-,+.1%,-.1%,50V-
DC,0402,C0G,CAP, CERA
C606M19 2113946B04 CAP,CHIP,.1UF,+10%,-
10%,10V-DC,0402,X5R,-
55DEG CMIN,85DEG CMAX
C607M19 2113944A40 CAP,CHIP,100PF,+5%,-
5%,50V-DC,0402,C0G,-
55DEG CMIN,125DEG
CMAX
C608M19 2113944A12 CAP,CHIP,3PF,.25PF+/-,50V-
DC,0402,C0G,-55DEG
CMIN,125DEG CMAX
C609M19 2113944A30 CAP,CHIP,27PF,+5%,-
5%,50V-DC,0402,C0G,-
55DEG CMIN,125DEG
CMAX,P
C6104M6 2113946B04 CAP,CHIP,.1UF,+10%,-
10%,10V-DC,0402,X5R,-
55DEG CMIN,85DEG CMAX
C6105M6 2113946B04 CAP,CHIP,.1UF,+10%,-
10%,10V-DC,0402,X5R,-
55DEG CMIN,85DEG CMAX
C6106M6 2113946B04 CAP,CHIP,.1UF,+10%,-
10%,10V-DC,0402,X5R,-
55DEG CMIN,85DEG CMAX
C6107M6 2113946B04 CAP,CHIP,.1UF,+10%,-
10%,10V-DC,0402,X5R,-
55DEG CMIN,85DEG CMAX
Ref. Des. Part Number Description

Schematics, Boards Overlays, and Parts Lists: Main Board Block: UHF1 (84012513001_A) 8-41
C6108M6 2113946B04 CAP,CHIP,.1UF,+10%,-
10%,10V-DC,0402,X5R,-
55DEG CMIN,85DEG CMAX
C6109M6 2113946B04 CAP,CHIP,.1UF,+10%,-
10%,10V-DC,0402,X5R,-
55DEG CMIN,85DEG CMAX
C610M19 2113944A40 CAP,CHIP,100PF,+5%,-
5%,50V-DC,0402,C0G,-
55DEG CMIN,125DEG
CMAX
C6110M6 2113946B04 CAP,CHIP,.1UF,+10%,-
10%,10V-DC,0402,X5R,-
55DEG CMIN,85DEG CMAX
C6111M6 2113946B04 CAP,CHIP,.1UF,+10%,-
10%,10V-DC,0402,X5R,-
55DEG CMIN,85DEG CMAX
C6112M6 2113946B04 CAP,CHIP,.1UF,+10%,-
10%,10V-DC,0402,X5R,-
55DEG CMIN,85DEG CMAX
C6113M6 2113946B04 CAP,CHIP,.1UF,+10%,-
10%,10V-DC,0402,X5R,-
55DEG CMIN,85DEG CMAX
C6114M6 2113946B04 CAP,CHIP,.1UF,+10%,-
10%,10V-DC,0402,X5R,-
55DEG CMIN,85DEG CMAX
C6115M6 2113946B04 CAP,CHIP,.1UF,+10%,-
10%,10V-DC,0402,X5R,-
55DEG CMIN,85DEG CMAX
C611M19 2113944A40 CAP,CHIP,100PF,+5%,-
5%,50V-DC,0402,C0G,-
55DEG CMIN,125DEG
CMAX
C612M19 2113945B02 CAP,CHIP,.01UF,+10%,-
10%,25V-DC,0402,X7R,-
55DEG CMIN,125DEG CMA
C613M19 2113944A40 CAP,CHIP,100PF,+5%,-
5%,50V-DC,0402,C0G,-
55DEG CMIN,125DEG
CMAX
C614M19 2113945B02 CAP,CHIP,.01UF,+10%,-
10%,25V-DC,0402,X7R,-
55DEG CMIN,125DEG CMA
C6155M6 NOT
PLACED
CAP,FXD,13PF,+5%,-
5%,50V-DC,0402,C0G,-
55DEG CMIN,125DEG
CMAX,PB
Ref. Des. Part Number Description
C6156M6 NOT
PLACED
CAP,FXD,13PF,+5%,-
5%,50V-DC,0402,C0G,-
55DEG CMIN,125DEG
CMAX,PB
C615M19 2113944A42 CAP,CHIP,150PF,+5%,-
5%,50V-DC,0402,C0G,-
55DEG CMIN,125DEG
CMAX
C616M19 2113945A11 CAP,CHIP,2200PF,+10%,-
10%,50V-DC,0402,X7R,-
55DEG CMIN,125DEG CM
C617M19 2113946B04 CAP,CHIP,.1UF,+10%,-
10%,10V-DC,0402,X5R,-
55DEG CMIN,85DEG CMAX
C618M19 2113944A31 CAP,CHIP,33PF,+5%,-
5%,50V-DC,0402,C0G,-
55DEG CMIN,125DEG
CMAX,P
C619M19 2113944A35 CAP,CHIP,62PF,+5%,-
5%,50V-DC,0402,C0G,-
55DEG CMIN,125DEG
CMAX,P
C6201M6 2113944A40 CAP,CHIP,100PF,+5%,-
5%,50V-DC,0402,C0G,-
55DEG CMIN,125DEG
CMAX
C6202M6 2113945A09 CAP,CHIP,1000PF,+10%,-
10%,50V-DC,0402,X7R,-
55DEG CMIN,125DEG CM
C6203M6 2113946B04 CAP,CHIP,.1UF,+10%,-
10%,10V-DC,0402,X5R,-
55DEG CMIN,85DEG CMAX
C620M19 2113946B04 CAP,CHIP,.1UF,+10%,-
10%,10V-DC,0402,X5R,-
55DEG CMIN,85DEG CMAX
C621M19 2113946B04 CAP,CHIP,.1UF,+10%,-
10%,10V-DC,0402,X5R,-
55DEG CMIN,85DEG CMAX
C622M19 2113946C07 CAP,FXD,.33UF,+10%,-
10%,10V-DC,0603,X5R,-
55DEG CMIN,85DEG CMAX
C623M19 2113945B02 CAP,CHIP,.01UF,+10%,-
10%,25V-DC,0402,X7R,-
55DEG CMIN,125DEG CMA
Ref. Des. Part Number Description
C624M19 2113946C07 CAP,FXD,.33UF,+10%,-
10%,10V-DC,0603,X5R,-
55DEG CMIN,85DEG CMAX
C625M19 2115153H39 CAP,FXD,18PF,50V-
DC,0402,C0G
C626M19 2113945A09 CAP,CHIP,1000PF,+10%,-
10%,50V-DC,0402,X7R,-
55DEG CMIN,125DEG CM
C627M19 2113945A09 CAP,CHIP,1000PF,+10%,-
10%,50V-DC,0402,X7R,-
55DEG CMIN,125DEG CM
C628M19 2113945B02 CAP,CHIP,.01UF,+10%,-
10%,25V-DC,0402,X7R,-
55DEG CMIN,125DEG CMA
C629M19 2113946B04 CAP,CHIP,.1UF,+10%,-
10%,10V-DC,0402,X5R,-
55DEG CMIN,85DEG CMAX
C6301M6 2113946B04 CAP,CHIP,.1UF,+10%,-
10%,10V-DC,0402,X5R,-
55DEG CMIN,85DEG CMAX
C6302M6 2113946B04 CAP,CHIP,.1UF,+10%,-
10%,10V-DC,0402,X5R,-
55DEG CMIN,85DEG CMAX
C6303M6 2113946B04 CAP,CHIP,.1UF,+10%,-
10%,10V-DC,0402,X5R,-
55DEG CMIN,85DEG CMAX
C6304M6 2113946B04 CAP,CHIP,.1UF,+10%,-
10%,10V-DC,0402,X5R,-
55DEG CMIN,85DEG CMAX
C6305M6 2113946S35 CAP,CHIP,1UF,+10%,-
10%,16V-DC,0603,X5R,-
55DEG CMIN,85DEG
CMAX,P
C6306M6 2113946S35 CAP,CHIP,1UF,+10%,-
10%,16V-DC,0603,X5R,-
55DEG CMIN,85DEG
CMAX,P
C6308M6 2113946B04 CAP,CHIP,.1UF,+10%,-
10%,10V-DC,0402,X5R,-
55DEG CMIN,85DEG CMAX
C6309M6 2113946B04 CAP,CHIP,.1UF,+10%,-
10%,10V-DC,0402,X5R,-
55DEG CMIN,85DEG CMAX
C630M19 2113946B04 CAP,CHIP,.1UF,+10%,-
10%,10V-DC,0402,X5R,-
55DEG CMIN,85DEG CMAX
Ref. Des. Part Number Description
C6310M6 2113946B04 CAP,CHIP,.1UF,+10%,-
10%,10V-DC,0402,X5R,-
55DEG CMIN,85DEG CMAX
C6311M6 2113946B04 CAP,CHIP,.1UF,+10%,-
10%,10V-DC,0402,X5R,-
55DEG CMIN,85DEG CMAX
C631M19 2115153H32 CAP,FXD,8PF,.1PF+/-,+.1%,-
.1%,50V-DC,0402,C0G,CAP,
CERAMIC, CO
C632M19 2113944A40 CAP,CHIP,100PF,+5%,-
5%,50V-DC,0402,C0G,-
55DEG CMIN,125DEG
CMAX
C633M19 2113945B02 CAP,CHIP,.01UF,+10%,-
10%,25V-DC,0402,X7R,-
55DEG CMIN,125DEG CMA
C634M19 2113946B04 CAP,CHIP,.1UF,+10%,-
10%,10V-DC,0402,X5R,-
55DEG CMIN,85DEG CMAX
C635M19 2113945B02 CAP,CHIP,.01UF,+10%,-
10%,25V-DC,0402,X7R,-
55DEG CMIN,125DEG CMA
C636M19 2113946B04 CAP,CHIP,.1UF,+10%,-
10%,10V-DC,0402,X5R,-
55DEG CMIN,85DEG CMAX
C637M19 2113946B04 CAP,CHIP,.1UF,+10%,-
10%,10V-DC,0402,X5R,-
55DEG CMIN,85DEG CMAX
C638M19 2113945A12 CAP,CHIP,3300PF,+10%,-
10%,50V-DC,0402,X7R,-
55DEG CMIN,125DEG CM
C639M19 2113945B02 CAP,CHIP,.01UF,+10%,-
10%,25V-DC,0402,X7R,-
55DEG CMIN,125DEG CMA
C6402M6 2113956A51 CAP,FXD,1UF,+10%,-
10%,6.3V-DC,0402,X5R,-
55DEG CMIN,85DEG
CMAX,P
C6403M6 2113946B04 CAP,CHIP,.1UF,+10%,-
10%,10V-DC,0402,X5R,-
55DEG CMIN,85DEG CMAX
C6404M6 2113946B04 CAP,CHIP,.1UF,+10%,-
10%,10V-DC,0402,X5R,-
55DEG CMIN,85DEG CMAX
Ref. Des. Part Number Description

8-42 Schematics, Boards Overlays, and Parts Lists: Main Board Block: UHF1 (84012513001_A)
C6405M6 2113946B04 CAP,CHIP,.1UF,+10%,-
10%,10V-DC,0402,X5R,-
55DEG CMIN,85DEG CMAX
C6406M6 2113946B04 CAP,CHIP,.1UF,+10%,-
10%,10V-DC,0402,X5R,-
55DEG CMIN,85DEG CMAX
C6409M6 2113946B04 CAP,CHIP,.1UF,+10%,-
10%,10V-DC,0402,X5R,-
55DEG CMIN,85DEG CMAX
C640M19 2113946B04 CAP,CHIP,.1UF,+10%,-
10%,10V-DC,0402,X5R,-
55DEG CMIN,85DEG CMAX
C6410M6 2113946B04 CAP,CHIP,.1UF,+10%,-
10%,10V-DC,0402,X5R,-
55DEG CMIN,85DEG CMAX
C6411M6 2113946B04 CAP,CHIP,.1UF,+10%,-
10%,10V-DC,0402,X5R,-
55DEG CMIN,85DEG CMAX
C6413M6 2113946B04 CAP,CHIP,.1UF,+10%,-
10%,10V-DC,0402,X5R,-
55DEG CMIN,85DEG CMAX
C6414M6 2113946B04 CAP,CHIP,.1UF,+10%,-
10%,10V-DC,0402,X5R,-
55DEG CMIN,85DEG CMAX
C6416M6 2113945B04 CAP,FXD,.022UF,+10%,-
10%,25V-DC,0402,X7R,-
55DEG CMIN,125DEG CMA
C6418M6 2113946B04 CAP,CHIP,.1UF,+10%,-
10%,10V-DC,0402,X5R,-
55DEG CMIN,85DEG CMAX
C6419M6 2113946B04 CAP,CHIP,.1UF,+10%,-
10%,10V-DC,0402,X5R,-
55DEG CMIN,85DEG CMAX
C641M19 2113944A31 CAP,CHIP,33PF,+5%,-
5%,50V-DC,0402,C0G,-
55DEG CMIN,125DEG
CMAX,P
C6420M6 2113945B04 CAP,FXD,.022UF,+10%,-
10%,25V-DC,0402,X7R,-
55DEG CMIN,125DEG CMA
C6421M6 2113946B04 CAP,CHIP,.1UF,+10%,-
10%,10V-DC,0402,X5R,-
55DEG CMIN,85DEG CMAX
C6422M6 2113946C02 CAP,CHIP,.22UF,+10%,-
10%,10V-DC,0603,X5R,-
55DEG CMIN,85DEG CMAX
Ref. Des. Part Number Description
C6423M6 2113946B04 CAP,CHIP,.1UF,+10%,-
10%,10V-DC,0402,X5R,-
55DEG CMIN,85DEG CMAX
C6424M6 2113944A40 CAP,CHIP,100PF,+5%,-
5%,50V-DC,0402,C0G,-
55DEG CMIN,125DEG
CMAX
C6425M6 2113944A40 CAP,CHIP,100PF,+5%,-
5%,50V-DC,0402,C0G,-
55DEG CMIN,125DEG
CMAX
C6426M6 2113945B02 CAP,CHIP,.01UF,+10%,-
10%,25V-DC,0402,X7R,-
55DEG CMIN,125DEG CMA
C6427M6 2113944A50 CAP,CHIP,680PF,+5%,-
5%,50V-DC,0402,C0G,-
55DEG CMIN,125DEG
CMAX
C6428M6 2113944A40 CAP,CHIP,100PF,+5%,-
5%,50V-DC,0402,C0G,-
55DEG CMIN,125DEG
CMAX
C642M19 2113944A48 CAP,CHIP,470PF,+5%,-
5%,50V-DC,0402,C0G,-
55DEG CMIN,125DEG
CMAX
C643M19 2113944A48 CAP,CHIP,470PF,+5%,-
5%,50V-DC,0402,C0G,-
55DEG CMIN,125DEG
CMAX
C644M19 2113944A11 CAP,CHIP,2.7PF,.25PF+/-
,50V-DC,0402,C0G,-55DEG
CMIN,125DEG CMA
C645M19 NOT
PLACED
CAP,CHIP,2.7PF,.25PF+/-
,50V-DC,0402,C0G,-55DEG
CMIN,125DEG CMA
C646M19 2115153H32 CAP,FXD,8PF,.1PF+/-,+.1%,-
.1%,50V-DC,0402,C0G,CAP,
CERAMIC, CO
C6501M6 2113946B04 CAP,CHIP,.1UF,+10%,-
10%,10V-DC,0402,X5R,-
55DEG CMIN,85DEG CMAX
C6502M6 2113946B04 CAP,CHIP,.1UF,+10%,-
10%,10V-DC,0402,X5R,-
55DEG CMIN,85DEG CMAX
Ref. Des. Part Number Description
C6503M6 2113944A46 CAP,CHIP,330PF,+5%,-
5%,50V-DC,0402,C0G,-
55DEG CMIN,125DEG
CMAX
C6504M6 2113946B04 CAP,CHIP,.1UF,+10%,-
10%,10V-DC,0402,X5R,-
55DEG CMIN,85DEG CMAX
C6505M6 2113946B04 CAP,CHIP,.1UF,+10%,-
10%,10V-DC,0402,X5R,-
55DEG CMIN,85DEG CMAX
C6506M6 2113946B04 CAP,CHIP,.1UF,+10%,-
10%,10V-DC,0402,X5R,-
55DEG CMIN,85DEG CMAX
C6507M6 2113946B04 CAP,CHIP,.1UF,+10%,-
10%,10V-DC,0402,X5R,-
55DEG CMIN,85DEG CMAX
C6508M6 2113946B04 CAP,CHIP,.1UF,+10%,-
10%,10V-DC,0402,X5R,-
55DEG CMIN,85DEG CMAX
C6509M6 2113946B04 CAP,CHIP,.1UF,+10%,-
10%,10V-DC,0402,X5R,-
55DEG CMIN,85DEG CMAX
C6510M6 2113946B04 CAP,CHIP,.1UF,+10%,-
10%,10V-DC,0402,X5R,-
55DEG CMIN,85DEG CMAX
C6511M6 2113946S35 CAP,CHIP,1UF,+10%,-
10%,16V-DC,0603,X5R,-
55DEG CMIN,85DEG
CMAX,P
C6512M6 2113946B04 CAP,CHIP,.1UF,+10%,-
10%,10V-DC,0402,X5R,-
55DEG CMIN,85DEG CMAX
C6513M6 2113946S35 CAP,CHIP,1UF,+10%,-
10%,16V-DC,0603,X5R,-
55DEG CMIN,85DEG
CMAX,P
C6514M6 2113946S35 CAP,CHIP,1UF,+10%,-
10%,16V-DC,0603,X5R,-
55DEG CMIN,85DEG
CMAX,P
C6515M6 2113946S35 CAP,CHIP,1UF,+10%,-
10%,16V-DC,0603,X5R,-
55DEG CMIN,85DEG
CMAX,P
Ref. Des. Part Number Description
C6516M6 2113946B04 CAP,CHIP,.1UF,+10%,-
10%,10V-DC,0402,X5R,-
55DEG CMIN,85DEG CMAX
C6517M6 2113946S35 CAP,CHIP,1UF,+10%,-
10%,16V-DC,0603,X5R,-
55DEG CMIN,85DEG
CMAX,P
C6518M6 2113946B04 CAP,CHIP,.1UF,+10%,-
10%,10V-DC,0402,X5R,-
55DEG CMIN,85DEG CMAX
C6519M6 2113946S35 CAP,CHIP,1UF,+10%,-
10%,16V-DC,0603,X5R,-
55DEG CMIN,85DEG
CMAX,P
C6520M6 2113946B04 CAP,CHIP,.1UF,+10%,-
10%,10V-DC,0402,X5R,-
55DEG CMIN,85DEG CMAX
C6521M6 2113944A46 CAP,CHIP,330PF,+5%,-
5%,50V-DC,0402,C0G,-
55DEG CMIN,125DEG
CMAX
C6522M6 2113946S35 CAP,CHIP,1UF,+10%,-
10%,16V-DC,0603,X5R,-
55DEG CMIN,85DEG
CMAX,P
C6523M6 2113946B04 CAP,CHIP,.1UF,+10%,-
10%,10V-DC,0402,X5R,-
55DEG CMIN,85DEG CMAX
C6524M6 2113946B04 CAP,CHIP,.1UF,+10%,-
10%,10V-DC,0402,X5R,-
55DEG CMIN,85DEG CMAX
C6525M6 2113946S35 CAP,CHIP,1UF,+10%,-
10%,16V-DC,0603,X5R,-
55DEG CMIN,85DEG
CMAX,P
C6526M6 2113946B04 CAP,CHIP,.1UF,+10%,-
10%,10V-DC,0402,X5R,-
55DEG CMIN,85DEG CMAX
C6527M6 2113946B04 CAP,CHIP,.1UF,+10%,-
10%,10V-DC,0402,X5R,-
55DEG CMIN,85DEG CMAX
C6528M6 2113946B04 CAP,CHIP,.1UF,+10%,-
10%,10V-DC,0402,X5R,-
55DEG CMIN,85DEG CMAX
Ref. Des. Part Number Description

Schematics, Boards Overlays, and Parts Lists: Main Board Block: UHF1 (84012513001_A) 8-43
C6529M6 2113946B04 CAP,CHIP,.1UF,+10%,-
10%,10V-DC,0402,X5R,-
55DEG CMIN,85DEG CMAX
C6530M6 2113946S35 CAP,CHIP,1UF,+10%,-
10%,16V-DC,0603,X5R,-
55DEG CMIN,85DEG
CMAX,P
C6531M6 2113946B04 CAP,CHIP,.1UF,+10%,-
10%,10V-DC,0402,X5R,-
55DEG CMIN,85DEG CMAX
C6532M6 2113946S35 CAP,CHIP,1UF,+10%,-
10%,16V-DC,0603,X5R,-
55DEG CMIN,85DEG
CMAX,P
C6533M6 2113946B04 CAP,CHIP,.1UF,+10%,-
10%,10V-DC,0402,X5R,-
55DEG CMIN,85DEG CMAX
C6534M6 2113956B33 CAP,FXD,2.2UF,+10%,-
10%,16V-DC,0603,X5R,-
55DEG CMIN,85DEG CMAX
C6535M6 2113944A34 CAP,CHIP,56PF,+5%,-
5%,50V-DC,0402,C0G,-
55DEG CMIN,125DEG
CMAX,P
C6536M6 2113944A28 CAP,CHIP,18PF,+5%,-
5%,50V-DC,0402,C0G,-
55DEG CMIN,125DEG
CMAX,P
C6537M6 2113944A19 CAP,CHIP,5.6PF,.5PF+/-
,50V-DC,0402,C0G,-55DEG
CMIN,125DEG CMAX
C6538M6 2113956B33 CAP,FXD,2.2UF,+10%,-
10%,16V-DC,0603,X5R,-
55DEG CMIN,85DEG CMAX
C6539M6 2113956B33 CAP,FXD,2.2UF,+10%,-
10%,16V-DC,0603,X5R,-
55DEG CMIN,85DEG CMAX
C6540M6 2113945C13 CAP,CHIP,1000PF,+10%,-
10%,50V-DC,0603,X7R,-
55DEG CMIN,125DEG CM
C6541M6 2113944A19 CAP,CHIP,5.6PF,.5PF+/-
,50V-DC,0402,C0G,-55DEG
CMIN,125DEG CMAX
C6542M6 2113946B04 CAP,CHIP,.1UF,+10%,-
10%,10V-DC,0402,X5R,-
55DEG CMIN,85DEG CMAX
Ref. Des. Part Number Description
C6543M6 2113946B04 CAP,CHIP,.1UF,+10%,-
10%,10V-DC,0402,X5R,-
55DEG CMIN,85DEG CMAX
C6544M6 2113945D04 CAP,CHIP,.1UF,+10%,-
10%,25V-DC,0603,X7R,-
55DEG CMIN,125DEG
CMAX
C6545M6 2113945D04 CAP,CHIP,.1UF,+10%,-
10%,25V-DC,0603,X7R,-
55DEG CMIN,125DEG
CMAX
C6546M6 2113946B04 CAP,CHIP,.1UF,+10%,-
10%,10V-DC,0402,X5R,-
55DEG CMIN,85DEG CMAX
C6547M6 2113944A46 CAP,CHIP,330PF,+5%,-
5%,50V-DC,0402,C0G,-
55DEG CMIN,125DEG
CMAX
C6548M6 NOT
PLACED
CAP,CHIP,1UF,+10%,-
10%,16V-DC,0603,X5R,-
55DEG CMIN,85DEG
CMAX,P
C6549M6 2113944A46 CAP,CHIP,330PF,+5%,-
5%,50V-DC,0402,C0G,-
55DEG CMIN,125DEG
CMAX
C6550M6 2113945D04 CAP,CHIP,.1UF,+10%,-
10%,25V-DC,0603,X7R,-
55DEG CMIN,125DEG
CMAX
C6551M6 2113944A46 CAP,CHIP,330PF,+5%,-
5%,50V-DC,0402,C0G,-
55DEG CMIN,125DEG
CMAX
C6552M6 2113956E91 CAP,FXD,10UF,+10%,-
10%,16V-DC,1210,X5R,-
55DEG CMIN,85DEG
CMAX,P
C6553M6 2113956E91 CAP,FXD,10UF,+10%,-
10%,16V-DC,1210,X5R,-
55DEG CMIN,85DEG
CMAX,P
C6554M6 2113946B04 CAP,CHIP,.1UF,+10%,-
10%,10V-DC,0402,X5R,-
55DEG CMIN,85DEG CMAX
Ref. Des. Part Number Description
C6555M6 2113955D45 CAP,FXD,4.7UF,+10%,-
10%,10V-DC,1206,X7R,-
55DEG CMIN,125DEG
CMAX
C6556M6 2113956B33 CAP,FXD,2.2UF,+10%,-
10%,16V-DC,0603,X5R,-
55DEG CMIN,85DEG CMAX
C6557M6 2113945D04 CAP,CHIP,.1UF,+10%,-
10%,25V-DC,0603,X7R,-
55DEG CMIN,125DEG
CMAX
C6558M6 2113944A21 CAP,CHIP,6.8PF,.5PF+/-
,50V-DC,0402,C0G,-55DEG
CMIN,125DEG CMAX
C6559M6 2113946S35 CAP,CHIP,1UF,+10%,-
10%,16V-DC,0603,X5R,-
55DEG CMIN,85DEG
CMAX,P
C6560M6 2113956C37 CAP,FXD,10UF,+10%,-
10%,16V-DC,0805,X5R,-
55DEG CMIN,85DEG
CMAX,P
C6561M6 2113956C37 CAP,FXD,10UF,+10%,-
10%,16V-DC,0805,X5R,-
55DEG CMIN,85DEG
CMAX,P
C6562M6 2113944A25 CAP,CHIP,10PF,.5PF+/-,50V-
DC,0402,C0G,-55DEG
CMIN,125DEG CMAX
C6563M6 2113945D04 CAP,CHIP,.1UF,+10%,-
10%,25V-DC,0603,X7R,-
55DEG CMIN,125DEG
CMAX
C6564M6 2113944A46 CAP,CHIP,330PF,+5%,-
5%,50V-DC,0402,C0G,-
55DEG CMIN,125DEG
CMAX
C6565M6 2113956B33 CAP,FXD,2.2UF,+10%,-
10%,16V-DC,0603,X5R,-
55DEG CMIN,85DEG CMAX
C6566M6 2113956E91 CAP,FXD,10UF,+10%,-
10%,16V-DC,1210,X5R,-
55DEG CMIN,85DEG
CMAX,P
Ref. Des. Part Number Description
C6567M6 2113956E91 CAP,FXD,10UF,+10%,-
10%,16V-DC,1210,X5R,-
55DEG CMIN,85DEG
CMAX,P
C6568M6 2113956B33 CAP,FXD,2.2UF,+10%,-
10%,16V-DC,0603,X5R,-
55DEG CMIN,85DEG CMAX
C6569M6 2113956E91 CAP,FXD,10UF,+10%,-
10%,16V-DC,1210,X5R,-
55DEG CMIN,85DEG
CMAX,P
C6570M6 2113944A46 CAP,CHIP,330PF,+5%,-
5%,50V-DC,0402,C0G,-
55DEG CMIN,125DEG
CMAX
C6571M6 2113946B04 CAP,CHIP,.1UF,+10%,-
10%,10V-DC,0402,X5R,-
55DEG CMIN,85DEG CMAX
C6572M6 2113946B04 CAP,CHIP,.1UF,+10%,-
10%,10V-DC,0402,X5R,-
55DEG CMIN,85DEG CMAX
C6573M6 2113946S35 CAP,CHIP,1UF,+10%,-
10%,16V-DC,0603,X5R,-
55DEG CMIN,85DEG
CMAX,P
C6574M6 2113946S35 CAP,CHIP,1UF,+10%,-
10%,16V-DC,0603,X5R,-
55DEG CMIN,85DEG
CMAX,P
C6575M6 2113946S35 CAP,CHIP,1UF,+10%,-
10%,16V-DC,0603,X5R,-
55DEG CMIN,85DEG
CMAX,P
C6576M6 2113956B33 CAP,FXD,2.2UF,+10%,-
10%,16V-DC,0603,X5R,-
55DEG CMIN,85DEG CMAX
C6577M6 2113946S35 CAP,CHIP,1UF,+10%,-
10%,16V-DC,0603,X5R,-
55DEG CMIN,85DEG
CMAX,P
C6578M6 2113946S35 CAP,CHIP,1UF,+10%,-
10%,16V-DC,0603,X5R,-
55DEG CMIN,85DEG
CMAX,P
Ref. Des. Part Number Description

8-44 Schematics, Boards Overlays, and Parts Lists: Main Board Block: UHF1 (84012513001_A)
C6579M6 2113946S35 CAP,CHIP,1UF,+10%,-
10%,16V-DC,0603,X5R,-
55DEG CMIN,85DEG
CMAX,P
C6580M6 2113946S35 CAP,CHIP,1UF,+10%,-
10%,16V-DC,0603,X5R,-
55DEG CMIN,85DEG
CMAX,P
C6581M6 2113956B33 CAP,FXD,2.2UF,+10%,-
10%,16V-DC,0603,X5R,-
55DEG CMIN,85DEG CMAX
C6582M6 2113944A21 CAP,CHIP,6.8PF,.5PF+/-
,50V-DC,0402,C0G,-55DEG
CMIN,125DEG CMAX
C6583M6 2113946B04 CAP,CHIP,.1UF,+10%,-
10%,10V-DC,0402,X5R,-
55DEG CMIN,85DEG CMAX
C6584M6 2113956C37 CAP,FXD,10UF,+10%,-
10%,16V-DC,0805,X5R,-
55DEG CMIN,85DEG
CMAX,P
C6585M6 2113946B04 CAP,CHIP,.1UF,+10%,-
10%,10V-DC,0402,X5R,-
55DEG CMIN,85DEG CMAX
C6586M6 2113956C35 CAP,FXD,4.7UF,+10%,-
10%,16V-DC,0805,X5R,-
55DEG CMIN,85DEG CMAX
C6587M6 2113946B04 CAP,CHIP,.1UF,+10%,-
10%,10V-DC,0402,X5R,-
55DEG CMIN,85DEG CMAX
C6588M6 2113944A46 CAP,CHIP,330PF,+5%,-
5%,50V-DC,0402,C0G,-
55DEG CMIN,125DEG
CMAX
C6589M6 2113944A40 CAP,CHIP,100PF,+5%,-
5%,50V-DC,0402,C0G,-
55DEG CMIN,125DEG
CMAX
C6590M6 2113946B04 CAP,CHIP,.1UF,+10%,-
10%,10V-DC,0402,X5R,-
55DEG CMIN,85DEG CMAX
C6591M6 2113944A28 CAP,CHIP,18PF,+5%,-
5%,50V-DC,0402,C0G,-
55DEG CMIN,125DEG
CMAX,P
Ref. Des. Part Number Description
C6592M6 2113944A09 CAP,CHIP,2.2PF,.25PF+/-
,50V-DC,0402,C0G,-55DEG
CMIN,125DEG CMA
C6593M6 2113956C37 CAP,FXD,10UF,+10%,-
10%,16V-DC,0805,X5R,-
55DEG CMIN,85DEG
CMAX,P
C6594M6 2113946C07 CAP,FXD,.33UF,+10%,-
10%,10V-DC,0603,X5R,-
55DEG CMIN,85DEG CMAX
C6595M6 2113946S35 CAP,CHIP,1UF,+10%,-
10%,16V-DC,0603,X5R,-
55DEG CMIN,85DEG
CMAX,P
C6596M6 NOT
PLACED
CAP,CHIP,22PF,+5%,-
5%,50V-DC,0402,C0G,-
55DEG CMIN,125DEG
CMAX,P
C6601M6 2113944A28 CAP,CHIP,18PF,+5%,-
5%,50V-DC,0402,C0G,-
55DEG CMIN,125DEG
CMAX,P
C6602M6 2113944A28 CAP,CHIP,18PF,+5%,-
5%,50V-DC,0402,C0G,-
55DEG CMIN,125DEG
CMAX,P
C6670M6 NOT
PLACED
CAP,FXD,13PF,+5%,-
5%,50V-DC,0402,C0G,-
55DEG CMIN,125DEG
CMAX,PB
C701M7 2115153H18 CAP,CER CHIP,4.3PF,.1PF+/
-,+.1%,-.1%,50V-
DC,0402,C0G,CAP, CERA
C702M7 2185419D06 CAP,CHIP,.1UF,+10%,-
10%,25V-DC,1206,-55DEG
CMIN,125DEG CMAX
C703M7 2113945C26 CAP,FXD,.039UF,+10%,-
10%,50V-DC,0603,X7R,-
55DEG CMIN,125DEG CMA
C704M7 2185419D06 CAP,CHIP,.1UF,+10%,-
10%,25V-DC,1206,-55DEG
CMIN,125DEG CMAX
C705M7 2115153H34 CAP,CER CHIP,11PF,+1%,-
1%,50V-DC,0402,C0G,CAP,
CERAMIC, COG
Ref. Des. Part Number Description
C706M7 2185419D06 CAP,CHIP,.1UF,+10%,-
10%,25V-DC,1206,-55DEG
CMIN,125DEG CMAX
C707M7 2113945C01 CAP,CHIP,6800PF,+10%,-
10%,50V-DC,0603,X7R,-
55DEG CMIN,125DEG CM
C708M7 2115153H34 CAP,CER CHIP,11PF,+1%,-
1%,50V-DC,0402,C0G,CAP,
CERAMIC, COG
C709M7 2171051Y11 CAP,FXD,.1UF,+5%,-
5%,1206,-55DEG
CMIN,125DEG CMAX,PB-
FREE
C710M7 NOT
PLACED
CAP,CHIP,560PF,+5%,-
5%,50V-DC,0402,C0G,-
55DEG CMIN,125DEG
CMAX
C711M7 NOT
PLACED
CAP,CHIP,56PF,+5%,-
5%,50V-DC,0402,C0G,-
55DEG CMIN,125DEG
CMAX,P
C712M7 NOT
PLACED
CAP,CHIP,270PF,+5%,-
5%,50V-DC,0402,C0G,-
55DEG CMIN,125DEG
CMAX
C713M7 2113945C26 CAP,FXD,.039UF,+10%,-
10%,50V-DC,0603,X7R,-
55DEG CMIN,125DEG CMA
C714M7 2171051Y11 CAP,FXD,.1UF,+5%,-
5%,1206,-55DEG
CMIN,125DEG CMAX,PB-
FREE
C715M7 2113945C31 CAP,FXD,.1UF,+10%,-
10%,50V-DC,0603,X7R,-
55DEG CMIN,125DEG
CMAX
C716M7 2113945C31 CAP,FXD,.1UF,+10%,-
10%,50V-DC,0603,X7R,-
55DEG CMIN,125DEG
CMAX
C717M7 2113945C31 CAP,FXD,.1UF,+10%,-
10%,50V-DC,0603,X7R,-
55DEG CMIN,125DEG
CMAX
Ref. Des. Part Number Description
C718M7 2113945C31 CAP,FXD,.1UF,+10%,-
10%,50V-DC,0603,X7R,-
55DEG CMIN,125DEG
CMAX
C719M7 2113945C31 CAP,FXD,.1UF,+10%,-
10%,50V-DC,0603,X7R,-
55DEG CMIN,125DEG
CMAX
C720M7 2113944C53 CAP,CHIP,1500PF,+5%,-
5%,50V-DC,0603,C0G,-
55DEG CMIN,125DEG
CMAX
C721M7 NOT
PLACED
CAP,FXD,.22UF,+10%,-
10%,50V-DC,0805,X7R,-
55DEG CMIN,125DEG
CMAX
C722M7 2113944A40 CAP,CHIP,100PF,+5%,-
5%,50V-DC,0402,C0G,-
55DEG CMIN,125DEG
CMAX
C723M7 2113944A40 CAP,CHIP,100PF,+5%,-
5%,50V-DC,0402,C0G,-
55DEG CMIN,125DEG
CMAX
C724M7 2113955D37 CAP,FXD,10UF,+10%,-
10%,16V-DC,1206,X7R,-
55DEG CMIN,125DEG
CMAX
C725M7 2113945C31 CAP,FXD,.1UF,+10%,-
10%,50V-DC,0603,X7R,-
55DEG CMIN,125DEG
CMAX
C726M7 2113945C31 CAP,FXD,.1UF,+10%,-
10%,50V-DC,0603,X7R,-
55DEG CMIN,125DEG
CMAX
C727M7 2113944A40 CAP,CHIP,100PF,+5%,-
5%,50V-DC,0402,C0G,-
55DEG CMIN,125DEG
CMAX
C728M7 2113944A40 CAP,CHIP,100PF,+5%,-
5%,50V-DC,0402,C0G,-
55DEG CMIN,125DEG
CMAX
C729M7 2115153H27 CAP,FXD,10PF,.1PF+/-
,+1%,-1%,50V-
DC,0402,C0G,CAP,
CERAMIC, COG
Ref. Des. Part Number Description

Schematics, Boards Overlays, and Parts Lists: Main Board Block: UHF1 (84012513001_A) 8-45
C730M7 2113945C31 CAP,FXD,.1UF,+10%,-
10%,50V-DC,0603,X7R,-
55DEG CMIN,125DEG
CMAX
C731M7 2113945C31 CAP,FXD,.1UF,+10%,-
10%,50V-DC,0603,X7R,-
55DEG CMIN,125DEG
CMAX
C732M7 2113944A32 CAP,CHIP,39PF,+5%,-
5%,50V-DC,0402,C0G,-
55DEG CMIN,125DEG
CMAX,P
C733M7 2113945A09 CAP,CHIP,1000PF,+10%,-
10%,50V-DC,0402,X7R,-
55DEG CMIN,125DEG CM
C734M7 2113945C31 CAP,FXD,.1UF,+10%,-
10%,50V-DC,0603,X7R,-
55DEG CMIN,125DEG
CMAX
C735M7 2113944A31 CAP,CHIP,33PF,+5%,-
5%,50V-DC,0402,C0G,-
55DEG CMIN,125DEG
CMAX,P
C736M7 2113945B02 CAP,CHIP,.01UF,+10%,-
10%,25V-DC,0402,X7R,-
55DEG CMIN,125DEG CMA
C737M7 2113945C31 CAP,FXD,.1UF,+10%,-
10%,50V-DC,0603,X7R,-
55DEG CMIN,125DEG
CMAX
C738M7 2113944A40 CAP,CHIP,100PF,+5%,-
5%,50V-DC,0402,C0G,-
55DEG CMIN,125DEG
CMAX
C739M7 2113944A17 CAP,CHIP,4.7PF,.25PF+/-
,50V-DC,0402,C0G,-55DEG
CMIN,125DEG CMA
C740M7 2113944A44 CAP,CHIP,220PF,+5%,-
5%,50V-DC,0402,C0G,-
55DEG CMIN,125DEG
CMAX
C741M7 NOT
PLACED
CAP,CHIP,220PF,+5%,-
5%,50V-DC,0402,C0G,-
55DEG CMIN,125DEG
CMAX
Ref. Des. Part Number Description
C742M7 2113945C31 CAP,FXD,.1UF,+10%,-
10%,50V-DC,0603,X7R,-
55DEG CMIN,125DEG
CMAX
C743M7 2113946B06 CAP,CHIP,.22UF,+10%,-
10%,10V-DC,0402,X5R,-
55DEG CMIN,85DEG CMAX
C744M7 2113955D37 CAP,FXD,10UF,+10%,-
10%,16V-DC,1206,X7R,-
55DEG CMIN,125DEG
CMAX
C745M7 2115153H19 CAP,FXD,4.7PF,.1PF+/-
,+.1%,-.1%,50V-
DC,0402,C0G
C749M7 2113945C31 CAP,FXD,.1UF,+10%,-
10%,50V-DC,0603,X7R,-
55DEG CMIN,125DEG
CMAX
C750M7 2113945C31 CAP,FXD,.1UF,+10%,-
10%,50V-DC,0603,X7R,-
55DEG CMIN,125DEG
CMAX
C751M7 2113945A09 CAP,CHIP,1000PF,+10%,-
10%,50V-DC,0402,X7R,-
55DEG CMIN,125DEG CM
C752M7 2113944A43 CAP,CHIP,180PF,+5%,-
5%,50V-DC,0402,C0G,-
55DEG CMIN,125DEG
CMAX
C753M7 2113944A31 CAP,CHIP,33PF,+5%,-
5%,50V-DC,0402,C0G,-
55DEG CMIN,125DEG
CMAX,P
C754M7 2113944A34 CAP,CHIP,56PF,+5%,-
5%,50V-DC,0402,C0G,-
55DEG CMIN,125DEG
CMAX,P
C756M7 2113955D37 CAP,FXD,10UF,+10%,-
10%,16V-DC,1206,X7R,-
55DEG CMIN,125DEG
CMAX
C757M7 2113945C31 CAP,FXD,.1UF,+10%,-
10%,50V-DC,0603,X7R,-
55DEG CMIN,125DEG
CMAX
Ref. Des. Part Number Description
C760M7 2113944A44 CAP,CHIP,220PF,+5%,-
5%,50V-DC,0402,C0G,-
55DEG CMIN,125DEG
CMAX
C764M7 2113946B06 CAP,CHIP,.22UF,+10%,-
10%,10V-DC,0402,X5R,-
55DEG CMIN,85DEG CMAX
C768M7 2115153H19 CAP,FXD,4.7PF,.1PF+/-
,+.1%,-.1%,50V-
DC,0402,C0G
C770M7 2113944A44 CAP,CHIP,220PF,+5%,-
5%,50V-DC,0402,C0G,-
55DEG CMIN,125DEG
CMAX
C772M7 2113945A09 CAP,CHIP,1000PF,+10%,-
10%,50V-DC,0402,X7R,-
55DEG CMIN,125DEG CM
C773M7 2113944A33 CAP,CHIP,47PF,+5%,-
5%,50V-DC,0402,C0G,-
55DEG CMIN,125DEG
CMAX,P
C777M7 2113944A44 CAP,CHIP,220PF,+5%,-
5%,50V-DC,0402,C0G,-
55DEG CMIN,125DEG
CMAX
C780M7 2113944A33 CAP,CHIP,47PF,+5%,-
5%,50V-DC,0402,C0G,-
55DEG CMIN,125DEG
CMAX,P
C781M7 2113944A44 CAP,CHIP,220PF,+5%,-
5%,50V-DC,0402,C0G,-
55DEG CMIN,125DEG
CMAX
C786M7 2113944A44 CAP,CHIP,220PF,+5%,-
5%,50V-DC,0402,C0G,-
55DEG CMIN,125DEG
CMAX
C803M7 2113944A44 CAP,CHIP,220PF,+5%,-
5%,50V-DC,0402,C0G,-
55DEG CMIN,125DEG
CMAX
C813M7 NOT
PLACED
CAP,FXD,1PF,.25PF+/-,50V-
DC,0402,C0G,-55DEG
CMIN,125DEG CMAX,P
Ref. Des. Part Number Description
C816M7 2113944A35 CAP,CHIP,62PF,+5%,-
5%,50V-DC,0402,C0G,-
55DEG CMIN,125DEG
CMAX,P
C817M7 2113944A44 CAP,CHIP,220PF,+5%,-
5%,50V-DC,0402,C0G,-
55DEG CMIN,125DEG
CMAX
C819M7 2113944A44 CAP,CHIP,220PF,+5%,-
5%,50V-DC,0402,C0G,-
55DEG CMIN,125DEG
CMAX
C823M7 2113944A40 CAP,CHIP,100PF,+5%,-
5%,50V-DC,0402,C0G,-
55DEG CMIN,125DEG
CMAX
C824M7 2113944A44 CAP,CHIP,220PF,+5%,-
5%,50V-DC,0402,C0G,-
55DEG CMIN,125DEG
CMAX
D1970M20 NOT
PLACED
DIODE
ARRAY,MXR,SM,SOT-
323,7V,.2W,SHTK,2,PB-
FREE
D1M2 4870359B01 DIODE,SUPR,SM,7.82V,.1W,
ESD PROT,V360
D200M12 4813978A19 DIODE,RECT,MBR120,SM,S
OD-123,1A,20V,SHTK,PB-
FREE
D2101M2 4870359B01 DIODE,SUPR,SM,7.82V,.1W,
ESD PROT,V360
D2304M2 4870359B01 DIODE,SUPR,SM,7.82V,.1W,
ESD PROT,V360
D2305M2 4870359B01 DIODE,SUPR,SM,7.82V,.1W,
ESD PROT,V360
D2306M2 4870359B01 DIODE,SUPR,SM,7.82V,.1W,
ESD PROT,V360
D2307M2 4870359B01 DIODE,SUPR,SM,7.82V,.1W,
ESD PROT,V360
D2521M6 4871785H01 DIODE,SWG,BAS116LT1G,S
OT-23/SC-59,SOT-
23,200MA,75V,.225W,SWG
DI
Ref. Des. Part Number Description

8-46 Schematics, Boards Overlays, and Parts Lists: Main Board Block: UHF1 (84012513001_A)
D2601M13 4813974A19 DIODE
ARRAY,MXR,SM,SOT-
323,7V,.2W,SHTK,2,PB-
FREE
D2602M13 4815897H01 DIODE,PIN,UPP9401E,SM,D
O-
216,50A,50V,2.5W,POWERM
ITE
D2603M13 4815897H01 DIODE,PIN,UPP9401E,SM,D
O-
216,50A,50V,2.5W,POWERM
ITE
D2M2 4870359B01 DIODE,SUPR,SM,7.82V,.1W,
ESD PROT,V360
D3102M22 4805656W87 DIODE,VCTR, @
15V,1SV279,SOD-523/SC-
79,SOD-523/SC-79
D3103M22 4805656W87 DIODE,VCTR, @
15V,1SV279,SOD-523/SC-
79,SOD-523/SC-79
D3104M22 4805656W87 DIODE,VCTR, @
15V,1SV279,SOD-523/SC-
79,SOD-523/SC-79
D3105M22 4805656W87 DIODE,VCTR, @
15V,1SV279,SOD-523/SC-
79,SOD-523/SC-79
D3135M22 4805656W87 DIODE,VCTR, @
15V,1SV279,SOD-523/SC-
79,SOD-523/SC-79
D3136M22 4805656W87 DIODE,VCTR, @
15V,1SV279,SOD-523/SC-
79,SOD-523/SC-79
D3137M22 4805656W87 DIODE,VCTR, @
15V,1SV279,SOD-523/SC-
79,SOD-523/SC-79
D3138M22 4805656W87 DIODE,VCTR, @
15V,1SV279,SOD-523/SC-
79,SOD-523/SC-79
D3M2 4870359B01 DIODE,SUPR,SM,7.82V,.1W,
ESD PROT,V360
D4001M2 4813978A25 DIODE,SWG,BAT54,SM,SO
D-323/SC-
76,200MA,30V,.2W,SHTK,PB
-FREE, W18
Ref. Des. Part Number Description
D6101M6 4813978A25 DIODE,SWG,BAT54,SM,SO
D-323/SC-
76,200MA,30V,.2W,SHTK,PB
-FREE, W18
D6401M6 4813978A25 DIODE,SWG,BAT54,SM,SO
D-323/SC-
76,200MA,30V,.2W,SHTK,PB
-FREE, W18
D6501M6 4813978A25 DIODE,SWG,BAT54,SM,SO
D-323/SC-
76,200MA,30V,.2W,SHTK,PB
-FREE, W18
D722M7 4815011H01 DIODE,SWG,SM,300MA,80V,
TRP
D723M7 4815011H01 DIODE,SWG,SM,300MA,80V,
TRP
E1101M11 2405688Z01 IDCTR,BEAD,FERR BEAD
E1921M20 2471132D14 IDCTR,25%,200MA,.6OHM,F
ERR,SM,0402,IDCTR,FXD,4
70OHM,200M
E201M12 7686949J14 FLTR,FERRITE
BEAD,2A,SM,0805,CHIP,220
OHM
E2201M2 76852680E0
1
FLTR,FERRITE
BEAD,650MA,SM,0402,CHIP
,80OHM
E2206M2 76852680E0
1
FLTR,FERRITE
BEAD,650MA,SM,0402,CHIP
,80OHM
E2207M2 76852680E0
1
FLTR,FERRITE
BEAD,650MA,SM,0402,CHIP
,80OHM
E2247M2 76852680E0
1
FLTR,FERRITE
BEAD,650MA,SM,0402,CHIP
,80OHM
E2248M2 76852680E0
1
FLTR,FERRITE
BEAD,650MA,SM,0402,CHIP
,80OHM
E2249M2 76852680E0
1
FLTR,FERRITE
BEAD,650MA,SM,0402,CHIP
,80OHM
E601M19 2471132D14 IDCTR,25%,200MA,.6OHM,F
ERR,SM,0402,IDCTR,FXD,4
70OHM,200M
Ref. Des. Part Number Description
E602M19 2471132D14 IDCTR,25%,200MA,.6OHM,F
ERR,SM,0402,IDCTR,FXD,4
70OHM,200M
E603M19 2471132D14 IDCTR,25%,200MA,.6OHM,F
ERR,SM,0402,IDCTR,FXD,4
70OHM,200M
E604M19 2471132D14 IDCTR,25%,200MA,.6OHM,F
ERR,SM,0402,IDCTR,FXD,4
70OHM,200M
E605M19 2471132D14 IDCTR,25%,200MA,.6OHM,F
ERR,SM,0402,IDCTR,FXD,4
70OHM,200M
E606M19 2471132D14 IDCTR,25%,200MA,.6OHM,F
ERR,SM,0402,IDCTR,FXD,4
70OHM,200M
E607M19 2471132D14 IDCTR,25%,200MA,.6OHM,F
ERR,SM,0402,IDCTR,FXD,4
70OHM,200M
E608M19 2471132D14 IDCTR,25%,200MA,.6OHM,F
ERR,SM,0402,IDCTR,FXD,4
70OHM,200M
E609M19 2471132D14 IDCTR,25%,200MA,.6OHM,F
ERR,SM,0402,IDCTR,FXD,4
70OHM,200M
E6501M6 2480067M02 FIXED
INDUCTOR,FXD,200MA,.4O
HM,FERR,0805,CHK RF
CHIP BE
E6502M6 2480067M02 FIXED
INDUCTOR,FXD,200MA,.4O
HM,FERR,0805,CHK RF
CHIP BE
F200M12 6575834B01 FUSE,FST
BLW,2A,32V,FUSE SUR MT
FL1301M3 9102190J23 FLTR,SAW,BANDPASS,1.57
542GHZ
NOM,SM,1.4X1.0MM,SMD,P
B-FREE
FL1302M3 9109674L58 BAND PASS FILTER
FL1303M3 9102190J23 FLTR,SAW,BANDPASS,1.57
542GHZ
NOM,SM,1.4X1.0MM,SMD,P
B-FREE
Ref. Des. Part Number Description
FL502M21 91009300001 FLTR,BANDPASS,109.65MH
Z
NOM,FILTER,MONOLITHIC
CRYSTAL,BAND
J102M11 2880658Z08 RF
CONNECTOR,SMA,M,CONN
SMA
J1301M3 40012057001 RF SWITCH,SWITCH,RF
J1M2 9012130001 CONN,RCPT,24CONT,.4MM,
CONNECTOR, BTB
RECEPTACLE, 24-PIN,
J2401M2 0989851N01 CONN,BTB,2
ROW,RCPT,40CONT,.4MM,
GLD,SMD
J2M2 0971704L01 CONN,CUST,RCPT,12CONT,
CONNECTOR, 12-PIN
SOCKET, 0.4MM PIT
J3M2 9012073001 CONN,BTB,RCPT,34CONT,.
4MM,GLD,ST,CONNECTOR,
B2B RCPT 34PINS
L1101M11 2415429H26 IDCTR,WW,33NH,5%,600MA
,.22OHM,CER,SM,0603,CHI
P
L1102M11 2415429H10 IDCTR,WW,6.8NH,5%,700M
A,.11OHM,CER,SM,0603,CH
IP
L1117M11 2415428H01 COIL,AW,1.65NH,10%,1.6A,
AIR,2 TURNS,SM,AIR
WOUND IDCTR
L1301M3 2414017P16 IDCTR,CHIP,18NH,5%,300M
A,.76OHM,CER,9 Q,1.9GHZ
SRF,SM,0402,P
L1302M3 2475122C13 IDCTR,3.3NH,9.09%,300MA,
.17OHM,CER,4
TURNS,SM,IND, MULTI-LA
L1303M3 2414017P16 IDCTR,CHIP,18NH,5%,300M
A,.76OHM,CER,9 Q,1.9GHZ
SRF,SM,0402,P
L1304M3 2475122C37 IDCTR,100NH,5%,300MA,.0
7OHM,CER,4
TURNS,SM,IND, MULTI-LAY
L1305M3 24012011010 IDCTR,WW,4.7NH,2%,1.5A,.
06OHM,CER,6.85GHZ
SRF,SM,0402 HI Q
Ref. Des. Part Number Description

Schematics, Boards Overlays, and Parts Lists: Main Board Block: UHF1 (84012513001_A) 8-47
L1306M3 2414017P14 IDCTR,CHIP,12NH,5%,300M
A,.6OHM,CER,9 Q,2GHZ
SRF,SM,0402,PB-F
L1308M3 NOT
PLACED
IDCTR,WW,39NH,5%,600MA
,CER,SM,CHIP
L1316M3 24012011018 IDCTR,WW,9NH,2%,1.4A,.07
OHM,CER,5GHZ
SRF,SM,0402 HI Q CHIP
L1601M16 24009331029 IDCTR,WW,15NH,5%,600MA
,SM,IDCTR,WW,15NH,5%,60
0MA,SM,060
L1602M16 2415429H37 IDCTR,WW,110NH,5%,300M
A,.61OHM,CER,SM,0603,CH
IP
L1603M16 2414015B14 IDCTR,FXD,110NH,2%,400M
A,.46OHM,CER,40
Q,900MHZ SRF,SM,0805
L1604M16 24009331005 IDCTR,WW,3.9NH,INDUCTO
R, 3.9NH, +/-0.5NH, 0603
L1605M16 24009331005 IDCTR,WW,3.9NH,INDUCTO
R, 3.9NH, +/-0.5NH, 0603
L1606M16 2460591E24 COIL AIR WOUND INDUC
23.75
L1609M16 2415428H02 IDCTR,AW,2.55NH,5%,1.6A,
AIR,3 TURNS,SM,AIR
WOUND IDCTR
L1610M16 2471968L10 IDCTR,AW,9NH,2%,4A,.0034
OHM,AIR,5 TURNS,120
Q,4GHZ SRF,SM,9.
L1803M17 24012026006 IDCTR,AW,13.7NH,2%,2.7A,
AIR,SM,ULTRA-MINIATURE
AIR CORE
L1809M17 24012026006 IDCTR,AW,13.7NH,2%,2.7A,
AIR,SM,ULTRA-MINIATURE
AIR CORE
L1811M17 24012026006 IDCTR,AW,13.7NH,2%,2.7A,
AIR,SM,ULTRA-MINIATURE
AIR CORE
L1900M20 NOT
PLACED
IDCTR,WW,10NH,2%,1.3A,.0
85OHM,CER,4.7GHZ
SRF,SM,0402 HI Q C
L1901M20 24009331005 IDCTR,WW,3.9NH,INDUCTO
R, 3.9NH, +/-0.5NH, 0603
Ref. Des. Part Number Description
L1908M20 2478057A04 IDCTR,3.6NH,2%,.031OHM,
CER,40 Q,9.7GHZ
SRF,PCMT,3.6 NH SU
L1909M20 2478057A23 IDCTR,18NH,2%,.066OHM,C
ER,41 Q,3.3GHZ
SRF,PCMT,18 NH SUR
L1910M20 2478057A23 IDCTR,18NH,2%,.066OHM,C
ER,41 Q,3.3GHZ
SRF,PCMT,18 NH SUR
L1912M20 2478057A04 IDCTR,3.6NH,2%,.031OHM,
CER,40 Q,9.7GHZ
SRF,PCMT,3.6 NH SU
L1913M20 2478057A23 IDCTR,18NH,2%,.066OHM,C
ER,41 Q,3.3GHZ
SRF,PCMT,18 NH SUR
L1914M20 2478057A23 IDCTR,18NH,2%,.066OHM,C
ER,41 Q,3.3GHZ
SRF,PCMT,18 NH SUR
L1915M20 2478057A12 IDCTR,7.2NH,2%,.052OHM,
CER,48 Q,5.4GHZ
SRF,PCMT,7.2NH SUR
L1917M20 2478057A04 IDCTR,3.6NH,2%,.031OHM,
CER,40 Q,9.7GHZ
SRF,PCMT,3.6 NH SU
L1934M20 2478057A35 CHIP
INDUCTOR,RF,47NH,2%,SM
,0603 HI Q CHIP IDCTR
L1935M20 2478057A23 IDCTR,18NH,2%,.066OHM,C
ER,41 Q,3.3GHZ
SRF,PCMT,18 NH SUR
L1936M20 2475994M09 IDCTR,CHIP,2.2NH,5%,2.1A,
.18OHM,CER,13 Q,15GHZ
SRF,PCMT,2.2
L200M12 2571269C01 IDCTR,COIL,1.5UH,20%,2.9
A,.059OHM,FERR,SM,WW
PWR W18 COMP
L2601M13 2471912M03 IDCTR,COIL,18.9NH,5%,2.6
A,.015OHM,AIR,40
Q,2.8GHZ SRF,SQ A
L2602M13 2415429H40 IDCTR,WW,180NH,5%,240M
A,1.25OHM,CER,SM,0603,C
HIP
L3100M22 0613952R66 RES,MF,0OHM,5%,.0625W,S
M,0402,PB-FREE
Ref. Des. Part Number Description
L3101M22 2414032F41 IDCTR,WW,390NH,10%,200
MA,1.5OHM,CER,40
Q,730MHZ SRF,SM,PB-F
L3102M22 0613952R66 RES,MF,0OHM,5%,.0625W,S
M,0402,PB-FREE
L3106M22 2478057A21 IDCTR,15NH,2%,.078OHM,C
ER,48 Q,3.6GHZ
SRF,PCMT,15 NH SUR
L3112M22 2415428H04 IDCTR,AW,5.4NH,2%,1.6A,A
IR,SM,AIR WOUND IDCTR
L3119M22 2414032F73 IDCTR,WW,820NH,5%,180M
A,2.23OHM,CER,23
Q,215MHZ SRF,SM,PB-F
L3125M22 2414032F41 IDCTR,WW,390NH,10%,200
MA,1.5OHM,CER,40
Q,730MHZ SRF,SM,PB-F
L3126M22 2414032F73 IDCTR,WW,820NH,5%,180M
A,2.23OHM,CER,23
Q,215MHZ SRF,SM,PB-F
L3134M22 2414032F41 IDCTR,WW,390NH,10%,200
MA,1.5OHM,CER,40
Q,730MHZ SRF,SM,PB-F
L3139M22 2478057A21 IDCTR,15NH,2%,.078OHM,C
ER,48 Q,3.6GHZ
SRF,PCMT,15 NH SUR
L3145M22 2471968L11 IDCTR,AW,13NH,2%,4A,.003
9OHM,AIR,5 TURNS,100
Q,3GHZ SRF,SM,1
L3150M22 2414032F41 IDCTR,WW,390NH,10%,200
MA,1.5OHM,CER,40
Q,730MHZ SRF,SM,PB-F
L3158M22 2414032F41 IDCTR,WW,390NH,10%,200
MA,1.5OHM,CER,40
Q,730MHZ SRF,SM,PB-F
L3159M22 2414032F39 IDCTR,WW,270NH,10%,280
MA,1OHM,CER,40
Q,800MHZ SRF,SM,PB-FRE
L500M21 2415429H43 IDCTR,WW,220NH,5%,300M
A,2.1OHM,CER,SM,0603,CH
IP
L501M21 NOT
PLACED
IDCTR,WW,18NH,2%,900MA
,.12OHM,CER,3.55GHZ
SRF,SM,0402 HI Q
Ref. Des. Part Number Description
L503M21 2414017N24 IDCTR,CHIP,100NH,5%,300
MA,2OHM,CER,15
Q,700MHZ SRF,SM,0603,P
L504M21 2478057A51 CHIP
INDUCTOR,RF,270NH,2%,S
M,0603 HI Q CHIP IDCTR
L513M21 NOT
PLACED
IDCTR,WW,22NH,5%,700MA
,.19OHM,CER,SM,0603,CHI
P
L550M21 24009331029 IDCTR,WW,15NH,5%,600MA
,SM,IDCTR,WW,15NH,5%,60
0MA,SM,060
L601M19 2415429H43 IDCTR,WW,220NH,5%,300M
A,2.1OHM,CER,SM,0603,CH
IP
L602M19 2466505A01 CHIP
INDUCTOR,CHIP,10UH,5%,1
50MA,FERR,0 AWG,SM,PB-
FREE
L603M19 2466505A01 CHIP
INDUCTOR,CHIP,10UH,5%,1
50MA,FERR,0 AWG,SM,PB-
FREE
L604M19 2414032D16 IDCTR,WW,120NH,5%,800M
A,.26OHM,CER,42 Q,1GHZ
SRF,SM,PB-FREE
L605M19 2414017Q54 IDCTR,FXD,3.9UH,10%,30M
A,.9OHM,FERR,45 Q,38MHZ
SRF,SM,0805,P
L611M19 2414032F39 IDCTR,WW,270NH,10%,280
MA,1OHM,CER,40
Q,800MHZ SRF,SM,PB-FRE
L6502M6 2471678H01 IDCTR,10UH,20%,FERR,10
UH INDCUTOR
L6504M6 24009268001 IDCTR,PWR,10UH,20%,1.3A
,FERR,SM,10UH 2.1A SHLD
IDCTR
L6505M6 2471678H01 IDCTR,10UH,20%,FERR,10
UH INDCUTOR
L701M7 2415429H47 IDCTR,WW,390NH,5%,100M
A,CER,SM,CHIP
L702M7 2415429H47 IDCTR,WW,390NH,5%,100M
A,CER,SM,CHIP
Ref. Des. Part Number Description

8-48 Schematics, Boards Overlays, and Parts Lists: Main Board Block: UHF1 (84012513001_A)
L703M7 2475122C28 IDCTR,18NH,5%,300MA,.36
OHM,CER,4
TURNS,SM,IND, MULTI-
LAYE
L709M7 2475122C26 IDCTR,12UH,5%,300MA,.07
OHM,CER,4
TURNS,SM,IND, MULTI-
LAYE
L720M7 24012100001 IDCTR,FXD,2.2UH,10%,15M
A,35 Q,50MHZ
SRF,SM,IDCTR,2.2UH,1
L727M7 24012100001 IDCTR,FXD,2.2UH,10%,15M
A,35 Q,50MHZ
SRF,SM,IDCTR,2.2UH,1
L728M7 2415429H47 IDCTR,WW,390NH,5%,100M
A,CER,SM,CHIP
L730M7 2475122C25 IDCTR,10NH,5%,300MA,.26
OHM,CER,4
TURNS,SM,IND, MULTI-
LAYE
L733M7 24012100001 IDCTR,FXD,2.2UH,10%,15M
A,35 Q,50MHZ
SRF,SM,IDCTR,2.2UH,1
L735M7 24012100001 IDCTR,FXD,2.2UH,10%,15M
A,35 Q,50MHZ
SRF,SM,IDCTR,2.2UH,1
L738M7 24012100001 IDCTR,FXD,2.2UH,10%,15M
A,35 Q,50MHZ
SRF,SM,IDCTR,2.2UH,1
L739M7 2415429H47 IDCTR,WW,390NH,5%,100M
A,CER,SM,CHIP
L741M7 24012100001 IDCTR,FXD,2.2UH,10%,15M
A,35 Q,50MHZ
SRF,SM,IDCTR,2.2UH,1
L753M7 2415347H06 IDCTR,WW,2.2UH,5%,320M
A,1.2OHM,CER,SM,IDCTR,
2200NH
L755M7 2415429H47 IDCTR,WW,390NH,5%,100M
A,CER,SM,CHIP
L758M7 2415429H47 IDCTR,WW,390NH,5%,100M
A,CER,SM,CHIP
L759M7 2415429H47 IDCTR,WW,390NH,5%,100M
A,CER,SM,CHIP
L765M7 2415427H28 IDCTR,WW,18NH,5%,420MA
,CER,SM,0402,CHIP
Ref. Des. Part Number Description
L775M7 2415429H47 IDCTR,WW,390NH,5%,100M
A,CER,SM,CHIP
M1 1171905B02 ADHES,WHT,WHT I SHAPE
UNDERFILM COR
M101M12 39012039001 CONN,CMPRSN,3CONT,ST,
CONNECTOR, BAT
CONTACT, WWP
M1301M3 3987977Y04 CONT,CONN,1CONT,ANT
UNIV 4.5MM,UC 1.8
M1302M3 3987977Y04 CONT,CONN,1CONT,ANT
UNIV 4.5MM,UC 1.8
M2 1171905B02 ADHES,WHT,WHT I SHAPE
UNDERFILM COR
M2533M6 3987977Y04 CONT,CONN,1CONT,ANT
UNIV 4.5MM,UC 1.8
M6502M6 0985888K02 BATTERY
CONNECTOR,SKT,NI,LEAP
Q1101M11 4813973A32 XSTR,BIP GP
SS,NPN,SM,SC-
70,SMT,50V,.202W,100MA,P
B-FREE
Q1103M11 4813970A59 XSTR,FET GP PWR,P-
CH,ENHN,SM,SOT-
23,20V,.4W,PB-FREE
Q1601M16 48012094001 XSTR,FET RF
POWER,SM,25V,MOD,XSTR
,FET RF PWR, 135-941MH
Q1920M20 4813973A32 XSTR,BIP GP
SS,NPN,SM,SC-
70,SMT,50V,.202W,100MA,P
B-FREE
Q1922M20 4813973M75 XSTR,BIP GP
SS,PNP,BC858,SOT-
563,SMT,-30V,.357W,-
100MA,100MHZ
Q201M12 4813970A59 XSTR,FET GP PWR,P-
CH,ENHN,SM,SOT-
23,20V,.4W,PB-FREE
Q202M12 4813973A32 XSTR,BIP GP
SS,NPN,SM,SC-
70,SMT,50V,.202W,100MA,P
B-FREE
Ref. Des. Part Number Description
Q2202M2 4815261H01 XSTR,BIP GP
SS,NPN,DTC114Y,SC-
59,SC-
59,SMT3,50V,100MA,250MH
Z
Q2537M6 4888795V06 XSTR,FET GP
PWR,MOSFET,SM,SMT,20V,
.25W,LEAD-FREE
Q2547M6 4888795V06 XSTR,FET GP
PWR,MOSFET,SM,SMT,20V,
.25W,LEAD-FREE
Q2601M13 4815055H01 XSTR,GEN PURPOSE
SMALL SIG,NPN AND
PNP,UMC5NT2G,SM,50V,10
0A
Q3123M22 4871915M01 XSTR,BIP RF SML
SGNL,NPN,SC-
75A,SMT,12V,.1W,100MA,4.5
GHZ,XST
Q3128M22 4815055H01 XSTR,GEN PURPOSE
SMALL SIG,NPN AND
PNP,UMC5NT2G,SM,50V,10
0A
Q3156M22 4871915M01 XSTR,BIP RF SML
SGNL,NPN,SC-
75A,SMT,12V,.1W,100MA,4.5
GHZ,XST
Q3161M22 4815055H01 XSTR,GEN PURPOSE
SMALL SIG,NPN AND
PNP,UMC5NT2G,SM,50V,10
0A
Q4001M2 4815261H01 XSTR,BIP GP
SS,NPN,DTC114Y,SC-
59,SC-
59,SMT3,50V,100MA,250MH
Z
Q601M19 4813973A04 XSTR,BIP GP
SS,NPN,TA13,SM,SOT-
23,SMT,30V,.225W,300MA,1
25MHZ,P
Q6101M6 4815261H01 XSTR,BIP GP
SS,NPN,DTC114Y,SC-
59,SC-
59,SMT3,50V,100MA,250MH
Z
Q6401M6 48012170001 XSTR,FET GP
PWR,N,SM,SMT,20V,.15W
Ref. Des. Part Number Description
Q6501M6 4813970A62 XSTR,FET GP
PWR,MOSFET,P-
CH,ENHN,CF,-20V,1.3W,PB-
FREE
Q6502M6 48012154001 XSTR,FET GP
PWR,P,SM,SMT,-
20V,.5W,FET
Q6504M6 4809579E77 XSTR,FET GP
SS,MOSFET,N-
CH,SM,30V,1.2X1.2MM PKG
W18 COMP
Q6505M6 4813970A62 XSTR,FET GP
PWR,MOSFET,P-
CH,ENHN,CF,-20V,1.3W,PB-
FREE
Q6506M6 4809579E77 XSTR,FET GP
SS,MOSFET,N-
CH,SM,30V,1.2X1.2MM PKG
W18 COMP
Q6507M6 48012170001 XSTR,FET GP
PWR,N,SM,SMT,20V,.15W
Q6508M6 48012154001 XSTR,FET GP
PWR,P,SM,SMT,-
20V,.5W,FET
Q731M7 4885061Y01 XSTR,BIP RF SMALL
SIGNAL
Q745M7 4813973M75 XSTR,BIP GP
SS,PNP,BC858,SOT-
563,SMT,-30V,.357W,-
100MA,100MHZ
Q756M7 4805585Q32 XSTR,BIP RF SML
SGNL,NPN,NE662M04,SM,S
OT-343,3.3V,TRANSITO
Q767M7 4813973M75 XSTR,BIP GP
SS,PNP,BC858,SOT-
563,SMT,-30V,.357W,-
100MA,100MHZ
Q774M7 4805585Q32 XSTR,BIP RF SML
SGNL,NPN,NE662M04,SM,S
OT-343,3.3V,TRANSITO
Q785M7 4889394V04 XSTR,FET GEN PURPOSE
SMALL SIG,MOSFET,N-
CH,ENHN,SM,20V,.25W,P
R1101M11 0613952R01 RES,MF,10KOHM,5%,.0625
W,SM,0402,200PPM/
CEL,PB-FREE
Ref. Des. Part Number Description

Schematics, Boards Overlays, and Parts Lists: Main Board Block: UHF1 (84012513001_A) 8-49
R1102M11 0613952R25 RES,MF,100KOHM,5%,.0625
W,SM,0402,200PPM/
CEL,PB-FREE
R1103M11 6009259001 RES,SHUNT,.02OHM,.33W,S
MD,LOW RESISTANCE THK
FLM RES
R1104M11 0613952Q49 RES,MF,100,5,.0625,SM,040
2,200,PB-FREE
R1105M11 0613952Q49 RES,MF,100,5,.0625,SM,040
2,200,PB-FREE
R1106M11 0613952Q21 RES,MF,6.8OHM,5%,.0625W
,SM,0402,200PPM/CEL,PB-
FREE
R1107M11 0613952Q45 RES,MF,68OHM,5%,.0625W,
SM,0402,200PPM/CEL,PB-
FREE
R1108M11 0613952N81 RES,MF,68.1KOHM,1%,.062
5W,SM,0402,200PPM/
CEL,PB-FREE
R1110M11 0613952R01 RES,MF,10KOHM,5%,.0625
W,SM,0402,200PPM/
CEL,PB-FREE
R1112M11 NOT
PLACED
RES,MF,51OHM,5%,.0625W,
SM,0402,200PPM/CEL,PB-
FREE
R1114M11 0613952Q49 RES,MF,100,5,.0625,SM,040
2,200,PB-FREE
R1115M11 0613952Q49 RES,MF,100,5,.0625,SM,040
2,200,PB-FREE
R1116M11 0613952R01 RES,MF,10KOHM,5%,.0625
W,SM,0402,200PPM/
CEL,PB-FREE
R1117M11 0613952R22 RES,MF,75KOHM,5%,.0625
W,SM,0402,200PPM/
CEL,PB-FREE
R1121M11 0613952N47 RES,MF,30.1KOHM,1%,.062
5W,SM,0402,200PPM/
CEL,PB-FREE
R1122M11 0613952N85 RES,MF,75KOHM,1%,.0625
W,SM,0402,200PPM/
CEL,PB-FREE
R1124M11 0613952Q42 RES,MF,51OHM,5%,.0625W,
SM,0402,200PPM/CEL,PB-
FREE
Ref. Des. Part Number Description
R1125M11 0613952R17 RES,MF,47000,5,.0625,SM,0
402,200,PB-FREE
R1126M11 0613952R08 RES,MF,20KOHM,5%,.0625
W,SM,0402,200PPM/
CEL,PB-FREE
R1127M11 0613952R08 RES,MF,20KOHM,5%,.0625
W,SM,0402,200PPM/
CEL,PB-FREE
R1128M11 0613952R01 RES,MF,10KOHM,5%,.0625
W,SM,0402,200PPM/
CEL,PB-FREE
R1135M11 0613952R66 RES,MF,0OHM,5%,.0625W,S
M,0402,PB-FREE
R1136M11 0613952R01 RES,MF,10KOHM,5%,.0625
W,SM,0402,200PPM/
CEL,PB-FREE
R1137M11 0613952R01 RES,MF,10KOHM,5%,.0625
W,SM,0402,200PPM/
CEL,PB-FREE
R1138M11 0613952R25 RES,MF,100KOHM,5%,.0625
W,SM,0402,200PPM/
CEL,PB-FREE
R1139M11 0613952R25 RES,MF,100KOHM,5%,.0625
W,SM,0402,200PPM/
CEL,PB-FREE
R1140M11 0613952R25 RES,MF,100KOHM,5%,.0625
W,SM,0402,200PPM/
CEL,PB-FREE
R1141M11 0613952R42 RES,MF,510KOHM,5%,.0625
W,SM,0402,200PPM/
CEL,PB-FREE
R1142M11 0613952R25 RES,MF,100KOHM,5%,.0625
W,SM,0402,200PPM/
CEL,PB-FREE
R1143M11 0613952R25 RES,MF,100KOHM,5%,.0625
W,SM,0402,200PPM/
CEL,PB-FREE
R1144M11 0613952R25 RES,MF,100KOHM,5%,.0625
W,SM,0402,200PPM/
CEL,PB-FREE
R1145M11 0613952R25 RES,MF,100KOHM,5%,.0625
W,SM,0402,200PPM/
CEL,PB-FREE
Ref. Des. Part Number Description
R1146M11 0613952R25 RES,MF,100KOHM,5%,.0625
W,SM,0402,200PPM/
CEL,PB-FREE
R1151M11 0613952R05 RES,MF,15KOHM,5%,.0625
W,SM,0402,200PPM/
CEL,PB-FREE
R1152M11 0613952R01 RES,MF,10KOHM,5%,.0625
W,SM,0402,200PPM/
CEL,PB-FREE
R1154M11 0613952N01 RES,MF,10KOHM,1%,.0625
W,SM,0402,200PPM/
CEL,PB-FREE
R1158M11 0613952R25 RES,MF,100KOHM,5%,.0625
W,SM,0402,200PPM/
CEL,PB-FREE
R1160M11 0613952R03 RES,MF,12000,5,.0625,SM,0
402,200,PB-FREE
R1162M11 0613952R29 RES,MF,150KOHM,5%,.0625
W,SM,0402,200PPM/
CEL,PB-FREE
R1163M11 0613952R01 RES,MF,10KOHM,5%,.0625
W,SM,0402,200PPM/
CEL,PB-FREE
R1164M11 0613952R01 RES,MF,10KOHM,5%,.0625
W,SM,0402,200PPM/
CEL,PB-FREE
R1165M11 0613952Q56 RES,MF,200OHM,5%,.0625
W,SM,0402,200PPM/
CEL,PB-FREE
R1166M11 0613952Q56 RES,MF,200OHM,5%,.0625
W,SM,0402,200PPM/
CEL,PB-FREE
R1167M11 0613952R01 RES,MF,10KOHM,5%,.0625
W,SM,0402,200PPM/
CEL,PB-FREE
R1168M11 0613952Q49 RES,MF,100,5,.0625,SM,040
2,200,PB-FREE
R1169M11 0613952P52 RES,MF,340KOHM,1%,.0625
W,SM,0402,200PPM/
CEL,PB-FREE
R1170M11 0613952N88 RES,MF,80.6KOHM,1%,.062
5W,SM,0402,200PPM/
CEL,PB-FREE
R1171M11 0613952R66 RES,MF,0OHM,5%,.0625W,S
M,0402,PB-FREE
Ref. Des. Part Number Description
R1172M11 0613952Q89 RES,MF,4700,5,.0625,SM,04
02,200,PB-FREE
R1174M11 0613952N01 RES,MF,10KOHM,1%,.0625
W,SM,0402,200PPM/
CEL,PB-FREE
R1175M11 0613952R66 RES,MF,0OHM,5%,.0625W,S
M,0402,PB-FREE
R1176M11 0613952M01 RES,MF,1KOHM,1%,.0625W,
SM,0402,200PPM/CEL,PB-
FREE
R1177M11 0613952R66 RES,MF,0OHM,5%,.0625W,S
M,0402,PB-FREE
R1178M11 0613952R01 RES,MF,10KOHM,5%,.0625
W,SM,0402,200PPM/
CEL,PB-FREE
R1180M11 0613952R66 RES,MF,0OHM,5%,.0625W,S
M,0402,PB-FREE
R1182M11 0613952R01 RES,MF,10KOHM,5%,.0625
W,SM,0402,200PPM/
CEL,PB-FREE
R1198M11 0613952J01 RES,MF,10KOHM,5%,.1W,S
M,0603,200PPM/CEL,PB-
FREE
R1202M11 0613952R66 RES,MF,0OHM,5%,.0625W,S
M,0402,PB-FREE
R1301M3 0613952R66 RES,MF,0OHM,5%,.0625W,S
M,0402,PB-FREE
R1302M3 0613952R66 RES,MF,0OHM,5%,.0625W,S
M,0402,PB-FREE
R1303M3 0613952R66 RES,MF,0OHM,5%,.0625W,S
M,0402,PB-FREE
R1304M3 0613952R66 RES,MF,0OHM,5%,.0625W,S
M,0402,PB-FREE
R1305M3 0613952R66 RES,MF,0OHM,5%,.0625W,S
M,0402,PB-FREE
R1306M3 0613952R66 RES,MF,0OHM,5%,.0625W,S
M,0402,PB-FREE
R1307M3 0613952R66 RES,MF,0OHM,5%,.0625W,S
M,0402,PB-FREE
R1308M3 0613952R25 RES,MF,100KOHM,5%,.0625
W,SM,0402,200PPM/
CEL,PB-FREE
Ref. Des. Part Number Description

8-50 Schematics, Boards Overlays, and Parts Lists: Main Board Block: UHF1 (84012513001_A)
R1309M3 NOT
PLACED
RES,MF,110OHM,5%,.0625
W,SM,0402,200PPM/
CEL,PB-FREE
R1310M3 0613952R66 RES,MF,0OHM,5%,.0625W,S
M,0402,PB-FREE
R1311M3 NOT
PLACED
RES,MF,110OHM,5%,.0625
W,SM,0402,200PPM/
CEL,PB-FREE
R1312M3 0613952R66 RES,MF,0OHM,5%,.0625W,S
M,0402,PB-FREE
R1313M3 0613952R66 RES,MF,0OHM,5%,.0625W,S
M,0402,PB-FREE
R1314M3 0613952R66 RES,MF,0OHM,5%,.0625W,S
M,0402,PB-FREE
R1315M3 0613952R66 RES,MF,0OHM,5%,.0625W,S
M,0402,PB-FREE
R1316M3 NOT
PLACED
RES,MF,100KOHM,5%,.0625
W,SM,0402,200PPM/
CEL,PB-FREE
R1317M3 0613952R66 RES,MF,0OHM,5%,.0625W,S
M,0402,PB-FREE
R1318M3 0613952R66 RES,MF,0OHM,5%,.0625W,S
M,0402,PB-FREE
R1319M3 0613952R66 RES,MF,0OHM,5%,.0625W,S
M,0402,PB-FREE
R1320M3 0613952R66 RES,MF,0OHM,5%,.0625W,S
M,0402,PB-FREE
R1322M3 0613952R66 RES,MF,0OHM,5%,.0625W,S
M,0402,PB-FREE
R1323M3 0613952R66 RES,MF,0OHM,5%,.0625W,S
M,0402,PB-FREE
R1324M3 0613952R25 RES,MF,100KOHM,5%,.0625
W,SM,0402,200PPM/
CEL,PB-FREE
R1325M3 0613952R66 RES,MF,0OHM,5%,.0625W,S
M,0402,PB-FREE
R1326M3 0613952R66 RES,MF,0OHM,5%,.0625W,S
M,0402,PB-FREE
R1327M3 NOT
PLACED
RES,MF,1KOHM,5%,.0625W,
SM,0402,200PPM/CEL,PB-
FREE
Ref. Des. Part Number Description
R1328M3 0613952Q73 RES,MF,1KOHM,5%,.0625W,
SM,0402,200PPM/CEL,PB-
FREE
R1329M3 0613952R66 RES,MF,0OHM,5%,.0625W,S
M,0402,PB-FREE
R1330M3 0613952R66 RES,MF,0OHM,5%,.0625W,S
M,0402,PB-FREE
R1331M3 0613952R66 RES,MF,0OHM,5%,.0625W,S
M,0402,PB-FREE
R1332M3 0613952R66 RES,MF,0OHM,5%,.0625W,S
M,0402,PB-FREE
R1333M3 0613952R25 RES,MF,100KOHM,5%,.0625
W,SM,0402,200PPM/
CEL,PB-FREE
R1337M3 NOT
PLACED
RES,MF,0OHM,5%,.0625W,S
M,0402,PB-FREE
R1338M3 0613952R66 RES,MF,0OHM,5%,.0625W,S
M,0402,PB-FREE
R1340M3 0613952R66 RES,MF,0OHM,5%,.0625W,S
M,0402,PB-FREE
R1601M16 0613952Q96 RES,MF,9.1KOHM,5%,.0625
W,SM,0402,200PPM/
CEL,PB-FREE
R1602M16 0613952R01 RES,MF,10KOHM,5%,.0625
W,SM,0402,200PPM/
CEL,PB-FREE
R1603M16 0613952R24 RES,MF,91KOHM,5%,.0625
W,SM,0402,200PPM/
CEL,PB-FREE
R1604M16 0613952R13 RES,MF,33KOHM,5%,.0625
W,SM,0402,200PPM/
CEL,PB-FREE
R1605M16 0613952Q73 RES,MF,1KOHM,5%,.0625W,
SM,0402,200PPM/CEL,PB-
FREE
R1606M16 0613952H53 RES,MF,150OHM,5%,.1W,S
M,0603,200PPM/CEL,PB-
FREE
R1651M16 0613952Q60 RES,MF,300OHM,5%,.0625
W,SM,0402,200PPM/
CEL,PB-FREE
R1652M16 0613952Q60 RES,MF,300OHM,5%,.0625
W,SM,0402,200PPM/
CEL,PB-FREE
Ref. Des. Part Number Description
R1653M16 0613952Q31 RES,MF,18OHM,5%,.0625W,
SM,0402,200PPM/CEL,PB-
FREE
R1900M20 0613952R66 RES,MF,0OHM,5%,.0625W,S
M,0402,PB-FREE
R1906M20 0613952R01 RES,MF,10KOHM,5%,.0625
W,SM,0402,200PPM/
CEL,PB-FREE
R1907M20 0613952R01 RES,MF,10KOHM,5%,.0625
W,SM,0402,200PPM/
CEL,PB-FREE
R1908M20 0613952R01 RES,MF,10KOHM,5%,.0625
W,SM,0402,200PPM/
CEL,PB-FREE
R1909M20 0613952R01 RES,MF,10KOHM,5%,.0625
W,SM,0402,200PPM/
CEL,PB-FREE
R1910M20 0613952Q96 RES,MF,9.1KOHM,5%,.0625
W,SM,0402,200PPM/
CEL,PB-FREE
R1911M20 0613952Q96 RES,MF,9.1KOHM,5%,.0625
W,SM,0402,200PPM/
CEL,PB-FREE
R1921M20 0613952R22 RES,MF,75KOHM,5%,.0625
W,SM,0402,200PPM/
CEL,PB-FREE
R1922M20 0613952R27 RES,MF,120KOHM,5%,.0625
W,SM,0402,200PPM/
CEL,PB-FREE
R1923M20 0613952R01 RES,MF,10KOHM,5%,.0625
W,SM,0402,200PPM/
CEL,PB-FREE
R1924M20 0613952Q37 RES,MF,33OHM,5%,.0625W,
SM,0402,200PPM/CEL,PB-
FREE
R1925M20 0613952Q11 RES,MF,2.7OHM,5%,.0625W
,SM,0402,200PPM/CEL,PB-
FREE
R1935M20 0613952Q75 RES,MF,1.2KOHM,5%,.0625
W,SM,0402,200PPM/
CEL,PB-FREE
R1936M20 0613952R66 RES,MF,0OHM,5%,.0625W,S
M,0402,PB-FREE
R1970M20 0613952Q25 RES,MF,10,5,.0625,SM,0402
,200,PB-FREE
Ref. Des. Part Number Description
R1972M20 0613952Q25 RES,MF,10,5,.0625,SM,0402
,200,PB-FREE
R1M2 0613952R17 RES,MF,47000,5,.0625,SM,0
402,200,PB-FREE
R2 NOT
PLACED
RES,MF,0OHM,5%,.05W,SM,
0201,,PB-FREE
R20 NOT
PLACED
RES,MF,0OHM,5%,.05W,SM,
0201,,PB-FREE
R200M12 0613952C30 RES,MF,200OHM,1%,.1W,S
M,0603,100PPM/CEL,PB-
FREE
R201M12 0613952R25 RES,MF,100KOHM,5%,.0625
W,SM,0402,200PPM/
CEL,PB-FREE
R202M12 0613952Q89 RES,MF,4700,5,.0625,SM,04
02,200,PB-FREE
R2104M2 0613952Q89 RES,MF,4700,5,.0625,SM,04
02,200,PB-FREE
R2105M2 0613952Q89 RES,MF,4700,5,.0625,SM,04
02,200,PB-FREE
R2106M2 NOT
PLACED
RES,MF,10KOHM,5%,.0625
W,SM,0402,200PPM/
CEL,PB-FREE
R2107M2 0613952Q73 RES,MF,1KOHM,5%,.0625W,
SM,0402,200PPM/CEL,PB-
FREE
R2109M2 0613952Q25 RES,MF,10,5,.0625,SM,0402
,200,PB-FREE
R2110M2 0613952Q33 RES,MF,22,5,.0625,SM,0402
,200,PB-FREE
R2111M2 0613952Q25 RES,MF,10,5,.0625,SM,0402
,200,PB-FREE
R2113M2 0613952Q25 RES,MF,10,5,.0625,SM,0402
,200,PB-FREE
R2114M2 0613952Q33 RES,MF,22,5,.0625,SM,0402
,200,PB-FREE
R2115M2 0613952Q25 RES,MF,10,5,.0625,SM,0402
,200,PB-FREE
R2116M2 0613952R01 RES,MF,10KOHM,5%,.0625
W,SM,0402,200PPM/
CEL,PB-FREE
Ref. Des. Part Number Description

Schematics, Boards Overlays, and Parts Lists: Main Board Block: UHF1 (84012513001_A) 8-51
R2117M2 0613952R01 RES,MF,10KOHM,5%,.0625
W,SM,0402,200PPM/
CEL,PB-FREE
R2118M2 0613952R01 RES,MF,10KOHM,5%,.0625
W,SM,0402,200PPM/
CEL,PB-FREE
R2120M2 0613952R01 RES,MF,10KOHM,5%,.0625
W,SM,0402,200PPM/
CEL,PB-FREE
R2197M2 0613952R66 RES,MF,0OHM,5%,.0625W,S
M,0402,PB-FREE
R2198M2 0613952R66 RES,MF,0OHM,5%,.0625W,S
M,0402,PB-FREE
R2199M2 0613952R66 RES,MF,0OHM,5%,.0625W,S
M,0402,PB-FREE
R21M2 0613952R66 RES,MF,0OHM,5%,.0625W,S
M,0402,PB-FREE
R2201M2 0613952R32 RES,MF,200KOHM,5%,.0625
W,SM,0402,200PPM/
CEL,PB-FREE
R2204M2 0613952Q85 RES,MF,3.3KOHM,5%,.0625
W,SM,0402,200PPM/
CEL,PB-FREE
R2206M2 0613952Q85 RES,MF,3.3KOHM,5%,.0625
W,SM,0402,200PPM/
CEL,PB-FREE
R2207M2 0613952R66 RES,MF,0OHM,5%,.0625W,S
M,0402,PB-FREE
R2235M2 0613952R66 RES,MF,0OHM,5%,.0625W,S
M,0402,PB-FREE
R2244M2 0613952Q73 RES,MF,1KOHM,5%,.0625W,
SM,0402,200PPM/CEL,PB-
FREE
R2245M2 0613952Q81 RES,MF,2200,5,.0625,SM,04
02,200,PB-FREE
R2246M2 0613952Q73 RES,MF,1KOHM,5%,.0625W,
SM,0402,200PPM/CEL,PB-
FREE
R2254M2 0613952R01 RES,MF,10KOHM,5%,.0625
W,SM,0402,200PPM/
CEL,PB-FREE
R2255M2 0613952Q66 RES,MF,510OHM,5%,.0625
W,SM,0402,200PPM/
CEL,PB-FREE
Ref. Des. Part Number Description
R2256M2 0613952Q66 RES,MF,510OHM,5%,.0625
W,SM,0402,200PPM/
CEL,PB-FREE
R2257M2 0613952Q66 RES,MF,510OHM,5%,.0625
W,SM,0402,200PPM/
CEL,PB-FREE
R22M2 0613952R66 RES,MF,0OHM,5%,.0625W,S
M,0402,PB-FREE
R2356M2 0613952Q09 RES,MF,2.2OHM,5%,.0625W
,SM,0402,200PPM/CEL,PB-
FREE
R2357M2 0613952Q09 RES,MF,2.2OHM,5%,.0625W
,SM,0402,200PPM/CEL,PB-
FREE
R2358M2 0613952Q66 RES,MF,510OHM,5%,.0625
W,SM,0402,200PPM/
CEL,PB-FREE
R2359M2 0613952R66 RES,MF,0OHM,5%,.0625W,S
M,0402,PB-FREE
R2360M2 0613952R66 RES,MF,0OHM,5%,.0625W,S
M,0402,PB-FREE
R2361M2 0613952R66 RES,MF,0OHM,5%,.0625W,S
M,0402,PB-FREE
R2362M2 0613952Q49 RES,MF,100,5,.0625,SM,040
2,200,PB-FREE
R2363M2 0613952Q53 RES,MF,150OHM,5%,.0625
W,SM,0402,200PPM/
CEL,PB-FREE
R2364M2 0613952Q49 RES,MF,100,5,.0625,SM,040
2,200,PB-FREE
R2401M2 0613952R01 RES,MF,10KOHM,5%,.0625
W,SM,0402,200PPM/
CEL,PB-FREE
R2404M3 0613952R25 RES,MF,100KOHM,5%,.0625
W,SM,0402,200PPM/
CEL,PB-FREE
R2405M3 0613952R66 RES,MF,0OHM,5%,.0625W,S
M,0402,PB-FREE
R2406M3 NOT
PLACED
RES,MF,0OHM,5%,.0625W,S
M,0402,PB-FREE
R2407M3 0613952R66 RES,MF,0OHM,5%,.0625W,S
M,0402,PB-FREE
Ref. Des. Part Number Description
R2408M3 0613952R66 RES,MF,0OHM,5%,.0625W,S
M,0402,PB-FREE
R2412M3 0613952Q53 RES,MF,150OHM,5%,.0625
W,SM,0402,200PPM/
CEL,PB-FREE
R2414M3 0613952R25 RES,MF,100KOHM,5%,.0625
W,SM,0402,200PPM/
CEL,PB-FREE
R2416M3 0613952R25 RES,MF,100KOHM,5%,.0625
W,SM,0402,200PPM/
CEL,PB-FREE
R2418M3 0613952R66 RES,MF,0OHM,5%,.0625W,S
M,0402,PB-FREE
R2419M3 0613952Q49 RES,MF,100,5,.0625,SM,040
2,200,PB-FREE
R2433M3 0613952R25 RES,MF,100KOHM,5%,.0625
W,SM,0402,200PPM/
CEL,PB-FREE
R2434M3 0613952R25 RES,MF,100KOHM,5%,.0625
W,SM,0402,200PPM/
CEL,PB-FREE
R2435M3 0613952R66 RES,MF,0OHM,5%,.0625W,S
M,0402,PB-FREE
R2436M3 0613952R25 RES,MF,100KOHM,5%,.0625
W,SM,0402,200PPM/
CEL,PB-FREE
R2437M3 0613952R25 RES,MF,100KOHM,5%,.0625
W,SM,0402,200PPM/
CEL,PB-FREE
R2441M3 0613952Q41 RES,MF,47OHM,5%,.0625W,
SM,0402,200PPM/CEL,PB-
FREE
R2442M3 0613952Q73 RES,MF,1KOHM,5%,.0625W,
SM,0402,200PPM/CEL,PB-
FREE
R2443M3 0613952Q73 RES,MF,1KOHM,5%,.0625W,
SM,0402,200PPM/CEL,PB-
FREE
R2444M3 0613952R25 RES,MF,100KOHM,5%,.0625
W,SM,0402,200PPM/
CEL,PB-FREE
R2449M3 0613952R25 RES,MF,100KOHM,5%,.0625
W,SM,0402,200PPM/
CEL,PB-FREE
Ref. Des. Part Number Description
R2450M3 0613952R25 RES,MF,100KOHM,5%,.0625
W,SM,0402,200PPM/
CEL,PB-FREE
R2451M3 0613952R66 RES,MF,0OHM,5%,.0625W,S
M,0402,PB-FREE
R2452M3 0613952R25 RES,MF,100KOHM,5%,.0625
W,SM,0402,200PPM/
CEL,PB-FREE
R2453M3 0613952R25 RES,MF,100KOHM,5%,.0625
W,SM,0402,200PPM/
CEL,PB-FREE
R2454M3 0613952R25 RES,MF,100KOHM,5%,.0625
W,SM,0402,200PPM/
CEL,PB-FREE
R2455M3 0613952R25 RES,MF,100KOHM,5%,.0625
W,SM,0402,200PPM/
CEL,PB-FREE
R2456M3 0613952R25 RES,MF,100KOHM,5%,.0625
W,SM,0402,200PPM/
CEL,PB-FREE
R2457M3 0613952R05 RES,MF,15KOHM,5%,.0625
W,SM,0402,200PPM/
CEL,PB-FREE
R2458M3 0613952Q89 RES,MF,4700,5,.0625,SM,04
02,200,PB-FREE
R2459M3 0613952R25 RES,MF,100KOHM,5%,.0625
W,SM,0402,200PPM/
CEL,PB-FREE
R2460M3 0613952R25 RES,MF,100KOHM,5%,.0625
W,SM,0402,200PPM/
CEL,PB-FREE
R2461M3 0613952R25 RES,MF,100KOHM,5%,.0625
W,SM,0402,200PPM/
CEL,PB-FREE
R2465M3 0613952R25 RES,MF,100KOHM,5%,.0625
W,SM,0402,200PPM/
CEL,PB-FREE
R2466M3 0613952R25 RES,MF,100KOHM,5%,.0625
W,SM,0402,200PPM/
CEL,PB-FREE
R2467M3 0613952Q32 RES,MF,20OHM,5%,.0625W,
SM,0402,200PPM/CEL,PB-
FREE
Ref. Des. Part Number Description

8-52 Schematics, Boards Overlays, and Parts Lists: Main Board Block: UHF1 (84012513001_A)
R2469M3 0613952Q73 RES,MF,1KOHM,5%,.0625W,
SM,0402,200PPM/CEL,PB-
FREE
R2470M3 NOT
PLACED
RES,MF,1KOHM,5%,.0625W,
SM,0402,200PPM/CEL,PB-
FREE
R2471M3 NOT
PLACED
RES,MF,1KOHM,5%,.0625W,
SM,0402,200PPM/CEL,PB-
FREE
R2472M3 0613952R25 RES,MF,100KOHM,5%,.0625
W,SM,0402,200PPM/
CEL,PB-FREE
R2473M3 0613952R01 RES,MF,10KOHM,5%,.0625
W,SM,0402,200PPM/
CEL,PB-FREE
R2474M3 0613952R35 RES,MF,270000,5,.0625,SM,
0402,200,PB-FREE
R2475M3 0613952Q53 RES,MF,150OHM,5%,.0625
W,SM,0402,200PPM/
CEL,PB-FREE
R2476M3 0613952R25 RES,MF,100KOHM,5%,.0625
W,SM,0402,200PPM/
CEL,PB-FREE
R2477M3 0613952R25 RES,MF,100KOHM,5%,.0625
W,SM,0402,200PPM/
CEL,PB-FREE
R2478M3 0613952R25 RES,MF,100KOHM,5%,.0625
W,SM,0402,200PPM/
CEL,PB-FREE
R2479M3 0613952R25 RES,MF,100KOHM,5%,.0625
W,SM,0402,200PPM/
CEL,PB-FREE
R2480M3 0613952R25 RES,MF,100KOHM,5%,.0625
W,SM,0402,200PPM/
CEL,PB-FREE
R2481M3 0613952R25 RES,MF,100KOHM,5%,.0625
W,SM,0402,200PPM/
CEL,PB-FREE
R2484M3 0613952Q35 RES,MF,27OHM,5%,.0625W,
SM,0402,200PPM/CEL,PB-
FREE
R2485M3 0613952Q35 RES,MF,27OHM,5%,.0625W,
SM,0402,200PPM/CEL,PB-
FREE
Ref. Des. Part Number Description
R2486M3 0613952R01 RES,MF,10KOHM,5%,.0625
W,SM,0402,200PPM/
CEL,PB-FREE
R2487M3 0613952R01 RES,MF,10KOHM,5%,.0625
W,SM,0402,200PPM/
CEL,PB-FREE
R2488M3 0613952R25 RES,MF,100KOHM,5%,.0625
W,SM,0402,200PPM/
CEL,PB-FREE
R2489M3 0613952R01 RES,MF,10KOHM,5%,.0625
W,SM,0402,200PPM/
CEL,PB-FREE
R2490M3 0613952R01 RES,MF,10KOHM,5%,.0625
W,SM,0402,200PPM/
CEL,PB-FREE
R2491M3 0613952R01 RES,MF,10KOHM,5%,.0625
W,SM,0402,200PPM/
CEL,PB-FREE
R2492M3 0613952R01 RES,MF,10KOHM,5%,.0625
W,SM,0402,200PPM/
CEL,PB-FREE
R2493M3 0613952R66 RES,MF,0OHM,5%,.0625W,S
M,0402,PB-FREE
R2495M3 0613952R25 RES,MF,100KOHM,5%,.0625
W,SM,0402,200PPM/
CEL,PB-FREE
R2496M3 0613952R25 RES,MF,100KOHM,5%,.0625
W,SM,0402,200PPM/
CEL,PB-FREE
R2497M3 0613952R25 RES,MF,100KOHM,5%,.0625
W,SM,0402,200PPM/
CEL,PB-FREE
R2501M6 0613952R25 RES,MF,100KOHM,5%,.0625
W,SM,0402,200PPM/
CEL,PB-FREE
R2503M6 NOT
PLACED
RES,MF,10KOHM,5%,.0625
W,SM,0402,200PPM/
CEL,PB-FREE
R2505M6 0613952Q75 RES,MF,1.2KOHM,5%,.0625
W,SM,0402,200PPM/
CEL,PB-FREE
R2507M6 0613952R49 RES,MF,1MOHM,5%,.0625W
,SM,0402,200PPM/CEL,PB-
FREE
Ref. Des. Part Number Description
R2508M6 0613952R01 RES,MF,10KOHM,5%,.0625
W,SM,0402,200PPM/
CEL,PB-FREE
R2509M6 0613952R66 RES,MF,0OHM,5%,.0625W,S
M,0402,PB-FREE
R2511M6 0613952R66 RES,MF,0OHM,5%,.0625W,S
M,0402,PB-FREE
R2512M6 0613952R66 RES,MF,0OHM,5%,.0625W,S
M,0402,PB-FREE
R2513M6 0613952Q80 RES,MF,2KOHM,5%,.0625W,
SM,0402,200PPM/CEL,PB-
FREE
R2514M6 NOT
PLACED
RES,MF,0OHM,5%,.0625W,S
M,0402,PB-FREE
R2515M6 NOT
PLACED
RES,MF,0OHM,5%,.0625W,S
M,0402,PB-FREE
R2516M6 0613952R66 RES,MF,0OHM,5%,.0625W,S
M,0402,PB-FREE
R2517M6 0613952R01 RES,MF,10KOHM,5%,.0625
W,SM,0402,200PPM/
CEL,PB-FREE
R2519M6 0613952H25 RES,MF,10OHM,5%,.1W,SM,
0603,200PPM/CEL,PB-FREE
R2522M6 0613952R74 RES,MF,10MOHM,5%,.0625
W,SM,0402,400PPM/
CEL,PB-FREE
R2523M6 0613952R74 RES,MF,10MOHM,5%,.0625
W,SM,0402,400PPM/
CEL,PB-FREE
R2524M6 0613952R49 RES,MF,1MOHM,5%,.0625W
,SM,0402,200PPM/CEL,PB-
FREE
R2529M6 0613952P30 RES,MF,200000,1,.0625,SM,
0402,200,PB-FREE
R2530M6 0613952P30 RES,MF,200000,1,.0625,SM,
0402,200,PB-FREE
R2560M6 0613952R66 RES,MF,0OHM,5%,.0625W,S
M,0402,PB-FREE
R2601M13 NOT
PLACED
RES,MF,0OHM,5%,.0625W,S
M,0402,PB-FREE
R2602M13 0613952H47 RES,MF,82OHM,5%,.1W,SM,
0603,200PPM/CEL,PB-FREE
Ref. Des. Part Number Description
R2603M13 0613952H47 RES,MF,82OHM,5%,.1W,SM,
0603,200PPM/CEL,PB-FREE
R2604M13 0613952H47 RES,MF,82OHM,5%,.1W,SM,
0603,200PPM/CEL,PB-FREE
R2605M13 0613952G67 RES,MF,0,1,.1,SM,0603,PB-
FREE
R2606M13 0613952R25 RES,MF,100KOHM,5%,.0625
W,SM,0402,200PPM/
CEL,PB-FREE
R2803 0613952Q37 RES,MF,33OHM,5%,.0625W,
SM,0402,200PPM/CEL,PB-
FREE
R2804 0613952Q49 RES,MF,100,5,.0625,SM,040
2,200,PB-FREE
R2805 0613952Q49 RES,MF,100,5,.0625,SM,040
2,200,PB-FREE
R2806 0613952Q59 RES,MF,270OHM,5%,.0625
W,SM,0402,200PPM/
CEL,PB-FREE
R2807 0613952Q56 RES,MF,200OHM,5%,.0625
W,SM,0402,200PPM/
CEL,PB-FREE
R2808 0613952Q49 RES,MF,100,5,.0625,SM,040
2,200,PB-FREE
R2810 0613952R01 RES,MF,10KOHM,5%,.0625
W,SM,0402,200PPM/
CEL,PB-FREE
R2811 0613952Q89 RES,MF,4700,5,.0625,SM,04
02,200,PB-FREE
R2812 0613952R01 RES,MF,10KOHM,5%,.0625
W,SM,0402,200PPM/
CEL,PB-FREE
R2813 NOT
PLACED
RES,MF,100KOHM,5%,.0625
W,SM,0402,200PPM/
CEL,PB-FREE
R2817 0613952Q41 RES,MF,47OHM,5%,.0625W,
SM,0402,200PPM/CEL,PB-
FREE
R3103M22 0613952Q31 RES,MF,18OHM,5%,.0625W,
SM,0402,200PPM/CEL,PB-
FREE
R3105M22 0613952Q60 RES,MF,300OHM,5%,.0625
W,SM,0402,200PPM/
CEL,PB-FREE
Ref. Des. Part Number Description

Schematics, Boards Overlays, and Parts Lists: Main Board Block: UHF1 (84012513001_A) 8-53
R3106M22 0613952Q60 RES,MF,300OHM,5%,.0625
W,SM,0402,200PPM/
CEL,PB-FREE
R3107M22 0613952Q53 RES,MF,150OHM,5%,.0625
W,SM,0402,200PPM/
CEL,PB-FREE
R3108M22 0613952Q38 RES,MF,36OHM,5%,.0625W,
SM,0402,200PPM/CEL,PB-
FREE
R3109M22 0613952Q53 RES,MF,150OHM,5%,.0625
W,SM,0402,200PPM/
CEL,PB-FREE
R3114M22 0613952R11 RES,MF,27KOHM,5%,.0625
W,SM,0402,200PPM/
CEL,PB-FREE
R3118M22 0613952R07 RES,MF,18KOHM,5%,.0625
W,SM,0402,200PPM/
CEL,PB-FREE
R3127M22 0613952Q47 RES,MF,82OHM,5%,.0625W,
SMD,0402,200PPM/
CEL,CER CHIP 82.0 OHM
5%
R3146M22 0613952Q95 RES,MF,8.2KOHM,5%,.0625
W,SM,0402,200PPM/
CEL,PB-FREE
R3149M22 0613952Q93 RES,MF,6.8KOHM,5%,.0625
W,SM,0402,200PPM/
CEL,PB-FREE
R3158M22 0613952Q53 RES,MF,150OHM,5%,.0625
W,SM,0402,200PPM/
CEL,PB-FREE
R3159M22 0613952Q45 RES,MF,68OHM,5%,.0625W,
SM,0402,200PPM/CEL,PB-
FREE
R3160M22 0613952Q53 RES,MF,150OHM,5%,.0625
W,SM,0402,200PPM/
CEL,PB-FREE
R4005M2 0613952R01 RES,MF,10KOHM,5%,.0625
W,SM,0402,200PPM/
CEL,PB-FREE
R4006M2 0613952R01 RES,MF,10KOHM,5%,.0625
W,SM,0402,200PPM/
CEL,PB-FREE
R4007M2 0613952R01 RES,MF,10KOHM,5%,.0625
W,SM,0402,200PPM/
CEL,PB-FREE
Ref. Des. Part Number Description
R4008M2 0613952R01 RES,MF,10KOHM,5%,.0625
W,SM,0402,200PPM/
CEL,PB-FREE
R4009M2 0613952Q85 RES,MF,3.3KOHM,5%,.0625
W,SM,0402,200PPM/
CEL,PB-FREE
R4010M2 0613952R32 RES,MF,200KOHM,5%,.0625
W,SM,0402,200PPM/
CEL,PB-FREE
R4011M2 0613952R17 RES,MF,47000,5,.0625,SM,0
402,200,PB-FREE
R4012M2 0613952R09 RES,MF,22000,5,.0625,SM,0
402,200,PB-FREE
R4013M2 0613952R09 RES,MF,22000,5,.0625,SM,0
402,200,PB-FREE
R4014M2 0613952Q85 RES,MF,3.3KOHM,5%,.0625
W,SM,0402,200PPM/
CEL,PB-FREE
R500M21 0613952Q37 RES,MF,33OHM,5%,.0625W,
SM,0402,200PPM/CEL,PB-
FREE
R502M21 0613952Q36 RES,MF,30OHM,5%,.0625W,
SM,0402,200PPM/CEL,PB-
FREE
R512M21 0613952R66 RES,MF,0OHM,5%,.0625W,S
M,0402,PB-FREE
R525M21 0613952R66 RES,MF,0OHM,5%,.0625W,S
M,0402,PB-FREE
R526M21 0613958J74 RES,MF,0OHM,5%,.125W,S
M,0805,PB-FREE
R601M19 0613952Q41 RES,MF,47OHM,5%,.0625W,
SM,0402,200PPM/CEL,PB-
FREE
R602M19 0613952Q63 RES,MF,390OHM,5%,.0625
W,SM,0402,200PPM/
CEL,PB-FREE
R603M19 0613952R25 RES,MF,100KOHM,5%,.0625
W,SM,0402,200PPM/
CEL,PB-FREE
R604M19 0613952Q63 RES,MF,390OHM,5%,.0625
W,SM,0402,200PPM/
CEL,PB-FREE
Ref. Des. Part Number Description
R605M19 0613952R01 RES,MF,10KOHM,5%,.0625
W,SM,0402,200PPM/
CEL,PB-FREE
R606M19 0613952R01 RES,MF,10KOHM,5%,.0625
W,SM,0402,200PPM/
CEL,PB-FREE
R607M19 0613952R25 RES,MF,100KOHM,5%,.0625
W,SM,0402,200PPM/
CEL,PB-FREE
R608M19 0613952R01 RES,MF,10KOHM,5%,.0625
W,SM,0402,200PPM/
CEL,PB-FREE
R609M19 0613952Q81 RES,MF,2200,5,.0625,SM,04
02,200,PB-FREE
R6101M6 0613952R01 RES,MF,10KOHM,5%,.0625
W,SM,0402,200PPM/
CEL,PB-FREE
R6102M6 0613952R09 RES,MF,22000,5,.0625,SM,0
402,200,PB-FREE
R6103M6 0613952R09 RES,MF,22000,5,.0625,SM,0
402,200,PB-FREE
R6104M6 NOT
PLACED
RES,MF,10KOHM,5%,.0625
W,SM,0402,200PPM/
CEL,PB-FREE
R6105M6 0613952R66 RES,MF,0OHM,5%,.0625W,S
M,0402,PB-FREE
R6106M6 0613952Q73 RES,MF,1KOHM,5%,.0625W,
SM,0402,200PPM/CEL,PB-
FREE
R6107M6 0613952Q55 RES,MF,180OHM,5%,.0625
W,SM,0402,200PPM/
CEL,PB-FREE
R6108M6 0613952Q61 RES,MF,330OHM,5%,.0625
W,SM,0402,200PPM/
CEL,PB-FREE
R6109M6 0613952Q73 RES,MF,1KOHM,5%,.0625W,
SM,0402,200PPM/CEL,PB-
FREE
R610M19 0613952R25 RES,MF,100KOHM,5%,.0625
W,SM,0402,200PPM/
CEL,PB-FREE
R6110M6 NOT
PLACED
RES,MF,1KOHM,5%,.0625W,
SM,0402,200PPM/CEL,PB-
FREE
Ref. Des. Part Number Description
R6111M6 0613952Q73 RES,MF,1KOHM,5%,.0625W,
SM,0402,200PPM/CEL,PB-
FREE
R6112M6 0613952Q73 RES,MF,1KOHM,5%,.0625W,
SM,0402,200PPM/CEL,PB-
FREE
R6113M6 0613952Q51 RES,MF,120,5,.0625,SM,040
2,200,PB-FREE
R6114M6 0613952Q49 RES,MF,100,5,.0625,SM,040
2,200,PB-FREE
R6115M6 0613952Q49 RES,MF,100,5,.0625,SM,040
2,200,PB-FREE
R6116M6 NOT
PLACED
RES,MF,1KOHM,5%,.0625W,
SM,0402,200PPM/CEL,PB-
FREE
R6117M6 0613952R01 RES,MF,10KOHM,5%,.0625
W,SM,0402,200PPM/
CEL,PB-FREE
R6118M6 0613952R09 RES,MF,22000,5,.0625,SM,0
402,200,PB-FREE
R6119M6 0613952R01 RES,MF,10KOHM,5%,.0625
W,SM,0402,200PPM/
CEL,PB-FREE
R611M19 0613952R01 RES,MF,10KOHM,5%,.0625
W,SM,0402,200PPM/
CEL,PB-FREE
R6120M6 0613952R01 RES,MF,10KOHM,5%,.0625
W,SM,0402,200PPM/
CEL,PB-FREE
R6121M6 0613952R01 RES,MF,10KOHM,5%,.0625
W,SM,0402,200PPM/
CEL,PB-FREE
R6122M6 0613952R01 RES,MF,10KOHM,5%,.0625
W,SM,0402,200PPM/
CEL,PB-FREE
R6125M6 0613952Q73 RES,MF,1KOHM,5%,.0625W,
SM,0402,200PPM/CEL,PB-
FREE
R612M19 0613952Q94 RES,MF,7.5KOHM,5%,.0625
W,SM,0402,200PPM/
CEL,PB-FREE
R613M19 0613952Q82 RES,MF,2.4KOHM,5%,.0625
W,SM,0402,200PPM/
CEL,PB-FREE
Ref. Des. Part Number Description

8-54 Schematics, Boards Overlays, and Parts Lists: Main Board Block: UHF1 (84012513001_A)
R614M19 0613952R66 RES,MF,0OHM,5%,.0625W,S
M,0402,PB-FREE
R615M19 NOT
PLACED
RES,MF,0OHM,5%,.0625W,S
M,0402,PB-FREE
R616M19 NOT
PLACED
RES,MF,0OHM,5%,.0625W,S
M,0402,PB-FREE
R617M19 NOT
PLACED
RES,MF,0OHM,5%,.0625W,S
M,0402,PB-FREE
R618M19 NOT
PLACED
RES,MF,0OHM,5%,.0625W,S
M,0402,PB-FREE
R619M19 NOT
PLACED
RES,MF,0OHM,5%,.0625W,S
M,0402,PB-FREE
R6204M6 0613952R01 RES,MF,10KOHM,5%,.0625
W,SM,0402,200PPM/
CEL,PB-FREE
R6205M6 0613952R01 RES,MF,10KOHM,5%,.0625
W,SM,0402,200PPM/
CEL,PB-FREE
R6206M6 0613952R25 RES,MF,100KOHM,5%,.0625
W,SM,0402,200PPM/
CEL,PB-FREE
R6207M6 0613952R25 RES,MF,100KOHM,5%,.0625
W,SM,0402,200PPM/
CEL,PB-FREE
R6208M6 0613952Q89 RES,MF,4700,5,.0625,SM,04
02,200,PB-FREE
R6209M6 0613952Q89 RES,MF,4700,5,.0625,SM,04
02,200,PB-FREE
R620M19 NOT
PLACED
RES,MF,0OHM,5%,.0625W,S
M,0402,PB-FREE
R6210M6 0613952Q89 RES,MF,4700,5,.0625,SM,04
02,200,PB-FREE
R6211M6 0613952R01 RES,MF,10KOHM,5%,.0625
W,SM,0402,200PPM/
CEL,PB-FREE
R6212M6 NOT
PLACED
RES,MF,10KOHM,5%,.0625
W,SM,0402,200PPM/
CEL,PB-FREE
R6213M6 0613952R01 RES,MF,10KOHM,5%,.0625
W,SM,0402,200PPM/
CEL,PB-FREE
Ref. Des. Part Number Description
R6215M6 0613952R01 RES,MF,10KOHM,5%,.0625
W,SM,0402,200PPM/
CEL,PB-FREE
R6217M6 0613952Q73 RES,MF,1KOHM,5%,.0625W,
SM,0402,200PPM/CEL,PB-
FREE
R6218M6 0613952Q80 RES,MF,2KOHM,5%,.0625W,
SM,0402,200PPM/CEL,PB-
FREE
R621M19 NOT
PLACED
RES,MF,0OHM,5%,.0625W,S
M,0402,PB-FREE
R623M19 NOT
PLACED
RES,MF,0OHM,5%,.0625W,S
M,0402,PB-FREE
R624M19 NOT
PLACED
RES,MF,0OHM,5%,.0625W,S
M,0402,PB-FREE
R6301M6 0613952R01 RES,MF,10KOHM,5%,.0625
W,SM,0402,200PPM/
CEL,PB-FREE
R6304M6 0613952R66 RES,MF,0OHM,5%,.0625W,S
M,0402,PB-FREE
R6306M6 0613952R01 RES,MF,10KOHM,5%,.0625
W,SM,0402,200PPM/
CEL,PB-FREE
R6310M6 0613952Q37 RES,MF,33OHM,5%,.0625W,
SM,0402,200PPM/CEL,PB-
FREE
R6311M6 0613952Q37 RES,MF,33OHM,5%,.0625W,
SM,0402,200PPM/CEL,PB-
FREE
R6312M6 0613952Q37 RES,MF,33OHM,5%,.0625W,
SM,0402,200PPM/CEL,PB-
FREE
R6313M6 0613952Q37 RES,MF,33OHM,5%,.0625W,
SM,0402,200PPM/CEL,PB-
FREE
R6314M6 0613952Q37 RES,MF,33OHM,5%,.0625W,
SM,0402,200PPM/CEL,PB-
FREE
R6316M6 0613952R01 RES,MF,10KOHM,5%,.0625
W,SM,0402,200PPM/
CEL,PB-FREE
R6401M6 0613952R18 RES,MF,51KOHM,5%,.0625
W,SM,0402,200PPM/
CEL,PB-FREE
Ref. Des. Part Number Description
R6402M6 0613952R32 RES,MF,200KOHM,5%,.0625
W,SM,0402,200PPM/
CEL,PB-FREE
R6404M6 0613952Q81 RES,MF,2200,5,.0625,SM,04
02,200,PB-FREE
R6405M6 0613952Q75 RES,MF,1.2KOHM,5%,.0625
W,SM,0402,200PPM/
CEL,PB-FREE
R6406M6 0613952R01 RES,MF,10KOHM,5%,.0625
W,SM,0402,200PPM/
CEL,PB-FREE
R6410M6 0613952R01 RES,MF,10KOHM,5%,.0625
W,SM,0402,200PPM/
CEL,PB-FREE
R6411M6 0613952R66 RES,MF,0OHM,5%,.0625W,S
M,0402,PB-FREE
R6416M6 0613952Q61 RES,MF,330OHM,5%,.0625
W,SM,0402,200PPM/
CEL,PB-FREE
R6417M6 0613952Q61 RES,MF,330OHM,5%,.0625
W,SM,0402,200PPM/
CEL,PB-FREE
R6419M6 0613952Q37 RES,MF,33OHM,5%,.0625W,
SM,0402,200PPM/CEL,PB-
FREE
R6420M6 0613952R17 RES,MF,47000,5,.0625,SM,0
402,200,PB-FREE
R6421M6 0613952R01 RES,MF,10KOHM,5%,.0625
W,SM,0402,200PPM/
CEL,PB-FREE
R6422M6 0613952Q51 RES,MF,120,5,.0625,SM,040
2,200,PB-FREE
R6423M6 0613952R66 RES,MF,0OHM,5%,.0625W,S
M,0402,PB-FREE
R6425M6 0613952Q80 RES,MF,2KOHM,5%,.0625W,
SM,0402,200PPM/CEL,PB-
FREE
R6426M6 0613952Q49 RES,MF,100,5,.0625,SM,040
2,200,PB-FREE
R6427M6 0613952R11 RES,MF,27KOHM,5%,.0625
W,SM,0402,200PPM/
CEL,PB-FREE
Ref. Des. Part Number Description
R6428M6 0613952R25 RES,MF,100KOHM,5%,.0625
W,SM,0402,200PPM/
CEL,PB-FREE
R6429M6 0613952R17 RES,MF,47000,5,.0625,SM,0
402,200,PB-FREE
R6430M6 0613952R09 RES,MF,22000,5,.0625,SM,0
402,200,PB-FREE
R6431M6 0613952Q81 RES,MF,2200,5,.0625,SM,04
02,200,PB-FREE
R6492M6 0613952Q79 RES,MF,1800,5,.0625,SM,04
02,200,PB-FREE
R6501M6 0613952Q25 RES,MF,10,5,.0625,SM,0402
,200,PB-FREE
R6502M6 0613952Q25 RES,MF,10,5,.0625,SM,0402
,200,PB-FREE
R6503M6 0613952Q25 RES,MF,10,5,.0625,SM,0402
,200,PB-FREE
R6504M6 0613952R09 RES,MF,22000,5,.0625,SM,0
402,200,PB-FREE
R6505M6 0613952Q80 RES,MF,2KOHM,5%,.0625W,
SM,0402,200PPM/CEL,PB-
FREE
R6506M6 0613952R66 RES,MF,0OHM,5%,.0625W,S
M,0402,PB-FREE
R6507M6 0613952R01 RES,MF,10KOHM,5%,.0625
W,SM,0402,200PPM/
CEL,PB-FREE
R6508M6 0613952R17 RES,MF,47000,5,.0625,SM,0
402,200,PB-FREE
R6509M6 0613952R25 RES,MF,100KOHM,5%,.0625
W,SM,0402,200PPM/
CEL,PB-FREE
R6510M6 0613952R66 RES,MF,0OHM,5%,.0625W,S
M,0402,PB-FREE
R6511M6 0613952R01 RES,MF,10KOHM,5%,.0625
W,SM,0402,200PPM/
CEL,PB-FREE
R6512M6 0613952N01 RES,MF,10KOHM,1%,.0625
W,SM,0402,200PPM/
CEL,PB-FREE
R6513M6 0613952R66 RES,MF,0OHM,5%,.0625W,S
M,0402,PB-FREE
Ref. Des. Part Number Description

Schematics, Boards Overlays, and Parts Lists: Main Board Block: UHF1 (84012513001_A) 8-55
R6514M6 0613952Q89 RES,MF,4700,5,.0625,SM,04
02,200,PB-FREE
R6515M6 0613952R66 RES,MF,0OHM,5%,.0625W,S
M,0402,PB-FREE
R6516M6 0613952R66 RES,MF,0OHM,5%,.0625W,S
M,0402,PB-FREE
R6517M6 0613952Q63 RES,MF,390OHM,5%,.0625
W,SM,0402,200PPM/
CEL,PB-FREE
R6518M6 0613952R66 RES,MF,0OHM,5%,.0625W,S
M,0402,PB-FREE
R6519M6 0613952Q89 RES,MF,4700,5,.0625,SM,04
02,200,PB-FREE
R6520M6 0613952Q73 RES,MF,1KOHM,5%,.0625W,
SM,0402,200PPM/CEL,PB-
FREE
R6521M6 0615049H01 RES,MF,.2OHM,1%,.5W,120
6,KAMAYA 0.2 OHM CHIP
RES
R6522M6 0613952M66 RES,MF,4.75KOHM,1%,.062
5W,SM,0402,200PPM/
CEL,PB-FREE
R6523M6 0613952R09 RES,MF,22000,5,.0625,SM,0
402,200,PB-FREE
R6524M6 0613952R66 RES,MF,0OHM,5%,.0625W,S
M,0402,PB-FREE
R6525M6 NOT
PLACED
RES,MF,0OHM,5%,.0625W,S
M,0402,PB-FREE
R6526M6 0613952R66 RES,MF,0OHM,5%,.0625W,S
M,0402,PB-FREE
R6527M6 0613952N87 RES,MF,78.7KOHM,1%,.062
5W,SM,0402,200PPM/
CEL,PB-FREE
R6528M6 0613952R25 RES,MF,100KOHM,5%,.0625
W,SM,0402,200PPM/
CEL,PB-FREE
R6529M6 0615049H01 RES,MF,.2OHM,1%,.5W,120
6,KAMAYA 0.2 OHM CHIP
RES
R6530M6 0613952L30 RES,MF,200OHM,1%,.0625
W,SM,0402,200PPM/
CEL,PB-FREE
Ref. Des. Part Number Description
R6531M6 0613952R01 RES,MF,10KOHM,5%,.0625
W,SM,0402,200PPM/
CEL,PB-FREE
R6532M6 NOT
PLACED
RES,MF,0OHM,5%,.0625W,S
M,0402,PB-FREE
R6533M6 0613952R66 RES,MF,0OHM,5%,.0625W,S
M,0402,PB-FREE
R6534M6 NOT
PLACED
RES,MF,0OHM,5%,.0625W,S
M,0402,PB-FREE
R6535M6 0613952N01 RES,MF,10KOHM,1%,.0625
W,SM,0402,200PPM/
CEL,PB-FREE
R6536M6 0613952Z72 RES,MF,91KOHM,1%,.0625
W,SM,0402,200PPM/
CEL,PB-FREE
R6537M6 0613952P09 RES,MF,121KOHM,1%,.0625
W,SM,0402,200PPM/
CEL,PB-FREE
R6538M6 0613952Q95 RES,MF,8.2KOHM,5%,.0625
W,SM,0402,200PPM/
CEL,PB-FREE
R6539M6 0613952P66 RES,MF,475KOHM,1%,.0625
W,SM,0402,200PPM/
CEL,PB-FREE
R6540M6 0613952P66 RES,MF,475KOHM,1%,.0625
W,SM,0402,200PPM/
CEL,PB-FREE
R6541M6 0613952R25 RES,MF,100KOHM,5%,.0625
W,SM,0402,200PPM/
CEL,PB-FREE
R6542M6 0613952R66 RES,MF,0OHM,5%,.0625W,S
M,0402,PB-FREE
R6543M6 0613952R66 RES,MF,0OHM,5%,.0625W,S
M,0402,PB-FREE
R6544M6 0613952R66 RES,MF,0OHM,5%,.0625W,S
M,0402,PB-FREE
R6545M6 0613952R25 RES,MF,100KOHM,5%,.0625
W,SM,0402,200PPM/
CEL,PB-FREE
R6546M6 0613952R66 RES,MF,0OHM,5%,.0625W,S
M,0402,PB-FREE
R6547M6 0613952R66 RES,MF,0OHM,5%,.0625W,S
M,0402,PB-FREE
Ref. Des. Part Number Description
R6548M6 NOT
PLACED
RES,MF,0OHM,5%,.0625W,S
M,0402,PB-FREE
R6550M6 0613952Z64 RES,MF,39KOHM,1%,.0625
W,SM,0402,200PPM/
CEL,PB-FREE
R6551M6 0613952Z62 RES,MF,33KOHM,1%,.0625
W,SM,0402,200PPM/
CEL,PB-FREE
R6552M6 0613952R25 RES,MF,100KOHM,5%,.0625
W,SM,0402,200PPM/
CEL,PB-FREE
R6558M6 0613952P22 RES,MF,165KOHM,1%,.0625
W,SM,0402,200PPM/
CEL,PB-FREE
R6561M6 0613952R66 RES,MF,0OHM,5%,.0625W,S
M,0402,PB-FREE
R6562M6 0613952R66 RES,MF,0OHM,5%,.0625W,S
M,0402,PB-FREE
R6563M6 0613952R66 RES,MF,0OHM,5%,.0625W,S
M,0402,PB-FREE
R6564M6 0613952R66 RES,MF,0OHM,5%,.0625W,S
M,0402,PB-FREE
R6565M6 0613952R66 RES,MF,0OHM,5%,.0625W,S
M,0402,PB-FREE
R6566M6 0613952R66 RES,MF,0OHM,5%,.0625W,S
M,0402,PB-FREE
R6567M6 0613952R66 RES,MF,0OHM,5%,.0625W,S
M,0402,PB-FREE
R6568M6 0613952P47 RES,MF,301KOHM,1%,.0625
W,SM,0402,200PPM/
CEL,PB-FREE
R6570M6 0613952R66 RES,MF,0OHM,5%,.0625W,S
M,0402,PB-FREE
R6574M6 0613952R25 RES,MF,100KOHM,5%,.0625
W,SM,0402,200PPM/
CEL,PB-FREE
R6576M6 0613952R01 RES,MF,10KOHM,5%,.0625
W,SM,0402,200PPM/
CEL,PB-FREE
R6577M6 0613952Q89 RES,MF,4700,5,.0625,SM,04
02,200,PB-FREE
R6578M6 0613952Q89 RES,MF,4700,5,.0625,SM,04
02,200,PB-FREE
Ref. Des. Part Number Description
R6579M6 0613952R01 RES,MF,10KOHM,5%,.0625
W,SM,0402,200PPM/
CEL,PB-FREE
R6580M6 0613952R17 RES,MF,47000,5,.0625,SM,0
402,200,PB-FREE
R6581M6 0613952Q49 RES,MF,100,5,.0625,SM,040
2,200,PB-FREE
R6582M6 0613952Q89 RES,MF,4700,5,.0625,SM,04
02,200,PB-FREE
R6583M6 0613952R03 RES,MF,12000,5,.0625,SM,0
402,200,PB-FREE
R6584M6 0613952Q56 RES,MF,200OHM,5%,.0625
W,SM,0402,200PPM/
CEL,PB-FREE
R6591M6 0613952R66 RES,MF,0OHM,5%,.0625W,S
M,0402,PB-FREE
R6598M6 0613952R66 RES,MF,0OHM,5%,.0625W,S
M,0402,PB-FREE
R6599M6 NOT
PLACED
RES,MF,10KOHM,5%,.0625
W,SM,0402,200PPM/
CEL,PB-FREE
R6601M6 0613952R01 RES,MF,10KOHM,5%,.0625
W,SM,0402,200PPM/
CEL,PB-FREE
R6602M6 0613952R01 RES,MF,10KOHM,5%,.0625
W,SM,0402,200PPM/
CEL,PB-FREE
R6604M6 0613952Q51 RES,MF,120,5,.0625,SM,040
2,200,PB-FREE
R6605M6 0613952Q33 RES,MF,22,5,.0625,SM,0402
,200,PB-FREE
R6606M6 0613952Q37 RES,MF,33OHM,5%,.0625W,
SM,0402,200PPM/CEL,PB-
FREE
R6608M6 0613952R01 RES,MF,10KOHM,5%,.0625
W,SM,0402,200PPM/
CEL,PB-FREE
R6609M6 0613952R25 RES,MF,100KOHM,5%,.0625
W,SM,0402,200PPM/
CEL,PB-FREE
R6616M6 0613952Q80 RES,MF,2KOHM,5%,.0625W,
SM,0402,200PPM/CEL,PB-
FREE
Ref. Des. Part Number Description

8-56 Schematics, Boards Overlays, and Parts Lists: Main Board Block: UHF1 (84012513001_A)
R6617M6 0613952R01 RES,MF,10KOHM,5%,.0625
W,SM,0402,200PPM/
CEL,PB-FREE
R6618M6 0613952R01 RES,MF,10KOHM,5%,.0625
W,SM,0402,200PPM/
CEL,PB-FREE
R6619M6 0613952R01 RES,MF,10KOHM,5%,.0625
W,SM,0402,200PPM/
CEL,PB-FREE
R6621M6 0613952Q89 RES,MF,4700,5,.0625,SM,04
02,200,PB-FREE
R6622M6 0613952Q35 RES,MF,27OHM,5%,.0625W,
SM,0402,200PPM/CEL,PB-
FREE
R6623M6 0613952Q35 RES,MF,27OHM,5%,.0625W,
SM,0402,200PPM/CEL,PB-
FREE
R6624M6 0613952Q35 RES,MF,27OHM,5%,.0625W,
SM,0402,200PPM/CEL,PB-
FREE
R6625M6 0613952Q35 RES,MF,27OHM,5%,.0625W,
SM,0402,200PPM/CEL,PB-
FREE
R6626M6 0613952R01 RES,MF,10KOHM,5%,.0625
W,SM,0402,200PPM/
CEL,PB-FREE
R6701M6 0613952R01 RES,MF,10KOHM,5%,.0625
W,SM,0402,200PPM/
CEL,PB-FREE
R6702M6 0613952R17 RES,MF,47000,5,.0625,SM,0
402,200,PB-FREE
R6703M6 0613952R17 RES,MF,47000,5,.0625,SM,0
402,200,PB-FREE
R6704M6 0613952R17 RES,MF,47000,5,.0625,SM,0
402,200,PB-FREE
R6705M6 0613952R66 RES,MF,0OHM,5%,.0625W,S
M,0402,PB-FREE
R6706M6 0613952Q73 RES,MF,1KOHM,5%,.0625W,
SM,0402,200PPM/CEL,PB-
FREE
R698M19 0613952R66 RES,MF,0OHM,5%,.0625W,S
M,0402,PB-FREE
R699M19 0613952R66 RES,MF,0OHM,5%,.0625W,S
M,0402,PB-FREE
Ref. Des. Part Number Description
R701M7 0613952Q64 RES,MF,430OHM,5%,.0625
W,SM,0402,200PPM/
CEL,PB-FREE
R702M7 0613952R66 RES,MF,0OHM,5%,.0625W,S
M,0402,PB-FREE
R703M7 0613952Q67 RES,MF,560OHM,5%,.0625
W,SM,0402,200PPM/
CEL,PB-FREE
R704M7 0613952Q25 RES,MF,10,5,.0625,SM,0402
,200,PB-FREE
R705M7 0613952Q71 RES,MF,820OHM,5%,.0625
W,SM,0402,200PPM/
CEL,PB-FREE
R706M7 0613952R66 RES,MF,0OHM,5%,.0625W,S
M,0402,PB-FREE
R707M7 0613952Q67 RES,MF,560OHM,5%,.0625
W,SM,0402,200PPM/
CEL,PB-FREE
R708M7 0613952Q45 RES,MF,68OHM,5%,.0625W,
SM,0402,200PPM/CEL,PB-
FREE
R709M7 NOT
PLACED
RES,MF,0OHM,5%,.0625W,S
M,0402,PB-FREE
R710M7 NOT
PLACED
RES,MF,33OHM,5%,.0625W,
SM,0402,200PPM/CEL,PB-
FREE
R711M7 NOT
PLACED
RES,MF,33OHM,5%,.0625W,
SM,0402,200PPM/CEL,PB-
FREE
R721M7 0613952R01 RES,MF,10KOHM,5%,.0625
W,SM,0402,200PPM/
CEL,PB-FREE
R722M7 0613952Q71 RES,MF,820OHM,5%,.0625
W,SM,0402,200PPM/
CEL,PB-FREE
R723M7 0613952Q79 RES,MF,1800,5,.0625,SM,04
02,200,PB-FREE
R728M7 0613952Q69 RES,MF,680OHM,5%,.0625
W,SM,0402,200PPM/
CEL,PB-FREE
R729M7 0613952R09 RES,MF,22000,5,.0625,SM,0
402,200,PB-FREE
R730M7 0613952Q79 RES,MF,1800,5,.0625,SM,04
02,200,PB-FREE
Ref. Des. Part Number Description
R731M7 0613952Q86 RES,MF,3.6KOHM,5%,.0625
W,SM,0402,200PPM/
CEL,PB-FREE
R736M7 0613952R66 RES,MF,0OHM,5%,.0625W,S
M,0402,PB-FREE
R741M7 0613952R09 RES,MF,22000,5,.0625,SM,0
402,200,PB-FREE
R742M7 0613952R23 RES,MF,82KOHM,5%,.0625
W,SM,0402,200PPM/
CEL,PB-FREE
R743M7 0613952R17 RES,MF,47000,5,.0625,SM,0
402,200,PB-FREE
R744M7 0613952Q91 RES,MF,5600,5,.0625,SM,04
02,200,PB-FREE
R745M7 0613952R09 RES,MF,22000,5,.0625,SM,0
402,200,PB-FREE
R746M7 0613952Q36 RES,MF,30OHM,5%,.0625W,
SM,0402,200PPM/CEL,PB-
FREE
R747M7 0613952Q39 RES,MF,39OHM,5%,.0625W,
SM,0402,200PPM/CEL,PB-
FREE
R748M7 0613952Q47 RES,MF,82OHM,5%,.0625W,
SMD,0402,200PPM/
CEL,CER CHIP 82.0 OHM
5%
R751M7 0613952Q59 RES,MF,270OHM,5%,.0625
W,SM,0402,200PPM/
CEL,PB-FREE
R754M7 NOT
PLACED
RES,MF,680OHM,5%,.0625
W,SM,0402,200PPM/
CEL,PB-FREE
R757M7 0613952Q59 RES,MF,270OHM,5%,.0625
W,SM,0402,200PPM/
CEL,PB-FREE
R761M7 0613952Q23 RES,MF,8.2OHM,5%,.0625W
,SM,0402,200PPM/CEL,PB-
FREE
R762M7 0613952R08 RES,MF,20KOHM,5%,.0625
W,SM,0402,200PPM/
CEL,PB-FREE
R763M7 0613952R19 RES,MF,56KOHM,5%,.0625
W,SM,0402,200PPM/
CEL,PB-FREE
Ref. Des. Part Number Description
R766M7 0613952Q92 RES,MF,6.2KOHM,5%,.0625
W,SM,0402,200PPM/
CEL,PB-FREE
R769M7 0613952Q31 RES,MF,18OHM,5%,.0625W,
SM,0402,200PPM/CEL,PB-
FREE
R771M7 0613952Q49 RES,MF,100,5,.0625,SM,040
2,200,PB-FREE
R776M7 0613952Q67 RES,MF,560OHM,5%,.0625
W,SM,0402,200PPM/
CEL,PB-FREE
R785M7 0613952Q49 RES,MF,100,5,.0625,SM,040
2,200,PB-FREE
R799M7 0613952Q49 RES,MF,100,5,.0625,SM,040
2,200,PB-FREE
R809M7 0613952Q46 RES,MF,75OHM,5%,.0625W,
SM,0402,200PPM/CEL,PB-
FREE
R822M7 0613952Q55 RES,MF,180OHM,5%,.0625
W,SM,0402,200PPM/
CEL,PB-FREE
R823M7 0613952Q55 RES,MF,180OHM,5%,.0625
W,SM,0402,200PPM/
CEL,PB-FREE
SH1 26012246001 SHLD,STL,SN PLT,SHIELD,
IF, APX CVT
SH10 26012250001 SHLD,STL,SN PLT,SHIELD,
ANTSWI, APX CVT
SH11 26012258001 SHLD,STL,SN PLT,SHIELD,
ABACUS, APX CVT
SH12 26012251001 SHLD,STL,SN PLT,SHIELD,
PAOP, APX CVT
SH13 26012260001 SHLD,STL,SN PLT,SHIELD,
DRIVER/PA, APX CVT
SH14 26012252001 SHLD,STL,SN PLT,SHIELD,
ALC/DC, APX CVT
SH15 26012261001 SHLD,STL,SN PLT,SHIELD,
VCO, APX CVT
SH16 26012254001 SHLD,STL,SN PLT,SHIELD,
CONTROLLER/AVR, APX
CVT
SH17 26012262001 SHLD,STL,SN PLT,SHIELD,
MACE/MAKO, APX CVT
Ref. Des. Part Number Description

Schematics, Boards Overlays, and Parts Lists: Main Board Block: UHF1 (84012513001_A) 8-57
SH2 26012253001 SHLD,STL,SN PLT,SHIELD,
MIXER, APX CVT
SH3 26012259001 SHLD,STL,SN PLT,SHIELD,
GPS/BT, APX CVT
SH4 26012247001 SHLD,STL,SN PLT,SHIELD,
2ND LO, APX CVT
SH5 26012255001 SHLD,STL,SN PLT,SHIELD,
ALC1, APX CVT
SH6 26012248001 SHLD,STL,SN PLT,SHIELD,
FGU, APX CVT
SH7 26012256001 SHLD,CAN,STL,SN
PLT,SHIELD, DC, APX CVT
SH8 26012249001 SHLD,STL,SN PLT,SHIELD,
TXFE, APX CVT
SH9 26012257001 SHLD,CAN,STL,SN
PLT,SHIELD, RXFE, APX
CVT
T506M21 2575851B01 XFMR,BALUN,RF XFMR
BALUN
T507M21 2575851B02 XFMR,BALUN,25,SM,RF
XFMR BALUN
U1101M11 5188032U43 IC,SENSING
CIRCUIT,INA138,SM,SOT-
23/5,1PER PKG,PB FREE
U1103M11 5185070Y01 IC,TEMP SENS
U1104M11 5185941F56 IC,OP AMP,1PER PKG,RAIL-
RAIL,SOIC,IC SNGL LV LP
OP AMP
U1105M11 5180390L83 IC,CNTLR,SM,1PER PKG
U1106M11 5175772B05 IC,LTC5532ES6,SOT-
23,1PER PKG,PRCN RF DET
U1112M11 5175772B04 IC,HMC468LP3E,QFN,1 DB
LSB GAAS MMIC ATTEN
U1113M11 5185941F56 IC,OP AMP,1PER PKG,RAIL-
RAIL,SOIC,IC SNGL LV LP
OP AMP
U1114M11 5185941F56 IC,OP AMP,1PER PKG,RAIL-
RAIL,SOIC,IC SNGL LV LP
OP AMP
U1119M11 5109522E94 GATE,AND,1PER PKG,SM,2
INPUT IN NANO PKG
Ref. Des. Part Number Description
U1121M11 5114000B52 IC,XOR,LOGIC LEVEL
SHIFTER,1PER
PKG,SM,SOT-353,PB-FREE
U1125M11 5175206H01 IC,DAC,W/ 5 PPM/C INT
REF
U1126M11 5109817F77 IC,COMPTR,LMV7275,SC70
-5
U1127M11 5171779H01 IC,ANLG SW,SC70,SC70-
6,1PER PKG,SPDT ANLG
SW
U1128M11 5188085K11 IC,NAND,SINGLE 2
INPUT,SN74LVC1G00YZPR,
SM,GATE, POS, 5 DSBGA,
U1129M11 5175143H01 IC,WIDE SPLY RANGE OP
AMP
U1130M11 5175143H01 IC,WIDE SPLY RANGE OP
AMP
U1131M11 5109817F77 IC,COMPTR,LMV7275,SC70
-5
U1132M11 5114007M28 IC,D FLIP-FLOP,1PER
PKG,17SZ74,N-
I,SM,SOIC8,PB-FREE
U1133M11 5171779H01 IC,ANLG SW,SC70,SC70-
6,1PER PKG,SPDT ANLG
SW
U1136M11 5109522E94 GATE,AND,1PER PKG,SM,2
INPUT IN NANO PKG
U1137M11 5164852H16 IC,TRANSLATING,2PER
PKG,LVC2T45,TRANSCEIVE
R W/VOLTAGE TRANSLATI
U1138M11 5164852H16 IC,TRANSLATING,2PER
PKG,LVC2T45,TRANSCEIVE
R W/VOLTAGE TRANSLATI
U1139M11 5164852H16 IC,TRANSLATING,2PER
PKG,LVC2T45,TRANSCEIVE
R W/VOLTAGE TRANSLATI
U1141M11 5185941F56 IC,OP AMP,1PER PKG,RAIL-
RAIL,SOIC,IC SNGL LV LP
OP AMP
U1142M11 5185941F56 IC,OP AMP,1PER PKG,RAIL-
RAIL,SOIC,IC SNGL LV LP
OP AMP
Ref. Des. Part Number Description
U1143M11 5185941F56 IC,OP AMP,1PER PKG,RAIL-
RAIL,SOIC,IC SNGL LV LP
OP AMP
U1144M11 5171779H01 IC,ANLG SW,SC70,SC70-
6,1PER PKG,SPDT ANLG
SW
U1146M11 5109522E93 GATE,OR,SN74LVC1G32YZ
PR,1PER PKG,SM,2 INPUT
IN NANO PKG
U1147M11 5109522E94 GATE,AND,1PER PKG,SM,2
INPUT IN NANO PKG
U1148M11 5185941F56 IC,OP AMP,1PER PKG,RAIL-
RAIL,SOIC,IC SNGL LV LP
OP AMP
U1149M11 5109522E93 GATE,OR,SN74LVC1G32YZ
PR,1PER PKG,SM,2 INPUT
IN NANO PKG
U1150M11 51009381001 IC,MICROPOWER SOT-23 V
REF
U1301M3 51007377001 IC,XCVR,NL5500,BGA,BLUE
TOOTH, GPS, FM RX, FM
TX
U1304M3 5105739X13 IC,AMP,SIGE,QFN,QFN,18D
B,1.57GHZMIN,1.57GHZMA
X,.9DB,SIGE GPS LO
U1305M3 5187344N09 IC,LNR V
REGLTR,FXD,2.8V,100MA,L
OW NOISE
U1334M3 5102836C11 IC,ANLG
SW,FSA4157,SM,SPDT,PB
FREE
U1335M3 5102836C11 IC,ANLG
SW,FSA4157,SM,SPDT,PB
FREE
U1601M16 5175143H01 IC,WIDE SPLY RANGE OP
AMP
U1602M16 51012101001 IC,SM,VHF/UHF/800/900
MHZ LDMOS DRVR IC
U1932M20 4885316E32 XSTR,BIP RF SML
SGNL,SLCN,BFR380F,SM,S
MT,6V,380W,80A,14MHZ,TR
U200M12 5188493T01 IC,VREG/
SWG,LP2989,SM,MINI SO-8
HI PRCN REG 5V
Ref. Des. Part Number Description
U201M12 5175771A99 IC,LNR V
REGLTR,FXD,100MA,VFBG
A,LOW NOISE, 100MA
LINEAR REGL
U202M12 5175772B02 IC,LNR V
REGLTR,FXD,1.8V,100MA,V
FBGA,LINEAR REGLTR
100MA 1.8
U203M12 5175772B01 IC,LNR V
REGLTR,FXD,1.5V,350MA,V
FBGA,LINEAR V REGLTR
350MA
U2101M2 5109522E84 IC,DL SCHT TRIG MICRO
PAK
U2102M2 5109522E84 IC,DL SCHT TRIG MICRO
PAK
U2202M2 5164852H47 IC,XLTR,2PER
PKG,TSSOP8,IC, I2C LEV
XLTR
U2205M2 5188682Y01 IC,POWER
DRIVER,40MA,SM,RGB
LED, I2C CONTORL, LLP
PKG
U2402M3 51002923001 IC,LNR V REGLTR,3.3V
LP2989,NOPB
U2403M3 51009735001 IC,RCVR,QFN,IC, RCVR,
ONE-CHAN, QFN, LF WAKE-
UP
U2406M3 5164852H16 IC,TRANSLATING,2PER
PKG,LVC2T45,TRANSCEIVE
R W/VOLTAGE TRANSLATI
U2407M3 5164852H16 IC,TRANSLATING,2PER
PKG,LVC2T45,TRANSCEIVE
R W/VOLTAGE TRANSLATI
U2408M3 5164852H16 IC,TRANSLATING,2PER
PKG,LVC2T45,TRANSCEIVE
R W/VOLTAGE TRANSLATI
U2409M3 5164852H16 IC,TRANSLATING,2PER
PKG,LVC2T45,TRANSCEIVE
R W/VOLTAGE TRANSLATI
U2410M3 5164852H16 IC,TRANSLATING,2PER
PKG,LVC2T45,TRANSCEIVE
R W/VOLTAGE TRANSLATI
U2411M3 5175856M01 IC,INVTR,0MHZMAX,DL
INVTR
Ref. Des. Part Number Description

8-58 Schematics, Boards Overlays, and Parts Lists: Main Board Block: UHF1 (84012513001_A)
U2412M3 5114007M45 IC,NOR,1PER PKG,SOT-
353,PB-FREE
U2413M3 51010274001 IC,SDRAM,128MB,8MEG X
16,7.5NS,VFBGA,3.3V,IC,SD
RAM,128MBIT,8M
U2414M3 5164852H16 IC,TRANSLATING,2PER
PKG,LVC2T45,TRANSCEIVE
R W/VOLTAGE TRANSLATI
U2415M3 51009372001 IC,UCNTLR,IC UCNTLR
AT32UC3A0512
U2416M3 51009669001 IC,SENSOR,SM,IC,
ACCELEROMETER,
MOTION SENSOR
U2473M3 5164852H16 IC,TRANSLATING,2PER
PKG,LVC2T45,TRANSCEIVE
R W/VOLTAGE TRANSLATI
U2478M3 5164852H16 IC,TRANSLATING,2PER
PKG,LVC2T45,TRANSCEIVE
R W/VOLTAGE TRANSLATI
U2510M6 5185912Y03 IC,MICROP,BGA,CRYPTOG
RAPHIC
PROCESSOR,IC,CRYPTOG
RAPHIC P
U2525M6 5171339H01 IC,MC78LC18,MICROPOWE
R V REGLTR
U2526M6 5171988H01 IC,COMPTR,CMOS
COMPTR
U2601M13 5103535B53 IC,INVTR,DL,NC7WZ04L6X,
2PER PKG,SC70
U2602M13 5185941F45 ATTEN,VAR,14.4DBMIN,15.6
DBMAX,0-2000
MHZFREQ,50OHM,PCMT,S
OT-25
U3001M22 5171972L01 IC,SW,SP3T RF SW
U4001M2 5164852H47 IC,XLTR,2PER
PKG,TSSOP8,IC, I2C LEV
XLTR
U4003M2 5188691V01 IC,MUX/
DEMUX,NC7SB3157P6X,SM
,SC70-6,1PER PKG,BUS,PB
FREE
Ref. Des. Part Number Description
U4004M2 5116783H01 IC,ANLG
SW,SN74LVC2G66YZPR,SM
,2PER
PKG,0CHANNELS,BILATER
AL,DL
U507M21 5164015H81 IC,MXR,SM
U601M19 5102495J14 IC,IF,IF DIGITILIZING
SUBSYSTEM
IC,AD9864,QFN
U602M19 4885316E32 XSTR,BIP RF SML
SGNL,SLCN,BFR380F,SM,S
MT,6V,380W,80A,14MHZ,TR
U603M19 5109522E84 IC,DL SCHT TRIG MICRO
PAK
U604M19 5109522E84 IC,DL SCHT TRIG MICRO
PAK
U605M19 5164852H16 IC,TRANSLATING,2PER
PKG,LVC2T45,TRANSCEIVE
R W/VOLTAGE TRANSLATI
U606M19 5164852H16 IC,TRANSLATING,2PER
PKG,LVC2T45,TRANSCEIVE
R W/VOLTAGE TRANSLATI
U607M19 5186311J24 IC,BFR,1PER
PKG,NC7SZ125,ACTIVE
HIGH,BFR,3ST,SM,5.5
U6101M6 0180706J18 IC,PGM,PGM CPLD
U6102M6 5188691V01 IC,MUX/
DEMUX,NC7SB3157P6X,SM
,SC70-6,1PER PKG,BUS,PB
FREE
U6103M6 5175114H01 IC,SNGL AND GATE
MICROPAK
U6104M6 5175114H01 IC,SNGL AND GATE
MICROPAK
U6105M6 5175114H01 IC,SNGL AND GATE
MICROPAK
U6201M6 5185941F26 IC,COMPTR,LMV7219,SM,S
OT-23/
5,IC,LM7219,COMPARATOR
,NOPB
U6301M6 51012031001 IC,SDRAM,32MB,16 MEG
X16,6.5NS,VFBGA,64MSRF
RSH,32MB DIE SHRIN
Ref. Des. Part Number Description
U6302M6 5102495J13 IC,MICROP,P1710ZZGE,BG
A,12MHZ,32BITS
U6304M6 0105955U25 ASSY,ASSY,ASSY,IC,BGA
SPEC PROG, FLSH MEM
U6402M6 5115453H01 IC,OP AMP,2PER PKG,RAIL
TO RAIL OUTPUT, 8 PIN
BGA
U6404M6 5175772B38 IC,IC ANLG TEMP SENSOR
U6405M6 5188348V06 IC,AUDIO
CODEC,SM,AUDIO CODEC
U6408M6 5188521T01 IC,VREF,SM,SOT23,1PER
PKG,.5%,1.25 TO
13.75,PRCN BANDGAP
ADJUS
U6409M6 51009000001 IC,COMPTR,SC70,NANOPO
WER, 1.8V, SC70 COMPTR
U6501M6 5185143E77 IC,CUST,BGA,IC, MAKO
ASIC, CMOS PWR MGMT
U6502M6 4871987H01 XSTR,BIP GP
POWER,12V,1A,LOW FREQ
XSTR
U6503M6 5171674H01 IC,OP AMP,SO-8,OP AMP
U6504M6 5171682H01 IC,DC TO DC
CONVERTER,800MA BUCK
REGLTR
U6505M6 5189631P01 IC,0PER PKG,SYNC
STEP-DOWN CONV
U6506M6 5184790Y04 IC,LINEAR VOLTAGE
REGULATOR,400MA
U6507M6 5171682H01 IC,DC TO DC
CONVERTER,800MA BUCK
REGLTR
U6508M6 51009366001 IC,LNR V
REGLTR,LLP6,500MA LOW
DROPOUT CMOS LINEAR
REG
U6509M6 5175114H01 IC,SNGL AND GATE
MICROPAK
U6510M6 5114007A47 IC,OR,17SZ32,1PER
PKG,SOT-353,PB FREE
U6511M6 5171339H01 IC,MC78LC18,MICROPOWE
R V REGLTR
Ref. Des. Part Number Description
U6601M6 5175114H01 IC,SNGL AND GATE
MICROPAK
U702M7 5164015H28 IC,CUST,MULTI
PROTOCOL/BAND
TRANSCVR
IC,SM,BGA,TRIDENT,
INTEG
U738M7 5171972L01 IC,SW,SP3T RF SW
U746M7 4805218N63 XSTR,GEN PURPOSE
SMALL SIG,SOT-
323,BROADBAND AND
XSTR
VR101M12 4813977M29 DIODE,ZEN,MBZ5250,SM,S
OT-23,ZEN,PB-FREE
VR1905M20 4815096H01 DIODE,VCTR,10V,1SV305G,
VCTR DIODE 1SV305
VR1906M20 4815096H01 DIODE,VCTR,10V,1SV305G,
VCTR DIODE 1SV305
VR1907M20 4815096H01 DIODE,VCTR,10V,1SV305G,
VCTR DIODE 1SV305
VR1908M20 4815096H01 DIODE,VCTR,10V,1SV305G,
VCTR DIODE 1SV305
VR200M12 4813977M29 DIODE,ZEN,MBZ5250,SM,S
OT-23,ZEN,PB-FREE
VR601M19 4805656W87 DIODE,VCTR, @
15V,1SV279,SOD-523/
SC-79,SOD-523/SC-79
VR602M19 4805656W87 DIODE,VCTR, @
15V,1SV279,SOD-523/
SC-79,SOD-523/SC-79
Y1304M3 48014600001 OSC,TCXO,26.0
Y2475M3 48009319001 OSC,VAR,SMD XTAL OSC
DS0211AR
Y6501M6 93012044001 OSC,XO,24.576MHZ,SM,XT
AL U SMD 5.0X3.2
24.576MHZ
Y6502M6 4809995L05 RESON,QRTZ,32.768KHZ,S
M,FUND,9PF LOAD CAP,-
40DEG C MIN,85DE
Y6601M6 4802582S85 RESON,QRTZ,12MHZ,10PP
M TOL,18PPM
STAB,SM,FUND,AT,10PF
LOAD CAP
Ref. Des. Part Number Description

Schematics, Boards Overlays, and Parts Lists: Main Board Block: UHF1 (84012513001_A) 8-59
Y701M7 4871886H01 OSC,VO,16.8 MHZ VCTXO
.8PPM
Ref. Des. Part Number Description

8-60 Schematics, Boards Overlays, and Parts Lists: Main Board Block: UHF1 (84012513001_A)
Notes

Schematics, Boards Overlays, and Parts Lists: Main Board Block: 700–800 MHz (84012501002) 8-61
8.3 Main Board Block: 700–800 MHz (84012501002)
Figure 8-32. Main Board Block
CONTROLLER SECTION RF SECTION
F2_PARAMP
F2_SYNCB
RF_ANT
RF_BRD_RSTB
RF_DAC_SPI_CS
SPI_DSP_CLK_A
SPI_DSP_MOSI
TRIDENT_SPI_CS
TX_DA_CONN
TX_INHIBIT
V_2.8_RF
V_EXT_1.85
V_SW_3.60
ISET
ABACUS_SPI_CS
16.8_MHZ_SINEWAVE
UNSW_B+
TX_FSYNC_CONN
TX_CLK_CONN
RX_DA_CONN
RX_FSYNC_CONN
SPI_DSP_MISO
F2_DMCS
BAT_STATUS
LOCK_DET_A
RX_CLK_CONN
SPI_DSP_MISO
ISET
RF_ANT
TX_INHIBIT
V_2.8_RF
V_EXT_1.85
V_SW_3.60
UNSW_B+
BAT_STATUS
16.8_MHZ_SINEWAVE
ABACUS_SPI_CS
F2_PARAMP
F2_SYNCB
RF_BRD_RSTB
RF_DAC_SPI_CS
TX_FSYNC
TX_CLK
RX_FSYNC
LOCK_DET
SPI_DSP_CLK
SPI_DSP_MOSI
TRIDENT_SPI_CS
TX_DA
F2_DMCS
RX_DA
RX_CLK
APX_COVERT_CONTROLLER APX_COVERT_RF

8-62 Schematics, Boards Overlays, and Parts Lists: Main Board Block: 700–800 MHz (84012501002)
Figure 8-33. Transceiver (RF) Board Overall Schematic
RX_DA_CONN
TX_FSYNC_CONN
ISET
TX_INHIBIT
F2_PARAMP
RF_DAC_SPI_CS
SPI_DSP_MISO
TX_CLK_CONN
F2_DMCS
RX_FSYNC_CONN
RX_CLK_CONN
F2_SYNCB
SPI_DSP_MOSI
ABACUS_SPI_CS
SPI_DSP_CLK_A
16.8_MHZ_SINEWAVE
V_EXT_1.85
TRIDENT_SPI_CS
TX_DA_CONN
RF_BRD_RSTB
LOCK_DET_A
OUT
OUT
OUT
OUT
IN
IN
IN
IN
IN
IN
IN
IN
IN
IN
IN
IN
IN
OUT
OUT
OUT
OUT
BAT_STATUS
UNSW_B+
RF_ANT
V_2.8_RF
V_SW_3.60
IN
IN
IN
OUT
OUT
DC_LIN_2_775V
DC_SWI_3_6V
RF_SW_B+
BAT_STATUS
DC_LIN_5V
DC_LIN_3V
DC_LIN_1_8V
DC_LIN_1_5V
DC_FUSED_B+
DC_BATT
SUBDESIGN_SUFFIX=12
RF_SW_B+
DC_LIN_5V
DC_LIN_3V
DC_LIN_1_8V
DC_LIN_1_5V
covert_dc
FILT_RAW_B+
RF_IN
TX_7V
VC
PA_OUT
SUBDESIGN_SUFFIX=16
IF
IF
IF
IF
IF2
IF3
IF4
IF5
TX_INJ
1
1
1
1
covert_7800_pa
IF
IF
IF
IF
IF7
IF10
IF9
IF6
DIG_CTRL_ATTH
1
1
1
1
RX_IN
RF_OUT
DIG_VRVS
ANT_SWI
PA_OUT
FILT_RAW_B+
DC_LIN_3V
SUBDESIGN_SUFFIX=13
covert_antswi_7800
IF
IF22
1HF_OUT_2
RF_OUT_2 IF
SUBDESIGN_SUFFIX=17
IF25
HF_OUT
1
covert_tx_hf_7800
DC_LIN_5V
SPI_DSP_CLK_A
SPI_DSP_MOSI
F2_SYNCB
V_EXT_1.85
DC_LIN_3V
16.8_MHZ_SINEWAVE
ABACUS_SPI_CS
DC_LIN_5V
TL_RX_LO
TL_RX_MIX_IN
TL_RX_IF_OUT
SUBDESIGN_SUFFIX=21
IF
IF24
DC_LIN_5V
1
covert_mixer
DC_LIN_3V
CTRL_RX_78_LNA_A
CTRL_RX_78_SW1
TL_RX_78
DC_LIN_1_8V_A RF_RX_FE_B2_OUT
SUBDESIGN_SUFFIX=20
WWP_RX_FE_7800
IF
IF
IF
IF
IF
IF12
IF13
IF14
IF15
IF16
DC_LIN_1_8V
DC_LIN_3V
1
1
1
1
1
RF_ANT
ANA_RX_FE_FILT_VTUNE
FILT_RAW_B+
VCTRL
TX_7V_1
TXH
RF_OUT
TX_SWI
SUBDESIGN_SUFFIX=11
covert_alc_7800
DIG_GPIO49
SW_B+
DIG_CTRL_ATTH
COUPLER
TXH_1
DIG_SPI_CLK
DIG_DMCS
DIG_DATA_SPI_MOSI
DIG_CTRL_TX_INH
DIG_CTRL_I_LIMIT
DC_RAW_B+
DC_LIN_5V
DC_LIN_3V
DC_LIN_1_85
ANA_CTRL_VSET
ANA_CTRL_ISET
DC_LIN_5V
HF_OUT
DC_LIN_3V
RF_SW_B+
DIG_CTRL_ATTH
DIG_CTRL_I_LIMIT
VCO_IN
DIG_CTRL_SPI_TRIDENT_PE
DIG_DATA_TX_SSI
DIG_SPI_CLK
DIG_DATA_SPI_MOSI
DC_LIN_1_5V
DC_LIN_2_775V
DIG_CTRL_RSTB
DIG_CTRL_LOCK
DIG_CTRL_SSI_TRIGGER
DC_LIN_5V CLK_16_8_MHZ
DIG_DATA_SPI_MISO
TXH
DIG_TX_SSI_CLK
DIG_TX_SSI_FS
GPO1
GPO2
GPO3
GPO4
GPO6
DC_SUPER_FILTER_5V
GPO8
RX_LO
TX_INJ
VCO_VCTRL
GPO5
GPO7
DC_LIN_1_875V_D
SUBDESIGN_SUFFIX=7
16.8_MHZ_SINEWAVE
DC_LIN_1_5V
DC_LIN_5V
V_EXT_1.85
V_2.8_RF
covert_fgu_7800
DIG_CTRL_ATTH
DIG_CTRL_I_LIMIT
TX_INJ
IF
IF
IF
IF
IF
IF17
IF18
IF19
IF20
IF11
1
1
1
1
1
VCO_OUT
VCO_VCTRL
GPO8
DC_SUPER_FILTER_5V
GPO1
GPO2 covert_vco_7800
SUBDESIGN_SUFFIX=22
IF
IF23
1
DIG_RX_BE_DOUTB
DIG_DATA_SSI_RX_FS
DIG_DATA_SSI_RX_DOUTA
CLK_SSI_RX
TL_RX_IF
DIG_RX_SYNCB
DIG_DATA_SPI_PD
DIG_CTRL_SPI_PE
DIG_CTRL_SPI_PC
DC_LIN_5V
DC_LIN_3V
DC_LIN_1_875V_D
CLK_16_8_MHZ
SUBDESIGN_SUFFIX=19
RX_FSYNC_CONN
RX_DA_CONN
RX_CLK_CONN
WWP_RX_BE
RF SHIELDS
2
1
2
1
2
1
2
1
2
1
2
1
2
1
2
1
2
1
2
1
2
1
2
1
2
1
2
1
FGU ANT_SWI
ALC1
TXFE ALC/DCPAOP
ABACUSDC
IF
RXFE VCO
GPS/BT
MIXER
2ND_LO
DRIVER/PA
SHIELD
SHIELDSHIELD SHIELD
SHIELDSHIELD
SHIELD
SHIELD
SHIELDSHIELDSHIELD
SHIELD SHIELDSHIELD SHIELD
SH3
SH10
SH15SH13SH11SH9SH7SH5SH2
SH14SH12SH8SH6SH4SH1
2
1

Schematics, Boards Overlays, and Parts Lists: Main Board Block: 700–800 MHz (84012501002) 8-63
Figure 8-34. Receiver Back End
MMBTA13
0.1UF
33PF470PF
100K
0
C641C643
R698
Q601
C629
R607
DC_LIN_5_0V
RF_RX_BE_SUPFLTR_C
DC_LIN_5V
DC_RX_BE_SUPFLTR_B
23
1
2211
IN
0
470PF
C642
R699
DC_LIN_1_875V_D
DC_LIN_3_0V
DC_LIN_3_0V
DC_LIN_3V
IN
IN
DNP
.01UF
220NH
47
270NH
2.7PF 3.9PF
2.7PF
C645
L611
C644
R601
C601
C605
L601 RF_RX_BE_IFINRF_RX_BE_IF_1
TL_RX_IF
21
2121
IN
10UH
150PF
10UH
L603
L602
C615
RF_RX_BE_MX
21
E603
E602
E601
DC_LIN_3_0V
DC_LIN_3_0V
DC_LIN_3_0V
.01UF
C603
DC_RX_BE_VDDI
21
11
12
6
9
1
2
5
4
3
10
7
8
100PF
100PF
.01UF
C604
C610
C611
DC_RX_BE_VREFP
DC_RX_BE_VDDF
RF_RX_BE_IF2P
RF_RX_BE_IF2N
RF_RX_BE_MXON
RF_RX_BE_GCP
RF_RX_BE_MXOP
21
21
21
100PF .01UF
2200PF
100PF
.01UF
C616
C613
C612
C602
C607
DC_RX_BE_VDDA
DC_RX_BE_VREFN
21
2
12
21
21
1
0.1UF
E605
E604
C606
DC_LIN_3_0V
DC_LIN_3_0V
2
1
.01UF
C614
2
1
.33UF
.33UF
C624
C622
21
21
390 1SV279
100PF
10K
0.1UF 3.9UH
L605
C632
VR601
R604
R608
C620
CLK_RX_BE_CLKN
RF_RX_BE_IOUT
CLK_RX_BE_CLKP
RF_RX_BE_18T
RF_RX_BE_18D
21
21
21
21
10K
.01UF
R611
C635
DC_LIN_3_0V
21
21
TEST_POINT
TP603
E606
DC_RX_BE_VDDL DC_LIN_3_0V
1
.01UF
0.1UF
E607
C633
C636
DIG_RX_BE_SYNCB
CLK_16_8_MHZ
CLK_RX_BE_FREF
DC_LIN_5_0V
2
1
IN
1
.01UF
C628
12
0.1UF 0.1UF 1000PF
.01UF
C626
C623
C621
C617
DIG_RX_BE_CXVL
RF_RX_BE_LON
RF_RX_BE_CXIF
DIG_RX_BE_CXVM
21
2
1
21
21
RREF
VDDQ
IOUTC
GNDQ
VDDC
GNDC
CLKP
CLKN
GNDS1
GNDD
PC
PD
GNDL
FREF
GNDS2
SYNCB
GNDH
FS
DOUTB
DOUTA
CLKOUT
VDDH
VDDD
PE
MXOP
MXON
GNDF
IF2N
IF2P
VDDF
GCP
GCN
VDDA
GNDA
VREFP
VREFN
GND3
DIG_RX_BE_RREF
DC_RX_BE_VDDQ
14
27
26
17
33
13
25
24
23
15
34
21
16
36
32
22
18
G1
31
35
30
29
19
28
20
CXVL
LOP
LON
CXVM
VDDL
VDDP
IOUTL
GNDP
VDDI
IFIN
CXIF
GNDI
AD9864
U601
DC_RX_BE_VDDP
39
40
48
43
42
38
47
37
45
41
44
46
100K
R603
DC_RX_BE_VDDC
21
0.1UF
0.1UF C637
C634
DC_RX_BE_VDDH
DC_RX_BE_VDDD
21
21
E608
E609
DC_LIN_3_0V
0
0
DNP
R615
R614
DC_LIN_3_0V
DC_LIN_1_875V_D
TEST_POINT
3PF
27PF
TP601
C609
C608
RF_RX_BE_VCO_OUT2
1
21
21
2.2K
1SV279
0.1UF
7.5K
2.4K
3300PF
8PF
8PF
C646
R613
C640
R612
R609
VR602 C638
C631 RF_RX_BE_VCO_TUNERF_RX_BE_VCO_F
RF_RX_BE_VCO_A
RF_RX_BE_VCO_D
21
2211
21
21
BFR380F
120NH
33PF
10K
18PF
10K
U602
R605
L604
R606
C625
C618
RF_RX_BE_VCO_B RF_RX_BE_VCO_L
23
1
21
2
1
2
1
21
0.1UF
1000PF C630
C627
21
21
.01UF
C639
21
62PF
390
C619
R602
RF_RX_BE_VCO_OUT
RF_RX_BE_VCO_E
21
21
VCC
GND
VCC
GND
NC7WZ17
NC7WZ17
U603U604
DC_LIN_1_875V_D
DC_LIN_1_875V_D
52
52
0DNP
R616
DIG_RX_SYNCB
NC7WZ17
U603
61
DIG_DATA_SSI_RX_FS
DC_LIN_1_875V_D
IN
OUT
NC
Y
GND VCC
A
OE
NC7SZ125
U607
4
6
1
5
3
2
0DNP
R623
NC7WZ17
U604
CLK_SSI_RX
DIG_CTRL_SPI_PE
DIG_DATA_SPI_PD
43
IN
IN
NC
OUT
DIG_DATA_SSI_RX_DOUTA
OUT
DNP
0
0
NC7WZ17
NC7WZ17
DNP
DNP
0
R619
R618
R617
U604
U603
DIG_RX_DATA
DIG_RX_CLK
61
43
DNP
0
100K
R624
R610
DC_LIN_3_0V
DIG_RX_FS
A1
A2
VCCA
VCCB
GND
B1
B2
DIR
NC
SN74LVC2T45
U605
A1
A2
D1
D2
C2
B2
C1
DC_LIN_1_875V_D
B1
DNP
0
R621
DC_LIN_1_875V_D
DIG_CTRL_SPI_PC
IN
A1
A2
VCCA
VCCB
GND
B1
B2
DIR
SN74LVC2T45
U606
DC_LIN_3_0V
DC_LIN_3_0V
A2
A1
D2
C2
B2
C1
B1
D1
DNP0
R620
DIG_RX_BE_DOUTB
OUT

8-64 Schematics, Boards Overlays, and Parts Lists: Main Board Block: 700–800 MHz (84012501002)
Figure 8-35. Frequency Generation Unit Circuit – 1 of 2
DC_LIN_2_775V
DC_LIN_1_875V_D
DC_LIN_1_5V
DC_LIN_5V
IN
IN
IN
IN
.1UF
.1UF
.1UF
.1UF
.1UF
C719
C718
C717
C716
C715
2.2UH
L720
K2
K3
A1
A2
A3
K1
IMN10
D722
1
2
3
6
5
4
K2
K3
A1
A2
A3
K1
IMN10
D723
1
2
3
6
5
4
10UF .1UF
C725C724
DIG_DATA_AUX_SPI_MISO
GPO6
GPO5
L7
L8
J11
A10
F5
D2
D1
C2
C1
B6
A5
K7
G11
L6
K8
F8
J7
A3
A4
B5
J10
E2
E1
B1
B2
K6
D3
A6
C3
NC
NC
NC
NC
NC
NC
NC
NC
NC
NC
NC
NC
NC
NC
NC
NC
NC
NC
NC
NC
NC
NC
NC
NC
NC
NC
H7
G7
H6
G6
E7
C4
B4
E11
E10
J4
C8
C9
A9
B9
B11
C7
A2
D4
B3
E4
J6
F1
F2
G4
G5
G8
G9
H3
H4
J1
L2
J3
K3
H9
J9
A8
B8
NC
NC
NC
NC
NC
NC
NC
NC
NC
NC
NC
NC
GPO7
GPO1
GPO2
GPO4
GPO8
GPO3
H10
H11
F4
F6
K9
K4
J5
L4
H5
B10
C10
L5
K5
F3
E3
L11
L1
A11
A1
C5
E6
D5
E5
J8
H8
G10
L10
K10
K11
A7
B7
D6
C6
NC3
ESC_CPBIAS
ESC_CP
SF_BYP
REF_OSC_OUT
DEEPSLEEP
NC4
LVCC1
SDM_CLK_GEN_GND
RX_AGND2
SSI_GND
MAIN_GND
LGND1
VMULTI2
VMULTI1
SUB2
DMCS
TXFS
TXCLK
TXD
ESC_IN
MN_CP
SF_OUT
CLK_EMIT
M_PRSC
RXD
ESC_TEST
RSTB
SF_SPLY
EF_OUTP
EF_OUTM
NC5
REF_VCC
GPO2_TEST2
TM
SUB3
SDM_VREFP
REF_IN
HP_MOD_OUT
MN_CP_GND
SUB1
NC6
ASPI_CLK
SPI_CLK
SCAN_EN
ACE2_GPO8
TEST1_LCKDET
CEX
SPI_DW
SPI_DR
RXACQ
RXCLK
RXFS
GPO4_TEST4
GPO1_TEST1
RX_AVCC2
ASPI_VCC
SDM_CLK_GEN_VCC
RX_AVCC1
SF_GND
SDM_REF_VCC
SSI_VCC
CLK_CP
CLK_BASE
MN_ADAPT_CP
M_PRSCX
SENS
ESC_CP_GND
MN_CP_VCC
MAIN_VCC
ESC_CP_VCC
TX_VCC
CLK_VCC
ESC_VCC
TX_DAC_VCC
SDM_REF_GND
RX_AGND1
CLK_GND
NC1
ESC_INX
ACE1_GPO7
SDM_VREFM
NC2
ASPI_GND
TX_GND
ESC_GND
TX_DAC_GND
ESCD2_OUT
ESCD2_OUTX
GPO3_TEST3
ASPI_DATA
TEST2
15H28
U702
F9
F11
F10
D10
D9
C11
E8
D11
E9
D7
G3
G2
H1
G1
L9
K2
K1
H2
J2
L3
F7
D8
TXQ
NTXI
PHCLK
CLK_OUT
BP_Q
BP_QX
BP_I
QCAP
INCR_DECR
RX_EN_OUT
AGC_DAC
FBQ
SDM_VAG
NTXQ
TXI
RXQ
RXQX
ICAP
BP_IX
SCAN_IN
TCLK
AUX_DAC
DC_CAL_GPO5
RFSTEPA_GPO6
RXIX
RXI
AGC_FLAG
AGC_REF
FBI
NC
NC
NC
10K
R721
DIG_CTRL_RSTB
RF_PRESCALAR
DC_LIN_1_875V_D
IN
IN
390NH
22K
.1UF
39PF
C732
R729
C731
L728
DC_LIN_2_775V DC_LIN_2_775V_16_8_MHZ_IN
GND
NC2
NC3
NC4
VCONT
VCC
OUTPUT
NC1 NC
NC
NC
NC
16.8MHZ .01UF
1XTV16800VDA
Y701
C736
1
4
3
8
7
6
5
2
DC_LIN_2_775V
.1UF .1UF.1UF .1UF
2.2UH
2.2UH
2.2UH
2.2UH
C726
L727
C730
L733
C734
L735
C737
L738
DC_LIN_2_775V DC_LIN_1_875V_D DC_LIN_2_775V DC_LIN_2_775V
NC
NC
NC
NC
NC
NC
NC
NC
NC
.1UF
C749
RF_PRESCALAR
10UF
2.2UH
.1UF
C744
C742
L741
DC_LIN_5V
.22UF
DNP
220
11K
R723
R722
C721
RF_HP_MOD_OUT
0
.1UF
R702
C750
DC_LIN_2_775V_16_8_MHZ_IN
22K
BFQ67W
4.7PF
47K
U746
R745
R743
C739
23
1
180PF 2.2UH
270 56PF
390PF
DNP DNP
56PF 270PF
DNP
C712C711C710 C754
L753
C752
R751
2200PF
C720
.1UF
.1UF .1UF .1UF .1UF
C714C709C706C704C702
.033UF
1.2K
.039UF 6800PF
68
430
C713
C707
R705
C703
R708
R701
VCO_VCTRL OUT
10UF
0
.1UF
R706
C757C756
ANA_ADAPT_CHARGE_PUMP
ANA_CHARGE_PUMP
CLK_16_8_MHZ
OUT
GPO3
GPO6
GPO8
GPO5
DC_LIN_2_775V
GPO4
DC_LIN_1_5V
GPO2
GPO1
GPO7
OUT
OUT
OUT
OUT
OUT
OUT
OUT
OUT
DIG_CTRL_SSI_TRIGGER
DIG_DATA_SPI_MOSI
DIG_CTRL_SPI_TRIDENT_PE
DIG_DATA_SPI_MISO
DIG_CTRL_LOCK
DIG_SPI_CLK
DIG_DATA_TX_SSI
DIG_TX_SSI_CLK
DIG_TX_SSI_FS
OUT
OUT
IN
IN
IN
OUT
OUT
IN
IN
TEST_POINT
TP701
1
DC_SUPER_FILTER_5V
ANA_CHARGE_PUMP
RF_HP_MOD_OUT
ANA_ADAPT_CHARGE_PUMP
OUT

Schematics, Boards Overlays, and Parts Lists: Main Board Block: 700–800 MHz (84012501002) 8-65
Figure 8-36. Frequency Generation Unit Circuit – 2 of 2
DC_LIN_2_775V
DC_SUPER_FILTER_5V
DC_LIN_1_5V
DC_LIN_5V
NC7WZ04
NC7WZ04
U739
U739
DC_LIN_2_775V
GPO6
43
61
VCC
GND
NC7WZ04
U739
5
2
NC
V1
V2
V3
RFC
NC
RF1
RF2
RF3
CGND
0 DNP
SKY13251
R709
U738
7
6
3
1
8
5
4
2
G1
NC
NC
TXH
IN
NTZD3154N
Q785
4
1
52
3
6
NC
NC
NC
220PF
270
33PF
22NH
DNP
680
DNP
1000PF 120NH
L701
R757
C760
L755
R754
C753C751
21
27PF
220PF
100NH
DNP
15
1PF
NE662M04
L768
C770
R761
C816
Q756
C813
21
3
12
4
30
33PF
180 180
C781
R707R703
R704
RX_LO OUT
6.2K
15
120NH
20K
.22UF
R769
R766
L759
C764
R762
DC_LIN_1_5V
120NH 560
1000PF 47PF
R776
L775
C773C772
15
220PF 47PF
C780
R778
C777
TX_INJ OUT
100
NE662M04
R779
Q774
3
12
4
100
220PF 33PF
BC858CD
18
300 300
56K
BC858CD
220PF
R799
R785
C803
Q767
R771
C819
Q767
R809
R763
C817
4
3
5
1
6
2
33PF
DNP 2
82
2
82K 220PF
22K
BC858CD
DNP
BC858CD
3
33PF
R823
R822
C824
Q745
R748
C786
Q745
R741
R742
R746
C740
43
5
1
6
2
.22UF
24
120NH
5.6K
R747
R744
C743
L739
DC_LIN_1_5V
VCO_IN
IN
100PF
3K
16
1000PF 33PF
C735C733
R730
R728
C727
13
2
0
110
NE68519
8.2NH
6PF
L709
C705
R734
R736
Q731
21 100PF
TEST_POINT
100PF
DNP
C708
TP737
C823
RF_PRESCALAR
1
120NH
L758
DC_LIN_1_5V

8-66 Schematics, Boards Overlays, and Parts Lists: Main Board Block: 700–800 MHz (84012501002)
Figure 8-37. Automatic Level Control Circuit
DC_RAW_B+
DC_LIN_3V
DC_LIN_5V
IN
IN
IN
DIG_CTRL_ATTH
IN
ANA_CTRL_ISET
DIG_CTRL_I_LIMIT
IN
IN
.022UF33PF 12K
0
.022UF
4.7K
C1169 C1138C1137
R1172
R1171
R1160
IN
0
R1202 DC_LIN_1_875V_D
DC_LIN_1_85
IN
A1
A2
VCCA
VCCB
GND
B1
B2
DIR
SN74LVC2T45
U1137
DC_LIN_5V
A2
A1
D1
D2
C2
B2
C1
B1
HIGH
ADDED FOR DEFAULT
33PF 33PF
10K
33PF
C1163
C1168C1164
R1101
DIG_SPI_CLK
ANA_CTRL_VSET
IN
IN
A1
A2
VCCA
VCCB
GND
B1
B2
DIR
SN74LVC2T45
U1138
DC_LIN_1_875V_D
DIG_DATA_SPI_MOSI
DIG_CTRL_TX_INH
TX_INH
DC_LIN_5V
A2
A1
D1
D2
C2
B2
C1
B1
IN
IN
DC_LIN_5VREF
CTGND
VOUTA
VDD
VOUTB
DIN
SCLK
GND
VOUTC
SYNC
VREFIN_VREFOUT
.1UF
75K
30.1K
AD5624R
.1UF
C1165
U1125
C1116
R1122
R1121
DAC_C
DC_LIN_5V
10 5
4
2
1
9
6
7
3
8
G1
VOUTD
A1
A2
VCCA
VCCB
GND
B1
B2
DIR
SN74LVC2T45
U1139
DC_LIN_1_875V_D
DC_LIN_5V
A2
A1
D2
C2
B2
C1
B1
IO49
TXH_5V
74LVC1G08YZP
U1147
TXH OUT
VCC
GND
VCC
GND
74LVC1G08YZP
74LVC1G32YZP
33PF 33PF
33PF
74LVC1G32YZP
33PF
C1167
C1166
C1171C1170
U1147
U1146
U1146
DC_LIN_1_875V_D
DIG_GPIO49
DIG_DMCS
C2
B1
A1
A2C1
C2
B1
A1
A2
C1
IN
IN
D1
100 100
R1104 R1105
COUPLER
RVS
FWD
33NH
100
6.8PF
6.8
1000PF
DNP
5.6PF
C1142
R1168
C1125
R1106 C1104
L1101
ACG3
ACG2
ACG1
GND
V1
VDD
V2
V3
RF1
NC1
NC2
NC4
NC3
RF2 NC5
NC6
NC7
HMC468LP3E
U1112
16
15
14
13
11
2
12
10
9
8
4
3
1
17
7
6
5
3300PF
1000PF
C1126
C1117
100
100
.01UF
C1118
R1114
DC_LIN_5V
R1115
33PF
.01UF
C1156
C1106
DC_LIN_5V
10K
.01UF
LPV321M7X
36K
R1164
C1119
R1125
U1113
DC_LIN_5V
25
4
1
3
POS
GND
VOUT
LPV321M7X
LM50
16K
U1148
R1126
U1103
DC_LIN_5V
25
4
1
3
2
13
33PF
.01UF
200
C1157
R1165
C1120
DC_LIN_5V
10K
200
LPV321M7X
R1166
R1167
U1114
25
4
1
3
20K
10K
R1127
R1128
VCC
GND
M74VHC1GT86
33PF
C1158
U1121
DC_LIN_5V
53
M74VHC1GT86
U1121
4
2
1
4700PF
.01UF
LMV7275
10K
C1140
C1128
R1137
U1126
DC_LIN_5V
25
4
1
3
IN
NO
COM
GND
10K
TS5A3159
10K
R1182
R1178
U1127
DC_LIN_5V
5
1
3
6
2
4
NC
V_POS LPV321M7X
.01UF
10K
0
4700PF
.1UF
U1142
C1127
C1123
C1124
R1136
R1135
DC_LIN_5V
25
4
1
3
RFIN
ENBL
VSET
FLTR
VPOS
COMM
NC
VAPC
GND
AD8315
51
.1UF
0
R1180
R1124
C1111
U1105
DC_LIN_5V
3
8
71
6
9
4
2
5
NC
150K
10K 10K
.01UF
R1162
R1163
C1129
R1152
U1131
DC_LIN_5V
25
4
1
3
LMV7275
VCC
GND
74LVC1G08YZP
33PF
C1159
U1119
DC_LIN_3V
A2C1
74LVC1G08YZP
U1119
TXH_1
TX_INH
C2
B1
A1
IN 22K
22K
MUN5212T
100K
NTR1P02T1
R1102
Q1101
Q1103
FILT_RAW_B+
2
3
1
2
1
3
VOUT
GND2
VIN
GND1
DNC1
DNC2
NC
NC
LT1790
.1UF
C1160
U1150
SW_B+ 6
4
2
1
5
3
IN
1UF
C1161
DC_LIN_5VREF
.02
E1101 R1103
21
VINPOS
VINNEG
VPOS
GND
OUT
510K
.01UF
INA138
U1101
R1141
C1103
DC_LIN_5V
5
3
4
1
2
10PF
68.1K
C1139
R1108
IN
NO
COM
GND
TS5A3159
U1144
DC_LIN_5V
5
1
3
6
2
4
NC
NC
V_POS
340K
0
80.6K
R1175
R1169
R1170
DC_LIN_5V
LPV321M7X
U1143
DC_LIN_5V
25
4
1
3
100K
100K
100K
100K
LMV841
33PF
C1162
R1140
R1138
R1139
R1142
U1129
DC_LIN_5V
25
4
1
3100K
100K
100K
LMV841
100K
R1143
R1146
R1144
R1145
U1130
DC_LIN_5V
25
4
1
3
LPV321M7X
10K
LPV321M7X
.01UF
270K
U1141 R1158
R1110
C1108
U1104
DAC_C
DC_LIN_5V
25
4
1
3
25
4
1
3
BAND
.01UF 10K
R1151
C1112
BAND
VCC
GND
SN74LVC1G00
SN74LVC1G00
U1128
U1128
DC_LIN_5V
A2C1
C2
B1
A1
ANA_RX_FE_FILT_VTUNE
TX_7V_1
OUT
OUT
PR
VCCGND
Q*
D
CLR
CP
Q
VCC
GND
74LVC1G08YZP
74LVC1G08YZP
NL17SZ74
.01UF
U1136
U1136
C1130
U1132
DC_LIN_5V
DC_LIN_5V
C2
B1
A1
A2C1
8
3
5
7
4
2
1
6
IN
NO
COM
GND
TS5A3159
.47UF
1K
0
C1141
R1176
R1177
U1133
VC
DC_LIN_5V
5
1
3
6
2
4
NC
V_POS
10K
10K
R1174
R1154
PA_OFFSET
VCTRL OUT
10K
R1198
RF_OUT
RF_OUT
CONN_P
J102
4
3
2
1
5
OUT
3PF
1.65NH
C1122
L1117
VCC
GND
74LVC1G32YZP
U1149
DC_LIN_3V
A2C1
75K
10K
R1116
R1117
74LVC1G32YZP
U1149
TX_SWI
A1
C2
B1 OUT
TXH_1
RFIN
VM
VOS
VCC
GND
VOUT
LTC5532
U1106
5
3
4
6
1
2
BAND
.01UF
33PF
51
100PF
DNP
R1112
C1110
C1107
C1113
DC_LIN_3V
6.8NH
68 5.6PF
R1107 C1105
L1102
FILT_RAW_B+ OUT

Schematics, Boards Overlays, and Parts Lists: Main Board Block: 700–800 MHz (84012501002) 8-67
Figure 8-38. VCO Circuit
IF
IF
IF
IF
IF3002
IF3004
IF3003
IF3001
DC_SUPER_FILTER_5V
GPO1
GPO2
GPO8
1
1
1
1
IN
IN
IN
IN
33PF
150NH
L3008
C3006
1SV279
1SV279
VR3003
VR3010
21
21
1SV279
1SV279
VR3013
VR3012
2
21
1
2.4PF
1.8PF
20K
3.3PF
20K
3.3PF
C3022
C3023
R3036
R3030
C3015
C3014
DC_SUPER_FILTER_5V
2.7PF
3PF
18
NE856
R3032
C3026
C3027
Q3038
1
2
3
SDRF1025S02F08PA
1.025GHZ
15NH
Y3020
L3001
21
G
SD
110
150NH
MGSF1N02LT1G
33PF
R3040
C3042
L3041
Q3033
2
1
3
120NH
33PF .1UF 51K
C3008
L3016
R3018
C3012
GPO1
0
IF
TEST_POINT
TP3001
R3002
IF3005
VCO_VCTRL
1
1
IN
1SV279 1SV279
150NH
33PF
L3009
VR3004
VR3011
C3007
21
21
2.7PF
1SV279 3PF
2.2PF
1SV279
20K
1.1PF
20K
VR3015
VR3014
R3037
R3031
C3024
C3025
C3016
C3017
DC_SUPER_FILTER_5V
21
21
SDRF1025S02F08PA
1.025GHZ
3.3PF
3.9PF
15NH 18
L3002 R3034
C3028
C3029
Y3021
12
NE68519
Q3039
13
2
G
SD
150NH
150
33PF
MGSF1N02LT1G
L3044
R3043
C3045
Q3035
2
1
3
120NH
33PF .1UF 51K
C3005
L3010
R3019
C3013
GPO2
1SV279
150NH
1SV279
33PF
VR3017
VR3048
L3047
C3046
21
21
20K
NE68519
20K
Q3062
R3061
R3058
DC_SUPER_FILTER_5V
13
2
2.2PF
1SV279
1SV279 2.4PF2.2PF
1.5PF
C3050
VR3020
VR3021 C3055C3051
C3054
2
21
1
G
SD
1.2PF
33PF
150NH
160
MGSF1N02LT1G
18
C3056
R3063
L3064
C3065
Q3060
R3059
2
1
3
1.8PF
1.11GHZ
RESONATOR
15NH
L3003
Y3053
C3057
12
33PF 51K
120NH
.1UF
C3018
L3019
R3052
C3049
GPO8
33PF
0.1UF
33
C3068
C3067
R3066
DC_SUPER_FILTER_5V
9PF IF
IF3070
C3069
VCO_OUT
1OUT

8-68 Schematics, Boards Overlays, and Parts Lists: Main Board Block: 700–800 MHz (84012501002)
Figure 8-39. Receiver Front End Circuit
1
IF
IF
IF402
IF401
1
1
IN
IN
CTRL_RX_78_LNA_A = 3V (HIGH), LNA'S TURN ON
CTRL_RX_78_LNA_A
DC_LIN_1_8V_A
CTRL_RX_78_SW1 = 0V, 700 PATH SELECTED
SW1 AND SW2 HAVE TO BE OPPOSITE
CTRL_RX_78_SW2 = 0V, 800 PATH SELECTED
IF
IF403
TL_RX_78
1
IN
J3
GND
J2
V2
J1
V1
33PF
33PF
0
AS211334
33PF
0
R450
R451
U402
C404 C406
C402
RF_RX_78_SW1
CTRL_RX_78_SW2
RF_RX_8_SW1
RF_RX_8_F1IN
CTRL_RX_78_SW1
RF_RX_7_F1IN
RF_RX_7_SW1
6
4
1
3
52
IN2
GND1
GND2
GND3
GND4
OUT2
OUT1IN1
B4232
FL401
RF_RX_7_F1OUT
5
7
3
1
8
6
4
2
J3
GND
J2
V2
J1
V1
7.5NH
33PF 33PF
10NH
47PF
9.1PF
33PF
AS211334
C487
L408
L407
U404
C418
C416
C413
C412
CTRL_RX_78_SW1
RF_RX_7_SW2
RF_RX_8_F1OUT
RF_RX_8_SW2 CTRL_RX_78_SW2
6
4
1
3
52
30PF
1PF
10
R447
C484
C423
10NH
3.3NH
10
0
1PF
R456
L403
L401
R405
C426
RF_RX_78_LNA1_E
RF_RX_78_LNA1_F
RF_RX_78_SW2
RF_RX_78_LNA1_B
23
5.1PF
BFR380F
0
10NH
U406
L402
R406
C425
RF_RX_78_LNA1_A
RF_RX_78_LNA1_C
33PF4.7UF
C421 C422
DC_RX_78_LNA_B
DC_RX_78_LNA_E
CTRL_RX_78_LNA_B
22K
22K
82K
BC858CD
22K
3.3K
MUN5212T
Q401
R403
R401
R402
Q402
DC_RX_78_LNA_C
2
3
1
43
5
68
2.7
33PF 4.7UF
BC858CD
R413
E401
C427
R404
Q402
C424
DC_RX_78_LNA_A
DC_RX_78_LNA_D
16
2
68
3.3K
E402
R409 R410
DC_RX_78_LNA_G DC_RX_78_LNA_H
DC_RX_78_LNA_F
22K BC858CD
BC858CD 4.7UF
82K
33PF
R408
R407 Q403
Q403
C434C431
DC_RX_78_LNA_J
DC_RX_78_LNA_I
16
2
43
5
33PF
4.7UF
C428 C429
J3
GND
J2
V2
J1
V1
0
AS211334
0
R455
R454
U405
CTRL_RX_78_SW2
RF_RX_78_LNA2_A
RF_RX_8_SW4
RF_RX_7_SW4
6
4
1
3
52
33PF 33PF
C417 C419
CTRL_RX_78_SW1
J3
GND
J2
V2
J1
V1
0
0
AS211334
33PF
R453
R452
C407
U403
CTRL_RX_78_SW2
RF_RX_8_SW3
RF_RX_7_SW3
RF_RX_78_SW3
RF_RX_7_F2IN
RF_RX_8_F2IN
RF_RX_8_F2OUT
CTRL_RX_78_SW1
6
4
1
3
52
IN2
GND1
GND2
GND3
GND4
OUT2
OUT1
IN1
B4232
FL402
RF_RX_7_F2OUT
5
7
3
1
8
6
4
2
NC
NC7WZ04
U408
CTRL_RX_78_SW2
43
VCC
GND
NC7WZ04
NC7WZ04
IF
IF
IF404
IF405
U408
U408
DC_LIN_3V
CTRL_RX_78_SW1
1
1
5
2
61
IN
IN
33PF
C405
MMBD352
DNP
D401
2
3
1
30PF
1PF
10
R448
C485
C430
RF_RX_78_LNA2_B
RF_RX_78_LNA2_E
2.4NH
0
15NH
5.1PF
1PF
BFR380F
5.1
10NH
10
R457
L406
R411
L404
U407
C432
C433
L405
R412
RF_RX_78_LNA2_F
RF_RX_78_LNA2_D
RF_RX_78_LNA2_C
23
18.2NH
1.5PF
IF
2.7PF
2.7PF
8.2NH
C492
C490
L491
C488
L489
IF406
RF_RX_FE_B2_OUT
21
1OUT

Schematics, Boards Overlays, and Parts Lists: Main Board Block: 700–800 MHz (84012501002) 8-69
Figure 8-40. Receiver Back End Mixer
DC_LIN_5V
IN
.033UF
39PF
.033UF
220NH 33
R500
L500
C502
C500
C501
P1
S3
S1
NC
S2
P2
059248278
6PF
C504
T506
4
2
3
6
1
5
BDIV
IFP
BBP
NC1
NC3
BVDD
RFP
RFN
GND1
GND
LOIN
IFN
NC2
SC2072BP
U507
5
4
7
6
310
9
8
13
11
1
2
12
.033UF
.033UF 39PF 4.7UF
C512C511
C510C509
P1
P2
S1
S2
S3
NC
GND1
OUT
GND3
GND2
GND4
IN
39PF
109638038
TS3A9E01S
270NH
62PF
0
100NH
2PF
DNP
0
3.6PF
22NH
DNP
R526 FL502
C515
C514
L504
R512
L503
C533
L513
C532
T507
41
6
5
3
2
3
2
4
1
6
5
TL_RX_IF_OUT
OUT
TL_RX_MIX_IN
IN
3.3PF
18NH
33PF
DNP
33PF 33PF
DNP
6.8NH
47PF
DNP
0
C552
L551
C516
R525
C551 C505
L550
C550
TL_RX_LO
21
IN
30
39PF 4.7UF.033UF
C508C507C506
R502

8-70 Schematics, Boards Overlays, and Parts Lists: Main Board Block: 700–800 MHz (84012501002)
Figure 8-41. Power Amplifier Circuit
IF
IF
IF1052
IF1051
FILT_RAW_B+
TX_7V 1
1
IN
IN
IF 11
R1065
IF1053
RF_IN 1
IN
33PF
6.8NH
4.7PF
430 430
33PF
.01UF
R1066
R1064
C1002
L1002
C1004
C1001
C1003
33K LMV841
R1001 U1001
VC 1
25
4
1
3
IN
47K
R1002
GND4
EP
G2
VD1
GND3
NC2
NC1
NC3
VCNTRL
NC4
GND1
GND2
RFOUT
NC5
RFIN
TPVG1
TPVG2
SRFIC7126
U1002
14
1
3
2
616
7
15
10
9
8
13
12
5
4
11
17
3300PF33PF 33PF 3300PF
C1025C1024 C1009C1007
16PF
0
18PF
C1013
C1023
R1006
59.71NH
33PF
150
330PF
C1026
L1007
R1007
C1018
D
G
S1
S2
RD07MUP2B
Q1001
4
2
1
3
1.5PF
3.6PF
5.4NH 33PF IF
15PF
C1021
L1009
C1020
IF1055
C1022
C1019
PA_OUT
1OUT
110NH
33PF .01UF
110NH 33PF .01UF
L1003
L1001
C1008
C1005 C1006
C1010
IF
IF1054
68K
30K 33PF
DNP
3300PF
1K
C1015 C1014
R1003
R1004
R1005

Schematics, Boards Overlays, and Parts Lists: Main Board Block: 700–800 MHz (84012501002) 8-71
Figure 8-42. DC Circuit
IN
MMBZ5250B
20V
VR200
DC_BATT
13
2
1UF
32V
2A
.01UF
F200
E201
C200 C201
DC_BATT_A
1UF
1UF
1.5UH
NTR1P02T1
Q201
L200
C202 C203
DC_FUSE_A
1
3
1UF
100K C217
R201
2
22K
22K
MUN5212T
4.7K
R202
Q202
2
3
1
BAND
330PF 33PF
C213 C214
DC_SWI_3_6V
IN VEN
VIN
GND
VOUT
1UF 1UF
LP5900
U201
C208C207
B2
B1
A2
A1
BAND
33PF
330PF
C216C215
DC_LIN_2_775V
IN VEN
VIN
GND
VOUT
1UF
LP5900
U202
C209
B2
A2
A1
B1
1UF
C210
EN
VBATT
GND
VOUT
VIN
4.7UF
LP5952
U203
C212
A3
A1
C1
B2
C3
RF_SW_B+
DC_FUSED_B+
OUT
OUT
DC_LIN_5V
DC_LIN_3V
DC_LIN_1_8V OUT
OUT
OUT
OUT
DC_LIN_1_5V
NC
NC
INPUT
SHUTDOWN
SENSE
BYPASS
GND
OUTPUT
ERROR
NC
LP2989
MBR120LSFT1
4.7UF
.01UF
4.7UF
U200
D200
C206
C205C204
8
6
5
2
4
3
7
1
21
BAND
PIN1
PIN2
PIN3
20V
CONTACT
MMBZ5250B 33PF
C101
VR101
M101
DC_BATT
BAT_STATUS
13
2
3
2
1
OUT

8-72 Schematics, Boards Overlays, and Parts Lists: Main Board Block: 700–800 MHz (84012501002)
Figure 8-43. Antenna Switch Circuit
IF
IF2301
PA_OUT 1
IN
IF
IF2302
DC_LIN_3V 1
IN
IF
IF2303
DIG_VRVS 1
IN
100K
NC7WZ04
U2301
R2306
16
RFIO1
RFIO2
GND
V1
V2
33PF
AT267
U2302
C2306
2
1
3
4
5
VCC
GND
.1UF
NC7WZ04
U2301
C2309
DC_LIN_3V
25
MMBD352
91PF
8.2NH
C2305
D2301
L2303
1
3
2
DNP
0
IF
R2301
IF2304
RX_IN
1OUT
4.7K
47K
47K
10K
UMC5NT2
Q2301
2
5
4
1
3
IF
IF
IF2305
IF2306
ANT_SWI
FILT_RAW_B+ 1
1
IN
IN
68PF
C2303
IF
33PF
UPP9401E3
82NH
C2304
D2303
L2302
IF2307
RF_OUT
1OUT
10.2NH
2.7PF 1PF
C2307
L2301
C2308
82
82
82
UPP9401E3
18PF
33PF
R2303
C2302
C2301
R2302
D2302
R2304

Schematics, Boards Overlays, and Parts Lists: Main Board Block: 700–800 MHz (84012501002) 8-73
Figure 8-44. Transmitter HF Circuit
IF
IF1401
RF_OUT_2
1
IN
.5PF
8.1NH
L1408
C1414
8.1NH
.5PF
C1424
L1410 IF
33PF
C1411 IF1402 HF_OUT_2
TL4 1OUT
1.2PF1.8PF 1.5PF 3.3PF
C1413 C1418 C1419 C1425

8-74 Schematics, Boards Overlays, and Parts Lists: Main Board Block: 700–800 MHz (84012501002)
Figure 8-45. Controller Overall Schematic Blocks
GPIO_1_DP_TXDC_FILLREQ
GPIO_3_RTS_FILLSENSE
TOP_BUTTON
ON_OFF_SWITCH
JTAG<11..0>
KEYFAIL
USB_BOOT_1.8V
T_DISP_TOGGLE
T_DISP_SPI_MOSI
T_DISP_SPI_CS
T_DISP_SPI_CLK
T_DISP_RESET
T_DISP_DATA_CMD
BT_HCI_TX
BT_HCI_RX
AVR_MACE_TDO
GPIO_2_DM_RXDC_FILLDATA
OPTB_SEL3_SWITCH_EN
NFC_COIL
GCAI_1_WIRE
KEYFAIL_CTRL
GPIO_0
KVL_DETACH
MACE_NTRST
MACE_TDI
MACE_TCK
MACE_TDO
I2C_DATA
ETM<1..14>
MACE_TMS
AVR_MACE_TDI
AVR_MACE_TMS
BT_TX_DBG
BT_AVR_USB_DM_TP
BT_AVR_RESET_3.3V
AVR_USART2_TX
AVR_USART2_RX
AVR_TCK
BT_AVR_USB_DP_TP
EXT_MIC_POS_DP
GCAI_GPIO_2_INPUT
GCAI_GPIO_1_INPUT
EXT_MIC_NEG_DP
UP_ARROW_BUTTON
MIDDLE_SIDE_BUTTON
EXT_SPKR_POS_DP
EXT_SPKR_NEG_DP
MAKO_OPTB_SEL2_GCAI12
I2C_CLK
DOWN_ARROW_BUTTON
TOP_SIDE_BUTTON
SUBDESIGN_SUFFIX=2
GCAI
TOP CONTROLS
JTAG
COVERT_USER_INTERFACE
BACKLIGHT CONTROLS
SIDE_BUTTON
BT_UART_TX_1.8V
AVR_TCK
NFC_COIL
AVR_BOOT
AVR_USART2_TX_C
BT_AVR_USB_DM_TP
BT_AVR_USB_DP_TP
BT_UART_RX_1.8V
AVR_TDO
AVR_TDI
ON_OFF_SWITCH
TOP_BUTTON
JTAG<11..0>
AVR_TMS
AVR_USART2_RX_C
BT_AVR_RESET_3.3V
MAKO_OPTB_SEL2_GCAI
EXT_MIC_NEG_DP
EXT_SPKR_NEG_DP
RTS_FILLSEN_5V
RXDIN_5V
T_DISP_RESET
T_DISP_SPI_CLK
T_DISP_SPI_CS
T_DISP_TOGGLE
KEYFAIL
T_DISP_SPI_MOSI
EXT_MIC_POS_DP
MAKO_OPTB_SEL0_GCAI
MAKO_USB2_POS_DM
MAKO_USB2_NEG_DP
GPIO_3_RTS_FILLSENSE
EXT_SPKR_POS_DP
ETM<1..14>
I2C_DATA
I2C_CLK
UP_ARROW_BUTTON
MIDDLE_SIDE_BUTTON
DOWN_ARROW_BUTTON
TOP_SIDE_BUTTON
MAKO_OPTB_SEL3_GCAI
ONE_WIRE_GCAI
KEYFAIL_CTRL
KVL_DETACH
T_DISP_DATA_CMD
SSI_BLACK_RX
SSI_RED_RX_MACE
NC
OMAP_RESET
MAKO_OPTB_SEL3_GCAI
MAKO_OPTB_SEL2_GCAI
EXT_MIC_NEG_DP
EXT_SPKR_POS_DP
MIDDLE_SIDE_BUTTON
TOP_SIDE_BUTTON
DOWN_ARROW_BUTTON
UP_ARROW_BUTTON
I2C_CLK
I2C_DATA
ETM<1..14>
MACE_TDO
MACE_TCK
SSI_BLACK_RX
SSI_RED_RX_MACE
GPIO_3_RTS_FILLSENSE
EXT_MIC_POS_DP
EXT_SPKR_NEG_DP
RTS_FILLSEN_5V
MACE_NTRST
SEC_CLEAR
MACE_TDI
MACE_TMS
ON_OFF_SWITCH
JTAG<11..0>
OMAP_RESET
MAKO_USB2_POS_DP
MAKO_OPTB_SEL0_GCAI
ONE_WIRE_GCAI
KVL_DETACH
KEYFAIL_CTRL
RST_OUT
SPI_ARM_CLK
KEYFAIL
T_DISP_TOGGLE
SPI_ARM_MOSI
T_DISP_SPI_CS
T_DISP_RESET
T_DISP_DATA_CMD
TOP_BUTTON
RXDIN_5V
MAKO_USB2_NEG_DP
covert_core_controller
USER INTERFACE
INTERFACE
RF INTERFACE GPS BLUETOOTH
SPI_DSP<2..0>
TRIDENT_SSI<2..0>
16.8_MHZ_SINEWAVE
AVR_BOOT
BT_AVR_RESET
UART2_GPS_RX
GPS_SHUTDOWN
32KHZ_GPS_CLK
BT_PTT
SSI_OPT_FSYNC
SSI_RED_RX_CODEC
MAKO_USB1_POS_DP
BT_SPARE_1.8
V_SW_3.60
V_2.8_RF
UNSW_B+
ABACUS_SPI_CS
V_EXT_1.85
F2_PARAMP
BATT_STATUS
RF_BRD_RSTB
LOCK_DET
ISET
RF_DAC_SPI_CS
F2_DMCS
TRIDENT_SPI_CS
UART2_GPS_TX
ACC_SPKR_UNMUTE
TX_INHIBIT
SSI_OPT_CLK
MAKO_USB1_NEG_DP
AVR_STATUS_1.8V
SSI_RED_TX_CODEC
ABACUS_SSI<2..0>
SUBDESIGN_SUFFIX=6
UNDERFILM I SHAPE
PIN2PIN1
PIN2PIN1
CONTACT
CONTACT
M1
M2
21
21
CON/AVR
CONTROLLER SHIELDS
MACE/MAKO
SHIELD SHIELD
SH17
SH16
2
1
2
1
V_EXT_1.85
F2_SYNCB
16.8_MHZ_SINEWAVE
V_SW_3.60
V_2.8_RF
UNSW_B+
ABACUS_SPI_CS
F2_PARAMP
BAT_STATUS
RF_BRD_RSTB
ISET
RF_DAC_SPI_CS
F2_DMCS
TRIDENT_SPI_CS
TX_INHIBIT
OUT
OUT
OUT
OUT
OUT
OUT
OUT
IN
IN
OUT
OUT
OUT
OUT
OUT
OUT
4.7K
10K
10K
R2810
R2811
R2812
LOCK_DET OUT
47
.1PF
DNP
C2806
R2817
TX_DA
OUT
RF_ANT OUT
1
2
0
1
1
100
0
2
270
100
100
2
200
0
33 R2803
R2804
R2805
R2806
R2808
R2807
SPI_DSP_MISO
SPI_DSP_CLK
SPI_DSP<2..0>
TX_SSI<2..0>
RX_SSI<2..0>
SPI_DSP_MOSI
RX_CLK
RX_FSYNC
RX_DA
TX_CLK
TX_FSYNC
OUT
OUT
IN
IN
IN
OUT
OUT
OUT
VBUS1
100K
DNP
TEST_POINT
DNP
0
TP2
R2
R2813
GPS_RX
GPS_TX
CPLD_32KHZ_GPS_CLK
GPS_SHUTDOWN
BT_AVR_RESET_3.3V
AVR_USART2_TX_C
AVR_TDO
AVR_USART2_TX
1
DNP
0
TEST_POINT
TP1 R20 AVR_TDI
AVR_TMS
AVR_TCK
AVR_USART2_RX
AVR_BOOT
AVR_USART2_RX_C
SSI_RED_TX_CODEC
SSI_RED_RX_CODEC
OMAP_SSI_FSYNC
SSI_OPT_CLK
NFC_COIL
BT_AVR_USB_DP_TP
BT_AVR_USB_DM_TP
BT_UART_TX_1.8V
BT_UART_RX_1.8V
1
NC
covert_gps_bluetooth
GPS_TX
BT_AVR_USB_DP
BT_AVR_VBUS
USB_BOOT_1.8V
BT_PTT
32KHZ
BT_TX_DBG
BT_AUD_OUT
NFC_COIL
BT_AVR_RESET
AVR_USART2_RX
AVR_TMS
AVR_TDI
AVR_TCK
ACC_SPKR_UNMUTE_1.8
BT_AUD_IN
BT_AUD_FSYNC
BT_AUD_CLK
AVR_STATUS_1.8V
BT_SPARE_1.8
BT_AVR_USB_DM
BT_AVR_RESET_3.3V
AVR_USART2_TX
AVR_TDO
ANT
GPS_SHUTDOWN
GPS_RX
BT_AVR_USB_DM_TP
BT_AVR_USB_DP_TP
BT_UART_RX_1.8V
BT_UART_TX_1.8V
SUBDESIGN_SUFFIX=3

Schematics, Boards Overlays, and Parts Lists: Main Board Block: 700–800 MHz (84012501002) 8-75
Figure 8-46. GPS Bluetooth Circuit – 1 of 2
3.3PF
9NH
4.7NH
5.6PF
12PF 0.75PF
1.8PF
R1301
C1317
L1316C1315C1314
C1318
L1305
C1302
ANT 1
IN
GND1
GND2
OUT
GND3
IN
FARF6KA1G5754
FL1301
4
5
3
2
.01UF
100NH
3.3NH
12PF
L1304
C1305
L1302
C1304
LNA_ENABLE
21
21
AI
BIAS
PON
VCCGND
DEG
AO
BGA615L7
12PF
22PF
C1322
U1304
C1309
5
4
7
3
26
1
EXTERNAL LNA
18NH
1000PF
GPS_BT_2.8V
12PF
L1303
C1307 C1308
21
GND1
GND2
OUT
GND3
IN
DNP
110
DNP
110
0
FARF6KA1G5754
R1311
R1309
R1310
FL1303
41
5
3
2
1PF
22PF 12NH
C1325 L1306
C1324
NC
NC
NC
NC
NC
NC
NC
NC
NC
NC
NC
J4
L10
E1
D4
F1
A1
L4
H3
H2
L2
K9
L9
J9
K7
L7
H8
H7
L8
B8
A10
C10
NC
NC
0
V_EXT_1.85
R1340
FLOATING = 2.87V
VDDS = 1.8V
VDD_TCXO VPROG STATE
26MHZ TCXO
ENABLE_DISABLE
OUTPUT
KT2016A
26MHZ
22PF
10PF
C1376
C1321
Y1304
4
3
2
1
VCC
GND
18NH
1UF
18PF
.1UF
VDD_TCXO
0
R1305
C1306
C1319
C1320
L1301
21
2.8V LDO
VEN
VIN
GND
VOUT
0
V_SW_3.60 LP5900
2.2UF
GPS_BT_2.8V
1UF
U1305
R1303
C1301 C1303
B2
A2
A1
B1
BLUETOOTH ANTENNA
M1302
M1301
1
1
G1
A
C
G2
CONN_J
39NH
DNP DNP
0
0
DNP
2PF
0
R1320
J1301
L1308 C1339
R1337
R1338
BT_RF_C
4
3
1
2
OUT
GND1
IN
GND2
LFB2H2G45CC1D005TEMP
22PF
C1323
FL1302
31
4
2
G2
K8
B10
E9
J1
J10
K3
K2
L3
L1
A7
B6
C2
J5
E10
F3
G9
A9
J7
L6
E2
K5
G10
B3
G1
C1
L5
F9
B9
D10
J2
D8
K4
B2
F10
K6
F2
E5
A8
D9
A3
B1
J3
J8
C8
A2
H1
NC
1UF .1UF
0
VDD_TCXO
V_SW_3.60
R1313
C1310 C1326 C1327
18PF
.1UF
.1UF
.1UF
.1UF
.1UF
.1UF
.1UF
.1UF
1UF
C1311
C1331
C1335
C1334
C1333
C1332
C1328
C1330
C1329
1UF
C1312
0
18PF1UF .1UF
V_EXT_1.85
R1315
C1337C1336C1313
0
0
R1318
TP1303
R1317
LNA_ENABLE
1
NC
NC
NC
NC
NC
NC
NC
NC
NC
NC
NC
NC
NC
NC
NC
NC
TP1304
1
H9
J6
E7
E8
F5
E3
C6
E4
F4
C4
G3
D5
G5
H4
H6
G6
G7
G8
F7
F8
E6
F6
G4
A6
H10
H5
A5
A4
B5
B7
B4
D7
C5
D6
C7
C3
D3
D2
D1
VSS_TCXO_CLK
VSS_RF_FM
VSS_RF_BT
VSS_REF_CLK
VSS_PLL_GPS
VSS_PASYNTH_FM
VSS_MIX_GPS
VSS_LNA_GPS3
VSS_LNA_GPS2
VSS_LNA_GPS1
VSS_DPLL_BT
VSS_DIG6
VSS_DIG5
VSS_DIG4
VSS_DIG1
VSS_DCO_BT
VSS_ADCPLL_FM
VSENSE
VPP
VDD_TCXO
VDD_SRAM_LDO
VDD_SRAM2
VDD_SRAM1
VDD_RF_BT
VDD_PPAIF_BT
VDD_LDOIN_
CLASS1P5_BT
VDD_IF_GPS
VDD_DIG_LDO
VDD_DIG4
VDD_DIG3
VDD_DIG2
VDD_DIG1
VDD_DCO_BT
VDD_CLASS1P5_BT
VDDS4
VDDS3
VDDS2
VDDS1
VDD1P8_GPS
VDD1P8_FM
VDD1P8_BT
VDD1P8V_2
VBAT1
TEST_EN
TCXO_LDO_VPROG
TCXO_LDO_IN
TCXO_CLK_REQ
TCXO_CLK_LV
RTC_CLK
REF_CLK_LV
REF_CLK_HV
PMTEST_1P8V
IFORCE
GPS_UART_TX
GPS_UART_RX
GPS_TP
GPS_TM GPS_SENS_I2C_SDA
GPS_SENS_I2C_SCL
GPS_LNA_IN
FM_RFP_OUT
FM_RFP_IN
FM_RFN_IN
FM_AUD_OUT_R
FM_AUD_OUT_L
FM_AUD_IN_R
FM_AUD_IN_L
FM_ABGAP_CAP
BT_TESTP
BT_TESTM
BT_RF
GPS_IRQ
CLK_REQPOL
REF_CLK_REQ
VDD_PLL_GPS
VDD1P8V_1
GPS_I2C_UART_SEL
GPS_TIMESTAMP
GPS_PA_EN
GPS_PPS_OUT
GPS_NSHUTDOWN
GPS_EXT_LNA_EN
VSS_DIG2
VSS_DIG3
FM_IRQ
FM_I2S_OUT_BT_GPIO1
FM_I2S_IN
FM_I2S_FSYNCH
FM_I2S_CLK
FM_I2C_SDA
FM_I2C_SCL
BT_WAKEUP
BT_TX_DBG_BT_GPIO6
BT_HCI_UART_TX
BT_HCI_UART_RX
BT_GPIO5
BTFM_NSHUTDOWN
BT_IRQ_BT_HOST_WAKEUP
BT_GPIO4
BT_GPIO3
BT_GPIO2
BT_AUD_IN
BT_AUD_OUT
BT_AUD_FSYNC
BT_AUD_CLK
BT_HCI_UART_CTS
BT_HCI_UART_RTS
NL5500
U1301
(FROM OMAP)
(FROM CPLD)
32KHZ
GPS_SHUTDOWN
IN
IN
GPS UART
(FROM OMAP UART TX)
(TO OMAP UART RX)
100K
0
0
R1323
R1322
R1308
GPS_RX
GPS_TX
IN
OUT
0
0
R1307
R1306
BT_TX_DBG
OUT
(FROM AVR)
(FROM AVR)
(FROM AVR)
BT_WAKEUP_1.8V
BT_SHUTDOWN_1.8V
BT_HOST_WAKEUP_1.8V
TEST_POINT
0
0
0
0
R1304
R1302
R1326
R1325
TP1311
1
(FROM AVR)
(FROM AVR)
(FROM AVR)
BT HCI UART
(FROM AVR)
BT_UART_TX_1.8V
BT_UART_RX_1.8V
BT_UART_RTS_1.8V
BT_UART_CTS_1.8V
(FROM OMAP)
(FROM OMAP)
(FROM OMAP)
(FROM OMAP)
BT AUDIO
BT_AUD_CLK
BT_AUD_IN
BT_AUD_FSYNC
BT_AUD_OUT
IN
IN
IN
OUT
(REMOVE LATER)
(REMOVE LATER)
(REMOVE LATER)
(REMOVE LATER)
0
0
0
0
R1332
R1331
R1330
R1329

8-76 Schematics, Boards Overlays, and Parts Lists: Main Board Block: 700–800 MHz (84012501002)
Figure 8-47. GPS Bluetooth Circuit – 2 of 2
X
X
3.3V LDO
DNP
GPS_BT_3.3V
V_SW_3.60
0
0
0
VCC_1.85
R2451
R2406
R2405
GND2GND1
BYPASS
SENSE
INPUT
NC
OUTPUT
4.7UF
LP2989
4.7UF .01UF
C2416
U2402
C2415C2414
8
6
5
2
4
9
3
7
1
ERRORSHUTDOWN
X
XA1
A2
VCCA
VCCB
GND
B1
B2
DIR
VCC_1.85
100K
100K .1UF
SN74LVC2T45
.1UF
VCC_1.85 GPS_BT_3.3V C2445
U2407
C2439
R2459
R2454
BT_UART_TX_1.8V
BT_UART_RTS_1.8V
BT_UART_TX_3.3V
BT_UART_RTS_3.3V
A2
A1
D1
D2
C2
B2
C1
B1
OUT
4.7K TP2413
R2458
1
X
VCC_1.85
100K
VCC_1.85
0
.1UF
R1312
C2438
R2453
BT_HOST_WAKEUP_1.8V
BT_AVR_RESET
IN
A1
A2
VCCA
VCCB
GND
B1
B2
DIR
GPS_BT_3.3V
.1UF
SN74LVC2T45
C2444
U2406
BT_HOST_WAKEUP_3.3V
BT_AVR_RESET_3.3V
A2
A1D1
D2
C2
B2
C1
B1
OUT
X
XA1
A2
VCCA
VCCB
GND
B1
B2
DIR
100K
VCC_1.85
GPS_BT_3.3V
GPS_BT_3.3V
SN74LVC2T45
100K
.1UF .1UF R2460
R2455
C2446
C2440
U2408
BT_UART_RX_1.8V
BT_UART_CTS_3.3V
BT_UART_RX_3.3V
BT_UART_CTS_1.8V
A2
A1D1
D2
C2
B2
C1
B1
IN
A1
A2
VCCA
VCCB
GND
B1
B2
DIR 100K
GPS_BT_3.3V
VCC_1.85 GPS_BT_3.3V
.1UF
100K
SN74LVC2T45
.1UF
R2456
R2461
C2447
U2409
C2441
BT_SHUTDOWN_3.3V
BT_WAKEUP_3.3V
BT_SHUTDOWN_1.8V
BT_WAKEUP_1.8V
A2
A1D1
D2
C2
B2
C1
B1
A1
A2
VCCA
VCCB
GND
B1
B2
DIR
VCC_1.85
GPS_BT_3.3V
GPS_BT_3.3V
.1UF
SN74LVC2T45
.1UF
C2448
C2442
U2410
BT_PTT_3.3V
AVR_STATUS_3.3V
AVR_STATUS_1.8V
BT_PTT
A2
A1
D1
D2
C2
B2
C1
B1
OUT
OUT
10K 100K
R2465
R2473
A1
A2
VCCA
VCCB
GND
B1
B2
DIR
100K
SN74LVC2T45
0
GPS_BT_3.3VVCC_1.85VCC_1.85
.1UF
0
.1UF
0
R1314
C2479
R2418
C2477
R2407
U2478
R2450
TP2417
32KHZ
USB_BOOT_3.3V
USB_BOOT_1.8V
32KHZ_3.3V
A2
A1D1
D2
C2
B2
C1
B1
1
IN
IN
VCC_1.85
100K
R2436
ACC_SPKR_UNMUTE_1.8
IN A1
A2
VCCA
VCCB
GND
B1
B2
DIR
GPS_BT_3.3VVCC_1.85
.1UF
SN74LVC2T45
.1UF
C2483
C2468
U2414
ACC_SPKR_UNMUTE_3.3
A2
A1D1
D2
C2
B2
C1
B1
A1
A2
VCCA
VCCB
GND
B1
B2
DIR
VCC_1.85
VCC_1.85GPS_BT_3.3V
100K
.1UF
100K
100K
100K
.1UF
SN74LVC2T45
R2488
C2482
R2479
C2469
U2473
R2472
R2437
BT_SPARE_DIR
BT_SPARE_3.3 BT_SPARE_1.8
A2
A1D1
D2
C2
B2
C1
B1 IO
GPS_BT_3.3VGPS_BT_3.3V
100K 100K
.1UF NLU2G04
C2443 U2411
R2414
R2478
NFC_DAT
NFC_CS 4
6
5
3
1A1
A2
VCCGND
Y1
Y2
USART1_RX
NFC_CS_INV
2
DAT
SDO
XOUT
WAKE
NC2
NC1
NC3
CTGND VCC
SDI
CS
SCL
XIN
GND
VSS
LFN
LF1P
AS3930A
51009735001
100
GPS_BT_3.3V
1UF
R2419
C2465
U2403
6
58
715
14
13
12
10
2
1
4
3
16
9
G1
11
100K
GPS_BT_3.3V
TP2435
R2481
NFC_DAT
1
SPI0_CS2
SPI0_MOSI
SPI0_CLK
USB_BOOT_3.3V
ATMEL_BOOT
NFC_WAKE
BT_UART_RTS_3.3V
USART1_RX
USART1_CLK
SPI0_MISO
MS_INT1
MS_INT2
NFC_CS
BT_UART_CTS_3.3V
BT_UART_RX_3.3V
BT_UART_TX_3.3V
AVR_STATUS_3.3V
100K
GPS_BT_3.3V
R2480
AVR + LF
1%
GPS_BT_3.3V
180PF
100K
150
NL17SZ02
270K
5.1PF
100K
R2474
R2477
R2476
C2457
U2412
R2475
C2454
USART1_TX
TC1_OCA
NFC_COIL
4
2
1
OUT
1000PF
15K
C2475
R2457
NFC_CS_INV
32KHZ_3.3V
VCC
GND
.1UF
NL17SZ02
47
GPS_BT_3.3V
R2441
U2412
C2451
53
GPS_BT_3.3V
100K
R2416
TP2466 ATMEL_BOOT
1
128MB SDRAM
GPS_BT_3.3V
NC
NC
DATA01
DATA02
DATA00
DATA04
DATA03
DATA06
DATA07
DATA08
DATA11
DATA12
DATA14
DATA13
DATA15
LDQM
UDQM
DATA10
DATA09
DATA05
G1
E2
E8
F1
D2
E1
E9
D8
D9
C8
C9
B8
A2
B1
B2
C1
C2
D1
B9
A8
CKE
CLK
CAS
CS
RAS
WE
A0
A1
A2
A3
A4
A5
A6
A7
A8
A9
A10
A11
BA0
BA1
DQ0
DQ1
DQ2
DQ3
DQ4
DQ5
DQ6
DQ7
DQ8
DQ9
DQ10
DQ11
DQ12
DQ13
DQ14
DQ15
DQMH
DQML
NC1
NC2
VDD1
VDD2
VDD3
VDDQ1
VDDQ2
VDDQ3
VDDQ4
VSS1
VSS2
VSS3
VSSQ1
VSSQ2
VSSQ3
VSSQ4
20
MT48LC8M16A2
U2413 R2467
SDCKE
SDWE
RAS
CAS
SDRAM_CS
SDCK
BA1
BA0
SDA00
SDA01
SDA05
SDA04
SDA02
SDA03
SDA06
SDA09
SDA10
SDA08
SDA07
SDA11
F9
D3
C7
B3
A7
J9
E7
A9
F8
G9
F2
F3
F7
G8
G7
G3
H1
H2
H3
J2
J3
J7
J8
G2
H9
H8
H7
D7
C3
B7
A3
J1
E3
A1
ACCELEROMETER
GPS_BT_3.3V
100K
100K
R2434
R2433
MS_INT1
MS_INT2
NC1
NC2
SDO_SA0
INT_2
GND3
GND2
GND1
SCL_SPC
RSVD2
VDD_IO
VDD
RSVD1
GND4
SDA_SDI_SDO
CS
INT_1
NC
NC
GPS_BT_3.3V
GPS_BT_3.3V
10UF
0
.1UF
LIS331DL
C2478
R2493
C2449
U2416
SPI0_MOSI
SPI0_MISO
SPI0_CLK
SPI0_CS2
1
14
7
6
4
15
10 3
2
9
11
16
13
12
5
8
GPS_BT_3.3V
100K
100K
100K
100K
R2497
R2466
R2452
R2449
VDD
GND
GPS_BT_3.3V
10PF
150
0
0
.1UF
DS0211AR
40.2MHZ
C2473
R2412
R2408
R2435
C2474
Y2475
12M_CLK_IN
4
31
2
OUT
OE
12MHZ OSC
TP2415TP2414
BT_AVR_USB_DP_TP
BT_AVR_USB_DP
BT_AVR_USB_DM
BT_AVR_USB_DM_TP
1
1
IO
IO
SB1
B0
VCCGND
A
.1UF
GPS_BT_3.3V
FSA4157L6X
C1316
U1334
2
1
5
6
43
IO
SB1
B0
VCC
GND
A
FSA4157L6X
GPS_BT_3.3V
.1UF
C1340
U1335
2
1
5
6
43
IO
100K
R1333
TP1301
AVR_EXT_USB
1
BA1
SDA02
SDA08
SDA06
SDA07
SDA09
SDA04
SDA03
DATA13
SDA00
SDA01
DATA11
LDQM
DATA15
DATA14
DATA12
SDA05
SDA11
BA0
H1
H4
H3
G5
G3
G4
F3
C2
E3
E4
D4
D5
C5
E6
C6
D6
D7
E7
C7
C8
D8
C11
E9
E10
F8
D11
D12
AT32UC3A
0
1UF
R1319
TP2436
C2480
TP2437
U2415
BT_AVR_VBUS
BT_AVR_RESET_3.3V
1
1
IN
TDO
PX17
PX18
PX19
PX20
PX21
PX22
PX23
PX24
PX27
PX26
PX25
PX28
PX29
PX30
PX31
PX32
PX33
PX34
PX35
PX37
PX36
PX38
PX39
TCK
RESET
TDI
DP
ADVREF
VBUS
DM
PC00
PC01
PC04
PC03
PC02
PC05
PX00
PX01
PX02
PX03
PX04
PX05
PX06
PX08
PX07
PX09
PX10
PX11
PX12
PX13
PX14
PX15
NC
PX16
TMS
27
27
R2485
R2484
GPS_BT_3.3V
10K
R2489
NC
10K
TP2419
TP2416
R2487
DATA08
DATA10
DATA09
DATA07
DATA06
DATA05
DATA04
DATA03
OSC0_OUT
DATA01
DATA00
PD
DATA02
12M_CLK_IN
UDQM
SDRAM_CS
1
1
E12
G1
J1
F5
M8
F10
J9
J11
K12
H9
L10
M11
K9
M10
L9
M9
L6
M5
K5
J5
J4
K1
K2
G2
C4
B7
A7
G12
C9
NC
NC
JTAG
TP2450
TP2453
TP2452
TP2451
AVR_TDO
AVR_TCK
AVR_TMS
AVR_TDI
1
1
1
1
OUT
IN
IN
IN
100K
GPS_BT_3.3V
4.7UF
100K
1000PF R2496
R2495
C2417
C2472
10K
R2492
F1
C3
A8
B9
A9
A10
A11
A12
B12
B10
D10
C12
D9
F9
G8
F11
F12
G9
G10
G11
H7
J12
H10
J10
L12
K11
J8
J7
K8
H6
J6
10K
10K
R2486
R2490
BT_SPARE_DIR
BT_SPARE_3.3
PD
DNP
100K
1K
GPS_BT_3.3V
DNP
1K
100K
GPS_BT_3.3V
R1328R1327
R1324 R1316
C10
L11
K10
B11
L2
G7
G6
F7
F6
B2
A1
L7
K7
K6
M7
M6
M4
M3
L4
M2
M1
L1
K4
K3
L3
J2
F4
J3
F2
D2
D3
D1
E1
C1
B1
A2
B3
A3
B4
A5
A4
A6
B6
PB00
PB02
PB01
PB03
PB04
PB05
PB08
PB07
PB06
PB09
PB10
PB13
PB12
PB11
PB14
PB15
VDDOUT
VDDIN
VDDANA
VDDPLL
VDDCORE4
VDDCORE2
VDDCORE3
PB16
PB17
PB19
PB20
PB21
PB23
PB25
PB26
PB28
PB27
PB29
PB30
PB31
GND8
GND9
GNDANA
GND6
GND7
VDDCORE1
VDDIO7
VDDIO6
VDDIO5
VDDIO4
VDDIO3
VDDIO2
VDDIO1
PA01
PA00
PA02
PA07
PA06
PA05
PA08
PA09
PA12
PA11
PA10
PA13
PA14
GND3
GND4
GND5
GND2
GND1
PA17
PA15
PA16
PA18
PA19
PA20
PA22
PA21
PA23
PA24
PA25
PA27
PA26
PA28
PA29
PA30
PB24
PB18
PB22
PA04
PA03
AT32UC3A
10K
R2491
U2415
B8
L5
M12
E11
H5
E5
E2
B5
L8
H12
H11
H8
H2
E8
GPS_BT_3.3V
470PF
2.2UF
C2471
C2470
VDDCORE
100K
R2404
TEST_GPIO2
TEST_GPIO1
ACC_SPKR_UNMUTE_3.3
BT_HOST_WAKEUP_3.3V
SDCK
CAS
SDCKE
SDWE
RAS
SDA10
BT_PTT_3.3V
BT_SHUTDOWN_3.3V
BT_WAKEUP_3.3V
BOARD_REV0
BOARD_REV1
BOARD_REV2
BOARD_REV3
BOARD_REV4
TC1_OCA
1K
1K
1K
1K
1K
DNP
R2471R2470
R2469
R2443
R2442
GPS_BT_3.3V
100K
R2444
AVR_USART2_RX
AVR_USART2_TX
IN
OUT
.1UF
.1UF
.1UF
.1UF
.1UF
.1UF
.1UF
.1UF
.1UF
.1UF
.1UF
.1UF
.1UF
.1UF
C2467
C2466
C2464
C2463
C2462
C2461
C2460
C2459
C2458
C2456
C2455
C2453
C2452
C2450

Schematics, Boards Overlays, and Parts Lists: Main Board Block: 700–800 MHz (84012501002) 8-77
Figure 8-48. Top Control and JTAG Circuit
J1
ON_OFF_SWITCH
12
RSB6 100PF
C2115
D2101
J1
TOP_BUTTON 14
FREQ KNOB
JTAG USER BUTTON AND SWITCHES
JTAG<11..0>
IO
V_EXT_1.85
5
11
3
8
4.7K
DNP
TEST_POINT
4.7K
2
DNP
10
6
9
0
4
7
1
R2106
R2105
R2104
F_VREF_1.875V
CPLD_TDO
RTCK
CPLD_TCK
NTRST
OMAP_TDO
TDI_BUFFERED
CPLD_TDI_BUFFERED
CPLD_TMS
OMAP_TMS_BUFFERED
TCK_CONN_BUFFERED_B
NEMU0
NEMU1
1
10K
VCC
GND
VCC
GND
V_EXT_1.85
0.1UF
NC7WZ17NC7WZ17
0.1UF C2114
U2102
U2101
C2104
5
2
5
2
1K
R2107 V_EXT_1.85
NC7WZ17
NC7WZ17
10K
NC7WZ17
U2101
U2102
R2118
U2102
CPLD_TMS_CON
TMS_CON
TDI_CON
61
43
6
V_EXT_1.85
10K 10K 10K
0
10
0
10
22
0
22
10
10
NC7WZ17
R2199
R2198
R2197
U2101
R2114
R2110
R2115
R2116 R2117
R2109
R2111
R2113
R2120
OMAP_TDO_CON
CPLD_TDO_CON
TCK_CON
RTCK_CON
43
1
NEED TO ADD TOGGLE/FREQ SW
REMOVED SECURE SW
ON_OFF_SWITCH
TOP_BUTTON
OUT
OUT

8-78 Schematics, Boards Overlays, and Parts Lists: Main Board Block: 700–800 MHz (84012501002)
Figure 8-49. Lighting Control Circuit
1
SCL2
EN
VREF1
SDA1
SCL1
SDA2
PCA9306
V_EXT_1.85
V_LED_TOP
0.1UF
200K
0.1UF
C2201
C2202
U2202
R2201
I2C_CLK
I2C_DATA
IC2_TRANS_VREF2
7
2
54
63
8
IN
IO
VREF2
GND
REMOVED E2242
REMOVED C2221,C2222,C2214,C2215,C2216
REMOVED L2202,L2203,L2204,L2205,C2211,C2212,C2213,
RADIO TOP LIGHTING
CHANGES:
SCL
RST
SDA
A0
A1
A2
NC1
NC2
NC3
NC4
NC5
NC6
NC7
NC8
VDDGND1
LED0
LED1
LED2
LED3
LED4
LED5
LED6
LED7
GND2
LP3944
V_LED_TOP
0.1UF
0
U2205
C2203
R2207
21
20
19
18
17
16
15
14
13
12
11
10
8
7
6
5
4
3
2
1
25
9
24
23
22
3.3K
3.3K
V_LED_TOP
R2206
R2204
10K
47K
V_EXT_1.85
100PF
DTC114YKAF
10K
V_LED_TOP
C2223
R2254
Q2202
SCL_5V
OMAP_RESET
SDA_5V
1
3
2
510
510
510
2.2K
1K
1K
E2201
R2256
R2255
R2257
E2206
E2207
R2246
R2245
R2244
E2248
E2249
E2247
TX_RX_GREEN_LED
TX_RX_AMBER_LED
BT_BLUE_LED
TX_RX_RED_LED
BT_GREEN_LED
BT_RED_LED
J2
J2
J2
J2
J2
J2
J2
J2
J2
G4
G3
G2
G1
10
6
4
2
1
100PF 0.1UF
V_SW_5
C2225
C2224
100PF
100PF
100PF
100PF
C2229
C2228
C2227
C2226
SPARK_GAP
SPARK_GAP
SPARK_GAP
SPARK_GAP
E2205
E2204
E2203
E2202
2
1
21
2
1
2
1
J2
J2
J2
J2
J2
J2
12
11
9
7
5
3
NFC_CONNECTION
J2
NFC_COIL 8
IN
LIGHTING CONTROLLERS
V_LED_TOPV_SW_5
0
R2235

Schematics, Boards Overlays, and Parts Lists: Main Board Block: 700–800 MHz (84012501002) 8-79
Figure 8-50. GCAI and side control
SIDE CONTROLS
J1
J1
J1
J1
J1
J1
18
16
10
8
6
4
100PF
RSB6
100PF
RSB6
100PF
100PF
RSB6
RSB6
C2334
D2304
D3
C2333
C2332
D2
D1
C2331
10K
V_EXT_1.85
10K
10K
R4007
R4006
R4005
TOP_SIDE_BUTTON
DOWN_ARROW_BUTTON
MIDDLE_SIDE_BUTTON
UP_ARROW_BUTTON IN
IN
IN
IN
J1
J1
J1
J1
J1
J1
J1
J1
G4
G3
G2
G1
1
24
23
2
J1
J1
J1
J1
J1
J1
J1
J1
J1
J1
J1
J1
22
21
20
19
17
15
13
11
9
7
5
3
SPARK_GAP
SPARK_GAP
0
0
2.2
.1UF .1UF
2.2
R2359
R2360
R2356
C2335
R2357
C2336
E2314
E2312
2
1
21
10K
47K
SEL
B0
A
GND
B1
VCC
V_5.0A
V_5.0A
DTC114YKAF
10K
NC7SB3157
R4008
U4003
Q4001
5
6
2
1
3
4
3
2
100PF 100PF
C2338
C2337
1
0
510
RSB6
100
470PF
150
R2361
R2363
C2339
D2305
R2362
R2358
GPIO_4_CTS_KEYFAIL_FILLCLK
GCAI_1WIRE_5V
DNP
470PF
RSB6
0.1UF
DNP
D2306
C2340 C2341
VBUS2
100
TEST_POINT
SPARK_GAP
DNP
E2318
R2364
F_VBUS2
1
GCAI
SPARK_GAP
SPARK_GAP
SPARK_GAP
DNP
TEST_POINT
SPARK_GAP
E2317
E2316
E2313
E2315
F_GCAI_1WIRE
21
21
2
1
2
1
1
SPARK_GAP
SPARK_GAP
E2320
E2319
21
2
1
21
DNP
RSB6
470PF
SPARK_GAP
D2307
C2342
E2321
2
1
DNP
DNP
TEST_POINT
TEST_POINT
F_GCAI_USB-
F_GCAI_USB+
1
1
IO
IO
IO
IO
IO
100PF
100PF
C2344
C2343
MAKO_OPTB_SEL2_GCAI12
GPIO_1_DP_TXDC_FILLREQ
GCAI_1_WIRE
GPIO_2_DM_RXDC_FILLDATA
GPIO_3_RTS_FILLSENSE
EXT_SPKR_POS_DP
KEYFAIL_CTRL
GCAI_GPIO_1_INPUT
EXT_MIC_POS_DP
GCAI_GPIO_2_INPUT
KVL_DETACH
GPIO_0
EXT_MIC_NEG_DP
EXT_SPKR_NEG_DP
KEYFAIL
OUT
IO
IN
IN
IN
OUT
OUT
IN
IO
IO
TEST_POINT
DNP
BAT54HT1G
D4001
GPIO0
1
21
DNP
TEST_POINT TEST_POINT
DNP
SPKR-
SPKR+
1
1
SCL2
EN
VREF1
SDA1
SCL1
SDA2
PCA9306
V_5.0A
V_2.775D
V_5.0A
V_2.775D
3.3K
200K
0.1UF
0.1UF
47K
R4011
C4006
R4010
C4005
R4009
U4001
7
2
54
63
1
8
VREF2
GND
C1
C2
VCCGND
A1
B1
A2
B2
SN74LVC2G66
0.1UF
V_5.0A
V_3.3
3.3K
22K
22K
C4007
R4013
R4012
R4014
U4004
OPTB_SEL3_SWITCH_EN
A2
D1
C1
B2
C2
B1
D2
A1
IN

8-80 Schematics, Boards Overlays, and Parts Lists: Main Board Block: 700–800 MHz (84012501002)
Figure 8-51. Debugging and Display Connector
DEBUGGING AND DISPLAY CONNECTOR
J2401
J2401
J2401
J2401
J2401
J2401
J2401
J2401
J2401
J2401
J2401
J2401
J2401
J2401
J2401
J2401
J2401
J2401
J2401
J2401
J2401
J2401
J2401
J2401
J2401
J2401
J2401
J2401
J2401
J2401
J2401
J2401
J2401
J2401
J2401
J2401
J2401
J2401
J2401
J2401
J2401
J2401
J2401
J2401
G4
G3
G1
39
40
G2
35
36
37
38
34
31
32
33
30
26
27
28
29
22
23
24
25
18
20
19
21
17
13
14
15
16
9
10
11
12
5
6
7
8
1
2
3
4
V_EXT_1.85
10K
V_2.775D
R2401
IN
IN
IN
IN
IN
IN
IN
IN
IN
IN
IN
IN
IN
IN
IN
IN
IN
IN
VBUS1
GPS_BT_3.3V
AVR_USART2_TX
AVR_USART2_RX
BT_TX_DBG
BT_AVR_RESET_3.3V
BT_AVR_USB_DP_TP
VBUS1
USB_BOOT_1.8V
BT_HCI_TX
BT_HCI_RX
BT_AVR_USB_DM_TP
AVR_MACE_TDI
AVR_MACE_TMS
TCK_CON
NTRST
CPLD_TDO_CON
RTCK_CON
TDI_CON
T_DISP_DATA_CMD
T_DISP_SPI_CLK
TMS_CON
AVR_TCK
T_DISP_SPI_MOSI
T_DISP_RESET
T_DISP_SPI_CS
T_DISP_TOGGLE
AVR_MACE_TDO
CPLD_TMS_CON
OMAP_TDO_CON
IN

Schematics, Boards Overlays, and Parts Lists: Main Board Block: 700–800 MHz (84012501002) 8-81
Figure 8-52. Connectors
CONNECTORS
J3
J3
J3
J3
J3
J3
J3
J3
J3
J3
J3
J3
J3
J3
J3
J3
J3
J3
J3
J3
J3
J3
J3
J3
J3
J3
J3
J3
J3
J3
J3
J3
J3
J3
3
2
1
5
4
6
7
10
9
8
12
11
15
14
13
17
16
20
19
18
21
22
23
24
25
26
27
28
29
30
31
33
32
34
V_EXT_1.85
47K 0 0
R22
R21R1
MACE_TDI
MACE_NTRST
MACE_TMS
MACE_TCK
MACE_TDO
ETM<1..14>
OUT
OUT
OUT
OUT
OUT
OUT
10
9
12
8
7
6
4
5
3
14
2
11
1
13

8-82 Schematics, Boards Overlays, and Parts Lists: Main Board Block: 700–800 MHz (84012501002)
Figure 8-53. CPLD Circuit
OUT
Y
NC
GND VCC
B
A
V_EXT_1.85
22K
NC7SP08
R6102
HIGH_SECURE_DATA_GATE
SSI_RED_TX_CODEC
SSI_RED_TX_CPLD
4
6
5
3
2
1
U6103
0.1UF 0.1UF0.1UF0.1UF
C6109 C6110 C6111C6108
0
R6105
P11
H3
M1
B9
D3
N10
M9
M10
P2
N2
M2
P6
N7
M7
P8
K1
K3
N8
M8
H12
H13
J13
J12
K14
K13
L14
P9
P10
N11
M11
P12
P14
L13
L12
M14
M13
L1
L2
M12
N14
N13
N6
M6
P5
N5
M5
N4
G2
G3
H1
H2
J1
J2
M4
P3
N3
M3
L3
10
7
9
11 CPLD_TDI
CPLD_TCK
CPLD_TDO
CPLD_TMS
JTAG<11..0>
0.1UF
C6115
SSI_MAKO_CLK
EMIFS_ADDR_3
EMIFS_ADV
EMIFS_ADDR_4
10K
180
R6122
R6107
EMIFS_ADDR_5
EMIFS_ADDR_2
EMIFS_ADDR_1
24_MHZ_CLK
SSI_RED_RX_CODEC
SSI_OPT_CLK
SSI_OPT_FSYNC
OUT
OUT
SSI_RED_TX_CPLD
UP_ARROW_BUTTON
DOWN_ARROW_BUTTON
SSI_MAKO_CLK
SEC_CLEAR
SSI_OMAP_CLK
SSI_OMAP_FSYNC
IN
IN
IN
T_DISP_DATA_CMD
T_DISP_RESET
BT_AVR_RESET
5V_PWM_EN
OUT
OUT
OUT
DNP
TEST_POINT
TP6101 1
KVL_DETACH
BAT54HT1G
10K
D6101
R6101
TOP_SIDE_BUTTON
21
IN
IN
V_EXT_1.85
V_EXT_1.85
DNP
10K
R6104
B_ID 8
1K
R6106
VOCON_ID
AVR_BOOT
OPT_GPIO_0
EMERG_BTN_X
SSI_MAKO_FSYNC
OUT
B_ID 6
F13
F14
F12
G12
G13
B5
A8
C9
A10
B10
E13
E12
D14
D13
D12
C14
C13
B13
A13
C10
A11
B11
C11
A12
B12
C12
G1
F1
F2
F3
E1
E2
E3
B7
C7
A6
B6
C6
A5
D1
D2
C1
C2
C3
B1
B2
A1
C5
A4
B4
A3
C8
B8
B14
E14
H14
J14
N12
N9
P4
N1
B3
A9
K2
BRD_ID_1
BRD_ID_3
BRD_ID_2
BRD_ID_4
B_ID 5
BRD_ID_0
10K
10K
10K
R6121
R6119
R6120
V_EXT_1.85
V_EXT_1.85 V_EXT_1.85V_EXT_1.85
A7
C4
A14
P13
G14
P7
J3
A2
K12
P1
XC2C256
U6101
GND8
GND9
GND1
GND5
IO42
IO43
IO36
IO37
IO38
IO53
IO49
IO50
IO51
IO44
IO45
IO46
GND2
GND3
GND4
IO52
VCCIO1_A
VCCIO1_B
VCCIO1_C
VCC2
VCCIO2_A
VCCIO2_B
VCCIO2_C
GND7
VCCIO1_D
VCC1
VCC3
IO101
GND6
GND10
GND11
IO100
IO10
IO11
IO4_GCK0
IO5
IO6
IO23
IO16
IO17
IO18
IO19
IO12
IO13
IO14
IO31
IO24
IO25
IO26
IO27
IO20
IO21
IO22
IO39
IO32
IO33
IO34
IO35
IO28
IO29
IO30
IO47
IO40
IO41
VAUX
IO90
IO91
IO102
IO103
IO104
IO84
IO85
IO97
IO98
IO99
IO89
IO79
IO80
IO92
IO93
IO48
IO95
IO96
IO105
IO106
TDI
TDO
IO7_CDRST
TMS
IO1
IO2_GCK1
IO3
TCK
IO15
IO8_GCK2
IO9_DGE
IO54_GSR
IO56
IO60
IO78
IO58_GTS2
IO59_GTS3
IO70
IO71
IO72
IO61_GTS0
IO62_GTS1
IO65
IO66
IO67
IO57
IO55
IO94
IO74
IO75
IO86
IO87
IO88
IO68
IO69
IO81
IO82
IO83
IO73
IO63
IO64
IO76
IO77
0.1UF
0.1UF 0.1UF
0.1UF
0.1UF
0.1UF
C6114
C6113
C6112
C6105 C6106 C6107
10K
47K
V_5.0A
DTC114YKAF
10K
R6117
Q6101
F2_PARAMP_MON
1
3
2SEL
B0
A
GND
B1
VCC
V_5.0A
0.1UF
NC7SB3157
C6104
U6102
MAKO_OPTB_SEL1_GCAI
F2_PARAMP
GPIO_3_RTS_FILLSENSE
25
6
1
3
4IO
Y
NC
B
A
V_EXT_1.85
NC7SP08
U6104
4
6
5
3
2
1
GND VCC
Y
NC
B
A
22K
22K
NC7SP08
R6118
R6103
U6105
SSI_MACE_TX_DIN
SSI_RED_TX_CODEC
SSI_BLACK_RX
4
6
5
3
2
1
OUT
A
BNC
Y
GND VCC
120
R6113 4MHZ_MACE_CLK
OUT
OUT
13PF
DNP
C6155
FLASH_DATA<15..0>
FLASH_ADDR<25..1>
3
0
2
2
2
4
3
5
4
1
8
0
1
EMIFS_DATA_0
EMIFS_DATA_1
EMIFS_DATA_2
EMIFS_DATA_3
EMIFS_ADDR_5
EMIFS_CPLD_CS
EMIFS_OE
EMIFS_ADV
SPI_DSP_CLK
EMIFS_ADDR_4
EMIFS_ADDR_3
EMIFS_DATA_4
EMIFS_ADDR_1
EMIFS_ADDR_2
0
1
2
SPI_ARM<2..0>
SPI_ARM_MOSI
SPI_ARM_MISO
SPI_ARM_CLK
0
2
1
3
SSI_SAP<3..0>
SSI_BLACK_TX
SSI_BLACK_RX
SSI_RED_RX_CODEC
SSI_RED_TX_CODEC
32K_CPLD_CLK
F2_TIMER_DMCS
32KHZ_GPS_CLK
MACE_RESET
EMIFS_CPLD_CS
EMIFS_DATA_3
EMIFS_DATA_2
EMIFS_DATA_4
F2_PARAMP_MON
OMAP_RESET
EMIFS_OE
MAKO_RESETX
MACE_WAKEUP
F2_PARAMP
EMIFS_DATA_1
RX_FSYNC
USB_CRNT_LMT
F2_DMCS
EMIFS_DATA_0
SSI_BLACK_RX
SSI_BLACK_TX
100
TEST_POINT
DNP
100
TP6105
R6114
R6115
1
DNP
TEST_POINT
TP6106
SECURE_HIGH_NORM
KEYFAIL_CTRL
RF_BRD_RSTB
SSI_CODEC_FSYNC
SSI_RED_RX_MACE
GPS_SHUTDOWN
OPT_GPIO2
F2_TIMER_OUT
OPT_GPIO1
F2_TIMER_PARAMP
SSI_BLACK_TX_MACE
1
OUT
OUT
13PF
330
DNP
C6156
R6108
FLASH_CTRL<8..0>
SSI_CODEC_CLK
IN
OUT
CHANGES MADE
DELETE FREQ_SEL(3..0>
BOARD ID 4 3 2 1 0
DNP
1K1K
DNP DNP
1K1K1K 1K
R6112 R6116R6125 R6109 R6111R6110
V_EXT_1.85
DNP
TEST_POINT
TP6107
1

Schematics, Boards Overlays, and Parts Lists: Main Board Block: 700–800 MHz (84012501002) 8-83
Figure 8-54. OMAP User Interface Circuit
REMOVED R6202,R6201
CHANGES:
G20
B18
N21
D16
D17
C18
B19
A20
H13
G14
C19
D15
C16
A17
G13
B17
C17
B21
D18
C15
C20
N19
B15
LCD_PIXEL_10
LCD_PIXEL_11
LCD_PIXEL_12
LCD_PIXEL_13
LCD_PIXEL_14
KBC_5
LCD_PIXEL_15
KBR_4
KBR_0
KBR_1
KBR_2
KBR_3
KBC_0
KBC_1
KBC_2
KBC_3
KBC_4
LCD_PCLK
LCD_AC
LCD_VSYNC
LCD_HSYNC
LCD_RED0
LCD_BLUE0
SOSSI_TE
LCD_PIXEL_0
LCD_PIXEL_1
LCD_PIXEL_2
LCD_PIXEL_3
LCD_PIXEL_4
LCD_PIXEL_5
LCD_PIXEL_6
LCD_PIXEL_7
LCD_PIXEL_8
LCD_PIXEL_9
OMAP1710
U6302
T_DISP_TOGGLE
E19
E20
H14
F19
G18
G19
C21
E18
D19
D20
F18
OUT
NC
LCD CONTROL
LCD DATA
KEYPAD
CHANGES:
REMOVE R6203,R6214
REMOVE KEYPAD, DISPLAY LINES
IN
OUT
IO
OUT
I2C_DATA
SPI_DSP_MISO
BT_PTT
I2C_CLK
OMAP_RESET
MAKO_RESETX
JTAG
6
2
4
3
8
0
1
5
JTAG<11..0>
NEMU0
NEMU1
TDI
OMAP_TMS
USB_INT_X
TCK
NTRST
OMAP_TDO
RTCK
IO
V_EXT_1.85
10K
DNP
4.7K
10K
10K
10K
10K
R6204
R6205
R6215
R6210
R6213
R6212
V_EXT_1.85
4.7K
4.7K
TEST_POINT
DNP
R6209
R6208
F_MPU_BOOT
1
OMAP_MPU_BOOT
MORTABLE
V17
AA19
Y19
W18
Y4
V20
T18
Y17
AA20
P12
R12
Y18
W17
V16
V19
U20
J20
AA17
Y5
W13
AA9
R19
V18
MCSI1_SYNC
SYS_CLK_IN
MPU_BOOT
CONF
GPIO_1
CAM_RSTZ
CAM_EXCLK
CAM_LCLK
CAM_VS
CAM_HS
CAM_OUTCLK
CAM_D_0
CAM_D_1
CAM_D_2
CAM_D_3
CAM_D_4
CAM_D_5
CAM_D_6
CAM_D_7
GPIO_18
GPIO_12
GPIO_15
MCBSP2_CLKR
MCBSP2_CLKX
MCBSP2_RSYNC
MCBSP2_XSYNC
MCBSP2_DOUT
MCBSP2_DIN
NEMU1
RTCK_NSBCAN
TCK
NTRST
TMS
TDO
TDI
NEMU0
SCL
SDA
GPIO_55
GPIO_26
RST_OUT
PWRON_RESET
MPU_RST
RESET_MODE
GPIO_7
MPUIO_1
OMAP1710
U6302
JTAG
CAMERA
GPIO
RF BASEBAND &
MISC GPIO
RESET
I2C
1
2
0
2
1
0
W7
W6
AA5
P10
Y6
V7
R9
M20
N18
L18
M19
Y15
J15
L15
H19
J18
J19
J14
K18
K19
K15
K14
L19
BT_SPARE_1.8
ACC_SPKR_UNMUTE IO
OUT
TX RX SSI
16.8_MHZ_CLK
RX_FSYNC
F2_TIMER_DMCS
UART2_GPS_RX
TRIDENT_SSI<2..0>
ABACUS_SSI<2..0>
IN
IO
IO
V_2.775D V_2.775D
100K 2K
10K LMV7219
100PF
1000PF
1K
0.1UF
100K
R6218
C6202
C6203
C6201 R6217
R6207
R6206
R6211 U6201
16.8_MHZ_CLK
16.8_MHZ_SINEWAVE
25
1
3
4
IN
16MHZ SQUARER

8-84 Schematics, Boards Overlays, and Parts Lists: Main Board Block: 700–800 MHz (84012501002)
Figure 8-55. Memory Interface
OMAP1710
U6302
DDR INTERFACE
E9
D1
C9
B1
A7
K9
F9
A9
V_EXT_1.85
MT46H16M16LF
U6301
10K
DNP
DNP
TEST_POINT
TEST_POINT
TP6308
TP6307
R6301
1
1
D9
H12
C9
C3
B3
B12
G9
G11
G12
B9
G10
A1
B6
H11
H9
H10
B8
B2
A2
H8
H7
D10
C8
B4
D4
C14
G8
0
9
7
6
5
13
4
11
2
3
1
8
10
12
DDR_ADDR<13..0>
4
5
3
2
1
0
DDR_CRTL<6..0>
DDR_BANK1
DDR_CAS
DDR_RAS
DDR_BANK0
DDR_WE
DDR_CLKE
DDR_CLK_1
DDR_LDM
DDR_DQSL
DDR_DQSH
DDR_UDM
DDR_CS
DDR_CLKX_1
12
13
14
7
8
9
10
11
2
3
4
5
6
1
0
15
C4
D14
C10
D8
C7
D5
D7
C5
C12
D12
D13
C11
C13
D11
C6
D6
SADD_3
SDATA_2
SDATA_1
SDATA_0
SDATA_15
SDCLKX
SDCLK
SDCLK_EN
NSWE
SBANK_0
SBANK_1
NSRAS
NSCAS
CS_SDRAM
NSDQMU
NSDQML
DSQ_H
DSQ_L
SDATA_14
SDATA_13
SDATA_12
SDATA_11
SDATA_10
SDATA_9
SDATA_8
SDATA_7
SDATA_3
SDATA_4
SDATA_5
SDATA_6
SADD_0
SADD_1
SADD_2
CONTROL
DATA
ADDRESS
SADD_4
SADD_5
SADD_6
SADD_7
SADD_8
SADD_9
SADD_10
SADD_11
SADD_12
SADD_13
DDR_DATA<17..0>
12
11
10
9
8
7
6
5
4
3
2
1
0
2
5
1
3
4
0
DDR_BANK0
DDR_ADDR<12>
DDR_ADDR<10>
DDR_CS
DDR_RAS
DDR_LDM
DDR_UDM
DDR_CAS
DDR_ADDR<8>
DDR_ADDR<2>
DDR_ADDR<3>
DDR_ADDR<4>
DDR_ADDR<5>
DDR_ADDR<6>
DDR_ADDR<7>
DDR_ADDR<9>
DDR_ADDR<11>
DDR_WE
13
G7
F2
G9
F8
H7
G1
G3
G2
G8
H9
H8
H1
J3
J2
J1
K3
K2
K8
K7
H3
H2
J7
J9
J8
E1
D9
C1
B9
A3
K1
F1
A1
DNP
TEST_POINT
DNP
TEST_POINT
TP6304
TP6303
1
1
14
15
13
1
8
4
5
6
3
0
10
2
7
12
11
9
DDR_DATA<14>
DDR_DATA<15>
DDR_DATA<10>
DDR_DATA<12>
DDR_DATA<13>
DDR_DATA<2>
DDR_DATA<0>
DDR_DATA<1>
DDR_DQSL
DDR_DQSH
DDR_DATA<6>
DDR_DATA<5>
DDR_DATA<4>
DDR_DATA<3>
DDR_DATA<8>
DDR_DATA<7>
DDR_DATA<9>
DDR_DATA<11>
E2
F7
F3
E8
D2
E3
E7
D8
D7
C8
C7
B8
A2
B3
B2
C3
C2
D3
B7
A8
NC
UDQS
DQ0
DQ2
DQ3
DQ4
DQ5
DQ6
DQ7
DQ8
DQ9
DQ11
DQ10
DQ13
DQ12
DQ14
DQ15
NC2
NC1
VSSQ5
VSSQ3
VSSQ4
BA0
BA1
A0
A2
A1
A3
A4
A5
A6
A7
A8
A10_AP
A9
A11
VSSQ1
VSSQ2
VSS3
VSS2
VSS1
A12
UDM
LDM
DQ1
VDD1
VDD2
VDD3
VDDQ1
VDDQ2
VDDQ3
VDDQ4
VDDQ5
LDQS
CLK
CLK*
EN_CS
RAS
CAS
EN_CLKE
WE
0.1UF
0.1UF
1UF
0.1UF
0.1UF
1UF
C6306
C6305
C6304
C6303
C6302
C6301
TEST_POINT
0
8DNP
DNP
TEST_POINT
TP6306
TP6305
1
1
FLASH INTERFACE
PA_SHTDN
1.8K
OMAP1710
R6492
U6302
FLASH_CTRL<8..0>
PA_SHTDN
V_EXT_1.85
7
10K
R6316
FLASH_RDY
V_EXT_1.85
1
0
33
0
6
4
3
10K
33
33
2
R6306
R6304
R6310
R6311
R6313
FLASH_OE_A
33
2
6
DNP
8
3
4
33
1
TEST_POINT
0
R6312
R6314
TP6302
1
V4
W2
W1
U4
N8
M4
M3
M7
L4
V2
N3
F3
J7
E3
F4
D2
E4
C1
E1
L7
K3
K4
L8
F2
D3
J3
J4
J2
K7
H3
H4
K8
G2
G3
G4
J8
7
1
2
8
6
22
23
24
17
18
14
16
15
12
13
9
7
5
11
25
19
20
21
4
3
10
15
14
13
12
11
10
9
8
7
5
6
2
3
1
0
4
T2
R4
R3
R2
P7
P4
P2
N7
V3
T4
U3
U1
P8
T3
N2
N4
NFWP
FCLK
FRDY
FADD_1
FADD_2
FADD_3
FADD_4
FADD_6
FADD_7
FADD_8
FADD_9
FADD_10
FADD_11
FADD_12
FADD_13
FADD_14
FADD_15
FADD_16
FADD_17
FADD_18
FADD_19
FADD_20
FADD_21
FADD_22
FADD_23
FADD_24
FADD_25
FDATA_0
FDATA_1
FDATA_2
FDATA_3
FDATA_4
FDATA_5
FDATA_6
FDATA_7
FDATA_8
FDATA_9
FDATA_10
FDATA_11
FDATA_12
FDATA_13
FDATA_14
FDATA_15
NF_ADV
NFCS_0
NFCS_1
NFCS_2
NFCS_3
NFOE
NFRP
NFWE
DATA
CONTROL
ADDRESS
FADD_5
ADDED PA_SHTDN TO PORT M7 & R6492
CHANGES MADE
FLASH_ADDR<25..1>
FLASH_DATA<15..0>
8
3
22
21
25
4
6
7
9
10
11
15
16
17
19
20
23
24
18
13
12
5
2
1
14
C6
G8
D4
F8
E6
B4
F6
B3
A3
C2
A2
D2
D1
C1
B8
B6
H8
G1
A8
C8
C7
B1
B7
A7
D8
D7
C5
B5
A5
C4
D3
C3
A1
H6
H4
H2
B2
NC
NC
NC
NC
NC
6
0
2
3
4
5
7
9
12
13
14
11
15
8
10
1
F7
H1
G2
F1
E8
E3
E1
H7
G6
G5
E5
E4
G3
E7
G7
H5
F5
F4
F3
E2
F2
0105955U25
U6304
A4
G4
D6
D5
H3
A6
0.1UF 0.1UF0.1UF 0.1UF
C6311
C6310C6309C6308
V_FLASH
V_EXT_1.85
A26_1G
A24
A23
A25_512M
A21
A22
A20
A19
A18
A17
A16
A15
A14
A13
A11
A12
A8
A10
A9
A7
A6
A3
A5
A4
A1
A2
RFU1
DQ8
WAIT
DQ0
VSS4
VCCQ2
RFU3
RFU2
DQ3
DQ5
DQ9
DQ10
DQ11
DQ1
DQ2
DQ4
DQ15
VSS2
VSS3
VCC2
DQ12
RFU4
DQ7
DQ6
VCC1
VPP
VSS1
DQ14
DQ13
VCCQ1
VCCQ3
CLK
CE
OE
WE
RST
WP
ADV
MMC INTERFACE
U6302
F2_TIMER_OUT
DNP
TEST_POINT
TP6301 AVR_STATUS_1.8V
1
OUT
REMOVE R6305, R6307, R63050
CHANGES: REMOVE RSW_A, RSW_B, RSW_INT
OMAP1710
OPTION CARD INTF
MEMORY CARD INTF W19
V5
R10
W15
V8
W8
V9
Y8
Y10
R18
M14
P18
P20
W11
W10
V10
R11
P19
P11
M15
V11
MMC1_CLK
MMC1_CLKIN
MMC1_CMD
MMC1_CMDDIR
MMC1_DATDIR0
MMC1_DATDIR1
MMC1_DATDIR2
MMC1_DATDIR3
MMC1_DAT0
MMC1_DAT1
MMC1_DAT2
MMC1_DAT3
MMC2_CLK
MMC2_CMD
MMC2_CMDDIR
MMC2_DATDIR0
MMC2_DATDIR1
MMC2_DAT0
MMC2_DAT1
MMC2_DAT2
MMC2_DAT3

Schematics, Boards Overlays, and Parts Lists: Main Board Block: 700–800 MHz (84012501002) 8-85
Figure 8-56. Audio Circuit
V_EXT_1.85
0
0.1UF0.1UF
C6411
R6411
C6410
V_CODEC_1.875
AA
C9
H9
H1
C1
J1
B1
AUDIO CODEC
10K
MIC_BIAS_FILT
V_5.0A
1.2K
TEST_POINT
R6406
R6405
MIC_BIAS
1
INNEGA
INPOSA
INNEGB
INPOSB OUTB
OUTA
VPOS
VNEG
LMC6035ITLX
51K 0.1UF
MIC_BIAS
1UF
200K
2.2K
U6402
R6404
R6401
C6402
R6402
C6403
B1
B3
A1
C1
A3
C3
A2
C2 A
AAA
MIC_BIAS_FILT
10K
V_EXT_1.85
R6410
IN
SSI_CODEC_CLK
SSI_CODEC_FSYNC
OMAP_RESET
SSI_RED_RX_CODEC
I2C_CLK
I2C_DATA
J9
F9
E8
D8
C8
H8
D7
D6
D5
D4
D3
C7
C6
C5
E3
C4
A7
B2
A2
A1
B3
G8
B4
A3
A4
B5
B7
B6
A6
A5
J8
E9
G9
DNP
TEST_POINT
CODEC_GPIO1
CODEC_GPIO1
1
0.1UF
C6406
A
NC
NC
NC
NC
NC
NC
NC
NC
NC
NC
NC
NC
NC
NC
NC
NC
NC
NC
REMOVED C6415
CHANGES:
REMOVED AUDIO_MIC_NEG_DP,
REMOVED AUDIO_MIC_POS_DPC6408,C6412,C6407,C6403,R6407
TEST_POINT
DNP
100PF
TP6102 C6428
EXT_MIC_NEG_DP
EXT_MIC_POS_DP
1
IN
IN
0.1UF
IF
IF6404
C6404
EXT_MIC_POS_DP_A
1
A
0.1UF
TLV320AIC33IZQER
0.1UF
C6414C6413
U6405
AA
V_3.0A
SSI_RED_TX_CODEC
OUT
D9
F2
E2
H2
G2
D2
C2
AAA
NC0
AVSS_DAC2
AVSS_ADC2
AVSS_ADC1
DRVSS2
DRVSS1
DVSS
NC10
NC8
NC7
NC6
NC5
NC4
NC3
NC2
GPIO2
GPIO1
MICDET
MICBIAS
MIC3L
MIC3R
LINE2RM
LINE2RP
LINE2LM
LINE2LP
LINE1RM
LINE1RP
LINE1LM
SDA
SELECT
AVSS_DAC1
NC9
NC1
LINE1LP
SCL
RESET
LEFT_LOP
NC17
AVDD_DAC
DRVDD2
DRVDD1
IOVDD
DVDD
NC29
NC28
NC27
NC26
NC25
NC24
NC23
NC22
NC21
NC20
NC19
NC18
NC16
NC15
NC14
NC13
NC12
NC11
MFP3
MFP2
RIGHT_LOM
RIGHT_LOP
LEFT_LOM
MONO_LOM
MONO_LOP
HPRCOM
HPROUT
HPLCOM
HPLOUT
DOUT
WCLK
BCLK
DIN
DRVDD3
MFP0
MFP1
MCLK
J6
J7
H7
H6
H5
H4
H3
G7
G6
G5
G4
G3
F7
F6
F5
F4
F3
E7
E6
E5
E4
J2
J3
A9
A8
B9
B8
J4
J5
G1
F1
D1
E1
F8
NC
NC
NC
NC
NC
NC
NC
NC
NC
NC
NC
NC
NC
NC
NC
NC
NC
NC
NC
NC
NC
NC
NC
NC
NC
SPI_DSP_MOSI
SPI_DSP_MISO
0.1UF
.022UF
0.1UF
330
33
330
C6418
C6419
C6416
R6416
R6417
R6419
PREAMP_NEG_DP
CODEC_SPI_CS
SPI_DSP_CLK
PREAMP_POS_DP
SERIAL
0
2
1
2
3
SPI_DSP_MISO
I2C_CLK
SPI_DSP_MOSI
I2C_DATA
SSI_RED_TX_CODEC
SSI_RED_RX_CODEC
SPI_DSP_CLK
SERIAL INTERFACE
1
0
SPI_DSP<2..0>
SSI_CODEC_CLK
I2C<1..0>
SSI_SAP<3..0>
SSI_CODEC_FSYNC
MAKO AUDIO
UNSW_B+
SW_B+
V_5.0A
V_SAVE
MIC_BIAS
47K
0
BAT54HT1G
R6423
D6401
R6420
F2_PARAMP
21
DNP
TEST_POINT
TEST_POINT
DNP
TEST_POINT
DNP
MAKO_AD_TRIG
MAKO_INT_MICM
MAKO_INT_MICP
MAKO_AD_TRIG
A4
H4
J3
H3
H2
A11
G2
G3
E1
L2
F1
F2
K2
K1
H1
G1
J2
J1
E3
1 B11
1
1
PREAMP_POS_DP
PREAMP_NEG_DP
PA_BPLUS
V_5.0A
0.1UF
2.2K
R6431
C6421
BGAP_COMP
A
22K
47K
TLV3011
R6430
R6429
U6409
62
5
13
4
.022UF
SSM6N36FE
C6420
Q6401
NC
D1
G2
S2
G1
D2
S1
4
1
52
3
6
GND
VIN
V_2.775_EXP
LM4121
0.1UF
120
C6405
R6422
U6408
5
2
1
VOUTEN
ADJ
10K
R6421
4
3
CHANGES:
REMOVED R6414,C6417,R6415
A
TEMP SENSORS
NC
GND
VOUT
V_2.775D
0.1UF
STLM20
OMAP_TEMP_TP
C6409
U6404
TEMP_OMAP
1
1
4
2
3
VOUTNC
NC
VCC
V_2.775D
AT56H09 100PF
100PF
C6425
C6424
U6501
L10
E8
A3
C4
N1
M2
L3
K13
K12
K11
L13
L12
M14
L11
M13
N14
M12
DNP
TEST_POINT
TP_ATOD_8
BATT_STATUS
TEMP_DISP
TEMP_OMAP
1
27K
R6427
TUNE
.01UF
100K2K 680PF
100 C6427
R6428R6426R6425
C6426
EXT_SPKR_NEG_DP
ISET
EXT_SPKR_POS_DP
OUT
OUT
OUT
NC
0.1UF
.22UF
C6423
C6422
A
PA_BPLUS
PA_IN_M
PA_IN_P
INT_SPKR_P
INT_SPKR_M
EXT_SPKR_P
AD_TRIG
TX_RX
MIC_BIAS
EXT_SPKR_M
VREF
VCM2
ADC_VREF
ATOD_0
ATOD_1
ATOD_2
ATOD_3
ATOD_4
ATOD_5
ATOD_6
ATOD_7
ATOD_8
PWR_CTRL
FE_TUNE2
VMES
VCM1
EXT_MIC_M
EXT_MIC_P
INT_MIC_M
INT_MIC_P
BPLUS
VC_OUT_M
VC_OUT_P
VFUSE
TEST
SCAN_EN
FE_TUNE1
A

8-86 Schematics, Boards Overlays, and Parts Lists: Main Board Block: 700–800 MHz (84012501002)
Figure 8-57. MAKO/DC Distribution Circuit
OMAP POWER
V_1.85_IO
OMAP1710
0.1UF 0.1UF0.1UF0.1UF
C6587C6571
U6302
C6585C6583
W20
R21
K20
F20
A21
B16
A13
B7
B1
G1
K2
N1
U2
AA1
Y3
AA7
Y13
AA21
B5
E5
NC
VDDSHV7
VDDSHV8
VDDSHV9
VSS_1
VSS_2
VSS_3
VSS_4
VSS_5
VSS_6
VSS_7
VSS_8
VSS_9
VSS_10
VSS_11
VSS_12
VSS_13
VSS_14
VSS_15
VSS_16
VSS_17
VSS_18
VSS_19
NC1
VDDSHV_RTC
VDD_RTC
VPP
VDD_DLL
VDD_1
VDD_2
VDD_3
VDD_4
VDD1_1
VDD2
VDD2_1
VDD2_2
VDD3_1
VDD3_2
VDD3_3
VDD3_4
VDDA
VDD4
VDDSHV1_1
VDDSHV1_2
VDDSHV2
VDDSHV3
VDDSHV4_1
VDDSHV4_2
VDDSHV4_3
VDDSHV4_4
VDDSHV5_1
VDDSHV5_2
VDDSHV5_3
VDDSHV6
VDD SUPPLY GROUND
A15
A11
L11
W12
V12
U21
L21
Y16
AA11
C2
H2
R1
B14
B10
A7
A5
Y7
AA2
E21
A19
Y21
M2
Y9
Y20
J1
R20
J21
B20
B13
E2
A3
A9
AA3
OMAP_VDD4
OMAP_VDDA
TEST_POINT
OMAP_VPP
OMAP_VDD_DLL
EMIFF DECOUPLING
0.1UF
0.1UF
1UF
0.1UF
0.1UF
0.1UF
0.1UF
0.1UF
0.1UF
0.1UF
0.1UF
C6595
C6501
C6502
C6505
C6509
C6512
C6524
C6510
C6506
C6504
V_COIN_CELL
C6508
V_1.4_CORE
0.1UF
UNSW_B+
0.1UF
0.1UF
0.1UF
1UF
1UF
0.1UF
C6522
C6520
C6523
C6526
C6528
C6529
C6532
C6533
UNSW_B+
IN
V_1.4_CORE
0.1UF
0.1UF
V_SW_1.4
0.1UF
1UF
1UF
1UF
0.1UF
1UF
1UF
C6513
C6515
C6518
C6511
C6507
C6519
C6517
C6516
E6502
330PF 1UF
C6530
C6521
V_1.85_IOV_EXT_1.85
1UF
330PF
C6514
E6501
C6503
V_1.4_CORE
10
10
10
R6503 R6502
R6501
OMAP_VDD_DLL
1UF 0.1UF
0.1UF
C6531 C6527
C6525
OMAP_VDDA
OMAP_VDD4
CHASIS GROUND CONTACT
TEST_POINT
F_GND
1
SW_B+
VRTC
SOCKET
0.1UF
2K
M6502
R6505
C6590
1
2
10UF 32.768KHZ
C6593 Y6502
12
5.6PF 5.6PF
C6541
C6537
MAKO_XTAL_32K_IN
MAKO_XTAL_32K_OUT
2.2UF
TEST_POINT
NTHS5441
DNP
22K
F_UNSW_B+ Q6501
C6534
R6504
FET_ENX
1
5
4
8
7
6
3
2
1
10K
V_EXT_1.85
0
TEST_POINT
DNP
DNP
BAT54HT1G
DNP
DNP
TP6210
MAKO_INT_X
MAKO_RESET_X
R6525
R6507
D6501
TOP_BUTTON
EMERG_BTN_X
ON_OFF_SWITCH
MAKO_RESETX
MAKO_INT
1
1
1
21
IN
IN
VIN
NC1
GND
VOUT
NC2
NC
NC
10K
MC78LC
.33UF
U6511
R6576
C6594
V9_3.0A
32
54
1
Y
NC B
A
V_2.775D
4.7K
NC7SP08
R6577
U6509
4
6
5
3
2
1
NC
A
B
GND
YVCC 100PF
4.7K
2.2PF
18PF
100K
R6578
C6591
R6574
C6592
C6535
22PF
DNP
0
C6596
R6533
24_MHZ_CLK
2.2UF
V_SAVE
0C6538
R6506
V_BAT_7V5
1000PF
0
2.2UF
R6591
C6539
C6540
IN
GND1
GND
OUT
24.576MHZ
TZ0281D
18PF
C6536
Y6501
MAKO_TCXO_24MHZ_OUT
MAKO_TCXO_24MHZ_IN
13
4
2
V_EXT_1.85
VCC
GND
0.1UF
NL17SZ32
C6572
U6510
53
10K
DNP
V_SAVE
V_SW_5
TEST_POINT
0
0.1UF
47K
TP6599
R6598
C6542
R6508
1
23
1
R6599
D9
H5
D14
L4
K9
G5
J4
M7
P5
10K
R6511
0.1UF
2SC5663
100K
C6543
R6509
U6502
VBUS2
10K .1UF 10K
R6535
C6557
R6531
VBUS2_SUPPLY
CRNTLMT_FB
91K
R6536
CRNTLMT_DIV_OPT
32SK3541
Q6504
USB_CRNT_LMT
2
1
VBUS1
4.7UF
200
.2
12K
SSM6J212FE
SSM6J212FE
.1UF
Q6508
Q6502
C6544
R6583
R6584
C6555
R6521
VBUS2_CMD
VBUS1_SUPPLY
4
3
6
5
2
1
4
3
6
5
2
1
B1
C1
A12
A13
C2
D4
M1
B3
C5
D3
E4
D5
B4
G4
F5
E2
F4
B2
F3
D1
D2
NC
NC
NC
NC4
NC3
NC2
NC5
NC6
NC1 NC
NC
NC
NC
NC
NC
AT56H09
U6501
B13
F11
C13
D12
E12
C14
H10
M6
J10
L9
L1
K4
K3
P6
P3
N5
P4
N4
E14
F12
F13
D13
E13
G11
J13
K14
J12
J14
L14
H11
J11
H12
G12
G13
G14
F14
H14
H13
A2
C3
B14
M5
P14
P1
A14
A1
MAKO POWER
V_SAVE
10K
R6579
PGLDO3
SW5_VDD
SW1_DH
SW1_PHASE
SW1_VOUT
SW1_GND
SW1_VDDHV
SW1_VSEN_BUK
SW1_VSEN_BST
SW1_SUMCOMP_DL
PGLDO2
RESETX
GATED_32K_CLK
INT_X
HV_BG
FET_ENX
EMERG_PB
MECH_SW
SW_TYPE
IGN_X
VSAVE
SW2_GND
BAT_RTC
SW2_VOUT
SW2_LX
SW2_VCCS
SW2_VCC
SW5_SUMCOMP
SW5_VSENSE
SW5_VDDHV
SW1_VDD
BAT_7V5
BAT_3V6
REG_3V6
BAT_TYPE
XTAL32_OUT
XTAL32_IN
V10_O
V10_I
V09_O
V07_O
V06_O
VBUS1_CMD
VBUS1_SENS
VBUS1
VBUS2
VBUS2_CMD
VBUS2_SENS
TCXO_IN
GND5
GND6
GND7
GND8
GND9
TCXO_SEL_16_24
XOUT
XIN
V04_O
V03_O
V02_O
V08_O
V08_I
V10_GND
GND2
GND3
GND4
VBUS_SUPPLY
SW5_VOUT
SW5_PHASE
GND1
SWITCHER 1
SW_B+
100PF330PF
2.2UF
C6589
C6556 C6588
V_2.23
0
0
0
DNP
78.7K
22K
0
1K
0
330PF
.1UF
DNP
0.1UF
4.7K
0
1UF
10UF
R6526
R6532
R6514
C6553
R6524
C6547
R6527
R6523
C6546
R6520
R6516
C6545
C6548
R6515
R6513
SW1_VDD_1
NC
NC
EXTERNAL SWITCHER 3.50V SWR1
330PF
V_SW_3.60
6.8PF
10UF
475K
0
C6564
R6542
R6539
C6558
C6561
C6560
V_SW_3.60 OUT
10UF
EN PG
VIN
FB
GND
LBI
SYNC
PGND
SW
LBO 10UH
TPS62050
L6502
U6504
1
7
9
10
4
26
3
5
8
SW1_VOUT
V_SW_5
SW_B+
10UF
4.7K
DNP0
100K
.1UF
390
0
0
R6534
R6543
R6528
C6552
C6550
R6519R6518
R6517
V4_2.775D
SW1_VOUT
V9_3.0A
V7_2.8
V6_2.775
V3_1.55
SW5_SUMPCOMP
V8_5.0A
V10_3.3
V2_1.875
PA_SHTDN
SW5_VOUT
SW5_PHASE
BGAP_COMP
2
1
EN
FB
LBI
SYNC
VIN1
VINA
GND1
GND2
PGND1
PGND2
AGND
LBO
SW1
PG
VIN2
CTGND
SW2
10PF
TPS62110
475K
C6562
R6540
U6505
8
3
2
5
15
14
16
1
13
6
7
12
11
10
4
17
9
1UF
NL17SZ32
121K
8.2K
U6510
C6559
R6537
R6538
5V_PWM_EN
4
SWITCHER 5
SW_B+
330PF
10UH
2.2UF
C6549
L6504
C6565
V_SW_5
10UF
330PF 10UF
C6551 C6567
C6566
100K
R6545
SW5_VOUT_UNFILT
V_SW_5
NTHS5441
Q6505
5
4
8
7
6
3
2
1
100K
2SK3541
R6541
Q6506
VBUS_SUPPLY_ON
VSW5_ISO_FET_EN
2
1
3
ENABLE
V_NEG
V_POS
IN_NEG
200
0.1UF
OPA363IDBV
.2
C6554
R6530
R6529
U6503
VBUS2_ISENSE 1
6
2
3
4
5
IN_POS
VOUT
EXTERNAL 2.23 LDO
IN
EN
GND
OUT
NR_FB
1UF
V_2.23
TPS73601
V_SW_3.60
39K
0
33K
C6573
R6551
R6550
U6506
R6546
5
4
1
2
3
EXTERNAL SWITCHER 1.4V
SW1V4_FB
SW_B+ V_1.55
0
R6547
10UF
100K
165K
0
0
DNP
R6544
R6548
R6558
R6552
C6569
VCC_SW1.4_VIN
EN PG
VIN
FB
GND
LBI
SYNC
PGND
SW
LBO
TPS62050
U6507
5
1
7
9
10
4
2
6
3
8
V_SW_1.4
4.7UF
301K
6.8PF
10UH
10UF
C6586
C6584
R6568
C6582
L6505
330PF
C6570
LDO 1.85V
V_SW_3.60
V_EXT_1.85
V_EXT_1.85
OUT
VEN
VIN2 ADJ
GND
CTGND
0
0
.1UF
LP38693SD
2.2UF
10K
4.75K
U6508
R6522
R6512
R6510
C6568
C6563
R6570
BGAP_COMP
5
6
1
3
2
G1
4
VOUT
VIN1
1.875 DISCHARGE CKT
D1
G2
S2
G1
D2
S1
V_SAVE
V_EXT_1.85
SSM6N36FE
47K
100
R6581
R6580
Q6507
MAKO_RESETX
4
1
52
3
6
V7_2.8
V8_5.0A
V4_2.775D
V10_3.3
V6_2.775
V9_3.0A
V3_1.55
V2_1.875
V_2.775D
V_5.0A
V_2.775_EXP
V_3.3
V_1.55
V_3.0A
V_2.8_RF
0
0
0
0
0
0
0
R6561
R6562
R6563
R6564
R6565
R6566
R6567
V_2.8_RF OUT
MAKO LDOS
1UF
1UF
2.2UF
1UF
1UF
4.7K
2.2UF
1UF
1UF
R6582 C6581
C6580
C6579
C6578
C6577
C6576
C6575
C6574
PLACE CLOSE TO MAKO
NC

Schematics, Boards Overlays, and Parts Lists: Main Board Block: 700–800 MHz (84012501002) 8-87
Figure 8-58. Serial Interface Circuit
12MHZ CLOCK
IN
GND1
GND
OUT
12MHZ
18PF18PF
C6602C6601
Y6601
12MHZ_OMAP_IN
13
42
12MHZ_OMAP_OUT
AA13
V13
W3
Y2
P14
P13
V_1.4_CORE
10K
R6601
OMAP_OSK32K_IN_PU
32K_CPLD_CLK
TEST_POINT
TP6601
UART2_GPS_TX
MIDDLE_SIDE_BUTTON
TRIDENT_SPI_CS
OPT_GPIO_0
ABACUS_SPI_CS
CODEC_SPI_CS
F2_TIMER_PARAMP
T_DISP_SPI_CS
OPT_GPIO1
OPT_GPIO2
USB_INT_X
1
OUT
OUT
IN
OUT
OUT
GPIO_43
MCBSP1_BCLK
MCBSP1_SYNC
MCBSP1_DIN
MCBSP1_DOUT
USB0_TXEN
USB0_DAT
USB0_SE0
USB1_TXEN
USB1_DAT
USB1_SE0
USB2_TXEN
USB2_DAT
USB2_SE0
MPUIO_5
UART1_TX
UART1_RX
UART1_RTS
UART1_CTS
UART3_TX
UART3_RX
GPIO_11
GPIO_60
GPIO_16
GPIO_59
GPIO_5
GPIO_36
OSC1_IN
OSC1_OUT
CLK32K_IN
OSC32K_IN
OSC32K_OUT
SPI_DI
SPI_DO
SPI_CS3
SPI_CS2
SPI_CS1
SPI_CS0
GPIO_56
SPI_CLK
OMAP1710
U6302
MCBSP1
SP1
OSCILLATOR
CRYSTAL
ONE WIRE
GCA/GPIO
GPIO
UART
USB
W9
W5
V6
W16
R13
W14
W4
R8
P9
M18
L14
Y14
V14
AA15
R14
W21
U18
P15
T19
N15
N14
U19
T20
H15
H18
H20
G21
M8
L3
V15
P3
Y12
Y1
N20
2
1
0
2
1
0
SPI_DSP_MISO
SPI_DSP_CLK
SPI_DSP_MOSI
SPI_ARM_CLK
OUT
MAKO_SPI_CS
SPI_ARM_MOSI
SPI_ARM_MISO
1
2
33
0
22
R6606
R6605
SSI_BLACK_TX
USB1<2..0>
USB0<2..0>
SSI_BLACK_RX
SSI_OMAP_FSYNC
2
DNP
3
0
1
0
TEST_POINT
2
4
MPU_IO_12
RS232<4..0>
1
V_EXT_1.85
10K
R6618
0
1
3
4
2
OPTION_INTX
V_EXT_1.85
100K
10K
R6609
R6608
CHANGES MADE:
REMOVE PA_SHTDN FROM M8
10K
10K
R6619
R6617
M4
B7
A7
D7
E7
C10
C9
A9
B9
D8
B8
C8
N3
E9
A10
J5
K6
C6
B6
D6
E6
N8
N2
P2
M3
A8
B12
D11
G10
C11
F10
L7
A6
B10
D10
E11
C12
C7
B5
A5
L5
NC
NC
NC
NC
NC
NC
NC
NC
NC
2K
R6616
0
0
0
2
1
1
2
1
0
2
1
SSI_RED_RX_CODEC
OUT
NC
NC
NC
NC
V_EXT_1.85
10K
AT56H09
R6602
U6501
SSI_OMAP_CLK SSI_OMAP_CLK
SSI_OMAP_FSYNC
LOCK_DET
SSI_MAKO_FSYNC
SSI_SAP<3..0>
SPI_ARM<2..0>
SPI_DSP<2..0>
SSI_MAKO_CLK
RF_DAC_SPI_CS
MAKO_INT OUT
OUT
IO
13PF
DNP
120
C6670
R6604
USB_CONNECT
USB2_DM
USB1_DP
OPTA_SEL0
TXDO_BDI_5V
RXDIN_5V
RTS_FILLSEN_5V
CTS_CABLE_DET_5V
OPTA_SEL1
SB96_BUS_BUSY
SB96_BDO_KF_5V
ONE_WIRE_1
ONE_WIRE_2
ONE_WIRE_BATT
USB2_DPCTS_X
UART2_RXD_OD
UART2_TXD
APCO
RS232_USB_X
BOOT_NORM_X
CABLE_DET_3V
BUSY_OUT
BUSY_IN
RTS_FILLSEN_3V
RXDIN_ENC_3V
TXDO_BDI_ENC_3V
USB1_OE
TXDO_BDI_UP_3V
RXDIN_3V
USB_INTX
BBP_SYNC
BBP_CLK
ONE_WIRE_UP
SB96D_BDO_KF_3V
OPT_GPIO0
OPT_GPIO3
OPT_GPIO2
OPT_GPIO1
USB1_DAT_TXD
USB1_SE0
USB2_OE_RCV_RTS
USB2_DAT_VP
USB2_SE0_VM_RXD
VC_DCLK
SPI_DI
SPI_CS
SPI_CLK
LOGIC_VDD
UCM_SS
VC_RX
VC_TX3V
VC_TX
OPTION_INTX
SPI_DO
OPTA_SEL2
OPTA_SEL3
OPTB_SEL0
OPTB_SEL1
OPTB_SEL2
OPTB_SEL3
VC_FSYNC
USB1_DM
NC
NC
L6
N7
P8
N6
P7
M10
N13
N9
N12
M11
N11
P12
K8
P11
N10
M9
K7
P10
L8
M8
P9
P13
27
27
27
27
R6625
R6624
R6623
R6622
ONE_WIRE_GCAI
RTS_FILLSEN_5V
RXDIN_5V
VBUS_SUPPLY_ON
BATT_STATUS
MAKO_USB2_NEG_DP
MAKO_USB2_POS_DP
MAKO_USB1_POS_DP
MAKO_USB1_NEG_DP IO
IO
IO
IO
IO
IO
IO
IO
MAKO_OPTB_SEL0_GCAI
MAKO_OPTB_SEL3_GCAI
MAKO_OPTB_SEL2_GCAI
MAKO_OPTB_SEL1_GCAI
IO
IO
IO
UART BOOT
DNP
TEST_POINT
F_BOOT_TX
1
TEST_POINT
DNP
V_EXT_1.85
10K
R6626
F_BOOT_RX
1
Y
NC
GND VCC
B
A
NC7SP08
V_EXT_1.85
U6601
OMAP_BOOT_RX
4
6
5
3
2
1
V_5.0A
4.7K
R6621

8-88 Schematics, Boards Overlays, and Parts Lists: Main Board Block: 700–800 MHz (84012501002)
Figure 8-59. Secure Circuit
MACE
VCC_1.85V_EXT_1.85
0
R6705
VCC_1.85
100K
R2501
KEYFAIL
IN
DNP
TEST_POINT
DNP
TEST_POINT
ENC_UART_RXENC_UART_TX
SSI_BLACK_RX
ENC_UART_TX
1
1
DNP
DNP
DNP
DNP
TP6702
TP6704
TP6703
TP6701
1
1
1
1
OUT
IN
IN
IN
DNP
TP2502 1
47K
VCC_1.85
10K
47K
DNP
10K
47K
R6701
R6702
R6703
R6704
R2503
CONT_1.875
1MEG
R2507
KEY_ZEROIZE
ETM(1:14)
IO
1000PF
.01UF
1.2K
R2505
C2506
C2504
4MHZ_MACE_CLK
MACE_PLLRC
NC
NC
NC
NC
NC
NC
NC
NC
NC
14
13
12
11
10
9
8
7
6
P2
P6
N2
P5
L4
C11
D11
M3
M2
C8
B13
A13
D10
D8
D14
B14
P8
M7
D12
L6
P3
N8
K13
J14
J13
J12
H14
H13
H12
G14
L10
N12
P12
G13
P13
N14
M14
M13
L13
L14
L12
K11
K14
F13
E12
B9
H11
D9
B10
P14
B11
P7
A8
A9
A12
NC
NC
NC
NC
NC
NC
SSI_BLACK_TX_MACE
ENC_JTAGSEL0
ENC_JTAGSEL1
MACE_TDI
SSI_OPT_CLK
SSI_MACE_TX_DIN
SSI_OPT_FSYNC
MACE_RESET
MACE_WAKEUP
MACE_NTRST
MACE_TMS
MACE_TCK
VCC_1.85
DNP
DNP
10K
R2508
1
1
P4
M11
L7
J11
J1
E13
C7
B12
F4
P1
N13
N5
B3
N9
M5
C10
D3
G11
B5
N3
NCS5
NCS6
PA29_NCS7
NCS4
NCS3
NCS2
NCS1
A17
A16
A15
A14
NRD
NWR1_NBS1
A18
A1
A2
A3
A4
A5
A6
A7
A8
A9
A10
A11
A12
A13
NCS0
VDDIOM1
VDDIOM2
VDDIOM3
VDDIOM4
VDDIOM5
VDDOSC
VDDC1
VDDC2
VDDC3
VDDC4
VDDC5
VDDC6
A19
VDDIOP7
VDDIOP6
D0
D1
D2
D3
D4
D5
D6
D7
D8
D9
D10
D11
D12
D13
D14
D15
TDO
VDDIOP5
VDDIOP4
VDDIOP1
VDDIOP2
VDD1OP3
PA27_TWD
PA17_TD1_MISO
TPS0
TPS1
TPS2
ALARM
PB0_DTXD
PA22_IRQ2_NWR0_NWE
TXD0
RTS0
TD0
TF0
TD2
PA23_TD3_A0_NBS0
PA26_TF3_RF3_A21
PA24_RD3_A20
N4
M8
M12
K12
G12
C12
B8
K3
F3
H4
C6
A1
N6
L9
A10
F14
A5
E4
E11
TMS
XIN32
PA0_TSYNC_PCK1
PA1_TPK0
PA2_TPK1
PA3_TPK2
PA4_TPK3_DTR1
PA5_TPK4_DSR1
PA6_TPK5_DCD1
PA7_TPK6_RI1
PA8_TPK7_SCK1
PA9_TPK8_RTS1
PA10_TPK9_CTS1
PA11_TPK10_TXD1
PA12_TPK11_RXD1
PA13_TPK12
PA14_TPK13
PA15_TPK14_PCK0
TCK
VDDBU
TPR0
TPR1
FIQ
PA19_TK1_RK1_SPCK
PA18_RD1_MOSI
PA20_TF1_RF1_NPCS
NRST
IRQ1
IRQ0
TDI
NTRST
PLLRC
RTCK
JTGSEL0
JTGSEL1
LCK0
GNDIO7
GNDIO6
GNDIO5
GNDIO4
GNDIO3
GNDIO2
GNDIO1
GNDC1
GNDIO12
GNDIO11
GNDIO10
GNDIO9
GNDIO8
GNDOSC
GNDC6
GNDC5
GNDC4
GNDC3
GNDC2
XOUT
KYLD
XIN
LCK1
PA28_TWCK
PA16_TPK15_PCK1
XOUT32
TCLK
TST0
TST1
PB1_DRXD
SCK0
RXD0
CTS0
RD0
TK0
RK0
RF0
RD2
TK2_RK2
TF2_RF2
PA21_PCK0_NWAIT
PA25_TK3_RK3
GNDBU
C13
D13
E14
F12
M6
N7
A14
A11
L5
F11
C14
C9
L8
P9
M9
P10
N10
N11
P11
M10
L11
B6
D6
A6
D7
B7
A7
M1
L3
N1
A2
B2
B1
C3
D4
C1
C2
D2
D5
B4
A4
C5
A3
C4
D1
E1
M4
H3
J2
J4
J3
K1
K2
K4
L2
E2
E3
F1
F2
G1
G2
G4
G3
H1
H2
L1
2K
R2513
SSI_OPT_FSYNC
NC
NC
NC
NC
NC
VCC_1.85VCC_1.85 VCC_1.85
VDD_IOM VDDC
VDD_IOP 00
AT8358890
0R2512R2511
R2509
U2510
NC
DNP
0
DNP
TP_MACE_NRD
1
R2515
NC
NC
NC
NC
NC
NC
NC
NC
NC
NC
NC
NC
NC
NC
NC
NC
NC
NC
0
R2516 HIGH_SECURE_DATA_GATE
NC
NC
NC
NC
NC
NC
NC
VCC_1.85
1K
10K
R6706
R2517
NC
NC
NC
NC
NC
NC
NC
NC
NC
NC
NC
DNP
TP6705
1
OUT
OUT
1
2
0
3
5
4
R2560
TX_INHIBIT
SSI_RED_RX_MACE
MACE_TDO
ETM(1:14)
IO
NC
NC
NC
NC
NC
0 DNP
R2514
SECURE_HIGH_NORM
SSI_BLACK_TX_MACE
HIGH_SECURE_DATA_GATE
CONT LDO
VIN
NC1
GND
VOUT
NC2
CONT_1.875
0.1UF
MC78LC
0.1UF
C2528
U2525
C2520
V_COMP 32
54
1
NC
NC
KEY RETENTION DELAY
LMC7215
0.1UF
C2527
U2526
V_COMP
1
2.2UF 1MEG
10
10MEG
10MEG
BAS116LT1
R2523
R2524
R2522
D2521
R2519
C2518
V_SAVE
VRTC
52
3
4
13
2
0.1UF
0.1UF 0.1UF 0.1UF 0.1UF
C2550C2546C2543C2540C2536
0.1UF
0.1UF 0.1UF 0.1UF 0.1UF 0.1UF 0.1UF
C2553C2551C2548C2544C2541C2538C2534
VDDC
0.1UF 0.1UF 0.1UF 0.1UF 0.1UF0.1UF0.1UF
C2554C2552C2549C2545C2542C2539C2535
KEYZEROIZE CKT
G2
S2
G1
S1
D2
D1
4
1
5
2
3
6
SI1024X_T1_E3
Q2547
KEY_ZEROIZE
NC
TAMPER POGO PIN
M2533
1NC
NC
RST_OUT
IN
G2
S2
G1
S1
D2
D1
CONT_1.875
0.1UF
0.1UF
200K SI1024X_T1_E3
200K
Q2537
C2532C2531
R2530R2529
TOP_SIDE_BUTTON
TOP_BUTTON
4
1
5
2
3
6
0.1UF
C2555
BYPASS CAPS
VDD_IOP
VDD_IOM

Schematics, Boards Overlays, and Parts Lists: Main Board Block: 700–800 MHz (84012501002) 8-89
Figure 8-60. Transceiver (RF) Board Layout – Top Side
J1
A2 D2
D1
A2
2
4
6
10
97
6
12 4
3
3
6
12
A2
A2 D2
D1
A2 D2
D1
D2
D1
63
4
6
3
3
6
4
34
5
P14
A14
D2
D1
43
3
43
5
5
8
4
18
4
P1
6
M12
A9 J9
A12
54
34
6
4
5
2
D2
A2 D2
D1
A2
10
D1
C3
C1
A3
B1
A2
3
6
4
4
33
4
66
3
4
6
5
4
3
8
H1
3
2
H8
34
5
6
A2 D2
D1
A2 C2
C1
5
A2
6
3
4
1
A8
1
4
5
M1
A2 D2
D1
D2
6
D1
5
3
4
6
2
2
2
7
8
A2 D2
D1
G3
G4
1
AA1
4
8
3
4
6
3
2
43
3
4
9
12
8
13
34
6
34
6
3
2
G1 11
G2 12
2
2
3
4
6
5
4
5
16
4
L11A11
3
4
5
5
3
2
3
2
2
A21 AA21
43
5
G3242G1
2
3
L1
4
6
4
43
2
G4
23
G2
34
3
F_GNDM6
F_VREF_1.875VM2
TP2414M3
U1334M3
R1333M3
C1340M3
C1316M3
R2117M2
R2106M2
R2111M2
C2104M2
U2202M2
Q2202M2
U6105M6
R6103M6
R6122M6
R6606M6
C6670M6
R6604M6
R6114M6
C6310M6
C6111M6
R6105M6
R6115M6
C6115M6
TP6107M6
C2414M3
C2416M3
C2472M3
C2459M3
R2473M3
R2486M3
C2448M3
C2453M3
U2410M3
C2441M3
C1169M11
U1147M11
C1166M11 R1180M11
R1135M11
R1182M11
R1137M11 C1128M11
U1127M11
SH14
R1136M11
C1123M11
C1124M11
U1142M11
U1130M11
R1146M11
R1145M11
R1144M11
C205M12
C1020M16
R1105M11
R1104M11
F_UNSW_B+M6
F_BOOT_TXM6
SPKR+M2
R2198M2
R2257M2
R2256M2
E2201M2
R2201M2
R2206M2
R2204M2
C2202M2
U2205M2
R2254M2
C2223M2
R6121M6
R6119M6
R6107M6
C6105M6
MAKO_INT_XM6
C6113M6
C6107M6
MAKO_RESET_XM6
R1316M3
R1324M3
R1328M3
R1327M3
C6155M6
C2443M3
TP6105M6 TP6106M6
R2480M3
R2443M3
C2471M3
C2461M3C2463M3
IF6404M6
R2484M3
C2480M3
C2470M3
R2487M3
R2481M3
R2485M3
C2464M3
R1319M3
R2416M3
R2436M3
R2465M3
R2496M3
C2442M3
C2468M3
C2483M3
FL502M21
U1126M11
C1140M11
R1178M11
C1127M11
R1143M11
C508M21
IF406M20
SH12
U1149M11
R1116M11
C1113M11
C1110M11
IF1054M16
R1301M3
C1302M3
TP2416M3
SPKR-M2
TP2466M3
R2207M2
R2255M2
R2246M2
R2244M2
C2203M2
C2225M2
C2224M2
R2235M2
E2206M2
E2207M2
E2248M2
E2247M2
R6120M6
R6104M6
R6106M6
C6110M6
TP6101M6
U6101M6
R6113M6
R6111M6
R6108M6
C6114M6
C6156M6
R2407M3
U2478M3
C2477M3
C2479M3
R1314M3R2450M3
C2462M3
C2466M3
U2413M3
R2454M3
R2459M3
C2445M3
C2467M3
R2472M3
C2439M3
TP1311M3
U2407M3
U2414M3
U2473M3
SH1
L513M21
L503M21
R525M21
C552M21
C551M21
L551M21
C504M21
T506M21
R502M21
C507M21
C506M21
C492M20
C488M20
C1019M16
C1026M16
R1007M16
U1106M11
R1117M11
R1112M11
C1107M11
C1105M11
L1316M3
L1305M3
R1115M11
R1114M11
C1317M3
C1315M3
C1318M3
C1314M3
TP6210M6
R2245M2
U6510M6
C6572M6
E2249M2
C6109M6
D6101M6 R6101M6 C6106M6
R6125M6
R6116M6
R6110M6
C6108M6
R6112M6
R6109M6
C6112M6
R2469M3
R2470M3
R2471M3
R2418M3
C2460M3
R2455M3
R2460M3
R2467M3
C2446M3
U2408M3
R2437M3
R2479M3
R2488M3
C2440M3
C2469M3
C2482M3
C515M21
R526M21
C533M21
L504M21
R512M21
C514M21
T507M21 C550M21
C516M21
SH2
U507M21
L491M20
C509M21
C502M21
L489M20
C490M20
IF24
L1007M16
C1018M16
L1102M11
R1107M11
L1117M11
R1198M11
TP1
R20 R2
TP2
C532M21
L550M21
C505M21 C512M21 L500M21
C511M21
C500M21
C510M21
C501M21
R500M21
IF1051M16
IF2
C1122M11
IF1402M17
R6212M6
R6213M6
TP6301M6
C6409M6
R2362M2
C2344M2
R2363M2
R2358M2
C2343M2
C2339M2
C2340M2
C2341M2
D2305M2
R2361M2
R2364M2
C2342M2
D2306M2
L758M7
C733M7
Q731M7
R730M7
C705M7
L709M7
R736M7
IF14
R2301M13
L2303M13
C2305M13
IF2304M13
M1302M3
M1301M3
E6502M6
C6521M6
C6530M6
TP6305M6
C6519M6
C6517M6
C6511M6
R6605M6
C6524M6
C6515M6
R6205M6
R6208M6
C6507M6
C6585M6
C6587M6
C6513M6
R6502M6
R6602M6
R2813
R6209M6
C6527M6
U6404M6
R2810
R2803
R6419M6
C6201M6
R6217M6
R6218M6
J1M2
E2316M2
E2317M2
E2318M2
E2319M2
E2320M2
D2307M2
E2313M2
E2315M2
E2321M2
D2304M2
C712M7
C710M7
C754M7
R728M7
C727M7
C735M7
R734M7
C749M7
C823M7
C708M7
TP737M7
IF3001M22
R706M7
C757M7
C756M7
IF17
C703M7
R705M7
R701M7
C713M7
C707M7
R708M7
IF20
IF405M20
U2302M13
C2309M13
IF13
IF404M20
D2301M13
R2306M13
C2306M13
IF403M20
J1301M3
L1308M3
R1338M3
R1337M3
C1339M3
C6304M6
C6306M6
C6305M6
C6529M6
C6516M6
C6509M6
C6303M6
C6301M6
R6601M6
R6616M6
C6583M6
C6532M6
R2104M2
R2105M2
C6202M6
U6201M6
R6211M6
C6203M6
R2357M2
C2336M2
R2356M2
R2359M2
R2360M2
C2337M2
C2338M2
C2335M2
D2101M2
E2312M2
E2314M2
R4006M2
R4007M2
C2332M2
C2333M2
D1M2
D2M2 D3M2
R4005M2
C2334M2
U746M7
L753M7
R743M7
R751M7
C752M7
C711M7
C744M7
C737M7
C720M7
R722M7
C721M7
R723M7
IF2302M13
IF7
U2301M13
C2302M13
R2302M13
IF2303M13
IF10
D2302M13
C2301M13
SH10
C2307M13
C2229M2
C2227M2
M6502M6
6M4036PT6M6036PT
U6301M6
R6503M6
C6531M6
C6523M6
C6510M6
U6302M6
C6501M6
C6504M6
C6520M6
R2812
R6204M6
R6215M6
R2811
C6602M6
R6206M6
R6207M6
R2805
R2804
R2807
R2806
C2115M2
C2331M2
R745M7
C750M7
Y701M7
C739M7
IF18
L741M7
R729M7
C742M7
C736M7
C732M7
SH6
U702M7
IF3004M22
IF3003M22
IF11
L738M7
L727M7
C726M7
IF16
IF15
C714M7
C709M7
R2304M13
R2303M13
L2301M13
C2308M13
C2304M13
C1413M17
J2M2
E2205M2
E2202M2
E2204M2
E2203M2
6M7036PT6M8036PT
R6301M6
TP6303M6
C6508M6
C6506M6
C6302M6
C6595M6
R6118M6
Y6601M6
R2408M3R2477M3
R2817
R2808
C2806
R2478M3
R2476M3
R2441M3C2451M3
C2474M3
R2474M3
C2457M3
C2454M3
U2411M3
R2419M3
C2465M3
R702M7
TP701M7
IF3070M22
IF23
L735M7
L728M7
C731M7
C734M7
C719M7
C717M7
L733M7
R721M7
C730M7
C706M7
C704M7
Q2301M13
IF9
IF2306M13
IF401M20
L2302M13
D2303M13
IF2301M13
C1414M17
IF1401M17
L1408M17
IF2307M13
IF22
C1418M17
C2228M2
C2226M2
F_GCAI_1WIREM2
F_MPU_BOOTM6
GPIO0M2
D6501M6
R6570M6
R6507M6
R6512M6
C6503M6
E6501M6
C6518M6
C6514M6
C6571M6
C6522M6
R6501M6
C6533M6
C6502M6
TP6601M6
C6525M6
TP6302M6
R6314M6
R6312M6
R6311M6
R6310M6
C6528M6
C6505M6
C6308M6
OMAP_VPPM6
R6316M6
R6210M6
R6313M6
C6526M6
C6512M6
MPU_IO_12M6
U6103M6
U6104M6
R6102M6
C6556M6
C6601M6
Q6501M6
Y2475M3
R2435M3
TP2419M3
TP2450M3TP2451M3
TP2452M3
TP2453M3
R2414M3
R2412M3
C2473M3
U2412M3
R2492M3
TP2435M3
R2404M3
R2457M3
R2475M3
C2475M3
TP2436M3
U2403M3
R1312M3
R2444M3
R2495M3
C725M7
C724M7
D723M7 C718M7
C716M7
D722M7
L720M7
C715M7
C702M7
IF2305M13
C2303M13
IF12
C1022M16
IF6 IF1055M16
L1410M17
C1419M17
C1424M17
TP2417M3
F_GCAI_USB+M2
F_GCAI_USB-M2
R2199M2
R2197M2
D4001M2
U2101M2
R2120M2
R2113M2
C6568M6
R2114M2
C2114M2
U6508M6
R6510M6
R6522M6
R6306M6
SH16 C6589M6
C6588M6
C6309M6
C6311M6
R2405M3
C6534M6
C6593M6
R2442M3
C2450M3
C2452M3
R2489M3
R2453M3
R2458M3
C2444M3
C2455M3
C2458M3
U2406M3
R606M19
R605M19
C630M19
C627M19
R1202M11
C1171M11
C1170M11
C1168M11
C1164M11
C1163M11
U1125M11
U1137M11
C1116M11
C1161M11
R1121M11
R1122M11
C215M12
C216M12 C1160M11
IF1053M16
C204M12
C206M12
C1021M16
C1411M17
C1425M17
C1104M11
C1142M11
TP2415M3
TP1301M3
F_VBUS2M2
U1335M3
R2107M2
U2102M2
R2118M2
R2116M2
R2115M2
R2109M2
R2110M2
C6563M6
C2201M2
M2
U6304M6
M1
R2451M3
R6304M6
C2415M3
R6504M6
R2406M3
U2402M3
R2491M3
C2417M3
U2415M3
R2490M3
TP2437M3
R2456M3
R2461M3
C2447M3
C2456M3
U2409M3
C2438M3
L604M19
R609M19
R613M19
C640M19
C639M19
C638M19
SH4
VR602M19
R612M19
R602M19
C625M19
C646M19
C631M19
C618M19
C609M19
C608M19
U602M19
U1138M11
C619M19
U1146M11
R1101M11
C1167M11
U1128M11
U1139M11
C1165M11
U203M12
U202M12
C210M12
C209M12
C212M12
U1150M11
U200M12
D200M12
L1009M16
IF25
SH8
L1101M11
R1106M11
C1125M11
R1168M11
TP2413M3
TP6102M6
F_BOOT_RXM6

8-90 Schematics, Boards Overlays, and Parts Lists: Main Board Block: 700–800 MHz (84012501002)
Figure 8-61. Transceiver (RF) Board Layout – Bottom Side
2
3
5
4
2
3
5
4
43
3
J9
J1
43
5
3
3
43
5
3
5
2
6
4
4
3
5
A9
A1
12
24
43
6
4
5
6
43
5
3
4
5
3
2
3
43
66
C1
C3
48
2
2
3
B1
A2
5
8
A2 C2
C1
4
3
4
2
P1
4
6
3
4
A3
D2
D1
24
36
3
3
3
2
2
43
5
8
4
5
3
3
6
6
3
46
3
4
A2
D1
3
3
4
6
3
4
6
2
3
2
12
13
9
8
33
34
4
3
4
6
6
2
34
43
P1
D2
A2
4
6
8
16 5
4
13
D2
D1
5
P14
A14
3
2
2
64
3
23
4
64
3
75
3
9
2
3
16
3
9
5
A2
5
43
4
6
64
B1
G1
2
G2
8
10 6
5
4
16
P14
64
3
3
4
2
6
43
4
6
A2 C2
C1
43
5
2
3
L10
L1
A2
5
8
12 9
13
6
43
3
2
43
5
A10
2
3
4
6
5
2
64
3
2
3
2
3
10
4
5
8
5
43
A14
3
5
7
34
5
43
5
2
3
3
2
4
6
3
43
5
4
3
2
39 G3
40 G4
3
6
R455M20
R1102M11
C1010M16
C417M20
C1007M16
C1024M16
C1118M11
C1117M11
R2493M3
C2478M3
R4012M2 R6546M6
R6621M6
C6554M6
R6535M6 R6530M6
C6536M6
U6601M6
R6423M6
R6536M6
Q6504M6
C202M12
C6555M6
L200M12
C2531M6
C2555M6
Q2537M6
Q2547M6
R620M19
R615M19
R614M19
U606M19
U605M19
U607M19
R618M19
C634M19
E609M19
E608M19
U604M19
U603M19
R624M19
R610M19
C637M19
C633M19
R607M19
TP603M19
R698M19
C641M19
TP601M19
L406M20
R448M20
C430M20C485M20
C1008M16
L1003M16
C1023M16
C1013M16
C1025M16
IF4
C1009M16
U1112M11
R1124M11
C1126M11
C1112M11
R6619M6
R6566M6
R6622M6
R6623M6
R6624M6
R6625M6
C6424M6
C6425M6
Y6501M6
R6626M6
R6420M6
R6581M6
Q6507M6
D6401M6
R6580M6
C6402M6
MIC_BIASM6
C6403M6
U6402M6
R2529M6
C2551M6
VR601M19
L605M19
R621M19
R611M19
C635M19
C632M19
C628M19
C626M19
E606M19
C636M19
C643M19
E607M19
M101M12
VR200M12
Q201M12
C217M12
C208M12
R1006M16
SH13
R1002M16
C1003M16
C1015M16
R1004M16
R1005M16
C1014M16 U1001M16
R1001M16
IF5
U1105M11
U1131M11
C1111M11
R1151M11
R1163M11
R1162M11
J3M2
R21M2
R6562M6R6564M6
C6575M6
C6577M6
C6579M6
U6501M6
R6617M6
R6618M6
U6509M6
R6533M6
R6574M6
C6592M6
C6591M6
C6535M6
R6430M6
R6429M6
R6577M6
R6578M6
C6405M6
U6409M6
R6431M6
R6401M6
R6402M6
C6411M6
Q6401M6
R6404M6
R6405M6
C6428M6
C6404M6
C6406M6
R6406M6
C6413M6
R608M19
C622M19
R604M19
C620M19
C606M19
C614M19
E605M19
E604M19
R699M19
R603M19
SH11
U601M19
C621M19
C617M19
C623M19
L611M19
C601M19
C644M19
C201M12
E201M12 F200M12
Q202M12
U201M12
R201M12
R202M12
C213M12
C214M12
R1003M16
R1177M11
R1152M11
R1176M11
C1129M11
U1133M11
SH5
U1132M11
U1136M11
R22M2
R1M2
R6561M6
R6563M6
R6565M6
C6576M6
C6581M6
R6582M6
C6580M6
C6421M6
R6579M6
C6538M6
C6423M6
R6576M6
C6594M6
C6596M6
U6408M6
R6410M6
R6411M6 CODEC_GPIO1M6
R6422M6
C6420M6
C6410M6
U6405M6
C624M19
C642M19
C612M19
C613M19
C607M19
E603M19
C604M19
C602M19
C616M19
C615M19
C611M19
E602M19
L602M19
C603M19
C610M19
E601M19
L601M19
C605M19
C645M19
C200M12
SH7
E1101M11
C207M12
Q1001M16
R1171M11
R1174M11
R1154M11
R1160M11
R1172M11
C1141M11
R1175M11
R1158M11
C1108M11
C1130M11
U1144M11
J102M11
R6428M6
R6609M6
R6426M6
R6425M6
R6427M6
C6427M6
C6426M6
C6574M6
C6578M6
R6525M6
C6540M6
C6422M6
R6492M6
R6505M6
MAKO_INT_MICMM6
MAKO_INT_MICPM6
R6599M6
R6506M6
R6591M6
C6539M6
C6537M6
C6590M6
TP6599M6
Y6502M6
C6541M6
U6102M6
R6117M6
U6511M6
Q6101M6
R6421M6
C6419M6
R6416M6
R6417M6
C6414M6
C6418M6
R6567M6
M2533M6
L603M19
R601M19
C101M12
VR101M12
R1108M11
C1139M11
U1141M11
R1141M11
U1101M11
R1103M11
U1103M11
C1106M11
R1140M11
C1138M11
C1137M11
R1142M11
R1138M11
R1169M11
R1170M11
U1104M11
U1129M11
R6598M6
C6104M6
C6416M6 R1110M11
C1103M11
C1156M11
R1139M11
C1158M11
U1143M11
TP3001M22
IF3005M22
U408M20
IF402M20
R1320M3
C1157M11
R1307M3
R1322M3
R1304M3
R1302M3
R1306M3
C6586M6
C6584M6
C6582M6
C6570M6
L6505M6
C2520M6
C2527M6
C2528M6
U2526M6
TP6703M6
TP6705M6
R2519M6
ENC_JTAGSEL0M6
TP6702M6
TP_MACE_NRDM6
C2518M6
R2522M6
D2521M6
L3001M22
VR3010M22
VR3003M22
R3002M22
VR3048M22
VR3020M22
VR3017M22
L3003M22
L3047M22
C3046M22
VR3021M22
Y3053M22
C3007M22
L3009M22
L3010M22
R3019M22
C3005M22
IF19
Q401M20
R450M20
C404M20
C402M20
U402M20
R451M20
C406M20
R1128M11
U1121M11
FL1302M3
C1332M3
R1340M3
R1329M3
R1325M3
TP1303M3
R1308M3
C1312M3
C1333M3
R1323M3
R1332M3
R1330M3
R1326M3
R1313M3
C1310M3
C1306M3
C1326M3
C1319M3
C1327M3
C1320M3
R4008M2
U4003M2
R6552M6
C6547M6
Q4001M2
R6544M6
R6547M6
R6558M6
U6507M6
C6566M6
C6569M6
Q6505M6
U2525M6
R2508M6
ENC_UART_RXM6
ENC_UART_TXM6
R6706M6
R2509M6
R2501M6
R2523M6
C2542M6
C2544M6
C2548M6
R6702M6
R6703M6
R2524M6
TP2502M6
R2511M6
C2536M6
C2541M6
C2543M6
C2549M6
R2512M6
VR3013M22
VR3012M22
C3015M22
C3014M22
Y3020M22
L3008M22
C3022M22
IF3002M22
C3006M22
C3050M22
C3051M22
VR3011M22
VR3004M22
L3002M22
C3018M22
VR3015M22
VR3014M22
Y3021M22
Q3035M22
C3013M22
R401M20
L407M20
R402M20
R403M20
C412M20
C418M20
FL401M20
U404M20
L408M20
C413M20
R1167M11
R1127M11
R1166M11
U1114M11
R1164M11
R1125M11
R1126M11
R1165M11
C1120M11
C1162M11
U1113M11
C1335M3
C1334M3
C1328M3
C1323M3
U1301M3
R1331M3
C1311M3
C1330M3
C1321M3
C1376M3
Y1304M3
L1301M3
R1305M3
J2401M2
R6542M6
C6561M6
R6524M6
R6548M6
C6560M6
C6553M6
C6559M6
R6537M6
R6568M6
R6540M6
R6538M6
C6562M6
R6545M6
C6567M6
R6541M6
R6701M6
R6704M6
TP6701M6TP6704M6
Q6506M6
R6521M6
C3023M22
C2545M6
C2550M6
Q3038M22
R3032M22
R3036M22
R3030M22
R3040M22
C3026M22
C3027M22
L3041M22
C3042M22
Q3033M22
R3018M22
C3012M22
C3068M22
SH15
L3016M22
R3061M22
R3058M22
C3057M22
C3055M22
C3056M22
C3067M22
C3008M22
Q3062M22
L3064M22
R3059M22
C3054M22
Q3060M22
L3019M22
C3017M22
C3016M22
R3052M22
C3049M22
C3024M22
L3044M22
R3034M22
R3043M22
C3029M22
C3045M22
Q402M20
R447M20
C427M20
C421M20
R404M20
R413M20
C484M20
C487M20
C422M20
D401M20
L401M20
C423M20
C416M20
U1148M11
U1119M11
C1119M11
C1159M11
Q1101M11
C1313M3
C1336M3
C1337M3 R1315M3
SH3
R1318M3
R1317M3
R1311M3
C1331M3
U1305M3
L1306M3
R1303M3
TP1304M3
C1301M3
C1324M3
C1329M3
C1325M3
R2401M2
C6564M6
L6502M6
U6504M6
R6527M6
R6539M6
C6558M6
U6505M6
R2560M6
R6509M6
C2539M6
C2553M6
C2554M6
Q6502M6
U2510M6
R2507M6 C2540M6
C2546M6
R822M7
R746M7
C3069M22
R3066M22
R3063M22
C819M7
C3065M22
R3037M22
R3031M22
R799M7
C3028M22
C3025M22
Q3039M22
L402M20
R407M20
C425M20
C424M20
C405M20
E401M20
SH9
R456M20
R452M20
R406M20
R405M20
C426M20
C407M20
L403M20
U406M20
C1006M16
L1001M16
C1002M16
IF1052M16
L1002M16
C1004M16
C1001M16
R1065M16
R1066M16
FL1303M3
R1310M3
R1309M3
C1322M3
U1304M3
L1303M3
C1303M3
C1307M3
C1304M3
R2434M3
R2452M3
R2466M3
R2497M3
R4010M2C4005M2
R6526M6
U4001M2
R6534M6
R6543M6
TP_ATOD_8M6
R6528M6
C6550M6
C6565M6
L6504M6
R6508M6
C6551M6
C6543M6
ENC_JTAGSEL1M6
C6544M6
C2534M6
R2517M6
Q745M7
L739M7
R742M7
R741M7
R744M7
R748M7
C743M7
Q756M7
R747M7
R823M7
C813M7
C824M7
C786M7
C740M7
C816M7
L768M7
L701M7
R754M7
R757M7
R761M7
C770M7
C760M7
U738M7 U739M7
R704M7
R703M7 C751M7
C781M7
Q785M7 R709M7
R763M7
R762M7
R771M7
Q767M7
R766M7
R769M7 C817M7
L775M7
R809M7
R785M7
C772M7
C803M7
C773M7
Q774M7
R778M7
R776M7
R779M7
C777M7
C780M7
R408M20
L405M20
Q403M20
C434M20
C428M20
R409M20
R410M20
C431M20E402M20
FL402M20
U403M20
R453M20 C1005M16
Q1103M11
U1002M16
R1064M16
IF3
L1304M3
C1305M3
C1309M3
FL1301M3
L1302M3
C1308M3
R2449M3
C2449M3
U2416M3
R2433M3
R4013M2
U4004M2
R4009M2
R4014M2
C4006M2
C4007M2
R4011M2
R6532M6
OMAP_TEMP_TPM6
U6506M6
R6513M6
R6515M6
R6551M6
R6550M6
C6548M6
C6573M6
R6511M6
R6523M6
R6516M6
R6518M6
C6545M6
R6520M6
R6514M6
R6519M6
C6549M6
C6546M6
C6552M6
R6608M6
R6584M6
R6517M6
R6583M6
U6503M6
MAKO_AD_TRIGM6
SH17
C6557M6
U6502M6
R6531M6
C6542M6
Q6508M6
C203M12
R6705M6
R6529M6
R2503M6
R2514M6
R2516M6
R2513M6
R2515M6
R2530M6 C2504M6
C2535M6
C2538M6
C2552M6
R2505M6
C2506M6
C2532M6
R619M19
R623M19
R617M19
L755M7
R616M19
C629M19
R707M7 C753M7
Q601M19
C764M7
L759M7
R457M20
R454M20
R411M20
R412M20
C432M20
C433M20
C429M20
C419M20
U407M20
U405M20
L404M20

Schematics, Boards Overlays, and Parts Lists: Main Board Block: 700–800 MHz (84012501002) 8-91
700–800 MHzTransceiver (RF) Board Parts List
– 84012501002
Ref. Des. Part Number Description
C1001M16 2113944A31 CAP,CHIP,33PF,+5%,-
5%,50V-DC,0402,C0G,-
55DEG CMIN,125DEG
CMAX,P
C1002M16 2113944A17 CAP,CHIP,4.7PF,.25PF+/-
,50V-DC,0402,C0G,-55DEG
CMIN,125DEG CMA
C1003M16 2113945C02 CAP,CHIP,.01UF,+10%,-
10%,50V-DC,0603,X7R,-
55DEG CMIN,125DEG CMA
C1004M16 2113944A31 CAP,CHIP,33PF,+5%,-
5%,50V-DC,0402,C0G,-
55DEG CMIN,125DEG
CMAX,P
C1005M16 2113944A31 CAP,CHIP,33PF,+5%,-
5%,50V-DC,0402,C0G,-
55DEG CMIN,125DEG
CMAX,P
C1006M16 2113945B02 CAP,CHIP,.01UF,+10%,-
10%,25V-DC,0402,X7R,-
55DEG CMIN,125DEG CMA
C1007M16 2113944A31 CAP,CHIP,33PF,+5%,-
5%,50V-DC,0402,C0G,-
55DEG CMIN,125DEG
CMAX,P
C1008M16 2113944A31 CAP,CHIP,33PF,+5%,-
5%,50V-DC,0402,C0G,-
55DEG CMIN,125DEG
CMAX,P
C1009M16 2113944A31 CAP,CHIP,33PF,+5%,-
5%,50V-DC,0402,C0G,-
55DEG CMIN,125DEG
CMAX,P
C1010M16 2113945B02 CAP,CHIP,.01UF,+10%,-
10%,25V-DC,0402,X7R,-
55DEG CMIN,125DEG CMA
C1013M16 2113944M24 CAP,FXD,18PF,+2%,-
2%,50V-DC,0603,C0G,-
55DEG CMIN,125DEG
CMAX,PB
C1014M16 NOTPLACED CAP,CHIP,3300PF,+10%,-
10%,50V-DC,0402,X7R,-
55DEG CMIN,125DEG CM
C1015M16 2113944M30 CAP,FXD,33PF,+2%,-
2%,50V-DC,0603,C0G,-
55DEG CMIN,125DEG
CMAX,PB
C1018M16 2113944M30 CAP,FXD,33PF,+2%,-
2%,50V-DC,0603,C0G,-
55DEG CMIN,125DEG
CMAX,PB
C1019M16 2171741M07 CAP,CER CHIP,15PF,50V-
DC,HI Q CAP, 15 PF
C101M12 2113944A31 CAP,CHIP,33PF,+5%,-
5%,50V-DC,0402,C0G,-
55DEG CMIN,125DEG
CMAX,P
C1020M16 2113944M07 CAP,FXD,3.6PF,.1PF+/-
,50V-DC,0603,C0G,-55DEG
CMIN,125DEG CMAX
C1021M16 2113944C10 CAP,CHIP,1.5PF,.25PF+/-
,50V-DC,0603,C0G,-55DEG
CMIN,125DEG CMA
C1022M16 2113944M30 CAP,FXD,33PF,+2%,-
2%,50V-DC,0603,C0G,-
55DEG CMIN,125DEG
CMAX,PB
C1023M16 2113944M23 CAP,FXD,16PF,+2%,-
2%,50V-DC,0603,C0G,-
55DEG CMIN,125DEG
CMAX,PB
C1024M16 2113945A12 CAP,CHIP,3300PF,+10%,-
10%,50V-DC,0402,X7R,-
55DEG CMIN,125DEG CM
C1025M16 2113945A12 CAP,CHIP,3300PF,+10%,-
10%,50V-DC,0402,X7R,-
55DEG CMIN,125DEG CM
C1026M16 2113945C07 CAP,CHIP,330PF,+10%,-
10%,50V-DC,0603,X7R,-
55DEG CMIN,125DEG CMA
C1103M11 2113945B02 CAP,CHIP,.01UF,+10%,-
10%,25V-DC,0402,X7R,-
55DEG CMIN,125DEG CMA
C1104M11 NOTPLACED CAP,CHIP,5.6PF,.5PF+/-
,50V-DC,0402,C0G,-55DEG
CMIN,125DEG CMAX
C1105M11 2113944A19 CAP,CHIP,5.6PF,.5PF+/-
,50V-DC,0402,C0G,-55DEG
CMIN,125DEG CMAX
Ref. Des. Part Number Description
C1106M11 2113945B02 CAP,CHIP,.01UF,+10%,-
10%,25V-DC,0402,X7R,-
55DEG CMIN,125DEG CMA
C1107M11 2113944A40 CAP,CHIP,100PF,+5%,-
5%,50V-DC,0402,C0G,-
55DEG CMIN,125DEG
CMAX
C1108M11 2113945B02 CAP,CHIP,.01UF,+10%,-
10%,25V-DC,0402,X7R,-
55DEG CMIN,125DEG CMA
C1110M11 2113944A31 CAP,CHIP,33PF,+5%,-
5%,50V-DC,0402,C0G,-
55DEG CMIN,125DEG
CMAX,P
C1111M11 2113945Y02 CAP,FXD,.1UF,+10%,-
10%,16V-DC,0402,X7R,-
55DEG CMIN,125DEG
CMAX
C1112M11 2113945B02 CAP,CHIP,.01UF,+10%,-
10%,25V-DC,0402,X7R,-
55DEG CMIN,125DEG CMA
C1113M11 2113945B02 CAP,CHIP,.01UF,+10%,-
10%,25V-DC,0402,X7R,-
55DEG CMIN,125DEG CMA
C1116M11 2113945Y02 CAP,FXD,.1UF,+10%,-
10%,16V-DC,0402,X7R,-
55DEG CMIN,125DEG
CMAX
C1117M11 2113945A12 CAP,CHIP,3300PF,+10%,-
10%,50V-DC,0402,X7R,-
55DEG CMIN,125DEG CM
C1118M11 2113945B02 CAP,CHIP,.01UF,+10%,-
10%,25V-DC,0402,X7R,-
55DEG CMIN,125DEG CMA
C1119M11 2113945B02 CAP,CHIP,.01UF,+10%,-
10%,25V-DC,0402,X7R,-
55DEG CMIN,125DEG CMA
C1120M11 2113945B02 CAP,CHIP,.01UF,+10%,-
10%,25V-DC,0402,X7R,-
55DEG CMIN,125DEG CMA
C1122M11 2113944M05 CAP,FXD,3PF,.1PF+/-,50V-
DC,0603,C0G,-55DEG
CMIN,125DEG CMAX,PB
C1123M11 2113945B02 CAP,CHIP,.01UF,+10%,-
10%,25V-DC,0402,X7R,-
55DEG CMIN,125DEG CMA
Ref. Des. Part Number Description
C1124M11 2113945A13 CAP,CHIP,4700PF,+10%,-
10%,50V-DC,0402,X7R,-
55DEG CMIN,125DEG CM
C1125M11 2113944A21 CAP,CHIP,6.8PF,.5PF+/-
,50V-DC,0402,C0G,-55DEG
CMIN,125DEG CMAX
C1126M11 2113945A09 CAP,CHIP,1000PF,+10%,-
10%,50V-DC,0402,X7R,-
55DEG CMIN,125DEG CM
C1127M11 2113945Y02 CAP,FXD,.1UF,+10%,-
10%,16V-DC,0402,X7R,-
55DEG CMIN,125DEG
CMAX
C1128M11 2113945B02 CAP,CHIP,.01UF,+10%,-
10%,25V-DC,0402,X7R,-
55DEG CMIN,125DEG CMA
C1129M11 2113945B02 CAP,CHIP,.01UF,+10%,-
10%,25V-DC,0402,X7R,-
55DEG CMIN,125DEG CMA
C1130M11 2113945B02 CAP,CHIP,.01UF,+10%,-
10%,25V-DC,0402,X7R,-
55DEG CMIN,125DEG CMA
C1137M11 2113945B04 CAP,FXD,.022UF,+10%,-
10%,25V-DC,0402,X7R,-
55DEG CMIN,125DEG CMA
C1138M11 2113945B04 CAP,FXD,.022UF,+10%,-
10%,25V-DC,0402,X7R,-
55DEG CMIN,125DEG CMA
C1139M11 2113944A25 CAP,CHIP,10PF,.5PF+/-
,50V-DC,0402,C0G,-55DEG
CMIN,125DEG CMAX
C1140M11 2113945A13 CAP,CHIP,4700PF,+10%,-
10%,50V-DC,0402,X7R,-
55DEG CMIN,125DEG CM
C1141M11 2175793A01 CAP,CHIP,.47UF,+10%,-
10%,6.3V-DC,0402,X5R,-
55DEG CMIN,85DEG CMA
C1142M11 2113945A09 CAP,CHIP,1000PF,+10%,-
10%,50V-DC,0402,X7R,-
55DEG CMIN,125DEG CM
C1156M11 2113944A31 CAP,CHIP,33PF,+5%,-
5%,50V-DC,0402,C0G,-
55DEG CMIN,125DEG
CMAX,P
Ref. Des. Part Number Description

8-92 Schematics, Boards Overlays, and Parts Lists: Main Board Block: 700–800 MHz (84012501002)
C1157M11 2113944A31 CAP,CHIP,33PF,+5%,-
5%,50V-DC,0402,C0G,-
55DEG CMIN,125DEG
CMAX,P
C1158M11 2113944A31 CAP,CHIP,33PF,+5%,-
5%,50V-DC,0402,C0G,-
55DEG CMIN,125DEG
CMAX,P
C1159M11 2113944A31 CAP,CHIP,33PF,+5%,-
5%,50V-DC,0402,C0G,-
55DEG CMIN,125DEG
CMAX,P
C1160M11 2113945C31 CAP,FXD,.1UF,+10%,-
10%,50V-DC,0603,X7R,-
55DEG CMIN,125DEG
CMAX
C1161M11 2113956B91 CAP,FXD,1UF,+10%,-
10%,16V-DC,0603,X5R,-
55DEG CMIN,85DEG
CMAX,PB
C1162M11 2113944A31 CAP,CHIP,33PF,+5%,-
5%,50V-DC,0402,C0G,-
55DEG CMIN,125DEG
CMAX,P
C1163M11 2113944A31 CAP,CHIP,33PF,+5%,-
5%,50V-DC,0402,C0G,-
55DEG CMIN,125DEG
CMAX,P
C1164M11 2113944A31 CAP,CHIP,33PF,+5%,-
5%,50V-DC,0402,C0G,-
55DEG CMIN,125DEG
CMAX,P
C1165M11 2113945Y02 CAP,FXD,.1UF,+10%,-
10%,16V-DC,0402,X7R,-
55DEG CMIN,125DEG
CMAX
C1166M11 2113944A31 CAP,CHIP,33PF,+5%,-
5%,50V-DC,0402,C0G,-
55DEG CMIN,125DEG
CMAX,P
C1167M11 2113944A31 CAP,CHIP,33PF,+5%,-
5%,50V-DC,0402,C0G,-
55DEG CMIN,125DEG
CMAX,P
C1168M11 2113944A31 CAP,CHIP,33PF,+5%,-
5%,50V-DC,0402,C0G,-
55DEG CMIN,125DEG
CMAX,P
Ref. Des. Part Number Description
C1169M11 2113944A31 CAP,CHIP,33PF,+5%,-
5%,50V-DC,0402,C0G,-
55DEG CMIN,125DEG
CMAX,P
C1170M11 2113944A31 CAP,CHIP,33PF,+5%,-
5%,50V-DC,0402,C0G,-
55DEG CMIN,125DEG
CMAX,P
C1171M11 2113944A31 CAP,CHIP,33PF,+5%,-
5%,50V-DC,0402,C0G,-
55DEG CMIN,125DEG
CMAX,P
C1301M3 21012119001 CAP,FXD,2.2UF,+20%,-
20%,6.3V-
DC,X5R,CAP,FXD,2.2UF,20
%,6.3V-D
C1302M3 2113944A19 CAP,CHIP,5.6PF,.5PF+/-
,50V-DC,0402,C0G,-55DEG
CMIN,125DEG CMAX
C1303M3 2113956A51 CAP,FXD,1UF,+10%,-
10%,6.3V-DC,0402,X5R,-
55DEG CMIN,85DEG
CMAX,P
C1304M3 2113944A26 CAP,CHIP,12PF,+5%,-
5%,50V-DC,0402,C0G,-
55DEG CMIN,125DEG
CMAX,P
C1305M3 2113945B02 CAP,CHIP,.01UF,+10%,-
10%,25V-DC,0402,X7R,-
55DEG CMIN,125DEG CMA
C1306M3 2187893N01 CAP,CER,1UF,20PF+/-
,+20%,-20%,6.3V-
DC,0402,+/-15%,-55DEG
CMIN,85
C1307M3 2113944A26 CAP,CHIP,12PF,+5%,-
5%,50V-DC,0402,C0G,-
55DEG CMIN,125DEG
CMAX,P
C1308M3 2113945A09 CAP,CHIP,1000PF,+10%,-
10%,50V-DC,0402,X7R,-
55DEG CMIN,125DEG CM
C1309M3 2113944A26 CAP,CHIP,12PF,+5%,-
5%,50V-DC,0402,C0G,-
55DEG CMIN,125DEG
CMAX,P
Ref. Des. Part Number Description
C1310M3 2187893N01 CAP,CER,1UF,20PF+/-
,+20%,-20%,6.3V-
DC,0402,+/-15%,-55DEG
CMIN,85
C1311M3 2113956A51 CAP,FXD,1UF,+10%,-
10%,6.3V-DC,0402,X5R,-
55DEG CMIN,85DEG
CMAX,P
C1312M3 2113956A51 CAP,FXD,1UF,+10%,-
10%,6.3V-DC,0402,X5R,-
55DEG CMIN,85DEG
CMAX,P
C1313M3 2187893N01 CAP,CER,1UF,20PF+/-
,+20%,-20%,6.3V-
DC,0402,+/-15%,-55DEG
CMIN,85
C1314M3 2113944M20 CAP,FXD,12PF,+2%,-
2%,50V-DC,0603,C0G,-
55DEG CMIN,125DEG
CMAX,PB
C1315M3 2115153H02 CAP,CER
CHIP,.75PF,.1PF+/-,+.1%,-
.1%,50V-DC,C0G,CAP,
CERAMIC
C1316M3 2113945Y02 CAP,FXD,.1UF,+10%,-
10%,16V-DC,0402,X7R,-
55DEG CMIN,125DEG
CMAX
C1317M3 2188881Y12 CAP,CER
CHIP,1.8PF,.1PF+/-,16V-
DC,0402,NP0,-55DEG
CMIN,85DEG C
C1318M3 2115153H15 CAP,CER
CHIP,3.3PF,.1PF+/-,+.1%,-
.1%,50V-
DC,0402,C0G,CAP, CERA
C1319M3 2113945Y02 CAP,FXD,.1UF,+10%,-
10%,16V-DC,0402,X7R,-
55DEG CMIN,125DEG
CMAX
C1320M3 2113944A28 CAP,CHIP,18PF,+5%,-
5%,50V-DC,0402,C0G,-
55DEG CMIN,125DEG
CMAX,P
C1321M3 2113944A29 CAP,CHIP,22PF,+5%,-
5%,50V-DC,0402,C0G,-
55DEG CMIN,125DEG
CMAX,P
Ref. Des. Part Number Description
C1322M3 2113944A29 CAP,CHIP,22PF,+5%,-
5%,50V-DC,0402,C0G,-
55DEG CMIN,125DEG
CMAX,P
C1323M3 2113944A29 CAP,CHIP,22PF,+5%,-
5%,50V-DC,0402,C0G,-
55DEG CMIN,125DEG
CMAX,P
C1324M3 2115153H03 CAP,CER CHIP,1PF,.1PF+/-
,+.1%,-.1%,50V-
DC,0402,C0G
C1325M3 2113944A29 CAP,CHIP,22PF,+5%,-
5%,50V-DC,0402,C0G,-
55DEG CMIN,125DEG
CMAX,P
C1326M3 2113945Y02 CAP,FXD,.1UF,+10%,-
10%,16V-DC,0402,X7R,-
55DEG CMIN,125DEG
CMAX
C1327M3 2113944A28 CAP,CHIP,18PF,+5%,-
5%,50V-DC,0402,C0G,-
55DEG CMIN,125DEG
CMAX,P
C1328M3 2113945Y02 CAP,FXD,.1UF,+10%,-
10%,16V-DC,0402,X7R,-
55DEG CMIN,125DEG
CMAX
C1329M3 2113945Y02 CAP,FXD,.1UF,+10%,-
10%,16V-DC,0402,X7R,-
55DEG CMIN,125DEG
CMAX
C1330M3 2113945Y02 CAP,FXD,.1UF,+10%,-
10%,16V-DC,0402,X7R,-
55DEG CMIN,125DEG
CMAX
C1331M3 2113945Y02 CAP,FXD,.1UF,+10%,-
10%,16V-DC,0402,X7R,-
55DEG CMIN,125DEG
CMAX
C1332M3 2113945Y02 CAP,FXD,.1UF,+10%,-
10%,16V-DC,0402,X7R,-
55DEG CMIN,125DEG
CMAX
C1333M3 2113945Y02 CAP,FXD,.1UF,+10%,-
10%,16V-DC,0402,X7R,-
55DEG CMIN,125DEG
CMAX
Ref. Des. Part Number Description

Schematics, Boards Overlays, and Parts Lists: Main Board Block: 700–800 MHz (84012501002) 8-93
C1334M3 2113945Y02 CAP,FXD,.1UF,+10%,-
10%,16V-DC,0402,X7R,-
55DEG CMIN,125DEG
CMAX
C1335M3 2113945Y02 CAP,FXD,.1UF,+10%,-
10%,16V-DC,0402,X7R,-
55DEG CMIN,125DEG
CMAX
C1336M3 2113945Y02 CAP,FXD,.1UF,+10%,-
10%,16V-DC,0402,X7R,-
55DEG CMIN,125DEG
CMAX
C1337M3 2113944A28 CAP,CHIP,18PF,+5%,-
5%,50V-DC,0402,C0G,-
55DEG CMIN,125DEG
CMAX,P
C1339M3 NOTPLACED CAP,CHIP,2PF,.25PF+/-
,50V-DC,0402,C0G,-55DEG
CMIN,125DEG CMAX
C1340M3 2113945Y02 CAP,FXD,.1UF,+10%,-
10%,16V-DC,0402,X7R,-
55DEG CMIN,125DEG
CMAX
C1376M3 2113944A25 CAP,CHIP,10PF,.5PF+/-
,50V-DC,0402,C0G,-55DEG
CMIN,125DEG CMAX
C1411M17 2113944C36 CAP,CHIP,33PF,+5%,-
5%,50V-DC,0603,C0G,-
55DEG CMIN,125DEG
CMAX,P
C1413M17 2113944C12 CAP,CHIP,1.8PF,.25PF+/-
,50V-DC,0603,C0G,-55DEG
CMIN,125DEG CMA
C1414M17 2113944C61 CAP,FXD,.5PF,.1PF+/-,50V-
DC,0603,C0G,-55DEG
CMIN,125DEG CMAX,P
C1418M17 2113944C08 CAP,CHIP,1.2PF,.25PF+/-
,50V-DC,0603,C0G,-55DEG
CMIN,125DEG CMA
C1419M17 2113944C67 CAP,FXD,1.5PF,.1PF+/-
,50V-DC,0603,C0G,-55DEG
CMIN,125DEG CMAX
C1424M17 2113944C61 CAP,FXD,.5PF,.1PF+/-,50V-
DC,0603,C0G,-55DEG
CMIN,125DEG CMAX,P
Ref. Des. Part Number Description
C1425M17 2113944M06 CAP,FXD,3.3PF,.1PF+/-
,50V-DC,0603,C0G,-55DEG
CMIN,125DEG CMAX
C200M12 2113945B02 CAP,CHIP,.01UF,+10%,-
10%,25V-DC,0402,X7R,-
55DEG CMIN,125DEG CMA
C201M12 21012118001 CAP,FXD,1UF,+10%,-
10%,25V-
DC,X7R,CAP,FXD,1UF,10%,
25V-DC,X7R
C202M12 21012118001 CAP,FXD,1UF,+10%,-
10%,25V-
DC,X7R,CAP,FXD,1UF,10%,
25V-DC,X7R
C203M12 21012118001 CAP,FXD,1UF,+10%,-
10%,25V-
DC,X7R,CAP,FXD,1UF,10%,
25V-DC,X7R
C204M12 2113955D35 CAP,FXD,4.7UF,+10%,-
10%,16V-DC,1206,X7R,-
55DEG CMIN,125DEG
CMAX
C205M12 2113955D35 CAP,FXD,4.7UF,+10%,-
10%,16V-DC,1206,X7R,-
55DEG CMIN,125DEG
CMAX
C206M12 2113945B02 CAP,CHIP,.01UF,+10%,-
10%,25V-DC,0402,X7R,-
55DEG CMIN,125DEG CMA
C207M12 2113956B91 CAP,FXD,1UF,+10%,-
10%,16V-DC,0603,X5R,-
55DEG CMIN,85DEG
CMAX,PB
C208M12 2113956B91 CAP,FXD,1UF,+10%,-
10%,16V-DC,0603,X5R,-
55DEG CMIN,85DEG
CMAX,PB
C209M12 2113956B91 CAP,FXD,1UF,+10%,-
10%,16V-DC,0603,X5R,-
55DEG CMIN,85DEG
CMAX,PB
C2104M2 2113946B04 CAP,CHIP,.1UF,+10%,-
10%,10V-DC,0402,X5R,-
55DEG CMIN,85DEG CMAX
Ref. Des. Part Number Description
C210M12 2113956B91 CAP,FXD,1UF,+10%,-
10%,16V-DC,0603,X5R,-
55DEG CMIN,85DEG
CMAX,PB
C2114M2 2113946B04 CAP,CHIP,.1UF,+10%,-
10%,10V-DC,0402,X5R,-
55DEG CMIN,85DEG CMAX
C2115M2 2113944A40 CAP,CHIP,100PF,+5%,-
5%,50V-DC,0402,C0G,-
55DEG CMIN,125DEG
CMAX
C212M12 2113946D07 CAP,CHIP,4.7UF,+10%,-
10%,6.3V-DC,0603,X5R,-
55DEG CMIN,85DEG CMA
C213M12 2113944A46 CAP,CHIP,330PF,+5%,-
5%,50V-DC,0402,C0G,-
55DEG CMIN,125DEG
CMAX
C214M12 2113944A31 CAP,CHIP,33PF,+5%,-
5%,50V-DC,0402,C0G,-
55DEG CMIN,125DEG
CMAX,P
C215M12 2113944A46 CAP,CHIP,330PF,+5%,-
5%,50V-DC,0402,C0G,-
55DEG CMIN,125DEG
CMAX
C216M12 2113944A31 CAP,CHIP,33PF,+5%,-
5%,50V-DC,0402,C0G,-
55DEG CMIN,125DEG
CMAX,P
C217M12 2113956B91 CAP,FXD,1UF,+10%,-
10%,16V-DC,0603,X5R,-
55DEG CMIN,85DEG
CMAX,PB
C2201M2 2113946B04 CAP,CHIP,.1UF,+10%,-
10%,10V-DC,0402,X5R,-
55DEG CMIN,85DEG CMAX
C2202M2 2113946B04 CAP,CHIP,.1UF,+10%,-
10%,10V-DC,0402,X5R,-
55DEG CMIN,85DEG CMAX
C2203M2 2113946B04 CAP,CHIP,.1UF,+10%,-
10%,10V-DC,0402,X5R,-
55DEG CMIN,85DEG CMAX
C2223M2 2113944A40 CAP,CHIP,100PF,+5%,-
5%,50V-DC,0402,C0G,-
55DEG CMIN,125DEG
CMAX
Ref. Des. Part Number Description
C2224M2 2113944A40 CAP,CHIP,100PF,+5%,-
5%,50V-DC,0402,C0G,-
55DEG CMIN,125DEG
CMAX
C2225M2 2113946B04 CAP,CHIP,.1UF,+10%,-
10%,10V-DC,0402,X5R,-
55DEG CMIN,85DEG CMAX
C2226M2 2113944A40 CAP,CHIP,100PF,+5%,-
5%,50V-DC,0402,C0G,-
55DEG CMIN,125DEG
CMAX
C2227M2 2113944A40 CAP,CHIP,100PF,+5%,-
5%,50V-DC,0402,C0G,-
55DEG CMIN,125DEG
CMAX
C2228M2 2113944A40 CAP,CHIP,100PF,+5%,-
5%,50V-DC,0402,C0G,-
55DEG CMIN,125DEG
CMAX
C2229M2 2113944A40 CAP,CHIP,100PF,+5%,-
5%,50V-DC,0402,C0G,-
55DEG CMIN,125DEG
CMAX
C2301M13 2113944C36 CAP,CHIP,33PF,+5%,-
5%,50V-DC,0603,C0G,-
55DEG CMIN,125DEG
CMAX,P
C2302M13 2113944M24 CAP,FXD,18PF,+2%,-
2%,50V-DC,0603,C0G,-
55DEG CMIN,125DEG
CMAX,PB
C2303M13 2113944A36 CAP,CHIP,68PF,+5%,-
5%,50V-DC,0402,C0G,-
55DEG CMIN,125DEG
CMAX,P
C2304M13 2113944C36 CAP,CHIP,33PF,+5%,-
5%,50V-DC,0603,C0G,-
55DEG CMIN,125DEG
CMAX,P
C2305M13 2115153H56 CAP,CER CHIP,91PF,50V-
DC,0402,C0G
C2306M13 2113944A31 CAP,CHIP,33PF,+5%,-
5%,50V-DC,0402,C0G,-
55DEG CMIN,125DEG
CMAX,P
Ref. Des. Part Number Description

8-94 Schematics, Boards Overlays, and Parts Lists: Main Board Block: 700–800 MHz (84012501002)
C2307M13 2113944C16 CAP,CHIP,2.7PF,.25PF+/-
,50V-DC,0603,C0G,-55DEG
CMIN,125DEG CMA
C2308M13 2113944C63 CAP,FXD,1PF,.1PF+/-,50V-
DC,0603,C0G,-55DEG
CMIN,125DEG CMAX,PB
C2309M13 2113946K02 CAP,CHIP,.1UF,+80%,-
20%,16V-DC,0402,Y5V,-
30DEG CMIN,85DEG CMAX
C2331M2 2113944A40 CAP,CHIP,100PF,+5%,-
5%,50V-DC,0402,C0G,-
55DEG CMIN,125DEG
CMAX
C2332M2 2113944A40 CAP,CHIP,100PF,+5%,-
5%,50V-DC,0402,C0G,-
55DEG CMIN,125DEG
CMAX
C2333M2 2113944A40 CAP,CHIP,100PF,+5%,-
5%,50V-DC,0402,C0G,-
55DEG CMIN,125DEG
CMAX
C2334M2 2113944A40 CAP,CHIP,100PF,+5%,-
5%,50V-DC,0402,C0G,-
55DEG CMIN,125DEG
CMAX
C2335M2 2113945Y02 CAP,FXD,.1UF,+10%,-
10%,16V-DC,0402,X7R,-
55DEG CMIN,125DEG
CMAX
C2336M2 2113945Y02 CAP,FXD,.1UF,+10%,-
10%,16V-DC,0402,X7R,-
55DEG CMIN,125DEG
CMAX
C2337M2 2113944A40 CAP,CHIP,100PF,+5%,-
5%,50V-DC,0402,C0G,-
55DEG CMIN,125DEG
CMAX
C2338M2 2113944A40 CAP,CHIP,100PF,+5%,-
5%,50V-DC,0402,C0G,-
55DEG CMIN,125DEG
CMAX
C2339M2 2113945A05 CAP,CHIP,470PF,+10%,-
10%,50V-DC,0402,X7R,-
55DEG CMIN,125DEG CMA
C2340M2 NOTPLACED CAP,CHIP,470PF,+10%,-
10%,50V-DC,0402,X7R,-
55DEG CMIN,125DEG CMA
Ref. Des. Part Number Description
C2341M2 NOTPLACED CAP,CHIP,.1UF,+10%,-
10%,10V-DC,0402,X5R,-
55DEG CMIN,85DEG CMAX
C2342M2 NOTPLACED CAP,CHIP,470PF,+10%,-
10%,50V-DC,0402,X7R,-
55DEG CMIN,125DEG CMA
C2343M2 2113944A40 CAP,CHIP,100PF,+5%,-
5%,50V-DC,0402,C0G,-
55DEG CMIN,125DEG
CMAX
C2344M2 2113944A40 CAP,CHIP,100PF,+5%,-
5%,50V-DC,0402,C0G,-
55DEG CMIN,125DEG
CMAX
C2414M3 2113946D07 CAP,CHIP,4.7UF,+10%,-
10%,6.3V-DC,0603,X5R,-
55DEG CMIN,85DEG CMA
C2415M3 2113945B02 CAP,CHIP,.01UF,+10%,-
10%,25V-DC,0402,X7R,-
55DEG CMIN,125DEG CMA
C2416M3 2113946D07 CAP,CHIP,4.7UF,+10%,-
10%,6.3V-DC,0603,X5R,-
55DEG CMIN,85DEG CMA
C2417M3 2171206F01 CAP,CER
CHIP,4.7UF,+20%,-20%,4V-
DC,0402,X5R,MONO,SMD,
W18
C2438M3 2113945Y02 CAP,FXD,.1UF,+10%,-
10%,16V-DC,0402,X7R,-
55DEG CMIN,125DEG
CMAX
C2439M3 2113945Y02 CAP,FXD,.1UF,+10%,-
10%,16V-DC,0402,X7R,-
55DEG CMIN,125DEG
CMAX
C2440M3 2113945Y02 CAP,FXD,.1UF,+10%,-
10%,16V-DC,0402,X7R,-
55DEG CMIN,125DEG
CMAX
C2441M3 2113945Y02 CAP,FXD,.1UF,+10%,-
10%,16V-DC,0402,X7R,-
55DEG CMIN,125DEG
CMAX
C2442M3 2113945Y02 CAP,FXD,.1UF,+10%,-
10%,16V-DC,0402,X7R,-
55DEG CMIN,125DEG
CMAX
Ref. Des. Part Number Description
C2443M3 2113945Y02 CAP,FXD,.1UF,+10%,-
10%,16V-DC,0402,X7R,-
55DEG CMIN,125DEG
CMAX
C2444M3 2113945Y02 CAP,FXD,.1UF,+10%,-
10%,16V-DC,0402,X7R,-
55DEG CMIN,125DEG
CMAX
C2445M3 2113945Y02 CAP,FXD,.1UF,+10%,-
10%,16V-DC,0402,X7R,-
55DEG CMIN,125DEG
CMAX
C2446M3 2113945Y02 CAP,FXD,.1UF,+10%,-
10%,16V-DC,0402,X7R,-
55DEG CMIN,125DEG
CMAX
C2447M3 2113945Y02 CAP,FXD,.1UF,+10%,-
10%,16V-DC,0402,X7R,-
55DEG CMIN,125DEG
CMAX
C2448M3 2113945Y02 CAP,FXD,.1UF,+10%,-
10%,16V-DC,0402,X7R,-
55DEG CMIN,125DEG
CMAX
C2449M3 2113945Y02 CAP,FXD,.1UF,+10%,-
10%,16V-DC,0402,X7R,-
55DEG CMIN,125DEG
CMAX
C2450M3 2113945Y02 CAP,FXD,.1UF,+10%,-
10%,16V-DC,0402,X7R,-
55DEG CMIN,125DEG
CMAX
C2451M3 2113945Y02 CAP,FXD,.1UF,+10%,-
10%,16V-DC,0402,X7R,-
55DEG CMIN,125DEG
CMAX
C2452M3 2113945Y02 CAP,FXD,.1UF,+10%,-
10%,16V-DC,0402,X7R,-
55DEG CMIN,125DEG
CMAX
C2453M3 2113945Y02 CAP,FXD,.1UF,+10%,-
10%,16V-DC,0402,X7R,-
55DEG CMIN,125DEG
CMAX
C2454M3 2171051Y05 CAP,CER
CHIP,180PF,+1%,-1%,50V-
DC,0402,COG,-55DEG
CMIN,125DEG C
Ref. Des. Part Number Description
C2455M3 2113945Y02 CAP,FXD,.1UF,+10%,-
10%,16V-DC,0402,X7R,-
55DEG CMIN,125DEG
CMAX
C2456M3 2113945Y02 CAP,FXD,.1UF,+10%,-
10%,16V-DC,0402,X7R,-
55DEG CMIN,125DEG
CMAX
C2457M3 2115153H20 CAP,FXD,5.1PF,.1PF+/-
,+2%,-2%,50V-
DC,0402,C0G,CAP,
CERAMIC, CO
C2458M3 2113945Y02 CAP,FXD,.1UF,+10%,-
10%,16V-DC,0402,X7R,-
55DEG CMIN,125DEG
CMAX
C2459M3 2113945Y02 CAP,FXD,.1UF,+10%,-
10%,16V-DC,0402,X7R,-
55DEG CMIN,125DEG
CMAX
C2460M3 2113945Y02 CAP,FXD,.1UF,+10%,-
10%,16V-DC,0402,X7R,-
55DEG CMIN,125DEG
CMAX
C2461M3 2113945Y02 CAP,FXD,.1UF,+10%,-
10%,16V-DC,0402,X7R,-
55DEG CMIN,125DEG
CMAX
C2462M3 2113945Y02 CAP,FXD,.1UF,+10%,-
10%,16V-DC,0402,X7R,-
55DEG CMIN,125DEG
CMAX
C2463M3 2113945Y02 CAP,FXD,.1UF,+10%,-
10%,16V-DC,0402,X7R,-
55DEG CMIN,125DEG
CMAX
C2464M3 2113945Y02 CAP,FXD,.1UF,+10%,-
10%,16V-DC,0402,X7R,-
55DEG CMIN,125DEG
CMAX
C2465M3 2113956A51 CAP,FXD,1UF,+10%,-
10%,6.3V-DC,0402,X5R,-
55DEG CMIN,85DEG
CMAX,P
C2466M3 2113945Y02 CAP,FXD,.1UF,+10%,-
10%,16V-DC,0402,X7R,-
55DEG CMIN,125DEG
CMAX
Ref. Des. Part Number Description

Schematics, Boards Overlays, and Parts Lists: Main Board Block: 700–800 MHz (84012501002) 8-95
C2467M3 2113945Y02 CAP,FXD,.1UF,+10%,-
10%,16V-DC,0402,X7R,-
55DEG CMIN,125DEG
CMAX
C2468M3 2113945Y02 CAP,FXD,.1UF,+10%,-
10%,16V-DC,0402,X7R,-
55DEG CMIN,125DEG
CMAX
C2469M3 2113945Y02 CAP,FXD,.1UF,+10%,-
10%,16V-DC,0402,X7R,-
55DEG CMIN,125DEG
CMAX
C2470M3 21012119001 CAP,FXD,2.2UF,+20%,-
20%,6.3V-
DC,X5R,CAP,FXD,2.2UF,20
%,6.3V-D
C2471M3 2113945A05 CAP,CHIP,470PF,+10%,-
10%,50V-DC,0402,X7R,-
55DEG CMIN,125DEG CMA
C2472M3 2113945A09 CAP,CHIP,1000PF,+10%,-
10%,50V-DC,0402,X7R,-
55DEG CMIN,125DEG CM
C2473M3 2113944A25 CAP,CHIP,10PF,.5PF+/-
,50V-DC,0402,C0G,-55DEG
CMIN,125DEG CMAX
C2474M3 2113945Y02 CAP,FXD,.1UF,+10%,-
10%,16V-DC,0402,X7R,-
55DEG CMIN,125DEG
CMAX
C2475M3 2113945A09 CAP,CHIP,1000PF,+10%,-
10%,50V-DC,0402,X7R,-
55DEG CMIN,125DEG CM
C2477M3 2113945Y02 CAP,FXD,.1UF,+10%,-
10%,16V-DC,0402,X7R,-
55DEG CMIN,125DEG
CMAX
C2478M3 2113956B54 CAP,FXD,10UF,+20%,-
20%,6.3V-DC,X5R,-55DEG
CMIN,85DEG CMAX
C2479M3 2113945Y02 CAP,FXD,.1UF,+10%,-
10%,16V-DC,0402,X7R,-
55DEG CMIN,125DEG
CMAX
C2480M3 2113956A51 CAP,FXD,1UF,+10%,-
10%,6.3V-DC,0402,X5R,-
55DEG CMIN,85DEG
CMAX,P
Ref. Des. Part Number Description
C2482M3 2113945Y02 CAP,FXD,.1UF,+10%,-
10%,16V-DC,0402,X7R,-
55DEG CMIN,125DEG
CMAX
C2483M3 2113945Y02 CAP,FXD,.1UF,+10%,-
10%,16V-DC,0402,X7R,-
55DEG CMIN,125DEG
CMAX
C2504M6 2113945A09 CAP,CHIP,1000PF,+10%,-
10%,50V-DC,0402,X7R,-
55DEG CMIN,125DEG CM
C2506M6 2113945B02 CAP,CHIP,.01UF,+10%,-
10%,25V-DC,0402,X7R,-
55DEG CMIN,125DEG CMA
C2518M6 2113956B33 CAP,FXD,2.2UF,+10%,-
10%,16V-DC,0603,X5R,-
55DEG CMIN,85DEG CMAX
C2520M6 2113946B04 CAP,CHIP,.1UF,+10%,-
10%,10V-DC,0402,X5R,-
55DEG CMIN,85DEG CMAX
C2527M6 2113946B04 CAP,CHIP,.1UF,+10%,-
10%,10V-DC,0402,X5R,-
55DEG CMIN,85DEG CMAX
C2528M6 2113946B04 CAP,CHIP,.1UF,+10%,-
10%,10V-DC,0402,X5R,-
55DEG CMIN,85DEG CMAX
C2531M6 2113946B04 CAP,CHIP,.1UF,+10%,-
10%,10V-DC,0402,X5R,-
55DEG CMIN,85DEG CMAX
C2532M6 2113946B04 CAP,CHIP,.1UF,+10%,-
10%,10V-DC,0402,X5R,-
55DEG CMIN,85DEG CMAX
C2534M6 2113946B04 CAP,CHIP,.1UF,+10%,-
10%,10V-DC,0402,X5R,-
55DEG CMIN,85DEG CMAX
C2535M6 2113946B04 CAP,CHIP,.1UF,+10%,-
10%,10V-DC,0402,X5R,-
55DEG CMIN,85DEG CMAX
C2536M6 2113946B04 CAP,CHIP,.1UF,+10%,-
10%,10V-DC,0402,X5R,-
55DEG CMIN,85DEG CMAX
C2538M6 2113946B04 CAP,CHIP,.1UF,+10%,-
10%,10V-DC,0402,X5R,-
55DEG CMIN,85DEG CMAX
Ref. Des. Part Number Description
C2539M6 2113946B04 CAP,CHIP,.1UF,+10%,-
10%,10V-DC,0402,X5R,-
55DEG CMIN,85DEG CMAX
C2540M6 2113946B04 CAP,CHIP,.1UF,+10%,-
10%,10V-DC,0402,X5R,-
55DEG CMIN,85DEG CMAX
C2541M6 2113946B04 CAP,CHIP,.1UF,+10%,-
10%,10V-DC,0402,X5R,-
55DEG CMIN,85DEG CMAX
C2542M6 2113946B04 CAP,CHIP,.1UF,+10%,-
10%,10V-DC,0402,X5R,-
55DEG CMIN,85DEG CMAX
C2543M6 2113946B04 CAP,CHIP,.1UF,+10%,-
10%,10V-DC,0402,X5R,-
55DEG CMIN,85DEG CMAX
C2544M6 2113946B04 CAP,CHIP,.1UF,+10%,-
10%,10V-DC,0402,X5R,-
55DEG CMIN,85DEG CMAX
C2545M6 2113946B04 CAP,CHIP,.1UF,+10%,-
10%,10V-DC,0402,X5R,-
55DEG CMIN,85DEG CMAX
C2546M6 2113946B04 CAP,CHIP,.1UF,+10%,-
10%,10V-DC,0402,X5R,-
55DEG CMIN,85DEG CMAX
C2548M6 2113946B04 CAP,CHIP,.1UF,+10%,-
10%,10V-DC,0402,X5R,-
55DEG CMIN,85DEG CMAX
C2549M6 2113946B04 CAP,CHIP,.1UF,+10%,-
10%,10V-DC,0402,X5R,-
55DEG CMIN,85DEG CMAX
C2550M6 2113946B04 CAP,CHIP,.1UF,+10%,-
10%,10V-DC,0402,X5R,-
55DEG CMIN,85DEG CMAX
C2551M6 2113946B04 CAP,CHIP,.1UF,+10%,-
10%,10V-DC,0402,X5R,-
55DEG CMIN,85DEG CMAX
C2552M6 2113946B04 CAP,CHIP,.1UF,+10%,-
10%,10V-DC,0402,X5R,-
55DEG CMIN,85DEG CMAX
C2553M6 2113946B04 CAP,CHIP,.1UF,+10%,-
10%,10V-DC,0402,X5R,-
55DEG CMIN,85DEG CMAX
C2554M6 2113946B04 CAP,CHIP,.1UF,+10%,-
10%,10V-DC,0402,X5R,-
55DEG CMIN,85DEG CMAX
Ref. Des. Part Number Description
C2555M6 2113946B04 CAP,CHIP,.1UF,+10%,-
10%,10V-DC,0402,X5R,-
55DEG CMIN,85DEG CMAX
C2806 NOTPLACED CAP,FXD,.1PF,.03PF+/-
,25V-DC,C0G,-55DEG
CMIN,125DEG CMAX,PB-F
C3005M22 2113944A31 CAP,CHIP,33PF,+5%,-
5%,50V-DC,0402,C0G,-
55DEG CMIN,125DEG
CMAX,P
C3006M22 2113944A31 CAP,CHIP,33PF,+5%,-
5%,50V-DC,0402,C0G,-
55DEG CMIN,125DEG
CMAX,P
C3007M22 2113944A31 CAP,CHIP,33PF,+5%,-
5%,50V-DC,0402,C0G,-
55DEG CMIN,125DEG
CMAX,P
C3008M22 2113944A31 CAP,CHIP,33PF,+5%,-
5%,50V-DC,0402,C0G,-
55DEG CMIN,125DEG
CMAX,P
C3012M22 2113946K02 CAP,CHIP,.1UF,+80%,-
20%,16V-DC,0402,Y5V,-
30DEG CMIN,85DEG CMAX
C3013M22 2113946K02 CAP,CHIP,.1UF,+80%,-
20%,16V-DC,0402,Y5V,-
30DEG CMIN,85DEG CMAX
C3014M22 2113944M06 CAP,FXD,3.3PF,.1PF+/-
,50V-DC,0603,C0G,-55DEG
CMIN,125DEG CMAX
C3015M22 2113944M06 CAP,FXD,3.3PF,.1PF+/-
,50V-DC,0603,C0G,-55DEG
CMIN,125DEG CMAX
C3016M22 2113944M02 CAP,FXD,2.2PF,.1PF+/-
,50V-DC,0603,C0G,-55DEG
CMIN,125DEG CMAX
C3017M22 2113944M04 CAP,FXD,2.7PF,.1PF+/-
,50V-DC,0603,C0G,-55DEG
CMIN,125DEG CMAX
C3018M22 2113944A31 CAP,CHIP,33PF,+5%,-
5%,50V-DC,0402,C0G,-
55DEG CMIN,125DEG
CMAX,P
Ref. Des. Part Number Description

8-96 Schematics, Boards Overlays, and Parts Lists: Main Board Block: 700–800 MHz (84012501002)
C3022M22 2115153H09 CAP,FXD,1.8PF,.1PF+/-
,+5.56%,-5.56%,50V-
DC,0402,C0G
C3023M22 2115153H12 CAP,CERAMIC
CHIP,2.4PF,.1PF+/-,+.1%,-
.1%,50V-
DC,0402,C0G,CAP,
C3024M22 2115153H04 CAP,CERAMIC
CHIP,1.1PF,.1PF+/-,+.1%,-
.1%,50V-
DC,0402,C0G,CAP,
C3025M22 2115153H14 CAP,CERAMIC
CHIP,3PF,.1PF+/-,+.1%,-
.1%,50V-
DC,0402,C0G,CAP, CE
C3026M22 2115153H14 CAP,CERAMIC
CHIP,3PF,.1PF+/-,+.1%,-
.1%,50V-
DC,0402,C0G,CAP, CE
C3027M22 2115153H13 CAP,FXD,2.7PF,.1PF+/-
,+3.7%,-3.7%,50V-
DC,0402,C0G,CAP,
CERAMIC
C3028M22 2115153H15 CAP,CER
CHIP,3.3PF,.1PF+/-,+.1%,-
.1%,50V-
DC,0402,C0G,CAP, CERA
C3029M22 2115153H17 CAP,FXD,3.9PF,.1PF+/-
,50V-DC,0402,C0G,CAP,
CERAMIC, COG
C3042M22 2113944A31 CAP,CHIP,33PF,+5%,-
5%,50V-DC,0402,C0G,-
55DEG CMIN,125DEG
CMAX,P
C3045M22 2113944A31 CAP,CHIP,33PF,+5%,-
5%,50V-DC,0402,C0G,-
55DEG CMIN,125DEG
CMAX,P
C3046M22 2113944A31 CAP,CHIP,33PF,+5%,-
5%,50V-DC,0402,C0G,-
55DEG CMIN,125DEG
CMAX,P
C3049M22 2113946K02 CAP,CHIP,.1UF,+80%,-
20%,16V-DC,0402,Y5V,-
30DEG CMIN,85DEG CMAX
Ref. Des. Part Number Description
C3050M22 2113944M02 CAP,FXD,2.2PF,.1PF+/-
,50V-DC,0603,C0G,-55DEG
CMIN,125DEG CMAX
C3051M22 2113944M02 CAP,FXD,2.2PF,.1PF+/-
,50V-DC,0603,C0G,-55DEG
CMIN,125DEG CMAX
C3054M22 2115153H07 CAP,FXD,1.5PF,.1PF+/-
,+6.67%,-6.67%,50V-
DC,0402,C0G
C3055M22 2115153H12 CAP,CERAMIC
CHIP,2.4PF,.1PF+/-,+.1%,-
.1%,50V-
DC,0402,C0G,CAP,
C3056M22 2115153H05 CAP,FXD,1.2PF,.1PF+/-
,50V-DC,0402,C0G
C3057M22 2188881Y12 CAP,CER
CHIP,1.8PF,.1PF+/-,16V-
DC,0402,NP0,-55DEG
CMIN,85DEG C
C3065M22 2113944A31 CAP,CHIP,33PF,+5%,-
5%,50V-DC,0402,C0G,-
55DEG CMIN,125DEG
CMAX,P
C3067M22 2113946B04 CAP,CHIP,.1UF,+10%,-
10%,10V-DC,0402,X5R,-
55DEG CMIN,85DEG CMAX
C3068M22 2113944A31 CAP,CHIP,33PF,+5%,-
5%,50V-DC,0402,C0G,-
55DEG CMIN,125DEG
CMAX,P
C3069M22 2115153H33 CAP,CER CHIP,9PF,.1PF+/-
,+.1%,-.1%,50V-
DC,0402,C0G,CAP,
CERAMI
C4005M2 2113946B04 CAP,CHIP,.1UF,+10%,-
10%,10V-DC,0402,X5R,-
55DEG CMIN,85DEG CMAX
C4006M2 2113946B04 CAP,CHIP,.1UF,+10%,-
10%,10V-DC,0402,X5R,-
55DEG CMIN,85DEG CMAX
C4007M2 2113946B04 CAP,CHIP,.1UF,+10%,-
10%,10V-DC,0402,X5R,-
55DEG CMIN,85DEG CMAX
Ref. Des. Part Number Description
C402M20 2113944A31 CAP,CHIP,33PF,+5%,-
5%,50V-DC,0402,C0G,-
55DEG CMIN,125DEG
CMAX,P
C404M20 2113944A31 CAP,CHIP,33PF,+5%,-
5%,50V-DC,0402,C0G,-
55DEG CMIN,125DEG
CMAX,P
C405M20 2113944A31 CAP,CHIP,33PF,+5%,-
5%,50V-DC,0402,C0G,-
55DEG CMIN,125DEG
CMAX,P
C406M20 2113944A31 CAP,CHIP,33PF,+5%,-
5%,50V-DC,0402,C0G,-
55DEG CMIN,125DEG
CMAX,P
C407M20 2113944A31 CAP,CHIP,33PF,+5%,-
5%,50V-DC,0402,C0G,-
55DEG CMIN,125DEG
CMAX,P
C412M20 2115153H26 CAP,CER
CHIP,9.1PF,.1PF+/-,+.1%,-
.1%,50V-
DC,0402,C0G,CAP, CERA
C413M20 2113944A33 CAP,CHIP,47PF,+5%,-
5%,50V-DC,0402,C0G,-
55DEG CMIN,125DEG
CMAX,P
C416M20 2113944A31 CAP,CHIP,33PF,+5%,-
5%,50V-DC,0402,C0G,-
55DEG CMIN,125DEG
CMAX,P
C417M20 2113944A31 CAP,CHIP,33PF,+5%,-
5%,50V-DC,0402,C0G,-
55DEG CMIN,125DEG
CMAX,P
C418M20 2113944A31 CAP,CHIP,33PF,+5%,-
5%,50V-DC,0402,C0G,-
55DEG CMIN,125DEG
CMAX,P
C419M20 2113944A31 CAP,CHIP,33PF,+5%,-
5%,50V-DC,0402,C0G,-
55DEG CMIN,125DEG
CMAX,P
C421M20 2113946D07 CAP,CHIP,4.7UF,+10%,-
10%,6.3V-DC,0603,X5R,-
55DEG CMIN,85DEG CMA
Ref. Des. Part Number Description
C422M20 2113944A31 CAP,CHIP,33PF,+5%,-
5%,50V-DC,0402,C0G,-
55DEG CMIN,125DEG
CMAX,P
C423M20 2115153H44 CAP,FXD,30PF,+1%,-
1%,50V-DC,0402,C0G
C424M20 2113944A31 CAP,CHIP,33PF,+5%,-
5%,50V-DC,0402,C0G,-
55DEG CMIN,125DEG
CMAX,P
C425M20 2115153H20 CAP,FXD,5.1PF,.1PF+/-
,+2%,-2%,50V-
DC,0402,C0G,CAP,
CERAMIC, CO
C426M20 2113944A63 CAP,FXD,1PF,.25PF+/-,50V-
DC,0402,C0G,-55DEG
CMIN,125DEG CMAX,P
C427M20 2113946D07 CAP,CHIP,4.7UF,+10%,-
10%,6.3V-DC,0603,X5R,-
55DEG CMIN,85DEG CMA
C428M20 2113946D07 CAP,CHIP,4.7UF,+10%,-
10%,6.3V-DC,0603,X5R,-
55DEG CMIN,85DEG CMA
C429M20 2113944A31 CAP,CHIP,33PF,+5%,-
5%,50V-DC,0402,C0G,-
55DEG CMIN,125DEG
CMAX,P
C430M20 2115153H44 CAP,FXD,30PF,+1%,-
1%,50V-DC,0402,C0G
C431M20 2113944A31 CAP,CHIP,33PF,+5%,-
5%,50V-DC,0402,C0G,-
55DEG CMIN,125DEG
CMAX,P
C432M20 2115153H20 CAP,FXD,5.1PF,.1PF+/-
,+2%,-2%,50V-
DC,0402,C0G,CAP,
CERAMIC, CO
C433M20 2113944A63 CAP,FXD,1PF,.25PF+/-,50V-
DC,0402,C0G,-55DEG
CMIN,125DEG CMAX,P
C434M20 2113946D07 CAP,CHIP,4.7UF,+10%,-
10%,6.3V-DC,0603,X5R,-
55DEG CMIN,85DEG CMA
C484M20 2115153H03 CAP,CER CHIP,1PF,.1PF+/-
,+.1%,-.1%,50V-
DC,0402,C0G
Ref. Des. Part Number Description

Schematics, Boards Overlays, and Parts Lists: Main Board Block: 700–800 MHz (84012501002) 8-97
C485M20 2113944A63 CAP,FXD,1PF,.25PF+/-,50V-
DC,0402,C0G,-55DEG
CMIN,125DEG CMAX,P
C487M20 2113944A31 CAP,CHIP,33PF,+5%,-
5%,50V-DC,0402,C0G,-
55DEG CMIN,125DEG
CMAX,P
C488M20 2113944V13 CAP,FXD,2.7PF,.1PF+/-
,50V-DC,0402,C0G,-55DEG
CMIN,125DEG CMAX
C490M20 2113944V07 CAP,FXD,1.5PF,.1PF+/-
,50V-DC,0402,C0G,-55DEG
CMIN,125DEG CMAX
C492M20 2113944V13 CAP,FXD,2.7PF,.1PF+/-
,50V-DC,0402,C0G,-55DEG
CMIN,125DEG CMAX
C500M21 2113945B05 CAP,FXD,.033UF,+10%,-
10%,25V-DC,0402,X7R,-
55DEG CMIN,125DEG CMA
C501M21 2113944A32 CAP,CHIP,39PF,+5%,-
5%,50V-DC,0402,C0G,-
55DEG CMIN,125DEG
CMAX,P
C502M21 2113945B05 CAP,FXD,.033UF,+10%,-
10%,25V-DC,0402,X7R,-
55DEG CMIN,125DEG CMA
C504M21 2113944A70 CAP,FXD,6PF,.5PF+/-,50V-
DC,0402,C0G,-55DEG
CMIN,125DEG CMAX,PB
C505M21 NOTPLACED CAP,CHIP,47PF,+5%,-
5%,50V-DC,0402,C0G,-
55DEG CMIN,125DEG
CMAX,P
C506M21 2113944A32 CAP,CHIP,39PF,+5%,-
5%,50V-DC,0402,C0G,-
55DEG CMIN,125DEG
CMAX,P
C507M21 2113945B05 CAP,FXD,.033UF,+10%,-
10%,25V-DC,0402,X7R,-
55DEG CMIN,125DEG CMA
C508M21 2113946D07 CAP,CHIP,4.7UF,+10%,-
10%,6.3V-DC,0603,X5R,-
55DEG CMIN,85DEG CMA
C509M21 2113945B05 CAP,FXD,.033UF,+10%,-
10%,25V-DC,0402,X7R,-
55DEG CMIN,125DEG CMA
Ref. Des. Part Number Description
C510M21 2113944A32 CAP,CHIP,39PF,+5%,-
5%,50V-DC,0402,C0G,-
55DEG CMIN,125DEG
CMAX,P
C511M21 2113945B05 CAP,FXD,.033UF,+10%,-
10%,25V-DC,0402,X7R,-
55DEG CMIN,125DEG CMA
C512M21 2113946D07 CAP,CHIP,4.7UF,+10%,-
10%,6.3V-DC,0603,X5R,-
55DEG CMIN,85DEG CMA
C514M21 NOTPLACED CAP,CHIP,2PF,.25PF+/-
,50V-DC,0402,C0G,-55DEG
CMIN,125DEG CMAX
C515M21 2113944A14 CAP,CHIP,3.6PF,.25PF+/-
,50V-DC,0402,C0G,-55DEG
CMIN,125DEG CMA
C516M21 2113944M30 CAP,FXD,33PF,+2%,-
2%,50V-DC,0603,C0G,-
55DEG CMIN,125DEG
CMAX,PB
C532M21 2113944A32 CAP,CHIP,39PF,+5%,-
5%,50V-DC,0402,C0G,-
55DEG CMIN,125DEG
CMAX,P
C533M21 2115153H52 CAP,FXD,62PF,+1%,-
1%,50V-DC,0402,C0G
C550M21 NOTPLACED CAP,CHIP,33PF,+5%,-
5%,50V-DC,0402,C0G,-
55DEG CMIN,125DEG
CMAX,P
C551M21 NOTPLACED CAP,CHIP,33PF,+5%,-
5%,50V-DC,0402,C0G,-
55DEG CMIN,125DEG
CMAX,P
C552M21 2115153H15 CAP,CER
CHIP,3.3PF,.1PF+/-,+.1%,-
.1%,50V-
DC,0402,C0G,CAP, CERA
C601M19 2113945B02 CAP,CHIP,.01UF,+10%,-
10%,25V-DC,0402,X7R,-
55DEG CMIN,125DEG CMA
C602M19 2113945B02 CAP,CHIP,.01UF,+10%,-
10%,25V-DC,0402,X7R,-
55DEG CMIN,125DEG CMA
Ref. Des. Part Number Description
C603M19 2113945B02 CAP,CHIP,.01UF,+10%,-
10%,25V-DC,0402,X7R,-
55DEG CMIN,125DEG CMA
C604M19 2113945B02 CAP,CHIP,.01UF,+10%,-
10%,25V-DC,0402,X7R,-
55DEG CMIN,125DEG CMA
C605M19 2113944A15 CAP,CHIP,3.9PF,.25PF+/-
,50V-DC,0402,C0G,-55DEG
CMIN,125DEG CMA
C606M19 2113946B04 CAP,CHIP,.1UF,+10%,-
10%,10V-DC,0402,X5R,-
55DEG CMIN,85DEG CMAX
C607M19 2113944A40 CAP,CHIP,100PF,+5%,-
5%,50V-DC,0402,C0G,-
55DEG CMIN,125DEG
CMAX
C608M19 2113944A12 CAP,CHIP,3PF,.25PF+/-
,50V-DC,0402,C0G,-55DEG
CMIN,125DEG CMAX
C609M19 2113944A30 CAP,CHIP,27PF,+5%,-
5%,50V-DC,0402,C0G,-
55DEG CMIN,125DEG
CMAX,P
C6104M6 2113946B04 CAP,CHIP,.1UF,+10%,-
10%,10V-DC,0402,X5R,-
55DEG CMIN,85DEG CMAX
C6105M6 2113946B04 CAP,CHIP,.1UF,+10%,-
10%,10V-DC,0402,X5R,-
55DEG CMIN,85DEG CMAX
C6106M6 2113946B04 CAP,CHIP,.1UF,+10%,-
10%,10V-DC,0402,X5R,-
55DEG CMIN,85DEG CMAX
C6107M6 2113946B04 CAP,CHIP,.1UF,+10%,-
10%,10V-DC,0402,X5R,-
55DEG CMIN,85DEG CMAX
C6108M6 2113946B04 CAP,CHIP,.1UF,+10%,-
10%,10V-DC,0402,X5R,-
55DEG CMIN,85DEG CMAX
C6109M6 2113946B04 CAP,CHIP,.1UF,+10%,-
10%,10V-DC,0402,X5R,-
55DEG CMIN,85DEG CMAX
C610M19 2113944A40 CAP,CHIP,100PF,+5%,-
5%,50V-DC,0402,C0G,-
55DEG CMIN,125DEG
CMAX
Ref. Des. Part Number Description
C6110M6 2113946B04 CAP,CHIP,.1UF,+10%,-
10%,10V-DC,0402,X5R,-
55DEG CMIN,85DEG CMAX
C6111M6 2113946B04 CAP,CHIP,.1UF,+10%,-
10%,10V-DC,0402,X5R,-
55DEG CMIN,85DEG CMAX
C6112M6 2113946B04 CAP,CHIP,.1UF,+10%,-
10%,10V-DC,0402,X5R,-
55DEG CMIN,85DEG CMAX
C6113M6 2113946B04 CAP,CHIP,.1UF,+10%,-
10%,10V-DC,0402,X5R,-
55DEG CMIN,85DEG CMAX
C6114M6 2113946B04 CAP,CHIP,.1UF,+10%,-
10%,10V-DC,0402,X5R,-
55DEG CMIN,85DEG CMAX
C6115M6 2113946B04 CAP,CHIP,.1UF,+10%,-
10%,10V-DC,0402,X5R,-
55DEG CMIN,85DEG CMAX
C611M19 2113944A40 CAP,CHIP,100PF,+5%,-
5%,50V-DC,0402,C0G,-
55DEG CMIN,125DEG
CMAX
C612M19 2113945B02 CAP,CHIP,.01UF,+10%,-
10%,25V-DC,0402,X7R,-
55DEG CMIN,125DEG CMA
C613M19 2113944A40 CAP,CHIP,100PF,+5%,-
5%,50V-DC,0402,C0G,-
55DEG CMIN,125DEG
CMAX
C614M19 2113945B02 CAP,CHIP,.01UF,+10%,-
10%,25V-DC,0402,X7R,-
55DEG CMIN,125DEG CMA
C6155M6 NOTPLACED CAP,FXD,13PF,+5%,-
5%,50V-DC,0402,C0G,-
55DEG CMIN,125DEG
CMAX,PB
C6156M6 NOTPLACED CAP,FXD,13PF,+5%,-
5%,50V-DC,0402,C0G,-
55DEG CMIN,125DEG
CMAX,PB
C615M19 2113944A42 CAP,CHIP,150PF,+5%,-
5%,50V-DC,0402,C0G,-
55DEG CMIN,125DEG
CMAX
Ref. Des. Part Number Description

8-98 Schematics, Boards Overlays, and Parts Lists: Main Board Block: 700–800 MHz (84012501002)
C616M19 2113945A11 CAP,CHIP,2200PF,+10%,-
10%,50V-DC,0402,X7R,-
55DEG CMIN,125DEG CM
C617M19 2113946B04 CAP,CHIP,.1UF,+10%,-
10%,10V-DC,0402,X5R,-
55DEG CMIN,85DEG CMAX
C618M19 2113944A31 CAP,CHIP,33PF,+5%,-
5%,50V-DC,0402,C0G,-
55DEG CMIN,125DEG
CMAX,P
C619M19 2113944A35 CAP,CHIP,62PF,+5%,-
5%,50V-DC,0402,C0G,-
55DEG CMIN,125DEG
CMAX,P
C6201M6 2113944A40 CAP,CHIP,100PF,+5%,-
5%,50V-DC,0402,C0G,-
55DEG CMIN,125DEG
CMAX
C6202M6 2113945A09 CAP,CHIP,1000PF,+10%,-
10%,50V-DC,0402,X7R,-
55DEG CMIN,125DEG CM
C6203M6 2113946B04 CAP,CHIP,.1UF,+10%,-
10%,10V-DC,0402,X5R,-
55DEG CMIN,85DEG CMAX
C620M19 2113946B04 CAP,CHIP,.1UF,+10%,-
10%,10V-DC,0402,X5R,-
55DEG CMIN,85DEG CMAX
C621M19 2113946B04 CAP,CHIP,.1UF,+10%,-
10%,10V-DC,0402,X5R,-
55DEG CMIN,85DEG CMAX
C622M19 2113946C07 CAP,FXD,.33UF,+10%,-
10%,10V-DC,0603,X5R,-
55DEG CMIN,85DEG CMAX
C623M19 2113945B02 CAP,CHIP,.01UF,+10%,-
10%,25V-DC,0402,X7R,-
55DEG CMIN,125DEG CMA
C624M19 2113946C07 CAP,FXD,.33UF,+10%,-
10%,10V-DC,0603,X5R,-
55DEG CMIN,85DEG CMAX
C625M19 2115153H39 CAP,FXD,18PF,50V-
DC,0402,C0G
C626M19 2113945A09 CAP,CHIP,1000PF,+10%,-
10%,50V-DC,0402,X7R,-
55DEG CMIN,125DEG CM
Ref. Des. Part Number Description
C627M19 2113945A09 CAP,CHIP,1000PF,+10%,-
10%,50V-DC,0402,X7R,-
55DEG CMIN,125DEG CM
C628M19 2113945B02 CAP,CHIP,.01UF,+10%,-
10%,25V-DC,0402,X7R,-
55DEG CMIN,125DEG CMA
C629M19 2113946B04 CAP,CHIP,.1UF,+10%,-
10%,10V-DC,0402,X5R,-
55DEG CMIN,85DEG CMAX
C6301M6 2113946B04 CAP,CHIP,.1UF,+10%,-
10%,10V-DC,0402,X5R,-
55DEG CMIN,85DEG CMAX
C6302M6 2113946B04 CAP,CHIP,.1UF,+10%,-
10%,10V-DC,0402,X5R,-
55DEG CMIN,85DEG CMAX
C6303M6 2113946B04 CAP,CHIP,.1UF,+10%,-
10%,10V-DC,0402,X5R,-
55DEG CMIN,85DEG CMAX
C6304M6 2113946B04 CAP,CHIP,.1UF,+10%,-
10%,10V-DC,0402,X5R,-
55DEG CMIN,85DEG CMAX
C6305M6 2113946S35 CAP,CHIP,1UF,+10%,-
10%,16V-DC,0603,X5R,-
55DEG CMIN,85DEG
CMAX,P
C6306M6 2113946S35 CAP,CHIP,1UF,+10%,-
10%,16V-DC,0603,X5R,-
55DEG CMIN,85DEG
CMAX,P
C6308M6 2113946B04 CAP,CHIP,.1UF,+10%,-
10%,10V-DC,0402,X5R,-
55DEG CMIN,85DEG CMAX
C6309M6 2113946B04 CAP,CHIP,.1UF,+10%,-
10%,10V-DC,0402,X5R,-
55DEG CMIN,85DEG CMAX
C630M19 2113946B04 CAP,CHIP,.1UF,+10%,-
10%,10V-DC,0402,X5R,-
55DEG CMIN,85DEG CMAX
C6310M6 2113946B04 CAP,CHIP,.1UF,+10%,-
10%,10V-DC,0402,X5R,-
55DEG CMIN,85DEG CMAX
C6311M6 2113946B04 CAP,CHIP,.1UF,+10%,-
10%,10V-DC,0402,X5R,-
55DEG CMIN,85DEG CMAX
Ref. Des. Part Number Description
C631M19 2115153H32 CAP,FXD,8PF,.1PF+/-
,+.1%,-.1%,50V-
DC,0402,C0G,CAP,
CERAMIC, CO
C632M19 2113944A40 CAP,CHIP,100PF,+5%,-
5%,50V-DC,0402,C0G,-
55DEG CMIN,125DEG
CMAX
C633M19 2113945B02 CAP,CHIP,.01UF,+10%,-
10%,25V-DC,0402,X7R,-
55DEG CMIN,125DEG CMA
C634M19 2113946B04 CAP,CHIP,.1UF,+10%,-
10%,10V-DC,0402,X5R,-
55DEG CMIN,85DEG CMAX
C635M19 2113945B02 CAP,CHIP,.01UF,+10%,-
10%,25V-DC,0402,X7R,-
55DEG CMIN,125DEG CMA
C636M19 2113946B04 CAP,CHIP,.1UF,+10%,-
10%,10V-DC,0402,X5R,-
55DEG CMIN,85DEG CMAX
C637M19 2113946B04 CAP,CHIP,.1UF,+10%,-
10%,10V-DC,0402,X5R,-
55DEG CMIN,85DEG CMAX
C638M19 2113945A12 CAP,CHIP,3300PF,+10%,-
10%,50V-DC,0402,X7R,-
55DEG CMIN,125DEG CM
C639M19 2113945B02 CAP,CHIP,.01UF,+10%,-
10%,25V-DC,0402,X7R,-
55DEG CMIN,125DEG CMA
C6402M6 2113956A51 CAP,FXD,1UF,+10%,-
10%,6.3V-DC,0402,X5R,-
55DEG CMIN,85DEG
CMAX,P
C6403M6 2113946B04 CAP,CHIP,.1UF,+10%,-
10%,10V-DC,0402,X5R,-
55DEG CMIN,85DEG CMAX
C6404M6 2113946B04 CAP,CHIP,.1UF,+10%,-
10%,10V-DC,0402,X5R,-
55DEG CMIN,85DEG CMAX
C6405M6 2113946B04 CAP,CHIP,.1UF,+10%,-
10%,10V-DC,0402,X5R,-
55DEG CMIN,85DEG CMAX
C6406M6 2113946B04 CAP,CHIP,.1UF,+10%,-
10%,10V-DC,0402,X5R,-
55DEG CMIN,85DEG CMAX
Ref. Des. Part Number Description
C6409M6 2113946B04 CAP,CHIP,.1UF,+10%,-
10%,10V-DC,0402,X5R,-
55DEG CMIN,85DEG CMAX
C640M19 2113946B04 CAP,CHIP,.1UF,+10%,-
10%,10V-DC,0402,X5R,-
55DEG CMIN,85DEG CMAX
C6410M6 2113946B04 CAP,CHIP,.1UF,+10%,-
10%,10V-DC,0402,X5R,-
55DEG CMIN,85DEG CMAX
C6411M6 2113946B04 CAP,CHIP,.1UF,+10%,-
10%,10V-DC,0402,X5R,-
55DEG CMIN,85DEG CMAX
C6413M6 2113946B04 CAP,CHIP,.1UF,+10%,-
10%,10V-DC,0402,X5R,-
55DEG CMIN,85DEG CMAX
C6414M6 2113946B04 CAP,CHIP,.1UF,+10%,-
10%,10V-DC,0402,X5R,-
55DEG CMIN,85DEG CMAX
C6416M6 2113945B04 CAP,FXD,.022UF,+10%,-
10%,25V-DC,0402,X7R,-
55DEG CMIN,125DEG CMA
C6418M6 2113946B04 CAP,CHIP,.1UF,+10%,-
10%,10V-DC,0402,X5R,-
55DEG CMIN,85DEG CMAX
C6419M6 2113946B04 CAP,CHIP,.1UF,+10%,-
10%,10V-DC,0402,X5R,-
55DEG CMIN,85DEG CMAX
C641M19 2113944A31 CAP,CHIP,33PF,+5%,-
5%,50V-DC,0402,C0G,-
55DEG CMIN,125DEG
CMAX,P
C6420M6 2113945B04 CAP,FXD,.022UF,+10%,-
10%,25V-DC,0402,X7R,-
55DEG CMIN,125DEG CMA
C6421M6 2113946B04 CAP,CHIP,.1UF,+10%,-
10%,10V-DC,0402,X5R,-
55DEG CMIN,85DEG CMAX
C6422M6 2113946C02 CAP,CHIP,.22UF,+10%,-
10%,10V-DC,0603,X5R,-
55DEG CMIN,85DEG CMAX
C6423M6 2113946B04 CAP,CHIP,.1UF,+10%,-
10%,10V-DC,0402,X5R,-
55DEG CMIN,85DEG CMAX
Ref. Des. Part Number Description

Schematics, Boards Overlays, and Parts Lists: Main Board Block: 700–800 MHz (84012501002) 8-99
C6424M6 2113944A40 CAP,CHIP,100PF,+5%,-
5%,50V-DC,0402,C0G,-
55DEG CMIN,125DEG
CMAX
C6425M6 2113944A40 CAP,CHIP,100PF,+5%,-
5%,50V-DC,0402,C0G,-
55DEG CMIN,125DEG
CMAX
C6426M6 2113945B02 CAP,CHIP,.01UF,+10%,-
10%,25V-DC,0402,X7R,-
55DEG CMIN,125DEG CMA
C6427M6 2113944A50 CAP,CHIP,680PF,+5%,-
5%,50V-DC,0402,C0G,-
55DEG CMIN,125DEG
CMAX
C6428M6 2113944A40 CAP,CHIP,100PF,+5%,-
5%,50V-DC,0402,C0G,-
55DEG CMIN,125DEG
CMAX
C642M19 2113944A48 CAP,CHIP,470PF,+5%,-
5%,50V-DC,0402,C0G,-
55DEG CMIN,125DEG
CMAX
C643M19 2113944A48 CAP,CHIP,470PF,+5%,-
5%,50V-DC,0402,C0G,-
55DEG CMIN,125DEG
CMAX
C644M19 2113944A11 CAP,CHIP,2.7PF,.25PF+/-
,50V-DC,0402,C0G,-55DEG
CMIN,125DEG CMA
C645M19 NOTPLACED CAP,CHIP,2.7PF,.25PF+/-
,50V-DC,0402,C0G,-55DEG
CMIN,125DEG CMA
C646M19 2115153H32 CAP,FXD,8PF,.1PF+/-
,+.1%,-.1%,50V-
DC,0402,C0G,CAP,
CERAMIC, CO
C6501M6 2113946B04 CAP,CHIP,.1UF,+10%,-
10%,10V-DC,0402,X5R,-
55DEG CMIN,85DEG CMAX
C6502M6 2113946B04 CAP,CHIP,.1UF,+10%,-
10%,10V-DC,0402,X5R,-
55DEG CMIN,85DEG CMAX
C6503M6 2113944A46 CAP,CHIP,330PF,+5%,-
5%,50V-DC,0402,C0G,-
55DEG CMIN,125DEG
CMAX
Ref. Des. Part Number Description
C6504M6 2113946B04 CAP,CHIP,.1UF,+10%,-
10%,10V-DC,0402,X5R,-
55DEG CMIN,85DEG CMAX
C6505M6 2113946B04 CAP,CHIP,.1UF,+10%,-
10%,10V-DC,0402,X5R,-
55DEG CMIN,85DEG CMAX
C6506M6 2113946B04 CAP,CHIP,.1UF,+10%,-
10%,10V-DC,0402,X5R,-
55DEG CMIN,85DEG CMAX
C6507M6 2113946B04 CAP,CHIP,.1UF,+10%,-
10%,10V-DC,0402,X5R,-
55DEG CMIN,85DEG CMAX
C6508M6 2113946B04 CAP,CHIP,.1UF,+10%,-
10%,10V-DC,0402,X5R,-
55DEG CMIN,85DEG CMAX
C6509M6 2113946B04 CAP,CHIP,.1UF,+10%,-
10%,10V-DC,0402,X5R,-
55DEG CMIN,85DEG CMAX
C6510M6 2113946B04 CAP,CHIP,.1UF,+10%,-
10%,10V-DC,0402,X5R,-
55DEG CMIN,85DEG CMAX
C6511M6 2113946S35 CAP,CHIP,1UF,+10%,-
10%,16V-DC,0603,X5R,-
55DEG CMIN,85DEG
CMAX,P
C6512M6 2113946B04 CAP,CHIP,.1UF,+10%,-
10%,10V-DC,0402,X5R,-
55DEG CMIN,85DEG CMAX
C6513M6 2113946S35 CAP,CHIP,1UF,+10%,-
10%,16V-DC,0603,X5R,-
55DEG CMIN,85DEG
CMAX,P
C6514M6 2113946S35 CAP,CHIP,1UF,+10%,-
10%,16V-DC,0603,X5R,-
55DEG CMIN,85DEG
CMAX,P
C6515M6 2113946S35 CAP,CHIP,1UF,+10%,-
10%,16V-DC,0603,X5R,-
55DEG CMIN,85DEG
CMAX,P
C6516M6 2113946B04 CAP,CHIP,.1UF,+10%,-
10%,10V-DC,0402,X5R,-
55DEG CMIN,85DEG CMAX
Ref. Des. Part Number Description
C6517M6 2113946S35 CAP,CHIP,1UF,+10%,-
10%,16V-DC,0603,X5R,-
55DEG CMIN,85DEG
CMAX,P
C6518M6 2113946B04 CAP,CHIP,.1UF,+10%,-
10%,10V-DC,0402,X5R,-
55DEG CMIN,85DEG CMAX
C6519M6 2113946S35 CAP,CHIP,1UF,+10%,-
10%,16V-DC,0603,X5R,-
55DEG CMIN,85DEG
CMAX,P
C6520M6 2113946B04 CAP,CHIP,.1UF,+10%,-
10%,10V-DC,0402,X5R,-
55DEG CMIN,85DEG CMAX
C6521M6 2113944A46 CAP,CHIP,330PF,+5%,-
5%,50V-DC,0402,C0G,-
55DEG CMIN,125DEG
CMAX
C6522M6 2113946S35 CAP,CHIP,1UF,+10%,-
10%,16V-DC,0603,X5R,-
55DEG CMIN,85DEG
CMAX,P
C6523M6 2113946B04 CAP,CHIP,.1UF,+10%,-
10%,10V-DC,0402,X5R,-
55DEG CMIN,85DEG CMAX
C6524M6 2113946B04 CAP,CHIP,.1UF,+10%,-
10%,10V-DC,0402,X5R,-
55DEG CMIN,85DEG CMAX
C6525M6 2113946S35 CAP,CHIP,1UF,+10%,-
10%,16V-DC,0603,X5R,-
55DEG CMIN,85DEG
CMAX,P
C6526M6 2113946B04 CAP,CHIP,.1UF,+10%,-
10%,10V-DC,0402,X5R,-
55DEG CMIN,85DEG CMAX
C6527M6 2113946B04 CAP,CHIP,.1UF,+10%,-
10%,10V-DC,0402,X5R,-
55DEG CMIN,85DEG CMAX
C6528M6 2113946B04 CAP,CHIP,.1UF,+10%,-
10%,10V-DC,0402,X5R,-
55DEG CMIN,85DEG CMAX
C6529M6 2113946B04 CAP,CHIP,.1UF,+10%,-
10%,10V-DC,0402,X5R,-
55DEG CMIN,85DEG CMAX
Ref. Des. Part Number Description
C6530M6 2113946S35 CAP,CHIP,1UF,+10%,-
10%,16V-DC,0603,X5R,-
55DEG CMIN,85DEG
CMAX,P
C6531M6 2113946B04 CAP,CHIP,.1UF,+10%,-
10%,10V-DC,0402,X5R,-
55DEG CMIN,85DEG CMAX
C6532M6 2113946S35 CAP,CHIP,1UF,+10%,-
10%,16V-DC,0603,X5R,-
55DEG CMIN,85DEG
CMAX,P
C6533M6 2113946B04 CAP,CHIP,.1UF,+10%,-
10%,10V-DC,0402,X5R,-
55DEG CMIN,85DEG CMAX
C6534M6 2113956B33 CAP,FXD,2.2UF,+10%,-
10%,16V-DC,0603,X5R,-
55DEG CMIN,85DEG CMAX
C6535M6 2113944A40 CAP,CHIP,100PF,+5%,-
5%,50V-DC,0402,C0G,-
55DEG CMIN,125DEG
CMAX
C6536M6 2113944A28 CAP,CHIP,18PF,+5%,-
5%,50V-DC,0402,C0G,-
55DEG CMIN,125DEG
CMAX,P
C6537M6 2113944A19 CAP,CHIP,5.6PF,.5PF+/-
,50V-DC,0402,C0G,-55DEG
CMIN,125DEG CMAX
C6538M6 2113956B33 CAP,FXD,2.2UF,+10%,-
10%,16V-DC,0603,X5R,-
55DEG CMIN,85DEG CMAX
C6539M6 2113956B33 CAP,FXD,2.2UF,+10%,-
10%,16V-DC,0603,X5R,-
55DEG CMIN,85DEG CMAX
C6540M6 2113945C13 CAP,CHIP,1000PF,+10%,-
10%,50V-DC,0603,X7R,-
55DEG CMIN,125DEG CM
C6541M6 2113944A19 CAP,CHIP,5.6PF,.5PF+/-
,50V-DC,0402,C0G,-55DEG
CMIN,125DEG CMAX
C6542M6 2113946B04 CAP,CHIP,.1UF,+10%,-
10%,10V-DC,0402,X5R,-
55DEG CMIN,85DEG CMAX
C6543M6 2113946B04 CAP,CHIP,.1UF,+10%,-
10%,10V-DC,0402,X5R,-
55DEG CMIN,85DEG CMAX
Ref. Des. Part Number Description

8-100 Schematics, Boards Overlays, and Parts Lists: Main Board Block: 700–800 MHz (84012501002)
C6544M6 2113945D04 CAP,CHIP,.1UF,+10%,-
10%,25V-DC,0603,X7R,-
55DEG CMIN,125DEG
CMAX
C6545M6 2113945D04 CAP,CHIP,.1UF,+10%,-
10%,25V-DC,0603,X7R,-
55DEG CMIN,125DEG
CMAX
C6546M6 2113946B04 CAP,CHIP,.1UF,+10%,-
10%,10V-DC,0402,X5R,-
55DEG CMIN,85DEG CMAX
C6547M6 2113944A46 CAP,CHIP,330PF,+5%,-
5%,50V-DC,0402,C0G,-
55DEG CMIN,125DEG
CMAX
C6548M6 NOTPLACED CAP,CHIP,1UF,+10%,-
10%,16V-DC,0603,X5R,-
55DEG CMIN,85DEG
CMAX,P
C6549M6 2113944A46 CAP,CHIP,330PF,+5%,-
5%,50V-DC,0402,C0G,-
55DEG CMIN,125DEG
CMAX
C6550M6 2113945D04 CAP,CHIP,.1UF,+10%,-
10%,25V-DC,0603,X7R,-
55DEG CMIN,125DEG
CMAX
C6551M6 2113944A46 CAP,CHIP,330PF,+5%,-
5%,50V-DC,0402,C0G,-
55DEG CMIN,125DEG
CMAX
C6552M6 2113956E91 CAP,FXD,10UF,+10%,-
10%,16V-DC,1210,X5R,-
55DEG CMIN,85DEG
CMAX,P
C6553M6 2113956E91 CAP,FXD,10UF,+10%,-
10%,16V-DC,1210,X5R,-
55DEG CMIN,85DEG
CMAX,P
C6554M6 2113946B04 CAP,CHIP,.1UF,+10%,-
10%,10V-DC,0402,X5R,-
55DEG CMIN,85DEG CMAX
C6555M6 2113955D45 CAP,FXD,4.7UF,+10%,-
10%,10V-DC,1206,X7R,-
55DEG CMIN,125DEG
CMAX
Ref. Des. Part Number Description
C6556M6 2113956B33 CAP,FXD,2.2UF,+10%,-
10%,16V-DC,0603,X5R,-
55DEG CMIN,85DEG CMAX
C6557M6 2113945D04 CAP,CHIP,.1UF,+10%,-
10%,25V-DC,0603,X7R,-
55DEG CMIN,125DEG
CMAX
C6558M6 2113944A21 CAP,CHIP,6.8PF,.5PF+/-
,50V-DC,0402,C0G,-55DEG
CMIN,125DEG CMAX
C6559M6 2113946S35 CAP,CHIP,1UF,+10%,-
10%,16V-DC,0603,X5R,-
55DEG CMIN,85DEG
CMAX,P
C6560M6 2113956C37 CAP,FXD,10UF,+10%,-
10%,16V-DC,0805,X5R,-
55DEG CMIN,85DEG
CMAX,P
C6561M6 2113956C37 CAP,FXD,10UF,+10%,-
10%,16V-DC,0805,X5R,-
55DEG CMIN,85DEG
CMAX,P
C6562M6 2113944A25 CAP,CHIP,10PF,.5PF+/-
,50V-DC,0402,C0G,-55DEG
CMIN,125DEG CMAX
C6563M6 2113945D04 CAP,CHIP,.1UF,+10%,-
10%,25V-DC,0603,X7R,-
55DEG CMIN,125DEG
CMAX
C6564M6 2113944A46 CAP,CHIP,330PF,+5%,-
5%,50V-DC,0402,C0G,-
55DEG CMIN,125DEG
CMAX
C6565M6 2113956B33 CAP,FXD,2.2UF,+10%,-
10%,16V-DC,0603,X5R,-
55DEG CMIN,85DEG CMAX
C6566M6 2113956E91 CAP,FXD,10UF,+10%,-
10%,16V-DC,1210,X5R,-
55DEG CMIN,85DEG
CMAX,P
C6567M6 2113956E91 CAP,FXD,10UF,+10%,-
10%,16V-DC,1210,X5R,-
55DEG CMIN,85DEG
CMAX,P
C6568M6 2113956B33 CAP,FXD,2.2UF,+10%,-
10%,16V-DC,0603,X5R,-
55DEG CMIN,85DEG CMAX
Ref. Des. Part Number Description
C6569M6 2113956E91 CAP,FXD,10UF,+10%,-
10%,16V-DC,1210,X5R,-
55DEG CMIN,85DEG
CMAX,P
C6570M6 2113944A46 CAP,CHIP,330PF,+5%,-
5%,50V-DC,0402,C0G,-
55DEG CMIN,125DEG
CMAX
C6571M6 2113946B04 CAP,CHIP,.1UF,+10%,-
10%,10V-DC,0402,X5R,-
55DEG CMIN,85DEG CMAX
C6572M6 2113946B04 CAP,CHIP,.1UF,+10%,-
10%,10V-DC,0402,X5R,-
55DEG CMIN,85DEG CMAX
C6573M6 2113946S35 CAP,CHIP,1UF,+10%,-
10%,16V-DC,0603,X5R,-
55DEG CMIN,85DEG
CMAX,P
C6574M6 2113946S35 CAP,CHIP,1UF,+10%,-
10%,16V-DC,0603,X5R,-
55DEG CMIN,85DEG
CMAX,P
C6575M6 2113946S35 CAP,CHIP,1UF,+10%,-
10%,16V-DC,0603,X5R,-
55DEG CMIN,85DEG
CMAX,P
C6576M6 2113956B33 CAP,FXD,2.2UF,+10%,-
10%,16V-DC,0603,X5R,-
55DEG CMIN,85DEG CMAX
C6577M6 2113946S35 CAP,CHIP,1UF,+10%,-
10%,16V-DC,0603,X5R,-
55DEG CMIN,85DEG
CMAX,P
C6578M6 2113946S35 CAP,CHIP,1UF,+10%,-
10%,16V-DC,0603,X5R,-
55DEG CMIN,85DEG
CMAX,P
C6579M6 2113946S35 CAP,CHIP,1UF,+10%,-
10%,16V-DC,0603,X5R,-
55DEG CMIN,85DEG
CMAX,P
C6580M6 2113946S35 CAP,CHIP,1UF,+10%,-
10%,16V-DC,0603,X5R,-
55DEG CMIN,85DEG
CMAX,P
Ref. Des. Part Number Description
C6581M6 2113956B33 CAP,FXD,2.2UF,+10%,-
10%,16V-DC,0603,X5R,-
55DEG CMIN,85DEG CMAX
C6582M6 2113944A21 CAP,CHIP,6.8PF,.5PF+/-
,50V-DC,0402,C0G,-55DEG
CMIN,125DEG CMAX
C6583M6 2113946B04 CAP,CHIP,.1UF,+10%,-
10%,10V-DC,0402,X5R,-
55DEG CMIN,85DEG CMAX
C6584M6 2113956C37 CAP,FXD,10UF,+10%,-
10%,16V-DC,0805,X5R,-
55DEG CMIN,85DEG
CMAX,P
C6585M6 2113946B04 CAP,CHIP,.1UF,+10%,-
10%,10V-DC,0402,X5R,-
55DEG CMIN,85DEG CMAX
C6586M6 2113956C35 CAP,FXD,4.7UF,+10%,-
10%,16V-DC,0805,X5R,-
55DEG CMIN,85DEG CMAX
C6587M6 2113946B04 CAP,CHIP,.1UF,+10%,-
10%,10V-DC,0402,X5R,-
55DEG CMIN,85DEG CMAX
C6588M6 2113944A46 CAP,CHIP,330PF,+5%,-
5%,50V-DC,0402,C0G,-
55DEG CMIN,125DEG
CMAX
C6589M6 2113944A40 CAP,CHIP,100PF,+5%,-
5%,50V-DC,0402,C0G,-
55DEG CMIN,125DEG
CMAX
C6590M6 2113946B04 CAP,CHIP,.1UF,+10%,-
10%,10V-DC,0402,X5R,-
55DEG CMIN,85DEG CMAX
C6591M6 2113944A28 CAP,CHIP,18PF,+5%,-
5%,50V-DC,0402,C0G,-
55DEG CMIN,125DEG
CMAX,P
C6592M6 2113944A09 CAP,CHIP,2.2PF,.25PF+/-
,50V-DC,0402,C0G,-55DEG
CMIN,125DEG CMA
C6593M6 2113956C37 CAP,FXD,10UF,+10%,-
10%,16V-DC,0805,X5R,-
55DEG CMIN,85DEG
CMAX,P
Ref. Des. Part Number Description

Schematics, Boards Overlays, and Parts Lists: Main Board Block: 700–800 MHz (84012501002) 8-101
C6594M6 2113946C07 CAP,FXD,.33UF,+10%,-
10%,10V-DC,0603,X5R,-
55DEG CMIN,85DEG CMAX
C6595M6 2113946S35 CAP,CHIP,1UF,+10%,-
10%,16V-DC,0603,X5R,-
55DEG CMIN,85DEG
CMAX,P
C6596M6 NOTPLACED CAP,CHIP,22PF,+5%,-
5%,50V-DC,0402,C0G,-
55DEG CMIN,125DEG
CMAX,P
C6601M6 2113944A28 CAP,CHIP,18PF,+5%,-
5%,50V-DC,0402,C0G,-
55DEG CMIN,125DEG
CMAX,P
C6602M6 2113944A28 CAP,CHIP,18PF,+5%,-
5%,50V-DC,0402,C0G,-
55DEG CMIN,125DEG
CMAX,P
C6670M6 NOTPLACED CAP,FXD,13PF,+5%,-
5%,50V-DC,0402,C0G,-
55DEG CMIN,125DEG
CMAX,PB
C702M7 2185419D06 CAP,CHIP,.1UF,+10%,-
10%,25V-DC,1206,-55DEG
CMIN,125DEG CMAX
C703M7 2113945C26 CAP,FXD,.039UF,+10%,-
10%,50V-DC,0603,X7R,-
55DEG CMIN,125DEG CMA
C704M7 2185419D06 CAP,CHIP,.1UF,+10%,-
10%,25V-DC,1206,-55DEG
CMIN,125DEG CMAX
C705M7 2115153H30 CAP,CER CHIP,6PF,.1PF+/-
,+.1%,-.1%,50V-
DC,0402,C0G,CAP,
CERAMI
C706M7 2171051Y11 CAP,FXD,.1UF,+5%,-
5%,1206,-55DEG
CMIN,125DEG CMAX,PB-
FREE
C707M7 2113945C01 CAP,CHIP,6800PF,+10%,-
10%,50V-DC,0603,X7R,-
55DEG CMIN,125DEG CM
C708M7 NOTPLACED CAP,CHIP,100PF,+5%,-
5%,50V-DC,0402,C0G,-
55DEG CMIN,125DEG
CMAX
Ref. Des. Part Number Description
C709M7 2171051Y11 CAP,FXD,.1UF,+5%,-
5%,1206,-55DEG
CMIN,125DEG CMAX,PB-
FREE
C710M7 NOTPLACED CAP,CHIP,390PF,+5%,-
5%,50V-DC,0402,C0G,-
55DEG CMIN,125DEG
CMAX
C711M7 NOTPLACED CAP,CHIP,56PF,+5%,-
5%,50V-DC,0402,C0G,-
55DEG CMIN,125DEG
CMAX,P
C712M7 NOTPLACED CAP,CHIP,270PF,+5%,-
5%,50V-DC,0402,C0G,-
55DEG CMIN,125DEG
CMAX
C713M7 2113945C25 CAP,FXD,.033UF,+10%,-
10%,50V-DC,0603,X7R,-
55DEG CMIN,125DEG CMA
C714M7 2171051Y11 CAP,FXD,.1UF,+5%,-
5%,1206,-55DEG
CMIN,125DEG CMAX,PB-
FREE
C715M7 2113945C31 CAP,FXD,.1UF,+10%,-
10%,50V-DC,0603,X7R,-
55DEG CMIN,125DEG
CMAX
C716M7 2113945C31 CAP,FXD,.1UF,+10%,-
10%,50V-DC,0603,X7R,-
55DEG CMIN,125DEG
CMAX
C717M7 2113945C31 CAP,FXD,.1UF,+10%,-
10%,50V-DC,0603,X7R,-
55DEG CMIN,125DEG
CMAX
C718M7 2113945C31 CAP,FXD,.1UF,+10%,-
10%,50V-DC,0603,X7R,-
55DEG CMIN,125DEG
CMAX
C719M7 2113945C31 CAP,FXD,.1UF,+10%,-
10%,50V-DC,0603,X7R,-
55DEG CMIN,125DEG
CMAX
C720M7 2113944C55 CAP,CHIP,2200PF,+5%,-
5%,50V-DC,0603,C0G,-
55DEG CMIN,125DEG
CMAX
Ref. Des. Part Number Description
C721M7 NOTPLACED CAP,FXD,.22UF,+10%,-
10%,50V-DC,0805,X7R,-
55DEG CMIN,125DEG
CMAX
C724M7 2113955D37 CAP,FXD,10UF,+10%,-
10%,16V-DC,1206,X7R,-
55DEG CMIN,125DEG
CMAX
C725M7 2113945C31 CAP,FXD,.1UF,+10%,-
10%,50V-DC,0603,X7R,-
55DEG CMIN,125DEG
CMAX
C726M7 2113945C31 CAP,FXD,.1UF,+10%,-
10%,50V-DC,0603,X7R,-
55DEG CMIN,125DEG
CMAX
C727M7 2113944A40 CAP,CHIP,100PF,+5%,-
5%,50V-DC,0402,C0G,-
55DEG CMIN,125DEG
CMAX
C730M7 2113945C31 CAP,FXD,.1UF,+10%,-
10%,50V-DC,0603,X7R,-
55DEG CMIN,125DEG
CMAX
C731M7 2113945C31 CAP,FXD,.1UF,+10%,-
10%,50V-DC,0603,X7R,-
55DEG CMIN,125DEG
CMAX
C732M7 2113944A32 CAP,CHIP,39PF,+5%,-
5%,50V-DC,0402,C0G,-
55DEG CMIN,125DEG
CMAX,P
C733M7 2113945A09 CAP,CHIP,1000PF,+10%,-
10%,50V-DC,0402,X7R,-
55DEG CMIN,125DEG CM
C734M7 2113945C31 CAP,FXD,.1UF,+10%,-
10%,50V-DC,0603,X7R,-
55DEG CMIN,125DEG
CMAX
C735M7 2113944A31 CAP,CHIP,33PF,+5%,-
5%,50V-DC,0402,C0G,-
55DEG CMIN,125DEG
CMAX,P
C736M7 2113945B02 CAP,CHIP,.01UF,+10%,-
10%,25V-DC,0402,X7R,-
55DEG CMIN,125DEG CMA
Ref. Des. Part Number Description
C737M7 2113945C31 CAP,FXD,.1UF,+10%,-
10%,50V-DC,0603,X7R,-
55DEG CMIN,125DEG
CMAX
C739M7 2113944A17 CAP,CHIP,4.7PF,.25PF+/-
,50V-DC,0402,C0G,-55DEG
CMIN,125DEG CMA
C740M7 2115153H45 CAP,CERAMIC
CHIP,33PF,+1%,-1%,50V-
DC,0402,C0G
C742M7 2113945C31 CAP,FXD,.1UF,+10%,-
10%,50V-DC,0603,X7R,-
55DEG CMIN,125DEG
CMAX
C743M7 2113946B06 CAP,CHIP,.22UF,+10%,-
10%,10V-DC,0402,X5R,-
55DEG CMIN,85DEG CMAX
C744M7 2113955D37 CAP,FXD,10UF,+10%,-
10%,16V-DC,1206,X7R,-
55DEG CMIN,125DEG
CMAX
C749M7 2113945C31 CAP,FXD,.1UF,+10%,-
10%,50V-DC,0603,X7R,-
55DEG CMIN,125DEG
CMAX
C750M7 2113945C31 CAP,FXD,.1UF,+10%,-
10%,50V-DC,0603,X7R,-
55DEG CMIN,125DEG
CMAX
C751M7 2113945A09 CAP,CHIP,1000PF,+10%,-
10%,50V-DC,0402,X7R,-
55DEG CMIN,125DEG CM
C752M7 2113944A43 CAP,CHIP,180PF,+5%,-
5%,50V-DC,0402,C0G,-
55DEG CMIN,125DEG
CMAX
C753M7 2113944A31 CAP,CHIP,33PF,+5%,-
5%,50V-DC,0402,C0G,-
55DEG CMIN,125DEG
CMAX,P
C754M7 2113944A34 CAP,CHIP,56PF,+5%,-
5%,50V-DC,0402,C0G,-
55DEG CMIN,125DEG
CMAX,P
Ref. Des. Part Number Description

8-102 Schematics, Boards Overlays, and Parts Lists: Main Board Block: 700–800 MHz (84012501002)
C756M7 2113955D37 CAP,FXD,10UF,+10%,-
10%,16V-DC,1206,X7R,-
55DEG CMIN,125DEG
CMAX
C757M7 2113945C31 CAP,FXD,.1UF,+10%,-
10%,50V-DC,0603,X7R,-
55DEG CMIN,125DEG
CMAX
C760M7 2113944A44 CAP,CHIP,220PF,+5%,-
5%,50V-DC,0402,C0G,-
55DEG CMIN,125DEG
CMAX
C764M7 2113946B06 CAP,CHIP,.22UF,+10%,-
10%,10V-DC,0402,X5R,-
55DEG CMIN,85DEG CMAX
C770M7 2113944A44 CAP,CHIP,220PF,+5%,-
5%,50V-DC,0402,C0G,-
55DEG CMIN,125DEG
CMAX
C772M7 2113945A09 CAP,CHIP,1000PF,+10%,-
10%,50V-DC,0402,X7R,-
55DEG CMIN,125DEG CM
C773M7 2113944A33 CAP,CHIP,47PF,+5%,-
5%,50V-DC,0402,C0G,-
55DEG CMIN,125DEG
CMAX,P
C777M7 2113944A44 CAP,CHIP,220PF,+5%,-
5%,50V-DC,0402,C0G,-
55DEG CMIN,125DEG
CMAX
C780M7 2113944A33 CAP,CHIP,47PF,+5%,-
5%,50V-DC,0402,C0G,-
55DEG CMIN,125DEG
CMAX,P
C781M7 2115153H45 CAP,CERAMIC
CHIP,33PF,+1%,-1%,50V-
DC,0402,C0G
C786M7 2113944A44 CAP,CHIP,220PF,+5%,-
5%,50V-DC,0402,C0G,-
55DEG CMIN,125DEG
CMAX
C803M7 2115153H45 CAP,CERAMIC
CHIP,33PF,+1%,-1%,50V-
DC,0402,C0G
C813M7 NOTPLACED CAP,FXD,1PF,.25PF+/-,50V-
DC,0402,C0G,-55DEG
CMIN,125DEG CMAX,P
Ref. Des. Part Number Description
C816M7 2113944A30 CAP,CHIP,27PF,+5%,-
5%,50V-DC,0402,C0G,-
55DEG CMIN,125DEG
CMAX,P
C817M7 2113944A44 CAP,CHIP,220PF,+5%,-
5%,50V-DC,0402,C0G,-
55DEG CMIN,125DEG
CMAX
C819M7 2113944A44 CAP,CHIP,220PF,+5%,-
5%,50V-DC,0402,C0G,-
55DEG CMIN,125DEG
CMAX
C823M7 2113944A40 CAP,CHIP,100PF,+5%,-
5%,50V-DC,0402,C0G,-
55DEG CMIN,125DEG
CMAX
C824M7 2115153H45 CAP,CERAMIC
CHIP,33PF,+1%,-1%,50V-
DC,0402,C0G
D1M2 4870359B01 DIODE,SUPR,SM,7.82V,.1
W,ESD PROT,V360
D200M12 4813978A19 DIODE,RECT,MBR120,SM,
SOD-123,1A,20V,SHTK,PB-
FREE
D2101M2 4870359B01 DIODE,SUPR,SM,7.82V,.1
W,ESD PROT,V360
D2301M13 4813974A19 DIODE
ARRAY,MXR,SM,SOT-
323,7V,.2W,SHTK,2,PB-
FREE
D2302M13 4815897H01 DIODE,PIN,UPP9401E,SM,
DO-
216,50A,50V,2.5W,POWER-
MITE
D2303M13 4815897H01 DIODE,PIN,UPP9401E,SM,
DO-
216,50A,50V,2.5W,POWER-
MITE
D2304M2 4870359B01 DIODE,SUPR,SM,7.82V,.1
W,ESD PROT,V360
D2305M2 4870359B01 DIODE,SUPR,SM,7.82V,.1
W,ESD PROT,V360
D2306M2 4870359B01 DIODE,SUPR,SM,7.82V,.1
W,ESD PROT,V360
D2307M2 4870359B01 DIODE,SUPR,SM,7.82V,.1
W,ESD PROT,V360
Ref. Des. Part Number Description
D2521M6 4871785H01 DIODE,SWG,BAS116LT1G,
SOT-23/SC-59,SOT-
23,200MA,75V,.225W,SWG
DI
D2M2 4870359B01 DIODE,SUPR,SM,7.82V,.1
W,ESD PROT,V360
D3M2 4870359B01 DIODE,SUPR,SM,7.82V,.1
W,ESD PROT,V360
D4001M2 4813978A25 DIODE,SWG,BAT54,SM,SO
D-323/SC-
76,200MA,30V,.2W,SHTK,P
B-FREE, W18
D401M20 NOTPLACED DIODE
ARRAY,MXR,SM,SOT-
323,7V,.2W,SHTK,2,PB-
FREE
D6101M6 4813978A25 DIODE,SWG,BAT54,SM,SO
D-323/SC-
76,200MA,30V,.2W,SHTK,P
B-FREE, W18
D6401M6 4813978A25 DIODE,SWG,BAT54,SM,SO
D-323/SC-
76,200MA,30V,.2W,SHTK,P
B-FREE, W18
D6501M6 4813978A25 DIODE,SWG,BAT54,SM,SO
D-323/SC-
76,200MA,30V,.2W,SHTK,P
B-FREE, W18
D722M7 4815011H01 DIODE,SWG,SM,300MA,80
V,TRP
D723M7 4815011H01 DIODE,SWG,SM,300MA,80
V,TRP
E1101M11 2405688Z01 IDCTR,BEAD,FERR BEAD
E201M12 7686949J14 FLTR,FERRITE
BEAD,2A,SM,0805,CHIP,22
0OHM
E2201M2 7685268E01 FLTR,FERRITE
BEAD,650MA,SM,0402,CHI
P, 8 0 O H M
E2206M2 7685268E01 FLTR,FERRITE
BEAD,650MA,SM,0402,CHI
P, 8 0 O H M
E2207M2 7685268E01 FLTR,FERRITE
BEAD,650MA,SM,0402,CHI
P, 8 0 O H M
Ref. Des. Part Number Description
E2247M2 7685268E01 FLTR,FERRITE
BEAD,650MA,SM,0402,CHI
P, 8 0 O H M
E2248M2 7685268E01 FLTR,FERRITE
BEAD,650MA,SM,0402,CHI
P, 8 0 O H M
E2249M2 7685268E01 FLTR,FERRITE
BEAD,650MA,SM,0402,CHI
P, 8 0 O H M
E401M20 2471132D14 IDCTR,25%,200MA,.6OHM,
FERR,SM,0402,IDCTR,FXD
,470OHM,200M
E402M20 2471132D14 IDCTR,25%,200MA,.6OHM,
FERR,SM,0402,IDCTR,FXD
,470OHM,200M
E601M19 2471132D14 IDCTR,25%,200MA,.6OHM,
FERR,SM,0402,IDCTR,FXD
,470OHM,200M
E602M19 2471132D14 IDCTR,25%,200MA,.6OHM,
FERR,SM,0402,IDCTR,FXD
,470OHM,200M
E603M19 2471132D14 IDCTR,25%,200MA,.6OHM,
FERR,SM,0402,IDCTR,FXD
,470OHM,200M
E604M19 2471132D14 IDCTR,25%,200MA,.6OHM,
FERR,SM,0402,IDCTR,FXD
,470OHM,200M
E605M19 2471132D14 IDCTR,25%,200MA,.6OHM,
FERR,SM,0402,IDCTR,FXD
,470OHM,200M
E606M19 2471132D14 IDCTR,25%,200MA,.6OHM,
FERR,SM,0402,IDCTR,FXD
,470OHM,200M
E607M19 2471132D14 IDCTR,25%,200MA,.6OHM,
FERR,SM,0402,IDCTR,FXD
,470OHM,200M
E608M19 2471132D14 IDCTR,25%,200MA,.6OHM,
FERR,SM,0402,IDCTR,FXD
,470OHM,200M
E609M19 2471132D14 IDCTR,25%,200MA,.6OHM,
FERR,SM,0402,IDCTR,FXD
,470OHM,200M
E6501M6 2480067M02 FIXED INDUC-
TOR,FXD,200MA,.4OHM,F
ERR,0805,CHK RF CHIP
BE
Ref. Des. Part Number Description

Schematics, Boards Overlays, and Parts Lists: Main Board Block: 700–800 MHz (84012501002) 8-103
E6502M6 2480067M02 FIXED INDUC-
TOR,FXD,200MA,.4OHM,F
ERR,0805,CHK RF CHIP
BE
F200M12 6575834B01 FUSE,FST
BLW,2A,32V,FUSE SUR MT
FL1301M3 9102190J23 FLTR,SAW,BAND-
PASS,1.57542GHZ
NOM,SM,1.4X1.0MM,SMD,
PB-FREE
FL1302M3 9109674L58 BAND PASS FILTER
FL1303M3 9102190J23 FLTR,SAW,BAND-
PASS,1.57542GHZ
NOM,SM,1.4X1.0MM,SMD,
PB-FREE
FL401M20 9175390A01 FLTR,DB,BAND-
PASS,762MHZ
MIN,870MHZ
MAX,50OHM,SM,SAW FIL-
TER, DL
FL402M20 9175390A01 FLTR,DB,BAND-
PASS,762MHZ
MIN,870MHZ
MAX,50OHM,SM,SAW FIL-
TER, DL
FL502M21 91009300001 FLTR,BAND-
PASS,109.65MHZ NOM,FIL-
TER,MONOLITHIC
CRYSTAL,BAND
J102M11 2880658Z08 RF CONNEC-
TOR,SMA,M,CONN SMA
J1301M3 40012057001 RF SWITCH,SWITCH,RF
J1M2 09012130001 CONN,RCPT,24CONT,.4MM
,CONNECTOR, BTB
RECEPTACLE, 24-PIN,
J2401M2 0989851N01 CONN,BTB,2
RO W, RC P T,4 0CO NT, . 4M M,
GLD,SMD
J2M2 0971704L01 CONN,CUST,RCPT,12CON
T,CONNECTOR, 12-PIN
SOCKET, 0.4MM PIT
J3M2 09012073001 CONN,BTB,RCPT,34CONT,.
4MM,GLD,ST,CONNEC-
TOR, B2B RCPT 34PINS
Ref. Des. Part Number Description
L1001M16 2415429H37 IDCTR,WW,110NH,5%,300
MA,.61OHM,CER,SM,0603,
CHIP
L1002M16 2415429H10 IDCTR,WW,6.8NH,5%,700M
A,.11OHM,CER,SM,0603,C
HIP
L1003M16 2415429H37 IDCTR,WW,110NH,5%,300
MA,.61OHM,CER,SM,0603,
CHIP
L1007M16 2460591K40 IDCTR,FXD,15%,12
TURNS,COUNTERCLOCK-
WISE,28 AWG,SM,HI
L1009M16 2415428H04 IDCTR,AW,5.4NH,2%,1.6A,
AIR,SM,AIR WOUND
IDCTR
L1101M11 2415429H26 IDCTR,WW,33NH,5%,600M
A,.22OHM,CER,SM,0603,C
HIP
L1102M11 2415429H10 IDCTR,WW,6.8NH,5%,700M
A,.11OHM,CER,SM,0603,C
HIP
L1117M11 2415428H01 COIL,AW,1.65NH,10%,1.6A,
AIR,2 TURNS,SM,AIR
WOUND IDCTR
L1301M3 2414017P16 IDCTR,CHIP,18NH,5%,300
MA,.76OHM,CER,9
Q,1.9GHZ SRF,SM,0402,P
L1302M3 2475122C13 IDCTR,3.3NH,9.09%,300MA
,.17OHM,CER,4
TURNS,SM,IND, MULTI-LA
L1303M3 2414017P16 IDCTR,CHIP,18NH,5%,300
MA,.76OHM,CER,9
Q,1.9GHZ SRF,SM,0402,P
L1304M3 2475122C37 IDCTR,100NH,5%,300MA,.0
7OHM,CER,4
TURNS,SM,IND, MULTI-
LAY
L1305M3 24012011010 IDCTR,WW,4.7NH,2%,1.5A,
.06OHM,CER,6.85GHZ
SRF,SM,0402 HI Q
L1306M3 2414017P14 IDCTR,CHIP,12NH,5%,300
MA,.6OHM,CER,9 Q,2GHZ
SRF,SM,0402,PB-F
L1308M3 NOTPLACED IDCTR,WW,39NH,5%,600M
A,CER,SM,CHIP
Ref. Des. Part Number Description
L1316M3 24012011018 IDCTR,WW,9NH,2%,1.4A,.0
7OHM,CER,5GHZ
SRF,SM,0402 HI Q CHIP
L1408M17 24012026009 IDCTR,AW,8.1NH,2%,4.4A,
AIR,SM,ULTRA-MINIA-
TURE AIR CORE I
L1410M17 24012026009 IDCTR,AW,8.1NH,2%,4.4A,
AIR,SM,ULTRA-MINIA-
TURE AIR CORE I
L200M12 2571269C01 IDCTR,COIL,1.5UH,20%,2.9
A,.059OHM,FERR,SM,WW
PWR W18 COMP
L2301M13 24012026005 IDCTR,AW,10.2NH,2%,2.7A
,AIR,SM,ULTRA-MINIA-
TURE AIR CORE
L2302M13 2415429H35 IDCTR,WW,82NH,5%,400M
A,.54OHM,CER,SM,0603,C
HIP
L2303M13 2414017N11 IDCTR,CHIP,8.2NH,5%,600
MA,.26OHM,CER,10
Q,2.5GHZ SRF,SM,0603
L3001M22 2415429H18 IDCTR,WW,15NH,5%,700M
A,.17OHM,CER,SM,0603,C
HIP
L3002M22 2415429H18 IDCTR,WW,15NH,5%,700M
A,.17OHM,CER,SM,0603,C
HIP
L3003M22 2415429H18 IDCTR,WW,15NH,5%,700M
A,.17OHM,CER,SM,0603,C
HIP
L3008M22 2414032F36 IDCTR,WW,150NH,5%,400
MA,.56OHM,CER,35
Q,780MHZ SRF,SM,PB-FR
L3009M22 2414032F36 IDCTR,WW,150NH,5%,400
MA,.56OHM,CER,35
Q,780MHZ SRF,SM,PB-FR
L3010M22 2414017N25 IDCTR,CHIP,120NH,5%,200
MA,2.4OHM,CER,12
Q,600MHZ SRF,SM,0603
L3016M22 2414017N25 IDCTR,CHIP,120NH,5%,200
MA,2.4OHM,CER,12
Q,600MHZ SRF,SM,0603
L3019M22 2414017N25 IDCTR,CHIP,120NH,5%,200
MA,2.4OHM,CER,12
Q,600MHZ SRF,SM,0603
Ref. Des. Part Number Description
L3041M22 2414032F36 IDCTR,WW,150NH,5%,400
MA,.56OHM,CER,35
Q,780MHZ SRF,SM,PB-FR
L3044M22 2414032F36 IDCTR,WW,150NH,5%,400
MA,.56OHM,CER,35
Q,780MHZ SRF,SM,PB-FR
L3047M22 2414032F36 IDCTR,WW,150NH,5%,400
MA,.56OHM,CER,35
Q,780MHZ SRF,SM,PB-FR
L3064M22 2414032F36 IDCTR,WW,150NH,5%,400
MA,.56OHM,CER,35
Q,780MHZ SRF,SM,PB-FR
L401M20 2415427H21 IDCTR,WW,10NH,5%,480M
A,.2OHM,CER,SM,0402,CHI
P
L402M20 2415427H21 IDCTR,WW,10NH,5%,480M
A,.2OHM,CER,SM,0402,CHI
P
L403M20 2414017P07 IDCTR,CHIP,3.3NH,300MA,.
19OHM,CER,8 Q,4GHZ
SRF,SM,0402,PB-F
L404M20 2415427H26 IDCTR,WW,15NH,5%,560M
A,CER,SM,0402,CHIP
L405M20 2415427H21 IDCTR,WW,10NH,5%,480M
A,.2OHM,CER,SM,0402,CHI
P
L406M20 2415427H05 IDCTR,WW,2.4NH,5%,790M
A,.068OHM,CER,SM,0402,
CHIP
L407M20 2415427H16 IDCTR,WW,7.5NH,5%,680M
A,.1OHM,CER,SM,0402,CHI
P
L408M20 2415427H21 IDCTR,WW,10NH,5%,480M
A,.2OHM,CER,SM,0402,CHI
P
L489M20 2414017N11 IDCTR,CHIP,8.2NH,5%,600
MA,.26OHM,CER,10
Q,2.5GHZ SRF,SM,0603
L491M20 2478057A14 IDCTR,8.2NH,2%,.054OHM,
CER,46 Q,5.9GHZ
SRF,PCMT,8.2NH SUR
L500M21 2415429H43 IDCTR,WW,220NH,5%,300
MA,2.1OHM,CER,SM,0603,
CHIP
Ref. Des. Part Number Description

8-104 Schematics, Boards Overlays, and Parts Lists: Main Board Block: 700–800 MHz (84012501002)
L503M21 2414017N24 IDCTR,CHIP,100NH,5%,300
MA,2OHM,CER,15
Q,700MHZ SRF,SM,0603,P
L504M21 2478057A51 CHIP INDUC-
TOR,RF,270NH,2%,SM,060
3 HI Q CHIP IDCTR
L513M21 NOTPLACED IDCTR,WW,22NH,5%,700M
A,.19OHM,CER,SM,0603,C
HIP
L550M21 2414017N10 IDCTR,CHIP,6.8NH,5%,600
MA,.22OHM,CER,12
Q,2.7GHZ SRF,SM,0603
L551M21 24012011026 IDCTR,WW,18NH,2%,900M
A,.12OHM,CER,3.55GHZ
SRF,SM,0402 HI Q
L601M19 2415429H43 IDCTR,WW,220NH,5%,300
MA,2.1OHM,CER,SM,0603,
CHIP
L602M19 2466505A01 CHIP INDUC-
TOR,CHIP,10UH,5%,150MA
,FERR,0 AWG,SM,PB-
FREE
L603M19 2466505A01 CHIP INDUC-
TOR,CHIP,10UH,5%,150MA
,FERR,0 AWG,SM,PB-
FREE
L604M19 2414032D16 IDCTR,WW,120NH,5%,800
MA,.26OHM,CER,42
Q,1GHZ SRF,SM,PB-FREE
L605M19 2414017Q54 IDCTR,FXD,3.9UH,10%,30
MA,.9OHM,FERR,45
Q,38MHZ SRF,SM,0805,P
L611M19 2414032F39 IDCTR,WW,270NH,10%,280
MA,1OHM,CER,40
Q,800MHZ SRF,SM,PB-FRE
L6502M6 2471678H01 IDCTR,10UH,20%,FERR,10
UH INDCUTOR
L6504M6 24009268001 IDCTR,PWR,10UH,20%,1.3
A,FERR,SM,10UH 2.1A
SHLD IDCTR
L6505M6 2471678H01 IDCTR,10UH,20%,FERR,10
UH INDCUTOR
L701M7 2475122C29 IDCTR,22NH,5%,300MA,.07
OHM,CER,4
TURNS,SM,IND, MULTI-
LAYE
Ref. Des. Part Number Description
L709M7 2414017N11 IDCTR,CHIP,8.2NH,5%,600
MA,.26OHM,CER,10
Q,2.5GHZ SRF,SM,0603
L720M7 24012100001 IDCTR,FXD,2.2UH,10%,15
MA,35 Q,50MHZ
SRF,SM,IDCTR,2.2UH,1
L727M7 24012100001 IDCTR,FXD,2.2UH,10%,15
MA,35 Q,50MHZ
SRF,SM,IDCTR,2.2UH,1
L728M7 2415429H47 IDCTR,WW,390NH,5%,100
MA,CER,SM,CHIP
L733M7 24012100001 IDCTR,FXD,2.2UH,10%,15
MA,35 Q,50MHZ
SRF,SM,IDCTR,2.2UH,1
L735M7 24012100001 IDCTR,FXD,2.2UH,10%,15
MA,35 Q,50MHZ
SRF,SM,IDCTR,2.2UH,1
L738M7 24012100001 IDCTR,FXD,2.2UH,10%,15
MA,35 Q,50MHZ
SRF,SM,IDCTR,2.2UH,1
L739M7 2414017N25 IDCTR,CHIP,120NH,5%,200
MA,2.4OHM,CER,12
Q,600MHZ SRF,SM,0603
L741M7 24012100001 IDCTR,FXD,2.2UH,10%,15
MA,35 Q,50MHZ
SRF,SM,IDCTR,2.2UH,1
L753M7 2415347H06 IDCTR,WW,2.2UH,5%,320M
A,1.2OHM,CER,SM,IDCTR,
2200NH
L755M7 2415429H38 IDCTR,WW,120NH,5%,300
MA,.65OHM,CER,SM,0603,
CHIP
L758M7 2415429H38 IDCTR,WW,120NH,5%,300
MA,.65OHM,CER,SM,0603,
CHIP
L759M7 2414017N25 IDCTR,CHIP,120NH,5%,200
MA,2.4OHM,CER,12
Q,600MHZ SRF,SM,0603
L768M7 2488090Y25 IDCTR,CHIP,100NH,5%,90
MA,CER,SM,0402,MULAY
PB FREE
L775M7 2415429H38 IDCTR,WW,120NH,5%,300
MA,.65OHM,CER,SM,0603,
CHIP
Ref. Des. Part Number Description
M1 1171905B02 ADHES,WHT,WHT I SHAPE
UNDERFILM COR
M101M12 39012039001 CONN,CMPRSN,3CONT,ST
,CONNECTOR, BAT CON-
TACT, WWP
M1301M3 3987977Y04 CONT,CONN,1CONT,ANT
UNIV 4.5MM,UC 1.8
M1302M3 3987977Y04 CONT,CONN,1CONT,ANT
UNIV 4.5MM,UC 1.8
M2 1171905B02 ADHES,WHT,WHT I SHAPE
UNDERFILM COR
M2533M6 3987977Y04 CONT,CONN,1CONT,ANT
UNIV 4.5MM,UC 1.8
M6502M6 0985888K02 BATTERY CONNEC-
TOR,SKT,NI,LEAP
Paste 11007387003 SLDR,PASTE,500G,PLAS-
TIC JAR,AIR SEAL, 8.9E
LOW VOID
PCB 84012501002 PCB, BOARD, PC, 7800 MN
BRD
Q1001M16 48012094001 XSTR,FET RF
POWER,SM,25V,MOD,XST
R,FET RF PWR, 135-
941MH
Q1101M11 4813973A32 XSTR,BIP GP
SS,NPN,SM,SC-
70,SMT,50V,.202W,100MA,
PB-FREE
Q1103M11 4813970A59 XSTR,FET GP PWR,P-
CH,ENHN,SM,SOT-
23,20V,.4W,PB-FREE
Q201M12 4813970A59 XSTR,FET GP PWR,P-
CH,ENHN,SM,SOT-
23,20V,.4W,PB-FREE
Q202M12 4813973A32 XSTR,BIP GP
SS,NPN,SM,SC-
70,SMT,50V,.202W,100MA,
PB-FREE
Q2202M2 4815261H01 XSTR,BIP GP
SS,NPN,DTC114Y,SC-
59,SC-
59,SMT3,50V,100MA,250M
HZ
Ref. Des. Part Number Description
Q2301M13 4815055H01 XSTR,GEN PURPOSE
SMALL SIG,NPN AND
PNP,UMC5NT2G,SM,50V,1
00A
Q2537M6 4888795V06 XSTR,FET GP PWR,MOS-
FET,SM,SMT,20V,.25W,LEA
D-FREE
Q2547M6 4888795V06 XSTR,FET GP PWR,MOS-
FET,SM,SMT,20V,.25W,LEA
D-FREE
Q3033M22 4813972A17 XSTR,FET GEN PURPOSE
SMALL SIG,MOS-
FET,N,ENHN,SM,SOT-
23,.4W,P
Q3035M22 4813972A17 XSTR,FET GEN PURPOSE
SMALL SIG,MOS-
FET,N,ENHN,SM,SOT-
23,.4W,P
Q3038M22 4871915M01 XSTR,BIP RF SML
SGNL,NPN,SC-
75A,SMT,12V,.1W,100MA,4.
5GHZ,XST
Q3039M22 4885061Y01 XSTR,BIP RF SMALL SIG-
NAL
Q3060M22 4813972A17 XSTR,FET GEN PURPOSE
SMALL SIG,MOS-
FET,N,ENHN,SM,SOT-
23,.4W,P
Q3062M22 4885061Y01 XSTR,BIP RF SMALL SIG-
NAL
Q4001M2 4815261H01 XSTR,BIP GP
SS,NPN,DTC114Y,SC-
59,SC-
59,SMT3,50V,100MA,250M
HZ
Q401M20 4813973A32 XSTR,BIP GP
SS,NPN,SM,SC-
70,SMT,50V,.202W,100MA,
PB-FREE
Q402M20 4813973M75 XSTR,BIP GP
SS,PNP,BC858,SOT-
563,SMT,-30V,.357W,-
100MA,100MHZ
Q403M20 4813973M75 XSTR,BIP GP
SS,PNP,BC858,SOT-
563,SMT,-30V,.357W,-
100MA,100MHZ
Ref. Des. Part Number Description

Schematics, Boards Overlays, and Parts Lists: Main Board Block: 700–800 MHz (84012501002) 8-105
Q601M19 4813973A04 XSTR,BIP GP
SS,NPN,TA13,SM,SOT-
23,SMT,30V,.225W,300MA,1
25MHZ,P
Q6101M6 4815261H01 XSTR,BIP GP
SS,NPN,DTC114Y,SC-
59,SC-
59,SMT3,50V,100MA,250M
HZ
Q6401M6 48012170001 XSTR,FET GP
PWR,N,SM,SMT,20V,.15W
Q6501M6 4813970A62 XSTR,FET GP PWR,MOS-
FET,P-CH,ENHN,CF,-
20V,1.3W,PB-FREE
Q6502M6 48012154001 XSTR,FET GP
PWR,P,SM,SMT,-
20V,.5W,FET
Q6504M6 4809579E77 XSTR,FET GP SS,MOS-
FET,N-
CH,SM,30V,1.2X1.2MM
PKG W18 COMP
Q6505M6 4813970A62 XSTR,FET GP PWR,MOS-
FET,P-CH,ENHN,CF,-
20V,1.3W,PB-FREE
Q6506M6 4809579E77 XSTR,FET GP SS,MOS-
FET,N-
CH,SM,30V,1.2X1.2MM
PKG W18 COMP
Q6507M6 48012170001 XSTR,FET GP
PWR,N,SM,SMT,20V,.15W
Q6508M6 48012154001 XSTR,FET GP
PWR,P,SM,SMT,-
20V,.5W,FET
Q731M7 4885061Y01 XSTR,BIP RF SMALL SIG-
NAL
Q745M7 4813973M75 XSTR,BIP GP
SS,PNP,BC858,SOT-
563,SMT,-30V,.357W,-
100MA,100MHZ
Q756M7 4805585Q32 XSTR,BIP RF SML
SGNL,NPN,NE662M04,SM,
SOT-343,3.3V,TRANSITO
Q767M7 4813973M75 XSTR,BIP GP
SS,PNP,BC858,SOT-
563,SMT,-30V,.357W,-
100MA,100MHZ
Ref. Des. Part Number Description
Q774M7 4805585Q32 XSTR,BIP RF SML
SGNL,NPN,NE662M04,SM,
SOT-343,3.3V,TRANSITO
Q785M7 4889394V04 XSTR,FET GEN PURPOSE
SMALL SIG,MOSFET,N-
CH,ENHN,SM,20V,.25W,P
R1001M16 0613952R13 RES,MF,33KOHM,5%,.0625
W,SM,0402,200PPM/
CEL,PB-FREE
R1002M16 0613952R17 RES,MF,47000,5,.0625,SM,
0402,200,PB-FREE
R1003M16 0613952R21 RES,MF,68KOHM,5%,.0625
W,SM,0402,200PPM/
CEL,PB-FREE
R1004M16 0613952R12 RES,MF,30KOHM,5%,.0625
W,SM,0402,200PPM/
CEL,PB-FREE
R1005M16 0613952Q73 RES,MF,1KOHM,5%,.0625
W,SM,0402,200PPM/
CEL,PB-FREE
R1006M16 0613952R66 RES,MF,0OHM,5%,.0625W,
SM,0402,PB-FREE
R1007M16 0613952H53 RES,MF,150OHM,5%,.1W,S
M,0603,200PPM/CEL,PB-
FREE
R1064M16 0613952Q64 RES,MF,430OHM,5%,.0625
W,SM,0402,200PPM/
CEL,PB-FREE
R1065M16 0613952Q26 RES,MF,11OHM,5%,.0625W
,SM,0402,200PPM/CEL,PB-
FREE
R1066M16 0613952Q64 RES,MF,430OHM,5%,.0625
W,SM,0402,200PPM/
CEL,PB-FREE
R1101M11 0613952R01 RES,MF,10KOHM,5%,.0625
W,SM,0402,200PPM/
CEL,PB-FREE
R1102M11 0613952R25 RES,MF,100KOHM,5%,.062
5W,SM,0402,200PPM/
CEL,PB-FREE
R1103M11 06009259001 RES,SHUNT,.02OHM,.33W,
SMD,LOW RESISTANCE
THK FLM RES
R1104M11 0613952Q49 RES,MF,100,5,.0625,SM,04
02,200,PB-FREE
Ref. Des. Part Number Description
R1105M11 0613952Q49 RES,MF,100,5,.0625,SM,04
02,200,PB-FREE
R1106M11 0613952Q21 RES,MF,6.8OHM,5%,.0625
W,SM,0402,200PPM/
CEL,PB-FREE
R1107M11 0613952Q45 RES,MF,68OHM,5%,.0625
W,SM,0402,200PPM/
CEL,PB-FREE
R1108M11 0613952N81 RES,MF,68.1KOHM,1%,.06
25W,SM,0402,200PPM/
CEL,PB-FREE
R1110M11 0613952R01 RES,MF,10KOHM,5%,.0625
W,SM,0402,200PPM/
CEL,PB-FREE
R1112M11 NOTPLACED RES,MF,51OHM,5%,.0625
W,SM,0402,200PPM/
CEL,PB-FREE
R1114M11 0613952Q49 RES,MF,100,5,.0625,SM,04
02,200,PB-FREE
R1115M11 0613952Q49 RES,MF,100,5,.0625,SM,04
02,200,PB-FREE
R1116M11 0613952R01 RES,MF,10KOHM,5%,.0625
W,SM,0402,200PPM/
CEL,PB-FREE
R1117M11 0613952R22 RES,MF,75KOHM,5%,.0625
W,SM,0402,200PPM/
CEL,PB-FREE
R1121M11 0613952N47 RES,MF,30.1KOHM,1%,.06
25W,SM,0402,200PPM/
CEL,PB-FREE
R1122M11 0613952N85 RES,MF,75KOHM,1%,.0625
W,SM,0402,200PPM/
CEL,PB-FREE
R1124M11 0613952Q42 RES,MF,51OHM,5%,.0625
W,SM,0402,200PPM/
CEL,PB-FREE
R1125M11 0613952R14 RES,MF,36KOHM,5%,.0625
W,SM,0402,200PPM/
CEL,PB-FREE
R1126M11 0613952R06 RES,MF,16KOHM,5%,.0625
W,SM,0402,200PPM/
CEL,PB-FREE
R1127M11 0613952R08 RES,MF,20KOHM,5%,.0625
W,SM,0402,200PPM/
CEL,PB-FREE
Ref. Des. Part Number Description
R1128M11 0613952R01 RES,MF,10KOHM,5%,.0625
W,SM,0402,200PPM/
CEL,PB-FREE
R1135M11 0613952R66 RES,MF,0OHM,5%,.0625W,
SM,0402,PB-FREE
R1136M11 0613952R01 RES,MF,10KOHM,5%,.0625
W,SM,0402,200PPM/
CEL,PB-FREE
R1137M11 0613952R01 RES,MF,10KOHM,5%,.0625
W,SM,0402,200PPM/
CEL,PB-FREE
R1138M11 0613952R25 RES,MF,100KOHM,5%,.062
5W,SM,0402,200PPM/
CEL,PB-FREE
R1139M11 0613952R25 RES,MF,100KOHM,5%,.062
5W,SM,0402,200PPM/
CEL,PB-FREE
R1140M11 0613952R25 RES,MF,100KOHM,5%,.062
5W,SM,0402,200PPM/
CEL,PB-FREE
R1141M11 0613952R42 RES,MF,510KOHM,5%,.062
5W,SM,0402,200PPM/
CEL,PB-FREE
R1142M11 0613952R25 RES,MF,100KOHM,5%,.062
5W,SM,0402,200PPM/
CEL,PB-FREE
R1143M11 0613952R25 RES,MF,100KOHM,5%,.062
5W,SM,0402,200PPM/
CEL,PB-FREE
R1144M11 0613952R25 RES,MF,100KOHM,5%,.062
5W,SM,0402,200PPM/
CEL,PB-FREE
R1145M11 0613952R25 RES,MF,100KOHM,5%,.062
5W,SM,0402,200PPM/
CEL,PB-FREE
R1146M11 0613952R25 RES,MF,100KOHM,5%,.062
5W,SM,0402,200PPM/
CEL,PB-FREE
R1151M11 0613952R01 RES,MF,10KOHM,5%,.0625
W,SM,0402,200PPM/
CEL,PB-FREE
R1152M11 0613952R01 RES,MF,10KOHM,5%,.0625
W,SM,0402,200PPM/
CEL,PB-FREE
Ref. Des. Part Number Description

8-106 Schematics, Boards Overlays, and Parts Lists: Main Board Block: 700–800 MHz (84012501002)
R1154M11 0613952N01 RES,MF,10KOHM,1%,.0625
W,SM,0402,200PPM/
CEL,PB-FREE
R1158M11 0613952R35 RES,MF,270000,5,.0625,SM
,0402,200,PB-FREE
R1160M11 0613952R03 RES,MF,12000,5,.0625,SM,
0402,200,PB-FREE
R1162M11 0613952R29 RES,MF,150KOHM,5%,.062
5W,SM,0402,200PPM/
CEL,PB-FREE
R1163M11 0613952R01 RES,MF,10KOHM,5%,.0625
W,SM,0402,200PPM/
CEL,PB-FREE
R1164M11 0613952R01 RES,MF,10KOHM,5%,.0625
W,SM,0402,200PPM/
CEL,PB-FREE
R1165M11 0613952Q56 RES,MF,200OHM,5%,.0625
W,SM,0402,200PPM/
CEL,PB-FREE
R1166M11 0613952Q56 RES,MF,200OHM,5%,.0625
W,SM,0402,200PPM/
CEL,PB-FREE
R1167M11 0613952R01 RES,MF,10KOHM,5%,.0625
W,SM,0402,200PPM/
CEL,PB-FREE
R1168M11 0613952Q49 RES,MF,100,5,.0625,SM,04
02,200,PB-FREE
R1169M11 0613952P52 RES,MF,340KOHM,1%,.062
5W,SM,0402,200PPM/
CEL,PB-FREE
R1170M11 0613952N88 RES,MF,80.6KOHM,1%,.06
25W,SM,0402,200PPM/
CEL,PB-FREE
R1171M11 0613952R66 RES,MF,0OHM,5%,.0625W,
SM,0402,PB-FREE
R1172M11 0613952Q89 RES,MF,4700,5,.0625,SM,0
402,200,PB-FREE
R1174M11 0613952N01 RES,MF,10KOHM,1%,.0625
W,SM,0402,200PPM/
CEL,PB-FREE
R1175M11 0613952R66 RES,MF,0OHM,5%,.0625W,
SM,0402,PB-FREE
Ref. Des. Part Number Description
R1176M11 0613952M01 RES,MF,1KOHM,1%,.0625
W,SM,0402,200PPM/
CEL,PB-FREE
R1177M11 0613952R66 RES,MF,0OHM,5%,.0625W,
SM,0402,PB-FREE
R1178M11 0613952R01 RES,MF,10KOHM,5%,.0625
W,SM,0402,200PPM/
CEL,PB-FREE
R1180M11 0613952R66 RES,MF,0OHM,5%,.0625W,
SM,0402,PB-FREE
R1182M11 0613952R01 RES,MF,10KOHM,5%,.0625
W,SM,0402,200PPM/
CEL,PB-FREE
R1198M11 0613952J01 RES,MF,10KOHM,5%,.1W,S
M,0603,200PPM/CEL,PB-
FREE
R1202M11 0613952R66 RES,MF,0OHM,5%,.0625W,
SM,0402,PB-FREE
R1301M3 0613952R66 RES,MF,0OHM,5%,.0625W,
SM,0402,PB-FREE
R1302M3 0613952R66 RES,MF,0OHM,5%,.0625W,
SM,0402,PB-FREE
R1303M3 0613952R66 RES,MF,0OHM,5%,.0625W,
SM,0402,PB-FREE
R1304M3 0613952R66 RES,MF,0OHM,5%,.0625W,
SM,0402,PB-FREE
R1305M3 0613952R66 RES,MF,0OHM,5%,.0625W,
SM,0402,PB-FREE
R1306M3 0613952R66 RES,MF,0OHM,5%,.0625W,
SM,0402,PB-FREE
R1307M3 0613952R66 RES,MF,0OHM,5%,.0625W,
SM,0402,PB-FREE
R1308M3 0613952R25 RES,MF,100KOHM,5%,.062
5W,SM,0402,200PPM/
CEL,PB-FREE
R1309M3 NOTPLACED RES,MF,110OHM,5%,.0625
W,SM,0402,200PPM/
CEL,PB-FREE
R1310M3 0613952R66 RES,MF,0OHM,5%,.0625W,
SM,0402,PB-FREE
R1311M3 NOTPLACED RES,MF,110OHM,5%,.0625
W,SM,0402,200PPM/
CEL,PB-FREE
Ref. Des. Part Number Description
R1312M3 0613952R66 RES,MF,0OHM,5%,.0625W,
SM,0402,PB-FREE
R1313M3 0613952R66 RES,MF,0OHM,5%,.0625W,
SM,0402,PB-FREE
R1314M3 0613952R66 RES,MF,0OHM,5%,.0625W,
SM,0402,PB-FREE
R1315M3 0613952R66 RES,MF,0OHM,5%,.0625W,
SM,0402,PB-FREE
R1316M3 NOTPLACED RES,MF,100KOHM,5%,.062
5W,SM,0402,200PPM/
CEL,PB-FREE
R1317M3 0613952R66 RES,MF,0OHM,5%,.0625W,
SM,0402,PB-FREE
R1318M3 0613952R66 RES,MF,0OHM,5%,.0625W,
SM,0402,PB-FREE
R1319M3 0613952R66 RES,MF,0OHM,5%,.0625W,
SM,0402,PB-FREE
R1320M3 0613952R66 RES,MF,0OHM,5%,.0625W,
SM,0402,PB-FREE
R1322M3 0613952R66 RES,MF,0OHM,5%,.0625W,
SM,0402,PB-FREE
R1323M3 0613952R66 RES,MF,0OHM,5%,.0625W,
SM,0402,PB-FREE
R1324M3 0613952R25 RES,MF,100KOHM,5%,.062
5W,SM,0402,200PPM/
CEL,PB-FREE
R1325M3 0613952R66 RES,MF,0OHM,5%,.0625W,
SM,0402,PB-FREE
R1326M3 0613952R66 RES,MF,0OHM,5%,.0625W,
SM,0402,PB-FREE
R1327M3 NOTPLACED RES,MF,1KOHM,5%,.0625
W,SM,0402,200PPM/
CEL,PB-FREE
R1328M3 0613952Q73 RES,MF,1KOHM,5%,.0625
W,SM,0402,200PPM/
CEL,PB-FREE
R1329M3 0613952R66 RES,MF,0OHM,5%,.0625W,
SM,0402,PB-FREE
R1330M3 0613952R66 RES,MF,0OHM,5%,.0625W,
SM,0402,PB-FREE
R1331M3 0613952R66 RES,MF,0OHM,5%,.0625W,
SM,0402,PB-FREE
Ref. Des. Part Number Description
R1332M3 0613952R66 RES,MF,0OHM,5%,.0625W,
SM,0402,PB-FREE
R1333M3 0613952R25 RES,MF,100KOHM,5%,.062
5W,SM,0402,200PPM/
CEL,PB-FREE
R1337M3 NOTPLACED RES,MF,0OHM,5%,.0625W,
SM,0402,PB-FREE
R1338M3 0613952R66 RES,MF,0OHM,5%,.0625W,
SM,0402,PB-FREE
R1340M3 0613952R66 RES,MF,0OHM,5%,.0625W,
SM,0402,PB-FREE
R1M2 0613952R17 RES,MF,47000,5,.0625,SM,
0402,200,PB-FREE
R2 NOTPLACED RES,MF,0OHM,5%,.05W,S
M,0201,,PB-FREE
R20 NOTPLACED RES,MF,0OHM,5%,.05W,S
M,0201,,PB-FREE
R201M12 0613952R25 RES,MF,100KOHM,5%,.062
5W,SM,0402,200PPM/
CEL,PB-FREE
R202M12 0613952Q89 RES,MF,4700,5,.0625,SM,0
402,200,PB-FREE
R2104M2 0613952Q89 RES,MF,4700,5,.0625,SM,0
402,200,PB-FREE
R2105M2 0613952Q89 RES,MF,4700,5,.0625,SM,0
402,200,PB-FREE
R2106M2 NOTPLACED RES,MF,10KOHM,5%,.0625
W,SM,0402,200PPM/
CEL,PB-FREE
R2107M2 0613952Q73 RES,MF,1KOHM,5%,.0625
W,SM,0402,200PPM/
CEL,PB-FREE
R2109M2 0613952Q25 RES,MF,10,5,.0625,SM,040
2,200,PB-FREE
R2110M2 0613952Q33 RES,MF,22,5,.0625,SM,040
2,200,PB-FREE
R2111M2 0613952Q25 RES,MF,10,5,.0625,SM,040
2,200,PB-FREE
R2113M2 0613952Q25 RES,MF,10,5,.0625,SM,040
2,200,PB-FREE
R2114M2 0613952Q33 RES,MF,22,5,.0625,SM,040
2,200,PB-FREE
Ref. Des. Part Number Description

Schematics, Boards Overlays, and Parts Lists: Main Board Block: 700–800 MHz (84012501002) 8-107
R2115M2 0613952Q25 RES,MF,10,5,.0625,SM,040
2,200,PB-FREE
R2116M2 0613952R01 RES,MF,10KOHM,5%,.0625
W,SM,0402,200PPM/
CEL,PB-FREE
R2117M2 0613952R01 RES,MF,10KOHM,5%,.0625
W,SM,0402,200PPM/
CEL,PB-FREE
R2118M2 0613952R01 RES,MF,10KOHM,5%,.0625
W,SM,0402,200PPM/
CEL,PB-FREE
R2120M2 0613952R01 RES,MF,10KOHM,5%,.0625
W,SM,0402,200PPM/
CEL,PB-FREE
R2197M2 0613952R66 RES,MF,0OHM,5%,.0625W,
SM,0402,PB-FREE
R2198M2 0613952R66 RES,MF,0OHM,5%,.0625W,
SM,0402,PB-FREE
R2199M2 0613952R66 RES,MF,0OHM,5%,.0625W,
SM,0402,PB-FREE
R21M2 0613952R66 RES,MF,0OHM,5%,.0625W,
SM,0402,PB-FREE
R2201M2 0613952R32 RES,MF,200KOHM,5%,.062
5W,SM,0402,200PPM/
CEL,PB-FREE
R2204M2 0613952Q85 RES,MF,3.3KOHM,5%,.062
5W,SM,0402,200PPM/
CEL,PB-FREE
R2206M2 0613952Q85 RES,MF,3.3KOHM,5%,.062
5W,SM,0402,200PPM/
CEL,PB-FREE
R2207M2 0613952R66 RES,MF,0OHM,5%,.0625W,
SM,0402,PB-FREE
R2235M2 0613952R66 RES,MF,0OHM,5%,.0625W,
SM,0402,PB-FREE
R2244M2 0613952Q73 RES,MF,1KOHM,5%,.0625
W,SM,0402,200PPM/
CEL,PB-FREE
R2245M2 0613952Q81 RES,MF,2200,5,.0625,SM,0
402,200,PB-FREE
R2246M2 0613952Q73 RES,MF,1KOHM,5%,.0625
W,SM,0402,200PPM/
CEL,PB-FREE
Ref. Des. Part Number Description
R2254M2 0613952R01 RES,MF,10KOHM,5%,.0625
W,SM,0402,200PPM/
CEL,PB-FREE
R2255M2 0613952Q66 RES,MF,510OHM,5%,.0625
W,SM,0402,200PPM/
CEL,PB-FREE
R2256M2 0613952Q66 RES,MF,510OHM,5%,.0625
W,SM,0402,200PPM/
CEL,PB-FREE
R2257M2 0613952Q66 RES,MF,510OHM,5%,.0625
W,SM,0402,200PPM/
CEL,PB-FREE
R22M2 0613952R66 RES,MF,0OHM,5%,.0625W,
SM,0402,PB-FREE
R2301M13 NOTPLACED RES,MF,0OHM,5%,.0625W,
SM,0402,PB-FREE
R2302M13 0613952H47 RES,MF,82OHM,5%,.1W,S
M,0603,200PPM/CEL,PB-
FREE
R2303M13 0613952H47 RES,MF,82OHM,5%,.1W,S
M,0603,200PPM/CEL,PB-
FREE
R2304M13 0613952H47 RES,MF,82OHM,5%,.1W,S
M,0603,200PPM/CEL,PB-
FREE
R2306M13 0613952R25 RES,MF,100KOHM,5%,.062
5W,SM,0402,200PPM/
CEL,PB-FREE
R2356M2 0613952Q09 RES,MF,2.2OHM,5%,.0625
W,SM,0402,200PPM/
CEL,PB-FREE
R2357M2 0613952Q09 RES,MF,2.2OHM,5%,.0625
W,SM,0402,200PPM/
CEL,PB-FREE
R2358M2 0613952Q66 RES,MF,510OHM,5%,.0625
W,SM,0402,200PPM/
CEL,PB-FREE
R2359M2 0613952R66 RES,MF,0OHM,5%,.0625W,
SM,0402,PB-FREE
R2360M2 0613952R66 RES,MF,0OHM,5%,.0625W,
SM,0402,PB-FREE
R2361M2 0613952R66 RES,MF,0OHM,5%,.0625W,
SM,0402,PB-FREE
Ref. Des. Part Number Description
R2362M2 0613952Q49 RES,MF,100,5,.0625,SM,04
02,200,PB-FREE
R2363M2 0613952Q53 RES,MF,150OHM,5%,.0625
W,SM,0402,200PPM/
CEL,PB-FREE
R2364M2 0613952Q49 RES,MF,100,5,.0625,SM,04
02,200,PB-FREE
R2401M2 0613952R01 RES,MF,10KOHM,5%,.0625
W,SM,0402,200PPM/
CEL,PB-FREE
R2404M3 0613952R25 RES,MF,100KOHM,5%,.062
5W,SM,0402,200PPM/
CEL,PB-FREE
R2405M3 0613952R66 RES,MF,0OHM,5%,.0625W,
SM,0402,PB-FREE
R2406M3 NOTPLACED RES,MF,0OHM,5%,.0625W,
SM,0402,PB-FREE
R2407M3 0613952R66 RES,MF,0OHM,5%,.0625W,
SM,0402,PB-FREE
R2408M3 0613952R66 RES,MF,0OHM,5%,.0625W,
SM,0402,PB-FREE
R2412M3 0613952Q53 RES,MF,150OHM,5%,.0625
W,SM,0402,200PPM/
CEL,PB-FREE
R2414M3 0613952R25 RES,MF,100KOHM,5%,.062
5W,SM,0402,200PPM/
CEL,PB-FREE
R2416M3 0613952R25 RES,MF,100KOHM,5%,.062
5W,SM,0402,200PPM/
CEL,PB-FREE
R2418M3 0613952R66 RES,MF,0OHM,5%,.0625W,
SM,0402,PB-FREE
R2419M3 0613952Q49 RES,MF,100,5,.0625,SM,04
02,200,PB-FREE
R2433M3 0613952R25 RES,MF,100KOHM,5%,.062
5W,SM,0402,200PPM/
CEL,PB-FREE
R2434M3 0613952R25 RES,MF,100KOHM,5%,.062
5W,SM,0402,200PPM/
CEL,PB-FREE
R2435M3 0613952R66 RES,MF,0OHM,5%,.0625W,
SM,0402,PB-FREE
Ref. Des. Part Number Description
R2436M3 0613952R25 RES,MF,100KOHM,5%,.062
5W,SM,0402,200PPM/
CEL,PB-FREE
R2437M3 0613952R25 RES,MF,100KOHM,5%,.062
5W,SM,0402,200PPM/
CEL,PB-FREE
R2441M3 0613952Q41 RES,MF,47OHM,5%,.0625
W,SM,0402,200PPM/
CEL,PB-FREE
R2442M3 0613952Q73 RES,MF,1KOHM,5%,.0625
W,SM,0402,200PPM/
CEL,PB-FREE
R2443M3 0613952Q73 RES,MF,1KOHM,5%,.0625
W,SM,0402,200PPM/
CEL,PB-FREE
R2444M3 0613952R25 RES,MF,100KOHM,5%,.062
5W,SM,0402,200PPM/
CEL,PB-FREE
R2449M3 0613952R25 RES,MF,100KOHM,5%,.062
5W,SM,0402,200PPM/
CEL,PB-FREE
R2450M3 0613952R25 RES,MF,100KOHM,5%,.062
5W,SM,0402,200PPM/
CEL,PB-FREE
R2451M3 0613952R66 RES,MF,0OHM,5%,.0625W,
SM,0402,PB-FREE
R2452M3 0613952R25 RES,MF,100KOHM,5%,.062
5W,SM,0402,200PPM/
CEL,PB-FREE
R2453M3 0613952R25 RES,MF,100KOHM,5%,.062
5W,SM,0402,200PPM/
CEL,PB-FREE
R2454M3 0613952R25 RES,MF,100KOHM,5%,.062
5W,SM,0402,200PPM/
CEL,PB-FREE
R2455M3 0613952R25 RES,MF,100KOHM,5%,.062
5W,SM,0402,200PPM/
CEL,PB-FREE
R2456M3 0613952R25 RES,MF,100KOHM,5%,.062
5W,SM,0402,200PPM/
CEL,PB-FREE
R2457M3 0613952R05 RES,MF,15KOHM,5%,.0625
W,SM,0402,200PPM/
CEL,PB-FREE
Ref. Des. Part Number Description

8-108 Schematics, Boards Overlays, and Parts Lists: Main Board Block: 700–800 MHz (84012501002)
R2458M3 0613952Q89 RES,MF,4700,5,.0625,SM,0
402,200,PB-FREE
R2459M3 0613952R25 RES,MF,100KOHM,5%,.062
5W,SM,0402,200PPM/
CEL,PB-FREE
R2460M3 0613952R25 RES,MF,100KOHM,5%,.062
5W,SM,0402,200PPM/
CEL,PB-FREE
R2461M3 0613952R25 RES,MF,100KOHM,5%,.062
5W,SM,0402,200PPM/
CEL,PB-FREE
R2465M3 0613952R25 RES,MF,100KOHM,5%,.062
5W,SM,0402,200PPM/
CEL,PB-FREE
R2466M3 0613952R25 RES,MF,100KOHM,5%,.062
5W,SM,0402,200PPM/
CEL,PB-FREE
R2467M3 0613952Q32 RES,MF,20OHM,5%,.0625
W,SM,0402,200PPM/
CEL,PB-FREE
R2469M3 NOTPLACED RES,MF,1KOHM,5%,.0625
W,SM,0402,200PPM/
CEL,PB-FREE
R2470M3 0613952Q73 RES,MF,1KOHM,5%,.0625
W,SM,0402,200PPM/
CEL,PB-FREE
R2471M3 0613952Q73 RES,MF,1KOHM,5%,.0625
W,SM,0402,200PPM/
CEL,PB-FREE
R2472M3 0613952R25 RES,MF,100KOHM,5%,.062
5W,SM,0402,200PPM/
CEL,PB-FREE
R2473M3 0613952R01 RES,MF,10KOHM,5%,.0625
W,SM,0402,200PPM/
CEL,PB-FREE
R2474M3 0613952R35 RES,MF,270000,5,.0625,SM
,0402,200,PB-FREE
R2475M3 0613952Q53 RES,MF,150OHM,5%,.0625
W,SM,0402,200PPM/
CEL,PB-FREE
R2476M3 0613952R25 RES,MF,100KOHM,5%,.062
5W,SM,0402,200PPM/
CEL,PB-FREE
Ref. Des. Part Number Description
R2477M3 0613952R25 RES,MF,100KOHM,5%,.062
5W,SM,0402,200PPM/
CEL,PB-FREE
R2478M3 0613952R25 RES,MF,100KOHM,5%,.062
5W,SM,0402,200PPM/
CEL,PB-FREE
R2479M3 0613952R25 RES,MF,100KOHM,5%,.062
5W,SM,0402,200PPM/
CEL,PB-FREE
R2480M3 0613952R25 RES,MF,100KOHM,5%,.062
5W,SM,0402,200PPM/
CEL,PB-FREE
R2481M3 0613952R25 RES,MF,100KOHM,5%,.062
5W,SM,0402,200PPM/
CEL,PB-FREE
R2484M3 0613952Q35 RES,MF,27OHM,5%,.0625
W,SM,0402,200PPM/
CEL,PB-FREE
R2485M3 0613952Q35 RES,MF,27OHM,5%,.0625
W,SM,0402,200PPM/
CEL,PB-FREE
R2486M3 0613952R01 RES,MF,10KOHM,5%,.0625
W,SM,0402,200PPM/
CEL,PB-FREE
R2487M3 0613952R01 RES,MF,10KOHM,5%,.0625
W,SM,0402,200PPM/
CEL,PB-FREE
R2488M3 0613952R25 RES,MF,100KOHM,5%,.062
5W,SM,0402,200PPM/
CEL,PB-FREE
R2489M3 0613952R01 RES,MF,10KOHM,5%,.0625
W,SM,0402,200PPM/
CEL,PB-FREE
R2490M3 0613952R01 RES,MF,10KOHM,5%,.0625
W,SM,0402,200PPM/
CEL,PB-FREE
R2491M3 0613952R01 RES,MF,10KOHM,5%,.0625
W,SM,0402,200PPM/
CEL,PB-FREE
R2492M3 0613952R01 RES,MF,10KOHM,5%,.0625
W,SM,0402,200PPM/
CEL,PB-FREE
R2493M3 0613952R66 RES,MF,0OHM,5%,.0625W,
SM,0402,PB-FREE
Ref. Des. Part Number Description
R2495M3 0613952R25 RES,MF,100KOHM,5%,.062
5W,SM,0402,200PPM/
CEL,PB-FREE
R2496M3 0613952R25 RES,MF,100KOHM,5%,.062
5W,SM,0402,200PPM/
CEL,PB-FREE
R2497M3 0613952R25 RES,MF,100KOHM,5%,.062
5W,SM,0402,200PPM/
CEL,PB-FREE
R2501M6 0613952R25 RES,MF,100KOHM,5%,.062
5W,SM,0402,200PPM/
CEL,PB-FREE
R2503M6 NOTPLACED RES,MF,10KOHM,5%,.0625
W,SM,0402,200PPM/
CEL,PB-FREE
R2505M6 0613952Q75 RES,MF,1.2KOHM,5%,.062
5W,SM,0402,200PPM/
CEL,PB-FREE
R2507M6 0613952R49 RES,MF,1MOHM,5%,.0625
W,SM,0402,200PPM/
CEL,PB-FREE
R2508M6 0613952R01 RES,MF,10KOHM,5%,.0625
W,SM,0402,200PPM/
CEL,PB-FREE
R2509M6 0613952R66 RES,MF,0OHM,5%,.0625W,
SM,0402,PB-FREE
R2511M6 0613952R66 RES,MF,0OHM,5%,.0625W,
SM,0402,PB-FREE
R2512M6 0613952R66 RES,MF,0OHM,5%,.0625W,
SM,0402,PB-FREE
R2513M6 0613952Q80 RES,MF,2KOHM,5%,.0625
W,SM,0402,200PPM/
CEL,PB-FREE
R2514M6 NOTPLACED RES,MF,0OHM,5%,.0625W,
SM,0402,PB-FREE
R2515M6 NOTPLACED RES,MF,0OHM,5%,.0625W,
SM,0402,PB-FREE
R2516M6 0613952R66 RES,MF,0OHM,5%,.0625W,
SM,0402,PB-FREE
R2517M6 0613952R01 RES,MF,10KOHM,5%,.0625
W,SM,0402,200PPM/
CEL,PB-FREE
Ref. Des. Part Number Description
R2519M6 0613952H25 RES,MF,10OHM,5%,.1W,S
M,0603,200PPM/CEL,PB-
FREE
R2522M6 0613952R74 RES,MF,10MOHM,5%,.0625
W,SM,0402,400PPM/
CEL,PB-FREE
R2523M6 0613952R74 RES,MF,10MOHM,5%,.0625
W,SM,0402,400PPM/
CEL,PB-FREE
R2524M6 0613952R49 RES,MF,1MOHM,5%,.0625
W,SM,0402,200PPM/
CEL,PB-FREE
R2529M6 0613952P30 RES,MF,200000,1,.0625,SM
,0402,200,PB-FREE
R2530M6 0613952P30 RES,MF,200000,1,.0625,SM
,0402,200,PB-FREE
R2560M6 0613952R66 RES,MF,0OHM,5%,.0625W,
SM,0402,PB-FREE
R2803 0613952Q37 RES,MF,33OHM,5%,.0625
W,SM,0402,200PPM/
CEL,PB-FREE
R2804 0613952Q49 RES,MF,100,5,.0625,SM,04
02,200,PB-FREE
R2805 0613952Q49 RES,MF,100,5,.0625,SM,04
02,200,PB-FREE
R2806 0613952Q59 RES,MF,270OHM,5%,.0625
W,SM,0402,200PPM/
CEL,PB-FREE
R2807 0613952Q56 RES,MF,200OHM,5%,.0625
W,SM,0402,200PPM/
CEL,PB-FREE
R2808 0613952Q49 RES,MF,100,5,.0625,SM,04
02,200,PB-FREE
R2810 0613952R01 RES,MF,10KOHM,5%,.0625
W,SM,0402,200PPM/
CEL,PB-FREE
R2811 0613952Q89 RES,MF,4700,5,.0625,SM,0
402,200,PB-FREE
R2812 0613952R01 RES,MF,10KOHM,5%,.0625
W,SM,0402,200PPM/
CEL,PB-FREE
R2813 NOTPLACED RES,MF,100KOHM,5%,.062
5W,SM,0402,200PPM/
CEL,PB-FREE
Ref. Des. Part Number Description

Schematics, Boards Overlays, and Parts Lists: Main Board Block: 700–800 MHz (84012501002) 8-109
R2817 0613952Q41 RES,MF,47OHM,5%,.0625
W,SM,0402,200PPM/
CEL,PB-FREE
R3002M22 0613952R66 RES,MF,0OHM,5%,.0625W,
SM,0402,PB-FREE
R3018M22 0613952R18 RES,MF,51KOHM,5%,.0625
W,SM,0402,200PPM/
CEL,PB-FREE
R3019M22 0613952R18 RES,MF,51KOHM,5%,.0625
W,SM,0402,200PPM/
CEL,PB-FREE
R3030M22 0613952R08 RES,MF,20KOHM,5%,.0625
W,SM,0402,200PPM/
CEL,PB-FREE
R3031M22 0613952R08 RES,MF,20KOHM,5%,.0625
W,SM,0402,200PPM/
CEL,PB-FREE
R3032M22 0613952Q31 RES,MF,18OHM,5%,.0625
W,SM,0402,200PPM/
CEL,PB-FREE
R3034M22 0613952Q31 RES,MF,18OHM,5%,.0625
W,SM,0402,200PPM/
CEL,PB-FREE
R3036M22 0613952R08 RES,MF,20KOHM,5%,.0625
W,SM,0402,200PPM/
CEL,PB-FREE
R3037M22 0613952R08 RES,MF,20KOHM,5%,.0625
W,SM,0402,200PPM/
CEL,PB-FREE
R3040M22 0613952Q50 RES,MF,110OHM,5%,.0625
W,SM,0402,200PPM/
CEL,PB-FREE
R3043M22 0613952Q53 RES,MF,150OHM,5%,.0625
W,SM,0402,200PPM/
CEL,PB-FREE
R3052M22 0613952R18 RES,MF,51KOHM,5%,.0625
W,SM,0402,200PPM/
CEL,PB-FREE
R3058M22 0613952R08 RES,MF,20KOHM,5%,.0625
W,SM,0402,200PPM/
CEL,PB-FREE
R3059M22 0613952Q31 RES,MF,18OHM,5%,.0625
W,SM,0402,200PPM/
CEL,PB-FREE
Ref. Des. Part Number Description
R3061M22 0613952R08 RES,MF,20KOHM,5%,.0625
W,SM,0402,200PPM/
CEL,PB-FREE
R3063M22 0613952Q54 RES,MF,160OHM,5%,.0625
W,SM,0402,200PPM/
CEL,PB-FREE
R3066M22 0613952Q37 RES,MF,33OHM,5%,.0625
W,SM,0402,200PPM/
CEL,PB-FREE
R4005M2 0613952R01 RES,MF,10KOHM,5%,.0625
W,SM,0402,200PPM/
CEL,PB-FREE
R4006M2 0613952R01 RES,MF,10KOHM,5%,.0625
W,SM,0402,200PPM/
CEL,PB-FREE
R4007M2 0613952R01 RES,MF,10KOHM,5%,.0625
W,SM,0402,200PPM/
CEL,PB-FREE
R4008M2 0613952R01 RES,MF,10KOHM,5%,.0625
W,SM,0402,200PPM/
CEL,PB-FREE
R4009M2 0613952Q85 RES,MF,3.3KOHM,5%,.062
5W,SM,0402,200PPM/
CEL,PB-FREE
R4010M2 0613952R32 RES,MF,200KOHM,5%,.062
5W,SM,0402,200PPM/
CEL,PB-FREE
R4011M2 0613952R17 RES,MF,47000,5,.0625,SM,
0402,200,PB-FREE
R4012M2 0613952R09 RES,MF,22000,5,.0625,SM,
0402,200,PB-FREE
R4013M2 0613952R09 RES,MF,22000,5,.0625,SM,
0402,200,PB-FREE
R4014M2 0613952Q85 RES,MF,3.3KOHM,5%,.062
5W,SM,0402,200PPM/
CEL,PB-FREE
R401M20 0613952R09 RES,MF,22000,5,.0625,SM,
0402,200,PB-FREE
R402M20 0613952R23 RES,MF,82KOHM,5%,.0625
W,SM,0402,200PPM/
CEL,PB-FREE
R403M20 0613952Q85 RES,MF,3.3KOHM,5%,.062
5W,SM,0402,200PPM/
CEL,PB-FREE
Ref. Des. Part Number Description
R404M20 0613952Q45 RES,MF,68OHM,5%,.0625
W,SM,0402,200PPM/
CEL,PB-FREE
R405M20 0613952Q25 RES,MF,10,5,.0625,SM,040
2,200,PB-FREE
R406M20 0613952R66 RES,MF,0OHM,5%,.0625W,
SM,0402,PB-FREE
R407M20 0613952R09 RES,MF,22000,5,.0625,SM,
0402,200,PB-FREE
R408M20 0613952R23 RES,MF,82KOHM,5%,.0625
W,SM,0402,200PPM/
CEL,PB-FREE
R409M20 0613952Q85 RES,MF,3.3KOHM,5%,.062
5W,SM,0402,200PPM/
CEL,PB-FREE
R410M20 0613952Q45 RES,MF,68OHM,5%,.0625
W,SM,0402,200PPM/
CEL,PB-FREE
R411M20 0613952Q25 RES,MF,10,5,.0625,SM,040
2,200,PB-FREE
R412M20 0613952Q18 RES,MF,5.1OHM,5%,.0625
W,SM,0402,200PPM/
CEL,PB-FREE
R413M20 0613952Q11 RES,MF,2.7OHM,5%,.0625
W,SM,0402,200PPM/
CEL,PB-FREE
R447M20 0613952Q25 RES,MF,10,5,.0625,SM,040
2,200,PB-FREE
R448M20 0613952Q25 RES,MF,10,5,.0625,SM,040
2,200,PB-FREE
R450M20 0613952R66 RES,MF,0OHM,5%,.0625W,
SM,0402,PB-FREE
R451M20 0613952R66 RES,MF,0OHM,5%,.0625W,
SM,0402,PB-FREE
R452M20 0613952R66 RES,MF,0OHM,5%,.0625W,
SM,0402,PB-FREE
R453M20 0613952R66 RES,MF,0OHM,5%,.0625W,
SM,0402,PB-FREE
R454M20 0613952R66 RES,MF,0OHM,5%,.0625W,
SM,0402,PB-FREE
R455M20 0613952R66 RES,MF,0OHM,5%,.0625W,
SM,0402,PB-FREE
Ref. Des. Part Number Description
R456M20 0613952R66 RES,MF,0OHM,5%,.0625W,
SM,0402,PB-FREE
R457M20 0613952R66 RES,MF,0OHM,5%,.0625W,
SM,0402,PB-FREE
R500M21 0613952Q37 RES,MF,33OHM,5%,.0625
W,SM,0402,200PPM/
CEL,PB-FREE
R502M21 0613952Q36 RES,MF,30OHM,5%,.0625
W,SM,0402,200PPM/
CEL,PB-FREE
R512M21 0613952R66 RES,MF,0OHM,5%,.0625W,
SM,0402,PB-FREE
R525M21 0613952R66 RES,MF,0OHM,5%,.0625W,
SM,0402,PB-FREE
R526M21 0613958J74 RES,MF,0OHM,5%,.125W,S
M,0805,PB-FREE
R601M19 0613952Q41 RES,MF,47OHM,5%,.0625
W,SM,0402,200PPM/
CEL,PB-FREE
R602M19 0613952Q63 RES,MF,390OHM,5%,.0625
W,SM,0402,200PPM/
CEL,PB-FREE
R603M19 0613952R25 RES,MF,100KOHM,5%,.062
5W,SM,0402,200PPM/
CEL,PB-FREE
R604M19 0613952Q63 RES,MF,390OHM,5%,.0625
W,SM,0402,200PPM/
CEL,PB-FREE
R605M19 0613952R01 RES,MF,10KOHM,5%,.0625
W,SM,0402,200PPM/
CEL,PB-FREE
R606M19 0613952R01 RES,MF,10KOHM,5%,.0625
W,SM,0402,200PPM/
CEL,PB-FREE
R607M19 0613952R25 RES,MF,100KOHM,5%,.062
5W,SM,0402,200PPM/
CEL,PB-FREE
R608M19 0613952R01 RES,MF,10KOHM,5%,.0625
W,SM,0402,200PPM/
CEL,PB-FREE
R609M19 0613952Q81 RES,MF,2200,5,.0625,SM,0
402,200,PB-FREE
Ref. Des. Part Number Description

8-110 Schematics, Boards Overlays, and Parts Lists: Main Board Block: 700–800 MHz (84012501002)
R6101M6 0613952R01 RES,MF,10KOHM,5%,.0625
W,SM,0402,200PPM/
CEL,PB-FREE
R6102M6 0613952R09 RES,MF,22000,5,.0625,SM,
0402,200,PB-FREE
R6103M6 0613952R09 RES,MF,22000,5,.0625,SM,
0402,200,PB-FREE
R6104M6 NOTPLACED RES,MF,10KOHM,5%,.0625
W,SM,0402,200PPM/
CEL,PB-FREE
R6105M6 0613952R66 RES,MF,0OHM,5%,.0625W,
SM,0402,PB-FREE
R6106M6 0613952Q73 RES,MF,1KOHM,5%,.0625
W,SM,0402,200PPM/
CEL,PB-FREE
R6107M6 0613952Q55 RES,MF,180OHM,5%,.0625
W,SM,0402,200PPM/
CEL,PB-FREE
R6108M6 0613952Q61 RES,MF,330OHM,5%,.0625
W,SM,0402,200PPM/
CEL,PB-FREE
R6109M6 NOTPLACED RES,MF,1KOHM,5%,.0625
W,SM,0402,200PPM/
CEL,PB-FREE
R610M19 0613952R25 RES,MF,100KOHM,5%,.062
5W,SM,0402,200PPM/
CEL,PB-FREE
R6110M6 0613952Q73 RES,MF,1KOHM,5%,.0625
W,SM,0402,200PPM/
CEL,PB-FREE
R6111M6 NOTPLACED RES,MF,1KOHM,5%,.0625
W,SM,0402,200PPM/
CEL,PB-FREE
R6112M6 0613952Q73 RES,MF,1KOHM,5%,.0625
W,SM,0402,200PPM/
CEL,PB-FREE
R6113M6 0613952Q51 RES,MF,120,5,.0625,SM,04
02,200,PB-FREE
R6114M6 0613952Q49 RES,MF,100,5,.0625,SM,04
02,200,PB-FREE
R6115M6 0613952Q49 RES,MF,100,5,.0625,SM,04
02,200,PB-FREE
Ref. Des. Part Number Description
R6116M6 NOTPLACED RES,MF,1KOHM,5%,.0625
W,SM,0402,200PPM/
CEL,PB-FREE
R6117M6 0613952R01 RES,MF,10KOHM,5%,.0625
W,SM,0402,200PPM/
CEL,PB-FREE
R6118M6 0613952R09 RES,MF,22000,5,.0625,SM,
0402,200,PB-FREE
R6119M6 0613952R01 RES,MF,10KOHM,5%,.0625
W,SM,0402,200PPM/
CEL,PB-FREE
R611M19 0613952R01 RES,MF,10KOHM,5%,.0625
W,SM,0402,200PPM/
CEL,PB-FREE
R6120M6 0613952R01 RES,MF,10KOHM,5%,.0625
W,SM,0402,200PPM/
CEL,PB-FREE
R6121M6 0613952R01 RES,MF,10KOHM,5%,.0625
W,SM,0402,200PPM/
CEL,PB-FREE
R6122M6 0613952R01 RES,MF,10KOHM,5%,.0625
W,SM,0402,200PPM/
CEL,PB-FREE
R6125M6 0613952Q73 RES,MF,1KOHM,5%,.0625
W,SM,0402,200PPM/
CEL,PB-FREE
R612M19 0613952Q94 RES,MF,7.5KOHM,5%,.062
5W,SM,0402,200PPM/
CEL,PB-FREE
R613M19 0613952Q82 RES,MF,2.4KOHM,5%,.062
5W,SM,0402,200PPM/
CEL,PB-FREE
R614M19 0613952R66 RES,MF,0OHM,5%,.0625W,
SM,0402,PB-FREE
R615M19 NOTPLACED RES,MF,0OHM,5%,.0625W,
SM,0402,PB-FREE
R616M19 NOTPLACED RES,MF,0OHM,5%,.0625W,
SM,0402,PB-FREE
R617M19 NOTPLACED RES,MF,0OHM,5%,.0625W,
SM,0402,PB-FREE
R618M19 NOTPLACED RES,MF,0OHM,5%,.0625W,
SM,0402,PB-FREE
R619M19 NOTPLACED RES,MF,0OHM,5%,.0625W,
SM,0402,PB-FREE
Ref. Des. Part Number Description
R6204M6 0613952R01 RES,MF,10KOHM,5%,.0625
W,SM,0402,200PPM/
CEL,PB-FREE
R6205M6 0613952R01 RES,MF,10KOHM,5%,.0625
W,SM,0402,200PPM/
CEL,PB-FREE
R6206M6 0613952R25 RES,MF,100KOHM,5%,.062
5W,SM,0402,200PPM/
CEL,PB-FREE
R6207M6 0613952R25 RES,MF,100KOHM,5%,.062
5W,SM,0402,200PPM/
CEL,PB-FREE
R6208M6 0613952Q89 RES,MF,4700,5,.0625,SM,0
402,200,PB-FREE
R6209M6 0613952Q89 RES,MF,4700,5,.0625,SM,0
402,200,PB-FREE
R620M19 NOTPLACED RES,MF,0OHM,5%,.0625W,
SM,0402,PB-FREE
R6210M6 0613952Q89 RES,MF,4700,5,.0625,SM,0
402,200,PB-FREE
R6211M6 0613952R01 RES,MF,10KOHM,5%,.0625
W,SM,0402,200PPM/
CEL,PB-FREE
R6212M6 NOTPLACED RES,MF,10KOHM,5%,.0625
W,SM,0402,200PPM/
CEL,PB-FREE
R6213M6 0613952R01 RES,MF,10KOHM,5%,.0625
W,SM,0402,200PPM/
CEL,PB-FREE
R6215M6 0613952R01 RES,MF,10KOHM,5%,.0625
W,SM,0402,200PPM/
CEL,PB-FREE
R6217M6 0613952Q73 RES,MF,1KOHM,5%,.0625
W,SM,0402,200PPM/
CEL,PB-FREE
R6218M6 0613952Q80 RES,MF,2KOHM,5%,.0625
W,SM,0402,200PPM/
CEL,PB-FREE
R621M19 NOTPLACED RES,MF,0OHM,5%,.0625W,
SM,0402,PB-FREE
R623M19 NOTPLACED RES,MF,0OHM,5%,.0625W,
SM,0402,PB-FREE
R624M19 NOTPLACED RES,MF,0OHM,5%,.0625W,
SM,0402,PB-FREE
Ref. Des. Part Number Description
R6301M6 0613952R01 RES,MF,10KOHM,5%,.0625
W,SM,0402,200PPM/
CEL,PB-FREE
R6304M6 0613952R66 RES,MF,0OHM,5%,.0625W,
SM,0402,PB-FREE
R6306M6 0613952R01 RES,MF,10KOHM,5%,.0625
W,SM,0402,200PPM/
CEL,PB-FREE
R6310M6 0613952Q37 RES,MF,33OHM,5%,.0625
W,SM,0402,200PPM/
CEL,PB-FREE
R6311M6 0613952Q37 RES,MF,33OHM,5%,.0625
W,SM,0402,200PPM/
CEL,PB-FREE
R6312M6 0613952Q37 RES,MF,33OHM,5%,.0625
W,SM,0402,200PPM/
CEL,PB-FREE
R6313M6 0613952Q37 RES,MF,33OHM,5%,.0625
W,SM,0402,200PPM/
CEL,PB-FREE
R6314M6 0613952Q37 RES,MF,33OHM,5%,.0625
W,SM,0402,200PPM/
CEL,PB-FREE
R6316M6 0613952R01 RES,MF,10KOHM,5%,.0625
W,SM,0402,200PPM/
CEL,PB-FREE
R6401M6 0613952R18 RES,MF,51KOHM,5%,.0625
W,SM,0402,200PPM/
CEL,PB-FREE
R6402M6 0613952R32 RES,MF,200KOHM,5%,.062
5W,SM,0402,200PPM/
CEL,PB-FREE
R6404M6 0613952Q81 RES,MF,2200,5,.0625,SM,0
402,200,PB-FREE
R6405M6 0613952Q75 RES,MF,1.2KOHM,5%,.062
5W,SM,0402,200PPM/
CEL,PB-FREE
R6406M6 0613952R01 RES,MF,10KOHM,5%,.0625
W,SM,0402,200PPM/
CEL,PB-FREE
R6410M6 0613952R01 RES,MF,10KOHM,5%,.0625
W,SM,0402,200PPM/
CEL,PB-FREE
R6411M6 0613952R66 RES,MF,0OHM,5%,.0625W,
SM,0402,PB-FREE
Ref. Des. Part Number Description

Schematics, Boards Overlays, and Parts Lists: Main Board Block: 700–800 MHz (84012501002) 8-111
R6416M6 0613952Q61 RES,MF,330OHM,5%,.0625
W,SM,0402,200PPM/
CEL,PB-FREE
R6417M6 0613952Q61 RES,MF,330OHM,5%,.0625
W,SM,0402,200PPM/
CEL,PB-FREE
R6419M6 0613952Q37 RES,MF,33OHM,5%,.0625
W,SM,0402,200PPM/
CEL,PB-FREE
R6420M6 0613952R17 RES,MF,47000,5,.0625,SM,
0402,200,PB-FREE
R6421M6 0613952R01 RES,MF,10KOHM,5%,.0625
W,SM,0402,200PPM/
CEL,PB-FREE
R6422M6 0613952Q51 RES,MF,120,5,.0625,SM,04
02,200,PB-FREE
R6423M6 0613952R66 RES,MF,0OHM,5%,.0625W,
SM,0402,PB-FREE
R6425M6 0613952Q80 RES,MF,2KOHM,5%,.0625
W,SM,0402,200PPM/
CEL,PB-FREE
R6426M6 0613952Q49 RES,MF,100,5,.0625,SM,04
02,200,PB-FREE
R6427M6 0613952R11 RES,MF,27KOHM,5%,.0625
W,SM,0402,200PPM/
CEL,PB-FREE
R6428M6 0613952R25 RES,MF,100KOHM,5%,.062
5W,SM,0402,200PPM/
CEL,PB-FREE
R6429M6 0613952R17 RES,MF,47000,5,.0625,SM,
0402,200,PB-FREE
R6430M6 0613952R09 RES,MF,22000,5,.0625,SM,
0402,200,PB-FREE
R6431M6 0613952Q81 RES,MF,2200,5,.0625,SM,0
402,200,PB-FREE
R6492M6 0613952Q79 RES,MF,1800,5,.0625,SM,0
402,200,PB-FREE
R6501M6 0613952Q25 RES,MF,10,5,.0625,SM,040
2,200,PB-FREE
R6502M6 0613952Q25 RES,MF,10,5,.0625,SM,040
2,200,PB-FREE
R6503M6 0613952Q25 RES,MF,10,5,.0625,SM,040
2,200,PB-FREE
Ref. Des. Part Number Description
R6504M6 0613952R09 RES,MF,22000,5,.0625,SM,
0402,200,PB-FREE
R6505M6 0613952Q80 RES,MF,2KOHM,5%,.0625
W,SM,0402,200PPM/
CEL,PB-FREE
R6506M6 0613952R66 RES,MF,0OHM,5%,.0625W,
SM,0402,PB-FREE
R6507M6 0613952R01 RES,MF,10KOHM,5%,.0625
W,SM,0402,200PPM/
CEL,PB-FREE
R6508M6 0613952R17 RES,MF,47000,5,.0625,SM,
0402,200,PB-FREE
R6509M6 0613952R25 RES,MF,100KOHM,5%,.062
5W,SM,0402,200PPM/
CEL,PB-FREE
R6510M6 0613952R66 RES,MF,0OHM,5%,.0625W,
SM,0402,PB-FREE
R6511M6 0613952R01 RES,MF,10KOHM,5%,.0625
W,SM,0402,200PPM/
CEL,PB-FREE
R6512M6 0613952N01 RES,MF,10KOHM,1%,.0625
W,SM,0402,200PPM/
CEL,PB-FREE
R6513M6 0613952R66 RES,MF,0OHM,5%,.0625W,
SM,0402,PB-FREE
R6514M6 0613952Q89 RES,MF,4700,5,.0625,SM,0
402,200,PB-FREE
R6515M6 0613952R66 RES,MF,0OHM,5%,.0625W,
SM,0402,PB-FREE
R6516M6 0613952R66 RES,MF,0OHM,5%,.0625W,
SM,0402,PB-FREE
R6517M6 0613952Q63 RES,MF,390OHM,5%,.0625
W,SM,0402,200PPM/
CEL,PB-FREE
R6518M6 0613952R66 RES,MF,0OHM,5%,.0625W,
SM,0402,PB-FREE
R6519M6 0613952Q89 RES,MF,4700,5,.0625,SM,0
402,200,PB-FREE
R6520M6 0613952Q73 RES,MF,1KOHM,5%,.0625
W,SM,0402,200PPM/
CEL,PB-FREE
Ref. Des. Part Number Description
R6521M6 0615049H01 RES,MF,.2OHM,1%,.5W,120
6,KAMAYA 0.2 OHM CHIP
RES
R6522M6 0613952M66 RES,MF,4.75KOHM,1%,.06
25W,SM,0402,200PPM/
CEL,PB-FREE
R6523M6 0613952R09 RES,MF,22000,5,.0625,SM,
0402,200,PB-FREE
R6524M6 0613952R66 RES,MF,0OHM,5%,.0625W,
SM,0402,PB-FREE
R6525M6 NOTPLACED RES,MF,0OHM,5%,.0625W,
SM,0402,PB-FREE
R6526M6 0613952R66 RES,MF,0OHM,5%,.0625W,
SM,0402,PB-FREE
R6527M6 0613952N87 RES,MF,78.7KOHM,1%,.06
25W,SM,0402,200PPM/
CEL,PB-FREE
R6528M6 0613952R25 RES,MF,100KOHM,5%,.062
5W,SM,0402,200PPM/
CEL,PB-FREE
R6529M6 0615049H01 RES,MF,.2OHM,1%,.5W,120
6,KAMAYA 0.2 OHM CHIP
RES
R6530M6 0613952L30 RES,MF,200OHM,1%,.0625
W,SM,0402,200PPM/
CEL,PB-FREE
R6531M6 0613952R01 RES,MF,10KOHM,5%,.0625
W,SM,0402,200PPM/
CEL,PB-FREE
R6532M6 NOTPLACED RES,MF,0OHM,5%,.0625W,
SM,0402,PB-FREE
R6533M6 0613952R66 RES,MF,0OHM,5%,.0625W,
SM,0402,PB-FREE
R6534M6 NOTPLACED RES,MF,0OHM,5%,.0625W,
SM,0402,PB-FREE
R6535M6 0613952N01 RES,MF,10KOHM,1%,.0625
W,SM,0402,200PPM/
CEL,PB-FREE
R6536M6 0613952Z72 RES,MF,91KOHM,1%,.0625
W,SM,0402,200PPM/
CEL,PB-FREE
R6537M6 0613952P09 RES,MF,121KOHM,1%,.062
5W,SM,0402,200PPM/
CEL,PB-FREE
Ref. Des. Part Number Description
R6538M6 0613952Q95 RES,MF,8.2KOHM,5%,.062
5W,SM,0402,200PPM/
CEL,PB-FREE
R6539M6 0613952P66 RES,MF,475KOHM,1%,.062
5W,SM,0402,200PPM/
CEL,PB-FREE
R6540M6 0613952P66 RES,MF,475KOHM,1%,.062
5W,SM,0402,200PPM/
CEL,PB-FREE
R6541M6 0613952R25 RES,MF,100KOHM,5%,.062
5W,SM,0402,200PPM/
CEL,PB-FREE
R6542M6 0613952R66 RES,MF,0OHM,5%,.0625W,
SM,0402,PB-FREE
R6543M6 0613952R66 RES,MF,0OHM,5%,.0625W,
SM,0402,PB-FREE
R6544M6 0613952R66 RES,MF,0OHM,5%,.0625W,
SM,0402,PB-FREE
R6545M6 0613952R25 RES,MF,100KOHM,5%,.062
5W,SM,0402,200PPM/
CEL,PB-FREE
R6546M6 0613952R66 RES,MF,0OHM,5%,.0625W,
SM,0402,PB-FREE
R6547M6 0613952R66 RES,MF,0OHM,5%,.0625W,
SM,0402,PB-FREE
R6548M6 NOTPLACED RES,MF,0OHM,5%,.0625W,
SM,0402,PB-FREE
R6550M6 0613952Z64 RES,MF,39KOHM,1%,.0625
W,SM,0402,200PPM/
CEL,PB-FREE
R6551M6 0613952Z62 RES,MF,33KOHM,1%,.0625
W,SM,0402,200PPM/
CEL,PB-FREE
R6552M6 0613952R25 RES,MF,100KOHM,5%,.062
5W,SM,0402,200PPM/
CEL,PB-FREE
R6558M6 0613952P22 RES,MF,165KOHM,1%,.062
5W,SM,0402,200PPM/
CEL,PB-FREE
R6561M6 0613952R66 RES,MF,0OHM,5%,.0625W,
SM,0402,PB-FREE
R6562M6 0613952R66 RES,MF,0OHM,5%,.0625W,
SM,0402,PB-FREE
Ref. Des. Part Number Description

8-112 Schematics, Boards Overlays, and Parts Lists: Main Board Block: 700–800 MHz (84012501002)
R6563M6 0613952R66 RES,MF,0OHM,5%,.0625W,
SM,0402,PB-FREE
R6564M6 0613952R66 RES,MF,0OHM,5%,.0625W,
SM,0402,PB-FREE
R6565M6 0613952R66 RES,MF,0OHM,5%,.0625W,
SM,0402,PB-FREE
R6566M6 0613952R66 RES,MF,0OHM,5%,.0625W,
SM,0402,PB-FREE
R6567M6 0613952R66 RES,MF,0OHM,5%,.0625W,
SM,0402,PB-FREE
R6568M6 0613952P47 RES,MF,301KOHM,1%,.062
5W,SM,0402,200PPM/
CEL,PB-FREE
R6570M6 0613952R66 RES,MF,0OHM,5%,.0625W,
SM,0402,PB-FREE
R6574M6 0613952R25 RES,MF,100KOHM,5%,.062
5W,SM,0402,200PPM/
CEL,PB-FREE
R6576M6 0613952R01 RES,MF,10KOHM,5%,.0625
W,SM,0402,200PPM/
CEL,PB-FREE
R6577M6 0613952Q89 RES,MF,4700,5,.0625,SM,0
402,200,PB-FREE
R6578M6 0613952Q89 RES,MF,4700,5,.0625,SM,0
402,200,PB-FREE
R6579M6 0613952R01 RES,MF,10KOHM,5%,.0625
W,SM,0402,200PPM/
CEL,PB-FREE
R6580M6 0613952R17 RES,MF,47000,5,.0625,SM,
0402,200,PB-FREE
R6581M6 0613952Q49 RES,MF,100,5,.0625,SM,04
02,200,PB-FREE
R6582M6 0613952Q89 RES,MF,4700,5,.0625,SM,0
402,200,PB-FREE
R6583M6 0613952R03 RES,MF,12000,5,.0625,SM,
0402,200,PB-FREE
R6584M6 0613952Q56 RES,MF,200OHM,5%,.0625
W,SM,0402,200PPM/
CEL,PB-FREE
R6591M6 0613952R66 RES,MF,0OHM,5%,.0625W,
SM,0402,PB-FREE
R6598M6 0613952R66 RES,MF,0OHM,5%,.0625W,
SM,0402,PB-FREE
Ref. Des. Part Number Description
R6599M6 NOTPLACED RES,MF,10KOHM,5%,.0625
W,SM,0402,200PPM/
CEL,PB-FREE
R6601M6 0613952R01 RES,MF,10KOHM,5%,.0625
W,SM,0402,200PPM/
CEL,PB-FREE
R6602M6 0613952R01 RES,MF,10KOHM,5%,.0625
W,SM,0402,200PPM/
CEL,PB-FREE
R6604M6 0613952Q51 RES,MF,120,5,.0625,SM,04
02,200,PB-FREE
R6605M6 0613952Q33 RES,MF,22,5,.0625,SM,040
2,200,PB-FREE
R6606M6 0613952Q37 RES,MF,33OHM,5%,.0625
W,SM,0402,200PPM/
CEL,PB-FREE
R6608M6 0613952R01 RES,MF,10KOHM,5%,.0625
W,SM,0402,200PPM/
CEL,PB-FREE
R6609M6 0613952R25 RES,MF,100KOHM,5%,.062
5W,SM,0402,200PPM/
CEL,PB-FREE
R6616M6 0613952Q80 RES,MF,2KOHM,5%,.0625
W,SM,0402,200PPM/
CEL,PB-FREE
R6617M6 0613952R01 RES,MF,10KOHM,5%,.0625
W,SM,0402,200PPM/
CEL,PB-FREE
R6618M6 0613952R01 RES,MF,10KOHM,5%,.0625
W,SM,0402,200PPM/
CEL,PB-FREE
R6619M6 0613952R01 RES,MF,10KOHM,5%,.0625
W,SM,0402,200PPM/
CEL,PB-FREE
R6621M6 0613952Q89 RES,MF,4700,5,.0625,SM,0
402,200,PB-FREE
R6622M6 0613952Q35 RES,MF,27OHM,5%,.0625
W,SM,0402,200PPM/
CEL,PB-FREE
R6623M6 0613952Q35 RES,MF,27OHM,5%,.0625
W,SM,0402,200PPM/
CEL,PB-FREE
R6624M6 0613952Q35 RES,MF,27OHM,5%,.0625
W,SM,0402,200PPM/
CEL,PB-FREE
Ref. Des. Part Number Description
R6625M6 0613952Q35 RES,MF,27OHM,5%,.0625
W,SM,0402,200PPM/
CEL,PB-FREE
R6626M6 0613952R01 RES,MF,10KOHM,5%,.0625
W,SM,0402,200PPM/
CEL,PB-FREE
R6701M6 0613952R01 RES,MF,10KOHM,5%,.0625
W,SM,0402,200PPM/
CEL,PB-FREE
R6702M6 0613952R17 RES,MF,47000,5,.0625,SM,
0402,200,PB-FREE
R6703M6 0613952R17 RES,MF,47000,5,.0625,SM,
0402,200,PB-FREE
R6704M6 0613952R17 RES,MF,47000,5,.0625,SM,
0402,200,PB-FREE
R6705M6 0613952R66 RES,MF,0OHM,5%,.0625W,
SM,0402,PB-FREE
R6706M6 0613952Q73 RES,MF,1KOHM,5%,.0625
W,SM,0402,200PPM/
CEL,PB-FREE
R698M19 0613952R66 RES,MF,0OHM,5%,.0625W,
SM,0402,PB-FREE
R699M19 0613952R66 RES,MF,0OHM,5%,.0625W,
SM,0402,PB-FREE
R701M7 0613952Q64 RES,MF,430OHM,5%,.0625
W,SM,0402,200PPM/
CEL,PB-FREE
R702M7 0613952R66 RES,MF,0OHM,5%,.0625W,
SM,0402,PB-FREE
R703M7 0613952Q55 RES,MF,180OHM,5%,.0625
W,SM,0402,200PPM/
CEL,PB-FREE
R704M7 0613952Q36 RES,MF,30OHM,5%,.0625
W,SM,0402,200PPM/
CEL,PB-FREE
R705M7 0613952Q75 RES,MF,1.2KOHM,5%,.062
5W,SM,0402,200PPM/
CEL,PB-FREE
R706M7 0613952R66 RES,MF,0OHM,5%,.0625W,
SM,0402,PB-FREE
R707M7 0613952Q55 RES,MF,180OHM,5%,.0625
W,SM,0402,200PPM/
CEL,PB-FREE
Ref. Des. Part Number Description
R708M7 0613952Q45 RES,MF,68OHM,5%,.0625
W,SM,0402,200PPM/
CEL,PB-FREE
R709M7 NOTPLACED RES,MF,0OHM,5%,.0625W,
SM,0402,PB-FREE
R721M7 0613952R01 RES,MF,10KOHM,5%,.0625
W,SM,0402,200PPM/
CEL,PB-FREE
R722M7 0613952Q57 RES,MF,220OHM,5%,.0625
W,SM,0402,200PPM/
CEL,PB-FREE
R723M7 0613952R02 RES,MF,11KOHM,5%,.0625
W,SM,0402,200PPM/
CEL,PB-FREE
R728M7 0613952Q30 RES,MF,16OHM,5%,.0625
W,SM,0402,200PPM/
CEL,PB-FREE
R729M7 0613952R09 RES,MF,22000,5,.0625,SM,
0402,200,PB-FREE
R730M7 0613952Q84 RES,MF,3KOHM,5%,.0625
W,SM,0402,200PPM/
CEL,PB-FREE
R734M7 0613952R66 RES,MF,0OHM,5%,.0625W,
SM,0402,PB-FREE
R736M7 0613952Q50 RES,MF,110OHM,5%,.0625
W,SM,0402,200PPM/
CEL,PB-FREE
R741M7 0613952R09 RES,MF,22000,5,.0625,SM,
0402,200,PB-FREE
R742M7 0613952R23 RES,MF,82KOHM,5%,.0625
W,SM,0402,200PPM/
CEL,PB-FREE
R743M7 0613952R17 RES,MF,47000,5,.0625,SM,
0402,200,PB-FREE
R744M7 0613952Q91 RES,MF,5600,5,.0625,SM,0
402,200,PB-FREE
R745M7 0613952R09 RES,MF,22000,5,.0625,SM,
0402,200,PB-FREE
R746M7 0613952Q12 RES,MF,3OHM,5%,.0625W,
SM,0402,200PPM/CEL,PB-
FREE
R747M7 0613952Q34 RES,MF,24OHM,5%,.0625
W,SM,0402,200PPM/
CEL,PB-FREE
Ref. Des. Part Number Description

Schematics, Boards Overlays, and Parts Lists: Main Board Block: 700–800 MHz (84012501002) 8-113
R748M7 0613952Q47 RES,MF,82OHM,5%,.0625
W,SMD,0402,200PPM/
CEL,CER CHIP 82.0 OHM
5%
R751M7 0613952Q59 RES,MF,270OHM,5%,.0625
W,SM,0402,200PPM/
CEL,PB-FREE
R754M7 NOTPLACED RES,MF,680OHM,5%,.0625
W,SM,0402,200PPM/
CEL,PB-FREE
R757M7 NOTPLACED RES,MF,270OHM,5%,.0625
W,SM,0402,200PPM/
CEL,PB-FREE
R761M7 0613952Q29 RES,MF,15OHM,5%,.0625
W,SM,0402,200PPM/
CEL,PB-FREE
R762M7 0613952R08 RES,MF,20KOHM,5%,.0625
W,SM,0402,200PPM/
CEL,PB-FREE
R763M7 0613952R19 RES,MF,56KOHM,5%,.0625
W,SM,0402,200PPM/
CEL,PB-FREE
R766M7 0613952Q92 RES,MF,6.2KOHM,5%,.062
5W,SM,0402,200PPM/
CEL,PB-FREE
R769M7 0613952Q29 RES,MF,15OHM,5%,.0625
W,SM,0402,200PPM/
CEL,PB-FREE
R771M7 0613952Q49 RES,MF,100,5,.0625,SM,04
02,200,PB-FREE
R776M7 0613952Q67 RES,MF,560OHM,5%,.0625
W,SM,0402,200PPM/
CEL,PB-FREE
R778M7 0613952Q29 RES,MF,15OHM,5%,.0625
W,SM,0402,200PPM/
CEL,PB-FREE
R779M7 0613952Q49 RES,MF,100,5,.0625,SM,04
02,200,PB-FREE
R785M7 0613952Q60 RES,MF,300OHM,5%,.0625
W,SM,0402,200PPM/
CEL,PB-FREE
R799M7 0613952Q60 RES,MF,300OHM,5%,.0625
W,SM,0402,200PPM/
CEL,PB-FREE
Ref. Des. Part Number Description
R809M7 0613952Q31 RES,MF,18OHM,5%,.0625
W,SM,0402,200PPM/
CEL,PB-FREE
R822M7 NOTPLACED RES,MF,2OHM,5%,.0625W,
SM,0402,200PPM/CEL,PB-
FREE
R823M7 NOTPLACED RES,MF,2OHM,5%,.0625W,
SM,0402,200PPM/CEL,PB-
FREE
SH1 26012246001 SHLD,STL,SN PLT,SHIELD,
IF, APX CVT
SH10 26012250001 SHLD,STL,SN PLT,SHIELD,
ANTSWI, APX CVT
SH11 26012258001 SHLD,STL,SN PLT,SHIELD,
ABACUS, APX CVT
SH12 26012251001 SHLD,STL,SN PLT,SHIELD,
PAOP, APX CVT
SH13 26012260001 SHLD,STL,SN PLT,SHIELD,
DRIVER/PA, APX CVT
SH14 26012252001 SHLD,STL,SN PLT,SHIELD,
ALC/DC, APX CVT
SH15 26012261001 SHLD,STL,SN PLT,SHIELD,
VCO, APX CVT
SH16 26012254001 SHLD,STL,SN PLT,SHIELD,
CONTROLLER/AVR, APX
CVT
SH17 26012262001 SHLD,STL,SN PLT,SHIELD,
MACE/MAKO, APX CVT
SH2 26012253001 SHLD,STL,SN PLT,SHIELD,
MIXER, APX CVT
SH3 26012259001 SHLD,STL,SN PLT,SHIELD,
GPS/BT, APX CVT
SH4 26012247001 SHLD,STL,SN PLT,SHIELD,
2ND LO, APX CVT
SH5 26012255001 SHLD,STL,SN PLT,SHIELD,
ALC1, APX CVT
SH6 26012248001 SHLD,STL,SN PLT,SHIELD,
FGU, APX CVT
SH7 26012256001 SHLD,CAN,STL,SN
PLT,SHIELD, DC, APX CVT
SH8 26012249001 SHLD,STL,SN PLT,SHIELD,
TXFE, APX CVT
Ref. Des. Part Number Description
SH9 26012257001 SHLD,CAN,STL,SN
PLT,SHIELD, RXFE, APX
CVT
T506M21 2575851B01 XFMR,BALUN,RF XFMR
BALUN
T507M21 2575851B02 XFMR,BALUN,25,SM,RF
XFMR BALUN
U1001M16 5175143H01 IC,WIDE SPLY RANGE OP
AMP
U1002M16 51012101001 IC,SM,VHF/UHF/800/900
MHZ LDMOS DRVR IC
U1101M11 5188032U43 IC,SENSING CIR-
CUIT,INA138,SM,SOT-23/
5,1PER PKG,PB FREE
U1103M11 5185070Y01 IC,TEMP SENS
U1104M11 5185941F56 IC,OP AMP,1PER
PKG,RAIL-RAIL,SOIC,IC
SNGL LV LP OP AMP
U1105M11 5180390L83 IC,CNTLR,SM,1PER PKG
U1106M11 5175772B05 IC,LTC5532ES6,SOT-
23,1PER PKG,PRCN RF
DET
U1112M11 5175772B04 IC,HMC468LP3E,QFN,1 DB
LSB GAAS MMIC ATTEN
U1113M11 5185941F56 IC,OP AMP,1PER
PKG,RAIL-RAIL,SOIC,IC
SNGL LV LP OP AMP
U1114M11 5185941F56 IC,OP AMP,1PER
PKG,RAIL-RAIL,SOIC,IC
SNGL LV LP OP AMP
U1119M11 5109522E94 GATE,AND,1PER
PKG,SM,2 INPUT IN NANO
PKG
U1121M11 5114000B52 IC,XOR,LOGIC LEVEL
SHIFTER,1PER
PKG,SM,SOT-353,PB-FREE
U1125M11 5175206H01 IC,DAC,W/ 5 PPM/C INT
REF
U1126M11 5109817F77 IC,COMPTR,LMV7275,SC7
0-5
U1127M11 5171779H01 IC,ANLG SW,SC70,SC70-
6,1PER PKG,SPDT ANLG
SW
Ref. Des. Part Number Description
U1128M11 5188085K11 IC,NAND,SINGLE 2
INPUT,SN74LVC1G00YZPR
,SM,GATE, POS, 5 DSBGA,
U1129M11 5175143H01 IC,WIDE SPLY RANGE OP
AMP
U1130M11 5175143H01 IC,WIDE SPLY RANGE OP
AMP
U1131M11 5109817F77 IC,COMPTR,LMV7275,SC7
0-5
U1132M11 5114007M28 IC,D FLIP-FLOP,1PER
PKG,17SZ74,N-
I,SM,SOIC8,PB-FREE
U1133M11 5171779H01 IC,ANLG SW,SC70,SC70-
6,1PER PKG,SPDT ANLG
SW
U1136M11 5109522E94 GATE,AND,1PER
PKG,SM,2 INPUT IN NANO
PKG
U1137M11 5164852H16 IC,TRANSLATING,2PER
PKG,LVC2T45,TRANS-
CEIVER W/VOLTAGE
TRANSLATI
U1138M11 5164852H16 IC,TRANSLATING,2PER
PKG,LVC2T45,TRANS-
CEIVER W/VOLTAGE
TRANSLATI
U1139M11 5164852H16 IC,TRANSLATING,2PER
PKG,LVC2T45,TRANS-
CEIVER W/VOLTAGE
TRANSLATI
U1141M11 5185941F56 IC,OP AMP,1PER
PKG,RAIL-RAIL,SOIC,IC
SNGL LV LP OP AMP
U1142M11 5185941F56 IC,OP AMP,1PER
PKG,RAIL-RAIL,SOIC,IC
SNGL LV LP OP AMP
U1143M11 5185941F56 IC,OP AMP,1PER
PKG,RAIL-RAIL,SOIC,IC
SNGL LV LP OP AMP
U1144M11 5171779H01 IC,ANLG SW,SC70,SC70-
6,1PER PKG,SPDT ANLG
SW
U1146M11 5109522E93 GATE,OR,SN74LVC1G32Y
ZPR,1PER PKG,SM,2
INPUT IN NANO PKG
Ref. Des. Part Number Description

8-114 Schematics, Boards Overlays, and Parts Lists: Main Board Block: 700–800 MHz (84012501002)
U1147M11 5109522E94 GATE,AND,1PER
PKG,SM,2 INPUT IN NANO
PKG
U1148M11 5185941F56 IC,OP AMP,1PER
PKG,RAIL-RAIL,SOIC,IC
SNGL LV LP OP AMP
U1149M11 5109522E93 GATE,OR,SN74LVC1G32Y
ZPR,1PER PKG,SM,2
INPUT IN NANO PKG
U1150M11 51009381001 IC,MICROPOWER SOT-23
V REF
U1301M3 51007377001 IC,XCVR,NL5500,BGA,BLU-
ETOOTH, GPS, FM RX, FM
TX
U1304M3 5105739X13 IC,AMP,SIGE,QFN,QFN,18
DB,1.57GHZMIN,1.57GHZM
AX,.9DB,SIGE GPS LO
U1305M3 5187344N09 IC,LNR V
REGLTR,FXD,2.8V,100MA,L
OW NOISE
U1334M3 5102836C11 IC,ANLG
SW,FSA4157,SM,SPDT,PB
FREE
U1335M3 5102836C11 IC,ANLG
SW,FSA4157,SM,SPDT,PB
FREE
U200M12 5188493T01 IC,VREG/
SWG,LP2989,SM,MINI SO-
8 HI PRCN REG 5V
U201M12 5175771A99 IC,LNR V
REGLTR,FXD,100MA,VFBG
A,LOW NOISE, 100MA LIN-
EAR REGL
U202M12 5175772B02 IC,LNR V
REGLTR,FXD,1.8V,100MA,
VFBGA,LINEAR REGLTR
100MA 1.8
U203M12 5175772B01 IC,LNR V
REGLTR,FXD,1.5V,350MA,
VFBGA,LINEAR V REGLTR
350MA
U2101M2 5109522E84 IC,DL SCHT TRIG MICRO
PAK
U2102M2 5109522E84 IC,DL SCHT TRIG MICRO
PAK
Ref. Des. Part Number Description
U2202M2 5164852H47 IC,XLTR,2PER
PKG,TSSOP8,IC, I2C LEV
XLTR
U2205M2 5188682Y01 IC,POWER
DRIVER,40MA,SM,RGB
LED, I2C CONTORL, LLP
PKG
U2301M13 5103535B53 IC,INVTR,DL,NC7WZ04L6X
,2PER PKG,SC70
U2302M13 5185941F45 ATTEN,VAR,14.4DBMIN,15.
6DBMAX,0-2000 MHZ-
FREQ,50OHM,PCMT,SOT-
25
U2402M3 51002923001 IC,LNR V REGLTR,3.3V
LP2989,NOPB
U2403M3 51009735001 IC,RCVR,QFN,IC, RCVR,
ONE-CHAN, QFN, LF
WAKE-UP
U2406M3 5164852H16 IC,TRANSLATING,2PER
PKG,LVC2T45,TRANS-
CEIVER W/VOLTAGE
TRANSLATI
U2407M3 5164852H16 IC,TRANSLATING,2PER
PKG,LVC2T45,TRANS-
CEIVER W/VOLTAGE
TRANSLATI
U2408M3 5164852H16 IC,TRANSLATING,2PER
PKG,LVC2T45,TRANS-
CEIVER W/VOLTAGE
TRANSLATI
U2409M3 5164852H16 IC,TRANSLATING,2PER
PKG,LVC2T45,TRANS-
CEIVER W/VOLTAGE
TRANSLATI
U2410M3 5164852H16 IC,TRANSLATING,2PER
PKG,LVC2T45,TRANS-
CEIVER W/VOLTAGE
TRANSLATI
U2411M3 5175856M01 IC,INVTR,0MHZMAX,DL
INVTR
U2412M3 5114007M45 IC,NOR,1PER PKG,SOT-
353,PB-FREE
U2413M3 51010274001 IC,SDRAM,128MB,8MEG X
16,7.5NS,VFBGA,3.3V,IC,S
DRAM,128MBIT,8M
Ref. Des. Part Number Description
U2414M3 5164852H16 IC,TRANSLATING,2PER
PKG,LVC2T45,TRANS-
CEIVER W/VOLTAGE
TRANSLATI
U2415M3 51009372001 IC,UCNTLR,IC UCNTLR
AT32UC3A0512
U2416M3 51009669001 IC,SENSOR,SM,IC, ACCEL-
EROMETER, MOTION
SENSOR
U2473M3 5164852H16 IC,TRANSLATING,2PER
PKG,LVC2T45,TRANS-
CEIVER W/VOLTAGE
TRANSLATI
U2478M3 5164852H16 IC,TRANSLATING,2PER
PKG,LVC2T45,TRANS-
CEIVER W/VOLTAGE
TRANSLATI
U2510M6 5185912Y03 IC,MICROP,BGA,CRYPTO-
GRAPHIC PROCES-
SOR,IC,CRYPTOGRAPHIC
P
U2525M6 5171339H01 IC,MC78LC18,MICROPO-
WER V REGLTR
U2526M6 5171988H01 IC,COMPTR,CMOS
COMPTR
U4001M2 5164852H47 IC,XLTR,2PER
PKG,TSSOP8,IC, I2C LEV
XLTR
U4003M2 5188691V01 IC,MUX/
DEMUX,NC7SB3157P6X,S
M,SC70-6,1PER
PKG,BUS,PB FREE
U4004M2 5116783H01 IC,ANLG
SW,SN74LVC2G66YZPR,S
M,2PER
PKG,0CHANNELS,BILAT-
ERAL,DL
U402M20 5180428L15 SW,RF
SWITCH,SPDT,SMT,6W,3V
U403M20 5180428L15 SW,RF
SWITCH,SPDT,SMT,6W,3V
U404M20 5180428L15 SW,RF
SWITCH,SPDT,SMT,6W,3V
U405M20 5180428L15 SW,RF
SWITCH,SPDT,SMT,6W,3V
Ref. Des. Part Number Description
U406M20 4885316E32 XSTR,BIP RF SML
SGNL,SLCN,BFR380F,SM,
SMT,6V,380W,80A,14MHZ,T
R
U407M20 4885316E32 XSTR,BIP RF SML
SGNL,SLCN,BFR380F,SM,
SMT,6V,380W,80A,14MHZ,T
R
U408M20 5103535B53 IC,INVTR,DL,NC7WZ04L6X
,2PER PKG,SC70
U507M21 5164015H81 IC,MXR,SM
U601M19 5102495J14 IC,IF,IF DIGITILIZING SUB-
SYSTEM IC,AD9864,QFN
U602M19 4885316E32 XSTR,BIP RF SML
SGNL,SLCN,BFR380F,SM,
SMT,6V,380W,80A,14MHZ,T
R
U603M19 5109522E84 IC,DL SCHT TRIG MICRO
PAK
U604M19 5109522E84 IC,DL SCHT TRIG MICRO
PAK
U605M19 5164852H16 IC,TRANSLATING,2PER
PKG,LVC2T45,TRANS-
CEIVER W/VOLTAGE
TRANSLATI
U606M19 5164852H16 IC,TRANSLATING,2PER
PKG,LVC2T45,TRANS-
CEIVER W/VOLTAGE
TRANSLATI
U607M19 5186311J24 IC,BFR,1PER
PKG,NC7SZ125,ACTIVE
HIGH,BFR,3ST,SM,5.5
U6101M6 0180706J18 IC,PGM,PGM CPLD
U6102M6 5188691V01 IC,MUX/
DEMUX,NC7SB3157P6X,S
M,SC70-6,1PER
PKG,BUS,PB FREE
U6103M6 5175114H01 IC,SNGL AND GATE
MICROPAK
U6104M6 5175114H01 IC,SNGL AND GATE
MICROPAK
U6105M6 5175114H01 IC,SNGL AND GATE
MICROPAK
Ref. Des. Part Number Description

Schematics, Boards Overlays, and Parts Lists: Main Board Block: 700–800 MHz (84012501002) 8-115
U6201M6 5185941F26 IC,COMPTR,LMV7219,SM,
SOT-23/5,IC,LM7219,COM-
PARATOR,NOPB
U6301M6 51012031001 IC,SDRAM,32MB,16 MEG
X16,6.5NS,VFBGA,64MSRF
RSH,32MB DIE SHRIN
U6302M6 5102495J13 IC,MICROP,P1710ZZGE,BG
A,12MHZ,32BITS
U6304M6 0105955U25 ASSY,ASSY,ASSY,IC,BGA
SPEC PROG, FLSH MEM
U6402M6 5115453H01 IC,OP AMP,2PER PKG,RAIL
TO RAIL OUTPUT, 8 PIN
BGA
U6404M6 5175772B38 IC,IC ANLG TEMP SENSOR
U6405M6 5188348V06 IC,AUDIO
CODEC,SM,AUDIO CODEC
U6408M6 5188521T01 IC,VREF,SM,SOT23,1PER
PKG,.5%,1.25 TO
13.75,PRCN BANDGAP
ADJUS
U6409M6 51009000001 IC,COMPTR,SC70,NANOP-
OWER, 1.8V, SC70
COMPTR
U6501M6 5185143E77 IC,CUST,BGA,IC, MAKO
ASIC, CMOS PWR MGMT
U6502M6 4871987H01 XSTR,BIP GP
POWER,12V,1A,LOW
FREQ XSTR
U6503M6 5171674H01 IC,OP AMP,SO-8,OP AMP
U6504M6 5171682H01 IC,DC TO DC CON-
VERTER,800MA BUCK
REGLTR
U6505M6 5189631P01 IC,0PER PKG,SYNC STEP-
DOWN CONV
U6506M6 5184790Y04 IC,LINEAR VOLTAGE REG-
ULATOR,400MA
U6507M6 5171682H01 IC,DC TO DC CON-
VERTER,800MA BUCK
REGLTR
U6508M6 51009366001 IC,LNR V
REGLTR,LLP6,500MA LOW
DROPOUT CMOS LINEAR
REG
Ref. Des. Part Number Description
U6509M6 5175114H01 IC,SNGL AND GATE
MICROPAK
U6510M6 5114007A47 IC,OR,17SZ32,1PER
PKG,SOT-353,PB FREE
U6511M6 5171339H01 IC,MC78LC18,MICROPO-
WER V REGLTR
U6601M6 5175114H01 IC,SNGL AND GATE
MICROPAK
U702M7 5164015H28 IC,CUST,MULTI PROTO-
COL/BAND TRANSCVR
IC,SM,BGA,TRIDENT,
INTEG
U738M7 5171972L01 IC,SW,SP3T RF SW
U739M7 5103535B53 IC,INVTR,DL,NC7WZ04L6X
,2PER PKG,SC70
U746M7 4805218N63 XSTR,GEN PURPOSE
SMALL SIG,SOT-
323,BROADBAND AND
XSTR
VR101M12 4813977M29 DIODE,ZEN,MBZ5250,SM,S
OT-23,ZEN,PB-FREE
VR200M12 4813977M29 DIODE,ZEN,MBZ5250,SM,S
OT-23,ZEN,PB-FREE
VR3003M22 4805656W87 DIODE,VCTR, @
15V,1SV279,SOD-523/SC-
79,SOD-523/SC-79
VR3004M22 4805656W87 DIODE,VCTR, @
15V,1SV279,SOD-523/SC-
79,SOD-523/SC-79
VR3010M22 4805656W87 DIODE,VCTR, @
15V,1SV279,SOD-523/SC-
79,SOD-523/SC-79
VR3011M22 4805656W87 DIODE,VCTR, @
15V,1SV279,SOD-523/SC-
79,SOD-523/SC-79
VR3012M22 4805656W87 DIODE,VCTR, @
15V,1SV279,SOD-523/SC-
79,SOD-523/SC-79
VR3013M22 4805656W87 DIODE,VCTR, @
15V,1SV279,SOD-523/SC-
79,SOD-523/SC-79
VR3014M22 4805656W87 DIODE,VCTR, @
15V,1SV279,SOD-523/SC-
79,SOD-523/SC-79
Ref. Des. Part Number Description
VR3015M22 4805656W87 DIODE,VCTR, @
15V,1SV279,SOD-523/SC-
79,SOD-523/SC-79
VR3017M22 4805656W87 DIODE,VCTR, @
15V,1SV279,SOD-523/SC-
79,SOD-523/SC-79
VR3020M22 4805656W87 DIODE,VCTR, @
15V,1SV279,SOD-523/SC-
79,SOD-523/SC-79
VR3021M22 4805656W87 DIODE,VCTR, @
15V,1SV279,SOD-523/SC-
79,SOD-523/SC-79
VR3048M22 4805656W87 DIODE,VCTR, @
15V,1SV279,SOD-523/SC-
79,SOD-523/SC-79
VR601M19 4805656W87 DIODE,VCTR, @
15V,1SV279,SOD-523/SC-
79,SOD-523/SC-79
VR602M19 4805656W87 DIODE,VCTR, @
15V,1SV279,SOD-523/SC-
79,SOD-523/SC-79
Y1304M3 48014600001 OSC,TCXO,26.0
Y2475M3 48009319001 OSC,VAR,SMD XTAL OSC
DS0211AR
Y3020M22 48012102005 RESON,NON-
QUARTZ,1025MHZ,SM,RE
SON CER 1025MHZ
Y3021M22 48012102005 RESON,NON-
QUARTZ,1025MHZ,SM,RE
SON CER 1025MHZ
Y3053M22 48012102006 RESON,NON-
QUARTZ,1110MHZ,SM,RES
ON CER 1110MHZ
Y6501M6 93012044001 OSC,XO,24.576MHZ,SM,XT
AL U SMD 5.0X3.2
24.576MHZ
Y6502M6 4809995L05 RESON,QRTZ,32.768KHZ,
SM,FUND,9PF LOAD CAP,-
40DEG C MIN,85DE
Y6601M6 4802582S85 RESON,QRTZ,12MHZ,10P
PM TOL,18PPM
STAB,SM,FUND,AT,10PF
LOAD CAP
Y701M7 4871886H01 OSC,VO,16.8 MHZ VCTXO
.8PPM
Ref. Des. Part Number Description

8-116 Schematics, Boards Overlays, and Parts Lists: Main Board Block: 700–800 MHz (84012501002)
Notes

Schematics, Boards Overlays, and Parts Lists: Main Board Block: VHF (84012512001_A) 8-117
8.4 Main Board Block: VHF (84012512001_A)
Figure 8-62. Main Board Block
CONTROLLER SECTION RF SECTION
F2_PARAMP
F2_SYNCB
RF_ANT
RF_BRD_RSTB
RF_DAC_SPI_CS
SPI_DSP_CLK_A
SPI_DSP_MOSI
TRIDENT_SPI_CS
TX_DA_CONN
TX_INHIBIT
V_2.8_RF
V_EXT_1.85
V_SW_3.60
ISET
ABACUS_SPI_CS
16.8_MHZ_SINEWAVE
UNSW_B+
TX_FSYNC_CONN
TX_CLK_CONN
RX_DA_CONN
RX_FSYNC_CONN
SPI_DSP_MISO
F2_DMCS
BAT_STATUS
LOCK_DET_A
RX_CLK_CONN
SPI_DSP_MISO
ISET
RF_ANT
TX_INHIBIT
V_2.8_RF
V_EXT_1.85
V_SW_3.60
UNSW_B+
BAT_STATUS
16.8_MHZ_SINEWAVE
ABACUS_SPI_CS
F2_PARAMP
F2_SYNCB
RF_BRD_RSTB
RF_DAC_SPI_CS
TX_FSYNC
TX_CLK
RX_FSYNC
LOCK_DET
SPI_DSP_CLK
SPI_DSP_MOSI
TRIDENT_SPI_CS
TX_DA
F2_DMCS
RX_DA
RX_CLK
APX_COVERT_CONTROLLER APX_COVERT_RF

8-118 Schematics, Boards Overlays, and Parts Lists: Main Board Block: VHF (84012512001_A)
Figure 8-63. Transceiver (RF) Board Overall Schematic
RF_ANT
BAT_STATUS
V_SW_3.60
V_2.8_RF
UNSW_B+
IN
IN
IN
OUT
OUT
DC_LIN_2_775V
DC_SWI_3_6V
RF_SW_B+
BAT_STATUS
DC_LIN_5V
DC_LIN_3V
DC_LIN_1_8V
DC_LIN_1_5V
DC_FUSED_B+
DC_BATT
SUBDESIGN_SUFFIX=12
covert_dc
RF_SW_B+
DC_LIN_3V
DC_LIN_1_5V
DC_LIN_1_8V
DC_LIN_5V
IF
IF
IF
IF
IF7
IF10
IF9
IF6
DIG_CTRL_ATTH
1
1
1
1
DIG_VRVS
ANT_SWI
FILT_RAW_B+
PA_OUT
DC_LIN_3V
covert_antswi_vhf
RF_OUT
RX_IN
SUBDESIGN_SUFFIX=13
HF_IN
IF
IF22
1
covert_tx_hf_vhf
HF_OUT
SUBDESIGN_SUFFIX=17
IF
IF25 HF_OUT
1
F2_SYNCB
SPI_DSP_MOSI
ABACUS_SPI_CS
SPI_DSP_CLK_A
DC_LIN_5V
DC_LIN_3V
V_EXT_1.85
16.8_MHZ_SINEWAVE
DC_LIN_5V
TL_RX_LO
TL_RX_MIX_IN
TL_RX_IF_OUT
SUBDESIGN_SUFFIX=21
IF
IF24 DC_LIN_5V
1
covert_mixer
RF_RX_VHF_FE_OUT
DIG_CTRL_RXV
TL_RX_VHF_FE_IN
DC_LIN_1_8V_A
IF
SUBDESIGN_SUFFIX=20
IF
IF
IF12
IF13
IF15
DC_LIN_1_8V
1
1
1
covert_rxfe_vhf
SUBDESIGN_SUFFIX=19
RX_FSYNC_CONN
RX_CLK_CONN
RX_DA_CONN
DIG_RX_BE_DOUTB
DIG_DATA_SSI_RX_FS
DIG_DATA_SSI_RX_DOUTA
CLK_SSI_RX
TL_RX_IF
DIG_RX_SYNCB
DIG_DATA_SPI_PD
DIG_CTRL_SPI_PE
DIG_CTRL_SPI_PC
DC_LIN_5V
DC_LIN_3V
DC_LIN_1_875V_D
CLK_16_8_MHZ
COVERT_RX_BE
TX_INJ
TX_7V
FILT_RAW_B+ PA_OUT
VC
SUBDESIGN_SUFFIX=16
IF
IF
IF
IF
IF2
IF3
IF4
IF5
TX_INJ
1
1
1
1
covert_vhf_pa
DC_LIN_3V
DC_LIN_5V
DIG_CTRL_I_LIMIT
RF_SW_B+
DIG_CTRL_ATTH
HF_OUT
DIG_GPIO49
SW_B+
DIG_CTRL_ATTH
COUPLER
TXH_1
DIG_SPI_CLK
DIG_DMCS
DIG_DATA_SPI_MOSI
DIG_CTRL_TX_INH
DIG_CTRL_I_LIMIT
DC_RAW_B+
DC_LIN_5V
DC_LIN_3V
DC_LIN_1_85
ANA_CTRL_VSET
ANA_CTRL_ISET
covert_alc_vhf
ANA_RX_FE_FILT_VTUNE
FILT_RAW_B+
VCTRL
TX_7V_1
TXH
RF_OUT
TX_SWI
SUBDESIGN_SUFFIX=11
RF_ANT
V_EXT_1.85
RF_DAC_SPI_CS
TX_INHIBIT
F2_PARAMP
ISET
SPI_DSP_MOSI
F2_DMCS
IN
IN
IN
IN
IN
IN
IN
LOCK_DET_A
RF_BRD_RSTB
SPI_DSP_CLK_A
SPI_DSP_MISO
TX_FSYNC_CONN
TX_CLK_CONN
TX_DA_CONN
TRIDENT_SPI_CS
OUT
OUT
OUT
IN
OUT
IN
IN
IN
ABACUS_SPI_CS
F2_SYNCB
RX_CLK_CONN
RX_FSYNC_CONN
RX_DA_CONN
16.8_MHZ_SINEWAVE
OUT
OUT
OUT
OUT
IN
IN
VCO_OUT
DC_SUPER_FILTER_5V
GPO1
GPO2
VCTRL
SUBDESIGN_SUFFIX=22
IF
IF
IF
IF
IF IF23
IF17
IF18
IF19
IF20
1
1
1
1
1
covert_vco_vhf
DIG_DATA_SPI_MISO
TXH
DIG_TX_SSI_CLK
DIG_TX_SSI_FS
DC_LIN_5V
DC_LIN_1_875V_D
DC_LIN_1_5V
DIG_SPI_CLK
GPO1
GPO2
GPO6
GPO8
GPO4
DC_SUPER_FILTER_5V
GPO3
TX_INJ
RX_LO
DIG_DATA_TX_SSI
CLK_16_8_MHZ
DIG_CTRL_SPI_TRIDENT_PE
VCO_IN
VCO_VCTRL
GPO5
GPO7
DIG_DATA_SPI_MOSI
DIG_CTRL_SSI_TRIGGER
DIG_CTRL_LOCK
DIG_CTRL_RSTB
DC_LIN_2_775V
SUBDESIGN_SUFFIX=7
V_2.8_RF
DC_LIN_1_5V
DC_LIN_5V
V_EXT_1.85
TX_INJ
DIG_CTRL_I_LIMIT
DIG_CTRL_ATTH
16.8_MHZ_SINEWAVE
covert_fgu_vhf
RF SHIELDS
TXFE
IF
DRIVER/PAMIXER
GPS/BT
VCORXFEDC ABACUS
PAOP ALC/DC
ALC1
ANT_SWI
FGU
2ND_LO
SHIELD
SHIELD
SHIELD SHIELD SHIELD
SHIELD
SHIELD
SHIELD SHIELD
SHIELD
SHIELD SHIELD
SHIELD
SHIELD SHIELD
SH3
SH10
SH15
SH13SH11
SH9
SH7
SH5
SH2
SH14
SH12
SH8
SH6
SH4
SH1
2
1
2
1
2
1
2
1
2
1
2
1
2
1
2
1
2
1
2
1
2
1
2
1
2
1
2
1
2
1

Schematics, Boards Overlays, and Parts Lists: Main Board Block: VHF (84012512001_A) 8-119
Figure 8-64. ANTSWI Circuit
IF
IF2701M13
PA_OUT 1
IN
IF
IF2702M13
DC_LIN_3V 1
IN
IF
IF2703M13
DIG_VRVS 1
IN
100K
R2701M13
VCC
GND
NC7WZ04
NC7WZ04
.1UF
U2701M13
U2701M13
C2707M13
DC_LIN_3V
52
61
RFIO1
RFIO2
GND
V1
V2
AT267
330PF
C2706M13
U2702M13
5
4
3
1
2
0DNP
R2702M13
330PF
MMBD352
D2701M13
C2705M13
3
2
1
560PF
82
82
82
UPP9401E3
330PF
D2702M13
R2703M13
C2701M13
C2702M13
R2704M13
R2705M13
22PF 33PF
43NH
C2709M13
L2701M13
C2708M13
UPP9401E3
330PF IF
IF2705M13
D2703M13
C2704M13
RF_OUT
1
OUT
180NH
0
R2706M13
L2702M13
4.7K
47K
47K
10K
UMC5NT2
330PF
C2703M13
Q2701M13
1
3
5
2
4
IF
IF
IF2707M13
IF2706M13
ANT_SWI
FILT_RAW_B+
1
1
IN
IN
IF
IF2704M13
RX_IN
1
OUT

8-120 Schematics, Boards Overlays, and Parts Lists: Main Board Block: VHF (84012512001_A)
Figure 8-65. Transmitter HF Circuit
5.1PF
43NH
5.6PF
IF
C1203M17
C1204M17
L1203M17
IF1201M17
HF_IN
1
IN
27PF
43NH
8.2PF
C1207M17
L1209M17
C1220M17
24PF 9.1PF
43NH
330PF IF
4.3PF
L1211M17
IF1202M17
C1221M17
C1226M17
C1227M17
C1222M17
HF_OUT
1OUT

Schematics, Boards Overlays, and Parts Lists: Main Board Block: VHF (84012512001_A) 8-121
Figure 8-66. Power Amplifier Circuit
330PF
IF 33NH
43PF
56PF
C901M16
C935M16
C934M16
L912M16
IF901M16
TX_INJ
21
1
IN
330PF 110NH
.01UF
L902M16
C903M16
C902M16
21
330PF180NH .01UF
L903M16 C911M16C908M16
21
GND4
EP
G2
VD1
GND3
NC2
NC1
NC3
VCNTRL
NC4
GND1
GND2
RFOUT
NC5
RFIN
TPVG1
TPVG2
SRFIC7126
U902M16
14
1
3
2
616
7
15
10
9
8
13
12
5
4
11
17
15NH
56PF
39NH
330PF
47PF
75K
DNP
330PF
47PF
.01UF
1K
100PF
1.1PF
DNP
33K
DNP
L904M16
L905M16
C907M16
C915M16
R905M16
R904M16
R903M16
C913M16
C910M16
C916M16
C914M16
C917M16
C931M16
21
21
21
3300PF 3300PF
330PF 330PF
C909M16C906M16 C930M16C929M16
56PF
DNP
330PF
6.8NH
L901M16
C912M16
C904M16
21
LMV841
10K
.01UF
R902M16
U901M16
C905M16
25
4
1
3
10K
IF
R901M16
IF902M16
VC
1
IN
IF
IF
IF904M16
IF903M16
TX_7V
FILT_RAW_B+
1
1
IN
IN
330PF
9NH
39PF 27PF
1.65NH
9.1PF
18PF
DNP
18NH IF
15PF
C928M16
L910M16
L909M16
C922M16
C925M16
L908M16
C924M16
C923M16
C921M16
IF905M16
PA_OUT
1
21 OUT
39PF
30PF
5.5NH
DNP
RD07MUP2B
59.71NH
C927M16
L907M16
Q901M16
L906M16
C920M16
D
G
S1
S2
4
2
1
3
15PF
330
R906M16
C919M16
21
21
DNP
62PF 620PF
C918M16
C933M16

8-122 Schematics, Boards Overlays, and Parts Lists: Main Board Block: VHF (84012512001_A)
Figure 8-67. Automatic Level Control Circuit
DC_LIN_3V
DC_LIN_5V
DC_RAW_B+
IN
IN
IN
DIG_CTRL_ATTH
IN
.02
R1103M11
E1101M11
12
VOUT
GND2
VIN
GND1
DNC1
DNC2
LT1790
.1UF
C1160M11
U1150M11
3
5
1
2
46
NC
NC
1UF
C1161M11
SW_B+
DC_LIN_5VREF
IN
340K
LPV321M7X
0
80.6K
R1175M11
U1143M11
R1169M11
R1170M11
DC_LIN_5V
DC_LIN_5V
3
14
5
2
IN
NO COM
GND
NC TS5A3159
U1144M11
DC_LIN_5V
4
2
63
1
5NC
V_POS
.01UF
510K
C1103M11
R1141M11
DC_LIN_5V
5
VINPOS
VINNEG
VPOS
GND
OUT
10PF
INA138 68.1K
U1101M11
C1139M11
R1108M11
2
1
4
3
10K
LPV321M7X
U1141M11
R1110M11
DC_LIN_5V DAC_C
3
1
52
4
LPV321M7X
100K
.047UF
DNP
R1158M11
U1104M11
C1108M11
4
25
3
1
100K
330PF
100K
100K
LMV841
100K
C1162M11
R1140M11
R1138M11
R1139M11
R1142M11
U1129M11
DC_LIN_5V
3
14
52
100K
100K
100K
LMV841
100K
R1143M11
R1146M11
R1144M11
R1145M11
U1130M11
DC_LIN_5V
3
14
52
VCC
GND
74LVC1G32YZP
10K
74LVC1G32YZP
27K
U1149M11
U1149M11
R1116M11
R1117M11
TXH_1
TX_SWI
DC_LIN_3V
A1
B1 C2
C1 A2
OUT
BAND
RFIN
VM
VOS
VCC
GND
VOUT
330PF
LTC5532
.01UF
C1110M11
C1113M11
U1106M11
DC_LIN_3V
2
1
6
4
35
100PF
51
5.6PF DNP
6.8NH
68
L1102M11
R1112M11
R1107M11
C1105M11
C1107M11
COUPLER
FWD
RVS
100
100
R1104M11
R1105M11
1000PF
DNP
8.2PF
33NH
100 5.6PF
56.2
L1101M11 C1142M11
R1168M11
R1106M11
C1125M11
C1104M11
ACG3
ACG2
ACG1
GND
V1
VDD
V2
V3
RF1
NC1
NC2
NC4
NC3
RF2 NC5
NC6
NC7
HMC468LP3E
1000PF
.01UF
C1126M11
C1118M11
U1112M11
DC_LIN_5V
5
6
7
17
1
3
4
8
9
10
12
2
11
13
14
15
16
3300PF
C1117M11
100
100
R1114M11 R1115M11
.01UF
12K .01UF
4.7K
330PF
0
C1169M11 C1138M11C1137M11
R1172M11
R1171M11
R1160M11
DIG_CTRL_I_LIMIT
ANA_CTRL_ISET
IN
IN
IN
A1
A2
VCCA
VCCB
GND
B1
B2
DIR
SN74LVC2T45
U1137M11
DC_LIN_5V
B1
C1
B2
C2
D2
D1 A1
A2
DIG_SPI_CLK
ANA_CTRL_VSET
IN
IN
0
R1202M11
DC_LIN_1_85
DC_LIN_1_875V_D
IN
ADDED FOR DEFAULT
HIGH
10K
330PF
330PF
C1163M11
C1168M11
C1164M11
R1101M11
330PF
330PF
330PF
C1171M11
C1170M11
DIG_CTRL_TX_INH
DIG_DATA_SPI_MOSI
IN
IN
A1
A2
VCCA
VCCB
GND
B1
B2
DIR
SN74LVC2T45
U1138M11
DC_LIN_1_875V_D
DC_LIN_5VREF
DC_LIN_5V
B1
C1
B2
C2
D2
D1 A1
A2
CTGND
VOUTA
VDD
VOUTD
VOUTB
DIN
SCLK
GND
VOUTC
SYNC
VREFIN_VREFOUT
.1UF
75K
30.1K
.1UF
C1165M11
U1125M11
C1116M11
R1122M11
R1121M11
DC_LIN_5V
DAC_C
G1
8
3
7
6
9
1
2
4
5
10
AD5624R
A1
A2
VCCA
VCCB
GND
B1
B2
DIR
SN74LVC2T45
74LVC1G08YZP
U1147M11
U1139M11
DC_LIN_1_875V_D
IO49
TXH_5V
DC_LIN_5V
B1
C1
D2
A1
A2
C2
TXH
B2
C2
D1
OUT
74LVC1G32YZP
330PF
C1166M11
U1146M11
DIG_DMCS
A1
B1 C2
A1
B1
IN
VCC
GND
VCC
GND
330PF
74LVC1G08YZP
74LVC1G32YZP
C1167M11
U1147M11
U1146M11
DIG_GPIO49
DC_LIN_1_875V_D
C1 A2
C1 A2
IN
TX_INH
FILT_RAW_B+ OUT
3PF
1.65NH
CONN_P
J102M11
R1198M11
L1117M11
C1122M11
RF_OUT
RF_OUT
5
1
2
3
4
OUT
10K
IN
NO COM
GND
.1UF
15PF
0
10K
TS5A3159
10K
1.82K
C1172M11 C1141M11
R1176M11
R1177M11
R1174M11
R1154M11
U1133M11
VC
PA_OFFSET
4
2
63
1
5NC
V_POS
PR
VCCGND
Q*
D
CLR
CP
Q
VCC
GND
NL17SZ74
.01UF
74LVC1G08YZP
74LVC1G08YZP
U1136M11
U1136M11
C1130M11
U1132M11
DC_LIN_5V
DC_LIN_5V
DC_LIN_5V
6
1
2
4
7
5
3
8
C1 A2
B1 C2
A1
150K
10K
.01UF
LMV7275
16K
R1162M11
R1163M11
C1129M11
R1152M11
U1131M11
DC_LIN_5V
34
5
1
2
51
0
R1180M11
R1124M11
DC_LIN_5V
RFIN
ENBL
VSET
FLTR
VPOS
COMM
NC
VAPC
GND
NC
AD8315
.1UF
C1111M11
U1105M11
5
2
4
9
6
1
8
3
7
BAND BAND
6800PF 15K
R1151M11
C1112M11
VCC
GND
SN74LVC1G00
SN74LVC1G00
U1128M11
U1128M11
DC_LIN_5V
A1
B1 C2
C1 A2
IN
NO
COM
GND
TS5A3159
0
10K
R1178M11
U1127M11
R1135M11
DC_LIN_5V
4
2
3
5NC
V_POS
10K
.01UF
.1UF
LPV321M7X
10K
4700PF
R1182M11
U1142M11
C1127M11
C1123M11
C1124M11
R1136M11
DC_LIN_5V
6
1
3
1
4
52
10K
4700PF
.01UF
LMV7275
C1140M11
C1128M11
R1137M11
U1126M11
DC_LIN_5V
3
14
52
LPV321M7X
10K
.01UF
R1164M11
C1119M11
U1113M11
DC_LIN_5V
1
2
34
5
POS
GND
VOUT
LPV321M7X
11K
330PF
LM50
C1106M11
U1103M11
C1156M11
U1148M11
R1126M11
DC_LIN_5V
DC_LIN_5V
2
4
1
3
2
3
1
5
VCC
GND
M74VHC1GT86
M74VHC1GT86
330PF
C1158M11
U1121M11
U1121M11
DC_LIN_5V
3
14
5
2
200
200
330PF
.01UF
10K
LPV321M7X
C1157M11
R1166M11
R1165M11
R1167M11
C1120M11
U1114M11
DC_LIN_5V
1
52
4
3
20K
10K
R1127M11
R1128M11
27K
.01UF
R1125M11
VCC
GND
74LVC1G08YZP
330PF
C1159M11
U1119M11
DC_LIN_3V
C1 A2
74LVC1G08YZP
U1119M11
TXH_1
TX_INH
A1
B1 C2
IN 22K
22K
NTR1P02T1
MUN5212T
100K
R1102M11
Q1101M11
Q1103M11
FILT_RAW_B+
3
1
2
13
2
ANA_RX_FE_FILT_VTUNE
TX_7V_1
OUT
OUT
VCTRL OUT

Schematics, Boards Overlays, and Parts Lists: Main Board Block: VHF (84012512001_A) 8-123
Figure 8-68. Receiver Front End Circuit
IF
IF
IF302M20
IF303M20
1
1
IN
IN
DIG_CTRL_RXV
DC_LIN_1_8V_A
22K
22K
75K
33
BC858CD
330PF 4.7UF
120K
BC858CD
10K
MUN5212T
R311M20
R310M20
R313M20R312M20
Q304M20
E302M20
C342M20
C341M20
Q303M20 Q303M20
DC_LIN_RX_VHF_LNA_A
DIG_CTRL_RXV_A
DC_LIN_RX_VHF_LNA_D
DC_LIN_RX_VHF_LNA_C
DC_LIN_RX_VHF_LNA_E
2
3
1
21
1
6
2
43
5
15PF
1.2K
330PF
72NH
68NH
10NH
10
BFR380F
1PF
10
U304M20
L316M20
L315M20 C360M20
R315M20
C344M20
R381M20
L317M20
C343M20
R314M20
RF_RX_VHF_LNA_F
RF_RX_VHF_LNA_C
RF_RX_VHF_LNA_A
RF_RX_VHF_LNA_E
RF_RX_VHF_F2_B
RF_RX_VHF_LNA_D
23
1
330PF
39NH
27PF18PF
120NH
43PF
39NH
6.8PF5.6PF
18PF18PF
27PF15PF27PF
120NH
C357M20
L321M20L320M20
L319M20L318M20
C352M20 C354M20C348M20C346M20
C353M20C351M20
C350M20
C349M20C347M20C345M20
TL_RX_VHF_L2F
RF_RX_VHF_F2_F
RF_RX_VHF_F2_C
RF_RX_VHF_F2_E
RF_RX_VHF_F2_D
RF_RX_VHF_F2_A
IF
030NH 0
IF304M20
L329M20
R316M20 R317M20
RF_RX_VHF_FE_OUT
1
OUT
1.5PF
DNP
24PF C369M20
C368M20
330PF
4.7UF
C338M20 C340M20
DC_LIN_RX_VHF_LNA_B
22PF
10
1PF
C370M20
R380M20
C339M20
RF_RX_VHF_LNA_B
MMBD352
DNP
D301M20
2
3
1
27PF
39NH
5.6PF
120NH
6.8PF
39NH
27PF
18PF
IF
18PF
18PF43PF
120NH
27PF 15PF
L314M20L313M20
C335M20
C330M20
C331M20
L312M20
C332M20
C333M20
C334M20 C336M20
C337M20
C367M20
C366M20
L327M20
IF301M20
RF_RX_VHF_F1_D RF_RX_VHF_F1_E
RF_RX_VHF_F1_B
RF_RX_VHF_F1_C
TL_RX_VHF_FE_IN
1
IN

8-124 Schematics, Boards Overlays, and Parts Lists: Main Board Block: VHF (84012512001_A)
Figure 8-69. Receiver Back End Mixer
DC_LIN_5V
IN
.033UF
220NH
.033UF 33
330PF
R500M21
L500M21
C502M21
C500M21
C501M21
P1
S3
S1
NC
S2
P2
100PF
059248278
C504M21
T506M21
5
4
10
4
2
3
6
1
5
TL_RX_MIX_IN
IN
330PF
DNP
33PF
100NH 33PF
DNP 2.2PF
47NH
220PF
0
L501M21
C516M21
R525M21
C551M21
L550M21
C550M21 C505M21
C503M21
TL_RX_LO
IN
30 4.7UF
.033UF
330PF
C508M21
C507M21
C506M21
R502M21
BDIV
IFP
BBP
NC1
NC3
BVDD
RFP
RFN
GND1
GND
LOIN
IFN
NC2
SC2072BP
U507M21
7
6
3
9
8
1
2
12
13
11
4.7UF
330PF
.033UF
.033UF
C512M21
C511M21
C510M21
C509M21
P1
P2
S1
S2
S3
NC
109638038
T507M21
3
2
4
1
6
5
GND1
OUT
GND3
GND2
GND4
IN
3.6PF
DNP
22NH
TS3A9E01S
39PF
270NH
DNP
100NH
0
2PF
0
62PF
R526M21
FL502M21
C515M21
C514M21
L504M21
R512M21
L503M21
C533M21
L513M21
C532M21
41
6
5
3
2
MIXER WITH MACKINAW BALUN AT RF AND IF PORT
TL_RX_IF_OUT
OUT

Schematics, Boards Overlays, and Parts Lists: Main Board Block: VHF (84012512001_A) 8-125
Figure 8-70. Receiver Back End
MMBTA13
33PF470PF
0
C641M19C643M19
R698M19
Q601M19
DC_LIN_5_0V
DC_LIN_5V
IN
0.1UF
TEST_POINT
100K
C629M19
R607M19
TP601M19
DC_RX_BE_SUPFLTR_B
RF_RX_BE_SUPFLTR_C
23
1
22
11
7.5K
2.2K
R612M19
R609M19
RF_RX_BE_VCO_F
RF_RX_BE_VCO_TUNE
11
22
3300PF
0.1UF
.01UF 2.4K
R613M19
C640M19
C639M19
C638M19
RF_RX_BE_VCO_A
2211
21
2
1
120NH
8PF
8PF
18PF
1SV279
VR602M19
L604M19
C631M19
C625M19
C646M19
RF_RX_BE_VCO_L
RF_RX_BE_VCO_D
1
21
2
10K
33PF R606M19
C618M19
2
1
21
0.1UF
1000PF
C630M19
C627M19
21
2
1
10K
BFR380F
R605M19
U602M19
RF_RX_BE_VCO_B
23
1
21
62PF
C619M19
21
390
3PF
27PF
C609M19
C608M19
R602M19
RF_RX_BE_VCO_E
RF_RX_BE_VCO_OUT2
RF_RX_BE_VCO_OUT
1
21
21
2
1
0
R699M19
DC_LIN_3V
DC_LIN_3_0V
DC_LIN_1_875V_D
IN
IN
470PF
C642M19
DC_LIN_3_0V
220NH
2.7PF
270NH
.01UF
DNP
2.7PF
C601M19 L601M19
C645M19
L611M19
C644M19
RF_RX_BE_IFIN
RF_RX_BE_IF_1
TL_RX_IF
2211
IN
6.8PF
10UH 10UH
150PF
47
R601M19
C605M19
C615M19
L603M19
L602M19
RF_RX_BE_MX
1
2
1
2
0.1UF
0.1UF
C621M19
C617M19
21
21
E607M19
E606M19
CLK_16_8_MHZ
DC_LIN_5_0V
DC_LIN_3_0V
21
21
IN
0.1UF
C636M19
1
1000PF
.01UF
.01UF
C626M19
C628M19
C623M19
RF_RX_BE_CXIF
DIG_RX_BE_CXVL
DC_RX_BE_VDDL
RF_RX_BE_LON
DIG_RX_BE_CXVM
2
1
21
21
.01UF
100PF
C603M19
C611M19
E601M19
RF_RX_BE_MXOP
DC_RX_BE_VDDI
DC_LIN_3_0V
RF_RX_BE_MXON
RF_RX_BE_IF2P
RF_RX_BE_GCP
RF_RX_BE_IF2N
21
21
21
.01UF
100PF
.01UF
C604M19
C610M19
E603M19
E602M19
C602M19
DC_RX_BE_VDDF
DC_RX_BE_VREFP
DC_RX_BE_VDDA
DC_LIN_3_0V
DC_LIN_3_0V
21
21
2
1
21
21
CXVL
LOP
LON
CXVM
VDDL
VDDP
IOUTL
GNDP
RREF
VDDQ
IOUTC
GNDQ
VDDC
GNDC
CLKP
CLKN
GNDS1
GNDD
PC
PD
GNDL
FREF
GNDS2
SYNCB
GNDH
FS
DOUTB
DOUTA
CLKOUT
VDDH
VDDD
PE
MXOP
MXON
GNDF
IF2N
IF2P
VDDF
GCP
GCN
VDDA
GNDA
VREFP
VREFN
VDDI
IFIN
CXIF
GNDI
GND3
AD9864
.01UF
C633M19
U601M19
DC_RX_BE_VDDP
DIG_RX_BE_SYNCB
CLK_RX_BE_FREF21
11
12
14
39
40
48
27
6
26
17
9
33
13
25
24
23
1
2
43
42
38
15
47
5
4
34
21
16
37
36
45
32
3
22
18
10
G1
7
8
31
35
30
29
41
44
46
19
28
20
0.1UF
0.1UF
C637M19
C634M19
DC_RX_BE_VDDH
DC_RX_BE_VDDD
21
21
E608M19
E609M19
DC_LIN_3_0V
21
21 0
0 DNP
R615M19
R614M19
DC_LIN_3_0V
DC_LIN_1_875V_D
DNP0
100K
R610M19
R624M19
DIG_RX_FS
DC_LIN_3_0V
DNP0
NC7WZ17
0DNP
R618M19
R617M19
U603M19
DIG_RX_DATA
DIG_RX_CLK
43
A1
A2
VCCA
VCCB
GND
B1
B2
DIR
0
NC7WZ17
DNP
R619M19
U604M19
D1
61
NC
SN74LVC2T45
U605M19
DC_LIN_3_0V
DC_LIN_1_875V_D
D1
A2
A1
D2
C2
B2
C1
B1
NC
NC7WZ17
U604M19
CLK_SSI_RX
43
OUT
DIG_DATA_SSI_RX_DOUTA
OUT
0DNP
R623M19
NC
Y
GND VCC
A
OE
NC7SZ125
U607M19
4
6
1
5
3
2
DIG_DATA_SSI_RX_FS
DC_LIN_1_875V_D
IN
OUT
0
NC7WZ17
DNP
R616M19
U603M19
DIG_RX_SYNCB
61
DIG_RX_BE_DOUTB
OUT
A1
A2
VCCA
VCCB
GND
B1
B2
DIR
DNP
SN74LVC2T45
DNP
0
0
R621M19
R620M19
U606M19
DC_LIN_1_875V_D
DC_LIN_3_0V
A2
A1
C2
B2
C1
B1
D2
DIG_CTRL_SPI_PE
DIG_DATA_SPI_PD
DIG_CTRL_SPI_PCIN
IN
IN
TEST_POINT
TP603M19
1
VCC
GND
VCC
GND
NC7WZ17
NC7WZ17 U603M19
U604M19
DC_LIN_1_875V_D
DC_LIN_1_875V_D
52
52
0.1UF
C606M19
E605M19
E604M19
DC_LIN_3_0V
DC_LIN_3_0V
21
21
21
.01UF
C614M19
21
.01UF
2200PF
100PF
100PF
C616M19
C607M19
C613M19
C612M19
DC_RX_BE_VREFN
2
1
2121
21
100K
R603M19
DC_RX_BE_VDDQ
DC_RX_BE_VDDC
DIG_RX_BE_RREF
2
1
390
3.9UH
.33UF
1SV279
100PF
10K
0.1UF
.33UF
.01UF
10K
R611M19
C635M19
C632M19
VR601M19
C624M19
C622M19
R604M19
R608M19
C620M19
L605M19
RF_RX_BE_IOUT
CLK_RX_BE_CLKN
DC_LIN_3_0V
CLK_RX_BE_CLKP
RF_RX_BE_18T
RF_RX_BE_18D
21
2
1
21
21
21
21
21
2
1

8-126 Schematics, Boards Overlays, and Parts Lists: Main Board Block: VHF (84012512001_A)
Figure 8-71. Receiver VCO Circuit
IF
IF
IF
IF3201M22
IF3202M22
IF3200M22
DC_SUPER_FILTER_5V
GPO1
GPO2 1
1
1
IN
IN
IN
0100PF
R3200M22 C3200M22
DC_SUPER_FILTER_5V
GPO1
4.7K
47K
47K
10K
UMC5NT2
Q3232M22
5
3
1
4
2
150
150PF
9.1K
680NH
0.1UF
0.1UF 6.8K
150PF
680NH
C3213M22 C3215M22
L3223M22
R3218M22
R3222M22
C3224M22
C3226M22
L3229M22
R3233M22
NC
V1
V2
V3
RFC
NC
RF1
RF2
RF3
CGND
NC
1.2K
330PF
SKY13251
C3202M22
R3203M22
U3238M22
VCO_TX
7
6
3
1
8
5
4
2
G1
1.2K
3.3
24PF
NE68519
R3204M22
R3201M22
Q3227M22
C3235M22
240
39PF
68PF
680NH
27PF
C3220M22
C3219M22
C3225M22
R3231M22
L3230M22
13
2
1SV282
11.4NH
56PF
15PF
680NH
1SV282
IF
1000PF
36NH
12PF
5PF
1SV282
IF3203M22
C3204M22
D3207M22
D3209M22
L3205M22
D3206M22
D3208M22
L3210M22 C3214M22
C3211M22
C3212M22
L3216M22
C3217M22
VCTRL
1
IN
1SV282
100PF IF
C3240M22 IF3242M22
VCO_OUT
1OUT
GPO2GPO1

Schematics, Boards Overlays, and Parts Lists: Main Board Block: VHF (84012512001_A) 8-127
Figure 8-72. Transmitter VCO Circuit
GPO1
GPO2
DC_SUPER_FILTER_5V
IN
IN
IN
0
100PF
R3202M22
C3201M22
GPO2
DC_SUPER_FILTER_5V
4.7K
47K
47K
10K
UMC5NT2
Q3272M22
3
1
4
5
2
680NH
100PF
9.1K
0.1UF
150
R3260M22
C3264M22
C3266M22
L3269M22 R3273M22
680NH
9.1K100PF0.1UF
C3253M22 C3255M22 R3257M22
L3261M22
33PF
9.1PF
TEST_POINT
0
1000PF
1SV282
47NH
24PF
IF
1SV282
1SV282
1SV282
33NH
68PF
680NH
56PF
9.1PF
TP3200M22
R3208M22
IF3243M22
C3244M22
L3245M22
D3247M22
D3249M22
D3246M22
D3248M22
L3250M22
C3252M22
C3251M22
C3254M22
L3256M22
C3258M22
C3262M22
C3265M22
VCTRL
1
1
IN
220
130
NE68519 220
33PF 330PF
150
680NH
R3205M22
C3208M22
R3207M22
R3206M22
R3271M22
L3270M22
Q3267M22
C3275M22
VCO_TX
13
2
22PF
C3263M22

8-128 Schematics, Boards Overlays, and Parts Lists: Main Board Block: VHF (84012512001_A)
Figure 8-73. Frequency Generation Unit Circuit - 1 of 2
DC_LIN_1_875V_D
DC_LIN_1_5V
DC_LIN_5V
DC_LIN_2_775V
IN
IN
IN
IN
2.2UH
.1UF
L720M7
C715M7
DC_LIN_2_775V
.1UF
.1UF
.1UF
.1UF
C718M7
C717M7
C716M7
C719M7
K2
K3
A1
A2
A3
K1
K2
K3
A1
A2
A3
K1
IMN10
IMN10
D723M7
D722M7
1
2
3
6
5
4
1
2
3
6
5
4
10UF .1UF
C725M7C724M7
DIG_DATA_AUX_SPI_MISO
GPO5
GPO6
NC
NC
NC
NC
NC
NC
NC
NC
NC
NC
NC
NC
NC
NC
NC
NC
NC
NC
NC
NC
NC
NC
NC
NC
L7
L8
J11
A10
F5
D2
D1
C2
C1
B6
A5
K7
G11
L6
K8
F8
J7
A3
A4
B5
J10
E2
E1
B1
B2
K6
D3
A6
C3
NC
NC
NC
NC
NC
15H28
U702M7
H7
G7
H6
G6
E7
C4
B4
E11
E10
J4
C8
C9
A9
B9
B11
C7
A2
D4
B3
E4
J6
F1
F2
G4
G5
G8
G9
H3
H4
J1
L2
J3
K3
H9
J9
A8
B8
NC
NC
NC
NC
NC
NC
NC
NC
NC
NC
NC
NC
GPO3
GPO8
GPO4
GPO2
GPO1
GPO7
H10
H11
F4
F6
K9
K4
J5
L4
H5
B10
C10
L5
K5
F3
E3
L11
L1
A11
A1
C5
E6
D5
E5
J8
H8
G10
L10
K10
K11
A7
B7
D6
C6
NC3
SF_BYP
REF_OSC_OUT
DEEPSLEEP
NC4
SDM_CLK_GEN_GND
VMULTI2
VMULTI1
SUB2
SF_OUT
CLK_EMIT
RSTB
SF_SPLY
EF_OUTP
EF_OUTM
NC5
GPO2_TEST2
SUB3
REF_IN
SUB1
NC6
ASPI_CLK
ACE2_GPO8
GPO4_TEST4
GPO1_TEST1
CLK_CP
CLK_BASE
SENS
NC1
ACE1_GPO7
NC2
GPO3_TEST3
ASPI_DATA ESC_CPBIAS
TXQ
NTXI
PHCLK
LVCC1
RX_AGND2
SSI_GND
MAIN_GND
LGND1
CLK_OUT
ESC_TEST
BP_Q
BP_QX
BP_I
QCAP
INCR_DECR
REF_VCC
RX_EN_OUT
TM
AGC_DAC
FBQ
SDM_VREFP
SDM_VAG
NTXQ
TXI
MN_CP_GND
RXQ
RXQX
ICAP
TEST1_LCKDET
BP_IX
SCAN_IN
RX_AVCC2
ASPI_VCC
SDM_CLK_GEN_VCC
RX_AVCC1
SF_GND
SDM_REF_VCC
SSI_VCC
TCLK
AUX_DAC
ESC_CP_GND
MN_CP_VCC
MAIN_VCC
ESC_CP_VCC
TX_VCC
CLK_VCC
ESC_VCC
TX_DAC_VCC
SDM_REF_GND
RX_AGND1
CLK_GND
DC_CAL_GPO5
RFSTEPA_GPO6
SDM_VREFM
ASPI_GND
TX_GND
ESC_GND
TX_DAC_GND
RXIX
RXI
AGC_FLAG
AGC_REF
FBI
TEST2
ESC_CP
DMCS
TXFS
TXCLK
TXD
ESC_IN
MN_CP
M_PRSC
RXD
HP_MOD_OUT
SPI_CLK
SCAN_EN
CEX
SPI_DW
SPI_DR
RXACQ
RXCLK
RXFS
MN_ADAPT_CP
M_PRSCX
ESC_INX
ESCD2_OUT
ESCD2_OUTX
NC
NC
NC
NC
NC
NC
NC
NC
.1UF
C749M7
RF_PRESCALAR
F9
F11
F10
D10
D9
C11
E8
D11
E9
D7
G3
G2
H1
G1
L9
K2
K1
H2
J2
L3
F7
D8
10K
R721M7
DC_LIN_1_875V_D
RF_PRESCALAR
DIG_CTRL_RSTB
IN
IN
GND
NC2
NC3
NC4
VCONT
VCC
OUTPUT
NC1 NC
NC
NC
NC
.01UF
39PF
22K
1XTV16800VDA
16.8MHZ C736M7
C732M7
R729M7
Y701M7
1
4
3
8
7
6
5
2
.1UF
390NH
C731M7
L728M7
DC_LIN_2_775V_16_8_MHZ_INDC_LIN_2_775V
10UF
.1UF
2.2UH
C744M7
C742M7
L741M7
DC_LIN_5V
4.7PF
.1UF
0
47K
22K
BFQ67W
C750M7
R745M7
R743M7
C739M7
R702M7
U746M7
DC_LIN_2_775V_16_8_MHZ_IN
23
1
560PF
180PF
DNP DNP
56PF
270
C752M7
R751M7 C711M7C710M7
56PF
2.2UH
DNP
270PF
C754M7
L753M7
C712M7
2.4K
200
.22UF
R723M7
R722M7
C721M7
RF_HP_MOD_OUT
CLK_16_8_MHZ OUT
1800PF
C720M7
.1UF
.082UF .082UF.082UF.082UF
C714M7C709M7C706M7C704M7C702M7
68
R708M7
680
1.2K
.039UF 6800PF .016UF
C713M7C707M7
R705M7
C703M7
R701M7
ANA_ADAPT_CHARGE_PUMP
ANA_CHARGE_PUMP VCO_VCTRL OUT
DIG_DATA_SPI_MISO
DIG_CTRL_LOCK
DIG_SPI_CLK
DIG_DATA_SPI_MOSI
DIG_DATA_TX_SSI
RF_HP_MOD_OUT
ANA_ADAPT_CHARGE_PUMP
DIG_CTRL_SPI_TRIDENT_PE
DIG_TX_SSI_FS
DIG_TX_SSI_CLK
ANA_CHARGE_PUMP
DC_SUPER_FILTER_5V
DIG_CTRL_SSI_TRIGGER
IO
OUT
OUT
IN
IN
IN
OUT
OUT
IN
IN
TEST_POINT
TP701M7
1
GPO5
GPO7
DC_LIN_2_775V
DC_LIN_1_5V
GPO4
GPO6
GPO8
GPO3
GPO2
GPO1
OUT
OUT
OUT
OUT
OUT
OUT
OUT
OUT
0
10UF .1UF
R706M7
C757M7C756M7
NC
2.2UH
.1UF
.1UF
2.2UH
.1UF
2.2UH
2.2UH
.1UF
C726M7
L727M7
C730M7
L733M7
C734M7
L735M7
C737M7
L738M7
DC_LIN_1_875V_D DC_LIN_2_775VDC_LIN_2_775V DC_LIN_2_775V

Schematics, Boards Overlays, and Parts Lists: Main Board Block: VHF (84012512001_A) 8-129
Figure 8-74. Frequency Generation Unit Circuit - 2 of 2
DC_SUPER_FILTER_5V
DC_LIN_5V
DC_LIN_1_5V
DC_LIN_2_775V
GPO2
GPO1 V1
V2
V3
RFC
NC
RF1
RF2
RF3
CGND
DNP
0
SKY13251
R709M7
U738M7
TXH
7
6
3
1
8
5
4
2
G1
IN
NC
NC
1
2
3
NC
NTZD3154N
Q785M7
4
5
6
NC
NC
22NH
22PF22PF
220PF
C781M7
C791M7C790M7
L704M7
RX_LO OUT
68PF
24PF
47PF
47PF
220PF
560
1000PF 100NH
DNP
C780M7
C779M7
C778M7
R776M7
L775M7
C773M7
C777M7
C772M7
TX_INJ OUT
33
.22UF
390NH
6.2K
R769M7
R766M7
L759M7
C764M7
DC_LIN_1_5V
BC858CD
BC858CD
100
20K
Q767M7
R771M7
Q767M7
R762M7
4
3
5
16
2
DNP
300
DNP
3PF
220PF
56K 220PF
300
220PF
R799M7
R785M7
C803M7
C819M7
C809M7
R763M7
C817M7
8.2
10PF
18NH 220PF
10PF
NE662M04
220PF
820
20PF
C770M7
C768M7
L765M7
C760M7
R754M7
R761M7
C816M7
Q756M7
C813M7
DC_LIN_1_5V
21
3
12
4
270
390NH
1000PF .1UF
R757M7
L755M7
C753M7C751M7
390NH
L739M7
DC_LIN_1_5V
24
220PF
24
1.8NH
BC858CD
20
BC858CD
220PF
220PF
.22UF
82
5.6K
82K
22K
DNP
DNP
R823M7
R822M7
C824M7
R747M7
Q745M7
R748M7
C786M7
R744M7
C743M7
Q745M7
R741M7
R742M7
L746M7
C740M7
43
5
16
2
VCO_IN
IN
TEST_POINT
1000PF
DNP
1.2K
300
0
NE68519
22NH
1000PF 33PF
300
18
390NH
1000PF
1000PF
30PF
1.8K
1000PF
100PF
C722M7
R711M7R710M7
C701M7
C708M7
L709M7
C705M7
TP737M7
C823M7
L758M7
C735M7
C733M7
R734M7
R736M7
R730M7
Q731M7
R728M7
C727M7
RF_PRESCALAR
1
13
2
NE662M04
Q774M7
3
12
4

8-130 Schematics, Boards Overlays, and Parts Lists: Main Board Block: VHF (84012512001_A)
Figure 8-75. DC Circuit
MMBZ5250B
20V
VR200M12
DC_BATT
13
2
IN
32V
2A
1UF
.01UF
C200M12 C201M12
F200M12
E201M12
DC_BATT_A
22K
22K
4.7K
MUN5212T R202M12
Q202M12
2
3
1
1UF
1.5UH
1UF
NTR1P02T1
1UF
100K
C202M12 C203M12
C217M12
R201M12
Q201M12
L200M12
DC_FUSE_A
2
1
3
BAND
33PF
330PF
C213M12 C214M12
DC_SWI_3_6V
IN VEN
VIN
GND
VOUT
1UF
LP5900
1UF
C208M12C207M12
U201M12
B2
A2
A1
B1
BAND
1UF
330PF
C216M12C215M12 C209M12
DC_LIN_2_775V
IN
33PF
VEN
VIN
GND
VOUT
LP5900
U202M12
B2
A2
A1
B1
1UF
C210M12
EN
VBATT
GND
VOUT
VIN
4.7UF
LP5952
U203M12
C212M12
A3
A1
C1
B2
C3
BAT_STATUS
OUT
BAND
PIN1
PIN2
PIN3
20V
CONTACT
MMBZ5250B 330PF
C101M12
VR101M12
M101M12
DC_BATT
13
2
3
2
1
INPUT
SHUTDOWN
SENSE
BYPASS
GND
OUTPUT
ERROR
NC
LP2989
MBR120LSFT1
4.7UF
C205M12
U200M12
D200M12
8
6
5
2
4
7
1
21
NC
NC
.01UF
4.7UF
C206M12
C204M12
3
DC_LIN_1_8V
DC_LIN_1_5V
RF_SW_B+
DC_LIN_5V
DC_FUSED_B+
DC_LIN_3V
OUT
OUT
OUT
OUT
OUT
OUT

Schematics, Boards Overlays, and Parts Lists: Main Board Block: VHF (84012512001_A) 8-131
Figure 8-76. Controller Overall Schematic Blocks
JTAG
TOP CONTROLS
GCAI
COVERT_USER_INTERFACE
SIDE_BUTTON
BACKLIGHT CONTROLS
TOP_SIDE_BUTTON
DOWN_ARROW_BUTTON
I2C_CLK
MAKO_OPTB_SEL2_GCAI12
EXT_SPKR_NEG_DP
EXT_SPKR_POS_DP
MIDDLE_SIDE_BUTTON
UP_ARROW_BUTTON
EXT_MIC_NEG_DP
GCAI_GPIO_1_INPUT
GCAI_GPIO_2_INPUT
EXT_MIC_POS_DP
BT_AVR_USB_DP_TP
AVR_TCK
AVR_USART2_RX
AVR_USART2_TX
BT_AVR_RESET_3.3V
BT_AVR_USB_DM_TP
BT_TX_DBG
AVR_MACE_TMS
AVR_MACE_TDI
MACE_TMS
ETM<1..14>
I2C_DATA
MACE_TDO
MACE_TCK
MACE_TDI
MACE_NTRST
KVL_DETACH
GPIO_0
KEYFAIL_CTRL
GCAI_1_WIRE
NFC_COIL
OPTB_SEL3_SWITCH_EN
GPIO_2_DM_RXDC_FILLDATA
AVR_MACE_TDO
BT_HCI_RX
BT_HCI_TX
T_DISP_DATA_CMD
T_DISP_RESET
T_DISP_SPI_CLK
T_DISP_SPI_CS
T_DISP_SPI_MOSI
T_DISP_TOGGLE
USB_BOOT_1.8V
KEYFAIL
JTAG<11..0>
TOP_BUTTON
GPIO_3_RTS_FILLSENSE
GPIO_1_DP_TXDC_FILLREQ
ON_OFF_SWITCH
V_EXT_1.85
SUBDESIGN_SUFFIX=2
AVR_TCK
NFC_COIL
AVR_BOOT
AVR_USART2_TX_C
BT_AVR_USB_DM_TP
BT_AVR_USB_DP_TP
BT_UART_RX_1.8V
BT_UART_TX_1.8V
AVR_TDO
AVR_TDI
AVR_TMS
AVR_USART2_RX_C
BT_AVR_RESET_3.3V
V_EXT_1.85
NC
T_DISP_RESET
T_DISP_SPI_CLK
T_DISP_SPI_CS
T_DISP_TOGGLE
KEYFAIL
T_DISP_SPI_MOSI
T_DISP_DATA_CMD
EXT_MIC_NEG_DP
ETM<1..14>
I2C_DATA
RXDIN_5V
RTS_FILLSEN_5V
EXT_MIC_POS_DP
TOP_SIDE_BUTTON
MAKO_OPTB_SEL0_GCAI
KEYFAIL_CTRL
MAKO_OPTB_SEL2_GCAI
EXT_SPKR_NEG_DP
MAKO_USB2_POS_DM
MAKO_USB2_NEG_DP
GPIO_3_RTS_FILLSENSE
EXT_SPKR_POS_DP
I2C_CLK
UP_ARROW_BUTTON
MIDDLE_SIDE_BUTTON
SSI_BLACK_RX
SSI_RED_RX_MACE
DOWN_ARROW_BUTTON
MAKO_OPTB_SEL3_GCAI
ONE_WIRE_GCAI
KVL_DETACH
OMAP_RESET
ON_OFF_SWITCH
TOP_BUTTON
JTAG<11..0>
MAKO_USB2_NEG_DP
RXDIN_5V
ABACUS_SSI<2..0>
SSI_RED_TX_CODEC
AVR_STATUS_1.8V
MAKO_USB1_NEG_DP
SSI_OPT_CLK
TOP_BUTTON
T_DISP_DATA_CMD
T_DISP_RESET
T_DISP_SPI_CS
SPI_ARM_MOSI
T_DISP_TOGGLE
KEYFAIL
SPI_ARM_CLK
TX_INHIBIT
ACC_SPKR_UNMUTE
UART2_GPS_TX
TRIDENT_SPI_CS
F2_DMCS
RF_DAC_SPI_CS
ISET
LOCK_DET
RF_BRD_RSTB
BATT_STATUS
F2_PARAMP
V_EXT_1.85
ABACUS_SPI_CS
UNSW_B+
V_2.8_RF
V_SW_3.60
BT_SPARE_1.8
MAKO_USB1_POS_DP
SSI_RED_RX_CODEC
RST_OUT
KEYFAIL_CTRL
KVL_DETACH
ONE_WIRE_GCAI
MAKO_OPTB_SEL0_GCAI
MAKO_USB2_POS_DP
SSI_OPT_FSYNC
BT_PTT
32KHZ_GPS_CLK
GPS_SHUTDOWN
UART2_GPS_RX
BT_AVR_RESET
AVR_BOOT
16.8_MHZ_SINEWAVE
TRIDENT_SSI<2..0>
OMAP_RESET
JTAG<11..0>
ON_OFF_SWITCH
MACE_TMS
MACE_TDI
SEC_CLEAR
SPI_DSP<2..0>
MACE_NTRST
RTS_FILLSEN_5V
EXT_SPKR_NEG_DP
EXT_MIC_POS_DP
GPIO_3_RTS_FILLSENSE
SSI_RED_RX_MACE
SSI_BLACK_RX
MACE_TCK
MACE_TDO
ETM<1..14>
I2C_DATA
I2C_CLK
UP_ARROW_BUTTON
DOWN_ARROW_BUTTON
TOP_SIDE_BUTTON
MIDDLE_SIDE_BUTTON
EXT_SPKR_POS_DP
EXT_MIC_NEG_DP
MAKO_OPTB_SEL2_GCAI
MAKO_OPTB_SEL3_GCAI
SUBDESIGN_SUFFIX=6
GPS BLUETOOTHRF INTERFACE
USER INTERFACE
INTERFACE
covert_core_controller
10K
R2810 F2_SYNCB
16.8_MHZ_SINEWAVE
V_2.8_RF
UNSW_B+
ABACUS_SPI_CS
F2_PARAMP
BAT_STATUS
RF_BRD_RSTB
ISET
F2_DMCS
TRIDENT_SPI_CS
TX_INHIBIT
RF_DAC_SPI_CS
V_SW_3.60
V_EXT_1.85
4.7K
10K
R2811
R2812
LOCK_DET
OUT
OUT
OUT
OUT
OUT
OUT
OUT
IN
IN
OUT
OUT
OUT
OUT
OUT
OUT
OUT
47
.1PF
DNP
C2806
R2817
TX_DA OUT
100K
DNP
1
2
0
1
1
100
0
2
270
100
100
2
200
0
33
R2813
R2803
R2804
R2805
R2806
R2808
R2807
SPI_DSP_CLK
SPI_DSP<2..0>
TX_SSI<2..0>
RX_SSI<2..0>
SPI_DSP_MOSI
RX_CLK
RX_FSYNC
RX_DA
TX_CLK
TX_FSYNC
SPI_DSP_MISO
OUT
OUT
IN
IN
IN
OUT
OUT
OUT
TEST_POINT
TP2
GPS_RX
GPS_TX
GPS_SHUTDOWN
CPLD_32KHZ_GPS_CLK
1
NC
VBUS1
DNP
0R2
OMAP_SSI_FSYNC
AVR_USART2_TX_C
BT_UART_RX_1.8V
AVR_TMS
AVR_TCK
AVR_BOOT
BT_AVR_RESET_3.3V
SSI_RED_TX_CODEC
SSI_RED_RX_CODEC
SSI_OPT_CLK
NFC_COIL
AVR_USART2_TX
AVR_TDO
AVR_TDI
AVR_USART2_RX
V_EXT_1.85
BT_UART_TX_1.8V
BT_AVR_USB_DM_TP
BT_AVR_USB_DP_TP
DNP0
TEST_POINT
TP1 R20
AVR_USART2_RX_C
1
UNDERFILM I SHAPE
PIN2PIN1
PIN2PIN1
CONTACT
CONTACT
M2
M1
21
21
CON/AVR MACE/MAKO
CONTROLLER SHIELDS
SHIELD SHIELD
SH17
SH16
2
1
2
1
RF_ANT
V_SW_3.60
OUT
GPS_TX
BT_AVR_USB_DP
32KHZ
NFC_COIL
AVR_TMS
AVR_TDI
AVR_TCK
BT_AUD_FSYNC
BT_AUD_CLK
AVR_STATUS_1.8V
BT_SPARE_1.8
BT_AVR_USB_DM
BT_AVR_RESET_3.3V
AVR_USART2_TX
GPS_RX
BT_TX_DBG
BT_AVR_VBUS
AVR_USART2_RX
BT_AUD_IN
BT_AUD_OUT
BT_PTT
AVR_TDO
ANT
GPS_SHUTDOWN
ACC_SPKR_UNMUTE_1.8
BT_AVR_RESET
USB_BOOT_1.8V
BT_AVR_USB_DP_TP
BT_AVR_USB_DM_TP
BT_UART_TX_1.8V
BT_UART_RX_1.8V
V_EXT_1.85
V_SW_3.60 SUBDESIGN_SUFFIX=3
covert_gps_bluetooth

8-132 Schematics, Boards Overlays, and Parts Lists: Main Board Block: VHF (84012512001_A)
Figure 8-77. GPS Bluetooth Circuit – 1 of 2
2.8V LDO
VEN
VIN
GND
VOUT
0
2.2UF 1UF
LP5900 GPS_BT_2.8V
U1305M3
R1303M3
C1301M3 C1303M3
V_SW_3.60
B1
A1
A2
B2
26MHZ TCXO
ENABLE_DISABLE
OUTPUT
18NH
1UF
18PF
.1UF
KT2016A
26MHZ
0
VDD_TCXO
Y1304M3
R1305M3
C1306M3
C1319M3
C1320M3
L1301M3
1
24
12
3
VCC
GND
22PF
10PF
C1376M3
C1321M3
VDDS = 1.8V
FLOATING = 2.87V
VDD_TCXO VPROG STATE
0
R1340M3
V_EXT_1.85
18PF
1UF
.1UF
VDD_TCXO
C1310M3
C1326M3
C1327M3
V_SW_3.60
OUT
0
0
R1318M3
TP1303M3
TP1304M3
R1317M3
LNA_ENABLE
1
1
NC
NC
NC
NC
NC
NC
NC
NC
NC
NC
NC
NC
NC
NC
NC
NC
D1
D2
D3
C3
C7
D6
C5
D7
B4
B7
B5
A4
A5
H5
H10
A6
G4
F6
E6
F8
F7
G8
G7
G6
H6
H4
G5
D5
G3
C4
F4
E4
C6
E3
F5
E8
E7
J6
H9
VSS_TCXO_CLK
VSS_RF_FM
VSS_RF_BT
VSS_REF_CLK
VSS_PLL_GPS
VSS_PASYNTH_FM
VSS_MIX_GPS
VSS_LNA_GPS3
VSS_LNA_GPS2
VSS_LNA_GPS1
VSS_DPLL_BT
VSS_DIG6
VSS_DIG5
VSS_DIG4
VSS_DIG1
VSS_DCO_BT
VSS_ADCPLL_FM
GPS_SENS_I2C_SDA
GPS_SENS_I2C_SCL
FM_IRQ
FM_I2S_OUT_BT_GPIO1
FM_I2S_IN
FM_I2S_FSYNCH
FM_I2S_CLK
FM_I2C_SDA
FM_I2C_SCL
BT_WAKEUP
BT_TX_DBG_BT_GPIO6
BT_HCI_UART_TX
BT_HCI_UART_RX
BT_GPIO5
BTFM_NSHUTDOWN
BT_IRQ_BT_HOST_WAKEUP
BT_GPIO4
BT_GPIO3
BT_GPIO2
BT_AUD_IN
BT_AUD_OUT
BT_AUD_FSYNC
BT_AUD_CLK
BT_HCI_UART_CTS
BT_HCI_UART_RTS
VSS_DIG2
VSS_DIG3
J7
A9
G9
F3
E10
J5
C2
B6
A7
L1
L3
K2
K3
J10
J1
E9
B10
K8
G2
VPP
VDD_TCXO
VDD_SRAM_LDO
VDD_SRAM2
VDD_SRAM1
VDD_RF_BT
VDD_PPAIF_BT
VDD_LDOIN_CLASS1P5_BT
VDD_IF_GPS
VDD_DIG_LDO
VDD_DIG4
VDD_DIG3
VDD_DIG2
VDD_DIG1
VDD_DCO_BT
VDD_CLASS1P5_BT
VDDS4
VDDS3
VDDS2
VDDS1
VDD1P8_GPS
VDD1P8_FM
VDD1P8_BT
VDD1P8V_2
VBAT1
TCXO_LDO_IN
RTC_CLK
REF_CLK_LV
REF_CLK_HV
GPS_UART_TX
GPS_UART_RX
GPS_IRQ
CLK_REQPOL
REF_CLK_REQ
VDD_PLL_GPS
VDD1P8V_1
GPS_I2C_UART_SEL
GPS_TIMESTAMP
GPS_PA_EN
GPS_PPS_OUT
GPS_NSHUTDOWN
GPS_EXT_LNA_EN
NL5500
U1301M3
NC
NC
NC
NC
NC
NC
NC
NC
NC
NC
NC
NC
NC
VSENSE
TEST_EN
TCXO_LDO_VPROG
TCXO_CLK_REQ
TCXO_CLK_LV
PMTEST_1P8V
IFORCE
GPS_TP
GPS_TM
GPS_LNA_IN
FM_RFP_OUT
FM_RFP_IN
FM_RFN_IN
FM_AUD_OUT_R
FM_AUD_OUT_L
FM_AUD_IN_R
FM_AUD_IN_L
FM_ABGAP_CAP
BT_TESTP
BT_TESTM
BT_RF
C10
A10
B8
L8
H7
H8
L7
K7
L9
K9
L2
H2
H3
L4
A1
F1
D4
E1
L10
J4
J9
GND1
GND2
OUT
GND3
IN
012NH
22PF
DNP110
DNP110
FARF6KA1G5754
1PF
FL1303M3
C1324M3
C1325M3
R1311M3
R1309M3
R1310M3 L1306M3
2
3
5
14
EXTERNAL LNA
AO
VCC
PON
BIAS
AI
GND
VSS
DNP
3.3NH
4.7NH
1.8PF
1000PF
22PF
12PF
15PF
0
18NH
GPS_BT_2.8V
BGA715L7
12PF
R1321M3
C1322M3
L1303M3
C1307M3 C1308M3
U1304M3
C1309M3
L1304M3
C1305M3
L1302M3
C1304M3
LNA_ENABLE
12
2
1
5
2
3
4
12
16
7
GND1
GND2
OUT
GND3
IN
3.3PF
9NH
4.7NH
12PF 0
FARF6KA1G5754
.75PF 5.6PF
1.8PF
R1301M3
C1317M3
L1316M3C1315M3C1314M3
FL1301M3
C1318M3
L1305M3
C1302M3
ANT
2
5
14
3
IN
BLUETOOTH ANTENNA
39NH
DNP DNP
0
DNP
2PF
0
M1302M3
M1301M3
L1308M3 C1339M3
R1337M3
R1338M3
1
1G1
A
C
G2
CONN_J
0
R1320M3
J1301M3
BT_RF_C 1
2
1
3
4
OUT
GND1
IN
GND2
LFB2H2G45CC1D005TEMP
22PF
C1323M3
FL1302M3
2
4
3
0
R1313M3
H1
A2
C8
J8
J3
B1
A3
D9
A8
E5
F2
K6
F10
B2
K4
D8
J2
D10
B9
F9
L5
C1
G1
B3
G10
K5
E2
L6 NC
.1UF
.1UF
.1UF
.1UF
.1UF
.1UF
.1UF
.1UF
1UF
1UF
C1311M3
C1331M3
C1335M3
C1334M3
C1333M3
C1332M3
C1328M3
C1330M3
C1329M3
C1312M3
18PF
1UF
.1UF
0
R1315M3
C1337M3
C1336M3
C1313M3
V_EXT_1.85
OUT
(FROM CPLD)
(FROM OMAP)
32KHZ
GPS_SHUTDOWN
IN
IN
100K
0
0
R1323M3
R1322M3
R1308M3
GPS UART
(FROM OMAP UART TX)
(TO OMAP UART RX)
GPS_RX
GPS_TX
IN
OUT
0
0
R1307M3
R1306M3
BT_TX_DBG
OUT
(FROM AVR)
(FROM AVR)
(FROM AVR)
BT_WAKEUP_1.8V
BT_SHUTDOWN_1.8V
BT_HOST_WAKEUP_1.8V
(FROM AVR)
(FROM AVR)
(FROM AVR)
BT HCI UART
(FROM AVR)
BT_UART_RX_1.8V
BT_UART_TX_1.8V
BT_UART_RTS_1.8V
BT_UART_CTS_1.8V
TEST_POINT
0
0
0
0
R1304M3
R1302M3
R1326M3
R1325M3
TP1311M3
1
(REMOVE LATER)
(REMOVE LATER)
(REMOVE LATER)
(REMOVE LATER)
0
0
0
0
R1332M3
R1331M3
R1330M3
R1329M3
(FROM OMAP)
(FROM OMAP)
(FROM OMAP)
(FROM OMAP)
BT AUDIO
BT_AUD_CLK
BT_AUD_IN
BT_AUD_FSYNC
BT_AUD_OUT
IN
IN
IN
OUT

Schematics, Boards Overlays, and Parts Lists: Main Board Block: VHF (84012512001_A) 8-133
Figure 8-78. GPS Bluetooth Circuit - 2 of 2
3.3V LDO
GND2
GND1
BYPASS
SENSE
INPUT
NC
OUTPUT
4.7UF
LP2989
.01UF
GPS_BT_3.3V
C2416M3
U2402M3
C2415M3
1
7
3
9
4
2
5
6
8
ERROR
SHUTDOWN
0DNP
0
0
4.7UF
VCC_1.85
R2451M3
C2414M3
R2406M3
R2405M3
V_SW_3.60
A1
A2
VCCA
VCCB
GND
B1
B2
DIR
SN74LVC2T45
GPS_BT_3.3V
U2406M3
BT_HOST_WAKEUP_3.3V
BT_AVR_RESET_3.3V
B1
C1
B2
C2
D2
D1 A1
A2
.1UF
.1UF
VCC_1.85
C2444M3
C2438M3
X
100K
0
VCC_1.85
R2453M3
R1312M3
BT_HOST_WAKEUP_1.8V
BT_AVR_RESET
IN
4.7K
VCC_1.85
VCC_1.85 GPS_BT_3.3V
TP2413M3
R2458M3
1
A1
A2
VCCA
VCCB
GND
B1
B2
DIR
.1UF
SN74LVC2T45
.1UF
C2439M3
C2445M3
U2407M3
BT_UART_TX_3.3V
BT_UART_RTS_3.3V
B1
C1
B2
C2
D2
D1 A1
A2
X
X
100K
100K
R2459M3
R2454M3
BT_UART_TX_1.8V
BT_UART_RTS_1.8V
OUT
X
X
.1UF .1UF
VCC_1.85
GPS_BT_3.3V
GPS_BT_3.3V
C2440M3 C2446M3
BT_UART_RX_1.8V
BT_UART_CTS_1.8V
IN
A1
A2
VCCA
VCCB
GND
B1
B2
DIR
100K
SN74LVC2T45
100K
U2408M3
R2460M3
R2455M3
BT_UART_CTS_3.3V
BT_UART_RX_3.3V
B1
C1
B2
C2
D2
D1 A1
A2
.1UF
GPS_BT_3.3V
VCC_1.85 GPS_BT_3.3V
C2447M3
U2409M3
C2441M3
BT_SHUTDOWN_1.8V
BT_WAKEUP_1.8V
A1
A2
A1
A2
VCCA
VCCB
GND
B1
B2
DIR 100K
.1UF
100K
SN74LVC2T45
R2456M3
R2461M3
BT_SHUTDOWN_3.3V
BT_WAKEUP_3.3V
B1
C1
B2
C2
D2
D1
X
X
A1
A2
VCCA
VCCB
GND
B1
B2
DIR
.1UF
SN74LVC2T45
.1UF
VCC_1.85 GPS_BT_3.3V
C2448M3
C2442M3
U2410M3
BT_PTT_3.3V
AVR_STATUS_3.3V
AVR_STATUS_1.8V
BT_PTT B1
C1
B2
C2
D2
D1 A1
A2
OUT
OUT
10K
100K
GPS_BT_3.3V
R2465M3
R2473M3
100K
0
0
VCC_1.85
R2450M3
TP2417M3
R1314M3 32KHZ
USB_BOOT_1.8V
1
IN
IN
A1
A2
VCCA
VCCB
GND
B1
B2
DIR
SN74LVC2T45
0
.1UF .1UF
VCC_1.85 GPS_BT_3.3V
C2477M3
R2407M3
U2478M3
C2479M3
R2418M3
USB_BOOT_3.3V
32KHZ_3.3V
B1
C1
B2
C2
D2
D1 A1
A2
.1UF
100K
.1UF
GPS_BT_3.3V
VCC_1.85
VCC_1.85 C2483M3
C2468M3
R2436M3
ACC_SPKR_UNMUTE_1.8
IN A1
A2
VCCA
VCCB
GND
B1
B2
DIR
SN74LVC2T45
U2414M3
ACC_SPKR_UNMUTE_3.3B1
C1
B2
C2
D2
D1 A1
A2
A1
A2
VCCA
VCCB
GND
B1
B2
DIR
.1UF
100K
100K
100K
.1UF
SN74LVC2T45
VCC_1.85GPS_BT_3.3V
C2469M3
U2473M3
C2482M3
R2479M3
R2472M3
R2437M3
BT_SPARE_DIR
BT_SPARE_3.3 BT_SPARE_1.8
B1
C1
B2
C2
D2
D1 A1
A2
100K
VCC_1.85
R2488M3
IO
20
R2467M3
SDA05
SDCK
SDA07
SDCKE
SDA11
SDA10
SDA09
SDA08
SDA06
SDA04
SDA03
SDA02
SDA01
SDA00
BA1
BA0
SDRAM_CS
CAS
RAS
SDWE
G8
G7
G2
H9
G3
H1
H2
H3
J2
J3
J7
J8
H8
H7
F9
F8
G9
F7
F2
F3
128MB SDRAM
NC
NC
CKE
CLK
CAS
CS
RAS
WE
A0
A1
A2
A3
A4
A5
A6
A7
A8
A9
A10
A11
BA0
BA1
DQ0
DQ1
DQ2
DQ3
DQ4
DQ5
DQ6
DQ7
DQ8
DQ9
DQ10
DQ11
DQ12
DQ13
DQ14
DQ15
DQMH
DQML
NC1
NC2
VDD1
VDD2
VDD3
VDDQ1
VDDQ2
VDDQ3
VDDQ4
VSS1
VSS2
VSS3
VSSQ1
VSSQ2
VSSQ3
VSSQ4
GPS_BT_3.3V
MT48LC8M16A2
U2413M3
DATA02
DATA00
DATA03
DATA10
DATA09
DATA05
DATA07
DATA08
DATA06
DATA04
UDQM
DATA15
DATA14
DATA13
DATA12
DATA11
DATA01
LDQM
D7
C3
B7
A3
J1
E3
A1
D3
C7
B3
A7
J9
E7
A9
G1
E2
E8
F1
A2
B1
B2
C1
C2
D1
D2
E1
E9
D8
D9
C8
C9
B8
B9
A8
ACCELEROMETER
.1UF
GPS_BT_3.3V
10UF
0
100K
100K
GPS_BT_3.3V
C2478M3
R2493M3
C2449M3
R2434M3
R2433M3
MS_INT2
MS_INT1
NC
NC
100K
100K
100K
100K
LIS331DL
GPS_BT_3.3V
R2497M3
R2466M3
R2452M3
R2449M3
U2416M3
SPI0_MOSI
SPI0_MISO
SPI0_CLK
SPI0_CS2
8
2
3
4
6
7
NC1
NC2
SDO_SA0
INT_2
GND3
GND2
GND1
SCL_SPC
RSVD2
VDD_IO
VDD
RSVD1
GND4
SDA_SDI_SDO
CS
INT_1
GPS_BT_3.3V
5
12
13
16
11
9
10
15
14
1
12MHZ OSC
0
0
.1UF
GPS_BT_3.3V
R2408M3
R2435M3
C2474M3
OE OUT
VDD
GND
10PF
150
DS0211AR
40.2MHZ
C2473M3
R2412M3
Y2475M3
12M_CLK_IN
2
13
4
1K
DNP
1K
100K
GPS_BT_3.3V GPS_BT_3.3V
DNP
100K
R1328M3R1327M3
R1324M3 R1316M3
GPS_BT_3.3V
100K
R2444M3
AVR_USART2_RX
AVR_USART2_TX
IN
OUT
.1UF
.1UF
.1UF
.1UF
.1UF
.1UF
.1UF
.1UF
.1UF
.1UF
.1UF
.1UF
.1UF
.1UF
GPS_BT_3.3V
C2467M3
C2466M3
C2464M3
C2463M3
C2462M3
C2461M3
C2460M3
C2459M3
C2458M3
C2456M3
C2455M3
C2453M3
C2452M3
C2450M3
10K
R2489M3
27
27
R2485M3
R2484M3
BA1
SDA02
SDA08
SDA06
SDA07
SDA09
SDA04
SDA03
DATA13
SDA00
SDA01
DATA11
LDQM
DATA15
DATA14
DATA12
SDA05
SDA11
BA0
D12
D11
F8
E10
E9
C11
D8
C8
E7
D7
D6
C6
E6
C5
D5
D4
E4
E3
C2
F3
G4
G3
G5
H3
H4
H1
C7
TDO
PX17
PX18
PX19
PX20
PX21
PX22
PX23
PX24
PX27
PX26
PX25
PX28
PX29
PX30
PX31
PX32
PX33
PX34
PX35
PX37
PX36
PX38
PX39
TCK
RESET
TDI
DP
ADVREF
VBUS
DM
PC00
PC01
PC04
PC03
PC02
PC05
PX00
PX01
PX02
PX03
PX04
PX05
PX06
PX08
PX07
PX09
PX10
PX11
PX12
PX13
PX14
PX15
NC
PX16
TMS
AT32UC3A
U2415M3
C9
G12
A7
B7
C4
G2
K2
K1
J4
J5
K5
M5
L6
M9
L9
M10
K9
M11
L10
H9
K12
J11
J9
F10
M8
F5
J1
G1
E12
NC
NC
NC
DATA03
DATA04
DATA08
DATA10
DATA09
DATA05
OSC0_OUT
DATA01
DATA00
PD
DATA02
12M_CLK_IN
SDRAM_CS
DATA07
DATA06
UDQM
1
0
1UF
R1319M3
TP2419M3
TP2436M3
TP2416M3
C2480M3
TP2437M3
BT_AVR_VBUS
BT_AVR_RESET_3.3V
1
1
1
IN
TP2450M3
TP2453M3
TP2452M3
TP2451M3
1
1
1
1
JTAG
AVR_TDO
AVR_TCK
AVR_TMS
AVR_TDI
OUT
IN
IN
IN
10K
470PF
2.2UF
GPS_BT_3.3V
C2471M3
R2491M3
C2470M3
VDDCORE
100K
4.7UF
100K
1000PF
GPS_BT_3.3V
R2496M3
R2495M3
C2417M3
C2472M3
100K
R2404M3
BOARD_REV4
TC1_OCA
BOARD_REV2
SDA10
BT_PTT_3.3V
BT_SHUTDOWN_3.3V
BT_WAKEUP_3.3V
BOARD_REV0
BOARD_REV1
BOARD_REV3
TEST_GPIO2
TEST_GPIO1
SDCK
CAS
SDCKE
SDWE
RAS
ACC_SPKR_UNMUTE_3.3
BT_HOST_WAKEUP_3.3V
10K
R2492M3
E8
H2
H8
H11
H12
L8
A1
B5
E2
E5
H5
E11
M12
L5
B8
100K
GPS_BT_3.3V
TP2435M3
R2481M3
NFC_DAT
1
10K
10K
R2486M3
R2490M3
SPI0_CS2
SPI0_MOSI
SPI0_CLK
USB_BOOT_3.3V
ATMEL_BOOT
BT_SPARE_DIR
NFC_WAKE
BT_SPARE_3.3
PD
BT_UART_RTS_3.3V
USART1_RX
USART1_CLK
SPI0_MISO
MS_INT1
MS_INT2
NFC_CS
BT_UART_CTS_3.3V
BT_UART_RX_3.3V
BT_UART_TX_3.3V
AVR_STATUS_3.3V
100K
GPS_BT_3.3V
R2480M3
PB00
PB02
PB01
PB03
PB04
PB05
PB08
PB07
PB06
PB09
PB10
PB13
PB12
PB11
PB14
PB15
VDDOUT
VDDIN
VDDANA
VDDPLL
VDDCORE4
VDDCORE2
VDDCORE3
PB16
PB17
PB19
PB20
PB21
PB23
PB25
PB26
PB28
PB27
PB29
PB30
PB31
GND8
GND9
GNDANA
GND6
GND7
VDDCORE1
VDDIO7
VDDIO6
VDDIO5
VDDIO4
VDDIO3
VDDIO2
VDDIO1
PA01
PA00
PA02
PA07
PA06
PA05
PA08
PA09
PA12
PA11
PA10
PA13
PA14
GND3
GND4
GND5
GND2
GND1
PA17
PA15
PA16
PA18
PA19
PA20
PA22
PA21
PA23
PA24
PA25
PA27
PA26
PA28
PA29
PA30
PB24
PB18
PB22
PA04
PA03
AT32UC3A
U2415M3
L4
M1
B2
F6
F7
G6
G7
L2
B11
K10
L11
C10
J6
H6
K8
J7
J8
K11
L12
J10
H10
J12
H7
G11
G10
G9
F12
F11
G8
F9
D9
C12
D10
B10
B12
A12
A11
A10
A9
B9
A8
C3
F1
B6
A6
A4
A5
B4
A3
B3
A2
B1
C1
E1
D1
D3
D2
F2
J3
F4
J2
L3
K3
K4
L1
M2
M3
M4
M6
M7
K6
K7
L7
AVR + LF
A1
A2
VCC
GND
Y1
Y2
100K 100K
.1UF
NLU2G04
GPS_BT_3.3VGPS_BT_3.3V
C2443M3
U2411M3
R2414M3
R2478M3
USART1_RX
NFC_CS_INV
NFC_DAT
NFC_CS
1
3
25
6
4
1000PF
15K
C2475M3
R2457M3
32KHZ_3.3V
1%
270K
180PF
100K
150
NL17SZ02
5.1PF
100K
GPS_BT_3.3V
R2474M3
R2477M3
R2476M3
C2457M3
U2412M3
R2475M3
C2454M3
USART1_TX
TC1_OCA
NFC_COIL
NFC_CS_INV
1
2
4
OUT
DAT
SDO
XOUT
WAKE
NC2
NC1
NC3
CTGND VCC
SDI
CS
SCL
XIN
GND
VSS
LFN
LF1P
AS3930A
51009735001
100
1UF
GPS_BT_3.3V
R2419M3
C2465M3
U2403M3
11
G1
9
16
3
41
2
10
12
13
14
15
7
8
5
6
100K
GPS_BT_3.3V
R2416M3
TP2466M3 ATMEL_BOOT
1
VCC
GND
.1UF
NL17SZ02
47
GPS_BT_3.3V
R2441M3
U2412M3
C2451M3
35
PP AVR BOARD ID
1K
1K
DNP
1K
1K
1K
DNP
R2471M3
R2470M3
R2469M3
R2443M3
R2442M3
10K
R2487M3
OUT
SB1
B0
VCCGND
A
SB1
B0
VCCGND
A
.1UF
FSA4157L6X
FSA4157L6X
.1UF
GPS_BT_3.3V
GPS_BT_3.3V C1340M3
C1316M3
U1335M3
U1334M3
34
6
5
1
2
34
6
5
1
2
IO
100K
R1333M3
TP1301M3
AVR_EXT_USB
1
TP2415M3
TP2414M3
BT_AVR_USB_DP_TP
BT_AVR_USB_DP
BT_AVR_USB_DM
BT_AVR_USB_DM_TP
1
1
IO
IO
IO

8-134 Schematics, Boards Overlays, and Parts Lists: Main Board Block: VHF (84012512001_A)
Figure 8-79. Top Control and JTAG Circuit
1
J1M2
ON_OFF_SWITCH
12
REMOVED U21000,U21001,C21002,C21003,C21005,C21004
EMERGENCY BUTTON
CHANGES:
REMOVED TP2112,TP2113,TP2114
REMOVED U21002,,U21003
REMOVED C21001,C21000,U2104,TP2111,R21001,TP2110,R21000,U2104,C2116
100PF
RSB6
C2115M2
D2101M2
J1M2
TOP_BUTTON 14
FREQ KNOB
USER BUTTON AND SWITCHES
NEED TO ADD TOGGLE/FREQ SW
REMOVED SECURE SW
TOP_BUTTON
ON_OFF_SWITCH OUT
OUT
1
7
4
0
9
6
10
2
8
3
11
5
CPLD_TMS
CPLD_TDI_BUFFERED
NEMU1
NEMU0
TCK_CONN_BUFFERED_B
OMAP_TMS_BUFFERED
TDI_BUFFERED
OMAP_TDO
NTRST
CPLD_TCK
RTCK
CPLD_TDO
JTAG
TEST_POINT
10K
DNP
4.7K
10K
NC7WZ17
NC7WZ17
10
10
22
10K
0
22
10
0
10
DNP
0
NC7WZ17
NC7WZ17
1K
4.7K
10K
R2199M2
R2198M2
R2197M2
U2101M2
U2102M2
U2101M2
R2114M2
R2110M2
R2118M2
R2115M2
U2102M2
R2106M2
R2107M2
R2116M2
R2117M2
R2109M2
R2111M2
R2105M2
R2104M2
R2113M2
F_VREF_1.875VM2
R2120M2
V_EXT_1.85
V_EXT_1.85
V_EXT_1.85
OMAP_TDO_CON
RTCK_CON
TCK_CON
CPLD_TMS_CON
CPLD_TDO_CON
JTAG<11..0>
TDI_CON
TMS_CON
6
43
43
61
1
IO 10K
VCC
GND
VCC
GND
0.1UF
NC7WZ17 NC7WZ17
0.1UF
C2114M2
U2102M2
U2101M2
C2104M2
V_EXT_1.85
5
2
5
2
OUT

Schematics, Boards Overlays, and Parts Lists: Main Board Block: VHF (84012512001_A) 8-135
Figure 8-80. Lighting Control Circuit
SCL2
EN
VREF1
SDA1
SCL1
SDA2
PCA9306
U2202M2
I2C_CLK
I2C_DATA
7
2
54
63
1
8
IN
IO
VREF2
GND
RADIO TOP LIGHTING
200K
0.1UF
V_LED_TOP
0.1UF
R2201M2
C2201M2
C2202M2
V_EXT_1.85
IC2_TRANS_VREF2
3.3K
V_LED_TOP V_LED_TOP
3.3K
LP3944
0.1UF
0
C2203M2
R2207M2
U2205M2
R2206M2
R2204M2
21
SCL_5V
SDA_5V
SCL
RST
SDA
A0
A1
A2
NC1
NC2
NC3
NC4
NC5
NC6
NC7
NC8
VDDGND1
LED0
LED1
LED2
LED3
LED4
LED5
LED6
LED7
GND2
20
19
18
17
16
15
14
13
12
11
10
8
7
6
5
4
3
2
1
25
9
24
23
22
10K
47K
V_LED_TOP
10K
100PF
DTC114YKAF
R2254M2
C2223M2
Q2202M2
V_EXT_1.85
OMAP_RESET
1
3
2
CHANGES:
REMOVED L2202,L2203,L2204,L2205,C2211,C2212,C2213,
REMOVED C2221,C2222,C2214,C2215,C2216
REMOVED E2242
1K
510
510
510
2.2K
1K
R2256M2
R2255M2
R2257M2
E2206M2
E2207M2
E2201M2
R2246M2
R2245M2
R2244M2
E2248M2
E2249M2
E2247M2
TX_RX_RED_LED
TX_RX_AMBER_LED
TX_RX_GREEN_LED
BT_BLUE_LED
BT_GREEN_LED
BT_RED_LED
100PF 0.1UF
V_SW_5
C2225M2
C2224M2
J2M2
J2M2
J2M2
J2M2
J2M2
J2M2
J2M2
J2M2
J2M2
G4
G3
G2
G1
10
6
4
2
1
SPARK_GAP
SPARK_GAP
SPARK_GAP
SPARK_GAP
E2205M2
E2204M2
E2203M2
E2202M2
21
2
1
21
21
J2M2
J2M2
J2M2
J2M2
J2M2
J2M2
9
12
11
7
5
3
100PF
100PF
100PF
100PF
C2229M2
C2228M2
C2227M2
C2226M2
NFC_CONNECTION
J2M2
NFC_COIL 8
IN
LIGHTING CONTROLERS
V_LED_TOPV_SW_5
0
R2235M2

8-136 Schematics, Boards Overlays, and Parts Lists: Main Board Block: VHF (84012512001_A)
Figure 8-81. GCAI and side control
J1M2
J1M2
J1M2
J1M2
J1M2
J1M2
18
16
10
8
6
4
SIDE CONTROLS
100PF
RSB6
100PF
RSB6
100PF
100PF
RSB6
RSB6
C2334M2
D2304M2
D3M2
C2333M2
C2332M2
D2M2
D1M2
C2331M2
10K
10K
10K
R4007M2
R4006M2
R4005M2
TOP_SIDE_BUTTON
DOWN_ARROW_BUTTON
MIDDLE_SIDE_BUTTON
UP_ARROW_BUTTON
IN
IN
IN
IN
V_EXT_1.85
J1M2
J1M2
J1M2
J1M2
J1M2
J1M2
J1M2
J1M2
G4
G3
G2
G1
1
24
23
2
J1M2
J1M2
J1M2
J1M2
J1M2
J1M2
J1M2
J1M2
J1M2
J1M2
J1M2
J1M2
22
21
20
19
17
15
13
11
9
7
5
3
0
510
RSB6 470PF
R2361M2
C2339M2
D2305M2
R2358M2
GPIO_4_CTS_KEYFAIL_FILLCLK
GCAI_1WIRE_5V
VBUS2
TEST_POINT
DNP
F_VBUS2M2
1
DNP
TEST_POINT
F_GCAI_1WIREM2
1
SPARK_GAP
SPARK_GAP
SPARK_GAP
SPARK_GAP
E2317M2
E2316M2
E2313M2
E2315M2
2
1
2
1
21
2
1
GCAI
SPARK_GAP
SPARK_GAP
SPARK_GAP
E2320M2
E2319M2
E2318M2
21
2
1
2
DNP
RSB6
470PF
SPARK_GAP
D2307M2
C2342M2
E2321M2
2
1
100
R2364M2
1
DNP
TEST_POINT TEST_POINT
DNP
SPKR-M2
SPKR+M2
1
1
TEST_POINT
DNP
BAT54HT1G
GPIO0M2
D4001M2
1
21
100PF
100PF
C2344M2
C2343M2
MAKO_OPTB_SEL2_GCAI12
GPIO_1_DP_TXDC_FILLREQ
GCAI_1_WIRE
GPIO_2_DM_RXDC_FILLDATA
GPIO_3_RTS_FILLSENSE
DNP
DNP
TEST_POINT
TEST_POINT
F_GCAI_USB-M2
F_GCAI_USB+M2
1
1
IO
IO
IO
IO
IO
EXT_SPKR_POS_DP
KEYFAIL_CTRL
GCAI_GPIO_1_INPUT
EXT_MIC_POS_DP
GCAI_GPIO_2_INPUT
KVL_DETACH
GPIO_0
EXT_MIC_NEG_DP
EXT_SPKR_NEG_DP
KEYFAIL OUT
IO
IN
IN
IN
OUT
OUT
IN
IO
IO
C1
C2
VCCGND
A1
B1
A2
B2
SN74LVC2G66
3.3K
R4014M2
U4004M2
OPTB_SEL3_SWITCH_EN
A2
C1
B2
C2
B1
D2
A1
IN
0.1UF
V_5.0A
V_3.3
22K
22K
C4007M2
R4013M2
R4012M2
D1
V_2.775D
47K
R4011M2
SCL2
EN
VREF1
SDA1
SCL1
SDA2
PCA9306
U4001M2
7
2
54
63
1
8
VREF2
GND
V_5.0A
V_2.775D
V_5.0A
3.3K
200K
0.1UF
0.1UF
C4006M2
R4010M2
C4005M2
R4009M2
SPARK_GAP
SPARK_GAP
0
100PF
0
R2359M2
R2360M2
C2337M2
E2314M2
E2312M2
21
21
2.2
.1UF .1UF
2.2
R2356M2
C2335M2
R2357M2
C2336M2
10K
47K
SEL
B0
A
GND
B1
VCC
V_5.0A
V_5.0A
DTC114YKAF
100PF
10K NC7SB3157
R4008M2 U4003M2
Q4001M2
C2338M2
5
6
2
1
3
4
1
3
2
DNP
470PF
RSB6
100
0.1UF
DNP
150
C2340M2
R2363M2
R2362M2
C2341M2
D2306M2
TEMP SENSOR ON MAINBOARD
DELETED 2.775
MMC NOT REQUIRED

Schematics, Boards Overlays, and Parts Lists: Main Board Block: VHF (84012512001_A) 8-137
Figure 8-82. Debugging and Display Connector
J2401M2
J2401M2
J2401M2
J2401M2
J2401M2
J2401M2
J2401M2
J2401M2
J2401M2
J2401M2
J2401M2
J2401M2
J2401M2
J2401M2
J2401M2
J2401M2
J2401M2
J2401M2
J2401M2
J2401M2
J2401M2
J2401M2
J2401M2
J2401M2
J2401M2
J2401M2
J2401M2
J2401M2
J2401M2
J2401M2
J2401M2
J2401M2
J2401M2
J2401M2
J2401M2
J2401M2
J2401M2
J2401M2
J2401M2
J2401M2
J2401M2
J2401M2
J2401M2
J2401M2
DEBUGGING AND DISPLAY CONNECTOR
V_2.775D
V_EXT_1.85
IN
IN
IN
IN
IN
IN
10K
R2401M2
VBUS1
GPS_BT_3.3V
IN
IN
IN
IN
IN
IN
IN
IN
IN
IN
IN
IN
G4
G3
G1
39
40
G2
35
36
37
38
34
31
32
33
30
26
27
28
29
22
23
24
25
18
20
19
21
17
13
14
15
16
9
10
11
12
5
6
7
8
1
2
3
4
AVR_USART2_TX
AVR_USART2_RX
BT_TX_DBG
BT_AVR_RESET_3.3V
BT_AVR_USB_DP_TP
VBUS1
USB_BOOT_1.8V
BT_HCI_TX
BT_HCI_RX
BT_AVR_USB_DM_TP
AVR_MACE_TDI
AVR_MACE_TMS
TCK_CON
NTRST
CPLD_TDO_CON
RTCK_CON
TDI_CON
T_DISP_DATA_CMD
T_DISP_SPI_CLK
TMS_CON
AVR_TCK
T_DISP_SPI_MOSI
T_DISP_RESET
T_DISP_SPI_CS
T_DISP_TOGGLE
AVR_MACE_TDO
CPLD_TMS_CON
OMAP_TDO_CON
IN

8-138 Schematics, Boards Overlays, and Parts Lists: Main Board Block: VHF (84012512001_A)
Figure 8-83. Connectors
CONNECTORS
J3M2
J3M2
J3M2
J3M2
J3M2
J3M2
J3M2
J3M2
J3M2
J3M2
J3M2
J3M2
J3M2
J3M2
J3M2
J3M2
J3M2
J3M2
J3M2
J3M2
J3M2
J3M2
J3M2
J3M2
J3M2
J3M2
J3M2
J3M2
J3M2
J3M2
J3M2
J3M2
J3M2
J3M2
MACE_TDO
MACE_TCK
MACE_TMS
MACE_NTRST
MACE_TDI
2
1
5
4
3
6
7
10
9
8
12
11
15
14
13
17
16
20
19
18
21
22
23
24
25
26
27
28
29
30
31
33
32
34
0047K
R22M2R21M2R1M2
V_EXT_1.85
OUT
OUT
OUT
OUT
OUT
OUT
13
1
11
2
14
3
5
4
6
7
8
12
9
10
ETM<1..14>

Schematics, Boards Overlays, and Parts Lists: Main Board Block: VHF (84012512001_A) 8-139
Figure 8-84. CPLD Circuit
Y
NC
VCCGND
B
A
22K
NC7SP08
R6102M6
U6103M6
SSI_RED_TX_CODEC
HIGH_SECURE_DATA_GATE
V_EXT_1.85
SSI_RED_TX_CPLD
2
4
6
5
3
1
0
0.1UF
0.1UF
0.1UF
0.1UF
R6105M6
C6108M6
C6109M6
C6110M6
V_EXT_1.85
C6111M6
V_EXT_1.85
V_EXT_1.85
V_EXT_1.85
A14
A7
C4
P13
G14
P7
J3
A2
K12
P1
XC2C256
U6101M6
B_ID 5
B_ID 6
GND8
GND9
GND1
GND5
IO42
IO43
IO36
IO37
IO38
IO53
IO49
IO50
IO51
IO44
IO45
IO46
GND2
GND3
GND4
IO52
VCCIO1_A
VCCIO1_B
VCCIO1_C
VCC2
VCCIO2_A
VCCIO2_B
VCCIO2_C
GND7
VCCIO1_D
VCC1
VCC3
IO101
GND6
GND10
GND11
IO100
IO10
IO11
IO4_GCK0
IO5
IO6
IO23
IO16
IO17
IO18
IO19
IO12
IO13
IO14
IO31
IO24
IO25
IO26
IO27
IO20
IO21
IO22
IO39
IO32
IO33
IO34
IO35
IO28
IO29
IO30
IO47
IO40
IO41
VAUX
IO90
IO91
IO102
IO103
IO104
IO84
IO85
IO97
IO98
IO99
IO89
IO79
IO80
IO92
IO93
IO48
IO95
IO96
IO105
IO106
TDI
TDO
IO7_CDRST
TMS
IO1
IO2_GCK1
IO3
TCK
IO15
IO8_GCK2
IO9_DGE
IO54_GSR
IO56
IO60
IO78
IO58_GTS2
IO59_GTS3
IO70
IO71
IO72
IO61_GTS0
IO62_GTS1
IO65
IO66
IO67
IO57
IO55
IO94
IO74
IO75
IO86
IO87
IO88
IO68
IO69
IO81
IO82
IO83
IO73
IO63
IO64
IO76
IO77
BRD_ID_0
BRD_ID_3
BRD_ID_1
BRD_ID_2
BRD_ID_4
F14
G12
F12
C8
B8
C10
A13
D13
G13
F13
C11
A8
A10
C9
B10
E13
E12
D14
D12
C14
C13
B13
A11
B11
A12
B12
C12
G1
F1
F2
F3
E1
E2
E3
B7
C7
A6
B6
C6
A5
B5
D1
D2
C1
C2
C3
B1
B2
A1
C5
A4
B4
A3
B3
A9
B14
E14
H14
J14
N12
N9
P4
N1
K2
B_ID 8
H3
H2
N14
N13
D3
N10
B9
M9
M10
P6
N7
M7
P8
N8
M8
H12
H13
J13
J12
K14
K13
L14
P9
P10
P11
N11
M11
P12
P14
L13
L12
M14
M13
M12
N6
M6
P5
N5
M5
N4
G2
G3
H1
J1
J2
M4
P3
N3
M3
P2
N2
M2
M1
K1
K3
L1
L2
L3
11
10
7
9
CPLD_TDI
CPLD_TDO
CPLD_TMS
JTAG<11..0>
CPLD_TCK
EMIFS_ADDR_4
EMIFS_ADDR_3
EMIFS_ADV
SSI_MAKO_CLK
EMIFS_ADDR_2
0.1UF
10K
R6122M6
C6115M6
180
R6107M6
EMIFS_ADDR_1
SSI_OPT_CLK
24_MHZ_CLK
EMIFS_ADDR_5
SSI_OPT_FSYNC
SSI_RED_RX_CODEC
OUT
OUT
SSI_MAKO_CLK
T_DISP_RESET
BT_AVR_RESET
5V_PWM_EN
KVL_DETACH
SEC_CLEAR
T_DISP_DATA_CMD
DOWN_ARROW_BUTTON
UP_ARROW_BUTTON
SSI_RED_TX_CPLD
SSI_OMAP_FSYNC
SSI_OMAP_CLK
OUT
OUT
OUT
IN
IN
IN
10K
10K
10K
R6121M6
R6119M6
R6120M6
DNP
TEST_POINT
TP6101M6 1
1K
R6106M6
VOCON_ID
AVR_BOOT
EMERG_BTN_X
SSI_MAKO_FSYNC
OPT_GPIO_0
OUT
DNP
10K
R6104M6
10K
BAT54HT1G
D6101M6
R6101M6
V_EXT_1.85
TOP_SIDE_BUTTON
21
IN
IN
V_EXT_1.85
0.1UF
0.1UF
0.1UF
0.1UF
0.1UF
0.1UF
C6105M6
C6106M6
C6107M6
C6114M6
C6113M6
C6112M6
F2_PARAMP_MON
10K
47K
V_5.0A
DTC114YKAF
10K
R6117M6
Q6101M6
1
3
2
6SEL
B0
A
GND
B1
VCC
NC7SB3157
0.1UF
C6104M6
U6102M6
GPIO_3_RTS_FILLSENSE
F2_PARAMP
MAKO_OPTB_SEL1_GCAI
52
1
3
4
V_5.0A
TEST_POINT
DNP
TP6107M6
1
DNP
13PF
120
C6155M6
R6113M6
4MHZ_MACE_CLK
OUT
OUT
OUT
OUT
13PF
330
DNP
C6156M6
R6108M6
FLASH_CTRL<8..0>
SSI_CODEC_CLK
FLASH_DATA<15..0>
FLASH_ADDR<25..1>
Y
NC
VCCGND
B
A
22K
NC7SP08 R6103M6
U6105M6
V_EXT_1.85
SSI_BLACK_RX
4
6
5
3
2
1
OUT
Y
NC
VCC
GND
B
A
NC7SP08
22K
R6118M6
U6104M6
V_EXT_1.85
SSI_MACE_TX_DIN
SSI_RED_TX_CODEC
4
6
5
3
2
1
3
0
0
2
2
2
4
3
5
4
1
8
1
2
0
1
EMIFS_DATA_0
EMIFS_DATA_1
EMIFS_DATA_2
EMIFS_DATA_3
EMIFS_ADDR_5
SPI_ARM<2..0>
EMIFS_CPLD_CS
EMIFS_OE
EMIFS_ADV
SPI_DSP_CLK
EMIFS_ADDR_4
EMIFS_ADDR_3
EMIFS_DATA_4
EMIFS_ADDR_2
EMIFS_ADDR_1
0
2
1
3
SSI_RED_RX_CODEC
SPI_ARM_MISO
SPI_ARM_CLK
SSI_SAP<3..0>
SSI_BLACK_TX
SPI_ARM_MOSI
SSI_BLACK_RX
SSI_RED_TX_CODEC
OMAP_RESET
EMIFS_DATA_0
EMIFS_DATA_1
32KHZ_GPS_CLK
32K_CPLD_CLK
F2_TIMER_DMCS
SSI_BLACK_RX
SSI_BLACK_TX
MACE_WAKEUP
F2_PARAMP_MON
EMIFS_DATA_4
EMIFS_DATA_2
F2_DMCS
EMIFS_OE
MAKO_RESETX
EMIFS_DATA_3
F2_PARAMP
RX_FSYNC
EMIFS_CPLD_CS
USB_CRNT_LMT
MACE_RESET
100
100
TEST_POINT
DNP
TP6105M6
R6115M6
R6114M6
1
F2_TIMER_PARAMP
SSI_BLACK_TX_MACE
OPT_GPIO1
KEYFAIL_CTRL
F2_TIMER_OUT
SECURE_HIGH_NORM
RF_BRD_RSTB
SSI_CODEC_FSYNC
SSI_RED_RX_MACE
GPS_SHUTDOWN
OPT_GPIO2
IN
OUT
OUT
TEST_POINT
DNP
TP6106M6
1
CHANGES MADE
DELETE FREQ_SEL(3..0>
BOARD ID 4 3 2 1 0
DNP
1K
DNP
1K
1K 1K
1K1K
R6125M6 R6116M6R6109M6 R6112M6
R6111M6R6110M6
IO

8-140 Schematics, Boards Overlays, and Parts Lists: Main Board Block: VHF (84012512001_A)
Figure 8-85. OMAP User Interface Circuit
CHANGES:
REMOVED R6202,R6201
LCD_PIXEL_10
LCD_PIXEL_11
LCD_PIXEL_12
LCD_PIXEL_13
LCD_PIXEL_14
KBC_5
LCD_PIXEL_15
KBR_4
KBR_0
KBR_1
KBR_2
KBR_3
KBC_0
KBC_1
KBC_2
KBC_3
KBC_4
LCD_PCLK
LCD_AC
LCD_VSYNC
LCD_HSYNC
LCD_RED0
LCD_BLUE0
SOSSI_TE
LCD_PIXEL_0
LCD_PIXEL_1
LCD_PIXEL_2
LCD_PIXEL_3
LCD_PIXEL_4
LCD_PIXEL_5
LCD_PIXEL_6
LCD_PIXEL_7
LCD_PIXEL_8
LCD_PIXEL_9
NC
OMAP1710
U6302M6
T_DISP_TOGGLE
G20
B18
N21
D15
C16
A17
G13
B17
C17
D16
D17
C18
B19
A20
H13
G14
C19
B21
D18
C15
C20
N19
B15
E19
E20
H14
F19
G18
G19
C21
E18
D19
D20
F18
OUT
LCD CONTROL
LCD DATA
KEYPAD
REMOVE R6203,R6214
REMOVE KEYPAD, DISPLAY LINES
CHANGES:
IN
OUT
IO
OUT
I2C_DATA
MAKO_RESETX
OMAP_RESET
SPI_DSP_MISO
BT_PTT
I2C_CLK
USB_INT_X
OMAP_TMS
NTRST
TCK
RTCK
NEMU0
NEMU1
TDI
OMAP_TDO
10K
DNP
4.7K
10K
10K
10K
10K
R6204M6
R6205M6
R6215M6
R6210M6
R6213M6
R6212M6
V_EXT_1.85
4.7K 4.7K
TEST_POINT
DNP
R6209M6R6208M6
F_MPU_BOOTM6
V_EXT_1.85
OMAP_MPU_BOOT
MORTABLE
1
V17
AA19
Y19
W18
Y4
V20
T18
Y17
AA20
P12
R12
Y18
W17
V16
V19
U20
J20
AA17
W13
AA9
Y5
R19
V18
0
1
2
0
2
1
BT_SPARE_1.8
ACC_SPKR_UNMUTE
W7
W6
AA5
P10
Y6
V7
R9
M20
N18
L18
M19
Y15
J15
L15
H19
J18
J19
J14
K18
K19
K15
K14
L19
IO
OUT
TX RX SSI
F2_TIMER_DMCS
16.8_MHZ_CLK
RX_FSYNC
UART2_GPS_RX
TRIDENT_SSI<2..0>
ABACUS_SSI<2..0>
IN
IO
IO
MCSI1_SYNC
SYS_CLK_IN
MPU_BOOT
CONF
GPIO_1
CAM_RSTZ
CAM_EXCLK
CAM_LCLK
CAM_VS
CAM_HS
CAM_OUTCLK
CAM_D_0
CAM_D_1
CAM_D_2
CAM_D_3
CAM_D_4
CAM_D_5
CAM_D_6
CAM_D_7
GPIO_18
GPIO_12
GPIO_15
MCBSP2_CLKR
MCBSP2_CLKX
MCBSP2_RSYNC
MCBSP2_XSYNC
MCBSP2_DOUT
MCBSP2_DIN
NEMU1
RTCK_NSBCAN
TCK
NTRST
TMS
TDO
TDI
NEMU0
SCL
SDA
GPIO_55
GPIO_26
RST_OUT
PWRON_RESET
MPU_RST
RESET_MODE
GPIO_7
MPUIO_1
OMAP1710
U6302M6
JTAG
CAMERA
GPIO
RF BASEBAND &
MISC GPIO
RESET
I2C
JTAG
6
2
4
3
8
0
1
5
JTAG<11..0>
IO
16MHZ SQUARER
V_2.775D V_2.775D
100K 2K
10K LMV7219
100PF
1000PF
1K
0.1UF
100K
R6218M6
C6202M6
C6203M6
C6201M6 R6217M6
R6207M6
R6206M6
R6211M6 U6201M6
16.8_MHZ_CLK
16.8_MHZ_SINEWAVE
25
1
3
4
IN

Schematics, Boards Overlays, and Parts Lists: Main Board Block: VHF (84012512001_A) 8-141
Figure 8-86. Memory Interface
DDR INTERFACE
OMAP1710
U6302M6
13
12
14
7
8
9
10
11
2
3
4
5
6
1
0
15 C12
D12
D13
C11
C13
D11
D14
C10
D8
C4
C7
D5
D7
C5
C6
D6
SADD_3
SADD_4
SADD_5
SADD_6
SADD_7
SADD_8
SADD_9
SADD_10
SADD_11
SADD_12
SADD_13
SDATA_2
SDATA_1
SDATA_0
SDATA_15
SDCLKX
SDCLK
SDCLK_EN
NSWE
SBANK_0
SBANK_1
NSRAS
NSCAS
CS_SDRAM
NSDQMU
NSDQML
DSQ_H
DSQ_L
SDATA_14
SDATA_13
SDATA_12
SDATA_11
SDATA_10
SDATA_9
SDATA_8
SDATA_7
SDATA_3
SDATA_4
SDATA_5
SDATA_6
SADD_0
SADD_1
SADD_2
CONTROL
DATA
ADDRESS
0
9
7
6
5
13
4
11
2
3
1
8
10
12
DDR_CAS
DDR_CS
DDR_UDM
DDR_LDM
DDR_DQSH
DDR_DQSL
DDR_BANK1
DDR_BANK0
DDR_RAS
DDR_WE
DDR_CLKE
DDR_CLK_1
DDR_CLKX_1
D9
H12
C9
C3
B3
H11
H9
H10
B8
B12
G9
G11
G12
B9
G10
A1
B6
B2
A2
H8
H7
D10
C8
B4
D4
C14
G8
2
0
4
5
3
1
DDR_CRTL<6..0>
DDR_ADDR<13..0>
9
2
0
12
11
10
8
7
6
5
4
3
1
0
2
5
1
3
4DDR_CAS
DDR_CS
DDR_BANK0
DDR_ADDR<2>
DDR_ADDR<3>
DDR_ADDR<12>
DDR_ADDR<10>
DDR_RAS
DDR_LDM
DDR_UDM
DDR_ADDR<8>
DDR_ADDR<4>
DDR_ADDR<5>
DDR_ADDR<6>
DDR_ADDR<7>
DDR_ADDR<9>
DDR_ADDR<11>
DDR_WE
DNP
TEST_POINT
TEST_POINT
DNP
10K
TP6308M6
TP6307M6
R6301M6
1
1
MT46H16M16LF
U6301M6
V_EXT_1.85
G7
E9
D1
C9
B1
A7
K9
F9
A9
F2
G9
F8
H7
G1
G3
G2
G8
H9
H8
H3
H2
J7
H1
J3
J2
J1
K3
K2
K8
K7
J9
J8
0.1UF
0.1UF
1UF
0.1UF
0.1UF
1UF
C6306M6
C6305M6
C6304M6
C6303M6
C6302M6
C6301M6
DNP
TEST_POINT
TEST_POINT
TP6304M6
TP6303M6
DDR_DQSL
DDR_DQSH
1
1
NC
14
15
13
1
8
4
5
6
3
0
10
2
7
12
11
9
DDR_DATA<0>
DDR_DATA<14>
DDR_DATA<15>
DDR_DATA<10>
DDR_DATA<12>
DDR_DATA<13>
DDR_DATA<2>
DDR_DATA<1>
DDR_DATA<6>
DDR_DATA<5>
DDR_DATA<4>
DDR_DATA<3>
DDR_DATA<8>
DDR_DATA<7>
DDR_DATA<9>
DDR_DATA<11>
E2
F7
F3
E8
A2
B3
B2
C3
C2
D3
D2
E3
E7
D8
D7
C8
C7
B8
B7
A8
13
E1
D9
C1
B9
A3
K1
F1
A1
TEST_POINT
0
8
DNP
DNP
TEST_POINT
TP6306M6
TP6305M6
1
1
UDQS
DQ0
DQ2
DQ3
DQ4
DQ5
DQ6
DQ7
DQ8
DQ9
DQ11
DQ10
DQ13
DQ12
DQ14
DQ15
NC2
NC1
VSSQ5
VSSQ3
VSSQ4
BA0
BA1
A0
A2
A1
A3
A4
A5
A6
A7
A8
A10_AP
A9
A11
VSSQ1
VSSQ2
VSS3
VSS2
VSS1
A12
UDM
LDM
DQ1
VDD1
VDD2
VDD3
VDDQ1
VDDQ2
VDDQ3
VDDQ4
VDDQ5
LDQS
CLK
CLK*
EN_CS
RAS
CAS
EN_CLKE
WE
6
10K
7
10K
1
0
4
3
2
R6306M6
R6316M6
V_EXT_1.85
FLASH_RDY
V_EXT_1.85
0
R6304M6
V_EXT_1.85
FLASH INTERFACE
PA_SHTDN
1.8K
OMAP1710
R6492M6
U6302M6
PA_SHTDN
FLASH_CTRL<8..0>
V4
W2
W1
U4
N8
M4
M3
M7
L4
V2
N3
E1
L7
K3
K4
L8
F2
J3
J4
J2
K7
H3
H4
K8
G2
G3
G4
F3
J7
E3
F4
D2
E4
C1
D3
J8
33
TEST_POINT
2
1
2
6
8
6
7
22
23
24
17
18
14
16
15
12
13
9
7
5
11
25
19
20
21
4
DNP
8
3
3
10
4
33
1
0
R6312M6
R6314M6
TP6302M6 1
15
14
13
12
11
10
9
8
7
5
6
2
3
1
0
4
V3
T4
U3
U1
P8
T3
T2
R4
R3
R2
P7
P4
P2
N7
N2
N4 NFWP
FCLK
FRDY
FADD_1
FADD_2
FADD_3
FADD_4
FADD_5
FADD_6
FADD_7
FADD_8
FADD_9
FADD_10
FADD_11
FADD_12
FADD_13
FADD_14
FADD_15
FADD_16
FADD_17
FADD_18
FADD_19
FADD_20
FADD_21
FADD_22
FADD_23
FADD_24
FADD_25
FDATA_0
FDATA_1
FDATA_2
FDATA_3
FDATA_4
FDATA_5
FDATA_6
FDATA_7
FDATA_8
FDATA_9
FDATA_10
FDATA_11
FDATA_12
FDATA_13
FDATA_14
FDATA_15
NF_ADV
NFCS_0
NFCS_1
NFCS_2
NFCS_3
NFOE
NFRP
NFWE
DATA
CONTROL
ADDRESS
CHANGES MADE
ADDED PA_SHTDN TO PORT M7 & R6492
FLASH_ADDR<25..1>
FLASH_DATA<15..0>
8
3
22
21
25
4
6
7
9
10
11
15
16
17
19
20
23
24
18
13
12
5
2
1
14
C6
G8
D4
F8
E6
B4
F6
B8
B6
H8
G1
A8
C8
C7
B7
A7
D8
D7
C5
B5
A5
C4
D3
C3
B3
A3
C2
A2
D2
D1
C1
B1
A1
0105955U25
U6304M6
V_FLASH
0.1UF0.1UF0.1UF 0.1UF
C6311M6C6310M6C6309M6C6308M6
A4
G4
D6
D5
H3
A6
NC
NC
NC
NC
6
0
2
3
4
5
7
9
12
13
14
11
15
8
10
1
F7
H1
G2
F1
E8
E7
G7
H5
F5
F4
F3
E3
E1
H7
G6
G5
E5
E4
G3
E2
F2
RFU1
DQ8
WAIT
DQ0
VCCQ2
RFU3
RFU2
DQ3
DQ5
DQ9
DQ10
DQ11
DQ1
DQ2
DQ4
DQ15
VCC2
DQ12
RFU4
DQ7
DQ6
VCC1
VPP
DQ14
DQ13
VCCQ1
VCCQ3
A26_1G
A24
A23
A25_512M
A21
A22
A20
A19
A18
A17
A16
A15
A14
A13
A11
A12
A8
A10
A9
A7
A6
A3
A5
A4
A1
A2
VSS4
VSS2
VSS3
VSS1
CLK
CE
OE
WE
RST
WP
ADV
NC
H6
H4
H2
B2
33
33
33
R6310M6
R6311M6
R6313M6
FLASH_OE_A
DNP
DDR_DATA<17..0>
MMC INTERFACE
MMC1_CLK
MMC1_CLKIN
MMC1_CMD
MMC1_CMDDIR
MMC1_DATDIR0
MMC1_DATDIR1
MMC1_DATDIR2
MMC1_DATDIR3
MMC1_DAT0
MMC1_DAT1
MMC1_DAT2
MMC1_DAT3
MMC2_CLK
MMC2_CMD
MMC2_CMDDIR
MMC2_DATDIR0
MMC2_DATDIR1
MMC2_DAT0
MMC2_DAT1
MMC2_DAT2
MMC2_DAT3
OMAP1710
DNP
TEST_POINT
TP6301M6
U6302M6
AVR_STATUS_1.8V
F2_TIMER_OUT
1
W19
V5
R10
W15
V8
W8
V9
Y8
Y10
R18
M14
P18
P20
W11
W10
V10
R11
P19
P11
M15
V11
OUT
OPTION CARD INTF
MEMORY CARD INTF
REMOVE RSW_A, RSW_B, RSW_INTCHANGES:
REMOVE R6305, R6307, R63050

8-142 Schematics, Boards Overlays, and Parts Lists: Main Board Block: VHF (84012512001_A)
Figure 8-87. Audio Circuit
A
INNEGA
INPOSA
INNEGB
INPOSB OUTB
OUTA
VPOS
VNEG
2.2K
LMC6035ITLX
1.2K
51K
0.1UF
MIC_BIAS
V_5.0A
1UF
10K
TEST_POINT
200K
MIC_BIAS_FILT
R6406M6
R6405M6
U6402M6
MIC_BIASM6
R6404M6
R6401M6
C6402M6
R6402M6
C6403M6
B1
B3
A1
C1
A3
C3
A2
C2
1
A
A
A
AA
10K
R6410M6
SSI_CODEC_FSYNC
V_EXT_1.85
SSI_RED_RX_CODEC
OMAP_RESET
SSI_CODEC_CLK
IN
0.1UF
C6406M6
EXT_MIC_POS_DP_A
I2C_CLK
I2C_DATA
A
0.1UF
TEST_POINT
DNP
100PF
IF
TP6102M6 IF6404M6
C6428M6
C6404M6
EXT_MIC_NEG_DP
EXT_MIC_POS_DP
1
1
A
IN
IN
DNP
TEST_POINT
CODEC_GPIO1M6
CODEC_GPIO1
1
NC
NC
NC
NC
NC
NC
NC
NC
NC
NC
NC
NC
NC
NC
NC
NC
NC
NC
F9
E8
D8
C8
H8
E3
D7
D6
D5
D4
D3
C7
C6
C5
C4
A7
B2
A2
A1
B3
G8
B4
A3
A4
B5
B7
B6
A6
A5
J8
J9
E9
G9
REMOVED C6415
REMOVED AUDIO_MIC_POS_DPC6408,C6412,C6407,C6403,R6407
REMOVED AUDIO_MIC_NEG_DP,
CHANGES:
D9
F2
E2
H2
G2
D2
C2
AAA
AUDIO CODEC
0.1UF
0
MIC_BIAS_FILT
0.1UF
C6411M6
R6411M6
C6410M6
V_EXT_1.85
V_CODEC_1.875
AA
V_3.0A
0.1UF
TLV320AIC33IZQER
0.1UF
C6414M6
C6413M6
U6405M6
SSI_RED_TX_CODEC
C9
H9
B1
H1
C1
J1
AA
NC
NC
NC
NC
NC
NC
NC
NC
NC
NC
NC
NC
NC
NC
NC
NC
NC
NC
NC
NC
NC
NC
NC
NC
NC
SPI_DSP_MOSI
SPI_DSP_MISO
A9
J6
J7
H7
H6
H5
H4
H3
G7
G6
G5
G4
G3
F7
F6
F5
F4
F3
E7
E6
E5
E4
J2
J3
A8
B9
B8
J4
J5
G1
F1
D1
E1
F8
OUT
RESET
LEFT_LOP
NC17
NC0
AVDD_DAC
DRVDD2
DRVDD1
IOVDD
DVDD
NC29
NC28
NC27
NC26
NC25
NC24
NC23
NC22
NC21
NC20
NC19
NC18
NC16
NC15
NC14
NC13
NC12
NC11
MFP3
MFP2
RIGHT_LOM
RIGHT_LOP
LEFT_LOM
MONO_LOM
MONO_LOP
HPRCOM
HPROUT
HPLCOM
HPLOUT
DOUT
AVSS_DAC2
AVSS_ADC2
AVSS_ADC1
DRVSS2
DRVSS1
DVSS
NC10
NC8
NC7
NC6
NC5
NC4
NC3
NC2
GPIO2
GPIO1
MICDET
MICBIAS
MIC3L
MIC3R
LINE2RM
LINE2RP
LINE2LP
LINE1RM
LINE1RP
LINE1LM
SDA
SELECT
WCLK
BCLK
DIN
DRVDD3
AVSS_DAC1
NC9
NC1
MFP0
MFP1
LINE1LP
SCL
MCLK
LINE2LM
SERIAL
0.1UF
.022UF
0.1UF
330
33
330
C6418M6
C6419M6
C6416M6
R6416M6
R6417M6
R6419M6
PREAMP_NEG_DP
CODEC_SPI_CS
SPI_DSP_CLK
PREAMP_POS_DP
SERIAL INTERFACE
1
0
SPI_DSP<2..0>
SSI_CODEC_CLK
I2C<1..0>
SSI_SAP<3..0>
SSI_CODEC_FSYNC
MAKO AUDIO
0
2
1
2
3
SPI_DSP_MISO
I2C_CLK
SPI_DSP_MOSI
I2C_DATA
SSI_RED_TX_CODEC
SSI_RED_RX_CODEC
SPI_DSP_CLK
DNP
TEST_POINT
TEST_POINT
DNP
TEST_POINT
DNP
MAKO_AD_TRIGM6
MAKO_INT_MICMM6
MAKO_INT_MICPM6
MAKO_AD_TRIG
A4
H4
J3
H3
H2
A11
G2
G3
E1
L2
F1
F2
K2
K1
H1
G1
J2
J1
E3
1B11
1
1
0.1UF
.22UF
C6423M6
C6422M6
PA_BPLUS
PREAMP_NEG_DP
PREAMP_POS_DP
A
V_5.0A
BAT54HT1G
V_SAVE
47K
D6401M6
R6420M6
F2_PARAMP
21
SW_B+
MIC_BIAS
0
R6423M6
UNSW_B+
EN VOUT
GND
VIN ADJ
D1
G2
S2
G1
D2
S1
NC
47K
2.2K
0.1UF
V_2.775_EXP
22K
.022UF
TLV3011
LM4121
0.1UF
10K
SSM6N36FE
120
V_5.0A
C6405M6
R6431M6
R6430M6
R6429M6
U6409M6
C6421M6
C6420M6
R6422M6
Q6401M6
R6421M6
U6408M6
BGAP_COMP
6
2
5
13
4
4
1
52
3
6
5
4
2
3
1
A
PA_BPLUS
PA_IN_M
PA_IN_P
INT_SPKR_P
INT_SPKR_M
EXT_SPKR_P
AD_TRIG
TX_RX
MIC_BIAS
EXT_SPKR_M
VREF
VCM2
ADC_VREF
ATOD_0
ATOD_1
ATOD_2
ATOD_3
ATOD_4
ATOD_5
ATOD_6
ATOD_7
ATOD_8
PWR_CTRL
FE_TUNE2
VMES
VCM1
EXT_MIC_M
EXT_MIC_P
INT_MIC_M
INT_MIC_P
BPLUS
VC_OUT_M
VC_OUT_P
VFUSE
TEST
SCAN_EN
FE_TUNE1
AT56H09 100PF
100PF
V_2.775D
C6425M6
C6424M6
U6501M6
L10
E8
A3
C4
N1
M2
L3
K13
K12
K11
L13
L12
M14
L11
M13
N14
M12
NC
DNP
TEST_POINT
27K
TP_ATOD_8M6
R6427M6
BATT_STATUS
TEMP_DISP
ISET
TEMP_OMAP
TUNE
1
OUT
100K
.01UF
2K
680PF
100
C6427M6
R6428M6
R6426M6
R6425M6
C6426M6
EXT_SPKR_NEG_DP
EXT_SPKR_POS_DP
OUT
OUT
CHANGES:
REMOVED R6414,C6417,R6415
TEMP SENSORS
NC NC
GND VCC
VOUT
V_2.775D
0.1UF
STLM20
OMAP_TEMP_TPM6
C6409M6
U6404M6
TEMP_OMAP
1
1
4
2
3

Schematics, Boards Overlays, and Parts Lists: Main Board Block: VHF (84012512001_A) 8-143
Figure 8-88. MAKO/DC Distribution Circuit
OMAP POWER
NC
VDDSHV7
VDDSHV8
VDDSHV9
VSS_1
VSS_2
VSS_3
VSS_4
VSS_5
VSS_6
VSS_7
VSS_8
VSS_9
VSS_10
VSS_11
VSS_12
VSS_13
VSS_14
VSS_15
VSS_16
VSS_17
VSS_18
VSS_19
NC1
VDDSHV_RTC
VDD_RTC
VPP
VDD_DLL
VDD_1
VDD_2
VDD_3
VDD_4
VDD1_1
VDD2
VDD2_1
VDD2_2
VDD3_1
VDD3_2
VDD3_3
VDD3_4
VDDA
VDD4
VDDSHV1_1
VDDSHV1_2
VDDSHV2
VDDSHV3
VDDSHV4_1
VDDSHV4_2
VDDSHV4_3
VDDSHV4_4
VDDSHV5_1
VDDSHV5_2
VDDSHV5_3
VDDSHV6
OMAP1710
U6302M6
B1
G1
K2
N1
U2
AA1
Y3
AA7
Y13
AA21
W20
R21
K20
F20
A21
B16
A13
B7
B5
L1
V12
U21
L21
Y16
AA11
C2
H2
R1
B14
B10
A7
A5
Y7
AA2
E21
A19
Y21
W12
A11
M2
Y9
Y20
A15
J1
R20
J21
B20
B13
E2
A3
A9
AA3
E5
VDD SUPPLY GROUND
V_1.85_IO
0.1UF
0.1UF
0.1UF
0.1UF
C6571M6
C6587M6
C6583M6
C6585M6
0.1UF
0.1UF
TEST_POINT
0.1UF
0.1UF
0.1UF
OMAP_VPPM6
C6501M6
C6502M6
C6505M6
C6509M6
C6512M6
OMAP_VDD_DLL
1
EMIFF DECOUPLING
V_1.4_CORE
0.1UF
1UF
0.1UF
0.1UF
0.1UF
0.1UF
C6524M6
C6510M6
C6506M6
C6504M6
C6595M6
UNSW_B+
IN
C6508M6
DNP
22K
NTHS5441
2.2UF
0
TEST_POINT
R6506M6
F_UNSW_B+M6 Q6501M6
C6534M6
R6504M6
V_EXT_1.85
UNSW_B+
FET_ENX
1
5
4
8
7
6
3
2
1
SW_B+
V_SAVE
VRTC
5.6PF
10UF 32.768KHZ
SOCKET
0.1UF
5.6PF
2K
C6541M6
Y6502M6
C6537M6
M6502M6
C6593M6
R6505M6
C6590M6
V_COIN_CELL
MAKO_XTAL_32K_IN
MAKO_XTAL_32K_OUT
12
12
2.2UF
C6538M6
V_BAT_7V5
V_SW_1.4V_1.85_IO V_1.4_CORE
1UF
330PF 330PF 1UF
C6530M6
E6502M6
C6521M6
C6514M6
E6501M6
C6503M6
V_EXT_1.85
0.1UF
0.1UF
0.1UF
0.1UF
1UF
1UF
1UF
1UF
0.1UF
1UF
0.1UF
0.1UF
1UF
0.1UF
1UF
0.1UF
C6513M6
C6515M6
C6518M6
C6522M6
C6520M6
C6523M6
C6526M6
C6528M6
C6529M6
C6511M6
C6507M6
C6519M6
C6517M6
C6532M6
C6516M6
C6533M6
OMAP_VDD4
OMAP_VDDA
Y
NC
VCC
GND
B
A
NC
V_2.775D
NC7SP08 4.7K
22PF
DNP
0100PF
R6577M6
U6509M6 C6535M6
C6596M6
R6533M6
24_MHZ_CLK 4
6
5
3
2
1
VIN
NC1
GND
VOUT
NC2 NC
NC
MC78LC
10K
.33UF
U6511M6
R6576M6
C6594M6
V9_3.0A
32
54
1
BAT54HT1G
0
TEST_POINT
DNP
DNP
DNP
DNP
10K
R6507M6
D6501M6
TP6210M6
MAKO_INT_XM6
MAKO_RESET_XM6
R6525M6
EMERG_BTN_X
TOP_BUTTON
ON_OFF_SWITCH
MAKO_RESETX
MAKO_INT
1
1
1
21
IN
IN
1000PF
0
2.2UF C6539M6
C6540M6
R6591M6 NC
NC
NC
B1
C1
A12
A13
C2
D4
M1
B3
C5
D3
E4
D5
B4
G4
F5
E2
F4
B2
F3
D1
D2
IN
GND1
GND
OUT
24.576MHZ
TZ0281D
18PF
C6536M6
Y6501M6
MAKO_TCXO_24MHZ_OUT
MAKO_TCXO_24MHZ_IN
V_EXT_1.85
13
4
2
VCC
GND
V_SAVE
V_SW_5
10K
0
DNP
TEST_POINT
NL17SZ32
0.1UF
4.7K
2.2PF
47K
18PF
100K
0.1UF
R6578M6
C6591M6
R6574M6
C6592M6
TP6599M6
R6598M6
C6572M6
U6510M6
C6542M6
R6508M6
1
53
R6599M6
EN
FB
LBI
SYNC
VIN1
VINA
GND1
GND2
PGND1
PGND2
AGND
LBO
SW1
PG
VIN2
CTGND
SW2
1UF
TPS62110
U6505M6
C6559M6
8
3
2
5
15
14
16
1
13
6
7
12
11
10
4
17
9
DNP
NL17SZ32
121K
0
0
8.2K
R6537M6
R6538M6
U6510M6
R6534M6
R6543M6
BGAP_COMP
PA_SHTDN
SW1_VOUT
2
1
4
SWITCHER 5
475K
10PF
C6562M6
R6540M6
V_SW_5
SW_B+
330PF
2.2UF
330PF
10UF
100K
10UF
10UH
C6567M6
C6566M6
C6565M6
R6545M6
C6549M6
L6504M6
C6551M6
SW5_VOUT_UNFILT
V_SW_5
NTHS5441
Q6505M6
5
4
8
7
6
3
2
1
100K
2SK3541
R6541M6
Q6506M6
VBUS_SUPPLY_ON
VSW5_ISO_FET_EN
2
1
3
VBUS2
4.7UF
2SK3541
200
10K
SSM6J212FE
91K
.1UF
10K
R6535M6
C6557M6
Q6504M6
R6536M6
C6555M6
R6531M6
Q6508M6
R6584M6
VBUS2_SUPPLY
CRNTLMT_DIV_OPT
CRNTLMT_FB
USB_CRNT_LMT
4
3
6
5
2
1
2
1
3
ENABLE
V_NEG
V_POS
IN_NEG
200
0.1UF
OPA363IDBV
.2
C6554M6
R6530M6
R6529M6
U6503M6
5V_PWM_EN
VBUS2_ISENSE 1
6
2
3
4
5
IN_POS
VOUT
V_SW_5
SW_B+
10UF
4.7K
100K
.1UF
390
R6528M6
C6552M6
C6550M6
R6519M6
R6517M6
PGLDO3
V10_O
V10_I
V09_O
V07_O
V06_O
VBUS1_CMD
VBUS1_SENS
VBUS1
VBUS2
VBUS2_CMD
VBUS2_SENS
TCXO_IN
GND5
GND6
GND7
GND8
GND9
NC4
NC3
TCXO_SEL_16_24
NC2
XOUT
XIN
SW5_VDD
V04_O
V03_O
V02_O
V08_O
V08_I
V10_GND
GND2
GND3
GND4
NC5
SW1_DH
SW1_PHASE
SW1_VOUT
SW1_GND
SW1_VDDHV
SW1_VSEN_BUK
SW1_VSEN_BST
SW1_SUMCOMP_DL
PGLDO2
RESETX
GATED_32K_CLK
INT_X
HV_BG
FET_ENX
EMERG_PB
MECH_SW
SW_TYPE
IGN_X
VSAVE
SW2_GND
NC6
VBUS_SUPPLY
BAT_RTC
SW2_VOUT
SW2_LX
SW2_VCCS
SW2_VCC
SW5_VOUT
SW5_PHASE
SW5_SUMCOMP
SW5_VSENSE
SW5_VDDHV
SW1_VDD
NC1
BAT_7V5
BAT_3V6
REG_3V6
BAT_TYPE
XTAL32_OUT
XTAL32_IN
GND1
NC
NC
NC
NC
NC
NC
NC
.1UF
10K
10K
AT56H09
0
0
DNP
4.7K
0
1UF
R6579M6
R6514M6
C6545M6
C6548M6
R6515M6
R6518M6
R6513M6
R6511M6
SW1_VDD_1
SW5_VOUT
V2_1.875
V4_2.775D
SW1_VOUT
V9_3.0A
V7_2.8
V6_2.775
V3_1.55
SW5_SUMPCOMP
V8_5.0A
V10_3.3
SW5_PHASE
B13
F11
C13
D12
E12
C14
H10
M6
J10
L9
L1
K4
K3
P6
P3
N5
P4
N4
E14
F12
F13
D13
E13
G11
J13
K14
J12
J14
L14
H11
J11
H12
G12
G13
G14
F14
H14
H13
A2
C3
B14
M5
P14
P1
A14
A1
D9
H5
D14
L4
K9
G5
J4
M7
P5
NC
NC
1K
0
R6520M6
R6516M6
MAKO POWER
V_SAVE
U6501M6
SWITCHER 1
SW_B+
2.2UF
100PF
330PF
C6589M6
C6556M6
C6588M6
330PF
10UF
0
C6553M6
R6524M6
C6547M6
EXTERNAL SWITCHER 3.50V SWR1
0
10UH
6.8PF
10UF 330PF
10UF
475K
C6564M6
R6542M6
R6539M6
C6558M6
C6561M6
C6560M6
L6502M6
V_SW_3.60
V_SW_3.60
OUT
EN PG
VIN
FB
GND
LBI
SYNC
PGND
SW
LBO
TPS62050
U6504M6 1
7
9
10
4
26
3
5
8
0.1UF
78.7K
22K
0
DNP 0
R6527M6
R6523M6
C6546M6
R6526M6
R6532M6
V_2.23
CHASIS GROUND CONTACT
TEST_POINT
F_GNDM6
1
V_1.4_CORE
10
1UF 0.1UF
10
10
0.1UF
R6503M6
C6531M6
R6502M6
C6527M6
C6525M6
R6501M6
OMAP_VDDA
OMAP_VDD4
OMAP_VDD_DLL VBUS1
.2
12K
SSM6J212FE
0.1UF
.1UF
2SC5663
100K
R6521M6
Q6502M6
C6543M6
R6509M6
U6502M6
C6544M6
R6583M6
VBUS2_CMD
VBUS1_SUPPLY
4
3
6
5
2
1
23
1
EXTERNAL 2.23 LDO
IN
EN
GND
OUT
NR_FB
V_2.23
1UF
39K
TPS73601
0
33K C6573M6
R6551M6
R6550M6
U6506M6
R6546M6
V_SW_3.60
5
4
1
2
3
EXTERNAL SWITCHER 1.4V
EN PG
VIN
FB
GND
LBI
SYNC
PGND
SW
LBO
SW_B+
V_SW_1.4
V_1.55
10UF
100K
4.7UF
0
301K
0
330PF
6.8PF
0
DNP
10UH
10UF
TPS62050
165K
C6586M6
C6584M6
R6568M6
C6582M6
L6505M6
U6507M6
R6558M6
R6552M6
R6547M6
C6569M6
R6544M6
R6548M6
C6570M6
SW1V4_FB
VCC_SW1.4_VIN
1
7
9
10
4
26
3
5
8
LDO 1.85V
VEN
VIN2 ADJ
GND
CTGND
00
.1UF
LP38693SD
2.2UF
10K
4.75K
R6570M6
U6508M6
R6522M6
R6512M6
R6510M6
C6568M6
C6563M6
BGAP_COMP V_EXT_1.85
V_EXT_1.85
V_SW_3.60
V_SW_3.60
5
6
1
3
2
G1
4OUT
VOUT
VIN1
V6_2.775
V8_5.0A
V10_3.3
V2_1.875
V3_1.55
V4_2.775D
V7_2.8
V9_3.0A
1.875 DISCHARGE CKT
D1
G2
S2
G1
D2
S1
V_SAVE
47K
SSM6N36FE
Q6507M6
R6580M6
4
5
6
100
R6581M6
MAKO_RESETX
1
2
3
MAKO LDOS
PLACE CLOSE TO MAKO
1UF
1UF
2.2UF
1UF
1UF
4.7K
2.2UF
1UF
1UF
C6581M6
C6580M6
C6579M6
C6578M6
C6577M6
C6576M6
C6575M6
C6574M6
R6582M6
V_2.775D
V_5.0A
V_2.775_EXP
V_3.3
V_3.0A
V_1.55
0
0
0
0
0
0
0
R6561M6
R6562M6
R6563M6
R6564M6
R6565M6
R6566M6
R6567M6
V_2.8_RF
V_2.8_RF OUT

8-144 Schematics, Boards Overlays, and Parts Lists: Main Board Block: VHF (84012512001_A)
Figure 8-89. Serial Interface Circuit
12MHZ CLOCK
IN
GND1
GND
OUT
18PF
18PF
12MHZ
C6602M6
C6601M6
Y6601M6
12MHZ_OMAP_IN
13
42
12MHZ_OMAP_OUT
AA13
V13
W3
Y2
P14
P13
V_1.4_CORE
10K
R6601M6
32K_CPLD_CLK
OMAP_OSK32K_IN_PU
TEST_POINT
TP6601M6
USB_INT_X
F2_TIMER_PARAMP
TRIDENT_SPI_CS
MIDDLE_SIDE_BUTTON
OPT_GPIO2
OPT_GPIO1
T_DISP_SPI_CS
CODEC_SPI_CS
ABACUS_SPI_CS
OPT_GPIO_0
UART2_GPS_TX
1
OUT
OUT
IN
OUT
OUT
GPIO_43
MCBSP1_BCLK
MCBSP1_SYNC
MCBSP1_DIN
MCBSP1_DOUT
USB0_TXEN
USB0_DAT
USB0_SE0
USB1_TXEN
USB1_DAT
USB1_SE0
USB2_TXEN
USB2_DAT
USB2_SE0
MPUIO_5
UART1_TX
UART1_RX
UART1_RTS
UART1_CTS
UART3_TX
UART3_RX
GPIO_11
GPIO_60
GPIO_16
GPIO_59
GPIO_5
GPIO_36
OSC1_IN
OSC1_OUT
CLK32K_IN
OSC32K_IN
OSC32K_OUT
SPI_DI
SPI_DO
SPI_CS3
SPI_CS2
SPI_CS1
SPI_CS0
GPIO_56
SPI_CLK
OMAP1710
U6302M6
W9
W5
V6
W16
R13
W14
W4
R8
P9
M18
L14
Y14
V14
AA15
R14
W21
U18
P15
T19
N15
N14
U19
T20
H15
H18
H20
G21
M8
L3
V15
Y12
Y1
N20
P3
MCBSP1
SP1
OSCILLATOR
CRYSTAL
ONE WIRE
GCA/GPIO
GPIO
UART
USB
4
2
TEST_POINT
1
0
3
DNP
2
0
MPU_IO_12M6
1
22
0
33
2
1
R6606M6
R6605M6
USB1<2..0>
SSI_OMAP_FSYNC
SSI_BLACK_RX
SPI_ARM_MISO
SSI_BLACK_TX
SPI_ARM_MOSI
MAKO_SPI_CS
USB0<2..0>
0
1
2
SPI_DSP_MOSI
SPI_ARM_CLK
SPI_DSP_MISO
SPI_DSP_CLK
OUT
10K
2
3
1
0
4
R6618M6
V_EXT_1.85
OPTION_INTX
RS232<4..0>
10K
100K
R6609M6
R6608M6
V_EXT_1.85
10K
10K
R6619M6
R6617M6
CHANGES MADE:
REMOVE PA_SHTDN FROM M8
NC
NC
NC
NC
NC
NC
NC
NC
NC
NC
NC
NC
NC
1
2
0
2K
1
2
1
1
2
0
0
0
R6616M6
SSI_RED_RX_CODEC
V_EXT_1.85
E7
M4
B7
A7
D7
C10
C9
A9
B9
D8
B8
C8
N3
E9
A10
J5
K6
C6
B6
D6
E6
N8
N2
P2
M3
A8
B12
D11
G10
C11
F10
L7
A6
B10
D10
E11
C12
C7
B5
A5
L5
OUT
AT56H09
U6501M6
10K
R6602M6
OUT
OUT
IO
MAKO_INT
RF_DAC_SPI_CS
SPI_DSP<2..0>
SPI_ARM<2..0>
SSI_SAP<3..0>
SSI_MAKO_FSYNC
LOCK_DET
SSI_OMAP_FSYNC
SSI_OMAP_CLK
SSI_OMAP_CLK
SSI_MAKO_CLK
0
1
2
120
13PF DNP
C6670M6
R6604M6
NC
USB_CONNECT
USB2_DM
USB1_DP
OPTA_SEL0
TXDO_BDI_5V
RXDIN_5V
RTS_FILLSEN_5V
CTS_CABLE_DET_5V
OPTA_SEL1
SB96_BUS_BUSY
SB96_BDO_KF_5V
ONE_WIRE_1
ONE_WIRE_2
ONE_WIRE_BATT
USB2_DP
CTS_X
UART2_RXD_OD
UART2_TXD
APCO
RS232_USB_X
BOOT_NORM_X
CABLE_DET_3V
BUSY_OUT
BUSY_IN
RTS_FILLSEN_3V
RXDIN_ENC_3V
TXDO_BDI_ENC_3V
USB1_OE
TXDO_BDI_UP_3V
RXDIN_3V
USB_INTX
BBP_SYNC
BBP_CLK
ONE_WIRE_UP
SB96D_BDO_KF_3V
OPT_GPIO0
OPT_GPIO3
OPT_GPIO2
OPT_GPIO1
USB1_DAT_TXD
USB1_SE0
USB2_OE_RCV_RTS
USB2_DAT_VP
USB2_SE0_VM_RXD
VC_DCLK
SPI_DI
SPI_CS
SPI_CLK
LOGIC_VDD
UCM_SS
VC_RX
VC_TX3V
VC_TX
OPTION_INTX
SPI_DO
OPTA_SEL2
OPTA_SEL3
OPTB_SEL0
OPTB_SEL1
OPTB_SEL2
OPTB_SEL3
VC_FSYNC
USB1_DM
NC
M10
P13
P7
L6
N7
P8
N6
N13
N9
N12
M11
N11
P12
K8
P11
N10
M9
K7
P10
L8
M8
P9
V_5.0A
4.7K
R6621M6
27
27
27
27
R6623M6
R6622M6
R6625M6
R6624M6
MAKO_USB1_NEG_DP
MAKO_USB1_POS_DP
MAKO_USB2_POS_DP
MAKO_USB2_NEG_DP
BATT_STATUS
VBUS_SUPPLY_ON
RXDIN_5V
RTS_FILLSEN_5V
ONE_WIRE_GCAI
MAKO_OPTB_SEL1_GCAI
MAKO_OPTB_SEL2_GCAI
MAKO_OPTB_SEL3_GCAI
MAKO_OPTB_SEL0_GCAI
IO
IO
IO
IO
IO
IO
IO
IO
IO
IO
IO
UART BOOT
Y
NC
VCC
GND
B
A
TEST_POINT
DNP
10K
NC7SP08
U6601M6 R6626M6
F_BOOT_RXM6
V_EXT_1.85
V_EXT_1.85
OMAP_BOOT_RX
4
6
5
3
2
1
1
TEST_POINT
DNP
F_BOOT_TXM6
1

Schematics, Boards Overlays, and Parts Lists: Main Board Block: VHF (84012512001_A) 8-145
Figure 8-90. Secure Circuit
MACE
VCC_1.85
0
R6705M6
V_EXT_1.85
4MHZ_MACE_CLK
N2
P2
F13
G13
G14
H12
L12
L13
M13
M14
N12
L14
P6
P5
L4
C11
D11
M3
M2
C8
B13
A13
D10
D8
D14
B14
P8
M7
D12
L6
P3
N8
L10
P12
P13
N14
K11
K14
K13
J14
J13
J12
H14
H13
E12
B9
H11
D9
B10
P14
B11
P7
A8
A9
A12
NC
NC
NC
NC
NC
NC
NC
NC
NC
1000PF
13
CONT_1.875
14
12
.01UF 11
1.2K
10
9
8
7
6
1MEG
R2507M6
R2505M6
C2506M6
C2504M6
MACE_PLLRC
KEY_ZEROIZE
NC
VCC_1.85
ETM(1:14)
IO
10K
47K
DNP
10K
47K
47K
R2503M6
R6701M6
R6702M6
R6703M6
R6704M6
SSI_OPT_CLK
SSI_MACE_TX_DIN
SSI_OPT_FSYNC
MACE_TDI
MACE_RESET
MACE_WAKEUP
MACE_NTRST
MACE_TMS
MACE_TCK
NC
NC
NC
NC
VCC_1.85
DNP
DNP
10K
ENC_JTAGSEL0M6
ENC_JTAGSEL1M6
R2508M6
1
1
VCC_1.85
DNP
100K
TEST_POINT
DNP
TEST_POINT
ENC_UART_RXM6ENC_UART_TXM6
R2501M6
KEYFAIL
SSI_BLACK_RX
ENC_UART_TX
SSI_BLACK_TX_MACE
1
1
IN
DNP
TP2502M6 1
DNP
DNP
DNP
DNP
TP6702M6
TP6704M6
TP6703M6
TP6701M6
1
1
1
1
OUT
IN
IN
IN
P4
P1
N13
N5
M11
L7
J11
J1
E13
C7
B12
F4
B3
N9
M5
C10
D3
G11
B5
N3
NC
NC
NC
NC
NC
NC
VDDIOM1
VDDIOM2
VDDIOM3
VDDIOM4
VDDIOM5
VDDOSC
VDDC1
VDDC2
VDDC3
VDDC4
VDDC5
VDDC6
VDDIOP7
VDDIOP6
VDDIOP5
VDDIOP4
VDDIOP1
VDDIOP2
VDD1OP3
N10
G12
M12
H4
F3
C6
A1
C12
E3
F1
N4
M8
K12
B8
K3
N6
L9
A10
F14
A5
E4
E11
C13
D13
E14
F12
M6
N7
A14
A11
L5
F11
C14
C9
L8
P9
M9
P10
N11
P11
M10
L11
B6
D6
A6
D7
B7
A7
M1
L3
N1
D5
B4
A4
C5
A3
C4
A2
B2
B1
C3
D4
C1
C2
D2
D1
E1
M4
E2
F2
G1
G2
G4
G3
H1
H2
H3
J2
J4
J3
K1
K2
K4
L2
L1
TMS
XIN32
PA0_TSYNC_PCK1
PA1_TPK0
PA2_TPK1
PA3_TPK2
PA4_TPK3_DTR1
PA5_TPK4_DSR1
PA6_TPK5_DCD1
PA7_TPK6_RI1
PA8_TPK7_SCK1
PA9_TPK8_RTS1
PA10_TPK9_CTS1
PA11_TPK10_TXD1
PA12_TPK11_RXD1
PA13_TPK12
PA14_TPK13
PA15_TPK14_PCK0
TCK
VDDBU
TPR0
TPR1
FIQ
PA19_TK1_RK1_SPCK
PA18_RD1_MOSI
PA20_TF1_RF1_NPCS
NRST
IRQ1
IRQ0
NCS5
NCS6
PA29_NCS7
TDI
NTRST
NCS4
NCS3
NCS2
NCS1
PLLRC
A17
A16
A15
A14
NRD
NWR1_NBS1
A18
A1
A2
A3
A4
A5
A6
A7
A8
A9
A10
A11
A12
A13
NCS0
RTCK
JTGSEL0
JTGSEL1
LCK0
GNDIO7
GNDIO6
GNDIO5
GNDIO4
GNDIO3
GNDIO2
GNDIO1
GNDC1
GNDIO12
GNDIO11
GNDIO10
GNDIO9
GNDIO8
GNDBU
GNDOSC
GNDC6
GNDC5
GNDC4
GNDC3
GNDC2
A19
D0
D1
D2
D3
D4
D5
D6
D7
D8
D9
D10
D11
D12
D13
D14
D15
XOUT
KYLD
XIN
TDO
LCK1
PA27_TWD
PA28_TWCK
PA17_TD1_MISO
PA16_TPK15_PCK1
XOUT32
TCLK
TPS0
TPS1
TPS2
TST0
TST1
ALARM
PB1_DRXD
PB0_DTXD
PA22_IRQ2_NWR0_NWE
SCK0
RXD0
CTS0
TXD0
TD0
RD0
TK0
RK0
TF0
RF0
TD2
PA23_TD3_A0_NBS0
RD2
TK2_RK2
TF2_RF2
PA21_PCK0_NWAIT
PA26_TF3_RF3_A21
PA25_TK3_RK3
PA24_RD3_A20
NC
VDD_IOP
AT8358890
U2510M6
RTS0
VCC_1.85VCC_1.85 VCC_1.85
VDD_IOM
0
0
0
R2512M6
R2511M6
R2509M6
VDDC
DNP
0
DNP
R2515M6
TP_MACE_NRDM6
1
0
2K
R2516M6
R2513M6
HIGH_SECURE_DATA_GATE
SSI_OPT_FSYNC
NC
NC
NC
NC
NC
NC
NC
NC
NC
NC
NC
NC
NC
NC
NC
NC
NC
NC
NC
NC
NC
NC
NC
NC
NC
NC
NC
NC
NC
NC
NC
NC
NC
NC
NC
NC
VCC_1.85
1K
DNP
10K
R2517M6
TP6705M6
R6706M6
ETM(1:14)
OUT
IO
OUT
1
2
03
5
4
R2560M6
TX_INHIBIT
SSI_RED_RX_MACE
MACE_TDO
1
NC
NC
NC
NC
NC
SSI_BLACK_TX_MACE
0DNP
R2514M6
SECURE_HIGH_NORM
HIGH_SECURE_DATA_GATE
CONT LDO
NC
VIN
NC1
GND
VOUT
NC2 NC
MC78LC CONT_1.875
0.1UF
U2525M6
C2520M6
V_COMP 32
54
1
0.1UF
C2528M6
KEY RETENTION DELAY
BAS116LT1
D2521M6
V_SAVE
VRTC
13
2
LMC7215
0.1UF
10MEG
C2527M6
R2523M6
U2526M6
V_COMP
52
1
3
4
2.2UF
1MEG
10
10MEG
R2524M6
R2522M6
R2519M6
C2518M6
BYPASS CAPS
VDD_IOM
0.1UF
0.1UF 0.1UF 0.1UF 0.1UF
C2550M6C2546M6C2543M6C2540M6C2536M6
VDD_IOP
0.1UF0.1UF 0.1UF 0.1UF 0.1UF 0.1UF 0.1UF
C2553M6C2551M6C2548M6C2544M6C2541M6C2538M6C2534M6
VDDC
0.1UF 0.1UF 0.1UF 0.1UF 0.1UF0.1UF0.1UF
C2554M6C2552M6C2549M6C2545M6C2542M6C2539M6C2535M6
TAMPER POGO PIN G2
S2
G1
S1
NC
NC 4
1
5
2
M2533M6
RST_OUT
1
IN
KEYZEROIZE CKT
D2
D1
NC
3
6
0.1UF
SI1024X_T1_E3
C2555M6
Q2547M6
KEY_ZEROIZE
0.1UF
0.1UF
C2532M6
C2531M6
CONT_1.875
200K
200K
R2530M6
R2529M6
TOP_SIDE_BUTTON
TOP_BUTTON
G2
S2
G1
S1
D2
D1
SI1024X_T1_E3
Q2537M6
4
1
5
2
3
6

8-146 Schematics, Boards Overlays, and Parts Lists: Main Board Block: VHF (84012512001_A)
Figure 8-91. Transceiver (RF) Board Layout – Top Side
12
M6502M6
TP2413M3
TP6102M6
F_BOOT_RXM6
TP2414M3
F_VREF_1.875VM2
F_UNSW_B+M6
TP2416M3
SPKR+M2
F_BOOT_TXM6
TP6210M6
SPKR-M2
F_GCAI_1WIREM2
F_GCAI_USB-M2
F_MPU_BOOTM6
F_GCAI_USB+M2
TP2417M3
TP1301M3
TP2415M3
F_GNDM6 F_VBUS2M2
GPIO0M2
TP2466M3
R20
TP1
R2
TP2
M1302M3 M1301M3
2
3
4
R1338M3
R1337M3
J1301M3
L1308M3
C1339M3
C2229M2 C2227M2
G1 G2
G3
11
G4
12
2
J2M2
E2205M2
E2202M2
E2204M2
E2203M2
C2228M2C2226M2
R1198M11
3
6
4
R1105M11
SH8
L1101M11
R1106M11
R1168M11
R1104M11
C1113M11
C1110M11
U1149M11
R1116M11
R1117M11
L1305M3
C1302M3
U1106M11
R1112M11
C1107M11
C1105M11
L1316M3
R1115M11
R1114M11
C1317M3
C1315M3
C1318M3
C1314M3
L1102M11
R1107M11
L1117M11
C1122M11
C1203M17
C2704M13
L1203M17
C1221M17
C1204M17
C1207M17 C1220M17
L1211M17
L1209M17
C1227M17
C1226M17
C1222M17
C1125M11
C1104M11
C1142M11
R1301M3
L909M16
L907M16
L906M16
L910M16
SH12
L908M16
C922M16
C921M16
C920M16
R906M16
C927M16
C919M16
C918M16
C933M16
C925M16
C928M16
C923M16
C924M16
34
4
6
5
3
4
3
5
3
2
U2702M13
R2702M13
C2705M13
C2706M13
U2701M13
C2707M13
D2701M13
R2701M13
C2708M13
R2705M13
R2704M13
D2702M13
SH10
C2702M13
C2701M13
R2703M13
L2701M13
C2709M13
Q2701M13
L2702M13
R2706M13
C2703M13 D2703M13
3
4
6
54
63
2
FL502M21
SH1
L513M21
R512M21
L503M21
R526M21
C515M21
C533M21
C514M21
T507M21
L504M21
C532M21
10 976
12 4
3
4
6
3
C503M21
L501M21
T506M21
C508M21
R525M21
C516M21
C551M21
C504M21
R317M20
R502M21
C507M21
C506M21
R316M20
L550M21
C550M21
U507M21
C511M21
SH2
L329M20
C369M20
C368M20
C509M21
C502M21
C500M21
C510M21
C501M21
R500M21
C505M21
C512M21
L500M21
C205M12
R728M7
R710M7
R711M7
C727M7
Q731M7
R736M7
R734M7
C722M7
C701M7
C749M7
C823M7
TP737M7
L709M7
C708M7
L758M7
R730M7
R706M7
C733M7
C705M7
C735M7
C703M7
R701M7
C756M7
R705M7
6
L11
3
A11
4
L1
C707M7
R708M7
C713M7
R722M7
C721M7
R723M7
U702M7
L738M7
C757M7
C737M7
C720M7
C709M7
L727M7
C730M7
C726M7
C714M7
C706M7
C716M7 L733M7
R721M7
C715M7
C704M7
C702M7
C718M7
D722M7
L720M7
6
4
34
3
2
2
3
L753M7
C712M7
C754M7
C710M7
C711M7
C744M7
U746M7
R745M7
C750M7
L741M7
R743M7
C742M7
R751M7
C752M7
C739M7
SH6
TP701M7
Y701M7
C732M7
R729M7
C734M7
C736M7
L728M7
R702M7
C731M7
L735M7
C725M7
C719M7
C717M7
C724M7
D723M7
R4005M2
C2334M2
D2304M2
C2338M2
C2336M2
C2115M2
C2331M2
C2337M2
C2335M2
R4006M2
R4007M2
C2333M2
D3M2
R2362M2
C2339M2
C2340M2
C2341M2
R2364M2
C2342M2
24
G3
G423 G2
G1
2
R2363M2
C2344M2
R2361M2
R2358M2
C2343M2
D2305M2
D2306M2
D2307M2
R2357M2
E2312M2
E2314M2
E2315M2
E2316M2
E2317M2
E2318M2
E2319M2
E2320M2
J1M2
E2313M2
E2321M2
R2359M2
R2356M2
R2360M2
C2332M2
D2101M2
D1M2
D2M2
4 3
5
C3
C1
A3
B1
A2
3
4
58
10 6
5
6
4
U1128M11
C210M12
R1146M11
C212M12
U1150M11
D200M12
U200M12
C1127M11
C1124M11
U1130M11
R1145M11
R1144M11
R1143M11
R1121M11
U1125M11
U203M12
U202M12
C1161M11
C209M12
R1122M11
C215M12
C216M12 C1160M11
C204M12
C206M12
C1165M11
A2 D2
D1
A2 D2
D1
R1202M11
U1137M11
C1116M11
C1171M11 C1170M11
C1168M11
C1164M11
C1163M11
U1138M11
C1167M11
R1101M11
43
6
4 3
5
A2 D2
D1
R1180M11
U1139M11
C1123M11
R1182M11 R1136M11
U1127M11
U1142M11
R1178M11
U1146M11
A2
C2
C1
34
C1128M11
C1166M11
R1135M11
SH14
U1126M11
C1169M11
U1147M11
R1137M11
C1140M11
5
L604M19 R606M19
R605M19
C625M19
C646M19
C631M19
C630M19
C627M19
2
U602M19
SH4
R609M19
R612M19
R613M19
C640M19
C639M19
C638M19
VR602M19
R602M19
C619M19
C618M19
C609M19
C608M19
H1
3
46
U6105M6
R6103M6
R6119M6
R6606M6
MAKO_
INT_XM6
R6121M6
R6120M6
R6107M6
C6105M6
R6104M6
TP6101M6
R6106M6
C6110M6
C6109M6
D6101M6
5
3
4
E2248M2
E2249M2 U6510M6
C6572M6
12
18
R2255M2 U2205M2
R2245M2
R2235M2
R2207M2
R2246M2
R2244M2
E2247M2
R2198M2
C2224M2
R2257M2
R2256M2
E2207M2
E2201M2
C2203M2
C2225M2 E2206M2
2
34
8
5
4
2
3
3
6
4
6
1
6
34
6
34
6
4
3
R1333M3
C1316M3
U1334M3
R2117M2
R2111M2
C2104M2
R2254M2
R2106M2
U2202M2
R2206M2
R2201M2
R2204M2
C2202M2
TP6308M6
TP6303M6
C6503M6
D6501M6
D4001M2
R6507M6
R2120M2
C6568M6
R2114M2
E6501M6
R6570M6
R2113M2
R6522M6
U6508M6
R2199M2
R2197M2
R2107M2
U2101M2
R6510M6
R2109M2
C2114M2
M2
C6563M6
C1340M3
U1335M3
U2102M2
R2118M2
R2116M2
R2115M2
R2110M2
C2201M2
Q2202M2
C2223M2
A21
C6304M6
E6502M6
C6303M6
C6301M6
C6521M6
C6530M6
TP6305M6
C6516M6
C6519M6
C6517M6
TP6304M6
C6306M6
C6305M6
C6529M6
C6510M6
C6509M6
TP6306M6
R6301M6
TP6307M6
U6301M6
R6503M6
C6531M6
C6523M6
C6302M6
C6508M6
C6506M6
C6595M6
R6512M6 C6518M6
C6514M6
3
2
4
AA21
C6524M6
TP6301M6
R6605M6
C6585M6
C6513M6
C6515M6
R6205M6
R6212M6
R6213M6
R6602M6
R6208M6
R6209M6
C6507M6
C6587M6
R6502M6
R6419M6
C6527M6
U6404M6
R6218M6
C6201M6
C6409M6
R6217M6
C6511M6
R2813
R2803
R2810
C6532M6
R6601M6
R6616M6
C6501M6
C6520M6
C6583M6
U6302M6 C6504M6
4
5
3
U6201M6
R6204M6
R6215M6
R2104M2
R2105M2
C6602M6
3
2
4
R6211M6
R6206M6
R2805
R2811
C6202M6
C6203M6
R2812
R6207M6
R2808
R2804
R2807
R2806
C2806
Y6601M6
R2476M3
R2477M3
U6104M6
R6118M6
R2817
R2441M3
C2451M3
A8 45
4
4
8
6
6
AA1
3
C6571M6
C6533M6
C6528M6
OMAP_VPPM6
R6313M6
R6312M6
C6505M6
C6526M6
C6512M6
R2408M3
C2474M3
C6502M6
TP6601M6
C6525M6
C6522M6
R6306M6
R6501M6
R6314M6
C6308M6
TP6302M6
R6316M6
R6311M6
R6310M6
C6556M6
C6601M6
U6103M6
R6102M6
Q6501M6
2
1
M1
3
23
4
MPU_
IO_12M6
R2435M3
Y2475M3
R6210M6
C6588M6
C2450M3
R2412M3
M1
R6304M6
C6309M6
C6311M6
R6504M6
R2406M3
C6534M6
C6589M6
C2415M3
C6593M6
R2405M3
R2442M3
C2452M3
P14 A14
P1
H8
R6122M6
R6604M6
C6310M6
C6111M6
C6670M6
R6115M6
R6114M6
R6105M6
C6115M6
U6101M6
U6304M6
R2451M3
43
5
U2412M3
R2478M3
C2473M3
U2411M3
R2474M3
C2457M3
C2454M3
TP2419M3
TP2450M3
TP2451M3
TP2452M3
TP2453M3
U2415M3
8
912
13
5
4
16
R2475M3
U2403M3
R2419M3
C2465M3
R2492M3
R2404M3
R2457M3
C2475M3
R2414M3
A2 D2
D1 A2 D2
D1
TP2435M3
R1312M3
R2489M3
TP2436M3
C2458M3
R2444M3
R2495M3
R2453M3
R2458M3
C2438M3
C2444M3
C2455M3
C2456M3
U2406M3
TP2437M3
R2456M3
R2461M3
U2409M3
A2 D2
D1
R2473M3
C2448M3
U2410M3
R2490M3
C2441M3
C2447M3
C2453M3
R2460M3
R2467M3
C2445M3
C2439M3
R2455M3
C2446M3
R2488M3
C2440M3
C2482M3
C2469M3
A2
D1
D2
D2
D1
A2
C2464M3
U2407M3
R2436M3
TP1311M3
C2468M3
R2454M3
R2459M3
C2467M3
J1
A2
A2
D2
D1
D2
D1
J9
R1319M3
R2486M3
R2496M3
C2442M3
R2416M3
R2465M3
U2414M3
C2483M3
U2413M3
U2408M3
R2437M3
R2472M3
U2473M3
R2479M3
M12 A12
R2480M3
C2471M3
C2470M3 R2484M3
C2480M3 R2487M3
R2481M3
R2485M3
R2491M3
C2472M3
C2417M3
45
2
36
7
8
C2414M3
TP6107M6
C2416M3
C2459M3
U2402M3
A9
C2443M3
C2461M3
C2463M3
R1314M3
R2450M3
C2462M3
C2466M3
R6101M6
R6125M6
C6108M6
C6106M6
R6116M6
R6110M6
R6109M6
R2469M3
C6112M6
R2418M3
R2470M3
R2471M3
C2460M3
SH16
D2
D1 A2
TP6105M6
MAKO_RESET_XM6
R6113M6
C6114M6
C6113M6
C6107M6
C6155M6
TP6106M6
R1316M3
R1324M3R1328M3
R1327M3
R2443M3
R6112M6
R6111M6
R6108M6
C6156M6
C2477M3
C2479M3
R2407M3
U2478M3
6

Schematics, Boards Overlays, and Parts Lists: Main Board Block: VHF (84012512001_A) 8-147
Figure 8-92. Transceiver (RF) Board Layout – Bottom Side
2
5
3
4
J102M11
5
4 3
5
4
3
5
34
C1157M11
U1121M11
R1167M11
R1128M11
R1127M11
R1125M11
R1126M11
C1120M11
C1162M11
R1166M11
U1114M11
R1164M11
R1165M11
C1119M11
U1113M11
A2
5
2
3
3
C2
C1
4
U1119M11
Q1101M11
U1148M11
C1159M11
L10
4
3
2
A10
FL1302M3
C1323M3
C1313M3
C1336M3
C1335M3
C1334M3
C1328M3
U1301M3
C1337M3
L1
23
4
R1320M3
R1307M3
R1322M3
R1304M3
R1302M3
TP1303M3
R1323M3 R1306M3
R1332M3
C1326M3
C1327M3
C1332M3
R1340M3
R1331M3
R1329M3
R1325M3
R1308M3
C1312M3
C1333M3
Y1304M3
R1313M3
C1310M3
C1306M3
C1319M3
L1301M3
C1320M3
C1311M3
C1330M3
C1321M3
C1376M3
R1305M3
6 4
3
A2
B1
R1318M3
R1317M3
C1331M3
C1329M3
L1306M3
TP1304M3
R1315M3
SH3
FL1303M3
R1311M3
U1305M3
L1303M3
R1303M3
C1301M3
C1324M3
C1303M3
C1325M3
R1310M3
R1309M3
C1322M3
C1309M3
C1308M3
C1307M3
C1304M3
U1304M3
L1304M3
R1321M3
C1305M3
FL1301M3
L1302M3
43
6
45
6
43
8
A2
C2
C1
8
5
5
34
12
4
9
813
16
54
U1105M11
R1124M11
C1126M11
R1162M11
R1151M11
C1112M11
U1131M11
C1111M11
C1129M11
R1163M11
R1177M11
R1152M11
R1176M11
C1172M11
U1132M11
U1136M11
C1130M11
R1174M11
R1154M11
R1158M11 C1108M11
U1144M11
R1169M11
R1170M11
U1112M11
C1118M11
C1117M11
U1133M11
R1171M11
R1160M11
R1172M11
C1141M11
R1140M11
R1139M11
C1138M11
C1137M11
C1158M11
5
3
5
5
4
43
4 3
SH5
R1175M11
R1142M11
R1138M11
U1143M11
U1104M11
U1129M11
3
2
3
2
4
SH13
Q901M16
U1103M11
C1106M11
C1156M11
C904M16
C901M16
C935M16
C903M16
C902M16
L902M16
L901M16
L912M16
43
5
8
2
9
3
16
L904M16
L903M16
C913M16
C910M16
C905M16
C930M16
C929M16
C909M16
C907M16
C906M16
L905M16
R905M16
C916M16
C931M16
C914M16
R902M16
R901M16
R903M16
R904M16
C915M16
U901M16 C934M16
Q1103M11
U902M16
R1102M11
C911M16
C908M16
C912M16
C917M16
2
B1
A2
2
3
2
3
3
VR200M12
C217M12
M101M12
Q201M12
R201M12
C208M12
Q202M12
R202M12
U201M12
C207M12
C213M12
C214M12
4
3
5
2
3
E201M12
F200M12
C200M12
C201M12
E1101M11
R1108M11
C1139M11
U1141M11
R1103M11
5
43
SH7
R1110M11
R1141M11
U1101M11
C1103M11 2
3
C101M12
VR101M12
6
4
3
2
2
3
3
2
C351M20
L327M20
C366M20
L312M20
C331M20
C330M20
C367M20
L313M20
C336M20
C334M20
C333M20
C332M20
C337M20
C335M20
Q304M20
L314M20
R312M20
R310M20
R311M20
C338M20
D301M20
R380M20
C339M20
C370M20
R313M20
SH9
Q303M20
C342M20
C341M20
C340M20
E302M20
L315M20
R381M20
R314M20
C343M20
U304M20
C346M20
L318M20
C345M20
L319M20
R315M20
C348M20
C360M20
C344M20
L317M20
C354M20
C357M20
C352M20
L321M20
L320M20
C353M20
C347M20
C350M20
C349M20
R1330M3
R1326M3
L316M20
2
G1
G2 40
39 G3
G4
J2401M2
2
33
34
5
9
13
J3M2
R22M2
R21M2
R1M2
R2401M2
R2452M3
R2466M3
R2433M3
R2434M3
R2497M3
R2449M3
C2449M3
C2478M3
U2416M3
R2493M3
65
10
C6586M6
C6570M6
C6584M6
L6505M6
U6507M6
R6547M6
R6558M6
C6569M6
C6582M6
R6544M6
R6548M6
R6552M6
3
3
2
R4008M2
U4003M2
Q4001M2
D2
D1
P14
A2
3
4
5
8
5
4
4
5
610
8
5
9
13
16
12
6
R6622M6
R6623M6
R6624M6
R6625M6
C6424M6
C6560M6
C6561M6
C6547M6
R6568M6
R6542M6
C6564M6
R6524M6
C6553M6
R6538M6
C6559M6
R6545M6
R6537M6
R6540M6
C6562M6
C4005M2
L6502M6
R6543M6
R6527M6
R6539M6
C6558M6
U6504M6
U6505M6
R4010M2
R4011M2
U4001M2
R6526M6
R6532M6
R6534M6
R6528M6
C6550M6
C6565M6
R4009M2
C4007M2
R4013M2
U4004M2
R4014M2
C4006M2
U6506M6
R6619M6
R4012M2
R6621M6
R6546M6
C6425M6
2
5
8
4
Q6505M6
C6566M6
R6541M6
Q6506M6
ENC_UART_TXM6
ENC_UART_RXM6
C6567M6
R2519M6
R2501M6
TP2502M6
TP6703M6
R2522M6
R2523M6
C2518M6
P1
5
4
34
3
5
2
3
C2527M6
C2528M6
TP3200M22
C2520M6
U2525M6
TP6705M6
R6706M6
U2526M6
ENC_JTAGSEL0M6
R2524M6
TP6702M6
TP_MACE_NRDM6
D2521M6
R2511M6
R2512M6
C2545M6
U2510M6
C2540M6
C2550M6
R2507M6
C2546M6
R2517M6
A14
R2508M6
R2509M6
R6702M6
C2542M6
C2544M6
C2548M6
R6703M6
C2536M6
C2541M6
C2543M6
C2549M6
R6701M6
R6704M6
TP6704M6
C2539M6
R2560M6
C6544M6
C2534M6
C2553M6
C2554M6
C6543M6
64
3
R6521M6
TP6701M6
R6509M6
Q6502M6
C6551M6
2
3
4
6
43
A14
6
U6501M6
L6504M6
TP_ATOD_8M6 R6550M6
C6552M6
C6542M6
R6508M6
R6529M6
OMAP_TEMP_TPM6
R6551M6
C6573M6
R6523M6
R6513M6
R6515M6
R6516M6
C6545M6
R6520M6
C6546M6
C6548M6
R6511M6
R6518M6
R6584M6
R6517M6
R6514M6
R6519M6
R6583M6
C6549M6
R6608M6
U6503M6
R6531M6
C6557M6
U6502M6
Q6508M6
R6530M6
R6535M6
P1
R6566M6
C6575M6
R6582M6
R6562M6
R6564M6
C6577M6
C6579M6
C6580M6
R6561M6
R6563M6
R6565M6
R6428M6
C6576M6
C6581M6
C6578M6
C6422M6
C6427M6
C6421M6
C6574M6
C6540M6
C6539M6
MAKO_INT_MICMM6
MAKO_INT_MICPM6
R6426M6
C6426M6
R6609M6
R6492M6
R6425M6
R6427M6
R6525M6
R6505M6
C6537M6
C6590M6
R6506M6
R6598M6
6
3
4
5
3
2
3
R6429M6
R6577M6
R6576M6
R6579M6
C6538M6
C6541M6
C6594M6
C6596M6
U6511M6
R6599M6
R6591M6
TP6599M6
Y6502M6
R6117M6
C6104M6
U6102M6
Q6101M6
SH17
4
2
2
3
D6401M6
MAKO_AD_TRIGM6
C6554M6
Y6501M6
C6536M6
Q6504M6
3
46
4
3
6
6
3
4
R6618M6
C6592M6
R6420M6
R6574M6
R6578M6
C6591M6
C6535M6
U6409M6
Q6507M6
U6509M6
R6617M6
C6423M6
R6533M6
6
A3
C3C1
3
4
R6626M6
R6580M6
R6402M6
C6402M6
MIC_BIASM6
R2529M6
C6403M6
U6402M6
R6430M6
R6431M6
C6405M6
Q6401M6
R6401M6
ENC_JTAGSEL1M6
R6536M6
C6555M6
C203M12
R6423M6
U6601M6
R6581M6
C202M12
4
3
5
3
A9
A1
J9
J1
4
6
R6404M6
R6410M6
C6428M6
C6411M6
R6406M6
R6405M6
C6404M6
C6406M6
C6413M6
R6421M6
U6408M6
R6411M6
CODEC_GPIO1M6
C6410M6
U6405M6
R6417M6
C6416M6
C6419M6
R6567M6
R6416M6
C6414M6
C6418M6
M2533M6
C6420M6
R6422M6
P14
4 6
43
6
3
C2555M6
L200M12
C2531M6
C2551M6
Q2537M6
Q2547M6
R2503M6
R6705M6
R2514M6
R2515M6
R2516M6
R2513M6
C2538M6
R2505M6
C2504M6
C2535M6
C2552M6
C2506M6
R2530M6
C2532M6
3
3
4
6
3
3
4
6
4
6
2
R618M19
C637M19
U603M19
R624M19
R610M19
C633M19
TP601M19
TP603M19
R698M19
C643M19
C641M19
C628M19
C623M19
C626M19
C644M19
E606M19
L611M19
C636M19
E607M19
C621M19
C617M19
C603M19
E601M19
C601M19
L602M19
L601M19
C605M19
C645M19
U607M19
R623M19
U604M19
R617M19
R616M19
R607M19
Q601M19
C629M19
12
48
24
36
A2
D2
D1
D1
A2 D2
R620M19
R615M19
R614M19
R611M19
U606M19
C634M19
E609M19
E608M19
R621M19
VR601M19
L605M19
R608M19
C622M19
C635M19
C632M19
E604M19
SH11
U601M19
C624M19
R604M19
R699M19
C620M19
C606M19
C614M19
C642M19
R603M19
C602M19
E603M19
C604M19
C616M19
E602M19
L603M19
C612M19
C613M19
C607M19
R601M19
C615M19
C611M19
C610M19
R619M19
U605M19
E605M19
23
4
3
4
5
R3208M22
C3244M22
C3226M22
L3230M22
R3231M22
C3224M22
L3205M22
C3204M22
C3254M22
D3249M22
D3248M22
D3247M22
L3250M22
L3245M22
R3271M22
L3229M22
R3233M22
C3235M22
Q3227M22
C3225M22
C3217M22
C3219M22
D3208M22
D3206M22
C3211M22
C3220M22
D3209M22
D3207M22
L3256M22
R3202M22
C3263M22
C3252M22
C3251M22
D3246M22
C3262M22
C3265M22
C3258M22
L3270M22
R3204M22
R3203M22
R3218M22
R3201M22
R3222M22
C3213M22
C3215M22
L3210M22
C3212M22
C3214M22
L3216M22
L3261M22
Q3267M22
L3269M22
R3206M22
C3275M22
R3207M22
R3205M22
C3208M22
U3238M22
C3201M22
C3202M22
Q3232M22
R3200M22
L765M7
C770M7
C3240M22
C3200M22
R769M7
C817M7
R799M7
C803M7
C809M7
Q774M7
L775M7
R776M7
C778M7
C779M7
C777M7
C780M7
6
4
3
4
2 3
34
5
Q3272M22
C3264M22
R3257M22
C3266M22
C3255M22
C3253M22
R3273M22
R3260M22
R741M7
C743M7
R742M7
R822M7
C786M7
L746M7
R823M7
C824M7
C740M7
C760M7
L739M7
R744M7
Q745M7
R748M7
R747M7
Q756M7
R761M7
C813M7
C816M7
R754M7
C768M7
L755M7
R757M7
6
43
64
3
SH15
U738M7
Q767M7
C819M7
R785M7
C751M7
C753M7
C781M7
C791M7
L704M7
Q785M7
R709M7
R763M7
R762M7
R771M7
C764M7
L759M7
R766M7
C772M7
C773M7
L3223M22
C790M7

8-148 Schematics, Boards Overlays, and Parts Lists: Main Board Block: VHF (84012512001_A)
VHF Transceiver (RF) Board Parts List –
84012512001_A
Ref. Des. Part Number Description
C101M12 2113944A46 CAP CER CHP 330.0 PF
50V 5%
C1103M11 2113945B02 CAP CER CHP 10,000PF
25V 10%
C1104M11 NOTPLACED 64AM DUMMY PART
NUMBER
C1105M11 2113944A19 CAP CER CHP 5.6PF 50V
+/- 0.5PF
C1106M11 2113945B02 CAP CER CHP 10,000PF
25V 10%
C1107M11 2113944A40 CAP CER CHP 100.0PF
50V 5%
C1108M11 2113946B02 CAP CER CHP 0.047UF
10V 10,
C1110M11 2113944A46 CAP CER CHP 330.0 PF
50V 5%
C1111M11 2113945Y02 CAP,FXD,.1UF,+10%,-
10%,16V-DC,0402,X7R,-
55DEG CMIN,125DEG
CMAX
C1112M11 2113945B01 CAP CER CHP 6800PF 25V
10%
C1113M11 2113945B02 CAP CER CHP 10,000PF
25V 10%
C1116M11 2113945Y02 CAP,FXD,.1UF,+10%,-
10%,16V-DC,0402,X7R,-
55DEG CMIN,125DEG
CMAX
C1117M11 2113945A12 CAP CER CHP 3300PF 50V
10%
C1118M11 2113945B02 CAP CER CHP 10,000PF
25V 10%
C1119M11 2113945B02 CAP CER CHP 10,000PF
25V 10%
C1120M11 2113945B02 CAP CER CHP 10,000PF
25V 10%
C1122M11 2113944M05 CAP,FXD,3PF,.1PF+/-,50V-
DC,0603,C0G,-55DEG
CMIN,125DEG CMAX,PB
C1123M11 2113945B02 CAP CER CHP 10,000PF
25V 10%
C1124M11 2113945A13 CAP CER CHP 4700PF 50V
10%
C1125M11 2113944A23 CAP CER CHP 8.2PF 50V
+/- 0.5PF
C1126M11 2113945A09 CAP CER CHP 1000PF 50V
10%
C1127M11 2113945Y02 CAP,FXD,.1UF,+10%,-
10%,16V-DC,0402,X7R,-
55DEG CMIN,125DEG
CMAX
C1128M11 2113945B02 CAP CER CHP 10,000PF
25V 10%
C1129M11 2113945B02 CAP CER CHP 10,000PF
25V 10%
C1130M11 2113945B02 CAP CER CHP 10,000PF
25V 10%
C1137M11 2113945B02 CAP CER CHP 10,000PF
25V 10%
C1138M11 2113945B02 CAP CER CHP 10,000PF
25V 10%
C1139M11 2113944A25 CAP CER CHP 10.0PF 50V
+/- 0.5PF
C1140M11 2113945A13 CAP CER CHP 4700PF 50V
10%
C1141M11 2113945Y02 CAP,FXD,.1UF,+10%,-
10%,16V-DC,0402,X7R,-
55DEG CMIN,125DEG
CMAX
C1142M11 2113945A09 CAP CER CHP 1000PF 50V
10%
C1156M11 2113944A46 CAP CER CHP 330.0 PF
50V 5%
C1157M11 2113944A46 CAP CER CHP 330.0 PF
50V 5%
C1158M11 2113944A46 CAP CER CHP 330.0 PF
50V 5%
C1159M11 2113944A46 CAP CER CHP 330.0 PF
50V 5%
Ref. Des. Part Number Description
C1160M11 2113945C31 CAP,FXD,.1UF,+10%,-
10%,50V-DC,0603,X7R,-
55DEG CMIN,125DEG
CMAX
C1161M11 2113956B91 CAP,FXD,1UF,+10%,-
10%,16V-DC,0603,X5R,-
55DEG CMIN,85DEG
CMAX,PB
C1162M11 2113944A46 CAP CER CHP 330.0 PF
50V 5%
C1163M11 2113944A46 CAP CER CHP 330.0 PF
50V 5%
C1164M11 2113944A46 CAP CER CHP 330.0 PF
50V 5%
C1165M11 2113945Y02 CAP,FXD,.1UF,+10%,-
10%,16V-DC,0402,X7R,-
55DEG CMIN,125DEG
CMAX
C1166M11 2113944A46 CAP CER CHP 330.0 PF
50V 5%
C1167M11 2113944A46 CAP CER CHP 330.0 PF
50V 5%
C1168M11 2113944A46 CAP CER CHP 330.0 PF
50V 5%
C1169M11 2113944A46 CAP CER CHP 330.0 PF
50V 5%
C1170M11 2113944A46 CAP CER CHP 330.0 PF
50V 5%
C1171M11 2113944A46 CAP CER CHP 330.0 PF
50V 5%
C1172M11 2113944A27 CAP CER CHP 15.0PF 50V
5%
C1203M17 2113944M12 CAP,FXD,5.6PF,.1PF+/-
,50V-DC,0603,C0G,-55DEG
CMIN,125DEG CMAX
C1204M17 2113944M11 CAP,FXD,5.1PF,.1PF+/-
,50V-DC,0603,C0G,-55DEG
CMIN,125DEG CMAX
C1207M17 2113944M28 CAP,FXD,27PF,+2%,-
2%,50V-DC,0603,C0G,-
55DEG CMIN,125DEG
CMAX,PB
Ref. Des. Part Number Description
C1220M17 2113944M16 CAP,FXD,8.2PF,.1PF+/-
,50V-DC,0603,C0G,-55DEG
CMIN,125DEG CMAX
C1221M17 2113944M27 CAP,FXD,24PF,+2%,-
2%,50V-DC,0603,C0G,-
55DEG CMIN,125DEG
CMAX,PB
C1222M17 2113944C04 CAP CER CHP 330.0PF
50V 5%
C1226M17 2175662M26 CAPACITOR 4.3 ?0.1PF,
CERAMIC, 100V
C1227M17 2113944M17 CAP,FXD,9.1PF,.1PF+/-
,50V-DC,0603,C0G,-55DEG
CMIN,125DEG CMAX
C1301M3 21012119001 CAP,FXD,2.2UF,20%,6.3V-
DC,-55DEG CMIN,85DEG
CM,X5R,0402
C1302M3 2113944A19 CAP CER CHP 5.6PF 50V
+/- 0.5PF
C1303M3 2113956A51 CAP,FXD,1UF,+10%,-
10%,6.3V-DC,0402,X5R,-
55DEG CMIN,85DEG
CMAX,P
C1304M3 2113944A07 CAP CER CHP 1.8PF 50V
+/- 0.25PF
C1305M3 2113944A27 CAP CER CHP 15.0PF 50V
5%
C1306M3 2187893N01 CAP 1UF, 6.3V, X5R, 0402
PACKAGE
C1307M3 2113944A26 CAP CER CHP 12.0PF 50V
5%
C1308M3 2113945A09 CAP CER CHP 1000PF 50V
10%
C1309M3 2113944A26 CAP CER CHP 12.0PF 50V
5%
C1310M3 2187893N01 CAP 1UF, 6.3V, X5R, 0402
PACKAGE
C1311M3 2113956A51 CAP,FXD,1UF,+10%,-
10%,6.3V-DC,0402,X5R,-
55DEG CMIN,85DEG
CMAX,P
Ref. Des. Part Number Description

Schematics, Boards Overlays, and Parts Lists: Main Board Block: VHF (84012512001_A) 8-149
C1312M3 2113956A51 CAP,FXD,1UF,+10%,-
10%,6.3V-DC,0402,X5R,-
55DEG CMIN,85DEG
CMAX,P
C1313M3 2187893N01 CAP 1UF, 6.3V, X5R, 0402
PACKAGE
C1314M3 2113944M20 CAP,FXD,12PF,+2%,-
2%,50V-DC,0603,C0G,-
55DEG CMIN,125DEG
CMAX,PB
C1315M3 2115153H02 CAP, CERAMIC, COG
C1316M3 2113945Y02 CAP,FXD,.1UF,+10%,-
10%,16V-DC,0402,X7R,-
55DEG CMIN,125DEG
CMAX
C1317M3 2188881Y12 CAPACITOR CERAMIC
NPO HIGH FREQUENCY
16 VOLT (REPLACES
2104801Z12)
C1318M3 2115153H15 CAP, CERAMIC, COG
C1319M3 2113945Y02 CAP,FXD,.1UF,+10%,-
10%,16V-DC,0402,X7R,-
55DEG CMIN,125DEG
CMAX
C1320M3 2113944A28 CAP CER CHP 18.0PF 50V
5%
C1321M3 2113944A29 CAP CER CHP 22.0PF 50V
5%
C1322M3 2113944A29 CAP CER CHP 22.0PF 50V
5%
C1323M3 2113944A29 CAP CER CHP 22.0PF 50V
5%
C1324M3 2115153H03 CAP, CERAMIC, COG
C1325M3 2113944A29 CAP CER CHP 22.0PF 50V
5%
C1326M3 2113945Y02 CAP,FXD,.1UF,+10%,-
10%,16V-DC,0402,X7R,-
55DEG CMIN,125DEG
CMAX
C1327M3 2113944A28 CAP CER CHP 18.0PF 50V
5%
Ref. Des. Part Number Description
C1328M3 2113945Y02 CAP,FXD,.1UF,+10%,-
10%,16V-DC,0402,X7R,-
55DEG CMIN,125DEG
CMAX
C1329M3 2113945Y02 CAP,FXD,.1UF,+10%,-
10%,16V-DC,0402,X7R,-
55DEG CMIN,125DEG
CMAX
C1330M3 2113945Y02 CAP,FXD,.1UF,+10%,-
10%,16V-DC,0402,X7R,-
55DEG CMIN,125DEG
CMAX
C1331M3 2113945Y02 CAP,FXD,.1UF,+10%,-
10%,16V-DC,0402,X7R,-
55DEG CMIN,125DEG
CMAX
C1332M3 2113945Y02 CAP,FXD,.1UF,+10%,-
10%,16V-DC,0402,X7R,-
55DEG CMIN,125DEG
CMAX
C1333M3 2113945Y02 CAP,FXD,.1UF,+10%,-
10%,16V-DC,0402,X7R,-
55DEG CMIN,125DEG
CMAX
C1334M3 2113945Y02 CAP,FXD,.1UF,+10%,-
10%,16V-DC,0402,X7R,-
55DEG CMIN,125DEG
CMAX
C1335M3 2113945Y02 CAP,FXD,.1UF,+10%,-
10%,16V-DC,0402,X7R,-
55DEG CMIN,125DEG
CMAX
C1336M3 2113945Y02 CAP,FXD,.1UF,+10%,-
10%,16V-DC,0402,X7R,-
55DEG CMIN,125DEG
CMAX
C1337M3 2113944A28 CAP CER CHP 18.0PF 50V
5%
C1339M3 NOTPLACED 64AM DUMMY PART
NUMBER
C1340M3 2113945Y02 CAP,FXD,.1UF,+10%,-
10%,16V-DC,0402,X7R,-
55DEG CMIN,125DEG
CMAX
C1376M3 2113944A25 CAP CER CHP 10.0PF 50V
+/- 0.5PF
Ref. Des. Part Number Description
C200M12 2113945B02 CAP CER CHP 10,000PF
25V 10%
C201M12 2188468Y01 CAP CER 25V X7R 0805
1UF
C202M12 2188468Y01 CAP CER 25V X7R 0805
1UF
C203M12 2188468Y01 CAP CER 25V X7R 0805
1UF
C204M12 2113955D35 CAP,FXD,4.7UF,+10%,-
10%,16V-DC,1206,X7R,-
55DEG CMIN,125DEG
CMAX
C205M12 2113955D35 CAP,FXD,4.7UF,+10%,-
10%,16V-DC,1206,X7R,-
55DEG CMIN,125DEG
CMAX
C206M12 2113945B02 CAP CER CHP 10,000PF
25V 10%
C207M12 2113956B91 CAP,FXD,1UF,+10%,-
10%,16V-DC,0603,X5R,-
55DEG CMIN,85DEG
CMAX,PB
C208M12 2113956B91 CAP,FXD,1UF,+10%,-
10%,16V-DC,0603,X5R,-
55DEG CMIN,85DEG
CMAX,PB
C209M12 2113956B91 CAP,FXD,1UF,+10%,-
10%,16V-DC,0603,X5R,-
55DEG CMIN,85DEG
CMAX,PB
C2104M2 2113946B04 CAP CER CHP 0.10UF 10V
10%
C210M12 2113956B91 CAP,FXD,1UF,+10%,-
10%,16V-DC,0603,X5R,-
55DEG CMIN,85DEG
CMAX,PB
C2114M2 2113946B04 CAP CER CHP 0.10UF 10V
10%
C2115M2 2113944A40 CAP CER CHP 100.0PF
50V 5%
C212M12 2113946D07 CAP,CHIP,4.7UF,+10%,-
10%,6.3V-DC,0603,X5R,-
55DEG CMIN,85DEG CMA
C213M12 2113944A46 CAP CER CHP 330.0 PF
50V 5%
Ref. Des. Part Number Description
C214M12 2113944A31 CAP CER CHP 33.0PF 50V
5%
C215M12 2113944A46 CAP CER CHP 330.0 PF
50V 5%
C216M12 2113944A31 CAP CER CHP 33.0PF 50V
5%
C217M12 2113956B91 CAP,FXD,1UF,+10%,-
10%,16V-DC,0603,X5R,-
55DEG CMIN,85DEG
CMAX,PB
C2201M2 2113946B04 CAP CER CHP 0.10UF 10V
10%
C2202M2 2113946B04 CAP CER CHP 0.10UF 10V
10%
C2203M2 2113946B04 CAP CER CHP 0.10UF 10V
10%
C2223M2 2113944A40 CAP CER CHP 100.0PF
50V 5%
C2224M2 2113944A40 CAP CER CHP 100.0PF
50V 5%
C2225M2 2113946B04 CAP CER CHP 0.10UF 10V
10%
C2226M2 2113944A40 CAP CER CHP 100.0PF
50V 5%
C2227M2 2113944A40 CAP CER CHP 100.0PF
50V 5%
C2228M2 2113944A40 CAP CER CHP 100.0PF
50V 5%
C2229M2 2113944A40 CAP CER CHP 100.0PF
50V 5%
C2331M2 2113944A40 CAP CER CHP 100.0PF
50V 5%
C2332M2 2113944A40 CAP CER CHP 100.0PF
50V 5%
C2333M2 2113944A40 CAP CER CHP 100.0PF
50V 5%
C2334M2 2113944A40 CAP CER CHP 100.0PF
50V 5%
C2335M2 2113945Y02 CAP,FXD,.1UF,+10%,-
10%,16V-DC,0402,X7R,-
55DEG CMIN,125DEG
CMAX
Ref. Des. Part Number Description

8-150 Schematics, Boards Overlays, and Parts Lists: Main Board Block: VHF (84012512001_A)
C2336M2 2113945Y02 CAP,FXD,.1UF,+10%,-
10%,16V-DC,0402,X7R,-
55DEG CMIN,125DEG
CMAX
C2337M2 2113944A40 CAP CER CHP 100.0PF
50V 5%
C2338M2 2113944A40 CAP CER CHP 100.0PF
50V 5%
C2339M2 2113945A05 CAP CER CHP 470PF 50V
10%
C2340M2 NOTPLACED 64AM DUMMY PART
NUMBER
C2341M2 NOTPLACED 64AM DUMMY PART
NUMBER
C2342M2 NOTPLACED 64AM DUMMY PART
NUMBER
C2343M2 2113944A40 CAP CER CHP 100.0PF
50V 5%
C2344M2 2113944A40 CAP CER CHP 100.0PF
50V 5%
C2414M3 2113946D07 CAP,CHIP,4.7UF,+10%,-
10%,6.3V-DC,0603,X5R,-
55DEG CMIN,85DEG CMA
C2415M3 2113945B02 CAP CER CHP 10,000PF
25V 10%
C2416M3 2113946D07 CAP,CHIP,4.7UF,+10%,-
10%,6.3V-DC,0603,X5R,-
55DEG CMIN,85DEG CMA
C2417M3 2171206F01 CAPACITOR, CHIP MONO-
LITHIC CERAMIC, X5R,
4.7UF, 4V, SMD, W18
C2438M3 2113945Y02 CAP,FXD,.1UF,+10%,-
10%,16V-DC,0402,X7R,-
55DEG CMIN,125DEG
CMAX
C2439M3 2113945Y02 CAP,FXD,.1UF,+10%,-
10%,16V-DC,0402,X7R,-
55DEG CMIN,125DEG
CMAX
C2440M3 2113945Y02 CAP,FXD,.1UF,+10%,-
10%,16V-DC,0402,X7R,-
55DEG CMIN,125DEG
CMAX
Ref. Des. Part Number Description
C2441M3 2113945Y02 CAP,FXD,.1UF,+10%,-
10%,16V-DC,0402,X7R,-
55DEG CMIN,125DEG
CMAX
C2442M3 2113945Y02 CAP,FXD,.1UF,+10%,-
10%,16V-DC,0402,X7R,-
55DEG CMIN,125DEG
CMAX
C2443M3 2113945Y02 CAP,FXD,.1UF,+10%,-
10%,16V-DC,0402,X7R,-
55DEG CMIN,125DEG
CMAX
C2444M3 2113945Y02 CAP,FXD,.1UF,+10%,-
10%,16V-DC,0402,X7R,-
55DEG CMIN,125DEG
CMAX
C2445M3 2113945Y02 CAP,FXD,.1UF,+10%,-
10%,16V-DC,0402,X7R,-
55DEG CMIN,125DEG
CMAX
C2446M3 2113945Y02 CAP,FXD,.1UF,+10%,-
10%,16V-DC,0402,X7R,-
55DEG CMIN,125DEG
CMAX
C2447M3 2113945Y02 CAP,FXD,.1UF,+10%,-
10%,16V-DC,0402,X7R,-
55DEG CMIN,125DEG
CMAX
C2448M3 2113945Y02 CAP,FXD,.1UF,+10%,-
10%,16V-DC,0402,X7R,-
55DEG CMIN,125DEG
CMAX
C2449M3 2113945Y02 CAP,FXD,.1UF,+10%,-
10%,16V-DC,0402,X7R,-
55DEG CMIN,125DEG
CMAX
C2450M3 2113945Y02 CAP,FXD,.1UF,+10%,-
10%,16V-DC,0402,X7R,-
55DEG CMIN,125DEG
CMAX
C2451M3 2113945Y02 CAP,FXD,.1UF,+10%,-
10%,16V-DC,0402,X7R,-
55DEG CMIN,125DEG
CMAX
C2452M3 2113945Y02 CAP,FXD,.1UF,+10%,-
10%,16V-DC,0402,X7R,-
55DEG CMIN,125DEG
CMAX
Ref. Des. Part Number Description
C2453M3 2113945Y02 CAP,FXD,.1UF,+10%,-
10%,16V-DC,0402,X7R,-
55DEG CMIN,125DEG
CMAX
C2454M3 2171051Y05 CAP,CER
CHIP,180PF,+1%,-1%,50V-
DC,0402,-55DEG
CMIN,125DEG CM
C2455M3 2113945Y02 CAP,FXD,.1UF,+10%,-
10%,16V-DC,0402,X7R,-
55DEG CMIN,125DEG
CMAX
C2456M3 2113945Y02 CAP,FXD,.1UF,+10%,-
10%,16V-DC,0402,X7R,-
55DEG CMIN,125DEG
CMAX
C2457M3 2115153H20 CAP, CERAMIC, COG
C2458M3 2113945Y02 CAP,FXD,.1UF,+10%,-
10%,16V-DC,0402,X7R,-
55DEG CMIN,125DEG
CMAX
C2459M3 2113945Y02 CAP,FXD,.1UF,+10%,-
10%,16V-DC,0402,X7R,-
55DEG CMIN,125DEG
CMAX
C2460M3 2113945Y02 CAP,FXD,.1UF,+10%,-
10%,16V-DC,0402,X7R,-
55DEG CMIN,125DEG
CMAX
C2461M3 2113945Y02 CAP,FXD,.1UF,+10%,-
10%,16V-DC,0402,X7R,-
55DEG CMIN,125DEG
CMAX
C2462M3 2113945Y02 CAP,FXD,.1UF,+10%,-
10%,16V-DC,0402,X7R,-
55DEG CMIN,125DEG
CMAX
C2463M3 2113945Y02 CAP,FXD,.1UF,+10%,-
10%,16V-DC,0402,X7R,-
55DEG CMIN,125DEG
CMAX
C2464M3 2113945Y02 CAP,FXD,.1UF,+10%,-
10%,16V-DC,0402,X7R,-
55DEG CMIN,125DEG
CMAX
Ref. Des. Part Number Description
C2465M3 2113956A51 CAP,FXD,1UF,+10%,-
10%,6.3V-DC,0402,X5R,-
55DEG CMIN,85DEG
CMAX,P
C2466M3 2113945Y02 CAP,FXD,.1UF,+10%,-
10%,16V-DC,0402,X7R,-
55DEG CMIN,125DEG
CMAX
C2467M3 2113945Y02 CAP,FXD,.1UF,+10%,-
10%,16V-DC,0402,X7R,-
55DEG CMIN,125DEG
CMAX
C2468M3 2113945Y02 CAP,FXD,.1UF,+10%,-
10%,16V-DC,0402,X7R,-
55DEG CMIN,125DEG
CMAX
C2469M3 2113945Y02 CAP,FXD,.1UF,+10%,-
10%,16V-DC,0402,X7R,-
55DEG CMIN,125DEG
CMAX
C2470M3 21012119001 CAP,FXD,2.2UF,20%,6.3V-
DC,-55DEG CMIN,85DEG
CM,X5R,0402
C2471M3 2113945A05 CAP CER CHP 470PF 50V
10%
C2472M3 2113945A09 CAP CER CHP 1000PF 50V
10%
C2473M3 2113944A25 CAP CER CHP 10.0PF 50V
+/- 0.5PF
C2474M3 2113945Y02 CAP,FXD,.1UF,+10%,-
10%,16V-DC,0402,X7R,-
55DEG CMIN,125DEG
CMAX
C2475M3 2113945A09 CAP CER CHP 1000PF 50V
10%
C2477M3 2113945Y02 CAP,FXD,.1UF,+10%,-
10%,16V-DC,0402,X7R,-
55DEG CMIN,125DEG
CMAX
C2478M3 2113956B54 CAP,FXD,10UF,+20%,-
20%,6.3V-DC,X5R,-55DEG
CMIN,85DEG CMAX,PB-F
C2479M3 2113945Y02 CAP,FXD,.1UF,+10%,-
10%,16V-DC,0402,X7R,-
55DEG CMIN,125DEG
CMAX
Ref. Des. Part Number Description

Schematics, Boards Overlays, and Parts Lists: Main Board Block: VHF (84012512001_A) 8-151
C2480M3 2113956A51 CAP,FXD,1UF,+10%,-
10%,6.3V-DC,0402,X5R,-
55DEG CMIN,85DEG
CMAX,P
C2482M3 2113945Y02 CAP,FXD,.1UF,+10%,-
10%,16V-DC,0402,X7R,-
55DEG CMIN,125DEG
CMAX
C2483M3 2113945Y02 CAP,FXD,.1UF,+10%,-
10%,16V-DC,0402,X7R,-
55DEG CMIN,125DEG
CMAX
C2504M6 2113945A09 CAP CER CHP 1000PF 50V
10%
C2506M6 2113945B02 CAP CER CHP 10,000PF
25V 10%
C2518M6 2113956B33 CAP,FXD,2.2UF,+10%,-
10%,16V-DC,0603,X5R,-
55DEG CMIN,85DEG CMAX
C2520M6 2113946B04 CAP CER CHP 0.10UF 10V
10%
C2527M6 2113946B04 CAP CER CHP 0.10UF 10V
10%
C2528M6 2113946B04 CAP CER CHP 0.10UF 10V
10%
C2531M6 2113946B04 CAP CER CHP 0.10UF 10V
10%
C2532M6 2113946B04 CAP CER CHP 0.10UF 10V
10%
C2534M6 2113946B04 CAP CER CHP 0.10UF 10V
10%
C2535M6 2113946B04 CAP CER CHP 0.10UF 10V
10%
C2536M6 2113946B04 CAP CER CHP 0.10UF 10V
10%
C2538M6 2113946B04 CAP CER CHP 0.10UF 10V
10%
C2539M6 2113946B04 CAP CER CHP 0.10UF 10V
10%
C2540M6 2113946B04 CAP CER CHP 0.10UF 10V
10%
C2541M6 2113946B04 CAP CER CHP 0.10UF 10V
10%
Ref. Des. Part Number Description
C2542M6 2113946B04 CAP CER CHP 0.10UF 10V
10%
C2543M6 2113946B04 CAP CER CHP 0.10UF 10V
10%
C2544M6 2113946B04 CAP CER CHP 0.10UF 10V
10%
C2545M6 2113946B04 CAP CER CHP 0.10UF 10V
10%
C2546M6 2113946B04 CAP CER CHP 0.10UF 10V
10%
C2548M6 2113946B04 CAP CER CHP 0.10UF 10V
10%
C2549M6 2113946B04 CAP CER CHP 0.10UF 10V
10%
C2550M6 2113946B04 CAP CER CHP 0.10UF 10V
10%
C2551M6 2113946B04 CAP CER CHP 0.10UF 10V
10%
C2552M6 2113946B04 CAP CER CHP 0.10UF 10V
10%
C2553M6 2113946B04 CAP CER CHP 0.10UF 10V
10%
C2554M6 2113946B04 CAP CER CHP 0.10UF 10V
10%
C2555M6 2113946B04 CAP CER CHP 0.10UF 10V
10%
C2701M13 2113944C04 CAP CER CHP 330.0PF
50V 5%
C2702M13 2113944C48 CAP CER CHP 560.OPF
50V 5%
C2703M13 2113944A46 CAP CER CHP 330.0 PF
50V 5%
C2704M13 2113944C04 CAP CER CHP 330.0PF
50V 5%
C2705M13 2113944A46 CAP CER CHP 330.0 PF
50V 5%
C2706M13 2113944A46 CAP CER CHP 330.0 PF
50V 5%
C2707M13 2113946K02 CAP CER CHP 0.10UF 16V
Ref. Des. Part Number Description
C2708M13 2113944M26 CAP,FXD,22PF,+2%,-
2%,50V-DC,0603,C0G,-
55DEG CMIN,125DEG
CMAX,PB
C2709M13 2113944C36 CAP CER CHP 33.0PF 50V
5%
C2806 NOTPLACED 64AM DUMMY PART
NUMBER
C3200M22 2113944A40 CAP CER CHP 100.0PF
50V 5%
C3201M22 2113944A40 CAP CER CHP 100.0PF
50V 5%
C3202M22 2113944A46 CAP CER CHP 330.0 PF
50V 5%
C3204M22 2113944A52 CAP CER CHP 1000.0 PF
50V 5%
C3208M22 2113944A46 CAP CER CHP 330.0 PF
50V 5%
C3211M22 2113944M20 CAP,FXD,12PF,+2%,-
2%,50V-DC,0603,C0G,-
55DEG CMIN,125DEG
CMAX,PB
C3212M22 2113944M22 CAP,FXD,15PF,+2%,-
2%,50V-DC,0603,C0G,-
55DEG CMIN,125DEG
CMAX,PB
C3213M22 2113946B04 CAP CER CHP 0.10UF 10V
10%
C3214M22 2115153H29 CAP, CERAMIC, COG
C3215M22 2113944A42 CAP CER CHP 150.0PF
50V 5%
C3217M22 2113944M36 CAP,FXD,56PF,+2%,-
2%,50V-DC,0603,C0G,-
55DEG CMIN,125DEG
CMAX,PB
C3219M22 2113944M32 CAP,FXD,39PF,+2%,-
2%,50V-DC,0603,C0G,-
55DEG CMIN,125DEG
CMAX,PB
C3220M22 2113944M28 CAP,FXD,27PF,+2%,-
2%,50V-DC,0603,C0G,-
55DEG CMIN,125DEG
CMAX,PB
Ref. Des. Part Number Description
C3224M22 2113946B04 CAP CER CHP 0.10UF 10V
10%
C3225M22 2113944M38 CAP,FXD,68PF,+2%,-
2%,50V-DC,0603,C0G,-
55DEG CMIN,125DEG
CMAX,PB
C3226M22 2113944A42 CAP CER CHP 150.0PF
50V 5%
C3235M22 2115153H42 CAP, CERAMIC, COG
C3240M22 2113944A40 CAP CER CHP 100.0PF
50V 5%
C3244M22 2113944A52 CAP CER CHP 1000.0 PF
50V 5%
C3251M22 2113944M17 CAP,FXD,9.1PF,.1PF+/-
,50V-DC,0603,C0G,-55DEG
CMIN,125DEG CMAX
C3252M22 2113944M17 CAP,FXD,9.1PF,.1PF+/-
,50V-DC,0603,C0G,-55DEG
CMIN,125DEG CMAX
C3253M22 2113946B04 CAP CER CHP 0.10UF 10V
10%
C3254M22 2115153H42 CAP, CERAMIC, COG
C3255M22 2113944A40 CAP CER CHP 100.0PF
50V 5%
C3258M22 2113944M36 CAP,FXD,56PF,+2%,-
2%,50V-DC,0603,C0G,-
55DEG CMIN,125DEG
CMAX,PB
C3262M22 2113944M30 CAP,FXD,33PF,+2%,-
2%,50V-DC,0603,C0G,-
55DEG CMIN,125DEG
CMAX,PB
C3263M22 2113944M26 CAP,FXD,22PF,+2%,-
2%,50V-DC,0603,C0G,-
55DEG CMIN,125DEG
CMAX,PB
C3264M22 2113946B04 CAP CER CHP 0.10UF 10V
10%
C3265M22 2113944M38 CAP,FXD,68PF,+2%,-
2%,50V-DC,0603,C0G,-
55DEG CMIN,125DEG
CMAX,PB
C3266M22 2113944A40 CAP CER CHP 100.0PF
50V 5%
Ref. Des. Part Number Description

8-152 Schematics, Boards Overlays, and Parts Lists: Main Board Block: VHF (84012512001_A)
C3275M22 2113944A31 CAP CER CHP 33.0PF 50V
5%
C330M20 2113944A30 CAP CER CHP 27.0PF 50V
5%
C331M20 2113944A28 CAP CER CHP 18.0PF 50V
5%
C332M20 2113944A30 CAP CER CHP 27.0PF 50V
5%
C333M20 2113944A30 CAP CER CHP 27.0PF 50V
5%
C334M20 2113944A19 CAP CER CHP 5.6PF 50V
+/- 0.5PF
C335M20 2113944A84 CAP,FXD,43PF,+5%,-
5%,50V-DC,0402,C0G,-
55DEG CMIN,125DEG
CMAX,PB
C336M20 2113944A21 CAP CER CHP 6.8PF 50V
+/- 0.5PF
C337M20 2113944A28 CAP CER CHP 18.0PF 50V
5%
C338M20 2113946D07 CAP,CHIP,4.7UF,+10%,-
10%,6.3V-DC,0603,X5R,-
55DEG CMIN,85DEG CMA
C339M20 2113944A29 CAP CER CHP 22.0PF 50V
5%
C340M20 2113944A46 CAP CER CHP 330.0 PF
50V 5%
C341M20 2113944A46 CAP CER CHP 330.0 PF
50V 5%
C342M20 2113946D07 CAP,CHIP,4.7UF,+10%,-
10%,6.3V-DC,0603,X5R,-
55DEG CMIN,85DEG CMA
C343M20 2113944A46 CAP CER CHP 330.0 PF
50V 5%
C344M20 21012043009 CAPACI-
TOR,CERAMIC,1.0PF,50V-
DC,C0G,
C345M20 2113944A30 CAP CER CHP 27.0PF 50V
5%
C346M20 2113944A28 CAP CER CHP 18.0PF 50V
5%
C347M20 2113944A27 CAP CER CHP 15.0PF 50V
5%
Ref. Des. Part Number Description
C348M20 2113944A28 CAP CER CHP 18.0PF 50V
5%
C349M20 2113944A30 CAP CER CHP 27.0PF 50V
5%
C350M20 2113944A30 CAP CER CHP 27.0PF 50V
5%
C351M20 2113944A19 CAP CER CHP 5.6PF 50V
+/- 0.5PF
C352M20 2115153H48 CAP, CERAMIC, COG
C353M20 2113944A21 CAP CER CHP 6.8PF 50V
+/- 0.5PF
C354M20 2113944A28 CAP CER CHP 18.0PF 50V
5%
C357M20 2113944A46 CAP CER CHP 330.0 PF
50V 5%
C360M20 2115153H37 CAP, CERAMIC, COG
C366M20 2113944A28 CAP CER CHP 18.0PF 50V
5%
C367M20 2113944A27 CAP CER CHP 15.0PF 50V
5%
C368M20 2115153H42 CAP, CERAMIC, COG
C369M20 NOTPLACED 64AM DUMMY PART
NUMBER
C370M20 21012043009 CAPACI-
TOR,CERAMIC,1.0PF,50V-
DC,C0G,
C4005M2 2113946B04 CAP CER CHP 0.10UF 10V
10%
C4006M2 2113946B04 CAP CER CHP 0.10UF 10V
10%
C4007M2 2113946B04 CAP CER CHP 0.10UF 10V
10%
C500M21 2113945B05 CAP,FXD,.033UF,+10%,-
10%,25V-DC,0402,X7R,-
55DEG CMIN,125DEG CMA
C501M21 2113944A46 CAP CER CHP 330.0 PF
50V 5%
C502M21 2113945B05 CAP,FXD,.033UF,+10%,-
10%,25V-DC,0402,X7R,-
55DEG CMIN,125DEG CMA
Ref. Des. Part Number Description
C503M21 2171051Y01 CAP,FXD,220PF,+1%,-
1%,50V-DC,C0G,-55DEG
CMIN,125DEG CMAX,PB-
C504M21 2113944A40 CAP CER CHP 100.0PF
50V 5%
C505M21 2113944A09 CAP CER CHP 2.2PF 50V
+/- 0.25PF
C506M21 2113944A46 CAP CER CHP 330.0 PF
50V 5%
C507M21 2113945B05 CAP,FXD,.033UF,+10%,-
10%,25V-DC,0402,X7R,-
55DEG CMIN,125DEG CMA
C508M21 2113946D07 CAP,CHIP,4.7UF,+10%,-
10%,6.3V-DC,0603,X5R,-
55DEG CMIN,85DEG CMA
C509M21 2113945B05 CAP,FXD,.033UF,+10%,-
10%,25V-DC,0402,X7R,-
55DEG CMIN,125DEG CMA
C510M21 2113944A46 CAP CER CHP 330.0 PF
50V 5%
C511M21 2113945B05 CAP,FXD,.033UF,+10%,-
10%,25V-DC,0402,X7R,-
55DEG CMIN,125DEG CMA
C512M21 2113946D07 CAP,CHIP,4.7UF,+10%,-
10%,6.3V-DC,0603,X5R,-
55DEG CMIN,85DEG CMA
C514M21 NOTPLACED 64AM DUMMY PART
NUMBER
C515M21 2115153H16 CAP, CERAMIC, COG
C516M21 2113944C04 CAP CER CHP 330.0PF
50V 5%
C532M21 2113944A32 CAP CER CHP 39.0PF 50V
5%
C533M21 2115153H52 CAP, CERAMIC, COG
C550M21 NOTPLACED 64AM DUMMY PART
NUMBER
C551M21 NOTPLACED 64AM DUMMY PART
NUMBER
C601M19 2113945B02 CAP CER CHP 10,000PF
25V 10%
C602M19 2113945B02 CAP CER CHP 10,000PF
25V 10%
Ref. Des. Part Number Description
C603M19 2113945B02 CAP CER CHP 10,000PF
25V 10%
C604M19 2113945B02 CAP CER CHP 10,000PF
25V 10%
C605M19 2115153H23 CAP, CERAMIC, COG
C606M19 2113946B04 CAP CER CHP 0.10UF 10V
10%
C607M19 2113944A40 CAP CER CHP 100.0PF
50V 5%
C608M19 2113944A12 CAP CER CHP 3.0PF 50V
+/- 0.25PF
C609M19 2113944A30 CAP CER CHP 27.0PF 50V
5%
C6104M6 2113946B04 CAP CER CHP 0.10UF 10V
10%
C6105M6 2113946B04 CAP CER CHP 0.10UF 10V
10%
C6106M6 2113946B04 CAP CER CHP 0.10UF 10V
10%
C6107M6 2113946B04 CAP CER CHP 0.10UF 10V
10%
C6108M6 2113946B04 CAP CER CHP 0.10UF 10V
10%
C6109M6 2113946B04 CAP CER CHP 0.10UF 10V
10%
C610M19 2113944A40 CAP CER CHP 100.0PF
50V 5%
C6110M6 2113946B04 CAP CER CHP 0.10UF 10V
10%
C6111M6 2113946B04 CAP CER CHP 0.10UF 10V
10%
C6112M6 2113946B04 CAP CER CHP 0.10UF 10V
10%
C6113M6 2113946B04 CAP CER CHP 0.10UF 10V
10%
C6114M6 2113946B04 CAP CER CHP 0.10UF 10V
10%
C6115M6 2113946B04 CAP CER CHP 0.10UF 10V
10%
C611M19 2113944A40 CAP CER CHP 100.0PF
50V 5%
Ref. Des. Part Number Description

Schematics, Boards Overlays, and Parts Lists: Main Board Block: VHF (84012512001_A) 8-153
C612M19 2113945B02 CAP CER CHP 10,000PF
25V 10%
C613M19 2113944A40 CAP CER CHP 100.0PF
50V 5%
C614M19 2113945B02 CAP CER CHP 10,000PF
25V 10%
C6155M6 NOTPLACED 64AM DUMMY PART
NUMBER
C6156M6 NOTPLACED 64AM DUMMY PART
NUMBER
C615M19 2113944A42 CAP CER CHP 150.0PF
50V 5%
C616M19 2113945A11 CAP CER CHP 2200PF 50V
10%
C617M19 2113946B04 CAP CER CHP 0.10UF 10V
10%
C618M19 2113944A31 CAP CER CHP 33.0PF 50V
5%
C619M19 2113944A35 CAP CER CHP 62.0PF 50V
5%
C6201M6 2113944A40 CAP CER CHP 100.0PF
50V 5%
C6202M6 2113945A09 CAP CER CHP 1000PF 50V
10%
C6203M6 2113946B04 CAP CER CHP 0.10UF 10V
10%
C620M19 2113946B04 CAP CER CHP 0.10UF 10V
10%
C621M19 2113946B04 CAP CER CHP 0.10UF 10V
10%
C622M19 2113946C07 CAP,FXD,.33UF,+10%,-
10%,10V-DC,0603,X5R,-
55DEG CMIN,85DEG CMAX
C623M19 2113945B02 CAP CER CHP 10,000PF
25V 10%
C624M19 2113946C07 CAP,FXD,.33UF,+10%,-
10%,10V-DC,0603,X5R,-
55DEG CMIN,85DEG CMAX
C625M19 2115153H39 CAP, CERAMIC, COG
C626M19 2113945A09 CAP CER CHP 1000PF 50V
10%
Ref. Des. Part Number Description
C627M19 2113945A09 CAP CER CHP 1000PF 50V
10%
C628M19 2113945B02 CAP CER CHP 10,000PF
25V 10%
C629M19 2113946B04 CAP CER CHP 0.10UF 10V
10%
C6301M6 2113946B04 CAP CER CHP 0.10UF 10V
10%
C6302M6 2113946B04 CAP CER CHP 0.10UF 10V
10%
C6303M6 2113946B04 CAP CER CHP 0.10UF 10V
10%
C6304M6 2113946B04 CAP CER CHP 0.10UF 10V
10%
C6305M6 2113946S35 CAP CER CHP 1.0UF 16V
10%
C6306M6 2113946S35 CAP CER CHP 1.0UF 16V
10%
C6308M6 2113946B04 CAP CER CHP 0.10UF 10V
10%
C6309M6 2113946B04 CAP CER CHP 0.10UF 10V
10%
C630M19 2113946B04 CAP CER CHP 0.10UF 10V
10%
C6310M6 2113946B04 CAP CER CHP 0.10UF 10V
10%
C6311M6 2113946B04 CAP CER CHP 0.10UF 10V
10%
C631M19 2115153H32 CAP, CERAMIC, COG
C632M19 2113944A40 CAP CER CHP 100.0PF
50V 5%
C633M19 2113945B02 CAP CER CHP 10,000PF
25V 10%
C634M19 2113946B04 CAP CER CHP 0.10UF 10V
10%
C635M19 2113945B02 CAP CER CHP 10,000PF
25V 10%
C636M19 2113946B04 CAP CER CHP 0.10UF 10V
10%
C637M19 2113946B04 CAP CER CHP 0.10UF 10V
10%
Ref. Des. Part Number Description
C638M19 2113945A12 CAP CER CHP 3300PF 50V
10%
C639M19 2113945B02 CAP CER CHP 10,000PF
25V 10%
C6402M6 2113956A51 CAP,FXD,1UF,+10%,-
10%,6.3V-DC,0402,X5R,-
55DEG CMIN,85DEG
CMAX,P
C6403M6 2113946B04 CAP CER CHP 0.10UF 10V
10%
C6404M6 2113946B04 CAP CER CHP 0.10UF 10V
10%
C6405M6 2113946B04 CAP CER CHP 0.10UF 10V
10%
C6406M6 2113946B04 CAP CER CHP 0.10UF 10V
10%
C6409M6 2113946B04 CAP CER CHP 0.10UF 10V
10%
C640M19 2113946B04 CAP CER CHP 0.10UF 10V
10%
C6410M6 2113946B04 CAP CER CHP 0.10UF 10V
10%
C6411M6 2113946B04 CAP CER CHP 0.10UF 10V
10%
C6413M6 2113946B04 CAP CER CHP 0.10UF 10V
10%
C6414M6 2113946B04 CAP CER CHP 0.10UF 10V
10%
C6416M6 2113945B04 CAP,FXD,.022UF,+10%,-
10%,25V-DC,0402,X7R,-
55DEG CMIN,125DEG CMA
C6418M6 2113946B04 CAP CER CHP 0.10UF 10V
10%
C6419M6 2113946B04 CAP CER CHP 0.10UF 10V
10%
C641M19 2113944A31 CAP CER CHP 33.0PF 50V
5%
C6420M6 2113945B04 CAP,FXD,.022UF,+10%,-
10%,25V-DC,0402,X7R,-
55DEG CMIN,125DEG CMA
C6421M6 2113946B04 CAP CER CHP 0.10UF 10V
10%
Ref. Des. Part Number Description
C6422M6 2113946C02 CAP CER CHP 0.22UF 10V
10%
C6423M6 2113946B04 CAP CER CHP 0.10UF 10V
10%
C6424M6 2113944A40 CAP CER CHP 100.0PF
50V 5%
C6425M6 2113944A40 CAP CER CHP 100.0PF
50V 5%
C6426M6 2113945B02 CAP CER CHP 10,000PF
25V 10%
C6427M6 2113944A50 CAP CER CHP 680.0 PF
50V 5%
C6428M6 2113944A40 CAP CER CHP 100.0PF
50V 5%
C642M19 2113944A48 CAP CER CHP 470.0 PF
50V 5%
C643M19 2113944A48 CAP CER CHP 470.0 PF
50V 5%
C644M19 2113944A11 CAP CER CHP 2.7PF 50V
+/- 0.25PF
C645M19 NOTPLACED 64AM DUMMY PART
NUMBER
C646M19 2115153H32 CAP, CERAMIC, COG
C6501M6 2113946B04 CAP CER CHP 0.10UF 10V
10%
C6502M6 2113946B04 CAP CER CHP 0.10UF 10V
10%
C6503M6 2113944A46 CAP CER CHP 330.0 PF
50V 5%
C6504M6 2113946B04 CAP CER CHP 0.10UF 10V
10%
C6505M6 2113946B04 CAP CER CHP 0.10UF 10V
10%
C6506M6 2113946B04 CAP CER CHP 0.10UF 10V
10%
C6507M6 2113946B04 CAP CER CHP 0.10UF 10V
10%
C6508M6 2113946B04 CAP CER CHP 0.10UF 10V
10%
C6509M6 2113946B04 CAP CER CHP 0.10UF 10V
10%
Ref. Des. Part Number Description

8-154 Schematics, Boards Overlays, and Parts Lists: Main Board Block: VHF (84012512001_A)
C6510M6 2113946B04 CAP CER CHP 0.10UF 10V
10%
C6511M6 2113946S35 CAP CER CHP 1.0UF 16V
10%
C6512M6 2113946B04 CAP CER CHP 0.10UF 10V
10%
C6513M6 2113946S35 CAP CER CHP 1.0UF 16V
10%
C6514M6 2113946S35 CAP CER CHP 1.0UF 16V
10%
C6515M6 2113946S35 CAP CER CHP 1.0UF 16V
10%
C6516M6 2113946B04 CAP CER CHP 0.10UF 10V
10%
C6517M6 2113946S35 CAP CER CHP 1.0UF 16V
10%
C6518M6 2113946B04 CAP CER CHP 0.10UF 10V
10%
C6519M6 2113946S35 CAP CER CHP 1.0UF 16V
10%
C6520M6 2113946B04 CAP CER CHP 0.10UF 10V
10%
C6521M6 2113944A46 CAP CER CHP 330.0 PF
50V 5%
C6522M6 2113946S35 CAP CER CHP 1.0UF 16V
10%
C6523M6 2113946B04 CAP CER CHP 0.10UF 10V
10%
C6524M6 2113946B04 CAP CER CHP 0.10UF 10V
10%
C6525M6 2113946S35 CAP CER CHP 1.0UF 16V
10%
C6526M6 2113946B04 CAP CER CHP 0.10UF 10V
10%
C6527M6 2113946B04 CAP CER CHP 0.10UF 10V
10%
C6528M6 2113946B04 CAP CER CHP 0.10UF 10V
10%
C6529M6 2113946B04 CAP CER CHP 0.10UF 10V
10%
Ref. Des. Part Number Description
C6530M6 2113946S35 CAP CER CHP 1.0UF 16V
10%
C6531M6 2113946B04 CAP CER CHP 0.10UF 10V
10%
C6532M6 2113946S35 CAP CER CHP 1.0UF 16V
10%
C6533M6 2113946B04 CAP CER CHP 0.10UF 10V
10%
C6534M6 2113956B33 CAP,FXD,2.2UF,+10%,-
10%,16V-DC,0603,X5R,-
55DEG CMIN,85DEG CMAX
C6535M6 2113944A40 CAP CER CHP 100.0PF
50V 5%
C6536M6 2113944A28 CAP CER CHP 18.0PF 50V
5%
C6537M6 2113944A19 CAP CER CHP 5.6PF 50V
+/- 0.5PF
C6538M6 2113956B33 CAP,FXD,2.2UF,+10%,-
10%,16V-DC,0603,X5R,-
55DEG CMIN,85DEG CMAX
C6539M6 2113956B33 CAP,FXD,2.2UF,+10%,-
10%,16V-DC,0603,X5R,-
55DEG CMIN,85DEG CMAX
C6540M6 2113945C13 CAP CER CHP 1000PF 50V
10%
C6541M6 2113944A19 CAP CER CHP 5.6PF 50V
+/- 0.5PF
C6542M6 2113946B04 CAP CER CHP 0.10UF 10V
10%
C6543M6 2113946B04 CAP CER CHP 0.10UF 10V
10%
C6544M6 2113945D04 CAP CER CHP 100,000PF
25V 10%
C6545M6 2113945D04 CAP CER CHP 100,000PF
25V 10%
C6546M6 2113946B04 CAP CER CHP 0.10UF 10V
10%
C6547M6 2113944A46 CAP CER CHP 330.0 PF
50V 5%
C6548M6 NOTPLACED 64AM DUMMY PART
NUMBER
Ref. Des. Part Number Description
C6549M6 2113944A46 CAP CER CHP 330.0 PF
50V 5%
C6550M6 2113945D04 CAP CER CHP 100,000PF
25V 10%
C6551M6 2113944A46 CAP CER CHP 330.0 PF
50V 5%
C6552M6 2113956E91 CAP,FXD,10UF,+10%,-
10%,16V-DC,1210,X5R,-
55DEG CMIN,85DEG
CMAX,P
C6553M6 2113956E91 CAP,FXD,10UF,+10%,-
10%,16V-DC,1210,X5R,-
55DEG CMIN,85DEG
CMAX,P
C6554M6 2113946B04 CAP CER CHP 0.10UF 10V
10%
C6555M6 2113955D45 CAP,FXD,4.7UF,+10%,-
10%,10V-DC,1206,X7R,-
55DEG CMIN,125DEG
CMAX
C6556M6 2113956B33 CAP,FXD,2.2UF,+10%,-
10%,16V-DC,0603,X5R,-
55DEG CMIN,85DEG CMAX
C6557M6 2113945D04 CAP CER CHP 100,000PF
25V 10%
C6558M6 2113944A21 CAP CER CHP 6.8PF 50V
+/- 0.5PF
C6559M6 2113946S35 CAP CER CHP 1.0UF 16V
10%
C6560M6 2113956C37 CAP,FXD,10UF,+10%,-
10%,16V-DC,0805,X5R,-
55DEG CMIN,85DEG
CMAX,P
C6561M6 2113956C37 CAP,FXD,10UF,+10%,-
10%,16V-DC,0805,X5R,-
55DEG CMIN,85DEG
CMAX,P
C6562M6 2113944A25 CAP CER CHP 10.0PF 50V
+/- 0.5PF
C6563M6 2113945D04 CAP CER CHP 100,000PF
25V 10%
C6564M6 2113944A46 CAP CER CHP 330.0 PF
50V 5%
Ref. Des. Part Number Description
C6565M6 2113956B33 CAP,FXD,2.2UF,+10%,-
10%,16V-DC,0603,X5R,-
55DEG CMIN,85DEG CMAX
C6566M6 2113956E91 CAP,FXD,10UF,+10%,-
10%,16V-DC,1210,X5R,-
55DEG CMIN,85DEG
CMAX,P
C6567M6 2113956E91 CAP,FXD,10UF,+10%,-
10%,16V-DC,1210,X5R,-
55DEG CMIN,85DEG
CMAX,P
C6568M6 2113956B33 CAP,FXD,2.2UF,+10%,-
10%,16V-DC,0603,X5R,-
55DEG CMIN,85DEG CMAX
C6569M6 2113956E91 CAP,FXD,10UF,+10%,-
10%,16V-DC,1210,X5R,-
55DEG CMIN,85DEG
CMAX,P
C6570M6 2113944A46 CAP CER CHP 330.0 PF
50V 5%
C6571M6 2113946B04 CAP CER CHP 0.10UF 10V
10%
C6572M6 2113946B04 CAP CER CHP 0.10UF 10V
10%
C6573M6 2113946S35 CAP CER CHP 1.0UF 16V
10%
C6574M6 2113946S35 CAP CER CHP 1.0UF 16V
10%
C6575M6 2113946S35 CAP CER CHP 1.0UF 16V
10%
C6576M6 2113956B33 CAP,FXD,2.2UF,+10%,-
10%,16V-DC,0603,X5R,-
55DEG CMIN,85DEG CMAX
C6577M6 2113946S35 CAP CER CHP 1.0UF 16V
10%
C6578M6 2113946S35 CAP CER CHP 1.0UF 16V
10%
C6579M6 2113946S35 CAP CER CHP 1.0UF 16V
10%
C6580M6 2113946S35 CAP CER CHP 1.0UF 16V
10%
C6581M6 2113956B33 CAP,FXD,2.2UF,+10%,-
10%,16V-DC,0603,X5R,-
55DEG CMIN,85DEG CMAX
Ref. Des. Part Number Description

Schematics, Boards Overlays, and Parts Lists: Main Board Block: VHF (84012512001_A) 8-155
C6582M6 2113944A21 CAP CER CHP 6.8PF 50V
+/- 0.5PF
C6583M6 2113946B04 CAP CER CHP 0.10UF 10V
10%
C6584M6 2113956C37 CAP,FXD,10UF,+10%,-
10%,16V-DC,0805,X5R,-
55DEG CMIN,85DEG
CMAX,P
C6585M6 2113946B04 CAP CER CHP 0.10UF 10V
10%
C6586M6 2113956C35 CAP,FXD,4.7UF,+10%,-
10%,16V-DC,0805,X5R,-
55DEG CMIN,85DEG CMAX
C6587M6 2113946B04 CAP CER CHP 0.10UF 10V
10%
C6588M6 2113944A46 CAP CER CHP 330.0 PF
50V 5%
C6589M6 2113944A40 CAP CER CHP 100.0PF
50V 5%
C6590M6 2113946B04 CAP CER CHP 0.10UF 10V
10%
C6591M6 2113944A28 CAP CER CHP 18.0PF 50V
5%
C6592M6 2113944A09 CAP CER CHP 2.2PF 50V
+/- 0.25PF
C6593M6 2113956C37 CAP,FXD,10UF,+10%,-
10%,16V-DC,0805,X5R,-
55DEG CMIN,85DEG
CMAX,P
C6594M6 2113946C07 CAP,FXD,.33UF,+10%,-
10%,10V-DC,0603,X5R,-
55DEG CMIN,85DEG CMAX
C6595M6 2113946S35 CAP CER CHP 1.0UF 16V
10%
C6596M6 NOTPLACED 64AM DUMMY PART
NUMBER
C6601M6 2113944A28 CAP CER CHP 18.0PF 50V
5%
C6602M6 2113944A28 CAP CER CHP 18.0PF 50V
5%
C6670M6 NOTPLACED 64AM DUMMY PART
NUMBER
Ref. Des. Part Number Description
C701M7 2113944A52 CAP CER CHP 1000.0 PF
50V 5%
C702M7 2113944G97 CAP,FXD,.082UF,+5%,-
5%,50V-DC,1206,C0G,-
55DEG CMIN,125DEG
CMAX
C703M7 2113945C26 CAP,FXD,.039UF,+10%,-
10%,50V-DC,0603,X7R,-
55DEG CMIN,125DEG CMA
C704M7 2113944G97 CAP,FXD,.082UF,+5%,-
5%,50V-DC,1206,C0G,-
55DEG CMIN,125DEG
CMAX
C705M7 2115153H57 CAP, CERAMIC, COG
C706M7 2113944G97 CAP,FXD,.082UF,+5%,-
5%,50V-DC,1206,C0G,-
55DEG CMIN,125DEG
CMAX
C707M7 2113945C01 CAP CER CHP 6800PF 50V
10%
C708M7 NOTPLACED 64AM DUMMY PART
NUMBER
C709M7 2185419D06 CAP CER SUPER L/D
0.1UF
C710M7 NOTPLACED 64AM DUMMY PART
NUMBER
C711M7 NOTPLACED 64AM DUMMY PART
NUMBER
C712M7 NOTPLACED 64AM DUMMY PART
NUMBER
C713M7 2113945C20 CAP,FXD,.016UF,+10%,-
10%,50V-DC,0603,X7R,-
55DEG CMIN,125DEG CMA
C714M7 2113944G97 CAP,FXD,.082UF,+5%,-
5%,50V-DC,1206,C0G,-
55DEG CMIN,125DEG
CMAX
C715M7 2113945C31 CAP,FXD,.1UF,+10%,-
10%,50V-DC,0603,X7R,-
55DEG CMIN,125DEG
CMAX
C716M7 2113945C31 CAP,FXD,.1UF,+10%,-
10%,50V-DC,0603,X7R,-
55DEG CMIN,125DEG
CMAX
Ref. Des. Part Number Description
C717M7 2113945C31 CAP,FXD,.1UF,+10%,-
10%,50V-DC,0603,X7R,-
55DEG CMIN,125DEG
CMAX
C718M7 2113945C31 CAP,FXD,.1UF,+10%,-
10%,50V-DC,0603,X7R,-
55DEG CMIN,125DEG
CMAX
C719M7 2113945C31 CAP,FXD,.1UF,+10%,-
10%,50V-DC,0603,X7R,-
55DEG CMIN,125DEG
CMAX
C720M7 2113944C54 CAP CER CHP 1800.OPF
50V 5%
C721M7 2113945G95 CAP,FXD,.22UF,+10%,-
10%,50V-DC,0805,X7R,-
55DEG CMIN,125DEG
CMAX
C722M7 2113944A52 CAP CER CHP 1000.0 PF
50V 5%
C724M7 2113955D37 CAP,FXD,10UF,+10%,-
10%,16V-DC,1206,X7R,-
55DEG CMIN,125DEG
CMAX
C725M7 2113945C31 CAP,FXD,.1UF,+10%,-
10%,50V-DC,0603,X7R,-
55DEG CMIN,125DEG
CMAX
C726M7 2113945C31 CAP,FXD,.1UF,+10%,-
10%,50V-DC,0603,X7R,-
55DEG CMIN,125DEG
CMAX
C727M7 2113944A52 CAP CER CHP 1000.0 PF
50V 5%
C730M7 2113945C31 CAP,FXD,.1UF,+10%,-
10%,50V-DC,0603,X7R,-
55DEG CMIN,125DEG
CMAX
C731M7 2113945C31 CAP,FXD,.1UF,+10%,-
10%,50V-DC,0603,X7R,-
55DEG CMIN,125DEG
CMAX
C732M7 2113944A32 CAP CER CHP 39.0PF 50V
5%
C733M7 2113945A09 CAP CER CHP 1000PF 50V
10%
Ref. Des. Part Number Description
C734M7 2113945C31 CAP,FXD,.1UF,+10%,-
10%,50V-DC,0603,X7R,-
55DEG CMIN,125DEG
CMAX
C735M7 2113944A31 CAP CER CHP 33.0PF 50V
5%
C736M7 2113945B02 CAP CER CHP 10,000PF
25V 10%
C737M7 2113945C31 CAP,FXD,.1UF,+10%,-
10%,50V-DC,0603,X7R,-
55DEG CMIN,125DEG
CMAX
C739M7 2113944A17 CAP CER CHP 4.7PF 50V
+/- 0.25PF
C740M7 2113944A44 CAP CER CHP 220.0 PF
50V 5%
C742M7 2113945C31 CAP,FXD,.1UF,+10%,-
10%,50V-DC,0603,X7R,-
55DEG CMIN,125DEG
CMAX
C743M7 2113946B06 CAP,CHIP,.22UF,+10%,-
10%,10V-DC,0402,X5R,-
55DEG CMIN,85DEG CMAX
C744M7 2113955D37 CAP,FXD,10UF,+10%,-
10%,16V-DC,1206,X7R,-
55DEG CMIN,125DEG
CMAX
C749M7 2113945C31 CAP,FXD,.1UF,+10%,-
10%,50V-DC,0603,X7R,-
55DEG CMIN,125DEG
CMAX
C750M7 2113945C31 CAP,FXD,.1UF,+10%,-
10%,50V-DC,0603,X7R,-
55DEG CMIN,125DEG
CMAX
C751M7 2113945A09 CAP CER CHP 1000PF 50V
10%
C752M7 2113944A43 CAP CER CHP 180.0PF
50V 5%
C753M7 2113945Y02 CAP,FXD,.1UF,+10%,-
10%,16V-DC,0402,X7R,-
55DEG CMIN,125DEG
CMAX
C754M7 2113944A34 CAP CER CHP 56.0PF 50V
5%
Ref. Des. Part Number Description

8-156 Schematics, Boards Overlays, and Parts Lists: Main Board Block: VHF (84012512001_A)
C756M7 2113955D37 CAP,FXD,10UF,+10%,-
10%,16V-DC,1206,X7R,-
55DEG CMIN,125DEG
CMAX
C757M7 2113945C31 CAP,FXD,.1UF,+10%,-
10%,50V-DC,0603,X7R,-
55DEG CMIN,125DEG
CMAX
C760M7 2113944A44 CAP CER CHP 220.0 PF
50V 5%
C764M7 2113946B06 CAP,CHIP,.22UF,+10%,-
10%,10V-DC,0402,X5R,-
55DEG CMIN,85DEG CMAX
C768M7 2113944A25 CAP CER CHP 10.0PF 50V
+/- 0.5PF
C770M7 2113944A44 CAP CER CHP 220.0 PF
50V 5%
C772M7 2113945A09 CAP CER CHP 1000PF 50V
10%
C773M7 2113944A33 CAP CER CHP 47.0PF 50V
5%
C777M7 2113944A44 CAP CER CHP 220.0 PF
50V 5%
C778M7 2113944A36 CAP CER CHP 68.0PF 50V
5%
C779M7 NOTPLACED 64AM DUMMY PART
NUMBER
C780M7 2113944A33 CAP CER CHP 47.0PF 50V
5%
C781M7 2113944A44 CAP CER CHP 220.0 PF
50V 5%
C786M7 2113944A44 CAP CER CHP 220.0 PF
50V 5%
C790M7 2113944A29 CAP CER CHP 22.0PF 50V
5%
C791M7 2113944A29 CAP CER CHP 22.0PF 50V
5%
C803M7 2113944A44 CAP CER CHP 220.0 PF
50V 5%
C809M7 2113944A12 CAP CER CHP 3.0PF 50V
+/- 0.25PF
C813M7 2115153H40 CAP, CERAMIC, COG
Ref. Des. Part Number Description
C816M7 2113944A25 CAP CER CHP 10.0PF 50V
+/- 0.5PF
C817M7 2113944A44 CAP CER CHP 220.0 PF
50V 5%
C819M7 2113944A44 CAP CER CHP 220.0 PF
50V 5%
C823M7 2113944A52 CAP CER CHP 1000.0 PF
50V 5%
C824M7 2113944A44 CAP CER CHP 220.0 PF
50V 5%
C901M16 2113944A46 CAP CER CHP 330.0 PF
50V 5%
C902M16 2113944A46 CAP CER CHP 330.0 PF
50V 5%
C903M16 2113945B02 CAP CER CHP 10,000PF
25V 10%
C904M16 2113944A34 CAP CER CHP 56.0PF 50V
5%
C905M16 2113945B02 CAP CER CHP 10,000PF
25V 10%
C906M16 2113944A46 CAP CER CHP 330.0 PF
50V 5%
C907M16 2113944A46 CAP CER CHP 330.0 PF
50V 5%
C908M16 2113944A46 CAP CER CHP 330.0 PF
50V 5%
C909M16 2113944A46 CAP CER CHP 330.0 PF
50V 5%
C910M16 NOTPLACED 64AM DUMMY PART
NUMBER
C911M16 2113945B02 CAP CER CHP 10,000PF
25V 10%
C912M16 NOTPLACED 64AM DUMMY PART
NUMBER
C913M16 2115153H51 CAP, CERAMIC, COG
C914M16 2115153H49 CAP, CERAMIC, COG
C915M16 2113944A46 CAP CER CHP 330.0 PF
50V 5%
C916M16 2115153H57 CAP, CERAMIC, COG
C917M16 NOTPLACED 64AM DUMMY PART
NUMBER
Ref. Des. Part Number Description
C918M16 522372-076-
00
CAP,FXD,620PF,+5%,-
5%,50V-DC,0603,C0G,-
55DEG CMIN,125DEG
CMAX,L
C919M16 2113944M22 CAP,FXD,15PF,+2%,-
2%,50V-DC,0603,C0G,-
55DEG CMIN,125DEG
CMAX,PB
C920M16 2113742J10 CAP 39.0 PF 5%
C921M16 2113742J10 CAP 39.0 PF 5%
C922M16 2113944M28 CAP,FXD,27PF,+2%,-
2%,50V-DC,0603,C0G,-
55DEG CMIN,125DEG
CMAX,PB
C923M16 NOTPLACED 64AM DUMMY PART
NUMBER
C924M16 2113944M22 CAP,FXD,15PF,+2%,-
2%,50V-DC,0603,C0G,-
55DEG CMIN,125DEG
CMAX,PB
C925M16 2113944C04 CAP CER CHP 330.0PF
50V 5%
C927M16 NOTPLACED 64AM DUMMY PART
NUMBER
C928M16 2113944M24 CAP,FXD,18PF,+2%,-
2%,50V-DC,0603,C0G,-
55DEG CMIN,125DEG
CMAX,PB
C929M16 2113945A12 CAP CER CHP 3300PF 50V
10%
C930M16 2113945A12 CAP CER CHP 3300PF 50V
10%
C931M16 NOTPLACED 64AM DUMMY PART
NUMBER
C933M16 NOTPLACED 64AM DUMMY PART
NUMBER
C934M16 2113944A34 CAP CER CHP 56.0PF 50V
5%
C935M16 2115153H48 CAP, CERAMIC, COG
D1M2 4870359B01 DIODE,SUPR,SM,7.82V,.1
W,ESD PROT,V360
Ref. Des. Part Number Description
D200M12 4813978A19 DIODE,RECT,MBR120,SM,
SOD-123,1A,20V,SHTK,PB-
FREE
D2101M2 4870359B01 DIODE,SUPR,SM,7.82V,.1
W,ESD PROT,V360
D2304M2 4870359B01 DIODE,SUPR,SM,7.82V,.1
W,ESD PROT,V360
D2305M2 4870359B01 DIODE,SUPR,SM,7.82V,.1
W,ESD PROT,V360
D2306M2 4870359B01 DIODE,SUPR,SM,7.82V,.1
W,ESD PROT,V360
D2307M2 4870359B01 DIODE,SUPR,SM,7.82V,.1
W,ESD PROT,V360
D2521M6 4871785H01 SWITCHING DIODE
BAS116LT1G
D2701M13 4813974A19 DIODE
ARRAY,MXR,SM,SOT-
323,7V,.2W,SHTK,2,PB-
FREE
D2702M13 4815897H01 PIN DIODE
D2703M13 4815897H01 PIN DIODE
D2M2 4870359B01 DIODE,SUPR,SM,7.82V,.1
W,ESD PROT,V360
D301M20 NOTPLACED 64AM DUMMY PART
NUMBER
D3206M22 4815002H03 DIODE,VCTR, @ 34V,SILI-
CON EPITAXIAL
D3207M22 4815002H03 DIODE,VCTR, @ 34V,SILI-
CON EPITAXIAL
D3208M22 4815002H03 DIODE,VCTR, @ 34V,SILI-
CON EPITAXIAL
D3209M22 4815002H03 DIODE,VCTR, @ 34V,SILI-
CON EPITAXIAL
D3246M22 4815002H03 DIODE,VCTR, @ 34V,SILI-
CON EPITAXIAL
D3247M22 4815002H03 DIODE,VCTR, @ 34V,SILI-
CON EPITAXIAL
D3248M22 4815002H03 DIODE,VCTR, @ 34V,SILI-
CON EPITAXIAL
D3249M22 4815002H03 DIODE,VCTR, @ 34V,SILI-
CON EPITAXIAL
Ref. Des. Part Number Description

Schematics, Boards Overlays, and Parts Lists: Main Board Block: VHF (84012512001_A) 8-157
D3M2 4870359B01 DIODE,SUPR,SM,7.82V,.1
W,ESD PROT,V360
D4001M2 4813978A25 SCHOTTKY 30V SOD-323
T&R PB FREE
D6101M6 4813978A25 SCHOTTKY 30V SOD-323
T&R PB FREE
D6401M6 4813978A25 SCHOTTKY 30V SOD-323
T&R PB FREE
D6501M6 4813978A25 SCHOTTKY 30V SOD-323
T&R PB FREE
D722M7 4815011H01 DIODE TRIPLE
D723M7 4815011H01 DIODE TRIPLE
E1101M11 2405688Z01 INDUCTOR FERRITE BEAD
E201M12 7686949J14 FLTR,FERRITE
BEAD,,,,2A,,,,,SM,0805,,CHI
P,220OHM
E2201M2 7685268E01 FERRITE BEAD 20X40 200
MA MAX CHIP
E2206M2 7685268E01 FERRITE BEAD 20X40 200
MA MAX CHIP
E2207M2 7685268E01 FERRITE BEAD 20X40 200
MA MAX CHIP
E2247M2 7685268E01 FERRITE BEAD 20X40 200
MA MAX CHIP
E2248M2 7685268E01 FERRITE BEAD 20X40 200
MA MAX CHIP
E2249M2 7685268E01 FERRITE BEAD 20X40 200
MA MAX CHIP
E302M20 2480640Z01 SURFACE MOUNT FER-
RITE BEAD
E601M19 2480640Z01 SURFACE MOUNT FER-
RITE BEAD
E602M19 2480640Z01 SURFACE MOUNT FER-
RITE BEAD
E603M19 2480640Z01 SURFACE MOUNT FER-
RITE BEAD
E604M19 2480640Z01 SURFACE MOUNT FER-
RITE BEAD
E605M19 2480640Z01 SURFACE MOUNT FER-
RITE BEAD
Ref. Des. Part Number Description
E606M19 2480640Z01 SURFACE MOUNT FER-
RITE BEAD
E607M19 2480640Z01 SURFACE MOUNT FER-
RITE BEAD
E608M19 2480640Z01 SURFACE MOUNT FER-
RITE BEAD
E609M19 2480640Z01 SURFACE MOUNT FER-
RITE BEAD
E6501M6 2480067M02 CHK RF CHIP BEAD
INDUCTOR
E6502M6 2480067M02 CHK RF CHIP BEAD
INDUCTOR
F200M12 6575834B01 FUSE SURFACE MOUNT
FL1301M3 9102190J23 FLTR,SAW,BAND-
PASS,1.57542GHZ
NOM,SM,1.4X1.0MM,SMD,
PB-FREE
FL1302M3 9109674L58 PASSIVE FIL-
TER,CER,BAND-
PASS,2.45GHZ NOM
FL1303M3 9102190J23 FLTR,SAW,BAND-
PASS,1.57542GHZ
NOM,SM,1.4X1.0MM,SMD,
PB-FREE
FL502M21 91009300001 FILTER,MONOLITHIC
CRYSTAL,BAND-
PASS,109.65MHZ NOM
J102M11 2880658Z08 CONNECTOR SMA
J1301M3 40012057001 SWITCH,RF
J1M2 09012130001 CONNECTOR, BTB
RECEPTACLE, 24-PIN,
0.4MM PITCH
J2401M2 0989851N01 CONNECTOR, RECEPTA-
CLE, 0.4MM PITCH, 1.5MM
HEIGHT,40PIN
J2M2 0971704L01 CONNECTOR, 12-PIN
SOCKET, 0.4MM PIT
J3M2 09012073001 CONNECTOR, B2B
RECEPTACLE 34PINS
L1101M11 2415429H26 CHIP INDUCTOR
L1102M11 2415429H10 CHIP INDUCTOR
L1117M11 2415428H01 AIR WOUND INDUCTOR
Ref. Des. Part Number Description
L1203M17 2416066H02 INDUCTOR
L1209M17 2416066H02 INDUCTOR
L1211M17 2416066H02 INDUCTOR
L1301M3 2414017P16 IDCTR,CHIP,18NH,5%,300
MA,.76OHM,CER,9
Q,1.9GHZ SRF,SM,0402,P
L1302M3 NOTPLACED 64AM DUMMY PART
NUMBER
L1303M3 2414017P16 IDCTR,CHIP,18NH,5%,300
MA,.76OHM,CER,9
Q,1.9GHZ SRF,SM,0402,P
L1304M3 2475122C17 IND, MULTI-LAY, 4.7NH
?0.3%, 0402,
L1305M3 24012011010 0402 HIGH Q CHIP INDUC-
TOR
L1306M3 2414017P14 IDCTR,CHIP,12NH,5%,300
MA,.6OHM,CER,9 Q,2GHZ
SRF,SM,0402,PB-F
L1308M3 NOTPLACED 64AM DUMMY PART
NUMBER
L1316M3 24012011018 0402 HIGH Q CHIP INDUC-
TOR
L200M12 2571269C01 INDUCTOR WW POWER
20%
L2701M13 2416066H02 INDUCTOR
L2702M13 2415429H40 CHIP INDUCTOR
L312M20 2414032F35 IDCTR,WW,120NH,5%,400
MA,.51OHM,CER,35
Q,860MHZ SRF,SM,PB-FR
L313M20 2415429H28 CHIP INDUCTOR
L314M20 2415429H28 CHIP INDUCTOR
L315M20 2414017N22 IDCTR,CHIP,68NH,5%,400
MA,1.2OHM,CER,14
Q,800MHZ SRF,SM,0603
L316M20 2415429H34 CHIP INDUCTOR
L317M20 2414017P13 IDCTR,CHIP,10NH,5%,300
MA,.46OHM,CER,9
Q,2.5GHZ SRF,SM,0402,P
L318M20 2414032F35 IDCTR,WW,120NH,5%,400
MA,.51OHM,CER,35
Q,860MHZ SRF,SM,PB-FR
Ref. Des. Part Number Description
L319M20 2414032F35 IDCTR,WW,120NH,5%,400
MA,.51OHM,CER,35
Q,860MHZ SRF,SM,PB-FR
L3205M22 2414032F44 IDCTR,WW,680NH,10%,130
MA,4OHM,CER,30
Q,570MHZ SRF,SM,PB-FRE
L320M20 2415429H28 CHIP INDUCTOR
L3210M22 2415429H27 CHIP INDUCTOR
L3216M22 2415010H04 AIRWOUND COIL
L321M20 2415429H28 CHIP INDUCTOR
L3223M22 2414032F44 IDCTR,WW,680NH,10%,130
MA,4OHM,CER,30
Q,570MHZ SRF,SM,PB-FRE
L3229M22 2414032F44 IDCTR,WW,680NH,10%,130
MA,4OHM,CER,30
Q,570MHZ SRF,SM,PB-FRE
L3230M22 2414032F44 IDCTR,WW,680NH,10%,130
MA,4OHM,CER,30
Q,570MHZ SRF,SM,PB-FRE
L3245M22 2414032F44 IDCTR,WW,680NH,10%,130
MA,4OHM,CER,30
Q,570MHZ SRF,SM,PB-FRE
L3250M22 2415429H30 CHIP INDUCTOR
L3256M22 2414015C05 IDCTR,FXD,33NH,2%,1.3M
A,.09OHM,CER,75
Q,1.7GHZ SRF,SM,1008,P
L3261M22 2414032F44 IDCTR,WW,680NH,10%,130
MA,4OHM,CER,30
Q,570MHZ SRF,SM,PB-FRE
L3269M22 2414032F44 IDCTR,WW,680NH,10%,130
MA,4OHM,CER,30
Q,570MHZ SRF,SM,PB-FRE
L3270M22 2414032F44 IDCTR,WW,680NH,10%,130
MA,4OHM,CER,30
Q,570MHZ SRF,SM,PB-FRE
L327M20 2414032F35 IDCTR,WW,120NH,5%,400
MA,.51OHM,CER,35
Q,860MHZ SRF,SM,PB-FR
L329M20 2478057A30 0306 HIGH Q CHIP INDUC-
TOR
L500M21 2415429H43 CHIP INDUCTOR
Ref. Des. Part Number Description

8-158 Schematics, Boards Overlays, and Parts Lists: Main Board Block: VHF (84012512001_A)
L501M21 2414017P25 IDCTR,CHIP,100NH,5%,100
MA,5.5OHM,CER,8
Q,650MHZ SRF,SM,0402
L503M21 2414017N24 IDCTR,CHIP,100NH,5%,300
MA,2OHM,CER,14
Q,700MHZ SRF,SM,0603,P
L504M21 2478057A51 0306 HIGH Q CHIP INDUC-
TOR
L513M21 NOTPLACED 64AM DUMMY PART
NUMBER
L550M21 2414017N20 IDCTR,CHIP,47NH,5%,500
MA,.86OHM,CER,14
Q,900MHZ SRF,SM,0603
L601M19 2415429H43 CHIP INDUCTOR
L602M19 2466505A01 COIL INDUCTOR
L603M19 2466505A01 COIL INDUCTOR
L604M19 2414032D16 IDCTR,WW,120NH,5%,800
MA,.26OHM,CER,42
Q,1GHZ SRF,SM,PB-FREE
L605M19 2414017Q54 IDCTR,FXD,3.9UH,10%,30
MA,.9OHM,FERR,45
Q,38MHZ SRF,SM,0805,P
L611M19 2414032F39 IDCTR,WW,270NH,10%,280
MA,1OHM,CER,40
Q,800MHZ SRF,SM,PB-FRE
L6502M6 2471678H01 10UH INDCUTOR
L6504M6 24009268001 10UH 2.1A SHIELDED
INDUCTOR
L6505M6 2471678H01 10UH INDCUTOR
L704M7 2414017P17 IDCTR,CHIP,22NH,5%,300
MA,.88OHM,CER,9
Q,1.8GHZ SRF,SM,0402,P
L709M7 2415429H21 CHIP INDUCTOR
L720M7 2480646Z20 COIL MULTI-LAYER
CHIP(2.20UH)
L727M7 2480646Z20 COIL MULTI-LAYER
CHIP(2.20UH)
L728M7 2415429H47 CHIP INDUCTOR
L733M7 2480646Z20 COIL MULTI-LAYER
CHIP(2.20UH)
Ref. Des. Part Number Description
L735M7 2480646Z20 COIL MULTI-LAYER
CHIP(2.20UH)
L738M7 2480646Z20 COIL MULTI-LAYER
CHIP(2.20UH)
L739M7 2415429H47 CHIP INDUCTOR
L741M7 2480646Z20 COIL MULTI-LAYER
CHIP(2.20UH)
L746M7 2414017P04 IDCTR,CHIP,1.8NH,300MA,.
14OHM,CER,8 Q,6GHZ
SRF,SM,0402,PB-F
L753M7 2415347H06 IDCTR, 2200NH
L755M7 2415429H47 CHIP INDUCTOR
L758M7 2415429H47 CHIP INDUCTOR
L759M7 2415429H47 CHIP INDUCTOR
L765M7 2414017P16 IDCTR,CHIP,18NH,5%,300
MA,.76OHM,CER,9
Q,1.9GHZ SRF,SM,0402,P
L775M7 2415429H36 CHIP INDUCTOR
L901M16 2414017N10 IDCTR,CHIP,6.8NH,5%,600
MA,.22OHM,CER,10
Q,2.7GHZ SRF,SM,0603
L902M16 2415429H37 CHIP INDUCTOR
L903M16 2414015A07 IDCTR,FXD,180NH,2%,750
MA,.77OHM,CER,25
Q,700MHZ SRF,SM,1008
L904M16 2414017N19 IDCTR,CHIP,39NH,5%,500
MA,.74OHM,CER,12
Q,1GHZ SRF,SM,0603,PB
L905M16 2414017N14 IDCTR,CHIP,15NH,5%,600
MA,.4OHM,CER,12
Q,1.8GHZ SRF,SM,0603,P
L906M16 2460591K40 COIL AIR WOUND INDUC
59.71
L907M16 2471968L13 LOW PROFILE MINI
SPRING INDUCTOR
L908M16 2415428H01 AIR WOUND INDUCTOR
L909M16 2471968L10 9.0NH 2% LP AIRWOUND
INDUCTOR
L910M16 2471968L07 LOW PROFILE MINI
SPRING INDUCTOR
Ref. Des. Part Number Description
L912M16 2414017P19 IDCTR,CHIP,33NH,5%,200
MA,1.5OHM,CER,8
Q,1.3GHZ SRF,SM,0402,P
M1 1171905B02 WHITE I SHAPE UNDER-
FILM CORNER
M101M12 39012039001 CONNECTOR, BATTERY
CONTACT
M1301M3 3987977Y04 CONT,CONN,,1CONT,,,ANT
UNIV 4.5MM,UC 1.8
M1302M3 3987977Y04 CONT,CONN,,1CONT,,,ANT
UNIV 4.5MM,UC 1.8
M2 1171905B02 WHITE I SHAPE UNDER-
FILM CORNER
M2533M6 3987977Y04 CONT,CONN,,1CONT,,,ANT
UNIV 4.5MM,UC 1.8
M6502M6 0985888K02 SKT RTC BTTY LEAP
PASTE 11007387003 SLDR,PASTE,500G,PLAS-
TIC JAR,AIR SEAL, 8.9E
LOW VOID
PCB 84012512001 BOARD, PC, VHF MAIN
BOARD
Q1101M11 4813973A32 XSTR,BIP GP
SS,NPN,SM,SC-
70,SMT,50V,.202W,100MA,
PB-FREE
Q1103M11 4813970A59 P-CH FET 1.0A 20V SOT-23
T&R
Q201M12 4813970A59 P-CH FET 1.0A 20V SOT-23
T&R
Q202M12 4813973A32 XSTR,BIP GP
SS,NPN,SM,SC-
70,SMT,50V,.202W,100MA,
PB-FREE
Q2202M2 4815261H01 TRANSISTOR,BIP GEN-
ERAL PURPOSE SMALL
NPN
Q2537M6 4888795V06 XSTR,FET GP PWR,,,MOS-
FET,,SM,,,SMT,20V,.25W,LE
AD-FREE
Q2547M6 4888795V06 XSTR,FET GP PWR,,,MOS-
FET,,SM,,,SMT,20V,.25W,LE
AD-FREE
Ref. Des. Part Number Description
Q2701M13 4815055H01 TSTR DUAL NPN/PNP UMH
5
Q303M20 4813973M75 XSTR,BIP GP
SS,PNP,BC858,SOT-
563,SMT,-30V,.357W,-
100MA,100MHZ
Q304M20 4813973A32 XSTR,BIP GP
SS,NPN,SM,SC-
70,SMT,50V,.202W,100MA,
PB-FREE
Q3227M22 4885061Y01 XSTR NPN 6V 30UA 12GHZ
PB-FREE
Q3232M22 4815055H01 TSTR DUAL NPN/PNP UMH
5
Q3267M22 4885061Y01 XSTR NPN 6V 30UA 12GHZ
PB-FREE
Q3272M22 4815055H01 TSTR DUAL NPN/PNP UMH
5
Q4001M2 4815261H01 TRANSISTOR,BIP GEN-
ERAL PURPOSE SMALL
NPN
Q601M19 4813973A04 XSTR,BIP GP
SS,NPN,TA13,SM,SOT-
23,SMT,30V,.225W,300MA,1
25MHZ,P
Q6101M6 4815261H01 TRANSISTOR,BIP GEN-
ERAL PURPOSE SMALL
NPN
Q6401M6 48012170001 FET
Q6501M6 4813970A62 XSTR,FET GP PWR,MOS-
FET,P-CH,ENHN,CF,-
20V,1.3W,PB-FREE
Q6502M6 48012154001 FET
Q6504M6 4809579E77 FET, NCH MOS FET, 1.2MM
X 1.2MM PACKAGE, SMD,
W18 COMPLIANT
Q6505M6 4813970A62 XSTR,FET GP PWR,MOS-
FET,P-CH,ENHN,CF,-
20V,1.3W,PB-FREE
Q6506M6 4809579E77 FET, NCH MOS FET, 1.2MM
X 1.2MM PACKAGE, SMD,
W18 COMPLIANT
Q6507M6 48012170001 FET
Ref. Des. Part Number Description

Schematics, Boards Overlays, and Parts Lists: Main Board Block: VHF (84012512001_A) 8-159
Q6508M6 48012154001 FET
Q731M7 4885061Y01 XSTR NPN 6V 30UA 12GHZ
PB-FREE
Q745M7 4813973M75 XSTR,BIP GP
SS,PNP,BC858,SOT-
563,SMT,-30V,.357W,-
100MA,100MHZ
Q756M7 4805585Q32 TRANSITOR, NPN RF
Q767M7 4813973M75 XSTR,BIP GP
SS,PNP,BC858,SOT-
563,SMT,-30V,.357W,-
100MA,100MHZ
Q774M7 4805585Q32 TRANSITOR, NPN RF
Q785M7 4889394V04 XSTR,FET GEN PURPOSE
SMALL SIG,MOSFET,N-
CH,ENHN,SM,20V,.25W,P
Q901M16 48012094001 MOD,XSTR,FET RF PWR,
135-941MHZ
R1101M11 0613952R01 CER CHIP RES 10K OHM
5% 0402
R1102M11 0613952R25 CER CHIP RES 100K OHM
5% 0402
R1103M11 06009259001 LOW RESISTANCE THICK
FILM RESISTOR
R1104M11 0613952Q49 CER CHIP RES 100 OHM 5
0402
R1105M11 0613952Q49 CER CHIP RES 100 OHM 5
0402
R1106M11 0613952K73 CER CHIP RES 56.2 OHM
1% 0402
R1107M11 0613952Q45 CER CHIP RES 68.0 OHM 5
0402
R1108M11 0613952N81 CER CHIP RES 68.1K OHM
1 0402
R1110M11 0613952R01 CER CHIP RES 10K OHM
5% 0402
R1112M11 NOTPLACED 64AM DUMMY PART
NUMBER
R1114M11 0613952Q49 CER CHIP RES 100 OHM 5
0402
R1115M11 0613952Q49 CER CHIP RES 100 OHM 5
0402
Ref. Des. Part Number Description
R1116M11 0613952R01 CER CHIP RES 10K OHM
5% 0402
R1117M11 0613952R11 CER CHIP RES 27K OHM
5% 0402
R1121M11 0613952N47 CER CHIP RES 30.1K OHM
1 0402
R1122M11 0613952N85 CER CHIP RES 75.0K OHM
1 0402
R1124M11 0613952Q42 CER CHIP RES 51.0 OHM 5
0402
R1125M11 0613952Z60 RES,MF,27KOHM,1%,.0625
W,SM,0402,200PPM/
CEL,PB-FREE
R1126M11 0613952N05 CER CHIP RES 11.0K OHM
1 0402
R1127M11 0613952R08 CER CHIP RES 20K OHM 5
0402
R1128M11 0613952R01 CER CHIP RES 10K OHM
5% 0402
R1135M11 0613952R66 CER CHIP RES 0.0 +/-0.050
OHM
R1136M11 0613952R01 CER CHIP RES 10K OHM
5% 0402
R1137M11 0613952R01 CER CHIP RES 10K OHM
5% 0402
R1138M11 0613952R25 CER CHIP RES 100K OHM
5% 0402
R1139M11 0613952R25 CER CHIP RES 100K OHM
5% 0402
R1140M11 0613952R25 CER CHIP RES 100K OHM
5% 0402
R1141M11 0613952R42 CER CHIP RES 510K OHM
5 0402
R1142M11 0613952R25 CER CHIP RES 100K OHM
5% 0402
R1143M11 0613952R25 CER CHIP RES 100K OHM
5% 0402
R1144M11 0613952R25 CER CHIP RES 100K OHM
5% 0402
R1145M11 0613952R25 CER CHIP RES 100K OHM
5% 0402
Ref. Des. Part Number Description
R1146M11 0613952R25 CER CHIP RES 100K OHM
5% 0402
R1151M11 0613952R05 CER CHIP RES 15K OHM
5% 0402
R1152M11 0613952R01 CER CHIP RES 10K OHM
5% 0402
R1154M11 0613952N01 CER CHIP RES 10.0K OHM
1 0402
R1158M11 NOTPLACED 64AM DUMMY PART
NUMBER
R1160M11 0613952R03 CER CHIP RES 12K OHM
5% 0402
R1162M11 0613952R29 CER CHIP RES 150K OHM
5% 0402
R1163M11 0613952R06 CER CHIP RES 16K OHM 5
0402
R1164M11 0613952R01 CER CHIP RES 10K OHM
5% 0402
R1165M11 0613952Q56 CER CHIP RES 200 OHM 5
0402
R1166M11 0613952Q56 CER CHIP RES 200 OHM 5
0402
R1167M11 0613952R01 CER CHIP RES 10K OHM
5% 0402
R1168M11 0613952Q49 CER CHIP RES 100 OHM 5
0402
R1169M11 0613952P52 CER CHIP RES 340K OHM
1 0402
R1170M11 0613952N88 CER CHIP RES 80.6K OHM
1 0402
R1171M11 0613952R66 CER CHIP RES 0.0 +/-0.050
OHM
R1172M11 0613952Q89 CER CHIP RES 4700 OHM
5 0402
R1174M11 0613952N01 CER CHIP RES 10.0K OHM
1 0402
R1175M11 0613952R66 CER CHIP RES 0.0 +/-0.050
OHM
R1176M11 0613952M26 CER CHIP RES 1820 OHM
1% 0402
Ref. Des. Part Number Description
R1177M11 0613952R66 CER CHIP RES 0.0 +/-0.050
OHM
R1178M11 0613952R01 CER CHIP RES 10K OHM
5% 0402
R1180M11 0613952R66 CER CHIP RES 0.0 +/-0.050
OHM
R1182M11 0613952R01 CER CHIP RES 10K OHM
5% 0402
R1198M11 0613952J01 CER CHIP RES 10K OHM
5% 0603
R1202M11 0613952R66 CER CHIP RES 0.0 +/-0.050
OHM
R1301M3 0613952R66 CER CHIP RES 0.0 +/-0.050
OHM
R1302M3 0613952R66 CER CHIP RES 0.0 +/-0.050
OHM
R1303M3 0613952R66 CER CHIP RES 0.0 +/-0.050
OHM
R1304M3 0613952R66 CER CHIP RES 0.0 +/-0.050
OHM
R1305M3 0613952R66 CER CHIP RES 0.0 +/-0.050
OHM
R1306M3 0613952R66 CER CHIP RES 0.0 +/-0.050
OHM
R1307M3 0613952R66 CER CHIP RES 0.0 +/-0.050
OHM
R1308M3 0613952R25 CER CHIP RES 100K OHM
5% 0402
R1309M3 NOTPLACED 64AM DUMMY PART
NUMBER
R1310M3 0613952R66 CER CHIP RES 0.0 +/-0.050
OHM
R1311M3 NOTPLACED 64AM DUMMY PART
NUMBER
R1312M3 0613952R66 CER CHIP RES 0.0 +/-0.050
OHM
R1313M3 0613952R66 CER CHIP RES 0.0 +/-0.050
OHM
R1314M3 0613952R66 CER CHIP RES 0.0 +/-0.050
OHM
Ref. Des. Part Number Description

8-160 Schematics, Boards Overlays, and Parts Lists: Main Board Block: VHF (84012512001_A)
R1315M3 0613952R66 CER CHIP RES 0.0 +/-0.050
OHM
R1316M3 NOTPLACED 64AM DUMMY PART
NUMBER
R1317M3 0613952R66 CER CHIP RES 0.0 +/-0.050
OHM
R1318M3 0613952R66 CER CHIP RES 0.0 +/-0.050
OHM
R1319M3 0613952R66 CER CHIP RES 0.0 +/-0.050
OHM
R1320M3 0613952R66 CER CHIP RES 0.0 +/-0.050
OHM
R1321M3 0613952R66 CER CHIP RES 0.0 +/-0.050
OHM
R1322M3 0613952R66 CER CHIP RES 0.0 +/-0.050
OHM
R1323M3 0613952R66 CER CHIP RES 0.0 +/-0.050
OHM
R1324M3 0613952R25 CER CHIP RES 100K OHM
5% 0402
R1325M3 0613952R66 CER CHIP RES 0.0 +/-0.050
OHM
R1326M3 0613952R66 CER CHIP RES 0.0 +/-0.050
OHM
R1327M3 NOTPLACED 64AM DUMMY PART
NUMBER
R1328M3 0613952Q73 CER CHIP RES 1000 OHM
5 0402
R1329M3 0613952R66 CER CHIP RES 0.0 +/-0.050
OHM
R1330M3 0613952R66 CER CHIP RES 0.0 +/-0.050
OHM
R1331M3 0613952R66 CER CHIP RES 0.0 +/-0.050
OHM
R1332M3 0613952R66 CER CHIP RES 0.0 +/-0.050
OHM
R1333M3 0613952R25 CER CHIP RES 100K OHM
5% 0402
R1337M3 NOTPLACED 64AM DUMMY PART
NUMBER
Ref. Des. Part Number Description
R1338M3 0613952R66 CER CHIP RES 0.0 +/-0.050
OHM
R1340M3 0613952R66 CER CHIP RES 0.0 +/-0.050
OHM
R1M2 0613952R17 CER CHIP RES 47K OHM
5% 0402
R2 NOTPLACED 64AM DUMMY PART
NUMBER
R20 NOTPLACED 64AM DUMMY PART
NUMBER
R201M12 0613952R25 CER CHIP RES 100K OHM
5% 0402
R202M12 0613952Q89 CER CHIP RES 4700 OHM
5 0402
R2104M2 0613952Q89 CER CHIP RES 4700 OHM
5 0402
R2105M2 0613952Q89 CER CHIP RES 4700 OHM
5 0402
R2106M2 NOTPLACED 64AM DUMMY PART
NUMBER
R2107M2 0613952Q73 CER CHIP RES 1000 OHM
5 0402
R2109M2 0613952Q25 CER CHIP RES 10.0 OHM 5
0402
R2110M2 0613952Q33 CER CHIP RES 22.0 OHM 5
0402
R2111M2 0613952Q25 CER CHIP RES 10.0 OHM 5
0402
R2113M2 0613952Q25 CER CHIP RES 10.0 OHM 5
0402
R2114M2 0613952Q33 CER CHIP RES 22.0 OHM 5
0402
R2115M2 0613952Q25 CER CHIP RES 10.0 OHM 5
0402
R2116M2 0613952R01 CER CHIP RES 10K OHM
5% 0402
R2117M2 0613952R01 CER CHIP RES 10K OHM
5% 0402
R2118M2 0613952R01 CER CHIP RES 10K OHM
5% 0402
Ref. Des. Part Number Description
R2120M2 0613952R01 CER CHIP RES 10K OHM
5% 0402
R2197M2 0613952R66 CER CHIP RES 0.0 +/-0.050
OHM
R2198M2 0613952R66 CER CHIP RES 0.0 +/-0.050
OHM
R2199M2 0613952R66 CER CHIP RES 0.0 +/-0.050
OHM
R21M2 0613952R66 CER CHIP RES 0.0 +/-0.050
OHM
R2201M2 0613952R32 CER CHIP RES 200K OHM
5 0402
R2204M2 0613952Q85 CER CHIP RES 3300 OHM
5 0402
R2206M2 0613952Q85 CER CHIP RES 3300 OHM
5 0402
R2207M2 0613952R66 CER CHIP RES 0.0 +/-0.050
OHM
R2235M2 0613952R66 CER CHIP RES 0.0 +/-0.050
OHM
R2244M2 0613952Q73 CER CHIP RES 1000 OHM
5 0402
R2245M2 0613952Q81 CER CHIP RES 2200 OHM
5 0402
R2246M2 0613952Q73 CER CHIP RES 1000 OHM
5 0402
R2254M2 0613952R01 CER CHIP RES 10K OHM
5% 0402
R2255M2 0613952Q66 CER CHIP RES 510 OHM 5
0402
R2256M2 0613952Q66 CER CHIP RES 510 OHM 5
0402
R2257M2 0613952Q66 CER CHIP RES 510 OHM 5
0402
R22M2 0613952R66 CER CHIP RES 0.0 +/-0.050
OHM
R2356M2 0613952Q09 CER CHIP RES 2.2 OHM 5
0402
R2357M2 0613952Q09 CER CHIP RES 2.2 OHM 5
0402
Ref. Des. Part Number Description
R2358M2 0613952Q66 CER CHIP RES 510 OHM 5
0402
R2359M2 0613952R66 CER CHIP RES 0.0 +/-0.050
OHM
R2360M2 0613952R66 CER CHIP RES 0.0 +/-0.050
OHM
R2361M2 0613952R66 CER CHIP RES 0.0 +/-0.050
OHM
R2362M2 0613952Q49 CER CHIP RES 100 OHM 5
0402
R2363M2 0613952Q53 CER CHIP RES 150 OHM 5
0402
R2364M2 0613952Q49 CER CHIP RES 100 OHM 5
0402
R2401M2 0613952R01 CER CHIP RES 10K OHM
5% 0402
R2404M3 0613952R25 CER CHIP RES 100K OHM
5% 0402
R2405M3 0613952R66 CER CHIP RES 0.0 +/-0.050
OHM
R2406M3 NOTPLACED 64AM DUMMY PART
NUMBER
R2407M3 0613952R66 CER CHIP RES 0.0 +/-0.050
OHM
R2408M3 0613952R66 CER CHIP RES 0.0 +/-0.050
OHM
R2412M3 0613952Q53 CER CHIP RES 150 OHM 5
0402
R2414M3 0613952R25 CER CHIP RES 100K OHM
5% 0402
R2416M3 0613952R25 CER CHIP RES 100K OHM
5% 0402
R2418M3 0613952R66 CER CHIP RES 0.0 +/-0.050
OHM
R2419M3 0613952Q49 CER CHIP RES 100 OHM 5
0402
R2433M3 0613952R25 CER CHIP RES 100K OHM
5% 0402
R2434M3 0613952R25 CER CHIP RES 100K OHM
5% 0402
Ref. Des. Part Number Description

Schematics, Boards Overlays, and Parts Lists: Main Board Block: VHF (84012512001_A) 8-161
R2435M3 0613952R66 CER CHIP RES 0.0 +/-0.050
OHM
R2436M3 0613952R25 CER CHIP RES 100K OHM
5% 0402
R2437M3 0613952R25 CER CHIP RES 100K OHM
5% 0402
R2441M3 0613952Q41 CER CHIP RES 47.0 OHM 5
0402
R2442M3 0613952Q73 CER CHIP RES 1000 OHM
5 0402
R2443M3 0613952Q73 CER CHIP RES 1000 OHM
5 0402
R2444M3 0613952R25 CER CHIP RES 100K OHM
5% 0402
R2449M3 0613952R25 CER CHIP RES 100K OHM
5% 0402
R2450M3 0613952R25 CER CHIP RES 100K OHM
5% 0402
R2451M3 0613952R66 CER CHIP RES 0.0 +/-0.050
OHM
R2452M3 0613952R25 CER CHIP RES 100K OHM
5% 0402
R2453M3 0613952R25 CER CHIP RES 100K OHM
5% 0402
R2454M3 0613952R25 CER CHIP RES 100K OHM
5% 0402
R2455M3 0613952R25 CER CHIP RES 100K OHM
5% 0402
R2456M3 0613952R25 CER CHIP RES 100K OHM
5% 0402
R2457M3 0613952R05 CER CHIP RES 15K OHM
5% 0402
R2458M3 0613952Q89 CER CHIP RES 4700 OHM
5 0402
R2459M3 0613952R25 CER CHIP RES 100K OHM
5% 0402
R2460M3 0613952R25 CER CHIP RES 100K OHM
5% 0402
R2461M3 0613952R25 CER CHIP RES 100K OHM
5% 0402
Ref. Des. Part Number Description
R2465M3 0613952R25 CER CHIP RES 100K OHM
5% 0402
R2466M3 0613952R25 CER CHIP RES 100K OHM
5% 0402
R2467M3 0613952Q32 CER CHIP RES 20.0 OHM 5
0402
R2469M3 0613952Q73 CER CHIP RES 1000 OHM
5 0402
R2470M3 NOTPLACED 64AM DUMMY PART
NUMBER
R2471M3 NOTPLACED 64AM DUMMY PART
NUMBER
R2472M3 0613952R25 CER CHIP RES 100K OHM
5% 0402
R2473M3 0613952R01 CER CHIP RES 10K OHM
5% 0402
R2474M3 0613952R35 CER CHIP RES 270K OHM
5% 0402
R2475M3 0613952Q53 CER CHIP RES 150 OHM 5
0402
R2476M3 0613952R25 CER CHIP RES 100K OHM
5% 0402
R2477M3 0613952R25 CER CHIP RES 100K OHM
5% 0402
R2478M3 0613952R25 CER CHIP RES 100K OHM
5% 0402
R2479M3 0613952R25 CER CHIP RES 100K OHM
5% 0402
R2480M3 0613952R25 CER CHIP RES 100K OHM
5% 0402
R2481M3 0613952R25 CER CHIP RES 100K OHM
5% 0402
R2484M3 0613952Q35 CER CHIP RES 27.0 OHM 5
0402
R2485M3 0613952Q35 CER CHIP RES 27.0 OHM 5
0402
R2486M3 0613952R01 CER CHIP RES 10K OHM
5% 0402
R2487M3 0613952R01 CER CHIP RES 10K OHM
5% 0402
Ref. Des. Part Number Description
R2488M3 0613952R25 CER CHIP RES 100K OHM
5% 0402
R2489M3 0613952R01 CER CHIP RES 10K OHM
5% 0402
R2490M3 0613952R01 CER CHIP RES 10K OHM
5% 0402
R2491M3 0613952R01 CER CHIP RES 10K OHM
5% 0402
R2492M3 0613952R01 CER CHIP RES 10K OHM
5% 0402
R2493M3 0613952R66 CER CHIP RES 0.0 +/-0.050
OHM
R2495M3 0613952R25 CER CHIP RES 100K OHM
5% 0402
R2496M3 0613952R25 CER CHIP RES 100K OHM
5% 0402
R2497M3 0613952R25 CER CHIP RES 100K OHM
5% 0402
R2501M6 0613952R25 CER CHIP RES 100K OHM
5% 0402
R2503M6 NOTPLACED 64AM DUMMY PART
NUMBER
R2505M6 0613952Q75 CER CHIP RES 1200 OHM
5 0402
R2507M6 0613952R49 CER CHIP RES 1.0M OHM
5% 0402
R2508M6 0613952R01 CER CHIP RES 10K OHM
5% 0402
R2509M6 0613952R66 CER CHIP RES 0.0 +/-0.050
OHM
R2511M6 0613952R66 CER CHIP RES 0.0 +/-0.050
OHM
R2512M6 0613952R66 CER CHIP RES 0.0 +/-0.050
OHM
R2513M6 0613952Q80 CER CHIP RES 2000 OHM
5 0402
R2514M6 NOTPLACED 64AM DUMMY PART
NUMBER
R2515M6 NOTPLACED 64AM DUMMY PART
NUMBER
Ref. Des. Part Number Description
R2516M6 0613952R66 CER CHIP RES 0.0 +/-0.050
OHM
R2517M6 0613952R01 CER CHIP RES 10K OHM
5% 0402
R2519M6 0613952H25 CER CHIP RES 10.0 OHM
5% 0603
R2522M6 0613952R74 RES,MF,10MOHM,5%,.0625
W,SM,0402,400PPM/
CEL,PB-FREE
R2523M6 0613952R74 RES,MF,10MOHM,5%,.0625
W,SM,0402,400PPM/
CEL,PB-FREE
R2524M6 0613952R49 CER CHIP RES 1.0M OHM
5% 0402
R2529M6 0613952P30 CER CHIP RES 200K OHM
1 0402
R2530M6 0613952P30 CER CHIP RES 200K OHM
1 0402
R2560M6 0613952R66 CER CHIP RES 0.0 +/-0.050
OHM
R2701M13 0613952R25 CER CHIP RES 100K OHM
5% 0402
R2702M13 NOTPLACED 64AM DUMMY PART
NUMBER
R2703M13 0613952H47 CER CHIP RES 82.0 OHM 5
0603
R2704M13 0613952H47 CER CHIP RES 82.0 OHM 5
0603
R2705M13 0613952H47 CER CHIP RES 82.0 OHM 5
0603
R2706M13 0662057B47 CHIP RES 0 OHMS +-.0 50
OHMS
R2803 0613952Q37 CER CHIP RES 33.0 OHM 5
0402
R2804 0613952Q49 CER CHIP RES 100 OHM 5
0402
R2805 0613952Q49 CER CHIP RES 100 OHM 5
0402
R2806 0613952Q59 CER CHIP RES 270 OHM 5
0402
R2807 0613952Q56 CER CHIP RES 200 OHM 5
0402
Ref. Des. Part Number Description

8-162 Schematics, Boards Overlays, and Parts Lists: Main Board Block: VHF (84012512001_A)
R2808 0613952Q49 CER CHIP RES 100 OHM 5
0402
R2810 0613952R01 CER CHIP RES 10K OHM
5% 0402
R2811 0613952Q89 CER CHIP RES 4700 OHM
5 0402
R2812 0613952R01 CER CHIP RES 10K OHM
5% 0402
R2813 NOTPLACED 64AM DUMMY PART
NUMBER
R2817 0613952Q41 CER CHIP RES 47.0 OHM 5
0402
R310M20 0613952R22 CER CHIP RES 75K OHM 5
0402
R311M20 0613952R27 CER CHIP RES 120K OHM
5% 0402
R312M20 0613952R01 CER CHIP RES 10K OHM
5% 0402
R313M20 0613952Q37 CER CHIP RES 33.0 OHM 5
0402
R314M20 0613952Q75 CER CHIP RES 1200 OHM
5 0402
R315M20 0613952Q25 CER CHIP RES 10.0 OHM 5
0402
R316M20 0613952G67 CER CHIP RES 0.0 +/-0.050
OHM
R317M20 0613952R66 CER CHIP RES 0.0 +/-0.050
OHM
R3200M22 0613952R66 CER CHIP RES 0.0 +/-0.050
OHM
R3201M22 0613952Q13 CER CHIP RES 3.3 OHM 5
0402
R3202M22 0613952R66 CER CHIP RES 0.0 +/-0.050
OHM
R3203M22 0613952Q75 CER CHIP RES 1200 OHM
5 0402
R3204M22 0613952Q75 CER CHIP RES 1200 OHM
5 0402
R3205M22 0613952Q57 CER CHIP RES 220 OHM 5
0402
Ref. Des. Part Number Description
R3206M22 0613952Q52 CER CHIP RES 130 OHM 5
0402
R3207M22 0613952Q57 CER CHIP RES 220 OHM 5
0402
R3208M22 0613952R66 CER CHIP RES 0.0 +/-0.050
OHM
R3218M22 0613952Q93 CER CHIP RES 6800 OHM
5 0402
R3222M22 0613952Q96 CER CHIP RES 9100 OHM
5 0402
R3231M22 0613952Q58 CER CHIP RES 240 OHM 5
0402
R3233M22 0613952Q53 CER CHIP RES 150 OHM 5
0402
R3257M22 0613952Q96 CER CHIP RES 9100 OHM
5 0402
R3260M22 0613952Q96 CER CHIP RES 9100 OHM
5 0402
R3271M22 0613952Q53 CER CHIP RES 150 OHM 5
0402
R3273M22 0613952Q53 CER CHIP RES 150 OHM 5
0402
R380M20 0613952Q25 CER CHIP RES 10.0 OHM 5
0402
R381M20 0613952Q25 CER CHIP RES 10.0 OHM 5
0402
R4005M2 0613952R01 CER CHIP RES 10K OHM
5% 0402
R4006M2 0613952R01 CER CHIP RES 10K OHM
5% 0402
R4007M2 0613952R01 CER CHIP RES 10K OHM
5% 0402
R4008M2 0613952R01 CER CHIP RES 10K OHM
5% 0402
R4009M2 0613952Q85 CER CHIP RES 3300 OHM
5 0402
R4010M2 0613952R32 CER CHIP RES 200K OHM
5 0402
R4011M2 0613952R17 CER CHIP RES 47K OHM
5% 0402
Ref. Des. Part Number Description
R4012M2 0613952R09 CER CHIP RES 22K OHM
5% 0402
R4013M2 0613952R09 CER CHIP RES 22K OHM
5% 0402
R4014M2 0613952Q85 CER CHIP RES 3300 OHM
5 0402
R500M21 0613952Q37 CER CHIP RES 33.0 OHM 5
0402
R502M21 0613952Q36 CER CHIP RES 30.0 OHM 5
0402
R512M21 0613952R66 CER CHIP RES 0.0 +/-0.050
OHM
R525M21 0613952R66 CER CHIP RES 0.0 +/-0.050
OHM
R526M21 0613958J74 CER CHIP RES 0.0 OHM
JMP 0805
R601M19 0613952Q41 CER CHIP RES 47.0 OHM 5
0402
R602M19 0613952Q63 CER CHIP RES 390 OHM 5
0402
R603M19 0613952R25 CER CHIP RES 100K OHM
5% 0402
R604M19 0613952Q63 CER CHIP RES 390 OHM 5
0402
R605M19 0613952R01 CER CHIP RES 10K OHM
5% 0402
R606M19 0613952R01 CER CHIP RES 10K OHM
5% 0402
R607M19 0613952R25 CER CHIP RES 100K OHM
5% 0402
R608M19 0613952R01 CER CHIP RES 10K OHM
5% 0402
R609M19 0613952Q81 CER CHIP RES 2200 OHM
5 0402
R6101M6 0613952R01 CER CHIP RES 10K OHM
5% 0402
R6102M6 0613952R09 CER CHIP RES 22K OHM
5% 0402
R6103M6 0613952R09 CER CHIP RES 22K OHM
5% 0402
Ref. Des. Part Number Description
R6104M6 NOTPLACED 64AM DUMMY PART
NUMBER
R6105M6 0613952R66 CER CHIP RES 0.0 +/-0.050
OHM
R6106M6 0613952Q73 CER CHIP RES 1000 OHM
5 0402
R6107M6 0613952Q55 CER CHIP RES 180 OHM 5
0402
R6108M6 0613952Q61 CER CHIP RES 330 OHM 5
0402
R6109M6 0613952Q73 CER CHIP RES 1000 OHM
5 0402
R610M19 0613952R25 CER CHIP RES 100K OHM
5% 0402
R6110M6 0613952Q73 CER CHIP RES 1000 OHM
5 0402
R6111M6 0613952Q73 CER CHIP RES 1000 OHM
5 0402
R6112M6 NOTPLACED 64AM DUMMY PART
NUMBER
R6113M6 0613952Q51 CER CHIP RES 120 OHM 5
0402
R6114M6 0613952Q49 CER CHIP RES 100 OHM 5
0402
R6115M6 0613952Q49 CER CHIP RES 100 OHM 5
0402
R6116M6 NOTPLACED 64AM DUMMY PART
NUMBER
R6117M6 0613952R01 CER CHIP RES 10K OHM
5% 0402
R6118M6 0613952R09 CER CHIP RES 22K OHM
5% 0402
R6119M6 0613952R01 CER CHIP RES 10K OHM
5% 0402
R611M19 0613952R01 CER CHIP RES 10K OHM
5% 0402
R6120M6 0613952R01 CER CHIP RES 10K OHM
5% 0402
R6121M6 0613952R01 CER CHIP RES 10K OHM
5% 0402
Ref. Des. Part Number Description

Schematics, Boards Overlays, and Parts Lists: Main Board Block: VHF (84012512001_A) 8-163
R6122M6 0613952R01 CER CHIP RES 10K OHM
5% 0402
R6125M6 0613952Q73 CER CHIP RES 1000 OHM
5 0402
R612M19 0613952Q94 CER CHIP RES 7500 OHM
5 0402
R613M19 0613952Q82 CER CHIP RES 2400 OHM
5 0402
R614M19 0613952R66 CER CHIP RES 0.0 +/-0.050
OHM
R615M19 NOTPLACED 64AM DUMMY PART
NUMBER
R616M19 NOTPLACED 64AM DUMMY PART
NUMBER
R617M19 NOTPLACED 64AM DUMMY PART
NUMBER
R618M19 NOTPLACED 64AM DUMMY PART
NUMBER
R619M19 NOTPLACED 64AM DUMMY PART
NUMBER
R6204M6 0613952R01 CER CHIP RES 10K OHM
5% 0402
R6205M6 0613952R01 CER CHIP RES 10K OHM
5% 0402
R6206M6 0613952R25 CER CHIP RES 100K OHM
5% 0402
R6207M6 0613952R25 CER CHIP RES 100K OHM
5% 0402
R6208M6 0613952Q89 CER CHIP RES 4700 OHM
5 0402
R6209M6 0613952Q89 CER CHIP RES 4700 OHM
5 0402
R620M19 NOTPLACED 64AM DUMMY PART
NUMBER
R6210M6 0613952Q89 CER CHIP RES 4700 OHM
5 0402
R6211M6 0613952R01 CER CHIP RES 10K OHM
5% 0402
R6212M6 NOTPLACED 64AM DUMMY PART
NUMBER
Ref. Des. Part Number Description
R6213M6 0613952R01 CER CHIP RES 10K OHM
5% 0402
R6215M6 0613952R01 CER CHIP RES 10K OHM
5% 0402
R6217M6 0613952Q73 CER CHIP RES 1000 OHM
5 0402
R6218M6 0613952Q80 CER CHIP RES 2000 OHM
5 0402
R621M19 NOTPLACED 64AM DUMMY PART
NUMBER
R623M19 NOTPLACED 64AM DUMMY PART
NUMBER
R624M19 NOTPLACED 64AM DUMMY PART
NUMBER
R6301M6 0613952R01 CER CHIP RES 10K OHM
5% 0402
R6304M6 0613952R66 CER CHIP RES 0.0 +/-0.050
OHM
R6306M6 0613952R01 CER CHIP RES 10K OHM
5% 0402
R6310M6 0613952Q37 CER CHIP RES 33.0 OHM 5
0402
R6311M6 0613952Q37 CER CHIP RES 33.0 OHM 5
0402
R6312M6 0613952Q37 CER CHIP RES 33.0 OHM 5
0402
R6313M6 0613952Q37 CER CHIP RES 33.0 OHM 5
0402
R6314M6 0613952Q37 CER CHIP RES 33.0 OHM 5
0402
R6316M6 0613952R01 CER CHIP RES 10K OHM
5% 0402
R6401M6 0613952R18 CER CHIP RES 51K OHM 5
0402
R6402M6 0613952R32 CER CHIP RES 200K OHM
5 0402
R6404M6 0613952Q81 CER CHIP RES 2200 OHM
5 0402
R6405M6 0613952Q75 CER CHIP RES 1200 OHM
5 0402
Ref. Des. Part Number Description
R6406M6 0613952R01 CER CHIP RES 10K OHM
5% 0402
R6410M6 0613952R01 CER CHIP RES 10K OHM
5% 0402
R6411M6 0613952R66 CER CHIP RES 0.0 +/-0.050
OHM
R6416M6 0613952Q61 CER CHIP RES 330 OHM 5
0402
R6417M6 0613952Q61 CER CHIP RES 330 OHM 5
0402
R6419M6 0613952Q37 CER CHIP RES 33.0 OHM 5
0402
R6420M6 0613952R17 CER CHIP RES 47K OHM
5% 0402
R6421M6 0613952R01 CER CHIP RES 10K OHM
5% 0402
R6422M6 0613952Q51 CER CHIP RES 120 OHM 5
0402
R6423M6 0613952R66 CER CHIP RES 0.0 +/-0.050
OHM
R6425M6 0613952Q80 CER CHIP RES 2000 OHM
5 0402
R6426M6 0613952Q49 CER CHIP RES 100 OHM 5
0402
R6427M6 0613952R11 CER CHIP RES 27K OHM
5% 0402
R6428M6 0613952R25 CER CHIP RES 100K OHM
5% 0402
R6429M6 0613952R17 CER CHIP RES 47K OHM
5% 0402
R6430M6 0613952R09 CER CHIP RES 22K OHM
5% 0402
R6431M6 0613952Q81 CER CHIP RES 2200 OHM
5 0402
R6492M6 0613952Q79 CER CHIP RES 1800 OHM
5 0402
R6501M6 0613952Q25 CER CHIP RES 10.0 OHM 5
0402
R6502M6 0613952Q25 CER CHIP RES 10.0 OHM 5
0402
Ref. Des. Part Number Description
R6503M6 0613952Q25 CER CHIP RES 10.0 OHM 5
0402
R6504M6 0613952R09 CER CHIP RES 22K OHM
5% 0402
R6505M6 0613952Q80 CER CHIP RES 2000 OHM
5 0402
R6506M6 0613952R66 CER CHIP RES 0.0 +/-0.050
OHM
R6507M6 0613952R01 CER CHIP RES 10K OHM
5% 0402
R6508M6 0613952R17 CER CHIP RES 47K OHM
5% 0402
R6509M6 0613952R25 CER CHIP RES 100K OHM
5% 0402
R6510M6 0613952R66 CER CHIP RES 0.0 +/-0.050
OHM
R6511M6 0613952R01 CER CHIP RES 10K OHM
5% 0402
R6512M6 0613952N01 CER CHIP RES 10.0K OHM
1 0402
R6513M6 0613952R66 CER CHIP RES 0.0 +/-0.050
OHM
R6514M6 0613952Q89 CER CHIP RES 4700 OHM
5 0402
R6515M6 0613952R66 CER CHIP RES 0.0 +/-0.050
OHM
R6516M6 0613952R66 CER CHIP RES 0.0 +/-0.050
OHM
R6517M6 0613952Q63 CER CHIP RES 390 OHM 5
0402
R6518M6 0613952R66 CER CHIP RES 0.0 +/-0.050
OHM
R6519M6 0613952Q89 CER CHIP RES 4700 OHM
5 0402
R6520M6 0613952Q73 CER CHIP RES 1000 OHM
5 0402
R6521M6 0615049H01 KAMAYA 0.2 OHM CHIP
RESISTOR
R6522M6 0613952M66 CER CHIP RES 4750 OHM
1% 0402
Ref. Des. Part Number Description

8-164 Schematics, Boards Overlays, and Parts Lists: Main Board Block: VHF (84012512001_A)
R6523M6 0613952R09 CER CHIP RES 22K OHM
5% 0402
R6524M6 0613952R66 CER CHIP RES 0.0 +/-0.050
OHM
R6525M6 NOTPLACED 64AM DUMMY PART
NUMBER
R6526M6 0613952R66 CER CHIP RES 0.0 +/-0.050
OHM
R6527M6 0613952N87 CER CHIP RES 78.7K OHM
1 0402
R6528M6 0613952R25 CER CHIP RES 100K OHM
5% 0402
R6529M6 0615049H01 KAMAYA 0.2 OHM CHIP
RESISTOR
R6530M6 0613952L30 CER CHIP RES 200 OHM 1
0402
R6531M6 0613952R01 CER CHIP RES 10K OHM
5% 0402
R6532M6 NOTPLACED 64AM DUMMY PART
NUMBER
R6533M6 0613952R66 CER CHIP RES 0.0 +/-0.050
OHM
R6534M6 NOTPLACED 64AM DUMMY PART
NUMBER
R6535M6 0613952N01 CER CHIP RES 10.0K OHM
1 0402
R6536M6 0613952Z72 RES,MF,91KOHM,1%,.0625
W,SM,0402,200PPM/
CEL,PB-FREE
R6537M6 0613952P09 CER CHIP RES 121K OHM
1 0402
R6538M6 0613952Q95 CER CHIP RES 8200 OHM
5 0402
R6539M6 0613952P66 CER CHIP RES 475K OHM
1 0402
R6540M6 0613952P66 CER CHIP RES 475K OHM
1 0402
R6541M6 0613952R25 CER CHIP RES 100K OHM
5% 0402
R6542M6 0613952R66 CER CHIP RES 0.0 +/-0.050
OHM
Ref. Des. Part Number Description
R6543M6 0613952R66 CER CHIP RES 0.0 +/-0.050
OHM
R6544M6 0613952R66 CER CHIP RES 0.0 +/-0.050
OHM
R6545M6 0613952R25 CER CHIP RES 100K OHM
5% 0402
R6546M6 0613952R66 CER CHIP RES 0.0 +/-0.050
OHM
R6547M6 0613952R66 CER CHIP RES 0.0 +/-0.050
OHM
R6548M6 NOTPLACED 64AM DUMMY PART
NUMBER
R6550M6 0613952Z64 RES,MF,39KOHM,1%,.0625
W,SM,0402,200PPM/
CEL,PB-FREE
R6551M6 0613952Z62 RES,MF,33KOHM,1%,.0625
W,SM,0402,200PPM/
CEL,PB-FREE
R6552M6 0613952R25 CER CHIP RES 100K OHM
5% 0402
R6558M6 0613952P22 CER CHIP RES 165K OHM
1 0402
R6561M6 0613952R66 CER CHIP RES 0.0 +/-0.050
OHM
R6562M6 0613952R66 CER CHIP RES 0.0 +/-0.050
OHM
R6563M6 0613952R66 CER CHIP RES 0.0 +/-0.050
OHM
R6564M6 0613952R66 CER CHIP RES 0.0 +/-0.050
OHM
R6565M6 0613952R66 CER CHIP RES 0.0 +/-0.050
OHM
R6566M6 0613952R66 CER CHIP RES 0.0 +/-0.050
OHM
R6567M6 0613952R66 CER CHIP RES 0.0 +/-0.050
OHM
R6568M6 0613952P47 CER CHIP RES 301K OHM
1 0402
R6570M6 0613952R66 CER CHIP RES 0.0 +/-0.050
OHM
R6574M6 0613952R25 CER CHIP RES 100K OHM
5% 0402
Ref. Des. Part Number Description
R6576M6 0613952R01 CER CHIP RES 10K OHM
5% 0402
R6577M6 0613952Q89 CER CHIP RES 4700 OHM
5 0402
R6578M6 0613952Q89 CER CHIP RES 4700 OHM
5 0402
R6579M6 0613952R01 CER CHIP RES 10K OHM
5% 0402
R6580M6 0613952R17 CER CHIP RES 47K OHM
5% 0402
R6581M6 0613952Q49 CER CHIP RES 100 OHM 5
0402
R6582M6 0613952Q89 CER CHIP RES 4700 OHM
5 0402
R6583M6 0613952R03 CER CHIP RES 12K OHM
5% 0402
R6584M6 0613952Q56 CER CHIP RES 200 OHM 5
0402
R6591M6 0613952R66 CER CHIP RES 0.0 +/-0.050
OHM
R6598M6 0613952R66 CER CHIP RES 0.0 +/-0.050
OHM
R6599M6 NOTPLACED 64AM DUMMY PART
NUMBER
R6601M6 0613952R01 CER CHIP RES 10K OHM
5% 0402
R6602M6 0613952R01 CER CHIP RES 10K OHM
5% 0402
R6604M6 0613952Q51 CER CHIP RES 120 OHM 5
0402
R6605M6 0613952Q33 CER CHIP RES 22.0 OHM 5
0402
R6606M6 0613952Q37 CER CHIP RES 33.0 OHM 5
0402
R6608M6 0613952R01 CER CHIP RES 10K OHM
5% 0402
R6609M6 0613952R25 CER CHIP RES 100K OHM
5% 0402
R6616M6 0613952Q80 CER CHIP RES 2000 OHM
5 0402
Ref. Des. Part Number Description
R6617M6 0613952R01 CER CHIP RES 10K OHM
5% 0402
R6618M6 0613952R01 CER CHIP RES 10K OHM
5% 0402
R6619M6 0613952R01 CER CHIP RES 10K OHM
5% 0402
R6621M6 0613952Q89 CER CHIP RES 4700 OHM
5 0402
R6622M6 0613952Q35 CER CHIP RES 27.0 OHM 5
0402
R6623M6 0613952Q35 CER CHIP RES 27.0 OHM 5
0402
R6624M6 0613952Q35 CER CHIP RES 27.0 OHM 5
0402
R6625M6 0613952Q35 CER CHIP RES 27.0 OHM 5
0402
R6626M6 0613952R01 CER CHIP RES 10K OHM
5% 0402
R6701M6 0613952R01 CER CHIP RES 10K OHM
5% 0402
R6702M6 0613952R17 CER CHIP RES 47K OHM
5% 0402
R6703M6 0613952R17 CER CHIP RES 47K OHM
5% 0402
R6704M6 0613952R17 CER CHIP RES 47K OHM
5% 0402
R6705M6 0613952R66 CER CHIP RES 0.0 +/-0.050
OHM
R6706M6 0613952Q73 CER CHIP RES 1000 OHM
5 0402
R698M19 0613952R66 CER CHIP RES 0.0 +/-0.050
OHM
R699M19 0613952R66 CER CHIP RES 0.0 +/-0.050
OHM
R701M7 0613952Q69 CER CHIP RES 680 OHM 5
0402
R702M7 0613952R66 CER CHIP RES 0.0 +/-0.050
OHM
R705M7 0613952Q75 CER CHIP RES 1200 OHM
5 0402
Ref. Des. Part Number Description

Schematics, Boards Overlays, and Parts Lists: Main Board Block: VHF (84012512001_A) 8-165
R706M7 0613952R66 CER CHIP RES 0.0 +/-0.050
OHM
R708M7 0613952Q45 CER CHIP RES 68.0 OHM 5
0402
R709M7 NOTPLACED 64AM DUMMY PART
NUMBER
R710M7 0613952Q60 CER CHIP RES 300 OHM 5
0402
R711M7 0613952Q60 CER CHIP RES 300 OHM 5
0402
R721M7 0613952R01 CER CHIP RES 10K OHM
5% 0402
R722M7 0613952Q56 CER CHIP RES 200 OHM 5
0402
R723M7 0613952Q82 CER CHIP RES 2400 OHM
5 0402
R728M7 0613952Q31 CER CHIP RES 18.0 OHM 5
0402
R729M7 0613952R09 CER CHIP RES 22K OHM
5% 0402
R730M7 0613952Q75 CER CHIP RES 1200 OHM
5 0402
R734M7 0613952Q79 CER CHIP RES 1800 OHM
5 0402
R736M7 0613952R66 CER CHIP RES 0.0 +/-0.050
OHM
R741M7 0613952R09 CER CHIP RES 22K OHM
5% 0402
R742M7 0613952R23 CER CHIP RES 82K OHM
5% 0402
R743M7 0613952R17 CER CHIP RES 47K OHM
5% 0402
R744M7 0613952Q91 CER CHIP RES 5600 OHM
5 0402
R745M7 0613952R09 CER CHIP RES 22K OHM
5% 0402
R747M7 0613952Q32 CER CHIP RES 20.0 OHM 5
0402
R748M7 0613952Q47 CER CHIP RES 82.0 OHM
5% 0402
Ref. Des. Part Number Description
R751M7 0613952Q59 CER CHIP RES 270 OHM 5
0402
R754M7 0613952Q71 CER CHIP RES 820 OHM 5
0402
R757M7 0613952Q59 CER CHIP RES 270 OHM 5
0402
R761M7 0613952Q23 CER CHIP RES 8.2 OHM 5
0402
R762M7 0613952R08 CER CHIP RES 20K OHM 5
0402
R763M7 0613952R19 CER CHIP RES 56K OHM
5% 0402
R766M7 0613952Q92 CER CHIP RES 6200 OHM
5 0402
R769M7 0613952Q37 CER CHIP RES 33.0 OHM 5
0402
R771M7 0613952Q49 CER CHIP RES 100 OHM 5
0402
R776M7 0613952Q67 CER CHIP RES 560 OHM 5
0402
R785M7 NOTPLACED 64AM DUMMY PART
NUMBER
R799M7 NOTPLACED 64AM DUMMY PART
NUMBER
R822M7 NOTPLACED 64AM DUMMY PART
NUMBER
R823M7 NOTPLACED 64AM DUMMY PART
NUMBER
R901M16 0613952R01 CER CHIP RES 10K OHM
5% 0402
R902M16 0613952R01 CER CHIP RES 10K OHM
5% 0402
R903M16 0613952N85 CER CHIP RES 75.0K OHM
1 0402
R904M16 0613952R13 CER CHIP RES 33K OHM
5% 0402
R905M16 0613952Q73 CER CHIP RES 1000 OHM
5 0402
R906M16 0613952Q61 CER CHIP RES 330 OHM 5
0402
SH1 26012246001 SHIELD, IF
Ref. Des. Part Number Description
SH10 26012250001 SHIELD, ANTSWI
SH11 26012258001 SHIELD, ABACUS
SH12 26012251001 SHIELD, PAOP
SH13 26012260001 SHIELD, DRIVER/PA
SH14 26012252001 SHIELD, ALC/DC
SH15 26012261001 SHIELD, VCO
SH16 26012254001 SHIELD, CONTROLLER/
AVR
SH17 26012262001 SHIELD, MACE/MAKO
SH2 26012253001 SHIELD, MIXER
SH3 26012259001 SHIELD, GPS/BT
SH4 26012247001 SHIELD, 2ND LO
SH5 26012255001 SHIELD, ALC1
SH6 26012248001 SHIELD, FGU
SH7 26012256001 SHIELD, DC
SH8 26012249001 SHIELD, TXFE
SH9 26012257001 SHIELD, RXFE
T506M21 2575851B01 RF TRANSFORMER
BALUN
T507M21 2575851B02 RF TRANSFORMER
BALUN
U1101M11 5188032U43 IC,SENSING CIR-
CUIT,INA138,SM,SOT-23/
5,1PER PKG
U1103M11 5185070Y01 IC TEMPERATURE SEN-
SOR PB-FREE
U1104M11 5185941F56 IC SINGLE LV LP OP
AMPLIFIER
U1105M11 5180390L83 IC,CNTLR,,,SM,,1PER PKG
U1106M11 5175772B05 PRECISION RF DETEC-
TOR
U1112M11 5175772B04 1 DB LSB GAAS MMIC
ATTENUATOR
U1113M11 5185941F56 IC SINGLE LV LP OP
AMPLIFIER
U1114M11 5185941F56 IC SINGLE LV LP OP
AMPLIFIER
Ref. Des. Part Number Description
U1119M11 5109522E94 2 INPUT AND GATE IN
NANO PACKAGE (C87)
U1121M11 5114000B52 IC,XOR,LOGIC LEVEL
SHIFTER,1PER
PKG,SM,SOT-353,PB-FREE
U1125M11 5175206H01 QUAD 12-BIT DAC IC
U1126M11 5109817F77 IC COMPTR LM7275 5SC70
(D54)
U1127M11 5171779H01 SPDT ANALOG SWITCH
U1128M11 5188085K11 IC, SINGLE NAND GATE, 2-
INPUT, POSITIVE, 5
DSBGA, PB-FREE
U1129M11 5175143H01 WIDE SUPPLY RANGE OP
AMP
U1130M11 5175143H01 WIDE SUPPLY RANGE OP
AMP
U1131M11 5109817F77 IC COMPTR LM7275 5SC70
(D54)
U1132M11 5114007M28 IC,F-F/D,1PER
PKG,17SZ74,N-
I,SM,SOIC8,PB-FREE
U1133M11 5171779H01 SPDT ANALOG SWITCH
U1136M11 5109522E94 2 INPUT AND GATE IN
NANO PACKAGE (C87)
U1137M11 5164852H16 IC TRANSCEIVER W/
LEVEL TRANSLATION
U1138M11 5164852H16 IC TRANSCEIVER W/
LEVEL TRANSLATION
U1139M11 5164852H16 IC TRANSCEIVER W/
LEVEL TRANSLATION
U1141M11 5185941F56 IC SINGLE LV LP OP
AMPLIFIER
U1142M11 5185941F56 IC SINGLE LV LP OP
AMPLIFIER
U1143M11 5185941F56 IC SINGLE LV LP OP
AMPLIFIER
U1144M11 5171779H01 SPDT ANALOG SWITCH
U1146M11 5109522E93 2 INPUT OR GATE IN
NANO PACKAGE (C87)
U1147M11 5109522E94 2 INPUT AND GATE IN
NANO PACKAGE (C87)
Ref. Des. Part Number Description

8-166 Schematics, Boards Overlays, and Parts Lists: Main Board Block: VHF (84012512001_A)
U1148M11 5185941F56 IC SINGLE LV LP OP
AMPLIFIER
U1149M11 5109522E93 2 INPUT OR GATE IN
NANO PACKAGE (C87)
U1150M11 51009381001 LOW DROPOUT VOLTAGE
REFERENCE
U1301M3 51007377001 IC, XCVR, BLUETOOTH,
GPS, FM RX, FM TX
U1304M3 51007599001 AMP,20.0DB,1.58GHZMIN,1
.58GHZMAX,SLCN GER-
MANIUM GPS LOW NOISE
AM
U1305M3 5187344N09 LOW NOISE, 100MA LIN-
EAR REGULATOR 2.8V
U1334M3 5102836C11 IC,ANLG
SW,,FSA4157,SM,,,,SPDT,,
PB FREE
U1335M3 5102836C11 IC,ANLG
SW,,FSA4157,SM,,,,SPDT,,
PB FREE
U200M12 5188493T01 IC,VREG/
SWG,LP2989,SM,MINI SO-8
HI PRCN REG 5V
U201M12 5175771A99 LOW NOISE, 100MA LIN-
EAR REGULATOR
U202M12 5175772B02 LINEAR REGULATOR
100MA 1.8V
U203M12 5175772B01 LINEAR VOLTAGE REGU-
LATOR 350MA
U2101M2 5109522E84 IC DUAL SCHMITT TRIG
MICRO PAK
U2102M2 5109522E84 IC DUAL SCHMITT TRIG
MICRO PAK
U2202M2 5164852H47 IC, I2C LEVEL TRANSLA-
TOR
U2205M2 5188682Y01 IC, RGB LED DRIVER, I2C
CONTORL, LLP PACKAGE
U2402M3 51002923001 IC,LNR V REGLTR,3.3V
LP2989,NOPB
U2403M3 51009735001 IC, RCVR, ONE-CHAN,
QFN, LF WAKE-UP
U2406M3 5164852H16 IC TRANSCEIVER W/
LEVEL TRANSLATION
Ref. Des. Part Number Description
U2407M3 5164852H16 IC TRANSCEIVER W/
LEVEL TRANSLATION
U2408M3 5164852H16 IC TRANSCEIVER W/
LEVEL TRANSLATION
U2409M3 5164852H16 IC TRANSCEIVER W/
LEVEL TRANSLATION
U2410M3 5164852H16 IC TRANSCEIVER W/
LEVEL TRANSLATION
U2411M3 5175856M01 DUAL INVERTER
U2412M3 5114007M45 IC,NOR,1PER PKG,SOT-
353,PB-FREE
U2413M3 51007645001 IC,SDRAM,128MBIT,8MX16
,7.5NS, SCRND
U2414M3 5164852H16 IC TRANSCEIVER W/
LEVEL TRANSLATION
U2415M3 51009372001 IC MICROCONTROLLER
AT32UC3A0512
U2416M3 51009669001 IC, ACCELEROMETER,
MOTION SENSOR
U2473M3 5164852H16 IC TRANSCEIVER W/
LEVEL TRANSLATION
U2478M3 5164852H16 IC TRANSCEIVER W/
LEVEL TRANSLATION
U2510M6 5185912Y03 IC,CRYPTOGRAPHIC PRO-
CESSOR
U2525M6 5171339H01 MICROPOWER VOLTAGE
REGULATOR
U2526M6 5171988H01 CMOS COMPARATOR
U2701M13 5103535B53 IC,INVTR,DL,NC7WZ04L6X
,2PER PKG,SC70
U2702M13 5185941F45 ATTEN,VAR,14.4DBMIN,15.
6DBMAX,0-2000 MHZ-
FREQ,50OHM,PCMT,,SOT
U304M20 4885316E32 TRANSISTOR, RF
U3238M22 5171972L01 SP3T RF SWITCH
U4001M2 5164852H47 IC, I2C LEVEL TRANSLA-
TOR
U4003M2 5188691V01 IC,MUX/
DEMUX,,NC7SB3157P6X,S
M,SC70-6,1PER
PKG,,BUS,,PB FREE
Ref. Des. Part Number Description
U4004M2 5116783H01 SN74LVC2G66 ANALOG
SWITCH
U507M21 5164015H81 IC,MXR,DBL BAL GIL-
BERT,CELL,,,SM
U601M19 5102495J14 IC,IF,,IF DIGITILIZING SUB-
SYSTEM IC,AD9864,QFN
U602M19 4885316E32 TRANSISTOR, RF
U603M19 5109522E84 IC DUAL SCHMITT TRIG
MICRO PAK
U604M19 5109522E84 IC DUAL SCHMITT TRIG
MICRO PAK
U605M19 5164852H16 IC TRANSCEIVER W/
LEVEL TRANSLATION
U606M19 5164852H16 IC TRANSCEIVER W/
LEVEL TRANSLATION
U607M19 5186311J24 IC,BFR,1BITS,NC7SZ125,A
CTIVE HIGH,B
U6101M6 0180706J18 PROGRAMMED CPLD
U6102M6 5188691V01 IC,MUX/
DEMUX,,NC7SB3157P6X,S
M,SC70-6,1PER
PKG,,BUS,,PB FREE
U6103M6 5175114H01 SINGLE AND GATE
MICROPAK
U6104M6 5175114H01 SINGLE AND GATE
MICROPAK
U6105M6 5175114H01 SINGLE AND GATE
MICROPAK
U6201M6 5185941F26 IC,COMPTR,LMV7219,NOP
B
U6301M6 51012031001 32MB DIE SHRINK DDR
SDRAM IC
U6302M6 5102495J13 IC,MICROP,P1710ZZGE,BG
A,,,12MHZ,32BITS
U6304M6 0105955U25 ASSY,IC,BGA SPEC PROG,
FLASH MEMORY
U6402M6 5115453H01 RAIL TO RAIL OUTPUT, 8
PIN BGA
U6404M6 5175772B38 IC ANALOG TEMPERA-
TURE SENSOR
Ref. Des. Part Number Description
U6405M6 5188348V06 IC,AUDIO
CODEC,SM,,AUDIO
CODEC
U6408M6 5188521T01 IC,VREF,SM,SOT23,1PER
PKG,.5%,1.25 TO
13.75,PRCN BANDGAP
ADJUS
U6409M6 51009000001 NANOPOWER, 1.8V,
SOT23 COMPARATOR
U6501M6 5185143E77 IC, MAKO ASIC, CMOS
PWR MGMT
U6502M6 4871987H01 LOW FREQUENCY TRAN-
SISTOR
U6503M6 5171674H01 OP AMP
U6504M6 5171682H01 800MA BUCK REGULATOR
U6505M6 5189631P01 IC,SYNC STEP-DOWN
CONV
U6506M6 5184790Y04 IC,400MA ADJ VREG
LDO,SOT23
U6507M6 5171682H01 800MA BUCK REGULATOR
U6508M6 51009366001 500MA LOW DROPOUT
CMOS LINEAR REG.
U6509M6 5175114H01 SINGLE AND GATE
MICROPAK
U6510M6 5114007A47 IC,OR,17SZ32,1PER
PKG,SOT-353,PB FREE
U6511M6 5171339H01 MICROPOWER VOLTAGE
REGULATOR
U6601M6 5175114H01 SINGLE AND GATE
MICROPAK
U702M7 5164015H28 IC,TRIDENT,INTEG
SYNTH,RX/TX BSBND
U738M7 5171972L01 SP3T RF SWITCH
U746M7 4805218N63 RF TRANS SOT 323
BFQ67W
U901M16 5175143H01 WIDE SUPPLY RANGE OP
AMP
U902M16 51012101001 VHF/UHF/800/900 MHZ
LDMOS DRIVER IC
VR101M12 4813977M29 DIODE,VREF,MBZ5250,SM,
SOT-23,20V,.225W,ZEN
Ref. Des. Part Number Description

Schematics, Boards Overlays, and Parts Lists: Main Board Block: VHF (84012512001_A) 8-167
VR200M12 4813977M29 DIODE,VREF,MBZ5250,SM,
SOT-23,20V,.225W,ZEN
VR601M19 4805656W87 DIODE,VCTR, @
15V,1SV279,,SOD-523/SC-
79
VR602M19 4805656W87 DIODE,VCTR, @
15V,1SV279,,SOD-523/SC-
79
Y1304M3 48014600001 OSC,TCXO,26.0
Y2475M3 48009319001 SMD CRYSTAL OSCILLA-
TOR DS0211AR
Y6501M6 93012044001 CRYSTAL UNIT SMD
5.0X3.2 24.576MHZ
Y6502M6 4809995L05 XTAL QUARTZ 32.768KHZ
CC4V-T1
Y6601M6 4802582S85 RESON,QRTZ,12MHZ,TOL
ERANCE10PPM,STABILITY
15PPM,,SM,,FUND,,LO
Y701M7 4871886H01 16.8 MHZ VCTXO .8PPM
Ref. Des. Part Number Description

8-168 Schematics, Boards Overlays, and Parts Lists: Main Board Block: VHF (84012512001_A)
Notes

Schematics, Boards Overlays, and Parts Lists: Main Board Block: UHF2 (84012616001) 8-169
8.5 Main Board Block: UHF2 (84012616001)
Figure 8-93. Main Board Block
CONTROLLER SECTION RF SECTION
F2_PARAMP
F2_SYNCB
RF_ANT
RF_BRD_RSTB
RF_DAC_SPI_CS
SPI_DSP_CLK_A
SPI_DSP_MOSI
TRIDENT_SPI_CS
TX_DA_CONN
TX_INHIBIT
V_2.8_RF
V_EXT_1.85
V_SW_3.60
ISET
ABACUS_SPI_CS
16.8_MHZ_SINEWAVE
UNSW_B+
TX_FSYNC_CONN
TX_CLK_CONN
RX_DA_CONN
RX_FSYNC_CONN
SPI_DSP_MISO
F2_DMCS
BAT_STATUS
LOCK_DET_A
RX_CLK_CONN
SPI_DSP_MISO
ISET
RF_ANT
TX_INHIBIT
V_2.8_RF
V_EXT_1.85
V_SW_3.60
UNSW_B+
BAT_STATUS
16.8_MHZ_SINEWAVE
ABACUS_SPI_CS
F2_PARAMP
F2_SYNCB
RF_BRD_RSTB
RF_DAC_SPI_CS
TX_FSYNC
TX_CLK
RX_FSYNC
LOCK_DET
SPI_DSP_CLK
SPI_DSP_MOSI
TRIDENT_SPI_CS
TX_DA
F2_DMCS
RX_DA
RX_CLK
APX_COVERT_CONTROLLER APX_COVERT_RF

8-170 Schematics, Boards Overlays, and Parts Lists: Main Board Block: UHF2 (84012616001)
Figure 8-94. Transceiver (RF) Board Overall Schematic
BAT_STATUS
UNSW_B+
RF_ANT
V_2.8_RF
V_SW_3.60
IN
IN
IN
OUT
OUT
V_EXT_1.85
F2_PARAMP
RF_DAC_SPI_CS
ISET
TX_INHIBIT
SPI_DSP_MOSI
F2_DMCS
IN
IN
IN
IN
IN
IN
IN
RX_DA_CONN
TX_FSYNC_CONN
RX_FSYNC_CONN
RX_CLK_CONN
F2_SYNCB
ABACUS_SPI_CS
SPI_DSP_CLK_A
16.8_MHZ_SINEWAVE
LOCK_DET_A
RF_BRD_RSTB
TX_DA_CONN
TRIDENT_SPI_CS
SPI_DSP_MISO
TX_CLK_CONN
OUT
OUT
OUT
OUT
IN
IN
IN
IN
IN
IN
OUT
OUT
OUT
OUT
V_EXT_1.85
DC_LIN_5V
V_2.8_RF
DC_LIN_1_5V
VCO_IN
DIG_CTRL_SPI_TRIDENT_PE
DIG_DATA_TX_SSI
DIG_SPI_CLK
DIG_DATA_SPI_MOSI
DIG_CTRL_SSI_TRIGGER
DC_LIN_5V CLK_16_8_MHZ
DIG_DATA_SPI_MISO
TXH
DIG_TX_SSI_CLK
DIG_TX_SSI_FS
GPO1
GPO2
GPO3
GPO4
GPO6
DC_SUPER_FILTER_5V
GPO8
RX_LO
TX_INJ
VCO_VCTRL
GPO5
GPO7
DIG_CTRL_RSTB
DIG_CTRL_LOCK
DC_LIN_2_775V
DC_LIN_1_5V
DC_LIN_1_875V_D
SUBDESIGN_SUFFIX=7
16.8_MHZ_SINEWAVE
DIG_CTRL_ATTH
TX_INJ
DIG_CTRL_I_LIMIT
COVERT_FGU_UHF2
DIG_CTRL_ATTH
HF_OUT
DIG_CTRL_I_LIMIT
DC_LIN_5V
DC_LIN_3V
RF_SW_B+
ANA_CTRL_VSET
DC_LIN_1_85
DC_LIN_3V
DC_LIN_5V
DC_RAW_B+
DIG_CTRL_I_LIMIT
DIG_CTRL_TX_INH
DIG_DATA_SPI_MOSI
DIG_DMCS
DIG_SPI_CLK
TXH_1
COUPLER
TX_SWI
DIG_CTRL_ATTH
RF_OUT
TXH
TX_7V_1
VCTRL
SW_B+
DIG_GPIO49
FILT_RAW_B+
ANA_RX_FE_FILT_VTUNE
ANA_CTRL_ISET
SUBDESIGN_SUFFIX=11
RF_ANT
COVERT_ALC_UHF2
TX_7V
TX_INJ
VC
PA_OUT
FILT_RAW_B+
IF
IF
IF
IF SUBDESIGN_SUFFIX=16
IF2
IF3
IF4
IF5
TX_INJ
1
1
1
1
COVERT_UHF2_PA
IF
IF
IF
IF
IF7
IF10
IF9
IF6
DIG_CTRL_ATTH
1
1
1
1
DC_LIN_3V
PA_OUT
FILT_RAW_B+
ANT_SWI
DIG_VRVS
COVERT_ANTSWI_UHF2
RX_IN
RF_OUT
SUBDESIGN_SUFFIX=13 IF
IF22
1RF_OUT HF_OUT IF
SUBDESIGN_SUFFIX=17
IF25
HF_OUT
1
COVERT_TX_HF_UHF2
TL_RX_IF_OUT
TL_RX_MIX_IN
TL_RX_LO
DC_LIN_5V
SUBDESIGN_SUFFIX=21
16.8_MHZ_SINEWAVE
V_EXT_1.85
SPI_DSP_CLK_A
F2_SYNCB
DC_LIN_5V
DC_LIN_3V
ABACUS_SPI_CS
SPI_DSP_MOSI
covert_mixer
DIG_RX_BE_DOUTB
DIG_DATA_SSI_RX_FS
DIG_DATA_SSI_RX_DOUTA
CLK_SSI_RX
TL_RX_IF
DIG_RX_SYNCB
DIG_DATA_SPI_PD
DIG_CTRL_SPI_PE
DIG_CTRL_SPI_PC
DC_LIN_5V
DC_LIN_3V
DC_LIN_1_875V_D
CLK_16_8_MHZ
SUBDESIGN_SUFFIX=19
COVERT_RX_BE
RX_FSYNC_CONN
RX_DA_CONN
RX_CLK_CONN
IF
IF24
DC_LIN_5V
1
IF
IF
IF
IF
IF17
IF18
IF19
IF20
1
1
1
1VCTRL
GPO2
GPO1
DC_SUPER_FILTER_5V VCO_OUT
COVERT_VCO_UHF2
IF
SUBDESIGN_SUFFIX=22 IF23
1
DC_LIN_1_8V_A
DIG_CTRL_RXU
ANA_RX_FE_TUNE
TL_RX_UHF1_FE_IN
IF
IF
IF
IF12
IF13
IF15
DC_LIN_1_8V
1
1
1
COVERT_RXFE_UHF2
RF_RX_UHF1_FE_OUT
SUBDESIGN_SUFFIX=20
DC_LIN_2_775V
DC_SWI_3_6V
RF_SW_B+
BAT_STATUS
DC_LIN_5V
DC_LIN_3V
DC_LIN_1_8V
DC_LIN_1_5V
DC_FUSED_B+
DC_BATT
SUBDESIGN_SUFFIX=12
covert_dc
RF_SW_B+
DC_LIN_5V
DC_LIN_3V
DC_LIN_1_5V
DC_LIN_1_8V
RF SHIELDS
2ND_LO FGU ANT_SWI
TXFE ALC/DC
PAOP
IF SHIELD
SHIELD SHIELD SHIELD SHIELD
SHIELD
SHIELD
SH10 SH14
SH12
SH8
SH6
SH4
SH1
2
1
2
1
2
1
2
1
2
1
2
1
2
1
ALC1 ABACUS
DC RXFE VCO
MIXER
DRIVER/PA
SHIELD
SHIELDSHIELD
SHIELD SHIELD
SHIELD SHIELD
SH15
SH13SH11
SH9
SH7
SH5
SH2
2
1
2
1
2
1
2
1
GPS/BT SHIELD
SH3
2
1
2
1
2
1
2
1

Schematics, Boards Overlays, and Parts Lists: Main Board Block: UHF2 (84012616001) 8-171
Figure 8-95. ANTSWI Circuit
IF
IF2601M13
PA_OUT
1
IN
IF
IF2602M13
DC_LIN_3V
1
IN
IF
IF2603M13
DIG_VRVS
1
IN
100K
R2606M13
RFIO1
RFIO2
GND
V1
V2
VCC
GND
NC7WZ04
100PF
NC7WZ04
AT267
.1UF
U2601M13
U2601M13
C2609M13
C2606M13
U2602M13
DC_LIN_3V
5
4
3
1
2
52
61
0DNP
R2601M13
10NH 100PF
10NH
DNP
L2604M13
L2603M13 C2605M13
MMBD352
D2601M13
2
3
1
16.6NH
100PF
UPP9401E3
82
47PF
6.2PF
82
3.9PF
82
C2608M13
L2601M13
C2607M13
D2602M13
R2602M13
C2601M13
C2602M13
R2603M13
R2604M13
UPP9401E3
100PF IF
IF2607M13
D2603M13
C2604M13
RF_OUT
1OUT
180NH
100PF
0
R2605M13
C2603M13
L2602M13
4.7K
47K
47K
10K
UMC5NT2
Q2601M13
3
1
4
5
2
IF
IF
IF2605M13
IF2604M13
ANT_SWI
FILT_RAW_B+
1
1
IN
IN
IF
IF2606M13
RX_IN 1OUT

8-172 Schematics, Boards Overlays, and Parts Lists: Main Board Block: UHF2 (84012616001)
Figure 8-96. Transmitter HF Circuit
IF
IF1801M17
RF_OUT
1
IN
5.1PF
3PF
10.2NH
C1803M17
C1804M17
L1803M17
10.2NH
6.8PF
3.3PF
C1807M17
L1809M17
C1820M17
7.5PF
10.2NH
1.8PF
L1811M17
C1821M17
C1826M17
100PF
3.3PF
C1827M17
C1822M17
IF
IF1802M17
HF_OUT
1
OUT

Schematics, Boards Overlays, and Parts Lists: Main Board Block: UHF2 (84012616001) 8-173
Figure 8-97. Power Amplifier Circuit
IF
IF
IF1654M16
IF1653M16
TX_7V
FILT_RAW_B+
1
1
IN
IN
100PF
110NH
.01UF
L1602M16
C1603M16
C1602M16
21
2
1
100PF
15NH
100PF
L1601M16
C1604M16
C1601M16
220
220
24
IF
R1653M16
R1652M16
R1651M16
IF1651M16
TX_INJ
1
IN
IF
.01UF
LMV841
9.1K
R1601M16 U1601M16
C1605M16
IF1652M16
VC
1
25
4
1
3
IN
10K
R1602M16
100PF
DNP
C1612M16
GND4
EP
G2
VD1
GND3
NC2
NC1
NC3
VCNTRL
NC4
GND1
GND2
RFOUT
NC5
RFIN
TPVG1
TPVG2
SRFIC7126
U1602M16
14
1
3
2
616
7
15
10
9
8
13
12
5
4
11
17
DNP
39PF
47PF
110NH .01UF
100PF
100PF
8.2PF
4.3NH 39PF
27PF 4.3NH
L1604M16
L1605M16
C1607M16
L1603M16 C1611M16
C1613M16
C1610M16
C1608M16
C1616M16
C1614M16 C1633M16
21
.01UF
DNP
23.75NH
150
.01UF
C1618M16
R1606M16
C1619M16
L1606M16
C1634M16
21
100PF
39PF
RD07MUP2B
Q1601M16
C1620M16
4
2
1
3
G
S1
S2
D
82K
1K
.01UF
100PF
DNP
33K
C1615M16
R1605M16
R1604M16
R1603M16 C1617M16
21
3300PF
100PF100PF 3300PF
C1609M16C1606M16
C1630M16
C1629M16
4.3PF
9NH
1.2PF
15PF
IF
DNP
100PF
12PF
3.85NH
12PF C1628M16
L1610M16
C1622M16
C1625M16
C1624M16
C1623M16
C1621M16
IF1655M16
L1609M16
PA_OUT
1
OUT

8-174 Schematics, Boards Overlays, and Parts Lists: Main Board Block: UHF2 (84012616001)
Figure 8-98. Automatic Level Control Circuit
82PF
47PF
C1174M11
C1173M11
E1101M11
DC_LIN_3V
DC_LIN_5V
DC_RAW_B+ 21
IN
IN
IN
.02
R1103M11
DIG_CTRL_ATTH
IN
.022UF
4.7K
.022UF12K
0
100PF
C1169M11 C1138M11C1137M11
R1172M11
R1171M11
R1160M11
ANA_CTRL_ISET
DIG_CTRL_I_LIMIT
IN
IN
VINPOS
VINNEG
VPOS
GND
OUT
510K
INA138
10PF
68.1K
.01UF
C1103M11
U1101M11
C1139M11
R1141M11
R1108M11
DC_LIN_5V
5
3
41
2
IN
V_POS
NO
COM
GND
NC TS5A3159
U1144M11
DC_LIN_5V
5
1
3
6
2
4
NC
340K
0
80.6K
R1175M11
R1169M11
R1170M11
DC_LIN_5V
LPV321M7X
U1143M11
DC_LIN_5V
25
4
1
3
VOUT
GND2
VIN
GND1
DNC1
DNC2
NC
NC
1UF
LT1790
.1UF C1161M11
C1160M11
U1150M11 DC_LIN_5VREF
6
4
2
1
5
3
SW_B+ IN
LPV321M7X
U1141M11
25
1
3
.068UF
100K
10K
LPV321M7X
R1158M11
U1104M11
R1110M11
C1108M11
DC_LIN_5V DAC_C
4
25
4
1
3
100K
100K
100K
LMV841
100PF
100K
C1162M11
R1140M11
R1138M11
R1139M11
R1142M11
U1129M11
DC_LIN_5V
DC_LIN_5V
25
4
1
3100K
100K
100K
LMV841
100K
R1143M11
R1146M11
R1144M11
R1145M11
U1130M11
25
4
1
3
6.8NH
68
5.6PF
L1102M11
R1107M11
C1105M11
BAND
RFIN
VM
VOS
VCC
GND
VOUT
DNP
LTC5532
.01UF
51
100PF
100PF
R1112M11
C1110M11
C1107M11
C1113M11
U1106M11
DC_LIN_3V
5
3
4
6
1
2
10K
75K
R1116M11
R1117M11
TXH_1
B1
A1 74LVC1G32YZP
U1149M11
TX_SWI
C2 OUT
VCC
GND
74LVC1G32YZP
U1149M11
DC_LIN_3V
A2
C1
3PF
1.65NH
L1117M11
C1122M11
CONN_P
J102M11
RF_OUT
4
3
2
1
5
OUT
10K
R1198M11
RF_OUT
VCTRL OUT
10K
10K
R1174M11
R1154M11
PA_OFFSET
IN
NO
COM
GND
0
TS5A3159
.1UF
C1141M11
R1177M11
U1133M11
VC
DC_LIN_5V
5
1
3
6
2
4
NC
V_POS
PR
VCC
GND
D
CLR
CP
VCC
GND
74LVC1G08YZP
NL17SZ74
74LVC1G08YZP
U1136M11
U1136M11
U1132M11
DC_LIN_5V
DC_LIN_5V
C2
B1
A1
A2C1
8
3
5
7
4
2
1
6
Q*
Q
100PF DNP
.01UF
1K
C1172M11
R1176M11
C1130M11
150K LMV7275
10K 10K
.01UF
R1162M11
R1163M11
C1129M11
R1152M11
U1131M11
DC_LIN_5V
25
4
1
3
RFIN
ENBL
VSET
FLTR
VPOS
COMM
NC
VAPC
GND
NC
AD8315
51
0
.1UF
C1111M11
R1180M11
R1124M11
U1105M11
DC_LIN_5V
3
8
71
6
9
4
2
5
BANDBAND
6800PF 15K
R1151M11
C1112M11
VCC
GND
SN74LVC1G00
SN74LVC1G00
U1128M11
U1128M11
DC_LIN_5V
A2
C1
C2
B1
A1
IN
NO COM
GND
10K
.01UF
TS5A3159
10K
0
4700PF
.1UF
R1182M11
R1178M11
U1127M11
C1127M11
C1123M11
C1124M11
R1136M11
R1135M11
DC_LIN_5V
DC_LIN_5V
25
1
3
5
1
3
6
2
4
NC
V_POS
LPV321M7X
U1142M11
4
4700PF
.01UF
LMV7275
10K
C1140M11
C1128M11
R1137M11
U1126M11
DC_LIN_5V
25
4
1
3
VCC
GND
VCC
GND
74LVC1G08YZP
74LVC1G32YZP
100PF
100PF
C1167M11
C1166M11
U1147M11
U1146M11
DC_LIN_1_875V_D
DIG_GPIO49
A2
C1
A2
C1
IN
IN
A1
A2
VCCA
VCCB
GND
B1
B2
DIR
SN74LVC2T45
U1139M11
DC_LIN_1_875V_D
DC_LIN_5V
A2
A1
D1
D2
C2
B2 C1
B1
IO49
TXH
TXH_5V
OUT
74LVC1G32YZP
74LVC1G08YZP
U1147M11
U1146M11
C2
B1
A1
C2
B1
A1
100PF
100PF
C1171M11
C1170M11
DIG_DATA_SPI_MOSI
DIG_DMCS
DIG_CTRL_TX_INH
IN
IN
CTGND
VOUTA
VDD
VOUTD
VOUTB
DIN
SCLK
GND
VOUTC
SYNC
VREFIN_VREFOUT
AD5624R
.1UF
75K
30.1K
.1UF
C1165M11
U1125M11
C1116M11
R1122M11
R1121M11
DAC_C
DC_LIN_5V
10 5
4
2
1
9
6
7
3
8
G1
A1
A2
VCCA
VCCB
GND
B1
B2
DIR
SN74LVC2T45
U1137M11
DC_LIN_5V
DC_LIN_5VREF
A2
A1
D1
D2
C2
B2
C1
B1
ADDED FOR DEFAULT
HIGH
0
100PF
100PF
10K
100PF
C1163M11
R1202M11
C1168M11
C1164M11
R1101M11
DC_LIN_1_875V_D
DIG_SPI_CLK
DC_LIN_1_85
ANA_CTRL_VSET
IN
IN
IN
A1
A2
VCCA
VCCB
GND
B1
B2
DIR
SN74LVC2T45
U1138M11
DC_LIN_1_875V_D
TX_INH
DC_LIN_5V
A2
A1
D1
D2
C2
B2
C1
B1
POS
GND
VOUT
LPV321M7X
LM50
100PF
.01UF
47K
20K
C1106M11
U1103M11
C1156M11
U1148M11
R1125M11
R1126M11
DC_LIN_5V
DC_LIN_5V
25
4
1
3
2
13
10K
LPV321M7X
R1164M11
U1113M11
25
4
1
3
20K
10K
LPV321M7X
100PF
10K
.01UF
200
200
C1157M11
R1166M11
R1165M11
R1167M11
R1127M11
C1120M11
R1128M11
U1114M11
DC_LIN_5V
25
4
1
3VCC
GND
M74VHC1GT86
100PF
C1158M11
U1121M11
DC_LIN_5V
5
3
M74VHC1GT86
U1121M11
4
2
1
.01UF
C1119M11
DC_LIN_5V
COUPLER
RVS
FWD
100
100
R1104M11
R1105M11
ACG3
ACG2
ACG1
GND
V1
VDD
V2
V3
RF1
NC1
NC2
NC4
NC3
RF2 NC5
NC6
NC7
HMC468LP3E
U1112M11
16
15
14
13
11
2
12
10
9
8
4
3
1
17
7
6
5
.01UF
C1118M11
DC_LIN_5V
8.2PF
100
33NH
5.6PF
DNP
1000PF
6.8
L1101M11 C1142M11
R1168M11
R1106M11
C1125M11
C1104M11
100
100
R1114M11 R1115M11
3300PF
C1117M11
1000PF
C1126M11
VCC
GND
74LVC1G08YZP
100PF
C1159M11
U1119M11
DC_LIN_3V
A2
C1
22K
22K
74LVC1G08YZP
U1119M11
TXH_1
2
3
1
C2
B1
A1
IN
TX_INH
NTR1P02T1
MUN5212T
100K
R1102M11
Q1101M11
Q1103M11
FILT_RAW_B+
2
1
3
TX_7V_1
ANA_RX_FE_FILT_VTUNE OUT
OUT
FILT_RAW_B+ OUT
IN
10K

Schematics, Boards Overlays, and Parts Lists: Main Board Block: UHF2 (84012616001) 8-175
Figure 8-99. Receiver Front End Circuit
INPORT IF
IF1901M20
ANA_RX_FE_TUNE
1
IN
CTRL_RX_UHF1_LNA_A = 3V (HIGH), LNA'S TURN ON
IF
337
9.1K
INPORT
IF
INPORT
R1910M20
IF1903M20
IF1902M20
DC_LIN_1_8V_A
DIG_CTRL_RXU
1
1
IN
IN
44063
10K
100PF
0.1UF
R1906M20
C1926M20
C1925M20
22K
22K
10K
Q1920M20
R1907M20
2
1
PREFILTER MODIFIED XTS5000
3.3PF
18NH
12PF
1SV305
18NH
3.6PF
2.7PF
2.7PF
7.2NH
4.7PF
3.3PF
4.7PF
1SV305
3.6NH
L1908M20
VR1905M20
C1935M20
C1929M20
C1928M20 C1953M20
C1952M20
VR1906M20
L1910M20
C1939M20
C1958M20
L1915M20
C1938M20
L1909M20
2121
DNP
MMBD352
D1970M20
2
3
1
10
2.4PF
75PF
R1970M20
C1970M20
C1931M20
75K
BC858CD
100PF
4.7UF
MUN5212T
120K
Q1922M20
R1921M20
R1922M20
C1922M20
C1920M20
DC_RX_FE_UHF1_LNA_B_13A
CTRL_RX_FE_UHF1_LNA_B_13A
DC_RX_UHF1_LNA_C_13A
16
3
100PF
2.7
4.7UF
33
BC858CD
10K
347 INPORT
C1924M20
C1923M20
R1924M20R1923M20
Q1922M20
E1921M20
R1925M20
ANA_RX_FE_TUNE
DC_RX_UHF1_LNA_D_13A
DC_RX_UHF1_LNA_A_13A
43
52
IN
100PF
BFR380F
0
47NH
18NH
10
9.1PF
1.2K
1.5PF
100PF
1.6NH
R1935M20
L1936M20
U1932M20
C1940M20
L1934M20
C1901M20
R1972M20
C1971M20
L1935M20
R1936M20
C1936M20
RF_RX_FE_UHF1_LNA_C_13A
RF_RX_FE_UHF1_LNA_E_13A
23
1
100PF 10K
0.1UF
9.1K
R1908M20
C1955M20
C1954M20
R1911M20
POSTFILTER MODIFIED XTS5000
18NH
2.7PF
15PF
3.6NH
3.6NH
18NH
2.7PF
5PF
1SV305
4.7PF
VR1908M20
L1913M20
C1963M20
L1914M20
C1961M20
L1912M20
C1960M20
C1959M20
C1942M20
L1917M20
21
5PF
3.3PF
1SV305
VR1907M20
C1957M20
C1956M20
21
10K
3.3PF
C1964M20
R1909M20
OUTPORT
3.9NH
IF
22PF
0
10NH
8.2PF DNP
DNP
DNP
22PF
4PF
DNP
R1900M20
C1900M20
L1900M20
IF1904M20
C1932M20
C1903M20
C1930M20
L1901M20
RF_RX_UHF1_FE_OUT
1OUT
IF
INPORT
IF1900M20
TL_RX_UHF1_FE_IN
1
IN

8-176 Schematics, Boards Overlays, and Parts Lists: Main Board Block: UHF2 (84012616001)
Figure 8-100. Receiver Back End Mixer
DC_LIN_5V
IN
TL_RX_MIX_IN
IN P1
S3
S1
NC
S2
P2
100PF
C504M21
6
1
BDIV
IFP
BBP
NC1
NC3
BVDD
RFP
RFN
GND1
GND
LOIN
IFN
NC2
059248278
SC2072BP
U507M21
T506M21
5
4
7
6
310
9
8
13
11
1
2
12
4
2
3
5
.033UF
100PF
.033UF
C502M21
C500M21
C501M21
220NH 33
R500M21
L500M21
P1
P2
S1
S2
S3
NC
109638038
T507M21
3
2
4
1
6
5
4.7UF
.033UF
.033UF
100PF
C512M21
C511M21
C510M21
C509M21
GND1
OUT
GND3
GND2
GND4
IN
DNP
22NH
3.6PF
0
DNP
2PF
100NH
0
62PF
270NH TS3A9E01S
39PF
R526M21
FL502M21
C515M21
C514M21
L504M21
R512M21
L503M21
C533M21
L513M21
C532M21
41
6
5
3
2
TL_RX_IF_OUT
OUT
18NH
0
3.3PF
DNP
DNP
DNP
33PF
100PF
33PF
DNP 47PF
DNP
15NH
30
.033UF
4.7UF
100PF
C516M21
R525M21
C551M21
L550M21
C508M21
C550M21
C507M21
C506M21
R502M21
C505M21
L501M21
C503M21
TL_RX_LO
IN

Schematics, Boards Overlays, and Parts Lists: Main Board Block: UHF2 (84012616001) 8-177
Figure 8-101. Receiver Back End
0.1UF
100K
C629M19
R607M19
DC_LIN_5_0V
DC_RX_BE_SUPFLTR_B
2211
MMBTA13
33PF470PF
0
C641M19C643M19
R698M19
Q601M19
RF_RX_BE_SUPFLTR_C
DC_LIN_5V
23
1
IN
DC_LIN_3V
DC_LIN_1_875V_D
IN
IN
0
470PF
C642M19
R699M19
DC_LIN_3_0V
DC_LIN_3_0V
47
R601M19
2
1
.01UF
2.7PF
DNP
270NH
.01UF
220NH
2.7PF 6.8PF
C601M19
C605M19
L601M19
C603M19
C645M19
L611M19
C644M19
E602M19
E601M19
RF_RX_BE_IF_1
TL_RX_IF
DC_LIN_3_0V
DC_LIN_3_0V DC_RX_BE_VDDI
RF_RX_BE_IFIN
2121
2
1
IN
10UH
10UH
150PF
C615M19
L603M19
L602M19
RF_RX_BE_MX
21
0.1UF 0.1UF
C621M19
C617M19
DIG_RX_BE_CXVL
RF_RX_BE_CXIF
21
21
DNP
0
R624M19
CLK_16_8_MHZ
DC_LIN_5_0V
IN
TEST_POINT
TP603M19
E607M19
E606M19
DC_LIN_3_0V
1
.01UF
.01UF
1000PF
C626M19
C628M19
C623M19
DC_RX_BE_VDDL
RF_RX_BE_LON
DIG_RX_BE_CXVM
2
1
21
21
0.1UF
C636M19
1
2.2K
0.1UF
7.5K
3300PF .01UF 2.4K
R613M19
C640M19
C639M19
R612M19
R609M19
C638M19
RF_RX_BE_VCO_TUNE
RF_RX_BE_VCO_F
RF_RX_BE_VCO_A
2211
21
22
11
21
8PF
8PF
1SV279
VR602M19
C631M19
C646M19
RF_RX_BE_VCO_D
21
18PF
1000PF
BFR380F
33PF
10K
10K
0.1UF
120NH
R605M19
C630M19
L604M19
R606M19
C627M19
C625M19
C618M19
U602M19
RF_RX_BE_VCO_B RF_RX_BE_VCO_L
23
1
2
1
21
21
2
1
21
21
3PF
27PF 62PF
TEST_POINT
390
C609M19
C608M19
C619M19
R602M19
TP601M19
RF_RX_BE_VCO_E
RF_RX_BE_VCO_OUT2
RF_RX_BE_VCO_OUT
1
21
21
21
21
VCC
GND
VCC
GND
NC7WZ17
NC7WZ17
U603M19U604M19
DC_LIN_1_875V_D
DC_LIN_1_875V_D
5
2
5
2
NC
Y
GND VCC
A
OE
NC7SZ125
U607M19
DIG_DATA_SSI_RX_FS
4
6
1
5
3
2
0
NC7WZ17
DNP
R616M19
U603M19
DIG_RX_SYNCB
DC_LIN_1_875V_D
6
1
NC7WZ17
0DNP
U604M19
R623M19
CLK_SSI_RX
DIG_DATA_SSI_RX_DOUTA
OUT
OUT
NC
43
DNP0
NC7WZ17
DNP0
R618M19
R617M19
U603M19
DIG_RX_DATA
DIG_RX_CLK
4
0
NC7WZ17
DNP
R619M19
U604M19
61
3
A1
A2
VCCA
VCCB
GND
B1
B2
DIR
DIG_CTRL_SPI_PE
DIG_DATA_SPI_PD
DC_LIN_1_875V_D
DIG_CTRL_SPI_PC
D1
C2
B2
IN
IN
IN
A2
A1
A1
A2
VCCA
VCCB
GND
B1
B2
DIR
SN74LVC2T45
SN74LVC2T45
DNP
R621M19
U606M19
U605M19
DC_LIN_1_875V_D
DC_LIN_3_0V
DC_LIN_3_0V
A2
A1 D1
D2
C2
B2
C1
B1
D2
C1
B1
NC
DNP
0
R620M19
0
0
DNP
R615M19
R614M19
DC_LIN_3_0V
DC_LIN_1_875V_D
E608M19
E609M19
DC_LIN_3_0V
100K
R610M19
DC_LIN_3_0V
DIG_RX_FS
0.1UF
0.1UF
C637M19
C634M19
2
1
2
1
CLK_RX_BE_CLKN
CLK_RX_BE_CLKP
10K
R611M19
DC_LIN_3_0V
21
.01UF
3.9UH
C635M19
L605M19
21
390 1SV279
100PF
10K
0.1UF
C632M19
VR601M19
R604M19
R608M19
C620M19
RF_RX_BE_18T
RF_RX_BE_18D
21
2
1
21
21
.33UF
.33UF
C624M19
C622M19
RF_RX_BE_IOUT
2
1
2
1
DC_RX_BE_VDDC
100K
R603M19
DIG_RX_BE_RREF
DC_RX_BE_VDDQ
21
2
1
14
17
13
24
23
15
16
22
18
G1
19
20
.01UF
2200PF100PF
100PF
.01UF
C616M19
C607M19
C613M19
C612M19
E603M19
C602M19
DC_RX_BE_VREFN
DC_RX_BE_VDDA
DC_LIN_3_0V
21
212
1
2
1
2
1
0.1UF
C606M19
E605M19
E604M19
DC_LIN_3_0V
DC_LIN_3_0V
21
.01UF
C614M19
21
DIG_RX_BE_DOUTB
IN
OUT
OUT
0
100PF
100PF
.01UF
C604M19
C610M19
C611M19
RF_RX_BE_GCP
DC_RX_BE_VREFP
RF_RX_BE_IF2N
RF_RX_BE_IF2P
DC_RX_BE_VDDF
RF_RX_BE_MXON
RF_RX_BE_MXOP
21
21
21
11
12
6
9
1
2
5
4
3
10
7
8
CXVL
LOP
LON
CXVM
VDDL
VDDP
IOUTL
GNDP
RREF
VDDQ
IOUTC
GNDQ
VDDC
GNDC
CLKP
CLKN
GNDS1
GNDD
PC
PD
GNDL
FREF
GNDS2
SYNCB
GNDH
FS
DOUTB
DOUTA
CLKOUT
VDDH
VDDD
PE
MXOP
MXON
GNDF
IF2N
IF2P
VDDF
GCP
GCN
VDDA
GNDA
VREFP
VREFN
VDDI
IFIN
CXIF
GNDI
GND3
.01UF
AD9864
C633M19
U601M19
DC_RX_BE_VDDP
DC_RX_BE_VDDH
DC_RX_BE_VDDD
DIG_RX_BE_SYNCB
CLK_RX_BE_FREF21
39
40
48
27
26
33
25
43
42
38
47
34
37
36
45
32
31
35
30
29
41
44
46
28

8-178 Schematics, Boards Overlays, and Parts Lists: Main Board Block: UHF2 (84012616001)
Figure 8-102. Receiver VCO Circuit
IF
IF
IF
IF3101M22
IF3102M22
IF3100M22
DC_SUPER_FILTER_5V
GPO2
GPO1
1
1
1
IN
IN
IN 4.7K
47K
47K
10K
UMC5NT2
Q3128M22
DC_SUPER_FILTER_5V
3
1
4
5
2
GPO1
0
DNP
10PF
100PF
C3102M22
C3104M22
L3100M22
V1
V2
V3
RFC
NC
RF1
RF2
RF3
CGND
SKY13251
U3001M22
7
6
3
1
8
5
4
2
G1
NC
22K
100PF
390NH
390NH
0.1UF
68
0.1UF
27K
100PF
C3158M22
R3159M22
L3125M22
C3122M22
R3118M22
C3109M22
C3111M22
R3114M22
L3119M22
VCO_TX
8.2PF
6.8PF
3.85NH
82PF
390NH
4.3PF
100PF
120 C3105M22
L3112M22
C3120M22
R3127M22
L3126M22
C3116M22
C3115M22
C3113M22
300
NE856 300
3.3PF 18
R3105M22
R3106M22
R3103M22
C3159M22
Q3123M22
13
2
DNP
4.7PF
2.7PF
4.3PF
4.7PF
C3101M22
C3110M22
C3107M22
C3108M22
18NH
1SV279
1SV279
390NH
1SV279
100PF
1SV279
L3106M22
D3105M22
D3103M22
D3104M22
D3102M22
L3101M22
C3100M22
21
21
21
2
1
IF
IF3103M22
VCTRL
1
IN
IF
100PF
IF3104M22
C3161M22
VCO_OUT
1OUT
GPO2
GPO1

Schematics, Boards Overlays, and Parts Lists: Main Board Block: UHF2 (84012616001) 8-179
Figure 8-103. Transmitter VCO Circuit
DC_SUPER_FILTER_5V
GPO2
GPO1
IN
IN
IN
24NH
1SV279
1SV279
1SV279
390NH
IF
100PF
TEST_POINT
0
1SV279
D3137M22
D3138M22
D3135M22
L3134M22
D3136M22
C3133M22
TP3100M22
R3101M22
IF3105M22
L3139M22
VCTRL
1
1
21
21
21
21
IN
100PF
390NH
8.2K
390NH
0.1UF
8.2K
100PF
150
0.1UF
C3144M22
C3142M22
C3157M22
R3158M22
R3146M22
R3149M22
C3155M22
L3158M22
L3150M22
4.3PF
4.3PF
4.3PF
2.7PF DNP
C3103M22
C3141M22
C3140M22
C3147M22
DNP
36
4.7PF
150
150
0
10PF
100PF
C3114M22
L3102M22 C3112M22
R3109M22
R3107M22
R3108M22
C3160M22
VCO_TX
NE856
Q3156M22
13
2
7.5PF
51PF
6.2PF
2PF
9NH
270NH
C3151M22
C3152M22
L3145M22
C3143M22
L3159M22
C3154M22
100PF
150
C3106M22
R3160M22
DC_SUPER_FILTER_5V
GPO2
4.7K
47K
47K
10K
UMC5NT2
Q3161M22
3
1
2
4
5

8-180 Schematics, Boards Overlays, and Parts Lists: Main Board Block: UHF2 (84012616001)
Figure 8-104. Frequency Generation Unit Circuit - 1 of 2
DC_LIN_1_875V_D
DC_LIN_1_5V
DC_LIN_5V
DC_LIN_2_775V
IN
IN
IN
IN
2.2UH
L720M7
DC_LIN_2_775V
K2
K3
A1
A2
A3
K1
K2
K3
A1
A2
A3
K1
IMN10
IMN10
D723M7
D722M7
1
2
3
6
5
4
1
2
3
6
5
4
.1UF
.1UF
.1UF
.1UF
.1UF
C718M7
C717M7
C716M7
C715M7
C719M7
.1UF10UF
C725M7C724M7
DIG_DATA_AUX_SPI_MISO
GPO5
GPO6
NC
NC
NC
NC
NC
NC
NC
NC
NC
NC
NC
NC
NC
NC
NC
NC
NC
NC
NC
NC
NC
NC
NC
NC
L7
L8
J11
A10
F5
D2
D1
C2
C1
B6
A5
K7
G11
L6
K8
F8
J7
A3
A4
B5
J10
E2
E1
B1
B2
K6
D3
A6
C3
10K
R721M7
RF_PRESCALAR
DC_LIN_1_875V_D
DIG_CTRL_RSTB
IN
IN
GND
NC2
NC3
NC4
VCONT
VCC
OUTPUT
NC1 NC
NC
NC
NC
1XTV16800VDA
.1UF
.01UF
39PF
22K 16.8MHZ
390NH
C736M7
C732M7
R729M7
C731M7
L728M7
Y701M7
DC_LIN_2_775V DC_LIN_2_775V_16_8_MHZ_IN
1
4
3
8
7
6
5
2
NC
NC
NC
NC
NC
NC
NC
NC
NC
NC
NC
NC
100PF
390NH
100PF 390NH
C722M7
C723M7
L702M7
L701M7
GPO7
GPO8
GPO2
GPO1
GPO4
GPO3
H10
H11
F4
F6
K9
K4
J5
L4
H5
B10
C10
L5
K5
F3
E3
L11
L1
A11
A1
C5
E6
D5
E5
J8
H8
G10
L10
K10
K11
A7
B7
D6
C6
H7
G7
H6
G6
E7
C4
B4
E11
E10
J4
C8
C9
A9
B9
B11
C7
A2
D4
B3
E4
J6
F1
F2
G4
G5
G8
G9
H3
H4
J1
L2
J3
K3
H9
J9
A8
B8
15H28
U702M7
NC
NC
NC
NC
NC
NC
NC
NC
.1UF
C749M7
RF_PRESCALAR
F9
F11
F10
D10
D9
C11
E8
D11
E9
D7
G3
G2
H1
G1
L9
K2
K1
H2
J2
L3
F7
D8
NC
NC
NC
NC
NC
NC3
ESC_CPBIAS
ESC_CP
SF_BYP
REF_OSC_OUT
TXQ
NTXI
PHCLK
DEEPSLEEP
NC4
LVCC1
SDM_CLK_GEN_GND
RX_AGND2
SSI_GND
MAIN_GND
LGND1
VMULTI2
VMULTI1
SUB2
DMCS
TXFS
TXCLK
TXD
ESC_IN
MN_CP
SF_OUT
CLK_OUT
CLK_EMIT
M_PRSC
RXD
ESC_TEST
BP_Q
BP_QX
BP_I
QCAP
RSTB
SF_SPLY
EF_OUTP
EF_OUTM
INCR_DECR
NC5
REF_VCC
GPO2_TEST2
RX_EN_OUT
TM
SUB3
AGC_DAC
FBQ
SDM_VREFP
SDM_VAG
REF_IN
NTXQ
TXI
HP_MOD_OUT
MN_CP_GND
SUB1
NC6
ASPI_CLK
SPI_CLK
RXQ
RXQX
SCAN_EN
ICAP
ACE2_GPO8
TEST1_LCKDET
CEX
SPI_DW
SPI_DR
RXACQ
RXCLK
RXFS
BP_IX
SCAN_IN
GPO4_TEST4
GPO1_TEST1
RX_AVCC2
ASPI_VCC
SDM_CLK_GEN_VCC
RX_AVCC1
SF_GND
SDM_REF_VCC
SSI_VCC
TCLK
CLK_CP
CLK_BASE
MN_ADAPT_CP
M_PRSCX
SENS
AUX_DAC
ESC_CP_GND
MN_CP_VCC
MAIN_VCC
ESC_CP_VCC
TX_VCC
CLK_VCC
ESC_VCC
TX_DAC_VCC
SDM_REF_GND
RX_AGND1
CLK_GND
NC1
DC_CAL_GPO5
RFSTEPA_GPO6
ESC_INX
ACE1_GPO7
SDM_VREFM
NC2
ASPI_GND
TX_GND
ESC_GND
TX_DAC_GND
ESCD2_OUT
ESCD2_OUTX
GPO3_TEST3
ASPI_DATA
RXIX
RXI
AGC_FLAG
AGC_REF
FBI
TEST2
NC
2.2UH2.2UH2.2UH
2.2UH
.1UF
.1UF .1UF.1UF
C726M7
L727M7
C730M7
L733M7
C734M7
L735M7
C737M7
L738M7
DC_LIN_1_875V_D DC_LIN_2_775V DC_LIN_2_775VDC_LIN_2_775V
2.2UH
10UF
4.7PF
47K
.1UF
0
.1UF
BFQ67W
22K
C750M7
R745M7
R743M7
C739M7
R702M7
U746M7
C744M7
C742M7
L741M7 DC_LIN_2_775V_16_8_MHZ_IN
DC_LIN_5V
23
1
2.2UH
270
180PF
56PF
560PF 56PF
DNP DNP
C754M7
L753M7
C752M7
R751M7 C711M7C710M7
270PF
DNP
C712M7
820
DNP
.22UF
1.8K
R723M7
R722M7
C721M7
RF_HP_MOD_OUT
2200PF
C720M7
CLK_16_8_MHZ
OUT
.1UF .1UF.1UF .1UF .1UF
C714M7C709M7
C706M7C704M7C702M7
.039UF
430
820
.039UF
6800PF
68
C713M7C707M7
R705M7
C703M7
R708M7
R701M7
DIG_CTRL_SPI_TRIDENT_PE
DIG_SPI_CLK
DIG_DATA_SPI_MOSI
ANA_CHARGE_PUMP
DC_SUPER_FILTER_5V
DIG_CTRL_LOCK
DIG_DATA_SPI_MISO
DIG_TX_SSI_FS
DIG_DATA_TX_SSI
DIG_CTRL_SSI_TRIGGER
DIG_TX_SSI_CLK
ANA_ADAPT_CHARGE_PUMP
RF_HP_MOD_OUT
IO
OUT
OUT
IN
IN
IN
OUT
OUT
IN
IN
VCO_VCTRL OUT
10UF .1UF
2
R706M7
C757M7C756M7
ANA_ADAPT_CHARGE_PUMP
ANA_CHARGE_PUMP
GPO5
DC_LIN_1_5V
DC_LIN_2_775V
GPO7
GPO8
GPO4
GPO3
GPO1
GPO2
GPO6
OUT
OUT
OUT
OUT
OUT
OUT
OUT
OUT
TEST_POINT
TP701M7
1

Schematics, Boards Overlays, and Parts Lists: Main Board Block: UHF2 (84012616001) 8-181
Figure 8-105. Frequency Generation Unit Circuit - 2 of 2
DC_LIN_1_5V
DC_LIN_2_775V
DC_LIN_5V
DC_SUPER_FILTER_5V
GPO2
GPO1 V1
V2
V3
RFC
NC
RF1
RF2
RF3
CGND
NC
SKY13251
U738M7
7
6
3
1
8
5
4
2
G1
NC
0 DNP
R709M7
TXH
IN
NC
NC
NC
NTZD3154N
Q785M7
4
1
52
3
6
560
220PF 10
560
C781M7
R707M7R703M7
R704M7
RX_LO OUT
56047PF
6.2K
390NH
1000PF
18
390NH
.22UF
R776M7L775M7C773M7C772M7
R769M7
R766M7
L759M7
C764M7
DC_LIN_1_5V
220PF
BC858CD
100
Q767M7
R771M7
C819M7
43
52
56K
20K
BC858CD
Q767M7
R762M7
R763M7
1
6
150
220PF 36 220PF
150
R799M7
R785M7
C803M7
R809M7
C817M7
1000PF 390NH 270
33PF
R757M7
L755M7
C753M7C751M7
BC858CD
390NH
22K
82
82K 220PF
BC858CD
5.6K
36
.22UF
R747M7
Q745M7
R748M7
C786M7
R744M7
C743M7
L739M7
Q745M7
R741M7
R742M7
DC_LIN_1_5V
43
5
16
2
180
30
180
220PF
220PF
R823M7
R822M7
C824M7
R746M7
C740M7
VCO_IN
IN
1.8K
DNP
100PF
33
DNP
270 100PF
33 3.6K
R731M7
R711M7
R710M7
C728M7
R730M7
R728M7
C727M7
0
1000PF
33PF
390NH
NE68519
L758M7
C735M7
C733M7
R736M7
Q731M7
13
2
220PF 18NH
680
62PF
8.2
NE662M04
220PF
3.9PF
1PF
DNP
DNP
C770M7
C768M7
L765M7
C760M7
R754M7
R761M7
C816M7
Q756M7
C813M7
DC_LIN_1_5V
3
12
4
100PF
100PF
8.2PF 8.2PF
12NH
TEST_POINT
C738M7
C708M7
L709M7
C705M7
TP737M7
C823M7
1
RF_PRESCALAR
13NH 47PF
NE662M04
220PF
3.3PF 3.3PF
7.5PF
13NH
L729M7
L778M7
C779M7
C701M7 C741M7
C780M7
C777M7
Q774M7
TX_INJ
3
12
4
OUT

8-182 Schematics, Boards Overlays, and Parts Lists: Main Board Block: UHF2 (84012616001)
Figure 8-106. DC Circuit
IN
MMBZ5250B
20V
VR200M12
DC_BATT
13
2
.01UF
2A
32V
1UF
C200M12 C201M12
F200M12
E201M12
DC_BATT_A
NTR1P02T1
100K 1UF
C217M12
R201M12
Q201M12
2
1
3
22K
22K
MUN5212T
Q202M12
2
3
1
4.7K
R202M12
VEN
VIN
GND
VOUT
1UF
LP5900
C207M12
U201M12
B2
A2
A1
B1
1UF
C208M12
VEN
VIN
GND
VOUT
LP5900
1UF
U202M12
C209M12
B2
A2
A1
B1
BAND
330PF
C216M12C215M12
DC_LIN_2_775V
IN
33PF
PIN1
PIN2
PIN3
CONTACT
M101M12
DC_BATT 3
2
1
20V
MMBZ5250B
0
R200M12
VR101M12
13
2
BAND
330PF
C101M12
BAT_STATUS
OUT
BAND
33PF
330PF
C213M12 C214M12
DC_SWI_3_6V
IN
EN
VBATT
GND
VOUT
VIN
LP5952
4.7UF
U203M12
C212M12
A3
A1
C1
B2
C3
1UF
C210M12
1.5UH
1UF1UF
C202M12 C203M12
L200M12
DC_FUSE_A
NC
NC
4.7UF
LP2989
C205M12
U200M12
5
2
7
MBR120LSFT1
D200M12
21
INPUT
SHUTDOWN
SENSE
BYPASS
GND
OUTPUT
ERROR
NC
8
6
4
3
1
.01UF
4.7UF C206M12
C204M12
DC_FUSED_B+
RF_SW_B+
OUT
OUT
DC_LIN_5V OUT
DC_LIN_3V
DC_LIN_1_8V OUT
OUT
DC_LIN_1_5V
OUT

Schematics, Boards Overlays, and Parts Lists: Main Board Block: UHF2 (84012616001) 8-183
Figure 8-107. Controller Overall Schematic Blocks
COVERT_USER_INTERFACE
GPIO_1_DP_TXDC_FILLREQ
GPIO_3_RTS_FILLSENSE
JTAG<11..0>
KEYFAIL
USB_BOOT_1.8V
T_DISP_TOGGLE
T_DISP_SPI_MOSI
T_DISP_SPI_CS
T_DISP_SPI_CLK
T_DISP_RESET
T_DISP_DATA_CMD
BT_HCI_TX
BT_HCI_RX
AVR_MACE_TDO
GPIO_2_DM_RXDC_FILLDATA
OPTB_SEL3_SWITCH_EN
NFC_COIL
GCAI_1_WIRE
KEYFAIL_CTRL
GPIO_0
KVL_DETACH
MACE_NTRST
MACE_TDI
MACE_TCK
I2C_DATA
ETM<1..14>
MACE_TMS
AVR_MACE_TDI
AVR_MACE_TMS
BT_TX_DBG
BT_AVR_USB_DM_TP
BT_AVR_RESET_3.3V
AVR_USART2_TX
AVR_USART2_RX
AVR_TCK
BT_AVR_USB_DP_TP
EXT_MIC_POS_DP
GCAI_GPIO_2_INPUT
GCAI_GPIO_1_INPUT
MIDDLE_SIDE_BUTTON
EXT_SPKR_POS_DP
EXT_SPKR_NEG_DP
MAKO_OPTB_SEL2_GCAI12
DOWN_ARROW_BUTTON
V_EXT_1.85
MACE_TDO
I2C_CLK
TOP_SIDE_BUTTON
UP_ARROW_BUTTON
EXT_MIC_NEG_DP
TOP_BUTTON
ON_OFF_SWITCH
SUBDESIGN_SUFFIX=2
TOP_BUTTON
ON_OFF_SWITCH
JTAG<11..0>
GCAI
JTAG
SIDE_BUTTON
TOP CONTROLS
BACKLIGHT CONTROLS
NC
AVR_BOOT
BT_UART_TX_1.8V
BT_AVR_USB_DP_TP
BT_AVR_USB_DM_TP
BT_UART_RX_1.8V
T_DISP_SPI_CLK
KEYFAIL
T_DISP_TOGGLE
T_DISP_SPI_MOSI
T_DISP_SPI_CS
T_DISP_RESET
T_DISP_DATA_CMD
V_EXT_1.85
AVR_TCK
NFC_COIL
AVR_TDI
AVR_TMS
BT_AVR_RESET_3.3V
AVR_TDO
AVR_USART2_RX_C
AVR_USART2_TX_C
TOP_SIDE_BUTTON
MAKO_OPTB_SEL3_GCAI
MAKO_OPTB_SEL2_GCAI
DOWN_ARROW_BUTTON
I2C_CLK
I2C_DATA
ETM<1..14>
GPIO_3_RTS_FILLSENSE
EXT_SPKR_NEG_DP
MAKO_USB2_POS_DM
MAKO_OPTB_SEL0_GCAI
ONE_WIRE_GCAI
KVL_DETACH
KEYFAIL_CTRL
RXDIN_5V
MAKO_USB2_NEG_DP
RTS_FILLSEN_5V
EXT_MIC_POS_DP
EXT_MIC_NEG_DP
EXT_SPKR_POS_DP
MIDDLE_SIDE_BUTTON
UP_ARROW_BUTTON
SSI_BLACK_RX
SSI_RED_RX_MACE
OMAP_RESET
BT_AVR_RESET
AVR_BOOT
ACC_SPKR_UNMUTE
SSI_OPT_FSYNC
SSI_RED_TX_CODEC
TRIDENT_SSI<2..0>
ABACUS_SSI<2..0>
BT_PTT
SSI_OPT_CLK
MACE_TDI
MACE_TCK
MAKO_OPTB_SEL2_GCAI
DOWN_ARROW_BUTTON
I2C_CLK
I2C_DATA
ETM<1..14>
MACE_TDO
SSI_BLACK_RX
SSI_RED_RX_MACE
GPIO_3_RTS_FILLSENSE
EXT_SPKR_NEG_DP
MACE_NTRST
SPI_DSP<2..0>
SEC_CLEAR
MACE_TMS
ON_OFF_SWITCH
JTAG<11..0>
OMAP_RESET
16.8_MHZ_SINEWAVE
UART2_GPS_RX
GPS_SHUTDOWN
32KHZ_GPS_CLK
MAKO_USB2_POS_DP
MAKO_OPTB_SEL0_GCAI
ONE_WIRE_GCAI
KVL_DETACH
KEYFAIL_CTRL
RST_OUT
SSI_RED_RX_CODEC
MAKO_USB1_POS_DP
BT_SPARE_1.8
V_SW_3.60
UNSW_B+
F2_PARAMP
BATT_STATUS
RF_BRD_RSTB
LOCK_DET
ISET
UART2_GPS_TX
TX_INHIBIT
SPI_ARM_CLK
KEYFAIL
T_DISP_TOGGLE
SPI_ARM_MOSI
T_DISP_SPI_CS
T_DISP_RESET
T_DISP_DATA_CMD
TOP_BUTTON
MAKO_USB1_NEG_DP
AVR_STATUS_1.8V
RXDIN_5V
MAKO_USB2_NEG_DP
EXT_MIC_POS_DP
EXT_MIC_NEG_DP
EXT_SPKR_POS_DP
MIDDLE_SIDE_BUTTON
UP_ARROW_BUTTON
TOP_SIDE_BUTTON
MAKO_OPTB_SEL3_GCAI
RTS_FILLSEN_5V
RF_DAC_SPI_CS
V_2.8_RF
V_EXT_1.85
ABACUS_SPI_CS
TRIDENT_SPI_CS
F2_DMCS
SUBDESIGN_SUFFIX=6
covert_core_controller
INTERFACE
USER INTERFACE
RF INTERFACE GPS BLUETOOTH
10KR2810 F2_SYNCB
V_EXT_1.85
16.8_MHZ_SINEWAVE
V_SW_3.60
V_2.8_RF
UNSW_B+
F2_PARAMP
BAT_STATUS
RF_BRD_RSTB
ISET
RF_DAC_SPI_CS
F2_DMCS
TX_INHIBIT
TRIDENT_SPI_CS
ABACUS_SPI_CS
4.7K
10K
R2811
R2812
LOCK_DET
OUT
OUT
OUT
OUT
OUT
OUT
OUT
IN
IN
OUT
OUT
OUT
OUT
OUT
OUT
OUT
47
.1PF
DNP
C2806
R2817
TX_DA OUT
100K
1
2
0
1
100
0
2
100
200
0100
DNP
33
1
2
270
R2813
R2803
R2804
R2805
R2806
R2808
R2807
RX_FSYNC
RX_DA
TX_CLK
TX_FSYNC
RX_CLK
TX_SSI<2..0>
RX_SSI<2..0>
SPI_DSP<2..0>
SPI_DSP_CLK
SPI_DSP_MISO
SPI_DSP_MOSI OUT
OUT
IN
IN
IN
OUT
OUT
OUT
TEST_POINT
TP2
CPLD_32KHZ_GPS_CLK
GPS_SHUTDOWN
GPS_TX
GPS_RX
1
NC
VBUS1
DNP
DNP
0
TEST_POINT
0
TP1
R2
R20
AVR_USART2_RX
AVR_TMS
AVR_TCK
AVR_TDI
AVR_USART2_TX
BT_AVR_RESET_3.3V
AVR_USART2_RX_C
AVR_TDO
OMAP_SSI_FSYNC
SSI_RED_TX_CODEC
SSI_OPT_CLK
SSI_RED_RX_CODEC
AVR_USART2_TX_C
1
AVR_BOOT
BT_AVR_USB_DP_TP
BT_AVR_USB_DM_TP
BT_UART_TX_1.8V
V_EXT_1.85
BT_UART_RX_1.8V
NFC_COIL
BT_UART_TX_1.8V
BT_UART_RX_1.8V
BT_AVR_USB_DP_TP
BT_AVR_USB_DM_TP
GPS_RX
BT_AVR_RESET_3.3V
BT_AVR_USB_DM
BT_SPARE_1.8
BT_AUD_CLK
BT_AUD_FSYNC
BT_AUD_IN
ACC_SPKR_UNMUTE_1.8
AVR_TCK
AVR_TDI
AVR_TMS
AVR_USART2_RX
BT_AVR_RESET
NFC_COIL
BT_AUD_OUT
BT_TX_DBG
BT_PTT
USB_BOOT_1.8V
BT_AVR_VBUS
BT_AVR_USB_DP
GPS_TX
AVR_STATUS_1.8V
AVR_TDO
AVR_USART2_TX
GPS_SHUTDOWN
32KHZ
V_EXT_1.85
ANT
V_SW_3.60
SUBDESIGN_SUFFIX=3
covert_gps_bluetooth
RF_ANT
V_SW_3.60
OUT
UNDERFILM I SHAPE
PIN2PIN1
PIN2PIN1
CONTACT
CONTACT
M1
M2
21
21
MACE/MAKO
CONTROLLER SHIELDS
CON/AVR
SHIELD SHIELD
SH17
SH16
2
1
2
1

8-184 Schematics, Boards Overlays, and Parts Lists: Main Board Block: UHF2 (84012616001)
Figure 8-108. GPS Bluetooth Circuit – 1 of 2
NC
VSS_TCXO_CLK
VSS_RF_FM
VSS_RF_BT
VSS_REF_CLK
VSS_PLL_GPS
VSS_PASYNTH_FM
VSS_MIX_GPS
VSS_LNA_GPS3
VSS_LNA_GPS2
VSS_LNA_GPS1
VSS_DPLL_BT
VSS_DIG6
VSS_DIG5
VSS_DIG4
VSS_DIG1
VSS_DCO_BT
VSS_ADCPLL_FM
VSENSE
VPP
VDD_TCXO
VDD_SRAM_LDO
VDD_SRAM2
VDD_SRAM1
VDD_RF_BT
VDD_PPAIF_BT
VDD_LDOIN_
CLASS1P5_BT
VDD_IF_GPS
VDD_DIG_LDO
VDD_DIG4
VDD_DIG3
VDD_DIG2
VDD_DIG1
VDD_DCO_BT
VDD_CLASS1P5_BT
VDDS4
VDDS3
VDDS2
VDDS1
VDD1P8_GPS
VDD1P8_FM
VDD1P8_BT
VDD1P8V_2
VBAT1
TEST_EN
TCXO_LDO_VPROG
TCXO_LDO_IN
TCXO_CLK_REQ
TCXO_CLK_LV
RTC_CLK
REF_CLK_LV
REF_CLK_HV
PMTEST_1P8V
IFORCE GPS_UART_TX
GPS_UART_RX
GPS_TP
GPS_TM
GPS_SENS_I2C_SDA
GPS_SENS_I2C_SCL
GPS_LNA_IN
FM_RFP_OUT
FM_RFP_IN
FM_RFN_IN
FM_IRQ
FM_I2S_OUT_BT_GPIO1
FM_I2S_IN
FM_I2S_FSYNCH
FM_I2S_CLK
FM_I2C_SDA
FM_I2C_SCL
FM_AUD_OUT_R
FM_AUD_OUT_L
FM_AUD_IN_R
FM_AUD_IN_L
FM_ABGAP_CAP
BT_WAKEUP
BT_TX_DBG_BT_GPIO6
BT_TESTP
BT_TESTM
BT_RF
BT_HCI_UART_TX
BT_HCI_UART_RX
BT_GPIO5
BTFM_NSHUTDOWN
BT_IRQ_BT_HOST_WAKEUP
BT_GPIO4
BT_GPIO3
BT_GPIO2
GPS_IRQ
CLK_REQPOL
REF_CLK_REQ
VDD_PLL_GPS
VDD1P8V_1
BT_AUD_IN
BT_AUD_OUT
BT_AUD_FSYNC
BT_AUD_CLK
BT_HCI_UART_CTS
BT_HCI_UART_RTS
GPS_I2C_UART_SEL
GPS_TIMESTAMP
GPS_PA_EN
GPS_PPS_OUT
GPS_NSHUTDOWN
GPS_EXT_LNA_EN
VSS_DIG2
VSS_DIG3
G2
K8
B10
E9
J1
J10
K3
K2
L3
L1
A7
B6
C2
J5
E10
F3
G9
A9
J7
L6
E2
K5
G10
B3
G1
C1
L5
F9
B9
D10
J2
D8
K4
B2
F10
K6
F2
E5
A8
D9
A3
B1
J3
J8
C8
A2
H1
NC
NC
NC
NC
NC
NC
NC
NC
NC
NC
NC
NC
NC
NL5500
U1301M3
J4
L10
E1
D4
F1
A1
L4
H3
H2
L2
K9
L9
J9
K7
L7
H8
H7
L8
B8
A10
C10
0
VDD_TCXO
R1340M3
V_EXT_1.85
VDD_TCXO VPROG STATE
VDDS = 1.8V
FLOATING = 2.87V
.1UF
0
1UF 18PF
R1313M3
C1310M3
C1326M3
C1327M3
V_SW_3.60
OUT
18PF
.1UF
.1UF
.1UF
.1UF
.1UF
.1UF
.1UF
1UF
1UF
0
1UF
.1UF
C1311M3
C1331M3
C1335M3
C1334M3
C1333M3
C1332M3
R1315M3
C1330M3
C1329M3
C1337M3
C1336M3
C1313M3
V_EXT_1.85
OUT
C1312M3
.1UF C1328M3
NC
NC
NC
NC
NC
NC
NC
NC
NC
NC
NC
NC
NC
NC
NC
NC
0
0
R1318M3
TP1303M3
TP1304M3
R1317M3
LNA_ENABLE
1
1
H9
J6
E7
E8
F5
E3
C6
E4
F4
C4
G3
D5
G5
H4
H6
G6
G7
G8
F7
F8
E6
F6
G4
A6
H10
H5
A5
A4
B5
B7
B4
D7
C5
D6
C7
C3
D3
D2
D1
TEST_POINT
0
0
0
0
R1304M3
R1302M3
R1326M3
R1325M3
TP1311M3
1
0
0
R1307M3
R1306M3
BT_TX_DBG
OUT
0
0
R1323M3
R1322M3
(FROM CPLD)
(FROM OMAP)
100K
R1308M3
32KHZ
GPS_SHUTDOWN
IN
IN
(FROM OMAP UART TX)
(TO OMAP UART RX)
GPS UART
GPS_RX
GPS_TX
IN
OUT
(FROM AVR)
(FROM AVR)
(FROM AVR)BT_WAKEUP_1.8V
BT_SHUTDOWN_1.8V
BT_HOST_WAKEUP_1.8V
(FROM AVR)
BT HCI UART
(FROM AVR)
(FROM AVR)
(FROM AVR)
BT_UART_TX_1.8V
BT_UART_RX_1.8V
BT_UART_RTS_1.8V
BT_UART_CTS_1.8V
BT AUDIO
(FROM OMAP)
(FROM OMAP)
(FROM OMAP)
(FROM OMAP)
BT_AUD_CLK
BT_AUD_IN
BT_AUD_FSYNC
BT_AUD_OUT
IN
IN
IN
OUT
(REMOVE LATER)
(REMOVE LATER)
(REMOVE LATER)
(REMOVE LATER) 0
0
0
0
R1332M3
R1331M3
R1330M3
R1329M3
2.8V LDO
VEN
VIN
GND
VOUT
0
2.2UF
GPS_BT_2.8V
1UF
LP5900
U1305M3
R1303M3
C1301M3 C1303M3
V_SW_3.60
B2
A2
A1
B1
GND1
GND2
OUT
GND3
IN
0
FARF6KA1G5754
R1301M3
FL1301M3
41
5
3
2
9NH
4.7NH
5.6PF
1.8PF
.75PF
12PF
3.3PF
C1317M3
L1316M3
C1315M3
C1314M3
C1318M3
L1305M3
C1302M3
ANT
IN
18NH
1UF
18PF
.1UF
VDD_TCXO
0
R1305M3
C1306M3
C1319M3
C1320M3
L1301M3
21
26MHZ TCXO
ENABLE_DISABLE
OUTPUT
KT2016A
26MHZ
Y1304M3
4
3
2
1
VCC
GND
22PF
10PF
C1376M3
C1321M3
EXTERNAL LNA
18NH
12PF
GPS_BT_2.8V
1000PF
L1303M3
C1307M3 C1308M3
21
AO
VCC
PON
BIAS
AI
GND
VSS
22PF
BGA715L7
C1322M3
U1304M3
7
5
4
3
2
61
3.3NH
0
DNP
12PF
15PF
4.7NH
1.8PF
R1321M3
C1309M3
L1304M3
C1305M3
L1302M3
C1304M3
LNA_ENABLE
21
21
GND1
GND2
OUT
GND3
IN
DNP
110
DNP
110
0
FARF6KA1G5754
1PF
22PF 12NH
FL1303M3
C1324M3
C1325M3
R1311M3
R1309M3
R1310M3 L1306M3
41
5
3
2
BLUETOOTH ANTENNA
39NH
DNP DNP
0
0
DNP
2PF
M1302M3
M1301M3
L1308M3 C1339M3
R1337M3
R1338M3
1
1
G1
A
C
G2
CONN_J
0
R1320M3
J1301M3
4
3
1
2
OUT
GND1
IN
GND2
LFB2H2G45CC1D005TEMP
22PF
C1323M3
FL1302M3
BT_RF_C 31
4
2

Schematics, Boards Overlays, and Parts Lists: Main Board Block: UHF2 (84012616001) 8-185
Figure 8-109. GPS Bluetooth Circuit - 2 of 2
3.3V LDO
GND2
GND1
BYPASS
SENSE
INPUT
NC
OUTPUT
LP2989
4.7UF .01UF
GPS_BT_3.3V
U2402M3
C2415M3
C2414M3
86
5
2
4
9
3
7
1
ERROR
SHUTDOWN
0
0
DNP
VCC_1.85
0
R2451M3
R2406M3
R2405M3
V_SW_3.60
4.7UF
C2416M3
A1
A2
VCCA
VCCB
GND
B1
B2
DIR
.1UF
GPS_BT_3.3V
SN74LVC2T45
VCC_1.85
C2444M3
C2438M3
U2406M3
BT_AVR_RESET_3.3V
BT_HOST_WAKEUP_3.3V
A2
A1
D1
D2
C2
B2
C1
B1
OUT
X
.1UF
100K
VCC_1.85
TP2413M3
R2453M3
BT_AVR_RESET
BT_HOST_WAKEUP_1.8V
1
IN
4.7K
0
VCC_1.85
R2458M3
R1312M3
X
X
A1
A2
VCCA
VCCB
GND
B1
B2
DIR
.1UF
GPS_BT_3.3V
SN74LVC2T45
.1UF
VCC_1.85
100K 100K
C2439M3
R2459M3
R2454M3 C2445M3
U2407M3
BT_UART_RTS_1.8V
BT_UART_TX_3.3VBT_UART_TX_1.8V
BT_UART_RTS_3.3V
A2
A1D1
D2
C2
B2
C1
B1
OUT
A1
A2
VCCA
VCCB
GND
B1
B2
DIR
.1UF
100K
SN74LVC2T45
GPS_BT_3.3V
GPS_BT_3.3V
VCC_1.85
100K
.1UF
C2440M3
U2408M3
R2460M3
R2455M3
C2446M3
BT_UART_CTS_1.8V
BT_UART_RX_3.3V
BT_UART_CTS_3.3V
BT_UART_RX_1.8V
A2
A1
D1
D2
C2
B2
C1
B1
IN
X
X
X
XA1
A2
VCCA
VCCB
GND
B1
B2
DIR
.1UF
SN74LVC2T45
.1UF
GPS_BT_3.3V
VCC_1.85 GPS_BT_3.3V
C2447M3
U2409M3
C2441M3
BT_WAKEUP_1.8V
BT_SHUTDOWN_1.8V BT_WAKEUP_3.3V
BT_SHUTDOWN_3.3V
A2
A1D1
D2
C2
B2
C1
B1
100K
100K
R2456M3
R2461M3
.1UF
GPS_BT_3.3V
VCC_1.85
C2448M3
A1
A2
VCCA
VCCB
GND
B1
B2
DIR
SN74LVC2T45
.1UF
C2442M3
U2410M3
BT_PTT
AVR_STATUS_1.8V AVR_STATUS_3.3V
BT_PTT_3.3V
A2
A1
D1
D2
C2
B2
C1
B1
OUT
OUT
100K
GPS_BT_3.3V
10K
R2465M3
R2473M3
A1
A2
VCCA
VCCB
GND
B1
B2
DIR
.1UF
0
.1UF
VCC_1.85 GPS_BT_3.3V
0
SN74LVC2T45
C2477M3
R2407M3
U2478M3
C2479M3
R2418M3
32KHZ_3.3V
USB_BOOT_3.3V
32KHZ
A2
A1
D1
D2
C2
B2
C1
B1
IN
0
VCC_1.85
100K
R2450M3
TP2417M3
R1314M3
USB_BOOT_1.8V
1
IN
A1
A2
VCCA
VCCB
GND
B1
B2
DIR
.1UF
SN74LVC2T45
100K
VCC_1.85
VCC_1.85
GPS_BT_3.3V
.1UF C2483M3
C2468M3
R2436M3
U2414M3
ACC_SPKR_UNMUTE_1.8 ACC_SPKR_UNMUTE_3.3
A2
A1
D1
D2
C2
B2
C1
B1
IN
A1
A2
VCCA
VCCB
GND
B1
B2
DIR
SN74LVC2T45
.1UF
100K
100K
.1UF
100K
GPS_BT_3.3V VCC_1.85
VCC_1.85
C2469M3
U2473M3 R2488M3
C2482M3
R2479M3
R2472M3
R2437M3
BT_SPARE_1.8
BT_SPARE_3.3
BT_SPARE_DIR
A2
A1D1
D2
C2
B2
C1
B1 IO
100K
20
R2467M3
SDCK
SDCKE
SDWE
RAS
CAS
SDRAM_CS
BA0
BA1
SDA00
SDA01
SDA03
SDA05
SDA07
SDA10
SDA11
SDA08
SDA09
SDA06
SDA02
SDA04
128MB SDRAM
NC
NC
CKE
CLK
CAS
CS
RAS
WE
A0
A1
A2
A3
A4
A5
A6
A7
A8
A9
A10
A11
BA0
BA1
DQ0
DQ1
DQ2
DQ3
DQ4
DQ5
DQ6
DQ7
DQ8
DQ9
DQ10
DQ11
DQ12
DQ13
DQ14
DQ15
DQMH
DQML
NC1
NC2
VDD1
VDD2
VDD3
VDDQ1
VDDQ2
VDDQ3
VDDQ4
VSS1
VSS2
VSS3
VSSQ1
VSSQ2
VSSQ3
VSSQ4
MT48LC8M16A2
GPS_BT_3.3V
U2413M3
DATA08
DATA09
DATA10
DATA11
DATA05
UDQM
LDQM
DATA15
DATA13
DATA14
DATA12
DATA07
DATA06
DATA03
DATA04
DATA00
DATA02
DATA01
F9
D7
C3
B7
A3
J1
E3
A1
D3
C7
B3
A7
J9
E7
A9
F8
G1
E2
E8
F1
A2
B1
B2
C1
C2
D1
D2
E1
E9
D8
D9
C8
C9
B8
B9
A8
G9
F2
F3
F7
G8
G7
G2
H9
G3
H1
H2
H3
J2
J3
J7
J8
H8
H7
VDD_IO
100K 100K
.1UF
0
10UF
GPS_BT_3.3V
GPS_BT_3.3V
C2478M3
R2493M3
C2449M3
R2434M3
R2433M3
MS_INT2
MS_INT1
1
14
NC1
NC2
SDO_SA0
INT_2
GND3
GND2
GND1
SCL_SPC
RSVD2
VDD
RSVD1
GND4
SDA_SDI_SDO
CS
INT_1
NC
NC
LIS331DL
GPS_BT_3.3V
U2416M3
SPI0_CS2
SPI0_CLK
SPI0_MISO
SPI0_MOSI
7
6
4
15
10
3
2
9
11
16
13
12
5
8
100K
100K
100K
100K
GPS_BT_3.3V
R2497M3
R2466M3
R2452M3
R2449M3
ACCELEROMETER 12MHZ OSC
OE OUT
VDD
GND
40.2MHZ
DS0211AR
.1UF
0
0
150
10PF
GPS_BT_3.3V
C2473M3
R2412M3
R2408M3
R2435M3
C2474M3
Y2475M3
12M_CLK_IN
4
31
2
A1
A2
VCC
GND
Y1
Y2
100K
100K
.1UF
GPS_BT_3.3V GPS_BT_3.3V
NLU2G04
C2443M3
U2411M3
R2414M3
R2478M3
NFC_DAT
NFC_CS 4
6
52
3
1
NFC_CS_INV
USART1_RX
1%
VCC
GND
15K
NL17SZ02
.1UF 47
100K
100K
NL17SZ02
270K
GPS_BT_3.3V
GPS_BT_3.3V
1000PF
180PF 5.1PF
150
C2475M3
R2474M3
R2457M3
R2477M3
R2476M3
C2457M3
U2412M3
R2475M3
C2454M3
R2441M3
U2412M3
C2451M3
32KHZ_3.3V
NFC_CS_INV
NFC_COIL
TC1_OCA
USART1_TX
4
2
1
53
OUT
DAT
SDO
XOUT
WAKE
NC2
NC1
NC3
CTGND
VCC
SDI
CS
SCL
XIN
GND
VSS
LFN
LF1P
1UF
GPS_BT_3.3V
100
51009735001
AS3930A
R2419M3
C2465M3
U2403M3
5
715
13
12
4
3
16
G1
11
TP2435M3
NFC_DAT
1
6
8
14
10
2
1
9
100K
GPS_BT_3.3V
R2481M3
100K
GPS_BT_3.3V
R2480M3
USART1_RX
NFC_CS
BT_UART_TX_3.3V
BT_UART_CTS_3.3V
BT_UART_RX_3.3V
SPI0_MISO
USART1_CLK
BT_UART_RTS_3.3V
SPI0_CLK
SPI0_MOSI
SPI0_CS2
10K
R2490M3
MS_INT1
PD
BT_SPARE_3.3
NFC_WAKE
BT_SPARE_DIR
AVR_STATUS_3.3V
ATMEL_BOOT
USB_BOOT_3.3V
MS_INT2
10K
R2486M3
F1
C3
A8
B9
A9
A10
A11
A12
B12
B10
D10
C12
D9
F9
G8
F11
F12
G9
G10
G11
H7
J12
H10
J10
L12
K11
J8
J7
K8
H6
J6
AVR + LF
10K
GPS_BT_3.3V
470PF
2.2UF C2471M3
R2491M3
C2470M3
VDDCORE
C10
L11
K10
B11
L2
G7
G6
F7
F6
B2
L7
K7
K6
M7
M6
M4
M3
L4
M2
M1
L1
K4
K3
L3
J2
F4
J3
F2
D2
D3
D1
E1
C1
B1
A2
B3
A3
B4
A5
A4
A6
B6
PB00
PB02
PB01
PB03
PB04
PB05
PB08
PB07
PB06
PB09
PB10
PB13
PB12
PB11
PB14
PB15
VDDOUT
VDDIN
VDDANA
VDDPLL
VDDCORE4
VDDCORE2
VDDCORE3
PB16
PB17
PB19
PB20
PB21
PB23
PB25
PB26
PB28
PB27
PB29
PB30
PB31
GND8
GND9
GNDANA
GND6
GND7
VDDCORE1
VDDIO7
VDDIO6
VDDIO5
VDDIO4
VDDIO3
VDDIO2
VDDIO1
PA01
PA00
PA02
PA07
PA06
PA05
PA08
PA09
PA12
PA11
PA10
PA13
PA14
GND3
GND4
GND5
GND2
GND1
PA17
PA15
PA16
PA18
PA19
PA20
PA22
PA21
PA23
PA24
PA25
PA27
PA26
PA28
PA29
PA30
PB24
PB18
PB22
PA04
PA03
AT32UC3A
U2415M3
B8
L5
M12
E11
H5
E5
E2
B5
A1
L8
H12
H11
H8
H2
E8
10K
R2492M3
TEST_GPIO1
TEST_GPIO2
100K
R2404M3
1000PF
100K
4.7UF
GPS_BT_3.3V
100K
R2496M3
R2495M3
C2417M3
C2472M3
JTAG
AVR_TDI
AVR_TMS
AVR_TCK
AVR_TDO
OUT
IN
IN
IN
TP2436M3
TP2437M3
BT_AVR_VBUS
1
1
IN
0
R1319M3
BT_HOST_WAKEUP_3.3V
ACC_SPKR_UNMUTE_3.3
RAS
SDWE
SDCKE
CAS
SDCK
BT_PTT_3.3V
SDA10
BT_SHUTDOWN_3.3V
BT_WAKEUP_3.3V
BOARD_REV1
BOARD_REV2
BOARD_REV3
BOARD_REV0
TC1_OCA
BOARD_REV4
1K
10K
1K
1K
1K DNP
1K
R2487M3
R2471M3
R2470M3
R2469M3
R2443M3
R2442M3
100K
GPS_BT_3.3V
R2444M3
AVR_USART2_RX
AVR_USART2_TX
IN
OUT
1K
1K
DNP
100K
DNP
100K
GPS_BT_3.3V GPS_BT_3.3V
R1328M3R1327M3
R1324M3 R1316M3
GPS_BT_3.3V
E12
G1
J1
F5
M8
F10
J9
J11
K12
H9
L10
M11
K9
M10
L9
M9
L6
M5
K5
J5
J4
K1
K2
G2
C4
B7
A7
G12
C9
NC
NC
NC
TP2419M3
12M_CLK_IN
UDQM
DATA02
PD
DATA00
OSC0_OUT
DATA03
DATA05
DATA06
DATA07
DATA09
DATA08
DATA04
DATA01
DATA10
1
SDRAM_CS
1UF
TP2416M3
C2480M3
BT_AVR_RESET_3.3V
1
TP2450M3
TP2453M3
TP2452M3
TP2451M3
1
1
1
1
AT32UC3A
U2415M3
TDO
PX17
PX18
PX19
PX20
PX21
PX22
PX23
PX24
PX27
PX26
PX25
PX28
PX29
PX30
PX31
PX32
PX33
PX34
PX35
PX37
PX36
PX38
PX39
TCK
RESET
TDI
DP
ADVREF
VBUS
DM
PC00
PC01
PC04
PC03
PC02
PC05
PX00
PX01
PX02
PX03
PX04
PX05
PX06
PX08
PX07
PX09
PX10
PX11
PX12
PX13
PX14
PX15
NC
PX16
TMS
BA0
SDA11
SDA05
DATA12
DATA14
DATA15
LDQM
DATA11
SDA01
SDA00
DATA13
SDA03
SDA04
SDA09
SDA07
SDA06
SDA08
SDA02
BA1
H1
H4
H3
G5
G3
G4
F3
C2
E3
E4
D4
D5
C5
E6
C6
D6
D7
E7
C7
C8
D8
C11
E9
E10
F8
D11
D12
27
27
R2485M3
R2484M3
100K
R1333M3
TP1301M3
AVR_EXT_USB
1
10K
R2489M3
SB1
B0
VCC
GND
A
FSA4157L6X
GPS_BT_3.3V
.1UF
C1316M3
U1334M3
2
1
5
6
43
IO
SB1
B0
VCC
GND
A
.1UF
FSA4157L6X
GPS_BT_3.3V C1340M3
U1335M3
2
1
5
6
43
IO
BT_AVR_USB_DM
BT_AVR_USB_DP
IO
IO
TP2415M3
TP2414M3
BT_AVR_USB_DM_TP
BT_AVR_USB_DP_TP
1
1
100K
GPS_BT_3.3V
R2416M3
TP2466M3 ATMEL_BOOT
1
.1UF
.1UF
.1UF
.1UF
.1UF
.1UF
.1UF
.1UF
.1UF
.1UF
.1UF
.1UF
.1UF
.1UF
C2467M3
C2466M3
C2464M3
C2463M3
C2462M3
C2461M3
C2460M3
C2459M3
C2458M3
C2456M3
C2455M3
C2453M3
C2452M3
C2450M3

8-186 Schematics, Boards Overlays, and Parts Lists: Main Board Block: UHF2 (84012616001)
Figure 8-110. Top Control and JTAG Circuit
J1M2
ON_OFF_SWITCH
12
REMOVED U21002,,U21003
REMOVED C21001,C21000,U2104,TP2111,R21001,TP2110,R21000,U2104,C2116
REMOVED U21000,U21001,C21002,C21003,C21005,C21004
CHANGES:
EMERGENCY BUTTON
REMOVED TP2112,TP2113,TP2114
100PF
RSB6
C2115M2
D2101M2
J1M2
TOP_BUTTON 14
JTAG
USER BUTTON AND SWITCHES
FREQ KNOB
JTAG<11..0>
IO
1
4
0
9
DNP
2
10K
4.7K
DNP
8
3
11
5
7
6
10
0
TEST_POINT
4.7K
R2197M2
R2106M2
R2105M2
R2104M2
F_VREF_1.875VM2
NEMU1
TDI_BUFFERED
OMAP_TDO
RTCK
CPLD_TDO
CPLD_TCK
CPLD_TMS
NEMU0
NTRST
OMAP_TMS_BUFFERED
CPLD_TDI_BUFFERED
TCK_CONN_BUFFERED_B
V_EXT_1.85
1
10K
10K
10K
0
R2198M2
R2116M2
R2117M2
R2120M2
CPLD_TDO_CON
V_EXT_1.85
OMAP_TDO_CON
NC7WZ17
10
10
22
0
22
10
NC7WZ17
NC7WZ17
1K 10K
10
NC7WZ17
R2199M2
U2101M2
U2102M2
U2101M2
R2114M2
R2110M2
R2118M2
R2115M2 U2102M2
R2107M2
R2109M2
R2111M2
R2113M2
TDI_CON
TMS_CON
CPLD_TMS_CON
TCK_CON
RTCK_CON
V_EXT_1.85
61
43
43
61
VCC
GND
VCC
GND
NC7WZ17 NC7WZ17
0.1UF 0.1UF
C2114M2
U2102M2
U2101M2
C2104M2
V_EXT_1.85
5
2
5
2
OUT
REMOVED SECURE SW
NEED TO ADD TOGGLE/FREQ SW
TOP_BUTTON
ON_OFF_SWITCH OUT
OUT

Schematics, Boards Overlays, and Parts Lists: Main Board Block: UHF2 (84012616001) 8-187
Figure 8-111. Lighting Control Circuit
SCL2
EN
VREF1
SDA1
SCL1
SDA2
IC2_TRANS_VREF2
5
6
8
VREF2
GND
0.1UF
PCA9306
C2201M2
U2202M2
I2C_DATA
I2C_CLK
4
3
1
IN
IO
RADIO TOP LIGHTING
V_LED_TOP
0.1UF
200K
R2201M2
C2202M2
V_EXT_1.85
7
2
V_LED_TOP
V_LED_TOP
3.3K 3.3K 0.1UF
0C2203M2
R2207M2
R2206M2
R2204M2
LP3944
U2205M2
21
SCL
RST
SDA
A0
A1
A2
NC1
NC2
NC3
NC4
NC5
NC6
NC7
NC8
VDD
GND1
LED0
LED1
LED2
LED3
LED4
LED5
LED6
LED7
GND2
20
19
18
17
16
15
14
13
12
11
10
8
7
6
5
4
3
2
1
25
9
24
23
22
V_LED_TOP
SCL_5V
SDA_5V
10K
47K
10K
DTC114YKAF
R2254M2
Q2202M2
OMAP_RESET
V_EXT_1.85
1
3
2
100PF
C2223M2
510
510
510
2.2K
1K
1K
R2256M2
R2255M2
R2257M2
E2206M2
E2207M2
E2201M2
R2246M2
R2245M2
R2244M2
E2248M2
E2249M2
E2247M2
TX_RX_GREEN_LED
TX_RX_AMBER_LED
BT_BLUE_LED
TX_RX_RED_LED
BT_GREEN_LED
BT_RED_LED
REMOVED E2242
REMOVED C2221,C2222,C2214,C2215,C2216
REMOVED L2202,L2203,L2204,L2205,C2211,C2212,C2213,
CHANGES:
LIGHTING CONTROLERS
J2M2
J2M2
J2M2
J2M2
J2M2
J2M2
12
11
9
7
5
3
SPARK_GAP
SPARK_GAP
SPARK_GAP
SPARK_GAP
E2205M2
E2204M2
E2203M2
E2202M2
2
1
21
21
21
100PF
100PF
100PF
100PF
C2229M2
C2228M2
C2227M2
C2226M2
J2M2
J2M2
J2M2
J2M2
J2M2
J2M2
J2M2
J2M2
J2M2
G4
G3
G2
G1
10
6
4
2
1
100PF
0.1UF
V_SW_5
C2225M2
C2224M2
NFC_CONNECTION
J2M2
NFC_COIL 8
IN
V_LED_TOPV_SW_5
0
R2235M2

8-188 Schematics, Boards Overlays, and Parts Lists: Main Board Block: UHF2 (84012616001)
Figure 8-112. GCAI and side control
J1M2
J1M2
J1M2
J1M2
J1M2
J1M2
18
16
10
8
6
4
SIDE CONTROLS
100PF
RSB6
100PF
RSB6
100PF
100PF
RSB6
RSB6 C2334M2
D2304M2
D3M2
C2333M2
C2332M2
D2M2
D1M2
C2331M2
10K
10K
10K
R4007M2
R4006M2
R4005M2
V_EXT_1.85
TOP_SIDE_BUTTON
DOWN_ARROW_BUTTON
MIDDLE_SIDE_BUTTON
UP_ARROW_BUTTON
IN
IN
IN
IN
J1M2
J1M2
J1M2
J1M2
J1M2
J1M2
J1M2
J1M2
G4
G3
G2
G1
1
24
23
2
J1M2
J1M2
J1M2
J1M2
J1M2
J1M2
J1M2
J1M2
J1M2
J1M2
J1M2
J1M2
22
21
20
19
17
15
13
11
9
7
5
3
510
RSB6
D2305M2
R2358M2
GPIO_4_CTS_KEYFAIL_FILLCLK
DNP
TEST_POINT
0
R2361M2
F_GCAI_1WIREM2
GCAI_1WIRE_5V
1
VBUS2
TEST_POINT
DNP
F_VBUS2M2
1
GCAI
SPARK_GAP
SPARK_GAP
SPARK_GAP
SPARK_GAP
E2317M2
E2316M2
E2313M2
E2315M2
2
1
2
1
21
2
1
SPARK_GAP
SPARK_GAP
SPARK_GAP
E2320M2
E2319M2
E2318M2
1
1
2
1
DNP
RSB6
470PF
SPARK_GAP
D2307M2
C2342M2
E2321M2
2
2
2
1
100
R2364M2
470PF
C2339M2
100
150
R2363M2
R2362M2
0
0
R2359M2
R2360M2
SPARK_GAP
SPARK_GAP
2.2
R2357M2
E2314M2
E2312M2
21
21
.1UF .1UF
2.2
R2356M2
C2335M2 C2336M2
10K
47K
100PF
DTC114YKAF
100PF
Q4001M2
C2338M2
C2337M2
1
3
2SEL
B0
A
GND
B1
VCC
V_5.0A
V_5.0A
10K NC7SB3157
U4003M2
5
6
2
1
3
4
R4008M2
DNP
0.1UF
DNP
470PF
RSB6
C2340M2
C2341M2
D2306M2
V_2.775D
47K
R4011M2
SCL2
EN
VREF1
SDA1
SCL1
SDA2
PCA9306
U4001M2
7
2
54
63
1
8
VREF2
GND
V_2.775D
V_5.0A
200K
0.1UFC4006M2
R4010M2
V_5.0A
3.3K 0.1UF
C4005M2
R4009M2
TEST_POINT
DNP
BAT54HT1G
GPIO0M2
D4001M2
1
21
DNP
TEST_POINT TEST_POINT
DNP
SPKR-M2
SPKR+M2
1
1
MMC NOT REQUIRED
DELETED 2.775
TEMP SENSOR ON MAINBOARD
100PF
100PF
C2344M2
C2343M2
GPIO_1_DP_TXDC_FILLREQ
MAKO_OPTB_SEL2_GCAI12
GCAI_1_WIRE
GPIO_2_DM_RXDC_FILLDATA
GPIO_3_RTS_FILLSENSE
DNP
DNP
TEST_POINT
TEST_POINT
F_GCAI_USB-M2
F_GCAI_USB+M2
1
1
OUT
IO
IO
IO
IO
IO
IO
IN
IN
IN
OUT
OUT
IN
IO
IO
EXT_SPKR_POS_DP
KEYFAIL_CTRL
GCAI_GPIO_1_INPUT
EXT_MIC_POS_DP
GCAI_GPIO_2_INPUT
KVL_DETACH
GPIO_0
EXT_MIC_NEG_DP
EXT_SPKR_NEG_DP
KEYFAIL
V_5.0A
V_3.3
C1
C2
VCC
GND
A1
B1
A2
B2
SN74LVC2G66
0.1UF
3.3K
C4007M2
R4014M2
U4004M2
OPTB_SEL3_SWITCH_EN
A2
D1
C1
B2
C2
B1
D2
A1
IN
22K
22K
R4013M2
R4012M2

Schematics, Boards Overlays, and Parts Lists: Main Board Block: UHF2 (84012616001) 8-189
Figure 8-113. Debugging and Display Connector
DEBUGGING AND DISPLAY CONNECTOR
J2401M2
J2401M2
J2401M2
J2401M2
J2401M2
J2401M2
J2401M2
J2401M2
J2401M2
J2401M2
J2401M2
J2401M2
J2401M2
J2401M2
J2401M2
J2401M2
J2401M2
J2401M2
J2401M2
J2401M2
J2401M2
J2401M2
J2401M2
J2401M2
J2401M2
J2401M2
J2401M2
J2401M2
J2401M2
J2401M2
J2401M2
J2401M2
J2401M2
J2401M2
J2401M2
J2401M2
J2401M2
J2401M2
J2401M2
J2401M2
J2401M2
J2401M2
J2401M2
J2401M2
G4
G3
G1
39
40
G2
35
36
37
38
34
31
32
33
30
26
27
28
29
22
23
24
25
18
20
19
21
17
13
14
15
16
9
10
11
12
5
6
7
8
1
2
3
4
T_DISP_DATA_CMD
T_DISP_SPI_CLK
T_DISP_SPI_MOSI
BT_TX_DBG
BT_AVR_RESET_3.3V
BT_AVR_USB_DP_TP
VBUS1
USB_BOOT_1.8V
BT_HCI_TX
BT_HCI_RX
BT_AVR_USB_DM_TP
AVR_USART2_TX
AVR_MACE_TDI
AVR_MACE_TMS
AVR_USART2_RX
TCK_CON
NTRST
CPLD_TDO_CON
RTCK_CON
TDI_CON
TMS_CON
AVR_TCK
T_DISP_RESET
T_DISP_SPI_CS
T_DISP_TOGGLE
AVR_MACE_TDO
CPLD_TMS_CON
OMAP_TDO_CON
IN
10K
V_2.775D
R2401M2
V_EXT_1.85
VBUS1
GPS_BT_3.3V
IN
IN
IN
IN
IN
IN
IN
IN
IN
IN
IN
IN
IN
IN
IN
IN
IN
IN

8-190 Schematics, Boards Overlays, and Parts Lists: Main Board Block: UHF2 (84012616001)
Figure 8-114. Connectors
CONNECTORS
J3M2
J3M2
J3M2
J3M2
J3M2
J3M2
J3M2
J3M2
J3M2
J3M2
J3M2
J3M2
J3M2
J3M2
J3M2
J3M2
J3M2
J3M2
J3M2
J3M2
J3M2
J3M2
J3M2
J3M2
J3M2
J3M2
J3M2
J3M2
J3M2
J3M2
J3M2
J3M2
J3M2
J3M2
2
1
5
4
3
6
7
10
9
8
12
11
15
14
13
17
16
20
19
18
21
22
23
24
25
26
27
28
29
30
31
33
32
34
MACE_TDO
MACE_TDI
MACE_NTRST
MACE_TMS
MACE_TCK
0
47K
0
R22M2
R21M2
R1M2
V_EXT_1.85
10
9
12
8
7
6
4
5
3
14
2
11
1
13
ETM<1..14>
OUT
OUT
OUT
OUT
OUT
OUT

Schematics, Boards Overlays, and Parts Lists: Main Board Block: UHF2 (84012616001) 8-191
Figure 8-115. CPLD Circuit
Y
NC
VCC
GND
B
A
NC7SP08
22K
R6102M6
U6103M6
HIGH_SECURE_DATA_GATE
V_EXT_1.85
SSI_RED_TX_CODEC
4
6
5
3
2
1SSI_RED_TX_CPLD
V_EXT_1.85
V_EXT_1.85 V_EXT_1.85
0
0.1UF 0.1UF
0.1UF
0.1UF
R6105M6
C6108M6C6109M6 C6110M6 C6111M6
V_EXT_1.85
A7
C4
A14
P13
G14
P7
J3
A2
K12
P1
XC2C256
U6101M6
SEL
B0
A
GND
B1
VCC
10K NC7SB3157
R6117M6
U6102M6
MAKO_OPTB_SEL1_GCAI
F2_PARAMP
GPIO_3_RTS_FILLSENSE
5
6
2
1
3
4
V_5.0A
0.1UF
C6104M6
10K
47K
0.1UF
V_5.0A
0.1UF 0.1UF
DTC114YKAF
Q6101M6
C6114M6
C6113M6
C6112M6
F2_PARAMP_MON
1
3
2
GND8
GND9
GND1
GND5
GND2
GND3
GND4
GND7
GND6
GND10
GND11
B3
A9
B14
E14
H14
J14
N12
N9
P4
N1
K2
IO101
IO100
IO90
IO91
IO102
IO103
IO104
IO84
IO85
IO97
IO98
IO99
IO89
IO79
IO80
IO92
IO93
IO95
IO96
IO105
IO106
IO54_GSR
IO56
IO60
IO78
IO58_GTS2
IO59_GTS3
IO70
IO71
IO72
IO61_GTS0
IO62_GTS1
IO65
IO66
IO67
IO57
IO55
IO94
IO74
IO75
IO86
IO87
IO88
IO68
IO69
IO81
IO82
IO83
IO73
IO63
IO64
IO76
IO77
IO42
IO43
IO36
IO37
IO38
IO53
IO49
IO50
IO51
IO44
IO45
IO46
IO52
IO39
IO34
IO35
IO47
IO40
IO41
IO48
VCCIO1_A
VCCIO1_B
VCCIO1_C
VCC2
VCCIO2_A
VCCIO2_B
VCCIO2_C
VCCIO1_D
VCC1
VCC3
IO10
IO11
IO4_GCK0
IO5
IO6
IO23
IO16
IO17
IO18
IO19
IO12
IO13
IO14
IO31
IO24
IO25
IO26
IO27
IO20
IO21
IO22
IO32
IO33
IO28
IO29
IO30
VAUX
TDI
TDO
IO7_CDRST
TMS
IO1
IO2_GCK1
IO3
TCK
IO15
IO8_GCK2
IO9_DGE
B_ID 8
D3
N10
B9
M9
M10
P6
N7
M7
P8
N8
M8
H12
H13
J13
J12
K14
K13
L14
P9
P10
P11
N11
M11
P12
P14
L13
L12
M14
M13
M12
N14
N13
N6
M6
P5
N5
M5
N4
G2
G3
H1
H2
H3
J1
J2
M4
P3
N3
M3
P2
N2
M2
M1
K1
K3
L1
L2
L3
DNP
TEST_POINT
TP6101M6 1
1K
R6106M6
VOCON_ID
AVR_BOOT
OPT_GPIO_0
EMERG_BTN_X
SSI_MAKO_FSYNC
OUT
SSI_OPT_CLK
24_MHZ_CLK
EMIFS_ADDR_2
KVL_DETACH
T_DISP_DATA_CMD
EMIFS_ADDR_5
SSI_RED_RX_CODEC
5V_PWM_EN
BT_AVR_RESET
SSI_OPT_FSYNC
SSI_OMAP_CLK
EMIFS_ADDR_1
SSI_RED_TX_CPLD
UP_ARROW_BUTTON
DOWN_ARROW_BUTTON
SSI_MAKO_CLK
SSI_OMAP_FSYNC
T_DISP_RESET
SEC_CLEAR
OUT
OUT
OUT
IN
IN
IN
BAT54HT1G
10K
D6101M6
R6101M6
V_EXT_1.85
TOP_SIDE_BUTTON
21
IN
IN
DNP
10K
R6104M6
V_EXT_1.85
7
10
9
11
CPLD_TDO
CPLD_TCK
CPLD_TDI
CPLD_TMS
JTAG<11..0>
10K
180
0.1UF
R6107M6
R6122M6
C6115M6
SSI_MAKO_CLK
EMIFS_ADDR_3
EMIFS_ADV
EMIFS_ADDR_4
OUT
OUT
10K
10K
10K
R6121M6
R6119M6
R6120M6
B_ID 5
B_ID 6
BRD_ID_0
G13
G12
F14
F13
F12
C8
B8
A8
C9
A10
B10
E13
E12
D14
D13
D12
C14
C13
B13
A13
C10
A11
B11
C11
A12
B12
C12
G1
F1
F2
F3
E1
E2
E3
B7
C7
A6
B6
C6
A5
B5
D1
D2
C1
C2
C3
B1
B2
A1
C5
A4
B4
A3
BRD_ID_3
BRD_ID_2
BRD_ID_1
BRD_ID_4
MAKO_RESETX
EMIFS_DATA_0
F2_PARAMP
EMIFS_OE
EMIFS_DATA_4
EMIFS_DATA_3
EMIFS_DATA_1
SSI_BLACK_RX
SSI_BLACK_TX
USB_CRNT_LMT
MACE_RESET
32K_CPLD_CLK
F2_TIMER_DMCS
32KHZ_GPS_CLK
EMIFS_CPLD_CS
EMIFS_DATA_2
F2_PARAMP_MON
OMAP_RESET
MACE_WAKEUP
RX_FSYNC
F2_DMCS
DNP
100
TEST_POINT
100
TP6105M6
R6115M6
R6114M6
1
CHANGES MADE
DELETE FREQ_SEL(3..0>
DNP
TEST_POINT
TP6106M6
SECURE_HIGH_NORM
SSI_CODEC_FSYNC
RF_BRD_RSTB
KEYFAIL_CTRL
SSI_RED_RX_MACE
GPS_SHUTDOWN
OPT_GPIO2
F2_TIMER_OUT
OPT_GPIO1
F2_TIMER_PARAMP
SSI_BLACK_TX_MACE
1
IN
OUT
OUT
OUT
OUT
OUT
OUT
DNP
TEST_POINT
TP6107M6
1
13PF
DNP
120
C6155M6
R6113M6
4MHZ_MACE_CLK
FLASH_DATA<15..0>
FLASH_ADDR<25..1>
4
3
0
2
2
2
3
5
4
1
8
0
1
SPI_DSP_CLK
EMIFS_ADDR_3
EMIFS_ADDR_1
EMIFS_DATA_4
EMIFS_DATA_2
EMIFS_ADV
EMIFS_ADDR_5
EMIFS_ADDR_2
EMIFS_DATA_0
EMIFS_DATA_1
EMIFS_DATA_3
EMIFS_CPLD_CS
EMIFS_OE
EMIFS_ADDR_4
0
1
2
0
2
1
3
SPI_ARM_MISO
SSI_BLACK_TX
SPI_ARM_MOSI
SSI_BLACK_RX
SSI_RED_RX_CODEC
SSI_RED_TX_CODEC
SPI_ARM_CLK
SSI_SAP<3..0>
SPI_ARM<2..0>
13PF
330
DNP
C6156M6
R6108M6
FLASH_CTRL<8..0>
SSI_CODEC_CLK
Y
NC
VCCGND
B
A
22K
NC7SP08 R6103M6
U6105M6
V_EXT_1.85
4
6
5
3
2
1SSI_BLACK_RX
OUT
Y
NC
VCCGND
B
A
NC7SP08
22K
R6118M6
U6104M6
SSI_MACE_TX_DIN
V_EXT_1.85
SSI_RED_TX_CODEC
4
6
5
3
2
1
IO
0.1UF
0.1UF
0.1UF
C6105M6
C6106M6
C6107M6
BOARD ID 4 3 2 1 0
1K1K1K
DNPDNPDNP
1K 1K1K
R6125M6 R6116M6R6109M6 R6112M6R6111M6R6110M6

8-192 Schematics, Boards Overlays, and Parts Lists: Main Board Block: UHF2 (84012616001)
Figure 8-116. OMAP User Interface Circuit
T_DISP_TOGGLE
OUT
E19
E20
H14
F19
G18
G19
C21
E18
D19
D20
F18
OMAP1710
U6302M6
G20
B18
N21
D15
C16
A17
G13
B17
C17
D16
D17
C18
B19
A20
H13
G14
C19
B21
D18
C15
C20
N19
B15
NC
LCD_PIXEL_10
LCD_PIXEL_11
LCD_PIXEL_12
LCD_PIXEL_13
LCD_PIXEL_14
KBC_5
LCD_PIXEL_15
KBR_4
KBR_0
KBR_1
KBR_2
KBR_3
KBC_0
KBC_1
KBC_2
KBC_3
KBC_4
LCD_PCLK
LCD_AC
LCD_VSYNC
LCD_HSYNC
LCD_RED0
LCD_BLUE0
SOSSI_TE
LCD_PIXEL_0
LCD_PIXEL_1
LCD_PIXEL_2
LCD_PIXEL_3
LCD_PIXEL_4
LCD_PIXEL_5
LCD_PIXEL_6
LCD_PIXEL_7
LCD_PIXEL_8
LCD_PIXEL_9
LCD CONTROL
LCD DATA
KEYPAD
REMOVE R6203,R6214
REMOVE KEYPAD, DISPLAY LINESCHANGES:
I2C_DATA
I2C_CLK
OUT
IO
SPI_DSP_MISO
MAKO_RESETX
OMAP_RESET
BT_PTT
IN
OUT
USB_INT_X
NEMU0
NEMU1
TDI
OMAP_TMS
TCK
NTRST
OMAP_TDO
RTCK
JTAG
6
2
4
3
8
0
1
5
JTAG<11..0>
IO
10K
DNP 10K
10K
R6215M6
R6213M6
R6212M6
V_EXT_1.85
4.7K4.7K
TEST_POINT
DNP
R6209M6R6208M6
F_MPU_BOOTM6
V_EXT_1.85
1
OMAP_MPU_BOOT
MORTABLE
V17
AA19
Y19
W18
Y4
V20
T18
Y17
AA20
P12
R12
Y18
W17
V16
V19
U20
J20
AA17
W13
AA9
Y5
R19
V18 1
2
0
2
1
0
W7
W6
AA5
P10
Y6
V7
R9
M20
N18
L18
M19
Y15
J15
L15
H19
J18
J19
J14
K18
K19
K15
K14
L19
MCSI1_SYNC
SYS_CLK_IN
MPU_BOOT
CONF
GPIO_1
CAM_RSTZ
CAM_EXCLK
CAM_LCLK
CAM_VS
CAM_HS
CAM_OUTCLK
CAM_D_0
CAM_D_1
CAM_D_2
CAM_D_3
CAM_D_4
CAM_D_5
CAM_D_6
CAM_D_7
GPIO_18
GPIO_12
GPIO_15
MCBSP2_CLKR
MCBSP2_CLKX
MCBSP2_RSYNC
MCBSP2_XSYNC
MCBSP2_DOUT
MCBSP2_DIN
NEMU1
RTCK_NSBCAN
TCK
NTRST
TMS
TDO
TDI
NEMU0
SCL
SDA
GPIO_55
GPIO_26
RST_OUT
PWRON_RESET
MPU_RST
RESET_MODE
GPIO_7
MPUIO_1
OMAP1710
U6302M6
JTAG
CAMERA
GPIO
RF BASEBAND &
MISC GPIO
RESET
I2C
BT_SPARE_1.8
ACC_SPKR_UNMUTE IO
OUT
TX RX SSI
16.8_MHZ_CLK
RX_FSYNC
F2_TIMER_DMCS
UART2_GPS_RX
TRIDENT_SSI<2..0>
ABACUS_SSI<2..0>
IN
IO
IO
10K
4.7K
10K
R6204M6
R6205M6
R6210M6
REMOVED R6202,R6201
CHANGES: 16MHZ SQUARER
V_2.775D
100K
10K
100PF
100K
C6201M6
R6207M6
R6206M6
R6211M6
16.8_MHZ_SINEWAVE
IN
V_2.775D
LMV7219
1000PF
0.1UF
C6202M6
C6203M6
U6201M6
25
1
3
4
2K
1K
R6218M6
R6217M6
16.8_MHZ_CLK

Schematics, Boards Overlays, and Parts Lists: Main Board Block: UHF2 (84012616001) 8-193
Figure 8-117. Memory Interface
DDR INTERFACE
OMAP1710
U6302M6
SADD_3
SADD_4
SADD_5
SADD_6
SADD_7
SADD_8
SADD_9
SADD_10
SADD_11
SADD_12
SADD_13
SDATA_2
SDATA_1
SDATA_0
SDATA_15
SDCLKX
SDCLK
SDCLK_EN
NSWE
SBANK_0
SBANK_1
NSRAS
NSCAS
CS_SDRAM
NSDQMU
NSDQML
DSQ_H
DSQ_L
SDATA_14
SDATA_13
SDATA_12
SDATA_11
SDATA_10
SDATA_9
SDATA_8
SDATA_7
SDATA_3
SDATA_4
SDATA_5
SDATA_6
SADD_0
SADD_1
SADD_2
CONTROL
DATA
ADDRESS
13
12
14
7
8
9
10
11
2
3
4
5
6
1
0
15 C12
D12
D13
C11
C13
D11
D14
C10
D8
C4
C7
D5
D7
C5
C6
D6
MMC INTERFACE
DDR_DATA<17..0>
0
9
7
6
5
13
4
11
2
3
1
8
10
12
DDR_BANK1
DDR_CAS
DDR_RAS
DDR_BANK0
DDR_WE
DDR_CLKE
DDR_CLK_1
DDR_LDM
DDR_DQSL
DDR_DQSH
DDR_UDM
DDR_CS
DDR_CLKX_1
D9
H12
C9
C3
B3
H11
H9
H10
B8
B12
G9
G11
G12
B9
G10
A1
B6
B2
A2
H8
H7
D10
C8
B4
D4
C14
G8
4
5
3
2
1
0
DDR_CRTL<6..0>
10K
R6301M6
DDR_ADDR<13..0> 13
DDR_ADDR<12>
DDR_ADDR<10>
DDR_LDM
DDR_UDM
DDR_ADDR<8>
DDR_ADDR<2>
DDR_ADDR<3>
DDR_ADDR<4>
DDR_ADDR<5>
DDR_ADDR<6>
DDR_ADDR<7>
DDR_ADDR<9>
DDR_ADDR<11>
12
11
10
9
8
7
6
5
4
3
2
1
0
2
5
1
3
4
0
DDR_BANK0
DDR_CS
DDR_RAS
DDR_CAS
DDR_WE
TEST_POINT
TEST_POINT
DNP
DNP TP6308M6
TP6307M6
U6301M6
V_EXT_1.85
1
1
UDQS
DQ0
DQ2
DQ3
DQ4
DQ5
DQ6
DQ7
DQ8
DQ9
DQ11
DQ10
DQ13
DQ12
DQ14
DQ15
NC2
NC1
VSSQ5
VSSQ3
VSSQ4
BA0
BA1
A0
A2
A1
A3
A4
A5
A6
A7
A8
A10_AP
A9
A11
VSSQ1
VSSQ2
VSS3
VSS2
VSS1
A12
UDM
LDM
DQ1
VDD1
VDD2
VDD3
VDDQ1
VDDQ2
VDDQ3
VDDQ4
VDDQ5
LDQS
CLK
CLK*
EN_CS
RAS
CAS
EN_CLKE
WE
MT46H16M16LF
G7
E1
D9
C1
B9
A3
K1
F1
A1
F2
G9
F8
H7
G1
G3
G2
G8
H9
H8
H3
H2
J7
H1
J3
J2
J1
K3
K2
K8
K7
J9
J8
E9
D1
C9
B1
A7
K9
F9
A9
E2
F7
F3
E8
A2
B3
B2
C3
C2
D3
D2
E3
E7
D8
D7
C8
C7
B8
B7
A8
NC
TEST_POINT
TEST_POINT
DNP
TP6304M6
TP6303M6
DDR_DQSH
DDR_DQSL
1
1DNP
0.1UF
0.1UF
1UF
0.1UF
0.1UF
1UF
C6306M6
C6305M6
C6304M6
C6303M6
C6302M6
C6301M6
14
15
13
1
8
4
5
6
3
0
10
2
7
12
11
9
DDR_DATA<11>
DDR_DATA<13>
DDR_DATA<15>
DDR_DATA<1>
DDR_DATA<0>
DDR_DATA<2>
DDR_DATA<3>
DDR_DATA<4>
DDR_DATA<5>
DDR_DATA<7>
DDR_DATA<8>
DDR_DATA<10>
DDR_DATA<14>
DDR_DATA<12>
DDR_DATA<6>
DDR_DATA<9>
FLASH INTERFACE
PA_SHTDN
TEST_POINT
1.8K
TEST_POINT
0
8
DNP
DNP
OMAP1710
R6492M6
TP6306M6
TP6305M6
U6302M6
FLASH_CTRL<8..0>
PA_SHTDN
1
1
70
10K
R6304M6
R6316M6
V_EXT_1.85
V_EXT_1.85
FLASH_RDY V_FLASH
U6304M6
A4
G4
D6
D5
H3
A6
C6
G8
D4
F8
E6
B4
F6
B8
B6
H8
G1
A8
C8
C7
B7
A7
D8
D7
C5
B5
A5
C4
D3
C3
B3
A3
C2
A2
D2
D1
C1
B1
A1
6
2
8
3
22
21
1
2
6
25
8
6
7
22
23
24
17
18
14
16
15
12
13
9
7
5
4
7
9
10
11
15
16
17
19
20
23
24
18
11
25
19
20
21
4
8
3
3
10 13
12
4
5
1
0
2
1
14
FLASH_ADDR<25..1>
NC
DNP
33
TEST_POINT
R6312M6
TP6302M6 1
33
R6314M6
DATA
CONTROL
ADDRESS
FDATA_0
FDATA_1
FDATA_2
FDATA_3
FDATA_4
FDATA_5
FDATA_6
FDATA_7
FDATA_8
FDATA_9
FDATA_10
FDATA_11
FDATA_12
FDATA_13
FDATA_14
FDATA_15
15
14
13
12
11
10
9
8
7
5
6
2
3
1
0
4
V3
T4
U3
U1
P8
T3
T2
R4
R3
R2
P7
P4
P2
N7
N2
N4 NFWP
FCLK
FRDY
FADD_1
FADD_2
FADD_3
FADD_4
FADD_5
FADD_6
FADD_7
FADD_8
FADD_9
FADD_10
FADD_11
FADD_12
FADD_13
FADD_14
FADD_15
FADD_16
FADD_17
FADD_18
FADD_19
FADD_20
FADD_21
FADD_22
FADD_23
FADD_24
FADD_25
NF_ADV
NFCS_0
NFCS_1
NFCS_2
NFCS_3
NFOE
NFRP
NFWE V4
W2
W1
U4
N8
M4
M3
M7
L4
V2
N3
E1
L7
K3
K4
L8
F2
J3
J4
J2
K7
H3
H4
K8
G2
G3
G4
F3
J7
E3
F4
D2
E4
C1
D3
J8
OMAP1710
U6302M6
F2_TIMER_OUT
OPTION CARD INTF
MEMORY CARD INTF
DNP
TEST_POINT
TP6301M6
AVR_STATUS_1.8V
1
OUT
MMC1_CLK
MMC1_CLKIN
MMC1_CMD
MMC1_CMDDIR
MMC1_DATDIR0
MMC1_DATDIR1
MMC1_DATDIR2
MMC1_DATDIR3
MMC1_DAT0
MMC1_DAT1
MMC1_DAT2
MMC1_DAT3
MMC2_CLK
MMC2_CMD
MMC2_CMDDIR
MMC2_DATDIR0
MMC2_DATDIR1
MMC2_DAT0
MMC2_DAT1
MMC2_DAT2
MMC2_DAT3
W19
V5
R10
W15
V8
W8
V9
Y8
Y10
R18
M14
P18
P20
W11
W10
V10
R11
P19
P11
M15
V11
REMOVE R6305, R6307, R63050
CHANGES: REMOVE RSW_A, RSW_B, RSW_INT
ADDED PA_SHTDN TO PORT M7 & R6492
CHANGES MADE
FLASH_DATA<15..0>
A26_1G
A24
A23
A25_512M
A21
A22
A20
A19
A18
A17
A16
A15
A14
A13
A11
A12
A8
A10
A9
A7
A6
A3
A5
A4
A1
A2
RFU1
DQ8
WAIT
DQ0
VSS4
VCCQ2
RFU3
RFU2
DQ3
DQ5
DQ9
DQ10
DQ11
DQ1
DQ2
DQ4
DQ15
VSS2
VSS3
VCC2
DQ12
RFU4
DQ7
DQ6
VCC1
VPP
VSS1
DQ14
DQ13
VCCQ1
VCCQ3
CLK
CE
OE
WE
RST
WP
ADV
F7
H1
G2
F1
E8
E7
G7
H5
F5
F4
F3
E3
E1
H7
G6
G5
E5
E4
G3
E2
F2
NC
NC
NC
NC
6
0
2
3
4
5
7
9
12
13
14
11
15
8
10
1
1
0
6
4
3
33
2
R6310M6
R6311M6
R6313M6
FLASH_OE_A
10K
33
33
R6306M6
V_EXT_1.85
0.1UF
0.1UF
0.1UF
0.1UF
C6311M6
C6310M6
C6309M6
C6308M6
H6
H4
H2
B2

8-194 Schematics, Boards Overlays, and Parts Lists: Main Board Block: UHF2 (84012616001)
Figure 8-118. Audio Circuit
51K
0.1UF
R6401M6
C6403M6
AINNEGA
INPOSA
INNEGB OUTA
VPOS
VNEG
LMC6035ITLX
U6402M6
B1
B3
A1
C1
A3
C3
A2
C2
OUTB
INPOSB
AUDIO CODEC
10K
MIC_BIAS_FILT
TEST_POINT
1.2K
MIC_BIAS
V_5.0A
R6406M6
R6405M6
MIC_BIASM6
1
A
0.1UF
0
0.1UF
C6411M6
R6411M6
C6410M6
V_EXT_1.85
V_CODEC_1.875
AA
10K
R6410M6
V_EXT_1.85
SSI_RED_RX_CODEC
OMAP_RESET
SSI_CODEC_FSYNC
SSI_CODEC_CLK
IN
2.2K
200K
1UF
MIC_BIAS_FILT
R6404M6
C6402M6
R6402M6
AAA
IF
100PF
DNP
0.1UF
TEST_POINT
TP6102M6
IF6404M6
C6428M6
C6404M6
EXT_MIC_POS_DP
EXT_MIC_NEG_DP
I2C_DATA
I2C_CLK
EXT_MIC_POS_DP_A
1
1
A
IN
IN
TEST_POINT
DNP
CODEC_GPIO1M6
CODEC_GPIO1
1
NC
NC
NC
NC
NC
NC
NC
NC
NC
NC
NC
NC
NC
NC
NC
NC
NC
NC
0.1UF
C6406M6
F9
E8
D8
C8
H8
E3
D7
D6
D5
D4
D3
C7
C6
C5
C4
A7
B2
A2
A1
B3
G8
B4
A3
A4
B5
B7
B6
A6
A5
J8
J9
E9
G9
A
CHANGES:
REMOVED AUDIO_MIC_POS_DPC6408,C6412,C6407,C6403,R6407
REMOVED C6415
REMOVED AUDIO_MIC_NEG_DP,
AAA
J6
J7
H7
H6
H5
H4
H3
G7
G6
G5
G4
G3
F7
F6
F5
F4
F3
E7
E6
E5
E4
J2
J3
A9
A8
B9
B8
J4
J5
G1
F1
D1
E1
F8
LEFT_LOP
NC17
AVDD_DAC
DRVDD2
DRVDD1
IOVDD
DVDD
NC29
NC28
NC27
NC26
NC25
NC24
NC23
NC22
NC21
NC20
NC19
NC18
NC16
NC15
NC14
NC13
NC12
NC11
MFP3
MFP2
RIGHT_LOM
RIGHT_LOP
LEFT_LOM
MONO_LOM
MONO_LOP
HPRCOM
HPROUT
HPLCOM
HPLOUT
DOUT
DRVDD3
MFP0
MFP1
0.1UF
TLV320AIC33IZQER
0.1UF
C6414M6
C6413M6
U6405M6
C9
H9
B1
H1
C1
J1
AA
V_3.0A
SSI_RED_TX_CODEC
OUT
NC
NC
NC
NC
NC
NC
SPI_DSP_MISO
SPI_DSP_MOSI
NC
NC
NC
NC
NC
NC
NC
NC
NC
NC
NC
NC
NC
NC
NC
NC
NC
NC
NC
A
AVSS_DAC2
AVSS_ADC2
AVSS_ADC1
DRVSS2
DRVSS1
DVSS
AVSS_DAC1
D9
F2
E2
H2
G2
D2
C2
RESET
NC0
NC10
NC8
NC7
NC6
NC5
NC4
NC3
NC2
GPIO2
GPIO1
MICDET
MICBIAS
MIC3L
MIC3R
LINE2RM
LINE2RP
LINE2LM
LINE2LP
LINE1RM
LINE1RP
LINE1LM
SDA
SELECT
WCLK
BCLK
DIN
NC9
NC1
LINE1LP
SCL
MCLK
CHANGES:
REMOVED R6414,C6417,R6415
330
0.1UF
.022UF
0.1UF
33
330
C6418M6
C6419M6
C6416M6
R6416M6
R6417M6
R6419M6
PREAMP_POS_DP
SPI_DSP_CLK
CODEC_SPI_CS
PREAMP_NEG_DP SERIAL
SERIAL INTERFACE
0
1
SSI_CODEC_FSYNC
SSI_SAP<3..0>
I2C<1..0>
SSI_CODEC_CLK
SPI_DSP<2..0>
3
2
1
2
0SPI_DSP_CLK
SSI_RED_RX_CODEC
SSI_RED_TX_CODEC
I2C_DATA
SPI_DSP_MOSI
I2C_CLK
SPI_DSP_MISO
TEST_POINT
DNP TEST_POINT
TEST_POINT
DNP
DNP
MAKO_AD_TRIGM6
MAKO_INT_MICMM6
MAKO_INT_MICPM6
MAKO_AD_TRIG
J3
H3
A11
L2
K2
K1
J2
J1
1B11
1
1
D1
G2
S2
G1
D2
S1
NC
SSM6N36FE
Q6401M6
BGAP_COMP
4
1
52
3
6
2.2K
V_5.0A
TLV3011
47K
22K
R6431M6
R6430M6
R6429M6
U6409M6
6
5
13
4
V_5.0A
BAT54HT1G
0
47K
MIC_BIAS
V_SAVE
SW_B+
R6423M6
D6401M6
R6420M6 UNSW_B+
F2_PARAMP
21
0.1UF
C6421M6
PREAMP_NEG_DP
PA_BPLUS
PREAMP_POS_DP
A
GND
VIN ADJ
0.1UF
LM4121
V_2.775_EXP
C6405M6
U6408M6
5
4
2
3
1
VOUT
EN
120
10K
.022UF
C6420M6
R6422M6
R6421M6
.22UF
0.1UF
C6423M6
C6422M6
A
MAKO AUDIO
100PF
100PF
AT56H09
V_2.775D
C6425M6
C6424M6
U6501M6
PA_BPLUS
PA_IN_M
PA_IN_P
INT_SPKR_P
INT_SPKR_M
EXT_SPKR_P
AD_TRIG
TX_RX
MIC_BIAS
EXT_SPKR_M
VREF
VCM2
ADC_VREF
ATOD_0
ATOD_1
ATOD_2
ATOD_3
ATOD_4
ATOD_5
ATOD_6
ATOD_7
ATOD_8
PWR_CTRL
FE_TUNE2
VMES
VCM1
EXT_MIC_M
EXT_MIC_P
INT_MIC_M
INT_MIC_P
BPLUS
VC_OUT_M
VC_OUT_P
VFUSE
TEST
SCAN_EN
FE_TUNE1
A4
L10
E8
H4
H2
A3
C4
N1
G2
G3
E1
F1
F2 M2
L3
H1
G1
E3
K13
K12
K11
L13
L12
M14
L11
M13
N14
M12
.01UF
C6426M6
EXT_SPKR_POS_DP
EXT_SPKR_NEG_DP OUT
OUT
NC 27K
TEST_POINT
DNP
100 680PF
2K
100K
TP_ATOD_8M6
C6427M6
R6428M6
R6427M6
R6426M6
R6425M6
TUNE
TEMP_OMAP
ISET
TEMP_DISP
BATT_STATUS
1
OUT
TEMP SENSORS
NC NC VOUT
STLM20
0.1UF
V_2.775D
OMAP_TEMP_TPM6
C6409M6
U6404M6
TEMP_OMAP
1
1
4
2
3VCCGND
2

Schematics, Boards Overlays, and Parts Lists: Main Board Block: UHF2 (84012616001) 8-195
Figure 8-119. MAKO/DC Distribution Circuit
1UF 1UF
330PF330PF
V_1.85_IO V_SW_1.4 V_1.4_CORE
C6530M6
E6502M6
C6521M6
C6514M6
E6501M6
C6503M6
V_EXT_1.85
0.1UF
10 10
0.1UF
1UF
10
V_1.4_CORE
R6503M6
C6531M6
R6502M6
C6527M6
C6525M6
R6501M6
OMAP_VDD_DLL
OMAP_VDD4
OMAP_VDDA
0
BAT54HT1G 10K
DNP0
R6507M6
R6506M6
D6501M6
R6525M6
MAKO_RESETX
V_EXT_1.85
EMERG_BTN_X
TOP_BUTTON
MAKO_INT
ON_OFF_SWITCH
21
IN
IN
VIN
NC1
GND
VOUT
NC2 NC
DNP
MC78LC
DNP
DNP
TEST_POINT
U6511M6
C6594M6
TP6210M6
MAKO_INT_XM6
MAKO_RESET_XM6
V9_3.0A
1
1
1
2
4
1
Y
NC
VCC
GND
B
A
NC
.33UF
NC7SP08
22PF
V_2.775D
10K
0
DNP
R6576M6
U6509M6
C6596M6
R6533M6
24_MHZ_CLK
3
5
4
6
5
3
2
1
NC
4.7K
18PF
4.7K
100K
56PF
2.2PF
R6578M6
R6577M6
C6591M6
R6574M6
C6592M6
C6535M6
IN
GND1
GND
OUT
18PF
TZ0281D
24.576MHZ
C6536M6
Y6501M6
MAKO_TCXO_24MHZ_OUT
MAKO_TCXO_24MHZ_IN
13
4
2
VCC
GND
NL17SZ32
0.1UF
C6572M6
U6510M6
V_EXT_1.85
53
.1UF
SSM6J212FE
12K
.2
VBUS1
R6521M6
Q6502M6
C6544M6
R6583M6
VBUS1_SUPPLY
4
3
6
5
2
1
2SC5663
10K 47K
0.1UF
0TEST_POINT
0.1UF
V_SW_5
100K
DNP
V_SAVE
TP6599M6
R6598M6
C6543M6
C6542M6 R6509M6
U6502M6
R6508M6
1
23
1
R6599M6
NC
NC
NC
2.2UF
V_SAVE
2.2UF
0
1000PF
C6538M6
C6539M6
C6540M6
R6591M6
V_BAT_7V5
B1
C1
A12
A13
C2
D4
M1
B3
C5
D3
E4
D5
B4
G4
F5
E2
F4
B2
F3
D1
D2
V_1.4_CORE
NTHS5441
22K
2.2UF
DNP
TEST_POINT
F_UNSW_B+M6 Q6501M6
C6534M6
R6504M6
FET_ENX
UNSW_B+
UNSW_B+
1
5
4
8
7
6
3
2
1
IN
NC
OMAP1710
U6302M6
B1
G1
K2
N1
U2
AA1
Y3
AA7
Y13
AA21
W20
R21
K20
F20
A21
B16
A13
B7
B5
L1
V12
U21
L21
Y16
AA11
C2
H2
R1
B14
B10
A7
A5
Y7
AA2
E21
A19
Y21
W12
A11
M2
Y9
Y20
A15
J1
R20
J21
B20
B13
E2
A3
A9
AA3
E5 TEST_POINT
OMAP_VPPM6
OMAP_VDD_DLL
1
OMAP POWER
VDDSHV7
VDDSHV8
VDDSHV9
VSS_1
VSS_2
VSS_3
VSS_4
VSS_5
VSS_6
VSS_7
VSS_8
VSS_9
VSS_10
VSS_11
VSS_12
VSS_13
VSS_14
VSS_15
VSS_16
VSS_17
VSS_18
VSS_19
NC1
VDDSHV_RTC
VDD_RTC
VPP
VDD_DLL
VDD_1
VDD_2
VDD_3
VDD_4
VDD1_1
VDD2
VDD2_1
VDD2_2
VDD3_1
VDD3_2
VDD3_3
VDD3_4
VDDA
VDD4
VDDSHV1_1
VDDSHV1_2
VDDSHV2
VDDSHV3
VDDSHV4_1
VDDSHV4_2
VDDSHV4_3
VDDSHV4_4
VDDSHV5_1
VDDSHV5_2
VDDSHV5_3
VDDSHV6
VDD SUPPLY GROUND
0.1UF
0.1UF
0.1UF
0.1UF
V_1.85_IO
C6571M6
C6587M6
C6583M6
C6585M6
EMIFF DECOUPLING
0.1UF
0.1UF
0.1UF
0.1UF
5.6PF
0.1UF
2K
0.1UF
0.1UF
1UF
5.6PF
0.1UF
SOCKET
32.768KHZ
VRTC
0.1UF
10UF
SW_B+
0.1UF
C6541M6
Y6502M6
C6537M6
C6524M6
C6510M6
C6506M6
C6504M6
M6502M6
C6595M6
C6593M6
R6505M6
C6590M6
C6502M6
C6505M6
C6509M6
C6512M6
MAKO_XTAL_32K_OUT
MAKO_XTAL_32K_IN
V_COIN_CELL
1
2
12
C6508M6
0.1UF
C6501M6
1UF
0.1UF
1UF
0.1UF
1UF
1UF
1UF
1UF
1UF
0.1UF
0.1UF
0.1UF
0.1UF
0.1UF
0.1UF
0.1UF
C6513M6
C6515M6
C6518M6
C6522M6
C6520M6
C6523M6
C6526M6
C6528M6
C6529M6
C6511M6
C6507M6
C6519M6
C6517M6
C6532M6
C6516M6
C6533M6
OMAP_VDDA
OMAP_VDD4
CHASIS GROUND CONTACT
TEST_POINT
F_GNDM6
1
330PF 0
R6524M6
C6547M6
EXTERNAL SWITCHER 3.50V SWR1
SWITCHER 1
330PF
SW_B+
10UF
2.2UF
100PF
C6553M6
C6589M6
C6556M6
C6588M6
475K
0
10UF
10UF
6.8PF
10UH
330PF
C6564M6
R6542M6
R6539M6
C6558M6
C6561M6
C6560M6
L6502M6
V_SW_3.60
V_SW_3.60
OUT
EN PG
VIN
FB
GND
LBI
SYNC
PGND
SW
LBO
0
DNP
TPS62050
0
22K
78.7K
U6504M6
R6527M6
R6523M6
R6526M6
R6532M6
1
7
9
10
4
26
3
5
8
NC
NC 4.7K
0.1UF
.1UF
0
1K
R6514M6
C6546M6
R6520M6
R6516M6
C6545M6
SW1_VDD_1
NC
1UF
0
390
4.7K
DNP
0
0
SW_B+
V_SW_5
C6548M6
R6515M6
R6519M6
R6518M6
R6517M6
R6513M6
SW5_PHASE
SW5_VOUT
V2_1.875
V10_3.3
V8_5.0A
SW5_SUMPCOMP
V3_1.55
V6_2.775
V7_2.8
V9_3.0A
SW1_VOUT
V4_2.775D
10K
R6511M6
B13
F11
C13
D12
E12
C14
H10
M6
J10
L9
L1
K4
K3
P6
P3
N5
P4
N4
E14
F12
F13
D13
E13
G11
J13
K14
J12
J14
L14
H11
J11
H12
G12
G13
G14
F14
H14
H13
A2
C3
D9
H5
D14
L4
K9
G5
J4
M7
P5
MAKO POWER
PGLDO3
V10_O
V10_I
V09_O
V07_O
V06_O
VBUS1_CMD
VBUS1_SENS
VBUS1
VBUS2
VBUS2_CMD
VBUS2_SENS
TCXO_IN
GND5
GND6
GND7
GND8
GND9
NC4
NC3
TCXO_SEL_16_24
NC2
XOUT
XIN
SW5_VDD
V04_O
V03_O
V02_O
V08_O
V08_I
V10_GND
GND2
GND3
GND4
NC5
SW1_DH
SW1_PHASE
SW1_VOUT
SW1_GND
SW1_VDDHV
SW1_VSEN_BUK
SW1_VSEN_BST
SW1_SUMCOMP_DL
PGLDO2
RESETX
GATED_32K_CLK
INT_X
HV_BG
FET_ENX
EMERG_PB
MECH_SW
SW_TYPE
IGN_X
VSAVE
SW2_GND
NC6
VBUS_SUPPLY
BAT_RTC
SW2_VOUT
SW2_LX
SW2_VCCS
SW2_VCC
SW5_VOUT
SW5_PHASE
SW5_SUMCOMP
SW5_VSENSE
SW5_VDDHV
SW1_VDD
NC1
BAT_7V5
BAT_3V6
REG_3V6
BAT_TYPE
XTAL32_OUT
XTAL32_IN
GND1
NC
NC
NC
NC
NC
NC
10K
AT56H09
V_SAVE
R6579M6
U6501M6
B14
M5
P14
P1
A14
A1
100K
R6528M6
PA_SHTDN
2
1
0
0DNP
NL17SZ32
U6510M6
R6534M6
R6543M6
BGAP_COMP
4
.1UF
10UF
V_2.23
C6552M6
C6550M6
0.1UF
C6554M6 5V_PWM_EN
SSM6J212FE
200
4.7UF
C6555M6
Q6508M6
R6584M6
VBUS2_ISENSE
VBUS2_CMD
4
3
6
5
2
1
ENABLE
V_NEG
V_POS
IN_NEG
.2
OPA363IDBV
200
10K
.1UF
91K
10K
2SK3541
VBUS2
R6535M6
C6557M6
Q6504M6
R6536M6
R6530M6
R6529M6
R6531M6
U6503M6
USB_CRNT_LMT
CRNTLMT_FB
VBUS2_SUPPLY
CRNTLMT_DIV_OPT
1
3
1
6
2
3
4
5
IN_POS
VOUT
2
2SK3541
100K
R6541M6
Q6506M6
VSW5_ISO_FET_EN
VBUS_SUPPLY_ON
2
1
3
NTHS5441
V_SW_5
Q6505M6
5
4
8
7
6
3
2
1
8.2K
121K
1UF
C6559M6
R6537M6
R6538M6
8
3
2
5
15
14
13
6
7
10
4EN
FB
LBI
SYNC
VIN1
VINA
GND1
GND2
PGND1
PGND2
AGND
LBO
SW1
PG
VIN2
CTGND
SW2
TPS62110
100K
R6545M6
U6505M6
16
1
12
11
17
9
SWITCHER 5
475K
10PF
C6562M6
R6540M6
SW1_VOUT
2.2UF
10UH
330PF
SW_B+
C6565M6
C6549M6
L6504M6
SW5_VOUT_UNFILT
10UF
330PF
10UF
V_SW_5
C6567M6
C6566M6
C6551M6
V_SW_3.60
LDO 1.85V
VEN
VIN2 ADJ
GND
CTGND
LP38693SD
10K
4.75K
2.2UF
.1UF
0
U6508M6
R6522M6
R6512M6
R6510M6
C6568M6
C6563M6
BGAP_COMP
5
6
1
3
2
G1
4
VOUT
VIN1
0
R6570M6
V_EXT_1.85
V_EXT_1.85
OUT
EXTERNAL 2.23 LDO
IN
EN
GND
OUT
NR_FB
0
33K
TPS73601
1UF
39K
V_2.23
C6573M6
R6551M6
R6550M6
U6506M6
R6546M6
V_SW_3.60
5
4
1
2
3
DNP
0
0
0
165K
100K
10UF
V_1.55
SW_B+
R6558M6
R6552M6
R6547M6
C6569M6
R6544M6
R6548M6
VCC_SW1.4_VIN
EXTERNAL SWITCHER 1.4V
EN PG
VIN
FB
GND
LBI
SYNC
PGND
SW
LBO
10UF
10UH
6.8PF
330PF
301K
TPS62050
4.7UF
V_SW_1.4
C6586M6
C6584M6
R6568M6
C6582M6
L6505M6
U6507M6
C6570M6
SW1V4_FB
1
7
9
10
4
2
6
3
5
8
1.875 DISCHARGE CKT
D1
G2
S2
G1
D2
S1
100
SSM6N36FE
47K
V_SAVE Q6507M6
R6581M6
R6580M6
V_EXT_1.85
MAKO_RESETX
4
1
52
3
6
V3_1.55
V9_3.0A
V6_2.775
V10_3.3
V4_2.775D
V8_5.0A
V7_2.8
V2_1.875
V_2.775D
0
0
0
0V_3.0A
V_1.55
V_3.3
V_2.775_EXP
0
V_5.0A
0
0
R6561M6
R6562M6
R6563M6
R6564M6
R6565M6
R6566M6
R6567M6
V_2.8_RF
V_2.8_RF
OUT
PLACE CLOSE TO MAKO
MAKO LDOS
1UF
1UF
2.2UF
4.7K
1UF
1UF
2.2UF
1UF
1UF
C6581M6
C6580M6
C6579M6
C6578M6
C6577M6
C6576M6
C6575M6
C6574M6
R6582M6

8-196 Schematics, Boards Overlays, and Parts Lists: Main Board Block: UHF2 (84012616001)
Figure 8-120. Serial Interface Circuit
12MHZ CLOCK
IN
GND1
GND
OUT
12MHZ
18PF
18PF
C6602M6
C6601M6
Y6601M6
12MHZ_OMAP_IN
13
42
12MHZ_OMAP_OUT
AA13
V13
W3
Y2
P14
P13
V_1.4_CORE
10K
R6601M6
OMAP_OSK32K_IN_PU
32K_CPLD_CLK
TEST_POINT
TP6601M6
UART2_GPS_TX
MIDDLE_SIDE_BUTTON
TRIDENT_SPI_CS
OPT_GPIO_0
ABACUS_SPI_CS
CODEC_SPI_CS
F2_TIMER_PARAMP
T_DISP_SPI_CS
OPT_GPIO1
OPT_GPIO2
USB_INT_X
1
OUT
OUT
IN
OUT
OUT
GPIO_43
MCBSP1_BCLK
MCBSP1_SYNC
MCBSP1_DIN
MCBSP1_DOUT
USB0_TXEN
USB0_DAT
USB0_SE0
USB1_TXEN
USB1_DAT
USB1_SE0
USB2_TXEN
USB2_DAT
USB2_SE0
MPUIO_5
UART1_TX
UART1_RX
UART1_RTS
UART1_CTS
UART3_TX
UART3_RX
GPIO_11
GPIO_60
GPIO_16
GPIO_59
GPIO_5
GPIO_36
OSC1_IN
OSC1_OUT
CLK32K_IN
OSC32K_IN
OSC32K_OUT
SPI_DI
SPI_DO
SPI_CS3
SPI_CS2
SPI_CS1
SPI_CS0
GPIO_56
SPI_CLK
OMAP1710
U6302M6
MCBSP1
SP1
OSCILLATOR
CRYSTAL
ONE WIRE
GCA/GPIO
GPIO
UART
USB
W9
W5
V6
W16
R13
W14
W4
R8
P9
M18
L14
Y14
V14
AA15
R14
W21
U18
P15
T19
N15
N14
U19
T20
H15
H18
H20
G21
M8
L3
V15
Y12
Y1
N20
P3
2
DNP
3
0
1
0
TEST_POINT
2
4
MPU_IO_12M6
1
1
2
33
0
22
R6606M6
R6605M6
USB0<2..0>
USB1<2..0>
SPI_ARM_MOSI
SPI_ARM_MISO
MAKO_SPI_CS
SSI_BLACK_TX
SSI_BLACK_RX
SSI_OMAP_FSYNC
0
2
1
SSI_RED_RX_CODEC
OUT
13PF DNP
2
1
0
2
1
0
C6670M6
120
R6604M6
SPI_DSP_MISO
SPI_ARM_CLK
SPI_DSP_CLK
SPI_DSP_MOSI
OUT
SSI_OMAP_CLK SSI_OMAP_CLK
SSI_OMAP_FSYNC
LOCK_DET
SSI_MAKO_FSYNC
SSI_SAP<3..0>
SPI_ARM<2..0>
SPI_DSP<2..0>
SSI_MAKO_CLK
RF_DAC_SPI_CS
MAKO_INT OUT
OUT
IO
AT56H09
10K
U6501M6
R6602M6
V_EXT_1.85
M4
B7
A7
D7
E7
C10
C9
A9
B9
D8
B8
C8
N3
E9
A10
J5
K6
C6
B6
D6
E6
N8
N2
P2
M3
A8
B12
D11
G10
C11
F10
L7
A6
B10
D10
E11
C12
C7
B5
A5
L5
0
0
1
2
1
0
2
1
10K
0
1
3
4
2
R6618M6
V_EXT_1.85
2K
R6616M6
10K10K
R6619M6
R6617M6
NC
NC
NC
NC
NC
NC
NC
NC
NC
NC
NC
NC
NC
CHANGES MADE:
REMOVE PA_SHTDN FROM M8
100K
10K
R6609M6
R6608M6
V_EXT_1.85
OPTION_INTX
RS232<4..0>
MAKO_USB2_POS_DP
MAKO_USB1_NEG_DP
MAKO_USB1_POS_DP
MAKO_OPTB_SEL3_GCAI
MAKO_OPTB_SEL0_GCAI
MAKO_OPTB_SEL2_GCAI
MAKO_OPTB_SEL1_GCAI
ONE_WIRE_GCAI
RTS_FILLSEN_5V
RXDIN_5V
VBUS_SUPPLY_ON
BATT_STATUS
MAKO_USB2_NEG_DP
IO
IO
IO
IO
IO
IO
IO
IO
IO
IO
IO
27
27
27
27
R6623M6
R6622M6
R6625M6
R6624M6
NC
USB_CONNECT
USB2_DM
USB1_DP
OPTA_SEL0
TXDO_BDI_5V
RXDIN_5V
RTS_FILLSEN_5V
CTS_CABLE_DET_5V
OPTA_SEL1
SB96_BUS_BUSY
SB96_BDO_KF_5V
ONE_WIRE_1
ONE_WIRE_2
ONE_WIRE_BATT
USB2_DPCTS_X
UART2_RXD_OD
UART2_TXD
APCO
RS232_USB_X
BOOT_NORM_X
CABLE_DET_3V
BUSY_OUT
BUSY_IN
RTS_FILLSEN_3V
RXDIN_ENC_3V
TXDO_BDI_ENC_3V
USB1_OE
TXDO_BDI_UP_3V
RXDIN_3V
USB_INTX
BBP_SYNC
BBP_CLK
ONE_WIRE_UP
SB96D_BDO_KF_3V
OPT_GPIO0
OPT_GPIO3
OPT_GPIO2
OPT_GPIO1
USB1_DAT_TXD
USB1_SE0
USB2_OE_RCV_RTS
USB2_DAT_VP
USB2_SE0_VM_RXD
VC_DCLK
SPI_DI
SPI_CS
SPI_CLK
LOGIC_VDD
UCM_SS
VC_RX
VC_TX3V
VC_TX
OPTION_INTX
SPI_DO
OPTA_SEL2
OPTA_SEL3
OPTB_SEL0
OPTB_SEL1
OPTB_SEL2
OPTB_SEL3
VC_FSYNC
USB1_DM
NC
L6
N7
P8
N6
P7
M10
N13
N9
N12
M11
N11
P12
K8
P11
N10
M9
K7
P10
L8
M8
P9
P13
V_5.0A
4.7K
R6621M6
UART BOOT
DNP
TEST_POINT
F_BOOT_TXM6
1
TEST_POINT
DNP
10K
R6626M6
F_BOOT_RXM6
V_EXT_1.85
1
Y
NC
VCCGND
B
A
NC7SP08
U6601M6
V_EXT_1.85
OMAP_BOOT_RX
4
6
5
3
2
1

Schematics, Boards Overlays, and Parts Lists: Main Board Block: UHF2 (84012616001) 8-197
Figure 8-121. Secure Circuit
MACE
VCC_1.85
0
R6705M6
V_EXT_1.85
4MHZ_MACE_CLK
CONT_1.875
VCC_1.85
10K
47K
DNP
1MEG
10K
47K
47K
R2507M6
R2503M6
R6701M6
R6702M6
R6703M6
R6704M6
KEY_ZEROIZE
NC
NC
NC
NC
NC
NC
NC
NC
NC
NC
NC
NC
14
13
12
1000PF
.01UF
11
1.2K
10
9
8
7
6
R2505M6
C2506M6
C2504M6
MACE_PLLRC
ETM(1:14)
P2
P6
N2
P5
L4
C11
D11
M3
M2
C8
D10
D8
P3
N8
N12
P12
P13
N14
M14
M13
L13
L14
L12
K11
K14
K13
J14
J13
J12
H14
H13
H12
G14
G13
F13
E12
B9
H11
D9
P14
B11
P7
A8
A9
IO
NC
VCC_1.85
DNP
DNP
10K
ENC_JTAGSEL0M6
ENC_JTAGSEL1M6
R2508M6
MACE_TDI
SSI_OPT_CLK
SSI_MACE_TX_DIN
SSI_OPT_FSYNC
MACE_RESET
MACE_WAKEUP
MACE_NTRST
MACE_TMS
MACE_TCK
1
1
NC
NC
B13
A13
D14
B14
P8
M7
D12
L6
L10
B10
A12
SSI_BLACK_TX_MACE
VCC_1.85
100K
R2501M6
KEYFAIL
SSI_BLACK_RX
IN
DNP
TEST_POINT
DNP
TEST_POINT
ENC_UART_RXM6ENC_UART_TXM6
ENC_UART_TX
1
1
DNP
DNP
DNP
DNP
TP6702M6
TP6704M6
TP6703M6
TP6701M6
1
1
1
1
OUT
IN
IN
IN
DNP
TP2502M6 1
VCC_1.85VCC_1.85 VCC_1.85
VDD_IOM VDDC
VDD_IOP
00
0
R2512M6
R2511M6
R2509M6
N4
M8
M12
K12
G12
C12
B8
K3
F3
H4
C6
A1
N6
L9
A10
F14
A5
E4
E11
AT8358890
U2510M6
C13
D13
E14
F12
M6
N7
A14
A11
L5
F11
C14
C9
L8
P9
M9
P10
N10
N11
P11
M10
L11
B6
D6
A6
D7
B7
A7
M1
L3
N1
D5
B4
A4
C5
A3
C4
A2
B2
B1
C3
D4
C1
C2
D2
D1
E1
M4
E2
E3
F1
F2
G1
G2
G4
G3
H1
H2
H3
J2
J4
J3
K1
K2
K4
L2
L1
NC
NC
NC
NC
NC
NC
DNP
0
DNP
R2515M6
TP_MACE_NRDM6
1
0
R2516M6 HIGH_SECURE_DATA_GATE
NC
NC
NC
NC
NC
NC
NC
NC
NC
NC
NC
NC
NC
NC
NC
NC
NC
NC
NC
NC
2K
R2513M6
SSI_OPT_FSYNC
VCC_1.85
1K
DNP
10K
R2517M6
TP6705M6
R6706M6
ETM(1:14)
1
OUT
IO
OUT
1
2
0
3
5
4
R2560M6
TX_INHIBIT
SSI_RED_RX_MACE
MACE_TDO
NC
NC
NC
NC
NC
NC
NC
NC
NC
NC
NC
NC
NC
NC
NC
NC
NC
NC
NC
NC
NC
0DNP
R2514M6
SECURE_HIGH_NORM
SSI_BLACK_TX_MACE
HIGH_SECURE_DATA_GATE
P4
P1
N13
N5
M11
L7
J11
J1
E13
C7
B12
F4
B3
N9
M5
C10
D3
G11
B5
N3
NCS5
NCS6
PA29_NCS7
NCS4
NCS3
NCS2
NCS1
A17
A16
A15
A14
NRD
NWR1_NBS1
A18
A1
A2
A3
A4
A5
A6
A7
A8
A9
A10
A11
A12
A13
NCS0
RTCK
A19
D0
D1
D2
D3
D4
D5
D6
D7
D8
D9
D10
D11
D12
D13
D14
D15
TDO
PA27_TWD
PA28_TWCK
PA17_TD1_MISO
TCLK
TPS0
TPS1
TPS2
ALARM
PB0_DTXD
PA22_IRQ2_NWR0_NWE
TXD0
RTS0
TD0
TK0
TF0
TD2
PA23_TD3_A0_NBS0
PA26_TF3_RF3_A21
PA24_RD3_A20
GNDIO7
GNDIO6
GNDIO5
GNDIO4
GNDIO3
GNDIO2
GNDIO1
GNDC1
GNDIO12
GNDIO11
GNDIO10
GNDIO9
GNDIO8
GNDBU
GNDOSC
GNDC6
GNDC5
GNDC4
GNDC3
GNDC2
TMS
XIN32
PA0_TSYNC_PCK1
PA1_TPK0
PA2_TPK1
PA3_TPK2
PA4_TPK3_DTR1
PA5_TPK4_DSR1
PA6_TPK5_DCD1
PA7_TPK6_RI1
PA8_TPK7_SCK1
PA9_TPK8_RTS1
PA10_TPK9_CTS1
PA11_TPK10_TXD1
PA12_TPK11_RXD1
PA13_TPK12
PA14_TPK13
PA15_TPK14_PCK0
TCK
VDDBU
TPR0
TPR1
FIQ
PA19_TK1_RK1_SPCK
PA18_RD1_MOSI
PA20_TF1_RF1_NPCS
NRST
IRQ1
IRQ0
TDI
NTRST
PLLRC
JTGSEL0
JTGSEL1
LCK0
VDDIOM1
VDDIOM2
VDDIOM3
VDDIOM4
VDDIOM5
VDDOSC
VDDC1
VDDC2
VDDC3
VDDC4
VDDC5
VDDC6
VDDIOP7
VDDIOP6
XOUT
KYLD
XIN
VDDIOP5
VDDIOP4
VDDIOP1
VDDIOP2
VDD1OP3
LCK1
PA16_TPK15_PCK1
XOUT32
TST0
TST1
PB1_DRXD
SCK0
RXD0
CTS0
RD0
RK0
RF0
RD2
TK2_RK2
TF2_RF2
PA21_PCK0_NWAIT
PA25_TK3_RK3
G2
S2
G1
S1
D2
D1
SI1024X_T1_E3
Q2537M6
4
1
5
2
3
6
0.1UF
0.1UF
C2532M6C2531M6
TOP_SIDE_BUTTON
TOP_BUTTON
CONT_1.875
200K
200K
R2530M6
R2529M6
KEYZEROIZE CKT
3
6
SI1024X_T1_E3
Q2547M6
KEY_ZEROIZE
TAMPER POGO PIN G2
S2
G1
S1
D2
D1
NC
4
1
5
2
M2533M6
RST_OUT
1NC
NC
IN
0.1UF
C2555M6
VDDC
0.1UF 0.1UF 0.1UF 0.1UF 0.1UF0.1UF0.1UF
C2554M6C2552M6C2549M6C2545M6C2542M6C2539M6C2535M6
0.1UF
0.1UF 0.1UF 0.1UF 0.1UF 0.1UF 0.1UF
C2553M6C2551M6C2548M6C2544M6C2541M6C2538M6C2534M6
BYPASS CAPS
VDD_IOM
0.1UF
0.1UF 0.1UF 0.1UF 0.1UF
C2550M6C2546M6C2543M6C2540M6C2536M6
VDD_IOP
NC
VIN
NC1
GND
VOUT
NC2 NC
0.1UF
MC78LC
U2525M6
C2520M6
V_COMP 32
54
CONT LDO
CONT_1.875
0.1UF
C2528M6
1
BAS116LT1
D2521M6
V_SAVE
VRTC
13
2
KEY RETENTION DELAY
LMC7215
0.1UF
2.2UF
1MEG
10
10MEG
10MEG
C2527M6
R2523M6
U2526M6
R2524M6
R2522M6
R2519M6
C2518M6
V_COMP
52
1
3
4

8-198 Schematics, Boards Overlays, and Parts Lists: Main Board Block: UHF2 (84012616001)
Figure 8-122. Transceiver (RF) Board Layout – Top Side
1
2
M6502M6
TP2413M3
TP6102M6
F_BOOT_RXM6
TP2414M3
F_VREF_1.875VM2
SPKR+M2
F_UNSW_B+M6 F_BOOT_TXM6
TP2416M3
SPKR-M2
TP6210M6
TP2466M3
F_MPU_BOOTM6
F_GCAI_1WIREM2
GPIO0M2
TP2417M3
F_GCAI_USB-M2
F_GCAI_USB+M2
TP2415M3
F_GNDM6
TP1301M3
F_VBUS2M2
A21
C6530M6
C6521M6
C6303M6
E6502M6 C6517M6
C6519M6
C6301M6
C6516M6
TP6305M6
C6511M6
C6304M6 C6305M6
C6509M6
C6510M6
C6529M6
C6302M6
C6523M6
C6531M6
R6503M6
U6302M6
C6506M6
C6508M6
C1316M3
R1333M3
C6306M6
TP6304M6
R6301M6
TP6306M6 U6301M6
TP6307M6
TP6308M6
C6503M6
TP6303M6
C6595M6
D4001M2
D6501M6
C6568M6
R6507M6 R6512M6
R6570M6
E6501M6
C6514M6
C6518M6
C6522M6
TP6601M6
C6571M6
R2197M2
R2199M2
C1340M3
R2107M2
34
6
C2104M2
R2117M2
U1334M3
R2111M2
R2106M2
C2224M2
R2198M2
E2201M2
E2207M2
R2206M2
R2256M2
R2257M2
C2202M2
C2225M2
C2203M2
E2247M2
E2248M2
E2206M2
R2244M2
R2246M2
R2255M2
R2207M2
R2235M2
E2249M2
R2245M2 4
6
3
12
5
18
U2205M2 R6120M6
R6121M6
C6109M6
C6110M6
R6106M6
TP6101M6
R6104M6
C6572M6
U6510M6
D6101M6
P14 A14
P1
A9 J9
R6107M6 MAKO_RESET_XM6
C6113M6
R6113M6
U6101M6
C6156M6
C6114M6
R6108M6
R6111M6
C2462M3
U2413M3
C6106M6
R6101M6
R6110M6
R6116M6
R6125M6
C6112M6
R6109M6
R6112M6
R2471M3
R2470M3
R2469M3
R2418M3
C2460M3
TP1
R20
TP2
R2
SH16
C6108M6
3
34
5
4
4
82
3H1
6
3
64
1
3
6
4
6
2
AA1
U2202M2
R6103M6
R2204M2
R2201M2
MAKO_INT_XM6
C2223M2
R2254M2
C6105M6
R6119M6
OMAP_VPPM6
R6522M6
TP6302M6
C6525M6
C6502M6
C6533M6
R6501M6
C6505M6
C6528M6
R6312M6
C6512M6
C6526M6
R6313M6
R2120M2
C2114M2
R2114M2
R2113M2
U2101M2
R6510M6
U6508M6
M2
R2116M2
R2118M2
U1335M3
R2110M2
R2109M2
R2115M2
U2102M2
Q2202M2
C2201M2
C6563M6
3
46
H8 45
6
A8
1
2
3
2
7
8
U6105M6 C6670M6
R6606M6
R6122M6 C6111M6
C6310M6
R6114M6
R6604M6
TP6107M6
C6115M6
R6115M6
R6105M6
TP6105M6
C6107M6
R6314M6
R6306M6
C6308M6
R6310M6
R6311M6
R6316M6
M1
U6304M6
C2415M3
R2451M3
U2402M3
45M1
8
C2472M3
MPU_IO_12M6
R6210M6
C6556M6
Q6501M6
C2450M3
C6601M6
C6593M6
C6311M6
C6309M6
C6588M6
C6589M6
R6304M6
R6504M6
C2452M3
R2442M3
C6534M6
R2405M3
R2406M3
C2417M3
R2491M3
C2459M3
C2416M3
C2414M3
TP6106M6 C6155M6
R2443M3
R1327M3
R1328M3
R1316M3
C2461M3
C2477M3
D2
D1 A2
C2443M3
R1324M3
C2463M3
C2479M3
R2450M3
U2478M3
R2407M3
R1314M3
C2466M3
3
2
4
4
6
3
4
5
3
2
AA21
3
4
C6515M6
TP6301M6
C6513M6
R6213M6
R6212M6
R6205M6
U6404M6
C6409M6
C6201M6
R6218M6
R6217M6
C6585M6
C6524M6
R6605M6
C6587M6
C6507M6
R6208M6
C6532M6
C6527M6
R6209M6
R2813
R6602M6
R6502M6
U6201M6
R6419M6
R2803
R2810
C6583M6
C6520M6
R6616M6
R6601M6 C6203M6
C6202M6
R2105M2
R2104M2
R6206M6
R6211M6
R6204M6
C6504M6
C6501M6
Y6601M6
C2806
C6602M6
R2811
R6207M6
R6215M6
R2812 R2806
R2807
R2804
R2805
R2808
R6118M6
U6104M6
R2817
U6103M6
23
4
3
46
C2474M3
R2477M3
R2476M3
R2408M3
R6102M6
Y2475M3
R2412M3
C2473M3
TP2453M3
TP2452M3
TP2451M3
TP2450M3
TP2419M3
R2435M3
C2458M3
C2456M3
C2455M3
TP2437M3
J1
M12 A12
C2471M3
R2480M3 C2470M3
C2480M3
R2484M3
C2464M3
R2485M3
R2481M3
C2467M3
C2445M3
R2467M3
R2459M3
R2454M3
C2439M3
C2446M3
R2460M3
R2455M3
C2440M3
U2415M3
A2 D2
D1
A2 D2
D1
U2408M3
U2473M3
R2488M3
R2479M3
R2437M3
C2482M3
C2469M3
A2 D2
A2
D2
D1
D1
R2486M3
R1319M3
R2496M3
R2465M3
R2416M3
R2487M3
TP1311M3
C2483M3
C2468M3
R2436M3
U2414M3
U2407M3
R2472M3
A2 D2
D1 A2 D2
D1 A2 D2
D1
C2453M3
C2448M3
R2473M3
C2442M3
C2441M3
U2410M3
C2465M3
R2419M3
TP2436M3
R2489M3
R2444M3
C2444M3
R2458M3
R2453M3
U2406M3
R2461M3
R2456M3
R2490M3
C2438M3
U2409M3
R2495M3
C2447M3
912
813
43
54
516
C2336M2
C2335M2
C2338M2
C2337M2
C2331M2
C2115M2
R4007M2
R4006M2
R2441M3
U2412M3
C2451M3
R2478M3
U2411M3
C2454M3
C2457M3
R2474M3
R2475M3
U2403M3
R2414M3
C2475M3
R2457M3
R2404M3
TP2435M3
R2492M3
R1312M3
C2334M2
D2304M2
R2357M2
D2101M2
R2360M2
R2359M2
R2356M2
D3M2
D2M2
D1M2
C2333M2
C2332M2
R4005M2
G3
G4
24
G2
G1
2
C2344M2
C2343M2
R2358M2
R2363M2
D2307M2
R2361M2
E2314M2 E2312M2
J1M2
C2339M2
R2362M2
D2305M2
C2341M2
C2340M2
D2306M2
C2342M2
R2364M2
E2320M2
E2319M2
E2318M2
E2317M2
E2316M2
E2321M2
E2315M2
E2313M2
23
R1198M11
G3 G4
G1 G2
11 12
2
C2229M2
C2227M2
E2203M2
E2204M2
E2202M2
E2205M2
J2M2
C2226M2 C2228M2
2
3
4
M1302M3
R1337M3
R1338M3
M1301M3
J1301M3
C1339M3
L1308M3
C2604M13
C1803M17
C1804M17
L1803M17
C1807M17
C1821M17
L1809M17
C1820M17
L1811M17
C1826M17
C1104M11
C1142M11
6
34
R1105M11
R1106M11
L1101M11
SH8
C1110M11
C1113M11
R1104M11
R1117M11
R1116M11
U1149M11
C1302M3
R1301M3
L1305M3
C1105M11
C1107M11
R1112M11
U1106M11
C1318M3
C1317M3
R1114M11
R1115M11
L1316M3
C1315M3
C1314M3
L1102M11
R1107M11
L1117M11
C1122M11
C1822M17
C1827M17
C1125M11
R1168M11
34
A11
66
3
2
4
34
2
3
L1
C727M7
R710M7
C728M7
R731M7
R711M7
R736M7
C738M7
R730M7
Q731M7
C733M7
L758M7
C735M7
R701M7
C703M7
R708M7
C707M7
C712M7
C754M7
C710M7
L753M7
C744M7
C711M7
R728M7
C749M7
TP737M7
L709M7
C708M7
C823M7
C705M7
R706M7
C721M7
C756M7
R722M7
R705M7
R723M7
C713M7
R745M7
U746M7
C739M7
C752M7
R751M7
R743M7
C742M7 C737M7
C757M7
C709M7
C720M7
TP701M7
C750M7
Y701M7
C732M7
C736M7
R729M7
L741M7
SH6
U702M7
C726M7
L727M7
L738M7
C706M7
C714M7
R702M7
C725M7
C731M7
L728M7
L735M7
C734M7
C717M7
C719M7
C716M7
C730M7
R721M7
L733M7
C704M7
C724M7
D723M7
C718M7
D722M7
C715M7
L720M7
C702M7
L11 34
5
46
3
3
4
5
2
3
R2601M13
C2605M13
C2606M13 L2603M13
U2602M13
L2604M13
C2609M13
R2606M13
D2601M13
C2602M13
U2601M13
R2602M13
C2601M13
D2602M13
C2607M13
SH10
R2604M13
R2603M13
L2601M13
C2608M13
C2603M13
Q2601M13
R2605M13
L2602M13
D2603M13
C1622M16
L1609M16
SH12
R1606M16
C1620M16
C1621M16
C1619M16
C1618M16
C1634M16
L1606M16
C1625M16
C1628M16
C1623M16
L1610M16
C1624M16
6
2
3
54
FL502M21
4
6
3
L513M21
SH1
L503M21
C515M21
C533M21
R526M21
C514M21
R512M21
L504M21
T507M21
C532M21
97
12
10 6
4
3
4
6
3
C503M21
L501M21
C508M21
C551M21
R525M21
C504M21
C516M21
C506M21
C507M21
R502M21
T506M21
C1903M20
C1930M20
C1900M20
R1900M20
C550M21
C501M21
C510M21
C502M21
C509M21
C511M21
L1900M20
U507M21
SH2
C1932M20
L1901M20
C505M21
L550M21
C512M21
C500M21
L500M21
R500M21
6
34
4
58
U1150M11
D200M12
U200M12
C216M12
C215M12
C1161M11
C1160M11 C204M12
C206M12
5
A2
C2
C1
3 4
A2 D2
D1
A2 D2
D1
10
C3
C1
A3
A2 D2
D1
6
5
C212M12
C209M12
U203M12
C1169M11
C1166M11
U1126M11
U1147M11
R1137M11
R1182M11
R1180M11
C1140M11
C1163M11
C1164M11
C1168M11
C1170M11
C1171M11
R1202M11
C1116M11
U1137M11
U1125M11
R1122M11
R1121M11
U1138M11
C1167M11
R1101M11
U1146M11
C1128M11
C1165M11
U1139M11
R1135M11
U1128M11
6
43
4 3
5
4 3
5
B1
A2
C210M12
SH14
U202M12
U1127M11
U1142M11
C1124M11
R1136M11
U1130M11
R1143M11
R1144M11
R1145M11
R1146M11
C205M12
R1178M11
C1127M11
C1123M11
2
L604M19
C627M19
C630M19
C631M19
C646M19
C625M19
R605M19
R606M19
C638M19
C639M19
C640M19
R613M19
R609M19 U602M19
C609M19
R612M19
VR602M19
SH4
C608M19
C619M19
C618M19
R602M19

Schematics, Boards Overlays, and Parts Lists: Main Board Block: UHF2 (84012616001) 8-199
Figure 8-123. Transceiver (RF) Board Layout – Bottom Side
2
33 34
J3M2
R22M2
R21M2
R1M2
G1 G2
2
39
G3
40
G4
J2401M2
59
13
R2493M3
R2401M2
R2466M3
R2434M3
R2452M3
R2497M3
C2478M3
R2449M3
C2449M3
R2433M3
U2416M3
J1
A9
A1
J9
R6406M6
R6405M6
C6428M6
C6404M6
C6406M6
C6413M6
CODEC_GPIO1M6
U6405M6
C6419M6
R6567M6
R6416M6
R6417M6
C6414M6
C6418M6
M2533M6
C6416M6
TP3100M22
ENC_JTAGSEL0M6
TP2502M6
TP6703M6
R2523M6
R6702M6
R6703M6
TP6702M6
TP_MACE_NRDM6
L3145M22
P14
P1
A14
R2508M6
R2509M6
C2542M6
C2544M6
C2548M6
R2512M6
C2545M6
R6701M6
R6704M6
TP6704M6
C2539M6
U2510M6
C2540M6
C2550M6
R2560M6
C2553M6
C2554M6
R2507M6
C2546M6
R6705M6
R2503M6
R2514M6
R2516M6
R2513M6
R2515M6
C2504M6
C2535M6
C2538M6
C2552M6
R2505M6
C2506M6
R2517M6
C1
C3
3
4
A3
3
46 3
4 6
6
C202M12
L200M12 C2531M6
C2555M6
Q2537M6
Q2547M6
Q6507M6
R6580M6
C6402M6 MIC_BIASM6
C6403M6
U6402M6
R2529M6 C2551M6
R6401M6
R6402M6
R6404M6
C203M12
R2530M6
C2532M6
4
4
5
3
2
3
3
6
R6574M6
C6592M6
C6591M6
C6535M6
R6577M6
R6430M6
R6429M6
C6405M6
R6431M6
C6411M6
Q6401M6
U6408M6
R6410M6 R6411M6
R6422M6
C6420M6
C6410M6
Q6101M6
R6421M6
6
3
4
5
3
4
6
3
43
6
2
4
6
6
4
3
23
34
R6535M6
C6536M6
Y6501M6
U6601M6
R6423M6
Q6504M6
R6626M6
R6420M6
R6581M6
U6409M6
D6401M6
R6617M6
R6618M6
U6509M6
R6533M6
R6578M6
R6579M6
C6538M6
C6423M6
R6576M6
C6594M6
C6596M6
Y6502M6
R6117M6
C6541M6
U6102M6
U6511M6
C6104M6
ENC_JTAGSEL1M6
R6531M6
C6557M6
R6536M6
C6555M6
2
6
4 3
2
4
58
C2527M6
C2528M6
C2520M6
U2526M6
C6566M6
Q6505M6
ENC_UART_RXM6
ENC_UART_TXM6
C6567M6
R6541M6
TP6701M6
Q6506M6
R6521M6
R6509M6
C6544M6
C6551M6
C6543M6
Q6502M6
C2534M6
R6508M6
R6529M6
C6542M6
U6502M6
Q6508M6
54
34
3
5
2
3
U2525M6 R6706M6
TP6705M6
R2501M6
R2522M6
R2519M6
R2524M6
C2518M6
C2541M6
C2536M6
C2543M6
C2549M6
D2521M6
R2511M6
3
6
2
3
6
10
5
C6586M6
C6570M6
R4008M2
C6584M6
C6582M6
L6505M6
C6560M6
C6561M6
Q4001M2
U4003M2
R6544M6
R6548M6
R6552M6
C6547M6
U6507M6
R6542M6
C6564M6
R6524M6
C6553M6
SH17
4
13
8
516
12
9
R6547M6
R6558M6
C6569M6
R6568M6
R6538M6
C6559M6
R6545M6
R6537M6
R6540M6
C6562M6
U6505M6
L6504M6
5
P14
4
3
85
4
10
5
6
U6501M6
C4005M2
L6502M6 U6504M6
R6543M6
R6527M6
R6539M6
C6558M6
R4010M2
U4001M2
R6526M6
R6532M6
R6550M6
R6534M6
TP_ATOD_8M6
R6528M6
C6550M6
C6565M6 C6552M6
R4011M2
OMAP_TEMP_TPM6
R6551M6
U6506M6
D2
D1
A14
A2
R6619M6
R4012M2
R6621M6
R6546M6
C6425M6
R6622M6
R6623M6
R6566M6
R6624M6
R6625M6
C6424M6
C6575M6
R6562M6
R6564M6
R6582M6
C6577M6
C6579M6
C6580M6
R6561M6 R6565M6
C6576M6
C6581M6
C4007M2
R4013M2
U4004M2
R4009M2
R4014M2
C4006M2
R6513M6
R6515M6
R6516M6
R6511M6
R6517M6
R6514M6
C6546M6
R6608M6
6
34
R6530M6
C6554M6
R6523M6
C6545M6
C6548M6
C6573M6
R6518M6
R6584M6
R6520M6
R6519M6
R6583M6
C6549M6
U6503M6
MAKO_AD_TRIGM6
P1
R6563M6
C6578M6
R6428M6
C6422M6
C6427M6
C6574M6
C6540M6
C6539M6
C6421M6
MAKO_INT_MICMM6
MAKO_INT_MICPM6
C6426M6
R6609M6
R6426M6
R6425M6
R6427M6
R6525M6
R6492M6
R6505M6
C6590M6
R6599M6
R6506M6
R6591M6
C6537M6
TP6599M6
R6598M6
2
5
34
J102M11
2
3
VR101M12
R200M12
C101M12
C620M19
C642M19
R699M19
R603M19
C601M19
C624M19
C613M19
C607M19
R601M19
C611M19
L602M19
C610M19
L601M19
C605M19
C645M19
L603M19
R698M19
C641M19
C628M19
C626M19
C636M19
C643M19
C644M19
E607M19
C621M19
C617M19
C623M19
C603M19
E601M19
L611M19
12 48
24
36
3
2
3
46
U603M19
R624M19
R610M19
C633M19
TP603M19
TP601M19
VR601M19
L605M19
R621M19
C622M19
C635M19
C632M19
E606M19
R608M19
R604M19
C606M19
C614M19
E604M19 U601M19
C612M19
E603M19
C604M19
C602M19
C616M19
C615M19
E602M19
R616M19
R607M19
Q601M19
C629M19
E605M19
D2
D1
A2
34
6
R615M19
R614M19
R611M19
U606M19
R618M19
C637M19
C634M19
E608M19
U604M19
SH11
U607M19
R617M19
D1 3
D2 A2 46
R620M19 E609M19
R619M19
U605M19
R623M19
2
3
M101M12
R3101M22
L3134M22
C3133M22
C3158M22
C3122M22
D3138M22
D3137M22
D3136M22
L3139M22
C3152M22
R3160M22
C3106M22
L3125M22
C3159M22
Q3123M22
R3159M22
D3135M22
C3143M22
C3103M22
C3141M22
C3140M22
L3159M22
R3109M22
L3100M22
R3103M22
R3106M22
R3105M22
L3119M22
Q3156M22
L3102M22
R3108M22
C3160M22
C3114M22
U3001M22
C3112M22
C3161M22
64
3
3
4
2
3
4
5
C3157M22
C3155M22
C3151M22
C3147M22
C3154M22
R3107M22
Q3161M22
L3150M22
R3149M22
R3158M22
R741M7
R744M7
R742M7
C786M7
C3142M22
C3144M22
L3158M22
R823M7
R822M7
R3146M22
C740M7
C743M7
L739M7
Q745M7
R748M7 Q756M7
R747M7
R746M7 C813M7
C824M7
C816M7
64
36
4
3
4
2
3
L765M7
C770M7
C760M7
L701M7
R709M7
C722M7
R769M7
C723M7
C819M7 C817M7
R809M7
R799M7
R785M7
Q774M7
C803M7
L755M7
R757M7
R754M7
R761M7
C768M7
U738M7
R704M7
R707M7
R703M7
C751M7
C781M7
C753M7 Q785M7
R763M7
R762M7
R771M7
C764M7 L759M7
Q767M7
R766M7
L775M7
C772M7
C773M7
L778M7
L729M7
R776M7
C779M7
C701M7
C777M7
C741M7 C780M7
34
5
R3127M22
L3101M22
C3100M22
L3126M22
D3104M22
C3120M22
C3115M22
C3105M22
D3105M22
D3103M22
D3102M22
R3118M22
R3114M22
C3109M22
C3111M22
C3113M22
C3116M22
C3107M22
L3112M22
L3106M22
C3110M22
C3108M22
C3101M22
SH15
C3102M22
C3104M22
L702M7
Q3128M22
2
3
C1106M11
U1103M11
C1156M11
C1925M20
C1926M20
C1928M20
C1935M20
R1910M20
VR1906M20
VR1905M20
R1907M20
R1906M20
C1929M20
L1910M20
L1915M20
C1938M20
C1953M20
Q1920M20
L1909M20
SH9
2
64
3
2
23
C1952M20
D1970M20
L1908M20
C1939M20
C1958M20
Q1922M20
R1923M20
C1920M20
R1921M20
R1922M20
C1922M20
L1934M20
R1970M20
R1925M20
C1970M20
C1931M20
R1924M20
L1935M20
C1924M20
C1923M20
E1921M20
L1936M20
R1936M20
R1935M20
C1936M20
C1901M20
U1932M20
3
C1955M20
C1971M20
VR1907M20
L1917M20
L1912M20 C1960M20
C1961M20
C1959M20 C1957M20 R1972M20
C1956M20
R1908M20
C1942M20
VR1908M20
L1914M20
L1913M20
C1963M20
R1909M20
R1911M20
C1954M20
C1964M20
4 3
5
54
3
2
3
B1
A2
33
2
2
VR200M12
Q201M12
C217M12
C208M12
C201M12
E201M12
C200M12
F200M12
Q202M12
C207M12
R201M12
R202M12
C213M12
C214M12
U201M12
C1174M11
SH7
E1101M11
C1173M11
U1141M11
R1141M11
R1108M11
C1139M11
U1101M11
R1103M11
R1110M11 C1103M11
3
24
Q1601M16
R1171M11
R1160M11
C1141M11
R1142M11
U1129M11
C1158M11
R1174M11 R1154M11
R1158M11
C1108M11
U1143M11
R1169M11
R1170M11
4
54 3
43
5
35
6
4
5
4
3
4
3
6
8
A2C2
C1
4
5
85
3
4
9
12 8
13
5
4
16
U1112M11
C1118M11
C1117M11
R1124M11
C1126M11
R1162M11
R1151M11
C1112M11
U1105M11
C1111M11
C1129M11
U1131M11
R1163M11
R1177M11
R1152M11
R1176M11
C1172M11
U1133M11
U1132M11
U1136M11
R1172M11
R1175M11
C1130M11
U1144M11
R1140M11
R1139M11
C1138M11
C1137M11
R1138M11
U1104M11
4 3
5
8
916
C1612M16
L1603M16
C1613M16
C1610M16
L1604M16
C1605M16
C1629M16
C1606M16
C1607M16
C1630M16
C1609M16
L1605M16 C1616M16
C1614M16
R1602M16
U1601M16
R1603M16
R1604M16
R1601M16
C1615M16
C1633M16 R1605M16 C1617M16
R1102M11 U1602M16
C1608M16
C1611M16
R1651M16
2
3
SH13
C1602M16
R1652M16
Q1103M11
C1603M16
L1601M16
C1604M16
L1602M16
R1653M16
C1601M16
C1940M20
SH5
FL1301M3
L1302M3
L1304M3
R1321M3
C1305M3
64
3
L1
L10
4
3
2A10
FL1302M3
R1320M3
R1322M3
R1307M3
R1302M3
TP1303M3
R1323M3
R1306M3
R1304M3
R1332M3
C1327M3
C1323M3
R1340M3
R1331M3
R1308M3
C1312M3
C1333M3
C1332M3
R1330M3
R1329M3
R1326M3
R1325M3
R1313M3
C1310M3
C1326M3
C1313M3
C1335M3
C1334M3
C1328M3
U1301M3
R1315M3
C1336M3
C1337M3
SH3
R1318M3
R1317M3
R1311M3
FL1303M3
C1331M3
C1329M3
R1310M3
R1309M3
C1309M3
U1304M3
C1308M3
C1322M3
C1307M3
C1304M3
L1301M3
C1320M3
R1305M3
R1303M3
C1301M3
U1305M3
L1303M3
C1303M3
A2
B1
3
4
2
C1306M3
C1319M3
C1321M3
C1376M3
Y1304M3
TP1304M3
C1311M3
C1330M3
L1306M3
C1324M3
C1325M3
43
5
A2
2
3
C1
43
5
C2
43
5
4 3
5
C1157M11
U1121M11
R1167M11
R1128M11
R1127M11
R1126M11 C1120M11
C1162M11
R1125M11
R1166M11
U1114M11
U1119M11
R1164M11
R1165M11
U1113M11 Q1101M11
C1119M11
U1148M11
C1159M11

8-200 Schematics, Boards Overlays, and Parts Lists: Main Board Block: UHF2 (84012616001)
UHF2 Transceiver (RF) Board Parts List –
84012616001
Ref. Des. Part Number Description
C101M12 2113944A46 CAP,CHIP,330PF,+5%,-
5%,50V-DC,0402,C0G,-
55DEG CMIN,125DEG
CMAX
C1103M11 2113945B02 CAP,CHIP,.01UF,+10%,-
10%,25V-DC,0402,X7R,-
55DEG CMIN,125DEG CMA
C1104M11 2113944A19 CAP,CHIP,5.6PF,.5PF+/-
,50V-DC,0402,C0G,-55DEG
CMIN,125DEG CMAX
C1105M11 2113944A19 CAP,CHIP,5.6PF,.5PF+/-
,50V-DC,0402,C0G,-55DEG
CMIN,125DEG CMAX
C1106M11 2113945B02 CAP,CHIP,.01UF,+10%,-
10%,25V-DC,0402,X7R,-
55DEG CMIN,125DEG CMA
C1107M11 2113944A40 CAP,CHIP,100PF,+5%,-
5%,50V-DC,0402,C0G,-
55DEG CMIN,125DEG
CMAX
C1108M11 2113946B03 CAP,CHIP,.068UF,+10%,-
10%,10V-DC,0402,X5R,-
55DEG CMIN,85DEG CMA
C1110M11 2113944A40 CAP,CHIP,100PF,+5%,-
5%,50V-DC,0402,C0G,-
55DEG CMIN,125DEG
CMAX
C1111M11 2113945Y02 CAP,FXD,.1UF,+10%,-
10%,16V-DC,0402,X7R,-
55DEG CMIN,125DEG
CMAX
C1112M11 2113945B01 CAP,CHIP,6800PF,+10%,-
10%,25V-DC,0402,X7R,-
55DEG CMIN,125DEG CM
C1113M11 2113945B02 CAP,CHIP,.01UF,+10%,-
10%,25V-DC,0402,X7R,-
55DEG CMIN,125DEG CMA
C1116M11 2113945Y02 CAP,FXD,.1UF,+10%,-
10%,16V-DC,0402,X7R,-
55DEG CMIN,125DEG
CMAX
C1117M11 2113945A12 CAP,CHIP,3300PF,+10%,-
10%,50V-DC,0402,X7R,-
55DEG CMIN,125DEG CM
C1118M11 2113945B02 CAP,CHIP,.01UF,+10%,-
10%,25V-DC,0402,X7R,-
55DEG CMIN,125DEG CMA
C1119M11 2113945B02 CAP,CHIP,.01UF,+10%,-
10%,25V-DC,0402,X7R,-
55DEG CMIN,125DEG CMA
C1120M11 2113945B02 CAP,CHIP,.01UF,+10%,-
10%,25V-DC,0402,X7R,-
55DEG CMIN,125DEG CMA
C1122M11 2113944M05 CAP,FXD,3PF,.1PF+/-,50V-
DC,0603,C0G,-55DEG
CMIN,125DEG CMAX,PB
C1123M11 2113945B02 CAP,CHIP,.01UF,+10%,-
10%,25V-DC,0402,X7R,-
55DEG CMIN,125DEG CMA
C1124M11 2113945A13 CAP,CHIP,4700PF,+10%,-
10%,50V-DC,0402,X7R,-
55DEG CMIN,125DEG CM
C1125M11 2113944A23 CAP,CHIP,8.2PF,.5PF+/-
,50V-DC,0402,C0G,-55DEG
CMIN,125DEG CMAX
C1126M11 2113945A09 CAP,CHIP,1000PF,+10%,-
10%,50V-DC,0402,X7R,-
55DEG CMIN,125DEG CM
C1127M11 2113945Y02 CAP,FXD,.1UF,+10%,-
10%,16V-DC,0402,X7R,-
55DEG CMIN,125DEG
CMAX
C1128M11 2113945B02 CAP,CHIP,.01UF,+10%,-
10%,25V-DC,0402,X7R,-
55DEG CMIN,125DEG CMA
C1129M11 2113945B02 CAP,CHIP,.01UF,+10%,-
10%,25V-DC,0402,X7R,-
55DEG CMIN,125DEG CMA
C1130M11 2113945B02 CAP,CHIP,.01UF,+10%,-
10%,25V-DC,0402,X7R,-
55DEG CMIN,125DEG CMA
C1137M11 2113945B04 CAP,FXD,.022UF,+10%,-
10%,25V-DC,0402,X7R,-
55DEG CMIN,125DEG CMA
C1138M11 2113945B04 CAP,FXD,.022UF,+10%,-
10%,25V-DC,0402,X7R,-
55DEG CMIN,125DEG CMA
C1139M11 2113944A25 CAP,CHIP,10PF,.5PF+/-
,50V-DC,0402,C0G,-55DEG
CMIN,125DEG CMAX
Ref. Des. Part Number Description
C1140M11 2113945A13 CAP,CHIP,4700PF,+10%,-
10%,50V-DC,0402,X7R,-
55DEG CMIN,125DEG CM
C1141M11 2113945Y02 CAP,FXD,.1UF,+10%,-
10%,16V-DC,0402,X7R,-
55DEG CMIN,125DEG
CMAX
C1142M11 2113945A09 CAP,CHIP,1000PF,+10%,-
10%,50V-DC,0402,X7R,-
55DEG CMIN,125DEG CM
C1156M11 2113944A40 CAP,CHIP,100PF,+5%,-
5%,50V-DC,0402,C0G,-
55DEG CMIN,125DEG
CMAX
C1157M11 2113944A40 CAP,CHIP,100PF,+5%,-
5%,50V-DC,0402,C0G,-
55DEG CMIN,125DEG
CMAX
C1158M11 2113944A40 CAP,CHIP,100PF,+5%,-
5%,50V-DC,0402,C0G,-
55DEG CMIN,125DEG
CMAX
C1159M11 2113944A40 CAP,CHIP,100PF,+5%,-
5%,50V-DC,0402,C0G,-
55DEG CMIN,125DEG
CMAX
C1160M11 2113945C31 CAP,FXD,.1UF,+10%,-
10%,50V-DC,0603,X7R,-
55DEG CMIN,125DEG
CMAX
C1161M11 2113956B91 CAP,FXD,1UF,+10%,-
10%,16V-DC,0603,X5R,-
55DEG CMIN,85DEG
CMAX,PB
C1162M11 2113944A40 CAP,CHIP,100PF,+5%,-
5%,50V-DC,0402,C0G,-
55DEG CMIN,125DEG
CMAX
C1163M11 2113944A40 CAP,CHIP,100PF,+5%,-
5%,50V-DC,0402,C0G,-
55DEG CMIN,125DEG
CMAX
C1164M11 2113944A40 CAP,CHIP,100PF,+5%,-
5%,50V-DC,0402,C0G,-
55DEG CMIN,125DEG
CMAX
Ref. Des. Part Number Description
C1165M11 2113945Y02 CAP,FXD,.1UF,+10%,-
10%,16V-DC,0402,X7R,-
55DEG CMIN,125DEG
CMAX
C1166M11 2113944A40 CAP,CHIP,100PF,+5%,-
5%,50V-DC,0402,C0G,-
55DEG CMIN,125DEG
CMAX
C1167M11 2113944A40 CAP,CHIP,100PF,+5%,-
5%,50V-DC,0402,C0G,-
55DEG CMIN,125DEG
CMAX
C1168M11 2113944A40 CAP,CHIP,100PF,+5%,-
5%,50V-DC,0402,C0G,-
55DEG CMIN,125DEG
CMAX
C1169M11 2113944A40 CAP,CHIP,100PF,+5%,-
5%,50V-DC,0402,C0G,-
55DEG CMIN,125DEG
CMAX
C1170M11 2113944A40 CAP,CHIP,100PF,+5%,-
5%,50V-DC,0402,C0G,-
55DEG CMIN,125DEG
CMAX
C1171M11 2113944A40 CAP,CHIP,100PF,+5%,-
5%,50V-DC,0402,C0G,-
55DEG CMIN,125DEG
CMAX
C1172M11 2113944A40 CAP,CHIP,100PF,+5%,-
5%,50V-DC,0402,C0G,-
55DEG CMIN,125DEG
CMAX
C1173M11 2115153H49 CAP,FXD,47PF,+1%,-
1%,50V-DC,0402,C0G
C1174M11 2115153H55 CAP,CER CHIP,82PF,50V-
DC,0402,C0G
C1301M3 21012119001 CAP,FXD,2.2UF,+20%,-
20%,6.3V-
DC,X5R,CAP,FXD,2.2UF,20
%,6.3V-D
C1302M3 2113944A19 CAP,CHIP,5.6PF,.5PF+/-
,50V-DC,0402,C0G,-55DEG
CMIN,125DEG CMAX
C1303M3 2113956A51 CAP,FXD,1UF,+10%,-
10%,6.3V-DC,0402,X5R,-
55DEG CMIN,85DEG
CMAX,P
Ref. Des. Part Number Description

Schematics, Boards Overlays, and Parts Lists: Main Board Block: UHF2 (84012616001) 8-201
C1304M3 2113944A07 CAP,CHIP,1.8PF,.25PF+/-
,50V-DC,0402,C0G,-55DEG
CMIN,125DEG CMA
C1305M3 2113944A27 CAP,CHIP,15PF,+5%,-
5%,50V-DC,0402,C0G,-
55DEG CMIN,125DEG
CMAX,P
C1306M3 2187893N01 CAP,CER,1UF,20PF+/-
,+20%,-20%,6.3V-
DC,0402,+/-15%,-55DEG
CMIN,85
C1307M3 2113944A26 CAP,CHIP,12PF,+5%,-
5%,50V-DC,0402,C0G,-
55DEG CMIN,125DEG
CMAX,P
C1308M3 2113945A09 CAP,CHIP,1000PF,+10%,-
10%,50V-DC,0402,X7R,-
55DEG CMIN,125DEG CM
C1309M3 2113944A26 CAP,CHIP,12PF,+5%,-
5%,50V-DC,0402,C0G,-
55DEG CMIN,125DEG
CMAX,P
C1310M3 2187893N01 CAP,CER,1UF,20PF+/-
,+20%,-20%,6.3V-
DC,0402,+/-15%,-55DEG
CMIN,85
C1311M3 2113956A51 CAP,FXD,1UF,+10%,-
10%,6.3V-DC,0402,X5R,-
55DEG CMIN,85DEG
CMAX,P
C1312M3 2113956A51 CAP,FXD,1UF,+10%,-
10%,6.3V-DC,0402,X5R,-
55DEG CMIN,85DEG
CMAX,P
C1313M3 2187893N01 CAP,CER,1UF,20PF+/-
,+20%,-20%,6.3V-
DC,0402,+/-15%,-55DEG
CMIN,85
C1314M3 2113944M20 CAP,FXD,12PF,+2%,-
2%,50V-DC,0603,C0G,-
55DEG CMIN,125DEG
CMAX,PB
C1315M3 2115153H02 CAP,CER
CHIP,.75PF,.1PF+/-,+.1%,-
.1%,50V-DC,C0G,CAP,
CERAMIC
Ref. Des. Part Number Description
C1316M3 2113945Y02 CAP,FXD,.1UF,+10%,-
10%,16V-DC,0402,X7R,-
55DEG CMIN,125DEG
CMAX
C1317M3 2188881Y12 CAP,CER
CHIP,1.8PF,.1PF+/-,16V-
DC,0402,NP0,-55DEG
CMIN,85DEG C
C1318M3 2115153H15 CAP,CER
CHIP,3.3PF,.1PF+/-,+.1%,-
.1%,50V-DC,0402,C0G,CAP,
CERA
C1319M3 2113945Y02 CAP,FXD,.1UF,+10%,-
10%,16V-DC,0402,X7R,-
55DEG CMIN,125DEG
CMAX
C1320M3 2113944A28 CAP,CHIP,18PF,+5%,-
5%,50V-DC,0402,C0G,-
55DEG CMIN,125DEG
CMAX,P
C1321M3 2113944A29 CAP,CHIP,22PF,+5%,-
5%,50V-DC,0402,C0G,-
55DEG CMIN,125DEG
CMAX,P
C1322M3 2113944A29 CAP,CHIP,22PF,+5%,-
5%,50V-DC,0402,C0G,-
55DEG CMIN,125DEG
CMAX,P
C1323M3 2113944A29 CAP,CHIP,22PF,+5%,-
5%,50V-DC,0402,C0G,-
55DEG CMIN,125DEG
CMAX,P
C1324M3 2115153H03 CAP,CER CHIP,1PF,.1PF+/-
,+.1%,-.1%,50V-
DC,0402,C0G
C1325M3 2113944A29 CAP,CHIP,22PF,+5%,-
5%,50V-DC,0402,C0G,-
55DEG CMIN,125DEG
CMAX,P
C1326M3 2113945Y02 CAP,FXD,.1UF,+10%,-
10%,16V-DC,0402,X7R,-
55DEG CMIN,125DEG
CMAX
C1327M3 2113944A28 CAP,CHIP,18PF,+5%,-
5%,50V-DC,0402,C0G,-
55DEG CMIN,125DEG
CMAX,P
Ref. Des. Part Number Description
C1328M3 2113945Y02 CAP,FXD,.1UF,+10%,-
10%,16V-DC,0402,X7R,-
55DEG CMIN,125DEG
CMAX
C1329M3 2113945Y02 CAP,FXD,.1UF,+10%,-
10%,16V-DC,0402,X7R,-
55DEG CMIN,125DEG
CMAX
C1330M3 2113945Y02 CAP,FXD,.1UF,+10%,-
10%,16V-DC,0402,X7R,-
55DEG CMIN,125DEG
CMAX
C1331M3 2113945Y02 CAP,FXD,.1UF,+10%,-
10%,16V-DC,0402,X7R,-
55DEG CMIN,125DEG
CMAX
C1332M3 2113945Y02 CAP,FXD,.1UF,+10%,-
10%,16V-DC,0402,X7R,-
55DEG CMIN,125DEG
CMAX
C1333M3 2113945Y02 CAP,FXD,.1UF,+10%,-
10%,16V-DC,0402,X7R,-
55DEG CMIN,125DEG
CMAX
C1334M3 2113945Y02 CAP,FXD,.1UF,+10%,-
10%,16V-DC,0402,X7R,-
55DEG CMIN,125DEG
CMAX
C1335M3 2113945Y02 CAP,FXD,.1UF,+10%,-
10%,16V-DC,0402,X7R,-
55DEG CMIN,125DEG
CMAX
C1336M3 2113945Y02 CAP,FXD,.1UF,+10%,-
10%,16V-DC,0402,X7R,-
55DEG CMIN,125DEG
CMAX
C1337M3 2113944A28 CAP,CHIP,18PF,+5%,-
5%,50V-DC,0402,C0G,-
55DEG CMIN,125DEG
CMAX,P
C1339M3 2113944A08 CAP,CHIP,2PF,.25PF+/-
,50V-DC,0402,C0G,-55DEG
CMIN,125DEG CMAX
C1340M3 2113945Y02 CAP,FXD,.1UF,+10%,-
10%,16V-DC,0402,X7R,-
55DEG CMIN,125DEG
CMAX
Ref. Des. Part Number Description
C1376M3 2113944A25 CAP,CHIP,10PF,.5PF+/-
,50V-DC,0402,C0G,-55DEG
CMIN,125DEG CMAX
C1601M16 2113944A40 CAP,CHIP,100PF,+5%,-
5%,50V-DC,0402,C0G,-
55DEG CMIN,125DEG
CMAX
C1602M16 2113944M42 CAP,FXD,100PF,+2%,-
2%,50V-DC,0603,C0G,-
55DEG CMIN,125DEG
CMAX,P
C1603M16 2113945L49 CAP,FXD,.01UF,+5%,-
5%,50V-DC,0603,X7R,-
55DEG CMIN,125DEG
CMAX,P
C1604M16 2113944A40 CAP,CHIP,100PF,+5%,-
5%,50V-DC,0402,C0G,-
55DEG CMIN,125DEG
CMAX
C1605M16 2113945B02 CAP,CHIP,.01UF,+10%,-
10%,25V-DC,0402,X7R,-
55DEG CMIN,125DEG CMA
C1606M16 2113944A40 CAP,CHIP,100PF,+5%,-
5%,50V-DC,0402,C0G,-
55DEG CMIN,125DEG
CMAX
C1607M16 2113944A40 CAP,CHIP,100PF,+5%,-
5%,50V-DC,0402,C0G,-
55DEG CMIN,125DEG
CMAX
C1608M16 2113944M42 CAP,FXD,100PF,+2%,-
2%,50V-DC,0603,C0G,-
55DEG CMIN,125DEG
CMAX,P
C1609M16 2113944A40 CAP,CHIP,100PF,+5%,-
5%,50V-DC,0402,C0G,-
55DEG CMIN,125DEG
CMAX
C1610M16 2113944A23 CAP,CHIP,8.2PF,.5PF+/-
,50V-DC,0402,C0G,-55DEG
CMIN,125DEG CMAX
C1611M16 2113945L49 CAP,FXD,.01UF,+5%,-
5%,50V-DC,0603,X7R,-
55DEG CMIN,125DEG
CMAX,P
Ref. Des. Part Number Description

8-202 Schematics, Boards Overlays, and Parts Lists: Main Board Block: UHF2 (84012616001)
C1612M16 2113944C45 CAP,CHIP,100PF,+5%,-
5%,50V-DC,0603,C0G,-
55DEG CMIN,125DEG
CMAX
C1613M16 2113944A30 CAP,CHIP,27PF,+5%,-
5%,50V-DC,0402,C0G,-
55DEG CMIN,125DEG
CMAX,P
C1614M16 2113944A32 CAP,CHIP,39PF,+5%,-
5%,50V-DC,0402,C0G,-
55DEG CMIN,125DEG
CMAX,P
C1615M16 2113944A40 CAP,CHIP,100PF,+5%,-
5%,50V-DC,0402,C0G,-
55DEG CMIN,125DEG
CMAX
C1616M16 2113944A32 CAP,CHIP,39PF,+5%,-
5%,50V-DC,0402,C0G,-
55DEG CMIN,125DEG
CMAX,P
C1617M16 2113945B02 CAP,CHIP,.01UF,+10%,-
10%,25V-DC,0402,X7R,-
55DEG CMIN,125DEG CMA
C1618M16 2113944M42 CAP,FXD,100PF,+2%,-
2%,50V-DC,0603,C0G,-
55DEG CMIN,125DEG
CMAX,P
C1619M16 2113945C02 CAP,CHIP,.01UF,+10%,-
10%,50V-DC,0603,X7R,-
55DEG CMIN,125DEG CMA
C1620M16 2171741M06 CAP,CER CHIP,39PF,50V-
DC,HI Q CAP, 39 PF
C1621M16 2171741M10 CAP,CER,12PF,+5%,-
5%,100V-DC,CAP, CER
CHIP, 12PF, 100V-DC,
C1622M16 2113944M20 CAP,FXD,12PF,+2%,-
2%,50V-DC,0603,C0G,-
55DEG CMIN,125DEG
CMAX,PB
C1623M16 2113944C08 CAP,CHIP,1.2PF,.25PF+/-
,50V-DC,0603,C0G,-55DEG
CMIN,125DEG CMA
C1624M16 2113944M22 CAP,FXD,15PF,+2%,-
2%,50V-DC,0603,C0G,-
55DEG CMIN,125DEG
CMAX,PB
Ref. Des. Part Number Description
C1625M16 2113944M42 CAP,FXD,100PF,+2%,-
2%,50V-DC,0603,C0G,-
55DEG CMIN,125DEG
CMAX,P
C1628M16 2113944M09 CAP,FXD,4.3PF,.1PF+/-
,50V-DC,0603,C0G,-55DEG
CMIN,125DEG CMAX
C1629M16 2113945A12 CAP,CHIP,3300PF,+10%,-
10%,50V-DC,0402,X7R,-
55DEG CMIN,125DEG CM
C1630M16 2113945A12 CAP,CHIP,3300PF,+10%,-
10%,50V-DC,0402,X7R,-
55DEG CMIN,125DEG CM
C1633M16 2113944A33 CAP,CHIP,47PF,+5%,-
5%,50V-DC,0402,C0G,-
55DEG CMIN,125DEG
CMAX,P
C1634M16 2113945L49 CAP,FXD,.01UF,+5%,-
5%,50V-DC,0603,X7R,-
55DEG CMIN,125DEG
CMAX,P
C1803M17 2113944C23 CAP,CHIP,5.1PF,.5PF+/-
,50V-DC,0603,C0G,-55DEG
CMIN,125DEG CMAX
C1804M17 2113944C17 CAP,CHIP,3PF,.25PF+/-
,50V-DC,0603,C0G,-55DEG
CMIN,125DEG CMAX
C1807M17 2113944C26 CAP,CHIP,6.8PF,.5PF+/-
,50V-DC,0603,C0G,-55DEG
CMIN,125DEG CMAX
C1820M17 2113944C18 CAP,CHIP,3.3PF,.25PF+/-
,50V-DC,0603,C0G,-55DEG
CMIN,125DEG CMA
C1821M17 2113944C27 CAP,CHIP,7.5PF,.5PF+/-
,50V-DC,0603,C0G,-55DEG
CMIN,125DEG CMAX
C1822M17 2113944C45 CAP,CHIP,100PF,+5%,-
5%,50V-DC,0603,C0G,-
55DEG CMIN,125DEG
CMAX
C1826M17 2113944C12 CAP,CHIP,1.8PF,.25PF+/-
,50V-DC,0603,C0G,-55DEG
CMIN,125DEG CMA
C1827M17 2113944C18 CAP,CHIP,3.3PF,.25PF+/-
,50V-DC,0603,C0G,-55DEG
CMIN,125DEG CMA
Ref. Des. Part Number Description
C1900M20 2115153H25 CAP,CERAMIC
CHIP,8.2PF,.1PF+/-,+.1%,-
.1%,50V-DC,0402,C0G,CAP,
C1901M20 2115153H57 CAP,CERAMIC
CHIP,100PF,+1%,-1%,50V-
DC,0402,C0G,CAP,
CERAMIC,
C1903M20 2115153H28 CAP,CER CHIP,4PF,.1PF+/-
,+.1%,-.1%,50V-
DC,0402,C0G,CAP,
CERAMI
C1920M20 2113946D07 CAP,CHIP,4.7UF,+10%,-
10%,6.3V-DC,0603,X5R,-
55DEG CMIN,85DEG CMA
C1922M20 2113944A40 CAP,CHIP,100PF,+5%,-
5%,50V-DC,0402,C0G,-
55DEG CMIN,125DEG
CMAX
C1923M20 2113944A40 CAP,CHIP,100PF,+5%,-
5%,50V-DC,0402,C0G,-
55DEG CMIN,125DEG
CMAX
C1924M20 2113946D07 CAP,CHIP,4.7UF,+10%,-
10%,6.3V-DC,0603,X5R,-
55DEG CMIN,85DEG CMA
C1925M20 2113944A40 CAP,CHIP,100PF,+5%,-
5%,50V-DC,0402,C0G,-
55DEG CMIN,125DEG
CMAX
C1926M20 2113946B04 CAP,CHIP,.1UF,+10%,-
10%,10V-DC,0402,X5R,-
55DEG CMIN,85DEG CMAX
C1928M20 2115153H15 CAP,CER
CHIP,3.3PF,.1PF+/-,+.1%,-
.1%,50V-DC,0402,C0G,CAP,
CERA
C1929M20 2115153H19 CAP,FXD,4.7PF,.1PF+/-
,+.1%,-.1%,50V-
DC,0402,C0G
C1930M20 2115153H41 CAP,FXD,22PF,+1%,-
1%,50V-DC,0402,C0G,CAP,
CERAMIC, COG
C1931M20 2115153H54 CAP,CER CHIP,75PF,50V-
DC,0402,C0G
Ref. Des. Part Number Description
C1932M20 2115153H41 CAP,FXD,22PF,+1%,-
1%,50V-DC,0402,C0G,CAP,
CERAMIC, COG
C1935M20 2115153H13 CAP,FXD,2.7PF,.1PF+/-
,+3.7%,-3.7%,50V-
DC,0402,C0G,CAP,
CERAMIC
C1936M20 2115153H26 CAP,CER
CHIP,9.1PF,.1PF+/-,+.1%,-
.1%,50V-DC,0402,C0G,CAP,
CERA
C1938M20 2115153H16 CAP,CERAMIC
CHIP,3.6PF,.1PF+/-,+.1%,-
.1%,50V-DC,0402,C0G,CAP,
C1939M20 2115153H13 CAP,FXD,2.7PF,.1PF+/-
,+3.7%,-3.7%,50V-
DC,0402,C0G,CAP,
CERAMIC
C1940M20 2113944A40 CAP,CHIP,100PF,+5%,-
5%,50V-DC,0402,C0G,-
55DEG CMIN,125DEG
CMAX
C1942M20 2115153H37 CAP,FXD,15PF,.15PF+/-
,+1%,-1%,50V-
DC,0402,C0G,CAP,
CERAMIC, CO
C1952M20 2115153H19 CAP,FXD,4.7PF,.1PF+/-
,+.1%,-.1%,50V-
DC,0402,C0G
C1953M20 2115153H15 CAP,CER
CHIP,3.3PF,.1PF+/-,+.1%,-
.1%,50V-DC,0402,C0G,CAP,
CERA
C1954M20 2113944A40 CAP,CHIP,100PF,+5%,-
5%,50V-DC,0402,C0G,-
55DEG CMIN,125DEG
CMAX
C1955M20 2113946B04 CAP,CHIP,.1UF,+10%,-
10%,10V-DC,0402,X5R,-
55DEG CMIN,85DEG CMAX
C1956M20 2115153H15 CAP,CER
CHIP,3.3PF,.1PF+/-,+.1%,-
.1%,50V-DC,0402,C0G,CAP,
CERA
C1957M20 2115153H29 CAP,FXD,5PF,.1PF+/-,50V-
DC,0402,C0G
Ref. Des. Part Number Description

Schematics, Boards Overlays, and Parts Lists: Main Board Block: UHF2 (84012616001) 8-203
C1958M20 2115153H35 CAP,CERAMIC
CHIP,12PF,+1%,-1%,50V-
DC,0402,C0G,CAP,
CERAMIC, C
C1959M20 2115153H13 CAP,FXD,2.7PF,.1PF+/-
,+3.7%,-3.7%,50V-
DC,0402,C0G,CAP,
CERAMIC
C1960M20 2115153H19 CAP,FXD,4.7PF,.1PF+/-
,+.1%,-.1%,50V-
DC,0402,C0G
C1961M20 2115153H13 CAP,FXD,2.7PF,.1PF+/-
,+3.7%,-3.7%,50V-
DC,0402,C0G,CAP,
CERAMIC
C1963M20 2115153H29 CAP,FXD,5PF,.1PF+/-,50V-
DC,0402,C0G
C1964M20 2115153H15 CAP,CER
CHIP,3.3PF,.1PF+/-,+.1%,-
.1%,50V-DC,0402,C0G,CAP,
CERA
C1970M20 2115153H12 CAP,CERAMIC
CHIP,2.4PF,.1PF+/-,+.1%,-
.1%,50V-DC,0402,C0G,CAP,
C1971M20 2115153H07 CAP,FXD,1.5PF,.1PF+/-
,+6.67%,-6.67%,50V-
DC,0402,C0G
C200M12 2113945B02 CAP,CHIP,.01UF,+10%,-
10%,25V-DC,0402,X7R,-
55DEG CMIN,125DEG CMA
C201M12 21012118001 CAP,FXD,1UF,+10%,-
10%,25V-
DC,X7R,CAP,FXD,1UF,10%,
25V-DC,X7R
C202M12 21012118001 CAP,FXD,1UF,+10%,-
10%,25V-
DC,X7R,CAP,FXD,1UF,10%,
25V-DC,X7R
C203M12 21012118001 CAP,FXD,1UF,+10%,-
10%,25V-
DC,X7R,CAP,FXD,1UF,10%,
25V-DC,X7R
C204M12 2113955D35 CAP,FXD,4.7UF,+10%,-
10%,16V-DC,1206,X7R,-
55DEG CMIN,125DEG
CMAX
Ref. Des. Part Number Description
C205M12 2113955D35 CAP,FXD,4.7UF,+10%,-
10%,16V-DC,1206,X7R,-
55DEG CMIN,125DEG
CMAX
C206M12 2113945B02 CAP,CHIP,.01UF,+10%,-
10%,25V-DC,0402,X7R,-
55DEG CMIN,125DEG CMA
C207M12 2113956B91 CAP,FXD,1UF,+10%,-
10%,16V-DC,0603,X5R,-
55DEG CMIN,85DEG
CMAX,PB
C208M12 2113956B91 CAP,FXD,1UF,+10%,-
10%,16V-DC,0603,X5R,-
55DEG CMIN,85DEG
CMAX,PB
C209M12 2113956B91 CAP,FXD,1UF,+10%,-
10%,16V-DC,0603,X5R,-
55DEG CMIN,85DEG
CMAX,PB
C2104M2 2113946B04 CAP,CHIP,.1UF,+10%,-
10%,10V-DC,0402,X5R,-
55DEG CMIN,85DEG CMAX
C210M12 2113956B91 CAP,FXD,1UF,+10%,-
10%,16V-DC,0603,X5R,-
55DEG CMIN,85DEG
CMAX,PB
C2114M2 2113946B04 CAP,CHIP,.1UF,+10%,-
10%,10V-DC,0402,X5R,-
55DEG CMIN,85DEG CMAX
C2115M2 2113944A40 CAP,CHIP,100PF,+5%,-
5%,50V-DC,0402,C0G,-
55DEG CMIN,125DEG
CMAX
C212M12 2113946D07 CAP,CHIP,4.7UF,+10%,-
10%,6.3V-DC,0603,X5R,-
55DEG CMIN,85DEG CMA
C213M12 2113944A46 CAP,CHIP,330PF,+5%,-
5%,50V-DC,0402,C0G,-
55DEG CMIN,125DEG
CMAX
C214M12 2113944A31 CAP,CHIP,33PF,+5%,-
5%,50V-DC,0402,C0G,-
55DEG CMIN,125DEG
CMAX,P
Ref. Des. Part Number Description
C215M12 2113944A46 CAP,CHIP,330PF,+5%,-
5%,50V-DC,0402,C0G,-
55DEG CMIN,125DEG
CMAX
C216M12 2113944A31 CAP,CHIP,33PF,+5%,-
5%,50V-DC,0402,C0G,-
55DEG CMIN,125DEG
CMAX,P
C217M12 2113956B91 CAP,FXD,1UF,+10%,-
10%,16V-DC,0603,X5R,-
55DEG CMIN,85DEG
CMAX,PB
C2201M2 2113946B04 CAP,CHIP,.1UF,+10%,-
10%,10V-DC,0402,X5R,-
55DEG CMIN,85DEG CMAX
C2202M2 2113946B04 CAP,CHIP,.1UF,+10%,-
10%,10V-DC,0402,X5R,-
55DEG CMIN,85DEG CMAX
C2203M2 2113946B04 CAP,CHIP,.1UF,+10%,-
10%,10V-DC,0402,X5R,-
55DEG CMIN,85DEG CMAX
C2223M2 2113944A40 CAP,CHIP,100PF,+5%,-
5%,50V-DC,0402,C0G,-
55DEG CMIN,125DEG
CMAX
C2224M2 2113944A40 CAP,CHIP,100PF,+5%,-
5%,50V-DC,0402,C0G,-
55DEG CMIN,125DEG
CMAX
C2225M2 2113946B04 CAP,CHIP,.1UF,+10%,-
10%,10V-DC,0402,X5R,-
55DEG CMIN,85DEG CMAX
C2226M2 2113944A40 CAP,CHIP,100PF,+5%,-
5%,50V-DC,0402,C0G,-
55DEG CMIN,125DEG
CMAX
C2227M2 2113944A40 CAP,CHIP,100PF,+5%,-
5%,50V-DC,0402,C0G,-
55DEG CMIN,125DEG
CMAX
C2228M2 2113944A40 CAP,CHIP,100PF,+5%,-
5%,50V-DC,0402,C0G,-
55DEG CMIN,125DEG
CMAX
Ref. Des. Part Number Description
C2229M2 2113944A40 CAP,CHIP,100PF,+5%,-
5%,50V-DC,0402,C0G,-
55DEG CMIN,125DEG
CMAX
C2331M2 2113944A40 CAP,CHIP,100PF,+5%,-
5%,50V-DC,0402,C0G,-
55DEG CMIN,125DEG
CMAX
C2332M2 2113944A40 CAP,CHIP,100PF,+5%,-
5%,50V-DC,0402,C0G,-
55DEG CMIN,125DEG
CMAX
C2333M2 2113944A40 CAP,CHIP,100PF,+5%,-
5%,50V-DC,0402,C0G,-
55DEG CMIN,125DEG
CMAX
C2334M2 2113944A40 CAP,CHIP,100PF,+5%,-
5%,50V-DC,0402,C0G,-
55DEG CMIN,125DEG
CMAX
C2335M2 2113945Y02 CAP,FXD,.1UF,+10%,-
10%,16V-DC,0402,X7R,-
55DEG CMIN,125DEG
CMAX
C2336M2 2113945Y02 CAP,FXD,.1UF,+10%,-
10%,16V-DC,0402,X7R,-
55DEG CMIN,125DEG
CMAX
C2337M2 2113944A40 CAP,CHIP,100PF,+5%,-
5%,50V-DC,0402,C0G,-
55DEG CMIN,125DEG
CMAX
C2338M2 2113944A40 CAP,CHIP,100PF,+5%,-
5%,50V-DC,0402,C0G,-
55DEG CMIN,125DEG
CMAX
C2339M2 2113945A05 CAP,CHIP,470PF,+10%,-
10%,50V-DC,0402,X7R,-
55DEG CMIN,125DEG CMA
C2340M2 2113945A05 CAP,CHIP,470PF,+10%,-
10%,50V-DC,0402,X7R,-
55DEG CMIN,125DEG CMA
C2341M2 2113946B04 CAP,CHIP,.1UF,+10%,-
10%,10V-DC,0402,X5R,-
55DEG CMIN,85DEG CMAX
Ref. Des. Part Number Description

8-204 Schematics, Boards Overlays, and Parts Lists: Main Board Block: UHF2 (84012616001)
C2342M2 2113945A05 CAP,CHIP,470PF,+10%,-
10%,50V-DC,0402,X7R,-
55DEG CMIN,125DEG CMA
C2343M2 2113944A40 CAP,CHIP,100PF,+5%,-
5%,50V-DC,0402,C0G,-
55DEG CMIN,125DEG
CMAX
C2344M2 2113944A40 CAP,CHIP,100PF,+5%,-
5%,50V-DC,0402,C0G,-
55DEG CMIN,125DEG
CMAX
C2414M3 2113946D07 CAP,CHIP,4.7UF,+10%,-
10%,6.3V-DC,0603,X5R,-
55DEG CMIN,85DEG CMA
C2415M3 2113945B02 CAP,CHIP,.01UF,+10%,-
10%,25V-DC,0402,X7R,-
55DEG CMIN,125DEG CMA
C2416M3 2113946D07 CAP,CHIP,4.7UF,+10%,-
10%,6.3V-DC,0603,X5R,-
55DEG CMIN,85DEG CMA
C2417M3 2171206F01 CAP,CER
CHIP,4.7UF,+20%,-20%,4V-
DC,0402,X5R,MONO,SMD,
W18
C2438M3 2113945Y02 CAP,FXD,.1UF,+10%,-
10%,16V-DC,0402,X7R,-
55DEG CMIN,125DEG
CMAX
C2439M3 2113945Y02 CAP,FXD,.1UF,+10%,-
10%,16V-DC,0402,X7R,-
55DEG CMIN,125DEG
CMAX
C2440M3 2113945Y02 CAP,FXD,.1UF,+10%,-
10%,16V-DC,0402,X7R,-
55DEG CMIN,125DEG
CMAX
C2441M3 2113945Y02 CAP,FXD,.1UF,+10%,-
10%,16V-DC,0402,X7R,-
55DEG CMIN,125DEG
CMAX
C2442M3 2113945Y02 CAP,FXD,.1UF,+10%,-
10%,16V-DC,0402,X7R,-
55DEG CMIN,125DEG
CMAX
Ref. Des. Part Number Description
C2443M3 2113945Y02 CAP,FXD,.1UF,+10%,-
10%,16V-DC,0402,X7R,-
55DEG CMIN,125DEG
CMAX
C2444M3 2113945Y02 CAP,FXD,.1UF,+10%,-
10%,16V-DC,0402,X7R,-
55DEG CMIN,125DEG
CMAX
C2445M3 2113945Y02 CAP,FXD,.1UF,+10%,-
10%,16V-DC,0402,X7R,-
55DEG CMIN,125DEG
CMAX
C2446M3 2113945Y02 CAP,FXD,.1UF,+10%,-
10%,16V-DC,0402,X7R,-
55DEG CMIN,125DEG
CMAX
C2447M3 2113945Y02 CAP,FXD,.1UF,+10%,-
10%,16V-DC,0402,X7R,-
55DEG CMIN,125DEG
CMAX
C2448M3 2113945Y02 CAP,FXD,.1UF,+10%,-
10%,16V-DC,0402,X7R,-
55DEG CMIN,125DEG
CMAX
C2449M3 2113945Y02 CAP,FXD,.1UF,+10%,-
10%,16V-DC,0402,X7R,-
55DEG CMIN,125DEG
CMAX
C2450M3 2113945Y02 CAP,FXD,.1UF,+10%,-
10%,16V-DC,0402,X7R,-
55DEG CMIN,125DEG
CMAX
C2451M3 2113945Y02 CAP,FXD,.1UF,+10%,-
10%,16V-DC,0402,X7R,-
55DEG CMIN,125DEG
CMAX
C2452M3 2113945Y02 CAP,FXD,.1UF,+10%,-
10%,16V-DC,0402,X7R,-
55DEG CMIN,125DEG
CMAX
C2453M3 2113945Y02 CAP,FXD,.1UF,+10%,-
10%,16V-DC,0402,X7R,-
55DEG CMIN,125DEG
CMAX
C2454M3 2171051Y05 CAP,CER
CHIP,180PF,+1%,-1%,50V-
DC,0402,COG,-55DEG
CMIN,125DEG C
Ref. Des. Part Number Description
C2455M3 2113945Y02 CAP,FXD,.1UF,+10%,-
10%,16V-DC,0402,X7R,-
55DEG CMIN,125DEG
CMAX
C2456M3 2113945Y02 CAP,FXD,.1UF,+10%,-
10%,16V-DC,0402,X7R,-
55DEG CMIN,125DEG
CMAX
C2457M3 2115153H20 CAP,FXD,5.1PF,.1PF+/-
,+2%,-2%,50V-
DC,0402,C0G,CAP,
CERAMIC, CO
C2458M3 2113945Y02 CAP,FXD,.1UF,+10%,-
10%,16V-DC,0402,X7R,-
55DEG CMIN,125DEG
CMAX
C2459M3 2113945Y02 CAP,FXD,.1UF,+10%,-
10%,16V-DC,0402,X7R,-
55DEG CMIN,125DEG
CMAX
C2460M3 2113945Y02 CAP,FXD,.1UF,+10%,-
10%,16V-DC,0402,X7R,-
55DEG CMIN,125DEG
CMAX
C2461M3 2113945Y02 CAP,FXD,.1UF,+10%,-
10%,16V-DC,0402,X7R,-
55DEG CMIN,125DEG
CMAX
C2462M3 2113945Y02 CAP,FXD,.1UF,+10%,-
10%,16V-DC,0402,X7R,-
55DEG CMIN,125DEG
CMAX
C2463M3 2113945Y02 CAP,FXD,.1UF,+10%,-
10%,16V-DC,0402,X7R,-
55DEG CMIN,125DEG
CMAX
C2464M3 2113945Y02 CAP,FXD,.1UF,+10%,-
10%,16V-DC,0402,X7R,-
55DEG CMIN,125DEG
CMAX
C2465M3 2113956A51 CAP,FXD,1UF,+10%,-
10%,6.3V-DC,0402,X5R,-
55DEG CMIN,85DEG
CMAX,P
C2466M3 2113945Y02 CAP,FXD,.1UF,+10%,-
10%,16V-DC,0402,X7R,-
55DEG CMIN,125DEG
CMAX
Ref. Des. Part Number Description
C2467M3 2113945Y02 CAP,FXD,.1UF,+10%,-
10%,16V-DC,0402,X7R,-
55DEG CMIN,125DEG
CMAX
C2468M3 2113945Y02 CAP,FXD,.1UF,+10%,-
10%,16V-DC,0402,X7R,-
55DEG CMIN,125DEG
CMAX
C2469M3 2113945Y02 CAP,FXD,.1UF,+10%,-
10%,16V-DC,0402,X7R,-
55DEG CMIN,125DEG
CMAX
C2470M3 21012119001 CAP,FXD,2.2UF,+20%,-
20%,6.3V-
DC,X5R,CAP,FXD,2.2UF,20
%,6.3V-D
C2471M3 2113945A05 CAP,CHIP,470PF,+10%,-
10%,50V-DC,0402,X7R,-
55DEG CMIN,125DEG CMA
C2472M3 2113945A09 CAP,CHIP,1000PF,+10%,-
10%,50V-DC,0402,X7R,-
55DEG CMIN,125DEG CM
C2473M3 2113944A25 CAP,CHIP,10PF,.5PF+/-
,50V-DC,0402,C0G,-55DEG
CMIN,125DEG CMAX
C2474M3 2113945Y02 CAP,FXD,.1UF,+10%,-
10%,16V-DC,0402,X7R,-
55DEG CMIN,125DEG
CMAX
C2475M3 2113945A09 CAP,CHIP,1000PF,+10%,-
10%,50V-DC,0402,X7R,-
55DEG CMIN,125DEG CM
C2477M3 2113945Y02 CAP,FXD,.1UF,+10%,-
10%,16V-DC,0402,X7R,-
55DEG CMIN,125DEG
CMAX
C2478M3 2113956B54 CAP,FXD,10UF,+20%,-
20%,6.3V-DC,X5R,-55DEG
CMIN,85DEG CMAX
C2479M3 2113945Y02 CAP,FXD,.1UF,+10%,-
10%,16V-DC,0402,X7R,-
55DEG CMIN,125DEG
CMAX
C2480M3 2113956A51 CAP,FXD,1UF,+10%,-
10%,6.3V-DC,0402,X5R,-
55DEG CMIN,85DEG
CMAX,P
Ref. Des. Part Number Description

Schematics, Boards Overlays, and Parts Lists: Main Board Block: UHF2 (84012616001) 8-205
C2482M3 2113945Y02 CAP,FXD,.1UF,+10%,-
10%,16V-DC,0402,X7R,-
55DEG CMIN,125DEG
CMAX
C2483M3 2113945Y02 CAP,FXD,.1UF,+10%,-
10%,16V-DC,0402,X7R,-
55DEG CMIN,125DEG
CMAX
C2504M6 2113945A09 CAP,CHIP,1000PF,+10%,-
10%,50V-DC,0402,X7R,-
55DEG CMIN,125DEG CM
C2506M6 2113945B02 CAP,CHIP,.01UF,+10%,-
10%,25V-DC,0402,X7R,-
55DEG CMIN,125DEG CMA
C2518M6 2113956B33 CAP,FXD,2.2UF,+10%,-
10%,16V-DC,0603,X5R,-
55DEG CMIN,85DEG CMAX
C2520M6 2113946B04 CAP,CHIP,.1UF,+10%,-
10%,10V-DC,0402,X5R,-
55DEG CMIN,85DEG CMAX
C2527M6 2113946B04 CAP,CHIP,.1UF,+10%,-
10%,10V-DC,0402,X5R,-
55DEG CMIN,85DEG CMAX
C2528M6 2113946B04 CAP,CHIP,.1UF,+10%,-
10%,10V-DC,0402,X5R,-
55DEG CMIN,85DEG CMAX
C2531M6 2113946B04 CAP,CHIP,.1UF,+10%,-
10%,10V-DC,0402,X5R,-
55DEG CMIN,85DEG CMAX
C2532M6 2113946B04 CAP,CHIP,.1UF,+10%,-
10%,10V-DC,0402,X5R,-
55DEG CMIN,85DEG CMAX
C2534M6 2113946B04 CAP,CHIP,.1UF,+10%,-
10%,10V-DC,0402,X5R,-
55DEG CMIN,85DEG CMAX
C2535M6 2113946B04 CAP,CHIP,.1UF,+10%,-
10%,10V-DC,0402,X5R,-
55DEG CMIN,85DEG CMAX
C2536M6 2113946B04 CAP,CHIP,.1UF,+10%,-
10%,10V-DC,0402,X5R,-
55DEG CMIN,85DEG CMAX
C2538M6 2113946B04 CAP,CHIP,.1UF,+10%,-
10%,10V-DC,0402,X5R,-
55DEG CMIN,85DEG CMAX
Ref. Des. Part Number Description
C2539M6 2113946B04 CAP,CHIP,.1UF,+10%,-
10%,10V-DC,0402,X5R,-
55DEG CMIN,85DEG CMAX
C2540M6 2113946B04 CAP,CHIP,.1UF,+10%,-
10%,10V-DC,0402,X5R,-
55DEG CMIN,85DEG CMAX
C2541M6 2113946B04 CAP,CHIP,.1UF,+10%,-
10%,10V-DC,0402,X5R,-
55DEG CMIN,85DEG CMAX
C2542M6 2113946B04 CAP,CHIP,.1UF,+10%,-
10%,10V-DC,0402,X5R,-
55DEG CMIN,85DEG CMAX
C2543M6 2113946B04 CAP,CHIP,.1UF,+10%,-
10%,10V-DC,0402,X5R,-
55DEG CMIN,85DEG CMAX
C2544M6 2113946B04 CAP,CHIP,.1UF,+10%,-
10%,10V-DC,0402,X5R,-
55DEG CMIN,85DEG CMAX
C2545M6 2113946B04 CAP,CHIP,.1UF,+10%,-
10%,10V-DC,0402,X5R,-
55DEG CMIN,85DEG CMAX
C2546M6 2113946B04 CAP,CHIP,.1UF,+10%,-
10%,10V-DC,0402,X5R,-
55DEG CMIN,85DEG CMAX
C2548M6 2113946B04 CAP,CHIP,.1UF,+10%,-
10%,10V-DC,0402,X5R,-
55DEG CMIN,85DEG CMAX
C2549M6 2113946B04 CAP,CHIP,.1UF,+10%,-
10%,10V-DC,0402,X5R,-
55DEG CMIN,85DEG CMAX
C2550M6 2113946B04 CAP,CHIP,.1UF,+10%,-
10%,10V-DC,0402,X5R,-
55DEG CMIN,85DEG CMAX
C2551M6 2113946B04 CAP,CHIP,.1UF,+10%,-
10%,10V-DC,0402,X5R,-
55DEG CMIN,85DEG CMAX
C2552M6 2113946B04 CAP,CHIP,.1UF,+10%,-
10%,10V-DC,0402,X5R,-
55DEG CMIN,85DEG CMAX
C2553M6 2113946B04 CAP,CHIP,.1UF,+10%,-
10%,10V-DC,0402,X5R,-
55DEG CMIN,85DEG CMAX
C2554M6 2113946B04 CAP,CHIP,.1UF,+10%,-
10%,10V-DC,0402,X5R,-
55DEG CMIN,85DEG CMAX
Ref. Des. Part Number Description
C2555M6 2113946B04 CAP,CHIP,.1UF,+10%,-
10%,10V-DC,0402,X5R,-
55DEG CMIN,85DEG CMAX
C2601M13 2113944C45 CAP,CHIP,100PF,+5%,-
5%,50V-DC,0603,C0G,-
55DEG CMIN,125DEG
CMAX
C2602M13 2113944C38 CAP,CHIP,47PF,+5%,-
5%,50V-DC,0603,C0G,-
55DEG CMIN,125DEG
CMAX,P
C2603M13 2113944A40 CAP,CHIP,100PF,+5%,-
5%,50V-DC,0402,C0G,-
55DEG CMIN,125DEG
CMAX
C2604M13 2113944C45 CAP,CHIP,100PF,+5%,-
5%,50V-DC,0603,C0G,-
55DEG CMIN,125DEG
CMAX
C2605M13 2113944A40 CAP,CHIP,100PF,+5%,-
5%,50V-DC,0402,C0G,-
55DEG CMIN,125DEG
CMAX
C2606M13 2113944A40 CAP,CHIP,100PF,+5%,-
5%,50V-DC,0402,C0G,-
55DEG CMIN,125DEG
CMAX
C2607M13 2113944C25 CAP,CHIP,6.2PF,.5PF+/-
,50V-DC,0603,C0G,-55DEG
CMIN,125DEG CMAX
C2608M13 2113944C20 CAP,CHIP,3.9PF,.25PF+/-
,50V-DC,0603,C0G,-55DEG
CMIN,125DEG CMA
C2609M13 2113946K02 CAP,CHIP,.1UF,+80%,-
20%,16V-DC,0402,Y5V,-
30DEG CMIN,85DEG CMAX
C2806 NOTPLACED CAP,FXD,.1PF,.03PF+/-
,25V-DC,C0G,-55DEG
CMIN,125DEG CMAX,PB-F
C3100M22 2113944A40 CAP,CHIP,100PF,+5%,-
5%,50V-DC,0402,C0G,-
55DEG CMIN,125DEG
CMAX
C3101M22 2115153H19 CAP,FXD,4.7PF,.1PF+/-
,+.1%,-.1%,50V-
DC,0402,C0G
Ref. Des. Part Number Description
C3102M22 2113944A40 CAP,CHIP,100PF,+5%,-
5%,50V-DC,0402,C0G,-
55DEG CMIN,125DEG
CMAX
C3103M22 2113944A11 CAP,CHIP,2.7PF,.25PF+/-
,50V-DC,0402,C0G,-55DEG
CMIN,125DEG CMA
C3104M22 2115153H27 CAP,FXD,10PF,.1PF+/-
,+1%,-1%,50V-
DC,0402,C0G,CAP,
CERAMIC, COG
C3105M22 2113944A40 CAP,CHIP,100PF,+5%,-
5%,50V-DC,0402,C0G,-
55DEG CMIN,125DEG
CMAX
C3106M22 2113944A40 CAP,CHIP,100PF,+5%,-
5%,50V-DC,0402,C0G,-
55DEG CMIN,125DEG
CMAX
C3107M22 2115153H19 CAP,FXD,4.7PF,.1PF+/-
,+.1%,-.1%,50V-
DC,0402,C0G
C3108M22 2113944A11 CAP,CHIP,2.7PF,.25PF+/-
,50V-DC,0402,C0G,-55DEG
CMIN,125DEG CMA
C3109M22 2113946B04 CAP,CHIP,.1UF,+10%,-
10%,10V-DC,0402,X5R,-
55DEG CMIN,85DEG CMAX
C3110M22 2115153H18 CAP,CER
CHIP,4.3PF,.1PF+/-,+.1%,-
.1%,50V-DC,0402,C0G,CAP,
CERA
C3111M22 2113944A40 CAP,CHIP,100PF,+5%,-
5%,50V-DC,0402,C0G,-
55DEG CMIN,125DEG
CMAX
C3112M22 2113944A40 CAP,CHIP,100PF,+5%,-
5%,50V-DC,0402,C0G,-
55DEG CMIN,125DEG
CMAX
C3113M22 2113944M14 CAP,FXD,6.8PF,.1PF+/-
,50V-DC,0603,C0G,-55DEG
CMIN,125DEG CMAX
C3114M22 2115153H27 CAP,FXD,10PF,.1PF+/-
,+1%,-1%,50V-
DC,0402,C0G,CAP,
CERAMIC, COG
Ref. Des. Part Number Description

8-206 Schematics, Boards Overlays, and Parts Lists: Main Board Block: UHF2 (84012616001)
C3115M22 2113944M16 CAP,FXD,8.2PF,.1PF+/-
,50V-DC,0603,C0G,-55DEG
CMIN,125DEG CMAX
C3116M22 2113944M09 CAP,FXD,4.3PF,.1PF+/-
,50V-DC,0603,C0G,-55DEG
CMIN,125DEG CMAX
C3120M22 2113944M40 CAP,FXD,82PF,+2%,-
2%,50V-DC,0603,C0G,-
55DEG CMIN,125DEG
CMAX,PB
C3122M22 2113944A40 CAP,CHIP,100PF,+5%,-
5%,50V-DC,0402,C0G,-
55DEG CMIN,125DEG
CMAX
C3133M22 2113944A40 CAP,CHIP,100PF,+5%,-
5%,50V-DC,0402,C0G,-
55DEG CMIN,125DEG
CMAX
C3140M22 2115153H18 CAP,CER
CHIP,4.3PF,.1PF+/-,+.1%,-
.1%,50V-DC,0402,C0G,CAP,
CERA
C3141M22 2115153H18 CAP,CER
CHIP,4.3PF,.1PF+/-,+.1%,-
.1%,50V-DC,0402,C0G,CAP,
CERA
C3142M22 2113946B04 CAP,CHIP,.1UF,+10%,-
10%,10V-DC,0402,X5R,-
55DEG CMIN,85DEG CMAX
C3143M22 2115153H10 CAP,CER CHIP,2PF,.1PF+/-
,+.1%,-.1%,50V-
DC,0402,C0G
C3144M22 2113944A40 CAP,CHIP,100PF,+5%,-
5%,50V-DC,0402,C0G,-
55DEG CMIN,125DEG
CMAX
C3147M22 2113944M09 CAP,FXD,4.3PF,.1PF+/-
,50V-DC,0603,C0G,-55DEG
CMIN,125DEG CMAX
C3151M22 2113944M15 CAP,FXD,7.5PF,.1PF+/-
,50V-DC,0603,C0G,-55DEG
CMIN,125DEG CMAX
C3152M22 2113944M13 CAP,FXD,6.2PF,.1PF+/-
,50V-DC,0603,C0G,-55DEG
CMIN,125DEG CMAX
Ref. Des. Part Number Description
C3154M22 2113944M35 CAP,FXD,51PF,+2%,-
2%,50V-DC,0603,C0G,-
55DEG CMIN,125DEG
CMAX,PB
C3155M22 2113944A40 CAP,CHIP,100PF,+5%,-
5%,50V-DC,0402,C0G,-
55DEG CMIN,125DEG
CMAX
C3157M22 2113946B04 CAP,CHIP,.1UF,+10%,-
10%,10V-DC,0402,X5R,-
55DEG CMIN,85DEG CMAX
C3158M22 2113946B04 CAP,CHIP,.1UF,+10%,-
10%,10V-DC,0402,X5R,-
55DEG CMIN,85DEG CMAX
C3159M22 2113944A13 CAP,CHIP,3.3PF,.25PF+/-
,50V-DC,0402,C0G,-55DEG
CMIN,125DEG CMA
C3160M22 2113944A17 CAP,CHIP,4.7PF,.25PF+/-
,50V-DC,0402,C0G,-55DEG
CMIN,125DEG CMA
C3161M22 2113944A40 CAP,CHIP,100PF,+5%,-
5%,50V-DC,0402,C0G,-
55DEG CMIN,125DEG
CMAX
C4005M2 2113946B04 CAP,CHIP,.1UF,+10%,-
10%,10V-DC,0402,X5R,-
55DEG CMIN,85DEG CMAX
C4006M2 2113946B04 CAP,CHIP,.1UF,+10%,-
10%,10V-DC,0402,X5R,-
55DEG CMIN,85DEG CMAX
C4007M2 2113946B04 CAP,CHIP,.1UF,+10%,-
10%,10V-DC,0402,X5R,-
55DEG CMIN,85DEG CMAX
C500M21 2113945B05 CAP,FXD,.033UF,+10%,-
10%,25V-DC,0402,X7R,-
55DEG CMIN,125DEG CMA
C501M21 2113944A40 CAP,CHIP,100PF,+5%,-
5%,50V-DC,0402,C0G,-
55DEG CMIN,125DEG
CMAX
C502M21 2113945B05 CAP,FXD,.033UF,+10%,-
10%,25V-DC,0402,X7R,-
55DEG CMIN,125DEG CMA
Ref. Des. Part Number Description
C503M21 2115153H15 CAP,CER
CHIP,3.3PF,.1PF+/-,+.1%,-
.1%,50V-DC,0402,C0G,CAP,
CERA
C504M21 2113944A40 CAP,CHIP,100PF,+5%,-
5%,50V-DC,0402,C0G,-
55DEG CMIN,125DEG
CMAX
C505M21 2113944A33 CAP,CHIP,47PF,+5%,-
5%,50V-DC,0402,C0G,-
55DEG CMIN,125DEG
CMAX,P
C506M21 2113944A40 CAP,CHIP,100PF,+5%,-
5%,50V-DC,0402,C0G,-
55DEG CMIN,125DEG
CMAX
C507M21 2113945B05 CAP,FXD,.033UF,+10%,-
10%,25V-DC,0402,X7R,-
55DEG CMIN,125DEG CMA
C508M21 2113946D07 CAP,CHIP,4.7UF,+10%,-
10%,6.3V-DC,0603,X5R,-
55DEG CMIN,85DEG CMA
C509M21 2113945B05 CAP,FXD,.033UF,+10%,-
10%,25V-DC,0402,X7R,-
55DEG CMIN,125DEG CMA
C510M21 2113944A40 CAP,CHIP,100PF,+5%,-
5%,50V-DC,0402,C0G,-
55DEG CMIN,125DEG
CMAX
C511M21 2113945B05 CAP,FXD,.033UF,+10%,-
10%,25V-DC,0402,X7R,-
55DEG CMIN,125DEG CMA
C512M21 2113946D07 CAP,CHIP,4.7UF,+10%,-
10%,6.3V-DC,0603,X5R,-
55DEG CMIN,85DEG CMA
C514M21 2113944A08 CAP,CHIP,2PF,.25PF+/-
,50V-DC,0402,C0G,-55DEG
CMIN,125DEG CMAX
C515M21 2113944A14 CAP,CHIP,3.6PF,.25PF+/-
,50V-DC,0402,C0G,-55DEG
CMIN,125DEG CMA
C516M21 2113944M42 CAP,FXD,100PF,+2%,-
2%,50V-DC,0603,C0G,-
55DEG CMIN,125DEG
CMAX,P
Ref. Des. Part Number Description
C532M21 2113944A32 CAP,CHIP,39PF,+5%,-
5%,50V-DC,0402,C0G,-
55DEG CMIN,125DEG
CMAX,P
C533M21 2115153H52 CAP,FXD,62PF,+1%,-
1%,50V-DC,0402,C0G
C550M21 2113944A31 CAP,CHIP,33PF,+5%,-
5%,50V-DC,0402,C0G,-
55DEG CMIN,125DEG
CMAX,P
C551M21 2113944A31 CAP,CHIP,33PF,+5%,-
5%,50V-DC,0402,C0G,-
55DEG CMIN,125DEG
CMAX,P
C601M19 2113945B02 CAP,CHIP,.01UF,+10%,-
10%,25V-DC,0402,X7R,-
55DEG CMIN,125DEG CMA
C602M19 2113945B02 CAP,CHIP,.01UF,+10%,-
10%,25V-DC,0402,X7R,-
55DEG CMIN,125DEG CMA
C603M19 2113945B02 CAP,CHIP,.01UF,+10%,-
10%,25V-DC,0402,X7R,-
55DEG CMIN,125DEG CMA
C604M19 2113945B02 CAP,CHIP,.01UF,+10%,-
10%,25V-DC,0402,X7R,-
55DEG CMIN,125DEG CMA
C605M19 2115153H23 CAP,CER
CHIP,6.8PF,.1PF+/-,+.1%,-
.1%,50V-DC,0402,C0G,CAP,
CERA
C606M19 2113946B04 CAP,CHIP,.1UF,+10%,-
10%,10V-DC,0402,X5R,-
55DEG CMIN,85DEG CMAX
C607M19 2113944A40 CAP,CHIP,100PF,+5%,-
5%,50V-DC,0402,C0G,-
55DEG CMIN,125DEG
CMAX
C608M19 2113944A12 CAP,CHIP,3PF,.25PF+/-
,50V-DC,0402,C0G,-55DEG
CMIN,125DEG CMAX
C609M19 2113944A30 CAP,CHIP,27PF,+5%,-
5%,50V-DC,0402,C0G,-
55DEG CMIN,125DEG
CMAX,P
Ref. Des. Part Number Description

Schematics, Boards Overlays, and Parts Lists: Main Board Block: UHF2 (84012616001) 8-207
C6104M6 2113946B04 CAP,CHIP,.1UF,+10%,-
10%,10V-DC,0402,X5R,-
55DEG CMIN,85DEG CMAX
C6105M6 2113946B04 CAP,CHIP,.1UF,+10%,-
10%,10V-DC,0402,X5R,-
55DEG CMIN,85DEG CMAX
C6106M6 2113946B04 CAP,CHIP,.1UF,+10%,-
10%,10V-DC,0402,X5R,-
55DEG CMIN,85DEG CMAX
C6107M6 2113946B04 CAP,CHIP,.1UF,+10%,-
10%,10V-DC,0402,X5R,-
55DEG CMIN,85DEG CMAX
C6108M6 2113946B04 CAP,CHIP,.1UF,+10%,-
10%,10V-DC,0402,X5R,-
55DEG CMIN,85DEG CMAX
C6109M6 2113946B04 CAP,CHIP,.1UF,+10%,-
10%,10V-DC,0402,X5R,-
55DEG CMIN,85DEG CMAX
C610M19 2113944A40 CAP,CHIP,100PF,+5%,-
5%,50V-DC,0402,C0G,-
55DEG CMIN,125DEG
CMAX
C6110M6 2113946B04 CAP,CHIP,.1UF,+10%,-
10%,10V-DC,0402,X5R,-
55DEG CMIN,85DEG CMAX
C6111M6 2113946B04 CAP,CHIP,.1UF,+10%,-
10%,10V-DC,0402,X5R,-
55DEG CMIN,85DEG CMAX
C6112M6 2113946B04 CAP,CHIP,.1UF,+10%,-
10%,10V-DC,0402,X5R,-
55DEG CMIN,85DEG CMAX
C6113M6 2113946B04 CAP,CHIP,.1UF,+10%,-
10%,10V-DC,0402,X5R,-
55DEG CMIN,85DEG CMAX
C6114M6 2113946B04 CAP,CHIP,.1UF,+10%,-
10%,10V-DC,0402,X5R,-
55DEG CMIN,85DEG CMAX
C6115M6 2113946B04 CAP,CHIP,.1UF,+10%,-
10%,10V-DC,0402,X5R,-
55DEG CMIN,85DEG CMAX
C611M19 2113944A40 CAP,CHIP,100PF,+5%,-
5%,50V-DC,0402,C0G,-
55DEG CMIN,125DEG
CMAX
Ref. Des. Part Number Description
C612M19 2113945B02 CAP,CHIP,.01UF,+10%,-
10%,25V-DC,0402,X7R,-
55DEG CMIN,125DEG CMA
C613M19 2113944A40 CAP,CHIP,100PF,+5%,-
5%,50V-DC,0402,C0G,-
55DEG CMIN,125DEG
CMAX
C614M19 2113945B02 CAP,CHIP,.01UF,+10%,-
10%,25V-DC,0402,X7R,-
55DEG CMIN,125DEG CMA
C6155M6 2113944A78 CAP,FXD,13PF,+5%,-
5%,50V-DC,0402,C0G,-
55DEG CMIN,125DEG
CMAX,PB
C6156M6 2113944A78 CAP,FXD,13PF,+5%,-
5%,50V-DC,0402,C0G,-
55DEG CMIN,125DEG
CMAX,PB
C615M19 2113944A42 CAP,CHIP,150PF,+5%,-
5%,50V-DC,0402,C0G,-
55DEG CMIN,125DEG
CMAX
C616M19 2113945A11 CAP,CHIP,2200PF,+10%,-
10%,50V-DC,0402,X7R,-
55DEG CMIN,125DEG CM
C617M19 2113946B04 CAP,CHIP,.1UF,+10%,-
10%,10V-DC,0402,X5R,-
55DEG CMIN,85DEG CMAX
C618M19 2113944A31 CAP,CHIP,33PF,+5%,-
5%,50V-DC,0402,C0G,-
55DEG CMIN,125DEG
CMAX,P
C619M19 2113944A35 CAP,CHIP,62PF,+5%,-
5%,50V-DC,0402,C0G,-
55DEG CMIN,125DEG
CMAX,P
C6201M6 2113944A40 CAP,CHIP,100PF,+5%,-
5%,50V-DC,0402,C0G,-
55DEG CMIN,125DEG
CMAX
C6202M6 2113945A09 CAP,CHIP,1000PF,+10%,-
10%,50V-DC,0402,X7R,-
55DEG CMIN,125DEG CM
C6203M6 2113946B04 CAP,CHIP,.1UF,+10%,-
10%,10V-DC,0402,X5R,-
55DEG CMIN,85DEG CMAX
Ref. Des. Part Number Description
C620M19 2113946B04 CAP,CHIP,.1UF,+10%,-
10%,10V-DC,0402,X5R,-
55DEG CMIN,85DEG CMAX
C621M19 2113946B04 CAP,CHIP,.1UF,+10%,-
10%,10V-DC,0402,X5R,-
55DEG CMIN,85DEG CMAX
C622M19 2113946C07 CAP,FXD,.33UF,+10%,-
10%,10V-DC,0603,X5R,-
55DEG CMIN,85DEG CMAX
C623M19 2113945B02 CAP,CHIP,.01UF,+10%,-
10%,25V-DC,0402,X7R,-
55DEG CMIN,125DEG CMA
C624M19 2113946C07 CAP,FXD,.33UF,+10%,-
10%,10V-DC,0603,X5R,-
55DEG CMIN,85DEG CMAX
C625M19 2115153H39 CAP,FXD,18PF,50V-
DC,0402,C0G
C626M19 2113945A09 CAP,CHIP,1000PF,+10%,-
10%,50V-DC,0402,X7R,-
55DEG CMIN,125DEG CM
C627M19 2113945A09 CAP,CHIP,1000PF,+10%,-
10%,50V-DC,0402,X7R,-
55DEG CMIN,125DEG CM
C628M19 2113945B02 CAP,CHIP,.01UF,+10%,-
10%,25V-DC,0402,X7R,-
55DEG CMIN,125DEG CMA
C629M19 2113946B04 CAP,CHIP,.1UF,+10%,-
10%,10V-DC,0402,X5R,-
55DEG CMIN,85DEG CMAX
C6301M6 2113946B04 CAP,CHIP,.1UF,+10%,-
10%,10V-DC,0402,X5R,-
55DEG CMIN,85DEG CMAX
C6302M6 2113946B04 CAP,CHIP,.1UF,+10%,-
10%,10V-DC,0402,X5R,-
55DEG CMIN,85DEG CMAX
C6303M6 2113946B04 CAP,CHIP,.1UF,+10%,-
10%,10V-DC,0402,X5R,-
55DEG CMIN,85DEG CMAX
C6304M6 2113946B04 CAP,CHIP,.1UF,+10%,-
10%,10V-DC,0402,X5R,-
55DEG CMIN,85DEG CMAX
C6305M6 2113946S35 CAP,CHIP,1UF,+10%,-
10%,16V-DC,0603,X5R,-
55DEG CMIN,85DEG
CMAX,P
Ref. Des. Part Number Description
C6306M6 2113946S35 CAP,CHIP,1UF,+10%,-
10%,16V-DC,0603,X5R,-
55DEG CMIN,85DEG
CMAX,P
C6308M6 2113946B04 CAP,CHIP,.1UF,+10%,-
10%,10V-DC,0402,X5R,-
55DEG CMIN,85DEG CMAX
C6309M6 2113946B04 CAP,CHIP,.1UF,+10%,-
10%,10V-DC,0402,X5R,-
55DEG CMIN,85DEG CMAX
C630M19 2113946B04 CAP,CHIP,.1UF,+10%,-
10%,10V-DC,0402,X5R,-
55DEG CMIN,85DEG CMAX
C6310M6 2113946B04 CAP,CHIP,.1UF,+10%,-
10%,10V-DC,0402,X5R,-
55DEG CMIN,85DEG CMAX
C6311M6 2113946B04 CAP,CHIP,.1UF,+10%,-
10%,10V-DC,0402,X5R,-
55DEG CMIN,85DEG CMAX
C631M19 2115153H32 CAP,FXD,8PF,.1PF+/-
,+.1%,-.1%,50V-
DC,0402,C0G,CAP,
CERAMIC, CO
C632M19 2113944A40 CAP,CHIP,100PF,+5%,-
5%,50V-DC,0402,C0G,-
55DEG CMIN,125DEG
CMAX
C633M19 2113945B02 CAP,CHIP,.01UF,+10%,-
10%,25V-DC,0402,X7R,-
55DEG CMIN,125DEG CMA
C634M19 2113946B04 CAP,CHIP,.1UF,+10%,-
10%,10V-DC,0402,X5R,-
55DEG CMIN,85DEG CMAX
C635M19 2113945B02 CAP,CHIP,.01UF,+10%,-
10%,25V-DC,0402,X7R,-
55DEG CMIN,125DEG CMA
C636M19 2113946B04 CAP,CHIP,.1UF,+10%,-
10%,10V-DC,0402,X5R,-
55DEG CMIN,85DEG CMAX
C637M19 2113946B04 CAP,CHIP,.1UF,+10%,-
10%,10V-DC,0402,X5R,-
55DEG CMIN,85DEG CMAX
C638M19 2113945A12 CAP,CHIP,3300PF,+10%,-
10%,50V-DC,0402,X7R,-
55DEG CMIN,125DEG CM
Ref. Des. Part Number Description

8-208 Schematics, Boards Overlays, and Parts Lists: Main Board Block: UHF2 (84012616001)
C639M19 2113945B02 CAP,CHIP,.01UF,+10%,-
10%,25V-DC,0402,X7R,-
55DEG CMIN,125DEG CMA
C6402M6 2113956A51 CAP,FXD,1UF,+10%,-
10%,6.3V-DC,0402,X5R,-
55DEG CMIN,85DEG
CMAX,P
C6403M6 2113946B04 CAP,CHIP,.1UF,+10%,-
10%,10V-DC,0402,X5R,-
55DEG CMIN,85DEG CMAX
C6404M6 2113946B04 CAP,CHIP,.1UF,+10%,-
10%,10V-DC,0402,X5R,-
55DEG CMIN,85DEG CMAX
C6405M6 2113946B04 CAP,CHIP,.1UF,+10%,-
10%,10V-DC,0402,X5R,-
55DEG CMIN,85DEG CMAX
C6406M6 2113946B04 CAP,CHIP,.1UF,+10%,-
10%,10V-DC,0402,X5R,-
55DEG CMIN,85DEG CMAX
C6409M6 2113946B04 CAP,CHIP,.1UF,+10%,-
10%,10V-DC,0402,X5R,-
55DEG CMIN,85DEG CMAX
C640M19 2113946B04 CAP,CHIP,.1UF,+10%,-
10%,10V-DC,0402,X5R,-
55DEG CMIN,85DEG CMAX
C6410M6 2113946B04 CAP,CHIP,.1UF,+10%,-
10%,10V-DC,0402,X5R,-
55DEG CMIN,85DEG CMAX
C6411M6 2113946B04 CAP,CHIP,.1UF,+10%,-
10%,10V-DC,0402,X5R,-
55DEG CMIN,85DEG CMAX
C6413M6 2113946B04 CAP,CHIP,.1UF,+10%,-
10%,10V-DC,0402,X5R,-
55DEG CMIN,85DEG CMAX
C6414M6 2113946B04 CAP,CHIP,.1UF,+10%,-
10%,10V-DC,0402,X5R,-
55DEG CMIN,85DEG CMAX
C6416M6 2113945B04 CAP,FXD,.022UF,+10%,-
10%,25V-DC,0402,X7R,-
55DEG CMIN,125DEG CMA
C6418M6 2113946B04 CAP,CHIP,.1UF,+10%,-
10%,10V-DC,0402,X5R,-
55DEG CMIN,85DEG CMAX
C6419M6 2113946B04 CAP,CHIP,.1UF,+10%,-
10%,10V-DC,0402,X5R,-
55DEG CMIN,85DEG CMAX
Ref. Des. Part Number Description
C641M19 2113944A31 CAP,CHIP,33PF,+5%,-
5%,50V-DC,0402,C0G,-
55DEG CMIN,125DEG
CMAX,P
C6420M6 2113945B04 CAP,FXD,.022UF,+10%,-
10%,25V-DC,0402,X7R,-
55DEG CMIN,125DEG CMA
C6421M6 2113946B04 CAP,CHIP,.1UF,+10%,-
10%,10V-DC,0402,X5R,-
55DEG CMIN,85DEG CMAX
C6422M6 2113946C02 CAP,CHIP,.22UF,+10%,-
10%,10V-DC,0603,X5R,-
55DEG CMIN,85DEG CMAX
C6423M6 2113946B04 CAP,CHIP,.1UF,+10%,-
10%,10V-DC,0402,X5R,-
55DEG CMIN,85DEG CMAX
C6424M6 2113944A40 CAP,CHIP,100PF,+5%,-
5%,50V-DC,0402,C0G,-
55DEG CMIN,125DEG
CMAX
C6425M6 2113944A40 CAP,CHIP,100PF,+5%,-
5%,50V-DC,0402,C0G,-
55DEG CMIN,125DEG
CMAX
C6426M6 2113945B02 CAP,CHIP,.01UF,+10%,-
10%,25V-DC,0402,X7R,-
55DEG CMIN,125DEG CMA
C6427M6 2113944A50 CAP,CHIP,680PF,+5%,-
5%,50V-DC,0402,C0G,-
55DEG CMIN,125DEG
CMAX
C6428M6 2113944A40 CAP,CHIP,100PF,+5%,-
5%,50V-DC,0402,C0G,-
55DEG CMIN,125DEG
CMAX
C642M19 2113944A48 CAP,CHIP,470PF,+5%,-
5%,50V-DC,0402,C0G,-
55DEG CMIN,125DEG
CMAX
C643M19 2113944A48 CAP,CHIP,470PF,+5%,-
5%,50V-DC,0402,C0G,-
55DEG CMIN,125DEG
CMAX
C644M19 2113944A11 CAP,CHIP,2.7PF,.25PF+/-
,50V-DC,0402,C0G,-55DEG
CMIN,125DEG CMA
Ref. Des. Part Number Description
C645M19 2113944A11 CAP,CHIP,2.7PF,.25PF+/-
,50V-DC,0402,C0G,-55DEG
CMIN,125DEG CMA
C646M19 2115153H32 CAP,FXD,8PF,.1PF+/-
,+.1%,-.1%,50V-
DC,0402,C0G,CAP,
CERAMIC, CO
C6501M6 2113946B04 CAP,CHIP,.1UF,+10%,-
10%,10V-DC,0402,X5R,-
55DEG CMIN,85DEG CMAX
C6502M6 2113946B04 CAP,CHIP,.1UF,+10%,-
10%,10V-DC,0402,X5R,-
55DEG CMIN,85DEG CMAX
C6503M6 2113944A46 CAP,CHIP,330PF,+5%,-
5%,50V-DC,0402,C0G,-
55DEG CMIN,125DEG
CMAX
C6504M6 2113946B04 CAP,CHIP,.1UF,+10%,-
10%,10V-DC,0402,X5R,-
55DEG CMIN,85DEG CMAX
C6505M6 2113946B04 CAP,CHIP,.1UF,+10%,-
10%,10V-DC,0402,X5R,-
55DEG CMIN,85DEG CMAX
C6506M6 2113946B04 CAP,CHIP,.1UF,+10%,-
10%,10V-DC,0402,X5R,-
55DEG CMIN,85DEG CMAX
C6507M6 2113946B04 CAP,CHIP,.1UF,+10%,-
10%,10V-DC,0402,X5R,-
55DEG CMIN,85DEG CMAX
C6508M6 2113946B04 CAP,CHIP,.1UF,+10%,-
10%,10V-DC,0402,X5R,-
55DEG CMIN,85DEG CMAX
C6509M6 2113946B04 CAP,CHIP,.1UF,+10%,-
10%,10V-DC,0402,X5R,-
55DEG CMIN,85DEG CMAX
C6510M6 2113946B04 CAP,CHIP,.1UF,+10%,-
10%,10V-DC,0402,X5R,-
55DEG CMIN,85DEG CMAX
C6511M6 2113946S35 CAP,CHIP,1UF,+10%,-
10%,16V-DC,0603,X5R,-
55DEG CMIN,85DEG
CMAX,P
C6512M6 2113946B04 CAP,CHIP,.1UF,+10%,-
10%,10V-DC,0402,X5R,-
55DEG CMIN,85DEG CMAX
Ref. Des. Part Number Description
C6513M6 2113946S35 CAP,CHIP,1UF,+10%,-
10%,16V-DC,0603,X5R,-
55DEG CMIN,85DEG
CMAX,P
C6514M6 2113946S35 CAP,CHIP,1UF,+10%,-
10%,16V-DC,0603,X5R,-
55DEG CMIN,85DEG
CMAX,P
C6515M6 2113946S35 CAP,CHIP,1UF,+10%,-
10%,16V-DC,0603,X5R,-
55DEG CMIN,85DEG
CMAX,P
C6516M6 2113946B04 CAP,CHIP,.1UF,+10%,-
10%,10V-DC,0402,X5R,-
55DEG CMIN,85DEG CMAX
C6517M6 2113946S35 CAP,CHIP,1UF,+10%,-
10%,16V-DC,0603,X5R,-
55DEG CMIN,85DEG
CMAX,P
C6518M6 2113946B04 CAP,CHIP,.1UF,+10%,-
10%,10V-DC,0402,X5R,-
55DEG CMIN,85DEG CMAX
C6519M6 2113946S35 CAP,CHIP,1UF,+10%,-
10%,16V-DC,0603,X5R,-
55DEG CMIN,85DEG
CMAX,P
C6520M6 2113946B04 CAP,CHIP,.1UF,+10%,-
10%,10V-DC,0402,X5R,-
55DEG CMIN,85DEG CMAX
C6521M6 2113944A46 CAP,CHIP,330PF,+5%,-
5%,50V-DC,0402,C0G,-
55DEG CMIN,125DEG
CMAX
C6522M6 2113946S35 CAP,CHIP,1UF,+10%,-
10%,16V-DC,0603,X5R,-
55DEG CMIN,85DEG
CMAX,P
C6523M6 2113946B04 CAP,CHIP,.1UF,+10%,-
10%,10V-DC,0402,X5R,-
55DEG CMIN,85DEG CMAX
C6524M6 2113946B04 CAP,CHIP,.1UF,+10%,-
10%,10V-DC,0402,X5R,-
55DEG CMIN,85DEG CMAX
C6525M6 2113946S35 CAP,CHIP,1UF,+10%,-
10%,16V-DC,0603,X5R,-
55DEG CMIN,85DEG
CMAX,P
Ref. Des. Part Number Description

Schematics, Boards Overlays, and Parts Lists: Main Board Block: UHF2 (84012616001) 8-209
C6526M6 2113946B04 CAP,CHIP,.1UF,+10%,-
10%,10V-DC,0402,X5R,-
55DEG CMIN,85DEG CMAX
C6527M6 2113946B04 CAP,CHIP,.1UF,+10%,-
10%,10V-DC,0402,X5R,-
55DEG CMIN,85DEG CMAX
C6528M6 2113946B04 CAP,CHIP,.1UF,+10%,-
10%,10V-DC,0402,X5R,-
55DEG CMIN,85DEG CMAX
C6529M6 2113946B04 CAP,CHIP,.1UF,+10%,-
10%,10V-DC,0402,X5R,-
55DEG CMIN,85DEG CMAX
C6530M6 2113946S35 CAP,CHIP,1UF,+10%,-
10%,16V-DC,0603,X5R,-
55DEG CMIN,85DEG
CMAX,P
C6531M6 2113946B04 CAP,CHIP,.1UF,+10%,-
10%,10V-DC,0402,X5R,-
55DEG CMIN,85DEG CMAX
C6532M6 2113946S35 CAP,CHIP,1UF,+10%,-
10%,16V-DC,0603,X5R,-
55DEG CMIN,85DEG
CMAX,P
C6533M6 2113946B04 CAP,CHIP,.1UF,+10%,-
10%,10V-DC,0402,X5R,-
55DEG CMIN,85DEG CMAX
C6534M6 2113956B33 CAP,FXD,2.2UF,+10%,-
10%,16V-DC,0603,X5R,-
55DEG CMIN,85DEG CMAX
C6535M6 2113944A34 CAP,CHIP,56PF,+5%,-
5%,50V-DC,0402,C0G,-
55DEG CMIN,125DEG
CMAX,P
C6536M6 2113944A28 CAP,CHIP,18PF,+5%,-
5%,50V-DC,0402,C0G,-
55DEG CMIN,125DEG
CMAX,P
C6537M6 2113944A19 CAP,CHIP,5.6PF,.5PF+/-
,50V-DC,0402,C0G,-55DEG
CMIN,125DEG CMAX
C6538M6 2113956B33 CAP,FXD,2.2UF,+10%,-
10%,16V-DC,0603,X5R,-
55DEG CMIN,85DEG CMAX
C6539M6 2113956B33 CAP,FXD,2.2UF,+10%,-
10%,16V-DC,0603,X5R,-
55DEG CMIN,85DEG CMAX
Ref. Des. Part Number Description
C6540M6 2113945C13 CAP,CHIP,1000PF,+10%,-
10%,50V-DC,0603,X7R,-
55DEG CMIN,125DEG CM
C6541M6 2113944A19 CAP,CHIP,5.6PF,.5PF+/-
,50V-DC,0402,C0G,-55DEG
CMIN,125DEG CMAX
C6542M6 2113946B04 CAP,CHIP,.1UF,+10%,-
10%,10V-DC,0402,X5R,-
55DEG CMIN,85DEG CMAX
C6543M6 2113946B04 CAP,CHIP,.1UF,+10%,-
10%,10V-DC,0402,X5R,-
55DEG CMIN,85DEG CMAX
C6544M6 2113945D04 CAP,CHIP,.1UF,+10%,-
10%,25V-DC,0603,X7R,-
55DEG CMIN,125DEG
CMAX
C6545M6 2113945D04 CAP,CHIP,.1UF,+10%,-
10%,25V-DC,0603,X7R,-
55DEG CMIN,125DEG
CMAX
C6546M6 2113946B04 CAP,CHIP,.1UF,+10%,-
10%,10V-DC,0402,X5R,-
55DEG CMIN,85DEG CMAX
C6547M6 2113944A46 CAP,CHIP,330PF,+5%,-
5%,50V-DC,0402,C0G,-
55DEG CMIN,125DEG
CMAX
C6548M6 2113946S35 CAP,CHIP,1UF,+10%,-
10%,16V-DC,0603,X5R,-
55DEG CMIN,85DEG
CMAX,P
C6549M6 2113944A46 CAP,CHIP,330PF,+5%,-
5%,50V-DC,0402,C0G,-
55DEG CMIN,125DEG
CMAX
C6550M6 2113945D04 CAP,CHIP,.1UF,+10%,-
10%,25V-DC,0603,X7R,-
55DEG CMIN,125DEG
CMAX
C6551M6 2113944A46 CAP,CHIP,330PF,+5%,-
5%,50V-DC,0402,C0G,-
55DEG CMIN,125DEG
CMAX
C6552M6 2113956E91 CAP,FXD,10UF,+10%,-
10%,16V-DC,1210,X5R,-
55DEG CMIN,85DEG
CMAX,P
Ref. Des. Part Number Description
C6553M6 2113956E91 CAP,FXD,10UF,+10%,-
10%,16V-DC,1210,X5R,-
55DEG CMIN,85DEG
CMAX,P
C6554M6 2113946B04 CAP,CHIP,.1UF,+10%,-
10%,10V-DC,0402,X5R,-
55DEG CMIN,85DEG CMAX
C6555M6 2113955D45 CAP,FXD,4.7UF,+10%,-
10%,10V-DC,1206,X7R,-
55DEG CMIN,125DEG
CMAX
C6556M6 2113956B33 CAP,FXD,2.2UF,+10%,-
10%,16V-DC,0603,X5R,-
55DEG CMIN,85DEG CMAX
C6557M6 2113945D04 CAP,CHIP,.1UF,+10%,-
10%,25V-DC,0603,X7R,-
55DEG CMIN,125DEG
CMAX
C6558M6 2113944A21 CAP,CHIP,6.8PF,.5PF+/-
,50V-DC,0402,C0G,-55DEG
CMIN,125DEG CMAX
C6559M6 2113946S35 CAP,CHIP,1UF,+10%,-
10%,16V-DC,0603,X5R,-
55DEG CMIN,85DEG
CMAX,P
C6560M6 2113956C37 CAP,FXD,10UF,+10%,-
10%,16V-DC,0805,X5R,-
55DEG CMIN,85DEG
CMAX,P
C6561M6 2113956C37 CAP,FXD,10UF,+10%,-
10%,16V-DC,0805,X5R,-
55DEG CMIN,85DEG
CMAX,P
C6562M6 2113944A25 CAP,CHIP,10PF,.5PF+/-
,50V-DC,0402,C0G,-55DEG
CMIN,125DEG CMAX
C6563M6 2113945D04 CAP,CHIP,.1UF,+10%,-
10%,25V-DC,0603,X7R,-
55DEG CMIN,125DEG
CMAX
C6564M6 2113944A46 CAP,CHIP,330PF,+5%,-
5%,50V-DC,0402,C0G,-
55DEG CMIN,125DEG
CMAX
C6565M6 2113956B33 CAP,FXD,2.2UF,+10%,-
10%,16V-DC,0603,X5R,-
55DEG CMIN,85DEG CMAX
Ref. Des. Part Number Description
C6566M6 2113956E91 CAP,FXD,10UF,+10%,-
10%,16V-DC,1210,X5R,-
55DEG CMIN,85DEG
CMAX,P
C6567M6 2113956E91 CAP,FXD,10UF,+10%,-
10%,16V-DC,1210,X5R,-
55DEG CMIN,85DEG
CMAX,P
C6568M6 2113956B33 CAP,FXD,2.2UF,+10%,-
10%,16V-DC,0603,X5R,-
55DEG CMIN,85DEG CMAX
C6569M6 2113956E91 CAP,FXD,10UF,+10%,-
10%,16V-DC,1210,X5R,-
55DEG CMIN,85DEG
CMAX,P
C6570M6 2113944A46 CAP,CHIP,330PF,+5%,-
5%,50V-DC,0402,C0G,-
55DEG CMIN,125DEG
CMAX
C6571M6 2113946B04 CAP,CHIP,.1UF,+10%,-
10%,10V-DC,0402,X5R,-
55DEG CMIN,85DEG CMAX
C6572M6 2113946B04 CAP,CHIP,.1UF,+10%,-
10%,10V-DC,0402,X5R,-
55DEG CMIN,85DEG CMAX
C6573M6 2113946S35 CAP,CHIP,1UF,+10%,-
10%,16V-DC,0603,X5R,-
55DEG CMIN,85DEG
CMAX,P
C6574M6 2113946S35 CAP,CHIP,1UF,+10%,-
10%,16V-DC,0603,X5R,-
55DEG CMIN,85DEG
CMAX,P
C6575M6 2113946S35 CAP,CHIP,1UF,+10%,-
10%,16V-DC,0603,X5R,-
55DEG CMIN,85DEG
CMAX,P
C6576M6 2113956B33 CAP,FXD,2.2UF,+10%,-
10%,16V-DC,0603,X5R,-
55DEG CMIN,85DEG CMAX
C6577M6 2113946S35 CAP,CHIP,1UF,+10%,-
10%,16V-DC,0603,X5R,-
55DEG CMIN,85DEG
CMAX,P
Ref. Des. Part Number Description

8-210 Schematics, Boards Overlays, and Parts Lists: Main Board Block: UHF2 (84012616001)
C6578M6 2113946S35 CAP,CHIP,1UF,+10%,-
10%,16V-DC,0603,X5R,-
55DEG CMIN,85DEG
CMAX,P
C6579M6 2113946S35 CAP,CHIP,1UF,+10%,-
10%,16V-DC,0603,X5R,-
55DEG CMIN,85DEG
CMAX,P
C6580M6 2113946S35 CAP,CHIP,1UF,+10%,-
10%,16V-DC,0603,X5R,-
55DEG CMIN,85DEG
CMAX,P
C6581M6 2113956B33 CAP,FXD,2.2UF,+10%,-
10%,16V-DC,0603,X5R,-
55DEG CMIN,85DEG CMAX
C6582M6 2113944A21 CAP,CHIP,6.8PF,.5PF+/-
,50V-DC,0402,C0G,-55DEG
CMIN,125DEG CMAX
C6583M6 2113946B04 CAP,CHIP,.1UF,+10%,-
10%,10V-DC,0402,X5R,-
55DEG CMIN,85DEG CMAX
C6584M6 2113956C37 CAP,FXD,10UF,+10%,-
10%,16V-DC,0805,X5R,-
55DEG CMIN,85DEG
CMAX,P
C6585M6 2113946B04 CAP,CHIP,.1UF,+10%,-
10%,10V-DC,0402,X5R,-
55DEG CMIN,85DEG CMAX
C6586M6 2113956C35 CAP,FXD,4.7UF,+10%,-
10%,16V-DC,0805,X5R,-
55DEG CMIN,85DEG CMAX
C6587M6 2113946B04 CAP,CHIP,.1UF,+10%,-
10%,10V-DC,0402,X5R,-
55DEG CMIN,85DEG CMAX
C6588M6 2113944A46 CAP,CHIP,330PF,+5%,-
5%,50V-DC,0402,C0G,-
55DEG CMIN,125DEG
CMAX
C6589M6 2113944A40 CAP,CHIP,100PF,+5%,-
5%,50V-DC,0402,C0G,-
55DEG CMIN,125DEG
CMAX
C6590M6 2113946B04 CAP,CHIP,.1UF,+10%,-
10%,10V-DC,0402,X5R,-
55DEG CMIN,85DEG CMAX
Ref. Des. Part Number Description
C6591M6 2113944A28 CAP,CHIP,18PF,+5%,-
5%,50V-DC,0402,C0G,-
55DEG CMIN,125DEG
CMAX,P
C6592M6 2113944A09 CAP,CHIP,2.2PF,.25PF+/-
,50V-DC,0402,C0G,-55DEG
CMIN,125DEG CMA
C6593M6 2113956C37 CAP,FXD,10UF,+10%,-
10%,16V-DC,0805,X5R,-
55DEG CMIN,85DEG
CMAX,P
C6594M6 2113946C07 CAP,FXD,.33UF,+10%,-
10%,10V-DC,0603,X5R,-
55DEG CMIN,85DEG CMAX
C6595M6 2113946S35 CAP,CHIP,1UF,+10%,-
10%,16V-DC,0603,X5R,-
55DEG CMIN,85DEG
CMAX,P
C6596M6 2113944A29 CAP,CHIP,22PF,+5%,-
5%,50V-DC,0402,C0G,-
55DEG CMIN,125DEG
CMAX,P
C6601M6 2113944A28 CAP,CHIP,18PF,+5%,-
5%,50V-DC,0402,C0G,-
55DEG CMIN,125DEG
CMAX,P
C6602M6 2113944A28 CAP,CHIP,18PF,+5%,-
5%,50V-DC,0402,C0G,-
55DEG CMIN,125DEG
CMAX,P
C6670M6 2113944A78 CAP,FXD,13PF,+5%,-
5%,50V-DC,0402,C0G,-
55DEG CMIN,125DEG
CMAX,PB
C701M7 2115153H15 CAP,CER
CHIP,3.3PF,.1PF+/-,+.1%,-
.1%,50V-DC,0402,C0G,CAP,
CERA
C702M7 2185419D06 CAP,CHIP,.1UF,+10%,-
10%,25V-DC,1206,-55DEG
CMIN,125DEG CMAX
C703M7 2113945C26 CAP,FXD,.039UF,+10%,-
10%,50V-DC,0603,X7R,-
55DEG CMIN,125DEG CMA
C704M7 2185419D06 CAP,CHIP,.1UF,+10%,-
10%,25V-DC,1206,-55DEG
CMIN,125DEG CMAX
Ref. Des. Part Number Description
C705M7 2115153H25 CAP,CERAMIC
CHIP,8.2PF,.1PF+/-,+.1%,-
.1%,50V-DC,0402,C0G,CAP,
C706M7 2185419D06 CAP,CHIP,.1UF,+10%,-
10%,25V-DC,1206,-55DEG
CMIN,125DEG CMAX
C707M7 2113945C01 CAP,CHIP,6800PF,+10%,-
10%,50V-DC,0603,X7R,-
55DEG CMIN,125DEG CM
C708M7 2115153H25 CAP,CERAMIC
CHIP,8.2PF,.1PF+/-,+.1%,-
.1%,50V-DC,0402,C0G,CAP,
C709M7 2171051Y11 CAP,FXD,.1UF,+5%,-
5%,1206,-55DEG
CMIN,125DEG CMAX,PB-
FREE
C710M7 2113944A49 CAP,CHIP,560PF,+5%,-
5%,50V-DC,0402,C0G,-
55DEG CMIN,125DEG
CMAX
C711M7 2113944A34 CAP,CHIP,56PF,+5%,-
5%,50V-DC,0402,C0G,-
55DEG CMIN,125DEG
CMAX,P
C712M7 2113944A45 CAP,CHIP,270PF,+5%,-
5%,50V-DC,0402,C0G,-
55DEG CMIN,125DEG
CMAX
C713M7 2113945C26 CAP,FXD,.039UF,+10%,-
10%,50V-DC,0603,X7R,-
55DEG CMIN,125DEG CMA
C714M7 2171051Y11 CAP,FXD,.1UF,+5%,-
5%,1206,-55DEG
CMIN,125DEG CMAX,PB-
FREE
C715M7 2113945C31 CAP,FXD,.1UF,+10%,-
10%,50V-DC,0603,X7R,-
55DEG CMIN,125DEG
CMAX
C716M7 2113945C31 CAP,FXD,.1UF,+10%,-
10%,50V-DC,0603,X7R,-
55DEG CMIN,125DEG
CMAX
C717M7 2113945C31 CAP,FXD,.1UF,+10%,-
10%,50V-DC,0603,X7R,-
55DEG CMIN,125DEG
CMAX
Ref. Des. Part Number Description
C718M7 2113945C31 CAP,FXD,.1UF,+10%,-
10%,50V-DC,0603,X7R,-
55DEG CMIN,125DEG
CMAX
C719M7 2113945C31 CAP,FXD,.1UF,+10%,-
10%,50V-DC,0603,X7R,-
55DEG CMIN,125DEG
CMAX
C720M7 2113944C55 CAP,CHIP,2200PF,+5%,-
5%,50V-DC,0603,C0G,-
55DEG CMIN,125DEG
CMAX
C721M7 2113945G95 CAP,FXD,.22UF,+10%,-
10%,50V-DC,0805,X7R,-
55DEG CMIN,125DEG
CMAX
C722M7 2113944A40 CAP,CHIP,100PF,+5%,-
5%,50V-DC,0402,C0G,-
55DEG CMIN,125DEG
CMAX
C723M7 2113944A40 CAP,CHIP,100PF,+5%,-
5%,50V-DC,0402,C0G,-
55DEG CMIN,125DEG
CMAX
C724M7 2113955D37 CAP,FXD,10UF,+10%,-
10%,16V-DC,1206,X7R,-
55DEG CMIN,125DEG
CMAX
C725M7 2113945C31 CAP,FXD,.1UF,+10%,-
10%,50V-DC,0603,X7R,-
55DEG CMIN,125DEG
CMAX
C726M7 2113945C31 CAP,FXD,.1UF,+10%,-
10%,50V-DC,0603,X7R,-
55DEG CMIN,125DEG
CMAX
C727M7 2113944A40 CAP,CHIP,100PF,+5%,-
5%,50V-DC,0402,C0G,-
55DEG CMIN,125DEG
CMAX
C728M7 2113944A40 CAP,CHIP,100PF,+5%,-
5%,50V-DC,0402,C0G,-
55DEG CMIN,125DEG
CMAX
C730M7 2113945C31 CAP,FXD,.1UF,+10%,-
10%,50V-DC,0603,X7R,-
55DEG CMIN,125DEG
CMAX
Ref. Des. Part Number Description

Schematics, Boards Overlays, and Parts Lists: Main Board Block: UHF2 (84012616001) 8-211
C731M7 2113945C31 CAP,FXD,.1UF,+10%,-
10%,50V-DC,0603,X7R,-
55DEG CMIN,125DEG
CMAX
C732M7 2113944A32 CAP,CHIP,39PF,+5%,-
5%,50V-DC,0402,C0G,-
55DEG CMIN,125DEG
CMAX,P
C733M7 2113945A09 CAP,CHIP,1000PF,+10%,-
10%,50V-DC,0402,X7R,-
55DEG CMIN,125DEG CM
C734M7 2113945C31 CAP,FXD,.1UF,+10%,-
10%,50V-DC,0603,X7R,-
55DEG CMIN,125DEG
CMAX
C735M7 2113944A31 CAP,CHIP,33PF,+5%,-
5%,50V-DC,0402,C0G,-
55DEG CMIN,125DEG
CMAX,P
C736M7 2113945B02 CAP,CHIP,.01UF,+10%,-
10%,25V-DC,0402,X7R,-
55DEG CMIN,125DEG CMA
C737M7 2113945C31 CAP,FXD,.1UF,+10%,-
10%,50V-DC,0603,X7R,-
55DEG CMIN,125DEG
CMAX
C738M7 2113944A40 CAP,CHIP,100PF,+5%,-
5%,50V-DC,0402,C0G,-
55DEG CMIN,125DEG
CMAX
C739M7 2113944A17 CAP,CHIP,4.7PF,.25PF+/-
,50V-DC,0402,C0G,-55DEG
CMIN,125DEG CMA
C740M7 2113944A44 CAP,CHIP,220PF,+5%,-
5%,50V-DC,0402,C0G,-
55DEG CMIN,125DEG
CMAX
C741M7 2115153H15 CAP,CER
CHIP,3.3PF,.1PF+/-,+.1%,-
.1%,50V-DC,0402,C0G,CAP,
CERA
C742M7 2113945C31 CAP,FXD,.1UF,+10%,-
10%,50V-DC,0603,X7R,-
55DEG CMIN,125DEG
CMAX
Ref. Des. Part Number Description
C743M7 2113946B06 CAP,CHIP,.22UF,+10%,-
10%,10V-DC,0402,X5R,-
55DEG CMIN,85DEG CMAX
C744M7 2113955D37 CAP,FXD,10UF,+10%,-
10%,16V-DC,1206,X7R,-
55DEG CMIN,125DEG
CMAX
C749M7 2113945C31 CAP,FXD,.1UF,+10%,-
10%,50V-DC,0603,X7R,-
55DEG CMIN,125DEG
CMAX
C750M7 2113945C31 CAP,FXD,.1UF,+10%,-
10%,50V-DC,0603,X7R,-
55DEG CMIN,125DEG
CMAX
C751M7 2113945A09 CAP,CHIP,1000PF,+10%,-
10%,50V-DC,0402,X7R,-
55DEG CMIN,125DEG CM
C752M7 2113944A43 CAP,CHIP,180PF,+5%,-
5%,50V-DC,0402,C0G,-
55DEG CMIN,125DEG
CMAX
C753M7 2113944A31 CAP,CHIP,33PF,+5%,-
5%,50V-DC,0402,C0G,-
55DEG CMIN,125DEG
CMAX,P
C754M7 2113944A34 CAP,CHIP,56PF,+5%,-
5%,50V-DC,0402,C0G,-
55DEG CMIN,125DEG
CMAX,P
C756M7 2113955D37 CAP,FXD,10UF,+10%,-
10%,16V-DC,1206,X7R,-
55DEG CMIN,125DEG
CMAX
C757M7 2113945C31 CAP,FXD,.1UF,+10%,-
10%,50V-DC,0603,X7R,-
55DEG CMIN,125DEG
CMAX
C760M7 2113944A44 CAP,CHIP,220PF,+5%,-
5%,50V-DC,0402,C0G,-
55DEG CMIN,125DEG
CMAX
C764M7 2113946B06 CAP,CHIP,.22UF,+10%,-
10%,10V-DC,0402,X5R,-
55DEG CMIN,85DEG CMAX
Ref. Des. Part Number Description
C768M7 2115153H17 CAP,FXD,3.9PF,.1PF+/-
,50V-DC,0402,C0G,CAP,
CERAMIC, COG
C770M7 2113944A44 CAP,CHIP,220PF,+5%,-
5%,50V-DC,0402,C0G,-
55DEG CMIN,125DEG
CMAX
C772M7 2113945A09 CAP,CHIP,1000PF,+10%,-
10%,50V-DC,0402,X7R,-
55DEG CMIN,125DEG CM
C773M7 2113944A33 CAP,CHIP,47PF,+5%,-
5%,50V-DC,0402,C0G,-
55DEG CMIN,125DEG
CMAX,P
C777M7 2113944A44 CAP,CHIP,220PF,+5%,-
5%,50V-DC,0402,C0G,-
55DEG CMIN,125DEG
CMAX
C779M7 2115153H24 CAP,CER
CHIP,7.5PF,.1PF+/-,+.1%,-
.1%,50V-DC,0402,C0G,CAP,
CERA
C780M7 2113944A33 CAP,CHIP,47PF,+5%,-
5%,50V-DC,0402,C0G,-
55DEG CMIN,125DEG
CMAX,P
C781M7 2113944A44 CAP,CHIP,220PF,+5%,-
5%,50V-DC,0402,C0G,-
55DEG CMIN,125DEG
CMAX
C786M7 2113944A44 CAP,CHIP,220PF,+5%,-
5%,50V-DC,0402,C0G,-
55DEG CMIN,125DEG
CMAX
C803M7 2113944A44 CAP,CHIP,220PF,+5%,-
5%,50V-DC,0402,C0G,-
55DEG CMIN,125DEG
CMAX
C813M7 2113944A63 CAP,FXD,1PF,.25PF+/-,50V-
DC,0402,C0G,-55DEG
CMIN,125DEG CMAX,P
C816M7 2113944A35 CAP,CHIP,62PF,+5%,-
5%,50V-DC,0402,C0G,-
55DEG CMIN,125DEG
CMAX,P
Ref. Des. Part Number Description
C817M7 2113944A44 CAP,CHIP,220PF,+5%,-
5%,50V-DC,0402,C0G,-
55DEG CMIN,125DEG
CMAX
C819M7 2113944A44 CAP,CHIP,220PF,+5%,-
5%,50V-DC,0402,C0G,-
55DEG CMIN,125DEG
CMAX
C823M7 2113944A40 CAP,CHIP,100PF,+5%,-
5%,50V-DC,0402,C0G,-
55DEG CMIN,125DEG
CMAX
C824M7 2113944A44 CAP,CHIP,220PF,+5%,-
5%,50V-DC,0402,C0G,-
55DEG CMIN,125DEG
CMAX
CODEC_G
PIO1M6
TPSM0_50 TEST POINT .020 DIA
D1970M20 4813974A19 DIODE
ARRAY,MXR,SM,SOT-
323,7V,.2W,SHTK,2,PB-
FREE
D1M2 4870359B01 DIODE,SUPR,SM,7.82V,.1
W,ESD PROT,V360
D200M12 4813978A19 DIODE,RECT,MBR120,SM,
SOD-123,1A,20V,SHTK,PB-
FREE
D2101M2 4870359B01 DIODE,SUPR,SM,7.82V,.1
W,ESD PROT,V360
D2304M2 4870359B01 DIODE,SUPR,SM,7.82V,.1
W,ESD PROT,V360
D2305M2 4870359B01 DIODE,SUPR,SM,7.82V,.1
W,ESD PROT,V360
D2306M2 4870359B01 DIODE,SUPR,SM,7.82V,.1
W,ESD PROT,V360
D2307M2 4870359B01 DIODE,SUPR,SM,7.82V,.1
W,ESD PROT,V360
D2521M6 4871785H01 DIODE,SWG,BAS116LT1G,
SOT-23/SC-59,SOT-
23,200MA,75V,.225W,SWG
DI
D2601M13 4813974A19 DIODE
ARRAY,MXR,SM,SOT-
323,7V,.2W,SHTK,2,PB-
FREE
Ref. Des. Part Number Description

8-212 Schematics, Boards Overlays, and Parts Lists: Main Board Block: UHF2 (84012616001)
D2602M13 4815897H01 DIODE,PIN,UPP9401E,SM,
DO-
216,50A,50V,2.5W,POWER-
MITE
D2603M13 4815897H01 DIODE,PIN,UPP9401E,SM,
DO-
216,50A,50V,2.5W,POWER-
MITE
D2M2 4870359B01 DIODE,SUPR,SM,7.82V,.1
W,ESD PROT,V360
D3102M22 4805656W87 DIODE,VCTR, @
15V,1SV279,SOD-523/SC-
79,SOD-523/SC-79
D3103M22 4805656W87 DIODE,VCTR, @
15V,1SV279,SOD-523/SC-
79,SOD-523/SC-79
D3104M22 4805656W87 DIODE,VCTR, @
15V,1SV279,SOD-523/SC-
79,SOD-523/SC-79
D3105M22 4805656W87 DIODE,VCTR, @
15V,1SV279,SOD-523/SC-
79,SOD-523/SC-79
D3135M22 4805656W87 DIODE,VCTR, @
15V,1SV279,SOD-523/SC-
79,SOD-523/SC-79
D3136M22 4805656W87 DIODE,VCTR, @
15V,1SV279,SOD-523/SC-
79,SOD-523/SC-79
D3137M22 4805656W87 DIODE,VCTR, @
15V,1SV279,SOD-523/SC-
79,SOD-523/SC-79
D3138M22 4805656W87 DIODE,VCTR, @
15V,1SV279,SOD-523/SC-
79,SOD-523/SC-79
D3M2 4870359B01 DIODE,SUPR,SM,7.82V,.1
W,ESD PROT,V360
D4001M2 4813978A25 DIODE,SWG,BAT54,SM,SO
D-323/SC-
76,200MA,30V,.2W,SHTK,P
B-FREE, W18
D6101M6 4813978A25 DIODE,SWG,BAT54,SM,SO
D-323/SC-
76,200MA,30V,.2W,SHTK,P
B-FREE, W18
Ref. Des. Part Number Description
D6401M6 4813978A25 DIODE,SWG,BAT54,SM,SO
D-323/SC-
76,200MA,30V,.2W,SHTK,P
B-FREE, W18
D6501M6 4813978A25 DIODE,SWG,BAT54,SM,SO
D-323/SC-
76,200MA,30V,.2W,SHTK,P
B-FREE, W18
D722M7 4815011H01 DIODE,SWG,SM,300MA,80
V,TRP
D723M7 4815011H01 DIODE,SWG,SM,300MA,80
V,TRP
E1101M11 2405688Z01 IDCTR,BEAD,FERR BEAD
E1921M20 2471132D14 IDCTR,25%,200MA,.6OHM,
FERR,SM,0402,IDCTR,FXD
,470OHM,200M
E201M12 7686949J14 FLTR,FERRITE
BEAD,2A,SM,0805,CHIP,22
0OHM
E2201M2 7685268E01 FLTR,FERRITE
BEAD,650MA,SM,0402,CHI
P, 8 0 O H M
E2202M2 PT80LVLA03 SPARK GAP 2PIN
E2203M2 PT80LVLA03 SPARK GAP 2PIN
E2204M2 PT80LVLA03 SPARK GAP 2PIN
E2205M2 PT80LVLA03 SPARK GAP 2PIN
E2206M2 7685268E01 FLTR,FERRITE
BEAD,650MA,SM,0402,CHI
P, 8 0 O H M
E2207M2 7685268E01 FLTR,FERRITE
BEAD,650MA,SM,0402,CHI
P, 8 0 O H M
E2247M2 7685268E01 FLTR,FERRITE
BEAD,650MA,SM,0402,CHI
P, 8 0 O H M
E2248M2 7685268E01 FLTR,FERRITE
BEAD,650MA,SM,0402,CHI
P, 8 0 O H M
E2249M2 7685268E01 FLTR,FERRITE
BEAD,650MA,SM,0402,CHI
P, 8 0 O H M
E2312M2 PT80LVLA03 SPARK GAP 2PIN
E2313M2 PT80LVLA03 SPARK GAP 2PIN
Ref. Des. Part Number Description
E2314M2 PT80LVLA03 SPARK GAP 2PIN
E2315M2 PT80LVLA03 SPARK GAP 2PIN
E2316M2 PT80LVLA03 SPARK GAP 2PIN
E2317M2 PT80LVLA03 SPARK GAP 2PIN
E2318M2 PT80LVLA03 SPARK GAP 2PIN
E2319M2 PT80LVLA03 SPARK GAP 2PIN
E2320M2 PT80LVLA03 SPARK GAP 2PIN
E2321M2 PT80LVLA03 SPARK GAP 2PIN
E601M19 2471132D14 IDCTR,25%,200MA,.6OHM,
FERR,SM,0402,IDCTR,FXD
,470OHM,200M
E602M19 2471132D14 IDCTR,25%,200MA,.6OHM,
FERR,SM,0402,IDCTR,FXD
,470OHM,200M
E603M19 2471132D14 IDCTR,25%,200MA,.6OHM,
FERR,SM,0402,IDCTR,FXD
,470OHM,200M
E604M19 2471132D14 IDCTR,25%,200MA,.6OHM,
FERR,SM,0402,IDCTR,FXD
,470OHM,200M
E605M19 2471132D14 IDCTR,25%,200MA,.6OHM,
FERR,SM,0402,IDCTR,FXD
,470OHM,200M
E606M19 2471132D14 IDCTR,25%,200MA,.6OHM,
FERR,SM,0402,IDCTR,FXD
,470OHM,200M
E607M19 2471132D14 IDCTR,25%,200MA,.6OHM,
FERR,SM,0402,IDCTR,FXD
,470OHM,200M
E608M19 2471132D14 IDCTR,25%,200MA,.6OHM,
FERR,SM,0402,IDCTR,FXD
,470OHM,200M
E609M19 2471132D14 IDCTR,25%,200MA,.6OHM,
FERR,SM,0402,IDCTR,FXD
,470OHM,200M
E6501M6 2480067M02 FIXED INDUC-
TOR,FXD,200MA,.4OHM,F
ERR,0805,CHK RF CHIP
BE
E6502M6 2480067M02 FIXED INDUC-
TOR,FXD,200MA,.4OHM,F
ERR,0805,CHK RF CHIP
BE
Ref. Des. Part Number Description
ENC_JTA
GSEL0M6
TPSM0_50 TEST POINT .020 DIA
ENC_JTA
GSEL1M6
TPSM0_50 TEST POINT .020 DIA
ENC_UAR
T_RXM6
TPSM0_50 TEST POINT .020 DIA
ENC_UAR
T_TXM6
TPSM0_50 TEST POINT .020 DIA
F_BOOT_
RXM6
TPSM1_50 SINGLE PIN CONTACT
TEST POINT
F_BOOT_
TXM6
TPSM1_50 SINGLE PIN CONTACT
TEST POINT
F_GCAI_1
WIREM2
TPSM1_50 SINGLE PIN CONTACT
TEST POINT
F_GCAI_U
SB+M2
TPSM1_50 SINGLE PIN CONTACT
TEST POINT
F_GCAI_U
SB-M2
TPSM1_50 SINGLE PIN CONTACT
TEST POINT
F_GNDM6 TPSM1_50 SINGLE PIN CONTACT
TEST POINT
F_MPU_B
OOTM6
TPSM1_50 SINGLE PIN CONTACT
TEST POINT
F_UNSW_
B+M6
TPSM1_50 SINGLE PIN CONTACT
TEST POINT
F_VBUS2
M2
TPSM1_50 SINGLE PIN CONTACT
TEST POINT
F_VREF_1
.875VM2
TPSM1_50 SINGLE PIN CONTACT
TEST POINT
F200M12 6575834B01 FUSE,FST
BLW,2A,32V,FUSE SUR MT
FL1301M3 9102190J23 FLTR,SAW,BAND-
PASS,1.57542GHZ
NOM,SM,1.4X1.0MM,SMD,
PB-FREE
FL1302M3 9109674L58 BAND PASS FILTER
FL1303M3 9102190J23 FLTR,SAW,BAND-
PASS,1.57542GHZ
NOM,SM,1.4X1.0MM,SMD,
PB-FREE
FL502M21 91009300001 FLTR,BAND-
PASS,109.65MHZ NOM,FIL-
TER,MONOLITHIC
CRYSTAL,BAND
Ref. Des. Part Number Description

Schematics, Boards Overlays, and Parts Lists: Main Board Block: UHF2 (84012616001) 8-213
GPIO0M2 TPSM1_50 SINGLE PIN CONTACT
TEST POINT
IF10 IF IF
IF12 IF IF
IF13 IF IF
IF15 IF IF
IF1651M16 IF IF
IF1652M16 IF IF
IF1653M16 IF IF
IF1654M16 IF IF
IF1655M16 IF IF
IF17 IF IF
IF18 IF IF
IF1801M17 IF IF
IF1802M17 IF IF
IF19 IF IF
IF1900M20 IF IF
IF1901M20 IF IF
IF1902M20 IF IF
IF1903M20 IF IF
IF1904M20 IF IF
IF2 IF IF
IF20 IF IF
IF22 IF IF
IF23 IF IF
IF24 IF IF
IF25 IF IF
IF2601M13 IF IF
IF2602M13 IF IF
IF2603M13 IF IF
IF2604M13 IF IF
IF2605M13 IF IF
IF2606M13 IF IF
Ref. Des. Part Number Description
IF2607M13 IF IF
IF3 IF IF
IF3100M22 IF IF
IF3101M22 IF IF
IF3102M22 IF IF
IF3103M22 IF IF
IF3104M22 IF IF
IF3105M22 IF IF
IF4 IF IF
IF5 IF IF
IF6 IF IF
IF6404M6 IF IF
IF7 IF IF
IF9 IF IF
J102M11 2880658Z08 RF CONNEC-
TOR,SMA,M,CONN SMA
J1301M3 40012057001 RF SWITCH,SWITCH,RF
J1M2 9012130001 CONN,RCPT,24CONT,.4MM
,CONNECTOR, BTB
RECEPTACLE, 24-PIN,
J2401M2 0989851N01 CONN,BTB,2
RO W, RC P T,4 0CO NT, . 4M M,
GLD,SMD
J2M2 0971704L01 CONN,CUST,RCPT,12CON
T,CONNECTOR, 12-PIN
SOCKET, 0.4MM PIT
J3M2 9012073001 CONN,BTB,RCPT,34CONT,.
4MM,GLD,ST,CONNEC-
TOR, B2B RCPT 34PINS
L1101M11 2415429H26 IDCTR,WW,33NH,5%,600M
A,.22OHM,CER,SM,0603,C
HIP
L1102M11 2415429H10 IDCTR,WW,6.8NH,5%,700M
A,.11OHM,CER,SM,0603,C
HIP
L1117M11 2415428H01 COIL,AW,1.65NH,10%,1.6A,
AIR,2 TURNS,SM,AIR
WOUND IDCTR
Ref. Des. Part Number Description
L1301M3 2414017P16 IDCTR,CHIP,18NH,5%,300
MA,.76OHM,CER,9
Q,1.9GHZ SRF,SM,0402,P
L1302M3 2475122C13 IDCTR,3.3NH,9.09%,300MA
,.17OHM,CER,4
TURNS,SM,IND, MULTI-LA
L1303M3 2414017P16 IDCTR,CHIP,18NH,5%,300
MA,.76OHM,CER,9
Q,1.9GHZ SRF,SM,0402,P
L1304M3 2475122C17 IDCTR,4.7NH,6.38%,300MA
,.18OHM,CER,4
TURNS,SM,IND, MULTI-LA
L1305M3 24012011010 IDCTR,WW,4.7NH,2%,1.5A,
.06OHM,CER,6.85GHZ
SRF,SM,0402 HI Q
L1306M3 2414017P14 IDCTR,CHIP,12NH,5%,300
MA,.6OHM,CER,9 Q,2GHZ
SRF,SM,0402,PB-F
L1308M3 2415429H28 IDCTR,WW,39NH,5%,600M
A,CER,SM,CHIP
L1316M3 24012011018 IDCTR,WW,9NH,2%,1.4A,.0
7OHM,CER,5GHZ
SRF,SM,0402 HI Q CHIP
L1601M16 24009331029 IDCTR,WW,15NH,5%,600M
A,SM,IDCTR,WW,15NH,5%,
600MA,SM,060
L1602M16 2415429H37 IDCTR,WW,110NH,5%,300
MA,.61OHM,CER,SM,0603,
CHIP
L1603M16 2414015B14 IDCTR,FXD,110NH,2%,400
MA,.46OHM,CER,40
Q,900MHZ SRF,SM,0805
L1604M16 24009331006 IDCTR,WW,4.3NH,SM,INDU
CTOR, 4.3NH, +/-0.2NH,
0603
L1605M16 24009331006 IDCTR,WW,4.3NH,SM,INDU
CTOR, 4.3NH, +/-0.2NH,
0603
L1606M16 2460591E24 COIL AIR WOUND INDUC
23.75
L1609M16 2415428H03 IDCTR,AW,3.85NH,2%,1.6A
,AIR,SM,AIR WOUND
IDCTR
Ref. Des. Part Number Description
L1610M16 2471968L10 IDCTR,AW,9NH,2%,4A,.003
4OHM,AIR,5 TURNS,120
Q,4GHZ SRF,SM,9.
L1803M17 2471884M01 IDCTR,AW,10.2NH,5%,AIR,
SM,10.2NH SQ SPR
L1809M17 2471884M01 IDCTR,AW,10.2NH,5%,AIR,
SM,10.2NH SQ SPR
L1811M17 2471884M01 IDCTR,AW,10.2NH,5%,AIR,
SM,10.2NH SQ SPR
L1900M20 24012011020 IDCTR,WW,10NH,2%,1.3A,.
085OHM,CER,4.7GHZ
SRF,SM,0402 HI Q C
L1901M20 24009331005 IDCTR,WW,3.9NH,INDUC-
TOR, 3.9NH, +/-0.5NH, 0603
L1908M20 2478057A04 IDCTR,3.6NH,2%,.031OHM,
CER,40 Q,9.7GHZ
SRF,PCMT,3.6 NH SU
L1909M20 2478057A23 IDCTR,18NH,2%,.066OHM,
CER,41 Q,3.3GHZ
SRF,PCMT,18 NH SUR
L1910M20 2478057A23 IDCTR,18NH,2%,.066OHM,
CER,41 Q,3.3GHZ
SRF,PCMT,18 NH SUR
L1912M20 2478057A04 IDCTR,3.6NH,2%,.031OHM,
CER,40 Q,9.7GHZ
SRF,PCMT,3.6 NH SU
L1913M20 2478057A23 IDCTR,18NH,2%,.066OHM,
CER,41 Q,3.3GHZ
SRF,PCMT,18 NH SUR
L1914M20 2478057A23 IDCTR,18NH,2%,.066OHM,
CER,41 Q,3.3GHZ
SRF,PCMT,18 NH SUR
L1915M20 2478057A12 IDCTR,7.2NH,2%,.052OHM,
CER,48 Q,5.4GHZ
SRF,PCMT,7.2NH SUR
L1917M20 2478057A04 IDCTR,3.6NH,2%,.031OHM,
CER,40 Q,9.7GHZ
SRF,PCMT,3.6 NH SU
L1934M20 2478057A35 CHIP INDUC-
TOR,RF,47NH,2%,SM,0603
HI Q CHIP IDCTR
L1935M20 2478057A23 IDCTR,18NH,2%,.066OHM,
CER,41 Q,3.3GHZ
SRF,PCMT,18 NH SUR
Ref. Des. Part Number Description

8-214 Schematics, Boards Overlays, and Parts Lists: Main Board Block: UHF2 (84012616001)
L1936M20 2415429H01 IDCTR,WW,1.6NH,5%,700M
A,.03OHM,CER,SM,0603,C
HIP
L200M12 2571269C01 IDCTR,COIL,1.5UH,20%,2.9
A,.059OHM,FERR,SM,WW
PWR W18 COMP
L2601M13 24012026011 IDCTR,AW,16.6NH,2%,4.4A
,AIR,SM,ULTRA-MINIA-
TURE AIR CORE
L2602M13 2415429H40 IDCTR,WW,180NH,5%,240
MA,1.25OHM,CER,SM,0603
,CHIP
L2603M13 24010062004 IDCTR,RF,10NH,2%,1.3A,.0
6OHM,CER,4.7GHZ
SRF,SM,10NH, 0402
L2604M13 24010062004 IDCTR,RF,10NH,2%,1.3A,.0
6OHM,CER,4.7GHZ
SRF,SM,10NH, 0402
L3100M22 0613952R66 RES,MF,0OHM,5%,.0625W,
SM,0402,PB-FREE
L3101M22 2414032F41 IDCTR,WW,390NH,10%,200
MA,1.5OHM,CER,40
Q,730MHZ SRF,SM,PB-F
L3102M22 0613952R66 RES,MF,0OHM,5%,.0625W,
SM,0402,PB-FREE
L3106M22 2478057A23 IDCTR,18NH,2%,.066OHM,
CER,41 Q,3.3GHZ
SRF,PCMT,18 NH SUR
L3112M22 2415428H03 IDCTR,AW,3.85NH,2%,1.6A
,AIR,SM,AIR WOUND
IDCTR
L3119M22 2414032F41 IDCTR,WW,390NH,10%,200
MA,1.5OHM,CER,40
Q,730MHZ SRF,SM,PB-F
L3125M22 2414032F41 IDCTR,WW,390NH,10%,200
MA,1.5OHM,CER,40
Q,730MHZ SRF,SM,PB-F
L3126M22 2414032F41 IDCTR,WW,390NH,10%,200
MA,1.5OHM,CER,40
Q,730MHZ SRF,SM,PB-F
L3134M22 2414032F41 IDCTR,WW,390NH,10%,200
MA,1.5OHM,CER,40
Q,730MHZ SRF,SM,PB-F
Ref. Des. Part Number Description
L3139M22 2478057A26 IDCTR,24NH,2%,.074OHM,
CER,42 Q,2.95GHZ
SRF,PCMT,24 NH SUR
L3145M22 2471968L10 IDCTR,AW,9NH,2%,4A,.003
4OHM,AIR,5 TURNS,120
Q,4GHZ SRF,SM,9.
L3150M22 2414032F41 IDCTR,WW,390NH,10%,200
MA,1.5OHM,CER,40
Q,730MHZ SRF,SM,PB-F
L3158M22 2414032F41 IDCTR,WW,390NH,10%,200
MA,1.5OHM,CER,40
Q,730MHZ SRF,SM,PB-F
L3159M22 2414032F39 IDCTR,WW,270NH,10%,280
MA,1OHM,CER,40
Q,800MHZ SRF,SM,PB-FRE
L500M21 2415429H43 IDCTR,WW,220NH,5%,300
MA,2.1OHM,CER,SM,0603,
CHIP
L501M21 24012011026 IDCTR,WW,18NH,2%,900M
A,.12OHM,CER,3.55GHZ
SRF,SM,0402 HI Q
L503M21 2414017N24 IDCTR,CHIP,100NH,5%,300
MA,2OHM,CER,15
Q,700MHZ SRF,SM,0603,P
L504M21 2478057A51 CHIP INDUC-
TOR,RF,270NH,2%,SM,060
3 HI Q CHIP IDCTR
L513M21 2415429H21 IDCTR,WW,22NH,5%,700M
A,.19OHM,CER,SM,0603,C
HIP
L550M21 24009331029 IDCTR,WW,15NH,5%,600M
A,SM,IDCTR,WW,15NH,5%,
600MA,SM,060
L601M19 2415429H43 IDCTR,WW,220NH,5%,300
MA,2.1OHM,CER,SM,0603,
CHIP
L602M19 2466505A01 CHIP INDUC-
TOR,CHIP,10UH,5%,150MA
,FERR,0 AWG,SM,PB-FREE
L603M19 2466505A01 CHIP INDUC-
TOR,CHIP,10UH,5%,150MA
,FERR,0 AWG,SM,PB-FREE
L604M19 2414032D16 IDCTR,WW,120NH,5%,800
MA,.26OHM,CER,42
Q,1GHZ SRF,SM,PB-FREE
Ref. Des. Part Number Description
L605M19 2414017Q54 IDCTR,FXD,3.9UH,10%,30
MA,.9OHM,FERR,45
Q,38MHZ SRF,SM,0805,P
L611M19 2414032F39 IDCTR,WW,270NH,10%,280
MA,1OHM,CER,40
Q,800MHZ SRF,SM,PB-FRE
L6502M6 2471678H01 IDCTR,10UH,20%,FERR,10
UH INDCUTOR
L6504M6 24009268001 IDCTR,PWR,10UH,20%,1.3
A,FERR,SM,10UH 2.1A
SHLD IDCTR
L6505M6 2471678H01 IDCTR,10UH,20%,FERR,10
UH INDCUTOR
L701M7 2415429H47 IDCTR,WW,390NH,5%,100
MA,CER,SM,CHIP
L702M7 2415429H47 IDCTR,WW,390NH,5%,100
MA,CER,SM,CHIP
L709M7 2475122C26 IDCTR,12UH,5%,300MA,.07
OHM,CER,4
TURNS,SM,IND, MULTI-
LAYE
L720M7 24012100001 IDCTR,FXD,2.2UH,10%,15
MA,35 Q,50MHZ
SRF,SM,IDCTR,2.2UH,1
L727M7 24012100001 IDCTR,FXD,2.2UH,10%,15
MA,35 Q,50MHZ
SRF,SM,IDCTR,2.2UH,1
L728M7 2415429H47 IDCTR,WW,390NH,5%,100
MA,CER,SM,CHIP
L729M7 2415427H24 IDCTR,WW,13NH,5%,440M
A,CER,SM,0402,CHIP
L733M7 24012100001 IDCTR,FXD,2.2UH,10%,15
MA,35 Q,50MHZ
SRF,SM,IDCTR,2.2UH,1
L735M7 24012100001 IDCTR,FXD,2.2UH,10%,15
MA,35 Q,50MHZ
SRF,SM,IDCTR,2.2UH,1
L738M7 24012100001 IDCTR,FXD,2.2UH,10%,15
MA,35 Q,50MHZ
SRF,SM,IDCTR,2.2UH,1
L739M7 2415429H47 IDCTR,WW,390NH,5%,100
MA,CER,SM,CHIP
Ref. Des. Part Number Description
L741M7 24012100001 IDCTR,FXD,2.2UH,10%,15
MA,35 Q,50MHZ
SRF,SM,IDCTR,2.2UH,1
L753M7 2415347H06 IDCTR,WW,2.2UH,5%,320M
A,1.2OHM,CER,SM,IDCTR,
2200NH
L755M7 2415429H47 IDCTR,WW,390NH,5%,100
MA,CER,SM,CHIP
L758M7 2415429H47 IDCTR,WW,390NH,5%,100
MA,CER,SM,CHIP
L759M7 2415429H47 IDCTR,WW,390NH,5%,100
MA,CER,SM,CHIP
L765M7 2415427H28 IDCTR,WW,18NH,5%,420M
A,CER,SM,0402,CHIP
L775M7 2415429H47 IDCTR,WW,390NH,5%,100
MA,CER,SM,CHIP
L778M7 2415427H24 IDCTR,WW,13NH,5%,440M
A,CER,SM,0402,CHIP
M1 1171905B02 ADHES,WHT,WHT I SHAPE
UNDERFILM COR
M101M12 39012039001 CONN,CMPRSN,3CONT,ST
,CONNECTOR, BAT CON-
TACT, WWP
M1301M3 3987977Y04 CONT,CONN,1CONT,ANT
UNIV 4.5MM,UC 1.8
M1302M3 3987977Y04 CONT,CONN,1CONT,ANT
UNIV 4.5MM,UC 1.8
M2 1171905B02 ADHES,WHT,WHT I SHAPE
UNDERFILM COR
M2533M6 3987977Y04 CONT,CONN,1CONT,ANT
UNIV 4.5MM,UC 1.8
M6502M6 0985888K02 BATTERY CONNEC-
TOR,SKT,NI,LEAP
MAKO_AD
_TRIGM6
TPSM0_381 TEST POINT
MAKO_IN
T_MICMM
6
TPSM0_381 TEST POINT
MAKO_IN
T_MICPM6
TPSM0_381 TEST POINT
MAKO_IN
T_XM6
TPSM0_381 TEST POINT
Ref. Des. Part Number Description

Schematics, Boards Overlays, and Parts Lists: Main Board Block: UHF2 (84012616001) 8-215
MAKO_RE
SET_XM6
TPSM0_381 TEST POINT
MIC_BIAS
M6
TPSM0_50 TEST POINT .020 DIA
MPU_IO_1
2M6
TPSM0_381 TEST POINT
OMAP_TE
MP_TPM6
TPSM0_50 TEST POINT .020 DIA
OMAP_VP
PM6
TPSM0_381 TEST POINT
Q1101M11 4813973A32 XSTR,BIP GP
SS,NPN,SM,SC-
70,SMT,50V,.202W,100MA,
PB-FREE
Q1103M11 4813970A59 XSTR,FET GP PWR,P-
CH,ENHN,SM,SOT-
23,20V,.4W,PB-FREE
Q1601M16 48012094001 XSTR,FET RF
POWER,SM,25V,MOD,XST
R,FET RF PWR, 135-
941MH
Q1920M20 4813973A32 XSTR,BIP GP
SS,NPN,SM,SC-
70,SMT,50V,.202W,100MA,
PB-FREE
Q1922M20 4813973M75 XSTR,BIP GP
SS,PNP,BC858,SOT-
563,SMT,-30V,.357W,-
100MA,100MHZ
Q201M12 4813970A59 XSTR,FET GP PWR,P-
CH,ENHN,SM,SOT-
23,20V,.4W,PB-FREE
Q202M12 4813973A32 XSTR,BIP GP
SS,NPN,SM,SC-
70,SMT,50V,.202W,100MA,
PB-FREE
Q2202M2 4815261H01 XSTR,BIP GP
SS,NPN,DTC114Y,SC-
59,SC-
59,SMT3,50V,100MA,250M
HZ
Q2537M6 4888795V06 XSTR,FET GP PWR,MOS-
FET,SM,SMT,20V,.25W,LEA
D-FREE
Ref. Des. Part Number Description
Q2547M6 4888795V06 XSTR,FET GP PWR,MOS-
FET,SM,SMT,20V,.25W,LEA
D-FREE
Q2601M13 4815055H01 XSTR,GEN PURPOSE
SMALL SIG,NPN AND
PNP,UMC5NT2G,SM,50V,10
0A
Q3123M22 4871915M01 XSTR,BIP RF SML
SGNL,NPN,SC-
75A,SMT,12V,.1W,100MA,4.
5GHZ,XST
Q3128M22 4815055H01 XSTR,GEN PURPOSE
SMALL SIG,NPN AND
PNP,UMC5NT2G,SM,50V,10
0A
Q3156M22 4871915M01 XSTR,BIP RF SML
SGNL,NPN,SC-
75A,SMT,12V,.1W,100MA,4.
5GHZ,XST
Q3161M22 4815055H01 XSTR,GEN PURPOSE
SMALL SIG,NPN AND
PNP,UMC5NT2G,SM,50V,10
0A
Q4001M2 4815261H01 XSTR,BIP GP
SS,NPN,DTC114Y,SC-
59,SC-
59,SMT3,50V,100MA,250M
HZ
Q601M19 4813973A04 XSTR,BIP GP
SS,NPN,TA13,SM,SOT-
23,SMT,30V,.225W,300MA,1
25MHZ,P
Q6101M6 4815261H01 XSTR,BIP GP
SS,NPN,DTC114Y,SC-
59,SC-
59,SMT3,50V,100MA,250M
HZ
Q6401M6 48012170001 XSTR,FET GP
PWR,N,SM,SMT,20V,.15W
Q6501M6 4813970A62 XSTR,FET GP PWR,MOS-
FET,P-CH,ENHN,CF,-
20V,1.3W,PB-FREE
Q6502M6 48012154001 XSTR,FET GP
PWR,P,SM,SMT,-
20V,.5W,FET
Ref. Des. Part Number Description
Q6504M6 4809579E77 XSTR,FET GP SS,MOS-
FET,N-
CH,SM,30V,1.2X1.2MM
PKG W18 COMP
Q6505M6 4813970A62 XSTR,FET GP PWR,MOS-
FET,P-CH,ENHN,CF,-
20V,1.3W,PB-FREE
Q6506M6 4809579E77 XSTR,FET GP SS,MOS-
FET,N-
CH,SM,30V,1.2X1.2MM
PKG W18 COMP
Q6507M6 48012170001 XSTR,FET GP
PWR,N,SM,SMT,20V,.15W
Q6508M6 48012154001 XSTR,FET GP
PWR,P,SM,SMT,-
20V,.5W,FET
Q731M7 4885061Y01 XSTR,BIP RF SMALL SIG-
NAL
Q745M7 4813973M75 XSTR,BIP GP
SS,PNP,BC858,SOT-
563,SMT,-30V,.357W,-
100MA,100MHZ
Q756M7 4805585Q32 XSTR,BIP RF SML
SGNL,NPN,NE662M04,SM,
SOT-343,3.3V,TRANSITO
Q767M7 4813973M75 XSTR,BIP GP
SS,PNP,BC858,SOT-
563,SMT,-30V,.357W,-
100MA,100MHZ
Q774M7 4805585Q32 XSTR,BIP RF SML
SGNL,NPN,NE662M04,SM,
SOT-343,3.3V,TRANSITO
Q785M7 4889394V04 XSTR,FET GEN PURPOSE
SMALL SIG,MOSFET,N-
CH,ENHN,SM,20V,.25W,P
R1101M11 0613952R01 RES,MF,10KOHM,5%,.0625
W,SM,0402,200PPM/
CEL,PB-FREE
R1102M11 0613952R25 RES,MF,100KOHM,5%,.062
5W,SM,0402,200PPM/
CEL,PB-FREE
R1103M11 6009259001 RES,SHUNT,.02OHM,.33W,
SMD,LOW RESISTANCE
THK FLM RES
R1104M11 0613952Q49 RES,MF,100,5,.0625,SM,04
02,200,PB-FREE
Ref. Des. Part Number Description
R1105M11 0613952Q49 RES,MF,100,5,.0625,SM,04
02,200,PB-FREE
R1106M11 0613952Q21 RES,MF,6.8OHM,5%,.0625
W,SM,0402,200PPM/
CEL,PB-FREE
R1107M11 0613952Q45 RES,MF,68OHM,5%,.0625
W,SM,0402,200PPM/
CEL,PB-FREE
R1108M11 0613952N81 RES,MF,68.1KOHM,1%,.06
25W,SM,0402,200PPM/
CEL,PB-FREE
R1110M11 0613952R01 RES,MF,10KOHM,5%,.0625
W,SM,0402,200PPM/
CEL,PB-FREE
R1112M11 0613952Q42 RES,MF,51OHM,5%,.0625
W,SM,0402,200PPM/
CEL,PB-FREE
R1114M11 0613952Q49 RES,MF,100,5,.0625,SM,04
02,200,PB-FREE
R1115M11 0613952Q49 RES,MF,100,5,.0625,SM,04
02,200,PB-FREE
R1116M11 0613952R01 RES,MF,10KOHM,5%,.0625
W,SM,0402,200PPM/
CEL,PB-FREE
R1117M11 0613952R22 RES,MF,75KOHM,5%,.0625
W,SM,0402,200PPM/
CEL,PB-FREE
R1121M11 0613952N47 RES,MF,30.1KOHM,1%,.06
25W,SM,0402,200PPM/
CEL,PB-FREE
R1122M11 0613952N85 RES,MF,75KOHM,1%,.0625
W,SM,0402,200PPM/
CEL,PB-FREE
R1124M11 0613952Q42 RES,MF,51OHM,5%,.0625
W,SM,0402,200PPM/
CEL,PB-FREE
R1125M11 0613952R17 RES,MF,47000,5,.0625,SM,
0402,200,PB-FREE
R1126M11 0613952R08 RES,MF,20KOHM,5%,.0625
W,SM,0402,200PPM/
CEL,PB-FREE
R1127M11 0613952R08 RES,MF,20KOHM,5%,.0625
W,SM,0402,200PPM/
CEL,PB-FREE
Ref. Des. Part Number Description

8-216 Schematics, Boards Overlays, and Parts Lists: Main Board Block: UHF2 (84012616001)
R1128M11 0613952R01 RES,MF,10KOHM,5%,.0625
W,SM,0402,200PPM/
CEL,PB-FREE
R1135M11 0613952R66 RES,MF,0OHM,5%,.0625W,
SM,0402,PB-FREE
R1136M11 0613952R01 RES,MF,10KOHM,5%,.0625
W,SM,0402,200PPM/
CEL,PB-FREE
R1137M11 0613952R01 RES,MF,10KOHM,5%,.0625
W,SM,0402,200PPM/
CEL,PB-FREE
R1138M11 0613952R25 RES,MF,100KOHM,5%,.062
5W,SM,0402,200PPM/
CEL,PB-FREE
R1139M11 0613952R25 RES,MF,100KOHM,5%,.062
5W,SM,0402,200PPM/
CEL,PB-FREE
R1140M11 0613952R25 RES,MF,100KOHM,5%,.062
5W,SM,0402,200PPM/
CEL,PB-FREE
R1141M11 0613952R42 RES,MF,510KOHM,5%,.062
5W,SM,0402,200PPM/
CEL,PB-FREE
R1142M11 0613952R25 RES,MF,100KOHM,5%,.062
5W,SM,0402,200PPM/
CEL,PB-FREE
R1143M11 0613952R25 RES,MF,100KOHM,5%,.062
5W,SM,0402,200PPM/
CEL,PB-FREE
R1144M11 0613952R25 RES,MF,100KOHM,5%,.062
5W,SM,0402,200PPM/
CEL,PB-FREE
R1145M11 0613952R25 RES,MF,100KOHM,5%,.062
5W,SM,0402,200PPM/
CEL,PB-FREE
R1146M11 0613952R25 RES,MF,100KOHM,5%,.062
5W,SM,0402,200PPM/
CEL,PB-FREE
R1151M11 0613952R05 RES,MF,15KOHM,5%,.0625
W,SM,0402,200PPM/
CEL,PB-FREE
R1152M11 0613952R01 RES,MF,10KOHM,5%,.0625
W,SM,0402,200PPM/
CEL,PB-FREE
Ref. Des. Part Number Description
R1154M11 0613952N01 RES,MF,10KOHM,1%,.0625
W,SM,0402,200PPM/
CEL,PB-FREE
R1158M11 0613952R25 RES,MF,100KOHM,5%,.062
5W,SM,0402,200PPM/
CEL,PB-FREE
R1160M11 0613952R03 RES,MF,12000,5,.0625,SM,
0402,200,PB-FREE
R1162M11 0613952R29 RES,MF,150KOHM,5%,.062
5W,SM,0402,200PPM/
CEL,PB-FREE
R1163M11 0613952R01 RES,MF,10KOHM,5%,.0625
W,SM,0402,200PPM/
CEL,PB-FREE
R1164M11 0613952R01 RES,MF,10KOHM,5%,.0625
W,SM,0402,200PPM/
CEL,PB-FREE
R1165M11 0613952Q56 RES,MF,200OHM,5%,.0625
W,SM,0402,200PPM/
CEL,PB-FREE
R1166M11 0613952Q56 RES,MF,200OHM,5%,.0625
W,SM,0402,200PPM/
CEL,PB-FREE
R1167M11 0613952R01 RES,MF,10KOHM,5%,.0625
W,SM,0402,200PPM/
CEL,PB-FREE
R1168M11 0613952Q49 RES,MF,100,5,.0625,SM,04
02,200,PB-FREE
R1169M11 0613952P52 RES,MF,340KOHM,1%,.062
5W,SM,0402,200PPM/
CEL,PB-FREE
R1170M11 0613952N88 RES,MF,80.6KOHM,1%,.06
25W,SM,0402,200PPM/
CEL,PB-FREE
R1171M11 0613952R66 RES,MF,0OHM,5%,.0625W,
SM,0402,PB-FREE
R1172M11 0613952Q89 RES,MF,4700,5,.0625,SM,0
402,200,PB-FREE
R1174M11 0613952N01 RES,MF,10KOHM,1%,.0625
W,SM,0402,200PPM/
CEL,PB-FREE
R1175M11 0613952R66 RES,MF,0OHM,5%,.0625W,
SM,0402,PB-FREE
Ref. Des. Part Number Description
R1176M11 0613952M01 RES,MF,1KOHM,1%,.0625
W,SM,0402,200PPM/
CEL,PB-FREE
R1177M11 0613952R66 RES,MF,0OHM,5%,.0625W,
SM,0402,PB-FREE
R1178M11 0613952R01 RES,MF,10KOHM,5%,.0625
W,SM,0402,200PPM/
CEL,PB-FREE
R1180M11 0613952R66 RES,MF,0OHM,5%,.0625W,
SM,0402,PB-FREE
R1182M11 0613952R01 RES,MF,10KOHM,5%,.0625
W,SM,0402,200PPM/
CEL,PB-FREE
R1198M11 0613952J01 RES,MF,10KOHM,5%,.1W,S
M,0603,200PPM/CEL,PB-
FREE
R1202M11 0613952R66 RES,MF,0OHM,5%,.0625W,
SM,0402,PB-FREE
R1301M3 0613952R66 RES,MF,0OHM,5%,.0625W,
SM,0402,PB-FREE
R1302M3 0613952R66 RES,MF,0OHM,5%,.0625W,
SM,0402,PB-FREE
R1303M3 0613952R66 RES,MF,0OHM,5%,.0625W,
SM,0402,PB-FREE
R1304M3 0613952R66 RES,MF,0OHM,5%,.0625W,
SM,0402,PB-FREE
R1305M3 0613952R66 RES,MF,0OHM,5%,.0625W,
SM,0402,PB-FREE
R1306M3 0613952R66 RES,MF,0OHM,5%,.0625W,
SM,0402,PB-FREE
R1307M3 0613952R66 RES,MF,0OHM,5%,.0625W,
SM,0402,PB-FREE
R1308M3 0613952R25 RES,MF,100KOHM,5%,.062
5W,SM,0402,200PPM/
CEL,PB-FREE
R1309M3 0613952Q50 RES,MF,110OHM,5%,.0625
W,SM,0402,200PPM/
CEL,PB-FREE
R1310M3 0613952R66 RES,MF,0OHM,5%,.0625W,
SM,0402,PB-FREE
R1311M3 0613952Q50 RES,MF,110OHM,5%,.0625
W,SM,0402,200PPM/
CEL,PB-FREE
Ref. Des. Part Number Description
R1312M3 0613952R66 RES,MF,0OHM,5%,.0625W,
SM,0402,PB-FREE
R1313M3 0613952R66 RES,MF,0OHM,5%,.0625W,
SM,0402,PB-FREE
R1314M3 0613952R66 RES,MF,0OHM,5%,.0625W,
SM,0402,PB-FREE
R1315M3 0613952R66 RES,MF,0OHM,5%,.0625W,
SM,0402,PB-FREE
R1316M3 0613952R25 RES,MF,100KOHM,5%,.062
5W,SM,0402,200PPM/
CEL,PB-FREE
R1317M3 0613952R66 RES,MF,0OHM,5%,.0625W,
SM,0402,PB-FREE
R1318M3 0613952R66 RES,MF,0OHM,5%,.0625W,
SM,0402,PB-FREE
R1319M3 0613952R66 RES,MF,0OHM,5%,.0625W,
SM,0402,PB-FREE
R1320M3 0613952R66 RES,MF,0OHM,5%,.0625W,
SM,0402,PB-FREE
R1321M3 0613952R66 RES,MF,0OHM,5%,.0625W,
SM,0402,PB-FREE
R1322M3 0613952R66 RES,MF,0OHM,5%,.0625W,
SM,0402,PB-FREE
R1323M3 0613952R66 RES,MF,0OHM,5%,.0625W,
SM,0402,PB-FREE
R1324M3 0613952R25 RES,MF,100KOHM,5%,.062
5W,SM,0402,200PPM/
CEL,PB-FREE
R1325M3 0613952R66 RES,MF,0OHM,5%,.0625W,
SM,0402,PB-FREE
R1326M3 0613952R66 RES,MF,0OHM,5%,.0625W,
SM,0402,PB-FREE
R1327M3 0613952Q73 RES,MF,1KOHM,5%,.0625
W,SM,0402,200PPM/
CEL,PB-FREE
R1328M3 0613952Q73 RES,MF,1KOHM,5%,.0625
W,SM,0402,200PPM/
CEL,PB-FREE
R1329M3 0613952R66 RES,MF,0OHM,5%,.0625W,
SM,0402,PB-FREE
R1330M3 0613952R66 RES,MF,0OHM,5%,.0625W,
SM,0402,PB-FREE
Ref. Des. Part Number Description

Schematics, Boards Overlays, and Parts Lists: Main Board Block: UHF2 (84012616001) 8-217
R1331M3 0613952R66 RES,MF,0OHM,5%,.0625W,
SM,0402,PB-FREE
R1332M3 0613952R66 RES,MF,0OHM,5%,.0625W,
SM,0402,PB-FREE
R1333M3 0613952R25 RES,MF,100KOHM,5%,.062
5W,SM,0402,200PPM/
CEL,PB-FREE
R1337M3 0613952R66 RES,MF,0OHM,5%,.0625W,
SM,0402,PB-FREE
R1338M3 0613952R66 RES,MF,0OHM,5%,.0625W,
SM,0402,PB-FREE
R1340M3 0613952R66 RES,MF,0OHM,5%,.0625W,
SM,0402,PB-FREE
R1601M16 0613952Q96 RES,MF,9.1KOHM,5%,.062
5W,SM,0402,200PPM/
CEL,PB-FREE
R1602M16 0613952R01 RES,MF,10KOHM,5%,.0625
W,SM,0402,200PPM/
CEL,PB-FREE
R1603M16 0613952R23 RES,MF,82KOHM,5%,.0625
W,SM,0402,200PPM/
CEL,PB-FREE
R1604M16 0613952R13 RES,MF,33KOHM,5%,.0625
W,SM,0402,200PPM/
CEL,PB-FREE
R1605M16 0613952Q73 RES,MF,1KOHM,5%,.0625
W,SM,0402,200PPM/
CEL,PB-FREE
R1606M16 0613952H53 RES,MF,150OHM,5%,.1W,S
M,0603,200PPM/CEL,PB-
FREE
R1651M16 0613952Q57 RES,MF,220OHM,5%,.0625
W,SM,0402,200PPM/
CEL,PB-FREE
R1652M16 0613952Q57 RES,MF,220OHM,5%,.0625
W,SM,0402,200PPM/
CEL,PB-FREE
R1653M16 0613952Q34 RES,MF,24OHM,5%,.0625
W,SM,0402,200PPM/
CEL,PB-FREE
R1900M20 0613952R66 RES,MF,0OHM,5%,.0625W,
SM,0402,PB-FREE
Ref. Des. Part Number Description
R1906M20 0613952R01 RES,MF,10KOHM,5%,.0625
W,SM,0402,200PPM/
CEL,PB-FREE
R1907M20 0613952R01 RES,MF,10KOHM,5%,.0625
W,SM,0402,200PPM/
CEL,PB-FREE
R1908M20 0613952R01 RES,MF,10KOHM,5%,.0625
W,SM,0402,200PPM/
CEL,PB-FREE
R1909M20 0613952R01 RES,MF,10KOHM,5%,.0625
W,SM,0402,200PPM/
CEL,PB-FREE
R1910M20 0613952Q96 RES,MF,9.1KOHM,5%,.062
5W,SM,0402,200PPM/
CEL,PB-FREE
R1911M20 0613952Q96 RES,MF,9.1KOHM,5%,.062
5W,SM,0402,200PPM/
CEL,PB-FREE
R1921M20 0613952R22 RES,MF,75KOHM,5%,.0625
W,SM,0402,200PPM/
CEL,PB-FREE
R1922M20 0613952R27 RES,MF,120KOHM,5%,.062
5W,SM,0402,200PPM/
CEL,PB-FREE
R1923M20 0613952R01 RES,MF,10KOHM,5%,.0625
W,SM,0402,200PPM/
CEL,PB-FREE
R1924M20 0613952Q37 RES,MF,33OHM,5%,.0625
W,SM,0402,200PPM/
CEL,PB-FREE
R1925M20 0613952Q11 RES,MF,2.7OHM,5%,.0625
W,SM,0402,200PPM/
CEL,PB-FREE
R1935M20 0613952Q75 RES,MF,1.2KOHM,5%,.062
5W,SM,0402,200PPM/
CEL,PB-FREE
R1936M20 0613952R66 RES,MF,0OHM,5%,.0625W,
SM,0402,PB-FREE
R1970M20 0613952Q25 RES,MF,10,5,.0625,SM,040
2,200,PB-FREE
R1972M20 0613952Q25 RES,MF,10,5,.0625,SM,040
2,200,PB-FREE
R1M2 0613952R17 RES,MF,47000,5,.0625,SM,
0402,200,PB-FREE
Ref. Des. Part Number Description
R2 0613952Y66 RES,MF,0OHM,5%,.05W,S
M,0201,,PB-FREE
R20 0613952Y66 RES,MF,0OHM,5%,.05W,S
M,0201,,PB-FREE
R200M12 0613952G67 RES,MF,0,1,.1,SM,0603,PB-
FREE
R201M12 0613952R25 RES,MF,100KOHM,5%,.062
5W,SM,0402,200PPM/
CEL,PB-FREE
R202M12 0613952Q89 RES,MF,4700,5,.0625,SM,0
402,200,PB-FREE
R2104M2 0613952Q89 RES,MF,4700,5,.0625,SM,0
402,200,PB-FREE
R2105M2 0613952Q89 RES,MF,4700,5,.0625,SM,0
402,200,PB-FREE
R2106M2 0613952R01 RES,MF,10KOHM,5%,.0625
W,SM,0402,200PPM/
CEL,PB-FREE
R2107M2 0613952Q73 RES,MF,1KOHM,5%,.0625
W,SM,0402,200PPM/
CEL,PB-FREE
R2109M2 0613952Q25 RES,MF,10,5,.0625,SM,040
2,200,PB-FREE
R2110M2 0613952Q33 RES,MF,22,5,.0625,SM,040
2,200,PB-FREE
R2111M2 0613952Q25 RES,MF,10,5,.0625,SM,040
2,200,PB-FREE
R2113M2 0613952Q25 RES,MF,10,5,.0625,SM,040
2,200,PB-FREE
R2114M2 0613952Q33 RES,MF,22,5,.0625,SM,040
2,200,PB-FREE
R2115M2 0613952Q25 RES,MF,10,5,.0625,SM,040
2,200,PB-FREE
R2116M2 0613952R01 RES,MF,10KOHM,5%,.0625
W,SM,0402,200PPM/
CEL,PB-FREE
R2117M2 0613952R01 RES,MF,10KOHM,5%,.0625
W,SM,0402,200PPM/
CEL,PB-FREE
R2118M2 0613952R01 RES,MF,10KOHM,5%,.0625
W,SM,0402,200PPM/
CEL,PB-FREE
Ref. Des. Part Number Description
R2120M2 0613952R01 RES,MF,10KOHM,5%,.0625
W,SM,0402,200PPM/
CEL,PB-FREE
R2197M2 0613952R66 RES,MF,0OHM,5%,.0625W,
SM,0402,PB-FREE
R2198M2 0613952R66 RES,MF,0OHM,5%,.0625W,
SM,0402,PB-FREE
R2199M2 0613952R66 RES,MF,0OHM,5%,.0625W,
SM,0402,PB-FREE
R21M2 0613952R66 RES,MF,0OHM,5%,.0625W,
SM,0402,PB-FREE
R2201M2 0613952R32 RES,MF,200KOHM,5%,.062
5W,SM,0402,200PPM/
CEL,PB-FREE
R2204M2 0613952Q85 RES,MF,3.3KOHM,5%,.062
5W,SM,0402,200PPM/
CEL,PB-FREE
R2206M2 0613952Q85 RES,MF,3.3KOHM,5%,.062
5W,SM,0402,200PPM/
CEL,PB-FREE
R2207M2 0613952R66 RES,MF,0OHM,5%,.0625W,
SM,0402,PB-FREE
R2235M2 0613952R66 RES,MF,0OHM,5%,.0625W,
SM,0402,PB-FREE
R2244M2 0613952Q73 RES,MF,1KOHM,5%,.0625
W,SM,0402,200PPM/
CEL,PB-FREE
R2245M2 0613952Q81 RES,MF,2200,5,.0625,SM,0
402,200,PB-FREE
R2246M2 0613952Q73 RES,MF,1KOHM,5%,.0625
W,SM,0402,200PPM/
CEL,PB-FREE
R2254M2 0613952R01 RES,MF,10KOHM,5%,.0625
W,SM,0402,200PPM/
CEL,PB-FREE
R2255M2 0613952Q66 RES,MF,510OHM,5%,.0625
W,SM,0402,200PPM/
CEL,PB-FREE
R2256M2 0613952Q66 RES,MF,510OHM,5%,.0625
W,SM,0402,200PPM/
CEL,PB-FREE
R2257M2 0613952Q66 RES,MF,510OHM,5%,.0625
W,SM,0402,200PPM/
CEL,PB-FREE
Ref. Des. Part Number Description

8-218 Schematics, Boards Overlays, and Parts Lists: Main Board Block: UHF2 (84012616001)
R22M2 0613952R66 RES,MF,0OHM,5%,.0625W,
SM,0402,PB-FREE
R2356M2 0613952Q09 RES,MF,2.2OHM,5%,.0625
W,SM,0402,200PPM/
CEL,PB-FREE
R2357M2 0613952Q09 RES,MF,2.2OHM,5%,.0625
W,SM,0402,200PPM/
CEL,PB-FREE
R2358M2 0613952Q66 RES,MF,510OHM,5%,.0625
W,SM,0402,200PPM/
CEL,PB-FREE
R2359M2 0613952R66 RES,MF,0OHM,5%,.0625W,
SM,0402,PB-FREE
R2360M2 0613952R66 RES,MF,0OHM,5%,.0625W,
SM,0402,PB-FREE
R2361M2 0613952R66 RES,MF,0OHM,5%,.0625W,
SM,0402,PB-FREE
R2362M2 0613952Q49 RES,MF,100,5,.0625,SM,04
02,200,PB-FREE
R2363M2 0613952Q53 RES,MF,150OHM,5%,.0625
W,SM,0402,200PPM/
CEL,PB-FREE
R2364M2 0613952Q49 RES,MF,100,5,.0625,SM,04
02,200,PB-FREE
R2401M2 0613952R01 RES,MF,10KOHM,5%,.0625
W,SM,0402,200PPM/
CEL,PB-FREE
R2404M3 0613952R25 RES,MF,100KOHM,5%,.062
5W,SM,0402,200PPM/
CEL,PB-FREE
R2405M3 0613952R66 RES,MF,0OHM,5%,.0625W,
SM,0402,PB-FREE
R2406M3 0613952R66 RES,MF,0OHM,5%,.0625W,
SM,0402,PB-FREE
R2407M3 0613952R66 RES,MF,0OHM,5%,.0625W,
SM,0402,PB-FREE
R2408M3 0613952R66 RES,MF,0OHM,5%,.0625W,
SM,0402,PB-FREE
R2412M3 0613952Q53 RES,MF,150OHM,5%,.0625
W,SM,0402,200PPM/
CEL,PB-FREE
Ref. Des. Part Number Description
R2414M3 0613952R25 RES,MF,100KOHM,5%,.062
5W,SM,0402,200PPM/
CEL,PB-FREE
R2416M3 0613952R25 RES,MF,100KOHM,5%,.062
5W,SM,0402,200PPM/
CEL,PB-FREE
R2418M3 0613952R66 RES,MF,0OHM,5%,.0625W,
SM,0402,PB-FREE
R2419M3 0613952Q49 RES,MF,100,5,.0625,SM,04
02,200,PB-FREE
R2433M3 0613952R25 RES,MF,100KOHM,5%,.062
5W,SM,0402,200PPM/
CEL,PB-FREE
R2434M3 0613952R25 RES,MF,100KOHM,5%,.062
5W,SM,0402,200PPM/
CEL,PB-FREE
R2435M3 0613952R66 RES,MF,0OHM,5%,.0625W,
SM,0402,PB-FREE
R2436M3 0613952R25 RES,MF,100KOHM,5%,.062
5W,SM,0402,200PPM/
CEL,PB-FREE
R2437M3 0613952R25 RES,MF,100KOHM,5%,.062
5W,SM,0402,200PPM/
CEL,PB-FREE
R2441M3 0613952Q41 RES,MF,47OHM,5%,.0625
W,SM,0402,200PPM/
CEL,PB-FREE
R2442M3 0613952Q73 RES,MF,1KOHM,5%,.0625
W,SM,0402,200PPM/
CEL,PB-FREE
R2443M3 0613952Q73 RES,MF,1KOHM,5%,.0625
W,SM,0402,200PPM/
CEL,PB-FREE
R2444M3 0613952R25 RES,MF,100KOHM,5%,.062
5W,SM,0402,200PPM/
CEL,PB-FREE
R2449M3 0613952R25 RES,MF,100KOHM,5%,.062
5W,SM,0402,200PPM/
CEL,PB-FREE
R2450M3 0613952R25 RES,MF,100KOHM,5%,.062
5W,SM,0402,200PPM/
CEL,PB-FREE
R2451M3 0613952R66 RES,MF,0OHM,5%,.0625W,
SM,0402,PB-FREE
Ref. Des. Part Number Description
R2452M3 0613952R25 RES,MF,100KOHM,5%,.062
5W,SM,0402,200PPM/
CEL,PB-FREE
R2453M3 0613952R25 RES,MF,100KOHM,5%,.062
5W,SM,0402,200PPM/
CEL,PB-FREE
R2454M3 0613952R25 RES,MF,100KOHM,5%,.062
5W,SM,0402,200PPM/
CEL,PB-FREE
R2455M3 0613952R25 RES,MF,100KOHM,5%,.062
5W,SM,0402,200PPM/
CEL,PB-FREE
R2456M3 0613952R25 RES,MF,100KOHM,5%,.062
5W,SM,0402,200PPM/
CEL,PB-FREE
R2457M3 0613952R05 RES,MF,15KOHM,5%,.0625
W,SM,0402,200PPM/
CEL,PB-FREE
R2458M3 0613952Q89 RES,MF,4700,5,.0625,SM,0
402,200,PB-FREE
R2459M3 0613952R25 RES,MF,100KOHM,5%,.062
5W,SM,0402,200PPM/
CEL,PB-FREE
R2460M3 0613952R25 RES,MF,100KOHM,5%,.062
5W,SM,0402,200PPM/
CEL,PB-FREE
R2461M3 0613952R25 RES,MF,100KOHM,5%,.062
5W,SM,0402,200PPM/
CEL,PB-FREE
R2465M3 0613952R25 RES,MF,100KOHM,5%,.062
5W,SM,0402,200PPM/
CEL,PB-FREE
R2466M3 0613952R25 RES,MF,100KOHM,5%,.062
5W,SM,0402,200PPM/
CEL,PB-FREE
R2467M3 0613952Q32 RES,MF,20OHM,5%,.0625
W,SM,0402,200PPM/
CEL,PB-FREE
R2469M3 0613952Q73 RES,MF,1KOHM,5%,.0625
W,SM,0402,200PPM/
CEL,PB-FREE
R2470M3 0613952Q73 RES,MF,1KOHM,5%,.0625
W,SM,0402,200PPM/
CEL,PB-FREE
Ref. Des. Part Number Description
R2471M3 0613952Q73 RES,MF,1KOHM,5%,.0625
W,SM,0402,200PPM/
CEL,PB-FREE
R2472M3 0613952R25 RES,MF,100KOHM,5%,.062
5W,SM,0402,200PPM/
CEL,PB-FREE
R2473M3 0613952R01 RES,MF,10KOHM,5%,.0625
W,SM,0402,200PPM/
CEL,PB-FREE
R2474M3 0613952R35 RES,MF,270000,5,.0625,SM
,0402,200,PB-FREE
R2475M3 0613952Q53 RES,MF,150OHM,5%,.0625
W,SM,0402,200PPM/
CEL,PB-FREE
R2476M3 0613952R25 RES,MF,100KOHM,5%,.062
5W,SM,0402,200PPM/
CEL,PB-FREE
R2477M3 0613952R25 RES,MF,100KOHM,5%,.062
5W,SM,0402,200PPM/
CEL,PB-FREE
R2478M3 0613952R25 RES,MF,100KOHM,5%,.062
5W,SM,0402,200PPM/
CEL,PB-FREE
R2479M3 0613952R25 RES,MF,100KOHM,5%,.062
5W,SM,0402,200PPM/
CEL,PB-FREE
R2480M3 0613952R25 RES,MF,100KOHM,5%,.062
5W,SM,0402,200PPM/
CEL,PB-FREE
R2481M3 0613952R25 RES,MF,100KOHM,5%,.062
5W,SM,0402,200PPM/
CEL,PB-FREE
R2484M3 0613952Q35 RES,MF,27OHM,5%,.0625
W,SM,0402,200PPM/
CEL,PB-FREE
R2485M3 0613952Q35 RES,MF,27OHM,5%,.0625
W,SM,0402,200PPM/
CEL,PB-FREE
R2486M3 0613952R01 RES,MF,10KOHM,5%,.0625
W,SM,0402,200PPM/
CEL,PB-FREE
R2487M3 0613952R01 RES,MF,10KOHM,5%,.0625
W,SM,0402,200PPM/
CEL,PB-FREE
Ref. Des. Part Number Description

Schematics, Boards Overlays, and Parts Lists: Main Board Block: UHF2 (84012616001) 8-219
R2488M3 0613952R25 RES,MF,100KOHM,5%,.062
5W,SM,0402,200PPM/
CEL,PB-FREE
R2489M3 0613952R01 RES,MF,10KOHM,5%,.0625
W,SM,0402,200PPM/
CEL,PB-FREE
R2490M3 0613952R01 RES,MF,10KOHM,5%,.0625
W,SM,0402,200PPM/
CEL,PB-FREE
R2491M3 0613952R01 RES,MF,10KOHM,5%,.0625
W,SM,0402,200PPM/
CEL,PB-FREE
R2492M3 0613952R01 RES,MF,10KOHM,5%,.0625
W,SM,0402,200PPM/
CEL,PB-FREE
R2493M3 0613952R66 RES,MF,0OHM,5%,.0625W,
SM,0402,PB-FREE
R2495M3 0613952R25 RES,MF,100KOHM,5%,.062
5W,SM,0402,200PPM/
CEL,PB-FREE
R2496M3 0613952R25 RES,MF,100KOHM,5%,.062
5W,SM,0402,200PPM/
CEL,PB-FREE
R2497M3 0613952R25 RES,MF,100KOHM,5%,.062
5W,SM,0402,200PPM/
CEL,PB-FREE
R2501M6 0613952R25 RES,MF,100KOHM,5%,.062
5W,SM,0402,200PPM/
CEL,PB-FREE
R2503M6 0613952R01 RES,MF,10KOHM,5%,.0625
W,SM,0402,200PPM/
CEL,PB-FREE
R2505M6 0613952Q75 RES,MF,1.2KOHM,5%,.062
5W,SM,0402,200PPM/
CEL,PB-FREE
R2507M6 0613952R49 RES,MF,1MOHM,5%,.0625
W,SM,0402,200PPM/
CEL,PB-FREE
R2508M6 0613952R01 RES,MF,10KOHM,5%,.0625
W,SM,0402,200PPM/
CEL,PB-FREE
R2509M6 0613952R66 RES,MF,0OHM,5%,.0625W,
SM,0402,PB-FREE
R2511M6 0613952R66 RES,MF,0OHM,5%,.0625W,
SM,0402,PB-FREE
Ref. Des. Part Number Description
R2512M6 0613952R66 RES,MF,0OHM,5%,.0625W,
SM,0402,PB-FREE
R2513M6 0613952Q80 RES,MF,2KOHM,5%,.0625
W,SM,0402,200PPM/
CEL,PB-FREE
R2514M6 0613952R66 RES,MF,0OHM,5%,.0625W,
SM,0402,PB-FREE
R2515M6 0613952R66 RES,MF,0OHM,5%,.0625W,
SM,0402,PB-FREE
R2516M6 0613952R66 RES,MF,0OHM,5%,.0625W,
SM,0402,PB-FREE
R2517M6 0613952R01 RES,MF,10KOHM,5%,.0625
W,SM,0402,200PPM/
CEL,PB-FREE
R2519M6 0613952H25 RES,MF,10OHM,5%,.1W,S
M,0603,200PPM/CEL,PB-
FREE
R2522M6 0613952R74 RES,MF,10MOHM,5%,.0625
W,SM,0402,400PPM/
CEL,PB-FREE
R2523M6 0613952R74 RES,MF,10MOHM,5%,.0625
W,SM,0402,400PPM/
CEL,PB-FREE
R2524M6 0613952R49 RES,MF,1MOHM,5%,.0625
W,SM,0402,200PPM/
CEL,PB-FREE
R2529M6 0613952P30 RES,MF,200000,1,.0625,SM
,0402,200,PB-FREE
R2530M6 0613952P30 RES,MF,200000,1,.0625,SM
,0402,200,PB-FREE
R2560M6 0613952R66 RES,MF,0OHM,5%,.0625W,
SM,0402,PB-FREE
R2601M13 0613952R66 RES,MF,0OHM,5%,.0625W,
SM,0402,PB-FREE
R2602M13 0613952H47 RES,MF,82OHM,5%,.1W,S
M,0603,200PPM/CEL,PB-
FREE
R2603M13 0613952H47 RES,MF,82OHM,5%,.1W,S
M,0603,200PPM/CEL,PB-
FREE
R2604M13 0613952H47 RES,MF,82OHM,5%,.1W,S
M,0603,200PPM/CEL,PB-
FREE
Ref. Des. Part Number Description
R2605M13 0613952G67 RES,MF,0,1,.1,SM,0603,PB-
FREE
R2606M13 0613952R25 RES,MF,100KOHM,5%,.062
5W,SM,0402,200PPM/
CEL,PB-FREE
R2803 0613952Q37 RES,MF,33OHM,5%,.0625
W,SM,0402,200PPM/
CEL,PB-FREE
R2804 0613952Q49 RES,MF,100,5,.0625,SM,04
02,200,PB-FREE
R2805 0613952Q49 RES,MF,100,5,.0625,SM,04
02,200,PB-FREE
R2806 0613952Q59 RES,MF,270OHM,5%,.0625
W,SM,0402,200PPM/
CEL,PB-FREE
R2807 0613952Q56 RES,MF,200OHM,5%,.0625
W,SM,0402,200PPM/
CEL,PB-FREE
R2808 0613952Q49 RES,MF,100,5,.0625,SM,04
02,200,PB-FREE
R2810 0613952R01 RES,MF,10KOHM,5%,.0625
W,SM,0402,200PPM/
CEL,PB-FREE
R2811 0613952Q89 RES,MF,4700,5,.0625,SM,0
402,200,PB-FREE
R2812 0613952R01 RES,MF,10KOHM,5%,.0625
W,SM,0402,200PPM/
CEL,PB-FREE
R2813 0613952R25 RES,MF,100KOHM,5%,.062
5W,SM,0402,200PPM/
CEL,PB-FREE
R2817 0613952Q41 RES,MF,47OHM,5%,.0625
W,SM,0402,200PPM/
CEL,PB-FREE
R3101M22 0613952R66 RES,MF,0OHM,5%,.0625W,
SM,0402,PB-FREE
R3103M22 0613952Q31 RES,MF,18OHM,5%,.0625
W,SM,0402,200PPM/
CEL,PB-FREE
R3105M22 0613952Q60 RES,MF,300OHM,5%,.0625
W,SM,0402,200PPM/
CEL,PB-FREE
Ref. Des. Part Number Description
R3106M22 0613952Q60 RES,MF,300OHM,5%,.0625
W,SM,0402,200PPM/
CEL,PB-FREE
R3107M22 0613952Q53 RES,MF,150OHM,5%,.0625
W,SM,0402,200PPM/
CEL,PB-FREE
R3108M22 0613952Q38 RES,MF,36OHM,5%,.0625
W,SM,0402,200PPM/
CEL,PB-FREE
R3109M22 0613952Q53 RES,MF,150OHM,5%,.0625
W,SM,0402,200PPM/
CEL,PB-FREE
R3114M22 0613952R11 RES,MF,27KOHM,5%,.0625
W,SM,0402,200PPM/
CEL,PB-FREE
R3118M22 0613952R09 RES,MF,22000,5,.0625,SM,
0402,200,PB-FREE
R3127M22 0613952Q51 RES,MF,120,5,.0625,SM,04
02,200,PB-FREE
R3146M22 0613952Q95 RES,MF,8.2KOHM,5%,.062
5W,SM,0402,200PPM/
CEL,PB-FREE
R3149M22 0613952Q95 RES,MF,8.2KOHM,5%,.062
5W,SM,0402,200PPM/
CEL,PB-FREE
R3158M22 0613952Q53 RES,MF,150OHM,5%,.0625
W,SM,0402,200PPM/
CEL,PB-FREE
R3159M22 0613952Q45 RES,MF,68OHM,5%,.0625
W,SM,0402,200PPM/
CEL,PB-FREE
R3160M22 0613952Q53 RES,MF,150OHM,5%,.0625
W,SM,0402,200PPM/
CEL,PB-FREE
R4005M2 0613952R01 RES,MF,10KOHM,5%,.0625
W,SM,0402,200PPM/
CEL,PB-FREE
R4006M2 0613952R01 RES,MF,10KOHM,5%,.0625
W,SM,0402,200PPM/
CEL,PB-FREE
R4007M2 0613952R01 RES,MF,10KOHM,5%,.0625
W,SM,0402,200PPM/
CEL,PB-FREE
Ref. Des. Part Number Description

8-220 Schematics, Boards Overlays, and Parts Lists: Main Board Block: UHF2 (84012616001)
R4008M2 0613952R01 RES,MF,10KOHM,5%,.0625
W,SM,0402,200PPM/
CEL,PB-FREE
R4009M2 0613952Q85 RES,MF,3.3KOHM,5%,.062
5W,SM,0402,200PPM/
CEL,PB-FREE
R4010M2 0613952R32 RES,MF,200KOHM,5%,.062
5W,SM,0402,200PPM/
CEL,PB-FREE
R4011M2 0613952R17 RES,MF,47000,5,.0625,SM,
0402,200,PB-FREE
R4012M2 0613952R09 RES,MF,22000,5,.0625,SM,
0402,200,PB-FREE
R4013M2 0613952R09 RES,MF,22000,5,.0625,SM,
0402,200,PB-FREE
R4014M2 0613952Q85 RES,MF,3.3KOHM,5%,.062
5W,SM,0402,200PPM/
CEL,PB-FREE
R500M21 0613952Q37 RES,MF,33OHM,5%,.0625
W,SM,0402,200PPM/
CEL,PB-FREE
R502M21 0613952Q36 RES,MF,30OHM,5%,.0625
W,SM,0402,200PPM/
CEL,PB-FREE
R512M21 0613952R66 RES,MF,0OHM,5%,.0625W,
SM,0402,PB-FREE
R525M21 0613952R66 RES,MF,0OHM,5%,.0625W,
SM,0402,PB-FREE
R526M21 0613958J74 RES,MF,0OHM,5%,.125W,S
M,0805,PB-FREE
R601M19 0613952Q41 RES,MF,47OHM,5%,.0625
W,SM,0402,200PPM/
CEL,PB-FREE
R602M19 0613952Q63 RES,MF,390OHM,5%,.0625
W,SM,0402,200PPM/
CEL,PB-FREE
R603M19 0613952R25 RES,MF,100KOHM,5%,.062
5W,SM,0402,200PPM/
CEL,PB-FREE
R604M19 0613952Q63 RES,MF,390OHM,5%,.0625
W,SM,0402,200PPM/
CEL,PB-FREE
Ref. Des. Part Number Description
R605M19 0613952R01 RES,MF,10KOHM,5%,.0625
W,SM,0402,200PPM/
CEL,PB-FREE
R606M19 0613952R01 RES,MF,10KOHM,5%,.0625
W,SM,0402,200PPM/
CEL,PB-FREE
R607M19 0613952R25 RES,MF,100KOHM,5%,.062
5W,SM,0402,200PPM/
CEL,PB-FREE
R608M19 0613952R01 RES,MF,10KOHM,5%,.0625
W,SM,0402,200PPM/
CEL,PB-FREE
R609M19 0613952Q81 RES,MF,2200,5,.0625,SM,0
402,200,PB-FREE
R6101M6 0613952R01 RES,MF,10KOHM,5%,.0625
W,SM,0402,200PPM/
CEL,PB-FREE
R6102M6 0613952R09 RES,MF,22000,5,.0625,SM,
0402,200,PB-FREE
R6103M6 0613952R09 RES,MF,22000,5,.0625,SM,
0402,200,PB-FREE
R6104M6 0613952R01 RES,MF,10KOHM,5%,.0625
W,SM,0402,200PPM/
CEL,PB-FREE
R6105M6 0613952R66 RES,MF,0OHM,5%,.0625W,
SM,0402,PB-FREE
R6106M6 0613952Q73 RES,MF,1KOHM,5%,.0625
W,SM,0402,200PPM/
CEL,PB-FREE
R6107M6 0613952Q55 RES,MF,180OHM,5%,.0625
W,SM,0402,200PPM/
CEL,PB-FREE
R6108M6 0613952Q61 RES,MF,330OHM,5%,.0625
W,SM,0402,200PPM/
CEL,PB-FREE
R6109M6 0613952Q73 RES,MF,1KOHM,5%,.0625
W,SM,0402,200PPM/
CEL,PB-FREE
R610M19 0613952R25 RES,MF,100KOHM,5%,.062
5W,SM,0402,200PPM/
CEL,PB-FREE
R6110M6 0613952Q73 RES,MF,1KOHM,5%,.0625
W,SM,0402,200PPM/
CEL,PB-FREE
Ref. Des. Part Number Description
R6111M6 0613952Q73 RES,MF,1KOHM,5%,.0625
W,SM,0402,200PPM/
CEL,PB-FREE
R6112M6 0613952Q73 RES,MF,1KOHM,5%,.0625
W,SM,0402,200PPM/
CEL,PB-FREE
R6113M6 0613952Q51 RES,MF,120,5,.0625,SM,04
02,200,PB-FREE
R6114M6 0613952Q49 RES,MF,100,5,.0625,SM,04
02,200,PB-FREE
R6115M6 0613952Q49 RES,MF,100,5,.0625,SM,04
02,200,PB-FREE
R6116M6 0613952Q73 RES,MF,1KOHM,5%,.0625
W,SM,0402,200PPM/
CEL,PB-FREE
R6117M6 0613952R01 RES,MF,10KOHM,5%,.0625
W,SM,0402,200PPM/
CEL,PB-FREE
R6118M6 0613952R09 RES,MF,22000,5,.0625,SM,
0402,200,PB-FREE
R6119M6 0613952R01 RES,MF,10KOHM,5%,.0625
W,SM,0402,200PPM/
CEL,PB-FREE
R611M19 0613952R01 RES,MF,10KOHM,5%,.0625
W,SM,0402,200PPM/
CEL,PB-FREE
R6120M6 0613952R01 RES,MF,10KOHM,5%,.0625
W,SM,0402,200PPM/
CEL,PB-FREE
R6121M6 0613952R01 RES,MF,10KOHM,5%,.0625
W,SM,0402,200PPM/
CEL,PB-FREE
R6122M6 0613952R01 RES,MF,10KOHM,5%,.0625
W,SM,0402,200PPM/
CEL,PB-FREE
R6125M6 0613952Q73 RES,MF,1KOHM,5%,.0625
W,SM,0402,200PPM/
CEL,PB-FREE
R612M19 0613952Q94 RES,MF,7.5KOHM,5%,.062
5W,SM,0402,200PPM/
CEL,PB-FREE
R613M19 0613952Q82 RES,MF,2.4KOHM,5%,.062
5W,SM,0402,200PPM/
CEL,PB-FREE
Ref. Des. Part Number Description
R614M19 0613952R66 RES,MF,0OHM,5%,.0625W,
SM,0402,PB-FREE
R615M19 0613952R66 RES,MF,0OHM,5%,.0625W,
SM,0402,PB-FREE
R616M19 0613952R66 RES,MF,0OHM,5%,.0625W,
SM,0402,PB-FREE
R617M19 0613952R66 RES,MF,0OHM,5%,.0625W,
SM,0402,PB-FREE
R618M19 0613952R66 RES,MF,0OHM,5%,.0625W,
SM,0402,PB-FREE
R619M19 0613952R66 RES,MF,0OHM,5%,.0625W,
SM,0402,PB-FREE
R6204M6 0613952R01 RES,MF,10KOHM,5%,.0625
W,SM,0402,200PPM/
CEL,PB-FREE
R6205M6 0613952R01 RES,MF,10KOHM,5%,.0625
W,SM,0402,200PPM/
CEL,PB-FREE
R6206M6 0613952R25 RES,MF,100KOHM,5%,.062
5W,SM,0402,200PPM/
CEL,PB-FREE
R6207M6 0613952R25 RES,MF,100KOHM,5%,.062
5W,SM,0402,200PPM/
CEL,PB-FREE
R6208M6 0613952Q89 RES,MF,4700,5,.0625,SM,0
402,200,PB-FREE
R6209M6 0613952Q89 RES,MF,4700,5,.0625,SM,0
402,200,PB-FREE
R620M19 0613952R66 RES,MF,0OHM,5%,.0625W,
SM,0402,PB-FREE
R6210M6 0613952Q89 RES,MF,4700,5,.0625,SM,0
402,200,PB-FREE
R6211M6 0613952R01 RES,MF,10KOHM,5%,.0625
W,SM,0402,200PPM/
CEL,PB-FREE
R6212M6 0613952R01 RES,MF,10KOHM,5%,.0625
W,SM,0402,200PPM/
CEL,PB-FREE
R6213M6 0613952R01 RES,MF,10KOHM,5%,.0625
W,SM,0402,200PPM/
CEL,PB-FREE
Ref. Des. Part Number Description

Schematics, Boards Overlays, and Parts Lists: Main Board Block: UHF2 (84012616001) 8-221
R6215M6 0613952R01 RES,MF,10KOHM,5%,.0625
W,SM,0402,200PPM/
CEL,PB-FREE
R6217M6 0613952Q73 RES,MF,1KOHM,5%,.0625
W,SM,0402,200PPM/
CEL,PB-FREE
R6218M6 0613952Q80 RES,MF,2KOHM,5%,.0625
W,SM,0402,200PPM/
CEL,PB-FREE
R621M19 0613952R66 RES,MF,0OHM,5%,.0625W,
SM,0402,PB-FREE
R623M19 0613952R66 RES,MF,0OHM,5%,.0625W,
SM,0402,PB-FREE
R624M19 0613952R66 RES,MF,0OHM,5%,.0625W,
SM,0402,PB-FREE
R6301M6 0613952R01 RES,MF,10KOHM,5%,.0625
W,SM,0402,200PPM/
CEL,PB-FREE
R6304M6 0613952R66 RES,MF,0OHM,5%,.0625W,
SM,0402,PB-FREE
R6306M6 0613952R01 RES,MF,10KOHM,5%,.0625
W,SM,0402,200PPM/
CEL,PB-FREE
R6310M6 0613952Q37 RES,MF,33OHM,5%,.0625
W,SM,0402,200PPM/
CEL,PB-FREE
R6311M6 0613952Q37 RES,MF,33OHM,5%,.0625
W,SM,0402,200PPM/
CEL,PB-FREE
R6312M6 0613952Q37 RES,MF,33OHM,5%,.0625
W,SM,0402,200PPM/
CEL,PB-FREE
R6313M6 0613952Q37 RES,MF,33OHM,5%,.0625
W,SM,0402,200PPM/
CEL,PB-FREE
R6314M6 0613952Q37 RES,MF,33OHM,5%,.0625
W,SM,0402,200PPM/
CEL,PB-FREE
R6316M6 0613952R01 RES,MF,10KOHM,5%,.0625
W,SM,0402,200PPM/
CEL,PB-FREE
R6401M6 0613952R18 RES,MF,51KOHM,5%,.0625
W,SM,0402,200PPM/
CEL,PB-FREE
Ref. Des. Part Number Description
R6402M6 0613952R32 RES,MF,200KOHM,5%,.062
5W,SM,0402,200PPM/
CEL,PB-FREE
R6404M6 0613952Q81 RES,MF,2200,5,.0625,SM,0
402,200,PB-FREE
R6405M6 0613952Q75 RES,MF,1.2KOHM,5%,.062
5W,SM,0402,200PPM/
CEL,PB-FREE
R6406M6 0613952R01 RES,MF,10KOHM,5%,.0625
W,SM,0402,200PPM/
CEL,PB-FREE
R6410M6 0613952R01 RES,MF,10KOHM,5%,.0625
W,SM,0402,200PPM/
CEL,PB-FREE
R6411M6 0613952R66 RES,MF,0OHM,5%,.0625W,
SM,0402,PB-FREE
R6416M6 0613952Q61 RES,MF,330OHM,5%,.0625
W,SM,0402,200PPM/
CEL,PB-FREE
R6417M6 0613952Q61 RES,MF,330OHM,5%,.0625
W,SM,0402,200PPM/
CEL,PB-FREE
R6419M6 0613952Q37 RES,MF,33OHM,5%,.0625
W,SM,0402,200PPM/
CEL,PB-FREE
R6420M6 0613952R17 RES,MF,47000,5,.0625,SM,
0402,200,PB-FREE
R6421M6 0613952R01 RES,MF,10KOHM,5%,.0625
W,SM,0402,200PPM/
CEL,PB-FREE
R6422M6 0613952Q51 RES,MF,120,5,.0625,SM,04
02,200,PB-FREE
R6423M6 0613952R66 RES,MF,0OHM,5%,.0625W,
SM,0402,PB-FREE
R6425M6 0613952Q80 RES,MF,2KOHM,5%,.0625
W,SM,0402,200PPM/
CEL,PB-FREE
R6426M6 0613952Q49 RES,MF,100,5,.0625,SM,04
02,200,PB-FREE
R6427M6 0613952R11 RES,MF,27KOHM,5%,.0625
W,SM,0402,200PPM/
CEL,PB-FREE
Ref. Des. Part Number Description
R6428M6 0613952R25 RES,MF,100KOHM,5%,.062
5W,SM,0402,200PPM/
CEL,PB-FREE
R6429M6 0613952R17 RES,MF,47000,5,.0625,SM,
0402,200,PB-FREE
R6430M6 0613952R09 RES,MF,22000,5,.0625,SM,
0402,200,PB-FREE
R6431M6 0613952Q81 RES,MF,2200,5,.0625,SM,0
402,200,PB-FREE
R6492M6 0613952Q79 RES,MF,1800,5,.0625,SM,0
402,200,PB-FREE
R6501M6 0613952Q25 RES,MF,10,5,.0625,SM,040
2,200,PB-FREE
R6502M6 0613952Q25 RES,MF,10,5,.0625,SM,040
2,200,PB-FREE
R6503M6 0613952Q25 RES,MF,10,5,.0625,SM,040
2,200,PB-FREE
R6504M6 0613952R09 RES,MF,22000,5,.0625,SM,
0402,200,PB-FREE
R6505M6 0613952Q80 RES,MF,2KOHM,5%,.0625
W,SM,0402,200PPM/
CEL,PB-FREE
R6506M6 0613952R66 RES,MF,0OHM,5%,.0625W,
SM,0402,PB-FREE
R6507M6 0613952R01 RES,MF,10KOHM,5%,.0625
W,SM,0402,200PPM/
CEL,PB-FREE
R6508M6 0613952R17 RES,MF,47000,5,.0625,SM,
0402,200,PB-FREE
R6509M6 0613952R25 RES,MF,100KOHM,5%,.062
5W,SM,0402,200PPM/
CEL,PB-FREE
R6510M6 0613952R66 RES,MF,0OHM,5%,.0625W,
SM,0402,PB-FREE
R6511M6 0613952R01 RES,MF,10KOHM,5%,.0625
W,SM,0402,200PPM/
CEL,PB-FREE
R6512M6 0613952N01 RES,MF,10KOHM,1%,.0625
W,SM,0402,200PPM/
CEL,PB-FREE
R6513M6 0613952R66 RES,MF,0OHM,5%,.0625W,
SM,0402,PB-FREE
Ref. Des. Part Number Description
R6514M6 0613952Q89 RES,MF,4700,5,.0625,SM,0
402,200,PB-FREE
R6515M6 0613952R66 RES,MF,0OHM,5%,.0625W,
SM,0402,PB-FREE
R6516M6 0613952R66 RES,MF,0OHM,5%,.0625W,
SM,0402,PB-FREE
R6517M6 0613952Q63 RES,MF,390OHM,5%,.0625
W,SM,0402,200PPM/
CEL,PB-FREE
R6518M6 0613952R66 RES,MF,0OHM,5%,.0625W,
SM,0402,PB-FREE
R6519M6 0613952Q89 RES,MF,4700,5,.0625,SM,0
402,200,PB-FREE
R6520M6 0613952Q73 RES,MF,1KOHM,5%,.0625
W,SM,0402,200PPM/
CEL,PB-FREE
R6521M6 0615049H01 RES,MF,.2OHM,1%,.5W,120
6,KAMAYA 0.2 OHM CHIP
RES
R6522M6 0613952M66 RES,MF,4.75KOHM,1%,.06
25W,SM,0402,200PPM/
CEL,PB-FREE
R6523M6 0613952R09 RES,MF,22000,5,.0625,SM,
0402,200,PB-FREE
R6524M6 0613952R66 RES,MF,0OHM,5%,.0625W,
SM,0402,PB-FREE
R6525M6 0613952R66 RES,MF,0OHM,5%,.0625W,
SM,0402,PB-FREE
R6526M6 0613952R66 RES,MF,0OHM,5%,.0625W,
SM,0402,PB-FREE
R6527M6 0613952N87 RES,MF,78.7KOHM,1%,.06
25W,SM,0402,200PPM/
CEL,PB-FREE
R6528M6 0613952R25 RES,MF,100KOHM,5%,.062
5W,SM,0402,200PPM/
CEL,PB-FREE
R6529M6 0615049H01 RES,MF,.2OHM,1%,.5W,120
6,KAMAYA 0.2 OHM CHIP
RES
R6530M6 0613952L30 RES,MF,200OHM,1%,.0625
W,SM,0402,200PPM/
CEL,PB-FREE
Ref. Des. Part Number Description

8-222 Schematics, Boards Overlays, and Parts Lists: Main Board Block: UHF2 (84012616001)
R6531M6 0613952R01 RES,MF,10KOHM,5%,.0625
W,SM,0402,200PPM/
CEL,PB-FREE
R6532M6 0613952R66 RES,MF,0OHM,5%,.0625W,
SM,0402,PB-FREE
R6533M6 0613952R66 RES,MF,0OHM,5%,.0625W,
SM,0402,PB-FREE
R6534M6 0613952R66 RES,MF,0OHM,5%,.0625W,
SM,0402,PB-FREE
R6535M6 0613952N01 RES,MF,10KOHM,1%,.0625
W,SM,0402,200PPM/
CEL,PB-FREE
R6536M6 0613952Z72 RES,MF,91KOHM,1%,.0625
W,SM,0402,200PPM/
CEL,PB-FREE
R6537M6 0613952P09 RES,MF,121KOHM,1%,.062
5W,SM,0402,200PPM/
CEL,PB-FREE
R6538M6 0613952Q95 RES,MF,8.2KOHM,5%,.062
5W,SM,0402,200PPM/
CEL,PB-FREE
R6539M6 0613952P66 RES,MF,475KOHM,1%,.062
5W,SM,0402,200PPM/
CEL,PB-FREE
R6540M6 0613952P66 RES,MF,475KOHM,1%,.062
5W,SM,0402,200PPM/
CEL,PB-FREE
R6541M6 0613952R25 RES,MF,100KOHM,5%,.062
5W,SM,0402,200PPM/
CEL,PB-FREE
R6542M6 0613952R66 RES,MF,0OHM,5%,.0625W,
SM,0402,PB-FREE
R6543M6 0613952R66 RES,MF,0OHM,5%,.0625W,
SM,0402,PB-FREE
R6544M6 0613952R66 RES,MF,0OHM,5%,.0625W,
SM,0402,PB-FREE
R6545M6 0613952R25 RES,MF,100KOHM,5%,.062
5W,SM,0402,200PPM/
CEL,PB-FREE
R6546M6 0613952R66 RES,MF,0OHM,5%,.0625W,
SM,0402,PB-FREE
R6547M6 0613952R66 RES,MF,0OHM,5%,.0625W,
SM,0402,PB-FREE
Ref. Des. Part Number Description
R6548M6 0613952R66 RES,MF,0OHM,5%,.0625W,
SM,0402,PB-FREE
R6550M6 0613952Z64 RES,MF,39KOHM,1%,.0625
W,SM,0402,200PPM/
CEL,PB-FREE
R6551M6 0613952Z62 RES,MF,33KOHM,1%,.0625
W,SM,0402,200PPM/
CEL,PB-FREE
R6552M6 0613952R25 RES,MF,100KOHM,5%,.062
5W,SM,0402,200PPM/
CEL,PB-FREE
R6558M6 0613952P22 RES,MF,165KOHM,1%,.062
5W,SM,0402,200PPM/
CEL,PB-FREE
R6561M6 0613952R66 RES,MF,0OHM,5%,.0625W,
SM,0402,PB-FREE
R6562M6 0613952R66 RES,MF,0OHM,5%,.0625W,
SM,0402,PB-FREE
R6563M6 0613952R66 RES,MF,0OHM,5%,.0625W,
SM,0402,PB-FREE
R6564M6 0613952R66 RES,MF,0OHM,5%,.0625W,
SM,0402,PB-FREE
R6565M6 0613952R66 RES,MF,0OHM,5%,.0625W,
SM,0402,PB-FREE
R6566M6 0613952R66 RES,MF,0OHM,5%,.0625W,
SM,0402,PB-FREE
R6567M6 0613952R66 RES,MF,0OHM,5%,.0625W,
SM,0402,PB-FREE
R6568M6 0613952P47 RES,MF,301KOHM,1%,.062
5W,SM,0402,200PPM/
CEL,PB-FREE
R6570M6 0613952R66 RES,MF,0OHM,5%,.0625W,
SM,0402,PB-FREE
R6574M6 0613952R25 RES,MF,100KOHM,5%,.062
5W,SM,0402,200PPM/
CEL,PB-FREE
R6576M6 0613952R01 RES,MF,10KOHM,5%,.0625
W,SM,0402,200PPM/
CEL,PB-FREE
R6577M6 0613952Q89 RES,MF,4700,5,.0625,SM,0
402,200,PB-FREE
R6578M6 0613952Q89 RES,MF,4700,5,.0625,SM,0
402,200,PB-FREE
Ref. Des. Part Number Description
R6579M6 0613952R01 RES,MF,10KOHM,5%,.0625
W,SM,0402,200PPM/
CEL,PB-FREE
R6580M6 0613952R17 RES,MF,47000,5,.0625,SM,
0402,200,PB-FREE
R6581M6 0613952Q49 RES,MF,100,5,.0625,SM,04
02,200,PB-FREE
R6582M6 0613952Q89 RES,MF,4700,5,.0625,SM,0
402,200,PB-FREE
R6583M6 0613952R03 RES,MF,12000,5,.0625,SM,
0402,200,PB-FREE
R6584M6 0613952Q56 RES,MF,200OHM,5%,.0625
W,SM,0402,200PPM/
CEL,PB-FREE
R6591M6 0613952R66 RES,MF,0OHM,5%,.0625W,
SM,0402,PB-FREE
R6598M6 0613952R66 RES,MF,0OHM,5%,.0625W,
SM,0402,PB-FREE
R6599M6 0613952R01 RES,MF,10KOHM,5%,.0625
W,SM,0402,200PPM/
CEL,PB-FREE
R6601M6 0613952R01 RES,MF,10KOHM,5%,.0625
W,SM,0402,200PPM/
CEL,PB-FREE
R6602M6 0613952R01 RES,MF,10KOHM,5%,.0625
W,SM,0402,200PPM/
CEL,PB-FREE
R6604M6 0613952Q51 RES,MF,120,5,.0625,SM,04
02,200,PB-FREE
R6605M6 0613952Q33 RES,MF,22,5,.0625,SM,040
2,200,PB-FREE
R6606M6 0613952Q37 RES,MF,33OHM,5%,.0625
W,SM,0402,200PPM/
CEL,PB-FREE
R6608M6 0613952R01 RES,MF,10KOHM,5%,.0625
W,SM,0402,200PPM/
CEL,PB-FREE
R6609M6 0613952R25 RES,MF,100KOHM,5%,.062
5W,SM,0402,200PPM/
CEL,PB-FREE
R6616M6 0613952Q80 RES,MF,2KOHM,5%,.0625
W,SM,0402,200PPM/
CEL,PB-FREE
Ref. Des. Part Number Description
R6617M6 0613952R01 RES,MF,10KOHM,5%,.0625
W,SM,0402,200PPM/
CEL,PB-FREE
R6618M6 0613952R01 RES,MF,10KOHM,5%,.0625
W,SM,0402,200PPM/
CEL,PB-FREE
R6619M6 0613952R01 RES,MF,10KOHM,5%,.0625
W,SM,0402,200PPM/
CEL,PB-FREE
R6621M6 0613952Q89 RES,MF,4700,5,.0625,SM,0
402,200,PB-FREE
R6622M6 0613952Q35 RES,MF,27OHM,5%,.0625
W,SM,0402,200PPM/
CEL,PB-FREE
R6623M6 0613952Q35 RES,MF,27OHM,5%,.0625
W,SM,0402,200PPM/
CEL,PB-FREE
R6624M6 0613952Q35 RES,MF,27OHM,5%,.0625
W,SM,0402,200PPM/
CEL,PB-FREE
R6625M6 0613952Q35 RES,MF,27OHM,5%,.0625
W,SM,0402,200PPM/
CEL,PB-FREE
R6626M6 0613952R01 RES,MF,10KOHM,5%,.0625
W,SM,0402,200PPM/
CEL,PB-FREE
R6701M6 0613952R01 RES,MF,10KOHM,5%,.0625
W,SM,0402,200PPM/
CEL,PB-FREE
R6702M6 0613952R17 RES,MF,47000,5,.0625,SM,
0402,200,PB-FREE
R6703M6 0613952R17 RES,MF,47000,5,.0625,SM,
0402,200,PB-FREE
R6704M6 0613952R17 RES,MF,47000,5,.0625,SM,
0402,200,PB-FREE
R6705M6 0613952R66 RES,MF,0OHM,5%,.0625W,
SM,0402,PB-FREE
R6706M6 0613952Q73 RES,MF,1KOHM,5%,.0625
W,SM,0402,200PPM/
CEL,PB-FREE
R698M19 0613952R66 RES,MF,0OHM,5%,.0625W,
SM,0402,PB-FREE
R699M19 0613952R66 RES,MF,0OHM,5%,.0625W,
SM,0402,PB-FREE
Ref. Des. Part Number Description

Schematics, Boards Overlays, and Parts Lists: Main Board Block: UHF2 (84012616001) 8-223
R701M7 0613952Q64 RES,MF,430OHM,5%,.0625
W,SM,0402,200PPM/
CEL,PB-FREE
R702M7 0613952R66 RES,MF,0OHM,5%,.0625W,
SM,0402,PB-FREE
R703M7 0613952Q67 RES,MF,560OHM,5%,.0625
W,SM,0402,200PPM/
CEL,PB-FREE
R704M7 0613952Q25 RES,MF,10,5,.0625,SM,040
2,200,PB-FREE
R705M7 0613952Q71 RES,MF,820OHM,5%,.0625
W,SM,0402,200PPM/
CEL,PB-FREE
R706M7 0613952Q08 RES,MF,2OHM,5%,.0625W,
SM,0402,200PPM/CEL,PB-
FREE
R707M7 0613952Q67 RES,MF,560OHM,5%,.0625
W,SM,0402,200PPM/
CEL,PB-FREE
R708M7 0613952Q45 RES,MF,68OHM,5%,.0625
W,SM,0402,200PPM/
CEL,PB-FREE
R709M7 0613952R66 RES,MF,0OHM,5%,.0625W,
SM,0402,PB-FREE
R710M7 0613952Q37 RES,MF,33OHM,5%,.0625
W,SM,0402,200PPM/
CEL,PB-FREE
R711M7 0613952Q37 RES,MF,33OHM,5%,.0625
W,SM,0402,200PPM/
CEL,PB-FREE
R721M7 0613952R01 RES,MF,10KOHM,5%,.0625
W,SM,0402,200PPM/
CEL,PB-FREE
R722M7 0613952Q71 RES,MF,820OHM,5%,.0625
W,SM,0402,200PPM/
CEL,PB-FREE
R723M7 0613952Q79 RES,MF,1800,5,.0625,SM,0
402,200,PB-FREE
R728M7 0613952Q59 RES,MF,270OHM,5%,.0625
W,SM,0402,200PPM/
CEL,PB-FREE
R729M7 0613952R09 RES,MF,22000,5,.0625,SM,
0402,200,PB-FREE
Ref. Des. Part Number Description
R730M7 0613952Q79 RES,MF,1800,5,.0625,SM,0
402,200,PB-FREE
R731M7 0613952Q86 RES,MF,3.6KOHM,5%,.062
5W,SM,0402,200PPM/
CEL,PB-FREE
R736M7 0613952R66 RES,MF,0OHM,5%,.0625W,
SM,0402,PB-FREE
R741M7 0613952R09 RES,MF,22000,5,.0625,SM,
0402,200,PB-FREE
R742M7 0613952R23 RES,MF,82KOHM,5%,.0625
W,SM,0402,200PPM/
CEL,PB-FREE
R743M7 0613952R17 RES,MF,47000,5,.0625,SM,
0402,200,PB-FREE
R744M7 0613952Q91 RES,MF,5600,5,.0625,SM,0
402,200,PB-FREE
R745M7 0613952R09 RES,MF,22000,5,.0625,SM,
0402,200,PB-FREE
R746M7 0613952Q36 RES,MF,30OHM,5%,.0625
W,SM,0402,200PPM/
CEL,PB-FREE
R747M7 0613952Q38 RES,MF,36OHM,5%,.0625
W,SM,0402,200PPM/
CEL,PB-FREE
R748M7 0613952Q47 RES,MF,82OHM,5%,.0625
W,SMD,0402,200PPM/
CEL,CER CHIP 82.0 OHM
5%
R751M7 0613952Q59 RES,MF,270OHM,5%,.0625
W,SM,0402,200PPM/
CEL,PB-FREE
R754M7 0613952Q69 RES,MF,680OHM,5%,.0625
W,SM,0402,200PPM/
CEL,PB-FREE
R757M7 0613952Q59 RES,MF,270OHM,5%,.0625
W,SM,0402,200PPM/
CEL,PB-FREE
R761M7 0613952Q23 RES,MF,8.2OHM,5%,.0625
W,SM,0402,200PPM/
CEL,PB-FREE
R762M7 0613952R08 RES,MF,20KOHM,5%,.0625
W,SM,0402,200PPM/
CEL,PB-FREE
Ref. Des. Part Number Description
R763M7 0613952R19 RES,MF,56KOHM,5%,.0625
W,SM,0402,200PPM/
CEL,PB-FREE
R766M7 0613952Q92 RES,MF,6.2KOHM,5%,.062
5W,SM,0402,200PPM/
CEL,PB-FREE
R769M7 0613952Q31 RES,MF,18OHM,5%,.0625
W,SM,0402,200PPM/
CEL,PB-FREE
R771M7 0613952Q49 RES,MF,100,5,.0625,SM,04
02,200,PB-FREE
R776M7 0613952Q67 RES,MF,560OHM,5%,.0625
W,SM,0402,200PPM/
CEL,PB-FREE
R785M7 0613952Q53 RES,MF,150OHM,5%,.0625
W,SM,0402,200PPM/
CEL,PB-FREE
R799M7 0613952Q53 RES,MF,150OHM,5%,.0625
W,SM,0402,200PPM/
CEL,PB-FREE
R809M7 0613952Q38 RES,MF,36OHM,5%,.0625
W,SM,0402,200PPM/
CEL,PB-FREE
R822M7 0613952Q55 RES,MF,180OHM,5%,.0625
W,SM,0402,200PPM/
CEL,PB-FREE
R823M7 0613952Q55 RES,MF,180OHM,5%,.0625
W,SM,0402,200PPM/
CEL,PB-FREE
SH1 26012246001 SHLD,STL,SN PLT,SHIELD,
IF, APX CVT
SH10 26012250001 SHLD,STL,SN PLT,SHIELD,
ANTSWI, APX CVT
SH11 26012258001 SHLD,STL,SN PLT,SHIELD,
ABACUS, APX CVT
SH12 26012251001 SHLD,STL,SN PLT,SHIELD,
PAOP, APX CVT
SH13 26012260001 SHLD,STL,SN PLT,SHIELD,
DRIVER/PA, APX CVT
SH14 26012252001 SHLD,STL,SN PLT,SHIELD,
ALC/DC, APX CVT
SH15 26012261001 SHLD,STL,SN PLT,SHIELD,
VCO, APX CVT
Ref. Des. Part Number Description
SH16 26012254001 SHLD,STL,SN PLT,SHIELD,
CONTROLLER/AVR, APX
CVT
SH17 26012262001 SHLD,STL,SN PLT,SHIELD,
MACE/MAKO, APX CVT
SH2 26012253001 SHLD,STL,SN PLT,SHIELD,
MIXER, APX CVT
SH3 26012259001 SHLD,STL,SN PLT,SHIELD,
GPS/BT, APX CVT
SH4 26012247001 SHLD,STL,SN PLT,SHIELD,
2ND LO, APX CVT
SH5 26012255001 SHLD,STL,SN PLT,SHIELD,
ALC1, APX CVT
SH6 26012248001 SHLD,STL,SN PLT,SHIELD,
FGU, APX CVT
SH7 26012256001 SHLD,CAN,STL,SN
PLT,SHIELD, DC, APX CVT
SH8 26012249001 SHLD,STL,SN PLT,SHIELD,
TXFE, APX CVT
SH9 26012257001 SHLD,CAN,STL,SN
PLT,SHIELD, RXFE, APX
CVT
SPKR+M2 TPSM1_50 SINGLE PIN CONTACT
TEST POINT
SPKR-M2 TPSM1_50 SINGLE PIN CONTACT
TEST POINT
T506M21 2575851B01 XFMR,BALUN,RF XFMR
BALUN
T507M21 2575851B02 XFMR,BALUN,25,SM,RF
XFMR BALUN
TP_ATOD
_8M6
TPSM0_50 TEST POINT .020 DIA
TP_MACE
_NRDM6
TPSM0_50 TEST POINT .020 DIA
TP1 TPSM1_01ALT SINGLE PIN CONTACT
TEST POINT, 1.01 DIA
TP1301M3 TPSM1_50 SINGLE PIN CONTACT
TEST POINT
TP1303M3 TPSM0_50 TEST POINT .020 DIA
TP1304M3 TPSM0_50 TEST POINT .020 DIA
Ref. Des. Part Number Description

8-224 Schematics, Boards Overlays, and Parts Lists: Main Board Block: UHF2 (84012616001)
TP1311M3 TPSM1_01ALT SINGLE PIN CONTACT
TEST POINT, 1.01 DIA
TP2 TPSM1_01ALT SINGLE PIN CONTACT
TEST POINT, 1.01 DIA
TP2413M3 TPSM1_50 SINGLE PIN CONTACT
TEST POINT
TP2414M3 TPSM1_50 SINGLE PIN CONTACT
TEST POINT
TP2415M3 TPSM1_50 SINGLE PIN CONTACT
TEST POINT
TP2416M3 TPSM1_50 SINGLE PIN CONTACT
TEST POINT
TP2417M3 TPSM1_50 SINGLE PIN CONTACT
TEST POINT
TP2419M3 TPSM0_50 TEST POINT .020 DIA
TP2435M3 TPSM0_50 TEST POINT .020 DIA
TP2436M3 TPSM0_50 TEST POINT .020 DIA
TP2437M3 TPSM0_50 TEST POINT .020 DIA
TP2450M3 TPSM0_50 TEST POINT .020 DIA
TP2451M3 TPSM0_50 TEST POINT .020 DIA
TP2452M3 TPSM0_50 TEST POINT .020 DIA
TP2453M3 TPSM0_50 TEST POINT .020 DIA
TP2466M3 TPSM1_50 SINGLE PIN CONTACT
TEST POINT
TP2502M6 TPSM0_50 TEST POINT .020 DIA
TP3100M2
2
TPSM1_01ALT SINGLE PIN CONTACT
TEST POINT, 1.01 DIA
TP601M19 TPSM0_70 TEST POINT
TP603M19 TPSM0_70 TEST POINT
TP6101M6 TPSM0_50 TEST POINT .020 DIA
TP6102M6 TPSM1_50 SINGLE PIN CONTACT
TEST POINT
TP6105M6 TPSM0_70 TEST POINT
TP6106M6 TPSM0_70 TEST POINT
TP6107M6 TPSM0_70 TEST POINT
TP6210M6 TPSM1_50 SINGLE PIN CONTACT
TEST POINT
Ref. Des. Part Number Description
TP6301M6 TPSM0_50 TEST POINT .020 DIA
TP6302M6 TPSM0_381 TEST POINT
TP6303M6 TPSM1_05SQ TESTPOINT 1.05MMSQ
TP6304M6 TPSM1_05SQ TESTPOINT 1.05MMSQ
TP6305M6 TPSM1_05SQ TESTPOINT 1.05MMSQ
TP6306M6 TPSM1_05SQ TESTPOINT 1.05MMSQ
TP6307M6 TPSM1_05SQ TESTPOINT 1.05MMSQ
TP6308M6 TPSM1_05SQ TESTPOINT 1.05MMSQ
TP6599M6 TPSM0_70 TEST POINT
TP6601M6 TPSM0_70 TEST POINT
TP6701M6 TPSM0_50 TEST POINT .020 DIA
TP6702M6 TPSM0_50 TEST POINT .020 DIA
TP6703M6 TPSM0_50 TEST POINT .020 DIA
TP6704M6 TPSM0_50 TEST POINT .020 DIA
TP6705M6 TPSM0_50 TEST POINT .020 DIA
TP701M7 TPSM0_70 TEST POINT
TP737M7 TPSM0_70 TEST POINT
U1101M11 5188032U43 IC,SENSING CIR-
CUIT,INA138,SM,SOT-23/
5,1PER PKG,PB FREE
U1103M11 5185070Y01 IC,TEMP SENS
U1104M11 5185941F56 IC,OP AMP,1PER
PKG,RAIL-RAIL,SOIC,IC
SNGL LV LP OP AMP
U1105M11 5180390L83 IC,CNTLR,SM,1PER PKG
U1106M11 5175772B05 IC,LTC5532ES6,SOT-
23,1PER PKG,PRCN RF
DET
U1112M11 5175772B04 IC,HMC468LP3E,QFN,1 DB
LSB GAAS MMIC ATTEN
U1113M11 5185941F56 IC,OP AMP,1PER
PKG,RAIL-RAIL,SOIC,IC
SNGL LV LP OP AMP
U1114M11 5185941F56 IC,OP AMP,1PER
PKG,RAIL-RAIL,SOIC,IC
SNGL LV LP OP AMP
Ref. Des. Part Number Description
U1119M11 5109522E94 GATE,AND,1PER
PKG,SM,2 INPUT IN NANO
PKG
U1121M11 5114000B52 IC,XOR,LOGIC LEVEL
SHIFTER,1PER
PKG,SM,SOT-353,PB-FREE
U1125M11 5175206H01 IC,DAC,W/ 5 PPM/C INT
REF
U1126M11 5109817F77 IC,COMPTR,LMV7275,SC7
0-5
U1127M11 5171779H01 IC,ANLG SW,SC70,SC70-
6,1PER PKG,SPDT ANLG
SW
U1128M11 5188085K11 IC,NAND,SINGLE 2
INPUT,SN74LVC1G00YZPR
,SM,GATE, POS, 5 DSBGA,
U1129M11 5175143H01 IC,WIDE SPLY RANGE OP
AMP
U1130M11 5175143H01 IC,WIDE SPLY RANGE OP
AMP
U1131M11 5109817F77 IC,COMPTR,LMV7275,SC7
0-5
U1132M11 5114007M28 IC,D FLIP-FLOP,1PER
PKG,17SZ74,N-
I,SM,SOIC8,PB-FREE
U1133M11 5171779H01 IC,ANLG SW,SC70,SC70-
6,1PER PKG,SPDT ANLG
SW
U1136M11 5109522E94 GATE,AND,1PER
PKG,SM,2 INPUT IN NANO
PKG
U1137M11 5164852H16 IC,TRANSLATING,2PER
PKG,LVC2T45,TRANS-
CEIVER W/VOLTAGE
TRANSLATI
U1138M11 5164852H16 IC,TRANSLATING,2PER
PKG,LVC2T45,TRANS-
CEIVER W/VOLTAGE
TRANSLATI
U1139M11 5164852H16 IC,TRANSLATING,2PER
PKG,LVC2T45,TRANS-
CEIVER W/VOLTAGE
TRANSLATI
Ref. Des. Part Number Description
U1141M11 5185941F56 IC,OP AMP,1PER
PKG,RAIL-RAIL,SOIC,IC
SNGL LV LP OP AMP
U1142M11 5185941F56 IC,OP AMP,1PER
PKG,RAIL-RAIL,SOIC,IC
SNGL LV LP OP AMP
U1143M11 5185941F56 IC,OP AMP,1PER
PKG,RAIL-RAIL,SOIC,IC
SNGL LV LP OP AMP
U1144M11 5171779H01 IC,ANLG SW,SC70,SC70-
6,1PER PKG,SPDT ANLG
SW
U1146M11 5109522E93 GATE,OR,SN74LVC1G32Y
ZPR,1PER PKG,SM,2
INPUT IN NANO PKG
U1147M11 5109522E94 GATE,AND,1PER
PKG,SM,2 INPUT IN NANO
PKG
U1148M11 5185941F56 IC,OP AMP,1PER
PKG,RAIL-RAIL,SOIC,IC
SNGL LV LP OP AMP
U1149M11 5109522E93 GATE,OR,SN74LVC1G32Y
ZPR,1PER PKG,SM,2
INPUT IN NANO PKG
U1150M11 51009381001 IC,MICROPOWER SOT-23
V REF
U1301M3 51007377001 IC,XCVR,NL5500,BGA,BLU-
ETOOTH, GPS, FM RX, FM
TX
U1304M3 51007599001 AMP,20.0DB,1.58GHZMIN,1
.58GHZMAX,SLCN GER-
MANIUM GPS LOW NOISE
AM
U1305M3 5187344N09 IC,LNR V
REGLTR,FXD,2.8V,100MA,L
OW NOISE
U1334M3 5102836C11 IC,ANLG
SW,FSA4157,SM,SPDT,PB
FREE
U1335M3 5102836C11 IC,ANLG
SW,FSA4157,SM,SPDT,PB
FREE
U1601M16 5175143H01 IC,WIDE SPLY RANGE OP
AMP
Ref. Des. Part Number Description

Schematics, Boards Overlays, and Parts Lists: Main Board Block: UHF2 (84012616001) 8-225
U1602M16 51012101001 IC,SM,VHF/UHF/800/900
MHZ LDMOS DRVR IC
U1932M20 4885316E32 XSTR,BIP RF SML
SGNL,SLCN,BFR380F,SM,
SMT,6V,380W,80A,14MHZ,T
R
U200M12 5188493T01 IC,VREG/
SWG,LP2989,SM,MINI SO-8
HI PRCN REG 5V
U201M12 5175771A99 IC,LNR V
REGLTR,FXD,100MA,VFBG
A,LOW NOISE, 100MA LIN-
EAR REGL
U202M12 5175772B02 IC,LNR V
REGLTR,FXD,1.8V,100MA,
VFBGA,LINEAR REGLTR
100MA 1.8
U203M12 5175772B01 IC,LNR V
REGLTR,FXD,1.5V,350MA,
VFBGA,LINEAR V REGLTR
350MA
U2101M2 5109522E84 IC,DL SCHT TRIG MICRO
PAK
U2102M2 5109522E84 IC,DL SCHT TRIG MICRO
PAK
U2202M2 5164852H47 IC,XLTR,2PER
PKG,TSSOP8,IC, I2C LEV
XLTR
U2205M2 5188682Y01 IC,POWER
DRIVER,40MA,SM,RGB
LED, I2C CONTORL, LLP
PKG
U2402M3 51002923001 IC,LNR V REGLTR,3.3V
LP2989,NOPB
U2403M3 51009735001 IC,RCVR,QFN,IC, RCVR,
ONE-CHAN, QFN, LF
WAKE-UP
U2406M3 5164852H16 IC,TRANSLATING,2PER
PKG,LVC2T45,TRANS-
CEIVER W/VOLTAGE
TRANSLATI
U2407M3 5164852H16 IC,TRANSLATING,2PER
PKG,LVC2T45,TRANS-
CEIVER W/VOLTAGE
TRANSLATI
Ref. Des. Part Number Description
U2408M3 5164852H16 IC,TRANSLATING,2PER
PKG,LVC2T45,TRANS-
CEIVER W/VOLTAGE
TRANSLATI
U2409M3 5164852H16 IC,TRANSLATING,2PER
PKG,LVC2T45,TRANS-
CEIVER W/VOLTAGE
TRANSLATI
U2410M3 5164852H16 IC,TRANSLATING,2PER
PKG,LVC2T45,TRANS-
CEIVER W/VOLTAGE
TRANSLATI
U2411M3 5175856M01 IC,INVTR,0MHZMAX,DL
INVTR
U2412M3 5114007M45 IC,NOR,1PER PKG,SOT-
353,PB-FREE
U2413M3 51007645001 IC,SDRAM,128MB,8 MEG X
16,6NS,SM,64MSRFRSH,IC
,SDRAM,128MBIT,8
U2414M3 5164852H16 IC,TRANSLATING,2PER
PKG,LVC2T45,TRANS-
CEIVER W/VOLTAGE
TRANSLATI
U2415M3 51009372001 IC,UCNTLR,IC UCNTLR
AT32UC3A0512
U2416M3 51009669001 IC,SENSOR,SM,IC, ACCEL-
EROMETER, MOTION
SENSOR
U2473M3 5164852H16 IC,TRANSLATING,2PER
PKG,LVC2T45,TRANS-
CEIVER W/VOLTAGE
TRANSLATI
U2478M3 5164852H16 IC,TRANSLATING,2PER
PKG,LVC2T45,TRANS-
CEIVER W/VOLTAGE
TRANSLATI
U2510M6 5185912Y03 IC,MICROP,BGA,CRYPTO-
GRAPHIC PROCES-
SOR,IC,CRYPTOGRAPHIC
P
U2525M6 5171339H01 IC,MC78LC18,MICROPO-
WER V REGLTR
U2526M6 5171988H01 IC,COMPTR,CMOS
COMPTR
U2601M13 5103535B53 IC,INVTR,DL,NC7WZ04L6X
,2PER PKG,SC70
Ref. Des. Part Number Description
U2602M13 5185941F45 ATTEN,VAR,14.4DBMIN,15.
6DBMAX,0-2000 MHZ-
FREQ,50OHM,PCMT,SOT-
25
U3001M22 5171972L01 IC,SW,SP3T RF SW
U4001M2 5164852H47 IC,XLTR,2PER
PKG,TSSOP8,IC, I2C LEV
XLTR
U4003M2 5188691V01 IC,MUX/
DEMUX,NC7SB3157P6X,S
M,SC70-6,1PER
PKG,BUS,PB FREE
U4004M2 5116783H01 IC,ANLG
SW,SN74LVC2G66YZPR,S
M,2PER
PKG,0CHANNELS,BILAT-
ERAL,DL
U507M21 5164015H81 IC,MXR,SM
U601M19 5102495J14 IC,IF,IF DIGITILIZING SUB-
SYSTEM IC,AD9864,QFN
U602M19 4885316E32 XSTR,BIP RF SML
SGNL,SLCN,BFR380F,SM,
SMT,6V,380W,80A,14MHZ,T
R
U603M19 5109522E84 IC,DL SCHT TRIG MICRO
PAK
U604M19 5109522E84 IC,DL SCHT TRIG MICRO
PAK
U605M19 5164852H16 IC,TRANSLATING,2PER
PKG,LVC2T45,TRANS-
CEIVER W/VOLTAGE
TRANSLATI
U606M19 5164852H16 IC,TRANSLATING,2PER
PKG,LVC2T45,TRANS-
CEIVER W/VOLTAGE
TRANSLATI
U607M19 5186311J24 IC,BFR,1PER
PKG,NC7SZ125,ACTIVE
HIGH,BFR,3ST,SM,5.5
U6101M6 0180706J18 IC,PGM,PGM CPLD
U6102M6 5188691V01 IC,MUX/
DEMUX,NC7SB3157P6X,S
M,SC70-6,1PER
PKG,BUS,PB FREE
Ref. Des. Part Number Description
U6103M6 5175114H01 IC,SNGL AND GATE
MICROPAK
U6104M6 5175114H01 IC,SNGL AND GATE
MICROPAK
U6105M6 5175114H01 IC,SNGL AND GATE
MICROPAK
U6201M6 5185941F26 IC,COMPTR,LMV7219,SM,
SOT-23/5,IC,LM7219,COM-
PARATOR,NOPB
U6301M6 51012031001 IC,SDRAM,32MB,16 MEG
X16,6.5NS,VFBGA,64MSRF
RSH,32MB DIE SHRIN
U6302M6 5102495J13 IC,MICROP,P1710ZZGE,BG
A,12MHZ,32BITS
U6304M6 0105955U25 ASSY,ASSY,ASSY,IC,BGA
SPEC PROG, FLSH MEM
U6402M6 5115453H01 IC,OP AMP,2PER PKG,RAIL
TO RAIL OUTPUT, 8 PIN
BGA
U6404M6 5175772B38 IC,IC ANLG TEMP SENSOR
U6405M6 5188348V06 IC,AUDIO
CODEC,SM,AUDIO CODEC
U6408M6 5188521T01 IC,VREF,SM,SOT23,1PER
PKG,.5%,1.25 TO
13.75,PRCN BANDGAP
ADJUS
U6409M6 51009000001 IC,COMPTR,SC70,NANOP-
OWER, 1.8V, SC70
COMPTR
U6501M6 5185143E77 IC,CUST,BGA,IC, MAKO
ASIC, CMOS PWR MGMT
U6502M6 4871987H01 XSTR,BIP GP
POWER,12V,1A,LOW
FREQ XSTR
U6503M6 5171674H01 IC,OP AMP,SO-8,OP AMP
U6504M6 5171682H01 IC,DC TO DC CON-
VERTER,800MA BUCK
REGLTR
U6505M6 5189631P01 IC,0PER PKG,SYNC STEP-
DOWN CONV
U6506M6 5184790Y04 IC,LINEAR VOLTAGE REG-
ULATOR,400MA
Ref. Des. Part Number Description

8-226 Schematics, Boards Overlays, and Parts Lists: Main Board Block: UHF2 (84012616001)
U6507M6 5171682H01 IC,DC TO DC CON-
VERTER,800MA BUCK
REGLTR
U6508M6 51009366001 IC,LNR V
REGLTR,LLP6,500MA LOW
DROPOUT CMOS LINEAR
REG
U6509M6 5175114H01 IC,SNGL AND GATE
MICROPAK
U6510M6 5114007A47 IC,OR,17SZ32,1PER
PKG,SOT-353,PB FREE
U6511M6 5171339H01 IC,MC78LC18,MICROPO-
WER V REGLTR
U6601M6 5175114H01 IC,SNGL AND GATE
MICROPAK
U702M7 5164015H28 IC,CUST,MULTI PROTO-
COL/BAND TRANSCVR
IC,SM,BGA,TRIDENT,
INTEG
U738M7 5171972L01 IC,SW,SP3T RF SW
U746M7 4805218N63 XSTR,GEN PURPOSE
SMALL SIG,SOT-
323,BROADBAND AND
XSTR
VR101M12 4813977M29 DIODE,ZEN,MBZ5250,SM,S
OT-23,ZEN,PB-FREE
VR1905M2
0
4815096H01 DIODE,VCTR,10V,1SV305G
,VCTR DIODE 1SV305
VR1906M2
0
4815096H01 DIODE,VCTR,10V,1SV305G
,VCTR DIODE 1SV305
VR1907M2
0
4815096H01 DIODE,VCTR,10V,1SV305G
,VCTR DIODE 1SV305
VR1908M2
0
4815096H01 DIODE,VCTR,10V,1SV305G
,VCTR DIODE 1SV305
VR200M12 4813977M29 DIODE,ZEN,MBZ5250,SM,S
OT-23,ZEN,PB-FREE
VR601M19 4805656W87 DIODE,VCTR, @
15V,1SV279,SOD-523/SC-
79,SOD-523/SC-79
VR602M19 4805656W87 DIODE,VCTR, @
15V,1SV279,SOD-523/SC-
79,SOD-523/SC-79
Y1304M3 48014600001 OSC,TCXO,26.0
Ref. Des. Part Number Description
Y2475M3 48009319001 OSC,VAR,SMD XTAL OSC
DS0211AR
Y6501M6 93012044001 OSC,XO,24.576MHZ,SM,XT
AL U SMD 5.0X3.2
24.576MHZ
Y6502M6 4809995L05 RESON,QRTZ,32.768KHZ,
SM,FUND,9PF LOAD CAP,-
40DEG C MIN,85DE
Y6601M6 4802582S85 RESON,QRTZ,12MHZ,10P
PM TOL,18PPM
STAB,SM,FUND,AT,10PF
LOAD CAP
Y701M7 4871886H01 OSC,VO,16.8 MHZ VCTXO
.8PPM
Ref. Des. Part Number Description

Debugging Fixture: Covert Board Debugging Fixture (Front) 9-1
Chapter 9 Debugging Fixture
This chapter contains images of APX 3000 Covert Board Debugging Fixture (P/N: 66012036001)
used to debug the board.
The fixture needs to be assembled with flexes (P/N: 0104055J17, 0104055J18 and 0104052J74),
front housing kit (P/N: 0104052J79) and FSTN Display with Bezel (P/N: 72012008001) for the fixture
to function correctly.
9.1 Covert Board Debugging Fixture (Front)
Figure 9-1. Covert Board Debugging Fixture (Front)

9-2 Debugging Fixture: Covert Board Debugging Fixture (Back)
9.2 Covert Board Debugging Fixture (Back)
Figure 9-2. Covert Board Debugging Fixture (Back)
9.3 Covert Board Debugging Fixture with Flexes, Housing and Display
(Front)
Figure 9-3. Covert Board Debugging Fixtures with Flexes, Housing and Display (Front)

Debugging Fixture: Covert Board Debugging Fixture with Flexes, Housing and Display (Back) 9-3
9.4 Covert Board Debugging Fixture with Flexes, Housing and Display
(Back)
Figure 9-4. Covert Board Debugging Fixture with Flexes, Housing and Display (Back)
9.5 Debugging Fixture Set up
1. Remove the housing clamp and push down the slide clamp to assemble the front housing kit
(P/N: 0104052J79) on the fixture. Once the front housing kit is on the fixture, screw back the
housing clamp.
Figure 9-5. Remove the Housing Clamp

9-4 Debugging Fixture: Debugging Fixture Set up
2. Remove the display clamp and then assemble the FSTN Display with Bezel (P/N:
72012008001) on the fixture. Once the FSTN Display with Bezel is on the fixture, screw back
the display clamp.
Figure 9-6. Remove the Display Clamp
3. Remove the transparent cover (1) and then assemble the Debugging Flex (P/N: 0104055J17)
on the fixture. Connect the flex with the mating connector on the FSTN Display. Once the flex
is connected to the FSTN Display, screw back the transparent cover (1).
Figure 9-7. Remove transparent cover (1)
Display Clamp
FSTN Display with Bezel
Transparent cover (1)
Debugging Flex

Debugging Fixture: Debugging Fixture Set up 9-5
4. Turn to the bottom plane of the fixture, remove the transparent cover (2) and then assemble
the Extended Main flex (P/N: 0104055J18) on the fixture. Connect the connector that is on
the extended flex with the mating connector on the main flex in the front housing kit . Once
the flex is connected, screw back the transparent cover (2).
Figure 9-8. Remove transparent cover (2)
5. Fold the NFC Flex (P/N: 0104052J74) according to figure below. Assemble the NFC Flex on
the LED stick Module and secure the flex with a clip. Once the NFC Flex is assembled, the
fixture is ready to troubleshoot the board.
Figure 9-9. Assemble NFC Flex
Transparent cover (2)
Main Flex in front
housing kit
Extended Main Flex
(0104055J18)
NFC Flex
(0104052J74)
Clip
LED stick Module

9-6 Debugging Fixture: Board Assembly on Debugging Fixture
9.6 Board Assembly on Debugging Fixture
1. Turn the fixture to the bottom plane and assemble the RF board on the fixture, then secure it
by turning the PCB clamp. Connect the NFC flex connector and the extended flex connector
to the RF board.
2. Turn the fixture to the front side and connect the connector on the debugging flex to the RF
board connector. Ensure that the heat sink press plate is touching the thermal pad . Ensure
the power connection bracket is pressing the battery contact and ensure the press pin is
pressing on the temper switch.
Figure 9-10. Board assembly
RF Board
Extended Main Flex
(0104055J18)
NFC Flex
(0104052J74) Heat Sink
Press Plate
Power
Connection
Bracket
Press
Pin
Debug Flex
(0104055J17)
PCB Clamp

Debugging Fixture: Powering up Covert Board 9-7
9.7 Powering up Covert Board
1. Connect the positive terminal to the positive side of the power supply and connect the
negative terminal to the negative side. Set the power supply voltage level to 7.5V and current
to 4Amps.
2. Switch on the board by using the On/Off switch.
3. A green LED will light up once the board is switched on. Use the display to observe any error
message.
Figure 9-11. Power up Covert board
GCAI
Interface
-ve terminal
+ve terminal
On/Off switch

9-8 Debugging Fixture: Powering up Covert Board
Notes

Appendix A Replacement Parts Ordering
A.1 Basic Ordering Information
When ordering replacement parts or equipment information, the complete identification number
should be included. This applies to all components, kits, and chassis. If the component part number
is not known, the order should include the number of the chassis or kit of which it is a part, and
sufficient description of the desired component to identify it.
A.2 Transceiver Board, Controller Board and Expander Board Ordering
Information
When ordering a replacement Transceiver Board, Controller Board or Expander Board, refer to the
applicable Model Chart in the front of this manual. Read the Transceiver Board, Controller Board, or
Expander Board note, and include the proper information with your order.
A.3 Motorola Online
Motorola Online users can access our online catalog at http://www.motorolasolutions.com
To register for online access, please call 1-800-422-4210 (for U.S. and Canada Service Centers
only). International customers can obtain assistance at http://www.motorolasolutions.com
A.4 Mail Orders
Mail orders are only accepted by the US Federal Government Markets Division (USFGMD).
Motorola Solutions
7031 Columbia Gateway Drive
3rd Floor – Order Processing
Columbia, MD 21046
U.S.A.
A.5 Telephone Orders
Radio Products and Solutions Organization*
(United States and Canada)
7:00 AM to 7:00 PM (Central Standard Time)
Monday through Friday (Chicago, U.S.A.)
1-800-422-4210
1-847-538-8023 (United States and Canada)
U.S. Federal Government Markets Division (USFGMD)
1-877-873-4668
8:30 AM to 5:00 PM (Eastern Standard Time)

A-2 Replacement Parts Ordering: Fax Orders
A.6 Fax Orders
Radio Products and Solutions Organization*
(United States and Canada)
1-800-622-6210
1-847-576-3023 (United States and Canada)
USFGMD
(Federal Government Orders)
1-800-526-8641 (For Parts and Equipment Purchase Orders)
A.7 Parts Identification
Radio Products and Solutions Organization*
(United States and Canada)
1-800-422-4210
A.8 Product Customer Service
Radio Products and Solutions Organization (United States and Canada)
1-800-927-2744
* The Radio Products and Solutions Organization (RPSO) was formerly known as the Radio
Products Services Division (RPSD) and/or the Accessories and Aftermarket Division (AAD).

Glossary Glossary
This glossary contains an alphabetical listing of terms and their definitions that are applicable to
ASTRO portable and mobile subscriber radio products. All terms do not necessarily apply to all
radios, and some terms are merely generic in nature.
Term Definition
A/D See analog-to-digital conversion.
Abacus IC A custom integrated circuit providing a digital receiver intermediate
frequency (IF) backend.
ADC See analog-to-digital converter.
ADDAG See Analog-to-Digital, Digital-to-Analog and Glue.
ALC See automatic level control.
analog Refers to a continuously variable signal or a circuit or device designed
to handle such signals. See also digital.
Analog-to-Digital,
Digital-to-Analog
and Glue
An integrated circuit designed to be an interface between the radio’s
DSP, which is digital, and the analog transmitter and receiver ICs.
analog-to-digital
conversion
Conversion of an instantaneous dc voltage level to a corresponding
digital value. See also D/A.
analog-to-digital
converter
A device that converts analog signals into digital data. See also DAC.
automatic level
control
A circuit in the transmit RF path that controls RF power amplifier output,
provides leveling over frequency and voltage, and protects against high
VSWR.
band Frequencies allowed for a specific purpose.
BBP See baseband interface port.
baseband interface
port
Synchronous serial interface to the transceiver board used to transfer
transmit and receive audio data.
BGA See ball grid array.
ball grid array A type of IC package characterized by solder balls arranged in a grid
that are located on the underside of the package.
CODEC See coder/decoder.

Glossary-2 Glossary
codeplug Firmware that contains the unique personality for a system or device. A
codeplug is programmable and allows changes to system and unit
parameters. See also firmware.
coder/decoder A device that encodes or decodes a signal.
CPS See Customer Programming Software.
Customer
Programming
Software
Software with a graphical user interface containing the feature set of an
ASTRO radio.
D/A See digital-to-analog conversion.
DAC See digital-to-analog converter.
Data terminal
equipment
Data terminal equipment; for example, a computer.
default A pre-defined set of parameters.
digital Refers to data that is stored or transmitted as a sequence of discrete
symbols from a finite set; most commonly this means binary data
represented using electronic or electromagnetic signals. See also
analog.
digital-to-analog
conversion
Conversion of a digital signal to a voltage that is proportional to the input
value. See also A/D.
digital-to-analog
converter
A device that converts digital data into analog signals. See also ADC.
Digital Private-Line A type of digital communication that utilizes privacy call, as well as
memory channel and busy channel lock-out to enhance communication
efficiency.
digital signal
processor
A microcontroller specifically designed for performing the mathematics
involved in manipulating analog information, such as sound, that has
been converted into a digital form. DSP also implies the use of a data
compression technique.
digital signal
processor code
Object code executed by the Digital Signal Processor in an ASTRO
subscriber radio. The DSP is responsible for computation-intensive
tasks, such as decoding ASTRO signaling.
DPL See Digital Private-Line. See also PL.
DSP See digital signal processor.
DSP code See digital signal processor code.
DTE See Data terminal equipment.
EEPOT Electrically Programmable Digital Potentiometer.
Term Definition

Glossary Glossary-3
EEPROM See Electrically Erasable Programmable Read-Only Memory.
Electrically Erasable
Programmable
Read-Only Memory
A special type of PROM that can be erased by exposing it to an
electrical charge. An EEPROM retains its contents even when the
power is turned off.
Embedded Multi
Media Card
Type of memory used.
eMMC See Embedded Multi Media Card.
FCC Federal Communications Commission.
firmware Code executed by an embedded processor such as the Host or DSP in
a subscriber radio. This type of code is typically resident in non-volatile
memory and as such is more difficult to change than code executed
from RAM.
FGU See frequency generation unit.
flash A non-volatile memory device similar to an EEPROM. Flash memory
can be erased and reprogrammed in blocks instead of one byte at a
time.
FLASHcode A 13-digit code which uniquely identifies the System Software Package
and Software Revenue Options that are enabled in a particular
subscriber radio. FLASHcodes are only applicable for radios which are
upgradeable through the FLASHport process.
FLASHport A Motorola term that describes the ability of a radio to change memory.
Every FLASHport radio contains a FLASHport EEPROM memory chip
that can be software written and rewritten to, again and again.
FMR See Florida Manual Revision.
Florida Manual
Revision
A document that provides interim updates to a publication until the
entire publication can be updated and reissued.
FracN A Motorola-proprietary, CMOS fractional-N frequency synthesizer with
built-in, dual-port modulation.
frequency Number of times a complete electromagnetic-wave cycle occurs in a
fixed unit of time (usually one second).
frequency
generation unit
This unit generates ultra-stable, low-phase noise master clock and other
derived synchronization clocks that are distributed throughout the
communication network.
GCAI Global Connector Accessory Interface.
General-Purpose
Input/Output
Pins whose function is programmable.
Term Definition

Glossary-4 Glossary
Global Control
Audio and Power IC
A mixed-signal (analog and digital) integrated circuit that provides
control, audio, and voltage regulation functionality for the Controller
board.
GPIO See General-Purpose Input/Output.
host code Object code executed by the host processor in an ASTRO subscriber
radio. The host is responsible for control-oriented tasks such as
decoding and responding to user inputs.
IC See integrated circuit.
IF Intermediate Frequency.
IMBE A sub-band, voice-encoding algorithm used in ASTRO digital voice.
inbound signaling
word
Data transmitted on the control channel from a subscriber unit to the
central control unit.
integrated circuit An assembly of interconnected components on a small semiconductor
chip, usually made of silicon. One chip can contain millions of
microscopic components and perform many functions.
ISW See inbound signaling word.
key-variable loader A device used to load encryption keys into a radio.
kHz See kilohertz.
kilohertz One thousand cycles per second. Used especially as a radio-frequency
unit.
KVL See key-variable loader.
LCD See liquid-crystal display.
LED See light emitting diode.
light emitting diode An electronic device that lights up when electricity is passed through it.
liquid-crystal display An LCD uses two sheets of polarizing material with a liquid-crystal
solution between them. An electric current passed through the liquid
causes the crystals to align so that light cannot pass through them.
LO Local oscillator.
low-speed
handshake
150-baud digital data sent to the radio during trunked operation while
receiving audio.
LSH See low-speed handshake.
Master In Slave Out SPI data line from a peripheral to the MCU.
Master Out Slave In SPI data line from the MCU to a peripheral.
Term Definition

Glossary Glossary-5
MCU See microcontroller unit.
MDC Motorola Digital Communications.
MDI MCU/DSP Interface internal to the Patriot IC.
MHz See Megahertz.
Megahertz One million cycles per second. Used especially as a radio-frequency
unit.
microcontroller unit Also written as µC. A microprocessor that contains RAM and ROM
components, as well as communications and programming components
and peripherals.
MISO See Master In Slave Out.
MOSI See Master Out Slave In.
multiplexer An electronic device that combines several signals for transmission on
some shared medium (e.g., a telephone wire).
MUX See multiplexer.
NiMH Nickel-metal-hydride.
OMPAC See over-molded pad-array carrier.
open architecture A controller configuration that utilizes a microprocessor with extended
ROM, RAM, and EEPROM.
oscillator An electronic device that produces alternating electric current and
commonly employs tuned circuits and amplifying components.
OSW See outbound signaling word.
OTAR See over-the-air rekeying.
outbound signaling
word
Data transmitted on the control channel from the central controller to the
subscriber unit.
over-molded pad-
array carrier
A Motorola custom IC package, distinguished by the presence of solder
balls on the bottom pads.
over-the-air rekeying Allows the dispatcher to remotely reprogram the encryption keys in the
radio.
PA Power amplifier.
paging One-way communication that alerts the receiver to retrieve a message.
PC Board Printed Circuit Board. Also referred to as a PCB.
PCIC See Power Control IC.
Term Definition

Glossary-6 Glossary
phase-locked loop A circuit in which an oscillator is kept in phase with a reference, usually
after passing through a frequency divider.
PL See private-line tone squelch.
PLL See phase-locked loop.
Power Control IC The power control IC is intended for closed-loop bias control of power
amplifiers. The device facilitates accurate control of the current
delivered to the power amplifier (PA) via a control voltage.
private-line tone
squelch
A continuous sub-audible tone that is transmitted along with the carrier.
See also DPL.
Programmable
Read-Only Memory
A memory chip on which data can be written only once. Once data has
been written onto a PROM, it remains there forever.
PROM See Programmable Read-Only Memory.
PTT See Push-to-Talk.
Push-to-Talk The switch or button usually located on the left side of the radio which,
when pressed, causes the radio to transmit. When the PTT is released,
the unit returns to receive operation.
radio frequency The portion of the electromagnetic spectrum between audio sound and
infrared light (approximately 10 kHz to 10 GHz).
radio frequency
power amplifier
Amplifier having one or more active devices to amplify radio signals.
RAM See random access memory.
random access
memory
A type of computer memory that can be accessed randomly; that is, any
byte of memory can be accessed without touching the preceding bytes.
read-only memory A type of computer memory on which data has been prerecorded. Once
data has been written onto a ROM chip, it cannot be removed and can
only be read.
real-time clock A module that keeps track of elapsed time even when a computer is
turned off.
receiver Electronic device that amplifies RF signals. A receiver separates the
audio signal from the RF carrier, amplifies it, and converts it back to the
original sound waves.
registers Short-term data-storage circuits within the microcontroller unit or
programmable logic IC.
repeater Remote transmit/receive facility that re-transmits received signals in
order to improve communications range and coverage (conventional
operation).
Term Definition

Glossary Glossary-7
repeater/talkaround A conventional radio feature that permits communication through a
receive/transmit facility, which re-transmits received signals in order to
improve communication range and coverage.
RESET Reset line: an input to the microcontroller that restarts execution.
RF See radio frequency.
RF PA See radio frequency power amplifier.
ROM See read-only memory.
RPCIC Regulator/power control IC.
RTC See real-time clock.
RX Receive.
RX DATA Recovered digital data line.
SAP See Serial Audio CODEC Port.
SCI IN See Serial Communication Interface Input Line.
Serial Audio CODEC
Port
SSI to and from the GCAP II IC CODEC used to transfer transmit and
receive audio data.
Serial
Communication
Interface Input Line
A full-duplex (receiver/transmitter) asynchronous serial interface.
Serial Peripheral
Interface
How the microcontroller communicates to modules and ICs through the
CLOCK and DATA lines.
signal An electrically transmitted electromagnetic wave.
Signal Qualifier
mode
An operating mode in which the radio is muted, but still continues to
analyze receive data to determine RX signal type.
softpot See software potentiometer.
software Computer programs, procedures, rules, documentation, and data
pertaining to the operation of a system.
software
potentiometer
A computer-adjustable electronic attenuator.
spectrum Frequency range within which radiation has specific characteristics.
SPI See Serial Peripheral Interface.
squelch Muting of audio circuits when received signal levels fall below a pre-
determined value. With carrier squelch, all channel activity that exceeds
the radio’s preset squelch level can be heard.
Term Definition

Glossary-8 Glossary
SRAM See static RAM.
SSI See Synchronous Serial Interface.
Standby mode An operating mode in which the radio is muted but still continues to
monitor data.
static RAM A type of memory used for volatile, program/data memory that does not
need to be refreshed.
Synchronous Serial
Interface
DSP interface to peripherals that consists of a clock signal line, a frame
synchronization signal line, and a data line.
system central
controllers
Main control unit of the trunked dispatch system; handles ISW and
OSW messages to and from subscriber units (See ISW and OSW).
system select The act of selecting the desired operating system with the system-select
switch (also, the name given to this switch).
thin small-outline
package
A type of dynamic random-access memory (DRAM) package that is
commonly used in memory applications.
time-out timer A timer that limits the length of a transmission.
TOT See time-out timer.
transceiver Transmitter-receiver. A device that both transmits and receives analog
or digital signals. Also abbreviated as XCVR.
transmitter Electronic equipment that generates and amplifies an RF carrier signal,
modulates the signal, and then radiates it into space.
TSOP See thin small-outline package.
TX Transmit.
UART See also Universal Asynchronous Receiver Transmitter.
UHF Ultra-High Frequency.
Universal
Asynchronous
Receiver Transmitter
A microchip with programming that controls a computer's interface to its
attached serial devices.
Universal Connector Interface point for all accessories to the radio.
Universal Serial Bus An external bus standard that supports data transfer rates of 12 Mbps.
USB See Universal Serial Bus.
VCO See voltage-controlled oscillator.
VCOB IC Voltage-Controlled Oscillator Buffer IC.
Term Definition

Glossary Glossary-9
vector sum excited
linear predictive
coding
A voice-encoding technique used in ASTRO digital voice.
VHF Very-High Frequency.
VIP Vehicle Interface Port.
vocoder An electronic device for synthesizing speech by implementing a
compression algorithm particular to voice. See also voice encoder.
vocoder/controller A PC board that contains an ASTRO radio’s microcontroller, DSP,
memory, audio and power functions, and interface support circuitry.
voice encoder The DSP-based system for digitally processing analog signals, and
includes the capabilities of performing voice compression algorithms or
voice encoding. See also vocoder.
voltage-controlled
oscillator
An oscillator in which the frequency of oscillation can be varied by
changing a control voltage.
VSELP See vector sum excited linear predictive coding.
Term Definition

Glossary-10 Glossary
Notes

Index Index
A
amplifier
driver U102 3-10
power transistor 3-11
antenna switch, transmitter 3-12
B
battery
connector M101 3-5
types and capacities 2-1
block diagram
overall 3-2
power distribution 2-2
receiver 3-6, 3-7, 3-14, 3-15
transceiver 3-3, 3-4, 3-5
board overlays
transceiver list 8-1
buffer and VCO, FGU 3-17
C
caution symbol meaning 1-2
charts, troubleshooting
DC supply failure 5-15
fgu
failure 5-37
keyload failure 5-25
list 5-1
main 5-3
power-up failure 5-4
secure hardware failure 5-26
VOCON
PA 5-50
Rx RF 5-27
clocks, FGU 3-16
components
block diagram 3-2
current control mode, transmitter power control 3-13
D
danger symbol meaning 1-2
detailed theory
Controller 3-21
gps 3-44
directional coupler U101, transmitter 3-11
driver amplifier U102 3-10
E
errors, power-up self-check 4-4
F
frequency generator unit (FGU)
buffer and VCO 3-17
clocks 3-16
loop filter 3-16
modulation 3-16
reference oscillator Y701 3-15
synthesizer 3-16
trident IC U702 3-16
voltage multiplier and superfilter 3-16
G
glossary Glossary-1
H
handling precautions, troubleshooting 4-1
harmonic filter, transmitter 3-11
I
IC
directional coupler U101 3-11
driver amplifier U102 3-10
interconnections
transceiver 3-5
K
keep-alive mode 2-2
L
loop filter, FGU 3-16
M
manual
notations 1-2
mode, keep-alive 2-2
modulation, FGU 3-16
N
notations in manual 1-2
O
ordering replacement parts A-1
oscillator
reference Y701, FGU 3-15
P
PA offset, control voltage gain scaling, transmitter power
control 3-13
parts list
transceiver (RF) board
UHF1/700–800 MHz 8-34, 8-91, 8-148, 8-200

Index-2 Index
parts, ordering replacement A-1
power
amplifier transistor 3-11
conditioning components, transceiver 3-6
power control
detailed theory 3-12
power distribution
block diagram 2-2
keep-alive mode 2-2
radio 2-1
power-up self-check
diagnostics and repair 4-5
errors 4-4
R
radio
keep-alive mode 2-2
power distribution 2-1
receiver
analog to digital converter
detailed theory 3-9
block diagram 3-6, 3-7, 3-14, 3-15
UHF1 front-end
detailed theory 3-8
VHF front-end
detailed theory 3-8
reference oscillator Y701, FGU 3-15
replacement parts, ordering A-1
reverse power protection, transmitter 3-12
S
schematics
transceiver board list 8-1
service tools, recommended 4-2
standard supply voltages 4-3
symbols
caution 1-2
danger 1-2
warning 1-2
synthesizer
FGU 3-16
system clocks
troubleshooting 4-3
T
terms and definitions Glossary-1
thermal cutback, transmitter power control 3-13
tools, recommended service 4-2
transceiver
battery connector M101 3-5
block diagram 3-3, 3-4, 3-5
interconnections 3-5
parts list
UHF1/700–800 MHz 8-34, 8-91, 8-148, 8-200
power conditioning 3-6
transmitter
antenna switch 3-12
directional coupler U101 3-11
driver amplifier U102 3-10
harmonic filter 3-11
introduction 3-9
power amplifier transistor 3-11
power control 3-12
reverse power protection 3-12
transmitter power control
current control mode 3-13
PA offset, control voltage gain scaling 3-13
thermal cutback 3-13
voltage control mode 3-12
trident IC U702, FGU 3-16
troubleshooting
bluetooth,CW on spectrum analyzer 6-57
charts listing 5-1
DC supply failure 5-15
fgu 5-37
handling precautions 4-1
keyload failure 5-25
main chart 5-3
power-up failure 5-4
power-up self-check
diagnostics and repair 4-5
errors 4-4
secure hardware failure 5-26
service tools 4-2
standard supply voltages 4-3
system clocks 4-3
VOCON
PA 5-50
Rx RF 5-27
troubleshooting waveforms
12MHz clock 6-4
16.8 MHz clock 6-5
24 MHz clock 6-6
32 kHz clock 6-2
4 MHz clock 6-3
audio ssi, bclk 6-10
audio ssi, red rx 6-8, 9-7
audio ssi, red tx 6-7
audio ssi, sync 6-9
bluetooth,CW on spectrum analyzer 6-57
bluetooth,startup timing difference,TP10 to TP13 and
time statistics 6-55
bluetooth,startup timing difference,TP11 to TP13 and
time statistics 6-56
bluetooth,startup timing difference,TP13 to TP16 and
time statistics 6-54
bluetooth,startup timing sequence,TP4 to TP16 and
time statistics 6-44
bluetooth,startup timing sequence,TP4 to TP5 and
time statistics 6-45
bluetooth,startup timing sequence,TP5 to TP16 and
voltage statistics 6-43
bluetooth,startup timing sequence,TP9 to TP16 6-42
bluetooth,startup timing sequence,Vmax of TP10 and
voltage statistics 6-50
bluetooth,startup timing sequence,Vmax of TP11 and
voltage statistics 6-53
bluetooth,startup timing sequence,Vmax of TP13 and
voltage statistics 6-52
bluetooth,startup timing sequence,Vmax of TP16 6-41
bluetooth,startup timing sequence,Vmax of TP16 and
voltage statistics 6-51
bluetooth,startup timing sequence,Vmax of TP4 and
time statistics 6-47

Index Index-3
bluetooth,startup timing sequence,Vmax of TP5 and
time statistics 6-46
bluetooth,startup timing sequence,Vmax of TP5 and
voltagestatistics 6-48
bluetooth,startup timing sequence,Vmax of TP9 and
voltage statistics 6-49
flash,adv 6-29
flash,cs3 6-30
flash,oe 6-31
flash,rdy 6-32
flash,we 6-33
gcai,gpio0 6-23
gcai,gpio4 6-24
gcai,usb,d- 6-25
gcai,usb,d+ 6-26
i2c,sca 6-19
i2c,sca 5v 6-20
i2c,sda 6-21
LF CW on spectrum analyzer 6-63
list 6-1
one wire 6-22
received baseband signals 6-34
rx clk 6-11
rx da 6-12
rx fsync 6-13
sdram,clk 6-27
sdram,clkx 6-28
spi clk 6-17
spi mosi 6-18
transmit baseband interface port (BBP) 6-35, 6-36,
6-37
tx ssi,clk 6-14
tx ssi,da 6-15
tx ssi,fsync 6-14
V
voltage
control mode, transmitter power control 3-12
voltage multiplier and superfilter, FGU 3-16
voltages, standard supply 4-3
W
warning symbol meaning 1-2
waveforms, receive baseband signals 6-34
waveforms, troubleshooting
12MHz clock 6-4
16.8 MHz clock 6-5
24 MHz clock 6-6
32 kHz clock 6-2
4 MHz clock 6-3
audio ssi,bclk 6-10
audio ssi,red rx 6-8, 9-7
audio ssi,red tx 6-7
audio ssi,sync 6-9
bluetooth,transmit startup time difference,TP10 to
TP13 and time statistics 6-55
bluetooth,transmit startup time difference,TP11 to
TP13 and time statistics 6-56
bluetooth,transmit startup time difference,TP13 to
TP16 and time statistics 6-54
bluetooth,transmit startup timing sequence,TP4 to
TP16 and time statistics 6-44
bluetooth,transmit startup timing sequence,TP4 to TP5
and time statistics 6-45
bluetooth,transmit startup timing sequence,TP5 to
TP16 and voltage statistics 6-43
bluetooth,transmit startup timing sequence,TP9 to
TP16 6-42
bluetooth,transmit startup timing sequence,Vmax of
TP10 and voltage statistics 6-50
bluetooth,transmit startup timing sequence,Vmax of
TP11 and voltage statistics 6-53
bluetooth,transmit startup timing sequence,Vmax of
TP13 and voltage statistics 6-52
bluetooth,transmit startup timing sequence,Vmax of
TP16 6-41
bluetooth,transmit startup timing sequence,Vmax of
TP16 and voltage statistics 6-51
bluetooth,transmit startup timing sequence,Vmax of
TP4 and time statistics 6-47
bluetooth,transmit startup timing sequence,Vmax of
TP5 and time statistics 6-46
bluetooth,transmit startup timing sequence,Vmax of
TP5 and voltage statistics 6-48
bluetooth,transmit startup timing sequence,Vmax of
TP9 and voltage statistics 6-49
flash,adv 6-29
flash,cs3 6-30
flash,oe 6-31
flash,rdy 6-32
flash,we 6-33
gcai,gpio0 6-23
gcai,gpio4 6-24
gcai,usb,d- 6-25
gcai,usb,d+ 6-26
i2c,sca 6-19
i2c,sca 5v 6-20
i2c,sda 6-21
LF CW on spectrum analyzer 6-63
list 6-1
one wire 6-22
rx clk 6-11
rx da 6-12
rx fsync 6-13
sdram,clk 6-27
sdram,clkx 6-28
spi clk 6-17
spi mosi 6-18
transmit baseband interface port (BBP) 6-35, 6-36,
6-37
tx ssi,clk 6-14
tx ssi,da 6-15
tx ssi,fsync 6-14

Index-4 Index
Notes

Motorola Solutions, Inc.
1303 East Algonquin Road
Schaumburg, Illinois 60196 U.S.A.
MOTOROLA, MOTO, MOTOROLA SOLUTIONS and
the Stylized M logo are trademarks or registered trademarks
of Motorola Trademark Holdings, LLC and are used under license.
All other trademarks are the property of their respective owners.
©2013 Motorola Solutions, Inc. All rights reserved.
June 2013.
www.motorolasolutions.com/APX
*68012007045*
68012007045-C
