ATU 100 Mini User Manual Eng
User Manual:
Open the PDF directly: View PDF
.
Page Count: 12

ATU-100 mini board
N7DDC.
!
"!#$"%!
"!#
!
&!":
http://www.sdr-deluxe.com/forum/7-17-1
The schematic in editor:
https://easyeda.com/rolin791/atu-100-mini-v1-1
'( Sprint Layout 6.0:
http://www.sdr-deluxe.com/load/
!)"
!!
"*'+
%!,
-./"0!
12"!%
12
" "
3456#7$#.89
/
!!
%!:
!
!!;';

«»
!<
!"!
(
!"
,
" 3!
!% ,
. );=
=>.?) *) +
! !@
!
"
.A9!
B=C
;!3;
)
0!!!
!! .
7
79!
/ 7
!
$ !
!.DE=!
.DE=F !
!!!
!,
33 79
$;
!
G*HIG+ 79
7J79
79
DE=
K;DE=4I 3
#IDE=#I79
/ %0;
DE=79
DE=".
!
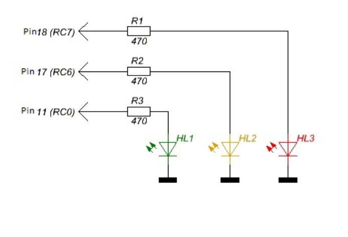
A similar LED display can be implemented using three LEDs of different colors, connecting
them to the pins RC0 (Low), RC6 (Mid), RC7 (High). LED anodes should be connected to the
processor ports via current-limiting resistors and cathodes to ground.

:!!
3456#7&
$#.!7$#
'CLI8! 89
""
;D.'CLI812.
!,
*+
7
GIGK 7J;
!

!!
$"7
73D
%$!
!
-.
!A9=9D9FG9=7F* 4I6
!+
M!3MF79
$#
F79DD4>65
4#L.>#. 6N44#L.58.

6N54> ;
" *+
6N44#L.>#;; 456#!
4#LO58;,
Using OLED displays, unlike to the 1602 LCD, allows to indicate an inductance values more
precisely by one sign, and capacitance values by one more sign. This can be very important if you
decide to make your own version of the tuner with different values of the installed components.
Only these displays can indicate the value of capacitance above 999 and up to 9999 pF.

"
!.
(!
=(I=(8$;
!
' (
7$!
(,' ,
(!
!!
' !!
!
!% ,,
! "
*+
!)!
.
!
<DE=.4> *4>34+
!!%! !
A
$
"*+
#
!!
E!(
C!$!!
);
E!(!
:$(
!
!
$DE=

Modification of the device to work on the low bands
Relatively small values of installed reactivities do not allow the device in the basic version to
operate effectively at frequencies below 7 - 10 MHz. The simplest solution of this problem may be
increasing the range of inductances and capacitors by two steps higher. The rest of the construction
remains unchanged. The algorithm responsible for tuning SWR wirks with no matter what values
of reactivity installed, but the indication of the correct values will suffer. The latest firmware
versions allow the user to independently set the values of capacitances and inductances set by him
for the correct indication on the display (to be described below). It should be borne in mind that
only the use of OLED displays of any acceptable type will allow you to display the value of the
capacitance more than 999 pF, but not more than 9999 pF. Download the source of the printed
circuit board, slightly reworked for ease of installation of large inductances here
<PP3.PP;;
$,
«%»
! <4634IG
:.<>66O
:.; <466
:.<4I6
:) <IOO
<64
:46E<64E
:!46<4
<46Q
:.<8R0
<64S0
:.<866C
:<46C
O46634I6
** D

$&
* +
99'=F:
" 3
;
! .%!
( "!"
' M !
. 1 2
TU2C.46
45( !
!!.!
!!!
.D.!4I
4IDE=4/4
!
C!"
;!! 3- @
"
00 — I2C &
.456#'CLI89
12.389F79!L$
$#!
!897456#.
'CLI8
01 — '
!66379
G643456#7.
G6#3F794#LO>#6>3F794#LO>#!
G683F794#LO586I3F794#LO58!
E;!!!
02 — (. $!
V !64!66E
!!64
@
03 — % ! !
)! =C%!
"D"!4I
04 — &'
$<"DE=
!4>!
DE=!4> *4>W4+
05 — ) ).
=<"3
!6I ;I!
!B"
06 — ) . $!!
!!=
$!66.;
!66
07 — )*) (vertically move) F79:
!64
08 — *)+,M!+F79:
!6#
09 — #-.(, G"
<"DE= $
!6; ;6
#/0('!
$ C.8S0
8666 E8666446 3644646
#0(' !C
.L#66L#4#4#6646
© David Fainitski, N7DDC
2019