ATV32_programming_manual_FR ATV320 Programming Manual FR NVE41296 03
User Manual:
Open the PDF directly: View PDF
.
Page Count: 349 [warning: Documents this large are best viewed by clicking the View PDF Link!]
- Table des matières
- Informations sur la sécurité
- À propos de ce guide
- Présentation générale
- Programmation
- Mode référence vitesse (rEF)
- Mode Surveillance (MOn)
- Mode de configuration (ConF)
- Introduction
- Arborescence
- Mon menu
- Réglages usine
- Macro configuration
- Full
- [SIMPLY START]
- [REGLAGES]
- Inr
- ACC
- dEC
- AC2
- dE2
- tA1
- tA2
- tA3
- tA4
- LSP
- HSP
- HSP2
- HSP3
- HSP4
- ItH
- UFr
- SLP
- SFC
- SIt
- SPG
- SPGU
- dCF
- IdC
- tdI
- IdC2
- tdC
- SdC1
- tdC1
- SdC2
- tdC2
- SFr
- CLI
- CL2
- FLU
- tLS
- JGF
- JGt
- SP2
- SP3
- SP4
- SP5
- SP6
- SP7
- SP8
- SP9
- SP10
- SP11
- SP12
- SP13
- SP14
- SP15
- SP16
- MFr
- SrP
- rPG
- rIG
- rdG
- PrP
- POL
- POH
- PAL
- PAH
- PEr
- PSr
- rP2
- rP3
- rP4
- Ibr
- Ird
- brt
- bIr
- bEn
- tbE
- bEt
- JdC
- ttr
- tLIM
- tLIG
- trH
- trL
- qSH
- qSL
- Ctd
- ttH
- ttL
- FqL
- Ftd
- F2d
- FFt
- ttd
- JPF
- JF2
- JF3
- JFH
- LUn
- LUL
- rMUd
- Srb
- FtU
- LOC
- FtO
- LbC
- FFM
- SdS
- [CONTRÔLE MOTEUR]
- [ENTRÉES / SORTIES]
- [COMMANDE]
- [BLOCS FONCTIONS]
- [FONCTIONS D'APPLI.] (FUn-)
- COMMUTATION DE CONSIGNES
- OPERATIONS SUR RÉFÉRENCE
- RAMPE
- CONFIGURATION DE L'ARRET
- INJECTION DE COURANT CONTINU AUTO
- JOG
- VITESSES PRÉSÉLECTIONNÉES
- + VITE/- VITE
- +/- VITE AUTOUR D'UNE CONSIGNE
- MÉMORISATION DE LA CONSIGNE
- FLUXAGE PAR ENTRÉE LOGIQUE
- COMMANDE LOGIQUE DE FREIN
- MESURE DU POIDS EXTERNE
- LEVAGE HAUTE VITESSE
- RÉGULATEUR PID
- CONSIGNES PID PRÉSÉLECTIONNÉES
- LIMITATION DU COUPLE
- SECONDE LIMITE DE COURANT
- Limit courant dyn
- COMMANDE D'UN CONTACTEUR DE LIGNE
- COMMANDE CONTACTEUR AVAL
- POSITIONNEMENT SUR CAPTEURS
- COMMUTATION DE PARAMÈTRES
- MULTIMOTEURS / MULTICONFIGURATIONS
- AUTO-RÉGLAGE PAR ENTRÉE LOGIQUE
- TRAVERSE CONTROL
- [GESTION DEFAUTS]
- [COMMUNICATION]
- Niveau d'accès
- Interface (ItF)
- Ouvrir / Enreg. sous (trA)
- Mot de passe (COd)
- Écran multipoint
- Maintenance et diagnostics
- Maintenance
- Diagnostics et dépannage
- Code d’erreur
- Effacement du défaut détecté
- Codes de détection de défaut nécessitant une coupure et une restauration de l'alimentation après la suppression du défaut détecté
- Codes de détection de défaut pouvant être supprimés à l'aide de la fonction de redémarrage automatique une fois la cause supprimée
- Codes de détection de défaut supprimés dès la disparition de la cause
- Remplacement ou retrait de la carte optionnelle
- Remplacement du bloc de commande
- Codes de détection de défaut affichés sur le terminal déporté
- Annexe

www.schneider-electric.com
Altivar Machine ATV320
Variateurs de vitesse
pour moteurs synchrones et asynchrones
Guide de programmation
04/2018
NVE41296

2NVE41296 04/2018
Les informations fournies dans la présente documentation se composent de descriptions génériques et/ou de
spécifications techniques sur les performances des produits concernés. La présente documentation ne doit
pas être utilisée pour déterminer l'adéquation ou la fiabilité des produits concernés dans le cadre
d'applications utilisateur spécifiques, et ne doit pas se substituer aux ressources permettant d'effectuer un tel
diagnostic. Il appartient à l'utilisateur ou à l'intégrateur d'effectuer la procédure exhaustive et adéquate
d'analyse des risques, d'évaluation et de test des produits en fonction de l'application ou de l'usage spécifique
visé. Ni Schneider Electric ni aucune de ses sociétés affiliées ou filiales ne sauraient être tenues responsables
d'une mauvaise utilisation des informations contenues dans la présente documentation. Merci de nous faire
part de toute suggestion d'amélioration ou de modification, ou bien d'erreurs constatées dans la présente
documentation.
Le présent document ne saurait être reproduit en tout ou partie sous quelque forme ou par quelque moyen
que ce soit, électronique ou mécanique, dont la photocopie, sans l'autorisation écrite expresse de Schneider
Electric.
Toutes les réglementations de sécurité locales et nationales applicables doivent être respectées lors de
l'installation et de l'utilisation de ce produit. À des fins de sécurité et en vue de garantir la conformité aux
données système documentées, seul le fabricant doit effectuer des réparations sur les composants.
Les instructions idoines doivent être respectées lorsque des appareils sont utilisés dans le cadre
d'applications supposant des exigences de sécurité technique.
La non-utilisation de logiciels officiels Schneider Electric ou de logiciels homologués par Schneider Electric
avec nos produits matériels risque de provoquer des blessures, des dommages matériels ou des résultats
d'exploitation inadaptés.
Le non-respect de ces informations peut entraîner des blessures et/ou des dommages matériels.
© 2017 Schneider Electric. Tous droits réservés.

NVE41296 04/2018 3
Table des matières
Informations sur la sécurité . . . . . . . . . . . . . . . . . . . . . . . . . . . . . . . . . . . . . . . . . . . . 7
À propos de ce guide . . . . . . . . . . . . . . . . . . . . . . . . . . . . . . . . . . . . . . . . . . . . . . . . . 13
Présentation générale. . . . . . . . . . . . . . . . . . . . . . . . . . . . . . . . . . . . . . . . . . . . . . . . . . . . . . . 15
Chapitre 1 Présentation . . . . . . . . . . . . . . . . . . . . . . . . . . . . . . . . . . . . . . . . . . . . . . . . . . . . . . . . . 17
Configuration usine. . . . . . . . . . . . . . . . . . . . . . . . . . . . . . . . . . . . . . . . . . . . . . . . . . . . 18
Fonctions d'application . . . . . . . . . . . . . . . . . . . . . . . . . . . . . . . . . . . . . . . . . . . . . . . . . 19
Fonctions de base . . . . . . . . . . . . . . . . . . . . . . . . . . . . . . . . . . . . . . . . . . . . . . . . . . . . 23
Terminal graphique en option. . . . . . . . . . . . . . . . . . . . . . . . . . . . . . . . . . . . . . . . . . . . 24
Première mise sous tension du variateur . . . . . . . . . . . . . . . . . . . . . . . . . . . . . . . . . . . 27
Terminal déporté en option. . . . . . . . . . . . . . . . . . . . . . . . . . . . . . . . . . . . . . . . . . . . . . 30
Structure des tableaux de paramètres . . . . . . . . . . . . . . . . . . . . . . . . . . . . . . . . . . . . . 31
Recherche d'un paramètre dans ce document. . . . . . . . . . . . . . . . . . . . . . . . . . . . . . . 32
Description IHM . . . . . . . . . . . . . . . . . . . . . . . . . . . . . . . . . . . . . . . . . . . . . . . . . . . . . . 33
Structure des menus . . . . . . . . . . . . . . . . . . . . . . . . . . . . . . . . . . . . . . . . . . . . . . . . . . 35
Chapitre 2 Mise en œuvre . . . . . . . . . . . . . . . . . . . . . . . . . . . . . . . . . . . . . . . . . . . . . . . . . . . . . . . 37
Les étapes de la mise en œuvre du variateur . . . . . . . . . . . . . . . . . . . . . . . . . . . . . . . 38
Premiers pas . . . . . . . . . . . . . . . . . . . . . . . . . . . . . . . . . . . . . . . . . . . . . . . . . . . . . . . . 39
Programmation. . . . . . . . . . . . . . . . . . . . . . . . . . . . . . . . . . . . . . . . . . . . . . . . . . . . . . . . . . . . . 41
Chapitre 3 Mode référence vitesse (rEF) . . . . . . . . . . . . . . . . . . . . . . . . . . . . . . . . . . . . . . . . . . . 43
Introduction. . . . . . . . . . . . . . . . . . . . . . . . . . . . . . . . . . . . . . . . . . . . . . . . . . . . . . . . . . 44
Arborescence . . . . . . . . . . . . . . . . . . . . . . . . . . . . . . . . . . . . . . . . . . . . . . . . . . . . . . . . 45
Menu . . . . . . . . . . . . . . . . . . . . . . . . . . . . . . . . . . . . . . . . . . . . . . . . . . . . . . . . . . . . . . 46
Chapitre 4 Mode Surveillance (MOn). . . . . . . . . . . . . . . . . . . . . . . . . . . . . . . . . . . . . . . . . . . . . . . 47
Introduction. . . . . . . . . . . . . . . . . . . . . . . . . . . . . . . . . . . . . . . . . . . . . . . . . . . . . . . . . . 48
Arborescence . . . . . . . . . . . . . . . . . . . . . . . . . . . . . . . . . . . . . . . . . . . . . . . . . . . . . . . . 49
Menu . . . . . . . . . . . . . . . . . . . . . . . . . . . . . . . . . . . . . . . . . . . . . . . . . . . . . . . . . . . . . . 50
[STATU MOTEUR] .................................................................................................. 50
[STATU MOTEUR] .................................................................................................. 51
[IMAGE E/S] ........................................................................................................... 51
[STATU SECURITE] ............................................................................................... 54
[STATUT BLOCS FONCT.] ...................................................................................... 55
[IMAGE COM.] ........................................................................................................ 56
[STATU PI] ............................................................................................................. 63
[CONSOMMATION] ................................................................................................ 63
[ALARMES] ............................................................................................................ 64
[AUTRES STATUTS] ............................................................................................... 65
[DIAGNOSTIC] ....................................................................................................... 65
[MOT DE PASSE] ................................................................................................... 76
Table des matières

Table des matières
4NVE41296 04/2018
Chapitre 5 Mode de configuration (ConF). . . . . . . . . . . . . . . . . . . . . . . . . . . . . . . . . . . . . . . . . . . 79
Introduction. . . . . . . . . . . . . . . . . . . . . . . . . . . . . . . . . . . . . . . . . . . . . . . . . . . . . . . . . . 80
Arborescence . . . . . . . . . . . . . . . . . . . . . . . . . . . . . . . . . . . . . . . . . . . . . . . . . . . . . . . . 81
Mon menu . . . . . . . . . . . . . . . . . . . . . . . . . . . . . . . . . . . . . . . . . . . . . . . . . . . . . . . . . . 82
Réglages usine . . . . . . . . . . . . . . . . . . . . . . . . . . . . . . . . . . . . . . . . . . . . . . . . . . . . . . 83
Macro configuration . . . . . . . . . . . . . . . . . . . . . . . . . . . . . . . . . . . . . . . . . . . . . . . . . . . 84
Full . . . . . . . . . . . . . . . . . . . . . . . . . . . . . . . . . . . . . . . . . . . . . . . . . . . . . . . . . . . . . . . . 87
[SIMPLY START] .................................................................................................... 87
[REGLAGES] .......................................................................................................... 91
[CONTRÔLE MOTEUR] ........................................................................................ 107
[ENTRÉES / SORTIES] ......................................................................................... 127
[COMMANDE] ...................................................................................................... 156
[BLOCS FONCTIONS] .......................................................................................... 160
[FONCTIONS D'APPLI.] (FUn-) .............................................................................. 165
COMMUTATION DE CONSIGNES .................................................................... 170
OPERATIONS SUR RÉFÉRENCE..................................................................... 171
RAMPE........................................................................................................ 173
CONFIGURATION DE L'ARRET........................................................................ 176
INJECTION DE COURANT CONTINU AUTO ....................................................... 179
JOG ............................................................................................................ 181
VITESSES PRÉSÉLECTIONNÉES .................................................................... 183
+ VITE/- VITE................................................................................................ 187
+/- VITE AUTOUR D'UNE CONSIGNE................................................................ 189
MÉMORISATION DE LA CONSIGNE ................................................................. 191
FLUXAGE PAR ENTRÉE LOGIQUE................................................................... 192
COMMANDE LOGIQUE DE FREIN.................................................................... 194
MESURE DU POIDS EXTERNE........................................................................ 202
LEVAGE HAUTE VITESSE .............................................................................. 204
RÉGULATEUR PID ........................................................................................ 210
CONSIGNES PID PRÉSÉLECTIONNÉES ........................................................... 218
LIMITATION DU COUPLE................................................................................ 219
SECONDE LIMITE DE COURANT ..................................................................... 222
Limit courant dyn............................................................................................ 223
COMMANDE D'UN CONTACTEUR DE LIGNE ..................................................... 224
COMMANDE CONTACTEUR AVAL ................................................................... 226
POSITIONNEMENT SUR CAPTEURS................................................................ 228
COMMUTATION DE PARAMÈTRES.................................................................. 234
MULTIMOTEURS / MULTICONFIGURATIONS..................................................... 237
AUTO-RÉGLAGE PAR ENTRÉE LOGIQUE......................................................... 241
TRAVERSE CONTROL ................................................................................... 242
[GESTION DEFAUTS] ........................................................................................... 255
[COMMUNICATION] ............................................................................................. 281
Niveau d'accès . . . . . . . . . . . . . . . . . . . . . . . . . . . . . . . . . . . . . . . . . . . . . . . . . . . . . . 284
Chapitre 6 Interface (ItF). . . . . . . . . . . . . . . . . . . . . . . . . . . . . . . . . . . . . . . . . . . . . . . . . . . . . . . . 285
Niveau d'accès (LAC) . . . . . . . . . . . . . . . . . . . . . . . . . . . . . . . . . . . . . . . . . . . . . . . . . 286
Langue (LnG) . . . . . . . . . . . . . . . . . . . . . . . . . . . . . . . . . . . . . . . . . . . . . . . . . . . . . . . 288
Ecran surveillance (MCF) . . . . . . . . . . . . . . . . . . . . . . . . . . . . . . . . . . . . . . . . . . . . . . 289
Config. affichage (dCF) . . . . . . . . . . . . . . . . . . . . . . . . . . . . . . . . . . . . . . . . . . . . . . . 293
Chapitre 7 Ouvrir / Enreg. sous (trA). . . . . . . . . . . . . . . . . . . . . . . . . . . . . . . . . . . . . . . . . . . . . .301
Chapitre 8 Mot de passe (COd) . . . . . . . . . . . . . . . . . . . . . . . . . . . . . . . . . . . . . . . . . . . . . . . . . . 305
Chapitre 9 Écran multipoint . . . . . . . . . . . . . . . . . . . . . . . . . . . . . . . . . . . . . . . . . . . . . . . . . . . . . 307

Table des matières
NVE41296 04/2018 5
Maintenance et diagnostics . . . . . . . . . . . . . . . . . . . . . . . . . . . . . . . . . . . . . . . . . . . . . . . . 309
Chapitre 10 Maintenance . . . . . . . . . . . . . . . . . . . . . . . . . . . . . . . . . . . . . . . . . . . . . . . . . . . . . . . . 311
Chapitre 11 Diagnostics et dépannage . . . . . . . . . . . . . . . . . . . . . . . . . . . . . . . . . . . . . . . . . . . . . 313
Code d’erreur . . . . . . . . . . . . . . . . . . . . . . . . . . . . . . . . . . . . . . . . . . . . . . . . . . . . . . . 314
Effacement du défaut détecté. . . . . . . . . . . . . . . . . . . . . . . . . . . . . . . . . . . . . . . . . . . 314
Codes de détection de défaut nécessitant une coupure et une restauration
de l'alimentation après la suppression du défaut détecté . . . . . . . . . . . . . . . . . . . . . . 315
Codes de détection de défaut pouvant être supprimés à l'aide de la fonction
de redémarrage automatique une fois la cause supprimée . . . . . . . . . . . . . . . . . . . . 317
Codes de détection de défaut supprimés dès la disparition de la cause . . . . . . . . . . 320
Remplacement ou retrait de la carte optionnelle . . . . . . . . . . . . . . . . . . . . . . . . . . . . 320
Remplacement du bloc de commande . . . . . . . . . . . . . . . . . . . . . . . . . . . . . . . . . . . . 320
Codes de détection de défaut affichés sur le terminal déporté . . . . . . . . . . . . . . . . . 321
Annexe . . . . . . . . . . . . . . . . . . . . . . . . . . . . . . . . . . . . . . . . . . . . . . . . . . . . . . . . . . . . . . . . . . . 323
Chapitre 12 Index des fonctions . . . . . . . . . . . . . . . . . . . . . . . . . . . . . . . . . . . . . . . . . . . . . . . . . . 325
Chapitre 13 Index des codes de paramètres . . . . . . . . . . . . . . . . . . . . . . . . . . . . . . . . . . . . . . . . 327
Chapitre 14 Glossaire . . . . . . . . . . . . . . . . . . . . . . . . . . . . . . . . . . . . . . . . . . . . . . . . . . . . . . . . . . . 347

Table des matières
6NVE41296 04/2018

NVE41296 04/2018 7
§
Informations sur la sécurité
Informations sur la sécurité
Informations importantes
AVIS
Lisez attentivement ces instructions et examinez l'appareil afin de vous familiariser avec l'équipement avant
de l'installer, de l'utiliser ou d'en assurer la maintenance. Les messages particuliers suivants peuvent
apparaître dans cette documentation ou sur l'appareil. Ils vous avertissent de dangers potentiels ou attirent
votre attention sur des informations susceptibles de clarifier ou de simplifier une procédure.
L'ajout de ce symbole à une étiquette de sécurité « Danger » ou « Avertissement » signale la
présence d'un risque électrique, qui entraînera des blessures corporelles si les consignes ne sont
pas respectées.
Ceci est le symbole d’une alerte de sécurité. Il vous met en garde contre les risques potentiels de
blessure. Respectez tous les messages de sécurité qui suivent ce symbole pour éviter tout risque
de blessure ou de mort.
DANGER
DANGER signale un risque qui, en cas de non-respect des consignes de sécurité, provoque la mort ou des
blessures graves.
AVERTISSEMENT
AVERTISSEMENT signale un risque qui, en cas de non-respect des consignes de sécurité, peut provoquer
la mort ou des blessures graves.
ATTENTION
ATTENTION signale un risque qui, en cas de non-respect des consignes de sécurité, peut provoquer des
blessures légères ou moyennement graves.
AVIS
AVIS indique des pratiques n’entraînant pas de risques corporels.

8NVE41296 04/2018
Informations sur la sécurité
REMARQUE IMPORTANTE
L’installation, l’utilisation, la réparation et la maintenance des équipements électriques doivent être assurées
par du personnel qualifié uniquement. Schneider Electric décline toute responsabilité quant aux
conséquences de l’utilisation de ce matériel.
Une personne qualifiée est une personne disposant de compétences et de connaissances dans le domaine
de la construction, du fonctionnement et de l’installation des équipements électriques, et ayant suivi une
formation en sécurité leur permettant d’identifier et d’éviter les risques encourus.
Qualification du personnel
Seules les personnes correctement formées, qui sont familiarisées et qui comprennent le contenu du présent
guide et de toute autre documentation pertinente relative à l’appareil, sont autorisées à travailler sur et avec
cet appareil. Elles doivent en outre avoir suivi une formation en matière de sécurité afin d’identifier et d’éviter
les dangers lui étant liés. Ces personnes doivent disposer d’une formation, de connaissances et d’une
expérience techniques suffisantes, mais aussi être capables de prévoir et de détecter les dangers potentiels
liés à l’utilisation de l’appareil, à la modification des réglages et aux équipements mécaniques, électriques et
électroniques de l’ensemble du système dans lequel l’appareil est utilisé. Toutes les personnes travaillant sur
et avec l’appareil doivent être totalement familiarisées avec toutes les normes, directives et réglementations
de prévention des accidents en vigueur.
Usage prévu de l’appareil
Ce produit est un variateur pour moteurs triphasés synchrones et asynchrones. Il est prévu pour un usage
industriel conformément au présent guide. L’appareil doit être utilisé conformément à toutes les
réglementations et directives de sécurité applicables, ainsi qu’aux exigences et données techniques
spécifiées. Avant d’utiliser l’appareil, procédez à une évaluation des risques en tenant compte de l’application
à laquelle il est destiné. En fonction des résultats, mettez en place les mesures de sécurité qui s’imposent.
Etant donné que le produit est utilisé comme composant de tout un système, vous devez garantir la sécurité
des personnes par la conception de l’ensemble de ce système (ex. : conception des machines). Toute
utilisation contraire à celle explicitement autorisée est interdite et peut générer des risques. L’installation,
l’utilisation, la réparation et la maintenance des équipements électriques doivent être assurées par du
personnel qualifié uniquement.

Informations sur la sécurité
NVE41296 04/2018 9
Informations relatives au produit
Lisez attentivement ces consignes avant d’effectuer toute procédure avec ce variateur.
Les systèmes variateurs peuvent effectuer des mouvements inattendus en raison d'un câblage incorrect, de
paramètres et de données incorrects ou d'autres erreurs.
DANGER
RISQUE D'ÉLECTROCUTION, D'EXPLOSION OU D'ARC ÉLECTRIQUE
•Seules certaines personnes sont autorisees a travailler sur et avec ce systeme. Celles-ci doivent etre
correctement formees, connaitre et comprendre le contenu de ce manuel et de toute autre documentation
pertinente relative au produit, et avoir suivi une formation a la securite pour reconnaitre et eviter les
risques l’installation, les reglages, les reparations et la maintenance doivent etre realises par un personnel
qualifie.
•L’integrateur systeme est tenu de s’assurer de la conformite avec toutes les exigences des
reglementations locales et nationales en matiere de mise a la terre de tous les equipements.
•Plusieurs pieces de ce variateur, notamment les circuits imprimes, fonctionnent a la tension reseau. Ne
les touchez pas. Utilisez uniquement des outils isoles electriquement.
•Ne touchez pas les vis des bornes ou les composants non blindes lorsqu’une tension est presente.
•Le moteur genere une tension lorsque son arbre tourne. Avant d’effectuer un type de travail quelconque
sur le systeme du variateur, bloquez l’arbre moteur pour eviter la rotation.
•La tension CA peut coupler la tension vers les conducteurs non utilises dans le cable moteur. Isolez les
deux extremites des conducteurs non utilises du cable moteur.
•Ne creez pas de court-circuit entre les bornes du bus CC et les condensateurs de bus ou les bornes de
resistance de freinage.
•Avant d’intervenir sur le variateur :
- Deconnectez toute alimentation, y compris l’alimentation controle externe, pouvant etre presente.
- Apposez une etiquette de signalisation indiquant Ne pas mettre en marche sur tous les
commutateurs.
- Verrouillez tous les commutateurs en position ouverte.
- Attendez 15 minutes pour permettre aux condensateurs du bus CC de se decharger. Le voyant du
bus DC ne signale pas l’absence d’une tension de bus DC, laquelle peut depasser 800 V DC.
Mesurez la tension sur le bus DC entre les bornes du bus DC (PA/+, PC/-) a l’aide d’un voltmetre
correctement calibre pour verifier que la tension est inferieure a 42 V DC.
- Si les condensateurs de bus CC ne se dechargent pas correctement, contactez votre representant
local Schneider Electric. Ne reparez pas et ne faites pas fonctionner le variateur.
•Installez et fermez tous les capots avant d’appliquer la tension.
Le non-respect de ces instructions entraînera la mort ou des blessures graves.
DANGER
FONCTIONNEMENT INNATENDU DE L'APPAREIL
•Vous devez lire et comprendre ce guide avant d'installer ou de faire fonctionner le variateur Altivar 320.
•Toute modification apportée à la configuration des paramètres doit être effectuée par du personnel
qualifié.
Le non-respect de ces instructions entraînera la mort ou des blessures graves.
AVERTISSEMENT
FONCTIONNEMENT IMPRÉVU DE L'APPAREIL
•Installez le câblage avec précaution, conformément aux critères de compatibilité électromagnétique.
•N'utilisez pas le produit avec des paramètres ou des données inconnus ou inappropriés.
•Procédez à un test de mise en service complet.
Le non-respect de ces instructions peut entraîner la mort, des blessures graves ou des dommages
matériels.

Informations sur la sécurité
10 NVE41296 04/2018
Les produits ou accessoires endommagés risquent de provoquer des chocs électriques ou un fonctionnement
inattendu de l'appareil.
Adressez-vous à votre agence Schneider Electric locale si vous constatez une détérioration quelconque.
DANGER
CHOC ÉLECTRIQUE OU FONCTIONNEMENT INATTENDU DE L'APPAREIL
N'utilisez pas de produits ou d'accessoires endommagés.
Le non-respect de ces instructions entraînera la mort ou des blessures graves.
AVERTISSEMENT
PERTE DE CONTRÔLE
•Le concepteur de tout schéma de câblage doit tenir compte des modes de défaillances potentielles des
canaux de commande et, pour les fonctions de contrôle critiques, prévoir un moyen d’atteindre un état
sécurisé durant et après la défaillance d'un canal. Parmi des exemples de fonctions de contrôle critiques,
on peut citer l'arrêt d'urgence, l'arrêt en cas de sur-course, la coupure de courant et le redémarrage.
•Des canaux de commande distincts ou redondants doivent être prévus pour les fonctions de contrôle
critiques.
•Les canaux de commande du système peuvent inclure des liaisons de communication. Il est nécessaire
de tenir compte des conséquences des retards de transmission inattendus ou des défaillances de la
liaison.
•Respectez toutes les réglementations de prévention des accidents et directives de sécurité locales.1
•Chaque mise en œuvre du produit doit être testée de manière individuelle et approfondie afin de vérifier
son fonctionnement avant sa mise en service.
1. États-Unis : Pour des informations complémentaires, reportez-vous aux documents NEMA ICS 1.1 (dernière édition), « Safety Guidelines
for the Application, Installation, and Maintenance of Solid State Control » et NEMA ICS 7.1 (dernière édition) « Safety Standards for
Construction and Guide for Selection, Installation and Operation of Adjustable Speed Drive Systems »..
Le non-respect de ces instructions peut entraîner la mort, des blessures graves ou des dommages
matériels.
AVIS
DESTRUCTION DUE A UNE TENSION SECTEUR INCORRECTE
Avant de mettre le produit sous tension et de le configurer, vérifiez que son utilisation est approuvée pour la
tension secteur concernée.
Le non-respect de ces instructions peut provoquer des dommages matériels.
AVERTISSEMENT
SURFACES BRÛLANTES
•Veillez à éviter tout contact avec des surfaces brûlantes.
•Ne laissez pas de pièces inflammables ou sensibles à la chaleur à proximité immédiate de surfaces
brûlantes.
•Vérifiez que le produit a suffisamment refroidi avant de le manipuler.
•Vérifiez que la dissipation de la chaleur est suffisante en exécutant un test de marche sous conditions de
charge maximale
Le non-respect de ces instructions peut entraîner la mort, des blessures graves ou des dommages
matériels.

Informations sur la sécurité
NVE41296 04/2018 11
AVERTISSEMENT
EXPLOSION
Utilisez exclusivement cet appareil en dehors de zones dangereuses (atmosphères explosives).
Le non-respect de ces instructions peut entraîner la mort, des blessures graves ou des dommages
matériels.

Informations sur la sécurité
12 NVE41296 04/2018

NVE41296 04/2018 13
§
À propos de ce guide
À propos de ce guide
Présentation
Objectifs du guide
Ce guide a pour but :
•de vous aider à configurer le variateur ;
•de décrire comment programmer le variateur ;
•de décrire les différents menus, modes et paramètres ;
•de vous aider à effectuer la maintenance ainsi que les diagnostics.
Champ d’application
Cette documentation concerne les variateurs Altivar Process.
Les caractéristiques techniques des équipements décrits dans ce document sont également fournies en ligne.
Pour accéder à ces informations en ligne :
Les caractéristiques présentées dans ce manuel devraient être identiques à celles fournies en ligne. Toutefois,
en application de notre politique d’amélioration continue, nous pouvons être amenés à réviser le contenu du
document afin de le rendre plus clair et plus précis. Si vous constatez une différence entre le manuel et les
informations fournies en ligne, utilisez ces dernières en priorité.
Etape Action
1 Accédez à la page d’accueil de Schneider Electric www.schneider-electric.com.
2 Dans la zone Search, saisissez la référence d’un produit ou le nom d’une gamme de produits.
- N’insérez pas d’espaces dans le numéro de modèle ou la gamme de produits.
- Pour obtenir des informations sur un ensemble de modules similaires, utilisez des astérisques (*).
3 Si vous avez saisi une référence, accédez aux résultats de recherche Product datasheets et cliquez sur la
référence qui vous intéresse.
Si vous avez saisi une gamme de produits, accédez aux résultats de recherche Product Ranges et cliquez
sur la gamme de produits qui vous intéresse.
4 Si plusieurs références s’affichent dans les résultats de recherche Products, cliquez sur la référence qui
vous intéresse.
5 Selon la taille de l’écran, vous serez peut-être amené à faire défiler la page pour consulter la fiche technique.
6 Pour enregistrer ou imprimer une fiche technique au format .pdf, cliquez sur Download XXX product
datasheet.

14 NVE41296 04/2018
À propos de ce guide
Document(s) à consulter
Accedez rapidement a des informations detaillees et completes sur tous nos produits grace a votre tablette
ou a votre PC, a l’adresse www.schneider-electric.com.
Le site Internet fournit les informations dont vous avez besoin pour tous les produits et solutions :
•le catalogue complet des caracteristiques detaillees et les guides de selection ;
•des milliers de fichiers CAO pour vous permettre de concevoir votre installation, disponibles dans 20
formats differents ;
•tous les logiciels et firmwares pour maintenir votre installation a jour ;
•une grande quantite de livres blancs, de documents concernant les environnements, de solutions
d’application et de specifications, afin d’acquerir une meilleure connaissance de nos systemes electriques,
de nos equipements ou de nos automatismes ;
•et enfin, tous les guides de l’utilisateur relatifs a votre variateur, repertories ci-dessous :
Vous pouvez télécharger les dernières versions de ces publications techniques ainsi que d'autres informations
techniques sur notre site Web www.schneider-electric.com.
Normes et terminologie
Les termes techniques, ainsi que la terminologie employee et les descriptions associees, utilises dans ce
guide, correspondent aux termes et aux definitions des normes concernees.
Dans le domaine des systemes d’entrainement, ceci s’applique notamment a des termes tels que : erreur,
message d’erreur, defaillance, defaut, rearmement, protection, etat securise, fonction de securite,
avertissement, message d’avertissement, etc.
Ces normes incluent entre autres :
•la serie de normes IEC 61800 : Entrainements electriques de puissance a vitesse variable
•la serie de normes IEC 61508 Ed.2 : Securite fonctionnelle des systemes
electriques/electroniques/electroniques programmables relatifs a la securite
•EN 954-1 Securite des machines - Parties des systemes de commande relatives a la securite
•EN ISO 13849-1 & 2 Securite des machines - Parties des systemes de commande relatives a la securite
•la serie de normes IEC 61158 : Reseaux de communication industriels - Specifications des bus de terrain
•la serie de normes IEC 61784 : Reseaux de communication industriels - Profils
•IEC 60204-1 : Securite des machines - Equipement electrique des machines - Partie 1 : Regles generales
Titre du document Référence
ATV320 Getting Started NVE21763 (English), NVE21771
(French), NVE21772 (German),
NVE21773 (Spanish), NVE21774
(Italian), NVE21776 (Chinese)
ATV320 Getting Started Annex (SCCR) NVE21777 (English)
ATV320 Installation manual NVE41289 (English), NVE41290
(French), NVE41291 (German),
NVE41292 (Spanish), NVE41293
(Italian), NVE41294 (Chinese)
ATV320 Programming manual NVE41295 (English), NVE41296
(French), NVE41297 (German),
NVE41298 (Spanish), NVE41299
(Italian), NVE41300 (Chinese)
ATV320 Modbus Serial Link manual NVE41308 (English)
ATV320 Ethernet IP/Modbus TCP manual NVE41313 (English)
ATV320 PROFIBUS DP manual (VW3A3607) NVE41310 (English)
ATV320 DeviceNet manual (VW3A3609) NVE41314 (English)
ATV320 CANopen manual (VW3A3608, 618, 628) NVE41309 (English)
ATV320 EtherCAT manual (VW3A3601) NVE41315 (English)
ATV320 Communication Parameters NVE41316 (English)
ATV320 Safety Functions manual NVE50467 (English), NVE50468 (French),
NVE50469 (German), NVE50470 (Spanish),
NVE50472 (Italian), NVE50473 (Chinese)

16 NVE41296 04/2018

NVE41296 04/2018 17
Présentation
1
Présentation
Dans ce chapitre
Ce chapitre aborde les sujets suivants :
Sujet Page
Configuration usine 18
Fonctions d'application 19
Fonctions de base 23
Terminal graphique en option 24
Terminal graphique en option 24
Première mise sous tension du variateur 27
Terminal déporté en option 30
Structure des tableaux de paramètres 31
Recherche d'un paramètre dans ce document 32
Description IHM 33
Structure des menus 35

Présentation
18 NVE41296 04/2018
Configuration usine
Réglages usine
L'Altivar 320 est réglé en usine pour les conditions de fonctionnement courantes :
•Écran : [Var. prêt] (rdY) s'affiche lorsque le moteur est prêt à fonctionner et la fréquence de sortie
s'affiche lorsque le moteur est en marche.
•Les entrées logiques LI3 à LI6, les entrées analogiques AI2 et AI3, la sortie logique LO1, la sortie
analogique AO1 et le relais R2 ne sont pas affectés.
•Mode d'arrêt lorsqu'un défaut est détecté : roue libre.
Remarque : Si vous souhaitez conserver les pré-réglages du variateur au minimum, sélectionnez le
paramètre de macro configuration [Macro configuration] (CFG) = [Start/stop] (StS), suivi du paramètre
[Rappel config.] (FCS)=[Config. CFG] (InI). Pour plus d'informations, reportez-vous à la page 84.
Vérifiez si les valeurs ci-dessus sont compatibles avec l'application.
Code Description Valeur des réglages usine Page
bFr [Standard fréq.mot] [50Hz IEC] 88
tCC [Cde 2 fils/3 fils] [Cde 2 fils] (2C) : commande à 2 fils 87
Ctt [Type cde moteur] [Standard] (Std) : Loi de moteur standard 107
ACC [Accélération] 3,0 secondes 89
dEC [Décélération] 3,0 secondes 89
LSP [Petite vitesse] 0 Hz 89
HSP [Grande vitesse] 50 Hz 89
ItH [Courant therm. mot] Courant nominal du moteur (selon la valeur nominale du variateur) 89
SdC1 [I inject. DC auto 1] 0,7 x courant nominal du variateur, pendant 0,5 seconde 95
SFr [Fréquence découp.] 4 kHz 96
Frd [Sens avant] [LI1] (LI1) : entrée logique LI1 128
rrS [Aff. sens arrière] [LI2] (LI2) : entrée logique LI2 128
Fr1 [Canal réf. 1] [AI1] (AI1) : entrée analogique AI1 156
r1 [Affectation R1] [Non défaut] (FLt) : le contact s'ouvre lorsqu'un défaut est détecté
ou lorsque le variateur a été éteint.
140
brA [Adapt. rampe déc.] [Oui] (YES) : fonction active (adaptation automatique de la rampe de
décélération)
175
Atr [Redémarrage auto] [Non] (nO) : fonction inactive 257
Stt [Type d'arrêt] [arrêt rampe] (rMP) : sur la rampe 176
CFG [Macro configuration] [Start/stop] (StS)84

Présentation
NVE41296 04/2018 19
Fonctions d'application
Les tableaux des pages suivantes donnent les associations fonctions/applications, afin de guider votre choix.
Les applications figurant dans ces tableaux concernent notamment les machines suivantes :
•Levage : grues, ponts roulants, portiques (levage vertical, translation, giration), plates-formes élévatrices
•Manutention : palettiseurs/dépalettiseurs, convoyeurs, tables à rouleaux
•Emballage : encartonneuses, étiqueteuses
•Textile : métiers à tisser, cardes, machines à laver, fileuses, étireuses
•Bois : décolleteuses, scies, usinage
•Process
Les associations mentionnées ne sont ni obligatoires ni exhaustives, chaque machine ayant ses particularités.
Certaines fonctions sont particulièrement dédiées à une application définie. Dans ce cas, l’application est
identifiée sous forme d’un onglet en marge dans les pages de programmation concernées.
Fonctions de commande du moteur
Fonctions Page Applications
Levage
Manutention
Emballage
Textile
Bois
Process
Loi V/F 107 bb
Contrôle vectoriel de flux sans capteur 107 b b b b b b
Contrôle vectoriel 2 points 107 b b
Moteur synchrone en boucle ouverte 107 b
Fréquence de sortie jusqu'à 599 Hz 107 b b
Limitation des surtensions moteur 122 b b
Connexion du bus DC (voir guide d'installation) - b b
Fluxage moteur à l'aide d'une entrée logique 192 b b b
Fréquence de découpage jusqu'à 16 kHz 96 b b
Auto-réglage 89 b b b b b b

Présentation
20 NVE41296 04/2018
Fonctions sur les consignes de vitesse
Fonctions Page Applications
Levage
Manutention
Emballage
Textile
Bois
Process
Consigne bipolaire différentielle 131 b b b
Délinéarisation de consigne (effet loupe) 133 b b
Entrée de contrôle de fréquence 156 b b
Commutation de consignes 170 b
Sommation de consignes 171 b
Soustraction de consignes 171 b
Multiplication de consignes 171 b
Rampe réglable 173 b b
Marche pas à pas 181 b b b
Vitesses présélectionnées 183 b b b
Vitesse +/- à l'aide de boutons-poussoirs à action unique
(1 cran)
187 b
Vitesse +/- à l'aide de boutons-poussoirs à double action
(2 crans)
187 b
Vitesse +/- autour d'une consigne 190 b b
Mémorisation de consigne 191 b

Présentation
NVE41296 04/2018 21
Fonctions spécifiques à l'application
Fonctions Page Applications
Levage
Manutention
Emballage
Textile
Bois
Process
Arrêt rapide 176 b
Commande de frein 194 b b
Mesure de charge 202 b
Levage haute vitesse 204 b
Câble détendu 207 b
Régulateur PID 210 b
Limitation de couple moteur/générateur 219 b b b
Équilibrage de charge 124 b b
Commande de contacteur de ligne 224 b b b
Commande de contacteur aval 227 b
Positionnement sur fins de course ou capteurs 228 b b b
Arrêt à distance calculée après fin de course de décélération 230 b b
Commutation de paramètres 234 b b b b b b
Commutation de moteurs ou de configurations 237 b b b
Traverse control 242 b
Configuration des arrêts 176 b b b

Présentation
22 NVE41296 04/2018
Fonctions de sécurité/Gestion des défauts
Fonctions Page Applications
Levage
Manutention
Emballage
Textile
Bois
Process
Safe Torque Off (STO) (fonction de sécurité, voir le
document spécifique)
-b b b b b b
Arrêt différé en cas d'alarme thermique 263 b b
Gestion des alarmes 147 b b b b b b
Gestion des défauts 255 b b b b b b
Tests IGBT 265 b b b b b b
Reprise à la volée 258 b b
Protection du moteur avec des sondes PTC 255 b b b b b b
Gestion des sous-tensions 264 b b
Perte 4-20 mA 265 b b b b b
Coupure aval non contrôlée (perte phase moteur) 261 b
Redémarrage automatique 257 b
Mesure de la vitesse de rotation du moteur par l'entrée Pulse
input
270 b b
Détection de variation de charge 272 b
Détection de sous-charge 275 b
Détection de surcharge 277 b
Fonctions de sécurité intégrées (voir le document spécifique
page 14)b b b b b

Présentation
NVE41296 04/2018 23
Fonctions de base
Ventilation du variateur
Le ventilateur démarre automatiquement si l'état thermique du variateur atteint 70 % de l'état thermique
maximum et si le [Mode ventilateur] (FFM) est réglé sur [Standard] (Std).
Pour ATV320pppppW(S), [Mode Fonct. Vent.] (FFM) est forcé sur [Toujours] (run), le ventilateur est
toujours activé.

Présentation
24 NVE41296 04/2018
Terminal graphique en option
Description du terminal graphique
À l'aide du terminal graphique, qui fonctionne avec FLASH V1.1 IE26 ou une version ultérieure, il est possible
d'afficher des informations plus détaillées que sur le terminal intégré.
Remarque : Les touches 3, 4, 5 et 6 permettent de commander directement le variateur, si la commande via
le terminal graphique est activée.
Pour activer les touches du terminal déporté, vous devez d'abord configurer le paramètre [Canal réf. 1]
(Fr1)=[HMI] (LCC). Pour plus d'informations, reportez-vous à la page 156.
1 Écran graphique
2 Touches de fonctions
F1, F2, F3, F4, voir
page 159
3 Touche
STOP/RESET
4 Touche RUN
(marche)
5 Bouton de navigation :
•Appuyez sur (ENT) :
- Pour enregistrer la valeur actuelle
- Pour accéder au menu ou au paramètre sélectionné
•Tournez +/- :
- Pour incrémenter ou décrémenter une valeur
- Pour passer à la ligne suivante ou précédente
- Pour augmenter ou diminuer la consigne si la commande via le
terminal graphique est activée
7 Touche ESC : abandon d'une
valeur, d'un paramètre ou d'un
menu pour revenir au choix
précédent
6 Touche d'inversion du sens de
rotation du moteur

Présentation
NVE41296 04/2018 25
Exemples de fenêtres de configuration :
Sélection simple
Sélection multiple
Exemple de fenêtre de configuration d'une valeur :
Les touches << et >> (touches F2 et F3) sont utilisées pour sélectionner le chiffre à modifier et la rotation du
bouton de navigation permet d'augmenter ou de diminuer ce nombre.
Exemple de visualisation du statut des blocs fonctions :
Lors de la première mise sous tension du terminal graphique, l'utilisateur doit
sélectionner la langue d'affichage.
Lorsque seul un choix est possible, le choix effectif est indiqué par le signe .
Exemple : une seule langue peut être choisie.
Lorsqu'un choix multiple est possible, les choix effectifs sont indiqués par .
Exemple : plusieurs paramètres peuvent être choisis pour former le
[MENU UTILISATEUR].
LANGUAGE
English
Français
Deutsch
Italiano
Español
Chinese
Русский
Türkçe
SELECT. PARAMETRES
REGLAGES
Incrément rampe
Accélération-- - - - - - - -
Décélération- - - - - - - - -
Accélération 2- - - - - - - - -
Décélération 2
Edit
RDY Term +0,0 Hz 0,0 A
Accélération
9,51 s
Min = 0,00 Max = 99,99
<< >> Quick
ENT
RDY Term +0,0 Hz 0,0 A
Accélération
9, 51 s
Min = 0,00 Max = 99,99
<< >> Quick
Témoin éteint : un programme valide de blocs fonctions est sur le variateur
ATV320 en mode Arrêté.
Témoin allumé : un programme valide de blocs fonctions est sur le variateur
ATV320 en mode Executé. Le variateur est considéré comme étant en état
de fonctionnement et les paramètres de configuration ne peuvent pas être
modifiés.
RDY Term +0,0 Hz 0,0 A
Accélération
9,51 s
Min = 0,00 Max = 99,99
<< >> Quick

Présentation
26 NVE41296 04/2018
Première mise sous tension du variateur avec le terminal graphique
Lors de la première mise sous tension du terminal graphique, l'utilisateur doit sélectionner la langue
d'affichage.
Écran affiché après la première mise sous tension du terminal graphique.
Sélectionnez la langue, puis appuyez sur ENT.
ENT
Les données nominales du variateur s'affichent alors.
3 secondes
ENT
LANGUAGE
English
Français
Deutsch
Italiano
Español
Chinese
Русский
Türkçe
ATV320U15M2
1.5kW/2HP 220V Single
Config. n°0
RDY Term 0,0 Hz 0,0 A
NIVEAU D'ACCES
Basique
Standard
Avancé
Expert
RDY Term 0,0 Hz 0,0 A
1 MENU VARIATEUR
1.1 REFERENCE VITESSE
1.2 SURVEILLANCE
1.3 CONFIGURATION
Code << >> Quick

Présentation
NVE41296 04/2018 27
Première mise sous tension du variateur
Avec le terminal intégré, à la première mise sous tension, vous accédez directement au paramètre [Standard
fréq.mot] (bFr) (voir page 88) dans le menu (COnF > FULL > SIM).
Écran affiché après la première mise sous tension du variateur.
3 secondes
L'écran [NIVEAU D'ACCES] apparaît de façon automatique.
ENT
Passage automatique au menu [1 MENU VARIATEUR] après 3 secondes.
Sélectionnez le menu, puis appuyez sur ENT.
ESC
Le menu général apparaît sur le terminal graphique si vous appuyez sur la touche
ESC.
ATV320U15M2
1.5kW/2HP 220V Single
Config. n°0
RDY Term 0,0 Hz 0,0 A
NIVEAU D'ACCES
Basique
Standard
Avancé
Expert
RDY Term 0,0 Hz 0,0 A
1 MENU VARIATEUR
1.1 REFERENCE VITESSE
1.2 SURVEILLANCE
1.3 CONFIGURATION
Code << >> Quick
MENU GENERAL
1 MENU VARIATEUR
2 IDENTIFICATION
3 INTERFACE
4 OUVRIR / ENREG. SOUS
5 MOT DE PASSE

Présentation
28 NVE41296 04/2018
Mises sous tension suivantes
Avec le terminal intégré, lors des mises sous tension suivantes, vous accédez directement au statut du
variateur (même liste que pour le paramètre [Statut variateur] (HS1) page 66). Exemple : Prêt (rdY)
Écran après la mise sous tension.
3 secondes
Passage automatique au menu [1 MENU VARIATEUR] après 3 secondes.
Sélectionnez le menu, puis appuyez sur ENT.
10 secondes
Passage automatique à l'écran de surveillance au bout de 10 secondes.
ATV320U15M2
1.5kW/2HP 220V Single
Config. n°0
RDY Term 0,0 Hz 0,0 A
1 MENU VARIATEUR
1.1 REFERENCE VITESSE
1.2 SURVEILLANCE
1.3 CONFIGURATION
Code << >> Quick
RDY Term +0,0 Hz 0,0 A
Référence fréq.
+1,3 Hz
Min = -599,0 Max = +599,0
Quick

Présentation
NVE41296 04/2018 29
Menu Identification
Il est possible d'accéder au menu [2 IDENTIFICATION] (OId-) uniquement avec le terminal graphique.
Il s'agit d'un menu en lecture seule qui ne peut pas être configuré. Il permet d'afficher les informations
suivantes :
•Référence du variateur, puissance nominale et tension
•Version logicielle du variateur
•Numéro de série du variateur
•État des fonctions de sécurité et checksum
•Programme des blocs fonctions et version du catalogue
•Type d'options présentes avec leur version logicielle
•Type et version du terminal graphique
ENT
RUN Term +50,0 Hz 0,0 A
MENU GENERAL
1 MENU VARIATEUR
2 IDENTIFICATION
3 INTERFACE
4 OUVRIR / ENREG. SOUS
5 MOT DE PASSE
RUN Term +50,0 Hz 0,0 A
2 IDENTIFICATION
ATV320U22M2
2.2 kW / 3 HP
220 V Mono
Bluetooth V1.0
Appl. software V1.1 IE 01
MC software V1.1 IE 01
<< >> Quick
FFFFFFFFF
Product V1.1 IE 01
SECURITE FONCTIONNELLE
Etat sécurité var. Standard
CRC param. sécu. fct. 8529
BLOCS FONCTIONS
Format programme 1
Version catalogue 1
OPTION 1
Pas de carte option
TERMINAL GRAPHIQUE
GRAPHIC S
V1.2IE11
00000000000000000

Présentation
30 NVE41296 04/2018
Terminal déporté en option
Description du terminal déporté
Le terminal déporté est une unité de commande locale qui peut être montée sur la porte d'un coffret monté sur
un mur ou sur la porte d'une armoire. Il est équipé d'un câble doté de connecteurs, qui est lui-même connecté
à la liaison série du variateur (voir la documentation fournie avec le terminal déporté). Les touches haut et bas
de ce terminal déporté sont utilisées pour la navigation au lieu du bouton de rotatif navigation.
(1) Si le variateur est verrouillé à l'aide d'un code ([Code PIN 1] (COd) page 306), le fait d'appuyer sur la
touche MODE vous permet de passer du menu [1.2 SURVEILLANCE] (MOn-) au menu [1.1 REFERENCE
VITESSE] (rEF-) et vice versa.
Pour activer les touches du terminal déporté, vous devez d'abord configurer le paramètre [Canal réf. 1]
(Fr1) = [HMI] (LCC). Pour plus d'informations, reportez-vous à la page 156.
5 Touches de navigation
6 Touche ENT
Utilisée pour enregistrer la valeur
actuelle ou accéder au
menu/paramètre sélectionné.
8 Touche d'inversion du sens de
rotation du moteur
7 Touche STOP
Utilisée pour arrêter le moteur et
effectuer une remise à zéro.
1 Affichage 4 chiffres
2 Touche MODE (1)
Utilisée pour passer aux menus
[1.1 REFERENCE VITESSE] (rEF-),
[1.2 SURVEILLANCE] (MOn-) et
[1.3 CONFIGURATION] (COnF-).
3 Touche ESC
Utilisée pour abandonner un
menu/paramètre ou
effacer la valeur affichée actuellement
afin de revenir à la valeur précédente,
conservée dans la mémoire.
4 Touche RUN
Exécute la fonction
si elle a été
configurée.

Présentation
NVE41296 04/2018 31
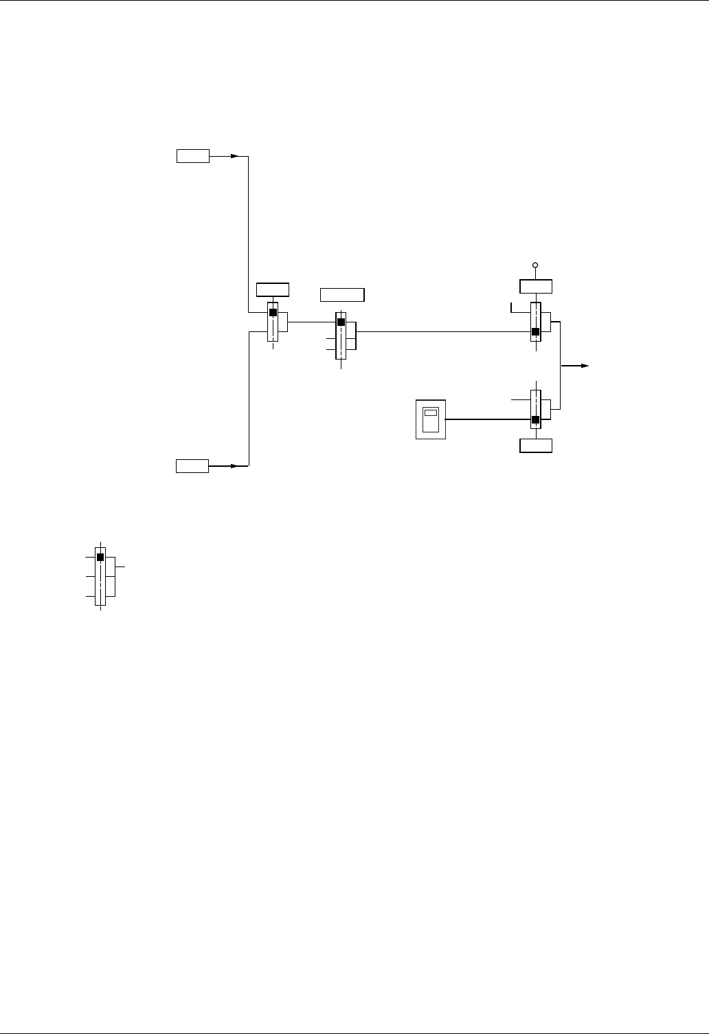
Structure des tableaux de paramètres
Les tableaux de paramètres contenus dans les descriptions des différents menus sont organisés comme
décrit ci-dessous.
Exemple :
Remarque : Le texte entre crochets [ ] indique ce qui apparaîtra sur le terminal graphique.
Un menu suivi de la mention « (suite) » apparaît parfois pour vous aider à vous repérer dans la structure.
Exemple :
Dans cet exemple, la mention « (suite) » indique que le sous-menu [FONCTIONS D'APPLI.] est au-dessus
du sous-menu [REGULATEUR PID] dans la structure.
Un paramètre peut contenir certains pictogrammes. La légende de chaque pictogramme apparaît à la fin du
tableau.
Principaux pictogrammes :
Code Nom/Description Plage de réglages Réglage d'usine
PId- [REGULATEUR PID]
Remarque : Cette fonction ne peut pas être utilisée avec toutes les fonctions. Suivez les instructions
page 165.
PIF [Affect. retour PID] [Non] (nO)
nO
A11
A12
A13
PI
AIU2
OA01
...
OA10
[Non] (nO) : non affecté
[Al1] (A11) : entrée analogique A1
[Al2] (A12) : entrée analogique A2
[Al3] (A13) : entrée analogique A3
[RP] (PI) : entrée Pulse input
[AI virtuelle 2] (AIU2) : entrée analogique virtuelle 2
[OA01] (OA01) : blocs fonctions : sortie analogique 01
...
[OA10] (OA10) : blocs fonctions : sortie analogique 10
1. Chemin d'accès aux paramètres décrits sur cette page 5. Nom du sous-menu sur le terminal graphique
2. Code du sous-menu sur l'affichage 7 segments 4 chiffres 6. Nom du paramètre sur le terminal graphique
3. Code du paramètre sur l'affichage 7 segments 4 chiffres 7. Valeur du paramètre sur le terminal graphique
4. Valeur du paramètre sur l'affichage 7 segments 4 chiffres
FUn- [FONCTIONS D'APPLI.] (suite)
PId- [REGULATEUR PID]
Remarque : Cette fonction ne peut pas être utilisée avec toutes les fonctions. Suivez les instructions
page 165.
DRI- > CONF > FULL > FUN-
Il est possible d'accéder aux paramètres décrits sur cette page par les
menus suivants :
1
3
2
4
5
6
7
gCes paramètres apparaissent uniquement si la fonction correspondante a été sélectionnée dans un autre menu. Lorsqu'il est
également possible d'accéder et de régler les paramètres dans le menu de configuration pour la fonction correspondante,
leur description est détaillée dans ces menus, sur les pages indiquées, afin d'aider à la programmation.
Ce paramètre peut être modifié en cours de fonctionnement ou à l'arrêt.
Pour modifier l'affectation de ce paramètre, appuyez pendant 2 secondes sur la touche ENT.
2s

Présentation
32 NVE41296 04/2018
Recherche d'un paramètre dans ce document
Les fonctionnalités suivantes sont disponibles pour vous aider à rechercher des informations sur un paramètre :
•Avec le terminal intégré et le terminal déporté : utilisez directement l'index des codes de paramètres,
page 327, pour trouver la page donnant des détails concernant le paramètre affiché.
•Avec le terminal graphique : sélectionnez le paramètre à rechercher et appuyez sur F1 : [Code].
Le code du paramètre s’affiche à la place de son nom pendant que la touche est maintenue enfoncée.
Exemple : ACC
•Utilisez ensuite l'index des codes de paramètres, page 327, pour trouver la page donnant des détails
concernant le paramètre affiché.
RDY Term +0,0 Hz 0,0 A
REGLAGES
Incrément rampe : 0,1
Accélération :9,51 s
Décélération : 9,67 s
Petite vitesse : 0,0 Hz
Grande vitesse : 50,0 Hz
Code << >> Quick
Code
RDY Term +0,0 Hz 0,0 A
REGLAGES
Incrément rampe : 0,1
ACC :9,51 s
Décélération : 9,67 s
Petite vitesse : 0,0 Hz
Grande vitesse : 50,0 Hz
Code << >> Quick

Présentation
NVE41296 04/2018 33
Description IHM
Affichage normal, hors affichage de code d’erreur et hors démarrage :
Affiche le paramètre sélectionné dans le menu [1.2 SURVEILLANCE] (MOn-) (paramètre par défaut :
[Référence fréq.] (FrH)).
•InIt : séquence d'initialisation (uniquement sur le terminal déporté)
•tUn : auto-réglage
•dCb : freinage par injection
•rdY : variateur prêt
•nSt : arrêt en roue libre
•CLI : limitation de courant
•FSt : arrêt rapide
A Mode référence vitesse sélectionné (rEF-)E Point décimal utilisé pour afficher les valeurs des
paramètres (unités arrondies au dixième)
B Mode surveillance sélectionné (MOn-)F Valeur de paramètre actuellement affichée
C Mode configuration sélectionné (COnF)G Unité de paramètre actuellement affichée
D Point décimal utilisé pour afficher les valeurs des
paramètres (unités arrondies au centième)
88 8
A
B
C
D
F
G
E
1
3
2
88 8 8
A
B
C
D
F
G
E
3
2
1
8
Fonctions de l'affichage et des touches
1 La touche ESC est utilisée pour la navigation dans les menus (retour) et le réglage des paramètres
(annuler).
2 Le bouton de navigation est utilisé pour la navigation dans les menus (vers le haut ou le bas) et le réglage
des paramètres (augmentation/diminution de la valeur ou choix d'un élément). Il peut être utilisé en tant
qu'entrée analogique virtuelle 1 pour la consigne de fréquence du variateur.
3 La touche ENT (appui sur le bouton de navigation) est utilisée pour la navigation dans les menus (suivant)
et le réglage des paramètres (validation).

Présentation
34 NVE41296 04/2018
•FLU : fonction de fluxage activée
•nLP : circuit de commande sous tension mais bus DC non chargé
•CtL : arrêt contrôlé
•Obr : décélération adaptée
•SOC : coupure aval contrôlée en cours
•USA : alarme de sous-tension
•SS1 : fonction de sécurité SS1
•SLS : fonction de sécurité SLS
•StO : fonction de sécurité STO
•SMS : fonction de sécurité SMS
•GdL : fonction de sécurité GdL
En cas d’érreur détecté, l'écran clignotera pour vous en avertir. Si un terminal graphique est connecté, le nom
de l’erreur détecté s'affichera.

Présentation
NVE41296 04/2018 35
Structure des menus
Sur l'affichage 7 segments, le tiret après les codes de menus et de sous-menus est utilisé pour
différencier ces derniers des codes de paramètres.
Exemple : Menu [FONCTIONS D'APPLI.] (FUn-), paramètre [Accélération] (ACC)
Sélection de plusieurs affectations pour un paramètre
Exemple : liste des alarmes du groupe 1 dans le menu [ENTREES / SORTIES] (I_O-).
Il est possible de sélectionner plusieurs alarmes en les cochant comme décrit ci-dessous.
Le chiffre de droite indique :
Le même principe est utilisé pour toutes les sélections multiples.
Mise sous tension Sélection de paramètres
Ce paramètre s'affiche uniquement
lorsque le variateur est mis sous
tension pour la première fois.
Son réglage peut être modifié
ultérieurement dans le menu
[CONTRÔLE MOTEUR] (drC-)
pour afficher
[Standard fréq.mot] (bFr).
[1.1 REFERENCE VITESSE]
(rEF-)
[1.2 SURVEILLANCE] (MOn-)
[1.3 CONFIGURATION] (COnF)
= ENT
rEF-
MOn-
COnF
bFr
ESC
= ESC
= ENT
ESC
ENT
ESC
ESC
ENT
ENT
ESC
Inr
ESC = ESC
01
SEt-
ACC
FFM
001
001
Sélectionnée Non sélectionnée

Présentation
36 NVE41296 04/2018

Mise en œuvre
38 NVE41296 04/2018
Les étapes de la mise en œuvre du variateur
2. Mettez le variateur sous tension mais ne donnez pas
d'ordre de marche.
3. Configurez :
•La fréquence nominale du moteur [Standard fréq.mot] (bFr),
page 88, si elle n'est pas de 50 Hz.
•Les paramètres du moteur dans le menu
[CONTRÔLE MOTEUR] (drC-), page 107, uniquement si la
configuration usine du variateur ne convient pas.
•Les fonctions d'application dans le
menu [ENTREES / SORTIES] (I_O-), page 127, le menu
[COMMANDE] (CtL-), page 156, et le menu [FONCTIONS
D'APPLI.] (FUn-), page 170, uniquement si la configuration
usine du variateur ne convient pas.
5. Démarrez le variateur.
1. Reportez-vous au guide d'installation.
PROGRAMMATION
INSTALLATION
4. Dans le menu [REGLAGES] (SEt-),
réglez les paramètres suivants :
•[Accélération] (ACC), page 89, et
[Décélération] (dEC), page 89.
•[Petite vitesse] (LSP), page 89, et
[Grande vitesse] (HSP), page 91.
•[Courant therm. mot] (ItH), page 89.
Astuces :
•Avant de commencer la programmation, complétez les
tableaux des réglages client, page 327.
•Utilisez le paramètre [Rappel config.] (FCS), page 83,
pour rétablir les réglages usine à tout moment.
•Pour repérer rapidement la description d'une fonction,
utilisez l'index des fonctions à la page 325.
•Avant de configurer une fonction, reportez-vous au
Tableau de compatibilité, page 168.
Remarque : Il convient d'effectuer les opérations suivantes
afin d'obtenir des performances optimales de la part du
variateur en termes de précision et de temps de réponse :
•Entrez les valeurs indiquées sur la plaque signalétique du
moteur dans le menu [CONTRÔLE MOTEUR] (drC-),
page 107.
•Réalisez un auto-réglage lorsque le moteur est froid et
connecté, à l'aide du paramètre [Auto-réglage] (tUn),
page 89.

Mise en œuvre
NVE41296 04/2018 39
Premiers pas
Si le variateur n'est pas raccordé au secteur depuis longtemps, la capacité maximale des condensateurs doit
être restaurée avant de mettre le moteur en marche.
Si la procédure spécifiée ne peut pas être exécutée sans ordre de marche à cause d'une commande de
contacteur de ligne interne, exécutez cette procédure avec l'étage de puissance activé, mais le moteur étant
au repos de manière à ce qu'il n'y ait pas de courant secteur notable dans les condensateurs.
Avant de mettre le variateur sous tension
Variateur verrouillé.
Si un ordre de marche de type marche avant, marche arrière, injection DC est toujours actif pendant :
•un reset produit aux réglages usine ,
•un "reset défauts" manuel à l'aide de [Reset défauts] (RsF),
•un "reset défauts" manuel en éteignant puis rallumant le produit ,
•un ordre d'arrêt transmis par un canal qui n'est pas le canal de commande actif (comme la touche Stop du
terminal graphique en commande 2/3 fils) ;
Le variateur est dans un état bloquant et affiche [Roue libre] (nSt). Il faudra désactiver tous
les ordres de marche actifs avant d'autoriser un nouvel ordre de marche.
Contacteur de ligne
AVIS
CAPACITÉ DE CONDENSATEUR RÉDUITE
•Appliquez la tension secteur au variateur pendant une heure avant de mettre le moteur en marche si le
variateur n'est pas raccordé au secteur depuis les périodes suivantes :
- 12 mois à la température maximale de stockage de +50°C (+122°F).
- 24 mois à la température maximale de stockage de +45°C (+113°F).
- 36 mois à la température maximale de stockage de +40°C (+104°F).
•Vérifiez qu'aucun ordre de marche ne peut être appliqué avant l'expiration de la période d'une heure.
•Vérifiez la date de fabrication si le variateur est mis en service pour la première fois et exécutez la
procédure spécifiée si la date de fabrication est passée de plus de 12 mois.
Le non-respect de ces instructions peut provoquer des dommages matériels.
AVERTISSEMENT
FONCTIONNEMENT INATTENDU DE L'APPAREIL
Vous devez lire et comprendre ce guide avant d'installer ou de faire fonctionner le variateur ATV320.
Toute modification apportée à la configuration des paramètres doit être effectuée par du personnel qualifié.
Vérifiez que toutes les entrées logiques sont inactives afin d'éviter tout démarrage intempestif.
Le non-respect de ces instructions entraînera la mort ou des blessures graves.
AVIS
RISQUE D'ENDOMMAGEMENT DU VARIATEUR
Laissez au moins 60 secondes entre chaque mise sous tension du variateur.
Le non-respect de ces instructions peut provoquer des dommages matériels.

Mise en œuvre
40 NVE41296 04/2018
Utilisation d'un moteur ayant une puissance inférieure ou sans moteur
Avec les réglages usine, la détection de perte de phase de sortie du moteur est activée ([Perte phase moteur]
(OPL) = [Oui] (YES), page 261). Pour éviter l’utilisation d’un moteur ayant la même puissance que le
variateur lorsque vous testez ce dernier ou lors d'une intervention de maintenance, désactivez la détection de
perte de phase du moteur. ([Perte phase moteur] (OPL) = [Non] (nO)). Cela peut s'avérer particulièrement
utile si des variateurs de taille importante sont testés avec un petit moteur.
Réglez le paramètre [Type cde moteur] (Ctt), page 107, sur [Standard] (Std) dans le menu [Contrôle
moteur] (drC-).
NOTICE
SURCHAUFFE MOTEUR
Installez un dispositif de surveillance thermique externe dans les conditions suivantes :
•Si un moteur connecté possède un courant nominal inférieur à 20 % du courant nominal du variateur.
•Si vous utilisez la fonction de commutation du moteur.
Le non-respect de ces instructions peut provoquer des dommages matériels.
DANGER
RISQUE D'ÉLECTROCUTION, D'EXPLOSION OU D'ARC ÉLECTRIQUE
Si la surveillance de phase de sortie est désactivée, la perte de phase et, par conséquent, le débranchement
accidentel de câbles, ne sont pas détectés.
•Vérifiez que ce paramètre peut être réglé en toute sécurité.
Le non-respect de ces instructions entraînera la mort ou des blessures graves.

NVE41296 04/2018 41
II
Programmation
Dans cette partie
Cette partie contient les chapitres suivants :
Le câblage incorrect, des paramètres ou des données inappropriés peuvent déclencher des mouvements
inattendus, déclencher des signaux ou endommager des pièces et désactiver les fonctions de surveillance.
Si l'étage de puissance est désactivé par inadvertance, par exemple à la suite d'une coupure de courant,
d'erreurs ou de fonctions, le moteur ne subit plus une décélération contrôlée.
Chapitre Nom du chapitre Page
3 Mode référence vitesse (rEF) 43
4 Mode Surveillance (MOn) 47
5 Mode de configuration (ConF) 79
6 Interface (ItF) 285
7 Ouvrir / Enreg. sous (trA) 301
8 Mot de passe (COd) 305
9 Écran multipoint 307
AVERTISSEMENT
FONCTIONNEMENT INATTENDU DE L'APPAREIL
•N'utilisez pas le système variateur avec des paramètres ou des données inconnus.
•Ne modifiez jamais un paramètre à moins de maîtriser pleinement son fonctionnement et tous les effets
de la modification.
•Lors de la mise en service du produit, testez avec précaution tous les états de fonctionnement et les
situations d'erreur potentielle.
•Vérifiez qu'un bouton-poussoir d'arrêt d'urgence en état de marche se trouve à portée de toutes les
personnes concernées par l'exécution des tests.
•Vérifiez les fonctions après avoir remplacé le produit et aussi après avoir apporté des modifications aux
paramètres ou aux données.
•Anticipez les mouvements dans des directions imprévues ou l'oscillation du moteur.
•Exploitez le système uniquement s'il n'y a ni personne ni obstacle dans la zone de fonctionnement.
Le non-respect de ces instructions peut entraîner la mort, des blessures graves ou des dommages
matériels.
AVERTISSEMENT
MOUVEMENT SANS EFFET DE FREINAGE
Vérifiez que les mouvements sans effet de freinage ne peuvent pas provoquer de dommages corporels ou
matériels.
Le non-respect de ces instructions peut entraîner la mort, des blessures graves ou des dommages
matériels.

42 NVE41296 04/2018

Mode référence vitesse (rEF)
44 NVE41296 04/2018
Introduction
Servez-vous du mode référence vitesse pour surveiller et, si le canal de consigne est l'entrée analogique 1
([Canal réf. 1] (Fr1) page 156 défini sur [AI virtuelle 1] (AIU1)), pour régler la valeur de consigne réelle
en modifiant la tension de l'entrée analogique.
Si la commande locale est activée ([Canal réf. 1] (Fr1) page 156 défini sur [HMI] (LCC)), le bouton de
navigation du terminal graphique ou les touches de navigation Haut et Bas du terminal déporté font office de
potentiomètre pour augmenter ou diminuer la valeur de consigne tout en restant dans les limites prédéfinies
par d'autres paramètres ([Petite vitesse] (LSP) ou [Grande vitesse] (HSP)).
Il est inutile d'appuyer sur la touche ENT pour confirmer la modification de la consigne.

Mode référence vitesse (rEF)
NVE41296 04/2018 45
Arborescence
(1) Selon le canal de consigne actif
Valeurs possibles :
(AIU1)
(LFr)
(MFr)
(rPI)
(FrH)
(rPC)
(2) 2 s ou ESC
Les valeurs du paramètre et les unités affichées sur le
schéma sont fournies à titre d'exemple.
Valeur - Unité
ESC
ESC
ENT
ENT
(1)
(2)
= ENT
rEF
51.3 HErt
ESC
= ES
C

Mode référence vitesse (rEF)
46 NVE41296 04/2018
Il est possible d'accéder aux paramètres décrits sur cette page via les menus suivants :
Menu
(1) Il est inutile d'appuyer sur la touche ENT pour confirmer la modification de la consigne.
Code Nom/Description Plage de réglages Réglage d'usine
drI- [1 MENU VARIATEUR]
rEF- [1.1 REFERENCE VITESSE]
Les paramètres affichés dépendent des réglages du variateur.
AIU1
g
(1)
[Image entrée AIV1] 0 à 100 % de HSP-LSP 0 %
Valeur d'entrée analogique virtuelle 1.
Ce paramètre permet de modifier la consigne de fréquence à l'aide du bouton de navigation intégré.
LFr
g
(1)
[Réf. fréquence HMI] -599 à +599 Hz 0 Hz
Consigne de fréquence de l'IHM (valeur signée).
Ce paramètre permet de modifier la consigne de fréquence à l'aide du terminal IHM déporté.
MFr [Coeff. multiplicat.] 0 à 100 % 100 %
g
Paramètre permettant de multiplier la variable de fréquence.
Il est possible d'accéder au coefficient multiplicateur si le paramètre [Réf. multiplic. -] (MA2, MA3) page 172 a été affecté au
terminal graphique.
rPI [Réf. interne PID] 0 à 32 767 150
g
(1)
PID : consigne PI interne.
Ce paramètre permet de modifier la consigne PID interne à l'aide du bouton de navigation.
La consigne PID interne s'affiche si le paramètre [Retour PID] (PIF) n'est pas réglé sur [Non] (nO).
FrH [Référence fréq.] -599 à +599 Hz -
g
Consigne de fréquence avant la rampe (valeur signée).
Consigne de fréquence réelle appliquée au moteur quel que soit le canal de consigne sélectionné. Ce paramètre est en mode
lecture seule.
La consigne de fréquence s'affiche si le canal de commande n'est pas le terminal IHM ou l'entrée analogique virtuelle.
rPC [Référence PID] 0 à 65 535 -
gPID : valeur de consigne.
La consigne PID s'affiche si le paramètre [Retour PID] (PIF) n'est pas réglé sur [Non] (nO).
gCes paramètres apparaissent uniquement si la fonction correspondante a été sélectionnée dans un autre menu. Lorsqu'il est
également possible d'accéder et de régler les paramètres dans le menu de configuration pour la fonction correspondante,
leur description est détaillée dans ces menus, sur les pages indiquées, afin d'aider à la programmation.
Ce paramètre peut être modifié en cours de fonctionnement ou à l'arrêt.
DRI- > REF-

Mode Surveillance (MOn)
48 NVE41296 04/2018
Introduction
Les paramètres sont accessibles lorsque le variateur est en marche ou arrêté.
Certaines fonctions ont différents paramètres. Afin de clarifier la programmation et d'éviter de naviguer dans
un nombre infini de paramètres, ces fonctions ont été regroupées en sous-menus. Comme les menus, les
sous-menus sont identifiés par un tiret après leur code.
Lorsque le variateur est en marche, la valeur affichée est celle de l'un des paramètres de surveillance. Par
défaut, la valeur affichée est la consigne de fréquence d'entrée (paramètre [Référence fréq.] (FrH) page 50).
Alors que la valeur du nouveau paramètre de surveillance est en cours d'affichage, appuyez une seconde fois
sur le bouton de navigation pour afficher les unités ou maintenez le bouton de navigation enfoncé (en position
ENT) de nouveau (pendant 2 secondes) pour confirmer le changement du paramètre de surveillance et
l'enregistrer. À partir de ce moment-là, la valeur de ce paramètre sera affichée pendant le fonctionnement
(même après une mise hors tension).
À moins que le nouveau choix soit confirmé en maintenant de nouveau la touche ENT enfoncée, l'écran
reviendra à la valeur précédente après une mise hors tension.
Remarque : Après l'arrêt du variateur ou à la suite d'une coupure d'alimentation secteur, le paramètre affiché
est l'état du variateur (exemple : [Prêt] (rdY)). Le paramètre sélectionné est affiché après un ordre de
marche.

Mode Surveillance (MOn)
NVE41296 04/2018 49
Arborescence
Les paramètres affichés sur le schéma
sont fournis à titre d'exemple.
(1) Accessible uniquement avec le
terminal graphique
= ENT
ENT
ESC
Values
units
FrH
ENT
ESC
SPd
UOP
OPr
Otr
LCr
(1)
(1)
(1)
rdY
MOn
LFr
MFr
rFr
ESC = ESC
FqS
tHr
tHd
MMO-
IOM-
SAF-
MFB-
CMM-
MPI-
PEt-
CnFS
CFPS
ALGr
ALr-
SSt-
dGt-
COd-
ULn

Mode Surveillance (MOn)
50 NVE41296 04/2018
Il est possible d'accéder aux paramètres décrits sur cette page via les menus suivants :
Menu
Code Nom/Description Unité
MOn- [1.2 SURVEILLANCE]
AIU1 [Image entrée AIV1] %
Valeur d'entrée analogique virtuelle 1.
Ce paramètre est en lecture seule. Il vous permet d'afficher la consigne de vitesse appliquée au moteur.
FrH [Référence fréq.] Hz
Consigne de fréquence avant la rampe (valeur signée).
Ce paramètre est en lecture seule. Il vous permet d'afficher la consigne de vitesse appliquée au moteur, quel que soit le canal de
consigne sélectionné.
StFr [Vitesse statorique] Hz
Affiche une estimation de la fréquence du stator en Hz (valeur signée).
LFr [Réf. fréquence HMI] Hz
Consigne de fréquence de l'IHM (valeur signée).
Ce paramètre ne s'affiche que si la fonction a été activée. Il est utilisé pour modifier la consigne de vitesse à partir du terminal
déporté. Il n'est pas nécessaire d'appuyer sur ENT pour permettre un changement de consigne.
MFr [Coeff. multiplicat.] %
g
Paramètre permettant de multiplier la variable de fréquence.
Il est possible d'accéder au coefficient multiplicateur si le paramètre [Réf. multiplic. -] (MA2, MA3) page 172 a été affecté.
MMF [Frq. sortie mesurée] Hz
Fréquence moteur mesurée (valeur signée)
La vitesse moteur mesurée est affichée lorsque la carte de surveillance de la vitesse a été insérée.
rFr [Fréquence sortie] Hz
Fréquence estimée du moteur (valeur signée).
FqS [Freq.travail pulse in] Hz
gFréquence mesurée de l'entrée Pulse input (voir page 270).
ULn [Tension réseau] V
Tension principale (en provenance du bus DC)
Tension secteur basée sur la mesure de tension du bus DC, moteur en fonctionnement ou arrêté.
tHr [Etat therm moteur] %
État thermique du moteur.
100 % = état thermique nominal, 118 % = seuil « OLF » (surcharge moteur).
tHd [Etat therm. var] %
État thermique du variateur.
100 % = état thermique nominal, 118 % = seuil « OHF » (surcharge du variateur).
MMO- [STATU MOTEUR]
Spd [Vitesse moteur] tr/min
Vitesse du moteur en tr/min. (Valeur estimée)
UOP [Tension moteur] V
Tension du moteur. (Valeur estimée)
Opr [Puissance moteur] %
Surveillance de la puissance de sortie (100 % = puissance moteur nominale, valeur estimée en fonction de la mesure de courant)
Otr [Couple Moteur] %
Valeur du couple de sortie (100 % = couple nominal du moteur, valeur estimée en fonction de la mesure de courant).
LCr [Courant moteur] A
Courant moteur estimé. (Valeur mesurée)
DRI- > MON-

Mode Surveillance (MOn)
NVE41296 04/2018 51
Il est possible d'accéder aux paramètres décrits sur cette page via les menus suivants :
MOn- [1.2 SURVEILLANCE] (suite)
MMO- [STATU MOTEUR]
I2tM [Niv. surcharge I²t]
Surveillance du niveau de surcharge I²t
Ce paramètre est accessible si [Activation model I²t] (I2tA) est réglé sur [OUI] (YES) voir page 223
IOM- [IMAGE E/S]
LIA- [CONF. ENTREES LOGIQ.]
Fonctions des entrées logiques.
LIA [Affectation LI1]
Paramètres en lecture seule, qui ne peuvent pas être configurés.
Paramètre permettant d'afficher toutes les fonctions qui sont affectées à l'entrée logique de façon à vérifier les affectations
multiples.
Si aucune fonction n'a été affectée, [Non] (nO) s'affiche. Utilisez le bouton de navigation pour naviguer dans les fonctions.
L'utilisation du terminal graphique permet de voir le retard [Retard 0 --> 1 LI1] (L1d). Les valeurs possibles sont les mêmes que
dans le menu Configuration page 129.
L2A
à
L6A
LA1A
LA2A
[Affectation LI--]
Toutes les entrées logiques disponibles sur le variateur sont traitées comme dans l'exemple ci-dessus.
LIS1 [État des entrées logiques LI1 à LI6]
Paramètre pouvant être utilisé pour visualiser l'état des entrées logiques LI1 à LI6 (affectation des segments sur l'affichage : haut
= 1, bas = 0).
Exemple ci-dessus : LI1 et LI6 sont à 1 ; LI2 à LI5 sont à 0.
LIS2 [Etat de LA1, LA2 et STO (Suppression sûre du couple)]
Paramètre pouvant être utilisé pour visualiser l'état des entrées logiques LA1, LA2 et « Suppression sûre du couple » (affectation
des segments sur l'affichage : haut = 1, bas = 0).
Exemple ci-dessus : LA1 et LA2 sont à 0 ; STO (« Suppression sûre du couple ») est à 1.
Code Nom/Description Unité
État 1
État 0
LI1 LI2 LI3 LI4 LI5 LI6
État 1
État 0
LA1 LA2 STO
DRI- > MON- > IOM- > LIA-

Mode Surveillance (MOn)
52 NVE41296 04/2018
Il est possible d'accéder aux paramètres décrits sur cette page via les menus suivants :
AIA- [IMAGE ENTREES ANALOG.]
Fonctions des entrées analogiques.
AI1C [AI1] V
Image client AI1 : valeur de l'entrée analogique 1.
AI1A [Affectation AI1]
nO
Fr1
Fr2
SA2
PIF
tAA
dA2
PIM
FPI
SA3
Fr1b
dA3
FLOC
MA2
MA3
PES
IA01
...
IA10
Affectation des fonctions du paramètre AI1. Si aucune fonction n'a été affectée, [Non] (nO) s'affiche.
Les paramètres suivants s'affichent sur le terminal graphique en appuyant sur la touche ENT lorsque vous vous trouvez sur l'un
d'eux.
[Non] (nO) : non affecté
[Canal réf. 1] (Fr1) : source de consigne 1
[Canal réf. 2] (Fr2) : source de consigne 2
[Réf. sommatrice 2] (SA2) : référence sommatrice 2
[Retour PID] (PIF) : retour PI (contrôle PI)
[Limitation couple] (tAA) : limitation du couple : activation par une valeur analogique
[Réf. soustract. 2] (dA2) : référence soustractrice 2
[Réf. PID manuelle] (PIM) : consigne de vitesse manuelle du régulateur PID (Automatique-Manuel)
[Réf. Vitesse PID] (FPI) : consigne de vitesse du régulateur PID (vitesse prédictive)
[Réf. sommatrice 3] (SA3) : référence sommatrice 3
[Canal réf. 1B] (Fr1b) : source de consigne 1B
[Réf. soustract. 3] (dA3) : référence soustractrice 3
[Canal forcage local] (FLOC) : source de consigne de forçage local
[Réf. multiplic. 2] (MA2) : référence de multiplication 2
[Réf. multiplic. 3] (MA3) : référence de multiplication 3
[Peson] (PES) : fonction externe de mesure de la masse
[IA01] (IA01) : blocs fonctions : entrée analogique 01
...
[IA10] (IA10) : blocs fonctions : entrée analogique 10
UIL1 [Valeur mini AI1] V
Paramètre de mise à l'échelle de la tension de 0 %.
UIH1 [Valeur maxi AI1] V
Paramètre de mise à l'échelle de la tension de 100 %.
AI1F [Filtre de AI1] s
Temps de coupure du filtrage des interférences du filtre passe-bas.
AlA- [IMAGE ENTREES ANALOG.] (suite)
Fonctions des entrées analogiques.
AI2C [AI2] V
Image client AI2 : valeur de l'entrée analogique 2.
AI2A [Affectation AI2]
Affectation des fonctions du paramètre AI2. Si aucune fonction n'a été affectée, [Non] (nO) s'affiche.
Les paramètres suivants s'affichent sur le terminal graphique en appuyant sur la touche ENT lorsque vous vous trouvez sur l'un
d'eux.
Identique à [Affectation AI1] (AI1A) page 52.
UIL2 [Valeur mini AI2] V
Paramètre de mise à l'échelle de la tension de 0 %.
UIH2 [Valeur maxi AI2] V
Paramètre de mise à l'échelle de la tension de 100 %.
AI2F [Filtre de AI2] s
Temps de coupure du filtrage des interférences du filtre passe-bas.
Code Nom/Description Unité
DRI- > MON- > IOM- > AIA-

Mode Surveillance (MOn)
NVE41296 04/2018 53
Il est possible d'accéder aux paramètres décrits sur cette page via les menus suivants :
AIA- [IMAGE ENTREES ANALOG.] (suite)
Fonctions des entrées analogiques.
AI3C [AI3] V
Image client AI3 : valeur de l'entrée analogique 3.
AI3A [Affectation AI3]
Affectation des fonctions du paramètre AI3. Si aucune fonction n'a été affectée, [Non] (nO) s'affiche.
Les paramètres suivants s'affichent sur le terminal graphique en appuyant sur la touche ENT lorsque vous vous trouvez sur l'un
d'eux.
Identique à [Affectation AI1] (AI1A) page 52.
CrL3 [Valeur mini AI3] mA
Paramètre de mise à l'échelle du courant de 0 %.
CrH3 [Valeur maxi AI3] mA
Paramètre de mise à l'échelle du courant de 100 %.
AI3F [Filtre AI3] s
Temps de coupure du filtrage des interférences du filtre passe-bas.
IOM- [IMAGE E/S] (suite)
AOA- [IMAGE SORTIES ANALOG.]
Fonctions des sorties analogiques.
Les paramètres suivants s'affichent sur le terminal graphique en appuyant sur la touche ENT lorsque vous vous trouvez sur l'un
d'eux.
AO1C
[AO1C]
Image client AO1 : valeur de la sortie analogique 1.
AO1 [Affectation AO1]
Affectation des fonctions du paramètre AO1. Si aucune fonction n'a été affectée, [Non] (nO) s'affiche.
Identique à [Affectation AO1] (AOI) page 146.
UOL1 [Valeur mini AO1] V
gParamètre de mise à l'échelle de la tension de 0 %. Paramètre accessible si [Type AO1] (AO1t) est défini sur [Tension]
(10U).
UOH1 [Valeur maxi AO1] V
gParamètre de mise à l'échelle de la tension de 100 %. Paramètre accessible si [Type AO1] (AO1t) est défini sur [Tension]
(10U).
AOL1 [Valeur mini AO1] mA
gParamètre de mise à l'échelle du courant de 0 %. Paramètre accessible si [Type AO1] (AO1t) est défini sur [Courant] (0A).
AOH1 [Valeur maxi AO1] mA
gParamètre de mise à l'échelle du courant de 100 %. Paramètre accessible si [Type AO1] (AO1t) est défini sur [Courant] (0A).
ASL1 [Echelle max AO1] %
Valeur d'échelle minimum pour AO1.
ASH1 [Echelle min AO1] %
Valeur d'échelle maximum pour AO1.
AO1F [Filtre AO1] s
Temps de coupure du filtre passe-bas.
Code Nom/Description Unité
DRI- > MON- > IOM- > AIA- > AI3C

Mode Surveillance (MOn)
54 NVE41296 04/2018
Il est possible d'accéder aux paramètres décrits sur cette page via les menus suivants :
IOM- [IMAGE E/S] (suite)
FSI- [IMAGE SIGNAUX FREQ.]
Image des signaux de fréquence.
Ce menu s'affiche uniquement sur le terminal graphique.
PFrC [Entrée RP] Hz
Consigne de fréquence de l'entrée Pulse input client filtrée.
Les paramètres suivants s'affichent sur le terminal graphique en appuyant sur la touche ENT lorsque vous vous trouvez sur l'un
d'eux.
PIA [Affectation RP]
Affectation de l'entrée Pulse input. Si aucune fonction n'a été affectée, [Non] (nO) s'affiche.
Identique à [Affectation AI1] (AI1A) page 52.
PIL [Valeur mini RP] kHz
Valeur minimum du paramètre RP. Paramètre de mise à l'échelle de l'entrée Pulse input de 0 %.
PFr [Valeur maxi RP] kHz
Paramètre de mise à l'échelle de l'entrée Pulse input de 100 % (avec la valeur RP maximum).
PFI [Filtre de RP] ms
Temps de coupure de l'entrée Pulse input pour le filtrage des interférences du filtre passe-bas.
MOn- [1.2 SURVEILLANCE] (suite)
SAF- [STATU SECURITE]
Pour en savoir plus sur les fonctions de sécurité intégrées, reportez-vous au guide de sécurité qui aborde ce sujet.
StOS
IdLE
StO
FLt
[Etat STO]
État de la fonction de sécurité « Suppression sûre du couple ».
[Inactif] (IdLE) : fonction STO inactive
[Stop sûr] (StO) : fonction STO en cours
[Défaut] (FLt) : Erreur STO détectée
SLSS
nO
IdLE
AIt
Strt
SS1
SLS
StO
FLt
[Etat SLS]
État de la fonction de sécurité « Safe Limit speed » (SLS).
[Non config.] (nO) : fonction SLS non configurée
[Inactif] (IdLE) : fonction « Safe Limit speed » inactive
[TBD] (Alt): SLS en attente d'activation
[TBD start] (Strt): SLS en régime transitoire
[Rampe sûre] (SS1) : rampe SLS en cours
[Vit limité] (SLS) : fonction SLS en cours
[Stop sûr] (StO) : requête « Safe Torque Off » de la fonction SLS en cours
[Défaut] (FLt) : erreur SLS détectée
SS1S
nO
IdLE
SS1
StO
FLt
[Etat SS1]
État de la fonction de sécurité Stop sûr 1 (SS1).
[Non config.] (nO) : fonction SS1 non configurée
[Inactif] (IdLE) : fonction SS1 inactive
[Rampe sûre] (SS1) : rampe SS1 en cours
[Stop sûr] (StO) : requête « Safe Torque Off » de la fonction SS1 en cours
[Défaut] (FLt) : erreur SS1 détectée
SMSS
nO
SMS
Fti
Fto
[Etat SMS]
État de la fonction de sécurité Vitesse maximum de sécurité.
[Non Config.] (nO) : SMS Non Config.
[Active] (SMS) : SMS actif
[Err. Interne] (Fti) : Erreur interne SMS
[Max Atteint] (Fto) : Vitesse maximum atteinte
Code Nom/Description Unité
DRI- > MON- > IOM- > FSI-

Mode Surveillance (MOn)
NVE41296 04/2018 55
Il est possible d'accéder aux paramètres décrits sur cette page via les menus suivants :
GdLS
nO
oFF
Std
LGd
on
LFt
[Etat GDL]
Etat de la fonction déverouillage de la porte sécurisé.
[Non Config.] (nO) : GDL Non Configuré
[Inactive] (Off) : GDL inactive
[Tps Court] (Fti) : Temporisation Courte en cours
[Tps Long] (Fto) : Temporisation Longue en cours
[Active] (Fto) : GDL active
[Err. Interne] (Fto) : Erreur Interne GDL
SFFE [Registre déf. sécu.]
Registre des erreurs de la fonction de sécurité.
Bit 0 = 1 : temporisation anti-rebond de l'entrée logique
Bit 1 : réservé
Bit 2 = 1 : signe de la vitesse moteur modifié au cours de l'arrêt SS1
Bit 3 = 1 : vitesse moteur ayant atteint la zone de défaut SS1
Bit 4 : réservé
Bit 5 : réservé
Bit 6 = 1 : signe de la vitesse moteur modifié au cours de la limitation SLS
Bit 7 = 1 : vitesse moteur ayant atteint la zone de défaut SLS
Bit 8 : réservé
Bit 9 : réservé
Bit 10 : réservé
Bit 11 : réservé
Bit 12 : réservé
Bit 13 = 1 : mesure de la vitesse moteur impossible
Bit 14 = 1 : court-circuit à la terre du moteur détecté
Bit 15 = 1 : court-circuit entre phases du moteur détecté
MOn- [1.2 SURVEILLANCE] (suite)
MFb- [STATUT BLOCS FONCT.]
Pour en savoir plus sur les blocs fonctions, reportez-vous au guide qui aborde ce sujet.
FbSt
IdLE
CHEC
StOP
InIt
rUn
Err
[Statut FB]
État des blocs fonctions.
[En attente] (IdLE) : état inactif
[Vérif. Prog.] (CHEC) : vérification de l'état du programme
[A l'arrêt] (StOP) : état Arrêt
[Init] (InIt) : état d'initialisation
[Exécuté] (rUn) : état Marche
[Erreur] (Err) : état d'erreur
FbFt
nO
Int
bIn
InP
PAr
CAL
tOAU
tOPP
AdL
In
[Défaut FB]
État d'exécution des blocs fonctions.
[Non] (nO) : aucun défaut détecté
[Interne] (Int) : défaut interne détecté
[Fichier bin.] (bIn) : défaut binaire détecté
[Para. intern] (InP) : défaut d'un paramètre interne détecté
[Accès para.] (PAr) : défaut d'accès aux paramètres détecté
[Calcul] (CAL) : défaut de calcul détecté
[TO AUX] (tOAU) : tâche de temporisation AUX
[TO synch] (tOPP) : temporisation pour une tâche PRE/POST
[Err. ADLC] (AdL) : ADLC avec une erreur de paramètre
[Aff. entrées] (In) : entrée non configurée
FbI- [IDENTIFICATION FB]
bUEr [Version programme]
gVersion du programme de l'utilisateur. Il est possible d'y accéder si [Statut FB] (FbSt) n'est pas réglé sur [En attente]
(IdLE).
bnS
g[Taille programme]
Taille du fichier du programme. Il est possible d'y accéder si [Statut FB] (FbSt) n'est pas réglé sur [En attente] (IdLE).
Code Nom/Description Unité
DRI- > MON- > SAF-

Mode Surveillance (MOn)
56 NVE41296 04/2018
Il est possible d'accéder aux paramètres décrits sur cette page via les menus suivants :
bnU [Format programme]
Version du variateur au format binaire. Il est possible d'y accéder si [Statut FB] (FbSt) n'est pas réglé sur [En attente]
(IdLE).
CtU [Version catalogue]
Version du catalogue du variateur.
MOn- [1.2 SURVEILLANCE] (suite)
CMM- [IMAGE COM.]
Ce menu s'affiche uniquement sur le terminal graphique, sauf pour les sous-menus [COM. SCANNER IN].(ISA-) et
[COM SCANNER OUT].(OSA-) .
CMdC
tErM
HMI
Mdb
CAn
tUd
nEt
PS
[Canal cmd.]
Canal de commande actif.
[Borniers] (tErM) : bornes
[HMI] (HMI) : terminal graphique ou terminal déporté
[Modbus] (Mdb) : Modbus intégré
[CANopen] (CAn) : CANopen® intégré
[+/- vite] (tUd) : commande + vite/- vite
[Carte COM.] (nEt) : carte de communication (si insérée)
[Outil PC] (PS) : logiciel PC
CMd [Valeur Cmd]
Valeur de registre de la commande DRIVECOM
[Profil] (CHCF) n'est pas réglé sur [Profil I/O] (IO), voir page 156.
Valeurs possibles dans le profil CiA402, en mode Séparé ou Non séparé.
Bit 0 : commande « Mise en service »/contacteur
Bit 1 : « désactivation de la tension »/permission de fournir une alimentation AC
Bit 2 : « arrêt rapide »/arrêt d'urgence
Bit 3 : « Activer fonctionnement »/Ordre de marche
Bit 4 à bit 6 : réservés (réglés sur 0)
Bit 7 : « reset défauts »/acquittement de l’erreur actif sur front montant (passage de 0 à 1)
Bit 8 : pause, arrêt selon le paramètre [Type d'arrêt] (Stt) sans laisser l'état Fonctionnement activé
Bit 9 : réservé (réglé sur 0)
Bit 10 : réservé (réglé sur 0)
Bit 11 à bit 15 : possibilité de les affecter à une commande
Valeurs possibles dans le profil I/O.
Commande d'état passant [Cde 2 fils] (2C).
Bit 0 : commande de marche avant (état passant)
= 0 : pas de commande de marche avant
= 1 : commande de marche avant
L'affectation du bit 0 ne peut pas être modifiée. Elle correspond à l'affectation des bornes. Ce bit peut être utilisé ou non. Le bit 0
(Cd00) est activé uniquement si le canal de ce mot de contrôle est également activé.
Bit 1 à bit 15 : possibilité de les affecter à des commandes
Commande sur front [Cde 3 fils] (3C).
Bit 0 : Arrêt (autorisation de marche).
= 0 : arrêt
= 1 : marche autorisée sur une commande Sens arrière ou Sens avant
Bit 1 : commande de marche avant (passage de 0 à 1, front montant)
L'affectation des bits 0 et 1 ne peut pas être modifiée. Elle correspond à l'affectation des bornes. Ce bit peut être utilisé ou non.
Le bit 0 (Cd00) et le bit 1 (Cd01) sont activés uniquement si le canal de ce mot de contrôle est également activé.
Bit 2 à bit 15 : possibilité de les affecter à des commandes
rFCC
tErM
LOC
HMI
Mdb
CAn
tUd
nEt
PS
[Canal réf. actif]
Canal de consigne de l'IHM.
[Borniers] (tErM) : bornes
[Local] (LOC) : bouton de navigation
[HMI] (HMI) : terminal graphique ou terminal déporté
[Modbus] (Mdb) : Modbus intégré
[CANopen] (CAn) : CANopen® intégré
[tUd] (tUd) : commande + vite/- vite
[Carte COM.] (nEt) : carte de communication (si insérée)
[Outil PC] (PS) : logiciel PC
Code Nom/Description Unité
DRI- > MON- > CMM-

Mode Surveillance (MOn)
NVE41296 04/2018 57
Il est possible d'accéder aux paramètres décrits sur cette page via les menus suivants :
FrH [Référence fréq.] Hz
Consigne de fréquence avant la rampe.
Code Nom/Description Unité
DRI- > MON- > CMM-

Mode Surveillance (MOn)
58 NVE41296 04/2018
Il est possible d'accéder aux paramètres décrits sur cette page via les menus suivants :
EtA [Mot d'état ETA]
Mot d'état de DRIVECOM.
Valeurs possibles dans le profil CiA402, en mode Séparé ou Non séparé.
Bit 0 : « Prêt à mettre en service », en attente de l'alimentation puissance
Bit 1 : « Mis en service », prêt
Bit 2 : « Fonctionnement activé », en fonctionnement
Bit 3 : « Défaut »
= 0 : pas de défaut
= 1 : défaut
Bit 4 : « Tension activée », alimentation puissance présente
= 0 : alimentation puissance absente
= 1 : alimentation puissance présente
Lorsque le variateur est alimenté uniquement par la partie puissance, ce bit est toujours à 1.
Bit 5 : arrêt rapide/arrêt d'urgence
Bit 6 : « Mise en service désactivée », alimentation puissance verrouillée
Bit 7 : alarme
= 0 : sans alarme
= 1 : alarme
Bit 8 : réservé (= 0)
Bit 9 : Remote : commande ou consigne via le réseau
= 0 : commande ou consigne via le terminal graphique ou le terminal déporté
= 1 : commande ou consigne via le réseau
Bit 10 : consigne ciblée atteinte
= 0 : consigne non atteinte
= 1 : consigne atteinte
Lorsque le variateur est en mode vitesse, il s'agit de la consigne de vitesse.
Bit 11 : « Limite interne active », consigne en dehors des limites
= 0 : consigne dans les limites
= 1 : consigne en dehors des limites
Lorsque le variateur est en mode vitesse, les limites sont définies par les paramètres [Petite vitesse] (LSP) et [Grande vitesse]
(HSP).
Bits 12 et 13 : réservés (= 0)
Bit 14 : « Touche Stop », Arrêt par l'intermédiaire de la touche d'arrêt
= 0 : aucun appui sur la touche STOP
= 1 : arrêt déclenché par l'appui sur la touche STOP du terminal graphique ou du terminal déporté
Bit 15 : « Sens », sens de rotation
= 0 : rotation dans le sens avant au niveau de la sortie
= 1 : rotation dans le sens arrière au niveau de la sortie
La combinaison des bits 0, 1, 2, 4, 5 et 6 définit l'état dans le graphe d'état DSP 402 (voir les manuels de communication).
Valeurs possibles dans le profil I/O.
Remarque : La valeur est identique dans le profil CiA402 et le profil I/O. Dans le second, la description des valeurs est simplifiée
et ne se réfère pas au graphe d'état du profil CiA402 (Drivecom).
Bit 0 : Réservé (= 0 ou 1)
Bit 1 : Prêt
= 0 : Non prêt
= 1 : Prêt
Bit 2 : En marche
= 0 : le variateur ne démarre pas si la consigne appliquée n'est pas zéro.
= 1 : En marche, si la consigne appliquée n'est pas zéro, le variateur peut démarrer.
Bit 3 : Défaut
= 0 : Pas de défaut
= 1 : Défaut
Bit 4 : Alimentation puissance présente
= 0 : alimentation puissance absente
= 1 : alimentation puissance présente
Bit 5 : Réservé (= 1)
Bit 6 : Réservé (= 0 ou 1)
Bit 7 : Alarme
= 0 : Sans alarme
= 1 : Alarme
Bit 8 : Réservé (= 0)
Bit 9 : Commande via le réseau
= 0 : commande via les bornes ou le terminal graphique
= 1 : commande via le réseau
Code Nom/Description Unité
DRI- > MON- > CMM-

Mode Surveillance (MOn)
NVE41296 04/2018 59
Il est possible d'accéder aux paramètres décrits sur cette page via les menus suivants :
Bit 10 : Consigne atteinte
= 0 : consigne non atteinte
= 1 : consigne atteinte
Bit 11 : consigne en dehors des limites
= 0 : consigne dans les limites
= 1 : consigne en dehors des limites
Lorsque le variateur est en mode vitesse, les limites sont définies par les paramètres LSP et HSP.
Bits 12 et 13 : Réservés (= 0)
Bit 14 : arrêt via la touche STOP
= 0 : aucun appui sur la touche STOP
= 1 : arrêt déclenché par l'appui sur la touche STOP du terminal graphique ou du terminal déporté
Bit 15 : sens de rotation
= 0 : rotation dans le sens avant au niveau de la sortie
= 1 : rotation dans le sens arrière au niveau de la sortie
Mnd- [DIAG MODBUS RESEAU]
Diagnostic du réseau Modbus.
Mdb1 [LED COM]
Affichage de la communication Modbus.
M1Ct [Nb trames Mb NET]
Compteur de trames du réseau Modbus : nombre de trames traitées.
M1EC [Nb err. CRC Mb NET]
Compteur d'erreurs CRC du réseau Modbus : nombre d'erreurs CRC.
CMM- [IMAGE COM.] (suite)
ISA- [COM. SCANNER IN]
Menu utilisé pour les réseaux CANopen® et Modbus.
nM1 [Val Com Scan In1]
Valeur du 1er mot d'entrée.
nM2 [Val Com Scan In2]
Valeur du 2e mot d'entrée.
nM3 [Val Com Scan In3]
Valeur du 3e mot d'entrée.
nM4 [Val Com Scan In4]
Valeur du 4e mot d'entrée.
nM5 [Val Com Scan In5]
Valeur du 5e mot d'entrée.
nM6 [Val Com Scan In6]
Valeur du 6e mot d'entrée.
nM7 [Val Com Scan In7]
Valeur du 7e mot d'entrée.
nM8 [Val Com Scan In8]
Valeur du 8e mot d'entrée.
CMM- [IMAGE COM.] (suite)
OSA- [COM SCANNER OUT]
nC1 [Val Com Scan out1]
Valeur du 1er mot de sortie.
nC2 [Val Com Scan out2]
Valeur du 2e mot de sortie.
nC3 [Val Com Scan out3]
Valeur du 3e mot de sortie.
nC4 [Val Com Scan out4]
Valeur du 4e mot de sortie.
nC5 [Val Com Scan out5]
Valeur du 5e mot de sortie.
Code Nom/Description Unité
DRI- > MON- > CMM-

Mode Surveillance (MOn)
60 NVE41296 04/2018
Il est possible d'accéder aux paramètres décrits sur cette page via les menus suivants :
nC6 [Val Com Scan out6]
Valeur du 6e mot de sortie.
nC7 [Val Com Scan out7]
Valeur du 7e mot de sortie.
nC8 [Val Com Scan out8]
Valeur du 8e mot de sortie.
CMM- [IMAGE COM.] (suite)
CI- [IMAGE MOT CMD.]
Image du mot de commande : uniquement accessible via le terminal graphique.
CMd1 [Cmd. Modbus]
Image du mot de commande Modbus.
CMd2 [Cmd. CANopen]
Image du mot de commande CANopen®.
CMd3 [Cmd. Carte COM.]
Image du mot de commande de la carte de communication.
CMM- [IMAGE COM.] (suite)
rI- [IMAGE REF. FREQ.]
Image de la consigne de fréquence : uniquement accessible via le terminal graphique.
LFr1 [Réf. Modbus] Hz
Image de la consigne de fréquence Modbus.
LFr2 [Réf. CANopen] Hz
Image de la consigne de fréquence CANopen®.
LFr3 [Réf. Carte COM.] Hz
Image de la consigne de fréquence de la carte de communication.
CMM- [IMAGE COM.] (suite)
CnM- [IMAGE CANopen]
Image CANopen® : uniquement accessible via le terminal graphique.
COn [LED RUN]
Affichage de l'état du voyant CAN RUN (CANopen® - MARCHE).
CAnE [LED ERR]
Affichage de l'état du voyant CAN ERR (CANopen® - ERREUR).
PO1- [IMAGE PDO1]
Affichage des objets RPDO1 et TPDO1.
rP11 [Received PDO1-1]
gPremière trame du PDO1 de réception.
rP12 [Received PDO1-2]
gDeuxième trame du PDO1 de réception.
rP13 [Received PDO1-3]
gTroisième trame du PDO1 de réception.
rP14 [Received PDO1-4]
gQuatrième trame du PDO1 de réception.
tP11 [Transmit PDO1-1]
gPremière trame du PDO1 de transmission.
Code Nom/Description Unité
DRI- > MON- > CMM- > OSA-

Mode Surveillance (MOn)
NVE41296 04/2018 61
Il est possible d'accéder aux paramètres décrits sur cette page via les menus suivants :
tP12 [Transmit PDO1-2]
gDeuxième trame du PDO1 de transmission.
tP13 [Transmit PDO1-3]
gTroisième trame du PDO1 de transmission.
tP14 [Transmit PDO1-4]
gQuatrième trame du PDO1 de transmission.
CnM- [IMAGE CANopen] (suite)
Image CANopen® : uniquement accessible via le terminal graphique.
PO2- [IMAGE PDO2]
Affichage des objets RPDO2 et TPDO2 : Même structure que [IMAGE PDO1] (PO1-).
rP21 [Received PDO2-1]
gPremière trame du PDO2 de réception.
rP22 [Received PDO2-2]
gDeuxième trame du PDO2 de réception.
rP23 [Received PDO2-3]
gTroisième trame du PDO2 de transmission.
rP24 [Received PDO2-4]
gQuatrième trame du PDO2 de transmission.
tP21 [Transmit PDO2-1]
gPremière trame du PDO2 de transmission.
tP22 [Transmit PDO2-2]
gDeuxième trame du PDO2 de transmission.
tP23 [Transmit PDO2-3]
gTroisième trame du PDO2 de transmission.
tP24 [Transmit PDO2-4]
gQuatrième trame du PDO2 de transmission.
CnM- [IMAGE CANopen] (suite)
Image CANopen® : uniquement accessible via le terminal graphique.
PO3- [IMAGE PDO3]
Affichage des objets RPDO3 et TPDO3 : Même structure que [IMAGE PDO1] (PO1-).
rP31 [Received PDO3-1]
gPremière trame du PDO3 de réception.
rP32 [Received PDO3-2]
gDeuxième trame du PDO3 de réception.
rP33 [Received PDO3-3]
gTroisième trame du PDO3 de réception.
rP34 [Received PDO3-4]
gQuatrième trame du PDO3 de réception.
Code Nom/Description Unité
DRI- > MON- > CMM- > CNM- > P01-

Mode Surveillance (MOn)
62 NVE41296 04/2018
Il est possible d'accéder aux paramètres décrits sur cette page via les menus suivants :
tP31 [Transmit PDO3-1]
gPremière trame du PDO3 de transmission.
tP32 [Transmit PDO3-2]
gDeuxième trame du PDO3 de transmission.
tP33 [Transmit PDO3-3]
gTroisième trame du PDO3 de transmission.
tP34 [Transmit PDO3-4]
gQuatrième trame du PDO3 de transmission.
CnM- [IMAGE CANopen] (suite)
Image CANopen® : uniquement accessible via le terminal graphique.
nMtS [Etat NMT esclave]
bOOt
StOP
OPE
POPE
Variateur - État NMT de l'esclave CANopen®.
[Boot] (bOOt) : Démarré
[Stopped] (StOP) : Arrêté
[Operational] (OPE) : Opérationnel
[Pre-Op] (POPE) : Pré-opérationnel
nbtP [Nombre de PDO Tx]
Nombre de PDO de transmission.
nbrP [Nombre de PDO Rx]
Nombre de PDO de réception.
ErCO [Code d'erreur]
Registre d'erreurs CANopen® (de 1 à 5).
rEC1 [Compt. erreurs Rx]
Compteur d'erreurs de réception du contrôleur (non mémorisé à la mise hors tension).
tEC1 [Compt. erreurs Tx]
Compteur d'erreurs de transmission du contrôleur (non mémorisé à la mise hors tension).
Code Nom/Description Unité
DRI- > MON- > CMM- > CNM- > P01-

Mode Surveillance (MOn)
NVE41296 04/2018 63
Il est possible d'accéder aux paramètres décrits sur cette page via les menus suivants :
MOn- [1.2 SURVEILLANCE] (suite)
MPI-
g[STATU PI]
Gestion du contrôleur PID. S'affiche si [Affect. retour PID] (PIF) n'est pas réglé sur [Non] (nO).
rPI
g
[Réf. interne PID]
Consigne PID interne : en tant que valeur de process.
rPE [Erreur PID]
gValeur d'erreur PID.
rPF [Retour PID]
gValeur de retour PID.
rPC [Référence PID]
gValeur de consigne PID via le terminal graphique.
rPO [Sortie PID] Hz
Valeur de sortie PID avec une limitation.
MOn- [1.2 SURVEILLANCE] (suite)
pEt- [CONSOMMATION]
APH [Consommation] Wh, kWh, MWh
Consommation d'énergie en Wh, kWh or MWh (consommation cumulée).
Si vous lisez ce paramètre via le bus de terrain, l’unité de ce paramètre est donnée par le paramètre [Unité] (UNT). Voir le fichier
paramètres de communication.
rtH [Temps en marche] s, mn, h
Affichage du temps de fonctionnement écoulé (réinitialisable) en secondes, minutes ou heures (durée pendant laquelle le moteur
a été mis sous tension).
Si vous lisez ce paramètre via le bus de terrain, l’unité de ce paramètre est donnée par le paramètre [Unité] (UNT). Voir le fichier
paramètres de communication.
PtH [Temps var. ON] s, mn, h
Affichage du temps de fonctionnement écoulé en secondes, minutes ou heures (durée pendant laquelle le variateur a été mis sous
tension).
Si vous lisez ce paramètre via le bus de terrain, l’unité de ce paramètre est donnée par le paramètre [Unité] (UNT). Voir le fichier
paramètres de communication.
rPr [Raz Temps Fonct]
Réinitialisation du temps de fonctionnement écoulé.
nO
APH
rtH
PtH
[Non] (nO) : aucune opération de réinitialisation en cours
[RAZ conso.] (APH) : effacement du paramètre [RAZ conso.] (APH)
[RAZ t. run] (rtH) : effacement du paramètre [RAZ t. run] (rtH)
[RAZ t. P On] (PtH) : effacement du paramètre [RAZ t. P On](PtH)
MOn- [1.2 SURVEILLANCE] (suite)
CnFS
nO
CnF0
CnF1
CnF2
[Config. active]
Affichage de la configuration active.
[En cours] (nO) : état transitoire (changement de configuration en cours)
[Config. n°0] (CnF0) : configuration 0 active
[Config. n°1] (CnF1) : configuration 1 active
[Config. n°2] (CnF2) : configuration 2 active
Code Nom/Description Unité
DRI- > MON- > MPI-

Mode Surveillance (MOn)
64 NVE41296 04/2018
Il est possible d'accéder aux paramètres décrits sur cette page via les menus suivants :
CFPS [Jeu param. utilisé]
gÉtat des paramètres de configuration (il est possible d'y accéder si la commutation des paramètres a été activée, voir page 234).
nO
CFP1
CFP2
CFP3
[Aucun] (nO) : non affecté
[Jeu n°1] (CFP1) : jeu de paramètres 1 actif
[Jeu n°2] (CFP2) : jeu de paramètres 2 actif
[Jeu n°3] (CFP3) : jeu de paramètres 3 actif
ALGr
---
1--
-2-
12-
--3
1-3
-23
123
[Groupes alarmes]
Numéros des groupes d'alarmes affectés en cours.
Les groupes d'alarmes peuvent être définis par l'utilisateur dans le menu [ENTREES / SORTIES] (I_O-), page 127.
[---] (---) : aucun groupe d'alarmes affecté
[1--] (1--) : groupe d'alarmes 1
[-2-] (-2-) : groupe d'alarmes 2
[12-] (12-) : groupes d'alarmes 1 et 2
[--3] (--3) : groupe d'alarmes 3
[1-3] (1-3) : groupes d'alarmes 1 et 3
[-23] (-23) : groupes d'alarmes 2 et 3
[123] (123) : groupes d'alarmes 1, 2 et 3
SPd1
ou
SPd2
ou
SPd3
[Fréq. sortie client]
[Fréq. sortie client] (SPd1), [Fréq. sortie client] (SPd2) ou [Fréq. sortie client] (SPd3) en fonction du paramètre
[Fact. échelle client] (SdS), page 106 ([Fréq. sortie client] (SPd3) en réglage usine)
ALr- [ALARMES]
Liste des alarmes en cours.
Si une alarme est présente, une coche apparaît sur le terminal graphique.
nOAL
PtCL
EtF
USA
CtA
FtA
F2A
SrA
tSA
tS2
tS3
UPA
FLA
tHA
AG1
AG2
AG3
PEE
PFA
AP3
SSA
tAd
tJA
bOA
ULA
OLA
rSdA
ttHA
ttLA
dLdA
FqLA
[Pas d'alarme] (nOAL)
[Alarme PTCL] (PtCL)
[Défaut externe] (EtF)
[Al. sousU] (USA)
[Seuil I att.] (CtA)
[S fréq. att.] (FtA)
[S Fréq. 2 att.] (F2A)
[Réf.fréq.att] (SrA)
[Th.mot. att.] (tSA)
[Th.mot2 att.] (tS2)
[Th.mot3 att.] (tS3)
[Prév. Sous U] (UPA)
[HSP att.] (FLA)
[Al. °C var] (tHA)
[Alarme groupe 1] (AG1)
[Alarme groupe 2] (AG2)
[Alarme groupe 3] (AG3)
[Al. err. PID] (PEE)
[Al. ret. PID] (PFA)
[AI3 Al. 4-20mA] (AP3)
[Lim C/I att.] (SSA)
[Th.var.att.] (tAd)
[Alarme IGBT] (tJA)
[Al. résistance frein] (bOA)
[Al. SousCh. Process] (ULA)
[Al. Surch. Process] (OLA)
[Alar. tension cable] (rSdA)
[Couple haut atteint] (ttHA)
[Couple bas atteint] (ttLA)
[Alar. variat. charge] (dLdA)
[Alarme Freq. mètre] (FqLA)
Code Nom/Description Unité
DRI- > MON- > ALR-

Mode Surveillance (MOn)
NVE41296 04/2018 65
Il est possible d'accéder aux paramètres décrits sur cette page via les menus suivants :
SSt- [AUTRES STATUTS]
Liste des états secondaires.
Ce menu s'affiche uniquement sur le terminal graphique.
FL
PtCL
FSt
CtA
FtA
F2A
SrA
tSA
EtF
AUtO
FtL
tUn
USA
CnF1
CnF2
FLA
CFP1
CFP2
CFP3
brS
dbL
ttHA
ttLA
MFrd
MrrS
FqLA
[En fluxage moteur] (FL )
[Alarme PTC] (PtCL)
[En arrêt rapide] (FSt)
[Seuil I att.] (CtA)
[Seuil fréq. atteint] (FtA)
[Seuil fréq. 2 atteint] (FtA)
[Réf. fréq. atteinte] (SrA)
[Etat th.mot. atteint] (tSA)
[Alarme déf. externe] (EtF)
[En redem. auto] (AUtO)
[Remote] (FtL)
[En auto-réglage] (tUn)
[Soustension] (USA)
[Conf. 1 act.] (CnF1)
[Conf. 2 act.] (CnF2)
[HSP atteinte] (FLA)
[Jeu 1 actif] (CFP1)
[Jeu 2 actif] (CFP2)
[Jeu 3 actif] (CFP3)
[En freinage] (brS)
[En charge bus DC] (dbL)
[Couple haut atteint] (ttHA)
[Couple haut atteint] (ttLA)
[Sens Avant] (MFrd)
[Sens Arrièr.] (MrrS)
[Alarme Freq. mètre] (FqLA)
dGt- [DIAGNOSTIC]
Ce menu s'affiche uniquement sur le terminal graphique.
pFH- [HISTORIQUE DEFAUTS]
Ce menu affiche les 8 derniers défauts détectés.
dP1 [Défaut passé n°1]
nOF
ASF
bLF
brF
CFF
CFI2
CnF
COF
CrF
CSF
dLF
EEF1
EEF2
EPF1
EPF2
FbE
FbES
FCF1
FCF2
HCF
HdF
ILF
InF1
InF2
InF3
InF4
InF6
Enregistrement de défauts 1 (1 est le dernier).
[Pas de défaut] (nOF) : aucun défaut détecté mémorisé
[Erreur angle] (ASF) : défaut de réglage de l'angle détecté
[Commande frein] (bLF) : perte 3 phases moteur du frein
[Frein mécanique] (brF) : erreur de contacteur de frein détectée
[Config. incorrecte] (CFF) : configuration invalide à la mise sous tension
[Conf invalid] (CFI2) : erreur de transfert de configuration détectée
[Réseau com.] (CnF) : interruption de communication avec l'option réseau
[Com. CANopen] (CnF) : interruption de communication avec CANopen®
[Charg.capa.] (CrF) : défaut du relais de charge détecté
[Canal indisp] (CSF) : erreur de changement de canal détectée
[Déf. charge] (ASF) : erreur de charge dynamique détectée
[Eeprom contrôle] (EEF1) : erreur de la mémoire EEprom de contrôle détectée
[Eeprom puissance] (EEF2) : erreur de la mémoire EEprom de puissance détectée
[Déf. Externe LI/Bit] (EPF1) : défaut externe détecté causé par la liaison locale ou celle des entrées logiques
[Déf. externe com.] (EPF2) : interruption externe causée par la carte de communication
[Défaut FB] (FbE) : erreur de blocs fonctions détectée
[Err. stop FB] (FbES) : erreur d'arrêt des blocs fonctions détectée
[Cont. aval collé] (FCF1) : contacteur aval : contacteur fermé
[Cont. aval ouvert] (FCF1) : contacteur aval : contacteur ouvert
[Appairage cartes] (HCF) : erreur de configuration matérielle détectée
[Désaturation IGBT] (HdF) : erreur matérielle détectée
[Com. Int. option] (ILF) : interruption de la liaison interne optionnelle
[Erreur calibre] (InF1) : calibre du variateur inconnu
[Calib. Puiss] (InF2) : carte puissance incompatible ou inconnue
[L. Série int.] (InF3) : interruption de communication avec la liaison série interne
[zone fab.] (InF4) : zone d'industrialisation invalide
[Interne-option] (InF6) : carte option incompatible ou inconnue
Code Nom/Description Unité
DRI- > MON- > DGT- > SST-

Mode Surveillance (MOn)
66 NVE41296 04/2018
Il est possible d'accéder aux paramètres décrits sur cette page via les menus suivants :
InF9
InFA
InFb
InFE
LCF
LFF3
ObF
OCF
OHF
OLC
OLF
OPF1
OPF2
OSF
OtFL
PHF
PtFL
SAFF
SCF1
SCF3
SCF4
SCF5
SLF1
SLF2
SLF3
SOF
SPF
SSF
tJF
tnF
ULF
USF
[Interne- mesure I] (InF9) : erreur du circuit de mesure du courant détectée
[Interne-circ. réseau] (InFA) : erreur du circuit de perte de phase réseau détectée
[Interne- capt. temp.] (InFb) : erreur de capteur thermique détectée
[Interne - CPU] (InFE) : défaut détecté au niveau du processeur (RAM, mémoire flash, tâche...)
[Contacteur ligne] (LCF) : erreur du contacteur de ligne détectée
[Perte 4-20mA AI3] (LFF3) : perte de la consigne 4-20 mA sur l'entrée analogique AI3
[Freinage excessif] (ObF) : freinage excessif
[Surintensité] (OCF) : surintensité
[Surchauffe var.] (OHF) : surchauffe du variateur
[Surcharge Proc.] (OLC) : surcharge du couple
[Surcharge moteur] (OLF) : surcharge du moteur
[Perte 1 phase mot.] (OPF1) : coupure d'une phase moteur
[3ph. moteur] (OPF2) : coupure de trois phases moteur
[Surtension réseau] (OSF) : défaut de suralimentation détecté
[surch. PTC] (OtFL) : erreur de surchauffe du moteur détectée provenant de la sonde PTC : produit standard
[Perte Ph. Réseau] (PHF) : perte d'une phase réseau
[Sonde LI6=PTC] (PtFL) : erreur de sonde PTC (surintensité ou court-circuit)
[Sécurité] (SAFF) : fonction de sécurité
[Court-circuit mot.] (SCF1) : court-circuit moteur (détection binaire)
[Court-circuit terre] (SCF3) : court-circuit à la terre (détection binaire)
[Court-circuit IGBT] (SCF4) : court-circuit au niveau de l'IGBT (détection binaire)
[Court-circuit charge] (SCF5) : court-circuit de charge au cours de la séquence de charge d'allumage (détection binaire)
[Com. Modbus] (SLF1) : interruption de communication avec le bus série local Modbus
[Com. PC] (SLF2) : interruption de communication avec le logiciel PC
[Com. HMI] (SLF3) : interruption de communication avec le terminal déporté
[Survitesse] (SOF) : survitesse
[Coupure ret. vit.] (SPF) : coupure de retour de vitesse
[Lim. Couple / I] (SSF) : défaut de limitation du courant ou du couple détecté
[Surchauffe IGBT] (tJF) : surchauffe de l'IGBT
[Auto-réglage] (tnF) : défaut de réglage détecté
[Sous charge Proc.] (ULF) : sous-charge du couple
[Sous-tension] (USF) : sous-tension
HS1 [Statut variateur]
tUn
dCb
rdY
nSt
rUn
ACC
dEC
CLI
FSt
FLU
nLP
CtL
Obr
SOC
USA
tC
St
FA
YES
EP
FLt
SS1
SLS
StO
SMS
GdL
IHM - État de l'enregistrement de défauts détectés 1.
[autoréglage] (tUn) : auto-réglage
[injection DC] (dCb) : freinage par injection
[Var. prêt] (rdY) : variateur prêt
[Roue libre] (nSt) : contrôle d'arrêt en roue libre
[En marche] (rUn) : moteur en régime établi ou ordre de marche présent et consigne à zéro
[En accél.] (ACC) : accélération
[En décél.] (dEC) : décélération
[En limit. I] (CLI) : limitation de courant
en cas d'utilisation d'un moteur synchrone, si le moteur ne démarre pas, suivez la procédure page 114
[Arrêt rapide] (FSt) : arrêt rapide
[fluxage mot] (FLU) : fonction de fluxage activée
[Pas U puiss.] (nLP) : circuit de commande sous tension mais bus DC non chargé
[arrêt cont.] (CtL) : arrêt contrôlé
[Adapt. déc.] (Obr) : décélération adaptée
[Coup. avale] (SOC) : coupure aval contrôlée en cours
[Al. sousU] (USA) : alarme de sous-tension
[En test mfg] (tC) : mode industrialisation activé
[En autotest] (St) : auto-test en cours
[Err autotest] (FA) : erreur d'autotest détectée
[Autotest OK] (YES) : auto-test OK
[test eeprom] (EP) : erreur d'auto-test de la mémoire EEprom détectée
[En défaut] (FLt) : défaut détecté par le produit
[SS1 actif] (SS1) : niveau de sécurité SS1
[SLS actif] (SLS) : niveau de sécurité SLS
[STO actif] (StO) : niveau de sécurité STO
[SMS actif] (SMS) : niveau de sécurité SMS
[GdL actif] (GdL) : niveau de sécurité GdL
EP1 [Mot d'état ETA]
Registre d'état DRIVECOM dans l'enregistrement des défauts détectés 1 (identique au paramètre [Mot d'état ETA] (EtA) page 58).
IP1 [Mot d'état ETI]
Registre d'état étendu dans l'enregistrement des défauts détectés 1 (voir le fichier des paramètres de communication).
Code Nom/Description Unité
DRI- > MON- > DGT- > PFH-

Mode Surveillance (MOn)
NVE41296 04/2018 67
Il est possible d'accéder aux paramètres décrits sur cette page via les menus suivants :
CMP1 [Mot Cmd]
Registre de commande dans l'enregistrement des défauts détectés 1 (identique au paramètre [Mot Cmd] (CMd) page 56).
LCP1 [Courant moteur] A
Courant moteur estimé dans l'enregistrement des défauts détectés 1 (identique au paramètre [Courant moteur] (LCr) page 50).
rFP1 [Fréquence sortie] Hz
Fréquence estimée du moteur dans l'enregistrement des défauts détectés 1 (identique au paramètre [Fréquence sortie] (rFr)
page 50).
rtP1 [Temps écoulé] h
Temps de fonctionnement écoulé dans l'enregistrement des défauts détectés 1 (identique au paramètre [Temps écoulé] (rtH)
page 63).
ULP1 [Tension réseau] V
Tension réseau dans l'enregistrement des défauts détectés 1 (identique au paramètre [Tension réseau] (ULn) page 50).
tHP1 [Etat therm moteur] %
État thermique du moteur dans l'enregistrement des défauts détectés 1 (identique au paramètre [Etat therm moteur] (tHr)
page 50).
dCC1 [Canal cmd.]
Canal de commande dans l'enregistrement des défauts détectés 1 (identique au paramètre [Canal cmd.] (CMdC) page 56).
Sr11 [reg. SAF1 def. pass1]
SAF1 Register X (1 est le dernier)
Sr21 [reg. SAf2 def. pass1]
SAF2 Register X (1 est le dernier)
SrA1 [sreg sf00 def.pass1]
SF00 Register X (1 est le dernier)
Srb1 [sreg sf01 def.pass1]
SF01 Register X (1 est le dernier)
SrC1 [sreg sf02 def.pass1]
SF02 Register X (1 est le dernier)
Srd1 [sreg sf03 def.pass1]
SF03 Register X (1 est le dernier)
SrE1 [sreg sf04 def.pass1]
SF04 Register X (1 est le dernier)
SrF1 [sreg sf05 def.pass1]
SF05 Register X (1 est le dernier)
SrG1 [sreg sf06 def.pass1]
SF06 Register X (1 est le dernier)
SrH1 [sreg sf07 def.pass1]
SF07 Register X (1 est le dernier)
SrI1 [sreg sf08 def.pass1]
SF08 Register X (1 est le dernier)
SrJ1 [sreg sf09 def.pass1]
SF09 Register X (1 est le dernier)
SrK1 [sreg sf10 def.pass1]
SF10 Register X (1 est le dernier)
SrL1 [sreg sf11 def.pass1]
SF11 Register X (1 est le dernier)
Code Nom/Description Unité
DRI- > MON- > DGT- > PFH-

Mode Surveillance (MOn)
68 NVE41296 04/2018
Il est possible d'accéder aux paramètres décrits sur cette page via les menus suivants :
PFH- [HISTORIQUE DEFAUTS] (suite)
Ce menu affiche les 8 derniers défauts détectés.
dP2 [Défaut passé n°2]
[Saf1 Reg n-2] (Sr12), [Saf2 Reg n-2] (Sr22), [SF00 Reg n-2] (SrA2), [SF01 Reg n-2] (Srb2),
et [SF02 Reg n-2] (SrC2) à [SF11 Reg n-2] (SrL2) peut être affiché à l'aide de ce paramètre.
Identique au paramètre [Défaut passé n°1] (dP1) page 65.
dP3 [Défaut passé n°3]
[Saf1 Reg n-3] (Sr13), [Saf2 Reg n-3] (Sr23), [SF00 Reg n-3] (SrA3), [SF01 Reg n-3] (Srb3),
et [SF02 Reg n-3] (SrC3) à [SF11 Reg n-3] (SrL3) peut être affiché à l'aide de ce paramètre.
Identique au paramètre [Défaut passé n°1] (dP1) page 65.
dP4 [Défaut passé n°4]
[Saf1 Reg n-4] (Sr14), [Saf2 Reg n-4] (Sr24), [SF00 Reg n-4] (SrA4), [SF01 Reg n-4] (Srb4),
et [SF02 Reg n-4] (SrC4) à [SF11 Reg n-4] (SrL4) peut être affiché à l'aide de ce paramètre.
Identique au paramètre [Défaut passé n°1] (dP1) page 65.
dP5 [Défaut passé n°5]
[Saf1 Reg n-5] (Sr15), [Saf2 Reg n-5] (Sr25), [SF00 Reg n-5] (SrA5), [SF01 Reg n-5] (Srb5),
et [SF02 Reg n-5] (SrC5) à [SF11 Reg n-5] (SrL5) peut être affiché à l'aide de ce paramètre.
Identique au paramètre [Défaut passé n°1] (dP1) page 65.
dP6 [Défaut passé n°6]
[Saf1 Reg n-6] (Sr16), [Saf2 Reg n-6] (Sr26), [SF00 Reg n-6] (SrA6), [SF01 Reg n-6] (Srb6),
et [SF02 Reg n-6] (SrC6) à [SF11 Reg n-6] (SrL6) peut être affiché à l'aide de ce paramètre.
Identique au paramètre [Défaut passé n°1] (dP1) page 65.
dP7 [Défaut passé n°7]
[Saf1 Reg n-7] (Sr17), [Saf2 Reg n-7] (Sr27), [SF00 Reg n-7] (SrA7), [SF01 Reg n-7] (Srb7),
et [SF02 Reg n-7] (SrC7) à [SF11 Reg n-7] (SrL7) peut être affiché à l'aide de ce paramètre.
Identique au paramètre [Défaut passé n°1] (dP1) page 65.
dP8 [Défaut passé n°8]
[Saf1 Reg n-8] (Sr18), [Saf2 Reg n-8] (Sr28), [SF00 Reg n-8] (SrA8), [SF01 Reg n-8] (Srb8),
et [SF02 Reg n-8] (SrC8) à [SF11 Reg n-8] (SrL8) peut être affiché à l'aide de ce paramètre.
Identique au paramètre [Défaut passé n°1] (dP1) page 65.
Code Nom/Description Unité
DRI- > MON- > PFH-

Mode Surveillance (MOn)
NVE41296 04/2018 69
Il est possible d'accéder aux paramètres décrits sur cette page via les menus suivants :
dGt- [DIAGNOSTIC] (suite)
PFL- [DEFAUTS PRESENTS]
nOF
ASF
bLF
brF
CFF
CFI2
CnF
COF
CrF
CSF
dLF
EEF1
EEF2
EPF1
EPF2
FbE
FbES
FCF1
FCF2
HCF
HdF
ILF
InF1
InF2
InF3
InF4
InF6
InF9
InFA
InFb
InFE
LCF
LFF3
ObF
OCF
OHF
OLC
OLF
OPF1
OPF2
OSF
OtFL
PHF
PtFL
SAFF
SCF1
SCF3
SCF4
SCF5
SLF1
SLF2
SLF3
SOF
SPF
SSF
tJF
tnF
ULF
USF
[Pas de défaut] (nOF) : aucun défaut détecté enregistré
[Erreur angle] (ASF) : défaut de réglage de l'angle détecté
[Commande frein] (bLF) : perte 3 phases moteur du frein
[Frein mécanique] (brF) : erreur de contacteur de frein détectée
[Config. incorrecte] (CFF) : configuration invalide à la mise sous tension
[Conf invalid] (CFI2) : erreur de transfert de configuration détectée
[Réseau com.] (CnF) : interruption de communication avec l'option réseau
[Com. CANopen] (CnF) : interruption de communication avec CANopen®
[Charg.capa.] (CrF) : défaut du relais de charge détecté
[Canal indisp] (CSF) : erreur de changement de canal détectée
[Déf. charge] (ASF) : erreur de charge dynamique détectée
[Eeprom contrôle] (EEF1) : erreur de la mémoire EEprom de contrôle détectée
[Eeprom puissance] (EEF2) : erreur de la mémoire EEprom de puissance détectée
[Déf. Externe LI/Bit] (EPF1) : défaut externe détecté causé par la liaison locale ou celle des entrées logiques
[Déf. externe com.] (EPF2) : interruption externe causée par la carte de communication
[Défaut FB] (FbE) : erreur de blocs fonctions détectée
[Err. stop FB] (FbES) : erreur d'arrêt des blocs fonctions détectée
[Cont. aval collé] (FCF1) : contacteur aval : contacteur fermé
[Cont. aval ouvert] (FCF1) : contacteur aval : contacteur ouvert
[Appairage cartes] (HCF) : erreur de configuration matérielle détectée
[Désaturation IGBT] (HdF) : erreur matérielle détectée
[Com. Int. option] (ILF) : interruption de la liaison interne optionnelle
[Erreur calibre] (InF1) : calibre du variateur inconnu
[Calib. Puiss] (InF2) : carte puissance incompatible ou inconnue
[L. Série int.] (InF3) : interruption de communication avec la liaison série interne
[zone fab.] (InF4) : zone d'industrialisation invalide
[Interne-option] (InF6) : carte option incompatible ou inconnue
[Interne- mesure I] (InF9) : erreur du circuit de mesure du courant détectée
[Interne-circ. réseau] (InFA) : erreur du circuit de perte de phase réseau détectée
[Interne- capt. temp.] (InFb) : erreur de capteur thermique détectée (surintensité ou court-circuit)
[Interne - CPU] (InFE) : défaut détecté au niveau du processeur (RAM, mémoire flash, tâche...)
[Contacteur ligne] (LCF) : erreur du contacteur de ligne détectée
[Perte 4-20mA AI3] (LFF3) : perte de la consigne 4-20 mA sur l'entrée analogique AI3
[Freinage excessif] (ObF) : freinage excessif
[Surintensité] (OCF) : surintensité
[Surchauffe var.] (OHF) : surchauffe du variateur
[Surcharge Proc.] (OLC) : surcharge du couple
[Surcharge moteur] (OLF) : surcharge du moteur
[Perte 1 phase mot.] (OPF1) : coupure d'une phase moteur
[3ph. moteur] (OPF2) : coupure de trois phases moteur
[Surtension réseau] (OSF) : défaut de suralimentation détecté
[surch. PTC] (OtFL) : erreur de surchauffe du moteur détectée provenant de la sonde PTC : produit standard
[Perte Ph. Réseau] (PHF) : perte d'une phase réseau
[Sonde LI6=PTC] (PtFL) : erreur de sonde PTC (surintensité ou court-circuit)
[Sécurité] (SAFF) : défaut de la fonction de sécurité
[Court-circuit mot.] (SCF1) : court-circuit moteur (détection binaire)
[Court-circuit terre] (SCF3) : défaut direct de court-circuit à la terre (détection binaire)
[Court-circuit IGBT] (SCF4) : court-circuit au niveau de l'IGBT (détection binaire)
[Court-circuit charge] (SCF5) : court-circuit de charge au cours de la séquence de charge d'allumage (détection binaire)
[Com. Modbus] (SLF1) : interruption de communication avec le bus série local Modbus
[Com. PC] (SLF2) : interruption de communication avec le logiciel PC
[Com. HMI] (SLF3) : interruption de communication avec le terminal déporté
[Survitesse] (SOF) : survitesse
[Coupure ret. vit.] (SPF) : coupure de retour de vitesse
[Lim. Couple / I] (SSF) : défaut de limitation du courant ou du couple détecté
[Surchauffe IGBT] (tJF) : surchauffe de l'IGBT
[Auto-réglage] (tnF) : défaut de réglage détecté
[Sous charge Proc.] (ULF) : sous-charge du couple
[Sous-tension] (USF) : sous-tension
Code Nom/Description Unité
DRI- > MON- > PFL-

Mode Surveillance (MOn)
70 NVE41296 04/2018
Il est possible d'accéder aux paramètres décrits sur cette page via les menus suivants :
AFI- [PLUS INFOS SUR DEFAUT]
Informations supplémentaires sur le défaut détecté.
CnF [Défaut réseau com.]
Code de défaut de la carte de communication optionnelle.
Ce paramètre est en lecture seule. Le code de défaut est conservé dans le paramètre, même si la cause disparaît. Le paramètre
est réinitialisé après que le variateur a été déconnecté, puis reconnecté. Les valeurs de ce paramètre dépendent de la carte
réseau. Consultez le guide se référant à la carte correspondante.
ILF1 [Déf.liaison interne 1]
Interruption de la communication entre la carte optionnelle 1 et le variateur.
Ce paramètre est en lecture seule. Le code de défaut est conservé dans le paramètre, même si la cause disparaît. Le paramètre
est réinitialisé après que le variateur a été déconnecté, puis reconnecté.
SFFE [Registre déf. sécu.] (1)
Registre d'erreurs répertoriant les défauts de la fonction de sécurité détectés
Bit 0 = 1 : temporisation anti-rebond de l'entrée logique
Bit 1 : réservé
Bit 2 = 1 : signe de la vitesse moteur modifié au cours de l'arrêt SS1
Bit 3 = 1 : vitesse moteur ayant atteint la zone de défaut SS1
Bit 4 : réservé
Bit 5 : réservé
Bit 6 = 1 : signe de la vitesse moteur modifié au cours de la limitation SLS
Bit 7 = 1 : vitesse moteur ayant atteint la zone de défaut SLS
Bit 8 : réservé
Bit 9 : réservé
Bit 10 : réservé
Bit 11 : réservé
Bit 12 : réservé
Bit 13 = 1 : mesure de la vitesse moteur impossible
Bit 14 = 1 : court-circuit à la terre du moteur détecté
Bit 15 = 1 : court-circuit entre phases du moteur détecté
SAF1 [Registre des défauts de sécurité 1] (1)
Il s’agit d’un registre d’erreurs du contrôle d’applications.
Bit0=1 Erreur de cohérence PWRM détectée.
Bit1=1 Erreur des paramètres des fonctions de sécurité détectée.
Bit2=1 L’autotest d’application a détecté une erreur.
Bit3=1 La vérification du diagnostic de la fonction de sécurité a détecté une erreur.
Bit4=1 Le diagnostic de l’entrée logique a détecté une erreur.
Bit5=1 Erreur des fonctions de sécurité SMS ou GDL détectée (détails à la page 72 du registre [Sous-registre des défauts de
sécurité 4] SF04)
Bit6=1 La gestion du watchdog d’application est activée.
Bit7=1 Erreur de la commande moteur détectée.
Bit8=1 Erreur de la partie centrale de la liaison série détectée.
Bit9=1 Erreur de l’activation de l’entrée logique détectée.
Bit10=1 La fonction Suppression sûre du couple a déclenché une erreur.
Bit11=1 L’interface de l’application a détecté une erreur des fonctions de sécurité.
(1) Les valeurs hexadécimales sont affichées sur le terminal graphique
Exemple :
SFFE = 0x0008 au format hexadécimal
SFFE = Bit 3
Code Nom/Description Unité
DRI- > MON- > AFI-

Mode Surveillance (MOn)
NVE41296 04/2018 71
Il est possible d'accéder aux paramètres décrits sur cette page via les menus suivants :
SAF2 [Registre des défauts de sécurité 1] (1)
Il s’agit d’un registre d’erreurs de la commande moteur.
Bit0=1 La vérification de la cohérence de la fréquence du stator a détecté une erreur.
Bit1=1 Erreur de l’estimation de la fréquence du stator détectée.
Bit2=1 La gestion du watchdog de la commande moteur est activée.
Bit3=1 Le watchdog de la configuration matérielle de la commande moteur est activé.
Bit4=1 L’autotest de la commande moteur a détecté une erreur.
Bit5=1 Erreur du test de chaîne détectée.
Bit6=1 Erreur de la partie centrale de la liaison série détectée.
Bit7=1 Erreur de court-circuit direct détectée.
Bit8=1 Erreur du pilote PWM détectée.
Bit9=1 Erreur interne GDL détectée
Bit10 réservé
Bit11=1 L’interface de l’application a détecté une erreur des fonctions de sécurité.
Bit12 réservé
Bit13 réservé
Bit14=1 Les données du moteur sont corrompues.
Bit15=1 Erreur du flux des données de la liaison série interne détectée.
SF00 [Sous-registre des défauts de sécurité 0] (1)
Il s’agit d’un registre d’erreurs de l’autotest d’application.
Bit0 réservé
Bit1=1 Dépassement des capacités de la pile de mémoire RAM.
Bit2=1 Erreur d’intégrité de l’adresse mémoire RAM détectée.
Bit3=1 Erreur d’accès à la mémoire RAM détectée.
Bit4=1 Erreur de checksum de la mémoire Flash détectée.
Bit5 réservé
Bit6 réservé
Bit7 réservé
Bit8 réservé
Bit9=1 Dépassement des capacités mémoire pour les tâches rapides.
Bit10=1 Dépassement des capacités mémoire pour les tâches rapides.
Bit11=1 Dépassement des capacités mémoire pour les tâches d’applications.
Bit12 réservé
Bit13 réservé
Bit14=1 Ligne PWRM non activée lors de la phase d’initialisation.
Bit15=1 Le watchdog de la configuration matérielle de l’application n’est pas exécuté après
l’initialisation.
SF01 [Sous-registre des défauts de sécurité 1] (1)
Il s’agit d’un registre d’erreurs de diagnostic des entrées logiques.
Bit0=1 Gestion - Erreur de machine d’état détectée.
Bit1=1 Les données requises pour la gestion des tests sont corrompues.
Bit2=1 Erreur de sélection de canal détectée.
Bit3=1 Test - Erreur de machine d’état détectée.
Bit4=1 La requête de test est corrompue.
Bit5=1 La méthode de test par pointeur est corrompue.
Bit6=1 L’action de test indiquée est incorrecte.
Bit7=1 Erreur détectée dans la collecte des résultats.
Bit8=1 LI3 : erreur détectée. La fonction de sécurité ne peut pas être activée.
Bit9=1 LI4 : erreur détectée. La fonction de sécurité ne peut pas être activée.
Bit10=1 LI5 : erreur détectée. La fonction de sécurité ne peut pas être activée.
Bit11=1 LI6 : erreur détectée. La fonction de sécurité ne peut pas être activée.
Bit12=1 Séquence de test mise à jour lors de l’exécution d’un diagnostic.
Bit13=1 Erreur détectée dans la gestion des profils de test.
Bit14 réservé
Bit15 réservé
(1) Les valeurs hexadécimales sont affichées sur le terminal graphique
Exemple :
SFFE = 0x0008 au format hexadécimal
SFFE = Bit 3
Code Nom/Description Unité
DRI- > MON- > AFI-

Mode Surveillance (MOn)
72 NVE41296 04/2018
SF02 [Sous-registre des défauts de sécurité 2] (1)
Il s’agit d’un registre d’erreurs détectées dans la gestion du watchdog d’application.
Bit0=1 Erreur de tâche rapide détectée.
Bit1=1 Erreur de tâche lente détectée.
Bit2=1 Erreur de tâche d’application détectée.
Bit3=1 Erreur de tâche en arrière-plan détectée.
Bit4=1 Erreur de tâche rapide/d’entrée de la fonction de sécurité détectée.
Bit5=1 Erreur de tâche lente/d’entrée de la fonction de sécurité détectée.
Bit6=1 Erreur de tâche d’application/d’entrées de la fonction de sécurité détectée.
Bit7=1 Erreur de tâche d’application/de traitement de la fonction de sécurité détectée.
Bit8=1 Erreur de tâche en arrière-plan de la fonction de sécurité détectée.
Bit9 réservé
Bit10 réservé
Bit11 réservé
Bit12 réservé
Bit13 réservé
Bit14 réservé
Bit15 réservé
SF03 [Sous-registre des défauts de sécurité 3] (1)
Bit0=1 Délai anti-rebond.
Bit1=1 Entrée non cohérente.
Bit2=1 Vérification de la cohérence - Erreur de machine d’état détectée.
Bit3=1 Vérification de la cohérence - Délai anti-rebond corrompu.
Bit4=1 Erreur des données concernant le temps de réponse.
Bit5=1 Temps de réponse corrompu.
Bit6=1 Requête adressée à un consommateur indéfini.
Bit7=1 Erreur de configuration détectée.
Bit8=1 Les entrées ne sont pas en mode de tension nominale.
Bit9 réservé
Bit10 réservé
Bit11 réservé
Bit12 réservé
Bit13 réservé
Bit14 réservé
Bit15 réservé
SF04 [Sous-registre des défauts de sécurité 4] (1)
Il s’agit d’un registre d’erreurs détectées de la fonction [Suppression sûre du couple] StO.
Bit0=1 Aucun signal configuré.
Bit1=1 Erreur de machine d’état détectée.
Bit2=1 Erreur des données internes détectée.
Bit3 réservé
Bit4 réservé
Bit5 réservé
Bit6 réservé
Bit7 réservé
Bit8= 1 : Erreur survitessse SMS détectée
Bit9= 1 : Erreur interne SMS détectée
Bit10 réservé
Bit11= 1 : Erreur interne 1 détectée
Bit12= 1 : Erreur interne 2 détectée
Bit13 réservé
Bit14 réservé
Bit15 réservé
(1) Les valeurs hexadécimales sont affichées sur le terminal graphique
Exemple :
SFFE = 0x0008 au format hexadécimal
SFFE = Bit 3
Code Nom/Description Unité
Il est possible d'accéder aux paramètres décrits sur cette page via les menus suivants : DRI- > MON- > AFI-

Mode Surveillance (MOn)
NVE41296 04/2018 73
SF05 [Sous-registre des défauts de sécurité 5] (1)
Il s’agit d’un registre d’erreurs détectées de la fonction [Stop Sûr 1] SS1.
Bit0=1 Erreur de machine d’état détectée.
Bit1=1 Le signe de la vitesse moteur a été modifié au cours de l’arrêt.
Bit2=1 La fréquence moteur a atteint le seuil de la fréquence limite.
Bit3=1 Vitesse moteur théorique corrompue.
Bit4=1 Configuration non autorisée.
Bit5=1 Erreur du calcul de la vitesse moteur théorique détectée.
Bit6 réservé
Bit7=1 Vérification du signe de la vitesse : erreur de cohérence détectée.
Bit8=1 Requête SS1 interne corrompue.
Bit9 réservé
Bit10 réservé
Bit11 réservé
Bit12 réservé
Bit13 réservé
Bit14 réservé
Bit15 réservé
SF06 [Sous-registre des défauts de sécurité 6] (1)
Il s’agit d’un registre d’erreurs détectées de la fonction [Limitation sûre de la vitesse] SLS.
Bit0=1 Erreur de machine d’état détectée.
Bit1=1 Signe de la vitesse moteur modifié au cours de la limitation SLS.
Bit2=1 La fréquence moteur a atteint le seuil de la fréquence limite.
Bit3=1 Corruption des données.
Bit4 réservé
Bit5 réservé
Bit6 réservé
Bit7 réservé
Bit8 réservé
Bit9 réservé
Bit10 réservé
Bit11 réservé
Bit12 réservé
Bit13 réservé
Bit14 réservé
Bit15 réservé
SF07 [Sous-registre des défauts de sécurité 7] (1)
Il s’agit d’un registre d’erreurs détectées dans la gestion du watchdog d’application.
Bit0 réservé
Bit1 réservé
Bit2 réservé
Bit3 réservé
Bit4 réservé
Bit5 réservé
Bit6 réservé
Bit7 réservé
Bit8 réservé
Bit9 réservé
Bit10 réservé
Bit11 réservé
Bit12 réservé
Bit13 réservé
Bit14 réservé
Bit15 réservé
(1) Les valeurs hexadécimales sont affichées sur le terminal graphique
Exemple :
SFFE = 0x0008 au format hexadécimal
SFFE = Bit 3
Code Nom/Description Unité
Il est possible d'accéder aux paramètres décrits sur cette page via les menus suivants : DRI- > MON- > AFI-

Mode Surveillance (MOn)
74 NVE41296 04/2018
SF08 [Sous-registre des défauts de sécurité 8] (1)
Il s’agit d’un registre d’erreurs détectées dans la gestion du watchdog d’application.
Bit0=1 Erreur de tâche PWM détectée.
Bit1=1 Erreur de tâche fixe détectée.
Bit2=1 Erreur de watchdog ATMC détectée.
Bit3=1 Erreur de watchdog DYNFCT détectée.
Bit4 réservé
Bit5 réservé
Bit6 réservé
Bit7 réservé
Bit8 réservé
Bit9 réservé
Bit10 réservé
Bit11 réservé
Bit12 réservé
Bit13 réservé
Bit14 réservé
Bit15 réservé
SF09 [Sous-registre des défauts de sécurité 9] (1)
Il s’agit d’un registre d’erreurs détectées de l’autotest de la commande moteur.
Bit0 réservé
Bit1=1 Dépassement des capacités de la pile de mémoire RAM.
Bit2=1 Erreur d’intégrité de l’adresse mémoire RAM détectée.
Bit3=1 Erreur d’accès à la mémoire RAM détectée.
Bit4=1 Erreur de checksum de la mémoire Flash détectée.
Bit5 réservé
Bit6 réservé
Bit7 réservé
Bit8 réservé
Bit9=1 Dépassement des capacités mémoire pour les tâches de 1 ms.
Bit10=1 Dépassement des capacités mémoire pour les tâches PWM.
Bit11=1 Dépassement des capacités mémoire pour les tâches fixes.
Bit12 réservé
Bit13 réservé
Bit14=1 Interruption involontaire.
Bit15=1 Le watchdog de la configuration matérielle n’est pas exécuté après l’initialisation.
Bit Description
SF10 [Sous-registre des défauts de sécurité 10] (1)
Il s’agit d’un registre d’erreurs détectées de court-circuit direct de la commande moteur.
Bit0=1 Court-circuit terre - Erreur de configuration détectée.
Bit1=1 Court-circuit phase à phase - Erreur de configuration détectée.
Bit2=1 Court-circuit terre.
Bit3=1 Court-circuit phase à phase.
Bit4 réservé
Bit5 réservé
Bit6 réservé
Bit7 réservé
Bit8 réservé
Bit9 réservé
Bit10 réservé
Bit11 réservé
Bit12 réservé
Bit13 réservé
Bit14 réservé
Bit15 réservé
(1) Les valeurs hexadécimales sont affichées sur le terminal graphique
Exemple :
SFFE = 0x0008 au format hexadécimal
SFFE = Bit 3
Code Nom/Description Unité
Il est possible d'accéder aux paramètres décrits sur cette page via les menus suivants : DRI- > MON- > AFI-

Mode Surveillance (MOn)
NVE41296 04/2018 75
SF11 [Sous-registre des défauts de sécurité 11] (1)
Il s’agit d’un registre d’erreurs détectées de la vérification dynamique de l’activité de la commande moteur.
Bit0=1 L’application a demandé un diagnostic de court-circuit direct.
Bit1=1 L’application a demandé une vérification de la cohérence de l’estimation de la
fréquence du stator (tension et courant).
Bit2=1 L’application a demandé un diagnostic des statistiques de vitesse fournies par la
commande moteur.
Bit3 réservé
Bit4 réservé
Bit5 réservé
Bit6 réservé
Bit7 réservé
Bit8=1 Le diagnostic de court-circuit direct de la commande moteur est activé.
Bit9=1 La vérification de la cohérence de l’estimation de la fréquence du stator de la
commande moteur est activée.
Bit10=1 Le diagnostic des statistiques de vitesse fournies par la commande moteur est
activé.
Bit11 réservé
Bit12 réservé
Bit13 réservé
Bit14 réservé
Bit15 réservé
dGt- [DIAGNOSTIC] (suite)
tAC [Temps alarm.IGBT]
Compteur de temps de l'alarme du transistor (durée pendant laquelle l'alarme « température IGBT » était active).
tAC2 [Temps freq. min]
Compteur de temps de l'alarme du transistor réglé sur la fréquence de découpage minimum (durée pendant laquelle l'alarme
« température IGBT » était active après que le variateur a réduit automatiquement la fréquence de découpage à la valeur minimum).
ntJ
g[Nb d'alarme IGBT
Compteur d'alarme du transistor : nombre détecté pendant le cycle de vie.
Visible si [3.1 NIVEAU D'ACCES] (LAC) est réglé sur [Expert] (Epr)
SEr- [MESSAGE SERVICE]
Voir page 295.
rFLt
nO
YES
[Raz défauts passés]
Ce menu permet de réinitialiser tous les défauts réinitialisables détectés précédemment.
[Non] (nO) : réinitialisation inactive
[OUI] (YES) : réinitialisation en cours
Code Nom/Description Unité
(1) Les valeurs hexadécimales sont affichées sur le terminal graphique
Exemple :
SFFE = 0x0008 au format hexadécimal
SFFE = Bit 3
gCes paramètres apparaissent uniquement si la fonction correspondante a été sélectionnée dans un autre menu. Lorsqu'il est
également possible d'accéder et de régler les paramètres dans le menu de configuration pour la fonction correspondante,
leur description est détaillée dans ces menus, sur les pages indiquées, afin d'aider à la programmation.
Il est possible d'accéder aux paramètres décrits sur cette page via les menus suivants : DRI- > MON- > AFI-

Mode Surveillance (MOn)
76 NVE41296 04/2018
MOn- [1.2 SURVEILLANCE] (suite)
COd- [MOT DE PASSE]
Mot de passe de l'IHM.
Si vous avez perdu votre code, veuillez contacter Schneider Electric.
CSt [Etat]
LC
ULC
État du variateur (verrouillé/déverrouillé). Paramètre d'information, non modifiable.
[Verrouillé] (LC): variateur verrouillé par un mot de passe
[non verrouil] (ULC) : variateur non protégé par un mot de passe
COd
OFF
On
[Code PIN 1]
Code confidentiel.
Ce paramètre permet de protéger la configuration du variateur à l'aide d'un code d'accès.
Lorsque l'accès est verrouillé au moyen d'un code, il est possible d'accéder uniquement aux paramètres des menus
[1.2 SURVEILLANCE] (MOn-) et [1.1 REFERENCE VITESSE] (rEF-). Il est possible d'utiliser la touche MODE du terminal
déporté pour passer d'un menu à l'autre.
Remarque : Avant de saisir un code, prenez soin de bien le noter quelque part.
[OFF] (OFF) : aucun code verrouillant l'accès
- Pour verrouiller l'accès, saisissez un code compris entre 2 et 9 999. Il est possible d'augmenter la valeur affichée à l'aide du
bouton de navigation. Appuyez ensuite sur ENT. [ON] (On) apparaît alors à l'écran pour indiquer le verrouillage de l'accès.
[ON] (On) : code verrouillant l'accès compris entre 2 et 9 999
- Pour déverrouiller l'accès, saisissez le code (en augmentant la valeur affichée à l'aide du bouton de navigation), puis
appuyez sur ENT. Le code reste affiché à l'écran et l'accès n'est déverrouillé qu'à la prochaine mise hors tension du
variateur. L'accès est de nouveau verrouillé lors de la mise sous tension suivante du variateur.
- Si le code saisi est incorrect, l'écran affiche [ON] (On) et l'accès reste verrouillé.
L'accès est déverrouillé (le code reste affiché).
- Pour réactiver le verrouillage avec le même code que pour le déverrouillage, revenez à [ON] (On) à l'aide du bouton de
navigation, puis appuyez sur ENT. [ON] (On) reste affiché à l'écran pour indiquer le verrouillage de l'accès.
- Pour verrouiller l'accès avec un code différent de celui utilisé pour le déverrouillage, saisissez le nouveau code (augmentez
la valeur affichée à l'aide du bouton de navigation), puis appuyez sur ENT. [ON] (On) apparaît alors à l'écran pour indiquer
le verrouillage de l'accès.
- Pour effacer le verrouillage une fois que l'accès a été déverrouillé, revenez à [OFF] (OFF) à l'aide du bouton de navigation,
puis appuyez sur ENT. [OFF] (OFF) reste affiché à l’écran. L'accès est déverrouillé et le sera jusqu'au redémarrage
suivant.
COd2 [Code PIN 2]
gCode confidentiel 2. Paramètre accessible si [3.1 NIVEAU D'ACCES] (LAC) est réglé sur [Expert] (Epr).
OFF
On
8888
La valeur [OFF] (OFF) correspond à l'absence de mot de passe, l'accès est donc [non verrouil] (ULC).
La valeur [ON] (On) indique que la configuration du variateur est protégée et qu'il y a un code d'accès à saisir pour le
déverrouiller.
Lorsque le bon code a été saisi, il reste affiché et le variateur est déverrouillé jusqu’à la prochaine mise hors tension.
Le code PIN 2 est une clé de déverrouillage connue seulement du support Schneider Electric.
ULr [Droit d'enregistrer]
ULr0
ULr1
[Permis] (ULr0) : ce code signifie que le logiciel SoMove ou le terminal graphique peuvent enregistrer l'ensemble de la
configuration (mots de passe, protections, configuration). Lorsque la configuration est modifiée, seuls les paramètres non
protégés sont accessibles.
[Non permis] (ULr0) : ce code signifie que le logiciel SoMove ou le terminal graphique ne peuvent pas enregistrer la
configuration.
Code Nom/Description Unité
Il est possible d'accéder aux paramètres décrits sur cette page via les menus suivants : DRI- > MON- > COD-

Mode Surveillance (MOn)
NVE41296 04/2018 77
dLr
dLr0
dLr1
dLr2
dLr3
[Droit chargement]
[Var.verrouil.] (dLr0) : variateur verrouillé : cela signifie qu'il est possible de charger la configuration uniquement vers un
variateur verrouillé par le même mot de passe pour la configuration. S'ils sont différents, le chargement n'est pas permis.
[var.non.verr] (dLr1) : variateur déverrouillé : cela signifie qu'il est possible de charger la configuration uniquement vers un
variateur dont le mot de passe n'est pas activé.
[Non permis] (dLr2) : non permis : la configuration ne peut pas être chargée.
[verr. ou non] (dLr3) : verrouillé ou non verrouillé : le chargement est permis en suivant le cas 0 ou le cas 1.
gCes paramètres apparaissent uniquement si la fonction correspondante a été sélectionnée dans un autre menu. Lorsqu'il est
également possible d'accéder et de régler les paramètres dans le menu de configuration pour la fonction correspondante,
leur description est détaillée dans ces menus, sur les pages indiquées, afin d'aider à la programmation.
Ce paramètre peut être modifié en cours de fonctionnement ou à l'arrêt.
Code Nom/Description Unité
Il est possible d'accéder aux paramètres décrits sur cette page via les menus suivants : DRI- > MON- > COD-

Mode Surveillance (MOn)
78 NVE41296 04/2018

Mode de configuration (ConF)
80 NVE41296 04/2018
Introduction
Le mode de configuration est en 4 parties :
1. Le menu « Mon menu » qui contient jusqu'à 25 paramètres personnalisables par l'utilisateur via le terminal
graphique ou le logiciel SoMove.
2. Les fonctions « Sauvegarder/restaurer ensemble de paramètres » qui permettent d'enregistrer et de rétablir
les paramètres de l'utilisateur.
3. Le paramètre [Macro configuration] (CFG) qui permet de charger des valeurs prédéfinies pour des
applications (voir page 84).
4. Le menu « FULL » qui permet d'accéder à tous les autres paramètres. Il comprend 10 sous-menus :
- [SIMPLY START] (SIM-), page 87
- [REGLAGES] (SEt-), page 91
- [CONTRÔLE MOTEUR] (drC-), page 107
- [ENTREES / SORTIES] (I_O-), page 127
- [COMMANDE] (CtL-), page 156
- [BLOCS FONCTIONS] (FbM-), page 160
- [FONCTIONS D'APPLI.] (FUn-), page 170
- [GESTION DEFAUTS] (FLt-), page 255
- [COMMUNICATION] (COM-), page 280
- [NIVEAU D'ACCES] (LAC), page 286

Mode de configuration (ConF)
NVE41296 04/2018 81
Arborescence
Les valeurs de paramètres affichées sont données à titre d'exemple.
= ENT
ENT
ESC
MYMn
SIM-
SEt-
I_O-
COnF
FCS-
CFG
FULL
drC-
CtL-
FUn-
COM-
FLt-
LAC
ESC
= ESC
ENT
ESC
FbM-

Mode de configuration (ConF)
NVE41296 04/2018 83
Réglages usine
Code Nom/Description Réglage usine
COnF [1.3 CONFIGURATION]
FCS- [REGLAGES USINE]
FCSI [Config. source] [Macro-conf.] (InI)
g
Choix de la source de configuration.
Si la fonction de commutation de configuration est configurée, [Config. 1] (CFG1) et [Config. 2] (CFG2) sont inaccessibles.
Remarque : Pour charger les préréglages du variateur enregistré précédemment ([Config. 1] (Str1) ou [Config. 2]
(Str2)), sélectionnez la configuration source [Config. source] (FCSI) = [Config. 1] (CFG1) ou [Config. 2] (CFG2),
puis un réglage usine [Retour REGLAGES USINE] (GFS) = [OUI] (YES).
InI
CFG1
CFG2
[Macro-conf.] (InI): configuration usine, retour à la macro configuration sélectionnée
[Config. 1] (CFG1): configuration 1
[Config. 2] (CFG2): configuration 2
FrY- [GROUPES PARAMETRES]
Choix des menus à charger.
Reportez-vous à la procédure de sélection multiple, page 33 pour le terminal graphique intégré, page 24 pour le terminal
graphique.
Remarque : En sortie d'usine et après un rétablissement des réglages usine, [GROUPES PARAMETRES] devient vide.
ALL
drM
MOt
COM
dIS
[Tous] (ALL): tous les paramètres (le programme des blocs fonctions sera également effacé)
[Config. var.] (drM): menu [1 MENU VARIATEUR] (drI-) sans [COMMUNICATION] (COM-). Dans le menu
[3.4 CONFIG. AFFICHAGE], [Retour nom std] (GSP) page 295 repasse à [Non] (nO).
[Param. moteur] (MOt): paramètres du moteur, voir page 303.
Les sélections suivantes sont accessibles uniquement si [Config. source] (FCSI) est défini sur [Macro-conf.] (InI).
[Menu COMM] (COM): menu [COMMUNICATION] (COM-) sans [Adr. Scan In1] (nMA1) à [Adr. Scan In8] (nMA8) ou
[Adr. Scan. Out1] (nCA1) à [Adr. Scan. Out8] (nCA8).
[Config. affichage] (dIS): menu [3.3 ECRAN SURVEILLANCE] (MCF-)
GFS [Retour REGLAGES USINE]
gAVERTISSEMENT
FONCTIONNEMENT INATTENDU DE L'APPAREIL
Vérifiez que la restauration des réglages usine est compatible avec le type de câblage utilisé.
Le non-respect de ces instructions peut entraîner la mort, des blessures graves ou des dommages
matériels.
nO
OUI
Pour rétablir les réglages usine, il est impératif qu'au moins un groupe de paramètres ait été sélectionné précédemment.
[Non] (nO): Non
[Oui] (YES): le paramètre repasse à [Non] (nO) automatiquement dès la fin de l'opération.
SCSI [Sauvegarde config.] [Non] (nO)
g
La configuration active à sauvegarder n'apparaît pas dans la liste de sélection. Par exemple, si la configuration active est
[Config. 0] (Str0), seuls [Config. 1] (Str1) et [Config. 2] (Str2) apparaissent. Le paramètre repasse à [Non] (nO)
dès la fin de l'opération.
nO
Str0
Str1
Str2
[Non] (nO): non
[Config. 0] (Str0): maintenez enfoncée la touche ENT pendant 2 secondes.
[Config. 1] (Str1): maintenez enfoncée la touche ENT pendant 2 secondes.
[Config. 2] (Str2): maintenez enfoncée la touche ENT pendant 2 secondes.
gCes paramètres apparaissent uniquement si la fonction correspondante a été sélectionnée dans un autre menu. Lorsqu'il est
également possible d'accéder et de régler les paramètres dans le menu de configuration pour la fonction correspondante,
leur description est détaillée dans ces menus, sur les pages indiquées, afin d'aider à la programmation.
Pour modifier l'affectation de ce paramètre, appuyez pendant 2 secondes sur la touche ENT.
2s
2s
DRI- > CONF > FCS-

Mode de configuration (ConF)
84 NVE41296 04/2018
Il est possible d'accéder aux paramètres décrits sur cette page via les menus suivants :
Macro configuration
Exemple de rétablissement des réglages usine
•[Config. source] (FCSI) est réglé sur [Macro-conf.] (InI)
•[GROUPES PARAMETRES] (FrY-) est réglé sur [Tous] (ALL)
•[Retour REGLAGES USINE] (GFS) est réglé sur [Oui] (YES)
Code Nom/Description Réglage usine
COnF [1.3 CONFIGURATION] (suite)
CFG [Macro configuration] [Start/stop] (StS)
gAVERTISSEMENT
FONCTIONNEMENT INATTENDU DE L’APPAREIL
Vérifiez que la configuration de macro sélectionnée est compatible avec le type de câblage utilisé.
Le non-respect de ces instructions peut entraîner la mort, des blessures graves ou des dommages
matériels.
StS
HdG
HSt
GEn
PId
nEt
[Start/stop] (StS): marche/arrêt
[Manut.] (HdG): manutention
[Levage] (HSt): levage
[Usage gén.] (GEn): usage général
[PID régul.] (PId): régulation PID
[Network C.] (nEt): bus de communication
gCes paramètres apparaissent uniquement si la fonction correspondante a été sélectionnée dans un autre menu. Lorsqu'il est
également possible d'accéder et de régler les paramètres dans le menu de configuration pour la fonction correspondante,
leur description est détaillée dans ces menus, sur les pages indiquées, afin d'aider à la programmation.
Pour modifier l'affectation de ce paramètre, appuyez pendant 2 secondes sur la touche ENT.
2s
2s
DRI- > CONF

Mode de configuration (ConF)
NVE41296 04/2018 85
Affectation des entrées/sorties
(1) Pour démarrer avec Modbus intégré, le paramètre [Adresse Modbus] (Add) doit d'abord être configuré, page 281.
Remarque : Ces affectations sont réinitialisées à chaque changement de macro configuration.
Entrée/
sortie
[Start/stop] [Manut.] [Usage gén.] [Levage] [PID régul.] [Network C.]
[AI1] [Canal réf. 1] [Canal réf. 1] [Canal réf. 1] [Canal réf. 1] [Canal réf.1]
(consigne PID)
[Canal réf. 2]
([Canal réf. 1] =
Modbus intégré) (1)
[AI2] [Non] [Réf.
sommatrice 2]
[Réf.
sommatrice 2]
[Non] [Retour PID] [Non]
[AI3] [Non] [Non] [Non] [Non] [Non] [Non]
[AO1] [Non] [Non] [Non] [Non] [Non] [Non]
[R1] [Non défaut] [Non défaut] [Non défaut] [Non défaut] [Non défaut] [Non défaut]
[R2] [Non] [Non] [Non] [Cmde frein] [Non] [Non]
[LI1] (Cde 2 fils) [Sens avant] [Sens avant] [Sens avant] [Sens avant] [Sens avant] [Sens avant]
[LI2] (Cde 2 fils) [Sens arrière] [Sens arrière] [Sens arrière] [Sens arrière] [Sens arrière] [Sens arrière]
[LI3] (Cde 2 fils) [Non] [2 vitesses présél.] [Jog] [Reset défauts] [RAZ intégral PID] [Commutation
réf.2]
[LI4] (Cde 2 fils) [Non] [4 vitesses présél.] [Reset défauts] [Défaut externe] [2 réf. PID
présél.]
[Reset défauts]
[LI5] (Cde 2 fils) [Non] [8 vitesses présél.] [Limitation couple] [Non] [4 réf. PID
présél.]
[Non]
[LI6] (Cde 2 fils) [Non] [Reset défauts] [Non] [Non] [Non] [Non]
[LI1] (Cde 3 fils) [Affect.Marche] [Affect.Marche] [Affect.Marche] [Affect.Marche] [Affect.Marche] [Affect.Marche]
[LI2] (Cde 3 fils) [Sens avant] [Sens avant] [Sens avant] [Sens avant] [Sens avant] [Sens avant]
[LI3] (Cde 3 fils) [Sens arrière] [Sens arrière] [Sens arrière] [Sens arrière] [Sens arrière] [Sens arrière]
[LI4] (Cde 3 fils) [Non] [2 vitesses présél.] [Jog] [Reset défauts] [RAZ intégral
PID]
[Commutation
réf.2]
[LI5] (Cde 3 fils) [Non] [4 vitesses présél.] [Reset défauts] [Défaut externe] [2 réf. PID
présél.]
[Reset défauts]
[LI6] (Cde 3 fils) [Non] [8 vitesses présél.] [Limitation couple] [Non] [4 réf. PID
présél.]
[Non]
[LO1] [Non] [Non] [Non] [Non] [Non] [Non]
Touches du terminal graphique
Touche F1 [Non] [Non] [Non] [Non] [Non] Contrôle via le
terminal graphique
Touches
F2, F3, F4
[Non] [Non] [Non] [Non] [Non] [Non]
En mode 3 fils, l'affectation des entrées LI1 à LI6 change.

Mode de configuration (ConF)
86 NVE41296 04/2018
Autres configurations et réglages
Outre l'affectation des entrées/sorties, d'autres paramètres sont affectés uniquement dans la macro
configuration Levage.
Levage :
•[Type mouvement] (bSt) est réglé sur [Levage] (UEr), page 197
•[Contact de frein] (bCI) est réglé sur [Non] (nO), page 197
•[Impulsion de frein] (bIP) est réglé sur [Oui] (YES), page 197
•[I ouv. frein montée] (Ibr) est réglé sur 0 A, page 197
•[Temps ouv. frein] (brt) est réglé sur 0 s, page 197
•[Fréq. ouvert. frein] (bIr) est réglé sur [Auto] (AUtO), page 198
•[Fréq. ferm. frein] (bEn) est réglé sur [Auto] (AUtO), page 198
•[Temps ferm. frein] (bEt) est réglé sur 0 s, page 198
•[Ferm. à l'inversion] (bEd) est réglé sur [Non] (nO), page 198
•[Saut à l'inversion] (JdC) est réglé sur [Auto] (AUtO), page 199
•[Temps redémar.] (ttr) est réglé sur 0 s, page 199
•[Temps rampe I] (brr) est réglé sur 0 s, page 201
•[Petite vitesse] (LSP) est réglé sur le glissement nominal du moteur calculé par le variateur, page 89
•[Perte phase moteur] (OPL) est réglé sur [Oui] (YES), page 261
Ce paramètre ne peut alors plus être modifié.
•[Reprise à la volée] (FLr) est réglé sur [Non] (nO), page 258
Ce paramètre ne peut alors plus être modifié.
Rétablissement des réglages usine :
Si les réglages usine sont rétablis lorsque [Config. source] (FCSI) est réglé sur [Macro-conf.] (InI)
(page 83), le variateur repasse sur la macro configuration sélectionnée. Le paramètre [Macro configuration]
(CFG) reste inchangé, mais [Macro perso.] (CCFG) disparaît.
Remarque : Les réglages usine qui figurent dans les tableaux de paramètres correspondent à la
[Macro configuration] (CFG) = [Start/stop] (StS). Cette macro configuration est celle réglée en sortie
d'usine.
Exemples de schémas à utiliser avec les macro configurations
Schéma [Levage] (HSt)
(1) En l'absence de fonction de sécurité intégrée, un contact du module Preventa doit être inséré dans le circuit de
commande de freinage pour serrer le frein lorsque la fonction « Safe Torque Off » est activée (voir schémas de
raccordement du guide d'installation).
UWV
L1 L3
ATV
KM10
R2A
R2C
L2
M
3
3
2
(1)
AI1
LI1 LI2+24
Frein électromagnétique
Avant
(montée) Arrière
(descente)

Mode de configuration (ConF)
NVE41296 04/2018 87
Il est possible d'accéder aux paramètres décrits sur cette page via les menus suivants :
Full
Code Nom/Description Plage de réglages Réglage usine
COnF [1.3 CONFIGURATION]
FULL [FULL]
SIM- [SIMPLY START]
tCC [Cde 2 fils/3 fils] [Cde 2 fils] (2C)
AVERTISSEMENT
FONCTIONNEMENT INNATENDU DE L'APPAREIL
Lorsque ce paramètre est modifié, les paramètres [Aff. sens arrière] (rrS) et [Type cde 2 fils] (tCt) ainsi
que les affectations des entrées logiques sont rétablis à leurs réglages usine.
Vérifiez que cette modification est compatible avec le schéma de câblage utilisé.
Le non-respect de ces instructions peut entraîner la mort, des blessures graves ou des dommages
matériels.
2C
3C
Voir [Cde 2 fils/3 fils] (tCC), page 127.
[Cde 2 fils] (2C)
Commande 2 fils (commandes par niveau) : état (0 ou 1) ou front (0 à 1 ou 1 à 0) de l'entrée qui commande la marche ou l'arrêt.
Exemple de câblage « source » :
LI1 : avant
LIx : arrière
[Cde 3 fils] (3C)
Commande 3 fils (commande par impulsions) : une impulsion « avant » ou « arrière » suffit pour commander le démarrage et
une impulsion « arrêt » suffit pour commander l'arrêt.
Exemple de câblage « source » :
LI1 : arrêt
LI2 : avant
LIx : arrière
CFG [Macro configuration] [Start/stop] (StS)
gAVERTISSEMENT
FONCTIONNEMENT INNATENDU DE L'APPAREIL
Assurez-vous que la macro configuration sélectionnée est compatible avec le schéma de câblage utilisé.
Le non-respect de ces instructions peut entraîner la mort, des blessures graves ou des dommages
matériels.
StS
HdG
HSt
GEn
PId
nEt
Voir [Macro configuration] (CFG), page 84.
[Start/stop] (StS): marche/arrêt
[Manut.] (HdG): manutention
[Levage] (HSt): levage
[Usage gén.] (GEn): usage général
[PID régul.] (PId): régulation PID
[Network C.] (nEt): bus de communication
2s
+24 LI1 LIx
ATVppp
+24 LI1 LI2 LIx
ATVppp
2s
DRI- > CONF > FULL > SIM-

Mode de configuration (ConF)
88 NVE41296 04/2018
Il est possible d'accéder aux paramètres décrits sur cette page via les menus suivants :
CCFG [Macro perso.]
gParamètre en lecture seule, visible si au moins un paramètre de la macro configuration a été modifié.
nO
YES
[Non] (nO): non
[Oui] (YES): oui
bFr [Standard fréq.mot] [50Hz IEC] (50)
50
60
Ce paramètre modifie les préréglages des paramètres suivants : [Tension nom. mot.] (UnS) ci-après, [Grande vitesse]
(HSP) page 89, [Seuil de fréquence] (Ftd) page 104, [Fréq. nom. mot.] (FrS) et [Fréquence maxi.] (tFr) .
[50Hz IEC] (50): variateur 50 Hz
[60Hz NEMA] (60): variateur 60 Hz
IPL [Perte phase réseau] Oui ou Non selon le calibre du
variateur
g
Ce paramètre n'est accessible dans ce menu que sur les variateurs utilisables en triphasé.
Si une phase disparaît, le variateur passe en mode défaut [Perte phase réseau] (PFH), mais si 2 ou 3 phases disparaissent,
le variateur continue de fonctionner jusqu'à ce qu'il passe en mode défaut [Sous-tension] (USF) (le variateur passe en mode
défaut [Perte phase réseau] (PHF) en cas de perte de phase réseau ou si cette perte entraîne une baisse de performances).
Voir [Perte phase réseau] (IPL), page 261.
nO
YES
[Déf. ignoré] (nO): défaut ignoré ; ce paramètre doit être utilisé lorsque le variateur est alimenté en monophasé ou par le bus DC.
[Roue libre] (YES): avec arrêt en roue libre
nPr [Puissance nom. mot] Selon calibre variateur
gPuissance nominale du moteur indiquée sur la plaque signalétique, en kW si [Standard fréq.mot.] (bFr) est réglé sur
[50Hz IEC] (50), en HP si [Standard fréq.mot] (bFr) est réglé sur [60Hz NEMA] (60).
Voir [Puissance nom. mot] (nPr), page 109.
UnS [Tension nom. mot.] 100 à 480 V Selon calibre variateur
gTension nominale du moteur indiquée sur sa plaque signalétique.
ATV320pppM2 : 100 à 240 V – ATV320pppN4 : 200 à 480 V.
Voir [Tension nom. mot.] (UnS), page 109.
nCr [Courant nom. mot.] 0,25 à 1,5 In (1) Selon calibre variateur et
[Standard fréq. mot.] (bFr)
gCourant nominal du moteur indiqué sur sa plaque d'identification.
Voir [Courant nom. mot.] (nCr), page 109.
FrS [Fréq. nom. mot.] 10 à 800 Hz 50 Hz
g
Fréquence nominale du moteur indiquée sur sa plaque signalétique.
Le réglage usine est sur 50 Hz ou prédéfini sur 60 Hz si [Standard fréq.mot] (bFr) est sur 60 Hz.
Ce paramètre n'est pas disponible si [Type cde moteur] (Ctt) page 107, est réglé sur [Mot. sync.] (SYn).
Voir [Fréq. nom. mot.] (FrS), page 109.
nSP [Vitesse nom. mot.] 0 à 65 535 tr/min Selon calibre variateur
g
Vitesse nominale du moteur indiquée sur sa plaque signalétique.
Ce paramètre n'est pas disponible si [Type cde moteur] (Ctt) page 107, est réglé sur [Mot. sync.] (SYn).
Voir [Vitesse nom. mot] (nSP), page 109.
0 à 9 999 tr/min, puis 10 000 à 60 000 tr/min sur le terminal intégré.
Si la plaque signalétique n'indique pas la vitesse nominale mais la vitesse de synchronisme et le glissement en Hz ou en %,
calculez la vitesse nominale comme suit :
Vitesse nominale = Vitesse de synchronisme x
ou
Vitesse nominale = Vitesse de synchronisme x (moteurs 50 Hz)
ou
Vitesse nominale = Vitesse de synchronisme x (moteurs 60 Hz)
Code Nom/Description Plage de réglages Réglage usine
100 - glissement en %
100
50 - glissement en Hz
50
60 - glissement en Hz
60
DRI- > CONF > FULL > SIM-

Mode de configuration (ConF)
NVE41296 04/2018 89
Il est possible d'accéder aux paramètres décrits sur cette page via les menus suivants :
(1) In correspond au courant nominal du variateur indiqué dans le guide d'installation et sur la plaque signalétique.
(2) Plage de 0,01 à 99,99 s, de 0,1 à 999,9 s ou de 1 à 6 000 s selon [Incrément rampe] (Inr), page 173.
tFr [Fréquence maxi.] 10 à 599 Hz 60 Hz
Le réglage usine est sur 60 Hz ou prédéfini sur 72 Hz si [Standard fréq.mot] (bFr) est sur 60 Hz.
La valeur maximale est limitée par les conditions suivantes :
Elle ne doit pas dépasser 10 fois la valeur de [Fréq. nom. mot.] (FrS).
Voir [Fréquence maxi.] (tFr), page 107.
tUn [Auto-réglage] [Pas d'action] (nO)
Pour les moteurs asynchrones, voir page 110.
Pour les moteurs synchrones, voir page 115.
tUS [Etat auto-réglage] [Non fait] (tAb)
tAb
PEnd
PrOG
FAIL
dOnE
Ce paramètre n'est pas enregistré à la mise hors tension du variateur. L'état de l'auto-réglage depuis la dernière mise sous
tension est affiché.
Voir [Etat auto-réglage] (tUS), page 110.
[Non fait] (tAb): l'auto-réglage n'est pas effectué.
[En attente] (PEnd): l'auto-réglage a été demandé, mais n'a pas encore été effectué.
[En cours] (PrOG): l'auto-réglage est en cours.
[Echec] (FAIL): l'auto-réglage a échoué.
[Fait] (dOnE): la résistance du stator mesurée par la fonction d'auto-réglage est utilisée pour contrôler le moteur.
StUn [Auto-réglage utilisé] [Par défaut] (tAb)
tAb
MEAS
CUS
Voir [Auto-réglage utilisé] (StUn), page 110.
[Par défaut] (tAb): la valeur par défaut de la résistance du stator est utilisée pour contrôler le moteur.
[Mesure] (MEAS): la résistance du stator mesurée par la fonction d'auto-réglage est utilisée pour contrôler le moteur.
[Perso.] (CUS): la résistance du stator réglée manuellement est utilisée pour contrôler le moteur.
ItH [Courant therm. mot] 0,2 à 1,5 In (1) Selon calibre variateur
Courant de protection thermique du moteur à régler sur l'intensité nominale indiquée sur la plaque signalétique.
Voir [Courant therm. mot] (ItH), page 92.
ACC
[Accélération] 0,00 à 6 000 s (2) 3,0 s
Temps pour accélérer de 0 à la [Fréq. nom. mot.] (FrS), (page 88). Pour la répétitivité des rampes, la valeur de ce paramètre
doit être réglée selon la possibilité de l'application.
Voir [Accélération] (ACC), page 91.
dEC
[Décélération] 0,00 à 6 000 s (2) 3,0 s
Temps pour décélérer de la [Fréq. nom. mot.] (FrS) (page 88) à 0. Pour la répétitivité des rampes, la valeur de ce paramètre
doit être réglée selon la possibilité de l'application.
Voir [Décélération] (dEC), page 91.
LSP [Petite vitesse] 0 à 599 Hz 0
Fréquence moteur à consigne mini, réglage de 0 à [Grande vitesse] (HSP).
Voir [Petite vitesse] (LSP), page 91.
HSP [Grande vitesse] 0 à 599 Hz 50 Hz
Fréquence moteur à consigne maxi, réglage de [Petite vitesse] (LSP) et [Fréquence maxi.] (tFr). Le réglage usine est sur
60 Hz si [Standard fréq.mot] (bFr) est réglé sur [60Hz NEMA] (60).
Voir [Grande vitesse] (HSP), page 91.
Code Nom/Description Plage de réglages Réglage usine
gCes paramètres apparaissent uniquement si la fonction correspondante a été sélectionnée dans un autre menu. Lorsqu'il est
également possible d'accéder et de régler les paramètres dans le menu de configuration pour la fonction correspondante,
leur description est détaillée dans ces menus, sur les pages indiquées, afin d'aider à la programmation.
Ce paramètre peut être modifié en cours de fonctionnement ou à l'arrêt.
Pour modifier l'affectation de ce paramètre, appuyez pendant 2 secondes sur la touche ENT.
2s
DRI- > CONF > FULL > SIM-

Mode de configuration (ConF)
90 NVE41296 04/2018
Réglages
Avec terminal intégré
Il est recommandé d'arrêter le moteur avant de modifier n'importe lequel des paramètres.
Les paramètres de réglage peuvent être modifiés alors que le variateur est en marche ou arrêté.
SIM-
drC-
LAC-
SEt-
= ENT ESC = ESC
ESC
ESC
ESC
ENT
ESC
ENT
FULL
RÉGLAGES
À partir du menu COnF

Mode de configuration (ConF)
NVE41296 04/2018 91
Il est possible d'accéder aux paramètres décrits sur cette page via les menus suivants :
Code Nom/Description Plage de réglages Réglage usine
FULL [FULL] (suite)
SEt- [REGLAGES]
Inr [Incrément rampe] 0,1
Ce paramètre est disponible avec [Accélération] (ACC), [Décélération] (dEC), [Accélération 2] (AC2) et
[Décélération 2] (dE2). Voir [Incrément rampe] (Inr), page 173.
0,01
0,1
1
[0,01] : rampe jusqu'à 99,99 secondes
[0,1] : rampe jusqu'à 999,9 secondes
[1] : rampe jusqu'à 6 000 secondes
ACC [Accélération] 0,00 à 6 000 s (1) 3,0 s
Temps pour accélérer de 0 à la [Fréq. nom. mot.] (FrS), page 88. Pour la répétitivité des rampes, la valeur de ce paramètre
doit être réglée selon la possibilité de l'application. Voir [Accélération] (ACC), page 173.
dEC [Décélération] 0,00 à 6 000 s (1) 3,0 s
Temps pour décélérer de la [Fréq. nom. mot.] (FrS) (page 88) à 0. Pour la répétitivité des rampes, la valeur de ce paramètre
doit être réglée selon la possibilité de l'application. Voir [Décélération] (dEC), page 173.
AC2 [Accélération 2] 0,00 à 6 000 s (1) 5 s
g
Temps pour accélérer de 0 à la [Fréq. nom. mot.] (FrS), page 88. Pour la répétitivité des rampes, la valeur de ce paramètre
doit être réglée selon la possibilité de l'application. Voir [Accélération 2] (AC2), page 174.
dE2 [Décélération 2] 0,00 à 6 000 s (1) 5 s
g
Temps pour décélérer de la [Fréq. nom. mot.] (FrS) (page 88) à 0. Pour la répétitivité des rampes, la valeur de ce paramètre
doit être réglée selon la possibilité de l'application. Voir [Décélération 2] (dE2), page 174.
tA1 [Arrondi déb. Acc] 0 à 100 % 10 %
g
Arrondi de début de rampe d'accélération en % du temps de rampe [Accélération] (ACC) ou [Accélération 2] (AC2). Visible
si [Forme rampe] (rPt) est réglé sur [Perso.] (CUS). Voir [Arrondi déb. Acc] (tA1), page 173.
tA2 [Arrondi fin Acc] 0 à 100 % 10 %
g
Arrondi de fin de rampe d'accélération en % du temps de rampe [Accélération] (ACC) ou [Accélération 2] (AC2).
Réglable de 0 à 100 % - [Arrondi déb. Acc] (tA1).
Visible si [Forme rampe] (rPt) est réglé sur [Perso.] (CUS). Voir [Arrondi fin Acc] (tA2), page 174.
tA3 [Arrondi déb. Déc] 0 à 100 % 10 %
g
Arrondi de début de rampe de décélération en % du temps de rampe [Décélération] (dEC) ou [Décélération 2] (dE2). Visible
si [Forme rampe] (rPt) est réglé sur [Perso.] (CUS). Voir [Arrondi déb. Déc] (tA3), page 174.
tA4 [Arrondi fin Dec] 0 à 100 % 10 %
g
Arrondi de fin de rampe de décélération en % du temps de rampe [Décélération] (dEC) ou [Décélération 2] (dE2).
Réglage de 0 à 100 % - [Arrondi déb. Déc] (tA3).
Visible si [Forme rampe] (rPt) est réglé sur [Perso.] (CUS). Voir [Arrondi fin Dec] (tA4), page 174.
LSP [Petite vitesse] 0 à 599 Hz 0 Hz
Fréquence moteur à consigne mini, réglage de 0 à [Grande vitesse] (HSP), page 89. Voir [Petite vitesse] (LSP), page 89.
HSP [Grande vitesse] 0 à 599 Hz 50 Hz
Fréquence moteur à consigne maxi, réglage de [Petite vitesse] (LSP) et [Fréquence maxi.] (tFr). Le réglage usine est sur
60 Hz si [Standard fréq.mot] (bFr) est réglé sur [60Hz NEMA] (60). Voir [Grande vitesse] (HSP), page 89.
DRI- > CONF > FULL > SET-

Mode de configuration (ConF)
92 NVE41296 04/2018
Il est possible d'accéder aux paramètres décrits sur cette page via les menus suivants :
(1) Plage de 0,01 à 99,99 s, de 0,1 à 999,9 s ou de 1 à 6 000 s selon [Incrément rampe] (Inr), page 173.
(2) In correspond au courant nominal du variateur indiqué dans le guide d'installation ou sur la plaque signalétique.
HSP2 [Grande vitesse 2] 0 à 599 Hz 50 Hz
g
Visible si [2 Grande Vitesse] (SH2) n'est pas réglé sur [Non] (nO). Voir [Grande vitesse 2] (HSP2), page 249.
HSP3 [Grande vitesse 3] 0 à 599 Hz 50 Hz
g
Visible si [4 Grande Vitesse] (SH4) n'est pas réglé sur [Non] (nO). Voir [Grande vitesse 3] (HSP3), page 249.
HSP4 [Grande vitesse 4] 0 à 599 Hz 50 Hz
g
Visible si [4 Grande Vitesse] (SH4) n'est pas réglé sur [Non] (nO). Voir [Grande vitesse 4] (HSP4), page 249.
ItH [Courant therm. mot] 0,2 à 1,5 In (2) Selon calibre variateur
Courant de protection thermique du moteur à régler sur l'intensité nominale indiquée sur la plaque signalétique.
Voir [Courant therm. mot] (ItH), page 89.
UFr [Compensation RI] 0 à 200 % 100 %
Compensation RI. Voir [Compensation RI] (UFr), page 120.
SLP [Comp. glissement] 0 à 300 % 100 %
g
Compensation de glissement. Voir [Comp. glissement] (SLP), page 120.
SFC [K filtre boucle vit.] 0 à 100 65
g
Coefficient de filtrage de la boucle de vitesse. Voir [K filtre boucle vit.] (SFC), page 120.
SIt [Temps integr. vit.] 1 à 65 535 ms 63 ms
g
Constante de temps de l'intégral de la boucle de vitesse. Voir [Temps integr. vit.] (SIt), page 120.
SPG [Gain prop. vit.] 0 à 1 000 % 40 %
g
Gain proportionnel de la boucle de vitesse. Voir [Gain prop. vit.] (SPG), page 120.
SPGU [Inertie comp. U/F] 0 à 1 000 % 40 %
g
Facteur d'inertie. Voir [Inertie comp. U/F] (SPGU), page 120.
Code Nom/Description Plage de réglages Réglage usine
gCes paramètres apparaissent uniquement si la fonction correspondante a été sélectionnée dans un autre menu. Lorsqu'il est
également possible d'accéder et de régler les paramètres dans le menu de configuration pour la fonction correspondante,
leur description est détaillée dans ces menus, sur les pages indiquées, afin d'aider à la programmation.
Ce paramètre peut être modifié en cours de fonctionnement ou à l'arrêt.
DRI- > CONF > FULL > SET-

Mode de configuration (ConF)
NVE41296 04/2018 93
Réglages des paramètres [K filtre boucle vit.] (SFC), [Gain prop. vit.] (SPG) et [Temps integr. vit.] (SIt)
Les paramètres suivants sont accessibles si [Type cde moteur] (Ctt) page 107, est réglé sur [SVC U]
(UUC), [Mot. sync.] (SYn) ou [Ec. énergie] (nLd).
Cas général : réglage de [K filtre boucle vit.] (SFC) = 0
Le régulateur est de type IP avec un filtrage de la consigne de vitesse, pour des applications nécessitant
souplesse et stabilité (levage ou forte inertie, par exemple).
•[Gain prop. vit.] (SPG) affecte la vitesse excessive.
•[Temps integr. vit.] (SIt) affecte la bande passante et le temps de réponse.
Réponse initiale Diminution de SIT Diminution de SIT
Réponse initiale Augmentation de SPG Augmentation de SPG
0 50045040035030025020015010050
0
1
0.8
0.6
0.4
0.2
Échelon de consigne
Temps en ms
0 50045040035030025020015010050
0
1
0.8
0.6
0.4
0.2
Échelon de consigne
Temps en ms
0 50045040035030025020015010050
0
1
0.8
0.6
0.4
0.2
Échelon de consigne
Temps en ms
0 50045040035030025020015010050
0
1
0.8
0.6
0.4
0.2
Échelon de consigne
Temps en ms
0 50045040035030025020015010050
0
1
0.8
0.6
0.4
0.2
Échelon de consigne
Temps en ms
0 50045040035030025020015010050
0
1
0.8
0.6
0.4
0.2
Échelon de consigne
Temps en ms

Mode de configuration (ConF)
94 NVE41296 04/2018
Cas particulier : paramètre [K filtre boucle vit.] (SFC) différent de 0
Ce paramètre doit être réservé à des applications particulières nécessitant un temps de réponse court
(positionnement ou asservissement de trajectoire par exemple).
•Lorsque ce paramètre est réglé sur 100 (voir ci-après), le régulateur est de type PI, sans filtrage de la
consigne de vitesse.
•Lorsque ce paramètre est réglé entre 0 et 100, le fonctionnement est intermédiaire entre les réglages ci-
dessous et ceux de la page précédente.
Exemple : réglage de [K filtre boucle vit.] (SFC) sur 100
•[Gain prop. vit.] (SPG) affecte la bande passante et le temps de réponse.
•[Temps integr. vit.] (SIt) affecte la vitesse excessive.
Réponse initiale Diminution de SIT Diminution de SIT
Réponse initiale Augmentation de SPG Augmentation de SPG
0 50045040035030025020015010050
0
1
0.8
0.6
0.4
0.2
Échelon de consigne
Temps en ms
0 50045040035030025020015010050
0
1
0.8
0.6
0.4
0.2
Échelon de consigne
Temps en ms
0 50045040035030025020015010050
0
1
0.8
0.6
0.4
0.2
Échelon de consigne
Temps en ms
0 50045040035030025020015010050
0
1
0.8
0.6
0.4
0.2
Échelon de consigne
Temps en ms
0 50045040035030025020015010050
0
1
0.8
0.6
0.4
0.2
Échelon de consigne
Temps en ms
0 50045040035030025020015010050
0
1
0.8
0.6
0.4
0.2
Échelon de consigne
Temps en ms

Mode de configuration (ConF)
NVE41296 04/2018 95
Il est possible d'accéder aux paramètres décrits sur cette page via les menus suivants :
Code Nom/Description Plage de réglages Réglage usine
dCF [Diviseur rampe] 0 à 10 4
g
Réduction du temps de la rampe de décélération. Voir [Diviseur rampe] (dCF), page 176.
IdC [I injection DC 1] 0,1 à 1,41 In (1) 0,64 In (1)
g
Intensité du courant de freinage par injection de courant continu activé par entrée logique ou choisi comme mode d'arrêt. Voir
[I injection DC 1] (IdC), page 177.
tdI [Temps inj. DC 1] 0,1 à 30 s 0,5 s
g
Temps maximal d'injection du courant [I injection DC 1] (IdC). Une fois ce temps dépassé, le courant d'injection devient
[I injection DC 2] (IdC2). Voir [Temps inj. DC 1] (td1), page 177.
IdC2 [I injection DC 2] 0,1 In à 1,41 In (1) 0,5 In (1)
g
Courant d'injection activé par entrée logique ou choisi comme mode d'arrêt, après écoulement du [Temps inj. DC 1] (tdI).
Voir [I injection DC 2] (IdC2), page 178.
tdC [Temps inj. DC 2] 0,1 à 30 s 0,5 s
g
Temps maximal d'injection [I injection DC 2] (IdC2) pour une injection choisie comme mode d'arrêt uniquement.
Voir [Temps inj. DC 2] (tdC), page 178.
SdC1 [I inject. DC auto 1] 0 à 1,2 In (1) 0,7 In (1)
g
AVIS
SURCHAUFFE ET ENDOMMAGEMENT DU MOTEUR
Vérifiez que le moteur connecté est correctement calibré pour le courant d'injection DC à appliquer, en termes
de quantité et de temps, afin d'éviter la surchauffe et l'endommagement du moteur.
Le non-respect de ces instructions peut provoquer des dommages matériels.
Intensité du courant d'injection DC à l'arrêt. Ce paramètre est accessible si [Injection DC auto] (AdC) est différent de [Non]
(nO).
Voir page 179.
tdC1 [Tps inj. DC auto 1] 0,1 à 30 s 0,5 s
g
AVIS
SURCHAUFFE ET ENDOMMAGEMENT DU MOTEUR
Vérifiez que le moteur connecté est correctement calibré pour le courant d'injection DC à appliquer, en termes
de quantité et de temps, afin d'éviter la surchauffe et l'endommagement du moteur.
Le non-respect de ces instructions peut provoquer des dommages matériels.
Temps d'injection à l'arrêt. Ce paramètre est accessible si [Injection DC auto] (AdC) est différent de [Non] (nO).
Si [Type cde moteur] (Ctt) page 107, est réglé sur [Mot. sync.](SYn), ce temps correspond au temps de maintien de la
vitesse nulle.
Voir page 179.
DRI- > CONF > FULL > SET-

Mode de configuration (ConF)
96 NVE41296 04/2018
Il est possible d'accéder aux paramètres décrits sur cette page via les menus suivants :
SdC2 [I inject. DC auto 2] 0 à 1,2 In (1) 0,5 In (1)
g
AVIS
SURCHAUFFE ET ENDOMMAGEMENT DU MOTEUR
Vérifiez que le moteur connecté est correctement calibré pour le courant d'injection DC à appliquer, en termes
de quantité et de temps, afin d'éviter la surchauffe et l'endommagement du moteur.
Le non-respect de ces instructions peut provoquer des dommages matériels.
2e intensité de courant d'injection DC à l'arrêt.
Ce paramètre est accessible si [Injection DC auto] (AdC) est différent de [Non] (nO).
Voir page 180.
tdC2 [Tps inj. DC auto 2] 0 à 30 s 0 s
g
AVIS
SURCHAUFFE ET ENDOMMAGEMENT DU MOTEUR
Vérifiez que le moteur connecté est correctement calibré pour le courant d'injection DC à appliquer, en termes
de quantité et de temps, afin d'éviter la surchauffe et l'endommagement du moteur.
Le non-respect de ces instructions peut provoquer des dommages matériels.
2e temps d'injection à l'arrêt.
Ce paramètre est accessible si [Injection DC auto] (AdC) est réglé sur [Oui] (YES).
Voir page 180.
SFr [Fréquence découp.] 2 à 16 kHz 4,0 kHz
AVIS
ENDOMMAGEMENT DU MOTEUR
Vérifiez que la fréquence de découpage du variateur ne dépasse pas 4 kHz si le filtre CEM est débranché pour
le fonctionnement du variateur dans un réseau IT.
Le non-respect de ces instructions peut provoquer des dommages matériels.
Réglage de la fréquence de découpage. Voir page 121.
Plage de réglages : la valeur maximale est limitée à 4 kHz si le paramètre [Lim. surtens. mot] (SUL) page 122, est configuré.
Remarque : En cas d'échauffement excessif, le variateur diminue automatiquement la fréquence de découpage et la rétablit
lorsque la température redevient normale.
CLI [Limitation courant] 0 à 1,5 In (1) 1,5 In (1)
g
AVIS
SURCHAUFFE ET ENDOMMAGEMENT DU MOTEUR
•Vérifiez que le moteur connecté est correctement calibré pour le courant maximum à appliquer au moteur.
•Tenez compte du cycle d'utilisation du moteur et de tous les facteurs de votre application, y compris des
exigences de déclassement, lors de la détermination du courant limite.
Le non-respect de ces instructions peut provoquer des dommages matériels.
Limitation du courant du moteur. Voir page 222.
Remarque : Si le réglage est inférieur à 0,25 In, le variateur peut se verrouiller en mode défaut [Perte phase moteur] (OPL)
si celui-ci est activé (voir page 261). En revanche, si ce réglage est inférieur au courant moteur à vide, le moteur ne peut pas
fonctionner.
Code Nom/Description Plage de réglages Réglage usine
DRI- > CONF > FULL > SET-

Mode de configuration (ConF)
NVE41296 04/2018 97
Il est possible d'accéder aux paramètres décrits sur cette page via les menus suivants :
CL2 [Valeur I limit. 2] 0 à 1,5 In (1) 1,5 In (1)
g
AVIS
SURCHAUFFE ET ENDOMMAGEMENT DU MOTEUR
•Vérifiez que le moteur connecté est correctement calibré pour le courant maximum à appliquer au moteur.
•Tenez compte du cycle d'utilisation du moteur et de tous les facteurs de votre application, y compris des
exigences de déclassement, lors de la détermination du courant limite.
Le non-respect de ces instructions peut provoquer des dommages matériels.
Voir page 222.
Remarque : Si le réglage est inférieur à 0,25 In, le variateur peut se verrouiller en mode défaut [Perte phase moteur] (OPL) si
celui-ci est activé (voir page 261). En revanche, si ce réglage est inférieur au courant moteur à vide, le moteur ne peut pas fonctionner.
FLU [Fluxage moteur] [Non] (FnO)
g
DANGER
RISQUE D'ÉLECTROCUTION, D'EXPLOSION OU D'ARC ÉLECTRIQUE
Lorsque [Fluxage moteur] (FLU) est réglé sur [Continu] (FCt), le fluxage est toujours actif, même si le
moteur ne marche pas.
•Vérifiez que ce réglage peut être utilisé en toute sécurité.
Le non-respect de ces instructions entraînera la mort ou des blessures graves.
AVIS
SURCHAUFFE ET ENDOMMAGEMENT DU MOTEUR
Vérifiez que le moteur connecté est correctement calibré pour le courant de flux à appliquer, afin d'éviter la
surchauffe et l'endommagement du moteur.
Le non-respect de ces instructions peut provoquer des dommages matériels.
FnC
FCt
FnO
Ce paramètre s'affiche si [Type cde moteur] (Ctt) page 107 est différent de [Mot. sync.] (SYn).
Afin d'obtenir rapidement un couple élevé au démarrage, le flux magnétique doit déjà avoir été établi dans le moteur.
En mode [Continu] (FCt), le variateur établit le flux automatiquement à sa mise sous tension.
En mode [Non continu] (FnC), le fluxage s'effectue au démarrage du moteur.
Le courant de flux est supérieur au [Courant nom. mot.] (nCr) lorsque le flux est établi, puis ajusté à la valeur du courant
magnétisant moteur. Voir page 192.
[Non continu] (FnC): mode non continu
[Continu] (FCt): mode continu. Cette option ne peut pas être sélectionnée si [Injection DC auto] (AdC) page 179 est réglé
sur [Oui] (YES) ou si [Type d'arrêt] (Stt) page 176 est réglé sur [Roue libre] (nSt).
[Non] (FnO): fonction inactive. Cette option ne peut pas être sélectionnée si [Affectation frein] (bLC) page 197 est différent
de [Non] (nO).
tLS [Temps petite vit.] 0 à 999,9 s 0 s
Temps maximal de fonctionnement en [Petite vitesse] (LSP) (voir page 89).
Après un fonctionnement en petite vitesse pendant une durée définie, l'arrêt du moteur est automatiquement requis. Le moteur
redémarre si la consigne est supérieure à la petite vitesse et si un ordre de marche existe toujours. Voir page 217.
Remarque : La valeur 0 correspond à une durée illimitée.
Remarque : Si [Temps petite vit.] (tLS) est différent de 0, le paramètre [Type d'arrêt] (Stt) page 176 est forcé à
[arrêt rampe] (rMP) (seul l'arrêt sur rampe est configurable).
JGF [Fréquence JOG] 0 à 10 Hz 10 Hz
g
Consigne en marche par impulsion. Voir page 181.
Code Nom/Description Plage de réglages Réglage usine
2s
DRI- > CONF > FULL > SET-

Mode de configuration (ConF)
98 NVE41296 04/2018
Il est possible d'accéder aux paramètres décrits sur cette page via les menus suivants :
JGt [Tempo. JOG] 0 à 2,0 s 0,5 s
g
Temporisation d'antipianotage entre 2 marches pas à pas (JOG) consécutives. Voir page 182.
Code Nom/Description Plage de réglages Réglage usine
DRI- > CONF > FULL > SET-

Mode de configuration (ConF)
NVE41296 04/2018 99
Il est possible d'accéder aux paramètres décrits sur cette page via les menus suivants :
SP2 [Vit. présélect. 2] 0 à 599 Hz 10 Hz
g
Vitesse présélectionnée 2. Voir [Vit. présélect. 2] (SP2), page 184.
SP3 [Vit. présélect. 3] 0 à 599 Hz 15 Hz
g
Vitesse présélectionnée 3. Voir [Vit. présélect. 3] (SP3), page 184.
SP4 [Vit. présélect. 4] 0 à 599 Hz 20 Hz
g
Vitesse présélectionnée 4. Voir [Vit. présélect. 4] (SP4), page 184.
SP5 [Vit. présélect. 5] 0 à 599 Hz 25 Hz
g
Vitesse présélectionnée 5. Voir [Vit. présélect. 5] (SP5), page 184.
SP6 [Vit. présélect. 6] 0 à 599 Hz 30 Hz
g
Vitesse présélectionnée 6. Voir [Vit. présélect. 6] (SP6), page 184.
SP7 [Vit. présélect. 7] 0 à 599 Hz 35 Hz
g
Vitesse présélectionnée 7. Voir [Vit. présélect. 7] (SP7), page 184.
SP8 [Vit. présélect. 8] 0 à 599 Hz 40 Hz
g
Vitesse présélectionnée 8. Voir [Vit. présélect. 8] (SP8), page 185.
SP9 [Vit. présélect. 9] 0 à 599 Hz 45 Hz
g
Vitesse présélectionnée 9. Voir [Vit. présélect. 9] (SP9), page 185.
SP10 [Vit. présélect. 10] 0 à 599 Hz 50 Hz
g
Vitesse présélectionnée 10. Voir [Vit. présélect. 10] (SP10), page 185.
SP11 [Vit. présélect. 11] 0 à 599 Hz 55 Hz
g
Vitesse présélectionnée 11. Voir [Vit. présélect. 11] (SP11), page 185.
SP12 [Vit. présélect. 12] 0 à 599 Hz 60 Hz
g
Vitesse présélectionnée 12. Voir [Vit. présélect. 12] (SP12), page 185.
Code Nom/Description Plage de réglages Réglage usine
DRI- > CONF > FULL > SET-

Mode de configuration (ConF)
100 NVE41296 04/2018
Il est possible d'accéder aux paramètres décrits sur cette page via les menus suivants :
SP13 [Vit. présélect. 13] 0 à 599 Hz 70 Hz
g
Vitesse présélectionnée 13. Voir [Vit. présélect. 13] (SP13), page 185.
SP14 [Vit. présélect. 14] 0 à 599 Hz 80 Hz
g
Vitesse présélectionnée 14. Voir [Vit. présélect. 14] (SP14), page 185.
SP15 [Vit. présélect. 15] 0 à 599 Hz 90 Hz
g
Vitesse présélectionnée 15. Voir [Vit. présélect. 15] (SP15), page 185.
SP16 [Vit. présélect. 16] 0 à 599 Hz 100 Hz
g
Vitesse présélectionnée 16. Voir [Vit. présélect. 16] (SP16), page 185.
MFr [Coeff. multiplicat.] 0 à 100 % 100 %
g
Coefficient multiplicateur. Accessible si [Réf. multiplic.] (MA2, MA3) page 172 est affecté au terminal graphique. Voir page
46.
SrP [Limit. +/- vite] 0 à 50 % 10 %
g
Limitation de la variation +/- vite. Voir page 190.
Code Nom/Description Plage de réglages Réglage usine
DRI- > CONF > FULL > SET-

Mode de configuration (ConF)
NVE41296 04/2018 101
Il est possible d'accéder aux paramètres décrits sur cette page via les menus suivants :
rPG [Gain prop. PID] 0,01 à 100 1
g
Gain proportionnel. Voir page 215.
rIG [Gain intégral PID] 0,01 à 100 1
g
Gain intégral. Voir page 215.
rdG [Gain dérivé PID] 0,00 à 100 0
g
Gain dérivé. Voir page 215.
PrP [Rampe PID] 0 à 99,9 s 0 s
g
Rampe d'accélération/de décélération du PID allant de [Réf. PID mini] (PIP1) à [Réf. PID maxi] (PIP2) et inversement.
Voir page 215.
POL [Sortie PID mini] -599 à 599 Hz 0 Hz
g
Valeur minimale de la sortie du régulateur en Hz. Voir page 215.
POH [Sortie PID maxi] 0 à 599 Hz 60 Hz
g
Valeur maximale de la sortie du régulateur en Hz. Voir page 215.
PAL [Alarme retour mini] Voir page 215 (2) 100
g
Seuil de surveillance minimum du retour du régulateur. Voir page 215.
PAH [Alarme retour maxi] Voir page 216 (2) 1 000
g
Seuil de surveillance maximum du retour du régulateur. Voir page 216.
PEr [Alarme erreur PID] 0 à 65 535 (2) 100
g
Seuil de surveillance d'erreur du régulateur. Voir page 216.
PSr [% Réf. Vitesse] 1 à 100 % 100 %
g
Coefficient multiplicateur de l'entrée vitesse prédictive. Voir page 216.
rP2 [Réf. présél. PID 2] Voir page 218 (2) 300
g
Consigne PID présélectionnée. Voir page 218.
Code Nom/Description Plage de réglages Réglage usine
DRI- > CONF > FULL > SET-

Mode de configuration (ConF)
102 NVE41296 04/2018
Il est possible d'accéder aux paramètres décrits sur cette page via les menus suivants :
rP3 [Réf. présél. PID 3] Voir page 218 (2) 600
g
Consigne PID présélectionnée. Voir page 218.
rP4 [Réf. présél. PID 4] Voir page 218 (2) 900
g
Consigne PID présélectionnée. Voir page 218.
Code Nom/Description Plage de réglages Réglage usine
DRI- > CONF > FULL > SET-

Mode de configuration (ConF)
NVE41296 04/2018 103
Il est possible d'accéder aux paramètres décrits sur cette page via les menus suivants :
Ibr [I ouv. frein montée] 0 à 1,36 In (1) 0,0 A
g
Seuil de courant de desserrage de frein pour le sens Montée ou Avant. Voir page 197.
Ird [I ouv. frein desc.] 0 à 1,36 In (1) 0,0 A
g
Seuil de courant de desserrage de frein pour le sens Descente ou Arrière. Voir page 197.
brt [Temps ouv. frein] 0 à 5,00 s 0 s
g
Temporisation de desserrage du frein. Voir page 197.
bIr [Fréq. ouvert. frein] [Auto] (AUtO)
0 à 10 Hz
[Auto] (AUtO)
g
Voir page 198.
AUtO [Auto] (AUtO): valeur nominale
bEn [Fréq. ferm. frein] [Auto] (AUtO)
0 à 10 Hz
[Auto] (AUtO)
g
Seuil de fréquence de serrage du frein. Voir page 198.
tbE [Délai ferm. frein] 0 à 5,00 s 0 s
g
Temporisation avant une demande de serrage du frein. Voir page 198.
bEt [Temps ferm. frein] 0 à 5,00 s 0 s
g
Temps de serrage du frein (temps de réponse du frein). Voir page 198.
JdC [Saut à l'inversion] [Auto] (AUtO)
0 à 10 Hz
[Auto] (AUtO)
g
Voir page 199.
AUtO [Auto] (AUtO): valeur nominale
ttr [Temps redémar.] 0,00 à 15,00 s 0,00 s
g
Temps entre la fin d'une séquence de serrage du frein et le début d'une séquence de desserrage. Voir page 199.
tLIM [Lim. couple moteur] 0 à 300 % 100 %
g
Limitation du couple en mode moteur, en % ou par incrément de 0,1 % du couple nominal selon le paramètre
[Incrément couple] (IntP), page 220.
Voir page 220.
Code Nom/Description Plage de réglages Réglage usine
DRI- > CONF > FULL > SET-

Mode de configuration (ConF)
104 NVE41296 04/2018
Il est possible d'accéder aux paramètres décrits sur cette page via les menus suivants :
tLIG [Lim. couple géné.] 0 à 300 % 100 %
g
Limitation du couple en mode générateur, en % ou par incrément de 0,1 % du couple nominal selon le paramètre
[Incrément couple] (IntP), page 220.
Voir page 220.
trH [traverse fréq. haute] 0 à 10 Hz 4 Hz
g
Traverse haute. Voir page 247.
trL [traverse freq. basse] 0 à 10 Hz 4 Hz
g
Traverse basse. Voir page 247.
qSH [Quick step high] 0 à [traverse fréq. haute] (trH)0 Hz
g
Pas élevé rapide. Voir page 247.
qSL [Quick step low] 0 à [traverse freq. basse] (trL)0 Hz
g
Pas faible rapide. Voir page 247.
Ctd [Seuil de courant] 0 à 1,5 In (1) In (1)
Seuil de courant de la fonction [Seuil I att.] (CtA) affectée à un relais ou à une sortie logique (voir page 140). Voir page 258.
ttH [Seuil couple haut] -300 % à +300 % 100 %
Seuil de couple haut de la fonction [Cpl.haut att] (ttHA) affectée à un relais ou à une sortie logique (voir page 140), en % du
couple nominal du moteur. Voir page 258.
ttL [Seuil couple bas] -300 % à +300 % 50 %
Seuil de couple bas de la fonction [Cpl. bas att.] (ttLA) affectée à un relais ou à une sortie logique (voir page 140), en % du
couple nominal du moteur. Voir page 258.
FqL [Seuil alarme pulse] 0 Hz à 20 000 kHz 0 Hz
gSeuil de vitesse mesuré par la fonction [FREQUENCE METRE] (FqF-), page 271, affectée à un relais ou à une sortie logique
(voir page 140). Voir page 258.
Ftd [Seuil de fréquence] 0,0 à 599 Hz HSP
Seuil de fréquence moteur de la fonction [S. Fréq. att.] (FtA) affectée à un relais ou à une sortie logique (voir page 140), ou
utilisé par la fonction [COMMUT. JEUX PARAM.] (MLP-), page 235. Voir page 258.
F2d [Seuil fréquence 2] 0,0 à 599 Hz HSP
Seuil de fréquence moteur de la fonction [S fréq. 2 att.] (F2A) affectée à un relais ou à une sortie logique (voir page 140), ou
utilisé par la fonction [COMMUT. JEUX PARAM.] (MLP-), page 235. Voir page 258.
FFt [Seuil arrêt roue lib.] 0,2 à 599 Hz 0,2 Hz
g
Seuil de vitesse sous lequel le moteur passe en arrêt roue libre.
Ce paramètre permet de passer d'un arrêt sur rampe ou d'un arrêt rapide à un arrêt roue libre sous un seuil de vitesse basse.
Il est accessible si [Type d'arrêt] (Stt) est réglé sur [Arrêt rapide] (FSt) ou [arrêt rampe] (rMP) et si [Affectation frein]
(bLC) et [Injection DC auto] (AdC) ne sont pas configurés. Voir page 176.
ttd [Dét. therm. mot.] 0 à 118 % 100 %
Seuil de déclenchement de l'alarme thermique moteur (sortie logique ou relais). Voir page 260.
JPF [Fréq. Occultée] 0 à 599 Hz 0 Hz
Fréquence occultée. Ce paramètre empêche tout fonctionnement prolongé dans une plage ajustable autour de la fréquence
réglée. Cette fonction permet d'éviter d'atteindre une vitesse qui entraînerait une résonance. Si elle est réglée sur 0, cette fonction
est inactive. Voir page 186.
Code Nom/Description Plage de réglages Réglage usine
DRI- > CONF > FULL > SET-

Mode de configuration (ConF)
NVE41296 04/2018 105
Il est possible d'accéder aux paramètres décrits sur cette page via les menus suivants :
JF2 [Freq. Occultée 2] 0 à 599 Hz 0 Hz
2e fréquence occultée. Ce paramètre empêche tout fonctionnement prolongé dans une plage ajustable autour de la fréquence
réglée. Cette fonction permet d'éviter d'atteindre une vitesse qui entraînerait une résonance. Si elle est réglée sur 0, cette fonction
est inactive. Voir page 186.
JF3 [Freq. Occultée 3] 0 à 599 Hz 0 Hz
3e fréquence occultée. Ce paramètre empêche tout fonctionnement prolongé dans une plage ajustable autour de la fréquence
réglée. Cette fonction permet d'éviter d'atteindre une vitesse qui entraînerait une résonance. Si elle est réglée sur 0, cette fonction
est inactive. Voir page 186.
JFH [Hystérésis Freq.Occ] 0,1 à 10 Hz 1 Hz
g
Paramètre accessible si au moins une fréquence occultée [Freq. Occultée] (JPF), [Freq. Occultée 2] (JF2) ou
[Freq. Occultée 3] (JF3) est différente de 0.
Plage de fréquences occultées : de (JPF – JFH) à (JPF + JFH) par exemple.
Ce réglage est commun aux 3 fréquences (JPF, JF2, JF3). Voir page 186.
LUn [S.couple Freq.Nom.] 20 à 100 % du
[Courant nom. mot.] (nCr)
60 %
g
Seuil de sous-charge à la fréquence nominale du moteur ([Fréq. nom. mot.] (FrS) page 88), en % du couple nominal du moteur.
Accessible uniquement si [Tps.Dét.Souscharge] (ULt) page 275, est différent de 0.
Voir page 275.
LUL [S.couple Fréq.nulle] 0 à [S.couple Freq.Nom.] (LUn)0%
g
Seuil de sous-charge à une fréquence nulle, en % du couple nominal du moteur.
Accessible uniquement si [Tps.Dét.Souscharge] (ULt) page 275, est différent de 0.
Voir page 275.
rMUd [S.Fréq.dét.s/charge] 0 à 599 Hz 0 Hz
g
Seuil de fréquence minimum de détection de sous-charge. Voir page 275.
Srb [Hystérésis Fréq. att] 0,3 à 599 Hz 0,3 Hz
g
Écart maximal entre la consigne de fréquence et la fréquence du moteur, qui définit le fonctionnement en régime établi.
Voir page 276.
FtU [T.s/charge av. red.] 0 à 6 min 0 min
g
Temps minimum autorisé entre une sous-charge détectée et un redémarrage automatique.
Pour qu'un redémarrage automatique soit possible, la valeur du paramètre [Tmax redémarrage] (tAr) page 258 doit être
supérieure d'au moins une minute à celle de ce paramètre. Voir page 276.
LOC [S.Détect.Surcharge] 70 à 150 % du [Courant nom. mot.]
(nCr)
110 %
g
Seuil de détection de surcharge en % du courant nominal du moteur [Courant nom. mot.] (nCr). Cette valeur doit être
inférieure à celle de la limitation de courant pour que cette fonction puisse être exécutée. Voir page 277.
Ce paramètre est accessible uniquement si [Tps Dét. surcharge] (tOL) est différent de 0.
Il permet de détecter une « surcharge d'application ». Il ne s'agit pas d'une surcharge thermique du moteur ou du variateur.
FtO [T.surcharge av. red.] 0 à 6 min 0 min
g
Temps minimum autorisé entre une surcharge détectée et un redémarrage automatique.
Pour qu'un redémarrage automatique soit possible, la valeur du paramètre [Tmax redémarrage] (tAr) page 258 doit être
supérieure d'au moins une minute à celle de ce paramètre. Voir page 277.
LbC [Correction charge] 0 à 599 Hz 0 Hz
g
Correction nominale en Hz. Voir [Correction charge] (LbC), page 124.
Code Nom/Description Plage de réglages Réglage usine
DRI- > CONF > FULL > SET-

Mode de configuration (ConF)
106 NVE41296 04/2018
Il est possible d'accéder aux paramètres décrits sur cette page via les menus suivants :
(1) In correspond au courant nominal du variateur indiqué dans le guide d'installation ou sur la plaque signalétique.
(2) En l'absence de terminal graphique, les valeurs supérieures à 9 999 sont indiquées sur un affichage à 4 chiffres avec
un point comme séparateur de milliers. Exemple : 15.65 pour 15 650.
FFM [Mode ventilateur] [Standard] (Std)
ou [Toujours]
(run) selon le
variateur.
Si [Mode ventilateur] (FFM) est réglé sur [Jamais] (Stp), le ventilateur du variateur est désactivé.
Pour ATV320pppppW(S), ce paramètre est forcé sur [Toujours] (run).
MISE EN GARDE
SURCHAUFFE
Vérifiez que la température ambiante ne dépasse pas 40 °C (104° F) si le ventilateur est désactivé.
Le non-respect de ces instructions peut provoquer des dommages matériels.
Std
rUn
StP
[Standard] (Std): le ventilateur démarre et s'arrête automatiquement en fonction de l'état thermique du variateur.
[Toujours] (rUn): le ventilateur est toujours activé.
[Jamais] (Stp): le ventilateur est désactivé.
SdS [Fact. échelle client] 0.1 à 200 30
Permet de visualiser une valeur proportionnelle à la fréquence de sortie [Fréquence sortie] (rFr) : la vitesse de la machine, la
vitesse moteur, etc
L'afficheur présente
[Fréq. sortie client] (SPd3) = à 2 décimales
•Si [Fact. échelle client] (SdS) y 1, [Fréq. sortie client] (SPd1) est affiché (définition possible = 0,01)
•Si 1 < [Fact. échelle client] (SdS) y 10, [Fréq. sortie client] (SPd2) est affiché (définition possible = 0,1)
•Si [Fact. échelle client] (SdS) > 10, [Fréq. sortie client] (SPd3) est affiché (définition possible = 1)
•Si [Fact. échelle client] (SdS) > 10 et [Fact. échelle client] (SdS) x [Fréquence sortie] (rFr) > 9,999:
Exemple: pour 24 223, l'afficheur présente 24,22
- Si [Fact. échelle client] (SdS) > 10 et [Fact. échelle client] (SdS) x [Fréquence sortie] (rFr) > 65.535, l'afficheur
reste verrouillé à 65,54
Exemple: Afficher la vitesse du moteur pour
moteur 4 pôles, 1 500 tr/min à 50 Hz (vitesse de synchronisme) :
[Fact. échelle client] (SdS) = 30
[Fréq. sortie client] (SPd3) = 1,500 à [Fréquence sortie] (rFr) = 50 Hz
Code Nom/Description Plage de réglages Réglage usine
[Fact. échelle client] (SdS) x [Fréquence sortie] (rFr)
1000
gCes paramètres apparaissent uniquement si la fonction correspondante a été sélectionnée dans un autre menu. Lorsqu'il est
également possible d'accéder et de régler les paramètres dans le menu de configuration pour la fonction correspondante,
leur description est détaillée dans ces menus, sur les pages indiquées, afin d'aider à la programmation.
Ce paramètre peut être modifié en cours de fonctionnement ou à l'arrêt.
Pour modifier l'affectation de ce paramètre, appuyez pendant 2 secondes sur la touche ENT.
2s
DRI- > CONF > FULL > SET-

Mode de configuration (ConF)
NVE41296 04/2018 107
Il est possible d'accéder aux paramètres décrits sur cette page via les menus suivants :
Contrôle moteur
Les paramètres du menu [CONTRÔLE MOTEUR] (drC-) peuvent être modifiés uniquement si le variateur
est arrêté et qu'aucun ordre de marche n'est exécuté. Toutefois, il y a deux exceptions :
•[Auto-réglage] (tUn) page 115, qui peut entraîner le démarrage du moteur.
•Paramètres contenant le signe dans la colonne des codes, pouvant être modifiés que le variateur
fonctionne ou soit arrêté.
Remarque : Nous conseillons d'effectuer un auto-réglage lorsque l'un des paramètres suivants est modifié.
Code Nom/Description Plage de réglages Réglage usine
FULL [FULL] (suite)
drC- [CONTRÔLE MOTEUR]
bFr [Standard fréq.mot] [50Hz IEC] (50) 50 Hz :
50
60
Ce paramètre modifie les préréglages des paramètres suivants : [Grande vitesse] (HSP) page 89, [Seuil de fréquence]
(Ftd) page 104, [Tension nom. mot.] (UnS), [Fréq. nom. mot.] (FrS) et [Fréquence maxi] (tFr).
[50Hz IEC] (50): IEC
[60Hz NEMA] (60): NEMA
tFr [Fréquence maxi.] 10 à 599 Hz 60 Hz
Le réglage usine est sur 60 Hz ou prédéfini sur 72 Hz si [Standard fréq.mot] (bFr) est sur 60 Hz.
La valeur maximale est limitée par les conditions suivantes :
Elle ne doit pas dépasser 10 fois la valeur de [Fréq. nom. mot.] (FrS).
Ctt [Type cde moteur] [Standard] (Std)
UUC
Std
Remarque : Sélectionnez une loi avant d'entrer la valeur des paramètres.
[SVC U] (UUC): contrôle vectoriel sans capteur avec boucle de vitesse interne en fonction du calcul du retour de tension. Pour
les applications exigeant de hautes performances au démarrage ou pendant la marche.
[Standard] (Std): Loi de moteur standard. Pour les applications simples qui n'exigent pas de hautes performances. Loi simple
de contrôle du moteur maintenant un rapport tension/fréquence constant, avec un réglage possible du bas de la courbe. Cette
loi est généralement utilisée pour des moteurs branchés en parallèle. Certaines applications spécifiques avec des moteurs en
parallèle et des hauts niveaux de performances peuvent nécessiter de régler ce paramètre sur [SVC U] (UUC).
Remarque : U0 correspond au résultat du calcul interne basé sur les paramètres du moteur et multiplié par UFr (%). U0 peut
être ajusté en modifiant la valeur UFr.
Tension
Fréquence
FrS
UnS
U0
DRI- > CONF > FULL > DRC-

Mode de configuration (ConF)
108 NVE41296 04/2018
Il est possible d'accéder aux paramètres décrits sur cette page via les menus suivants :
UF5
SYn
UFq
nLd
[U/F 5pts] (UF5) : loi U/F à 5 segments : comme la loi [Standard] (Std), mais permet en plus d'éviter les phénomènes de
résonance (saturation).
Remarque :
- U0 correspond au résultat du calcul interne basé sur les paramètres du moteur et multiplié par UFr (%). U0 peut
être ajusté en modifiant la valeur UFr.
- Vous devez respecter la contrainte de l’ordre F1, F2, F3, F4, F5 et FrS, sinon une erreur [Configuration
invalide] (CFI) est déclenchée.
[Mot. sync.] (SYn): pour moteurs synchrones à aimant permanent et à force électromotrice FEM sinusoïdale uniquement.
Cette option permet d'accéder aux paramètres des moteurs synchrones, mais pas à ceux des moteurs asynchrones.
[u/F quad.] (UFq): couple variable. Pour les applications de pompage et de ventilation.
[Ec.énergie] (nLd): économie d'énergie. Pour les applications qui n'exigent pas de dynamique élevée.
Code Nom/Description Plage de réglages Réglage usine
Tension
Fréquence
FrS
UnS
U5
U4
U3
U1
U2
U0
F1 F2 F3 F4 F5
FrS > F5 > F4 > F3 > F2 > F1
La loi est définie par les valeurs
des paramètres UnS, FrS, U0 à
U5 et F1 à F5.
DRI- > CONF > FULL > DRC-

Mode de configuration (ConF)
NVE41296 04/2018 109
Il est possible d'accéder aux paramètres décrits sur cette page via les menus suivants :
Paramètres des moteurs asynchrones
Code Nom/Description Plage de réglages Réglage usine
ASY- [MOTEUR ASYNCHRONE]
Accessible uniquement si [Type cde moteur] (Ctt) page 107 est différent de [Mot. sync.] (SYn).
nPr [Puissance nom. mot] Selon calibre variateur Selon calibre variateur
gCe paramètre n'est pas accessible si [Type cde moteur] (Ctt) page 107 est réglé sur [Mot. sync.] (SYn).
Puissance nominale du moteur indiquée sur la plaque signalétique, en kW si [Standard fréq.mot.] (bFr) est réglé sur [50Hz IEC]
(50) et en HP si [Standard fréq.mot.] (bFr) est réglé sur [60Hz NEMA] (60).
COS [Cosinus Phi mot.] 0,5 à 1 Selon calibre variateur
gCosinus phi nominal du moteur.
Ce paramètre est accessible si [Choix param mot] (MPC) est réglé sur [Cos mot] (COS).
UnS [Tension nom. mot.] 100 à 480 V Selon calibre variateur et
[Standard fréq.mot] (bFr)
gCe paramètre n'est pas accessible si [Type cde moteur] (Ctt) page 107 est réglé sur [Mot. sync.] (SYn).
Tension nominale du moteur indiquée sur sa plaque signalétique.
nCr [Courant nom. mot.] 0,25 à 1,5 In (1) Selon calibre variateur et
[Standard fréq. mot.] (bFr)
gCe paramètre n'est pas accessible si [Type cde moteur] (Ctt) page 107 est réglé sur [Mot. sync.] (SYn).
Courant nominal du moteur indiqué sur sa plaque d'identification.
FrS [Fréq. nom. mot.] 10 à 800 Hz 50 Hz
gCe paramètre n'est pas accessible si [Type cde moteur] (Ctt) page 107 est réglé sur [Mot. sync.] (SYn).
Fréquence nominale du moteur indiquée sur sa plaque signalétique.
Le réglage usine est sur 50 Hz ou prédéfini sur 60 Hz si [Standard fréq.mot] (bFr) est sur 60 Hz.
nSP [Vitesse nom. mot.] 0 à 65 535 tr/min Selon calibre variateur
g
Ce paramètre n'est pas accessible si [Type cde moteur] (Ctt) page 107 est réglé sur [Mot. sync.] (SYn).
0 à 9 999 tr/min, puis 10 000 à 65,53 000 tr/min sur le terminal intégré.
Si la plaque signalétique n'indique pas la vitesse nominale mais la vitesse de synchronisme et le glissement en Hz ou en %,
calculez la vitesse nominale comme suit :
Vitesse nominale = Vitesse de synchronisme x
ou
Vitesse nominale = Vitesse de synchronisme x (moteurs 50 Hz)
ou
Vitesse nominale = Vitesse de synchronisme x (moteurs 60 Hz)
100 - glissement en %
100
50 - glissement en Hz
50
60 - glissement en Hz
60
DRI- > CONF > FULL > DRC- > ASY-

Mode de configuration (ConF)
110 NVE41296 04/2018
tUn [Auto-réglage] [Non] (nO)
AVERTISSEMENT
MOUVEMENT IMPRÉVU
L'auto-réglage déplace le moteur afin de régler les boucles de régulation.
•Mettez le système en marche uniquement s'il n'y a ni personne ni obstacle dans la zone de fonctionnement.
Le non-respect de ces instructions peut entraîner la mort, des blessures graves ou des dommages
matériels.
Pendant l'auto-réglage, le moteur effectue de petits mouvements ; l'apparition de bruit et les oscillations du système sont
normales.
nO
YES
CLr
- L'auto-réglage s'effectue uniquement si aucune commande d'arrêt n'a été exécutée. Si une fonction d'arrêt en roue libre
ou d'arrêt rapide est affectée à une entrée logique, cette entrée doit être réglée sur 1 (active à 0).
- L'auto-réglage prévaut sur les ordres de marche ou de préfluxage qui seront pris en compte après la séquence d'auto-réglage.
- Si l'auto-réglage échoue, le variateur affiche [Pas d'action] (nO) et, suivant la configuration de [Gestion défaut tnF]
(tnL) page 273, peut passer en mode défaut [autoréglage] (tnF).
- L'auto-réglage peut durer 1 à 2 secondes et ne doit pas être interrompu. Attendez que l'affichage indique [Pas d'action] (nO).
Remarque : L'état thermique du moteur a une grande incidence sur le résultat du réglage. Ce réglage doit être effectué lorsque
le moteur est arrêté et froid.
Avant de recommencer un auto-réglage du moteur, attendez que celui-ci soit arrêté et froid. Réglez d'abord [Auto-réglage]
(tUn) sur [Annule tune] (CLr), puis recommencez le réglage du moteur.
Le réglage du moteur sans sélectionner préalablement [Annule tune] (CLr) permet d'évaluer l'état thermique du moteur.
Dans tous les cas, le moteur doit impérativement être arrêté avant un réglage.
La longueur des câbles a une incidence sur le résultat du réglage. Si le câblage est modifié, il convient alors de recommencer
le réglage.
[Pas d'action] (nO): aucun auto-réglage n'est en cours.
[Faire tune] (YES): l'auto-réglage est réalisé immédiatement si possible, puis ce paramètre passe automatiquement
sur [Pas d'action] (nO). Si l'état du variateur ne permet pas d'effectuer le réglage immédiatement, ce paramètre passe sur
[Non] (nO) et l'opération doit être recommencée.
[Annule tune] (CLr): les paramètres moteur mesurés par la fonction d'auto-réglage sont réinitialisés. Les valeurs par défaut
des paramètres du moteur servent à contrôler le moteur. [Etat auto-réglage] (tUS) est réglé sur [Non fait] (tAb).
tUS [Etat auto-réglage] [Non fait] (tAb)
tAb
PEnd
PrOG
FAIL
dOnE
(pour information uniquement, non modifiable)
Ce paramètre n'est pas enregistré à la mise hors tension du variateur. L'état de l'auto-réglage depuis la dernière mise sous
tension est affiché.
[Non fait] (tAb): l'auto-réglage n'est pas effectué
[En attente] (PEnd): l'auto-réglage a été demandé, mais n'a pas encore été effectué.
[En cours] (PrOG): l'auto-réglage est en cours.
[Echec] (FAIL): l'auto-réglage a échoué.
[Fait] (dOnE): les paramètres moteur mesurés par la fonction d'auto-réglage sont utilisés pour contrôler le moteur.
StUn [Auto-réglage utilisé] [Par défaut] (tAb)
tAb
MEAS
CUS
(pour information uniquement, non modifiable)
[Par défaut] (tAb): les valeurs par défaut sont utilisées pour contrôler le moteur.
[Mesure] (MEAS): les valeurs mesurées par la fonction d'auto-réglage sont utilisées pour contrôler le moteur.
[Perso.] (CUS): les valeurs réglées manuellement sont utilisées pour contrôler le moteur.
Remarque : Le réglage du moteur augmente considérablement les performances.
tUnU [Usage Auto-réglage] [Therm mot] (tM)
nO
tM
Ct
Ce paramètre indique le moyen utilisé pour modifier les paramètres du moteur en fonction de l'évaluation faite au sujet de l'état
thermique du moteur.
[Non] (nO): pas d'évaluation de l'état thermique.
[Therm mot] (tM): évaluation de l'état thermique au niveau du stator en fonction du courant nominal et du courant consommé
par le moteur.
[Tun froid] (Ct): évaluation de l'état thermique en fonction de la résistance du stator mesurée lors du premier réglage à froid
et du réglage réalisé à chaque mise sous tension.
NOTA : Un auto-réglage doit être effectué avant de régler [Usage Auto-réglage] (TUNU) sur [Tun froid] (CT) pour obtenir
les valeurs de consigne d’un réglage à froid.
Code Nom/Description Plage de réglages Réglage usine
2s
DRI- > CONF > FULL > DRC- > ASY-
Il est possible d'accéder aux paramètres décrits sur cette page via les menus suivants :

Mode de configuration (ConF)
NVE41296 04/2018 111
AUt [Auto-réglage auto] [Non] (nO)
AVERTISSEMENT
MOUVEMENT IMPRÉVU
Si cette fonction est activée, l'auto-réglage est effectué à chaque fois que le variateur est mis sous tension.
•Vérifiez que cette fonction peut être activée en toute sécurité.
Le non-respect de ces instructions entraînera la mort ou des blessures graves.
Le moteur doit être arrêté à la mise sous tension du variateur.
[Auto-réglage auto] (AUt) est forcé à [Oui] (YES) si [Usage Auto-réglage] (tUnU) est réglé sur [Tun froid] (Ct). La
valeur de la résistance du stator du moteur mesurée pendant le réglage permet d'évaluer l'état thermique du moteur à la mise
sous tension.
nO
YES
one
[Non] (nO): fonction désactivée
[Oui] (YES): un réglage est effectué automatique à chaque mise sous tension.
[Une fois] (One):Un réglage est effectué au premier ordre de marche.
FLU [Fluxage moteur] [Non] (FnO)
g
(1)
DANGER
RISQUE D'ÉLECTROCUTION, D'EXPLOSION OU D'ARC ÉLECTRIQUE
Lorsque [Fluxage moteur] (FLU) est réglé sur [Continu] (FCt), le fluxage est toujours actif, même si le
moteur ne marche pas.
•Vérifiez que ce réglage peut être utilisé en toute sécurité.
Le non-respect de ces instructions entraînera la mort ou des blessures graves.
AVIS
SURCHAUFFE ET ENDOMMAGEMENT DU MOTEUR
Vérifiez que le moteur connecté est correctement calibré pour le courant de flux à appliquer, afin d'éviter la
surchauffe et l'endommagement du moteur.
Le non-respect de ces instructions peut provoquer des dommages matériels.
FnC
FCt
FnO
Si [Type cde moteur] (Ctt) page 107 est réglé sur [Mot. sync.] (SYn), le réglage usine est remplacé par [Non continu]
(FnC).
Afin d'obtenir rapidement un couple élevé au démarrage, le flux magnétique doit déjà avoir été établi dans le moteur.
En mode [Continu] (FCt), le variateur établit le flux automatiquement à sa mise sous tension.
En mode [Non continu] (FnC), le fluxage s'effectue au démarrage du moteur.
Le courant de flux est supérieur au [Courant nom. mot.] (nCr) (courant nominal du moteur configuré) lorsque le flux est établi,
puis ajusté à la valeur du courant magnétisant moteur.
[Non continu] (FnC): mode non continu
[Continu] (FCt): mode continu. Cette option ne peut pas être sélectionnée si [Injection DC auto] (AdC) page 179 est réglé
sur [Oui] (YES) ou si [Type d'arrêt] (Stt) page 176 est réglé sur [Roue libre] (nSt).
[Non] (FnO): fonction inactive. Cette option ne peut pas être sélectionnée si [Affectation frein] (bLC) page 197 est différent
de [Non] (nO).
Si [Type cde moteur] (Ctt) page 107 est réglé sur [Mot. sync.] (SYn), le paramètre [Fluxage moteur] (FLU) entraîne
l'alignement du rotor mais pas de fluxage.
Si [Affectation frein] (bLC) page 197 est différent de [Non] (nO), le paramètre [Fluxage moteur] (FLU) n'a aucune
incidence.
Code Nom/Description Plage de réglages Réglage usine
2s
2s
DRI- > CONF > FULL > DRC- > ASY-
Il est possible d'accéder aux paramètres décrits sur cette page via les menus suivants :

Mode de configuration (ConF)
112 NVE41296 04/2018
Il est possible d'accéder aux paramètres décrits sur cette page via les menus suivants :
(1) In correspond au courant nominal du variateur indiqué dans le guide d'installation et sur la plaque signalétique.
MPC [Choix param mot] [P mot] (nPr)
g
nPr
COS
[P mot] (nPr)
[Cos mot] (COS)
Code Nom/Description Plage de réglages Réglage usine
gCes paramètres apparaissent uniquement si la fonction correspondante a été sélectionnée dans un autre menu. Lorsqu'il est
également possible d'accéder et de régler les paramètres dans le menu de configuration pour la fonction correspondante,
leur description est détaillée dans ces menus, sur les pages indiquées, afin d'aider à la programmation.
Ce paramètre peut être modifié en cours de fonctionnement ou à l'arrêt.
Pour modifier l'affectation de ce paramètre, appuyez pendant 2 secondes sur la touche ENT.
2s
DRI- > CONF > FULL > DRC- > ASY-

Mode de configuration (ConF)
NVE41296 04/2018 113
Il est possible d'accéder aux paramètres décrits sur cette page via les menus suivants :
Paramètres des moteurs asynchrones : mode Expert
(1) Sur le terminal intégré : 0 à 9 999, puis 10,00 à 65,53 (10 000 à 65 535).
Code Nom/Description Plage de réglages Réglage usine
ASY- [MOTEUR ASYNCHRONE]
rSA [Réglage R. stator.] 0 à 65 535 mOhm 0 mOhm
g
(1)
Résistance du stator à l'état froid (par enroulement), valeur modifiable.
Le réglage usine est remplacé par le résultat de l'auto-réglage, si celui-ci a été effectué.
LFA [Lfw] 0 à 655,35 mH 0 mH
gInductance de fuite à l'état froid, valeur modifiable.
Le réglage usine est remplacé par le résultat de l'auto-réglage, si celui-ci a été effectué.
IdA [Idw] 0 à 6 553,5 A 0 A
gCourant magnétisant ajusté par le client.
Le réglage usine est remplacé par le résultat de l'auto-réglage, si celui-ci a été effectué.
trA [Rég.const. tps rotor] 0 à 65 535 ms 0 ms
gConstante de temps du rotor ajusté par le client.
Le réglage usine est remplacé par le résultat de l'auto-réglage, si celui-ci a été effectué.
gCes paramètres apparaissent uniquement si la fonction correspondante a été sélectionnée dans un autre menu. Lorsqu'il est
également possible d'accéder et de régler les paramètres dans le menu de configuration pour la fonction correspondante,
leur description est détaillée dans ces menus, sur les pages indiquées, afin d'aider à la programmation.
DRI- > CONF > FULL > DRC- > SYN-

Mode de configuration (ConF)
114 NVE41296 04/2018
Paramètres des moteurs synchrones
Ces paramètres sont accessibles si [Type cde moteur] (Ctt) page 107 est réglé sur [Mot. sync.] (SYn).
Dans ce cas, les paramètres des moteurs asynchrones ne sont pas accessibles.
Une fois le variateur choisi :
1- Reportez-vous à la plaque signalétique du moteur.
2 - Effectuez le réglage.
•Effectuez un [Auto tuning] (tUn)
•Vérifiez l'état de la saillance du moteur synchrone (See page 115.)
Si le paramètre [Etat saillance mot.] (SMOt) affiche [Moyen. sail.] (MLS) ou [Fort. sail.] (HLS)
- suivez la procédure ci-dessous "3 - Améliorer le résultat du Tun"
et
- suivez la procédure ci-dessous "4 - Ajuster le paramètre PHS"
ou si [Etat saillance mot.] (SMOt) displays [Faible. sail.] (LLS)
- suivez la procédure ci-dessous "4 - Ajuster le paramètre PHS"
3 - Améliorer les résultats du réglage.
•Réglez [Max. I align PSI] (MCr) conformément au courant maximum du moteur. La valeur maximale pour
[Max. I align PSI] (MCr) est limitée par [Limitation courant] (CLI). Si vous n'avez pas d'informations,
réglez [Max. I align PSI] (MCr) sur [Auto] (AUtO) (voir page 118)
•Effectuez un deuxième (tUn) après la modification de (MCr).
4 - Ajuster le paramètre PHS.
Ajustez le paramètre [Constante FEM syn.] (PHS) de façon optimale (voir page 118.)
•Démarrez le moteur à la fréquence minimale stable disponible sur la machine (sans charge).
•Vérifiez et relevez la valeur [% erreur FEM sync] (rdAE). (voir page 119)
- Si la valeur [% erreur FEM sync] (rdAE) est inférieure à 0 %, la valeur [Constante FEM syn.]
(PHS) peut être augmentée.
- Si la valeur [% erreur FEM sync] (rdAE) est supérieure à 0 %, la valeur [Constante FEM syn.]
(PHS) peut être réduite.
La valeur [% erreur FEM sync] (rdAE) doit être proche de 0 %.
•Arrêtez le moteur pour modifier (PHS) conformément à la valeur de (rdAE) (relevée précédemment).
Conseils :
Le variateur doit être choisi de façon à avoir suffisamment de courant selon les besoins de l'application, mais
pas trop non plus pour que la mesure de courant reste suffisamment précise, notamment avec l'injection de
signal haute fréquence (voir [Activation HF inj.] (HFI) page 117).
Les performances peuvent être plus élevées sur des moteurs à forte saillance en activant la fonction d'injection
haute fréquence (voir [Activation HF inj.] (HFI) page 117).
AVIS
SURCHAUFFE ET ENDOMMAGEMENT DU MOTEUR
•Vérifiez que le moteur connecté est correctement calibré pour le courant maximum à appliquer au moteur.
•Tenez compte du cycle d'utilisation du moteur et de tous les facteurs de votre application, y compris des
exigences de déclassement, lors de la détermination du courant limite.
Le non-respect de ces instructions peut provoquer des dommages matériels.

Mode de configuration (ConF)
NVE41296 04/2018 115
Il est possible d'accéder aux paramètres décrits sur cette page via les menus suivants :
Code Nom/Description Plage de réglages Réglage usine
drC- [CONTRÔLE MOTEUR] (suite)
SYN- [MOTEUR SYNCHRONE]
nCrS [Courant nom. syn.] 0,25 à 1,5 In (1) Selon calibre variateur
gCourant nominal du moteur synchrone indiqué sur la plaque signalétique.
PPnS [Paires pôles syn.] 1 à 50 Selon calibre variateur
gNombre de paires de pôles sur le moteur synchrone.
nSPS [Vitesse nom. syn.] 0 à 48 000 tr/min Selon calibre variateur
g
(2)
Vitesse nominale du moteur indiquée sur sa plaque signalétique.
tqS [Couple Moteur] 0,1 à 6 553,5 Nm Selon calibre variateur
gCouple nominal du moteur indiqué sur sa plaque signalétique.
tUn [Auto-réglage] [Non] (nO)
AVERTISSEMENT
MOUVEMENT IMPRÉVU
L'auto-réglage déplace le moteur afin de régler les boucles de régulation.
•Mettez le système en marche uniquement s'il n'y a ni personne ni obstacle dans la zone de fonctionnement.
Le non-respect de ces instructions peut entraîner la mort, des blessures graves ou des dommages
matériels.
Pendant l'auto-réglage, le moteur effectue de petits mouvements ; l'apparition de bruit et les oscillations du système sont
normales.
nO
YES
CLr
- L'auto-réglage s'effectue uniquement si aucune commande d'arrêt n'a été exécutée. Si une fonction d'arrêt en roue libre
ou d'arrêt rapide est affectée à une entrée logique, cette entrée doit être réglée sur 1 (active à 0).
- L'auto-réglage prévaut sur les ordres de marche ou de préfluxage qui seront pris en compte après la séquence d'auto-
réglage.
- Si l'auto-réglage échoue, le variateur affiche [Pas d'action] (nO) et, suivant la configuration de [Gestion défaut tnF]
(tnL) page 273, peut passer en mode défaut [autoréglage] (tnF).
- L'auto-réglage peut durer 1 à 2 secondes et ne doit pas être interrompu. Attendez que l'affichage indique [Pas d'action]
(nO).
Remarque : L'état thermique du moteur a une grande incidence sur le résultat du réglage. Ce réglage doit être effectué lorsque
le moteur est arrêté et froid.
Avant de recommencer un auto-réglage du moteur, attendez que celui-ci soit arrêté et froid. Réglez d'abord [Auto-réglage]
(tUn) sur [Annule tune] (CLr), puis recommencez le réglage du moteur.
Le réglage du moteur sans sélectionner préalablement [Annule tune] (CLr) permet d'évaluer l'état thermique du moteur.
Dans tous les cas, le moteur doit impérativement être arrêté avant un réglage.
La longueur des câbles a une incidence sur le résultat du réglage. Si le câblage est modifié, il convient alors de recommencer
le réglage.
[Pas d'action] (nO): aucun auto-réglage n'est en cours.
[Faire tune] (YES): l'auto-réglage est réalisé immédiatement si possible, puis ce paramètre passe automatiquement
sur [Pas d'action] (nO). Si l'état du variateur ne permet pas d'effectuer le réglage immédiatement, ce paramètre passe sur
[Non] (nO) et l'opération doit être recommencée.
[Annule tune] (CLr): les paramètres moteur mesurés par la fonction d'auto-réglage sont réinitialisés. Les valeurs par défaut
des paramètres du moteur servent à contrôler le moteur. [Etat auto-réglage] (tUS) est réglé sur [Non fait] (tAb).
2s
DRI- > CONF > FULL > DRC- > SYN-

Mode de configuration (ConF)
116 NVE41296 04/2018
Il est possible d'accéder aux paramètres décrits sur cette page via les menus suivants :
tUS [Etat auto-réglage] [Non fait] (tAb)
tAb
PEnd
PrOG
FAIL
dOnE
(pour information uniquement, non modifiable)
Ce paramètre n'est pas enregistré à la mise hors tension du variateur. L'état de l'auto-réglage depuis la dernière mise sous
tension est affiché.
[Non fait] (tAb): l'auto-réglage n'est pas effectué.
[En attente] (PEnd): l'auto-réglage a été demandé, mais n'a pas encore été effectué.
[En cours] (PrOG): l'auto-réglage est en cours.
[Echec] (FAIL): l'auto-réglage a échoué.
[Fait] (dOnE): les paramètres moteur mesurés par la fonction d'auto-réglage sont utilisés pour contrôler le moteur.
StUn [Auto-réglage utilisé] [Par défaut] (tAb)
tAb
MEAS
CUS
(pour information uniquement, non modifiable)
Remarque : Le réglage du moteur augmente considérablement les performances.
[Par défaut] (tAb): les valeurs par défaut sont utilisées pour contrôler le moteur.
[Mesure] (MEAS): les valeurs mesurées par la fonction d'auto-réglage sont utilisées pour contrôler le moteur.
[Perso.] (CUS): les valeurs réglées manuellement sont utilisées pour contrôler le moteur.
tUnU [Usage Auto-réglage] [Therm mot] (tM)
nO
tM
Ct
Ce paramètre indique le moyen utilisé pour modifier les paramètres du moteur en fonction de l'évaluation faite au sujet de l'état
thermique du moteur.
[Non] (nO): pas d'évaluation de l'état thermique.
[Therm mot] (tM): évaluation de l'état thermique au niveau du stator en fonction du courant nominal et du courant consommé
par le moteur.
[Tun froid] (Ct): évaluation de l'état thermique en fonction de la résistance du stator mesurée lors du premier réglage à froid
et du réglage réalisé à chaque mise sous tension.
NOTA : Un auto-réglage doit être effectué avant de régler [Usage Auto-réglage] (TUNU) sur [Tun froid] (CT) pour obtenir
les valeurs de consigne d’un réglage à froid.
AUt [Auto-réglage auto] [Non] (nO)
AVERTISSEMENT
MOUVEMENT IMPRÉVU
Si cette fonction est activée, l'auto-réglage est effectué à chaque fois que le variateur est mis sous tension.
•Vérifiez que cette fonction peut être activée en toute sécurité.
Le non-respect de ces instructions entraînera la mort ou des blessures graves.
Le moteur doit être arrêté à la mise sous tension du variateur.
[Auto-réglage auto] (AUt) est forcé à [Oui] (YES) si [Usage Auto-réglage] (tUnU) est réglé sur [Tun froid] (Ct). La
valeur de la résistance du stator du moteur mesurée pendant le réglage permet d'évaluer l'état thermique du moteur à la mise
sous tension.
nO
YES
One
[Non] (nO): fonction désactivée
[Oui] (YES): un réglage est effectué automatique à chaque mise sous tension.
[Une fois] (One):Un réglage est effectué au premier ordre de marche.
SMOt [Etat saillance mot.]
g
(pour information uniquement, non modifiable)
Information sur la saillance du moteur synchrone.
Ce paramètre est accessible si [Auto-réglage utilisé] (StUN) est réglé sur [Mesure] (MEAS).
Remarque : Avec un moteur à faible saillance, il conseillé de choisir la loi de contrôle standard.
nO
LLS
MLS
HLS
[Non] (nO): réglage non effectué
[Faible. sail.] (LLS): faible saillance (configuration recommandée : [Type d'angle test] (ASt) = [PSI align.] (PSI) ou
[PSIO align.] (PSIO) et [Activation HF inj.] (HFI) = [Non] (nO)).
[Moyen. sail.] (MLS): saillance moyenne ([Type d'angle test] (ASt) = [Align. SPM] (SPMA) possible.
[Activation HF inj.] (HFI) = [Oui] (YES) peut fonctionner.
[Fort. sail.] (HLS): forte saillance ([Type d'angle test] (ASt) = [Align. IPM] (IPMA) possible. [Activation HF inj.] (HFI)
= [Oui] (YES) possible.
Code Nom/Description Plage de réglages Réglage usine
2s
DRI- > CONF > FULL > DRC- > SYN-

Mode de configuration (ConF)
NVE41296 04/2018 117
Il est possible d'accéder aux paramètres décrits sur cette page via les menus suivants :
(1) In correspond au courant nominal du variateur indiqué dans le guide d'installation et sur la plaque signalétique.
(2) Sur le terminal intégré : 0 à 9 999, puis 10,00 à 65,53 (10 000 à 65 536).
ASt [Type d'angle test] [PSIO align.] (PSIO)
g
Mode de mesure de l'angle de déphasage. Accessible uniquement si [Type cde moteur] (Ctt) est réglé sur [Mot. sync.]
(SYn).
[PSI align.] (PSI) et [PSIO align.] (PSIO) peuvent être utilisés avec tous les types de moteurs synchrones. [Align. SPM]
(SPMA) et [Align. IPM] (IPMA) augmentent les performances selon le type de moteur synchrone.
IPMA
SPMA
PSI
PSIO
nO
[Align. IPM] (IPMA): Alignement du moteur IPM. Mode d'alignement pour moteur à aimant permanent enterré (ce type de
moteur présente généralement une forte saillance). Il utilise l'injection haute fréquence qui est moins bruyante que le mode
d'alignement standard.
[Align. SPM] (SPMA): Alignement du moteur SPM. Mode pour moteur à aimant permanent en surface (ce type de moteur
présente généralement une moyenne ou faible saillance). Il utilise l'injection haute fréquence qui est moins bruyante que le mode
d'alignement standard.
[PSI align.] (PSI): injection de signal d'impulsion. Mode d'alignement standard par injection de signal d'impulsion.
[PSIO align.] (PSIO): injection de signal d'impulsion - optimisé. Mode d'alignement optimisé standard par injection de signal
d'impulsion. La mesure de déphasage est moins longue après le premier ordre de marche ou un réglage, même si le variateur
a été arrêté.
[Pas d'align.] (nO): pas d'alignement
HFI [Activation HF inj.] [Non] (nO)
g
Activation de l'injection de signal haute fréquence en MARCHE. Cette fonction permet d'évaluer la vitesse du moteur afin d'avoir
du couple à faible vitesse sans retour de vitesse.
Remarque : Plus la saillance est élevée, plus la fonction [Activation HF inj.] (HFI) est efficace.
Afin d'assurer les performances, il peut être nécessaire d'ajuster les paramètres de la boucle de vitesse ([K filtre boucle vit.]
(SFC), [Temps integr. vit.] (SIt) et [Gain prop. vit.] (SPG) (voir page 120), et la boucle à verrouillage de phase pour
l'évaluation de la vitesse (paramètres Expert [Bande pass. pll HF] (SPb) et [Amortiss. pll HF] (SPF) (voir page 118).
L'injection haute fréquence n'est pas efficace avec des moteurs à faible saillance (voir [Etat saillance mot.] (SMOt) page 116).
Il est conseillé d'avoir une fréquence PWM de 4 kHz ([Fréquence découp.] (SFr)).
En cas d'instabilité à vide, il est conseillé de diminuer les valeurs des paramètres [Gain prop. vit.] (SPG) et [Bande pass. pll HF]
(SPb). Ajustez ensuite les paramètres de la boucle de vitesse afin d'obtenir le comportement dynamique et les gains PLL, et
évaluer ainsi correctement la vitesse à faible régime.
En cas d'instabilité en charge, cela peut aider à augmenter la valeur du paramètre [Comp. erreur angle] (PEC) (notamment
pour un moteur SPM).
nO
YES
[Non] (nO): fonction désactivée
[Oui] (YES): l'injection haute fréquence est utilisée pour l'évaluation de la vitesse.
Code Nom/Description Plage de réglages Réglage usine
gCes paramètres apparaissent uniquement si la fonction correspondante a été sélectionnée dans un autre menu. Lorsqu'il est
également possible d'accéder et de régler les paramètres dans le menu de configuration pour la fonction correspondante,
leur description est détaillée dans ces menus, sur les pages indiquées, afin d'aider à la programmation.
Ce paramètre peut être modifié en cours de fonctionnement ou à l'arrêt.
Pour modifier l'affectation de ce paramètre, appuyez pendant 2 secondes sur la touche ENT.
2s
DRI- > CONF > FULL > DRC- > SYN-

Mode de configuration (ConF)
118 NVE41296 04/2018
Il est possible d'accéder aux paramètres décrits sur cette page via les menus suivants :
Moteur synchrone : mode Expert
Code Nom/Description Plage de réglages Réglage usine
SYN- [MOTEUR SYNCHRONE]
rSAS [Résist. stator syn.] 0 à 65 535 mOhm 0 mOhm
g
(1)
Résistance du stator à l'état froid (par enroulement). Le réglage usine est remplacé par le résultat de l'auto-réglage, si celui-ci a
été effectué.
La valeur peut être entrée par l'utilisateur, si celui-ci la connaît.
LdS [Inductance axe d] 0 à 655,35 mH 0 mH
gInductance du stator sur l'axe d en mH (par phase).
Sur les moteurs à pôles lisses [Inductance axe d] (LdS) = [Inductance axe q] (LqS) = Inductance du stator L.
Le réglage usine est remplacé par le résultat de l'auto-réglage, si celui-ci a été effectué.
LqS [Inductance axe q] 0 à 655,35 mH 0 mH
gInductance du stator sur l'axe q en mH (par phase).
Sur les moteurs à pôles lisses [Inductance axe d] (LdS) = [Inductance axe q] (LqS) = Inductance du stator L.
Le réglage usine est remplacé par le résultat de l'auto-réglage, si celui-ci a été effectué.
PHS [Constante FEM syn.] 0 à 6 553,5 mV / tr/min 0 mV / tr/min
g
(1)
Constante FEM du moteur synchrone en mV par tr/min (tension de crête par phase).
L'ajustement du paramètre PHS permet de réduire le courant lors du fonctionnement sans charge.
FrSS [Fréq. nom. syn.] 10 à 800 Hz nSPS * PPnS / 60
g
Fréquence nominale du moteur synchrone en Hz. Ce paramètre est mis à jour automatiquement selon les données de
[Vitesse nom. syn.] (nSPS) et [Paires pôles syn.] (PPnS).
SPb [Bande pass. pll HF] 0 à 100 Hz 25 Hz
gBande passante de la boucle à verrouillage de phase (PLL) pour la fréquence du stator.
SPF [Amortiss. pll HF] 0 à 200 % 100 %
gFacteur d'amortissement de la boucle à verrouillage de phase (PLL) pour la fréquence du stator.
PEC [Comp. erreur angle] 0 à 500 % 0 %
gCompensation d'erreur de la position d'angle en mode haute fréquence.
Ce paramètre augmente les performances à faible vitesse en mode générateur et en mode moteur, notamment pour les moteurs
SPM.
AUtO [Auto] (AUtO): le variateur récupère une valeur égale au glissement nominal du moteur, calculée en fonction des paramètres
du variateur.
FrI [Fréq. injection HF] 250 à 1 000 Hz 500 Hz
gFréquence du signal haute fréquence injecté. Ce paramètre a une incidence sur le bruit pendant la mesure de déphasage ainsi
que sur la précision de l'évaluation de la vitesse.
HIr [Niveau courant HF] 0 à 200 % 25 %
gRapport du niveau de courant du signal haute fréquence injecté. Ce paramètre a une incidence sur le bruit pendant la mesure
de déphasage ainsi que sur la précision de l'évaluation de la vitesse.
MCr [Max. I align PSI] [Auto] (AUtO) jusqu'à
300 %
[Auto] (AUtO)
g
Niveau de courant en % de [Courant nom. syn.] (nCrS) pour les modes de mesure de déphasage [PSI align.] (PSI)
et[PSIO align.] (PSIO). Ce paramètre a une incidence sur la mesure d'inductance. [Max. I align PSI] (MCr) est utilisé pour
le réglage.
Ce courant doit être supérieur ou égal au niveau de courant maximal de l'application sous peine d'entraîner une instabilité.
Si [Max. I align PSI] (MCr) est réglé sur [Auto] (AUtO), [Max. I align PSI] (MCr) = 150 % de [Courant nom. syn.]
(nCrS) pendant le réglage et 100 % de [Courant nom. syn.] (nCrS) pendant la mesure de déphasage en cas d'alignement
standard ([PSI align.] (PSI) ou [PSIO align.] (PSIO)).
ILr [Niveau inject. align.] 0 à 200 % 50 %
gNiveau de courant en % de [Courant nom. syn.] (nCrS) pour la mesure de déphasage haute fréquence type IPMA.
DRI- > CONF > FULL > DRC- > SYN-

Mode de configuration (ConF)
NVE41296 04/2018 119
Il est possible d'accéder aux paramètres décrits sur cette page via les menus suivants :
(1) Sur le terminal intégré : 0 à 9 999, puis 10,00 à 65,53 (10 000 à 65 536).
SIr [Niveau boost align.] 0 à 200 % 100 %
gNiveau de courant en % de [Courant nom. syn.] (nCrS) pour la mesure de déphasage haute fréquence type SPMA.
rdAE [% erreur FEM sync] -3276.7 à 3275.8 % -
Rapport du courant de l'axe D
Utilisez le paramètre rdAE pour ajuster [Constante FEM syn.] (PHS). Le paramètre doit être proche de 0.
Si la valeur [% erreur FEM sync] (rdAE) est inférieure à 0 %, la valeur [Constante FEM syn.] (PHS) peut être augmentée.
Si la valeur [% erreur FEM sync] (rdAE) est supérieure à 0 %, la valeur [Constante FEM syn.] (PHS) peut être réduite.
Code Nom/Description Plage de réglages Réglage usine
gCes paramètres apparaissent uniquement si la fonction correspondante a été sélectionnée dans un autre menu. Lorsqu'il est
également possible d'accéder et de régler les paramètres dans le menu de configuration pour la fonction correspondante,
leur description est détaillée dans ces menus, sur les pages indiquées, afin d'aider à la programmation.
Ce paramètre peut être modifié en cours de fonctionnement ou à l'arrêt.
DRI- > CONF > FULL > DRC- > SYN-

Mode de configuration (ConF)
120 NVE41296 04/2018
Il est possible d'accéder aux paramètres décrits sur cette page via les menus suivants :
Code Nom/Description Plage de réglages Réglage usine
drC- [CONTRÔLE MOTEUR] (suite)
SPG [Gain prop. vit.] 0 à 1 000 % 40 %
g
Gain proportionnel de la boucle de vitesse.
Accessible si [Type cde moteur] (Ctt) est différent de [Standard] (Std), [U/F 5pts] (UFS) ou [u/F quad.] (UFq).
SPGU [Inertie comp. U/F] 0 à 1 000 % 40 %
g
Facteur d'inertie pour les lois de contrôle moteur suivantes.
Accessible si [Type cde moteur] (Ctt) est différent de [Standard] (Std), [U/F 5pts] (UFS) ou [u/F quad.] (UFq).
SIt [Temps integr. vit.] 1 à 65 535 ms 63 ms
g
Constante de temps de l'intégral de la boucle de vitesse.
Accessible si [Type cde moteur] (Ctt) est différent de [Standard] (Std), [U/F 5pts] (UFS) ou [u/F quad.] (UFq).
SFC [K filtre boucle vit.] 0 à 100 65
g
Coefficient de filtrage de la boucle de vitesse (0(IP) à 100(PI)).
FFH [Tmp filtre vit. est.] 0 à 100 ms 6,4 ms
gAccessible en mode Expert uniquement.
Fréquence pour filtrer la vitesse estimée.
CrtF [Tmp filtre cour. ref.] 0 à 100 ms 3,2 ms
gAccessible en mode Expert uniquement.
Temps du filtre de la consigne de courant [de la loi de contrôle (si [Non] (nO): fréquence naturelle du stator)].
UFr [Compensation RI] 0 à 200 % 100 %
Utilisée pour optimiser le couple à une vitesse très faible, ou pour s'adapter à des cas particuliers (par exemple : pour des
moteurs branchés en parallèle, diminuez la valeur de [Compensation RI] (UFr)). Si le couple est insuffisant à faible vitesse,
augmentez la valeur de [Compensation RI] (UFr). Une valeur trop élevée peut empêcher le moteur de démarrer
(verrouillage) ou modifier le mode de limitation du courant.
SLP [Comp. glissement] 0 à 300 % 100 %
g
Ce paramètre n'est pas accessible si [Type cde moteur] (Ctt) est réglé sur [Mot. sync.] (SYn).
Ce paramètre est enregistré à 0 % lorsque [Type cde moteur] (Ctt) est réglé sur [u/F quad.] (UFq).
Il ajuste la compensation de glissement sur la vitesse nominale du moteur.
Les vitesses indiquées sur les plaques signalétiques ne sont pas nécessairement optimales.
Si le réglage de glissement est inférieur au glissement réel : le moteur ne tourne pas à la bonne vitesse en régime établi mais à
une vitesse inférieure à la vitesse de consigne.
Si le réglage de glissement est supérieur au glissement réel : le moteur est surcompensé et la vitesse n'est pas stable.
U1 [U1] 0 à 800 V selon le calibre 0 V
gRéglage du profil U/F.
Ce paramètre est accessible si [Type cde moteur] (Ctt) est réglé sur [U/F 5pts] (UF5).
F1 [F1] 0 à 599 Hz 0 Hz
gRéglage du profil U/F.
Ce paramètre est accessible si [Type cde moteur] (Ctt) est réglé sur [U/F 5pts] (UF5).
U2 [U2] 0 à 800 V selon le calibre 0 V
gRéglage du profil U/F.
Ce paramètre est accessible si [Type cde moteur] (Ctt) est réglé sur [U/F 5pts] (UF5).
F2 [F2] 0 à 599 Hz 0 Hz
gRéglage du profil U/F.
Ce paramètre est accessible si [Type cde moteur] (Ctt) est réglé sur [U/F 5pts] (UF5).
DRI- > CONF > FULL > DRC-

Mode de configuration (ConF)
NVE41296 04/2018 121
Il est possible d'accéder aux paramètres décrits sur cette page via les menus suivants :
U3 [U3] 0 à 800 V selon le calibre 0 V
gRéglage du profil U/F.
Ce paramètre est accessible si [Type cde moteur] (Ctt) est réglé sur [U/F 5pts] (UF5).
F3 [F3] 0 à 599 Hz 0 Hz
gRéglage du profil U/F.
Ce paramètre est accessible si [Type cde moteur](Ctt) est réglé sur [U/F 5pts] (UF5).
U4 [U4] 0 à 800 V selon le calibre 0 V
gRéglage du profil U/F.
Ce paramètre est accessible si [Type cde moteur] (Ctt) est réglé sur [U/F 5pts] (UF5).
F4 [F4] 0 à 599 Hz 0 Hz
gRéglage du profil U/F.
Ce paramètre est accessible si [Type cde moteur] (Ctt) est réglé sur [U/F 5pts] (UF5).
U5 [U5] 0 à 800 V selon le calibre 0 V
gRéglage du profil U/F.
Ce paramètre est accessible si [Type cde moteur](Ctt) est réglé sur [U/F 5pts] (UF5).
F5 [F5] 0 à 599 Hz 0 Hz
gRéglage du profil U/F.
Ce paramètre est accessible si [Type cde moteur] (Ctt) est réglé sur [U/F 5pts] (UF5).
CLI [Limitation courant] 0 à 1,5 In (1) 1,5 In (1)
g
AVIS
SURCHAUFFE ET ENDOMMAGEMENT DU MOTEUR
•Vérifiez que le moteur connecté est correctement calibré pour le courant maximum à appliquer au moteur.
•Tenez compte du cycle d'utilisation du moteur et de tous les facteurs de votre application, y compris des
exigences de déclassement, lors de la détermination du courant limite.
Le non-respect de ces instructions peut provoquer des dommages matériels.
Première limitation de courant.
Remarque : Si le réglage est inférieur à 0,25 In, le variateur peut se verrouiller en mode défaut [Perte phase moteur] (OPL)
si celui-ci est activé (voir page 261). En revanche, si ce réglage est inférieur au courant moteur à vide, le moteur ne peut pas
fonctionner.
SFt [Type découpage] [SFR type 1] (HF1)
HF1
HF2
La fréquence de découpage du moteur est modifiée (réduite) lorsque la température interne du variateur est trop élevée.
[SFR type 1] (HF1): optimisation de chauffage
Permet au système d'adapter la fréquence de découpage selon la fréquence du moteur.
[SFR type 2] (HF2): optimisation du niveau de bruit du moteur (pour une fréquence de découpage élevée)
Permet au système de conserver une fréquence de découpage choisie constante [Fréquence découp.] (SFr) quelle que soit
la fréquence du moteur [Fréquence sortie] (rFr).
En cas de surchauffe, le variateur diminue automatiquement la fréquence de découpage.
Il revient à sa valeur d'origine lorsque la température revient à la normale.
SFr
[Fréquence découp.] 2 à 16 kHz 4 kHz
AVIS
ENDOMMAGEMENT DU MOTEUR
Vérifiez que la fréquence de découpage du variateur ne dépasse pas 4 kHz si le filtre CEM est débranché pour
le fonctionnement du variateur dans un réseau IT.
Le non-respect de ces instructions peut provoquer des dommages matériels.
Réglage de la fréquence de découpage.
Plage de réglages : la valeur maximale est limitée à 4 kHz si le paramètre [Lim. surtens. mot] (SUL) page 122, est configuré.
Remarque : En cas d'échauffement excessif, le variateur diminue automatiquement la fréquence de découpage et la rétablit
lorsque la température redevient normale.
Avec un moteur grande vitesse, il est conseillé d'augmenter la [Fréquence découp.] (SFr) à 8, 12 ou 16 kHz.
Code Nom/Description Plage de réglages Réglage usine
DRI- > CONF > FULL > DRC-

Mode de configuration (ConF)
122 NVE41296 04/2018
nrd [Réduction bruit] [Non] (nO)
nO
YES
La modulation de fréquence aléatoire empêche toute résonance pouvant survenir à une fréquence fixe.
[Non] (nO): Fréquence fixe
[Oui] (YES): fréquence avec modulation aléatoire
bOA [Activation boost] [Dynamique] (dYnA)
nO
dYnA
StAt
[Inactif] (nO): pas de boost
[Dynamique] (dYnA): boost dynamique
[Statique] (StAt): boost statique
bOO [Boost] -100 à 100 % 0%
g
Ce paramètre est accessible si [Activation boost] (bOA) est différent de [Non] (nO).
Ajustement du courant magnétisant du moteur à faible vitesse, en % du courant magnétisant nominal. Ce paramètre sert à
augmenter ou réduire le temps d'établissement du couple. Il permet d'effectuer un ajustement progressif jusqu'à la fréquence
réglée par [Action Boost] (FAb). Les valeurs négatives s'appliquent notamment aux moteurs à rotor conique.
FAb [Action Boost] 0 à 599 Hz 0 Hz
gCe paramètre est accessible si [Activation boost] (bOA) est différent de [Non] (nO).
Fréquence au-dessus de laquelle le courant magnétisant n'est plus affecté par le [Boost] (bOO).
SUL [Lim. surtens. mot] [Non] (nO)
nO
YES
Cette fonction limite les surtensions moteur et est utile dans les applications suivantes :
- Moteurs NEMA
- Moteurs japonais
- Moteurs à axe
- Moteurs rebobinés
Ce paramètre peut rester réglé sur [Non] (nO) pour les moteurs 230/400 V utilisés à 230 V, ou si la longueur de câble entre le
variateur et le moteur n'excède pas :
- 4 m avec des câbles non blindés
- 10 m avec des câbles blindés
Remarque : Lorsque [Lim. surtens. mot] (SUL) est réglé sur [Oui](YES), la fréquence de découpage maximale [Fréquence
découp.] (SFr) est modifiée, voir page 122.
[Non] (nO): fonction inactive
[Oui] (YES): fonction active
SOP [Optim. lim surtens] 10 μs
gParamètre d'optimisation pour les surtensions transitoires au niveau des bornes du moteur. Ce paramètre est accessible si
[Lim. surtens. mot] (SUL) est réglé sur [Oui] (YES).
6
8
10
Réglez sur 6, 8 ou 10 μs selon le tableau ci-après.
Remarque : Ce paramètre est utile avec les variateurs ATV320pppN4.
Code Nom/Description Plage de réglages Réglage usine
0
Courant magnétisant
[Boost] (bOO) positif
[Boost] (bOO) négatif
[Action Boost] (FAb)
Courant magnétisant
Fréquence
gCes paramètres apparaissent uniquement si la fonction correspondante a été sélectionnée dans un autre menu. Lorsqu'il est
également possible d'accéder et de régler les paramètres dans le menu de configuration pour la fonction correspondante,
leur description est détaillée dans ces menus, sur les pages indiquées, afin d'aider à la programmation.
Ce paramètre peut être modifié en cours de fonctionnement ou à l'arrêt.
Il est possible d'accéder aux paramètres décrits sur cette page via les menus suivants : DRI- > CONF > FULL > DRC-

Mode de configuration (ConF)
NVE41296 04/2018 123
La valeur du paramètre [Optim. lim surtens] (SOP) correspond au temps d'atténuation du câble utilisé. Elle
sert à empêcher la superposition de réflexions d'ondes de tension dues à de grandes longueurs de câbles.
Elle limite les surtensions à deux fois la tension nominale du bus DC.
Le tableau ci-après fournit des exemples de correspondance du paramètre [Optim. lim surtens] (SOP)
avec la longueur de câble entre le variateur et le moteur. Pour des longueurs de câble supérieures, il est
nécessaire d'utiliser une sortie du filtre ou un filtre de protection dv/dt.
Dans le cas de moteurs en parallèle, il convient de prendre en compte le total de toutes les longueurs de
câbles. D'après le tableau ci-dessous, comparez la longueur associée à la puissance d'un moteur à celle
correspondant à la puissance totale, puis choisissez la longueur la plus petite
Exemple : 2 moteurs 7,5 kW (10 HP)
Prenez la longueur indiquée pour un moteur 15 kW (20 HP), laquelle est inférieure à la longueur d'un moteur
7,5 kW (10 HP), puis divisez-la par le nombre de moteurs pour obtenir la longueur par moteur (avec un câble
GORSE non blindé et une valeur SOP = 6, vous obtenez 40/2 = 20 m maximum pour chaque moteur 7,5 kW
(10 HP)).
Dans certains cas particuliers (avec différents types de câbles, différentes puissances moteur en parallèle,
différentes longueurs de câbles en parallèle, etc.), nous recommandons d'utiliser un oscilloscope pour vérifier
les valeurs de surtension au niveau des bornes du moteur.
Pour maintenir les performances globales du variateur, n'augmentez pas la valeur SOP inutilement.
Tableau de correspondance entre le paramètre SOP et la longueur de câble pour une alimentation réseau de 400 V
Pour des moteurs 230/400 V utilisés à 230 V, le paramètre [Lim. surtens. mot] (SUL) peut rester réglé sur
[Non] (nO).
Altivar 320 Moteur Section de
câble (min)
Longueur de câble maximale en mètres
Consigne Puissance Câble GORSE non blindé
Type H07 RN-F 4Gxx
Câble GORSE blindé
Type GVCSTV-LS/LH
Câble BELDEN blindé
Type 2950x
kW HP en mm² AWG SOP = 10 SOP = 8 SOP = 6 SOP = 10 SOP = 8 SOP = 6 SOP = 10 SOP = 8 SOP = 6
ATV320U04N4p0,37 0,50 1,5 14 100 m 70 m 45 m 105 m 85 m 65 m 50 m 40 m 30 m
ATV320U06N4p 0,55 0,75 1,5 14 100 m 70 m 45 m 105 m 85 m 65 m 50 m 40 m 30 m
ATV320U07N4p 0,75 1 1,5 14 100 m 70 m 45 m 105 m 85 m 65 m 50 m 40 m 30 m
ATV320U11N4p 1,1 1,5 1,5 14 100 m 70 m 45 m 105 m 85 m 65 m 50 m 40 m 30 m
ATV320U15N4p 1,5 2 1,5 14 100 m 70 m 45 m 105 m 85 m 65 m 50 m 40 m 30 m
ATV320U22N4p 2,2 3 1,5 14 110 m 65 m 45 m 105 m 85 m 65 m 50 m 40 m 30 m
ATV320U30N4p3- 1,5 14 110 m 65 m 45 m 105 m 85 m 65 m 50 m 40 m 30 m
ATV320U40N4p452,5 12 110 m 65 m 45 m 105 m 85 m 65 m 50 m 40 m 30 m
ATV320U55N4p5,5 7,5 410 120 m 65 m 45 m 105 m 85 m 65 m 50 m 40 m 30 m
ATV320U75N4p7,5 10 68120m65m45m105 m 85 m 65 m 50 m 40 m 30 m
ATV320D11N4p11 15 10 8115m60m45m100 m 75 m 55 m 50 m 40 m 30 m
ATV320D15N4p15 20 16 6105m60m40m100 m 70 m 50 m 50 m 40 m 30 m

Mode de configuration (ConF)
124 NVE41296 04/2018
Code Nom/Description Plage de réglages Réglage usine
Ubr [Seuil freinage] 335 à 995 V Selon tension nominale
variateur
Niveau de commande du transistor de freinage (Voir [Seuil freinage] (ubr) page 252).
LbA [Equilibrage charge] [Non] (nO)
gLorsque 2 moteurs sont liés mécaniquement, qu'ils fonctionnent donc à la même vitesse et que chacun d'eux est contrôlé par
un variateur, cette fonction permet de mieux répartir le couple entre les deux moteurs. Pour cela, elle donne une variation de
vitesse en fonction du couple.
Ce paramètre est accessible uniquement si [Type cde moteur] (Ctt) page 107, est réglé sur [SVC U] (UUC).
nO
YES
[Non] (nO): fonction inactive
[Oui] (YES): fonction active
LbC [Correction charge] 0 à 599 Hz 0 Hz
g
Correction nominale en Hz.
Ce paramètre est accessible si [Equilibrage charge] (LbA) est réglé sur [Oui] (YES).
gCes paramètres apparaissent uniquement si la fonction correspondante a été sélectionnée dans un autre menu. Lorsqu'il est
également possible d'accéder et de régler les paramètres dans le menu de configuration pour la fonction correspondante,
leur description est détaillée dans ces menus, sur les pages indiquées, afin d'aider à la programmation.
Ce paramètre peut être modifié en cours de fonctionnement ou à l'arrêt.
LbC
LbC
Couple
Couple nominal
Couple nominal
Fréquence
0
Il est possible d'accéder aux paramètres décrits sur cette page via les menus suivants : DRI- > CONF > FULL > DRC-

Mode de configuration (ConF)
NVE41296 04/2018 125
Équilibrage de charge, paramètres accessibles en mode Expert
Principe :
Le facteur d'équilibrage de charge K dépend du couple et de la vitesse, avec deux facteurs K1 et K2 (K = K1 x K2).
+
-
Consigne
Vitesse
Rampe Boucle de vitesse
Équilibrage
KFiltre
Consigne de couple
LBC
LBC1
LBC2
LBC3
LBF
K1
Vitesse
LBC1 LBC2
1
K2
Couple
LBC3
LBC3 Couple
nominal x (1 + LBC3)
LBC
LBC

Mode de configuration (ConF)
126 NVE41296 04/2018
Code Nom/Description Plage de réglages Réglage usine
LbC1 [Correction basse] 0 à 598,9 Hz 0 Hz
g
Ce paramètre est accessible si [Equilibrage charge] (LbA) est réglé sur [Oui] (YES).
Vitesse minimale pour la correction de charge en Hz. En dessous de ce seuil, aucune correction n'est appliquée. Ce paramètre
est utilisé pour annuler la correction à très basse vitesse si elle gêne la rotation du moteur.
LbC2 [Correction haute] [Correction basse]
(LbC1) + 0,1 à 599 Hz
0,1 Hz
g
Ce paramètre est accessible si [Equilibrage charge] (LbA) est réglé sur [Oui] (YES).
Seuil de vitesse en Hz au-delà duquel la correction de charge maximale est appliquée.
LbC3 [Offset sur couple] 0 à 300 % 0 %
g
Ce paramètre est accessible si [Equilibrage charge] (LbA) est réglé sur [Oui] (YES).
Couple minimal pour la correction de charge en % du couple nominal. En dessous de ce seuil, aucune correction n'est appliquée.
Ce paramètre permet d'éviter des instabilités lorsque le sens du couple est changeant.
LbF [Filtre équilibrage] 0 à 20 s 100 ms
g
Ce paramètre est accessible si [Equilibrage charge] (LbA) est réglé sur [Oui] (YES).
Constante de temps (filtre) pour la correction en ms. Ce paramètre est utilisé en cas d'accouplement mécanique élastique afin
d'éviter les instabilités.
gCes paramètres apparaissent uniquement si la fonction correspondante a été sélectionnée dans un autre menu. Lorsqu'il est
également possible d'accéder et de régler les paramètres dans le menu de configuration pour la fonction correspondante,
leur description est détaillée dans ces menus, sur les pages indiquées, afin d'aider à la programmation.
Ce paramètre peut être modifié en cours de fonctionnement ou à l'arrêt.
Il est possible d'accéder aux paramètres décrits sur cette page via les menus suivants : DRI- > CONF > FULL > DRC-

Mode de configuration (ConF)
NVE41296 04/2018 127
Il est possible d'accéder aux paramètres décrits sur cette page via les menus suivants :
Entrées / sorties
Les paramètres du menu [ENTREES / SORTIES] (I_O-) peuvent être modifiés uniquement si le variateur
est arrêté et qu'aucun ordre de marche n'est exécuté.
Code Nom/Description Plage de réglages Réglage usine
FULL [FULL] (suite)
I_O- [ENTRÉES / SORTIES]
tCC [Cde 2 fils/3 fils] [Cde 2 fils] (2C)
AVERTISSEMENT
FONCTIONNEMENT INNATENDU DE L'APPAREIL
Lorsque ce paramètre est modifié, les paramètres [Aff. sens arrière] (rrS) et [Type cde 2 fils] (tCt) ainsi
que les affectations des entrées logiques sont rétablis à leurs réglages usine.
Vérifiez que cette modification est compatible avec le schéma de câblage utilisé.
Le non-respect de ces instructions peut entraîner la mort, des blessures graves ou des dommages
matériels.
2C
3C
[Cde 2 fils] (2C)
Commande 2 fils (commandes par niveau) : état (0 ou 1) ou front (0 à 1 ou 1 à 0) de l'entrée qui commande la marche ou l'arrêt.
Exemple de câblage « source » :
LI1 : avant
LIx : arrière
[Cde 3 fils] (3C)
Commande 3 fils (commandes par impulsions) : Une impulsion « avant » ou « arrière » suffit pour commander le démarrage
et une impulsion « arrêt » suffit pour commander l'arrêt.
Exemple de câblage « source » :
LI1 : arrêt
LI2 : avant
LIx : arrière
tCt [Type cde 2 fils] [Transition] (trn)
gAVERTISSEMENT
FONCTIONNEMENT INNATENDU DE L'APPAREIL
Vérifiez que le réglage de ce paramètre est compatible avec le type de câblage utilisé.
Le non-respect de ces instructions peut entraîner la mort, des blessures graves ou des dommages
matériels.
LEL
trn
PFO
[Niveau] (LEL) : l'état 0 ou 1 est pris en compte pour la marche (1) ou l'arrêt (0).
[Transition] (trn) : un changement d'état (transition ou front) est nécessaire pour démarrer le moteur afin d'éviter des
redémarrages accidentels après une coupure d'alimentation.
[Priorité FW] (PFO) : l'état 0 ou 1 est pris en compte pour la marche ou l'arrêt, mais le sens « avant » est prioritaire sur le sens
« arrière ».
2s
+24 LI1 LIx
ATVppp
+24 LI1 LI2 LIx
ATVppp
2s
DRI- > CONF > FULL > I_O-

Mode de configuration (ConF)
128 NVE41296 04/2018
rUn [Affect.Marche] [Non] (nO)
gAffectation de l'ordre d'arrêt.
Accessible uniquement si [Cde 2 fils/3fils] (tCC) est réglé sur [Cde 3 fils] (3C).
LI1
Cd00
OL01
...
OL10
[LI1] (LI1) : entrée logique LI1 si ce paramètre n'est pas dans le [Profil I/O] (IO)
[Cd00] (Cd00) : dans le [Profil I/O] (IO), possibilité de commutation avec des entrées logiques
[OL01] (OL01) : blocs fonctions : sortie logique 01
...
[OL10] (OL10) : blocs fonctions : sortie logique 10
Frd [Sens avant] [LI1] (LI1)
LI1
Cd00
OL01
...
OL10
Affectation de la commande de marche avant.
[LI1] (LI1) : entrée logique LI1 si ce paramètre n'est pas dans le [Profil I/O] (IO)
[Cd00] (Cd00) : dans le [Profil I/O] (IO), possibilité de commutation avec des entrées logiques
[OL01] (OL01) : blocs fonctions : sortie logique 01
...
[OL10] (OL10) : blocs fonctions : sortie logique 10
rrS [Aff. sens arrière] [LI2] (LI2)
nO
LI1
...
Affectation de la commande de marche arrière.
[Non] (nO) : non affecté
[LI1] (LI1) : entrée logique LI1
[...] (...) : voir les conditions d'affectation, page 155
(Si [Profil] (CHCF) est réglé sur [Non séparé] (SIM) ou [Séparé] (SEP) alors [CD11] (Cd11) jusqu’à [CD15] (Cd15), [C111]
(C111) jusqu’à [C115] (C115), [C211] (C211) jusqu’à [C215] (C215) et [C311] (C311) jusqu’à [C315] (C315) ne sont pas
disponibles).
Code Nom/Description Plage de réglages Réglage usine
Il est possible d'accéder aux paramètres décrits sur cette page via les menus suivants : DRI- > CONF > FULL > I_O-

Mode de configuration (ConF)
NVE41296 04/2018 129
L1- [CONFIGURATION LI1]
L1A [Affectation LI1]
nO
rUn
Frd
rrS
rPS
JOG
USP
dSP
PS2
PS4
PS8
rFC
nSt
dCI
FSt
FLO
rSF
tUL
SPM
FLI
PAU
PIS
Pr2
Pr4
tLA
EtF
rCA
CnF1
CnF2
CHA1
CHA2
tLC
CCS
InH
PS16
LC2
rCb
trC
bCI
SAF
SAr
dAF
dAr
CLS
LES
rtr
SnC
rPA
SH2
SH4
FPS1
FPS2
FPr1
FPr2
FUSP
FdSP
Ft
USI
dSI
Paramètre en lecture seule, non configurable.
Il permet d'afficher toutes les fonctions affectées à l'entrée logique LI1 afin de vérifier plusieurs affectations.
[Non] (nO): non affecté
[Stop] (rUn) : marche
[Sens avant] (Frd) : sens avant
[Sens arrière] (rrS) : sens arrière
[Commut. rampe] (rPS) : commutation de rampe
[Jog] (JOG) : marche pas à pas (JOG)
[+Vite] (USP) : plus vite
[-Vite] (dSP) : moins vite
[2 vitesses présél.] (PS2) : 2 vitesses présélectionnées
[4 vitesses présél.] (PS4) : 4 vitesses présélectionnées
[8 vitesses présél.] (PS8) : 8 vitesses présélectionnées
[Commutation réf.2](rFC) : Commutation de consignes
[Arrêt roue libre] (nSt) : Arrêt roue libre
[Injection DC] (dCI) : arrêt par injection DC
[Arrêt rapide] (FSt) : Arrêt rapide
[Forçage local] (FLO) : mode forçage local
[Reset défauts] (rSF) : réinitialisation des défauts
[autoréglage] (tUL) : auto-réglage
[Mémo. référence] (SPM) : mémorisation de consigne
[Fluxage] (FLI) : fluxage de moteur
[Auto / manuel] (PAU) : PID auto/manuel
[RAZ intégral PID] (PIS) : dérivation intégral PI(D)
[2 réf. PID présél.] (Pr2) : 2 consignes PID présélectionnées
[4 réf. PID présél.] (Pr4) : 4 consignes PID présélectionnées
[Limitation couple] (tLA) : limitation du couple permanent
[Défaut externe] (EtF) : défaut externe
[Retour contact. aval] (rCA) : retour du contacteur en aval
[Commut. 2 config.] (CnF1) : commutation de configuration 1
[Commut. 3 config.] (CnF2) : commutation de configuration 2
[2 jeux paramètres] (CHA1) : commutation de paramètre 1
[3 jeux paramètres] (CHA2) : commutation de paramètre 2
[Lim. couple analog] (tLC) : limitation du couple : activation (entrée analogique) via une entrée logique
[Commutation cmd] (CCS) : commutation de canal de commande
[Inhibition défauts] (InH) : inhibition des défauts
[16 vitesses présél.] (PS16) : 16 vitesses présélectionnées
[Commut. I limit. 2] (LC2) : commutation de limitation de courant
[Commut. Réf.1B] (rCb) : commutation de canal de consigne (1 à 1B)
[Traverse control] (trC) : Traverse control
[Contact de frein] (bCI) : contact d'entrée logique de frein
[FdC arrêt avant] (SAF) : arrêt sens avant
[FdC arrêt arrière] (SAr) : arrêt sens arrière
[FdC ralent. avant] (dAF) : ralentissement en sens avant
[FdC ralent. arrière] (dAr) : ralentissement en sens arrière
[Désactiv. FdC] (CLS) : désactivation fin de course
[Verrouillage (contact. ligne)] (LES) : arrêt d'urgence
[Init. traverse ctrl.] (rtr) : initialisation traverse control
[Counter wobble] (SnC) : synchronisation counter wobble
[Reset prod.] (rPA) : réinitialisation de produit
[2 HSP] (SH2) : grande vitesse 2
[4 HSP] (SH4) : grande vitesse 4
[Vit. présel.2] (FPS1) : affectation vitesse présélectionnée 1, touche de fonction
[Vit. présel.3] (FPS2) : affectation vitesse présélectionnée 2, touche de fonction
[Réf. PID 2] (FPr1) : affectation PI 1 présélectionné, touche de fonction
[Réf. PID 3] (FPr2) : affectation PI 2 présélectionné, touche de fonction
[+Vite] (FUSP) : affectation +Vite, touche de fonction
[-Vite] (FdSP) : affectation -Vite, touche de fonction
[T/K] (Ft) : affectation sans à-coups, touche de fonction
[+Vite autour réf.] (USI) : affectation +Vite
[-Vite autour réf.] (dSI) : affectation -Vite
Code Nom/Description Plage de réglages Réglage usine
DRI- > CONF > FULL > I_O- > L1-
Il est possible d'accéder aux paramètres décrits sur cette page via les menus suivants :

Mode de configuration (ConF)
130 NVE41296 04/2018
IL01
...
IL10
FbrM
SLS1
SLS2
SS11
SS12
StO1
StO2
SMS1
SMS2
[IL01] (IL01) : blocs fonctions : entrée logique 1
...
[IL10] (IL10) : blocs fonctions : entrée logique 10
[Démarre FB] (FbrM) : blocs fonctions : mode Executé
[SLS ch.1] (SLS1): SLS fonction de sécurité sur canal 1
[SLS ch.2] (SLS2): SLS fonction de sécurité sur canal 2
[SS1 ch.1] (SS11): SS1 fonction de sécurité sur canal 1
[SS1 ch.2] (SS12): SS1 fonction de sécurité sur canal 2
[STO ch.1] (St01): STO fonction de sécurité sur canal 1
[STO ch.2] (St02): STO fonction de sécurité sur canal 2
[SMS ch.1] (SMS1): SMS fonction de sécurité sur canal 1
[SMS ch.2] (SMS2): SMS fonction de sécurité sur canal 2
L1d [Retard 0 --> 1 LI1] 0 à 200 ms 0 ms
Ce paramètre permet de prendre en compte le passage de l'entrée logique à l'état 1 avec un délai ajustable entre 0 et 200
millisecondes afin de filtrer les interférences possibles. Le passage à l'état 0 est pris en compte sans délai.
I_O- [ENTRÉES / SORTIES] (suite)
L2-
à
L6-
[CONFIGURATION LIx]
Toutes les entrées logiques disponibles sur le variateur sont traitées comme l'entrée LI1 décrite précédemment, jusqu'à LI6.
L5- [CONFIGURATION LI5]
Paramètres spécifiques à LI5 utilisée comme entrée Pulse input.
PIA [Affectation RP]
Paramètre en lecture seule, non configurable.
Il permet d'afficher toutes les fonctions associées à l'entrée Pulse input afin de vérifier, par exemple, s'il y a des problèmes
d'incompatibilité.
Identique à [Affectation AI1] (A11A) page 135.
PIL [Valeur mini RP.] 0 à 20,00 kHz 0 kHz
Paramètre de mise à l'échelle de l'entrée Pulse input de 0 % en Hz * 10.
PFr [Valeur maxi RP] 0 à 20,00 kHz 20,00 kHz
Paramètre de mise à l'échelle de l'entrée Pulse input de 100 % en Hz * 10.
PFI [Filtre de RP] 0 à 1 000 ms 0 ms
Temps de coupure de l'entrée Pulse input ext E/S du filtre passe-bas.
LA1-
LA2-
[CONFIGURATION LAx]
Les 2 entrées analogiques AI1 et AI2 du variateur peuvent être utilisées comme entrées LI et sont traitées comme l'entrée LI1
décrite précédemment.
gCes paramètres apparaissent uniquement si la fonction correspondante a été sélectionnée dans un autre menu. Lorsqu'il est
également possible d'accéder et de régler les paramètres dans le menu de configuration pour la fonction correspondante,
leur description est détaillée dans ces menus, sur les pages indiquées, afin d'aider à la programmation.
Pour modifier l'affectation de ce paramètre, appuyez pendant 2 secondes sur la touche ENT.
Code Nom/Description Plage de réglages Réglage usine
2s
DRI- > CONF > FULL > I_O- > L1-
Il est possible d'accéder aux paramètres décrits sur cette page via les menus suivants :

Mode de configuration (ConF)
NVE41296 04/2018 131
Configuration des entrées analogiques et de l'entrée Pulse input
Les valeurs minimales et maximales (en volts, mA, etc.) des entrées sont converties en % pour adapter les
consignes à l'application.
Valeurs minimales et maximales des entrées :
La valeur minimale correspond à une consigne de 0 % et la valeur maximale à une consigne de 100 %. La
valeur minimale peut être supérieure à la valeur maximale :
Pour les entrées bidirectionnelles +/-, les valeurs minimales et maximales sont relatives à la valeur absolue,
par exemple +/-2 à 8 V.
Consigne
100 %
0%
[Valeur mini]
(CrLx ou
ULx ou PIL)
[Valeur maxi]
(CrHx ou
UHx ou PFr)
20 mA ou
10 V ou
20,00 kHz
Entrée courant ou
tension ou fréquence
Consigne
100 %
0% [Valeur mini]
(CrLx ou
ULx ou PIL)
[Valeur maxi]
(CrHx ou UHx
ou PFr)
Entrée courant ou
tension ou
fréquence
20 mA ou
10 V ou
20,00 kHz

Mode de configuration (ConF)
132 NVE41296 04/2018
Plage (valeurs en sortie) : pour les entrées analogiques uniquement
Ce paramètre permet de configurer la plage de consigne à [0 % V100 %] ou [-100 % V +100 %] afin d'obtenir
une sortie bidirectionnelle à partir d'une entrée unidirectionnelle.
Consigne
100 %
0% [Valeur mini] [Valeur maxi]
Plage 0 V 100 %
Entrée
courant ou
tension
20 mA ou
10 V
Consigne
100 %
0%
[Valeur mini]
[Valeur maxi]
Entrée
courant ou
tension
- 100 %
Plage - 100 % V + 100 %
20 mA
ou 10 V

Mode de configuration (ConF)
NVE41296 04/2018 133
Délinéarisation : pour les entrées analogiques uniquement
Code Nom/Description Plage de réglages Réglage usine
I_O- [ENTRÉES / SORTIES] (suite)
bSP [Forme référence] [Standard] (bSd)
bSd
bLS
bnS
bnS0
[Standard] (bSd)
[Ecrêtage] (bLS)
[Epiétage] (bnS)
[Epiétage0%] (bnS0)
Ce paramètre peut être modifié en cours de fonctionnement ou à l'arrêt.
Fréquence
Consigne
LSP
-100 %
+100 %
HSP
LSP
HSP
0%
À consigne nulle, la fréquence = LSP
Fréquence
Consigne
LSP
-100 %
+100 %
HSP
LSP
HSP
À consigne = 0 à LSP, la fréquence = LSP
Fréquence
Consigne
LSP
-100 %
+100 %
HSP
LSP
HSP
0
À consigne = 0 à LSP, la fréquence = 0
Fréquence
Consigne
LSP
-100 %
+100 %
HSP
LSP
HSP
0%
Ce fonctionnement est équivalent au [Standard] (bSd), sauf qu'à
consigne nulle, la fréquence = 0 dans les cas suivants :
Le signal est inférieur à la [Valeur mini], laquelle est supérieure à 0
(exemple 1 V sur une entrée 2 - 10 V)
Le signal est supérieur à la [Valeur mini], laquelle est supérieure à
la [Valeur maxi] (exemple : 11 V sur une entrée 10 - 0 V).
Si la plage d'entrée est configurée en « bidirectionnelle », le
fonctionnement reste identique au [Standard] (bSd).
Ce paramètre définit comment la consigne de vitesse est prise en
compte, pour les entrées analogiques et l'entrée Pulse input
uniquement. Dans le cas du régulateur PID, il s'agit de la consigne
en sortie du PID.
Les limites sont établies par les paramètres [Petite vitesse]
(LSP) et [Grande vitesse] (HSP), page 89.
DRI- > CONF > FULL > I_O-
Il est possible d'accéder aux paramètres décrits sur cette page via les menus suivants :

Mode de configuration (ConF)
134 NVE41296 04/2018
Il est possible de délinéariser l’entrée en configurant un point intermédiaire sur la courbe entrée / sortie de
cette entrée :
Pour la plage 0 V 100 %
Remarque : Pour [Point X interm.], 0 % correspond à la [Valeur mini] et 100 % à la [Valeur maxi].
Pour la plage -100 % V 100 %
Consigne
100 %
0%
[Valeur mini]
(0 %)
[Point X interm.] [Valeur maxi]
(100 %)
Entrée
courant
ou tension
[Point Y interm.]
20 mA ou
10 V
Consigne
100 %
0%
[Valeur mini]
(-100 %)
[Point X
interm.]
[Valeur maxi]
(100 %)
Entrée courant
ou tension
[Point Y interm.]
- [Point Y interm.]
- 100 %
- [Point X interm.]
0% 20 mA ou
10 V

Mode de configuration (ConF)
NVE41296 04/2018 135
Code Nom/Description Plage de réglages Réglage usine
AI1- [CONFIGURATION AI1]
AI1A [Affectation AI1]
nO
AO1
Fr1
Fr2
SA2
PIF
tAA
dA2
PIM
FPI
SA3
Fr1b
dA3
FLOC
MA2
MA3
PES
IA01
...
IA10
Paramètre en lecture seule, non configurable.
Il permet d'afficher toutes les fonctions associées à l'entrée AI1 afin de vérifier, par exemple, s'il y a des problèmes d'incompatibilité.
[Non] (nO) : non affecté
[Affectation AO1] (AO1) : sortie analogique AO1
[Canal réf.1] (Fr1) : source de consigne 1
[Canal réf.2] (Fr2) : source de consigne 2
[Réf. sommatrice 2] (SA2) : consigne sommatrice 2
[Retour PID] (PIF) : retour PI (contrôle PI)
[Limitation couple] (tAA) : limitation du couple : activation par une valeur analogique
[Réf. soustract. 2] (dA2) : consigne soustractrice 2
[Réf. PID manuelle] (PIM) : consigne de vitesse manuelle du régulateur PID (Automatique-Manuel)
[Réf. Vitesse PID] (FPI) : consigne de vitesse du régulateur PID (vitesse prédictive)
[Réf. sommatrice 3] (SA3) : consigne sommatrice 3
[Canal réf.1B] (Fr1b) : source de consigne 1B
[Réf. soustract. 3] (dA3) : consigne soustractrice 3
[Canal Forcage local] (FLOC) : source de consigne de forçage local
[Réf. multipli. 2] (MA2) : consigne de multiplication 2
[Réf. multiplic. 3] (MA3) : consigne de multiplication 3
[Peson] (PES) : levage : fonction externe de mesure de la masse
[IA01] (IA01) : blocs fonctions : entrée analogique 01
...
[IA10] (IA10) : blocs fonctions : entrée analogique 10
AI1t [Type AI1] [Tension] (10U)
10U [Tension] (10U) : Entrée en tension positive comprise entre 0 et 10 V (les valeurs négatives sont considérées nulles : l'entrée
est unidirectionnelle)
UIL1 [Valeur mini AI1] 0 à 10,0 V 0 V
Paramètre de mise à l'échelle de la tension AI1 de 0 %.
UIH1 [Valeur maxi AI1] 0 à 10,0 V 10,0 V
Paramètre de mise à l'échelle de la tension AI1 de 100 %.
AI1F [Filtre de AI1] 0 à 10,00 s 0 s
Filtrage des interférences.
AI1L [Plage de AI1] [0 - 100 %] (POS)
POS
nEG
[0 - 100%] (POS) : logique positive
[+/- 100%] (nEG) : logique positive et négative
AI1E [Point X interm. AI1] 0 à 100 % 0 %
Coordonnée du point de délinéarisation en entrée. Pourcentage du signal d'entrée physique.
0 % correspond à [Valeur mini AI1] (UIL1).
100 % correspond à [Valeur maxi AI1] (UIH1).
AI1S [Point Y interm. AI1] 0 à 100 % 0 %
Coordonnée du point de délinéarisation en sortie (Consigne fréquence).
Pourcentage de la consigne de fréquence interne correspondant au pourcentage du signal d'entrée physique [Point X interm. AI1]
(A11E).
I_O- [ENTRÉES / SORTIES] (suite)
AI2- [CONFIGURATION AI2]
AI2A [Affectation AI2]
Identique à [Affectation AI1] (A11A) page 135.
AI2t [Type AI2] [Tension +/-] (n10U)
10U
n10U
[Tension] (10U) : Entrée en tension positive comprise entre 0 et 10 V (les valeurs négatives sont considérées nulles : l'entrée
est unidirectionnelle)
[Tension +/-] (n10U): Entrée en tension positive et négative +/- 10 V (l'entrée est bidirectionnelle)
DRI- > CONF > FULL > I_O- > AI1-
Il est possible d'accéder aux paramètres décrits sur cette page via les menus suivants :

Mode de configuration (ConF)
136 NVE41296 04/2018
UIL2 [Valeur mini AI2] 0 à 10,0 V 0 V
Paramètre de mise à l'échelle de la tension AI2 de 0 %.
UIH2 [Valeur maxi AI2] 0 à 10,0 V 10,0 V
Paramètre de mise à l'échelle de la tension AI2 de 100 %.
AI2F [Filtre de AI2] 0 à 10,00 s 0 s
Filtrage des interférences.
AI2L [Plage de AI1] [0 - 100 %] (POS)
POS
nEG
[0 - 100%] (POS) : logique positive
[+/- 100%] (nEG) : logique positive et négative
AI2E [Point X interm. AI2] 0 à 100 % 0 %
Coordonnée du point de délinéarisation en entrée. Pourcentage du signal d'entrée physique.
0 % correspond à [Valeur mini] si la plage est 0 V 100 %.
0 % correspond à si la plage est -100 %
V
+100 %.
100 % correspond à [Valeur maxi].
AI2S [Point Y interm. AI2] 0 à 100 % 0 %
Coordonnée du point de délinéarisation en sortie (Consigne fréquence).
Pourcentage de la consigne de fréquence interne correspondant au pourcentage du signal d'entrée physique [Point X interm. AI2]
(A12E).
I_O- [ENTRÉES / SORTIES] (suite)
AI3- [CONFIGURATION AI3]
AI3A [Affectation AI3]
Identique à [Affectation AI1] (A11A) page 135.
AI3t [Type AI3] [Courant] (0A)
0A [Courant] (0A) : Entrée de courant 0 à 20 mA
CrL3 [Valeur mini AI3] 0 à 20,0 mA 0 mA
Paramètre de mise à l'échelle du courant AI3 de 0 %.
CrH3 [Valeur maxi AI3] 0 à 20,0 mA 20,0 mA
Paramètre de mise à l'échelle du courant AI3 de 100 %.
AI3F [Filtre de AI3] 0 à 10,00 s 0 s
Filtrage des interférences.
AI3L [Plage de AI3] [0 - 100%] (POS)
POS
nEG
[0 - 100%] (POS) : entrée unidirectionnelle
[+/- 100%] (nEG) : entrée bidirectionnelle
Exemple : sur une entrée 4 - 20 mA.
4 mA correspond à la consigne -100 %.
12 mA correspond à la consigne 0 %.
20 mA correspond à la consigne +100 %.
AI3 étant physiquement une entrée bidirectionnelle, la configuration [+/- 100%] (nEG) ne doit être utilisée que si le signal
appliqué est unidirectionnel. Un signal bidirectionnel n'est pas compatible avec une configuration bidirectionnelle.
AI3E [Point X interm. AI3] 0 à 100 % 0 %
Coordonnée du point de délinéarisation en entrée. Pourcentage du signal d'entrée physique.
0 % correspond à [Valeur mini] (CrL3) si la plage est 0 V 100 %.
0 % correspond à si la plage est -100 %
V
+100 %.
100 % correspond à [Valeur maxi AI3] (CrH3).
AI3S [Point Y interm. AI3] 0 à 100 % 0 %
Coordonnée du point de délinéarisation en sortie (Consigne fréquence).
Pourcentage de la consigne de fréquence interne correspondant au pourcentage du signal d'entrée physique [Point X interm. AI3]
(A13E).
Code Nom/Description Plage de réglages Réglage usine
[Valeur maxi] + [Valeur mini]
2
[Valeur maxi AI3] (CrH3) - [Valeur mini AI3]
(CrL3)
DRI- > CONF > FULL > I_O- > AI2-
Il est possible d'accéder aux paramètres décrits sur cette page via les menus suivants :

Mode de configuration (ConF)
NVE41296 04/2018 137
Il est possible d'accéder aux paramètres décrits sur cette page via les menus suivants :
I_O- [ENTRÉES / SORTIES] (suite)
AU1- [AI1 VIRTUELLE]
AU1A [Affectation AIV1]
Entrée analogique virtuelle 1 via le bouton de navigation situé à l'avant du produit.
Identique à [Affectation AI1] (A11A) page 135.
I_O- [ENTRÉES / SORTIES] (suite)
AU2- [AI2 VIRTUELLE]
AU2A [Affectation AIV2]
Affectations possibles pour [AI virtuelle 2] (AIU2) : Entrée analogique virtuelle 2 via le canal de communication à configurer
avec [Canal AI2 réseau] (AIC2).
Identique à [Affectation AIV1] (AU1A) page 137.
AIC2 [Canal AI2 réseau] [Non] (nO)
gCanal source [AI2 VIRTUELLE] (AU2A).
Ce paramètre est accessible dans le sous-menu [REGULATEUR PID] (PId-) page 214.
Échelle : la valeur 8192 transmise par cette entrée équivaut à 10 V sur une entrée 10 V.
nO
Mdb
CAn
nEt
[Non] (nO) : non affecté
[Modbus] (Mdb) : Modbus intégré
[CANopen] (CAn) : CANopen® intégré
[Carte COM.] (nEt) : carte de communication (si insérée)
IEn- [CONFIG. CODEUR]
Paramètres suivants accessibles si la carte de surveillance de la vitesse VW3A3620 a été insérée.
EnU [Utilisation codeur] [Non] (nO)
nO
SEC
Configuration du type de codeur
[Non] (nO): Fonction inactive
[sécurité] (SEC): Le codeur fournit un retour vitesse pour la surveillance.
EnS [Signaux codeur] [AABB] (AAbb)
gConfiguration de l'utilisation du codeur
AAbb
Ab
À configurer conformément au type du codeur utilisé.
[AABB] (AAbb): Pour les signaux A, /A, B, /B.
[AB] (Ab): Pour les signaux A, B.
Les paramètres suivants sont accessibles si [Encoder usage] (EnU) a été réglé sur[sécurité] (SEC).
PGI [Nombre impulsions] 100 à 3600 1024
gConfiguration de l'utilisation du codeur
Nombre d'impulsions par tour du codeur.
Les paramètres suivants sont accessibles si [Encoder usage] (EnU) a été réglé sur[sécurité] (SEC).
gCes paramètres apparaissent uniquement si la fonction correspondante a été sélectionnée dans un autre menu. Lorsqu'il est
également possible d'accéder et de régler les paramètres dans le menu de configuration pour la fonction correspondante,
leur description est détaillée dans ces menus, sur les pages indiquées, afin d'aider à la programmation.
Code Nom/Description Plage de réglages Réglage usine
DRI- > CONF > FULL > I_O- > AU1-

Mode de configuration (ConF)
138 NVE41296 04/2018
Il est possible d'accéder aux paramètres décrits sur cette page via les menus suivants :
Détection de glissement de la charge :
Le variateur détecte une erreur et affiche son code [Dévirage charge] (AnF) dans les cas suivants :
•Dès que l'ordre de fonctionnement est reçu, si le signe de la fréquence de sortie et le retour vitesse are sont à
l'inverse pendant [ANF Time Thd.] (tAnF).
•Pendant le fonctionnement :
- si le retour vitesse est dans le même sens que la fréquence de sortie
- et le retour vitesse est supérieur à [ANF Detection level] (LAnF).
- et,
si [Verif direction AN] (dAnF) est réglé sur [survitesse] (OUEr), la différence entre la fréquence de
sortie et le retour vitesse est supérieure à [Seuil freq. ANF] (FAnF) pendant [Seuil freq. ANF] (FAnF))
(Détection de survitesse).
ou,
si [Verif direction AN] (dAnF) est réglé sur [sur sous vit.] (bOth), la différence entre la fréquence de
sortie et le retour vitesse est supérieure à [Seuil freq. ANF] (FAnF) ou inférieure - [Seuil freq. ANF]
(FAnF) pendant [Temps detect. ANF] (tAnF) (détection de sous-vitesse ou survitesse).
0
Fréquence (Hz)
Légende
Aucune zone de detection
Zone de détection d’erreur
tAnF
FAnF
FAnF
DAnF= bOth
DAnF=OuEr
Retour vitesse
Ordre de marche
Fréquence de sortie
Temps (s)
tAnF
Détection d'erreur
Détection d'erreur
Retour vitesse
Code Name / Description Adjustment range Factory setting
I_O- [INPUTS / OUTPUTS CFG] (suite)
IEn- [CONFIG. CODEUR] (suite)
Les paramètres suivants sont accessibles si la carte de surveillance de la vitesse VW3A3620 a été insérée et si [Utilisation
codeur] (EnU) a été réglé sur [sécurité] (SEC).
FAnF [Seuil freq. ANF] 0.1 à 50 Hz 5.0 Hz
gNiveau de l'erreur [Dérivage vitesse] (AnF) détectée.
Le variateur ne détecte pas l'erreur [Dévirage charge] (AnF) si la différence entre la fréquence de sortie et le retour vitesse
est inférieure à [Seuil freq. ANF] (FAnF)
LAnF [Niveau detect. ANF] 0 à 10 Hz 0.0 Hz
gNiveau de l'erreur [Dévirage charge] (AnF) détectée.
Le variateur ne détecte pas l'erreur [Dévirage charge] (AnF) si le retour vitesse est inférieur à [Niveau detect. ANF] (LAnF).
DRI- > CONF > FULL > I_O- > IEN-
LAnF

Mode de configuration (ConF)
NVE41296 04/2018 139
dAnF [Verif direction AN] [survitesse] (OUEr)
gType de détection d’erreur [Dévirage charge] (AnF)
OUEr
bOth
[survitesse] (OUEr) : Le variateur détecte l'erreur [Dérivage vitesse] (AnF) en cas de survitesse.
[sur sous vit.] (bOth) : Le variateur détecte l'erreur [Dérivage vitesse] (AnF) en cas de survitesse ou de sous-vitesse.
tAnF [Temps detect. ANF] 0 à 10 s 0.10 s
gNiveau de l'erreur [Dévirage charge] (AnF) détectée.
Le variateur détecte l'erreur [Dévirage charge] (AnF) si les conditions sont réunies pendant [Temps detect. ANF] (tAnF).
Code Name / Description Adjustment range Factory setting
gCes paramètres apparaissent uniquement si la fonction correspondante a été sélectionnée dans un autre menu. Lorsqu'il
est également possible d'accéder et de régler les paramètres dans le menu de configuration pour la fonction
correspondante, leur description est détaillée dans ces menus, sur les pages indiquées, afin d'aider à la programmation.
Il est possible d'accéder aux paramètres décrits sur cette page via les menus suivants : DRI- > CONF > FULL > I_O- > IEN-

Mode de configuration (ConF)
140 NVE41296 04/2018
Code Nom/Description Plage de réglages Réglage usine
I_O- [ENTRÉES / SORTIES] (suite)
r1- [CONFIGURATION R1]
r1 [Affectation R1] [Non défaut] (FLt)
nO
FLt
rUn
FtA
FLA
CtA
SrA
tSA
PEE
PFA
F2A
tAd
ULA
OLA
rSdA
ttHA
ttLA
MFrd
MrrS
tS2
tS3
AtS
CnF0
CnF1
CnF2
CFP1
CFP2
CFP3
dbL
brS
PrM
FqLA
MCP
LSA
dLdA
AG1
AG2
AG3
PLA
EFA
USA
UPA
tHA
SSA
tJA
AP3
rdY
ol01
...
OL10
[Non] (nO) : non affectée
[Non défaut] (FLt) : état de détection des défauts du variateur (relais normalement activé et désactivé en cas d”erreur)
[marche var.] (rUn) : variateur en marche
[S fréq. att.] (FtA) : seuil de fréquence atteint (paramètre [Seuil de fréquence] (Ftd) page 104)
[HSP att.] (FLA): grande vitesse atteinte
[Seuil I att.] (CtA) : seuil de courant atteint (paramètre [Seuil de courant] (Ctd) page 104)
[Réf.fréq.att] (SrA) : consigne de fréquence atteinte
[Th.mot. att.] (tSA): état thermique du moteur 1 atteint
[Al. err. PID] (PEE) : alarme d'erreur PID
[Alarme retour PID] (PFA) : alarme de retour PID
[S Fréq. 2 att.] (F2A): seuil de fréquence 2 atteint (paramètre [Seuil de fréquence 2] (F2d) page 104)
[Th. var. att.] (tAd): état thermique du variateur atteint
[Al.Sou.Proc] (ULA) : alarme de sous-charge
[Al.Surc.Proc] (OLA) : alarme de surcharge
[Tens. cable] (rSdA) : câble détendu (voir le paramètre [Conf. câble détendu] (rSd) page 208)
[Cpl.haut att] (ttHA): couple moteur supérieur au seuil haut [Seuil couple haut] (ttH) page 104
[Cpl.bas att] (ttLA): couple moteur inférieur au seuil bas [Seuil couple bas] (ttL) page 104
[Sens Avant] (MFrd) : moteur en rotation dans le sens avant
[Sens Arrièr.] (MrrS) : moteur en rotation dans le sens arrière
[Th.mot2 att] (tS2) : seuil thermique du moteur 2 atteint (TTD2)
[Th.mot3 att] (tS3) : seuil thermique du moteur 3 atteint (TTD3)
[Couple nég.] (AtS) : couple négatif (freinage)
[Conf.0 act.] (CnF0): configuration 0 active
[Cnfg.1 act.] (CnF1): configuration 1 active
[Cnfg.2 act.] (CnF2): configuration 2 active
[Jeu 1 actif] (CFP1) : jeu 1 de paramètres actif
[Jeu 2 actif] (CFP2) : jeu 2 de paramètres actif
[Jeu 3 actif] (CFP3) : jeu 3 de paramètres actif
[DC chargé] (dbL) : bus DC en charge
[En freinage] (brS) : variateur en freinage
[P. removed] (PrM) : variateur verrouillé par l'entrée « Safe Torque Off »
[Alar.Fr. mèt.] (FqLA): seuil de vitesse mesurée atteint (voir le paramètre[Seuil alarme pulse] (FqL) page 104
[I présent] (MCP) : Courant moteur présent
[FDC atteint] (LSA) : fin de course atteinte
[Alar. charge] (dLdA) : détection de variation de charge (voir page 272)
[Alarme gr.1] (AGI) : groupe d'alarmes 1
[Alarme gr.2] (AG2) : groupe d'alarmes 2
[Alarme gr.3] (AG3) : groupe d'alarmes 3
[Al. LI6=PTC] (PLA): alarme LI6 = PTC
[Al. déf.ext.] (EFA) : alarme de défaut externe
[Al. Sous U] (USA): alarme de sous-tension
[Prév. sousU] (UPA) : seuil de sous-tension
[Al. °C var.] (tHA) : surchauffe du variateur
[Lim C/I att.] (SSA) : alarme de limitation de couple
[Al. IGBT] (tJA): alarme de jonction thermique
[AI3 Al. 4-20] (AP3) : alarme de perte de la consigne AI3 4-20 mA
[ready] (rdY): Prêt à démarrer
[OL01] (oL01) : Blocs fonctions : sortie logique 01
...
[oL10] (oL10) : Blocs fonctions : sortie logique 10
r1- [CONFIGURATION R1] (suite)
r1d
(1)
[Retard R1] 0 à 60 000 ms 0 ms
Le changement d'état est uniquement appliqué une fois que le temps de configuration est écoulé, lorsque l'information devient
réelle.
Le retard ne peut pas être réglé pour l'affectation [Non défaut] (FLt) et reste à 0.
Il est possible d'accéder aux paramètres décrits sur cette page via les menus suivants : DRI- > CONF > FULL > I_O- > R1-

Mode de configuration (ConF)
NVE41296 04/2018 141
r1S [R1 actif à] [1] (POS)
POS
nEG
Configuration de la logique de fonctionnement :
[1] (POS) : état 1 lorsque l'information est réelle
[0] (nEG) : état 0 lorsque l'information est réelle
La configuration [1] (POS) ne peut pas être modifiée pour l'affectation [Non défaut] (FLt).
r1H [Maintien R1] 0 à 9 999 ms 0 ms
Le changement d'état n'est effectif qu'après le temps configuré, lorsque l'information devient fausse.
Pour l'affectation [Non défaut] (FLt), le maintien n'est pas réglable et reste à 0.
r1F [Maintien R1] [Non] (nO)
YES
nO
Disponible si le paramètre [Affectation R1] (r1) n'est pas réglé sur [Non] (nO)
[Oui] (YES) : Relais contrôlé par OL1R. Le relais est mis hors tension si le variateur est en état de fonctionnement “Fault” (Par
défaut)
[Non] (nO) : Relais contrôlé par OL1R.
I_O- [ENTREES / SORTIES] (suite)
r2- [CONFIGURATION R2]
r2 [Affectation R2] [Non] (nO)
bLC
LLC
OCC
EbO
tSY
Identique à [Affectation R1] (r1) page 140 avec en plus :
[Cmde frein] (bLC) : commande contacteur de frein
[Cont. ligne] (LLC) : commande contacteur de ligne
[Cont. aval] (OCC) : commande contacteur aval
[Fin bobine] (EbO) : fin de bobine (fonction traverse control)
[Synchro. wobble] (tSY) : synchronisation counter wobble
r2d
(1)
[Retard R2] 0 à 60 000 ms 0 ms
Pour les affectations [Non défaut] (FLt), [Cmde frein] (bLC), [Cont. aval] (OCC) et [Cont. ligne] (LLC), le retard n'est
pas réglable et reste à 0.
Le changement d'état n'est effectif qu'après le temps configuré, lorsque l'information devient vraie.
r2S [R2 actif à] [1 ] (POS)
POS
nEG
Configuration de la logique de fonctionnement :
[1] (POS) : état 1 lorsque l'information est vraie
[0] (nEG) : état 0 lorsque l'information est vraie
La configuration [1 ] (POS) n'est pas modifiable pour les affectations [Non défaut] (FLt), [Cmde frein] (bLC),
[Cont.busDC] (dCO) et [Cont. ligne] (LLC).
r2H [Maintien R2] 0 à 9 999 ms 0 ms
Pour les affectations [Non défaut] (FLt), [Cmde frein] (bLC) et [Cont. ligne] (LLC), le maintien n'est pas réglable et reste
à 0.
Le changement d'état n'est effectif qu'après le temps configuré, lorsque l'information devient fausse.
r2F [Maintien R2] [Non] (nO)
YES
nO
Disponible si le paramètre [Affectation R2] (r2) n'est pas réglé sur [Non] (nO)
[Oui] (YES) : Relais contrôlé par OL1R. Le relais est mis hors tension si le variateur est en état de fonctionnement “Fault” (Par
défaut)
[Non] (nO) : Relais contrôlé par OL1R.
I_O- [ENTREES / SORTIES] (suite)
LO1- [CONFIGURATION LO1]
LO1 [Affectation LO1] [Non] (nO)
bLC
LLC
OCC
EbO
tSY
GdL
Identique à [Affectation R1] (r1) page 140 avec en plus la valeur de paramètre suivante (affichage pour information car ces
choix ne peuvent être configurés que dans le menu [FONCTIONS D'APPLI.] (FUn-)) :
[Cmde frein] (bLC) : commande contacteur de frein
[Cont. ligne] (LLC) : commande contacteur de ligne
[Cont. aval] (OCC) : commande contacteur aval
[Fin bobine] (EbO) : fin de bobine (fonction traverse control)
[Synchro. wobble] (tSY) : synchronisation counter wobble
[DGL] (GDL) : Fonction de sécurité GDL
Code Nom/Description Plage de réglages Réglage usine
Il est possible d'accéder aux paramètres décrits sur cette page via les menus suivants : DRI- > CONF > FULL > I_O- > R1-

Mode de configuration (ConF)
142 NVE41296 04/2018
(1) 0 à 9 999 ms, puis 10,00 à 60,00 s sur le terminal intégré.
LO1d [Retard LO1] 0 à 60 000 ms (1) 0 ms
Pour les affectations [Non défaut] (FLt), [Cmde frein] (bLC), [Cont. aval] (OCC) et [Cont. ligne] (LLC) le retard n'est
pas réglable et reste à 0.
Le changement d'état n'est effectif qu'après le temps configuré, lorsque l'information devient vraie.
LO1S [LO1 actif à] [1 ] (POS)
POS
nEG
Configuration de la logique de fonctionnement :
[1] (POS) : état 1 lorsque l'information est vraie
[0] (nEG) : état 0 lorsque l'information est vraie
La configuration [1 ] (POS) n'est pas modifiable pour les affectations [Non défaut] (FLt), [Cmde frein] (bLC) et [Cont. ligne]
(LLC).
LO1H [Maintien LO1] 0 à 9 999 ms 0
Pour les affectations [Non défaut] (FLt), [Cmde frein] (bLC) et [Cont. ligne] (LLC), le maintien n'est pas réglable et reste
à 0.
Le changement d'état n'est effectif qu'après le temps configuré, lorsque l'information devient fausse.
LO1F [Activ Repli DQ1] [Non] (no)
OUI
nO
Disponible si [Affectation LO1] (LO1) est réglé sur [Non] (no) : non affecté
[Oui] (YES) : sortie logique contrôlée par OL1R. La sortie logique est désactivée si le variateur est en état "défaut".
[Non] (NO) : sortie logique contrôlée par OL1R.
Code Nom/Description Plage de réglages Réglage usine
Il est possible d'accéder aux paramètres décrits sur cette page via les menus suivants : DRI- > CONF > FULL > I_O- > LO1-

Mode de configuration (ConF)
NVE41296 04/2018 143
Utilisation de la sortie analogique AO1 en sortie logique
La sortie analogique AO1 peut être utilisée en sortie logique, par affectation de DO1. Dans ce cas, l'état 0 de
cette sortie correspond à la valeur mini sur AO1 (0 V ou 0 mA, par exemple) et l'état 1 correspond à la valeur
maxi sur AO1 (10 V ou 20 mA, par exemple).
Les caractéristiques électriques de cette sortie analogique restent inchangées. Elles sont différentes des
caractéristiques des sorties logiques. Il faut s'assurer qu’elles sont compatibles avec l'utilisation qui en est
faite.
(1) 0 à 9 999 ms, puis 10,00 à 60,00 s sur le terminal intégré.
Code Nom/Description Plage de réglages Réglage usine
I_O- [ENTREES / SORTIES] (suite)
dO1- [CONFIGURATION DO1]
dO1 [Affectation DO1] [Non] (nO)
bLC
LLC
OCC
EbO
tSY
Identique à [Affectation R1] (r1) page 140 avec en plus (affichage pour information car ces choix ne peuvent être configurés
que dans le menu [FONCTIONS D'APPLI.] (FUn-)) :
[Cmde frein] (bLC) : commande contacteur de frein
[Cont. ligne] (LLC) : commande contacteur de ligne
[Cont. aval] (OCC) : commande contacteur aval
[Fin bobine] (EbO) : fin de bobine (fonction traverse control)
[Synchro. wobble] (tSY) : synchronisation counter wobble
dO1d [Retard DO1] 0 à 60 000 ms (1) 0 ms
Pour les affectations [Non défaut] (FLt), [Cmde frein] (bLC), [Cont. aval] (OCC) et [Cont. ligne] (LLC), le retard n'est
pas réglable et reste à 0.
Le changement d'état n'est effectif qu'après le temps configuré, lorsque l'information devient vraie.
dO1S [DO1 actif à] [1 ] (POS)
POS
nEG
Configuration de la logique de fonctionnement :
[1] (POS) : état 1 lorsque l'information est vraie
[0] (nEG) : état 0 lorsque l'information est vraie
La configuration [1 ] (POS) n'est pas modifiable pour les affectations [Non défaut] (FLt), [Cmde frein] (bLC) et
[Cont. ligne] (LLC).
dO1H [Maintien DO1] 0 à 9 999 ms 0 ms
Pour les affectations [Non défaut] (FLt), [Cmde frein] (bLC) et [Cont. ligne] (LLC), le maintien n'est pas réglable et
reste à 0.
Le changement d'état n'est effectif qu'après le temps configuré, lorsque l'information devient fausse.
Il est possible d'accéder aux paramètres décrits sur cette page via les menus suivants : DRI- > CONF > FULL > I_O- > DO1-

Mode de configuration (ConF)
144 NVE41296 04/2018
Configuration des sorties analogiques
Valeurs minimum et maximum (valeurs de sortie) :
La valeur de sortie minimum, en volts, correspond à la limite inférieure du paramètre affecté et la valeur
maximum, à sa limite supérieure. La valeur minimum peut être supérieure à la valeur maximum.
Paramètre affecté
Limite
supérieure
[Valeur mini]
(AOLx ou
UOLx)
[Valeur maxi]
(AOHx ou
UOHx)
20 mA
ou
10 V
Sortie de
courant ou
de tension
Limite
inférieure
Paramètre affecté
[Valeur mini]
(AOLx ou
UOLx)
[Valeur maxi]
(AOHx ou
UOHx)
20 mA
ou
10 V
Sortie de
courant ou
de tension
Limite
supérieure
Limite
inférieure

Mode de configuration (ConF)
NVE41296 04/2018 145
Mise à l'échelle du paramètre affecté
L'échelle du paramètre affecté peut être adaptée en fonction de l'utilisation en modifiant les valeurs des limites
inférieure et supérieure à l'aide de deux paramètres pour chaque sortie analogique.
Ces paramètres sont donnés en %. 100 % correspond à la plage de variation totale du paramètre configuré :
100 % = limite supérieure - limite inférieure. Par exemple, pour [Couple sig.] (Stq) , qui varie entre -3 et +3
fois le couple nominal, 100 % correspond à 6 fois le couple nominal.
•Le paramètre [Echelle min AOx] (ASLx) modifie la limite inférieure : nouvelle valeur = limite inférieure +
(plage x ASLx). La valeur 0 % (réglage usine) ne modifie pas la limite inférieure.
•Le paramètre [Echelle max AOx] (ASHx) modifie la limite supérieure : nouvelle valeur = limite inférieure
+ (plage x ASLx). La valeur 100 % (réglage usine) ne modifie pas la limite supérieure.
•[Echelle min AOx] (ASLx) doit toujours être inférieur à [Echelle max AOx] (ASHx).
Exemple d'application 2
On veut transmettre la valeur du courant moteur sur la sortie AO1 en 0 - 20 mA, avec une plage de 2 In moteur,
In moteur étant égal à 0,8 In variateur.
Le paramètre [I moteur] (OCr) varie entre 0 et 2 fois le courant nominal du variateur, soit une plage de
2,5 fois le courant nominal du variateur.
[Echelle min AO1] (ASL1) ne doit pas modifier la limite inférieure, qui restera donc à son réglage usine
de 0 %.
[Echelle max AO1] (ASH1) doit modifier la limite supérieure de 0,5 fois le couple nominal du moteur, soit
100 - 100/5 = 80 % (nouvelle valeur = limite inférieure + (plage x ASH1).
Limite supérieure du paramètre affecté
Limite inférieure du paramètre affecté
Nouvelle échelle
100 %
ASLx
ASHx

Mode de configuration (ConF)
146 NVE41296 04/2018
Code Nom/Description Plage de réglages Réglage usine
I_O- [ENTREES / SORTIES] (suite)
AO1- [CONFIGURATION AO1]
AO1 [Affectation AO1] [Non] (nO)
nO
OCr
OFr
OFS
OrP
trq
Stq
OrS
OPS
OPF
OPE
OPI
OPr
UOP
tHr
tHr2
tHr3
tHd
tqL
d01
tqMS
OA01
...
OA10
[Non] (nO) : non affecté
[I moteur] (OCr) : courant dans le moteur, entre 0 et 2 In (In correspondant au courant nominal du variateur indiqué dans le
manuel d'installation et sur la plaque signalétique du variateur)
[Fréq. mot.] (OFr) : fréquence de sortie, de 0 à [Fréquence maxi.] (tFr)
[Frq.mot.sig.] (OFS) : fréquence de sortie signée, entre - [Fréquence maxi.] (tFr) et + [Fréquence maxi.] (tFr)
[Sortie ramp] (OrP) : de 0 à [Fréquence maxi.] (tFr)
[Couple mot] (trq) : couple moteur, entre 0 et 3 fois le couple nominal du moteur
[Couple sig.] (Stq) : couple moteur signé, entre -3 et +3 fois le couple nominal du moteur. Le signe + correspond au régime
moteur et le signe -, au régime générateur (freinage).
[Rampe sig.] (OrS) : sortie de rampe, entre - [Fréquence maxi.] (tFr) et + [Fréquence maxi.] (tFr).
[Réf. PID] (OPS) : consigne du régulateur PID entre [Réf. PID mini] (PIP1) et [Réf. PID maxi] (PIP2).
[Retour PID] (OPF) : retour du régulateur PID entre [Retour PID mini] (PIF1) et [Retour PID maxi] (PIF2)
[Erreur PID] (OPE) : erreur du régulateur PID entre -5 % et +5 % de ([Retour PID maxi] (PIF2) - [Retour PID mini]
(PIF1))
[Sortie PID] (OPI) : sortie du régulateur PID entre [Petite vitesse] (LSP) et [Grande vitesse] (HSP)
[Puiss. sortie] (OPr) : puissance du moteur, entre 0 et 2,5 fois le [Puissance nom. mot] (nPr)
[tension mot] (UOP) : tension appliquée au moteur, entre 0 et [Tension nom. mot.] (UnS)
[Therm. mot] (tHr) : état thermique du moteur, de 0 à 200 % de l'état thermique nominal
[Therm.mot2] (tHr2) : état thermique du moteur 2, de 0 à 200 % de l'état thermique nominal
[Therm.mot3] (tHr3) : état thermique du moteur 3, de 0 à 200 % de l'état thermique nominal
[Therm. var.] (tHd) : état thermique du variateur, de 0 à 200 % de l'état thermique nominal
[Lim. Couple] (tqL) : limite du couple, entre 0 et 3 fois le couple nominal du moteur
[dO1] (dO1) : affectation à une sortie logique. Cette affectation ne peut apparaître que si [Affectation DO1] (dO1) a été
affecté. Dans ce cas, ce choix est le seul possible. Il n'est affiché qu'à titre informatif.
[Couple 4Q] (tqMS) : couple moteur signé, entre -3 et +3 fois le couple nominal du moteur. Les signes + et - correspondent
au sens physique du couple, quel que soit le régime (moteur ou générateur).
[OA01] (OA01) : blocs fonctions : sortie analogique 01
...
[OA10] (OA10) : blocs fonctions : sortie analogique 10
AO1t [Type AO1] [Courant] (0A)
10U
0A
[Tension] (10U) : sortie de tension
[Courant] (0A) : sortie de courant
AOL1 [Valeur mini AO1] 0 à 20,0 mA 0 mA
gParamètre accessible si [Type AO1] (AO1t) est réglé sur [Courant] (0A).
AOH1 [Valeur maxi AO1] 0 à 20,0 mA 20,0 mA
gParamètre accessible si [Type AO1] (AO1t) est réglé sur [Courant] (0A).
UOL1 [Valeur mini AO1] 0 à 10,0 V 0 V
gParamètre accessible si [Type AO1] (AO1t) est réglé sur [Tension] (10U).
UOH1 [Valeur maxi AO1] 0 à 10,0 V 10,0 V
gParamètre accessible si [Type AO1] (AO1t) est réglé sur [Tension] (10U).
ASL1 [Echelle min AO1] 0 à 100,0 % 0 %
Mise à l'échelle de la limite inférieure du paramètre affecté, en % de la variation maximale possible.
ASH1 [Echelle max AO1] 0 à 100,0 % 100,0 %
Mise à l'échelle de la limite supérieure du paramètre affecté, en % de la variation maximale possible.
AO1F [Filtre de AO1] 0 à 10,00 s 0 s
Filtrage des interférences. Ce paramètre est forcé à 0 si [Affectation AO1] (AO1) est réglé sur [dO1] (dO1).
Il est possible d'accéder aux paramètres décrits sur cette page via les menus suivants : DRI- > CONF > FULL > I_O- > AO1-

Mode de configuration (ConF)
NVE41296 04/2018 147
Les sous-menus suivants regroupent les alarmes en 1 à 3 groupes. Chacun d'eux peut être affecté à un relais
ou à une sortie logique pour signalisation à distance. Ces groupes peuvent également être affichés sur le
terminal graphique (voir le menu [3.3 ECRAN SURVEILLANCE] (MCF-), page 290) et consultés via le
menu [1.2 SURVEILLANCE] (MOn-), page 47.
Lorsqu'une ou plusieurs alarmes sélectionnées dans un groupe se déclenche(nt), ce groupe d'alarmes est activé.
A0F1 [Activ Repli AQ1] [Non] (nO)
OUI
nO
Available if [Affectation AO1] (AO1) est réglé [Non] (nO) : non affecté
[OUI] (YES) : AO1 utilisée comme sortie logique est contrôlée par AO1C. Cette sortie est désactivée si le variateur est en état
"défaut".
[Non] (nO) : AO1 utilisée comme sortie logique est contrôlée par AO1C
gCes paramètres apparaissent uniquement si la fonction correspondante a été sélectionnée dans un autre menu. Lorsqu'il est
également possible d'accéder et de régler les paramètres dans le menu de configuration pour la fonction correspondante,
leur description est détaillée dans ces menus, sur les pages indiquées, afin d'aider à la programmation.
Code Nom/Description Plage de réglages Réglage usine
Code Nom/Description
I_O- [ENTRÉES / SORTIES] (suite)
A1C- [DEF. ALARM GROUP 1]
PLA
EFA
USA
CtA
FtA
F2A
SrA
tSA
tS2
tS3
UPA
FLA
tHA
PEE
PFA
AP3
SSA
tAd
tJA
ULA
OLA
rSdA
ttHA
ttLA
FqLA
dLdA
Sélection à effectuer à partir de la liste suivante :
[Al. LI6=PTC] (PLA): alarme LI6 = PTC
[Al. déf.ext.] (EFA): alarme de défaut externe
[Al. Sous U] (USA): alarme de sous-tension
[Seuil I att.] (CtA) : seuil de courant atteint (paramètre [Seuil de courant] (Ctd) page 104)
[S. Fréq. att.] (FtA): seuil de fréquence atteint (paramètre [Seuil de fréquence] (Ftd) page 104)
[S fréq. 2 att.] (F2A): seuil de fréquence 2 atteint (paramètre [Seuil fréquence 2] (F2d) page 104)
[Réf.fréq.att] (SrA) : consigne de fréquence atteinte
[Th.mot. att.] (tSA): état thermique du moteur 1 atteint
[Th.mot2 att] (tS2) : état thermique du moteur 2 atteint
[Th.mot3 att] (tS3): état thermique du moteur 3 atteint
[Prév. sousU] (UPA) : seuil de sous-tension
[HSP att.] (FLA): grande vitesse atteinte
[Al. °C var.] (tHA) : surchauffe du variateur
[Al. err. PID] (PEE) : alarme d'erreur PID
[Alarme retour PID] (PFA): alarme de retour PID
[AI3 Al. 4-20] (AP3) : alarme indiquant l'absence du signal de 4-20 mA sur l'entrée AI3
[Lim C/I att.] (SSA) : alarme de limitation de couple
[Th. var. att.] (tAd): état thermique du variateur atteint
[Alarme IGBT] (tJA): alarme IGBT
[Al. SousCh. Process] (ULA): alarme de sous-charge
[Al. Surch. Process] (OLA): alarme de surcharge
[Alar. tension cable] (rSdA): câble détendu (voir le paramètre [Conf. cable détendu] (rSd)page 208)
[Couple haut atteint] (ttHA): couple moteur supérieur au seuil haut (voir le paramètre [Seuil couple haut] (ttH) page 104).
[Couple bas atteint] (ttLA): couple moteur inférieur au seuil bas (voir le paramètre [Seuil couple bas] (ttL) page 104).
[AlarmeFreq. mètre] (FqLA) : seuil de vitesse mesurée atteint : [Seuil alarme pulse] (FqL) page 104.
[Alar. variat. charge] (dLdA) : détection de variation de charge (voir le paramètre [DETECT. DELTA CHARGE] (dLd-)
page 272).
Reportez-vous à la procédure de sélection multiple, page 33 pour le terminal graphique intégré, page 24 pour le terminal
graphique.
A2C- [DEF. ALARM GROUP 2]
Identique au menu [DEF. ALARM GROUP 1] (A1C-) page 147.
A3C- [DEF. ALARM GROUP 3]
Identique au menu [DEF. ALARM GROUP 1] (A1C-) page 147.
Il est possible d'accéder aux paramètres décrits sur cette page via les menus suivants : DRI- > CONF > FULL > I_O- > AIC-

Mode de configuration (ConF)
148 NVE41296 04/2018
Commande
Les paramètres du menu [COMMANDE] (CtL-) peuvent être modifiés uniquement si le variateur est arrêté
et qu'aucune commande de marche n'est présente.
Canaux de commande et de consigne
Les ordres de marche (Sens avant, Sens arrière, Arrêt, etc.) et les consignes peuvent être donnés par les
canaux suivants :
Remarque : [LA1] (LA1) et [LA2] (LA2) peuvent être utilisées comme 2 entrées logiques uniquement en
mode source.
•Alimentation de +24 V (max. 30 V)
•État 0 si l'alimentation est < 7,5 V, état 1 si elle est > 8,5 V.
Remarque : La touche Stop (Arrêt) du terminal graphique ou du terminal déporté peut être programmée en
tant que touche non prioritaire. La touche Stop (Arrêt) peut uniquement avoir la priorité si le paramètre
[Priorité STOP] (PSt) dans le menu [COMMANDE] (CtL-), page 156, est réglé sur [Oui] (YES).
Le comportement de l'Altivar 320 peut être adapté en fonction des besoins :
•[Non séparé] (SIM) : la commande et la consigne proviennent du même canal.
•[Séparés] (SEP) : la commande et la consigne peuvent venir de canaux différents.
Dans ces profils, la commande par le bus de communication est effectuée selon le standard DRIVECOM avec
uniquement 5 bits librement affectables (voir le guide des paramètres de communication). Il est impossible
d'accéder aux fonctions d'application par l'interface de communication.
•[Profil I/O] (IO) : la commande et la consigne peuvent venir de canaux différents. Ce profil permet une
utilisation simple et étendue via l'interface de communication. Les commandes peuvent être envoyées par
les entrées logiques sur les bornes ou par le bus de communication. Lorsque les commandes sont
envoyées par le bus, elles sont disponibles sur un mot se comportant comme un bornier virtuel qui contient
uniquement des entrées logiques. Les fonctions d'applications sont affectables aux bits de ce mot.
Plusieurs fonctions peuvent être affectées au même bit.
Remarque : Les ordres d'arrêt du terminal graphique ou du terminal déporté restent actifs même si le bornier
n'est pas le canal de commande actif.
Commande Consigne
Bornes : entrées logiques LI ou entrées analogiques utilisées en
tant qu'entrées logiques LA
Blocs fonctions
Terminal déporté
Terminal graphique
Modbus intégré
CANopen® intégré
Carte de communication
Bornes : entrées analogiques AI, entrée Pulse input
Blocs fonctions
Terminal déporté
Terminal graphique
Modbus intégré
CANopen® intégré
Carte de communication
Plus vite/Moins vite via les bornes
Plus vite/Moins vite via le terminal graphique
AVERTISSEMENT
FONCTIONNEMENT INNATENDU DE L'APPAREIL
Si les entrées analogiques [AI1] (A11) ou [AI2] (A12) sont utilisées en tant qu'entrées logiques ([LAI1]
(LAI1) ou [LAI2] (LAI2)), elles restent actives dans leur comportement en mode entrée analogique
(exemple : [Canal réf. 1] (Fr1) est toujours réglé sur [Al1] (A11)).
•Supprimez la configuration de [Al1] (A11) ou [AI2] (A12) en mode entrée analogique
Le non-respect de ces instructions peut entraîner la mort, des blessures graves ou des dommages
matériels.

Mode de configuration (ConF)
NVE41296 04/2018 149
Canal de consigne pour les profils [Non séparé] (SIM), [Séparés] (SEP) et [Profil I/O] (IO), PID non configuré
Fr1, SA2, SA3, dA2, dA3, MA2, MA3 :
•borniers, terminal graphique, Modbus intégré, CANopen® intégré, carte de communication
Fr1b, pour les profils SEP et IO :
•borniers, terminal graphique, Modbus intégré, CANopen® intégré, carte de communication
Fr1b, pour le profil SIM :
•borniers, accessible uniquement si Fr1 = borniers
Fr2 :
•borniers, terminal graphique, Modbus intégré, CANopen® intégré, carte de communication, +/- vite
Remarque : Les paramètres [Canal réf. 1B] (Fr1b) et [Commut. réf. 1B] (rCb) doivent être configurés
dans le menu [FONCTIONS D'APPLI.] (Fun-).
H/>
72H
279/
:52
H2/
2H%
279
;-%
;-&
@-%
@-&
8-%
8-&
2H$
2H$>
+/- vite autour d'une
consigne
Vitesses
présélectionnées
Marche
pas à pas
(JOG)
PID non affecté
Terminal
graphique
Forçage local
Rampes
Paramètre :
Le carré noir représente
l'affectation en réglage usine.
Légende :
Canal 1
Canal 2
[Commut. réf. 1B]
[Canal réf. 1]
[Canal réf. 1B]
[Réf. sommatrice 2]
[Réf. sommatrice 3]
[Réf. soustract. 2]
[Réf. soustract. 3]
[Réf. multiplic. 2]
[Petite vitesse]
[Réf. multiplic. 3]
[REGULATEUR PID]
AI1
[Canal réf. 2]
[Commutation réf.2]
(FRA + SA2 + SA3 - dA2 - dA3) x MA2 x MA3
(SP1)
SP2
SP16 LI
LCC
FRA
nO
[Grande
vitesse]
nO
nO
nO nO FrH rFr
AI2
AI3
HSP
LSP
ACC DEC
AC2 DE2
LI
nO
0V
Remarque : Le forçage local
est inactif en [Profil I/O].

Mode de configuration (ConF)
150 NVE41296 04/2018
Canal de consigne pour les profils [Non séparé] (SIM), [Séparés] (SEP) et [Profil I/O] (IO), PID configuré avec
consignes PID au bornier
(1) Rampes inactives si la fonction PID est activée en mode automatique.
Fr1 :
• borniers, terminal graphique, Modbus intégré, CANopen® intégré, carte de communication
Fr1b, pour les profils SEP et IO :
• borniers, terminal graphique, Modbus intégré, CANopen® intégré, carte de communication
Fr1b, pour le profil SIM :
•borniers, accessible uniquement si Fr1 = borniers
SA2, SA3, dA2, dA3 :
•borniers seulement
Fr2 :
•borniers, terminal graphique, Modbus intégré, CANopen® intégré, carte de communication, +/- vite
Remarque : Les paramètres [Canal réf. 1B] (Fr1b) et [Commut. réf. 1B] (rCb) doivent être configurés
dans le menu [FONCTIONS D'APPLI.] (Fun-).
H/>
72H
279/
H2/
2H%
279
;-%
;-&
@-%
@-&
2H$
2H$>
Terminal
graphique
Rampes (1)
Paramètre :
Le carré noir représente
l'affectation en réglage usine.
Légende :
Canal 1
Canal 2
PID
Voir page 210
A
Forçage local
[Commut. réf. 1B]
[Canal réf. 1]
[Canal réf. 1B]
[Réf. sommatrice 2]
[Réf. sommatrice 3]
[Réf. soustract. 2]
[Réf. soustract. 3]
[Petite vitesse]
AI1
[Canal réf. 2]
[Commutation réf.2]
FRA + SA2 + SA3 - dA2 - dA3
B
LCC
FRA
[Grande
vitesse]
nO FrH rFr
AI2
AI3
HSP
LSP
ACC DEC
AC2 DE2
LI
nO
0V
Remarque : Le forçage local
est inactif en [Profil I/O].

Mode de configuration (ConF)
NVE41296 04/2018 151
Canal de commande pour le profil [Non séparé] (SIM)
Consigne et commande, non séparées
Le canal de commande est déterminé par le canal de consigne. Les paramètres Fr1, Fr2, rFC, FLO
et FLOC sont communs pour la consigne et la commande.
Exemple : si la consigne est Fr1 = AI1 (entrée analogique au bornier), la commande se fait par LI
(entrée logique au bornier).
279/
/4/2
H2/
2H%
279
:;I
2H$
(Priorité STOP)
Forçage local
Paramètre :
Le carré noir représente
l'affectation en réglage usine.
Sens avant
Arrière
STOP
Terminal
graphique
Légende :
Terminal
graphique
LI
AI1
(RUN/STOP
FWD/REV)
LCC
nO
AI2
AI3
LI
[Canal réf. 1]
[Canal réf. 2]
[Commutation réf.2]
[Profil]
YES
SIM
STOP
CMD
LI
nO
nO

Mode de configuration (ConF)
152 NVE41296 04/2018
Canal de commande pour le profil [Séparés] (SEP)
Consigne et commande séparées
Les paramètres FLO et FLOC sont communs pour la consigne et la commande.
Exemple : si la consigne est en mode forçage local par AI1 (entrée analogique au bornier), la commande
en forçage local se fait par LI (entrée logique au bornier).
Les canaux de commande Cd1 et Cd2 sont indépendants des canaux de consigne Fr1, Fr1b et
Fr2.
Cd1, Cd2 :
•borniers, terminal graphique, Modbus intégré, CANopen® intégré, carte de communication
279/
/4/2
//;
/@%
279
:;I
/@$
(Priorité STOP)
Forçage local
Paramètre :
Le carré noir représente l'affectation en
réglage usine, sauf pour [Profil].
Sens
avant
Arrière
Terminal
graphique
Légende :
Terminal
graphique
LI
AI1
(RUN/STOP
FWD/REV)
LCC
nO
AI2
AI3
[Canal Cde 1]
[Canal Cde 2]
[Commutation cmd] [Profil]
YES
SEP
STOP
CMD
LI
nO
nO

Mode de configuration (ConF)
NVE41296 04/2018 153
Canal de commande pour le profil [Profil I/O] (IO)
Consigne et commande séparées, comme avec le profil [Séparés] (SEP)
Les canaux de commande Cd1 et Cd2 sont indépendants des canaux de consigne Fr1, Fr1b et
Fr2.
Cd1, Cd2 :
•borniers, terminal graphique, Modbus intégré, CANopen® intégré, carte de communication
Une commande ou une action peut être affectée :
•à un canal fixe en choisissant une entrée LI ou un bit Cxxx :
- en choisissant par exemple LI3, cette action sera toujours déclenchée par LI3 quel que soit le
canal de commande commuté.
- en choisissant par exemple C214, cette action sera toujours déclenchée par CANopen® intégré
avec le bit 14, quel que soit le canal de commande commuté.
•à un canal commutable en choisissant un bit CDxx :
- en choisissant par exemple Cd11, cette action sera déclenchée par :
LI12 si le canal borniers est actif,
C111 si le canal Modbus intégré est actif,
C211 si le canal CANopen® intégré est actif,
C311 si le canal carte de communication est actif.
Si le canal actif est le terminal graphique, les fonctions et les commandes affectées aux bits internes
commutables sont inactives.
Remarque : Les bits Cd06 à Cd13 ne peuvent servir que pour une commutation entre 2 réseaux, ils ne
correspondent à aucune entrée logique.
/4/2
//;
/@%
279
:;I
/@$
(Priorité STOP)
Forçage local
Paramètre :
Le carré noir représente l'affectation en
réglage usine, sauf pour [Profil].
Sens avant
Arrière
STOP
Légende :
Terminal
graphique
nO
[Canal Cde 1]
[Canal Cde 2]
[Commutation cmd] [Profil]
YES
SEP
STOP
CMD
LI
nO

Mode de configuration (ConF)
154 NVE41296 04/2018
(1) Si le paramètre [Cde 2 fils/3 fils] (tCC), page 87, est réglé sur [Cde 3 fils] (3C), LI2, C101, C201 et C301
sont inaccessibles.
Bornier Modbus intégré CANopen® intégré Carte de
communication
Bit interne, peut
être commuté
CD00
LI2 (1) C101 (1) C201 (1) C301 (1) CD01
LI3 C102 C202 C302 CD02
LI4 C103 C203 C303 CD03
LI5 C104 C204 C304 CD04
LI6 C105 C205 C305 CD05
- C106 C206 C306 CD06
- C107 C207 C307 CD07
- C108 C208 C308 CD08
- C109 C209 C309 CD09
- C110 C210 C310 CD10
- C111 C211 C311 CD11
- C112 C212 C312 CD12
LAI1 C113 C213 C313 CD13
LAI2 C114 C214 C314 CD14
- C115 C215 C315 CD15
OL01 à OL10

Mode de configuration (ConF)
NVE41296 04/2018 155
Conditions d'affectation des entrées logiques et des bits de commande
Pour toute commande ou fonction affectable à une entrée logique ou à un bit de commande, les éléments
suivants sont disponibles :
Remarque : Dans le profil [Profil I/O] (IO), LI1 est inaccessible et si [Cde 2 fils/3 fils] (tCC), page 87,
est réglé sur [3 fils] (3C), LI2, C101, C201 et C301 sont également inaccessibles.
[LI1] (LI1) à [LI6] (LI6)Entrées logiques
[LAI1] (LAI1) à [LAI2] (LAI2)Entrée logique virtuelle
[C101] (C101) à [C110] (C110)Avec Modbus intégré dans le profil [Profil I/O] (IO)
[C111] (C111) à [C115] (C115)Avec Modbus intégré quel que soit le profil
[C201] (C201) à [C210] (C210)Avec CANopen® intégré dans le profil [Profil I/O] (IO)
[C211] (C211) à [C215] (C215)Avec CANopen® intégré quel que soit le profil
[C301] (C301) à [C310] (C310)Avec une carte de communication dans le profil [Profil I/O] (IO)
[C311] (C311) à [C315] (C315)Avec une carte de communication quel que soit le profil
[CD00] (Cd00) à [CD10] (Cd10)Dans le profil [Profil I/O] (IO)
[CD11] (Cd11) à [CD15] (Cd15)Quel que soit le profil
[OL01] (OL01) à [OL10] (OL10)Quel que soit le profil
AVERTISSEMENT
PERTE DE CONTRÔLE
Les canaux de communication inactifs ne sont pas surveillés (aucune détection d'erreur en cas d'interruption
des communications).
Vérifiez que les commandes et fonctions affectées aux bits C101 à C315 peuvent être utilisées en toute
sécurité en cas d'interruption des communications.
Le non-respect de ces instructions peut entraîner la mort, des blessures graves ou des dommages
matériels.

Mode de configuration (ConF)
156 NVE41296 04/2018
Code Nom/Description Plage de réglages Réglage usine
FULL [FULL] (suite)
CtL- [COMMANDE]
Fr1 [Canal réf. 1] [Al1] (A11)
A11
A12
A13
LCC
Mdb
CAn
nEt
PI
AIU1
0A01
...
OA10
[Al1] (A11) : entrée analogique A1
[Al2] (A12) : entrée analogique A3
[Al3] (A13): entrée analogique A3
[HMI] (LCC): terminal graphique ou terminal déporté
[Modbus] (Mdb) : Modbus intégré
[CANopen] (CAn) : CANopen® intégré
[Carte COM.] (nEt) : carte de communication (si insérée)
[RP] (PI): entrée Pulse input
[AI virtuelle 1] (AIU1): entrée analogique virtuelle 1 avec le bouton de navigation(uniquement disponible si le paramètre
[Profil] (CHCF) n'est pas réglé sur [Non séparé] (SIM))
[OA01] (OA01) : blocs fonctions : sortie analogique 01
...
[OA10] (OA10) : blocs fonctions : sortie analogique 10
rIn [Inhibition sens RV] [Non] (nO)
nO
YES
L'inhibition du mouvement en sens inverse ne s'applique pas aux requêtes de sens envoyées par les entrées logiques.
Les requêtes de sens inverse envoyées par les entrées logiques sont prises en compte.
Les requêtes de sens inverse envoyées par le terminal graphique ne sont pas prises en compte.
Les requêtes de sens inverse envoyées par le bus de terrain ne sont pas prises en compte.
Toute consigne de vitesse en sens inverse provenant du PID, de l'entrée de sommation, etc., est interprétée comme une consigne
à zéro (0 Hz).
[Non] (nO)
[Oui] (YES)
PSt [Priorité STOP] [Oui] (YES)
AVERTISSEMENT
PERTE DE CONTRÔLE
Cette fonction désactive les touches Stop sur le terminal graphique déporté si le paramètre [Canal cmd.]
(CMdC) n'est pas réglé sur [HMI] (HMI).
Réglez ce paramètre sur [Non] (nO) uniquement si vous avez mis en oeuvre d'autres fonctions d'arrêt
appropriées.
Le non-respect de ces instructions peut entraîner la mort, des blessures graves ou des dommages
matériels.
nO
YES
Cet arrêt est un arrêt en roue libre. Si le canal de commande actif est le terminal graphique, cet arrêt se fait suivant le
[Type d'arrêt] (Stt), page 176, quelle que soit la configuration du paramètre [Priorité STOP] (PSt).
[Non] (nO)
[Oui] (YES) : donne la priorité à la touche Stop (Arrêt) du terminal graphique lorsque le canal de commande actif n'est pas le
terminal graphique.
CHCF [Profil] [Non séparé] (SIM)
DANGER
FONCTIONNEMENT INNATENDU DE L'APPAREIL
La désactivation de [Profil I/O] (IO) rétablit les réglages usine du variateur.
•Vérifiez que la restauration des réglages usine est compatible avec le type de câblage utilisé.
Le non-respect de ces instructions entraînera la mort ou des blessures graves.
2s
2s
DRI- > CONF > FULL > CTL-
Il est possible d'accéder aux paramètres décrits sur cette page via les menus suivants :

Mode de configuration (ConF)
NVE41296 04/2018 157
SIM
SEP
IO
[Non séparé] (SIM) : Consigne et commande, non séparées
[Séparés] (SEP): Consigne et commande séparées Cette affectation n'est pas accessible dans le profil [Profil I/O] (IO).
[Profil I/O] (IO): profil I/O
CCS [Commutation cmd] [Canal 1 act.] (Cd1)
g
Ce paramètre est accessible si le paramètre [Profil] (CHCF) est réglé sur [Séparés] (SEP) ou [Profil I/O] (IO).
Si l'entrée ou le bit affecté est à l'état 0, le canal [Canal Cde 1] (Cd1) est actif.
Si l'entrée ou le bit affecté est à l'état 1, le canal [Canal Cde 2] (Cd2) est actif.
Si [Profil] (CHCF) est réglé sur [Non séparé] (SiM), seule la valeur de réglage [Canal de Commande 1] (Cd1) est
possible.
Cd1
Cd2
LI1
...
[Canal 1 act.] (Cd1): [Canal Cde 1] (Cd1) actif (pas de commutation)
[Canal 2 act.] (Cd2): [Canal Cde 2] (Cd2) actif (pas de commutation)
[LI1] (LI1) : entrée logique LI1
[...] (...): voir les conditions d'affectation page 155 (sauf Cd00 à Cd15)
Cd1 [Canal Cde 1] [Borniers] (tEr)
gCe paramètre est accessible si le paramètre [Profil] (CHCF) est réglé sur [Séparés] (SEP) ou [Profil I/O] (IO).
tEr
LCC
Mdb
CAn
nEt
[Borniers] (tEr): Borniers
[HMI] (LCC): terminal graphique ou terminal déporté
[Modbus] (Mdb) : Modbus intégré
[CANopen] (CAn) : CANopen® intégré
[Carte COM.] (nEt) : carte de communication (si insérée)
Cd2 [Canal Cde 2] [Modbus] (Mdb)
gCe paramètre est accessible si le paramètre [Profil] (CHCF) est réglé sur [Séparés] (SEP) ou [Profil I/O] (IO).
tEr
LCC
Mdb
CAn
nEt
[Borniers] (tEr): Borniers
[HMI] (LCC): terminal graphique ou terminal déporté
[Modbus] (Mdb) : Modbus intégré
[CANopen] (CAn) : CANopen® intégré
[Carte COM.] (nEt) : carte de communication (si insérée)
rFC [Commutation réf.2] [Canal réf. 1] (Fr1)
Fr1
Fr2
LI1
...
Si l'entrée ou le bit affecté est à l'état 0, le canal [Canal Cde 1] (Cd1) est actif.
Si l'entrée ou le bit affecté est à l'état 1, le canal [Canal Cde 2] (Cd2) est actif.
[Canal réf. 1] (Fr1): canal [Canal Cde 1] (Cd1) actif (pas de commutation)
[Canal réf. 2] (Fr2): canal [Canal Cde 2] (Cd2) actif (pas de commutation)
[LI1] (LI1) : entrée logique LI1
[...] (...): voir les conditions d'affectation page 155 (sauf Cd00 à Cd15)
Fr2 [Canal réf. 2] [Non] (nO)
nO
A11
A12
A13
UPdt
LCC
Mdb
CAn
nEt
PI
AIU1
0A01
...
OA10
[Non] (nO): non affectée. Si le paramètre [Profil] (CHCF) est réglé sur [Non séparé] (SIM), la commande est au bornier
avec une consigne à zéro. Si le paramètre [Profil] (CHCF) est réglé sur [Séparés] (SEP) ou [Profil I/O] (IO), la consigne
est à zéro.
[Al1] (A11) : entrée analogique A1
[Al2] (A12) : entrée analogique A2
[Al3] (A13): entrée analogique A3
[+/-Vite] (UPdt): commande Plus vite/Moins vite
[HMI] (LCC): terminal graphique ou terminal déporté
[Modbus] (Mdb) : Modbus intégré
[CANopen] (CAn) : CANopen® intégré
[Carte COM.] (nEt) : carte de communication (si insérée)
[RP] (PI): entrée Pulse input
[AI virtuelle 1] (AIU1): entrée analogique virtuelle 1 avec le bouton de navigation
[OA01] (OA01) : blocs fonctions : sortie analogique 01
...
[OA10] (OA10) : blocs fonctions : sortie analogique 10
Code Nom/Description Plage de réglages Réglage usine
DRI- > CONF > FULL > CTL-
Il est possible d'accéder aux paramètres décrits sur cette page via les menus suivants :

Mode de configuration (ConF)
158 NVE41296 04/2018
COP [Copie Canal 1 <> 2] [Non] (nO)
AVERTISSEMENT
FONCTIONNEMENT INNATENDU DE L'APPAREIL
Ce paramètre peut provoquer des mouvements imprévus, par exemple, l'inversion du sens de rotation du
moteur, une brusque accélération ou des arrêts.
•Vérifiez que le réglage de ce paramètre n'entraîne pas de mouvements inattendus.
•Vérifiez que ce paramètre peut être réglé en toute sécurité.
Le non-respect de ces instructions peut entraîner la mort, des blessures graves ou des dommages
matériels.
nO
SP
Cd
ALL
Ce paramètre permet de copier la consigne et/ou la commande en cours en effectuant la commutation, par exemple pour éviter
les à-coups de vitesse.
Si le paramètre [Profil] (CHCF), page 156, est réglé sur [Non séparé] (SIM) ou [Séparés] (SEP), la copie n'est possible
que du canal 1 vers le canal 2.
Si le paramètre [Profil] (CHCF) est réglé sur [Profil I/O] (IO), la copie est possible dans les deux sens.
Il n’est pas possible de copier une consigne ou une commande vers un canal bornier.
La consigne copiée est [Référence fréq.] (FrH) (avant rampe) sauf si la consigne du canal de destination est réglée via la
fonction +/- vite. Dans ce cas, c'est la consigne [Fréquence sortie] (rFr) (après rampe) qui est copiée.
[Non] (nO) : pas de copie
[Référence] (SP): copie de la consigne
[Commande] (Cd): copie de la commande
[Cmd + réf.] (ALL): Copie de la commande et de la consigne
gCes paramètres apparaissent uniquement si la fonction correspondante a été sélectionnée dans un autre menu. Lorsqu'il est
également possible d'accéder et de régler les paramètres dans le menu de configuration pour la fonction correspondante,
leur description est détaillée dans ces menus, sur les pages indiquées, afin d'aider à la programmation.
Pour modifier l'affectation de ce paramètre, appuyez pendant 2 secondes sur la touche ENT.
Code Nom/Description Plage de réglages Réglage usine
2s
2s
DRI- > CONF > FULL > CTL-
Il est possible d'accéder aux paramètres décrits sur cette page via les menus suivants :

Mode de configuration (ConF)
NVE41296 04/2018 159
Le terminal graphique pouvant être choisi comme canal de commande et/ou de consigne, ses modes d'actions
sont configurables.
Les paramètres de cette page ne sont accessibles que sur le terminal graphique, et pas sur le terminal intégré.
Remarques :
•La commande et/ou consigne du terminal n’est active que si les canaux de commande et/ou de consigne
par le terminal sont actifs à l’exception de [T/K] (Ft) (commande par le terminal), qui est prioritaire sur ces
canaux. Appuyez de nouveau sur [T/K] (Ft) (commande par le terminal) pour redonner la main au canal
sélectionné.
•Il est impossible d'effectuer des commandes ou de définir des consignes par le terminal si celui-ci est
connecté à plusieurs variateurs.
•Les fonctions JOG, vitesses présélectionnées et +/- vite ne sont accessibles que si le paramètre [Profil]
(CHCF) est réglé sur [Non séparé] (SIM).
•Les fonctions consigne PID présélectionnée ne sont accessibles que si le paramètre [Profil] (CHCF) est
réglé sur [Non séparé] (SIM) ou [Séparés] (SEP).
•La fonction [T/K] (Ft) (commande par le terminal) est accessible quel que soit le [Profil] (CHCF).
Code Nom/Description Plage de réglages Réglage usine
Fn1 [Affect. touche F1] [Non] (nO)
nO
FJOG
FPS1
FPS2
FPr1
FPr2
FuSP
FdSP
Ft
[Non] (nO): non affectée
[Jog] (FJOG): Marche pas à pas (JOG)
[Vit. présel.2] (FPS1) : appuyez sur cette touche pour faire fonctionner le variateur à la deuxième vitesse présélectionnée [Vit.
présélect. 2] (SP2) page 99. Appuyez sur la touche Stop (Arrêt) pour arrêter le variateur.
[Vitesse présel.3] (FPS2): appuyez sur cette touche pour faire fonctionner le variateur à la troisième vitesse présélectionnée
[Vit. présélect. 3] (SP3) page 99. Appuyez sur la touche Stop (Arrêt) pour arrêter le variateur.
[Réf. PID 2] (FPr1): règle une consigne PID égale à la deuxième consigne PID présélectionnée [Réf. présél. PID 2] (rP2)
page 101, sans envoyer d'ordre de marche. Fonctionne uniquement si le paramètre [Canal réf. 1] (Fr1) est réglé sur [HMI]
(LCC). Ne fonctionne pas avec la fonction [T/K] (Ft).
[Réf. PID 3] (FPr2): règle une consigne PID égale à la troisième consigne PID présélectionnée [Réf. présél. PID 3] (rP3)
page 102, sans envoyer d'ordre de marche. Fonctionne uniquement si le paramètre [Canal réf. 1] (Fr1) est réglé sur [HMI]
(LCC). Ne fonctionne pas avec la fonction [T/K] (Ft).
[+Vite] (FUSP) : Plus vite. Fonctionne uniquement si le paramètre [Canal réf. 2] (Fr2) est réglé sur [HMI] (LCC). Appuyez
sur cette touche pour faire fonctionner le variateur et augmenter la vitesse. Appuyez sur la touche Stop (Arrêt) pour arrêter le
variateur.
[-Vite] (FdSP): moins vite, fonctionne uniquement si le paramètre [Canal réf. 2] (Fr2) est réglé sur [HMI] (LCC) et si une
autre touche est affectée à [+Vite]. Appuyez sur cette touche pour faire fonctionner le variateur et diminuer la vitesse. Appuyez
sur la touche Stop (Arrêt) pour arrêter le variateur.
[T/K] (Ft): commande par le terminal : prévaut sur les paramètres [Commutation cmd] (CCS) et
[Commutation réf.2] (rFC).
Fn2 [Affect. touche F2] [Non] (nO)
Identique à [Affect. touche F1] (Fn1) page 159.
Fn3 [Affect. touche F3] [Non] (nO)
Identique à [Affect. touche F1] (Fn1) page 159.
Fn4 [Affect. touche F4] [Non] (nO)
Identique à [Affect. touche F1] (Fn1) page 159.
bMP [Cmd HMI] [Arrêt] (StOP)
gLorsque la fonction [T/K] (Ft) est affectée à une touche et que cette fonction est active, ce paramètre définit le comportement
au moment où le contrôle revient au terminal graphique ou au terminal déporté.
StOp
bUMF
[Arrêt] (StOP): arrête le variateur (même si le sens de marche commandé et la consigne du canal précédent sont copiés (pour
être pris en compte à l'ordre de marche suivant)).
[Avec copie] (bUMF): n'arrête pas le variateur (le sens de marche commandé et la consigne du canal précédent sont copiés).
gCes paramètres apparaissent uniquement si la fonction correspondante a été sélectionnée dans un autre menu. Lorsqu'il est
également possible d'accéder et de régler les paramètres dans le menu de configuration pour la fonction correspondante,
leur description est détaillée dans ces menus, sur les pages indiquées, afin d'aider à la programmation.
DRI- > CONF > FULL > CTL-
Il est possible d'accéder aux paramètres décrits sur cette page via les menus suivants :

Mode de configuration (ConF)
160 NVE41296 04/2018
Gestion des blocs fonctions
Code Nom/Description Plage de réglages Réglage usine
FULL [FULL] (suite)
FbM- [BLOCS FONCTIONS]
MFb- [STATUT BLOCS FONCT.]
Remarque : Cette section montre uniquement ce qu'il est possible de faire avec un afficheur local ou déporté sur le variateur.
Pour une configuration avancée à l'aide du logiciel PC, reportez-vous au guide relatif aux blocs fonctions.
FbSt [Statut FB]
IdLE
CHEC
StOP
InIt
rUn
Err
[En attente] (IdLE): aucun fichier binaire dans la cible, les blocs fonctions sont en attente d'un téléchargement.
[Vérif. Prog.] (CHEC): vérifiez le programme téléchargé.
[A l'arrêt] (StOP): l'application de blocs fonctions est arrêtée.
[Init] (InIt): vérifiez la cohérence entre le programme ATVLogic et les paramètres des blocs fonctions.
[Exécuté] (rUn): l'application de blocs fonctions est en marche.
[Erreur] (Err): une erreur interne a été détectée. L'application de blocs fonctions est en mode état de défaut.
FbFt [Défaut FB]
nO
Int
bIn
InP
PAr
CAL
tOAU
tOPP
AdL
In
[Non] (nO) : pas de défaut détecté
[Interne] (Int): erreur interne détectée
[Ficher bin.] (bIn): fichier binaire corrompu
[Para. intern] (InP): erreur d'un paramètre interne détectée
[Accès para.] (PAr) : erreur d'accès aux paramètres détectée
[Calcul] (CAL): erreur de calcul détectée
[TO AUX] (tOAU): tâche de temporisation AUX
[TO synch] (tOPP): temporisation pour une tâche PRE/POST
[Err. ADLC] (AdL): ADLC avec une erreur de paramètre
[Aff. entrées] (In): entrée non configurée
FbI- [IDENTIFICATION FB]
bUEr [Version programme] 0 à 255 -
gVersion du programme de l'utilisateur.
bnS [Taille programme] 0 à 65 535 -
gTaille du fichier du programme.
bnU [Format programme] 0 à 255 -
Version du variateur au format binaire.
CtU [Version catalogue] 0 à 65 535 -
Version du catalogue du variateur.
FbM- [BLOCS FONCTIONS] (suite)
FbCd
[Commande FB]
Ce paramètre permet de démarrer et d'arrêter manuellement les blocs fonctions.
StOP
Strt
Le paramètre [Commande FB] (FbCd) est forcé à [Arrêter] (StOP) si aucune application de blocs fonctions n'est valide
dans la mémoire du variateur.
Le paramètre [Commande FB] (FbCd) est réglé sur [Exécuter] (Strt) lorsque l'application de blocs de fonctions passe à
Démarré/exécuté en fonction de la configuration du paramètre [Mode démarrage FB] (FbrM).
Remarque : Dès que les blocs fonctions ont démarré, le variateur est considéré comme étant en état de fonctionnement et la
modification des paramètres de configuration n'est plus possible.
[Stop] (StOP) : commande d'arrêt de l'application de blocs fonctions
[Exécuter] (Strt) : commande de démarrage de l'application de blocs fonctions
DRI- > CONF > FULL > FBM- >MFB-
Il est possible d'accéder aux paramètres décrits sur cette page via les menus suivants :

Mode de configuration (ConF)
NVE41296 04/2018 161
FbrM [Mode démarrage FB] [Non] (nO)
AVERTISSEMENT
FONCTIONNEMENT INNATENDU DE L'APPAREIL
En fonction du réglage de ce paramètre, des blocs fonctions peuvent être immédiatement exécutés.
•Vérifiez que ce réglage peut être utilisé en toute sécurité.
Le non-respect de ces instructions peut entraîner la mort, des blessures graves ou des dommages
matériels.
nO
YES
LI1
...
Ce paramètre permet de choisir les différentes manières de démarrer l'application de blocs fonctions.
Remarque : Les modifications apportées à ce paramètre ne sont pas prises en compte si l'application de blocs fonctions est en
marche.
[Non] (nO) : l'application de blocs fonctions est contrôlée par le paramètre [Commande FB] (FbCd)
[Oui] (YES) : l'application de blocs fonctions passe automatiquement à Démarré/exécuté à la mise sous tension du variateur
[LI1] (LI1) : l'application de blocs fonctions passe à Démarré/exécuté sur le front montant de l'entrée logique. Elle passe à
Arrêt sur le front descendant de l'entrée logique.
[...] (...) : voir les conditions d'affectation page 155 (([OL10] (OL01) jusqu’à [OL10] (OL10) et [CD00] (Cd00) jusqu’à
[CD15] (Cd15) ne sont pas disponibles).
FbSM [Arrêt FB arrêt mot.] [Roue libre] (YES)
AVERTISSEMENT
PERTE DE CONTRÔLE
Si le paramètre [Arrêt FB arrêt mot.] (FbSM) est réglé sur [Non] (nO), le moteur ne s'arrêtera pas lorsque
le programme est arrêté.
Réglez ce paramètre sur [No] (nO) uniquement si vous avez mis en oeuvre d'autres fonctions d'arrêt
appropriées.
Le non-respect de ces instructions peut entraîner la mort, des blessures graves ou des dommages
matériels.
nO
YES
rMP
FSt
dCI
Ce paramètre permet de configurer la manière de fonctionner du variateur lorsque les blocs fonctions sont arrêtés.
[Déf. ignoré] (nO): le variateur ne s'arrête pas.
[Roue libre] (YES) : arrêt du moteur en roue libre
[arrêt rampe] (rMP): arrêt de la rampe
[arrêt rapide] (FSt): arrêt rapide
[Inject. DC] (dCI): injection DC
FbdF [FB après défaut var.] [Stop] (StOP)
StOP
IGn
Comportement des blocs fonctions lorsque le variateur passe en mode défaut.
[Stop] (StOP): les blocs fonctions s'arrêtent lorsque le variateur passe en mode défaut, les sorties sont relâchées
[Ignore] (IGn): les blocs fonctions continuent à fonctionner lorsque le variateur passe en mode défaut (sauf pour les défauts
CFF et INFE).
Code Nom/Description Plage de réglages Réglage usine
2s
DRI- > CONF > FULL > FBM-
Il est possible d'accéder aux paramètres décrits sur cette page via les menus suivants :

Mode de configuration (ConF)
162 NVE41296 04/2018
FbA- [AFFECTATION ENTREES]
IL01 [IL01] [Non] (nO)
YES
LI1
...
Affectations possibles pour l'entrée logique des blocs fonctions.
Identique à [Affectation R1] (r1) page 140 (pas [FDC atteint] (LSA)) avec l’ajout des valeurs de paramètre suivantes
(indiqués à titre d'information uniquement car ces choix peuvent être exclusivement effectués dans le menu [FONCTIONS
D'APPLI.] (FUn-)) :
[Oui] (YES) : Oui
[LI1] (LI1) : entrée logique LI1
[...] (...) : voir les conditions d'affectation, page 155
IL-- [ILxx] [Non] (nO)
Toutes les entrées logiques de blocs fonctions disponibles sur le variateur sont traitées comme dans l'exemple ci-dessus
[IL01] (IL01), jusqu'à l'entrée logique [IL10] (IL10).
IA01 [IA01] [Non] (nO)
nO
A11
A12
A13
OCr
OFr
OrP
trq
Stq
OrS
OPS
OPF
OPE
OPI
OPr
tHr
tHd
tqMS
OFS
tHr2
tHr3
UOP
PI
AIU1
dO1
AIU2
OA01
...
OA10
Affectations possibles pour l'entrée analogique des blocs fonctions.
[Non] (nO) : non affecté
[Al1] (A11) : entrée analogique A1
[Al2] (A12): entrée analogique A2
[Al3] (A13): entrée analogique A3
[I moteur] (OCr): courant moteur
[Fréq. mot.] (OFr): vitesse du moteur
[Sortie ramp] (OrP): sortie de rampe
[Couple mot] (trq): couple moteur
[Couple sig] (Stq): couple moteur signé
[Rampe sig.] (OrS): sortie de rampe signée
[Réf. PID] (OPS): consigne PI(D)
[Retour PID] (OPF) : retour PI(D)
[err. PID] (OPE): erreur PI(D)
[Sortie PID] (OPI): intégral du PI(D)
[Puiss. sortie] (OPr): puissance du moteur
[Therm. mot] (tHr): état thermique du moteur
[Therm. var.] (tHd): état thermique du variateur
[Couple 4Q] (tqMS): couple moteur signé
[Frq.mot.sig.] (OFS): fréquence de sortie signée
[Therm.mot2] (tHr2): état thermique du moteur 2
[Therm.mot3] (tHr3): état thermique du moteur 3
[tension mot] (UOP): tension moteur
[RP] (PI): entrée Pulse input
[AI virtuelle 1] (AIU1): entrée analogique virtuelle 1 avec le bouton de navigation
[DO1] (dO1): sortie analogique/logique DO1
[AI virtuelle 2] (AIU2): entrée analogique virtuelle 2 par le bus de communication
[OA01] (OA01) : blocs fonctions : sortie analogique 01
...
[OA10] (OA10) : blocs fonctions : sortie analogique 10
IA-- [IAxx] [Non] (nO)
Toutes les entrées analogiques des blocs fonctions disponibles sur le variateur sont traitées comme dans l'exemple ci-dessus
[IA01] (IA01), jusqu'à l'entrée logique [IA10] (IA10).
Code Nom/Description Plage de réglages Réglage usine
DRI- > CONF > FULL- > FBM-> FBA-
Il est possible d'accéder aux paramètres décrits sur cette page via les menus suivants :

Mode de configuration (ConF)
NVE41296 04/2018 163
FbM- [BLOCS FONCTIONS] (suite)
FAd- [CONTENEURS ADL]
Les conteneurs ADL contiennent l'adresse logique Modbus des paramètres internes du variateur. Si l'adresse choisie est valide,
le nom du paramètre s'affiche au lieu de l'adresse.
LA01 Conteneur ADL 01 3 015 à 64 299 0
LA02 Conteneur ADL 02 3 015 à 64 299 0
LA03 Conteneur ADL 03 3 015 à 64 299 0
LA04 Conteneur ADL 04 3 015 à 64 299 0
LA05 Conteneur ADL 05 3 015 à 64 299 0
LA06 Conteneur ADL 06 3 015 à 64 299 0
LA07 Conteneur ADL 07 3 015 à 64 299 0
LA08 Conteneur ADL 08 3 015 à 64 299 0
FbM- [BLOCS FONCTIONS] (suite)
FbP- [PARAMETRES FB]
Paramètres internes disponibles pour le programme utilisateur.
M001 [ ] 0 à 65 535 0
(1)
Paramètre M001 enregistré dans la mémoire EEprom.
M002 [ ] 0 à 65 535 0
(1)
Paramètre M002 enregistré dans la mémoire EEprom.
M003 [ ] 0 à 65 535 0
(1)
Paramètre M003 enregistré dans la mémoire EEprom.
M004 [ ] 0 à 65 535 0
(1)
Paramètre M004 enregistré dans la mémoire EEprom.
M005 [ ] 0 à 65 535 0
(1)
Paramètre M005 écrit dans la mémoire RAM.
M006 [ ] 0 à 65 535 0
(1)
Paramètre M006 écrit dans la mémoire RAM.
M007 [ ] 0 à 65 535 0
(1)
Paramètre M007 écrit dans la mémoire RAM.
Code Nom/Description Plage de réglages Réglage usine
DRI- > CONF > FULL- > FBM-> FAD-
Il est possible d'accéder aux paramètres décrits sur cette page via les menus suivants :

Mode de configuration (ConF)
164 NVE41296 04/2018
(1) En l'absence de terminal graphique, les valeurs supérieures à 9999 sont indiquées sur un affichage à 4 chiffres avec un
point comme séparateur de milliers. Exemple : 15.65 pour 15 650.
M008 [ ] 0 à 65 535 0
(1)
Paramètre M008 écrit dans la mémoire RAM.
Code Nom/Description Plage de réglages Réglage usine
gCes paramètres apparaissent uniquement si la fonction correspondante a été sélectionnée dans un autre menu. Lorsqu'il est
également possible d'accéder et de régler les paramètres dans le menu de configuration pour la fonction correspondante,
leur description est détaillée dans ces menus, sur les pages indiquées, afin d'aider à la programmation.
Ce paramètre peut être modifié en cours de fonctionnement ou à l'arrêt.
Pour modifier l'affectation de ce paramètre, appuyez pendant 2 secondes sur la touche ENT.
2s
DRI- > CONF > FULL- > FBM-> FBP-
Il est possible d'accéder aux paramètres décrits sur cette page via les menus suivants :

Mode de configuration (ConF)
NVE41296 04/2018 165
[FONCTIONS D'APPLI.] (FUn-)
Récapitulatif des fonctions :
Les paramètres du menu [FONCTIONS D'APPLI.] (Fun-) peuvent être modifiés uniquement si le variateur
est arrêté et qu'aucun ordre de marche n'est présent, sauf pour les paramètres présentant le symbole
dans la colonne Code qui peuvent être modifiés lorsque le variateur est en fonctionnement ou à l'arrêt.
Code Nom Page
(rEF-)[COMMUTATION REF.] 170
(OAI-)[OPERATIONS SUR REF.] 171
(rPt-)[RAMPE] 173
(Stt-)[CONFIGURATION ARRET] 176
(AdC-)[INJECTION DC AUTO] 179
(JOG-)[JOG] 181
(PSS-)[VITESSES PRESELECT.] 184
(UPd)[+/- VITE] 188
(SrE-)[+/-VITE AUTOUR REF] 190
(SPM-)[MEMO REFERENCE] 191
(FLI-)[FLUXAGE PAR LI] 192
(bLC-)[COMMANDE DE FREIN] 197
(ELM-)[MESURE CHARGE] 203
(HSH-)[LEVAGE HAUTE VITESSE] 208
(PId-)[REGULATEUR PID] 214
(Pr1-)[REFERENCES PID PRESEL] 218
(tOL-)[LIMITATION DE COUPLE] 220
(CLI-) [SECONDE LIM. COURANT] 222
(I2t-) [LIMIT COURANT DYN] 223
(LLC-)[Cde CONTACTEUR LIGNE] 225
(OCC-) [CDE CONTACTEUR AVAL] 227
(LPO-)[POSIT. SUR CAPTEURS] 231
(MLP-)[COMMUT. JEUX PARAM.] 235
(MMC-)[MULTIMOTEURS/CONF.] 240
(tnL-)[AUTO-REGLAGE PAR LI] 241
(trO-)[TRAVERSE CONTROL] 242
(CHS-)[COMMUTATION HSP] 249
(dCC-)[DC Bus] 250

Mode de configuration (ConF)
166 NVE41296 04/2018
Remarque : Compatibilité des fonctions
Le choix des fonctions d'application peut être limité par le nombre d'E/S et par le fait que certaines fonctions
sont incompatibles avec d'autres. Les fonctions qui ne sont pas répertoriées dans le tableau ci-dessous sont
parfaitement compatibles.
S'il existe une incompatibilité entre des fonctions, la première fonction configurée aidera à éviter que les autres
fonctions ne soient configurées.
Chacune des fonctions des pages suivantes peut être affectée à l'une des entrées ou sorties.
AVERTISSEMENT
FONCTIONNEMENT INNATENDU DE L'APPAREIL
De multiples fonctions peuvent être affectées à une seule entrée et activées simultanément via cette entrée.
•Vérifiez que l'affectation de multiples fonctions à une seule entrée peut être effectuée en toute sécurité.
Le non-respect de ces instructions entraînera la mort ou des blessures graves.

Mode de configuration (ConF)
NVE41296 04/2018 167
Il est possible d'affecter une seule entrée pour plusieurs fonctions uniquement aux niveaux [Avancé] (AdU)
et [Expert] (EPr).
Avant d'affecter une commande, une référence ou une fonction à une entrée ou une sortie, vous devez vérifier
que cette entrée ou cette sortie n'a pas déjà été affectée et qu'une autre entrée ou sortie n'a pas été affectée
à une fonction incompatible.
Les réglages usine du variateur ou les macro configurations configurent les fonctions de manière automatique,
ce qui peut aider à éviter que d'autres fonctions soient affectées.
Dans certains cas, il est nécessaire de déconfigurer une ou plusieurs fonctions afin de pouvoir en
activer d'autres. Consultez le tableau de compatibilité ci-dessous.
Les fonctions d'arrêt sont prioritaires sur les ordres de marche.
Les consignes de vitesse via la commande logique sont prioritaires sur les consignes analogiques.
Remarque : Ce tableau de compatibilité n'affecte pas les commandes qui peuvent être affectées aux touches
du terminal graphique (voir page 24).

Mode de configuration (ConF)
168 NVE41296 04/2018
Tableau de compatibilité
(1) La priorité est donnée au mode d'arrêt activé le premier.
(2) Seule la référence de multiplication est incompatible avec le régulateur PID.
Opérations sur référence
(page 171)
+/- vite (3)
(page 188)
Vitesses présélectionnées
(page 183)
Régulateur PID
(page 214)
Traverse control
(page 247)
Marche pas à pas (JOG)
(page 181)
Commutation de consignes
(page 170)
Fréquence occultée
(page 186)
Commande logique de frein
(page 197)
Injection DC auto
(page 179)
Reprise à la volée
(page 258)
Commande du contacteur aval
(page 227)
Arrêt par injection DC
(page 176)
Arrêt rapide
(page 176)
Arrêt roue libre
(page 176)
+/- vite autour d'une consigne
(page 190)
Levage haute vitesse
(page 208)
Équilibrage de charge
(page 124)
Positionnement sur capteurs
(page 231)
Opérations sur référence
(page 171)Ap
(2)
AAA
+/- vite (3)
(page 188)
ppAA
Vitesses présélectionnées
(page 183)XAAA
Régulateur PID
(page 214)
p
(2)
ppAAp pppp
Traverse control
(page 247)
pppAA pp
Marche pas à pas (JOG)
(page 181)XpXpp ApXpp
Commutation de
consignes (page 170)XXXXX AA
Fréquence occultée
(page 186)XXXXXXX X
Commande logique de
frein (page 197)
pp ppp
Injection DC auto
(page 179)AAA
Reprise à la volée
(page 258)
p
Commande du contacteur
aval (page 227)
p
Arrêt par injection DC
(page 176)
pXp
(1)
A
Arrêt rapide
(page 176)
p
(1)
A
Arrêt roue libre
(page 176)XXX
+/- vite autour d'une
consigne (page 190)
ppp
XA
Levage haute vitesse
(page 208)
ppp
Équilibrage de charge
(page 124)
p
Positionnement sur
capteurs (page 231)
p
Fonctions incompatibles Fonctions compatibles Non applicable
La fonction indiquée par la flèche est prioritaire sur l'autre.
Fonctions prioritaires (fonctions qui ne peuvent pas être actives simultanément) :

Mode de configuration (ConF)
NVE41296 04/2018 169
Fonctions incompatibles
La fonction suivante sera inaccessible ou désactivée après un redémarrage automatique.
Cela est possible pour le type de commande uniquement si le paramètre [Cde 2 fils/3 fils] (tCC) est réglé sur
[Cde 2 fils] (2C) et si le paramètre [Type cde 2 fils (tCt) est réglé sur [Niveau] (LEL) ou [Priorité FW]
(PFO). Reportez-vous au paramètre [Cde 2 fils/3 fils] (tCC) page 87.
Le menu [1.2 SURVEILLANCE] (MOn-), page 47, peut être utilisé pour afficher les fonctions affectées à
chaque entrée afin de vérifier leur compatibilité.
Lorsqu'une fonction est affectée, une coche apparaît sur le terminal graphique, comme illustré dans
l'exemple ci-dessous :
Si vous essayez d'affecter une fonction qui est incompatible avec une autre déjà affectée, un message
d'alarme s'affiche :
•Avec le terminal graphique :
•Avec le terminal intégré et le terminal déporté :
Le message COMP clignotera jusqu'à ce que vous appuyiez sur ENT ou ESC.
Lorsque vous affectez une entrée logique, une entrée analogique, un canal de consigne ou un bit à une fonction,
la touche HELP permet d'afficher les fonctions éventuellement déjà activées par cette entrée, ce bit ou ce canal.
Lorsque l’on affecte une entrée logique, analogique, un canal de consigne ou un bit déjà affecté à une autre
fonction, les écrans suivants s’affichent :
•Avec le terminal graphique :
Si le niveau d'accès permet cette nouvelle affectation, appuyez sur ENT pour valider l'affectation.
Si le niveau d'accès ne permet pas cette nouvelle affectation et que vous appuyez sur ENT, l'écran suivant
s'affiche :
•Avec le terminal intégré :
Le code de la première fonction, déjà affectée, s'affiche en clignotant.
Si le niveau d'accès permet cette nouvelle affectation, appuyez sur ENT pour valider l'affectation.
Si le niveau d'accès ne permet pas cette nouvelle affectation, appuyer sur ENT n'a aucun effet et le message
continue à clignoter. Il n'est possible de sortir qu'en appuyant sur ESC.
RDY Term 0,0 Hz 0 A
FONCTIONS D'APPLI.
COMMUTATION REF.
OPERATIONS SUR REF.
RAMPE
CONFIGURATION DE L'ARRET
INJECTION DC AUTO
Code << >> Quick
RDY Term +0,0 Hz 0,0 A
INCOMPATIBILITE
Fonction non affectable car
une fonction incompatible est
déjà active. Voir guide de
programmation.
ENT ou ESC pour continuer.
RUN Term 0,0 Hz 0,0 A
ATTENTION - AFFECTE A
Sens avant
ENT-Valid. ESC-Annul.
RUN Term 0,0 Hz 0,0 A
AFFECTATION INTERDITE
Déconfigurer les fonctions
présentes ou sélectionner le
niveau d'accès "avancé".

Mode de configuration (ConF)
170 NVE41296 04/2018
COMMUTATION DE CONSIGNES
Code Nom/Description Plage de réglages Réglage usine
FUn- [FONCTIONS D'APPLI.]
rEF- [COMMUTATION REF.]
rCb [Commut. réf. 1B] [Canal 1 act.] (Fr1)
Fr1
Fr1b
LI1
...
Voir les synoptiques pages 149 et 150.
Si l'entrée ou le bit affecté(e) est à l'état 0, le paramètre [Canal réf. 1] (Fr1) est actif (voir [Canal réf. 1] (Fr1) page 156).
Si l'entrée ou le bit affecté(e) est à l'état 1, [Canal réf. 1B] (Fr1b) est actif.
Le paramètre [Commut. réf. 1B] (rCb) est forcé à [Canal 1 act.] (Fr1) si le paramètre [Profil] (CHCF) est réglé sur [Non
séparé] (SIM) avec le paramètre [Canalréf.1](Fr1) affecté par les bornes (entrées logiques, entrée Pulse input). Voir
[Canal réf. 1] (Fr1) page 156.
[Canal 1 act.] (Frl): pas de commutation, [Canal réf. 1] (Fr1) actif
[Canal.1b.act] (Fr1b): pas de commutation, [Canal réf. 1B] (Fr1) actif
[LI1] (LI1) : entrée logique LI1
[...] (...): voir les conditions d'affectation page 155 (sauf [Cd00] (CdOO) à [Cd15] (Cd15)).
Fr1b [Canal réf. 1B] [Non] (nO)
nO
A11
A12
A13
LCC
Mdb
CAn
nEt
PI
AIU1
OA01
...
OA10
[Non] (nO): non affectée
[Al1] (A11) : entrée analogique A1
[Al2] (A12) : entrée analogique A2
[Al3] (A13) : entrée analogique A3
[HMI] (LCC) : terminal graphique ou terminal déporté
[Modbus] (Mdb) : Modbus intégré
[CANopen] (CAn) : CANopen® intégré
[Carte COM.] (nEt) : carte d'option de communication
[RP] (PI) : entrée Pulse input
[AI virtuelle 1] (AIU1) : entrée analogique virtuelle 1 avec le bouton de navigation (uniquement disponible si le paramètre
[Profil] (CHCF) n'est pas réglé sur[Non séparé] (SIM))
[OA01] (OA01) : blocs fonctions : sortie analogique 01
...
[OA10] (OA10) : blocs fonctions : sortie analogique 10
DRI- > CONF > FULL > FUN- > REF-
Il est possible d'accéder aux paramètres décrits sur cette page via les menus suivants :

Mode de configuration (ConF)
NVE41296 04/2018 171
Il est possible d'accéder aux paramètres décrits sur cette page via les menus suivants :
OPERATIONS SUR RÉFÉRENCE
Sommateur / Soustracteur / Multiplicateur
A = (Fr1 ou Fr1b + SA2 + SA3 - dA2 - dA3) x MA2 x MA3
•Si SA2, SA3, dA2et dA3 sont non affectées, elles sont réglées sur l'état 0.
•Si MA2 et MA3 sont non affectées, elles sont réglées sur l'état 1.
•A est limité par les paramètres LSP minimum et HSP maximum.
•Pour la multiplication, le signal sur MA2 ou MA3 est pris en compte en %. 100 % correspond à la valeur
maximum de l’entrée correspondante. Si MA2 ou MA3 est envoyé par bus de communication ou par le
terminal graphique, une variable de multiplication MFr, page 290, doit être envoyée par le bus ou par le
terminal graphique.
•L'inversion du sens de marche en cas de résultat négatif peut être inhibée (voir le paramètre [Inhibition
sens RV] (SIn) page 156).
Fr1 ou Fr1b
SA2
SA3
dA2
dA3
MA2
MA3
A
Code Nom/Description Plage de réglages Réglage usine
FUn- [FONCTIONS D'APPLI.] (suite)
OAI- [OPERATIONS SUR REF.]
Consigne = (Fr1 ou Fr1b + SA2 + SA3 - dA2 - dA3) x MA2 x MA3. Voir les synoptiques pages 149 et 150.
Remarque : Cette fonction ne peut pas être utilisée avec certaines fonctions. Suivez les instructions page 166.
SA2 [Réf. sommatrice 2] [Non] (nO)
nO
A11
A12
A13
LCC
Mdb
CAn
nEt
PI
AIU1
AIU2
OA01
...
OA10
Choix d'une référence à ajouter à [Canal réf. 1] (Fr1) ou [Canal réf. 1B] (Fr1b).
[Non] (nO): non affectée
[Al1] (A11) : entrée analogique A1
[Al2] (A12) : entrée analogique A2
[Al3] (A13) : entrée analogique A3
[HMI] (LCC) : terminal graphique ou terminal déporté
[Modbus] (Mdb) : Modbus intégré
[CANopen] (CAn) : CANopen® intégré
[Carte COM.] (nEt) : carte d'option de communication
[RP] (PI) : tension moteur
[AI virtuelle 1] (AIU1) : entrée analogique virtuelle 1 avec le bouton de navigation
[AI virtuelle 2] (AIU2) : entrée analogique virtuelle 2 par le bus de communication
[OA01] (OA01) : blocs fonctions : sortie analogique 01
...
[OA10] (OA10) : blocs fonctions : sortie analogique 10
SA3 [Réf. sommatrice 3] [Non] (nO)
Choix d'une référence à ajouter à [Canal réf. 1] (Fr1) ou [Canal réf. 1B] (Fr1b).
Identique au paramètre [Réf. sommatrice 2] (SA2) page 171.
dA2 [Réf. soustract. 2] [Non] (nO)
Choix d'une référence à soustraire à [Canal réf. 1] (Fr1) ou [Canal réf. 1B] (Fr1b).
Identique au paramètre [Réf. sommatrice 2] (SA2) page 171.
DRI- > CONF > FULL > FUN- > OAI-

Mode de configuration (ConF)
172 NVE41296 04/2018
dA3 [Réf. soustract. 3] [Non] (nO)
Choix d'une référence à soustraire à [Canal réf. 1] (Fr1) ou [Canal réf. 1B] (Fr1b).
Identique au paramètre [Réf. sommatrice 2] (SA2) page 171.
MA2 [Réf. multiplic. 2] [Non] (nO)
Choix d'une référence multipliant [Canal réf. 1] (Fr1) ou [Canal réf. 1B] (Fr1b).
Identique au paramètre [Réf. sommatrice 2] (SA2) page 171.
Ce paramètre est incompatible avec le régulateur PID, [Non] (no) est le seul réglage possible
MA3 [Réf. multiplic. 3] [Non] (nO)
Choix d'une référence multipliant [Canal réf. 1] (Fr1) ou [Canal réf. 1B] (Fr1b).
Identique au paramètre [Réf. sommatrice 2] (SA2) page 171.
Ce paramètre est incompatible avec le régulateur PID, [Non] (no) est le seul réglage possible
Code Nom/Description Plage de réglages Réglage usine
Il est possible d'accéder aux paramètres décrits sur cette page via les menus suivants : DRI- > CONF > FULL > FUN- > OAI-

Mode de configuration (ConF)
NVE41296 04/2018 173
RAMPE
Code Nom/Description Plage de réglages Réglage usine
FUn- [FONCTIONS D'APPLI.] (suite)
rPt- [RAMPE]
rPt [Forme rampe] [Linéaire] (LIn)
LIn
S
U
CUS
[Linéaire] (LIn)
[en S] (S)
[en U] (U)
[Perso.] (CUS)
Rampes en S
Le coefficient d'arrondi est fixe,
avec t1 = 0,6 fois temps de rampe réglé (linéaire),
t2 = 0,4 fois temps de rampe réglé (arrondi),
t3 = 1,4 fois temps de rampe réglé.
Le coefficient d'arrondi est fixe,
avec t1 = 0,5 fois temps de rampe réglé (linéaire),
t2 = 1,0 fois temps de rampe réglé (arrondi),
t3 = 1,5 fois temps de rampe réglé.
tA1 : réglable de 0 à 100 %
tA2 : réglable de 0 à (100 % - tA1)
tA3 : réglable de 0 à 100 %
tA4 : réglable de 0 à (100 % - tA3)
t12 = ACC x (tA1(%) / 100 + tA2(%) / 100 + 1)
t34 = DEC x (tA3(%) / 100 + tA4(%) / 100 + 1)
Inr [Incrément rampe] [0,1 ] (0.1)
(1)
0,01
0,1
1
Ce paramètre est disponible avec [Accélération] (ACC), [Décélération] (dEC), [Accélération 2] (AC2) et
[Décélération 2] (dE2).
[0,01] : rampe jusqu'à 99,99 secondes
[0,1] : rampe jusqu'à 999,9 secondes
[1] : rampe jusqu'à 6 000 secondes
ACC
(1)
[Accélération] 0,00 à 6 000 s (2) 3,0 s
Temps pour accélérer de 0 à la [Fréq. nom. mot.] (FrS) (page 88). Pour la répétitivité des rampes, la valeur de ce paramètre
doit être réglée selon la possibilité de l'application.
dEC
(1)
[Décélération] 0,00 à 6 000 s (2) 3,0 s
Temps pour décélérer de [Fréq. nom. mot.] (FrS) (page 88) à 0. Pour la répétitivité des rampes, la valeur de ce paramètre
doit être réglée selon la possibilité de l'application.
tA1 [Arrondi déb. Acc] 0 à 100 % 10 %
g
(1)
Arrondi de début de rampe d'accélération en % du temps de rampe [Accélération] (ACC) ou [Accélération 2] (AC2).
Réglable de 0 à 100 %.
Paramètre accessible si le paramètre [Forme rampe] (rPt) est réglé sur [Perso.] (CUS).
FrS
t
0
t2 t2t1
t3
f (Hz)
t2 t2t1
t3
FrS
t
0
f (Hz)
FrS
t
0
t2
t3
f (Hz)
FrS
t
0
f (Hz)
t1 t2
t3
t1
FrS
t
0
tA1 tA2 tA3 tA4
t12
f (Hz)
FrS
t
0
t34
f (Hz)
Rampes en U
Rampes personnalisées
Il est possible d'accéder aux paramètres décrits sur cette page via les menus suivants : DRI- > CONF > FULL > FUN- > RPT-

Mode de configuration (ConF)
174 NVE41296 04/2018
tA2 [Arrondi fin Acc] 0 à 100 % 10 %
g
(1)
Arrondi de fin de rampe d'accélération en % du temps de rampe [Accélération] (ACC) ou [Accélération 2] (AC2).
Réglable de 0 à (100 % - [Arrondi déb. Acc] (tA1)).
Paramètre accessible si le paramètre [Forme rampe] (rPt) est réglé sur [Perso.] (CUS).
tA3 [Arrondi déb. Déc] 0 à 100 % 10 %
g
(1)
Arrondi de début de rampe de décélération en % du temps de rampe [Décélération] (dEC) ou [Décélération 2] (dE2).
Réglable de 0 à 100 %.
Paramètre accessible si le paramètre [Forme rampe] (rPt) est réglé sur [Perso.] (CUS).
tA4 [Arrondi fin Dec] 0 à 100 % 10 %
g
(1)
Arrondi de fin de rampe de décélération en % du temps de rampe [Décélération] (dEC) ou [Décélération 2] (dE2).
Réglage de 0 à (100 % - [Arrondi déb. Déc] (tA3)).
Paramètre accessible si le paramètre [Forme rampe] (rPt) est réglé sur [Perso.] (CUS).
Frt [Seuil rampe 2] 0 à 599 Hz selon le calibre 0 Hz
Seuil de commutation de rampe.
Commutation de la 2e rampe si la valeur du paramètre [Seuil rampe 2] (Frt) est différente de 0 (la valeur 0 désactive la
fonction) et si la fréquence de sortie est supérieure à la valeur du paramètre [Seuil rampe 2] (Frt).
La commutation de la rampe par seuil est cumulable avec la commutation [Aff. commut. rampe] (rPS) de la façon suivante :
rPS [Aff. commut. rampe] [Non] (nO)
No
LI1
...
[Non] (nO) : fonction non affectée
[LI1] (LI1) : entrée logique LI1
[...] (...) : voir conditions d'affectation page 155.
AC2 [Accélération 2] 0,00 à 6 000 s (2) 5,0 s
g
(1)
Temps pour accélérer de 0 à la [Fréq. nom. mot.] (FrS). Pour la répétitivité des rampes, la valeur de ce paramètre doit être
réglée selon la possibilité de l'application.
Paramètre accessible si la valeur du paramètre [Seuil rampe 2] (Frt) est supérieure à 0 ou si le paramètre [Aff. commut. rampe]
(rPS) est affecté.
dE2 [Décélération 2] 0,00 à 6 000 s (2) 5,0 s
g
(1)
Temps pour décélérer de [Fréq. nom. mot.] (FrS) à 0. Pour la répétitivité des rampes, la valeur de ce paramètre doit être
réglée selon la possibilité de l'application.
Paramètre accessible si la valeur du paramètre [Seuil rampe 2] (Frt) est supérieure à 0 ou si le paramètre [Aff. commut. rampe]
(rPS) est affecté.
Code Nom/Description Plage de réglages Réglage usine
LI ou bit Fréquence Rampe
0 < Frt ACC, dEC
0 > Frt AC2, dE2
1 < Frt AC2, dE2
1 > Frt AC2, dE2
Il est possible d'accéder aux paramètres décrits sur cette page via les menus suivants : DRI- > CONF > FULL > FUN- > RPT-

Mode de configuration (ConF)
NVE41296 04/2018 175
(1) Ce paramètre est également accessible dans le menu [REGLAGES] (SEt-) .
(2) Plage de 0,01 à 99,99 s, de 0,1 à 999,9 s ou de 1 à 6 000 s selon[Incrément rampe] (Inr) page 173.
brA [Adapt. rampe déc.] [Oui] (YES)
AVIS
RISQUE D'ENDOMMAGEMENT DU MOTEUR
•Réglez ce paramètre sur [Oui] (YES) ou [Non] (nO) uniquement si le moteur connecté est un moteur
synchrone à aimant permanent.
D'autres réglages démagnétisent les moteurs synchrones à aimant permanent.
Le non-respect de ces instructions peut provoquer des dommages matériels.
nO
YES
dYnA
L'activation de cette fonction permet d'adapter automatiquement la rampe de décélération, si elle est réglée à une valeur trop
faible pour l'inertie de la charge, ce qui peut entraîner la détection d'un défaut de surtension.
[Adapt. rampe déc.] (brA) est forcé à [Non] (nO) si la commande logique de frein [Affectation frein] (bLC) est affectée
(page 197).
La fonction est incompatible avec les applications nécessitant :
- un positionnement sur la rampe ;
- l’utilisation d’une résistance de freinage (celle-ci n’assurerait pas sa fonction).
[Non] (nO) : fonction inactive
[Oui] (YES) : fonction active, pour les applications ne nécessitant pas une forte décélération
Les choix suivants apparaissent selon le calibre du variateur et selon le [Type cde moteur] (Ctt) page 107. Ils permettent
d’obtenir une plus forte décélération qu’avec [Oui] (YES). Le choix est à déterminer par des essais comparatifs.
[frein mot. A] (dYnA) : ajout d'une composante constante de flux de courant
Lorsque le paramètre [Adapt. rampe déc.] (brA) est configuré sur [frein mot. x] (dYnx), les performances dynamiques de
freinage sont améliorées par l'ajout d'une composante de flux de courant. Le but est d'augmenter les pertes fer et l'énergie
magnétique stockée dans le moteur.
Code Nom/Description Plage de réglages Réglage usine
gCes paramètres apparaissent uniquement si la fonction correspondante a été sélectionnée dans un autre menu. Lorsqu'il est
également possible d'accéder et de régler les paramètres dans le menu de configuration pour la fonction correspondante,
leur description est détaillée dans ces menus, sur les pages indiquées, afin d'aider à la programmation.
Ce paramètre peut être modifié en cours de fonctionnement ou à l'arrêt.
Il est possible d'accéder aux paramètres décrits sur cette page via les menus suivants : DRI- > CONF > FULL > FUN- > RPT-

Mode de configuration (ConF)
176 NVE41296 04/2018
CONFIGURATION DE L'ARRET
Code Nom/Description Plage de réglages Réglage usine
FUn- [FONCTIONS D'APPLI.] (suite)
Stt- [CONFIGURATION ARRET]
Remarque : Certains types d’arrêts ne sont pas utilisables avec toutes les autres fonctions. Suivez les instructions page 166.
Stt [Type d'arrêt] [arrêt rampe] (rMP)
rMP
FSt
nSt
dCI
Mode d'arrêt à la disparition de l'ordre de marche ou à l'apparition d’un ordre d'arrêt.
Remarque : Si la fonction « logique de frein » page 197 est activée, ou si [Temps petite vit.] (tLS) page 97 ou 217 est différent
de 0, seul l'arrêt sur rampe est configurable.
[arrêt rampe] (rMP) : arrêt sur rampe
[arrêt rapide] (FSt) : arrêt rapide
[Roue libre] (nSt) : arrêt en roue libre
[Inject. DC] (dCI): arrêt par injection DC Accessible uniquement si [Type cde moteur] (Ctt) page 107 n'est pas réglé sur
[Mot. sync.] (SYn).
FFt [Seuil arrêt roue lib.] 0,2 à 599 Hz 0,2 Hz
g
(1)
Seuil de vitesse sous lequel le moteur passe en arrêt roue libre.
Ce paramètre permet de passer d'un arrêt sur rampe ou d'un arrêt rapide à un arrêt roue libre sous un seuil de vitesse basse.
Il est accessible si [Type d'arrêt] (Stt) est réglé sur [Arrêt rapide] (FSt) ou [Arrêt rampe] (rMP) et si [CommandeFrein]
(bLC) et [Injection DC auto] (AdC) ne sont pas configurés.
nSt [Affect. roue libre] [Non] (nO)
nO
LI1
...
L'arrêt est activé lorsque l'entrée ou le bit passe à l'état 0. Si l'entrée repasse à l'état 1 et que la commande de marche est toujours
activée, le moteur ne redémarre que si [Cde 2 fils/3 fils] (tCC) page 87 est réglé sur [Cde 2 fils] (2C) et si [Type cde 2 fils]
(tCt) est réglé sur [Niveau] (LEL) ou [Priorité FW] (PFO). Sinon, un nouvel ordre de marche doit être envoyé.
[Non] (nO) : non affecté
[LI1] (LI1) : entrée logique LI1
[...] (...) : voir les conditions d'affectation, page 155
FSt [Affect. arrêt rapide] [Non] (nO)
nO
LI1
...
L’arrêt est activé à l’état logique 0 de l’entrée ou à l’état 1 du bit (état 0 du bit avec le profil [Profil I/O] (IO)).
Si l’entrée repasse à l’état 1 et que la commande de marche est toujours activée, le moteur ne redémarre que si [Cde 2 fils/3 fils]
(tCC) page 87 est réglé sur [Cde 2 fils] (2C) et si [Type cde 2 fils] (tCt) est réglé sur [Niveau] (LEL) ou [Priorité FW]
(PFO). Sinon, un nouvel ordre de marche doit être envoyé.
Remarque : Cette fonction ne peut pas être utilisée avec certaines fonctions. Suivez les instructions page 166.
[Non] (nO) : non affecté
[LI1] (LI1) : entrée logique LI1
[...] (...) : voir les conditions d'affectation, page 155
(Si [Profil] (CHCF) est réglé sur [Non séparé] (SIM) ou [Séparé] (SEP) alors [CD11] (Cd11) jusqu’à [CD15] (Cd15), [C111]
(C111) jusqu’à [C115] (C115), [C211] (C211) jusqu’à [C215] (C215) et [C311] (C311) jusqu’à [C315] (C315) ne sont pas
disponibles).
dCF [Diviseur rampe] 0 à 10 4
g
(1)
Paramètre accessible si [Type d'arrêt] (Stt) est réglé sur [arrêt rapide] (FSt), si [Affect. arrêt rapide] (FSt) n'est pas
réglé sur [Non] (nO) et si [Type d'arrêt] (PAS) est réglé sur [arrêt rapide] (FSt).
La rampe qui est activée ([Décélération] (dEC) ou [Décélération 2] (dE2)) est ensuite divisée par ce coefficient lorsque des
requêtes d'arrêt sont envoyées.
La valeur 0 correspond à un temps de rampe minimal.
DRI- > CONF > FULL > FUN- > STT-
Il est possible d'accéder aux paramètres décrits sur cette page via les menus suivants :

Mode de configuration (ConF)
NVE41296 04/2018 177
dCI [Affect. inject. DC] [Non] (nO)
AVERTISSEMENT
MOUVEMENT IMPRÉVU
•N'utilisez pas l'injection DC pour générer un couple de retenue lorsque le moteur est au repos.
•Utilisez un frein de parking pour maintenir le moteur au repos.
Le non-respect de ces instructions peut entraîner la mort, des blessures graves ou des dommages
matériels.
nO
LI1
...
Le freinage par injection DC est activé lorsque l'entrée ou le bit affecté passe à l'état 1.
Si l'entrée repasse à l'état 0 et que la commande de marche est toujours activée, le moteur ne redémarre que si [Cde 2 fils/3 fils]
(tCC) page 87 est réglé sur [Cde 2 fils] (2C) et si [Type cde 2 fils] (tCt) est réglé sur [Niveau] (LEL) ou [Priorité FW]
(PFO). Sinon, un nouvel ordre de marche doit être envoyé.
Remarque : Cette fonction ne peut pas être utilisée avec certaines fonctions. Suivez les instructions page 166.
[Non] (nO) : non affecté
[LI1] (LI1) : entrée logique LI1
[...] (...) : voir les conditions d'affectation, page 155
IdC [I injection DC 1] 0,1 à 1,41 In (2) 0,64 In (2)
g
(1) (3)
AVIS
SURCHAUFFE ET ENDOMMAGEMENT DU MOTEUR
Vérifiez que le moteur connecté est correctement calibré pour le courant d'injection DC à appliquer, en termes
de quantité et de temps, afin d'éviter la surchauffe et l'endommagement du moteur.
Le non-respect de ces instructions peut provoquer des dommages matériels.
Intensité du courant de freinage par injection de courant continu activé par entrée logique ou choisi comme mode d'arrêt.
Paramètre accessible si [Type d'arrêt] (Stt) est réglé sur [Inject. DC] (dCI) ou si [Affect. inject. DC] (dCI) n'est pas
réglé sur [Non] (nO).
tdI [Temps inj. DC 1] 0,1 à 30 s 0,5 s
g
(1) (3)
ATTENTION
RISQUE D'ENDOMMAGEMENT DU MOTEUR
• Le freinage par injection de courant DC pendant une période prolongée peut entraîner une surchauffe ou
endommager le moteur.
• Le moteur doit être protégé en évitant d'effectuer un freinage par injection de courant DC pendant une durée
prolongée.
Le non-respect de ces instructions peut provoquer des dommages matériels.
Temps maximal d'injection du courant [I injection DC 1] (IdC). Une fois ce temps dépassé, le courant d'injection devient
[I injection DC 2] (IdC2).
Paramètre accessible si [Type d'arrêt] (Stt) est réglé sur [Inject. DC] (dCI) ou si [Affect. inject. DC] (dCI) n'est pas
réglé sur [Non] (nO).
Code Nom/Description Plage de réglages Réglage usine
DRI- > CONF > FULL > FUN- > STT-
Il est possible d'accéder aux paramètres décrits sur cette page via les menus suivants :

Mode de configuration (ConF)
178 NVE41296 04/2018
(1) Ce paramètre est également accessible dans le menu [REGLAGES] (SEt-).
(2) In correspond au courant nominal du variateur indiqué dans le manuel d'installation et sur la plaque signalétique du
variateur.
(3) Ces réglages sont indépendants de la fonction [INJECTION DC AUTO] (AdC-).
IdC2 [I injection DC 2] 0,1 In (2) à [I injection DC 1]
(IdC)
0,5 In (2)
g
(1) (3)
AVIS
SURCHAUFFE ET ENDOMMAGEMENT DU MOTEUR
Vérifiez que le moteur connecté est correctement calibré pour le courant d'injection DC à appliquer, en termes
de quantité et de temps, afin d'éviter la surchauffe et l'endommagement du moteur.
Le non-respect de ces instructions peut provoquer des dommages matériels.
Courant d'injection activé par entrée logique ou sélectionné comme mode d'arrêt après l'écoulement du délai [Temps inj. DC 1]
(tdI).
Paramètre accessible si [Type d'arrêt] (Stt) est réglé sur [Inject. DC] (dCI) ou si [Affect. inject. DC] (dCI) n'est pas
réglé sur [Non] (nO).
tdC [Temps inj. DC 2] 0,1 à 30 s 0,5 s
g
(1) (3)
AVIS
SURCHAUFFE ET ENDOMMAGEMENT DU MOTEUR
Vérifiez que le moteur connecté est correctement calibré pour le courant d'injection DC à appliquer, en termes
de quantité et de temps, afin d'éviter la surchauffe et l'endommagement du moteur.
Le non-respect de ces instructions peut provoquer des dommages matériels.
Durée maximum d'injection [I injection DC 2] (IdC2), sélectionnée comme mode d'arrêt uniquement.
Ce paramètre est accessible si [Type d'arrêt] (Stt) est réglé sur [Injection DC] (dCI).
dOtd [Dis. operat opt code] [arrêt rampe] (rMp)
nSt
rMp
Désactivation du mode d'arrêt de fonctionnement.
[Roue libre] (nSt) : désactivation de la fonction du variateur
[arrêt rampe] (rMp) : arrêt sur rampe, puis désactivation de la fonction du variateur
Code Nom/Description Plage de réglages Réglage usine
gCes paramètres apparaissent uniquement si la fonction correspondante a été sélectionnée dans un autre menu. Lorsqu'il est
également possible d'accéder et de régler les paramètres dans le menu de configuration pour la fonction correspondante,
leur description est détaillée dans ces menus, sur les pages indiquées, afin d'aider à la programmation.
Ce paramètre peut être modifié en cours de fonctionnement ou à l'arrêt.
DRI- > CONF > FULL > FUN- > STT-
Il est possible d'accéder aux paramètres décrits sur cette page via les menus suivants :

Mode de configuration (ConF)
NVE41296 04/2018 179
INJECTION DE COURANT CONTINU AUTO
Code Nom/Description Plage de réglages Réglage usine
FUn- [FONCTIONS D'APPLI.] (suite)
AdC- [INJECTION DC AUTO]
AdC [Injection DC auto] [Oui] (YES)
DANGER
RISQUE D'ÉLECTROCUTION, D'EXPLOSION OU D'ARC ÉLECTRIQUE
Lorsque [Fluxage moteur] (FLU) est réglé sur [Continu] (FCt), le fluxage est toujours actif, même si le
moteur ne marche pas.
•Vérifiez que ce réglage peut être utilisé en toute sécurité.
Le non-respect de ces instructions entraînera la mort ou des blessures graves.
AVERTISSEMENT
MOUVEMENT IMPRÉVU
•N'utilisez pas l'injection DC pour générer un couple de retenue lorsque le moteur est au repos.
•Utilisez un frein de parking pour maintenir le moteur au repos..
Le non-respect de ces instructions peut entraîner la mort, des blessures graves ou des dommages
matériels.
nO
YES
Ct
Injection de courant automatique à l'arrêt (en fin de rampe).
Remarque : Il existe un verrouillage entre cette fonction et [Fluxage moteur] (FLU) page 97. Si le paramètre
[Fluxage moteur] (FLU)est réglé sur [Continu] (FCt), [Injection DC auto] (AdC) doit être réglé sur [Non] (nO).
Remarque : Le paramètre [Injection DC auto] (AdC) est réglé sur [Non] (nO) lorsque [Type cde moteur] (Ctt) page 107
est réglé sur [Mot. sync.] (SYn).
Le paramètre [Injection DC auto] (AdC) est forcé à [Non] (nO) lorsque [Affectation frein] (bLC) page 197 n'est pas réglé
sur [Non] (nO).
Ce paramètre provoque l'établissement du courant d'injection même sans ordre de marche. Il est accessible lorsque le variateur
est en marche.
[Non] (nO) : pas d'injection
[Oui] (YES) : temps d'injection réglable
[Continu] (Ct) : injection permanente à l'arrêt
SdC1 [I inject. DC auto 1] 0 à 1,2 In (2) 0,7 In (2)
g
(1)
AVIS
SURCHAUFFE ET ENDOMMAGEMENT DU MOTEUR
Vérifiez que le moteur connecté est correctement calibré pour le courant d'injection DC à appliquer, en termes
de quantité et de temps, afin d'éviter la surchauffe et l'endommagement du moteur.
Le non-respect de ces instructions peut provoquer des dommages matériels.
Le paramètre d'intensité du courant d'injection DC à l'arrêt [Injection DC auto] (AdC) n'est pas réglé sur [Non] (nO).
tdC1 [Tps inj. DC auto 1] 0,1 à 30 s 0,5 s
g
(1)
AVIS
SURCHAUFFE ET ENDOMMAGEMENT DU MOTEUR
Vérifiez que le moteur connecté est correctement calibré pour le courant d'injection DC à appliquer, en termes
de quantité et de temps, afin d'éviter la surchauffe et l'endommagement du moteur.
Le non-respect de ces instructions peut provoquer des dommages matériels.
Temps d'injection à l'arrêt. Ce paramètre est accessible si [Injection DC auto] (AdC) n'est pas réglé sur [Non] (nO).
Si [Type cde moteur] (Ctt) page 107 est réglé sur [Mot. sync.] (SYn), ce délai correspond au temps de maintien de la vitesse
nulle.
2 s
DRI- > CONF > FULL > FUN- > ADC-
Il est possible d'accéder aux paramètres décrits sur cette page via les menus suivants :

Mode de configuration (ConF)
180 NVE41296 04/2018
(1) Ce paramètre est également accessible dans le menu [REGLAGES] (SEt-).
(2) In correspond au courant nominal du variateur indiqué dans le manuel d'installation et sur la plaque signalétique du
variateur.
SdC2 [I inject. DC auto 2] 0 à 1,2 In (2) 0,5 In (2)
g
(1)
AVIS
SURCHAUFFE ET ENDOMMAGEMENT DU MOTEUR
Vérifiez que le moteur connecté est correctement calibré pour le courant d'injection DC à appliquer, en termes
de quantité et de temps, afin d'éviter la surchauffe et l'endommagement du moteur.
Le non-respect de ces instructions peut provoquer des dommages matériels.
2e intensité du courant d'injection à l'arrêt.
Ce paramètre est accessible si [Injection DC auto] (AdC) n'est pas réglé sur [Non] (nO).
tdC2 [Tps inj. DC auto 2] 0 à 30 s 0 s
g
(1)
AVIS
SURCHAUFFE ET ENDOMMAGEMENT DU MOTEUR
Vérifiez que le moteur connecté est correctement calibré pour le courant d'injection DC à appliquer, en termes
de quantité et de temps, afin d'éviter la surchauffe et l'endommagement du moteur.
Le non-respect de ces instructions peut provoquer des dommages matériels.
2e temps d'injection à l'arrêt.
Ce paramètre est accessible si [Injection DC auto] (AdC) est réglé sur [Oui] (YES).
Code Nom/Description Plage de réglages Réglage usine
AdC SdC2 Fonctionnement
YES x
Ct ≠ 0
Ct
= 0
Ordre de marche
Vitesse
t
SdC1
SdC2
tdC1 tdC1 + tdC2
I
t
SdC1
It
SdC1
SdC2
tdC1
I
t
0
t
1
0
gCes paramètres apparaissent uniquement si la fonction correspondante a été sélectionnée dans un autre menu. Lorsqu'il est
également possible d'accéder et de régler les paramètres dans le menu de configuration pour la fonction correspondante,
leur description est détaillée dans ces menus, sur les pages indiquées, afin d'aider à la programmation.
Ce paramètre peut être modifié en cours de fonctionnement ou à l'arrêt.
Pour modifier l'affectation de ce paramètre, appuyez pendant 2 secondes sur la touche ENT.
2 s
DRI- > CONF > FULL > FUN- > ADC-
Il est possible d'accéder aux paramètres décrits sur cette page via les menus suivants :

Mode de configuration (ConF)
NVE41296 04/2018 181
JOG
Code Nom/Description Plage de réglages Réglage usine
FUn- [FONCTIONS D'APPLI.] (suite)
JOG- [JOG]
Remarque :Cette fonction ne peut pas être utilisée avec toutes les fonctions. Suivez les instructions page 166.
JOG [JOG] [LI3] (LI3)
nO
LI1
...
Fonctionnement par impulsions.
La fonction JOG n'est active que si le canal de commande et le canal de consigne sont au bornier.
La fonction est active lorsque l'entrée ou le bit affecté est sur 1.
Exemple : fonctionnement en commande 2 fils (tCC = 2C)
[Non] (nO) : non affecté
[LI1] (LI1) : entrée logique LI1
[...] (...) : voir conditions d'affectation page 155 (pas [Cd00] (Cd00) à [Cd15] (Cd15))
(Si [Profil] (CHCF) est réglé sur [Non séparé] (SIM) ou [Séparé] (SEP) alors [Bit 11 Cmd Actif] (Cd11) jusqu’à [CD15] (Cd15),
[C111] (C111) jusqu’à [C115] (C115), [C211] (C211) jusqu’à [C215] (C215) et [C311] (C311) jusqu’à [C315] (C315) ne sont pas
disponibles).
JGF [Fréquence JOG] 0 à 10 Hz 10 Hz
g
(1)
Consigne en marche pas à pas.
Ce paramètre est accessible si [JOG] (JOG) n'est pas réglé sur [Non] (nO).
1
0
1
0
1
0
0
Rampe
forcée à 0,1 s
Consigne
Consigne JGF
Consigne JGF
LI (JOG)
Avant
Arrière
Rampe
DEC/DE2
fréquence
moteur
JGt
DRI- > CONF > FULL > FUN- > JOG-
Il est possible d'accéder aux paramètres décrits sur cette page via les menus suivants :

Mode de configuration (ConF)
182 NVE41296 04/2018
(1) Ce paramètre est également accessible dans le menu [REGLAGES] (SEt-).
JGt [Tempo. JOG] 0 à 2,0 s 0,5 s
g
(1)
Délai antipianotage entre deux fonctionnements pas à pas consécutifs.
Ce paramètre est accessible si [JOG] (JOG) n'est pas réglé sur [Non] (nO).
Code Nom/Description Plage de réglages Réglage usine
gCes paramètres apparaissent uniquement si la fonction correspondante a été sélectionnée dans un autre menu. Lorsqu'il est
également possible d'accéder et de régler les paramètres dans le menu de configuration pour la fonction correspondante,
leur description est détaillée dans ces menus, sur les pages indiquées, afin d'aider à la programmation.
Ce paramètre peut être modifié en cours de fonctionnement ou à l'arrêt.
Pour modifier l'affectation de ce paramètre, appuyez pendant 2 secondes sur la touche ENT.
2 s
DRI- > CONF > FULL > FUN- > JOG-
Il est possible d'accéder aux paramètres décrits sur cette page via les menus suivants :

Mode de configuration (ConF)
NVE41296 04/2018 183
VITESSES PRÉSÉLECTIONNÉES
2, 4, 8 ou 16 vitesses peuvent être présélectionnées, nécessitant respectivement 1, 2, 3 ou 4 entrées logiques.
Remarque :
Pour obtenir 4 vitesses, il faut configurer 2 et 4 vitesses.
Pour obtenir 8 vitesses, il faut configurer 2, 4 et 8 vitesses.
Pour obtenir 16 vitesses, il faut configurer 2, 4, 8 et 16 vitesses.
Tableau de combinaison des entrées de vitesses présélectionnées
(1) Voir le schéma page 149 : Consigne 1 = (SP1).
16 vitesses
LI (PS16)
8 vitesses
LI (PS8)
4 vitesses
LI (PS4)
2 vitesses
LI (PS2)
Consigne de vitesse
0 000Consigne (1)
0 001SP2
0 010SP3
0 011SP4
0 100SP5
0 101SP6
0 110SP7
0 111SP8
1 000SP9
1 001SP10
1 010SP11
1 011SP12
1 100SP13
1 101SP14
1 110SP15
1 111SP16

Mode de configuration (ConF)
184 NVE41296 04/2018
Code Nom/Description Plage de réglages Réglage usine
FUn- [FONCTIONS D'APPLI.] (suite)
PSS- [VITESSES PRESELECT.]
Remarque :Cette fonction ne peut pas être utilisée avec toutes les fonctions. Suivez les instructions page 166.
PS2 [2 vitesses présél.] [Non] (nO)
nO
LI1
...
[Non] (nO) : non affecté
[LI1] (LI1) : entrée logique LI1
[...] (...) : voir conditions d'affectation page 155
PS4 [4 vitesses présél.] [Non] (nO)
Identique au paramètre [2 vitesses présél.] (PS2) page 184.
Pour obtenir 4 vitesses, vous devez également configurer 2 vitesses.
PS8 [8 vitesses présél.] [Non] (nO)
Identique au paramètre [2 vitesses présél.] (PS2) page 184.
Pour obtenir 8 vitesses, vous devez également configurer 2 et 4 vitesses.
PS16 [16 vitesses présél.] [Non] (nO)
Identique au paramètre [2 vitesses présél.] (PS2) page 184.
Pour obtenir 16 vitesses, vous devez également configurer 2, 4 et 8 vitesses.
SP2 [Vit. présélect. 2] 0 à 599 Hz 10 Hz
g
(1)
Vitesse présélectionnée 2. Voir le tableau de combinaison des consignes PID présélectionnées page 210.
SP3 [Vit. présélect. 3] 0 à 599 Hz 15 Hz
g
(1)
Vitesse présélectionnée 3. Voir le tableau de combinaison des consignes PID présélectionnées page 210.
SP4 [Vit. présélect. 4] 0 à 599 Hz 20 Hz
g
(1)
Vitesse présélectionnée 4. Voir le tableau de combinaison des consignes PID présélectionnées page 210.
SP5 [Vit. présélect. 5] 0 à 599 Hz 25 Hz
g
(1)
Vitesse présélectionnée 5. Voir le tableau de combinaison des consignes PID présélectionnées page 210.
SP6 [Vit. présélect. 6] 0 à 599 Hz 30 Hz
g
(1)
Vitesse présélectionnée 6. Voir le tableau de combinaison des consignes PID présélectionnées page 210.
SP7 [Vit. présélect. 7] 0 à 599 Hz 35 Hz
g
(1)
Vitesse présélectionnée 7. Voir le tableau de combinaison des consignes PID présélectionnées page 210.
DRI- > CONF > FULL > FUN- > PSS-
Il est possible d'accéder aux paramètres décrits sur cette page via les menus suivants :

Mode de configuration (ConF)
NVE41296 04/2018 185
SP8 [Vit. présélect. 8] 0 à 599 Hz 40 Hz
g
(1)
Vitesse présélectionnée 8. Voir le tableau de combinaison des consignes PID présélectionnées page 210.
SP9 [Vit. présélect. 9] 0 à 599 Hz 45 Hz
g
(1)
Vitesse présélectionnée 9. Voir le tableau de combinaison des consignes PID présélectionnées page 210.
SP10 [Vit. présélect. 10] 0 à 599 Hz 50 Hz
g
(1)
Vitesse présélectionnée 10. Voir le tableau de combinaison des consignes PID présélectionnées page 210.
SP11 [Vit. présélect. 11] 0 à 599 Hz 55 Hz
g
(1)
Vitesse présélectionnée 11. Voir le tableau de combinaison des consignes PID présélectionnées page 210.
SP12 [Vit. présélect. 12] 0 à 599 Hz 60 Hz
g
(1)
Vitesse présélectionnée 12. Voir le tableau de combinaison des consignes PID présélectionnées page 210.
SP13 [Vit. présélect. 13] 0 à 599 Hz 70 Hz
g
(1)
Vitesse présélectionnée 13. Voir le tableau de combinaison des consignes PID présélectionnées page 210.
SP14 [Vit. présélect. 14] 0 à 599 Hz 80 Hz
g
(1)
Vitesse présélectionnée 14. Voir le tableau de combinaison des consignes PID présélectionnées page 210.
SP15 [Vit. présélect. 15] 0 à 599 Hz 90 Hz
g
(1)
Vitesse présélectionnée 15. Voir le tableau de combinaison des consignes PID présélectionnées page 210.
SP16 [Vit. présélect. 16] 0 à 599 Hz 100 Hz
g
(1)
Vitesse présélectionnée 16.
Ces paramètres [Vit. présélect. x] (SPx) apparaissent en fonction du nombre de vitesses configurées.
Voir le tableau de combinaison des consignes PID présélectionnées page 210.
Code Nom/Description Plage de réglages Réglage usine
DRI- > CONF > FULL > FUN- > PSS-
Il est possible d'accéder aux paramètres décrits sur cette page via les menus suivants :

Mode de configuration (ConF)
186 NVE41296 04/2018
(1) Ce paramètre est également accessible dans le menu [REGLAGES] (SEt-).
JPF [Freq. Occultée] 0 à 599 Hz 0 Hz
Fréquence occultée. Ce paramètre évite tout fonctionnement prolongé dans une plage réglable autour d'une fréquence donnée.
Cette fonction permet d'empêcher d'atteindre une vitesse critique qui entraînerait une résonance. Le réglage de la fonction sur
0 la rend inactive.
JF2 [Freq. Occultée 2] 0 à 599 Hz 0 Hz
2e fréquence occultée. Ce paramètre évite tout fonctionnement prolongé dans une plage réglable autour d'une fréquence
donnée. Cette fonction permet d'empêcher d'atteindre une vitesse critique qui entraînerait une résonance. Le réglage de la
fonction sur 0 la rend inactive.
JF3 [Freq. Occultée 3] 0 à 599 Hz 0 Hz
3e fréquence occultée. Ce paramètre évite tout fonctionnement prolongé dans une plage réglable autour d'une fréquence
donnée. Cette fonction permet d'empêcher d'atteindre une vitesse critique qui entraînerait une résonance. Le réglage de la
fonction sur 0 la rend inactive.
JFH [Hystérésis Freq.Occ] 0,1 à 10 Hz 1 Hz
g
Ce paramètre est visible si au moins une fréquence [Freq. Occultée] (JPF), [Freq. Occultée 2] (JF2) ou
[Freq. Occultée 3] (JF3) n'est pas nulle.
Plage de fréquences occultées : entre (JPF – JFH) et (JPF + JFH), par exemple.
Ce réglage est commun aux trois fréquences (JPF, JF2 et JF3).
Code Nom/Description Plage de réglages Réglage usine
gCes paramètres apparaissent uniquement si la fonction correspondante a été sélectionnée dans un autre menu. Lorsqu'il est
également possible d'accéder et de régler les paramètres dans le menu de configuration pour la fonction correspondante,
leur description est détaillée dans ces menus, sur les pages indiquées, afin d'aider à la programmation.
Ce paramètre peut être modifié en cours de fonctionnement ou à l'arrêt.
DRI- > CONF > FULL > FUN- > PSS-
Il est possible d'accéder aux paramètres décrits sur cette page via les menus suivants :

Mode de configuration (ConF)
NVE41296 04/2018 187
+ VITE/- VITE
Deux fonctionnements sont disponibles :
•Utilisation de touches à action unique : Deux entrées logiques sont nécessaires en plus du ou des sens
de marche.
L'entrée affectée à la commande « plus vite » augmente la vitesse, l'entrée affectée à la commande « moins
vite » la diminue.
•Utilisation de touches à double action : seule une entrée logique affectée à « plus vite » est nécessaire.
Plus vite/moins vite avec boutons à double enfoncement :
Description : 1 bouton enfoncé deux fois (2 crans) pour chaque sens de rotation. Un contact se ferme à chaque
fois que le bouton est enfoncé.
Exemple de câblage :
LI1 : Avant
LIx : Arrière
LIy : + vite
N'utilisez pas ce type de fonction « +/- vite » avec la commande 3 fils.
Quel que soit le type de fonctionnement sélectionné, la vitesse maximum est définie par le paramètre [Grande
vitesse] (HSP) (voir page 89).
Remarque :
Si la consigne est commutée via [Commutation réf.2] (rFC) (voir page 157) à partir d'un canal de consigne
quelconque vers un canal de consigne avec « +/- vite », la valeur de consigne [Fréquence sortie] (rFr)
(après rampe) peut être copiée en même temps en fonction du paramètre [Copie Canal 1 --> 2] (COP) (voir
page 158).
Si la consigne est commutée via [Commutation réf.2] (rFC) (voir page 157) à partir d'un canal de consigne
vers un canal de consigne quelconque avec « +/- vite », la valeur de consigne [Fréquence sortie] (rFr)
(après rampe) est copiée en même temps.
Cela permet d'éviter un retour à zéro inopportun de la vitesse au moment de la commutation.
Relâché (- vite) 1er enfoncement (vitesse
maintenue)
2nd enfoncement (+ vite)
Bouton sens avant – a a et b
Bouton sens
arrière
– c c et d
Bornier contrôle
ATVppp
LI1 LIx LIy +24
a
b
c
d
aaaa a a a
bb
cc
d
c
fréquence moteur
LSP
Avant
0
2nd enfoncement
1er enfoncement
Arrière
0
2nd enfoncement
1er enfoncement
0
LSP

Mode de configuration (ConF)
188 NVE41296 04/2018
Code Nom/Description Plage de réglages Réglage usine
FUn- [FONCTIONS D'APPLI.] (suite)
UPd- [+/- VITE]
Cette fonction est accessible si le canal de consigne [Canal réf. 2] (Fr2) est réglé sur [+/- Vite] (UPdt), voir page 157.
Remarque :Cette fonction ne peut pas être utilisée avec toutes les fonctions. Suivez les instructions page 166.
USP [Affectation +vite] [Non] (nO)
nO
LI1
...
Fonction active si l'entrée ou le bit affecté est à l'état 1.
[Non] (nO) : non affecté
[LI1] (LI1) : entrée logique LI1
[...] (...) : voir conditions d'affectation page 155
(Si [Profil] (CHCF) est réglé sur [Non séparé] (SIM) ou [Séparé] (SEP) alors [CD11] (Cd11) jusqu’à [CD15] (Cd15), [C111]
(C111) jusqu’à [C115] (C115), [C211] (C211) jusqu’à [C215] (C215) et [C311] (C311) jusqu’à [C315] (C315) ne sont pas
disponibles).
dSP [Affectation -vite] [Non] (nO)
Affectation identique à [Affectation +vite] (uSP).
Fonction active si l'entrée ou le bit affecté est à l'état 1.
Str [Mémorisation Réf.] [Non] (nO)
g
Associé à la fonction « + vite/- vite », ce paramètre permet de mémoriser la consigne :
- lorsque les ordres de marche disparaissent (enregistrés dans la mémoire RAM) ;
- lorsque le réseau d'alimentation ou les ordres de marche disparaissent (enregistrés dans la mémoire EEPROM).
C'est pourquoi la consigne de vitesse correspond à la dernière consigne mémorisée lors du démarrage suivant.
nO
rAM
EEP
[Non] (nO) : pas de mémorisation (au démarrage suivant, la consigne de vitesse est [Petite vitesse] (LSP), voir page 89)
[RAM] (rAM) : enregistrement dans la mémoire RAM
[Eeprom] (EEP) : enregistrement dans la mémoire EEPROM
gCes paramètres apparaissent uniquement si la fonction correspondante a été sélectionnée dans un autre menu. Lorsqu'il est
également possible d'accéder et de régler les paramètres dans le menu de configuration pour la fonction correspondante,
leur description est détaillée dans ces menus, sur les pages indiquées, afin d'aider à la programmation.
DRI- > CONF > FULL > FUN- > UPD-
Il est possible d'accéder aux paramètres décrits sur cette page via les menus suivants :

Mode de configuration (ConF)
NVE41296 04/2018 189
+/- VITE AUTOUR D'UNE CONSIGNE
La consigne est donnée par le paramètre [Canal réf. 1] (Fr1) ou [Canal réf. 1B] (Fr1b) avec les
fonctions de sommation/soustraction/multiplication et les vitesses présélectionnées le cas échéant (voir
schéma page 149). Pour simplifier, nous l'appelons ici consigne A. Les boutons + vite et - vite ont une action
réglable en % de cette consigne A. À l'arrêt, la consigne (A +/- vite) n'est pas mémorisée, le variateur
redémarre donc avec la consigne A+ uniquement.
La consigne totale maximum est limitée par le paramètre [Grande vitesse] (HSP) et la consigne minimum,
par le paramètre [Petite vitesse] (LSP), voir page 89.
Exemple de commande 2 fils :
+ SrP %
Consigne A +
- vite
Sens de marche
Avant
Avant
Arrière
+ vite
- SrP %
- SrP %
+ SrP %
Consigne A -
LSP
LSP
fréquence moteur [Accélération 2] (AC2)
[Décélération 2] (dE2)

Mode de configuration (ConF)
190 NVE41296 04/2018
(1) Ce paramètre est également accessible dans le menu [REGLAGES] (SEt-).
(2) Plage 0,01 à 99,99 s, 0,1 à 999,9 s ou 1 à 6 000 s selon le paramètre [Incrément rampe] (Inr) page 173.
Code Nom/Description Plage de réglages Réglage usine
FUn- [FONCTIONS D'APPLI.] (suite)
SrE- [+/-VITE AUTOUR REF]
Cette fonction est accessible pour le canal de consigne [Canal réf. 1] (Fr1).
Remarque :Cette fonction ne peut pas être utilisée avec toutes les fonctions. Suivez les instructions page 169.
USI [Affectation +vite] [Non] (nO)
nO
LI1
...
No] (nO) : non affecté
[LI1] (LI1) : entrée logique LI1
[...] (...) : voir conditions d'affectation page 155
dSI [Affectation -vite] [Non] (nO)
Voir conditions d'affectation page 155.
Affectation identique à [Affectation +vite] (uSi).
Fonction active si l'entrée ou le bit affecté est à l'état 1.
SrP [Limit. +/- vite] 0 à 50 % 10 %
g
Ce paramètre limite la plage de variation par +/- vite, en % de la consigne. Les rampes utilisées dans cette fonction sont
[Accélération 2] (AC2) et [Décélération 2] (dE2).
Ce paramètre est accessible si la fonction « +/- vite » est affectée.
AC2 [Accélération 2] 0,00 à 6 000 s (2) 5,00 s
g
(1)
Temps pour accélérer de 0 au paramètre [Fréq. nom. mot.] (FrS). Pour la répétitivité des rampes, la valeur de ce paramètre
doit être réglée selon la possibilité de l'application.
Ce paramètre est accessible si [+/- vite] (tUd) est affecté.
dE2 [Décélération 2] 0,00 à 6 000 s (2) 5,00 s
g
(1)
Temps pour décélérer du paramètre [Fréq. nom. mot.] (FrS) à 0. Pour la répétitivité des rampes, la valeur de ce paramètre
doit être réglée selon la possibilité de l'application.
Ce paramètre est accessible si [+/- vite] (tUd) est affecté.
gCes paramètres apparaissent uniquement si la fonction correspondante a été sélectionnée dans un autre menu. Lorsqu'il est
également possible d'accéder et de régler les paramètres dans le menu de configuration pour la fonction correspondante,
leur description est détaillée dans ces menus, sur les pages indiquées, afin d'aider à la programmation.
Ce paramètre peut être modifié en cours de fonctionnement ou à l'arrêt.
DRI- > CONF > FULL > FUN- > SRE-
Il est possible d'accéder aux paramètres décrits sur cette page via les menus suivants :

Mode de configuration (ConF)
NVE41296 04/2018 191
MÉMORISATION DE LA CONSIGNE
Mémorisation d'une valeur de consigne de vitesse en utilisant une commande d'entrée logique d'une durée
supérieure à 0,1 s.
•Cette fonction permet de contrôler la vitesse de plusieurs variateurs alternativement par une seule consigne
analogique et une entrée logique pour chaque variateur.
•Elle permet également de valider par une entrée logique une consigne ligne (bus ou réseau de
communication) sur plusieurs variateurs. Cela permet de synchroniser les mouvements en s'affranchissant
des dispersions sur l'envoi de la consigne.
•L'acquisition de la consigne se fait 100 ms après le front montant de la demande. Une nouvelle consigne
n'est ensuite acquise que si une nouvelle demande est faite.
t
t
t
0
0
1
0
1
100 ms 100 ms100 ms
F : fréquence moteur
Consigne
Ordre de marche
LIx (mémorisation)
Code Nom/Description Plage de réglages Réglage usine
FUn- [FONCTIONS D'APPLI.] (suite)
SPM- [MEMO REFERENCE]
SPM [Aff. mémo. réf.] [Non] (nO)
nO
LI1
...
LI6
LAI1
LAI2
OL01
...
OL10
Affectation à une entrée logique.
Fonction active si l'entrée affectée est à l'état actif.
[Non] (nO) : fonction inactive
[LI1] (LI1) : entrée logique LI1
...
[LI6] (LI6) : entrée logique LI6
[LAI1] (LAI1) : entrée logique AI1
[LAI2] (LAI2) : entrée logique AI2
[OL01] (OL01) : Blocs fonctions : sortie logique 01
...
[OL10] (OL10) : Blocs fonctions : sortie logique 10
DRI- > CONF > FULL > FUN- > SPM-
Il est possible d'accéder aux paramètres décrits sur cette page via les menus suivants :

Mode de configuration (ConF)
192 NVE41296 04/2018
FLUXAGE PAR ENTRÉE LOGIQUE
Code Nom/Description Plage de réglages Réglage usine
FUn- [FONCTIONS D'APPLI.] (suite)
FLI- [FLUXAGE PAR LI]
FLU [Fluxage moteur] [Non] (FnO)
g
(1)
DANGER
RISQUE D'ÉLECTROCUTION, D'EXPLOSION OU D'ARC ÉLECTRIQUE
Lorsque [Fluxage moteur] (FLU) est réglé sur [Continu] (FCt), le fluxage est toujours actif, même si le
moteur ne marche pas.
•Vérifiez que ce réglage peut être utilisé en toute sécurité.
Le non-respect de ces instructions entraînera la mort ou des blessures graves.
AVIS
SURCHAUFFE ET ENDOMMAGEMENT DU MOTEUR
Vérifiez que le moteur connecté est correctement calibré pour le courant de flux à appliquer, afin d'éviter la
surchauffe et l'endommagement du moteur.
Le non-respect de ces instructions peut provoquer des dommages matériels.
FnC
FCt
FnO
[Non continu] (FnC) : mode non continu
[Continu] (FCt) : mode continu.
Cette option est impossible si le paramètre [Injection DC auto] (AdC) page 179 est réglé sur [Oui] (YES) ou si [Type d'arrêt]
(Stt) page 176 est réglé sur [Roue libre] (nSt).
[Non] (FnO) : fonction désactivée
Afin d'obtenir rapidement un couple élevé au démarrage, il est nécessaire d'établir au préalable le flux magnétique dans le
moteur.
En mode [Continu] (FCt), le variateur établit automatiquement le flux à la mise sous tension.
En mode [Non continu] (FnC), le fluxage s'effectue au démarrage du moteur.
La valeur du courant de fluxage est supérieure au paramètre [Courant nom. mot.] (nCr) (courant nominal du moteur
configuré) lorsque le flux est établi, puis est régulée à la valeur du courant magnétisant du moteur.
Si le paramètre [Type cde moteur] (Ctt) page 107 est réglé sur [Mot. sync.] (SYn), le paramètre [Fluxage moteur] (FLU)
provoque l'alignement du rotor, et non le fluxage.
Si le paramètre [Affectation frein] (bLC) page 197 n'est pas réglé sur [Non] (nO), le paramètre [Fluxage moteur] (FLU)
n'a aucun effet.
FLI [Affectation fluxage] [Non] (nO)
g
AVIS
SURCHAUFFE ET ENDOMMAGEMENT DU MOTEUR
Vérifiez que le moteur connecté est correctement calibré pour le courant de flux à appliquer, afin d'éviter
la surchauffe et l'endommagement du moteur.
Le non-respect de ces instructions peut provoquer des dommages matériels.
nO
LI1
...
L'affectation n'est possible que si le paramètre [Fluxage moteur] (FLU) est réglé sur [Non continu] (FnC).
Si une entrée logique ou un bit est affecté à la commande de fluxage du moteur, le flux est établi à l'état 1 de l'entrée ou du bit
affecté.
Si aucune entrée logique ou bit n'a été affecté ou si l'entrée logique ou le bit affecté est à l'état 0 lors d'un ordre de marche, le
fluxage s'effectue au démarrage du moteur.
[Non] (nO) : non affecté
[LI1] (LI1) : entrée logique LI1
[...] (...) : voir conditions d'affectation page 155
2 s
DRI- > CONF > FULL > FUN- > FLI-
Il est possible d'accéder aux paramètres décrits sur cette page via les menus suivants :

Mode de configuration (ConF)
NVE41296 04/2018 193
(1) Ce paramètre est également accessible dans le menu [REGLAGES] (SEt-)..
ASt [Type d'angle test] [PSIO align.] (PSIO)
g
Mode permettant de mesurer l'angle de déphasage. Visible uniquement si le paramètre [Type cde moteur] (Ctt) est réglé
sur [Mot. sync.] (SYn).
[PSI align] (PSI) et [PSIO align] (PSIO) fonctionnent avec tous les types de moteurs synchrones. Les paramètres [Align.
SPM] (SPMA) et [Align. IPM] (IPMA) augmentent les performances en fonction du type de moteur synchrone.
IPMA
SPMA
PSI
PSIO
nO
[Align. IPM] (IPMA) : alignement pour le moteur IPM. Mode d'alignement pour le moteur IPM (Interior-buried Permanent
Magnet). Généralement, ce type de moteur dispose d'un haut niveau de saillance. Il utilise une injection haute fréquence, moins
bruyante que le mode d'alignement standard.
[Align. SPM] (SPMA) : alignement pour le moteur SPM. Mode pour le moteur SPM (Surface-mounted Permanent Magnet).
Généralement, ce type de moteur dispose d'un niveau de saillance moyen ou faible. Il utilise une injection haute fréquence,
moins bruyante que le mode d'alignement standard.
[PSI align.] (PSI) : injection de signaux à impulsions. Mode d'alignement standard par injection de signaux à impulsions.
[PSIO align.] (PSIO) : injection de signaux à impulsions - optimisée. Mode d'alignement optimisé par injection de signaux à
impulsions. Le temps de mesure de l'angle de déphasage est réduit après le premier ordre de marche ou action de réglage,
même si le variateur a été éteint.
[Pas d'align.] (nO) : pas d'alignement
Code Nom/Description Plage de réglages Réglage usine
gCes paramètres apparaissent uniquement si la fonction correspondante a été sélectionnée dans un autre menu. Lorsqu'il est
également possible d'accéder et de régler les paramètres dans le menu de configuration pour la fonction correspondante,
leur description est détaillée dans ces menus, sur les pages indiquées, afin d'aider à la programmation.
Ce paramètre peut être modifié en cours de fonctionnement ou à l'arrêt.
Pour modifier l'affectation de ce paramètre, appuyez pendant 2 secondes sur la touche ENT.
2 s
DRI- > CONF > FULL > FUN- > FLI-
Il est possible d'accéder aux paramètres décrits sur cette page via les menus suivants :

Mode de configuration (ConF)
194 NVE41296 04/2018
COMMANDE LOGIQUE DE FREIN
Cette fonction permet de contrôler un frein électromagnétique avec le variateur pour les applications de levage
horizontal et vertical et les machines non équilibrées.
Principe :
- Mouvement de levage vertical :
Maintenir le couple du moteur dans la direction de la charge entraînante lors du desserrage et du serrage du
frein, afin de retenir la charge, de démarrer doucement lorsque le frein est desserré et d'arrêter doucement
lorsque le frein est serré.
- Mouvement horizontal :
Synchroniser le desserrage du frein avec la formation du couple lors du démarrage, et le serrage du frein à
vitesse nulle à l'arrêt, afin d'éviter toute secousse.
Instructions rematives à la commande logique de frein pour une application de levage vertical :
•[Impulsion de frein] (bIP) : [Oui] (YES) Assurez-vous que le sens de rotation FW correspond à la
montée de la charge.
En cas d'applications pour lesquelles la charge en descente est très différente de la charge en montée,
effectuez le réglage bIP = 2 Ibr (par exemple, montée toujours avec une charge et descente toujours
à vide).
•Courant de levée du frein ([I ouv. frein montée] (Ibr) et [I ouv. frein desc.] (Ird) si [Impulsion de
frein] (bIP) = 2 Ibr) : réglez le courant de levée de frein au niveau du courant nominal indiqué sur le
moteur.
Lors des essais, ajustez le courant de levée de frein pour retenir la charge sans à-coups.
•Temps d'accélération : pour les applications de levage, il est recommandé de définir des rampes
d'accélération supérieures à 0,5 seconde. Assurez-vous que le variateur ne dépasse pas la limite de
courant.
La même recommandation s'applique pour la décélération.
Rappel : pour un mouvement de levage, une résistance de freinage doit être utilisée.
•[Temps ouv. frein] (brt) : à ajuster en fonction du type de frein. Il s'agit du temps nécessaire au frein
mécanique pour se desserrer.
•[Fréq. ouvert. frein] (bIr), en mode boucle ouverte uniquement : laissez [Auto] (AUtO) et ajustez si
nécessaire.
•[Fréq. ferm. frein] (bEn) : laissez [Auto] (AUtO) et ajustez si nécessaire.
•[Temps ferm. frein] (bEn) : à ajuster en fonction du type de frein. Il s'agit du temps nécessaire au frein
mécanique pour se serrer.
Réglages recommandés de la commande logique de frein pour une application de levage horizontal :
•[Impulsion de frein] (bIP) : non
•Courant de levée de frein (Ibr) : à régler sur 0.
•[Temps ouv. frein] (brt) : à ajuster en fonction du type de frein. Il s'agit du temps nécessaire au frein
mécanique pour se desserrer.
•[Fréq. ferm. frein] (bEn), en mode boucle ouverte uniquement : laissez [Auto] (AUtO) et ajustez si
nécessaire.
•[Temps ferm. frein] (bEn) : à ajuster en fonction du type de frein. Il s'agit du temps nécessaire au frein
mécanique pour se serrer.
AVERTISSEMENT
FONCTIONNEMENT INATTENDU DE L'APPAREIL
• Vérifiez que les réglages sélectionnés n'entraîneront pas de perte de contrôle de la charge en cours de
levage.
Le non-respect de ces instructions peut entraîner la mort, des blessures graves ou des dommages
matériels.

Mode de configuration (ConF)
NVE41296 04/2018 195
Commande logique de frein, mouvement horizontal en mode boucle ouverte
Légende :
•(bEn) : [Fréq. ferm. frein]
•(bEt) : [Temps ferm. frein]
•(brt) : [Temps ouv. frein]
•(Ibr) : [I ouv. frein montée]
•(SdC1) : [I inject. DC auto 1]
•(tbE) : [Délai ferm. frein]
•(ttr) : [Temps redémar.]
Fréquence
Consigne
bEn
t
Courant flux
Courant flux
nominal
SdC1
Courant couple
Ibr
Sens de
marche ArrièreAvant
Relais
ou sortie
logique
Contact de frein
État du frein
Serré
Desserré
Type de
commande
moteur
Flux
brt ttrbEttbE
Fréquence
Couple
Injection
Verrouillage
0t
t
t
t
t
t
Moteur fluxé
Ibr atteint
0 atteint

Mode de configuration (ConF)
196 NVE41296 04/2018
Commande logique de frein, mouvement vertical en mode boucle ouverte
Légende :
•(bEn) : [Fréq. ferm. frein]
•(bEt) : [Temps ferm. frein]
•(bIr) : [Fréq. ouvert. frein]
•(brt) : [Temps ouv. frein]
•(Ibr) : [I ouv. frein montée]
•(JdC) : [Saut à l'inversion]
•(tbE) : [Délai ferm. frein]
•(ttr) : [Temps redémar.]
Fréquence
Consigne
bEn
t
Courant flux
Courant flux
nominal
Courant couple
Ibr
Sens de marche
DescenteMontée
Relais
ou sortie
logique
Contact de frein
État du frein
Serré
Desserré
Type de
commande
moteur
brt ttrbEttbE
0t
t
t
t
t
t
Moteur fluxé
Ibr atteint
0 atteint
bIr
JdC
JdC
Flux
Fréquence
Couple
Injection
Verrouillage

Mode de configuration (ConF)
NVE41296 04/2018 197
Code Nom/Description Plage de réglages Réglage usine
FUn- [FONCTIONS D'APPLI.] (suite)
bLC- [COMMANDE DE FREIN]
Remarque :Cette fonction ne peut pas être utilisée avec toutes les fonctions. Suivez les instructions page 166.
bLC [Affectation frein] [Non] (nO)
nO
r2
LO1
dO1
Sortie logique ou relais de commande.
Remarque : Si le frein est affecté, seul un arrêt sur rampe est possible. Vérifiez le paramètre [Type d'arrêt] (Stt) page 176.
La commande logique de frein ne peut être affectée que si le paramètre [Type cde moteur] (Ctt) n'est pas réglé sur
[Standard] (Std), [U/F 5pts] (UF5), [u/F quad.] (UFq) ou [Mot. sync.] (SYn). Reportez-vous au tableau de compatibilité
page 168 pour voir les fonctions compatibles.
[Non] (nO) : fonction non affectée (dans ce cas, tous les paramètres de la fonction sont inaccessibles.)
[R2] (r2) : relais
[LO1] (LO1) : sortie logique
[dO1] (dO1) : sortie analogique AO1 fonctionnant en sortie logique. Choix accessible si [Affectation AO1] (AO1) page 146
est réglé sur [Non] (nO).
bSt [Type mouvement] [Levage] (UEr)
g
HOr
UEr
[Translation] (HOr) : mouvement à charge résistive (translation de pont roulant, par exemple)
Remarque : Si le paramètre [Type cde moteur] (Ctt) est réglé sur [Standard] (Std) ou sur [U/F 5pts] (UF5), [Type
mouvement] (bSt) sera forcé à [Translation] (HOr).
[Levage] (UEr) : mouvement à charge entraînante (treuil de levage, par exemple)
Remarque : Si le paramètre [Affectation peson] (PES) page 203 n'est pas réglé sur [Non] (nO), [Type mouvement] (bSt)
est forcé à [Levage] (UEr).
bCI [Contact de frein] [Non] (nO)
gSi le frein est équipé d'un contact de surveillance (fermé en cas de frein desserré).
nO
LI1
...
[Non] (nO) : non affecté
[LI1] (LI1) : entrée logique LI1
[...] (...) : voir conditions d'affectation page 155
bIP [Impulsion de frein] [Oui] (YES)
g
Impulsion de frein.
Ce paramètre est accessible si [Affectation peson] (PES) est réglé sur [Non] (nO) (voir page 203). Il est réglé sur [Oui]
(YES) si le paramètre [Type mouvement] (bSt) est réglé sur [Levage] (UEr).
nO
YES
2Ibr
[Non] (nO) : le couple du moteur est donné dans le sens de marche demandé, au courant [I ouv. frein montée] (Ibr).
[Oui] (YES) : le couple du moteur est dans le sens avant (vérifiez si cette direction correspond à la montée), au courant [I ouv.
frein montée] (Ibr).
[2 I ouvert.] (2Ibr) : le couple est dans le sens demandé, au courant [I ouv. frein montée] (Ibr) pour l'avant et [I ouv.
frein desc.] (Ird) pour l'arrière, pour certaines applications spécifiques.
Ibr [I ouv. frein montée] 0 à 1,36 In (2) 0 A
g
(1)
Seuil de courant de levée de frein pour un mouvement de montée ou avant.
Ce paramètre est accessible si [Affectation peson] (PES) est réglé sur [Non] (nO) page 203.
Ird [I ouv. frein desc.] 0 à 1,36 In (2) 0 A
g
Seuil de courant de levée de frein pour un mouvement de descente ou arrière.
Ce paramètre est accessible si [Impulsion de frein] (bIP) est réglé sur [2 I ouvert.] (2Ibr).
brt [Temps ouv. frein] 0 à 5,00 s 0 s
g
(1)
Délai de desserrage du frein.
DRI- > CONF > FULL > FUN- > BLC-
Il est possible d'accéder aux paramètres décrits sur cette page via les menus suivants :

Mode de configuration (ConF)
198 NVE41296 04/2018
bIr [Fréq. ouvert. frein] [Auto] (AUtO) à 10 Hz [Auto] (AUtO)
g
(1)
Seuil de fréquence de desserrage du frein (initialisation de la rampe d'accélération).
Paramètre accessible si [Type mouvement] (bSt) page 197 est réglé sur [Levage] (UEr).
AUtO [Auto] (AUtO) : le variateur prend une valeur égale au glissement nominal du moteur, calculé à partir des paramètres
d'entraînement.
0 à 10 Hz : réglage manuel.
bEn [Fréq. ferm. frein] [Auto] (AUtO)
0 à 10 Hz
[Auto] (AUtO)
g
(1)
Seuil de fréquence de serrage du frein.
Remarque : [Fréq. ferm. frein] (bEn) ne peut pas être supérieur à [Petite vitesse] (LSP).
AUtO [Auto] (AUtO) : le variateur prend une valeur égale au glissement nominal du moteur, calculé à partir des paramètres
d'entraînement.
0 à 10 Hz : réglage manuel.
tbE [Délai ferm. frein] 0 à 5,00 s 0 s
g
(1)
Délai avant toute demande de serrage du frein.
bEt [Temps ferm. frein] 0 à 5,00 s 0 s
g
(1)
Temps de serrage du frein (temps de réponse du frein).
SdC1
g
(1)
[I inject. DC auto 1] 0 à 1,2 In (2) 0,7 In (2)
AVIS
SURCHAUFFE ET ENDOMMAGEMENT DU MOTEUR
Vérifiez que le moteur connecté est correctement calibré pour le courant d'injection DC à appliquer, en termes
de quantité et de temps, afin d'éviter la surchauffe et l'endommagement du moteur.
Le non-respect de ces instructions peut provoquer des dommages matériels.
Intensité du courant d'injection à l'arrêt.
Remarque : Ce paramètre est accessible si [Type mouvement] (bSt) page 197 est réglé sur [Translation] (HOr).
bEd [Ferm. à l'inversion] [Non] (nO)
g
Permet de choisir si le frein se serre ou non au passage en vitesse nulle lors d'une inversion du sens de marche.
nO
YES
[Non] (nO) : le frein ne se serre pas.
[Oui] (YES) : le frein se serre.
Code Nom/Description Plage de réglages Réglage usine
DRI- > CONF > FULL > FUN- > BLC-
Il est possible d'accéder aux paramètres décrits sur cette page via les menus suivants :

Mode de configuration (ConF)
NVE41296 04/2018 199
(1) Ce paramètre est également accessible dans le menu [REGLAGES] (SEt-).
(2) In correspond au courant nominal du variateur indiqué dans le manuel d'installation et sur la plaque signalétique du
variateur.
JdC [Saut à l'inversion] [Auto] (AUtO) à 10 Hz [Auto] (AUtO)
g
(1)
Paramètre accessible si [Type mouvement] (bSt) page 197 est réglé sur [Levage] (UEr).
AUtO
-
[Auto] (AUtO) : le variateur prend une valeur égale au glissement nominal du moteur, calculé à partir des paramètres
d'entraînement.
0 à 10 Hz : réglage manuel
Lors d'une inversion de sens de consigne, ce paramètre permet d'éviter une perte de couple lors du passage à zéro de vitesse
(et par là même, un relâchement de la charge). Ce paramètre n'est pas applicable si [Ferm. à l'inversion] (bEd) = [Oui]
(YES).
ttr [Temps redémarr.] 0,00 à 15,00 s 0 s
g
(1)
Délai entre la fin d'une séquence de serrage de frein et le début d'une séquence de desserrage.
Code Nom/Description Plage de réglages Réglage usine
gCes paramètres apparaissent uniquement si la fonction correspondante a été sélectionnée dans un autre menu. Lorsqu'il est
également possible d'accéder et de régler les paramètres dans le menu de configuration pour la fonction correspondante,
leur description est détaillée dans ces menus, sur les pages indiquées, afin d'aider à la programmation.
Ce paramètre peut être modifié en cours de fonctionnement ou à l'arrêt.
DRI- > CONF > FULL > FUN- > BLC-
Il est possible d'accéder aux paramètres décrits sur cette page via les menus suivants :

Mode de configuration (ConF)
200 NVE41296 04/2018
Paramètres experts de la commande logique de frein
Les paramètres suivants pour la séquence logique de frein ne sont accessibles qu'en mode expert.
Code Nom/Description Plage de réglages Réglage usine
brH0 [BRH b0] 0
gChoix de la séquence de redémarrage du frein en cas de renouvellement d'un ordre de marche pendant le serrage du frein.
0
1
[0] (0) : la séquence serrage/desserrage est exécutée en totalité.
[1] (1): le frein est desserré immédiatement.
Un ordre de marche peut être demandé pendant la phase de serrage du frein. En fonction de la valeur sélectionnée pour [BRH b0]
(brH0), la séquence de desserrage du frein est exécutée ou non.
Remarque : Si un ordre de marche est demandé pendant la phase ttr, la séquence de frein complète est initialisée.
brH1 [BRH b1] 0
gDésactivation du défaut de contact de frein en régime établi.
0
1
[0] (0) : le défaut de contact de frein en régime établi est actif (défaut si le contact est ouvert en marche). Le défaut de contact
[Frein mécanique] (brF) est surveillé pendant toutes les phases de fonctionnement.
[1] (1) : le défaut de contact de frein en régime établi n'est pas actif. Le défaut de contact [Frein mécanique] (brF) n'est
surveillé que pendant les phases de desserrage et de serrage du frein.
Fréquence
Ordre de marche
Relais ou
entrée
logique
Fréquence
Relais ou
entrée logique
bEn [BRH b0] (brH0) = 1
[BRH b0] (brH0) = 0
DRI- > CONF > FULL > FUN- > BLC-
Il est possible d'accéder aux paramètres décrits sur cette page via les menus suivants :

Mode de configuration (ConF)
NVE41296 04/2018 201
brH2 [BRH b2] 0
gPrise en compte du contact de frein pour la séquence de commande de frein.
0
1
[0] (0) : le contact de frein n'est pas pris en compte.
[1] (1) : le contact de frein est pris en compte.
Si une entrée logique est affectée au contact de frein :
- [BRH b2] (brH2) = 0 : lors de la séquence de desserrage du frein, la consigne est validée à la fin du délai
[Temps ouv. frein] (brt). Pendant la séquence de serrage du frein, le courant passe à 0 en fonction de la rampe
[Temps rampe I] (brr) à la fin du délai [Temps ferm. frein] (bEt).
- [BRH b2] (brH2) = 1 : lors de la phase de desserrage du frein, la consigne est validée quand l'entrée logique passe à
1. Lors de la phase de serrage, le courant passe à 0 en fonction de la rampe [Temps rampe I] (brr) quand l'entrée
logique passe à 0.
brr [Temps rampe I] 0 à 5,00 s 0 s
g
Temps de la rampe de courant de couple (croissance et décroissance) pour une variation de courant égale à [I ouv. frein
montée] (Ibr).
gCes paramètres apparaissent uniquement si la fonction correspondante a été sélectionnée dans un autre menu. Lorsqu'il est
également possible d'accéder et de régler les paramètres dans le menu de configuration pour la fonction correspondante,
leur description est détaillée dans ces menus, sur les pages indiquées, afin d'aider à la programmation.
Ce paramètre peut être modifié en cours de fonctionnement ou à l'arrêt.
Code Nom/Description Plage de réglages Réglage usine
brt
brr
brr
bEt
blr
Fréquence
Entrée logique
Contact de frein
Fréquence
Relais ou
entrée
logique
Ordre de marche
[BRH b2] (brH2) = 0
[BRH b2] (brH2) = 1
DRI- > CONF > FULL > FUN- > BLC-
Il est possible d'accéder aux paramètres décrits sur cette page via les menus suivants :

Mode de configuration (ConF)
202 NVE41296 04/2018
MESURE DU POIDS EXTERNE
Mesure de charge
Cette fonction exploite l'information issue d'un peson pour adapter le courant [I ouv. frein montée] (Ibr)
de la fonction [COMMANDE DE FREIN] (bLC-). Le signal issu du peson peut être affecté à une entrée
analogique (généralement un signal 4 - 20 mA) ou à l'entrée d'impulsions,-selon le type de peson.
Exemple : mesure du poids total d'un treuil de levage et de sa charge
Le courant [I ouv. frein montée] (Ibr) est adapté suivant la courbe ci-dessous.
Signal du
peson
100 %
[Point 2 X]
LP2
Charge nulle
[Point 1 X]
LP1
Ibr
[Point 2 Y]
(CP2)
[Point 1 Y]
(CP1)
0

Mode de configuration (ConF)
NVE41296 04/2018 203
(1) In correspond au courant nominal du variateur indiqué dans le manuel d'installation et sur la plaque signalétique du
variateur.
Code Nom/Description Plage de réglages Réglage usine
FUn- [FONCTIONS D'APPLI.] (suite)
ELM- [MESURE CHARGE]
PES [Affectation peson] [Non] (nO)
AVERTISSEMENT
PERTE DE CONTRÔLE
•Vérifiez que [Point 1 X] (LP1), [Point 2 X] (LP2), [Point 1 Y] (CP1) et [Point 2 Y] (CP2) sont
correctement réglés afin d'éviter toute perte de contrôle de la charge en cours de levage.
•Exécutez un test de mise en service complet pour confirmer la valeur donnée aux paramètres [Point 1 X]
(LP1), [Point 2 X] (LP2), [Point 1 Y] (CP1) et [Point 2 Y] (CP2).
Le non-respect de ces instructions peut entraîner la mort, des blessures graves ou des dommages
matériels.
nO
A11
A12
A13
PI
AIU1
AIU2
OA01
...
OA10
Ce paramètre peut être configuré si [COMMANDE DE FREIN] (bLC-) page 197 n'est pas réglé sur [Non] (nO).
[Non] (nO) : non affecté
[Al1] (A11) : entrée analogique A1
[Al2] (A12) : entrée analogique A2
[Al3] (A13) : entrée analogique A3
[RP] (PI) : entrée Pulse input
[AI virtuelle 1] (AIU1) : entrée analogique virtuelle 1 avec le bouton de navigation
[AI virtuelle 2] (AIU2) : entrée analogique virtuelle 2 par bus de communication
[OA01] (OA01) : blocs fonctions : sortie analogique 01
...
[OA10] (OA10) : blocs fonctions : sortie analogique 10
LP1 [Point 1 X] 0 à LP2-0,01 % 0 %
g0 à 99,99 % du signal sur l'entrée affectée.
[Point 1 X] (LP1) doit être inférieur à [Point 2 X] (LP2).
Ce paramètre est accessible si [Affectation peson] (PES) est affecté.
CP1 [Point 1 Y] -1,36 In à 1,36 In (1) -In (1)
gCourant correspondant à la charge [Point 1 X] (LP1), en A.
Ce paramètre est accessible si [Affectation peson] (PES) est affecté.
LP2 [Point 2 X] LP1+0,01 % à 100 % 50 %
g0,01 à 100 % du signal sur l'entrée affectée.
[Point 2 X] (LP2) doit être supérieur à [Point 1 X] (LP1).
Ce paramètre est accessible si [Affectation peson] (PES) est affecté.
CP2 [Point 2 Y] -1,36 In à 1,36 In (1) 0 A
gCourant correspondant à la charge [Point 2 X] (LP2), en A.
Ce paramètre est accessible si [Affectation peson] (PES) est affecté.
IbrA [Ibr perte 4-20 mA] 0 à 1,36 In (1) 0
g
Courant de desserrage de frein en cas de perte de l'information du peson.
Ce paramètre est accessible si le peson est affecté à une entrée analogique de courant et que le défaut de perte 4-20 mA est
désactivé.
Réglages recommandés : courant nominal du moteur pour une application de levage.
gCes paramètres apparaissent uniquement si la fonction correspondante a été sélectionnée dans un autre menu. Lorsqu'il est
également possible d'accéder et de régler les paramètres dans le menu de configuration pour la fonction correspondante,
leur description est détaillée dans ces menus, sur les pages indiquées, afin d'aider à la programmation.
Ce paramètre peut être modifié en cours de fonctionnement ou à l'arrêt.
DRI- > CONF > FULL > FUN- > ELM-
Il est possible d'accéder aux paramètres décrits sur cette page via les menus suivants :

Mode de configuration (ConF)
204 NVE41296 04/2018
LEVAGE HAUTE VITESSE
Cette fonction permet d'optimiser les temps de cycles sur les mouvements de levage lorsque la charge est
nulle ou faible. Elle autorise un fonctionnement à « puissance constante » pour atteindre une vitesse
supérieure à la vitesse nominale, sans dépasser le courant nominal du moteur.
La vitesse reste limitée par le paramètre [Grande vitesse] (HSP) page 89.
La fonction agit sur l'écrêtage de la consigne de vitesse, et non sur la consigne elle-même.
Principe :
Il existe deux modes de fonctionnement :
•Mode consigne de vitesse : la vitesse maximale autorisée est calculée par le variateur lors d'un palier de
vitesse défini de façon à ce que le variateur puisse mesurer la charge.
•Mode limitation de courant : la vitesse maximale autorisée est celle que permet la limitation de courant en
régime moteur, dans le sens de la montée seulement. En descente, le fonctionnement est toujours celui du
mode consigne de vitesse.
Fréquence
Grande
vitesse HSP
Fréquence
nominale
moteur FrS
Montée
Puissance constante
Puissance constante
Descente
Cn : couple
nominal
moteur
Couple
max.
Couple
Grande
vitesse HSP
Fréquence
nominale
moteur FrS
0

Mode de configuration (ConF)
NVE41296 04/2018 205
Mode consigne de vitesse
OSP : palier de vitesse réglable pour la mesure de charge
tOS : temps de mesure de charge
Deux paramètres permettent de réduire la vitesse calculée par le variateur, pour la montée et la descente.
Commande montée
ou descente
Consigne
Fréquence
Limite calculée
t
t
t
tOS
HSP
FrS
OSP
0
HSP
FrS
OSP
0

Mode de configuration (ConF)
206 NVE41296 04/2018
Mode limitation de courant
SCL : seuil de vitesse réglable au-delà duquel la limitation de courant est active
CLO : limitation de courant pour la fonction haute vitesse
Remarque : La vitesse atteinte pour un courant donné sera plus faible en cas de sous-tension réseau par
rapport à la tension réseau nominale.
Commande de
montée
Consigne
Fréquence
t
t
t
HSP
FrS
SCL
0
HSP
FrS
SCL
0
Limite
imposée par
la limitation de
Courant
t
CLO

Mode de configuration (ConF)
NVE41296 04/2018 207
Câble détendu
La fonction de câble détendu permet d'éviter de démarrer en grande vitesse si la charge est posée et si le
câble est détendu, comme illustré ci-dessous.
Le palier de vitesse (paramètres OSP) décrit page 205 est utilisé pour mesurer la charge. Tant que celle-ci n'a
pas atteint le seuil réglable rStL [S. Cple cable déten.] (rStL) correspondant au poids du crochet, le cycle
de mesure effectif n'est pas déclenché.
Un relais ou une sortie logique peuvent également être affectés à la signalisation de l'état de câble détendu
dans le menu [ENTREES / SORTIES] (I_O-).
Vitesse
Charge
rStL
OSP
tOS

Mode de configuration (ConF)
208 NVE41296 04/2018
Code Nom/Description Plage de réglages Réglage usine
FUn- [FONCTIONS D'APPLI.] (suite)
HSH- [LEVAGE HAUTE VITESSE]
Remarque :Cette fonction ne peut pas être utilisée avec toutes les fonctions. Suivez les instructions page 166.
HSO [Levage haute vit.] [Non] (nO)
nO
SSO
CSO
[Non] (nO) : fonction désactivée
[Réf. vitesse] (SSO) : mode référence vitesse
[Lim.courant] (CSO) : mode limitation de courant
COF [Coef. vit. montée] 0 à 100 % 100 %
g
Coefficient de réduction de la vitesse calculée par le variateur pour le sens Montée.
Paramètre accessible si [Levage haute vit.] (HSO) est réglé sur [Réf. vitesse] (SSO).
COr [Coef. vit. descente] 0 à 100 % 50 %
g
Coefficient de réduction de la vitesse calculé par le variateur pour le sens Descente.
Paramètre accessible si [Levage haute vit.] (HSO) est différent de [Non] (nO).
tOS [Temps de mesure] 0,1 à 65 s 0,5 s
g
Durée du palier de vitesse pour la mesure.
Paramètre accessible si [Levage haute vit.] (HSO) est différent de [Non] (nO).
OSP [Vitesse de mesure] 0 à [Fréq. nom. mot.] (FrS)40 Hz
g
Vitesse stabilisée pour la mesure.
Paramètre accessible si [Levage haute vit.] (HSO) est différent de [Non] (nO).
CLO [I Limit. haute vit.] 0 à 1,5 In (1) In (1)
g
Courant de limitation en haute vitesse.
Paramètre accessible si [Levage haute vit.] (HSO) est réglé sur [Lim.courant] (CSO).
Remarque : Si le réglage est inférieur à 0,25 In, il y a risque de verrouillage en défaut [Perte phase moteur] (OPL) si celui-ci
est validé (voir page 261).
SCL [Fréquence I Limit.] 0 à 599 Hz selon calibre 40 Hz
g
Seuil de fréquence au-delà duquel le courant de limitation haute vitesse est actif.
Paramètre accessible si [Levage haute vit.] (HSO) est réglé sur [Lim.courant] (CSO).
rSd [Conf. cable détendu] [Non] (nO)
gFonction câble détendu.
Paramètre accessible si [Levage haute vit.] (HSO) est différent de [Non] (nO).
nO
drI
PES
[Non] (nO) : fonction désactivée
[Estimé Var.] (drI) : mesure de charge par l'estimation du couple faite par le variateur
[Mes. peson] (PES) : mesure de charge par peson, affectation possible seulement si [Affectation peson] (PES) page 203
est réglé sur [Non] (nO)
DRI- > CONF > FULL > FUN- > HSH-
Il est possible d'accéder aux paramètres décrits sur cette page via les menus suivants :

Mode de configuration (ConF)
NVE41296 04/2018 209
(1) In correspond au courant nominal du variateur indiqué dans le manuel d'installation et sur la plaque signalétique du
variateur.
rStL [S. Cple cable déten.] 0 à 100 % 0 %
gSeuil de réglage correspondant à une charge légèrement inférieure au poids du crochet vide, en % de la charge nominale.
Paramètre accessible si [S. Cple cable déten.] (rSd) a été affecté.
Code Nom/Description Plage de réglages Réglage usine
gCes paramètres apparaissent uniquement si la fonction correspondante a été sélectionnée dans un autre menu. Lorsqu'il est
également possible d'accéder et de régler les paramètres dans le menu de configuration pour la fonction correspondante,
leur description est détaillée dans ces menus, sur les pages indiquées, afin d'aider à la programmation.
Ce paramètre peut être modifié en cours de fonctionnement ou à l'arrêt.
DRI- > CONF > FULL > FUN- > HSH-
Il est possible d'accéder aux paramètres décrits sur cette page via les menus suivants :

Mode de configuration (ConF)
210 NVE41296 04/2018
RÉGULATEUR PID
Schéma de principe
La fonction est activée par l'affectation d'une entrée analogique au retour PID (mesure).
(1) La rampe AC2 est active uniquement au démarrage de la fonction PID et lors des réveils du PID.
Retour PID :
Le retour PID doit être affecté à une des entrées analogiques AI1 à AI3, à l'entrée Pulse input, selon la
présence de cartes extension.
Consigne PID :
La consigne PID peut être affectée aux paramètres suivants : Consignes présélectionnées par entrées
logiques (rP2, rP3, rP4)
Selon configuration de [Act. réf. interne PID] (PII) page 214 :
Consigne interne (rPI) ou
Consigne A ([Canal réf. 1] (Fr1) ou [Canal réf. 1B] (Fr1b), voir page 156).
Tableau de combinaison des consignes PID présélectionnées :
Une entrée de consigne vitesse prédictive permet d'initialiser la vitesse au démarrage du process.
PAU
(manu)
Pr2
Pr4
nO +
-
rP2
rP3
rP4
rIG
rPG
PIF
PIN
0
tLS
rSL
PIF1 / PIF2
PIP1 / PIP2
x(-1)
nO
nO
YES
PIC
nO
AI1
.....
LI
+
+
POH
POL
rdG
ACC DEC
FPI x PSr
PII
SP2
SP16
rPI
AB
nO
YES
PrP
AC2
(1)
Consigne
interne
Consigne A
Pages 149 et
150
Retour
PID
Consignes PID
présélectionnées
Inversion
d'erreur
Seuil d'erreur
de redémarrage
(réveil)
Gains
Rampes
Paramètre :
Le rectangle noir
représente l’affectation
en réglage usine.
Légende :
Rampe
Consignes manuelles présélectionnées
Mise à l'échelle
RP
Réseau AIU2
Consigne
vitesse
prédictive
Consigne
manuelle
Auto/Manuel
Pages 149
et 150
LI (Pr4)LI (Pr2)Pr2 = nO Consigne
rPI ou A
0 0 rPI ou A
01 rP2
10 rP3
11 rP4

Mode de configuration (ConF)
NVE41296 04/2018 211
Mise à l'échelle du retour et des consignes :
•Les paramètres [Retour PID mini] (PIF1), [Retour PID maxi] (PIF2) permettent de mettre à l'échelle
le retour PID (plage du capteur). Cette échelle doit IMPÉRATIVEMENT être conservée pour tous les
autres paramètres.
•Les paramètres [Réf. PID mini] (PIP1), [Réf. PID maxi] (PIP2) permettent de mettre à l'échelle la
plage de régulation, c’est-à-dire la consigne. La plage de régulation doit IMPÉRATIVEMENT être
comprise dans la plage du capteur.
La valeur maximale des paramètres de mise à l'échelle est 32 767. Pour faciliter la mise en service il est
conseillé d’utiliser des valeurs les plus proches possibles de ce maxi en restant dans les puissances de 10 par
rapport aux valeurs réelles.
Exemple (voir courbe ci-dessous) : régulation du volume contenu dans une cuve, 6 m3 et 15 m3.
•Capteur utilisé 4-20 mA, 4,5 m3 pour 4 mA et 20 m3 pour 20 mA, d'où PIF1 = 4 500 et PIF2 = 20 000.
•Plage de régulation 6 à 15 m3, d'où PIP1 = 6 000 (consigne mini) et PIP2 = 15 000 (consigne maxi).
•Exemples de consignes :
- rP1 (consigne interne) = 9 500
- rP2 (consigne présélectionnée) = 6 500
- rP3 (consigne présélectionnée) = 8 000
- rP4 (consigne présélectionnée) = 11 200
Le menu [3.4 CONFIG. AFFICHAGE] permet de personnaliser le nom de l'unité affichée et son format.
Autres paramètres :
•[Seuil réveil PID] (rSL) : ce paramètre permet de fixer le seuil d'erreur PID au-delà duquel le régulateur
PID est réactivé (réveil), après un arrêt provoqué par un dépassement du seuil de temps max en petite
vitesse [Temps petite vitesse] (tLS).
•Inversion du sens de correction [Inversion corr. PID] (PIC) : si [Inversion corr. PID] (PIC) est réglé
sur [Non] (nO), la vitesse du moteur croît quand l'erreur est positive (par exemple : régulation de pression
avec compresseur). Si [Inversion corr. PID] (PIC) est réglé sur [Oui] (YES), la vitesse du moteur
décroît quand l'erreur est positive (par exemple : régulation de température par ventilateur de
refroidissement).
•Le gain intégral peut être court-circuité par une entrée logique.
•Une alarme sur le retour PID peut être configurée et signalée par une sortie logique.
•Une alarme sur l'erreur PID peut être configurée et signalée par une sortie logique.
Retour PID
Plage de régulation
(consigne)
PIP2 (15 000)
PIP1 (6 000)
PIF1
(4 500)
PIF2
(20 000)

Mode de configuration (ConF)
212 NVE41296 04/2018
Marche manuelle - automatique avec PID
Cette fonction combine le régulateur PID, les vitesses présélectionnées et une consigne manuelle. Selon l'état
de l'entrée logique, la consigne de vitesse est donnée par les vitesses présélectionnées ou par une entrée de
consigne manuelle par la fonction PID.
Consigne manuelle [Référence manuel] (PIM) :
•Entrées analogiques AI1 à AI3
•entrée Pulse input
Consigne vitesse prédictive [Affect. réf. vitesse] (FPI) :
•[AI1] (AI1) : entrée analogique
•[AI2] (AI2) : entrée analogique
•[AI3] (AI3) : entrée analogique
•[RP] (PI) : entrée Pulse input
•[HMI] (LCC) : terminal graphique ou terminal déporté
•[Modbus] (Mdb) : Modbus intégré
•[CANopen] (CAn) : CANopen® intégré
•[Carte COM.] (nEt) : carte de communication (si insérée)
Mise en service du régulateur PID
1. Configuration en mode PID.
Voir le schéma page 210.
2. Procédez à un essai en réglage usine.
Pour optimiser le variateur, réglez [Gain prop. PID] (rPG) ou [Gain intégral PID] (rIG) progressivement
et indépendamment en observant l'effet sur le retour PID par rapport à la consigne.
3. Si les réglages usine sont instables ou la consigne non respectée.
•Procédez à l'essai avec une consigne de vitesse en mode manuel (sans régulateur PID) et en charge pour
la plage de vitesse du système :
- En régime établi, la vitesse doit être stable et conforme à la consigne, le signal de retour PID doit être
stable.
- En régime transitoire, la vitesse doit suivre la rampe et se stabiliser rapidement, le retour PID doit
suivre la vitesse. Si ce n'est pas le cas, reportez-vous aux réglages du variateur et/ou signal capteur
et câblage.
•Mettez-vous en mode PID.
•Réglez [Adapt. rampe déc.] (brA) sur [Non] (nO) (pas d'auto-adaptation de rampe).
•Réglez [Rampe PID] (PrP) au minimum autorisé par la mécanique et sans déclencher un [Freinage
excessif] (ObF).
•Réglez le gain intégral [Gain intégral PID] (rIG) au minimum.
•Laissez le gain dérivé [Gain dérivé PID] (rdG) à 0.
•Observez le retour PID et la consigne.
•Procédez à une série de marche-arrêt ou de variations rapides de charge ou de consigne.
•Réglez le gain proportionnel [Gain prop. PID] (rPG) de façon à trouver le meilleur compromis entre
temps de réponse et stabilité dans les phases transitoires (dépassement faible et 1 à 2 oscillations avant
stabilité).
•Si la consigne n'est pas respectée en régime établi, augmentez progressivement le gain intégral [Gain
intégral PID] (rIG), réduisez le gain proportionnel [Gain prop. PID] (rPG) si instabilité (pompage),
trouvez le compromis entre temps de réponse et précision statique (voir diagramme).
•En dernier lieu, le gain dérivé peut permettre de diminuer le dépassement et d'améliorer le temps de
réponse, avec en contrepartie un compromis de stabilité plus délicat à obtenir, car dépendant des 3 gains.
•Procédez à des essais en production sur toute la plage de consigne.

Mode de configuration (ConF)
NVE41296 04/2018 213
La fréquence des oscillations est dépendante de la cinématique du système.
Paramètre Temps de montée Dépassement Temps de
stabilisation
Erreur statique
rPG
=
rIG
rdG
==
Grandeur
régulée
Gain
proportionnel
rPG fort
Dépassement
Temps de stabilisation
rPG faible
Erreur statique
Temps de montée
Temps
Gain
intégral
rIG fort
rIG faible
rdG augmenté
Temps
Temps
Consigne
Consigne
Consigne rPG et rIG corrects

Mode de configuration (ConF)
214 NVE41296 04/2018
Code Nom/Description Plage de réglages Réglage usine
FUn- [FONCTIONS D'APPLI.] (suite)
PId- [REGULATEUR PID]
Remarque : Cette fonction ne peut pas être utilisée avec toutes les fonctions. Suivez les instructions page 166.
PIF [Affect. retour PID] [Non] (nO)
nO
A11
A12
A13
PI
AIU1
AIU2
OA01
...
OA10
[Non] (nO) : non affecté
[Al1] (A11) : entrée analogique A1
[Al2] (A12) : entrée analogique A2
[Al3] (A13) : entrée analogique A3
[RP] (PI) : entrée Pulse input
[AI virtuelle 1] (AIU1) : entrée analogique virtuelle 1 par bus de communication
[AI virtuelle 2] (AIU2) : entrée analogique virtuelle 2 par bus de communication
[OA01] (OA01) : blocs fonctions : sortie analogique 01
...
[OA10] (OA10) : blocs fonctions : sortie analogique 10
AIC2 [Canal AI2 réseau] [Non] (nO)
gParamètre accessible si [Affect. retour PID] (PIF) est réglé sur [AI virtuelle 2] (AIU2). Ce paramètre est aussi accessible
dans le menu [ENTREES / SORTIES] (I_O-).
nO
Mdb
CAn
nEt
[Non] (nO) : non affecté
[Modbus] (Mdb) : Modbus intégré
[CANopen] (CAn) : CANopen® intégré
[Carte COM.] (nEt) : carte de communication (si insérée)
PIF1 [Retour PID mini] 0 à [Retour PID maxi] (PIF2) (2) 100
g
(1)
Valeur pour retour mini.
PIF2 [Retour PID maxi] [Retour PID mini] (PIF1) à 32 767 (2) 1 000
g
(1)
Valeur pour retour maxi.
PIP1 [Réf. PID mini] [Retour PID mini] (PIF1) à
[Réf. PID maxi] (PIP2) (2)
150
g
(1)
Valeur mini du process.
PIP2 [Réf. PID maxi] [Réf. PID mini] (PIP1) à
[Retour PID maxi] (PIF2) (2)
900
g
(1)
Valeur maxi du process.
PII [Act. réf. interne PID] [Non] (nO)
gConsigne du régulateur PID interne.
nO
YES
[Non] (nO) : la consigne du régulateur PID est donnée par [Canal réf. 1] (Fr1) ou [Canal réf. 1B] (Fr1b) avec
éventuellement les fonctions de sommation/soustraction /multiplication (voir schéma page 210).
[Oui] (YES) : la consigne du régulateur PID est interne, par le paramètre [Réf. interne PID] (rPI).
DRI- > CONF > FULL > FUN- > PID-
Il est possible d'accéder aux paramètres décrits sur cette page via les menus suivants :

Mode de configuration (ConF)
NVE41296 04/2018 215
rPI [Réf. interne PID] [Réf. PID mini] (PIP1) à
[Réf. PID maxi] (PIP2)
150
g
Consigne du régulateur PID interne.
Ce paramètre est également accessible dans le menu [1.2 SURVEILLANCE] (MOn-).
rPG [Gain prop. PID] 0,01 à 100 1
g
Gain proportionnel.
rIG [Gain intégral PID] 0,01 à 100 1
g
Gain intégral.
rdG [Gain dérivé PID] 0,00 à 100 0
g
Gain dérivé.
PrP [Rampe PID] 0 à 99,9 s 0 s
g
(1)
Rampe accélération/décélération du PID, définie pour aller de [Réf. PID mini] (PIP1) à [Réf. PID maxi] (PIP2) et
inversement.
PIC [Inversion corr. PID] [Non] (nO)
g
Inversion du sens de correction [Inversion corr. PID] (PIC) :
Si [Inversion corr. PID] (PIC) est réglé sur [Non] (nO), la vitesse du moteur croît quand l'erreur est positive (par exemple :
régulation de pression avec compresseur).
Si [Inversion corr. PID] (PIC) est réglé sur [Oui] (YES), la vitesse du moteur décroît quand l'erreur est positive (par exemple :
régulation de température par ventilateur de refroidissement).
nO
YES
[Non] (nO) : Non
[Oui] (YES) : oui
POL [Sortie PID mini] -599 à 599 Hz 0 Hz
g
(1)
Valeur minimale de la sortie du régulateur, en Hz.
POH [Sortie PID maxi] 0 à 599 Hz 60 Hz
g
(1)
Valeur maximale de la sortie du régulateur, en Hz.
PAL
g
(1)
[Alarme retour mini] [Retour PID mini] (PIF1) à
[Retour PID maxi] (PIF2) (2)
100
Seuil de surveillance mini du retour du régulateur.
Code Nom/Description Plage de réglages Réglage usine
DRI- > CONF > FULL > FUN- > PID-
Il est possible d'accéder aux paramètres décrits sur cette page via les menus suivants :

Mode de configuration (ConF)
216 NVE41296 04/2018
PAH [Alarme retour maxi] [Retour PID mini] (PIF1) à
[Retour PID maxi] (PIF2) (2)
1 000
g
(1)
Seuil de surveillance maxi du retour du régulateur.
PEr [Alarme erreur PID] 0 à 65 535 (2) 100
g
(1)
Seuil de surveillance de l’erreur du régulateur.
PIS [RAZ intégral PID] [Non] (nO)
gÀ l'état 0 de l'entrée ou du bit affecté, la fonction est inactive (l'intégral du PID est validé).
À l'état 1 de l'entrée ou du bit affecté, la fonction est active (l'intégral du PID est inhibé).
nO
LI1
...
No] (nO) : non affecté
[LI1] (LI1) : entrée logique LI1
[...] (...) : voir conditions d'affectation page 155
FPI [Affect. réf. vitesse] [Non] (nO)
gEntrée vitesse prédictive du régulateur PID.
nO
AI1
AI2
AI3
LCC
Mdb
CAn
nEt
PI
AIU1
OA01
...
OA10
[Non] (nO) : non affecté
[Al1] (A11) : entrée analogique A1
[Al2] (A12) : entrée analogique A2
[Al3] (A13) : entrée analogique A3
[HMI] (LCC) : terminal graphique ou terminal déporté
[Modbus] (Mdb) : Modbus intégré
[CANopen] (CAn) : CANopen® intégré
[Carte COM.] (nEt) : carte d'option de communication
[RP] (PI) : entrée Pulse input
[AI virtuelle 1] (AIU1) : entrée analogique virtuelle 1 avec le bouton de navigation
[OA01] (OA01) : blocs fonctions : sortie analogique 01
...
[OA10] (OA10) : blocs fonctions : sortie analogique 10
PSr [% Réf. Vitesse] 1 à 100 % 100 %
g
(1)
Coefficient multiplicateur de l'entrée vitesse prédictive.
Paramètre inaccessible si [Affect. réf. vitesse] (FPI) est réglé sur [Non] (nO).
PAU [Affect. auto/manu] [Non] (nO)
gÀ l'état 0 de l'entrée ou du bit affecté, le PID est actif.
À l'état 1 de l'entrée ou du bit affecté, la marche manuelle est active.
nO
LI1
...
[Non] (nO) : non affecté
[LI1] (LI1) : entrée logique LI1
[...] (...) : voir conditions d'affectation page 155
AC2 [Accélération 2] 0,00 à 6 000 s (3) 5 s
g
(1)
Temps pour accélérer de 0 au paramètre [Fréq. nom. mot.] (FrS). Pour la répétitivité des rampes, la valeur de ce paramètre
doit être réglée selon la possibilité de l'application.
La rampe AC2 est active uniquement au démarrage de la fonction PID et lors des réveils du PID.
Code Nom/Description Plage de réglages Réglage usine
DRI- > CONF > FULL > FUN- > PID-
Il est possible d'accéder aux paramètres décrits sur cette page via les menus suivants :

Mode de configuration (ConF)
NVE41296 04/2018 217
(1) Ce paramètre est également accessible dans le menu [REGLAGES] (SEt-).
(2) En l'absence de terminal graphique, sur l'affichage à 4 chiffres, les valeurs supérieures à 9 999 s’affichent avec un point
après le chiffre des milliers. Ex : 15.65 pour 15 650.
(3) Plage 0,01 à 99,99 s, 0,1 à 999,9 s ou 1 à 6 000 s selon le paramètre [Incrément rampe] (Inr) page 173.
PIM [Référence manuel] [Non] (nO)
gEntrée vitesse manuelle. Paramètre accessible si [Affect. auto/manu] (PAU) est différent de [Non] (nO).
Les vitesses présélectionnées sont actives sur la consigne manuelle si elles sont configurées.
nO
AI1
AI2
AI3
PI
AIU1
OA01
...
OA10
[Non] (nO) : non affecté
[Al1] (A11) : entrée analogique A1
[Al2] (A12) : entrée analogique A2
[Al3] (A13) : entrée analogique A3
[RP] (PI) : entrée Pulse input
[AI virtuelle 1] (AIU1) : entrée analogique virtuelle 1 avec le bouton de navigation
[OA01] (OA01) : blocs fonctions : sortie analogique 01
...
[OA10] (OA10) : blocs fonctions : sortie analogique 10
tLS
(1)
[Temps petite vit.] 0 à 999,9 s 0 s
Temps maxi de fonctionnement en [Petite vitesse] (LSP) (voir [Petite vitesse] (LSP) page 89).
Suite à un fonctionnement à [Petite vitesse] (LSP) pendant le temps défini, l'arrêt du moteur est demandé automatiquement.
Le moteur redémarre si la consigne est supérieure à [Petite vitesse] (LSP) et si un ordre de marche est toujours présent.
Remarque : Attention, la valeur 0 correspond à un temps non limité.
Si [Temps petite vit.] (tLS) est différent de 0, [Type d'arrêt] (Stt) page 176 est forcé à [arrêt rampe] (rMP) (uniquement
si l'arrêt sur rampe est configurable).
rSL [Seuil réveil PID] 0,0 à 100,0 0
gAVERTISSEMENT
FONCTIONNEMENT INATTENDU DE L'APPAREIL
Vérifiez que cette fonction peut être activée en toute sécurité.
Le non-respect de ces instructions peut entraîner la mort, des blessures graves ou des dommages
matériels.
Dans le cas où les fonctions PID et Temps de fonctionnement en petite vitesse [Temps petite vit.] (tLS) sont configurées en
même temps, il se peut que le régulateur PID cherche à se régler à une vitesse inférieure à [Petite vitesse] (LSP).
Il en résulte un fonctionnement insatisfaisant qui consiste à démarrer, à tourner à petite vitesse, puis à s'arrêter et ainsi de
suite…
Le paramètre [Seuil réveil PID] (rSL) (seuil d'erreur de redémarrage) permet de régler un seuil d'erreur PID minimal pour
redémarrer après un arrêt sur [Petite vitesse] (LSP) prolongé. [Seuil réveil PID] (rSL) est un pourcentage de l'erreur PID
(la valeur dépend de [Retour PID mini] (PIF1) et [Retour PID maxi] (PIF2), voir [Retour PID mini] (PIF1) page 214).
La fonction est inactive si [Temps petite vit.] (tLS) = 0 ou si [Seuil réveil PID] (rSL) = 0.
Code Nom/Description Plage de réglages Réglage usine
2 s
gCes paramètres apparaissent uniquement si la fonction correspondante a été sélectionnée dans un autre menu. Lorsqu'il est
également possible d'accéder et de régler les paramètres dans le menu de configuration pour la fonction correspondante,
leur description est détaillée dans ces menus, sur les pages indiquées, afin d'aider à la programmation.
Ce paramètre peut être modifié en cours de fonctionnement ou à l'arrêt.
Pour modifier l'affectation de ce paramètre, appuyez pendant 2 secondes sur la touche ENT.
2 s
DRI- > CONF > FULL > FUN- > PID-
Il est possible d'accéder aux paramètres décrits sur cette page via les menus suivants :

Mode de configuration (ConF)
218 NVE41296 04/2018
CONSIGNES PID PRÉSÉLECTIONNÉES
(1) Ce paramètre est également accessible dans le menu [REGLAGES] (SEt-).
(2) En l'absence de terminal graphique, sur l'affichage à 4 chiffres, les valeurs supérieures à 9 999 s’affichent avec un point
après le chiffre des milliers. Ex : 15.65 pour 15 650.
Code Nom/Description Plage de réglages Réglage usine
FUn- [FONCTIONS D'APPLI.] (suite)
PrI- [REFERENCES PID PRESEL]
Fonction accessible si [Affect. retour PID] (PIF) page 214 est affecté.
Pr2 [Réf. présél. PID 2] [Non] (nO)
nO
LI1
...
À l'état 0 de l'entrée ou du bit affecté, la fonction est inactive.
À l'état 1 de l'entrée ou du bit affecté, la fonction est active.
[Non] (nO) : non affecté
[LI1] (LI1) : entrée logique LI1
[...] (...) : voir conditions d'affectation page 155
Pr4 [Réf. présél. PID 4] [Non] (nO)
Vérifiez que [Réf. présél. PID 2] (Pr2) a été affecté avant d'affecter cette fonction.
Identique au paramètre [Réf. présél. PID 2] (Pr2).
À l'état 0 de l'entrée ou du bit affecté, la fonction est inactive.
À l'état 1 de l'entrée ou du bit affecté, la fonction est active.
rP2 [Réf. présél. PID 2] [Réf. PID mini] (PIP1) à [Réf. PID maxi]
(PIP2) (2)
300
g
(1)
Paramètre accessible si [Réf. présél. PID 2] (Pr2) est affecté.
rP3 [Réf. présél. PID 3] [Réf. PID mini] (PIP1) à [Réf. PID maxi]
(PIP2) (2)
600
g
(1)
Paramètre accessible si [Réf. présél. PID 3] (Pr3) est affecté.
rP4 [Réf. présél. PID 4] [Réf. PID mini] (PIP1) à [Réf. PID maxi]
(PIP2) (2)
900
g
(1)
Paramètre accessible si [Réf. présél. PID 4] (Pr4) est affecté.
gCes paramètres apparaissent uniquement si la fonction correspondante a été sélectionnée dans un autre menu. Lorsqu'il est
également possible d'accéder et de régler les paramètres dans le menu de configuration pour la fonction correspondante,
leur description est détaillée dans ces menus, sur les pages indiquées, afin d'aider à la programmation.
Ce paramètre peut être modifié en cours de fonctionnement ou à l'arrêt.
DRI- > CONF > FULL > FUN- > PRI-
Il est possible d'accéder aux paramètres décrits sur cette page via les menus suivants :

Mode de configuration (ConF)
NVE41296 04/2018 219
LIMITATION DU COUPLE
Il existe deux types de limitation du couple :
•Avec une valeur fixée par un paramètre
•Avec une valeur définie par une entrée analogique (AI ou impulsion)
Lorsque les deux types sont validés, c'est la valeur la plus faible qui est prise en compte. Les deux types de
limitation sont configurables ou commutables à distance par entrée logique ou par bus de communication.
[Oui]
(YES)
LI
[Lim. couple
moteur] (tLIM)
[Lim. couple
géné.]
(tLIG)
Limitation
de couple
par
paramètre
[Activ. limit. couple] (tLA)
[Non]
(nO)
[LI]
[Oui]
(YES)
LI
[AI.] (AI.)
[RP] (PI)
Limitation de
couple par
entrée
analogique,
RP
[Act. lim. analogique] (tLC)
[Non]
(nO)
[LI]
Prise en compte
de la valeur la plus
faible
Valeur de limitation
[Affect. réf. couple] (tAA)
[AI]

Mode de configuration (ConF)
220 NVE41296 04/2018
Code Nom/Description Plage de réglages Réglage usine
FUn- [FONCTIONS D'APPLI.] (suite)
tOL- [LIMITATION DE COUPLE]
tLA [Activ. limit. couple] [Non] (nO)
nO
YES
LI1
...
À l'état 0 de l'entrée ou du bit affecté, la fonction est inactive.
À l'état 1 de l'entrée ou du bit affecté, la fonction est active.
[Non] (nO) : fonction désactivée
[Oui] (YES) : fonction active en permanence
[LI1] (LI1) : entrée logique LI1
[...] (...) : voir conditions d'affectation page 155
IntP [Incrément couple] [1%] (1)
gParamètre inaccessible si [Activ. limit. couple] (tLA) est réglé sur [Non] (nO).
Choix de l'unité des paramètres [Lim. couple moteur] (tLIM) et [Lim. couple géné.] (tLIG).
0,1
1
[0,1%] (0.1): unité 0,1 %
[1%] (1): unité 1 %
tLIM [Lim. couple moteur] 0 à 300 % 100 %
g
(1)
Paramètre inaccessible si [Activ. limit. couple] (tLA) est réglé sur [Non] (nO).
Limitation du couple en régime moteur, en % ou en 0,1 % du couple nominal selon le paramètre [Incrément couple] (IntP).
tLIG [Lim. couple géné.] 0 à 300 % 100 %
g
(1)
Paramètre inaccessible si [Activ. limit. couple] (tLA) est réglé sur [Non] (nO).
Limitation du couple en régime générateur, en % ou en 0,1 % du couple nominal selon le paramètre
[Incrément couple] (IntP).
tAA [Affect. réf. couple] [Non] (nO)
nO
AI1
AI2
AI3
PI
AIU1
AIU2
OA01
...
OA10
Si la fonction est affectée, la limitation varie de 0 % à 300 % du couple nominal en fonction du signal 0 % à 100 % appliqué à
l'entrée affectée.
Exemples :
12 mA sur une entrée 4-20 mA donne une limitation à 150 % du couple nominal.
2,5 V sur une entrée 10 V donne 75 % du couple nominal.
[Non] (nO) : non affecté (fonction inactive)
[AI1] (AI1) : entrée analogique
[AI2] (AI2) : entrée analogique
[AI3] (AI3) : entrée analogique
[RP] (PI) : entrée Pulse input
[AI virtuelle 1] (AIU1) : entrée analogique virtuelle 1 avec le bouton de navigation
[AI virtuelle 2] (AIU2) : entrée virtuelle par bus de communication, à configurer par [Canal AI2 réseau] (AIC2) page 137.
[OA01] (OA01) : blocs fonctions : sortie analogique 01
...
[OA10] (OA10) : blocs fonctions : sortie analogique 10
DRI- > CONF > FULL > FUN- > TOL-
Il est possible d'accéder aux paramètres décrits sur cette page via les menus suivants :

Mode de configuration (ConF)
NVE41296 04/2018 221
(1) Ce paramètre est également accessible dans le menu [REGLAGES] (SEt-).
tLC [Act. lim. analogique] [Oui] (YES)
g
Paramètre inaccessible si [Activ. limit. couple] (tLA) est réglé sur [Non] (nO).
Identique au paramètre [Activ. limit. couple] (tLA) page 220.
À l'état 0 de l'entrée ou du bit affecté :
La limitation est donnée par les paramètres [Lim. couple moteur] (tLIM) et [Lim. couple géné.] (tLIG) si
[Activ. limit. couple] (tLA) est différent de [Non] (nO).
Pas de limitation si [Activ. limit. couple] (tLA) est réglé sur [Non] (nO).
À l'état 1 de l'entrée ou du bit affecté :
La limitation dépend de l'entrée affectée par [Affect. réf. couple] (tAA).
Remarque : Si [Limitation couple] (tLA) et [Affect. réf. couple] (tAA) sont validés en même temps, c'est la valeur la plus
faible qui est prise en compte.
Code Nom/Description Plage de réglages Réglage usine
gCes paramètres apparaissent uniquement si la fonction correspondante a été sélectionnée dans un autre menu. Lorsqu'il est
également possible d'accéder et de régler les paramètres dans le menu de configuration pour la fonction correspondante,
leur description est détaillée dans ces menus, sur les pages indiquées, afin d'aider à la programmation.
Ce paramètre peut être modifié en cours de fonctionnement ou à l'arrêt.
DRI- > CONF > FULL > FUN- > TOL-
Il est possible d'accéder aux paramètres décrits sur cette page via les menus suivants :

Mode de configuration (ConF)
222 NVE41296 04/2018
SECONDE LIMITE DE COURANT
(1) In correspond au courant nominal du variateur indiqué dans le manuel d'installation et sur la plaque signalétique du
variateur.
Code Nom/Description Plage de réglages Réglage usine
FUn- [FONCTIONS D'APPLI.] (suite)
CLI- [SECONDE LIM. COURANT]
LC2 [Activ. I limit. 2] [Non] (nO)
nO
LI1
...
À l'état 0 de l'entrée ou du bit affecté, la première limitation de courant est active.
À l'état 1 de l'entrée ou du bit affecté, la seconde limitation de courant est active.
[Non] (nO) : fonction désactivée
[LI1] (LI1) : entrée logique LI1
[...] (...) : voir conditions d'affectation page 155
CL2 [Valeur I limit. 2] 0 à 1,5 In (1) 1,5 In (1)
g
AVIS
SURCHAUFFE ET ENDOMMAGEMENT DU MOTEUR
•Vérifiez que le moteur connecté est correctement calibré pour le courant maximum à appliquer au
moteur.
•Tenez compte du cycle d'utilisation du moteur et de tous les facteurs de votre application, y compris des
exigences de déclassement, lors de la détermination du courant limite.
Le non-respect de ces instructions peut provoquer des dommages matériels.
Seconde limitation de courant.
Paramètre accessible si [Activ. I limit. 2] (LC2) est différent de [Non] (nO).
La plage de réglages est limitée à 1,5 In.
Remarque : Si le réglage est inférieur à 0,25 In, il y a risque de verrouillage en défaut [Perte phase moteur] (OPL) si celui-
ci est validé (voir [Perte phase moteur] (OPL) page 261). S'il est inférieur au courant moteur à vide, le moteur ne peut pas
fonctionner.
CLI [Limitation courant] 0 à 1,5 In (1) 1,5 In (1)
g
AVIS
SURCHAUFFE ET ENDOMMAGEMENT DU MOTEUR
•Vérifiez que le moteur connecté est correctement calibré pour le courant maximum à appliquer au
moteur.
•Tenez compte du cycle d'utilisation du moteur et de tous les facteurs de votre application, y compris des
exigences de déclassement, lors de la détermination du courant limite.
Le non-respect de ces instructions peut provoquer des dommages matériels.
Première limitation de courant.
Paramètre accessible si [Activ. I limit. 2] (LC2) est différent de [Non] (nO).
La plage de réglages est limitée à 1,5 In.
Remarque : Si le réglage est inférieur à 0,25 In, il y a risque de verrouillage en défaut [Perte phase moteur] (OPL) si celui-
ci est validé (voir [Perte phase moteur] (OPL) page 261). S'il est inférieur au courant moteur à vide, le moteur ne peut pas
fonctionner.
gCes paramètres apparaissent uniquement si la fonction correspondante a été sélectionnée dans un autre menu. Lorsqu'il est
également possible d'accéder et de régler les paramètres dans le menu de configuration pour la fonction correspondante,
leur description est détaillée dans ces menus, sur les pages indiquées, afin d'aider à la programmation.
Ce paramètre peut être modifié en cours de fonctionnement ou à l'arrêt.
DRI- > CONF > FULL > FUN- > CLI-
Il est possible d'accéder aux paramètres décrits sur cette page via les menus suivants :

Mode de configuration (ConF)
NVE41296 04/2018 223
Limit courant dyn
Le DTM de l’ATV320 est disponible avec SoMove pour régler les moteurs BMP.
Pour utiliser le gestionnaire DTM (device type manager) de l’Altivar 320, téléchargez et installez notre outil FDT (field
device tool) : SoMove lite sur le site www.schneider-electric.com.
(1) In correspond au courant nominal du variateur indiqué dans le manuel d'installation et sur la plaque signalétique du
variateur.
ΣI²t
Courrant
Limitation
InMoteur
90%*max ΣI²t
de courant
CLI
I2tM
[niveau surcharge I²t
]
Code Name / Description Adjustment range Factory setting
FUn- [FONCTIONS D'APPLI.] (suite)
I2t- [LIMIT COURANT DYN]
I2tA [Activation model I²t] [No] (nO)
gActivation du modèle I²t pour la limitation de courant
nO
YES
[Non] (nO):
[Oui] (YES):
Lorsque i²t u Maxi.Σi²t, [niveau surcharge I²t] (I2tM) = 100 et que la limitation de courant est réglée sur InMotor
Lorsque i²t y Maxi.Σi²t*90%, [niveau surcharge I²t] (I2tM) y 90 et que la limitation de courant est réglée sur CLI
Paramètre accessible si [temp pour Imax] (I2tt) n'est pas réglé sur [0.00 ] (0.00)
I2tI [Courant max i²t] 1.5 In +1 (1)
Courant maximum du modèle I²t.
I2tt [Temp pour Imax] 0.00 à 655.35 [0.00 ] (0.00)
Temps maximum du modèle I²t.
gCes paramètres apparaissent uniquement si la fonction correspondante a été sélectionnée dans un autre menu. Lorsqu'il est
également possible d'accéder et de régler les paramètres dans le menu de configuration pour la fonction correspondante,
leur description est détaillée dans ces menus, sur les pages indiquées, afin d'aider à la programmation.
DRI- > CONF > FULL > FUN- > I2T-
Il est possible d'accéder aux paramètres décrits sur cette page via les menus suivants :

Mode de configuration (ConF)
224 NVE41296 04/2018
COMMANDE D'UN CONTACTEUR DE LIGNE
Le contacteur de ligne est fermé à chaque ordre de marche, avant ou arrière, et ouvert après chaque arrêt,
dès que le variateur est verrouillé. Par exemple, si le mode d'arrêt est l'arrêt sur rampe, le contacteur s’ouvrira
lorsque le moteur sera à vitesse nulle.
Remarque : Le contrôle du variateur doit être alimenté par une source 24 V externe.
Exemple de circuit :
Remarque : Il convient d'actionner la touche de marche/réinitialisation une fois que la touche d'arrêt d'urgence
a été relâchée.
LIp = Ordre de marche [Sens avant] (Frd) ou [Sens arrière] (rrS)
LO-/LO+ = [Aff.Contacteur ligne] (LLC)
LIn = [Affect. verrouillage] (LES)
AVIS
ENDOMMAGEMENT DU VARIATEUR
N'utilisez pas cette fonction à des intervalles inférieurs à 60 s.
Le non-respect de ces instructions peut provoquer des dommages matériels.
UVW
L1 L2 L3
LInLIpP24 COM
LO-
LO+
+24
0 V
+24 V
ATVpp
M
3
KM1
K11
K11
K10
24 V source
_
---
K10
K11
3
Réseau 3 a
Arrêt
d’urgence
Marche/Réini
tialisation
Alimentation 24 V
Avant
ou
arrière

Mode de configuration (ConF)
NVE41296 04/2018 225
Code Nom/Description Plage de réglages Réglage usine
FUn- [FONCTIONS D'APPLI.] (suite)
LLC- [CDE CONTACTEUR LIGNE]
LLC [Aff.Contacteur ligne] [Non] (nO)
nO
LO1
r2
dO1
Sortie logique ou relais de commande.
[Non] (nO) : fonction non affectée (dans ce cas, tous les paramètres de la fonction sont inaccessibles.)
[LO1] (LO1) : sortie logique LO1
[R2] (r2) : relais r2
[d01] (dO1) : sortie analogique AO1 fonctionnant en sortie logique. Choix accessible si [Affectation AO1] (AO1) page 146
est réglé sur [Non] (nO).
LES [Affect. verrouillage] [Non] (nO)
gParamètre accessible si [Aff.Contacteur ligne] (LLC) est différent de [Non] (nO).
Le verrouillage du variateur a lieu pour l'état 0 de l'entrée ou du bit affecté.
nO
LI1
...
[Non] (nO) : fonction désactivée
[LI1] (LI1) : entrée logique LI1
[...] (...) : voir conditions d'affectation page 155
LCt [Time out U ligne] 5 à 999 s 5 s
gTemps de surveillance de la fermeture du contacteur de ligne. Si, une fois cet intervalle de temps écoulé, la tension n’est pas
présente sur le circuit de puissance du variateur, celui-ci se verrouille en défaut [Contacteur de ligne] (LCF).
gCes paramètres apparaissent uniquement si la fonction correspondante a été sélectionnée dans un autre menu. Lorsqu'il est
également possible d'accéder et de régler les paramètres dans le menu de configuration pour la fonction correspondante,
leur description est détaillée dans ces menus, sur les pages indiquées, afin d'aider à la programmation.
DRI- > CONF > FULL > FUN- > LCC-
Il est possible d'accéder aux paramètres décrits sur cette page via les menus suivants :

Mode de configuration (ConF)
226 NVE41296 04/2018
COMMANDE CONTACTEUR AVAL
Permet la commande par le variateur d'un contacteur situé entre le variateur et le moteur. Le contacteur est
fermé lorsqu'un ordre de marche est appliqué. Le contacteur est ouvert lorsqu'il n’y a plus de courant dans le
moteur.
Remarque : Si la fonction de freinage par injection DC est utilisée, le contacteur de sortie ne se ferme pas tant
que le freinage par injection DC est actif
Retour contacteur aval
L'entrée logique correspondante doit être à 1 lorsqu'il n'y a pas d'ordre de marche et à 0 en fonctionnement.
Lorsqu'il y a incohérence, le variateur déclenche FCF2 si le contacteur aval ne se ferme pas (LIx à 1) et FCF1
s’il est collé (LIx à 0).
Le paramètre [Tempo. marche] (dbS) permet de temporiser le déclenchement en défaut à l’apparition d’un
ordre de marche et le paramètre [Tempo. arrêt] (dAS) temporise le défaut lors de la demande d’arrêt.
Remarque : FCF2 (fermeture impossible du contacteur) peut se réinitialiser si l'ordre de marche passe de
l'état 1 à l'état 0 (0 --> 1 --> 0 en mode 3 fils).
Les fonctions [Aff. contacteur aval] (OCC) et [Retour contact.aval] (rCA) peuvent être utilisées
individuellement ou ensemble.
U
KM2
M
3
KM2
K20 KM2
K20
VW 0 LOp/Rp+24 LIp
Commande Retour
ATVppp

Mode de configuration (ConF)
NVE41296 04/2018 227
Code Nom/Description Plage de réglages Réglage usine
FUn- [FONCTIONS D'APPLI.] (suite)
OCC- [CDE CONTACTEUR AVAL]
OCC [Aff. contacteur aval] [Non] (nO)
nO
LO1
r2
dO1
Sortie logique ou relais de commande.
[Non] (nO) : fonction non affectée (dans ce cas, tous les paramètres de la fonction sont inaccessibles.)
[LO1] (LO1) : sortie logique LO1
[R2] (r2) : relais r2
[dO1] (dO1) : sortie analogique AO1 fonctionnant en sortie logique. Choix accessible si [Affectation AO1] (AO1) page 146
est réglé sur [Non] (nO).
rCA [Retour contact.aval] [Non] (nO)
nO
LI1
...
Le moteur démarre lorsque l'entrée ou le bit affecté passe à 0.
[Non] (nO) : fonction désactivée
[LI1] (LI1) : entrée logique LI1
[...] (...) : voir conditions d'affectation page 155
dbS [Tempo. marche] 0,05 à 60 s 0,15 s
g
Temporisation pour :
Commande du moteur après apparition d'un ordre de marche
Surveillance de l'état du contacteur aval, si le retour est affecté. Si le contacteur ne se ferme pas une fois l'intervalle de temps
défini écoulé, il y a verrouillage en mode FCF2 du variateur.
Ce paramètre est accessible si [Aff. contacteur aval] (OCC) est affecté ou si [Retour contact.aval] (rCA) est affecté.
La temporisation doit être supérieure au temps de fermeture du contacteur aval.
dAS [Tempo. arrêt] 0 à 5,00 s 0,10 s
g
Temporisation de commande d'ouverture du contacteur aval après arrêt du moteur.
Ce paramètre est accessible si [Retour contact.aval] (rCA) est affecté.
La temporisation doit être supérieure au temps d'ouverture du contacteur aval. Si le réglage est à 0, le défaut n'est pas surveillé.
Si le contacteur ne s'ouvre pas une fois l'intervalle de temps défini écoulé, il y a verrouillage en défaut FCF1 du variateur.
gCes paramètres apparaissent uniquement si la fonction correspondante a été sélectionnée dans un autre menu. Lorsqu'il est
également possible d'accéder et de régler les paramètres dans le menu de configuration pour la fonction correspondante,
leur description est détaillée dans ces menus, sur les pages indiquées, afin d'aider à la programmation.
Ce paramètre peut être modifié en cours de fonctionnement ou à l'arrêt.
DRI- > CONF > FULL > FUN- > OCC-
Il est possible d'accéder aux paramètres décrits sur cette page via les menus suivants :

Mode de configuration (ConF)
228 NVE41296 04/2018
POSITIONNEMENT SUR CAPTEURS
Cette fonction permet de gérer un positionnement à partir de capteurs de position ou de contacts de fin de
course reliés à des entrées logiques ou à partir de bits du mot de commande :
•Ralentissement
•Arrêt
La logique d'action des entrées ou des bits est configurable sur front montant (passage de 0 à 1) ou sur front
descendant (passage de 1 à 0). L'exemple suivant est sur front montant :
Le mode de ralentissement et le mode d'arrêt sont configurables.
Le fonctionnement est identique pour les deux sens de fonctionnement. Le ralentissement et l'arrêt
fonctionnent selon la même logique, décrite ci-dessous.
Ordre de marche avant
Ordre de marche arrière
[FdC ralent. avant]
[FdC arrêt avant]
Vitesse
[Petite vitesse]
(LSP)
0
0
0
0
0

Mode de configuration (ConF)
NVE41296 04/2018 229
Exemple : ralentissement en marche avant, sur front montant
•Le ralentissement avant a lieu sur front montant (passage de 0 à 1) de l'entrée ou du bit affecté au
ralentissement avant si ce front montant a lieu en sens avant. L'ordre de ralentissement est alors mémorisé
même en cas de coupure réseau. La marche dans l'autre sens est autorisée en grande vitesse. L'ordre de
ralentissement est effacé sur front descendant (passage de 1 à 0) de l'entrée ou du bit affecté au
ralentissement avant si ce front descendant a lieu en sens arrière.
•Il est possible d'affecter un bit ou une entrée logique pour inhiber la fonction.
•L'ordre de ralentissement avant est inhibé pendant l'état 1 de l'entrée ou du bit d'inhibition, mais les
changements sur les capteurs restent surveillés et mémorisés.
Exemple : positionnement en fin de course, sur front montant
Fonctionnement avec cames courtes :
AVERTISSEMENT
PERTE DE CONTRÔLE
•Vérifiez le bon raccordement des fins de course.
•Vérifiez la bonne installation des fins de course. Les fins de course doivent être montées à un
emplacement suffisamment éloigné de la butée mécanique pour permettre une distance d'arrêt adéquate.
•Vous devez débloquer les fins de course avant de pouvoir les utiliser.
•Vérifiez le bon fonctionnement des fins de course.
Le non-respect de ces instructions peut entraîner la mort, des blessures graves ou des dommages
matériels.
Arrêt
arrière
Ralentissement
arrière Arrière Avant Ralentissement
avant
Arrêt
avant
AVERTISSEMENT
PERTE DE CONTRÔLE
Lors de la première utilisation ou après une restauration de la configuration aux réglages usine, le moteur
doit toujours être mis en marche en dehors des plages de ralentissement et d'arrêt.
Le non-respect de ces instructions peut entraîner la mort, des blessures graves ou des dommages
matériels.
AVERTISSEMENT
PERTE DE CONTRÔLE
Lorsque le variateur est mis hors tension, il garde en mémoire la plage configurée.
Si le système est déplacé manuellement alors que le variateur est hors tension, vous devez le remettre dans
sa position d'origine avant de le rallumer.
Le non-respect de ces instructions peut entraîner la mort, des blessures graves ou des dommages
matériels.

Mode de configuration (ConF)
230 NVE41296 04/2018
Dans ce cas, lors de la première utilisation ou après restauration des réglages usine, il convient de démarrer
le variateur en dehors des zones de ralentissement et d'arrêt dans un premier temps, ce afin d'initialiser la
fonction.
Fonctionnement avec cames longues :
Aucune restriction ne s'applique dans ce cas, la fonction s'initialise sur toute la trajectoire.
Arrêt à distance calculée après fin de course de décélération
Cette fonction permet de commander l'arrêt du mobile automatiquement après le fin de course de décélération
sur une distance prédéterminée.
En fonction de la vitesse linéaire nominale et de la vitesse estimée par le variateur lors du déclenchement du
fin de course de décélération, le variateur déclenche lui-même l’arrêt à la distance configurée.
Cette fonction est utilisable lorsqu’il y a un interrupteur de surcourse commun aux deux sens de
fonctionnement, à réinitialisation manuelle. Il n’agit plus alors qu’en sécurité si la distance est dépassée. Le
fin de course d'arrêt reste prioritaire sur la fonction.
Ralentissement avant
Arrêt avant
Zone de ralentissement avant
Zone d'arrêt avant
Ralentissement avant
Arrêt avant
Zone de ralentissement avant
Zone d'arrêt avant
DRI- > CONF > FULL > FUN- > MLP- > PS3-

Mode de configuration (ConF)
NVE41296 04/2018 231
En fonction du paramètre [Type décélération] (dSF), on obtient l’un des deux fonctionnements décrits ci-
dessous :
Remarque :
•Si la rampe de décélération est modifiée pendant le fonctionnement de l'arrêt à distance, cette distance ne
sera pas respectée.
•Si le sens est modifié pendant le fonctionnement de l'arrêt à distance, cette distance ne sera pas respectée.
AVERTISSEMENT
PERTE DE CONTRÔLE
Vérifiez que la distance configurée est effectivement possible.
Cette fonction ne remplace pas la fin de course.
Le non-respect de ces instructions peut entraîner la mort, des blessures graves ou des dommages
matériels.
AB
AB
Fréquence
Fréquence
Distance
Distance
Fréquence de
ralentissement
Fréquence de
ralentissement
[Distance d'arrêt] (Std)
[Type décélération] (dSF) = [Normale] (Std)
[Type décélération] (dSF) = [Optimisée] (OPt)
A : fin de course de ralentissement atteint
B : arrêt automatique à distance
Code Nom/Description Plage de réglages Réglage usine
FUn- [FONCTIONS D'APPLI.] (suite)
LPO- [POSIT. SUR CAPTEURS]
Remarque :Cette fonction ne peut pas être utilisée avec toutes les fonctions. Suivez les instructions page 166.
SAF [FdC arrêt avant] [Non] (nO)
nO
LI1
...
Fin de course d'arrêt avant.
[Non] (nO) : non affecté
[LI1] (LI1) : entrée logique LI1
[...] (...) : voir conditions d'affectation page 155
(Si [Profil] (CHCF) est réglé sur [Non séparé] (SIM) ou [Séparé] (SEP) alors [CD11] (Cd11) jusqu’à [CD15] (Cd15), [C111]
(C111) jusqu’à [C115] (C115), [C211] (C211) jusqu’à [C215] (C215) et [C311] (C311) jusqu’à [C315] (C315) ne sont pas
disponibles).
SAr [FdC arrêt arrière] [Non] (nO)
Fin de course d'arrêt arrière.
Identique au paramètre [FdC arrêt avant] (SAF) ci-dessus.
DRI- > CONF > FULL > FUN- > LPO-
Il est possible d'accéder aux paramètres décrits sur cette page via les menus suivants :

Mode de configuration (ConF)
232 NVE41296 04/2018
SAL [Conf. FdC d'arrêt] [Actif bas] (LO)
g
AVERTISSEMENT
PERTE DE CONTRÔLE
Si [Conf. FdC d'arrêt] (SAL) est réglé sur [Actif haut] (HIG), l'ordre d'arrêt est activé sur un signal actif
et il n'est pas appliqué si la connexion est supprimée.
Vérifiez que réglage peut être utilisé en toute sécurité.
Le non-respect de ces instructions peut entraîner la mort, des blessures graves ou des dommages
matériels.
LO
HIG
Activation de fin de course de niveau.
Paramètre accessible si au moins un fin de course ou un capteur d'arrêt a été affecté. Il définit la logique positive ou négative
des entrées ou des bits affectés à l'arrêt.
[Actif bas] (LO) : arrêt commandé sur front descendant (passage de 1 à 0) des entrées ou des bits affectés
[Actif haut] (HIG) : arrêt commandé sur front montant (passage de 0 à 1) des entrées ou des bits affectés
dAF [FdC ralent. avant] [Non] (nO)
Fin de course de ralentissement avant.
Identique au paramètre [FdC arrêt avant] (SAF) ci-dessus.
dAr [FdC ralent. arrière] [Non] (nO)
Fin de course de ralentissement arrière.
Identique au paramètre [FdC arrêt avant] (SAF) ci-dessus.
dAL [Conf. FdC ralent.] [Actif bas] (LO)
g
AVERTISSEMENT
PERTE DE CONTRÔLE
Si [Conf. FdC ralent.] (dAL) est réglé sur [Actif haut] (HIG), la commande de ralentissement est activé
sur un signal actif et il n'est pas appliqué si la connexion est supprimée..
Vérifiez que réglage peut être utilisé en toute sécurité.
Le non-respect de ces instructions peut entraîner la mort, des blessures graves ou des dommages
matériels.
LO
HIG
Paramètre accessible si au moins un fin de course ou un capteur de ralentissement a été affecté. Il définit la logique positive ou
négative des entrées ou des bits affectés au ralentissement.
[Actif bas] (LO) : ralentissement commandé sur front descendant (passage de 1 à 0) des entrées ou des bits affectés
[Actif haut] (HIG) : ralentissement commandé sur front montant (passage de 0 à 1) des entrées ou des bits affectés
CLS [Désactiv. FdC] [Non] (nO)
g
AVERTISSEMENT
PERTE DE CONTRÔLE
Si [Désactiv. FdC] (CLS) est réglé sur une entrée et est activé, la gestion de fin de course est inhibée.
Vérifiez que réglage peut être utilisé en toute sécurité.
Le non-respect de ces instructions peut entraîner la mort, des blessures graves ou des dommages
matériels.
nO
LI1
...
Paramètre accessible si au moins un fin de course ou un capteur a été affecté.
À l'état 1 de l'entrée ou du bit affecté, l'action des fins de course est désactivée. Si le variateur était arrêté ou en ralentissement
par fin de course à ce moment, il redémarre jusqu’à sa consigne de vitesse.
[Non] (nO) : fonction désactivée
[LI1] (LI1) : entrée logique LI1
[...] (...) : voir conditions d'affectation page 155
Code Nom/Description Plage de réglages Réglage usine
DRI- > CONF > FULL > FUN- > LPO-
Il est possible d'accéder aux paramètres décrits sur cette page via les menus suivants :

Mode de configuration (ConF)
NVE41296 04/2018 233
PAS [Type d'arrêt] [Arrêt rampe] (rMP)
gParamètre accessible si au moins un fin de course ou un capteur a été affecté.
rMP
FSt
nSt
[arrêt rampe] (rMP) : sur rampe
[Arrêt rapide] (FSt) : arrêt rapide (rampe réduite par [Diviseur rampe] (dCF), voir [Diviseur rampe] (dCF) page 95)
[Roue libre] (nSt) : arrêt roue libre
dSF [Type décélération] [Normale] (Std)
gParamètre accessible si au moins un fin de course ou un capteur a été affecté.
Std
OPt
[Normale] (Std) : utilise la rampe [Décélération] (dEC) ou [Décélération 2] (dE2) (selon celle qui a été activée).
[Optimisée] (OPt) : le temps de rampe est calculé en fonction de la vitesse réelle au moment du basculement du contact de
ralentissement, de manière à limiter le temps de marche à petite vitesse (optimisation du temps de cycle : le temps de
ralentissement est constant quelle que soit la vitesse initiale).
Std [Distance d'arrêt] [Non] (nO)
gParamètre accessible si au moins un fin de course ou un capteur a été affecté.
Activation et réglage de la fonction d'arrêt à distance calculée après fin de course de ralentissement.
nO
-
[Non] (nO) : fonction inactive (Les deux paramètres suivants sont alors inaccessibles.)
0,01 à 10,00 : réglage de la distance d’arrêt en mètres
nLS [Vitesse linéaire] 0,20 à 5,00 m/s 1,00 m/s
gParamètre accessible si au moins un fin de course ou un capteur a été affecté et si [Distance d'arrêt] (Std) est différent de
[Non] (nO).
Vitesse linéaire nominale en mètres/seconde.
SFd [Correcteur d'arrêt] 50 à 200 % 100 %
gParamètre accessible si au moins un fin de course ou un capteur a été affecté et si [Distance d'arrêt] (Std) est différent de
[Non] (nO).
Facteur d’échelle appliqué à la distance d'arrêt, pour compenser, par exemple, une rampe non linéaire.
MStP [Memo Stop] [No] (nO)
gParamètre accessible si au moins un fin de course ou un capteur a été affecté.
Avec ou sans mémorisation de fin de course d'arrêt
nO
YES
[Non] (nO): Sans mémorisation de fin de course
[Oui] (YES): Mémorisation de fin de course
PrSt [Priorite redemarage] [No] (nO)
gParamètre accessible si au moins un fin de course ou un capteur a été affecté.
Le démarrage est prioritaire, même si la fin de course d'arrêt est activée.
nO
YES
[Non] (nO): Le démarrage n'est pas prioritaire si le fin de course d'arrêt est activé
[Oui] (YES): Le démarrage est prioritaire, même si le fin de course d'arrêt est activé
Ce paramètre est défini de manière forcée sur [Nno] (nO) if [Memo Stop] (MStP) is set to [Oui] (YES).
gCes paramètres apparaissent uniquement si la fonction correspondante a été sélectionnée dans un autre menu. Lorsqu'il est
également possible d'accéder et de régler les paramètres dans le menu de configuration pour la fonction correspondante,
leur description est détaillée dans ces menus, sur les pages indiquées, afin d'aider à la programmation.
Code Nom/Description Plage de réglages Réglage usine
DRI- > CONF > FULL > FUN- > LPO-
Il est possible d'accéder aux paramètres décrits sur cette page via les menus suivants :

Mode de configuration (ConF)
234 NVE41296 04/2018
COMMUTATION DE PARAMÈTRES
Il est possible de sélectionner un ensemble de 1 à 15 paramètres du menu [REGLAGES] (SEt-) page 91,
de leur attribuer 2 ou 3 valeurs différentes et de commuter ces 2 ou 3 jeux de valeurs par 1 ou 2 entrées
logiques ou bits d’un mot de commande. Cette commutation peut être faite en cours de fonctionnement
(moteur en marche).
On peut aussi commander cette commutation par un ou deux seuils de fréquence. Chaque seuil agit comme
une entrée logique (0 = seuil non atteint, 1 = seuil atteint).
Remarque : Ne modifiez pas les paramètres dans le menu [REGLAGES] (SEt-) car toute modification
apportée dans le menu [REGLAGES] (SEt-)) sera perdue à la mise sous tension suivante. Les paramètres
sont réglables en cours de fonctionnement dans le menu [COMMUT. JEUX PARAM.] (MLP-), sur la
configuration active.
Remarque : La configuration de la commutation de paramètres n’est pas possible à partir du terminal intégré.
Seul le réglage des paramètres est possible à partir du terminal intégré, si la fonction a été préalablement
configurée par le terminal graphique, par logiciel, ou par bus ou réseau de communication. Si la fonction n'a
pas été configurée, le menu [COMMUT. JEUX PARAM.] (MLP-) et les sous-menus [JEU1] (PS1 -), [JEU 2]
( PS2-), [JEU3] (PS3-) n'apparaissent pas.
Valeurs 1 Valeurs 2 Valeurs 3
Paramètre 1
Paramètre 2
Paramètre 3
Paramètre 4
Paramètre 5
Paramètre 6
Paramètre 7
Paramètre 8
Paramètre 9
Paramètre 10
Paramètre 11
Paramètre 12
Paramètre 13
Paramètre 14
Paramètre 15
Paramètre 1
Paramètre 2
Paramètre 3
Paramètre 4
Paramètre 5
Paramètre 6
Paramètre 7
Paramètre 8
Paramètre 9
Paramètre 10
Paramètre 11
Paramètre 12
Paramètre 13
Paramètre 14
Paramètre 15
Paramètre 1
Paramètre 2
Paramètre 3
Paramètre 4
Paramètre 5
Paramètre 6
Paramètre 7
Paramètre 8
Paramètre 9
Paramètre 10
Paramètre 11
Paramètre 12
Paramètre 13
Paramètre 14
Paramètre 15
Paramètre 1
Paramètre 2
Paramètre 3
Paramètre 4
Paramètre 5
Paramètre 6
Paramètre 7
Paramètre 8
Paramètre 9
Paramètre 10
Paramètre 11
Paramètre 12
Paramètre 13
Paramètre 14
Paramètre 15
Entrée LI ou bit ou seuil de fréquence
2 valeurs
0 1 0 ou 1
Entrée LI ou bit ou seuil de fréquence
3 valeurs
001

Mode de configuration (ConF)
NVE41296 04/2018 235
Code Nom/Description Plage de réglages Réglage usine
FUn- [FONCTIONS D'APPLI.] (suite)
MLP- [COMMUT. JEUX PARAM.]
CHA1 [2 jeux paramètres] [Non] (nO)
nO
FtA
F2A
LI1
...
Commutation 2 jeux de paramètres.
[Non] (nO) : non affecté
[S fréq. att.] (FtA) : commutation par [Seuil de fréquence] (Ftd) page 258
[S fréq. 2 att.] (F2A) : commutation par [Seuil fréquence 2] (F2d) page 258
[LI1] (LI1) : entrée logique LI1
[...] (...) : voir conditions d'affectation page 155
CHA2 [3 jeux paramètres] [Non] (nO)
Identique au paramètre [3 jeux paramètres] (CHA1) page 235.
Commutation 3 jeux de paramètres.
Remarque : Pour obtenir 3 jeux de paramètres, [2 jeux paramètres] (CHA1) doit aussi être configuré.
SPS [SELECT. PARAMETRES]
Paramètre accessible seulement sur le terminal graphique, si [2 jeux paramètres] (CHA1) est différent de [Non] (nO).
L'entrée dans ce paramètre ouvre une fenêtre où apparaissent tous les paramètres de réglage accessibles.
Sélectionnez 1 à 15 paramètres par ENT (une coche s’affiche alors devant le paramètre). Il est également possible de
désélectionner un ou plusieurs paramètres par ENT.
Exemple :
MLP- [COMMUT. JEUX PARAM.] (suite)
PS1- [JEU 1]
g
S101
...
S115
Paramètre accessible si au moins 1 paramètre a été sélectionné dans [SELECT. PARAMETRES].
L’entrée dans ce paramètre ouvre une fenêtre de réglage où apparaissent les paramètres sélectionnés, dans l'ordre où ils ont
été sélectionnés.
Avec le terminal graphique :
Avec le terminal intégré :
Procédez comme dans le menu des réglages sur les paramètres qui apparaissent.
MLP- [COMMUT. JEUX PARAM.] (suite)
PS2- [JEU 2]
g
S201
...
S215
Paramètre accessible si au moins 1 paramètre a été sélectionné dans [SELECT. PARAMETRES].
Identique au paramètre [JEU 1] (PS1-) page 235.
SELECT. PARAMETRES
REGLAGES
Incrément rampe
- - - - - - - - -
- - - - - - - - -
- - - - - - - - -
RDY Term +0,0 Hz 0,0 A
JEU1
Accélération : 9,51 s
Décélération : 9,67 s
Accélération 2 : 12,58 s
Décélération 2 : 13,45 s
Arrondi déb. Acc : 2,3 s
Code Quick
ENT
RDY Term +0,0 Hz 0,0 A
Accélération
9,51 s
Min = 0,1 Max = 999,9
<< >> Quick
DRI- > CONF > FULL > FUN- > MLP-
Il est possible d'accéder aux paramètres décrits sur cette page via les menus suivants :

Mode de configuration (ConF)
236 NVE41296 04/2018
Remarque : Il est conseillé de faire un essai de commutation des paramètres à l'arrêt et d'en vérifier la bonne
exécution.
En effet, certains paramètres sont interdépendants et dans ce cas ils pourront être écrêtés au moment de la
commutation.
Les interdépendances entre paramètres doivent être respectées, même entre des jeux différents.
Exemple : la plus haute [Petite vitesse] (LSP) doit être inférieure à la plus basse [Grande vitesse] (HSP).
MLP- [COMMUT. JEUX PARAM.] (suite)
PS3- [JEU 3]
g
S301
...
S315
Paramètre accessible si [3 jeux paramètres] (CHA2) est différent de [Non] (nO) et si au moins 1 paramètre a été sélectionné
dans [SELECT. PARAMETRES].
Identique au paramètre [JEU 1] (PS1-) page 235.
gCes paramètres apparaissent uniquement si la fonction correspondante a été sélectionnée dans un autre menu. Lorsqu'il est
également possible d'accéder et de régler les paramètres dans le menu de configuration pour la fonction correspondante,
leur description est détaillée dans ces menus, sur les pages indiquées, afin d'aider à la programmation.
Ce paramètre peut être modifié en cours de fonctionnement ou à l'arrêt.
Code Nom/Description Plage de réglages Réglage usine
DRI- > CONF > FULL > FUN- > MLP-
Il est possible d'accéder aux paramètres décrits sur cette page via les menus suivants :

Mode de configuration (ConF)
NVE41296 04/2018 237
MULTIMOTEURS / MULTICONFIGURATIONS
Commutation de moteurs ou de configurations [MULTIMOTEURS/CONF.] (MMC-)
Le variateur peut contenir jusqu’à 3 configurations mémorisables par le menu
[REGLAGES USINE] (FCS-), page 83.
Chacune de ces configurations peut être activée à distance, permettant de s’adapter à :
•2 ou 3 moteurs ou mécanismes différents (mode multimoteur)
•2 ou 3 configurations différentes pour un même moteur (mode multiconfiguration)
Les deux modes de commutation ne sont pas cumulables.
Remarque : Les conditions suivantes sont impératives :
•La commutation ne peut se faire qu'à l'arrêt (variateur verrouillé). Si elle est demandée en fonctionnement,
elle ne sera exécutée qu'à l'arrêt suivant.
•Dans le cas de la commutation de moteurs, les conditions suivantes sont à respecter en plus :
- La commutation doit être accompagnée d'une commutation adéquate des bornes puissance et
contrôle concernées.
- La puissance maximum du variateur doit être respectée pour tous les moteurs.
•Toutes les configurations à commuter doivent être établies et sauvegardées préalablement dans la même
configuration matérielle, celle-ci étant la configuration définitive (cartes options et communication). Si cette
précaution n’est pas respectée, le variateur risque de se verrouiller en état [Config. Incorrecte] (CFF).
Menus et paramètres commutés en mode multimoteur
•[REGLAGES] (SEt-)
•[CONTRÔLE MOTEUR] (drC-)
•[ENTREES / SORTIES] (I_O-)
•[COMMANDE] (CtL-)
•[FONCTIONS D'APPLI.] (Fun-) à l'exception de la fonction [MULTIMOTEURS/CONF.] (à configurer
une seule fois)
•[GESTION DEFAUTS] (FLt)
•[MON MENU]
•[CONFIG. UTILISATEUR] : le nom de la configuration donné par l'utilisateur dans le menu
[REGLAGES USINE] (FCS-)
Menus et paramètres commutés en mode multiconfiguration
Comme en mode multimoteur, sauf les paramètres moteur qui sont communs aux trois configurations :
•Courant nominal
•Courant thermique
•Tension nominale
•Fréquence nominale
•Vitesse nominale
•Puissance nominale
•Compensation RI
•Compensation de glissement
•Paramètres de moteur synchrone
•Type de protection thermique
•État thermique
•Paramètres d'auto-réglage et paramètres moteur accessibles en mode expert
•Type de commande moteur
Remarque : Tous les autres menus et paramètres restent non commutables.

Mode de configuration (ConF)
238 NVE41296 04/2018
Transfert de la configuration d'un variateur vers un autre, avec le terminal graphique, lorsque le variateur utilise la fonction
[MULTIMOTEURS/CONF.] (MMC-)
Soit A le variateur source et B le variateur destination. Dans cet exemple, les commutations sont effectuées
par entrées logiques.
1. Connectez le terminal graphique au variateur A.
2. Positionnez les entrées logiques LI ([2 configurations] (CnF1)) et LI ([3 configurations] (CnF2)) à 0.
3. Téléchargez la configuration 0 dans un fichier du terminal graphique (exemple : fichier 1 du terminal graphique).
4. Positionnez l'entrée logique LI ([2 configurations] (CnF1)) à 1 et laissez l'entrée logique LI
([3 configurations] (CnF2)) à 0.
5. Téléchargez la configuration 1 dans un fichier du terminal graphique (exemple : fichier 2 du terminal graphique).
6. Positionnez l'entrée logique LI ([3 configurations] (CnF2)) à 1 et laissez l'entrée logique LI
([2 configurations] (CnF1)) à 1.
7. Téléchargez la configuration 2 dans un fichier du terminal graphique (exemple : fichier 3 du terminal graphique).
8. Connectez le terminal graphique au variateur B.
9. Positionnez les entrées logiques LI ([2 configurations] (CnF1)) et LI ([3 configurations] (CnF2)) à 0.
10. Effectuez un réglage usine du variateur B.
11. Téléchargez le fichier de la configuration 0 dans le variateur (fichier 1 du terminal graphique dans cet exemple).
12. Positionnez l'entrée logique LI ([2 configurations] (CnF1)) à 1 et laissez l'entrée logique LI
([3 configurations] (CnF2)) à 0.
13. Téléchargez le fichier de la configuration 1 dans le variateur (fichier 2 du terminal graphique dans cet exemple).
14. Positionnez l'entrée logique LI ([3 configurations] (CnF2)) à 1 et laissez l'entrée logique LI
([2 configurations] (CnF1)) à 1.
15. Téléchargez le fichier de la configuration 2 dans le variateur (fichier 3 du terminal graphique dans cet exemple).
Remarque : Les étapes 6, 7, 14 et 15 sont nécessaires uniquement si la fonction [MULTIMOTEURS/CONF.]
(MMC-) est utilisée avec 3 configurations ou 3 moteurs.
Configuration 0
ou moteur 0
Configuration 1
ou moteur 1
Configuration 2
ou moteur 2
Configuration
actuelle
Terminal
graphique
Réseau
Bornier
CANopen®
Modbus
[2 configurations] (CnF1)
[3 configurations] (CnF2)
CnF1 = 0, CnF2 = 0 CnF1 = 1, CnF2 = 0 CnF1 = 0, CnF2 = 1
ou
CnF1 = 1, CnF2 = 1

Mode de configuration (ConF)
NVE41296 04/2018 239
Commande de la commutation
La commande de la commutation est assurée par une ou deux entrées logiques selon le nombre de moteurs
ou de configurations choisis (2 ou 3). Le tableau suivant donne les combinaisons.
Schéma de principe pour le mode multimoteur
Auto-réglage en mode multimoteur
Cet auto-réglage peut être fait :
•Manuellement par une entrée logique au changement de moteur
•Automatiquement à chaque première activation de moteur après mise sous tension du variateur, si le
paramètre [Auto-réglage auto] (AUt) page 111 est réglé sur [Oui] (YES).
États thermiques du moteur en mode multimoteur :
Le variateur protège individuellement les trois moteurs, chaque état thermique tenant compte de tous les
temps d’arrêt y compris les mises hors tension variateur.
LI
2 moteurs ou configurations
LI
3 moteurs ou configurations
Numéro de configuration
ou de moteur actif
000
101
012
112
AVIS
SURCHAUFFE MOTEUR
L’état thermique de chaque moteur n’est pas sauvegardé lors de la mise hors tension du variateur.
Lorsque le variateur est mis sous tension, l'état thermique du ou des moteurs connectés est inconnu.
•Pour permettre une surveillance correcte de la température des moteurs, installez un capteur de
température externe pour chaque moteur.
Le non-respect de ces instructions peut entraîner la mort, des blessures graves ou des dommages
matériels.
LI
ATVppp
+ 24 V
LI
Configuration 0
si les 2 contacts
sont ouverts
Configuration 1
Configuration 2
Configuration 0 LO ou R
Configuration 1 LO ou R
Configuration 2 LO ou R
M0 M1 M2

Mode de configuration (ConF)
240 NVE41296 04/2018
Sortie de l’information de la configuration
Il est possible d'affecter dans le menu [ENTREES / SORTIES] (I_O-) une sortie logique à chaque
configuration ou moteur (2 ou 3) pour transmettre l’information à distance.
Remarque : Le menu [ENTREES / SORTIES] (I_O-) étant commuté, il est nécessaire d’affecter ces
sorties dans toutes les configurations si l’information est nécessaire.
Code Nom/Description Plage de réglages Réglage usine
FUn- [FONCTIONS D'APPLI.] (suite)
MMC- [MULTIMOTEURS/CONF.]
CHM [Multimoteurs] [Non] (nO)
AVIS
SURCHAUFFE MOTEUR
Lorsque le variateur est mis hors tension, les états thermiques des moteurs connectés ne sont pas
enregistrés.
Lorsque le variateur est remis sous tension, les états thermiques des moteurs connectés sont inconnus pour
le variateur.
•Pour surveiller la température, utilisez des capteurs de température distincts pour chaque moteur
connecté.
Le non-respect de ces instructions peut provoquer des dommages matériels.
nO
YES
[Non] (nO) : multiconfiguration possible
[Oui] (YES) : multimoteur possible
CnF1 [2 configurations] [Non] (nO)
nO
LI1
...
Commutation 2 moteurs ou 2 configurations.
[Non] (nO) : pas de commutation
[LI1] (LI1) : entrée logique LI1
[...] (...) : voir conditions d'affectation page 155
([CD00] (Cd00) jusqu’à [CD15] (Cd15), [C101] (C101) jusqu’à [C110] (C110), [C201] (C201) jusqu’à [C210]
(C210) et [C301] (C301) jusqu’à [C310] (C310) ne sont pas disponibles).
CnF2 [3 configurations] [Non] (nO)
Commutation 3 moteurs ou 3 configurations.
Identique au paramètre [2 configurations] (CnF1) page 240.
Remarque : Pour obtenir 3 moteurs ou 3 configurations, [2 configurations] (CnF1) doit aussi être configuré.
DRI- > CONF > FULL > FUN- > MMC-
Il est possible d'accéder aux paramètres décrits sur cette page via les menus suivants :

Mode de configuration (ConF)
NVE41296 04/2018 241
AUTO-RÉGLAGE PAR ENTRÉE LOGIQUE
Code Nom/Description Plage de réglages Réglage usine
FUn- [FONCTIONS D'APPLI.] (suite)
tnL- [AUTO-REGLAGE PAR LI]
tUL [Affect. auto-réglage] [Non] (nO)
nO
LI1
...
L'auto-réglage est effectué lorsque l'entrée ou le bit affecté passe à 1.
Remarque : L'auto-réglage entraîne la mise sous tension du moteur.
[Non] (nO) : non affecté
[LI1] (LI1) : entrée logique LI1
[...] (...) : voir conditions d'affectation page 155
DRI- > CONF > FULL > FUN- > TNL-
Il est possible d'accéder aux paramètres décrits sur cette page via les menus suivants :

Mode de configuration (ConF)
242 NVE41296 04/2018
TRAVERSE CONTROL
Fonction d'enroulement de bobine de fil (application textile):
La vitesse de rotation de la came doit respecter une loi définie pour obtenir une bobine régulière, compacte et
linéaire :
La fonction commence lorsque le variateur a atteint sa consigne de base et que la commande traverse control
est validée.
Quand la commande traverse control est supprimée, le variateur revient à sa consigne de base en suivant la
rampe déterminée par la fonction traverse control. La fonction s’arrête alors, dès que la variateur est revenu
à cette consigne.
Le bit 15 du mot LRS1 est à 1 pendant que la fonction est active.
ATV320 ATV320
Arbre principal
Variateur
traverse control
Variateur
d'enroulement
Came
Bobine de fil
Réducteur
Fil
Moteur traverse control Réducteur
Moteur d'enroulement
Guide fil
t
t
t
t
LI ou bit traverse
control
Ordre de marche
Vitesse moteur
Consigne de base
Rampe
ACC
Rampe dEC
Départ de la fonction Arrêt de la fonction
Bit 15 du mot LRS1
(traverse control en cours)

Mode de configuration (ConF)
NVE41296 04/2018 243
Paramètres de la fonction
Ces paramètres définissent le cycle des variations de fréquence autour de la consigne de base, suivant la
figure ci-dessous :
Paramètres de la bobine :
trC [Contrôle filaire] (trC) : affectation de la commande traverse control à une entrée logique ou à un bit du mot
de commande d’un bus de communication
trH [traverse fréq. haute] (trH) : en Hertz
trL [traverse freq. basse] (trL) : en Hertz
qSH [Quick step high] (qSH) : en Hertz
qSL [Quick step low] (qSL) : en Hertz
tUP [Accél. traverse ctrl.] (tUP) : temps, en secondes
tdn [Décél. traverse ctrl.] (tdn) : temps, en secondes
tbO [Temps bobine] (tbO) : temps pour faire une bobine, en minutes.
Ce paramètre est destiné à signaler la fin de bobinage. Lorsque le temps de fonctionnement en traverse control
depuis la commande [Contrôle filaire] (trC) atteint la valeur de [Temps bobine] (tbO), la sortie logique
ou un des relais passe à l’état 1, si la fonction correspondante [Fin bobine] (EbO) a été affectée.
Le temps de fonctionnement en traverse control EbOt peut être surveillé en ligne par un bus de
communication et dans le menu Surveillance.
dtF [Delta consigne] (dtF) : décroissance de la consigne de base.
Dans certains cas, il est nécessaire de réduire la consigne de base au fur et à mesure que la bobine grossit. La
valeur [Delta consigne] (dtF) correspond au temps [Temps bobine] (tbO). Une fois cet intervalle de
temps écoulé, la consigne continue de baisser en suivant la même rampe. Si la valeur [Petite vitesse] (LSP)
est à 0, la vitesse atteint 0 Hz, le variateur s’arrête et doit être réinitialisé par un nouvel ordre de marche.
Si la valeur [Petite vitesse] (LSP) est différente de 0, la fonction traverse control continue de fonctionner au-
dessus de la valeur [Petite vitesse] (LSP).
t
tUP
trH
tdn
qSH
qSL
trL
Vitesse moteur
Consigne
de base
Saut de fréquence
Saut de fréquence
0
Consigne de base
Vitesse moteur
Avec LSP = 0
tbO
dtF
Vitesse moteur
Consigne de base
Avec LSP > 0
dtF
tbO
0
0t
t
LSP

Mode de configuration (ConF)
244 NVE41296 04/2018
rtr [Init. traverse ctrl.] Réinitialisation traverse control.
Cette commande est affectable à une entrée logique ou à un bit du mot de commande d'un bus de
communication. Elle remet à zéro l'alarme EbO et le temps de fonctionnement EbOt, et réinitialise la
consigne à la consigne de base. Tant que rtr reste à 1, la fonction traverse control est inhibée et la vitesse
reste égale à la consigne de base. Cette commande est notamment utilisée lors des changements de bobines.
Consigne
de base
Vitesse
moteur
tbO
dtF
t
t
t
t
t
t
t
0
0
0
0
0
0
0
March
e
trC
EbOt
Bit 15 de
LRS1
EbO
rtr
tbO

Mode de configuration (ConF)
NVE41296 04/2018 245
Counter wobble
La fonction counter wobble sert, dans certaines applications, à obtenir une tension de fil constante lorsque la
fonction traverse control entraîne de fortes variations de vitesse sur le moteur de guide fil [traverse fréq.
haute] (trH) et [traverse freq. basse] (trL), voir [traverse fréq. haute] (trH) page 247).
Deux moteurs doivent être utilisés (un maître et un esclave).
Le maître contrôle la vitesse du guide fil, l'esclave contrôle la vitesse d'enroulement. La fonction donne à
l'esclave une loi de vitesse en opposition de phase avec celle du maître. Une synchronisation est donc
nécessaire, par une sortie logique du maître et une entrée logique de l'esclave.
ATV320 ATV320
Arbre principal
Variateur maître Variateur esclave
Moteur
d'enroulement
Réduct-
eur
Moteur de guide fil
Réduct-
eur Came
Guide fil Fil
Bobine de fil
Synchronisation
tSY SnC

Mode de configuration (ConF)
246 NVE41296 04/2018
Raccordement des entrées/sorties de synchronisation
Les conditions de démarrage de la fonction sont :
•Vitesses de base atteintes sur les deux variateurs
•Entrée [Contrôle filaire] (trC) actionnée
•Signal de synchronisation présent
Remarque : Les paramètres [Quick step high] (qSH) et [Quick step low] (qSL) sont généralement à
laisser à zéro.
t
t
t
t
t
trH
trL
trH
trL
Commande traverse
control sur maître et
esclave
Ordre de marche sur
maître et esclave
Vitesse moteur de
guide fil
(variateur maître)
Synchronisation tSY/SnC
Vitesse du moteur
d'enroulement
(variateur esclave)
(SnCO) LOp
COM
LIp (SnCI)
COM
ATV320 ATV320
Variateur maître Variateur esclave

Mode de configuration (ConF)
NVE41296 04/2018 247
Code Nom/Description Plage de réglages Réglage usine
FUn- [FONCTIONS D'APPLI.] (suite)
tr0- [TRAVERSE CONTROL]
Remarque : Cette fonction ne peut pas être utilisée avec toutes les fonctions. Suivez les instructions page 166.
trC [Contrôle filaire] [Non] (nO)
nO
LI1
...
Le cycle traverse control démarre à l'état 1 de l'entrée ou du bit affecté et s'arrête à l'état 0.
[Non] (nO) : fonction inactive (Les autres paramètres sont alors inaccessibles.)
[LI1] (LI1) : entrée logique LI1
[...] (...) : voir conditions d'affectation page 155
trH [traverse fréq. haute] 0 à 10 Hz 4 Hz
g
(1)
Traverse fréquence haute.
trL [traverse freq. basse] 0 à 10 Hz 4 Hz
g
(1)
Traverse fréquence basse.
qSH [Quick step high] 0 à [traverse fréq. haute] (trH)0 Hz
g
(1)
Quick step high.
qSL [Quick step low] 0 à [traverse freq. basse] (trL)0 Hz
g
(1)
Quick step low.
tUP [Accél. traverse ctrl.] 0,1 à 999,9 s 4 s
g
Accélération traverse control.
tdn [Décél. traverse ctrl.] 0,1 à 999,9 s 4 s
g
Décélération traverse control.
tbO [Temps bobine] 0 à 9 999 min 0 min
g
Temps nécessaire à l'exécution d’une bobine.
DRI- > CONF > FULL > FUN- > TR0-
Il est possible d'accéder aux paramètres décrits sur cette page via les menus suivants :

Mode de configuration (ConF)
248 NVE41296 04/2018
(1) Ce paramètre est également accessible dans le menu [REGLAGES] (SEt-).
EbO [Fin bobine] [Non] (nO)
gLa sortie ou le relais affecté passe à l'état 1 lorsque le temps de fonctionnement en traverse control a atteint le [Temps bobine]
(tbO).
nO
LO1
r2
dO1
[Non] (nO) : non affecté
[LO1] (LO1) : sortie logique LO1
[R2] (r2) : relais R2
[dO1] (dO1) : sortie analogique AO1 fonctionnant en sortie logique. Choix accessible si [Affectation AO1] (AO1) page 146
est réglé sur [Non] (nO).
SnC [Counter wobble] [Non] (nO)
gEntrée de synchronisation.
À configurer sur le variateur d'enroulement (esclave) uniquement.
nO
LI1
...
[Non] (nO) : fonction inactive (Les autres paramètres sont alors inaccessibles.)
[LI1] (LI1) : entrée logique LI1
[...] (...) : voir conditions d'affectation page 155
tSY [Synchro. wobble] [Non] (nO)
gSortie de synchronisation.
À configurer sur le variateur de guide fil (maître) uniquement.
nO
LO1
r2
dO1
[Non] (nO) : fonction non affectée
[LO1] (LO1)
[R2] (r2)
[dO1] (dO1) : sortie analogique AO1 fonctionnant en sortie logique. Choix accessible si [Affectation AO1] (AO1) page 146
est réglé sur [Non] (nO).
dtF [Delta consigne] 0 à 599 Hz 0 Hz
g
Décroissance de la consigne de base pendant le cycle traverse control.
rtr [Init. traverse ctrl.] [Non] (nO)
gÀ l'état 1 de l'entrée ou du bit affecté, le temps de fonctionnement en traverse control est remis à zéro, ainsi que le paramètre
[Delta consigne] (dtF).
nO
LI1
...
[Non] (nO) : fonction non affectée
[LI1] (LI1) : entrée logique LI1
[...] (...) : voir conditions d'affectation page 155
Code Nom/Description Plage de réglages Réglage usine
gCes paramètres apparaissent uniquement si la fonction correspondante a été sélectionnée dans un autre menu. Lorsqu'il est
également possible d'accéder et de régler les paramètres dans le menu de configuration pour la fonction correspondante,
leur description est détaillée dans ces menus, sur les pages indiquées, afin d'aider à la programmation.
Ce paramètre peut être modifié en cours de fonctionnement ou à l'arrêt.
DRI- > CONF > FULL > FUN- > TR0-
Il est possible d'accéder aux paramètres décrits sur cette page via les menus suivants :

Mode de configuration (ConF)
NVE41296 04/2018 249
COMMUTATION GRANDE VITESSE
Code Nom/Description Plage de réglages Réglage usine
FUn- [FONCTIONS D'APPLI.] (suite)
CHS- [COMMUTATION HSP]
SH2 [2 Grande Vitesse] [Non] (nO)
nO
FtA
F2A
LI1
...
Commutation grande vitesse.
[Non] (nO) : fonction non affectée
[S fréq. att.] (FtA) : seuil de fréquence atteint
[S fréq. 2 att.] (F2A) : seuil de fréquence 2 atteint
[LI1] (LI1) : entrée logique LI1
[...] (...) : voir conditions d'affectation page 155
SH4 [4 Grande Vitesse] [Non] (nO)
Commutation grande vitesse.
Remarque : Pour obtenir 4 Grande Vitesse, [2 Grande Vitesse] (SH2) doit aussi être configuré.
Identique au paramètre [2 Grande Vitesse] (SH2) page 249.
HSP
[Grande vitesse] 0 à 599 Hz 50 Hz
La fréquence du moteur à la consigne maximum peut être réglée entre les valeurs [Petite vitesse] (LSP) et [Fréquence maxi.]
(tFr).
Le réglage usine passe à 60 Hz si [Standard fréq.mot] (bFr) est réglé sur [60Hz NEMA] (60).
HSP2 [Grande vitesse 2] 0 à 599 Hz 50 Hz
g
Visible si [2 Grande Vitesse] (SH2) est différent de [Non] (nO).
Identique au paramètre [Grande vitesse] (HSP) page 249.
HSP3 [Grande vitesse 3] 0 à 599 Hz 50 Hz
g
Visible si [4 Grande Vitesse] (SH4) est différent de [Non] (nO).
Identique au paramètre [Grande vitesse] (HSP) page 249.
HSP4 [Grande vitesse 4] 0 à 599 Hz 50 Hz
g
Visible si [4 Grande Vitesse] (SH4) est différent de [Non] (nO).
Identique au paramètre [Grande vitesse] (HSP) page 249.
gCes paramètres apparaissent uniquement si la fonction correspondante a été sélectionnée dans un autre menu. Lorsqu'il est
également possible d'accéder et de régler les paramètres dans le menu de configuration pour la fonction correspondante,
leur description est détaillée dans ces menus, sur les pages indiquées, afin d'aider à la programmation.
Ce paramètre peut être modifié en cours de fonctionnement ou à l'arrêt.
DRI- > CONF > FULL > FUN- > CHS-
Il est possible d'accéder aux paramètres décrits sur cette page via les menus suivants :

Mode de configuration (ConF)
250 NVE41296 04/2018
DC Bus
Code Nom/Description Plage de réglages Réglage usine
FUn-[FONCTIONS D'APPLI.]
dCC- [DC Bus]
dCCM [Mode DC-Bus]
Mode Chainage DC Bus
[Non] (nO)
nO
MAIn
bUS
[Non] (nO): non attribué
[Bus & Ligne] (MAIn): Le variateur est alimenté par le bus DC et par l'alimentation principale du réseau.
[Bus] (bUS): Le variateur est uniquement alimenté par le bus DC.
DANGER
SURVEILLANCE DES DÉFAUTS À LA TERRE DÉSACTIVÉE, PAS DE DÉTECTION D'ERREUR
Le réglage de ce paramètre sur [Bus & Ligne] (Main) désactive la surveillance des défauts à la terre.
•Utilisez uniquement ce paramètre après avoir réalisé une évaluation approfondie des risques
conformément à toutes les réglementations et normes qui s'appliquent à l'appareil et à l'application.
•Mettez en oeuvre d'autres fonctions de surveillance des défauts à la terre qui ne déclenchent pas des
réponses d'erreur automatiques de la part du variateur, mais autorisent des réponses équivalentes
appropriées par d'autres moyens conformément à toutes les réglementations et normes applicables ainsi
qu'à l'évaluation des risques.
•Mettez en service et testez le système avec la surveillance des défauts à la terre activée.
•Pendant la mise en service, vérifiez que le variateur et le système fonctionnent comme prévu en exécutant
des tests et des simulations dans un environnement et des conditions contrôlés.
Le non-respect de ces instructions entraînera la mort ou des blessures graves.
dCCC [DC-Bus compat.]
Compatibilité DC Bus
[Altivar] (AtU)
AtU
LHM
g
Visible si le paramètre [DC-Bus chaining] (dCCM) indiqué ci-dessus n'est pas réglé sur [Non] (nO).
[Altivar] (AtU): Seuls les variateurs Altivar 320 sont sur le chaînage du bus DC.
[Lexium] (LHM): Au moins un variateur Lexium 32 est sur le chaînage du bus DC.
- Pour ATVpppM2 ou ATV320pppM3 ou ATV320pppS6, pas en fonction de [DC-Bus compat.] (dCCC) les paramètres
[Tension réseau] (UrES), [Seuil freinage] (Ubr) sont forcés sur leur valeur par défaut.
- Pour ATVpppN4, si [DC-Bus compat.] (dCCC) est réglé sur [Altivar] (AtU) les paramètres [Tension réseau]
(UrES), [Seuil freinage] (Ubr) sont forcés sur leur valeur par défaut.
- Pour ATVpppN4, si [DC-Bus compat.] (dCCC) est réglé sur [Lexium] (LHM), [Tension réseau] (UrES) est forcé sur
sa valeur par défaut, [Seuil freinage] (Ubr) est forcé sur 780 Vdc et le variateur se met sur [Freinage excessif] (ObF)
lorsque le niveau du bus DC est de 820 Vdc au lieu de 880 Vdc, de manière à être compatible avec les variateurs
Lexium 32.
IPL [Perte phase réseau]
Comportement du variateur en cas de détection d'un défaut de perte phase réseau.
Selon la valeur
nominale du variateur
g
Inaccessible pour les variateurs ATVpppM2.
Visible si [NIVEAU D'ACCES 3.1] (LAC) est réglé sur [Expert] (Epr) et que le paramètre [Mode DC-Bus] (dCCM) indiqué
ci-dessus est réglé sur [Non] (nO).
nO
YES
[Déf. ignoré] (nO): Détection de défaut ignoré.
[Roue libre] (YES): Déctection de défaut avec arrêt roue libre.
[Perte phase réseau] (IPL) est forcé sur [Déf. ignoré] (nO) si le paramètre [Mode DC-Bus] (dCCM) indiqué ci-dessus est
réglé sur [Only Bus] (bUS).
Voir [Perte phase réseau] (IPL) dans le Manuel de programmation (DRI- > CONF > FULL > FLT- > IPL-).
DRI- > CONF > FULL > FUN- > DCC-
Il est possible d'accéder aux paramètres décrits sur cette page via les menus suivants :

Mode de configuration (ConF)
NVE41296 04/2018 251
SCL3 [Court-circuit terre] [Roue libre] (YES)
Comportement en cas de détection d'un défaut direct de court-circuit à la terre.
Accessible pour les variateurs ATV320U55N4…D15N4.
Visible si [NIVEAU D'ACCES 3.1] (LAC) est réglé sur [Expert] (Epr) et que le paramètre [Mode DC-Bus] (dCCM) indiqué
ci-dessus est réglé sur [Non] (nO).
nO
YES
[Déf. ignoré] (nO): Détection de défaut ignoré.
[Roue libre] (YES): Déctection de défaut avec arrêt roue libre.
[Court-circuit terre] (SCL3) est forcé sur [Déf. ignoré] (nO) pour les variateurs ATV320U55N4 … D15N4 si le paramètre
[DC-Bus chaining] (dCCM) indiqué ci dessus est réglé sur [Bus & Main] (MAIn).
Remarque : Si [Court-circuit terre] (SCL3) est réglé sur [Déf. ignoré] (nO), les fonctions de sécurité intégrées (sauf celle
de Suppression sûre du couple (Safe Torque Off)), pour les variateurs ATV320U55N4 ... D15N4, ne peuvent pas être utilisées
sinon le variateur se mettrait en état [Sécurité] (SAFF).
g
DANGER
SURVEILLANCE DES DÉFAUTS À LA TERRE DÉSACTIVÉE, PAS DE DÉTECTION D'ERREUR
Le réglage de ce paramètre sur [Déf. ignoré] (nO) désactive la surveillance des défauts à la terre.
•Utilisez uniquement ce paramètre après avoir réalisé une évaluation approfondie des risques
conformément à toutes les réglementations et normes qui s'appliquent à l'appareil et à l'application.
•Mettez en oeuvre d'autres fonctions de surveillance des défauts à la terre qui ne déclenchent pas des
réponses d'erreur automatiques de la part du variateur, mais autorisent des réponses équivalentes
appropriées par d'autres moyens conformément à toutes les réglementations et normes applicables ainsi
qu'à l'évaluation des risques.
•Mettez en service et testez le système avec la surveillance des défauts à la terre activée.
•Pendant la mise en service, vérifiez que le variateur et le système fonctionnent comme prévu en exécutant
des tests et des simulations dans un environnement et des conditions contrôlés.
Le non-respect de ces instructions entraînera la mort ou des blessures graves.
UrES [Tension réseau] En fonction de la
tension nominale du
variateur
En fonction de la
tension nominale du
variateur
gVisible si [NIVEAU D'ACCES 3.1] (LAC) est réglé sur [Expert] (Epr) et que le paramètre [Mode DC-Bus] (dCCM) indiqué
ci-dessus est réglé sur [Non] (nO).
200
220
230
240
LHM
Pour ATV320pppM2p ou ATV320pppM3p :
[200 Vac] (200) : 200 volts AC
[220 Vac] (220) : 220 volts AC
[230 Vac] (230) : 230 volts AC
[240 Vac] (240) : 240 volts AC (réglage usine)
[Lexium] (LHM) : [Tension réseau] (UrES), [Niveau Sous-Tension] (USL), [Seuil freinage] (Ubr) sont forcés sur leur
valeur par défaut.
380
400
440
460
500
LHM
525
600
LHM
Pour ATV320pppN4p :
[380 Vac] (380) : 380 volts AC
[400 Vac] (400) : 400 volts AC
[440 Vac] (440) : 440 volts AC
[460 Vac] (460) : 460 volts AC
[500 Vac] (500) : 500 volts AC (réglage usine)
[Lexium] (LHM) : [Tension réseau] (UrES), [Niveau Sous-Tension] (USL) sont forcés sur leur valeur par défaut, [Seuil
freinage (Ubr) est forcé sur 780 Vdc et le variateur se met sur [Freinage excessif] (ObF) lorsque le niveau du bus DC est
de 820 Vdc au lieu de 880 Vdc.
Pour ATV320pppS6p :
[525 Vac] (525) : 525 volts AC
[600 Vac] (600) : 600 volts AC (réglage usine)
[Lexium] (LHM) : [Tension réseau] (UrES), [Niveau Sous-Tension] (USL), [Seuil freinage] (Ubr) sont forcés sur leur
valeur par défaut.
DRI- > CONF > FULL > FUN- > DCC-
Il est possible d'accéder aux paramètres décrits sur cette page via les menus suivants :

Mode de configuration (ConF)
252 NVE41296 04/2018
USL [Niveau Sous-Tension]
Réglage du niveau de déclenchement du défaut de sous-tension en volts.
100 à 304 Vac Selon les
caractéristiques
nominales du variateur
gAccessible si [3.1 NIVEAU D’ACCES] (LAC) est réglé sur [Expert] (Epr).
Le réglage usine correspond à la valeur maximale de la plage de réglage (voir le tableau suivant).
La plage de réglage est déterminée par le tableau suivant :
Ce paramètre est également accessible dans (DRI- > CONF > FULL > FLT- > USB-).
Ubr [Seuil freinage]
Niveau de commande de la résistance de freinage.
335 à 995 Vdc Selon les
caractéristiques
nominales du variateur
g
Accessible si [3.1 NIVEAU D’ACCES] (LAC) est réglé sur [Expert] (Epr).
Le réglage usine est déterminé par la tension nominale du variateur :
- Pour ATV320pppM2p : 395 Vdc
- Pour ATV320pppM3p : 395 Vdc
- Pour ATV320pppN4p : 820 Vdc
- Pour ATV320pppS6p : 995 Vdc
La plage de réglage est déterminée par le tableau suivant :
Ce paramètre est également accessible dans (DRI- > CONF > FULL > DRC-).
[Tension réseau] (urES)
[Mode DC-Bus] (dCCM)
=
[Non] (nO)
[Mode DC-Bus] (dCCM)
=
[MAin](Bus&Ligne) ou
[buS] (Bus uniquement)
[200 Vac] (200) 100 Vac
[220 Vac] (220) 120 Vac
[230 Vac] (230) 131 Vac
[240 Vac] (240) ou [Lexium] (LHM) 141 Vac
[380 Vac] (380) 190 Vac
[400 Vac] (400) 204 Vac
[440 Vac] (440) 233 Vac
[460 Vac] (460) 247 Vac
[500 Vac] (500) ou [Lexium] (LHM) 276 Vac
[525 Vac] (525) 266 Vac
[600 Vac] (600) ou [Lexium] (LHM) 304 Vac
Tension nominale
du variateur
ATV320M2
ATV320M3
ATV320N4
Valeur
maximale
Plage de réglage
Valeur minimale
ATV320S6
100 Vac 141 Vac
276 Vac
304 Vac
190 Vac
266 Vac
[Tension réseau](urES) valeur minimale valeur maximale
[200 Vac](200) 335 Vdc
[220 Vac](220) 365 Vdc
[230 Vac](230) 380 Vdc
[240 Vac](240) ou
[Lexium](LHM)
395 Vdc
[380 Vac](380) 698 Vdc
[400 Vac](400) 718 Vdc
[440 Vac](440) 759 Vdc
[460 Vac](460) 779 Vdc
[500 Vac](500) 820 Vdc
[Lexium](LHM) 780 Vdc 780 Vdc
[525 Vac](525) 941 Vdc
[600 Vac](600) ou
[Lexium](LHM)
995 Vdc
Plage de réglage
ATV320pppN4p
ATV320pppS6p995 Vdc
820 Vdc
Tension nominale
du variateur
ATV320pppM2p
ATV320pppM3p395 Vdc
Ce paramètre peut être modifié en cours de fonctionnement ou à l'arrêt.
gCes paramètres apparaissent uniquement si la fonction correspondante a été sélectionnée dans un autre menu. Lorsqu'il est
également possible d'accéder et de régler les paramètres dans le menu de configuration pour la fonction correspondante,
leur description est détaillée dans ces menus, sur les pages indiquées, afin d'aider à la programmation.
DRI- > CONF > FULL > DCC-
Il est possible d'accéder aux paramètres décrits sur cette page via les menus suivants :

Mode de configuration (ConF)
NVE41296 04/2018 253
Gestion des défauts
Avec terminal intégré :
Résumé des fonctions :
Code Nom Page
PtC [GESTION SONDES PTC] 255
rSt [RESET DEFAUTS] 256
Atr [REDEMARRAGE AUTO] 257
AlS [REGLAGE ALARMES] 258
FLr [REPRISE A LA VOLEE] 258
tHt [PROTECT. THERMIQUE MOT.] 260
OPL [PERTE PHASE MOTEUR] 261
IPL [PERTE PHASE RESEAU] 261
OHL [SURCHAUFFE VARIATEUR] 262
SAt [ARRET DIFFERE THERM.] 263
EtF [DEFAUT EXTERNE] 263
USb [GESTION SOUS-TENSION] 264
tIt [TESTS IGBT] 265
LFL [PERTE 4-20 mA] 265
InH [INHIBITION DEFAUTS] 266
CLL [GESTION DEFAUT COM.] 267
Sdd [DEFAUT CODEUR 269
tId [DET. LIM. COUPLE/COURANT] 269
FqF [FREQUENCE METRE] 271
dLd [DETECT. DELTA CHARGE] 272
tnF [DEFAUT AUTO-REGLAGE] 273
PPI [APPAIRAGE DES CARTES] 274
ULd [SOUS CHARGE PROCESS] 275
OLd [SURCHARGE PROCESS] 277
LFF [VITESSE DE REPLI] 277
FSt [DIVISEUR RAMPE] 277
dCI [INJECTION DC] 278

Mode de configuration (ConF)
254 NVE41296 04/2018
Les paramètres du menu [GESTION DEFAUTS] (FLt-) ne peuvent être modifiés que si le variateur est
arrêté et si aucune commande d'exécution n'est activée, sauf pour les paramètres accompagnés du symbole
dans la colonne de code, qui peuvent être modifiés lorsque le variateur fonctionne ou est à l'arrêt.
FULL
FUn-
SIM-
ESC
ESC
ESC
ENT
LAC
CON-
FLt-
ESC
ESC ENT
ESC
= ENT ESC = ES
C
GESTION DEFAUTS
À partir du menu

Mode de configuration (ConF)
NVE41296 04/2018 255
Sondes PTC
Un jeu de sondes PTC peut être géré par le variateur afin d'aider à protéger le moteur : sur l'entrée logique
LI6 convertie à cette fin par le commutateur SW2 sur le bloc de commande.
Les sondes PTC sont surveillées pour les défauts détectés suivants :
•Surchauffe du moteur
•Coupure du capteur
•Court-circuit du capteur
La protection via les sondes PTC ne désactive pas la protection par calcul du I2t exécuté par le variateur (les
deux types de protections peuvent être combinés).
RJ45
R1A
R1B
R1C
COM
AQ1
COM
AI3
AI2
10V
AI1
COM
+24
P24
STO
DQ+
DQ-
DI6
DI5
DI4
DI3
DI2
DI1
R2C
R2A
SW1
SW2
DI6
PTC
Source
Sink ext.
Sink int.
ATV320pppppB ATV320pppppC
RJ45
10V AI1 COM COM AQ1 R1A R1B R1C R2A R2CAI2 AI3
+24 DI1 DI2 DI5 DI6 STO P24DI3 DI4
DQ- DQ+ PE
SW1SW2
Source
Sink ext.
Sink int.
DI6 PTC
Nota:
DIx =LX
DQx = LOx
AQ1 = AO1
Code Nom/Description Plage de réglages Réglage usine
FULL [FULL] (suite)
FLt- [GESTION DEFAUTS]
PtC- [GESTION SONDES PTC]
PtCL [Sondes LI6 = PTC] [Non] (nO)
nO
AS
rdS
rS
Vérifiez d'abord que le commutateur SW2 du bloc de commande est positionné sur PTC.
[Non] (nO) : non utilisé
[Toujours] (AS) : les sondes PTC sont surveillées en permanence, même si la puissance est déconnectée (à condition que le
contrôle reste sous tension).
[Puiss. ON] (rdS) : les sondes PTC sont surveillées lorsque le variateur est sous tension.
[Moteur ON] (rS) : les sondes PTC sont surveillées lorsque le moteur est sous tension.
DRI- > CONF > FULL > FLT- > PTC-
Il est possible d'accéder aux paramètres décrits sur cette page via les menus suivants :

Mode de configuration (ConF)
256 NVE41296 04/2018
Il est possible d'accéder aux paramètres décrits sur cette page via les menus suivants :
FLt- [GESTION DEFAUTS] (suite)
rSt- [RESET DEFAUTS]
rSF [Reset défauts] [Non] (nO)
nO
LI1
...
Les défauts détectés sont effacés manuellement lorsque l'entrée ou le bit affecté devient 1, si la raison du défaut détecté a été
éliminée.
La touche STOP/RESET (Arrêt/Réinitialisation) du terminal graphique exécute la même fonction.
Les défauts suivants peuvent être effacés manuellement : ASF, brF, bLF, CnF, COF, dLF, EPF1, EPF2,
FbES, FCF2, InF9, InFA, InFb, LCF, LFF3, ObF, OHF, OLC, OLF, OPF1, OPF2, OSF, OtFL,
PHF, PtFL, SCF4, SCF5, SLF1, SLF2, SLF3, SOF, SPF, SSF, tJF, tnF et ULF.
Remarque : Si [HrFC] (HrFC) est réglé sur [Oui] (YES), les codes de défaut suivant peuvent être supprimés manuellement:
OCF, SCF1, SCF3.
[Non] (nO) : fonction désactivée
[LI1] (LI1) : entrée logique LI1
[...] (...) : voir conditions d'affectation page 155
(Si [Profil] (CHCF) est réglé sur [Non séparé] (SIM) ou [Séparé] (SEP) alors [CD11] (Cd11) jusqu’à [CD15] (Cd15), [C111]
(C111) jusqu’à [C115] (C115), [C211] (C211) jusqu’à [C215] (C215) et [C311] (C311) jusqu’à [C315] (C315) ne sont pas
disponibles).
rPA [Affect reset produit] [Non] (nO)
g
La fonction de redémarrage exécute une réinitialisation des défauts puis remet le variateur en marche. Pendant ce redémarrage,
le variateur exécute les mêmes étapes que lorsqu'il est éteint puis rallumé. En fonction du câblage et de la configuration du
variateur, il peut s'ensuivre un fonctionnement immédiat et inattendu. La fonction de redémarrage peut être affectée à une entrée
logique.
AVERTISSEMENT
FONCTIONNEMENT INATTENDU DE L'APPAREIL
La fonction de redémarrage exécute une réinitialisation des défauts et remet le variateur en marche.
•Vérifiez que cette fonction peut être activée en toute sécurité.
Le non-respect de ces instructions peut entraîner la mort, des blessures graves ou des dommages
matériels.
nO
LI1
...
LI6
LAI1
LAI2
OL01
...
OL10
Ce paramètre ne peut être modifié que si [NIVEAU D'ACCES 3.1] (LAC) est réglé sur le mode [Expert] (EPr).
Réinitialisation du variateur par entrée logique. Permet la réinitialisation de tous les défauts détectés sans mettre le variateur
hors tension. La réinitialisation a lieu sur un front montant (passage de 0 à 1) de l'entrée affectée. Elle ne peut s'effectuer que si
le variateur est verrouillé.
Pour affecter la réinitialisation, appuyez sur la touche ENT pendant 2 s.
[Non] (nO) : fonction désactivée
[LI1] (LI1) : entrée logique LI1
...
[LI6] (LI6) : entrée logique LI6
[LAI1] (LAI1) : entrée logique AI1
[LAI2] (LAI2) : entrée logique AI2
[OL01] (OL01) : blocs fonctions : sortie logique 01
...
[OL10] (OL10) : blocs fonctions : sortie logique 10
Code Nom/Description Plage de réglages Réglage usine
DRI- > CONF > FULL > FLT- > RST-

Mode de configuration (ConF)
NVE41296 04/2018 257
Il est possible d'accéder aux paramètres décrits sur cette page via les menus suivants :
rP [Reset produit] [Non] (nO)
g
La fonction de redémarrage exécute une réinitialisation des défauts puis remet le variateur en marche. Pendant ce redémarrage,
le variateur exécute les mêmes étapes que lorsqu'il est éteint puis rallumé. En fonction du câblage et de la configuration du
variateur, il peut s'ensuivre un fonctionnement immédiat et inattendu. La fonction de redémarrage peut être affectée à une entrée
logique.
AVERTISSEMENT
FONCTIONNEMENT INATTENDU DE L'APPAREIL
La fonction de redémarrage exécute une réinitialisation des défauts et remet le variateur en marche.
•Vérifiez que cette fonction peut être activée en toute sécurité.
Le non-respect de ces instructions peut entraîner la mort, des blessures graves ou des dommages
matériels.
nO
YES
Ce paramètre n'est accessible que si [NIVEAU D'ACCES 3.1] (LAC) est réglé sur le mode [Expert] (EPr).
Réinitialisation du variateur. Permet le réinitialisation de tous les défauts détectés sans mettre le variateur hors tension.
[Non] (nO) : fonction désactivée
[Oui] (YES) : Réinitialisation. Appuyez sur la touche ENT pendant 2 secondes. Le paramètre repasse à [Non] (nO)
automatiquement dès la fin de l'opération. Le variateur ne peut être réinitialisé que s'il est verrouillé.
HrFC [HrFC] [Non] (nO)
gCe paramètre n'est accessible que si [NIVEAU D'ACCES 3.1] (LAC) est réglé sur le mode [Expert] (EPr).
Utilisable pour sélectionner le niveau d'accès à [Reset défauts] (rSF) pour réinitialiser les paramètres par défaut sans avoir
à couper l'alimentation du variateur. Voir page 256
Remarque : Si [HrFC] (HrFC) est réglé sur [Oui] (YES), les codes de défaut suivant peuvent être supprimés manuellement:
OCF, SCF1, SCF3.
nO
YES
[Non] (nO) : Fonction inactive
[Oui] (YES) : Fonction active
FLt- [GESTION DEFAUTS] (suite)
Atr- [REDEMARRAGE AUTO]
Atr [Redémarrage auto] [Non] (nO)
Si l'origine de l'erreur qui a déclenché le passage à l'état de fonctionnement en défaut disparaît pendant que cette fonction est
active, le variateur reprend son activité normale. Pendant l'exécution automatique des tentatives de réinitialisation des défauts,
le signal de sortie « Operating state Fault » n'est pas disponible.
Si les tentatives de réinitialisation des défauts échouent, le variateur reste à l'état de fonctionnement en défaut et le signal de
sortie « Operating state Fault » devient actif.
AVERTISSEMENT
FONCTIONNEMENT INATTENDU DE L'APPAREIL
•Vérifiez que cette fonction peut être activée en toute sécurité.
•Vérifiez que lorsque le signal de sortie « Operating state Fault » n'est pas disponible, cette fonction peut
être activéeen toute sécurité.
Le non-respect de ces instructions peut entraîner la mort, des blessures graves ou des dommages
matériels.
nO
YES
Le relais d’erreur du variateur reste actif si cette fonction est active. La consigne de vitesse et le sens de la marche doivent être
maintenus.
Utilisez une commande à 2 fils ([Cde 2 fils/3 fils] (tCC) réglé sur [Cde 2 fils] (2C) et [Type cde 2 fils] (tCt) réglé sur
[Niveau] (LEL), page [Cde 2 fils/3 fils] (tCC) page 87).
Si le redémarrage n'a pas eu lieu lorsque le temps configurable tAr est écoulé, la procédure est annulée et le variateur reste
verrouillé jusqu'à ce qu'il soit mis hors tension, puis rallumé.
Les codes d’erreur qui permettent cette fonction sont répertoriés page 317.
[Non] (nO) : fonction désactivée
[Oui] (YES) : redémarrage automatique après le verrouillage à cause d'un défaut, si le défaut détecté a disparu et si les autres
conditions de marche permettent ce redémarrage. Le redémarrage est effectué par une série de tentatives automatiques
séparées par des périodes d'attente de plus en plus longues : 1 s, 5 s, 10 s, puis 1 minute pour les tentatives suivantes.
Code Nom/Description Plage de réglages Réglage usine
2 s
DRI- > CONF > FULL > FLT- > RST-

Mode de configuration (ConF)
258 NVE41296 04/2018
(1) In correspond au courant nominal du variateur indiqué dans le manuel d'installation et sur la plaque signalétique du
variateur.
tAr [Tmax redémarrage] [5 min] (5)
gCe paramètre apparaît si [Redémarrage auto] (Atr) est réglé sur [Oui] (YES). Il peut être utilisé pour limiter le nombre
de redémarrages consécutifs d'un défaut récurrent.
5
10
30
1h
2h
3h
Ct
[5 min] (5) : 5 minutes
[10 min] (10) : 10 minutes
[30 min] (30) : 30 minutes
[1 h] (1h) : 1 heure
[2 h] (2h) : 2 heures
[3 h] (3h) : 3 heures
[Infini] (Ct) : illimité
FLt- [GESTION DEFAUTS] (suite)
ALS- [REGLAGE ALARMES]
Ctd
(1)
[Seuil de courant] 0 à 1,5 In (1) INV
Seuil de courant du moteur.
Ftd
[Seuil de fréquence] 0 à 599 Hz 50 Hz
Seuil de fréquence du moteur.
F2d
[Seuil fréquence 2] 0 à 599 Hz 50 Hz
Seuil de fréquence du moteur.
ttH
[Seuil couple haut] -300 à 300 % 100 %
Seuil de fréquence avec couple haut.
ttL
[Seuil couple bas] -300 à 300 % 50 %
Seuil de fréquence avec couple bas.
FqL [Seuil alarme pulse] 0 à 20 000 Hz 0 Hz
gNiveau de fréquence.
Visible si [Fréquence mètre] (FqF) n'est pas réglé sur [Non] (nO).
FLt- [GESTION DEFAUTS] (suite)
FLr- [REPRISE A LA VOLEE]
Remarque :Cette fonction ne peut pas être utilisée avec toutes les fonctions. Suivez les instructions page 165.
FLr [Reprise à la volée] [Non] (nO)
nO
YES
Utilisée pour activer un redémarrage progressif si l'ordre de marche est maintenu après les événements suivants :
- Coupure d'alimentation secteur ou débranchement
- Réinitialisation du défaut de courant détecté ou redémarrage automatique
- Arrêt roue libre
La vitesse donnée par le variateur reprend à partir de la vitesse estimée du moteur au moment du redémarrage, puis suit la rampe
jusqu'à la vitesse de consigne.
Cette fonction requiert une commande 2 fils sur niveau.
Lorsque la fonction est active, elle intervient à chaque ordre de marche, entraînant un léger retard du courant (0,5 s maximum).
Le paramètre [Reprise à la volée] (FLr) est forcé à [Non] (nO) si la commande logique de frein [Affectation frein] (bLC) est
affectée (page 197) ou si [Injection DC auto] (AdC) est réglé sur [Continu] (Ct) page 179 .
[Non] (nO) : fonction désactivée
[Oui] (YES) : fonction activée
Code Nom/Description Plage de réglages Réglage usine
gCes paramètres apparaissent uniquement si la fonction correspondante a été sélectionnée dans un autre menu. Lorsqu'il est
également possible d'accéder et de régler les paramètres dans le menu de configuration pour la fonction correspondante, leur
description est détaillée dans ces menus, sur les pages indiquées, afin d'aider à la programmation.
Ce paramètre peut être modifié en cours de fonctionnement ou à l'arrêt.
DRI- > CONF > FULL > FLT- > ATR-
Il est possible d'accéder aux paramètres décrits sur cette page via les menus suivants :

Mode de configuration (ConF)
NVE41296 04/2018 259
Protection thermique du moteur
Fonction
Protection thermique par calcul du I²t.
Remarque : L'état thermique du moteur n'est pas enregistré lorsque le variateur est éteint.
•Moteurs autoventilés : les courbes de déclenchement dépendent de la fréquence du moteur.
•Moteurs motoventilés : seule la courbe de déclenchement de 50 Hz doit être prise en compte, quelle que
soit la fréquence du moteur.
Les courbes suivantes représentent le délai de déclenchement en secondes :
10, 000
1, 000
100
0.7 0.8 0.9 1 1.1 1.2 1.3 1.4 1.5 1.6
50 Hz20 Hz10 Hz
1 Hz 3 Hz 5 Hz
Délai de déclenchement en secondes
Courant moteur/ItH
ATTENTION
RISQUE D'ENDOMMAGEMENT DU MOTEUR
Une protection externe contre les surcharges est nécessaire dans les cas suivants :
•Lorsque le produit est rallumé, puisqu'il n'y pas de mémoire disponible pour enregistrer l'état thermique
du moteur.
•Lorsque le variateur alimente plusieurs moteurs.
•Lorsque le variateur alimente des moteurs dont la puissance est inférieure à 0,2 fois le courant nominal
du variateur.
•Lors de l'utilisation d'une commutation de moteurs.
Le non-respect de ces instructions peut provoquer des dommages matériels.

Mode de configuration (ConF)
260 NVE41296 04/2018
Code Nom/Description Plage de réglages Réglage usine
FLt- [GESTION DEFAUTS] (suite)
tHt- [PROTECT. THERMIQUE MOT.]
tHt [Type protect. mot] [Auto ventil.] (ACL)
nO
ACL
FCL
Remarque : Un déclenchement se produit lorsque l'état thermique atteint 118 % de l'état nominal et le réenclenchement,
lorsqu'il redescend sous 100 %.
[Non] (nO) : aucune protection
[Auto ventil.] (ACL) : pour les moteurs autoventilés
[Moto ventil.] (FCL) : pour les moteurs motoventilés
ttd [Dét. therm. mot.] 0 à 118 % 100 %
(1)
Seuil de déclenchement de l'alarme thermique du moteur (sortie logique ou relais).
ttd2 [Dét. therm. mot. 2] 0 à 118 % 100 %
Seuil de déclenchement de l'alarme thermique du moteur 2 (sortie logique ou relais).
ttd3 [Dét. therm. mot. 3] 0 à 118 % 100 %
Seuil de déclenchement de l'alarme thermique du moteur 3 (sortie logique ou relais).
OLL [Gestion surcharge] [Roue libre] (YES)
AVIS
RISQUE D'ENDOMMAGEMENT DU MOTEUR
En fonction des réglages de ce paramètre, la réponse d'erreur aux erreurs détectées est désactivée ou le
passage à l'état de fonctionnement en défaut est supprimé si une erreur est détectée.
•Vérifiez que les réglages de ce paramètre n'entraînent pas de dommages matériels.
•Mettez en oeuvre d'autres fonctions de surveillance en remplacement des fonctions de surveillance
désactivées.
Le non-respect de ces instructions peut provoquer des dommages matériels.
nO
YES
Stt
LFF
rLS
rMP
FSt
dCI
Type d'arrêt en cas de défaut thermique du moteur.
[Déf. ignoré] (nO) : défaut détecté ignoré
[Roue libre] (YES) : arrêt roue libre
[Selon STT] (Stt) : arrêt selon la configuration du paramètre [Type d'arrêt] (Stt) page 176, sans déclenchement de
défaut. Dans ce cas, le relais de défaut ne s'ouvre pas et le variateur est prêt à redémarrer à la disparition du défaut, selon les
conditions de redémarrage du canal de commande actif (par exemple, selon [Cde 2 fils/3 fils] (tCC) et [Type cde 2 fils]
(tCt) page 127 si la commande est au bornier). Il est conseillé de configurer une alarme sur ce défaut (affectée à une sortie
logique, par exemple), afin de signaler la cause de l'arrêt.
[Vit. repli] (LFF) : passage à la vitesse de repli, conservée tant que le défaut est présent et que l'ordre de marche n'est pas
désactivé (2).
[Maintien vit] (rLS) : le variateur maintient la même vitesse de fonctionnement que celle relevée au moment de l'apparition
du défaut, tant que le défaut est présent et que l'ordre de marche n'est pas désactivé (2).
[arrêt rampe] (rMP) : arrêt sur rampe
[Arrêt rapide] (FSt) : arrêt rapide
[Injection DC] (dCI) : arrêt par injection DC. Ce type d'arrêt ne peut pas être utilisé avec toutes les fonctions. Voir le tableau
page 168.
MtM [Memo THR] [Non] (nO)
nO
YES
Mémorisation de l'état thermique du moteur.
[Non] (nO) : l'état thermique du moteur n'est pas enregistré lorsque la tension est coupée.
[Oui] (YES) : l'état thermique du moteur est enregistré lorsque la tension est coupée.
DRI- > CONF > FULL > FLT- > T-
Il est possible d'accéder aux paramètres décrits sur cette page via les menus suivants :

Mode de configuration (ConF)
NVE41296 04/2018 261
FLt- [GESTION DEFAUTS] (suite)
OPL- [PERTE PHASE MOTEUR]
OPL [Perte phase moteur] [Oui] (YES)
DANGER
RISQUE D'ÉLECTROCUTION, D'EXPLOSION OU D'ARC ÉLECTRIQUE
Si la surveillance de phase de sortie est désactivée, la perte de phase et, par conséquent, le débranchement
accidentel de câbles, ne sont pas détectés.
•Vérifiez que ce paramètre peut être réglé en toute sécurité.
Si cette précaution n'est pas respectée, cela entraînera la mort ou des blessures graves.
nO
YES
OAC
Remarque : Le paramètre [Perte phase moteur] (OPL) est réglé sur [Non] (nO) lorsque [Type cde moteur] (Ctt)
page 107 est réglé sur [Mot. sync.] (SYn). Pour les autres configurations du paramètre [Type cde moteur] (Ctt), le
paramètre [Perte phase moteur] (OPL) est forcé à [Oui] (YES) si la commande logique de frein est configurée.
[Non] (nO) : fonction désactivée
[Oui] (YES) : déclenchement sur [Perte phase moteur] (OPL) avec arrêt roue libre
[Coup. aval] (OAC) : pas de déclenchement de défaut, mais gestion de la tension de sortie pour éviter une surintensité au
rétablissement de la liaison avec le moteur et reprise à la volée (même si cette fonction n'est pas configurée).
Le variateur passe à l'état [Coup. avale] (SOC) après le délai [Temps perte phase] (Odt). La reprise à la volée est possible
dès que le variateur est réglé sur l'état de coupure avale contrôlée en cours [Coup. avale] (SOC).
Odt [Temps perte phase] 0,5 à 10 s 0,5 s
Délai de prise en compte du défaut [Perte phase moteur] (OPL).
FLt- [GESTION DEFAUTS] (suite)
IPL- [PERTE PHASE RESEAU]
IPL [Perte phase réseau] Selon la valeur nominale
du variateur
g
Inaccessible si la valeur nominale du variateur est ATVpppM2.
Dans ce cas, aucun réglage usine ne s'affiche.
Réglage usine : [Roue libre] (YES) pour la valeur nominale du variateur ATV320pppN4.
Si une phase disparaît en entraînant une diminution des performances, le variateur passe en mode de défaut [Perte phase
réseau] (PFH).
Si 2 ou 3 phases disparaissent, le variateur déclenche un défaut [Perte phase réseau] (PFH).
nO
YES
[Déf. ignoré] (nO) : défaut détecté ignoré
[Roue libre] (YES) : Défaut détecté avec arrêt roue libre
Code Nom/Description Plage de réglages Réglage usine
2 s
2 s
DRI- > CONF > FULL > FLT- > OPL-
Il est possible d'accéder aux paramètres décrits sur cette page via les menus suivants :

Mode de configuration (ConF)
262 NVE41296 04/2018
(1) Ce paramètre est également accessible dans le menu [REGLAGES] (SEt-).
(2) Comme le défaut ne déclenche pas d'arrêt dans ce cas, il est recommandé d'affecter un relais ou une sortie logique à
la signalisation de ce défaut.
FLt- [GESTION DEFAUTS] (suite)
OHL- [SURCHAUFFE VARIATEUR]
OHL [Gestion surchauffe] [Roue libre] (YES)
AVIS
SURCHAUFFE ET ENDOMMAGEMENT DU MOTEUR
En fonction des réglages de ce paramètre, la réponse d'erreur aux erreurs détectées est désactivée ou le
passage à l'état de fonctionnement en défaut est supprimé si une erreur est détectée.
•Vérifiez que les réglages de ce paramètre n'entraînent pas de dommages matériels.
Le non-respect de ces instructions peut entraîner des blessures ou des dommages matériels.
nO
YES
Stt
LFF
rLS
rMP
FSt
dCI
Comportement en cas de surchauffe du variateur.
Remarque : Un déclenchement se produit lorsque l'état thermique atteint 118 % de l'état nominal et le réenclenchement, lorsqu'il
redescend sous 90 %.
[Déf. ignoré] (nO) : défaut détecté ignoré
[Roue libre] (YES) : arrêt roue libre
[Selon STT] (Stt) : arrêt selon la configuration du paramètre [Type d'arrêt] (Stt) page 176, sans déclenchement de
défaut. Dans ce cas, le relais de défaut ne s'ouvre pas et le variateur est prêt à redémarrer à la disparition du défaut, selon les
conditions de redémarrage du canal de commande actif (par exemple, selon [Cde 2 fils/3 fils] (tCC) et [Type cde 2 fils]
(tCt) page 127 si la commande est au bornier). Il est conseillé de configurer une alarme sur ce défaut (affectée à une sortie
logique, par exemple), afin de signaler la cause de l'arrêt.
[Vit. repli] (LFF) : passage à la vitesse de repli, conservée tant que le défaut est présent et que l'ordre de marche n'est pas
désactivé (2).
[Maintien vit] (rLS) : le variateur maintient la même vitesse de fonctionnement que celle relevée au moment de l'apparition
du défaut, tant que le défaut est présent et que l'ordre de marche n'est pas désactivé (2).
[arrêt rampe] (rMP) : arrêt sur rampe
[Arrêt rapide] (FSt) : arrêt rapide
[Injection DC] (dCI) : arrêt par injection DC. Ce type d'arrêt ne peut pas être utilisé avec toutes les fonctions. Voir le tableau
page 166.
tHA [Seuil th. var. att.] 0 à 118 % 100 %
Seuil de déclenchement de l'alarme thermique du variateur (sortie logique ou relais).
Code Nom/Description Plage de réglages Réglage usine
gCes paramètres apparaissent uniquement si la fonction correspondante a été sélectionnée dans un autre menu. Lorsqu'il est
également possible d'accéder et de régler les paramètres dans le menu de configuration pour la fonction correspondante,
leur description est détaillée dans ces menus, sur les pages indiquées, afin d'aider à la programmation.
Ce paramètre peut être modifié en cours de fonctionnement ou à l'arrêt.
Pour modifier l'affectation de ce paramètre, appuyez pendant 2 secondes sur la touche ENT.
2 s
DRI- > CONF > FULL > FLT- > OHL-
Il est possible d'accéder aux paramètres décrits sur cette page via les menus suivants :

Mode de configuration (ConF)
NVE41296 04/2018 263
Arrêt différé en cas d'alarme thermique
Cette fonction permet d'éviter l'arrêt inopportun du variateur entre deux étages en cas de dépassement thermique
du variateur ou du moteur, en autorisant le fonctionnement jusqu'au prochain arrêt. À l'arrêt suivant, le variateur
est verrouillé jusqu'à ce que l'état thermique repasse en dessous du seuil réglé sur 20 %. Exemple : un seuil de
déclenchement réglé à 80 % permet le réenclenchement à 60 %.
On définit un seuil d'état thermique pour le variateur et un seuil d'état thermique pour le ou les moteurs, qui
déclencheront l'arrêt différé.
Code Nom/Description Plage de réglages Réglage usine
FLt- [GESTION DEFAUTS] (suite)
SAt- [ARRET DIFFERE THERM.]
SAt [Arrêt différé] [Non] (nO)
nO
YES
La fonction d'arrêt de l'alarme thermique permet de définir un niveau thermique d'alarme personnalisé pour le variateur ou le
moteur. Lorsque l'un de ces niveaux est atteint, le variateur déclenche un arrêt roue libre.
[Non] (nO) : fonction désactivée (dans ce cas, les paramètres suivants ne sont pas accessibles)
[Oui] (YES) : arrêt roue libre en cas d'alarme thermique du variateur ou du moteur
tHA
[Seuil th. var. att.] 0 à 118 % 100 %
Seuil d'état thermique du variateur déclenchant l'arrêt différé.
ttd
[Dét. therm. mot.] 0 à 118 % 100 %
Seuil d'état thermique du moteur déclenchant l'arrêt différé.
ttd2
[Dét. therm. mot. 2] 0 à 118 % 100 %
Seuil d'état thermique du moteur 2 déclenchant l'arrêt différé.
ttd3
[Dét. therm. mot. 3] 0 à 118 % 100 %
Seuil d'état thermique du moteur 3 déclenchant l'arrêt différé.
FLt- [GESTION DEFAUTS] (suite)
EtF- [DEFAUT EXTERNE]
EtF [Affect. défaut ext.] [Non] (nO)
nO
LI1
...
Si le bit affecté est 0, il n'y a aucun défaut externe.
Si le bit affecté est 1, il existe un défaut externe.
La logique peut être configurée via le paramètre [Cfg. défaut externe] (LEt) si une entrée logique a été affectée.
[Non] (nO) : fonction désactivée
[LI1] (LI1) : entrée logique LI1
[...] (...) : voir conditions d'affectation page 155
LEt [Cfg. défaut externe] [Actif haut] (HIG)
gLe paramètre est accessible si le défaut externe a été affecté à une entrée logique. Il définit la logique positive ou négative de
l'entrée affectée au défaut détecté.
LO
HIG
[Actif bas] (LO) : défaut sur front descendant (passage de 1 à 0) de l'entrée affectée
[Actif haut] (HIG) : défaut sur front montant (passage de 0 à 1) de l'entrée affectée
DRI- > CONF > FULL > FLT- > SAT-
Il est possible d'accéder aux paramètres décrits sur cette page via les menus suivants :

Mode de configuration (ConF)
264 NVE41296 04/2018
EPL [Gestion défaut ext] [Roue libre] (YES)
nO
YES
Stt
LFF
rLS
rMP
FSt
dCI
Type d'arrêt en cas de défaut externe.
[Déf. ignoré] (nO) : défaut externe ignoré
[Roue libre] (YES) : arrêt roue libre
[Selon STT] (Stt) : arrêt selon la configuration du paramètre [Type d'arrêt] (Stt) page 176, sans déclenchement de
défaut. Dans ce cas, le relais de défaut ne s'ouvre pas et le variateur est prêt à redémarrer à la disparition du défaut, selon les
conditions de redémarrage du canal de commande actif (par exemple, selon [Cde 2 fils/3 fils] (tCC) et [Type cde 2 fils]
(tCt) page 127 si la commande est au bornier). Il est conseillé de configurer une alarme sur ce défaut (affectée à une sortie
logique, par exemple), afin de signaler la cause de l'arrêt.
[Vit. repli] (LFF) : passage à la vitesse de repli, conservée tant que le défaut est présent et que l'ordre de marche n'est pas
désactivé (1).
[Maintien vit] (rLS) : le variateur maintient la même vitesse de fonctionnement que celle relevée au moment de l'apparition
du défaut, tant que le défaut est présent et que l'ordre de marche n'est pas désactivé (1).
[arrêt rampe] (rMP) : arrêt sur rampe
[Arrêt rapide] (FSt) : arrêt rapide
[Injection DC] (dCI) : arrêt par injection DC. Ce type d'arrêt ne peut pas être utilisé avec toutes les fonctions. Voir le tableau
page 168.
FLt- [GESTION DEFAUTS] (suite)
USb- [GESTION SOUS-TENSION]
USb [Gestion sous U] [Défaut std.] (0)
0
1
2
Comportement du variateur en cas de sous-tension.
[Défaut std.] (0) : le variateur déclenche le défaut et le signal de défaut externe se déclenche également (le relais de défaut
affecté à [Non défaut] (FLt)sera ouvert).
[Déf sans Rx] (1) : le variateur déclenche le défaut, mais le signal de défaut externe n'est pas déclenché (le relais de défaut
affecté à [Non défaut] (FLt)reste fermé).
[Alarme] (2) : alarme et relais de défaut maintenu fermé. L'alarme peut être affectée à une sortie logique ou à un relais.
UrES [Tension réseau] En fonction de la tension
nominale du variateur
En fonction de la tension
nominale du variateur
Tension nominale du réseau d'alimentation en volts.
Voir [Tension réseau] (urES) page 251
USL [Niveau sous U] 100 à 304 V Selon la valeur nominale du
variateur
Réglage du niveau de déclenchement du défaut de sous-tension en volts. Le réglage usine est déterminé par la tension
nominale du variateur.
Voir [Niveau Sous-Tension] (uSL) page 252
USt [Tempo sous U] 0,2 à 999,9 s 0,2 s
Délai de prise en compte du défaut détecté de sous-tension.
StP [Prévention sous U] [Non] (nO)
nO
MMS
rMP
LnF
Comportement quand le niveau de prévention des défauts de sous-tension est atteint.
[Non] (nO) : aucune action
[Maintien DC] (MMS) : ce mode d'arrêt utilise l'inertie pour conserver la tension du bus DC le plus longtemps possible.
[arrêt rampe] (rMP) : arrêt suivant une rampe réglable [Temps arrêt maxi] (StM)
[Verrouillage] (LnF) : verrouillage (arrêt roue libre) sans défaut
tSM [T. redémarr. Sous U] 1,0 à 999,9 s 1,0 s
g
Délai avant d'autoriser le redémarrage après arrêt complet pour [Prévention sous U] (StP) = [arrêt rampe] (rMP), si la
tension est redevenue normale.
UPL [Niveau prévention] 141 à 368 V Selon la valeur nominale du
variateur
gRéglage du niveau de prévention du défaut de sous-tension en volts, accessible si [Prévention sous U] (StP) n'est pas
réglé sur [Non] (nO). La plage de réglages et le réglage usine dépendent de la tension nominale du variateur et de la valeur
du paramètre [Tension réseau] (UrES).
Code Nom/Description Plage de réglages Réglage usine
DRI- > CONF > FULL > FLT- > SAT-
Il est possible d'accéder aux paramètres décrits sur cette page via les menus suivants :

Mode de configuration (ConF)
NVE41296 04/2018 265
(1) Comme le défaut détecté ne déclenche pas d'arrêt dans ce cas, il est recommandé d'affecter un relais ou une sortie
logique à la signalisation de ce défaut.
StM [Temps arrêt maxi] 0,01 à 60,00 s 1,00 s
g
Délai de la rampe si le paramètre [Prévention sous U] (StP) est réglé sur [arrêt rampe] (rMP).
tbS [Temps maintien DC] 1 à 9 999 s 9 999 s
g
Temps de maintien du bus DC si le paramètre [Prévention sous U] (StP) est réglé sur [Maintien DC] (rMP).
FLt- [GESTION DEFAUTS] (suite)
tIt- [TESTS IGBT]
Strt [Tests IGBT] [Non] (nO)
nO
YES
[Non] (nO) : aucun test
[Oui] (YES) : les IGBT sont testés lors de la mise sous tension et à chaque fois qu'un ordre de marche est envoyé. Ces tests
provoquent un léger retard (quelques ms). En cas de défaut, le variateur se verrouille. Il est possible de détecter les défauts
suivants :
- Court-circuit de sortie du variateur (bornes U-V-W) : affichage de SCF
- IGBT défectueux : xtF, avec x qui indique le numéro de l'IGBT concerné
- IGBT court-circuité : x2F, avec x qui indique le numéro de l'IGBT concerné
FLt- [GESTION DEFAUTS] (suite)
LFL- [PERTE 4-20 mA]
LFL3 [Perte 4-20mA AI3] [Déf. ignoré] (nO)
nO
YES
Stt
LFF
rLS
rMP
FSt
dCI
[Déf. ignoré] (nO) : défaut détecté ignoré. Cette configuration est la seule possible si le paramètre [Valeur mini AI3]
(CrL3) page 136 n'est pas supérieur à 3 mA.
[Roue libre] (YES) : arrêt roue libre
[Selon STT] (Stt) : arrêt selon la configuration du paramètre [Type d'arrêt] (Stt) page 176, sans déclenchement de
défaut. Dans ce cas, le relais de défaut ne s'ouvre pas et le variateur est prêt à redémarrer à la disparition du défaut, selon les
conditions de redémarrage du canal de commande actif (par exemple, selon [Cde 2 fils/3 fils] (tCC) et [Type cde 2 fils]
(tCt) page 127 si la commande est au bornier). Il est conseillé de configurer une alarme sur ce défaut détecté (affectée à
une sortie logique, par exemple), afin de signaler la cause de l'arrêt.
[Vit. repli] (LFF) : passage à la vitesse de repli, conservée tant que le défaut est présent et que l'ordre de marche n'est pas
désactivé (1).
[Maintien vit] (rLS) : le variateur maintient la même vitesse de fonctionnement que celle relevée au moment de l'apparition
du défaut, tant que le défaut est présent et que l'ordre de marche n'est pas désactivé (1).
[arrêt rampe] (rMP) : arrêt sur rampe
[Arrêt rapide] (FSt) : arrêt rapide
[Injection DC] (dCI) : arrêt par injection DC. Ce type d'arrêt ne peut pas être utilisé avec toutes les fonctions. Voir le tableau
page 166
Code Nom/Description Plage de réglages Réglage usine
gCes paramètres apparaissent uniquement si la fonction correspondante a été sélectionnée dans un autre menu. Lorsqu'il est
également possible d'accéder et de régler les paramètres dans le menu de configuration pour la fonction correspondante,
leur description est détaillée dans ces menus, sur les pages indiquées, afin d'aider à la programmation.
Ce paramètre peut être modifié en cours de fonctionnement ou à l'arrêt.
DRI- > CONF > FULL > FLT- > USB-
Il est possible d'accéder aux paramètres décrits sur cette page via les menus suivants :

Mode de configuration (ConF)
266 NVE41296 04/2018
Paramètre accessible en mode [Expert]
Code Nom/Description Plage de réglages Réglage usine
FLt- [GESTION DEFAUTS] (suite)
InH- [INHIBITION DEFAUTS]
InH [Affect. inhibit. déf.] [Non] (nO)
g
Dans de rares cas, les fonctions de surveillance du variateur sont à éviter car elles entravent le bon fonctionnement de
l'application. Un exemple type est celui d'un extracteur de fumées fonctionnant dans le cadre d'un système de protection contre
les incendies. En cas d'incendie, l'extracteur de fumées doit fonctionner aussi longtemps que possible, même si, par exemple,
la température ambiante admissible du variateur est dépassée. Dans de telles applications, l'endommagement ou la destruction
de l'appareil peut être acceptable en tant que dommage collatéral, pour éviter que d'autres dommages jugées plus graves ne
se produisent. Un paramètre est prévu pour désactiver certaines fonctions de surveillance dans de telles applications de sorte
que la détection automatique d'erreur et les réponses d'erreur automatiques de l'appareil ne soient plus actives. Vous devez
mettre en oeuvre d'autres fonctions de surveillance en remplacement des fonctions de surveillance désactivées pour permettre
aux opérateurs et/ou aux systèmes de commande maîtres de répondre de manière adéquate aux conditions qui correspondent
aux erreurs détectées.
Par exemple, si la surveillance de la surchauffe du variateur est désactivée, le variateur d'un extracteur de fumées risque lui-
même de provoquer un incendie si les erreurs ne sont pas détectées. Une condition de surchauffe peut, par exemple, être
signalée dans une salle de commande sans que le variateur soit arrêté immédiatement et automatiquement par ses fonctions
de surveillance interne.
DANGER
FONCTIONS DE SURVEILLANCE DÉSACTIVÉES, PAS DE DÉTECTION D'ERREUR
•Utilisez uniquement ce paramètre après avoir réalisé une évaluation approfondie des risques
conformément à toutes les réglementations et normes qui s'appliquent à l'appareil et à l'application.
•Mettez en oeuvre d'autres fonctions de surveillance en remplacement des fonctions de surveillance
désactivées, qui ne déclenchent pas des réponses d'erreur automatiques de la part du variateur, mais
autorisent des réponses équivalentes appropriées par d'autres moyens conformément à toutes les
réglementations et normes applicables ainsi qu'à l'évaluation des risques.
•Mettez en service et testez le système avec les fonctions de surveillance activées.
•Pendant la mise en service, vérifiez que le variateur et le système fonctionnent comme prévu en exécutant
des tests et des simulations dans un environnement et des conditions contrôlés.
Le non-respect de ces instructions entraînera la mort ou des blessures graves.
À l'état 0 de l'entrée ou du bit affecté, la surveillance des défauts détectés est active. À l'état 1 de l'entrée ou du bit affecté, la
fonction de surveillance est inactive. Les défauts détectés actifs sont effacés sur un front montant (passage de 0 à 1) de l'entrée
ou du bit affecté.
Remarque : La fonction Safe Torque Off (suppression sûre du couple) ainsi que tous les défauts détectés rendant tout
fonctionnement impossible ne sont pas affectés par cette fonction.
Les défauts suivants peuvent être inhibés :
AnF, CnF, COF, CrF1, dLF, EnF, EPF1, EPF2, FCF2, InFA, InFb, LFF3, ObF, OHF, OLC,
OLF, OPF1, OPF2, OSF, OtFL,PHF, PtFL, SLF1, SLF2, SLF3, SOF, SPF, SSF, tJF, tnF et
ULF.
nO
LI1
...
[Non] (nO) : fonction désactivée
[LI1] (LI1) : entrée logique LI1
[...] (...) : voir conditions d'affectation page 155
2 s
DRI- > CONF > FULL > FLT- > INH-
Il est possible d'accéder aux paramètres décrits sur cette page via les menus suivants :

Mode de configuration (ConF)
NVE41296 04/2018 267
FLt- [GESTION DEFAUTS] (suite)
CLL- [GESTION DEFAUT COM.]
CLL [Gest. déf. Network] [Roue libre] (YES)
AVERTISSEMENT
PERTE DE CONTRÔLE
Si ce paramètre est réglé sur [Déf. ignoré] (nO), la surveillance des communications par les modules de
bus de terrain est désactivée.
•Utilisez uniquement ce réglage après avoir réalisé une évaluation approfondie des risques conformément
à toutes les réglementations et normes qui s'appliquent à l'appareil et à l'application.
•Utilisez uniquement ce réglage pour les tests pendant la mise en service.
•Vérifiez que la surveillance des communications a été réactivée avant de terminer la mise en service et
d'exécuter le dernier test de mise en service.
Le non-respect de ces instructions peut entraîner la mort, des blessures graves ou des dommages
matériels.
nO
YES
Stt
LFF
rLS
rMP
FSt
dCI
Comportement du variateur en cas d'interruption de la communication avec une carte de communication.
[Déf. ignoré] (nO) : défaut détecté ignoré
[Roue libre] (YES) : arrêt roue libre
[Selon STT] (Stt) : arrêt selon la configuration du paramètre [Type d'arrêt] (Stt) page 176, sans déclenchement de
défaut. Dans ce cas, le relais de défaut ne s'ouvre pas et le variateur est prêt à redémarrer à la disparition du défaut, selon les
conditions de redémarrage du canal de commande actif (par exemple, selon [Cde 2 fils/3 fils] (tCC) et [Type cde 2 fils]
(tCt) page 127 si la commande est au bornier). Il est conseillé de configurer une alarme sur ce défaut détecté (affectée à
une sortie logique, par exemple), afin de signaler la cause de l'arrêt.
[Vit. repli] (LFF) : passage à la vitesse de repli, conservée tant que le défaut est présent et que l'ordre de marche n'est pas
désactivé (1).
[Maintien vit] (rLS) : le variateur maintient la même vitesse de fonctionnement que celle relevée au moment de l'apparition
du défaut, tant que le défaut est présent et que l'ordre de marche n'est pas désactivé (1).
[arrêt rampe] (rMP) : arrêt sur rampe
[Arrêt rapide] (FSt) : arrêt rapide
[Injection DC] (dCI) : arrêt par injection DC. Ce type d'arrêt ne peut pas être utilisé avec toutes les fonctions. Voir le tableau
page 166.
COL [Gest. déf. CANopen] [Roue libre] (YES)
AVERTISSEMENT
PERTE DE CONTRÔLE
Si ce paramètre est réglé sur [Déf. ignoré] (nO), la surveillance des communications "CANopen" est
désactivée.
•Utilisez uniquement ce réglage après avoir réalisé une évaluation approfondie des risques conformément
à toutes les réglementations et normes qui s'appliquent à l'appareil et à l'application.
•Utilisez uniquement ce réglage pour les tests pendant la mise en service.
•Vérifiez que la surveillance des communications a été réactivée avant de terminer la mise en service et
d'exécuter le dernier test de mise en service.
Le non-respect de ces instructions peut entraîner la mort, des blessures graves ou des dommages
matériels.
Code Nom/Description Plage de réglages Réglage usine
DRI- > CONF > FULL > FLT- > CLL-
Il est possible d'accéder aux paramètres décrits sur cette page via les menus suivants :

Mode de configuration (ConF)
268 NVE41296 04/2018
nO
YES
Stt
LFF
rLS
rMP
FSt
dCI
Comportement du variateur en cas d'interruption de la communication avec CANopen® intégré.
[Déf. ignoré] (nO) : défaut détecté ignoré
[Roue libre] (YES) : arrêt roue libre
[Selon STT] (Stt) : arrêt selon la configuration du paramètre [Type d'arrêt] (Stt) page 176, sans déclenchement de
défaut. Dans ce cas, le relais de défaut ne s'ouvre pas et le variateur est prêt à redémarrer à la disparition du défaut, selon les
conditions de redémarrage du canal de commande actif (par exemple, selon [Cde 2 fils/3 fils] (tCC) et [Type cde 2 fils]
(tCt) page 127 si la commande est au bornier). Il est conseillé de configurer une alarme sur ce défaut détecté (affectée à
une sortie logique, par exemple), afin de signaler la cause de l'arrêt.
[Vit. repli] (LFF) : passage à la vitesse de repli, conservée tant que le défaut est présent et que l'ordre de marche n'est pas
désactivé (1).
[Maintien vit] (rLS) : le variateur maintient la même vitesse de fonctionnement que celle relevée au moment de l'apparition
du défaut, tant que le défaut est présent et que l'ordre de marche n'est pas désactivé (1).
[arrêt rampe] (rMP) : arrêt sur rampe
[Arrêt rapide] (FSt) : arrêt rapide
[Injection DC] (dCI) : arrêt par injection DC. Ce type d'arrêt ne peut pas être utilisé avec toutes les fonctions. Voir le tableau
page 168.
SLL [Gestion déf. Mdb] [Roue libre] (YES)
AVERTISSEMENT
PERTE DE CONTRÔLE
Si ce paramètre est réglé sur [Déf. ignoré] (nO), la surveillance des communications "Modbus" est
désactivée.
•Utilisez uniquement ce réglage après avoir réalisé une évaluation approfondie des risques conformément
à toutes les réglementations et normes qui s'appliquent à l'appareil et à l'application.
•Utilisez uniquement ce réglage pour les tests pendant la mise en service.
•Vérifiez que la surveillance des communications a été réactivée avant de terminer la mise en service et
d'exécuter le dernier test de mise en service.
Le non-respect de ces instructions peut entraîner la mort, des blessures graves ou des dommages
matériels.
nO
YES
Stt
LFF
rLS
rMP
FSt
dCI
Comportement du variateur en cas d'interruption de la communication avec Modbus intégré.
[Déf. ignoré] (nO) : défaut détecté ignoré
[Roue libre] (YES) : arrêt roue libre
[Selon STT] (Stt) : arrêt selon la configuration du paramètre [Type d'arrêt] (Stt) page 176, sans déclenchement de
défaut. Dans ce cas, le relais de défaut ne s'ouvre pas et le variateur est prêt à redémarrer à la disparition du défaut, selon les
conditions de redémarrage du canal de commande actif (par exemple, selon [Cde 2 fils/3 fils] (tCC) et [Type cde 2 fils]
(tCt) page 127 si la commande est au bornier). Il est conseillé de configurer une alarme sur ce défaut détecté (affectée à
une sortie logique, par exemple), afin de signaler la cause de l'arrêt.
[Vit. repli] (LFF) : passage à la vitesse de repli, conservée tant que le défaut est présent et que l'ordre de marche n'est pas
désactivé (1).
[Maintien vit] (rLS) : le variateur maintient la même vitesse de fonctionnement que celle relevée au moment de l'apparition
du défaut, tant que le défaut est présent et que l'ordre de marche n'est pas désactivé (1).
[arrêt rampe] (rMP) : arrêt sur rampe
[Arrêt rapide] (FSt) : arrêt rapide
[Injection DC] (dCI) : arrêt par injection DC. Ce type d'arrêt ne peut pas être utilisé avec toutes les fonctions. Voir le tableau
page 168.
Code Nom/Description Plage de réglages Réglage usine
DRI- > CONF > FULL > FLT- > CLL-
Il est possible d'accéder aux paramètres décrits sur cette page via les menus suivants :

Mode de configuration (ConF)
NVE41296 04/2018 269
(1) Comme le défaut détecté ne déclenche pas d'arrêt dans ce cas, il est recommandé d'affecter un relais ou une sortie
logique à la signalisation de ce défaut..
FLt- [GESTION DEFAUTS] (suite)
Sdd- [DEFAUT CODEUR]
Sdd [Détection dévirage] [Oui] (YES)
Activation de la détection de glissement de la charge
nO
YES
[Non] (nO): Défaut détecté ignoré
[oui] (YES): Arrêt roue libre
L'événement est déclenché en comparant la fréquence de sortie et le retour vitesse conformément à la configuration des
paramètres associés FAnF, LAnF, dANF et tAnF.
L'événement est également déclenché lorsqu'un ordre de fonctionnement est reçu, si le signe de la fréquence de sortie et le
retour vitesse sont à l'inverse pendant tAnF.
Lorsqu'un défaut est détecté, le variateur passe en arrêt roue libre et si la fonction de commande logique de frein a été
configurée, la commande de frein est réglée sur 0.
FAnF [Seuil freq. ANF] -
gVisible si [Utilisation codeur] (EnU) est réglé sur [sécurité] (SEC).
Voir page 138
LAnF [Niveau detect. ANF] -
gVisible si [Utilisation codeur] (EnU) est réglé sur [sécurité] (SEC).
Voir page 138
dAnF [Verif direction AN] -
gVisible si [Utilisation codeur] (EnU) est réglé sur [sécurité] (SEC).
Voir page 139
tAnF [Temps detect. ANF] -
gVisible si [Utilisation codeur] (EnU) est réglé sur [sécurité] (SEC).
Voir page 139
tId- [DET. LIM. COUPLE/COURANT]
SSb [Arrêt lim. l/couple] [Déf. ignoré] (nO)
nO
YES
Stt
LFF
rLS
rMP
FSt
dCI
Comportement en cas de passage en limitation de couple ou de courant.
[Déf. ignoré] (nO) : défaut détecté ignoré
[Roue libre] (YES) : arrêt roue libre
[Selon STT] (Stt) : arrêt selon la configuration du paramètre [Type d'arrêt] (Stt) page 176, sans déclenchement de
défaut. Dans ce cas, le relais de défaut ne s'ouvre pas et le variateur est prêt à redémarrer à la disparition du défaut, selon les
conditions de redémarrage du canal de commande actif (par exemple, selon [Cde 2 fils/3 fils] (tCC) et [Type cde 2 fils]
(tCt) page 127 si la commande est au bornier). Il est conseillé de configurer une alarme sur ce défaut détecté (affectée à
une sortie logique, par exemple), afin de signaler la cause de l'arrêt.
[Vit. repli] (LFF) : passage à la vitesse de repli, conservée tant que le défaut est présent et que l'ordre de marche n'est pas
désactivé (1).
[Maintien vit] (rLS) : le variateur maintient la même vitesse de fonctionnement que celle relevée au moment de l'apparition
du défaut, tant que le défaut est présent et que l'ordre de marche n'est pas désactivé (1).
[arrêt rampe] (rMP) : arrêt sur rampe
[Arrêt rapide] (FSt) : arrêt rapide
[Injection DC] (dCI) : arrêt par injection DC. Ce type d'arrêt ne peut pas être utilisé avec toutes les fonctions. Voir le tableau
page 168.
StO
[Time out limit. l] 0 à 9 999 ms 1 000 ms
(Si [Arrêt lim. l/couple] (SSb) a été configuré)
Délai de prise en compte du défaut de limitation SSF.
Code Nom/Description Plage de réglages Réglage usine
gCes paramètres apparaissent uniquement si la fonction correspondante a été sélectionnée dans un autre menu. Lorsqu'il est
également possible d'accéder et de régler les paramètres dans le menu de configuration pour la fonction correspondante,
leur description est détaillée dans ces menus, sur les pages indiquées, afin d'aider à la programmation.
Ce paramètre peut être modifié en cours de fonctionnement ou à l'arrêt.
Pour modifier l'affectation de ce paramètre, appuyez pendant 2 secondes sur la touche ENT.
2 s
DRI- > CONF > FULL > FLT- > SDD-
Il est possible d'accéder aux paramètres décrits sur cette page via les menus suivants :

Mode de configuration (ConF)
270 NVE41296 04/2018
Mesure de la vitesse de rotation du moteur par l'entrée Pulse input
Cette fonction utilise l'entrée Pulse input et ne peut être utilisée que si celle-ci n'est pas utilisée pour une autre
fonction.
Exemple d'utilisation
Un disque cranté entraîné par le moteur et connecté à un détecteur de proximité permet de générer un signal
de fréquence proportionnelle à la vitesse de rotation du moteur.
Appliqué à l'entrée Pulse input, ce signal offre les possibilités suivantes :
•Mesure et affichage de la vitesse du moteur : fréquence du signal = 1/T. L'affichage de cette fréquence est
obtenu par le paramètre [Freq. travail pulse in] (FqS), page 50.
•Détection de survitesse (si la vitesse mesurée dépasse un seuil prédéfini, le variateur déclenche un défaut).
•Détection de défaillance du frein si la commande logique de frein a été configurée : si la vitesse ne diminue
pas assez vite après une demande de serrage du frein, le variateur déclenche un défaut. Cette fonction
peut être utilisée pour détecter l'usure des garnitures de frein.
•Détection d'un seuil de vitesse réglable à l'aide du paramètre [Seuil alarme pulse] (FqL) page 104,
pouvant être affecté à un relais ou à une sortie logique, voir page 140.
T
Temps en secondes

Mode de configuration (ConF)
NVE41296 04/2018 271
Code Nom/Description Plage de réglages Réglage usine
FLt- [GESTION DEFAUTS] (suite)
FqF- [FREQUENCE METRE]
FqF [Fréquence mètre] [Non] (nO)
nO
YES
Activation de la fonction de mesure de la vitesse.
[Non] (nO) : fonction désactivée. Dans ce cas, tous les paramètres de la fonction sont inaccessibles
[Oui] (YES) : fonction active et affectation possible uniquement si aucune autre fonction n'a été affectée à l'entrée Pulse input.
FqC
[Diviseur ret. pulse] 1,0 à 100,0 1,0
Facteur d'échelle de l'entrée Pulse input (diviseur). La fréquence mesurée est affichée via le paramètre
[Freq. travail pulse in] (FqS), page 50.
FqA [Seuil survit. pulse] [Non] (nO)
nO
-
Activation et réglage de la surveillance de la survitesse : [Survitesse] (SOF).
[Non] (nO) : pas de surveillance de la survitesse
1 à 20,00 kHz : réglage du seuil de déclenchement de la fréquence sur l'entrée Pulse input divisée par le paramètre
[Diviseur ret. pulse] (FqC).
tdS [Retard survit. pulse] 0,0 à 10,0 s 0,0 s
Délai de prise en compte du défaut détecté de survitesse.
Fdt [Seuil surv. frq. pulse] [Non] (nO)
nO
-
Activation et réglage de la surveillance de l'entrée Pulse input (retour de vitesse) : [Coupure ret. vit.] (SPF).
[Non] (nO) : pas de surveillance du retour de vitesse
0,1 à 599 Hz : réglage du seuil de la fréquence moteur pour le déclenchement du défaut détecté de retour de vitesse (écart
entre la fréquence estimée et la vitesse mesurée).
Fqt [Seuil pulse sans run] [Non] (nO)
nO
-
Activation et réglage de la surveillance de frein : [Frein mécanique] (brF).
Si la commande logique de frein [Affectation frein] (bLC) page 197 n'est pas configurée, ce paramètre est forcé à [Non]
(nO).
[Non] (nO) : pas de surveillance du frein
1 à 1 000 Hz : réglage du seuil de fréquence moteur.
tqb [Rtd pulse sans Run] 0,0 à 10,0 s 0,0 s
Délai de prise en compte de la surveillance de frein.
DRI- > CONF > FULL > FLT- > FQF-
Il est possible d'accéder aux paramètres décrits sur cette page via les menus suivants :

Mode de configuration (ConF)
272 NVE41296 04/2018
Détection de variation de charge
Cette détection n'est possible qu'avec la fonction de levage haute vitesse. Celle-ci permet de détecter qu'un
obstacle a été rencontré, provoquant une croissance (en montée) ou une décroissance (en descente) brutale
de la charge.
La détection de variation de charge déclenche un défaut [Déf. variat. charge] (dLF). Le paramètre [Gest.
delta charge] (dLb) peut être utilisé pour configurer le comportement du variateur si ce défaut survient.
La détection de variation de charge peut également être affectée à un relais ou à une sortie logique.
Il existe deux modes de détection en fonction de la configuration du levage haute vitesse :
•Mode consigne de vitesse
[Levage haute vit.] (HSO) page 208 est réglé sur [Réf. vitesse] (SSO).
Détection par variation de couple.
En fonctionnement haute vitesse, la charge est comparée à celle qui a été mesurée pendant le palier de
vitesse. La variation de charge autorisée et sa durée peuvent être configurées. En cas de dépassement, le
variateur passe en mode défaut.
•Mode limitation de courant
[Levage haute vit.] (HSO) page 208 est réglé sur [Lim. courant] (CSO).
En montée, pendant le fonctionnement haute vitesse, une augmentation de charge entraîne une baisse de
vitesse. Même si le fonctionnement haute vitesse a été activé, si la fréquence moteur devient inférieure au
seuil [Fréquence I Limit.] (SCL) page 208, le variateur passera en mode défaut. La détection ne
s'effectue que pour une variation positive de la charge et uniquement dans la zone haute vitesse
(supérieure au paramètre [Fréquence I Limit.La] (SCL)).
En descente, le fonctionnement est celui du mode consigne de vitesse.
Code Nom/Description Plage de réglages Réglage usine
FLt- [GESTION DEFAUTS] (suite)
dLd- [DETECT. DELTA CHARGE]
Détection de variation de charge. Accessible si l paramètre [Levage haute vit.] (HSO) page 208 n'est pas réglé sur [Non]
(nO).
tLd [Temps delta charge] [Non] (nO)
nO
-
Activation de la détection de variation de charge et réglage du délai de prise en compte du défaut de variation de charge
[Déf. variat. charge] (dLF).
[Non] (nO) : pas de détection de variation de charge
0,00 à 10,00 s : réglage du délai de prise en compte du défaut détecté.
dLd [Seuil delta charge] 1 à 100 % 100 %
Réglage du seuil de déclenchement de la détection de variation de charge, en % de la charge mesurée pendant le palier de
vitesse.
dLb [Gest. delta charge] [Roue libre] (YES)
nO
YES
Stt
LFF
rLS
rMP
FSt
Comportement du variateur en cas de défaut de variation de charge.
[Déf. ignoré] (nO) : défaut détecté ignoré
[Roue libre] (YES) : arrêt roue libre
[Selon STT] (Stt) : arrêt selon la configuration du paramètre [Type d'arrêt] (Stt) page 176, sans déclenchement de
défaut. Dans ce cas, le relais de défaut ne s'ouvre pas et le variateur est prêt à redémarrer à la disparition du défaut détecté,
selon les conditions de redémarrage du canal de commande actif (par exemple, selon [Cde 2 fils/3 fils] (tCC) et [Type cde
2 fils] (tCt) page 127 si la commande est au bornier). Il est conseillé de configurer une alarme sur ce défaut détecté (affectée
à une sortie logique, par exemple), afin de signaler la cause de l'arrêt.
[Vit. repli] (LFF) : passage à la vitesse de repli, conservée tant que le défaut détecté est présent et que l'ordre de marche
n'est pas désactivé (1).
[Maintien vit] (rLS) : le variateur maintient la même vitesse de fonctionnement que celle relevée au moment de l'apparition
du défaut, tant que ce dernier est présent et que l'ordre de marche n'est pas désactivé (1).
[arrêt rampe] (rMP) : arrêt sur rampe
[Arrêt rapide] (FSt) : arrêt rapide
DRI- > CONF > FULL > FLT- > DLD-
Il est possible d'accéder aux paramètres décrits sur cette page via les menus suivants :

Mode de configuration (ConF)
NVE41296 04/2018 273
(1) Comme le défaut détecté ne déclenche pas d'arrêt dans ce cas, il est recommandé d'affecter un relais ou une sortie
logique à la signalisation de ce défaut.
FLt- [GESTION DEFAUTS] (suite)
tnF- [DEFAUT AUTO-REGLAGE]
tnL [Gestion défaut tnF] [Roue libre] (YES)
nO
YES
[Déf. ignoré] (nO) : défaut détecté ignoré
[Roue libre] (YES) : arrêt roue libre
Code Nom/Description Plage de réglages Réglage usine
gCes paramètres apparaissent uniquement si la fonction correspondante a été sélectionnée dans un autre menu. Lorsqu'il est
également possible d'accéder et de régler les paramètres dans le menu de configuration pour la fonction correspondante,
leur description est détaillée dans ces menus, sur les pages indiquées, afin d'aider à la programmation.
Ce paramètre peut être modifié en cours de fonctionnement ou à l'arrêt.
DRI- > CONF > FULL > FLT- > TOF-
Il est possible d'accéder aux paramètres décrits sur cette page via les menus suivants :

Mode de configuration (ConF)
274 NVE41296 04/2018
Appairage des cartes
Cette fonction n'est accessible qu'en mode [Expert] (EPr).
Elle permet de détecter tout remplacement de carte ou toute modification de logiciel.
Dès qu'un code d'appairage est saisi, les paramètres des cartes actuellement insérées sont mémorisés. À
chacune des mises sous tension suivantes, ces paramètres sont vérifiés, et en cas d'écart, le variateur se
verrouille en mode défaut HCF. Pour redémarrer le variateur, il faut rétablir la situation initiale ou entrer à
nouveau le code d'appairage.
Les paramètres suivants sont vérifiés :
•Le type de carte pour : toutes les cartes
•La version logicielle pour : le bloc de commande et les cartes de communication
•Le numéro de série pour : le bloc de commande
Code Nom/Description Plage de réglages Réglage usine
FLt- [GESTION DEFAUTS] (suite)
PPI- [APPAIRAGE DES CARTES]
PPI [Code appairage] [OFF] (OFF) jusqu'à à
9 999
[OFF] (OFF)
g
OFF
-
La valeur [OFF] (OFF) signifie que la fonction d'appairage des cartes n'est pas active.
La valeur [ON] (On) signifie que l'appairage des cartes est actif et qu'un code d'accès doit être entré afin de démarrer le
variateur en cas de défaut d'appairage des cartes.
Dès que le code est entré, le variateur est déverrouillé et le code devient [ON] (On).
Le code PPI est un code de déverrouillage connu seulement des Services Schneider Electric.
gCes paramètres apparaissent uniquement si la fonction correspondante a été sélectionnée dans un autre menu. Lorsqu'il est
également possible d'accéder et de régler les paramètres dans le menu de configuration pour la fonction correspondante,
leur description est détaillée dans ces menus, sur les pages indiquées, afin d'aider à la programmation.
DRI- > CONF > FULL > FLT- > PPI-
Il est possible d'accéder aux paramètres décrits sur cette page via les menus suivants :

Mode de configuration (ConF)
NVE41296 04/2018 275
Détection d'un défaut de sous-charge du process
Une sous-charge du process est détectée lorsque le prochain événement se produit et reste en attente
pendant un délai minimum [Tps. Dét. Souscharge] (ULt), qui peut être configuré :
•Le moteur fonctionne en régime établi et le couple est inférieur à la limite de sous-charge définie
(paramètres [S. couple Fréq. nulle] (LUL), [S. couple Fréq. Nom.] (LUn) et
[S. Fréq. dét. s/charge] (rMUd)).
•Le moteur fonctionne en régime établi lorsque l'écart entre la consigne de vitesse et la fréquence moteur
descend sous le seuil configurable [Hystérésis Fréq. att] (Srb).
Entre la fréquence nulle et la fréquence nominale,
la courbe reflète l'équation suivante :
couple = LUL +
La fonction de sous-charge n'est pas active pour
les fréquences ci-dessous :
[S. Fréq. dét. s/charge] (rMUd).
Un relais ou une sortie logique peuvent également être affectés à la signalisation de ce défaut dans le menu
[ENTREES / SORTIES] (I_O-).
0
LUL
LUn
rMUd FrS
Fréquence
Couple en % du
couple nominal
Zone de
sous-charge
(LUn - LUL) x (fréquence)2
(fréquence nominale)2
Code Nom/Description Plage de réglages Réglage usine
FLt- [GESTION DEFAUTS] (suite)
ULd- [SOUS CHARGE PROCESS]
ULt [Tps. Dét. Souscharge] 0 à 100 s 0 s
Délai de détection de sous-charge.
La valeur 0 désactive la fonction et rend les autres paramètres inaccessibles.
LUn [S. couple Freq. Nom.] 20 à 100 % 60 %
g
Seuil de sous-charge à fréquence nominale du moteur ([Fréq. nom. mot.] (FrS) page 88), en % du couple nominal du moteur.
LUL [S.couple Fréq.nulle.] 0 à [S.couple Freq.Nom.]
(LUn)
0%
g
Seuil de sous-charge à fréquence nulle en % du couple nominal du moteur.
rMUd [S.Fréq.dét.s/charge] 0 à 599 Hz 0 Hz
g
Seuil de détection de sous-charge de fréquence minimum.
DRI- > CONF > FULL > FLT- > ULD-
Il est possible d'accéder aux paramètres décrits sur cette page via les menus suivants :

Mode de configuration (ConF)
276 NVE41296 04/2018
Srb [Hystérésis Fréq. Att.] 0,3 à 599 Hz 0,3 Hz
g
Écart maximum entre la consigne de fréquence et la fréquence moteur, qui définit le fonctionnement en régime établi.
UdL [Gestion souscharge] [Roue libre] (YES)
gComportement en cas de passage à la détection de sous-charge.
nO
YES
rMP
FSt
[Déf. ignoré] (nO) : défaut détecté ignoré
[Roue libre] (YES) : arrêt roue libre
[arrêt rampe] (rMP) : arrêt sur rampe
[Arrêt rapide] (FSt) : arrêt rapide
FtU [T.s/charge av. red.] 0 à 6 min 0 min
g
Paramètre inaccessible si [Gestion souscharge] (UdL) est réglé sur [Déf. ignoré] (nO).
Délai minimum autorisé entre la détection d'une sous-charge et un redémarrage automatique.
Pour autoriser un redémarrage automatique, la valeur du paramètre [Tmax redémarrage] (tAr) page 258 doit dépasser ce
paramètre d'au moins une minute.
gCes paramètres apparaissent uniquement si la fonction correspondante a été sélectionnée dans un autre menu. Lorsqu'il est
également possible d'accéder et de régler les paramètres dans le menu de configuration pour la fonction correspondante,
leur description est détaillée dans ces menus, sur les pages indiquées, afin d'aider à la programmation.
Ce paramètre peut être modifié en cours de fonctionnement ou à l'arrêt.
Code Nom/Description Plage de réglages Réglage usine
DRI- > CONF > FULL > FLT- > ULD-
Il est possible d'accéder aux paramètres décrits sur cette page via les menus suivants :

Mode de configuration (ConF)
NVE41296 04/2018 277
Détection d'un défaut de surcharge du process
Une surcharge du process est détectée lorsque le prochain événement se produit et reste en attente pendant
un délai minimum [Tps Dét. surcharge] (tOL), qui peut être configuré :
•Le variateur est en mode de limitation de courant.
•Le moteur fonctionne en régime établi et le courant est supérieur au seuil de surcharge défini
[S. Détect. Surcharge] (LOC).
Le moteur fonctionne en régime établi lorsque l'écart entre la consigne de vitesse et la fréquence moteur
descend sous le seuil configurable [Hystérésis Fréq. att] (Srb).
Un relais ou une sortie logique peuvent être affectés à la signalisation de ce défaut dans le
menu [ENTREES / SORTIES] (I_O-).
Code Nom/Description Plage de réglages Réglage usine
FLt- [GESTION DEFAUTS] (suite)
OLd- [SURCHARGE PROCESS]
tOL [Tps Dét. surcharge] 0 à 100 s 0 s
Délai de détection de surcharge.
La valeur 0 désactive la fonction et rend les autres paramètres inaccessibles.
LOC [S.Détect.Surcharge] 70 à 150 % 110 %
g
(1)
Seuil de détection de surcharge, en % du courant nominal du moteur [Courant nom. mot.] (nCr) page 88. Cette valeur doit
être inférieure à la limite de courant pour que cette fonction soit accessible.
Srb [Hystérésis Fréq. att] 0 à 599 Hz 0,3 Hz
g
(1)
Écart maximum entre la consigne de fréquence et la fréquence moteur, qui définit le fonctionnement en régime établi.
OdL [Gestion surch. Proc.] [Roue libre] (YES)
gComportement en cas de passage à la détection de surcharge.
nO
YES
rMP
FSt
[Déf. ignoré] (nO) : défaut détecté ignoré
[Roue libre] (YES) : arrêt roue libre
[arrêt rampe] (rMP) : arrêt sur rampe
[Arrêt rapide] (FSt) : arrêt rapide
FtO [T.surcharge av. red.] 0 à 6 min 0 min
g
(1)
Ce paramètre est inaccessible si le paramètre [Gestion surch. Proc.] (OdL) est réglé sur [Déf. ignoré] (nO).
Délai minimum autorisé entre la détection d'une surcharge et un redémarrage automatique.
Pour autoriser un redémarrage automatique, la valeur du paramètre [Tmax redémarrage] (tAr) page 258 doit dépasser ce
paramètre d'au moins une minute.
FLt- [GESTION DEFAUTS] (suite)
LFF- [VITESSE DE REPLI]
LFF [Vitesse de repli] 0 à 599 Hz 0 Hz
Sélection de la vitesse de repli.
FLt- [GESTION DEFAUTS] (suite)
FSt- [DIVISEUR RAMPE]
dCF [Diviseur rampe] 0 à 10 4
g
(1)
La rampe activée ([Décélération] (dEC) ou [Décélération 2] (dE2)) est alors divisée par ce coefficient lorsque des
demandes d'arrêt sont envoyées.
La valeur 0 correspond à une durée de rampe minimale.
DRI- > CONF > FULL > FLT- > OLD-
Il est possible d'accéder aux paramètres décrits sur cette page via les menus suivants :

Mode de configuration (ConF)
278 NVE41296 04/2018
FLt- [GESTION DEFAUTS] (suite)
dCI- [INJECTION DC]
IdC [I injection DC 1] 0,1 à 1,41 In (2) 0,64 In (2)
g
(1) (3)
AVIS
SURCHAUFFE ET ENDOMMAGEMENT DU MOTEUR
Vérifiez que le moteur connecté est correctement calibré pour le courant d'injection DC à appliquer, en termes
de quantité et de temps, afin d'éviter la surchauffe et l'endommagement du moteur.
Le non-respect de ces instructions peut provoquer des dommages matériels.
Niveau du courant de freinage par injection de courant continu activé par entrée logique ou sélectionné comme mode d'arrêt.
tdI [Temps inj. DC 1] 0,1 à 30 s 0,5 s
g
(1) (3)
AVIS
SURCHAUFFE ET ENDOMMAGEMENT DU MOTEUR
Vérifiez que le moteur connecté est correctement calibré pour le courant d'injection DC à appliquer, en termes
de quantité et de temps, afin d'éviter la surchauffe et l'endommagement du moteur.
Le non-respect de ces instructions peut provoquer des dommages matériels.
Durée maximum d'injection de courant [I injection DC 1] (IdC). Passé ce délai, le courant d'injection devient [I injection DC 2]
(IdC2).
IdC2 [I injection DC 2] 0,1 In (2) à [I injection DC 1] (IdC)0,5 In (2)
g
(1) (3)
AVIS
SURCHAUFFE ET ENDOMMAGEMENT DU MOTEUR
Vérifiez que le moteur connecté est correctement calibré pour le courant d'injection DC à appliquer, en termes
de quantité et de temps, afin d'éviter la surchauffe et l'endommagement du moteur.
Le non-respect de ces instructions peut provoquer des dommages matériels.
Courant d'injection activé par entrée logique ou sélectionné comme mode d'arrêt après l'écoulement du délai [Temps inj. DC 1]
(tdI).
Code Nom/Description Plage de réglages Réglage usine
DRI- > CONF > FULL > FLT- > DCI-
Il est possible d'accéder aux paramètres décrits sur cette page via les menus suivants :

Mode de configuration (ConF)
NVE41296 04/2018 279
(1) Vous pouvez également accéder à ce paramètre à partir des menus[REGLAGES] (SEt-) et [FONCTIONS D'APPLI.]
(FUn-).
(2) In correspond au courant nominal du variateur indiqué dans le manuel d'installation et sur la plaque signalétique du
variateur.
(3) Ces réglages sont indépendants de la fonction [INJECTION DC AUTO] (AdC-).
tdC [Temps inj. DC 2] 0,1 à 30 s 0,5 s
g
(1) (3)
AVIS
SURCHAUFFE ET ENDOMMAGEMENT DU MOTEUR
Vérifiez que le moteur connecté est correctement calibré pour le courant d'injection DC à appliquer, en termes
de quantité et de temps, afin d'éviter la surchauffe et l'endommagement du moteur.
Le non-respect de ces instructions peut provoquer des dommages matériels.
Durée maximum d'injection [I injection DC 2] (IdC2), sélectionnée comme mode d'arrêt uniquement.
Ce paramètre est accessible si [Type d'arrêt] (Stt) est réglé sur [Injection DC] (dCI).
Code Nom/Description Plage de réglages Réglage usine
gCes paramètres apparaissent uniquement si la fonction correspondante a été sélectionnée dans un autre menu. Lorsqu'il est
également possible d'accéder et de régler les paramètres dans le menu de configuration pour la fonction correspondante,
leur description est détaillée dans ces menus, sur les pages indiquées, afin d'aider à la programmation.
Ce paramètre peut être modifié en cours de fonctionnement ou à l'arrêt.
DRI- > CONF > FULL > FLT- > DCI-
Il est possible d'accéder aux paramètres décrits sur cette page via les menus suivants :

Mode de configuration (ConF)
280 NVE41296 04/2018
Communication
Avec terminal intégré :
SIM-
ESC
ESC
ENT
COM-
LAC
FLt-
FUn-
ESC
ESC
ESC
ENT
ESC
= ENT ESC = ESC
FULL
COMMUNICATION
À partir du menu COnF
Code Nom/Description Plage de réglages Réglage usine
FULL [FULL] (suite)
COM- [COMMUNICATION]
ICS- [SCANNER COM. ENTREE]
[Adr. Scan In1] (nMA1) à [Adr. Scan In4] (nMA4) peuvent être utilisés pour une tâche rapide du scanner de communication
(voir le manuel de communication Modbus et CANopen®).
nMA1 [Adr. Scan In1] 3 201
Adresse du 1er mot d'entrée.
nMA2 [Adr. Scan In2] 8 604
Adresse du 2e mot d'entrée.
nMA3 [Adr. Scan In3] 0
Adresse du 3e mot d'entrée.
nMA4 [Adr. Scan In4] 0
Adresse du 4e mot d'entrée.
nMA5 [Adr. Scan. In5] 0
Adresse du 5e mot d'entrée.
nMA6 [Adr. Scan In6] 0
Adresse du 6e mot d'entrée.
nMA7 [Adr. Scan In7] 0
Adresse du 7e mot d'entrée.
nMA8 [Adr. Scan In8] 0
Adresse du 8e mot d'entrée.
DRI- > CONF > FULL > COM- > IES-
Il est possible d'accéder aux paramètres décrits sur cette page via les menus suivants :

Mode de configuration (ConF)
NVE41296 04/2018 281
COM- [COMMUNICATION] (suite)
OCS- [SCANNER COM. SORTIE]
Les paramètres [Adr. Scan. Out1] (nCA1) à [Adr. Scan. Out4] (nCA4) peuvent être utilisés pour une tâche rapide du
scanner de communication (voir le manuel de communication Modbus et CANopen®).
nCA1 [Adr. Scan. Out1] 8 501
Adresse du 1er mot de sortie.
nCA2 [Adr. Scan. Out2] 8 602
Adresse du 2e mot de sortie.
nCA3 [Adr. Scan. Out3] 0
Adresse du 3e mot de sortie.
nCA4 [Adr. Scan. Out4] 0
Adresse du 4e mot de sortie.
nCA5 [Adr. Scan. Out5] 0
Adresse du 5e mot de sortie.
nCA6 [Adr. Scan. Out6] 0
Adresse du 6e mot de sortie.
nCA7 [Adr. Scan. Out7] 0
Adresse du 7e mot de sortie.
nCA8 [Adr. Scan. Out8] 0
Adresse du 8e mot de sortie.
COM- [COMMUNICATION] (suite)
Md1- [MODBUS RESEAU]
Add [Adresse Modbus] [OFF] (OFF) jusqu'à 247 [OFF] (OFF)
OFF
-
[OFF] (OFF)
1 à 247
AMOC [Adresse carte Com.] [OFF] (OFF) jusqu'à 247 [OFF] (OFF)
g
OFF
-
[OFF] (OFF)
1 à 247
tbr [Vitesse Modbus] [19.2 Kbps] (19.2)
4,8 - 9,6 - 19,2 - 38,4 Kbits/s sur le terminal intégré.
4 800, 9 600, 19 200 ou 38 400 bauds sur le terminal graphique.
tFO [Format Modbus] [8-E-1] (8E1)
8O1 - 8E1 - 8n1, 8n2
ttO [Time out Modbus] 0,1 à 30 s 10,0 s
0,1 à 30 s
COM1 [Etat com MDB]
r0t0
r0t1
r1t0
r1t1
[r0t0] (r0t0) : aucune réception, aucune transmission Modbus = communication inactive
[r0t1] (r0t1) : aucune réception, transmission Modbus
[r1t0] (r1t0) : réception, aucune transmission Modbus
[r1t1] (r1t1) : réception et transmission Modbus
gCes paramètres apparaissent uniquement si la fonction correspondante a été sélectionnée dans un autre menu. Lorsqu'il est
également possible d'accéder et de régler les paramètres dans le menu de configuration pour la fonction correspondante,
leur description est détaillée dans ces menus, sur les pages indiquées, afin d'aider à la programmation.
Code Nom/Description Plage de réglages Réglage usine
DRI- > CONF > FULL > COM- > OCS-
Il est possible d'accéder aux paramètres décrits sur cette page via les menus suivants :

Mode de configuration (ConF)
282 NVE41296 04/2018
BLUETOOTH
Code Nom/Description Plage de réglages Réglage usine
COM- [COMMUNICATION] (suite)
CnO- [CANopen]
AdCO [Adresse CANopen] [OFF] (OFF) jusqu'à 127 [OFF] (OFF)
OFF
-
[OFF] (OFF) : OFF
1 à 127
bdCO [Vitesse CANopen] [250 kbit/s] (250)
50
125
250
500
IM
[50 kbit/s] (50) : 50 000 bauds
[125 kbit/s] (125) : 125 000 bauds
[250 kbit/s] (250) : 250 000 bauds
[500 kbit/s] (500) : 500 000 bauds
[1 Mbit/s] (1M) : 1 MBauds
ErCO [Code d'erreur] 0 à 5 -
Paramètre en lecture seule non modifiable.
COM- [COMMUNICATION] (suite)
Cbd- [CARTE COMMUNICATION]
Reportez-vous à la documentation spécifique à la carte utilisée.
LCF- [FORCAGE LOCAL]
FLO [affect. forçage local] [Non] (nO)
nO
LI1
...
LI6
LAI1
LAI2
OL01
...
OL10
Affectation du forçage local.
Le mode de forçage local est actif lorsque l'entrée est à l'état 1.
[affect. forçage local] (FLO) est forcé à [Non] (nO) si le paramètre [Profil] (CHCF) est réglé sur [Profil I/O] (IO) page 156.
[Non] (nO) : fonction désactivée
[LI1] (LI1) : entrée logique LI1
...
[LI6] (LI6) : entrée logique LI6
[LAI1] (LAI1) : entrée logique AI1
[LAI2] (LAI2) : entrée logique AI2
[OL01] (OL01) : blocs fonctions : sortie logique 01
...
[OL10] (OL10) : blocs fonctions : sortie logique 10
FLOC [Réf. forçage local] [Non] (nO)
nO
AI1
AI2
AI3
LCC
PI
OA01
...
OA10
Affectation de la source de la consigne de forçage local.
[Non] (nO) : non affecté (commande via le bornier avec consigne nulle)
[AI1] (AI1) : entrée analogique
[AI2] (AI2) : entrée analogique
[AI3] (AI3) : entrée analogique
[HMI] (LCC) : affectation de la consigne et de la commande au terminal graphique ou au terminal distant.
Consigne : [Réf. fréquence HMI] (LFr) page 50.
Commande : touches RUN/STOP/FWD/REV (Marche/Arrêt/Avant/Arrière).
[RP] (PI) : entrée Pulse input
[OA01] (OA01) : blocs fonctions : sortie analogique 01
...
[OA10] (OA10) : blocs fonctions : sortie analogique 10
FLOt [Time-out forc. local] 0,1 à 30 s 10,0 s
g0,1 à 30 s
Ce paramètre est accessible si le paramètre [affect. forçage local] (FLO) n'est pas réglé sur [Non] (nO).
Délai avant la reprise de la surveillance de la communication à la sortie du mode de forçage local.
DRI- > CONF > FULL > COM- > CNO-
Il est possible d'accéder aux paramètres décrits sur cette page via les menus suivants :

Mode de configuration (ConF)
NVE41296 04/2018 283
COM- [COMMUNICATION] (suite)
NTID [Fieldbus Identifier Sel] -
320
32
•Ce paramètre permet au variateur ATV320 d’être identifié comme variateur ATV320 ou ATV32 par le réseau.
•La modification de la valeur de réglage prend effet au redémarrage du variateur.
•Ce paramètre ne fait pas partie de la configuration du variateur. Il est impossible de transférer ce paramètre.
•Un réglage usine ne modifie pas la valeur de réglage de ce paramètre.
[ATV320] (320) : le réseau identifie le variateur comme un ATV320.
[ATV32] (32) : le réseau identifie le variateur comme un ATV32.
gCes paramètres apparaissent uniquement si la fonction correspondante a été sélectionnée dans un autre menu. Lorsqu'il est
également possible d'accéder et de régler les paramètres dans le menu de configuration pour la fonction correspondante,
leur description est détaillée dans ces menus, sur les pages indiquées, afin d'aider à la programmation.
Code Nom/Description Plage de réglages Réglage usine

Interface (ItF)
286 NVE41296 04/2018
Il est possible d'accéder aux paramètres décrits sur cette page via les menus suivants :
Niveau d'accès (LAC)
Avec terminal intégré :
ItF-
ESC
ESC
ENT
dCF-
ESC
ENT
ESC
NCF-
= ENT ESC = ESC
LAC
NIVEAU D'ACCES
À partir du menu ItF-
Code Nom/Description Réglage usine
ItF- [3 INTERFACE]
LAC [3.1 NIVEAU D'ACCES] [Standard] (Std)
bAS
Std
AdU
EPr
[Basique] (bAS) : accès limité aux menus [SIMPLY START] (SIM-), [1.2 SURVEILLANCE] (MOn-), [REGLAGES] (SEt-),
[REGLAGE USINE] (FCS-), [5 MOT DE PASSE] (COd) et [3.1 NIVEAU D'ACCES] (LAC-). Une seule fonction peut être
affectée à chaque entrée.
[Standard] (Std) : accès à tous les menus du terminal intégré. Une seule fonction peut être affectée à chaque entrée.
[Avancé] (AdU) : accès à tous les menus du terminal intégré. Plusieurs fonctions peuvent être affectées à chaque entrée.
[Expert] (EPr) : accès à tous les menus du terminal intégré et aux paramètres supplémentaires. Plusieurs fonctions peuvent être
affectées à chaque entrée.
Ce paramètre peut être modifié en cours de fonctionnement ou à l'arrêt.
ITF-

Interface (ItF)
NVE41296 04/2018 287
Comparaison des menus accessibles sur le terminal graphique ou le terminal intégré
(1) Accessible uniquement avec le terminal graphique.
Niveau
d'accès
[1 MENU VARIATEUR] (drI-)
Standard Std
Avancé AdU
Expert EPr
[1.1 REFERENCE VITESSE] (rEF-)
Basique bAS
[1.2 SURVEILLANCE] (MOn-)
MMO- (Statut du moteur)
IOM- (Image E/S)
SAF- (Statut de sécurité)
MFb- (Statut des blocs fonctions)
CMM- (Image communication)
MPI- (Statut PI)
PEt- (Consommation)
ALr- (Alarmes) (1)
SSt- (Autres statuts) (1)
COd- (Mot de passe)
[1.3 CONFIGURATION] (COnF)
MYMn- (Mon menu)
FCS- (Réglages usine)
FULL (Full)
SIM- (Simply Start)
SEt- (Réglages)
FbM- (Blocs fonctions)
[2 IDENTIFICATION] (OId-) (1)
[3 INTERFACE] (ItF-) (1)
[3.1 NIVEAU D'ACCES] (LAC)
[3.2 LANGUE] (LnG)
[4 OUVRIR / ENREG. SOUS] (trA-) (1)
[5 MOT DE PASSE] (COd-) (1)
Une seule fonction peut être affectée à chaque entrée.
[1 MENU VARIATEUR]
(drI-)
[1.2 SURVEILLANCE] (MOn-)dGt- (Diagnostics)
[1.3 CONFIGURATION] (COnF)FULL (Full)
drC- (Contrôle moteur)
I_O- (Entrées / Sorties)
CtL- (Commande)
FUn- (Fonctions d'application)
FLt- (Gestion des défauts)
COM- (Communication)
[3 INTERFACE] (ItF-)
(1)
[3.3 ECRAN SURVEILLANCE] (MCF-)
Une seule fonction peut être affectée à chaque entrée.
[3.4 CONFIG. AFFICHAGE] (dCF-) (1)
Plusieurs fonctions peuvent être affectées à chaque entrée.
Paramètres Expert
Plusieurs fonctions peuvent être affectées à chaque entrée.

Interface (ItF)
288 NVE41296 04/2018
Il est possible d'accéder aux paramètres décrits sur cette page via les menus suivants :
Langue (LnG)
Lorsqu'un choix unique est possible, le choix effectif est indiqué par le signe .
Exemple : une seule langue peut être choisie.
Code Nom/Description Réglage usine
LnG [3.2 LANGUE] [Langue 0] (LnG0)
Index de langue actuel.
LnG0
...
LnG9
[Langue 0] (LnG0)
...
[Langue 9] (LnG9)
Ce paramètre peut être modifié en cours de fonctionnement ou à l'arrêt.
RDY Term +0,0 Hz 0,0 A
3.2 LANGUE
English
Français
Deutsch
Español
Italiano
<< >> Quick
Chinese
Русский
Türkçe
ITF-

Interface (ItF)
NVE41296 04/2018 289
Ecran surveillance (MCF)
Ce menu n'est accessible qu'avec le terminal graphique.
Cette fonction peut être utilisée pour configurer les informations affichées sur l'écran graphique pendant le
fonctionnement.
RDY Term +0,0 Hz 0,0 A
3 INTERFACE
3.1 NIVEAU D'ACCES
3.2 LANGUE
3.3 ECRAN SURVEILLANCE
Code << >> Quick
ENT
RUN Term +0,0 Hz 0,0 A
3.3 ECRAN SURVEILLANCE
SELECT LIGNE PARAM.
TYPE ECRAN VISU
CONFIG. IMAGE COM.
Code << >> Quick
[SELECT LIGNE PARAM.] : sélection d'un à deux paramètres affichés sur la première ligne
(les deux premiers ne peuvent pas être modifiés).
[TYPE ECRAN VISU] : sélection des paramètres affichés au centre de l'écran et du mode d'affichage
(valeurs numériques ou graphe en barres).
[CONFIG. IMAGE COM.] : sélection des mots affichés et de leur format.
RUN Term +0,0 Hz 0,0 A
3.3 ECRAN SURVEILLANCE
SELECT LIGNE PARAM.
TYPE ECRAN VISU
CONFIG. IMAGE COM.
Code << >> Quick

Interface (ItF)
290 NVE41296 04/2018
Il est possible d'accéder aux paramètres décrits sur cette page via les menus suivants :
Code Nom/Description
MCF- [3.3 ECRAN SURVEILLANCE]
Code Nom/Description
PbS- [SELECT LIGNE PARAM.]
[AI1]
[AI2]
[AI3]
[AO1]
[Mot d'état ETA]
[Groupes alarmes]
[Référence fréq.]
[Fréquence sortie]
[Courant moteur]
[Vitesse moteur]
[Tension moteur]
[Puissance moteur]
[Couple Moteur]
[Tension réseau]
[Etat therm moteur]
[Etat therm. var.]
[Consommation]
[Temps en marche]
[Temps var. ON]
[Temps alarm.IGBT]
[Temps freq. min]
[Référence PID]
[Retour PID]
[Erreur PID]
[Sortie PID]
[Config. active]
[Jeu param. utilisé]
en V
en V
en mA
en V
en Hz : paramètre affiché en configuration usine
en Hz
en A : paramètre affiché en configuration usine
en tr/min
en V
en W
en %
en V
en %
en %
en Wh ou kWh en fonction de la puissance nominale du variateur
en heures (durée pendant laquelle le moteur était sous tension)
en heures (durée pendant laquelle le variateur était sous tension)
en secondes (durée totale des alarmes de surchauffe IGBT)
en secondes
en %
en %
en %
en Hz
Config. n° 0, 1 ou 2 (voir page 237)
JEU 1, 2 ou 3 (voir page 235)
Sélectionnez le paramètre à l'aide de ENT (une coche apparaîtra alors à côté du paramètre). Les
paramètres peuvent également être désélectionnés à l'aide de ENT.
Il est possible de sélectionner 1 ou 2 paramètres.
Exemple :
SELECT LIGNE PARAM.
SURVEILLANCE
- - - - - - - - -
- - - - - - - - -
- - - - - - - - -
- - - - - - - - -
ITF- > MCF-

Interface (ItF)
NVE41296 04/2018 291
Il est possible d'accéder aux paramètres décrits sur cette page via les menus suivants :
Type d'écran de surveillance
Code Nom/Description Réglage usine
MSC- [TYPE ECRAN VISU]
Mdt [Type d'écran] [Val.digitales] (dEC)
[Val.digitales] (dEC)
[Barre graph] (bAr)
[List. valeurs] (LISt)
MPC [SELECT PARAM.]
g
[AI1]
[AI2]
[AI3]
[AO1]
[Mot d'état ETA]
[Groupes alarmes]
[Référence fréq.]
[Fréquence sortie]
[Freq.travail pulse in]
[Courant moteur]
[Vitesse moteur]
[Tension moteur]
[Puissance moteur]
[Couple Moteur]
[Tension réseau]
[Etat therm moteur]
[Etat therm. var.]
[Consommation]
[Temps en marche]
[Temps var. ON]
[Temps alarm.IGBT]
[Temps freq. min]
[Référence PID]
[Retour PID]
[Erreur PID]
[Sortie PID]
en V
en V
en mA
en V
en Hz : paramètre affiché en configuration usine
en Hz
en A : paramètre affiché en configuration usine
en Hz
en tr/min
en V
en W
en %
en V
en %
en %
en Wh ou kWh en fonction de la puissance nominale du variateur
en heures (durée pendant laquelle le moteur était sous tension)
en heures (durée pendant laquelle le variateur était sous tension)
en secondes (durée totale des alarmes de surchauffe IGBT)
en secondes
en %
en %
en %
en Hz
Sélectionnez le ou les paramètres à l'aide de ENT (une coche apparaîtra alors à côté du paramètre). Les paramètres
peuvent également être désélectionnés à l'aide de ENT.
Voici des exemples :
gCes paramètres apparaissent uniquement si la fonction correspondante a été sélectionnée dans un autre menu. Lorsqu'il est
également possible d'accéder et de régler les paramètres dans le menu de configuration pour la fonction correspondante,
leur description est détaillée dans ces menus, sur les pages indiquées, afin d'aider à la programmation.
Ce paramètre peut être modifié en cours de fonctionnement ou à l'arrêt.
SELECT PARAM.
SURVEILLANCE
- - - - - - - - -
- - - - - - - - -
- - - - - - - - -
- - - - - - - - -
Affichage de 2 valeurs
numériques Affichage de 2 graphes en
barres Affichage d'une liste de
5 valeurs
RUN Term +35,0 Hz 80,0 A RUN Term +35,0 Hz 80,0 A RUN Term +35,0 Hz 80,0 A
Vitesse moteur Min Vitesse moteur max 1.2 SURVEILLANCE
1 250 tr/min 0 1 250 tr/min 1 500 Référence fréq. : 50,1 Hz
Courant moteur : 80 A
Courant moteur Min Courant moteur max Vitesse moteur : 1 250 tr/min
80 A 0 80 A 150 Etat therm moteur : 80 %
État therm. var. : 80 %
Quick Quick Quick
ITF- > MCF- > MSC-

Interface (ItF)
292 NVE41296 04/2018
Il est possible d'accéder aux paramètres décrits sur cette page via les menus suivants :
Configuration de l'image de communication
Code Nom/Description Réglage usine
AdL- [CONFIG. IMAGE COM.]
IAd1 [Sélect. adr. mot 1] 0
Sélectionnez l'adresse du mot à afficher en appuyant sur les << et >> (touches F2 et F3) et en faisant tourner le bouton de navigation.
FAd1 [Format mot 1] [Hexa] (HE )
Format du mot 1.
HE
SIG
nSG
[Hexa] (HE )
[Signé] (SIG)
[Non signé] (nSG)
IAd2 [Sélect. adr. mot 2] 0
Sélectionnez l'adresse du mot à afficher en appuyant sur les << et >> (touches F2 et F3) et en faisant tourner le bouton de navigation.
FAd2 [Format mot 2] [Hexa] (HE )
Format du mot 2.
HE
SIG
nSG
[Hexa] (HE )
[Signé] (SIG)
[Non signé] (nSG)
IAd3 [Sélect. adr. mot 3] 0
Sélectionnez l'adresse du mot à afficher en appuyant sur les << et >> (touches F2 et F3) et en faisant tourner le bouton de navigation.
FAd3 [Format mot 3] [Hexa] (HE )
Format du mot 3.
HE
SIG
nSG
[Hexa] (HE )
[Signé] (SIG)
[Non signé] (nSG)
IAd4 [Sélect. adr. mot 4] 0
Sélectionnez l'adresse du mot à afficher en appuyant sur les << et >> (touches F2 et F3) et en faisant tourner le bouton de navigation.
FAd4 [Format mot 4] [Hexa] (HE )
Format du mot 4.
HE
SIG
nSG
[Hexa] (HE )
[Signé] (SIG)
[Non signé] (nSG)
Ensuite, il sera possible de voir les mots sélectionnés dans le sous-menu [IMAGE COM.] du menu [1.2 SURVEILLANCE].
Exemple :
Ce paramètre peut être modifié en cours de fonctionnement ou à l'arrêt.
RUN Term +35,0 Hz 80,0 A
IMAGE COM.
- - - - - - - -- -
- - - - -- - - - -
W3141 : F230 Hexa
<< >> Quick
ITF- > MCF- > ADL-

Interface (ItF)
NVE41296 04/2018 293
Config. affichage (dCF)
Ce menu n'est accessible qu'avec le terminal graphique. Il peut être utilisé pour personnaliser les paramètres
ou un menu et pour accéder aux paramètres.
•PARAM. UTILISATEUR : personnalisation d'1 à 15 paramètres.
•MON MENU : création d'un menu personnalisé.
•ACCES PARAMETRES : personnalisation de la visibilité et des mécanismes de protection des menus et
des paramètres.
•PARAMETRES TERMINAL : réglage du contraste et du mode veille du terminal graphique (paramètres
stockés sur le terminal plutôt que sur le variateur).
RDY Term 0,0 Hz 0,0 A
MENU GENERAL
1 MENU VARIATEUR
2 IDENTIFICATION
3 INTERFACE
4 OUVRIR / ENREG. SOUS
5 MOT DE PASSE
Code Quick
ENT
R D Y Term 0,0 Hz 0,0 A
3.4 CONFIG. AFFICHAGE
PARAM. UTILISATEUR
CONFIG. MON MENU
ACCES PARAMETRES
PARAMETRES TERMINAL
Code << >> Quick
RDY Term 0,0 Hz 0,0 A
3 INTERFACE
3.1 NIVEAU D'ACCES
3.2 LANGUE
3.3 ECRAN SURVEILLANCE
3.4 CONFIG. AFFICHAGE
Code << >> Quick
ENT
Code Nom/Description
dCF- [3.4 CONFIG. AFFICHAGE]

Interface (ItF)
294 NVE41296 04/2018
Paramètres utilisateur
Si le paramètre [Retour nom std] est réglé sur [Oui], l'affichage des réglages usine est rétabli mais les
réglages personnalisés sont conservés.
Sélection d'1 à 15 paramètres
à personnaliser.
Remarque : La 1ère ligne est [SELECT. PARAMETRES] ou
[RDY Term +0,0 Hz 0,0 A] en fonction du chemin (ENT ou List).
Liste des paramètres personnalisés.
Si aucun paramètre n'a été
personnalisé, les valeurs
standard apparaissent (noms,
unités, etc.).
Affichage sur une ou deux
lignes de caractères.
Les décalages (offsets) et les
coefficients sont des valeurs
numériques. N'utilisez pas un
multiplicateur trop élevé
(affichage 99 999 maximum)
F1 permet de passer à ABC, abc, 123, *[-.
Utilisez le bouton de navigation pour incrémenter le caractère
(ordre alphabétique) ainsi que << et >> (touches F2 et F3) pour
passer au caractère précédent ou suivant.
Standard : utilisation de
l'unité du réglage usine.
Perso. : personnalisation
de l'unité.
%, mA, etc. : sélection dans
la liste déroulante.
Une fois l'unité saisie, si vous
appuyez sur ENT, l'écran
Incrément rampe réapparaîtra
afin d'afficher le nom. Appuyez
sur ESC pour revenir à Unité.
Le message saisi apparaît après
un appui sur la touche View.
Les noms (NOM MENU UTILISATEUR, NOM APPAREIL, configuration, numéro de série, lignes
des messages, noms des unités, etc.) sont personnalisés comme dans l'exemple de nom de
paramètre décrit ci-contre.
Si aucun paramètre n'a été personnalisé, les valeurs standard apparaissent (noms, unités, etc.).
Affichage sur une ou deux lignes de caractères.
F1 permet de passer à ABC, abc, 123, *[-.
Utilisez le bouton de navigation pour incrémenter le caractère (ordre alphabétique) ainsi que
<< et >> (touches F2 et F3) pour passer au caractère précédent ou suivant.
RDY Term 0,0 Hz 0,0 A
PARAM. UTILISATEUR
Retour nom std : Non
SELECT. PARAMETRES
PERSO. SELECTION
MON MENU
NOM APPAREIL
Code << >> Quick
MESSAGE SERVICE
CONFIG. 0
CONFIG. 1
CONFIG. 2
N° SERIE
ENT
ENT
ENT
ENT
ENT
ENT
ENT
RDY Term +0,0 Hz 0,0 A
Unité
Standard
Perso.
%
mA
Quick
List
SELECT. PARAMETRES
REGLAGES
Incrément rampe
Accélération
Décélération
Accélération 2
Décélération 2
List
SELECT. PARAMETRES
FULL
SIMPLY START
REGLAGES
CONTRÔLE MOTEUR
ENTRÉES / SORTIES
COMMANDE
List
RDY Term +0,0 Hz 0,0 A
PERSO. SELECTION
Incrément rampe
Accélération
Décélération 2
Delete
RDY Term +0,0 Hz 0,0 A
Incrément rampe
Nom utilisateur
Unité
Multiplicateur
Diviseur
Offset
RDY Term +0,0 Hz 0,0 A
Nom utilisateur
1 MENU VARIATEUR
FLOW REFERENCE
Nbre max. de caractères 13
ABC << >>
RDY Term +0,0 Hz 0,0 A
MESSAGE SERVICE
LIGNE 1
LIGNE 2
LIGNE 3
LIGNE 4
LIGNE 5
View Quick
RDY Term +0,0 Hz 0,0 A
Perso.
1 MENU VARIATEUR
LBS
Nbre max. de caractères 3
ABC << >>
RDY Term +0,0 Hz 0,0 A
LIGNE 2
1 MENU VARIATEUR
For any service, dial :
Nbre max. de caractères 23
ABC << >> Quick
RDY Term +0,0 Hz 0,0 A
NOM MENU UTILISATEUR
1 MENU VARIATEUR
FLOW REFERENCE
Nbre max. de caractères 18
ABC << >> Quick
ENT

Interface (ItF)
NVE41296 04/2018 295
Il est possible d'accéder aux paramètres décrits sur cette page via les menus suivants :
Code Nom/Description Réglage usine
CUP- [PARAM. UTILISATEUR]
GSP [Retour nom std] [Non] (nO)
Affichage des paramètres standard au lieu de ceux personnalisés.
nO
YES
[Non] (nO)
[Oui] (YES)
MYMN [MON MENU]
PAn [NOM APPAREIL]
SEr- [MESSAGE SERVICE]
SML01 [LIGNE 1]
SML02 [LIGNE 2]
SML03 [LIGNE 3]
SML04 [LIGNE 4]
SML05 [LIGNE 5]
CFN01 [CONFIG. 0]
CFN02 [CONFIG. 1]
CFN03 [CONFIG. 2]
PSn [N° SERIE]
Ce paramètre peut être modifié en cours de fonctionnement ou à l'arrêt.
ITF- > DCF- > CUP-

Interface (ItF)
296 NVE41296 04/2018
Configuration de Mon menu
Sélection des paramètres
composant le menu
utilisateur.
Remarque : La 1ère ligne est
[SELECT. PARAMETRES]
ou
[RDY Term +0,0 Hz 0,0 A]
en fonction du chemin (ENT
ou List).
Liste des paramètres
composant le menu
utilisateur.
Les touches F2 et F3 permettent
d'ordonner les paramètres dans la liste
(exemple ci-dessous avec F3).
RDY Term +0,0 Hz 0,0 A
CONFIG. MON MENU
SELECT. PARAMETRES
LISTE SELECTIONNEE
Code << >> Quick
ENT
ENT
ENT
SELECT. PARAMETRES
FULL
SIMPLY START
REGLAGES
CONTRÔLE MOTEUR
ENTRÉES / SORTIES
COMMANDE
List
SELECT. PARAMETRES
REGLAGES
Incrément rampe
Accélération
Décélération
Accélération 2
Décélération 2
List
List
RDY Term 0,0 Hz 0,0 A
LISTE SELECTIONNEE
Incrément rampe
Accélération
Décélération 2
Del Up Down
RDY Term +0,0 Hz 0,0 A
LISTE SELECTIONNEE
Accélération
Incrément rampe
Gain prop. vit.
Del Up Down
Code Nom/Description
MYC- [CONFIG. MON MENU]

Interface (ItF)
NVE41296 04/2018 297
Accès aux paramètres
Remarque : Les paramètres protégés ne sont plus accessibles et ne sont donc plus affichés pour les canaux
sélectionnés.
Choix de visibilité de
tous les paramètres ou
uniquement des
paramètres actifs.
Appuyez sur la touche
ESC pour sortir de cet
écran.
Vous restez
exclusivement dans le
menu [1 MENU
VARIATEUR]. Tous les
menus sont cochés par
défaut.
Appuyez sur ENT pour
désélectionner un menu.
Appuyez sur ENT pour
resélectionner un menu.
Remarque : Il est nécessaire de choisir le ou les canaux
protégés, car un paramètre protégé sur un canal
sélectionné reste accessible sur les canaux non
sélectionnés.
Dans ces écrans, tous
les paramètres du menu
[1. MENU VARIATEUR]
sont protégeables et
sont affichés pour être
sélectionnés, sauf les
paramètres Expert.
Appuyez sur la touche
All pour sélectionner
tous les paramètres.
Appuyez de nouveau sur
la touche All pour
désélectionner tous les
paramètres.
RDY Term 0,0 Hz 0,0 A
ACCES PARAMETRES
PROTECTION
VISIBILITE
Code << >> Quick
RDY Term 0,0 Hz 0,0 A
VISIBILITE
PARAMETRES
MENUS
Code Quick
ENT
ENT RDY Term 0,0 Hz 0,0 A
PARAMETRES
Actifs
Tous
Quick
ENT
MENUS
1 MENU VARIATEUR
1.1 REFERENCE VITESSE
1.2 SURVEILLANCE
1.3 CONFIGURATION
RDY Term 0,0 Hz 0,0 A
PROTECTION
CANAUX PROTEGES
PARAMETRES PROTEGES
Code Quick
ENT
RDY Term 0,0 Hz 0,0 A
CANAUX PROTEGES
HMI
OUTIL PC
MODBUS
CANopen
CARTE COM.
Code Quick
ENT
ENT
PARAMETRES PROTEGES
1 MENU VARIATEUR
1.1 REFERENCE VITESSE
1.2 SURVEILLANCE
1.3 CONFIGURATION
All None
PARAMETRES PROTEGES
1.3 CONFIGURATION
MON MENU
REGLAGES USINE
Macro configuration
FULL
All None
ENT
PARAMETRES PROTEGES
FONCTIONS D'APPLI.
OPERATIONS SUR REF.
RAMPE
CONFIGURATION ARRET
INJECTION DC AUTO
JOG
PARAMETRES PROTEGES
JOG
JOG
Fréquence JOG
Tempo. JOG
ENT
Aucune sélection ne peut être
effectuée sur cet écran si aucun
paramètre n'a été sélectionné.

Interface (ItF)
298 NVE41296 04/2018
Il est possible d'accéder aux paramètres décrits sur cette page via les menus suivants :
Code Nom/Description Réglage usine
PAC- [ACCES PARAMETRES]
PrO- [PROTECTION]
PCd- [CANAUX PROTEGES]
COn
PS
Mdb
CAn
nEt
[HMI] (COn) : terminal graphique ou terminal déporté
[Outil PC] (PS) : logiciel PC
[Modbus] (Mdb) : Modbus intégré
[CANopen] (CAn) : CANopen® intégré
[Carte COM.] (nEt) : carte de communication (si insérée)
UIS- [VISIBILITE]
PUIS [PARAMETRES] [Actifs] (ACt)
Visibilité des paramètres : paramètres actifs seulement ou tous les paramètres.
ACt
ALL
[Actifs] (ACt)
[Tous] (ALL)
Ce paramètre peut être modifié en cours de fonctionnement ou à l'arrêt.
ITF- > DCF- > PAC- > PRO- > PCD-

Interface (ItF)
NVE41296 04/2018 299
Il est possible d'accéder aux paramètres décrits sur cette page via les menus suivants :
Paramètres du terminal
RDY Term 0,0 Hz 0,0 A
PARAMETRES TERMINAL
Contraste :50 %
Temps avant veille : 5 min
Code << >> Quick
Code Nom/Description Plage de réglages Réglage usine
CnL- [PARAMETRES TERMINAL]
CrSt [Contraste] 0 à 100 % 50 %
Contraste du terminal.
CSbY [Temps avant veille] [Non] (nO) à 10 min 5 min
Temps avant la mise en veille du terminal graphique.
nO [Non] (nO) : non
Ce paramètre peut être modifié en cours de fonctionnement ou à l'arrêt.
ITF- > DCF- > CNL-

Interface (ItF)
300 NVE41296 04/2018

NVE41296 04/2018 301
Ouvrir / Enreg. sous (trA)
7
Ouvrir / Enreg. sous (trA)
Ce menu n'est accessible qu'avec le terminal graphique.
[4.1 OUVRIR] : pour transférer un des 4 fichiers du terminal graphique vers le variateur.
RDY Term 0,0 Hz 0,0 A
MENU GENERAL
1 MENU VARIATEUR
2 IDENTIFICATION
3 INTERFACE
4 OUVRIR / ENREG. SOUS
5 MOT DE PASSE
Code Quick
ENT RDY Term 0,0 Hz 0,0 A
4 OUVRIR / ENREG. SOUS
4.1 OUVRIR
4.2 ENREG. SOUS
Code << >> Quick

Ouvrir / Enreg. sous (trA)
302 NVE41296 04/2018
[4.2 ENREG. SOUS] : pour transférer la configuration en cours du variateur vers le terminal graphique.
Lorsque le transfert est demandé, différents messages peuvent apparaître :
•[EN COURS...]
•[TERMINE.]
•Messages d'erreurs en cas d'impossibilité
•[Les paramètres moteur ne sont PAS COMPATIBLES. Voulez-vous continuer ?] : dans ce cas, le
transfert est possible mais les paramètres seront limités.
Voir détail page
suivante.
ENT
RDY Term 0,0 Hz 0,0 A
4. OUVRIR / ENREG. SOUS
4.1 OUVRIR
4.2 ENREG. SOUS
Code << >> Quick
ENT
ENT
ENT
...
ENT
Remarque : Ouvrir un fichier
vide est sans effet.
RDY Term 0,0 Hz 0,0 A
4.1 OUVRIR
Fichier 1 Occupé
Fichier 2 Vide
Fichier 3 Vide
Fichier 4 Vide
Code << >> Quick
ENT
Enregistrer dans un fichier
occupé supprime et remplace
la configuration contenue
dans ce fichier.
RDY Term 0,0 Hz 0,0 A
4.2 ENREG. SOUS
Fichier 1 Occupé
Fichier 2 Libre
Fichier 3 Libre
Fichier 4 Libre
Code Quick
RDY Term 0,0 Hz 0,0 A
GROUPE A TRANSFERER
Aucun
Tous
Config. var.
Paramètres moteur
Communication
Code Quick
RDY Term 0,0 Hz 0,0 A
TRANSFERT
VERIFIER QUE
LE CABLAGE VARIATEUR EST
OK
ESC = abandon ENT = valider
Code Quick
RDY Term 0,0 Hz 0,0 A
TRANSFERT
EN COURS...
RDY Term 0,0 Hz 0,0 A
TRANSFERT
TERMINE.
ENT ou ESC pour continuer

Ouvrir / Enreg. sous (trA)
NVE41296 04/2018 303
GROUPE A TRANSFERER
[Aucun] : Aucun paramètre
[Tous] : Tous les paramètres de tous les menus
[Config. var.] : Tout le menu [1 MENU VARIATEUR] sans
[COMMUNICATION]
[Paramètres moteur] : [Tension nom. mot.] (UnS)Dans le menu [CONTRÔLE MOTEUR] (drC-)
[Fréq. nom. mot.] (FrS)
[Max. I align PSI] (NCr)
[Vitesse nom. mot] (nSP)
[Cosinus Phi mot.] (COS)
[Puissance nom. mot] (nPr)
[Choix param mot] (MPC)
[Auto-réglage utilisé] (StUn)
[Courant therm. mot] (ItH)
[Compensation RI] (UFr)
[Comp. glissement] (SLP)
[Réglage R. stator.] (rSA)
[Lfw] (LFA)
[Rég.const. tps rotor] (trA)
[Courant nom. syn.] (nCrS)
[Vitesse nom. syn.] (nSP)
[Paires pôles syn.] (PPnS)
[Constante FEM syn.] (PHS)
[Inductance axe d] (LdS)
[Inductance axe q] (LdS)
[Fréq. nom. syn.] (FrSS)
[Résist. stator syn.] (rSAS)
[Couple Moteur] (tqS)
[U1] (U1)
[F1] (F1)
[U2] (U2)
[F2] (F2)
[U3] (U3)
[F3] (F3)
[U4] (U4)
[F4] (F4)
[U5] (U5)
[F5] (F5)
Paramètres moteur accessibles en mode [Expert] (EPr) ,
page 266.
[Courant therm. mot] (ItH)Dans le menu [REGLAGES] (SEt-)
[Communication] : Tous les paramètres du menu [COMMUNICATION]

Ouvrir / Enreg. sous (trA)
304 NVE41296 04/2018

NVE41296 04/2018 305
Mot de passe (COd)
8
Mot de passe (COd)
Avec terminal graphique
Avec terminal intégré
Permet de protéger la configuration par un code d'accès ou d'entrer un mot de passe pour accéder à une
configuration protégée.
Exemple avec terminal graphique :
•Le variateur est déverrouillé lorsque les codes PIN sont réglés sur [non verrouil] (OFF) (pas de mot de
passe) ou lorsque le bon code a été saisi. Tous les menus sont accessibles.
•Avant de protéger la configuration par un code d'accès, vous devez :
- Définir les droits d'enregistrement [Droit d'enregistrer] (ULr) et de chargement [Droit chargement]
(dLr).
- Noter soigneusement le code et le conserver quelque part où vous êtes sûr de le retrouver.
RDY Term 0,0 Hz 0,0 A
MENU GENERAL
1 MENU VARIATEUR
2 IDENTIFICATION
3 INTERFACE
4 OUVRIR / ENREG. SOUS
5 MOT DE PASSE
Code Quick
ENT RUN Term +50,0 Hz 0,0 A
5 MOT DE PASSE
Etat :Non verrouil
Code PIN 1 :OFF
Code PIN 2 :OFF
Droit d'enregistrer : Permis
Droit chargement :Var.non.verr
Code << >> Quick
drI-
COd-
trA-
= ENT ESC = ES
C
ItF-
ENT
ESC
MOT DE PASSE
RUN Term +50,0 Hz 0,0 A
5 MOT DE PASSE
Etat : Non verrouil
Code PIN 1 :OFF
Droit d'enregistrer : Permis
Droit chargement : Var.non.verr
Code << >> Quick
ENT
RUN Term +50,0 Hz 0,0 A
Code PIN 1
9520
Min = OFF Max = 9999
<< >> Quick

Mot de passe (COd)
306 NVE41296 04/2018
•Le variateur comporte 2 codes d'accès permettant de hiérarchiser 2 niveaux d'accès :
- Le code PIN 1 est une clé de déverrouillage publique : 6969.
- Le code PIN 2 est une clé de déverrouillage connue seulement du support Schneider Electric. Il n'est
accessible qu'en mode [Expert] (EPr).
- Seul l'un des codes PIN 1 ou PIN 2 est utilisable, l'autre doit rester sur [OFF] (OFF).
Remarque : Lorsque la clé de déverrouillage est saisie, le code d'accès utilisateur s'affiche.
Les accès protégés sont les suivants :
•Retour aux réglages usine (menu [REGLAGES USINE] (FCS-)).
•Canaux et paramètres protégés par le menu [MON MENU] (MYMn-) et ce menu lui-même.
•Paramètres d'affichage personnalisés (menu [3.4 CONFIG. AFFICHAGE] (dCF-)).
Code Nom/Description Plage de réglages Réglage usine
COd- [5 MOT DE PASSE]
CSt [Etat] [non verrouil] (ULC)
LC
ULC
Paramètre d'information, non modifiable.
[Verrouillé] (LC) : variateur verrouillé par un mot de passe
[non verrouil] (ULC) : variateur non protégé par un mot de passe
COd [Code PIN 1] [OFF] (OFF) à 9999 [OFF] (OFF)
1er code d'accès. La valeur [OFF] (OFF) correspond à l'absence de mot de passe, l'accès est donc [non verrouil] (ULC).
La valeur [ON] (On) indique que le variateur est protégé et qu'il y a un code d'accès à saisir pour le déverrouiller. Lorsque le
bon code a été saisi, il reste affiché et le variateur est déverrouillé jusqu’à la prochaine mise hors tension.
Le code PIN 1 est une clé de déverrouillage publique : 6969.
COd2 [Code PIN 2] [OFF] (OFF) à 9999 [OFF] (OFF)
Paramètre accessible seulement en mode [Expert] (EPr).
2e code d'accès. La valeur [OFF] (OFF) correspond à l'absence de mot de passe, l'accès est donc [non verrouil] (ULC). La
valeur [ON] (On) indique que le variateur est protégé et qu'il y a un code d'accès à saisir pour le déverrouiller. Lorsque le bon
code a été saisi, il reste affiché et le variateur est déverrouillé jusqu’à la prochaine mise hors tension.
Le code PIN 2 est une clé de déverrouillage connue seulement du support Schneider Electric.
Lorsque [Code PIN 2] (COd2) n'est pas réglé sur [OFF] (OFF), seul le menu [1.2 SURVEILLANCE] (MOn-) est
accessible. Ainsi, si
[Code PIN 2] (COd2) est réglé sur [OFF] (OFF) (variateur déverrouillé), tous les menus sont accessibles.
Si les réglages d'affichage sont modifiés dans le menu [3.4 CONFIG. AFFICHAGE] (dCF-) et si [Code PIN 2] (COd2) n'est
pas réglé sur [OFF] (OFF), la visibilité configurée est conservée. Ainsi, si [Code PIN 2] (COd2) est réglé sur OFF (variateur
déverrouillé), la visibilité configurée dans le menu [3.4 CONFIG. AFFICHAGE] (dCF-) est conservée.
ULr [Droit d'enregistrer] [Permis] (ULr0)
ULr0
ULr1
Lecture ou copie de la configuration en cours dans le variateur.
[Permis] (ULr0) : la configuration en cours du variateur peut être transférée vers le terminal graphique ou le logiciel PC.
[Non permis] (ULr1) : la configuration en cours du variateur peut être transférée vers le terminal graphique ou le logiciel PC
uniquement si le variateur n'est pas protégé par un code d'accès ou si le bon code a été saisi.
dLr [Droit chargement] [var.non.verr]
(dLr1)
dLr0
dLr1
dLr2
dLr3
Écriture de la configuration en cours dans le variateur ou transfert d'une configuration vers le variateur.
[Var.verrouil.] (dLr0) : le chargement d'un fichier de configuration peut être effectué dans le variateur uniquement si celui-
ci est protégé par un code d'accès et si le code d'accès de la configuration à charger est le même.
[var.non.verr] (dLr1) : le chargement d'un fichier de configuration ou la modification d'une configuration peuvent être
effectués dans le variateur si celui-ci est déverrouillé (code d'accès saisi) ou s'il n'est pas protégé par un code d'accès.
[Non permis] (dLr2) : chargement non autorisé.
[verr. ou non] (dLr3) : possibilité d'activer les paramètres [Var.verrouil.] (dLr0) et [var.non.verr] (dLr1).

NVE41296 04/2018 307
Écran multipoint
9
Écran multipoint
Écran multipoint
La communication est possible entre un terminal graphique et plusieurs variateurs connectés sur un même
bus. Les adresses des variateurs doivent être préalablement configurées dans le menu [COMMUNICATION]
(COM-) en utilisant le paramètre [Adresse Modbus] (Add), page 281.
Lorsque plusieurs variateurs sont connectés au même terminal graphique, celui-ci affiche automatiquement
les écrans suivants :
En mode multipoint, le canal de commande n'est pas affiché. L'écran affiche, de gauche à droite, l'état, puis
les deux paramètres sélectionnés et enfin l'adresse du variateur.
En mode multipoint, il est possible d'accéder à tous les menus. Seul le contrôle des variateurs via le terminal
graphique n'est pas autorisé, à l'exception de la touche d'arrêt, qui verrouille tous les variateurs.
En cas de défaut sur un variateur, l'écran affiche ce dernier.
Sélection des variateurs pour communication multipoint (sélectionnez chaque
adresse et cochez-la en appuyant sur ENT).
Cet écran n'apparaît qu'à la première mise sous tension du variateur
ou si vous appuyez sur la touche de fonction Cfg Add sur l'écran multipoint
(voir ci-dessous).
Sélection d'un variateur pour communication
multipoint.
CONNEXION EN COURS
Vxxxxxx
ADRESSES MULTIPOINTS
Adresse 1
Adresse 2
Adresse 3
Adresse 4
Adresse 5
Adresse 6
ESC
ECRAN MULTI-POINT
Rdy 0 tr/min 0 A 2
RUN +952 tr/min 101 A 3
NLP +1 500 tr/min 1 250 A 4
Non connecté 5
Rdy + 0 tr/min 0 A 6
Cfg Add
Cfg Add
RUN +952 tr/min 101 A 3
Vitesse moteur
Courant moteur
HOME T/K
ESC
ENT +952 tr/min
101 A

Écran multipoint
308 NVE41296 04/2018

310 NVE41296 04/2018

NVE41296 04/2018 311
Maintenance
10
Maintenance
Limitation de garantie
La garantie ne s'applique pas si le produit a été ouvert sauf par les services de Schneider Electric.
Entretien
Il est recommandé de suivre la procédure ci-après afin d'augmenter la durée de vie du variateur.
Remarque : Le fonctionnement du ventilateur dépend de l'état thermique du variateur. Le variateur peut fonctionner mais
pas le ventilateur.
Pièces de rechange et réparations
Produit pouvant être réparé. Adressez-vous au service à la clientèle.
Stockage longue durée
Si le variateur n'est pas raccordé au secteur depuis longtemps, la capacité maximale des condensateurs doit
être restaurée avant de mettre le moteur en marche. Voir page 39.
Remplacement du ventilateur
Il est possible de commander un nouveau ventilateur pour la maintenance de l'ATV320 (voir les références
commerciales sur notre site Web www.schneider-electric.com).
ATTENTION
RISQUE D'ENDOMMAGEMENT DU VARIATEUR
Suivez les recommandations ci-dessous en fonction des conditions environnementales indiquées
(température, produits chimiques, poussières).
Le non-respect de ces instructions peut provoquer des dommages matériels.
Environnement Partie concernée Action Fréquence
Impact sur le produit Boîtier – Bloc de commande
(DEL – Affichage)
Vérifiez visuellement le
variateur.
Au moins une fois par an
Corrosion Bornes – Connecteurs – Vis –
Plaque CEM
Inspectez-les et nettoyez-les
si nécessaire.
Poussières Bornes – Ventilateurs – Orifices
de soufflage
Température Autour du produit Vérifiez et rectifiez si
nécessaire.
Refroidissement Ventilateur Vérifiez le fonctionnement du
ventilateur.
Remplacez le ventilateur. Après 3 à 5 ans selon les
conditions de fonctionnement
Vibrations Connexion des bornes Vérifiez si le couple de
serrage recommandé est
respecté.
Au moins une fois par an

Maintenance
312 NVE41296 04/2018
Les ventilateurs peuvent continuer à fonctionner un certain temps même après que l'alimentation du produit
a été débranchée.
AVIS
FONCTIONNEMENT DES VENTILATEURS
Vérifiez que les ventilateurs se sont complètement mis au repos avant de les manipuler..
Le non-respect de ces instructions peut provoquer des dommages matériels.

NVE41296 04/2018 313
Diagnostics et dépannage
11
Diagnostics et dépannage
Dans ce chapitre
Ce chapitre aborde les sujets suivants :
Sujet Page
Code d’erreur 314
Effacement du défaut détecté 314
Codes de détection de défaut nécessitant une coupure et une restauration de l'alimentation après la
suppression du défaut détecté
315
Codes de détection de défaut pouvant être supprimés à l'aide de la fonction de redémarrage automatique
une fois la cause supprimée
317
Codes de détection de défaut supprimés dès la disparition de la cause 320
Remplacement ou retrait de la carte optionnelle 320
Remplacement du bloc de commande 320
Codes de détection de défaut affichés sur le terminal déporté 321
DANGER
RISQUE D'ÉLECTROCUTION, D'EXPLOSION OU D'ARC ÉLECTRIQUE
Lisez attentivement les instructions du chapitre « Informations sur la sécurité » avant d'exécuter toute
procédure décrite dans ce chapitre.
Le non-respect de ces instructions entraînera la mort ou des blessures graves.

Diagnostics et dépannage
314 NVE41296 04/2018
Code d’erreur
•Si l'écran ne s'allume pas, vérifiez l'alimentation du variateur.
•L'affectation des fonctions Arrêt rapide ou Roue libre permet d'empêcher le démarrage du variateur si les
entrées logiques correspondantes ne sont pas alimentées. Le variateur ATV320 affiche alors [Roue libre]
(nSt) en arrêt roue libre et [Arrêt rapide] (FSt) en arrêt rapide. C'est un comportement normal car ces
fonctions sont activées à zéro, de sorte que le variateur sera arrêté s'il y a une coupure de fil.
•Vérifiez que l'entrée d'ordre de marche est activée conformément au mode de commande sélectionné
(paramètres [Cde 2 fils/3 fils] (tCC) et [Type cde 2 fils] (tCt), page 87).
•Si une entrée est affectée à la fonction de fin de course et que cette entrée est à zéro, le variateur ne peut
démarrer que sur une commande de sens opposé (voir page 228).
•Si le canal de consigne ou le canal de commande est affecté à un bus de communication, lorsque
l'alimentation est connectée, le variateur affiche [Roue libre] (nSt) et reste en mode arrêt jusqu'à ce que
le bus de communication envoie une commande.
Effacement du défaut détecté
En cas de défaut détecté non réinitialisable :
•Débranchez toutes les sources d'alimentation, y compris l'alimentation contrôle externe.
•Verrouillez tous les organes de coupure de puissance en position ouverte.
•Attendez 15 minutes pour permettre aux condensateurs du bus DC de se décharger (les voyants du
variateur ne sont pas des indicateurs d'absence de tension du bus DC).
•Mesurez la tension du bus DC entre les bornes PA/+ et PC/- pour vérifier que la tension est inférieure à 42
Vdc.
•Si les condensateurs de bus DC ne se déchargent pas complètement, contactez votre représentant local
Schneider Electric. Ne réparez pas et ne faites pas fonctionner le variateur.
•Trouvez et corrigez le défaut détecté.
•Rétablissez l'alimentation du variateur pour vérifier que le défaut détecté a été corrigé.
En cas de défaut détecté réinitialisable, une fois la cause supprimée, le variateur peut être réinitialisé :
- En mettant le variateur hors tension jusqu'à ce que l'affichage disparaisse complètement, puis en le
remettant sous tension.
- Automatiquement dans les scénarios décrits pour le menu [REDEMARRAGE AUTO] (Atr-), page
257.
- Au moyen d'une entrée logique ou d'un bit de commande affecté au menu [RESET DEFAUTS]
(rSt-), page 256.
- En appuyant sur la touche STOP/RESET (arrêt/réinitialisation) du clavier graphique si le canal de
commande actif est l'IHM (voir le paramètre [Canal Cde 1] (Cd1) page 157).
Code Nom/Description
dGt- [DIAGNOSTIC]
Ce menu n'est accessible qu'avec le terminal graphique. Il affiche les défauts détectés ainsi que leurs causes en texte brut et peut
être utilisé pour effectuer des tests, voir page 65.

Diagnostics et dépannage
NVE41296 04/2018 315
Codes de détection de défaut nécessitant une coupure et une restauration de l'alimentation après la
suppression du défaut détecté
La cause du défaut détecté doit être supprimée avant de mettre hors tension puis sous tension le variateur.
Les défauts détectés ASF, brF, SOF, SPF et tnF peuvent également être supprimés à distance par
une entrée logique ou un bit de commande (paramètre [Reset défauts] (rSF), page 256).
Défaut détecté Nom Cause probable Solution
AnF [Dévirage charge] • La différence entre la fréquence de sortie
et le retour vitesse n'est pas correcte.
• Vérifiez les paramètres du moteur, de gain et de stabilité.
• Ajoutez une résistance de freinage.
• Vérifiez la taille du moteur/du variateur/de la charge.
• Vérifiez l'accouplement mécanique du codeur et son
câblage.
• Vérifiez le réglage des paramètres.
ASF [Erreur angle] • Ce problème se produit lors de la mesure
de l'angle de déphasage, si la phase du
moteur est déconnectée ou si
l'inductance du moteur est trop élevée.
• Vérifiez les paramètres de la boucle de vitesse.
• Vérifiez les phases du moteur et le courant maximum
permis par le variateur.
brF [Frein mécanique] • Le contact de retour de frein ne
correspond pas à la commande logique
de frein.
• Le frein n'arrête pas le moteur assez
rapidement (défaut détecté en mesurant
la vitesse au niveau de l'entrée Pulse
input).
• Vérifiez le circuit de retour et le circuit de commande
logique de frein.
• Vérifiez l'état mécanique du frein.
• Vérifiez les garnitures de frein.
CrF1 [Bus DC précharge] • Défaut de contrôle du relais de
chargement détecté ou résistance de
chargement endommagée.
• Mettez le variateur hors puis sous tension.
• Vérifiez les connexions internes.
• Contactez le support Schneider Electric.
EEF1 [Eeprom contrôle] • Défaut de la mémoire interne détecté,
bloc de commande.
• Vérifiez l'environnement (compatibilité électromagnétique).
• Mettez le variateur hors tension, réinitialisez et rétablissez
les réglages usine.
• Contactez le support Schneider Electric.
EEF2 [Eeprom
puissance]
• Défaut de la mémoire interne détecté,
carte de puissance.
FCF1 [Cont. aval collé] • Le contacteur aval reste fermé même si
les conditions d'ouverture sont remplies.
• Vérifiez le contacteur et son câblage.
• Vérifiez le circuit de retour.
HdF [Désaturation
IGBT]
• Court-circuit ou mise à la terre au niveau
de la sortie du variateur.
• Vérifiez les câbles raccordant le variateur au moteur et
l'isolation du moteur.
ILF [com.interne] • Interruption de la communication entre la
carte optionnelle et le variateur.
• Vérifiez l'environnement (compatibilité électromagnétique).
• Vérifiez les connexions.
• Remplacez la carte optionnelle.
• Contactez le support Schneider Electric.
InF1 [Erreur calibre] • La carte de puissance n'est pas la même
que la carte stockée.
• Vérifiez la référence de la carte de puissance.
InF2 [Puiss.
incompatible]
• La carte de puissance est incompatible
avec le bloc de commande.
• Vérifiez la référence de la carte de puissance et sa
compatibilité.
InF3 [Liaison série
interne]
• Interruption de la communication entre
les cartes internes.
• Vérifiez les connexions internes.
• Contactez le support Schneider Electric.
InF4 [Interne-zone fab.] • Données internes incohérentes. • Recalibrez le variateur (opération effectuée par le support
Schneider Electric).
InF6 [Interne-option] • L'option installée dans le variateur est
inconnue.
• Vérifiez la référence et la compatibilité de l'option.
InF9 [Interne- mesure I] • Les mesures de courant sont incorrectes. • Remplacez les capteurs de courant et la carte de
puissance.
• Contactez le support Schneider Electric.
InFA [Interne-circ.
réseau]
• L'étage d'entrée ne fonctionne pas
correctement.
• Contactez le support Schneider Electric.
InFb [Interne- capt.
temp.]
• Le capteur de température du variateur
ne fonctionne pas correctement.
• Remplacez le capteur de température du variateur.
• Contactez le support Schneider Electric.
InFE [Interne - CPU] • Défaut du microprocesseur interne
détecté.
• Mettez le variateur hors tension et réinitialisez-le.
• Contactez le support Schneider Electric.

Diagnostics et dépannage
316 NVE41296 04/2018
OCF [Surintensité] • Les paramètres des menus
[REGLAGES] (SEt-) et [CONTRÔLE
MOTEUR] (drC-) sont incorrects.
• Inertie ou charge trop élevée.
• Verrouillage mécanique.
• Vérifiez les paramètres.
• Vérifiez la taille du moteur/du variateur/de la charge.
• Vérifiez l'état du mécanisme.
• Diminuez la valeur du paramètre [Limitation courant]
(CLI).
• Augmentez la fréquence de découpage.
SAFF [Sécurité] • Temps anti-rebond dépassé.
• Seuil de déclenchement de la fonction
SS1 dépassé.
• Mauvaise configuration.
• Survitesse de déclenchement de type
SLS détectée.
• Vérifiez la configuration des fonctions de sécurité.
• Vérifiez le Manuel des fonctions de sécurité intégrées du
variateur ATV320
• Contactez le support Schneider Electric.
SCF1 [Court-circuit mot.] • Court-circuit ou mise à la terre au niveau
de la sortie du variateur.
• Vérifiez les câbles raccordant le variateur au moteur et
l'isolation du moteur.
• Réduisez la fréquence de découpage.
• Raccordez les inductances en série au moteur.
• Vérifiez les réglages de la boucle de vitesse et du frein.
• Augmentez la valeur du paramètre [Temps redémar.]
(ttr), page 103.
• Augmentez la fréquence de découpage.
SCF3 [Court-circuit terre] • Important courant de fuite à la terre au
niveau de la sortie du variateur si
plusieurs moteurs sont connectés en
parallèle.
• Vérifiez les câbles raccordant le variateur au moteur et
l'isolation du moteur.
• Réduisez la fréquence de découpage.
• Raccordez les inductances en série au moteur.
• Vérifiez les réglages de la boucle de vitesse et du frein.
• Augmentez la valeur du paramètre [Temps redémar.]
(ttr), page 103.
• Réduisez la fréquence de découpage.
SOF [Survitesse] • Instabilité ou charge entraînante trop
forte.
• Vérifiez les paramètres du moteur, de gain et de stabilité.
• Ajoutez une résistance de freinage.
• Vérifiez la taille du moteur/du variateur/de la charge.
• Vérifiez le paramétrage de la fonction
[FREQUENCE METRE] (FqF-) page 271, si elle est
configurée.
SPF [Coupure ret. vit.] • Absence de signal sur l’entrée Pulse input
si elle est utilisée pour mesurer la vitesse.
• Signal de retour du codeur manquant
• Vérifiez les paramètres de configuration du codeur.
• Vérifiez le câblage entre le codeur et le variateur.
• Vérifiez le codeur.
• Vérifiez le câblage de l'entrée et le détecteur utilisé.
tnF [autoréglage] • Moteur spécial ou moteur dont la
puissance n'est pas adaptée au variateur.
• Le moteur n'est pas connecté au
variateur.
• Le moteur n'est pas arrêté.
• Vérifiez que le moteur et le variateur sont compatibles.
• Vérifiez la présence du moteur lors de l'auto-réglage.
• Si un contacteur aval est utilisé, fermez-le lors de l'auto-
réglage.
• Vérifiez que le moteur est arrêté au cours de l'opération
d'auto-réglage.
Défaut détecté Nom Cause probable Solution

Diagnostics et dépannage
NVE41296 04/2018 317
Codes de détection de défaut pouvant être supprimés à l'aide de la fonction de redémarrage
automatique une fois la cause supprimée
Ces défauts détectés peuvent également être supprimés en mettant le variateur hors, puis sous tension, ou
par une entrée logique ou un bit de commande (paramètre [Reset défauts] (rSF), page 256).
Défaut détecté Nom Cause probable Solution
bLF [Commande frein] • Courant d'ouverture de frein non
atteint.
• Seuil de fréquence de fermeture du
frein [Fréq. ferm. frein] (bEn)
réglé uniquement lorsque la
commande logique de frein est
affectée.
• Vérifiez les connexions entre le variateur et le moteur.
• Vérifiez les enroulements du moteur.
• Vérifiez le réglage des paramètres [I ouv. frein montée]
(Ibr) et [I ouv. frein desc.] (Ird), page 197.
• Effectuez les réglages préconisés pour le paramètre
[Fréq. ferm. frein] (bEn).
CnF [Réseau com.] • Interruption de la communication sur
la carte de communication.
• Vérifiez l'environnement (compatibilité électromagnétique).
• Vérifiez le câblage.
• Vérifiez le time-out.
• Remplacez la carte optionnelle.
• Contactez le support Schneider Electric.
COF [Com. CANopen] • Interruption de la communication sur
le bus CANopen®.
• Vérifiez le bus de communication.
• Vérifiez le time-out.
• Consultez le guide d'exploitation de CANopen®.
EPF1 [Externe par LI/Bit] • Événement déclenché par un
dispositif externe, selon utilisateur.
• Vérifiez le dispositif qui a causé le déclenchement et
réinitialisez le variateur.
EPF2 [Externe via Com.] • Événement déclenché par un réseau
de communication.
• Vérifiez la cause du déclenchement et réinitialisez le variateur.
FbES |Err. stop FB] • Les blocs fonctions ont été arrêtés
tandis que le moteur était en
fonctionnement.
• Vérifiez la configuration du paramètre [Arrêt FB arrêt mot.]
(FbSM).
FCF2 [Cont. aval ouvert] • Le contacteur aval reste ouvert
même si les conditions de fermeture
sont remplies.
• Vérifiez le contacteur et son câblage.
• Vérifiez le circuit de retour.
LCF [Contacteur ligne] • Le variateur n'est pas sous tension
alors que le [Time out U ligne]
(LCt) est écoulé.
• Vérifiez le contacteur et son câblage.
• Vérifiez le time-out.
• Vérifiez les connexions entre le variateur, le contacteur et le
réseau.
LFF3 [Perte 4-20mA AI3] • Perte de la consigne 4-20 mA sur
l'entrée analogique AI3.
• Vérifiez la connexion sur les entrées analogiques.
ObF [Freinage excessif] • Freinage trop brutal ou charge
entraînante.
• Tension du réseau trop élevée.
• Augmentez le temps de décélération.
• Installez une résistance de freinage si nécessaire.
• Activez la fonction [Adapt. rampe déc.] (brA), page 175, si
elle est compatible avec l'application.
• Vérifiez la tension réseau d’alimentation.
OCF [Surintensité] • Les paramètres du menu
[REGLAGES] (SEt-) et
[CONTRÔLE MOTEUR] (drC-)
ne sont pas corrects
• Inertie ou charge trop élevée
• Verrouillage mécanique
• Vérifiez les paramètres.
• Vérifiez la taille du moteur / du variateur / la charge.
• Vérifiez l'état du mécanisme.
• Réduisez la [Limitation courant] (CLI) page 96.
• Vérifiez la connexion à la terre du variateur.
OHF [Surchauffe var.] • Température du variateur trop
élevée.
• Vérifiez la charge du moteur, la ventilation du variateur et la
température ambiante. Laissez le temps au variateur de
refroidir avant de le redémarrer.
OLC [Surcharge Process] • Surcharge du process. • Vérifiez et supprimez la cause de la surcharge.
• Vérifiez les paramètres de la fonction
[SURCHARGE PROCESS] (OLd-), page 277.
OLF [Surcharge moteur] • Déclenchement par un courant
moteur excessif.
• Vérifiez la protection thermique du moteur et la charge du
moteur. Laissez le temps au moteur de refroidir avant de le
redémarrer.

Diagnostics et dépannage
318 NVE41296 04/2018
OPF1 [Perte 1 phase mot.] • Perte d'une phase à la sortie du
variateur.
• Vérifiez les connexions entre le variateur et le moteur.
OPF2 [Perte 3 phases mot.] • Moteur non connecté ou puissance
moteur trop faible.
• Contacteur aval ouvert.
• Instabilité instantanée du courant du
moteur.
• Vérifiez les connexions entre le variateur et le moteur.
• Si un contacteur de sortie est utilisé, réglez le paramètre
[Perte phase moteur] (OPL) sur [Coup. aval] (OAC),
page 261.
• Essai sur un moteur à faible puissance ou sans moteur : en
mode réglages d'usine, la détection de perte de phase du
moteur est activée [Perte phase moteur] (OPL) = [Oui]
(YES). Pour contrôler le variateur dans un environnement de
test ou de maintenance, sans avoir à utiliser un moteur de
même puissance que le variateur (en particulier pour les
variateurs de puissance élevée), désactivez la détection de
perte de phase du moteur [Perte phase moteur] (OPL) =
[Non] (nO), voir les instructions données à la page 261.
• Vérifiez et optimisez les paramètres suivants :
[Compensation RI] (UFr) page 92, [Tension nom. mot.]
(UnS) et [Courant nom. mot.] (nCr) page 88, puis
effectuez un [Auto-réglage] (tUn) page 89.
OSF [Surtension réseau] • Tension réseau trop élevée.
• Alimentation principale perturbée.
• Vérifiez la tension réseau.
OtFL [Surchauffe
LI6=PTC]
• Surchauffe des sondes PTC au
niveau de l'entrée LI6.
• Vérifiez la charge et la taille du moteur.
• Vérifiez la ventilation du moteur.
• Laissez le moteur refroidir avant de le redémarrer.
• Contrôlez le type et l'état des sondes PTC.
PtFL [Sonde LI6=PTC] • Ouverture ou court-circuit des
sondes PTC sur l'entrée LI6.
• Vérifiez les sondes PTC et leur câblage au moteur ou au
variateur.
SCF1 [Court-circuit mot.] • Court-circuit ou mise à la terre au
niveau de la sortie du variateur.
• Vérifiez les câbles connectant le variateur au moteur et
l'isolation du moteur
• Réduire la fréquence de découpage.
• Ajouter des inductances en série avec le moteur.
• Vérifiez les paramètres de la boucle devitesse (gain et
stabilité)
• Augmentez [Temps redémarr.] (ttr), page 199.
• Augmentez la fréquence de découpage.
SCF3 [Court-circuit terre] • Important courant de fuite à la terre si
plusieurs moteurs sont connectés en
parallèle
• Vérifiez les câbles connectant le variateur au moteur et
l'isolation du moteur
• Réduire la fréquence de découpage.
• Ajouter des inductances en série avec le moteur.
• Vérifiez les paramètres de la boucle devitesse (gain et
stabilité)
• Augmentez [Temps redémarr.] (ttr), page 199.
• Réduire la fréquence de découpage.
SCF4 [Court-circuit IGBT] • Défaut d'un composant de puissance
détecté.
• Contactez le support Schneider Electric.
SCF5 [court-circuit
charge]
• Court-circuit au niveau de la sortie du
variateur.
• Vérifiez les câbles entre le variateur et le moteur ainsi que
l'isolation du moteur.
• Contactez le support Schneider Electric.
SLF1 [Com. Modbus] • Interruption de la communication sur
le bus Modbus.
• Vérifiez le bus de communication.
• Vérifiez le time-out.
• Consultez le guide d'exploitation de Modbus.
SLF2 [Com. PC] • Interruption de la communication
avec le logiciel PC.
• Vérifiez le câble de connexion du logiciel PC.
• Vérifiez le time-out.
SLF3 [Com. HMI] • Interruption de la communication
avec le terminal graphique ou le
terminal déporté.
• Vérifiez la connexion du terminal concerné.
• Vérifiez le time-out.
SSF [Lim. Couple / I] • Passage à la limitation de couple ou
de courant.
• Vérifiez la présence éventuelle d'un problème mécanique.
• Vérifiez les paramètres du menu [LIMITATION DE COUPLE]
(tOL-) page 220 et ceux du menu
[DET. LIM. couple/courant] (tId-), page 269.
Défaut détecté Nom Cause probable Solution

Diagnostics et dépannage
NVE41296 04/2018 319
tJF [Surchauffe IGBT] • Surchauffe du variateur. • Vérifiez la taille de la charge/du moteur/du variateur.
• Réduisez la fréquence de découpage.
• Laissez le moteur refroidir avant de le redémarrer.
tnF [Autoréglage] • Moteur spécial ou moteur de
puissance non adaptée au variateur.
• Moteur non raccordé au variateur.
• Le moteur tourne (entraîné par la
charge, par exemple)
• Vérifiez que le moteur et le variateur sont compatibles.
• Vérifiez que le moteur est présent pendant
• l'autoréglage
• Si un contacteur de sortie est utilisé, fermez-le pendant
l'autoréglage.
• Vérifiez que le moteur est complètement arrêté.
ULF [Souscharge
Process]
• Sous-charge du process. • Vérifiez et supprimez la cause de la sous-charge.
• Vérifiez les paramètres du menu [SOUS CHARGE PROCESS]
(Uld-), page 275.
Défaut détecté Nom Cause probable Solution

Diagnostics et dépannage
320 NVE41296 04/2018
Codes de détection de défaut supprimés dès la disparition de la cause
Remplacement ou retrait de la carte optionnelle
Si une carte optionnelle est retirée ou remplacée par une autre, le variateur se verrouille en mode défaut
[Config. Incorrecte] (CFF) lors de la mise sous tension. Si la carte a été délibérément remplacée ou retirée,
le défaut détecté peut être acquitté en appuyant deux fois sur la touche ENT, ce qui provoque la restauration
des réglages usine (voir page 83) pour les groupes de paramètres affectés par la carte, à savoir :
Remplacement d'une carte par une carte de même type
•Cartes de communication : uniquement les paramètres spécifiques aux cartes de communication
Remplacement du bloc de commande
Lorsqu'un bloc de commande est remplacé par un bloc de commande configuré sur un variateur ayant une
puissance nominale différente, le variateur se verrouille dans le mode défaut [Config. Incorrecte] (CFF) lors
de la mise sous tension. Si le bloc de commande a été délibérément changé, le défaut détecté peut être effacé
en appuyant deux fois sur la touche ENT, ce qui provoque la restauration de tous les réglages usine.
Défaut détecté Nom Cause probable Solution
CFF [Config. Incorrecte] • Carte optionnelle remplacée ou retirée.
• Bloc de commande remplacé par un bloc
de commande configuré sur un variateur
ayant une puissance nominale différente.
• La configuration en cours n'est pas
cohérente.
• Vérifiez qu'il n'y a pas d'erreur de carte.
• En cas de remplacement/retrait délibéré de la carte
optionnelle, voir les remarques ci-dessous.
• Vérifiez qu'il n'y a pas d'erreur de carte.
• En cas de remplacement délibéré du bloc de commande,
voir les remarques ci-dessous.
• Rétablissez les réglages usine ou récupérez la configuration
sauvegardée, si elle est valide (voir page 83).
CFI [Config. Invalide] • Configuration invalide.
La configuration chargée sur le variateur à
l'aide du bus ou du réseau de
communication est incohérente.
• Vérifiez la configuration chargée précédemment.
• Chargez une configuration compatible.
CFI2
CSF [Canal indisp] • Passage à des canaux invalides.• Vérifiez les paramètres des fonctions.
dLF [Déf. variat. charge] • Variation de charge anormale. • Vérifiez que la charge n'est pas bloquée par un obstacle.
• La réinitialisation se fait par suppression d'un ordre de
marche.
FbE [Erreur FB] • Erreur au niveau des blocs fonctions. • Pour plus d'informations, reportez-vous à [Défaut FB]
(FbFt).
HCF [Appairage cartes] • La fonction [APPAIRAGE DES CARTES]
(PPI-), page 274, a été configurée et
une carte du variateur a été remplacée.
• Remettez la carte d'origine en cas d'erreur de carte.
• Validez la configuration en entrant le
[Code appairage] (PPI) si la carte a été remplacée
délibérément.
PHF [Perte Ph. réseau] • Le variateur est mal alimenté ou un
fusible a sauté.
• Il manque une phase.
• Le variateur ATV320 triphasé est utilisé
sur une alimentation secteur
monophasée.
• Charge déséquilibrée.
Cette protection ne fonctionne que si le
variateur est en charge.
• Vérifiez le raccordement de puissance et les fusibles.
• Utilisez une alimentation secteur triphasée.
• Désactivez le défaut détecté par le paramètre
[Perte phase réseau] (IPL) = [Non] (nO), page 88.
USF [Sous-tension] • Alimentation secteur insuffisante.
• Baisse de tension passagère.
• Vérifiez la tension et les paramètres du menu
[GESTION SOUS-TENSION] (USb-), page 264.

Diagnostics et dépannage
NVE41296 04/2018 321
Codes de détection de défaut affichés sur le terminal déporté
(1) Clignotant
Code Nom Description
InIt [Initialisation en cours] Le microcontrôleur est en cours d'initialisation.
La recherche de la configuration des communications est en cours.
COM.E
(1)
[Erreur
communication]
Défaut de time-out détecté (50 ms).
Ce message s'affiche après 20 tentatives de communication.
A-17
(1)
[Bouton Alarme] Une touche a été maintenue enfoncée pendant plus de 10 secondes.
Le clavier est déconnecté.
Le clavier émet une alarme lorsque vous appuyez sur une touche.
CLr
(1)
[Confirmation suppr.
de déf. détecté]
Ceci s'affiche lorsque vous appuyez une fois sur la touche STOP (arrêt) si le canal de commande actif
est le terminal déporté.
dEU.E
(1)
[Incompatibilité
marque variateur]
La marque du variateur ne correspond pas à celle du terminal déporté.
rOM.E
(1)
[Anomalie de ROM] Le terminal déporté détecte une anomalie de ROM par un calcul de checksum.
rAM.E
(1)
[Anomalie de RAM] Le terminal déporté détecte une anomalie de RAM.
CPU.E
(1)
[Autres défauts
détectés]
Autres défauts détectés.

Diagnostics et dépannage
322 NVE41296 04/2018

324 NVE41296 04/2018

NVE41296 04/2018 325
Index des fonctions
12
Index des fonctions
Le tableau suivant représente les codes des paramètres :
Fonction Page
[Cde 2 fils] (2C) 87
[SECONDE LIM. COURANT] 222
[Cde 3 fils] (3C) 87
[+/- VITE] 188
[+/-VITE AUTOUR REF] 190
[INJECTION DC AUTO] 179
[REDEMARRAGE AUTO] 257
[Auto-réglage] 89
[AUTO-REGLAGE PAR LI] 241
[COMMANDE DE FREIN] 197
[REPRISE A LA VOLEE] 258
Canaux de commande et de consigne 148
Arrêt différé en cas d'alarme thermique 263
[SURCHAUFFE VARIATEUR] 262
[DEFAUT CODEUR] 269
[CONFIG. CODEUR] 137
[REGLAGES USINE] 83
[Reset défauts] 256
[FLUXAGE PAR LI] 192
[LEVAGE HAUTE VITESSE] 208
[LIMIT COURANT DYN] 223
[JOG] 181
COMMANDE D'UN CONTACTEUR DE LIGNE 224
Mesure de charge 202
[Equilibrage charge] 124
Détection de variation de charge 272
Commutation de moteurs ou de configurations [MULTIMOTEURS/CONF.] (MMC-)237
Protection thermique du moteur 259
[Réduction bruit] 122
[CDE CONTACTEUR AVAL] 227
[Gestion surch. Proc.] 277
[COMMUT. JEUX PARAM.] 235
[5 MOT DE PASSE] 306
[REGULATEUR PID] 214
POSITIONNEMENT SUR CAPTEURS 228
VITESSES PRÉSÉLECTIONNÉES 183
Sondes PTC 255
[RAMPE] 173
[COMMUTATION REF.] 170
Câble détendu 207
[Affectation RP] 130

Index des fonctions
326 NVE41296 04/2018
MÉMORISATION DE LA CONSIGNE 191
[CONFIGURATION ARRET] 176
Arrêt à distance calculée après fin de course de décélération 230
Sommateur / Soustracteur / Multiplicateur 171
Paramètres des moteurs synchrones 114
LIMITATION DU COUPLE 219
TRAVERSE CONTROL 242
[Gestion souscharge] 276
Mesure de la vitesse de rotation du moteur par l'entrée Pulse input 270
Fonction Page

NVE41296 04/2018 327
Index des codes de paramètres
13
Index des codes de paramètres
Le tableau suivant représente les codes des paramètres :
Code RÉGLAGE CLIENT
[1.1 REFERENCE VITESSE]
(rEF-)
[1.2 SURVEILLANCE]
(MOn-)
[REGLAGES USINE]
(FCS-)
[Macro configuration]
(CFG)
[SIMPLY START]
(SIM-)
[REGLAGES]
(SEt-)
[CONTRÔLE MOTEUR]
(drC-)
[ENTREES / SORTIES]
(I_O-)
[COMMANDE]
(CtL-)
[BLOCS FONCTIONS]
(FbM-)
[FONCTIONS D'APPLI.]
(FUn-)
[GESTION DEFAUTS]
(FLt-)
[COMMUNICATION]
(COM-)
[3 INTERFACE]
(ItF-)
AC2 91 174
190
216
ACC 89 91 173
AdC 179
AdCO 282
Add 281
AI1A 52 135
AI1C 52
A11E 136
A11F 52 135
AI1S 135
A11t 135
A12A 52 135
A12C 52
A12E 136
A12F 52 136
A12S 136
A12t 135
A13A 53 136
A13C 53
A13E 136
A13F 53 136
A13L 136
A13S 136
A13t 136
AIC2 137 214
AIU1 46 50
ALGr 64
AMOC 281
AO1 53 146
AO1C 53
AO1F 53 146
AO1t 146

Index des codes de paramètres
328 NVE41296 04/2018
AOH1 53 146
AOL1 53 146
APH 63
ASH1 53 146
ASL1 53 146
ASt 117 193
Atr 257
AUt 111
116
AU1A 137
AU2A 137
bCI 197
bdCO 282
bEd 198
bEn 103 198
bEt 103 198
bFr 88 107
bIP 197
bIr 103 198
bLC 197
bMp 159
bnS 55 160
bnU 56 160
bOA 122
bOO 122
brA 175
brH0 200
brH1 200
brH2 201
brr 201
brt 103 197
bSP 133
bSt 197
bUEr 55 160
CCFG 88
CCS 157
Cd1 157
Cd2 157
CFG 84 87
CFPS 64
CHA1 235
CHA2 235
CHCF 156
Code RÉGLAGE CLIENT
[1.1 REFERENCE VITESSE]
(rEF-)
[1.2 SURVEILLANCE]
(MOn-)
[REGLAGES USINE]
(FCS-)
[Macro configuration]
(CFG)
[SIMPLY START]
(SIM-)
[REGLAGES]
(SEt-)
[CONTRÔLE MOTEUR]
(drC-)
[ENTREES / SORTIES]
(I_O-)
[COMMANDE]
(CtL-)
[BLOCS FONCTIONS]
(FbM-)
[FONCTIONS D'APPLI.]
(FUn-)
[GESTION DEFAUTS]
(FLt-)
[COMMUNICATION]
(COM-)
[3 INTERFACE]
(ItF-)

Index des codes de paramètres
NVE41296 04/2018 329
CHM 240
CL2 97 222
CLI 96 121 222
CLL 267
CLO 208
CLS 232
CMdC 56
CnF1 240
CnF2 240
CnFS 63
COd 76
COd2 76
COF 208
COL 267
COP 158
COr 208
COS 109
CP1 203
CP2 203
CrH3 53 136
CrL3 53 136
CrSt 299
CrtF 120
CSbY 299
CSt 76 306
Ctd 104 258
Ctt 107
CtU 56 160
dA2 171
dA3 172
dAF 232
dAL 232
dAnF 139 269
dAr 232
dAS 227
dbS 227
dCC1 67
dCCC 250
dCCM 250
dCC2 68
dCC3 68
dCC4 68
dCC5 68
Code RÉGLAGE CLIENT
[1.1 REFERENCE VITESSE]
(rEF-)
[1.2 SURVEILLANCE]
(MOn-)
[REGLAGES USINE]
(FCS-)
[Macro configuration]
(CFG)
[SIMPLY START]
(SIM-)
[REGLAGES]
(SEt-)
[CONTRÔLE MOTEUR]
(drC-)
[ENTREES / SORTIES]
(I_O-)
[COMMANDE]
(CtL-)
[BLOCS FONCTIONS]
(FbM-)
[FONCTIONS D'APPLI.]
(FUn-)
[GESTION DEFAUTS]
(FLt-)
[COMMUNICATION]
(COM-)
[3 INTERFACE]
(ItF-)

Index des codes de paramètres
330 NVE41296 04/2018
dCC6 68
dCC7 68
dCC8 68
dCF 95 176 277
dCI 177
dE2 91 174
190
dEC 89 91 173
dLb 272
dLd 272
dLr 77 306
dO1 143
dO1d 143
dO1H 143
dO1S 143
dP1 65
dP2 68
dP3 68
dP4 68
dP5 68
dP6 68
dP7 68
dP8 68
drC1 67
drC2 67
drC3 67
drC4 67
drC5 67
drC6 67
drC7 67
drC8 67
dSF 233
dSI 190
dSP 190
dtF 248
EbO 248
EPL 264
EnU 137
EnS 137
ErCO 282
EtF 263
F1 120
F2 120
Code RÉGLAGE CLIENT
[1.1 REFERENCE VITESSE]
(rEF-)
[1.2 SURVEILLANCE]
(MOn-)
[REGLAGES USINE]
(FCS-)
[Macro configuration]
(CFG)
[SIMPLY START]
(SIM-)
[REGLAGES]
(SEt-)
[CONTRÔLE MOTEUR]
(drC-)
[ENTREES / SORTIES]
(I_O-)
[COMMANDE]
(CtL-)
[BLOCS FONCTIONS]
(FbM-)
[FONCTIONS D'APPLI.]
(FUn-)
[GESTION DEFAUTS]
(FLt-)
[COMMUNICATION]
(COM-)
[3 INTERFACE]
(ItF-)

Index des codes de paramètres
NVE41296 04/2018 331
F2d 104
F3 121
F4 121
F5 121
FAb 122
FAd1 292
FAd2 292
FAd3 292
FAd4 292
FAnF 138 269
FbCd 160
FbdF 161
FbFt 55 160
FbrM 161
FbSN 161
FbSt 55 160
FCS1 83
Fdt 271
FFH 120
FFM 106
FFt 104 176
FLI 192
FLO 282
FLOC 282
FLOt 282
FLr 258
FLU 97 111 192
Fn1 159
Fn2 159
Fn3 159
Fn4 159
FPI 216
FqA 271
FqC 271
FqF 271
FqL 104 258
FqS 50
Fqt 271
Fr1 156
Fr1b 170
Fr2 157
FrH 50 50
57
Code RÉGLAGE CLIENT
[1.1 REFERENCE VITESSE]
(rEF-)
[1.2 SURVEILLANCE]
(MOn-)
[REGLAGES USINE]
(FCS-)
[Macro configuration]
(CFG)
[SIMPLY START]
(SIM-)
[REGLAGES]
(SEt-)
[CONTRÔLE MOTEUR]
(drC-)
[ENTREES / SORTIES]
(I_O-)
[COMMANDE]
(CtL-)
[BLOCS FONCTIONS]
(FbM-)
[FONCTIONS D'APPLI.]
(FUn-)
[GESTION DEFAUTS]
(FLt-)
[COMMUNICATION]
(COM-)
[3 INTERFACE]
(ItF-)

Index des codes de paramètres
332 NVE41296 04/2018
FrI 118
FrS 88 109
FrSS 118
Frt 174
FSt 176
Ftd 104 258
FtO 105 277
FtU 105 276
FtY 83
GdlS 55
GFS 83
GSP 295
HF1 117
H1r 118
HSO 208
HSP 89 91 249
HSP2 92 249
HSP3 92 249
HSP4 92 249
I2tA 223
I2tM 51
I2tI 223
I2tt 223
IA01 162
IA02 162
IA03 162
IA04 162
IA05 162
IA06 162
IA07 162
IA08 162
IA09 162
IA10 162
IAd1 292
IAd2 292
IAd3 292
IAd4 292
Ibr 103 197
IbrA 203
IdA 113
IdC 95 177 278
IdC2 95 178 278
IL01 162
Code RÉGLAGE CLIENT
[1.1 REFERENCE VITESSE]
(rEF-)
[1.2 SURVEILLANCE]
(MOn-)
[REGLAGES USINE]
(FCS-)
[Macro configuration]
(CFG)
[SIMPLY START]
(SIM-)
[REGLAGES]
(SEt-)
[CONTRÔLE MOTEUR]
(drC-)
[ENTREES / SORTIES]
(I_O-)
[COMMANDE]
(CtL-)
[BLOCS FONCTIONS]
(FbM-)
[FONCTIONS D'APPLI.]
(FUn-)
[GESTION DEFAUTS]
(FLt-)
[COMMUNICATION]
(COM-)
[3 INTERFACE]
(ItF-)

Index des codes de paramètres
NVE41296 04/2018 333
IL02 162
IL03 162
IL04 162
IL05 162
IL06 162
IL07 162
IL08 162
IL09 162
IL10 162
ILr 118
InH 266
Inr 91 173
IntP 220
IPL 88 261 261
Ird 103 197
ItH 89 92
JdC 103 199
JF2 105 186
JF3 105 186
JFH 105 186
JGF 97 181
JGt 98 182
JOG 181
JPF 104 186
L1A 51 129
L1d 130
L2A 51 130
L2d 130
L3A 51 129
L3d 130
L4A 51 130
L4d 130
L5A 51 129
L5d 130
L6A 51 130
L6d 130
LA01 163
LA02 163
LA03 163
LA04 163
LA05 163
LA06 163
LA07 163
Code RÉGLAGE CLIENT
[1.1 REFERENCE VITESSE]
(rEF-)
[1.2 SURVEILLANCE]
(MOn-)
[REGLAGES USINE]
(FCS-)
[Macro configuration]
(CFG)
[SIMPLY START]
(SIM-)
[REGLAGES]
(SEt-)
[CONTRÔLE MOTEUR]
(drC-)
[ENTREES / SORTIES]
(I_O-)
[COMMANDE]
(CtL-)
[BLOCS FONCTIONS]
(FbM-)
[FONCTIONS D'APPLI.]
(FUn-)
[GESTION DEFAUTS]
(FLt-)
[COMMUNICATION]
(COM-)
[3 INTERFACE]
(ItF-)

Index des codes de paramètres
334 NVE41296 04/2018
LA08 163
LA1A 51 130
LA1d 130
LA2A 51 130
LA2d 130
LAnF 138
LAC 286
LbA 124
LbC 105 124
LbC1 126
LbC2 126
LbC3 126
LbF 126
LC2 222
LCr 50
LCt 225
LdS 118
LES 225
LEt 263
LFA 113
LFF 277
LFL3 265
LFr 46 50
LFr1 60
LFr2 60
LFr3 60
LIS1 51
LIS2 51
LLC 225
LnG 288
LO1 141
LO1d 142
LO1H 142
LO1S 142
LOC 105 277
LP1 203
LP2 203
LqS 118
LSP 89 91
LUL 105 275
LUn 105 275
M001 163
M002 163
Code RÉGLAGE CLIENT
[1.1 REFERENCE VITESSE]
(rEF-)
[1.2 SURVEILLANCE]
(MOn-)
[REGLAGES USINE]
(FCS-)
[Macro configuration]
(CFG)
[SIMPLY START]
(SIM-)
[REGLAGES]
(SEt-)
[CONTRÔLE MOTEUR]
(drC-)
[ENTREES / SORTIES]
(I_O-)
[COMMANDE]
(CtL-)
[BLOCS FONCTIONS]
(FbM-)
[FONCTIONS D'APPLI.]
(FUn-)
[GESTION DEFAUTS]
(FLt-)
[COMMUNICATION]
(COM-)
[3 INTERFACE]
(ItF-)

Index des codes de paramètres
NVE41296 04/2018 335
M003 163
M004 163
M005 163
M006 163
M007 163
M008 164
M1Ct 59
M1EC 59
MStP 233
MA2 172
MA3 172
MCr 118
Mdt 291
MFr 46 50 100
MMF 50
MPC 112
MtM 260
nbrP 62
nbtP 62
nC1 59
nC2 59
nC3 59
nC4 59
nC5 59
nC6 60
nC7 60
nC8 60
nCA1 281
nCA2 281
nCA3 281
nCA4 281
nCA5 281
nCA6 281
nCA7 281
nCA8 281
nCr 88 109
nCrS 115
nLS 233
nM1 59
nM2 59
nM3 59
nM4 59
Code RÉGLAGE CLIENT
[1.1 REFERENCE VITESSE]
(rEF-)
[1.2 SURVEILLANCE]
(MOn-)
[REGLAGES USINE]
(FCS-)
[Macro configuration]
(CFG)
[SIMPLY START]
(SIM-)
[REGLAGES]
(SEt-)
[CONTRÔLE MOTEUR]
(drC-)
[ENTREES / SORTIES]
(I_O-)
[COMMANDE]
(CtL-)
[BLOCS FONCTIONS]
(FbM-)
[FONCTIONS D'APPLI.]
(FUn-)
[GESTION DEFAUTS]
(FLt-)
[COMMUNICATION]
(COM-)
[3 INTERFACE]
(ItF-)

Index des codes de paramètres
336 NVE41296 04/2018
nM5 59
nM6 59
nM7 59
nM8 59
nMA1 280
nMA2 280
nMA3 280
nMA4 280
nMA5 280
nMA6 280
nMA7 280
nMA8 280
nMtS 62
nPr 88 109
nrd 122
nSP 88 109
nSPS 115
nSt 176
ntJ 75
OCC 227
OdL 277
Odt 261
OHL 262
OLL 260
OPL 261
OPr 50
OSP 208
Otr 50
PAH 101 216
PAL 101 215
PAS 233
PAU 216
PCd 298
PEr 101 216
PES 203
PFI 54 130
PFr 54 130
PHS 118
PIA 54 130
PIC 215
PIF 214
PIF1 214
PIF2 214
Code RÉGLAGE CLIENT
[1.1 REFERENCE VITESSE]
(rEF-)
[1.2 SURVEILLANCE]
(MOn-)
[REGLAGES USINE]
(FCS-)
[Macro configuration]
(CFG)
[SIMPLY START]
(SIM-)
[REGLAGES]
(SEt-)
[CONTRÔLE MOTEUR]
(drC-)
[ENTREES / SORTIES]
(I_O-)
[COMMANDE]
(CtL-)
[BLOCS FONCTIONS]
(FbM-)
[FONCTIONS D'APPLI.]
(FUn-)
[GESTION DEFAUTS]
(FLt-)
[COMMUNICATION]
(COM-)
[3 INTERFACE]
(ItF-)

Index des codes de paramètres
NVE41296 04/2018 337
PII 214
PIL 54 130
PIM 217
PIP1 214
PIP2 214
PIS 216
POH 101 215
POL 101 215
PPI 274
PPnS 115
Pr2 218
Pr4 218
PrSt 233
PrP 101 215
PS16 184
PS2 184
PS4 184
PS8 184
PSr 101 216
PSt 156
PtCL 255
PtH 63
PUIS 298
qSH 104 247
qSL 104 247
r1 140
r1d 140
r1H 141
r1S 141
r2 141
r2d 141
r2H 141
r2S 141
rCA 227
rCb 170
rdG 101 215
rEC1 62
rFC 157
rFCC 56
rFLt 75
rFr 50
rIG 101 215
rIn 156
Code RÉGLAGE CLIENT
[1.1 REFERENCE VITESSE]
(rEF-)
[1.2 SURVEILLANCE]
(MOn-)
[REGLAGES USINE]
(FCS-)
[Macro configuration]
(CFG)
[SIMPLY START]
(SIM-)
[REGLAGES]
(SEt-)
[CONTRÔLE MOTEUR]
(drC-)
[ENTREES / SORTIES]
(I_O-)
[COMMANDE]
(CtL-)
[BLOCS FONCTIONS]
(FbM-)
[FONCTIONS D'APPLI.]
(FUn-)
[GESTION DEFAUTS]
(FLt-)
[COMMUNICATION]
(COM-)
[3 INTERFACE]
(ItF-)

Index des codes de paramètres
338 NVE41296 04/2018
rMUd 105 275
rP 257
rP11 60
rP12 60
rP13 60
rP14 60
rP2 101 218
rP21 61
rP22 61
rP23 61
rP24 61
rP3 102 218
rP31 61
rP32 61
rP33 61
rP34 61
rP4 102 218
rPA 256
rPC 46 63
rPE 63
rPF 63
rPG 101 215
rPI 46 63 215
rPO 63
rPr 63
rPS 174
rPt 173
rrS 128
rSA 113
rSAS 118
rSd 208
rSF 256
rSL 217
rStL 208
rtH 63
rtr 248
rUn 128
S101 235
S102 235
S103 235
S104 235
S105 235
S106 235
Code RÉGLAGE CLIENT
[1.1 REFERENCE VITESSE]
(rEF-)
[1.2 SURVEILLANCE]
(MOn-)
[REGLAGES USINE]
(FCS-)
[Macro configuration]
(CFG)
[SIMPLY START]
(SIM-)
[REGLAGES]
(SEt-)
[CONTRÔLE MOTEUR]
(drC-)
[ENTREES / SORTIES]
(I_O-)
[COMMANDE]
(CtL-)
[BLOCS FONCTIONS]
(FbM-)
[FONCTIONS D'APPLI.]
(FUn-)
[GESTION DEFAUTS]
(FLt-)
[COMMUNICATION]
(COM-)
[3 INTERFACE]
(ItF-)

Index des codes de paramètres
NVE41296 04/2018 339
S107 235
S108 235
S109 235
S110 235
S111 235
S112 235
S113 235
S114 235
S115 235
S201 235
S202 235
S203 235
S204 235
S205 235
S206 235
S207 235
S208 235
S209 235
S210 235
S211 235
S212 235
S213 235
S214 235
S215 235
S301 236
S302 236
S303 236
S304 236
S305 236
S306 236
S307 236
S308 236
S309 236
S310 236
S311 236
S312 236
S313 236
S314 236
S315 236
SA2 171
SA3 171
SAF1 70
SAF2 71
Code RÉGLAGE CLIENT
[1.1 REFERENCE VITESSE]
(rEF-)
[1.2 SURVEILLANCE]
(MOn-)
[REGLAGES USINE]
(FCS-)
[Macro configuration]
(CFG)
[SIMPLY START]
(SIM-)
[REGLAGES]
(SEt-)
[CONTRÔLE MOTEUR]
(drC-)
[ENTREES / SORTIES]
(I_O-)
[COMMANDE]
(CtL-)
[BLOCS FONCTIONS]
(FbM-)
[FONCTIONS D'APPLI.]
(FUn-)
[GESTION DEFAUTS]
(FLt-)
[COMMUNICATION]
(COM-)
[3 INTERFACE]
(ItF-)

Index des codes de paramètres
340 NVE41296 04/2018
SAL 232
SAr 231
SAt 263
SCL 208
SCL3 251
SCSI 83
SdC1 95 179
198
SdC2 96 180
Sdd 269
SdS 106
SF00 71
SF01 71
SF02 72
SF03 72
SF04 72
SF05 73
SF06 73
SF07 73
SF08 74
SF09 74
SF10 74
SF11 75
SFC 92 120
SFd 233
SFFE 55
SFr 96 121
SFt 121
SH2 249
SH4 249
SIr 119
SIt 92 120
SLL 268
SLP 92 120
SLSS 54
SMOt 116
SMSS 54
SnC 248
SOP 122
SP10 99 185
SP11 99 185
SP12 99 185
SP13 100 185
Code RÉGLAGE CLIENT
[1.1 REFERENCE VITESSE]
(rEF-)
[1.2 SURVEILLANCE]
(MOn-)
[REGLAGES USINE]
(FCS-)
[Macro configuration]
(CFG)
[SIMPLY START]
(SIM-)
[REGLAGES]
(SEt-)
[CONTRÔLE MOTEUR]
(drC-)
[ENTREES / SORTIES]
(I_O-)
[COMMANDE]
(CtL-)
[BLOCS FONCTIONS]
(FbM-)
[FONCTIONS D'APPLI.]
(FUn-)
[GESTION DEFAUTS]
(FLt-)
[COMMUNICATION]
(COM-)
[3 INTERFACE]
(ItF-)

Index des codes de paramètres
NVE41296 04/2018 341
SP14 100 185
SP15 100 185
SP16 100 185
SP2 99 184
SP3 99 184
SP4 99 184
SP5 99 184
SP6 99 184
SP7 99 184
SP8 99 185
SP9 99 185
SPb 118
SPF 118
Spd1 64
Spd2 64
Spd3 64
SPG 92 120
SPGU 92 120
SPM 191
Sr11 67
Sr12
...
Sr18
68
Sr21 67
Sr22
...
Sr28
68
SrA1 67
SrA2
...
SrA8
68
Srb1 67
Srb2
...
Srb8
68
SrC1 67
SrC2
...
SrC8
68
Srd1 67
Srd2
...
Srd8
68
SrE1 67
SrE2
...
SrE8
68
Code RÉGLAGE CLIENT
[1.1 REFERENCE VITESSE]
(rEF-)
[1.2 SURVEILLANCE]
(MOn-)
[REGLAGES USINE]
(FCS-)
[Macro configuration]
(CFG)
[SIMPLY START]
(SIM-)
[REGLAGES]
(SEt-)
[CONTRÔLE MOTEUR]
(drC-)
[ENTREES / SORTIES]
(I_O-)
[COMMANDE]
(CtL-)
[BLOCS FONCTIONS]
(FbM-)
[FONCTIONS D'APPLI.]
(FUn-)
[GESTION DEFAUTS]
(FLt-)
[COMMUNICATION]
(COM-)
[3 INTERFACE]
(ItF-)

Index des codes de paramètres
342 NVE41296 04/2018
SrF1 67
SrF2
...
SrF8
68
SrG1 67
SrG2
...
SrG8
68
SrH1 67
SrH2
...
SrH8
68
SrJ1 67
SrJ2
...
SrJ8
68
Sr_1 67
Sr_2
...
Sr_8
68
SrL1 67
SrL2
...
SrL8
68
Srb 105 276
277
SrP 100 190
SSIS 54
SSb 269
Std 233
StM 265
StO 269
StOS 54
StP 264
Str 188
Strt 265
Stt 176
StUn 89 110
116
SUL 122
tA1 91 173
tA2 91 174
tA3 91 174
tA4 91 174
tAA 220
tAC 75
tAC2 75
Code RÉGLAGE CLIENT
[1.1 REFERENCE VITESSE]
(rEF-)
[1.2 SURVEILLANCE]
(MOn-)
[REGLAGES USINE]
(FCS-)
[Macro configuration]
(CFG)
[SIMPLY START]
(SIM-)
[REGLAGES]
(SEt-)
[CONTRÔLE MOTEUR]
(drC-)
[ENTREES / SORTIES]
(I_O-)
[COMMANDE]
(CtL-)
[BLOCS FONCTIONS]
(FbM-)
[FONCTIONS D'APPLI.]
(FUn-)
[GESTION DEFAUTS]
(FLt-)
[COMMUNICATION]
(COM-)
[3 INTERFACE]
(ItF-)

Index des codes de paramètres
NVE41296 04/2018 343
tAr 258
tbE 103 198
tbO 247
tbr 281
tbS 265
tCC 87 127
tCt 127
tdC 95 178 279
tdC1 95 179
tdC2 96 180
tdI 95 177 278
tdn 247
tdS 271
tEC1 62
tFO 281
tFr 89 107
tHA 262
263
tHd 50
tHr 50
tHt 260
tLA 220
tLC 221
tLd 272
tLIG 104 220
tLIM 103 220
tLS 97 217
tnL 273
tOL 277
tOS 208
tP11 60
tP12 61
tP13 61
tP14 61
tP21 61
tP22 61
tP23 61
tP24 61
tP31 62
tP32 62
tP33 62
tP34 62
tqb 271
Code RÉGLAGE CLIENT
[1.1 REFERENCE VITESSE]
(rEF-)
[1.2 SURVEILLANCE]
(MOn-)
[REGLAGES USINE]
(FCS-)
[Macro configuration]
(CFG)
[SIMPLY START]
(SIM-)
[REGLAGES]
(SEt-)
[CONTRÔLE MOTEUR]
(drC-)
[ENTREES / SORTIES]
(I_O-)
[COMMANDE]
(CtL-)
[BLOCS FONCTIONS]
(FbM-)
[FONCTIONS D'APPLI.]
(FUn-)
[GESTION DEFAUTS]
(FLt-)
[COMMUNICATION]
(COM-)
[3 INTERFACE]
(ItF-)

Index des codes de paramètres
344 NVE41296 04/2018
tqS 115
trA 113
trC 247
trH 104 247
trL 104 247
tSM 264
tSY 248
ttd 104 260
263
ttd2 260
263
ttd3 260
263
ttH 104 258
ttL 104 258
ttO 281
ttr 103 199
tUL 241
tUn 89 110
115
tUnU 110
116
tUP 247
tUS 89 110
116
U1 120
U2 120
U3 121
U4 121
U5 121
Ubr 252 124
UdL 276
UFr 92 120
UIH1 52 135
UIH2 52 136
UILI 52 135
UIL2 52 136
ULn 50
ULr 76
ULt 275
UnS 88 109
UOH1 53 146
UOL1 53 146
UOP 50
Code RÉGLAGE CLIENT
[1.1 REFERENCE VITESSE]
(rEF-)
[1.2 SURVEILLANCE]
(MOn-)
[REGLAGES USINE]
(FCS-)
[Macro configuration]
(CFG)
[SIMPLY START]
(SIM-)
[REGLAGES]
(SEt-)
[CONTRÔLE MOTEUR]
(drC-)
[ENTREES / SORTIES]
(I_O-)
[COMMANDE]
(CtL-)
[BLOCS FONCTIONS]
(FbM-)
[FONCTIONS D'APPLI.]
(FUn-)
[GESTION DEFAUTS]
(FLt-)
[COMMUNICATION]
(COM-)
[3 INTERFACE]
(ItF-)

Index des codes de paramètres
NVE41296 04/2018 345
UPL 264
UrES 251 264
USb 264
USI 190
USL 252 264
USP 188
USt 264
Code RÉGLAGE CLIENT
[1.1 REFERENCE VITESSE]
(rEF-)
[1.2 SURVEILLANCE]
(MOn-)
[REGLAGES USINE]
(FCS-)
[Macro configuration]
(CFG)
[SIMPLY START]
(SIM-)
[REGLAGES]
(SEt-)
[CONTRÔLE MOTEUR]
(drC-)
[ENTREES / SORTIES]
(I_O-)
[COMMANDE]
(CtL-)
[BLOCS FONCTIONS]
(FbM-)
[FONCTIONS D'APPLI.]
(FUn-)
[GESTION DEFAUTS]
(FLt-)
[COMMUNICATION]
(COM-)
[3 INTERFACE]
(ItF-)

Index des codes de paramètres
346 NVE41296 04/2018

NVE41296 04/2018 347
Index des codes de paramètres
14
Glossaire
A
Afficheur à clavier
Les menus du terminal graphique sont indiqués entre crochets.
Par exemple : [Communication]
Les codes sont représentés entre parenthèses.
Par exemple : COM-
Les noms de paramètres sont affichés sur le terminal graphique entre crochets.
Par exemple : [Vitesse Repli]
Les codes des paramètres sont représentés entre parenthèses.
Par exemple : LFf
Avertissement
Si le terme est utilisé en dehors du contexte des instructions de sécurité, un avertissement alerte d'un
problème potentiel détecté par une fonction de surveillance. Un avertissement ne cause pas de transition de
l'état de fonctionnement.
D
Défaut
Un défaut est un état de fonctionnement. Si les fonctions de surveillance détectent une erreur, une transition
vers cet état de fonctionnement est amorcée, en fonction de la classe de l'erreur. Une « Remise à zéro après
détection d'un défaut » est nécessaire pour quitter cet état de fonctionnement une fois que la cause de
l'erreur détectée a été éliminée. D'autres informations sont disponibles dans les normes associées, telles que
les normes IEC 61800-7 et ODVA CIP (Common Industrial Protocol).
E
Erreur
Ecart entre une valeur ou condition détectée (calculée, mesurée ou signalée) et la valeur ou condition
théoriquement correcte ou spécifiée.
Etage de puissance
L'étage de puissance commande le moteur. L'étage de puissance génère un courant de contrôle du moteur.
F
Fonction de surveillance
Les fonctions de surveillance font l'acquisition d'une valeur soit continuellement ou de manière cyclique (par
des mesures, par exemple) afin de vérifier qu'elle se trouve au sein des limites admissibles. Les fonctions de
surveillance sont utilisées pour détecter des erreurs.

Index des codes de paramètres
348 NVE41296 04/2018
P
Paramètre
Les données et les valeurs des dispositifs peuvent être lues et réglées (dans une certaine mesure) par
l'utilisateur.
PLC
Automate programmable
R
Réglage usine
Réglages affectés au produit lors de son expédition.
Reset Défauts
Fonction utilisée pour restaurer l'état opérationnel du variateur après qu'une erreur détectée a été corrigée et
sa cause éliminée.
T
TBTP
Très basse tension de protection, basse tension avec isolation. Pour plus d'informations : IEC 60364-4-41
ATV320_Programming_manual_FR_NVE41296_03
04/2018









