CRT3916 AVHP5950
User Manual: AVHP5950
Open the PDF directly: View PDF
.
Page Count: 193 [warning: Documents this large are best viewed by clicking the View PDF Link!]
- SAFETY INFORMATION
- CONTENTS
- 1. SERVICE PRECAUTIONS
- 2. SPECIFICATIONS
- 2.1 SPECIFICATIONS
- 2.2 DISC/CONTENT FORMAT
- 2.3 PANEL FACILITIES
- 2.4 CONNECTION DIAGRAM
- 3. BASIC ITEMS FOR SERVICE
- 3.1 CHECK POINTS AFTER SERVICING
- 3.2 PCB LOCATIONS
- 3.3 JIG CONNECTION DIAGRAM
- 4. BLOCK DIAGRAM
- 5. DIAGNOSIS
- 5.1 OPERATIONAL FLOW CHART
- 5.2 CONNECTOR FUNCTION DESCRIPTION
- 5.3 BACK END SECTION FLOW
- 6. SERVICE MODE
- 6.1 DVD TEST MODE
- 7. DISASSEMBLY
- 8. EACH SETTING AND ADJUSTMENT
- 8.1 DVD ADJUSTMENT
- 8.2 VIDEO LEVEL ADJUSTMENT
- 8.3 MOTHER UNIT ADJUSTMENT
- 8.4 INVERTER ADJUSTMENT
- 8.5 MONITOR ADJUSTMENT
- 8.6 MONITOR TEST MODE
- 8.7 CALIBRATION TEST
- 9. EXPLODED VIEWS AND PARTS LIST
- 9.1 PACKING
- 9.2 EXTERIOR(1)
- 9.3 EXTERIOR(2)
- 9.4 EXTERIOR(3)
- 9.5 EXTERIOR(4)
- 9.6 DVD MECHANISM MODULE
- 10. SCHEMATIC DIAGRAM
- 10.1 MOTHER UNIT(SYSTEM PART)(GUIDE PAGE)
- 10.2 MOTHER UNIT(POWER SUPPLY PART)(GUIDE PAGE)
- 10.3 KEYBOARD UNIT
- 10.4 MONITOR PCB(MONITOR PART)(GUIDE PAGE)
- 10.5 MONITOR PCB(OSD & µCON PART)(GUIDE PAGE)
- 10.6 DVD CORE UNIT(1/2)(GUIDE PAGE)
- 10.7 DVD CORE UNIT(2/2)
- 10.8 COMPOUND UNIT(A) AND COMPOUND UNIT(B)
- 10.9 RCA PCB
- 10.10 UPPER PCB
- 10.11 OPT PCB
- 10.12 MAIN PCB UNIT(SERVICE), SWITCH PCB UNIT AND VOLUME PCB UNIT
- 10.13 WAVEFORMS
- 11. PCB CONNECTION DIAGRAM
- 11.1 MOTHER UNIT
- 11.2 KEYBOARD UNIT
- 11.3 MONITOR PCB
- 11.4 DVD CORE UNIT
- 11.5 COMPOUND UNIT(A) AND COMPOUND UNIT(B)
- 11.6 RCA PCB
- 11.7 UPPER PCB
- 11.8 OPT PCB
- 11.9 MAIN PCB UNITSERVICE), SWITCH PCB UNIT AND VOLUME PCB UNIT
- 12. ELECTRICAL PARTS LIST

ORDER NO.
PIONEER CORPORATION 4-1, Meguro 1-chome, Meguro-ku, Tokyo 153-8654, Japan
PIONEER ELECTRONICS (USA) INC. P.O. Box 1760, Long Beach, CA 90801-1760, U.S.A.
PIONEER EUROPE NV Haven 1087, Keetberglaan 1, 9120 Melsele, Belgium
PIONEER ELECTRONICS ASIACENTRE PTE. LTD. 253 Alexandra Road, #04-01, Singapore 159936
PIONEER CORPORATION 2007
AVH-P5950DVD/XN/RC
CRT3916
DVD AV RECEIVER
AVH-P5950DVD
/XN/RC
AVH-P5950DVD
/XN/RD
AVH-P5950DVD
/XN/RI
This service manual should be used together with the following manual(s):
Model No. Order No. Mech.Module Remarks
CX-3212 CRT3896 MS5 DVD Mech. Module : Circuit Descriptions, Mech. Descriptions, Disassembly
For details, refer to "Important Check Points for Good Servicing".
K-ZZU. MAY 2007 Printed in Japan
"DTS" and "DTS Digital Surround" are registered trademarks of Digital Theater Systems,Inc.
Dolby noise reduction manufactured under license from Dolby Laboratories Licensing Corporation.
"Dolby" and the double-D symbol are trademarks of Dolby Laboratories Licensing Corporation.

AVH-P5950DVD/XN/RC
2
1234
1234
C
D
F
A
B
E
SAFETY INFORMATION

AVH-P5950DVD/XN/RC 3
5 678
5678
C
D
F
A
B
E
CAUTION
Danger of explosion if battery is incorrectly replaced.
Replaced only with the same or equivalent type recommended by the manufacture.
Discord used batteries according to the manufacture's instructions.
WARNING!
The AEL (accessible emission level )of the laser power output is less than CLASS 1
but the laser component is capable of emitting radiation exceeding the limit for
CLASS 1.
A specially instructed person should do servicing operation of the apparatus.
Laser diode characteristics
Wave length:
DVD:640 nm to 660 nm
CD:770 nm to 810 nm
DVD : 2.48 mW(Emitting period :9 sec.)
CD : 705 W(Emitting period : unlimited)
Additional Laser Caution
Transistors Q1101 and Q1102 in PCB drive the laser diodes for DVD and CD
respectively. When Q1101 or Q1102 is shorted between their terminals,
the laser diodes for DVD or CD will radiate beam. If the top cover is removed
with no disc loaded while such short-circuit is continued, the naked eyes may
be exposed to the laser beam.

AVH-P5950DVD/XN/RC
4
1234
1234
C
D
F
A
B
E
[Important Check Points for Good Servicing]
In this manual, procedures that must be performed during repairs are marked with the below symbol.
Please be sure to confirm and follow these procedures.
1. Product safety
Please conform to product regulations (such as safety and radiation regulations), and maintain a safe servicing environment by
following the safety instructions described in this manual.
1 Use specified parts for repair.
Use genuine parts. Be sure to use important parts for safety.
2 Do not perform modifications without proper instructions.
Please follow the specified safety methods when modification(addition/change of parts) is required due to interferences such as
radio/TV interference and foreign noise.
3 Make sure the soldering of repaired locations is properly performed.
When you solder while repairing, please be sure that there are no cold solder and other debris.
Soldering should be finished with the proper quantity. (Refer to the example)
4 Make sure the screws are tightly fastened.
Please be sure that all screws are fastened, and that there are no loose screws.
5 Make sure each connectors are correctly inserted.
Please be sure that all connectors are inserted, and that there are no imperfect insertion.
6 Make sure the wiring cables are set to their original state.
Please replace the wiring and cables to the original state after repairs.
In addition, be sure that there are no pinched wires, etc.
7 Make sure screws and soldering scraps do not remain inside the product.
Please check that neither solder debris nor screws remain inside the product.
8 There should be no semi-broken wires, scratches, melting, etc. on the coating of the power cord.
Damaged power cords may lead to fire accidents, so please be sure that there are no damages.
If you find a damaged power cord, please exchange it with a suitable one.
9 There should be no spark traces or similar marks on the power plug.
When spark traces or similar marks are found on the power supply plug, please check the connection and advise on secure
connections and suitable usage. Please exchange the power cord if necessary.
a Safe environment should be secured during servicing.
When you perform repairs, please pay attention to static electricity, furniture, household articles, etc. in order to prevent injuries.
Please pay attention to your surroundings and repair safely.
2. Adjustments
To keep the original performance of the products, optimum adjustments and confirmation of characteristics within specification.
Adjustments should be performed in accordance with the procedures/instructions described in this manual.
4. Cleaning
For parts that require cleaning, such as optical pickups, tape deck heads, lenses and mirrors used in projection monitors, proper
cleaning should be performed to restore their performances.
3. Lubricants, Glues, and Replacement parts
Use grease and adhesives that are equal to the specified substance.
Make sure the proper amount is applied.
5. Shipping mode and Shipping screws
To protect products from damages or failures during transit, the shipping mode should be set or the shipping screws should be
installed before shipment. Please be sure to follow this method especially if it is specified in this manual.

AVH-P5950DVD/XN/RC 5
5 678
5678
C
D
F
A
B
E
CONTENTS
SAFETY INFORMATION .....................................................................................................................................2
1. SERVICE PRECAUTIONS................................................................................................................................6
2. SPECIFICATIONS.............................................................................................................................................8
2.1 SPECIFICATIONS ......................................................................................................................................8
2.2 DISC/CONTENT FORMAT.........................................................................................................................9
2.3 PANEL FACILITIES ..................................................................................................................................10
2.4 CONNECTION DIAGRAM........................................................................................................................15
3. BASIC ITEMS FOR SERVICE ........................................................................................................................16
3.1 CHECK POINTS AFTER SERVICING .....................................................................................................16
3.2 PCB LOCATIONS.....................................................................................................................................17
3.3 JIG CONNECTION DIAGRAM .................................................................................................................18
4. BLOCK DIAGRAM ..........................................................................................................................................20
5. DIAGNOSIS ....................................................................................................................................................32
5.1 OPERATIONAL FLOW CHART................................................................................................................32
5.2 CONNECTOR FUNCTION DESCRIPTION .............................................................................................33
5.3 BACK END SECTION FLOW...................................................................................................................34
6. SERVICE MODE.............................................................................................................................................56
6.1 DVD TEST MODE ....................................................................................................................................56
7. DISASSEMBLY ...............................................................................................................................................60
8. EACH SETTING AND ADJUSTMENT............................................................................................................67
8.1 DVD ADJUSTMENT.................................................................................................................................67
8.2 VIDEO LEVEL ADJUSTMENT .................................................................................................................72
8.3 MOTHER UNIT ADJUSTMENT................................................................................................................74
8.4 INVERTER ADJUSTMENT ......................................................................................................................76
8.5 MONITOR ADJUSTMENT........................................................................................................................78
8.6 MONITOR TEST MODE...........................................................................................................................84
8.7 CALIBRATION TEST................................................................................................................................90
9. EXPLODED VIEWS AND PARTS LIST ..........................................................................................................98
9.1 PACKING..................................................................................................................................................98
9.2 EXTERIOR(1) .........................................................................................................................................100
9.3 EXTERIOR(2) .........................................................................................................................................102
9.4 EXTERIOR(3) .........................................................................................................................................106
9.5 EXTERIOR(4) .........................................................................................................................................108
9.6 DVD MECHANISM MODULE................................................................................................................. 110
10. SCHEMATIC DIAGRAM.............................................................................................................................. 112
10.1 MOTHER UNIT(SYSTEM PART)(GUIDE PAGE)................................................................................. 112
10.2 MOTHER UNIT(POWER SUPPLY PART)(GUIDE PAGE) ...................................................................118
10.3 KEYBOARD UNIT ................................................................................................................................124
10.4 MONITOR PCB(MONITOR PART)(GUIDE PAGE) ..............................................................................126
10.5 MONITOR PCB(OSD & µCON PART)(GUIDE PAGE).........................................................................132
10.6 DVD CORE UNIT(1/2)(GUIDE PAGE) .................................................................................................138
10.7 DVD CORE UNIT(2/2) ..........................................................................................................................144
10.8 COMPOUND UNIT(A) AND COMPOUND UNIT(B) .............................................................................146
10.9 RCA PCB..............................................................................................................................................147
10.10 UPPER PCB.......................................................................................................................................148
10.11 OPT PCB ............................................................................................................................................149
10.12 MAIN PCB UNIT(SERVICE), SWITCH PCB UNIT AND VOLUME PCB UNIT ..................................150
10.13 WAVEFORMS.....................................................................................................................................152
11. PCB CONNECTION DIAGRAM ..................................................................................................................154
11.1 MOTHER UNIT .....................................................................................................................................154
11.2 KEYBOARD UNIT.................................................................................................................................158
11.3 MONITOR PCB.....................................................................................................................................160
11.4 DVD CORE UNIT..................................................................................................................................164
11.5 COMPOUND UNIT(A) AND COMPOUND UNIT(B) .............................................................................168
11.6 RCA PCB ..............................................................................................................................................169
11.7 UPPER PCB .........................................................................................................................................170
11.8 OPT PCB ..............................................................................................................................................171
11.9 MAIN PCB UNITSERVICE), SWITCH PCB UNIT AND VOLUME PCB UNIT......................................172
12. ELECTRICAL PARTS LIST.........................................................................................................................173

AVH-P5950DVD/XN/RC
6
1234
1234
C
D
F
A
B
E
1. SERVICE PRECAUTIONS
- Service Precautions
1) You should conform to the regulations governing the product (safety, radio and noise, and other regulations),
and should keep the safety during servicing by following the safety instructions described in this manual.
2) Be careful in handling ICs. Some ICs such as MOS type are so fragile that they can be damaged by electrostatic
induction.
3) Before disassembling the unit, be sure to turn off the power. Unplugging and plugging the connectors
during power-on mode may damage the ICs inside the unit.
4)To protect the pickup unit from electrostatic discharge during servicing, take an appropriate treatment
(shorting-solder) by referring to "the DISASSEMBLY" .
5) After replacing the pickup unit, be sure to skew adjustment.
6)During disassembly, be sure to turn the power off since an internal IC might be destroyed when a connector
is plugged or unplugged.
7) In case the internal fuse has blown, check the voltage of the rear stage.
8) Handling instructions for touch panel
Please handle the touch panel with care as it contains glass.
Dropping or giving a strong shock may break the panel.
Wear gloves, etc. to protect your hands from the glass edges that are not deburred.
9) Remove a small board (2 screws) provided for pulling out an RCA line, before removing the mother board.
10) Hot areas
Red area: Hot area. Be careful not to burn yourself
Red-circled area: The heat from hot parts on the B-side of the board is removed from the product bottom through a heat
transfer sheet.
Be careful not to burn yourself with the hot area.
Moter Unit(Side A)
Bottom
Moter Unit(Side B)
is a trademark of DVD Format/Logo Licensing Corporation.

AVH-P5950DVD/XN/RC 7
5 678
5678
C
D
F
A
B
E
NOTES ON SOLDERING
For environmental protection, lead-free solder is used on the printed circuit boards mounted in this unit.
Be sure to use lead-free solder and a soldering iron that can meet specifications for use with lead-free solders for repairs
accompanied by reworking of soldering.
Compared with conventional eutectic solders, lead-free solders have higher melting points, by approximately 40 C.
Therefore, for lead-free soldering, the tip temperature of a soldering iron must be set to around 373 C in general, although
the temperature depends on the heat capacity of the PC board on which reworking is required and the weight of the tip of
the soldering iron.
Compared with eutectic solders, lead-free solders have higher bond strengths but slower wetting times and higher melting
temperatures (hard to melt/easy to harden).
The following lead-free solders are available as service parts:
Parts numbers of lead-free solder:
GYP1006 1.0 in dia.
GYP1007 0.6 in dia.
GYP1008 0.3 in dia.

AVH-P5950DVD/XN/RC
8
1234
1234
C
D
F
A
B
E
2. SPECIFICATIONS
2.1 SPECIFICATIONS

AVH-P5950DVD/XN/RC 9
5 678
5678
C
D
F
A
B
E
2.2 DISC/CONTENT FORMAT

AVH-P5950DVD/XN/RC
10
1234
1234
C
D
F
A
B
E
2.3 PANEL FACILITIES

AVH-P5950DVD/XN/RC 11
5 678
5678
C
D
F
A
B
E

AVH-P5950DVD/XN/RC
12
1234
1234
C
D
F
A
B
E

AVH-P5950DVD/XN/RC 13
5 678
5678
C
D
F
A
B
E

AVH-P5950DVD/XN/RC
14
1234
1234
C
D
F
A
B
E
JGZ20P070FTC

AVH-P5950DVD/XN/RC 15
5 678
5678
C
D
F
A
B
E
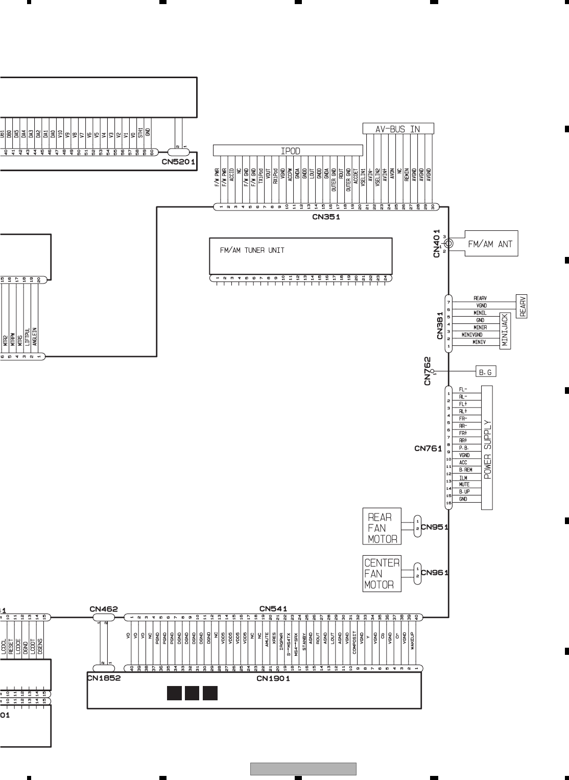
2.4 CONNECTION DIAGRAM
- Connection Diagram

AVH-P5950DVD/XN/RC
16
1234
1234
C
D
F
A
B
E
3. BASIC ITEMS FOR SERVICE
3.1 CHECK POINTS AFTER SERVICING
CHECK POINTS AFTER SERVICING (AVH)
To keep the product quality after servicin
g
, please confirm followin
g
check points.
kcehCserudecorP.oN
p
krameRstnio
1 Confirm whether the customer complain has
been solved.
If the customer complain occurs with the
specific media, use it for the operation
check.
The customer complain must not be
reappeared.
Display, video, audio and operations must
be normal.
2 Flap-mecha Check the operation of the flap mechanism. The flap mechanism operation must be
smooth without making the noise and
When flap-mecha
exists
3 DVD Measure playback error rates at the
innermost and outermost tracks by using the
test mode with the following disc.
DVD test disc (GGV1025)
Deterioration of mecha-drive can be
checked.
The error rates must be less than 2.5e-4.
4 DVD Play back a DVD.
(
Menu o
p
eration
;
Title/cha
p
ter search
)
Display, video, audio and operations must
be normal.
5 CD Play back a CD.
(
Track search
)
Display, audio and operations must be
normal.
6 FM/AM tuner Check FM/AM tuner action.
(Seek, Preset)
S
witch band to check both FM and AM.
Display, audio and operations must be
normal.
7 TV tuner Check TV tuner action.
(
Seek
;
Preset
)
Display, video, audio and operations must
be normal.
8 Check whether no disc is inside the product. The media used for the operating check
must be e
j
ected.
retfaecnaraeppastinotridrosehctarcsoNkcehcecnaraeppA9
receivin
g
it for service.
See the table below for the items to be checked re
g
ardin
g
video and audio:
Item to be checked regarding video Item to be checked regarding audio
noitrotsiDesion-kcolB
esioNesionlatnoziroH
wolootemuloVesiontoD
Disturbed ima
g
e (video jumpiness) Volume too hi
g
h
nitautculfemuloVkradooT
g
Too bri
g
detpurretnidnuoSth
Mottled color
scratches.

AVH-P5950DVD/XN/RC 17
5 678
5678
C
D
F
A
B
E
3.2 PCB LOCATIONS
Monitor PCB
Upper PCB
Keyboard Unit
Mother Unit
Main PCB Unit
(SERVICE)
H
DVD Core Unit
D
Compound Unit (A)
ECompound Unit (B)
F
C
B
K
J
A
L
OPT PCB
I
RCA PCB
G
Switch PCB Unit
Volume PCB Unit
Unit Number : (RC,RD,RI)
Unit Name : Mother Unit
Unit Number :
Unit Name : Keyboard Unit
Unit Number : CWN2330
Unit Name : Monitor Unit
Unit Number : CXX2316
Unit Name : Main PCB Unit(SERVICE)
Unit Number : CZW5029
Unit Name : Switch PCB Unit
Unit Number : CZW5028
Unit Name : Volume PCB Unit
Monitor Unit
Consists of
Monitor PCB
Upper PCB
DVD Amp Assy
Consists of
Mother Unit
OPT PCB
RCA PCB
Unit Number : YWX5005
Unit Name : DVD Core Unit
Unit Number : CWX3154
Unit Name : Compound Unit(A)
Unit Number : CWX3394
Unit Name : Compound Unit(B)

AVH-P5950DVD/XN/RC
18
1234
1234
C
D
F
A
B
E
3.3 JIG CONNECTION DIAGRAM
40-Pin FFC BBR GGD1284 DVD Mechanism Module <--> DVD Amp Assy
33-Pin Relay PCB GGF1462 DVD Amp Assy <--> Monitor Unit
33-Pin FFC GGD1262 DVD Amp Assy <--> Monitor Unit
40-Pin + 20-Pin Relay PCB GGF1461 DVD Amp Assy <--> Main PCB Unit
20-Pin FFC GGD1209 DVD Amp Assy <--> Main PCB Unit
Disc GGV1018 Skew adjustment
TORX driver(T2) GGK1095 Skew adjustment
Bond GEM1033 Skew adjustment
Cord
CDE8384
Main PCB Unit
Monitor PCB Mother Unit
GGD1284
40-Pin FFC BBR
GGF1461
40-Pin + 20-Pin Relay PCB
GGF1462
33-Pin Relay PCB
GGD1262
33-Pin FFC
GGD1209
20-Pin FFC
DVD Mechanism Module
Bracket

AVH-P5950DVD/XN/RC 19
5 678
5678
C
D
F
A
B
E
Before shipping out the product, be sure to clean the following portions by using the prescribed cleaning tools:
Portions to be cleaned Cleaning tools
DVD pickup lenses Cleaning liquid : GEM1004
Cleaning paper : GED-008
Portions to be cleaned Cleaning tools
Fans Cleaning paper : GED-008
- Grease List
CLEANING
Name
Grease
Grease
Grease
Grease
Locking agents
Grease
Grease
Grease
Grease
Jig No.
GEM1024
GEM1043
GEM1045
GEM1050
1401M
GEM1011
GEM1047
GEM1071
GEM1072
Remarks
DVD Mechanism Module and Chassis
DVD Mechanism Module and Chassis
DVD Mechanism Module
DVD Mechanism Module
DVD Mechanism Module (1401M:produced by THREE BOND)
Chassis
Chassis
Chassis
Chassis

AVH-P5950DVD/XN/RC
20
1234
1234
C
D
F
A
B
E
4. BLOCK DIAGRAM
1/2
A
2/2
A
A
MOTHER UNIT
B
KEYBOARD UNIT
J K L
DRIVE UNIT
SYSTEM PART
POWER SUPPLY PART
1/2
C
2/2
C
C
MONITOR PCB
H
UPPER PCB
MONITOR PART
OSD & CON PART
G
RCA PCB
I
OPT PCB
μ

AVH-P5950DVD/XN/RC 21
5 678
5678
C
D
F
A
B
E
D E F
A
RD UNIT
DVD MECHANISM MODULE
IT

AVH-P5950DVD/XN/RC
22
1234
1234
C
D
F
A
B
E
MOTHER UNIT (1/2)
A
AV SELECTOR
IC241
AN15883A
23 AVL
LOUT1
8 REARV2 IC252
BA7623F
REARV ISO&
DRIVER
REARV
VCRSEL
IC251
NJM2136V
2
36
-
+
31
VOUT1
36 AVSCL
SCL
30
MONVBS
VOUT2
Q272VR271Q271
MONITOR VBS BUFFER
35 AVSDA
SDA VCRSEL
CN351
ACCID ACCID
3
REMIN
27
Q351
AVON AVON
25
Q355
VSELIN1
21
Q353
ACCPW
11
Q352
TXiPod TXIPOD
7
RXiPod RXIPOD
971
53
IC351
TC7WH08FU
IP_ACCPW
ACCDET
20 IPODSENS
VSELIN2
23
Q354
8
3
1
212 1522 16 4 17
Lch
CN401
TUNPCE2
TUNSL
TUNPDO
TUNPCK
TUNPCE
TUNPDI
VDD33
TUN+B
TUN33V
FMRF
ANT adj RF adj
FM ANT
T51 CF52
RFGND
OSCGND
DGND
AUDIOGND
NC
VCC
VDD_3.3
3.3V 2.5V
IC 4
3.3V 2.5V
IC 2
2.5V
NC
CE2
ROM_VDD
SL
DI
CK
CE1
NC
DO
NC
NC
NC
NC
76 13 5 1098 11 1418192021
1
3
212 1522 16 4 17
IC 1
3.3V
AM ANT FMRF
ATT
LPF
OSC
IC 3 EEPROM
5.0V
IC 5
5V 3.3V
ATT
MIXER, IF AMP DET, FM MPX,
23
Lch
TUN+B 13
IC811
NJM2391DL1-33 TUN33V
TUN3.3V
V
VDD33V
B.UP
Q842 Q841
23
IC841
S-812C33AUA-C2N
V
VDD5
Q851
23
IC851
S-812C50AUA-C3E
2,3
1
61 IC192
SM5304AV
BUFFER
43 V1
COMPOSIT
MECHA VIDEO ISO
IC191
NJM2136V
2
36
-
+
VIDEO5
Q191
V3
2
3
-
+
45
6
+
110 IC151
NJM2794RB2
VCR AUDIO ISO
13 L2
44 V2
VCR VIDEO ISO
IC161
NJM2136V
2
36
B.CAMERA ISO
IC181
NJM2136V
VCRL
8
3VCRV
1BCAM
CN4302
GVIDEO5
Q161
VIDEO5
Q181
-
LOUT 1
10 IC101
NJM2794RB2
iPod AUDIO ISO
17 L4
46 V4
VOUT
iPod VIDEO ISO
IC111
NJM2136V
2
3
-
+
VOUT
8LOUT
14
AVIN +
24 F/W PWR
1
2
FWPW
VIDEO5 Q111
MINIJACK VIDEO ISO
IC141
NJM2136V
2-
VIDEO5 Q141
2
47 V5
3
1
7
CN381
51
10 IC131
NJM2794RB2
MINIJACK AUDIO ISO
19 L5
1MINIV
AVIN +
AV-BUS VIDEO ISO
IC231
NJM2136V
2
3+
-
VIDEO5 Q231
MINI JACK/
REARV 3+
6
6
6
7
AV-BUS&
MINI VIDEO SW
IC221
NJM2233BM
CN391
MINIL
VSELIN1
VSELIN2
iPod/AV-BUS IN
VIDEO9
Q251

AVH-P5950DVD/XN/RC 23
5 678
5678
C
D
F
A
B
E
10 1
IC401
NJM2794RB2
TUNER AUDIO ISO
8
40
38
39
TUN L
IPBUS+L
E.VOL CAPTAIN7
IC281
PML017A MUTE
OUTPREL
IN3L
OUTFL
OUTRL
9MS5L IN2L
7IN4+
10AVL IN1L
15EVSEL STB
16EVSCK CLK
17EVSDA DATA
Q311
Q313
Q312
CN4302
G
CN311
7
11
SWL
RL
3
FL
AVL
REARV
S
CL
MONVBS
S
DA
CN461
1
BUS+ 1
CN4201
I
8
IC461
HA12241FP
6
DIN1 BUS+BUS- 4
5
BUS-
1
ROUT
2
IETX
IERX
IPPW
STBY
CN531
DMS
6DRST
7
RESET RESET2
4
DDI
8DDO
9
DCK
2FLMDO
5
10
11
VDD33
21
5
3
AMP
IC331
PAL007C
RL+
FL+
FL-
23
RL- 25
B.REMOTE
STBY
MUTE
12FL FLIN
14RL RLIN
SYSMUTE
AMPMUTE
CN761
1
FL- 3
FL+
2
RL-
12
B.REM
9
P. B .
4
RL+
15
B.UP
Q763
SYSTEM MICON
IC601(1/2)
PE5597A
52
BEEP
46 PBSENS
PBSENS
105 EVSDA
107 EVSEL
106 EVSCK
92VCRSEL VCRSEL
117 AMPPW
23 AVSC K
22 AVSDATA
45 AMPMUTE
80 SYSMUTE
25 TUNPDO
27 TUNPCK
114
144 TUNSL
TUNPDI
113 TUNPCE
26
42 DMS
20 DRST
41 DCK
8FLMDO
14 RESET
RESET2
39 DDI
40 DDO
29 IPPW
30
IETX
IERX
ASENBO
31 TXIE
32 RXIE
RESET1
Q731
IC732
TC7SET08FUS1
2
1
412
IC731
S-80827CNNB-B8M VDD33
POWER ON RESET
TUNPCE2
X601
4.718592MHz
BZ601
13
12
X2
X1
RED_ON 79
137
ROTIN1
ROTIN2
KEYIN1
KEYIN2
136
51
LCDCK
LCDCE 50
LCDDT 140
DSENS
139
138
48
ILM+B ILMA
Q783
Q784
BLUE_ON 78
ILM+B ILMB
Q781
Q782
CN481
4
2
8
10
VCC5V
11
RESET
MOREN
7
3
ILMA
5
ILMB
9
SWVDD5
6
REM
ROTIN1
ROTIN2
KEYIN1
KEYIN2
LCDCK
12
14
15
RDTA
RDTB
KEY0
KEY1
LCDCE
LCDCL
LCDDT
DSENSDSENS
Q502 Q501
REMIN
REMIN
Q503
Lch
CN541
VD
VD8
XRES 21
IRQPWRIRQPW 22
WAKEUP 40
COMPOSIT 32
S MS4TXTXMS5 23
MS4 SRXRXMS5 24
AMUTE 20
LOUTMS5L 29
XRESET
STANBY 25
STANDBY
I
3
1
VDD5
VD5
I
17
14
Q541
Q542
VSELIN1
TXIPOD
RXIPOD
PSENS
PSENSG
AVONIN
VSELIN2
AVON 95
93
116
TXIPOD 60 PID
ACCID 132
RXIPOD 59
IP_ACCPW
115
IPODSENS
94
63
IRQPW 64 IRQPW
76 WAKEUP
TXMS5 61 TXMS5
RXMS5 62 RXMS5
66 AMUTE
XRESET
XRESET
75 STANDBY
STANDBY
SENSPW
10
TXMONTXOSD
30
MFLPW
40
SWVDD
43
REM
44
MONVBS
57
RXMONRXOSD
31
I
20
18
FU523
SENS5V
VDD
11
37
FU522
SENS33V
46 ILMB
47 ILMA
BUP FU521
B.UP
I
35
33 PWRFL PWFL
I
51
49 SWVDD33V SWVDD33
PWRVI
38
PWVI
129 ANGLE
ANGLE
DEGOSW DEGOSW
77
LFTSW
127
17 LFTPULS
LFTPULS
35 TXMON
TXMON 36 RXMON
RXMON
124
MTRS 122
MTRPW 126 S_MTR2
MTR2 125 S_MTR1
MTR1 123 S_MTRSEL
MTRSEL
23
Lch
to 2/2
A
B
C
VDD33
VDD33V
3
IC841
S-812C33AUA-C2N
VDD5
VDD5
3
IC851
S-812C50AUA-C3E
CN1901
D
CN4001
B
3.3V
VSELIN1
VSELIN2
WAKEUP
AMUTE
BUSLI 6
CN462
1
ASENB
ASENBO
7
HSEN 14
OPTOUT 15
Q461
12
13
OPT5
A
B.UP
to 2/2
CN1852
D
RCAMUTE
Q741
B.UP
4
AMPPW
Q331
SYS+B
Q742
Q744
Q743
B.UP
OFFMUTE
22
POWER
SUPPLY
PBSENS
BG
11
ACC
Q766
Q765
B.UP
CN762
ASENS ASENS
BSENS BSENS
13
ILM
14
MUTE
Q762
Q761
82 TELIN
TELMUTEIN
BGSENS
143
ISENS ISENS
47 BGSENS
ASENS
BSENS
ILMSENS
TELIN
BGSENS
74
21
LCDCE
LCDDT
B
C
to 2/2
to 2/2
DEGOSW
LFTSW
ANGLOSW
Q523
MTR1
S-MTR1
Q522
MTRSEL
S-MTRSEL
Q521
SENS5V
SENS5V
9
8
ANGLEANGLEIN
LFTPULSLIFTPUL
MTRS
MTRPW
MTR2
S-MTR2
1
2
3
4
5
6
7
SENS5V
CN5003
C
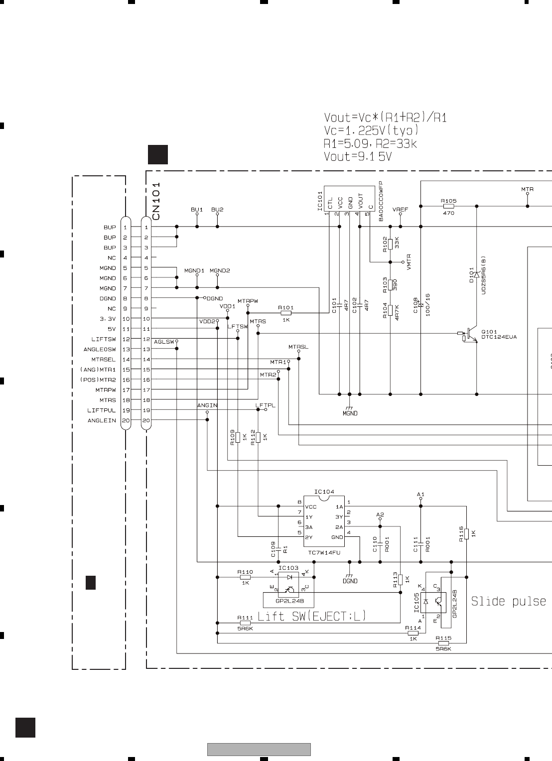
CN101
J
CN512

AVH-P5950DVD/XN/RC
24
1234
1234
C
D
F
A
B
E
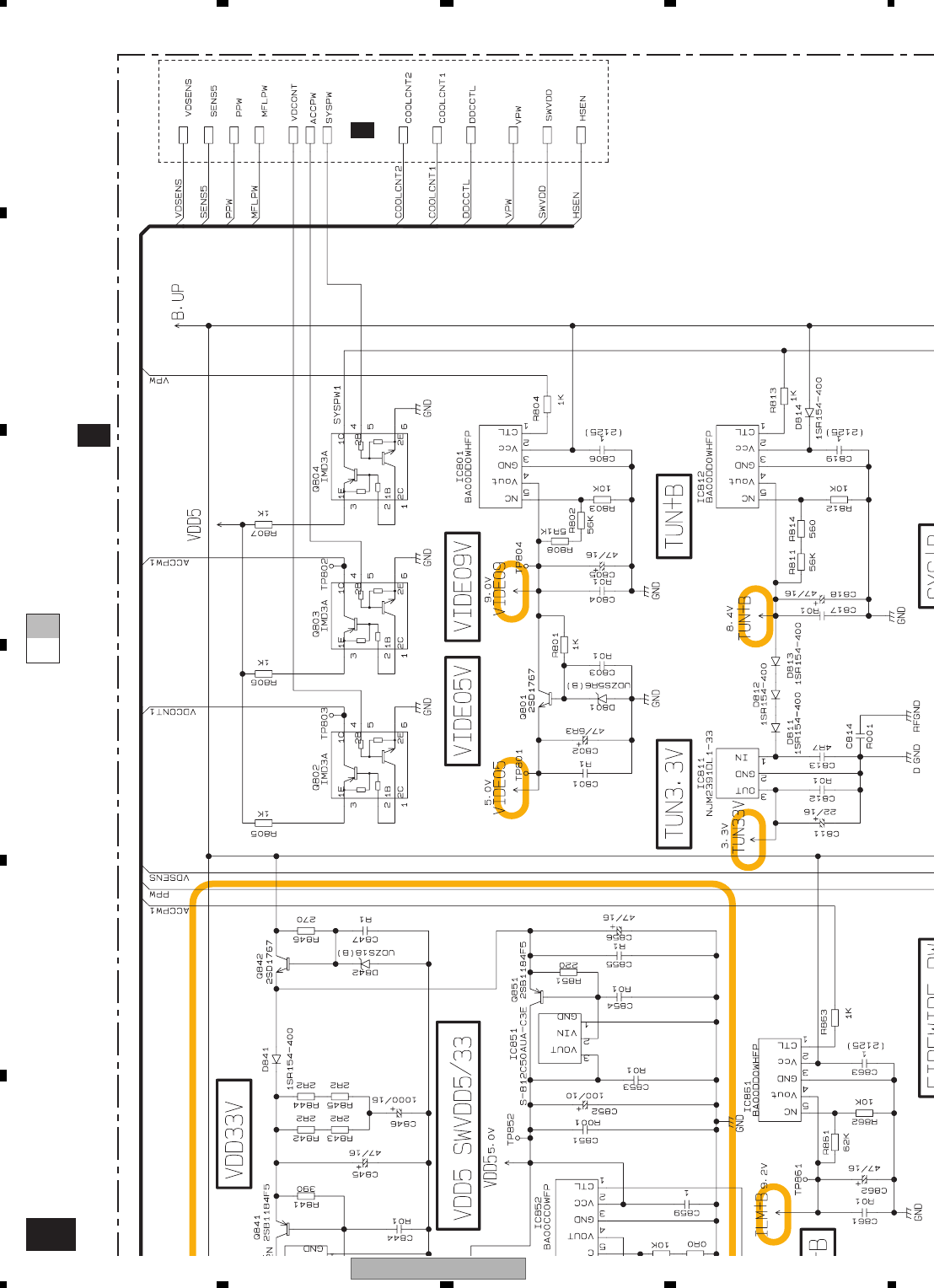
MOTHER UNIT (2/2)
A
2
CN951
1
B.UP
FU951
Q951
|
Q954
REAR
FAN
2
CN961
1
MFLPW
VDCONT1
B.UP FU961
Q961
|
Q963
CENTER
FAN
ACC33V
ACC33V
VDD5 SWVDD5
SWVDD5
HSEN
SWVDD5 OPT5
OPT5
B.UP FWPW
FIREWIRE PW
Q871
|
Q875
ACCPW1
B.UP PWVI
PWVI
Q891
Q892
FU891
MFLPW
B.UP PWFL
PWFL
Q901
Q902
FU901
VDD5 24
1
IC852
BA00CC0WFP SWVDD33
SWVDD33
SWVDD
B.UP 24
1
IC861
BA00DD0WHFP ILM+B
ILM+B
ACCPW1
B.UP 24
1
IC812
BA00DD0WHFP TUN+B
TUN+B
B.UP 24
1
IC801
BA00DD0WHFP VIDEO9
VIDEO9V
VIDEO5V
VPW Q801
VIDEO5
VDCONT1
VD8
10
OUT1
FU972
7
OUT2
B.UP 9VCC
FU973
IC971
AN8011S
3
2
ON/OFF
RT
Q972
Q974
VD5
FU971
Q973
Q975
Q976
VR971
6
SYSPW
SYSTEM MICON
IC601(2/2)
SYSPW
SYSPW1
B.UP 65
4
IC832
LT3461AES6 EV12V
CAPTAIN7 HIOUT PW
23
IC831
S-812C56AUA-C3K
Q831
Q832
SYSPW1
B.UP 24
1
IC821
BA00DD0WHFP SYS+B
SYS+B
SYSPW1
Q804
7
ACCPW ACCPW
ACCPW1
65
VDCONT VDCONT
118
VPW
56
COOLCNT1 57
COOLCNT2
121
SENS5
37
SWVDD
133 PPW
PPOWER
55
DDCCTL
131
VDSENS
VDCONT1
to 1/2
A
B
C
VDD33 SENS33V
SENS33V
SENS5
VDD5 SENS5V
SENS5V
SWVDD
A
B
C
PE5597A
VDD5
Q803
VDD5
Q802
VDD5
to 1/2
VDD33
Q941
Q931
to 1/2
CANTER FAN6V
DDC FOR MS5AV code2
REAR FAN6V
Q911
Q921
Q853
to 1/2

AVH-P5950DVD/XN/RC 25
5 678
5678
C
D
F
A
B
E
4
CN4302 CN4301
VCRL
3VCRL
CN311
A
6
VCRV
5VCRV
8
VCAM
7BCAM
12
FL
11 FL
16
RL
15 RL
20
SWL
19 SWL
CN391
A
CN4001
KEY0
7
KEY1
8
CN481
A
ILMA
ILMB
5
9
3
S4033
EJECT
S4034
RESET
11 DSENS
15
LCDCL
10 LCDCE
12 LCDDI
14
REM
6
S4031
RESET
S4035
SOURCE
S4036
RDTA
2
RDTB
4
S4037
BAND
S4032
ATT&VOLUME
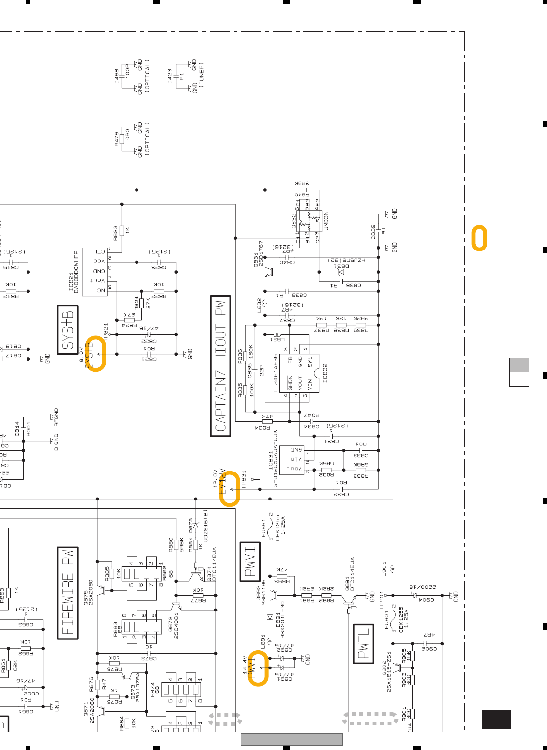
SUB LCD CONTROL
IC4001
LC75836WS
47
46
48
1 SUBILM
SUB LCD
CL
DI
P1/S1
CE
LCD4001
Q4041
D4042
D4051-D4060
D4071-D4080
REMOTE CONTROL
SENSOR
ILMA
ILMB
SWVDD5
2
1
IC4021
SBX3050-01
RCA PCB
G
KEYBOARD UNIT
B
RCA OUT
VCR IN
1
3
2
4
5
ILMA
ILMB
1
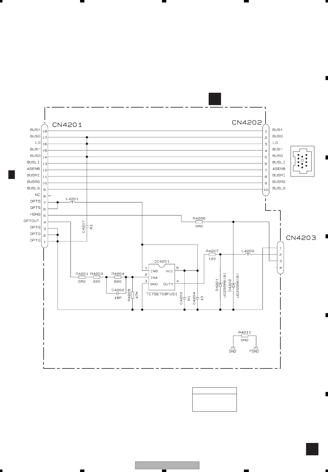
CN4201 CN4202
BUS+
18 BUS+
4
BUS-
15 BUS-
6
BUSLI
13 BUSLI
7
3
CN4203
2
ASENB
12 ASENB
HSNS
5
OPTOUT
4
CN461
ADPT5
6
7
IC4201
TC7SET08FUS1
24
OPT PCB
I
IP-BUS
DIGITAL OUT

AVH-P5950DVD/XN/RC
26
1234
1234
C
D
F
A
B
E
1,2,5,6
1,2,5,6
30
10
16
19
MFLPW
SWVDD
9
CN5003
D
A
P
X
X'T
a
R2-7
_
G2-7
_
B2-7
_
Q5301
C.VIDEO
Q5302
66 Sub_C.
Video_IN1
IC5401
TC90A96BFGS
I
PICTURE SPLI
T
6
8
DI
LD
A02
A01
A03
IC5501
M62343FP
104 Bus_Clock_IN
105 Bus_Data_IN
107 Reset_IN
101 OSD_Blank_High_IN
-
+7
5
6
-
+
1
2
3
1
3
2
IC5503
NJM2100V
INVBST
FU5101
3
4S
GD
S
GD
3
4
IC5103
BD6171KV
D/D CONVERTER
3.3V REGULATOR
11
6PVCC1
PVCC2
32 EN1
44 RT
OUT2 7
VS2 4
PVCC3
PVCC4
PVCC5
23
48
37
OVT1 10
OUT5 38
OUT4 47
OUT3 22
Q5102
8V REGULATOR
Q5103
42 VCC
CHAR
G
REG
U
VS1 13
DACDI
DACLD
DIMMER
INVPUL
DACDI
DACLD
INVPUL
27
28
25
OSCin
VSYNC
HSYNC
OSDCS
2
9
11
A0-17
D0-11
IC5801
PEH098A
IC5603
PEG333A
IC5802
PDC149A
MONITOR uCON
OSD IC
20
19
78
88
93
89
91
90
100 OSDCK
15
5
7
OSDSCL
80
MVIPW
OSDRES
XOUT
XIN
11
X5601 13
SIN
6
3
7CLK
DACCLK DACCLK
4
2
22
24
99 OSDDA
OSDDATA
28
58 26
57
uPNLADX
PNLADX
Q5601
KYDT
33
MFLPW
79
VDDSENS
8
DPDT
34
RESET SWVDD33V
IC5602
S-80827CNNB-B8M
RESET
10 2
1
20 REMCON REMIN
5
PNLYV
PNLXV
TOUCHAD
PNLVD
uPNLADY
PNLYV
PNLXY
TOUCHAD
PNLVD
PNLADY 68
67
66
65
KST1
KS1
KDT1
KDT2
KST2
KD1
KD2
KS2 92 LSEN
LSEN
95 DDCON_SEL
DDCON_SEL
PWRVI
ILMB
ILMA
SWVDD33V
PWRFL
PWRVI
TXOSD
RXOSD
C.VIDEO
DO
EPRDI 4
36
DI
EPRDO 3
37
CS
EPRCS 1
38 SK
EPRCK 2
40
IC5604
S-93C56BD0I-J8
EEPROM
A
CN512
21
22
PIPRST
PIPDA
PIPCK
SCLK
PIPDA
PIPCK
I
13
11
I
15
14
I
25
23
PIPRES
TH5601
TEMP. SENSOR
87
TEMPSEN
16
ILMR
ILMA DILMA
Q5602
Q5603
17
ILMB
ILMB DILMB
Q5604
Q5605
18
OSDPW
SWVDD33V OSD33V
Q5607
Q5608
OSDCS
OSDRST
Q5101
OSDCKL
OSDV
OSDH
BLK
ROUT
30
34
GOUT
BOUT
35
36
93 OSD_C/H.Sync_Out
92 OSD_V.Sync_Out
80 B_IN.2
OSDB
79 G_IN.2
OSDG
78 R_IN.2
OSDR
CECE
OE OE
CS
RST
14
IC5301
NJM2505AF
91 OSD_Clock_Out
Q5801-Q5803
BLK
OSD ROM
DIMMER
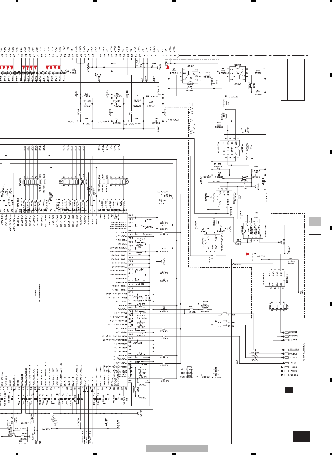
MONITOR PCB
C

AVH-P5950DVD/XN/RC 27
5 678
5678
C
D
F
A
B
E
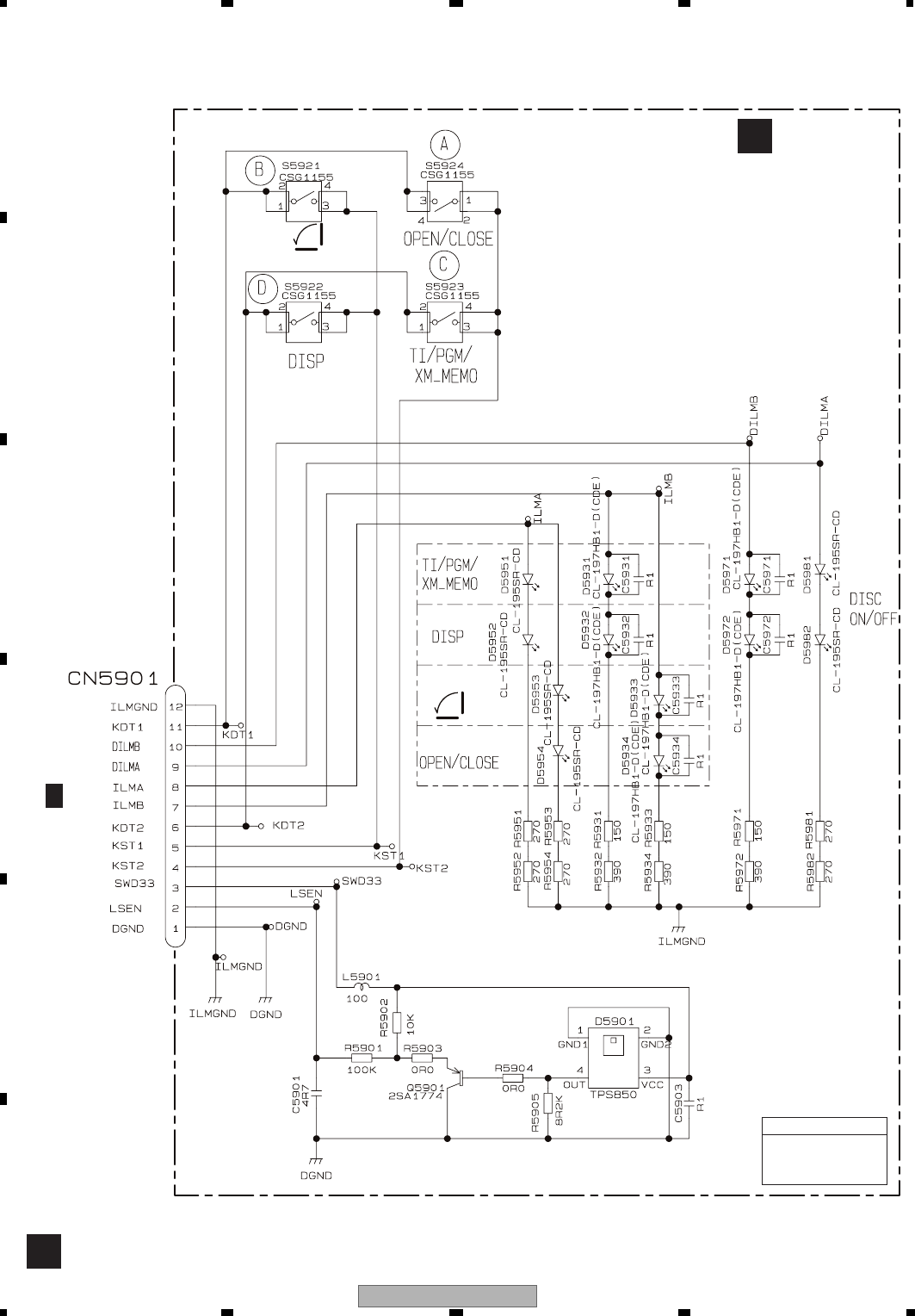
KDT2
11
6
KEY MATRIX
KDT1
ILMB
8
7
ILMA
KST2
5
4
LSEN
243
KST1
DILMB
9
10
3
DILMA
S5921 S5922
S5923 S5924
Q5901
CN5901
Q5701
Q5702
TOUCH
PAN E L
SWVDD33V
1,2,5,6
1,2,5,6
DC0-5
DB0-5
DA0-5
2
1
|
30
35
|
36
41
|
42
47
59
29
9
20
8
6
13
58
|
48
CN5501
DAC_Out
PLL_IN
Q5401
X'Tal_IN
X'Tal_OUT
X5401
42MHz
52
53
60
56
VCC5V
R2-7_D-Out
G2-7_D-Out
B2-7_D-Out
STH
66
STH1139
148-143
158-153
171--166
Load LOAD138
CPH CPH137
OE OE136
CPV CPV135
STV STV1
VDD2
VCC18V VGH 4
VCCM12V VGL
VO0-10
VCOM
VCOM
134
Sub_C.
Video_IN1
IC5401
TC90A96BFGSING
PICTURE SPLIT IC
IC5506
TC74VHC04FTS1
104 Bus_Clock_IN
105 Bus_Data_IN
107 Reset_IN
101 OSD_Blank_High_IN
IC5502
TC7SET04FUS1 IC5504
TC7SET04FUS1
133 42
Vcom 41,3,5 2,4,6
8,10,12
9,11,13
2
-
+7
5
6
-
+
1
2
3
IC5503
NJM2100V
IC5505
TC7S66FU
IC5507
NJM082BV
-
+1
3
2
-
+7
521
4
6
CN5201
531
PWRFL
N
VBST
19
14
15
4,5
6
7
2,3
LCT
3ENA
7V2500
9FB
DIM
VDDA
PDRV_A
20
PDRV_B
12
PDRV_C
11
17
PDRV_D
2
OVP
RT
Q5202
FU5201
Q5203
Q5204
IC5205
SI6544DQ
IC5206
SI6544DQ
VR5201
5V REGULATOR
IC5201
TA78L05F
IC5204
OZ961ISN
LCD DRIVE
18 CT
Q5206
Q5205
T5201
FL1
FL2
1
2
Q5201
IC5203
TC7SET08FUS1
1,2 4
3
4S
GD
S
GD
3
4
3.3V REGULATOR
VCC8V
VCC3.3V
VCC18V
VCC5V
VCCM12V
Q5102
8V REGULATOR
Q5103
4
4
51
2.5V REGULATOR
CHARGE PUMP
REGULATOR
VCOM DRIVE
LADDER NETWORK
DRIVER
V25
IC5102
S-1131B25UC-N4K
51
1.5V REGULATOR
V15
IC5101
S-1131B15UC-N4A
INVBST
LCD MODULE
LCD BACK LIGHT
LCD
CN5001
PLYV
PNLYV
PLXV
PNLXV
TOUCHAD
PNLVD
3
9
10
V25P
V25AM
V25AS
DILMB
KST2
11
LSEN
CN5002
8
KST1
2
7
KDT2
KDT1
4
DILMA
6
ILMB
5
ILMA
SWD33
SWVDD33V
SWVDD33V SWD33
uPNLADX
uPNLADY
28
VCC3.3V
L/R
Q5703 ADVX
ADVY
1
2
3
4
93 OSD_C/H.Sync_Out
92 OSD_V.Sync_Out
80 B_IN.2
79 G_IN.2
78 R_IN.2
I
26
24
Q5501
Q5502
IC5202
TC7SET08FUS1
4
1
V15M
V15D
DISP
TI/PGM/XM_MEMO OPEN/CLOSE
TI/PGM/
XM_MEMO
DISC
ON/OFF
OPEN/CLOSE
DISP
91 OSD_Clock_Out
VCOM AMP
.
17
16
VDD1
V33D
V33IO
V33
D5901
UPPER PCB
H

AVH-P5950DVD/XN/RC
28
1234
1234
C
D
F
A
B
E
MA0-11
MDQ0-31
DQM0-3
A16-19
AD0-15
VIDEO+AUDIO
IC1501
MN2DS0016AAUB
1
3
2
13
AUDI
O
P
SRCK
LRCK
ADOUT3
SDODAC
LTDAC
SCKDAC
DACCK
15
14
16
174
173
175
91
74
90
172 DACCLK
SRCK
ADOUT3
SDODAC
LRCK
LTDAC
SCKDAC
DACCLK
DRV3 95
CONT1
MD
CONT2 84
97
85
LOADIN 93
FD 150
TD 149
LDIN
FG
HOME
TEMP
VIN1RF
VIN3RF
VIN4RF
VIN2RF
VIN5
VIN6
DVDMPD
RFINN
F+H_G+H
CDMPD
E+G_E+F
LPCO2
LPCO1
99
98
145
123
121
120
122
VIN2 142
136
137
A
C
D
B
FE1
FE2
128
116
134
130
135
131
129
RF
Cr
Cb
Y
Comp
152
153
154
161
STANDBY 78
HOSTCMD 80
SLVSTS 79
IRQPWR 89
AMUTE 87
DSCSNS 147
PHOTOSNS 144
(CR)
(CB)
(Y)
(COMPOSIT)
CR
CB
Y
COMPOSIT
DRV2 96
NRES
OSCO
OSCI
X1501
169
170
DEBUG
STANBY
CMDCOMN
STSCOMN
IECOUT 179
A16-19
A0-15
A0-15
AD0-15
AD0-15
XRDNRES 28 50 NEXOE
101 NRST
77 XCSSR
51 NEXCE
62 NEXWE
XCSSR26
12
XWR111
48
CE
OE
WE
RESET
2 1 VSENS
VOLTAGE DETECT
IC1003
S-80859CNNB-B9K
VD8 OUTVDD 88 VSENCE
SDRAM
IC1481
EDS1232AATA-75
20
68
CS
CLK
XWE17 3 NWE
XCAS18 4 NCAS
XRAS19 5 NRAS
XCSM 6 NCSM
22 8BA0
23 10 BA1
BA0
BA1
MCK 234 MCK
232 MCKI
CAS
RAS
WE
CN1951
EXTRG0
SDATA
SCLOCK
EXTRG1_SPD_SW
TRCD0
10
11
1
6
8
7
5
9
4
3
2TRCST
TRCCLK
TRCD3
TRCD2
TRCD1
190
191
192
189
187
183
184
185
186
TRCST
TRCDATA3
TRCDATA2
TRCDATA1
TRCDATA0
188 TRCCLK
EXTRG0
SDATA
SCLOCK
EXTRG1
PR_A20 92 P0
VIN1 143
VIN3 140
VIN4 141
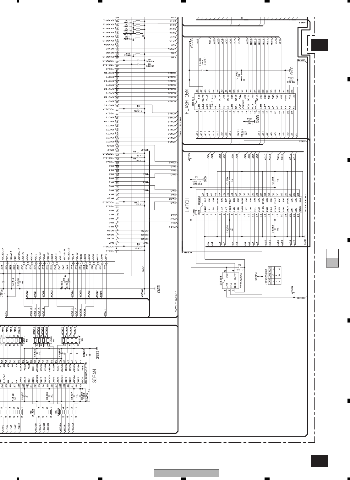
FLASH 16M
IC1401
CWW1416
LATCH
IC1352
TC74LCX16373FT
IC1351
TC7SZ08FU
IC1403
TC7SZ32FU
XCSFM26
11 XWR2
CE
WE
IC1402
CWW1417
41
2
41
2
XCSFM
1LE 25
2LE
VDD5
DVD CORE UNIT
D
CLAMP 94
12
|
13 VCC33
XCSSR

AVH-P5950DVD/XN/RC 29
5 678
5678
C
D
F
A
B
E
AVCC5
VOUTL 7
BCK
LRCK
DATA
MD
1
3
2
13
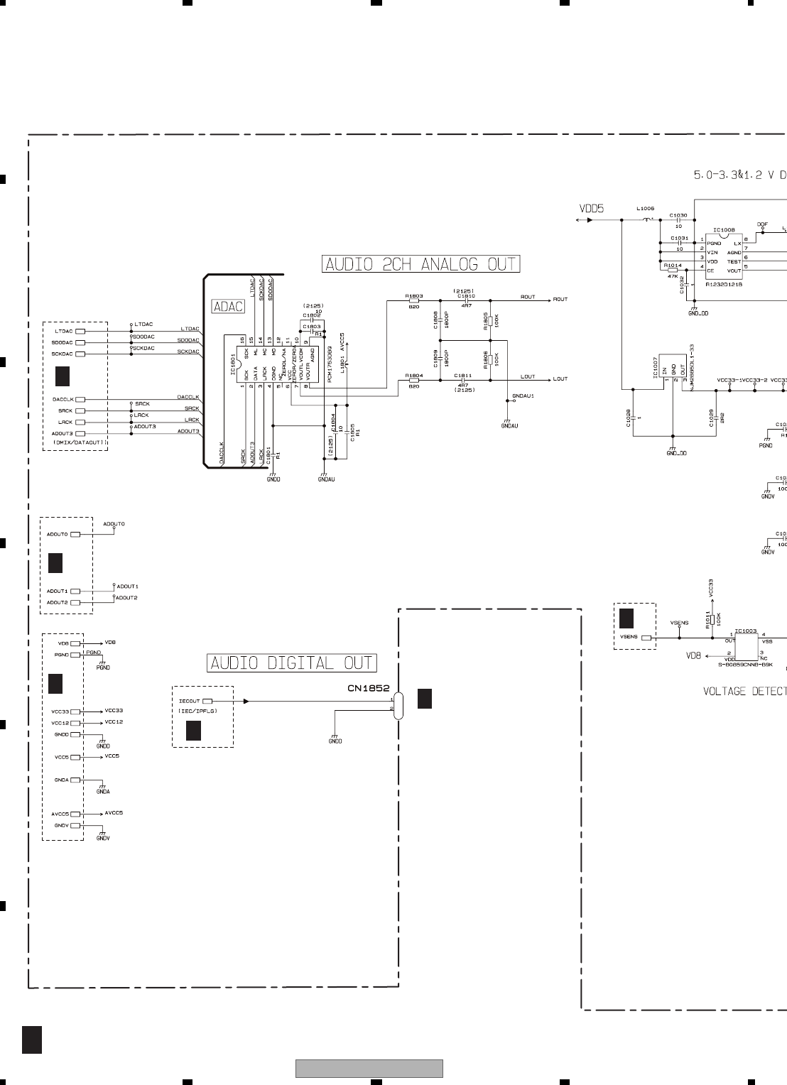
AUDIO 2CH ANALOG OUT
IC1801
PCM1753DBQ
LOUT
ML
MC
SCK
15
14
16
SRCK
ADOUT3
SDODAC
LRCK
LTDAC
SCKDAC
DACCLK
20 18
CTL2 SLO2-
3
ACO2+ 4
ACO2-
MOTOR DRIVER
IC1201
BD7996EFV
2
ACO1- 1
TOM
TOP
FOM
FOP
ACO1+
21 CTL1
25 SLIN2
26
29 SPIN
10 LDIN
13 FG
DISC DET
IC1301
TC7SZ125FU
VDD5
B-
CN1201
17
SLO2+
16
SLO1-
15
SLO1+ 42
VCOILV
39
WCOILW
44
UCOILU
36
HB HBM
30
HW- HWM
31
HW+ HWP
32
HV- HVM
33
HV+ HVP
34
HU- HUM
35
HU+ HUP
20
18
15
14
17
1
2
3
4
9
10
7
12
11
8
13
16
5
6
Q1104Q1102
VREF
VCC5
CN1101
LD(CD)
F-
F+
T-
T+
FOM
THTEMP
B
FOP
TOM
TOP
LPCO2
25
20
19
1
2
3
4
10
11
8
14
12
9
15
21
17
22
24
5
7
Q1103Q1101
LD(DVD)
VCC
LPCO1
4DSCSNS 2
51 ACTIN1
50 ACTIN2
51
3
VIN
VOUT ON/OFF
AVCC5 REG.
IC1005
S-L2980A50MC-C7J
VCC5
VD8
45
1
VIN
VOUT CONT
VCC5 REG.
IC1004
NJM2880U1-05
A
C
D
FE1
FE2
78MDCDMPD
65MDDVDMPD
RF
F+H/G+HF+H_G+H
E+G/E+FE+G_E+F
1
DRV3
SLIN1
DRV2
CONT1
CONT2
MD
FD
TD
CR
IECOUT
CB
Y
COMPOSIT
STANBY
SLVSTS
HSTCMD
STSCOMN
CMDCOMN
IRQPWR
AMUTE
VD8
XRESETNRES
WAKE UP
B+
COIL_V
COIL_W
COIL_U
A-
ANALOG LOUT
DiscDetect
8cm
8cm
12cm
PhotoPHOTOSNS
CN1901
40
21
3
29
38
36
23
22
25
20
24
2
|
1
34
32
CN1852
1
CN1301
3
2
1
4
5
A+
HALL_BIAS-
HALL_W-
SWITCHHOME
HALL_W+
HALL_V-
HALL_V+
HALL_U-
HALL_U+
HALL_BIAS+
31
VDD5 VCC33
3.3V REG.
IC1007
NJM2885DL1-33
OUTIN
8
2
VCC12
1.2V REG.
IC1008
R1232D121B
LX
VIN
4
COMPOUND UNIT(A)
E
S1203 S1204
DISC SENS
3
S1202
8cm
S1201
212cm
5S1205
8cm
6Q1299
CLAMP1 TP1
COMPOUND UNIT(B)
F
S1206
CLAMP
3VDD
VDD5
FU1901 14
|
17
VD5
PU (DP8)
CN541
A
CN462
A

AVH-P5950DVD/XN/RC
30
1234
1234
C
D
F
A
B
E
11
10
5V
BUP
MTRSET
(ANG)MTR1
(POS)MTR2
14
MTRPW
17
MTRS
DGND
18
LIFTPUL
19
ANGLEIN
20
LIFTSW
CN101
13
12
8
15
16
ANGLEOSW
3.3V
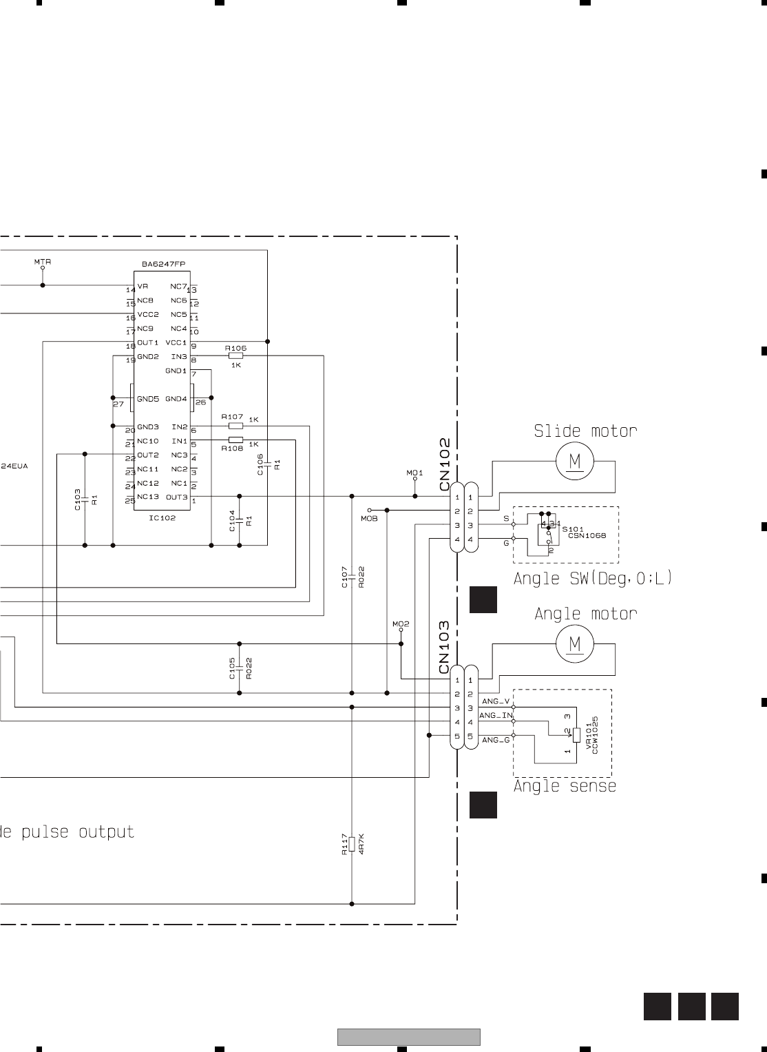
MAIN PCB UNIT(SERVICE)
5V REGULATOR
2
1
4
IC101
BA00CC0WFP
CN102
1
SLIDE
MOTOR
ANGLE
SWITCH
M
2
3
4
CN103
ANG_V
ANG_IN
OUT2
ANG_G
S101
VR101
1
ANGLE
MOTER
ANGLE
SENSER
M
2
22
OUT1 18
S
G
OUT3 1
VCC2
16
VR
14
IN3
8
IN1
5
IN2
6
3
5
4
1Y 1A
71
2Y 2A
53
1
4
3C
K
A
E
2
IC104
TC7W14FU
WAVE SHAPE
IC102
BA6247FP
MOTOR DRIVE
IC103
GP2L24B
Q101
LIFT SW (EJECT:L)
IC105
GP2L24B
SLIDE PULSE OUTPUT
1
4
2
C
K
A
3
E
VCC1
9
A
CN512
J
SWITCH PCB UNIT
K
VOLUME PCB UNIT
L
1
2
3

AVH-P5950DVD/XN/RC 31
5 678
5678
C
D
F
A
B
E
- CAW1946
SEGMENT
COMMON

AVH-P5950DVD/XN/RC
32
1234
1234
C
D
F
A
B
E
5. DIAGNOSIS
5.1 OPERATIONAL FLOW CHART
Vdd = 3.3V?
Pin 9
RESET
BSENS=L?
Pin 21
ASENS=L?
Pin 74
SWVDD←H
Pin 37
ASENBO←H
Pin 30
Source keys
operative
Completes power-on operation.
(After that, proceed to each source operation)
SYSPW←H
Pin 6
Starts
communication
with Display
microcomputer.
Source ON
Y
Y
DSENS=ON?
Pin 140
Y
Y
Standby
DSENS:
0 [v] to 0.85 [v] = OFF
0.85 [v] to 2.45 [v] = ON
2.45 [v] to 3.3 [v] = OFF

AVH-P5950DVD/XN/RC 33
5 678
5678
C
D
F
A
B
E
5.2 CONNECTOR FUNCTION DESCRIPTION
1
12
1920
216
15
1. BUS+
2. BUSG
3. LG
4. NC
5. BUS-
6. BUSG
7. BUSLI
8. ASENB
9. BUSRI
10. BUSRG
11. BUSLG
1. MINIV
2. MINIVGND
3. MINIA
4. GND
5. MINIL
6. VGND
1. FL-
2. RL-
3. FL+
4. RL+
5. FR-
6. RR-
7. FR+
8. RR+
1. VCRRG
2. VCRR
3. VCRLG
4. VCRL
5. VCRVG
6. VCRV
7. BCAMG
8. BCAM
9. FRGND
10. FR
11. FLGND
12. FL
13. RRGEN
14. RR
15. RLGND
16. RL
17. SWRGND
18. SWR
19. SMLGND
20. SWL
ANTENNA CABLE REAR MONITOR OUTPUT
BGSENS
9. P.B.
10. VGND
11. ACC
12. B. REM
13. ILM
14. MUTE
15. B. UP
16. GND
1.AVIN-
2.AVIN+
4.VSELIN1
5.VSELIN2
7.AVGND
10.REMIN
11.AVGND
1.PWGND
2.PWPWR
3.TXiPod
4.ACCID
5.L
6.RXiPod
7.VIDEO
8.R
9.DGND
10.ACCPW
11.ACCDIT

AVH-P5950DVD/XN/RC
34
1234
1234
C
D
F
A
B
E
5.3 BACK END SECTION FLOW
Is the image
in error?
Go to FE related
repair process.
Is FE section
normal?
Can the
playback
start?
Is the sound
in error?
Repair the
defective part.
Normal?
NO
YES
NO
YES
YES
YES
YES
YES
YES
Go to FE
section check.
YES
YES
NO
NO
NO
NO
NO
NO
NO
FE section check.
Go to FE
section check.
NO
NO
NO
Replace the unit.
YES
YES
Go to FE
section check.
NO
YES
YES
NO
START
END
NO
NO
NO
NO
Replace the unit.
YES
Normal?
YES
NO
END
NO
YES
YES
YES
YES
YES
Does the
operation
take time?
Is the life of flash
memory OK?
Conduct check item 12.
Standby OK?
Execute check 1.
Is VDD5
(VCC33, VCC12)
power supply
voltage OK?
Execute
check 2.
Reset OK?
Execute check 3.
Is VD8, VCC5
power supply
voltage OK?
Execute check 7.
Is SDRAM
IF OK?
Execute check 6.
Is VSENS
OK?
Execute check 4.
Is 27 MHz
OK?
Execute check 5.
Is AVCC5
voltage OK?
Execute check 8.
Is DACCLK
normal?
Execute check 9.
Is the audio
circuit OK?
Execute check 10.
Is the video
circuit OK?
Execute check 11.
Is AVCC5
voltage OK?
Execute check 8.

AVH-P5950DVD/XN/RC 35
5 678
5678
C
D
F
A
B
E
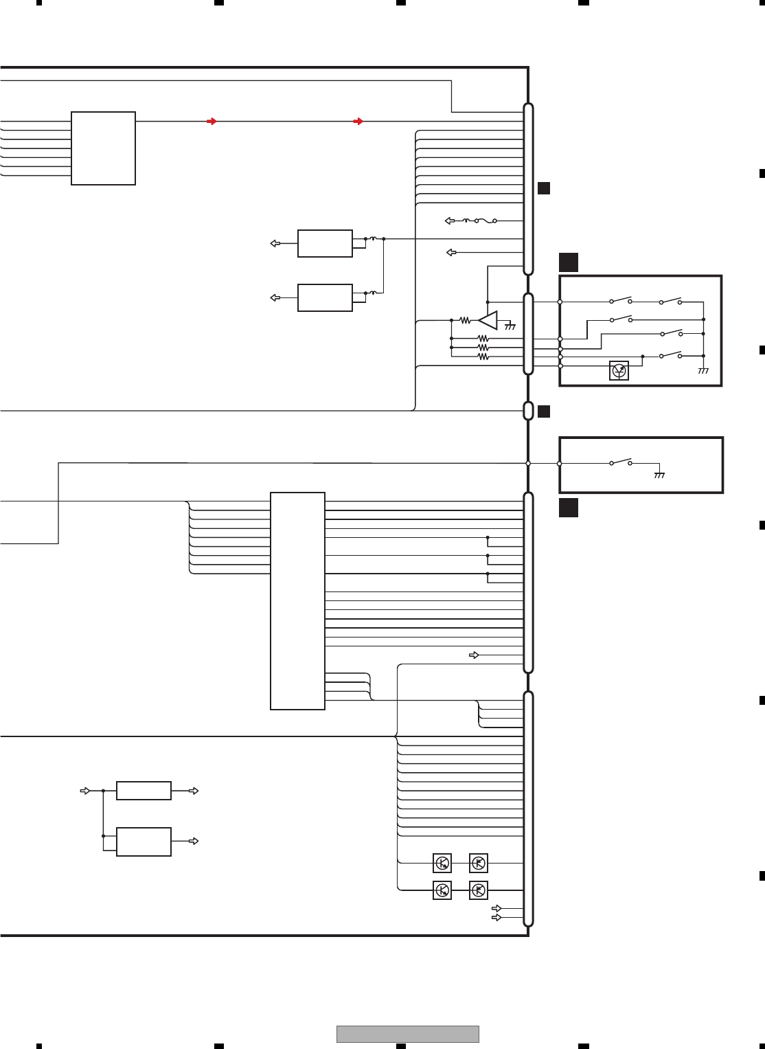
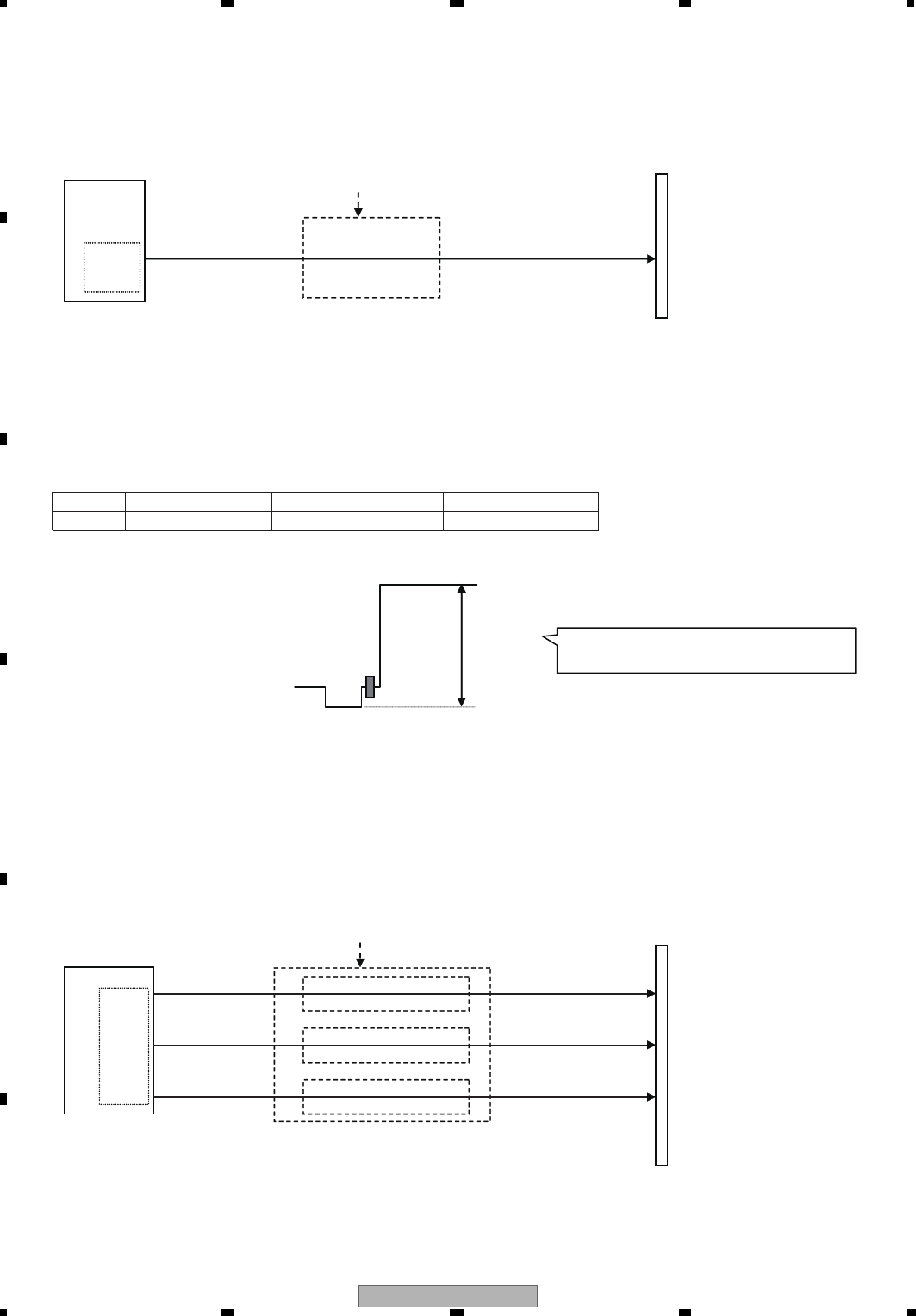
Check 1: Standby OK?
<Check> Check the voltage at the “STANBY” test point while the power is on.
Use the “DGND1” test point at the reference.
NO. Check point Module No. Specification value Unit
STANBY-DGND1 ALL VCC33 V-
0.6 V or more
V
Fig 1.1: STANBY check point
Side A
1
DGND1
STANBY

AVH-P5950DVD/XN/RC
36
1234
1234
C
D
F
A
B
E
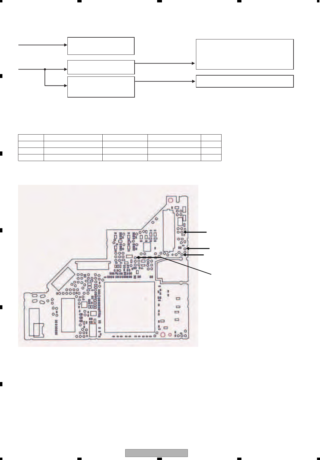
Check 2: Is VDD5 (VCC33, VCC12) power supply voltage OK?
VDD5
VCC33 (= 3.3 V )
VDD5
VCC12 (= 1.2 V )
IC1401 FLASH power supply (Data)
IC1402 FLASH power supply (Program)
IC1481 SDRAM power supply
IC1501 DVD-LSI power supply
IC1501 DVD-LSI power supply
IC1007
3.3 V output regulator
IC1008
DC/DC converter
1.2 V output
F.E. driver control system
NO. Check point Module No. Specification value Unit
1
2
3
VDD5_3 - DGND1
VCC33_3 - DGND1
VCC12_1 - DGND1
ALL
ALL
ALL
5.0 ± 0.4
3.3 ± 0.15
1.2 ± 0.12
V
V
V
Side A
Fig 2.2: VDD5, VCC33, VCC12 voltage check points
Fig 2.1: Power supply configuration
<Check> Check the voltage at the “VDD5_3, VCC33_3 and VCC12_1” test point while the power is on.
Use the “DGND1” test point at the reference.
DGND1
VCC12_1
VCC33
VDD5_3

AVH-P5950DVD/XN/RC 37
5 678
5678
C
D
F
A
B
E
Check 3: Reset OK?
NO. Check point Module No. Specification value Unit
1 XRES-DGND1 ALL VCC33 ×
0.7 or more
V
Side A
Fig 3.1: RESET check point
<Check> Check the voltage at the “XRES” test point while the power is on.
Use the “DGND1” test point at the reference.
DGND1
XRES

AVH-P5950DVD/XN/RC
38
1234
1234
C
D
F
A
B
E
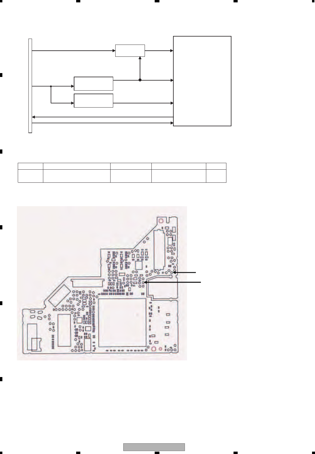
Check 4: Is VSENS OK?
CN1901
HOST I/F
VD8 VSENS
VCC33
VDD5
STANBY
XRES
Fig 4.1: Power supply configuration and VSENS
NO. Check point
IC1501
DVD-LSI
IC1007
Regulator
VCC12
IC1008
DC/DC converter
IC1003
detection IC
Side A
Fig 4.2: VSENS check point
Module No. Specification value Unit
VSENS - DGND1 ALL VCC33 × 0.7
or more V1
<Check> Check the voltage at the “VSENS” test point while the power is on.
Use the “DGND1” test point at the reference.
DGND1
VSENS

AVH-P5950DVD/XN/RC 39
5 678
5678
C
D
F
A
B
E
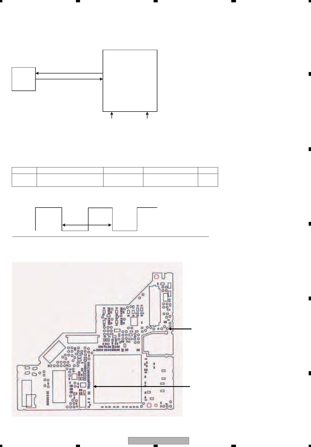
Check 5: 27 MHz Normal?
<Outline> Each clock is created inside the IC1501 using the 27 MHz master crystal oscillator (X1501).
OSCO
OSCI
Fig 5.1: Clock configuration
IC1501
DVD-LSI
X1501
27 MHz
crystal
VCC33 VCC12
<Check method> Turn the power on, and check with DGND being the reference.
In case of NG, check the applicable line, periphery of IC1501,
soldering of the peripheral components and defective components.
NO. Check point Module No. Specification value Unit
2 IC1501 169pin ALL 27 MHz
± 50 ppm ppm
GND
Fig 5.2: Clock specification value
Side A
Fig 5.3: 27 MHz check point
Specification
value
DGND1
IC1501 169pin

AVH-P5950DVD/XN/RC
40
1234
1234
C
D
F
A
B
E
Check 6: Is SDRAM I/F OK?
<Outline> In order to secure the MPEG stream data as the buffer,
the capacity of communication I/F SDRAM between the LSI and the memory is 128Mbit.
Be careful as XCSM, XWE, XCAS, XRAS and XSCM of IC1481 are called differently in IC1501,
namely NCSM, NWE, NCAS, NRAS, NCSM.
MA0~11
MDQ0~31
MCK
XWE (NWE)
XCAS (NCAS)
XRAS (NRAS)
XCSM (NCSM)
DQM0
DQM1
DQM2
DQM3
BA0
BA1
Fig 6.1: SDRAM I/F
IC
1481
SDRAM
IC1501
DVD-LSI

AVH-P5950DVD/XN/RC 41
5 678
5678
C
D
F
A
B
E
1
2
3
4
5
6
7
8
9
10
11
12
13
14
15
16
17
18
19
20
21
22
23
24
25
26
27
28
29
30
31
32
33
34
35
36
37
38
39
40
41
42
43
44
45
46
47
48
49
50
51
52
53
54
55
MA0
MA1
MA2
MA3
MA4
MA5
MA6
MA7
MA8
MA9
MA10
MA11
MDQ0
MDQ1
MDQ2
MDQ3
MDQ4
MDQ5
MDQ6
MDQ7
MDQ8
MDQ9
MDQ10
MDQ11
MDQ12
MDQ13
MDQ14
MDQ15
MDQ16
MDQ17
MDQ18
MDQ19
MDQ20
MDQ21
MDQ22
MDQ23
MDQ24
MDQ25
MDQ26
MDQ27
MDQ28
MDQ29
MDQ30
MDQ31
MCK
XWE
XCAS
XRAS
XCSM
DQM0
DQM1
DQM2
DQM3
BA0
BA1
56 Ω ± 5 %
56 Ω ± 5 %
56 Ω ± 5 %
56 Ω ± 5 %
56 Ω ± 5 %
56 Ω ± 5 %
56 Ω ± 5 %
56 Ω ± 5 %
56 Ω ± 5 %
56 Ω ± 5 %
56 Ω ± 5 %
56 Ω ± 5 %
56 Ω ± 5 %
56 Ω ± 5 %
56 Ω ± 5 %
56 Ω ± 5 %
56 Ω ± 5 %
56 Ω ± 5 %
56 Ω ± 5 %
56 Ω ± 5 %
56 Ω ± 5 %
56 Ω ± 5 %
56 Ω ± 5 %
56 Ω ± 5 %
56 Ω ± 5 %
56 Ω ± 5 %
56 Ω ± 5 %
56 Ω ± 5 %
56 Ω ± 5 %
56 Ω ± 5 %
56 Ω ± 5 %
56 Ω ± 5 %
56 Ω ± 5 %
56 Ω ± 5 %
56 Ω ± 5 %
56 Ω ± 5 %
56 Ω ± 5 %
56 Ω ± 5 %
56 Ω ± 5 %
56 Ω ± 5 %
56 Ω ± 5 %
56 Ω ± 5 %
56 Ω ± 5 %
56 Ω ± 5 %
0.17 Ω ± or lower
56 Ω ± 5 %
56 Ω ± 5 %
56 Ω ± 5 %
56 Ω ± 5 %
56 Ω ± 5 %
56 Ω ± 5 %
56 Ω ± 5 %
56 Ω ± 5 %
56 Ω ± 5 %
56 Ω ± 5 %
IC1481 25pin
IC1481 26pin
IC1481 27pin
IC1481 60pin
IC1481 61pin
IC1481 62pin
IC1481 63pin
IC1481 64pin
IC1481 65pin
IC1481 66pin
IC1481 24pin
IC1481 21pin
IC1481 2pin
IC1481 4pin
IC1481 5pin
IC1481 7pin
IC1481 8pin
IC1481 10pin
IC1481 11pin
IC1481 13pin
IC1481 74pin
IC1481 76pin
IC1481 77pin
IC1481 79pin
IC1481 80pin
IC1481 82pin
IC1481 83pin
IC1481 85pin
IC1481 31pin
IC1481 33pin
IC1481 34pin
IC1481 36pin
IC1481 37pin
IC1481 39pin
IC1481 40pin
IC1481 42pin
IC1481 45pin
IC1481 47pin
IC1481 48pin
IC1481 50pin
IC1481 51pin
IC1481 53pin
IC1481 54pin
IC1481 56pin
IC1481 68pin
IC1481 17pin
IC1481 18pin
IC1481 19pin
IC1481 20pin
IC1481 16pin
IC1481 71pin
IC1481 28pin
IC1481 59pin
IC1481 22pin
IC1481 23pin
IC1501 16pin
IC1501 18pin
IC1501 20pin
IC1501 22pin
IC1501 21pin
IC1501 19pin
IC1501 17pin
IC1501 15pin
IC1501 11pin
IC1501 9pin
IC1501 14pin
IC1501 7pin
IC1501 237pin
IC1501 239pin
IC1501 241pin
IC1501 243pin
IC1501 248pin
IC1501 250pin
IC1501 252pin
IC1501 254pin
IC1501 253pin
IC1501 251pin
IC1501 249pin
IC1501 244pin
IC1501 242pin
IC1501 240pin
IC1501 238pin
IC1501 236pin
IC1501 29pin
IC1501 31pin
IC1501 33pin
IC1501 37pin
IC1501 39pin
IC1501 41pin
IC1501 43pin
IC1501 45pin
IC1501 44pin
IC1501 42pin
IC1501 40pin
IC1501 38pin
IC1501 34pin
IC1501 32pin
IC1501 30pin
IC1501 28pin
IC1501 234pin
IC1501 3pin
IC1501 4pin
IC1501 5pin
IC1501 6pin
IC1501 255pin
IC1501 256pin
IC1501 26pin
IC1501 27pin
IC1501 8pin
IC1501 10pin
<Check> Check the conductivity at “check point 1” and “check point 2” without power.
In case of NG, check the soldering and defective components throughout the
“output t input” of the applicable section.
NO. Signal name Check point 1 Check point 2 Specification value

AVH-P5950DVD/XN/RC
42
1234
1234
C
D
F
A
B
E
Side B
Check point 1 (IC1481)
Side A
Check point 2 (IC1501) Fig 6.2: SDRAM I/F check point

AVH-P5950DVD/XN/RC 43
5 678
5678
C
D
F
A
B
E
Check 7: Is VD8, VCC5 power supply voltage OK?
VD8_1
VD VCC5 (= 5.0V )
Fig 7.1: Power supply configuration
F.E. driver system
DISC detection LED
Power supply
for PU
IC1004
REG IC
for VCC 5V.
NO. Check point Module No. Specification value Unit
1
2
3
VD8_1 - PGND3
VD - PGND3
VCC5_1- AGND1
ALL
ALL
ALL
8.0 ± 0.4
8.0 ± 0.4
5.0 ± 0.1
V
V
V
Side A
Fig 7.2: VD8, VCC5 voltage check points
<Check> Check the voltage at the “VD8_1, VD and VCC5_1” test point while the power is on.
Use the “PGND3 and AGND1” test point at the reference.
VCC5_1
AGND1
VD
VD8_1
PGND3

AVH-P5950DVD/XN/RC
44
1234
1234
C
D
F
A
B
E
Check 8: Is AVCC5 voltage OK?
VD AVCC5 (= 5.0 V )
Fig 8.1: Power supply configuration
<Check> Playback DVD-REF-A1 TITLE 1 and check the voltage at the stylus.
Check with PGND and GNDAU being the reference.
NO. Check point
VD - PGND_3
AVCC5 - GNDAU1
IC1801
Audio-DAC
IC1005
REG IC
for AVCC 5 V.
Module No. Specification value Unit
1
2
ALL
ALL
8.0 ± 0.4
5.0 ± 0.1
V
V
Side A
Fig 8.2: VD8, AVCC5 voltage check points
PGND3
AVCC5
GNDAU
VD

AVH-P5950DVD/XN/RC 45
5 678
5678
C
D
F
A
B
E
Fig 9.1: Clock configuration
Check 9: Is DACCLK normal?
<Outline> DACCLK for Audio-DAC is created by IC1501 using the 27 MHz master crystal oscillator (X1501).
DACCLK
<Check method>
DVD: DVD-REF-A1 TITLE 1
CD: Playback a normal CDDA.
Common to all DVD-V compatible modules.
Check with DGND being the reference.
In case of NG, check the applicable line, the periphery of IC1501, soldering of the peripheral components and
defective components.
IC1501
DVD-LSIX1501
27 MHz
crystal
IC1801
Audio-DAC
VCC33 VCC12
GND
Fig 9.2: Clock specification value
Side A
Check point 2 (IC1501 172 pin)
Check point 1 (stylus)
Fig 9.3: 27 MHz, DACCLK check point
Specification
value 1
Specification
value 2
Specification
value 3
NO. Check point 1 (stylus) Media Specification value 1 Specification value 2 Specification value 3
1
2
DACCK
DACCK
DVD
CD
2.0 V~VCC33 V
2.0 V~VCC33 V
DGND~0.8 V
DGND~0.8 V
36.8640 MHz±300 ppm
33.8688 MHz±300 ppm

AVH-P5950DVD/XN/RC
46
1234
1234
C
D
F
A
B
E
Check 10: Is the audio circuit OK?
<Outline> The serial 3 lines digital output + DACCLK, output from DVD-LSI (IC1501), are converted to analog audio
signal at Audio-DAC (IC1801) and are output from the HOST I/F (CN1901).
Simultaneously, the analog MUTE signal is also output from DVD-LSI (IC1501) via the HOST I/F.
The digital audio signal (IECOUT), output from DVD-LSI (IC1501), is output via CN1852.
CN1901
HOST I/F
LRCK LO
ADOUT3
SRCK RO
GNDAU
CN1852
IC1801
Audio-DAC
IC1501
DVD-LSI
IEC
Fig 10.1: Audio circuit
<Check method> Playback DVD-REF-A1 TITLE 2 CHAPTER 1 (48 k/16 bit 1 kHz 0 dB),
and check with DGND being the reference.
In case of NG, check the applicable line, periphery of major components as described in the above drawing,
soldering of the peripheral components and defective components.
NO. Check point 1 (stylus)
1
2
3
Specification value 1 Specification value 2 Reference waveform
ADOUT3
SRCK
LRCK
VCC33 V-0.6 V or higher
VCC33 V-0.6 V or higher
VCC33 V-0.6 V or higher
0.4 V or lower
0.4 V or lower
0.4 V or lower
Waveform 1
Waveform 2
Waveform 3
GND
Fig 10.2: Serial 3 lines specification value
Side A
Specification
value 1
Specification
value 2
Fig 10.3: Serial 3 lines check points
SRCK
LRCK
ADOUT3

AVH-P5950DVD/XN/RC 47
5 678
5678
C
D
F
A
B
E
The following checks shall be conducted using the following measurement circuits with GNDAU1 being the reference.
NO.
4
5
Fig 10.4: Analog audio out (LO, RO) specification value.
Side A
Fig 10.5: Analog audio out check point
Specification value is the root-mean-square value (rms).
Check point 1 (stylus)
1 400 ± 150 mV
1 400 ± 150 mV
Specification value (rms) Reference waveform
Waveform 4
Waveform 4
LO
RO
LO GNDAU1 RO
47 kΩ47 kΩ
LO
RO
GNDAU1

AVH-P5950DVD/XN/RC
48
1234
1234
C
D
F
A
B
E
Check with DGND being the reference.
Check 2pin cord after connecting it to a jig, etc.
NO. Check point 1 (stylus) Specification value 1 Specification value 2 Reference waveform
6 IEC VCC33 V-0.6 V or higher 0.4 V or lower Waveform 5
Side A
Fig 10.6: Digital audio signal (IECOUT) check point
IEC

AVH-P5950DVD/XN/RC 49
5 678
5678
C
D
F
A
B
E
IN IN
OUT
<Outline> At the time of 6ch digital out, the serial 6 lines output from DVD-LSI (IC1501) is output via CN1581.
Furthermore, at the time of ripping, the serial 3 lines digital output + SUBC, output from DVD-LSI (IC1501),
is output in 4 times speed via CN1851.
CN1851
ADOUT0/SUBC
ADOUT1/BLKCK
ADOUT2/CLDCK
SRCK
LRCK
DATA
MCKENA
RIPP
IC1501
LSI
IC1851 buffer SW,
ripping or 6ch digital out.
IC1852 buffer SW,
ripping or 6ch digital out.
IC1853 buffer SW,
ripping or 6ch digital out.
SBCK
BMUTE
EMPH
IEC/IPFLG
The signal at CN1851 for 6ch digital out/Ripping.
Pin No. Pin name
23
21
19
17
15
13
11
9
7
5
4
3
2
SRCK
LRCK
AD0/SUBC
AD1/BLK
AD2/CLD
AD3/DATA
IEC/IPFLG
-
SBCK
BMUTE
MCKENA
RIPP
EMPH
Pins 1, 6, 8, 10, 12, 14, 16, 18, 20, 22 and 24 are GNDD.
Fig 10.7: 6ch digital out/Ripping circuit
6ch digital out Ripping
SRCK
LRCK
ADOUT0
ADOUT1
ADOUT2
ADOUT3
IEC
-
-
BMUTE
Low
High
EMPH
SRCK
LRCK
SUBC
BLKCK
CLDCK
DATA
IPFLG
-
SBCK
-
High
Low
EMPH

AVH-P5950DVD/XN/RC
50
1234
1234
C
D
F
A
B
E
Playback DVD-REF-A1 TITLE22 CHAPTER 1, and check with GNDD being the reference.
In case of NG, check the applicable line, the periphery of the major components in the drawing above,
soldering of the peripheral components and defective components.
Check 24pin FFC after connecting it to a jig, etc.
NO. Check point 1 (stylus)
7
8
9
10
11
12
13
SRCK
LRCK
ADOUT0
ADOUT1
ADOUT2
IEC
MCKENA
Specification value 2
0.4 V or lower
0.4 V or lower
0.4 V or lower
0.4 V or lower
0.4 V or lower
0.4 V or lower
VCC33 V x 0.3 V or lower
0.4 V or lower
0.4 V or lower
0.4 V or lower
0.4 V or lower
0.4 V or lower
0.4 V or lower
0.4 V or lower
VCC33 V x 0.3 V or lower
Rip common CDDA, and check with GNDD being the reference.
In case of NG, check the applicable line, the periphery of the major components in the drawing above,
soldering of the peripheral components and defective components.
Check 24pin FFC after connecting it to a jig, etc.
NO. Check point 1 (stylus)
14
15
16
17
18
19
20
21
SRCK
LRCK
SUBC
BLKCK
CLDCK
DATA
SBCK
RIPP
Specification value 1 Specification value 2
VCC33 V-0.6 V or higher
VCC33 V-0.6 V or higher
VCC33 V-0.6 V or higher
VCC33 V-0.6 V or higher
VCC33 V-0.6 V or higher
VCC33 V-0.6 V or higher
VCC33 V-0.6 V or higher
-
Specification
value 1
GND Specification value 2
Fig 10.8: 6ch digital out/Ripping specification value
VCC33 V-0.6 V or higher
VCC33 V-0.6 V or higher
VCC33 V-0.6 V or higher
VCC33 V-0.6 V or higher
VCC33 V-0.6 V or higher
VCC33 V-0.6 V or higher
-
Specification value 1

AVH-P5950DVD/XN/RC 51
5 678
5678
C
D
F
A
B
E
Side A
Side B
Fig 10.9: 6ch digital out/Ripping check point
SRCK
LRCK
ADOUT3
ADOUT2
ADOUT1
ADOUT0
RIPP
MCKENA
SBCK

AVH-P5950DVD/XN/RC
52
1234
1234
C
D
F
A
B
E
Check 11: Is the video circuit OK?
<Outline> Composite signal and component signal are output from DVD-LSI (IC1501), and are output from the
HOST I/F (CN1901) via a buffer circuit.
CN1901
HOST I/F
AVCC5
Composite
Component Y
Component Cb
Component Cr COMPO
Fig 11.1: Video circuit
<Checking method> Playback DVD-REF-A1 TITLE2 CHAPTER5 (WHITE 100%), and monitor COMPO signal with
an oscilloscope with GNDV1 (stylus) being the reference. Set the trigger mode to “TV trigger” and
the trigger line to “150 line”.
Video buffer circuit
NoMount
IC1501
DVD_LSI
Video
DAC
section
NO.
Check point 1 (stylus)
Specification value Reference waveform
1 COMPO 1 000 mVpp ± 5 % Waveform 6
In case of NG, check the applicable line, the periphery of the major components in the drawing above, soldering of the
peripheral components and defective components. PEAK
COMPO signal Reference
value
Color burst
Pedestal level
BOTTOM
Horizontal sync signal
Fig 11.2: Waveform for the case of composite white 100% output
<Video level readjustment method>
In case the video composite output is outside of the specification value, readjust the level according to the method
described below.(Note : Units are exchanged, the video output is not adjusted. )
Turn the volume (VR1671) to adjust the video level within the range of 1.0 ± 0.02 Vpp.
The adjustment specification is 1.0 ± 0.02 Vpp.
Adjust this level within the
range of 1.0 ± 0.02 Vpp.
AVCC5
Fig 11.3: Video circuit (component)
Q1702(NoMount)
Video buffer circuit
Q1701(NoMount)
Video buffer circuit
Q1704(NoMount)
Video buffer circuit
CN1901
HOST I/F
YY
Cb Cb
Cr Cr
IC1501
LSI
Video
DAC
section

AVH-P5950DVD/XN/RC 53
5 678
5678
C
D
F
A
B
E
<Checking method> Playback DVD-REF-A1 TITLE2 CHAPTER19 (100% Color Bars), and monitor Y, Cb, and Cr
signal with an oscilloscope with GNDV1 (stylus) being the reference. Set the trigger mode to
“TV trigger” and the trigger line to “150 line”.
NO. Check point 1 (stylus) Specification value Reference waveform
1 000 mVpp ± 5%
700 mVpp ± 5%
700 mVpp ± 5%
Waveform 7
Waveform 7
Waveform 7
2
3
4
Y
Cb
Cr
In case of NG, check the applicable line, the periphery of the major components in the drawing above, soldering of
the peripheral components and defective components.
PEAK
Y signal Specification value
BOTTOM
PEAK
Cb signal Specification value
BOTTOM
PEAK
Cr signal Specification value
BOTTOM
100% Color Bars signal
Fig 11.4 Waveform for the case of component 100% Color Bars output
Side A
Fig 11.5: VIDEO signal check point
Y
COMPO
Cr
Cb

AVH-P5950DVD/XN/RC
54
1234
1234
C
D
F
A
B
E
Check 12:How to judge whether the flash memory has reached its life or not.
If the reaction to user operation is slow or operation is slow in general, there is a possibility that the flash memory
has reached its life.
Make judgment regarding the flash memory life by looking at the display of the LD energizing time.
1.Let the LD energizing time displayed.
(Refer to the FE test mode for the method of displaying the LD energizing time.)
2.If the second digit from the left of the energizing time display is showing E,
such as “ E ”, it means that the flash memory has reached its life.
Example:
0E000BB8

AVH-P5950DVD/XN/RC 55
5 678
5678
C
D
F
A
B
E
CH1 : LO
CH1 : ADOUT3 CH2 : RO
Reference voltage: DGND2 1 V/div. 5 μsec/div
Reference voltage: GNDAU2 1 V/div. 500 μsec/div
Waveform 1 Waveform 4
CH1 : SRCK CH1 : IECOUT
Reference voltage: DGND2 1 V/div. 5 μsec/div Reference voltage: DGND2 1 V/div. 500 nsec/div
Waveform 2 Waveform 5
CH1 : LRCK
Reference voltage: DGND2 1 V/div. 5 μsec/div
Waveform 3
AUDIO VIDEO
G->
G->
G-> G->
G->
G->
CH1 : COMPO
Reference voltage: GNDV1 200 mV/div. 10 μsec/div
Waveform 6
Waveform 7
[WHITE 100IRE]
[100% Color Bars]
CH1 : Y
CH2 : Cb
CH3 : Cr
Reference voltage: GNDV1 200 mV/div. 5 μsec/div

AVH-P5950DVD/XN/RC
56
1234
1234
C
D
F
A
B
E
6. SERVICE MODE
6.1 DVD TEST MODE
Image of the test mode.
[Note] Higher level 4 characters only. Lower level 4 characters are spaces.
The following operations are done by remote control.
(1) (2)
Start of the test mode.
TEST
FE test selection EDC1 test selection
Hereafter, to FE test
mode image.
Hereafter, to EDC1
test mode image.
[Note] In order to move on to another test after selecting a test (FE/EDC1/EDC2), it is necessary to restart the DVD mechanism in the test mode.
(3)
EDC2 test selection
Hereafter, to EDC2
test mode image.
(4)
LD power on time
mode selection
Hereafter, to LD power on
time mode image.
Legend: … Key operation
… Operation state
… The content displayed on the DVD mechanism (video only)
8 characters data is sent to the product side (HOST) by UART communication.
Image of the front end test mode.
(2)
FE test mode
Disc type DVD1
layer
FE offset coefficient
TE offset coefficient
AS offset coefficient
ENV offset coefficient
TG offset coefficient
DBAL coefficient
VIN1 offset cancel value
VIN2 offset cancel value
VIN3 offset cancel value
VIN4 offset cancel value
VIN5 offset cancel value
VIN6 offset cancel value
VIN7 offset cancel value
VIN8 offset cancel value
VIN9 offset cancel value
VIN10 offset cancel value
Power on
0000 0000
0FFF 0000
0 x 00 0000
Legend: … Key operation
… Operation state
… The content displayed on the DVD mechanism (video only)
8 characters data is sent to the product side (HOST) by UART communication.
(4) (5)
Disc type DVD2
layer Disc type CD
0100 0000 0200 0000
Disc type CD-RW
0300 0000
EJECT
EJECT
[Note] If no action is taken for approximately 10 seconds after LD-ON, it will become LO-OFF automatically.
If F close is selected during LD-OFF, it will become an error.
During focus search (S character measurement mode), too, safety regulation applies if LD_OFF is not selected
within 10 seconds. Therefore, even if focus search is selected after LD-ON, it will become LD-OFF after 9 seconds.
In order to F close after focus search (S character measurement mode), set to Power_OFF first then power on again
before F close.
FEMAX level
FEMIN level
ASMAX level
ENVMAX level
FE normalization coefficient
Spindle gain coefficient
TEMAX level indication
TEMIN level indication
(2)
Focus close state
(1) (2)
S curve
measurement
(2)
F close F search
1A00 0000
F search
1100 0000
1FFF 0000
(3),(4)
CRG+/-
Activates while the key
is being pressed.
1B00 0000 : CRG+
1C00 0000 : CRG-
(5) (6)
LD-ON/OFF
When LO-ON: 1100 0000
When LD-OFF: 1000 000
CRG_HOME
1D00 0000
(8)
Power_OFF
(1) (3)
a b
1 x 00 0000

AVH-P5950DVD/XN/RC 57
5 678
5678
C
D
F
A
B
E
(2)
(1) (2)
Tracking balance
TBAL coefficient (layer 0)
TBAL coefficient (layer 1)
TE normalization coefficient (layer 0)
TE normalization coefficient (layer 1)
Off track adjustment result
Focus Jump
When L0 layer: 2000 0000
When L1 layer: 2100 0000
2 x 00 0000
2FFF 0000
(3),(4)
CRG +/-
It operates while the key
is being pressed.
2B00 0000 : CRG+
2C00 0000 : CRG-
3000 0000
(8)
Power_OFF
(8)
Power_OFF
(5)
Performed including the tracking close processing.
FBAL coefficient (layer 0)
FBAL coefficient (layer 1)
Focus gain coefficient (layer 0)
Focus gain coefficient (layer 1)
Tracking gain coefficient (layer 0)
Tracking gain coefficient (layer 1)
AS normalization adjustment value (layer 0)
AS normalization adjustment value (layer 1)
RF level value
3FFF 0000
Tracking close state
(1) (2)
(1)
Error rate
measurement
Error rate
Focus gain coefficient (layer 0)
Focus gain coefficient (layer 1)
Tracking gain coefficient (layer 0)
Tracking gain coefficient (layer 1)
AS normalization adjustment value (layer 0)
AS normalization adjustment value (layer 1)
RF level value
indication start
5000 0000
RF level is informed
every 500msec.
RF level value
indication end
(7) (8)
To (2)
T.OPEN Power_OFF
(1) (3),(4)
Tracking close CRG +/-
It operates while the key
is being pressed.
3B00 0000 : CRG+
3C00 0000 : CRG-
3FFF 0000
a b
(1) (2)
Tracking close state
Error rate
measurement
FBAL coefficient (layer 0)
FBAL coefficient (layer 1)
Focus gain coefficient (layer 0)
Focus gain coefficient (layer 1)
Tracking gain coefficient (layer 0)
Tracking gain coefficient (layer 1)
AS normalization adjustment value (layer 0)
AS normalization adjustment value (layer 1)
Playback speed
switching
4000 0000
4 x 00 0000
(5)
Error rate
Focus gain coefficient (layer 0)
Focus gain coefficient (layer 1)
Tracking gain coefficient (layer 0)
Tracking gain coefficient (layer 1)
AS normalization adjustment value (layer 0)
AS normalization adjustment value (layer 1)
Focus Jump
DVDX1.3~
1.6CAV
CDX4CLV:
4x00 0000
When L0 layer: 4x00 0000
When L1 layer: 4x00 0000
(8)
Error display
Power_OFF
Error occurrence L0 layer DVD X CAV,CD X 2CLV :4000 0000
L0 layer DVD X 1CLV,CD X 1CLV :4200 0000
L1 layer DVD X CAV :4100 0000
L1 layer DVD X 1CLV :4300 0000
V Change
V
L0 layer DVD X 1.3~1.6CAV, CD X 4CLV :4000 0000
L1 layer DVD X 1.3~1.6CAV :4100 0000
[Note] If an error occurs at Power_OFF, reset cannot be made. In such a case, it is necessary to turn the power off and start the test mode once again.
Error occurrence at Power_OFF
Error display
The number for designation of the track number shall be selected from the track numbers previously prepared.
Switch to cyclic by (3). Fix by (4).
For CD: Tracks 1, 4, 10, 11 and 32
For DVD: Tracks 1, 4, 10, 11, 32, 64 and 100
Change the method for ID address designation.
Designation of digit by command (1) and (2). UP/DOWN of numbers by command (3) and (4). Fix by command (5).
The higher 2 digits of the designated ID are the value showing the test state.
The lower 6 digits show the ID.
Example) If 300000 is desired to be designated as the ID, designated ID: 4A03 0000.
(7) (8)
To (2)
T.OPEN Power_OFF
(6) (3),(4)
(1)-(4) (3)
(5) (5)
ID Search T.Jump+/-
4A00 0000 Jump+ : 4B00 0000
Jump- : 4C00 0000
ID designation
ID display
Track number
designation
Track number
indication
Search start Jump start

AVH-P5950DVD/XN/RC
58
1234
1234
C
D
F
A
B
E
EDC. Image of the test mode
[Note] Image is the same for both EDC1 and EDC2.
(1) (2)
EDC1/2 test mode
0000 0000
Layer 0 selection Layer 1 selection
0000 0000 0100 0000
1003 0000 1103 0000
(5)
[Note] The display is updated at 0.5 seconds interval until 0/1 layer is selected or Eject is effected.
(1)-(4)
ID designation
EDC1/2 start
Layer 0: 10** ****
Layer 1: 11** ****
[Note] ** **** is the ID designation value
Layer 0: 20** ****
Layer 1: 21** ****
[Note] ** **** is the present ID designation value
**** ****
[Note] **** **** is the present ID designation value
Legend: … Key operation
… Operational state
… The content displayed on the DVD mechanism (video only)
8 characters data is sent to the product side (HOST) by UART communication.
[Note] Eject can be effected any time during the EDC test mode.
Eject
After completion of EJECT operation
EJECT operation
Test mode Eject
Image of the LD power on time mode.
LD power on time mode
0000 0000
CD LD power on
time indication
DVD LD power on
time indication
10** ****
[Note] ** **** is the CD LD
power on time.
20** ****
[Note] ** **** is the DVD LD
power on time.
(1) (2)
CD LD power on
time setting
Setting time
designation
30** ****
[Note] ** **** is the setting time.
Setting time
registration
DVD LD power on
time setting
Setting time
designation
40** ****
[Note] ** **** is the setting time.
(5) (6)
(1)-(4) (1)-(4)
(5) (5)
(8)
10** ****
[Note] ** **** is the CD LD
power on time.
Setting time
registration
(8)
20** ****
[Note] ** **** is the DVD LD
power on time.
[Note] If the power on time is 999999 hours or more, it is always reported as 999999 hours.
[Note] If the power on time is “*E** ****”, the value may not be correct due to the life of the flash memory.
[Method of setting time designation]
Designate the digit by command (1) and (2). UP/DOWN of numbers by command (3) and (4).
Fix by command (5). Cancel by command (8).
Legend: … Key operation
… Operational state
… The content displayed on the DVD mechanism (video only)
8 characters data is sent to the product side (HOST) by UART communication.
Not for service use

AVH-P5950DVD/XN/RC 59
5 678
5678
C
D
F
A
B
E
Error status
Open
Read Error
Focus Error(Focus Error
in mechanism set up)
Surface Error
Address not found
(Invalid Track)
Spindle Lock
Carriage HOME
ID/SUBCODE Read Error
AV CHIP decode Error
AV CHIP Recovery NG
Error of PLAY BACK Mode
Status
Disc Data Error
No Disc
(including Disc loading
and ejecting)
Media Error
Temp Error
(In Case of High
Temperature)
OSD *1
It is a disc unable to be played back.
NON-PLAYABLE DISC
(No display)
ERROR-02-99
ERROR-02-90
ERROR-02-9E
ERROR-02-80
ERROR-02-91
ERROR-02-92
ERROR-02-94
ERROR-02-9A
ERROR-02-9B
ERROR-02-9C
Temperature protection circuit is
being activated.
THERMAL PROTECTION IN MOTION
(No display)
(No display)
UART
*2
10h
20h
21h
22h
23h
24h
25h
26h
2Ah
2Bh
2Ch
2Dh
40h
00h
30h
Meaning
Door open error
Transfer start error
Focus error
Focus error during set up
(A focus has never been achieved with that
disc.)
Address not found.
Spindle lock NG
(the disc cannot rotate)
Carriage home NG
(The pick up tries to return to carriage
home, but it cannot go back and stopped.)
ID/SUBCODE Read Error (ID/SUBCODE
cannot be read due to scratch or stain.)
AV CHIP decode NG
(AV chip cannot be decoded.)
AV CHIP recovery NG
Playback state error
(An error due to software bug.)
Disc Data NG
Disc has not been inserted.
(Including Load in process or Eject in process.)
Loading mechanism error
(The disc cannot be clamped.)
A disc containing the unplayable Format only.
High temperature
(Playback is stopped because the pick up
temperature is 89 C or higher.)
ACC
Off/On
Source
Off/On
Eject
Play Key
****
XXXX
XXXX
XXXX
X
X
X
X
X
X
X
X
*
X
X-XX
X
-
-
Method of reset
--
X
X
X
X
X
X
X
X
*
-
-
-
-
X
X
X
X
X
X
X
X
*
X
X
-
X
X
X
X
X
X
X
X
X
X
*
-
-
-
-
-
ERROR-02-9D
Loading_Mecha Error 50h
REQUEST error
Failure in issuing read
command (chip dependent)
Adjustment of L0 is NG.
Adjustment of L1 is NG.
LD system NG
Gain adjustment system NG.
Gain determining system NG.
Servo initial setting related items NG.
Disc is not clamped yet.
Tracking system NG.
Media setting system NG.
Focus Error
Error of PLAY BACK
Mode Status
Error of PLAY BACK
Mode Status
Undefined Error
DRM Error
Region code Error NG
CPPM*3 Key Error *4
AWM*5 Error *4
It is a protected disc.
PROTECTED DISC
Region code is incorrect.
DIFFERENT REGION DISC
It is a disc unable to be played back.
NON-PLAYABLE DISC
ERROR-02-A0
ERROR-02-A1
ERROR-02-A2
ERROR-02-A3
ERROR-02-A4
ERROR-02-A5
ERROR-02-A6
ERROR-02-A7
ERROR-02-A8
ERROR-02-A9
ERROR-02-AA
ERROR-02-AB
ERROR-02-B0
ERROR-02-B1
ERROR-FF-FF
A0h
A1h
A2h
A3h
A4h
A5h
A6h
A7h
A8h
A9h
AAh
ABh
B0h
B1h
FFh
70h
90h
91h
*6
REQUEST error
Failure in issuing the read command
L0 adjustment is NG.
L1 adjustment is NG
LD system NG
Gain adjustment system NG.
Gain determining system NG.
Servo initial setting related items NG.
Disc is not clamped yet.
Tracking system NG
Media setting system NG
JUMP over layers NG
Navigation command error
Retry over
Undefined error
DRM error
(All music cannot be played back due to DRM.)
Region code NG (Unable to be played back
due to incorrect mechanism region.)
Playback the illegally copied disc by DVD-A
(Mute the sound on the mechanism side.)
Key Error for playback
- -X-CPRM Key Error *7
NON-PLAYABLE DISC
93h Key Error for playback
X
X
X
X
X
X
X
X
X
X
X
X
X
X
X
XXX -
X
X
X
X
X
X
X
X
X
X
X
X
X
X
X
X
X
X
X
X
X
X
X
X
X
X
X
X
X
X
X
X
X
X
X
X
X
X
X
X
X
X
X
X
X
X: Cancel the error by operation. -: Error is not cancelled by operation. *: No setting
*1 A content displayed on OSD. As for the items having multiple display patterns, the upper row is for the Japanese version Full GUI, and the lower row is for
the Touch Panel model and Full GUI (English version).
*2 A parameter of UART command, such as “receipt error notice”, that the DVD mechanism transmits.
*3 CPPM(Content Protection for Prerecorded Media) : A copyright protection technique used in DVD-A. The protection is realized by using the keys recorded
on the media and the device key held by the player.
*4 DVD-A compatible model only.
When an error has occurred, only the audio output will be muted but playback operation will continue. Furthermore, acceptance of the user operation will be
the same as usual.
*5 AWM (Audio WaterMark): Electronic watermark. Information on the copyright owner or CCI (copy control information) are recorded so that illegally copied
discs can be identified.
*6 Notice as an error status will not be given
*7 CPRM(Content Protection for Recordable Media) : A copyright protection technique for digital contents used for re-writable DVD or memory card.
(DVD-VR model only)
(No display)

AVH-P5950DVD/XN/RC
60
1234
1234
C
D
F
A
B
E
7. DISASSEMBLY
Push the [Detach] Button and then remove
the Grille Assy.
Remove the two screws and then
remove the Holder.
Disconnect the connector.
Remove the two screws and then
remove the Panel Unit.
1
Remove the seven screws.
Open the Upper Case and the Lower Case
in the direction indicated by arrows.
1
2
3
4
2
2
1
4
2
4
2
1
3
11
1
11
1
Grille Assy
Panel Unit
Panel
Holder
Upper Case
Lower Case
(Left Side)
(Rear Side)
(Right Side)
Removing the Grille Assy and the Panel Unit
(Fig.1)
- How to Separate the Upper Case and the
- Lower Case (Fig. 2)
Fig.1
Fig.2

AVH-P5950DVD/XN/RC 61
5 678
5678
C
D
F
A
B
E
Fig.3 (2/2)
Fig.3 (1/2)
3
3
2
2
1 1
2
3
1 1
2
Remove the four screws and then bring
down the Bracket toward the Upper Case.
See Fig.3 (2/2).
Remove the four screws and then bring
down the DVD Mechanism Module toward
the Upper Case. See Fig.3 (2/2).
1
2
3
Removing the DVD Mechanism Module (Fig.3)
Bracket
DVD Mechanism Module
DVD Mechanism Module
Upper Case
Upper Case
Mother Unit
Disconnect the three connectors.

AVH-P5950DVD/XN/RC
62
1234
1234
C
D
F
A
B
E
3
3
4
5
5
2
4
4
1
4
3
3
2
2
32
2
Fig.5
Fig.4
1
1
1
5
4
Remove the three screws.
Remove the three screws.
Remove the two screws and then remove
the Panel.
Remove the screw.
Straighten the tabs at two locations
indicated and then remove the Holder.
Disconnect the connector.
Remove the two screws.
Remove the two screws.
Straighten the tabs at three locations indi-
cated and then remove the Mother Unit.
1
2
3
4
5
1
2
3
4
Removing the Holder and the Panel (Fig.4)
Removing the Mother Unit (Fig.5)
Panel
Holder
Mother Unit
[Caution]
The Panel cannot be removed in unless
the Holder is removed in advance in
and .

AVH-P5950DVD/XN/RC 63
5 678
5678
C
D
F
A
B
E
11
2
4
3
3 3
Fig.6
Remove the two screws and then remove
the two Guids(Right side and Left side).
Pull out the Monitor Assy in the direction
indicated by an arrow.
Remove the three screws and then remove
the Cover.
Disconnect the connector.
1
2
3
4
Removing the Monitor PCB 1/2 (Fig.6)
Monitor Assy
Monitor Assy
Bracket
Cover

AVH-P5950DVD/XN/RC
64
1234
1234
C
D
F
A
B
E
11
5
2 2 2 2
2 2
2
5
2
5
4
3
Fig.7
Remove the two screws and then remove
the Holder.
Remove the eight screws and then remove
the Monitor Assy.
Remove the Cover Unit.
Disconnect the connector.
1
2
3
4
5
Removing the Monitor PCB 2/2 (Fig.7)
Monitor PCB
Holder
Monitor Assy
Cover Unit
[Caution]
The Monitor Assy cannot be removed
unless the Cover Unit is removed in
advance after removing the screws.
Disconnect the three connectors and then
remove the Monitor PCB.

AVH-P5950DVD/XN/RC 65
5 678
5678
C
D
F
A
B
E
- How to hold the mechanism section (Fig 1)
1. Hold the main frame and the top frame.
2. As the mechanical strength of the front part of the top frame is not strong, do not hold this part.
3. Do not touch the switches provided on the top face of the mechanism section.
4. Be careful not to pull the flexible PCB on the side face.
Fig 1
Do not touch this part. Do not touch this part.
Do not touch this part.
- How to remove the module PCB (Fig 2, Fig 3)
1. Put the mechanism section in locked state (disc load standby position).
2. Hold the mechanism module with its top face down.
3. Make the lands at 2 locations on the pick up flexible PCB short.
4. Disconnect the connectors of the pick up flexible PCB and the SPDL flexible PCB.
(Be sure to disconnect the connectors as the flexible PCB will be damaged if the PCB is removed without removing
the flexible PCB.)
5. Remove the solder joint of the lead wire of the load motor and the clamp SW.
6. Remove the two screws, and then remove the module PCB.
(Lift up point A slightly and remove it toward B direction. Be careful as the point C is connected with a flexible PCB.)
7. Disconnect the connector of the 8-12 detection flexible PCB from the PCB.
Solder land
(load motor, lead wire of the clamp SW.)
Connector
(8-12 detection flexible)
Module PCB
Fig 3
Connector (SPDL flexible)
Connector
(pick up flexible)
C
B
A
Fig 2
Short

AVH-P5950DVD/XN/RC
66
1234
1234
C
D
F
A
B
E
- How to remove the CRG motor assy (Fig 4)
1. Remove the module PCB according to the instructions in “How to remove the module PCB”.
2. Remove the Mylar tape.
3. Remove the flexible PCB of the CRG motor from the connector of the spindle motor.
4. Remove the two screws, and then remove the CRG motor assy.
Feeding screw
PU rack
Set screw (CRG) Set screw (CRG)
CRG motor assy
Mylar tape
Fig 4
- How to remove the PU unit (Fig 5)
1. Remove the module PCB according to the instructions in “How to remove the module PCB”.
2. Hang the main shaft holding spring to the CRG chassis temporary hanger.
3. Remove the CRG motor assy according to the instructions in “How to remove the CRG motor assy”.
4. Remove the holding plate spring of the main shaft.
5. While lifting up the tip of the pick up rack, slide the main shaft, and remove the PU unit.
(Note) When mounting the PU unit again, make sure to do the adjustments of the devices mounted thereon
according to the descriptions of the service manual. Furthermore, make sure to hang the main shaft
holding spring permanently.
PU unit
Sub shaft
Main shaft
Fig 5
Permanent hanging
Temporary hanging
CRG chassis temporary hanging section
Main shaft holding spring
Holding plate spring

AVH-P5950DVD/XN/RC 67
5 678
5678
C
D
F
A
B
E
8. EACH SETTING AND ADJUSTMENT
8.1 DVD ADJUSTMENT
1) Precautions
This product uses 5 V and 3.3 V as standard voltages.
The electrical potential that is the reference for signals,
is not GND, but VREF (approximately 2.2 V) and VHALF
(approximately 1.65 V) .
During product adjustments, if the reference voltage is
mistakenly taken as GND, and a grounding contact is
made, not only would it be impossible to measure the
accurate electrical potential, but also the servo motor
would malfunction, resulting in the application of a
strong impact on the pick up. The following precaution-
ary measures should be strictly adhered to, in order to
avoid such problems.
The reference voltage and GND should not be confused
when using the minus probe of a measurement device.
When an oscilloscope is being used special care should
be taken to make sure that the reference voltage is not
connected to the probe of ch1 (on the minus side),
while the probe of ch2 (on the minus side), is connected
to GND. Further, since the body frame of most mea-
surement devices have the same electrical potential as
the minus side of the probe, the body frame of the mea-
surement device should be set to floating ground.
If the reference voltage is connected to GND by mis-
take, turn the regulator OFF immediately, or turn the
power OFF.
Remove the filters and wires used for measurements
only after the regulator has been turned OFF.
After the power supply is turned on, regulator ON the
following adjustment and measurement are promptly
done.
Whenever the product is in the test mode, the software
will not take any protective action. For this reason,
special care should be taken to make sure that no
mechanical or electrical shock could be applied to the
product when taking measurements in the test mode.
Whenever the EJECT key is pressed to eject the disk,
no other keys, other than the EJECT key, should be
pressed until the disk eject action has been complet-
ed.
Press the EJECT key only after the disk has stopped
completely.
If the product hangs up turn the power OFF immedi-
ately.
Laser didoes may be damaged, if the volume switch for
the laser power adjustment of the pick up unit, is turned.
Attention)
Test mode starting procedure
Reset start while pressing the ATT
and RIGHT keys together.
Test mode stopping procedure
Reset or ACC OFF-ON.

AVH-P5950DVD/XN/RC
68
1234
1234
C
D
F
A
B
E
- SKEW adjustment
When one of the following replacements has taken place, SKEW adjustment for the pick up will be required.
(1) Replacement of the pick up unit
(2) Replacement of the spindle motor
(3) Replacement of the carriage chassis
(4) Replacement of the main shaft of the pick up unit
(5) Replacement of the sub shaft of the pick up unit
Measurement equipment and tools/jigs: Oscilloscope
Driver for SKEW adjustment t TORX driver (T2) (GGK1095)
Bond for fixing the SKEW (GEM1033)
Bond for locking the screw (Locking agents(1401M : produced by THREE BOND))
Disc used: GGV1018
Measurement reference: AGND2
Measurement point: RF
Connection drawing
DVD core unit
Enlargement
Symptom in case the adjustment is not adequate: Worsening of the error rate 10-3
(Normally 10-4 or less.)
Large RF jitter
RF waveform distortion
Tracking drawing/Unstable servo
* Caution: Do not look into the laser light during adjustment.
Oscilloscope
RF
AGND2

AVH-P5950DVD/XN/RC 69
5 678
5678
C
D
F
A
B
E
There are two methods for adjustment, a method whereby the adjustment is made while monitoring the RF waveform
using the oscilloscope (method 1) and a method whereby the adjustment is made while checking the RF level in
value by OSD (method 2).
The adjustment procedure is shown below. Refer to the paragraph for the service test mode regarding entering of the
test mode and the operation procedure.
Adjustment procedure:
1. Turn the DVD mechanism module upside down so that the pick up can be adjusted.
When the module is turned upside down, there is a possibility that the disc is rubbed.
So, first place a coin with the thickness of approximately 1.5mm on a desk, and set the module upside down in a
way that section 1 in the illustration below comes right above the coin.
2. Install the pick up. (Refer to the section regarding removal of the pick up from the mechanism unit.)
As for the precautions in handling the pick up, refer to the precautions in handling the PU as described below.
3. Method 1:
Connect the oscilloscope by referring to the connection drawing so that the RF signal can be monitored with
AGND2 as the reference.
Method 2:
There is no need for setting of any equipment. Proceed to step 4.
4. Turn the power ON, and load the disc for adjustment.(GGV1018)
5. After setting the disc type to DVD layer 1 in the front end test mode, turn the power ON, and move the pick up to
the inner periphery. (CRG – Home)
6. Turn the LD ON.
7. Set to focus close, and make auto adjustment for all items under that state, then set to tracking close.
And make auto adjustment for all items under that state as well.
8. Make an intermediate periphery (ID: 100 000) search, and move the PU to intermediate periphery.
9. Method 1:
Proceed to step 10.
Method 2:
After setting to Tracking Open, make all auto adjustments, and set to Tracking Close this time with a command that
can be RF displayed. Make auto adjustment for all items under that state as well.
10. Use TORX driver (T2) (GGK1095) for the following.
Method 1:
While monitoring the RF waveform on the oscilloscope, turn SKEW adjustment screw A just a little bit in a way that
the level will reach the maximum.
While the pick up is at the intermediate periphery, turn SKEW adjustment screw B just a little bit in a way that the
level will reach the maximum.
While the pick up is at the intermediate periphery, turn SKEW adjustment screw A just a little bit in a way that the
level will reach the maximum.
(Make adjustment in the order of A -> B -> A, Please end the each adjustment by turning screw clockwise. )
Method 2:
While monitoring the RF level value on the OSD display, turn the SKEW adjustment screw A just a little bit in a way
that the level will reach the maximum.
While the pick up is at the intermediate periphery, turn SKEW adjustment screw B just a little bit in a way that the
level will reach the maximum.
While the pick up is at the intermediate periphery, turn SKEW adjustment screw A just a little bit in a way that the
level will reach the maximum.
(Make adjustment in the order of A -> B -> A, Please end the each adjustment by turning screw clockwise. )
If the error is not good, please perform Method 1 again.
11. Turn the power OFF in the test mode, and after confirming that the disc has stopped, eject the disc.
12. Apply adhesive for fixing the SKEW and lock the screw.
Refer to the illustration below for the adhesion points.

AVH-P5950DVD/XN/RC
70
1234
1234
C
D
F
A
B
E
SKEW adjustment locations.
A
B
A
B
SKEW adhesive locations(GEM1033) RAD-SKEW adhesive locations
Cross section of R-SKEW adhesive locations.
* Caution: Make a cross link to both the resin section
and the sheet metal section.
C
Adhesive application locations
Sheet metal (yoke base) section Resin (suspension support) section
PU case
Sheet metal (yoke base) section
* Caution: Make a cross link to both the case section and the sheet metal section.
Adhesive application locations
TAN-SKEW adhesive locations
D & E
PU case
C
D
E
1

AVH-P5950DVD/XN/RC 71
5 678
5678
C
D
F
A
B
E
Screw locking adhesive location(1401M : produced by THREE BOND)
Screw locking adhesive location
Apply the locking agent for more than half of the screw head
circumference.
* Caution: The locking agent shall not overflow to outside of
the PU case.
Precautions in handling the PU.
* Caution: Do not touch the shaded section in the drawing below.
RF level adjustment section
Do not touch the optical parts.
Hologram (be careful for the static electricity)
GRT adjustment section
Do not touch the springs.

AVH-P5950DVD/XN/RC
72
1234
1234
C
D
F
A
B
E
8.2 VIDEO LEVEL ADJUSTMENT
Adjustment point
Mother Unit(Side A)
Mother Unit(Side B)
11
1
MONVBS
TP396
TP395
1
VR271

AVH-P5950DVD/XN/RC 73
5 678
5678
C
D
F
A
B
E
Step
1Main video level
Tuning of image output: Measure level at the measuring point as shown below while DVD is being replayed.
Input test pin:
TP396....100 IRE
(white 100%),
1.0 Vp-p,
(input via 75 ohms)
TP395....GND
(VIDEO GND)
Mother PCB
adjustment Mode
AV
Measuring
instruments Specs Adjusting
point
Input signal
(input test pin,specs,
other conditions)
Output signal
(measuring point,
waveform)
Measuring point : MONVBS
Oscilloscope VR271
1.35 V 0.05 Vp-p
Measure between the
sync tip and 100 IRE
(top wave).
Symptoms with
poor adjustment.
Over level :
Luminance is too high.
Under level :
Luminance is too low.
±

AVH-P5950DVD/XN/RC
74
1234
1234
C
D
F
A
B
E
8.3 MOTHER UNIT ADJUSTMENT
Adjustment point
Mother Unit(Side A)
Mother Unit(Side B)
11
1
TP621 TP623
TP972
TP971 TP976
1
VR971

AVH-P5950DVD/XN/RC 75
5 678
5678
C
D
F
A
B
E
Step Mother PCB
adjustment Mode Measuring
instruments Specs Adjusting
point
Input signal
(input test pin,specs,
other conditions)
Output signal
(measuring point,
waveform)
1Clock frequency
Check
Measure with the frequency counter at the measuring point as shown below while TUNER is turned ON.
After the power supply
is turned on,
IC601 pin83(TP621)
to 3.3 V
Connect 33 Ω
(1.8 W or more) between
TP 972 and GND.
Connect 20 Ω
(1.2 W or more) between
TP 971 and GND.
IC601 pin86(TP623) Frequency
Counter
18.874 368 MHz 754 Hz
2
DC-DC converter
frequency
Adjustment
TP976 Frequency
Counter
370 kHz 5 kHz VR841
±
±

AVH-P5950DVD/XN/RC
76
1234
1234
C
D
F
A
B
E
8.4 INVERTER ADJUSTMENT
15
1
CN5201
C5225
T5201
FL1
FL2
PWRFL
INVPUL
Adjustment point Monitor PCB(Side B)

AVH-P5950DVD/XN/RC 77
5 678
5678
C
D
F
A
B
E
No. Adjustment item Input signal Measurement point Note
Adjustment point Adjustment
Check frequency
switching
Input 98.0 ± 1 kHz waveform
below to TP INVPUL.
10 ± 2%
5 V
0 V
TP FL1
TP FL2
-
4Check frequency
switching
Input 104.0 ± 1 kHz waveform
below to TP INVPUL.
TP FL1
TP FL2
Verify that the frequency of waveform
measured in No.1 is 52 kHz.
Verify that the frequency of waveform
measured in No.1 is 49 kHz.
-
2
1Basic drive
Frequency
adjustment
14.4 0.2 V to TP PWRFL
TP DIMDTY : GND
TP FLGND : GND
TP INVPUL : GND
TP FL1
TP FL2
Connect 100 kΩ between TP FL1 and FL2.
Monitor the waveform after voltage division or
TP FL2. Do not monitor TP FL1 directly
(measurement meter may be damaged
because of high voltage).
VR5201 48.0 ± 0.1 kHz
49.0 ± 0.5 kHz
52.0 ± 0.5 kHz
Check frequency
switching
Input 102.0 ± 1 kHz waveform
below to TP INVPUL.
10 ± 2%
5 V
0 V
TP FL1
TP FL2
- Verify that the frequency of waveform
measured in No.1 is 51 kHz.
351.0 ± 0.5 kHz
10 ± 2%
5 V
0 V
±
Instead of inserting LCD connector into CN5201, connect 100kΩ between TP FL1 and FL2.
Measure with the frequency counter at the measuring point as shown below.

AVH-P5950DVD/XN/RC
78
1234
1234
C
D
F
A
B
E
8.5 MONITOR ADJUSTMENT
15
1
CN5201
C5225
T5201
33V
VCC8V 18V
V25
V15
5V
-12V
PWRVI
COM
COMPC
Adjustment point
Monitor PCB(Side B)
Monitor PCB(Side A)
VD3
VD9
DA2
DA3
DA4
DB2
DC2
DC3
DC4
DC5
DB5
DB4
DB3
DA5
VD7
VD5
VD1

AVH-P5950DVD/XN/RC 79
5 678
5678
C
D
F
A
B
E
1
No. Adjustment item Input signal Measurement point
Check 3.3 V power
supply voltage
TP:PWRVI
to 14.4 V
TP:33V -
NOTE : When shutting off the power supply of TC90A96BFG-P, be careful not to energize each IC terminal. However, IIC lines (SDA and SCL) is not included in
this case and it is possible to energize them with up to 5 V.
Note
Adjustment point Adjustment
33V = 3.3 ± 0.25 V
2 Check 2.5 V power
supply voltage
TP:PWRVI
to 14.4 V
TP:V25 - V25 = 2.5 ± 0.15 V
3 Check 1.5 V power
supply voltage
TP:PWRVI
to 14.4 V
TP:V15 - V15 = 1.5 ± 0.08 V
4 Check 5 V power
supply voltage
TP:PWRVI
to 14.4 V
TP:5V - 5V = 4.9 ± 0.3 V
5 Check 8 V power
supply voltage
TP:PWRVI
to 14.4 V
TP:VCC8V - VCC8V = 8.0 ± 0.5 V
6 Check 18.5 V power
supply voltage
TP:PWRVI
to 14.4 V
TP:18V - 18V = 18.5 ± 0.5 V
Check -12 V power
supply voltage
TP:PWRVI
to 14.4 V
TP:-12V - -12V = -12.0 ± 0.6 V7
Vcom amplifier
output amplitude
check
No definition. TP:COM - 4.70 ± 0.10 V
4.20 ± 0.30 V
1.75 ± 0.10 V
9Tone voltage
amplitude
check V1
No definition. TP:VD1 Connect LCD panel for measurement.
Connect LCD panel for measurement.
-
10 Tone voltage
amplitude
check V3
No definition. CN5501 55pin
(TP:VD3)
Connect LCD panel for measurement.-
8

AVH-P5950DVD/XN/RC
80
1234
1234
C
D
F
A
B
E
No. Adjustment item Input signal Measurement point Note
Adjustment point Adjustment
Tone voltage
amplitude
adjustment V7
No definition. TP:VD7 -
13 Tone voltage
amplitude
adjustment V9
No definition. TP:VD9 It connects with the LCD panel
and it measures it.
It connects with the LCD panel
and it measures it.
-
14 Check RGB digital
output
Input white 100%
signal from
IC5802
TP CCR,CCG,CCB (When OSD is displayed in EEPROM
adjustment mode, LOW output is mixed to
the parts where there is a character.)
-
12
11 Tone voltage
amplitude
adjustment V5
INo definitiont. TP:VD5 It connects with the LCD panel
and it measures it.
-0.35 ± 0.10 V
0.60 ± 0.10 V
3.30 ± 0.20 V
0.70 ± 0.05 V
15 Image check of
RGB signal
Input Color-bar
signal from
IC5802
Resistor setting
of SA13h D5 - 0
16 Composite level
adjustment
Input composite
image 10-step
signal to
TP MONVBS
(1.35 Vpp ± 1%)
--
The amplitude of the 9-step and
the 0-step is 1.77 ± 0.05 V.
1.77 ± 0.03 V
Screen
DAC output

AVH-P5950DVD/XN/RC 81
5 678
5678
C
D
F
A
B
E
SA**h in this chart means the sub-address of TC90A96BFG-P.
No. Adjustment item Input signal Measurement point Note
Adjustment point Adjustment
Adjust the flicker level to minimum
from all directions.
17 Image check Input composite
image lamp signal
(monochrome)
to TP MONVBS
Screen Execute to verify that IC5401
digital-out is not bridged or “OPEN” ed.
-
18 Aging No definition. - -
19 Flicker adjustment Input black-white
reverse signal
per 1 line from
IC5802
Screen Black-white reverse signal can be the input to
TP MONVBS (however, adjustment in RGB
comes first).
Brightness level of reverse signal should be 50%.
Adjustment point can be COM DC of flicker
adjustment mode.
TP COMDC
DC output
Make sure that tone changes
smoothly, and there is no colored
area in the entire display.
Leave for more than 30 minutes in
operation mode.
Input white 100% signal

AVH-P5950DVD/XN/RC
82
1234
1234
C
D
F
A
B
E
Don't care
Don't care
Flicker adjustment result
Don't care
Don't care Don't care
Don't care
Main SYNC IN
sampling
Main PLL3
gain down Main H-PLL3
SA4Dh UPPER
SA4Fh UPPER
ADDRESS
Bit15 Bit14 Bit13 Bit12 Bit11 Bit10 Bit9 Bit8 Bit7 Bit6 Bit5 Bit4 Bit3 Bit2 Bit1 Bit0
00h Outside light of dimmer adjustment coordinates (high) Backlight of dimmer adjustment coordinates (high)
01h Outside light of dimmer adjustment coordinates (middle) Backlight of dimmer adjustment coordinates (middle)
02h
03h
04h
05h
RELATED
DIMMER
0Ah
06h-
09h
0Bh
0Ch
0Dh
0Eh
0Fh
11h
10h
12h
13h
14h
15h
16h
17h
18h
19h
1Ah
1Bh
1Ch
1Dh
1Eh
1Fh
20h
Don't care
21h
Common reverse output DC center value Common reverse output amplitude adjustment value
Brightness G
Brightness B
setting
ON/OFF RGB simultaneous slope A
γ γ
R output DC offset
Don't care
SA48h UPPER
SA49h UPPER
SA48h LOWER
SA49h LOWER
SA4Ah UPPER SA4Ah LOWER
SA4Bh UPPER SA4Bh LOWER
SA24h UPPER
SA25h UPPER
SA26h UPPER TV
SA26h UPPER
SA27h UPPER TV
SA27h UPPER
SA46h UPPER
SA47h UPPER
SA46h LOWER
SA47h LOWER
SA24h LOWER
SA25h LOWER
SA26h LOWER TV
SA26h LOWER
SA27h LOWER TV
SA27h LOWER
Don't care
Sub Y contrast
G output DC offset
B output DC offset
Don't care
Don't care
Don't care
Don't care
Main horizontal enhancer
Gain Limiter Gain Replicate Coringfo
Main vertical enhancer
Don't care Don't care
Main Y contrast
Don't care
Don't care Don't care
Don't care
Sub horizontal enhancer
Gain Limiter Gain Replicate Coring
RGB simultaneous 1 inflection point
fo
Sub vertical enhancer
Don't care Don't care
Don't care
Brightness R
22h
23h
24h
25h
26h-
2Bh
2Ch,2Dh
2Eh
2Fh
30h-
33h
Outside light of dimmer adjustment coordinates (low) Backlight of dimmer adjustment coordinates (low)
Outside light threshold for dimmer (high) Outside light threshold for dimmer (low)
Maximum value of backlight output Minimum value of backlight output
Checksum
Checksum
Memory item list and EEPROM
RGB simultaneous slope B
γ
RGB simultaneous slope C
γγ
RGB simultaneous 2 inflection point
γ
RGB simultaneous 3 inflection point
SA4Ch LOWER
SA4Dh LOWER
SA4Ch UPPER
SA4Eh LOWER
SA4Fh LOWER
SA4Eh UPPER
RELATED PIP
(
Last memory
value
)
RELATED PIP
(
Dot adjustment
system
)
RELATED PIP
(
Dot adjustment
system
--- Factory
shipment value)
γ

AVH-P5950DVD/XN/RC 83
5 678
5678
C
D
F
A
B
E
Don't care
Don't care
Don't care
Don't care
Outermost circumference X max Outermost circumference Y max
Touch panel outermost circumference adjustment result
(USER)Touch panel outermost circumference adjustment result
Outermost circumference X min
Outermost circumference X min coordinate value for correction Outermost circumference Y min coordinate value for correction
Outermost circumference X max coordinate value for correction
Outermost circumference Y max coordinate value for correction
Outermost circumference Y min
Checksum
Checksum
Checksum
Touch panel X coordinate 1 Touch panel Y coordinate 1
Touch panel X coordinate 2 Touch panel Y coordinate 2
Touch panel X coordinate 3 Touch panel Y coordinate 3
Touch panel X coordinate 4 Touch panel Y coordinate 4
Touch panel X coordinate 5 Touch panel Y coordinate 5
Touch panel X coordinate 6 Touch panel Y coordinate 6
Touch panel X coordinate 7 Touch panel Y coordinate 7
Touch panel X coordinate 8 Touch panel Y coordinate 8
Touch panel X coordinate 9 Touch panel Y coordinate 9
Touch panel X coordinate 10 Touch panel Y coordinate 10
Touch panel X coordinate 11 Touch panel Y coordinate 11
Touch panel X coordinate 12 Touch panel Y coordinate 12
Touch panel X coordinate 13 Touch panel Y coordinate 13
Touch panel X coordinate 14 Touch panel Y coordinate 14
Touch panel X coordinate 15 Touch panel Y coordinate 15
Touch panel X coordinate 16 Touch panel Y coordinate 16
Touch panel calibration adjustment result
ADDRESS
Bit15 Bit14 Bit13 Bit12 Bit11 Bit10 Bit9 Bit8 Bit7 Bit6 Bit5 Bit4 Bit3 Bit2 Bit1 Bit0
34h
35h
36h
37h
38h
39h
3Ah
3Bh
3Ch
3Dh
3Eh
3Fh
40h
41h
42h
43h
44h
45h
46h
47h
48h
49h
4Ah
4Bh
4Ch
4Dh
4Eh
4Fh
50h
51h
52h
53h
54h
55h
56h
57h
58h
59h
5Ah
5Bh
5Ch
5Dh
5Eh
5Fh
60h
61h
(USER)Outermost circumference X min
(USER)Outermost circumference X max
(USER)Outermost circumference Y min
(USER)Outermost circumference Y max
(USER)Touch panel X coordinate 1 (USER)Touch panel Y coordinate 1
(USER)Touch panel X coordinate 2 (USER)Touch panel Y coordinate 2
(USER)Touch panel X coordinate 3 (USER)Touch panel Y coordinate 3
(USER)Touch panel X coordinate 4 (USER)Touch panel Y coordinate 4
(USER)Touch panel X coordinate 5 (USER)Touch panel Y coordinate 5
(USER)Touch panel X coordinate 6 (USER)Touch panel Y coordinate 6
(USER)Touch panel X coordinate 7 (USER)Touch panel Y coordinate 7
(USER)Touch panel X coordinate 8 (USER)Touch panel Y coordinate 8
(USER)Touch panel X coordinate 9 (USER)Touch panel Y coordinate 9
(USER)Touch panel X coordinate 10 (USER)Touch panel Y coordinate 10
(USER)Touch panel X coordinate 11 (USER)Touch panel Y coordinate 11
(USER)Touch panel X coordinate 12 (USER)Touch panel Y coordinate 12
(USER)Touch panel X coordinate 13 (USER)Touch panel Y coordinate 13
(USER)Touch panel X coordinate 14 (USER)Touch panel Y coordinate 14
(USER)Touch panel X coordinate 15 (USER)Touch panel Y coordinate 15
(USER)Touch panel X coordinate 16 (USER)Touch panel Y coordinate 16
Touch
outermost
circumference
value
(User calibration
value)
Touch
correction
coordinates
(User calibration
value)
Touch
outermost
circumference
correction value
Touch
outermost
circumference
correction value
(Factory
shipment value)
Touch
correction value
(Factory
shipment value)
62h
63h
64h
Touch AD correction value X coordinates Touch AD correction value Y coordinates
(USER)Touch AD correction value X coordinates (USER)Touch AD correction value Y coordinates
EEPROM completion EJECT lock status value
Others
AD correction
touch
(USER)Touch panel outermost circumference adjustment result

AVH-P5950DVD/XN/RC
84
1234
1234
C
D
F
A
B
E
8.6 MONITOR TEST MODE
[Outline]
It is a mode used to adjust each preset value stored in the EEPROM for storing the preset values.
The adjusted values are stored in the EEPROM for storing the preset values.
[Method for Mode IN]
The method for Mode IN varies depending on the operational environment.
When operated as a unit
Reset the monitor micro computer while the [STEST1] terminal is set to Low and the [EPRTEST] terminal is set to Low.
When operated as a product
Reset the monitor micro computer while the [STEST1] terminal is set to High and the [EPRTEST] terminal is set to Low.
Or, turn the power ON while pressing DISP key and FLIP DOWN key.
[Basic explanation on each menu]
In the "setting content", adjustment range, initial value, and displayed character string of the items preset in each
menu are described.
[Example) Setting content]
In the "display specifications", the screen actually displayed under each menu is explained.
Display example is shown below for explanation.
[Example) Display specifications]
Cursor color
When accessing normally to EEPROM:
The cursor color will change blue → red → blue.
(The bule color continues for the convenience of the display cycle.But it is not an error.)
When accessing abnormally to EEPROM(error):
The cursor color will stay red (blue → red → red) even if the key is released.
Note) When a value is changed continuously, the cursor color may change blue → red → red → ... → blue.
But it is not an error.
(The red color continues for the convenience of the display cycle.)
Adjustment range Initial value
Content
Dot search threshold TH DOT 0-255 112
YS search threshold TH YS 0-4 3
Phase search threshold TH PHASE 0-255 112
X disp X DISP 0-63 32
YS disp YS DISP 0-4 2
Setting item is displayed.
Display of preset value.
Character string displayed on the screen.
↓
Displayed character string
Setting item
The item being selected
by ↓ keys is painted
out by the blue cursor.
< L I N E 3 >

AVH-P5950DVD/XN/RC 85
5 678
5678
C
D
F
A
B
E
[Flicker adjustment menu]
[Setting content]
[Line adjustment 1 menu]
[Setting content]
The bright value is determined by the image quality setting table based on the user setting step and
the common inverted output amplitude adjusted value (COM AMPAJ).
This bright value controls the output of [DACDI] of the monitor micro computer terminal.
Supplement 1)
When the bright value is changed in the test mode, however, it will not be reflected in the user
setting step value.
Supplement 2) In the test mode during monitor unit operation, the user setting step will not be reflected in
the bright value calculation.
Note 1... The "black density (=bright)" adjustment by the user is accomplished only by controlling
the common inverted output amplitude, and the brightness of the double window IC is not used.
Note 2... The content of bright and of RGB simultaneous contrast are reference values (adjustable though)
only when adjusting other items, and are not stored in the EEPROM.
Note 3...
Be careful as the content of R(G/B) output DC offset, main Y contrast and sub Y contrast are different
between the displayed values (EEPROM written values) and the register setting values in
the double window IC.
(Because the relationship between the double window IC register value and the screen output
value is not linear, there is a need for conversion by software.)
0(OFF)
Bright BRIGHT
Dither bit(SA0D[D15]) DITHER BIT 0-1
Adjustment range Initial value
Content
Adjustment range
COM DCCommon inverted output center value 920-255
0-255 150
Sub Y contrast(SA13[D5-0]) CMP CNTRST 0-63 26
RGB simultaneous contrast(SA0C[D7-0])
Common inverted output amplitude adjusted value
R output DC offset(SA1A[D11-8])
G output DC offset(SA1C[D11-8])
0-15
0-63
CONTRAST
COM AMP AJ
ROUT BIAS
GOUT BIAS
B output DC offset(SA1E[D11-8])
Main Y contrast(SA0F[D5-0])
BOUT BIAS
RGB CNTRST
8
34
0-255
0-255
168
150
8
8
0-15
0-15
Initial value
Content
Setting item
Displayed character string
Setting item
Displayed character string
The cases where the displayed value (EEPROM written values) and the register setting values in
the double window IC are different are summarized below.
[R(G/B) output DC offset]
[Main Y contrast, sub Y contrast]
0 0 1000 (MIN)
1 1 1001
11111
:
:
:
:
:
:
:
:
::
::
14 14 0110
0 0 100000 (MIN)
1 1 100001
31 31 111111
32 32 000000 (TYP)
33 33 000001
62 62 011110
63 63 011111 (MAX)
9 9 0001
Displayed value (=adjusted value)
(DEC) E2PROM written value
(DEC) (BIN)
Double window IC register value
15 15 0111 (MAX)
Displayed value (=adjusted value)
(DEC) EEPROM written value
(DEC) (BIN)
Double window IC register value
8 8 0000 (TYP)
77

AVH-P5950DVD/XN/RC
86
1234
1234
C
D
F
A
B
E
[Line adjustment 2 menu]
[Setting content]
Note 1... Be careful as the displayed value (EEPROM written value) and the register setting values in
the double window IC are different for the following items.
(Because the relationship between the double window IC register value and the screen output
value is not linear, there is a need for conversion by software.)
YS sampling phase 1
AD sampling phase B
AD sampling phase G
AD sampling phase R
YS internal delay adjustment
Adjustment range
0-255DOT H POSIT
RGB & YS horizontal positioning(SA2B[D15-8]) 63
Initial value
Content
YS sampling phase 1(SA2D[D15-12]) YS SAMPL 0-15 12
AD sampling phase B(SA2D[D11-8]) B SAMPL 0-15 12
AD sampling phase G(SA2D[D7-4]) G SAMPL 0-15 12
AD sampling phase R(SA2D[D3-0]) R SAMPL 0-15 12
YS internal delay adjustment(SA2F[D3-0]) YS DELAY 0-15 12
Setting item
Displayed character string
The cases where the displayed value (EEPROM written values) and the register setting values in
the double window IC are different are summarized below.
[YS sampling phase 1, AD sampling phase B/G/R, YS internal delay adjustment]
[Line adjustment 3 menu]
[Setting content]
0 0 1000 (MIN)
1 1 1001
7 7 1111
8 8 0000 (TYP)
9 9 0001
:
:::
::
14 14 0110
15 15 0111 (MAX)
Displayed value (=adjusted value)
(DEC)
E2PROM written value
(DEC) (BIN)
Double window IC register value
Initial value
Content Adjustment range
YS disp YS DISP 0-4 2
X disp X DISP 0-63 1
TH YS 0-4 3
Phase search threshold TH PHASE 0-255 112
Dot search threshold TH DOT 0-255 87
YS search threshold
Displayed character string
Setting item
[Line adjustment 4 menu]
[Setting content]
Adjustment range Initial value
Content
Main vertical enhancer corering(SA10[D3-2]) M V CORE 0-3 0
Main vertical enhancer return(SA10[D5-4]) M V ORI 0-3 0
Main vertical enhancer gain(SA10[D7-6]) M V GAIN 0-3 0
Main horizontal enhancer f0(SA10[D8]) M H F0 0-1 0
Main horizontal enhancer limiter(SA10[D11-10]) M H LIMIT 0-3 0
Main horizontal enhancer gain(SA10[D13-12]) M H GAIN 0-3 0
Displayed character string
Setting item

AVH-P5950DVD/XN/RC 87
5 678
5678
C
D
F
A
B
E
[Line adjustment 5 menu]
[Setting content]
Initial value
Content
Sub vertical enhancer corering(SA10[D3-2]) S V CORE 0-3 2
Sub vertical enhancer return(SA10[D5-4]) S V ORI 0-3 1
Sub vertical enhancer gain(SA10[D7-6]) S V GAIN 0-3 0
Sub horizontal enhancer f0(SA10[D8]) S H F0 0-1 1
Sub horizontal enhancer limiter(SA10[D11-10]) S H LIMIT 0-3 1
Sub horizontal enhancer gain(SA10[D13-12]) S H GAIN 0-3 0
Setting item Adjustment range
Displayed character string
[Line adjustment 6 menu]
[Setting content]
Note 1... Be careful as the displayed value (EEPROM written value) and the register setting values in
the double window IC are different for the following items.
(Because the relationship between the double window IC register value and the screen output
value is not linear, there is a need for conversion by software.)
Brightness R
Brightness G
Brightness B
Adjustment range Initial value
Content
0-7 1
RGB simultaneous ? inclination B(SA1B[D15-13])
GAMMASLP B 0-7 1
RGB simultaneous ? inclination C(SA1B[D7-5])
GAMMASLP C
RGB simultaneous ? inclination A(SA1A[D14-12])
GAMMASLP A 0-7 4
RGB simultaneous ? 3 inflection point(SA1B[D4-0])
GAMMA 3 0-31 1
RGB simultaneous
?
2 inflection point(SA1B[D12-8])
GAMMA 2 0-31 4
RGB simultaneous ? 1 inflection point(SA1A[D5-0])
GAMMA 1 0-63 0
γ correction ON/OFF(SA1A[D15]) GAMMA OFF
Brightness B(SA0E[D13-8]) BRIGHT B 0-63 16
Brightness G(SA0D[D13-8]) BRIGHT G 0-63 16
Brightness R(SA0C[D13-8]) BRIGHT R 0-63 16
Setting item
Displayed character string
The cases where the displayed value (EEPROM written values) and the register setting values in
the double window IC are different are summarized below.
[Brightness R/G/B]
:::
62 62 011110
0 0 100000 (MIN)
33 000001
1 1 100001
111111
:::
63 63 011111 (MAX)
33
Displayed value (=adjusted value)
(DEC) E2PROM written value
(DEC) (BIN)
Double window IC register value
32 32 000000 (TYP)
31 31
[Line adjustment 7 menu]
[Setting content]
0-255MAIN PLL0
Main PLL0(SA24[D15-8])
Adjustment range
Main PLL3(SA25[D7-0]) MAIN PLL3 0-255 4
158
Initial value
Content
Main PLL1(SA24[D7-0]) MAIN PLL1 0-255 13
Main PLL2(SA25[D15-8]) MAIN PLL2 0-255 204
Setting item
Displayed character string

AVH-P5950DVD/XN/RC
88
1234
1234
C
D
F
A
B
E
[Line adjustment 8 menu]
[Setting content]
Adjustment range Initial value
Content
Other, sub PLL1(SA27[D7-0]) SUB PLL1 0-255 141
Other, sub PLL0(SA27[D15-8]) SUB PLL0 0-255 140
During TV, sub PLL3(SA28[D7-0]) SUB PLL3 TV 0-255 68
During TV, sub PLL2(SA28[D15-8]) SUB PLL2 TV 0-255 100
Other, sub PLL3(SA29[D7-0]) SUB PLL3 0-255 107
Other, sub PLL2(SA29[D15-8]) SUB PLL2 0-255 152
During TV, sub PLL1(SA26[D7-0]) SUB PLL1 TV 0-255 136
During TV, sub PLL0(SA26[D15-8]) SUB PLL0 TV 0-255 140
Setting item
Displayed character string
[Line adjustment 9 menu]
[Setting content]
[Line adjustment 10 menu]
[Setting content]
Adjustment range Initial value
Content
Adjustment range Initial value
Content
SA4F[D7-0] SA4FH LOWER 0-255 0
SA4F[D15-8] SA4FH UPPER 0-255 0
SA4E[D7-0] SA4EH LOWER 0-255 0
SA4E[D15-8] SA4EH UPPER 0-255 0
SA4D[D7-0] SA4DH LOWER 0-255 0
SA4D[D15-8] SA4DH UPPER 0-255 0
SA4C[D7-0] SA4CH LOWER 0-255 0
SA4C[D15-8] SA4CH UPPER 0-255 0
SA4B[D7-0] SA4BH LOWER 0-255 0
SA4B[D15-8] SA4BH UPPER 0-255 0
SA4A[D7-0] SA4AH LOWER 0-255 0
SA4A[D15-8] SA4AH UPPER 0-255 0
SA49[D7-0] SA49H LOWER 0-255 0
SA49[D15-8] SA49H UPPER 0-255 0
SA46[D15-8] SA46H UPPER 0-255 2
SA46[D7-0] SA46H LOWER 0-255 0
SA47[D15-8] SA47H UPPER 0-255 0
SA47[D7-0] SA47H LOWER 0-255 0
SA48[D15-8] SA48H UPPER 0-255 0
SA48[D7-0] SA48H LOWER 0-255 0
Setting item
Displayed character string
Setting item
Displayed character string

AVH-P5950DVD/XN/RC 89
5 678
5678
C
D
F
A
B
E
[Dimmer parameter setting menu]
[Setting content]
Setting item Adjustment range Initial value
Content Displayed character string
Backlight point (low) BL L 0x00-0xFF 68
Backlight point (medium) BL M 0x00-0xFF C4
Backlight point (high) BL H 0x00-0xFF C4
External light point (low) LUM L 0x00-0xFD 52
External light point (medium) LUM M 0x01-0xFE 87
External light point (high) LUM H 0x02-0xFF E2
Dimmer threshold value (low) REF L 0x00-0xFD 60
Dimmer threshold value (high) REF H 0x01-0xFE C0
Backlight output min value BL MIN 0x00-0xFE 59
Backlight output max value BL MAX 0x00-0xFF C4
[Operational specifications]
Item content adjustment →
Item content adjustment ←
Selection cursor downward movement ↓
Selection cursor upward movement
Main page select -
Main page select +
PGM(TA) BAND/ESC
DISP BACK
Operational description Main unit key Remote controller key
↓
<
=
<
=<
=
<
=
<
=
<
=<
=<
=

AVH-P5950DVD/XN/RC
90
1234
1234
C
D
F
A
B
E
8.7 CALIBRATION TEST
Operational
description
Remote controller
key
Menu
determination
MENU_ENTER
[Mode IN method]
After pressing [PGM+OPEN/CLOSE], press RESET and START. Then the screen will change to
[touch panel adjustment mode].
[Menu types for mode]
Calibration test mode consists of the following menu.
(By clicking each menu, you can read the explanation for each menu.)
TOP menu
0. Explanation of the TOP menu
[Operational specifications]
Outermost circumference Inspection
16 points adjustment
Coordinate inspection
Calibration verification
Data initialization
Selection cursor
up movement
Selection cursor
down movement
Select the menu desired to be adjusted using the up/down key ( ), then press ENTER key to enter
into the selected menu.
Note 1) Calibration menu can be selected only when adjustment of the outermost circumference has been
completed normally.
[Display specifications]
Adjustment completed mark Flicker initialized state
Operational specifications are displayed
[ U P , D O W N
[ A . M E N U ] : M e n u s e l e c t i o n
[ A C C O F F ] : E n d o f t e s t
] : C u r s o r m o v e m e n t

AVH-P5950DVD/XN/RC 91
5 678
5678
C
D
F
A
B
E
Conditions for lighting of the adjustment complete mark “ ”.
Outermost circumference inspection :
In case the outermost circumference inspection has been completed normally.
16 points adjustment :
In case the calibration has been completed normally.
Conditions for the adjustment complete mark “ ” to go out
Outermost circumference inspection :
In case the outermost circumference inspection has never been performed.
In case the EEPROM initialization has been performed.
In case the adjustment value has been initialized.
16 points adjustment :
In case the 16 points adjustment has never been performed.
In case the EEPROM initialization has been performed.
In case the adjustment value has been initialized.
1. Set up TP effective range
[Outline]
Outermost circumference value of X and Y is obtained by tracing the outermost circumference of the touch
panel screen.
When exiting the menu screen by pressing ENTER key, the captured value is stored in the EEPROM.
Furthermore, when storing the value, checking is made as to whether the value is within the range or not.
If the value is within the range, OK is displayed, and X/Y upper and lower limit value and normal ending information,
total of 5 byte data, are written in the EEPROM. (In or out of the range check is conducted according to the
[Table of allowable range of setting value] shown below.)
In the following cases, however, NG will be displayed without storing the EEPROM captured value.
When the set value is outside of the range. (When the value exceeded the [Table of allowable range of setting
value] below.)
However, "adjustment NG information" (1 byte) is written into the EEPROM.
When writing into the EEPROM failed.
The transition of the state for the above described outermost circumference inspection is outlined below.
TOP menu
Outermost
circumference
inspection in
process
Outermost circumference
inspection completed
EEPROM writing
in process
OK (normal ending)
Adjustment error
EEPROM writing error
Press ENTER key

AVH-P5950DVD/XN/RC
92
1234
1234
C
D
F
A
B
E
Refer to the "Memory item list and EEPROM" for the stored area of the setting value in the EEPROM. Initial value and
setting value allowable range are as shown below.
[Table of BEFORE initial value]
Coordinate Minimum value Maximum value
X 43 247
Y 50 238
[Table of AFTER initial value]
Coordinate Minimum value Maximum value
X 90 180
Y 90 180
[Table of setting value allowable range]
Coordinate Minimum value Maximum value
X 0~72 205~255
Y 0~80 205~255
[Display specifications]
Outermost circumference inspection in process
X/Y information of [MIN] and [MAX] of the outermost circumference are displayed.
[BEFOR] indicates the value stored in the EEPROM.
[AFTER] indicates MIN/MAX of the A/D value currently captured.
When ended normally.
[ A . M E N U ]
[ A . M E N U ] :

AVH-P5950DVD/XN/RC 93
5 678
5678
C
D
F
A
B
E
The data written are as follows.
Upper limit value and lower limit value of X.
Upper limit value and lower limit value of Y.
Adjustment OK information.
When the captured value is outside of the allowable range.
The data written is as follows.
Adjustment NG information.
[Key operation specifications]
Operational
description
Remote controller
key
To TOP menu MENU_ENTER
2. Set up calibration
[Outline]
Touch the cursor [+] displayed on the screen. When correctly touched, the cursor will disappear, and the next
cursor will appear. Calibration is conducted by repeating this process 16 times. When the 17th point has been
finally touched, setting information for the 16 points and the normal ending information, total of 17 byte data,
are written into the EEPROM, and the screen returns to the TOP menu.
In the following cases, however, NG will be displayed without storing the EEPROM captured value.
When the menu is exited before touching the 17th point.
However, ’adjustment NG information’ (1 byte) is written into the EEPROM.
When writing into the EEPROM failed.
The transition of the state for the above described 16 points adjustment is outlined below.
TOP menu
16 points
adjustment in
process
16 points adjustment
completed
EEPROM writing
in process
OK (normal ending)
Adjustment error
EEPROM writing error
Press ENTER key
[ A . M E N U ]

AVH-P5950DVD/XN/RC
94
1234
1234
C
D
F
A
B
E
Refer to the material titled [Memory item list and EEPROM] for the stored area of the setting value in the EEPROM.
[Display specifications]
16 points adjustment in process
When ended normally.
The data written are as follows.
X coordinate (16 points)
Y coordinate (16 points)
[Key operation specifications]
Operational
description
Remote controller
key
To TOP menu MENU_ENTER
[ A . M E N U ]

AVH-P5950DVD/XN/RC 95
5 678
5678
C
D
F
A
B
E
3. TP coordinates test
[Outline]
Coordinate before and after the correction when the touch panel is touched is displayed, and the operation is verified.
Furthermore, the cursor can be moved by using the up/down/left/right keys, and the coordinate of the cursor center
is displayed.
The cursor is displayed in red at the positions where the cursor was displayed during 16 points adjustment.
[Display specifications]
AD : AD data value (X direction, Y direction), representing the coordinate of the point pressed, is displayed.
VD E2P : VD value (the value registered at the time of circumference setting) preset in the EEPROM.
VD : VD value currently being pressed.
NORMAL : The coordinate (X direction, Y direction), which is the result of normalizing the AD data value currently
being pressed within the effective range, is displayed.
CALIBRATION : The coordinate (X direction, Y direction), which is the result of applying the correction by calibration
to the normalized coordinate, is displayed.
[Key operation specifications]
Display is
made in HEX.
Operational
description
Remote controller
key
To TOP menu MENU_ENTER
Cursor upward
movement
Cursor downward
movement
Cursor leftward
movement
Cursor rightward
movement
[ A . M E N U ]

AVH-P5950DVD/XN/RC
96
1234
1234
C
D
F
A
B
E
[Calibration verification]
[Outline]
■ Touch the center of the "+" cursor displayed on the screen. When touched correctly, the cursor will disappear,
and the next cursor will be displayed.
By repeating this 16 times, corrected value for each "+" point is obtained.
The information are written into the EEPROM as a data of 16 times. The screen will return to the top menu.
[Display specifications]
■When terminated normally. (After pressing the 16th point.)
[Key operation specifications]
To top menu MENU_ENTER
Operational description Remote controller key
"+" changes into red when coordinates to touch are outside the range.

AVH-P5950DVD/XN/RC 97
5 678
5678
C
D
F
A
B
E
[Data initialization]
[Outline]
■ Result of outermost circumference inspection and of calibration inspection (corrected value) are returned to
their initial values.
As for the initialized items, the initial values are written into the EEPROM and the adjustment information is cleared.
[Display specifications]
■ Conditions for the adjustment completion mark (*) to be lighted up.
(The mark will be lighted up if one of the multiple conditions is met.)
■
Outermost circumference inspection
When the outermost circumference inspection of the calibration for line has been completed normally.
■
16 point adjustment
When the calibration inspection for line has been completed normally.
■
User outermost circumference inspection
When the outermost circumference inspection of calibration for line has been completed normally.
(Because the writing is made to both the Factory region and the User region, the user side will also be treated as adjusted.)
When the outermost circumference inspection of the user calibration has been completed normally.
■
User 16 point adjustment
When the calibration inspection for line has been completed normally.
(Because the writing is made to both the Factory region and the User region, the user side will also be treated as adjusted.)
When the calibration inspection of the user calibration has been completed normally.
■ Conditions for the adjustment completion mark (*) to go out.
(The mark will go out if one of the multiple conditions is met.)
■
Outermost circumference inspection
When the above mentioned lighting conditions are not applicable.
When the adjusted value has been initialized (Data initialize).
When the EEPROM has been initialized.
■
16 point adjustment
When the above mentioned lighting conditions are not applicable.
When the adjusted value has been initialized (Data initialize).
When the EEPROM has been initialized.
■
User outermost circumference inspection
When the above mentioned lighting conditions are not applicable.
When the adjusted value has been initialized (Data initialize).
When the EEPROM has been initialized.
■
User 16 point adjustment
When the above mentioned lighting conditions are not applicable.
When the adjusted value has been initialized (Data initialize).
When the EEPROM has been initialized.
[Key operation specifications]
Operational description Remote controller key
Determination of initializing item BACK
Selected cursor up movement
↓
Selected cursor down movement ↓
To top menu MENU_ENTER
[B A C K ]
[A. M E N E ]

AVH-P5950DVD/XN/RC
98
1234
1234
C
D
F
A
B
E
9. EXPLODED VIEWS AND PARTS LIST
9.1 PACKING
N
OTES : Parts marked by " * " are generally unavailable because they are not in our Master Spare Parts List.
The > mark found on some component parts indicates the importance of the safety factor of the part.
Therefore, when replacing, be sure to use parts of identical designation.
Screw adjacent to mark on the product are used for disassembly.
For the applying amount of lubricants or glue, follow the instructions in this manual.
(In the case of no amount instructions,apply as you think it appropriate.)
""

AVH-P5950DVD/XN/RC 99
5 678
5678
C
D
F
A
B
E
(1)PACKING SECTION PARTS LIST
(2) CONTRAST TABLE
AVH-P5950DVD/XN/RC, AVH-P5950DVD/XN/RD and AVH-P5950DVD/XN/RI are constructed the same except for
the following:
Owner's Manual,Installation Manual
Mark No. Description Part No.
1 Cord Assy CDE7321
2 Cord Assy CDP1013
3 Cord Assy CDP1014
4 Screw Assy CEA5144
5 Screw BMZ50P060FTC
6 Screw(M4 x 3) CBA1870
7 Screw CMZ50P060FTC
* 8 Polyethylene Sheet CNM4338
* 9 Accessory Assy CEA7477
10 Screw CBA1650
11 Bracket CND4079
* 12 Lock Tie CNV-754
13 Bush CNV3930
14 Pen CNV8969
* 15 Polyethylene Bag E36-615
16 Screw JGZ20P070FTC
17 Polyethylene Bag CEG1116
18 Polyethylene Bag CEG1042
19 Unit Box See Contrast table(2)
20 Sub Unit Box CHG6195
21 Contain Box See Contrast table(2)
22 Protector CHP2540
23 Protector CHP3351
24 Protector CHP3352
25 Protector CHP3353
26 Sheet CNN1741
27-1 Owner's Manual CRB2366
27-2 Owner's Manual See Contrast table(2)
27-3 Owner's Manual See Contrast table(2)
27-4 Installation Manual See Contrast table(2)
27-5 Caution Card CRP1310
28 Remote Control Unit CXC6317
29 Optical Terminal Conversion Assy See Contrast table(2)
Mark No. Description Part No.
Mark No. Description AVH-P5950DVD/XN/RC AVH-P5950DVD/XN/RD AVH-P5950DVD/XN/RI
19 Unit Box CHG6191 CHG6192 CHG6194
21 Contain Box CHL6191 CHL6192 CHL6194
27-2 Owner's Manual CRB2367 CRB2369 CRB2371
27-3 Owner's Manual CRB2368 CRB2370 Not used
27-4 Installation Manual CRD4215 CRD4216 CRD4217
29 Optical Terminal Conversion Assy CXC3584 CXC3584 Not used
Part No. Language
CRB2366 English
CRB2367 Traditional Chinese
CRB2368 Korean
CRB2369 Spanish
CRB2370 Portuguese(B)
CRB2371 Arabic
CRD4215 English, Traditional Chinese, Korean
CRD4216 English, Spanish, Portuguese(B)
CRD4217 English, Arabic

AVH-P5950DVD/XN/RC
100
1234
1234
C
D
F
A
B
E
9.2 EXTERIOR(1)
A
C
C
A
D
E
F
F
E
D
B
B
A
G
I
AVH-P5950 Mother Unit
19.5%

AVH-P5950DVD/XN/RC 101
5 678
5678
C
D
F
A
B
E
(1)EXTERIOR(1) SECTION PARTS LIST
(2) CONTRAST TABLE
AVH-P5950DVD/XN/RC, AVH-P5950DVD/XN/RD and AVH-P5950DVD/XN/RI are constructed the same except for
the following:
Mark No. Description Part No.
1 Screw BMZ20P030FTB
2 Screw BMZ20P160FTC
3 Cord Assy CDE8381
4 Cord Assy CDE8382
5 Cord Assy CDE8383
6 Cord Assy CDE8385
7 Flat Cable CDE8386
8 Panel CNB3383
9 Insulator CNN1578
10 Insulator CNN1737
11 Clamper CNV9670
12 DVD Amp Assy See Contrast table(2)
13 Screw BMZ26P120FTC
14 Antenna Cable CDH1362
15 Terminal(CN762) CKF-047
16 Plug(CN761) CKM1516
17 Connector(CN462) CKS4817
18 Connector(CN951) CKS4822
19 Connector(CN381) CKS4827
20 Connector(CN961) CKS4977
21 Connector(CN391) CKS4983
22 Connector(CN311) CKS4987
23 Connector(CN531) CKS5036
24 Connector(CN481) CKS5038
25 Connector(CN461) CKS5041
26 Connector(CN541) CKS5100
27 Connector(CN351) CKS5529
28 Connector(CN512) CKS5722
29 Holder CND3847
30 Holder CND3848
31 Insulator CNM9521
32 Spacer CNN1909
33 Spacer CNM9523
34 Heat Sink CNR1906
35 FM/AM Tuner Unit CWE2046
36 Connector(CN101) CKS4653
37 Connector(CN102) CKS4653
38 Holder CND1432
39 •••••
40 Connector(CN4301) CKM1506
41 Jack(CN4203) CKN1022
42 Connector(CN4202) CKS4985
43 Connector(CN4201) CKS5041
44 Connector(CN4302) CKS5270
45 Holder CND3849
46 Holder CND3996
47 Fan Motor CXM1262
48 Fan Motor CXM1276
49 Screw AMZ26P040FTC
50 Screw BMZ26P030FTC
51 Case CNB3384
52 Sheet CNM8228
53 Insulator CNN1575
54 •••••
55 Cap CNV6727
56 Button CAI1460
57 Screw(M2 x 3) CBA2078
58 Screw(M2 x 3) CBA2079
59 Spring CBH2681
60 Spring CBH2682
61 Spring CBH2683
62 Holder CND3852
63 Holder CND3853
64 Arm CNV8571
65 Arm CNV8572
66 Arm CNV8573
67 Connector CKS4658
68 Flexible PCB CNP9973
69 Panel Unit CXC7633
70 Screw JGZ20P020FTB
71 Screw(M2 x 8) CBA1752
72 Screw(M2 x 3) CBA1877
73 Holder CND4167
74 IC(IC331) PAL007C
Mark No. Description Part No.
Mark No. Description AVH-P5950DVD/XN/RC AVH-P5950DVD/XN/RD AVH-P5950DVD/XN/RI
12 DVD Amp Assy CXC7509 CXC7510 CXC7511

AVH-P5950DVD/XN/RC
102
1234
1234
C
D
F
A
B
E
9.3 EXTERIOR(2)
A
A
C
F
F
D
E
B
C
D
E
B
G
G
J
L
K

AVH-P5950DVD/XN/RC 103
5 678
5678
C
D
F
A
B
E
EXTERIOR(2) SECTION PARTS LIST
Mark No. Description Part No.
1 Drive Unit CXC7637
2 Screw(M2 x 2) CBA1608
3 Screw(M2 x 1.5) CBA1615
4 Screw(M2 x 2) CBA1872
5 Screw(M2 x 3) CBA1877
6 Screw(M2.3 x 6) CBA2027
7 Washer CBF1037
8 Washer CBF1039
9 Washer CBF1064
10 Spring CBH2906
11 Spring CBH2907
12 Spring CBH2908
13 Spring CBH2909
14 Spring CBL1723
15 Spring CBL1734
16 Cord CDE8127
17 Cord CDE8128
18 Shaft CLA4651
19 Shaft CLA4661
20 Shaft CLA4662
21 Shaft CLA4663
22 Shaft CLA4664
23 Shaft CLA4665
24 Shaft CLA4666
25 Holder CND3245
26 Cover CND3252
27 Sheet CNN1055
28 Sheet CNN1056
* 29 Insulator CNN1583
30 Sheet CNN1065
31 Insulator CNN1068
* 32 Sheet CNN1349
33 Insulator CNN1058
34 Gear CNR1855
35 Gear CNR1856
36 Gear CNR1857
37 Gear CNR1859
38 Gear CNR1860
39 Gear CNR1861
40 Gear CNR1862
41 Gear CNR1864
42 Gear CNR1925
43 Gear CNR1926
44 Gear CNV8980
45 Gear CNV8981
46 Gear CNV8983
47 Gear CNV8984
48 Gear CNV8985
49 Gear CNV8987
50 Rack CNV8995
51 Rack CNV8996
52 Guide CNV8999
53 Lever CNV9000
54 Arm CNV9001
* 55 Guide CNV9534
* 56 Guide CNV9535
57 Guide CNV9003
58 Guide CNV9004
59 Frame Unit CXC6143
60 Holder Unit CXC6145
61 Motor Unit CXC6638
62 Screw JGZ20P025FTC
63 Motor Unit CXC6639
64 Screw JGZ20P025FTC
* 65 Chassis Unit CXC7638
* 66 Case Unit CXC7640
67 Bracket Unit CXC7978
68 Lever CND4077
69 Spring CBH2750
70 Screw JFZ17P025FTC
71 Washer YE15FTC
72 Screw(M2 x 3) CBA1877
73 Cover CNV9643
74 Arm CNV9644
75 Spring CBL1766
76 Main PCB Unit(SERVICE) CXX2316
Mark No. Description Part No.

AVH-P5950DVD/XN/RC
104
1234
1234
C
D
F
A
B
E
CNR1926
CNV8984
CNV8985
CNV8981
CNV8980
CNR1862
CNR1861
CNR1860
CNR1859
The gear assembly figure of the Drive Unit
Grease
(1) : GEM1011
(2) : GEM1043
(3) : GEM1047
HOLDER
(CND3245)
HOLDER
HOLDER
GEAR
(1)
(2)
(1)
(1)
(3)

AVH-P5950DVD/XN/RC 105
5 678
5678
C
D
F
A
B
E
(1) : GEM1011
(2) : GEM1043
(3) : GEM1047
(4) : GEM1024
(5) : GEM1072
(6) : GEM1071
(4)
(4)
(4)
(4)
(4)
(4)
(2)
(2)
(2)
(4) (4)
(4)
(6)
(6)
(4)
(4)
(5)
(5)
(5)
(5)
(5)
(1)
(1)
(5)
(2)

AVH-P5950DVD/XN/RC
106
1234
1234
C
D
F
A
B
E
9.4 EXTERIOR(3)
B
A
B
A
C
E
E
F
D
C
C
H
D
F
AVH-P5950 Monitor
19.5%

AVH-P5950DVD/XN/RC 107
5 678
5678
C
D
F
A
B
E
EXTERIOR(3) SECTION PARTS LIST
Mark No. Description Part No.
1 Screw BMZ20P025FTC
2 Screw BMZ26P030FTC
3 Screw(M2 x 1.4) CBA1593
4 Screw(M2 x 2) CBA1872
5 Screw(M2 x 1.4) CBA2042
6 Cord CDE8384
7 Flat Cable CDE8469
8 Holder CND3271
9 Bracket CND3842
10 Bracket CND3843
11 Bracket CND3844
12 Holder CND3846
13 Spacer CNN1582
14 Sheet CNN1698
15 Insulator CNN1739
16 Cushion CNN1753
17 •••••
18 Flexible PCB CNQ1085
19 Cover Unit CXC7711
20 Bracket CND3845
21 FFC CDE8387
22 Sheet CNN1694
23 Grille CNS8975
24 Touch Panel CSX1115
25 Screw(M2 x 2) CBA1872
26 Holder CND3850
27 Insulator CNN1584
28 Sheet CNN1748
29 Sheet CNN1749
30 Sheet CNN1750
31 Monitor Unit CWN2330
32 Connector(CN5201) CKS4428
33 Connector(CN5002) CKS5035
34 Connector(CN5901) CKS5035
35 Connector(CN5001) CKS5105
36 Connector(CN5501) CKS5111
37 Connector(CN5003) CKS5637
38 LCD Module CWX3264
39 DVD Mechanism Module(MS5AVCODE2) CXK6631
40 Sheet CNN2026

AVH-P5950DVD/XN/RC
108
1234
1234
C
D
F
A
B
E
9.5 EXTERIOR(4)
B

AVH-P5950DVD/XN/RC 109
5 678
5678
C
D
F
A
B
E
EXTERIOR(4) SECTION PARTS LIST
Mark No. Description Part No.
1 Screw BMZ20P030FTB
2 Cord Assy CDE7321
3 Cap CNS1472
4 Cord Assy CDP1013
5 •••••
>6 Fuse(10 A) CEK1136
7 Cap CNS1472
8 Resistor RS1/2PMF102J
9 Cord Assy CDP1014
10 Cap CNV6727
11 Screw CMZ50P060FTC
12 Bracket CND3855
13 Panel CNS8978
14 Grille Assy CXC7521
15 Screw BPZ20P080FTB
16 Button(BAND, SEEK) CAI1175
17 Button(DETACH) CAI1176
18 Button(RESET) CAI1177
19 Spring CBH2680
20 •••••
21 Sheet CNN1587
22 Grille Assy CXC8814
23 •••••
24 Cover CNS8964
25 Lighting Conductor CNV9504
26 Lighting Conductor CNV9506
27 •••••
28 LCD CAW1946
29 Connector(CN4001) CKS4657
30 Holder CND3851
31 Sheet CNN1580
32 Connector CNV9502
33 Lighting Conductor CNV9503
34 Knob Unit CXC7631
35 Spring CBL1761
36 Holder CND3854
37 Remote Control Unit CXC6317
38 Cover CZN7062
40 Cushion CNN1887

AVH-P5950DVD/XN/RC
110
1234
1234
C
D
F
A
B
E
9.6 DVD MECHANISM MODULE
(A) : GEM1045
(B) : GEM1043
(C) : GEM1024
(D) : GEM1050
(C)
(A)
B
C
D
E
F
F
(A)
(A)
(A) (A)
(B)
(C)
(A)
(A)
(A)
(A)
(C)
(A)
(B)
(A)
D
E
(B)
(A)
(C)
F
A
(D)
(A)
A
E
(B)
(B)
(B)
(C)
(C)
(A)
(A)
(B)
D
B
C

AVH-P5950DVD/XN/RC 111
5 678
5678
C
D
F
A
B
E
DVD MECHANISM MODULE SECTION PARTS LIST
Mark No. Description Part No.
1 DVD Core Unit YWX5005
2 Connector(CN1852) CKS4817
3 Connector(CN1101) CKS4841
4 Connector(CN1301) CKS5017
5 Connector(CN1201) CKS5043
6 Connector(CN1901) CKS5054
7 •••••
8 Screw BMZ20P020FTC
9 Screw BMZ20P025FNI
10 Screw CBA1787
11 Washer CBF1038
12 Washer CBF1064
13 Spring CBH2586
14 Spring CBH2588
15 Spring CBH2589
16 Spring CBH2590
17 Spring CBH2591
18 Spring CBH2592
19 Spring CBH2593
20 Spring CBH2596
21 Spring CBH2597
22 Spring CBL1726
23 Spring CBH2599
24 Spring CBH2600
25 Spring CBH2601
26 Spring CBH2926
27 Spring CBH2604
28 Spring CBH2605
29 Spring CBH2710
30 Spring CBH2711
31 Spring CBH2935
32 Spring CBH2890
33 Spring CBL1689
34 Spring CBH2898
35 Shaft CLA4206
36 Shaft CLA4701
37 Lever CNC9933
38 Holder CND2643
39 Frame CND2250
40 Holder CND2251
41 Holder CND3936
42 Sheet CNM6883
43 Sheet CNM8697
44 Sheet CNM9658
45 Sheet CNM9407
46 Cam CNV7156
47 Clamper CNV7158
48 Roller CNV7165
49 Rack CNV7175
50 Damper CNV9061
51 Damper CNV9062
52 Collar CNV8845
53 Lever CNV8865
54 Rack CNV9063
55 Arm CNV8867
56 Arm CNV8868
57 Arm CNV9577
58 Arm CNV8870
59 Arm CNV8871
60 Arm CNV8872
61 Arm CNV8873
62 Gear CNV8874
63 Gear CNV8875
64 Gear CNV8876
65 Gear CNV8877
66 Gear CNV8878
67 Gear CNV8879
68 Lever CNV8903
69 Lever CNV8904
70 Roller CNV8905
71 Lever CNV8908
72 Arm CNV8909
73 Guide CNV9569
74 Arm CNV9116
75 Arm CNV9117
76 Compound Unit(A) CWX3154
77 Compound Unit(B) CWX3394
78 Arm Unit CXC7872
79 Frame Unit CXC6442
80 Bracket Unit CXB8685
81 Chassis Unit CXC6443
82 Motor Unit(LOAD)(M1) CXC4912
83 Motor(STEPPING)(M2) CXM1364
84 Arm Unit CXC5486
85 Roller Unit CXC5708
86 Motor(SPDL)(M3) CXM1362
87 Screw JFZ20P018FTC
88 Washer YE20FTC
89 Pickup Unit(Service) CXX2118
90 Screw IMS20P030FTC
91 Collar CNV9570
92 Shaft CLA4771
93 Guide Unit CXC8572
Mark No. Description Part No.

AVH-P5950DVD/XN/RC
112
1234
1234
C
D
F
A
B
E
10. SCHEMATIC DIAGRAM
10.1 MOTHER UNIT(SYSTEM PART)(GUIDE PAGE)
1/2
A
A-a 1/2
A-a
A-a
A-b
A-b
A-a
A-a
A-b
A-b
A-b
A-b
A-a
A-a
Large size
SCH diagram
Guide page
Detailed page
Note: When ordering service parts, be sure to refer to " EXPLODED VIEWS AND PARTS LIST" or
"ELECTRICAL PARTS LIST".
B
CN4001
I
CN4201
G
CN4302
CN1901
JK L
>
>
>
>
>
CN1852
FM(100%): -14dBs
AM(30%):-24.0dBs
DVD/CD:+5.1dBs
ipod: +1.3dBs
VCR: +8.2dBs
IP-BUS: +2.2dBs
AUX: +2.2dBs
2/2
D
2/2
D

AVH-P5950DVD/XN/RC 113
5 678
5678
C
D
F
A
B
E
1/2
A
A-b 1/2
A-a A-b
A-a A-b
A-b
A-a
MOTHER UNIT(SYSTEM PART)
1/2
A
2/2
A
L
CN5003
1/2
C
Decimal points for resistor
and capacitor fixed values
are expressed as :
2.2 t 2R2
0.022 t R022
The > mark found on some component parts indicates
the importance of the safety factor of the part.
Therefore, when replacing, be sure to use parts of
identical designation.
Symbol indicates a resistor.
No differentiation is made between chip resistors and
discrete resistors.
NOTE :
Symbol indicates a capacitor.
No differentiation is made between chip capacitors and
discrete capacitors.
>
>
>
>
G
CN4302
FM(100%): +9.1dBs
AM(30%): -0.9dBs
IP-BUS:+14.3dBs
AUX:+14.3dBs
VCR:+14.3dBs
ipod:+14.4dBs
DVD/CD:+14.2dBs
FM(100%):+31.1dBs
AM(30%):+21.1dBs
IP-BUS:+36.3dBs
AUX:+36.3dBs
VCR:+36.3dBs
ipod:+36.4dBs
DVD/CD:+36.2dBs

AVH-P5950DVD/XN/RC
114
1234
1234
C
D
F
A
B
E
A-a A-b
A-b
1/2
12
MOTHER UNIT(SYSTEM PART)
1/2
A
CN5003
1/2
C
>
G
CN4302
FM(100%): +9.1dBs
AM(30%): -0.9dBs
IP-BUS:+14.3dBs
AUX:+14.3dBs
VCR:+14.3dBs
ipod:+14.4dBs
DVD/CD:+14.2dBs
FM(100%):+31.1dBs
AM
(
30%
)
:+21.1dBs

AVH-P5950DVD/XN/RC 115
5 678
5678
C
D
F
A
B
E
A-a A-b
A-b
1/2
2
2/2
A
Decimal points for resistor
and capacitor fixed values
are expressed as :
2.2 t 2R2
0.022 t R022
The > mark found on some component parts indicates
the importance of the safety factor of the part.
Therefore, when replacing, be sure to use parts of
identical designation.
Symbol indicates a resistor.
No differentiation is made between chip resistors and
discrete resistors.
NOTE :
Symbol indicates a capacitor.
No differentiation is made between chip capacitors and
discrete capacitors.
>
FM(100%):+31.1dBs
AM(30%):+21.1dBs
IP-BUS:+36.3dBs
AUX:+36.3dBs
VCR:+36.3dBs
ipod:+36.4dBs
DVD/CD:+36.2dBs

AVH-P5950DVD/XN/RC
116
1234
1234
C
D
F
A
B
E
A-bA-a
A-a
1/2
A-b
1/2
12
CN1901
JK L
>
>
>
>
2/2
D
FM(100%): -14dBs
AM(30%):-24.0dBs
DVD/CD:+5.1dBs
ipod: +1.3dBs

AVH-P5950DVD/XN/RC 117
5 678
5678
C
D
F
A
B
E
A-bA-a
A-a
1/2
A-b
1/2
2
BCN4001
ICN4201
G
CN4302
>
>
CN1852
2/2
D
ipod: +1.3dBs
VCR: +8.2dBs
IP-BUS: +2.2dBs
AUX: +2.2dBs

AVH-P5950DVD/XN/RC
118
1234
1234
C
D
F
A
B
E
10.2 MOTHER UNIT(POWER SUPPLY PART)(GUIDE PAGE)
2/2
A
A-a 2/2
CENTER FAN
REAR FAN
>
>
>
>
>
>
>

AVH-P5950DVD/XN/RC 119
5 678
5678
C
D
F
A
B
E
2/2
A
A-b 2/2
MOTHER UNIT(POWER SUPPLY PART)
2/2
A
2/2
A
>
>
: The power supply is shown with the marked box.

AVH-P5950DVD/XN/RC
120
1234
1234
C
D
F
A
B
E
A-a A-b
A-b 2/2
MOTHER UNIT(POWER SUPPLY PART)
2/2
A
2/2
A

AVH-P5950DVD/XN/RC 121
5 678
5678
C
D
F
A
B
E
A-a A-b
A-b 2/2
12
>
>
: The power supply is shown with the marked box.

AVH-P5950DVD/XN/RC
122
1234
1234
C
D
F
A
B
E
A-bA-a
A-a 2/2
A-b 2/2
CENTER FAN
REAR FAN
>
>

AVH-P5950DVD/XN/RC 123
5 678
5678
C
D
F
A
B
E
A-bA-a
A-a 2/2
A-b 2/2
12
CENTER FAN
>
>
>
>

AVH-P5950DVD/XN/RC
124
1234
1234
C
D
F
A
B
E
10.3 KEYBOARD UNIT
B
A
CN481
MOTHER UNIT
PANEL UNIT

AVH-P5950DVD/XN/RC 125
5 678
5678
C
D
F
A
B
E
B
B
KEYBOARD UNIT

AVH-P5950DVD/XN/RC
126
1234
1234
C
D
F
A
B
E
10.4 MONITOR PCB(MONITOR PART)(GUIDE PAGE)
1/2
C
C-a 1/2
>
>
2/2
C
CN512
1/2
A
H
CN5901
TOUCH PANEL
CSX1115

AVH-P5950DVD/XN/RC 127
5 678
5678
C
D
F
A
B
E
1/2
C
C-b 1/2
2/2
C
LCD MODULE
LCD
MODULE
CWX3264
MONITOR PCB(MONITOR PART)
1/2
C
MONITOR UNIT
Consists of
MONITOR PCB
UPPER PCB

AVH-P5950DVD/XN/RC
128
1234
1234
C
D
F
A
B
E
C-a C-b
C-b 1/2
12
LCD MODULE
LCD
MONITOR PCB(MONITOR PART)
1/2
C

AVH-P5950DVD/XN/RC 129
5 678
5678
C
D
F
A
B
E
C-a C-b
C-b 1/2
2/2
C
LCD
MODULE
CWX3264
MONITOR UNIT
Consists of
MONITOR PCB
UPPER PCB

AVH-P5950DVD/XN/RC
130
1234
1234
C
D
F
A
B
E
C-bC-a
C-a 1/2
C-b 1/2
12
>
>
H
CN5901
TOUCH PANEL
CSX1115

AVH-P5950DVD/XN/RC 131
5 678
5678
C
D
F
A
B
E
C-bC-a
C-a 1/2
C-b 1/2
2/2
C
CN512
1/2
A
H
CN5901

AVH-P5950DVD/XN/RC
132
1234
1234
C
D
F
A
B
E
10.5 MONITOR PCB(OSD & µCON PART)(GUIDE PAGE)
2/2
C
C-a 2/2
1/2
C
1/2
C

AVH-P5950DVD/XN/RC 133
5 678
5678
C
D
F
A
B
E
2/2
C
C-b 2/2
1/2
C
MONITOR PCB(OSD & μCON PART)
2/2
C
MONITOR UNIT
Consists of
MONITOR PCB
UPPER PCB

AVH-P5950DVD/XN/RC
134
1234
1234
C
D
F
A
B
E
C-a C-b
C-b 2/2
1
1/2
C
MONITOR PCB(OSD & μCON PART)
2/2
C

AVH-P5950DVD/XN/RC 135
5 678
5678
C
D
F
A
B
E
C-a C-b
C-b 2/2
1
MONITOR UNIT
Consists of
MONITOR PCB
UPPER PCB

AVH-P5950DVD/XN/RC
136
1234
1234
C
D
F
A
B
E
C-bC-a
C-a 2/2
C-b 2/2
1
1/2
C
1/2
C

AVH-P5950DVD/XN/RC 137
5 678
5678
C
D
F
A
B
E
C-bC-a
C-a 2/2
C-b 2/2
1

AVH-P5950DVD/XN/RC
138
1234
1234
C
D
F
A
B
E
10.6 DVD CORE UNIT(1/2)(GUIDE PAGE)
1/2
D
D-a 1/2
CWW1434
2/2
D
F
F
T
RF SIGNAL
FOCUS SERVO LINE
TRACKING SERVO LINE
CARRIAGE SERVO LINE
SPINDLE SERVO LINE
T
C
S

AVH-P5950DVD/XN/RC 139
5 678
5678
C
D
F
A
B
E
1/2
D
D-b 1/2
CWW1435
DVD CORE UNIT(1/2)
2/2
D
1/2
D
2/2
D
2/2
D
PICKUP UNIT(SERVICE)(DP8)
F
M2,M3
M1
E
2/2
D
F
T
T
FT
F
F
T
S
C
C
S
S
C
S
C
1
5
23
3
44

AVH-P5950DVD/XN/RC
140
1234
1234
C
D
F
A
B
E
D-a D-b
D-a
1/2
12
DVD CORE UNIT(1/2)
2/2
D
1/2
D
2/2
D
PICKUP UNIT(SERVICE)(DP8)
F
T
F
T
S
C
1

AVH-P5950DVD/XN/RC 141
5 678
5678
C
D
F
A
B
E
D-a D-b
D-b
1/2
CWW1435
2/2
D
F
M2,M3
M1
E
2/2
D
T
FT
F
F
S
C
C
S
S
C
5
23
3
44

AVH-P5950DVD/XN/RC
142
1234
1234
C
D
F
A
B
E
D-bD-a
D-a
1/2
D-a
1/2
12
2/2
D
F
F
T
RF SIGNAL
FOCUS SERVO LINE
TRACKING SERVO LINE
CARRIAGE SERVO LINE
SPINDLE SERVO LINE
T
C
S

AVH-P5950DVD/XN/RC 143
5 678
5678
C
D
F
A
B
E
D-bD-a
D-a
1/2
D-b
1/2
CWW1434

AVH-P5950DVD/XN/RC
144
1234
1234
C
D
F
A
B
E
10.7 DVD CORE UNIT(2/2)
2/2
D
1/2
D
1/2
D
1/2
D
CN462
1/2
A
1/2
D
1/2
D

AVH-P5950DVD/XN/RC 145
5 678
5678
C
D
F
A
B
E
2/2
D
1/2
D
1/2
D
1/2
D
DVD CORE UNIT(2/2)
2/2
D
CN541
1/2
A
1/2
D

AVH-P5950DVD/XN/RC
146
1234
1234
C
D
F
A
B
E
10.8 COMPOUND UNIT(A) AND COMPOUND UNIT(B)
E F
F
E
COMPOUND UNIT(B)
COMPOUND UNIT(A)
CLAMP
D1/2
S1201
Q1299
S1202 S1204
S1203
R1298
0R0
1
2
3
4
5
6
S1205
R1299
0R0
CPT231SCTD
CSN1069
CSN1069
CSN1069
CSN1067
CSN1070
CSN1070
12cm
8cm
DISC SENS DISC SENS
8cm
CN1301
D1/2

AVH-P5950DVD/XN/RC 147
5 678
5678
C
D
F
A
B
E
10.9 RCA PCB
G
CN391
1/2
A
CN311
1/2
A
VCR IN
RCA OUT
G
RCA PCB
OPT/RCA UNIT
Consists of
RCA PCB
OPT PCB

AVH-P5950DVD/XN/RC
148
1234
1234
C
D
F
A
B
E
10.10 UPPER PCB
H
CN5002
1/2
C
H
UPPER PCB
MONITOR UNIT
Consists of
MONITOR PCB
UPPER PCB

AVH-P5950DVD/XN/RC 149
5 678
5678
C
D
F
A
B
E
10.11 OPT PCB
I
CN461
1/2
A
IP-BUS
DIGITAL
OUT
I
OPT PCB
OPT/RCA UNIT
Consists of
RCA PCB
OPT PCB

AVH-P5950DVD/XN/RC
150
1234
1234
C
D
F
A
B
E
10.12 MAIN PCB UNIT(SERVICE), SWITCH PCB UNIT AND VOLUME PCB
UNIT
J
JMAIN PCB UNIT(SERVICE)
CN512
1/2
A

AVH-P5950DVD/XN/RC 151
5 678
5678
C
D
F
A
B
E
LKJ
KSWITCH PCB UNIT
LVOLUME PCB UNIT

AVH-P5950DVD/XN/RC
152
1234
1234
C
D
F
A
B
E
10.13 WAVEFORMS
1 RF
2 TD1
3 A+, A-
4 B+, B-
5 FD1
1RF 0.2 V/div(AC) 0.1
μ
s/div 1RF 0.2 V/div(AC) 50 ns/div 1
RF 0.2 V/div(AC) 50 ns/div
CDRF(x 4 CLV) CDRF(x 20 CAV Inner peripheral)
CDRF(x 20 CAV
Peripheral)
1
RF 0.2 V/div(AC) 50 ns/div
1
RF 0.2 V/div(AC) 50 ns/div
1
RF 0.2 V/div(AC) 50 ns/div
DVDRF(x 1.3 ZCAV) DVDRF(x 5 CAV
Inner peripheral)
DVDRF(x 5 CAV
Peripheral)
1
RF 0.5 V/div 100 μs/div
2
TD1 0.1 V/div 100 μs/div
2
TD1 0.1 V/div 100 μs/div
DVDRF(BD1 mm) Interval FWD Interval REV
VHALF VHALF2.2 V
t
- DVD Core Unit
Note:1. The encircled number denote measuring points in the circuit diagram.
2. Reference voltage: 1.65 V(TD1,FD1)(=VHALF)
2.2 V(RF)(=VREF)
In the waveform, it is seeing on the GND standard.
Offset of 1.65 V or 2.2 V is put in.

AVH-P5950DVD/XN/RC 153
5 678
5678
C
D
F
A
B
E
2TD1 0.1 V/div 500
μ
s/div 2TD1 0.1 V/div 500
μ
s/div 2
CH1 : TD1 0.5 V/div 10 ms/div
Multi
32 FWD Multi
32 REV 3
CH2 : A+-A-10.0 V/div 10 ms/div
4
CH3 : B+-B-10.0 V/div 10 ms/div
Traverse 900 FWD(Short)
VHALF
0
t
VHALF VHALF
0
t
2
CH1 : TD1 0.5 V/div 10 ms/div
2
CH1 : TD1 0.5 V/div 20 ms/div
2
CH1 : TD1 0.5 V/div 20 ms/div
3
CH2 : A+-A-10.0 V/div 10 ms/div
3
CH2 : A+-A-10.0 V/div 20 ms/div
3
CH2 : A+-A-10.0 V/div 20 ms/div
4
CH3 : B+-B-10.0 V/div 10 ms/div
4
CH3 : B+-B-10.0 V/div 20 ms/div
4
CH3 : B+-B-10.0 V/div 20 ms/div
Traverse 900 REV(Short) Traverse 5 000 FWD(Long) Traverse 5 000 REV(Long)
VHALFVHALF VHALF
0
t
0
t
0
t
0
t
0
t
0
t
3
CH
:
A+-A-10 V/div 50 ms/div
2
TD1 0.5 Vdiv 20 ms/div
5
FD1 0.5 V/div 1 ms/div
4
CH2
:
B+-B-Play
TD Focus Close
ID search Inside
t
Outside
VHALFVHALF
0
t
0
t
(LPF of the oscilloscope is set to 10 kHz)
(LPF of the oscilloscope is set to 10 kHz)
(LPF of the oscilloscope is set to 10 kHz)
(LPF of the oscilloscope is set to 10 kHz)
(LPF of the oscilloscope is set to 10 kHz)
(LPF of the oscilloscope is set to 10 kHz)
(LPF of the oscilloscope is set to 10 kHz)
(LPF of the oscilloscope is set to 10 kHz)
5FD1 0.5 V/div 20 ms/div 5FD1 0.5 V/div 500 μs/div
Play FD Focus Jump L0
t
L1
VHALF VHALFVHALF
5FD1 0.5 V/div 500 μs/div
Focus Jump L1
t
L0

AVH-P5950DVD/XN/RC
154
1234
1234
C
D
F
A
B
E
11. PCB CONNECTION DIAGRAM
11.1 MOTHER UNIT
A
A
MOTHER UNIT
Capacitor
Connector
P.C.Board Chip Part SIDE B
SIDE A
NOTE FOR PCB DIAGRAMS
1.The parts mounted on this PCB
include all necessary parts for
several destination.
For further information for
respective destinations, be sure
to check with the schematic dia-
gram.
2.Viewpoint of PCB diagrams
5
1
5
1
10
1
15
E
1
1
1
1
1
5
1
5
15 10
1
10 20 30
15
10
15
E
1
10
15
20
25
110 15 20 30
71
1
E
1
IC151
R210
Q271
R211
R212
Q272
R213
R220
L271
R225
L281
C202
D972
C203
D973
C205
R244
R246
C210
C211
C214
C215
R251
R252
R253
R254
R255
R
2
R257
R258
R259
C22
C
C223
R260
C224
C22
5
R263
R264
FU521
FU522
FU523
R271
R272
R273
R274
R275
R276
R277
R278
C241
C242
C245
C247
C251
C252
C253
C254
C256
C257
C258
C259
C260
C261
C264C265
C266
D210
C271
C272
Q311
Q312
Q313
L1
C281
C282
FU381
IC210
VR271
C297
C299
FU971
FU972
FU973
L901
L541
L542
L543
IC251
R121
R513
R514
R515
CN311
R141
Q972
Q973
C107
C109
CN512
C301
C302
C304
C115
R151
R152
C1
L971
L972
L974
R544
R545
R546
R547R548
R549
C513
C514
R550
C904
R171
C137
CN541
C139
C342
C343
C344
C151
C152
C153
C154
C157
C158
C541
C159
C542
C543
C544
C545
R391
CN951
R392
R393
R394
R395
CN761
C741
R396
C742
CN762
R397
R973
C550
C744
R398
CN381
R981
R984
R988
D311
CN391
D312
D313
C952
R990
R995
R997 R998
C771
L221
D331
C974
C976
C977
C978
C979
C981
Q251
C985
C986
C988
IC331
C991
C992
D741
VR971
L251
L252
R208
R209
10 20 30 40 50 60
10 20 30 40 50 60 70 80
X
150
140
130
120
110
100
90
80
70
60
50
40
30
20
10
0
Y
525 35 45
CCN5003
J
GCN4302
GCN4302
DCN1901
REAR FAN MOTOR
POWER SUPPLY
MINI JACK
REAR V
B.G
CN101
FU 521 (A,23,92) Fuse 2 A CEK1257
FU 522 (A,19,91) Fuse 200 mA CEK1247
FU 523 (A,16,91) Fuse 200 mA CEK1247
FU 961 (A,134,86) Fuse 630 mA CEK1252
FU 971 (A,39,5) Fuse 2 A CEK1257
FU 972 (A,43,24) Fuse 2 A CEK1257
FU 973 (A,15,30) Fuse 2 A CEK1257
>
>
>
>
>
>
>

AVH-P5950DVD/XN/RC 155
5 678
5678
C
D
F
A
B
E
A
SIDE A
1
1
1
5
1
1
5
E
E
110
1
1
E
1
E
1
510
15
20
1
5
1
5
1
5
1
5
1
1
E
1
1
1
1
1
1
5
E
1
E
1
1
1
5
1
5
1
5
1
1
E
1
1
5
E
1
1
5
15
10
15
20
25
30
15
1
1
71
E
E
Q461
7
1
IC731
Q272
IC732
Q853
IC351
R601
R602
R603
R604
R605
R606
R607 R608
R221
L461
R222
L462
R225
D767
CN401
R611
R805
CN402
R612
R806
CN403
R613 R807
R614
D961
R615
D962
R616
IC751
Q872
Q874
R620
Q875
R621
R622
R623
R431
R626
R627
R628
R629
L481
R244
R246
R630
R631
R632
C403
R634 R635
R637 R638
R253
R255
C601
R256
R257
R258 C604
R834
R640
R259
C605
R835
R641
R836
R642
R837
C414
R838
C221
R839
R645
C222
C223
R
260
C224
C225
C802
R263
R264
R840
C611
C805
C612
C806
C613
R650
C614
C615
L891
R651
C616
R652
C617
C424
C618
R461
R462
R463
R464
C811
R465 R466
3
R467
R274
R468
R276
R852
R277
R853
C818
R854R660 R855
R662
R857
R858
R666
R668
R475
R476
C822
CN461
CN462
R674
R675
R676
R678
R679
C831
C257
C258
C834
C259
C835
C836
C837
C838
R680
R681
R876
R682
R877
R683
C260
R490
R685
R686
C263
R687
C264
R688
C265
R689
C266
C842
R880
Q111
C845
R881
C846
R882
R883
R690
R885
BZ601
R886
R692
R693
C464
R694
C465
R695
Q501
C466
Q502
C467
R697
Q503
C468
R698 R699
C852
C856
C857
C858
L111
Y401
C860
FU381
C862
FU961
Q521 Q522 Q523
VR271
C871
C873
C874
C875
Q911
IC221
Q921
Q731
C891
D831
C892
Q931
R111
L351
Q941
R112
R113
R114
R115
R116
R117
R118
IC251
R119
R501
R502
R503
R504
IC832
R121
R700
L751
Q962
Q963
IC461
D482
R713
R714
R521 R522 R523
D873
R141
R911
R912
C107 Q781
C109
Q782
Q783
R724
Q784
R725
R534
C111
C112
C113 C114
C115
R921
R922
C116
C117
C119
C501
R731
R732
R733
R734
R735
R736
D891
R931
R932
R171
R941
R366
R942
R367
R752 R753
R754
CN351
R755 R756
C911
R761
C921
R961
C731
C732
C733
R963
R964
R965
R966
R967
R968
C931
C932
1
CN762
R781
R782
R783
C360
R784
CN381
C941
CN961 C942
C751
D501
Q802 Q803 Q804
IC111
L601
C961
L602
C962
C963
C771
L221
C781 C782
D731
Q832
L251
L252
L831
L832
70 80 90 100 110 120 130 140 150 160 170
FRONT
ICN4201
DCN1852
CENTER
FAN MOTOR
ANTENNA
U
PPLY
AV-BUS
ipod
MINI JACK
REAR V
B.G
FM/AM TUNER UNIT

AVH-P5950DVD/XN/RC
156
1234
1234
C
D
F
A
B
E
A
A
MOTHER UNIT
E
E
E
E
E
1
110
5
15
1
E
E
1
15
1
1
E
1
5
1
5
1
15
1
5
1
1
E
E
E
E
51
10
1
15 10
15 20
25 30
35 40
1
5
E
E
1
40
8090
100
110
120
130
140
R402
R403
R404
R405
R406
R407
R408
R409
Q851
R410 R411 R412 R413
R414
R415
R609
R416
R417
R418
R419
R801
R802
R803
R804
R610
R808
R421
R423
R617
R424
R618
R23
R425
R619
R426
R233
R427
R
R428
R429
R811
Q871
R236
R812
R237
R813
Q873
R814
R239
R624
R625
R434
R240
R821 R822
R823
R824
C401
C402
R633
C404
C405
C406
R636
C407
C408
C409
R639
R831
Q891
C602
Q892
R832
C603
R833
C410
C411
C412
C606
C413
C607
R643
C608
R644 C415
C609
C416
R646
C417
R647
C418
R648
C419
C801
R649
C803
C610
C804
X601
R841
R842
R843
C420
R844
C421
R845
C422
R846
C423
R653
R654
C425
C619
C
2
R655
C232
R656 R657
C234
R658
C235
R659
C236
C812
C237
C813
C814
C815
R851
C817
C819
R661
R856
R663
R664
R665
R667
C820
C821
R669
C823
R861
R862
R863
R670
R671
R672
R673
R481
R482
R677
FU
3
R485
C832
R486
C833
R487
R488
R871
R489
R872
R873
R874
C839
R875
R878
R684
R491
R492
C840
ZNR401
C841
C843
C844
C847
R884
R691
C461
CN4
8
C462
C463
R696
C851
C853
C854
R891
C855
R892
R893
C859
C861
D801
C863
IC401
C481
C482
C483
C484
L701
D811 D812
C872
D813
D814
IC601
IC801
IC231
IC811
Q352
IC812
Q353
Q354
Q355
Q
Q
IC821
D841
D842
L
3
IC831
R701
R702
R703
R704
R705
R706
R707
R708
R709
IC841
Q961
R710
R711
D481
R712
D484
D485
R715
R716
R717
R718
R719
IC851
IC852
D874
R720
R721
R722
R723
R531
R532
R533
IC861
R535
R536
R537
R538
R351
R354
R355
C701
C702
R357
C703
R358
CN531
R
3
R363
R364
X701
R365
R368
R751
R369
R370
R371
R372
R37
C
C351
C354
Q401Q402
L401
L402 L403
L404
Q801
C770
Q231
IC701
L231
FU891
Q831
D351
D352
D353
D354
D3
5
Q841
Q842
1
5
10 20 30
50 60
40
70
10 13
90100110120130140
150160170
1
BCN4001
TP621
TP623

AVH-P5950DVD/XN/RC 157
5 678
5678
C
D
F
A
B
E
A
SIDE B
1
110
155
E
E
1
15
10
15
E
E
E
15 10
15 20
25 30
35 40
E
1
5
15 10
15 20
25 30 35
40 45
5
1
10
E
51
10
1
5
1
5
1
5
1
5
1
5
E
E
1
5
1
1
1
E
E
E
1
5
1
5
E
E
1
1
5
E
E
11
1
E
E
E
1
E
E
15
10
15
20
2530
35
40
1
R214
R215
R216
R217
R218
R219
D181
IC161
D951
D952
D953
R
414
D761
R
415
6
09
D762
R
416
R223
R
417
D764
R224
D765
D766
D768
D381
R617
R231
R232
R233
R234
R235
R236
R237
R239
C200
IC181
C201
R
434
C204
R240
D974
R241
D975
R242
D976
R243
D977
R245
C404
IC191
IC192
C212
C213
FU311
C
606
IC971
1
7
C
418
R261
C419
R262
C226
C227
C228
0
FU901
X
601
C619
C231
C232
C233
C234
C235
C236
C237
C238
R469
7
R470
R471
R472
C243
R473
R474
C244
R281
C246
R282
R283
C248
R284
C249
R285
R286
R287
R288
R289
C250
R481
R
482 R483
R290
R484
FU351
R291
C255
R485
R292
FU352
R486
R293
R487
R294
R488
R295
R489
R491
C262
R492
C267
C268
CN481
FU951
FU761
C283
C284
C285
C286
C287
C288
C289
Q901
Q902
C484
C290
C291
C292
C293
C294
FU391
C295
Q331
C296
C298
Q141
L141
Q541
IC231
Q542
Q351
Q352
Q353
Q354
Q161
R101
Q355
Q356
R102
Q357
Q741
R105
Q742
R106
Q743
R107
Q744
R108
R109
IC241
L352
L161
IC252
R311
R312
R313 R314
R120
Q181
R315
Q951
Q952
R316
Q953
R317
Q954
R318
Q761
R319
1
Q762
Q763
3
Q765
Q766
R706
R707
R320
R708
R321
R709
R322
R323
R324
R901
Q191
R325
R131
R326
R902
R132
R327
R903
R328
R904
R710
R135
R905
L181
R711
R136
R712
R137
D483
R138
L761
R139
L762
L763
R717
R718
R331
C101
R332
C102
C103
C104
C105
R142
C106
R143
C108
R144
Q974
R145
L191
Q975
R146
L192
Q976
R147
C300
R148
IC281
R149
C303
C305
C306
C118
R155
R156
L973
C311
C312
C313
C314
C315
R351
R352
C316
C317
R353
C318
R354
R355
C319
R161
C701
R162
R356
R163
R357
R164
R358
R741
C511
R165
5
31
C512
R166
R742
R167
R743
R168
C320
R744
C515
R745
R169
C321
C516
C322
R746
C517
C323
R747
R553
C518
C324
R360
C519
C901
R361
R749
C131
C902
R362
C132
C133
R363
R170
C134
R364
C135
0
1
R365
C136
C520
R750
C138
R368
R369
C331C332
C333C334
R370
C141
C335
R371
R372
C336
C142
C337
C143
R373
C144
C338
R181
R951
C339
C145
C146
R952
R182
R183
R953
C147
R184
R954
C148
R185
R955
R186
R762
R956
R763
R187
R188
C340
R764
R189
R765
C341
R766
R767
C345
R769
R381
R382
R383
R191
C155
C156
R192
R193
R194
R770
R195
R771
R772
R196
R773
R197
R198
R774
C351
R199
R775
C546
R776
C352
C547
C353
R777
C548
C354
R778
C549
C355
R779
C161
C162
C163
C164
C165
R971 C166
R972
C743
C167
C168
C551
C169
R975
C552
R976
R977
R978
R979 R980
R983
R985
R986
R987
R989
C951
C181
IC101
C182
C183
C953
C184
C185
C761
R991
C762
C186
R992
C763
C187
R993
C764
C188
R994
C765
C189
C766
R996
C767
C769
R999
D131
C191
C192
D132
C193
C770
C194
C195
Q231
C196
C197
C198
C199
C391
C392
D332
C971
C973
C975
IC701
L231
C980
D151
IC131
D152
C982
C983
C984
C987
C989
D541
L241 L242
D351
D352
D353
D354
D161
D355
IC141
D356
D357
C993
R200
D358
D359
R201
D742
R202
D743
R203
D744
R204
R205
D745
R206
R207
L253
150
140
130
120
110
100
90
80
70
60
50
40
30
20
10
Y
102030405060708090
0
X
0
1
1
FU 311 (B,18,74) Fuse 3.15 A CEK1259
FU 351 (B,85,144) Fuse 3.15 A CEK1259
FU 352 (B,79,144) Fuse 3.15 A CEK1259
FU 761 (B,68,146) Fuse 3.15 A CEK1259
FU 891 (B,147,12) Fuse 1.25 A CEK1255
FU 901 (B,8,92) Fuse 1.25 A CEK1255
FU 951 (B,13,113) Fuse 630 mA CEK1252
>
>
>
>
>
>
>
MONVBS
TP396
TP972
TP971
TP976
TP395

AVH-P5950DVD/XN/RC
158
1234
1234
C
D
F
A
B
E
11.2 KEYBOARD UNIT
B
SIDE A
B
KEYBOARD UNIT
1
111 11
1 5 10 15 20 25 30 35 40
1
5
1
D4001
D4002 D4003
D4021
D4042
R4041
C4075
D4051
C4076
D4052
C4077
D4053
D4054
C4079
D4055 D4056 D4057
D4058
D4059
S4031
S4032
S4033S4034S4035 S4036S4037
D4060
D4071
D4072
D4073
D4074
D4075 D4076 D4077
D4078
D4079
D4080
LCD4001
10 20 30 40 50 60 70 80 90 100 110 120
X
0
Y
130 140 150 160
10
20
VOLUME/ATT SOURCE BAND/ESC
DETACH
EJECT

AVH-P5950DVD/XN/RC 159
5 678
5678
C
D
F
A
B
E
B
SIDE B
B
KEYBOARD UNIT
130160 150 140 120 110 100 90 80 70 60 50
X
0
Y
40 30 20 10
10
20
E
15 10
15 20
25 30 35
40 45
5151
10
C4001
C4002
C4003
C4004
C4005
C4021
C4022
C4023
R4001
R4002
R4003
R4004
R4005
R4006
IC4001
C4041
Q4041
R4021
R4022
R4031
R4032
R4033
R4034
R4035
R4036
R4037 D4041
R4042
C4071
C4072
C4073
C4074
C4078
R4051
R4052
R4053
R4054
R4055
R4056
R4057
C4080
R4058
R4071
R4072
R4073
R4074
R4075
R4076
R4077
R4078
R4079 R4080
R4091 R4092
R4093 R4094
L4001
CN4001
A
CN481

AVH-P5950DVD/XN/RC
160
1234
1234
C
D
F
A
B
E
11.3 MONITOR PCB
C
C
MONITOR PCB
1
1
E
E
1
E
1
5
1 5 10 15 20 25 30 35 40
50
45 55 60 65 70 75 80 85
90 95 100 105 110 115 120 125 130
135 140 145 150 155 160 165 170 175
1
1
1
E
E
1
5
1
5
1
E
1
5
1
5
E
1
5
15 10
15
20
E
1
5
1
5
E
1
5
1
5
1
1
1
1
1
1510 15 20 25 30 35 40 45 50 55 60
15 10
15 20
30 35
40 45
25
L5430
L5431
L5432
L5433
L5434
L5435
L5436
L5437
L5438
L5439
L5440
L5441
L5442
L5443
L5444
L5445
L5446
L5447
L5448
L5449
L5450
L5451
L5452
L5453
L5454
L5455
L5456 L5457
L5458
L5459
L5460
L5461
L5462
L5463
L5464
L5465
L5466
L5467
L5468
L5469
L5470
L5471
L5472
FU5201
C520
C52
0
C5204
C5205
Q5201
C5206
Q5202
C5207
Q5203
C5208
Q5204
C5209
Q5205 Q5206
C5401
C5402
C5403
C5210
C5404
C5211
C5405
Q5401
C5212
C5406
C5213
C5407
C5214
C5408
C5215
C5409
C5216
C5217
C5218
C5219
C5410
C5411
C5412 C5413
C5220
C5414
C5221
C5415
C5222
C5416
C5223
C5417
C5224
C5418
C5419
D5201
C5226
D5202
C5227
D5203
D5204
D5205
R5201
D5206
R5202
D5207
R5203
C5420
D5208
R5204
C5421
D5209
R5205
C5422
R5206
C5423
R5207
C5424
R5208
C5425
R5209
IC5201
C5426
IC5202
C5427
IC5203
C5428
IC5204
C5429
IC5205
R5401
IC5206
R5402
R5403
R5210
R5404
R5211
R5405
R5212
R5406
R5213
R5407
C5430
R5214
R5408
C5431
R5215
IC5401
C5432
R5216
C5433
R5217
C5434
R5218
C5435
R5219
C5436
C5437
C5438
R5410
L5101
C5439
R5411
R5412
R5413
R5220
R5414
L5104
R5221
R5415
R5222
R5416
L5106
R5223
R5417
L5108
C5440
R5224
R5418
L5109
C5441
R5225
R5419
VR5201
R5226
C5442
R5227
C5443
C5444
C5445
L5301
C5446
L5302
C5447
L5303
L53
0
L5110
C5448
R5420
L5111
C5449
R5421
L5112
R5422
R5423
L5114
R5424
R5425
L5116
R5426
R5427
C5450
R5428
C5451
R5429
L5501
C5452
L5502
C5453
L5503
C5454
L5504
C5455
L5505
C5456
L5506
C5457
L5508
C5458
R5430
L5509
C5459
L5510
C5460
L5511
C5461
C5462
C5463
C5464
C5465
C5466
C5467
C5468
C5469
R5855
C5101
C5102
C5103
C5104
C5105
Q5101
C5106
C5107
C5108
C5109
C5301
CN5501
C5302
C5303
C5110
C5304
C5111
C5305 Q5301
C5112
C5306
Q5302
C5113
C5307
C5114
C5115
C5116
C5119
X5401
C5503
C5310
C5504
C5505
Q5501
C5506
Q5502
C5507
C5120
C5508
C5121
C5509
C5123
C5125
D5101
C5126
D5102
C5127
C5128
C5510
C5129
C5511
R5101
C5512
D
R5102
C5513
D5107
R5103
C5514
D5108
R5104
C5515
D5109
C5516
R
5
C5517
R5107
C5130
C5518
R
5
C5131
C5519
R5109
IC5101
C5132
IC5102
IC5103
C5134
R5301
C5136
R5302
R5303
C5138
C5520
R5110
R5304
C5139
C5521
R5111
R5305
C5522
R
R5306
C5523
R5113
R5307
C5524
R5114
R5308
I
C
C5525
R5115
C5526
R5116
C5527
R5117
C51
4
C5528
R5118
C5529
R5119
R5501
R5502
R5503
C5144
R5504
C5145
R5505
C5146
R5506
R5
3
R5507
R5314
C5148
C5530
R5508
C5149
R5509
IC5501
R5316
IC5502
IC5503
R5124
IC5504
R5125
IC5505
R5126
IC5506
R5127
IC5507
C5150
R5128
R5510
R5129
R5511
L5201
C5152
R5512
L5202
R5513
C5154
R5514
C5155
R5515
C5156
R5516
C5157
R5517
R5130
R5518
R5131
R5519
R5132
R
R5134
R5135
L5401
L5402
L5403
C5160
R5520
L5404
R5521
L5405
C5162
R5522
L5406
C5163
R5523
L5407
C5164
R5524
L5408
C5165
R5525
L5409
C5166
R5526
R5527
C5168
R5528
R5529
L5411
L5412
L5413
C5170
R5530
L5414
R5531
L5415
R5532
L5416
R5533
L5417
R5534
L5418
L5419
L5420
L5421
L5422
L5423
L5424
L5425
L5426
L5427
L5428
L5429
10 20 30 40 50 60 70
8
X
120
110
100
90
80
70
60
50
40
30
20
10
0
Y
LCD MODULE
VD3
VD9
DA2
DA3
DA4
DB2
DC2
DC3
DC4
DC5
DB5
DB4
DB3 DA5
VD7
VD5
VD1

AVH-P5950DVD/XN/RC 161
5 678
5678
C
D
F
A
B
E
C
SIDE A
1
E
1
E
E
E
E
1
1
5
15 101520
25 30 35 40
45 50 55 60
65 70 75 80
1
E
1
5
E
1
5
15 10 15 20 25
30 35 40 45 50
55 60 65 70 75
80 85 90 95 100
E
E
E
110
1
1
1
1
1
1
E
E
1
1
5
15 10 15 20 25 30
15 10
15 20
30 35
40 45
25
1
5
10
15
20
25
30
35
40
45
1
5
FU5201
CN5001
CN5002
CN5003
C5001
C5002
C5003
C5004
C5201
C5202
CN5601
C5601
D5001
D5002
C5602
C5603
D5003 D5004
C5604
C5605
D5005
Q5601
D5006
C5606
Q5602
C5607
D5007
Q5603
C5608
D5008
Q5604
C5609
Q5605
R5005
R5006
Q5607
R5007
Q5608
R5008
R5009
C5801
C5802
C5803
C5610
C5804
C5805
Q5801
Q5802
Q5803
R5010
C5808
R5011
C5809
5
209
R5012
R5013
R5014
R5015
C5810
C5811
C5812
C5813
C5814
C5815
C5816
C5817
C5818
C5819
D5601 R5601
R5602
R5603
C5820
R5604
C5821
R5605
C5822
R5606
L5102
R5607
L5103
C5824
R5608
L5104
C5825
R5609
L5105
L5106
IC5602
L5107
IC5603 IC5604
IC5605
R5610
R5804
R5611
R5805
5301
R5612
R5806
R5613
R5807
L5304
R5614
R5808
R5615
IC5801
R5616
IC5802
L5113
R5617
R5618
L5115
R5619
TH5601
R5811 R5812
R5813 R5814
R5620
R5621
R5815
R5816
R5622
R5817
R5623
R5624
R5818
R5625
R5819
R5626
R5627 R5628
R5629
L5701
R5820
R5821
R5822
R5823
R5630
R5824
R5825
R5632
R5826
R5633
R5827
R5634
R5828
R5829
R5635
R5636
R5637
R5638
R5639
R5831
R5832
R5833
R5834
R5640
R5835
R5641
R5642
R5836
R5643
R5837
R5838
R5644
R5645
R5839
R5646
R5647
R5648
R5649
R5840
R5841
R5842
R5843
R5650
R5844
R5651
R5845
R5652
R5846
R5653
R5847
R5654
R5848
R5849
R5655
R5656
R5657
R5658
R5659
R5850
R5851
R5852
R5853
R5660
R5854
R5856
R5857
R5858
R5859
R5668
R5669
R5860
R5861
R5862
R5863
R5864
R5865
R5671
R5866
R5867
R5868
R5869
R5870
R5871
R5872 R5873
R5874
R5875 R5876
R5877
R5878
FU5101
C5104
Q5101
Q5102
C5107
Q5103
C5301
3
02 Q5301
C5113
C5308
C5114
C5309
C5115
C5116
C5117
C5118
C5310
C5121
C5122
C5123
C5124
C5125
C5701
D5101
X5601
2
6
C5702
D5102
C5127
C5703
D5103
C5128
C5704
D5104
C5705
D5105
Q5701
R5101
D5106
Q5702
R5102
D5107
Q5703
R5103
D5108
R5104
R5105
R5106
R5107
C5130
R5108
C5131
R5109C5132
C5133
IC5103
C5134
C5135
R5301
R5302
C5137
R5303
C5138
R5110
R5304
C5139
305
R5112
R5306
R5113
5
114
IC5301
R5309
R5115
R5117
C5140
R5118
C5141
R5119
C5142
C5143
R5310
R5311
C5145
R5312
R5313
C5147
R5314
C5148
R5120
R5315
C5149
R5121
D5701
R5316
R5122
R5123
R5124
1
25
R5701
R5702
R5127
R5703
C5150
R5704
C5151
R5129
R5705
L5201
C5152
R5706
C5153
R5707
C5154
R5708
C5155
R5709
C5156
C5157
C5158
C5159
R5132
R5133
R5134
R5710
R5135
R5136
C5160
C5161
C5162
C5163
C5167
C5169
L5602
L5603
L5604
L5605
L5801
L5802
L5803
L5804
12
70 80 90 100 110 120 130 140 150
H
CN5901
A
CN512
TOUCH PANEL
FU 5101 (A,83,51) Fuse 1.25 A CEK1255
FU 5201 (A,72,23) Fuse 1.25 A CEK1255
>
>

AVH-P5950DVD/XN/RC
162
1234
1234
C
D
F
A
B
E
C
C
MONITOR PCB
1
CN5201
C
150 140 130 120 110 100 90 80
LCD MODULE
33V
VCC8V 18V
PWRVI
PWRFL

AVH-P5950DVD/XN/RC 163
5 678
5678
C
D
F
A
B
E
C
SIDE B
15
1
CN5201
C5225
T5201
80 70 60 50 40 30 20 10
X
120
110
100
90
80
70
60
50
40
30
20
10
0
Y
V
V25
V15
5V
-12V
P
WRVI
FL1
FL2
P
WRFL
INVPUL
COM
COMPC

AVH-P5950DVD/XN/RC
164
1234
1234
C
D
F
A
B
E
11.4 DVD CORE UNIT
D
D
DVD CORE UNIT
010 20 4030
10
20
30
40
50
60
70
80
X
Y
PICKUP UNIT
(SERVICE)
M2, M3
M1
F
A
CN462

AVH-P5950DVD/XN/RC 165
5 678
5678
C
D
F
A
B
E
D
SIDE A
0
50 60 70 80 90
A
CN541
U
NIT
E
)

AVH-P5950DVD/XN/RC
166
1234
1234
C
D
F
A
B
E
D
D
DVD CORE UNIT
5060
70
8090
E

AVH-P5950DVD/XN/RC 167
5 678
5678
C
D
F
A
B
E
D
SIDE B
0
1020
40 30
50
10
20
30
40
50
60
70
80
X
Y

AVH-P5950DVD/XN/RC
168
1234
1234
C
D
F
A
B
E
11.5 COMPOUND UNIT(A) AND COMPOUND UNIT(B)
FE
F
E
D
D
CLAMP
12cm
S1201
R1298
R1299
Q1299
CN1301
16
DISC SENS
S1204
DISC SENS
S1203
8cm
S1202
8cm
S1205
COMPOUND UNIT(B)COMPOUND UNIT(A)

AVH-P5950DVD/XN/RC 169
5 678
5678
C
D
F
A
B
E
11.6 RCA PCB
G
SIDE B
SIDE A
G
RCA PCB
G
RCA PCB
15
10
15
20
15
10 20
15
CN4301
CN4302
C4301
0
10
20
30
10 20
Y
X
0
10
20
30
10
20
Y
X
A
CN311, CN391
RCA OUT, VCR IN
1

AVH-P5950DVD/XN/RC
170
1234
1234
C
D
F
A
B
E
11.7 UPPER PCB
H
SIDE BSIDE A
HUPPER PCB HUPPER PCB
E
1
1
1
1
1
5
R5934
S5921
S5922 S5924
C5971 C5972
D5951
D5952
D5953
D5954
R5951 R5952 R5953
R5954
D5971 D5972
R5971
R5972
D5981 D5982
R5981
R5982
L5901
CN5901
C5901
C5902
C5903
Q5901
D5901
R5901
R5902
R5903
R5904
R5905
C5931
C5932 C5933 C5934
D5931
D5932 D5933 D5934
R5931 R5932 R5933
1
12
S5923
10 20 30 40 50 60 70 80 90 100 110 120 130
X
0
Y
140 150 160
10
160 150 140 130 120 110 100 90 80 70 60 50 40
X
0
Y
30 20 10
10
C
CN5002
DISPLAY PGM(UC) FLAP
DOWN
OPEN/CLOSE
TA(EW5, RE)

AVH-P5950DVD/XN/RC 171
5 678
5678
C
D
F
A
B
E
11.8 OPT PCB
I
SIDE B
SIDE A
IOPT PCB
IOPT PCB
1
15 10
1
1
5
CN4201
CN4202
CN4203
C4201
C4202
C4203
C4204
C4205
C4206
C4207
D4201
D4202
R4201
R4202
R4203 R4204
R4205
R4206
R4207
R4208
IC4201
R4209
R4210
R4211
L4201
L4202
10 18
10 20 30 40 50 60 70
X
40
30
20
10
0
Y
10 20 30 40 50 60 70
X
10
20
30
40
0
Y
A
CN461
IP-BUS
DIGITAL
OUT

AVH-P5950DVD/XN/RC
172
1234
1234
C
D
F
A
B
E
11.9 MAIN PCB UNITSERVICE), SWITCH PCB UNIT AND VOLUME PCB UNIT
J K L
MAIN PCB UNIT(SERVICE)
J
VOLUME PCB UNIT
L
MAIN PCB UNIT(SERVICE)
JVOLUME PCB UNIT
L
SWITCH PCB
UNIT
K
SIDE B
SIDE A
S101
VR101
R107 R106 R111 R110 R113
R114 R115
R116IC101
C101
C106
C110
C111
C103
C105
C107 C104
C109
C102 C108
IC102 IC104
D101
Q101
R108
R102
R104
R103
R105
R117
R109
R101R111
LK
CN103
CN101
IC103 IC105
CN102
Angle motor Slide motor
Angel sense
Angel sw
KCN102
JCN103
CN512
1/2
A

AVH-P5950DVD/XN/RC 173
5 678
5678
C
D
F
A
B
E
12. ELECTRICAL PARTS LIST
N
OTE:
Parts whose parts numbers are omitted are subject to being not supplied.
The part numbers shown below indicate chip components.
Chip Resistor
RS1/_S___J,RS1/__S___J
Chip Capacitor (except for CQS.....)
CKS....., CCS....., CSZS.....
The > mark found on some component parts indicates the importance of the safety factor of the part.
Therefore, when replacing, be sure to use parts of identical designation.
Meaning of the figures and others in the parentheses in the parts list.
Example) IC 301 is on the point (face A, 91 of x-axis, and 111 of y-axis) of the corresponding
PC board.
IC 301 (A, 91, 111) IC NJM2068V
Circuit Symbol and No. Part No.
Unit Number : (RC,RD,RI)
Unit Name : Mother Unit
Unit Number :
Unit Name : Keyboard Unit
Unit Number : CWN2330
Unit Name : Monitor Unit
Unit Number : YWX5005
Unit Name : DVD Core Unit
Unit Number : CWX3154
Unit Name : Compound Unit(A)
Unit Number : CWX3394
Unit Name : Compound Unit(B)
Unit Number :
Unit Name : OPT/RCA Unit
Unit Number : CXX2316
Unit Name : Main PCB Unit(SERVICE)
Unit Number : CZW5029
Unit Name : Switch PCB Unit
Unit Number : CZW5028
Unit Name : Volume PCB Unit
A
Unit Number : (RC,RD,RI)
Unit Name : Mother Unit
MISCELLANEOUS
IC 101 (B,62,15) IC NJM2794RB2
IC 111 (A,87,38) IC NJM2136V
IC 131 (B,53,15) IC NJM2794RB2
IC 141 (B,78,40) IC NJM2136V
IC 151 (A,51,19) IC NJM2794RB2
IC 161 (B,28,36) IC NJM2136V
IC 181 (B,32,45) IC NJM2136V
IC 191 (B,26,54) IC NJM2136V
IC 192 (B,29,61) IC SM5304AV
IC 221 (A,84,21) IC NJM2233BM
IC 231 (B,87,40) IC NJM2136V
IC 241 (B,61,40) IC AN15883A
IC 251 (A,74,51) IC NJM2136V
IC 252 (B,66,55) IC BA7623F
IC 281 (B,51,78) IC PML017A
IC 331 (A,36,132) IC PAL007C
IC 351 (A,109,69) IC TC7WH08FU
IC 401 (B,104,138) IC NJM2794RB2
IC 461 (A,124,90) IC HA12241FP
IC 601 (B,119,47) IC PE5597A
IC 731 (A,94,24) IC S-80827CNNB-B8M
IC 732 (A,98,31) L-MOS And Gate TC7SET08FUS1
IC 801 (B,154,24) IC BA00DD0WHFP
IC 811 (B,125,129) IC NJM2391DL1-33
IC 812 (B,112,126) IC BA00DD0WHFP
IC 821 (B,152,49) IC BA00DD0WHFP
IC 831 (B,145,36) IC S-812C56AUA-C3K
IC 832 (A,145,35) IC LT3461AES6
IC 841 (B,136,88) IC S-812C33AUA-C2N
IC 851 (B,142,54) IC S-812C50AUA-C3E
IC 852 (B,140,69) Regulator BA00CC0WFP
IC 861 (B,134,20) IC BA00DD0WHFP
IC 971 (B,21,16) IC AN8011S
Q 111 (A,89,32) Transistor 2SC4081
Q 141 (B,77,34) Transistor 2SC4081
Q 161 (B,22,38) Transistor 2SC4081
Q 181 (B,25,45) Transistor 2SC4081
Q 191 (B,20,55) Transistor 2SC4081
Q 231 (B,87,34) Transistor 2SC4081
Q 251 (A,67,42) Transistor 2SC4081
Q 271 (A,67,37) Transistor 2SC4081
Circuit Symbol and No. Part No.

AVH-P5950DVD/XN/RC
174
1234
1234
C
D
F
A
B
E
Q 272 (A,70,37) Chip Transistor 2SA1576A
Q 311 (A,32,85) Transistor IMH23
Q 312 (A,32,74) Transistor IMH23
Q 313 (A,32,80) Transistor IMH23
Q 331 (B,54,101) Transistor IMD3A
Q 351 (B,81,102) Chip Transistor DTC124EUA
Q 352 (B,84,101) Chip Transistor DTC124EUA
Q 353 (B,92,100) Chip Digital Transistor DTA124EUA
Q 354 (B,92,106) Chip Digital Transistor DTA124EUA
Q 355 (B,88,100) Digital Transistor DTC144EUA
Q 356 (B,83,62) Transistor IMD2A
Q 357 (B,83,118) Transistor IMH23
Q 461 (A,135,94) Transistor UMF23N
Q 501 (A,110,11) Chip Transistor DTA114EUA
Q 502 (A,108,17) Digital Transistor DTC144EUA
Q 503 (A,116,19) Transistor 2SC4081
Q 521 (A,124,20) Transistor IMD3A
Q 522 (A,127,20) Transistor IMD3A
Q 523 (A,131,20) Transistor IMD3A
Q 541 (B,55,60) Transistor UMD3N
Q 542 (B,51,54) Transistor IMH23
Q 731 (A,101,24) Transistor 2SC4081
Q 741 (B,25,113) Transistor IMD2A
Q 742 (B,51,112) Chip Transistor DTC124EUA
Q 743 (B,47,114) Transistor 2SC4081
Q 744 (B,48,118) Digital Transistor DTC144EUA
Q 761 (B,70,105) Chip Transistor 2SA1576A
Q 762 (B,54,109) Chip Transistor DTC114EUA
Q 763 (B,64,104) Chip Transistor 2SA1576A
Q 765 (B,60,109) Transistor UMX1N
Q 766 (B,77,103) Transistor 2SC4081
Q 781 (A,117,12) Transistor 2SA1577
Q 782 (A,120,7) Digital Transistor DTC144EUA
Q 783 (A,125,12) Transistor 2SA1577
Q 784 (A,127,7) Digital Transistor DTC144EUA
Q 801 (B,143,23) Transistor 2SD1767
Q 802 (A,144,46) Transistor IMD3A
Q 803 (A,150,46) Transistor IMD3A
Q 804 (A,155,46) Transistor IMD3A
Q 831 (B,157,36) Transistor 2SD1767
Q 832 (A,157,35) Transistor UMD3N
Q 841 (B,142,85) Transistor 2SB1184F5
Q 842 (B,156,76) Transistor 2SD1767
Q 851 (B,154,61) Transistor 2SB1184F5
Q 853 (A,139,74) Transistor UMF23N
Q 871 (B,155,95) Transistor 2SA2060
Q 872 (A,159,92) Transistor 2SC4081
Q 873 (B,161,95) Chip Transistor 2SA1576A
Q 874 (A,155,94) Chip Transistor DTC114EUA
Q 875 (A,160,98) Transistor 2SA2060
Q 891 (B,139,8) Chip Transistor DTC114EUA
Q 892 (B,148,8) Transistor 2SB1189
Q 901 (B,15,85) Chip Transistor DTC114EUA
Q 902 (B,11,102) Transistor 2SA1615-ZS1
Q 911 (A,139,86) Transistor UMF23N
Q 921 (A,130,68) Transistor UMF23N
Q 931 (A,130,63) Transistor UMF23N
Q 941 (A,139,80) Transistor UMF23N
Q 951 (B,15,121) Transistor 2SD1760F5
Q 952 (B,25,105) Digital Transistor DTC114EUA
Circuit Symbol and No. Part No.
Q 953 (B,25,107) Digital Transistor DTC114EUA
Q 954 (B,20,115) Transistor UMF5N
Q 961 (B,154,85) Transistor 2SD1760F5
Q 962 (A,149,83) Digital Transistor DTC114EUA
Q 963 (A,157,87) Transistor UMF5N
Q 972 (A,28,24) Transistor 2SJ529S
Q 973 (A,22,7) Transistor 2SJ529S
Q 974 (B,21,26) Transistor 2SC4097
Q 975 (B,19,7) Transistor 2SC4097
Q 976 (B,28,13) Chip Transistor DTC124EUA
D 131 (B,76,115) Diode MALS068X
D 132 (B,78,118) Diode MALS068X
D 151 (B,49,31) Diode MALS068X
D 152 (B,51,33) Diode MALS068X
D 161 (B,40,34) Diode MALS068X
D 181 (B,44,38) Diode MALS068X
D 311 (A,36,85) Diode DAP202K
D 312 (A,36,74) Diode DAP202K
D 313 (A,36,80) Diode DAP202K
D 331 (A,52,124) Diode S1G-6904G2P
D 332 (B,66,153) Diode S1G-6904G2P
D 351 (B,90,117) Diode MALS068X
D 352 (B,86,115) Diode MALS068X
D 353 (B,88,117) Diode MALS068X
D 354 (B,88,120) Diode MALS068X
D 355 (B,83,130) Diode MALS068X
D 356 (B,79,115) Diode MALS068X
D 357 (B,78,121) Diode MALS068X
D 358 (B,82,122) Diode MALS068X
D 359 (B,81,130) Diode MALS068X
D 381 (B,78,119) Diode MALS068X
D 481 (B,108,27) Diode UMZ6R8EN
D 482 (A,95,11) Diode UDZS5R6(B)
D 483 (B,80,27) Diode Network DA204U
D 484 (B,111,20) Diode UMZ6R8EN
D 485 (B,105,27) Diode Network DA204U
D 501 (A,113,16) Diode 1SS355
D 541 (B,54,57) Diode DAP202U
D 731 (A,94,29) Diode 1SS355
D 741 (A,61,115) Diode RSX201L-30
D 742 (B,50,109) Diode DAN202U
D 743 (B,47,109) Diode DAN202U
D 744 (B,44,109) Diode 1SS355
D 745 (B,43,116) Diode UDZS8R2(B)
D 761 (B,70,109) Diode DAN202U
D 762 (B,64,108) Diode DAN202U
D 764 (B,55,116) Diode 1SS355
D 765 (B,57,116) Diode HZU7L(C3)
D 766 (B,60,115) Diode HZU7L(A1)
D 767 (A,85,144) Diode 5KP24A
D 768 (B,77,108) Diode UDZS6R8(B)
D 801 (B,142,28) Diode UDZS5R6(B)
D 811 (B,115,134) Diode 1SR154-400
D 812 (B,109,137) Diode 1SR154-400
D 813 (B,109,134) Diode 1SR154-400
D 814 (B,102,120) Diode 1SR154-400
D 831 (A,156,31) Diode HZU5R6(B2)
D 841 (B,149,75) Diode 1SR154-400
D 842 (B,155,72) Diode UDZS18(B)
D 873 (A,155,97) Diode UDZS16(B)
Circuit Symbol and No. Part No.

AVH-P5950DVD/XN/RC 175
5 678
5678
C
D
F
A
B
E
D 874 (B,139,98) Diode MALS068X
D 891 (A,153,10) Diode RSX201L-30
D 951 (B,20,106) Diode HZU9R1(B2)
D 952 (B,20,108) Diode HZU6R8(B3)
D 953 (B,20,110) Diode HZU8R2(B2)
D 961 (A,154,83) Diode HZU7R5(B2)
D 962 (A,152,83) Diode HZU6R8(B3)
D 972 (A,33,17) Diode RSX201L-30
D 973 (A,33,14) Diode RSX201L-30
D 974 (B,18,24) Diode MA111
D 975 (B,16,8) Diode MA111
D 976 (B,10,35) Diode RSX201L-30
D 977 (B,13,35) Diode RSX201L-30
ZNR401 (B,161,123) Surge Protector IMSA-6801-01Y901
L 111 (A,84,33) Chip Ferrite Bead CTF1399
L 141 (B,81,33) Chip Ferrite Bead CTF1399
L 161 (B,19,43) Chip Ferrite Bead CTF1399
L 181 (B,19,46) Chip Ferrite Bead CTF1399
L 191 (B,15,54) Chip Ferrite Bead CTF1399
L 192 (B,14,58) Chip Ferrite Bead CTF1399
L 221 (A,77,25) Inductor LCKBW100K2520
L 231 (B,93,34) Chip Ferrite Bead CTF1399
L 241 (B,60,24) Chip Coil LCTAW100J2520
L 242 (B,57,24) Chip Coil LCTAW100J2520
L 251 (A,81,53) Chip Ferrite Bead CTF1399
L 252 (A,72,70) Inductor CTF1383
L 253 (B,72,54) Inductor LCTAW150J2520
L 271 (A,63,38) Inductor CTF1473
L 281 (A,61,74) Inductor LCTAW2R2J2520
L 351 (A,111,64) Inductor CTF1306
L 352 (B,84,125) Choke Coil 10 µH CTH1259
L 401 (B,154,146) Inductor LCTAW220J2520
L 402 (B,149,144) Chip Coil LCTAW1R0J2520
L 403 (B,126,141) Inductor CTF1379
L 404 (B,115,141) Inductor LCTAW1R0J3225
L 461 (A,127,86) Inductor LCTAW2R2J2520
L 462 (A,127,102) Inductor CTF1473
L 481 (A,93,12) Chip Ferrite Bead CTF1399
L 541 (A,43,52) Inductor CTF1473
L 542 (A,44,50) Inductor CTF1473
L 543 (A,43,47) Inductor CTF1473
L 601 (A,117,49) Inductor LCTAW2R2J2520
L 602 (A,109,37) Inductor CTF1473
L 751 (A,133,50) Inductor CTF1306
L 761 (B,71,113) Inductor LCTAW2R2J2520
L 762 (B,67,112) Inductor LCTAW2R2J2520
L 763 (B,74,111) Inductor CTF1295
L 831 (A,149,35) Power Inductor(10U) DTL1124
L 832 (A,152,30) Inductor CTF1473
L 891 (A,140,18) Coil CTH1267
L 901 (A,23,120) Inductor CTH1262
L 971 (A,37,23) Coil CTH1303
L 972 (A,32,8) Coil CTH1303
L 973 (B,13,21) Chip Coil LCTAW100J2520
L 974 (A,18,24) Inductor CTH1254
X 601 (B,98,45) Oscillator 4.718592 MHz CSS1703
VR271 (A,70,32) Semi-fixed 1 KΩ(OB) CCP1390
VR971 (A,28,16) Semi-fixed 10 kΩ(B)CCP1396
>FU311 (B,18,74) Fuse 3.15 A CEK1259
>FU351 (B,85,144) Fuse 3.15 A CEK1259
Circuit Symbol and No. Part No.
>FU352 (B,79,144) Fuse 3.15 A CEK1259
>FU521 (A,23,92) Fuse 2 A CEK1257
>FU522 (A,19,91) Fuse 200 mA CEK1247
>FU523 (A,16,91) Fuse 200 mA CEK1247
>FU761 (B,68,146) Fuse 3.15 A CEK1259
>FU891 (B,147,12) Fuse 1.25 A CEK1255
>FU901 (B,8,92) Fuse 1.25 A CEK1255
>FU951 (B,13,113) Fuse 630 mA CEK1252
>FU961 (A,134,86) Fuse 630 mA CEK1252
>FU971 (A,39,5) Fuse 2 A CEK1257
>FU972 (A,43,24) Fuse 2 A CEK1257
>FU973 (A,15,30) Fuse 2 A CEK1257
BZ601 (A,84,10) Buzzer CPV1063
RESISTORS
R 101 (B,59,11) RS1/16S223J
R 102 (B,64,11) RS1/16S223J
R 105 (B,50,41) RS1/16S0R0J
R 106 (B,50,43) RS1/16S0R0J
R 112 (A,88,46) RS1/16S472J
R 113 (A,85,46) RS1/16S472J
R 114 (A,90,40) RS1/16S101J
R 115 (A,88,44) RS1/16S472J
R 116 (A,85,44) RS1/16S472J
R 117 (A,84,39) RS1/16S102J
R 118 (A,89,29) RS1/16S272J
R 119 (A,86,29) RS1/16S472J
R 120 (B,70,27) RS1/16S102J
R 121 (A,77,32) RS1/16S122J
R 131 (B,51,11) RS1/16S223J
R 132 (B,55,11) RS1/16S223J
R 135 (B,50,44) RS1/16S0R0J
R 136 (B,50,46) RS1/16S0R0J
R 137 (B,49,11) RS1/16S0R0J
R 138 (B,55,8) RS1/16S0R0J
R 139 (B,53,8) RS1/16S0R0J
R 141 (A,76,123) RS1/16S750J
R 142 (B,76,48) RS1/16S472J
R 143 (B,79,48) RS1/16S472J
R 144 (B,75,38) RS1/16S101J
R 145 (B,76,46) RS1/16S472J
R 146 (B,79,46) RS1/16S472J
R 147 (B,82,40) RS1/16S102J
R 148 (B,79,34) RS1/16S272J
R 149 (B,78,31) RS1/16S472J
R 155 (B,54,29) RS1/16S0R0J
R 156 (B,52,29) RS1/16S0R0J
R 161 (B,40,36) RS1/16S750J
R 162 (B,33,38) RS1/16S472J
R 163 (B,33,35) RS1/16S472J
R 164 (B,25,39) RS1/16S101J
R 165 (B,28,39) RS1/16S472J
R 166 (B,31,34) RS1/16S472J
R 167 (B,29,33) RS1/16S102J
R 168 (B,22,36) RS1/16S272J
R 169 (B,21,33) RS1/16S472J
R 170 (B,73,27) RS1/16S0R0J
R 181 (B,42,41) RS1/16S750J
R 182 (B,37,47) RS1/16S472J
R 183 (B,37,45) RS1/16S472J
Circuit Symbol and No. Part No.

AVH-P5950DVD/XN/RC
176
1234
1234
C
D
F
A
B
E
R 184 (B,31,49) RS1/16S472J
R 185 (B,36,43) RS1/16S472J
R 186 (B,34,42) RS1/16S102J
R 187 (B,28,49) RS1/16S101J
R 188 (B,23,45) RS1/16S272J
R 189 (B,26,42) RS1/16S472J
R 191 (B,36,53) RS1/16S0R0J
R 192 (B,32,55) RS1/16S472J
R 194 (B,32,54) RS1/16S472J
R 195 (B,25,57) RS1/16S472J
R 196 (B,25,51) RS1/16S472J
R 197 (B,23,58) RS1/16S0R0J
R 198 (B,23,51) RS1/16S102J
R 199 (B,18,55) RS1/16S272J
R 200 (B,20,51) RS1/16S472J
R 201 (B,19,58) RS1/16S0R0J
R 205 (B,22,61) RS1/16S332J
R 208 (A,52,41) RS1/16S101J
R 209 (A,52,38) RS1/16S102J
R 216 (B,48,54) RS1/16S0R0J
R 217 (B,51,51) RS1/16S0R0J
R 223 (B,79,18) RS1/16S101J
R 224 (B,68,27) RS1/16S0R0J
R 231 (B,85,54) RS1/16S750J
R 232 (B,86,48) RS1/16S472J
R 233 (B,88,48) RS1/16S472J
R 234 (B,84,40) RS1/16S101J
R 235 (B,86,46) RS1/16S472J
R 236 (B,88,46) RS1/16S472J
R 237 (B,90,40) RS1/16S102J
R 239 (B,89,34) RS1/16S272J
R 240 (B,90,34) RS1/16S472J
R 241 (B,66,50) RS1/16S221J
R 242 (B,64,50) RS1/16S221J
R 243 (B,74,27) RS1/16S0R0J
R 245 (B,71,27) RS1/16S0R0J
R 251 (A,66,48) RS1/16S472J
R 252 (A,66,45) RS1/16S472J
R 253 (A,69,48) RS1/16S472J
R 254 (A,67,45) RS1/16S472J
R 255 (A,72,48) RS1/16S102J
R 256 (A,83,42) RS1/16S272J
R 257 (A,72,45) RS1/16S392J
R 259 (A,81,50) RS1/16S101J
R 260 (A,68,51) RS1/16S101J
R 261 (B,62,56) RS1/16S4702D
R 262 (B,62,53) RS1/16S3302D
R 263 (A,72,68) RS1/16S150J
R 264 (A,72,65) RS1/16S560J
R 271 (A,63,33) RS1/16S223J
R 272 (A,64,33) RS1/16S303J
R 273 (A,67,34) RS1/16S681J
R 274 (A,70,40) RS1/16S681J
R 275 (A,67,31) RS1/16S681J
R 276 (A,70,35) RS1/16S272J
R 277 (A,73,39) RS1/16S0R0J
R 278 (A,59,93) RS1/16S0R0J
R 281 (B,33,112) RS1/16S182J
R 282 (B,35,112) RS1/16S182J
R 283 (B,31,115) RS1/16S272J
Circuit Symbol and No. Part No.
R 284 (B,35,115) RS1/16S272J
R 285 (B,31,112) RS1/16S182J
R 286 (B,37,112) RS1/16S182J
R 287 (B,29,112) RS1/16S272J
R 288 (B,38,115) RS1/16S272J
R 289 (B,61,78) RAB4C102J
R 290 (B,59,82) RS1/16S473J
R 291 (B,55,90) RS1/16S563J
R 292 (B,57,69) RS1/16S563J
R 293 (B,52,92) RS1/16S0R0J
R 294 (B,53,66) RS1/16S0R0J
R 311 (B,29,86) RS1/16S390J
R 312 (B,29,89) RS1/16S390J
R 313 (B,27,86) RS1/16S223J
R 314 (B,27,89) RS1/16S223J
R 317 (B,29,74) RS1/16S390J
R 318 (B,29,78) RS1/16S390J
R 319 (B,27,74) RS1/16S223J
R 320 (B,27,77) RS1/16S223J
R 323 (B,29,80) RS1/16S390J
R 324 (B,29,84) RS1/16S390J
R 325 (B,27,80) RS1/16S223J
R 326 (B,27,83) RS1/16S223J
R 331 (B,51,104) RS1/16S103J
R 332 (B,54,98) RS1/16S473J
R 351 (B,92,113) RS1/16S471J
R 352 (B,82,107) RS1/16S514J
R 353 (B,59,8) RS1/16S0R0J
R 354 (B,92,114) RS1/16S471J
R 355 (B,86,60) RS1/16S102J
R 356 (B,65,8) RS1/16S0R0J
R 357 (B,84,105) RS1/16S102J
R 358 (B,90,110) RS1/16S472J
R 360 (B,62,8) RS1/16S0R0J
R 361 (B,81,105) RS1/16S393J
R 362 (B,84,99) RS1/16S104J
R 363 (B,89,108) RS1/16S472J
R 364 (B,87,108) RS1/16S104J
R 365 (B,92,110) RS1/16S102J
R 366 (A,110,71) RS1/16S102J
R 367 (A,113,69) RS1/16S102J
R 368 (B,93,110) RS1/16S102J
R 369 (B,89,103) RS1/16S102J
R 370 (B,92,97) RS1/16S102J
R 371 (B,92,103) RS1/16S102J
R 372 (B,92,116) RS1/16S104J
R 391 (A,49,28) RS1/16S183J
R 392 (A,53,29) RS1/16S183J
R 393 (A,48,26) RS1/16S223J
R 394 (A,55,30) RS1/16S223J
R 395 (A,52,29) RS1/16S183J
R 396 (A,52,32) RS1/16S183J
R 397 (A,48,19) RS1/16S223J
R 398 (A,55,28) RS1/16S223J
R 403 (B,145,146) RS1/16S681J
R 404 (B,144,146) RS1/16S681J
R 405 (B,142,146) RS1/16S681J
R 406 (B,140,146) RS1/16S681J
R 407 (B,138,146) RS1/16S681J
R 409 (B,119,147) RS1/16S681J
Circuit Symbol and No. Part No.

AVH-P5950DVD/XN/RC 177
5 678
5678
C
D
F
A
B
E
R 416 (B,101,141) RS1/16S0R0J
R 417 (B,101,145) RS1/16S0R0J
R 421 (B,104,144) RS1/16S682J
R 434 (B,101,143) RS1/16S682J
R 461 (A,130,95) RS1/16S101J
R 462 (A,128,94) RS1/16S102J
R 463 (A,130,97) RS1/16S150J
R 464 (A,130,98) RS1/16S470J
R 465 (A,130,100) RS1/16S101J
R 466 (A,133,99) RS1/16S222J
R 467 (A,138,95) RS1/16S332J
R 468 (A,137,97) RS1/16S562J
R 469 (B,68,70) RS1/16S181J
R 470 (B,65,70) RS1/16S223J
R 471 (B,65,71) RS1/16S102J
R 472 (B,76,75) RS1/16S181J
R 473 (B,73,75) RS1/16S223J
R 474 (B,68,74) RS1/16S102J
R 475 (A,130,105) RS1/16S0R0J
R 476 (A,116,95) RS1/16S0R0J
R 481 (B,92,26) RS1/16S472J
R 482 (B,98,24) RS1/16S472J
R 483 (B,81,24) RS1/16S102J
R 484 (B,83,26) RS1/16S102J
R 485 (B,86,26) RS1/16S102J
R 486 (B,87,26) RS1/16S222J
R 487 (B,89,26) RS1/16S102J
R 488 (B,98,22) RS1/16S102J
R 489 (B,90,26) RS1/16S102J
R 490 (A,88,17) RS1/16S102J
R 491 (B,97,20) RS1/16S102J
R 492 (B,95,20) RS1/16S102J
R 501 (A,108,14) RS1/16S103J
R 502 (A,111,19) RS1/16S223J
R 503 (A,114,19) RS1/16S473J
R 504 (A,110,14) RS1/16S472J
R 513 (A,36,92) RS1/16S0R0J
R 514 (A,36,91) RS1/16S0R0J
R 515 (A,39,94) RS1/16S102J
R 521 (A,121,18) RS1/16S102J
R 522 (A,127,17) RS1/16S102J
R 523 (A,131,17) RS1/16S102J
R 531 (B,108,13) RS1/16S0R0J
R 532 (B,108,7) RS1/16S0R0J
R 533 (B,108,10) RS1/16S0R0J
R 534 (A,106,29) RS1/16S102J
R 535 (B,103,5) RS1/16S0R0J
R 536 (B,108,12) RS1/16S0R0J
R 537 (B,103,7) RS1/16S0R0J
R 538 (B,108,9) RS1/16S0R0J
R 545 (A,41,56) RS1/16S471J
R 546 (A,49,57) RS1/16S102J
R 547 (A,46,56) RS1/16S471J
R 548 (A,49,56) RS1/16S221J
R 549 (A,52,57) RS1/16S221J
R 550 (A,49,54) RS1/16S221J
R 553 (B,58,60) RS1/16S102J
R 601 (A,113,39) RS1/16S471J
R 602 (A,113,40) RS1/16S102J
R 603 (A,109,39) RS1/16S0R0J
Circuit Symbol and No. Part No.
R 604 (A,112,45) RS1/16S102J
R 605 (A,106,47) RS1/16S0R0J
R 606 (A,106,45) RS1/16S102J
R 607 (A,109,51) RS1/16S471J
R 608 (A,114,52) RS1/16S471J
R 609 (B,101,56) RS1/16S182J
R 610 (B,102,56) RS1/16S182J
R 611 (A,107,39) RS1/16S473J
R 612 (A,109,45) RS1/16S473J
R 613 (A,109,48) RS1/16S104J
R 614 (A,106,44) RS1/16S473J
R 615 (A,114,54) RS1/16S102J
R 616 (A,105,50) RS1/16S472J
R 617 (B,99,59) RS1/16S221J
R 618 (B,101,61) RS1/16S221J
R 619 (B,104,46) RS1/16S222J
R 620 (A,112,26) (RC,RI) RS1/16S473J
R 621 (A,112,22) (RD) RS1/16S473J
R 622 (A,113,26) (RD,RI) RS1/16S473J
R 623 (A,113,22) (RC) RS1/16S473J
R 624 (B,111,31) RS1/16S0R0J
R 625 (B,104,62) RS1/16S102J
R 626 (A,111,31) RS1/16S102J
R 627 (A,130,41) RAB4C0R0J
R 628 (A,111,35) RS1/16S473J
R 629 (A,105,61) RS1/16S0R0J
R 630 (A,107,65) RS1/16S473J
R 631 (A,113,29) RS1/16S103J
R 632 (A,107,61) RS1/16S0R0J
R 633 (B,112,26) RS1/16S102J
R 634 (A,102,61) RS1/16S0R0J
R 635 (A,102,65) RS1/16S473J
R 636 (B,115,17) RS1/16S102J
R 637 (A,104,61) RS1/16S0R0J
R 638 (A,105,65) RS1/16S473J
R 639 (B,116,17) RS1/16S102J
R 641 (A,113,35) RS1/16S473J
R 642 (A,114,35) RS1/16S104J
R 643 (B,116,32) RS1/16S102J
R 644 (B,110,67) RS1/16S471J
R 645 (A,111,59) RS1/16S473J
R 646 (B,118,25) RS1/16S102J
R 647 (B,117,29) RS1/16S102J
R 648 (B,111,67) RS1/16S471J
R 649 (B,113,67) RS1/16S471J
R 650 (A,117,35) RS1/16S102J
R 651 (A,119,35) RS1/16S102J
R 652 (A,121,35) RS1/16S104J
R 653 (B,120,25) RS1/16S102J
R 654 (B,119,29) RS1/16S102J
R 655 (B,119,63) RS1/16S102J
R 656 (B,120,29) RS1/16S102J
R 657 (B,120,63) RS1/16S102J
R 658 (B,121,32) RS1/16S102J
R 659 (B,122,29) RS1/16S102J
R 660 (A,119,61) RS1/16S102J
R 661 (B,123,32) RS1/16S102J
R 662 (A,119,62) RS1/16S102J
R 663 (B,124,62) RS1/16S221J
R 664 (B,124,65) RS1/16S104J
Circuit Symbol and No. Part No.

AVH-P5950DVD/XN/RC
178
1234
1234
C
D
F
A
B
E
R 665 (B,124,63) RS1/16S221J
R 666 (A,121,55) RS1/16S473J
R 667 (B,125,26) RS1/16S102J
R 668 (A,121,51) RS1/16S473J
R 669 (B,125,29) RS1/16S102J
R 670 (B,125,32) RS1/16S102J
R 671 (B,126,31) RS1/16S102J
R 672 (B,128,31) RS1/16S102J
R 673 (B,129,31) RS1/16S102J
R 674 (A,95,5) RS1/16S102J
R 675 (A,130,35) RS1/16S473J
R 676 (A,132,35) RS1/16S473J
R 677 (B,136,50) RS1/16S473J
R 678 (A,130,51) RS1/16S473J
R 679 (A,130,57) RS1/16S473J
R 680 (A,130,52) RS1/16S333J
R 681 (A,125,57) RS1/16S104J
R 682 (A,125,55) RS1/16S103J
R 683 (A,130,38) RS1/16S473J
R 684 (B,117,65) RS1/16S102J
R 685 (A,140,44) RS1/16S473J
R 686 (A,140,46) RS1/16S473J
R 687 (A,125,49) RS1/16S103J
R 688 (A,130,45) RAB4C102J
R 690 (A,108,54) RS1/16S681J
R 691 (B,102,61) RS1/16S103J
R 692 (A,115,29) RS1/16S105J
R 693 (A,125,52) RS1/16S183J
R 694 (A,125,51) RS1/16S102J
R 695 (A,125,54) RS1/16S102J
R 696 (B,136,54) RS1/16S102J
R 697 (A,130,55) RS1/16S0R0J
R 698 (A,121,40) RS1/16S0R0J
R 699 (A,134,40) RS1/16S473J
R 700 (A,114,56) RS1/16S0R0J
R 722 (B,115,29) RS1/16S0R0J
R 723 (B,109,33) RS1/16S1501D
R 724 (A,137,44) RS1/16S473J
R 725 (A,113,42) RS1/16S0R0J
R 731 (A,101,27) RS1/16S104J
R 732 (A,98,25) RS1/16S473J
R 733 (A,99,27) RS1/16S102J
R 734 (A,97,27) RS1/16S102J
R 735 (A,93,27) RS1/16S104J
R 736 (A,103,31) RS1/16S102J
R 741 (B,25,115) RS1/16S222J
R 742 (B,52,109) RS1/16S103J
R 743 (B,44,112) RS1/16S101J
R 744 (B,51,115) RS1/16S103J
R 745 (B,47,112) RS1/16S103J
R 746 (B,52,117) RS1/16S221J
R 747 (B,44,114) RS1/16S104J
R 749 (B,52,119) RS1/16S101J
R 750 (B,39,114) RS1/16S473J
R 751 (B,136,51) RS1/16S473J
R 752 (A,137,48) RS1/16S102J
R 753 (A,140,48) RS1/16S102J
R 754 (A,141,50) RS1/16S102J
R 755 (A,139,57) RS1/16S103J
R 756 (A,141,57) RS1/16S473J
Circuit Symbol and No. Part No.
R 761 (A,130,49) RS1/16S102J
R 762 (B,69,102) RS1/16S102J
R 763 (B,73,107) RS1/16S473J
R 764 (B,70,107) RS1/16S472J
R 765 (B,54,113) RS1/16S103J
R 766 (B,67,103) RS1/16S473J
R 767 (B,66,102) RS1/16S473J
R 769 (B,56,110) RS1/16S104J
R 770 (B,71,116) RS1/16S153J
R 771 (B,67,106) RS1/16S103J
R 772 (B,58,113) RS1/16S473J
R 773 (B,61,112) RS1/16S103J
R 774 (B,64,112) RS1/16S473J
R 775 (B,63,113) RS1/16S472J
R 776 (B,73,103) RS1/16S473J
R 777 (B,76,105) RS1/16S103J
R 778 (B,78,106) RS1/16S103J
R 779 (B,74,109) RS1/16S103J
R 781 (A,119,10) RS1/16S472J
R 782 (A,120,12) RS1/16S223J
R 783 (A,127,10) RS1/16S472J
R 784 (A,128,12) RS1/16S223J
R 801 (B,142,26) RS1/16S102J
R 802 (B,148,19) RS1/16S5602D
R 803 (B,148,22) RS1/16S1002D
R 804 (B,161,18) RS1/16S102J
R 805 (A,144,48) RS1/16S102J
R 806 (A,150,48) RS1/16S102J
R 807 (A,155,48) RS1/16S102J
R 808 (B,148,16) RS1/16S5101D
R 811 (B,103,128) RS1/16S5602D
R 812 (B,102,130) RS1/16S1002D
R 813 (B,106,120) RS1/16S102J
R 814 (B,103,131) RS1/16S5600D
R 821 (B,161,44) RS1/16S2702D
R 822 (B,158,44) RS1/16S1002D
R 823 (B,162,55) RS1/16S102J
R 824 (B,162,46) RS1/16S2702D
R 832 (B,150,36) RS1/16S5601D
R 833 (B,149,37) RS1/16S6801D
R 834 (A,139,32) RS1/16S473J
R 835 (A,139,37) RS1/16S104J
R 836 (A,141,38) RS1/16S164J
R 837 (A,144,38) RS1/16S123J
R 838 (A,144,41) RS1/16S123J
R 839 (A,145,38) RS1/16S222J
R 840 (A,157,38) RS1/16S392J
R 841 (B,142,92) RS1/16S391J
R 842 (B,146,73) RS1/16S2R2J
R 843 (B,146,71) RS1/16S2R2J
R 844 (B,147,73) RS1/16S2R2J
R 845 (B,147,71) RS1/16S2R2J
R 846 (B,157,71) RS1/16S271J
R 851 (B,154,68) RS1/16S221J
R 852 (A,141,60) RS1/16S2201D
R 853 (A,138,60) RS1/16S1502D
R 854 (A,138,59) RS1/16S1002D
R 855 (A,141,59) RS1/16S0R0J
R 856 (B,132,67) RS1/16S102J
R 857 (A,142,72) RS1/16S104J
Circuit Symbol and No. Part No.

AVH-P5950DVD/XN/RC 179
5 678
5678
C
D
F
A
B
E
R 858 (A,142,75) RS1/16S183J
R 861 (B,136,28) RS1/16S6202D
R 862 (B,140,23) RS1/16S1002D
R 863 (B,128,26) RS1/16S102J
R 871 (B,141,100) RS1/16S683J
R 872 (B,141,98) RS1/16S123J
R 873 (B,149,95) RAB4C680J
R 874 (B,145,97) RAB4C680J
R 875 (B,162,98) RS1/16S102J
R 876 (A,168,106) RS2PMFR47J
R 877 (A,155,92) RS1/16S103J
R 878 (B,161,92) RS1/16S103J
R 880 (A,157,90) RS1/16S562J
R 881 (A,159,94) RS1/16S102J
R 882 (A,167,94) RAB4C680J
R 883 (A,163,93) RAB4C680J
R 884 (B,159,97) RS1/16S103J
R 885 (A,165,98) RS1/16S103J
R 891 (B,143,8) RS1/16S222J
R 892 (B,142,8) RS1/16S222J
R 893 (B,145,8) RS1/16S473J
R 901 (B,14,88) RS1/16S301J
R 903 (B,15,91) RS1/16S301J
R 905 (B,12,95) RS1/16S153J
R 911 (A,142,85) RS1/16S104J
R 912 (A,142,87) RS1/16S103J
R 921 (A,133,66) RS1/16S103J
R 922 (A,133,69) RS1/16S103J
R 931 (A,133,60) RS1/16S104J
R 932 (A,133,63) RS1/16S223J
R 941 (A,142,80) RS1/16S104J
R 942 (A,141,82) RS1/16S223J
R 951 (B,21,121) RS1/16S271J
R 952 (B,23,120) RS1/16S271J
R 953 (B,25,109) RS1/16S0R0J
R 954 (B,21,119) RS1/16S271J
R 955 (B,21,118) RS1/16S103J
R 956 (B,23,117) RS1/16S103J
R 961 (A,130,83) RS1/16S0R0J
R 963 (A,164,82) RS1/16S0R0J
R 964 (A,161,83) RS1/16S271J
R 965 (A,161,84) RS1/16S271J
R 966 (A,161,86) RS1/16S271J
R 967 (A,161,87) RS1/16S103J
R 968 (A,161,89) RS1/16S103J
R 972 (B,25,21) RS1/16S3901D
R 973 (A,21,17) RS1/16S4701D
R 975 (B,26,24) RS1/16S2202D
R 976 (B,26,21) RS1/16S2202D
R 978 (B,24,10) RS1/16S6801D
R 979 (B,24,7) RS1/16S0R0J
R 980 (B,23,10) RS1/16S4701D
R 981 (A,23,13) RS1/16S8200D
R 983 (B,23,27) RS1/16S560J
R 984 (A,17,11) RS1/16S560J
R 985 (B,20,24) RS1/16S272J
R 986 (B,18,21) RS1/16S221J
R 987 (B,19,10) RS1/16S272J
R 988 (A,24,16) RS1/16S6801D
R 989 (B,18,10) RS1/16S221J
Circuit Symbol and No. Part No.
R 990 (A,24,17) RS1/16S1502D
R 991 (B,27,9) RS1/16S6801D
R 992 (B,21,10) RS1/16S7501D
R 994 (B,27,11) RS1/16S6802D
R 995 (A,21,13) RS1/16S4702D
R 996 (B,21,21) RS1/16S2203D
R 997 (A,19,17) RS1/16S3302D
R 998 (A,19,13) RS1/16S3302D
CAPACITORS
C 101 (B,59,13) CKSRYB105K10
C 102 (B,62,11) CKSRYB105K10
C 103 (B,61,11) CKSRYB105K10
C 104 (B,64,13) CKSRYB105K10
C 105 (B,52,23) CKSRYB105K10
C 106 (B,51,23) CKSRYB105K10
C 107 (A,75,12) CKSQYB225K10
C 108 (B,62,19) CKSRYB104K50
C 109 (A,74,7) CEVLW220M16
C 111 (A,89,49) CKSYB106K6R3
C 112 (A,85,49) CKSYB106K6R3
C 113 (A,85,43) CCSRCK2R0C50
C 114 (A,88,43) CCSRCK2R0C50
C 115 (A,83,39) CKSRYB104K50
C 116 (A,88,27) 10 µF CCG1171
C 117 (A,84,36) CKSRYB104K50
C 118 (B,70,33) CKSRYB104K50
C 119 (A,92,37) 22 µF CCG1178
C 131 (B,51,13) CKSRYB105K10
C 132 (B,54,11) CKSRYB105K10
C 133 (B,52,11) CKSRYB105K10
C 134 (B,56,13) CKSRYB105K10
C 135 (B,51,20) CKSRYB105K10
C 136 (B,49,20) CKSRYB105K10
C 137 (A,55,16) CKSQYB225K10
C 138 (B,53,19) CKSRYB104K50
C 139 (A,63,7) CEVLW220M16
C 142 (B,76,51) CKSYB106K6R3
C 143 (B,79,51) CKSYB106K6R3
C 144 (B,79,45) CCSRCH4R0D50
C 145 (B,76,45) CCSRCH4R0D50
C 146 (B,81,40) CKSRYB104K50
C 147 (B,78,29) 10 µF CCG1171
C 148 (B,82,37) CKSRYB104K50
C 151 (A,48,23) CKSRYB105K10
C 152 (A,52,23) CKSRYB105K10
C 153 (A,49,23) CKSRYB105K10
C 154 (A,51,23) CKSRYB105K10
C 155 (B,59,20) CKSRYB105K10
C 156 (B,57,20) CKSRYB105K10
C 157 (A,51,12) CKSQYB225K10
C 158 (A,50,15) CKSRYB104K50
C 159 (A,56,7) CEVLW220M16
C 162 (B,36,38) CKSYB106K6R3
C 163 (B,36,35) CKSYB106K6R3
C 164 (B,31,32) CCSRCH4R0D50
C 165 (B,31,39) CCSRCH4R0D50
C 166 (B,27,33) CKSRYB104K50
C 167 (B,20,34) 10 µF CCG1171
Circuit Symbol and No. Part No.

AVH-P5950DVD/XN/RC
180
1234
1234
C
D
F
A
B
E
C 168 (B,24,34) CKSRYB104K50
C 169 (B,73,33) CKSRYB104K50
C 182 (B,42,46) CKSYB106K6R3
C 183 (B,40,43) CKSYB106K6R3
C 184 (B,36,41) CCSRCH4R0D50
C 185 (B,34,49) CCSRCH4R0D50
C 186 (B,32,42) CKSRYB104K50
C 187 (B,23,42) 10 µF CCG1171
C 188 (B,21,45) CKSRYB104K50
C 189 (B,71,33) CKSRYB104K50
C 191 (B,36,58) 22 µF CCG1178
C 192 (B,36,56) 22 µF CCG1178
C 193 (B,25,59) CCSRCK2R0C50
C 194 (B,25,50) CCSRCK2R0C50
C 195 (B,21,51) CKSRYB104K50
C 196 (B,18,51) 10 µF CCG1171
C 197 (B,16,51) CKSRYB104K50
C 198 (B,17,59) CKSYB106K6R3
C 200 (B,28,65) CKSYB475K16
C 201 (B,30,58) CKSRYB103K50
C 202 (A,50,45) CEVLW220M16
C 203 (A,56,46) CEVLW101M10
C 205 (A,52,39) CKSRYB105K10
C 221 (A,81,26) CKSQYB225K10
C 222 (A,83,26) CKSQYB225K10
C 223 (A,74,19) CEVLW470M16
C 224 (A,79,18) CKSRYB103K50
C 226 (B,68,33) CKSRYB104K50
C 227 (B,51,38) CKSRYB105K10
C 228 (B,51,39) CKSRYB105K10
C 231 (B,84,51) CKSYB106K6R3
C 232 (B,87,51) CKSYB106K6R3
C 233 (B,86,45) CCSRCH4R0D50
C 234 (B,88,45) CCSRCH4R0D50
C 235 (B,92,40) CKSRYB104K50
C 236 (B,90,32) 10 µF CCG1171
C 237 (B,92,37) CKSRYB104K50
C 238 (B,74,33) CKSRYB104K50
C 241 (A,66,18) CEVLW470M16
C 242 (A,58,23) CEVLW470M16
C 243 (B,63,29) CKSRYB104K50
C 244 (B,56,29) CKSRYB104K50
C 245 (A,66,29) CKSYB475K16
C 246 (B,63,31) CKSRYB104K50
C 247 (A,60,29) CKSQYB225K10
C 248 (B,59,29) CKSRYB105K10
C 249 (B,57,29) CKSRYB105K10
C 250 (B,60,29) CKSRYB104K50
C 251 (A,62,49) 47 µF CCG1181
C 252 (A,62,46) 22 µF CCG1178
C 253 (A,62,41) 47 µF CCG1181
C 254 (A,62,44) 22 µF CCG1178
C 256 (A,67,48) CCSRCJ3R0C50
C 257 (A,72,46) CKSRYB104K50
C 258 (A,77,38) CEVLW100M16
C 259 (A,78,45) CEVLW101M10
C 260 (A,79,50) CKSRYB104K50
C 261 (A,64,54) CEVLW101M10
C 262 (B,72,58) 10 µF CCG1171
C 263 (A,87,59) CEVLW221M4
Circuit Symbol and No. Part No.
C 264 (A,80,59) CEVLW221M4
C 265 (A,73,59) CEVLW221M4
C 266 (A,69,45) CCSRCJ3R0C50
C 271 (A,63,36) CKSRYB105K10
C 272 (A,57,36) CEVLW101M10
C 281 (A,53,67) CKSQYB225K10
C 282 (A,55,67) CKSQYB225K10
C 283 (B,54,88) CKSQYB225K10
C 284 (B,55,68) CKSQYB225K10
C 285 (B,52,87) CKSRYB104K50
C 286 (B,52,69) CKSRYB104K50
C 287 (B,63,74) CKSQYB225K10
C 288 (B,61,69) CKSQYB225K10
C 289 (B,65,74) CKSQYB225K10
C 290 (B,61,71) CKSQYB225K10
C 291 (B,49,89) CKSYB475K16
C 292 (B,49,67) CKSYB475K16
C 293 (B,45,87) CKSYB475K16
C 294 (B,46,69) CKSYB475K16
C 295 (B,41,83) CKSYB475K16
C 296 (B,42,71) CKSYB475K16
C 297 (A,58,79) CEVLW470M16
C 298 (B,60,74) CKSRYB104K50
C 299 (A,58,74) CKSRYB474K16
C 300 (B,59,74) CKSRYB104K50
C 301 (A,54,73) CEVLW100M16
C 302 (A,48,82) CEVLW100M16
C 303 (B,43,81) CKSRYB104K50
C 304 (A,46,73) CEVLW470M16
C 311 (B,34,86) 10 µF CCG1182
C 312 (B,34,89) 10 µF CCG1182
C 315 (B,34,74) 10 µF CCG1182
C 316 (B,34,77) 10 µF CCG1182
C 319 (B,34,80) 10 µF CCG1182
C 320 (B,34,83) 10 µF CCG1182
C 324 (B,14,72) CKSRYB104K50
C 331 (B,28,119) CKSRYB105K10
C 332 (B,35,119) CKSRYB105K10
C 333 (B,28,121) CKSRYB105K10
C 334 (B,35,121) CKSRYB105K10
C 335 (B,31,119) CKSRYB105K10
C 336 (B,38,119) CKSRYB105K10
C 337 (B,31,121) CKSRYB105K10
C 338 (B,38,121) CKSRYB105K10
C 339 (B,25,119) 10 µF CCG1182
C 340 (B,42,121) CKSYB475K16
C 341 (B,47,121) CKSYB475K16
C 342 (A,55,125) CKSRYB104K50
C 343 (A,62,123) 1 000 µF/16 V CCH1428
C 345 (B,62,153) CKSQYB104K50
C 351 (B,86,108) CKSRYB103K50
C 360 (A,109,66) CKSRYB103K50
C 391 (B,53,33) CKSRYB104K50
C 392 (B,50,35) CKSRYB104K50
C 401 (B,150,147) CKSRYB103K50
C 403 (A,148,109) CEVLW101M10
C 405 (B,120,141) CKSRYB103K50
C 406 (B,120,143) CKSYB475K16
C 408 (B,116,145) CKSRYB103K50
C 409 (B,116,147) CKSYB106K6R3
Circuit Symbol and No. Part No.

AVH-P5950DVD/XN/RC 181
5 678
5678
C
D
F
A
B
E
C 410 (B,103,142) CKSRYB474K16
C 411 (B,107,140) CKSRYB474K16
C 413 (B,144,138) CKSYB475K16
C 414 (A,157,9) CKSRYB102K50
C 415 (B,109,141) CKSRYB474K16
C 416 (B,106,141) CKSRYB474K16
C 417 (B,99,132) CKSRYB104K50
C 418 (B,101,136) CKSQYB225K10
C 419 (B,99,129) CKSRYB105K10
C 420 (B,129,143) CKSRYB103K50
C 421 (B,145,141) CKSYB475K16
C 422 (B,108,117) CKSRYB103K50
C 423 (B,119,123) CKSRYB104K50
C 461 (B,129,90) CKSRYB102K50
C 462 (B,128,90) CKSRYB102K50
C 464 (A,124,86) CKSRYB104K50
C 465 (A,167,47) CCSRCH101J50
C 466 (A,162,18) CKSRYB102K50
C 467 (A,129,102) CKSRYB104K50
C 468 (A,113,95) CCSRCH101J50
C 481 (B,101,27) CKSRYB104K50
C 484 (B,97,16) CKSRYB104K50
C 501 (A,112,14) CKSRYB103K50
C 511 (B,35,95) CCSRCH101J50
C 513 (A,58,87) CEVLW221M4
C 514 (A,48,88) CEVLW221M4
C 515 (B,46,92) CKSRYB102K50
C 541 (A,42,59) CKSYB475K16
C 542 (A,42,65) CKSRYB104K50
C 544 (A,46,65) CKSRYB104K50
C 545 (A,45,63) CKSRYB102K50
C 601 (A,118,52) CKSYB106K6R3
C 602 (B,103,47) CCSRCH8R0D50
C 603 (B,103,44) CCSRCH8R0D50
C 604 (A,109,42) CKSRYB104K50
C 605 (A,118,41) CKSRYB102K50
C 606 (B,101,54) CCSRCH470J50
C 607 (B,102,54) CCSRCH470J50
C 608 (B,104,56) CKSRYB103K50
C 609 (B,104,38) CKSRYB105K10
C 610 (B,100,37) CKSYB475K16
C 611 (A,116,35) CKSRYB474K16
C 612 (A,130,54) CKSRYB104K50
C 614 (A,118,44) CEVLW100M16
C 615 (A,108,56) CCSRCH470J50
C 616 (A,113,43) CCSRCH101J50
C 617 (A,108,50) CCSRCH470J50
C 618 (A,114,49) CCSRCH470J50
C 619 (B,96,38) CKSRYB104K50
C 731 (A,101,28) CKSRYB104K50
C 732 (A,93,26) CKSRYB105K10
C 733 (A,98,24) CKSRYB102K50
C 741 (A,39,121) CEVLW470M16
C 742 (A,47,121) CEVLW470M16
C 743 (B,42,108) 10 µF CCG1182
C 744 (A,54,117) CEVLW330M10
C 751 (A,134,52) CKSRYB105K10
C 761 (B,54,111) CKSRYB105K10
C 762 (B,55,113) CKSRYB104K50
C 763 (B,62,146) CKSRYB104K50
Circuit Symbol and No. Part No.
C 764 (B,67,109) CKSRYB103K50
C 765 (B,65,110) CKSRYB104K50
C 766 (B,61,115) CKSRYB104K50
C 769 (B,76,106) CKSRYB104K50
C 770 (B,88,147) CKSRYB104K50
C 771 (A,73,129) CKSRYB104K50
C 781 (A,114,11) CKSRYB104K50
C 782 (A,122,11) CKSRYB104K50
C 801 (B,145,29) CKSRYB104K50
C 802 (A,143,24) CEVLW470M6R3
C 803 (B,142,30) CKSRYB103K50
C 804 (B,152,15) CKSRYB103K50
C 805 (A,148,18) CEVLW470M16
C 806 (A,156,20) CKSQYB105K16
C 811 (A,129,110) CEVLW220M16
C 812 (B,129,133) CKSRYB103K50
C 813 (B,120,132) CKSYB475K16
C 814 (B,119,124) CKSRYB102K50
C 817 (B,102,127) CKSRYB103K50
C 818 (A,108,109) CEVLW470M16
C 819 (B,104,125) CKSQYB105K16
C 821 (B,161,42) CKSRYB103K50
C 822 (A,146,56) CEVLW470M16
C 823 (B,161,50) CKSQYB105K16
C 831 (A,142,33) CKSQYB105K16
C 832 (B,152,36) CKSRYB103K50
C 833 (B,151,38) CKSRYB103K50
C 834 (A,140,33) CKSRYB473K50
C 835 (A,141,36) CCSRCH220J50
C 836 (A,157,31) CKSRYB104K50
C 837 (A,147,31) CKSYB475K16
C 838 (A,153,33) CKSRYB104K50
C 839 (B,146,41) CKSRYB104K50
C 840 (B,159,40) CKSYB475K16
C 841 (B,136,82) CKSRYB102K50
C 842 (A,148,75) CEVLW101M10
C 843 (B,136,83) CKSRYB103K50
C 844 (B,135,85) CKSRYB103K50
C 845 (A,163,74) CEVLW470M16
C 846 (A,166,66) 1 000 µF/16 V CCH1428
C 847 (B,154,70) CKSRYB104K50
C 851 (B,142,59) CKSRYB102K50
C 852 (A,148,66) CEVLW101M10
C 853 (B,140,57) CKSRYB103K50
C 854 (B,141,50) CKSRYB103K50
C 855 (B,158,65) CKSRYB104K50
C 856 (A,156,69) CEVLW470M16
C 857 (A,139,65) CEVLW101M6R3
C 858 (A,139,70) CKSRYB102K50
C 859 (B,142,61) CKSQYB105K16
C 860 (A,139,72) CKSRYB104K50
C 861 (B,136,30) CKSRYB103K50
C 862 (A,132,10) CEVLW470M16
C 863 (B,133,31) CKSQYB105K16
C 871 (A,143,100) 10 µF CCG1223
C 873 (A,150,96) 10 µF CCG1223
C 891 (A,139,10) CEVLW470M16
C 892 (A,147,10) CEVLW470M16
C 901 (B,30,100) CKSRYB104K50
C 902 (B,15,80) CKSYB475K16
Circuit Symbol and No. Part No.

AVH-P5950DVD/XN/RC
182
1234
1234
C
D
F
A
B
E
C 904 (A,7,79) 2 200 µF/16V CCH1659
C 911 (A,139,84) CKSRYB104K50
C 921 (A,130,66) CKSRYB104K50
C 931 (A,130,60) CKSRYB104K50
C 932 (A,134,58) CKSRYB104K50
C 941 (A,139,78) CKSRYB104K50
C 942 (A,143,80) CKSRYB104K50
C 951 (B,13,111) CKSRYB103K50
C 952 (A,15,119) CEVLW100M16
C 953 (B,20,112) CKSRYB103K50
C 961 (A,154,88) CKSRYB103K50
C 962 (A,151,89) CEVLW100M16
C 963 (A,156,83) CKSRYB103K50
C 971 (B,25,24) CCSRCH101J50
C 974 (A,44,16) 220 µF/10 V CCH1409
C 975 (B,25,7) CKSRYB223K50
C 976 (A,39,15) 220 µF/10 V CCH1409
C 977 (A,44,8) 470 µF/6.3 V CCH1437
C 980 (B,28,18) CKSYB475K16
C 981 (A,24,13) CCSRCH101J50
C 982 (B,22,7) CKSRYB683K16
C 984 (B,15,18) CKSRYB104K50
C 985 (A,17,17) CKSRYB104K50
C 986 (A,17,13) CKSRYB104K50
C 987 (B,13,17) CKSYB475K16
C 992 (A,7,28) 2 200 µF/16V CCH1659
C 993 (B,16,24) CKSYB475K16
B
Unit Number :
Unit Name : Keyboard Unit
MISCELLANEOUS
IC 4001 (B,79,9) IC LC75836WS
IC 4021 (A,100,10) IC SBX3050-01
Q 4041 (B,100,13) Digital Transistor DTC143EUA
D 4001 (A,143,6) Diode MALS068X
D 4002 (A,138,8) Diode MALS068X
D 4003 (A,142,8) Diode MALS068X
D 4021 (A,126,8) Diode UDZS5R6(B)
D 4041 (B,107,6) Diode DAN202U
D 4042 (A,94,9) White LED NESW505C-5273
D 4051 (A,21,4) LED CL-195SR-CD
D 4052 (A,6,5) LED CL-195SR-CD
D 4053 (A,22,17) LED CL-195SR-CD
D 4054 (A,6,18) LED CL-195SR-CD
D 4055 (A,110,6) LED CL-195SR-CD
D 4056 (A,123,6) LED CL-195SR-CD
D 4057 (A,135,6) LED CL-195SR-CD
D 4058 (A,146,20) LED CL-195SR-CD
D 4059 (A,151,6) LED CL-195SR-CD
D 4060 (A,164,7) LED CL-195SR-CD
D 4071 (A,21,3) LED CL-197HB1-D(CDE)
D 4072 (A,5,5) LED CL-197HB1-D(CDE)
D 4073 (A,23,17) LED CL-197HB1-D(CDE)
D 4074 (A,5,18) LED CL-197HB1-D(CDE)
D 4075 (A,110,4) LED CL-197HB1-D(CDE)
Circuit Symbol and No. Part No.
D 4076 (A,123,4) LED CL-197HB1-D(CDE)
D 4077 (A,135,4) LED CL-197HB1-D(CDE)
D 4078 (A,146,19) LED CL-197HB1-D(CDE)
D 4079 (A,151,4) LED CL-197HB1-D(CDE)
D 4080 (A,164,4) LED CL-197HB1-D(CDE)
L 4001 (B,94,14) Inductor CTF1473
S 4031 (A,156,19) Push Switch CSG1155
S 4032 (A,14,11) Encoder CSD1140
S 4033 (A,160,6) Push Switch CSG1155
S 4034 (A,132,6) Push Switch CSG1155
S 4035 (A,106,6) Push Switch CSG1155
S 4036 (A,154,6) Push Switch CSG1155
S 4037 (A,119,6) Push Switch CSG1155
LCD CAW1946
RESISTORS
R 4001 (B,103,6) RS1/16S221J
R 4002 (B,103,5) RS1/16S221J
R 4003 (B,89,4) RS1/16S221J
R 4004 (B,89,6) RS1/16S473J
R 4005 (B,86,8) RS1/16S393J
R 4021 (B,98,10) RS1/16S101J
R 4022 (B,97,13) RS1/16S470J
R 4031 (B,34,8) RS1/16S513J
R 4033 (B,159,15) RS1/16S103J
R 4034 (B,158,10) RS1/16S222J
R 4035 (B,29,11) RS1/16S103J
R 4036 (B,152,7) RS1/16S222J
R 4037 (B,155,6) RS1/16S103J
R 4041 (A,94,14) RS1/16S391J
R 4042 (B,97,14) RS1/16S391J
R 4051 (B,17,7) RS1/16S271J
R 4052 (B,17,10) RS1/16S271J
R 4053 (B,15,19) RS1/16S271J
R 4054 (B,18,16) RS1/16S271J
R 4055 (B,152,9) RS1/16S101J
R 4056 (B,154,11) RS1/16S221J
R 4057 (B,159,8) RS1/16S101J
R 4058 (B,156,9) RS1/16S221J
R 4071 (B,10,7) RS1/16S151J
R 4072 (B,13,8) RS1/16S391J
R 4073 (B,12,19) RS1/16S151J
R 4074 (B,17,16) RS1/16S391J
R 4075 (B,111,7) RS1/16S151J
R 4076 (B,111,10) RS1/16S391J
R 4077 (B,157,19) RS1/16S151J
R 4078 (B,157,18) RS1/16S391J
R 4079 (B,159,14) RS1/16S151J
R 4080 (B,156,14) RS1/16S391J
R 4091 (B,159,5) RS1/16S0R0J
R 4092 (B,152,5) RS1/16S0R0J
CAPACITORS
C 4001 (B,88,8) CCSRCH102J25
C 4002 (B,91,7) CKSRYB104K50
C 4003 (B,91,9) CKSRYB104K50
C 4004 (B,88,10) 10 µF CCG1171
C 4021 (B,100,9) 10 µF CCG1171
C 4041 (B,94,9) CKSRYB104K50
Circuit Symbol and No. Part No.

AVH-P5950DVD/XN/RC 183
5 678
5678
C
D
F
A
B
E
C 4071 (B,20,5) CKSRYB104K50
C 4072 (B,10,4) CKSRYB104K50
C 4073 (B,26,14) CKSRYB104K50
C 4074 (B,10,19) CKSRYB104K50
C 4075 (A,112,8) CKSRYB104K50
C 4076 (A,128,5) CKSRYB104K50
C 4077 (A,138,5) CKSRYB104K50
C 4078 (B,152,15) CKSRYB104K50
C 4079 (A,148,5) CKSRYB104K50
C 4080 (B,159,12) CKSRYB104K50
Monitor Unit
Consists of
Monitor PCB
Upper PCB
CH
Unit Number : CWN2330
Unit Name : Monitor Unit
MISCELLANEOUS
IC 5101 (A,66,94) Regulator IC S-1132B15-U5
IC 5102 (A,66,99) IC S-1132B25-U5
IC 5103 (A,74,75) IC BD6171KV
IC 5201 (A,63,31) IC TA78L05F
IC 5202 (A,60,43) L-MOS And Gate TC7SET08FUS1
IC 5203 (A,59,37) L-MOS And Gate TC7SET08FUS1
IC 5204 (A,44,31) IC OZ961ISN
IC 5205 (A,40,21) FET SI6544BDQ
IC 5206 (A,40,17) FET SI6544BDQ
IC 5301 (A,81,110) IC NJM2505AF
IC 5401 (A,37,92) IC TC90A96BFGSING
IC 5501 (A,10,100) IC M62343FP
IC 5502 (A,12,79) IC TC7SET04FUS1
IC 5503 (A,14,87) IC NJM2100V
IC 5504 (A,56,83) IC TC7SET04FUS1
IC 5505 (A,15,74) IC TC7S66FU
IC 5506 (A,57,76) IC TC74VHC04FTS1
IC 5507 (A,11,66) IC NJM082BV
IC 5602 (A,121,47) IC S-80827CNNB-B8M
IC 5603 (A,119,65) IC PEG333A
IC 5604 (A,135,66) IC S-93C56BD0I-J8
IC 5801 (A,138,94) IC PEH098A
IC 5802 (A,116,91) IC PDC149A
Q 5101 (A,75,63) Chip Transistor DTC114EUA
Q 5102 (A,85,80) FET RSQ035P03
Q 5103 (A,84,73) FET RSQ035P03
Q 5201 (A,59,12) Transistor UMX2N
Q 5202 (A,60,25) Transistor 2SC4617
Q 5203 (A,57,26) Transistor 2SC4617
Q 5204 (A,55,41) Transistor 2SA1774
Q 5205 (A,59,18) Transistor 2SC4617
Q 5206 (A,62,18) Transistor 2SC4617
Q 5301 (A,74,109) Transistor 2SC4081
Q 5302 (A,62,111) Transistor 2SA1576A
Q 5401 (A,39,112) Transistor 2SC4617
Q 5501 (A,9,55) Transistor UMX2N
Q 5502 (A,13,55) Transistor UMT2N
Circuit Symbol and No. Part No.
Q 5601 (A,113,48) Chip Transistor DTC124EUA
Q 5602 (A,144,46) Transistor 2SA1774
Q 5603 (A,143,51) Chip Transistor DTC114EUA
Q 5604 (A,147,46) Transistor 2SA1774
Q 5605 (A,146,51) Chip Transistor DTC114EUA
Q 5607 (A,137,39) Chip Transistor DTC114EUA
Q 5608 (A,140,45) Transistor 2SA1797
Q 5701 (A,144,59) Transistor UMF5N
Q 5702 (A,144,63) Transistor UMF5N
Q 5703 (A,143,70) Transistor FMG12
Q 5801 (A,107,95) Transistor 2SA1774
Q 5802 (A,103,91) Transistor 2SA1774
Q 5803 (A,102,94) Transistor 2SA1774
Q 5901 (A,134,5) Transistor 2SA1774
D 5001 (A,109,105) Diode UDZS5R6(B)
D 5002 (A,111,107) Diode UDZS5R6(B)
D 5003 (A,110,110) Diode UDZS5R6(B)
D 5004 (A,112,110) Diode UDZS5R6(B)
D 5005 (A,122,33) Diode UDZS5R6(B)
D 5006 (A,114,39) Diode UDZS5R6(B)
D 5007 (A,119,39) Diode UDZS5R6(B)
D 5008 (A,122,37) Diode UDZS5R6(B)
D 5101 (A,73,95) Diode RB500V-40
D 5102 (A,73,100) Diode RB500V-40
D 5103 (A,87,85) Diode U2FWJ44N
D 5104 (A,87,69) Diode RB160M-30
D 5105 (A,83,64) Diode RB548W
D 5106 (A,81,64) Diode RB548W
D 5107 (A,72,63) Diode RB548W
D 5108 (A,70,63) Diode RB548W
D 5109 (A,68,63) Diode RB548W
D 5201 (A,57,22) Diode UDZS6R2(B)
D 5202 (A,55,46) Diode 1SS355
D 5203 (A,62,40) RB751V-40
D 5204 (A,47,20) Diode HZU6R2(B3)
D 5205 (A,47,15) Diode HZU6R2(B3)
D 5206 (A,57,20) Diode UDZS8R2(B)
D 5207 (A,63,6) Diode MA143
D 5208 (A,61,6) Diode HZU6R2(B3)
D 5209 (A,69,5) Diode MA143
D 5601 (A,124,47) Diode MA111
D 5701 (A,142,67) Diode MA111
D 5901 (A,124,6) IC TPS850
D 5931 (A,24,8) LED CL-197HB1-D(CDE)
D 5932 (A,9,8) LED CL-197HB1-D(CDE)
D 5933 (A,142,8) LED CL-197HB1-D(CDE)
D 5934 (A,156,8) LED CL-197HB1-D(CDE)
D 5951 (A,24,7) LED CL-195SR-CD
D 5952 (A,9,7) LED CL-195SR-CD
D 5953 (A,142,7) LED CL-195SR-CD
D 5954 (A,156,7) LED CL-195SR-CD
D 5971 (A,79,13) LED CL-197HB1-D(CDE)
D 5972 (A,87,13) LED CL-197HB1-D(CDE)
D 5981 (A,79,11) LED CL-195SR-CD
D 5982 (A,87,11) LED CL-195SR-CD
L 5101 (A,55,106) Inductor CTF1635
L 5102 (A,93,95) Choke Coil 10 µH CTH1249
L 5103 (A,84,90) Choke Coil 18 µH CTH1250
L 5104 (A,78,51) Inductor CTF1488
L 5105 (A,89,65) Choke Coil 68 µH CTH1318
Circuit Symbol and No. Part No.

AVH-P5950DVD/XN/RC
184
1234
1234
C
D
F
A
B
E
L 5107 (A,84,61) Inductor DTL1096
L 5108 (A,16,112) Inductor CTF1635
L 5109 (A,58,106) Inductor CTF1635
L 5110 (A,60,89) Inductor CTF1635
L 5111 (A,60,92) Inductor CTF1635
L 5112 (A,57,101) Inductor CTF1635
L 5113 (A,84,97) Choke Coil 18 µH CTH1250
L 5114 (A,65,84) Inductor CTF1635
L 5115 (A,93,64) Inductor CTF1635
L 5116 (A,63,63) Inductor CTF1635
L 5201 (A,78,24) Coil CTH1338
L 5202 (A,57,40) Inductor CTF1306
L 5301 (A,69,112) Inductor LCKAW220J2520
L 5302 (A,65,112) Inductor LCKAW270J2520
L 5303 (A,59,103) Inductor LCKAW101J2520
L 5304 (A,79,107) Inductor CTF1379
L 5401 (A,48,110) Inductor CTF1306
L 5402 (A,42,113) Inductor CTF1306
L 5403 (A,40,113) Inductor CTF1306
L 5404 (A,34,112) Inductor CTF1306
L 5405 (A,24,110) Inductor CTF1306
L 5406 (A,33,112) Inductor CTF1306
L 5407 (A,26,110) Inductor CTF1306
L 5408 (A,36,112) Inductor CTF1306
L 5409 (A,52,108) Inductor CTF1306
L 5411 (A,50,110) Inductor CTF1306
L 5412 (A,54,103) Inductor CTF1306
L 5413 (A,20,104) Inductor CTF1306
L 5414 (A,21,102) Inductor CTF1306
L 5415 (A,21,101) Inductor CTF1306
L 5416 (A,18,100) Inductor CTF1306
L 5417 (A,17,99) Inductor CTF1306
L 5418 (A,54,100) Inductor CTF1306
L 5419 (A,20,98) Inductor CTF1306
L 5420 (A,54,97) Inductor CTF1306
L 5421 (A,16,97) Inductor CTF1306
L 5422 (A,19,96) Inductor CTF1306
L 5423 (A,15,95) Inductor CTF1306
L 5424 (A,15,94) Inductor CTF1306
L 5425 (A,54,94) Inductor CTF1306
L 5426 (A,19,93) Inductor CTF1306
L 5427 (A,19,91) Inductor CTF1306
L 5428 (A,54,91) Inductor CTF1306
L 5429 (A,19,90) Inductor CTF1306
L 5430 (A,19,88) Inductor CTF1306
L 5431 (A,54,88) Inductor CTF1306
L 5432 (A,54,85) Inductor CTF1306
L 5433 (A,19,87) Inductor CTF1306
L 5434 (A,19,84) Inductor CTF1306
L 5435 (A,19,83) Inductor CTF1306
L 5436 (A,19,82) Inductor CTF1306
L 5437 (A,54,83) Inductor CTF1306
L 5438 (A,19,80) Inductor CTF1306
L 5439 (A,47,73) Ferrite Bead CTF1528
L 5440 (A,47,75) Ferrite Bead CTF1528
L 5441 (A,46,73) Ferrite Bead CTF1528
L 5442 (A,46,75) Ferrite Bead CTF1528
L 5443 (A,45,74) Ferrite Bead CTF1528
L 5444 (A,45,76) Ferrite Bead CTF1528
L 5445 (A,43,74) Inductor CTF1306
Circuit Symbol and No. Part No.
L 5446 (A,39,77) Ferrite Bead CTF1528
L 5447 (A,39,75) Ferrite Bead CTF1528
L 5448 (A,38,77) Ferrite Bead CTF1528
L 5449 (A,38,75) Ferrite Bead CTF1528
L 5450 (A,37,77) Ferrite Bead CTF1528
L 5451 (A,37,75) Ferrite Bead CTF1528
L 5452 (A,36,74) Inductor CTF1306
L 5453 (A,35,75) Ferrite Bead CTF1528
L 5454 (A,35,77) Ferrite Bead CTF1528
L 5455 (A,34,73) Ferrite Bead CTF1528
L 5456 (A,33,77) Ferrite Bead CTF1528
L 5457 (A,33,75) Ferrite Bead CTF1528
L 5458 (A,33,73) Ferrite Bead CTF1528
L 5459 (A,28,75) Ferrite Bead CTF1528
L 5460 (A,29,77) Ferrite Bead CTF1528
L 5461 (A,27,77) Ferrite Bead CTF1528
L 5462 (A,25,75) Ferrite Bead CTF1528
L 5463 (A,26,77) Ferrite Bead CTF1528
L 5464 (A,25,76) Ferrite Bead CTF1528
L 5465 (A,25,77) Ferrite Bead CTF1528
L 5466 (A,48,75) Inductor CTF1306
L 5467 (A,31,74) Inductor CTF1306
L 5468 (A,30,74) Inductor CTF1306
L 5469 (A,50,74) Inductor CTF1306
L 5470 (A,42,74) Inductor CTF1306
L 5471 (A,41,74) Inductor CTF1306
L 5472 (A,18,78) Inductor LCKAW101J2520
L 5501 (A,15,78) Inductor CTF1306
L 5502 (A,8,84) Inductor LCKAW101J2520
L 5503 (A,9,75) Inductor LCKAW101J2520
L 5504 (A,53,62) Inductor CTF1306
L 5505 (A,22,70) Inductor DTL1096
L 5506 (A,15,65) Inductor DTL1096
L 5508 (A,49,72) Inductor CTF1306
L 5509 (A,28,70) Inductor CTF1635
L 5510 (A,20,70) Inductor CTF1635
L 5511 (A,62,81) Inductor CTF1635
L 5602 (A,108,59) Inductor CTF1306
L 5603 (A,136,60) Inductor CTF1306
L 5604 (A,101,66) Inductor CTF1306
L 5605 (A,132,48) Inductor CTF1488
L 5701 (A,139,60) Inductor CTF1379
L 5801 (A,104,77) Inductor LCKAW2R2J2520
L 5802 (A,139,51) Inductor CTF1488
L 5803 (A,108,77) Inductor LCKAW2R2J2520
L 5804 (A,143,73) Inductor CTF1395
L 5901 (A,117,7) Inductor LCKBW100K2520
T 5201 (B,51,10) Transformer CTT1119
TH5601 (A,106,56) Thermistor CCX1051
X 5401 (A,45,112) Crystal Resonator 42 MHz CSS1604
X 5601 (A,119,52) Ceramic Resonator 16.000 MHz CSS1616
S 5921 (A,142,4) Push Switch CSG1155
S 5922 (A,9,4) Push Switch CSG1155
S 5923 (A,24,4) Push Switch CSG1155
S 5924 (A,157,4) Push Switch CSG1155
VR5201 (A,35,28) Semi-fixed 22 kΩ(B)CCP1491
>FU5101 (A,83,51) Fuse 1.25 A CEK1255
>FU5201 (A,72,23) Fuse 1.25 A CEK1255
RESISTORS
Circuit Symbol and No. Part No.

AVH-P5950DVD/XN/RC 185
5 678
5678
C
D
F
A
B
E
R 5005 (A,92,47) RS1/16S0R0J
R 5006 (A,94,47) RS1/16S0R0J
R 5007 (A,99,50) RS1/16S0R0J
R 5008 (A,101,50) RS1/16S0R0J
R 5009 (A,143,40) RS1/16S0R0J
R 5010 (A,142,40) RS1/16S0R0J
R 5011 (A,115,106) RS1/16S101J
R 5012 (A,114,106) RS1/16S101J
R 5013 (A,112,105) RS1/16S101J
R 5014 (A,111,105) RS1/16S101J
R 5015 (A,97,111) RS1/16S101J
R 5101 (A,70,94) RS1/16SS684J
R 5102 (A,70,99) RS1/16SS474J
R 5103 (A,70,89) RS1/16S0R0J
R 5104 (A,72,90) RS1/16S6801D
R 5105 (A,89,94) RS1/16S0R0J
R 5106 (A,80,88) RS1/16S0R0J
R 5107 (A,75,90) RS1/16S201J
R 5108 (A,81,86) RS1/16S1001D
R 5109 (A,71,88) RS1/16S1001D
R 5110 (A,75,88) RS1/16S682J
R 5111 (A,66,81) RS1/16S5100F
R 5112 (A,81,84) RS1/16S1600D
R 5113 (A,78,87) RS1/16S102J
R 5114 (A,69,81) RS1/16S0R0J
R 5115 (A,78,85) RS1/16S2700D
R 5116 (A,66,82) RS1/16S2001F
R 5117 (A,73,85) RS1/16S684J
R 5118 (A,77,82) RS1/16S333J
R 5119 (A,73,82) RS1/16S123J
R 5120 (A,82,80) RS1/16S273J
R 5121 (A,82,83) RS1/16S150J
R 5122 (A,87,72) RS1/16S150J
R 5123 (A,82,75) RS1/16S563J
R 5124 (A,74,67) RS1/16S5102D
R 5125 (A,68,68) RS1/16S0R0J
R 5126 (A,67,70) RS1/16S1002D
R 5127 (A,76,65) RS1/16S4300D
R 5128 (A,66,69) RS1/16S1802D
R 5129 (A,77,67) RS1/16S1802D
R 5130 (A,66,66) RS1/16S2202D
R 5131 (A,66,63) RS1/16S0R0J
R 5132 (A,78,64) RS1/16S3303D
R 5133 (A,81,69) RS1/16S0R0J
R 5134 (A,79,61) RS1/16S0R0J
R 5135 (A,76,67) RS1/16S2703D
R 5201 (A,63,43) RS1/16S103J
R 5202 (A,57,24) RS1/16S103J
R 5203 (A,60,24) RS1/16S104J
R 5204 (A,60,45) RS1/16S103J
R 5205 (A,56,29) RS1/16S473J
R 5206 (A,56,44) RS1/16S472J
R 5207 (A,58,28) RS1/16S105J
R 5208 (A,54,44) RS1/16S473J
R 5209 (A,56,38) RS1/16S333J
R 5210 (A,49,37) RS1/16S513J
R 5211 (A,62,37) RS1/16S103J
R 5212 (A,53,27) RS1/16S105J
R 5213 (A,59,40) RS1/16S102J
R 5214 (A,35,30) RS1/16S5102D
Circuit Symbol and No. Part No.
R 5215 (A,45,20) RS1/16S103J
R 5216 (A,45,16) RS1/16S103J
R 5217 (A,57,17) RS1/16S103J
R 5218 (A,63,15) RS1/16S621J
R 5219 (A,57,18) RS1/16S104J
R 5220 (A,61,21) RS1/16S473J
R 5221 (A,61,12) RS1/16S621J
R 5222 (A,60,15) RS1/16S101J
R 5223 (A,58,15) RS1/16S101J
R 5224 (A,59,9) RS1/16S821J
R 5225 (A,58,6) RS1/16S471J
R 5227 (A,38,31) RS1/16S1001D
R 5301 (A,77,112) RS1/16S512J
R 5302 (A,77,110) RS1/16S104J
R 5303 (A,74,107) RS1/16S153J
R 5304 (A,71,107) RS1/16S104J
R 5305 (A,69,108) RS1/16S681J
R 5306 (A,71,109) RS1/16S471J
R 5307 (A,64,109) RS1/16S272J
R 5308 (A,60,111) RS1/16S391J
R 5311 (A,88,108) RS1/16S101J
R 5312 (A,88,110) RS1/16S101J
R 5401 (A,44,108) RS1/16SS391J
R 5402 (A,59,113) RS1/16S0R0J
R 5403 (A,45,108) RS1/16SS105J
R 5404 (A,39,110) RS1/16SS331J
R 5405 (A,37,111) RS1/16SS152J
R 5406 (A,21,106) RS1/16S0R0J
R 5407 (A,18,102) RS1/16S331J
R 5408 (A,15,105) RS1/16S101J
R 5410 (A,13,105) RS1/16S101J
R 5411 (A,13,95) RS1/16S470J
R 5412 (A,13,94) RS1/16S470J
R 5413 (A,16,91) RS1/16SS471J
R 5414 (A,16,93) RS1/16SS333J
R 5415 (A,14,97) RS1/16SS222J
R 5416 (A,14,93) RS1/16SS152J
R 5417 (A,21,92) RS1/16SS473J
R 5418 (A,44,70) RAB4CQ221J
R 5419 (A,41,70) RAB4CQ221J
R 5420 (A,35,70) RAB4CQ221J
R 5421 (A,22,76) RAB4CQ221J
R 5422 (A,47,71) RS1/16SS221J
R 5423 (A,46,70) RS1/16SS221J
R 5424 (A,38,73) RS1/16SS221J
R 5425 (A,37,73) RS1/16SS221J
R 5426 (A,33,71) RS1/16SS221J
R 5427 (A,32,71) RS1/16SS221J
R 5428 (A,30,72) RS1/16SS221J
R 5429 (A,28,73) RS1/16SS221J
R 5430 (A,27,75) RS1/16SS221J
R 5501 (A,9,106) RAB4CQ221J
R 5503 (A,12,81) RS1/16S101J
R 5504 (A,17,75) RS1/16SS681J
R 5506 (A,10,87) RS1/16S101J
R 5507 (A,13,71) RS1/16SS472J
R 5508 (A,8,65) RS1/16S3302D
R 5509 (A,57,64) RS1/16S6800D
R 5510 (A,11,60) RS1/16S223J
R 5512 (A,52,64) RS1/16S27R0D
Circuit Symbol and No. Part No.

AVH-P5950DVD/XN/RC
186
1234
1234
C
D
F
A
B
E
R 5513 (A,54,64) RS1/16S10R0D
R 5514 (A,56,63) RS1/16S1000D
R 5515 (A,59,66) RS1/16S82R0F
R 5516 (A,58,70) RS1/16S56R0D
R 5517 (A,57,70) RS1/16S47R0D
R 5518 (A,56,70) RS1/16S36R0D
R 5519 (A,54,70) RS1/16S33R0F
R 5520 (A,53,70) RS1/16S27R0D
R 5521 (A,51,70) RS1/16S1800D
R 5522 (A,50,70) RS1/16S82R0F
R 5523 (A,49,70) RS1/16S12R0F
R 5524 (A,8,62) RS1/16S5602D
R 5525 (A,9,60) RS1/16S101J
R 5526 (A,8,52) RS1/16SS153J
R 5527 (A,14,52) RS1/16S153J
R 5528 (A,11,55) RS1/16SS0R0J
R 5529 (A,12,52) RS1/16S0R0J
R 5530 (A,32,66) RS1/16SS102J
R 5531 (A,9,58) RS1/16S100J
R 5532 (A,11,57) RS1/16SS100J
R 5533 (A,9,52) RS1/16S0R0J
R 5534 (A,11,52) RS1/16S0R0J
R 5601 (A,144,48) RS1/16S103J
R 5602 (A,144,44) RS1/16S473J
R 5603 (A,112,50) RS1/16S103J
R 5604 (A,120,45) RS1/16S0R0J
R 5605 (A,147,48) RS1/16S103J
R 5606 (A,147,44) RS1/16S473J
R 5607 (A,125,46) RS1/16S124J
R 5608 (A,117,47) RS1/16S102J
R 5609 (A,109,49) RS1/16S473J
R 5610 (A,107,51) RS1/16S221J
R 5611 (A,108,48) RS1/16S221J
R 5612 (A,110,47) RS1/16S221J
R 5613 (A,112,53) RS1/16S471J
R 5614 (A,108,55) RS1/16S471J
R 5615 (A,108,57) RS1/16S471J
R 5616 (A,126,50) RS1/16S471J
R 5617 (A,125,54) RS1/16S471J
R 5618 (A,127,50) RS1/16S471J
R 5619 (A,127,54) RS1/16S471J
R 5620 (A,128,54) RS1/16S471J
R 5621 (A,130,54) RS1/16S470J
R 5622 (A,107,60) RS1/16S0R0J
R 5623 (A,131,52) RS1/16S470J
R 5624 (A,105,60) RS1/16S105J
R 5625 (A,105,58) RS1/16S105J
R 5626 (A,132,58) RS1/16S471J
R 5627 (A,133,60) RS1/16S471J
R 5628 (A,136,58) RS1/16S473J
R 5629 (A,131,62) RS1/16S221J
R 5630 (A,103,57) RS1/16S153J
R 5632 (A,103,61) RS1/16S473J
R 5633 (A,103,60) RS1/16S473J
R 5634 (A,132,71) RS1/16S473J
R 5635 (A,102,64) RS1/16S473J
R 5636 (A,139,71) RS1/16S473J
R 5637 (A,139,66) RS1/16S103J
R 5638 (A,131,65) RS1/16S103J
R 5639 (A,103,75) RS1/16S471J
Circuit Symbol and No. Part No.
R 5640 (A,110,75) RS1/16S102J
R 5641 (A,117,76) RAB4CQ102J
R 5642 (A,108,68) RS1/16S104J
R 5643 (A,112,75) RS1/16S473J
R 5644 (A,108,71) RS1/16S103J
R 5646 (A,103,65) RS1/16S473J
R 5647 (A,140,42) RS1/16S103J
R 5648 (A,140,40) RS1/16S821J
R 5649 (A,115,50) RS1/16S473J
R 5650 (A,113,53) RS1/16S473J
R 5651 (A,122,52) RS1/16S473J
R 5652 (A,130,57) RS1/16S470J
R 5653 (A,133,55) RS1/16S470J
R 5654 (A,130,70) RS1/16S473J
R 5655 (A,115,53) RS1/16S470J
R 5656 (A,131,68) RS1/16S470J
R 5657 (A,132,62) RS1/16S221J
R 5658 (A,131,67) RS1/16S221J
R 5659 (A,131,73) RS1/16S473J
R 5660 (A,135,71) RS1/16S221J
R 5668 (A,133,53) RS1/16S473J
R 5669 (A,136,57) RS1/16S473J
R 5671 (A,130,73) RS1/16S470J
R 5701 (A,148,64) RS1/16S0R0J
R 5702 (A,147,59) RS1/16S0R0J
R 5703 (A,142,60) RS1/16S103J
R 5704 (A,142,64) RS1/16S103J
R 5705 (A,140,60) RS1/16S103J
R 5706 (A,140,64) RS1/16S103J
R 5707 (A,145,61) RS1/16S105J
R 5708 (A,145,65) RS1/16S105J
R 5709 (A,146,71) RS1/16S102J
R 5710 (A,146,69) RS1/16S102J
R 5804 (A,119,101) RAB4CQ101J
R 5805 (A,106,99) RS1/16S102J
R 5806 (A,104,97) RS1/16S102J
R 5807 (A,103,97) RS1/16S102J
R 5808 (A,124,103) RS1/16S473J
R 5811 (A,114,103) RS1/16S471J
R 5812 (A,112,102) RS1/16S473J
R 5813 (A,148,80) RS1/16S101J
R 5814 (A,146,108) RS1/16SS101J
R 5815 (A,146,80) RS1/16S473J
R 5816 (A,142,80) RS1/16S101J
R 5817 (A,141,106) RS1/16SS101J
R 5818 (A,104,87) RS1/16S1500D
R 5819 (A,104,85) RS1/16S0R0J
R 5820 (A,127,96) RAB4CQ101J
R 5821 (A,141,80) RS1/16S101J
R 5822 (A,102,87) RS1/16S1500D
R 5823 (A,102,85) RS1/16S0R0J
R 5824 (A,127,93) RAB4CQ101J
R 5825 (A,140,108) RS1/16S473J
R 5826 (A,101,87) RS1/16S1500D
R 5827 (A,101,85) RS1/16S0R0J
R 5828 (A,139,108) RS1/16S473J
R 5829 (A,136,78) RS1/16SS101J
R 5831 (A,137,108) RS1/16S473J
R 5832 (A,126,88) RAB4CQ101J
R 5833 (A,105,90) RS1/16S680J
Circuit Symbol and No. Part No.

AVH-P5950DVD/XN/RC 187
5 678
5678
C
D
F
A
B
E
R 5834 (A,130,79) RS1/16SS101J
R 5835 (A,136,107) RS1/16SS101J
R 5836 (A,126,85) RAB4CQ101J
R 5837 (A,130,80) RS1/16SS0R0J
R 5838 (A,131,106) RS1/16SS101J
R 5839 (A,107,85) RS1/16S1501D
R 5840 (A,130,81) RS1/16SS0R0J
R 5841 (A,130,82) RS1/16SS101J
R 5842 (A,125,81) RS1/16S101J
R 5843 (A,119,80) RAB4CQ101J
R 5844 (A,115,81) RAB4CQ101J
R 5845 (A,111,81) RAB4CQ101J
R 5846 (A,123,81) RS1/16S470J
R 5847 (A,121,81) RS1/16S470J
R 5848 (A,124,81) RS1/16S101J
R 5849 (A,109,101) RS1/16S0R0J
R 5850 (A,122,103) RS1/16S473J
R 5852 (A,122,104) RS1/16S103J
R 5853 (A,145,115) RS1/16S0R0J
R 5855 (A,11,116) RS1/16S0R0J
R 5856 (A,122,100) RS1/16S0R0J
R 5857 (A,143,80) RS1/16S101J
R 5858 (A,145,80) RS1/16S101J
R 5859 (A,133,107) RS1/16SS101J
R 5860 (A,132,108) RS1/16SS101J
R 5861 (A,131,108) RS1/16SS101J
R 5862 (A,145,106) RS1/16SS101J
R 5863 (A,145,108) RS1/16SS101J
R 5864 (A,144,106) RS1/16SS101J
R 5865 (A,131,79) RS1/16SS101J
R 5866 (A,133,80) RS1/16SS101J
R 5867 (A,133,78) RS1/16SS101J
R 5868 (A,135,80) RS1/16SS101J
R 5869 (A,134,78) RS1/16SS101J
R 5870 (A,134,80) RS1/16SS101J
R 5871 (A,144,108) RS1/16SS101J
R 5872 (A,143,106) RS1/16SS101J
R 5873 (A,142,108) RS1/16SS101J
R 5874 (A,135,108) RS1/16SS101J
R 5875 (A,135,107) RS1/16SS101J
R 5876 (A,134,108) RS1/16SS101J
R 5878 (A,127,100) RS1/16S0R0J
R 5901 (A,136,11) RS1/16S104J
R 5902 (A,134,9) RS1/16S103J
R 5903 (A,134,8) RS1/16S0R0J
R 5904 (A,128,8) RS1/16S0R0J
R 5905 (A,128,6) RS1/16S822J
R 5931 (A,15,7) RS1/16S151J
R 5932 (A,18,7) RS1/16S391J
R 5933 (A,151,7) RS1/16S151J
R 5934 (A,148,7) RS1/16S391J
R 5951 (A,15,6) RS1/16S271J
R 5952 (A,18,6) RS1/16S271J
R 5953 (A,151,6) RS1/16S271J
R 5954 (A,148,6) RS1/16S271J
R 5971 (A,84,9) RS1/16S151J
R 5972 (A,84,6) RS1/16S391J
R 5981 (A,86,9) RS1/16S271J
R 5982 (A,86,6) RS1/16S271J
Circuit Symbol and No. Part No.
CAPACITORS
C 5001 (A,121,31) CKSRYB102K50
C 5002 (A,116,39) CKSRYB102K50
C 5003 (A,120,39) CKSRYB102K50
C 5004 (A,121,35) CKSRYB102K50
C 5101 (A,56,110) CKSRYB105K16
C 5102 (A,22,110) CSZS100M10
C 5103 (A,57,110) CKSRYB105K16
C 5104 (A,76,96) CKSSYB104K10
C 5105 (A,60,87) CSZS100M16
C 5106 (A,57,92) CSZSR220M10
C 5107 (A,79,98) CSZSR330M10
C 5108 (A,57,97) CSZSR220M10
C 5109 (A,65,91) CSZS100M10
C 5110 (A,63,89) CKSSYB104K10
C 5111 (A,65,103) CSZS100M10
C 5112 (A,65,104) CKSSYB104K10
C 5113 (A,70,92) CKSSYB104K10
C 5114 (A,71,95) CKSRYB105K16
C 5115 (A,70,97) CKSSYB104K10
C 5116 (A,71,100) CKSRYB105K16
C 5117 (A,94,89) CSZS100M16
C 5118 (A,95,88) CKSRYB105K16
C 5119 (A,65,86) CKSRYB104K50
C 5120 (A,20,110) CSZS100M10
C 5121 (A,73,88) CKSRYB473K50
C 5122 (A,89,89) 68 µF/6.3 V CCH1440
C 5123 (A,78,88) CCSRCH331J50
C 5124 (A,92,90) CKSRYB104K50
C 5125 (A,70,84) CKSRYB104K50
C 5126 (A,68,85) CSZS100M16
C 5127 (A,75,85) CKSRYB103K50
C 5128 (A,77,85) CCSRCH101J50
C 5130 (A,78,82) CKSRYB103K50
C 5131 (A,75,82) CKSRYB393K50
C 5132 (A,71,84) CKSRYB393K50
C 5133 (A,93,81) CKSRYB103K50
C 5134 (A,80,80) CKSRYB104K50
C 5135 (A,88,80) 10 µF CCG1223
C 5136 (A,66,78) CKSRYB393K50
C 5137 (A,91,80) 10 µF CCG1223
C 5138 (A,78,53) CKSRYB224K16
C 5139 (A,81,78) CKSRYB105K16
C 5140 (A,81,77) CKSRYB102K50
C 5141 (A,91,73) 10 µF CCG1223
C 5143 (A,88,73) CKSRYB103K50
C 5144 (A,66,74) CKSRYB102K50
C 5145 (A,80,75) CKSRYB104K50
C 5146 (A,65,71) CKSRYB105K16
C 5147 (A,82,71) CKSRYB105K16
C 5148 (A,80,71) CKSRYB103K50
C 5149 (A,71,68) CKSRYB104K50
C 5150 (A,76,60) CKSYB475K16
C 5151 (A,81,67) CKSRYB472K50
C 5152 (A,79,67) CKSRYB472K50
C 5153 (A,96,66) CKSRYB104K50
C 5154 (A,76,58) CKSRYB103K50
C 5155 (A,72,66) CKSRYB104K50
C 5156 (A,71,66) CKSRYB104K50
Circuit Symbol and No. Part No.

AVH-P5950DVD/XN/RC
188
1234
1234
C
D
F
A
B
E
C 5157 (A,69,66) CKSRYB104K50
C 5158 (A,95,68) 33 µF/10 V CCH1586
C 5159 (A,94,62) CKSRYB105K16
C 5160 (A,81,61) CKSRYB104K50
C 5161 (A,83,61) CKSQYF105Z25
C 5163 (A,70,60) CKSQYF105Z25
C 5164 (A,68,60) CKSQYF105Z25
C 5165 (A,66,60) CKSQYF225Z16
C 5166 (A,64,60) CKSQYF225Z16
C 5167 (A,84,68) CKSRYB105K16
C 5168 (A,68,66) CKSRYB105K16
C 5169 (A,83,58) CKSQYF105Z25
C 5170 (A,62,60) CKSQYF105Z25
C 5201 (A,80,30) 10 µF CCG1223
C 5202 (A,80,34) 10 µF CCG1223
C 5204 (A,64,27) CKSRYB104K50
C 5205 (A,60,30) CKSRYB105K16
C 5206 (A,57,43) CKSRYB104K50
C 5207 (A,50,29) CKSRYB104K50
C 5208 (A,50,33) CKSRYB104K50
C 5209 (A,50,27) CKSRYB105K16
C 5211 (A,50,30) CKSRYB474K16
C 5212 (A,50,34) CKSRYB332K50
C 5213 (A,50,32) CKSRYB105K16
C 5214 (A,51,37) CKSRYB152K50
C 5215 (A,59,35) CKSRYB104K50
C 5216 (A,53,29) CKSRYB103K50
C 5217 (A,39,33) CKSRYB473K50
C 5218 (A,38,28) CKSRYB473K50
C 5219 (A,38,30) CCSRCH221J50
C 5220 (A,42,24) 10 µF CCG1223
C 5221 (A,43,13) 10 µF CCG1223
C 5222 (A,35,12) CKSRYB105K16
C 5223 (A,35,13) CKSRYB105K16
C 5224 (A,61,15) CKSRYB104K50
C 5225 (B,72,10) 22 pF CCG1140
C 5226 (A,67,7) CKSRYB223K50
C 5301 (A,74,112) 10 µF CCG1171
C 5302 (A,69,110) CCSRCH470J50
C 5303 (A,67,109) CCSRCH680J50
C 5304 (A,65,114) CCSRCH5R0C50
C 5305 (A,65,109) CCSRCH470J50
C 5306 (A,61,109) CKSRYB104K50
C 5307 (A,62,106) CSZSR330M10
C 5308 (A,85,110) 10 µF CCG1171
C 5309 (A,85,108) 10 µF CCG1171
C 5310 (A,78,110) CKSRYB104K50
C 5401 (A,46,110) CCSSCH9R0D50
C 5402 (A,44,110) CCSSCH9R0D50
C 5403 (A,41,110) CKSSYB104K10
C 5404 (A,32,110) CKSSYB104K10
C 5405 (A,30,110) CKSSYB104K10
C 5406 (A,29,110) CKSSYB104K10
C 5407 (A,38,110) CCSSCH4R0C50
C 5410 (A,49,108) CKSSYB104K10
C 5411 (A,46,108) CKSSYB104K10
C 5412 (A,42,108) CKSSYB104K10
C 5413 (A,40,111) CKSSYB103K16
C 5414 (A,41,108) CCSSCH181J25
C 5415 (A,40,108) CKSSYB104K10
Circuit Symbol and No. Part No.
C 5416 (A,38,108) CKSSYB104K10
C 5417 (A,27,112) CKSSYB104K10
C 5418 (A,26,113) CKSSYB104K10
C 5419 (A,37,108) CKSSYB104K10
C 5420 (A,36,108) CKSSYB104K10
C 5421 (A,25,113) CKSSYB104K10
C 5422 (A,24,113) CKSSYB104K10
C 5423 (A,34,108) CKSSYB104K10
C 5424 (A,16,106) CKSSYB104K10
C 5425 (A,18,108) CKSSYB104K10
C 5426 (A,18,105) CKSSYB104K10
C 5427 (A,19,106) CKSSYB104K10
C 5428 (A,32,108) CKSSYB104K10
C 5429 (A,28,109) CKSSYB104K10
C 5430 (A,27,109) CKSSYB104K10
C 5431 (A,28,108) CKSSYB104K10
C 5432 (A,26,108) CKSSYB104K10
C 5433 (A,24,108) CKSSYB104K10
C 5434 (A,52,105) CKSSYB104K10
C 5435 (A,52,103) CKSSYB104K10
C 5436 (A,22,104) CKSSYB104K10
C 5437 (A,19,99) CKSSYB104K10
C 5438 (A,52,100) CKSSYB104K10
C 5439 (A,22,98) CKSSYB104K10
C 5440 (A,52,98) CKSSYB104K10
C 5441 (A,21,96) CKSSYB104K10
C 5442 (A,52,94) CKSSYB104K10
C 5443 (A,19,94) CKSSYB104K10
C 5444 (A,21,93) CKSSYB104K10
C 5445 (A,52,92) CKSSYB104K10
C 5447 (A,21,90) CKSSYB104K10
C 5448 (A,21,88) CKSSYB104K10
C 5449 (A,52,88) CKSSYB104K10
C 5450 (A,52,86) CKSSYB104K10
C 5451 (A,21,87) CKSSYB104K10
C 5453 (A,21,86) CKSSYB104K10
C 5454 (A,22,84) CKSSYB104K10
C 5455 (A,22,82) CKSSYB104K10
C 5456 (A,52,82) CKSSYB104K10
C 5457 (A,21,80) CKSRYB105K16
C 5458 (A,50,77) CKSSYB104K10
C 5459 (A,43,76) CKSSYB104K10
C 5460 (A,42,77) CKSSYB104K10
C 5461 (A,40,77) CKSSYB104K10
C 5462 (A,36,77) CKSSYB104K10
C 5463 (A,31,77) CKSSYB104K10
C 5464 (A,30,77) CKSSYB104K10
C 5465 (A,48,77) CKSSYB104K10
C 5466 (A,52,75) CSZSR330M10
C 5467 (A,50,108) CKSSYB104K10
C 5468 (A,10,116) CKSRYB104K50
C 5469 (A,17,103) CKSRYB104K50
C 5503 (A,14,100) CSZS100M16
C 5505 (A,11,77) CKSSYB104K10
C 5507 (A,11,87) CKSSYB104K10
C 5508 (A,13,76) CKSRYB105K16
C 5509 (A,58,82) CKSSYB104K10
C 5510 (A,14,71) CKSRYB105K16
C 5511 (A,8,70) CKSSYB104K10
C 5512 (A,13,61) CKSRYB104K50
Circuit Symbol and No. Part No.

AVH-P5950DVD/XN/RC 189
5 678
5678
C
D
F
A
B
E
C 5513 (A,10,72) CSZSR220M16
C 5514 (A,8,79) 4.7 µF CCG1111
C 5515 (A,8,67) CKSRYB105K16
C 5516 (A,61,74) CKSSYB104K10
C 5517 (A,62,77) CSZS100M16
C 5518 (A,12,60) CKSRYB104K50
C 5519 (A,27,72) CKSSYB104K10
C 5520 (A,25,72) CKSSYB104K10
C 5521 (A,20,74) CKSRYB104K50
C 5522 (A,14,68) CKSRYB104K50
C 5523 (A,29,67) CSZSR220M16
C 5524 (A,24,69) CSZS100M16
C 5525 (A,21,67) CKSQYF334Z25
C 5526 (A,16,68) 4.7 µF CCG1111
C 5527 (A,30,65) CKSSYB104K10
C 5528 (A,26,65) CKSSYB104K10
C 5529 (A,22,65) CKSRYB104K50
C 5530 (A,19,67) CKSRYB104K50
C 5602 (A,119,47) CKSRYB105K16
C 5603 (A,136,44) CSZSC101M10
C 5604 (A,120,55) CKSRYB104K50
C 5605 (A,108,62) CKSRYB104K50
C 5606 (A,136,61) CKSSYB104K10
C 5607 (A,121,75) CKSRYB104K50
C 5608 (A,101,69) CKSRYB104K50
C 5609 (A,130,43) CKSRYB104K50
C 5610 (A,132,41) CSZSC101M10
C 5701 (A,139,62) CKSSYB102K50
C 5702 (A,147,62) CKSSYB102K50
C 5703 (A,145,67) CKSSYB102K50
C 5704 (A,148,69) CKSSYB472K25
C 5705 (A,147,67) CKSSYB472K25
C 5801 (A,102,81) CSZSR330M10
C 5802 (A,143,55) CSZSC101M10
C 5803 (A,139,55) CKSRYB105K16
C 5804 (A,104,79) CKSRYB105K16
C 5805 (A,107,81) CSZSR330M10
C 5808 (A,105,82) CKSRYB105K16
C 5809 (A,111,100) CKSSYB104K10
C 5810 (A,138,80) CKSRYB105K16
C 5811 (A,106,88) CKSRYB105K16
C 5812 (A,106,85) CKSSYB104K10
C 5813 (A,113,81) CKSSYB104K10
C 5814 (A,119,82) CKSSYB104K10
C 5815 (A,145,75) CKSYB105K16
C 5816 (A,137,53) CKSYB105K16
C 5824 (A,101,100) CCSRCH101J50
C 5825 (A,146,115) CKSRYB105K10
C 5901 (A,137,6) 4.7 µF CCG1201
C 5903 (A,119,8) CKSRYB104K50
C 5931 (A,24,9) CKSRYB104K50
C 5932 (A,9,9) CKSRYB104K50
C 5933 (A,142,9) CKSRYB104K50
C 5934 (A,156,9) CKSRYB104K50
C 5971 (A,77,12) CKSRYB104K50
C 5972 (A,89,12) CKSRYB104K50
D
Unit Number : YWX5005
Circuit Symbol and No. Part No.
Unit Name : DVD Core Unit
MISCELLANEOUS
IC 1003 (B,72,42) IC S-80859CNNB-B9K
IC 1004 (B,75,48) Regulator IC NJM2880U1-05
IC 1005 (B,61,58) IC S-L2980A50MC-C7J
IC 1007 (B,82,54) IC NJM2885DL1-33
IC 1008 (B,80,63) IC R1232D121B
IC 1201 (A,26,15) IC BD7996EFV
IC 1301 (B,90,27) IC TC7SZ125FU
IC 1351 (B,86,27) IC TC7SZ08FU
IC 1352 (B,79,13) IC TC74LCX16373FT
IC 1401 (B,61,32) Flash ROM Unit CWW1434
IC 1402 (B,37,10) Flash ROM Unit CWW1435
IC 1403 (B,47,29) IC TC7SZ32FU
IC 1481 (B,60,12) IC EDS1232AATA-75
IC 1501 (A,60,19) IC MN2DS0016AAUB
IC 1801 (A,70,52) D/A Converter PCM1753DBQ
Q 1101 (B,62,50) Transistor 2SC4081
Q 1102 (B,68,50) Transistor 2SC4081
Q 1103 (B,60,45) Transistor 2SB1260
Q 1104 (B,66,45) Transistor 2SB1260
D 1002 (A,88,66) Diode 1SR154-400
D 1301 (B,12,10) Chip LED CL205IRXTU
L 1004 (B,63,60) Inductor CTF1472
L 1005 (B,81,49) Inductor CTF1465
L 1006 (B,86,64) Inductor CTF1678
L 1007 (B,74,63) Inductor CTF1623
L 1101 (B,66,54) Inductor CTF1305
L 1482 (B,77,29) Inductor CTF1473
L 1502 (A,71,46) Inductor CTF1378
L 1503 (A,60,47) Inductor CTF1487
L 1504 (A,35,10) Inductor CTF1387
L 1511 (A,63,3) Inductor CTF1680
L 1601 (A,41,23) Inductor CTF1473
L 1602 (A,55,42) Inductor CTF1473
L 1603 (A,54,42) Inductor CTF1473
L 1604 (A,52,42) Inductor CTF1473
L 1605 (A,38,32) Inductor CTF1395
L 1671 (A,41,19) Inductor CTF1473
L 1672 (A,41,20) Inductor CTF1473
L 1673 (A,41,21) Inductor CTF1473
L 1801 (A,70,61) Inductor CTF1473
L 1901 (A,91,73) Inductor CTF1487
L 1902 (A,91,62) Inductor CTF1558
X 1501 (A,40,15) Crystal 27.000 MHz CSS1714
VR1671 (A,35,20) Semi-fixed 10 kΩ(B) CCP1448
EF1501 (A,68,46) EMI Filter DTL1106
EF1502 (A,61,44) EMI Filter DTL1106
EF1901 (A,87,74) EMI Filter DTF1106
EF1903 (A,91,64) EMI Filter DTL1106
RESISTORS
R 1011 (B,72,40) RS1/16SS104J
R 1014 (B,82,61) RS1/16SS473J
R 1015 (B,76,60) RS1/16SS101J
R 1101 (B,63,52) RS1/16SS391J
R 1102 (B,62,47) RS1/16SS511J
R 1103 (B,67,53) RS1/16SS391J
Circuit Symbol and No. Part No.

AVH-P5950DVD/XN/RC
190
1234
1234
C
D
F
A
B
E
R 1104 (B,69,47) RS1/16SS561J
R 1107 (B,61,53) RS1/16SS6R8J
R 1108 (B,65,53) RS1/16SS6R8J
R 1109 (B,57,40) RS1/10S1R5J
R 1110 (B,63,40) RS1/10S1R5J
R 1111 (B,70,40) RS1/10S1R5J
R 1112 (B,64,40) RS1/10S1R5J
R 1113 (B,61,40) RS1/10S1R5J
R 1114 (B,59,40) RS1/10S1R5J
R 1115 (B,66,40) RS1/10S1R5J
R 1116 (B,68,40) RS1/10S1R5J
R 1117 (B,64,49) RS1/16SS104J
R 1118 (B,70,49) RS1/16SS104J
R 1202 (A,19,12) RS1/16SS221J
R 1203 (A,19,11) RS1/16SS221J
R 1210 (A,30,27) RS1/16SS101J
R 1211 (B,26,18) RS1/16SS3R9J
R 1212 (B,27,18) RS1/16SS3R9J
R 1214 (B,28,18) RS1/16SS3R9J
R 1215 (B,29,18) RS1/16SS3R9J
R 1216 (B,30,18) RS1/16SS3R9J
R 1217 (B,31,18) RS1/16SS3R9J
R 1219 (A,20,27) RS1/16SS101J
R 1223 (A,19,4) RS1/16SS753J
R 1225 (A,19,7) RS1/16SS753J
R 1227 (B,13,21) RS1/16SS3R9J
R 1228 (B,14,21) RS1/16SS3R9J
R 1229 (B,15,21) RS1/16SS3R9J
R 1230 (B,16,21) RS1/16SS3R9J
R 1231 (B,17,21) RS1/16SS3R9J
R 1232 (B,18,21) RS1/16SS3R9J
R 1233 (B,19,21) RS1/16SS3R9J
R 1234 (B,20,21) RS1/16SS3R9J
R 1240 (B,32,18) RS1/16SS3R9J
R 1241 (B,33,18) RS1/16SS3R9J
R 1242 (B,34,18) RS1/16SS3R9J
R 1243 (B,37,18) RS1/16SS3R9J
R 1244 (B,36,18) RS1/16SS3R9J
R 1245 (B,35,18) RS1/16SS3R9J
R 1301 (B,13,13) RS1/16SS391J
R 1302 (B,15,13) RS1/16SS471J
R 1304 (B,87,23) RS1/16SS563J
R 1305 (B,86,23) RS1/16SS243J
R 1306 (B,85,23) RS1/16SS683J
R 1307 (B,88,23) RS1/16SS243J
R 1314 (B,86,21) RAB4CQ822J
R 1351 (B,84,25) RS1/16SS331J
R 1401 (B,72,33) RS1/16SS221J
R 1402 (B,50,27) RS1/16SS104J
R 1405 (B,48,10) RS1/16SS221J
R 1406 (B,25,4) RS1/16SS104J
R 1407 (B,25,6) RS1/16SS104J
R 1410 (B,47,31) RS1/16SS104J
R 1501 (B,71,3) RAB4CQ560J
R 1502 (A,85,3) RS1/16SS104J
R 1503 (A,71,2) RS1/16SS560J
R 1504 (A,87,23) RAB4CQ104J
R 1505 (B,68,3) RAB4CQ560J
R 1506 (A,87,19) RAB4CQ104J
R 1507 (B,65,3) RAB4CQ560J
Circuit Symbol and No. Part No.
R 1508 (A,86,16) RAB4CQ104J
R 1509 (A,86,12) RAB4CQ104J
R 1510 (A,78,11) RAB4CQ104J
R 1511 (A,88,4) RS1/16SS104J
R 1512 (B,59,3) RAB4CQ560J
R 1513 (A,44,4) RS1/16SS102J
R 1514 (A,80,7) RAB4CQ104J
R 1515 (A,43,3) RS1/16SS102J
R 1516 (A,76,8) RS1/16SS103J
R 1518 (A,85,5) RS1/16SS104J
R 1520 (A,35,8) RS1/16SS221J
R 1521 (A,41,11) RAB4CQ101J
R 1522 (B,56,3) RAB4CQ560J
R 1523 (A,39,11) RS1/16SS101J
R 1524 (A,39,12) RS1/16SS101J
R 1525 (B,53,3) RAB4CQ560J
R 1526 (A,36,10) RS1/16SS270J
R 1528 (A,43,14) RS1/16SS101J
R 1529 (B,53,22) RAB4CQ560J
R 1530 (A,43,15) RS1/16SS105J
R 1531 (B,50,22) RAB4CQ560J
R 1532 (A,77,22) RS1/16SS103J
R 1533 (A,76,27) RS1/16SS103J
R 1534 (A,77,26) RS1/16SS103J
R 1535 (A,63,36) RS1/16SS221J
R 1537 (A,67,40) RS1/16SS221J
R 1538 (A,66,41) RS1/16SS221J
R 1540 (A,70,43) RS1/16SS102J
R 1541 (A,64,41) RS1/16SS472J
R 1542 (A,60,36) RS1/16SS223J
R 1543 (A,59,37) RS1/16SS332J
R 1544 (A,57,41) RS1/16SS183J
R 1545 (A,61,36) RS1/16SS223J
R 1546 (A,59,42) RS1/16SS104J
R 1547 (A,59,41) RS1/16SS473J
R 1548 (A,59,36) RS1/16SS104J
R 1554 (A,60,39) RS1/16SS221J
R 1555 (A,57,38) RS1/16SS221J
R 1556 (A,43,7) RS1/16SS104J
R 1557 (A,57,39) RS1/16SS104J
R 1559 (A,63,41) RS1/16SS221J
R 1560 (A,68,42) RAB4CQ104J
R 1562 (A,64,38) RAB4CQ104J
R 1565 (A,73,36) RS1/16SS103J
R 1566 (A,72,36) RS1/16SS103J
R 1567 (B,68,22) RAB4CQ560J
R 1568 (B,65,22) RAB4CQ560J
R 1569 (B,62,3) RAB4CQ560J
R 1570 (B,60,22) RAB4CQ560J
R 1571 (B,57,22) RAB4CQ560J
R 1573 (B,63,19) RS1/16SS560J
R 1582 (A,81,25) RS1/16SS103J
R 1583 (A,81,27) RS1/16SS103J
R 1584 (A,77,28) RS1/16SS103J
R 1601 (A,41,25) RS1/16SS123J
R 1602 (A,39,24) RS1/16SS123J
R 1607 (A,41,27) RS1/16SS105J
R 1609 (A,37,28) RN1/16SE1002D
R 1610 (A,43,28) RS1/16SS222J
R 1613 (A,39,28) RS1/16SS223J
Circuit Symbol and No. Part No.

AVH-P5950DVD/XN/RC 191
5 678
5678
C
D
F
A
B
E
R 1614 (A,46,35) RS1/16SS105J
R 1615 (A,43,32) RS1/16SS105J
R 1616 (A,53,36) RS1/16SS2002D
R 1672 (A,43,21) RS1/16SS303J
R 1673 (A,37,22) RS1/16SS183J
R 1674 (A,34,23) RS1/16SS562J
R 1705 (A,55,57) RS1/16SS101J
R 1706 (A,52,56) RS1/16SS201J
R 1707 (A,55,51) RS1/16SS101J
R 1708 (A,52,50) RS1/16SS201J
R 1715 (A,60,56) RS1/16SS201J
R 1716 (A,62,57) RS1/16SS101J
R 1719 (A,60,50) RS1/16SS201J
R 1720 (A,62,51) RS1/16SS101J
R 1803 (A,72,56) RS1/16SS821J
R 1804 (A,74,56) RS1/16SS821J
R 1805 (A,72,61) RS1/16SS104J
R 1806 (A,74,61) RS1/16SS104J
R 1903 (A,89,52) RS1/16SS0R0J
R 1904 (A,90,59) RS1/16S0R0J
CAPACITORS
C 1019 (B,58,59) CCSSCH101J50
C 1020 (B,58,57) CKSSYB104K10
C 1021 (B,60,60) CKSRYB105K10
C 1022 (B,79,47) CKSSYB103K16
C 1023 (B,79,49) CKSSYB104K10
C 1024 (B,71,48) CKSQYB475K10
C 1025 (B,64,58) CKSRYB105K10
C 1026 (B,12,19) CKSSYB104K10
C 1027 (A,90,53) CCSSCH101J50
C 1028 (B,89,56) CKSRYB105K10
C 1029 (B,89,52) CKSQYB225K10
C 1030 (B,84,59) CKSQYB106K6R3
C 1031 (B,85,59) CKSQYB106K6R3
C 1032 (B,82,59) CKSRYB105K10
C 1033 (B,73,59) CKSQYB106K6R3
C 1034 (B,73,57) CKSQYB106K6R3
C 1035 (B,45,27) CCSSCH101J50
C 1101 (B,61,54) 10 µF CCG1192
C 1102 (B,58,50) 100 µF CCG1232
C 1103 (B,65,50) 100 µF CCG1232
C 1104 (B,63,43) CKSSYB104K10
C 1105 (B,70,43) CKSSYB104K10
C 1106 (B,63,45) CKSSYB103K16
C 1107 (B,70,45) CKSSYB103K16
C 1108 (A,35,36) CKSSYB103K16
C 1109 (A,36,33) CKSRYB105K10
C 1110 (A,35,37) CKSSYB103K16
C 1111 (A,39,33) CKSRYB105K10
C 1201 (B,21,11) CEVW101M16
C 1202 (B,15,17) CKSYB475K16
C 1207 (B,16,10) CKSQYB225K10
C 1209 (A,32,17) CKSSYB104K10
C 1210 (A,32,19) CKSSYB471K50
C 1211 (A,19,16) CKSSYB103K16
C 1212 (A,19,8) CKSSYB104K10
C 1213 (A,19,9) CKSSYB104K10
C 1301 (B,90,25) CKSSYB104K10
Circuit Symbol and No. Part No.
C 1302 (B,88,25) CKSSYB104K10
C 1351 (B,86,25) CKSSYB104K10
C 1352 (B,75,19) CKSSYB104K10
C 1353 (B,81,19) CKSSYB104K10
C 1354 (B,74,7) CKSSYB104K10
C 1355 (B,85,8) CKSSYB104K10
C 1356 (B,83,28) CKSYB106K6R3
C 1401 (B,72,31) CKSSYB103K16
C 1402 (B,49,33) CKSSYB104K10
C 1403 (B,81,27) CKSQYB475K6R3
C 1405 (B,48,8) CKSSYB103K16
C 1406 (B,25,15) CKSSYB104K10
C 1407 (B,74,27) CKSQYB475K6R3
C 1408 (B,47,27) CKSSYB104K10
C 1481 (B,72,5) CKSSYB104K10
C 1482 (B,72,7) CKSSYB104K10
C 1483 (B,67,5) CKSSYB104K10
C 1484 (B,63,5) CKSSYB104K10
C 1485 (B,56,5) CKSSYB104K10
C 1486 (B,53,5) CKSSYB104K10
C 1487 (B,51,5) CKSSYB104K10
C 1488 (B,49,5) CKSSYB104K10
C 1490 (B,68,19) CKSSYB104K10
C 1491 (B,77,27) CKSQYB106K6R3
C 1492 (B,55,19) CKSSYB104K10
C 1493 (B,52,19) CKSSYB104K10
C 1494 (B,65,19) CKSSYB104K10
C 1496 (B,65,5) CKSSYB102K50
C 1497 (B,61,19) CKSSYB102K50
C 1498 (B,77,26) CKSSYB102K50
C 1499 (B,49,4) CKSSYB102K50
C 1501 (A,68,44) CKSQYB106K6R3
C 1502 (A,58,43) CKSQYB106K6R3
C 1503 (A,55,3) CKSSYB104K10
C 1504 (A,58,3) CKSSYB104K10
C 1505 (A,53,3) CKSSYB104K10
C 1506 (A,60,3) CKSSYB104K10
C 1507 (A,68,2) CKSSYB104K10
C 1508 (A,65,3) CKSSYB104K10
C 1509 (A,69,2) CKSSYB104K10
C 1510 (A,43,11) CKSSYB104K10
C 1511 (A,76,7) CKSSYB104K10
C 1512 (A,76,11) CKSSYB104K10
C 1513 (A,43,10) CKSSYB104K10
C 1514 (A,76,17) CKSSYB104K10
C 1515 (A,43,16) CKSSYB104K10
C 1516 (A,76,15) CKSSYB104K10
C 1517 (A,43,17) CKSSYB104K10
C 1518 (A,37,14) CCSSCH8R0D50
C 1519 (A,37,16) CCSSCH8R0D50
C 1521 (A,76,24) CKSSYB104K10
C 1522 (A,77,24) CKSSYB104K10
C 1523 (A,58,36) CKSSYB104K10
C 1524 (A,57,37) CKSSYB103K16
C 1525 (A,66,36) CKSSYB104K10
C 1526 (A,62,40) CKSSYB103K16
C 1527 (A,63,35) CKSSYB471K50
C 1528 (A,65,36) CKSSYB104K10
C 1529 (A,60,38) CKSSYB103K16
C 1530 (A,59,39) CKSSYB224K6R3
Circuit Symbol and No. Part No.

AVH-P5950DVD/XN/RC
192
1234
1234
C
D
F
A
B
E
C 1531 (A,57,42) CKSSYB123K16
C 1536 (A,76,20) CKSSYB104K10
C 1537 (A,55,43) CKSSYB102K50
C 1538 (A,53,43) CKSSYB102K50
C 1539 (A,57,36) CKSSYB104K10
C 1540 (A,61,38) CKSSYB103K16
C 1560 (A,51,3) CKSSYB104K10
C 1577 (A,77,30) CKSSYB104K10
C 1601 (A,41,24) CCSSCH101J50
C 1602 (A,43,24) CCSSCH101J50
C 1603 (A,37,23) CCSSCH680J50
C 1604 (A,39,25) CCSSCH680J50
C 1608 (A,41,26) CKSSYB103K16
C 1609 (A,43,26) CKSSYB103K16
C 1610 (A,53,39) CCSSCH101J50
C 1611 (A,53,37) CKSSYB562K25
C 1612 (A,55,36) CKSSYB224K6R3
C 1613 (A,55,37) CKSSYB224K6R3
C 1614 (A,56,37) CKSSYB333K16
C 1615 (A,41,30) CKSRYB105K10
C 1616 (A,48,36) CKSSYB104K10
C 1617 (A,49,38) CKSSYB104K10
C 1618 (A,51,38) CKSSYB104K10
C 1619 (A,51,36) CKSSYB104K10
C 1620 (A,50,36) CKSSYB104K10
C 1621 (A,50,38) CKSSYB104K10
C 1622 (A,52,38) CKSSYB104K10
C 1623 (A,52,39) CKSSYB104K10
C 1624 (A,43,27) CKSSYB103K16
C 1625 (A,56,36) CKSSYB104K10
C 1626 (A,41,31) CKSRYB105K10
C 1627 (A,43,23) CKSSYB104K10
C 1628 (A,54,36) CKSSYB104K10
C 1629 (A,49,36) CKSSYB104K10
C 1630 (A,38,30) CKSQYB106K6R3
C 1671 (A,43,18) CKSSYB104K10
C 1672 (A,43,19) CKSSYB104K10
C 1673 (A,37,21) CKSSYB104K10
C 1674 (A,39,21) CKSSYB104K10
C 1675 (A,39,19) CKSRYB105K10
C 1676 (A,37,19) CKSRYB105K10
C 1677 (A,43,22) CKSSYB104K10
C 1801 (A,74,52) CKSSYB104K10
C 1802 (A,67,58) 10 µF CCG1192
C 1803 (A,67,56) CKSSYB104K10
C 1804 (A,69,58) 10 µF CCG1192
C 1805 (A,69,56) CKSSYB104K10
C 1808 (A,72,57) CCSRCH182J50
C 1809 (A,75,57) CCSRCH182J50
C 1810 (A,72,59) CKSQYB475K6R3
C 1811 (A,74,59) CKSQYB475K6R3
C 1901 (A,84,74) CKSSYB102K50
E
Unit Number : CWX3154
Unit Name : Compound Unit(A)
Q 1299 Photo-taransistor CPT231SCTD
S 1201 Spring Switch(12cm) CSN1069
S 1202 Spring Switch(8cm) CSN1069
Circuit Symbol and No. Part No.
S 1203 Spring Switch(DISC SENS) CSN1069
S 1204 Spring Switch(DISC SENS) CSN1070
S 1205 Spring Switch(8cm) CSN1070
R 1298 RS1/16S0R0J
R 1299 RS1/16S0R0J
F
Unit Number : CWX3394
Unit Name : Compound Unit(B)
S 1206 Switch(CLAMP) CSN1067
OPT/RCA Unit
Consists of
OPT PCB
RCA PCB
GI
Unit Number :
Unit Name : OPT/RCA Unit
MISCELLANEOUS
IC 4201 (A,35,16) L-MOS And Gate TC7SET08FUS1
D 4201 (A,42,16) Diode UDZS5R6(B)
D 4202 (A,42,11) Diode UDZS5R6(B)
L 4201 (A,28,14) Inductor CTF1379
L 4202 (A,59,24) Inductor CTF1389
RESISTORS
R 4201 (A,24,14) RS1/16S0R0J
R 4203 (A,25,17) RS1/16S221J
R 4204 (A,28,17) RS1/16S621J
R 4205 (A,31,16) RS1/16S473J
R 4206 (A,32,13) RS1/16S0R0J
R 4207 (A,38,16) RS1/16S121J
R 4211 (A,68,6) RS1/16S0R0J
CAPACITORS
C 4202 (A,28,16) CCSRCH150J50
C 4203 (A,37,18) CKSRYB104K50
C 4204 (A,38,13) CKSYB106K10
C 4207 (A,62,16) CKSRYB104K50
C 4301 (A,17,13) CKSRYB102K50
K
Unit Number : CXX2316
Unit Name : Main PCB Unit(SERVICE)
MISCELLANEOUS
IC 101 IC BA00CC0WFP
IC 102 IC BA6247FP
IC 103 Photo-interrupter GP2L24B
IC 104 IC TC7W14FU
IC 105 Photo-interrupter GP2L24B
Circuit Symbol and No. Part No.

AVH-P5950DVD/XN/RC 193
5 678
5678
C
D
F
A
B
E
Q 101 Transistor DTC124EUA
D 101 Diode UDZS5R6(B)
RESISTORS
R 101 RS1/16S102J
R 102 RS1/16S3302D
R 103 RS1/16S3900D
R 104 RS1/16S4701D
R 105 RS1/16S471J
R 106 RS1/16S102J
R 107 RS1/16S102J
R 108 RS1/16S102J
R 109 RS1/16S102J
R 110 RS1/16S102J
R 111 RS1/16S562J
R 112 RS1/16S102J
R 113 RS1/16S102J
R 114 RS1/16S102J
R 115 RS1/16S562J
R 116 RS1/16S102J
R 117 RS1/16S472J
CAPACITORS
C 101 CKSYB475K16
C 102 CKSYB475K16
C 103 CKSRYB104K16
C 104 CKSRYB104K16
C 105 CKSRYB223K16
C 106 CKSRYB104K16
C 107 CKSRYB223K16
C 108 CEVW101M16
C 109 CKSRYB104K16
C 110 CCSRCH102J50
C 111 CCSRCH102J50
L
Unit Number : CZW5029
Unit Name : Switch PCB Unit
S 101 Switch(Angel sw) CSN1068
M
Unit Number : CZW5028
Unit Name : Volume PCB Unit
VR101 Volume(Angel sense) CCW1025
Miscellaneous Parts List
Pickup Unit(Service) CXX2118
M 1 Motor Unit(LOADING) CXC4912
M 2 Motor(STEPPING) CXM1364
M 3 Motor(SPINDLE) CXM1362
Circuit Symbol and No. Part No.