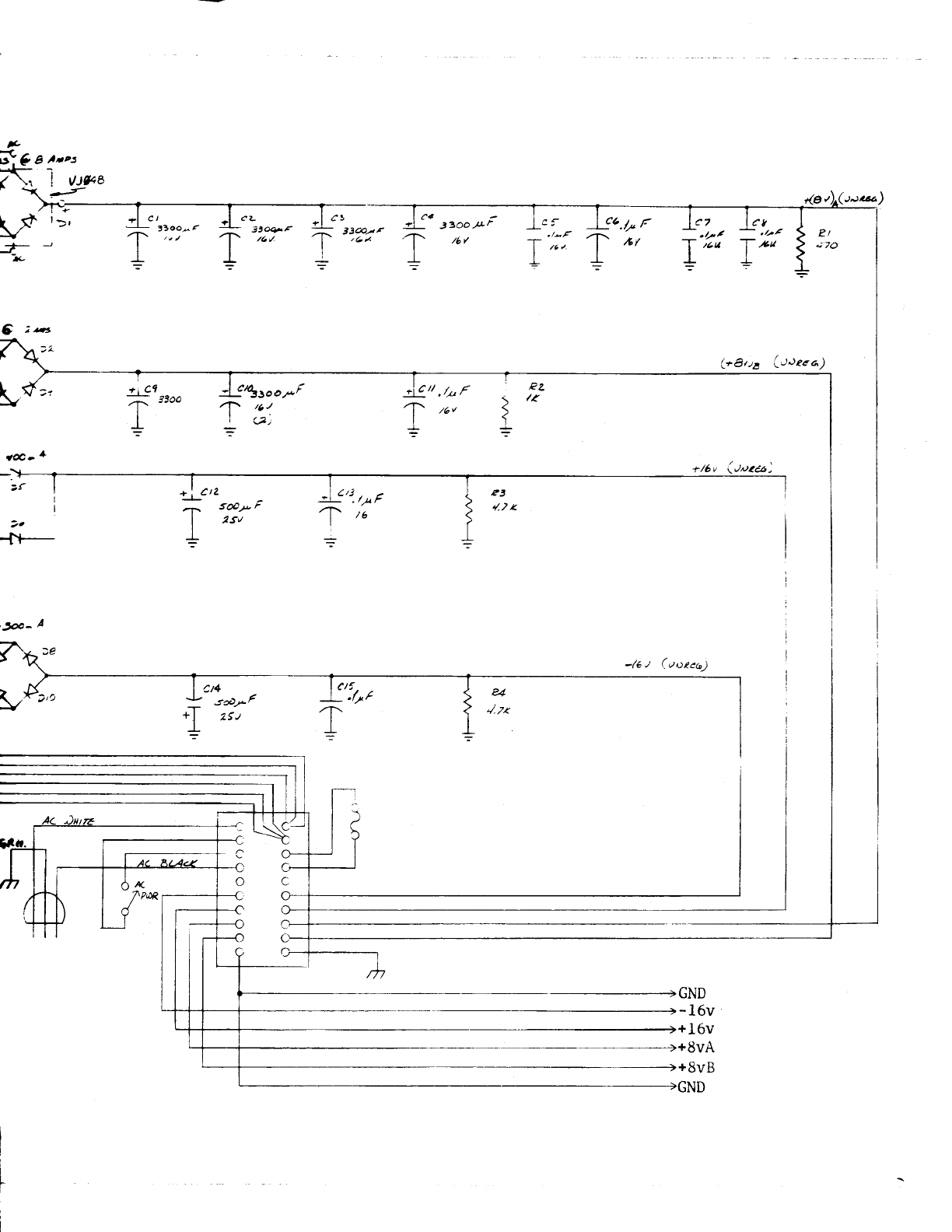
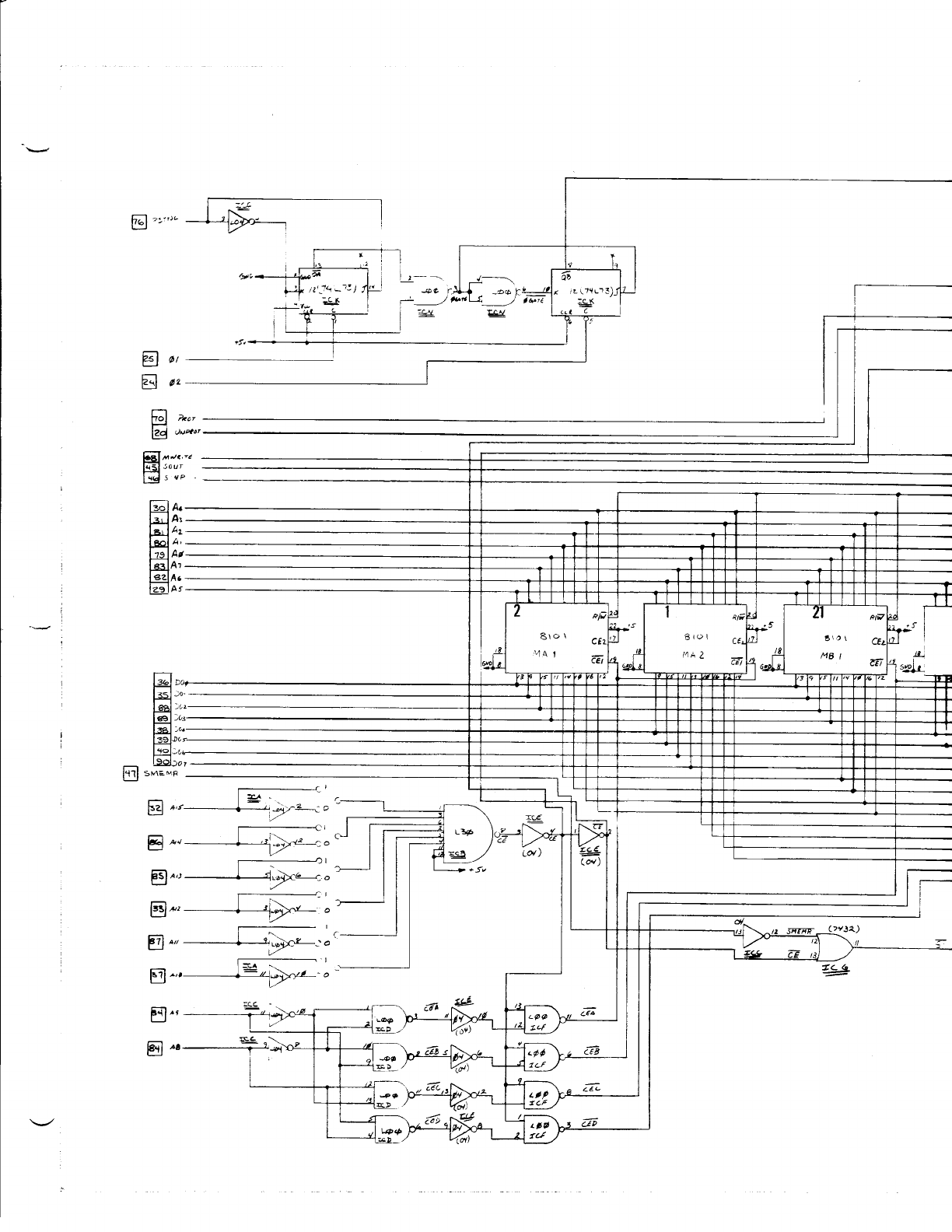
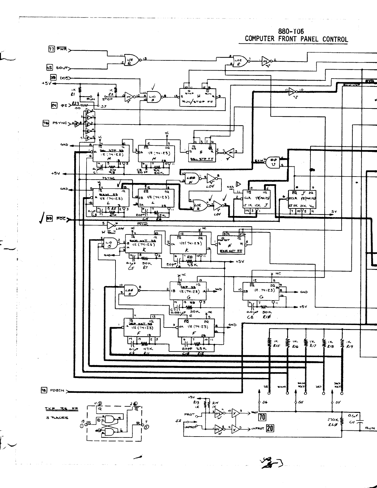
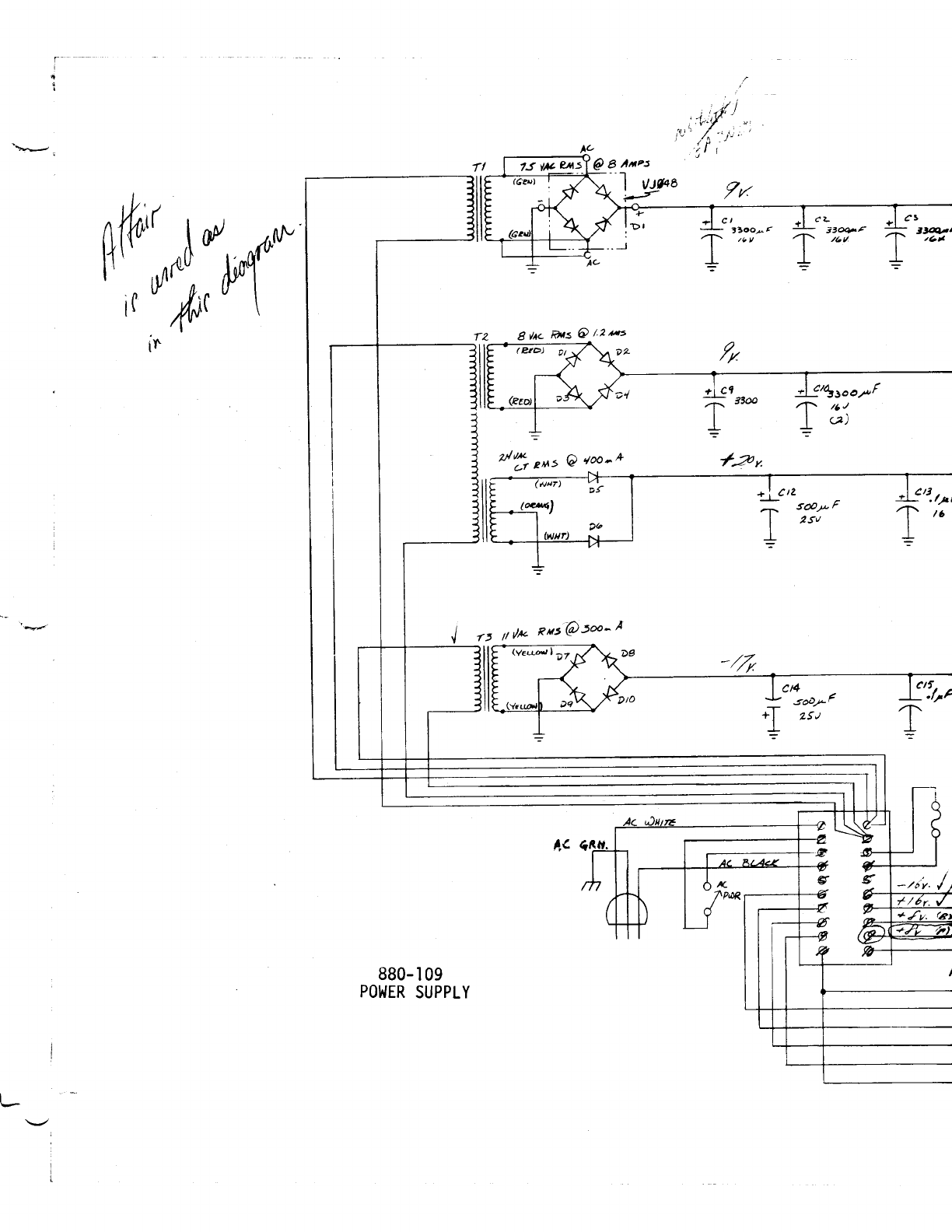
Altair 8800 Schematics

User Manual: Altair 8800 Schematics

Open the PDF directly: View PDF PDF.
Page Count: 16

Navigation menu