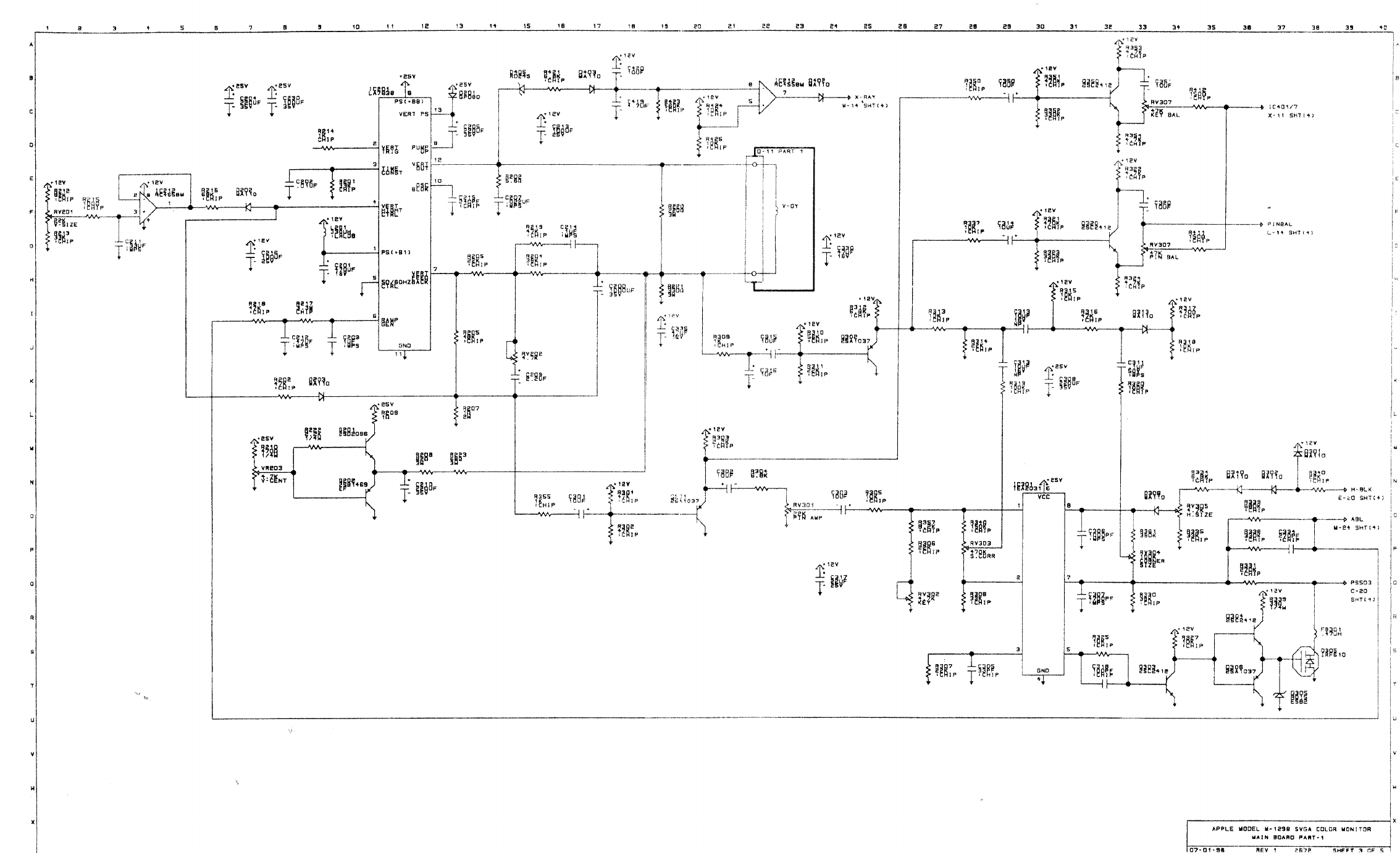
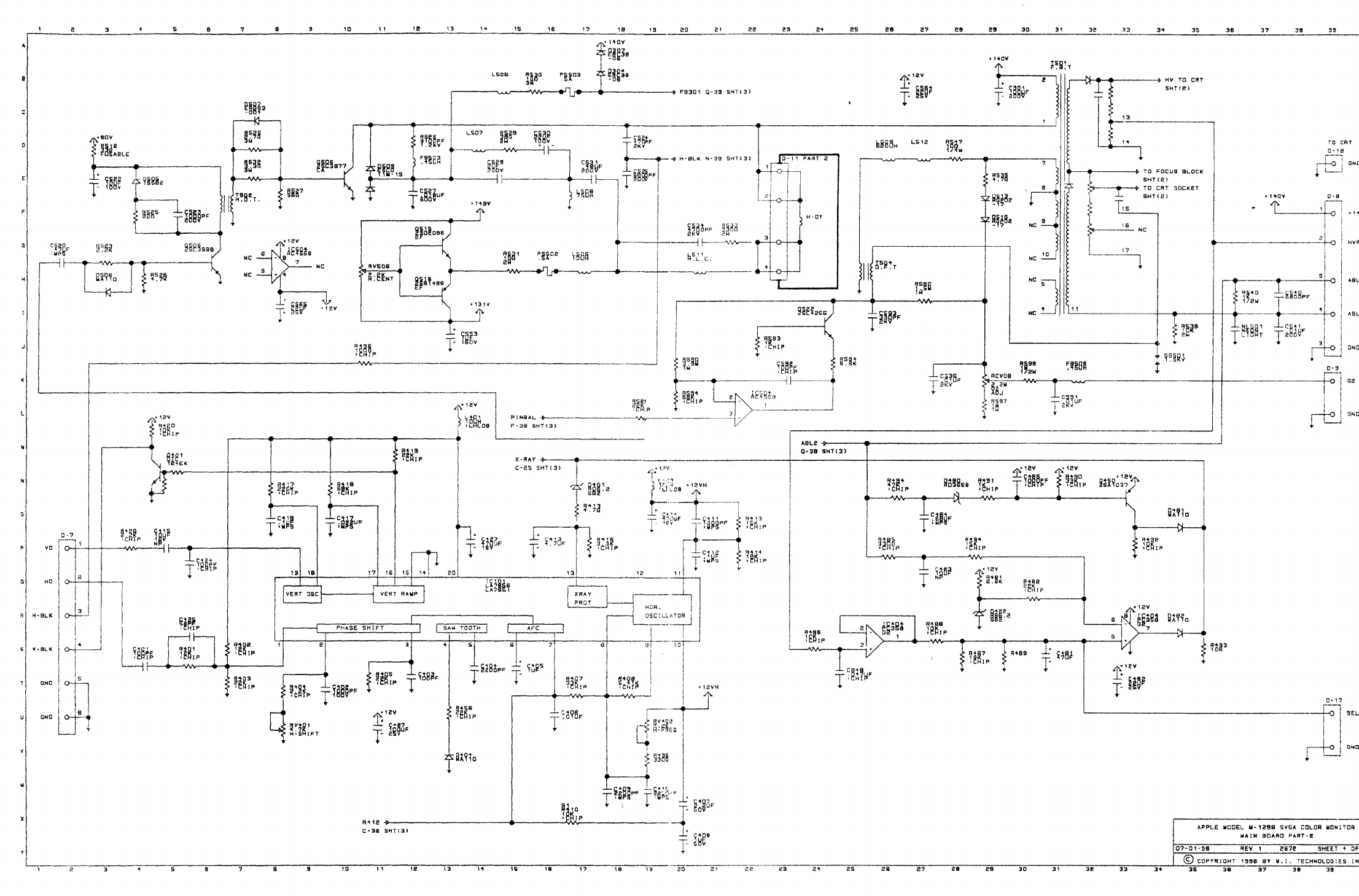
Apple M 1298 Monitor Schematic
User Manual: Apple M-1298 Monitor Schematic
Open the PDF directly:
View PDF
.
Page Count: 5
31867